BDP1500
User Manual: BDP1500
Open the PDF directly: View PDF .
Page Count: 88
- Samsung BD-P1500 Service Manual
- 1- Precautions
- 2 - Product Specification
- 3 - Disassembly & Reassemblydf
- 4 - Troubleshooting
- 5 - Exploded View and Parts List
- 6 - PCB Diagrams
- 7 - Schematic Diagrams
- 7-1 All block Diagram
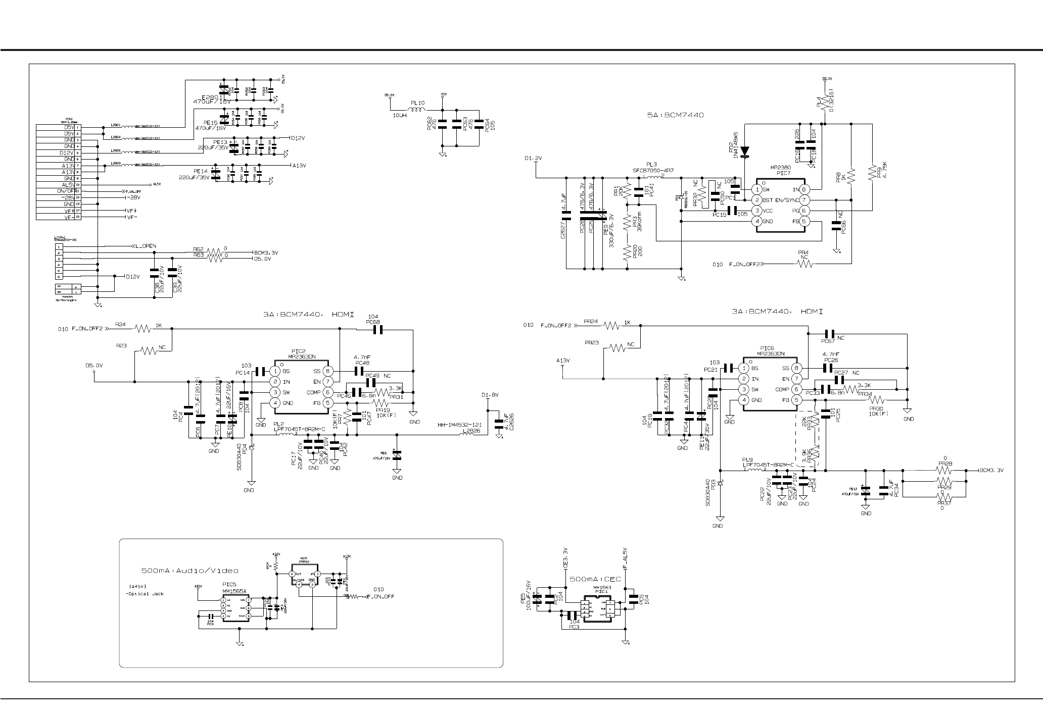
- 7-2 Power
- 7-3 S.M.P.S (S.M.P.S PCB)
- 7-4 Analog Audio/Video (Main PCB)
- 7-5 HDMI-CEC (Main PCB)
- 7-6 HDMI Transmitter (Main PCB)
- 7-7 7440 Boot Strap Option (Main PCB)
- 7-8 7440 EBI/ADDR-EBI/DATA (Main PCB)
- 7-9 7440 Clocks-BBS (Main PCB)
- 7-10 7440 Power-Decoupling (Main PCB)
- 7-11 DDR2 BANKO-BANK1 (Main PCB)
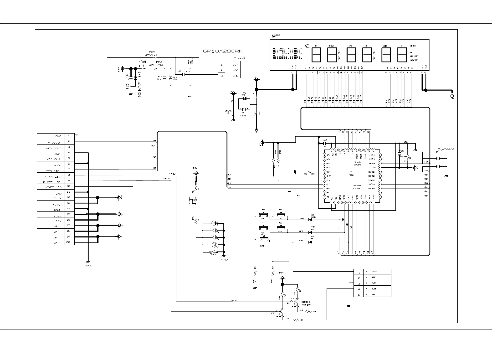
- 7-12 Front Micom (Main PCB)
- 7-13 Ethernet-USB-S/ATA-P/ATA (Main PCB)
- 7-14 7440 GPIO Block (Main PCB)
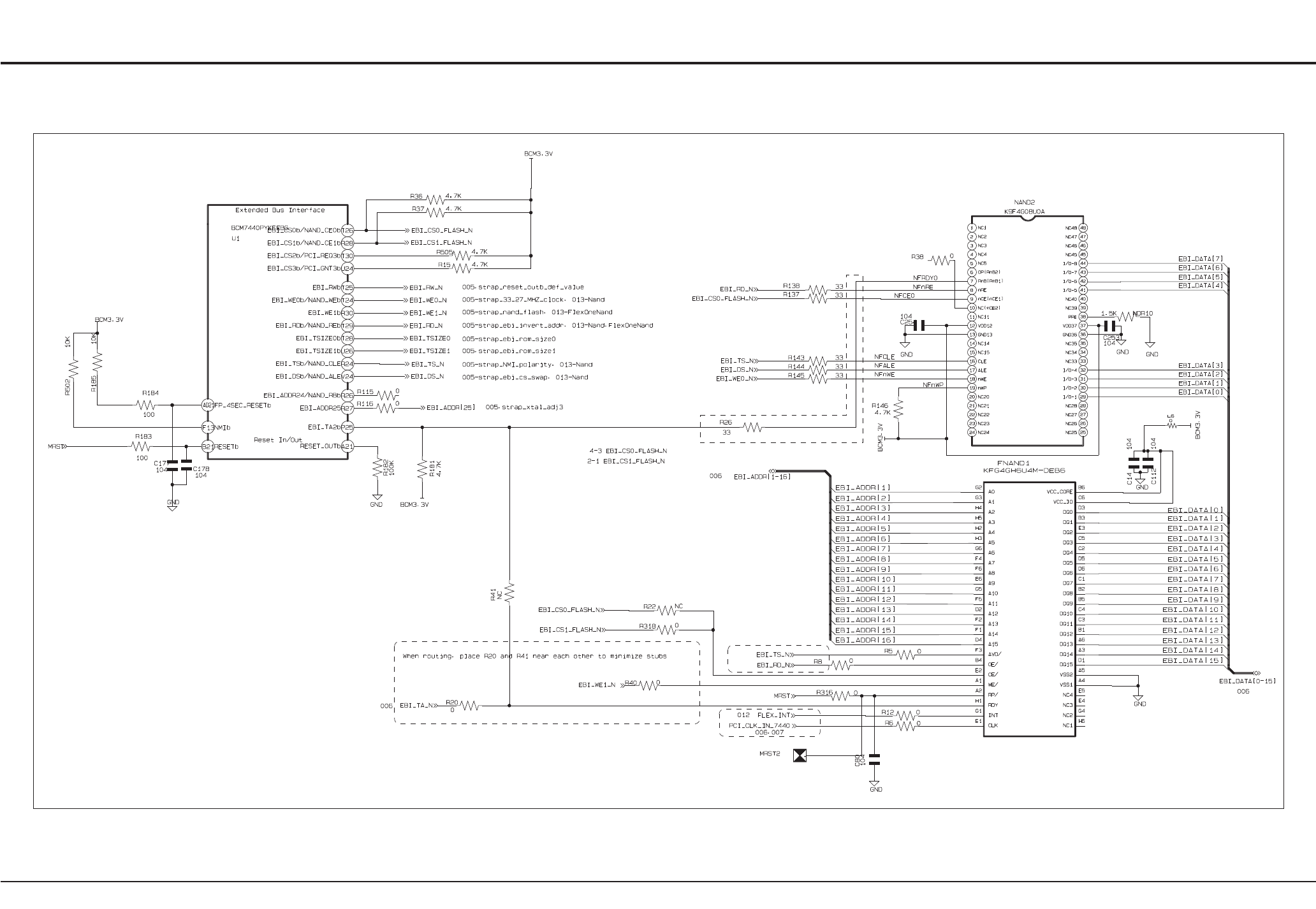
- 7-15 NAND Flash-Fleconenand (Main PCB)
- 7-16 Main Power (Main PCB)
- 7-17 Front Key (Front PCB)
- 7-18 Power Key (Power PCB)

Blu-Ray Disc Player
SERVICE
1. Precautions
2. Product Specification
3. Disassembly and Reassembly
4. Trouble Shooting
5. Exploded View and Parts List
6. PCB Diagrams
7. Schematic Diagrams
Manual
Blu-Ray Disc Player Contents
SERVICE MANUAL BD-P1500
© Samsung Electronics Co., Ltd. FEB. 2008
Printed in Korea
This Service Manual is a property of Samsung Electronics Co .,Ltd.
Any unauthorized use of Manual can be punished under applicable
International and/or domestic law.
Chassis : Blu- Ray
BASIC : BD-P1500
Application Model
: BD-P1500
Application Area
: XAA, XAC, AFS, XAX, XAZ, STR
If you want to know additional information which is not includ-
ed on this Service Manual, Please refer to the SKP(Samsung
Knowledge Portal) web site.
Area Web Site
North America URL ; http://service.samsungportal.com
Latin America URL ; http://latin.samsungportal.com
CIS URL ; http://cis.samsungportal.com
Europe URL ; http://europe.samsungportal.com
China URL ; http://china.samsungportal.com
Asia URL ; http://asia.samsungportal.com
Mideast & Africa URL ; http://mea.samsungportal.com

1. Precautions 1-1 ~ 1-6
1-1 Safety Precautions (1-1)
1-2 Servicing Precautions (1-3)
1-3 ESD Precautions (1-4)
1-4 Handling the optical pick-up (1-5)
~ 2-6
3. Disassembly and Reassembly 3-1 ~ 3-6
3-1 Cabinet and PCB (3-1)
3-2 PCB Location (3-6)
4. Trouble Shooting 4-1 ~ 4-22
4-1 Trouble Shooting (4-2)
4-2 Software Update (4-21)
5. Exploded View and Parts List 5-1 ~ 5-16
5-1 Cabinet Assembly (5-2)
5-2 Electrical Parts List (5-4)
6. PCB Diagrams 6-1 ~ 6-8
6-1 Wiring Diagram (6-2)
6-2 Main PCB (6-3)
6-3 S.M.P.S PCB (6-5)
6-4 Front key PCB (6-7)
6-5 Power Key PCB (6-8)
7. Schematic Diagrams 7-1 ~ 7-22
7-1 All block Diagram (7-2)
7-2 Power (7-3)
7-3 S.M.P.S (S.M.P.S PCB) (7-5)
7-4 Analog Audio/Video (Main PCB) (7-6)
7-5 HDMI-CEC (Main PCB) (7-8)
7-6 HDMI Transmitter (Main PCB) (7-9)
7-7 7440 Boot Strap Option (Main PCB) (7-10)
7-8 7440 EBI/ADDR-EBI/DATA (Main PCB) (7-11)
7-9 7440 Clocks-BBS (Main PCB) (7-12)
7-10 7440 Power-Decoupling (Main PCB) (7-13)
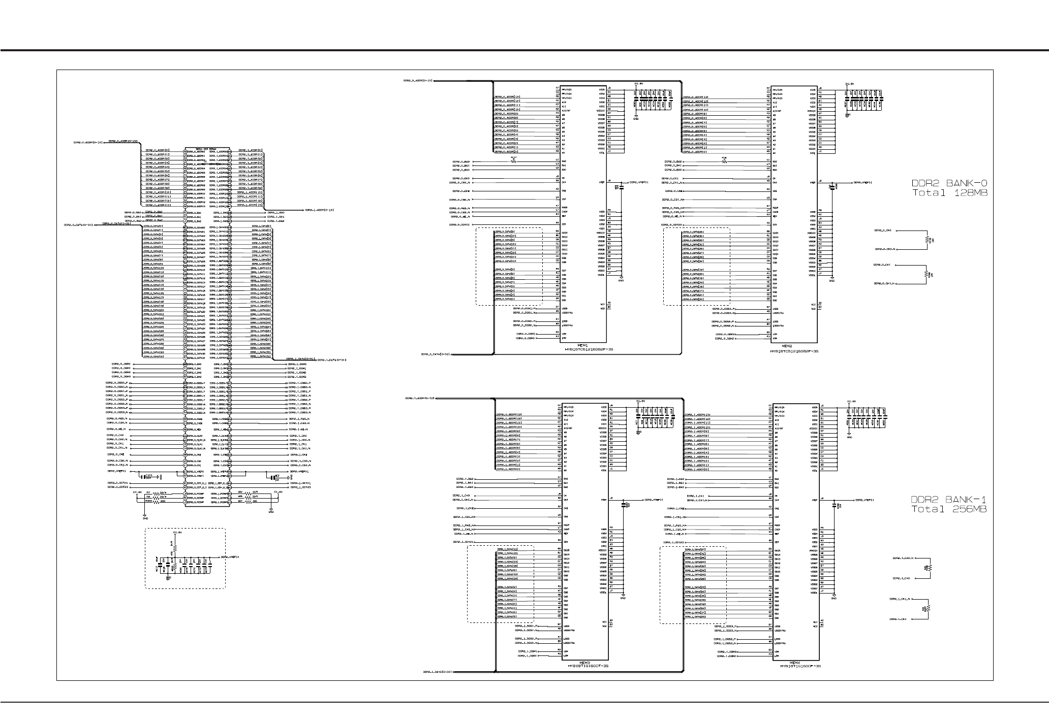
7-11 DDR2 BANKO-BANK1 (Main PCB) (7-14)
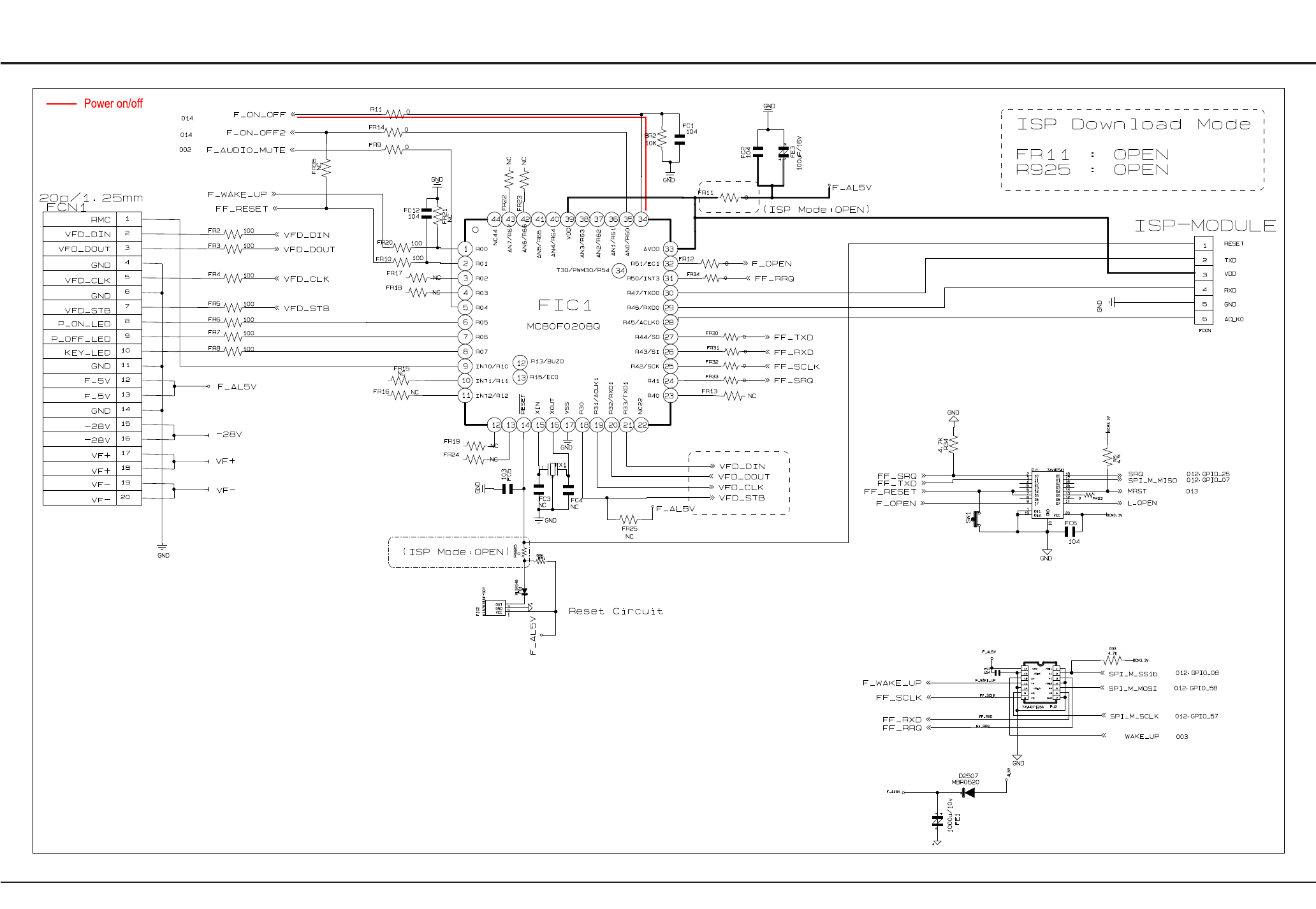
7-12 Front Micom (Main PCB) (7-15)
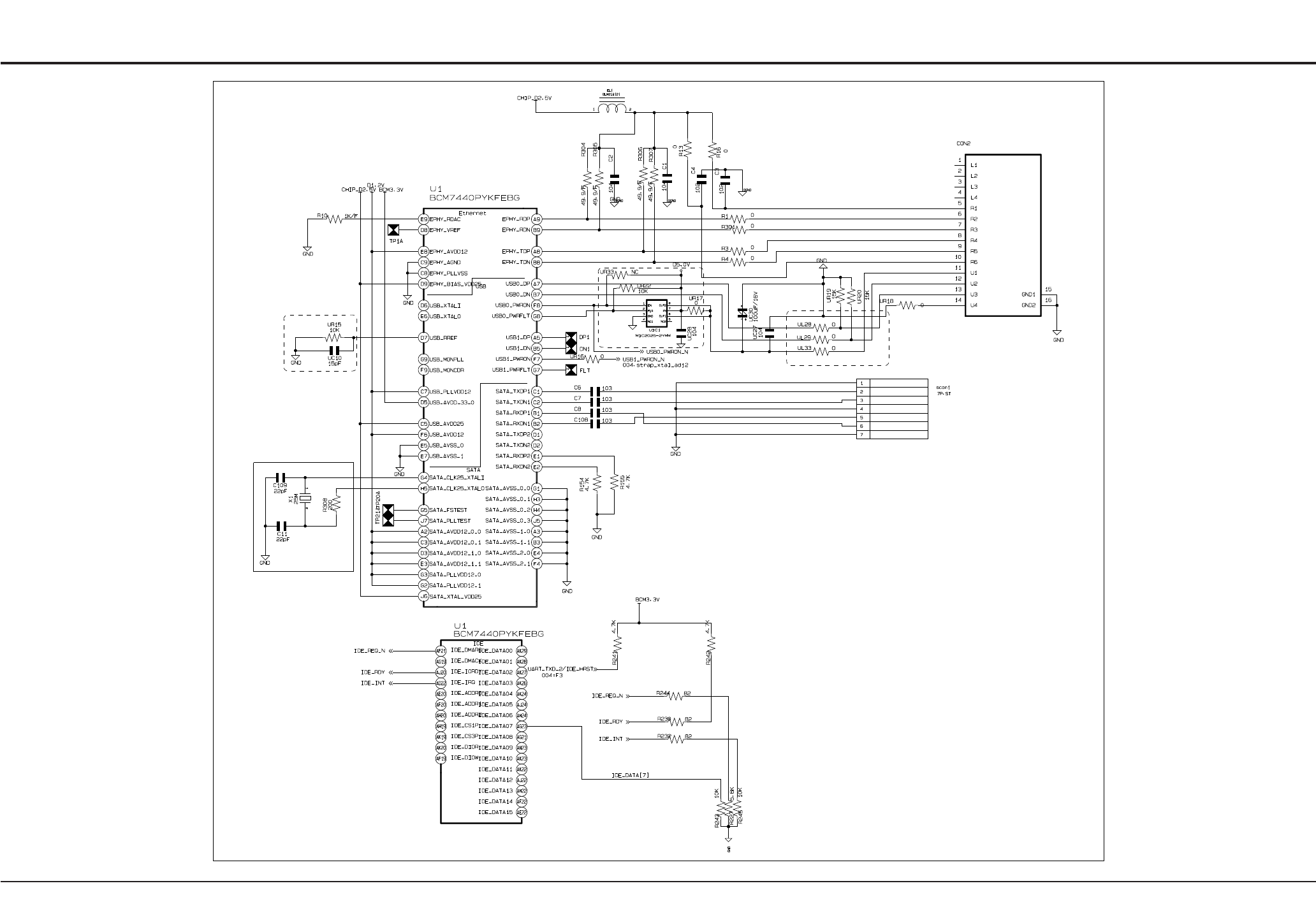
7-13 Ethernet-USB-S/ATA-P/ATA (Main PCB) (7-16)
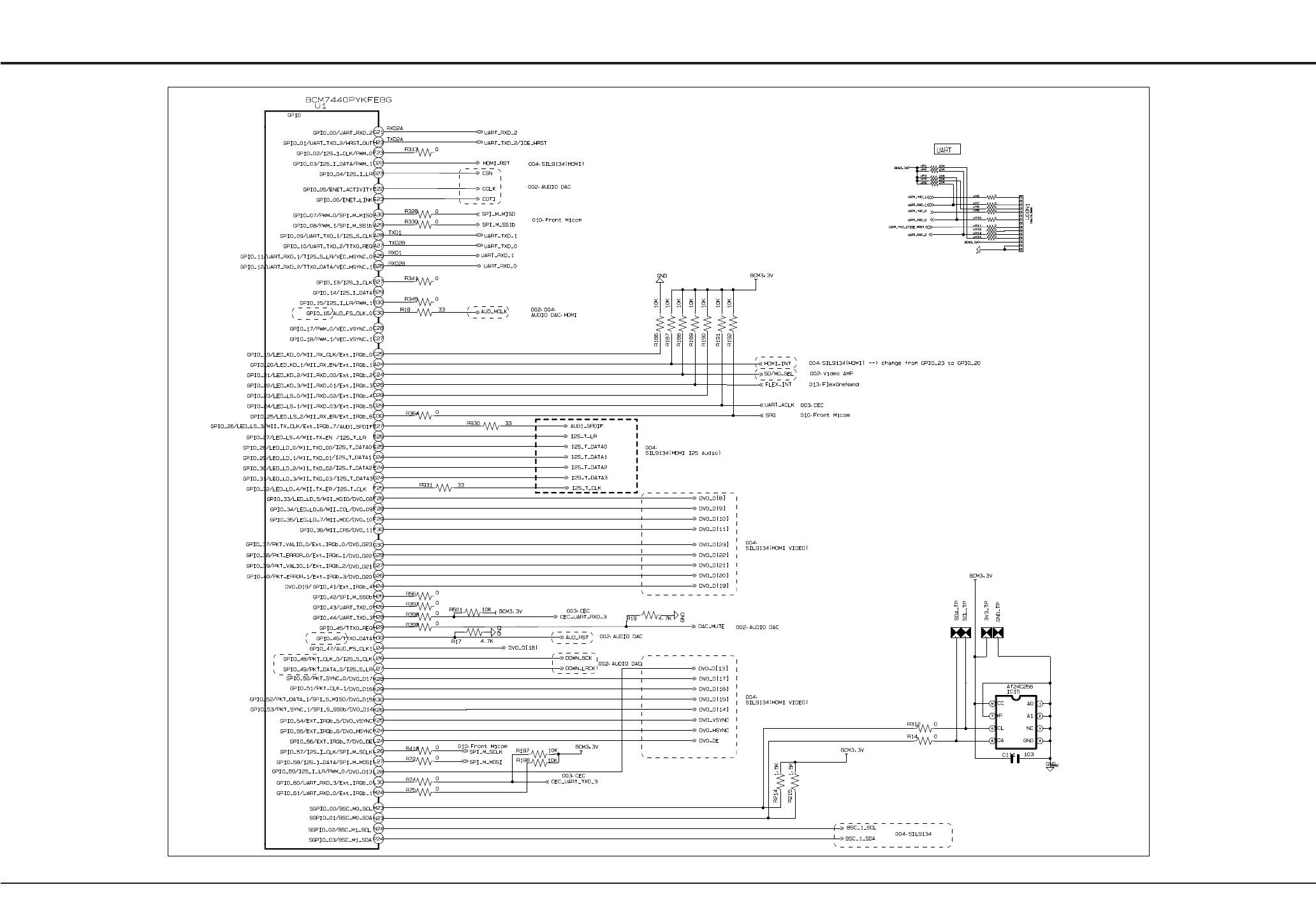
7-14 7440 GPIO Block (Main PCB) (7-17)
7-15 NAND Flash-Fleconenand (Main PCB) (7-18)
7-16 Main Power (Main PCB) (7-19)
7-17 Front Key (Front PCB) (7-20)
7-18 Power Key (Power PCB) (7-21)
CONTENTS CONTENTS

1. Precautions
1-1 Safety Precautions
Samsung electronics 1-1
1) Before returning an instrument to the customer,
always make a safety check of the entire instrument,
including, but not limited to, the following items:
(1) Be sure that no built-in protective devices are
defective or have been defeated during servicing.
(1)Protective shields are provided to protect both
the technician and the customer. Correctly replace
all missing protective shields, including any
removed for servicing convenience.
(2)When reinstalling the chassis and/or other
assembly in the cabinet, be sure to put back in place
all protective devices, including, but not limited to,
nonmetallic control knobs, insulating fish papers,
adjustment and compartment covers/shields, and
isolation resistor/capacitor networks. Do not operate
this instrument or permit it to be operated without
all protective devices correctly installed and
functioning.
(2) Be sure that there are no cabinet openings through
which adults or children might be able to insert
their fingers and contact a hazardous voltage. Such
openings include, but are not limited to, excessively
wide cabinet ventilation slots, and an improperly
fitted and/or incorrectly secured cabinet back
cover.
(3) Leakage Current Hot Check-With the instrument
completely reassembled, plug the AC line cord
directly into a 230V(220V ~ 240V) AC outlet. (Do
not use an isolation transformer during this test.)
Use a leakage current tester or a metering system
that complies with American National Standardsp
institute (ANSI) C101.1 Leakage Current for
Appliances and Underwriters Laboratories (UL)
1270 (40.7). With the instrument’s AC switch first in
the ON position and then in the OFF position,
measure from a known earth ground
(metal water pipe,
conduit, etc.) to all exposed metal parts of the
instrument (antennas, handle brackets, metal
cabinets,
screwheads, metallic overlays, control shafts,
etc.), especially any exposed metal parts that offer
an electrical return path to the chassis.
Any current measured must not exceed 0.5mA.
Reverse the instrument power cord plug in the outlet
and repeat the test. See Fig. 1-1.
Any measurements not within the limits specified
herein indicate a potential shock hazard that must
be eliminated before returning the instrument to
the customer.
Fig. 1-1 AC Leakage Test
(4) Insulation Resistance Test Cold Check-(1) Unplug
the power supply cord and connect a jumper wire
between the two prongs of the plug. (2) Turn on the
power switch of the instrument. (3) Measure the
resistance with an ohmmeter between the
jumpered AC plug and all exposed metallic cabinet
parts on the instrument, such as screwheads,
antenna, control shafts, handle brackets, etc. When
an exposed metallic part has a return path to the
chassis, the reading should be between 1 and 5.2
megohm. When there is no return path to the chassis,
the reading must be infinite. If the reading is
not within the limits specified, there is the possibility
of a shock hazard, and the instrument must be
repaired and rechecked before it is returned to the
customer. See Fig. 1-2.
Fig. 1-2 Insulation Resistance Test

Precautions
1-2 Samsung Electronics
2) Read and comply with all caution and safety related
notes on or inside the cabinet, or on the chassis.
3) Design Alteration Warning-Do not alter or add to
the mechanical or electrical design of this
instrument.
Design alterations and additions, including
butnotlimitedto,circuitmodicationsandthe
addition of items such as auxiliary audio output
connections, might alter the safety characteristics of
this instrument and create a hazard to the user. Any
design alterations or additions will make you, the
servicer, responsible for personal injury or property
damage resulting therefrom.
4) Observe original lead dress. Take extra care to
assure correct lead dress in the following areas:
(1) near sharp edges, (2) near thermally hot parts (be
sure that leads and components do not touch
thermally
hot parts), (3) the AC supply, (4) high voltage,
and (5) antenna wiring. Always inspect in all areas
for pinched, out-of-place, or frayed wiring, Do not
change spacing between a component and the
printed-circuit board. Check the AC power cord for
damage.
5) Components, parts, and/or wiring that appear to
have overheated or that are otherwise damaged
should be replaced with components, parts and/ or
wiringthatmeetoriginalspecications.
Additionally, determine the cause of overheating
and/or damage and, if necessary, take corrective
action to remove any potential safety hazard.
6) Product Safety Notice-Some electrical and mechanical
parts have special safety-related characteristics
which are often not evident from visual inspection,
nor can the protection they give necessarily be
obtained by replacing them with components rated
for higher voltage, wattage, etc. Parts that have
specialsafetycharacteristicsareidentiedby
shading,
an ( )or a ( )on schematics and parts lists. Use
of a substitute replacement that does not have the
same safety characteristics as the recommended
replacementpartmightcreateshock,reand/or
other hazards. Product safety is under review
continuously and new instructions are issued
whenever appropriate.

Samsung Electronics 1-3
Precautions
1-2 Servicing Precautions
CAUTION : Before servicing units covered by this
service manual and its supplements, read and follow
the Safety Precautions section of this manual.
Note:Ifunforseencircumstancescreateconict
between the following servicing precautions and any
of the safety precautions, always follow the safety pre-
cautions.
Remember: Safety First.
1-2-1 General Servicing Precautions
(1) a. Always unplug the instrument’s AC powercord
from the AC power source before (1) re-moving
or reinstalling any component, circuit board,
module or any other instrument assembly, (2)
disconnecting any instrument electrical plug or
other electrical connection, (3) connecting a test
substitute in parallel with an electrolytic ca
pacitor in the instrument.
b. Do not defeat any plug/socket B+ voltage
interlocks with which instruments covered by
this service manual might be equipped.
c. Do not apply AC power to this instrument and
/or any of its electrical assemblies unless all
solid-state device heat sinks are correctly installed.
d. Always connect a test instrument’s ground lead
to the instrument chassis ground before connecting
the test instrument positive lead. Always
remove the test instrument ground lead last.
Note : Refer to the Safety Precautions section ground
lead last.
(2) The service precautions are indicated or printed on
the cabinet, chassis or components. When servicing,
follow the printed or indicated service precautions
and service materials.
(3)Thecomponentsusedintheunithaveaspecied
ameresistanceanddielectricstrength.
When replacing components, use components
whichhavethesameratings.Componentsidentied
by shading, by( ) or by ( ) in the circuit diagram
are important for safety or for the characteristics
of the unit. Always replace them with the exact
replacement components.
(4) An insulation tube or tape is sometimes used and
some components are raised above the printed
wiring board for safety. The internal wiring is
sometimes clamped to prevent contact with heating
components. Install such elements as they
were.
(5) After servicing, always check that the removed
screws, components, and wiring have been installed
correctly and that the portion around the
serviced part has not been damaged and so on.
Further, check the insulation between the blades of
the attachment plug and accessible conductive
parts.
1-2-2 Insulation Checking Procedure
Disconnect the attachment plug from the AC outlet
and turn the power ON. Connect the insulation resist-
ance meter (500V) to the blades of the attachment
plug. The insulation resistance between each blade of
the attachment plug and accessible conductive
parts(see note) should be more than 1 Megohm.
Note : Accessible conductive parts include metal panels,
input terminals, earphone jacks, etc.

Precautions
1-4 Samsung Electronics
Electrostatically Sensitive Devices (ESD)
Some semiconductor (solid state) devices can be dam-
agedeasily by static electricity.
Such components commonly are called Electrostati-
cally Sensitive Devices(ESD). Examples of typical ESD
devicesareintegratedcircuitsandsomeeld-effect
transistors and semiconductor chip components. The
following techniques should be used to help reduce
the incidence of component damage caused by static
electricity.
(1) Immediately before handling any semiconductor
component or semiconductor-equipped assembly,
drain off any electrostatic charge on your body by
touching a known earth ground. Alternatively,
obtain and wear a commercially available
discharging wrist strap device, which should be
removed for potential shock reasons prior to
applying power to the unit under test.
(2) After removing an electrical assembly equipped
with ESD devices, place the assembly on a
conductive surface such as aluminum foil, to
prevent electrostatic
charge buildup or exposure of the assembly.
(3) Use only a grounded-tip soldering iron to solder or
unsolder ESD devices.
(4) Use only an anti-static solder removal devices.
Somesolderremovaldevicesnotclassiedas
“anti-static”cangenerateelectricalchargessuf
cient to damage ESD devices.
(5) Do not use freon-propelled chemicals. These can
generateelectricalchargessufcienttodamage
ESD devices.
(6) Do not remove a replacement ESD device from its
protective package until immediately before your
are ready to install it.(Most replacement ESD
devices are packaged with leads electrically shorted
together by conductive foam, aluminum foil or
comparable conductive materials).
(7) Immediately before removing the protective
materials from the leads of a replacement ESD
device, touch the protective material to the
chassis or circuit assembly into which the device
will be installed.
CAUTION : Be sure no power is applied to the chassis
or circuit, and observe all other safety precautions.
(8) Minimize bodily motions when handling
unpackaged replacement ESD devices.
(Otherwise harmless
motion such as the brushing together of your
clothes fabric or the lifting of your foot from a
carpetedoorcangeneratestaticelectricity
sufcienttodamageanESDdevice).
1-3 ESD Precautions

Samsung Electronics 1-5
Precautions
1-4 Handling the optical pick-up
The laser diode in the optical pick up may suffer elec-
trostatic breakdown because of potential static electric-
ity from clothing and your body.
The following method is recommended.
(1) Place a conductive sheet on the work bench (The
black sheet used for wrapping repair parts.)
(2) Place the set on the conductive sheet so that the
chassis is grounded to the sheet.
(3) Place your hands on the conductive sheet(This
gives them the same ground as the sheet.)
(4) Remove the optical pick up block
(5) Perform work on top of the conductive sheet. Be
careful not to let your clothes or any other static
sources to touch the unit.
u Be sure to put on a wrist strap grounded to the
sheet.
u Be sure to lay a conductive sheet made of copper
etc. Which is grounded to the table.
(6) Short the short terminal on the PCB, which is inside
the Pick-Up ASS’Y, before replacing the Pick-
Up. (The short terminal is shorted when the Pick-
Up Ass’y is being lifted or moved.)
(7) After replacing the Pick-up, open the short terminal
on the PCB.
Fig.1-3

Precautions
1-6 Samsung Electronics
M E M O

2. Product Specication
2-1 Product Specication
Samsung Electronics 2-1
General
Power requirements AC 120V ~ 60Hz
Power consumption 29W
Weight 9.3 Ibs
Dimensions 16.9 (W) x 12.8 (D) x 3.1 (H) inches
Operating Temperature Range +41°F to 95°F
Operating Humidity Range 10 % to 75 %
Disc
BD Reading Speed : 4.917m/sec
DVD
(Digital Versatile Disc)
Reading Speed : 3.49 ~ 4.06 m/sec.
Approx. Play Time (Single Sided, Single Layer Disc) : 135 min.
CD : 12cm
(COMPACT DISC)
Reading Speed : 4.8 ~ 5.6 m/sec.
Maximum Play Time : 74 min.
CD : 8cm
(COMPACT DISC)
Reading Speed : 4.8 ~ 5.6 m/sec.
Maximum Play Time : 20 min.
Video
Output
Composite Video 1 channel : 1.0 Vp-p (75 Ω load)
Blu-ray Disc : 480i DVD : 480i
Component Video
Y : 1.0 Vp-p (75 Ω load)
Pr : 0.70 Vp-p (75 Ω load)
Pb : 0.70 Vp-p (75 Ω load)
Blu-ray Disc : 1080i, 720p, 480p, 480i DVD : 480p, 480i
S-Video
Luminance Signal : 1.0 Vp-p (75 Ω load)
Chrominance Signal : 0.3 Vp-p (75 Ω load)
Blu-ray Disc : 480i DVD : 480i
Video/Audio HDMI 480p, 720p, 1080i. 1080p
PCM multichannel audio, bitstream audio, PCM audio
Audio
Output
2 Channel L(1/L), R(2/R)
5.1 Channel F/L, F/R, R/L, R/R, C/T, S/W
Digital Audio Output Optical/Coaxial
*Frequency Response 48 kHz Sampling : 4 Hz to 22 kHz
96 kHz Sampling : 4 Hz to 44 kHz
*S/N Ratio 110 dB
*Dynamic Range 100 dB
*Total Harmonic Distortion 0.003%

Product Specication
2-2 Samsung Electronics
2-1-1 Player Features
qDigital Photo Viewer (JPEG)
You can enjoy digital photos on your TV.
qMP3 Playback
Thisunitcanplaymp3lesfromCD-R/-RW,DVD-R/-RWdiscs.
qHDMI(HighDenitionMultimediaInterface)
HDMIreducespicturenoisebyallowingapuredigitalvideo/audiosignalpathfromtheplayertoyourTV.
qSimplay HD
TheBD-P1500isSimplayHD™veried.
2-1-2 Blu-ray Disc Features
Blu-rayDiscscanstore25GB(singlelayer)or50GB(duallayer)onasinglesideddisc-about5to10timesthe
capacityofaDVD.Blu-rayDiscsalsosupportthehighestqualityHDvideoavailableintheindustry(upto1920x
1080at40Mbit/sec)-Largecapacitymeansnocompromiseonvideoquality.Furthermore,aBlu-rayDischasthe
samefamiliarsizeandlookasDVD.
*ThefollowingBlu-rayDiscfeaturesarediscdependantandwillvary.
Appearanceandnavigationoffeatureswillalsovaryfromdisctodisc.
Notalldiscswillhavethefeaturesdescribedbelow.
qVideo highlights
TheBD-ROMformatformoviedistributionsupportsthreehighlyadvancedvideocodecs,includingAVC,
VC-1,andMPEG-2.
HD video resolutions are also available:
-1920x1080HD
-1280x720HD
qForHigh-DenitionPlayback
Toviewhigh-denitioncontentsinBDdiscs,anHDTV(HighDenitionTelevision)isrequired.Somediscs
mayrequireusingtheplayer'sHDMIOUTtoviewhigh-Denitioncontent.Theabilitytoview
high-DenitioncontentonBDdiscsmaybelimiteddependingontheresolutionofyourTV.
qGraphic planes
Twoindividual,fullHDresolution(1920x1080)videolayersareavailable,ontopoftheHDvideolayer.
Onelayerisassignedtovideo-relatedgraphics(likesubtitles),andtheotherlayerisassignedtointeractive
elements,suchasbuttonsormenus.Variouswipes,fadesandscrolleffectsmaybeavailableonbothlayers.
qMenu graphics
Support256fullcolorresolutiongraphicsandanimation,therebygreatlysurpassingthecapabilitiesofDVD-
Video.UnlikeDVD,Menuscanbeaccessedduringvideoplayback.
qMenu sounds
WhenyouhighlightorselectamenuoptiononaBlu-raydisc,soundscanbeheardsuchasbuttonclicksora
voiceoverexplainingthehighlightedmenuchoice.
qMulti-page/PopUpMenus
WithDVD-Video,playbackisinterruptedeachtimeanewmenuscreenisaccessed.DuetoBlu-rayDisc's
abilitytopreloaddatafromthediscwithoutinterruptingplayback,amenumayconsistofseveralpages.
Youcanbrowsethroughthemenupagesorselectdifferentmenupaths,whiletheaudioandvideoremain
playing in the background.
qInteractivity

Samsung Electronics 2-3
Product Specication
CertainBlu-rayDiscsmaycontainAnimatedmenusandTriviagames.
qUserBrowsableSlideshows
WithBlu-rayDiscs,youcanbrowsethroughvariousstillpictureswhiletheaudioremainsplaying.
qSubtitles
DependingonwhatiscontainedontheBlu-rayDisc,youmaybeabletoselectdifferentfontstyles,sizesand
colorsforthesubtitles,Subtitlesmayalsobeanimated,scrolledorfadedinandout.
2-1-3 Disc types that can be played
Disc Types Recorded content Disc Shape Max. Playing minute
BD-ROM, BD-R, BD-RE AUDIO + VIDEO Single sided (25GB/50GB) –
DVD-VIDEO AUDIO + VIDEO
Single sided(5 inches) 240
Double sided(5 inches) 480
Single sided(3 1/2 inches) 80
Double sided(3 1/2 inches) 160
AUDIO-CD AUDIO Single sided(5 inches) 74
Single sided(3 1/2 inches) 20
DVD-RW(V mode and nalized only) AUDIO + VIDEO 5 inches (4.7GB) 480(EX : Extended Play)
DVD-R(V mode and nalized only) AUDIO + VIDEO 5 inches (4.7GB) 480(EX : Extended Play)
CD-R/-RW DVD-RW/-R JPEG MP3 – –
BD-ROM
Blu-ray Disc Read Only Memory. A BD-ROM disc contains pre-recorded data. Although a BD-ROM may contain any
form of data, most BD-ROM discs will contain movies in High Denition format, for playback on Blu-ray disc players.
This unit can play back pre-recorded commercial BD-ROM discs.
DVD-Video
A digital versatile disc (DVD) can contain up to 135-minutes of images, 8 audio languages and 32
subtitle languages. It is equipped with MPEG-2 picture compression and Dolby Digital surround, allowing you to
enjoy vivid and clear theatre quality images.
When switching from the rst layer to the second layer of a dual-layered DVD Video disc, there may be momentary
distortion in the image and sound. This is not a malfunction of the unit. Once a DVD-RW/-R recorded in Video Mode
is nalized, it becomes DVD-Video. Pre-recorded (prestamped)
commercial DVDs with movies are also referred to as DVD-Videos. This unit can play back
pre-recorded commercial DVD discs (DVD-Video discs) with movies.
AUDIO-CD
An audio disc on which 44.1kHz PCM Audio is recorded.
This unit can play back CD-DA format audio CD-R and CD-RW discs.
The unit may not be able to play some CD-R or CD-RW discs due to the condition of the recording.
DVD-RW(V mode
and nalized only)
Use a 700MB(80 minutes) CD-R/-RW disc. If possible, do not use a 800MB(90 minutes) or above disc, as the disc
may not play back.
If the CD-R/-RW disc was not recorded as a closed session, you may experience a delay in the early
playback time, all recorded les may not play.
Some CD-R/-RW discs may not be playable with this unit, depending on the device which was used to burn them.
For contents recorded on CD-R/-RW media from CDs for your personal use, playability may vary depending on
contents and discs.
DVD-R(V mode
and nalized only)
Once a DVD-R recorded in Video Mode is nalized, it becomes DVD-Video.
This unit can play back DVD-R discs recorded and nalized with a Samsung DVD video recorder. It may not be able
to play some DVD-R discs depending on the disc and the condition of the recording.
CD-R/-RW DVD-
RW/-R
Playback can be performed with DVD-RW discs in the Video Mode and nalized only.
Once a DVD-RW recorded in Video Mode is nalized, it becomes DVD-Video. Ability to play back may depend on
recording conditions

Product Specication
2-4 Samsung Electronics
2-1-4 Discs that cannot be played
qBlu-rayDiscswitharegioncodeotherthan"RegionA".
qBD-R,BD-RE
qHD DVD Disc
qDVD-Videowitharegionnumberotherthan"1"or"ALL"
qDVD-RAM
q3.9GBDVD-RDiscforAuthoring.
qDVD-RW(VRmode)
qDVD-ROM/PD/MV-Disc,etc
qCVD/CD-ROM/CDV/CD-G/CD-I/LD
[Note]
qSome commercial discs and DVD discs purchased outside your region may not be playable with this
product.Whenthesediscsareplayed,either"Nodisc."or"Pleasechecktheregionalcodeofthedisc."
will be displayed.
qIfaDVD-R/-RWdischasnotbeenrecordedproperlyinDVDvideoformat,itwillnotbeplayable.
2-1-5 Region code
BoththeBlu-raydiscplayerandthediscsarecodedbyregion.Theseregionalcodesmustmatchinorder
toplaythedisc.Ifthecodesdonotmatch,thediscwillnotplay.
TheRegionNumberforthisBlu-raydiscplayerisdescribedontherearpaneloftheBlu-raydiscplayer.
Disc Type Blu-ray DVD-Video
Region code
BD Region Code Area
ANorth America, Central America, South America, Korea, Japan, Taiwan, Hong Kong
and South East Asia.
B Europe, Greenland, French territories, Middle East, Africa, Australia and New Zealand.
C India, China, Russia, Central and South Asia.
2-1-6 Blu-ray Disc Compatibility
Blu-rayDiscisanewandevolvingformat.Accordingly,disccompatibilityissuesarepossible.Notalldiscs
arecompatibleandnoteverydiscwillplayback.Foradditionalinformation,refertotheComplianceand
CompatibilityNoticesectionofthisManual.Ifyouencountercompatibilityproblems,pleasecontactthe
SAMSUNGcustomercarecenter.ThisSamsungBlu-raydiscplayer(BD-P1500)supportsonlytheBDROM
Prole1version1.0specication.Ifyouwanttoplaylaterversiondiscs,youmayneedtoupdate
player'srmware.Pleaserefertohttp://www.samsung.comorcontactSAMSUNGcustomercarecenterat
1-800SAMSUNG.

Samsung Electronics 2-5
Product Specication
2-2 Chassis Product Specication
General Features BD-P1200 BD-P1400 BD-P1500
Chassis
Input /
Ouput
CVBS Output 1CH 1CH 1CH
S-Video Output 1CH 1CH 1CH
YPbPr Output 1CH 1CH 1CH
HDMI O O O
Digital Audio Output(Optical/Coaxial) O/O O/O O/O
Analog Audio Output (2ch/5.1ch) 1/1 1/1 1/X
HDMI CEC O O O
Audio/Video
Decoder
Video Decoder(Maker : DAC) BCM7438 SMP8634 BCM7440
Video DAC 10bit 10bit 10bit
Audio DAC 24bit 192kHz 24bit 192kHz 24bit 192kHz
Loader
BD-ROM O O O
BD-RE / BD-R O X O
DVD-RAM O X X
DVD-RW O O O
DVD-ROM O O O
DVD-R O O O
DVD+R X X X
DVD+RW X X X
CD-ROM O O O
CD-R O O O
CD-RW O O O
A/V Play-
able Media
BD-ROM O O O
BD-RE / BD-R O X O
DVD-Video O O O
DVD-Audio X X X
DVD-VR O X X
Not nalized DVD-V Mode X X X
VCD 1.1/2.0 X X X
SVCD/CVD X X X
CD-DA O O O
DTS CD O O O
HDCD X X X
SACD X X X
SACD CD Layer O O O
Picture CD O O O
DiVX X X X
Miscellane-
ous
Front Display VFD VFD VFD
Screen capture X X X
Closed Caption pass through from disc O O O
Main Menu (including Setup Menu) O O O

Product Specication
2-6 Samsung Electronics
2-3 Option Product Specication
Description Fig Description Parts No Remark
Remote Control AK59-00070D Model Standard of
BD-P1500/XAA
Batteries for Remote Control 4301-001035
Model Standard of
BD-P1500/XAA
S.N.A
Instruction Manual AK68-01608A Model Standard of
BD-P1500/XAA
Quick Guide AK68-01610A
Model Standard of
BD-P1500/XAA
S.N.A
Component Cable AC39-42001R Model Standard of
BD-P1500/XAA

3. Disassembly and Reassembly
3-1 Cabinet and PCB
Samsung Electronics 3-1
3-1-1 Top Cabinet Removal
1) Remove 5 Screws q, w.
2) Lift up the Top Cabinet e in direction of arrow.
Fig. 3-1 Top Cabinet Removal
q 3 SCREWS
(3X10 B)
e TOP CABINET
CAUTION : Connector Must be remove with care
w 2 SCREWS
(3X10 B)

Disassembly and Reassembly
3-2 Samsung Electronics
3-1-2 Ass'y Front-Cabinet Removal
1) Release 7 Hooks q, w, e, r and Ass'y Front-Cabinet t.
Fig. 3-2 Ass'y Front-Cabinet Removal
w 1 HOOK
t ASS'Y FRONT-CABINET
r 2 HOOKS
e 3 HOOKS
q 1 HOOK

Samsung Electronics 3-3
Disassembly and Reassembly
3-1-3 Ass'y Deck Removal
1) Remove 4 Screws q from the Ass'y Deck w and lift it up.
Fig. 3-3 Ass'y Deck Removal
q 4 SCREWS
(3X10 W)
w ASS'Y DECK

Disassembly and Reassembly
3-4 Samsung Electronics
3-1-4 S.M.P.S PCB Removal
1) Remove 3 Screws q, from the S.M.P.S PCB w and lift it up.
Fig. 3-4 S.M.P.S PCB Removal
q 3 SCREWS
(3X8 W)
w S.M.P.S PCB

Samsung Electronics 3-5
Disassembly and Reassembly
3-1-5 Main PCB Removal
1) Remove 7 Screws q, wfrom the Main PCB e and lift it up.
Fig. 3-5 Main PCB Removal
e MAIN PCB
q 4 SCREWS
(3X8 W)
w 3 SCREWS
(3X10 B)

Disassembly and Reassembly
3-6 Samsung Electronics
3-2 PCB Location
Fig. 3-6 PCB Location
MAIN PCB
S.M.P.S PCB

4. Trouble Shooting
Samsung Electronics 4-1
4-1 Trouble Shooting -------------------------------------------------------------------------------- 4-2
4-2 Software Update ------------------------------------------------------------------------------- 4-21

Trouble Shooting
4-2 Samsung Electronics
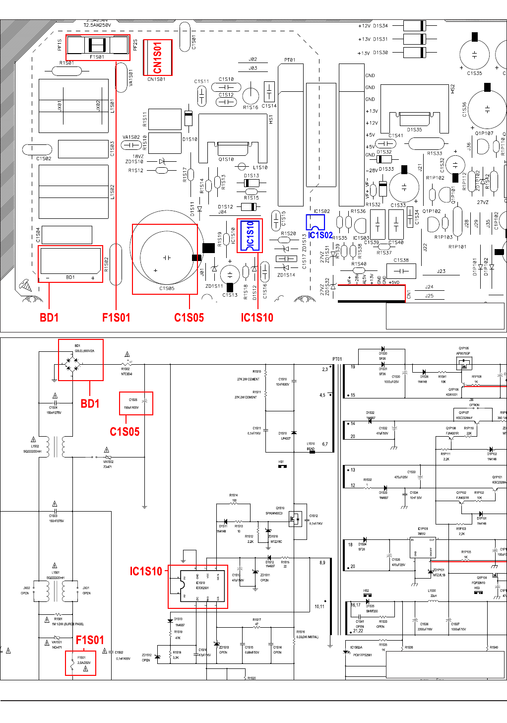
4-1 Trouble Shooting
NO Power Detected
(Stand by LED OFF)
F1S01 is normal?
C1S05
voltage
is normal voltage?
Switching
operation
of IC1S10 is normal?
Change the SMPS PCB
Change fuse
Change BD1
Change IC1S10
No
Yes
No
No
Refer to a pattern
image of Table 4-1
Yes
Yes
Refer to a pattern
image of Table 4-1
Refer to a pattern
image of Table 4-1
Refer to a pattern
image of Table 4-1

Samsung Electronics 4-3
Trouble Shooting
Fig. 4-1
Refer to a pattern
image of S.M.P.S Page 7-5
Refer to a pattern
image of S.M.P.S PCB page 6-5

Trouble Shooting
4-4 Samsung Electronics
There's no Digital Audio Out
Check
Current Digital Audio
Setting is PCM. Set to Bitstream
No
Yes
Check
the A/V Receiver can
Decode Current
Bit-Steam
No
Yes
check the jack (IC98) soldering or
replace IC98
Check the
Audio Data at AR160
No
Yes
Replace the Main PCB
Refer to a pattern
image of Table 4-2

Samsung Electronics 4-5
Trouble Shooting
Digital Audio Analog Audio Analog Video
Fig. 4-2
Refer to a pattern
image of Analog Audio/Video (Main PCB) Page 7-6
Refer to a pattern
image of Main PCB page 6-3
q DIGITAL AUDIO DATA
AR160

Trouble Shooting
4-6 Samsung Electronics
There is no Audio Output
Check
the Audio signal at PIN
3,5,7,6 of AIC8 PIN3,5,7 (Clock data )
PIN6 (Audio data)
Check
the Audio
signal at PIN 20,21,22,23
of AIC8
Check
the Audio
signal at AIC3
Audio cable error
Replace the main PCB
Check AIC2 soldering or replace
AIC2
Check AIC3 soldering of
peripheral devices
No
Yes
No
No
Yes
Yes
Refer to a pattern
image of Table 4-3

Samsung Electronics 4-7
Trouble Shooting
Digital Audio Analog Audio Analog Video
Fig. 4-3
AIC8
PIC5
AIC3
Refer to a pattern
image of Main PCB page 6-4
q ANALOG AUDIO DATA
AIC3
Refer to a pattern
image of Analog Audio/Video (Main PCB) Page 7-6

Trouble Shooting
4-8 Samsung Electronics
Disc Ioading error
check the
deck power at LCON1
(D3.3V,D5V,D12V)
Is
the STAT
cable (between main &
deck) inserted correctly?
Check the clock at X1
25MHz
Change the deck
Check the power
Reinsert SATA Cable correctly
Change the Main board
No
Yes
No
No
Yes
Yes
Refer to a pattern
image of Table 4-4

Samsung Electronics 4-9
Trouble Shooting
Fig. 4-4
Refer to a pattern
image of Main PCB page 6-3
Refer to a pattern
image of Ethernet-USB-S/ATA-P/ATA (Main PCB) Page 7-15
25MHz

Trouble Shooting
4-10 Samsung Electronics
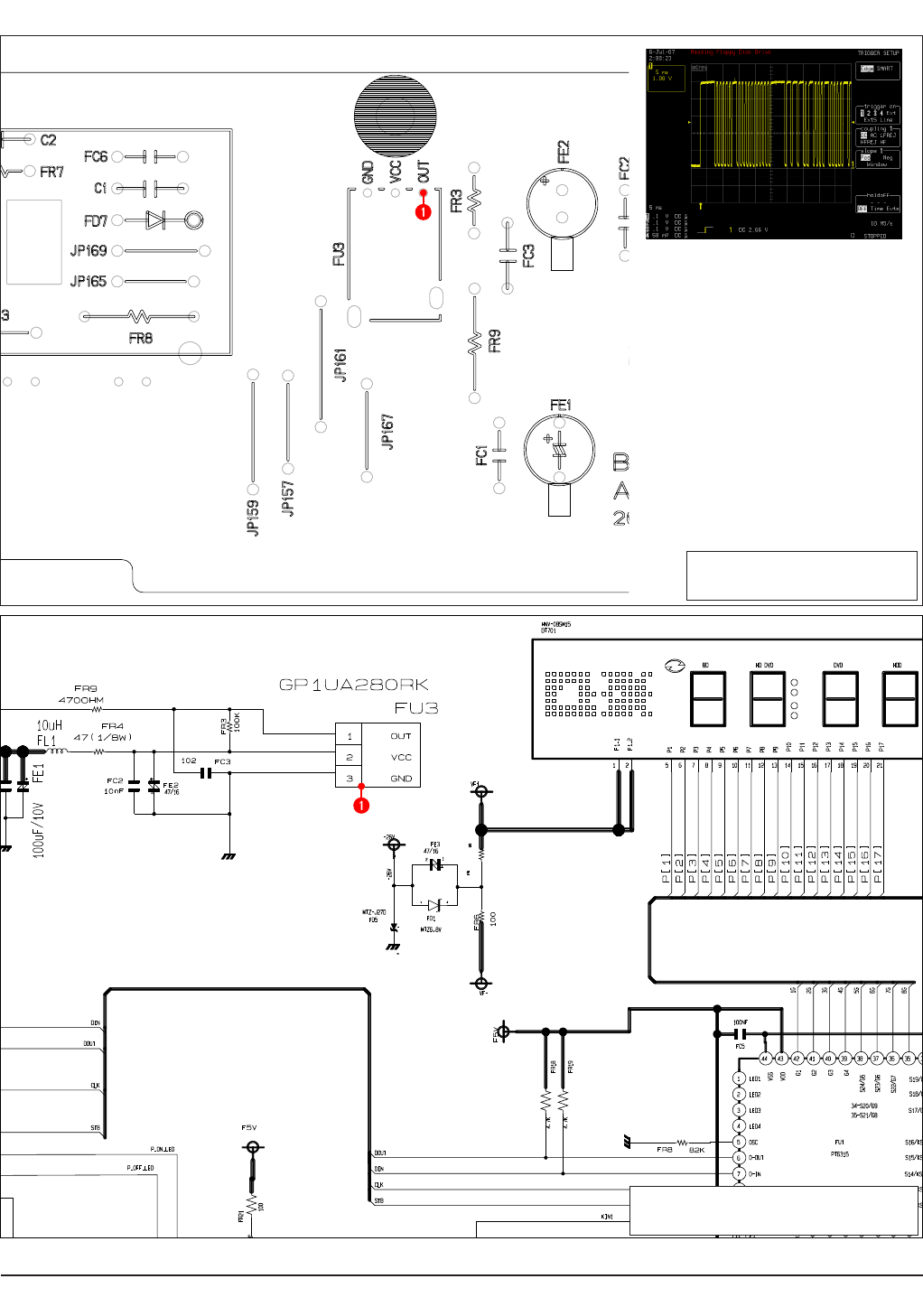
Remote control does not work
Remocon battery
OK?
Is the
FFC cable (between
Front panel&Main)
OK?
FU3 PIN3
SIGNAL OK?
Check the Power of FIC1 PIN9
or change the Main PCB
Change the battery
Re-insert FFC cable correctly
Check FU3 or change
the Front panel PCB
No
Yes
No
No
Yes
Yes
Refer to a pattern
image of Table 4-5

Samsung Electronics 4-11
Trouble Shooting
Fig. 4-5
Refer to a pattern
image of Front Key (Front PCB) Page 7-20
Refer to a pattern
image of Front keyPCB page 6-7
q Remote control eye data
FU3 Pin3

Trouble Shooting
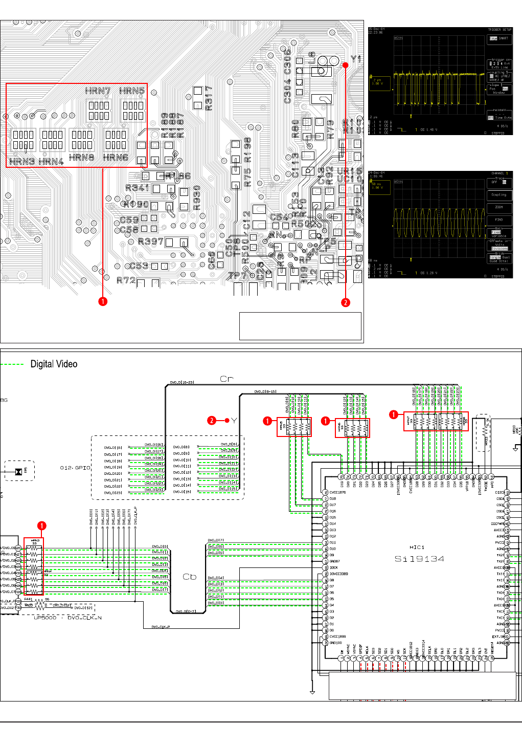
4-12 Samsung Electronics
No Picture
Logo screen is OK ? NO LOGO(HDMI)
No
Yes
HDMI? No
Yes
BD/DVD Playback is
OK?
No
Yes
CHANGE THE MAIN PCB
NO LOGO(Component)
Component? No
Yes
NO LOGO
(CVBS/S-Video)

Samsung Electronics 4-13
Trouble Shooting
NO LOGO (HDMI)
Video
selection
accords with cable connection
and TV mode?
Clock,
data and
SYNC from HRN3~HRN8
from U1
pin51 of
HIC1 is High?
(2.0~5.0V)
HDMI cable error
Check the Video select,
cable connection, TV mode
Check U1 power input, Y1
oscillation, Memory interface
Check HCN1 Connector and
HDMI cable connection
No
Yes
No
No
Yes
Yes
Refer to a pattern
image of Table 4-6
data
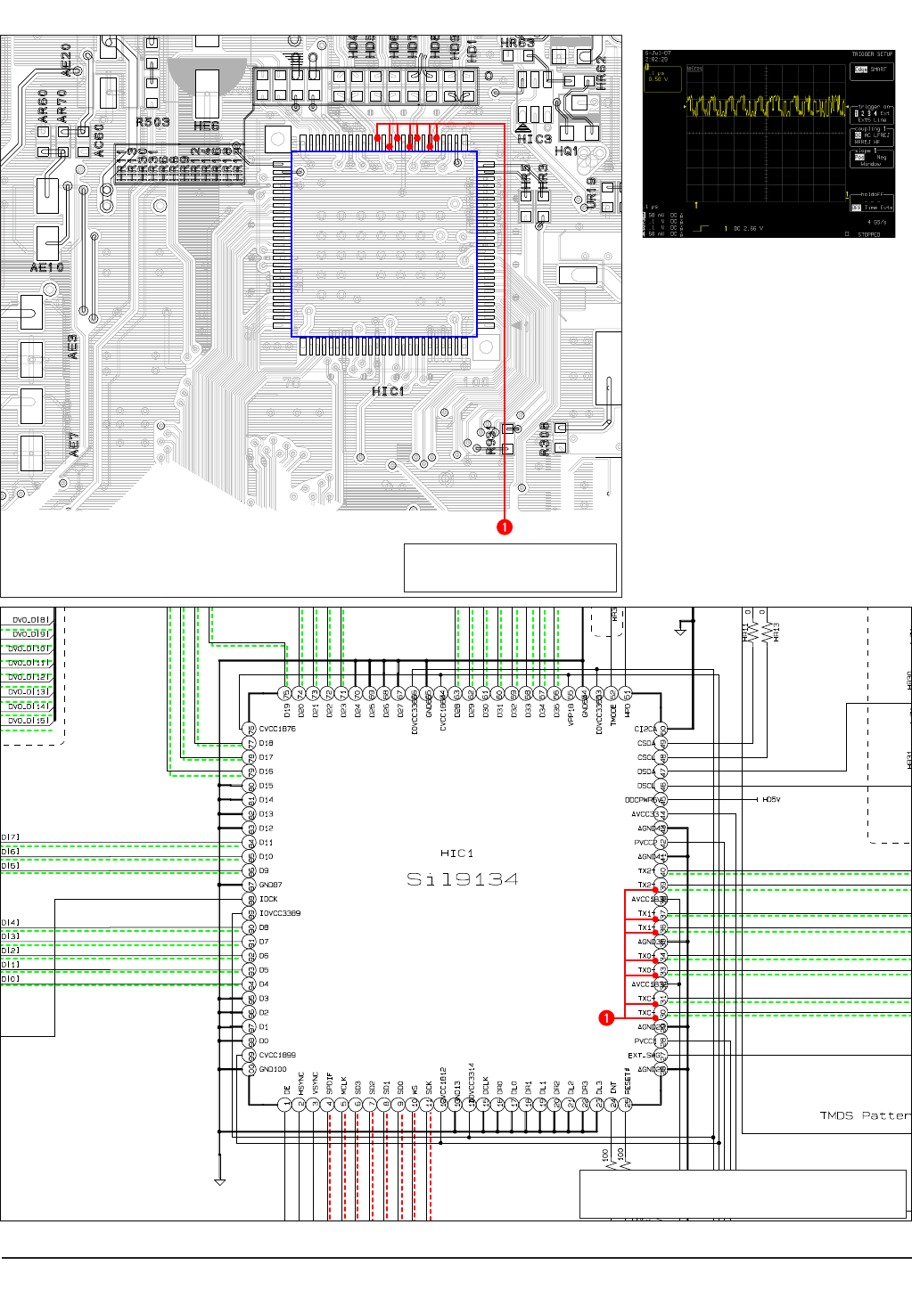
output from HIC1?
(pin30,31,33,34,36,37,39
,40)
Check the HIC1 power input
and peripheral devices
No
Yes
Refer to a pattern
image of Table 4-7
Refer to a pattern
image of Table 4-6

Trouble Shooting
4-14 Samsung Electronics
IC15
Refer to a pattern
image of Main PCB page 6-3
q Digital Video signal
U1(HRN3 ~ HRN8)
w Y1 _CLOCK SIGNAL (54MHz)
Fig. 4-6
Refer to a pattern
image of HDMI Transmitter (Main PCB) Page 7-9

Samsung Electronics 4-15
Trouble Shooting
HIC1
Refer to a pattern
image of Main PCB page 6-3
Fig. 4-7
q HDMI OUTPUT DATA
HIC1 (pin30,31,33,34,36,37,39,40)
Refer to a pattern
image of HDMI Transmitter (Main PCB) Page 7-9

Trouble Shooting
4-16 Samsung Electronics
NO LOGO (Component)
Video
selection
accords with cable connection
and TV mode?
Video
output from
U1 (VC6,1,4)
Video
output from
VIC1 (VR12,13,14)
Component cable error
Check the Video select, cable
connection, TV mode
U1 soldering error
Check VIC1 soldering of
peripheral devices
No
Yes
No
No
Yes
Yes
Refer to a pattern
image of Table 4-8
Refer to a pattern
image of Table 4-9

Samsung Electronics 4-17
Trouble Shooting
Digital Audio Analog Audio Analog Video
Fig. 4-8
AIC8
PIC5
AIC3
Refer to a pattern
image of Main PCB page 6-4
w Pb(Color-bar)
Pin (U1-VR1)
q Y(Color-bar)
Pin (U1-VR6)
e Pr(Color-bar)
Pin (U1-VR4)
Refer to a pattern
image of Analog Audio/Video (Main PCB) Page 7-6

Trouble Shooting
4-18 Samsung Electronics
Fig. 4-9
AIC8
PIC5
AIC3
Refer to a pattern
image of Main PCB page 6-4
q Y(Color-bar)
Pin-VR12
e Pr(Color-bar)
Pin-VR14
w Pb(Color-bar)
Pin-VR13
Refer to a pattern
image of Analog Audio/Video (Main PCB) Page 7-6

Samsung Electronics 4-19
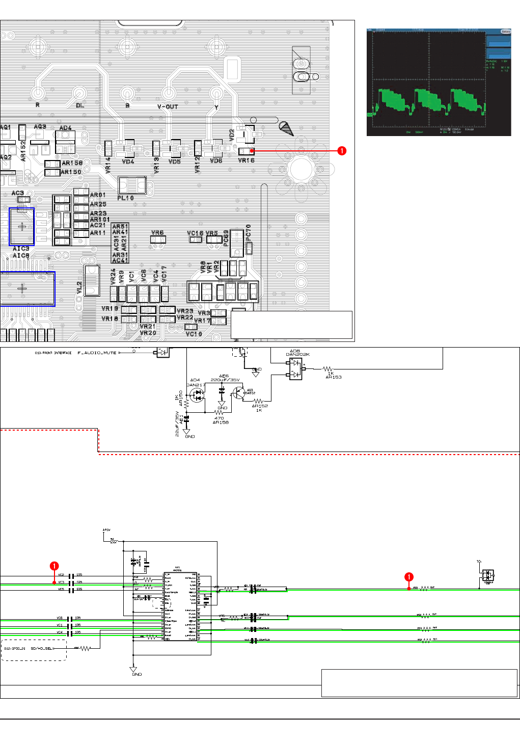
Trouble Shooting
NO LOGO (CVBS)
Video
selection
accords with cable connection
and TV mode?
Video
output from
U1(VC3)
Video
output from
VIC1(VR16)
Component cable error
Check the Video select, cable
connection, TV mode
U1 soldering error
Check VIC1 soldering of
peripheral devices
No
Yes
No
No
Yes
Yes
Refer to a pattern
image of Table 4-10
Refer to a pattern
image of Table 4-10

Trouble Shooting
4-20 Samsung Electronics
Fig. 4-10
AIC8
PIC5
AIC3
Refer to a pattern
image of Main PCB page 6-4
q CVBS(Color-bar)
Pin (VC 3, VR16)
Refer to a pattern
image of Analog Audio/Video (Main PCB) Page 7-6

Samsung Electronics 4-21
Trouble Shooting
4-2 Software Update
1) Insert update CD and close the tray.
4-2-1 Main F/W Update Method
Fig. 4-11
Fig. 4-12
Fig. 4-13
2) Tray opened automatically, then Press YES if the up
date CD you insert is a later one than before.
3) Wait about 7 minutes.
4) When nished , power goes off automatically.

Trouble Shooting
4-22 Samsung Electronics
1) Insert update CD and close the tray.
2) Tray opened automatically, then Press YES if the up
date CD you insert is a later one than before.
4-2-2 Loader F/W Update Method (for Disc Physical Problem)
Fig. 4-14
Fig. 4-15
Fig. 4-16
3) Wait about 1~2 minutes.
4) When nished , power goes off automatically.

5. Exploded View and Parts List
삼성전자 5-1
5-1 Cabinet Assembly ------------------------------------------------------------------------------- 5-2
5-2 Electrical Parts List ---------------------------------------------------------------------------- 5-4

Exploded Views and Parts List
5-2 This Document can not be used without Samsung's authorization Samsung Electronics
5-1 Cabinet Assembly
P025
W001
W001
W001
W001
W009
P001
P003
H003
P007P
P007F
C001
A001
W009
C015A
W200 W200
W200

Samsung Electronics This Document can not be used without Samsung's authorization 5-3
Exploded Views and Parts List
Loc. No Parts No. Description ; Specication Q ty SNA Remark
A001 AK59-00070D REMOCON-ASSY;BD-P1500/XAA,SEC,240*4 1 SA
C001 AK97-02209A ASSY-FRONT CABINET;HIPS 94 V2,BD-P1 1 SA
C015A AK97-02253A ASSY-COVER TOP;ASSY,BD-P1500,ASSY 1 SA
H003 AK97-02218A ASSY-BDP LOADER NEC;-,BD-P1500,ASSY 1 SA
P001 AK92-01649A ASSY PCB-MAIN;BD-P1500/XAA,ASSY PCB 1 SA
P003 AK92-01655A ASSY PCB-SMPS;BD-P1500/XAA,ASSY PCB 1 SA
P007F AK92-01650A ASSY PCB-FRONT KEY;BD-P1500/XAA,ASS 1 SA
P007P AK92-01651A ASSY PCB-POWER KEY;BD-P1500/XAA,ASS 1 SA
P025 AC39-10200N CBF-POWER CORD;AT,US,EP2/Y,HOUSING( 1 SA
W001 6003-000275 SCREW-TAPTITE;BH,+,-,B,M3,L10,ZPC(B 9 SA
W009 6003-000276 SCREW-TAPTITE;BH,+,-,B,M3,L10,ZPC(W 6 SA
W200 6003-001375 SCREW-TAPTITE;BH,+,-,B,M3,L8,ZPC(WH 4 SA

Exploded Views and Parts List
5-4 This Document can not be used without Samsung's authorization Samsung Electronics
Exploded Views and Parts List
P001 AK92-01649A ASSY PCB-MAIN;BD-P1500/XAA,ASSY PCB 1 SA
AC138 2203-006048 C-CER,CHIP;100nF,10%,10V,X7R,1005 1 SA
AC20 2203-000715 C-CER,CHIP;3.3nF,10%,50V,X7R,1608 1 SA
AC21 2203-000715 C-CER,CHIP;3.3nF,10%,50V,X7R,1608 1 SA
AC3 2203-002711 C-CER,CHIP;100nF,10%,25V,X7R,1608 1 SA
AC30 2203-005105 C-CER,CHIP;0.68nF,5%,50V,C0G,1608 1 SA
AC31 2203-005105 C-CER,CHIP;0.68nF,5%,50V,C0G,1608 1 SA
AC40 2203-005105 C-CER,CHIP;0.68nF,5%,50V,C0G,1608 1 SA
AC41 2203-005105 C-CER,CHIP;0.68nF,5%,50V,C0G,1608 1 SA
AC60 2203-001607 C-CER,CHIP;0.22nF,5%,50V,NP0,1608 1 SA
AC61 2203-001607 C-CER,CHIP;0.22nF,5%,50V,NP0,1608 1 SA
AD10 0407-000114 DIODE-ARRAY;-,80V,100mA,CA2-3,SOT-2 1 SA
AD11 0407-000114 DIODE-ARRAY;-,80V,100mA,CA2-3,SOT-2 1 SA
AD4 0401-000008 DIODE-SWITCHING;DAN217,80V,100MA,SO 1 SA
AD6 0407-000114 DIODE-ARRAY;-,80V,100mA,CA2-3,SOT-2 1 SA
AD8 0407-000114 DIODE-ARRAY;-,80V,100mA,CA2-3,SOT-2 1 SA
AE1 2402-000210 C-AL,SMD;22uF,20%,35V,WT,TP,6.6x6.6 1 SA
AE10 2402-001269 C-AL,SMD;10uF,20%,10V,WT(BP),REEL,4 1 SA
AE11 2402-001269 C-AL,SMD;10uF,20%,10V,WT(BP),REEL,4 1 SA
AE2 2402-001181 C-AL,SMD;100uF,20%,16V,HR,TP,6.6x6. 1 SA
AE20 2402-000170 C-AL,SMD;1uF,20%,50V,GP,TP,4.3x4.3x 1 SA
AE3 2402-000204 C-AL,SMD;10UF,20%,16V,WT,TP,4.3X4.3 1 SA
AE4 2402-000210 C-AL,SMD;22uF,20%,35V,WT,TP,6.6x6.6 1 SA
AE6 2402-001303 C-AL,SMD;220uF,20%,35V,-,TP,8.3X8.3 1 SA
AE7 2402-000204 C-AL,SMD;10UF,20%,16V,WT,TP,4.3X4.3 1 SA
AIC3 1201-000163 IC-OP AMP;4560,SOP,8P,173MIL,DUAL,1 1 SA
AIC5 1203-002183 IC-SWITCH VOL. REG.;278R12,TO-220F- 1 SA
AIC8 1002-001537 IC-D/A CONVERTER;AK4396,24Bit,VSOP, 1 SA
AJACK2 3722-002696 JACK-PIN;6P,Silver/Nickel,RED,WHI,B 1 SA
AQ1 0504-000156 TR-DIGITAL;KSR2103,PNP,200MW,22K/22 1 SA
AQ10 0501-000341 TR-SMALL SIGNAL;KSC1623-L,NPN,200mW 1 SA
AQ11 0501-000341 TR-SMALL SIGNAL;KSC1623-L,NPN,200mW 1 SA
AQ2 0504-000128 TR-DIGITAL;-,NPN,200MW,22K/22K,SOT- 1 SA
AQ3 0501-000002 TR-SMALL SIGNAL;KSA812,PNP,150MW,SO 1 SA
AQ6 0504-000156 TR-DIGITAL;KSR2103,PNP,200MW,22K/22 1 SA
AQ7 0504-000128 TR-DIGITAL;-,NPN,200MW,22K/22K,SOT- 1 SA
AQ8 0504-000128 TR-DIGITAL;-,NPN,200MW,22K/22K,SOT- 1 SA
AQ9 0504-000156 TR-DIGITAL;KSR2103,PNP,200MW,22K/22 1 SA
AR01 2007-000512 R-CHIP;2.4Kohm,5%,1/10W,TP,1608 1 SA
AR02 2007-000512 R-CHIP;2.4Kohm,5%,1/10W,TP,1608 1 SA
AR10 2007-000512 R-CHIP;2.4Kohm,5%,1/10W,TP,1608 1 SA
AR100 2007-000512 R-CHIP;2.4Kohm,5%,1/10W,TP,1608 1 SA
AR101 2007-000512 R-CHIP;2.4Kohm,5%,1/10W,TP,1608 1 SA
AR11 2007-000512 R-CHIP;2.4Kohm,5%,1/10W,TP,1608 1 SA
AR14 2007-000029 R-CHIP;0ohm,5%,1/8W,TP,2012 1 SA
AR150 2007-000078 R-CHIP;1Kohm,5%,1/10W,TP,1608 1 SA
AR152 2007-000078 R-CHIP;1Kohm,5%,1/10W,TP,1608 1 SA
AR153 2007-000078 R-CHIP;1Kohm,5%,1/10W,TP,1608 1 SA
AR158 2007-000077 R-CHIP;470ohm,5%,1/10W,TP,1608 1 SA
AR160 2007-000070 R-CHIP;0ohm,5%,1/10W,TP,1608 1 SA
AR20 2007-000040 R-CHIP;150ohm,1%,1/10W,TP,1608 1 SA
AR21 2007-000040 R-CHIP;150ohm,1%,1/10W,TP,1608 1 SA
AR22 2007-000120 R-CHIP;680ohm,5%,1/10W,TP,1608 1 SA
AR23 2007-000120 R-CHIP;680ohm,5%,1/10W,TP,1608 1 SA
AR24 2007-000120 R-CHIP;680ohm,5%,1/10W,TP,1608 1 SA
AR25 2007-000120 R-CHIP;680ohm,5%,1/10W,TP,1608 1 SA
AR26 2007-000070 R-CHIP;0ohm,5%,1/10W,TP,1608 1 SA
AR27 2007-000208 R-CHIP;1.1Kohm,1%,1/10W,TP,1608 1 SA
AR28 2007-000683 R-CHIP;3.3Kohm,1%,1/10W,TP,1608 1 SA
AR30 2007-000040 R-CHIP;150ohm,1%,1/10W,TP,1608 1 SA
AR31 2007-000040 R-CHIP;150ohm,1%,1/10W,TP,1608 1 SA
AR40 2007-000512 R-CHIP;2.4Kohm,5%,1/10W,TP,1608 1 SA
AR41 2007-000512 R-CHIP;2.4Kohm,5%,1/10W,TP,1608 1 SA
AR50 2007-000070 R-CHIP;0ohm,5%,1/10W,TP,1608 1 SA
AR51 2007-000070 R-CHIP;0ohm,5%,1/10W,TP,1608 1 SA
AR60 2007-000090 R-CHIP;10Kohm,5%,1/10W,TP,1608 1 SA
AR61 2007-000090 R-CHIP;10Kohm,5%,1/10W,TP,1608 1 SA
AR70 2007-000075 R-CHIP;220ohm,5%,1/10W,TP,1608 1 SA
AR71 2007-000075 R-CHIP;220ohm,5%,1/10W,TP,1608 1 SA
AR80 2007-000078 R-CHIP;1Kohm,5%,1/10W,TP,1608 1 SA
AR81 2007-000078 R-CHIP;1Kohm,5%,1/10W,TP,1608 1 SA
AR91 2007-000643 R-CHIP;270ohm,5%,1/10W,TP,1608 1 SA
BR2 2007-000090 R-CHIP;10Kohm,5%,1/10W,TP,1608 1 SA
C1 2203-006048 C-CER,CHIP;100nF,10%,10V,X7R,1005 1 SA
C101 2203-006048 C-CER,CHIP;100nF,10%,10V,X7R,1005 1 SA
C108 2203-000257 C-CER,CHIP;10nF,10%,50V,X7R,TP,1608 1 SA
C109 2203-000626 C-CER,CHIP;0.022nF,5%,50V,C0G,1608 1 SA
C11 2203-000626 C-CER,CHIP;0.022nF,5%,50V,C0G,1608 1 SA
C110 2203-006048 C-CER,CHIP;100nF,10%,10V,X7R,1005 1 SA
C111 2203-000257 C-CER,CHIP;10nF,10%,50V,X7R,TP,1608 1 SA
C112 2203-006048 C-CER,CHIP;100nF,10%,10V,X7R,1005 1 SA
C113 2203-005692 C-CER,CHIP;4700nF,+80-20%,16V,Y5V,T 1 SA
C117 2203-000384 C-CER,CHIP;0.015nF,5%,50V,C0G,1608 1 SA
C12 2203-005692 C-CER,CHIP;4700nF,+80-20%,16V,Y5V,T 1 SA
C121 2203-006048 C-CER,CHIP;100nF,10%,10V,X7R,1005 1 SA
C123 2203-006048 C-CER,CHIP;100nF,10%,10V,X7R,1005 1 SA
C13 2203-005692 C-CER,CHIP;4700nF,+80-20%,16V,Y5V,T 1 SA
C14 2203-006048 C-CER,CHIP;100nF,10%,10V,X7R,1005 1 SA
C15 2203-005148 C-CER,CHIP;100nF,10%,16V,X7R,TP,160 1 SA
C16 2203-000681 C-CER,CHIP;0.027nF,5%,50V,C0G,1608 1 SA
C161 2203-006048 C-CER,CHIP;100nF,10%,10V,X7R,1005 1 SA
C162 2203-006048 C-CER,CHIP;100nF,10%,10V,X7R,1005 1 SA
C17 2203-000681 C-CER,CHIP;0.027nF,5%,50V,C0G,1608 1 SA
C177 2203-006048 C-CER,CHIP;100nF,10%,10V,X7R,1005 1 SA
C178 2203-006048 C-CER,CHIP;100nF,10%,10V,X7R,1005 1 SA
C19 2203-000384 C-CER,CHIP;0.015nF,5%,50V,C0G,1608 1 SA
C2 2203-006048 C-CER,CHIP;100nF,10%,10V,X7R,1005 1 SA
C20 2203-006048 C-CER,CHIP;100nF,10%,10V,X7R,1005 1 SA
C21 2203-006048 C-CER,CHIP;100nF,10%,10V,X7R,1005 1 SA
C23 2203-006048 C-CER,CHIP;100nF,10%,10V,X7R,1005 1 SA
C236 2203-006048 C-CER,CHIP;100nF,10%,10V,X7R,1005 1 SA
C25 2203-006048 C-CER,CHIP;100nF,10%,10V,X7R,1005 1 SA
C253 2203-006048 C-CER,CHIP;100nF,10%,10V,X7R,1005 1 SA
C254 2203-006048 C-CER,CHIP;100nF,10%,10V,X7R,1005 1 SA
C2626 2203-005692 C-CER,CHIP;4700nF,+80-20%,16V,Y5V,T 1 SA
C2627 2203-005692 C-CER,CHIP;4700nF,+80-20%,16V,Y5V,T 1 SA
C265 2203-006474 C-CER,CHIP;22000nF,20%,6.3V,X5R,201 1 SA
C266 2203-006474 C-CER,CHIP;22000nF,20%,6.3V,X5R,201 1 SA
C27 2203-006048 C-CER,CHIP;100nF,10%,10V,X7R,1005 1 SA
C28 2203-006048 C-CER,CHIP;100nF,10%,10V,X7R,1005 1 SA
C29 2203-006048 C-CER,CHIP;100nF,10%,10V,X7R,1005 1 SA
C3 2203-000440 C-CER,CHIP;1nF,10%,50V,X7R,1608 1 SA
5-2 Electrical Parts List
Loc.No Parts No. Description ; Specification Q'ty S.N.A Remark Loc.No Parts No. Description ; Specification Q'ty S.N.A Remark

Exploded Views and Parts List
Samsung Electronics This Document can not be used without Samsung's authorization 5-5
Loc.No Parts No. Description ; Specification Q'ty S.N.A Remark Loc.No Parts No. Description ; Specification Q'ty S.N.A Remark
C300 2203-006048 C-CER,CHIP;100nF,10%,10V,X7R,1005 1 SA
C301 2203-006048 C-CER,CHIP;100nF,10%,10V,X7R,1005 1 SA
C302 2203-006048 C-CER,CHIP;100nF,10%,10V,X7R,1005 1 SA
C303 2203-006474 C-CER,CHIP;22000nF,20%,6.3V,X5R,201 1 SA
C304 2203-006048 C-CER,CHIP;100nF,10%,10V,X7R,1005 1 SA
C305 2203-006048 C-CER,CHIP;100nF,10%,10V,X7R,1005 1 SA
C306 2203-006048 C-CER,CHIP;100nF,10%,10V,X7R,1005 1 SA
C31 2203-006048 C-CER,CHIP;100nF,10%,10V,X7R,1005 1 SA
C32 2203-006048 C-CER,CHIP;100nF,10%,10V,X7R,1005 1 SA
C33 2203-006048 C-CER,CHIP;100nF,10%,10V,X7R,1005 1 SA
C34 2203-006048 C-CER,CHIP;100nF,10%,10V,X7R,1005 1 SA
C36 2203-006048 C-CER,CHIP;100nF,10%,10V,X7R,1005 1 SA
C37 2203-006048 C-CER,CHIP;100nF,10%,10V,X7R,1005 1 SA
C38 2203-006560 C-CER,CHIP;22000nF,10%,10V,X5R,3225 1 SA
C39 2203-006560 C-CER,CHIP;22000nF,10%,10V,X5R,3225 1 SA
C4 2203-000440 C-CER,CHIP;1nF,10%,50V,X7R,1608 1 SA
C42 2203-006474 C-CER,CHIP;22000nF,20%,6.3V,X5R,201 1 SA
C44 2203-006048 C-CER,CHIP;100nF,10%,10V,X7R,1005 1 SA
C45 2203-006048 C-CER,CHIP;100nF,10%,10V,X7R,1005 1 SA
C46 2203-006048 C-CER,CHIP;100nF,10%,10V,X7R,1005 1 SA
C47 2203-006474 C-CER,CHIP;22000nF,20%,6.3V,X5R,201 1 SA
C48 2203-006048 C-CER,CHIP;100nF,10%,10V,X7R,1005 1 SA
C49 2203-006048 C-CER,CHIP;100nF,10%,10V,X7R,1005 1 SA
C50 2203-006048 C-CER,CHIP;100nF,10%,10V,X7R,1005 1 SA
C51 2203-006048 C-CER,CHIP;100nF,10%,10V,X7R,1005 1 SA
C52 2203-006048 C-CER,CHIP;100nF,10%,10V,X7R,1005 1 SA
C53 2203-006048 C-CER,CHIP;100nF,10%,10V,X7R,1005 1 SA
C54 2203-006048 C-CER,CHIP;100nF,10%,10V,X7R,1005 1 SA
C55 2203-006048 C-CER,CHIP;100nF,10%,10V,X7R,1005 1 SA
C56 2203-006048 C-CER,CHIP;100nF,10%,10V,X7R,1005 1 SA
C57 2203-006048 C-CER,CHIP;100nF,10%,10V,X7R,1005 1 SA
C58 2203-006048 C-CER,CHIP;100nF,10%,10V,X7R,1005 1 SA
C59 2203-006048 C-CER,CHIP;100nF,10%,10V,X7R,1005 1 SA
C6 2203-000257 C-CER,CHIP;10nF,10%,50V,X7R,TP,1608 1 SA
C60 2203-006048 C-CER,CHIP;100nF,10%,10V,X7R,1005 1 SA
C61 2203-006048 C-CER,CHIP;100nF,10%,10V,X7R,1005 1 SA
C62 2203-006048 C-CER,CHIP;100nF,10%,10V,X7R,1005 1 SA
C64 2203-006048 C-CER,CHIP;100nF,10%,10V,X7R,1005 1 SA
C65 2203-006048 C-CER,CHIP;100nF,10%,10V,X7R,1005 1 SA
C66 2203-006048 C-CER,CHIP;100nF,10%,10V,X7R,1005 1 SA
C67 2203-006048 C-CER,CHIP;100nF,10%,10V,X7R,1005 1 SA
C68 2203-006048 C-CER,CHIP;100nF,10%,10V,X7R,1005 1 SA
C69 2203-006048 C-CER,CHIP;100nF,10%,10V,X7R,1005 1 SA
C7 2203-000257 C-CER,CHIP;10nF,10%,50V,X7R,TP,1608 1 SA
C70 2203-006048 C-CER,CHIP;100nF,10%,10V,X7R,1005 1 SA
C71 2203-006048 C-CER,CHIP;100nF,10%,10V,X7R,1005 1 SA
C72 2203-006048 C-CER,CHIP;100nF,10%,10V,X7R,1005 1 SA
C73 2203-006048 C-CER,CHIP;100nF,10%,10V,X7R,1005 1 SA
C74 2203-006474 C-CER,CHIP;22000nF,20%,6.3V,X5R,201 1 SA
C75 2203-006474 C-CER,CHIP;22000nF,20%,6.3V,X5R,201 1 SA
C76 2203-005692 C-CER,CHIP;4700nF,+80-20%,16V,Y5V,T 1 SA
C77 2203-005692 C-CER,CHIP;4700nF,+80-20%,16V,Y5V,T 1 SA
C78 2203-005692 C-CER,CHIP;4700nF,+80-20%,16V,Y5V,T 1 SA
C79 2203-005692 C-CER,CHIP;4700nF,+80-20%,16V,Y5V,T 1 SA
C8 2203-000257 C-CER,CHIP;10nF,10%,50V,X7R,TP,1608 1 SA
C80 2203-006048 C-CER,CHIP;100nF,10%,10V,X7R,1005 1 SA
C85 2203-006474 C-CER,CHIP;22000nF,20%,6.3V,X5R,201 1 SA
C86 2203-006474 C-CER,CHIP;22000nF,20%,6.3V,X5R,201 1 SA
C87 2203-006474 C-CER,CHIP;22000nF,20%,6.3V,X5R,201 1 SA
C88 2203-006474 C-CER,CHIP;22000nF,20%,6.3V,X5R,201 1 SA
C89 2203-006474 C-CER,CHIP;22000nF,20%,6.3V,X5R,201 1 SA
C90 2203-006474 C-CER,CHIP;22000nF,20%,6.3V,X5R,201 1 SA
C91 2203-006474 C-CER,CHIP;22000nF,20%,6.3V,X5R,201 1 SA
C92 2203-006474 C-CER,CHIP;22000nF,20%,6.3V,X5R,201 1 SA
C93 2203-006474 C-CER,CHIP;22000nF,20%,6.3V,X5R,201 1 SA
CEC01 2203-006048 C-CER,CHIP;100nF,10%,10V,X7R,1005 1 SA
CEC03 2203-006048 C-CER,CHIP;100nF,10%,10V,X7R,1005 1 SA
CEC04 2203-006048 C-CER,CHIP;100nF,10%,10V,X7R,1005 1 SA
CEIC1 AK09-00159A IC MICOM;-,MC80C0316-MC015 D32,44,2 1 SNA
CEIC2 1103-001398 IC-EEPROM;24C02,2Kbit,256Kx8,SOIC,8 1 SA
CER01 2007-000070 R-CHIP;0ohm,5%,1/10W,TP,1608 1 SA
CER02 2007-000071 R-CHIP;22ohm,5%,1/10W,TP,1608 1 SA
CER03 2007-000071 R-CHIP;22ohm,5%,1/10W,TP,1608 1 SA
CER04 2007-000084 R-CHIP;4.7Kohm,5%,1/10W,TP,1608 1 SA
CER05 2007-000084 R-CHIP;4.7Kohm,5%,1/10W,TP,1608 1 SA
CER06 2007-000084 R-CHIP;4.7Kohm,5%,1/10W,TP,1608 1 SA
CER07 2007-000074 R-CHIP;100ohm,5%,1/10W,TP,1608 1 SA
CER09 2007-000074 R-CHIP;100ohm,5%,1/10W,TP,1608 1 SA
CER10 2007-000070 R-CHIP;0ohm,5%,1/10W,TP,1608 1 SA
CER12 2007-000084 R-CHIP;4.7Kohm,5%,1/10W,TP,1608 1 SA
CER14 2007-000084 R-CHIP;4.7Kohm,5%,1/10W,TP,1608 1 SA
CER17 2007-000084 R-CHIP;4.7Kohm,5%,1/10W,TP,1608 1 SA
CER20 2007-000084 R-CHIP;4.7Kohm,5%,1/10W,TP,1608 1 SA
CER21 2007-000084 R-CHIP;4.7Kohm,5%,1/10W,TP,1608 1 SA
CEXT1 2802-001094 RESONATOR-CERAMIC;4MHz,0.5%,TP,8x3x 1 SA
CON2 3722-002730 JACK-MODULAR;6P/4P,USB+LAN,-,ANGLE, 1 SA
D2507 0402-001075 DIODE-RECTIFIER;MBR0520L,20V,0.5A,S 1 SA
E2801 2402-001216 C-AL,SMD;470uF,20%,16V,WT,TP,10.3x1 1 SA
EL1 3301-000353 BEAD-SMD;120ohm,2x1.25x0.9mm,-,TP,- 1 SA
FC1 2203-006048 C-CER,CHIP;100nF,10%,10V,X7R,1005 1 SA
FC12 2203-006048 C-CER,CHIP;100nF,10%,10V,X7R,1005 1 SA
FC2 2203-006048 C-CER,CHIP;100nF,10%,10V,X7R,1005 1 SA
FC5 2203-000257 C-CER,CHIP;10nF,10%,50V,X7R,TP,1608 1 SA
FC6 2203-006048 C-CER,CHIP;100nF,10%,10V,X7R,1005 1 SA
FC7 2203-006048 C-CER,CHIP;100nF,10%,10V,X7R,1005 1 SA
FCN1 3708-000208 CONNECTOR-FPC/FFC/PIC;20P,1.25MM,ST 1 SA
FD1 0401-000133 DIODE-SWITCHING;RLS4148,75V,150mA,L 1 SA
FE1 2401-000118 C-AL;1000uF,20%,10V,GP,TP,10x12.5,5 1 SA
FE3 2402-001086 C-AL,SMD;100UF,20%,16V,WT,TP,6.6X6. 1 SA
FIC1 AK09-00136A IC MICOM;-,MC80F0224Q,44,2.7~5.5,12 1 SNA
FIC2 1203-002755 IC-VOL. DETECTOR;KIA7031AF,(-0.3-15 1 SA
FNAND1 1107-001745 IC-FLASH MEMORY;KFG4GH6U4M-DIB6,4Gb 1 SNA
FR1 2007-000100 R-CHIP;68Kohm,5%,1/10W,TP,1608 1 SA
FR10 2007-000074 R-CHIP;100ohm,5%,1/10W,TP,1608 1 SA
FR11 2007-000033 R-CHIP;0ohm,5%,1/4W,TP,3216 1 SA
FR12 2007-000070 R-CHIP;0ohm,5%,1/10W,TP,1608 1 SA
FR14 2007-000070 R-CHIP;0ohm,5%,1/10W,TP,1608 1 SA
FR2 2007-000074 R-CHIP;100ohm,5%,1/10W,TP,1608 1 SA
FR20 2007-000074 R-CHIP;100ohm,5%,1/10W,TP,1608 1 SA
FR3 2007-000074 R-CHIP;100ohm,5%,1/10W,TP,1608 1 SA
FR30 2007-000070 R-CHIP;0ohm,5%,1/10W,TP,1608 1 SA
FR31 2007-000070 R-CHIP;0ohm,5%,1/10W,TP,1608 1 SA
FR32 2007-000070 R-CHIP;0ohm,5%,1/10W,TP,1608 1 SA
FR33 2007-000070 R-CHIP;0ohm,5%,1/10W,TP,1608 1 SA
FR34 2007-000070 R-CHIP;0ohm,5%,1/10W,TP,1608 1 SA
FR4 2007-000074 R-CHIP;100ohm,5%,1/10W,TP,1608 1 SA
FR5 2007-000074 R-CHIP;100ohm,5%,1/10W,TP,1608 1 SA
FR6 2007-000074 R-CHIP;100ohm,5%,1/10W,TP,1608 1 SA

Loc.No Parts No. Description ; Specification Q'ty S.N.A Remark
Exploded Views and Parts List
5-6 This Document can not be used without Samsung's authorization Samsung Electronics
Loc.No Parts No. Description ; Specification Q'ty S.N.A Remark
FR7 2007-000074 R-CHIP;100ohm,5%,1/10W,TP,1608 1 SA
FR8 2007-000074 R-CHIP;100ohm,5%,1/10W,TP,1608 1 SA
FR9 2007-000070 R-CHIP;0ohm,5%,1/10W,TP,1608 1 SA
FU1 0801-002522 IC-CMOS LOGIC;74VHC541,BUFFER/LINE 1 SA
FU2 0801-002701 IC-CMOS LOGIC;74VHCT125A,BUFFER,TSS 1 SA
FX1 2802-001094 RESONATOR-CERAMIC;4MHz,0.5%,TP,8x3x 1 SA
HC10 2203-006048 C-CER,CHIP;100nF,10%,10V,X7R,1005 1 SA
HC11 2203-005065 C-CER,CHIP;1000nF,+80-20%,10V,Y5V,1 1 SA
HC12 2203-005065 C-CER,CHIP;1000nF,+80-20%,10V,Y5V,1 1 SA
HC13 2203-006048 C-CER,CHIP;100nF,10%,10V,X7R,1005 1 SA
HC14 2203-006048 C-CER,CHIP;100nF,10%,10V,X7R,1005 1 SA
HC15 2203-006048 C-CER,CHIP;100nF,10%,10V,X7R,1005 1 SA
HC16 2203-005065 C-CER,CHIP;1000nF,+80-20%,10V,Y5V,1 1 SA
HC18 2203-006048 C-CER,CHIP;100nF,10%,10V,X7R,1005 1 SA
HC19 2203-006048 C-CER,CHIP;100nF,10%,10V,X7R,1005 1 SA
HC2 2203-006048 C-CER,CHIP;100nF,10%,10V,X7R,1005 1 SA
HC20 2203-006048 C-CER,CHIP;100nF,10%,10V,X7R,1005 1 SA
HC22 2203-006048 C-CER,CHIP;100nF,10%,10V,X7R,1005 1 SA
HC25 2203-005148 C-CER,CHIP;100nF,10%,16V,X7R,TP,160 1 SA
HC3 2203-006048 C-CER,CHIP;100nF,10%,10V,X7R,1005 1 SA
HC4 2203-006048 C-CER,CHIP;100nF,10%,10V,X7R,1005 1 SA
HC5 2203-006048 C-CER,CHIP;100nF,10%,10V,X7R,1005 1 SA
HC7 2203-006048 C-CER,CHIP;100nF,10%,10V,X7R,1005 1 SA
HC8 2203-006048 C-CER,CHIP;100nF,10%,10V,X7R,1005 1 SA
HC9 2203-006048 C-CER,CHIP;100nF,10%,10V,X7R,1005 1 SA
HCN1 3701-001313 CONNECTOR-HDMI;19P,2R,PLUG,ANGLE,AU 1 SA
HD1 1405-001192 VARISTOR;12Vdc,30A,1.6x0.8x0.55mm,T 1 SA
HD10 1405-001192 VARISTOR;12Vdc,30A,1.6x0.8x0.55mm,T 1 SA
HD2 0401-000008 DIODE-SWITCHING;DAN217,80V,100MA,SO 1 SA
HD3 0401-000008 DIODE-SWITCHING;DAN217,80V,100MA,SO 1 SA
HD4 1405-001192 VARISTOR;12Vdc,30A,1.6x0.8x0.55mm,T 1 SA
HD5 1405-001192 VARISTOR;12Vdc,30A,1.6x0.8x0.55mm,T 1 SA
HD6 1405-001192 VARISTOR;12Vdc,30A,1.6x0.8x0.55mm,T 1 SA
HD7 1405-001192 VARISTOR;12Vdc,30A,1.6x0.8x0.55mm,T 1 SA
HD8 1405-001192 VARISTOR;12Vdc,30A,1.6x0.8x0.55mm,T 1 SA
HD9 1405-001192 VARISTOR;12Vdc,30A,1.6x0.8x0.55mm,T 1 SA
HE1 2203-006474 C-CER,CHIP;22000nF,20%,6.3V,X5R,201 1 SA
HE2 2203-006474 C-CER,CHIP;22000nF,20%,6.3V,X5R,201 1 SA
HE3 2203-006474 C-CER,CHIP;22000nF,20%,6.3V,X5R,201 1 SA
HE4 2203-006474 C-CER,CHIP;22000nF,20%,6.3V,X5R,201 1 SA
HE6 2402-000179 C-AL,SMD;47uF,20%,16V,GP,TP,6.6x6.6 1 SA
HIC1 1205-003113 IC-TRANSMITTER;SII9134CTU,TQFP,100P 1 SA
HIC3 0505-001679 FET-SILICON;FDC6301N,N,25V,0.22A,5O 1 SA
HQ1 0501-000341 TR-SMALL SIGNAL;KSC1623-L,NPN,200mW 1 SA
HR1 2007-000070 R-CHIP;0ohm,5%,1/10W,TP,1608 1 SA
HR10 2007-000093 R-CHIP;20Kohm,5%,1/10W,TP,1608 1 SA
HR11 2007-000070 R-CHIP;0ohm,5%,1/10W,TP,1608 1 SA
HR12 2007-000070 R-CHIP;0ohm,5%,1/10W,TP,1608 1 SA
HR13 2007-000070 R-CHIP;0ohm,5%,1/10W,TP,1608 1 SA
HR14 2007-000070 R-CHIP;0ohm,5%,1/10W,TP,1608 1 SA
HR16 2007-000070 R-CHIP;0ohm,5%,1/10W,TP,1608 1 SA
HR18 2007-000070 R-CHIP;0ohm,5%,1/10W,TP,1608 1 SA
HR19 2007-000070 R-CHIP;0ohm,5%,1/10W,TP,1608 1 SA
HR22 2007-000070 R-CHIP;0ohm,5%,1/10W,TP,1608 1 SA
HR25 2007-000090 R-CHIP;10Kohm,5%,1/10W,TP,1608 1 SA
HR3 2007-000074 R-CHIP;100ohm,5%,1/10W,TP,1608 1 SA
HR30 2007-000084 R-CHIP;4.7Kohm,5%,1/10W,TP,1608 1 SA
HR31 2007-000084 R-CHIP;4.7Kohm,5%,1/10W,TP,1608 1 SA
HR33 2007-000962 R-CHIP;5.1Kohm,1%,1/10W,TP,1608 1 SA
HR34 2007-000070 R-CHIP;0ohm,5%,1/10W,TP,1608 1 SA
HR36 2007-000070 R-CHIP;0ohm,5%,1/10W,TP,1608 1 SA
HR4 2007-008107 R-CHIP;698ohm,1%,1/10W,TP,1608 1 SA
HR5 2007-000074 R-CHIP;100ohm,5%,1/10W,TP,1608 1 SA
HR6 2007-000070 R-CHIP;0ohm,5%,1/10W,TP,1608 1 SA
HR60 2007-000140 R-CHIP;1Kohm,5%,1/16W,TP,1005 1 SA
HR61 2007-000124 R-CHIP;2.2Kohm,5%,1/10W,TP,1608 1 SA
HR62 2007-000093 R-CHIP;20Kohm,5%,1/10W,TP,1608 1 SA
HR63 2007-000070 R-CHIP;0ohm,5%,1/10W,TP,1608 1 SA
HR8 2007-000070 R-CHIP;0ohm,5%,1/10W,TP,1608 1 SA
HR9 2007-000070 R-CHIP;0ohm,5%,1/10W,TP,1608 1 SA
HRN3 2011-001261 R-NETWORK;33ohm,5%,1/16W,L,CHIP,8P, 1 SA
HRN4 2011-001261 R-NETWORK;33ohm,5%,1/16W,L,CHIP,8P, 1 SA
HRN5 2011-001261 R-NETWORK;33ohm,5%,1/16W,L,CHIP,8P, 1 SA
HRN6 2011-001261 R-NETWORK;33ohm,5%,1/16W,L,CHIP,8P, 1 SA
HRN7 2011-001261 R-NETWORK;33ohm,5%,1/16W,L,CHIP,8P, 1 SA
HRN8 2011-001261 R-NETWORK;33ohm,5%,1/16W,L,CHIP,8P, 1 SA
IC15 1103-001385 IC-EEPROM;AT24C256,256Kbit,32Kx8,SO 1 SA
IC98 3707-001083 CONNECTOR-OPTICAL;PLUG,SPDIF,-17dB, 1 SA
L2 3301-000353 BEAD-SMD;120ohm,2x1.25x0.9mm,-,TP,- 1 SA
L2801 3301-001202 BEAD-SMD;120ohm,4532,TP,167ohm/260M 1 SA
L2804 3301-001202 BEAD-SMD;120ohm,4532,TP,167ohm/260M 1 SA
L2806 3301-001202 BEAD-SMD;120ohm,4532,TP,167ohm/260M 1 SA
L2809 3301-001202 BEAD-SMD;120ohm,4532,TP,167ohm/260M 1 SA
L2826 3301-001202 BEAD-SMD;120ohm,4532,TP,167ohm/260M 1 SA
L3 3301-000353 BEAD-SMD;120ohm,2x1.25x0.9mm,-,TP,- 1 SA
L6 2007-000029 R-CHIP;0ohm,5%,1/8W,TP,2012 1 SA
L7 2703-001973 INDUCTOR-SMD;2.7uH,10%,1608 1 SA
L8 2703-000402 INDUCTOR-SMD;1uH,20%,3225 1 SA
LCON1 3711-004236 HEADER-BOARD TO CABLE;BOX,6P,1R,2mm 1 SA
MC10 2203-006048 C-CER,CHIP;100nF,10%,10V,X7R,1005 1 SA
MC11 2203-006048 C-CER,CHIP;100nF,10%,10V,X7R,1005 1 SA
MC12 2203-006048 C-CER,CHIP;100nF,10%,10V,X7R,1005 1 SA
MC13 2203-006048 C-CER,CHIP;100nF,10%,10V,X7R,1005 1 SA
MC14 2203-006048 C-CER,CHIP;100nF,10%,10V,X7R,1005 1 SA
MC15 2203-006048 C-CER,CHIP;100nF,10%,10V,X7R,1005 1 SA
MC16 2203-006048 C-CER,CHIP;100nF,10%,10V,X7R,1005 1 SA
MC17 2203-006474 C-CER,CHIP;22000nF,20%,6.3V,X5R,201 1 SA
MC18 2203-006048 C-CER,CHIP;100nF,10%,10V,X7R,1005 1 SA
MC2 2203-006048 C-CER,CHIP;100nF,10%,10V,X7R,1005 1 SA
MC25 2203-006048 C-CER,CHIP;100nF,10%,10V,X7R,1005 1 SA
MC26 2203-006474 C-CER,CHIP;22000nF,20%,6.3V,X5R,201 1 SA
MC27 2203-006048 C-CER,CHIP;100nF,10%,10V,X7R,1005 1 SA
MC28 2203-006474 C-CER,CHIP;22000nF,20%,6.3V,X5R,201 1 SA
MC29 2203-006048 C-CER,CHIP;100nF,10%,10V,X7R,1005 1 SA
MC31 2203-006048 C-CER,CHIP;100nF,10%,10V,X7R,1005 1 SA
MC33 2203-006048 C-CER,CHIP;100nF,10%,10V,X7R,1005 1 SA
MC34 2203-006048 C-CER,CHIP;100nF,10%,10V,X7R,1005 1 SA
MC40 2203-006048 C-CER,CHIP;100nF,10%,10V,X7R,1005 1 SA
MC41 2203-006048 C-CER,CHIP;100nF,10%,10V,X7R,1005 1 SA
MC42 2203-006048 C-CER,CHIP;100nF,10%,10V,X7R,1005 1 SA
MC43 2203-006048 C-CER,CHIP;100nF,10%,10V,X7R,1005 1 SA
MC44 2203-006474 C-CER,CHIP;22000nF,20%,6.3V,X5R,201 1 SA
MC45 2203-006048 C-CER,CHIP;100nF,10%,10V,X7R,1005 1 SA
MC48 2203-006474 C-CER,CHIP;22000nF,20%,6.3V,X5R,201 1 SA
MC53 2203-006048 C-CER,CHIP;100nF,10%,10V,X7R,1005 1 SA
MC55 2203-006474 C-CER,CHIP;22000nF,20%,6.3V,X5R,201 1 SA
MC57 2203-006474 C-CER,CHIP;22000nF,20%,6.3V,X5R,201 1 SA
MC6 2203-006048 C-CER,CHIP;100nF,10%,10V,X7R,1005 1 SA
MC61 2203-006048 C-CER,CHIP;100nF,10%,10V,X7R,1005 1 SA

Exploded Views and Parts List
Samsung Electronics This Document can not be used without Samsung's authorization 5-7
Loc.No Parts No. Description ; Specification Q'ty S.N.A Remark Loc.No Parts No. Description ; Specification Q'ty S.N.A Remark
MC63 2203-006048 C-CER,CHIP;100nF,10%,10V,X7R,1005 1 SA
MC64 2203-006474 C-CER,CHIP;22000nF,20%,6.3V,X5R,201 1 SA
MC65 2203-006474 C-CER,CHIP;22000nF,20%,6.3V,X5R,201 1 SA
MC66 2203-006048 C-CER,CHIP;100nF,10%,10V,X7R,1005 1 SA
MC67 2203-006048 C-CER,CHIP;100nF,10%,10V,X7R,1005 1 SA
MC68 2203-006048 C-CER,CHIP;100nF,10%,10V,X7R,1005 1 SA
MC69 2203-006048 C-CER,CHIP;100nF,10%,10V,X7R,1005 1 SA
MC7 2203-006048 C-CER,CHIP;100nF,10%,10V,X7R,1005 1 SA
MC70 2203-006048 C-CER,CHIP;100nF,10%,10V,X7R,1005 1 SA
MC71 2203-006048 C-CER,CHIP;100nF,10%,10V,X7R,1005 1 SA
MC72 2203-006048 C-CER,CHIP;100nF,10%,10V,X7R,1005 1 SA
MC73 2203-006048 C-CER,CHIP;100nF,10%,10V,X7R,1005 1 SA
MC8 2203-006048 C-CER,CHIP;100nF,10%,10V,X7R,1005 1 SA
MC9 2203-006048 C-CER,CHIP;100nF,10%,10V,X7R,1005 1 SA
MEM1 1105-001864 IC-DDR2 SDRAM;HYB18TC512160B2F-3S,D 1 SA
MEM2 1105-001864 IC-DDR2 SDRAM;HYB18TC512160B2F-3S,D 1 SA
MEM3 1105-001873 IC-DDR2 SDRAM;HYB18TC1G160CF-3S,DDR 1 SA
MEM4 1105-001873 IC-DDR2 SDRAM;HYB18TC1G160CF-3S,DDR 1 SA
MR10 2007-000043 R-CHIP;1Kohm,1%,1/10W,TP,1608 1 SA
MR4 2007-000779 R-CHIP;33ohm,1%,1/10W,TP,1608 1 SA
MR5 2007-000779 R-CHIP;33ohm,1%,1/10W,TP,1608 1 SA
MR7 2007-000729 R-CHIP;300ohm,5%,1/10W,TP,1608 1 SA
MR9 2007-000043 R-CHIP;1Kohm,1%,1/10W,TP,1608 1 SA
NDR10 2007-000123 R-CHIP;1.5Kohm,5%,1/10W,TP,1608 1 SA
PC1 2203-005065 C-CER,CHIP;1000nF,+80-20%,10V,Y5V,1 1 SA
PC10 2203-005148 C-CER,CHIP;100nF,10%,16V,X7R,TP,160 1 SA
PC11 2203-000257 C-CER,CHIP;10nF,10%,50V,X7R,TP,1608 1 SA
PC13 2203-006818 C-CER,CHIP;47000nF,20%,6.3V,X5R,321 1 SA
PC14 2203-000257 C-CER,CHIP;10nF,10%,50V,X7R,TP,1608 1 SA
PC15 2203-002793 C-CER,CHIP;1000nF,+80-20%,25V,Y5V,2 1 SA
PC16 2203-005834 C-CER,CHIP;22000nF,+80-20%,10V,Y5V, 1 SA
PC17 2203-006560 C-CER,CHIP;22000nF,10%,10V,X5R,3225 1 SA
PC18 2203-002711 C-CER,CHIP;100nF,10%,25V,X7R,1608 1 SA
PC19 2203-002711 C-CER,CHIP;100nF,10%,25V,X7R,1608 1 SA
PC2 2203-005148 C-CER,CHIP;100nF,10%,16V,X7R,TP,160 1 SA
PC20 2203-002711 C-CER,CHIP;100nF,10%,25V,X7R,1608 1 SA
PC21 2203-000257 C-CER,CHIP;10nF,10%,50V,X7R,TP,1608 1 SA
PC22 2203-006560 C-CER,CHIP;22000nF,10%,10V,X5R,3225 1 SA
PC23 2203-006560 C-CER,CHIP;22000nF,10%,10V,X5R,3225 1 SA
PC24 2203-005148 C-CER,CHIP;100nF,10%,16V,X7R,TP,160 1 SA
PC25 2203-000236 C-CER,CHIP;0.1nF,5%,50V,C0G,1608 1 SA
PC26 2203-000888 C-CER,CHIP;4.7nF,10%,50V,X7R,1608 1 SA
PC28 2203-006818 C-CER,CHIP;47000nF,20%,6.3V,X5R,321 1 SA
PC29 2203-006818 C-CER,CHIP;47000nF,20%,6.3V,X5R,321 1 SA
PC3 2203-005148 C-CER,CHIP;100nF,10%,16V,X7R,TP,160 1 SA
PC32 2203-001596 C-CER,CHIP;2200nF,+80-20%,50V,Y5V,2 1 SA
PC33 2203-001103 C-CER,CHIP;6.8nF,10%,50V,X7R,1608 1 SA
PC34 2203-005692 C-CER,CHIP;4700nF,+80-20%,16V,Y5V,T 1 SA
PC4 2203-005148 C-CER,CHIP;100nF,10%,16V,X7R,TP,160 1 SA
PC40 2203-006560 C-CER,CHIP;22000nF,10%,10V,X5R,3225 1 SA
PC41 2203-000234 C-CER,CHIP;0.1NF,5%,50V,C0G,TP,1005 1 SA
PC42 2203-005148 C-CER,CHIP;100nF,10%,16V,X7R,TP,160 1 SA
PC44 2203-001596 C-CER,CHIP;2200nF,+80-20%,50V,Y5V,2 1 SA
PC46 2203-001103 C-CER,CHIP;6.8nF,10%,50V,X7R,1608 1 SA
PC47 2203-000236 C-CER,CHIP;0.1nF,5%,50V,C0G,1608 1 SA
PC48 2203-000888 C-CER,CHIP;4.7nF,10%,50V,X7R,1608 1 SA
PC5 2203-005148 C-CER,CHIP;100nF,10%,16V,X7R,TP,160 1 SA
PC51 2203-005148 C-CER,CHIP;100nF,10%,16V,X7R,TP,160 1 SA
PC52 2203-005148 C-CER,CHIP;100nF,10%,16V,X7R,TP,160 1 SA
PC53 2203-005148 C-CER,CHIP;100nF,10%,16V,X7R,TP,160 1 SA
PC54 2203-005148 C-CER,CHIP;100nF,10%,16V,X7R,TP,160 1 SA
PC55 2203-005148 C-CER,CHIP;100nF,10%,16V,X7R,TP,160 1 SA
PC56 2203-005148 C-CER,CHIP;100nF,10%,16V,X7R,TP,160 1 SA
PC57 2203-005148 C-CER,CHIP;100nF,10%,16V,X7R,TP,160 1 SA
PC58 2203-005148 C-CER,CHIP;100nF,10%,16V,X7R,TP,160 1 SA
PC59 2203-005148 C-CER,CHIP;100nF,10%,16V,X7R,TP,160 1 SA
PC6 2203-005692 C-CER,CHIP;4700nF,+80-20%,16V,Y5V,T 1 SA
PC60 2203-002711 C-CER,CHIP;100nF,10%,25V,X7R,1608 1 SA
PC61 2203-002711 C-CER,CHIP;100nF,10%,25V,X7R,1608 1 SA
PC62 2203-006818 C-CER,CHIP;47000nF,20%,6.3V,X5R,321 1 SA
PC63 2203-006818 C-CER,CHIP;47000nF,20%,6.3V,X5R,321 1 SA
PC64 2203-002793 C-CER,CHIP;1000nF,+80-20%,25V,Y5V,2 1 SA
PC65 2203-002711 C-CER,CHIP;100nF,10%,25V,X7R,1608 1 SA
PC68 2203-005148 C-CER,CHIP;100nF,10%,16V,X7R,TP,160 1 SA
PC69 2203-006818 C-CER,CHIP;47000nF,20%,6.3V,X5R,321 1 SA
PC7 2203-005692 C-CER,CHIP;4700nF,+80-20%,16V,Y5V,T 1 SA
PC70 2203-006048 C-CER,CHIP;100nF,10%,10V,X7R,1005 1 SA
PC8 2203-005148 C-CER,CHIP;100nF,10%,16V,X7R,TP,160 1 SA
PC9 2203-005148 C-CER,CHIP;100nF,10%,16V,X7R,TP,160 1 SA
PCN1 3710-001990 CONNECTOR-SOCKET;15P,2R,1.25mm,STRA 1 SA
PD1 0404-001173 DIODE-SCHOTTKY;RB081L-20,20V,5000MA 1 SA
PD2 0401-001099 DIODE-SWITCHING;1N4148WS,75V,150mA, 1 SA
PD3 0404-001036 DIODE-SCHOTTKY;SDB30A40,40V,3000MA, 1 SA
PD4 0404-001036 DIODE-SCHOTTKY;SDB30A40,40V,3000MA, 1 SA
PE1 2402-000210 C-AL,SMD;22uF,20%,35V,WT,TP,6.6x6.6 1 SA
PE10 2402-000209 C-AL,SMD;22uF,20%,16V,WT,TP,5.3x5.3 1 SA
PE11 2402-001276 C-AL,SMD;47uF,20%,35V,-,TP,6.6x6.6x 1 SA
PE12 2402-001216 C-AL,SMD;470uF,20%,16V,WT,TP,10.3x1 1 SA
PE13 2402-001303 C-AL,SMD;220uF,20%,35V,-,TP,8.3X8.3 1 SA
PE14 2402-001303 C-AL,SMD;220uF,20%,35V,-,TP,8.3X8.3 1 SA
PE15 2402-001216 C-AL,SMD;470uF,20%,16V,WT,TP,10.3x1 1 SA
PE17 2402-001086 C-AL,SMD;100UF,20%,16V,WT,TP,6.6X6. 1 SA
PE3 2402-001303 C-AL,SMD;220uF,20%,35V,-,TP,8.3X8.3 1 SA
PE5 2402-001086 C-AL,SMD;100UF,20%,16V,WT,TP,6.6X6. 1 SA
PE8 2402-001216 C-AL,SMD;470uF,20%,16V,WT,TP,10.3x1 1 SA
PE9 2402-001237 C-AL,SMD;330uF,20%,6.3V,-,TP,6.3x7. 1 SA
PIC1 1203-002178 IC-POSI.FIXED REG.;1563,SOP,7P,173M 1 SA
PIC2 1203-004868 IC-SWITCH VOL. REG.;MP2363,SOIC,8P, 1 SA
PIC5 1203-003806 IC-POSI.ADJUST REG.;KIA78R000,DPAK, 1 SA
PIC6 1203-004868 IC-SWITCH VOL. REG.;MP2363,SOIC,8P, 1 SA
PIC7 1203-004693 IC-SWITCH VOL. REG.;MP2380DN,SOIC,8 1 SA
PL10 2703-000398 INDUCTOR-SMD;10uH,10%,3225 1 SA
PL2 2703-003248 INDUCTOR-SMD;8.2uH,20%,7272 1 SA
PL3 2703-003247 INDUCTOR-SMD;4.7uH,20%,9998 1 SA
PL4 2007-000033 R-CHIP;0ohm,5%,1/4W,TP,3216 1 SA
PL9 2703-003248 INDUCTOR-SMD;8.2uH,20%,7272 1 SA
PR1 2007-000066 R-CHIP;20Kohm,1%,1/10W,TP,1608 1 SA
PR19 2007-000052 R-CHIP;10Kohm,1%,1/10W,TP,1608 1 SA
PR20 2007-000539 R-CHIP;200ohm,5%,1/10W,TP,1608 1 SA
PR24 2007-000078 R-CHIP;1Kohm,5%,1/10W,TP,1608 1 SA
PR28 2007-000033 R-CHIP;0ohm,5%,1/4W,TP,3216 1 SA
PR29 2007-000033 R-CHIP;0ohm,5%,1/4W,TP,3216 1 SA
PR3 2007-000805 R-CHIP;36Kohm,5%,1/10W,TP,1608 1 SA
PR30 2007-000052 R-CHIP;10Kohm,1%,1/10W,TP,1608 1 SA
PR31 2007-000683 R-CHIP;3.3Kohm,1%,1/10W,TP,1608 1 SA
PR33 2007-000583 R-CHIP;22Kohm,1%,1/10W,TP,1608 1 SA
PR34 2007-000683 R-CHIP;3.3Kohm,1%,1/10W,TP,1608 1 SA
PR36 2007-000708 R-CHIP;3.9Kohm,1%,1/10W,TP,1608 1 SA

Loc.No Parts No. Description ; Specification Q'ty S.N.A Remark
Exploded Views and Parts List
5-8 This Document can not be used without Samsung's authorization Samsung Electronics
Loc.No Parts No. Description ; Specification Q'ty S.N.A Remark
PR37 2007-000033 R-CHIP;0ohm,5%,1/4W,TP,3216 1 SA
PR7 2007-000052 R-CHIP;10Kohm,1%,1/10W,TP,1608 1 SA
PR8 2007-000078 R-CHIP;1Kohm,5%,1/10W,TP,1608 1 SA
PR9 2007-002987 R-CHIP;4.75Kohm,1%,1/10W,TP,1608 1 SA
R1 2007-000070 R-CHIP;0ohm,5%,1/10W,TP,1608 1 SA
R10 2007-000043 R-CHIP;1Kohm,1%,1/10W,TP,1608 1 SA
R100 2007-000123 R-CHIP;1.5Kohm,5%,1/10W,TP,1608 1 SA
R102 2007-000123 R-CHIP;1.5Kohm,5%,1/10W,TP,1608 1 SA
R104 2007-000123 R-CHIP;1.5Kohm,5%,1/10W,TP,1608 1 SA
R106 2007-000123 R-CHIP;1.5Kohm,5%,1/10W,TP,1608 1 SA
R107 2011-001261 R-NETWORK;33ohm,5%,1/16W,L,CHIP,8P, 1 SA
R108 2011-001261 R-NETWORK;33ohm,5%,1/16W,L,CHIP,8P, 1 SA
R109 2011-001261 R-NETWORK;33ohm,5%,1/16W,L,CHIP,8P, 1 SA
R11 2007-000070 R-CHIP;0ohm,5%,1/10W,TP,1608 1 SA
R110 2011-001261 R-NETWORK;33ohm,5%,1/16W,L,CHIP,8P, 1 SA
R111 2011-001261 R-NETWORK;33ohm,5%,1/16W,L,CHIP,8P, 1 SA
R112 2011-001261 R-NETWORK;33ohm,5%,1/16W,L,CHIP,8P, 1 SA
R113 2011-001261 R-NETWORK;33ohm,5%,1/16W,L,CHIP,8P, 1 SA
R114 2011-001261 R-NETWORK;33ohm,5%,1/16W,L,CHIP,8P, 1 SA
R115 2007-000070 R-CHIP;0ohm,5%,1/10W,TP,1608 1 SA
R116 2007-000070 R-CHIP;0ohm,5%,1/10W,TP,1608 1 SA
R117 2007-000070 R-CHIP;0ohm,5%,1/10W,TP,1608 1 SA
R118 2007-000070 R-CHIP;0ohm,5%,1/10W,TP,1608 1 SA
R119 2007-000116 R-CHIP;120ohm,5%,1/10W,TP,1608 1 SA
R12 2007-000070 R-CHIP;0ohm,5%,1/10W,TP,1608 1 SA
R122 2007-000116 R-CHIP;120ohm,5%,1/10W,TP,1608 1 SA
R13 2007-000070 R-CHIP;0ohm,5%,1/10W,TP,1608 1 SA
R132 2007-000084 R-CHIP;4.7Kohm,5%,1/10W,TP,1608 1 SA
R137 2007-000113 R-CHIP;33ohm,5%,1/10W,TP,1608 1 SA
R138 2007-000113 R-CHIP;33ohm,5%,1/10W,TP,1608 1 SA
R14 2007-000070 R-CHIP;0ohm,5%,1/10W,TP,1608 1 SA
R143 2007-000113 R-CHIP;33ohm,5%,1/10W,TP,1608 1 SA
R144 2007-000113 R-CHIP;33ohm,5%,1/10W,TP,1608 1 SA
R145 2007-000113 R-CHIP;33ohm,5%,1/10W,TP,1608 1 SA
R146 2007-000084 R-CHIP;4.7Kohm,5%,1/10W,TP,1608 1 SA
R15 2007-000084 R-CHIP;4.7Kohm,5%,1/10W,TP,1608 1 SA
R150 2007-000113 R-CHIP;33ohm,5%,1/10W,TP,1608 1 SA
R151 2007-000123 R-CHIP;1.5Kohm,5%,1/10W,TP,1608 1 SA
R152 2007-000123 R-CHIP;1.5Kohm,5%,1/10W,TP,1608 1 SA
R153 2007-000084 R-CHIP;4.7Kohm,5%,1/10W,TP,1608 1 SA
R154 2007-000084 R-CHIP;4.7Kohm,5%,1/10W,TP,1608 1 SA
R155 2007-000084 R-CHIP;4.7Kohm,5%,1/10W,TP,1608 1 SA
R156 2007-000116 R-CHIP;120ohm,5%,1/10W,TP,1608 1 SA
R157 2007-000116 R-CHIP;120ohm,5%,1/10W,TP,1608 1 SA
R16 2007-000070 R-CHIP;0ohm,5%,1/10W,TP,1608 1 SA
R17 2007-000084 R-CHIP;4.7Kohm,5%,1/10W,TP,1608 1 SA
R18 2007-000113 R-CHIP;33ohm,5%,1/10W,TP,1608 1 SA
R181 2007-000084 R-CHIP;4.7Kohm,5%,1/10W,TP,1608 1 SA
R182 2007-000102 R-CHIP;100Kohm,5%,1/10W,TP,1608 1 SA
R183 2007-000074 R-CHIP;100ohm,5%,1/10W,TP,1608 1 SA
R184 2007-000074 R-CHIP;100ohm,5%,1/10W,TP,1608 1 SA
R185 2007-000090 R-CHIP;10Kohm,5%,1/10W,TP,1608 1 SA
R186 2007-000090 R-CHIP;10Kohm,5%,1/10W,TP,1608 1 SA
R187 2007-000090 R-CHIP;10Kohm,5%,1/10W,TP,1608 1 SA
R188 2007-000090 R-CHIP;10Kohm,5%,1/10W,TP,1608 1 SA
R189 2007-000090 R-CHIP;10Kohm,5%,1/10W,TP,1608 1 SA
R19 2007-000084 R-CHIP;4.7Kohm,5%,1/10W,TP,1608 1 SA
R190 2007-000090 R-CHIP;10Kohm,5%,1/10W,TP,1608 1 SA
R191 2007-000090 R-CHIP;10Kohm,5%,1/10W,TP,1608 1 SA
R192 2007-000090 R-CHIP;10Kohm,5%,1/10W,TP,1608 1 SA
R197 2007-000090 R-CHIP;10Kohm,5%,1/10W,TP,1608 1 SA
R198 2007-000090 R-CHIP;10Kohm,5%,1/10W,TP,1608 1 SA
R2 2007-000779 R-CHIP;33ohm,1%,1/10W,TP,1608 1 SA
R20 2007-000070 R-CHIP;0ohm,5%,1/10W,TP,1608 1 SA
R21 2007-000033 R-CHIP;0ohm,5%,1/4W,TP,3216 1 SA
R214 2007-000123 R-CHIP;1.5Kohm,5%,1/10W,TP,1608 1 SA
R215 2007-000123 R-CHIP;1.5Kohm,5%,1/10W,TP,1608 1 SA
R216 2007-000123 R-CHIP;1.5Kohm,5%,1/10W,TP,1608 1 SA
R217 2007-000123 R-CHIP;1.5Kohm,5%,1/10W,TP,1608 1 SA
R227 2007-000086 R-CHIP;5.6Kohm,5%,1/10W,TP,1608 1 SA
R230 2007-000115 R-CHIP;82ohm,5%,1/10W,TP,1608 1 SA
R232 2007-000115 R-CHIP;82ohm,5%,1/10W,TP,1608 1 SA
R24 2007-000078 R-CHIP;1Kohm,5%,1/10W,TP,1608 1 SA
R241 2007-000084 R-CHIP;4.7Kohm,5%,1/10W,TP,1608 1 SA
R242 2007-000084 R-CHIP;4.7Kohm,5%,1/10W,TP,1608 1 SA
R243 2007-000090 R-CHIP;10Kohm,5%,1/10W,TP,1608 1 SA
R244 2007-000115 R-CHIP;82ohm,5%,1/10W,TP,1608 1 SA
R245 2007-000090 R-CHIP;10Kohm,5%,1/10W,TP,1608 1 SA
R25 2007-000084 R-CHIP;4.7Kohm,5%,1/10W,TP,1608 1 SA
R26 2007-000113 R-CHIP;33ohm,5%,1/10W,TP,1608 1 SA
R27 2007-000591 R-CHIP;22ohm,1%,1/10W,TP,1608 1 SA
R28 2007-000078 R-CHIP;1Kohm,5%,1/10W,TP,1608 1 SA
R3 2007-000070 R-CHIP;0ohm,5%,1/10W,TP,1608 1 SA
R300 2007-000729 R-CHIP;300ohm,5%,1/10W,TP,1608 1 SA
R301 2007-000070 R-CHIP;0ohm,5%,1/10W,TP,1608 1 SA
R304 2007-007226 R-CHIP;49.9ohm,1%,1/10W,TP,1608 1 SA
R305 2007-007226 R-CHIP;49.9ohm,1%,1/10W,TP,1608 1 SA
R306 2007-007226 R-CHIP;49.9ohm,1%,1/10W,TP,1608 1 SA
R307 2007-007226 R-CHIP;49.9ohm,1%,1/10W,TP,1608 1 SA
R308 2007-000539 R-CHIP;200ohm,5%,1/10W,TP,1608 1 SA
R309 2007-007441 R-CHIP;562ohm,1%,1/10W,TP,1608 1 SA
R312 2007-000070 R-CHIP;0ohm,5%,1/10W,TP,1608 1 SA
R316 2007-000070 R-CHIP;0ohm,5%,1/10W,TP,1608 1 SA
R317 2007-000070 R-CHIP;0ohm,5%,1/10W,TP,1608 1 SA
R318 2007-000070 R-CHIP;0ohm,5%,1/10W,TP,1608 1 SA
R320 2007-000070 R-CHIP;0ohm,5%,1/10W,TP,1608 1 SA
R323 2007-000070 R-CHIP;0ohm,5%,1/10W,TP,1608 1 SA
R324 2007-000070 R-CHIP;0ohm,5%,1/10W,TP,1608 1 SA
R326 2007-000070 R-CHIP;0ohm,5%,1/10W,TP,1608 1 SA
R33 2007-000084 R-CHIP;4.7Kohm,5%,1/10W,TP,1608 1 SA
R330 2007-000070 R-CHIP;0ohm,5%,1/10W,TP,1608 1 SA
R34 2007-000084 R-CHIP;4.7Kohm,5%,1/10W,TP,1608 1 SA
R341 2007-000070 R-CHIP;0ohm,5%,1/10W,TP,1608 1 SA
R343 2007-000591 R-CHIP;22ohm,1%,1/10W,TP,1608 1 SA
R344 2007-000729 R-CHIP;300ohm,5%,1/10W,TP,1608 1 SA
R345 2007-000070 R-CHIP;0ohm,5%,1/10W,TP,1608 1 SA
R346 2007-000729 R-CHIP;300ohm,5%,1/10W,TP,1608 1 SA
R348 2007-000502 R-CHIP;2.2ohm,5%,1/8W,TP,2012 1 SA
R35 2007-000033 R-CHIP;0ohm,5%,1/4W,TP,3216 1 SA
R351 2007-000070 R-CHIP;0ohm,5%,1/10W,TP,1608 1 SA
R36 2007-000084 R-CHIP;4.7Kohm,5%,1/10W,TP,1608 1 SA
R362 2007-000070 R-CHIP;0ohm,5%,1/10W,TP,1608 1 SA
R364 2007-000070 R-CHIP;0ohm,5%,1/10W,TP,1608 1 SA
R366 2007-000123 R-CHIP;1.5Kohm,5%,1/10W,TP,1608 1 SA
R37 2007-000084 R-CHIP;4.7Kohm,5%,1/10W,TP,1608 1 SA
R38 2007-000070 R-CHIP;0ohm,5%,1/10W,TP,1608 1 SA
R391 2007-000084 R-CHIP;4.7Kohm,5%,1/10W,TP,1608 1 SA
R396 2007-000123 R-CHIP;1.5Kohm,5%,1/10W,TP,1608 1 SA

Exploded Views and Parts List
Samsung Electronics This Document can not be used without Samsung's authorization 5-9
Loc.No Parts No. Description ; Specification Q'ty S.N.A Remark Loc.No Parts No. Description ; Specification Q'ty S.N.A Remark
R397 2007-000070 R-CHIP;0ohm,5%,1/10W,TP,1608 1 SA
R398 2007-000070 R-CHIP;0ohm,5%,1/10W,TP,1608 1 SA
R399 2007-000070 R-CHIP;0ohm,5%,1/10W,TP,1608 1 SA
R4 2007-000070 R-CHIP;0ohm,5%,1/10W,TP,1608 1 SA
R40 2007-000070 R-CHIP;0ohm,5%,1/10W,TP,1608 1 SA
R400 2007-000123 R-CHIP;1.5Kohm,5%,1/10W,TP,1608 1 SA
R402 2007-000123 R-CHIP;1.5Kohm,5%,1/10W,TP,1608 1 SA
R404 2007-000123 R-CHIP;1.5Kohm,5%,1/10W,TP,1608 1 SA
R406 2007-000084 R-CHIP;4.7Kohm,5%,1/10W,TP,1608 1 SA
R409 2007-000084 R-CHIP;4.7Kohm,5%,1/10W,TP,1608 1 SA
R413 2007-000084 R-CHIP;4.7Kohm,5%,1/10W,TP,1608 1 SA
R418 2007-000070 R-CHIP;0ohm,5%,1/10W,TP,1608 1 SA
R422 2007-000084 R-CHIP;4.7Kohm,5%,1/10W,TP,1608 1 SA
R427 2007-000123 R-CHIP;1.5Kohm,5%,1/10W,TP,1608 1 SA
R435 2007-000123 R-CHIP;1.5Kohm,5%,1/10W,TP,1608 1 SA
R439 2007-000123 R-CHIP;1.5Kohm,5%,1/10W,TP,1608 1 SA
R441 2007-001042 R-CHIP;56ohm,1%,1/10W,TP,1608 1 SA
R442 2007-000123 R-CHIP;1.5Kohm,5%,1/10W,TP,1608 1 SA
R453 2007-000070 R-CHIP;0ohm,5%,1/10W,TP,1608 1 SA
R5 2007-000070 R-CHIP;0ohm,5%,1/10W,TP,1608 1 SA
R501 2007-000090 R-CHIP;10Kohm,5%,1/10W,TP,1608 1 SA
R502 2007-000090 R-CHIP;10Kohm,5%,1/10W,TP,1608 1 SA
R503 2007-000074 R-CHIP;100ohm,5%,1/10W,TP,1608 1 SA
R504 2007-000033 R-CHIP;0ohm,5%,1/4W,TP,3216 1 SA
R505 2007-000084 R-CHIP;4.7Kohm,5%,1/10W,TP,1608 1 SA
R52 2007-000123 R-CHIP;1.5Kohm,5%,1/10W,TP,1608 1 SA
R56 2007-000070 R-CHIP;0ohm,5%,1/10W,TP,1608 1 SA
R57 2007-000123 R-CHIP;1.5Kohm,5%,1/10W,TP,1608 1 SA
R6 2007-000070 R-CHIP;0ohm,5%,1/10W,TP,1608 1 SA
R60 2007-000075 R-CHIP;220ohm,5%,1/10W,TP,1608 1 SA
R61 2007-000075 R-CHIP;220ohm,5%,1/10W,TP,1608 1 SA
R62 2007-000033 R-CHIP;0ohm,5%,1/4W,TP,3216 1 SA
R63 2007-000033 R-CHIP;0ohm,5%,1/4W,TP,3216 1 SA
R7 2007-000779 R-CHIP;33ohm,1%,1/10W,TP,1608 1 SA
R71 2007-000084 R-CHIP;4.7Kohm,5%,1/10W,TP,1608 1 SA
R72 2007-000070 R-CHIP;0ohm,5%,1/10W,TP,1608 1 SA
R74 2007-000070 R-CHIP;0ohm,5%,1/10W,TP,1608 1 SA
R75 2007-000070 R-CHIP;0ohm,5%,1/10W,TP,1608 1 SA
R79 2007-000123 R-CHIP;1.5Kohm,5%,1/10W,TP,1608 1 SA
R8 2007-000070 R-CHIP;0ohm,5%,1/10W,TP,1608 1 SA
R82 2007-000123 R-CHIP;1.5Kohm,5%,1/10W,TP,1608 1 SA
R84 2007-000123 R-CHIP;1.5Kohm,5%,1/10W,TP,1608 1 SA
R88 2007-000123 R-CHIP;1.5Kohm,5%,1/10W,TP,1608 1 SA
R9 2007-007441 R-CHIP;562ohm,1%,1/10W,TP,1608 1 SA
R910 2007-000643 R-CHIP;270ohm,5%,1/10W,TP,1608 1 SA
R918 2007-000070 R-CHIP;0ohm,5%,1/10W,TP,1608 1 SA
R919 2007-000070 R-CHIP;0ohm,5%,1/10W,TP,1608 1 SA
R92 2007-000123 R-CHIP;1.5Kohm,5%,1/10W,TP,1608 1 SA
R920 2007-000070 R-CHIP;0ohm,5%,1/10W,TP,1608 1 SA
R921 2007-000113 R-CHIP;33ohm,5%,1/10W,TP,1608 1 SA
R923 2007-000074 R-CHIP;100ohm,5%,1/10W,TP,1608 1 SA
R924 2007-000029 R-CHIP;0ohm,5%,1/8W,TP,2012 1 SA
R925 2007-000070 R-CHIP;0ohm,5%,1/10W,TP,1608 1 SA
R930 2007-000113 R-CHIP;33ohm,5%,1/10W,TP,1608 1 SA
R931 2007-000113 R-CHIP;33ohm,5%,1/10W,TP,1608 1 SA
R96 2007-000123 R-CHIP;1.5Kohm,5%,1/10W,TP,1608 1 SA
R98 2007-000123 R-CHIP;1.5Kohm,5%,1/10W,TP,1608 1 SA
scon1 3711-006512 CONNECTOR-HEADER;1WALL,7P,1R,1.27mm 1 SA
U1 1204-002900 IC-VIDEO DECODER;BCM7440PYKFEBG,FCB 1 SA
UC10 2203-000384 C-CER,CHIP;0.015nF,5%,50V,C0G,1608 1 SA
UC27 2203-006048 C-CER,CHIP;100nF,10%,10V,X7R,1005 1 SA
UC28 2203-005148 C-CER,CHIP;100nF,10%,16V,X7R,TP,160 1 SA
UL28 2007-000070 R-CHIP;0ohm,5%,1/10W,TP,1608 1 SA
UL29 2007-000070 R-CHIP;0ohm,5%,1/10W,TP,1608 1 SA
UL33 2007-000070 R-CHIP;0ohm,5%,1/10W,TP,1608 1 SA
UR1 2007-000090 R-CHIP;10Kohm,5%,1/10W,TP,1608 1 SA
UR10 2007-000070 R-CHIP;0ohm,5%,1/10W,TP,1608 1 SA
UR11 2007-000070 R-CHIP;0ohm,5%,1/10W,TP,1608 1 SA
UR12 2007-000070 R-CHIP;0ohm,5%,1/10W,TP,1608 1 SA
UR13 2007-000070 R-CHIP;0ohm,5%,1/10W,TP,1608 1 SA
UR14 2007-000070 R-CHIP;0ohm,5%,1/10W,TP,1608 1 SA
UR15 2007-000090 R-CHIP;10Kohm,5%,1/10W,TP,1608 1 SA
UR16 2007-000070 R-CHIP;0ohm,5%,1/10W,TP,1608 1 SA
UR17 2007-000029 R-CHIP;0ohm,5%,1/8W,TP,2012 1 SA
UR18 2007-000070 R-CHIP;0ohm,5%,1/10W,TP,1608 1 SA
UR19 2007-000092 R-CHIP;15Kohm,5%,1/10W,TP,1608 1 SA
UR2 2007-000090 R-CHIP;10Kohm,5%,1/10W,TP,1608 1 SA
UR20 2007-000092 R-CHIP;15Kohm,5%,1/10W,TP,1608 1 SA
UR22 2007-000090 R-CHIP;10Kohm,5%,1/10W,TP,1608 1 SA
UR3 2007-000090 R-CHIP;10Kohm,5%,1/10W,TP,1608 1 SA
UR4 2007-000090 R-CHIP;10Kohm,5%,1/10W,TP,1608 1 SA
UR5 2007-000090 R-CHIP;10Kohm,5%,1/10W,TP,1608 1 SA
UR6 2007-000070 R-CHIP;0ohm,5%,1/10W,TP,1608 1 SA
UR7 2007-000070 R-CHIP;0ohm,5%,1/10W,TP,1608 1 SA
UR8 2007-000070 R-CHIP;0ohm,5%,1/10W,TP,1608 1 SA
UR9 2007-000070 R-CHIP;0ohm,5%,1/10W,TP,1608 1 SA
VC1 2203-000476 C-CER,CHIP;1000nF,+80-20%,16V,Y5V,2 1 SA
VC10 2203-006048 C-CER,CHIP;100nF,10%,10V,X7R,1005 1 SA
VC16 2203-006048 C-CER,CHIP;100nF,10%,10V,X7R,1005 1 SA
VC17 2203-005148 C-CER,CHIP;100nF,10%,16V,X7R,TP,160 1 SA
VC2 2203-000476 C-CER,CHIP;1000nF,+80-20%,16V,Y5V,2 1 SA
VC3 2203-000476 C-CER,CHIP;1000nF,+80-20%,16V,Y5V,2 1 SA
VC4 2203-000476 C-CER,CHIP;1000nF,+80-20%,16V,Y5V,2 1 SA
VC5 2203-000476 C-CER,CHIP;1000nF,+80-20%,16V,Y5V,2 1 SA
VC6 2203-000476 C-CER,CHIP;1000nF,+80-20%,16V,Y5V,2 1 SA
VD2 0403-001412 DIODE-ZENER;-,5.93-6.47V,200MW,SOT- 1 SA
VD4 0403-001412 DIODE-ZENER;-,5.93-6.47V,200MW,SOT- 1 SA
VD5 0403-001412 DIODE-ZENER;-,5.93-6.47V,200MW,SOT- 1 SA
VD6 0403-001412 DIODE-ZENER;-,5.93-6.47V,200MW,SOT- 1 SA
VE10 2402-001237 C-AL,SMD;330uF,20%,6.3V,-,TP,6.3x7. 1 SA
VE11 2402-000179 C-AL,SMD;47uF,20%,16V,GP,TP,6.6x6.6 1 SA
VE13 2402-001237 C-AL,SMD;330uF,20%,6.3V,-,TP,6.3x7. 1 SA
VE14 2402-001237 C-AL,SMD;330uF,20%,6.3V,-,TP,6.3x7. 1 SA
VE15 2402-001237 C-AL,SMD;330uF,20%,6.3V,-,TP,6.3x7. 1 SA
VE5 2402-001237 C-AL,SMD;330uF,20%,6.3V,-,TP,6.3x7. 1 SA
VE8 2402-000209 C-AL,SMD;22uF,20%,16V,WT,TP,5.3x5.3 1 SA
VE9 2402-001276 C-AL,SMD;47uF,20%,35V,-,TP,6.6x6.6x 1 SA
VIC1 1201-002707 IC-VIDEO AMP;MM1757CHBE,HSOP-36A,36 1 SA
VL2 2703-000166 INDUCTOR-SMD;2.7uH,5%,3225 1 SA
VR12 2007-001164 R-CHIP;75ohm,1%,1/10W,TP,1608 1 SA
VR13 2007-001164 R-CHIP;75ohm,1%,1/10W,TP,1608 1 SA
VR14 2007-001164 R-CHIP;75ohm,1%,1/10W,TP,1608 1 SA
VR16 2007-001164 R-CHIP;75ohm,1%,1/10W,TP,1608 1 SA
VR17 2007-001164 R-CHIP;75ohm,1%,1/10W,TP,1608 1 SA
VR18 2007-001164 R-CHIP;75ohm,1%,1/10W,TP,1608 1 SA
VR19 2007-001164 R-CHIP;75ohm,1%,1/10W,TP,1608 1 SA
VR20 2007-001164 R-CHIP;75ohm,1%,1/10W,TP,1608 1 SA
VR21 2007-001164 R-CHIP;75ohm,1%,1/10W,TP,1608 1 SA
VR22 2007-001164 R-CHIP;75ohm,1%,1/10W,TP,1608 1 SA

Loc.No Parts No. Description ; Specification Q'ty S.N.A Remark
Exploded Views and Parts List
5-10 This Document can not be used without Samsung's authorization Samsung Electronics
Loc.No Parts No. Description ; Specification Q'ty S.N.A Remark
VR23 2007-001164 R-CHIP;75ohm,1%,1/10W,TP,1608 1 SA
VR24 2007-000070 R-CHIP;0ohm,5%,1/10W,TP,1608 1 SA
VR3 2007-001164 R-CHIP;75ohm,1%,1/10W,TP,1608 1 SA
VR4 2007-000029 R-CHIP;0ohm,5%,1/8W,TP,2012 1 SA
VR9 2007-000070 R-CHIP;0ohm,5%,1/10W,TP,1608 1 SA
X1 2801-004655 CRYSTAL-SMD;25MHz,50ppm,SX-3,18pF,2 1 SA
Y1 2801-004382 CRYSTAL-UNIT;54MHz,10ppm,HC-49/U,18 1 SA
P003 AK92-01655A ASSY PCB-SMPS;BD-P1500/XAA,ASSY PCB 1 SA
BD1 0402-001608 DIODE-BRIDGE;GBJ2J,600V,2A,SIP-4,BK 1 SA
C1P101 2401-003028 C-AL;100uF,20%,25V,WT,TP,6.3x11,5 1 SA
C1P102 2401-001583 C-AL;47uF,20%,50V,WT,TP,6.3x11,5 1 SC
C1P103 2401-003480 C-AL;1000UF,20%,10V,LZ,TP,10X16MM,5 1 SA
C1P104 2401-003549 C-AL;470uF,20%,25V,LZ,TP,10x16,5 1 SA
C1S01 2201-002044 C-CERAMIC,DISC;0.1NF,10%,400V,Y5P,T 1 SA
C1S02 2201-002044 C-CERAMIC,DISC;0.1NF,10%,400V,Y5P,T 1 SA
C1S03 2301-001792 C-FILM,LEAD;150nF,20%,275V,BK,17.5x 1 SA
C1S04 2301-001792 C-FILM,LEAD;150nF,20%,275V,BK,17.5x 1 SA
C1S05 2401-003365 C-AL;150uF,20%,200V,GP,TP,18x25,7.5 1 SA
C1S06 2201-000987 C-CERAMIC,DISC;2.2NF,20%,400V,Y5U,B 1 SA
C1S10 2305-001029 C-FILM,LEAD-PEF;10nF,10%,630V,TP,12 1 SA
C1S11 2201-000129 C-CERAMIC,DISC;0.1nF,10%,1000V,Y5P, 1 SA
C1S12 2201-000129 C-CERAMIC,DISC;0.1nF,10%,1000V,Y5P, 1 SA
C1S13 2401-001583 C-AL;47uF,20%,50V,WT,TP,6.3x11,5 1 SC
C1S15 2201-000863 C-CERAMIC,DISC;0.68NF,10%,50V,Y5P,T 1 SA
C1S16 2201-002065 C-CERAMIC,DISC;47pF,10%,1KV,SL,TP,6 1 SA
C1S17 2301-001679 C-FILM,PEF;2.2nF,5%,50V,TP,5.8x3x7m 1 SA
C1S30 2401-002162 C-AL;1000uF,20%,25V,WT,TP,10x20,5mm 1 SA
C1S32 2401-001583 C-AL;47uF,20%,50V,WT,TP,6.3x11,5 1 SC
C1S33 2401-003549 C-AL;470uF,20%,25V,LZ,TP,10x16,5 1 SA
C1S34 2301-000383 C-FILM,LEAD-PEF;10nF,5%,50V,TP,6x7x 1 SA
C1S35 2401-003549 C-AL;470uF,20%,25V,LZ,TP,10x16,5 1 SA
C1S36 2401-003390 C-AL;2200uF,20%,16V,LZ,TP,13x31.5,5 1 SA
C1S37 2401-003480 C-AL;1000UF,20%,10V,LZ,TP,10X16MM,5 1 SA
C1S38 2307-000103 C-FILM,LEAD-PCF;100nF,5%,50V,TP,-,5 1 SA
C1S39 2307-000103 C-FILM,LEAD-PCF;100nF,5%,50V,TP,-,5 1 SA
C1S40 2307-000103 C-FILM,LEAD-PCF;100nF,5%,50V,TP,-,5 1 SA
CN1 3711-005438 HEADER-BOARD TO BOARD;NOWALL,15P,-, 1 SA
CN1S01 3711-000203 HEADER-BOARD TO CABLE;1WALL,2P/3P,1 1 SA
D1P101 0401-000005 DIODE-SWITCHING;1N4148,75V,150mA,DO 1 SA
D1P102 0401-000005 DIODE-SWITCHING;1N4148,75V,150mA,DO 1 SA
D1S10 0402-000012 DIODE-RECTIFIER;UF4007,1KV,1A,DO-41 1 SA
D1S11 0401-000005 DIODE-SWITCHING;1N4148,75V,150mA,DO 1 SA
D1S12 0402-000351 DIODE-RECTIFIER;1N4937,600V,1A,DO-4 1 SA
D1S13 0402-000351 DIODE-RECTIFIER;1N4937,600V,1A,DO-4 1 SA
D1S30 0402-001624 DIODE-RECTIFIER;SF26,400V,2A,DO-15, 1 SA
D1S31 0402-001624 DIODE-RECTIFIER;SF26,400V,2A,DO-15, 1 SA
D1S32 0402-000351 DIODE-RECTIFIER;1N4937,600V,1A,DO-4 1 SA
D1S33 0402-000351 DIODE-RECTIFIER;1N4937,600V,1A,DO-4 1 SA
D1S34 0402-001624 DIODE-RECTIFIER;SF26,400V,2A,DO-15, 1 SA
D1S35 0402-001600 DIODE-RECTIFIER;MBRF20100CT,100V,20 1 SA
D1S36 0401-000005 DIODE-SWITCHING;1N4148,75V,150mA,DO 1 SA
F1S01 3601-000216 FUSE-CARTRIDGE;250V,2.5A,TIME-LAG,G 1 SA
IC1P10 AC14-12006N IC-VOLT REGU;KA78R12,SIP,STICK 1 SA
IC1S02 0604-001028 PHOTO-COUPLER;TR,50-600%,250mW,DIP- 1 SC
IC1S03 AC14-12006D IC;KA431Z,TO-92,TAPING 1 SA
IC1S10 1203-004788 IC-PWM CONTROLLER;ICE2QS01,DIP,8P,9 1 SA
L1S01 AK29-00002A FILTER EMI;RECORDER,SQ2222,0.42Ohm 1 SA
L1S02 AK29-00002A FILTER EMI;RECORDER,SQ2222,0.42Ohm 1 SA
L1S10 AC27-92001M COIL-INDUCTOR;RH3.5X6.5RS,BEAD(RADI 1 SC
L1S30 AH27-00039A COIL CHOKE;DR CHOKE(8*6),DVD-R2000, 1 SA
PT01 AK26-00029B TRANS SWITCHING;ER3534S,BD-P1500,-, 1 SA
Q1P101 0501-000362 TR-SMALL SIGNAL;KSC2328A-Y,NPN,1000 1 SA
Q1P102 0504-000142 TR-DIGITAL;FJN4301R,PNP,300MW,4.7K/ 1 SA
Q1P103 0504-000116 TR-DIGITAL;KSR1001,NPN,300MW,4.7K/4 1 SA
Q1P104 0505-001522 FET-SILICON;FQP33N10,N,100V,33A,52m 1 SA
Q1P105 0505-002302 FET-SILICON;AP9575GP,P,-60V,-16A,0. 1 SA
Q1P106 0504-000116 TR-DIGITAL;KSR1001,NPN,300MW,4.7K/4 1 SA
Q1P107 0501-000362 TR-SMALL SIGNAL;KSC2328A-Y,NPN,1000 1 SA
Q1P108 0504-000142 TR-DIGITAL;FJN4301R,PNP,300MW,4.7K/ 1 SA
Q1S10 0505-001729 FET-SILICON;SPA04N60C3,N,600V,4.5A, 1 SA
R1P102 2001-000290 R-CARBON;10Kohm,5%,1/8W,AA,TP,1.8x3 1 SA
R1P103 2001-000449 R-CARBON;2.2Kohm,5%,1/8W,AA,TP,1.8x 1 SA
R1P104 2001-000429 R-CARBON;1Kohm,5%,1/8W,AA,TP,1.8x3. 1 SA
R1P105 2001-000429 R-CARBON;1Kohm,5%,1/8W,AA,TP,1.8x3. 1 SA
R1P106 2001-000429 R-CARBON;1Kohm,5%,1/8W,AA,TP,1.8x3. 1 SA
R1P107 2003-000669 R-METAL OXIDE(S);390ohm,5%,1W,AA,TP 1 SA
R1P108 2001-000429 R-CARBON;1Kohm,5%,1/8W,AA,TP,1.8x3. 1 SA
R1P110 2001-000522 R-CARBON;22Kohm,5%,1/8W,AA,TP,1.8x3 1 SA
R1P111 2001-000449 R-CARBON;2.2Kohm,5%,1/8W,AA,TP,1.8x 1 SA
R1P112 2001-000038 R-CARBON;390ohm,5%,1/4W,AA,TP,2.4x6 1 SA
R1S01 2002-000121 R-COMPOSITION;1Mohm,10%,1/2W,AA,TP, 1 SA
R1S02 1404-001361 THERMISTOR-NTC;3ohm,4A,-,35mW/C,0uF 1 SA
R1S10 2006-000273 R-CEMENT;27Kohm,5%,2W,CA,BK,6.4x6.5 1 SA
R1S11 2006-000273 R-CEMENT;27Kohm,5%,2W,CA,BK,6.4x6.5 1 SA
R1S12 2001-000449 R-CARBON;2.2Kohm,5%,1/8W,AA,TP,1.8x 1 SA
R1S13 2001-000302 R-CARBON;10ohm,5%,1/8W,AA,TP,1.8x3. 1 SA
R1S14 2001-000281 R-CARBON;100ohm,5%,1/8W,AA,TP,1.8x3 1 SA
R1S15 2001-000527 R-CARBON;22ohm,5%,1/8W,AA,TP,1.8x3. 1 SA
R1S16 2003-000105 R-METAL OXIDE;0.33ohm,5%,2W,AD,TP,6 1 SA
R1S17 2001-000793 R-CARBON;47ohm,5%,1/8W,AA,TP,1.8x3. 1 SA
R1S18 2001-000591 R-CARBON;3.3Kohm,5%,1/8W,AA,TP,1.8x 1 SA
R1S19 2001-000786 R-CARBON;47Kohm,5%,1/8W,AA,TP,1.8x3 1 SA
R1S20 2001-000527 R-CARBON;22ohm,5%,1/8W,AA,TP,1.8x3. 1 SA
R1S32 2001-000440 R-CARBON;1ohm,5%,1/8W,AA,TP,1.8x3.2 1 SA
R1S34 2001-001138 R-CARBON(S);390ohm,5%,1/2W,AA,TP,2. 1 SA
R1S35 2001-000429 R-CARBON;1Kohm,5%,1/8W,AA,TP,1.8x3. 1 SA
R1S36 2001-000924 R-CARBON;680ohm,5%,1/8W,AA,TP,1.8x3 1 SA
R1S37 2001-000924 R-CARBON;680ohm,5%,1/8W,AA,TP,1.8x3 1 SA
R1S38 2004-000869 R-METAL;3Kohm,1%,1/8W,AA,TP,1.8x3.2 1 SA
R1S39 2004-000869 R-METAL;3Kohm,1%,1/8W,AA,TP,1.8x3.2 1 SA
R1S40 2001-000003 R-CARBON;330ohm,5%,1/8W,AA,TP,1.8x3 1 SA
R1S41 2001-000290 R-CARBON;10Kohm,5%,1/8W,AA,TP,1.8x3 1 SA
R1S42 2001-000070 R-CARBON;15Kohm,5%,1/4W,AA,TP,2.4x6 1 SA
VA1S01 1405-000186 VARISTOR;470V,2500A,17.5x7.5mm,TP 1 SA
VA1S02 1405-001026 VARISTOR;470V,600A,9x7mm,TP 1 SA
W004 6003-000283 SCREW-TAPTITE;BH,+,-,B,M3,L8,ZPC(WH 2 SA
ZD1P10 0403-000355 DIODE-ZENER;UZ5.1BSB,5-5.2V,500MW,D 1 SA
ZD1P10 0403-000753 DIODE-ZENER;MTZJ27D,26.2-27.6V,500m 1 SA
ZD1S10 0403-001158 DIODE-ZENER;MTZJ18C,17.42-18.33V,50 1 SA
ZD1S31 0403-000753 DIODE-ZENER;MTZJ27D,26.2-27.6V,500m 1 SA
ZD1S32 0403-000753 DIODE-ZENER;MTZJ27D,26.2-27.6V,500m 1 SA
P007F AK92-01650A ASSY PCB-FRONT KEY;BD-P1500/XAA,ASS 1 SA

Exploded Views and Parts List
Samsung Electronics This Document can not be used without Samsung's authorization 5-11
Loc.No Parts No. Description ; Specification Q'ty S.N.A Remark Loc.No Parts No. Description ; Specification Q'ty S.N.A Remark
C1 2202-000863 C-CERAMIC,MLC-AXIAL;560pF,10%,50V,Y 1 SA
C2 2202-000863 C-CERAMIC,MLC-AXIAL;560pF,10%,50V,Y 1 SA
DT701 AK07-00064A VF DISPLAY;HNV-08SM15,DVD-R177,W110 1 SA
DT701A AK61-00821A HOLDER-VFD;DVD-SH875,ABS94HB,2,25,1 1 SA
FC1 2202-002037 C-CERAMIC,MLC-AXIAL;100nF,+80-20%,5 1 SA
FC2 2202-000797 C-CERAMIC,MLC-AXIAL;10NF,30%,16V,Y5 1 SA
FC3 2202-000173 C-CERAMIC,MLC-AXIAL;1nF,10%,50V,Y5P 1 SA
FC5 2202-002037 C-CERAMIC,MLC-AXIAL;100nF,+80-20%,5 1 SA
FC6 2202-002037 C-CERAMIC,MLC-AXIAL;100nF,+80-20%,5 1 SA
FCN1 3708-000208 CONNECTOR-FPC/FFC/PIC;20P,1.25MM,ST 1 SA
FCN2 3711-000988 HEADER-BOARD TO CABLE;BOX,5P,1R,2MM 1 SA
FD1 0403-000718 DIODE-ZENER;MTZJ6.8B,6.52-6.79V,500 1 SA
FD2 0401-000005 DIODE-SWITCHING;1N4148,75V,150mA,DO 1 SA
FD3 0401-000005 DIODE-SWITCHING;1N4148,75V,150mA,DO 1 SA
FD4 0401-000005 DIODE-SWITCHING;1N4148,75V,150mA,DO 1 SA
FD5 0403-000753 DIODE-ZENER;MTZJ27D,26.2-27.6V,500m 1 SA
FD7 0403-000753 DIODE-ZENER;MTZJ27D,26.2-27.6V,500m 1 SA
FE1 2401-000249 C-AL;100uF,20%,10V,GP,TP,6.3x5,5 1 SA
FE2 2401-001502 C-AL;47uF,20%,16V,GP,TP,6.3x5,2.5 1 SA
FE3 2401-001502 C-AL;47uF,20%,16V,GP,TP,6.3x5,2.5 1 SA
FL1 2701-000114 INDUCTOR-AXIAL;10UH,10%,2534 1 SA
FL398 3809-002120 FFC CABLE-FLAT;30V,80,160mm,20P,1.2 1 SA
FL399 AK39-00129A LEAD CONNECTOR;BD-P1500,UL1007#26,U 1 SA
FR11 2001-000281 R-CARBON;100ohm,5%,1/8W,AA,TP,1.8x3 1 SA
FR12 2001-000281 R-CARBON;100ohm,5%,1/8W,AA,TP,1.8x3 1 SA
FR13 2001-000857 R-CARBON;560ohm,5%,1/8W,AA,TP,1.8x3 1 SA
FR14 2001-000281 R-CARBON;100ohm,5%,1/8W,AA,TP,1.8x3 1 SA
FR16 2001-000734 R-CARBON;4.7Kohm,5%,1/8W,AA,TP,1.8x 1 SA
FR17 2001-000734 R-CARBON;4.7Kohm,5%,1/8W,AA,TP,1.8x 1 SA
FR18 2001-000734 R-CARBON;4.7Kohm,5%,1/8W,AA,TP,1.8x 1 SA
FR19 2001-000734 R-CARBON;4.7Kohm,5%,1/8W,AA,TP,1.8x 1 SA
FR20 2001-000281 R-CARBON;100ohm,5%,1/8W,AA,TP,1.8x3 1 SA
FR21 2001-000281 R-CARBON;100ohm,5%,1/8W,AA,TP,1.8x3 1 SA
FR3 2001-000273 R-CARBON;100Kohm,5%,1/8W,AA,TP,1.8x 1 SA
FR4 2001-000793 R-CARBON;47ohm,5%,1/8W,AA,TP,1.8x3. 1 SA
FR5 2001-000027 R-CARBON;100ohm,5%,1/4W,AA,TP,2.4x6 1 SA
FR6 2001-000027 R-CARBON;100ohm,5%,1/4W,AA,TP,2.4x6 1 SA
FR7 2001-000290 R-CARBON;10Kohm,5%,1/8W,AA,TP,1.8x3 1 SA
FR8 2001-001000 R-CARBON;82Kohm,5%,1/8W,AA,TP,1.8x3 1 SA
FR9 2001-000780 R-CARBON;470ohm,5%,1/8W,AA,TP,1.8x3 1 SA
FS2 3404-000165 SWITCH-TACT;12V,50mA,160gf,6x6mm,SP 1 SA
FS3 3404-000165 SWITCH-TACT;12V,50mA,160gf,6x6mm,SP 1 SA
FS5 3404-000165 SWITCH-TACT;12V,50mA,160gf,6x6mm,SP 1 SA
FS6 3404-000165 SWITCH-TACT;12V,50mA,160gf,6x6mm,SP 1 SA
FS7 3404-000165 SWITCH-TACT;12V,50mA,160gf,6x6mm,SP 1 SA
FTR1 0504-000119 TR-DIGITAL;KSR1004,NPN,300MW,47K/47 1 SA
FTR2 0504-000119 TR-DIGITAL;KSR1004,NPN,300MW,47K/47 1 SA
FTR3 0504-000119 TR-DIGITAL;KSR1004,NPN,300MW,47K/47 1 SA
FU1 1003-002129 IC-VFD;PT6315A,LQFP,44P,10x10mm,-,- 1 SA
FU3 0609-001189 MODULE REMOCON;HORIZONTAL,16.4MM,TR 1 SC
P007P AK92-01651A ASSY PCB-POWER KEY;BD-P1500/XAA,ASS 1 SA
PLED 0601-002539 LED;ROUND,Red / Blue,5mm,3.15mm,5. 1 SA
SCON1 3711-000988 HEADER-BOARD TO CABLE;BOX,5P,1R,2MM 1 SA
SKEY1 3404-000165 SWITCH-TACT;12V,50mA,160gf,6x6mm,SP 1 SA
H003 AK97-02218A ASSY-BDP LOADER NEC;-,BD-P1500,ASSY 1 SA
C101 2203-001124 C-CER,CHIP;0.68NF,10%,50V,X7R,TP,10 1 SA
C102 2203-006158 C-CER,CHIP;100nF,10%,16V,X7R,1005 1 SA
C103 2203-002793 C-CER,CHIP;1000nF,+80-20%,25V,Y5V,2 1 SA
C105 2203-006158 C-CER,CHIP;100nF,10%,16V,X7R,1005 1 SA
C111 2203-006158 C-CER,CHIP;100nF,10%,16V,X7R,1005 1 SA
C112 2203-006158 C-CER,CHIP;100nF,10%,16V,X7R,1005 1 SA
C113 2203-006158 C-CER,CHIP;100nF,10%,16V,X7R,1005 1 SA
C114 2203-006158 C-CER,CHIP;100nF,10%,16V,X7R,1005 1 SA
C115 2203-006158 C-CER,CHIP;100nF,10%,16V,X7R,1005 1 SA
C116 2203-006158 C-CER,CHIP;100nF,10%,16V,X7R,1005 1 SA
C117 2203-006158 C-CER,CHIP;100nF,10%,16V,X7R,1005 1 SA
C118 2203-006158 C-CER,CHIP;100nF,10%,16V,X7R,1005 1 SA
C119 2203-005692 C-CER,CHIP;4700nF,+80-20%,16V,Y5V,T 1 SA
C121 2203-006158 C-CER,CHIP;100nF,10%,16V,X7R,1005 1 SA
C122 2203-006158 C-CER,CHIP;100nF,10%,16V,X7R,1005 1 SA
C123 2203-006158 C-CER,CHIP;100nF,10%,16V,X7R,1005 1 SA
C124 2203-006158 C-CER,CHIP;100nF,10%,16V,X7R,1005 1 SA
C125 2203-006158 C-CER,CHIP;100nF,10%,16V,X7R,1005 1 SA
C126 2203-006158 C-CER,CHIP;100nF,10%,16V,X7R,1005 1 SA
C127 2203-005692 C-CER,CHIP;4700nF,+80-20%,16V,Y5V,T 1 SA
C131 2203-006158 C-CER,CHIP;100nF,10%,16V,X7R,1005 1 SA
C132 2203-006158 C-CER,CHIP;100nF,10%,16V,X7R,1005 1 SA
C133 2203-006158 C-CER,CHIP;100nF,10%,16V,X7R,1005 1 SA
C134 2203-006158 C-CER,CHIP;100nF,10%,16V,X7R,1005 1 SA
C135 2203-006158 C-CER,CHIP;100nF,10%,16V,X7R,1005 1 SA
C136 2203-005692 C-CER,CHIP;4700nF,+80-20%,16V,Y5V,T 1 SA
C141 2203-006158 C-CER,CHIP;100nF,10%,16V,X7R,1005 1 SA
C142 2203-006158 C-CER,CHIP;100nF,10%,16V,X7R,1005 1 SA
C143 2203-006158 C-CER,CHIP;100nF,10%,16V,X7R,1005 1 SA
C144 2203-006158 C-CER,CHIP;100nF,10%,16V,X7R,1005 1 SA
C145 2203-005692 C-CER,CHIP;4700nF,+80-20%,16V,Y5V,T 1 SA
C149 2203-006158 C-CER,CHIP;100nF,10%,16V,X7R,1005 1 SA
C151 2203-003039 C-CER,CHIP;0.008nF,0.25pF,50V,NP0,T 1 SA
C152 2203-003039 C-CER,CHIP;0.008nF,0.25pF,50V,NP0,T 1 SA
C171 2203-006158 C-CER,CHIP;100nF,10%,16V,X7R,1005 1 SA
C172 2203-006158 C-CER,CHIP;100nF,10%,16V,X7R,1005 1 SA
C173 2203-006158 C-CER,CHIP;100nF,10%,16V,X7R,1005 1 SA
C174 2203-006158 C-CER,CHIP;100nF,10%,16V,X7R,1005 1 SA
C176 2203-006158 C-CER,CHIP;100nF,10%,16V,X7R,1005 1 SA
C177 2203-006158 C-CER,CHIP;100nF,10%,16V,X7R,1005 1 SA
C178 2203-002793 C-CER,CHIP;1000nF,+80-20%,25V,Y5V,2 1 SA
C182 2203-006158 C-CER,CHIP;100nF,10%,16V,X7R,1005 1 SA
C201 2203-006158 C-CER,CHIP;100nF,10%,16V,X7R,1005 1 SA
C202 2203-006158 C-CER,CHIP;100nF,10%,16V,X7R,1005 1 SA
C203 2203-006158 C-CER,CHIP;100nF,10%,16V,X7R,1005 1 SA
C204 2203-006158 C-CER,CHIP;100nF,10%,16V,X7R,1005 1 SA
C205 2203-006158 C-CER,CHIP;100nF,10%,16V,X7R,1005 1 SA
C206 2203-006158 C-CER,CHIP;100nF,10%,16V,X7R,1005 1 SA
C207 2203-006158 C-CER,CHIP;100nF,10%,16V,X7R,1005 1 SA
C208 2203-006158 C-CER,CHIP;100nF,10%,16V,X7R,1005 1 SA
C209 2203-006158 C-CER,CHIP;100nF,10%,16V,X7R,1005 1 SA
C210 2203-006361 C-CER,CHIP;10000nF,10%,10V,X5R,2012 1 SA
C211 2203-006361 C-CER,CHIP;10000nF,10%,10V,X5R,2012 1 SA
C212 2203-006361 C-CER,CHIP;10000nF,10%,10V,X5R,2012 1 SA
C214 2203-006361 C-CER,CHIP;10000nF,10%,10V,X5R,2012 1 SA
C215 2203-006361 C-CER,CHIP;10000nF,10%,10V,X5R,2012 1 SA
C216 2203-006361 C-CER,CHIP;10000nF,10%,10V,X5R,2012 1 SA
C218 2203-006361 C-CER,CHIP;10000nF,10%,10V,X5R,2012 1 SA

Loc.No Parts No. Description ; Specification Q'ty S.N.A Remark
Exploded Views and Parts List
5-12 This Document can not be used without Samsung's authorization Samsung Electronics
Loc.No Parts No. Description ; Specification Q'ty S.N.A Remark
C219 2203-006361 C-CER,CHIP;10000nF,10%,10V,X5R,2012 1 SA
C220 2203-006347 C-CER,CHIP;330NF,+80-20%,25V,Y5V,TP 1 SA
C221 2203-000254 C-CER,CHIP;10nF,10%,16V,X7R,1005 1 SA
C222 2203-006158 C-CER,CHIP;100nF,10%,16V,X7R,1005 1 SA
C223 2203-000940 C-CER,CHIP;0.47nF,10%,50V,X7R,1005 1 SA
C224 2203-000940 C-CER,CHIP;0.47nF,10%,50V,X7R,1005 1 SA
C225 2203-002982 C-CER,CHIP;6.8nF,10%,50V,X7R,1005 1 SA
C226 2203-006158 C-CER,CHIP;100nF,10%,16V,X7R,1005 1 SA
C228 2203-006361 C-CER,CHIP;10000nF,10%,10V,X5R,2012 1 SA
C229 2203-006158 C-CER,CHIP;100nF,10%,16V,X7R,1005 1 SA
C230 2203-006158 C-CER,CHIP;100nF,10%,16V,X7R,1005 1 SA
C231 2203-006158 C-CER,CHIP;100nF,10%,16V,X7R,1005 1 SA
C232 2203-005692 C-CER,CHIP;4700nF,+80-20%,16V,Y5V,T 1 SA
C233 2203-005171 C-CER,CHIP;1000nF,10%,16V,X7R,2012 1 SA
C234 2203-000234 C-CER,CHIP;0.1NF,5%,50V,C0G,TP,1005 1 SA
C235 2203-000234 C-CER,CHIP;0.1NF,5%,50V,C0G,TP,1005 1 SA
C236 2203-000234 C-CER,CHIP;0.1NF,5%,50V,C0G,TP,1005 1 SA
C237 2203-000234 C-CER,CHIP;0.1NF,5%,50V,C0G,TP,1005 1 SA
C238 2203-000234 C-CER,CHIP;0.1NF,5%,50V,C0G,TP,1005 1 SA
C239 2203-006047 C-CER,CHIP;33nF,10%,16V,X7R,1005 1 SA
C240 2203-006158 C-CER,CHIP;100nF,10%,16V,X7R,1005 1 SA
C241 2203-006158 C-CER,CHIP;100nF,10%,16V,X7R,1005 1 SA
C243 2203-006158 C-CER,CHIP;100nF,10%,16V,X7R,1005 1 SA
C244 2203-006361 C-CER,CHIP;10000nF,10%,10V,X5R,2012 1 SA
C245 2203-006158 C-CER,CHIP;100nF,10%,16V,X7R,1005 1 SA
C246 2203-006361 C-CER,CHIP;10000nF,10%,10V,X5R,2012 1 SA
C252 2203-006158 C-CER,CHIP;100nF,10%,16V,X7R,1005 1 SA
C253 2203-006158 C-CER,CHIP;100nF,10%,16V,X7R,1005 1 SA
C254 2203-000438 C-CER,CHIP;1nF,10%,50V,X7R,1005 1 SA
C255 2203-000438 C-CER,CHIP;1nF,10%,50V,X7R,1005 1 SA
C256 2203-002443 C-CER,CHIP;0.33nF,10%,50V,X7R,1005 1 SA
C257 2203-006347 C-CER,CHIP;330NF,+80-20%,25V,Y5V,TP 1 SA
C258 2203-002443 C-CER,CHIP;0.33nF,10%,50V,X7R,1005 1 SA
C259 2203-006347 C-CER,CHIP;330NF,+80-20%,25V,Y5V,TP 1 SA
C260 2203-000254 C-CER,CHIP;10nF,10%,16V,X7R,1005 1 SA
C261 2203-000438 C-CER,CHIP;1nF,10%,50V,X7R,1005 1 SA
C262 2203-006158 C-CER,CHIP;100nF,10%,16V,X7R,1005 1 SA
C263 2203-006361 C-CER,CHIP;10000nF,10%,10V,X5R,2012 1 SA
C264 2203-006158 C-CER,CHIP;100nF,10%,16V,X7R,1005 1 SA
C265 2203-006361 C-CER,CHIP;10000nF,10%,10V,X5R,2012 1 SA
C266 2203-006361 C-CER,CHIP;10000nF,10%,10V,X5R,2012 1 SA
C267 2203-006361 C-CER,CHIP;10000nF,10%,10V,X5R,2012 1 SA
C268 2203-006158 C-CER,CHIP;100nF,10%,16V,X7R,1005 1 SA
C269 2203-006158 C-CER,CHIP;100nF,10%,16V,X7R,1005 1 SA
C270 2203-006158 C-CER,CHIP;100nF,10%,16V,X7R,1005 1 SA
C271 2203-006158 C-CER,CHIP;100nF,10%,16V,X7R,1005 1 SA
C272 2203-005627 C-CER,CHIP;470nF,10%,10V,X5R,1608 1 SA
C273 2203-001554 C-CER,CHIP;1.8nF,10%,50V,X7R,1608 1 SA
C274 2203-006361 C-CER,CHIP;10000nF,10%,10V,X5R,2012 1 SA
C275 2203-000254 C-CER,CHIP;10nF,10%,16V,X7R,1005 1 SA
C276 2203-000254 C-CER,CHIP;10nF,10%,16V,X7R,1005 1 SA
C279 2203-006158 C-CER,CHIP;100nF,10%,16V,X7R,1005 1 SA
C282 2203-006158 C-CER,CHIP;100nF,10%,16V,X7R,1005 1 SA
C283 2203-006158 C-CER,CHIP;100nF,10%,16V,X7R,1005 1 SA
C284 2203-006158 C-CER,CHIP;100nF,10%,16V,X7R,1005 1 SA
C285 2203-006158 C-CER,CHIP;100nF,10%,16V,X7R,1005 1 SA
C287 2203-006158 C-CER,CHIP;100nF,10%,16V,X7R,1005 1 SA
C289 2203-006158 C-CER,CHIP;100nF,10%,16V,X7R,1005 1 SA
C293 2203-006158 C-CER,CHIP;100nF,10%,16V,X7R,1005 1 SA
C294 2203-006158 C-CER,CHIP;100nF,10%,16V,X7R,1005 1 SA
C296 2203-005138 C-CER,CHIP;1.8nF,10%,50V,X7R,1005 1 SA
C299 2203-006158 C-CER,CHIP;100nF,10%,16V,X7R,1005 1 SA
C300 2203-006158 C-CER,CHIP;100nF,10%,16V,X7R,1005 1 SA
C301 2402-001042 C-AL,SMD;100uF,20%,16V,GP,TP,6.6x6. 1 SA
C303 2402-001042 C-AL,SMD;100uF,20%,16V,GP,TP,6.6x6. 1 SA
C304 2404-001035 C-TA,CHIP;10uF,10%,25V,-,TP,6032 1 SA
C305 2402-001042 C-AL,SMD;100uF,20%,16V,GP,TP,6.6x6. 1 SA
C306 2203-006158 C-CER,CHIP;100nF,10%,16V,X7R,1005 1 SA
C309 2203-006158 C-CER,CHIP;100nF,10%,16V,X7R,1005 1 SA
C312 2203-005692 C-CER,CHIP;4700nF,+80-20%,16V,Y5V,T 1 SA
C315 2203-000476 C-CER,CHIP;1000nF,+80-20%,16V,Y5V,2 1 SA
C316 2203-006158 C-CER,CHIP;100nF,10%,16V,X7R,1005 1 SA
C317 2203-005692 C-CER,CHIP;4700nF,+80-20%,16V,Y5V,T 1 SA
C318 2203-005692 C-CER,CHIP;4700nF,+80-20%,16V,Y5V,T 1 SA
C319 2203-006158 C-CER,CHIP;100nF,10%,16V,X7R,1005 1 SA
C320 2404-000284 C-TA,CHIP;10uF,20%,16V,-,TP,3528 1 SA
C322 2404-000284 C-TA,CHIP;10uF,20%,16V,-,TP,3528 1 SA
C323 2203-006158 C-CER,CHIP;100nF,10%,16V,X7R,1005 1 SA
C324 2203-006158 C-CER,CHIP;100nF,10%,16V,X7R,1005 1 SA
C326 2402-001042 C-AL,SMD;100uF,20%,16V,GP,TP,6.6x6. 1 SA
C327 2203-000476 C-CER,CHIP;1000nF,+80-20%,16V,Y5V,2 1 SA
C328 2203-006158 C-CER,CHIP;100nF,10%,16V,X7R,1005 1 SA
C501 2203-006047 C-CER,CHIP;33nF,10%,16V,X7R,1005 1 SA
C502 2203-006047 C-CER,CHIP;33nF,10%,16V,X7R,1005 1 SA
C503 2203-006047 C-CER,CHIP;33nF,10%,16V,X7R,1005 1 SA
C504 2203-006047 C-CER,CHIP;33nF,10%,16V,X7R,1005 1 SA
C505 2203-006047 C-CER,CHIP;33nF,10%,16V,X7R,1005 1 SA
C506 2203-006047 C-CER,CHIP;33nF,10%,16V,X7R,1005 1 SA
C511 2203-006158 C-CER,CHIP;100nF,10%,16V,X7R,1005 1 SA
C512 2203-006158 C-CER,CHIP;100nF,10%,16V,X7R,1005 1 SA
C514 2404-001035 C-TA,CHIP;10uF,10%,25V,-,TP,6032 1 SA
C515 2404-000284 C-TA,CHIP;10uF,20%,16V,-,TP,3528 1 SA
C516 2203-006158 C-CER,CHIP;100nF,10%,16V,X7R,1005 1 SA
C517 2203-000254 C-CER,CHIP;10nF,10%,16V,X7R,1005 1 SA
C518 2203-006158 C-CER,CHIP;100nF,10%,16V,X7R,1005 1 SA
C519 2203-006158 C-CER,CHIP;100nF,10%,16V,X7R,1005 1 SA
C520 2203-006158 C-CER,CHIP;100nF,10%,16V,X7R,1005 1 SA
C521 2203-006158 C-CER,CHIP;100nF,10%,16V,X7R,1005 1 SA
C522 2203-006158 C-CER,CHIP;100nF,10%,16V,X7R,1005 1 SA
C523 2404-000284 C-TA,CHIP;10uF,20%,16V,-,TP,3528 1 SA
C524 2203-006158 C-CER,CHIP;100nF,10%,16V,X7R,1005 1 SA
C525 2404-000284 C-TA,CHIP;10uF,20%,16V,-,TP,3528 1 SA
C557 AK73-00053A RUBBER-DECK;DP-R3.5,BUTYL,-,-,-,-,- 4 SNA
C605 2203-000476 C-CER,CHIP;1000nF,+80-20%,16V,Y5V,2 1 SA
C606 2203-006158 C-CER,CHIP;100nF,10%,16V,X7R,1005 1 SA
C621 2203-006158 C-CER,CHIP;100nF,10%,16V,X7R,1005 1 SA
C700 2203-006158 C-CER,CHIP;100nF,10%,16V,X7R,1005 1 SA
C701 2203-006158 C-CER,CHIP;100nF,10%,16V,X7R,1005 1 SA
C702 2203-006158 C-CER,CHIP;100nF,10%,16V,X7R,1005 1 SA
C710 2203-002982 C-CER,CHIP;6.8nF,10%,50V,X7R,1005 1 SA
C711 2203-002982 C-CER,CHIP;6.8nF,10%,50V,X7R,1005 1 SA
C712 2203-000812 C-CER,CHIP;.033nF,5%,50V,C0G,-,1005 1 SA
C713 2203-002834 C-CER,CHIP;22pF,5%,50V,CH,BK,1005,- 1 SA
C714 2203-002834 C-CER,CHIP;22pF,5%,50V,CH,BK,1005,- 1 SA
C715 2203-000254 C-CER,CHIP;10nF,10%,16V,X7R,1005 1 SA
C716 2203-000254 C-CER,CHIP;10nF,10%,16V,X7R,1005 1 SA
C717 2203-000254 C-CER,CHIP;10nF,10%,16V,X7R,1005 1 SA
C718 2203-000254 C-CER,CHIP;10nF,10%,16V,X7R,1005 1 SA

Exploded Views and Parts List
Samsung Electronics This Document can not be used without Samsung's authorization 5-13
Loc.No Parts No. Description ; Specification Q'ty S.N.A Remark Loc.No Parts No. Description ; Specification Q'ty S.N.A Remark
C719 2203-006158 C-CER,CHIP;100nF,10%,16V,X7R,1005 1 SA
C720 2203-005692 C-CER,CHIP;4700nF,+80-20%,16V,Y5V,T 1 SA
C721 2203-005692 C-CER,CHIP;4700nF,+80-20%,16V,Y5V,T 1 SA
C723 2203-000438 C-CER,CHIP;1nF,10%,50V,X7R,1005 1 SA
C724 2203-006158 C-CER,CHIP;100nF,10%,16V,X7R,1005 1 SA
C727 2203-000654 C-CER,CHIP;0.27nF,10%,50V,X7R,1005 1 SA
C728 2203-000812 C-CER,CHIP;.033nF,5%,50V,C0G,-,1005 1 SA
C729 2203-000654 C-CER,CHIP;0.27nF,10%,50V,X7R,1005 1 SA
C730 2203-006158 C-CER,CHIP;100nF,10%,16V,X7R,1005 1 SA
C731 2203-006158 C-CER,CHIP;100nF,10%,16V,X7R,1005 1 SA
C732 2203-006158 C-CER,CHIP;100nF,10%,16V,X7R,1005 1 SA
C733 2203-006158 C-CER,CHIP;100nF,10%,16V,X7R,1005 1 SA
C734 2203-006158 C-CER,CHIP;100nF,10%,16V,X7R,1005 1 SA
C735 2203-006158 C-CER,CHIP;100nF,10%,16V,X7R,1005 1 SA
C736 2203-006158 C-CER,CHIP;100nF,10%,16V,X7R,1005 1 SA
C737 2203-006158 C-CER,CHIP;100nF,10%,16V,X7R,1005 1 SA
C738 2203-006158 C-CER,CHIP;100nF,10%,16V,X7R,1005 1 SA
C739 2203-006158 C-CER,CHIP;100nF,10%,16V,X7R,1005 1 SA
C740 2203-006158 C-CER,CHIP;100nF,10%,16V,X7R,1005 1 SA
C741 2203-006158 C-CER,CHIP;100nF,10%,16V,X7R,1005 1 SA
C742 2203-006158 C-CER,CHIP;100nF,10%,16V,X7R,1005 1 SA
C771 AK61-00840A HOLDER-WIRE;SOH-BP4,PPS,-,W13.8,L8. 1 SNA
CF1 2801-004661 CRYSTAL-SMD;16.9344MHz,30ppm,-,18pF 1 SNA
CF2 2801-004655 CRYSTAL-SMD;25MHz,50ppm,SX-3,18pF,2 1 SA
CN353 3708-001994 CONNECTOR-FPC/FFC/PIC;15P,1MM,SMD-A 1 SNA
CON2 3708-002018 CONNECTOR-FPC/FFC/PIC;4P,1MM,SMD-A, 1 SA
CON3 3708-001878 CONNECTOR-FPC/FFC/PIC;6P,1MM,SMD-A, 1 SA
CON4 3708-002067 CONNECTOR-FPC/FFC/PIC;12P,1mm,SMD-A 1 SA
CON5 3711-005293 HEADER-BOARD TO CABLE;BOX,6P,1R,2MM 1 SA
CON6 3711-006546 CONNECTOR-HEADER;1WALL,7P,1R,1.27mm 1 SNA
D100 0401-001099 DIODE-SWITCHING;1N4148WS,75V,150mA, 1 SA
D101 0401-001099 DIODE-SWITCHING;1N4148WS,75V,150mA, 1 SA
D102 0401-001099 DIODE-SWITCHING;1N4148WS,75V,150mA, 1 SA
D304 0407-000116 DIODE-ARRAY;KDS181, DAP202K,80V,100 1 SA
FR01 2011-001432 R-NETWORK;82ohm,5%,1/16W,L,CHIP,8P, 1 SA
FR02 2011-001432 R-NETWORK;82ohm,5%,1/16W,L,CHIP,8P, 1 SA
FR03 2011-001432 R-NETWORK;82ohm,5%,1/16W,L,CHIP,8P, 1 SA
H103 AK66-00061A GEAR-PULLEY;DP-RW,POM,-,-,-,-,-,BLK 1 SNA
H104 AK97-01663A ASSY-MOTOR LOAD;MOTOR+PULLEY,DP-R3H 1 SNA
H105 6602-001076 BELT-RECTANGULAR;CR,T1.2,4.3%,1.2X2 1 SA
H106 AK66-00062A GEAR-TRAY;DP-RW,POM,-,-,-,WHT,-,-,- 1 SNA
H108 AK63-00432A TRAY-DISC;DP-R3.5,ABS,-,-,-,-,-,- 1 SNA
H203 AK66-00072A SHAFT-PU;DP-RW2,SUS420J2,91.5,3,NAT 1 SNA
H207 AK31-00036A MOTOR SPINDLE;BD-P2,8500,9.8mN.m,DC 1 SNA
H209 AK64-01462A CHASSIS-SUB;DP-R3H,ABS,T2,W114,L54, 1 SNA
H211 AK97-02248A ASSY-PICK UP;-,SOH-BP4,BD-PLAYER 1 SNA
H212 AK61-00738A HOLDER-CHUCK;DP-R3.5L,ABS,-,-,-,-,- 1 SNA
H265 AK61-00736A BRACKET-SHAFT PU;DP-R3.5,SUS T1.0,- 4 SNA
H268 AK61-00452A SPRING ETC-HINGE PU;DP-R2,SUS304WPB 1 SNA
H271 AK61-00850A HINGE-PU;BD-P4,POM,W16.4,D38,H8.4,- 1 SNA
H401 AK61-00783A FRAME-MAIN;BD-P3,ABS,BLK,W151,D192. 1 SNA
IC4 1003-001881 IC-MOTOR DRIVER;BD7956FS,HSSOP,54P, 1 SA
IC7 1003-001515 IC-MOTOR DRIVER;BA6846FV,SSOP,14P,1 1 SA
J1 3708-002203 CONNECTOR-FPC/FFC/PIC;40P,0.5mm,SMD 1 SA
L301 2901-001281 FILTER-EMI SMD;16V,2A,-,220000pF,2. 1 SA
L303 2901-001281 FILTER-EMI SMD;16V,2A,-,220000pF,2. 1 SA
L305 2901-001281 FILTER-EMI SMD;16V,2A,-,220000pF,2. 1 SA
L306 2901-001281 FILTER-EMI SMD;16V,2A,-,220000pF,2. 1 SA
L307 2901-001281 FILTER-EMI SMD;16V,2A,-,220000pF,2. 1 SA
L401 2007-000113 R-CHIP;33ohm,5%,1/10W,TP,1608 1 SA
L402 2007-000113 R-CHIP;33ohm,5%,1/10W,TP,1608 1 SA
L501 3301-001309 BEAD-SMD;47ohm,1608,TP,-,- 1 SA
L502 3301-001309 BEAD-SMD;47ohm,1608,TP,-,- 1 SA
L503 2007-000070 R-CHIP;0ohm,5%,1/10W,TP,1608 1 SA
L504 2007-000070 R-CHIP;0ohm,5%,1/10W,TP,1608 1 SA
P198 AK97-01646B ASSY-PCB MOTOR;BD-P3,-,- 1 SNA
Q370 0501-000465 TR-SMALL SIGNAL;MMBT3904,NPN,350mW, 1 SA
Q371 0501-000465 TR-SMALL SIGNAL;MMBT3904,NPN,350mW, 1 SA
Q372 0501-000465 TR-SMALL SIGNAL;MMBT3904,NPN,350mW, 1 SA
Q373 0501-000546 TR-SMALL SIGNAL;KSA1298,PNP,200mW,S 1 SA
Q375 0504-000126 TR-DIGITAL;KSR1101,NPN,200mW,4.7K/4 1 SA
R102 2007-000149 R-CHIP;12Kohm,5%,1/16W,TP,1005 1 SA
R103 2007-007001 R-CHIP;3.9Kohm,5%,1/16W,TP,1005 1 SA
R104 2007-000148 R-CHIP;10Kohm,5%,1/16W,TP,1005 1 SA
R105 2007-000138 R-CHIP;100ohm,5%,1/16W,TP,1005 1 SA
R106 2007-000157 R-CHIP;47Kohm,5%,1/16W,TP,1005 1 SA
R107 2007-000157 R-CHIP;47Kohm,5%,1/16W,TP,1005 1 SA
R108 2007-000157 R-CHIP;47Kohm,5%,1/16W,TP,1005 1 SA
R110 2007-000148 R-CHIP;10Kohm,5%,1/16W,TP,1005 1 SA
R114 2007-000148 R-CHIP;10Kohm,5%,1/16W,TP,1005 1 SA
R175 2007-000157 R-CHIP;47Kohm,5%,1/16W,TP,1005 1 SA
R201 2007-000148 R-CHIP;10Kohm,5%,1/16W,TP,1005 1 SA
R202 2007-000145 R-CHIP;6.2Kohm,5%,1/16W,TP,1005 1 SA
R215 2007-000171 R-CHIP;0ohm,5%,1/16W,TP,1005 1 SA
R217 2007-000171 R-CHIP;0ohm,5%,1/16W,TP,1005 1 SA
R221 2007-000140 R-CHIP;1Kohm,5%,1/16W,TP,1005 1 SA
R225 2007-000140 R-CHIP;1Kohm,5%,1/16W,TP,1005 1 SA
R301 2007-000148 R-CHIP;10Kohm,5%,1/16W,TP,1005 1 SA
R310 2007-000148 R-CHIP;10Kohm,5%,1/16W,TP,1005 1 SA
R318 2007-001313 R-CHIP;330ohm,5%,1/16W,TP,1005 1 SA
R319 2007-000143 R-CHIP;4.7Kohm,5%,1/16W,TP,1005 1 SA
R320 2007-000143 R-CHIP;4.7Kohm,5%,1/16W,TP,1005 1 SA
R321 2007-000140 R-CHIP;1Kohm,5%,1/16W,TP,1005 1 SA
R326 2007-001325 R-CHIP;3.3Kohm,5%,1/16W,TP,1005 1 SA
R327 2007-000162 R-CHIP;100Kohm,5%,1/16W,TP,1005 1 SA
R328 2007-000143 R-CHIP;4.7Kohm,5%,1/16W,TP,1005 1 SA
R329 2007-000140 R-CHIP;1Kohm,5%,1/16W,TP,1005 1 SA
R334 2007-000141 R-CHIP;2.2Kohm,5%,1/16W,TP,1005 1 SA
R363 2007-000157 R-CHIP;47Kohm,5%,1/16W,TP,1005 1 SA
R364 2007-000157 R-CHIP;47Kohm,5%,1/16W,TP,1005 1 SA
R365 2007-007107 R-CHIP;100Kohm,1%,1/16W,TP,1005 1 SA
R366 2007-009138 R-CHIP;33Kohm,1%,1/16W,TP,1005 1 SA
R367 2007-000171 R-CHIP;0ohm,5%,1/16W,TP,1005 1 SA
R369 2007-000157 R-CHIP;47Kohm,5%,1/16W,TP,1005 1 SA
R370 2007-000152 R-CHIP;20Kohm,5%,1/16W,TP,1005 1 SA
R371 2007-007141 R-CHIP;240ohm,5%,1/16W,TP,1005 1 SA
R507 2007-000171 R-CHIP;0ohm,5%,1/16W,TP,1005 1 SA
R508 2007-000171 R-CHIP;0ohm,5%,1/16W,TP,1005 1 SA
R509 2007-000170 R-CHIP;1Mohm,5%,1/16W,TP,1005 1 SA
R510 2007-000138 R-CHIP;100ohm,5%,1/16W,TP,1005 1 SA
R511 2007-002429 R-CHIP;1.5ohm,5%,1/10W,TP,1608 1 SNA
R512 2007-002429 R-CHIP;1.5ohm,5%,1/10W,TP,1608 1 SNA
R513 2007-002429 R-CHIP;1.5ohm,5%,1/10W,TP,1608 1 SNA
R514 2007-002429 R-CHIP;1.5ohm,5%,1/10W,TP,1608 1 SNA
R515 2007-000695 R-CHIP;3.3ohm,5%,1/10W,TP,1608 1 SA
R516 2007-000695 R-CHIP;3.3ohm,5%,1/10W,TP,1608 1 SA
R517 2007-000163 R-CHIP;120Kohm,5%,1/16W,TP,1005 1 SNA
R518 2007-000171 R-CHIP;0ohm,5%,1/16W,TP,1005 1 SA

Loc.No Parts No. Description ; Specification Q'ty S.N.A Remark
Exploded Views and Parts List
5-14 This Document can not be used without Samsung's authorization Samsung Electronics
Loc.No Parts No. Description ; Specification Q'ty S.N.A Remark
R519 2007-000171 R-CHIP;0ohm,5%,1/16W,TP,1005 1 SA
R520 2007-000148 R-CHIP;10Kohm,5%,1/16W,TP,1005 1 SA
R521 2007-000171 R-CHIP;0ohm,5%,1/16W,TP,1005 1 SA
R525 2007-000143 R-CHIP;4.7Kohm,5%,1/16W,TP,1005 1 SA
R530 2007-000695 R-CHIP;3.3ohm,5%,1/10W,TP,1608 1 SA
R531 2007-000695 R-CHIP;3.3ohm,5%,1/10W,TP,1608 1 SA
R533 2007-000157 R-CHIP;47Kohm,5%,1/16W,TP,1005 1 SA
R621 2007-000138 R-CHIP;100ohm,5%,1/16W,TP,1005 1 SA
R623 2007-000148 R-CHIP;10Kohm,5%,1/16W,TP,1005 1 SA
R701 2007-000141 R-CHIP;2.2Kohm,5%,1/16W,TP,1005 1 SA
R702 2007-000148 R-CHIP;10Kohm,5%,1/16W,TP,1005 1 SA
R703 2007-000309 R-CHIP;10ohm,5%,1/10W,TP,1608 1 SA
R704 2007-000309 R-CHIP;10ohm,5%,1/10W,TP,1608 1 SA
R705 2007-000113 R-CHIP;33ohm,5%,1/10W,TP,1608 1 SA
R706 2007-000113 R-CHIP;33ohm,5%,1/10W,TP,1608 1 SA
R707 2007-000113 R-CHIP;33ohm,5%,1/10W,TP,1608 1 SA
R708 2007-000113 R-CHIP;33ohm,5%,1/10W,TP,1608 1 SA
R710 2007-002796 R-CHIP;510ohm,5%,1/16W,TP,1005 1 SA
R711 2007-002796 R-CHIP;510ohm,5%,1/16W,TP,1005 1 SA
R712 2007-000157 R-CHIP;47Kohm,5%,1/16W,TP,1005 1 SA
R713 2007-000171 R-CHIP;0ohm,5%,1/16W,TP,1005 1 SA
R714 2007-000171 R-CHIP;0ohm,5%,1/16W,TP,1005 1 SA
R715 2007-000170 R-CHIP;1Mohm,5%,1/16W,TP,1005 1 SA
R716 2007-007314 R-CHIP;5.6Kohm,1%,1/16W,TP,1005 1 SA
R717 2007-007589 R-CHIP;68Kohm,1%,1/16W,TP,1005 1 SA
R722 2007-007107 R-CHIP;100Kohm,1%,1/16W,TP,1005 1 SA
R723 2007-009138 R-CHIP;33Kohm,1%,1/16W,TP,1005 1 SA
R724 2007-002429 R-CHIP;1.5ohm,5%,1/10W,TP,1608 1 SNA
R725 2007-000695 R-CHIP;3.3ohm,5%,1/10W,TP,1608 1 SA
R726 2007-000695 R-CHIP;3.3ohm,5%,1/10W,TP,1608 1 SA
R740 2007-001217 R-CHIP;82ohm,5%,1/16W,TP,1005 1 SA
R741 2007-001217 R-CHIP;82ohm,5%,1/16W,TP,1005 1 SA
R742 2007-001217 R-CHIP;82ohm,5%,1/16W,TP,1005 1 SA
R743 2007-001217 R-CHIP;82ohm,5%,1/16W,TP,1005 1 SA
R744 2007-001217 R-CHIP;82ohm,5%,1/16W,TP,1005 1 SA
R745 2007-001217 R-CHIP;82ohm,5%,1/16W,TP,1005 1 SA
R746 2007-001217 R-CHIP;82ohm,5%,1/16W,TP,1005 1 SA
R747 2007-001217 R-CHIP;82ohm,5%,1/16W,TP,1005 1 SA
R748 2007-001217 R-CHIP;82ohm,5%,1/16W,TP,1005 1 SA
R749 2007-001217 R-CHIP;82ohm,5%,1/16W,TP,1005 1 SA
R750 2007-001217 R-CHIP;82ohm,5%,1/16W,TP,1005 1 SA
R751 2007-001217 R-CHIP;82ohm,5%,1/16W,TP,1005 1 SA
R752 2007-001217 R-CHIP;82ohm,5%,1/16W,TP,1005 1 SA
R753 2007-001217 R-CHIP;82ohm,5%,1/16W,TP,1005 1 SA
R754 2007-001217 R-CHIP;82ohm,5%,1/16W,TP,1005 1 SA
R755 2007-001217 R-CHIP;82ohm,5%,1/16W,TP,1005 1 SA
R756 2007-001217 R-CHIP;82ohm,5%,1/16W,TP,1005 1 SA
R757 2007-001217 R-CHIP;82ohm,5%,1/16W,TP,1005 1 SA
R758 2007-001217 R-CHIP;82ohm,5%,1/16W,TP,1005 1 SA
R759 2007-001217 R-CHIP;82ohm,5%,1/16W,TP,1005 1 SA
R760 2007-001217 R-CHIP;82ohm,5%,1/16W,TP,1005 1 SA
R761 2007-001217 R-CHIP;82ohm,5%,1/16W,TP,1005 1 SA
R762 2007-002429 R-CHIP;1.5ohm,5%,1/10W,TP,1608 1 SNA
R763 2007-000143 R-CHIP;4.7Kohm,5%,1/16W,TP,1005 1 SA
R764 2007-000143 R-CHIP;4.7Kohm,5%,1/16W,TP,1005 1 SA
R765 2007-000143 R-CHIP;4.7Kohm,5%,1/16W,TP,1005 1 SA
R766 2007-000143 R-CHIP;4.7Kohm,5%,1/16W,TP,1005 1 SA
R767 2007-000157 R-CHIP;47Kohm,5%,1/16W,TP,1005 1 SA
R768 2007-000157 R-CHIP;47Kohm,5%,1/16W,TP,1005 1 SA
R769 2007-000138 R-CHIP;100ohm,5%,1/16W,TP,1005 1 SA
R770 2007-000138 R-CHIP;100ohm,5%,1/16W,TP,1005 1 SA
R771 2007-001301 R-CHIP;68ohm,5%,1/16W,TP,1005 1 SA
R772 2007-000157 R-CHIP;47Kohm,5%,1/16W,TP,1005 1 SA
R773 2007-001217 R-CHIP;82ohm,5%,1/16W,TP,1005 1 SA
R775 2007-001292 R-CHIP;33ohm,5%,1/16W,TP,1005 1 SA
S.N.A AK97-02258A ASSY-BD PLAYER DECK;ASSY,BD-P4,- 1 SNA
S.N.A AK41-00779A FFC-PU CABLE;BD-P4,B TYPE,0.5PITCH, 1 SNA
S.N.A AK61-00849A BRACKET-DECK;BD-P4,SECC T1.6,W110,D 1 SNA
S.N.A AK97-01877B ASSY-HOLDER CHUCK;ABS+POM,BD-P4,- 1 SNA
S.N.A AK97-01331C ASSY-CLAMPER;POM+SECC,BD-P4,- 1 SNA
S.N.A AK61-00739A BRACKET-CLAMPER;DP-R3.5L,SECC T0.6, 1 SNA
S.N.A AK61-00858A BODY-CLAMPER UPPER;BD-P4,POM,-,-,-, 1 SNA
S.N.A AK68-00433B LABEL-WARNING DRIVE;BD-P,-,ART PAPE 1 SNA
S.N.A AK97-02144B ASSY-FRAME MAIN;ASSY,BD-P4,- 1 SNA
S.N.A 0205-001033 GREASE;PL-30G,W050030019,- 0.1 SNA
S.N.A 3403-001026 SWITCH-PUSH;5V,0.7mA,DPST,OFF-ON-OF 1 SA
S.N.A AK41-00400B FFC-DECK;BD-P3,-,PET,6P,T0.11,L83.3 1 SNA
S.N.A AK41-00546B PCB-DECK;BD-P3,PHENOL,-,00,1.6T,28. 1 SNA
S.N.A AK31-00024A MOTOR STEP-FEED;-,DP-RW,727 mA,2000 1 SNA
S.N.A AK66-00050A SHAFT-PU L98;BD-P,SUS420J2,L98,OD3, 1 SNA
S.N.A AK61-00848A BRACKET-EMI;BD-P3,SECC T0.5,-,-,-,- 1 SNA
T037 AK66-00079A SLIDER-CAM;DP-R3H,POM,T10,W89,L18.7 1 SNA
U101 0903-001523 IC-MICROCONTROLLER;uPD63410,LQFP,25 1 SNA
U171 1105-001397 IC-DRAM;K4S641632,-,64Mbit,1Mx16x4B 1 SA
U182 1107-001600 IC-NOR FLASH;MX25L1605A,16Mbit,2Mx8 1 SA
U201 AK13-00030A IC ASIC;uPC3360GC-YEB-A,BD-P1400,12 1 SNA
U303 1001-001482 IC-ANALOG SWITCH;MAX4610CUD,SPST CM 1 SNA
U306 1001-001482 IC-ANALOG SWITCH;MAX4610CUD,SPST CM 1 SNA
U307 1203-001816 IC-POSI.FIXED REG.;78M08,TO-252,3P, 1 SA
U309 1201-000166 IC-OP AMP;LM358,SOP,ST,8P,150MIL,DU 1 SA
U310 1203-002882 IC-POSI.FIXED REG.;1117-1.5,SOT-223 1 SA
U311 1203-002842 IC-POSI.FIXED REG.;AP1117D-33A,TO-2 1 SA
U312 0801-002097 IC-CMOS LOGIC;7ST08,AND GATE,SOP,5P 1 SA
U313 1203-003177 IC-VOL. DETECTOR;BD5326G,SSOP,5P,2. 1 SA
U314 1201-000166 IC-OP AMP;LM358,SOP,ST,8P,150MIL,DU 1 SA
W012 6002-001086 SCREW-TAPPING;PH,+,-,B,M1.7,L5.0,ZP 1 SA
W018 6003-001450 SCREW-TAPTITE;PH,+,-,S,M2.6,L5,ZPC( 2 SA
W274 6001-001730 SCREW-MACHINE;BH,+,-,M1.7,L2.5,ZPC( 2 SA
W291 6001-001348 SCREW-MACHINE;CH,+,-,M1.7,L3.5,ZPC( 1 SA
W350 6001-001003 SCREW-MACHINE;BH,+,M2.6,L6,ZPC(BLK) 4 SA
W353 6003-001199 SCREW-TAPTITE;PWH,+,-,B,M2,L7,ZPC(W 4 SA
W376 6001-000805 SCREW-MACHINE;CH,+,-,M1.7,L3,NI PLT 4 SA
W377 6001-001291 SCREW-MACHINE;CH(0.5),*,-,M1.7,L4,Z 3 SA
W377 6001-001291 SCREW-MACHINE;CH(0.5),*,-,M1.7,L4,Z 2 SA
W382 6003-001478 SCREW-TAPTITE;PH,+,-,B,M2.6,L8,ZPC( 2 SA
AK92-01648A ASSY PCB-NEC;BD-P1500,FRONT-END PCB 1 SNA
AC99-40336C ASSY PCB-MAIN VCR,c;DVD-V6700/XAC,H 1 SNA
0202-001221 SOLDER-CREAM;PF305-116HO(A),-,25~45 0.99 SNA
AK41-00776A PCB-FRONT END NEC;BD-P1500,EPOXY,4L 0.5 SNA
AC99-90339A ASSY PCB-NEC,m;BD-P1500,FRONT-END P 1 SNA
0202-001214 SOLDER-WIRE FLUX;HI-ALMIT HR19M LFM 0.397 SNA
AH31-00025A MOTOR-LOADING;RF-300EA-1D390,DP-7,1 1 SNA
AK66-00038A PULLEY MOTOR;DP-R1,POM,-,BLK,1.95,7 1 SNA
0201-000169 ADHESIVE-CYA;ARCN-A501F,NTR 0.01 SNA
0201-001081 ADHESIVE-AA;1401C,RED,-,BOND-LOCK S 0.01 SNA
0201-001525 ADHESIVE-UV;8840L,YEL,TRANS,23000,D 0.02 SNA
0201-001553 ADHESIVE-TP;G-800-A,GRY,220##40Pa.S 0.06 SNA
0201-001819 ADHESIVE-UV;8833M,YELLOW,21000mPas, 0.09 SNA
0202-001499 SOLDER-WIRE FLUX;SR34 SUPER LFM-48, 0.05 SNA

Exploded Views and Parts List
Samsung Electronics This Document can not be used without Samsung's authorization 5-15
Loc.No Parts No. Description ; Specification Q'ty S.N.A Remark Loc.No Parts No. Description ; Specification Q'ty S.N.A Remark
AK97-02207A ASSY-ACT;-,SOH-BP4,BD-PLAYER 1 SNA
0201-001081 ADHESIVE-AA;1401C,RED,-,BOND-LOCK S 0.005 SNA
0201-001230 ADHESIVE-CYA;LOCTITE 480,BLK,300,- 0.005 SNA
0201-001371 ADHESIVE-SIL;KE3494,GRAY,50 PA,OL P 0.005 SNA
0201-001525 ADHESIVE-UV;8840L,YEL,TRANS,23000,D 0.05 SNA
0201-001537 ADHESIVE-UV;SDM-378,WHT,11000mPas,- 0.05 SNA
0201-001709 ADHESIVE-UV;8839L,YEL,24500mPa.s,- 0.01 SNA
0201-001793 ADHESIVE-UV;8791L3,WHITE,20000mPa.s 0.01 SNA
0202-001499 SOLDER-WIRE FLUX;SR34 SUPER LFM-48, 1 SNA
3302-001727 MAGNET-RARE EARTH;-,14400Gauss,50MG 1 SNA
3812-001419 WIRE-NO SHEATH CU;SCW,0V,18.5mm,1/0 2 SNA
AK62-00022A YOKE-ACT;SOH-BP4,SPCC,T1.2,W16.8,L2 1 SNA
AK63-00506A COVER-ACT;SOH-BP4,SUS304,T0.3,W14.4 1 SNA
AK67-00046A LENS-PHOE;SOH-BP1,B270,NTR,3.5*3.5, 1 SNA
AK67-00050A LENS-OL DVD CD;SOH-BP1,PLASTIC,NTR, 1 SNA
AK97-02181A ASSY-BLADE;SOH-BP4,- 1 SNA
AK66-00127A BLADE;SOH-BP4,E5006L,-,-,BEIGE,- 1 SNA
3812-001456 WIRE-NO SHEATH CU;SCM,-,18.5,-,-,YE 4 SNA
AK67-00064A LENS-OL BD;SOH-BP1,GLASS,NTR,PI4.4, 1 SNA
AK97-02249A ASSY-OPT;-,SOH-BP4,BD-PLAYER 1 SNA
0201-001081 ADHESIVE-AA;1401C,RED,-,BOND-LOCK S 0.01 SNA
0201-001388 ADHESIVE-CYA;LOCTITE 460,WHT,45 MPA 0.005 SNA
0201-001525 ADHESIVE-UV;8840L,YEL,TRANS,23000,D 0.02 SNA
0201-001709 ADHESIVE-UV;8839L,YEL,24500mPa.s,- 0.01 SNA
0201-001819 ADHESIVE-UV;8833M,YELLOW,21000mPas, 0.04 SNA
0201-001988 ADHESIVE-AA;EX-0136,WHT,20000-40000 0.05 SNA
0201-002022 ADHESIVE-UV;8833G,YELLOW,26000mPa.s 0.02 SNA
0202-001499 SOLDER-WIRE FLUX;SR34 SUPER LFM-48, 0.05 SNA
0205-001226 GREASE;FLOIL KG-513,WHT,1KG 0.02 SNA
0602-001158 DIODE-LASER;6mW,2,655nm,CAN 1 SNA
0602-001159 DIODE-LASER;20mW,2,405nm,CAN 1 SNA
0604-001302 PHOTO-INTERRUPTER;TR,-,100mW,-,- 1 SA
AK31-00030A MOTOR STEP-CLD;-,SOH-BP1,-,-,-,2.5- 1 SNA
AK61-00545A SPRING ETC-CLD;SOH-BP1,STS304-WBP,0 1 SNA
AK61-00742A SPRING ETC-DVD GT;SOH-DR4,Cu,-,2.8, 2 SNA
AK61-00828A PLATE-PD BD;SOH-BP4,Zn,T2.1,W13,L7. 1 SNA
AK61-00829A PLATE-PD DVD;SOH-BP4,Zn,T1.4,W11.8, 1 SNA
AK61-00830A HOLDER-GT BD;SOH-BP4,Zn,T1.85,D5.6, 1 SNA
AK61-00831A HOLDER-GT CD;SOH-BP4,Zn,T1.85,D5.6, 1 SNA
AK61-00832A HOLDER-CL;SOH-BP4,PPS,-,-,-,BLK,- 1 SNA
AK61-00833A HOLDER-LD BD;SOH-BP4,Zn,T4.0,W15.2, 1 SNA
AK61-00834A BASE-PICK UP;SOH-BP4,PPS,T9,W44,L55 1 SNA
AK61-00842A SPRING ETC-PBS BD;SOH-BP4,SUS,-,-,- 1 SNA
AK61-00843A SPRING ETC-PBS DVD;SOH-BP4,SUS,-,-, 1 SNA
AK63-00503A COVER BASE;SOH-BP4,PBS,T0.2,-,-,-,- 1 SNA
AK66-00076A SHAFT-MAIN CLD;SOH-BP1,SUS303C,25.5 1 SNA
AK66-00077A SHAFT-SUB CLD;SOH-BP1,SUS303C,12.5, 1 SNA
AK67-00044A LENS-CL DVD;SOH-BP1,PLASTIC,NTR,PI5 1 SNA
AK67-00080A LENS-CL BD;BD-P1500,Glass(Zeonex340 1 SNA
AK67-00082A LENS-PBS BD;SOH-BP4,GLS,WHT,7.2*5. 1 SNA
AK67-00083A LENS-PBS DVD;SOH-BP4,GLS,WHT,7.8*5 1 SNA
AK67-00084A LENS-BD MR;SOH-BP4,GLS,WHT,6*6.7,T1 1 SNA
AK67-00085A LENS-DVD MR;SOH-BP4,GLS,WHT,4.7*8.0 1 SNA
AK67-00086A LENS-ASL BD;SOH-BP4,Z330R,None,Pi 1 SNA
AK67-00087A LENS-ASL DVD;SOH-BP4,ZE48R,None,Pi 1 SNA
AK67-00089A LENS-BD GT;Grating,B270,None,3.0*2. 1 SNA
AK67-00090A LENS-CD GT;Grating,B270,None,3.3*2. 1 SNA
AK97-02266A ASSY-BD4 FPCB;-,SOH-BP4,BD-PLAYER 1 SNA
0603-001215 PHOTO DIODE;-V,650-780nm,REEL 1 SNA
1209-001426 IC-OSCILLATOR;EL6203,SOT-23,5P,63MI 1 SNA
1404-001328 THERMISTOR-NTC;10Kohm,-,3370K,-,-,- 1 SNA
2007-000070 R-CHIP;0ohm,5%,1/10W,TP,1608 4 SA
2007-000096 R-CHIP;30Kohm,5%,1/10W,TP,1608 1 SA
2007-000140 R-CHIP;1Kohm,5%,1/16W,TP,1005 2 SA
2007-000171 R-CHIP;0ohm,5%,1/16W,TP,1005 2 SA
2007-000287 R-CHIP;100ohm,1%,1/10W,TP,1608 1 SA
2007-000962 R-CHIP;5.1Kohm,1%,1/10W,TP,1608 1 SA
2104-001087 VR-SMD;2.2Kohm,25%,0.15W,TOP 3 SA
2203-000189 C-CER,CHIP;100nF,+80-20%,25V,Y5V,16 2 SA
2203-000233 C-CER,CHIP;0.1nF,5%,50V,C0G,1005 1 SA
2203-006048 C-CER,CHIP;100nF,10%,10V,X7R,1005 5 SA
2203-006348 C-CER,CHIP;1000nF,10%,25V,X5R,1608 2 SA
3301-000314 BEAD-SMD;120ohm,1.6x0.8x0.8mm,-,-,- 6 SA
3301-001808 BEAD-SMD;120ohm,1005,TP,530ohm/390M 1 SA
3708-001175 CONNECTOR-FPC/FFC/PIC;8P,0.5MM,SMD- 1 SA
AK41-00799A FPC-BDP4;SOH-BDP4,1.6,FPCB,40,T0.4, 1 SNA
0603-001213 PHOTO-RECEIVER;5.7V,23mA,405nm,- 1 SNA
0202-001221 SOLDER-CREAM;PF305-116HO(A),-,25~45 0.05 SNA
3708-002203 CONNECTOR-FPC/FFC/PIC;40P,0.5mm,SMD 1 SA
2007-007768 R-CHIP;13Kohm,1%,1/10W,TP,1608 1 SA
AK41-00800A FPC-BDP4 CLD;SOH-BDP4,1.6,FPCB,8,T0 1 SNA
AK63-00518A COVER-FPCB;SOH-BP4,SUS304,T0.15,W3. 1 SNA
C002 AK64-02242A DOOR-TRAY;BD-P1500,ABS+PMMA,T2,H22. 1 SA
C011 AK61-00519A SPRING ETC-DOOR;DVD-SR420,STS304WPB 1 SA
C-A/V AC39-42001R CABLE-A/V;PVC,-,-,3P,-,-,- 1 SA
FL400 AK39-00130A LEAD CONNECTOR;BD-P1500,UL1007#24,U 1 SA
FL401 AK39-00127A DATA LINK CABLE;BD-P1500,7P,7P,240m 1 SA
P-CASE AK69-00606B PACKING CASE;BD-P1500/XAC,CB,SW2, A 1 SA
W001 6003-000275 SCREW-TAPTITE;BH,+,-,B,M3,L10,ZPC(B 9 SA
W009 6003-000276 SCREW-TAPTITE;BH,+,-,B,M3,L10,ZPC(W 6 SA
W200 6003-001375 SCREW-TAPTITE;BH,+,-,B,M3,L8,ZPC(WH 4 SA
W275 6003-001561 SCREW-TAPTITE;BH,+,-,B,M3,L6,ZPC(WH 4 SA
W348 6003-000255 SCREW-TAPTITE;BWH,+,-,B,M3,L8,ZPC(W 3 SA

Exploded Views and Parts List
5-16 Samsung Electronics
M E M O

6. PCB Diagrams
6-1 Wiring Diagram ----------------------------------------------------------------------------------------------------------------- 6-2
6-2 Main PCB --------------------------------------------------------------------------------------------------------------------------- 6-3
6-3 S.M.P.S PCB ----------------------------------------------------------------------------------------------------------------------- 6-5
6-4 Front key PCB ------------------------------------------------------------------------------------------------------------------- 6-7
6-5 Power Key PCB ----------------------------------------------------------------------------------------------------------------- 6-8
Samsung Electronics 6-1

6-2 Samsung Electronics
PCB Diagrams
6-1 Wiring Diagram

Samsung Electronics
6-3
PCB Diagrams
6-2 Main PCB
COMPONENT SIDE
LOC.NO X-Y
PCN1 A-0
UIC1 A-3
CEIC1 A-4
HIC1 B-5
IC98 C-6
FCN1 D-0
FIC2 D-0
IC15 D-3
FCON E-0
AIC5 E-3
UCON1 E-3
q DIGITAL AUDIO DATA
AR160
w Digital Video signal
U1(HRN3 ~ HRN8)
e Y1 _CLOCK SIGNAL (54MHz)
r HDMI OUTPUT DATA
HIC1 (pin30,31,33,34,36,37,39,40)

6-4 Samsung Electronics
PCB Diagrams
CONDUCTOR SIDE
LOC.NO X-Y
FU1 A-0
FU2 A-1
FIC1 B-1
NAND2 B-2
PIC5 B-4
AIC8 B-4
AIC3 B-5
U1 C-2
PIC7 D-0
PIC6 D-0
PIC2 E-1
CEIC2 E-4
PIC1 E-5
q ANALOG AUDIO DATA
AIC3
e Pb(Color-bar)
Pin (U1-VR1)
w Y(Color-bar)
Pin (U1-VR6)
r Pr(Color-bar)
Pin (U1-VR4)
t Y(Color-bar)
Pin-VR12
u Pr(Color-bar)
Pin-VR14
y Pb(Color-bar)
Pin-VR13
i CVBS(Color-bar)
Pin (VC 3, VR16)

Samsung Electronics
6-5
PCB Diagrams
6-3 S.M.P.S PCB
COMPONENT SIDE
LOC.NO X-Y
IC1P01 A-0
CN1 D-0
IC1S02 D-1
IC1S10 E-1
CN1S01 F-3

6-6 Samsung Electronics
PCB Diagrams
CONDUCTOR SIDE

Samsung Electronics
6-7
PCB Diagrams
6-4 Front key PCB
COMPONENT SIDE
CONDUCTOR SIDE
q Remote control eye data
FU3 Pin3

6-8 Samsung Electronics
PCB Diagrams
6-5 Power Key PCB
COMPONENT SIDE CONDUCTOR SIDE

Samsung Electronics This Document can not be used without Samsung's authorization 7-1
7. Schematic Diagrams
7-1 All block Diagram ----------------------------------------------------------------------------------------7-2
7-2 Power ------------------------------------------------------------------------------------------------------------7-3
7-3 S.M.P.S (SMPS PCB) -------------------------------------------------------------------------------------7-5
7-4 Analog Audio/Video (Main PCB) -----------------------------------------------------------------7-6
7-5 HDMI-CEC (Main PCB) ----------------------------------------------------------------------------------7-8
7-6 HDMI Transmitter (Main PCB) ---------------------------------------------------------------------7-9
7-7 7440 Boot Strap Option (Main PCB) ---------------------------------------------------------7-10
7-8 7440 EBI/ADDR-EBI/DATA (Main PCB) -----------------------------------------------------7-11
7-9 7440 Clocks-BBS (Main PCB) --------------------------------------------------------------------7-12
7-10 7440 Power-Decoupling (Main PCB) ------------------------------------------------------7-13
7-11 DDR2 BANKO-BANK1 (Main PCB) ------------------------------------------------------------7-14
7-12 Front Micom (Main PCB) --------------------------------------------------------------------------7-15
7-13 Ethernet-USB-S/ATA-P/ATA (Main PCB) -------------------------------------------------7-16
7-14 7440 GPIO Block (Main PCB) ------------------------------------------------------------------7-17
7-15 NAND Flash-Fleconenand (Main PCB) ----------------------------------------------------7-18
7-16 Main Power (Main PCB) ---------------------------------------------------------------------------7-19
7-17 Front Key (Front PCB) ------------------------------------------------------------------------------7-20
7-18 Power Key (Power PCB) ---------------------------------------------------------------------------7-21
● For schematic Diagram
- Resistors are in ohms, 1/8W unless otherwise noted.
Note :
Do not use the part number shown on this drawing for ordering. The correct part number is shown in the parts list
(may be slightly different or amended since this drawing was prepared).
Special note :
Most semiconductor devices are electrostatically sensitive and therefore require the special handling techniques
described under the “electrostatically sensitive (ES) devices” section of this service manual.
Important safety notices :
Components identied with the mark have the special characteristics for safety. When replacing any of these
components. Use only the same type.
Note

7-2 This Document can not be used without Samsung's authorization Samsung Electronics
Schematic Diagrams
7-1 All block Diagram

Schematic Diagrams
Samsung Electronics This Document can not be used without Samsung's authorization 7-3
7-2 Power
7-2-1 About S.M.P.S (Ringing Choke Converter Method)
u Terms
1) 1st : Common power input to 1st winding.
2) 2nd : Circuit followings output winding of transformer.
3) f (Frequency) : Switching frequency (T : Switching cycle)
4) Duty : (Ton/T) x 100
7-2-2 Circuit description [FLY-Back RCC(Ringing Choke Converter)] Control
(a) AC Power Rectication/Smoothing Terminal
1) A01~04 : Convert AC power to DC (Wave rectication).
2) CIS01 : Smooth the voltage converted to DC.
3) LIS01, LISO2, CIS04, CIS05 : Noise removal at power input/output.
4) RIS04 : Rush current limit resistance at the momemt of power cord insertion.
· Without PLRU1, the bridge diode might be damaged as the rush current increases.
Fig. 7-1
Fig. 7-2
(b) SNUBBER Circuit :
RIS02, RIS03, CIS08, CIS07, DIS05
1) Prevent residual high voltage at the terminals of
switch during switch off/Suppress noise.
High inverted power occurs at switch off,
because of the 1st winding of transformer :
(V=-L1 xdi/dt. L1 : Leakage Induction)
A very high residual voltage exist on both terminals
of ICIS01 because dt is a very short.
2) SNUBBER circuit protects ICIS01 from damage
through leakage voltage suppression by RC,
(Charges the leakage voltage to DIS05 and CIS08
and discharges to RIS03, RIS02).
3) CIS07 : For noise removal
(c) IC1S01 Vcc circuit
1) ICIS01, RIS05, RIS07,RIS08 : ICIS01 driving resistance (ICIS01 works through driving resistance at power
cord in)
2) ICIS01 Vcc : RIS05, RIS07, RIS08
q Use the output of transformer as Vcc,because the current starts to ow into transformer while ICIS01 is
active
w Rectify to DIS07 and smooth to CIS09.
e Use the output of transformer as ICIS01 Vcc : The loads are different before and after ICIS01 driving.
(Vcc of ICIS01 decreases below OFF voltage , using only the resistance dut to lode increase after ICIS01
driving.)

7-4 This Document can not be used without Samsung's authorization Samsung Electronics
Schematic Diagrams
(d) Feedback Control Circuit
Fig. 7-4
1) F/B terminal of PQIZ1 determines output duty cyle.
2) C-E (Collector-Emitter) of PQIZ1 and F/B potential of PQIZ1 are same.
7-2-3 Internal Block Diagram (Internal Block Diagram of S.M.P.S Circuit)
Fig. 7-3

Schematic Diagrams
Samsung Electronics This Document can not be used without Samsung's authorization 7-5
7-3 S.M.P.S (S.M.P.S PCB)

7-6 This Document can not be used without Samsung's authorization Samsung Electronics
Schematic Diagrams
7-4 Analog Audio/Video (Main PCB)
Refer to a pattern
image of Table 7-5
u These are the waveforms of BD-P1500
Caution There can be some differences (Voltage, Frequency, stc.) among cameras.

Schematic Diagrams
Samsung Electronics This Document can not be used without Samsung's authorization 7-7
qDIGITAL AUDIO DATA
AR160
wANALOG AUDIO DATA
AIC3
rPb(Color-bar)
Pin (U1-VR1)
eY(Color-bar)
Pin (U1-VR6)
tPr(Color-bar)
Pin (U1-VR4)
yY(Color-bar)
Pin-VR12
iPr(Color-bar)
Pin-VR14
uPb(Color-bar)
Pin-VR13
oCVBS(Color-bar)
Pin (VC 3, VR16)
Fig. 7-5

7-8 This Document can not be used without Samsung's authorization Samsung Electronics
Schematic Diagrams
7-5 HDMI-CEC (Main PCB)

Schematic Diagrams
Samsung Electronics This Document can not be used without Samsung's authorization 7-9
7-6 HDMI Transmitter (Main PCB)
qDigital Video signal
U1(HRN3 ~ HRN8)
wY1 _CLOCK SIGNAL (54MHz) eHDMI OUTPUT DATA
HIC1 (pin30,31,33,34,36,37,39,40)
u These are the waveforms of BD-P1500
Caution There can be some differences (Voltage, Frequency, stc.) among cameras.

7-10 This Document can not be used without Samsung's authorization Samsung Electronics
Schematic Diagrams
7-7 7440 Boot Strap Option (Main PCB)

Schematic Diagrams
Samsung Electronics This Document can not be used without Samsung's authorization 7-11
7-8 7440 EBI/ADDR-EBI/DATA (Main PCB)

7-12 This Document can not be used without Samsung's authorization Samsung Electronics
Schematic Diagrams
7-9 7440 Clocks-BBS (Main PCB)

Schematic Diagrams
Samsung Electronics This Document can not be used without Samsung's authorization 7-13
7-10 7440 Power-Decoupling (Main PCB)

7-14 This Document can not be used without Samsung's authorization Samsung Electronics
Schematic Diagrams
7-11 DDR2 BANKO-BANK1 (Main PCB)

Schematic Diagrams
Samsung Electronics This Document can not be used without Samsung's authorization 7-15
7-12 Front Micom (Main PCB)

7-16 This Document can not be used without Samsung's authorization Samsung Electronics
Schematic Diagrams
7-13 Ethernet-USB-S/ATA-P/ATA (Main PCB)

Schematic Diagrams
Samsung Electronics This Document can not be used without Samsung's authorization 7-17
7-14 7440 GPIO Block (Main PCB)

7-18 This Document can not be used without Samsung's authorization Samsung Electronics
Schematic Diagrams
7-15 NAND Flash-Fleconenand (Main PCB)

Schematic Diagrams
Samsung Electronics This Document can not be used without Samsung's authorization 7-19
7-16 Main Power (Main PCB)

7-20 This Document can not be used without Samsung's authorization Samsung Electronics
Schematic Diagrams
7-17 Front Key (Front PCB)

Schematic Diagrams
Samsung Electronics This Document can not be used without Samsung's authorization 7-21
7-18 Power Key (Power PCB)

M E M O
7-22 Samsung Electronics
Schematic Diagrams