3210 Offset BHRotary Cutter3200series PM 11
User Manual: 3210 Offset
Open the PDF directly: View PDF
.
Page Count: 96

LAND MAINTENANCE
REPAIR PARTS MANUAL
MODEL: 3200 SERIES
3209, 3210, 3214
SECTION: 46
BUSH HOG®
2501 Griffin Ave. • Selma, AL 36703
(334) 872 6261 • (334) 874 2700
Parts Ordering 1 800 304 2836
Fax 1 800 572 1784
www.bushhog.com

BUSH HOG/ LAND MAINTENANCE REPAIR PARTS MANUAL
3209, 3210, 3214
Serial Numbers 12-09999 and Below
ALPHABETICAL INDEX
CONTENTS PAGE
Axle Weldment 3209...........................................................46-1-1
3209 Offset .................................................................46-1-2
3210............................................................................46-1-3
3210 Offset .................................................................46-1-4
3214............................................................................46-1-5
Axle Arms (Pull Models) .....................................................46-7-1
Band, Rear (All Models)......................................................46-3-2
Belting, Front (Center Hitch Models) .................................46-3-2
Belting, Rear 3214..............................................................46-3-3
Base Assemblies 3209 .......................................................46-1-1
3209 Offset .................................................................46-1-2
3210............................................................................46-1-3
3210 Offset .................................................................46-1-4
3214............................................................................46-1-5
Blades & Blade Holders 3209, 3210...................................46-2-1
3209 Offset, 3210 Offset.............................................46-2-2
3214............................................................................46-2-3
Chain, Safety Tow ..............................................................46-6-1
Chains, Highway (All Models).............................................46-3-1
Clevis, Tongue....................................................................46-6-1
Cylinder, Hydraulic...........................................46-8-1 thru 46-8-3
Decals ........................................................See Base Assemblies
Deck Weldments........................................See Base Assemblies
Driveshafts Pull Models..............46-5-1, 46-5-2, 46-5-9, 46-5-13,
...............................................46-5-22 thru 46-5-27, 46-5-29
Lift & Semi-Mount.........................................46-5-3, 46-5-11
Jackshaft (All Pull Models) ...........................46-5-4, 46-5-12
Cross Shafts (3209, 3210)..........................................46-5-5
Cross Shafts (3209 Offset, 3210 Offset).....................46-5-6
Cross Shafts(3214)............46-5-6, 46-5-7, 46-5-12, 46-5-28
Gearbox, Assemblies.....................................46-4-1 thru 46-4-14
Hitches .............................................................46-6-1 thru 46-6-3
3 Pt. Lift ..........................................................46-6-2, 46-6-3
Semi-Mount ....................................................46-6-2, 46-6-3
Pull Type (Tongue) .....................................................46-6-1
Holder, Hose.......................................................................46-8-1
Hub, Wheel (Pull Models)...................................................46-7-1
Hub, Wheel (Lift & Semi-Mount).............................46-7-2, 46-7-3
Hydraulic Components....................................46-8-1 thru 46-8-3
Jackstand............................................................................46-6-1
Ratchet Assy.......................................................................46-8-2
Pillow Block Bearing & Mount.............................................46-5-8
Rims.................................................................46-7-2 thru 46-7-5
Shields, Safety..................................................................46-4-28
Shredder Attachment..........................................................46-2-4
Skids ..........................................................See Base Assemblies
Stop Kits (Hydraulic Cylinder).............................................46-8-1
Tailwheels 3 Pt. Lift & Semi-Mount 3214............................46-7-3
3 Pt. Lift & Semi-Mount 3209, 3210 ...............46-7-2, 46-7-3
Tires .................................................................46-7-2 thru 46-7-5
3209, 3210
Serial Numbers 12-10000 and Above
ALPHABETICAL INDEX
CONTENTS PAGE
Axle Weldment 3209 ...........................................................46-1-6
3209 Offset..................................................................46-1-7
3210 ............................................................................46-1-8
3210 Offset..................................................................46-1-9
Axle Arms (Pull Models)......................................................46-7-1
Band, Rear (All Models) ......................................................46-3-2
Belting, Front (Center Hitch Models)..................................46-3-2
Base Assemblies 3209R-1..................................................46-1-6
3209 Offset..................................................................46-1-7
3210 ............................................................................46-1-8
3210 Offset..................................................................46-1-9
Blades & Blade Holders 3209, 3210.......................46-1-6, 46-1-8
3209 Offset, 3210 Offset.................................46-1-7, 46-1-9
Chain, Safety Tow ..............................................................46-6-1
Chains, Highway (All Models) .............................................46-3-1
Clevis, Tongue ....................................................................46-6-1
Cylinder, Hydraulic............................................46-8-1 thru 46-8-3
Decals.........................................................See Base Assemblies
Deck Weldments.........................................See Base Assemblies
Driveshafts Pull Models..........................46-5-9, 46-5-16, 46-5-17
..............................................................46-5-22 thru 46-5-27
Lift & Semi-Mount......................................................46-5-11
Jackshafts .................................................................46-5-18
Cross Shafts (3209, 3210)..........................46-5-14, 46-5-15
..............................................................46-5-19 thru 46-5-21
Gearbox, Assemblies..............................46-4-15 through 46-4-27
Hitches........................................................46-6-1 through 46-6-2
3 Pt. Lift .......................................................................46-6-2
Semi-Mount.................................................................46-6-2
Pull Type (Tongue)......................................................46-6-1
Holder, Hose .......................................................................46-8-1
Hub, Wheel (Pull Models)....................................................46-7-1
Hub, Wheel (Lift & Semi-Mount) .............................46-7-2, 46-7-3
Hydraulic Components ....................................46-8-1 thru 46-8-3
Jackstand............................................................................46-6-1
Ratchet Assy. ......................................................................46-8-2
Pillow Block Bearing & Mount .............................................46-5-8
Rims .................................................................46-7-2 thru 46-7-5
Shields, Safety....................................................46-4-29, 46-4-30
Shredder Attachment ..........................................................46-2-4
Skids...........................................................See Base Assemblies
Stop Kits (Hydraulic Cylinder) .............................................46-8-1
Tailwheels, 3 Pt. Lift & Semi-Mount 3209, 3210 .................46-7-3
Tires..................................................................46-7-2 thru 46-7-5
SEPTEMBER, 2011

BUSH HOG / LAND MAINTENANCE REPAIR PARTS MANUAL
REF. PART
NO. NO. QTY. DESCRIPTION
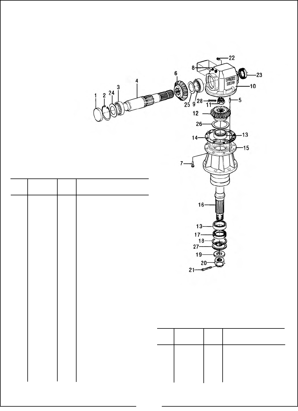
1 N/A 1 Axle Weldment
2 90108BH 2 Bushing
3 44250BH 2 Capscrew 1” x 10 1/2” Gr. 8
4 15821 2 Lockwasher 1”
5 19502 2 Hex Nut 1”
6 90610 3 Reinforcing Pad
7 –––– 18 Capscrew 5/8” x 2 1/2” Gr. 8
8 –––– 18 Flanged Hex Nut 5/8”
9 50040394 1 L.H. Skid
10 50040393 1 R.H. Skid
11 50040391 2 Skid
12 44928BH 10 Plow Bolt 3/8” x 1-1/2”
13 –––– 10 Lockwasher 3/8”
14 –––– 10 Flatwasher 3/8”
15 –––– 10 Hex Nut 3/8”
16 N/A 1 Deck w/Decals 540 RPM
N/A 1 Deck w/Decals 1000 RPM
90462 1 Decal Kit 540 RPM
90463 1 Decal Kit 1000 RPM
17 50061049 2 Bush Hog Decals
18 90109 1 Model Decal
19 69878 1 Blade Rotation Decal (CCW)
20 69877 1 Blade Rotation Decal (CW)
21 50042072 1 Safety Decal Kit
22 50031214 2 Red Reflector
23 50031212 1 Amber Decal
3209 BASE AND RELATED PARTS
Serial Numbers 12-09999 and Below
46-1-1
1
23
4
5
6
7
8
10
9
11
12
13
14
15
16
12
13
14
15
22
18
20
19
22
23
21 21
17
SEPTEMBER, 2011

BUSH HOG / LAND MAINTENANCE REPAIR PARTS MANUAL
REF. PART
NO. NO. QTY. DESCRIPTION
1 50031472 1 Axle Weldment w/ Reflectors
2 90108BH 2 Bushing
3 44250BH 2 Capscrew 1” x 10 1/2” Gr. 8
4 15821 2 Lockwasher 1”
5 19502 2 Hex Nut 1”
6 90610 3 Reinforcing Pad
7 –––– 18 Capscrew 5/8” x 2 1/2” Gr. 8
8 –––– 18 Flanged Hex Nut 5/8”
9 50040394 1 L.H. Skid
10 50040393 1 R.H. Skid
11 50040391 2 Skid
12 44928BH 10 Plow Bolt 3/8” x 1-1/2”
13 –––– 10 Lockwasher 3/8”
14 –––– 10 Flatwasher 3/8”
15 –––– 10 Hex Nut 3/8”
16 N/A 1 Deck w/Decals 540 RPM
90535 1 Decal Kit 540 RPM
17 50061049 2 Bush Hog Decals
18 90109 1 Model Decal
19 69878 2 Blade Rotation Decal (CCW)
20 50042072 1 Safety Decal Kit
21 50031214 4 Red Reflector
22 50031212 2 Amber Reflector
23 50031219 3 Red/Orange Reflector
3209 OFFSET BASE AND RELATED PARTS
Serial Numbers 12-09999 and Below
46-1-2
1
2
3
4
5
6
7
8
9
10
11
12
12
13
13
14
15
14
15
16
18
17
19
19
20
21
21
23
23
23
21
21
22
22
SEPTEMBER, 2011

BUSH HOG / LAND MAINTENANCE REPAIR PARTS MANUAL
REF. PART
NO. NO. QTY. DESCRIPTION
1 97200 1 Axle Weldment
2 90108BH 2 Bushing
3 44250BH 2 Capscrew 1” x 10 1/2” Gr. 8
4 15821 2 Lockwasher 1”
5 19502 2 Hex Nut 1”
6 90610 3 Reinforcing Pad
7 –––– 18 Capscrew 5/8” x 2 1/2” Gr. 8
8 –––– 18 Flanged Hex Nut 5/8”
9 50040394 1 L.H. Skid
10 50040393 1 R.H. Skid
11 50040391 2 Skid
12 44928BH 10 Plow Bolt 3/8” x 1-1/2”
13 –––– 10 Lockwasher 3/8”
14 –––– 10 Flatwasher 3/8”
15 –––– 10 Hex Nut 3/8”
16 N/A 1 Deck w/Decals 540 RPM
N/A 1 Deck w/Decals 1000 RPM
90441 1 Decal Kit 540 RPM
90442 1 Decal Kit 1000 RPM
17 50061049 2 Bush Hog Decals
18 90156 1 Model Decal, 3210
50067801 1 Model Decal, 13210
19 69878 1 Blade Rotation Decal (CCW)
20 69877 1 Blade Rotation Decal (CW)
21 50042072 1 Safety Decal Kit
22 50031214 2 Red Reflector
23 50031212 2 Amber Decal
3210 BASE AND RELATED PARTS
Serial Numbers 12-09999 and Below
46-1-3
12
14 13 15
23 18
22
5
4
2
3
1
8
6
7
16
22
23
21
15
13
14
12
11
17
10
20
19
9
SEPTEMBER, 2011

BUSH HOG / LAND MAINTENANCE REPAIR PARTS MANUAL
REF. PART
NO. NO. QTY. DESCRIPTION
1 50031299 1 Axle Weldment w/ Decals
2 90108BH 2 Bushing
3 44250BH 2 Capscrew 1” x 10 1/2” Gr. 8
4 15821 2 Lockwasher 1”
5 19502 2 Hex Nut 1”
6 90610 3 Reinforcing Pad
7 –––– 18 Capscrew 5/8” x 2 1/2” Gr. 8
8 –––– 18 Flanged Hex Nut 5/8”
9 50040394 1 L.H. Skid
10 50040393 1 R.H. Skid
11 50040391 2 Skid
12 44928BH 10 Plow Bolt 3/8” x 1-1/2”
13 –––– 10 Lockwasher 3/8”
14 –––– 10 Flatwasher 3/8”
15 –––– 10 Hex Nut 3/8”
16 N/A 1 Deck w/Decals 540 RPM
90428 1 Decal Kit 540 RPM
17 50061049 2 Bush Hog Decals
18 90109 1 Model Decal
19 69878 2 Blade Rotation Decal (CCW)
20 50042072 1 Safety Decal Kit
21 50031214 4 Red Reflector
22 50031212 2 Amber Reflector
23 50031219 3 Red/Orange Fluorescent Tape
3210 OFFSET BASE AND RELATED PARTS
Serial Numbers 12-09999 and Below
46-1-4
12
13
14
15
9
24
20
22
21
18
19
5
4
23
1
23
23
23
21
21
21
22
19
8
6
7
15
13
14
12
11
17
10
16
SEPTEMBER, 2011

BUSH HOG / LAND MAINTENANCE REPAIR PARTS MANUAL
REF. PART
NO. NO. QTY. DESCRIPTION
1 N/A 1 Axle Weldment w/ Decals
2 90108BH 4 Bushing
3 44250BH 2 Capscrew 1” x 10 1/2” Gr. 8
4 15821 2 Lockwasher 1”
5 19502 2 Hex Nut 1”
6 90610 3 Reinforcing Pad
7 –––– 18 Capscrew 5/8” x 2 1/2” Gr. 8
8 –––– 18 Flanged Hex Nut 5/8”
9 50040394 1 L.H. Skid
10 50040393 1 R.H. Skid
11 50040391 2 Skid
12 44928BH 10 Plow Bolt 3/8” x 1-1/2”
13 –––– 10 Lockwasher 3/8”
14 –––– 10 Flatwasher 3/8”
15 –––– 10 Hex Nut 3/8”
16 N/A 1 Deck w/Decals 540 RPM
N/A 1 Deck w/Decals 1000 RPM
N/A 1 Decal Kit 540 RPM
N/A 1 Decal Kit 1000 RPM
REF. PART
NO. NO. QTY. DESCRIPTION
17 50061049 2 Bush Hog Decals
18 90229 1 Model Decal
19 69878 2 Blade Rotation Decal (CCW)
20 69877 1 Blade Rotation Decal (CW)
21 50042072 1 Safety Decal Kit
22 50031214 7 Red Reflector
23 50031212 2 Amber Decal
24 90223 1 Baffle L.H.
25 90224BH 1 Baffle R.H.
26 –––– 12 Capscrew 1/2” x 1 1/4” Gr.5
27 –––– 12 Flatwasher 1/2”
28 –––– 12 Lockwasher 1/2”
29 –––– 12 Hex Nut 1/2”
30 50031219 5 Red / Orange Reflector
3214 BASE AND RELATED PARTS
46-1-5
1
30
22
23
4
5
6
7
8
9
10
11
12
13
15
14
12
13
14 15
16
17
18
19
19
20
21
21 23
22
23
22
24
28
29
27
26
25
30
22
30 22
22
30
22
30
SEPTEMBER, 2011

BUSH HOG / LAND MAINTENANCE REPAIR PARTS MANUAL
46-1-6
3209 BASE ASSEMBLY
Serial Numbers 12-10000 and Above
With Omni Gearboxes
REF. PART
NO. NO. QTY. DESCRIPTION
1 50018405 1 Deck w/Decals 540 RPM
50018404 1 Deck w/Decals 1000 RPM
90462 1 Decal Kit 540 RPM
90463 1 Decal Kit 1000 RPM
2 50017838 1 Axle Weldment
3 50018291 2 Bushing
4 20100 2 Capscrew 1” x 9 1/2” Gr. 5
5 15821 4 Lockwasher 1”
6 19502 4 Hex Nut 1”
7 50018280 3 Reinforcing Pad
8 –––– 12 Capscrew 3/4” x 2 1/2”
–––– 6 Capscrew 3/4” x 2-3/4” (Center)
9 –––– 18 Hex Nut 3/4” Gr.G
10 50040394 1 L.H. Skid
11 50040393 1 R.H. Skid
12 50040391 2 Skid, Removable
13 44928BH 10 Plow Bolt 3/8” x 1-1/2”
14 –––– 10 Lockwasher 3/8”
15 –––– 10 Flatwasher 3/8”
16 –––– 10 Hex Nut 3/8”
17 50061049 2 Bush Hog Decal
18 90109 1 Model Decal
19 69878 1 Blade Rotation Decal (CCW)
20 69877 1 Blade Rotation Decal (CW)
REF. PART
NO. NO. QTY. DESCRIPTION
21 50029417 1 Sheet Decal, 540 RPM
50029418 1 Sheet Decal, 1000 RPM
22 50029419 1 Sheet Decal
23 50057117 1 Blade Pan
24 7829 2 Blade, CW Rotation
25 7828 2 Blade, CCW Rotation
26 50031214 2 Red Reflector
27 50031212 1 Amber Reflector
28 63607 2 Blade Bolt Kit
29 252BH 2 Blade Nut 1-1/8”
30 20322 2 Lockwasher 1-1/8”
31 7919BH 2 Blade Bolt
32 50057320 2 Blade Bar
1
13
11
23
23
15 14 16
20
2
4
18
26
8
19
22
21
27
26
13
12
17
10
32
16
14
15
9
7
6
5
3
29
30
31
28
24
31
29
30
25
28
SEPTEMBER, 2011

BUSH HOG / LAND MAINTENANCE REPAIR PARTS MANUAL
46-1-7
3209 OFFSET BASE ASSEMBLY
Serial Numbers 12-10000 and Above
With Omni Gearboxes
REF. PART
NO. NO. QTY. DESCRIPTION
1 N/A 1 Deck w/Decals, 540 RPM
90535 1 Decal Kit, 540 RPM
2 50031472 1 Axle Weldment w/ Decals
3 90108BH 2 Bushing
4 20187 2 Capscrew 1” x 10” Gr. 5
5 15821 4 Lockwasher 1”
6 19502 4 Hex Nut 1”
7 50018280 2 Reinforcing Pad
8 –––– 6 Capscrew 3/4” x 2 1/2” Gr. 5
9 –––– 12 Hex Nut 3/4” Gr.G
10 50040394 1 L.H. Skid
11 50040393 1 R.H. Skid
12 50040391 2 Skid, Removable
13 44928BH 10 Plow Bolt 3/8” x 1-1/2”
14 –––– 10 Lockwasher 3/8”
15 –––– 10 Flatwasher 3/8”
16 –––– 10 Hex Nut 3/8”
17 50061049 2 Bush Hog Decal
18 90109 1 Model Decal
REF. PART
NO. NO. QTY. DESCRIPTION
19 69878 2 Blade Rotation Decal (CCW)
20 50031214 4 Red Reflector
21 50031212 2 Amber Decal
22 63607 2 Blade Bolt Kit
23 252BH 2 Blade Nut 1-1/8”
24 20322 2 Lockwasher 1-1/8”
25 7919BH 2 Blade Bolt
26 50057117 1 Blade Pan
27 7828 4 Blade, CCW Rotation
28 –––– 6 Capscrew 3/4” x 2-3/4”
29 50029417 1 Sheet Decal, 540 RPM
50029418 1 Sheet Decal, 1000 RPM
30 50029419 1 Sheet Decal
31 50031219 3 Red/Orange Fluorescent Tape
32 50031473 1 Amber Reflector
33 50057320 2 Blade Bar
1
13 11
26
15 14 16
19
28
2
4
31
31
31
20
20
18
21
20
8
7
7
19
30
29
32
21
20
13
12
17
10
33
16
14
15
9
96
5
3
25
23
24
27
22
26
23
24
25
22
27
SEPTEMBER, 2011

BUSH HOG / LAND MAINTENANCE REPAIR PARTS MANUAL
3210 BASE ASSEMBLY
Serial Numbers 12-10000 and Above
With Omni Gearboxes
REF. PART
NO. NO. QTY. DESCRIPTION
1 50018427 1 Deck w/Decals 540 RPM
50018426 1 Deck w/Decals 1000 RPM
90441 1 Decal Kit 540 RPM
90442 1 Decal Kit 1000 RPM
2 97200 1 Axle Weldment
3 90108 2 Bushing
4 44250BH 2 Capscrew 1” x 10-1/2” Gr. 5
5 15821 4 Lockwasher 1”
6 19502 4 Hex Nut 1”
7 50018280 3 Reinforcing Pad
8 –––– 12 Capscrew 3/4” x 2 1/2”
9 –––– 18 Hex Nut 3/4” Gr.G
10 50040394 1 L.H. Skid
11 50040393 1 R.H. Skid
12 50040391 2 Skid, Removable
13 44928BH 10 Plow Bolt 3/8” x 1-1/2”
14 –––– 10 Lockwasher 3/8”
15 –––– 10 Flatwasher 3/8”
16 –––– 10 Hex Nut 3/8”
17 50061049 2 Bush Hog Decal
18 90156 1 Model Decal, 3210
50067801 1 Model Decal, 13210
19 D551 1 Blade Rotation Decal (CCW)
REF. PART
NO. NO. QTY. DESCRIPTION
20 D552 1 Blade Rotation Decal (CW)
21 50031214 2 Red Reflector
22 50031212 2 Amber Reflector
23 63607 2 Blade Bolt Kit
24 252BH 2 Blade Nut 1-1/8”
25 20322 2 Lockwasher 1-1/8”
26 7919BH 2 Blade Bolt
27 50057117 1 Blade Pan
28 90014BH 2 Blade, CW Rotation
29 90015 2 Blade, CCW Rotation
30 D549 1 Sheet Decal
31 D553 1 Warning Decal
32 –––– 6 Capscrew 3/4” x 2-3/4” (Center)
33 50057320 2 Blade Bar
34 D559 1 Genuine Parts Decal
35 D614 3 Danger Decal
36 D546 1 Danger Decal
37 D547 1 Danger Decal
38 D581 1 Lube Decal
39 D454 1 Warning Decal
40 D548 1 Warning Decal
1
13 11
27
27
15 14 16
20
2
4
18
21
8
32
19
31 30
22
21
13
12
17
10
33 16
14
15
9
9
7
76
5
3
24
25
26
23
28
26
24
25
29
23
46-1-8
22
35
38
36
37
40
35
35
34 39
(Overlay onto item 37
on 1000 rpm only)
3210 BASE ASSEMBLY
With B & P Gearboxes
SEPTEMBER, 2011

BUSH HOG / LAND MAINTENANCE REPAIR PARTS MANUAL
46-1-9
3210 OFFSET BASE ASSEMBLY
Serial Numbers 12-10000 and Above
With Omni Gearboxes
REF. PART
NO. NO. QTY. DESCRIPTION
1 50018516 1 Deck w/Decals 540 RPM
90428 1 Decal Kit 540 RPM
2 50031299 1 Axle Weldment w/ Decals
3 90108 2 Bushing
4 20187 2 Capscrew 1” x 10” Gr. 5
5 15821 4 Lockwasher 1”
6 19502 4 Hex Nut 1”
7 50018280 2 Reinforcing Pad
8 –––– 6 Capscrew 3/4” x 2 1/2” Gr. 5
9 20299 12 Locknut 3/4” Gr.G
10 50040394 1 L.H. Skid
11 50040393 1 R.H. Skid
12 50040391 2 Skid, Removable
13 44928BH 10 Plow Bolt 3/8” x 1-1/2”
14 –––– 10 Lockwasher 3/8”
15 –––– 10 Flatwasher 3/8”
16 –––– 10 Hex Nut 3/8”
REF. PART
NO. NO. QTY. DESCRIPTION
17 50061049 2 Bush Hog Decal
18 90156 1 Model Decal
19 D551 2 Blade Rotation Decal (CCW)
20 90015 4 Blade, CCW Rotation
21 50031214 4 Red Reflector
22 50031212 2 Amber Reflector
23 63607 2 Blade Bolt Kit
24 252BH 2 Blade Nut 1-1/8”
25 20322 2 Lockwasher 1-1/8”
26 7919BH 2 Blade Bolt
27 50057117 1 Blade Pan
28 –––– 6 Capscrew 3/4” x 2-3/4”
29 D549 1 Sheet Decal, 540 RPM
30 D553 1 Warning Decal
31 50031219 3 Red/Orange Fluorescent Tape
32 50057320 2 Blade Bar
33 D581 1 Lube Decal
34 D614 3 Danger Decal
35 D546 1 Danger Decal
36 D547 1 Danger Decal
37 D559 1 Genuine Parts Decal
38 D454 1 Warning Decal
1
9
13
11
27
32
27
15 14 16 19
28
2
4
18
22
21
31
31
31
21
21
8
19
29
30
22
21
13
12
17
10
16
14
15
7
7
9
6
5
3
24
25
26
23
20
26
24
25
20
23
33
34
35
37
34
34
36
36
3210 OFFSET BASE ASSEMBLY
With B & P Gearboxes
SEPTEMBER, 2011

BUSH HOG / LAND MAINTENANCE REPAIR PARTS MANUAL
REF. PART
NO. NO. QTY. DESCRIPTION
1 63607 2 Blade Bolt Kit
2 252BH 2 Blade Nut 1 1/8”
3 20322 2 Lockwasher 1 1/8”
4 7919BH 2 Blade Bolt
5 66501 1 Blade Pan
6 7829 2 Blade CW Rotation (3209)
90014BH 2 Blade CW Rotation (3210)
7 7828 2 Blade CCW Rotation (3209)
90015 2 Blade CCW Rotation (3210)
BLADES AND BLADE HOLDERS
For 3209 & 3210 Center Hitch Models
Serial Numbers 12-09999 and Below
2
3
4
1
65
5
7
2
3
1
4
46-2-1
SEPTEMBER, 2011

BUSH HOG / LAND MAINTENANCE REPAIR PARTS MANUAL
REF. PART
NO. NO. QTY. DESCRIPTION
1 63607 2 Blade Bolt Kit
2 252BH 2 Blade Nut 1 1/8”
3 20322 2 Lockwasher 1 1/8”
4 7919BH 2 Blade Bolt
5 66501 1 Blade Pan
6 7828 4 Blade CCW Rotation (3209)
90015 4 Blade CCW Rotation (3210)
BLADES AND BLADE HOLDERS
For 3209 & 3210 Offset Hitch Models
Serial Numbers 12-09999 and Below
46-2-2
1
2
3
465
6
51
2
3
4
SEPTEMBER, 2011

BUSH HOG / LAND MAINTENANCE REPAIR PARTS MANUAL
REF. PART
NO. NO. QTY. DESCRIPTION
1 63607 6 Blade Bolt Kit
2 252BH 6 Jamnut 1 1/8”
3 20322 6 Lockwasher 1 1/8”
4 7919BH 6 Blade Bolt
5 86665 2 Blade, Clockwise Rotation (540 RPM)
4 Blade, Clockwise Rotation (1000 RPM)
6 86664 4 Blade, Counter Clockwise Rotation (540 RPM)
2 Blade, Counter Clockwise Rotation (1000 RPM)
7 66501 3 Round Pan Weldment
8 90689 3 Straight Bar Weldment
46-2-3
2
3
4
1
67
8
5
Right Side
Counter Clockwise
Left Side
Clockwise
Center Counter Clockwise 540 RPM
(Shown)
Clockwise 1000 RPM (Not Shown)
BLADES AND BLADE HOLDERS
For All 3214 Models
SEPTEMBER, 2011

BUSH HOG / LAND MAINTENANCE REPAIR PARTS MANUAL
46-2-4
REF. PART QTY.
NO. NO. 30” SPACING 38”/40” SPACING DESCRIPTION
1 90538 1 1 “V” Baffle
2 60032BH 5 5 Stationary Blade
3 84345 5 3 Blade Mount
4 84342 5 3 Support Plate
5 86666 6 6 Double Edge Blade
6 90563 –––– 1 Mount Weldment
7 90537 –––– 1 Baffle, Front R.H. (540 RPM)
90536 –––– 1 Baffle, Front L.H. (1000 RPM)
8 84667 –––– 1 Support
*9 86310 6 6 Pivot Bushing
*10 90612 6 6 Blade Bolt
*11 44383BH 6 6 Slotted Nut 1-1/8”
*12 15473 6 6 Cotter Pin 1/4” x 2-1/2”
13 20294 6 6 Capscrew 5/8” x 6-1/2” Gr.5
14 9162000 10 10 Locknut 5/8”
15 –––– 8 7 Capscrew 1/2” x 1-3/4” Gr.5
16 –––– 21 14 Flatwasher 1/2”
17 –––– 8 7 Lockwasher 1/2”
18 –––– 8 8 Hex Nut 1/2”
19 –––– –––– 2 Capscrew 5/8” x 2” Gr.5
20 –––– –––– 2 Capscrew 5/8” x 2-1/2” Gr.5
21 –––– –––– 10 Lockwasher 5/8”
22 90689 3 3 Blade Holder
*Note: Order 90613 for blade bolt kit. Kit includes parts for 1 blade bar assembly.
SHREDDER ATTACHMENT
30” & 38/40” ROW SPACING
For All 3214 Straight Blade Bar Models
3
2
20
20
19
13
5
10
See Blades & Blade Holders
page for these part no’s.
10
9
9
12
12
17
18
16
17
18
14
21
4
7
13
2
3
11
22
11
14 14
21 21
414
16
15
16
8
14
21
4
13
62
2
3
1
SEPTEMBER, 2011

BUSH HOG / LAND MAINTENANCE REPAIR PARTS MANUAL
46-3-1
REF. PART
NO. NO. QTY. DESCRIPTION
1 50020295 1 Front Assy., Single Row, 3209
50020294 1 Front Assy., Double Row 3209
50020288 1 Front Assy., L.H. Single Row 3210
50020287 1 Front Assy., R.H. Single Row 3210
50020289 1 Front Assy., L.H. Double Row 3210
50020290 1 Front Assy., R.H. Double Row 3210
50020277 1 Front Assy., L.H. Single Row 3214
50020276 1 Front Assy., R.H. Single Row 3214
2 50020292 1 Rear Assy., Center Single Row 3209
50020293 1 Rear Assy., Center Double Row 3209
50020285 1 Rear Assy., Center Single Row 3210
50020284 1 Rear Assy., Center Double Row 3210
50020272 1 Rear Assy., Center Single Row 3214
3 50020301 1 Rear Assy., R.H. Single Row 3209
50020297 1 Rear Assy., R.H. Double Row 3209
50020280 1 Rear Assy., R.H. Single Row 3210
50020281 1 Rear Assy., R.H. Double Row 3210
50020274 1 Rear Assy., R.H. Single Row 3214
4 50020300 1 Rear Assy., L.H. Single Row 3209
50020298 1 Rear Assy., L.H. Double Row 3209
50020279 1 Rear Assy., L.H. Single Row 3210
50020282 1 Rear Assy., L.H. Double Row 3210
50020273 1 Rear Assy., L.H. Single Row 3214
5 —— A/R Capscrew 1/2” x 1-1/4” Gr. 5
6 —— A/R Flatwasher 1/2”
7 —— A/R Lockwasher 1/2”
8 —— A/R Hex Nut 1/2”
9 —— A/R Capscrew 1/2” x 4-1/2” Gr. 5
10 90546 1 Bracket, Front, Single Row, 3209
90097 1 Bracket, Front, Double Row, 3209
90547 1 Bracket, Front L.H., Single Row, 3210
90548 1 Bracket, Front R.H., Single Row, 3210
REF. PART
NO. NO. QTY. DESCRIPTION
90238 1 Bracket, Front L.H., Double Row, 3210
90239 1 Bracket, Front R.H., Double Row, 3210
90205 1 Bracket, Front L.H., Single Row, 3214
90206 1 Bracket, Front R.H., Single Row, 3214
11 50020296 1 Rod, Front, 3209
50020286 2 Rod, Front, 3210
50020275 2 Rod, Front, 3214
12 50020291 1 Rod, Center Rear, 3209
50020283 1 Rod, Center Rear, 3210
50020271 1 Rod, Center Rear, 3214
13 50020299 2 Rod, Rear Side, 3209
50020278 2 Rod, Rear Side, 3210, 3214
14 90545 1 Bracket, Rear Center, Single Row, 3209
90091 1 Bracket, Rear Center, Double Row, 3209
90553 1 Bracket, Rear Center, Single Row, 3210
90152BH 1 Bracket, Rear Center, Double Row, 3210
90221 1 Bracket, Rear Center, Single Row, 3214
15 91417 1 Bracket, Rear R.H., Single Row, 3209
91423 1 Bracket, Rear R.H., Double Row, 3209
91429 1 Bracket, Rear R.H., Single Row, 3210
91435 1 Bracket, Rear R.H., Double Row, 3210
91441BH 1 Bracket, Rear R.H., Single Row, 3214
16 91424 1 Bracket, Rear L.H., Double Row, 3209
91418 1 Bracket, Rear L.H., Single Row, 3209
91430 1 Bracket, Rear L.H., Single Row, 3210
91436 1 Bracket, Rear L.H., Double Row, 3210
91442 1 Bracket, Rear L.H., Single Row, 3214
17 50017211 A/R Chain, 6 Link, Plated
18 –––– A/R Capscrew 5/16” x 2” Gr.5
19 –––– A/R Flatwasher 5/16”
20 –––– A/R Locknut 5/16”
21 50017210 A/R Spiral Pin .125” x 1.25”
3200 SERIES CHAINS
21
3
17
13 15
21
10
1
11
17
18 19 19 20
21
14
2
13
21
16
20 19 19 18
21
8
7
6
9
21
17
4
12 7
8
5
6
SEPTEMBER, 2011

BUSH HOG / LAND MAINTENANCE REPAIR PARTS MANUAL
46-3-2
REF. PART
NO. NO. QTY. DESCRIPTION
1 —— A/R Lockwasher 1/2”
2 —— A/R Flatwasher 1/2”
3 —— A/R Capscrew 1/2” x 4-1/2” Gr. 5
4 —— A/R Hex Nut 1/2”
5 90503 1 Front Belting Assy. 3209
90459 1 Front Belting Assy. 3210
90472 1 Front Belting Assy. 3214
6 90323 1 Belting 3209
90324 1 Belting 3210
90325 1 Belting 3214
7 90329 1 Cover 3209
90327 1 Cover 3210
*90343 2 Cover 3214
8 90328 1 Bracket 3209
90326 1 Bracket 3210
*90342 1 R.H. Bracket 3214
*90341 1 L.H. Bracket 3214
9 —— A/R Capscrew 5/16” x 1-1/4” Gr. 5
FRONT BELTING AND REAR BANDS
For 3200 Series
REF. PART
NO. NO. QTY. DESCRIPTION
10 —— A/R Flatwasher 5/16”
11 —— A/R Lockwasher 5/16”
12 —— A/R Hex Nut 5/16”
13 —— 2 Capscrew 5/16” x 2-1/2” Gr. 5
14 50017212 4 Chain, 7 Link
15 9161000 2 Locknut 5/16”
16 90095 1 Rear Band 3209
90131 1 Rear Band 3210
90291 1 Rear Band 3214
17 90094 1 R.H. Rear Band 3209
90192 1 R.H. Rear Band 3210
90293 1 R.H. Rear Band 3214
18 90093 1 L.H. Rear Band 3209
90191BH 1 L.H. Rear Band 3210
90292 1 L.H. Rear Band 3214
19 —— A/R Capscrew 1/2” x 1-1/4” Gr. 5
—— 11 Capscrew 1/2” x 4-1/2” Gr. 5
used on Center Band, 3214 Models
17
16 19
2
18
1
4
15
13
8
14
6
7
5
12
11
10
9
4
1
2
3
SEPTEMBER, 2011

BUSH HOG / LAND MAINTENANCE REPAIR PARTS MANUAL
REF. PART
NO. NO. QTY. DESCRIPTION
1 —— 10 Capscrew 1/2” x 1-1/2” Gr. 5
2 —— 21 Lockwasher 1/2”
3 —— 23 Flatwasher 1/2”
4 —— 11 Capscrew 1/2” x 4-1/2” Gr. 5
5 —— 21 Hex Nut 1/2”
6 90576 1 Center Rear Belting Assy.
7 —— 27 Capscrew 5/16” x 1-1/4” Gr. 5
8 —— 27 Hex Nut 5/16”
9 —— 27 Lockwasher 5/16”
10 —— 54 Flatwasher 5/16”
11 90567 1 Rear Center Bracket
12 90570 1 Rear Center Belting
13 90572 1 Rear Center Cover
14 90586 1 R.H. Rear Belting Assy.
15 90571 2 Short Rear Belting
16 90573 2 Short Rear Cover
17 90574 1 R.H. Bracket Weld.
18 90587 1 L.H. Rear Belting Assy.
19 90575 1 L.H. Bracket Weld.
REAR BELTING BUNDLE
FOR MODELS 3214, 13214
WITH SHREDDER ATTACHMENT
46-3-3
17 15 16
14
1
3
2
5
4
3
523
6
11 12 13
8910
10 7
18
19
15
16
SEPTEMBER, 2011

BUSH HOG / LAND MAINTENANCE REPAIR PARTS MANUAL
46-4-1
REF. PART
NO. NO. QTY. DESCRIPTION
1 70578 1 Housing, Top
2 70479 1 Housing, Lower
3 70469 1 Cover, Left
4 70468 1 Cover, Right
5 70582 1 Shaft, Input 1-3/4”
6 70466 1 Shaft Output 1-3/8”
7 70577 1 Crown Gear 15 Teeth
8 70581 1 Pinion Gear 19 Teeth
9 70797 1 Bearing
10 70801 1 Bearing
11 70800 2 Bearing
12 70462BH 12 Hex Bolt M10 x 22
13 70891 8 Bolt M10 x 25
14 70399 1 Locknut, M40 x 1.5
15 70398 1 Spring Washer
16 70304 2 Spring Pin
17 70393 1 Plug
18 70463 1 Oil Seal 35 x 56 x 8
19 70575 1 Oil Seal 50 x 90 x 10
20 70329 A/R Shim .3mm
70330 A/R Shim .4mm
70331 A/R Shim .5mm
70332BH A/R Shim 1.3mm
21 70344 A/R Shim .3mm
70345BH A/R Shim .5mm
70346BH A/R Shim 1.0mm
70347 A/R Shim .4mm
22 70546 1 Vent Plug
23 70580 1 Spacer
70825 1000 RPM
CENTER GEARBOX
Used on Models 13209 & 13210
Serial Numbers 12-09999 and Below
Replaced by 70982 Gearbox Assembly
17
22
21
11
1
SEPTEMBER, 2011

BUSH HOG / LAND MAINTENANCE REPAIR PARTS MANUAL
46-4-2
REF. PART
NO. NO. QTY. DESCRIPTION
70982 1 Gearbox Assy
1 70987 1 Housing, Top
2 70479 1 Housing, Lower
3 70469 1 Cover, Left
4 70468 1 Cover, Right
5 70988 1 Shaft, Input 1-3/4”
6 70466 1 Shaft Output 1-3/8”
7 70577 1 Crown Gear 15 Teeth
8 70581 1 Pinion Gear 19 Teeth
9 70797 1 Bearing
10 70801 1 Bearing
11 70800 1 Bearing
12 44153BH 12 Hex Bolt M10 x 22
13 70891 8 Bolt M10 x 25
14 70586 1 Locknut, M40 x 1.5
15 70585 1 Cotter Pin
16 70304 2 Spring Pin
17 70393 1 Plug
18 70463 1 Oil Seal 35 x 56 x 8
19 70575 1 Oil Seal 50 x 90 x 10
20 70329 A/R Shim .3mm
70330 A/R Shim .4mm
70331 A/R Shim .5mm
70332BH A/R Shim 1.3mm
21 70348 A/R Shim .3mm
70349BH A/R Shim .4mm
70350 A/R Shim .5mm
70351 A/R Shim 1.0mm
22 70546 1 Vent Plug
23 70940 1 Bearing
70982 1000 RPM
CENTER GEARBOX
Used on Models 13209 & 13210
Serial Numbers 12-09999 and Below
1
SEPTEMBER, 2011

BUSH HOG / LAND MAINTENANCE REPAIR PARTS MANUAL
46-4-3
REF. PART
NO. NO. QTY. DESCRIPTION
1 70578 1 Housing, Top
2 70479 1 Housing, Lower
3 70469 1 Cover, Left
4 70468 1 Cover, Right
5 70582 1 Shaft, Input 1-3/4”
6 70466 1 Shaft Output 1-3/8”
7 70473 1 Crown Gear 28 Teeth
8 70465 1 Pinon Gear 15 Teeth
9 70797 1 Bearing
10 70801 1 Bearing
11 70800 2 Bearing
12 70462BH 12 Hex Bolt M10 x 22
13 70302 8 Screw, Allen Head M10 x 25
14 70399 1 Locknut, M40 x 1.5
15 70398 1 Spring Washer
16 70304 2 Spring Pin
17 70393 1 Plug
18 70463 1 Oil Seal 35 x 56 x 8
19 70575 1 Oil Seal 50 x 90 x 10
20 70329 A/R Shim .3mm
70330 A/R Shim .4mm
70331 A/R Shim .5mm
70332BH A/R Shim 1.3mm
21 70344 A/R Shim .3mm
70345BH A/R Shim .5mm
70346BH A/R Shim 1.0mm
70347 A/R Shim .4mm
22 70546 1 Vent Plug
23 70581 1 Spacer
70594 CENTER GEARBOX ASSY.
540 RPM
Used on Models 3209 & 3210
Serial Numbers 12-09999 and Below
Replaced by 70980 Gearbox Assembly
17
22
21
11
1
SEPTEMBER, 2011

BUSH HOG / LAND MAINTENANCE REPAIR PARTS MANUAL
46-4-4
REF. PART
NO. NO. QTY. DESCRIPTION
70980 1 Gearbox Assy
1 70987 1 Housing, Top
2 70479 1 Housing, Lower
3 70469 1 Cover, Left
4 70468 1 Cover, Right
5 70988 1 Shaft, Input 1-3/4”
6 70466 1 Shaft Output 1-3/8”
7 70989 1 Crown Gear 28 Teeth
8 70465 1 Pinion Gear 15 Teeth
9 70797 1 Bearing
10 70801 1 Bearing
11 70800 1 Bearing
12 44153BH 12 Hex Bolt M10 x 22
13 70891 8 Bolt M10 x 25
14 70586 1 Locknut, M40 x 1.5
15 70585 1 Cotter Pin
16 70304 2 Spring Pin
17 70393 1 Plug
18 70463 1 Oil Seal 35 x 56 x 8
19 70575 1 Oil Seal 50 x 90 x 10
20 70329 A/R Shim .3mm
70330 A/R Shim .4mm
70331 A/R Shim .5mm
70332BH A/R Shim 1.3mm
21 70348 A/R Shim .3mm
70349BH A/R Shim .4mm
70350 A/R Shim .5mm
70351 A/R Shim 1.0mm
22 70546 1 Vent Plug
23 70940 1 Bearing
70980 CENTER GEARBOX
540 RPM
Used on Models 3209 & 3210
Serial Numbers 12-09999 and Below
1
SEPTEMBER, 2011

BUSH HOG / LAND MAINTENANCE REPAIR PARTS MANUAL
46-4-5
REF. PART
NO. NO. QTY. DESCRIPTION
1 70462BH 12 Capscrew M10 x 22
2 70463 1 Seal 35 x 56 x 8
3 70801 1 Bearing
4 70465 1 Pinon Gear (15 Teeth)
5 70466 1 Shaft
6 70797 1 Bearing
7 70578 1 Top Housing
8 70393 1 Plug
9 70468 1 Cover
10 70469 1 Cover
11 70546 1 Vent Plug
12 70802 1 Bearing
13 70579 1 Bottom Shaft
14 70304 2 Spring Pin
15 70472BH 1 Lower Housing
16 70302 8 Capscrew M10 x 25
17 70800 3 Bearing
18 70575 2 Dust Excluder
19 70166 1 Shoulder Ring
20 70077 1 Washer
21 70076 1 Castle Nut M30 x 2
REF. PART
NO. NO. QTY. DESCRIPTION
22 15473 1 Cotter Pin 1/4 x 2-1/2”
23 70399 1 Locknut M40 x 1.5
24 70398 1 Washer, Spring 40 x 62 x 1.25
25 70473 1 Crown Gear (28 Teeth)
26 70582 1 Input Shaft (For 70550 Assy. Only)
27 70329 A/R Shim .3mm Thick
70330 A/R Shim .4mm Thick
70331 A/R Shim .5mm Thick
70332BH A/R Shim 1.0mm Thick
28 70337 A/R Shim .3mm Thick
70338 A/R Shim .4mm Thick
70339 A/R Shim .5mm Thick
70340 A/R Shim 1.0mm Thick
29 70344 A/R Shim .3mm Thick
70345BH A/R Shim .5mm Thick
70346BH A/R Shim 1.0mm Thick
70347 A/R Shim .4mm Thick
30 70580 1 Spacer (70550 Assy. Only)
31 70571 1 Cotter Pin B4 x 50
32 70570 1 Nut M30 x 1.5
33 70576 1 Protective Shield
70550 CENTER GEARBOX
ASSEMBLY (540 RPM)
Used on 3214 Models
Replaced by 70949 Gearbox Assembly
SEPTEMBER, 2011

BUSH HOG / LAND MAINTENANCE REPAIR PARTS MANUAL
46-4-6
70549 CENTER GEARBOX ASSEMBLY
1000 RPM
Used on 13214
Replaced by 70981 Gearbox Assembly
REF. PART
NO. NO. QTY. DESCRIPTION
1 70462BH 12 Hex Bolt M10 x 22
2 70463 2 Oil Seal 35 x 56 x 8
3 70801 1 Bearing
4 70329 A/R Shim .3mm Thick
70330 A/R Shim .4mm Thick
70331 A/R Shim .5mm Thick
70332BH A/R Shim 1.0mm Thick
5 70577 1 Crown Gear 19 Teeth
6 70466 1 Output Shaft
7 70797 1 Bearing
8 70578 1 Casing
9 70393 2 Plug
10 70468 1 Cover
11 70469 1 Cover
12 70570 1 Nut M30 x 1.5
13 70571 1 Cotter Pin B4 x 50
14 70337 A/R Shim .3mm Thick
70338 A/R Shim .4mm Thick
70339 A/R Shim .5mm Thick
70340 A/R Shim 1.0mm Thick
15 70802 1 Bearing
16 70579 1 Shaft
17 70304 2 Spring Pin 10 x 26
18 70472BH 1 Lower Housing
19 70302 8 Cheese Head Screw M10 x 25
20 70800 3 Bearing
21 70575 2 Dust Excluder
REF. PART
NO. NO. QTY. DESCRIPTION
22 70166 1 Shoulder Ring
23 70077 1 Blank Washer
24 70076 1 Castle Nut M30 x 2
25 70580 1 Spacer
26 70399 1 Locknut M40 x 1.5
27 70398 1 Spring Washer
28 70581 1 Bevel Pinion 15 Teeth
29 70344 A/R Shim .3mm Thick
70345BH A/R Shim .5mm Thick
70346BH A/R Shim 1.0mm Thick
70347 A/R Shim .4mm Thick
30 70582 1 Input Shaft 1-3/4”
31 70583 1 Bevel Pinion 15 Teeth
32 70576 1 Protective Shield
33 15473 1 Cotter Pin 1/4 x 2-1/2”
34 70546 1 Vent Plug
SEPTEMBER, 2011

BUSH HOG / LAND MAINTENANCE REPAIR PARTS MANUAL
46-4-7
70981 CENTER GEARBOX ASSEMBLY
1000 RPM
Used on 13214 Models
REF. PART
NO. NO. QTY. DESCRIPTION
70981 1 Gearbox Assy
1 44153BH 12 Hex Bolt M10 x 22
2 70463 2 Oil Seal 35 x 56 x 8
3 70801 1 Bearing
4 70329 A/R Shim .3mm Thick
70330 A/R Shim .4mm Thick
70331 A/R Shim .5mm Thick
70332BH A/R Shim 1.0mm Thick
5 70577 1 Crown Gear 19 Teeth
6 70466 1 Output Shaft
7 70797 1 Bearing
8 70987 1 Casing
9 70393 2 Plug
10 70468 1 Cover
11 70469 1 Cover
12 70570 1 Nut M30 x 1.5
13 70571 1 Cotter Pin B4 x 50
14 70337 A/R Shim .3mm Thick
70338 A/R Shim .4mm Thick
70339 A/R Shim .5mm Thick
70340 A/R Shim 1.0mm Thick
15 70802 1 Bearing
16 70579 1 Shaft
17 70304 2 Spring Pin 10 x 26
18 70472BH 1 Lower Housing
19 70891 8 Bolt
20 70800 2 Bearing
21 70575 2 Dust Excluder
REF. PART
NO. NO. QTY. DESCRIPTION
22 70166 1 Shoulder Ring
23 70077 1 Blank Washer
24 70076 1 Castle Nut M30 x 2
25 70940 1 Bearing
26 70586 1 Castle Nut
27 70585 1 Cotter Pin
28 70581 1 Bevel Pinion 15 Teeth
29 70348 A/R Shim .3mm Thick
70349BH A/R Shim .4mm Thick
70350 A/R Shim .5mm Thick
70351 A/R Shim 1.0mm Thick
30 70988 1 Input Shaft 1-3/4”
31 70583 1 Bevel Pinion 15 Teeth
32 70576 1 Protective Shield
33 15473 1 Cotter Pin 1/4 x 2-1/2”
34 70546 1 Vent Plug
SEPTEMBER, 2011

BUSH HOG / LAND MAINTENANCE REPAIR PARTS MANUAL
46-4-8
REF. PART
NO. NO. QTY. DESCRIPTION
1 70890 1 Cover
2 70578 1 Housing
3 70472BH 1 Lower Housing
4 70469 1 Cover
5 70582 1 Input Shaft
6 70889 1 Cross Shaft
7 70579 1 Lower Shaft
8 70473 1 Crown Gear (28 Teeth)
9 70465 2 Gear (15 Teeth)
10 70077 1 Washer
11 70797 1 Bearing
12 70802 1 Bearing
13 70801 1 Bearing
14 70800 3 Bearing
15 70462BH 12 Capscrew M10 x 22
16 70891 8 Bolt M10 x 25
17 70076 1 Hex Nut M30 x 2
18 70399 1 Locknut M40 x 1.5
19 70398 1 Spring Washer
20 70304 2 Spring Pin
21 70166 1 Shoulder Ring
22 70393 2 Plug
23 70463 1 Seal
24 70575 2 Dust Excluder
25 15473 1 Cotter Pin 1/4” x 2-1/2”
70826 LEFT HAND
GEARBOX ASSEMBLY
Models 3209-OR, 3210-OR
Serial Numbers 12-09999 and Below
Replaced by 70952 Gearbox
REF. PART
NO. NO. QTY. DESCRIPTION
26 70337 A/R Shim .3mm Thick
70338 A/R Shim .4mm Thick
70339 A/R Shim .5mm Thick
70340 A/R Shim 1.0mm Thick
27 70329 A/R Shim .3mm Thick
70330 A/R Shim .4mm Thick
70331 A/R Shim .5mm Thick
70332BH A/R Shim 1.0mm Thick
28 70344 A/R Shim .3mm Thick
70345BH A/R Shim .5mm Thick
70346BH A/R Shim 1.0mm Thick
70347 A/R Shim .4mm Thick
29 70571 1 Cotter Pin
30 70570 1 Castle Nut
31 70576 1 Protective Shield
32 70580 1 Spacer
33 70546 1 Vent Plug
23
27
27
22 33
29
27
26
20
24
21
31
25
30
19
28
24
32
SEPTEMBER, 2011

BUSH HOG / LAND MAINTENANCE REPAIR PARTS MANUAL
46-4-9
70542 GEARBOX ASSY. (540 RPM)
R.H. & L.H. Outboard for 3209, 3210, 3214
R.H. Outboard 3209-O, 3210-O
Serial Numbers 12-09999 and Below
REF. PART
NO. NO. QTY. DESCRIPTION
70542 1 Gearbox Assy
1 70122 1 Cap
2 70121 1 Circlip, Internal
3 70256 1 Bearing
4 70459 1 Input Shaft
5 70304 2 Spring Pin
6 70258 1 Gear (18 Teeth)
7 70302 8 Screw, Allen Head M10 x 25
8 70546 1 Vent Plug
9 70795 1 Bearing
10 70407 1 Top Housing
11 70586 1 Castle Nut
12 70460 1 Gear (18 Teeth)
13 70800 2 Bearing
14 70266 1 Gasket
15 70507 1 Lower Housing
16 70588BH 1 Lower Shaft (70542 Assy. Only)
17 70575 1 Dust Excluder
18 70166 1 Shoulder Ring
19 70077 1 Flatwasher
20 70076 1 Castle Nut M30 x 2
21 15473 1 Cotter Pin 1/4 x 2-1/2”
22 70292 1 Plug
23 70115 1 Dust Cap
24 70333 A/R Shim .3mm Thick
70334 A/R Shim .4mm Thick
70335 A/R Shim .5mm Thick
70336 A/R Shim 1.0mm Thick
25 70337 A/R Shim .3mm Thick
70338 A/R Shim .4mm Thick
70339 A/R Shim .5mm Thick
70340 A/R Shim 1.0mm Thick
REF. PART
NO. NO. QTY. DESCRIPTION
26 70344 A/R Shim .3mm Thick
70345BH A/R Shim .5mm Thick
70346BH A/R Shim 1.0mm Thick
70347 A/R Shim .4mm Thick
27 70576 1 Protective Shield
28 70585 1 Cotter Pin
A/R - As Required
SEPTEMBER, 2011

BUSH HOG / LAND MAINTENANCE REPAIR PARTS MANUAL
46-4-10
70543 RIGHT & LEFT SIDE GEARBOX ASSEMBLY
For Models 13214 1000 RPM
Right Side 13209 1000 RPM
13210 1000 RPM
Serial Numbers 12-09999 and Below
REF. PART
NO. NO. QTY. DESCRIPTION
70543 1 Gearbox Assy
1 70122 1 Cap
2 70121 1 Internal Clip
3 70333 A/R Shim .3mm Thick
70334 A/R Shim .4mm Thick
70335 A/R Shim .5mm Thick
70336 A/R Shim 1.0mm Thick
4 70256 1 Bearing
5 70459 1 Shaft
6 70406 1 Crown Wheel 19 Teeth
7 70302 8 Screw
8 70546 1 Vent Plug
9 70337 A/R Shim .3mm Thick
70338 A/R Shim .4mm Thick
70339 A/R Shim .5mm Thick
70340 A/R Shim 1.0mm Thick
10 70795 1 Bearing
11 70407 1 Casing
12 70570 1 Nut
13 70408 1 Bevel Pinion 15 Teeth
14 70344 A/R Shim .3mm Thick
70345BH A/R Shim .5mm Thick
70346BH A/R Shim 1.0mm Thick
70347 A/R Shim .4mm Thick
15 70800 2 Bearing
16 70266 1 Gasket
17 70507 1 Extension
18 70590 1 Shaft
19 70575 1 Dust Excluder
20 70166 1 Shoulder Ring
21 70077 1 Blank Washer
22 70076 1 Castle Nut
23 70571 1 Cotter Pin
24 70292 1 Plug
25 70115 1 Dust Excluder
26 70304 2 Spring Pin
27 70576 1 Protective Shield
28 15473 1 Cotter Pin 1/4 x 2-1/2”
SEPTEMBER, 2011

BUSH HOG / LAND MAINTENANCE REPAIR PARTS MANUAL
46-4-11
REF. PART
NO. NO. QTY. DESCRIPTION
1 44153BH 12 Capscrew M10 x 22
2 70463 2 Seal 35 x 56 x 8
3 70801 1 Bearing
4 70465 2 Pinon Gear (15 Teeth)
5 70466 1 Shaft
6 70797 1 Bearing
7 70578 1 Top Housing
8 70393 1 Plug
9 70468 1 Cover
10 70469 1 Cover
11 70546 1 Vent Plug
12 70802 1 Bearing
13 70579 1 Bottom Shaft
14 70304 2 Spring Pin
15 70472BH 1 Lower Housing
16 70891 8 Capscrew 12.9DCRT320
17 70800 2 Bearing
18 70575 2 Dust Excluder
19 70166 1 Shoulder Ring
20 70077 1 Washer
21 70076 1 Castle Nut M30 x 2
REF. PART
NO. NO. QTY. DESCRIPTION
22 15473 1 Cotter Pin 1/4 x 2-1/2”
23 70399 1 Locknut M40 x 1.5
24 70398 1 Washer, Spring 40 x 62 x 1.25
25 70473 1 Crown Gear (28 Teeth)
26 70958 1 Input Shaft
27 70329 A/R Shim .3mm Thick
70330 A/R Shim .4mm Thick
70331 A/R Shim .5mm Thick
70332BH A/R Shim 1.0mm Thick
28 70337 A/R Shim .3mm Thick
70338 A/R Shim .4mm Thick
70339 A/R Shim .5mm Thick
70340 A/R Shim 1.0mm Thick
29 70344 A/R Shim .3mm Thick
70345BH A/R Shim .5mm Thick
70346BH A/R Shim 1.0mm Thick
70347 A/R Shim .4mm Thick
30 70571 1 Cotter Pin B4 x 50
31 70570 1 Nut M30 x 1.5
32 70576 1 Protective Shield
33 70957 1 Bearing
70949 CENTER GEARBOX ASSEMBLY
Used on 3200 Series Models with
Serial Numbers 12-09999 and Below
Replaced by 70983 Gearbox Asssembly
32
31
33
30
SEPTEMBER, 2011

BUSH HOG / LAND MAINTENANCE REPAIR PARTS MANUAL
46-4-12
REF. PART
NO. NO. QTY. DESCRIPTION
70983 1 Gearbox Assy
1 44153BH 12 Capscrew M10 x 22
2 70463 2 Seal 35 x 56 x 8
3 70801 1 Bearing
4 70465 2 Pinon Gear (15 Teeth)
5 70466 1 Shaft
6 70797 1 Bearing
7 70987 1 Top Housing
8 70393 1 Plug
9 70468 1 Cover
10 70469 1 Cover
11 70546 1 Vent Plug
12 70802 1 Bearing
13 70579 1 Bottom Shaft
14 70304 2 Spring Pin
15 70472BH 1 Lower Housing
16 70891 8 Capscrew 12.9DCRT320
17 70800 2 Bearing
18 70575 2 Dust Excluder
19 70166 1 Shoulder Ring
20 70077 1 Washer
21 70076 1 Castle Nut M30 x 2
REF. PART
NO. NO. QTY. DESCRIPTION
22 15473 1 Cotter Pin 1/4 x 2-1/2”
23 70586 1 Nut M40 x 1.5
24 70585 1 Cotter Pin
25 70989 1 Crown Gear (28 Teeth)
26 70988 1 Input Shaft
27 70329 A/R Shim .3mm Thick
70330 A/R Shim .4mm Thick
70331 A/R Shim .5mm Thick
70332BH A/R Shim 1.0mm Thick
28 70337 A/R Shim .3mm Thick
70338 A/R Shim .4mm Thick
70339 A/R Shim .5mm Thick
70340 A/R Shim 1.0mm Thick
29 70348 A/R Shim .3mm Thick
70349BH A/R Shim .4mm Thick
70350 A/R Shim .5mm Thick
70351 A/R Shim 1.0mm Thick
30 70571 1 Cotter Pin B4 x 50
31 70570 1 Nut M30 x 1.5
32 70576 1 Protective Shield
33 70940 1 Bearing
70983 CENTER GEARBOX ASSEMBLY
540 RPM
Used on 3200 Series Models with
Serial Numbers 12-09999 and Below
33
30
32
31
SEPTEMBER, 2011

BUSH HOG / LAND MAINTENANCE REPAIR PARTS MANUAL
46-4-13
REF. PART
NO. NO. QTY. DESCRIPTION
1 70890 1 Cover
2 70578 1 Housing
3 70472BH 1 Lower Housing
4 70469 1 Cover
5 70956 1 Input Shaft
6 70889 1 Cross Shaft
7 70579 1 Lower Shaft
8 70473 1 Crown Gear (28 Teeth)
9 70465 2 Gear (15 Teeth)
10 70077 1 Washer
11 70797 1 Bearing
12 70802 1 Bearing
13 70801 1 Bearing
14 70800 2 Bearing
15 44153BH 12 Capscrew M10 x 22
16 70891 8 Bolt M10 x 25
17 70076 1 Hex Nut M30 x 2
18 70399 1 Locknut M40 x 1.5
19 70398 1 Spring Washer
20 70304 2 Spring Pin
21 70166 1 Shoulder Ring
70952 LEFT HAND
GEARBOX ASSEMBLY
Used on 3200 Series Models with
Serial Numbers 12-09999 and Below
Replaced by 70984 Gearbox Assembly
REF. PART
NO. NO. QTY. DESCRIPTION
22 70393 2 Plug
23 70463 1 Seal
24 70575 2 Dust Excluder
25 15473 1 Cotter Pin 1/4” x 2-1/2”
26 70337 A/R Shim .3mm Thick
70338 A/R Shim .4mm Thick
70339 A/R Shim .5mm Thick
70340 A/R Shim 1.0mm Thick
27 70329 A/R Shim .3mm Thick
70330 A/R Shim .4mm Thick
70331 A/R Shim .5mm Thick
70332BH A/R Shim 1.0mm Thick
28 70344 A/R Shim .3mm Thick
70345BH A/R Shim .5mm Thick
70346BH A/R Shim 1.0mm Thick
70347 A/R Shim .4mm Thick
29 70571 1 Cotter Pin
30 70570 1 Castle Nut
31 70576 1 Protective Shield
32 70546 1 Vent Plug
33 70957 1 Bearing
30
SEPTEMBER, 2011

BUSH HOG / LAND MAINTENANCE REPAIR PARTS MANUAL
46-4-14
REF. PART
NO. NO. QTY. DESCRIPTION
70984 1 Gearbox Assy
1 70890 1 Cover
2 70987 1 Housing
3 70472BH 1 Lower Housing
4 70469 1 Cover
5 70988 1 Input Shaft
6 70889 1 Cross Shaft
7 70579 1 Lower Shaft
8 70989 1 Crown Gear (28 Teeth)
9 70465 2 Gear (15 Teeth)
10 70077 1 Washer
11 70797 1 Bearing
12 70802 1 Bearing
13 70801 1 Bearing
14 70800 2 Bearing
15 44153BH 12 Capscrew M10 x 22
16 70891 8 Bolt M10 x 25
17 70076 1 Hex Nut M30 x 2
18 70586 1 Castle Nut M40 x 1.5
19 70585 1 Cotter Pin
20 70304 2 Spring Pin
21 70166 1 Shoulder Ring
70984 LEFT HAND
GEARBOX ASSEMBLY
Used on 3200 Series Models with
Serial Numbers 12-09999 and Below
REF. PART
NO. NO. QTY. DESCRIPTION
22 70393 2 Plug
23 70463 1 Seal
24 70575 2 Dust Excluder
25 15473 1 Cotter Pin 1/4” x 2-1/2”
26 70337 A/R Shim .3mm Thick
70338 A/R Shim .4mm Thick
70339 A/R Shim .5mm Thick
70340 A/R Shim 1.0mm Thick
27 70329 A/R Shim .3mm Thick
70330 A/R Shim .4mm Thick
70331 A/R Shim .5mm Thick
70332BH A/R Shim 1.0mm Thick
28 70348 A/R Shim .3mm Thick
70349BH A/R Shim .4mm Thick
70350 A/R Shim .5mm Thick
70351 A/R Shim 1.0mm Thick
29 70571 1 Cotter Pin
30 70570 1 Castle Nut
31 70576 1 Protective Washer
32 70546 1 Vent Plug
33 70940 1 Bearing
30
SEPTEMBER, 2011

BUSH HOG / LAND MAINTENANCE REPAIR PARTS MANUAL
46-4-15
50018605 CENTER (INPUT)
GEARBOX ASSEMBLY (540 RPM)
Manufactured by Omni
Used on Models 3209 & 3210
Serial Numbers 12-10000 and Above
Replaced by 71204 Gearbox Assembly
50018606 CENTER (INPUT)
GEARBOX ASSEMBLY (1000 RPM)
Manufactured by Omni
Used on Models 13209 & 13210
Serial Numbers 12-10000 and Above
Replaced by 71205 Gearbox Assembly
REF. PART
NO. NO. QTY. DESCRIPTION
1 50025402 1 Housing
2 50025403 2 Cap, Thru
3 50025404 1 Cap, Cantilevered
4 50025412 1 Gear, Output, 13T (50018605)
50025415 1 Gear, Output, 18T (50018606)
5 50025413 1 Gear, Input, 24T (50018605)
50025414 1 Gear, Input, 22T (50018606)
6 50025418 1 Shaft, Input
7 50025420 1 Shaft, Output
8 50053364 2 Bearing Assembly
9 50025423 1 Bearing Assembly
10 50025422 1 Bearing Assembly
11 50025426 1 Seal, Input
12 50025429 2 Seal, Horizontal Input
13 50025432 A/R Gasket, .1mm, Output
14 50025433 A/R Gasket, .2mm, Output
REF. PART
NO. NO. QTY. DESCRIPTION
15 50025434 A/R Gasket, .5mm, Output
16 50025435 A/R Gasket, .1mm, Input Cap
17 50025436 A/R Gasket, .2mm, Input Cap
18 50025437 A/R Gasket, .5mm, Input Cap
19 21020724 1 Cotter Pin
20 44340BH 16 Capscrew M10 x 1.5 x 25
21 44281BH 8 Capscrew M12 x 1.75 x 35
22 50025459 2 Hex Nut, Slotted 1-3/8”
23 44198 16 Lockwasher M10
24 44200BH 8 Lockwasher M12
25 50025464 1 Pipe Plug, 3/8” – 18 NPT
26 80538 1 Vent Plug
27 88850 1 Retaining Ring
28 50025467 1 Retaining Ring, 50mm
*29 50025451 2 Spacer, Output
Used on 50018606 Gearbox Only)
25
7
27
29*
4
8
212
23
20
13
14 15
18
17
16
22
29*
5
10
6
93
11
21
24
19
8
2
12
20
23
26
1
28
SEPTEMBER, 2011

BUSH HOG / LAND MAINTENANCE REPAIR PARTS MANUAL
46-4-16
REF. PART
NO. NO. QTY. DESCRIPTION
1 50025401 1 Housing
2 50025403 1 Cap, Thru
3 50025404 1 Cap, Cantilevered
4 50025405 1 Cap, Blank
5 50025412 2 Gear, Output, 13T
6 50025413 1 Gear, Input 24T
7 50025418 1 Shaft, Input 1.75” – 20 Spline
8 50025419 1 Shaft, Output, Tapered Spline 18T
9 50025421 1 Shaft, Output 1-3/4” – 20 Spline
10 70800 1 Bearing Assembly
11 70410 1 Bearing Assembly
12 50053364 2 Bearing Assembly
13 50025423 1 Bearing Assembly
14 50025422 1 Bearing Assembly
15 50025426 1 Seal, Input
16 50025430 1 Seal, Vertical Output
17 50025429 2 Seal, Hor. Output
18 50025432 A/R Gasket, .1mm
19 50025433 A/R Gasket, .2mm
20 50025434 A/R Gasket, .5mm
21 50025434 A/R Gasket, .1mm
22 50025436 A/R Gasket, .2mm
23 50025472 1 Inspection Cover
24 50025448 A/R Shim, .10mm
25 50025449 A/R Shim, .20mm
26 50025450 A/R Shim, .50mm
27 50025451 1 Spacer, Output
REF. PART
NO. NO. QTY. DESCRIPTION
28 50025452 1 Spacer, Output
29 44459BH 1 Cotter Pin
30 21020724 2 Cotter Pin
31 44281BH 8 Capscrew M12 x 35
32 44340BH 16 Capscrew M10 x 25
33 50025459 2 Hex Nut 1-3/8” – 18 UNF
34 50025460 1 Hex Nut M36
35 44198 16 Lockwasher M10
36 44200BH 8 Lockwasher M12
37 78719 1 Pipe Plug, 1/2” – 14 NPT
38 50025464 1 Pipe Plug, 3/8” – 18 NPT
39 80538 1 Vent Plug
40 88850 1 Retaining Ring
41 50025467 1 Retaining Ring 50MM
42 50025469 1 Retaining Ring 110MM
43 50025471 1 Protection Seal
32 35
17
212
40 18
19 20
39
23
38
1
9
12 435
32
37
30
33
27
5
10
8
11
28
42
43
34
29 16
7
15 41
13
31 36
14
33
30
21
22
6
3
24, 25, 26
5
32
35
50018609 INPUT GEARBOX
ASSEMBLY (540 RPM)
Manufactured by Omni
Used on 3209 & 3210 Offset Models
Serial Numbers 12-10000 and Above
Replaced by 71206 Gearbox
SEPTEMBER, 2011

BUSH HOG / LAND MAINTENANCE REPAIR PARTS MANUAL
46-4-17
REF. PART
NO. NO. QTY. DESCRIPTION
1 50025400 1 Housing
2 50025406 1 Cap, Blank
3 50025408 1 Gear, 20T (50018603)
50025407 1 Gear, 21T (50018596)
4 50025409 1 Gear, Pinion, 19T (50018603)
50025407 1 Gear, 21T (50018596)
5 50025416 1 Shaft,Input 1.75” – 20 Spline
6 50025417 1 Shaft, Output, 18T
7 70800 1 Bearing Assembly
8 70796 2 Bearing Assembly
9 70410 1 Bearing Assembly
10 50068116 1 Seal, Input
11 50025430 1 Seal, Output
12 50025438 A/R Gasket, .2MM
13 50025439 A/R Gasket, .3MM
14 50025440 A/R Gasket, .5MM
15 50025441 A/R Shim, Input, 1.8MM
16 50025442 A/R Shim, Input, 2MM
17 50025443 A/R Shim, Input, 2.2MM
18 50025444 A/R Shim, Input, 2.5MM
19 50025445 A/R Shim, Input, .10MM
20 50025446 A/R Shim, Input, .20MM
21 50025447 A/R Shim, Input, .50MM
22 50025448 A/R Shim, Output, .10MM
23 50025449 A/R Shim, Output, .20MM
24 50025450 A/R Shim, Output, .50MM
25 50025452 1 Spacer, Output
26 44459BH 1 Cotter Pin
27 21020724 1 Cotter Pin
28 44299BH 8 Capscrew M8 – 1.25 x 25
29 44202 4 Capscrew M10 – 1.5 x 30
30 50025459 1 Hex Nut 1-3/8” – 18 UNF
31 50025460 1 Hex Nut M36
32 44311BH 8 Lockwasher M8
REF. PART
NO. NO. QTY. DESCRIPTION
33 44198 4 Lockwasher M10
34 78719 1 Pipe Plug 1/2”
35 50025464 1 Pipe Plug 3/8” – 18 NPT
36 80538 1 Vent Plug
37 88850 1 Retaining Ring, External
38 50025468 1 Retaining Ring, External
39 50025469 1 Retaining Ring, Internal
40 50025470 1 Inspection Cover
41 50025471 1 Protective Seal
*50018603 OUTBOARD GEARBOX
(540 RPM)
Manufactured by Omni
Used on 3209
*Serial Numbers 12-10000 and Above
Replaced by 71200 Gearbox
50018596 OUTBOARD GEARBOX
(540 RPM)
Manufactured by Omni
Used on 3209, 3210 & 3210 Offset Models
Serial Numbers 12-10000 and Above
Replaced by 70995BH Gearbox
29
212
13 14
15, 16,
17, 18
8
33 28
32 40
37 3
819
2021 38
10
5
35
1
34
6
9
7
4
30
27
22
23
24
25
11
39
41
31
26
36
*Note: 3209 models serial numbers 12-00082 through
12-00126 used the 50018596 Gearbox Assembly.
SEPTEMBER, 2011

BUSH HOG / LAND MAINTENANCE REPAIR PARTS MANUAL
46-4-18
REF. PART
NO. NO. QTY. DESCRIPTION
1 50025400 1 Housing
2 50025406 1 Cap, Blank
3 50025410 1 Gear, 22T
4 50025411 1 Gear, Pinion, 18T
5 50025416 1 Shaft,Input 1.75” – 20 Spline
6 50025417 1 Shaft, Output, 18T
7 70800 1 Bearing Assembly
8 70796 2 Bearing Assembly
9 70410 1 Bearing Assembly
10 50068116 1 Seal, Input
11 50025430 1 Seal, Output
12 50025438 A/R Gasket, .2MM
13 50025439 A/R Gasket, .3MM
14 50025440 A/R Gasket, .5MM
15 50025441 A/R Shim, Input, 1.8MM
16 50025442 A/R Shim, Input, 2MM
17 50025443 A/R Shim, Input, 2.2MM
18 50025444 A/R Shim, Input, 2.5MM
19 50025445 A/R Shim, Input, .10MM
20 50025446 A/R Shim, Input, .20MM
21 50025447 A/R Shim, Input, .50MM
22 50025448 A/R Shim, Output, .10MM
23 50025449 A/R Shim, Output, .20MM
24 50025450 A/R Shim, Output, .50MM
25 50025452 1 Spacer, Output
26 44459BH 1 Cotter Pin
27 21020724 1 Cotter Pin
28 44299BH 8 Capscrew M8 – 1.25 x 25
29 44202 4 Capscrew M10 – 1.5 x 30
30 50025459 1 Hex Nut 1-3/8” – 18 UNF
31 50025460 1 Hex Nut M36
REF. PART
NO. NO. QTY. DESCRIPTION
32 44311BH 8 Lockwasher M8
33 44198 4 Lockwasher M10
34 78719 1 Pipe Plug 1/2”
35 50025464 1 Pipe Plug 3/8” – 18 NPT
36 80538 1 Vent Plug
37 88850 1 Retaining Ring, External
38 50025468 1 Retaining Ring, External
39 50025469 1 Retaining Ring, Internal
40 50025470 1 Inspection Cover
41 50025471 1 Protective Seal
50018601 OUTBOARD GEARBOX
(1000 RPM)
Manufactured by Omni
Used on 13209 & 13210 Models
Serial Numbers 12-10000 and Above
Replaced by 71198 Gearbox
29
212
13 14
15, 16,
17, 18
8
33 28
32 40
37 4
819
2021 38
10
5
35
1
34
6
9
7
3
30
27
22
23
24
25
11
39
41
31
26
36
SEPTEMBER, 2011

BUSH HOG / LAND MAINTENANCE REPAIR PARTS MANUAL
46-4-19
71204 CENTER (INPUT)
GEARBOX ASSEMBLY (540 RPM)
Manufactured by Comer
Models: 3209 S/N 12-10000 through 12-10849,
3210 S/N 12-10000 through 12-21399
Ratio 1:1.85
Replaces 50018605 Gearbox (Omni)
Replaced by 50045614 Gearbox (B&P)
71205 CENTER (INPUT)
GEARBOX ASSEMBLY (1000 RPM)
Manufactured by Comer
Models: 13209 S/N 12-10000 through 12-10849,
13210 S/N 12-10000 through 12-21399
Ratio 1:1.22
Replaces 50018606 Gearbox (Omni)
Replaced by 50045615 Gearbox (B&P)
REF. PART
NO. NO. QTY. DESCRIPTION
1 76867 1 Output Shaft
2 50068116 2 Oil Seal
3 44202 26 Capscrew M10 x 1.5 x 30
4 76868 2 Cover
5 71331 2 Bearing
6 70348 2 Shim 0.3
7 76879 1 Pinion Gear (71204)
76876 1 Pinion Gear (71205)
8 76870 1 Spacer
9 70752 2 Shim 0.3
10 70344 1 Shim 0.3
11 76877 1 Casing
12 70586 1 Castle Nut M40
13 50025422 1 Bearing 32310
14 76873 1 Cover
15 71523 1 Input Shaft
50047693 1 Input Shaft Kit (Includes Shaft,
Spacer & Cotter Pin)1
16 76875 1 Oil Seal
17 50025423 1 Bearing
REF. PART
NO. NO. QTY. DESCRIPTION
18 76881 1 Crown Gear (71204)
76869 1 Crown Gear (71205)
19 71492 1 Cotter Pin
20 70349BH 2 Shim 0.4
21 70350 2 Shim 0.5
22 70351 2 Shim 1.0
23 70753 2 Shim 0.4
24 70754 2 Shim 0.5
25 70755 2 Shim 1.0
26 70345BH 1 Shim 0.5
27 70346BH 1 Shim 1.0
28 70347 1 Shim 0.4
29 76913 1 Oil Level Plug
30 71524 1 Spacer
3
2
4
19
18
12
30
1
8
42
3
5
7
6, 20,
21, 22
9, 23,
24, 25
13
15*
14
3
17
16
10, 26,
27, 28
29
11
5
9, 23,
24, 25
6, 20,
21, 22
1Some gearboxes have input shafts that are shorter than
the replacement shaft. Measure the length of the shaft
before ordering. If it is not 13.00” long, order #50047693
Input Shaft Kit (includes ref. #15 input shaft, ref. #30 spacer
and ref. #19 cotter pin.)
13.00”
SEPTEMBER, 2011

BUSH HOG / LAND MAINTENANCE REPAIR PARTS MANUAL
46-4-20
REF. PART
NO. NO. QTY. DESCRIPTION
1 76878 1 Output Shaft
2 50068116 1 Oil Seal
3 44202 26 Capscrew M10 x 1.5 x 30
4 76868 2 Cover
5 71331 2 Bearing 30209
6 70348 2 Shim 0.3
7 76879 2 Pinion Gear
8 76870 1 Spacer
9 70725 1 Cap
10 70752 2 Shim 0.3
11 70344 2 Shim 0.3
12 70800 1 Bearing 30210
13 76871 1 Casing
14 70410 1 Bearing 30212
15 50062245 1 Oil Seal
16 76661 1 Protective Washer
17 76872 1 Output Shaft
18 71492 2 Cotter Pin
19 70586 2 Castle Nut
20 76913 1 Oil Level Plug
21 50025422 1 Bearing 32310
22 76873 1 Cover
23 71523 1 Input Shaft
50047693 1 Input Shaft Kit (Includes Shaft,
Spacer & Cotter Pin)1
REF. PART
NO. NO. QTY. DESCRIPTION
24 76875 1 Oil Seal
25 50025423 1 Bearing 32210
26 76881 1 Crown Gear
27 70349BH 2 Shim 0.4
28 70350 2 Shim 0.5
29 70351 2 Shim 1.0
30 70753 2 Shim 0.4
31 70754 2 Shim 0.5
32 70755 2 Shim 1.0
33 70345BH 2 Shim 0.5
34 70346BH 2 Shim 1.0
35 70347 2 Shim 0.4
36 76664 1 Blank Washer
37 70418 1 Castle Nut
38 70419 1 Cotter Pin
39 71524 1 Spacer
71206 CENTER (INPUT) GEARBOX
540 RPM, RATIO 1:1.85
Manufactured by Comer
Models: 3209 S/N 12-10000 through 12-10849,
3210 Offest S/N 12-10000 through 12-21399
Replaces 50018609 Gearbox (Omni)
Replaced by 50045618 Gearbox (B&P)
2
3
4
7
5
8
18
26
21
23*
22
25
24
3
11, 33
34, 35
19
39
18
19
17
14
15
16
36
37
38
7
12
11, 33
34, 35
20
13
1
5
4
3
9
6, 27
28, 29
10, 32
31, 30
10, 30
31, 32
6, 27
28, 29
1Some gearboxes have input shafts that
are shorter than the replacement shaft.
Measure the length of the shaft before
ordering. If it is not 13.00” long, order
#50047693 Input Shaft Kit (includes ref.
#23 input shaft, ref. #39 spacer and ref.
#18 cotter pin.)
13.00”
SEPTEMBER, 2011

BUSH HOG / LAND MAINTENANCE REPAIR PARTS MANUAL
46-4-21
REF. PART
NO. NO. QTY. DESCRIPTION
1 76658 1 Casting
2 76882 1 Pinion Gear, 19T
3 70796 2 Bearing 30209
4 50068116 1 Oil Seal
5 76659 1 Input Shaft
6 70189 2 Snap Ring
7 70752 2 Shim 0.3
8 76660 1 Top Plate
9 70586 1 Castle Nut M40
10 70344 1 Shim 0.3
11 70292 1 Oil Filler Plug 1/2” Gas
12 44595BH 4 Capscrew M10 x 1.5 x 14
13 70800 1 Bearing 30210
14 76661 1 Protective Washer
15 50062245 1 Oil Seal
16 70410 1 Bearing 30212
17 76663 1 Output Shaft
18 80538 1 1/2” Gas Plug
19 70585 1 Cotter Pin
20 70725 1 Cap
21 76883 1 Crown Gear 20T
22 70740 1 Spacer
23 70722 1 Snap Ring
24 76634 1 Shim 1.0
25 70753 2 Shim .4
26 70754 2 Shim .5
27 70755 2 Shim 1.0
28 70345BH 1 Shim .5
29 70346BH 1 Shim 1.0
30 70347 1 Shim .4
31 76664 1 Blank Washer
32 70418 1 Castle Nut
33 70419 1 Cotter Pin
71200 OUTBOARD GEARBOX
540 RPM, RATIO 1:1.053
Manufactured by Comer
Model: 3209 S/N 12-10000 through 12-10849
Replaces 50018603 Gearbox (Omni)1
Replaced by 50045613 Gearbox (B&P)
20
7,25
26, 27
6
12 18
8
3
1
19
9
24
5
11
23
21
22 3
7
6
4
2
13
33 32
31
14
15
16
17
10, 28
29, 30
1Omni gearbox has 6 holes in top plate.
Comer gearbox has 4 holes in top plate.
SEPTEMBER, 2011

BUSH HOG / LAND MAINTENANCE REPAIR PARTS MANUAL
46-4-22
REF. PART
NO. NO. QTY. DESCRIPTION
1 76658 1 Casting
2 70960 2 Gear 21T
3 70796 2 Bearing 30209
4 50068116 1 Oil Seal
5 76659 1 Input Shaft
6 70189 2 Snap Ring
7 70752 2 Shim 0.3
8 76660 1 Top Plate
9 70586 1 Castle Nut M40
10 70344 1 Shim 0.3
11 70292 1 Oil Filler Plug 1/2” Gas
12 44595BH 4 Capscrew M10 x 1.5 x 14
13 70800 1 Bearing 30210
14 76661 1 Protective Washer
15 50062245 1 Oil Seal
16 70410 1 Bearing 30212
17 76663 1 Output Shaft
18 80538 1 1/2” Gas Plug
19 70585 1 Cotter Pin
20 70725 1 Cap
21 70740 1 Spacer
22 70722 1 Snap Ring
23 76634 1 Shim 1.0
24 70753 2 Shim .4
25 70754 2 Shim .5
26 70755 2 Shim 1.0
27 70345BH 1 Shim .5
28 70346BH 1 Shim 1.0
29 70347 1 Shim .4
30 76664 1 Blank Washer
31 70418 1 Castle Nut
32 70419 1 Cotter Pin
70995BH OUTBOARD GEARBOX
(540 RPM)
Manufactured by Comer
Models: 3209 S/N 12-10000 through 12-10849,
3210 & 3210 Offset S/N 12-10000 through 12-21399
Replaces 50018596 Gearbox (Omni)1
Replaced by 50045607 (B&P)
20
7,24
25, 26
6
12 18
8
322
1
19
23
9
5
11
21
2
3
7
6
4
2
13
32 31
30
14
15
16
17
10, 27
28, 29
1Omni gearbox has 6 holes in top plate.
Comer gearbox has 4 holes in top plate.
SEPTEMBER, 2011

BUSH HOG / LAND MAINTENANCE REPAIR PARTS MANUAL
46-4-23
REF. PART
NO. NO. QTY. DESCRIPTION
24 76634 1 Shim, 1mm
25 70753 1 Shim, .4mm
26 70754 1 Shim, .5mm
27 70755 1 Shim, 1mm
28 70345BH 1 Shim, .5mm
29 70346BH 1 Shim, 1mm
30 70347 1 Shim, .4mm
31 76664 1 Blank Washer
32 70418 1 Castle Nut M36
33 70419 1 Cotter Pin
71198 GEARBOX ASSEMBLY
1000 RPM, Ratio 1:.82
Manufactured by Comer
Models: 13209 S/N 12-10000 through 12-10849,
13210 S/N 12-10000 through 12-21399
Replaces 50018601 Gearbox (Omni)1
Replaced by 50045612 Gearbox (B&P)
20
6
73
11
19
9
24 17
16
15
14
32
31
30
29
28
10
2
13
33
5
12
18
8
1
23 21
22 3
6
4
7
25
26
27
REF. PART
NO. NO. QTY. DESCRIPTION
1 76658 1 Casting
2 76668 1 Gear, Ouput, 22 Teeth
3 70796 2 Bearing
4 50068116 1 Oil Seal
5 76659 1 Input Shaft 1-3/4”
6 70189 2 Snap Ring
7 70752 2 Shim .3mm
8 76660 1 Top Plate
9 70586 1 Castle Nut
10 70344 1 Shim .3mm
11 70292 1 Oil Filler Plug 1/2” Gas
12 44595BH 4 Capscrew M10 x 14 Gr.8.8
13 70800 1 Bearing
14 76661 1 Protective Washer
15 50062245 1 Oil Seal
16 70410 1 Bearing
17 76663 1 Shaft, Output
18 80538 1 Vent Plug
19 70585 1 Cotter Pin
20 70725 1 Cap
21 76667 1 Gear, Input, 18 Teeth
22 70740 1 Spacer
23 70722 1 Snap Ring
1The Comer gearbox has 4 holes in the top plate.
The Omni gearbox has 6 holes in the top plate.
SEPTEMBER, 2011

BUSH HOG / LAND MAINTENANCE REPAIR PARTS MANUAL
46-4-24
50045614 CENTER GEARBOX
540 RPM, RATIO 1:1.85
Manufactured by B&P
Models: 3209 (S/N 12–10850 and above)
3210 (Serial numbers 12-21400 and above)
Replaces 71204 Gearbox Assembly
50045615 CENTER GEARBOX
1000 RPM, RATIO 1:1.22
Manufactured by B&P
Model: 13210 (Serial Numbers 12-21400 and Above)
Replaces 71205 Gearbox Assembly
REF. PART
NO. NO. QTY. DESCRIPTION
50045614 1 Gearbox Assy
50045615 1 Gearbox Assy
1 50053048 1 Housing
2 50053046 2 Cap, Thru
3 50053053 1 Front Cover
4 50053047 1 Gear, Output, 13T (50045614)
50053056 1 Gear, Output, 18T (50045615)
5 50053051 1 Gear, Input, 24T (50045614)
50053058 1 Gear, Input, 22T (50045615)
6 50053055 1 Shaft, Input 1-3/4” 20 Spline
7 50053050 1 Shaft, Output 1-3/4” 20 Spline
8 50053364 2 Bearing Assembly
9 50053078 1 Bearing Assembly
10 50053079 1 Bearing Assembly
11 50053054 1 Seal, Input
12 50053309 2 Seal, Horizontal Input
13 50053049 2 Gasket Set, Output
REF. PART
NO. NO. QTY. DESCRIPTION
14 50053052 A/R Gasket Set, Input
15 50053070 1 Cotter Pin
16 50053365 16 Capscrew M10 x 1.5 x 25
17 50053366 8 Capscrew M12 x 1.75 x 35
18 50053038 2 Hex Nut, Slotted 1-3/8”
19 50053074 16 Lockwasher M10
20 50053057 8 Lockwasher M12
21 50053026 1 Pipe Plug, 3/8” – 18 NPT
22 81572 1 Vent Plug
23 50053033 1 Retaining Ring
24 50053035 1 Retaining Ring, 50mm
25 50053368 2 Spacer, Output
(Used on 50045615 Gearbox Only)
21
7
23
25*
4
212
19
8
16
13
14
18
25*
5
10
6
93
11
17
20
15
8
2
12
16
19
22
1
13
24
SEPTEMBER, 2011

BUSH HOG / LAND MAINTENANCE REPAIR PARTS MANUAL
46-4-25
REF. PART
NO. NO. QTY. DESCRIPTION
50045618 1 Gearbox Assy
1 50053066 1 Housing
2 50053046 1 Cap, Thru
3 50053053 1 Cap, Cantilevered
4 50053062 1 Cap, Blank
5 50053047 2 Gear, Output, 13T
6 50053051 1 Gear, Input 24T
7 50053055 1 Shaft, Input 1-3/4” – 20 Spline
8 50053065 1 Shaft, Output, Tapered Spline 18T
9 50053064 1 Shaft, Output 1-3/4” – 20 Spline
10 50053367 1 Bearing Assembly
11 70410 1 Bearing Assembly
12 50053364 2 Bearing Assembly
13 50053078 1 Bearing Assembly
14 50053079 1 Bearing Assembly
15 50053054 1 Seal, Input
16 50053460 1 Seal, Vertical Output
17 50053309 1 Seal, Hor. Output
18 50053049 3 Gasket Set
19 50053052 1 Gasket Set
20 50053063 1 Inspection Cover
21 50053039 1 Shim
22 50053368 1 Spacer, Output
23 50053024 1 Spacer, Output
REF. PART
NO. NO. QTY. DESCRIPTION
24 50053376 1 Cotter Pin 6.3 x 60
25 50053371 2 Cotter Pin 5 x 65
26 50053373 8 Capscrew M12 x 35
27 50053369 24 Capscrew M10 x 25
28 50053038 2 Castle Nut
29 50053059 1 Castle Nut
30 50053370 16 Lockwasher M10
31 50053374 8 Lockwasher M12
32 50053020 1 Pipe Plug, 1/2” – 14 NPT
33 50053372 1 Pipe Plug, 3/8” – 18 NPT
34 81572 1 Vent Plug
35 50053033 2 Retaining Ring
36 50053375 1 Retaining Ring 110MM
37 50053021 1 Protection Seal
38 50053022 1 Belleville Washer
27 30
17
2
12
35
18
18
34
20
33
1
912 18
430
27
32
25 28
22
5
21
10
8
11
23
36
37
29
38
24
16
7
15 35
13
26 31
14
28
25
19
6
3
5
27
30
50045618 CENTER GEARBOX
540 RPM, RATIO 1:1.85
Manufactured by B&P
Models: 3209 Offset
(Serial Numbers 12-10850 and Above)
3210 Offset
(Serial Numbers 12-21400 and Above)
Replaces 71206 Gearbox (Mfr. by Comer)
SEPTEMBER, 2011

BUSH HOG / LAND MAINTENANCE REPAIR PARTS MANUAL
46-4-26
REF. PART
NO. NO. QTY. DESCRIPTION
50045613 1 Gearbox Assy
50045607 1 Gearbox Assy
1 50053041 1 Housing
2 50053030 1 Cap, Blank
3 50053045 1 Gear, 20T (50045613)
50053034 1 Gear, 21T (50045607)
4 50053044 1 Gear, Pinion, 19T (50045613)
50053034 1 Gear, 21T (50045607)
5 50053037 1 Shaft,Input 1.75” – 20 Spline
6 50053040 1 Shaft, Output, 18T
7 50053069 1 Bearing Assembly
8 70796 2 Bearing Assembly
9 70410 1 Bearing Assembly
10 50053071 1 Seal, Input
11 50053067 1 Seal, Output
12 50053031 1 Gasket Set
13 50053036 2 Shim, Input, .10MM
14 50053039 1 Shim, Output
15 50053024 1 Spacer, Output
16 50053077 1 Cotter Pin 6.3 x 60
17 50053070 1 Cotter Pin 5 x 65
18 50053076 8 Capscrew M8 – 1.25 x 25
19 50053073 4 Capscrew M10 – 1.5 x 30
20 50053038 1 Castle Nut
21 50053025 1 Castle Nut
22 50053028 8 Lockwasher M8
23 50053074 4 Lockwasher M10
REF. PART
NO. NO. QTY. DESCRIPTION
24 50053020 1 Plug
25 50053026 1 Plug 3/8” – 18 NPT
26 81572 1 Vent Plug
27 50053033 1 Retaining Ring, External
28 50053060 1 Retaining Ring, External
29 50053023 1 Retaining Ring, Internal
30 50053029 1 Top Cover
31 50053021 1 Protective Seal
32 50053032 1 Snap Ring
33 50053027 1 Gasket
34 50053022 1 Belleville Washer
19
2
12
32
8
23
18
22 30
33
27 3
8
13
13 28
10
5
25
1
24
6
97
4
20
17
14
15
11
29
31
34
21
16
26
50045613 OUTBOARD GEARBOX
540 RPM, RATIO 1:1.05
Manufactured by B&P
Used on 3209
(Serial numbers 12-10850 and above)
Replaces 71200 Gearbox (Comer)
50045607 OUTBOARD GEARBOX
540 RPM, RATIO 1:1
Manufactured by B&P
Models: 3209
(Serial numbers 12-10850 and above)
3210 & 3210 Offset
(Serial numbers 12-21400 and above)
Replaces 70995BH Gearbox (Comer)
SEPTEMBER, 2011

BUSH HOG / LAND MAINTENANCE REPAIR PARTS MANUAL
46-4-27
REF. PART
NO. NO. QTY. DESCRIPTION
50045612 1 Gearbox Assy
1 50053041 1 Housing
2 50053030 1 Cap, Blank
3 50053043 1 Gear, 22T
4 50053042 1 Gear, Pinion, 18T
5 50053037 1 Shaft,Input 1.75” – 20 Spline
6 50053040 1 Shaft, Output, 18T
7 50053069 1 Bearing Assembly
8 70796 2 Bearing Assembly
9 70410 1 Bearing Assembly
10 50053071 1 Seal, Input
11 50053067 1 Seal, Output
12 50053031 1 Gasket Set
13 50053032 1 Snap Ring
14 50053036 2 Shim
15 50053039 1 Shim
16 50053024 1 Spacer, Output
17 50053077 1 Cotter Pin 6.3 x 60
18 50053070 1 Cotter Pin 5 x 65
19 50053076 8 Capscrew M8 – 1.25 x 25
20 50053073 4 Capscrew M10 – 1.5 x 30
21 50053038 1 Castle Nut
22 50053025 1 Castle Nut
23 50053028 8 Lockwasher M8
REF. PART
NO. NO. QTY. DESCRIPTION
24 50053074 4 Lockwasher M10
25 50053020 1 Pipe Plug
26 50053026 1 Pipe Plug 3/8” – 18 NPT
27 81572 1 Vent Plug
28 50053033 1 Retaining Ring, External
29 50053060 1 Retaining Ring, External
30 50053023 1 Retaining Ring, Internal
31 50053029 1 Inspection Cover
32 50053021 1 Protective Seal
33 50053027 1 Gasket
34 50053022 1 Belleville Washer
50045612 OUTBOARD GEARBOX
1000 RPM, RATIO 1.22:1
Manufactured by B&P
Model: 13210
Serial Numbers 12-21400 and above
Replaces 71198 Gearbox
20
2
12
8
13
24
19
23 31
33
28 4
8
14
14
29
10
5
26
1
25
6
9
7
3
21
15
18
16
11
30
32
22
34
17
27
SEPTEMBER, 2011

BUSH HOG / LAND MAINTENANCE REPAIR PARTS MANUAL
REF. PART
NO. NO. QTY. DESCRIPTION
1 20312 A/R Lynch Pin
2 44216 A/R Flatwasher M8
3 90560 A/R Capscrew M8 x 1.25 x 15 Gr.8.8
4 81592 1 Input Shield
5 90140BH A/R R.H. Shield Bracket
6 90141BH A/R L.H. Shield Bracket
7 90143 2 Cross Shaft Cover 3209
90320BH 1 Cross Shaft Cover 3209 Offset
90155BH 2 Cross Shaft Cover 3210
N/A 1 Cross Shaft Cover 3210 Offset
N/A 2 Cross Shaft Cover 3214
SHIELDS & RELATED PARTS
For 3200 Series Models
Serial Numbers 12-09999 and Below
571
3
2
6
4
2
3
46-4-28
SEPTEMBER, 2011

BUSH HOG / LAND MAINTENANCE REPAIR PARTS MANUAL
46-4-29
REF. PART
NO. NO. QTY. DESCRIPTION
1 20312 A/R Lynch Pin
2 –––– A/R Flatwasher 3/8”
3 50018166 A/R Capscrew M10 ZP
4 50017584 1 Input Shield Assembly
5 50032274 A/R R.H. Shield Bracket, 3209-O, 3210, 3210-O
50017598 A/R R.H. Shield Bracket, 3209 &
Old Style 3209-O, 3210, 3210-O
6 50032275 A/R L.H. Shield Bracket, 3209-O, 3210, 3210-O
50017597 A/R L.H. Shield Bracket, 3209 &
Old Style 3209-O, 3210, 3210-O
*7 50017959 2 Cross Shaft Cover, 3209
50035353 1 Cross Shaft Cover, 3209-O (See note)
50036486 2 Cross Shaft Cover, 3210 (See note)
50034309 1 Cross Shaft Cover, 3210-O (See note)
8 83106 1 Shield Hinge Pin
9 67716 2 Cap Push Nut
10 50017585 1 Shield Mount Weldment
11 50028366 1 Warranty Decal
SHIELDS AND RELATED PARTS
For 3200 Series
Serial Numbers 12-10000 and Above
9
1
4
8
9
10
6
5
1
1
7
32
2
3
11
SHIELD KITS
For older style 3209-O, 3210, 3210-O
Contains Cross Shaft Cover(s), Shield Brackets & Fasteners
3209-O 50035715 Shield Kit
3210 50036647 Shield Kit
3210-O 50035716 Shield Kit
*Note: Some earlier models have a different style Cross Shield
Cover. To replace Cross Shaft Cover(s) on older style 3209 Offset,
3210 & 3210 Offset models, you must order a shield replacement kit,
shown below. Measure shield to determine which style is needed.
(See diagram at left.)
9.54”
4.71”
10.54”
6.97”
END VIEW
CROSS SHIELDS & BRACKETS
OLD STYLE
CROSS SHIELD
OLD STYLE
SHIELD BRACKET
NEW STYLE
SHIELD BRACKET
NEW STYLE
CROSS SHIELD
7.12” 7.62”
5.00” 6.26”
SEPTEMBER, 2011

BUSH HOG / LAND MAINTENANCE REPAIR PARTS MANUAL
46-4-30
7
16, 17, 18, 19
10
4
10
4
10
10
8
9
511, 12
11, 12 6
511, 12
3
2
13, 14, 15, 12
3
2
11, 12 6
13, 14, 15, 12
1
11, 12
DRIVELINE SHIELDING, NEW STYLE
3210, 13210 and 3210-O
Ref. Part
No. No. Description Qty.
1 50062095 Driveline Shnield Cone Assy 1
2 50069493 Shield, Bottom w/Decal (3210, 13210) 2
50069494 Shield, Bottom w/Decal (3210-O) 1
3 D546 Decal, Danger - Shield Missing A/R
4 50069480 Shield Weldment (3210, 13210) 2
50069492 Shield Weldment (3210-O) 1
5 50068454 Shield Bracket, RH A/R
6 50068457 Shield Bracket, LH A/R
7 50035829 Tube, Owner’s Manual 1
8 50035830 Seal 1
9 50035851 Cap 1
10 20312 Lynch Pin A/R
11 ----- Capscrew, M10 x 1.5-20 A/R
12 ----- Flatwasher, 3/8 A/R
13 ----- Capscrew, 3/8 x 1 Gr 5 A/R
14 ----- Hex Nut, 3/8 A/R
15 ----- Lockwasher, 3/8 A/R
16 ----- Capscrew, 1/4 x 7/8 Gr 5 3
17 ----- Flatwasher, 1/4 3
18 ----- Lockwasher, 1/4 3
19 ----- Hex Nut, 1/4 A/R
SEPTEMBER, 2011

BUSH HOG / LAND MAINTENANCE REPAIR PARTS MANUAL
REF. PART
NO. NO. QTY. DESCRIPTION
1 84728 1 Front Half Assy. (540 RPM)
84026 1 Front Half Assy. (1000 RPM 1 3/8” Spl.)
84725 1 Front Half Assy. (1000 RPM 1 3/4” Spl.)
2 64973 1 Yoke Assy. (540 RPM)
78189 1 Yoke Assy. (1000 RPM 1 3/8” Spl.)
68170 1 Yoke Assy. (1000 RPM 1 3/4” Spl.)
3 63945 2 Q.D. Pin Kit (540 RPM)
78190 2 Q.D. Pin Kit (1000 RPM 1 3/8” Yoke)
*68169 2 Q.D. Pin Kit (1000 RPM 1 3/4” Yoke)
*86723 2 O.D. Pin Kit (1000 RPM 1 3/4” Yoke)
4 64963 1 Cross Bearing Kit
5 63956 1 Grease Fitting
6 84727 1 Yoke & Tube w/Decals
(540 RPM & 1000 RPM)
84724 1 Yoke & Tube w/Decals (1000 RPM 1 3/4”)
7 63946 1 Grease Fitting
8 78786 1 Danger Decal
9 68179 1 Outer Shield Bearing
10 50042072 1 Danger Decal
11 78102BH 1 Rear Half Assy.
12 68170 1 Implement Yoke
13 *68169 1 Q.D. Pin Kit
*86723 1 O.D. Pin Kit (Some1000 RPM 1 3/4”)
14 64963 1 Cross Bearing Kit
15 68171 1 Yoke & Shaft Assy.
16 68172 1 Yoke
17 68173 1 Shaft, Splined
18 68711 1 Spring Dowel
19 68180 1 Shield Bearing
20 84729 1 Shield Kit (540 RPM & 1000 RPM 1-3/8”)
84726 1 Shield Kit (1000 RPM 1 3/4”)
46-5-1
68169
Q.D. Pin Kit
86723
Q.D. Pin Kit
*You must first determine which Q.D. Pin your drive-
shaft requires before ordering the replacement. This
applies to the 1000RPM Drivelines with the 1 3/4”-20
spline tractor yoke.
84722 DRIVESHAFT ASSEMBLY
540 RPM
1 3/8” - 6 Spline Tractor Yoke
Replaced by 76405 Driveshaft Assy.
84014 DRIVESHAFT ASSEMBLY
1000 RPM
1 3/8” - 21 Spline Tractor Yoke
Replaced by 76412 Driveshaft Assy.
84723BH DRIVESHAFT ASSEMBLY
1000 RPM
1 3/4” - 20 Spline Tractor Yoke
Replaced by 76406 Driveshaft Assy.
DRIVESHAFTS FOR 3200 SERIES PULL MODELS (Mfd. by Bondioli & Pavesi)
Serial Numbers 12-09999 and Below
SEPTEMBER, 2011

BUSH HOG / LAND MAINTENANCE REPAIR PARTS MANUAL
REF. PART
NO. NO. QTY. DESCRIPTION
1 86552 1 Half Shaft (Tractor End) 540 RPM
86543 1 Half Shaft (Tractor End) 1000 RPM 1-3/8”
86730 1 Half Shaft (Tractor End) 1000 RPM 1-3/4”
2 86553 1 Half Shaft (Rear) 540 RPM
86544 1 Half Shaft (Rear) 1000 RPM 1-3/8”
86731 1 Half Shaft (Rear) 1000 RPM 1-3/4”
3 86554 1 Safety Guard (540 RPM)
86545 1 Safety Guard (1000 RPM 1-3/8”)
86732 1 Safety Guard (1000 RPM 1-3/4”)
4 93699 1 Q.D. Hub & Snap Ring (540 & 1000 - 1-3/8”)
86724 1 Q.D. Hub & Snap Ring (1000 1-3/4”)
5 63945 2 Q.D. Pin Kit (540 RPM)
86519 2 Q.D. Pin Kit (1000 RPM 1-3/8”)
86723 2 Q.D. Pin Kit (1000 RPM 1-3/4”)
6 93574 1 Yoke 1-3/8” - 6 Spline (540 RPM)
93575 1 Yoke 1-3/8” - 21 Spline (1000 RPM)
93580 1 Yoke 1-3/4” - 20 Spline (1000 RPM)
7 63956 3 Grease Fitting 45°
8 86529 2 Cross Bearing Kit (540 RPM)
86511 2 Cross Bearing Kit (1000 RPM)
9 86530 1 C.V. Central Body (540 RPM)
86512 1 C.V. Central Body (1000 RPM)
10 63956 1 Grease Fitting
11 86531 1 Yoke (Outer Tube) 540 RPM
86513 1 Yoke (Outer Tube) 1000 RPM
12 67108 1 Flexible Pin (540 RPM)
66866 1 Flexible Pin (1000 RPM)
13 86555 1 Tube, Outer 540 RPM
86541 1 Tube, Outer 1000 RPM 1-3/8”
86728 1 Tube, Outer 1000 RPM 1-3/4”
REF. PART
NO. NO. QTY. DESCRIPTION
14 78608 1 Danger Decal
15 86534 1 Plastic Ring (540 RPM)
86331 1 Plastic Ring (1000 RPM)
16 86330 1 Grease Nipple
17 86754 1 Complete CV Shell (540 RPM)
86753 1 Complete CV Shell (1000 RPM)
18 86535 1 Ring Nut (540 RPM)
86517 1 Ring Nut (1000 RPM)
19 68179 1 Outer Shield Bearing (540 RPM)
66875 1 Outer Shield Bearing (1000 RPM)
20 64814 2 Chain
21 85414 1 Yoke (540 RPM)
86546 1 Yoke (1000 RPM)
22 50053705 1 Taper Pin Kit
23 44232BH 1 Hex Nut M14 x 2
24 44233BH 1 Lockwasher M14
25 64963 1 Cross Bearing (540 RPM)
64663 1 Cross Bearing (1000 RPM)
26 67086 1 Inner Tube Yoke (540 RPM)
66870 1 Inner Tube Yoke (1000 RPM)
27 67085 1 Flexible Pin (540 RPM)
66869 1 Flexible Pin (1000 RPM)
28 68180 1 Inner Shield Bearing (540 RPM)
66876 1 Inner Shield Bearing (1000 RPM)
29 78786 1 Danger Decal
30 86556 1 Inner Tube (540 RPM)
92961 1 Inner Tube (1000 RPM 1-3/8”)
92962 1 Inner Tube (1000 RPM 1-3/4”)
31 93699 1 Sleeve & Ball Kit, 1-3/8”
93700 1 Sleeve & Ball Kit, 1-3/4”
46-5-2
85006 80° C.V. DRIVESHAFT
Mfd. by Bondioli & Pavesi
540 RPM 1-3/8” – 6 Spline Tractor Yoke
Pull Models 3209, 3210, 3214, 3209-O, 3210-O
Serial Numbers 12-09999 and Below
Replaced by 76625SP (Mfd. by Comer / EG)
84998 80° C.V. DRIVESHAFT
Mfd. by Bondioli & Pavesi
1000 RPM, 1-3/8” - 21 Spline Tractor Yoke
Pull Models 13209, 13210, 3214
Serial Numbers 12-09999 and Below
Replaced by 76624SP (Mfd. by Comer / EG)
84999 80° C.V. DRIVESHAFT
Mfd. by Bondioli & Pavesi
1000 RPM 1-3/4” - 20 Spline Tractor Yoke
Pull Models 13209, 13210, 13214
Serial Numbers 12-09999 and Below
Replaced by 50024435 (Mfd. by Comer / EG)
SEPTEMBER, 2011

BUSH HOG / LAND MAINTENANCE REPAIR PARTS MANUAL
86580 DRIVESHAFT ASSEMBLY
(540 RPM, 1-3/8” - 6 Spline Tractor Yoke)
Mfd. by Bondioli & Pavesi
For: Lift and Semi-Mount Models
3209, 3209 Offset, 3210, 3210 Offset, 3214
Serial Numbers 12-09999 and Below
May substitute 76729SP Driveshaft
86575 DRIVESHAFT ASSEMBLY
(1000 RPM, 1-3/8” - 21 Spline Tractor Yoke)
Mfd. by Bondioli & Pavesi
For: Lift & Semi-Mount Models
13209, 13210, 13214
Serial Numbers 12-09999 and Below
May substitute 76730SP Driveshaft
86591 DRIVESHAFT ASSEMBLY
(1000 RPM, 1-3/4” - 20 Spline Tractor Yoke)
Mfd. by Bondioli & Pavesi
For: Lift & Semi-Mount Models
13209, 13210, 13214
Serial Numbers 12-09999 and Below
May substitute 76731SP Driveshaft
REF. PART
NO. NO. QTY. DESCRIPTION
1 86627 1 Inner Half w/Shield 86580, 86575)
86628 1 Inner Half w/Shield (86591)
2 78146 1 Outer Half w/Shield (86575)
78138 1 Outer Half w/Shield (86580)
82328 1 Outer Half w/Shield (86591)
3 78139 1 Safety Guard Assy. (86580, 86575)
82327 1 Safety Guard Assy. (86591)
4 86573 1 Torque Limiter Assy.
5 91564 1 Torque Limiter Repair Kit
6 78190 2 Q.D. Pin Kit (86575 Assy.)
63945 2 Q.D. Pin Kit (86580 Assy.)
86723 2 Q.D. Pin Kit (86591 Assy.)
7 78189 1 Tractor Yoke 1-3/8” - 21 Spline
64973 1 Tractor Yoke 1-3/8” - 6 Spline
68170 1 Tractor Yoke 1-3/4” - 20 Spline
8 64963 2 Cross Bearing Kit
9 63956 2 Grease Fitting
10 78136 1 Outer Yoke & Tube
(86575, 86580 Assy.)
82330 1 Outer Yoke & Tube (86591 Assy.)
11 67108 1 Spring Dowell
12 78134 1 Yoke, Outer Tube
13 78133 1 Outer Tube (86575, 86580 Assy.)
86607 1 Outer Tube (86591 Assy.)
14 78786 1 Danger Decal
REF. PART
NO. NO. QTY. DESCRIPTION
15 67086 1 Inner Tube Yoke
16 67085 1 Spring Dowell
17 78132 1 Inner Tube (86575, 86580 Assy.)
86608 1 Inner Tube (86591 Assy.)
18 78135 1 Inner Tube & Tube Assy.
(86575, 85680 Assy.)
82331 1 Inner Yoke & Tube Assy. (86591 Assy.)
19 44159BH 8 Capscrew M10 x 1.5 x 100 Gr. 8.8
20 64641 1 Pressure Plate
21 64642 1 Inner Plate
22 86574 1 Brake Lining Support w/Pivot
23 50053705 1 Taper Pin Kit
24 44233BH 1 Lockwasher M14
25 44234BH 1 Hex Nut M14
26 64642 1 Inner Plate
27 64986 1 Intermediate Brake Lining
28 64828 1 Collar
29 64992 1 Flange Yoke
30 44154BH 8 Locknut M10 x 1.5
31 78608 1 Safety Decal
32 68179 1 Outer Guard Bearing
33 68180 1 Inner Guard Bearing
34 64657 8 Spring
35 91560 4 Lining
46-5-3
35 35 35 34
SEPTEMBER, 2011

BUSH HOG / LAND MAINTENANCE REPAIR PARTS MANUAL
REF. PART
NO. NO. QTY. DESCRIPTION
1 86629 1 Shielded Inner Half
2 64963 1 Cross Bearing Kit
3 63956 1 Grease Fitting
4 78165 1 Inner Yoke & Tube
5 78164 1 Inner Tube
6 67085 1 Roll Pin
7 67086 1 Yoke for Inner Tube
8 86573 1 Torque Limiter Assy.
9 64992 1 Flanged Yoke
10 64828 1 Collar
11 91564 1 Lining Kit
12 64986 1 Intermediate Brake Lining
13 64642 1 Inner Plate
14 86574 1 Brake Lining Support w/Pivot
15 50053705 1 Taper Pin Kit
16 44392BH 1 Hex Nut M14 x 2
REF. PART
NO. NO. QTY. DESCRIPTION
17 44233BH 1 Lockwasher M14
18 64642 1 Inner Plate
19 64641 1 Pressure Plate
20 44154BH 8 Locknut M10 x 1.5
21 44159BH 8 Bolt M10 x 1.5 x 100
22 68180 1 Inner Guard Collar
23 64657 8 Spring
24 91560 4 Lining
25 78167 1 Shielded Outer Half Assy.
26 67098 1 Outer Shield Collar
27 68179 1 Outer Collar Sleeve
28 78786 1 Danger Decal
29 78608 1 Safety Decal
30 78168 1 Safety Guard Assy.
31 68166 1 Chain
46-5-4
86588 JACKSHAFT ASSEMBLY
For Models: 3209, 3209-O, 3210, 3210-O, 3214
Serial Numbers 12-09999 and Below
Mfd. by Bondioli & Pavesi
Replaced by 76410 Jackshaft
Mfd. by EG
24 24 24 24
28
29 27 26
25
30
31
23
SEPTEMBER, 2011

BUSH HOG / LAND MAINTENANCE REPAIR PARTS MANUAL
REF. PART
NO. NO. QTY. DESCRIPTION
69302 1 Cross Shaft Assy
1 79352 1 Yoke
2 64663 2 Cross Bearing Kit
3 63956 2 Grease Fitting
4 78148 1 Double Flanged Yoke
5 78119 1 Elastic Cushion Coupling
6 78118 2 Pin
7 78117 1 Flanged Yoke
8 78116 4 Elastic Cushion
9 78115 1 Yoke
10 79354 1 Q.D. Pin Kit
11 78114 1 Retaining Ring
REF. PART
NO. NO. QTY. DESCRIPTION
69303 1 Cross Shaft Assy
1 64671 1 Q.D. Yoke Assy.
2 63945 1 Q.D. Pin Kit
3 82398 2 Cross Bearing Kit
4 82397 2 Grease Fitting
5 79358 2 Yoke for Splined Shaft
6 79353 1 Splined Shaft
7 68174 1 Pin
8 78119 1 Elastic Cushion Coupling
9 78118 2 Pin
10 78117 1 Flanged Yoke
11 78116 4 Elastic Cushion
12 78115 1 Yoke
13 78114 1 Retaining Ring
14 79354 1 Q.D. Pin Kit
69302 CROSS SHAFT ASSEMBLY
540 RPM & 1000 RPM – 1-3/8” – 21 Spline
For: Models 3209 & 13209
Serial Numbers 12-09999 and Below
69303 CROSS SHAFT ASSEMBLY
540 RPM & 1000 RPM –1-3/8” – 21 Spline
For: Models 3210 & 13210
Serial Numbers 12-09999 and Below
46-5-5
14
SEPTEMBER, 2011

BUSH HOG / LAND MAINTENANCE REPAIR PARTS MANUAL
46-5-6
REF. PART
NO. NO. QTY. DESCRIPTION
95740 1 Cross Shaft Assy
1 96855 1 Inner Half Assy.
2 96854 1 Joint
3 90938 2 Tapered Pin Kit
4 64663 2 Cross Bearing Kit
5 63956 2 Grease Fitting
6 66870 1 Inner Tube Yoke
7 66869 1 Flexible Pin
8 78120 1 Inner Tube
9 91568 1 Outer Half Assy.
10 91565 1 Yoke
11 66865 1 Outer Tube Yoke
12 66866 1 Flexible Pin
13 91566 1 Outer Tube
14 78786 1 Danger Decal
95740 CROSS SHAFT ASSEMBLY
(STANDARD)
Models 3209-Offset, 3210-Offset, 3214, 13214
Serial Numbers 12-09999 and Below
Mfd. by Bondioli & Pavesi
3
2
4
5
6
78
11
12
14
13
1
9
5
4
3
10
SEPTEMBER, 2011

BUSH HOG / LAND MAINTENANCE REPAIR PARTS MANUAL
2
1
5
14 7615
9
17
16
11
13
12
11
3
10 9
86
7
5
4
REF. PART
NO. NO. QTY. DESCRIPTION
1 92875 1 Half Shaft
2 92876 1 Half Shaft
3 92877 1 Safety Shield
4 92871 1 Yoke
5 90938 2 Q.D. Pin Kit
6 63946 2 Grease Fitting
7 91266 2 Cross Bearing Kit
8 91267 1 Inner Tube Yoke
9 66866 2 Flexible Pin
10 92872 1 Inner Tube
11 91272 1 Ring Nut
12 78608 1 Safety Decal
13 64814 1 Complete Chains
14 92874 1 Joint
15 91270 1 Outer Tube Yoke
16 92873 1 Outer Tube
17 78786 1 Danger Decal
46-5-7
90511 HEAVY DUTY CROSS SHAFT
Models 3214, 13214
Replaced by 50058059 Cross Shaft
SEPTEMBER, 2011

BUSH HOG / LAND MAINTENANCE REPAIR PARTS MANUAL
REF. PART
NO. NO. QTY. DESCRIPTION
1 90352 1 Mount Weld.
2 88100 1 Shield Weld.
3 90356 1 Pin Weld.
4 –––– 2 Capscrew 1/2” x 1 1/4” Gr.5
5 –––– 1 Lockwasher 3/4”
6 9162400 1 Locknut 3/4”
7 –––– 2 Lockwasher 1/2”
8 20763 2 Capscrew 5/8” x 5” Gr.5
9 20237BH 2 Capscrew 5/8” x 4” Gr.5
10 19486 4 Lockwasher 5/8”
11 9162000 4 Locknut 5/8”
12 90986 1 Pillow Block Bearing
13 88916 2 Bushing, Tension
14 77492 1 Snap Ring
15 77491 1 Bearing w/ Collar
16 88840 1 Set Screw
17 90983 1 Spacer
46-5-8
PILLOW BLOCK BEARING & MOUNT
FOR ALL PULL MODELS
3200 SERIES
4
7
2
17
13
13
15
16
14
12
31
5
6
8
9
10 11
10
11
SEPTEMBER, 2011

BUSH HOG / LAND MAINTENANCE REPAIR PARTS MANUAL
46-5-9
REF. PART
NO. NO. QTY. DESCRIPTION
76405 1 Driveline Assy
76406 1 Driveline Assy
76412 1 Driveline Assy
1 76248 1 Push Pin Yoke (76405)
76494 1 Push Pin Yoke (76412)
76481 1 Push Pin Yoke (76406)
2 64963 2 Cross Journal Set
3 63956 2 Grease Nipple
4 76479 1 Yoke w/ Sleeve Assy. (76405, 76412)
76486 1 Yoke w/ Sleeve Assy. (76406)
5 76335 1 Grease Nipple
6 76480 1 Splined Shaft
7 66866 1 Roll Pin for Inner Tube
8 68172 1 Inner Yoke
9 76481 1 Push Pin Yoke (76405, 76412)
76481 2 Push Pin Yoke (76406)
10 76244 1 Guard Retaining Collar, Outer
11 87992 6 Bolt
12 76245 1 Guard Retaining Collar, Inner
13 64814 2 Safety Chain
14 76482 1 Complete Shield w/ Instr. (76405)
76487 1 Complete Shield w/ Instr. (76406)
15 76062 2 Push Pin Set, 1-3/8” (76405, 76412)
16 76483 2 Push Pin Set, 1-3/4” (76405, 76412)
76483 4 Push Pin Set, 1-3/4” (76406)
17 76484 1 Half Female Shaft w/ Shield (76405)
76488 1 Half Female Shaft w/ Shield (76406)
76501 1 Half Female Shaft w/ Shield (76412)
18 76485 1 Half Male Shaft w/ Shield (76405, 76412)
76489 1 Half Male Shaft w/ Shield (76406)
19 78786 1 Danger Decal, Outer Tube
20 78608 1 Danger Decal, Outer Shield
76405 DRIVESHAFT
540 RPM – 1-3/8” – 6 Spline
Mfd. by Comer / EG
Used on All Pull Models
3209, 3210, 3214
76406 DRIVESHAFT
1000 RPM – 1-3/4” – 20 Spline
Mfd. by Comer / EG
Used on All Pull Models
3209, 3210, 3214
76412 DRIVESHAFT
1000 RPM – 1-3/8” – 21 Spline
Mfd. by Comer / EG
Used on All Pull Models
3209, 3210, 3214
15
19
5
10 11 11
13
12
20
29
16
8
7
6
1
3
24
3
17 18
14
SEPTEMBER, 2011

BUSH HOG / LAND MAINTENANCE REPAIR PARTS MANUAL
46-5-10
REF. PART
NO. NO. QTY. DESCRIPTION
76729SP 1 Driveline Assy
76730SP 1 Driveline Assy
76731SP 1 Driveline Assy
1 76803 1 Complete Collar Yoke (76729SP)
76805 1 Complete Collar Yoke (76730SP)
76806 1 Complete Collar Yoke (76731SP)
2 64963 2 Cross Journal Set
3 63956 2 Grease Nipple
4 78134 1 Outer Yoke
5 67108 1 Roll Pin for Outer Tube
6 78133 1 Outer Tube (76729SP, 76730SP)
86607 1 Outer Tube (76731SP)
7 78132 1 Inner Tube (76729SP, 76730SP)
86608 1 Inner Tube (76731SP)
8 67085 1 Roll Pin for Inner Tube
9 67086 1 Inner Yoke
10 76490 1 Complete Disc Clutch
11 76244 1 Guard Retaining Collar, Outer
12 87992 6 Bolt
13 76245 1 Guard Retaining Collar, Inner
14 64814 2 Safety Chain
REF. PART
NO. NO. QTY. DESCRIPTION
15 76491 1 Complete Shield w/ Instr.
(76729SP, 76730SP)
76496 1 Complete Shield w/ Instr. (76731SP)
16 50017480 1 Ball Collar Kit 1-3/8” (76729SP, 76730SP)
50017502 1 Ball Collar Kit 1-3/4” (76731SP)
17 76080 8 Spring
18 76331 1 Flanged Yoke
19 76082 1 Bushing
20 76083 4 Lining Ring
21 76247 1 Tapered Pin Set 1-3/4”
22 76458 1 Clutch Support
23 76085 2 Inner Plate
24 76197 1 Intermediate Plate
25 76086 1 Pressure Plate
26 44159BH 8 Capscrew M10 x 1.5 x 100
27 44154BH 8 Lock Nut M10 x 1.5
28 76815 1 Half Female Shaft w/ Shield (76729SP)
76816 1 Half Female Shaft w/ Shield (76730SP)
76836 1 Half Female Shaft w/ Shield (76731SP)
29 76493 1 Half Male Shaft w/ Shield
(76729SP, 76730SP)
76498 1 Half Male Shaft w/ Shield (76731SP)
30 78786 1 Danger Decal, Outer Tube
31 78608 1 Danger Decal, Outer Shield
76729SP DRIVESHAFT
Mfd. by Comer / EG
540 RPM – 1-3/8” – 6 Spline
Used on All Lift & Semi-Mount Models
3209, 3209-Offset, 3210, 3210 Offset, 3214
Replaces 76407 Driveshaft.
76730SP DRIVESHAFT
Mfd. by Comer / EG
1000 RPM – 1-3/8” – 21 Spline
Used on All Lift & Semi-Mount Models 13209, 13210, 13214
Replaces 76408 Driveshaft.
76731SP DRIVESHAFT
Mfd. by Comer / EG
1000 RPM – 1-3/4” – 20 Spline
Used on All Lift & Semi-Mount Models 13209, 13210, 13214
Replaces 76409 Driveshaft.
27 17 18 19 20 21 20
22
245
11 31
14
12 12
67
30
23 20 24 20 23 25 26
2
9
13
83
1
3
15
29
28
10
16
Note: Some early driveshafts were shipped with push pins on the
tractor yoke end. Order 76062 push pin set to replace pin (76407,
76408 Driveshafts), or 76483 push pin set (76409 Driveshaft). For
complete yoke replacement, order Collar Yoke (See Ref. No.1).
Push Pin Set
SEPTEMBER, 2011

BUSH HOG / LAND MAINTENANCE REPAIR PARTS MANUAL
46-5-11
REF. PART
NO. NO. QTY. DESCRIPTION
76410 1 Jackshaft Assy
1 76490 1 Complete Disc Clutch
2 64963 1 Cross Journal Set
3 63956 1 Grease Nipple
4 78134 1 Outer Yoke
5 67108 1 Roll Pin for Outer Tube
6 76502 1 Outer Tube
7 76499 1 Inner Tube w/ Splined Shaft
8 76244 1 Guard Retaining Collar, Outer
9 87992 6 Bolt
10 76245 1 Guard Retaining Collar, Inner
11 64814 2 Safety Chain
12 76500 1 Complete Shield w/ Instr.
13 44159BH 8 Capscrew M10 x 1.5 x 100
REF. PART
NO. NO. QTY. DESCRIPTION
14 76086 1 Pressure Plate
15 76085 2 Inner Plate
16 76083 4 Lining Ring
17 76197 1 Intermediate Plate
18 76458 1 Clutch Support
19 76247 1 Tapered Pin Set 1-3/4”
20 76082 1 Bushing
21 76331 1 Flanged Yoke
22 76080 8 Spring
23 44154BH 8 Lock Nut M10 x 1.5
24 78786 1 Danger Decal, Outer Tube
25 78608 1 Danger Decal, Outer Shield
*26 50021244 1 Jackshaft Extension, 3210
*27 50021245 1 Jackshaft Extension, 3214
76410 JACKSHAFT (540 rpm)
Mfd. by Comer / EG
Used on 3200 Series Models with Serial Numbers 12-09999 and Below
13 14 15 16 17 16
456
24
26
27
25
11
10
8
99
15
16 19 18 16
20
21 22 23
3
27
12
1
*Note: Jackshaft Extensions are not included in the 76410 Jackshaft Assembly
SEPTEMBER, 2011

BUSH HOG / LAND MAINTENANCE REPAIR PARTS MANUAL
46-5-12
REF. PART
NO. NO. QTY. DESCRIPTION
96493 1 Cross Shaft Assy
1 561 1 Yoke 1-3/8” – 21 Spline
2 595BH 2 Cross & Bearing Kit
3 96494 1 Yoke & Bar Assembly
4 96495 1 Sleeve, Tube & Yoke Assembly
5 96496 1 Shearbolt Clutch (Items 6 – 12)
6 19044 2 Capscrew 1/2” x 2-3/4” Gr.5
7 8151600 2 Hex Nut 1/2”
8 –––– 1 Shear Yoke & Hub
9 –––– 24 Ball
10 –––– 1 Grease Zerk
11 96498 1 Q.D. Pin Kit
12 15806 1 Lockwasher
13 50020354 1 Shear Bolt Repair Kit
14 78786 1 Decal
96493 CROSS SHAFT
Manufactured by Walterscheid
Model: 3214 (13214SS1)
Serial Numbers 12-09999 and Below
1
7
12
6
3
14
4
6
10
13
11
9
78
2
2
5
SEPTEMBER, 2011

BUSH HOG / LAND MAINTENANCE REPAIR PARTS MANUAL
46-5-13
76232 C.V. Driveshaft
540 RPM – 1-3/8” – 6 Spline
(Mfd. by Comer / EG)
Used on All Pull Models
3209, 3210, 3214
Serial Numbers 12-09999 and Below
Replaced by 76625SP Driveshaft
(Mfd. by Comer / EG)
76233 C.V. DRIVESHAFT
1000 RPM – 1-3/8” – 21 Spline
(Mfd. by Comer / EG)
Used on All Pull Models
3209, 3210, 3214
3209–O, 3210–O
Serial Numbers 12-09999 and Below
Replaced by 76624SP Driveshaft
(Mfd. by Comer / EG)
76571 C.V. DRIVESHAFT
1000 RPM – 1-3/4” – 20 Spline
(Mfd. by Comer / EG)
Used on All Pull Models
3209, 3210, 3214
Serial Numbers 12-09999 and Below
Replaced by 50024435 Driveshaft
(Mfd. by Comer / EG)
22
1
3
22
7
9
10
10
21
12
11
5
15
20
4
3
16 17
4
8
13
14
18 19
6
REF. PART
NO. NO. QTY. DESCRIPTION
1 50017482 1 Complete Collar Yoke (76233)
50017501 1 Complete Collar Yoke (76571)
50017504 1 Complete Collar Yoke (76232)
2 76420 2 Cross Journal Set (76233,76571)
76356 2 Cross Journal Set (76232)
3 63956 3 Grease Nipple (76232, 76233)
76579 2 Grease Nipple (76571)
4 76421 1 Wide Angle Double Yoke (76233, 76571)
76357 1 Wide Angle Double Yoke (76232)
5 64663 1 Cross Journal Set (76233)
64963 1 Cross Journal Set (76232)
76582 1 Cross Journal Set (76571)
6 76422 1 Complete Yoke (76233, 76571)
76239BH 1 Complete Yoke (76232)
7 76362 6 Screw
8 76423 1 Bearing Ring (76233, 76571)
76363 1 Bearing Ring (76232)
9 76057 1 Guard Retaining Collar,
Outer (76233,76571)
76244 1 Guard Retaining Collar,
Outer (76232)
10 87992 6 Bolt
11 76059 1 Guard Retaining Collar,
Inner (76233, 76571)
76245 1 Guard Retaining Collar,
Inner (76232)
REF. PART
NO. NO. QTY. DESCRIPTION
12 64814 3 Safety Chain
13 76424 1 Guard Cone Set (76233,76571)
76950 1 Guard Cone Set (76232)
14 76450 1 Complete Shield w/ Instr.(76233)
76599 1 Complete Shield w/ Instr.(76571)
76433 1 Complete Shield w/ Instr. (76232)
15 76247 1 Tapered Pin Set 1-3/4”
16 76451 1 Female Tube w/ Yoke and Lube (76233)
76600 1 Female Tube w/ Yoke and Lube (76571)
76442 1 Female Tube w/ Yoke and Lube (76232)
17 76452 1 Male Tube w/ Yoke and Lube (76233)
76601 1 Male Tube w/ Yoke and Lube (76571)
76447 1 Male Tube w/ Yoke and Lube (76232)
18 76453 1 Half Female Shaft w/ Shield (76233)
76602 1 Half Female Shaft w/ Shield (76571)
76448 1 Half Female Shaft w/ Shield (76232)
19 76454 1 Half Male Shaft w/ Shield (76233)
76603 1 Half Male Shaft w/ Shield (76571)
76449 1 Half Male Shaft w/ Shield (76232)
20 78786 1 Danger Decal, Outer Tube
21 78608 1 Danger Decal, Outer Shield
22 50017480 1 Ball Collar Kit, 1-3/8” (76232, 76233)
50017502 1 Ball Collar Kit, 1-3/4” (76571)
SEPTEMBER, 2011

BUSH HOG / LAND MAINTENANCE REPAIR PARTS MANUAL
46-5-14
76567 CROSS SHAFT
Manufactured by Comer / EG
Used on Models 3209 & 13209
Serial Numbers 12-10000 and Above
Replaced by 50023262 Cross Shaft
76568 CROSS SHAFT
Manufactured by Comer / EG
Used on Model 3210 & 13210
Serial Numbers 12-10000 and Above
Replaced by 50034818 Cross Shaft & 50036647 Shield Kit
REF. PART
NO. NO. QTY. DESCRIPTION
1 76700 1 Yoke
2 76696 2 Cross Journal Set
3 –––– 8 Circlip
4 76783 2 Grease Nipple
5 76701 1 Double Flanged Yoke
6 76702 1 Special Rubber Element, Complete
7 –––– 1 Bolt & Nut
REF. PART
NO. NO. QTY. DESCRIPTION
1 76695 1 Yoke
2 76696 2 Cross Journal Set
3 –––– 8 Circlip
4 76783 2 Grease Nipple
5 76698 1 Double Flanged Yoke
6 76699 1 Special Rubber Element, Complete
7 –––– 1 Grease Nipple
8 76247 1 Tapered Pin Set 1-3/4”
73
4
56
12
3
4
2
3
4
5
7
2
3
4
8
2
16
SEPTEMBER, 2011

BUSH HOG / LAND MAINTENANCE REPAIR PARTS MANUAL
46-5-15
REF. PART
NO. NO. QTY. DESCRIPTION
1 76239BH 1 Complete Yoke
2 64963 2 Cross Journal Set
3 –––– 8 Circlip
4 63956 2 Grease Nipple
5 76703 1 Inner Tube (76569)
76708 1 Inner Tube (76626)
6 67085 1 Roll Pin for Inner Tube
7 67086 1 Inner Yoke
8 76704 1 Complete Rubber Element
9 –––– 1 Yoke
10 76247 2 Tapered Pin Set 1-3/4”
11 –––– 1 Female Tube Yoke
12 –––– 1 Male Tube Yoke
13 76705 1 Half Female Shaft (76569)
76709 1 Half Female Shaft (76626)
14 76706 1 Half Male Shaft (76569)
76710 1 Half Male Shaft (76626)
15 78786 1 Danger Decal
*76569 CROSS SHAFT
Manufactured by Comer / EG
For 3209 Offset with Serial Numbers 12-10000 and Above
*For replacement of this driveshaft, order 50035303 Cross Shaft & 50035715 Shield Kit
*76626 CROSS SHAFT
Manufactured by Comer / EG
For 3210 Offset with Serial Numbers 12-10000 and Above
*For replacement of this driveshaft, order 50035303 Cross Shaft & 50035716 Shield Kit
10 9
1
15
5
673
4
10
2
11 28
4
3
13
12
14
SEPTEMBER, 2011

BUSH HOG / LAND MAINTENANCE REPAIR PARTS MANUAL
46-5-16
REF. PART
NO. NO. QTY. DESCRIPTION
76624SP 1 C.V. Driveshaft Assy
50024435 1 C.V. Driveshaft Assy
1 50017482 1 Complete Collar Yoke (76624SP)
50017501 1 Complete Collar Yoke (50024435)
2 76420 2 Cross Journal Set
3 76579 3 Grease Nipple
4 76421 1 Wide Angle Double Yoke
5 76893 1 Outer Yoke
6 66866 1 Roll Pin for Outer Tube
7 76894 1 Wiper
8 76901 1 Outer Tube w/ Decal (76624SP)
76900 1 Outer Tube w/ Decal (50024435)
9 64663 1 Cross Journal Set
10 76422 1 Complete Yoke
11 76362 6 Screw Kit
12 76423 1 Bearing Ring
13 76057 1 Collar, Outer Tube
14 87992 6 Bolt
15 76059 1 Collar, Inner Tube
REF. PART
NO. NO. QTY. DESCRIPTION
16 64814 3 Safety Chain
17 76933 1 Guard Cone Set
18 76948 1 Complete Shield (76624SP)
76957 1 Complete Shield (50024435)
19 76247 1 Tapered Pin Set 1-3/4”
20 76681 1 Female Tube w/ Yoke & Lube
21 76682 1 Male Tube w/ Yoke & Lube
22 76949 1 Half Female Shaft
w/ Shield (76624SP)
76958 1 Half Female Shaft
w/ Shield (50024435)
23 76684 1 Half Male Shaft w/ Shield
24 78786 1 Danger Decal, Outer Tube
25 78608 1 Danger Decal, Outer Shield
26 76892 1 Plastic Cap, Outer Tube
27 50017480 1 Ball Collar Kit 1-3/8” (76624SP)
50017502 1 Ball Collar Kit 1-3/4” (50024435)
76624SP C.V. DRIVESHAFT ASSEMBLY
1000 RPM – 1-3/8” – 21 Spline
ASAE Size 4
Manufactured by Comer / EG
Used on Pull Models 13209, 13210
Serial Numbers 12-10000 and Above
Replaces 76233 Driveshaft
50024435 C.V. DRIVESHAFT ASSEMBLY
1000 RPM – 1-3/4” – 20 Spline
ASAE Size 4
Manufactured by Comer / EG
Used on Pull Models 13209, 13210
Serial Numbers 12-10000 and Above
Replaces 76571 Driveshaft
27
1
248
26
6
10
20 21
19
3
2
3
9
3
11 17
13
14 14
15
16
25
12
18
22 23
24
57
SEPTEMBER, 2011

BUSH HOG / LAND MAINTENANCE REPAIR PARTS MANUAL
46-5-17
REF. PART
NO. NO. QTY. DESCRIPTION
76625SP 1 C.V. Driveshaft Assy
1 50017504 1 Complete Collar Yoke
2 76356 2 Cross Journal Set
3 76579 3 Grease Nipple
4 76357 1 Wide Angle Double Yoke
5 76896 1 Outer Yoke
6 67108 1 Roll Pin, Outer Tube
7 76897 1 Wiper
8 76902 1 Outer Tube w/ Decal
9 76604 1 Cross Journal Set
10 76239BH 1 Complete Yoke
11 76362 6 Screw Kit
12 76363 1 Bearing Ring
13 76244 1 Collar, Outer Tube
14 87992 6 Bolt
REF. PART
NO. NO. QTY. DESCRIPTION
15 76245 1 Collar, Inner Tube
16 64814 3 Safety Chain
17 76950 1 Guard Cone Set
18 76951 1 Complete Guard
19 76247 1 Tapered Pin Set 1-3/4”
20 76687 1 Female Tube w/ Yoke & Lube
21 76688 1 Male Tube w/ Yoke & Lube
22 76952 1 Half Female Shaft w/ Guarding
23 76690 1 Half Male Shaft w/ Guarding
24 78786 1 Danger Decal, Outer Tube
25 78608 1 Danger Decal, Outer Guard Tube
26 76899 1 Plastic Cap, Outer Tube
27 50017480 1 Ball Collar Kit 1-3/8”
76625SP C.V. DRIVESHAFT ASSEMBLY
540 RPM – 1-3/8” – 6 Spline
ASAE Size 5
Manufactured by Comer / EG
Used on Pull Models 3209 & 3209 Offset, 3210 & 3210 Offset Serial Numbers 12-10000 and Above
Replaces 76232 & 85006 Driveshafts
27
1
248
26
6
10
20 21
19
3
2
3
9
3
11 17
13
14 14
15
16
25
12
18
22 23
24
57
SEPTEMBER, 2011

BUSH HOG / LAND MAINTENANCE REPAIR PARTS MANUAL
46-5-18
76627 JACKSHAFT ASSEMBLY
Manufactured by Comer / EG
Used on Pull Models 3209 & 3209 Offset
With Serial Numbers 12-10000 and Above
76629 JACKSHAFT ASSEMBLY
Manufactured by Comer / EG
Used on Model 3210
With Serial Numbers 12-10000 and Above
REF. PART
NO. NO. QTY. DESCRIPTION
76627 1 Jackshaft Assy
76629 1 Jackshaft Assy
1 76490 1 Complete Disc Clutch
2 64963 1 Cross Journal Set
3 63956 1 Grease Nipple
4 78134 1 Outer Yoke
5 67108 1 Roll Pin for Outer Tube
6 76693 1 Outer Tube w/ Splined Shaft (76627)
76691 1 Outer Tube w/ Splined Shaft (76629)
7 76244 1 Guard Retaining Collar
8 87992 6 Bolt
9 76245 1 Guard Retaining Collar
10 64814 2 Safety Chain
11 76694 1 Complete Shield (76627)
76692 1 Complete Shield (76629)
REF. PART
NO. NO. QTY. DESCRIPTION
12 44159BH 8 Bolt M10 x 100
13 78086 1 Pressure Plate
14 76085 2 Inner Plate
15 76083 4 Lining Ring
16 76197 1 Intermediate Plate
17 76458 1 Clutch Support
18 76247 1 Tapered Pin Set 1-3/4”
19 76082 1 Bushing
20 76331 1 Flanged Yoke
21 76080 8 Spring
22 78786 1 Danger Decal, Outer Tube
23 78608 1 Danger Decal, Outer Shield Tube
24 44154BH 8 Lock Nut M10
12 13 14 14
15 16 15 15 15 19
20 21 24
18 17
3
2
46
5
22
7
8
10
23 9
11
1
SEPTEMBER, 2011

BUSH HOG / LAND MAINTENANCE REPAIR PARTS MANUAL
46-5-19
50023262 RUBBER ELEMENT CROSS SHAFT
Manufactured by Bondioli & Pavesi
Used on Models 3209 & 13209 S/N 12-10000 and Above
Replaces 76567 Cross Shaft (Mfd. by Comer / EG)
*50023264 RUBBER ELEMENT CROSS SHAFT
Manufactured by Bondioli & Pavesi
Used on Models 3210 & 13210 S/N 12-10000 and Above
*To replace this driveshaft, order 50034818 Cross Shaft & 50036647 Shield Kit
REF. PART
NO. NO. QTY. DESCRIPTION
1 50034925 1 Yoke
2 68987 2 Cross Journal Assembly
3 50034926 1 Yoke
4 63946 4 Grease Nipple
5 50034927 1 Joint
6 50053705 1 Taper Pin Kit
REF. PART
NO. NO. QTY. DESCRIPTION
50023262 1 Rubber Element Cross Shaft Assy
1 50034928 1 Yoke
2 68987 2 Cross Journal Assembly
3 50034929 1 Yoke
4 63946 4 Grease Nipple
5 50034930 1 GE Joint
6 44427BH 1 Capscrew M12 x 1.75 x 75 G8.8
7 44269 1 Flatwasher M12
8 44244BH 1 Hex Nut M12
35
8
6
4
7
1
2
4
2
4
2
4
2
3
4
56
1
SEPTEMBER, 2011

BUSH HOG/ LAND MAINTENANCE REPAIR PARTS MANUAL
46-5-20
11
1
95
683
4
11
2
72
10
4
3
12 13
REF. PART
NO. NO. QTY. DESCRIPTION
50035303 1 Cross Shaft Assy
50035715 1 Shield Kit (3209 Offset)
50035716 1 Shield Kit (3210 Offset)
1 85414 1 Complete Yoke
2 68176 2 Cross Journal Set
3 –––– 8 Circlip
4 63946 2 Grease Nipple
5 50035693 1 Inner Tube
6 67085 1 Roll Pin for Inner Tube
7 50035694 1 Female Yoke & Tube
8 67086 1 Inner Tube Yoke
9 78786 1 Danger Decal
10 50035695 1 Joint
11 50053705 2 Taper Pin Kit
12 50035696 1 Half Female Shaft
13 50035697 1 Half Male Shaft
50035303 CROSS SHAFT & 50035715 SHIELD KIT (3209 OFFSET)
50035303 CROSS SHAFT & 50035716 SHIELD KIT (3210 OFFSET)
Bondioli & Pavesi Series 8, ASAE Size 5
Used on 3209 Offset, 3210 Offset
Replaces 76569 & 76626 Cross Shafts (Comer / EG)
SEPTEMBER, 2011

BUSH HOG/ LAND MAINTENANCE REPAIR PARTS MANUAL
46-5-21
REF. PART
NO. NO. QTY. DESCRIPTION
50034818 1 Cross Shaft Assy
50036647 1 Shield Kit
1 50036672 1 Yoke
2 50036673 2 Cross Journal Assembly
3 –––– 8 Circlip
4 63946 3 Grease Nipple
5 50036674 1 Intermediate Yoke
6 50035695 1 Rubber Element
7 50053705 1 Taper Pin Kit
50034818 CROSS SHAFT & 50036647 SHIELD KIT
Bondioli & Pavesi Series DG8, ASAE Size 5
Used on Model 3210
Replaces 50023264 & 76568 Cross Shafts (Comer / EG)
5
6
7
4
4
1
2
4
3
2
3
SEPTEMBER, 2011

BUSH HOG/ LAND MAINTENANCE REPAIR PARTS MANUAL
76841 CV DRIVESHAFT ASSEMBLY
540 RPM, 1-3/8” X 6 SPLINE TRACTOR YOKE
ASAE SIZE 5
MANUFACTURED BY BONDIOLI & PAVESI
Used On: 540 RPM Pull Models 3209, 3209-O, 3210, 3210-O, 3214
Replaced by 50053302SP (May Substitute 76625SP)
REF. PART
NO. NO. QTY. DESCRIPTION
1 71390 1 Yoke, CV 1-3/8” -6 Spline (Tractor)
2 71391 2 Cross Bearing Kit
3 63946 4 Grease Fitting
4 71392 1 Yoke w/Hub, Outer Tube
5 71393 1 Central Body
6 71428 1 Outer Cardan Tube
7 71429 1 Inner Tube Assy. w/Lube Fitting
8 71396 1 Flexible Pin
9 71397 1 Flexible Pin
10 71398 1 Yoke, Inner Tube
11 71399 1 Cross Bearing Kit
12 71400 1 Tube Plug
13 71401 1 Yoke, 1-3/4”-20 Spline (Implement)
14 71440 1 Grease Fitting
REF. PART
NO. NO. QTY. DESCRIPTION
15 71455 1 Outer Ring
16 71402 1 Ring for Inner Cone
17 71403 1 Ring
18 71404 17 Screw
19 71405 1 Chain
20 71447 1 Shield Tube Connecting Ring
21 78608 1 Danger Decal
22 78786 1 Danger Shield Missing
23 71406 1 Sleeve Kit
24 71407 1 Pivot
25 71430 1 Outer Half Shaft
26 71431 1 Inner Half Shaft
27 71432 1 Complete Guard Assembly
46-5-22
SEPTEMBER, 2011

BUSH HOG/ LAND MAINTENANCE REPAIR PARTS MANUAL
76842 CV DRIVESHAFT ASSEMBLY
1000 RPM, 1-3/8”- 21 SPLINE TRACTOR YOKE
ASAE SIZE 4
MANUFACTURED BY BONDIOLI & PAVESI
Used On: 1000 RPM Pull Models 3209, 3210, 3214
Replaced by 50053301SP (May Substitute 76624SP)
REF. PART
NO. NO. QTY. DESCRIPTION
1 71441 1 Yoke, CV 1-3/8” -21 Spline (Tractor)
2 71412 2 Cross Bearing Kit
3 63946 4 Grease Fitting
4 71413 1 Yoke w/Hub, Outer Tube
5 71414 1 Central Body
6 71442 1 Outer Cardan Tube
7 71443 1 Inner Tube Assy. w/Lube Fitting
8 66866 1 Flexible Pin
9 71418 1 Flexible Pin
10 71419 1 Yoke, Inner Tube
11 71420 1 Cross Bearing Kit
12 71421 1 Tube Plug
13 71422 1 Yoke, 1-3/4”-20 Spline (Implement)
14 71440 1 Grease Fitting
REF. PART
NO. NO. QTY. DESCRIPTION
15 71448 1 Outer Ring
16 71402 1 Ring for Inner Cone
17 71438 1 Ring
18 71404 17 Screw
19 71405 1 Chain
20 71447 1 Shield Tube Connecting Ring
21 78608 1 Danger Decal
22 78786 1 Danger Shield Missing
23 50042833 1 Sleeve Kit
24 71407 1 Pivot
25 71444 1 Outer Half Shaft
26 71445 1 Inner Half Shaft
27 71446 1 Complete Guard Assembly
46-5-23
SEPTEMBER, 2011

BUSH HOG/ LAND MAINTENANCE REPAIR PARTS MANUAL
76843 CV DRIVESHAFT ASSEMBLY
1000 RPM, 1-3/4”- 20 SPLINE TRACTOR YOKE
ASAE SIZE 4
MANUFACTURED BY BONDIOLI & PAVESI
Used On: 1000 RPM Pull Models 3209, 3210, 3214
Replaced by 50053300
REF. PART
NO. NO. QTY. DESCRIPTION
1 71411 1 Yoke, CV 1-3/4” - 20 Spline (Tractor)
2 71412 2 Cross Bearing Kit
3 63946 4 Grease Fitting
4 71413 1 Yoke w/Hub, Outer Tube
5 71414 1 Central Body
6 71415 1 Outer Cardan Tube
7 71416 1 Inner Tube Assy. w/Lube Fitting
8 71417 1 Flexible Pin
9 71418 1 Flexible Pin
10 71419 1 Yoke, Inner Tube
11 71420 1 Cross Bearing Kit
12 71421 1 Tube Plug
13 71422 1 Yoke, 1-3/4”-20 Spline (Implement)
14 71440 1 Grease Fitting
REF. PART
NO. NO. QTY. DESCRIPTION
15 71448 1 Outer Ring
16 71402 1 Ring for Inner Cone
17 71438 1 Ring
18 71404 17 Screw
19 71405 1 Chain
20 71447 1 Shield Tube Connecting Ring
21 78608 1 Danger Decal
22 78786 1 Danger Shield Missing
23 71423 1 Sleeve Kit
24 71407 1 Pivot
25 71425 1 Outer Half Shaft
26 71426 1 Inner Half Shaft
27 71427 1 Complete Guard Assembly
46-5-24
SEPTEMBER, 2011

BUSH HOG / LAND MAINTENANCE REPAIR PARTS MANUAL
46-5-25
REF. PART
NO. NO. QTY. DESCRIPTION
50053300 1 C.V. Driveshaft Assy
1 50053720 1 Yoke, CV 1-3/4”, 20 Spline
2 50053718 1 Cross Bearing Kit
3 50053717 1 Yoke
4 50053716 1 Central Body
5 50053715 1 Roll Pin
6 50053714 1 Drive Tube, Outer
7 71418 1 Flexible Roll Pin, Inner
8 71419 1 Yoke, Inner Tube
9 50053713 1 Drive Tube, Inner
10 50053712 1 Yoke, 1-3/4”, 20 Spline
11 71420 1 Cross Bearing Kit
12 50053711 1 Shield Support, Outer
13 50053710 1 Shield Support
REF. PART
NO. NO. QTY. DESCRIPTION
14 71404 12 Screw, Self-Tapping
15 71402 1 Shield Support, Inner
16 50053709 6 Washer
17 71447 1 Single Chain Restraint Collar
18 50053708 2 Screw
19 50053707 1 Shield Chain
20 78786 1 Danger Decal, Outer Tube
21 78608 1 Danger Decal, Shield
22 50053706 1 Ball Collar Kit 1-3/4”
23 50053705 1 Taper Pin Kit, 3 Pins
24 50053704 1 Half Shaft, Outer, Shielded
25 50053703 1 Half Shaft, Inner, Shielded
26 50053702 1 Complete Shield
50053300 CV DRIVESHAFT ASSEMBLY
1000 RPM, 1-3/4” – 20 Spline Tractor Yoke
ASAE Size 4
Mfd. by Bondioli & Pavesi
Models: 1000 RPM Pull Models 3209, 3210, 3214
2
520 7
143 6 9810
11
19
25
15
18
18
17
21
12
26
13
24
14
14 14
16
22
1
23
10
SEPTEMBER, 2011

BUSH HOG / LAND MAINTENANCE REPAIR PARTS MANUAL
46-5-26
REF. PART
NO. NO. QTY. DESCRIPTION
50053301SP 1 C.V. Driveline Assy
1 50053719 1 Yoke, CV 1-3/8”, 21 Spline
2 50053718 1 Cross Bearing Kit
3 50053717 1 Yoke
4 50053716 1 Central Body
5 50053715 1 Roll Pin
6 50053714 1 Drive Tube, Outer
7 71418 1 Flexible Roll Pin, Inner
8 71419 1 Yoke, Inner Tube
9 50053713 1 Drive Tube, Inner
10 50053712 1 Yoke, 1-3/4”, 20 Spline
11 71420 1 Cross Bearing Kit
12 50053711 1 Shield Support, Outer
13 50053710 1 Shield Support
REF. PART
NO. NO. QTY. DESCRIPTION
14 71404 12 Screw, Self-Tapping
15 71402 1 Shield Support, Inner
16 50053709 6 Washer
17 71447 1 Single Chain Restraint Collar
18 50053708 2 Screw
19 50053707 1 Shield Chain
20 78786 1 Danger Decal, Outer Tube
21 78608 1 Danger Decal, Shield
22 50053721 1 Ball Collar Kit 1-3/8”
23 50053705 1 Taper Pin Kit, 3 Pins
24 50053704 1 Half Shaft, Outer, Shielded
25 50053703 1 Half Shaft, Inner, Shielded
26 50053702 1 Complete Shield
50053301SP CV DRIVESHAFT ASSEMBLY
1000 RPM, 1-3/8” – 21 Spline Tractor Yoke
ASAE Size 4
Mfd. by Bondioli & Pavesi
Models: 1000 RPM Pull Models 3209, 3210, 3214
May Substitute 76624SP (Comer)
2
520 7
143 6 9810
11
19
25
15
18
18
17
21
12
26
13
24
14
14 14
16
22
1
23
10
SEPTEMBER, 2011

BUSH HOG / LAND MAINTENANCE REPAIR PARTS MANUAL
46-5-27
REF. PART
NO. NO. QTY. DESCRIPTION
50053302SP 1 C.V. Driveline Assy
1 50053678 1 Yoke, CV 1-3/8”, 6 Spline
2 50053677 1 Cross Bearing Kit
3 50053728 1 Yoke
4 50053727 1 Central Body
5 50053715 1 Roll Pin
6 50053726 1 Drive Tube, Outer
7 71397 1 Flexible Roll Pin, Inner
8 71398 1 Yoke, Inner Tube
9 50053725 1 Drive Tube, Inner
10 50053723 1 Yoke, 1-3/4”, 20 Spline
11 71399 1 Cross Bearing Kit
12 50053711 1 Shield Support, Outer
13 50053722 1 Shield Support
REF. PART
NO. NO. QTY. DESCRIPTION
14 71404 12 Screw, Self-Tapping
15 71402 1 Shield Support, Inner
16 50053709 6 Washer
17 71447 1 Single Chain Restraint Collar
18 50053708 2 Screw
19 50053707 1 Shield Chain
20 78786 1 Danger Decal, Outer Tube
21 78608 1 Danger Decal, Shield
22 50053721 1 Ball Collar Kit 1-3/8”
23 50053705 1 Taper Pin Kit, 3 Pins
24 50053681 1 Half Shaft, Outer, Shielded
25 50053680 1 Half Shaft, Inner, Shielded
26 50053679 1 Complete Shield
50053302SP CV DRIVESHAFT ASSEMBLY
1000 RPM, 1-3/8” – 6 Spline Tractor Yoke
ASAE Size 5
Mfd. by Bondioli & Pavesi
Models: 540 RPM Pull Models 3209, 3209-O, 3210, 3210-O, 3214
May Substitute 76625SP (Comer)
2
520 7
143 6 9810
11
19
25
15
18
18
17
21
12
26
13
24
14
14 14
16
22
1
23
10
SEPTEMBER, 2011

BUSH HOG / LAND MAINTENANCE REPAIR PARTS MANUAL
46-5-28
REF. PART
NO. NO. QTY. DESCRIPTION
50018594 1 Driveline Assy w/Shear Bolt
1 50024795 1 Yoke 1-3/8” – 20 Spline
2 595BH 2 Cross and Bearing Kit
3 96494 1 Yoke & Bar Assembly
4 96495 1 Sleeve, Yoke & Tube Assembly
5 50024796 1 Shearbolt Clutch
6 44864 1 Capscrew 1/2” x 2-3/4” Gr.8 Blk. Oxide
7 15508 1 Hex Nut 1/2”
8 78786 1 Safety Decal
9 –––– 1 Capscrew 5/8” – 11 UNC x 3-1/4” Gr.8
10 –––– 1 Lockwasher 5/8”
11 –––– 1 Hex Nut 5/8”
12 –––– 2 Capscrew M16 x 2 x 80
13 –––– 2 Hex Nut M16
50018594 CROSS SHAFT WITH SHEARBOLT CLUTCH
1000 RPM – 1-3/4” – 20 Spline
Manufactured by Walterscheid
Model: 3214 (13214SS1)
11
10 12
3
48
25
12
13
9
76
SEPTEMBER, 2011

BUSH HOG / LAND MAINTENANCE REPAIR PARTS MANUAL
46-5-29
REF. PART
NO. NO. QTY. DESCRIPTION
50058059 1 Driveshaft Assy
1 50062379 1 Yoke
2 50062380 2 Cross Kit
3 68765 1 Yoke, Outer Tube
4 66866 1 Roll Pin, Outer
5 50062381 1 Tube, Outer
6 50062382 1 Tube, Inner
7 66869 1 Roll Pin, Inner
8 68820 1 Yoke, Inner Tube
9 50062383 1 Rubber Shore
10 66875 1 Shield Support, Outer
11 66876 1 Shield Support, Inner
12 88789 1 Shield Cone, Outer
13 88808 1 Shield Cone, Inner
14 78786 1 Danger Decal, Outer Tube
15 78608 1 Danger Decal, Outer Shield Tube
16 90938 1 Taper Pin Kit, Z6 & Z21
17 83059 1 Taper Pin Kit, Z21
18 50062385 1 Female Half Shaft w/ Shield
19 50062386 1 Male Half Shaft w/ Shield
20 50062387 1 Complete Shield w/ Instruction Manual
50058059 DRIVESHAFT ASSEMBLY
540 RPM – 1-3/8” – 21 Spline
Manufactured by Bondioli & Pavesi
Model: 3214, 13214
4
1
10 12 15 13
11
3568
9
14 7
2
16
1
17
9
19
18
20
SEPTEMBER, 2011

BUSH HOG / LAND MAINTENANCE REPAIR PARTS MANUAL
46-6-1
REF. PART
NO. NO. QTY. DESCRIPTION
1 20150 2 Capscrew 1” x 8-1/2” Gr.5
2 9163200 2 Locknut 1”
*3 90412 2 Bushing 5-3/4” Long
94117 2 Bushing 5-21/32” Long
4 20325 6 Roll Pin 1/4” x 1-3/4”
5 88983 1 Pin
6 90591 1 Leveling Rod Assy. (3209)
90591 2 Leveling Rod Assy. (3214)
90415 2 Leveling Rod Assy. (3210)
7 15612 1 Jam Nut 1”
8 15908BH 2 Flatwasher 1”
9 53053BH 1 Turnbuckle
10 –––– 4 Cotter Pin 3/16” x 1-1/2”
11 90588 1 End Weldment
12 90592 1 Rod Weldment (3209, 3214)
90595 1 Rod Weldment (3210)
13 90599 2 Pin
92882 1 Tongue Assembly
14 87317 1 Important Decal
15 87340 1 Important Decal
16 92883 1 Tongue Weldment
17 92890 1 Clevis Weldment
18 85653 2 Pin
19 92889 1 Bushing
Old Style Clevis Assembly
20 15516 2 Locknut 5/8”
21 –––– 2 Capscrew 5/8” x 3-3/4” Gr.5
22 85649 1 Clevis Tongue Weldment
23 86356 1 Collar
24 86358 1 Clevis Weldment
25 24D25128 1 Jackstand Assembly
45
4
10
13
11
10
9
7
12
10
10
13
8
8
15
16
17
22
24
23
20
4
18
21
4
4
4
18
19
14
1
3
2
6
*Note: This part was changed from 5-3/4” to 5-21/32” in
length. Determine which part is needed before ordering.
Do not interchange parts.
PULL TYPE HITCH
For All 3200 Series Pull Models
25
OLD STYLE CLEVIS ASSEMBLY
91074 SAFETY TOW CHAIN
SEPTEMBER, 2011

BUSH HOG / LAND MAINTENANCE REPAIR PARTS MANUAL
REF. PART
NO. NO. QTY. DESCRIPTION
1 –––– 1 Lockwasher 3/4”
2 15821 3 Lockwasher 1”
3 15908BH 2 Flatwasher 1”
4 19061 1 Capscrew 1” x5” Gr. 5
5 19502 3 Hex Nut 1”
6 –––– 1 Hex Nut 3/4”
7 20232BH 2 Capscrew 1” x 2 1/2” Gr.5
8 –––– 1 Capscrew 3/4” x 4 1/2” Gr.5
9 20558BH 2 Lynch Pin
10 44250BH 2 Capscrew 1” x 10 1/2” Gr.5
11 69528 2 Mast Link Bushing
12 9163200 2 Locknut 1”
13 25G12545 2 Hitch Pin
14 6404018 1 Mast Bushing
15 82000 1 Top Mast Bushing
16 90105 1 Slide Tube Weld.
17 90107BH 1 Mast Link Weldment (3209)
90165 1 Mast Link Weldment (3210)
18 90135 1 L.H. Mast Weldment (S/N 12-09999 and Below)
50017592 1 L.H. Mast Weldment (S/N 12-10000 and Above)
19 90136 1 R.H. Mast Weldment (S/N 12-09999 and Below)
50017593 1 R.H. Mast Weldment (S/N 12-10000 and Above)
20 20325 2 Roll Pin 1/4” x 1 3/4”
21 88983 1 Pin
3 POINT LIFT HITCH AND SEMI-MOUNT HITCH
For All 3209 & 3210 Lift & Semi-Mount Models
Note: Semi-Mount Hitch uses items 9 & 13
46-6-2
12
3
14
5
2
6
1
8
16
15
10
11
25
20 20
21
7
9
13
18
17
19
4
SEPTEMBER, 2011

BUSH HOG / LAND MAINTENANCE REPAIR PARTS MANUAL
REF. PART
NO. NO. QTY. DESCRIPTION
1 –––– 1 Lockwasher 3/4”
2 15821 3 Lockwasher 1”
3 15908BH 2 Flatwasher 1”
4 19061 1 Capscrew 1” x5” Gr. 5
5 19502 3 Hex Nut 1”
6 –––– 1 Hex Nut 3/4”
7 20232BH 2 Capscrew 1” x 2 1/2” Gr.5
8 –––– 1 Capscrew 3/4” x 4 1/2” Gr.5
9 20558BH 2 Lynch Pin
10 44250BH 2 Capscrew 1” x 10 1/2” Gr.5
11 69528 2 Mast Link Bushing
12 9163200 2 Locknut 1”
13 25G12545 2 Hitch Pin
14 90212 1 Mast Bushing
15 90213 1 Top Mast Bushing
16 90105 1 Slide Tube Weld.
17 90194 1 Mast Link Weldment
18 90317BH 1 Mast Weldment (3214 S/N 12-09999 and Below)
19 20325 2 Roll Pin 1/4” x 1 3/4”
20 88983 1 Pin
3 POINT LIFT HITCH AND SEMI-MOUNT HITCH
For All 3214 Models
46-6-3
12 3
14
5
2
6
1
8
16
15
10
11
2
519 19
20
7
9
13
18
17
4
SEPTEMBER, 2011

BUSH HOG / LAND MAINTENANCE REPAIR PARTS MANUAL
46-7-1
REF. PART
NO. NO. QTY. DESCRIPTION
1 20176 4 Capscrew 3/4” x 2 1/4” Gr. 8
2 –––– 4 Lockwasher 3/4”
3 –––– 4 Hex Nut 3/4”
4 44222BH 1 Capscrew 1/2-20 UNF x 4 1/2”
5 91055 1 Sandwich Mount Kit
(Items 12, 13, 34)
6 67495 1 Sandwich Mount
7 20860 1 Capscrew 1” x 7 1/2” Gr.5
8 15612 1 Jam Nut 1”
9 19502 1 Hex Nut 1’’
10 77660 1 Axle Stop
11 –––– 1 Capscrew 1/2” x 5 3/4”
12 –––– 2 Hex Nut 1/2”
13 –––– 2 Lockwasher 1/2”
14 15554 3 Locknut 1/2”
15 68643 1 Axle Clamp
16 68644 1 Axle Arm
17 –––– 2 Capscrew 1/2” x 3” Gr.5
REF. PART
NO. NO. QTY. DESCRIPTION
67485 1 Single Spindle & Hub Assy.
77567 1 Dual Spindle & Hub Assy.
18 66658 1 Axle Weldment
19 67379 1 Spindle - Single Hub
20 77611 1 Spindle - Dual Hub
21 121BH 1 Hub Cap
22 120BH 1 Slotted Nut 3/4”-16 UNF
23 119 1 Flatwasher 3/4”
24 50073BH 1 Outer Bearing Cone
25 50076BH 1 Inner Bearing Cone
26 7967 1 Seal
27 296 1 Cotter Pin 1/8” x 1 1/2”
28 7977 1 Hub Assembly
29 7965 1 Hub Casting
30 15515BH 5 Nut 1/2”-20 UNF
31 15445 5 Bolt 1/2”-20 UNF
32 449BH 1 Grease Fitting
33 88921 1 Bearing Repair Kit
34 91042 1 Sandwich Mount
35 14-6-197 1 Bearing Cup
36 14-6-198 1 Bearing Cup
1
2
3
7
6
13 12
11
12
13
10
14
5, 34
20
17
14
18
4
19
33
31
29
35
36
32
30
28
15
98
16
PULL TYPE AXLE ARMS & SPINDLES
For All 3200 Series Models
Note: To convert from single axle to dual axle, order 50017967 Conversion Kit.
21
22
23
24
27
26 25
SEPTEMBER, 2011

BUSH HOG / LAND MAINTENANCE REPAIR PARTS MANUAL
REF. PART
NO. NO. QTY. DESCRIPTION
1 68643 1 Axle Clamp
2 77660 1 Axle Stop
3 20176 4 Capscrew 3/4” x 2 1/4” Gr.8
4 –––– 4 Lockwasher 3/4”
5 –––– 4 Hex Nut 3/4”
6 91055 1 Sandwich Mount Kit Items 8, 15, 16
7 44222BH 1 Capscrew 1/2” -20 UNF x 4 1/2”
8 91042 1 Sandwich Mount
9 20860 1 Capscrew 1” x 7 1/2” Gr.5
10 15612 1 Jamnut 1”
11 19502 1 Hex Nut 1”
12 –––– 1 Capscrew 1/2” x 5 3/4”
13 15554 1 Locknut 1/2”
14 68644 1 Axle Mount
*15 –––– 2 Hex Nut 1/2”
*16 –––– 2 Lockwasher 1/2”
*17 67495 1 Sandwich Mount
81522 1 Caster Assembly
18 19427BH 1 Roll Pin 1/2” x 2 1/4”
19 12262 1 Lock Collar
20 81523 1 Caster Arm
21 69900 1 Caster Weld.
22 69889 1 Thrust Washer
REF. PART
NO. NO. QTY. DESCRIPTION
23 –––– 1 Cotter Pin 5/32” x 1 1/2”
24 50062BH 1 Seal
25 50076BH 1 Inner Bearing Cone
26 14-6-197 1 Inner Bearing Cup
27 50079 1 Hub w/Cups
28 15051 4 Lug 1/2”-20 UNF x 15/16”
29 14-6-198 1 Outer Bearing Cup
30 50073BH 1 Outer Bearing Cone
31 –––– 1 Flatwasher 5/8”
32 15183BH 1 Castle Nut
33 50054BH 1 Hub Cap
34 –––– 4 Lockwasher 1/2”
35 500BH 1 Tire Assy.
36 –––– 4 Capscrew 3/8” x 1”
37 233 2 Wheel Flange
38 56BH 1 Solid Tire
39 –––– 4 Lockwasher 3/8”
40 –––– 4 Hex Nut 3/8”
41 88924 1 Bearing Repair Kit
46-7-2
1
3
4
5
9
12
20
6, 8
17
16
15
15
40 39 37 38
37
36
35
13
29
28 34
27
18
22
21
7
41
33
16 2
14
11 10 19
TAILWHEEL ASSEMBLY
(SMALL TIRE)
For All Lift & Semi-Mount
Models 3209, 3210
23
32
30
31
26
25 24
*Note: These parts not used on 3209 Offeset models.
SEPTEMBER, 2011

BUSH HOG / LAND MAINTENANCE REPAIR PARTS MANUAL
46-7-3
REF. PART
NO. NO. QTY. DESCRIPTION
1 91055 1 Sandwich Mount Kit
2 —— 2 Hex Nut 1/2” - 13 UNC
3 15612 1 Jam Nut 1” - 8 UNC
4 —— 2 Lockwasher 1/2”
5 —— 1 Capscrew 1/2” - 13 UNC x 5-3/4” Gr. 5
6 —— 4 Lockwasher 3/4”
7 19502 1 Hex Nut 1” - 8 UNC
8 15554 1 Locknut 1/2” - 13 UNC
9 —— 4 Hex Nut 3/4” - 10 UNC
10 —— 4 Capscrew 3/4” - 10 UNC x 2-1/4” Gr. 5
11 20860 1 Capscrew 1” - 8 UNC x 7-1/2” Gr. 5
12 44222BH 1 Capscrew 1/2” - 20 UNF x 4-1/2” Gr. 5
13 91042 1 Sandwich Mount
14 67495 1 Sandwich Mount
15 68643 1 Axle Clamp
16 68644 1 Axle Arm Mount
17 77660 1 Axle Stop
18 18141206 2 Square Head Setscrew 3/8” - 16 UNC x 3/4”
19 1595BH 1 Spacer 2-3/8” Long
20 1596BH 1 Spacer 1-11/16” Long
21 1620BH 1 Spindle
22 7967 1 Triple Lip Seal
REF. PART
NO. NO. QTY. DESCRIPTION
23 7968 1 Triple Lip Seal
24 15445 1 Wheel Bolt
25 15515BH 5 Lug Nut
26 15521 5 Locknut, Collar
27 50076BH 1 Bearing Cone
28 14-6-241 1 Bearing Cone
29 52732BH 1 Spirol Pin
30 81464 1 Caster Weld.
31 81467 1 Spacer
32 81472 1 Caster Arm Weld.
33 1613BH 1 Hub Assy.
34 449BH 1 Grease Fitting
35 1612 1 Hub
36 14-6-197 1 Bearing Cup
37 14-6-242 1 Bearing Cup
38 294SP 1 Wheel Assembly
39 116 1 Solid Tire
40 117 2 Wheel Flange
41 15597 5 Hex Nut 3/8” UNF
42 —— 5 Lockwasher 3/8”
43 20126 5 Capscrew 3/8” x 1” UNF
SINGLE TAILWHEEL ASSEMBLY (LARGE TIRE)
For Lift & Semi-Mount Models
3209, 3210, 3214
Note: Large Tire Tailwheel cannot be used on 3210 models with double row rear chains.
17
8
13
29
31
32
30
21
26
12
3
7
16
15
10
6
9
11
14
4
2
5
1
18
25
24
18
20
22 27
34 35 37 28
23
19
33
2
4
36
38
41 40 39
40
43
42
SEPTEMBER, 2011

BUSH HOG / LAND MAINTENANCE REPAIR PARTS MANUAL
WHEELS & TIRES
PULL MODELS 3200 SERIES
46-7-4
93048 SOLID TIRE 77SP AUTO RIM
5 HOLE 15”
SEPTEMBER, 2011

BUSH HOG / LAND MAINTENANCE REPAIR PARTS MANUAL
46-7-5
5
3
2
1
4
67
REF. PART
NO. NO. QTY. DESCRIPTION
50050727SP 1 Airplane Tire Assy
1 50051233BH 1 Tire 29 x 9.0 – 15 / 16 Ply
2 50051234 1 Tube 9 x 15
3 50051235 1 Wheel Flange with Valve Hole
4 50051236 1 Wheel Flange without Valve Hole
5 –––– 10 Capscrew 1/2” x 1” Gr.5
6 –––– 10 Lockwasher 1/2”
7 –––– 10 Hex Nut 1/2”
50050727SP AIRPLANE TIRE ASSEMBLY
Model: 3209, 3210, 3414
REF. PART
NO. NO. QTY. DESCRIPTION
1 97709 1 Tire 24 x 7.7 x 10 14/16 Ply
2 92860 1 Tube 5.5 x 10
3 92861 1 Wheel Flange w/ Hole for Tube Valve
4 92862 1 Wheel Flange wo/Hole for Tube Valve
5 92863 1 Inner Wheel Lining
6 –––– 10 Capscrew 1/2” x 1” Gr.5
7 –––– 10 Lockwasher 1/2”
8 –––– 10 Hex Nut 1/2”
97708 AIRPLANE TIRE ASSEMBLY (AIR FILLED)
Replaced by 50050727SP Airplane Tire
50030908 AIRPLANE TIRE ASSEMBLY (FOAM FILLED)
6
3
5
2
1
4
7
8
SEPTEMBER, 2011

BUSH HOG / LAND MAINTENANCE REPAIR PARTS MANUAL
REF. PART
NO. NO. QTY. DESCRIPTION
1 63621 1 Locknut
2 84395 1 Bottom
3 63623 1 Plug
4 84398 4 Tie Rods
5 63638 4 Nuts
6 86624 1 Piston
7 86625 1 Clevis Rod
8 84397 1 Shaft
9 84396 1 Case
10 65650 1 Nylon Plug
11 63631 1 Set Screw
12 65651 2 Clevis Pin
13 63633 4 Pins
14 69032 1 Head Assy.
15 24-6-423 1 Safety Decal
16 86626 1 Seal Kit
86601 HYDRAULIC CYLINDER
3 1/2” Bore – 8” Stroke
3/4” – 16 SAE ORB Ports
Replaced by 99565 Hydraulic Cylinder
REF. PART
NO. NO. QTY. DESCRIPTION
1 –––– 1 Flatwasher 5/8”
2 –––– 1 Capscrew 5/8” x 2”
3 –––– 1 Hex Nut 5/8”
4 12031 1 Hose Holder Rod
12032 HOSE HOLDER ASSY.
REF. PART
NO. NO. QTY. DESCRIPTION
1 53340BH 1 Adaptor 9/16” JIC to 3/4” SAE
2 24-6-434 1 Adaptor 9/16” JIC to 1/2” NPT
3 14-40-98 1 90° Elbow 3/4” ORB to 9/16” JIC
4 50047240 1 Breather Plug
5 62427 1 Hydraulic Hose 144”
HYDRAULIC HOSES & FITTINGS
63451 STOP COLLAR KIT
46-8-1
SEPTEMBER, 2011

BUSH HOG / LAND MAINTENANCE REPAIR PARTS MANUAL
46-8-2
REF. PART
NO. NO. QTY. DESCRIPTION
1 95429 1 Clevis Cap
2 92430 1 Rod Cap
3 50017993 1 Piston
4 95431 1 Rod 1.25” Dia.
5 95426 1 Cylinder Tube
6 95427 4 Tie Rod
7 95425 2 Pin 1” Dia.
8 21020614 4 Cotter Pin 3/16” x 1 1/2”
9 95433 1 Thread Lock
10 95428 1 Rod Clevis 1.25” x 1”
11 95422 1 Set Screw 3/8” x 1/2 Knurled
12 95420 8 Hex Nut 5/8” UNF
13 95421 1 Hex Nut 1”-14
14 95435 1 Plug 3/4”
15 50042072 1 Caution Decal
16 50017623 1 Seal Kit
99565 HYDRAULIC CYLINDER
(Was Part No. 95394)
Mfd. by Monarch
3.5” Bore x 8” Stroke 1.25 Rod Dia.
3/4” – 16 ORB Ports
Replaced by 50047475 Cylinder (Bailey)
8 7
1
12
13 3 15 6 5 2 12 4 10
16 8
11
97
Cylinder Assembly Part Number Stamped Here.
14
1
2
2
2
2
4
3
1
1817SP RATCHET ASSEMBLY
REF. PART
NO. NO. QTY. DESCRIPTION
1817SP 1 Ratchet Assy
1 50028265 2 Pin
2 50028264 4 Clip Pin
3 11810 1 Handle
4 15474 1 Cotter Pin
SEPTEMBER, 2011

BUSH HOG / LAND MAINTENANCE REPAIR PARTS MANUAL
REF. PART
NO. NO. QTY. DESCRIPTION
50047475 1 Hydraulic Cylinder Assy
1 –––– 1 Clevis Cap
2 –––– 1 Rod Cap
3 –––– 1 Piston
4 –––– 1 Rod 1.25” Dia.
5 –––– 1 Cylinder Tube
6 –––– 4 Tie Rod
7 –––– 2 Pin 1” Dia.
8 –––– 4 Cotter Pin 3/16” x 1 1/2”
9 –––– 1 Rod Clevis Bolt
10 –––– 1 Rod Clevis 1.25” x 1”
11 –––– 1 Rod Clevis Nut
12 –––– 8 Hex Nut 5/8” UNF
13 –––– 1 Hex Nut 1”-14
14 –––– 1 Plug 3/4”
15 –––– 1 Caution Decal
16 50017623 1 Seal Kit for 3.5” Bore
Cylinder Assembly Part Number Stamped Here.
8
14
1
12
13 315
16
6
5
212
4
10
7
8
9
11
7
50047475 HYDRAULIC CYLINDER
Mfd. by Bailey
3.5” Bore x 8” Stroke, 1.25” Rod Dia.
3/4”–16 UNF Ports
46-8-3
SEPTEMBER, 2011

2501 Griffin Ave. • Selma, AL 36703
(334) 872-6261 • (334) 874-2700
Parts Ordering 1-800-304-2836
Fax 1-800-572-1784
www.bushhog.com