BOONTON/BOONTON 7200 Instruction BOONTON
User Manual: BOONTON/BOONTON 7200 Instruction
Open the PDF directly: View PDF
.
Page Count: 100
- SECTION I - GENERAL INFORMATION
- 1-1. INTRODUCTION
- 1-3. DESCRIPTION
- 1-5. ACCESSORIES
- 1-7. OPTIONS
- 1-9. SPECIFICATIONS
- SECTION II - INSTALLATION
- 2-1. INTRODUCTION
- 2-3. UNPACKING
- 2-5. MOUNTING
- 2-7. POWER REQUIREMENTS
- 2-10. FRONT PANEL CONNECTIONS
- 2-11. Test Terminals
- 2-12. Differential Terminals
- 2-13. REAR PANEL CONNECTIONS
- 2-14. External Bias
- 2-15. IEEE-488 Bus Interface
- 2-16. Analog Outputs
- 2-17. PRELIMINARY CHECK
- SECTION III - OPERATION
- 3-1. INTRODUCTION
- 3-3. CONTROLS, INDICATORS, AND CONNECTORS
- 3-6. Instrument Displays and Indicators
- 3-9. Measurement Function Keys
- 3-10. LOSS Function Keys
- 3-11. CAPACITANCE Function Keys
- 3-12. ZERO Key
- 3-13. BIAS Function Keys
- 3-14. BIAS ON, INT And EXT Keys
- 3-15. SETUP Key
- 3-17. SWEEP Key
- 3-18. PLOT Key
- 3-19. Miscellaneous Function Keys
- 3-20. SPCL Key
- 3-21. PRGM, STORE And RECALL Keys
- 3-22. LCL/INIT Key
- 3-23. SHIFT/SCROLL Key
- 3-24. DATA ENTRY Keypad
- 3-25. The CLR Key
- 3-26. Front Panel Connectors
- 3-27. Rear Panel Connectors
- 3-32. LOCAL OPERATION
- 3-33. Applying AC Power
- 3-34. Selecting Measurement Modes
- 3-36. Zeroing the Instrument
- 3-37. Extending Instrument Measurement Range
- 3-38. Applying External Bias
- 3-39. Applying Pulse Bias
- 3-40. Applying Internal Bias
- 3-41. Remote Measurements And Cable Effects
- 3-44. Programming Special Functions
- 3-45. Selecting Test Level
- 3-46. Selecting Capacitance Standard
- 3-47. Selecting Conductance Standard
- 3-48. Selecting Capacitance High and Low Limits
- 3-49. Selecting IEEE-488 Bus Address
- 3-50. Selecting End-of-String Character
- 3-51. Selecting Capacitance Uncertainty Display
- 3-52. Selecting Conductance Uncertainty Display
- 3-53. Selecting Measurement Ranges
- 3-54. Selecting Internal Bias Ranges
- 3-55. Selecting Measurement Filter Lengths
- 3-56. Selecting SRQ Interrupt Modes
- 3-57. Selecting Automatic Calibration Modes
- 3-58. Selecting Temperature Display Modes
- 3-59. Selecting Memory Initialization Functions
- 3-60. Store and Recall Program Operation
- 3-61. Using The SETUP Mode
- 3-64. Setting The Option/Test Switch
- 3-65. Error Messages
- 3-66. IEEE-488 BUS OPERATION
- 3-67. General
- 3-68. Entering Remote Mode
- 3-69. Returning To Local Mode
- 3-70. Talk Operation
- 3-71. Program Function Mnemonics
- 3-72. Triggered Operation
- 3-73. Using Service Request
- 3-74. Bus Command Responses
- 3-75. Number Formatting
- 3-76. Data String Syntax
- 3-77. Selecting Menu Modes Using The Bus
- 3-78. Data String Examples
- SECTION IV - THEORY OF OPERATION
- 4-1. General Description
- 4-3. Detailed Description
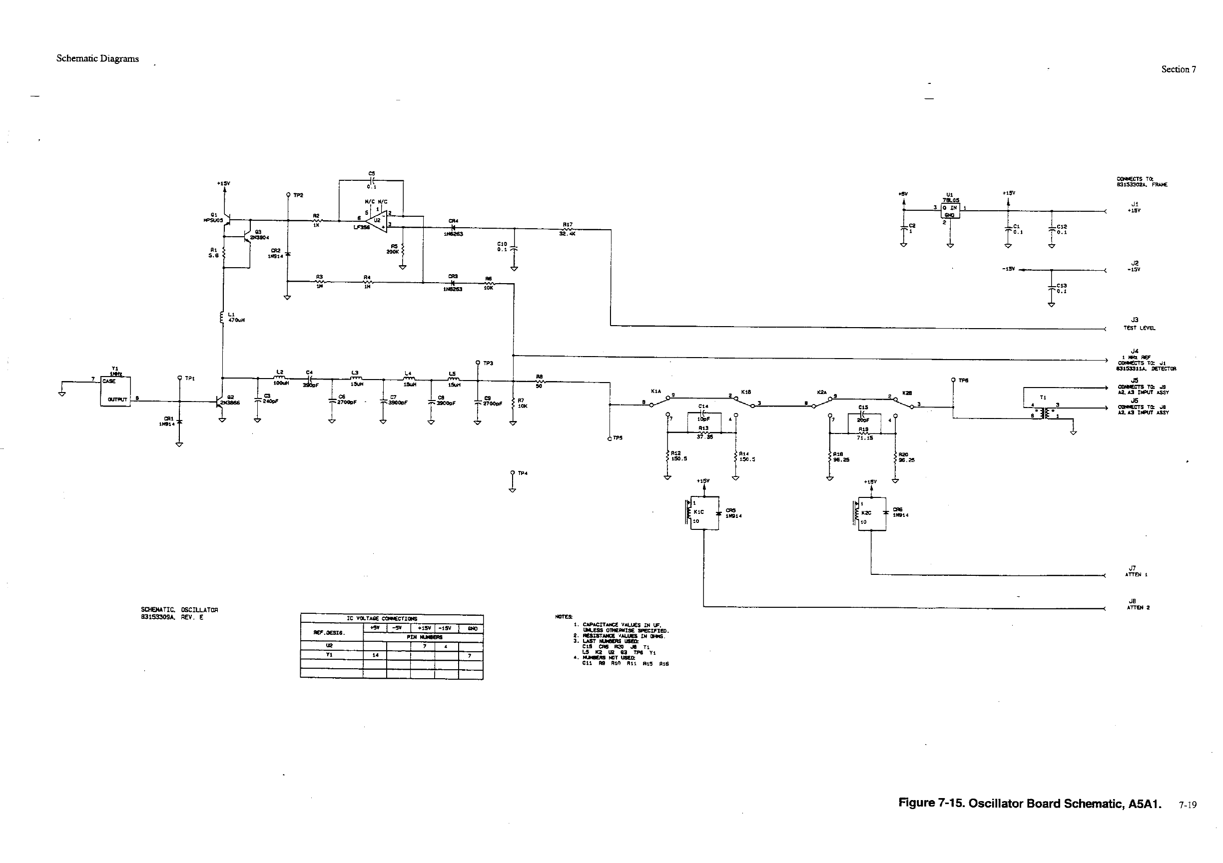
- 4-4. 1 MHz Oscillator Circuitry
- 4-5. Front Panel Test Terminals
- 4-7. Input Ranging Circuitry
- 4-8. Input Amplifier Circuitry
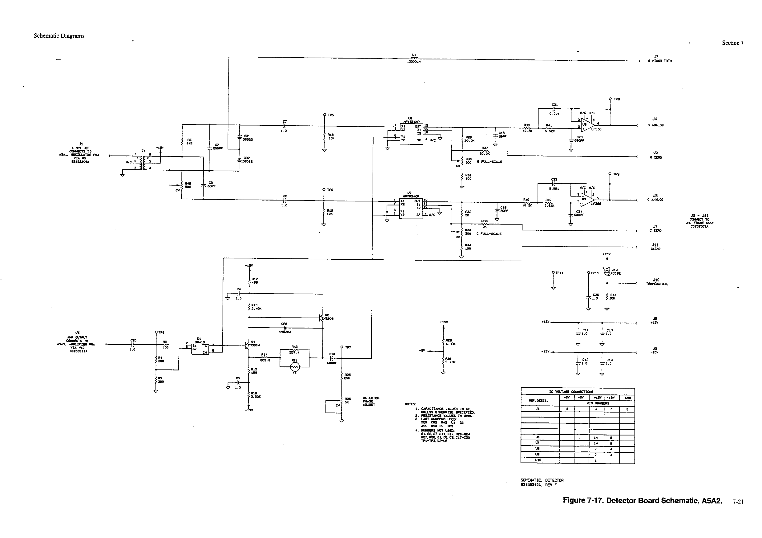
- 4-10. Phase Sensitive Detection Circuitry
- 4-12. Measurement Zeroing Circuitry
- 4-14. D.C. Bias Circuitry
- 4-15. Digital Control Circuitry
- 4-27. Measurement Averaging
- 4-28. Internal Temperature Measurement Circuitry
- 4-29. Front Panel Keyboard Circuitry
- 4-30. Front Panel Display Circuitry
- 4-31. Power Supply Circuitry
- 4-32. Rear Panel Analog Output Circuitry
- SECTION V - MAINTENANCE
- 5-1. INTRODUCTION
- 5-3. Required Equipment
- 5-4. Cleaning Procedure
- 5-5. Removal of Covers
- 5-6. Visual Checks
- 5-7. Component Removal
- 5-8. Removal and Replacement of EPROMs
- 5-9. PERFORMANCE VERIFICATION
- 5-11. Temperature Influence
- 5-15. Test Level Functional Check
- 5-16. Capacitance and Conductance Test Limits
- 5-17. Capacitance (Cp) Performance Test
- 5-19. Conductance (G) Performance Test
- 5-21. Analog Output Linearity Performance Test
- 5-23. Capacitance Analog Output Linearity Test
- 5-24. Conductance Analog Output Linearity Test
- 5-25. Internal Bias Performance Test
- 5-27. External Bias Performance Test
- 5-29. Input Loading Performance Test
- 5-31. SOFTWARE CALIBRATION
- 5-34. External Bias Calibration
- 5-35. Internal Bias Calibration
- 5-36. Detector Offset Calibration
- 5-37. Capacitance Full-Scale Calibration
- 5-39. ADJUSTMENTS
- 5-42. Calibration Memory Initialization
- 5-44. 2 pF Range Loading Adjustment, A5A3L2
- 5-45. 2 pF Range Loading Adjustment, A5A3L2
- 5-46. 20 pF Range Loading Adjustment, A5A3L4
- 5-47. 200 pF Range Loading Adjustment, A5A3L5
- 5-48. Phase Detector Board Adjustments
- 5-49. Nominal Phase Adjustment, A5A2R26
- 5-50. Capacitance Full-Scale Adjustment, A5A2R33
- 5-51. Minor Phase Adjustment, A5A2R45
- 5-52. Conductance Full-Scale Adjustment, A5A2R30
- 5-54. TROUBLESHOOTING
- 5-58. Trouble Localization
- 5-59. Self Diagnostic Routines
- 5-60. Lamp Test
- 5-61. Keyboard Test
- 5-62. DAC Test
- 5-63. Detector Linearity Test
- SECTION VI - PARTS LIST
- 6-1. INTRODUCTION
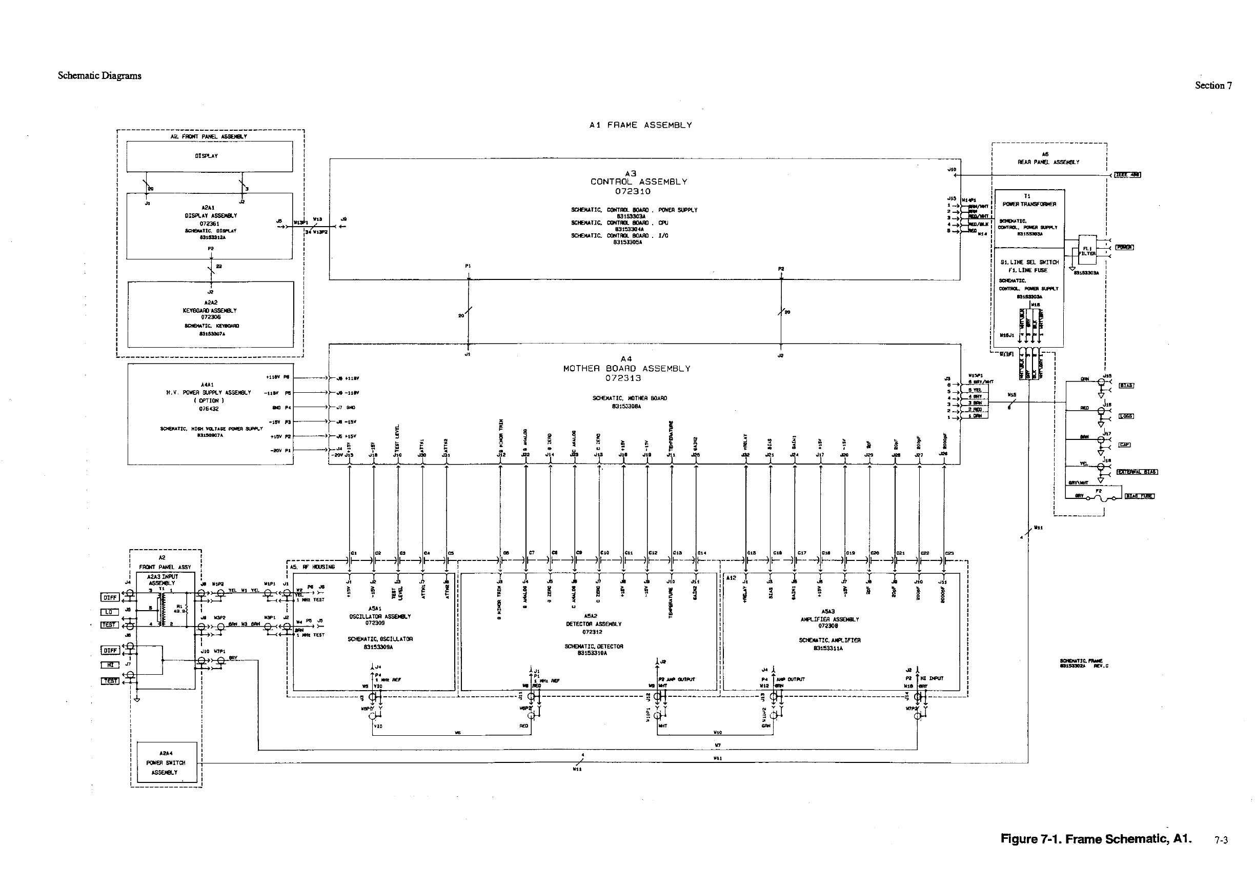
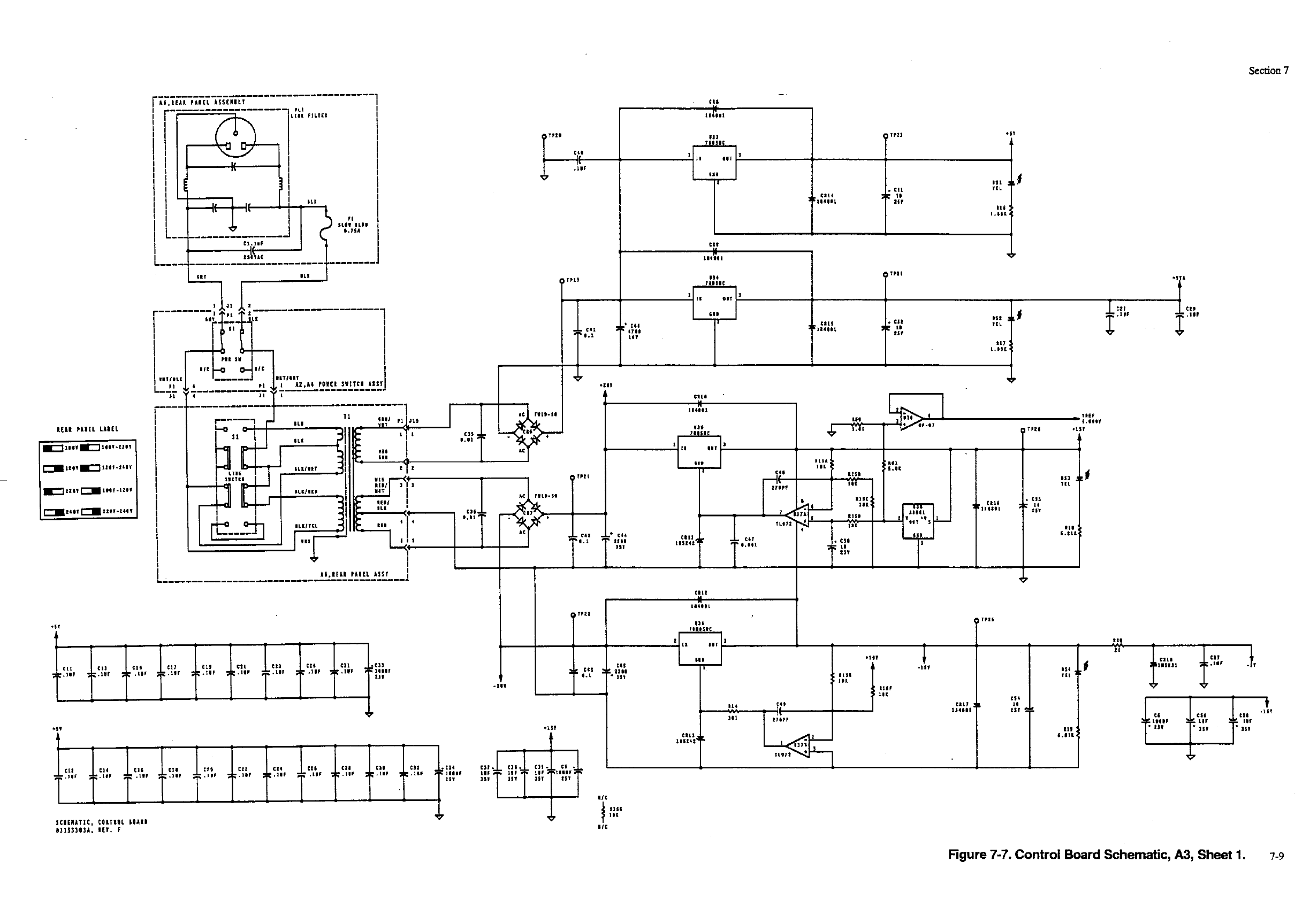
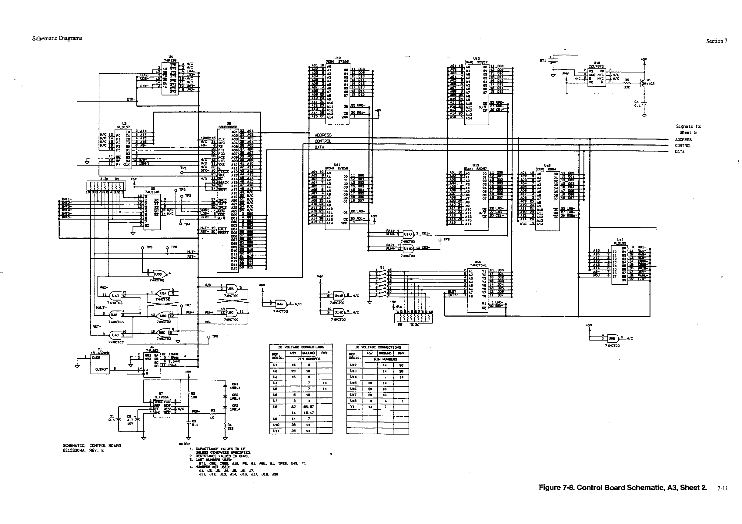
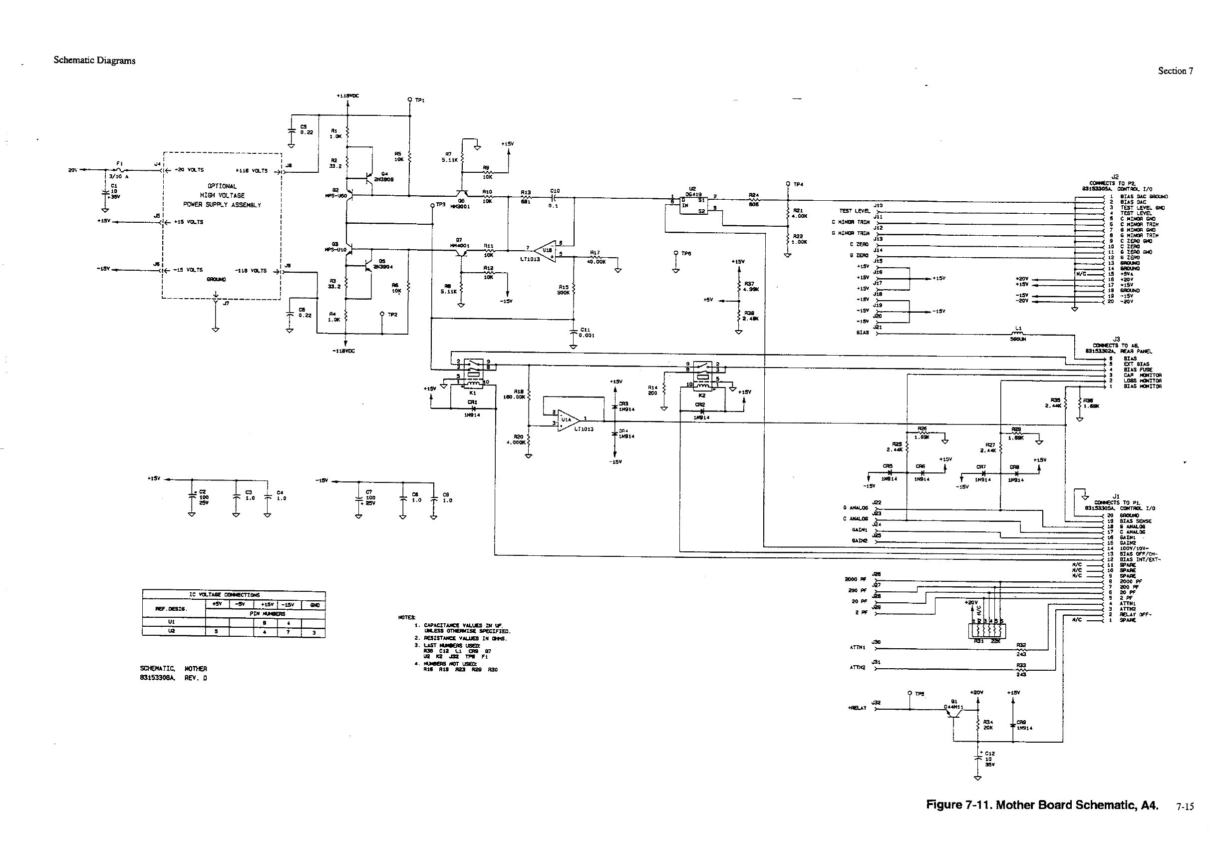
- SECTION VII - SCHEMATIC DIAGRAMS



































































































