BVW 65P Maintenance Manual Volume 2 BVW65P
User Manual: BVW65P
Open the PDF directly: View PDF
.
Page Count: 510 [warning: Documents this large are best viewed by clicking the View PDF Link!]
- Cover
- Table of Contents
- 15. Block Diagram
- Overall
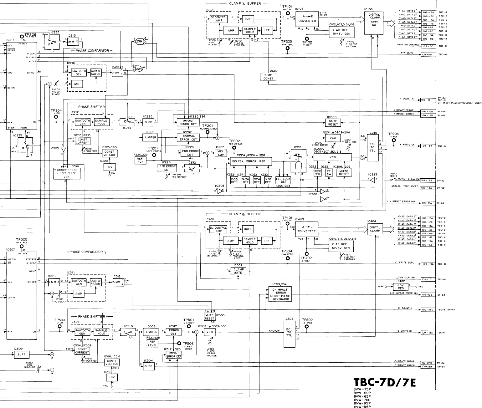
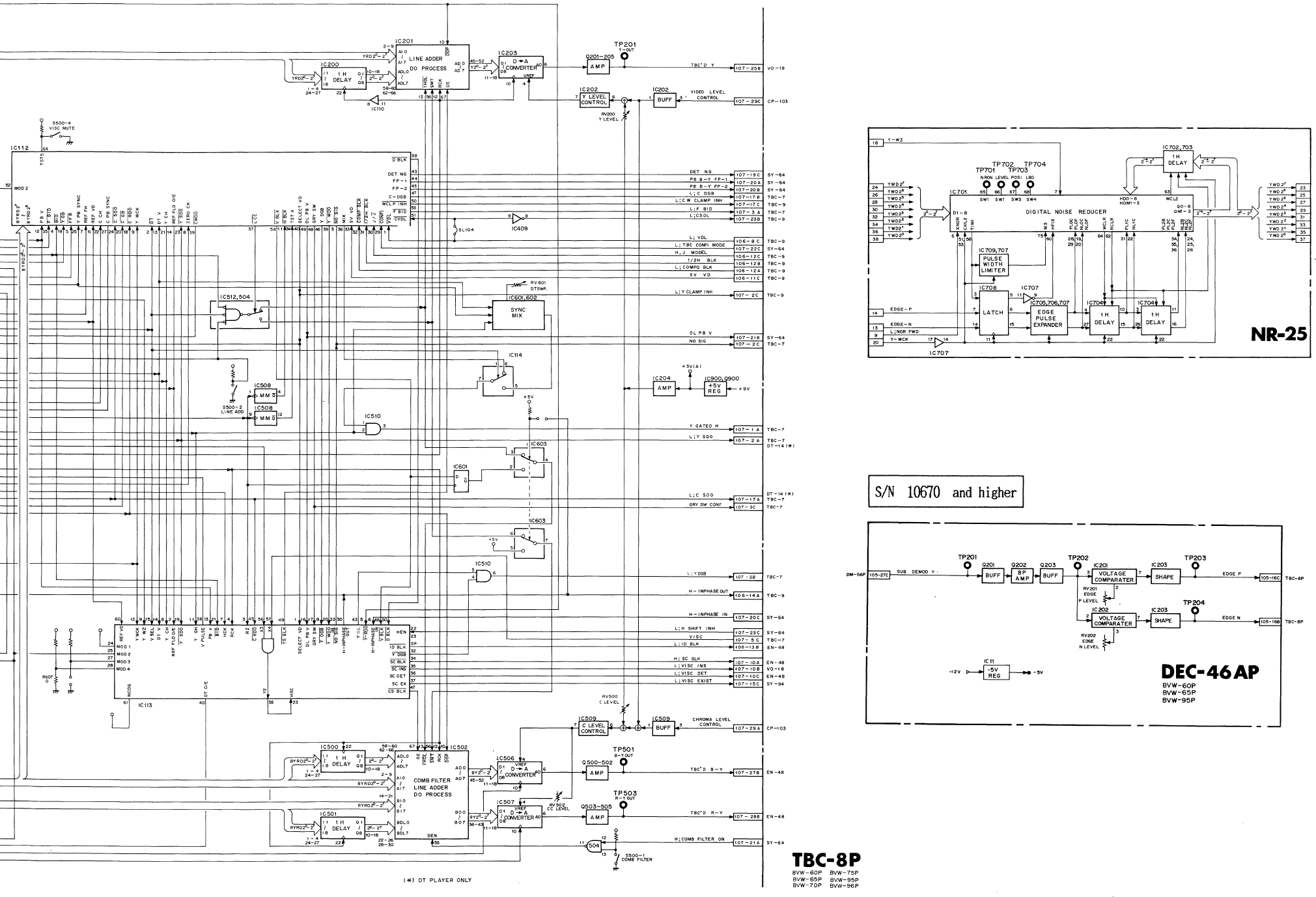
- Y/C Demodulator
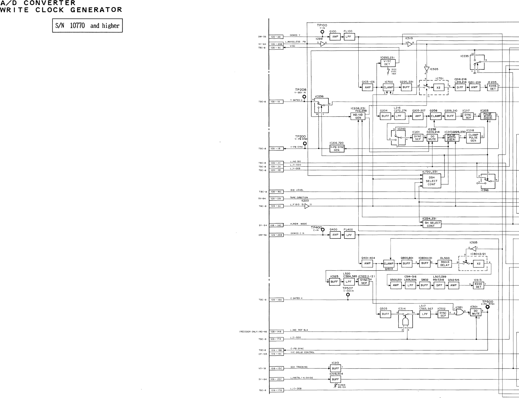
- A/D Converter, White Clock Generator
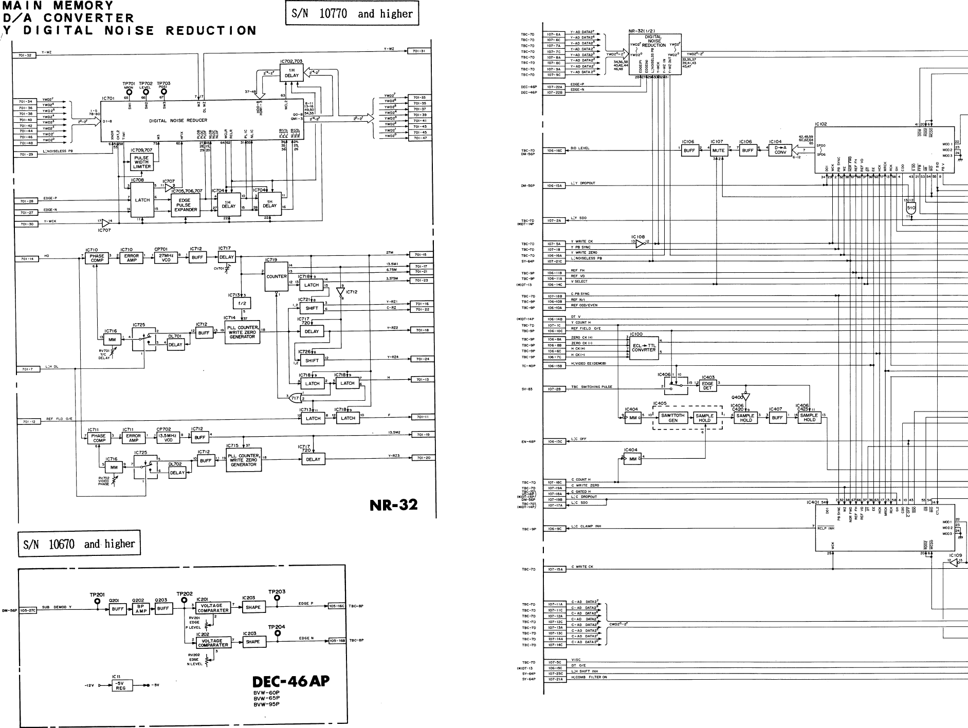
- Main Memory, D/A Converter, Y Digital Noise Reduction
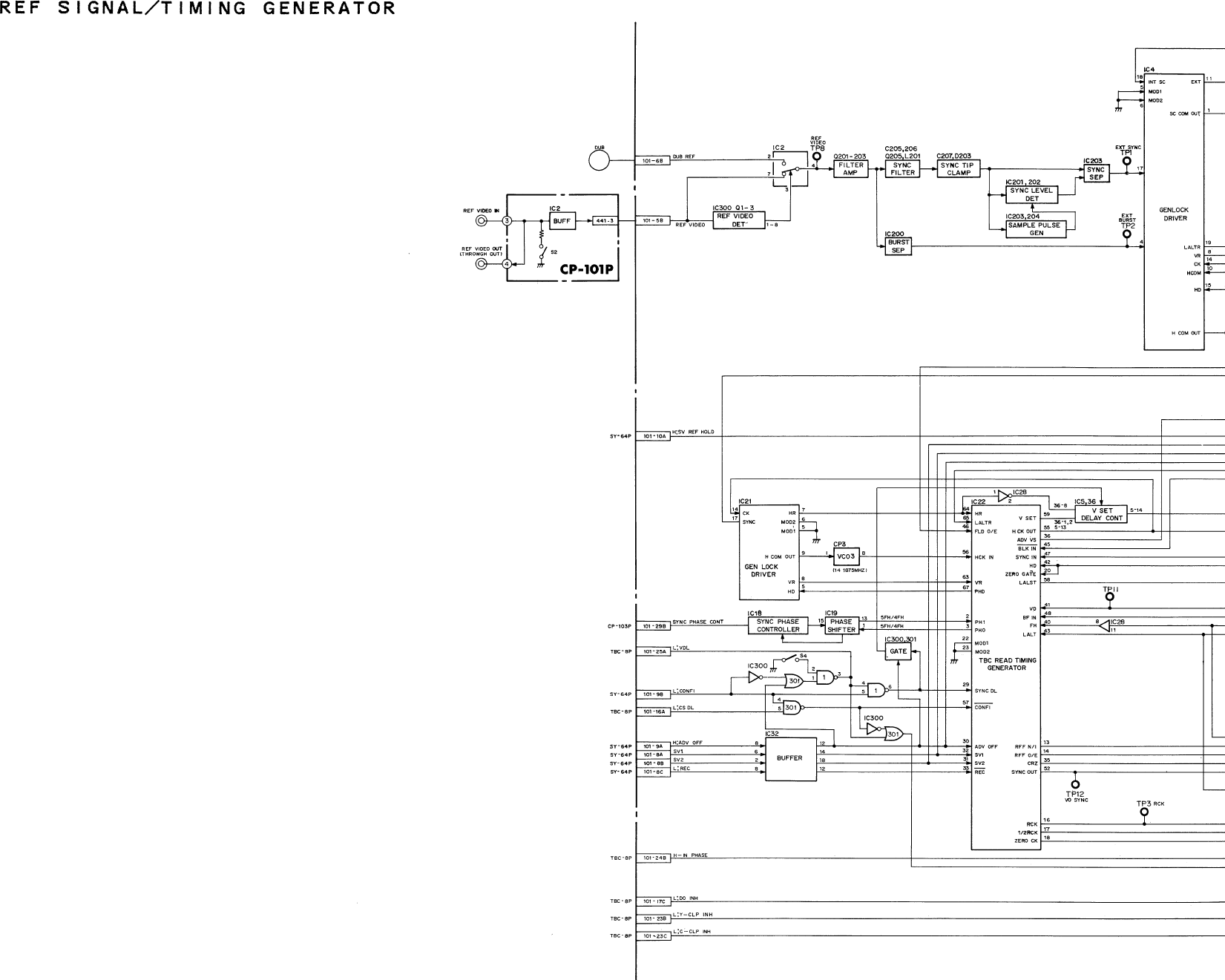
- REF Signal /Timing Generator
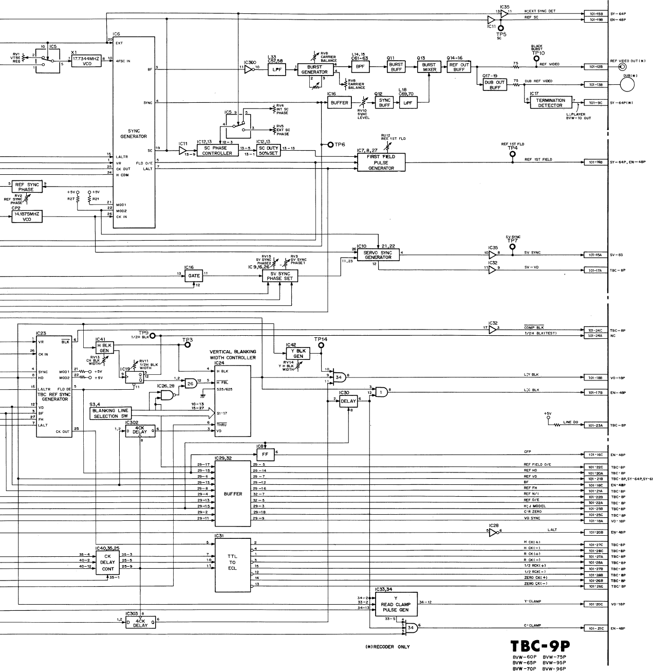
- Encoder
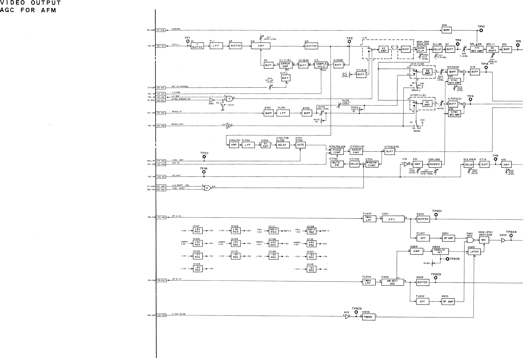
- Video Output, AGC for AFM
- LNG Audio
- AFM Audio
- Audio Meter
- Microcomputer Servo System
- Reel Servo
- Drum/Capstan Servo
- System Control
- I/O Expander, Time Code Reader, Time Base Impact Error Corrector
- LTC PB Amplifier
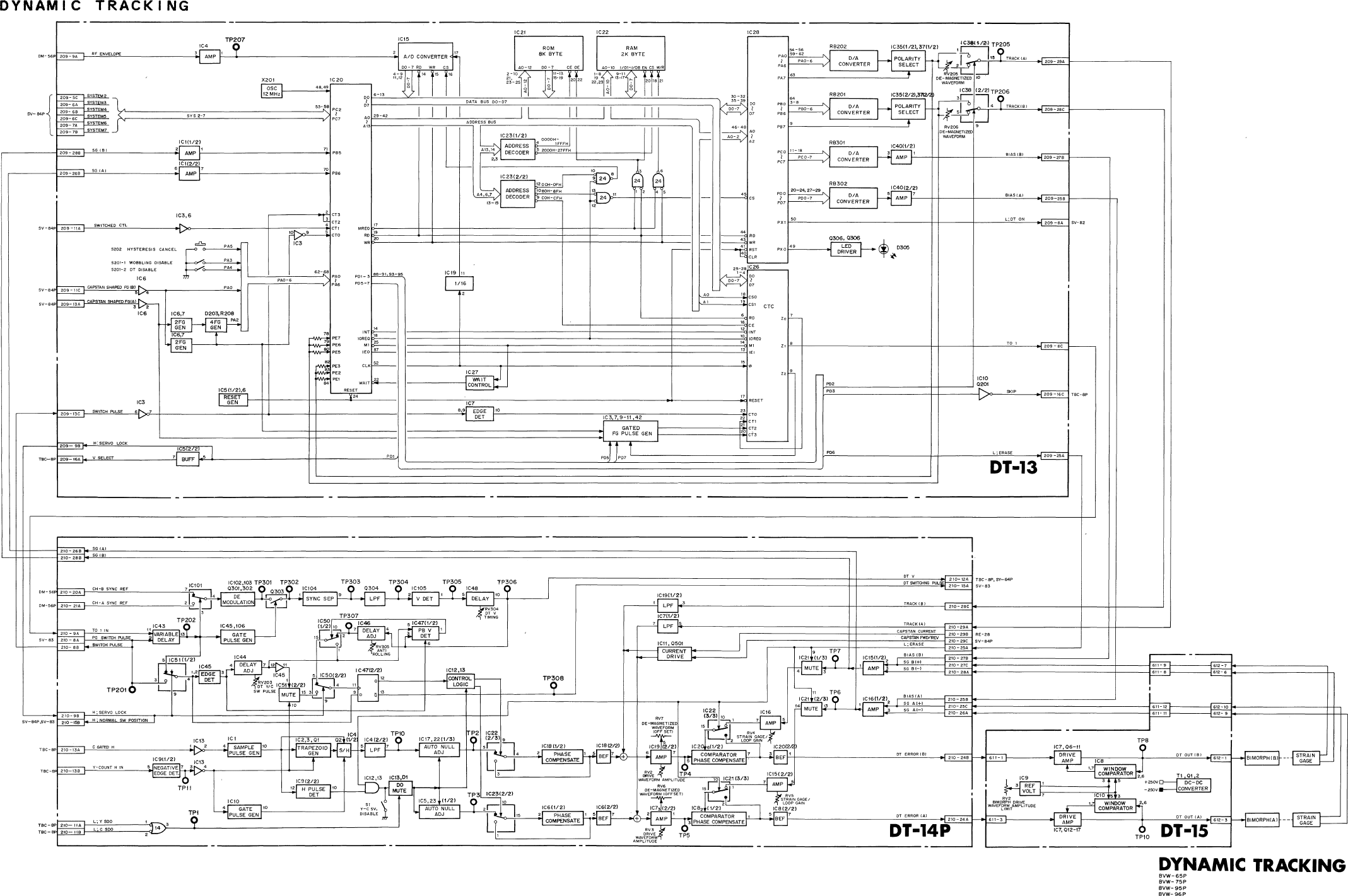
- Dynamic Tracking
- 16. Schematic Diagram
- Circuit Configuration
- DM-56P (Board No.1-622-545-31)
- DM-56P (Board No.1-622-545-31,32,33,34)
- EQ-26
- DUS-288
- DUS-259
- DUS-269
- EQ-28
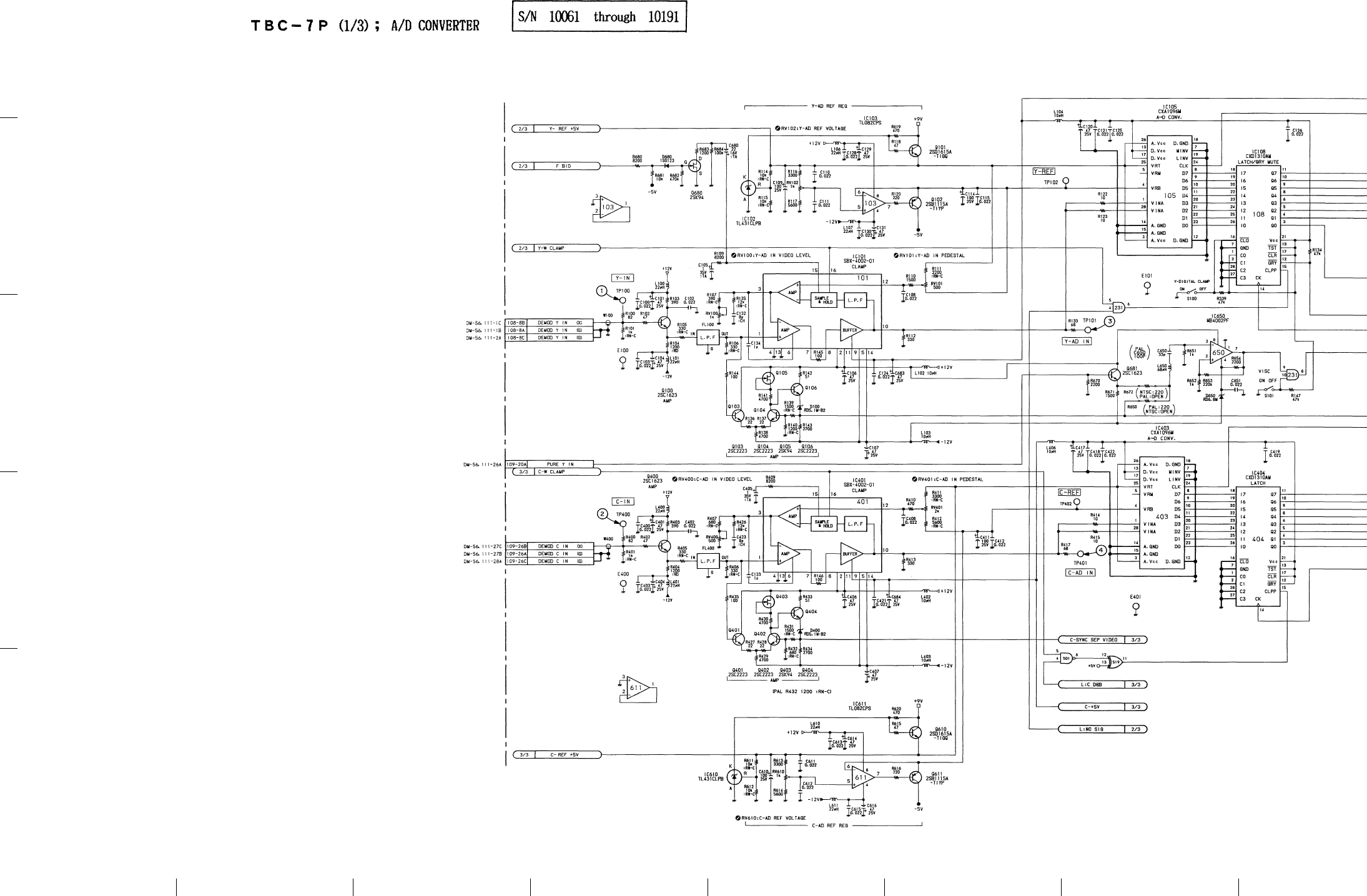
- TBC-7P (Board No.1-622-548-12)
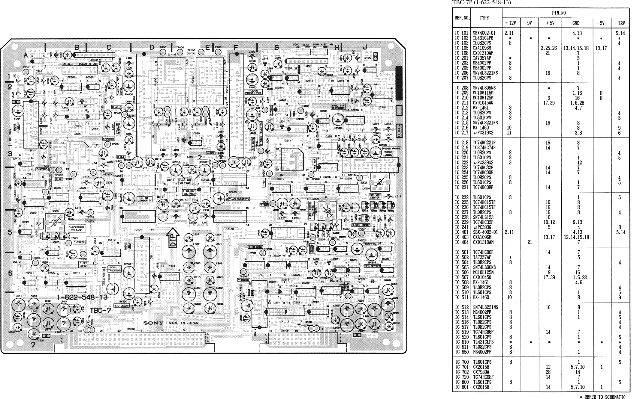
- TBC-7P (Board No.1-622-548-13)
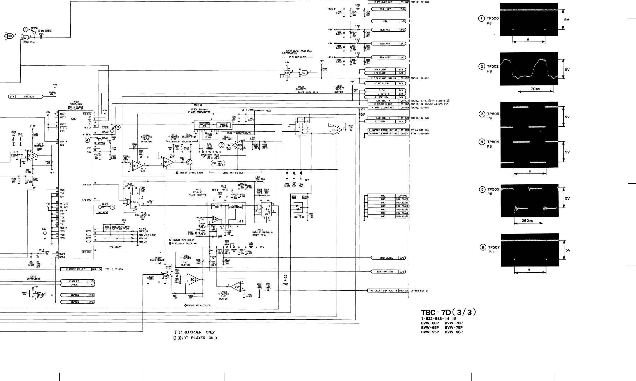
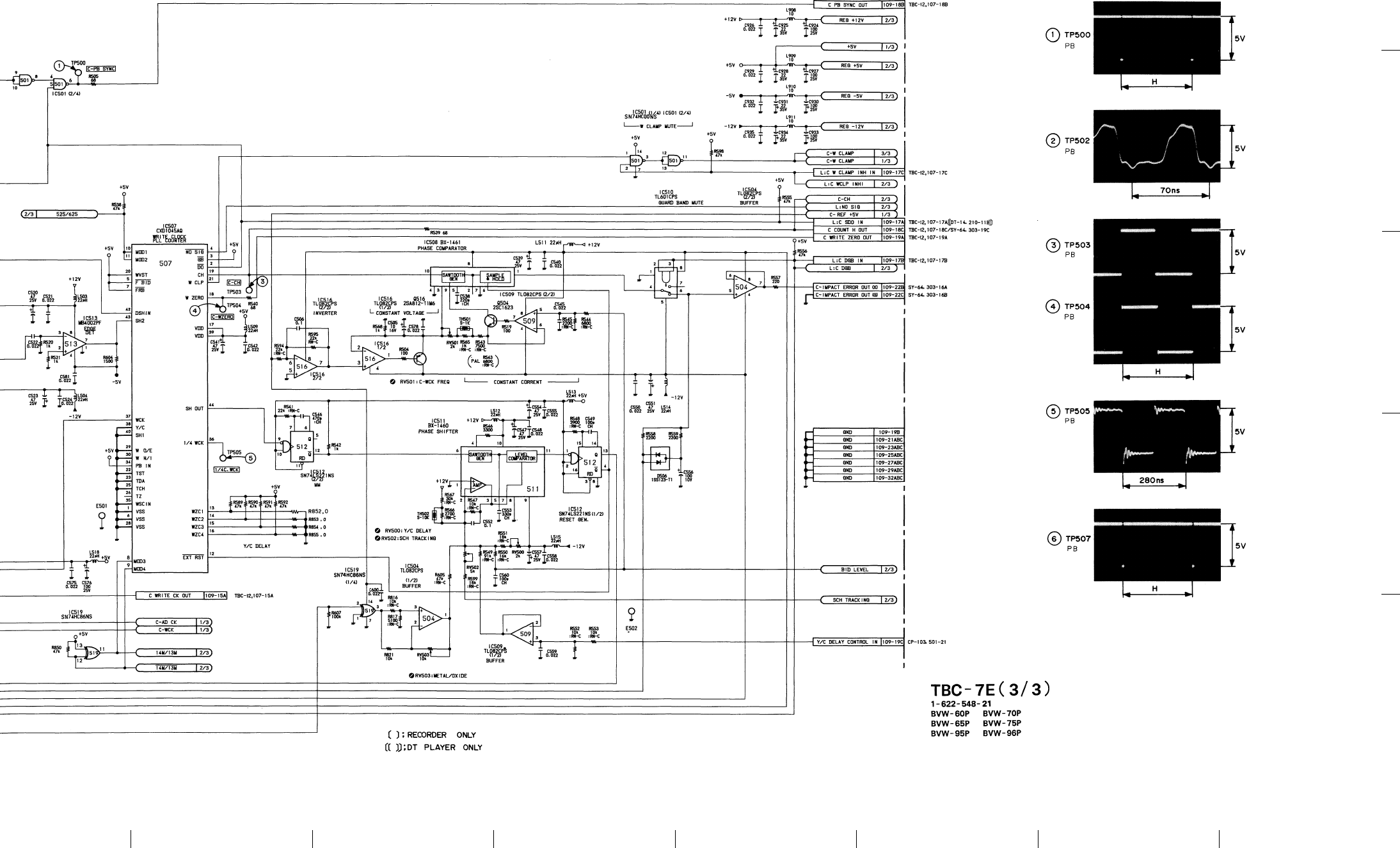
- TBC-7D (Board No.1-622-548-14,15)
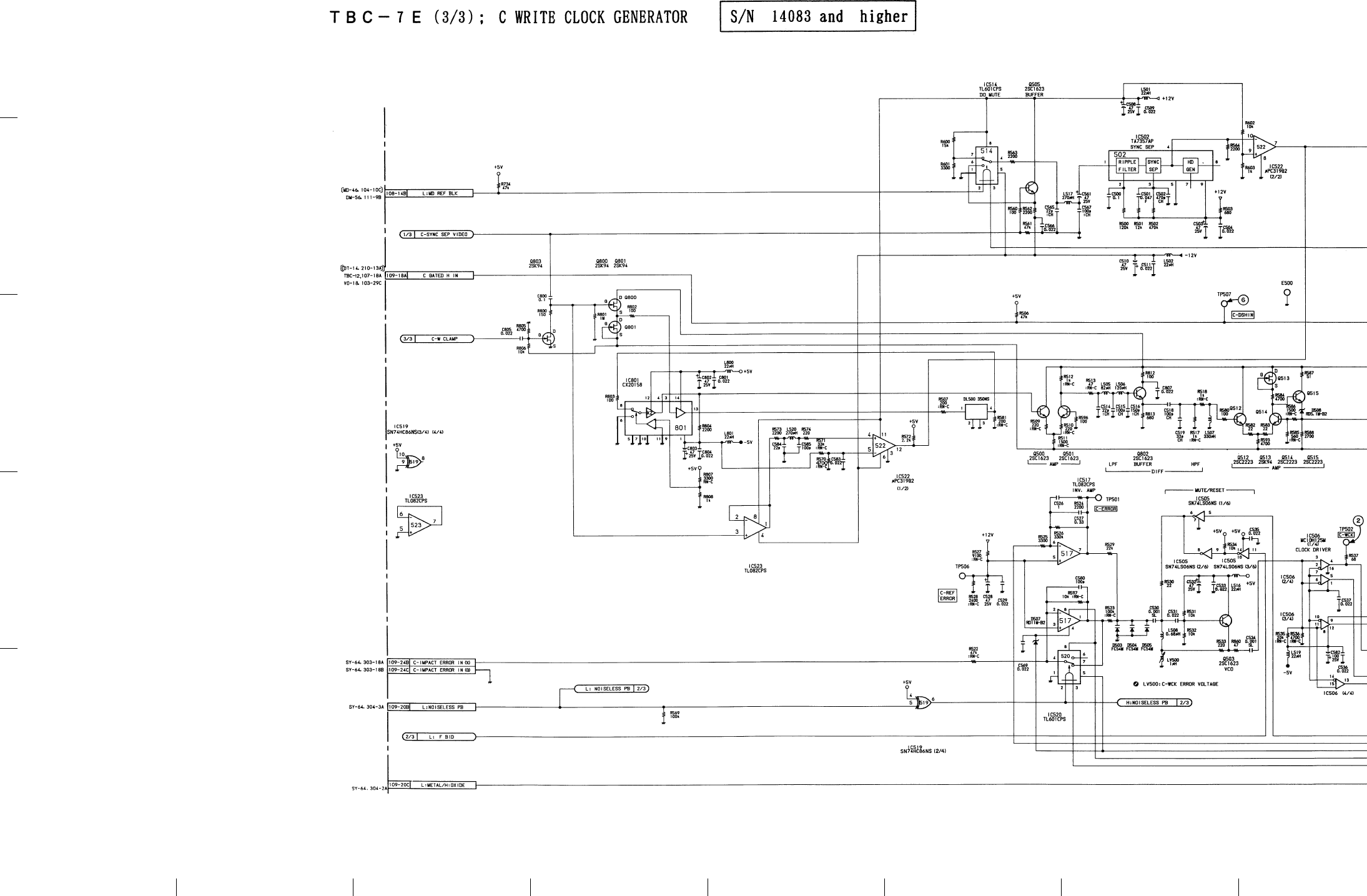
- TBC-7E (Board No.1-622-548-21)
- SW-261
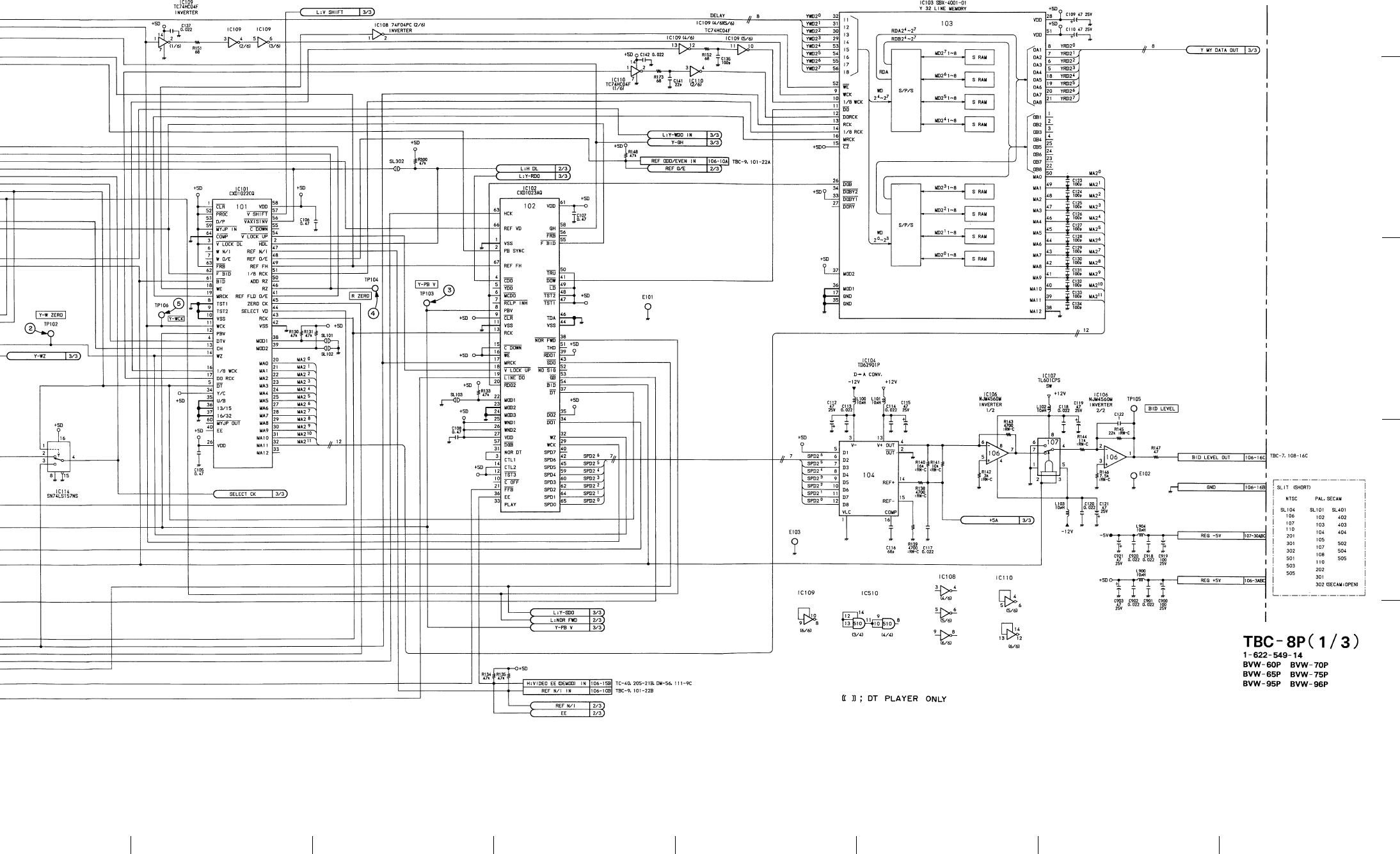
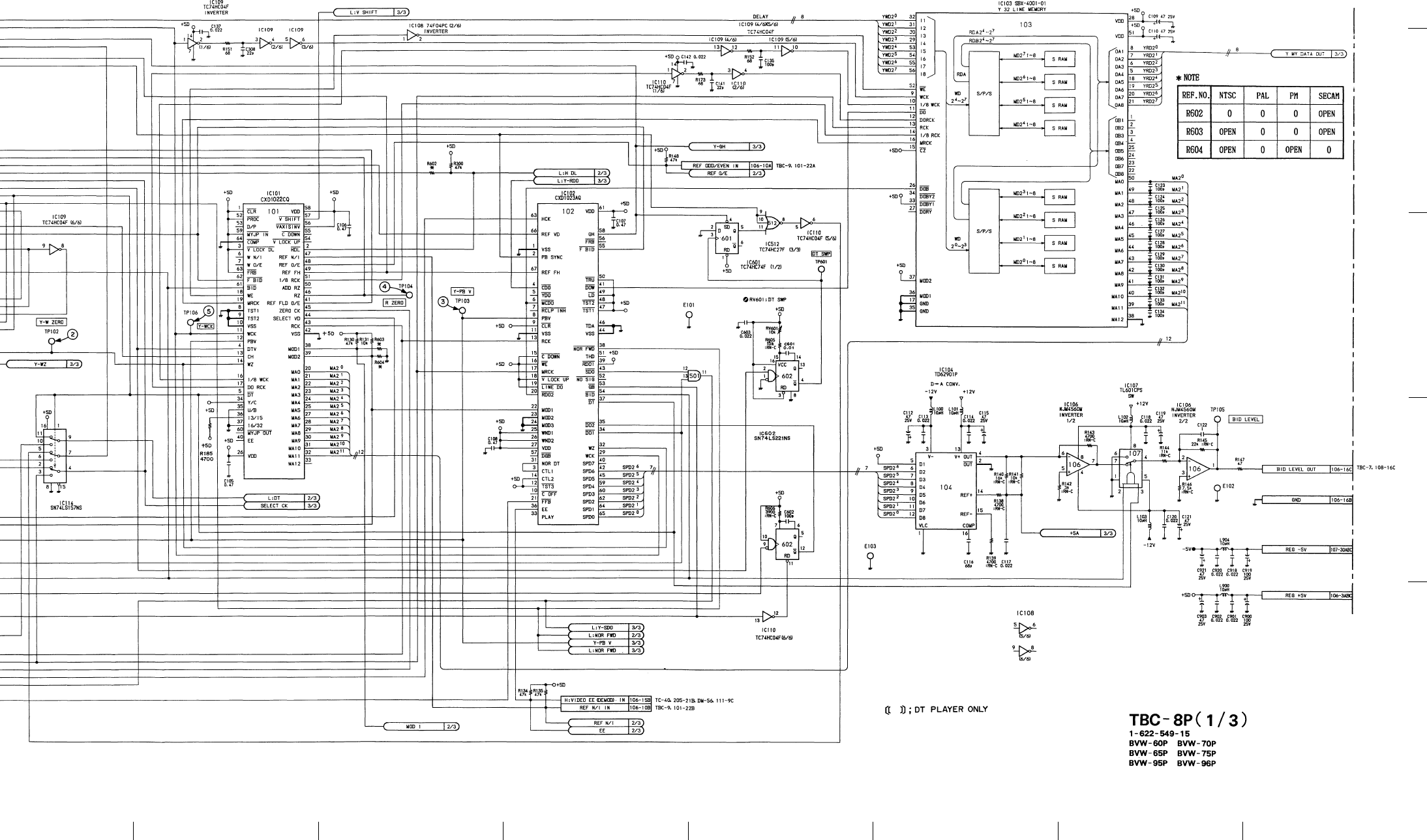
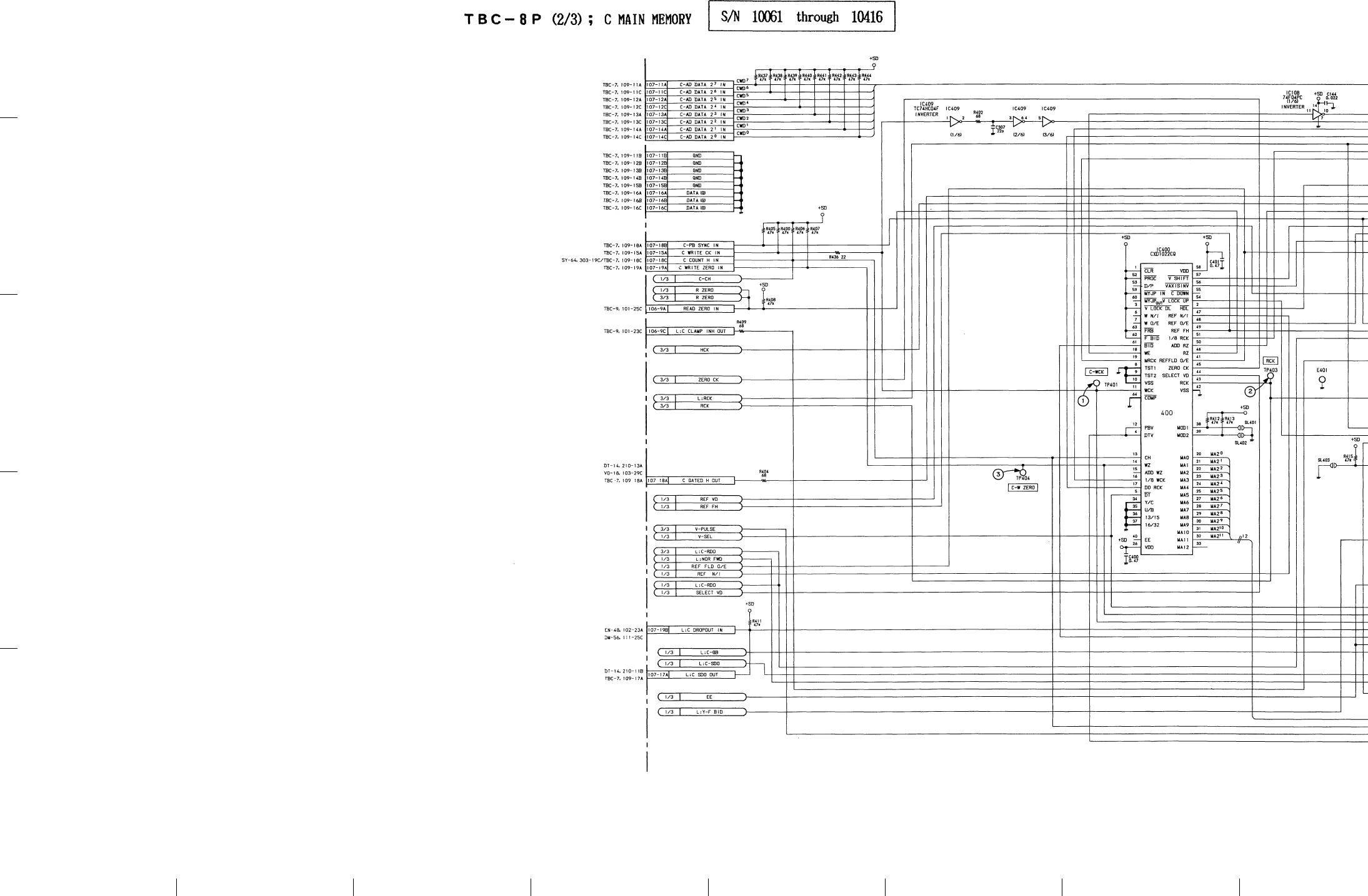
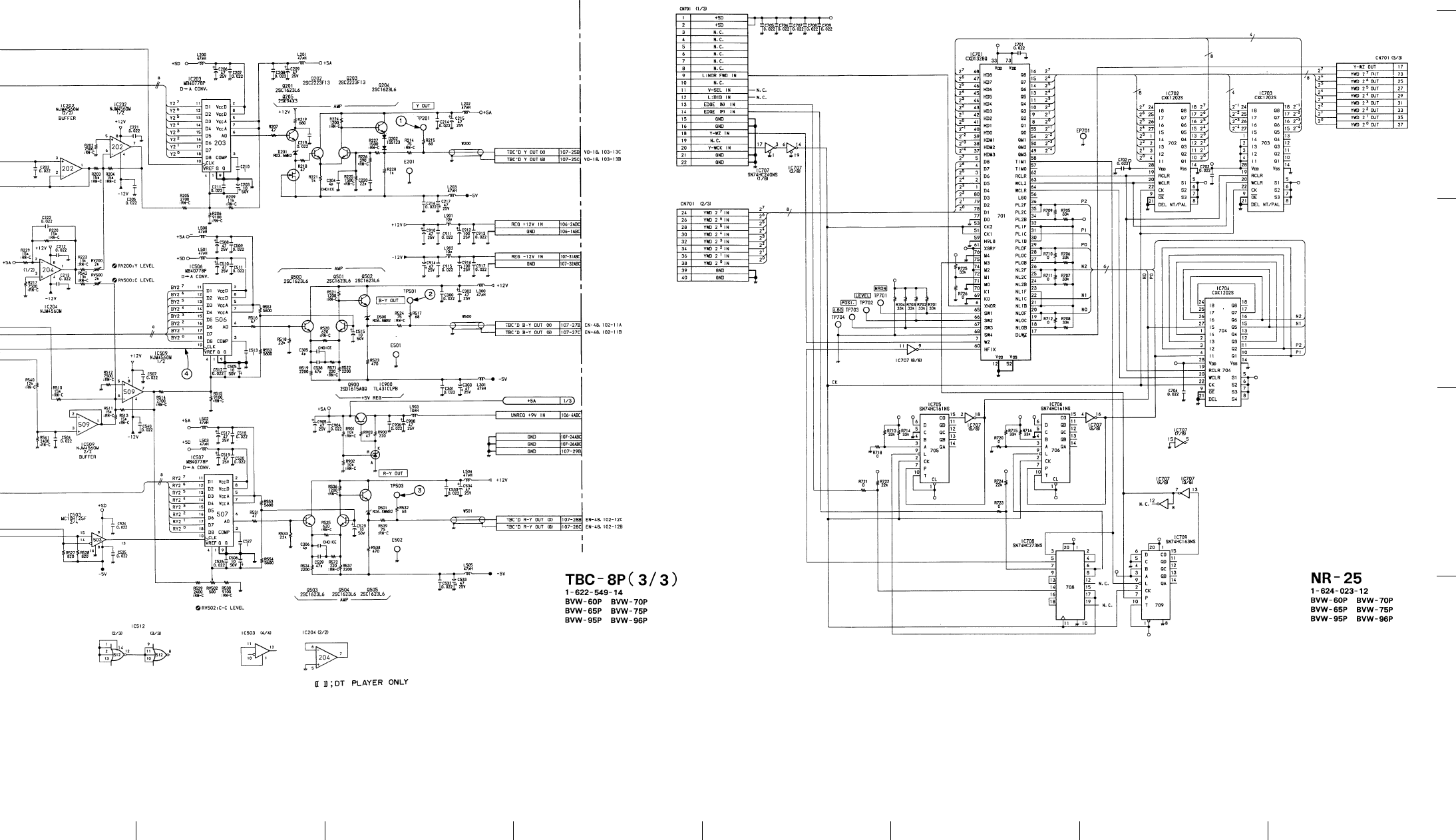
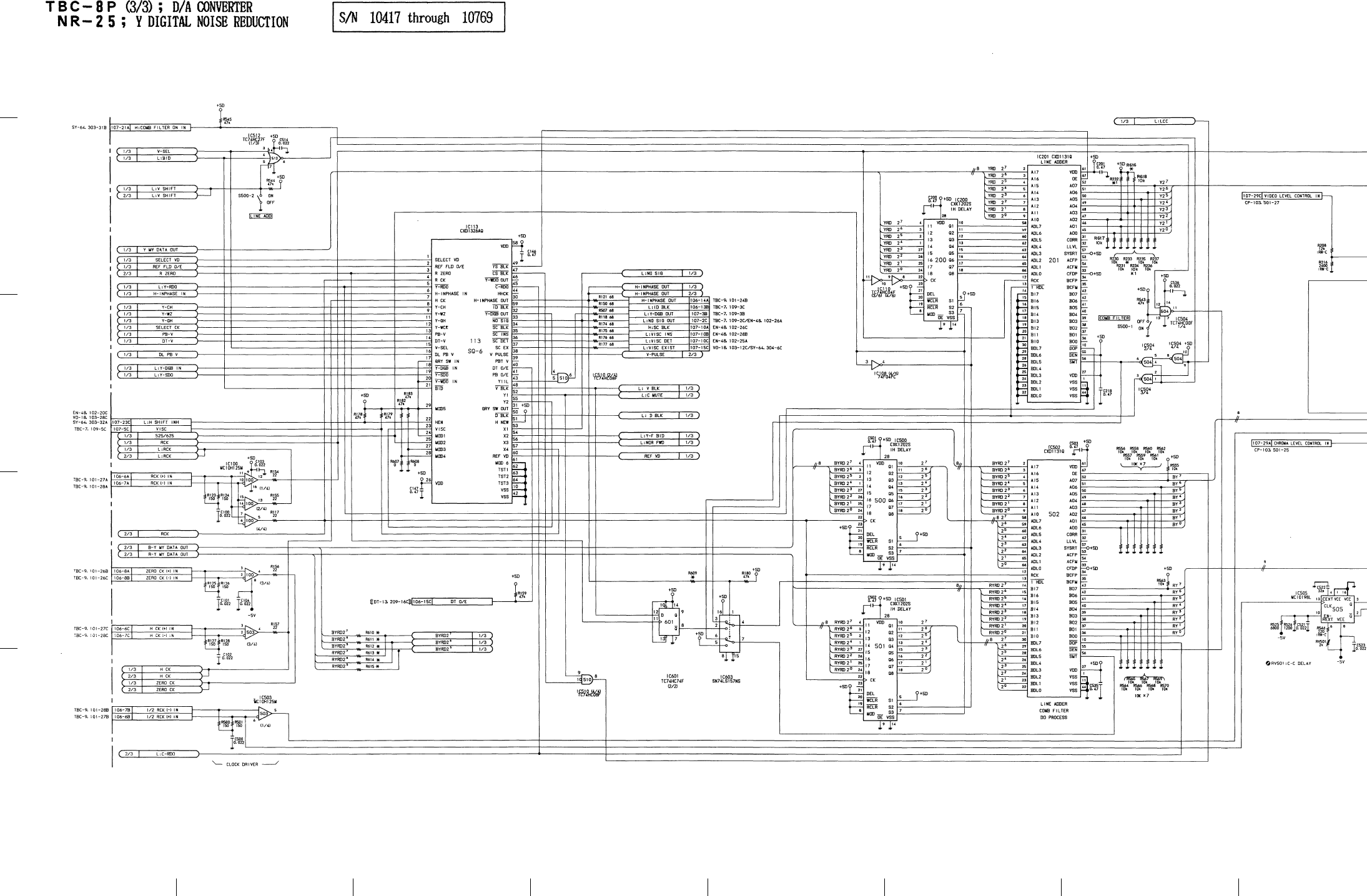
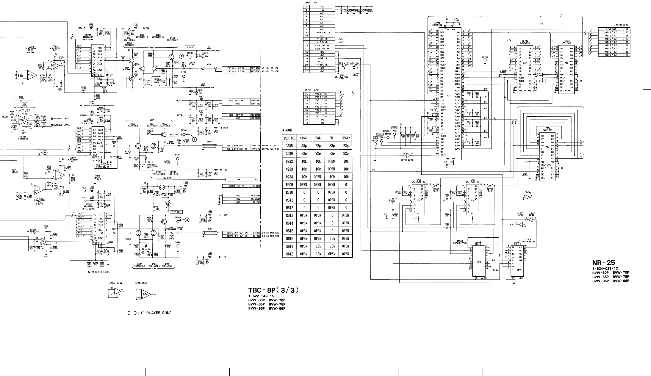
- TBC-8P (Board No.1-622-549-14)
- TBC-8P (Board No.1-622-549-15)
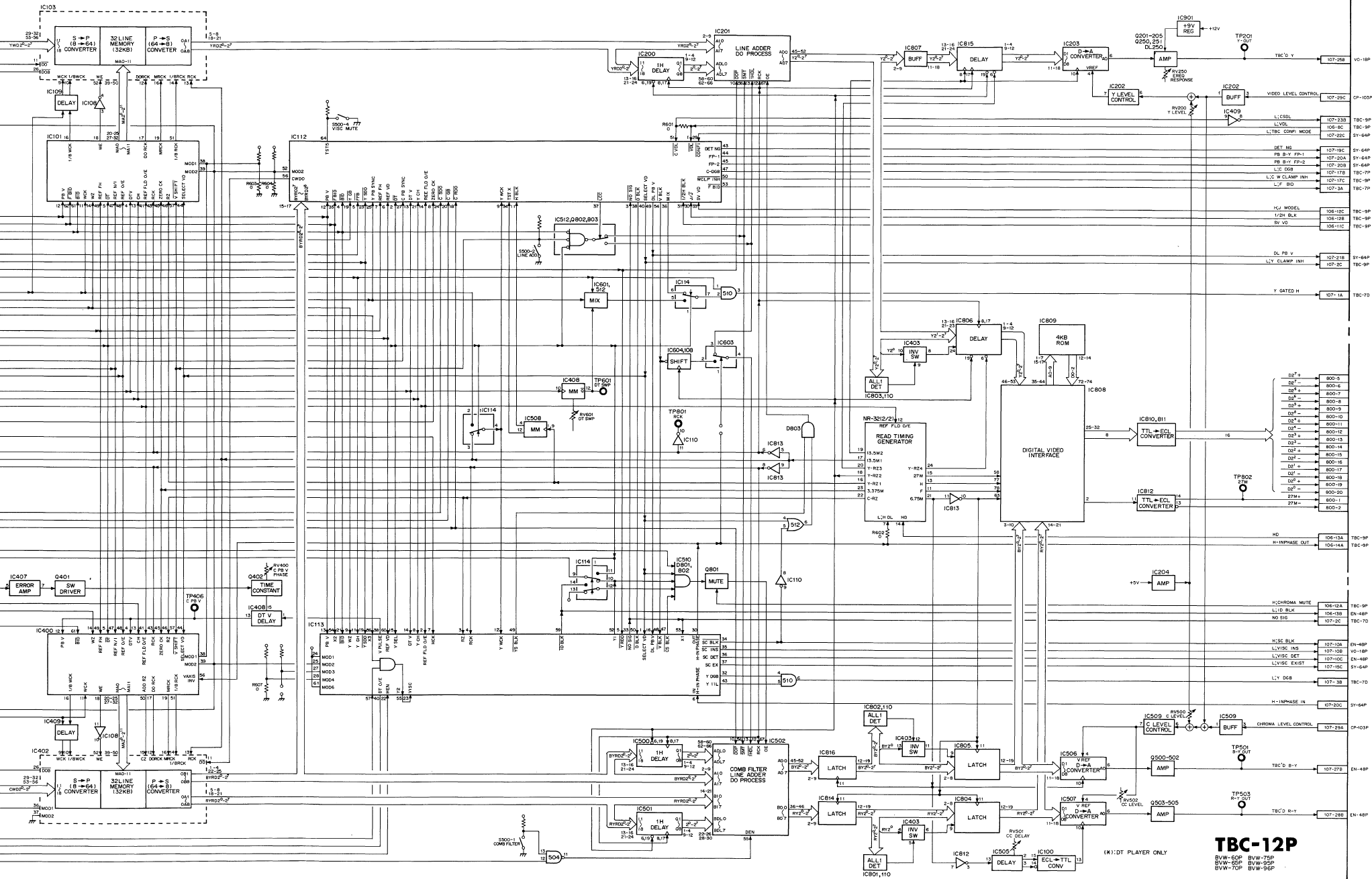
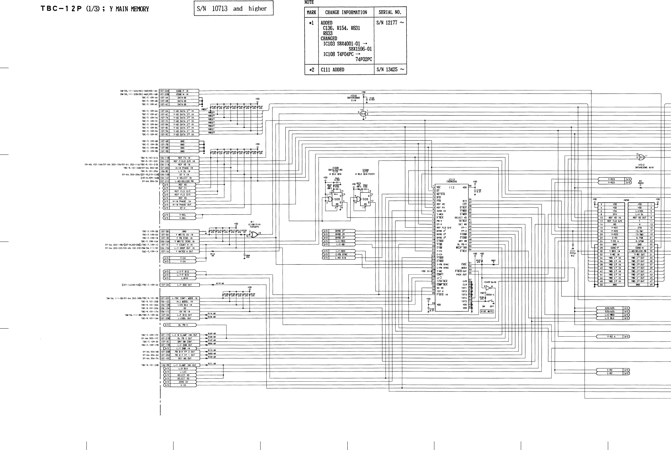
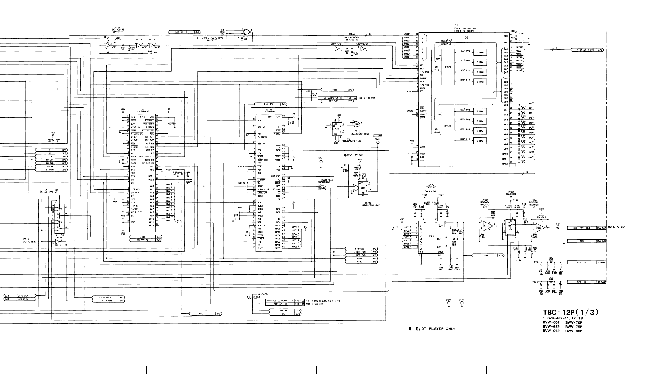
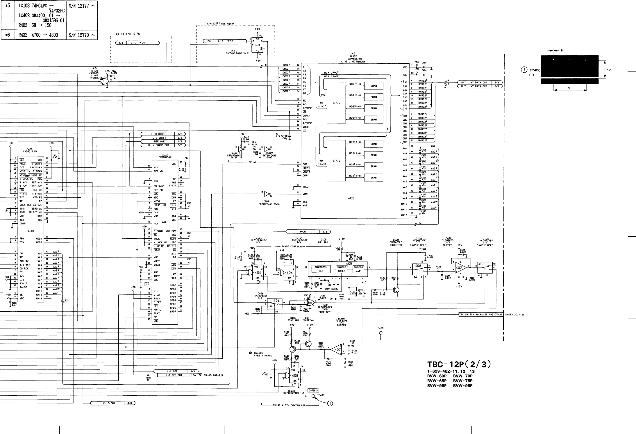
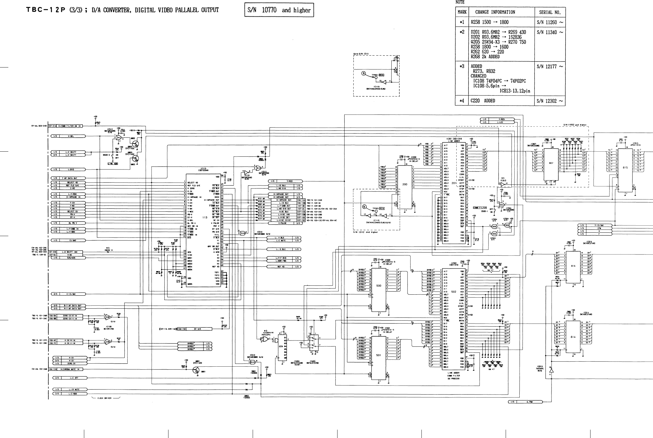
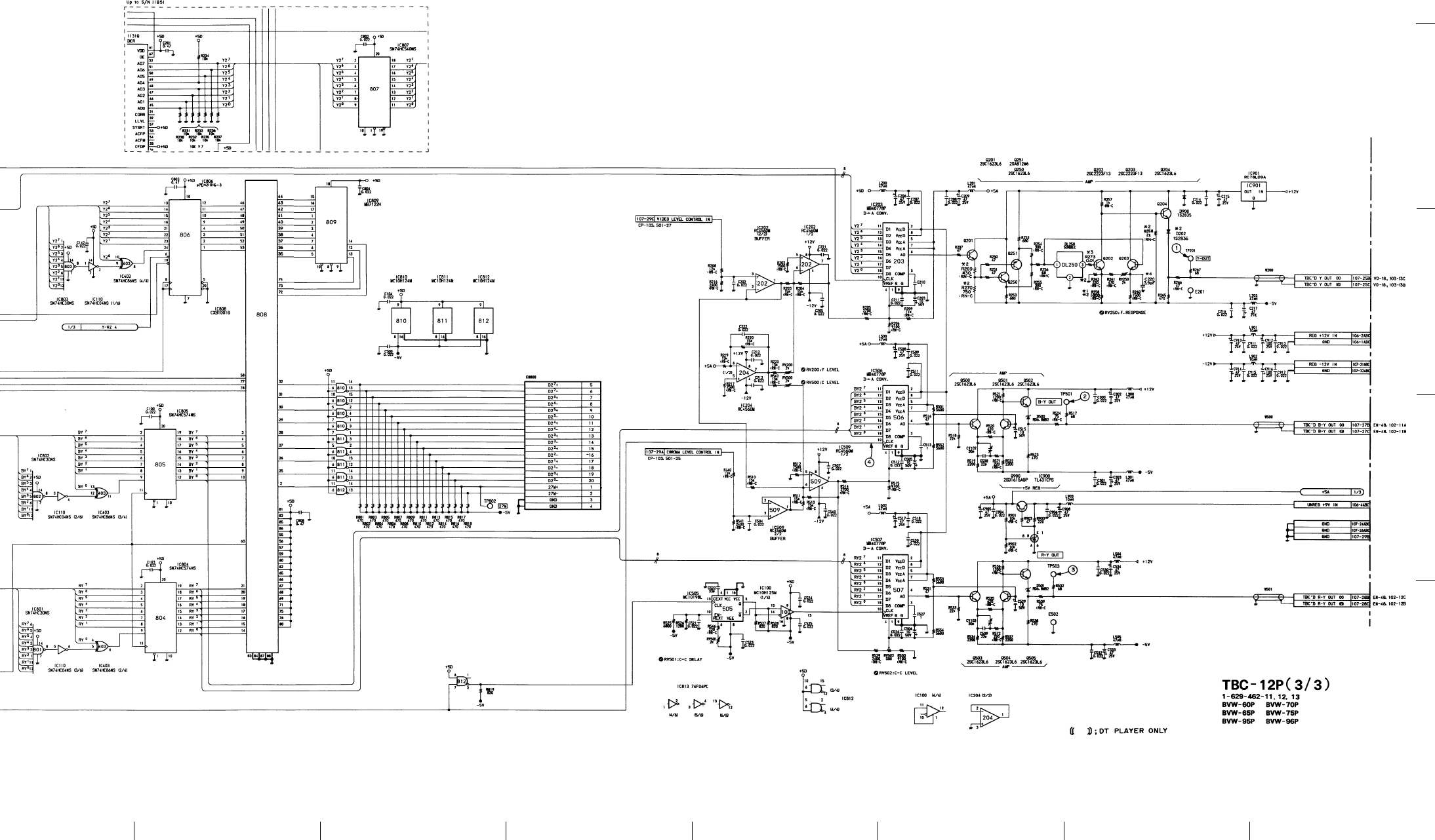
- TBC-12P (Board No.1-629-462-11,12,13)
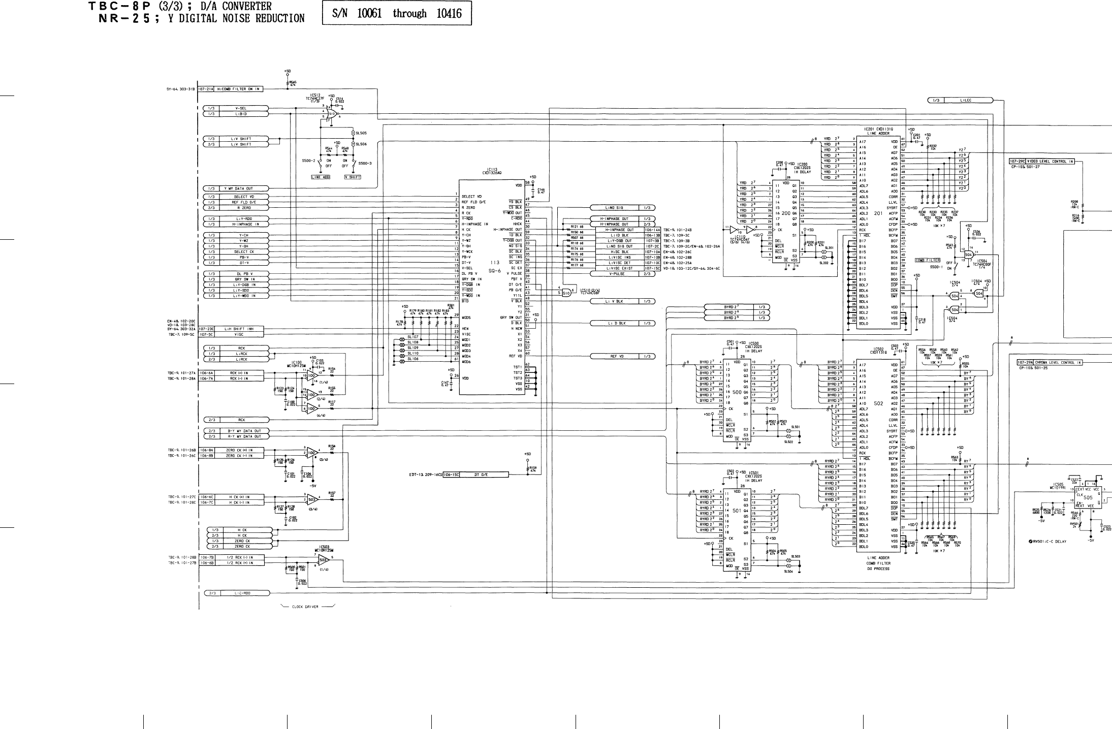
- NR-25
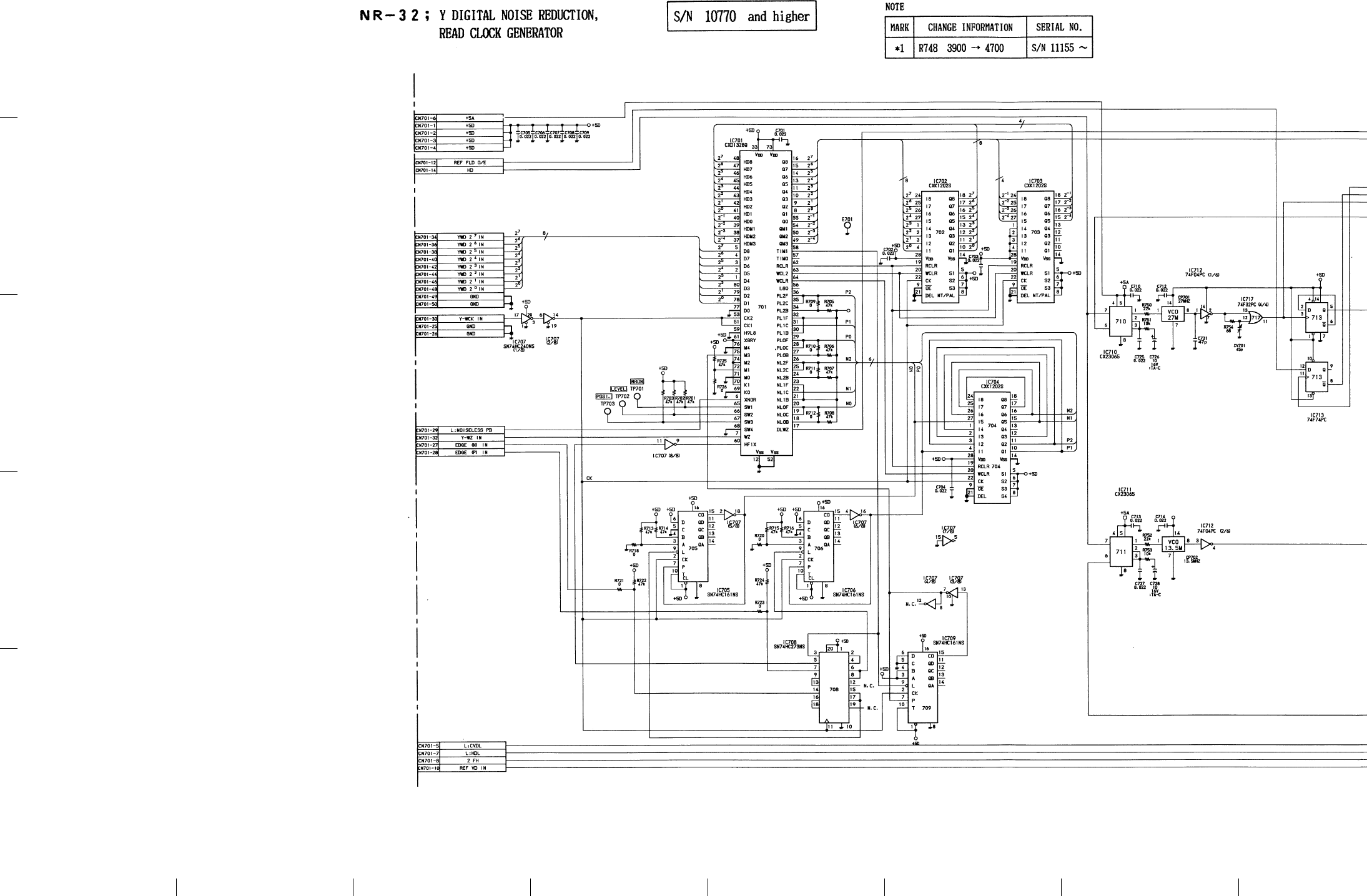
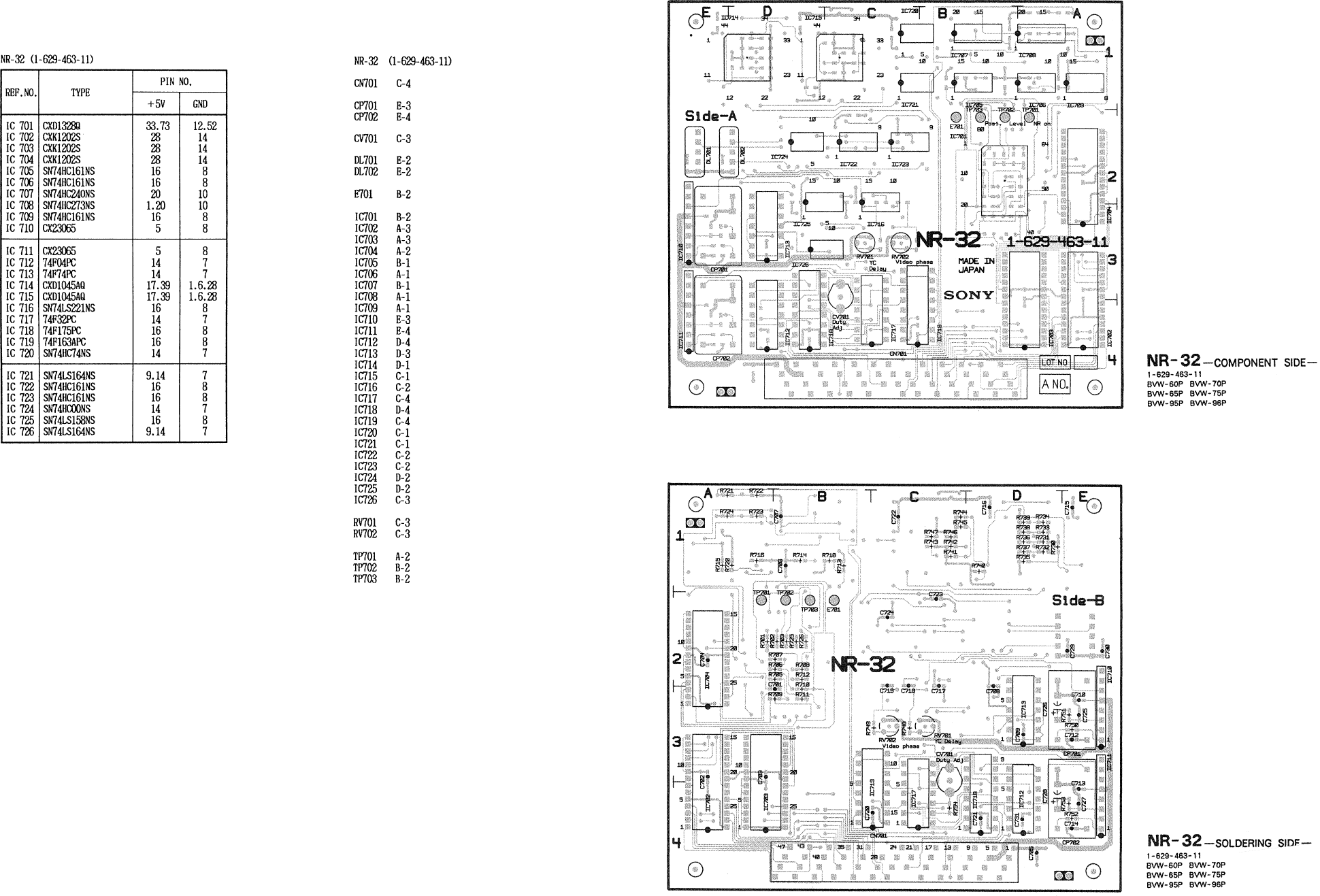
- NR-32
- TBC-9P
- EN-48P
- VO-18AP
- DUS-270
- DEC-39A (Board No.1-623-874-21)
- DEC-46AP (Board No.1-628-649-21)
- CP-101AP
- CP-103AP
- AU-118P
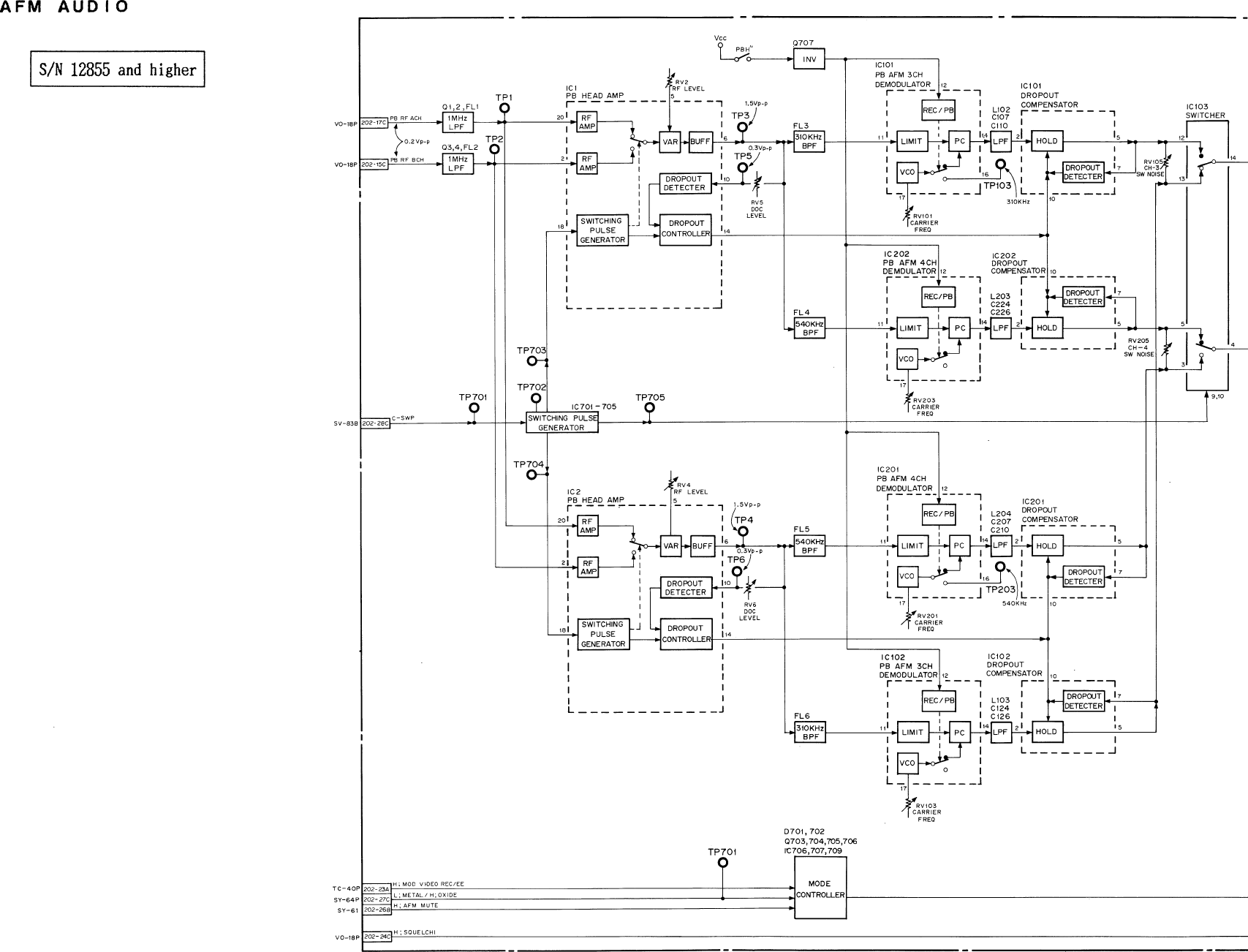
- AFM-1A
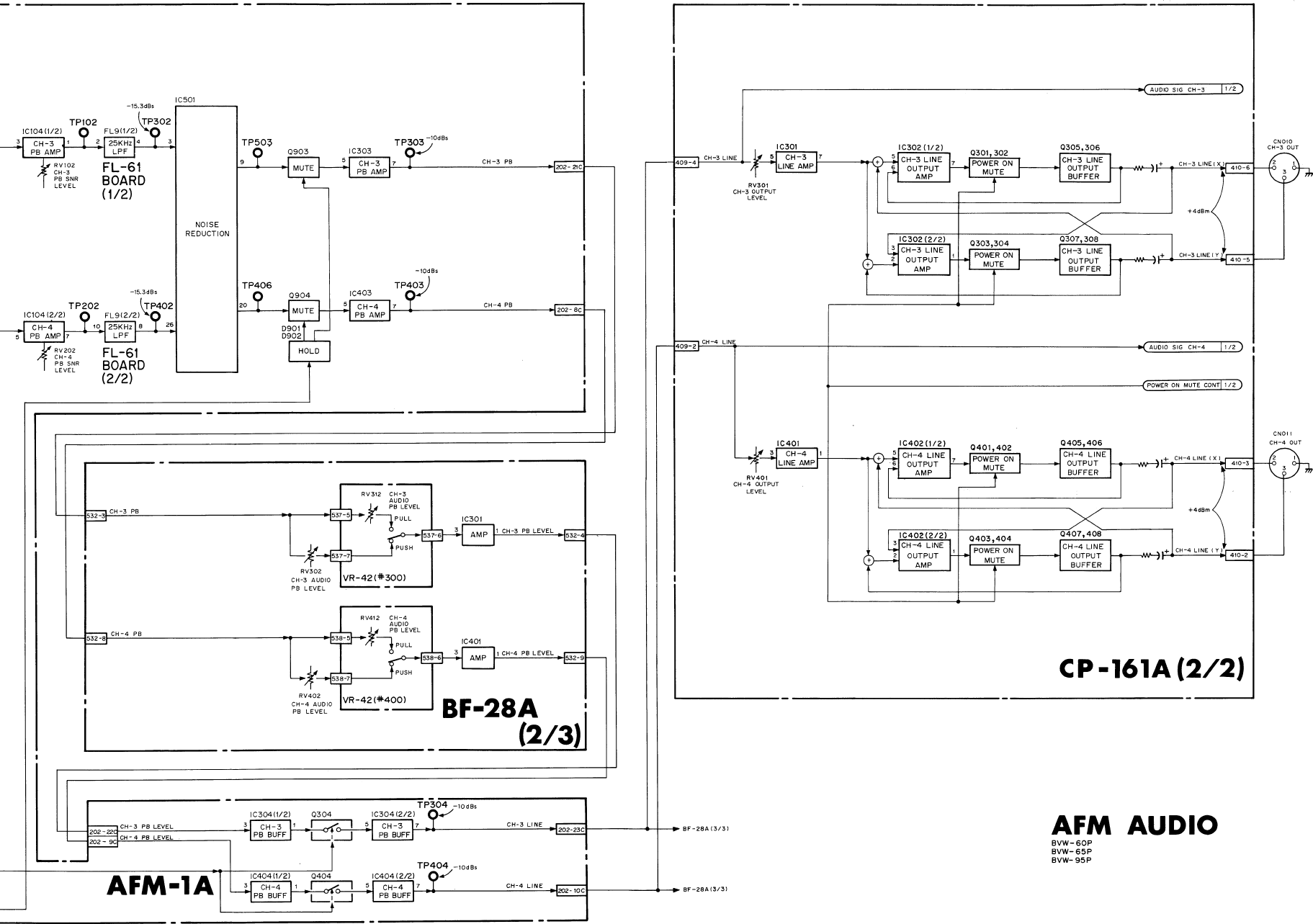
- FL-61
- BF-28A
- VR-42
- CP-111
- CP-113
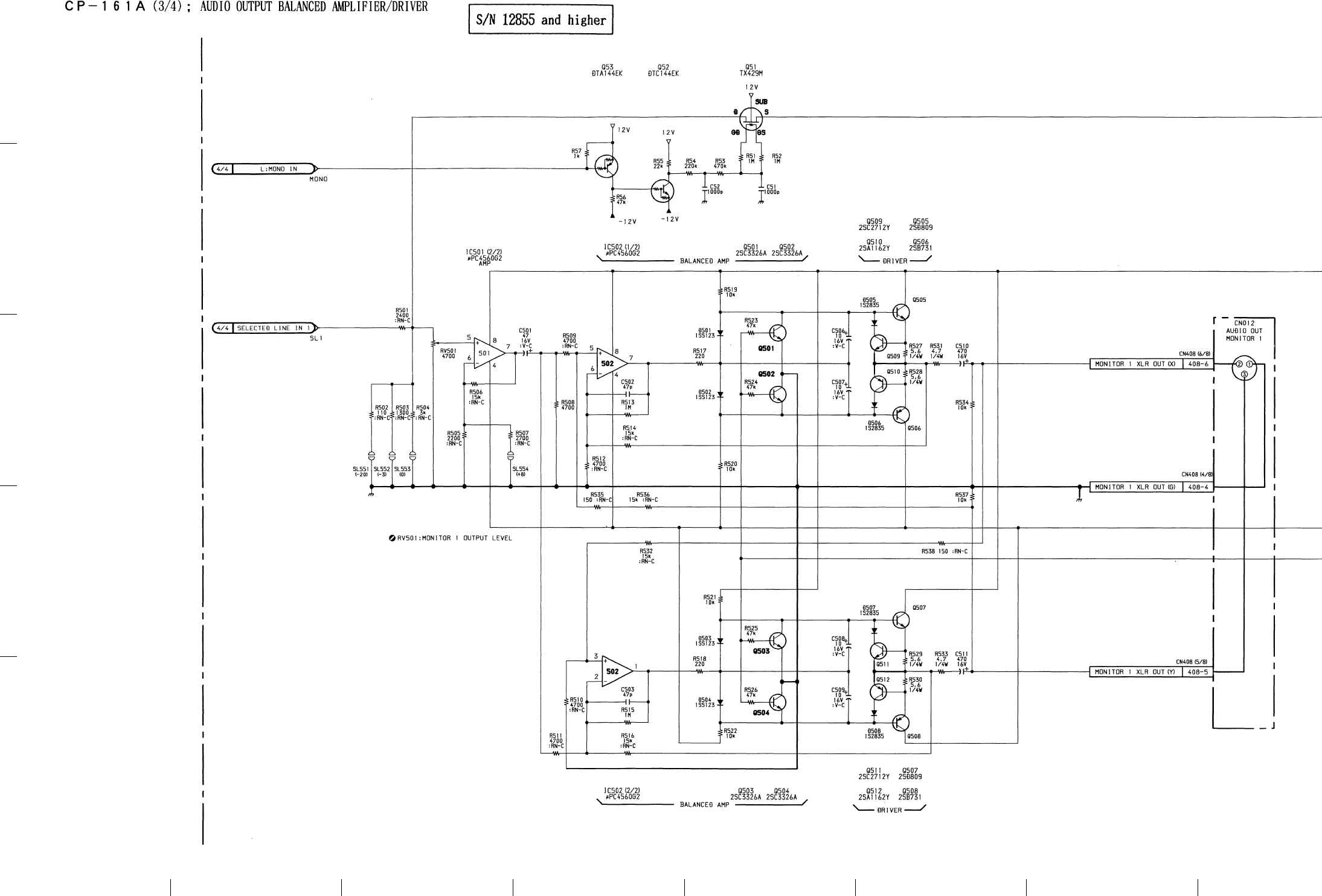
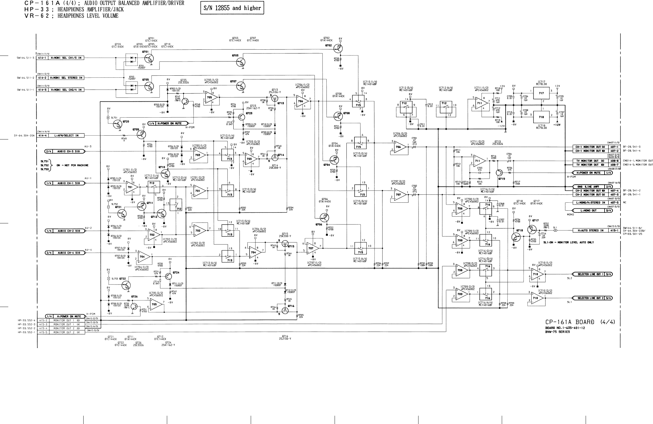
- HP-33
- VR-62
- CP-161A
- HP-33
- VR-62
- SW-144A
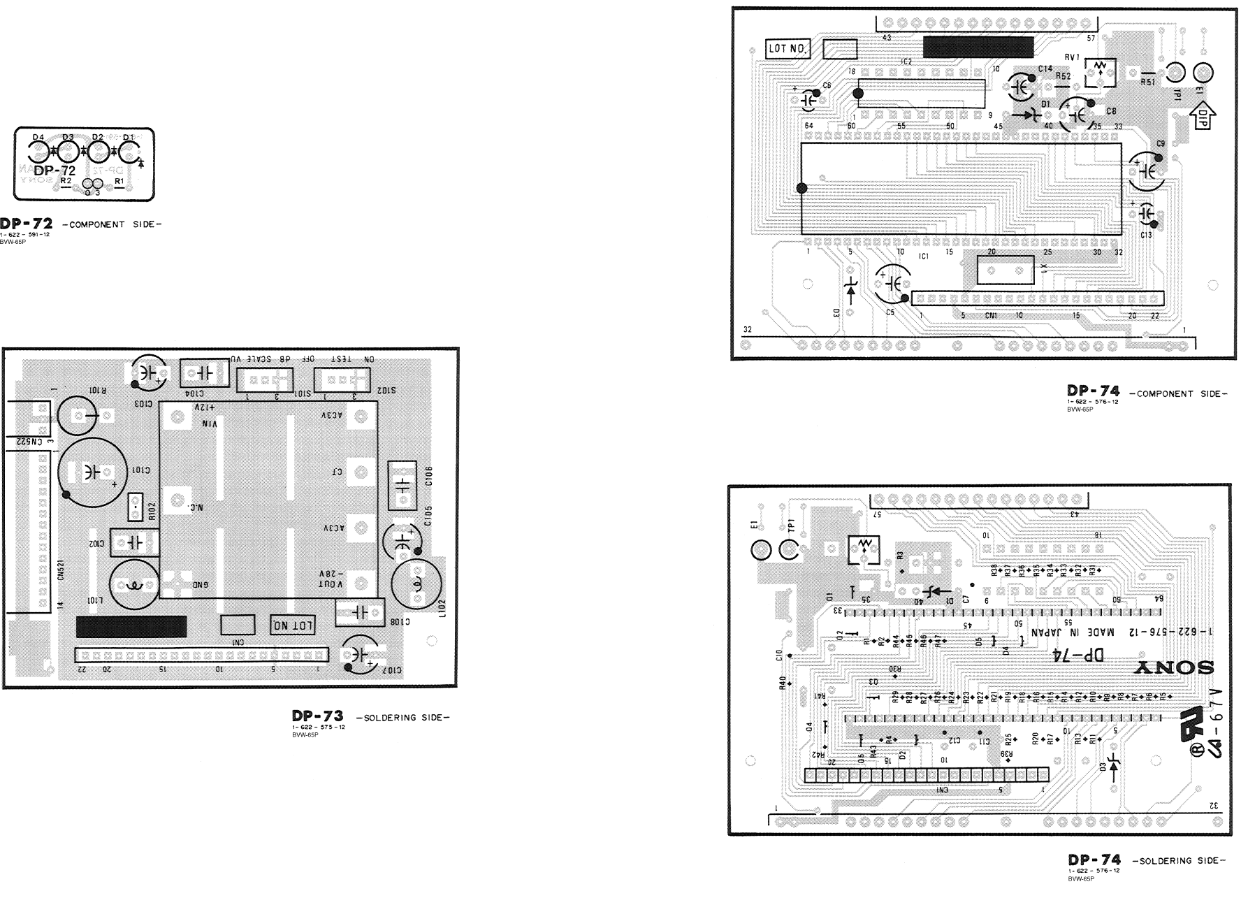
- DP-72/73/74
- SV-82A
- SV-83B
- SV-84P
- RE-28, PTC-20/21/36, DR-56
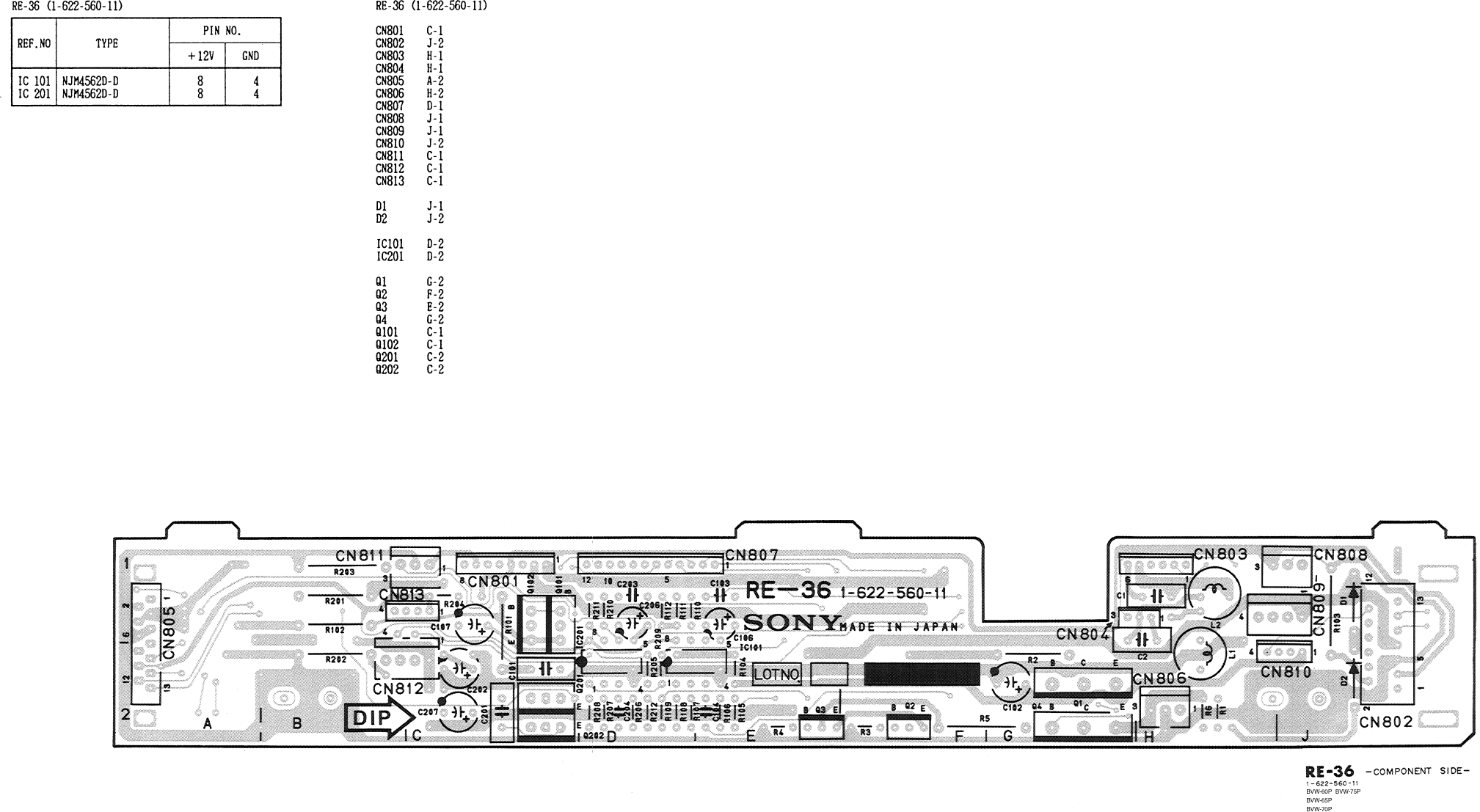
- RE-36, RM-40, DE-15, SE-57, PTC-31
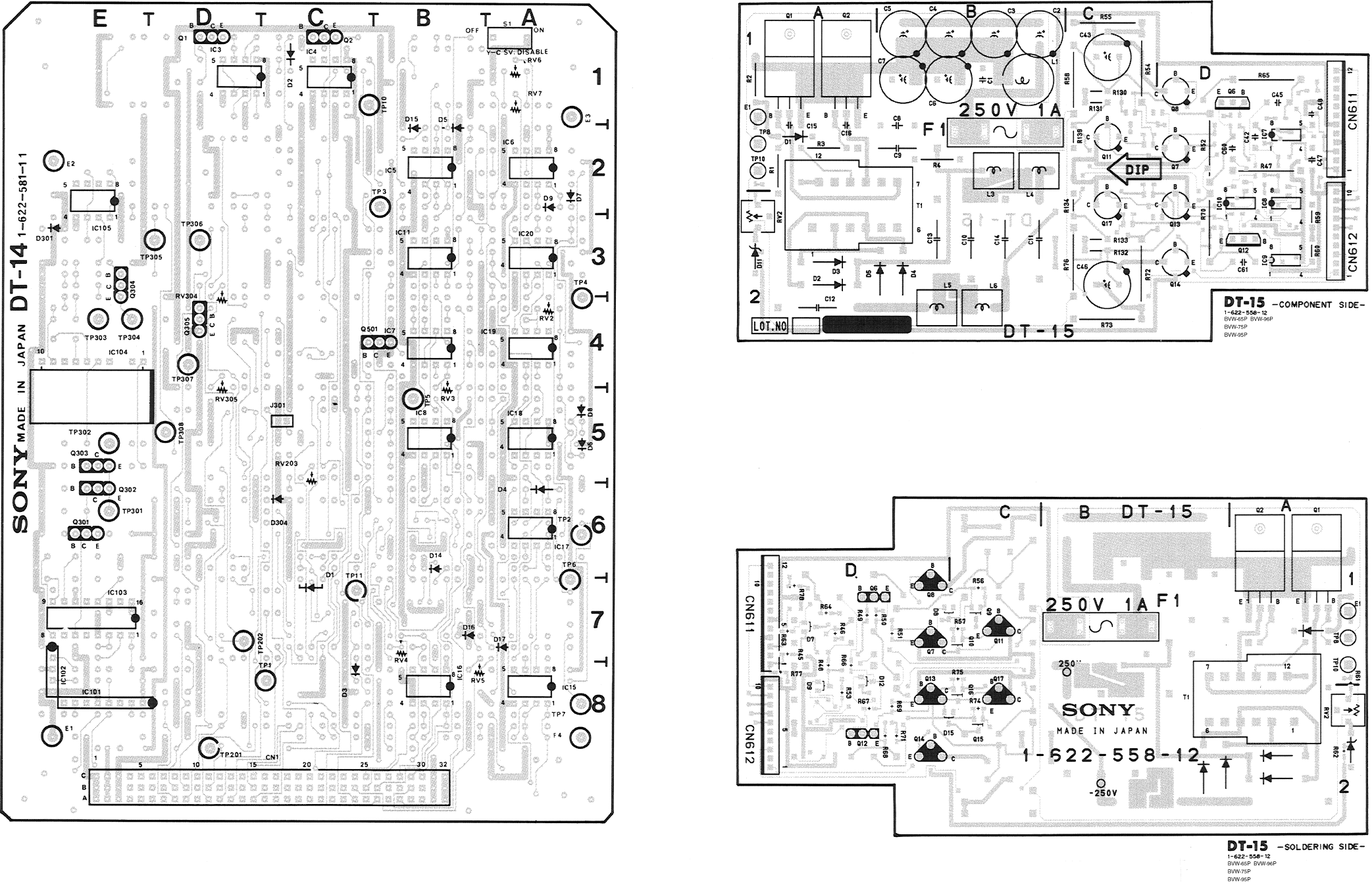
- DT-13
- DT-14P
- DUS-282
- DT-15
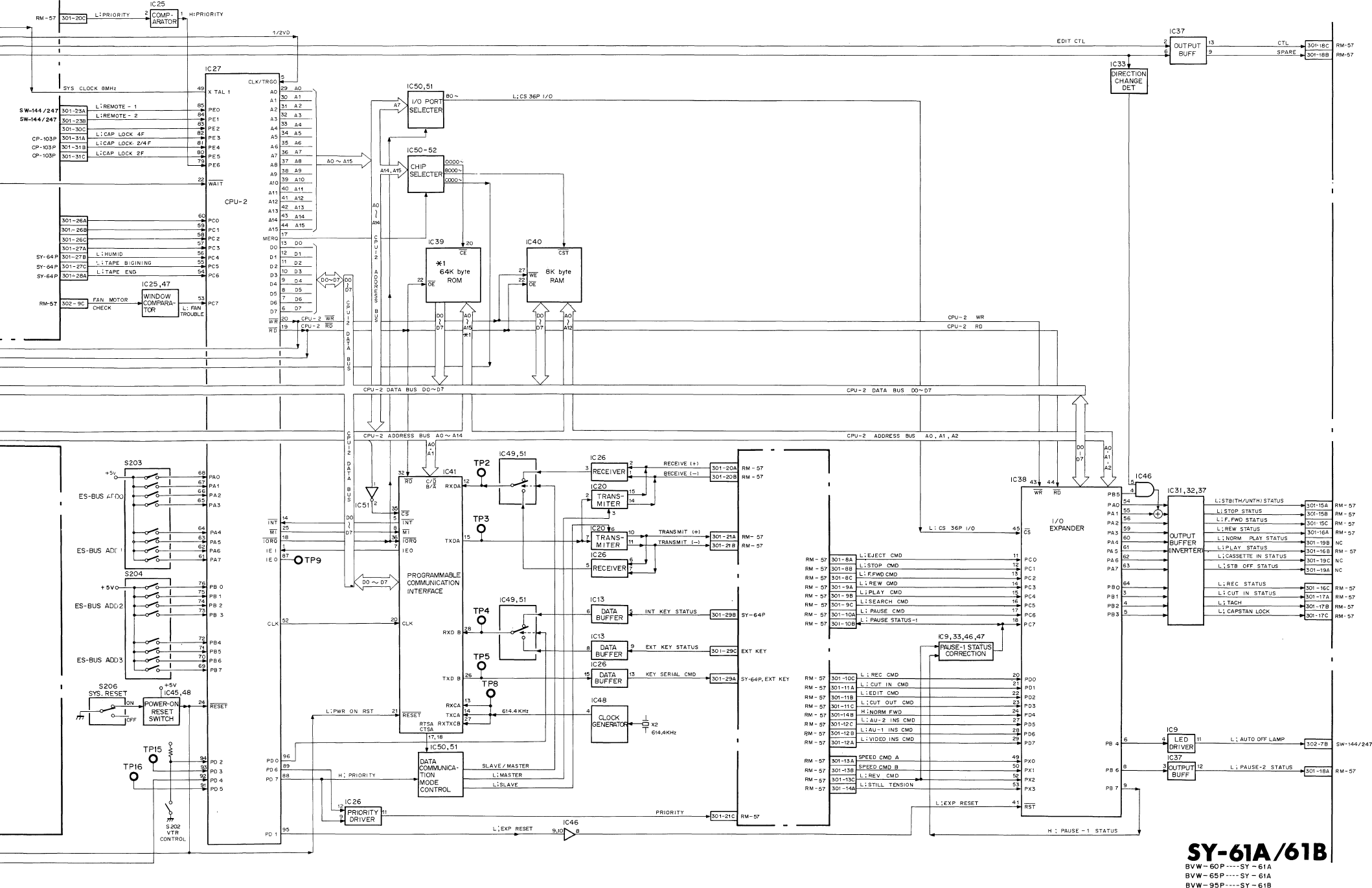
- SY-61A
- DUS-570
- RM-57
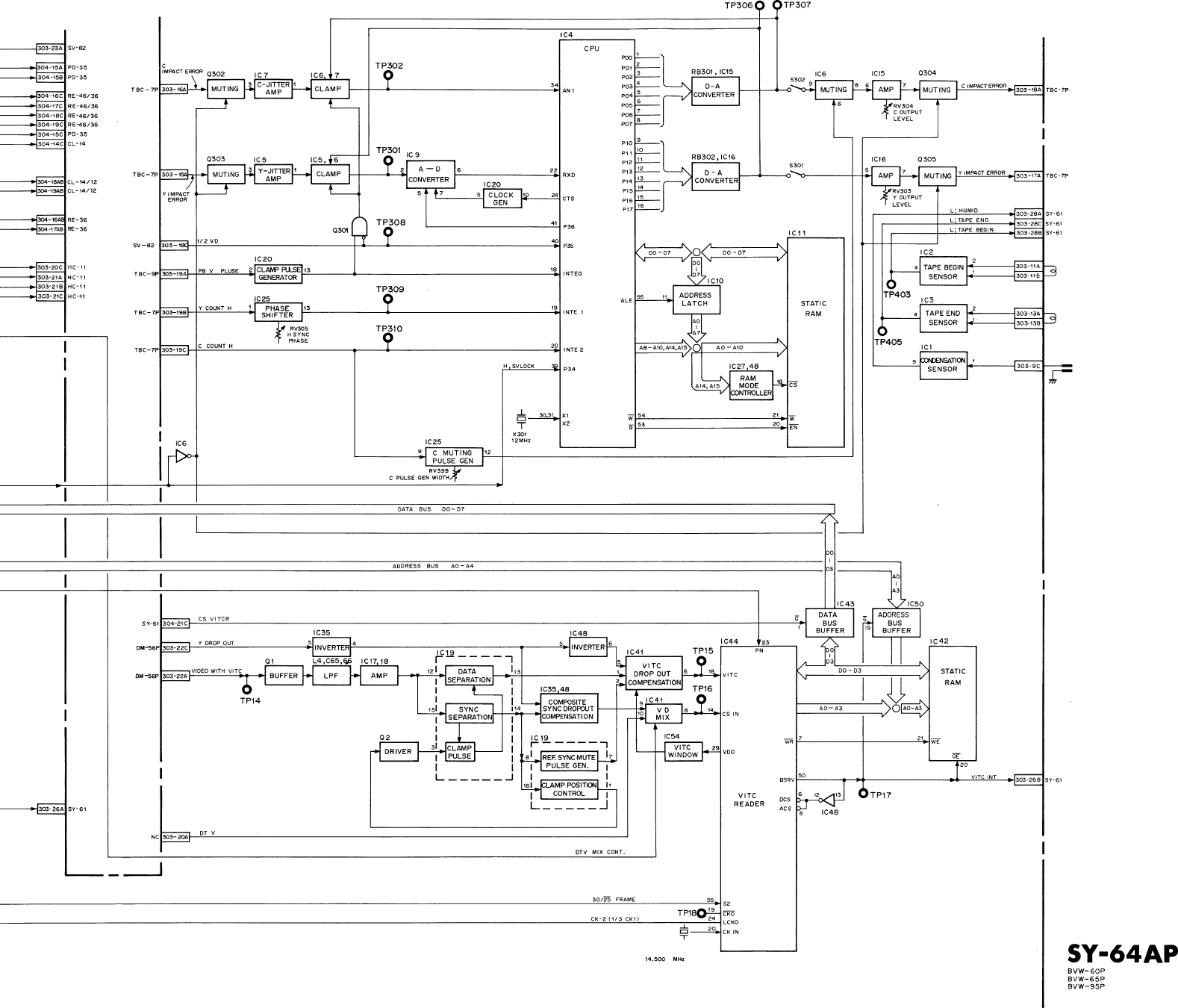
- SY-64AP
- PD-35, PTC-15
- CL-14/24, PC-32/33/41/47, CCM-2, HC-11
- KY-96B/107, DP-71A, PTC-32, PT-9
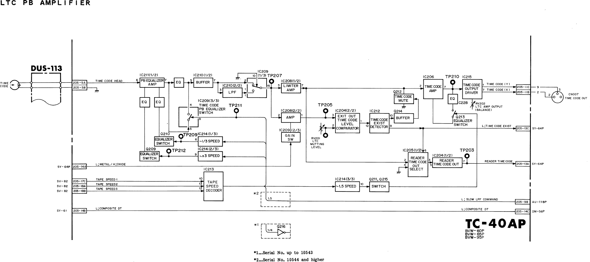
- TC-40AP
- AC-81/96, C1, C2, M1, M2
- MB-191B (Board No.1-624-047-11)
- MB-191B (Board No.1-624-047-12,13)
- MB-192
- Frame
- 17. Printed Wiring Boards
- DUS-288
- EQ-26/28
- DM-56P
- DUS-259
- TBC-7P (Board No.1-622-548-12)
- SW-261
- TBC-7P (Board No.1-622-548-13)
- TBC-7D (Board No.1-622-548-14,15)
- TBC-7E (Board No.1-622-548-21)
- TBC-8P (Board No.1-622-549-14)
- TBC-8P (Board No.1-622-549-15)
- TBC-12P (Board No.1-629-462-11,12,13)
- NR-32
- TBC-9P (Board No.1-622-550-13)
- NR-25
- EN-48P
- VO-18AP
- DUS-270
- DEC-39A
- DEC-46AP
- CP-103AP
- CP-101AP
- AU-118P
- AFM-1A
- FL-61
- BF-28A
- VR-42
- CP-111
- CP-113
- HP-33
- VR-62
- CP-161A
- HP-33
- VR-62
- SW-144A
- DP-72/73/74
- SV-82/82A
- SV-83/83A/83B
- SV-84P
- RE-28
- PTC-20/21/36
- DR-56
- RE-36
- DE-15
- PTC-31
- RM-40
- SE-57
- TR-18
- DT-13
- DT-14P
- DUS-282
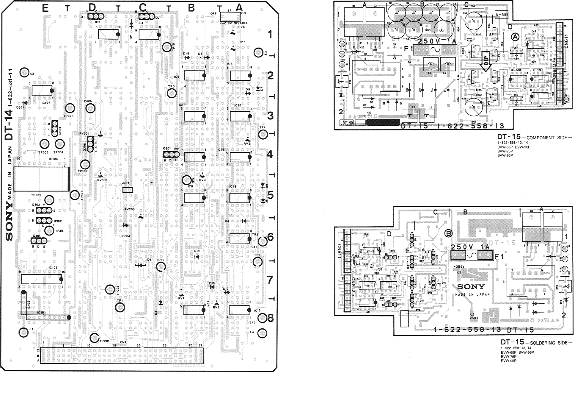
- DT-15 (Board No.1-622-558-12)
- DT-15 (Board No.1-622-558-13, 14)
- SY-61/61A/61B/61C
- DUS-570
- SY-64AP
- PD-35
- PTC-15
- RM-57
- CCM-2
- CL-14/24
- HC-11
- PC-32/33/41/47
- KY-96B/96C
- DP-71A
- PT-9
- PTC-32
- TC-40AP (Board No.1-622-579-22)
- TC-40AP (Board No.1-622-579-23)
- AC-81/96
- C1, C2,
- M1, M2
- MB-191/191A/191B/191C
- MB-192
- 18. Semiconductor Electrodes
- 19. Spare Parts and Fixture
- sup-A

VIDEOCASSETTE PLAYER
BVW-65P
MAINTENANCE MANUAL
Volume 2 3rd Edition (Revised 14)
Serial No. 10061 and Higher


This manual used to be printed on paper but is now in
electronic form. All blank pages in the printed version
have been eliminated in the electronic version to facilitate
printing at service stations. Hence, although some pages
may appear to be missing, no service information has been
omitted.

BVW-65P

BVW-65P

BVW-65P

BVW-65P
BVW-65P
Section 15
Block Diagram
15-1 15-2

BVW-65P
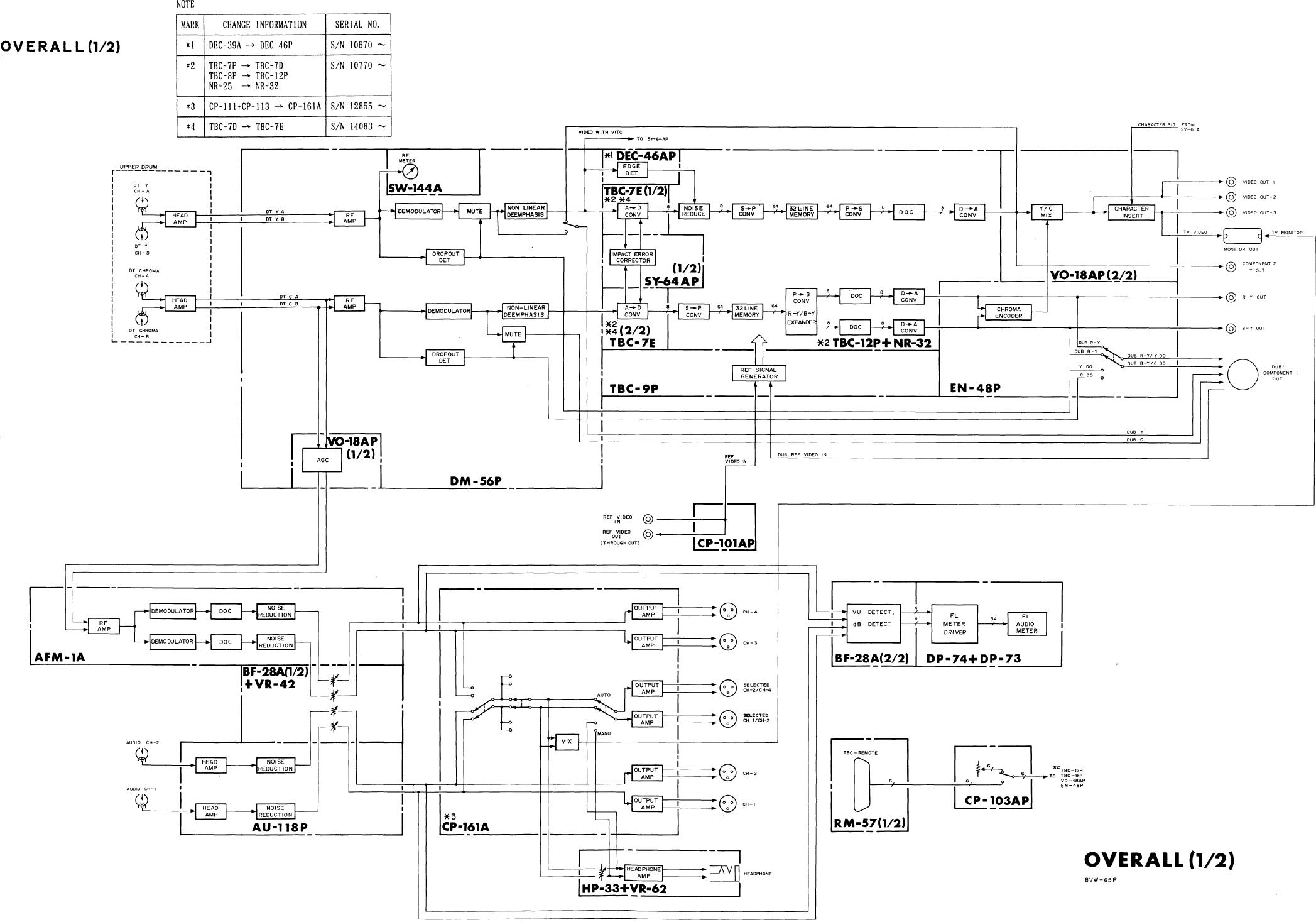
Overall (1/2)Overall (1/2)
15-615-5

BVW-65P
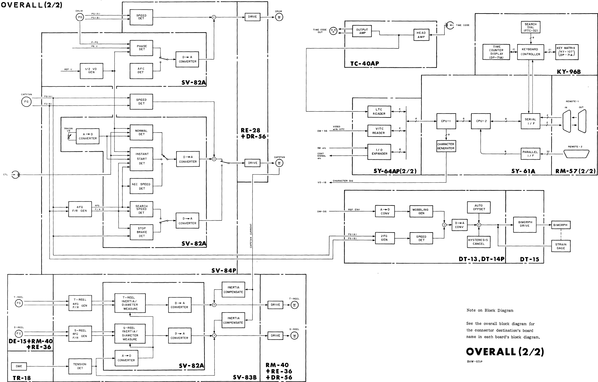
Overall (2/2)Overall (2/2)
15-7 15-8

BVW-65P
15-10 (a)15-9 (a)
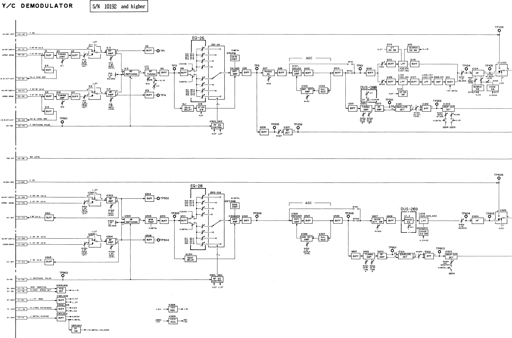
Y/C DEMODY/C DEMOD

BVW-65P
Y/C DEMODY/C DEMOD
15-11 (a) 15-12 (a)

BVW-65P
15-14 (a)15-13 (a)
TBCTBC

BVW-65P 15-15 (a) 15-16 (a)
TBCTBC

BVW-65P
15-10 (b)15-9 (b)
Y/C DEMODY/C DEMOD

BVW-65P
Y/C DEMODY/C DEMOD
15-11 (b) 15-12 (b)

BVW-65P
15-14 (b)15-13 (b)
TBCTBC

BVW-65P 15-15 (b) 15-16 (b)
TBCTBC

BVW-65P
15-14 (c)15-13 (c)
TBCTBC

BVW-65P 15-15 (c) 15-16 (c)
TBCTBC

BVW-65P
15-18 (a)15-17 (a)
TBCTBC

BVW-65P 15-19 (a) 15-20 (a)
TBCTBC

BVW-65P
15-18 (b)15-17 (b)
TBCTBC

BVW-65P 15-19 (b) 15-20 (b)
TBCTBC

BVW-65P
15-18 (c)15-17 (c)
TBCTBC

BVW-65P 15-19 (c) 15-20 (c)
TBCTBC

BVW-65P
15-2215-21
TBCTBC

BVW-65P 15-23 15-24
TBCTBC

BVW-65P
EncoderEncoder
15-2615-25

BVW-65P
15-2915-28
Video OutputVideo Output

BVW-65P 15-30 (1) 15-30 (2)
Video OutputVideo Output

BVW-65P
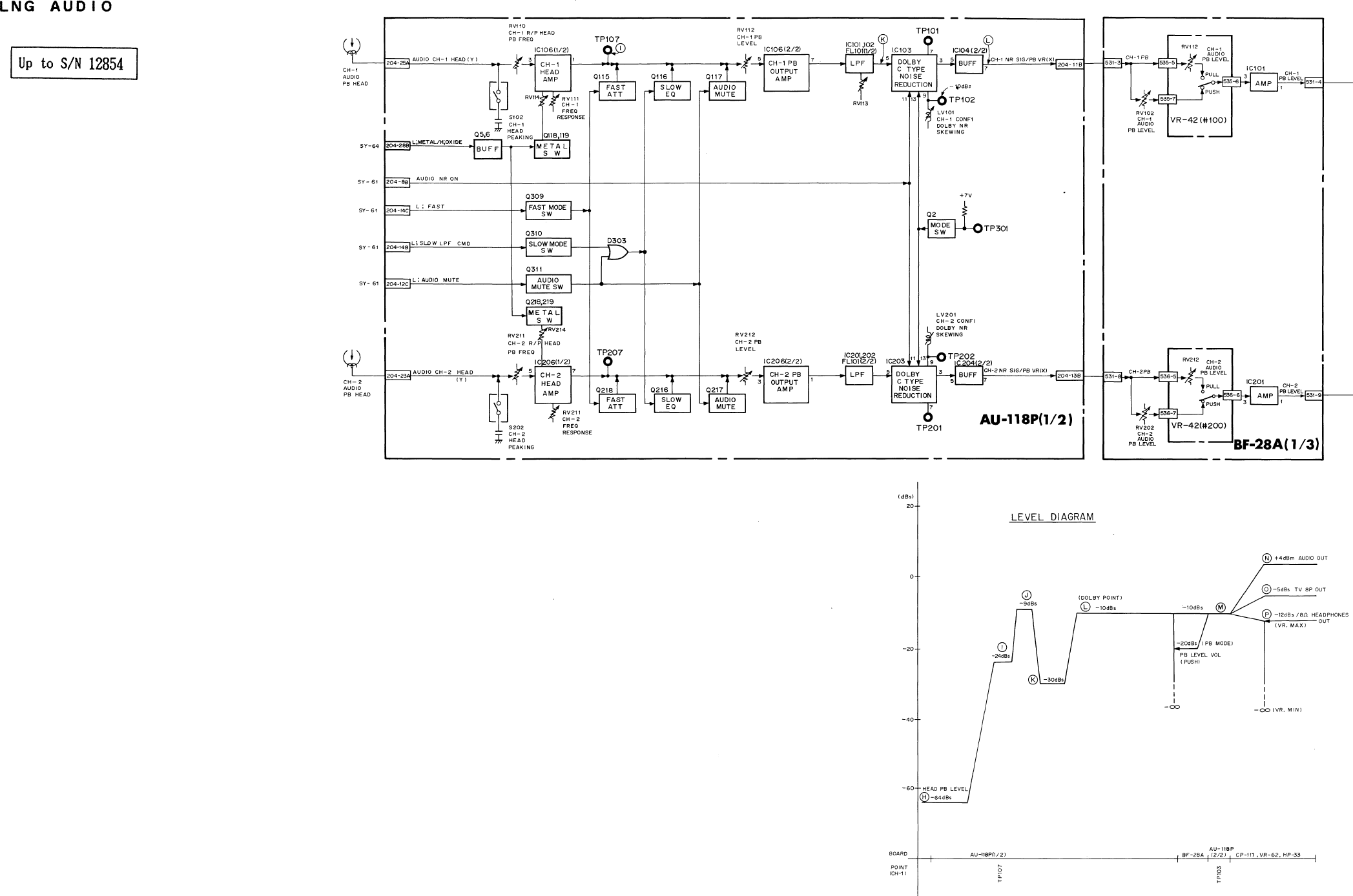
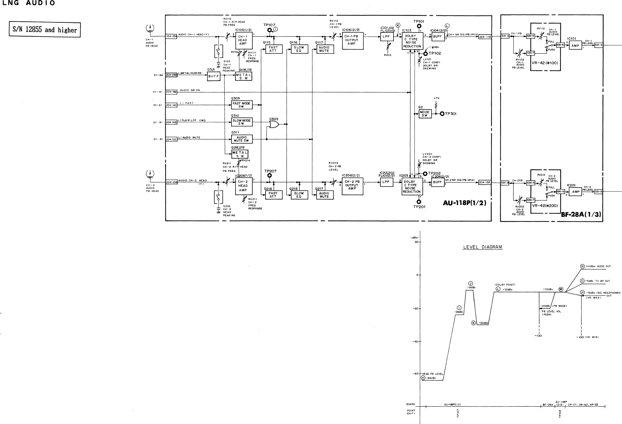
LNG AudioLNG Audio
15-32 (a)15-31 (a)

BVW-65P
LNG AudioLNG Audio
15-33 (a) 15-34 (a)

BVW-65P
15-36 (a)15-35 (a)
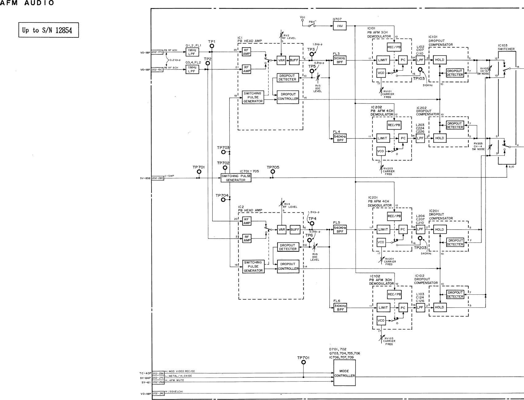
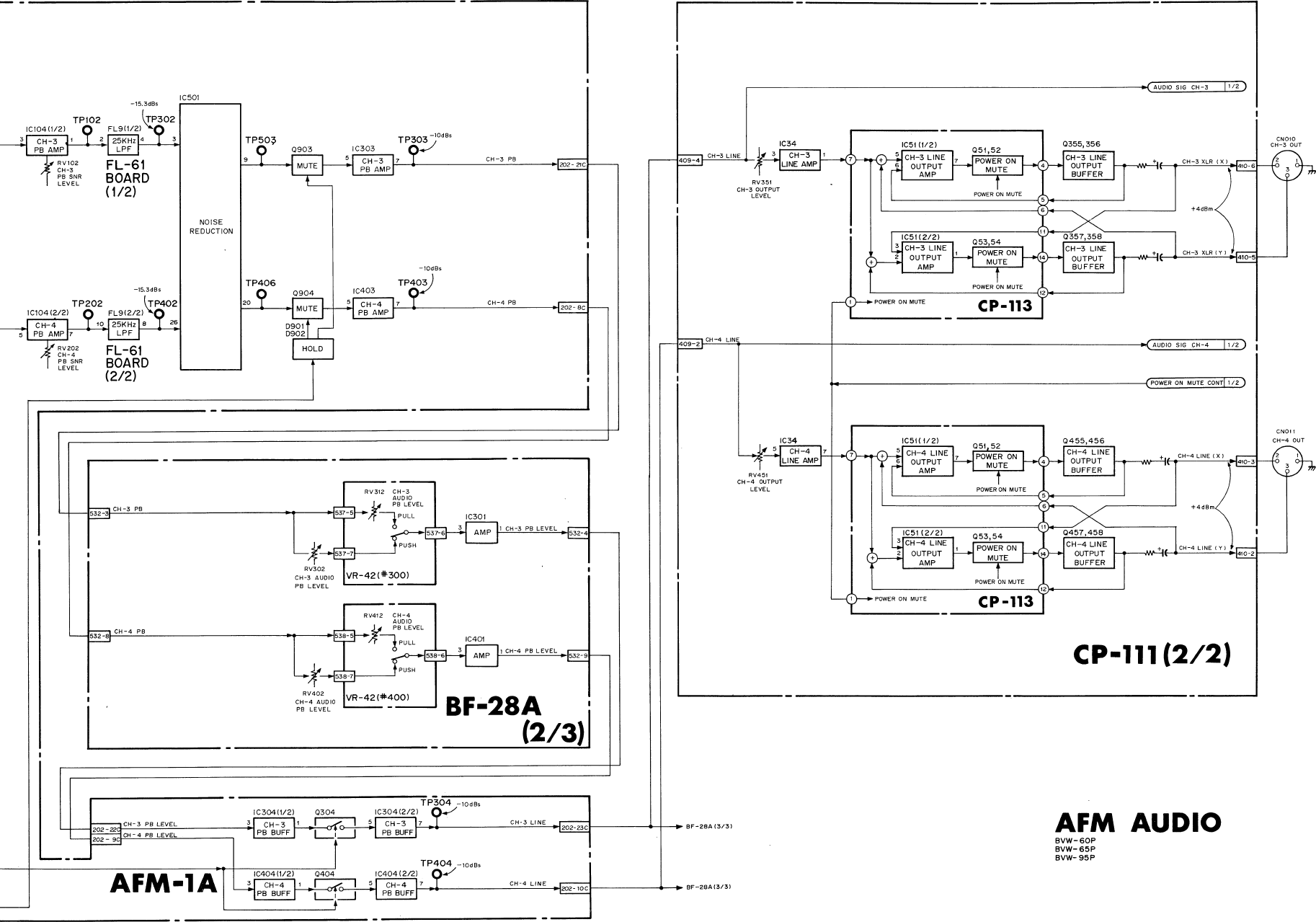
AFM AudioAFM Audio

BVW-65P
AFM AudioAFM Audio
15-37 (a) 15-38 (a)

BVW-65P
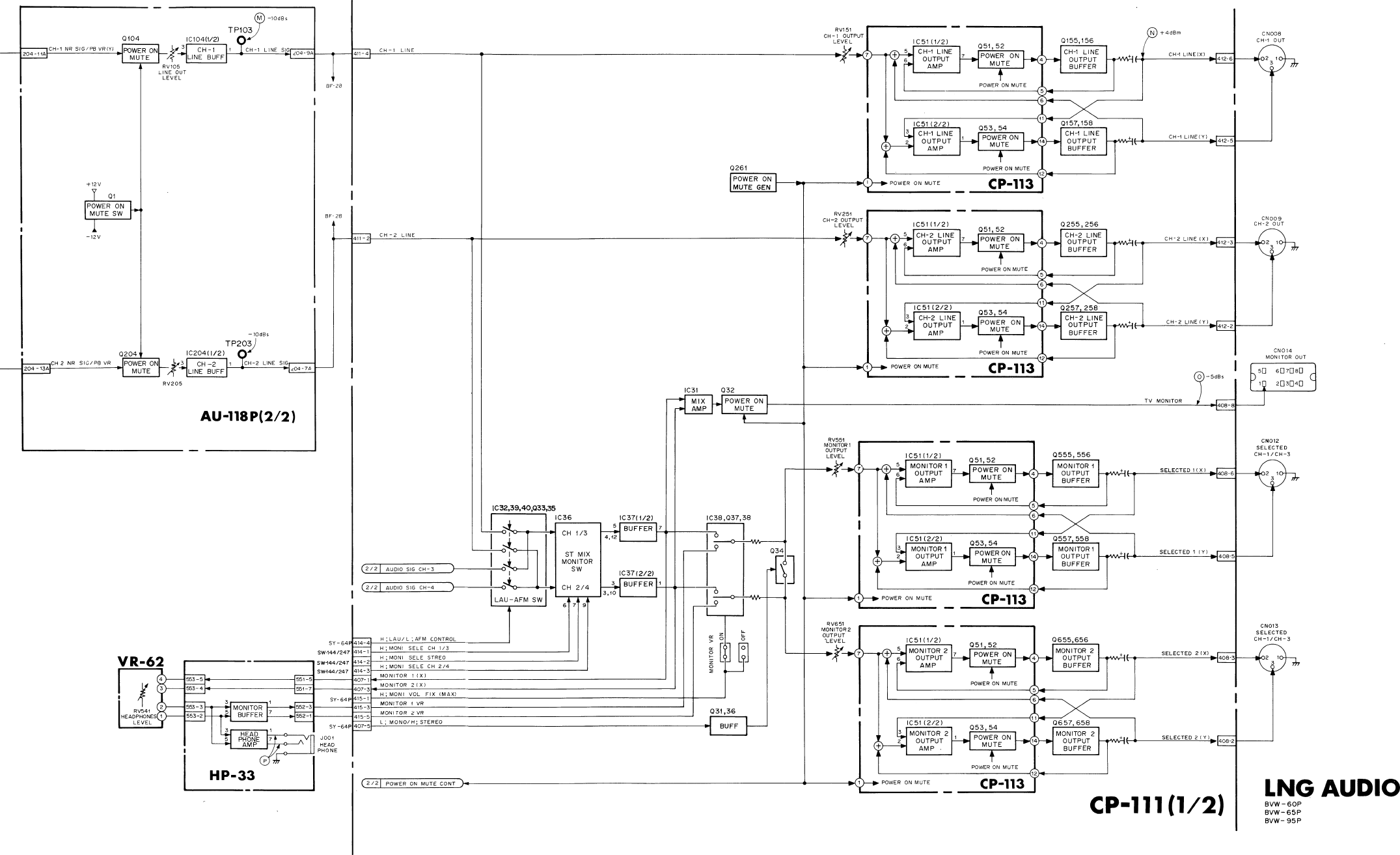
LNG AudioLNG Audio
15-32 (b)15-31 (b)

BVW-65P
LNG AudioLNG Audio
15-33 (b) 15-34 (b)

BVW-65P
15-36 (b)15-35 (b)
AFM AudioAFM Audio

BVW-65P
AFM AudioAFM Audio
15-37 (b) 15-38 (b)

BVW-65P
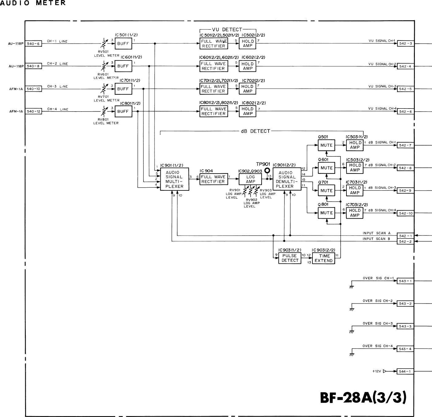
Audio MeterAudio Meter
15-4015-39

BVW-65P
Audio MeterAudio Meter
15-41 (1) 15-41 (2)

BVW-65P
15-4315-42
uu
uu
uCom Servo
uu
uu
uCom Servo

BVW-65P
15-4615-45
Reel ServoReel Servo

BVW-65P 15-47 (1) 15-47 (2)
Reel ServoReel Servo

BVW-65P
15-4915-48
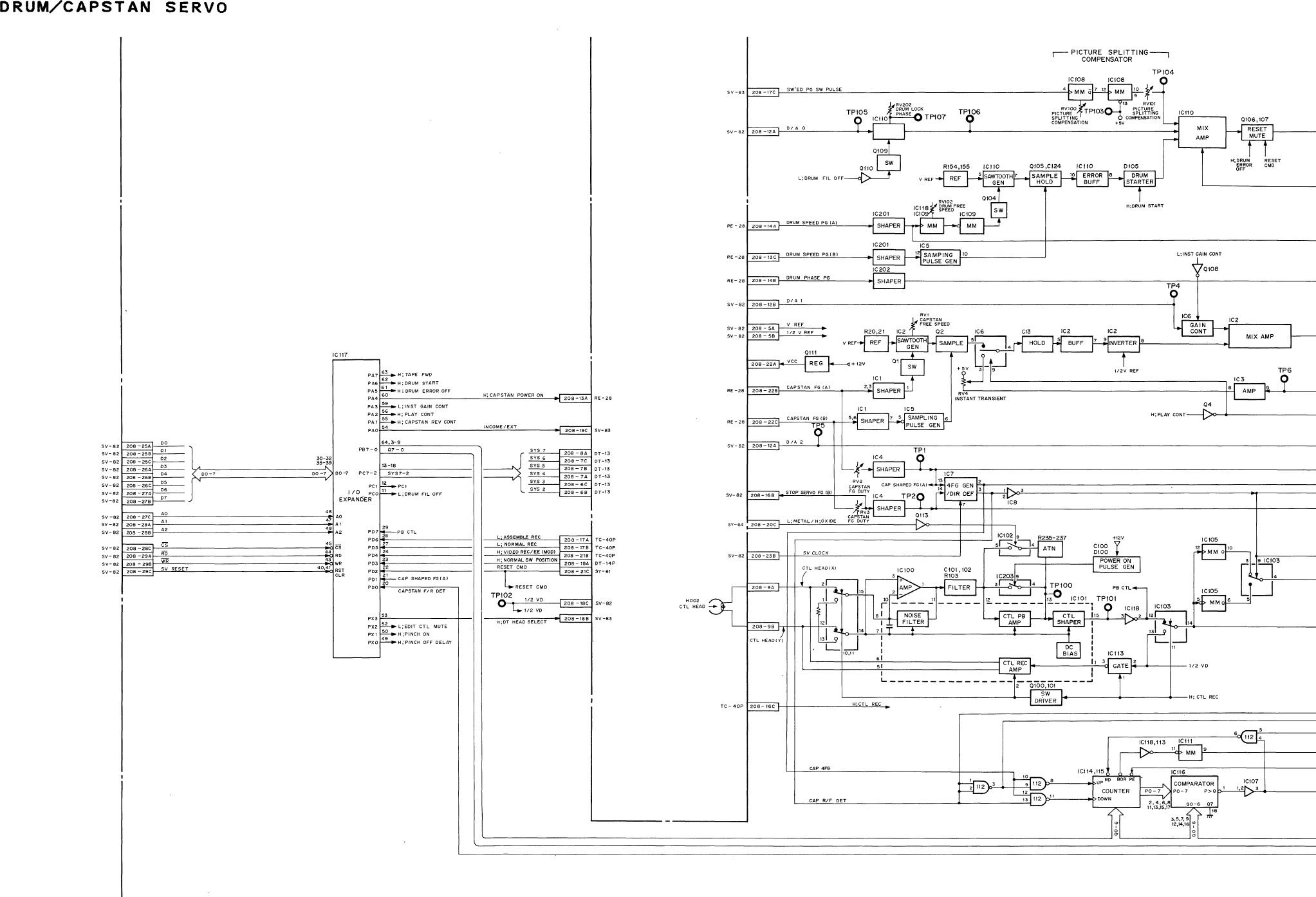
Drum/Capstan ServoDrum/Capstan Servo

BVW-65P 15-50 (1) 15-50 (2)
Drum/Capstan ServoDrum/Capstan Servo

BVW-65P
15-5215-51
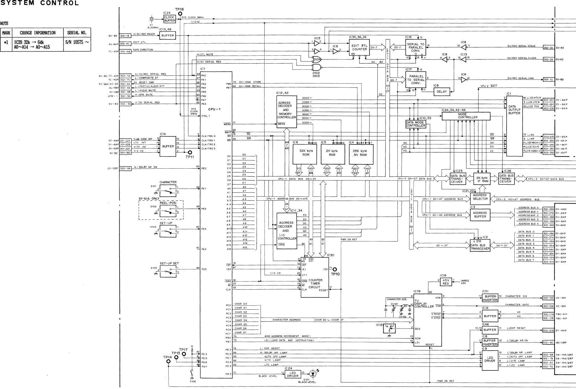
System ControlSystem Control

BVW-65P 15-53 15-54
System ControlSystem Control

BVW-65P
15-5615-55
Time CodeTime Code

BVW-65P 15-57 15-58
Time CodeTime Code

BVW-65P
LTC PB AmpLTC PB Amp
15-6015-59

BVW-65P
Dynamic TrackingDynamic Tracking
15-62 15-63

BVW-65P
Section 16
Schematic Diagram
16-1 16-2

BVW-65P
2
3
4
5
1
A B C D E F G H
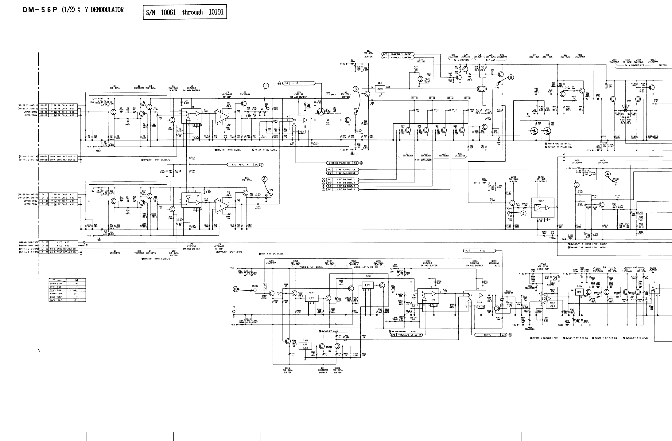
DM-56P (1/2)DM-56P (1/2)
16-8 (a)16-7 (a)

BVW-65P
2
3
4
5
1
I J K L M N O P
DM-56P (1/2)DM-56P (1/2)
16-9 (a) 16-10 (a)

BVW-65P 16-10 (a) -1
DM-56P (1/2)DM-56P (1/2)
16-10 (a) -1

BVW-65P
2
3
4
5
1
A B C D E F G H
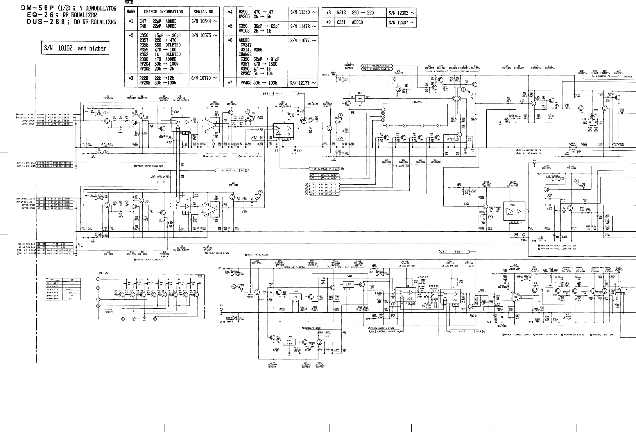
DM-56P (1/2), EQ-26, DUS-288DM-56P (1/2), EQ-26, DUS-288
16-8 (b)16-7 (b)

BVW-65P
2
3
4
5
1
I J K L M N O P
DM-56P (1/2), EQ-26, DUS-288DM-56P (1/2), EQ-26, DUS-288
16-9 (b) 16-10 (b)

BVW-65P
DM-56P (1/2)DM-56P (1/2)
16-10 (b) -1 16-10 (b) -1

BVW-65P
2
3
4
5
1
A B C D E F G H
DM-56P (2/2), DUS-259/269DM-56P (2/2), DUS-259/269
16-16 (a)16-15 (a)

BVW-65P
2
3
4
5
1
I J K L M N O P
16-17 (a) 16-18 (a)
DM-56P (2/2), DUS-259/269DM-56P (2/2), DUS-259/269

BVW-65P 16-18 (a) -1 16-18 (a) -1
DM-56P (2/2)DM-56P (2/2)

BVW-65P
2
3
4
5
1
A B C D E F G H
DM-56P (2/2), EQ-28, DUS-259/269DM-56P (2/2), EQ-28, DUS-259/269
16-16 (b)16-15 (b)

BVW-65P
2
3
4
5
1
I J K L M N O P
16-17 (b) 16-18 (b)
DM-56P (2/2), EQ-28, DUS-259/269DM-56P (2/2), EQ-28, DUS-259/269

BVW-65P 16-18 (b) -1 16-18 (b) -1
DM-56P (2/2)DM-56P (2/2)

BVW-65P
2
3
4
5
1
A B C D E F G H
16-23 (a)16-22 (a)
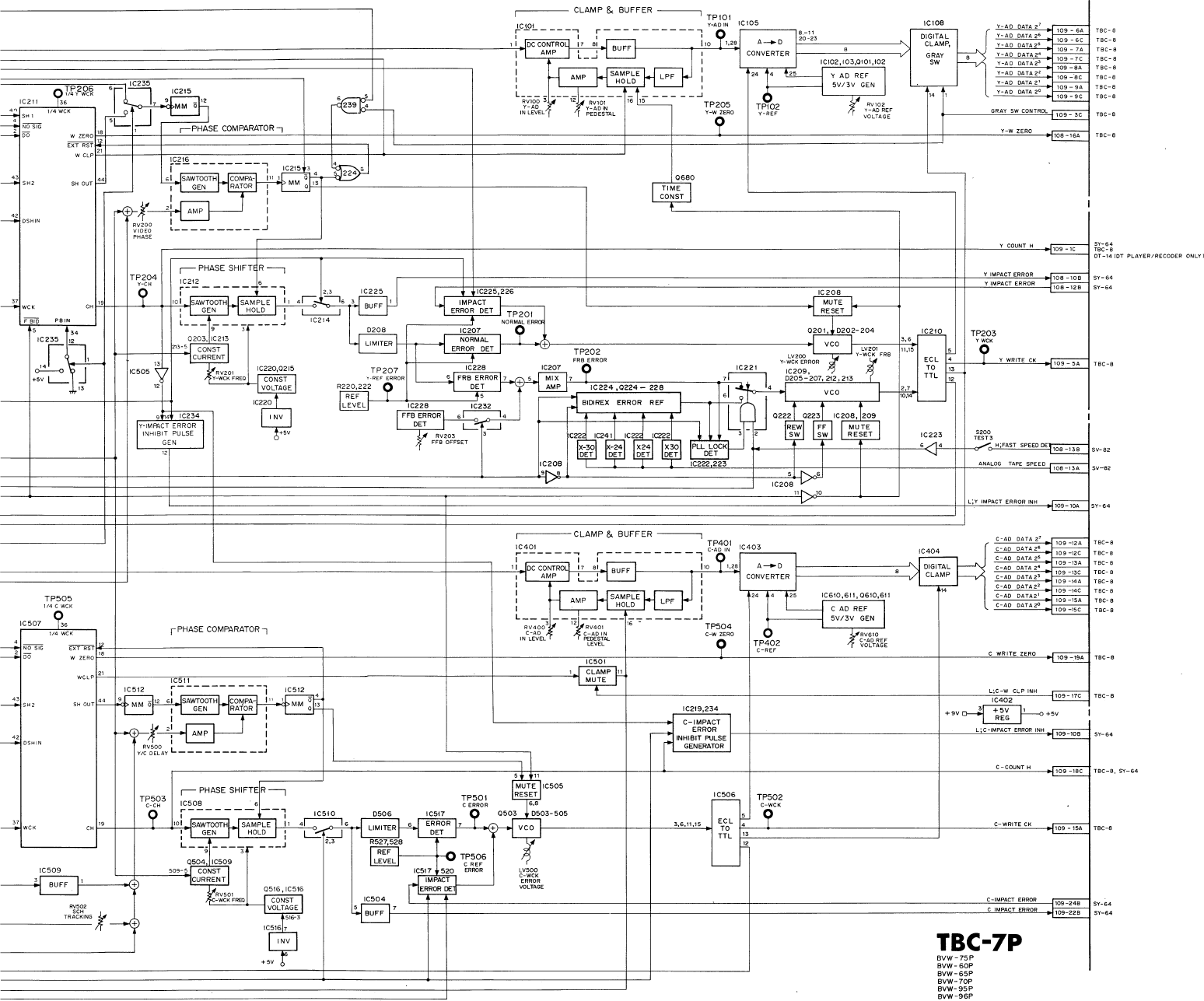
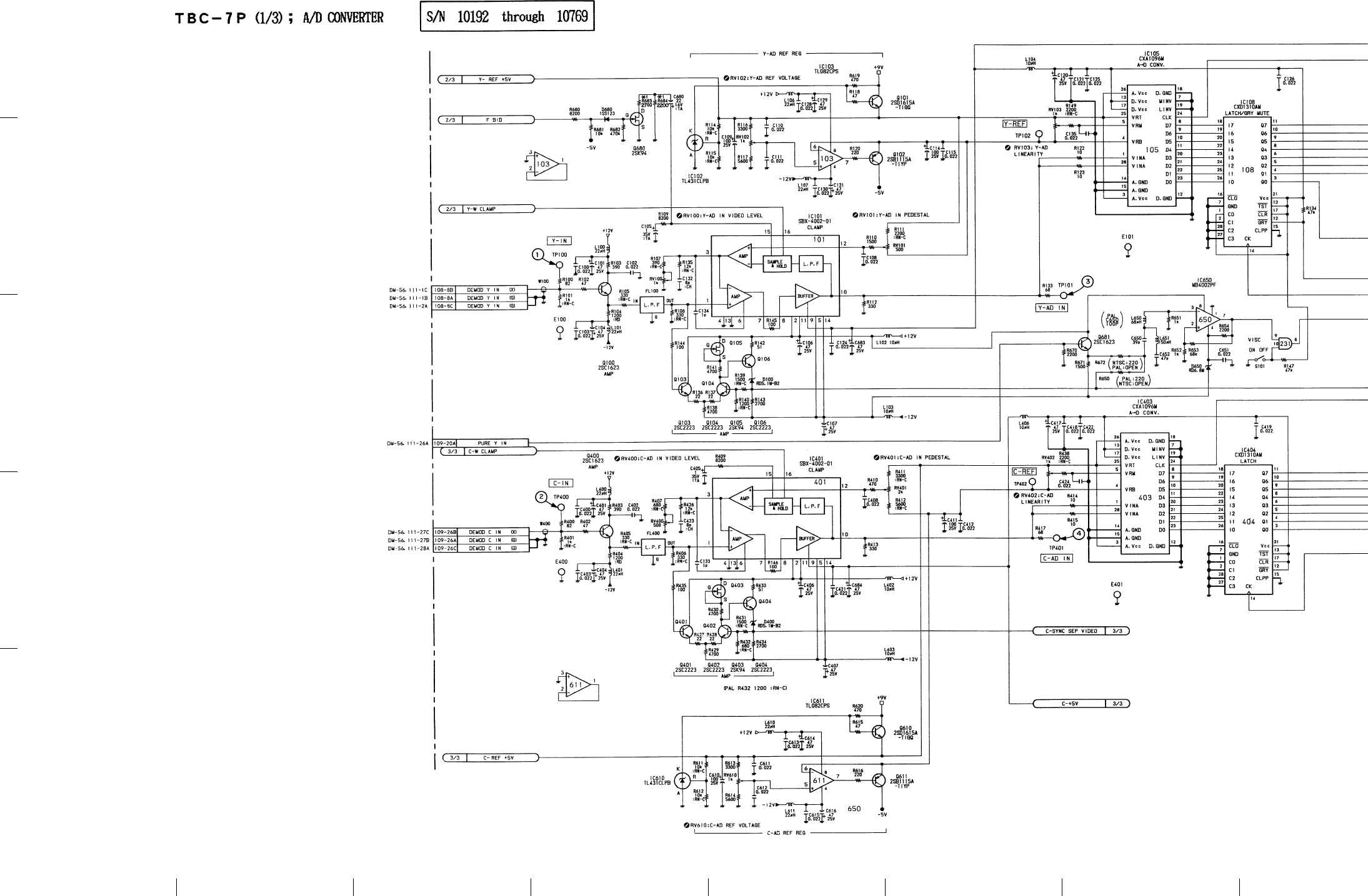
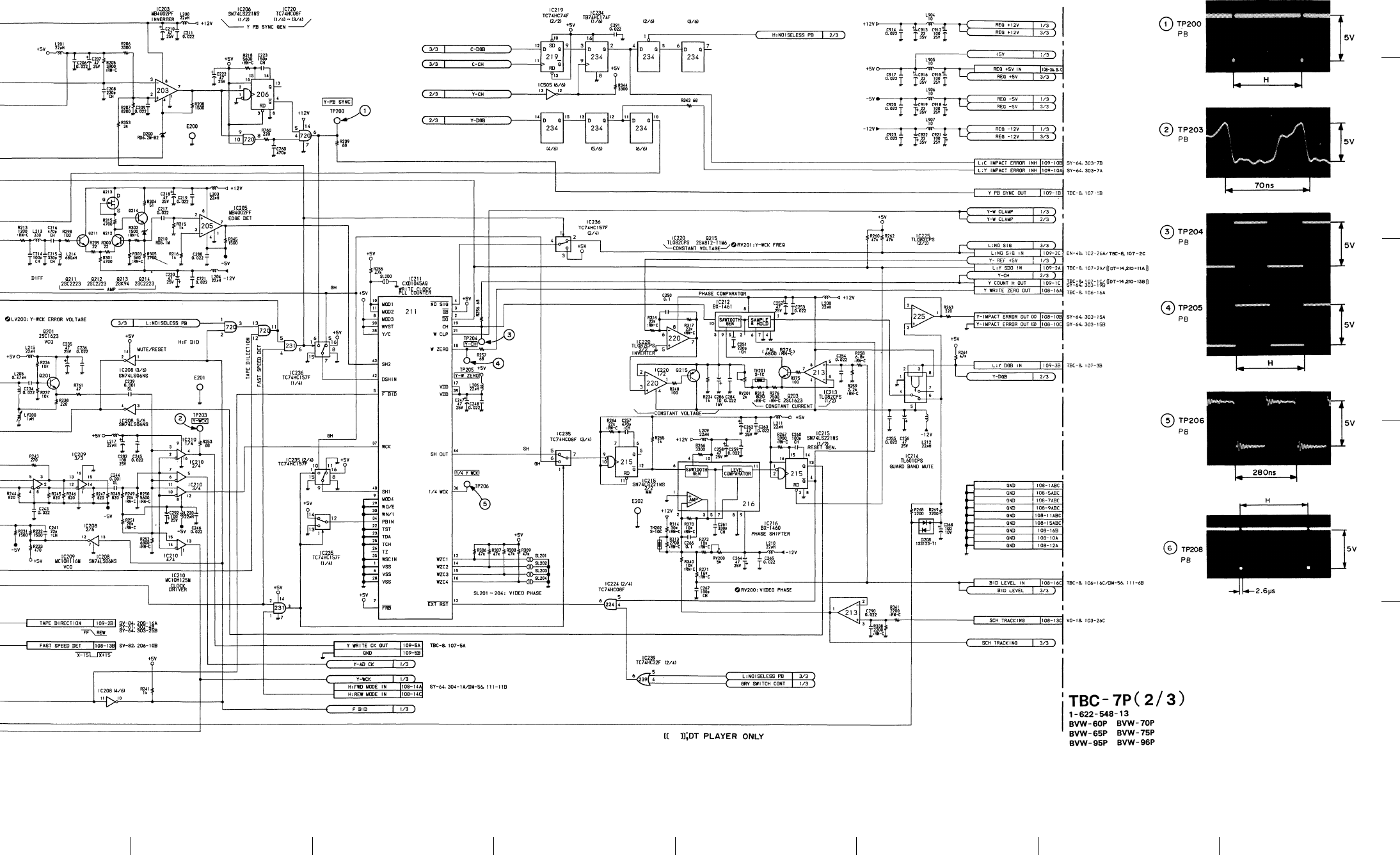
TBC-7P (1/3)TBC-7P (1/3)

BVW-65P
2
3
4
5
1
I J K L M N O P
16-24 (a) 16-25 (a)
TBC-7P (1/3)TBC-7P (1/3)

BVW-65P
2
3
4
5
1
A B C D E F G H
16-23 (b)16-22 (b)
TBC-7P (1/3)TBC-7P (1/3)

BVW-65P
2
3
4
5
1
I J K L M N O P
16-24 (b) 16-25 (b)
TBC-7P (1/3)TBC-7P (1/3)

BVW-65P
2
3
4
5
1
A B C D E F G H
16-23 (c)16-22 (c)
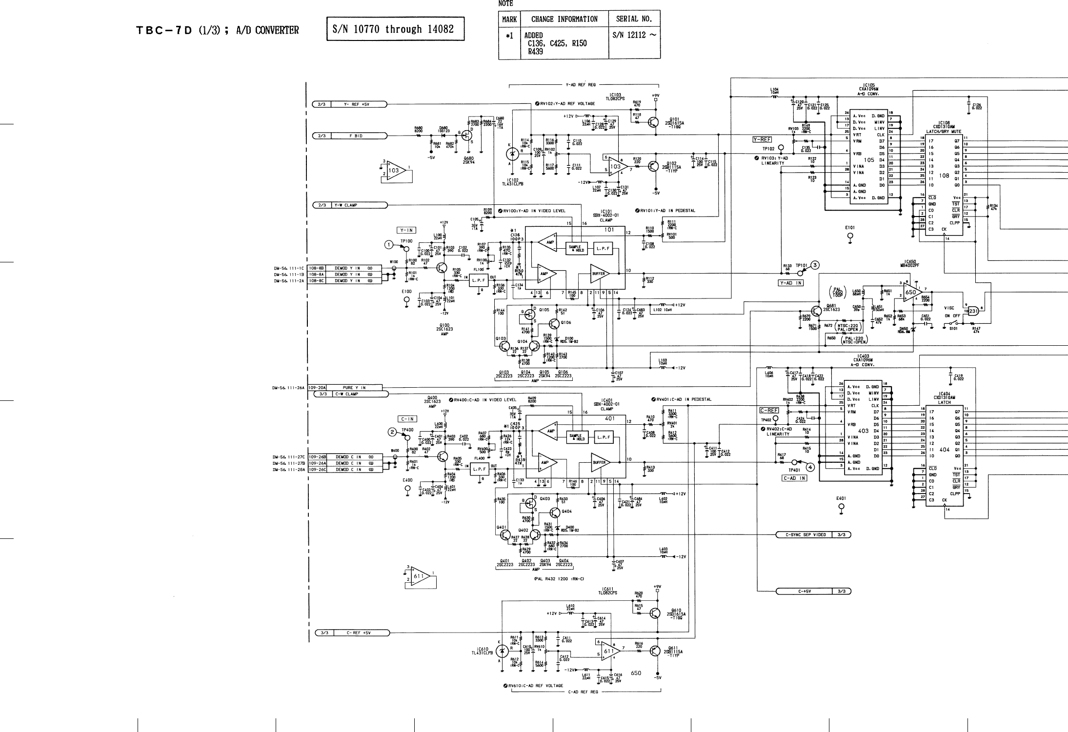
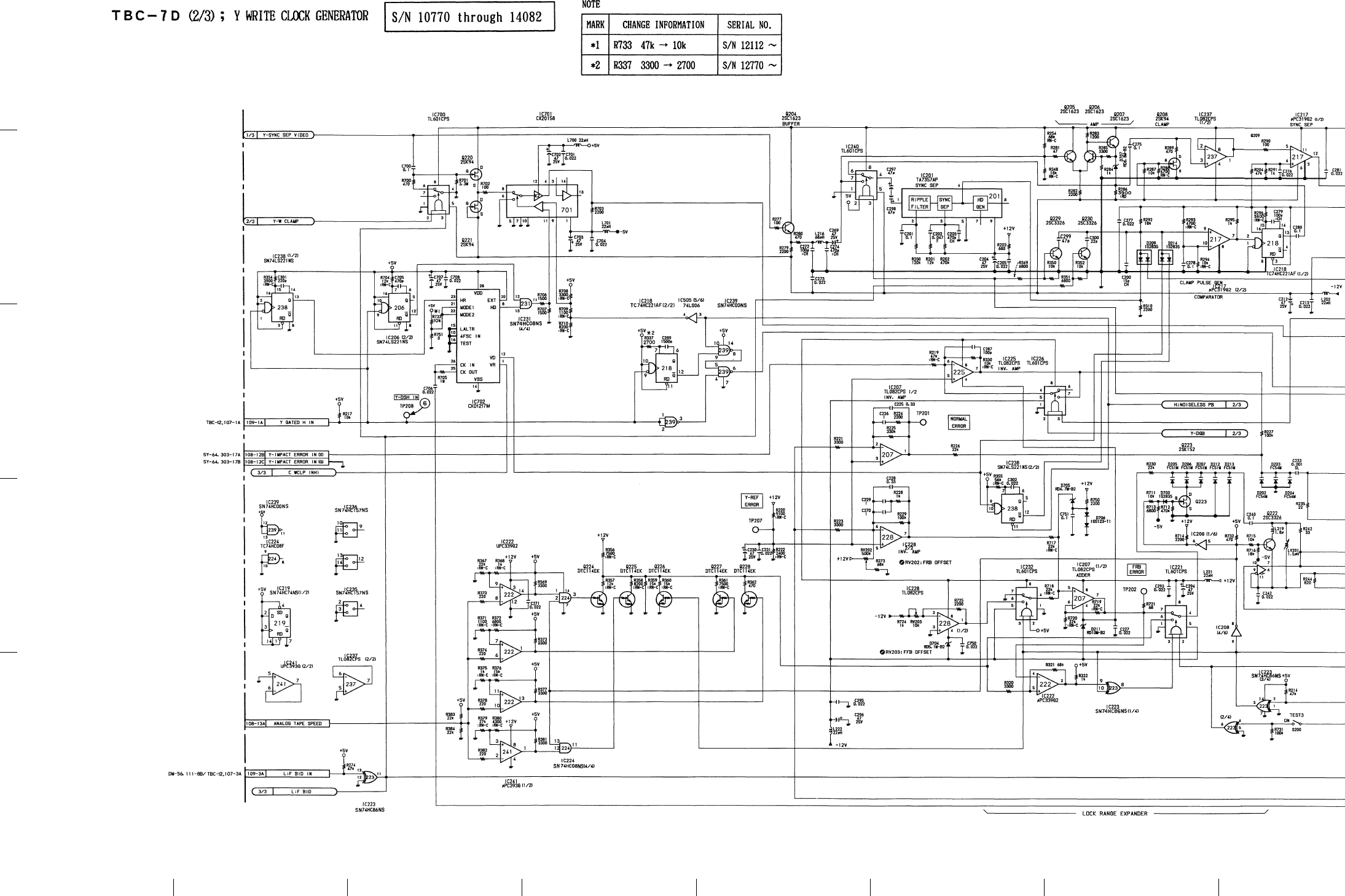
TBC-7D (1/3)TBC-7D (1/3)

BVW-65P
2
3
4
5
1
I J K L M N O P
16-24 (c) 16-25 (c)
TBC-7D (1/3)TBC-7D (1/3)

BVW-65P
2
3
4
5
1
A B C D E F G H
16-23 (d)16-22 (d)
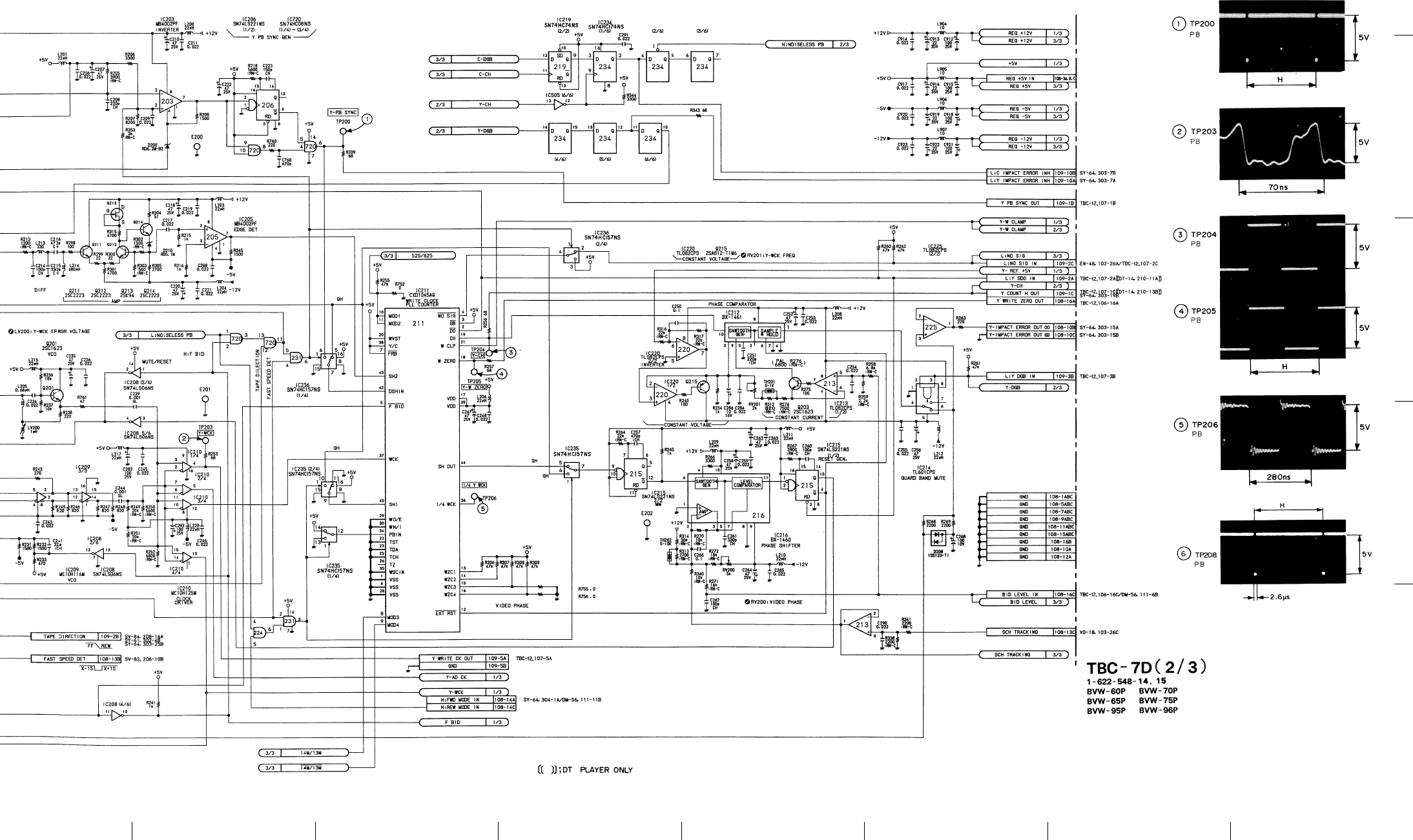
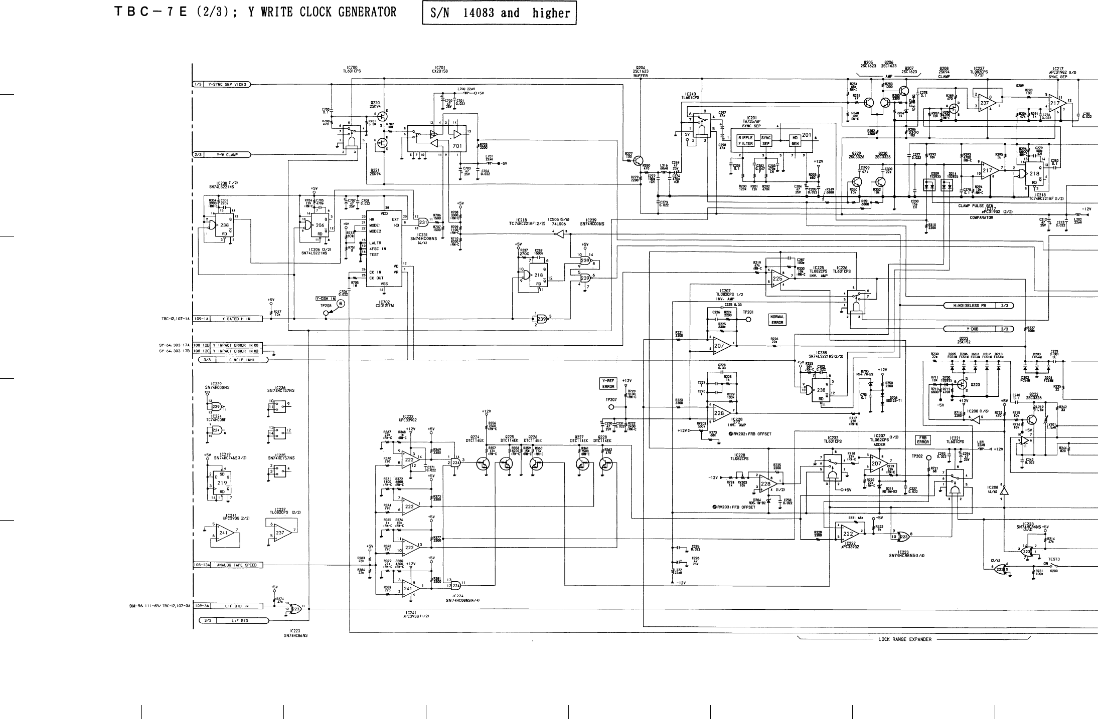
TBC-7E (1/3)TBC-7E (1/3)

BVW-65P
2
3
4
5
1
I J K L M N O P
16-24 (d) 16-25 (d)
TBC-7E (1/3)TBC-7E (1/3)

BVW-65P
2
3
4
5
1
A B C D E F G H
16-30 (a)16-29 (a)
TBC-7P (2/3)TBC-7P (2/3)

BVW-65P
2
3
4
5
1
I J K L M N O P
16-31 (a) 16-32 (a)
TBC-7P (2/3)TBC-7P (2/3)

BVW-65P
2
3
4
5
1
A B C D E F G H
16-30 (b)16-29 (b)
TBC-7P (2/3)TBC-7P (2/3)

BVW-65P
2
3
4
5
1
I J K L M N O P
16-31 (b) 16-32 (b)
TBC-7P (2/3)TBC-7P (2/3)

BVW-65P
2
3
4
5
1
A B C D E F G H
16-30 (c)16-29 (c)
TBC-7D (2/3)TBC-7D (2/3)

BVW-65P
2
3
4
5
1
I J K L M N O P
16-31 (c) 16-32 (c)
TBC-7D (2/3)TBC-7D (2/3)

BVW-65P
2
3
4
5
1
A B C D E F G H
16-30 (d)16-29 (d)
TBC-7E (2/3)TBC-7E (2/3)

BVW-65P
2
3
4
5
1
I J K L M N O P
16-31 (d) 16-32 (d)
TBC-7E (2/3)TBC-7E (2/3)

BVW-65P
2
3
4
5
1
A B C D E F G H
16-37 (a)16-36 (a)
TBC-7P (3/3), SW-261TBC-7P (3/3), SW-261

BVW-65P
2
3
4
5
1
I J K L M N O P
16-38 (a) 16-38 (a) -1
TBC-7P (3/3), SW-261TBC-7P (3/3), SW-261

BVW-65P
2
3
4
5
1
A B C D E F G H
16-37 (b)16-36 (b)
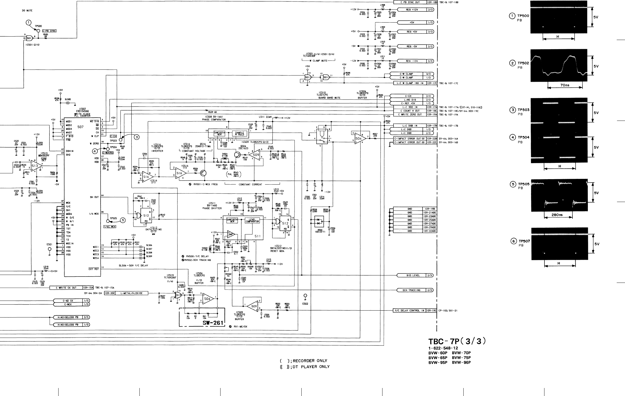
TBC-7P (3/3)TBC-7P (3/3)

BVW-65P
2
3
4
5
1
I J K L M N O P
16-38 (b) 16-38 (b) -1
TBC-7P (3/3)TBC-7P (3/3)

BVW-65P
2
3
4
5
1
A B C D E F G H
16-37 (c)16-36 (c)
TBC-7D (3/3)TBC-7D (3/3)

BVW-65P
2
3
4
5
1
I J K L M N O P
16-38 (c) 16-38 (c) -1
TBC-7D (3/3)TBC-7D (3/3)

BVW-65P
2
3
4
5
1
A B C D E F G H
16-37 (d)16-36 (d)
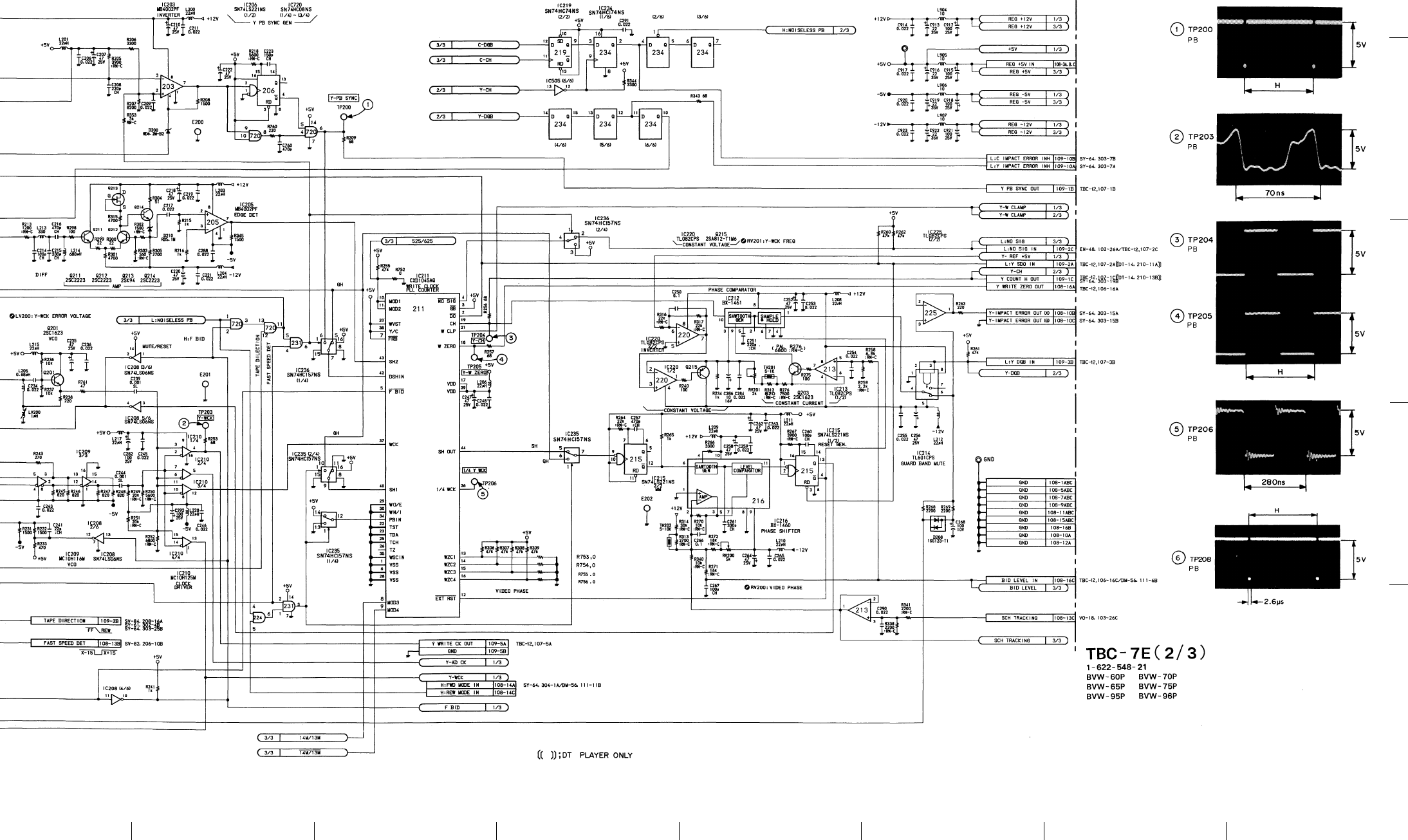
TBC-7E (3/3)TBC-7E (3/3)

BVW-65P
2
3
4
5
1
I J K L M N O P
16-38 (d) 16-38 (d) -1
TBC-7E (3/3)TBC-7E (3/3)

BVW-65P
2
3
4
5
1
A B C D E F G H
16-44 (a)16-43 (a)
TBC-8P (1/3)TBC-8P (1/3)

BVW-65P
2
3
4
5
1
I J K L M N O P
16-45 (a) 16-46 (a)
TBC-8P (1/3)TBC-8P (1/3)

BVW-65P 16-46 (a) -1 16-46 (a) -1
TBC-8P (1/3)TBC-8P (1/3)

BVW-65P
2
3
4
5
1
A B C D E F G H
16-44 (b)16-43 (b)
TBC-8P (1/3)TBC-8P (1/3)

BVW-65P
2
3
4
5
1
I J K L M N O P
16-45 (b) 16-46 (b)
TBC-8P (1/3)TBC-8P (1/3)

BVW-65P 16-46 (b) -1 16-46 (b) -1
TBC-8P (1/3)TBC-8P (1/3)

BVW-65P
2
3
4
5
1
A B C D E F G H
16-44 (c)16-43 (c)
TBC-12P (1/3)TBC-12P (1/3)

BVW-65P
2
3
4
5
1
I J K L M N O P
16-45 (c) 16-46 (c)
TBC-12P (1/3)TBC-12P (1/3)

BVW-65P
2
3
4
5
1
A B C D E F G H
16-51 (a)16-50 (a)
TBC-8P (2/3)TBC-8P (2/3)

BVW-65P
2
3
4
5
1
I J K L M N O P
16-52 (a) 16-53 (a)
TBC-8P (2/3)TBC-8P (2/3)

BVW-65P
2
3
4
5
1
A B C D E F G H
16-51 (b)16-50 (b)
TBC-8P (2/3)TBC-8P (2/3)

BVW-65P
2
3
4
5
1
I J K L M N O P
16-52 (b) 16-53 (b)
TBC-8P (2/3)TBC-8P (2/3)

BVW-65P
2
3
4
5
1
A B C D E F G H
16-51 (c)16-50 (c)
TBC-12P (2/3)TBC-12P (2/3)

BVW-65P
2
3
4
5
1
I J K L M N O P
16-52 (c) 16-53 (c)
TBC-12P (2/3)TBC-12P (2/3)

BVW-65P
2
3
4
5
1
A B C D E F G H
16-58 (a)16-57 (a)
TBC-8P (3/3), NR-25TBC-8P (3/3), NR-25

BVW-65P
2
3
4
5
1
I J K L M N O P
16-59 (a) 16-60 (a)
TBC-8P (3/3), NR-25TBC-8P (3/3), NR-25

BVW-65P 16-60 (a) -1 16-60 (a) -1
TBC-8P (3/3)TBC-8P (3/3)

BVW-65P
2
3
4
5
1
A B C D E F G H
16-58 (b)16-57 (b)
TBC-8P (3/3), NR-25TBC-8P (3/3), NR-25

BVW-65P
2
3
4
5
1
I J K L M N O P
16-59 (b) 16-60 (b)
TBC-8P (3/3), NR-25TBC-8P (3/3), NR-25

BVW-65P 16-60 (b) -1 16-60 (b) -1
TBC-8P (3/3)TBC-8P (3/3)

BVW-65P
2
3
4
5
1
A B C D E F G H
16-58 (c)16-57 (c)
TBC-12P (3/3)TBC-12P (3/3)

BVW-65P
2
3
4
5
1
I J K L M N O P
16-59 (c) 16-60 (c)
TBC-12P (3/3)TBC-12P (3/3)

BVW-65P 16-60 (c) -2 16-60 (c) -2
TBC-12P (3/3)TBC-12P (3/3)

BVW-65P
2
3
4
5
1
A B C D E F G H
16-59 (c) -116-58 (c) -1
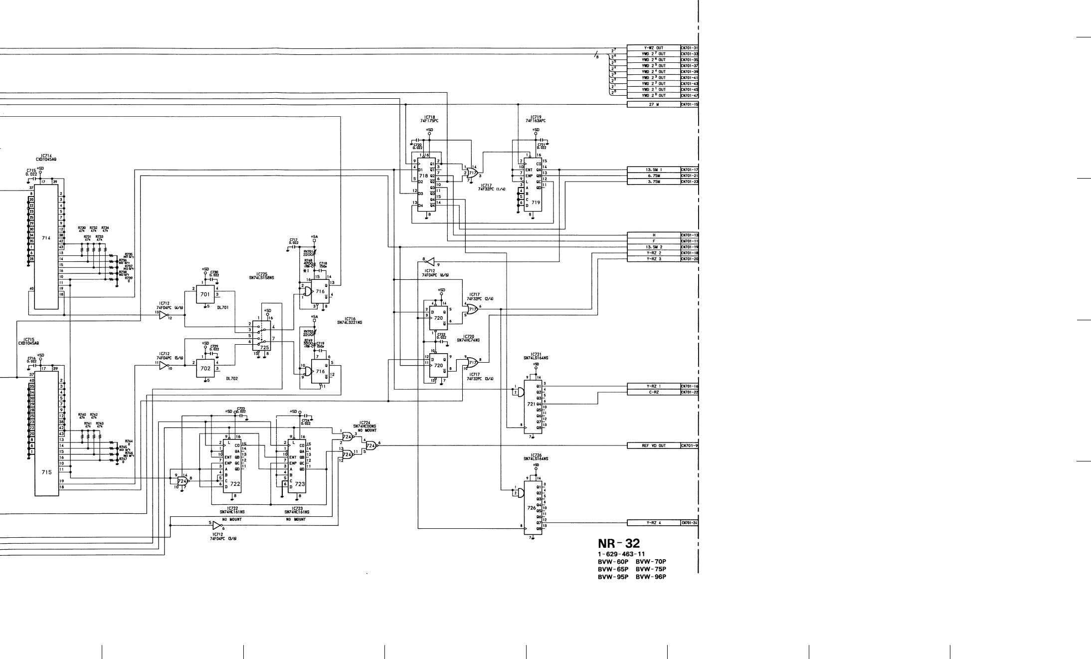
NR-32NR-32

BVW-65P
2
3
4
5
1
I J K L M N O P
16-60 (c) -1 16-61 (c) -1
NR-32NR-32

BVW-65P
2
3
4
5
1
A B C D E F G H
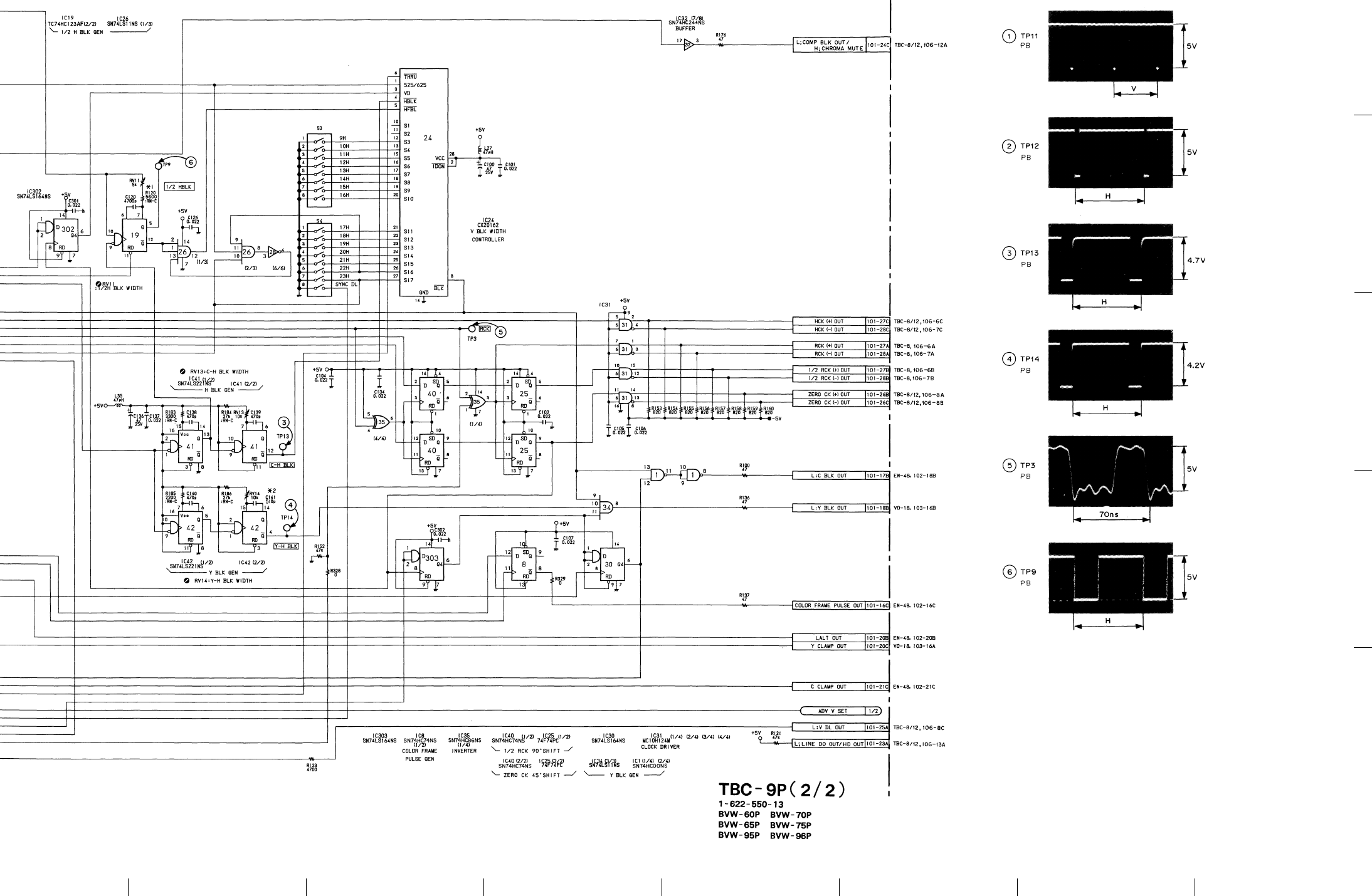
16-6616-65
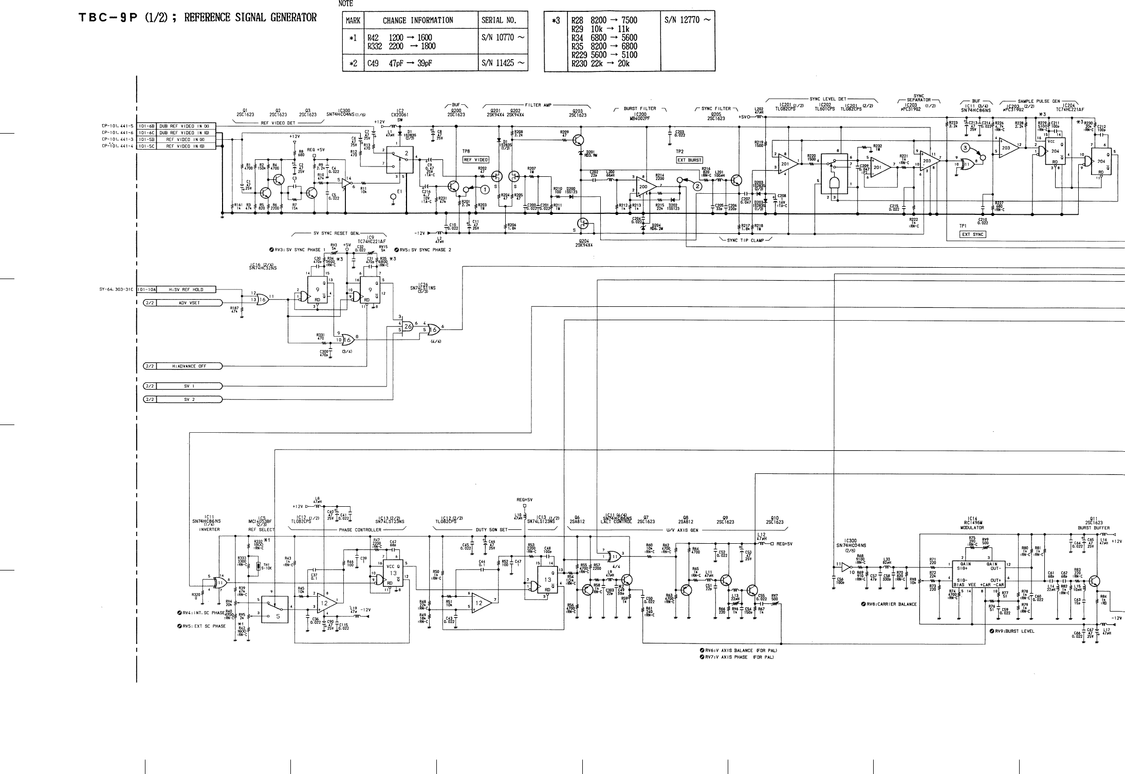
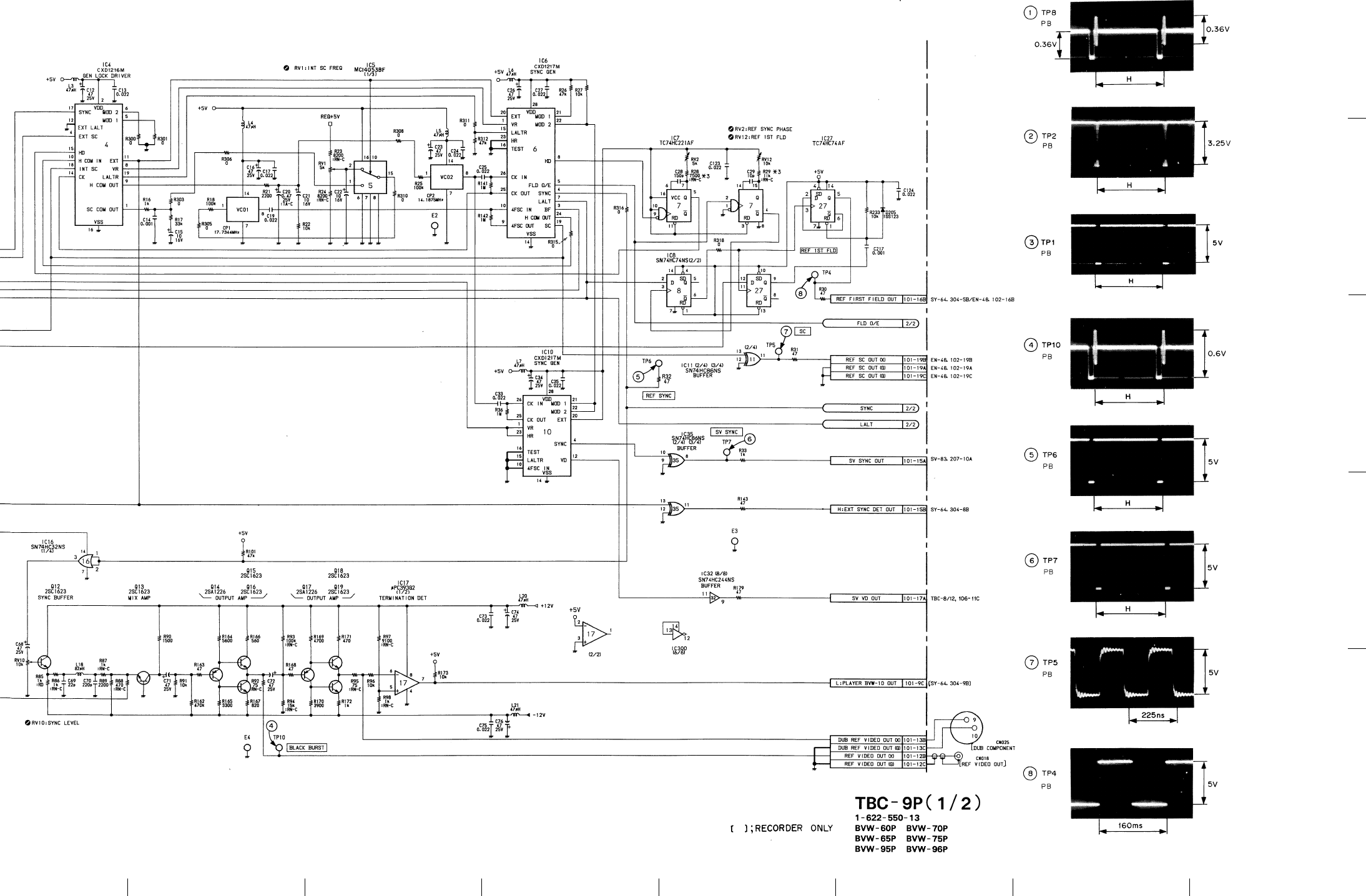
TBC-9P (1/2)TBC-9P (1/2)

BVW-65P
2
3
4
5
1
I J K L M N O P
16-67 16-68
TBC-9P (1/2)TBC-9P (1/2)

BVW-65P
2
3
4
5
1
A B C D E F G H
16-7416-73
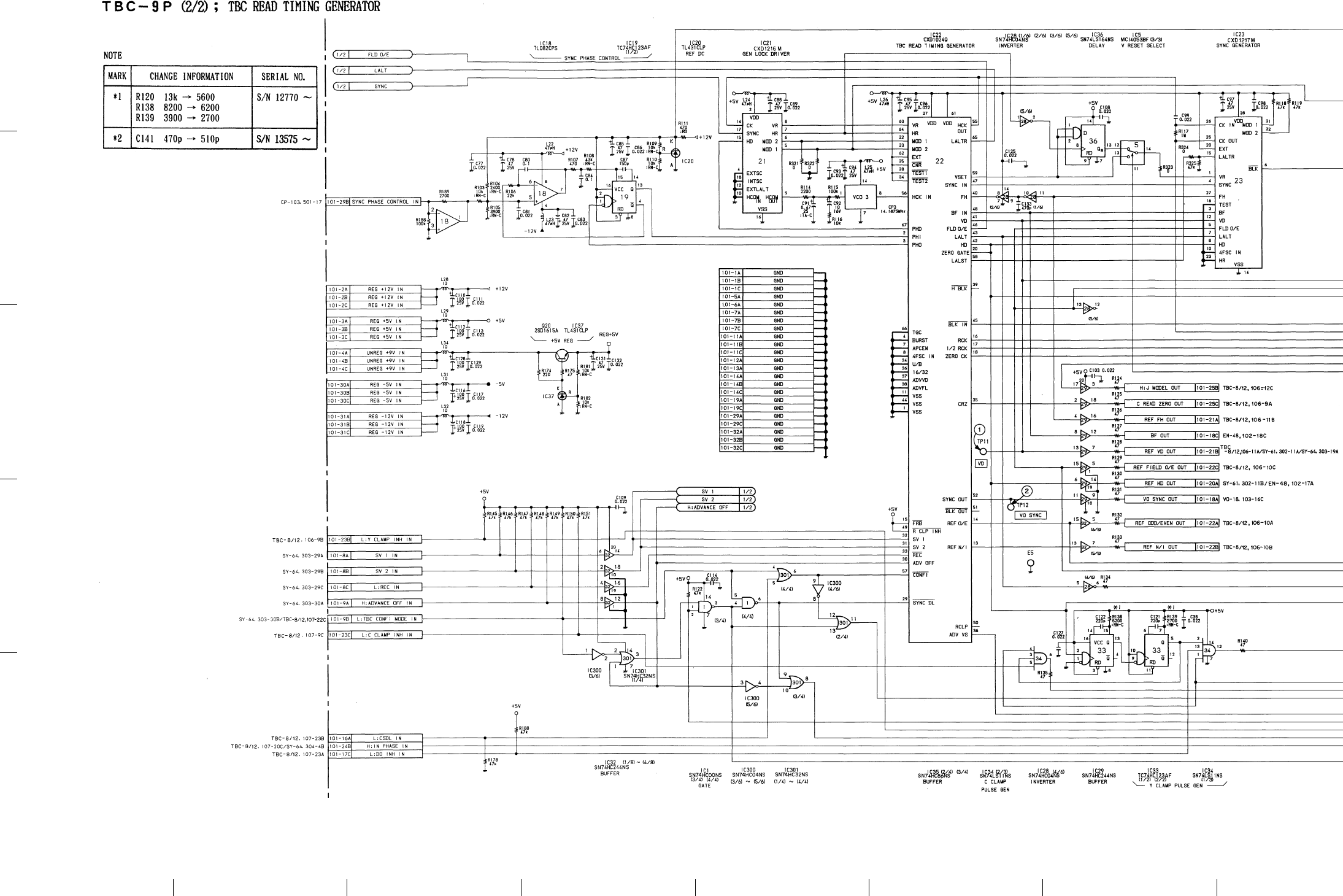
TBC-9P (2/2)TBC-9P (2/2)

BVW-65P
2
3
4
5
1
I J K L M N O P
16-75 16-76
TBC-9P (2/2)TBC-9P (2/2)

BVW-65P
2
3
4
5
1
A B C D E F G H
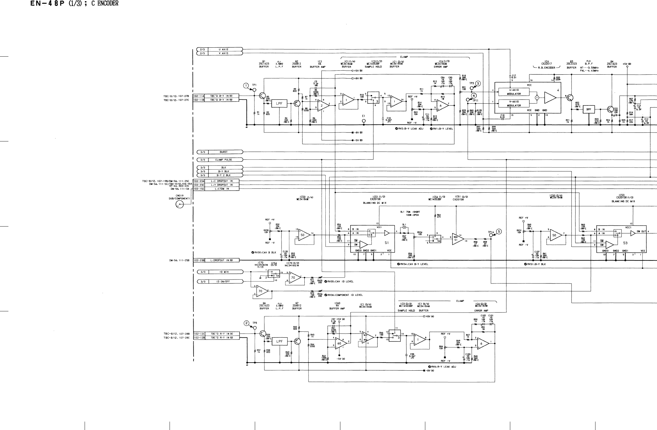
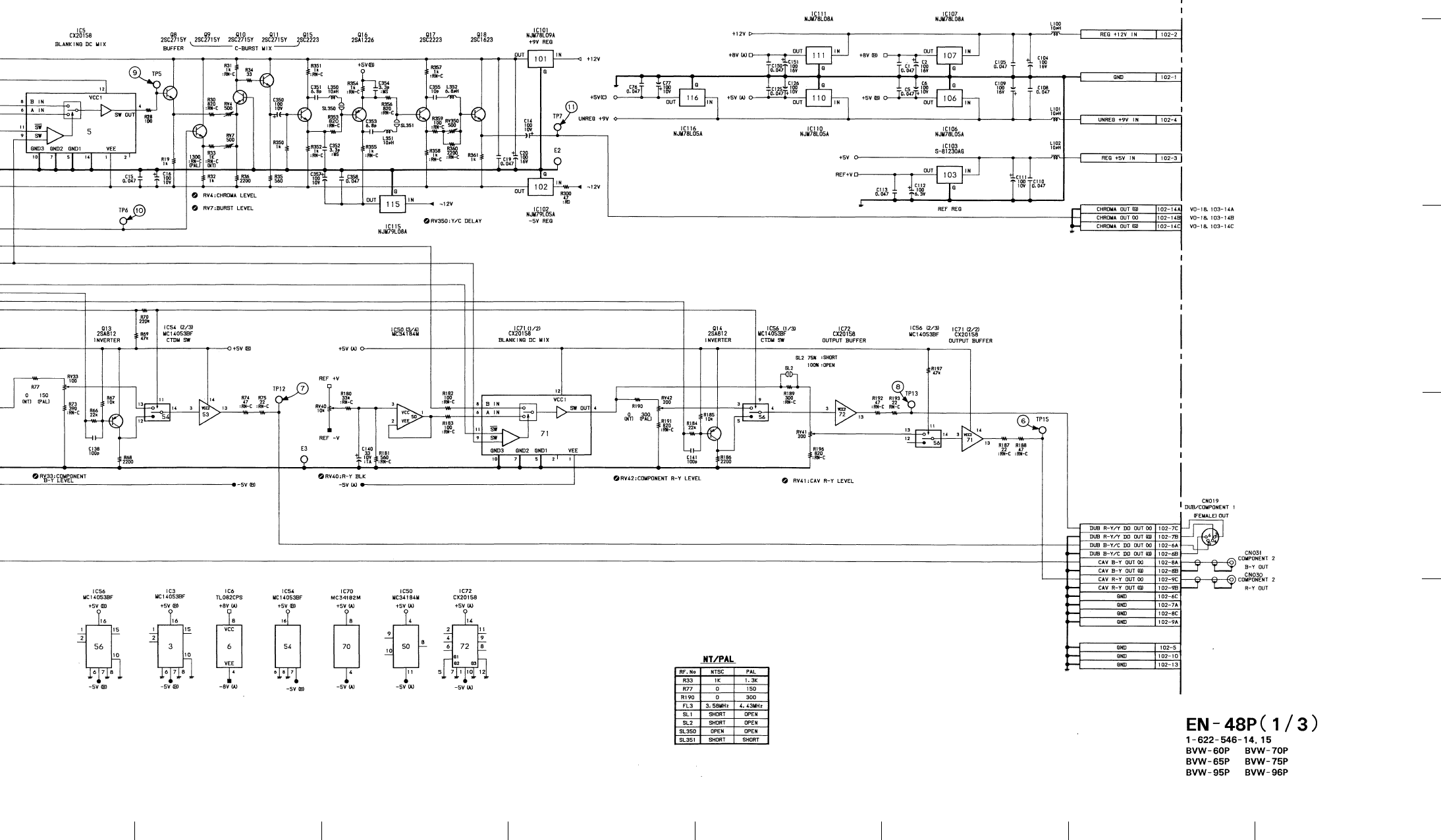
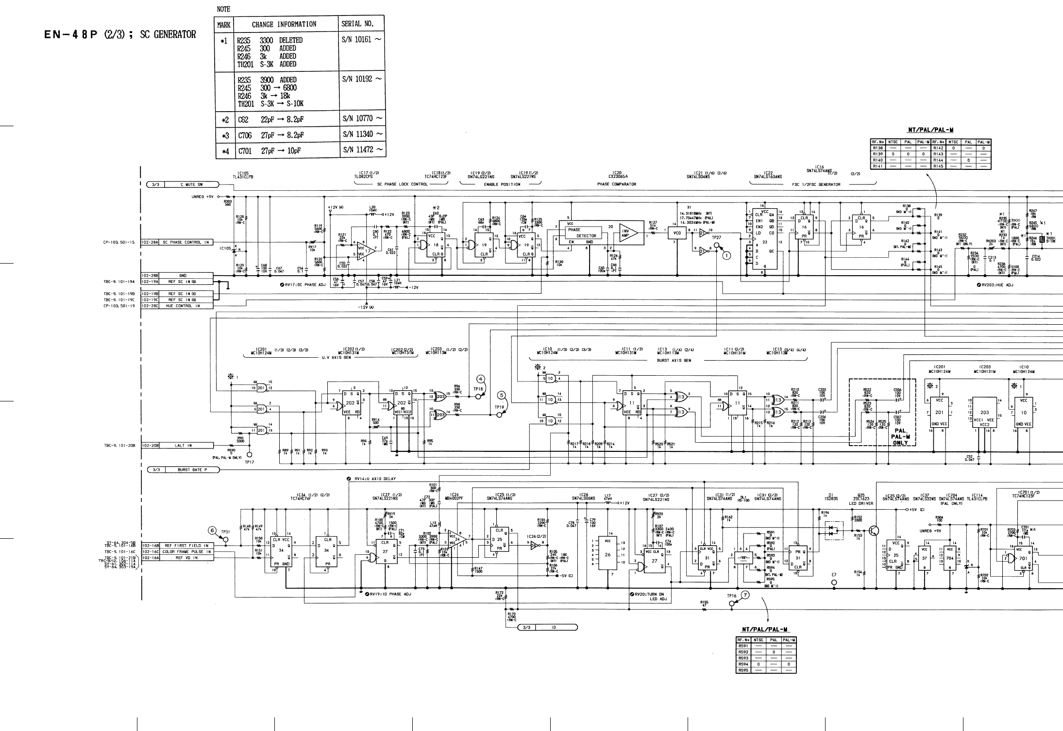
16-8216-81
EN-48P (1/3)EN-48P (1/3)

BVW-65P
2
3
4
5
1
I J K L M N O P
16-83 16-84
EN-48P (1/3)EN-48P (1/3)

BVW-65P 16-84-1 16-84-1
EN-48P (1/3)EN-48P (1/3)

BVW-65P
2
3
4
5
1
A B C D E F G H
16-9016-89
EN-48P (2/3)EN-48P (2/3)

BVW-65P
2
3
4
5
1
I J K L M N O P
16-91 16-92
EN-48P (2/3)EN-48P (2/3)

BVW-65P
2
3
4
5
1
A B C D E F G H
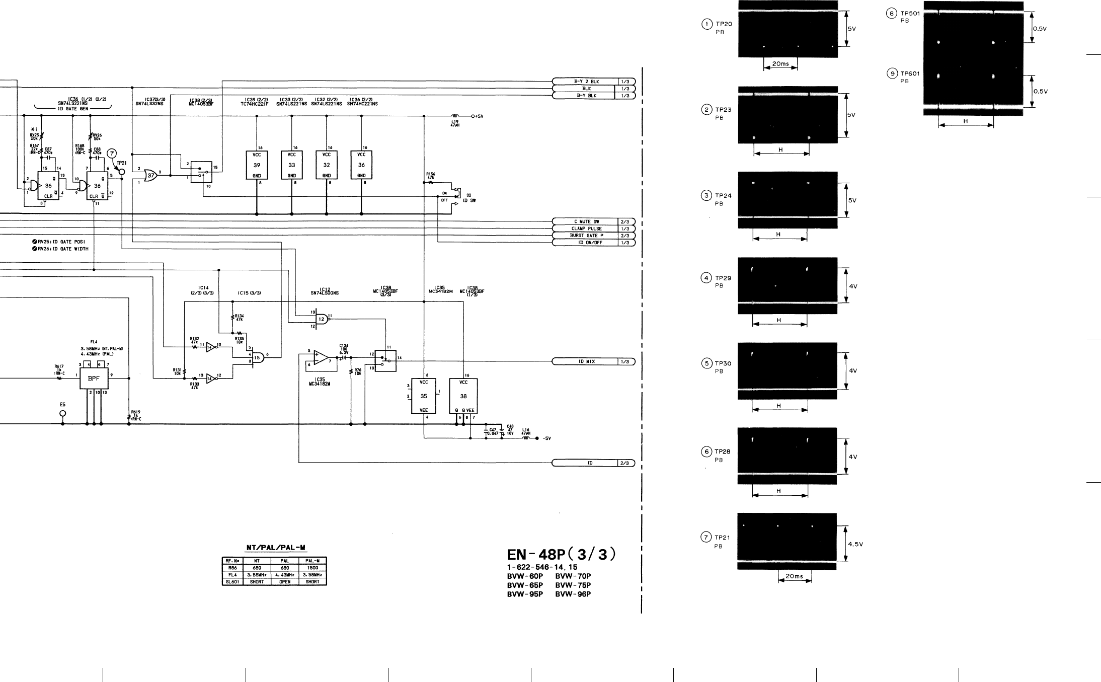
16-9816-97
EN-48P (3/3)EN-48P (3/3)

BVW-65P
2
3
4
5
1
I J K L M N O P
16-99 16-100
EN-48P (3/3)EN-48P (3/3)

BVW-65P
2
3
4
5
1
A B C D E F G H
16-10616-105
VO-18AP (1/3)VO-18AP (1/3)

BVW-65P
2
3
4
5
1
I J K L M N O P
16-107 16-108
VO-18AP (1/3)VO-18AP (1/3)

BVW-65P 16-108-1 16-108-1
VO-18AP (1/3)VO-18AP (1/3)

BVW-65P
2
3
4
5
1
A B C D E F G H
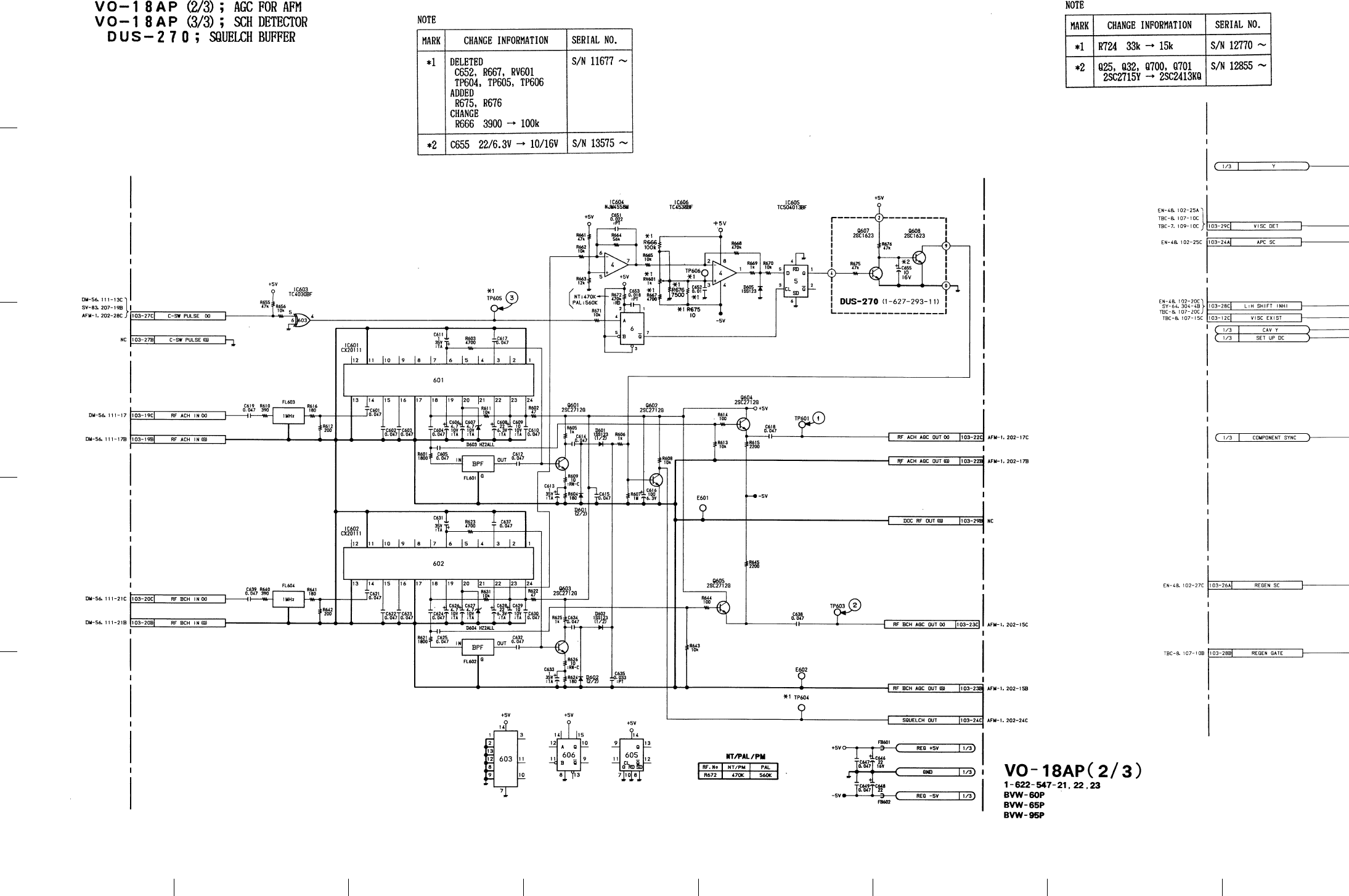
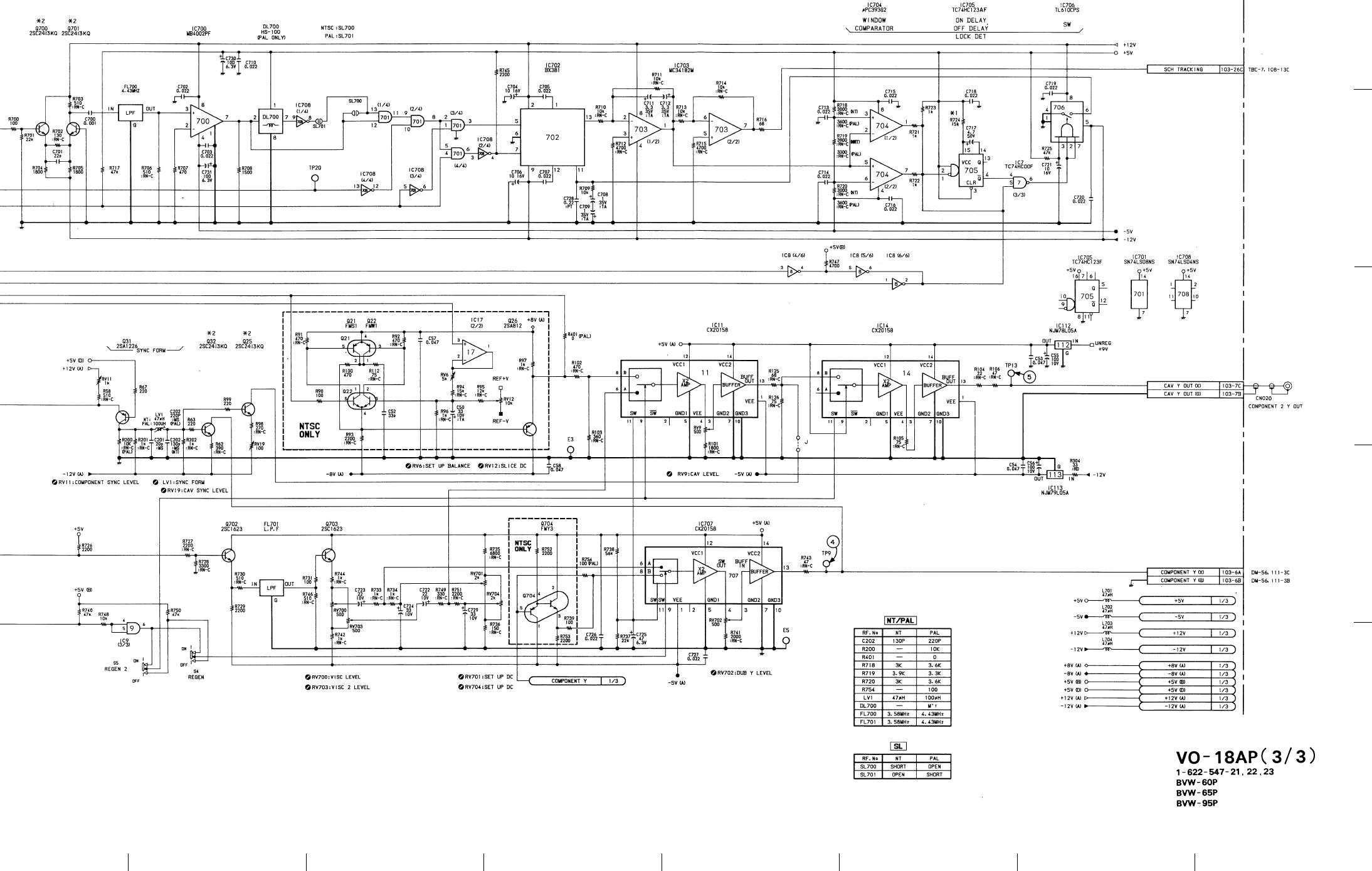
16-11416-113
VO-18AP (2/3), (3/3), DUS-270VO-18AP (2/3), (3/3), DUS-270

BVW-65P
2
3
4
5
1
I J K L M N O P
16-115 16-116
VO-18AP (2/3), (3/3), DUS-270VO-18AP (2/3), (3/3), DUS-270

BVW-65P 16-116-1 16-116-1
VO-18AP (2/3), (3/3)VO-18AP (2/3), (3/3)

BVW-65P
2
3
4
5
A B C D E F G H
1
DEC-39ADEC-39A
16-121 (a)16-120 (a)

BVW-65P
2
3
4
5
1
I J K L M N O P
DEC-39ADEC-39A
16-122 (a) 16-123 (a)

BVW-65P
2
3
4
5
A B C D E F G H
1
DEC-46APDEC-46AP
16-121 (b)16-120 (b)

BVW-65P
2
3
4
5
1
I J K L M N O P
DEC-46APDEC-46AP
16-122 (b) 16-123 (b)

BVW-65P
2
3
4
5
A B C D E F G H
1
CP-101APCP-101AP
16-12716-126

BVW-65P
2
3
4
5
1
A B C D E F G H
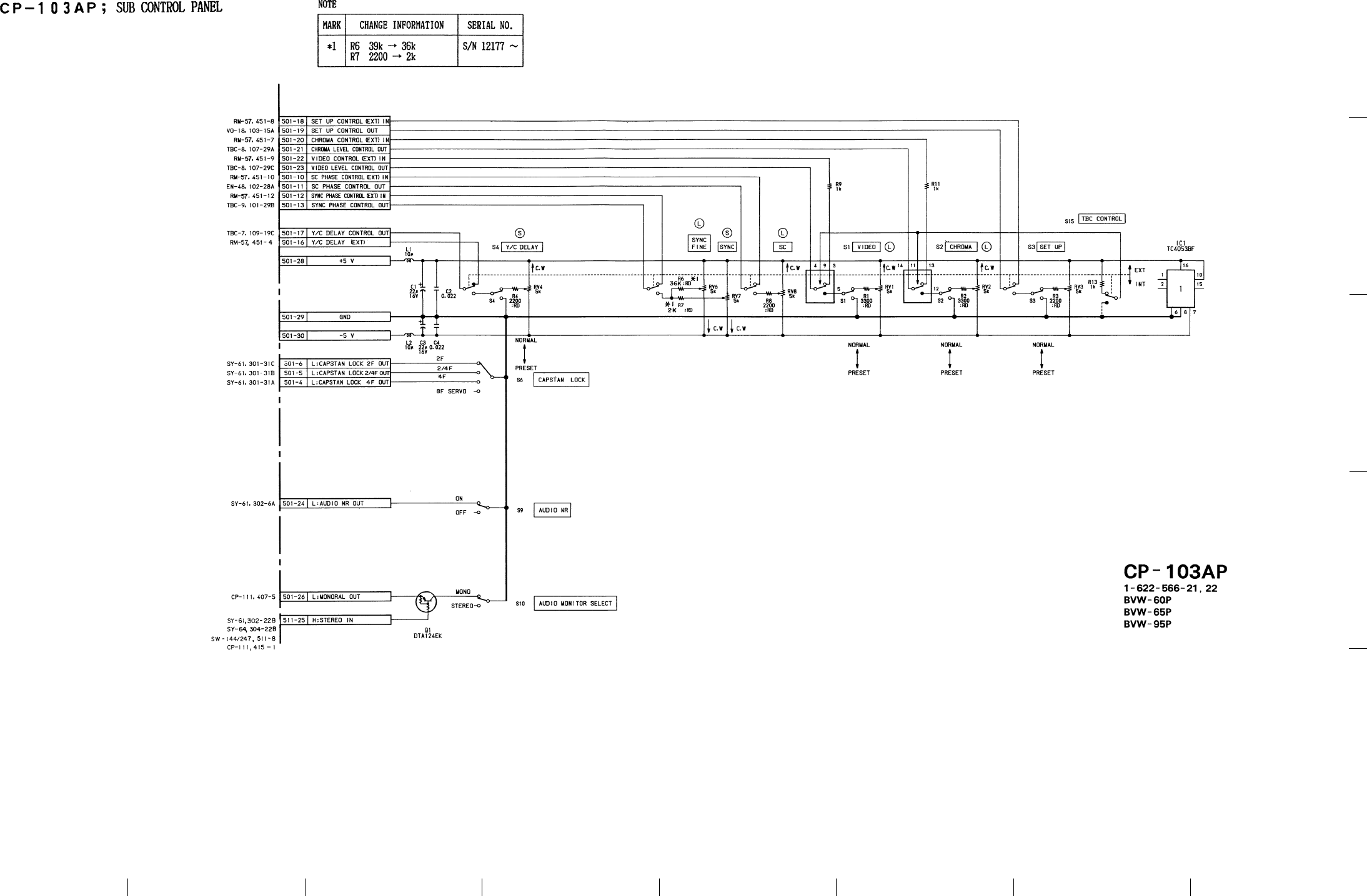
CP-103APCP-103AP
16-128 16-129

BVW-65P
2
3
4
5
1
A B C D E F G H
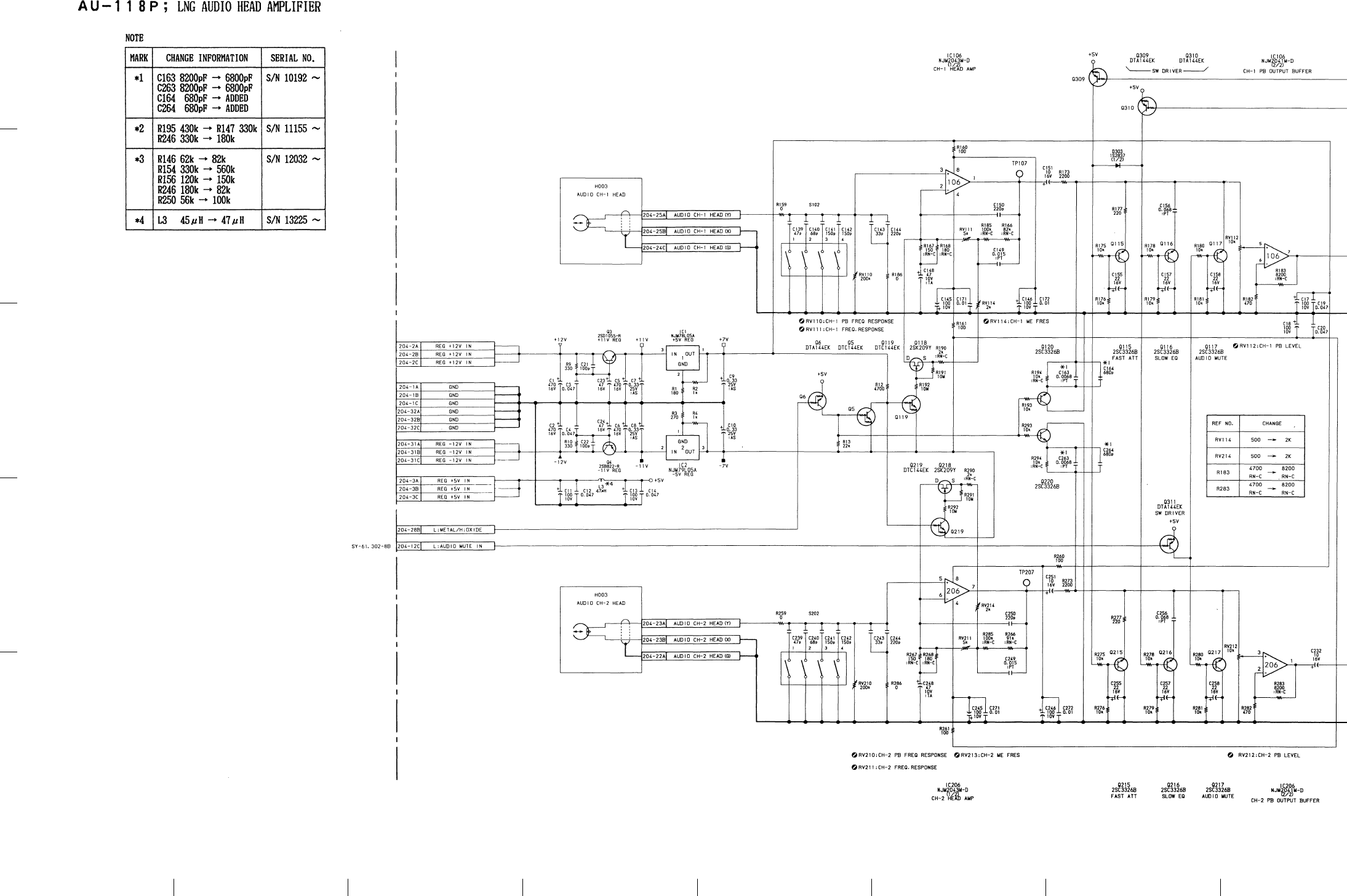
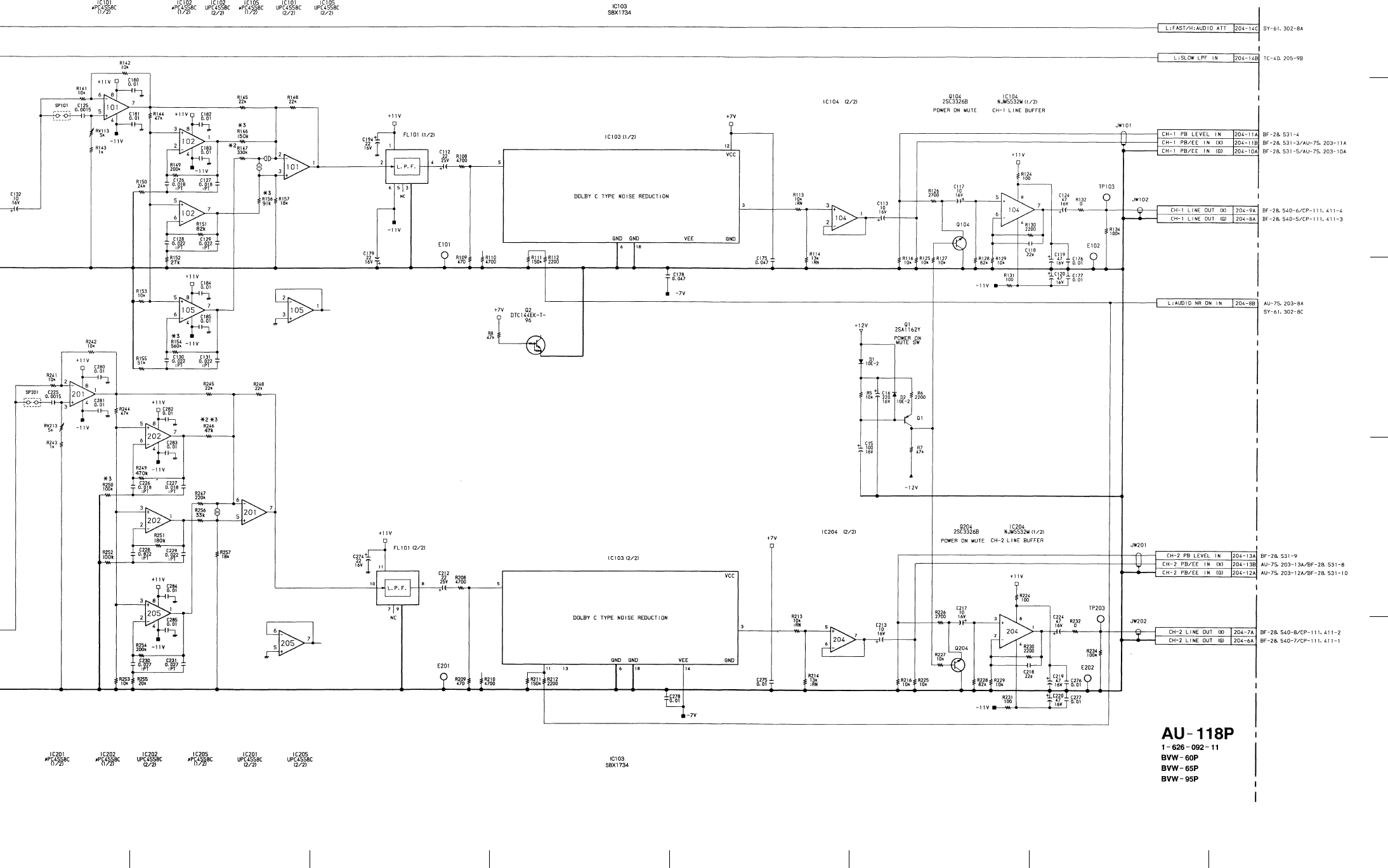
AU-118PAU-118P
16-13416-133

BVW-65P
2
3
4
5
1
I J K L M N O P
AU-118PAU-118P
16-135 16-136

BVW-65P
2
3
4
5
1
A B C D E F G H
AU-118PAU-118P
16-136-1 16-136-1

BVW-65P
2
3
4
5
1
A B C D E F G H
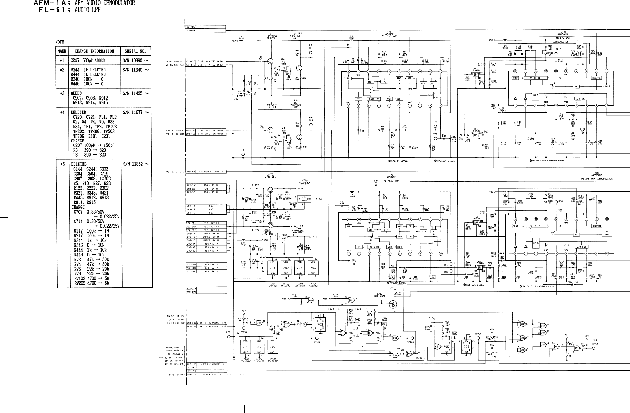
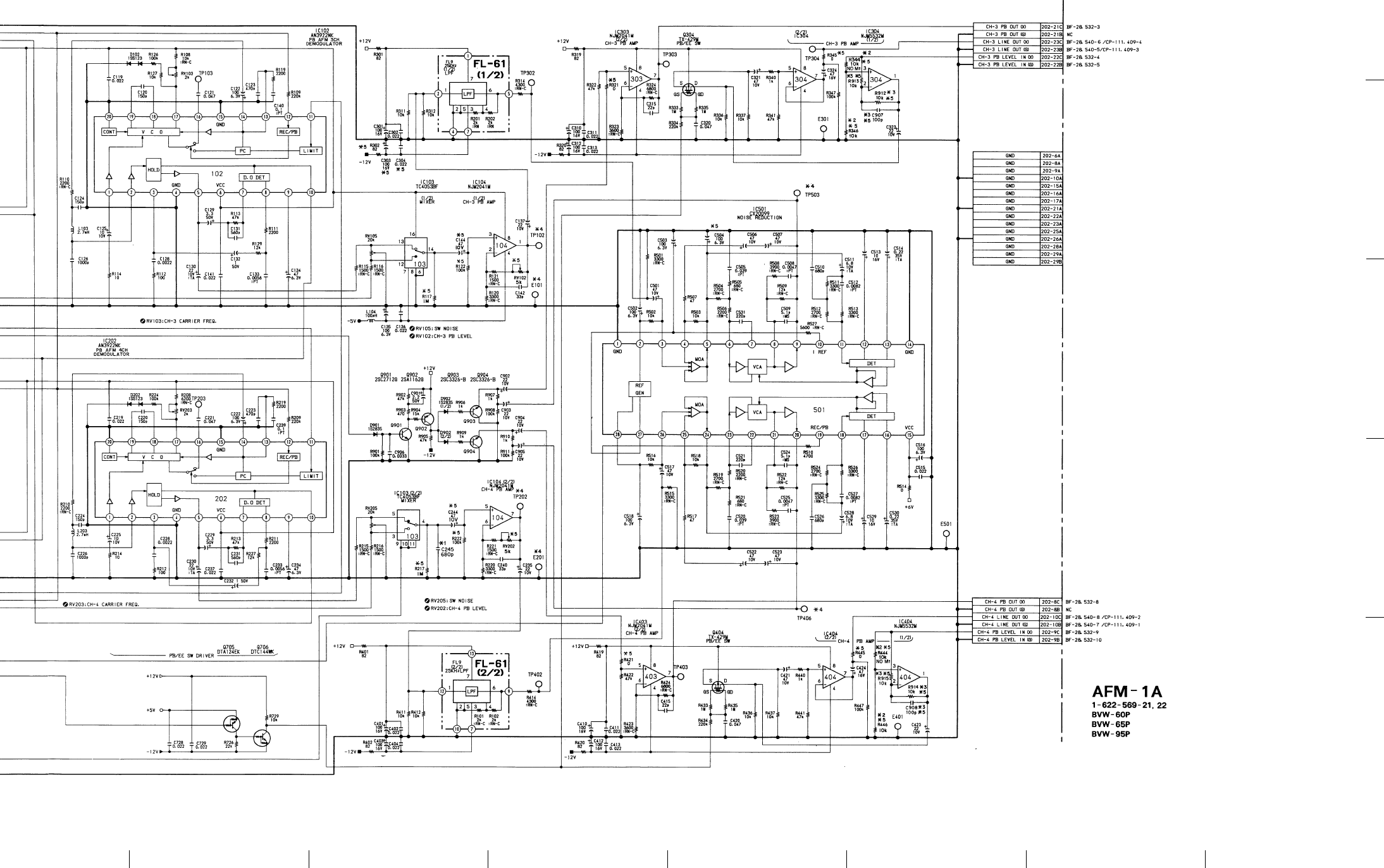
16-14216-141
AFM-1A, FL-61AFM-1A, FL-61

BVW-65P
2
3
4
5
1
I J K L M N O P
16-143 16-144
AFM-1A, FL-61AFM-1A, FL-61

BVW-65P
2
3
4
5
1
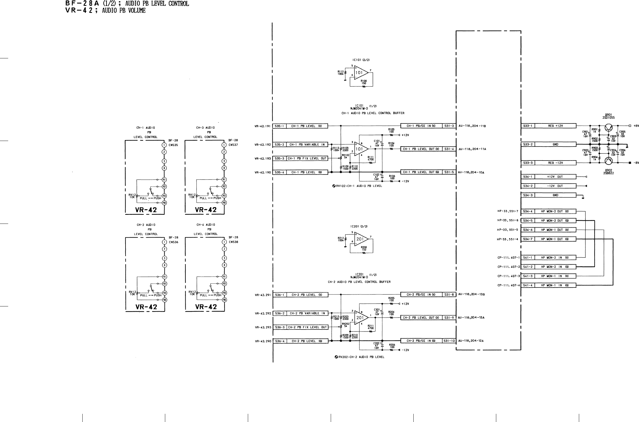
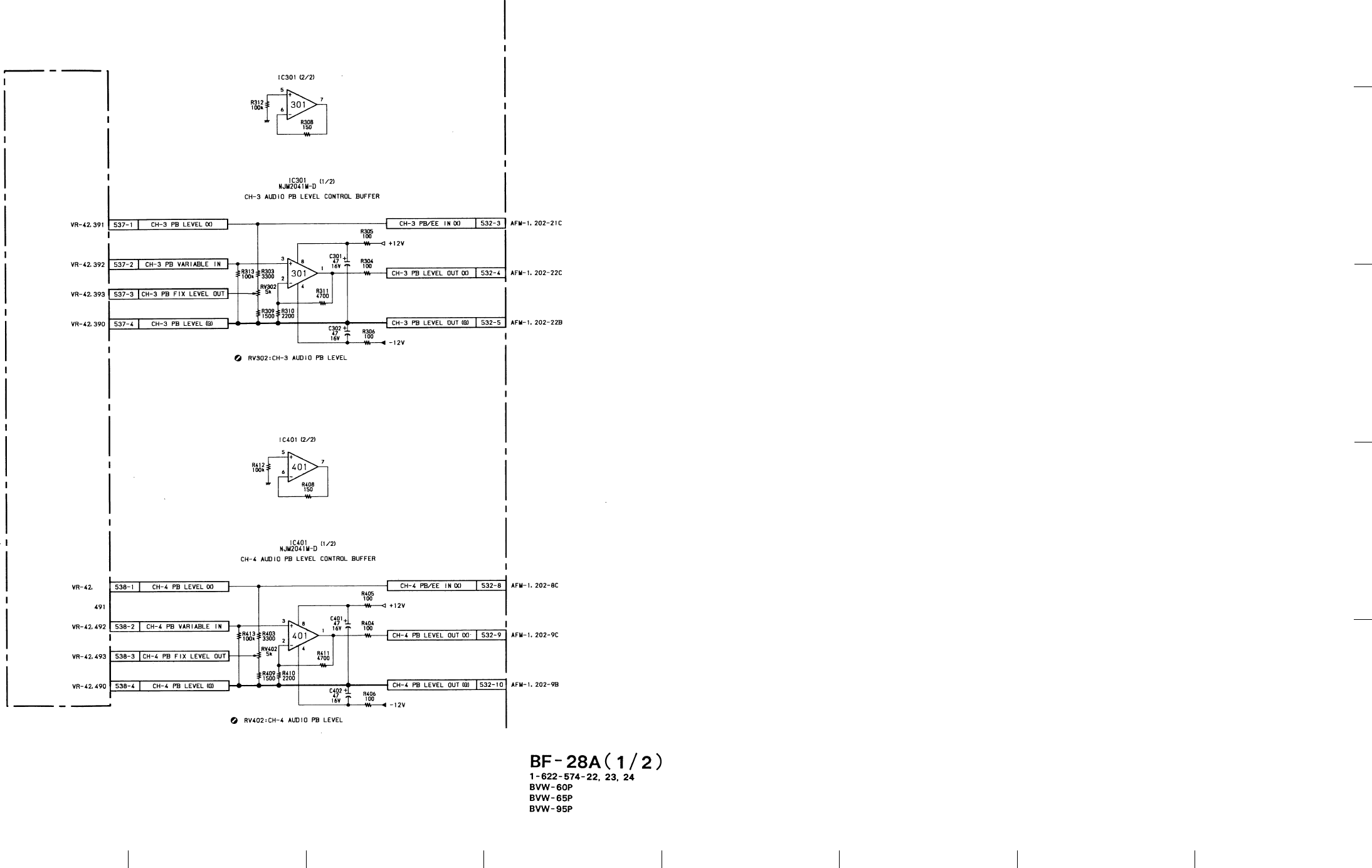
A B C D E F G H
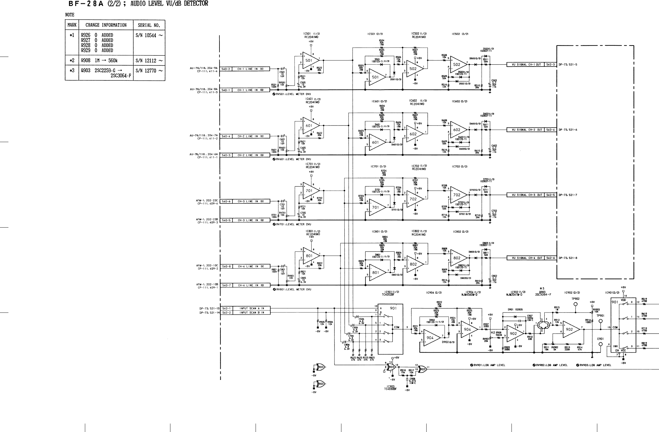
BF-28A (1/2), VR-42BF-28A (1/2), VR-42
16-14916-148

BVW-65P
2
3
4
5
1
I J K L M N O P
BF-28A (1/2), VR-42BF-28A (1/2), VR-42
16-150 16-151

BVW-65P
2
3
4
5
1
A B C D E F G H
BF-28A (2/2)BF-28A (2/2)
16-15516-154

BVW-65P
2
3
4
5
1
I J K L M N O P
BF-28A (2/2)BF-28A (2/2)
16-156 16-157

BVW-65P
2
3
4
5
1
A B C D E F G H
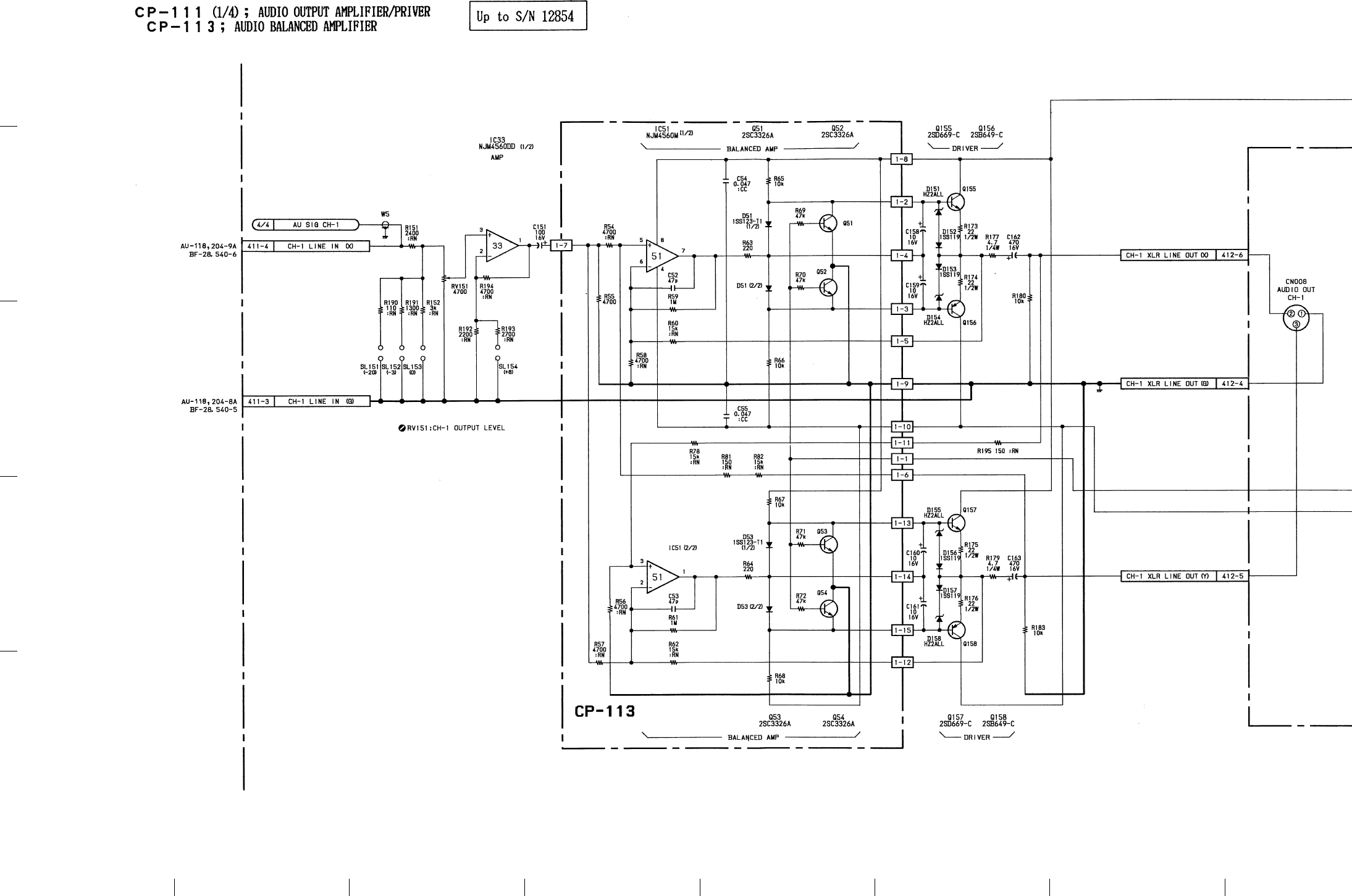
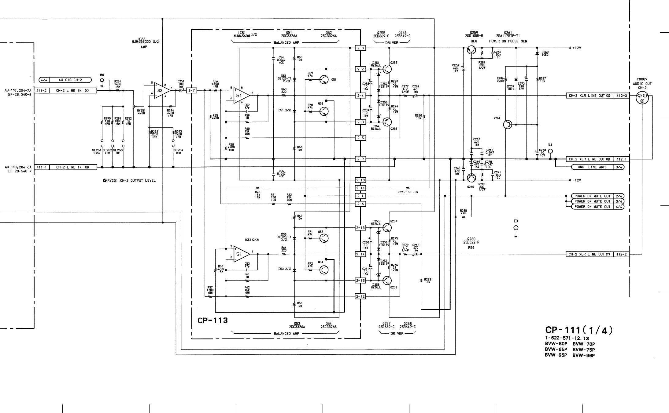
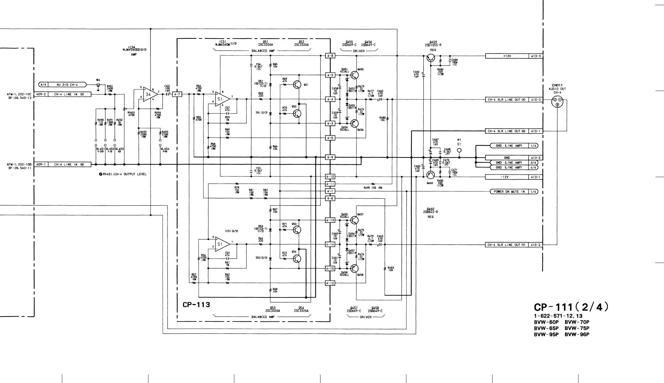
CP-111 (1/4), CP-113CP-111 (1/4), CP-113
16-162 (a)16-161 (a)

BVW-65P
2
3
4
5
1
I J K L M N O P
CP-111 (1/4), CP-113CP-111 (1/4), CP-113
16-163(a) 16-164 (a)

BVW-65P
2
3
4
5
1
A B C D E F G H
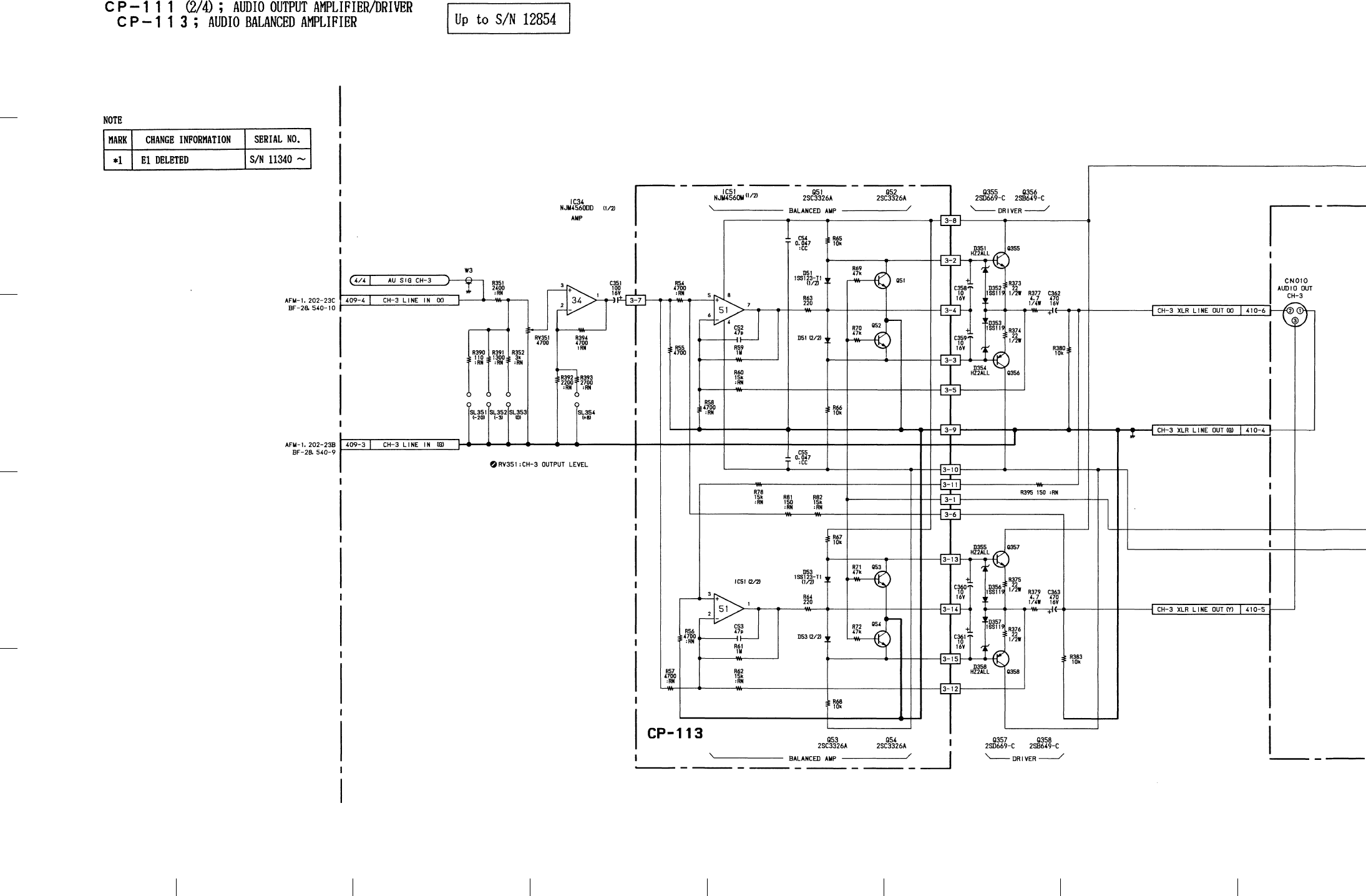
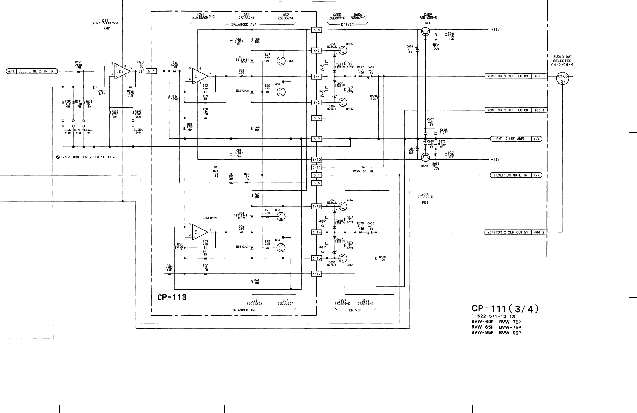
CP-111 (2/4), CP-113CP-111 (2/4), CP-113
16-170 (a)16-169 (a)

BVW-65P
2
3
4
5
1
I J K L M N O P
CP-111 (2/4), CP-113CP-111 (2/4), CP-113
16-171 (a) 16-172 (a)

BVW-65P
2
3
4
5
1
A B C D E F G H
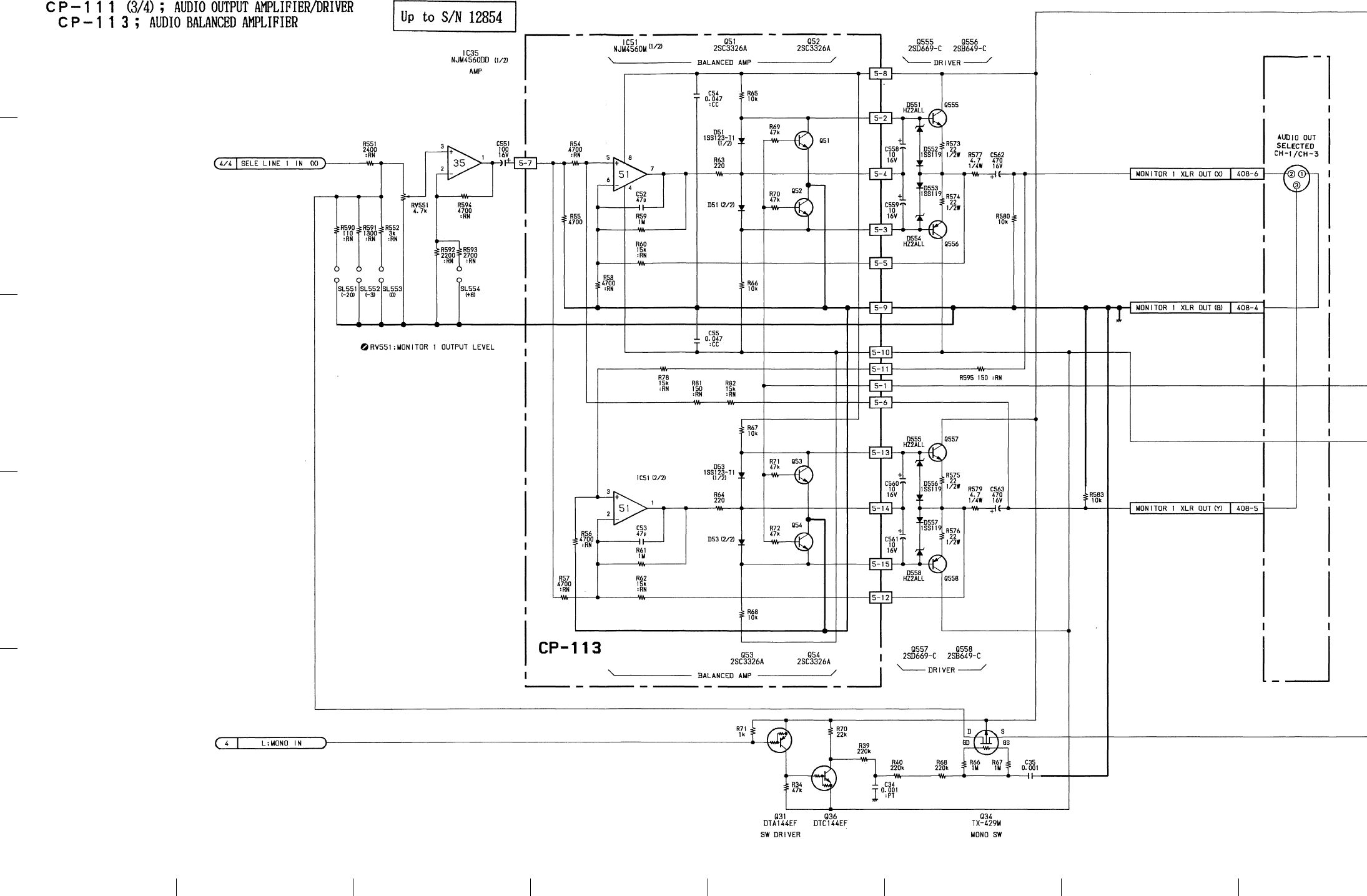
CP-111 (3/4), CP-113CP-111 (3/4), CP-113
16-178 (a)16-177 (a)

BVW-65P
2
3
4
5
1
I J K L M N O P
CP-111 (3/4), CP-113CP-111 (3/4), CP-113
16-179 (a) 16-180 (a)

BVW-65P
2
3
4
5
1
A B C D E F G H
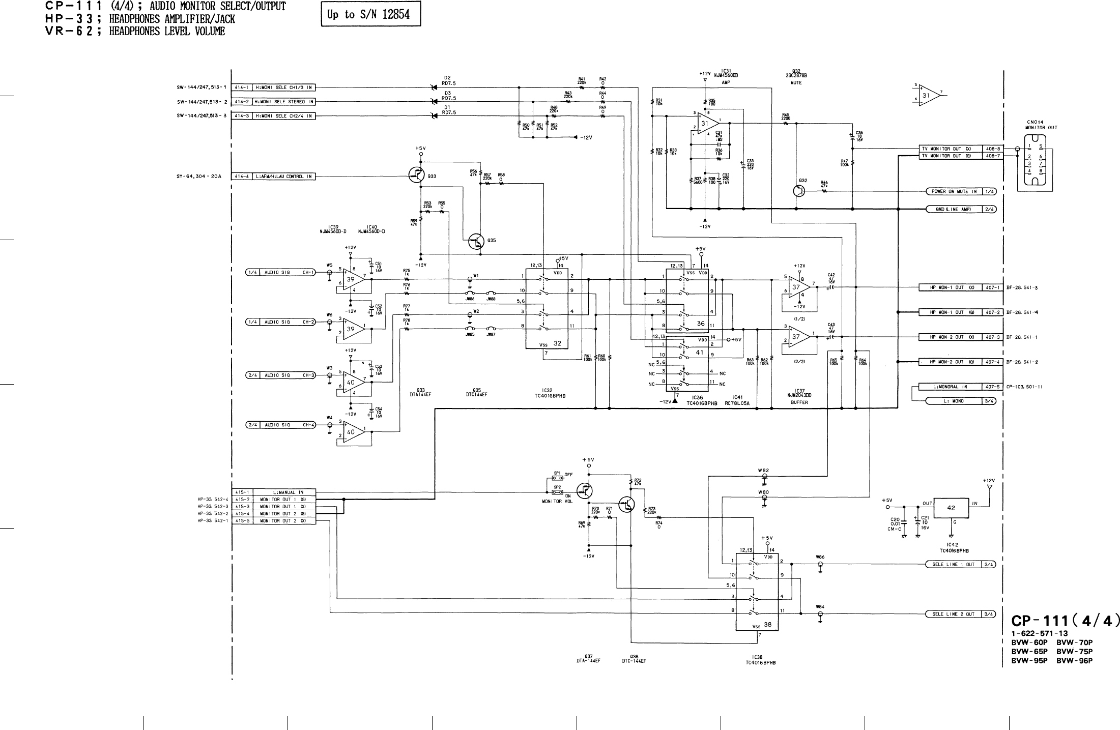
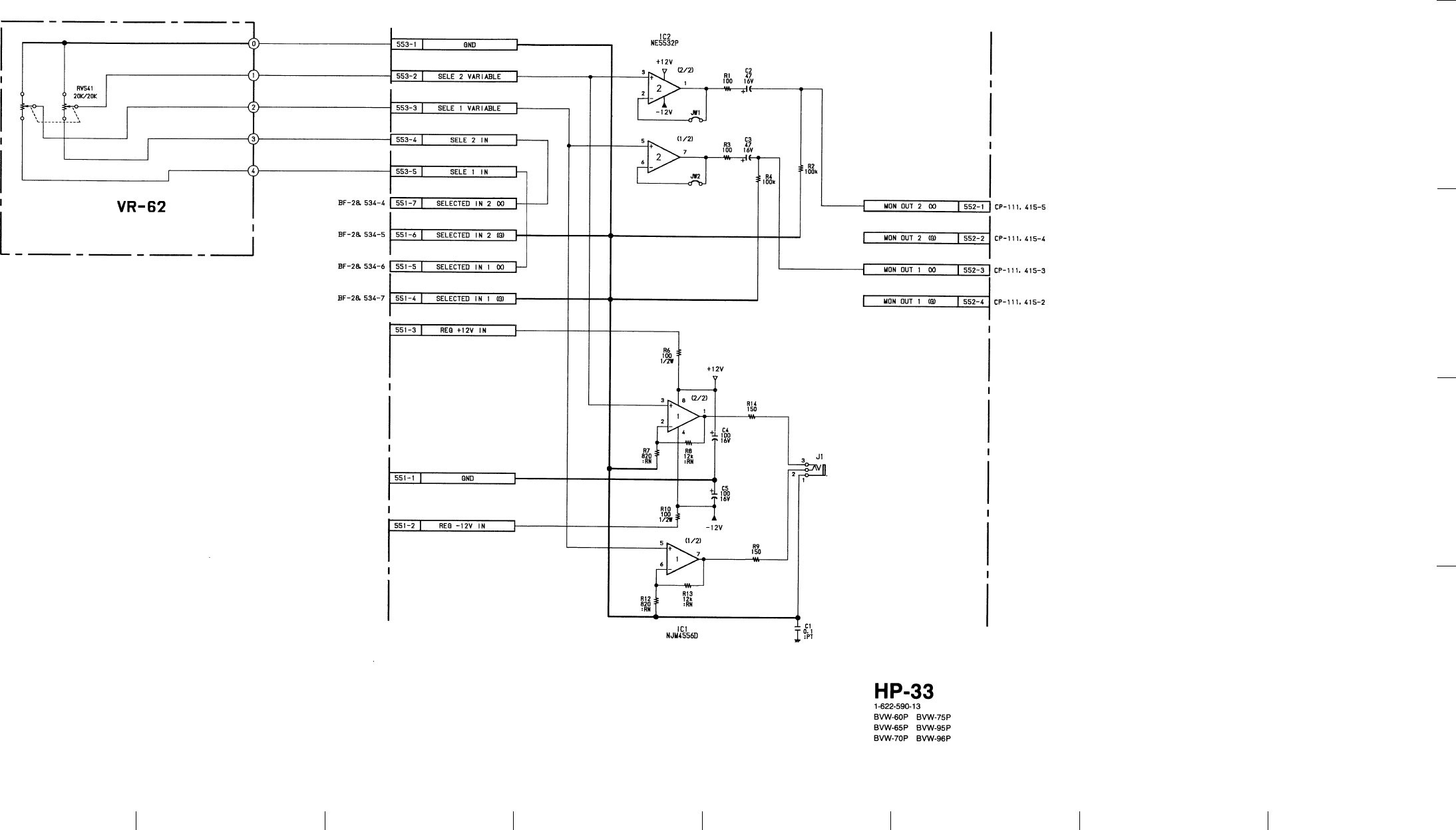
CP-111 (4/4), HP-33, VR-62CP-111 (4/4), HP-33, VR-62
16-186 (a)16-185 (a)

BVW-65P
2
3
4
5
1
I J K L M N O P
16-187 (a) 16-188 (a)
CP-111 (4/4), HP-33, VR-62CP-111 (4/4), HP-33, VR-62

BVW-65P
2
3
4
5
1
A B C D E F G H
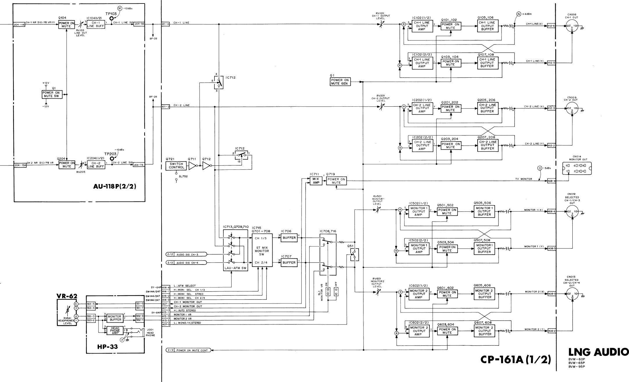
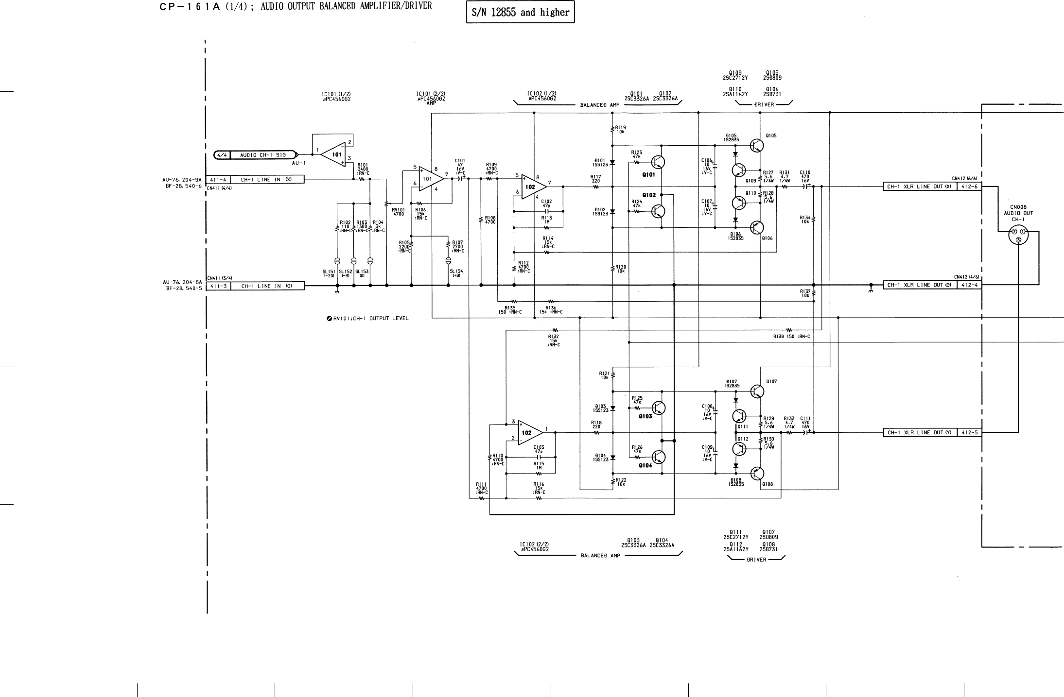
CP-161A (1/4)CP-161A (1/4)
16-162 (b)16-161 (b)

BVW-65P
2
3
4
5
1
I J K L M N O P
CP-161A (1/4)CP-161A (1/4)
16-163 (b) 16-164 (b)

BVW-65P
2
3
4
5
1
A B C D E F G H
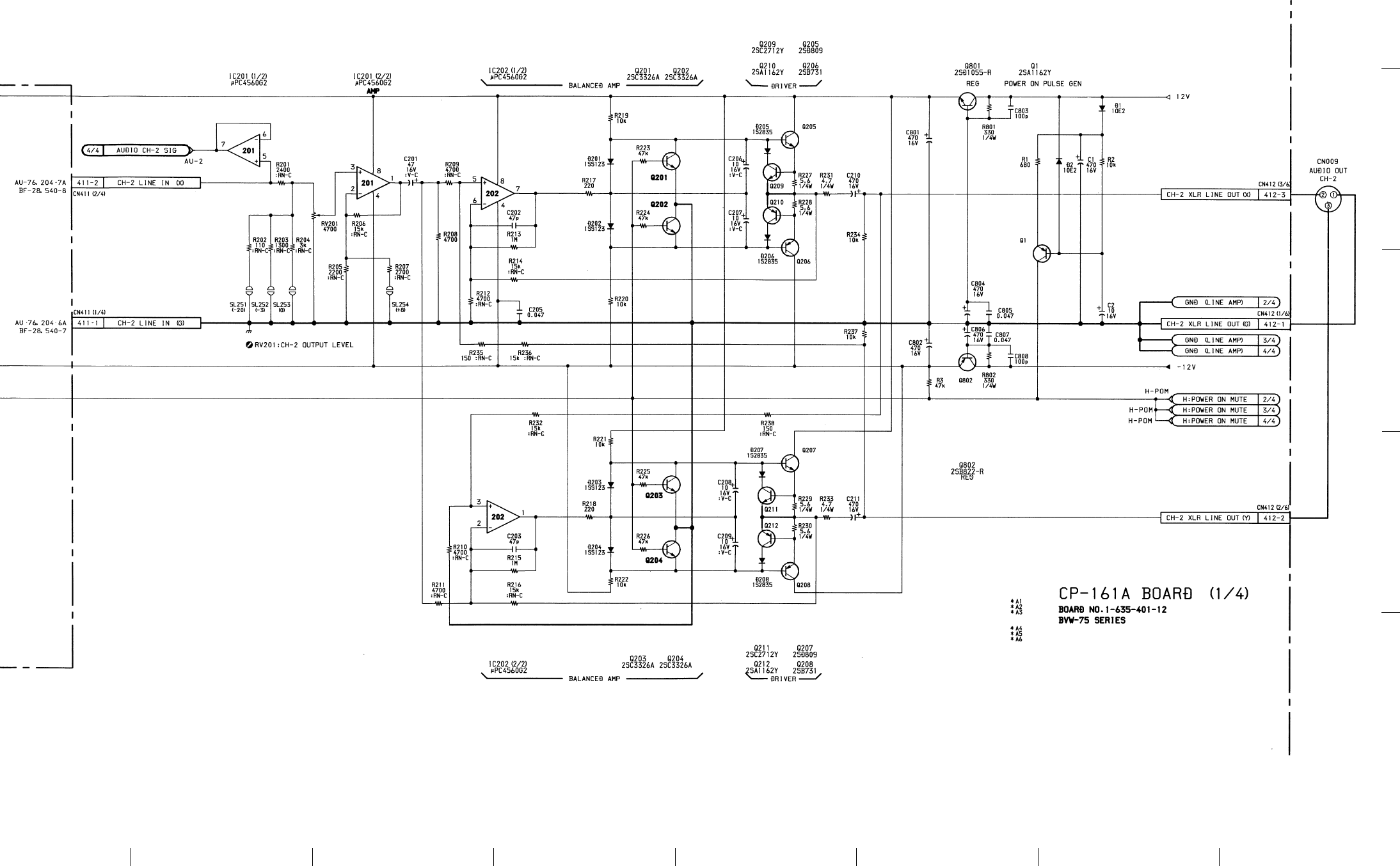
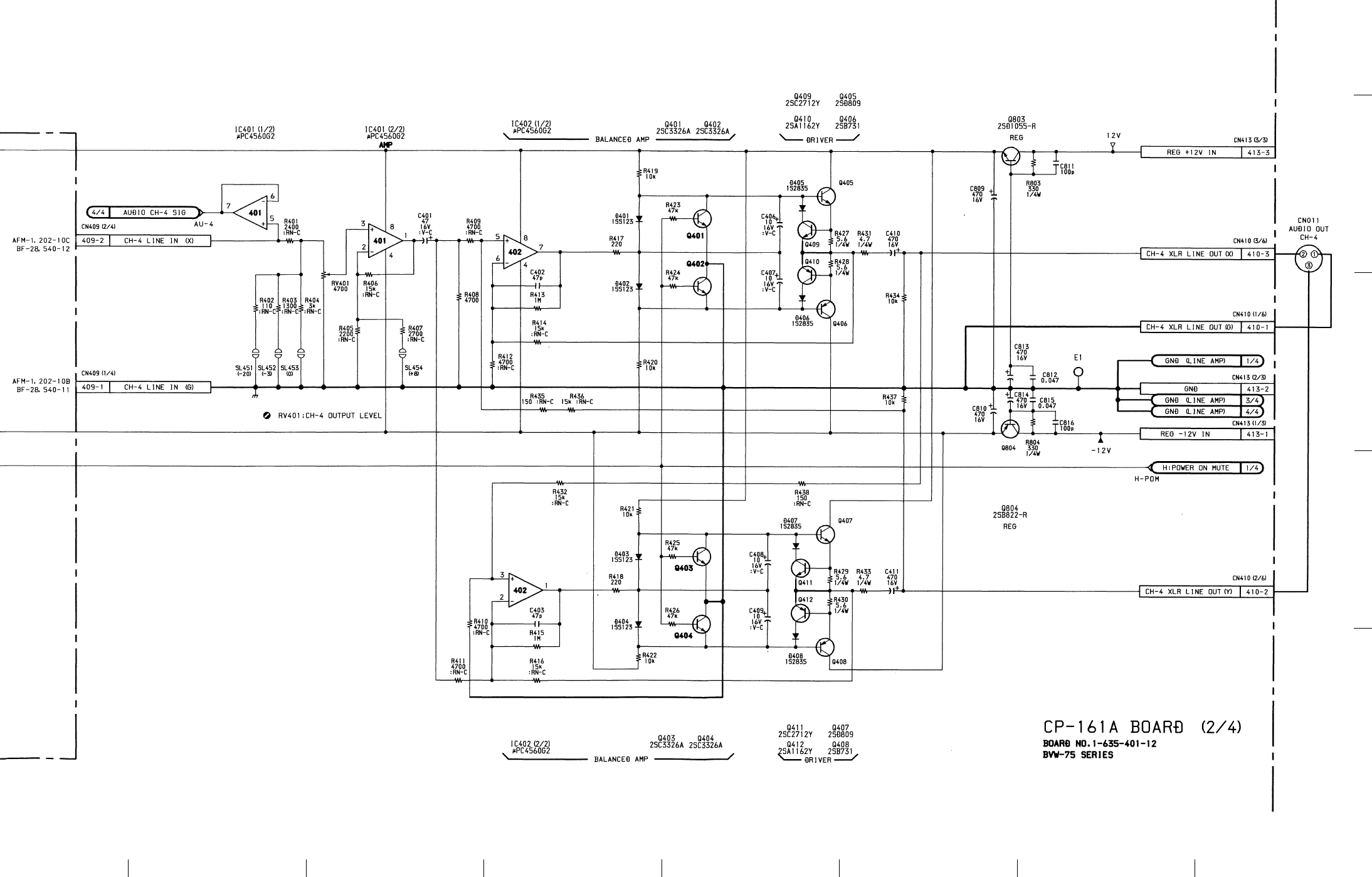
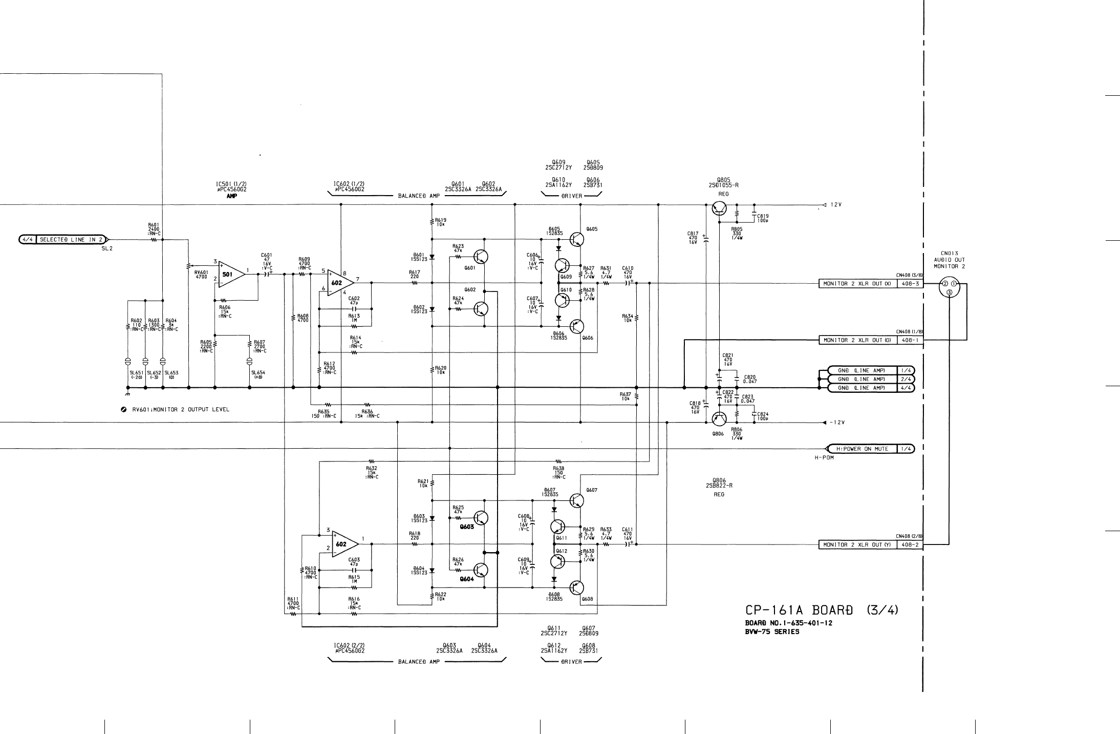
CP-161A (2/4)
16-170 (b)16-169 (b)
CP-161A (2/4)

BVW-65P
2
3
4
5
1
I J K L M N O P
CP-161A (2/4)
16-171 (b) 16-172 (b)
CP-161A (2/4)

BVW-65P
2
3
4
5
1
A B C D E F G H
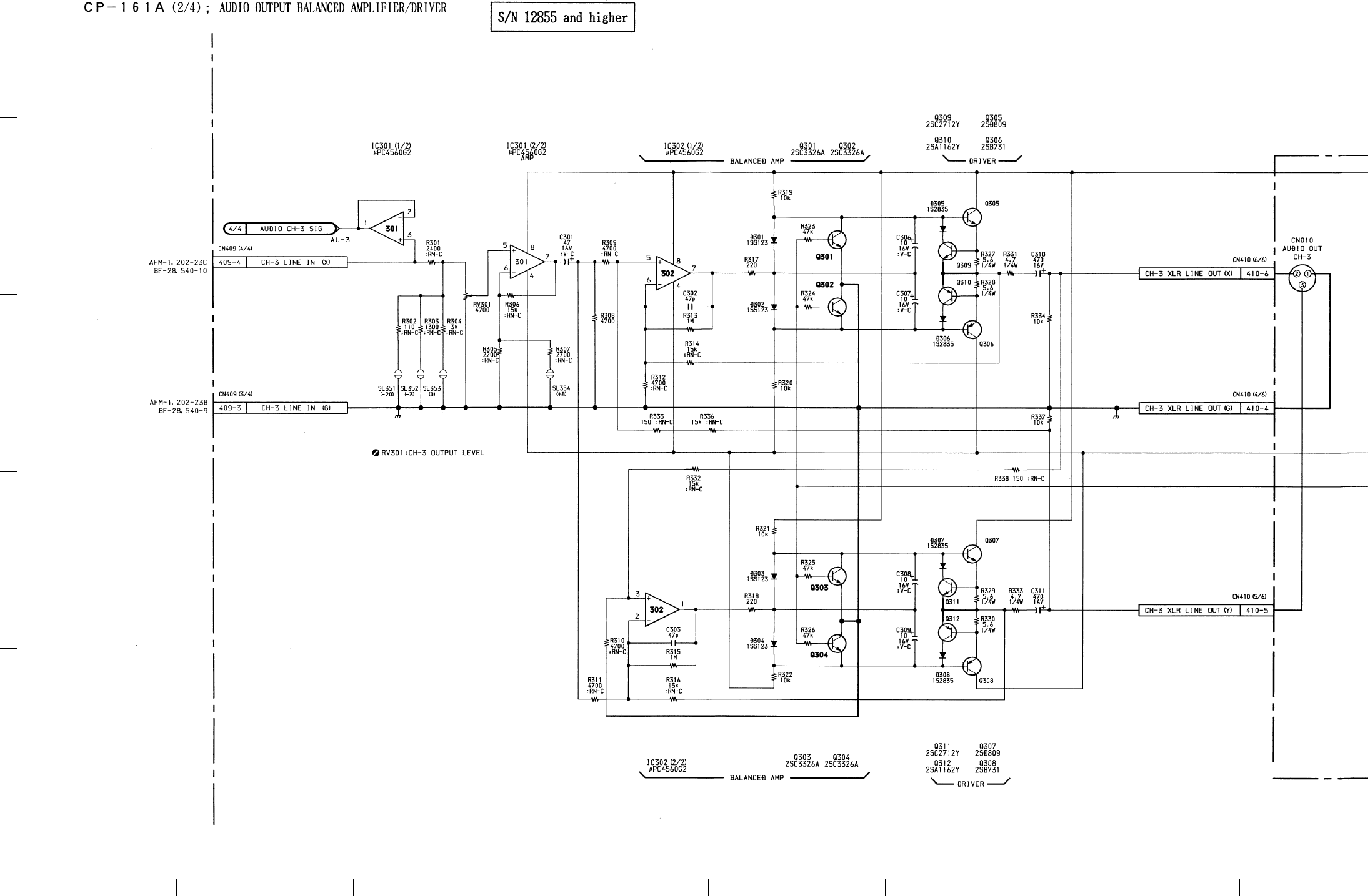
CP-161A (3/4)
16-178 (b)16-177 (b)
CP-161A (3/4)

BVW-65P
2
3
4
5
1
I J K L M N O P
CP-161A (3/4)
16-179 (b) 16-180 (b)
CP-161A (3/4)

BVW-65P
2
3
4
5
1
A B C D E F G H
CP-161A (4/4), HP-33, VR-62
16-186 (b)16-185 (b)
CP-161A (4/4), HP-33, VR-62

BVW-65P
2
3
4
5
1
I J K L M N O P
CP-161A (4/4), HP-33, VR-62CP-161A (4/4), HP-33, VR-62
16-187 (b) 16-188 (b)

BVW-65P
2
3
4
5
1
A B C D E F G H
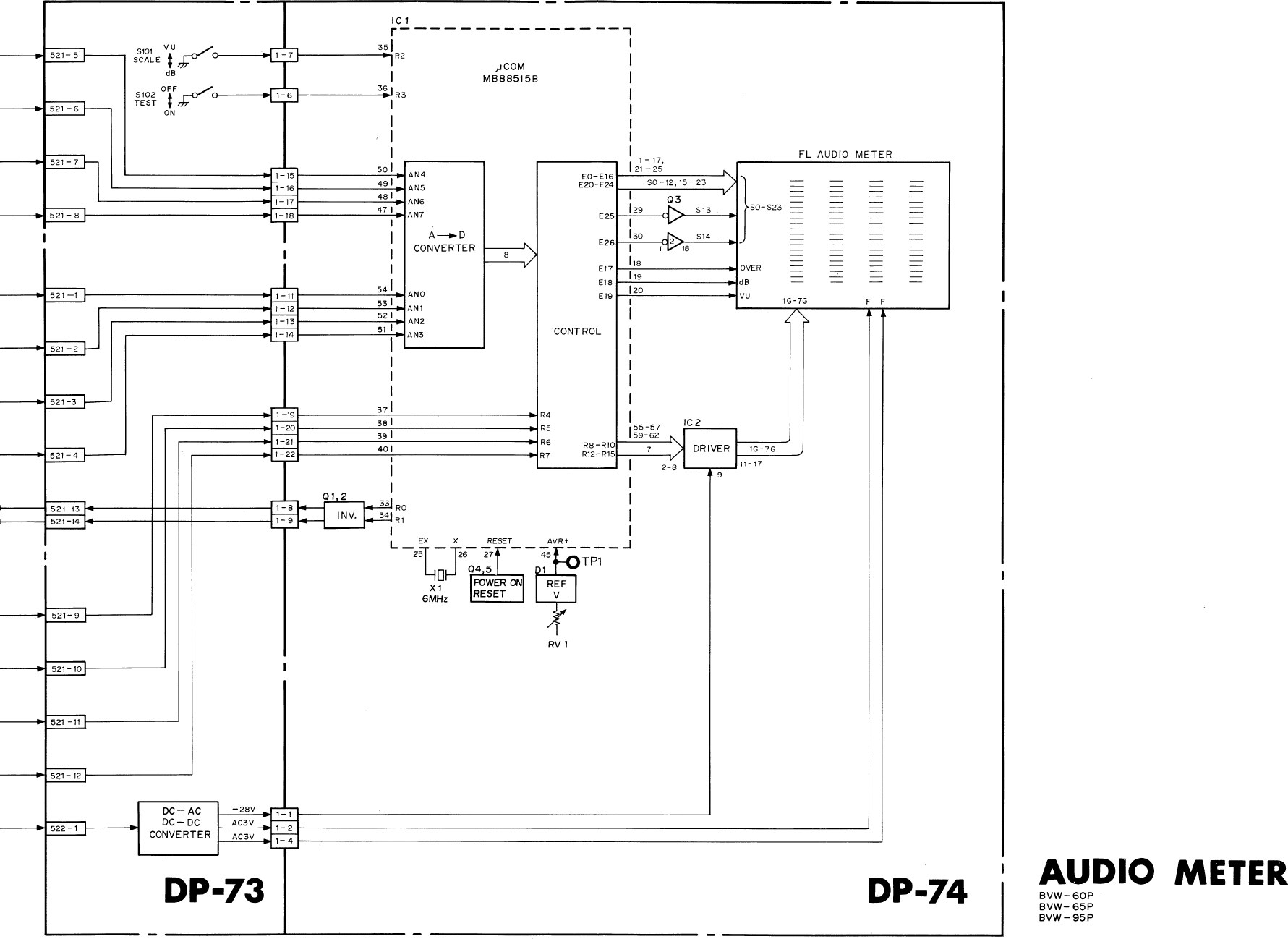
SW-144A, DP-72/73/74SW-144A, DP-72/73/74
16-19416-193

BVW-65P
2
3
4
5
1
I J K L M N O P
SW-144A, DP-72/73/74SW-144A, DP-72/73/74
16-195 16-196

BVW-65P
2
3
4
5
1
A B C D E F G H
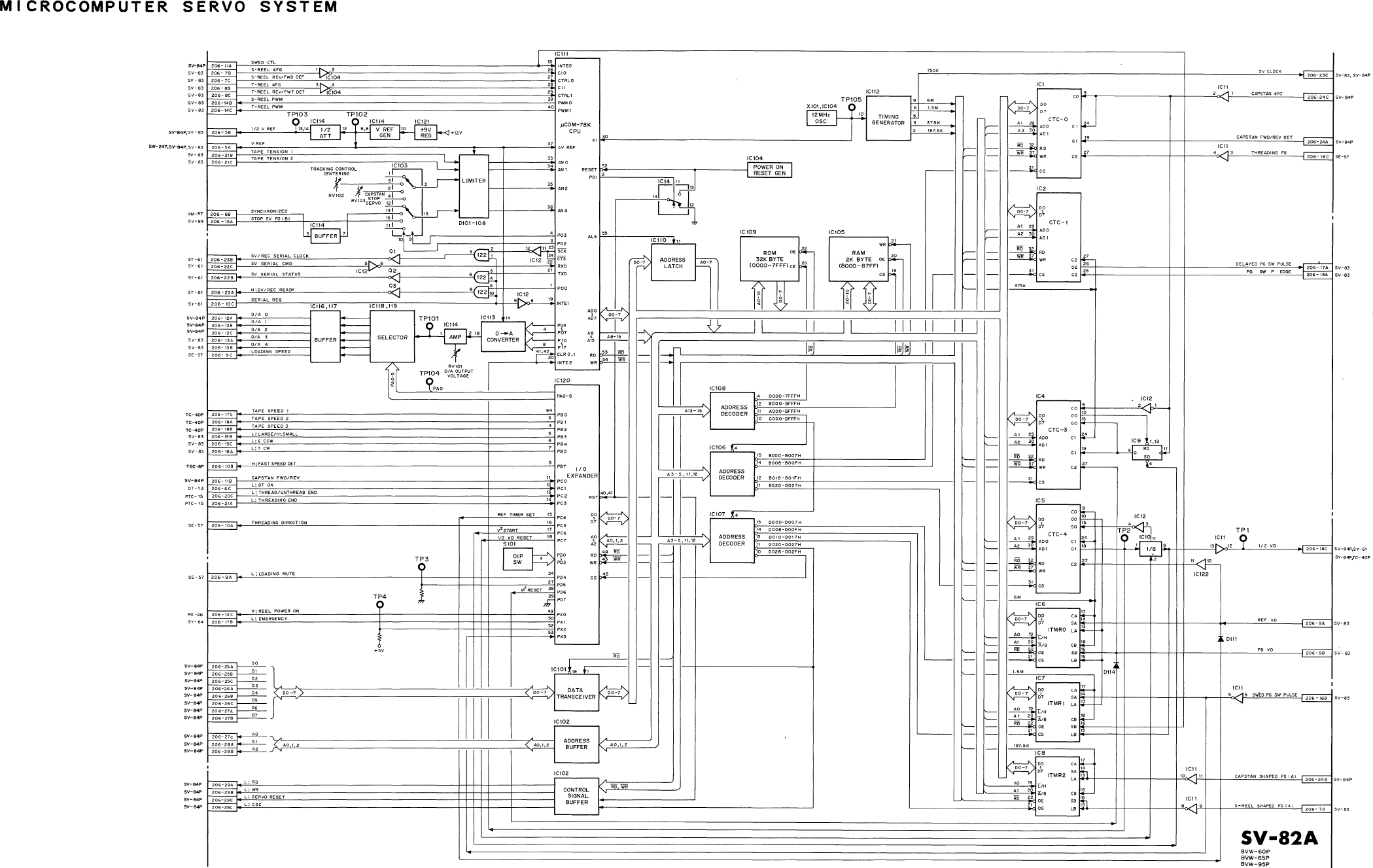
16-20116-200
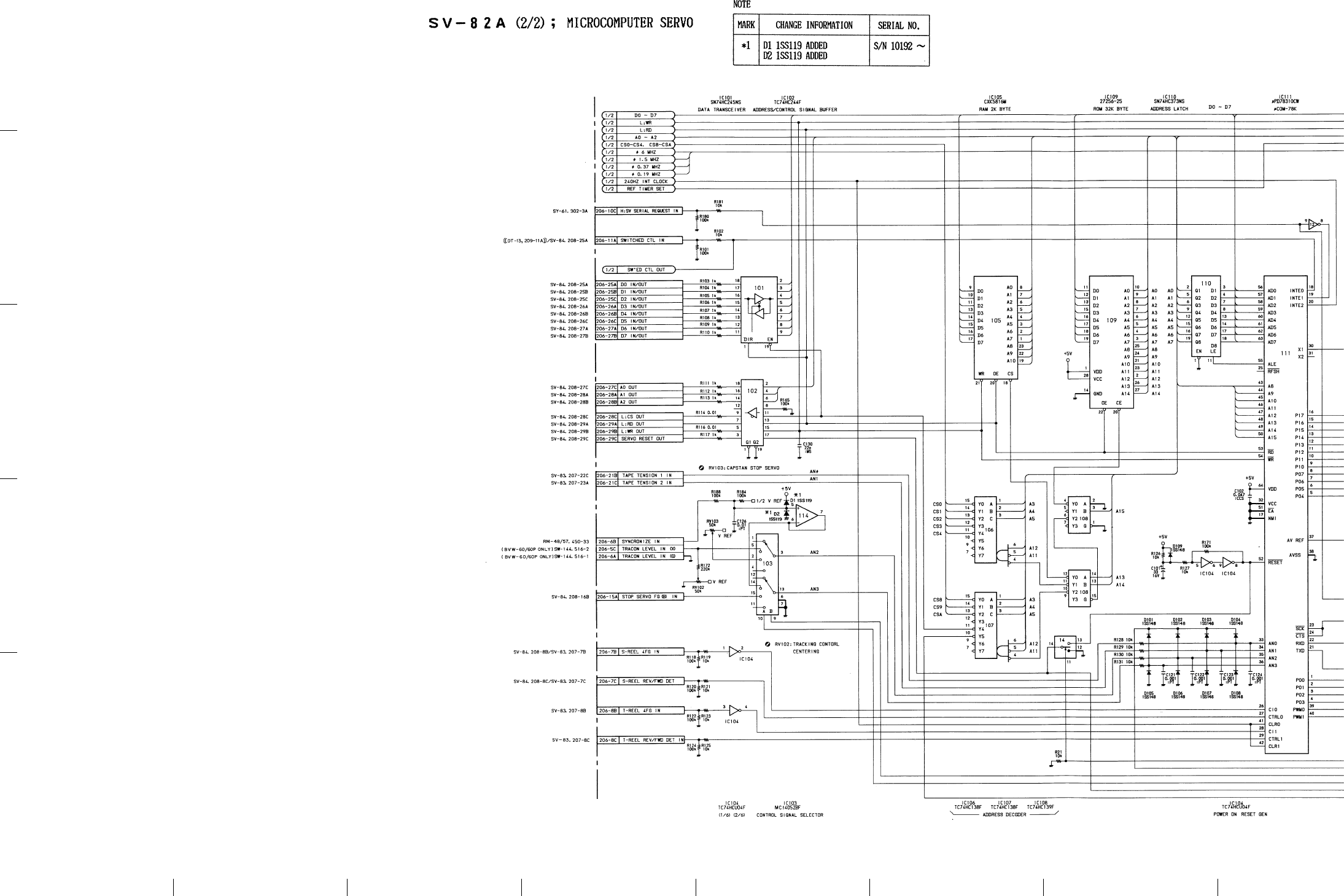
SV-82A (1/2)SV-82A (1/2)

BVW-65P
2
3
4
5
1
I J K L M N O P
16-202 16-203
SV-82A (1/2)SV-82A (1/2)

BVW-65P
2
3
4
5
1
A B C D E F G H
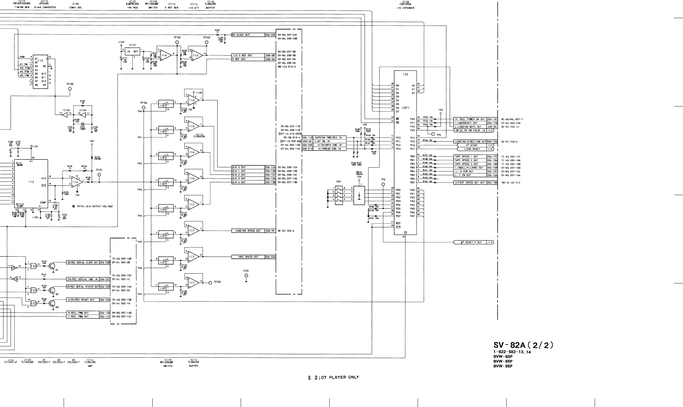
SV-82A (2/2)SV-82A (2/2)
16-20716-206

BVW-65P
2
3
4
5
1
I J K L M N O P
SV-82A (2/2)SV-82A (2/2)
16-208 16-209

BVW-65P
2
3
4
5
1
A B C D E F G H
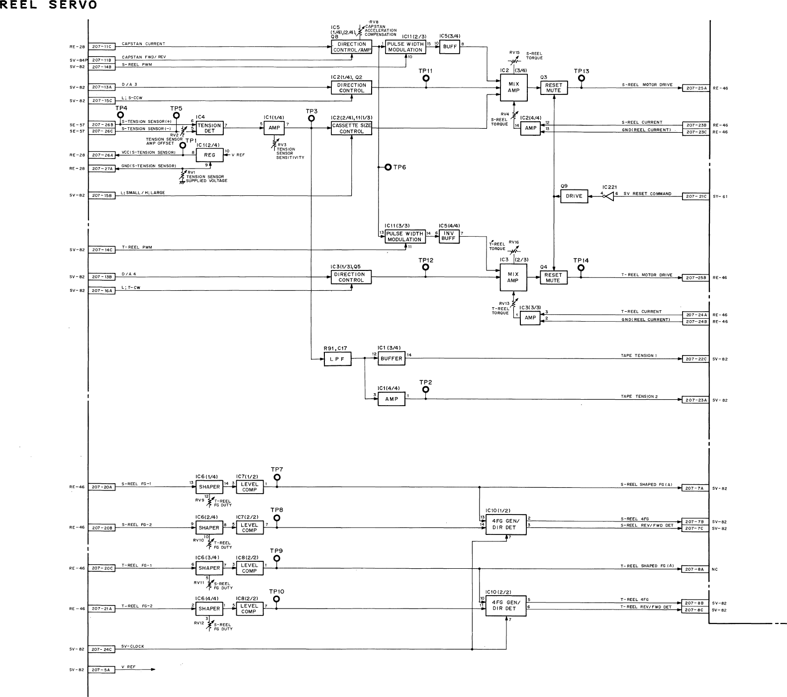
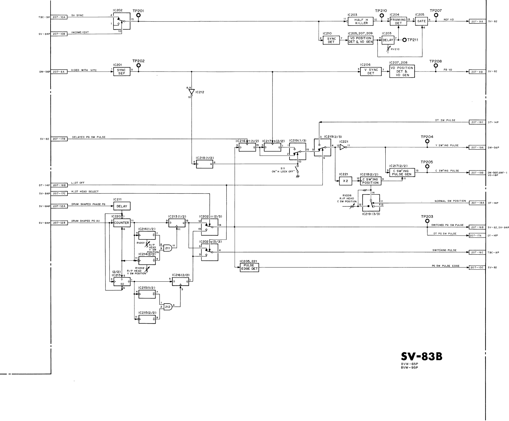
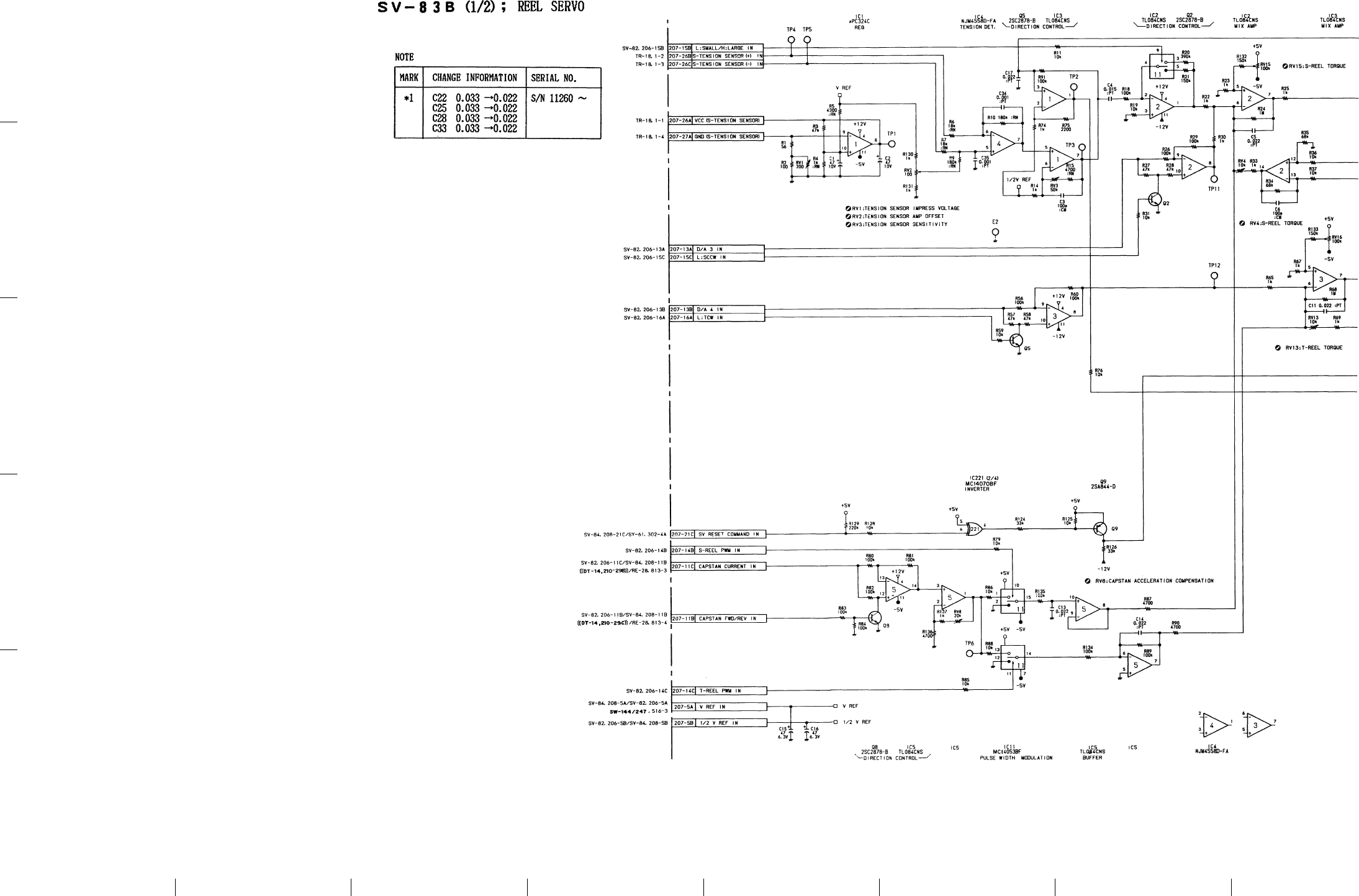
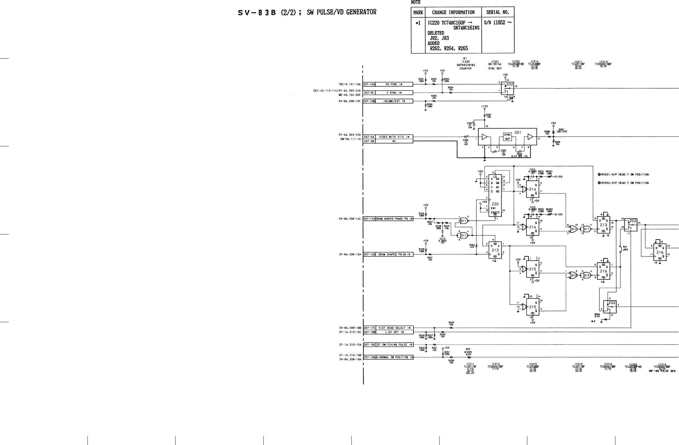
SV-83B (1/2)SV-83B (1/2)
16-21316-212

BVW-65P
2
3
4
5
1
I J K L M N O P
SV-83B (1/2)SV-83B (1/2)
16-214 16-215

BVW-65P
2
3
4
5
1
A B C D E F G H
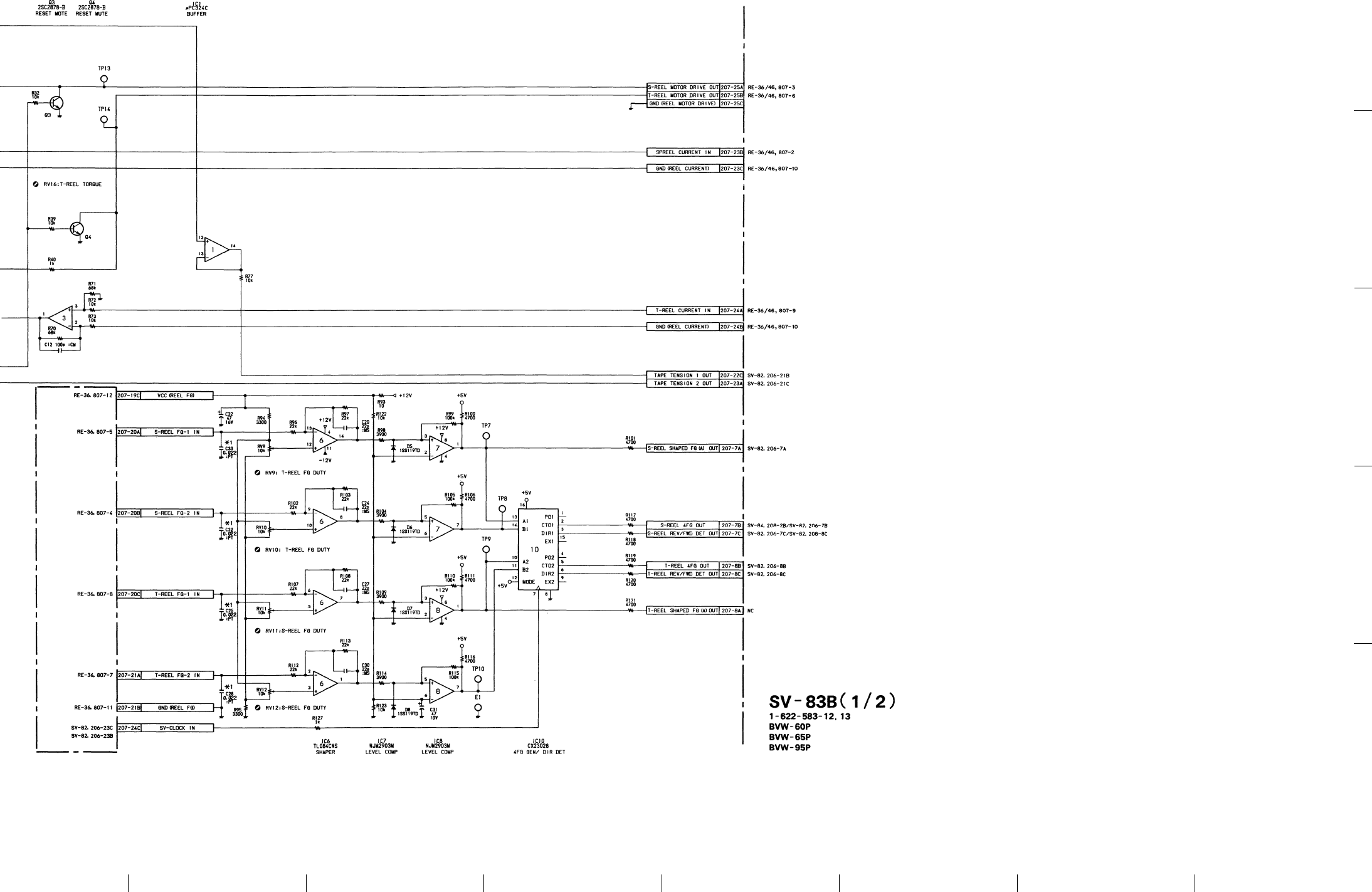
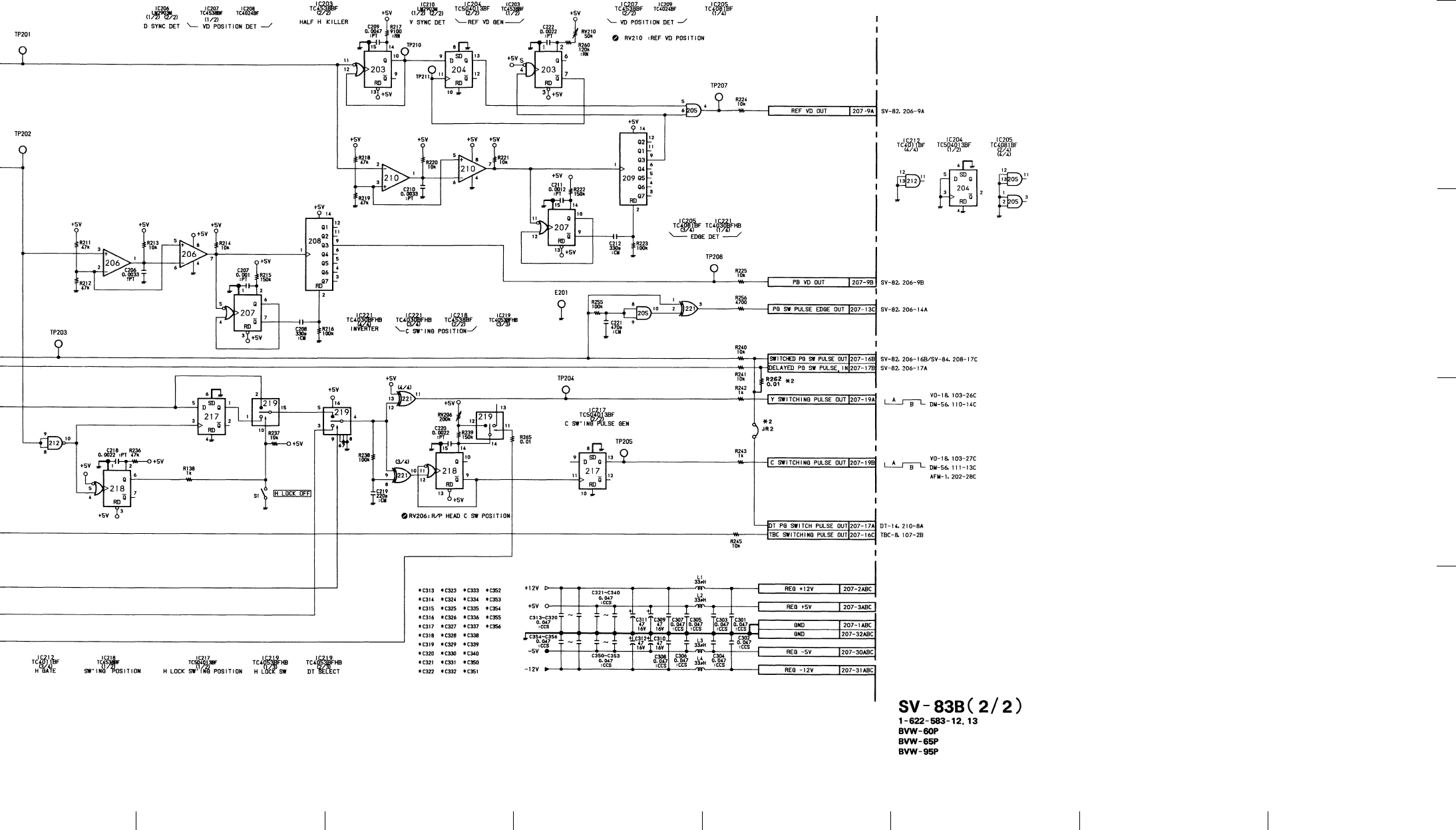
SV-83B (2/2)SV-83B (2/2)
16-21916-218

BVW-65P
2
3
4
5
1
I J K L M N O P
SV-83B (2/2)SV-83B (2/2)
16-220 16-221

BVW-65P
2
3
4
5
1
A B C D E F G H
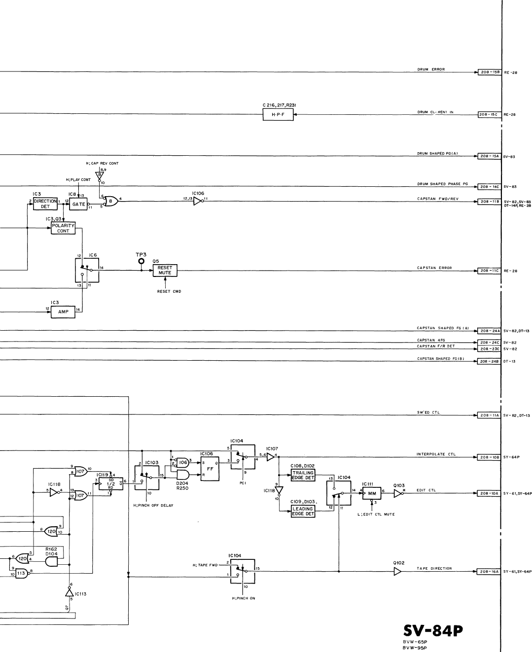
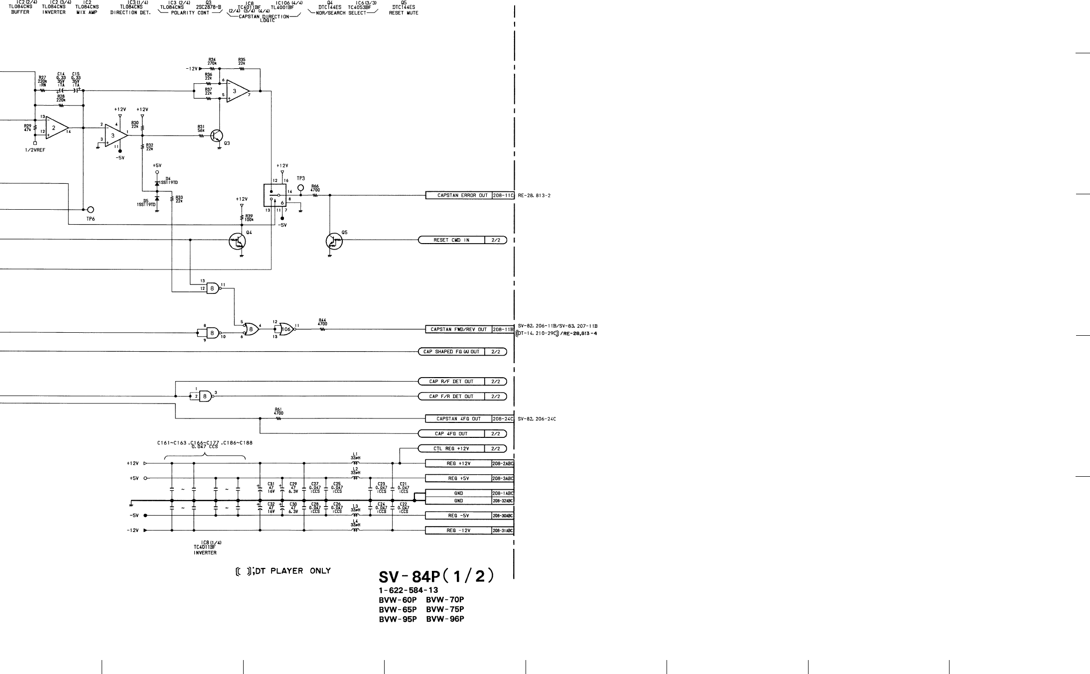
SV-84P (1/2)SV-84P (1/2)
16-22516-224

BVW-65P
2
3
4
5
1
I J K L M N O P
SV-84P (1/2)SV-84P (1/2)
16-226 16-227

BVW-65P
2
3
4
5
1
A B C D E F G H
SV-84P (2/2)SV-84P (2/2)
16-23116-230

BVW-65P
2
3
4
5
1
I J K L M N O P
SV-84P (2/2)SV-84P (2/2)
16-232 16-233

BVW-65P
2
3
4
5
1
A B C D E F G H
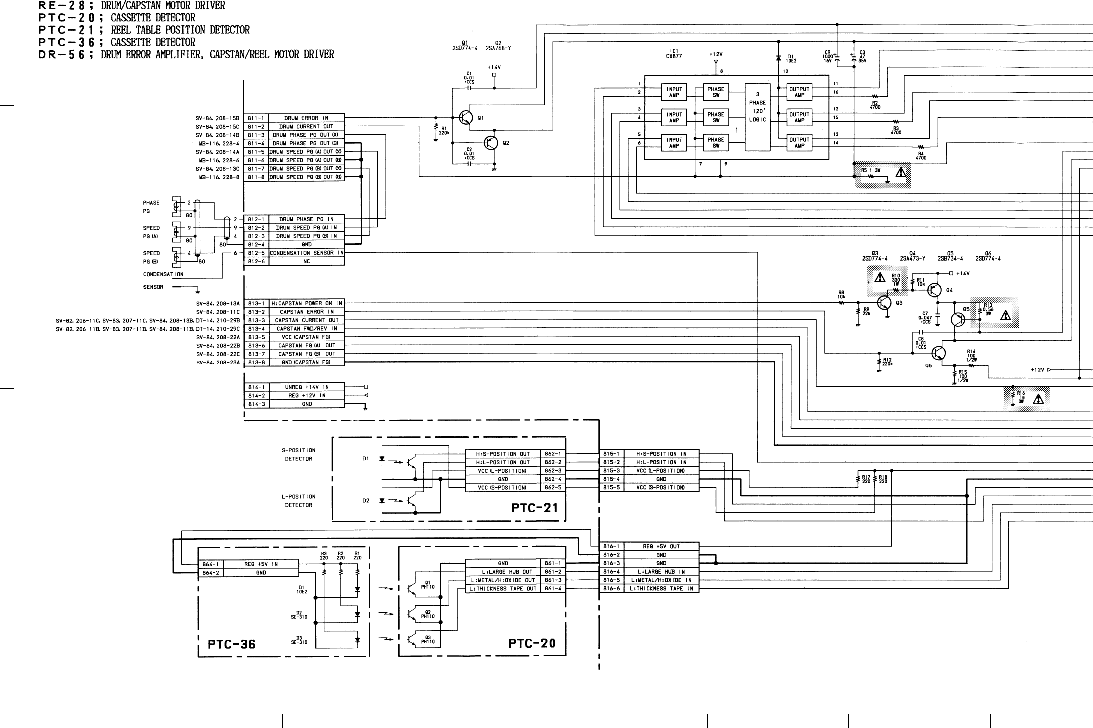
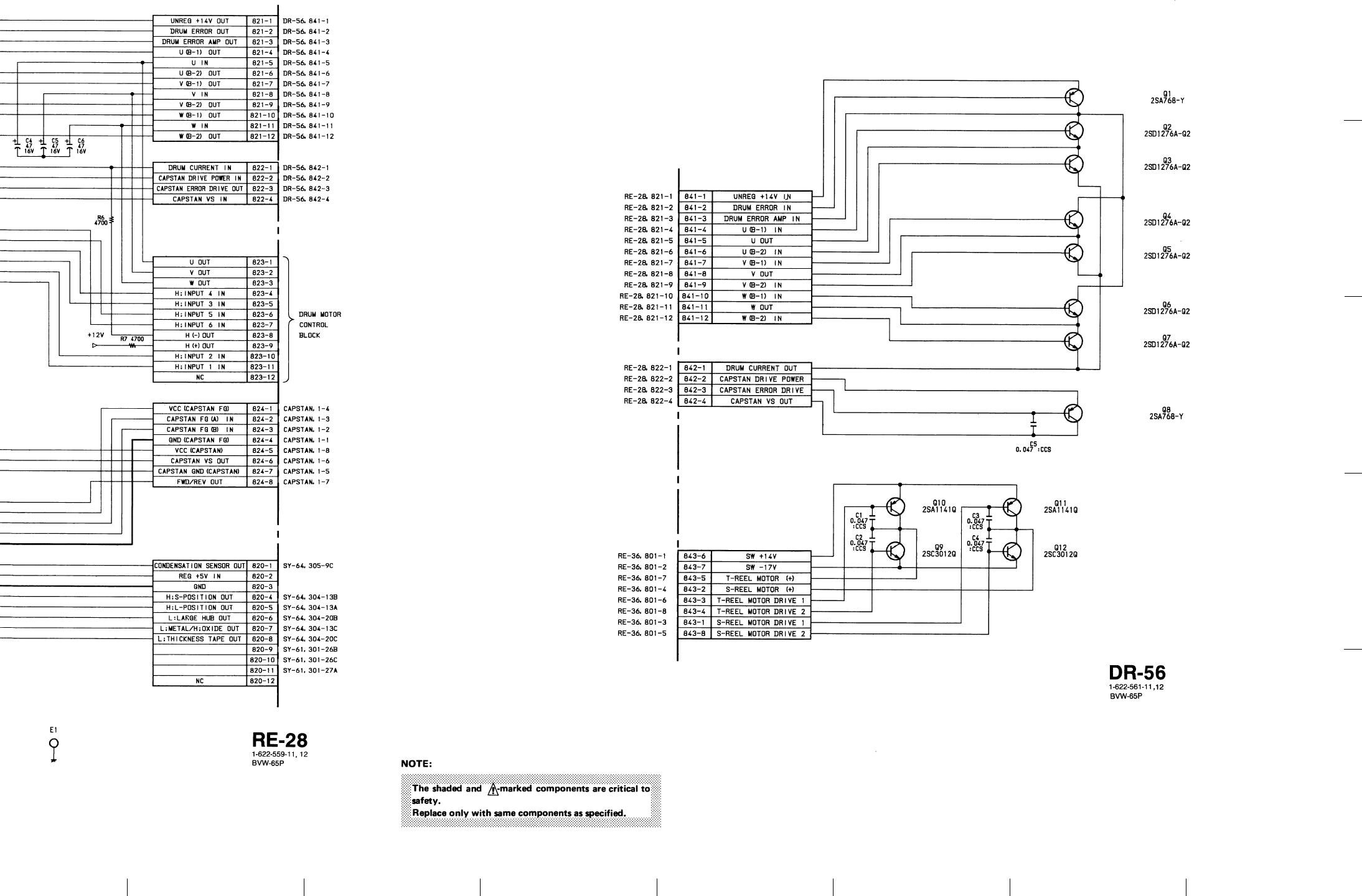
RE-28, PTC-20/21/36, DR-56RE-28, PTC-20/21/36, DR-56
16-23816-237

BVW-65P
2
3
4
5
1
I J K L M N O P
RE-28, PTC-20/21/36, DR-56RE-28, PTC-20/21/36, DR-56
16-239 16-240

BVW-65P
2
3
4
5
A B C D E F G H
1
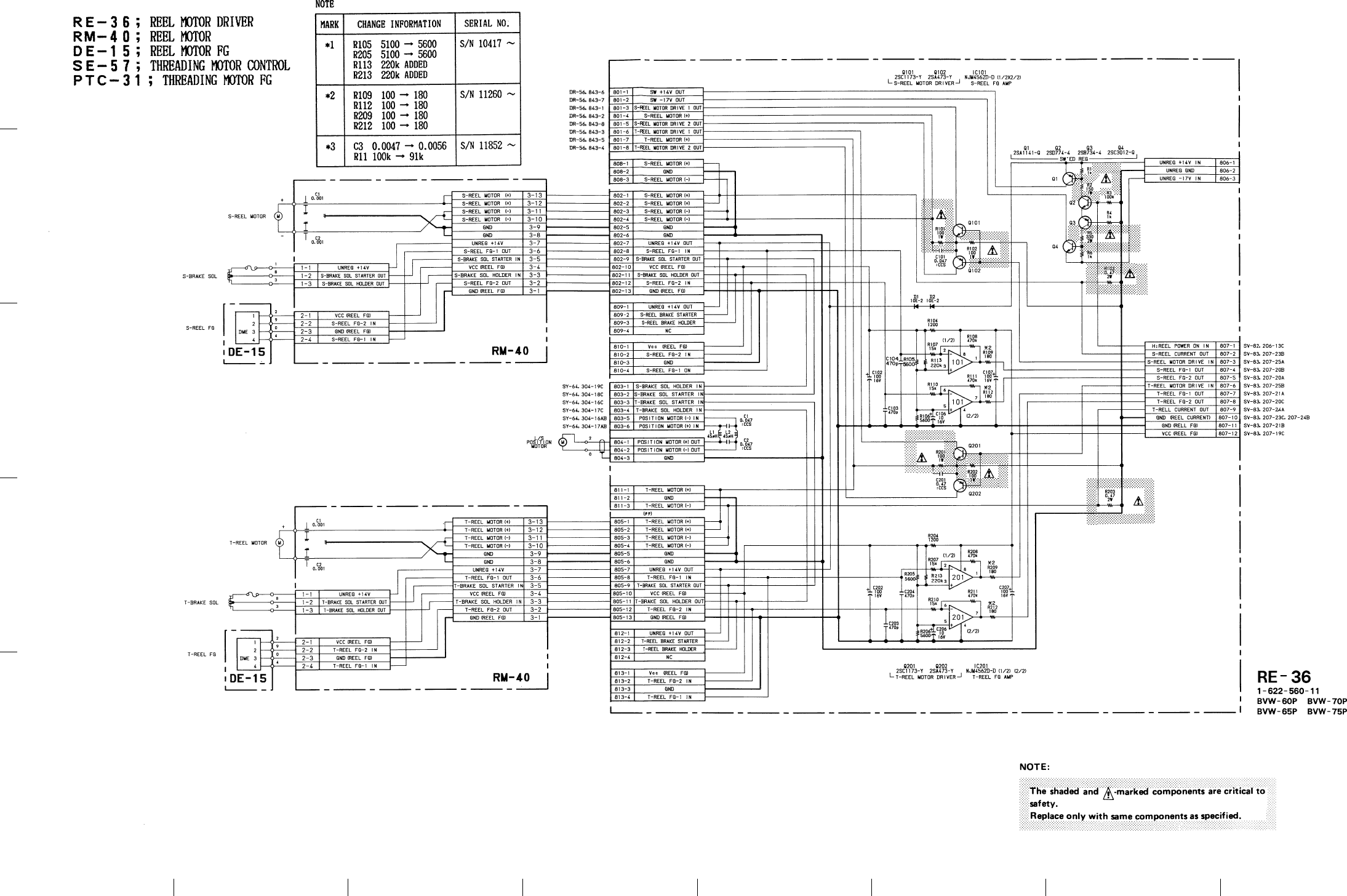
RE-36, RM-40, DE-15, SE-57, PTC-31RE-36, RM-40, DE-15, SE-57, PTC-31
16-24616-245

BVW-65P
2
3
4
5
1
I J K L M N O P
RE-36, RM-40, DE-15, SE-57, PTC-31RE-36, RM-40, DE-15, SE-57, PTC-31
16-247 16-248

BVW-65P
2
3
4
5
1
A B C D E F G H
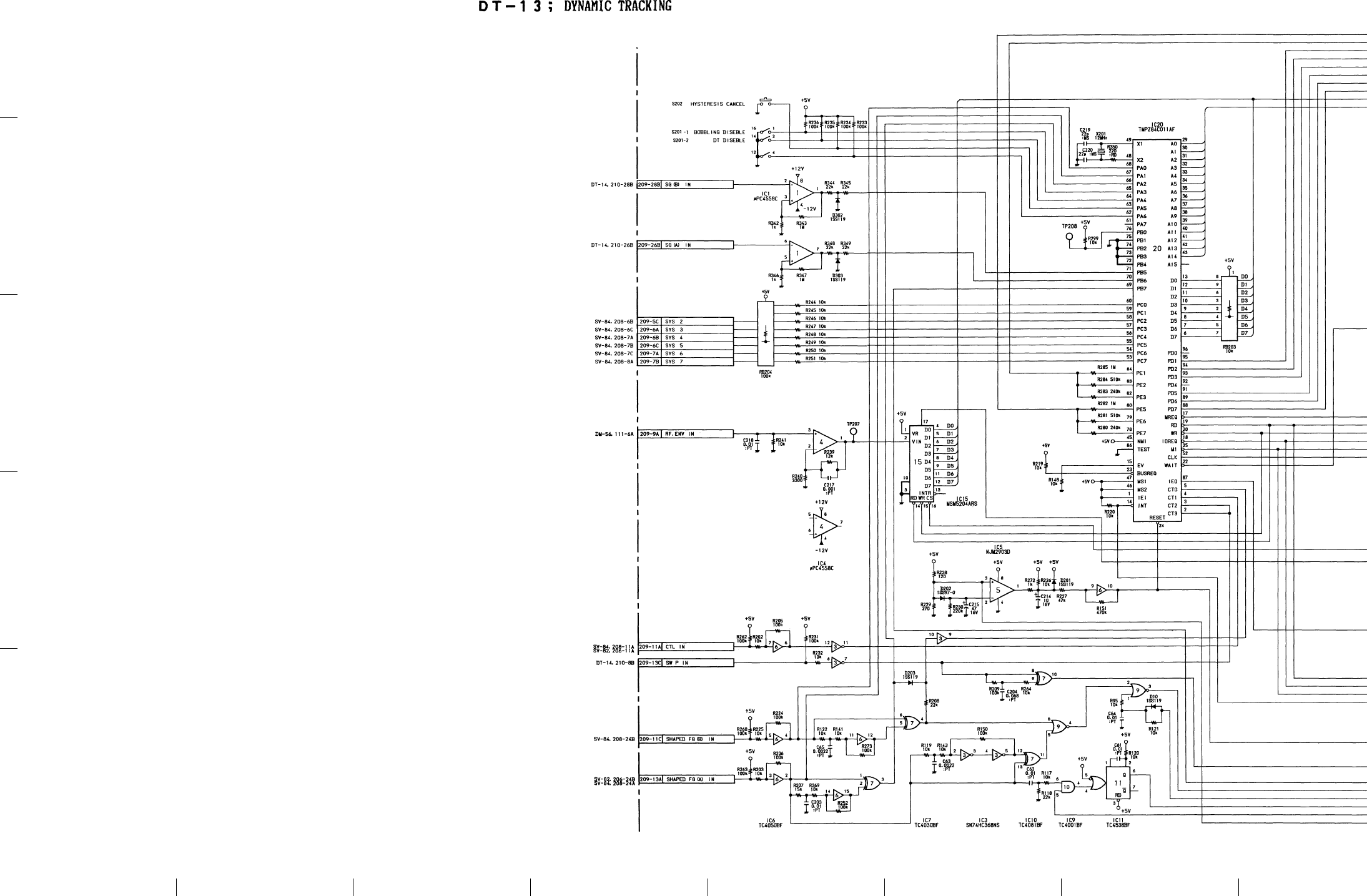
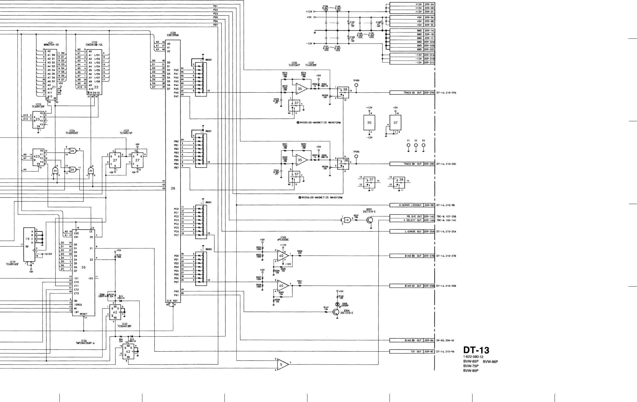
DT-13DT-13
16-25316-252

BVW-65P
2
3
4
5
1
I J K L M N O P
DT-13DT-13
16-254 16-255

BVW-65P
2
3
4
5
1
A B C D E F G H
16-25916-258
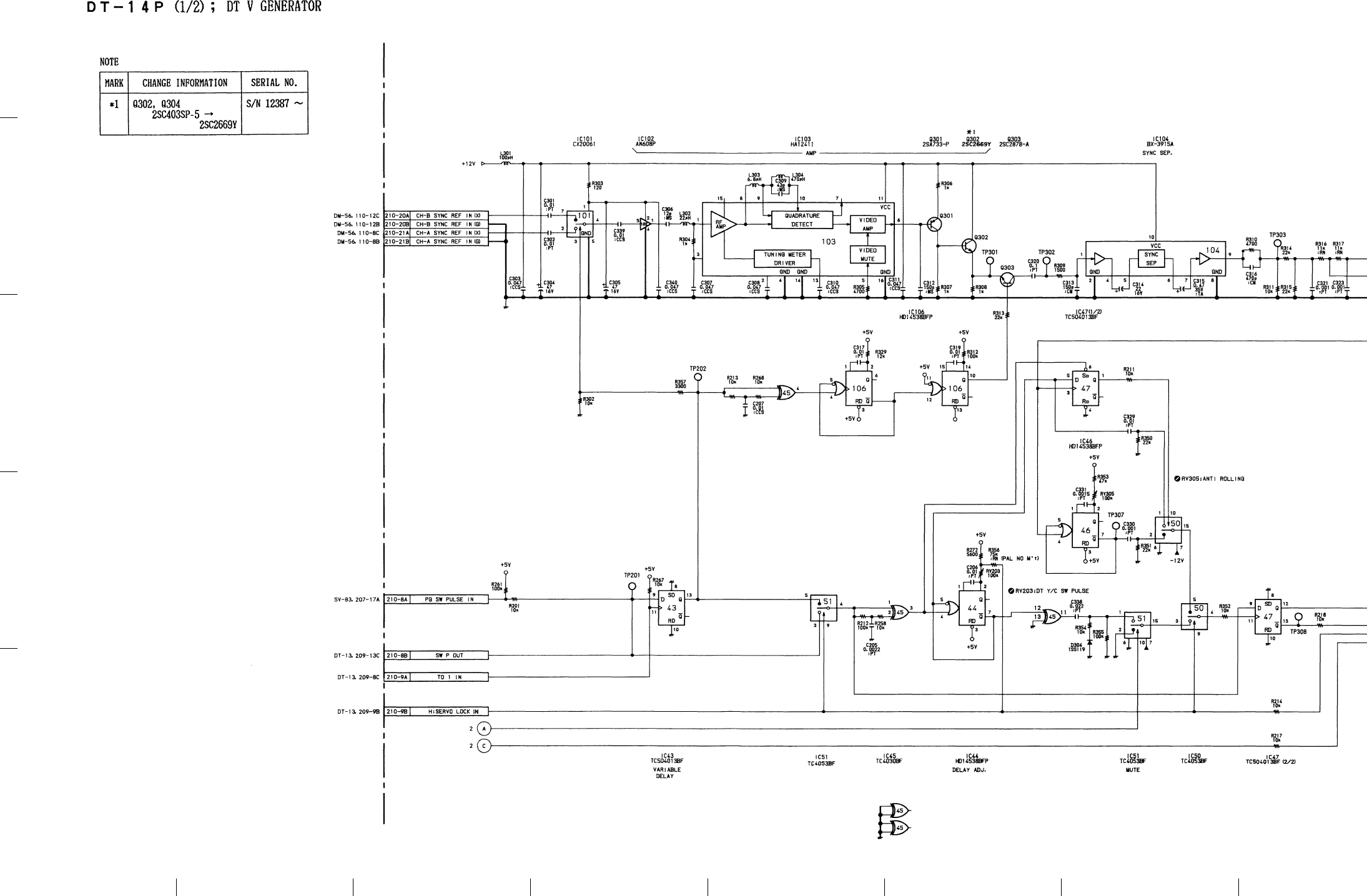
DT-14P (1/2)DT-14P (1/2)

BVW-65P
2
3
4
5
1
I J K L M N O P
16-260 16-261
DT-14P (1/2)DT-14P (1/2)

BVW-65P
2
3
4
5
1
A B C D E F G H
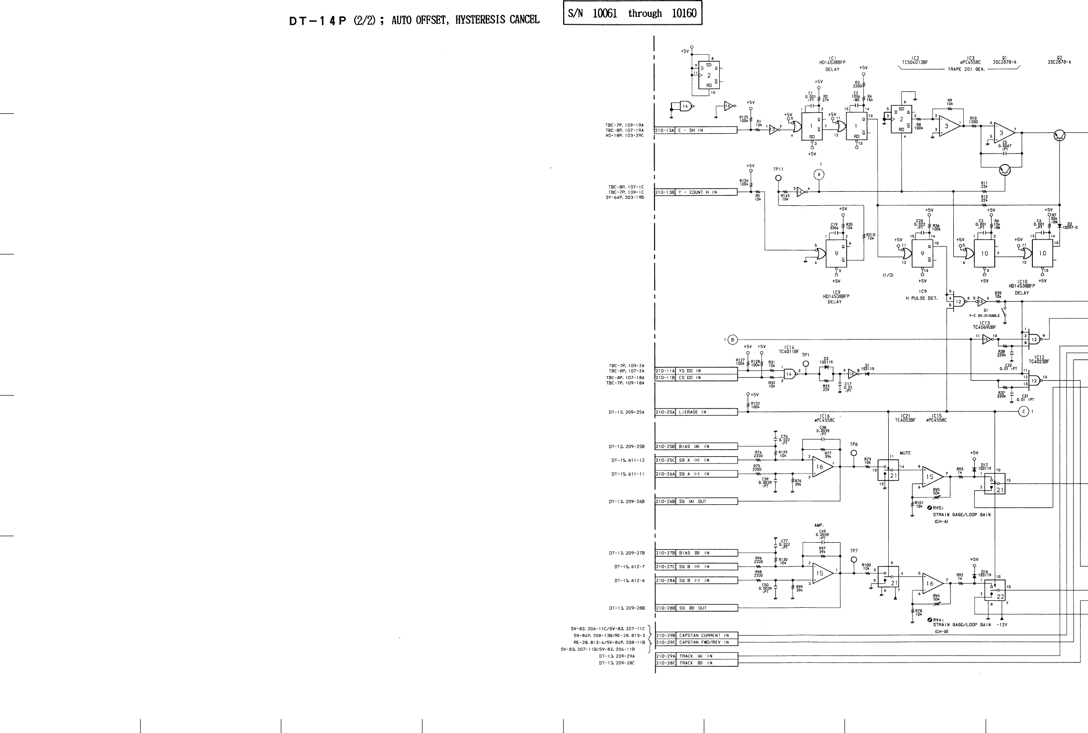
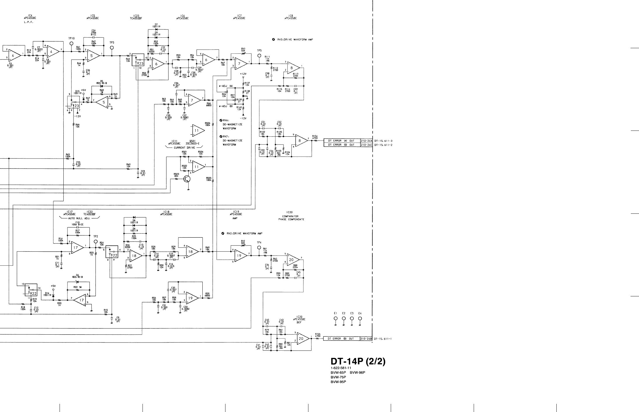
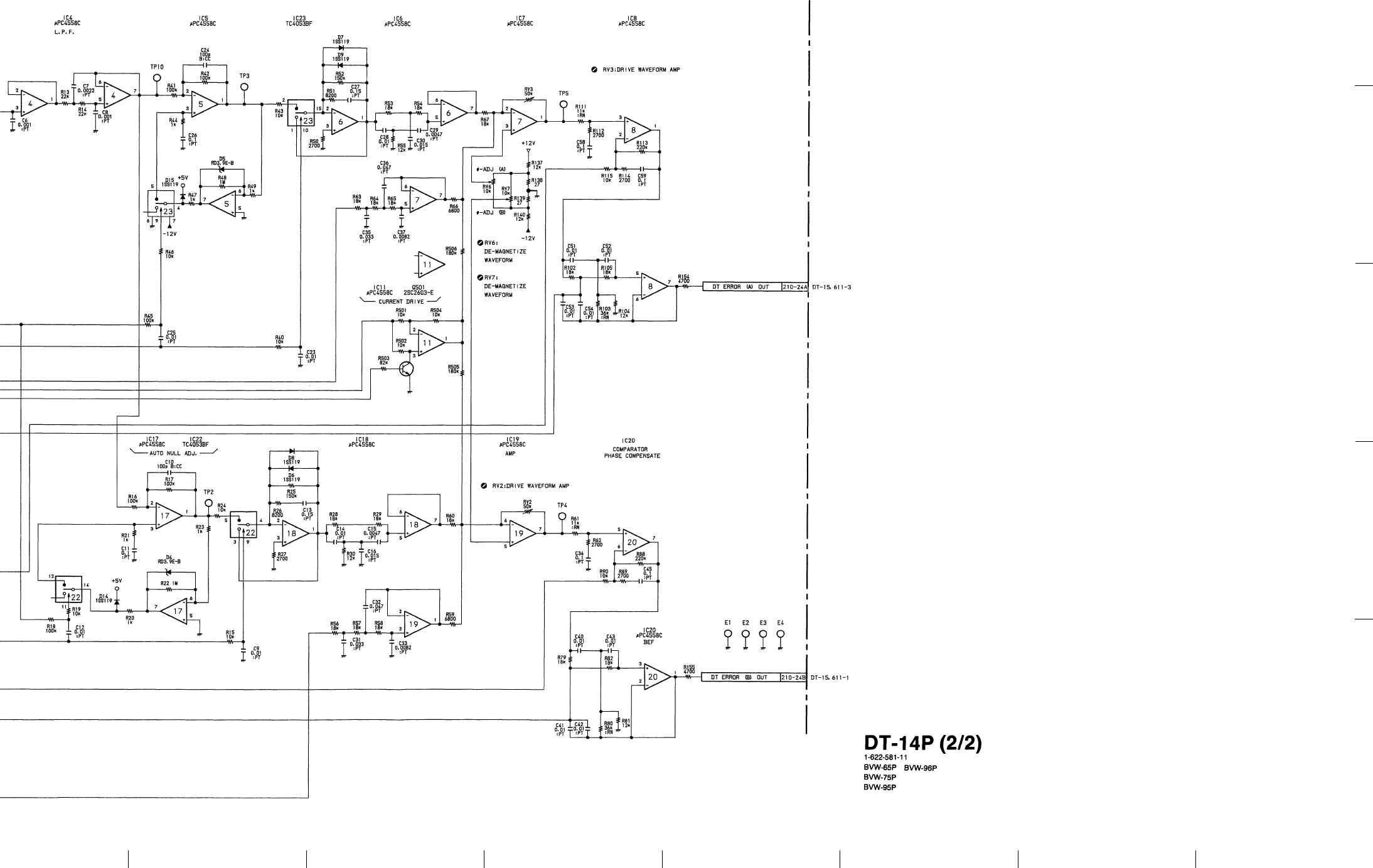
DT-14P (2/2)DT-14P (2/2)
16-265 (a)16-264 (a)

BVW-65P
2
3
4
5
1
I J K L M N O P
DT-14P (2/2)DT-14P (2/2)
16-266 (a) 16-267 (a)

BVW-65P
2
3
4
5
1
A B C D E F G H
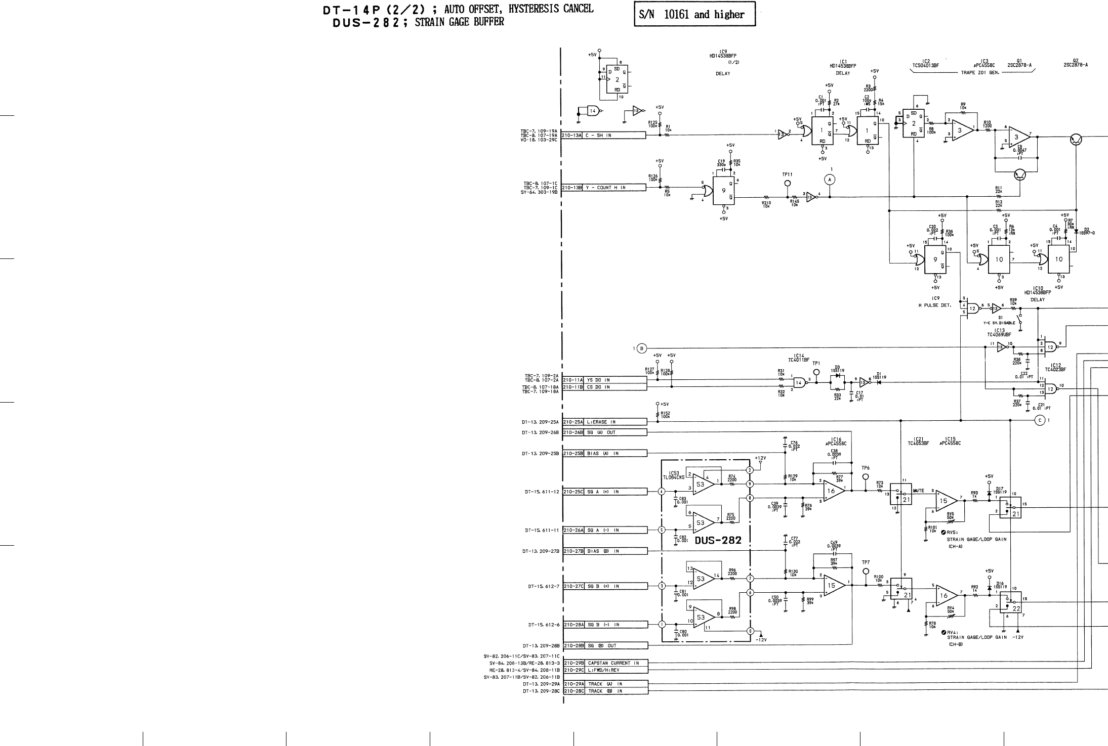
DT-14P (2/2), DUS-282DT-14P (2/2), DUS-282
16-265 (b)16-264 (b)

BVW-65P
2
3
4
5
1
I J K L M N O P
DT-14P (2/2), DUS-282DT-14P (2/2), DUS-282
16-266 (b) 16-267 (b)

BVW-65P
2
3
4
5
1
A B C D E F G H
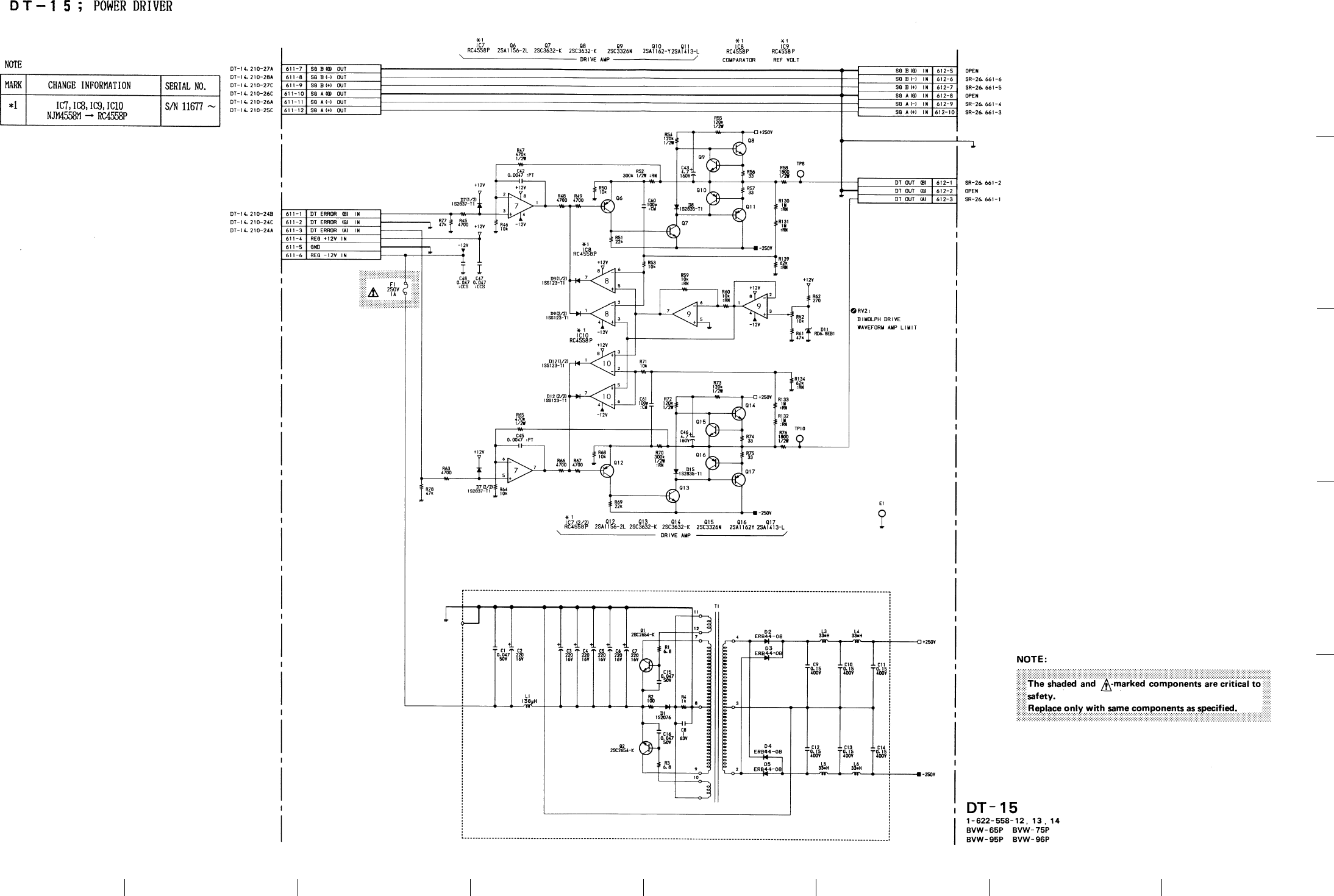
DT-15DT-15
16-269 16-270

BVW-65P
2
3
4
5
1
A B C D E F G H
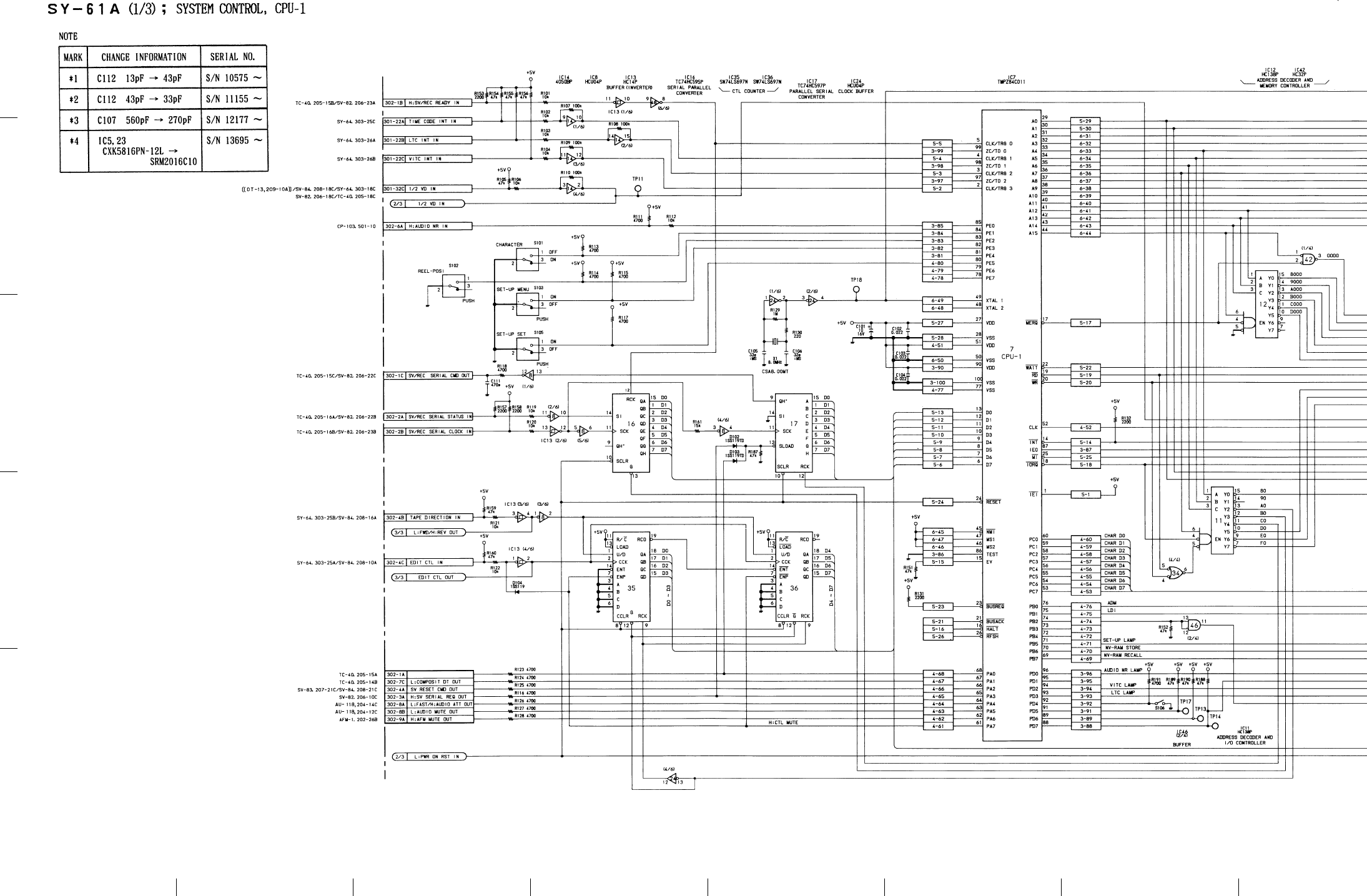
SY-61A (1/3)SY-61A (1/3)
16-27616-275

BVW-65P
2
3
4
5
1
I J K L M N O P
SY-61A (1/3)SY-61A (1/3)
16-277 16-278

BVW-65P
2
3
4
5
1
A B C D E F G H
16-28316-282
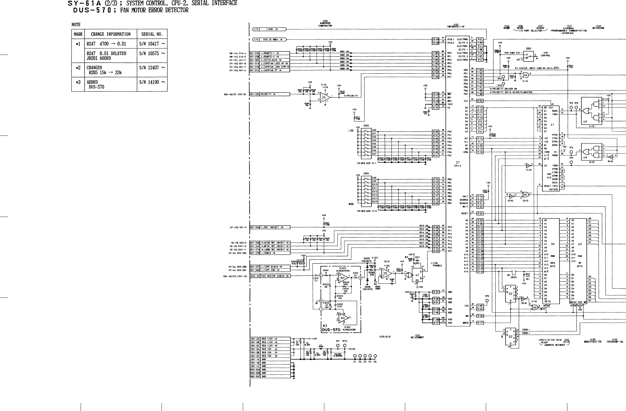
SY-61A (2/3), DUS-570SY-61A (2/3), DUS-570

BVW-65P
2
3
4
5
1
I J K L M N O P
16-284 16-285
SY-61A (2/3), DUS-570SY-61A (2/3), DUS-570

BVW-65P
2
3
4
5
1
A B C D E F G H
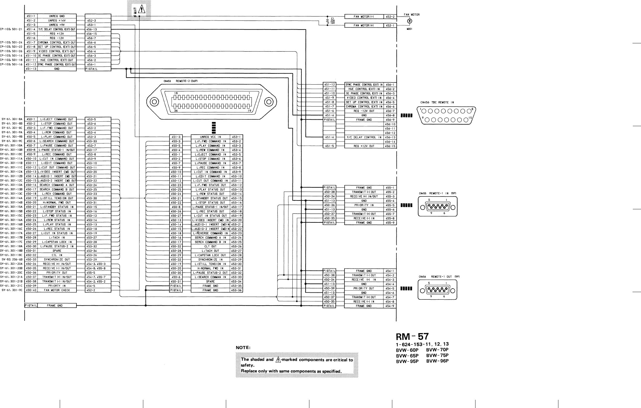
SY-61A (3/3), RM-57SY-61A (3/3), RM-57
16-29016-289

BVW-65P
2
3
4
5
1
I J K L M N O P
SY-61A (3/3), RM-57SY-61A (3/3), RM-57
16-291 16-292

BVW-65P
2
3
4
5
1
A B C D E F G H
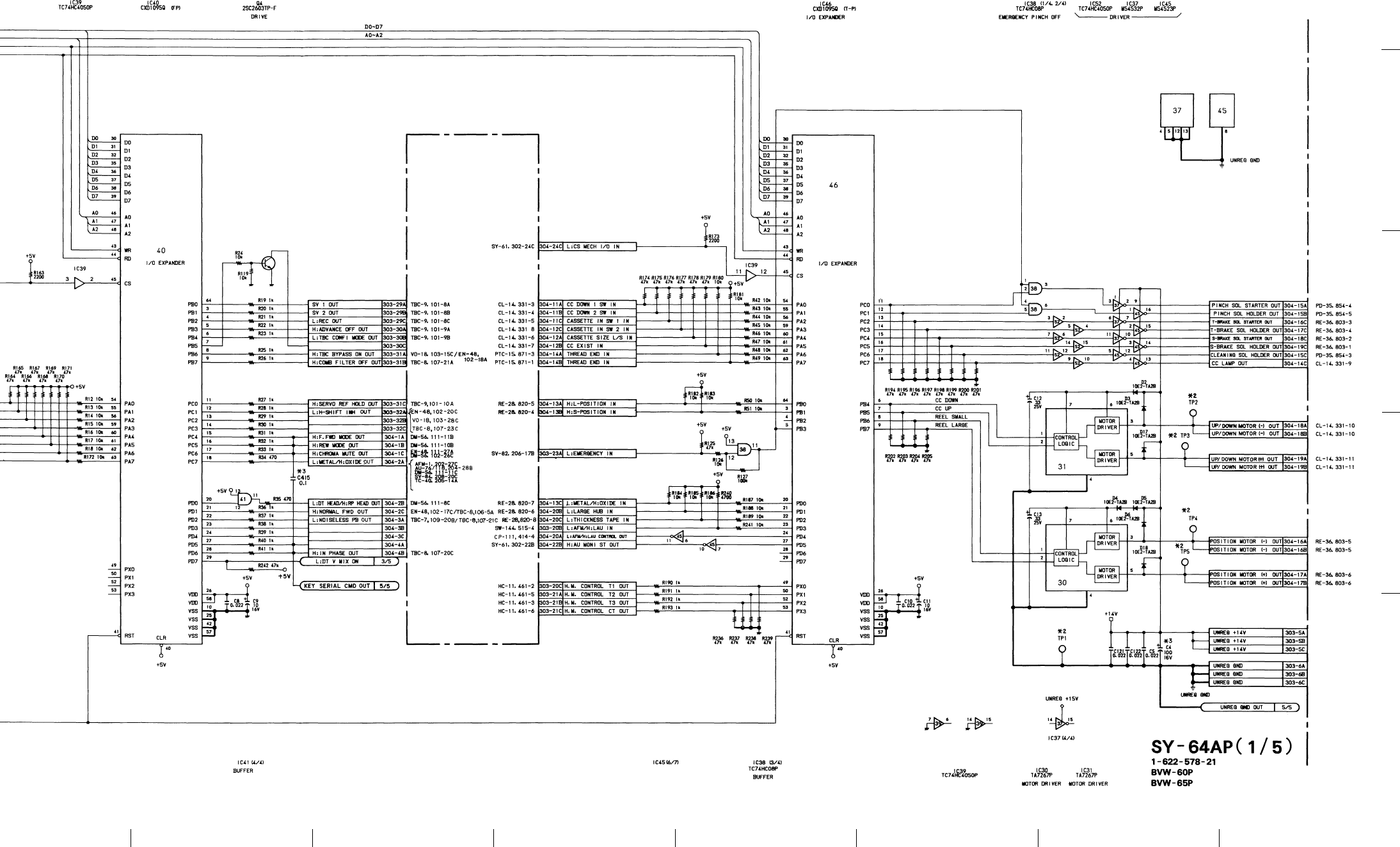
SY-64AP (1/5)SY-64AP (1/5)
16-29816-297

BVW-65P
2
3
4
5
1
I J K L M N O P
SY-64AP (1/5)SY-64AP (1/5)
16-299 16-300

BVW-65P
2
3
4
5
1
A B C D E F G H
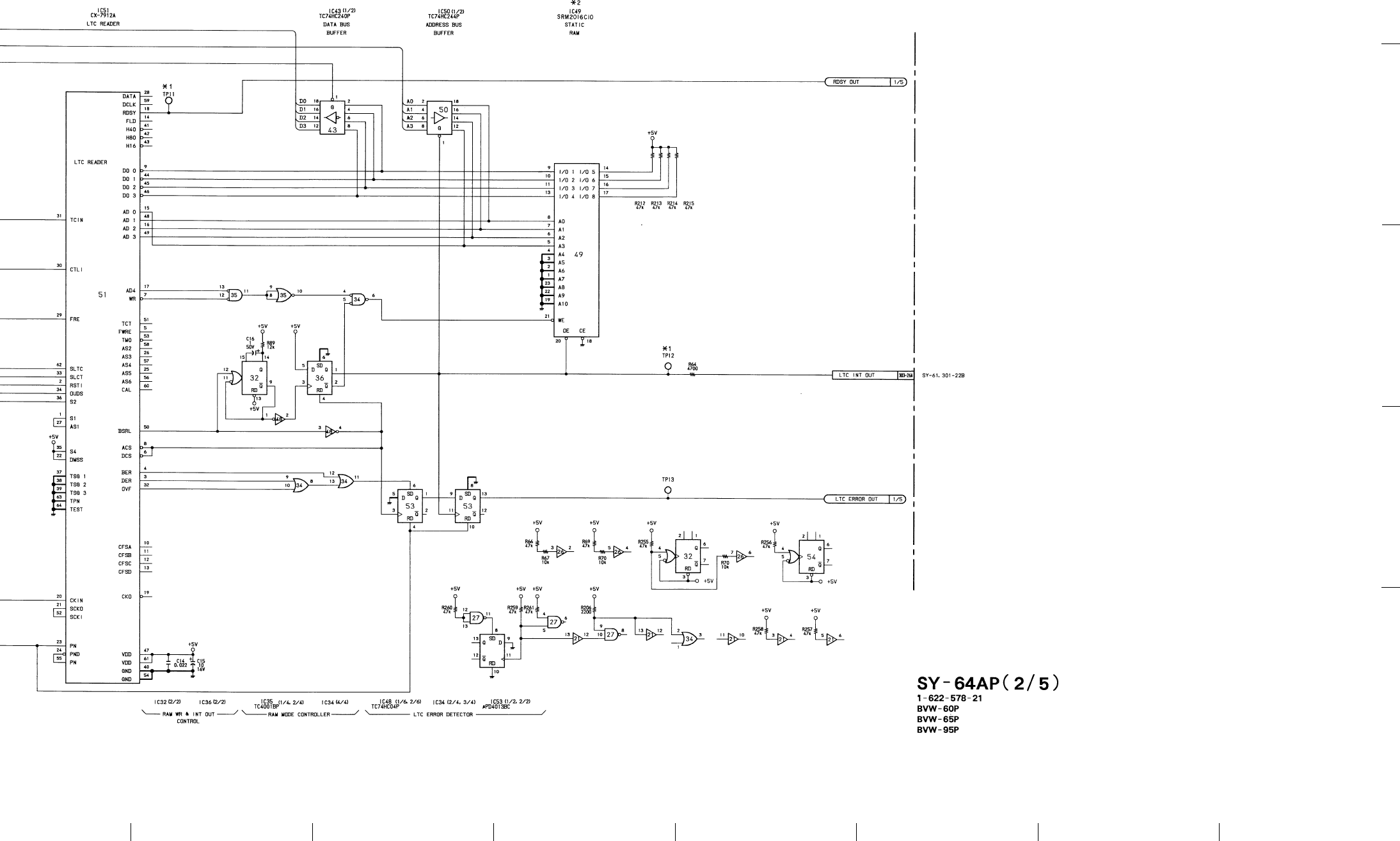
16-30516-304
SY-64AP (2/5)SY-64AP (2/5)

BVW-65P
2
3
4
5
1
I J K L M N O P
16-306 16-307
SY-64AP (2/5)SY-64AP (2/5)

BVW-65P
2
3
4
5
1
A B C D E F G H
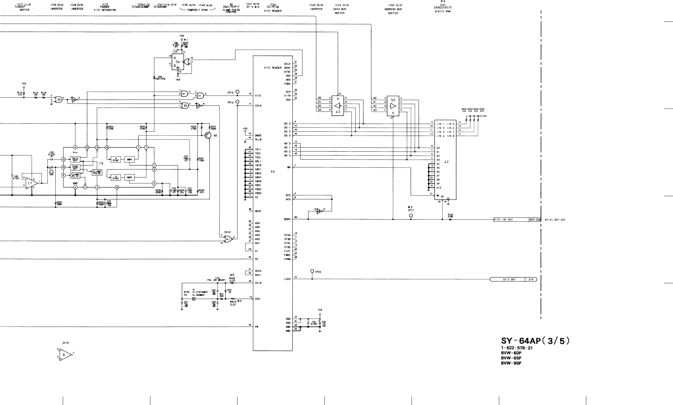
SY-64AP (3/5)SY-64AP (3/5)
16-31116-310

BVW-65P
2
3
4
5
1
I J K L M N O P
SY-64AP (3/5)SY-64AP (3/5)
16-312 16-313

BVW-65P
2
3
4
5
1
A B C D E F G H
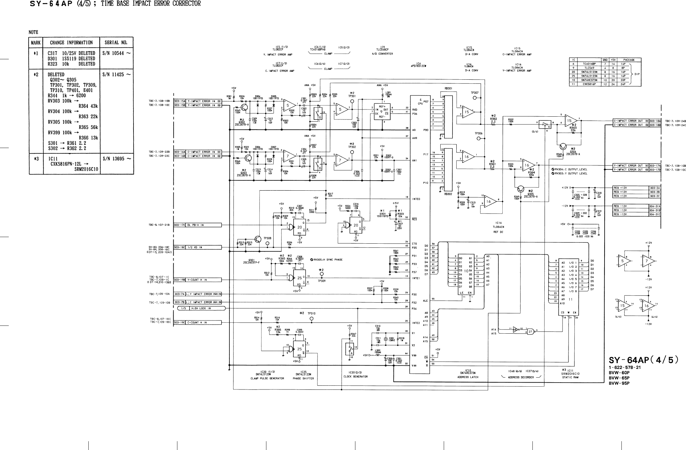
SY-64AP (4/5)SY-64AP (4/5)
16-31816-317

BVW-65P
2
3
4
5
1
A B C D E F G H
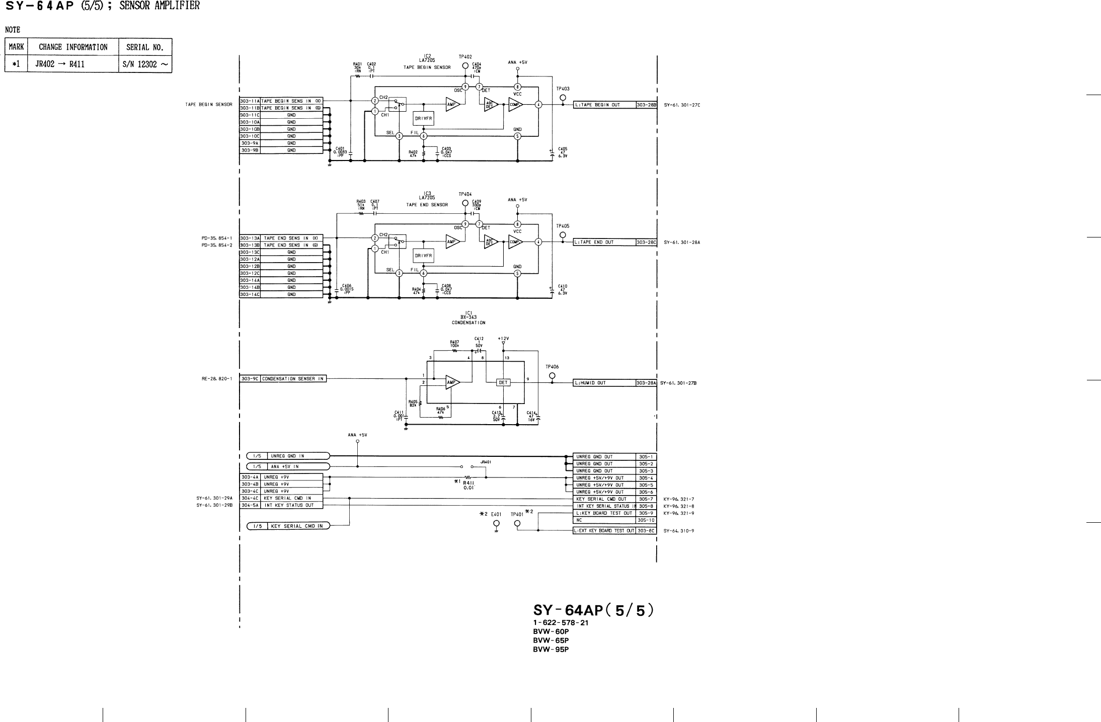
SY-64AP (5/5)SY-64AP (5/5)
16-319 16-320

BVW-65P
2
3
4
5
1
A B C D E F G H
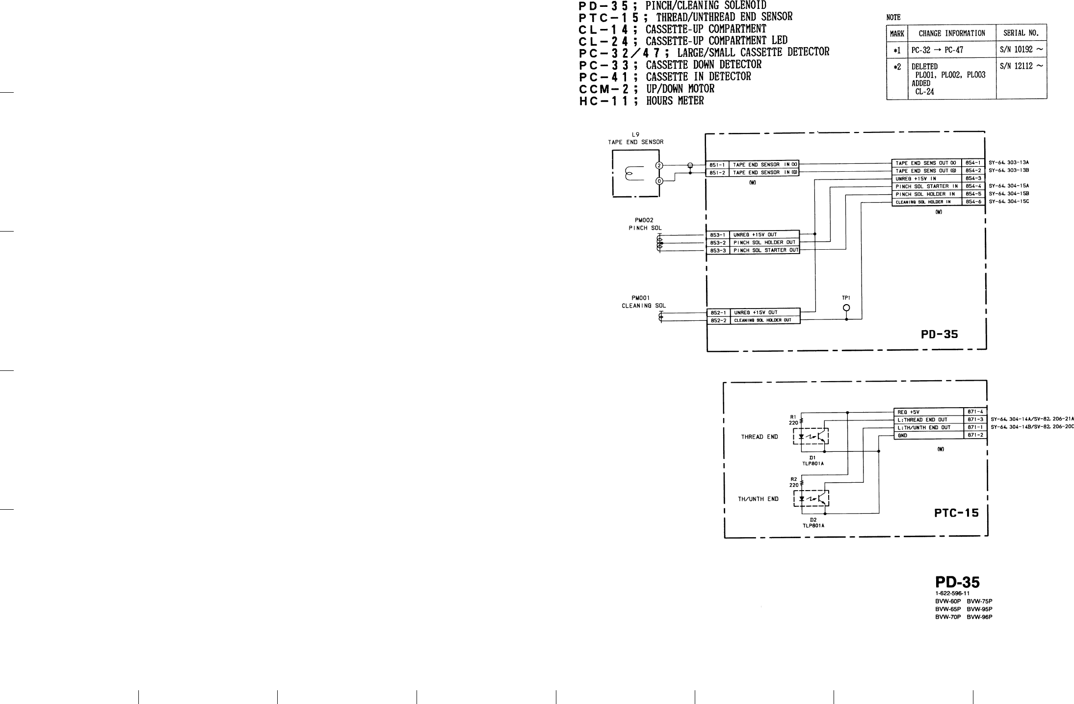
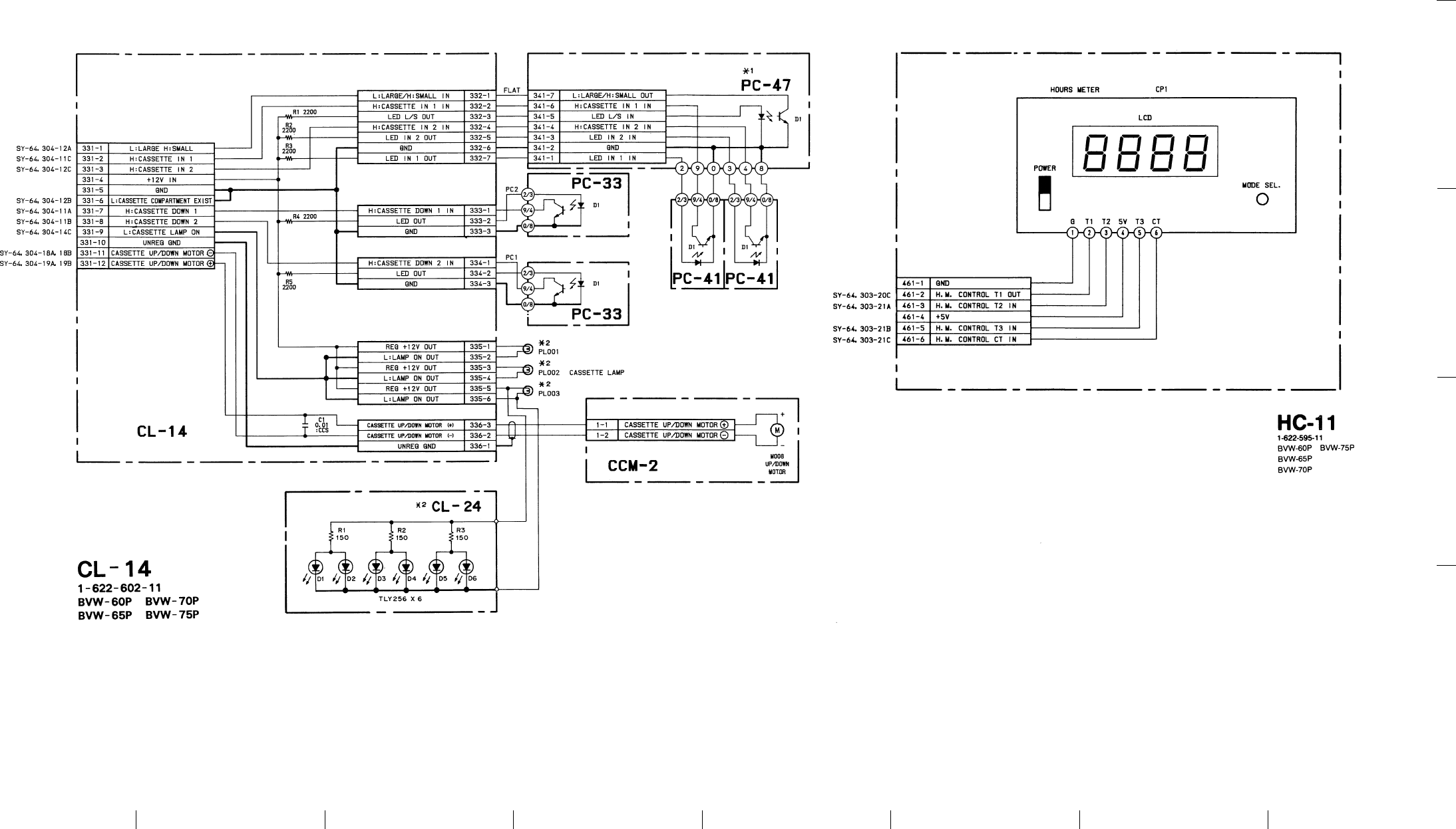
PD-35, PTC-15, CL-14/24, PC-32/33/41/47, CCM-2, HC-11PD-35, PTC-15, CL-14/24, PC-32/33/41/47, CCM-2, HC-11
16-32516-324

BVW-65P
2
3
4
5
1
I J K L M N O P
PD-35, PTC-15, CL-14/24, PC-32/33/41/47, CCM-2, HC-11PD-35, PTC-15, CL-14/24, PC-32/33/41/47, CCM-2, HC-11
16-326 16-327

BVW-65P
2
3
4
5
1
A B C D E F G H
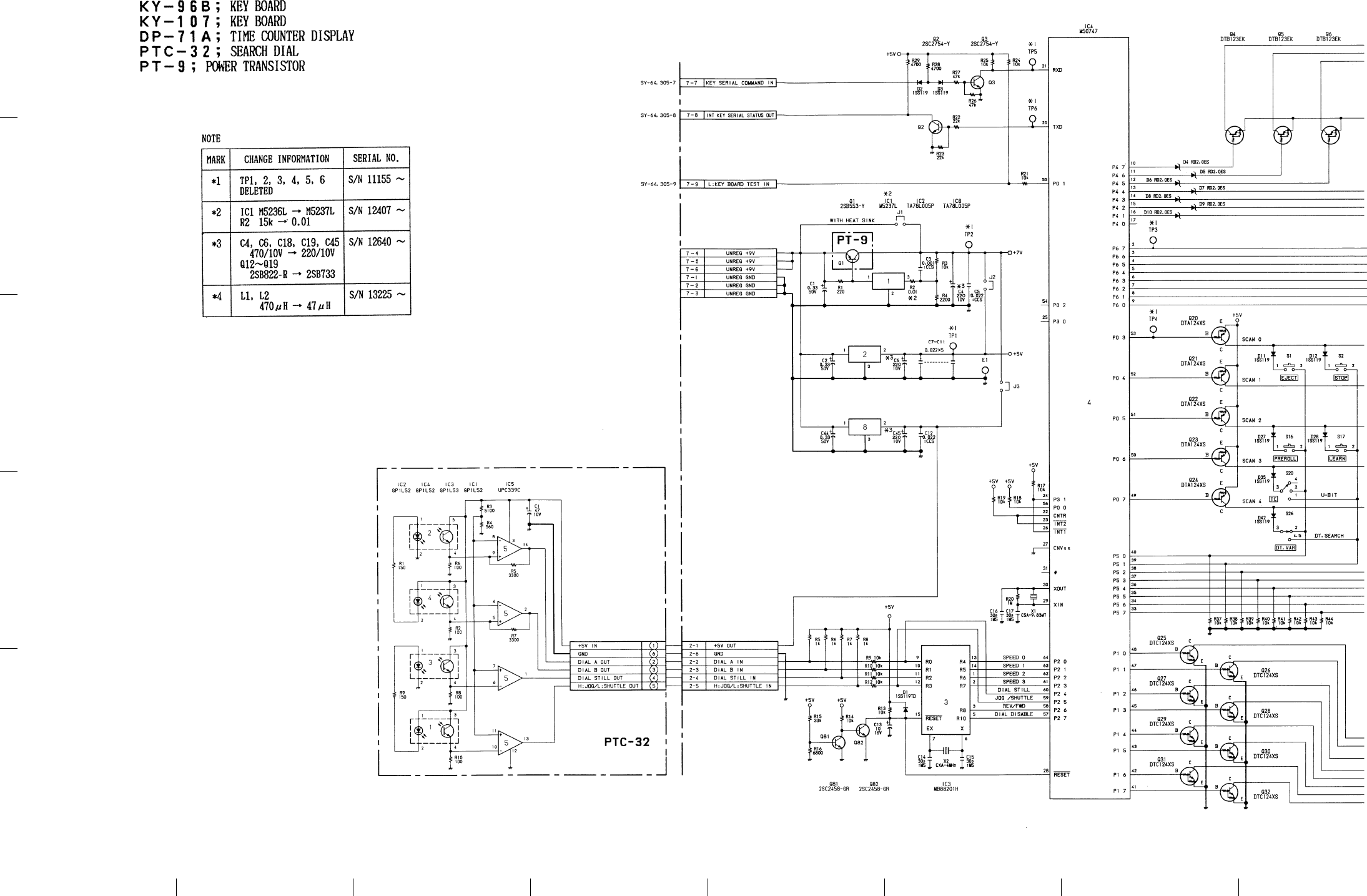
KY-96B/107, DP-71A, PTC-32, PT-9KY-96B/107, DP-71A, PTC-32, PT-9
16-33216-331

BVW-65P
2
3
4
5
1
I J K L M N O P
KY-96B/107, DP-71A, PTC-32, PT-9KY-96B/107, DP-71A, PTC-32, PT-9
16-333 16-334

BVW-65P
2
3
4
5
1
A B C D E F G H
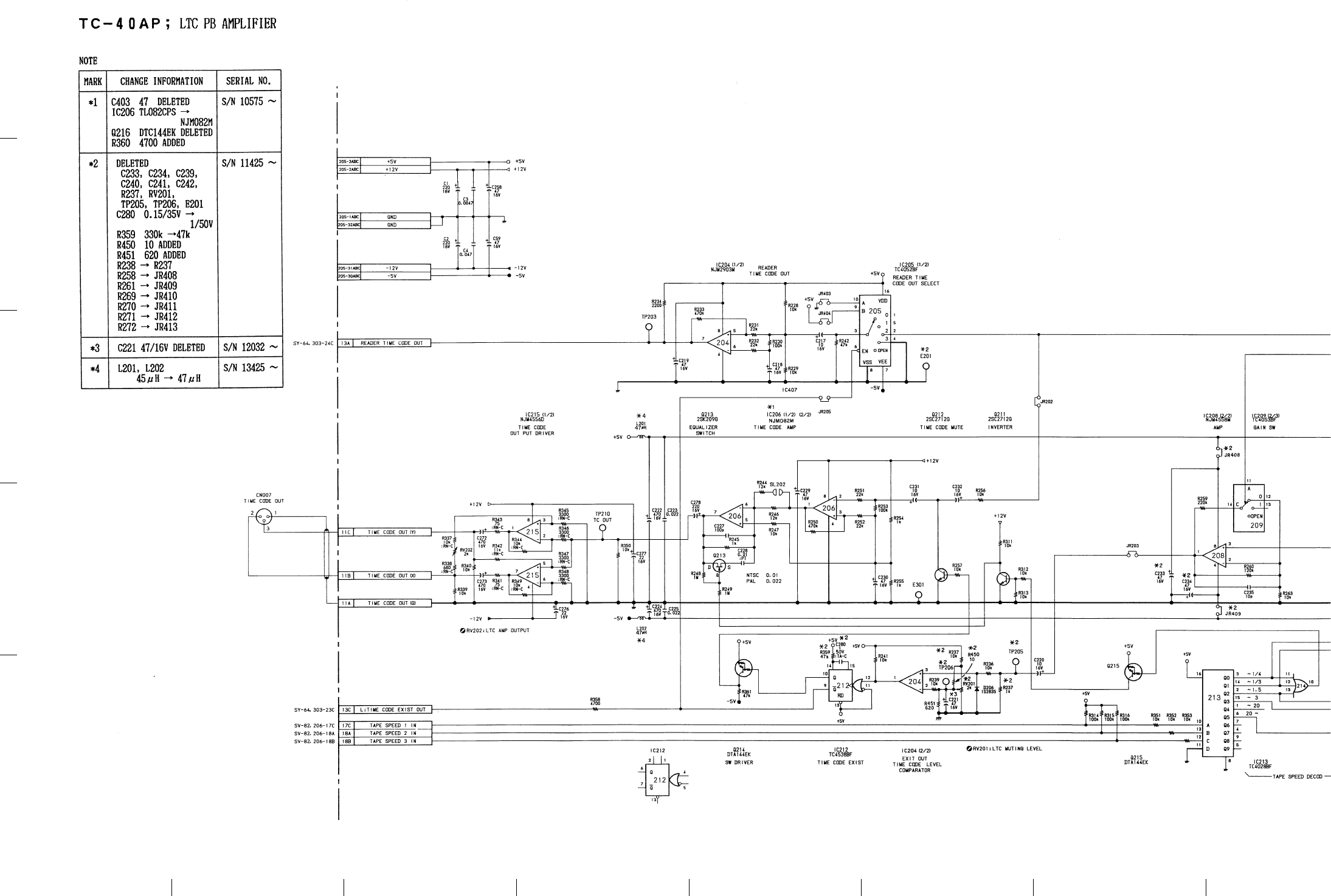
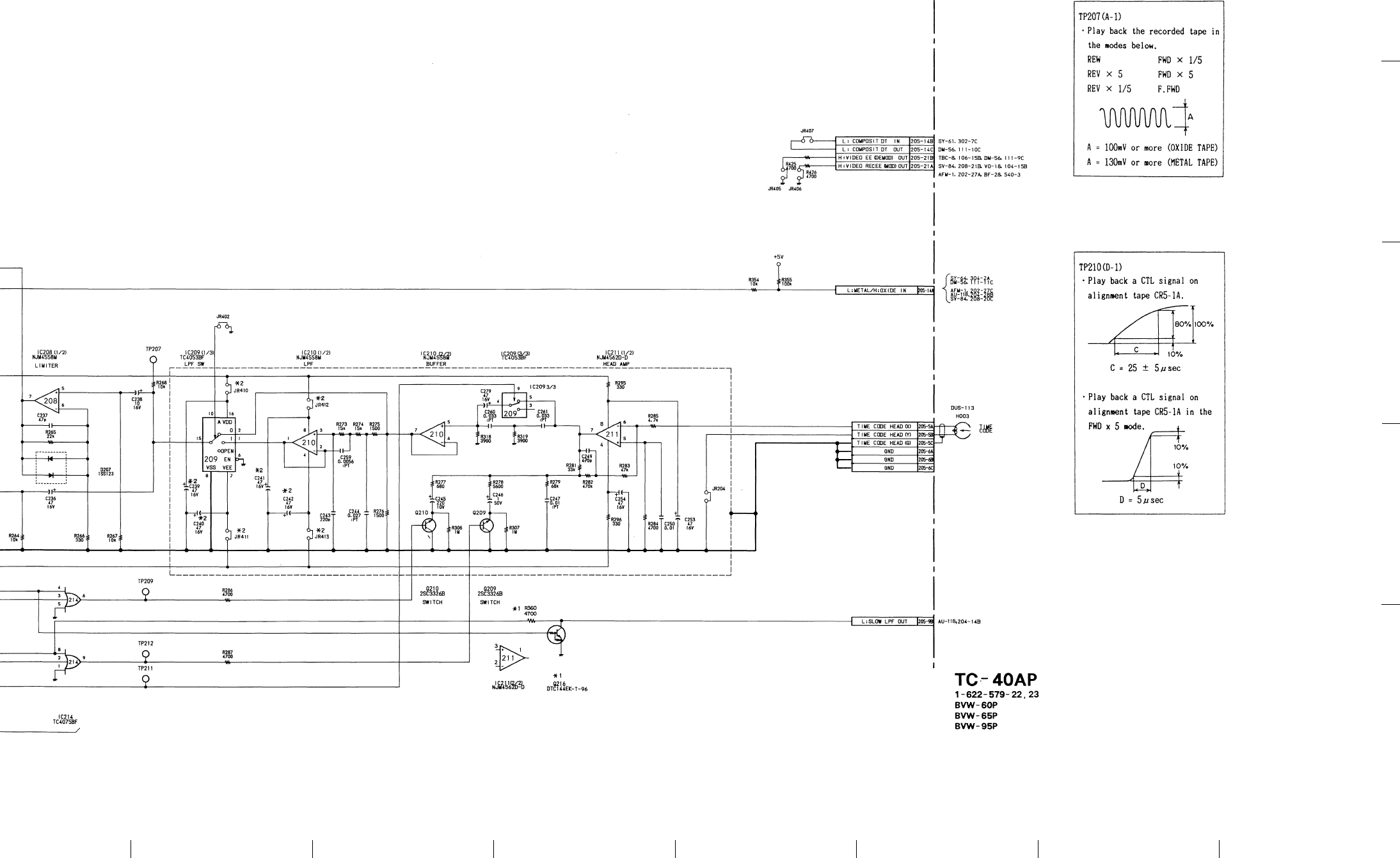
16-34016-339
TC-40APTC-40AP

BVW-65P
2
3
4
5
1
I J K L M N O P
16-341 16-342
TC-40APTC-40AP

BVW-65P
2
3
4
5
1
A B C D E F G H
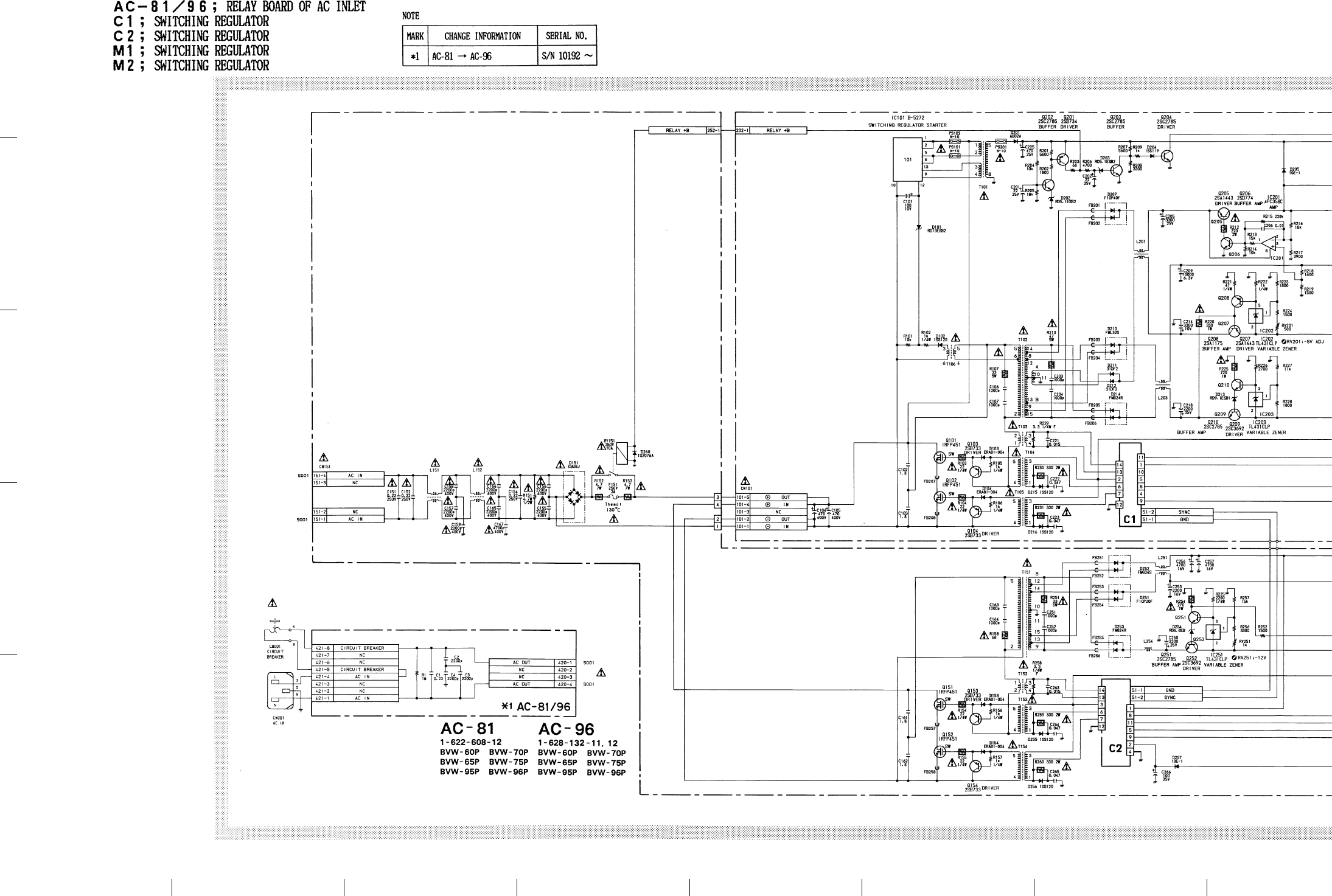
AC-81/96, C1, C2, M1, M2AC-81/96, C1, C2, M1, M2
16-34816-347

BVW-65P
2
3
4
5
1
I J K L M N O P
AC-81/96, C1, C2, M1, M2AC-81/96, C1, C2, M1, M2
16-349 16-350

BVW-65P
2
3
4
5
1
A B C D E F G H
MB-191B (1/4)MB-191B (1/4)
16-356 (a)16-355 (a)

BVW-65P
2
3
4
5
1
I J K L M N O P
MB-191B (1/4)MB-191B (1/4)
16-357 (a) 16-358 (a)

BVW-65P
2
3
4
5
1
A B C D E F G H
MB-191B (1/4)MB-191B (1/4)
16-356 (b)16-355 (b)

BVW-65P
2
3
4
5
1
I J K L M N O P
MB-191B (1/4)MB-191B (1/4)
16-357 (b) 16-358 (b)

BVW-65P
2
3
4
5
1
A B C D E F G H
MB-191B (2/4)MB-191B (2/4)
16-36316-362

BVW-65P
2
3
4
5
1
I J K L M N O P
MB-191B (2/4)MB-191B (2/4)
16-364 16-365

BVW-65P
2
3
4
5
1
A B C D E F G H
MB-191B (3/4)MB-191B (3/4)
16-36916-368

BVW-65P
2
3
4
5
1
I J K L M N O P
MB-191B (3/4)MB-191B (3/4)
16-370 16-371

BVW-65P
2
3
4
5
1
A B C D E F G H
MB-191B (4/4)MB-191B (4/4)
16-37516-374

BVW-65P
2
3
4
5
1
I J K L M N O P
MB-191B (4/4)MB-191B (4/4)
16-376 16-377

BVW-65P
2
3
4
5
1
A B C D E F G H
MB-192MB-192
16-38116-380

BVW-65P
2
3
4
5
1
I J K L M N O P
MB-192MB-192
16-382 16-383

BVW-65P
2
3
4
5
1
A B C D E F G H
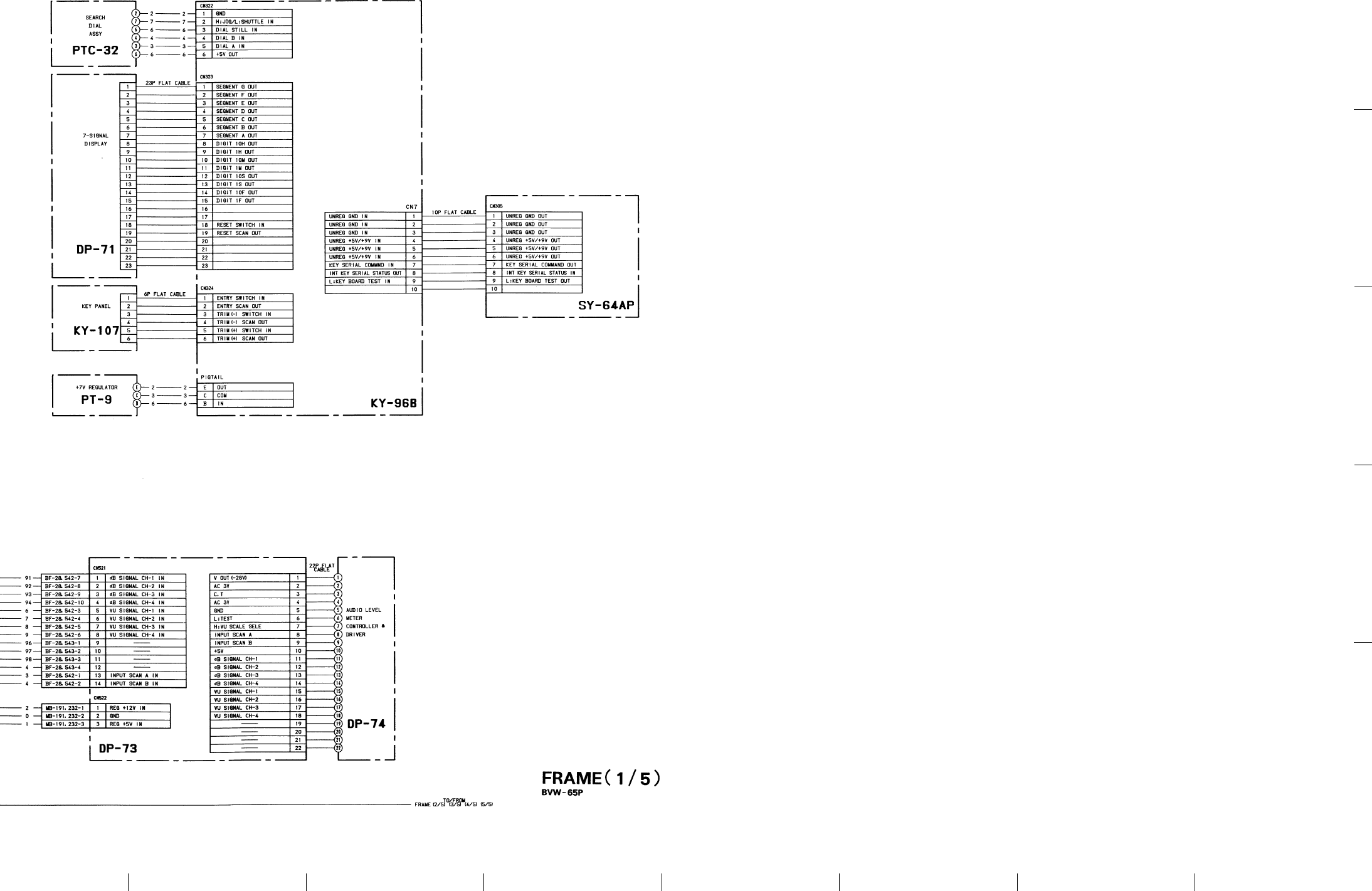
Frame (1/5)Frame (1/5)
16-38716-386

BVW-65P
2
3
4
5
1
I J K L M N O P
Frame (1/5)Frame (1/5)
16-388 (1) 16-388 (2)

BVW-65P
2
3
4
5
1
A B C D E F G H
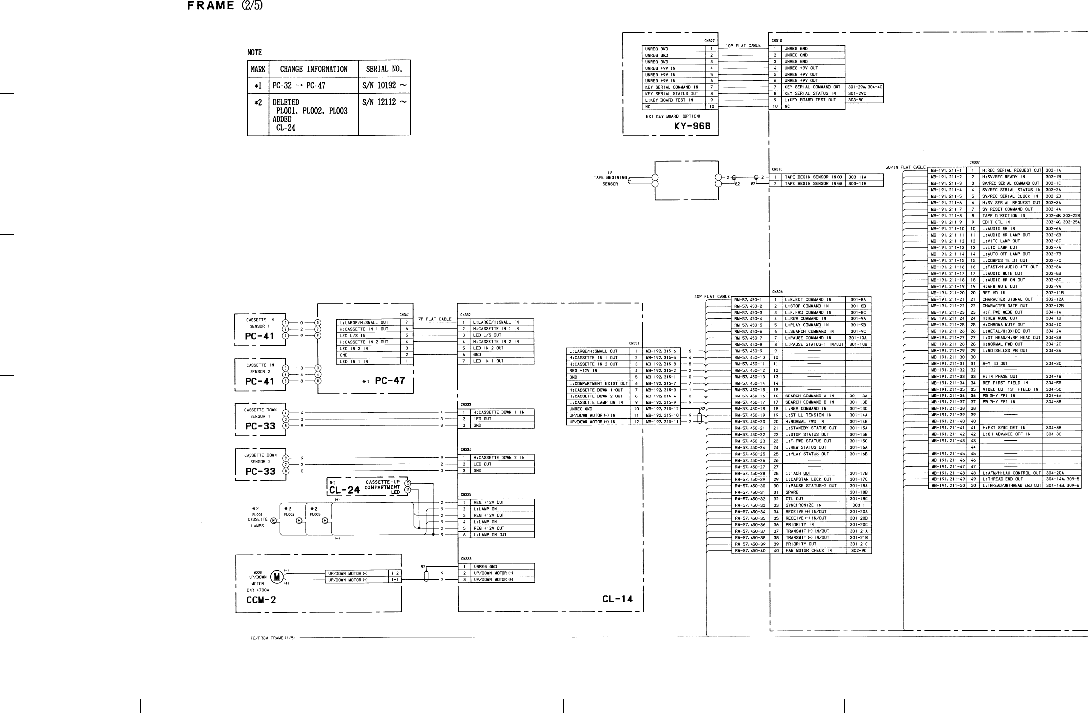
16-39016-389
Frame (2/5)Frame (2/5)

BVW-65P
2
3
4
5
1
I J K L M N O P
16-391 (1) 16-391 (2)
Frame (2/5)Frame (2/5)

BVW-65P
2
3
4
5
1
A B C D E F G H
16-39316-392
Frame (3/5)Frame (3/5)

BVW-65P
2
3
4
5
1
I J K L M N O P
16-394 (1) 16-394 (2)
Frame (3/5)Frame (3/5)

BVW-65P
2
3
4
5
1
A B C D E F G H
16-39616-395
Frame (4/5)Frame (4/5)

BVW-65P
2
3
4
5
1
I J K L M N O P
16-397 (1) 16-397 (2)
Frame (4/5)Frame (4/5)

BVW-65P
2
3
4
5
1
A B C D E F G H
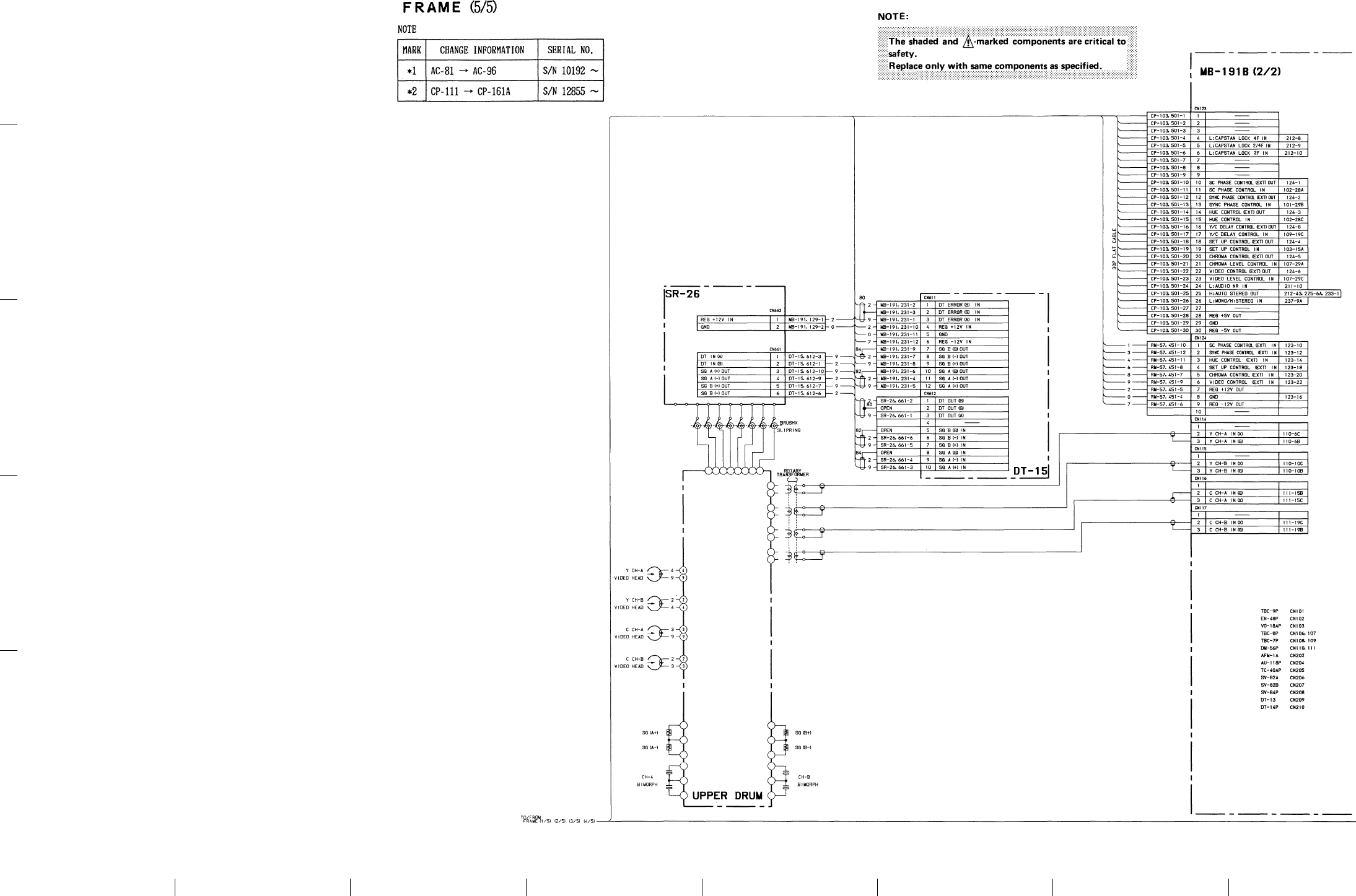
16-39916-398
Frame (5/5)Frame (5/5)

BVW-65P
2
3
4
5
1
I J K L M N O P
16-400 16-401
Frame (5/5)Frame (5/5)

BVW-65P
Section 17
Printed Wiring Boards
17-1 17-2

BVW-65P 17-3 (a) 17-4 (a)
DUS-288, EQ-26/28
DUS-288, EQ-26/28
DUS-288 : DO RF Equalizer
EQ-26 : RF Equalizer
EQ-28 : RF Equalizer
BVW-65P : S/N 10192 and Higher

BVW-65P
DM-56P, DUS-259DM-56P, DUS-259
DM-56P : Y/C Demodulator
DUS-259 : Metal/Oxide LPF Switch
17-417-3

BVW-65P
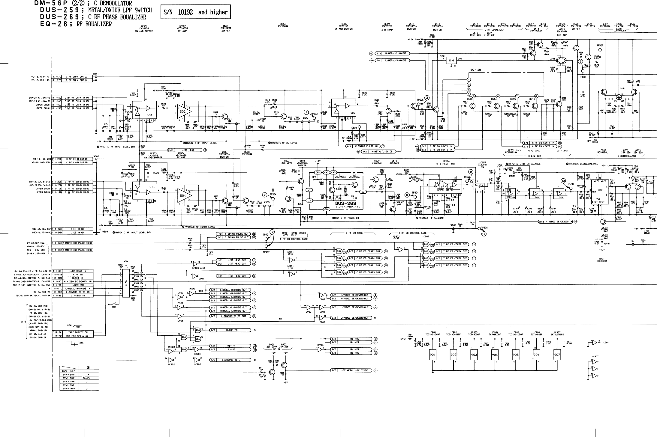
DM-56P, DUS-269
DM-56P, DUS-269
DUS-269 : C RF Phase
Equalizer
17-5 17-6

BVW-65P
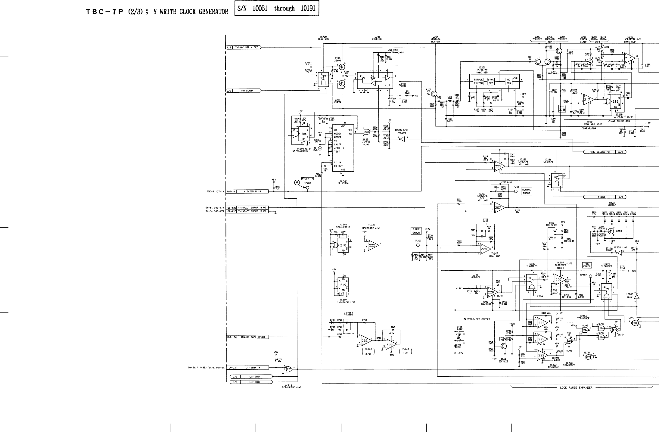
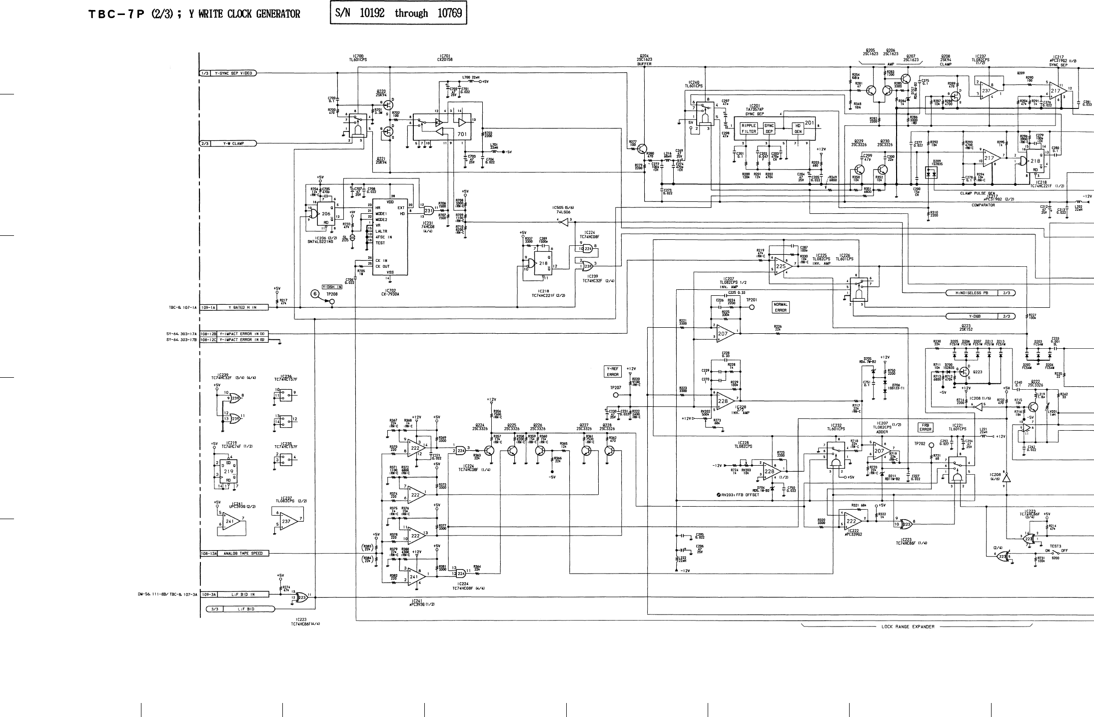
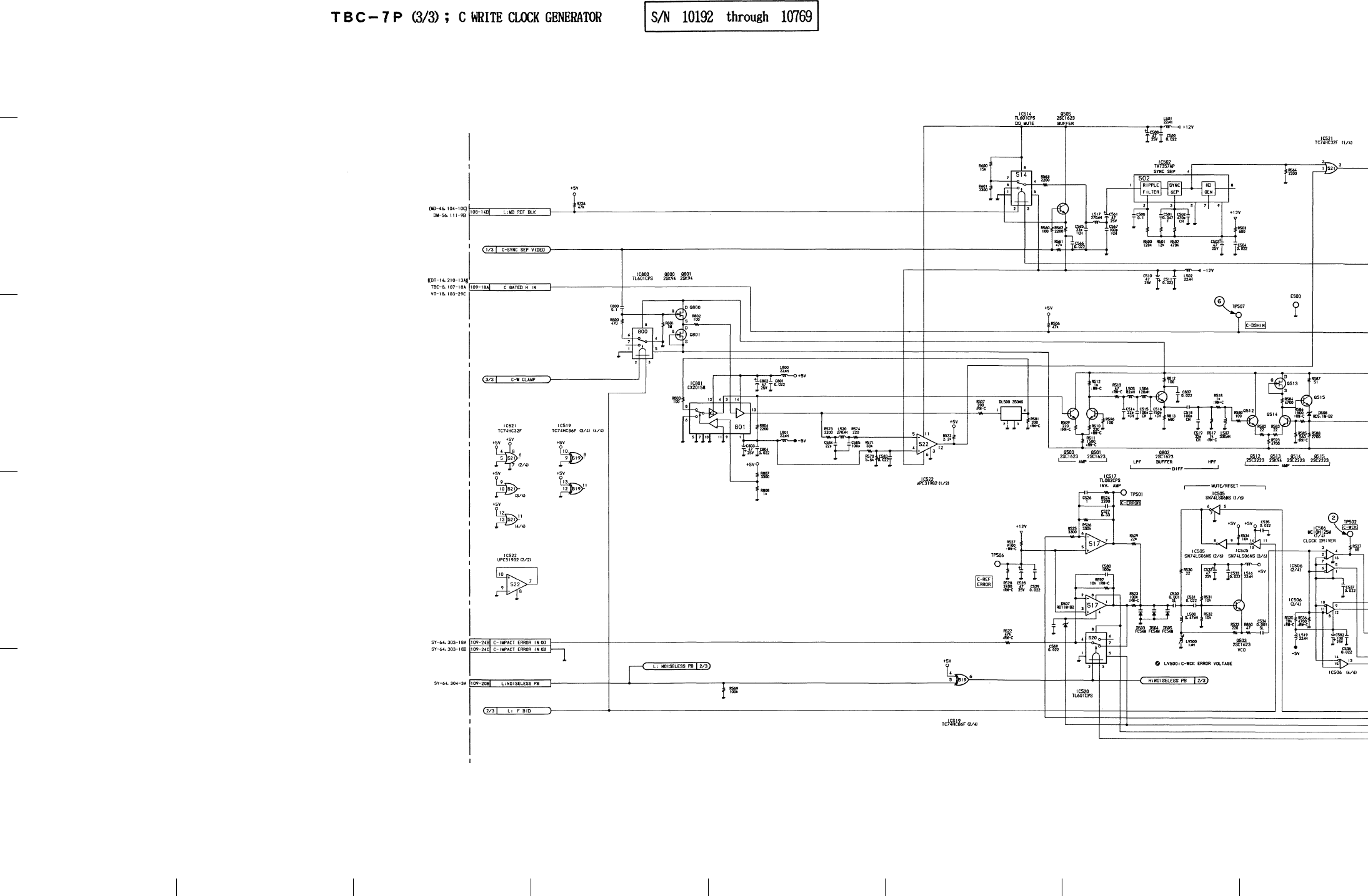
TBC-7P, SW-261TBC-7P, SW-261
TBC-7P : Time Base Corrector
SW-261 : Metal/Oxide Y/C Delay Adjust Volume
17-12 (a)17-11 (a)
BVW-65P : S/N 10061 through 10191

BVW-65P
TBC-7P
TBC-7P
17-13 (a) 17-14 (a)
BVW-65P : S/N 10061 through 10191

BVW-65P
TBC-7PTBC-7P
TBC-7P : Time Base Corrector
BVW-65P : S/N 10192 through 10769
TBC-7P -COMPONENT SIDE-
1-622-548-13
BVW-60P BVW-70P
BVW-65P BVW-75P
BVW-95P BVW-96P
17-12 (b)17-11 (b)

BVW-65P
TBC-7P
TBC-7P
BVW-65P : S/N 10192 through 10769
TBC-7P -SOLDERING SIDE-
1-622-548-13
BVW-60P BVW-70P
BVW-65P BVW-75P
BVW-95P BVW-96P
17-13 (b) 17-14 (b)

BVW-65P
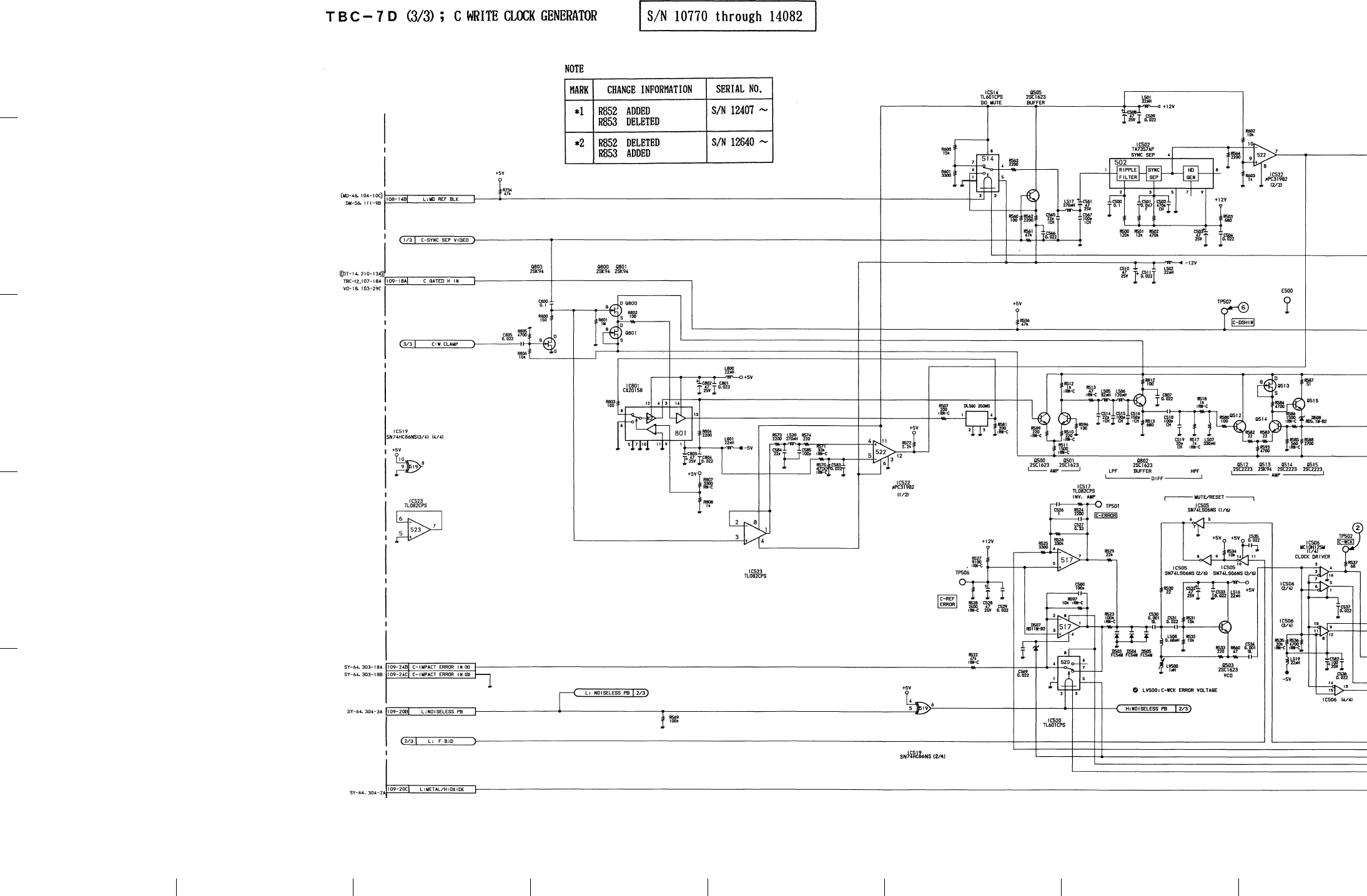
TBC-7DTBC-7D
TBC-7D : Time Base Corrector
BVW-65P : S/N 10770 through 14082
TBC-7D -COMPONENT SIDE-
1-622-548-14, 15
BVW-60P BVW-70P
BVW-65P BVW-75P
BVW-95P BVW-96P
17-12 (c)17-11 (c)

BVW-65P
BVW-65P : S/N 10770 through 14082
TBC-7D
TBC-7D
TBC-7D -SOLDERING SIDE-
1-622-548-14, 15
BVW-60P BVW-70P
BVW-65P BVW-75P
BVW-95P BVW-96P
17-13 (c) 17-14 (c)

BVW-65P
TBC-7ETBC-7E
BVW-65P : S/N 14083 and Higher
TBC-7E : Time Base Corrector
17-12 (d)17-11 (d)

BVW-65P
TBC-7E
TBC-7E
BVW-65P : S/N 14083 and Higher
17-13 (d) 17-14 (d)

BVW-65P
TBC-8PTBC-8P
BVW-65P : S/N 10061 through 10416
TBC-8P : Time Base Corrector
17-20 (a)17-19 (a)

BVW-65P
TBC-8P
TBC-8P
BVW-65P : S/N 10061 through 10416
17-21 (a) 17-22 (a)

BVW-65P
TBC-8PTBC-8P
TBC-8P : Time Base Corrector
BVW-65P : S/N 10417 through 10769
TBC-8P (1-622-549-15)
TBC-8P -COMPONENT SIDE-
1-622-549-15
BVW-60P BVW-70P
BVW-65P BVW-75P
BVW-95P BVW-96P
17-20 (b)17-19 (b)

BVW-65P
TBC-8P
TBC-8P
BVW-65P : S/N 10417 through 10769
TBC-8P (1-622-549-15)
TBC-8P -SOLDERING SIDE-
1-622-549-15
BVW-60P BVW-70P
BVW-65P BVW-75P
BVW-95P BVW-96P
17-21 (b) 17-22 (b)

BVW-65P
TBC-12PTBC-12P
TBC-12P : Time Base Corrector
BVW-65P : S/N 10770 and Higher
17-20 (c)17-19 (c)

BVW-65P
BVW-65P : S/N 10770 and Higher
TBC-12P
TBC-12P
17-21 (c) 17-22 (c)

BVW-65P
NR-32 NR-32
NR-32 : Y Digital Noise Reduction, Read Clock Generator
BVW-65P : S/N 10770 and Higher
17-27 (a) 17-28 (a)

BVW-65P
TBC-9P, NR-25 TBC-9P, NR-25
TBC-9P : Time Base Corrector
TBC-9P -COMPONENT SIDE-
1-622-550-13
BVW-60P BVW-70P
BVW-65P BVW-75P
BVW-95P BVW-96P
17-2817-27

BVW-65P
TBC-9P, NR-25 TBC-9P, NR-25
TBC-9P -SOLDERING SIDE-
1-622-550-13
BVW-60P BVW-70P
BVW-65P BVW-75P
BVW-95P BVW-96P 17-29 17-30
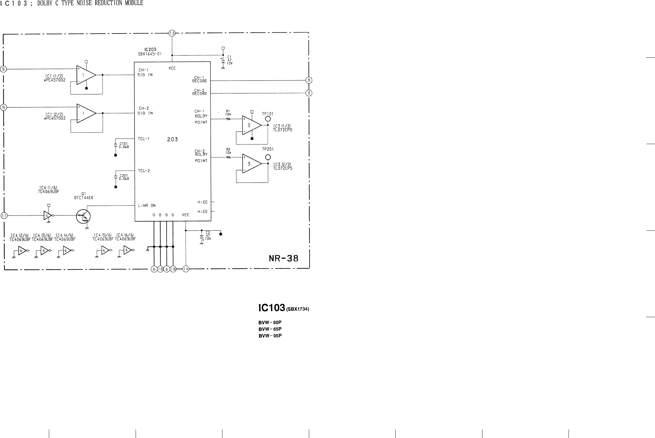
NR-25 : Y Digital Noise Reduction
NR-25 -COMPONENT SIDE-
1-624-023-12
BVW-60P BVW-70P
BVW-65P BVW-75P
BVW-95P BVW-96P
NR-25 -SOLDERING SIDE-
1-624-023-12
BVW-60P BVW-70P
BVW-65P BVW-75P
BVW-95P BVW-96P
BVW-65P : S/N 10061 through 10769

BVW-65P
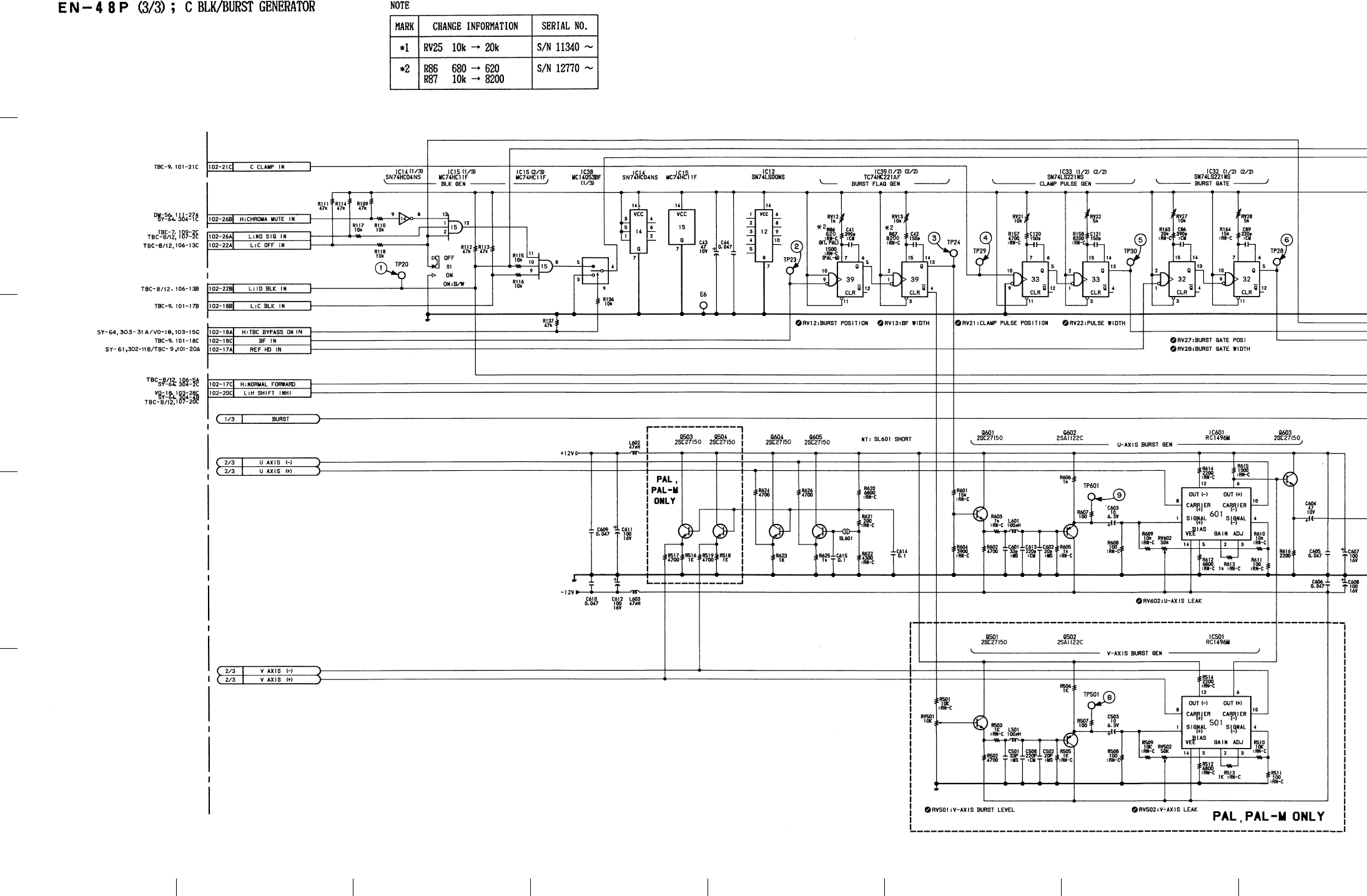
EN-48P EN-48P
EN-48P : C Encoder
EN-48P -COMPONENT SIDE-
1-622-546-14, 15
BVW-60P BVW-70P
BVW-65P BVW-75P
BVW-95P BVW-96P
17-3617-35

BVW-65P
EN-48P EN-48P
EN-48P -SOLDERING SIDE-
1-622-546-14, 15
BVW-60P BVW-70P
BVW-65P BVW-75P
BVW-95P BVW-96P
17-37 17-38

BVW-65P
VO-18AP, DUS-270 VO-18AP, DUS-270
VO-18AP : Video Output
DUS-270 : Squelch Buffer
17-4217-41

BVW-65P
VO-18AP VO-18AP
17-43 17-44

BVW-65P
DEC-39A DEC-39A
17-48 (a)17-47 (a)

BVW-65P
DEC-39A DEC-39A
17-49 (a) 17-50 (a)
DEC-39A : Edge Detector
BVW-65P : S/N 10061 through 10669

BVW-65P
DEC-46AP DEC-46AP
17-48 (b)17-47 (b)

BVW-65P
DEC-46AP DEC-46AP
17-49 (b) 17-50 (b)
DEC-46AP : Edge Detector
BVW-65P : S/N 10670 and Higher

BVW-65P
CP-103AP CP-103AP
CP-103AP : Sub Control Panel
17-5417-53

BVW-65P
CP-101AP CP-101AP
CP-101AP : Reference Video Input
17-59 17-60

BVW-65P
AU-118P AU-118P
17-6617-65

BVW-65P
AU-118P
AU-118P : LNG Audio Head Amplifier
AU-118P
17-67 17-68

BVW-65P
AFM-1A, FL-61 AFM-1A, FL-61
FL-61 : Audio LPF
17-7217-71

BVW-65P
AFM-1A
AFM-1A : AFM Audio Demodulator
AFM-1A
17-73 17-74

BVW-65P
BF-28A BF-28A
17-7817-77

BVW-65P
BF-28A, VR-42 BF-28A, VR-42
BF-28A : Audio Buffer/Level Meter Driver VR-42 : Audio PB Volume
17-79 17-80

BVW-65P
17-84 (a)17-83 (a)
CP-111 CP-111
BVW-65P : Up to S/N 12854
CP-111 : Audio Output Amplifier/Driver
BVW-65P : Up to S/N 11851
BVW-65P : S/N 11852 through 12854

BVW-65P 17-85 (a) 17-86 (a)
CP-113, HP-33, VR-62 CP-113, HP-33, VR-62
HP-33 : Headphones Amplifier/Jack
VR-62 : Headphones Level Volume
CP-113 : Audio Balanced Amplifier

BVW-65P
17-84 (b)17-83 (b)
CP-161A CP-161A
CP-161A : Audio Output Amplifier/Driver
BVW-65P : S/N 12855 and Higher

BVW-65P 17-85 (b) 17-86 (b)
CP-161A, HP-33, VR-62 CP-161A, HP-33, VR-62
HP-33 : Headphones Amplifier/Jack
VR-62 : Headphones Level Volume
BVW-65P : S/N 12855 and Higher

BVW-65P
SW-144A SW-144A
SW-144 : Select Switch/Display
17-9217-91

BVW-65P
DP-72/73/74 DP-72/73/74
DP-72 : RF Meter LED
DP-73 : DC-AC/DC Converter
DP-74 : Audio Level Meter Controller/Driver
17-93 17-94

BVW-65P
SV-82/82A SV-82/82A
17-10017-99

BVW-65P
SV-82/82A SV-82/82A
SV-82/82A : Microcomputer Servo
17-101 17-102

BVW-65P
SV-83/83A/83B SV-83/83A/83B
17-10617-105

BVW-65P
SV-83/83A/83B SV-83/83A/83B
SV-83/83A/83B : Reel Servo
17-107 17-108

BVW-65P
17-11217-111
SV-84P SV-84P

BVW-65P 17-113 17-114
SV-84P SV-84P
SV-84P : Capstan/Drum Servo
SV-84P -COMPONENT SIDE-
1-622-584-13
BVW-60P BVW-70P
BVW-65P BVW-75P
BVW-95P BVW-96P
SV-84P -SOLDERING SIDE-
1-622-584-13
BVW-60P BVW-70P
BVW-65P BVW-75P
BVW-95P BVW-96P

BVW-65P
17-11817-117
RE-28, PTC-20/21/36, DR-56 RE-28, PTC-20/21/36, DR-56

BVW-65P 17-119 17-120
RE-28, PTC-20/21/36, DR-56 RE-28, PTC-20/21/36, DR-56
RE-28 : Drum/Capstan Motor Driver
PTC-20 : Cassette Detector
PTC-21 : Reel Table Position Detector
PTC-36 : Cassette Detector
DR-56 : Drum Error Amplifier, Capstan/Reel Motor Driver

BVW-65P
RE-36 RE-36
RE-36 : Reel Motor Driver
17-12417-123

BVW-65P
DE-15, PTC-31, RM-40, SE-57, TR-18 DE-15, PTC-31, RM-40, SE-57, TR-18
DE-15 : Reel Motor FG
PTC-31 : Threading Motor FG
RM-40 : Reel Motor
TR-18 : Tape Tension Detector
SE-57 : Threading Motor Control
TR-18 -SOLDERING SIDE-
1-611-279-11
BVW-60P
BVW-65P
BVW-70P
BVW-75P
17-125 17-126

BVW-65P
DT-13 DT-13
17-13217-131

BVW-65P
DT-13 DT-13
DT-13 : Dynamic Tracking
17-133 17-134

BVW-65P
DT-14P, DUS-282 DT-14P, DUS-282
DT-14P : Dynamic Tracking
DUS-282 : Strain Gage Buffer
BVW-65P : Up to S/N 11676
DT-14P -COMPONENT SIDE-
1-622-581-11
BVW-65P BVW-95P
BVW-75P BVW-96P 17-138 (a)17-137 (a)
BVW-65P : S/N 10161 and Higher

BVW-65P
DT-14P, DT-15 DT-14P, DT-15
DT-15 : Dynamic Tracking
BVW-65P : Up to S/N 11676
DT-14P -SOLDERING SIDE-
1-622-581-11
BVW-65P BVW-95P
BVW-75P BVW-96P 17-139 (a) 17-140 (a)

BVW-65P
17-138 (b)17-137 (b)
DT-14P, DUS-282 DT-14P, DUS-282
DT-14P : Dynamic Tracking
BVW-65P : S/N 11677 and Higher
DT-14P -COMPONENT SIDE-
1-622-581-11
BVW-65P BVW-95P
BVW-75P BVW-96P
DUS-282 : Strain Gage Buffer

BVW-65P 17-139 (b) 17-140 (b)
DT-14P, DT-15 DT-14P, DT-15
DT-15 : Dynamic Tracking
BVW-65P : S/N 11677 and Higher
DT-14P -SOLDERING SIDE-
1-622-581-11
BVW-65P BVW-95P
BVW-75P BVW-96P

BVW-65P
SY-61/61A/61B/61C SY-61/61A/61B/61C
SY-61/61A/61B/61C :
System Control
17-14617-145

BVW-65P
DUS-570, SY-61/61A/61B/61CDUS-570, SY-61/61A/61B/61C
DUS-570 : Fan Motor Error Detector
BVW-65P : S/N 14190 and Higher
17-147 17-148

BVW-65P
SY-64AP SY-64AP
SY-64A : System Control, Time Code Reader, Time Base Impact Error Corrector
17-15417-153

BVW-65P
SY-64APSY-64AP
17-155 17-156

BVW-65P
17-16217-161
PD-35, PTC-15, RM-57 PD-35, PTC-15, RM-57
PD-35 : Pinch/Cleaning Solenoid
PTC-15 : Thread/Unthread End Snesor
RM-57 : Remote Connector

BVW-65P 17-163 17-164
CCM-2, CL-14/24, HC-11, PC-32/33/41/47CCM-2, CL-14/24, HC-11, PC-32/33/41/47
CCM-2 : Up/Down Motor
CL-14 : Cassette-up Compartment
CL-24 : Cassette-up Compartment LED
HC-11 : Hours Meter
PC-32/47 : Large/Small Cassette Detector
PC-33 : Cassette Down Detector
PC-41 : Cassette in Detector
BVW-65P : S/N 12112 and Higher
BVW-65P : S/N 10192 and Higher
BVW-65P : S/N 10061 through 10191

BVW-65P
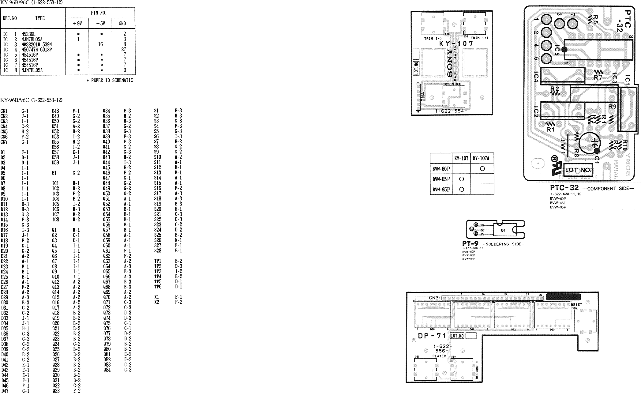
KY-96B/96C KY-96B/96C
KY-96B/96C : Keyboard
KY-96B/96C -SOLDERING SIDE-
1-622-553-12
BVW-60P
BVW-65P
BVW-95P
KY-96B/96C -COMPONENT SIDE-
1-622-553-12
BVW-60P
BVW-65P
BVW-95P
17-16817-167

BVW-65P
DP-71A, KY-96B/96C/107/107A, PT-9, PTC-32DP-71A, KY-96B/96C/107/107A, PT-9, PTC-32
DP-71A : Time Counter Display
KY-107/107A : Keyboard
PT-9 : Power Transistor
PTC-32 : Search Dial
KY-107/107A -COMPONENT
SIDE-
1-622-554-11
BVW-60P
BVW-65P
BVW-95P
DP-71A -COMPONENT SIDE-
1-622-556-11
BVW-60P
BVW-65P
BVW-95P
17-169 17-170

BVW-65P
TC-40AP TC-40AP
17-176 (a)17-175 (a)

BVW-65P
TC-40APTC-40AP
TC-40AP : LTC PB Amplifier
17-177 (a) 17-178 (a)
BVW-65P : S/N 10061 through 10543

BVW-65P
TC-40AP TC-40AP
17-176 (b)17-175 (b)

BVW-65P
TC-40APTC-40AP
17-177 (b) 17-178 (b)
TC-40AP : LTC PB Amplifier
BVW-65P : S/N 10544 and Higher

BVW-65P
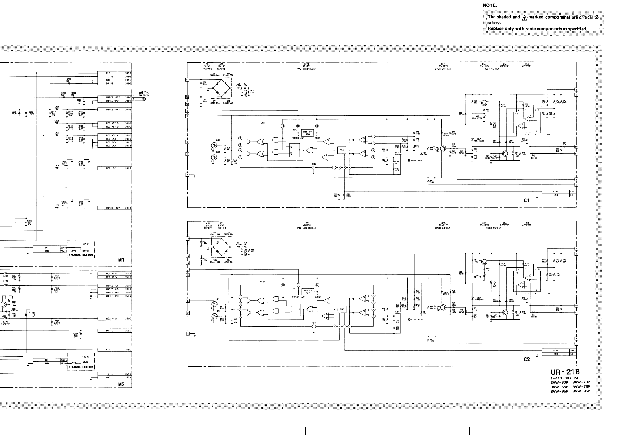
AC-81/96, C1, C2, M1, M2 AC-81/96, C1, C2, M1, M2
AC-81/96 : Relay Board of AC Inlet
C1 : Switching Regulator
C2 : Switching Regulator
17-18217-181
BVW-65P : S/N 10061 through 10191
BVW-65P : S/N 10192 and Higher

BVW-65P
AC-81/96, C1, C2, M1, M2 AC-81/96, C1, C2, M1, M2
M1 : Switching Regulator
M2 : Switching Regulator
17-183 17-184

BVW-65P
17-19017-189
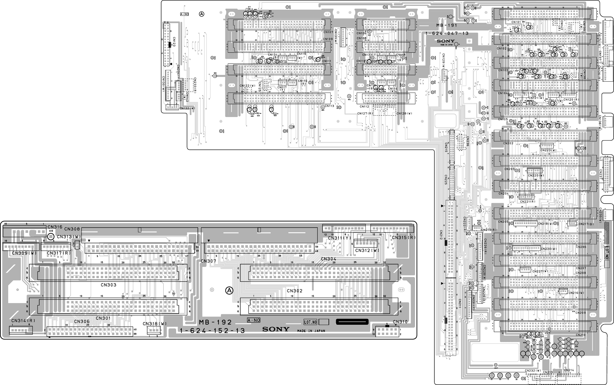
MB-191/191A/191B/191C, MB-192 MB-191/191A/191B/191C, MB-192
MB-191/191A/191B/191C : Mother Board
MB-192 : Mother Board
MB-191/191A/191B/191C -A SIDE-
1-624-047-11, 12, 13
BVW-60P BVW-65P
BVW-70P BVW-75P
BVW-95P BVW-96P
MB-192 -A SIDE-
1-624-152-11, 12, 13
BVW-60P BVW-65P
BVW-70P BVW-75P
BVW-95P BVW-96P

BVW-65P 17-191 17-192
MB-191/191A/191B/191C, MB-192 MB-191/191A/191B/191C, MB-192
MB-191/191A/191B/191C -B SIDE-
1-624-047-11, 12, 13
BVW-60P BVW-65P
BVW-70P BVW-75P
BVW-95P BVW-96P
MB-192 -B SIDE-
1-624-152-11, 12, 13
BVW-60P BVW-65P
BVW-70P BVW-75P
BVW-95P BVW-96P
MB-191 MB-191A MB-191B MB-191C
BVW-60P O
BVW-65P O
BVW-70P O
BVW-75P O
BVW-95P O
BVW-96P O

18-1
BVW-65P
Section 18
Semiconductor Electrodes
Index

18-2 BVW-65P
Index

18-3
BVW-65P
Index

18-4 BVW-65P
IC

18-5
BVW-65P
IC

18-6 BVW-65P
IC

18-7
BVW-65P
IC

18-8 BVW-65P
IC

18-9
BVW-65P
IC

18-10 BVW-65P
IC

18-11
BVW-65P
IC

18-12 BVW-65P
IC

18-13
BVW-65P
IC

18-14 BVW-65P
IC

18-15
BVW-65P
IC

18-16 BVW-65P
IC

18-17
BVW-65P
IC

18-18 BVW-65P
IC

18-19
BVW-65P
IC

18-20 BVW-65P
IC

18-21
BVW-65P
IC

18-22 BVW-65P
IC

18-23
BVW-65P
IC

18-24 BVW-65P
IC

18-25
BVW-65P
IC

18-26 BVW-65P
IC

18-27
BVW-65P
IC

18-28 BVW-65P
IC

18-29
BVW-65P
IC

18-30 BVW-65P
IC

18-31
BVW-65P
IC

18-32 BVW-65P
IC

18-33
BVW-65P
IC

18-34 BVW-65P
IC

18-35
BVW-65P
IC

18-36 BVW-65P
IC

18-37
BVW-65P
IC

18-38 BVW-65P
IC

18-39
BVW-65P
IC

18-40 BVW-65P
IC

18-41
BVW-65P
IC

18-42 BVW-65P
IC

18-43
BVW-65P
IC

18-44 BVW-65P
IC

18-45
BVW-65P
IC

18-46 BVW-65P
IC

18-47
BVW-65P
IC

18-48 BVW-65P
IC

18-49
BVW-65P
IC

18-50 BVW-65P
IC

18-51
BVW-65P
IC

18-52 BVW-65P
IC

18-53
BVW-65P
IC

18-54 BVW-65P
IC

18-55
BVW-65P
IC

18-56 BVW-65P
IC

18-57
BVW-65P
IC

18-58 BVW-65P
IC

18-59
BVW-65P
IC

18-60 BVW-65P
Transistor, (Other)

18-61
BVW-65P
Transistor, (Other)

18-62 BVW-65P
ICDiode, (Other)

BVW-65P
Section 19
Spare Parts and Fixture
19-1 19-2

BVW-65P
Reel Chassis (1) Reel Chassis (1)
19-419-3

BVW-65P
Reel Chassis (2)Reel Chassis (2)
19-5 19-6

BVW-65P
Drum, Head, Tape Guide Drum, Head, Tape Guide
19-819-7

BVW-65P 19-9 (1) 19-9 (2)
Drum, Head, Tape Guide Drum, Head, Tape Guide

BVW-65P
Threading RingThreading Ring
19-1119-10

BVW-65P
T Drawer Arm T Drawer Arm
19-13 19-14

BVW-65P
19-1619-15
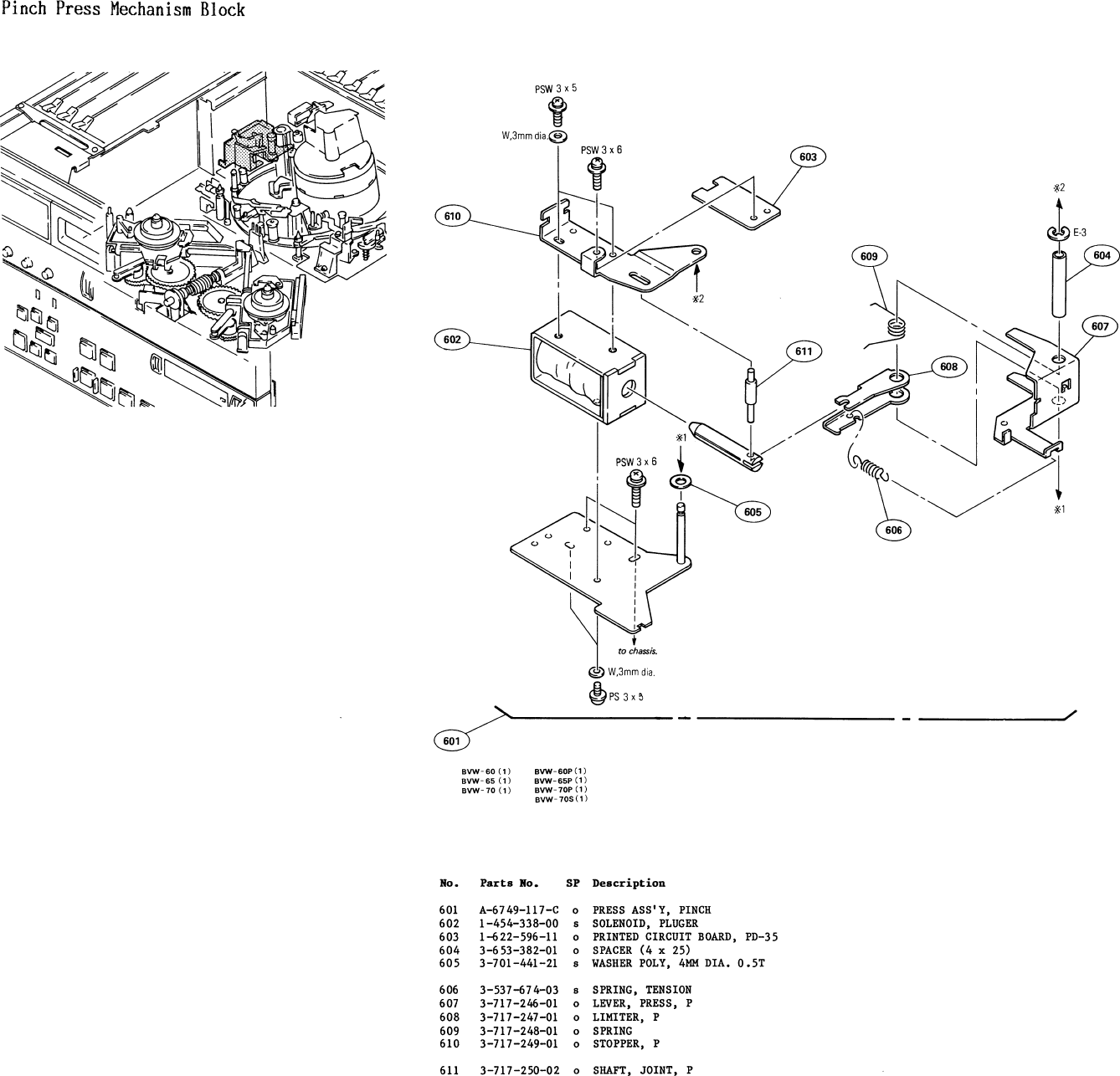
Supply Tension RegulatorSupply Tension Regulator

BVW-65P
19-1819-17
Pinch Press Pinch Press

BVW-65P 19-19 (1) 19-19 (2)
Gear BoxGear Box

BVW-65P
19-2119-20
Function Control Function Control

BVW-65P 19-22 (1) 19-22 (2)
Function Control Function Control

BVW-65P
19-2419-23
Level ControlLevel Control

BVW-65P 19-25 (1) 19-25 (2)
Level ControlLevel Control

BVW-65P
19-27 (a)19-26 (a)
Cassette-up Cassette-up

BVW-65P 19-28 (a1) 19-28 (a2)
Cassette-up Cassette-up

BVW-65P
Cassette-up Cassette-up
19-27 (b)19-26 (b)

BVW-65P
Cassette-up Cassette-up
19-28 (b1) 19-28 (b2)

BVW-65P
19-3019-29
Connector Panel Connector Panel

BVW-65P 19-31 (1) 19-31 (2)
Connector Panel Connector Panel

BVW-65P
19-3319-32
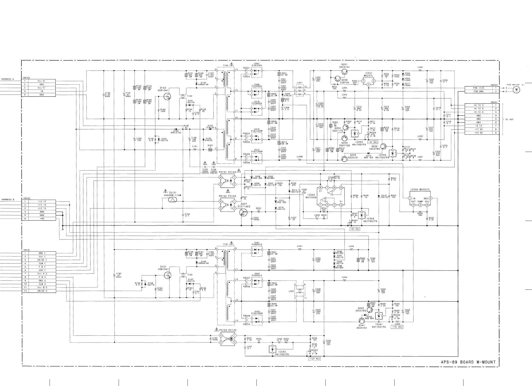
Switching Regulator Switching Regulator

BVW-65P 19-34 (1) 19-34 (2)
Switching Regulator Switching Regulator

BVW-65P
19-3619-35
Printed Circuit Board (1)Printed Circuit Board (1)

BVW-65P 19-37 (1) 19-37 (2)
Printed Circuit Board (1)Printed Circuit Board (1)

BVW-65P
19-3919-38
Printed Circuit Board (2)Printed Circuit Board (2)

BVW-65P 19-40 (1) 19-40 (2)
Printed Circuit Board (2)Printed Circuit Board (2)

BVW-65P
19-4219-41
Ornamental PanelOrnamental Panel

BVW-65P 19-43 19-44
Ornamental PanelOrnamental Panel

BVW-65P 19-47 19-48

BVW-65P
19-5019-49

BVW-65P 19-51

BVW-65P
19-52

BVW-65P 19-53

BVW-65P
19-54

BVW-65P 19-55

BVW-65P
19-56

BVW-65P 19-57

BVW-65P
19-58

BVW-65P 19-59

BVW-65P
19-60

BVW-65P 19-61

BVW-65P
19-62

BVW-65P 19-63

BVW-65P
19-64

BVW-65P 19-65

BVW-65P
19-66

BVW-65P 19-67

BVW-65P
19-68

BVW-65P 19-69

BVW-65P
19-70

BVW-65P 19-71

BVW-65P
19-72

BVW-65P 19-73

BVW-65P
19-74

BVW-65P 19-75

BVW-65P
19-76

BVW-65P 19-77

BVW-65P
19-78

BVW-65P 19-79

BVW-65P
19-80

BVW-65P 19-81

BVW-65P
19-82

BVW-65P 19-83

BVW-65P
19-84

BVW-65P 19-85

BVW-65P
19-86

BVW-65P 19-87

BVW-65P
19-88

BVW-65P 19-89

BVW-65P
19-90

BVW-65P 19-91

BVW-65P
19-92

BVW-65P 19-93

BVW-65P
19-94

BVW-65P 19-95

BVW-65P
19-96

BVW-65P 19-97

BVW-65P
19-98

BVW-65P 19-99

BVW-65P
19-100

BVW-65P 19-101

BVW-65P
19-102

BVW-65P 19-103

BVW-65P
19-104

BVW-65P 19-105

BVW-65P
19-106

BVW-65P 19-107

BVW-65P
19-108

BVW-65P 19-109

BVW-65P
19-110

BVW-65P 19-111

BVW-65P
19-112

BVW-65P 19-113

BVW-65P
19-114

BVW-65P 19-115

BVW-65P
19-116

BVW-65P 19-117

BVW-65P
19-118

BVW-65P 19-119

BVW-65P
19-120

BVW-65P 19-121

BVW-65P
19-122
Printed in Japan
Sony Corporation 2000. 8 16
Communication System Solutions Network Company ©1988
BVW-65P (EK)
3-721-877-36 (1)

BETACAM-SP SERIES
(J, UC, EK) J, E
3-189-961-01 (3)
Printed in Japan
Sony Corporation 2000. 1 16
Communication System Solutions Network Company ©1995


A-1

A-2

A-3

A-4

A-5 A-5

A-6A-6
2
3
4
5
A B C D E F G H
1
AC-96, APS-89 B, C BOARDAC-96, APS-89 B, C BOARD

A-7 A-7
2
3
4
5
1
I J K L M N O P
AC-89 M BOARDAC-89 M BOARD

A-8A-8
APS-89B, C BOARDAPS-89B, C BOARD
3. BOARD LAYOUTS (SWITCHING REGULATOR: APS-89 B/ C / M BOARD)

A-9 A-9
AC-89 M BOARDAC-89 M BOARD