Bend Pak_Pipe_Bender_Manual Pak Pipe Bender Manual
User Manual: BendPak_Pipe_Bender_Manual
Open the PDF directly: View PDF
.
Page Count: 58

1 Bender Operation Manual Revision 90196
BendPak®
INCORPORATED
Bend-Pak®
INCORPORATED
FORWARD THIS MANUAL TO ALL
OPERATORS. FAILURE TO OPERATE
THIS EQUIPMENT AS DIRECTED HEREIN
MAY CAUSE INJURY
OPERATION AND SERVICE MANUAL
“America’s Most Popular
Tubing Bender”
Models:
1000-BL 1302-BL (“Blue Bullet”)
1000-BAS 1302-BAS
1000-BA 1302-BA
1502-BL
1502-BAS
1502-BA
Model 1502-BA
shown with typical
tooling package.
SHIPPING DAMAGE CLAIMS
When this equipment is shipped, title passes to the pur-
chaser upon receipt from the carrier. Consequently, claims
for material damaged in shipment must be made by the
purchaser against the transportation company at the time
shipment is received.
BE SAFE
Bend-Pak, Inc. benders are designed and built with safety
in mind. However, your overall safety can be increased by
proper training and thoughtful operation on the part of the
operator. DO NOT operate or repair this equipment without
reading this manual and the important safety instructions
shown inside.
1645 Lemonwood Drive
Santa Paula, CA 93060 U.S.A.
Tel: 805-529-3675
Fax: 805-529-2909
TABLE OF CONTENTS
Identification Data / Warranty .....................................................................................................................................3
Specifications .............................................................................................................................................................4
Important Safety Instructions......................................................................................................................................5
Definition Of Terms / Model Identification ..................................................................................................................6
Installing The Electrical Plug ......................................................................................................................................7
Turning Your New Bender On ....................................................................................................................................8
Introduction Of Tooling Identification ..........................................................................................................................8
Segment Identification Chart ..................................................................................................................................... 11
Typical End Finishing Illustrations .............................................................................................................................12
Description Of Digital Controls (BA Models) .............................................................................................................12
Operating The Digital Control Board (BA Models) .................................................................................................... 13
Description Of Three-Button Control ((BAS Models) ................................................................................................14
Operating The Manual Knee Control (BL / Bullet Models) ........................................................................................15
Introduction Of Bending Operations ..........................................................................................................................15
Using The Program Cards ........................................................................................................................................15
Pattern Bending .........................................................................................................................................................19
Blank Program Card ..................................................................................................................................................20
Three Inch Tube Bending Procedure ........................................................................................................................21
Stainless Tube Bending Procedure ...........................................................................................................................22
Using The Standard Segment Expanders .................................................................................................................23
Using The Ball-Joint Segment Expanders ................................................................................................................24
Using The Flare Segment Expanders .......................................................................................................................24
Using The Manifold Flange Segment Expanders .....................................................................................................25
Introduction Of The Swager Assembly ......................................................................................................................25
Using The STED Expander Dies ...............................................................................................................................25
Making Male Ball Expansions ...................................................................................................................................26
Making Female Ball Expansions ...............................................................................................................................27
Making 45 Degree Flares ..........................................................................................................................................27
Making A Manifold Flange Using The HPF-300 Tool ................................................................................................28
Making A Manifold Flange Using The CFT Tool ........................................................................................................30
Using the Reducing Tool ...........................................................................................................................................30
Using The Doming Die To Finish Tailpipe Ends ........................................................................................................31
Making Header Collectors Using the HCT-2I4/2I2 Tool ............................................................................................ 3I
Maintenance Introduction ..........................................................................................................................................32
Hydraulic Oil Service .................................................................................................................................................32
Recommended Weekly / Monthly Maintenance ........................................................................................................32
Pressure Settings ......................................................................................................................................................33
Chain Adjusting Procedure ........................................................................................................................................34
Aligning The Guide Plate ..........................................................................................................................................35
Barrel Bushing Maintenance .....................................................................................................................................36
Aligning The Swager Box Cylinder ............................................................................................................................37
Pusher Block Maintenance........................................................................................................................................38
Calibrating The Depth-Of-Bend Plate Manual Models ..............................................................................................39
Calibrating The Depth-Of-Bend Switch (BAS Models) ..............................................................................................39
Calibrating The Digital Readout Display (BA Models) ...............................................................................................40
Using The Jumper Board BA Models ........................................................................................................................41
Operating The Machine Manually Using The Solenoid Valve ...................................................................................42
Solenoid Valve Maintenance .....................................................................................................................................43
Checking The Micro Switches (Automatic Models) ..................................................................................................43
Motor Lead Connections ...........................................................................................................................................43
Checking Motor Rotation ...........................................................................................................................................44
Manual Electric Starter ..............................................................................................................................................44
Trouble Shooting Procedures ................................................................................................................................. 45-47
Bending Problems .....................................................................................................................................................48
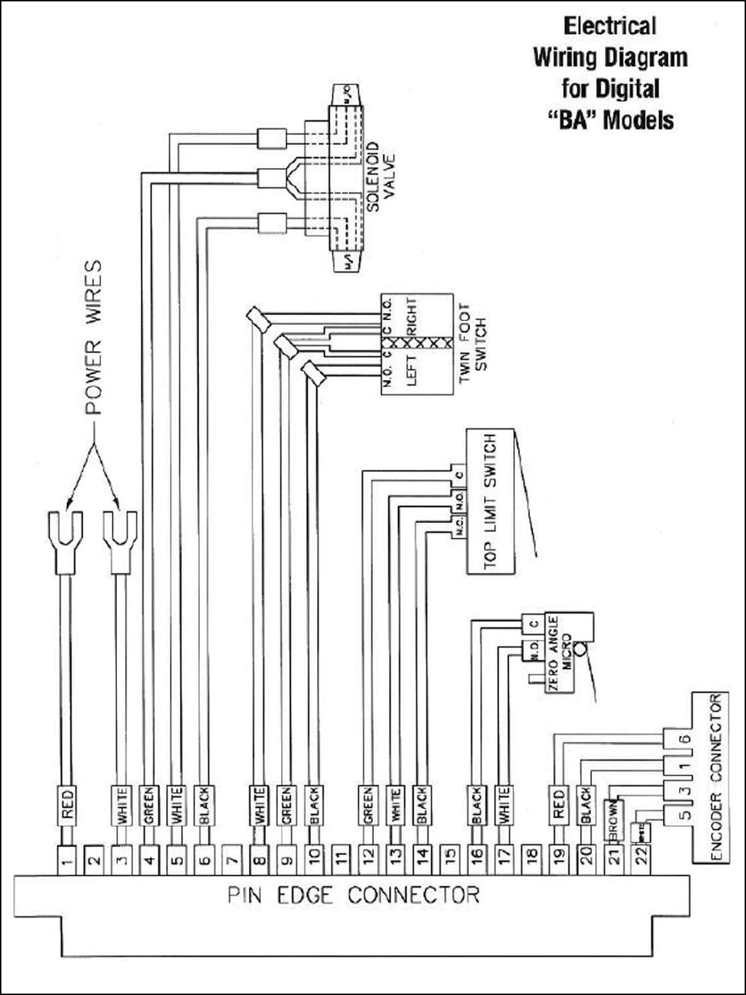
Electrical Wiring Diagrams (Models BA & BAS)..................................................................................................... 49,50
Service Parts .............................................................................................................................................................51
Deluxe 302 Die Package ...........................................................................................................................................52
Economy 202 Die Package .......................................................................................................................................53
BB-1 Die Package For Blue Bullet ............................................................................................................................54
BB-2 Die Package For Blue Bullet ............................................................................................................................55
2 Bender Operation Manual

3 Bender Operation Manual
YOUR NEW BENDER
This instruction manual has been prepared especially for you.
Your new bender is the product of over 25 years of continuous research, testing and
development and is the most technically advanced bender on the market today.
READ THIS ENTIRE MANUAL BEFORE OPERATION BEGINS.
The manner in which you care for and maintain your bender will have a direct effect on
it's overall performance and longevity.
RECORD HERE THE FOLLOWING INFORMATION WHICH IS LOCATED AT THE
FRONT END OF YOUR MACHINE.
Serial No. _________________
Model No. _________________
Manufacturing date __________
Bender Operation Manual 3
WARRANTY
Your new bender is warranted for two years on equipment structure; one year on
all operating components and tooling to the original purchaser, to be free of defects
in material and workmanship. The manufacturer shall repair or replace at their
option for this period those parts returned to the factory freight prepaid which prove
upon inspection to be defective. The manufacturer will pay labor costs for the first
l2 months only on parts returned as previously described.
This warranty does not extend to defects caused by ordinary wear, abuse,
misuse, shipping damage, or lack of required maintenance.
This warranty is exclusive and in lieu of all other warranties expressed or implied.
In no event shall the manufacturer be liable for special, consequential or incidental
damages for the breach or delay in performance of the warranty. The manufacturer
reserves the right to make design changes or add improvements to its product line
without incurring any obligation to make such changes on product sold previously.
Warranty adjustments within the above stated policies are based on the model
and serial number of the equipment. This data must be furnished with all
warranty claims.
WARRANTY IS NOT VALID UNLESS
WARRANTY CARD IS RETURNED

4 Bender Operation Manual
Bending Capacity .............................Tubing from 1/2” OD - 3” OD
Maximum Capacity/Tube Thickness
....See Chart Below
Maximum Bending Radius ...............5”
Minimum Bending Radius ................3-1/2”
Swaging Capability* ..........................Expansion / Reduction / Forming
Swaging Capacity .............................1” O.D. Tubing - 3” O.D. Tubing
Motor.................................................5 H.P / Single or Three Phase /
220-380-440 VAC
Pump Output ....................................3 GPM / 4200 psi (max. output)
Operation Modes ..............................Full Automatic or Manual Foot Switch
Hydraulic Filter ..................................Canister type
Bending Force ..................................55,000 Pounds Maximum
Bend-Depth Control ..........................
Degree Plate With Adjustable Pointer /
Automatic Stop and Return
Overall Length ..................................62” I302-BAS / 64” 1502-BAS
Overall Width ....................................30” I302-BAS / 26” 1502-BAS
Overall Height ...................................41”
* Special radius dies are available.
** Reduction tools do not come standard
DESIGN FEATURES
MODELS 1302-BAS / 1502 BAS
Bending Capacity .............................Tubing from 1/2” OD - 3” OD
Maximum Capacity/Tube Thickness
....See Chart Below
Maximum Bending Radius ...............5”
Minimum Bending Radius ................3-1/2”
Swaging Capability* ..........................Expansion / Reduction / Forming
Swaging Capacity .............................1” O.D. Tubing - 3” O.D. Tubing
Motor.................................................5 H.P / Single or Three Phase /
220-380-440 VAC
Pump Output ....................................3 GPM / 4200 psi (max. output)
Operation Modes ..............................Manual Control Valve
Hydraulic Filter ..................................Canister type
Bending Force ..................................55,000 Pounds Maximum
Bend-Depth Control ..........................
Manual / No
Automatic Stop
Overall Length ..................................68” I302-BL / 65” 1502-BL
Overall Width ....................................30” I302-BL / 26” 1502-BL
Overall Height ...................................41”
* Special radius dies are available.
** Reduction tools do not come standard
DESIGN FEATURES
MODELS 1302BL (BLUE BULLET) / 1502 BL
GAUGE / WALL DECIMAL BENDER CAPACITY
THICKNESS EQUIVALENT
RADIUS MAXIMUM
SIZE BEND DEPTH
Bending Capacity .............................Tubing from 1/2” OD - 3” OD
Maximum Capacity/Tube Thickness
....See Chart Below
Maximum Bending Radius ...............5”
Minimum Bending Radius ................3-1/2”
Motor.................................................5 H.P / Single or Three Phase /
220-380-440 VAC
Pump Output ....................................3 GPM / 4200 psi (max. output)
Operation Modes ..............................Automatic / BA or BAS Manual / BL
Hydraulic Filter ..................................Canister type
Bending Force ..................................55,000 Pounds Maximum
Bend-Depth Control ..........................
BA / Digital Readout / Automatic
BAS / Depth-of-Bend Plate / Automatic
BL / Manual
Overall Length ..................................52” 1000-BA/1000 BAS 55” 1000-BL
Overall Width ....................................39”
Overall Height ...................................41”
* Special radius dies are available.
DESIGN FEATURES
MODELS 1000BL / 1000 BAS
Bending Capacity .............................Tubing from 1/2” OD - 3” OD
Maximum Capacity/Tube Thickness
....See Chart Below
Maximum Bending Radius ...............5”
Minimum Bending Radius ................3-1/2”
Swaging Capability* ..........................Expansion / Reduction / Forming
Swaging Capacity .............................1” O.D. Tubing - 3” O.D. Tubing
Motor.................................................5 H.P / Single or Three Phase /
220-380-440 VAC
Pump Output ....................................3 GPM / 4200 psi (max. output)
Operation Modes ..............................Full Automatic or Manual Foot Switch
Hydraulic Filter ..................................Canister type
Bending Force ..................................55,000 Pounds Maximum
Bend-Depth Control ..........................
Digital Readout
Automatic Stop and Return
Overall Length ..................................62” I302-BA / 64” 1502-BA
Overall Width ....................................30” I302-BA / 26” 1502-BA
Overall Height ...................................41”
* Special radius dies are available.
** Reduction tools do not come standard
DESIGN FEATURES
MODELS 1302-BA / 1502 BA
SPECIFICATIONS
4 .238 1”- 1-3/4 O.D. Tubing / Pipe
5 .220 1” - 7/8” O.D. Tubing / Pipe
6 .203 1” - 2” O.D. Tubing / Pipe
7 .180 1”- 2-1/8” O.D. Tubing / Pipe
8 .165 1”- 2-1/4” O.D. Tubing / Pipe
9 .148 1”- 2-1/4” O.D. Tubing / Pipe
10 .134 1”- 2-1/2” O.D. Tubing / Pipe
11 .120 1”- 2-1/2” O.D. Tubing / Pipe
12 .109 1”- 2-1/2” O.D. Tubing / Pipe
13 .095 1”- 3” O.D. Tubing / Pipe
14 .083 1”- 2-1/2” O.D. Tubing / Pipe
15 .072 1”- 2-1/2” O.D. Tubing / Pipe
16 .065 1”- 2-1/2” O.D. Tubing / Pipe
17 .058 1”- 2” O.D. Tubing / Pipe
18 .049 1”- 1-3/4” O.D. Tubing / Pipe
3-1/2” 135°
4” 145°
5” 172°
4” 150°
180° Style*
5” 180°
180° Style*
NOTE
180° STYLE DIES ARE NOT
INCLUDED IN STANDARD
TOOLING PACKAGES.
Special size dies not listed in this manual may be manufactured to your specifications.
Call factory for details. Special manufactured items require a 60-day minimum lead time.

5 Bender Operation Manual
1. Read and understand all safety warning proce-
dures before operating machine.
2. Keep hands clear. Remove hands prior to bending,
forming, swaging or expanding tubing. Avoid pinch
points.
3. Keep work area clean. Cluttered work areas invite
injuries.
4. Consider work area environment. Do not expose
equipment to rain. Do not use in damp or wet locations.
Keep area well lighted.
5. Only trained operators should operate this
machine. All non-trained personnel should be kept away
from work area. Never let non-trained personnel come in
contact with, or operate machine.
6. Use tooling correctly. Use all tooling in the proper
manner. Never try to use a tool for something that it was
not designed for. See manual for proper use.
7. Dress properly. Never wear loose gloves, clothing
or jewelry. They can be caught in moving parts. Non-
skid steel - toe footwear is recommended when operat-
ing machine. Wear protective hair covering to contain
long hair.
8. Always wear safety goggles when operating this
machine.
9. Do not overreach. Keep proper footing and balance
at all times.
10. Guard against electric shock. This machine must
be grounded while in use to protect the operator
from electric shock. Never connect the green power
cord wire to a live terminal. This is for ground only.
11. Always unplug machine before servicing. Never
yank cord to disconnect it from the receptacle. Make
sure electrical connections are good. Never use an
extension cord longer than 15 feet. If the power cord
becomes frayed, replace it. Never alter electrical
components on this machine. Never operate
machine in or around water or damp environments.
12. Warning! Risk of explosion. This equipment has
internal arcing or sparking parts which should not be
exposed to flammable vapors. This machine should
not be located in a recessed area or below floor level.
13. Maintain with care. Keep machine clean for better
and safe performance. Follow manual for proper
lubrication and maintenance instructions. Keep control
handles and/or buttons dry, clean and free from grease
and oil.
14. Stay alert. Watch what you are doing. Use common
sense. Be aware.
15. Check for damaged parts. Check for alignment of
moving parts, breakage of parts or any condition that
may affect its operation. Do not use machine if any
component is broken or damaged.
16. Never remove electric foot switches from their
protective safety housing. Always remove foot from
pedal enclosure between bends.
17. Always allow for the “Safety Circle Of Swing”
around the bender. There should be at least 10 feet
of space on both sides of the bender so that the tubing
will not come in contact with persons and/or objects.
Bender Operation Manual 5
THESE SAFETY INSTRUCTIONS MUST BE GIVEN TO ALL OPERATORS TO READ.
IF THE INDIVIDUAL CANNOT READ, INSTRUCTIONS MUST BE READ TO THEM.
UPON DELIVERY
IMPORTANT SAFETY INSTRUCTIONS
Read these safety instructions entirely!
1. Carefully remove the crating and packing materials.
2. Inspect the bender for any signs of concealed
shipment damage or shortages. Remember to report any
shipping damage to the carrier and make a notation
on the delivery receipt.
3. Check the voltage, phase and proper amperage
requirements for the motor shown on the motor plate.
Wiring should be performed by a certified
electrician only.

INTRODUCTION
Your new bender is a “press-style” bender that is capable
of bending, flaring and swaging tubing up to 3 inches in
diameter. The thickness of the tubing plays an important
part. (See previous chart for recommended tubing
allowances.) The front of the bender is where all the bend-
ing is performed. The top cylinder activates the bending or
radius die which moves forward through the back shoes.
The bottom cylinder keeps pressure applied to the back
shoes by a chain assembly and integrated hydraulic
sequence valve. In addition to the contoured shape of the
radius dies, resistance pressure is applied to help the tub-
ing maintain it's shape.
DEFINITION OF TERMS
The following definitions explain the major components
and operating features of your machine. The RIGHT,
LEFT, and REAR sides of the bender are relative to the
FRONT of the machine where all bending is performed.
BENDER- The whole machine including all end
finishing components.
BODY- The main 6” x 6” tubular structure that sits
horizontal to the floor and is located just below the top
cylinder.
SWAGER OR SWAGER BOX- The expanding/flaring
unit located to the rear of the bender which utilizes
pipe collars in conjunction with bullet shaped expander/
forming dies to perform a variety of tube end finishing.
INTERNAL EXPANDER- The expanding/flaring unit
located to the rear of the machine that utilizes seg-
mented expander dies. These “segment sets” are expand-
ed by the means of a tapered arbor pulled through their
center. This style of end finishing is usually required with
shorter pieces of tubing such as muffler nipples which do
not allow the use of a collar.
TOP CYLINDER- The main hydraulic bending cylinder
located at the top of the bender. It's primary function is to
activate movement of the radius dies.
BOTTOM CYLINDER- The hydraulic cylinder located
just below the body of the bender. It's primary function is
to apply resistance pressure to the back shoes as the
radius die pushes through.
RESERVOIR-The rear vertical leg that contains the
hydraulic oil.
FRONT UPRIGHT- The front vertical leg.
BENDER MODELS
There are nine different bender models available.
1000-BL 1000-BAS 1000-BA
1302-BL (Blue-Bullet) 1302-BAS 1302-BA
1502-BL 1502-BAS 1502-BA
The following is a brief description of their controls and
operating features. The model nomenclature consists of a
number (1302) followed by letters BA. The numbers des-
ignate what style frame assembly is used while the letters
signify the control features.
FRAME CONFIGURATION
1000 Series- A machine capable of bending only. Does
not come with any end finishing capabilities.
1302 Series- A machine capable of bending and end
finishing. Equipped with both swager and internal
expander. A double-ended hydraulic cylinder is used for
both end finishing functions. The end finishing assembly,
(the swager and internal expander) is positioned
“cross-wised” on the rear of the machine.
6 Bender Operation Manual
Overhead view of Model 1302
Side view of Bender showing major components.

7 Bender Operation Manual Bender Operation Manual 7
1502 Series- A machine capable of bending and end fin-
ishing. Equipped with both swager and internal expander.
Individual hydraulic cylinders are utilized for both end fin-
ishing functions. The swager and internal expander are
positioned at the rear of the machine, one on each side
and are positioned parallel with the main body.
CONTROL FEATURES
BL or BLUE-BULLET Models- A hydraulic control valve
is located at the front of the machine at knee height that
allows the operators to manually control the machine with
their leg. A degree plate is mounted up front that shows
proper bend depths. This model does not
incorporate any automatic bending features.
BAS Models- These models have two different control
modes. An electric foot switch assembly for manual bend-
ing operations and a three-button control board for auto-
matic functions. The degrees of bends are shown on a
degree plate mounted near the front of the machine which
also incorporates an adjustable slide pointer that can be
set to any desired bend depth. The control board consists
of three colored buttons; GREEN, BLUE and RED; each
with its own operating functions. If you choose to use the
machine in the automatic mode, you would simply set the
pointer to 90 degrees for example, then press the GREEN
button. At this time the bending head would activate and
the radius die would begin to move forward. After the
desired bend depth has been reached, the machine would
automatically initiate the retract sequence that returns the
die to the original
starting position. The BLUE button is for automatically
returning the die to the original starting position while the
RED button is an emergency stop control. The electric foot
switches will override the three button controls.
BA Models - These models have two different control
modes; an electric foot switch assembly for manual bend-
ing operations and a digital control board for automatic
functions. The digital control board eliminates the depth of
bend scale and replaces it with a digital readout labeled
“DIE ANGLE”. It also offers the user the capability to “pro-
gram” certain bend depths in a desired sequence. When
the power is turned off, all memory is erased. Once a bend
depth is programmed into memory the number appears in
a L.E.D. window labeled “SET ANGLE.” The bend
sequence is initiated by pressing the “AUTO” button. At
this time the die moves forward and upon reaching the
desired bend depth immediately retracts to the original
starting position. An emergency “STOP” button pauses
the machine at any time, and an additional auto “REVERSE”
button activates the return sequence. The electric foot
switches will override the digital controls.
INSTALLING THE
ELECTRICAL PLUG
Before installing a plug on the end of the power cord it is
important to check for proper voltage, phase, and amp
requirements. The tag attached to the end of the power
cord, or the motor identification plate will show this
necessary information. Due to the high amps and voltage
required to operate this machine at long durations, it is
recommended that you DO NOT USE AN EXTENSION
CORD LONGER THAN 15 FEET. This motor must be
grounded. The GREEN wire is for ground only. All wiring
should be done by a certified electrician only. Damage
to the motor caused by improper wiring is not covered
under warranty.
Overhead view of Model 1502
Three button control
Digital
control
board
D.O.B. Plate

TURNING YOUR NEW
BENDER ON
1. Plug the power cord into a receptacle closest to the
available circuit panel. IF SMOKE APPEARS OR
SHORTlNG OCCURS, DlSCONNECT
IMMEDIATELY! RE-CHECK ALL CONNECTIONS.
2. After the bender is plugged in, turn the machine on
by depressing the “ON” button located on the lower
right-front side of the machine. IF SMOKE
APPEARS OR SHORTlNG OCCURS,
DlSCONNECT IMMEDIATELY! RECHECK ALL
CONNECTIONS.
3. Let the bender run for approximately five minutes
without operating the controls.
4. At this time, it is necessary to install all control han-
dles by properly connecting the linkages as shown.
5. After the bender is warmed up, retract the radius
die that contains the sample tube. On automatic
models do this by depressing the left foot switch.
On Blue-Bullet or manual models activate the knee
control valve by moving the handle to the right.
6. IF THE RADIUS DIE DOES NOT MOVE,
CONSULT THE FACTORY.
7. After the radius die has completely retracted,
remove the sample tubing that is in place.
8. Bring the radius die forward by depressing the right
foot switch or by moving the manual control valve
handle to the left.
9. Advance the radius die to l00 degrees then retract
fully. Repeat this sequence for at least five times.
The bending die may move erratically for the fIrst
few cycles due to air trapped in the lines. This is
normal. The air will dissipate after use. Do not try to
“crack” a line to help the air escape.
10. At this time check for any possible leaks that could
have developed during shipment. Tighten any
hoses that may have loosened.
11. Check the oil level by observing the sight gauge
located near the right-rear side of the machine. If
the oil level appears low, add oil now. (See page 32
for recommended hydraulic oils.)
12. Activate the swaging and internal expander cylinders
by depressing the control handles located at the rear
of the machine. Cycle the cylinders to their full extent
at least fIve times. Again, these cylinders may act
erratically until the air dissipates.
TOOLING
Find the packing list that accompanied your bender, item-
izing each tool that was to be included in your tooling
package. Double check the pieces you received with
those that were checked off. ALL THE TOOLS THAT
ARE CHECKED OFF IN THE “SHIPPED” COLUMN DID
SHIP WITH YOUR BENDER. If you cannot fInd a certain
piece that you feel should be with the shipment, check
with the freight carrier or observe the packing list and
check the back ordered column. If a certain item is back
ordered it will be automatically forwarded to you. A
description of tooling is listed below.
RADlUS DIES- These dies which are commonly referred
to as the “bending dies” come in different radii and tubing
sizes. Each die is machined and sized according to tubing
diameters. The proper tube size is stamped on the top of
each die. 112 represents 1-1/2” tubing, 134 represents
1-3/4” tubing etc. The radius dies are available in three
standard radii, 5”, 4” and 3-1/2”. Each standard radius die
represents half of a circle or diameter. 180 degree dies
are also available which represent three quarters of a
circle and allow the tubing to “wrap” around farther
although the radii are the same.
8 Bender Operation Manual
Control handle linkage assembly
Oil sight gauge
Electrical On / Off switch box

9 Bender Operation Manual
BACK SHOES- Back shoes, which are commonly referred
to as wiper dies come in pairs and are used together with
the radius dies during the bending process. These dies
play an important part as their primary
purpose is to form the outside radius of the bend. These
dies are used to clamp or retain the pipe as it is wrapped
around the radius die. Each back shoe is machined and
sized according to tubing diameter. The proper tubing size
is stamped on the top of each back shoe.
NOTE:
Back shoes should be kept clean and lightly oiled.
Never use the bender without back shoes in
place. Never use the bender as a vice or a press.
HALF SHOES AND THREE QUARTER SHOES Half
shoes and three quarter shoes do not come in pairs. Only
one is required. Half shoes are exactly half the length of a
standard back shoe and three quarter shoes are three
quarters the length. These smaller shoes are required
when an upcoming bend is less than ten inches from an
existing bend. The half/three quarter shoe will be used in
conjunction with the back shoe and placed only on the
side where the full back shoe may interfere with the
upcoming bend. (Details for the proper use of these tools
are explained in the BENDING section.)
NOTE:
Half shoes and three quarter shoes must be used
with radius dies and back shoes of the same
corresponding size.
HAC's & STED's- HAC's are Commonly referred to as
“adapter collars” while the STED's are referred to as “solid
expander dies”. HAC's are used to hold or clamp the tub-
ing in place when performing end-finishing Operations or
when using the STED's. These “adapter collars” are heat
treated which causes the inside threads or “teeth” to
become brittle. Because of this, these “teeth” have the
tendency to chip during normal use. This is normal and will
have no effect on their performance. The STED's or “solid
expander dies” are used to expand the tubing to exact
inside diameters and are also used to create male ball
expansions. Both tools are stamped and marked with their
appropriate tubing sizes. (Details on the proper use of
both tools is explained in the END FINISHING section.)
NOTE:
Keep collars free of debris and build up. Use a
wire brush periodically to clean the inside
threaded area. Keep all tooling lightly oiled.
Bender Operation Manual 9
Back shoe dies
CAUTION!
KEEP HANDS CLEAR when using all the tools
described in this manual. Improper use of these
tools may result in serious bodily harm
CAUTION!
All tooling described in this manual is heavy!
HANDLE WITH CARE. Always wear steel toe boots
when operating bender.
Adapter Collars STED Expander dies
Half Shoe Three Quarter Shoe

END-FINISHING TOOLS - A variety of end finishing tools
are available that perform different functions. Not every
tool is included with your tooling package. If you are
unsure as to what was included, please consult your dis-
tributor or review the delivery receipt and invoice. Each
tool is marked with the appropriate size.
HPF-300 - A tool for making 45 and 90 degree flanges on
pipe ends. Usually for manifold connections.
DD-134/212- A tool for doming pipe ends or making male
ball expansions when used in conjunction with the male
ball expanders.
DD-134/212 & BFED-200/214 - Tools for flaring pipe ends
to make female ball expansions. Each tool is “stepped”
and has the ability to flare two different sizes. The BFED-
134/214 is used for tubing sizes 1-3/4” and 2-1/4” while
the BFED-200/212 is used for tubing sizes 2” and 2-1/2”.
B-212- A tool used for making male ball expansions on
2-1/2” pipe ends.
CFT-200 & CFT-214 - Tools for making manifold flanges
on 2” and 2-1/4” pipe ends. Not included in standard
tooling packages.
REDUCING TOOLS - Reducing tools are used for
reducing or “shrinking” pipe ends to exact outside diame-
ters. Each tool is marked with the appropriate size. It is
important to understand that the size marked on the tool
will be the size that the tubing will be reduced down to. For
example, a tool marked 200 will reduce 2-1/4” tubing
down to 2” O.D. and a tool marked 214 will reduce
2-1/2” tubing down to 2-1/4” O.D. Not included in
standard tooling packages.
HCT-214/212 - This tool is for making header flanges or
“collectors” on 2-1/4” and 2-1/2” pipe ends. This
eliminates the need to purchase a collector when
installing header type manifolds.
Not included in standard tooling packages.
HSRO- A hand held pipe reshaping tool that is used for
reshaping pipe ends while the tubing remains on the
vehicle. By tapping the tool with a hammer or mallet the
tool can be used to reshape pipe ends. Can be used inter-
nally or externally by simply reversing the tool. Not avail-
able in standard tooling packages.
BENDING PLUGS - Bending plugs are used to contain
the shape of pipe ends during the bending process when
the radius die comes in close proximity to the pipe end.
Once the bend is completed, the bending plug is removed.
Not included in standard tooling packages.
10 Bender Operation Manual
CAUTION!
DO NOT attempt to use these tools unless you have
read and fully understand the
“Swaging and End Forming” section.
CAUTION!
ALWAYS wear protective safety glasses or goggles
when using this machine
IMPORTANT NOTICE
Installing headers on any motor vehicle is illegal in
most states and may violate the 1990 Clean Air Act.
Consult the EPA at (202) 260-7645 for questions
regarding the installation of any aftermarket perfor-
mance product that may alter vehicle emissions.
HPF-300 DD-134/212
Reducing Tool HCT-214/212
HSRO Bending Plug
BFED-134/214 BFED-200/212
B-212 CFT-200

11 Bender Operation Manual
SEGMENT EXPANDERS - Segment expanders or “seg-
ment sets” come in a variety of sizes and shapes, each
performing it's own distinct function. Segment sets are
used for short pieces of tubing or when the tubing end is
minimized due to an existing bend. They can also be used
to expand tubing that is deformed in such a manner that
will not permit use of the swager expander. Segment sets
are used in conjunction with an arbor or mandrel. All seg-
ment sets are identified by grooved rings located at the
bottom as described on the following chart. There are
four different types of segment sets available; STANDARD
SEGMENT SETS, MANIFOLD FLANGE SEGMENT
SETS, BALL-JOINT SEGMENT SETS, and FLARE
SEGMENT SETS.
STANDARD SEGMENT SETS - These segment sets are
used to make straight expansions on tubing ends and are
found in all standard tooling packages.
MANIFOLD FLANGE SEGMENT SETS - These segment
sets are used to make donut-type manifold flanges on tub-
ing ends. They are available in five sizes; 1-1/4”, 1-1/2”,
2”, 2-1/4”, and 2-1/2”. All manifold segment sets are used
in conjunction with limit rings. Not included in standard
tooling packages.
BALL-JOlNT SEGMENT SETS - These segment sets are
used to make ball-joint expansions on tubing ends. They
are available in three sizes; 2”, 2-1/4” and 2-1/2”. Not
included in standard tooling packages.
FLARE SEGMENT SETS - These segment sets are used
to make 45 degree flares on tubing ends. Three different
sets are available that work on tubing sizes 1-1/2” -
2-1/2”.
Not included in standard tooling packages.
NOTE:
Keep segment sets and arbor well greased.
The ARBOR which is pulled through the center of the seg-
ment sets is available in two sizes. The HSA-114 is an
arbor used exclusively for 1-1/4” and 1-3/8” tubing while
the HSA-112 is used for tubing sizes 1-1/2” through 3”.
Bender Operation Manual 11
WARNING!
1. Always remove excess tooling from swager area
before using internal expander.
2. To avoid breaking tooling ALWAYS use proper
segment sets with appropriate tubing size.
3. NEVER stand in front of arbor when operating
internal expander.
HSA-112 Arbor HSA-114 Arbor

DIGITAL CONTROL
OPERATIONS.
“BA” MODELS.
Read each of the following sections carefully before
attempting any operation of this unit. All “BA” models are
equipped with a computer microprocessor that allows
minor storage and recall of certain bend data. It also gives
the user the ability to bend automatically or manually.
DESCRIPTION OF
CONTROLS:
SELCT - Selects KEYPAD or MEMORY functions.
CLEAR - Clears the SET ANGLE.
ENTER - Enters the numbers displayed in SET ANGLE
into memory. (Only when KEYPAD is lighted.)
STEP - Advances station number display.
RESET - Resets station number back to one.
AUTO - Starts automatic cycle.
JOG/FWD - Press and hold to advance radius die manu-
ally. Release button and all forward motion will stop.
Overrides AUTO button.
STOP/REVERSE (Also, EMERGENCY STOP) -
Press to stop forward movement of radius die. Press
again to reverse, then again to stop.
SET ANGLE WINDOW - Displays depth-of-bend degrees
programmed for the next bend.
DIE ANGLE WINDOW - Continuously displays the degrees
of bend as the radius die moves forward.
STATION WINDOW - Shows the position or station num-
ber that a particular bend depth has been programmed
into.
REMOTE FOOT SWITCHES - Used for manual opera-
tion. The right foot switch advances the radius die while
the left foot switch retracts it. Either foot switch will also
serve as an emergency stop.
12 Bender Operation Manual
STOP!
Before any attempt is made to operate this machine
it is important that you have read and fully under-
stand all operating instructions described in this
manual.

13 Bender Operation Manual
NOTE:
Practice the following bending steps without
tubing and initiate a few “dry runs” until you
understand the operating features.
USING THE REMOTE FOOT SWITCHES OR AUTO
BUTTON - When using a card system or bending a pipe,
you are not required to use the “Memory” function. Some
operators will use the memory function only when multiple
pipes are to be bent. The most popular method will be
manual or semi-automatic. When KEYPAD is lighted, the
machine will operate manually using the remote foot
switches or JOG/FWD button or semi-automatically,
performing one bend at a time using the AUTO button.
The actual depth-of-bend degrees will continuously appear
in the DIE ANGLE window any time the machine is
running. To manually operate the bender, depress the
right foot switch to advance the radius die and the left one
to retract it. The foot switches will always override the
automatic controls. When using the foot switches, the
radius die will NOT stop at the SET ANGLE.
To bend one bend at a time using the AUTO button,
follow these step-by-step instructions.
1. Turn the bender on and depress the SELCT button
to illuminate the KEYPAD light.
2. Find out what degree of bend is required and enter it
by depressing the appropriate number keys.
This number will then appear in the SET ANGLE
window. If you make a mistake and improperly
enter the wrong number, simply clear the SET
ANGLE by depressing the CLEAR button then
re-enter the proper information.
3. With the KEYPAD light illuminated, disregard any
numbers that may appear in the STATION window.
4. After installing a matched die set, position the tubing
so that you can begin bending.
5. Check your “circle-of-swing” for allowable clearance.
6. Depress the AUTO button to initiate the semi-
automatic cycle.
7. At this time the radius die will begin to move forward
until it reaches the designated depth-of-bend dis-
played in the SET ANGLE window. The retract
sequence will then automatically initiate, reversing
the radius die until it is fully retracted.
8. For the remaining bends, move the pipe over until
the next bend position or “center mark” is centered
between the back shoes. Repeat steps 5-7.
9. After all bends are completed, cut off the tubing end
to match the existing pipe or master.
PROGRAMMING THE DIGITAL BOARD- Follow these
step-by-step instructions to properly utilize the MEMORY
feature. The PROGRAM DATA CONTROL board stores
bend depths only. All data will be cleared once power is
turned off. The memory feature can be used when bend-
ing multiple or individual pipes The following instructions
illustrate how to properly enter the data which is shown
on the program cards.
1. Press the SELCT button to illuminate the KEYPAD
light.
2. Press the RESET button to return the STATION
window to number one.
3. Using your program card, enter the first degree of
bend shown in the BEND-DEPTH column. Press the
appropriate number keys to display the recommended
bend depth in the SET ANGLE window. Now press
the ENTER key. You have just entered the first bend
depth in station number one.
4. Press the STEP button to change the station to display
the number “2”.
5. Using your program card, enter the second depth of
bend by pressing the appropriate number keys. The
number should appear in the SET ANGLE window. If
the information is correct press the ENTER key. You
have now entered the second bend depth in station
number two.
Bender Operation Manual 13
WARNING!
1. Either foot switch will act as an EMERGENCY
stop.
2. NEVER operate the remote electric foot switches
in or around water or damp areas.
3. If the foot switch cords become frayed or
damaged
in any way, discontinue use until they are properly
repaired.
4. ALWAYS disconnect power cord before making
any electrical repairs.
CAUTION!
KEEP HANDS CLEAR while dies are in motion.
Familiarize yourself with the EMERGENCY STOP
button and its operation. NEVER place hands near
bending area or any pinch points when motor is
running. ONLY TRAINED PERSONNEL should be
near machine when it is in operation.
CAUTION!
If operating controls are malfunctioning,
discontinue use immediately. DO NOT attempt to
operate machinery until controls have
been repaired.

6. Repeat these steps until all depth-of-bends have
been entered. Always remember to press the
ENTER key prior to advancing to the next station.
7. Now press the SELCT key to illuminate the MEMORY
light.
8. Press the RESET button. This will change the
STATION window to number “1”.
9. To double check the data that has been entered,
press the STEP key to advance the stations through
their appropriate sequence. Review the data that has
been entered. If you reach a particular station that is
incorrect, press the SELCT key to illuminate the
KEYPAD light, the SET ANGLE will show zero at this
time then press the appropriate number keys and
retain the data by depressing the ENTER key. After
correcting the improper data, press the SELCT button
to illuminate the MEMORY light and the RESET key
to reset the STATION window. Review the information
once again.
NOTE:
In order to store data into program memory
the KEYPAD light must be illuminated.
Entered data will not be shown in the SET
ANGLE window until the MEMORY light is
illuminated.
THREE-BUTTON
CONTROL OPERATIONS
“BAS” MODELS
Read each of the following sections carefully before
attempting any operation of this unit. All “BAS” models
are equipped with a three-button control board that con-
trols the semi-automatic bending function. In addition to
the three-button control board, all “BAS” models are
equipped with a remote foot switch for manual operation.
DESCRIPTION OF
CONTROLS:
NEVER HOLD IN COLORED CONTROL BUTTONS! -
To properly operate the colored control buttons, quickly
press and release. By holding the colored control buttons
in, damage to the machine and/or components may
result.
GREEN BUTTON - Activates the automatic bending
cycle. After pressing the GREEN button, the radius die
will move forward until the desired depth-of-bend is
reached then automatically retract until the die is
returned to the original starting position.
BLUE BUTTON - Automatically returns or retracts the
bending die to the original starting position. NEVER hold
the BLUE button in when retracting the bending ram.
RED BUTTON - Serves as an “Emergency Stop” button.
Automatically stops all movement of the bending die dur-
ing the automatic cycle.
REMOTE FOOT SWITCHES - Used for manual opera-
tion. The right foot switch advances the radius die to start
the bending process. The left foot switch retracts the
radius die. Either foot switch will also serve as an emer-
gency stop.
NOTE:
Practice the following bending steps without
tubing and initiate a few “dry runs” until you
understand the operating features.
USING THE “AUTO-STOP” DEPTH-OF-BEND FEATURE -
The “Auto-Stop” slide pointer is attached to the depth-of-
bend degree plate and stops the radius die at pre-set
bend depths. The “Auto-Stop” feature works with either
the GREEN automatic control button or the remote foot
switches.
14 Bender Operation Manual
WARNING!
1. Either foot switch will act as an EMERGENCY stop.
2. NEVER operate the remote electric foot switches
in or around water or damp areas.
3. If the foot switch cords become frayed or damaged
in any way, discontinue use until they are
properly repaired.
4. ALWAYS disconnect power cord before making
any electrical repairs.
5. If any operating controls are malfunctioning,
discontinue immediately.

15 Bender Operation Manual
To use the three-button automatic controls, follow these
simple instructions.
1. Position the “Auto-Stop” pointer at the desired depth
of bend.
2. Position the tubing at the appropriate bend mark.
3. Check your “circle-of-swing” and prepare to begin
bending.
4. Press the GREEN control button.
5. At this time the radius die will advance until the
desired depth-of-bend is reached, then, retract to the
original starting position.
6. Be prepared to support the tubing as it is released
from the dies.
USING THE REMOTE FOOT SWITCHES - The remote
foot switches are used for manual bending functions.
When using the foot switches for manual operation it is
best that you position the “Auto-Stop” pointer out of the
way or at 180 degrees so that it does not interfere. If you
want to use the foot pedals in conjunction with the “Auto-
Stop” pointer, position the pointer at the desired bend
depth and proceed by pressing the RIGHT foot switch
until the radius die stops at the pre-set bend angle.
Press the LEFT foot switch to retract the radius die.
Always be prepared to support the pipe as it is released
from the dies.
OPERATING THE MANUAL
KNEE CONTROL.
“BL” / BULLET MODELS
Read the following section completely before attempting
any operation of this unit. All “BL” models are equipped
with a hydraulic control valve mounted at knee height
that allows the user to operate the machine manually
with their leg. A degree plate with pointer is mounted
near the front of the machine that gives the user accu-
rate bend depths. “BL” models are not equipped with any
automatic features.
To operate the manual control valve, move the handle to
the left or the plunger down to advance the radius die.
The handle must be fully engaged to properly control
radius die movement.
To retract the radius die, move the handle to the right (or
plunger up) to return to the original starting position.
Always be prepared to support the pipe as it is released
from the dies.
OPERATION NOTE / BL MODELS:
If the operating control handle is pressed half way or par-
tially down during the bending operation, the radius die
may slow down or even retract slightly. To keep the
bending die at a controlled speed you must fully depress
the valve handle. If you wish to advance the radius die a
few degrees only, instead of easing the handle down, try
“tapping” the handle.
BENDING OPERATIONS
There are basically two styles of bending that can be per-
formed on your new bender. The first is PROGRAM CARD
BENDING which requires the use of PROGRAM CARDS
that contain instructional data for specific applications.
The second is PATTERN BENDING which is the most
popular method and duplicates pipes by using an existing
pipe or wire pattern as a master.
USING THE PROGRAM CARDS - The Program Card
System contains bending data for specific applications.
The following instructions define each section of the card.
It is important that you read the entire card carefully before
attempting to bend. Due to the many cards and applica-
tions covered, there may be some inaccuracies. No
responsibility is assumed by the manufacturer for any
consequences arising from inaccuracies found on the pro-
gram cards.
Look up the card number in the appropriate reference
catalog. Exhaust pipes numbers start with the letter “E”
and tail pipes numbers start with the letter “T”.
Bender Operation Manual 15
CAUTION!
Be alert at all times. NEVER place hands near
bending area or other pinch points
when motor is running.

Take down the number of the pipe to be bent, find and
remove it from the deck. Remember to place a marker of
some type in its place. The cards are filed in numerical
sequence by the number shown on the top left section of
the card. Only the last four digits shown are in sequential
order. Some cards start with a prefix such as T3 or T5 then
are followed by a four digit number. ALWAYS disregard the
prefix and follow the last four digits only.
DEFINITION OF CARD
SECTIONS:
YEAR - Gives the year of the vehicle that the card pertains
to.
DIAMETER - The original equipment factory recommend-
ed tubing diameter for that particular vehicle,
O/A LENGTH - Overall length of tubing required for that
particular pipe. Also referred to as the cut-off point.
SIDE - When more than one section of tubing is required
for a particular card number, this section shows if it is the
front, rear, left or right side.
SYMBOLS - Shows certain symbols that pertain to indi-
vidual bending instructions that are explained in greater
detail in the BENDING INSTRUCTIONS section. The
symbol section also includes the descriptive “F” and “R”
symbols that indicate how the pipe fits on the vehicle. “F”
means front and “R” means rear.
CENTER MARKS - Refers to the actual locations or mea-
surements that the bends will be located.
PIPE ROTATION - Shows in degrees what the correct
pipe rotation (or plane) is for each bend.
BEND DEPTH - Shows in degrees what the correct bend
depth is for each bend.
MAKE - Gives the make of the vehicle. Chevrolet, Pontiac,
Ford, Chrysler, etc.MODEL - Gives descriptive factors
such as the model, engine and frame size.
BENDING INSTRUCTIONS - Shows what radius die will
be used in addition to other tooling such as half shoes
and three quarter shoes. Also gives instructions on
reversing and certain end-fInishing requirements. Not all
applications will be shown on the card.
Follow these step-by-step instructions to bend the pipe
for the card shown above.
1. Select the proper tubing size for the application as
called for in the DIAMETER SECTION of the card.
(See Recommended Tubing Chart on page 48) Wipe
tubing to remove excess oil.
2. Install the correct radius die as called for in the
BENDING INSTRUCTION section. Two back shoes
are required unless otherwise specifIed. Place tubing
in the bender between the back shoes and radius die
with the greater portion of the tubing extending out
the LEFT side of the bender. This is necessary so
that you can mark the tubing with the appropriate
CENTER MARKS shown on the card.
3. Engage the bending dies until the pusher
block springs are compressed and the tubing is held
fIrmly. Carefully control the advancement of the
radi us die so as not to dent or bend the tubing at this
time. (See figure 1-A)
16 Bender Operation Manual
Sample card layout to be used in conjunction with bending instructions.
Figure 1-A

17 Bender Operation Manual
4. Using the program card, refer to the section marked
CENTER MARKS for the list of measurements in
inches where the different bends will be made. Each
CENTER MARK is measured from the left end of the
tubing. Mark and number the CENTER MARKS on
the tubing using a crayon or felt tip pen. The last
mark you make should be the cut off point shown in
the O/A LENGTH section. DO NOT CUT THE TUBING
at the last center mark until the final bend is
made. (See figure 1-B.)
5. Disengage the dies and reposition the tubing so that
the greater portion is now extending out the RIGHT
side of the bender and the first CENTER MARK is
lined up with the center of the two back shoes.
6. Engage the bending dies until the pusher block
springs are compressed and the tubing is held firmly.
(See figure 1-C)
7. Rotate the tubing so that the weld seam on the tubing
is facing up or at the 12 o-cIock position. The push-
er block springs are designed to hold the tubing
secure but still allow rotation of the pipe. Install the
rotation dial on the RIGHT end of the tubing. Loosen
the butterfly nut if necessary and insert the segmented
expander inside the tubing end. Tighten the butterfly
nut until the rotation dial is secure.
9. With the rotation dial properly installed, rotate the
degree plate not the tubing so that the pendulum
pointer is showing ZERO. Make sure the butterfly nut
remains tight.
10. You are now ready to make your first bend. At this
time you may program your depth-of bends on the
digital board as described in the DIGITAL CONTROL
OPERATION section; position the depth-of bend
pointer on BAS models; or elect to use the electric
foot switches or manual knee control valve. For
beginning operators we suggest that manual controls
are used until you become more familiar with the
operating features of your machine
11. As described in the BEND DEPTH section of the
card, advance the radius die to 17 DEGREES then
retract the die to the original starting position. The
rotation dial should still show ZERO at this time.
12. Review the SYMBOLS section of the card and check
for any special instructions. On bend number two
you will notice that a HALF SHOE is called for. Install
the HALF SHOE now. Unless a special instruction is
given to change the radius size, you will continue to
use the 3-1/2” radius through the remaining bends.
NOTE:
Always position the HALF SHOE or THREE QUARTER
SHOE on the same side as the previous bend.
13. For the second bend, slide the tubing to the LEFT so
that the second CENTER MARK is lined up with the
center of the shoes.
(See figure 2-B.)
NOTE:
The weld seam on the tubing should be directly in line
with the ZERO mark at this time. (See figure 2-A)
Bender Operation Manual 17
CAUTION!
Before advancing the radius die check your
circle-of-swing for allowable bending clearances.
Figure 1-B
Figure 2-A
Figure 1-C

14. With the HALF SHOE in place and the secondCENTER
MARK lined up at the center of the shoes, advance
the radius die forward until the pusher block springs
are compressed and the tubing is held securely.
Carefully control the advancement of the radius die
to prevent denting or bending of the pipe at this time.
15. Now, rotate the tubing not the dial so that the pendulum
pointer or dial indicator points to the proper setting as
shown in the PIPE ROTATION section of the card. In
this case the PIPE ROTATION will be 147 degrees.
ALWAYS use the inside set of numbers. (See figure 2-C)
NOTE:
The rotation dial is equipped with two scales.
The standard scale which is used for all
regular bending operations is positioned to the
INSIDE of the dial. The OUTSIDE scale is
used for bending “mirror images” or opposite
side pipes.
16. With the rotation dial properly set at 147 degrees and
the center mark lined up, advance the radius die to
11 degrees as shown on the card. Retract the die to
the original starting position.
17. Review the SYMBOLS section of the card and check
for any special instructions. On bend number three
you will notice that a REVERSE / USE HALF SHOE
is called for.
The ROTATION DIAL degree plate MUST NEVER be
moved after bending has begun.
ALWAYS be prepared to support the tubing as it is released
from the dies to prevent it from hitting the ground. If the dial
is accidentally moved during the bending process,
re-position the dial so that the
ZERO mark is located at the weld seam of the tubing, or
return to the previous bend and position the pendulum point-
er to the degrees required for that particular bend.
18. lf a bending instruction calls for a REVERSE, remove
the tubing and position the ROTATION DIAL on the
LEFT SIDE of the machine. Be careful not to move
the ROTATION DIAL degree plate during this process.
NOTE:
When a REVERSE is called for, the rotation dial
will be positioned on the LEFT side for that
bend only. If the SYMBOL section shows a
REVERSE again for the following bend, the
rotation dial MUST remain on the LEFT side. If
no REVERSE is called for, the rotation dial
MUST be returned to the RIGHT side.
19. For bend number three, REVERSE the tubing and
install the HALF SHOE now. (See figure 3-A)
20. With the HALF SHOE in place and the third CENTER
MARK lined up at the center of the shoes, advance
the radius die forward until the pusher block springs
are compressed and the tubing is held securely.
21. Rotate the tubing not the dial so that the pendulum
pointer or dial indicator points to the proper setting as
shown in the PIPE ROTATION section of the card. In
this case the PIPE ROTATION will be 250 degrees.
USE THE INSIDE set of numbers. Advance the radius
die to 7 degrees.
18 Bender Operation Manual
Figure 2-C
Figure 2-B
Figure 3-A

19 Bender Operation Manual
22. Review the SYMBOLS section of the card and
check for any special instructions.
23. On bend number four you will notice that a
REVERSE USE HALF SHOE is again called for.
Keep the ROTATION DIAL on the LEFT side for this bend.
24. Advance the radius die forward until the pusher block
springs are compressed and the tubing is held securely.
25. Rotate the tubing so that the pendulum pointer or
dial indicator points to 260 degrees.
26. Advance the radius die to 35 degrees then retract
the die to the original starting position.
27. Review the SYMBOLS section of the card and check
for any special instructions for bend number five.
28. On bend number five no special instructions are
shown. In this case, return the ROTATION DIAL to
the right side and install the full BACK SHOE. A
HALF SHOE is not required for this bend.(See figure 3-B.)
29. Advance the radius die forward until the pusher block
springs are compressed and the tubing is held securely.
30. Rotate the tubing so that the pendulum pointer or
dial indicator points to 223 degrees.
31. Advance the radius die to 18 degrees then retract
the die to the original starting position.
32. Review the SYMBOLS section of the card and check
for any special instructions for bend number six.
33. On bend number six no special instructions are shown.
34. Advance the radius die forward until the pusher block
springs are compressed and the tubing is held securely.
35. Rotate the tubing so that the pendulum pointer or
dial indicator points to 277 degrees.
36. Advance the radius die to 9 degrees then retract the
die to the original starting position.
37.You are now finished bending the pipe. Remove the
ROTATION DIAL and cut the tubing end off at the
last O/A mark. (See figure 3-C.)
38. Now check the BENDING INSTRUCTIONS section
and check for any END FINISHING requirements.
On this particular card, it calls for a FEMALE BUICK
BALL on the FRONT or “F” side of the pipe. See
page 12 for TYPICAL END FINISHING illustrations.)
PATTERN BENDING
To pattern bend, proceed as follows. In order to retain the
information for later use, save the information as described
below.
NOTE:
Use the blank program card found on the next page
as a master to make additional
copies for later use.
1. Select the proper tubing size and die set to do the
job. Try to match the radius size with that of the existing
pipe.
2. Place the tubing in the bender with the greater portion
of the tubing protruding out the right side of the
bender.
3. Place the master pattern (existing pipe or bent wire
on the top of the back shoes so that the first bend is
centered between the back shoes.
4. Adjust the tubing out the left side of the bender so
that the tubing end matches the length with that of
the master. (See figure 1-A) Secure the straight pipe
by advancing the radius die until the pusher block
springs compress.
Bender Operation Manual 19
Figure 3-B
Wire pattern being used as a master.
Figure 3-C

5. Using a measuring tape, measure the distance from
the end of the tubing to the center of the back shoes.
This is the measurement to the first bend and should
be recorded in the CENTER MARKS section of a
blank card. (See figure 1B)
6. Place the ROTATION DIAL on the far right end of the
straight tubing and secure by tightening the wing nut.
Center the ROTATION DIAL degree plate so that the
indicator points to zero. ALWAYS USE THE
NUMBERS CLOSEST TO THE CENTER OF THE
ROTATION DIAL. THE OUTSIDE NUMBERS ARE
FOR SPECIAL APPLICATIONS ONLY. Record the
rotation degree as zero for your first PIPE ROTATION.
7. You are now ready to make your first bend. Place the
first bend of the master pipe or wire flat on top of
the back shoes. Hold in this position. Gradually
extend the radius die forward until the gates start to
open and the tubing begins to bend. Continue
bending until the bend depth is equal to that of the
master. (See figure 1-C)
8. Look at the Depth-of-Bend plate or observe the DIE
ANGLE window. This is the depth or degrees of the
first bend. Record this information in the BEND
DEPTH section.
9. Retract the bending dies and slide the straight tubing
to the left. Place the tubing or master on top of the
back shoes so that the centerline of the second bend
lines up with the centerline of the back gates. Be
sure that the master lies perfectly flat.
10. Line up the second bend of the new pipe with the
second bend of the master. Be sure that the master
remains flat on top of the back shoes. Advance the
radius die until the pusher block springs are
compressed and the tubing is held securely. Make
any adjustments at this time. Your second bend is
now correctly located. (See figure 2-A)
20 Bender Operation Manual
Figure 1-A
Figure 1-B
Figure 1-C
(This blank card may be used to make additional copies)

21 Bender Operation Manual
11. The measurement for the second bend should now
be taken. Since bent tubing is difficult to measure, It
is best to measure from the centerIine of the first bend,
to the centerIine of the second bend. This measurement
should then be added to the measurement taken for
the first bend. Record this information in the CENTER
MARKS section. (See figure 2-B)
12. Look at the rotation dial and take the reading for the
pipe rotation. Record this information in the second
PIPE ROTATION section.
13. You are now ready to make your second bend. With
the tubing or master laying flat on top of the back
shoes gradually extend the radius die forward until
the gates start to open and the tubing begins to
bend. Continue bending until the bend depth is equal
to that of the master. (See figure 2-C)
14. Take a reading for the bend depth and mark this in
the second BEND DEPTH section on the card.
NOTE:
Repeat these steps for the remaining bends. After all
bends are completed, make the necessary end finishing
and take a measurement for the overall cut off length. Be
sure to make all notations on the blank program card for
later reference.
USING A BLOCK OF WOOD
Some bending cards or certain bending applications require
the use of a BLOCK OF WOOD. This is used to “cushion”
the tubing when a half shoe is being used. The BLOCK OF
WOOD should be approximately 2” x 4” x 4” and will be used
together with the half shoe. When half shoes are used on
larger size tubing they have the tendency to depress or
indent the tubing somewhat due to the reduced surface area
on the half shoe itself. The block of wood will crush as the
bend is being made and will help support the tubing and
minimize distortion. (See figure 3-A)
THREE INCH TUBE
BENDING PROCEDURE
High initial back gate pressure is required when bending
three inch tubing in order to get good, uniform bends.
Good bends will result when 13 gauge (.095 wall thick-
ness) is used. 14 gauge (.083 wall thickness) may be
used, but some tube deformation or inconsistency may
result.
These instructions MUST be followed closely for best
results. During this procedure use only the manual oper-
ating controls. DO NOT USE AUTOMATIC CONTROLS.
1. Upon installation of the three inch bending dies, it is
essential to readjust the sequence valve pressure.
This adjustment will require the use of a 1/4” Allen
wrench and a 3/4” open-end wrench.
2. Loosen the securing nut on the SEQUENCE VALVE
and insert the Allen wrench in the end of the adjust
ing screw. The Allen wrench will remain in this position
during this bending process. (See figure 3-B)
Bender Operation Manual 21
Figure 2-C
Figure 2-B
Figure 2-A
Figure 3-A

22 Bender Operation Manual
1. Tubing is not required for steps 1-3. Advance the
radius die and check the sequence valve pressure.
Sequence valve pressure is shown on the pressure
gauge attached to the valve itself. The correct pressure
will be shown only as the radius die travels forward
through the bending gates while the radius die is in
motion. Normal operating pressure should be 1600
P.S.I. The correct return pressure will be set at 300-
350 P.S.I. For bending three inch tubing, the initial
sequence valve pressure should be raised to 2000
P.S.I. for each bender (See page 33 for pressure
adjusting procedure.)
2. To raise the sequence valve pressure, turn the Allen
wrench clockwise until 2000 P.S.I. is maintained as
the radius die moves forward through the bending
gates. The return pressure will remain unchanged.
3. After proper pressures have been set, the dies
should be heavily greased.
NOTE:
Bending dies MUST be cleaned and
polished smooth for best results.
4. Position the tubing in the bender and advance the
radius die forward to begin the bending process.
Remember to USE MANUAL CONTROLS ONLY.
5. At a bend depth between 30 degrees and 40 degrees
the bender may start to “bog” down. At this time start
turning the Allen wrench counter-clockwise to reduce
the sequence valve pressure. Do not adjust below
400 P.S.I. This will allow the radius die to advance
further. Continue bending until the desired bend
depth is reached. Return the pressure to 2000 P.S.I.
for the next bend.
6. If further bends are required, repeat this procedure
for each bend. ALWAYS return the sequence valve
pressure back to 1600 P.S.l. when finished. (See
page 33 for pressure adjusting procedure.)
BENDING STAINLESS
TUBING
In order to get good results when bending stainless tubing, it
is necessary to increase the back shoe pressure by adjusting
the sequence valve similar to the procedure previously
described. The recommended pressures are shown below.
When using large diameter or light gauge tubing, more back
shoe pressure is required. Always remember to reset the
bender to 1600 P.S.I. when you are finished.
Stainless tubing comes in many grades. The grades
shown above are the best for bending.
NOTE:
It is very important to clean and lubricate the bending
dies during all bending procedures.
END FINISHING
OPERATIONS
USING THE INTERNAL EXPANDER
The internal expander uses segmented expander dies or
“segment sets” in conjunction with an expansion arbor.
When the arbor is pulled through the center of the seg-
ment set it spreads the “fingers” which in turn expands
the tubing to an exact inside diameter. The segment sets
are designed to work on one size arbor only. An adjust-
able Buttress Canister attached to the internal expander
cylinder is used to control the expansion range.
NOTE:
The arbor must be snug to cylinder shaft
before operation begins to avoid damaging
threads.
Recommended Tubing Proper
Tubing Size Tubing Grade Thickness Backshoe
Pressure
16 Gauge
304 or 409 only for 304
1”-2” O.D. Stainless 16 or 14 2200-2500 PSI
Tubing Gauge
For 409
2”-2-1/2” 409 Stainless 14 Gauge 2400-2700 PSI
O.D. Tubing
CAUTION!
DO NOT turn the adjustment screw beyond the end
threads of the screw,
CAUTION!
Before any attempt is made to use the end finishing
components on this machine, it is important that you
have read and fully understand all operating instruc-
tions. KEEP HANDS CLEAR of all pinch points. ONLY
TRAINED PERSONNEL should be near machine
when it is in operation. NEVER stand in front of arbor
when operating internal expander. ALWAYS wear
safety glasses when operating this machine.
Figure 3-B

23 Bender Operation Manual
USING THE STANDARD SEGMENT
EXPANDERS - There are five standard segment sets
included with your bender. Each segment set is designed
to be used with a particular size tubing only. The appro-
priate sizes are shown below. Standard segment sets are
used for making straight expansions. (See chart on page
12 for typical end finishing illustrations.)
The following procedure is provided as a step-by-step
instruction to begin proper use of the internal expander.
1. Turn the machine on.
2. Lift the control handle to extend the cylinder shaft.
Install the arbor making sure that it is threaded all
the way on to the shaft.
3. Grease the arbor thoroughly.
4. Install the appropriate segment set by simply
forcing the set over the head of the arbor. Grasp
the segment set firmly to keep fingers together.
5. Adjust the buttress canister until the grooved line on
the canister is lined up with the grooved line on the
aluminum pointer. Then center the “X” symbol on
top. With the buttress canister properly lined up, the
arbor will automatically stop so that the tubing is
expanded to the exact inside diameter for the
corresponding size segment set. (See figure 1-A)
6. Place the tubing over the segment set. Be sure to
slide the tubing all the way down to the shoulder.
NOTE:
If there is a burr or dent on the end of the tubing, place
the tubing on the notched end of the segment set and
tap the valve handle until the burr is removed.
(See figure 2-A)
7. With the tubing in position and the buttress canister
lined up you are ready to expand.
8. Tap the control handle down until the tubing begins
to expand. Release and rotate the tubing clockwise.
Repeat until a smooth uniform expansion is produced.
Continue depressing the valve handle and rotating
the tubing until the arbor stops expanding.
(See figure 3-A)
Bender Operation Manual 23
IMPORTANT!
ALWAYS use the correct segment sets with the
corresponding tubing size. Incorrect usage of
segment sets will result in premature wear and
breakage. ALWAYS keep arbor well greased.
Figure 1-A
Figure 2-A
SS-112 1-1/2” O.D. tubing to 1-5/8” I.D.
SS-134/178 1-3/4” or 1-7/8” O.D. tubing to 1-7/8
I.D.
SS-200 2” O.D. tubing to 2-1/8” I.D.
SS-214 2-1/4” O.D. tubing to 2-3/8” I.D.
SS-212 2-1/2” O.D. tubing to 2-5/8” I.D.
Part Number Maximum Expansion
Figure 3-A

9. Lift the valve handle up until the arbor extends and
the segment set is released.
10. Check the finished expansion end by placing it over
the end of tubing of the corresponding size. The
expansion should allow the tubing to fit snugly.
11. The expansion can be made to fit looser by turning
the buttress canister counter-clockwise or tighter by
turning the buttress canister clockwise.
USING THE BALLJOlNT SEGMENT SETS - Ball-joint
segment sets are used to make ball-joint expansions
on shorter tubing ends. They are available in three sizes;
2”, 2-1/4” and 2-1/2”. These are not included in standard
tooling packages. (See chart on page 12 for typical end
finishing illustrations.)
Ball-type expansions can be made quick and easily using
ball segment sets on the internal expander as explained
below.
1. Slide the proper size ball-joint segment set over the
arbor. (See figure 1-A)
2. Place the tubing over the ball segment set until the
tubing end is flush with the shoulder.
3. Adjust the buttress canister until the grooved line on
the canister is lined up with the grooved line on the
pointer.
4. Depress the valve handle to form the ball on the end
of the tubing. Be careful not to distort the end of the
tubing. (See figure 2-A)
5. To make a female ball expansion, place the tubing
over the arbor and segment set until the tubing is
positioned midway at the grooved area. Depress the
valve handle to flare the end of the tubing to match
with the mating male ball joint. (See figure 3-A)
USING THE FLARE SEGMENT SETS - These segment
sets are used to make 45 degree flares on tubing ends.
Three different sets are available that work on tubing
sizes 1-1/2” - 2-1/2”. These are not included in standard
tooling packages. (See chart on page 12 for typical end
finishing illustrations.)
To produce a flare, proceed as follows.
1. Slide the proper size flare segment set over the arbor.
(See figure 1-B)
24 Bender Operation Manual
HELPFUL TIP...
Cut off sections of tubing in all sizes approximately 3” in
length and weld them to a bracket similar to the one
shown below. Attach to your bender and use it to check
your expansions.
Figure 2-A
Figure 3-A
Figure 1-B
Figure 1-A

25 Bender Operation Manual
STED-112 Expands 1-1/2” tubing to 1-1/2” I.D.
STED-134 Expands 1-3/4” tubing to 1-3/4” I.D.
STED-178 Expands 1-7/8” tubing to 1-7/8” I.D.
STED-200 B-134 Expands 2” tubing to 2” I.D.
Also used to make 1-3/4” Male Ball
Expansion
STED-214 B-200 Expands 2-1/4” tubing to 2-1/4”
I.D.
Also used to make 2” Male Ball
Expansion
2. Place the tubing over the arbor and segment set, but
DO NOT place the end of the tubing past the last
step on the segment set. (See figure 1-A)
3. Depress the valve handle and rotate the tubing
cIockwise until the desired flare is produced.
NOTE:
Smaller size tubing should be gradually
worked up onto the flare segment set until
the desired flare has been produced.
USING THE MANIFOLD FLANGE SEGMENT SETS -
These segment sets are used to make donut-type mani-
fold flanges on tubing ends. They are available in five
sizes; 1-1/4”, 1-1/l2”, 2”, 2- 1/4”, and 2-1/l2”. All manifold
segment sets are used in conjunction with limit rings.
These are not included in standard tooling packages.
(See chart on page 12 for typical end finishing illustrations.)
To produce a manifold flange proceed as follows.
1. Place the proper size segment set over the arbor.
(See figure 1-B)
2. Place the proper size limit ring over the end of the tubing.
3. Position the tubing over the arbor and segment set
until the tubing meets the shoulder.
4. Push the limit ring forward until it also meets the
shoulder and is flush with the end of the tubing.
(See figure 1-C)
5. Depress the valve handle to form the flange. The
flange will be formed as the raised areas expand and
the tubing end is contained by the limit ring.
USING THE SWAGER BOX
The swager box is an expanding/flaring unit located to
the rear of the bender which utilizes pipe collars in con-
junction with bullet shaped expander/forming dies to per-
form a variety of tube end finishing.
USING THE “STED” EXPANDER DIES - STED's are
referred to as “solid expander dies”. Each tool is marked
for the proper size tubing. Some of these dies perform two
different functions. The STED expander dies will swage/
expand the tubing to exact inside diameters but some can
also be used for making male ball expansions. The tooling
applications are explained below.
Bender Operation Manual 25
CAUTION!
NEVER use a limit ring that is defective or cracked.
DO NOT maintain constant pressure on the limit ring by
continuing to hold the valve handle down once the
expansion has been made. ALWAYS wear protective
safety goggles when operating the internal expander.
CAUTION!
Read the following section carefully before attempting
to operate the swager unit. BE CAREFUL when using
the swager assembly due to the extreme pressure
created by the hydraulic cylinder. NEVER allow
untrained personnel to operate machinery.
KEEP HANDS CLEAR of all pinch points. ALWAYS
wear protective safety goggles.
Part Number Application
Special sizes are available upon request
Figure 1-B
Figure 1-A
Figure 1-C

MAKING STRAIGHT EXPANSIONS - Follow these steps
to produce straight expansions using the STEP expander
dies. (See chart on page 12 for typical end finishing
illustrations.)
1. Retract the swager cylinder completely by lifting the
valve handle up.
2. Install the required STED for the appropriate tubing
size on the ST-1 adapter attached to the end of the
cylinder shaft.
3. Install the required HAC adapter collar around the
tubing and position within the swager clamp blocks.
The hinge should be positioned on the top side and
the smaller tapered edge of the collar should be
towards the cylinder shaft.
4. Leave at least three inches of tubing extended
beyond the inside edge of the adapter collar.
(See figure 1-A)
5. To secure the tubing firmly, snug the collar back into
the clamp blocks by gently pushing back on the collar
assembly.
6. Slowly, while depressing the valve handle down,
move the shaft forward until the expander die enters
the tubing. Be sure that the tool is centered with the
tubing. Continue moving the cylinder forward until
the expansion is formed. (See figure 2-A)
NOTE:
NEVER run the expander die into the tubing
more than 1/4” from the end of the die. NEVER
completely bury the die into the tubing.
7. After the tubing has been expanded, retract the die
by lifting up on the control handle.
8. Separate the collar from the tubing. Remove tooling
and return to the storage area.
USING THE STED EXPANDER DIES OR THE B-2I2 TO
MAKE MALE BALL EXPANSIONS
IMPORTANT NOTE:
When making male ball expansions it is
necessary to first install the pipe flange or clamp
around the tube prior to finishing the ends.
To make a male ball expansion using the STED
expander dies or B-212, proceed as follows. (See chart
on page 12 for typical end finishing illustrations.)
NOTE:
The “B” symbol stamped on the STED expander
dies identifies the tool required for making male ball
expansions. The “E” symbol identifies the tool required
for making straight expansions.
Some STED expander dies do not show a “E” or “B”
symbol. These are used for making straight
expansions only. The B-212 tool is used for making
male ball expansions on 2-1/2” tubing only.
1. Retract the swager cylinder completely by lifting the
valve handle up.
2. Install the required STED for the appropriate tubing
size or B-212 on the ST-1 adapter attached to the
end of the cylinder shaft.
3. Install the required HAC adapter collar around the
tubing and position within the swager clamp blocks.
4. Leave at least three inches of tubing extended
beyond the inside edge of the adapter collar.
5. Snug the collar back into the clamp blocks by gently
pushing back on the collar assembly.
6. Slowly, while depressing the valve handle down,
move the shaft forward until the tool enters the tub-
ing. Be sure that the tool is centered with the tubing.
7. Slowly, bring the tool forward until it meets the marking
ring etched around the circumference of the tool. Do
not go beyond the grooved marking ring.
8. After the tubing has been expanded, retract the die
by lifting up on the control handle.
9. DO NOT remove tubing from the collar.
10. Install the DOMlNG DIE on the ST-1 adapter attached
to the end of the cylinder shaft. (See figure 3-A)
26 Bender Operation Manual
Figure 2-A
Figure 1-A
CAUTION!
BE SAFE. DO NOT rush any procedure. ALWAYS
operate the swager unit SLOWLY and CAUTIOUSLY.
KEEP HANDS CLEAR from all pinch points.
ALWAYS wear protective safety goggles

27 Bender Operation Manual
11. Slowly move the tool forward until the desired ball is
achieved. This procedure requires careful control.
(See figure 1-B)
12. Retract the die by lifting up on the control handle.
13. Separate the collar from the tubing. Remove tooling
and return to the storage area.
USING THE BFED TOOLS TO MAKE FEMALE
BALL EXPANSIONS
IMPORTANT NOTE:
When making male ball expansions it is
necessary to first install the pipe flange or clamp
around the tube prior to finishing the ends.
The BFED-134/214 & BFED-200/212 are forming tools
for flaring pipe ends to make female ball expansions.
Each tool is “stepped” and has the ability to flare two dif-
ferent sizes. The BFED-134/212 is used for tubing sizes
1-3/4” and 2-1/2” while the BFED-134/214 is used for
tubing sizes 1-3/4” and 2-1/4”.
Follow these steps to produce female ball expansions
using the BFED dies. See chart on page 12 for typical
end finishing illustrations.
1. Retract the swager cylinder completely by lifting the
valve handle up.
2. Install the required BFED for the appropriate tubing
size on the ST-1 adapter attached to the end of the
cylinder shaft.
3. Install the required HAC adapter collar around the
tubing and position within the swager clamp blocks.
4. Leave at least three inches of tubing extended
beyond the inside edge of the adapter collar.
(See figure 2-B)
5. Snug the collar back into the clamp blocks by gently
pushing back on the collar assembly.
6. Slowly, while depressing the valve handle down,
move the shaft forward until the tool enters the
tubing. Be sure that the tool is centered with the
tubing. Continue moving the cylinder forward
until the expansion is formed. (See figure 3-B)
7. After the tubing has been expanded, retract the die
by lifting up on the control handle. Separate the collar
from the tubing. Remove tooling and return to the
storage area.
USING THE HPF-300 TOOL TO MAKE
45 DEGREE FLARES AND FLAT FLARES
IMPORTANT NOTE:
When making 45 degree flares and flat flares it is
necessary to first install the pipe flange or clamp
around the tube prior to finishing the ends.
Follow these steps to produce flares using the HPF-300
tool. See chart on page 12 for typical end finishing illustra-
tions.
1. Retract the swager cylinder completely by lifting the
valve handle up.
2. Install the HPF-300 tool on the ST-1 adapter attached
to the end of the cylinder shaft.
3. Install the required HAC adapter collar around the
tubing and position within the swager clamp blocks.
Bender Operation Manual 27
Figure 3-A
Figure 1-B
Figure 2-B
Figure 3-B

4. Leave at least three inches of tubing extended
beyond the inside edge of the adapter collar.
(See figure 1-A)
5. Snug the collar back into the clamp blocks by gently
pushing back on the collar assembly.
6. Slowly, while depressing the valve handle down,
move the shaft forward until the tool enters the tubing.
Be sure that the tool is centered with the tubing.
7. Slowly, move the tool forward until the desired flare
is achieved. (See figure 2-A)
8. Retract the die by lifting up on the control handle.
You have now completed the 45 degree flare.
9. To complete the FLAT FLARE proceed as follows.
10. After retracting the cylinder, install the flattening tool
as shown below.
11. Slowly, move the tool forward until the flare forms a
flat surface. (See figure 2-B)
12. Retract the die by lifting up on the control handle.
13. Separate the collar from the tubing. Remove tooling
and return to the storage area.
USING THE HPF-300 TO MAKE A MANIFOLD FLANGE
IMPORTANT NOTE:
When making a manifold flange it is necessary to
first install the pipe flange or clamp around the
tube prior to finishing the ends.
On this application it is necessary to use a scrap piece of
tubing approximately 1-1/2” long of the same O.D. size.
This tubing section will be inserted into the tubing end to
form a gasket retainer.
Follow these steps to produce a manifold flange using
the HPF-300 tool. See chart on page 12 for typical end
finishing illustrations.
1. Retract the swager cylinder completely by lifting the
valve handle up.
2. Install the HPF-300 tool on the ST-1 adapter attached
to the end of the cylinder shaft.
3. Install the required HAC adapter collar around the
tubing and position within the swager clamp blocks.
4. Leave at least three inches of tubing extended
beyond the inside edge of the adapter collar.
(See figure 2-C)
28 Bender Operation Manual
Figure 2-B
Figure 2-A
Figure 2-C
Figure 1-A

29 Bender Operation Manual Bender Operation Manual 29
5. Snug the collar back into the clamp blocks by gently
pushing back on the collar assembly.
6. Slowly, while depressing the valve handle down,
move the shaft forward until the tool enters the tubing.
Be sure that the tool is centered with the tubing.
7. Slowly, move the tool forward until a 45 degree flare
is achieved. (See figure 3-A)
8. Retract the die by lifting up on the control handle. You
have now completed the 45 degree flare.
9. After retracting the cylinder shaft, install the flattening
tool as shown below.
10. Now, pull the flared tubing end up against the
chamfered edge of the adapter collar as shown below.
THIS STEP IS VERY IMPORTANT so that the tubing
end is retained within the clamped area. This will prevent
the flared end from swelling when the insert is pressed
in.
11. Insert the scrap pipe nipple into the flared end of the
tubing. The nipple should hold itself in position.
12. Remove hands from the swaging area and slowly
move the tool forward until the scrap nipple is forced
into the tube opening. Stop when the scrap nipple
protrudes 1/2” from the tube end. (See figure 3-B)
13. Retract the die by lifting up on the control handle.
14. This will form a seat for the round donut gasket as
shown below.
15. Separate the collar from the tubing. Remove tooling
and return to the storage area.
CAUTION!
Pay careful attention when performing the following
steps. KEEP HANDS CLEAR from all pinch points.
ALWAYS remove hands from the expanding area
when cylinder is in motion.
ALWAYS wear protective safety goggles.
CAUTION!
Remember, on 1302 models the swager side of the cyl-
inder moves simultaneously when operating the inter-
nal expander. ALWAYS REMOVE TOOLING FROM
THE SWAGER AREA when finished to avoid damage
to the tooling and cylinder when the internal expander
is being used.
Figure 3-B
Figure 3-A

USING THE CFT TO MAKE A MANIFOLD FLANGE.
IMPORTANT NOTE:
When making a manifold flange it is necessary to
first install the pipe flange or clamp around the
tube prior to finishing the ends.
CFT tools are used for making manifold flanges quick
and easy. Not included in standard tooling packages.
Follow these steps to produce a manifold flange using
the optional CFT tool. See chart on page 12 for typical
end finishing illustrations.
1. Retract the swager cylinder completely by lifting the
valve handle up.
2. Install the appropriate CFT tool on the ST-1 adapter
attached to the end of the cylinder shaft.
3. Install the required HAC adapter collar around the
tubing and position within the swager clamp blocks.
4. Leave ONLY 1-1/2” inches of tubing extended beyond
the inside edge of the adapter collar. (See figure 3-C)
5. Snug the collar back into the clamp blocks by gently
pushing back on the collar assembly.
6. Slowly, while depressing the valve handle down,
move the shaft forward until the tool contacts the
tubing. Be sure that the tool is centered with the tub-
ing.
7. Make the manifold flange by advancing the tool
forward towards the collar until the cylinder stops.
Apply full pressure for this operation. (See figure 1-A)
8. Retract the die by lifting up on the control handle.
9. Separate the collar from the tubing. Remove tooling
and return to the storage area.
USING THE REDUCING TOOLS - Reducing tools are
used for reducing or “shrinking” pipe ends to exact out-
side diameters. Each tool is marked with the appropriate
size. It is important to understand that the size marked
on the tool will be the size that the tubing wIll be reduced
down to. For example, a tool marked 200 will reduce 2-1/4”
tubing down to 2” O. D. and a tool marked 214 will
reduce 2-1/2” tubing down to 2-1/4” O.D. Not included in
standard tooling packages.
IMPORTANT NOTE:
Reducing tools MUST be thoroughly greased before use.
To properly reduce the tube end using the optional
reducing tools follow these simple steps. See chart on
page 12 for typical end finishing illustrations.
1. Retract the swager cylinder completely by lifting the
valve handle up.
2. Install the appropriate REDUCING TOOL on the ST-1
adapter attached to the end of the cylinder shaft.
3. Install the required HAC adapter collar around the
tubing and position within the swager clamp blocks.
4. Leave at least 3-1/2” of tubing extended beyond the
inside edge of the adapter collar. (See figure 2-B)
5. Snug the collar back into the clamp blocks by gently
pushing back on the collar assembly.
6. Slowly, while depressing the valve handle down,
move the shaft forward until the tool contacts the
tubing. Be sure that the tool is centered with the
tubing.
7. Make the reduction by advancing the tool forward
towards the collar until the tool bottoms out against
the tubing end. Once the tool stops, release the valve
handle. Do not apply full pressure for this operation.
30 Bender Operation Manual
Figure 2-B
Figure 1A
Figure 3-C

31 Bender Operation Manual Bender Operation Manual 31
8. Retract the die by lifting up on the control handle.
(See figure 2-C)
9. Separate the collar from the tubing. Remove tooling
and return to the storage area.
USING THE DOMING DIE TO FINISH TAlLPlPE ENDS -
For a more finished look on tailpipe ends, you may use
the DOMING DIE to slightly dome the ends. To properly
do this, follow these simple steps. (See chart on page 12
for typical end finishing illustrations.)
1. Retract the swager cylinder completely by lifting the
valve handle up.
2. Install the DD-134/212 tool on the ST-1 adapter
attached to the end of the cylinder shaft.
3. Install the required HAC adapter collar around the
tubing and position within the swager clamp blocks.
4. Leave the maximum amount of tubing extended
beyond the inside edge of the adapter collar as
possible. This will keep any slight clamp marks that
may occur away from the end of the taiIpipe which
is usually exposed as it is installed on the vehicle.
(See figure 3-C)
5. Snug the collar back into the clamp blocks by gently
pushing back on the collar assembly.
6. Slowly, while depressing the valve handle down,
move the shaft forward until the tool contacts the
tubing. Be sure that the tool is centered with the
tubing.
7. Slowly, move the tool forward until the desired finish
is achieved. (See figure 1-A)
8. Retract the die by lifting up on the control handle.
Separate the collar from the tubing. Remove tooling
and return to the storage area.
USING THE HCT-214/212 - This tool is for making head-
er flanges or “collectors” on 2-1/4” and 2-1/2” pipe ends.
This eliminates the need to purchase a collector when
installing header type manifoIds. Not included in stan-
dard tooling packages.
IMPORTANT NOTE:
When making a manifold flange, it is necessary to first
install the pipe flange or clamp around the tube prior to
finishing the ends.
To properly produce a header collector using the optional
HCT-214/212 tool follow these simple steps. (See chart
on page 12 for typical end finishing illustrations.)
1. Retract the swager cylinder completely by lifting the
valve handle up.
2. Install the HCT-214/212 on the ST-1 adapter attached
to the end of the cylinder shaft.
3. Install the required HAC adapter collar around the
tubing and position within the swager clamp blocks.
4. Leave at least 4” of tubing extended beyond the
inside edge of the adapter collar. (See figure 2-A)
Figure 2-C
Figure 2-A
Figure 3-C
Figure 1-A

5. Snug the collar back into the clamp blocks by gently
pushing back on the collar assembly.
6. Slowly, while depressing the valve handle down,
move the shaft forward until the tool enters the
tubing. Be sure that the tool is centered with the
tubing.
7. Make the collector flange by advancing the tool
forward until the cylinder stops. Apply full pressure
for this operation. (See figure 3-A)
8. Retract the die by lifting up on the control handle.
9. Separate the collar from the tubing. Remove tooling
and return to the storage area.
MAINTENANCE
Your new bender was designed and built for years of
dependable service. The following maintenance schedule
has been formulated to produce satisfactory performance
and longevity of your machine. Reasonable care and
daily observation of wear items will supplement this
schedule and result in a prolonged service life.
HYDRAULIC OIL
Your new bender was shipped with approximately seven
gallons of hydraulic oil. The correct oil level will be shown
on the sight gauge located to the rear right of the
machine. To properly check the oil level, proceed as fol-
lows.
1. Advance the radius die until it just comes in contact
with the back shoes.
2. At this time visually check the oil by observing the oil
sight gauge. At the proper level, oil should appear
midway on the gauge.
3. If oil cannot be seen, it will necessary to add oil via
the fIller cap located on the reservoir.
If the oil level continues to drop and oil needs to be
added frequently, the machine should be
checked thoroughly for possible leaks.
Any of the following hydraulic oils may be used.
Make Brand
Chevron OC Turbine 46
Mobile DTE Medium
Texaco Rando HD 46
Conoco Turbine 46
Shell Shell Turbo 46
Citgo AW46
Pennzoil Zoil Medium or No.10
Union 76 UNAX AW46
If the above brands are not available, use any
10 medium weight mineral based hydraulic
fluid with a non-foaming additive.
NOTE:
The hydraulic oil should be changed after 1,500
hours of operation or yearly, whichever comes first.
The oil filter should also be changed at this time.
RECOMMENDED WEEKLY MAINTENANCE
Clean and re-grease guide plate, arbor and swager
clamp blocks.
Check for equal chain tension. (See page 34)
t Check all pressures. (See page 33)
t Inspect all hydraulic hoses for wear or cuts. Replace
faulty hoses.
t Check for hydraulic leaks. Repair leaks immediately.
RECOMMENDED MONTHLY MAINTENANCE
t Check depth-of-bend for accuracy.
(See pages 39 & 4O)
t Grease zirk fittings on barrel assembly.
t Clean and spray all dies with rust inhibitor.
t Tighten all hydraulic hoses as required. Do not
over-tighten.
t Check squareness of back gates and level guide
plate. Shim / adjust as required. (See page 35)
t Re-torque mounting bolts and nuts on all hydraulic
components.
t Lubricate caster assemblies.
t Remove any nicks or burrs from tooling with a small
file.
Snug arbor and ST-1 to cylinder shaft.
32 Bender Operation Manual
Figure 3-A

33 Bender Operation Manual
NOTE:
Loose hoses and hydraulic components will not
always show a visual sign of leakage, however
they can cause aeration of the system by
“sucking” air. It is very important to tighten all
hoses and mounting bolts on hydraulic
components monthly.
PRESSURE SETTINGS
There are three critical pressure settings on your bender
that affect its performance These pressures should be
checked weekly. The following is a brief description of
the pressures and the roles they play.
BACK PRESSURE - Back pressure is actually resis-
tance pressure applied to the back gates during the
bending process. The pressure is transferred to the back
gates via the bottom cylinder and chain assembly. The
setting itself is controlled by the sequence valve. This
“resistance” pressure is required in order to form the
shape of the tubing as the radius die advances. This
pressure is read on the gauge attached to the sequence
valve located near the front left side of the machine. The
pressure reading is taken as the dies advance through
the gates during a bend. The normal operating back
pressure should be set at 1600 P.S.l. In some cases it
may be necessary to adjust this pressure. (See Three
Inch and Stainless Bending Procedures found on pages
21 & 22.)
If the back pressure needs adjusting, proceed as follows.
1. Turn the machine on.
2. Place a radius die and set of back shoes in position.
Tubing will not be required for this operation.
3. Advance the radius die until it begins to pass through
the gates.
4. At this time read the pressure shown on the gauge
attached to the sequence valve. (See figure 3-B)
5. If an adjustment is required, loosen the locking nut
that secures the adjusting screw.
6. To increase the pressure, turn the adjusting screw
clockwise; to decrease, counterclockwise. Never
exceed 2000 P.S.I.
RETURN PRESSURE - This pressure reading is also
taken on the gauge located near the front left side of the
machine. The purpose of this pressure is to maintain
adequate tension on the chain assemblies during the
retract sequence. This is important so that the gates
close in unison with the radius die. Upon initiating the
return sequence, hydraulic fluid is “split” and redirected,
so that an equal portion is transferred to the top cylinder
and bottom cylinder simultaneously. If the pressure is set
too high, the machine will groan and strain when revers-
ing as the top cylinder tries to overcome the bottom cyl-
inder. If the pressure is too low, the gates may hesitate
or remain open when the radius die retracts as the top
cylinder receives more fluid than the bottom cylinder. It is
seldom necessary to readjust this pressure setting. The
normal operating return pressure should be set at
350 P.S.l. This pressure reading is taken as the radius
die retracts just after it releases from the back shoes.
This pressure setting is controlled by the flow control
valve. (See figure 1-A and 2-A)
Bender Operation Manual 33
CAUTION!
Never exceed 2000 P.S.I. for the back pressure unless
specifically instructed to do so by the factory for special
circumstances. If it is necessary to increase the back
pressure, always remember to return the pressure back
to 1600 P.S.I. before proceeding with the next bend.
CAUTION!
Improper back pressure settings will cause tubing to
wrinkle and/or collapse and may also damage
machine and/or dies.
Figure 1-A
Figure 2-A
Figure 3-B

If the return pressure needs adjusting, proceed as follows.
1. Turn the machine on.
2. Place a radius die and set of back shoes in
position. Tubing will not be required for this
operation.
3. Advance the radius die until it just comes in contact
with the back shoes.
4. Using the manual controls, initiate the retract
sequence and read the pressure shown on the
gauge located to the front of the machine.
5. If an adjustment is required, loosen the locking nut
that secures the adjusting screw.
6. To increase the pressure, turn the adjusting screw
slightly clockwise; to decrease, counter-clockwise.
Never exceed 350 P.S.I.
SYSTEM PRESSURE - Your bender has a built in relief
valve in order to control maximum pressure output for the
entire machine. As the fluid exits the hydraulic pump, it first
enters the swager control valve that contains an adjustable
“ball-check” relief valve. (See figure 3-A)
The normal operating system pressure should be set
at 3200 P.S.l. This pressure is read on the gauge located
near the center of the machine next to the hydraulic pump.
(See figure 3-B)
To check and adjust the system pressure, proceed as follows.
1. Turn the machine on.
2. Press the swager control valve down until the swager
cylinder is bottomed out.
3. When the cylinder bottoms out or is extended to
maximum travel the pressure will surge and the
machine will “groan” as the relief valve opens up and
fluid is redirected back to the reservoir. This is when
the reading should be taken.
4. If an adjustment is required, loosen the locking nut
that secures the adjusting screw on the relief valve.
5. To increase the pressure, turn the adjusting screw
slightly clockwise; to decrease, counter-clockwise.
Never exceed 3200 P.S.I.
ADJUSTING THE CHAINS - When the chains are prop-
erly adjusted, the threaded chain connector will protrude
from the adjusting nut approximately one quarter of an
inch. Both chains should have equal tension. If one chain
has more slack than the other, tighten the chain connec-
tor adjusting nut using a 1-1/16” open end wrench.
NEVER tighten the chain connector so that it is bottomed
out against the chain return block. (See figure 3-C)
NOTE:
The chain return bolt has the tendency to loosen
during normal use. If it is necessary to tighten this bolt,
remove one of the chain connectors and tighten
using a 1-3/8” open end wrench.
After the bolt is secure, replace the chain
connector and adjust as described above.
34 Bender Operation Manual
CAUTION!
Never exceed 350 P.S.I. for the return pressure unless
specifically instructed to do so by the factory for
special circumstances.
CAUTION!
Never exceed 3200 P.S.I. for the system pressure
unless specifically instructed to do so by the factory
for special circumstances.
CAUTION!
If any part of the chain or assembly bolts appear to be
damaged in any way, discontinue use until
they are replaced.
Figure 3-A
Figure 3-B
Figure 3-C

35 Bender Operation Manual
LEVELING THE GUIDE PLATE WITH
THE BACK GATES
The back gates and guide plate have been precisely lev-
eled at the factory and should seldom require adjust-
ment. If however, the guide plate becomes unlevel with
the back gates, the bending dies will become misaligned
and cause the tubing to wrinkle.
To properly check the guide plate and back gates for
proper levelness, follow these steps.
1. Remove bending dies from machine.
2. Retract pusher block completely.
3. Clean the guide plate and gate surface of all dirt,
grease, and other debris.
4. Seat the barrel shaft with a lead hammer.
5. Tighten the barrel shaft nuts located directly
underneath each back gate. Do not overtighten.
6. Place a straight edge across the surface of the back
gates just above the guide plate. (See figure 1-A)
7. With the straight edge in position, check for proper
clearance as illustrated below. The straight edge
should contact the gate surface evenly on both sides
and lay flat on the surface of the guide plate.
8. The guide plate will require adjustment/shimming if;
t there is more than .01” gap between the plain of the
back gates and the surface of the guide plate.
t the plain of the gate assemblies is not square with
the guide plate.
t the plain of the back gates is actually lower than the
surface of the guide plate.
If it is necessary to shim the guide plate so that it is
square with the back gate assemblies, follow the steps
as outlined below.
1. Turn the machine on.
2. Place a set of bending dies in position.
3. Advance the radius die forward until the front allen
bolt on the guide plate is exposed.
4. Loosen the front allen bolt on the guide plate using a
3/8” hex wrench until the head of the bolt is flush
with the surface of the guide plate. (See figure 1B)
5. Retract and remove the radius die so that the two
middle bolts are exposed on the guide plate and
loosen. Make sure that the head of the bolt DOES
NOT protrude from the surface of the guide plate.
(See figure 1-C)
Bender Operation Manual 35
Figure 1-A
Figure 1-B
Figure 1-C

6. It will not be necessary to loosen the rear most bolt `
on the guide plate for this service.
7. Using a pry bar, elevate the front of the guide plate.
(See figure 2-A)
8. Using shim stock .002 - .005 thick, shim underneath
the guide plate as required until proper levelness is
achieved.
9. Tighten all allen bolts on the guide plate then grease
well.
VISUALLY CHECKING THE
BARREL BUSHlNGS FOR WEAR
The barrel bushings should be checked every six months
for excessive wear. If the barrel bushings become worn,
the barrel shafts will have too much play and the gates
will become misaligned causing the tubing to wrinkle.
(See figure 2-B)
To check the barrel bushings for excessive wear it is nec-
essary to completely remove one of the gate assemblies
and visually check the bronze bushings. The left gate
assembly is the easiest to remove. If the bushings are
worn on the left side of the barrel, then the right side
bushings will be equally worn. There are two 2-1/2” x 2” x
1-1/2” bronze bushings press fitted on the top and bottom
of each side of the barrel assembly. To visually check
these bushings, follow the steps outlined below.
1. Disassemble the left side chain assembly by removing
the left side chain connector. (See figure 2-C)
2. Remove the barrel shaft nut located below the left
side gate assembly. (See figure 3-A)
3. Using a rubber mallet, carefully tap the shaft up and
out of the barrel. BE CAREFUL when removing shaft
to prevent threads from being damaged. Be sure to
keep shaft key as it is required for re-installation.
(See figure 3-B)
4. Remove the left gate assembly.
5. Clean shaft and inside of barrel of all grease and debris.
6. Visually check shaft for excessive wear. Replace
shaft if diameter is less than 1.997”. (See figure 3-C)
36 Bender Operation Manual
This diagram shows
the gate assembly
misaligned with the
barrel due to
excessive
wear on the barrel
bushings.
Figure 2-C
Figure 3-A
Figure 3-B
Figure 2-B
Figure 3-C
Figure 2-A

37 Bender Operation Manual Bender Operation Manual 37
7. Visually check bronze bushings for excessive wear.
Replace bushings if inside diameter is greater than
2.005” or more. (See figure 3-A)
8. After check is completed, reverse steps and adjust
chain assembly as described on page 34.
IMPORTANT NOTE:
Be sure to grease zirk fittings on each side of the
barrel after re-installation of gate assemblies.
ALIGNING THE SWAGER
BOX CYLINDER
The swager cylinder should be checked periodically for
proper alignment. If the swager cylinder is not square or
centered with the swager clamp blocks, the tubing will not
expand correctly.
NOTE:
If the swager cylinder is damaged or bent due to
improper use, there is no way to correct other
than total replacement of the cylinder.
To properly check the swager cylinder for proper align-
ment, follow the steps outlined below.
1. Turn the machine on.
2. Install a HPF-300 or similar tool on the ST-1adapter.
(See figure 3-B)
3. Position a section of squarely cut 2” tubing
approximately 12” long into the clamp block area
using the necessary HAC adapter collar.
4. Gently snug the collar back into the clamp blocks by
gently pushing back on the collar assembly.
5. Hold the tubing securely making sure that the
HAC-300 is square within the clamp blocks.
6. Advance the tool forward until it just makes contact
with the tubing.
7. At this time, the tool should contact the complete
circumference of the tubing end simultaneously. If
the swager cylinder is out of alignment or the cylinder
shaft is bent, then the tool will only partially contact
the tubing circumference. (See illustrations)
8. If the swager cylinder is out of alignment, proceed as
follows to make proper adjustments.
9. Turn the machine off until all necessary adjustments
are made.
10. Remove the two allen bolts securing the swager tool
tray using a 1/8” hex wrench. (See figure 3-C)
11. Loosen the four (4) 1/2” nuts (or bolts) attaching the
cylinder to the swager box using a 3/4” socket or
open end wrench. It is not necessary to completely
remove the nuts or bolts. (See figure 1-A)
Figure 3-A
Figure 3-B
Figure 3-C

12. Shim the swager cylinder as necessary by inserting
shim stock between the cylinder end block and the
swager box until proper alignment is achieved.
(See figure 1-B)
13. Tighten the four nuts or bolts securing the swager
cylinder to the swager box frame.
14. Turn the machine on and repeat check.
15. Re-install the tool tray if no further adjustments are
required.
CHECKING THE PUSHER
BLOCK FOR WEAR
If the pusher block becomes badly worn or out of square,
the radius dies could become misaligned with the back
shoes causing the tubing to wrinkle. Make sure that the
cylinder shaft is snug to the pusher block before proceed-
ing. To check to see if the pusher block shows signs of
excessive wear, use a screwdriver to pry the pusher block
“up and down” as illustrated below.
If there is more than 1/32” of movement in either direction,
the pusher block should be replaced.
Check to see if the pusher block is square to the guide
plate as illustrated below.
If the pusher block is excessively worn or out of square,
then replace the pusher block as follows.
1. Using a large crescent wrench or equivalent, disconnect
the cylinder shaft from the pusher block by turning
the cylinder shaft counterclockwise. (See figure 1-C)
2. Lift the cylinder up and position a block of wood
underneath the rear end of the cylinder to support it
and allow adequate room to clear the pusher block.
It is not necessary to remove any hydraulic hoses.
(See figure 2-A)
38 Bender Operation Manual
Figure 1-A
Figure 1-B
Figure 1-C
Figure 2-A

39 Bender Operation Manual
3. Remove the pusher block by sliding it to the rear end
then off of the guide plate.
4. Carefully re-install the new pusher block (it should be
tight) by reversing these steps.
5. Snug the cylinder to the pusher block and thoroughly
grease the guide plate.
CALIBRATING THE DEPTH-OF-BEND PLATE
/ “BL” (BLUE-BULLET)
AND “BAS” MODELS
To properly calibrate the depth-of-bend plate on all “BL”
and “BAS” models, follow the steps outlined below.
1. Turn the machine on.
2. Place a set of bending dies in position.
3. Using a carpenters square, advance the radius die
until the back gates are at a true 90 degrees,
contacting the inside of the square evenly across
the front of the gates. (See figure 2-B)
4. Check the depth-of-bend plate and adjust the pointer
so that it reads 90 degrees at this time.
(See figure 2-C)
5. Retract the radius die and check that the pointer
returns to zero. If not, loosen the mounting bolts on
the degree plate and adjust the plate until both 90
degree and zero degree readings are achieved.
NOTE:
Some tubing may experience “spring back” after the
bend is made. To compensate for this, set your
depth-of-bend pointer 2 degrees less than
the actual position of the gates.\
CALIBRATING THE AUTOMATIC
DEPTH-OF-BEND SWITCH / “BAS” MODELS
Before attempting the following, fIrst calibrate the depth-
of-bend plate as previously described. To properly
calibrate the automatic depth-of-bend switch on all “BAS”
models, follow the steps outlined below.
1. Turn the machine on.
2. Place a set of bending dies in position.
3. Advance the radius die forward until the depth-of-
bend / pointer reads 90 degrees. (See figure 3-A)
4. Gently slide the automatic depth-of-bend switch
handle back until the two pointers are lined up with each
other. (See figure 3-B)
Bender Operation Manual 39
Figure 2-B
Figure 2-C
Figure 3-A
Figure 3-B

5. Loosen the set screw on the adjustable trip arm
located directly underneath the depth-of bend plate
and adjust so that it just activates the micro switch.
6. Re-tighten the set screw.
7. Retract the radius die and re-check.
8. If further adjustment is required, repeat steps.
CALIBRATING THE DIGITAL
READOUT DISPLAY /
“BA”MODELS
Automatic depth-of-bend and digital readout functions on
all “BA” models are performed by an electronics package
consisting of three main components. The circuit board
assembly, digital encoder and the zero angle micro
switch. (See figure 3-C)
t Circuit board assembly - The printed circuit board
is made up of three basic components. The main circuit
panel, front display panel and wire ribbon that connects
the two. The main circuit panel is held in position by
“card guides” and then plugged into a “pin-edge” connec-
tor mounted internally in the front upright of the bender. A
bypass board for trouble shooting is also attached
(stored) “piggyback” style on the back of the main circuit
panel. (See page 41 for proper use of jumper board.)
t Digital encoder - The digital encoder is located just
below the right side gate assembly and enclosed in a
metal box. As the encoder rotates by the means of a
flexible coupler attached to the barrel shaft, it registers
degrees and shares this information with the main circuit
panel.
t Zero angle micro switch - The zero angle micro
switch is located up front just below the right side gate
assembly and attached to the bender frame. The zero
angle micro switch has three distinct functions.
1. lnitiates the counting cycle and serves as an adjust-
ment device for properly calibrating the die angle.
2. Resets the die angle to zero upon retraction of the
radius die.
3. Advances the “steps” in the STATION window when
using the MEMORY function.
NOTE:
Only slight adjustments of 4 degrees or less can be
made to the die angle reading on digital models. The
digital readout is accurately maintained with the help
of logic functions in the digital control
board and optical sensors of the encoder. The
system automatically re-calibrates itself upon full
retraction of the radius die as the zero angle micro
switch is tripped. By adjusting the trip arm that
activates the zero angle micro switch you can
effectively “stall” or advance the counting process
which will in turn change the die angle reading. If
the die angle appears to be more than 5 degrees
out of calibration it is most likely a faulty encoder.
Dirt, oil or moisture will contaminate the encoder
and cause it to malfunction. If the encoder
becomes contaminated, remove from the machine
and clean with alcohol or T.V. tuner spray.
DO NOT use harsh or oil based solvents.
To properly calibrate the digital readout, follow the steps
outlined below.
1. Turn the machine on.
2. Place a set of bending dies in position.
3. Using a carpenters square, advance the radius die
until the back gates are at a true 90 degrees, con-
tacting the inside of the square evenly across the
front. (See figure 1-A)
40 Bender Operation Manual
DANGER!
This machine contains high voltage. Disconnect power
at the receptacle before performing any electrical
repairs. Secure plug so that it cannot be accidentally
plugged in during service.
Figure 1-A
Figure 13-C

41 Bender Operation Manual
4. Read the degree of bend shown in the DIE ANGLE
window on the control board and make the following
adjustments.
NOTE:
Before making any adjustments, check to make sure that
the flexible coupler or “U-Joint” is functioning properly.
Excessive free-play will cause irregular encoder read-
ings. If there is excessive play between the steel roller
plates and the nylon rider, loosen the set screws and
snug up the coupler assembly. Be careful not to exert
excessive pressure on the encoder shaft.
The DIE ANGLE display shows a few degrees LESS
than 90° - This means the gates are moving slightly
before the micro switch deactivates and starts the count-
ing process. To make the proper adjustment, loosen the
trip arm set screw and adjust it slightly AWAY from the
micro switch lever so that upon initial movement of the
gate assembly the switch immediately deactivates.
ALWAYS BE SURE that when the gates return to zero, the
trip arm still contacts the micro switch lever enough to
activate it
The DIE ANGLE display shows a few degrees MORE
than 90° - In most cases this signifies that the encoder is
malfunctioning. Return the radius die back to zero then
slowly advance the radius die and check the DIE ANGLE
display for irregularities. If the counting appears to be in
proper sequence, then loosen the set screw on the trip arm
and adjust it slightly TOWARDS the zero angle micro switch
lever. DO NOT adjust the trip arm far enough to allow it to
“crash” into the micro switch upon full gate closure.
NOTE:
The back gates on digital models should close at a slight
negative angle. This is to compensate for the initial 1/8”
of forward travel (or movement) the gate needs to allow
the trip arm to deactivate the zero angle micro switch
and start the counting process. (See figure 1-B)
USING THE JUMPER BOARD
All “BA” models have a bypass device or “jumper board”
included that can be used to effectively bypass the digital
control board for trouble shooting or diagnostic purposes.
ALWAYS consult the factory before attempting to use the
jumper board. The jumper board is stored within the front
upright of the bender and attached to the back side of the
main circuit panel by retaining clips.
(See figure 1-B)
To remove and install the jumper board, follow the steps
outlined below.
1. With the machine unplugged, remove the four allen
screws that secure the front display panel.
2. Reach in and carefully pull up on the main circuit
panel using the white handle, until it disconnects
from the connector located within the front upright.
3. Remove the jumper board from the back side of the
main circuit panel and check the fuse.
4. Install the jumper board narrow end down with THE
FUSE TO THE REAR by gently sliding it down
between the card guides until it plugs into the
connector. The jumper board MUST be plugged firmly
into the connector to function properly.
Bender Operation Manual 41
Figure 1-B
WARNING!
The jumper board should be used for temporary
diagnostic purposes only and was not designed to
permanently bypass the main circuit panel. USE OF
THE JUMPER BOARD alters the foot switch controls to
high voltage. NEVER operate the machine in or around
water or damp environments. This machine contains
high voltage. Disconnect power at the receptacle before
performing any electrical repairs. Secure plug so that it
cannot be accidentally plugged in during service.
WARNING!
If the machine continues to malfunction with the
jumper board in place, discontinue use immediately
and consult factory.

5. With the jumper board in place, movement of the
radius die will be controlled by the twin foot switches
only. There will be no provision for depth-of-bend
readings.
IMPORTANT NOTE!
The top micro switch will be inactive with the
jumper board in place. NEVER retract the top
cylinder so that it is in a “bottomed out” condition.
OPERATING THE MACHINE MANUALLY USING
THE ELECTRIC SOLENOID VALVE
All “BA” and “BAS” models incorporate an electronic soI-
enoid valve that controls operation of the top cylinder for
all bending functions. The solenoid valve is located to the
rear of the machine, just below the oil filter.
(See figure 1-C)
The solenoid valve is an electric spool valve that uses
electric-magnets (coils) to activate the valve spool. You
can use the manual “buttons” on the end of each coil to
temporarily activate the top cylinder should a malfunction
occur with the automatic controls or the solenoid valve
itself. (See figure 2-A)
The manual buttons control the top cylinder as follows;
To advance the radius die - Press the right button
inward using an insulated tool or non-conducting rod.
To retract the radius die - Press the left button inward
using an insulated tool or non-conducting rod.
NOTE:
The manual control function of the solenoid valve
should effectively advance or retract the radius
die under all conditions. The manual button
should be pressed firmly to activate.
SOLENOID VALVE
MAINTENANCE
Certain symptoms and suggested repair procedures are
explained below.
t The valve Inadvertently “sticks” causing the top
cylinder to uncontrollably advance or retract. Operating
the valve manually will often dislodge foreign particles that
may have become trapped in the valve spool. If this does
not free the valve, remove the solenoid coil covers and
make sure there is no foreign matter that could interfere
with the moving parts. Clean and reassemble.
t The valve spool Is free but stIll does not activate
wIth the control board or twin foot swItches.- Remove
the solenoid valve coils and check for an open or shorted
circuit. Check all electrical connections.
t The valve spool Is free and the coils are not open
or shorted, but It stIll does not actIvate with the con-
trol board or twIn foot switches. - Check the incoming
voltage to the valve. Proper incoming voltage should be
between 208 - 230 volts A.C.
t There Is no voltage to the solenoid valve or the
voltage Is too low. - Check the fuse on the control board
or see electrical diagrams on pages 4
ELECTRICAL REPAIR
42 Bender Operation Manual
Figure 1-C
Figure 2-A
WARNING!
Electrical equipment should be serviced by certified
electrician’s only. This manual should not be viewed
as sufficient instructions for those who are not other-
wise qualified to operate, service or maintain the
equipment discussed. Although reasonable care has
been taken to provide accurate and authoritative
information in this manual, no responsibility is
assumed by the manufacturer for any consequences
arising out of the use of this material.
SERVICE NOTE:
WHEN RETURNING THE DIGITAL CONTROL BOARD
FOR REPAIR, REMEBER TO INCLUDE ALL
COMPONENTS: FRONT DISPLAY PANEL, MAIN
CIRCUIT PANEL AND WIRE RIBBON.

43 Bender Operation Manual
The following section contains instructions and
illustrations to aid in electrical repair. Most electrical
components cannot be repaired and require only removal
and installation of new components. If replacement parts
are to be installed, refer to the wiring diagrams found on
pages 49 & 50.
CHECKING THE MICRO
SWITCHES / AUTOMATIC
MODELS
The micro switches shown below play a very important
part in the control features of your machine. These
switches remain in the circuit at all times in order for the
controls to function properly.
Each micro switch has three terminals for connecting the
necessary wires. These terminals will be labeled as
follows;
“C” or Common
“NO” or Normally Open
“NC” or Normally Closed
To tell if the micro switch is good, remove it from the
machine and use an ohmmeter to check the circuits as
follows;
WITH THE SWITCH IN THE NEUTRAL POSITION -
Place one of the prongs from your ohmmeter on the “com-
mon” terminal of the switch and the other on the “normally
closed” terminal. At this time there should be continuity
between the two. There should be no continuity between
the “common” and “normally open” at this time.
(See Fig. 2-A)
WITH THE LEVER OR BUTTON DEPRESSED - Place
one of the prongs from your ohmmeter on the “common”
terminal of the switch and the other on the “normally open”
terminal. At this time there should be continuity between
the two. There should be no continuity between the “com-
mon” and “normally closed” terminals at this time. (See
figure 1-A)
CAUTION:
Replace ALL faulty switches immediately.
NEVER attempt to bypass or “hot-wire” any of
the micro switches.
MOTOR CONNECTIONS
For motor lead connections, refer to the charts below. In
addition, to the motor lead wires it is necessary to connect
the green ground wire. Electric motor MUST be grounded
at all times.
Bender Operation Manual 43
DANGER!
This machine contains high voltage. Disconnect power
at the receptacle before performing any electrical
repairs. Secure plug so that it cannot be accidentally
plugged in during servicing.
Figure 2-A
Figure 1-A
220 Volt 60HZ Single Phase
Incoming Power Motor Leads
Line 1 5 and 1
Line 2 8 and 4
To reverse rotation, interchange lines 5 and 8
220 Volt 60HZ Three Phase
Incoming Power Motor Leads
Line 1 3 and 9
Line 2 2 and 8
Line 3 1 and 7
Twist together 4, 5, 6
To reverse rotation, interchange any two line leads
440 Volt 6OHZ Three Phase
Incoming Power Motor Leads
Line 1 1
Line 2 2
Line 3 3
Twist together 6 and 9
Twist together 5 and 8
Twist together 4 and 7
To reverse rotation, interchange any two line leads
220 Volt 50HZ Three Phase
Incoming Power Motor Leads
Line 1 1, 6, 7, 12
Line 2 2, 4, 8, 10
Line 3 3, 5, 9, 11
To reverse rotation, interchange any two line leads
MICROSWITCH
DESCRIPTION
“BA”
MODELS
"BAS"
MODELS
Top Micro Switch X X
Right Foot Switch X X
Left Foot Switch X X
Depth -of-Bend Switch X
Zero AngIe Micro Switch X

44 Bender Operation Manual
TO CHECK FOR
PROPER ROTATION
On initial start up of a three phase motor, check for prop-
er rotation. It should rotate counterclockwise. To check
motor/pump rotation, proceed as follows:
1. Plug in bender.
2. Turn bender on.
3. Depress the swager control handle. If the swager
cylinder extends, then the rotation is correct. If the
swager cylinder does not extend, then the rotation is
wrong.
4. If the rotation is wrong, unplug the bender.
5. Disassemble the plug and reverse any two power
wires.
6. Test again.
7. If the swager cylinder still does not activate, check
the motor lead wiring as shown on the previous
page.
ELECTRIC FOOT SWITCH
On a regular basis, inspect the electric foot switch
assembly for wear or damage. Inspect the entire length
of the connecting cord for wear or deterioration. DO NOT
OPERATE the foot switch if any of the above is
observed.
MANUAL ELECTRIC
STARTER
The electric starter box on your bender uses movable
contacts activated by a push button mechanism. This
style of electric starter is equipped with “Heaters” to
prevent damage to the starter switch or motor in the
event of an over-current situation. Single phase
machines use one (1) #B-36 heater while three phase
machines use three (3) #B-25 heaters. Continued
over-current through the thermal unit will raise its tem-
perature and melt the alloy allowing the ratchet wheel
to rotate. This releases the pawl assembly, allowing
the toggle spring to retract the contacts. Before reset-
ting the relay, allow one to two minutes for the alloy to
solidify. DO NOT disassemble the overload relay block
because motor protection could be disabled and cause
possible damage to motor and/or other components.
Thermal units must be installed and the device reset
before the starter contacts will operate. Install thermal
units so that the type face can be read and the pawl is
positioned just above the ratchet wheel.
LOCK OFF MECHANISM - The starter can be locked only
in the OFF position by lifting the metal tab labeled “LOCK”
on the contact actuator and placing a padlock through the
center of the hole in the tab.
HYDRAULIC CYLINDERS
As with all hydraulic cylinders, age and wear will reduce
the effectiveness of the cylinder seals. Proper mainte-
nance and care will result in a prolonged service life.
RECOMMENDED
MAINTENANCE
t Use a small file to remove any small nicks or scratches
on the chrome cylinder rods.
t ALWAYS keep the chrome cylinder rods clean.
t ALWAYS remove expander tooling from the swager
area on 1302 models before using the internal
expander to prevent damaging the cylinder rod.
t NEVER “bang” the adapter collars on the cylinder
shaft to release them from the tubing.
t Be sure to change the hydraulic fluid after every1500
hours of operation or yearly, whichever comes first.
t Keep the ST-1 and Arbor tight at all times.
NOTE:
Under normal operating conditions all of the
cylinders will seep oil around the area of the
wiper seal. This is a normal condition.
CAUTION!
All “BA” and “BAS” models wired for more than
220 volts are factory equipped with a transformer to
reduce the incoming voltage to the circuit board down
to 220 volts AC.
380 VoIt 50HZ Three Phase
Incoming Power Motor Leads
Line 1 1 and 7
Line 2 2 and 8
Line 3 3 and 9
Twist together 10, 11,12
Twist together 4, 5, 6
To reverse rotation, interchange any two line leads
440 Volt 50 HZ Three Phase
Incoming Power Motor Leads
Line 1 1 and 12
Line 2 2 and 10
Line 3 3 and 11
Twist together 4 and 5
Twist together 5 and 8
Twist together 6 and 9
To reverse rotation, interchange any two line leads

45 Bender Operation Manual
SYMPTOM / CONDITION POSSIBLE CAUSE CORRECTIVE ACTION
The motor does not run Circuit breaker(s) is off Turn breaker(s) on
Incorrect wiring. Check voltage supply, phase and wiring. Refer to
wiring instructions found on pages 49-50
Heater in switch box has been tripped. Check thermal heaters(s) See page 44.
Defective electric starter / motor. Test and replace as needed.
The motor smokes. Power supply incorrect. Check voltage supply, phase and wiring. Refer to
wiring instructions found on pages 7 & 43
The motor shuts off. Thermal overload tripping. Check voltage supply, phase and wiring. Refer to
wiring instructions found on pages 7 & 43. If prob-
lem persists, check wiring for short circuits. Check
amp draw. Refer to motor nameplate.
The bender gives off shocks. The plug has been wired wrong.
Power is connected to the ground
wire.
Check plug. Make sure that the green wire on the
power cord is used for grounding purposes only.
NO POWER should be connected to the green
ground wire.
Power wire has become disconnected
in the switch box or motor.
Check all connections.
The tubing wrinkles or kinks. Incorrect guide plate alignment, worn
barrel bushings or pusher block.
Tubing gauge is not adequate for that
particular size or radius.
See page 48 for improving bend quality.
The bender experiences loss of
power. The motor stalls even though
the system pressure is showing
less than 2000 psi.
Incorrect wiring. Voltage or amperage
too low.
Check voltage supply, phase and wiring. Refer to
wiring instructions found on pages 7 & 43.
BA / BAS models - Bending ram will
retract with the button controls but
not with the left foot switch.
Left foot switch is inoperative or wire
has become disconnected
Check connections on micro switch. Refer to
diagrams on pages 49-50. Check micro switch with
ohmmeter. See page 43. Check for broken or
disconnected wires.
BA / BAS models - The top cylinder
will advance with the button
controls but not with the right foot
switch.
Right foot switch is inoperative or wire
has become disconnected
Check connections on micro switch. Refer to
diagrams on pages 49-50 Check micro switch with
ohmmeter. See page 43. Check for broken or
disconnected wires.
The sequence valve pressure
surges high when trying to retract
the bending ram.
The return pressure is set too high.
The top cylinder is trying to overcome
the bottom cylinder which is not
retracting simultaneously
Adjust return pressure as shown on page 33.
The back gates remain in the open
position even after the bending ram
is retracted.
Tubing is not sliding back with the
radius die after the bend is made,
causing the gates to remain open.
Clean and thoroughly grease bending dies
before use. Wipe tubing clean.
Return pressure is set too low. Adjust return pressure as shown on page 33.
The swager cylinder does not
expand the tubing straight.
The swager cylinder is not aligned
correctly.
Shim the swager cylinder as required. See
page 37.
The swager cylinder is bent. Remove and replace swager cylinder
Bender Operation Manual 45
TROUBLESHOOTlNG
Introduction;
The troubleshooting procedures shown on the following pages contain certain systems and/or conditions, possible causes
and the corrective actions required. The chart gives the easiest corrective action first, then proceeds with more difficult procedures.
Be certain that the person(s) working on the machine have the ability to do the service. Only certified electricians should
work on electrical components. ALWAYS unplug the machine before servicing.

46 Bender Operation Manual
SYMPTOM / CONDITION POSSIBLE CAUSE CORRECTIVE ACTION
BAS models - The bending ram
continues retracting even after the rear
limit switch is activated. Pressure builds
up on the sequence valve gauge.
The rear limit switch is malfunctioning. Check wire connections on the rear limit
switch. Refer to diagram on page 50.
Check micro switch with ohmmeter as
described on page 43. Check for broken
or disconnected wires. Replace if faulty.
The solenoid valve spool is stuck. Manually operate the solenoid valve using
the manual control buttons. This should
dislodge any debris that may have become
stuck in the valve body.
BAS models - Both foot switches function
properly. The BLUE control button works
only when held in. The GREEN control
button does not function at all.
The RED control button or relay is
stuck, shorted, malfunctioning.
Remove and replace the RED control
button or faulty relay.
BAS models - Both foot switches are
inoperative. The bending die retractspast
the rear limit switch and the system
pressure builds up and the bender
groans. If the RED control button is
pushed, then the ram will advance auto-
matically until reaching the depth-of-
bend switch. At this time it will then
retract past the rear limit switch again
and the system pressure will build.
The GREEN control button or relay is
stuck, shorted, malfunctioning.
Remove and replace the GREEN control
button or faulty relay.
BAS models - The GREEN control
button retracts the top cylinder when
held in. Does not advance with right
foot switch control.
The depth-of-bend switch is stuck,
shorted, malfunctioning.
Check wire connections on depth-of
bend limit switch. Refer to diagram on
page 50 Check micro switch with
ohmmeter as described on page 43.
Check for broken or disconnected wires.
Replace if faulty.
BAS models - (Stuck in forward mode)
The BLUE and RED control buttons are
inoperative. The GREEN control button
retracts the top cylinder when held in.
When the GREEN control button is
released, the top cylinder will advance
then retract upon reaching the depth-of-
bend switch.
The right foot switch is stuck,
shorted, malfunctioning.
Check wire connections on right foot
switch. Refer to diagram on page 50.
Check micro switch with ohmmeter as
described on page 43. Check for broken
or disconnected wires. Replace if faulty.
BAS models - (Stuck in reverse)
The top cylinder will advance with the
right foot switch or if the GREEN control
button is held in, but immediately retract
if either is released.
The left foot switch is stuck, shorted,
malfunctioning.
Check wire connections on the left foot
Refer to diagram on page 50.
Check micro switch with ohmmeter as
described on page 43. Check for broken
or disconnected wires. Replace if faulty.
BAS models -The motor runs but the
are inoperative.
The fuse is blown on the control
board.
Remove control board and check fuse.
3-Phase models - The motor is
running backwards.
Check motor rotation. See page 44.
The power supply is incorrect. Check voltage supply, phase and wiring.
Refer to wiring instructions found on
page 7 & 43.

47 Bender Operation Manual
SYMPTOM / CONDITION POSSIBLE CAUSE CORRECTIVE ACTION
BA models - Motor runs but digita
board does not light up. All controls are
inoperative.
Fuse is blown on control board. Remove control board and check the fuse.
See page 41.
BA models - The top cylinder continues
forward by itself without activating any
controls. The keypad or foot switch have
no effect.
Solenoid valve spool is stuck. Manually operate the solenoid valve
using the manual control buttons. This
should dislodge any debris that may have
become stuck in the valve body.
The AUTO key on the control board is
stuck,shorted, malfunctioning.
Visually check the control board for any
possible wear or cuts. Remove the front
display panel by disconnecting it from the
wire ribbon or install the jumper board as
described on page 41. This will confirm if
the problem is related to the front display
panel or not. If the top cylinder operates
normally with the front display panel
removed or the jumper board in place,
then return the complete digital control
board assembly to the factory for repair.
BA models - The top cylinder continues
forward by itself without activating any
controls. The top cylinder stops when the
left foot switch is depressed but will con-
tinue when released.
The right foot switch or JOG/ FWD
button is stuck, shorted, malfunctioning.
Visually check the control board for any
possible wear or cuts. Remove the front
display panel by disconnecting it from the
wire ribbon or install the jumper board as
described on page 41. This will confirm if
the problem is related to the front display
panel or not. If the problem persists,
check wire connections on the right foot
switch. Refer to diagram on page 49.
Check micro switch with ohmmeter as
described on page 43. Check for broken
or disconnected wires. Replace if faulty.
BA models - The top cylinder retracts by
itself without activating any controls. The
top cylinder will advance when the AUTO
button is depressed, but immediately
retract when released. The STOP /
REVERSE button is inoperative. The top
cylinder will stop retracting when the JOG
/ FWD button or right foot switch is
depressed, but will continue reversing
when released.
The left foot switch is stuck, shorted,
malfunctioning.
Check wire connections on the left foot
switch.
Refer to diagram on page 49. Check
micro switch with ohmmeter as described
on page 43. Check for broken or
disconnected wires. Replace if faulty.
BA models - The STATION window never
advances even after the top cylinder has
fully retracted.
The trip arm is not properly
tripping the zero angle micro
switch.
Adjust the trip arm as described on page
40.
BA models - The top cylinder doesn't stop
at the degree setting that was
programmed into the SET ANGLE win-
dow.
The encoder is malfunctioning, probably
due to contamination or moisture.
In most case the encoder will have to be
replaced. You may temporarily correct
the problem by cleaning the encoder as
described on page 40.
The solenoid valve spool is stuck. Manually operate the solenoid valve
using the manual control buttons. This
should dislodge any debris that may have
become stuck in the valve body.
Bender Operation Manual 47
HELPFUL DIAGNOSTIC TIPS FOR DIGITAL MODELS
If you feel a control problem exists with the main circuit panel, the jumper board can be used to temporarily bypass the
complete control board assembly until repairs are made. (See page 41)
If the top cylinder advances or retracts by itself without activating any controls and you feel the problem exists with the
front display panel due to cuts or other damage, disconnect it from the main circuit panel by unplugging it from the blue
wire ribbon. With the front display panel taken out of the circuit, the foot switch controls should operate normally.

48 Bender Operation Manual
BENDING PROBLEMS
Bending complications can be usually attributed to tubing thickness, tubing quality or improper radius
selection. The bigger the tubing diameter, the bigger the radius and wall thickness should be. See the chart
below for minimum tubing thickness and proper radius selection.
SYMPTOM / CONDITION POSSIBLE CAUSE CORRECTIVE ACTION
Flattening or collapsing of pipe on
outside of bend.
Incorrect back pressure. Usually a low
pressure problem.
Adjust back pressure as shown on page
33. For 3”diameter tube see bending
instructions found on page 21
Bending dies are not properly matched to
the tubing diameter.
Select proper bending dies for the
particular tubing diameter.
Tubing diameter is actually less or more
than what it is labeled.
Check the actual tubing diameter using
a micrometer or similar measuring
device.
Gauge thickness is less than the
recommended requirement. See chart
above for minimum tubing thickness.
Check tubing for proper wall thickness.
See chart above.
Dimpling of pipe on inside of
bend.
Incorrect back pressure. Adjust back pressure as shown on page
33. For 3” diameter tube see bending
instructions found on page 21
Gauge thickness is less than the
recommended requirement. See chart
above for minimum tubing thickness.
Check tubing for proper wall thickness.
See chart above.
Bending dies are not properly matched to
the tubing diameter.
Select proper bending dies for
the particular tubing diameter.
Tubing diameter is actually less or more
than what it is labeled.
Check the actual tubing diameter using
a micrometer or similar measuring
devise.
Improper chain adjustment. Adjust chains as described on page 34.
Crimping or wrinkling of pipe. Improper die alignment. Check the following.
Bronze barrel bushings may be worn. Remove and replace the bushings as
described onpage 36.
Guide plate may be mis-aligned. Check
proper alignment as described on page
35.
Adjust and shim guide plate as described
on page 35.
Pusher block may be worn. Check for
proper tolerance as described on page
38.
Remove and replace pusher block as
required.
Bending dies are not properly matched to
the tubing diameter.
Select proper bending dies for
the particular tubing diameter.
Tubing diameter is actually less or more
than what it is labeled.
Check the actual tubing diameter using
a micrometer or similar measuring
device.
Tubing Diameter Minimum Tubing Thickness
5" Radius
Minimum Tubing Thickness
4" Radius
Minimum Tubing Thickness
3 1/2" Radius
1”- 1-3/4” 18 Gauge / .049 16 Gauge / .065 16 Gauge / .065
1-7/8” - 2” 16 Gauge / .065 16 Gauge / .065 16 Gauge / .065
2-1/4” 16 Gauge / .065 14 Gauge / .083 14 Gauge / .083
2-1/2” 14 Gauge / .083 14 Gauge / .083 N/A
3” 13 Gauge / .095 N/A N/A

49 Bender Operation Manual Bender Operation Manual 49

50 Bender Operation Manual

51 Bender Operation Manual
214 Oil Filter Element
215 Filter Head
219 Pressure Gauge
522 Leaf Chain Section
164 5/16” Chain Bolt
196 Chain Return Bolt
1040 Adjustable Chain Connector
585 Springs For Pusher Block
1022 Pusher Block
1024 Guide Plate
1041 Chain Return Block
1034 Depth-of-Bend Plate
1034-A Rotation Dial Faceplate
54l Bearing For Rotation Dial
1049 Rotation Dial Pendulum Assembly
517 Rigid Caster Assembly
516 Swivel Caster Assembly
229 Valve Handle
227 Valve Top Bracket
228 Valve Linkage Assembly
1114 Buttress Assembly Complete
589 Breather Cap
213 3/4” Suction Hose
502 Top Tool Tray
501 Swager Tool Tray
1020-A Swager Box Assembly
335 5 H.P. Single Phase Motor
303-1 5 H.P. Three Phase Motor
303 7.SH.P. Three Phase Motor
329 5 H.P. Single Phase Switch Box
330 5 H.P. Three Phase Switch Box
324 Twin Electric Foot Switch Assembly
300 Top Micro / Depth-Of-Bend Switch
317 0-Angle Micro Switch
304 Digital Control Board Complete
305 Three Button Control Board Complete
999 Digital Membrane / BA
999 Colored Control Buttons I BAS
1031-D Plexiglas Faceplate Cover\
999 Wiring Harness
321 Encoder
323 U-Joint For Encoder
225 5-Port Control Valve
224 4-Port Control Valve
270 7-Port Control Valve
223 Sequence Valve
226 Electric/ Hydraulic Solenoid Valve
265 Flow Control Valve
203 5” X 14” Top Cylinder
210 3-1/2” x 7” Double End Cylinder
209 3-1/2” x 7” Single End Cylinder
207 3” x 7” Bottom Cylinder
220 Hydraulic Pump For Bender
Bender Operation Manual 51
PART NUMBER DESCRIPTION
SERVICE PARTS

52 Bender Operation Manual
BENDING TOOLING
1 5R-212 2-1/2” / 63.5mm 5” / 127mm Radius Die
1 5R-214 2-1/4” / 57mm 5” / 127mm Radius Die
1 5R-200 2” / 50.8mm 5” / 127mm Radius Die
1 4R-214 2-1/4” / 57mm 4” / 102mm Radius Die
1 4R-200 2” / 50.8 mm 4” / 102mm Radius Die
1 4R-178 1-7/8” / 48mm 4” / 102mm Radius Die
1 35R-200 2” / 50.8mm 3-1/2” / 89 mm Radius Die
1 35R-134 1-3/4” / 44.5mm 3-1/2” / 89 mm Radius Die
1 35R-112 1-1/2” / 38mm 3-1/2” / 89 mm Radius Die
2 BS-212 2-1/2” / 63.5mm Back Shoes
2 BS-214 2-1/4” / 57mm Back Shoes
2 BS-200 2” / 50.8mm Back Shoes
2 BS-178 1-7/8” / 48mm Back Shoes
2 BS-134 1-3/4” / 44.5mm Back Shoes
2 BS-112 1-1/2” / 38mm Back Shoes
1 HS-212 2-1/2” / 63.5mm Half Shoe
1 HS-214 2-1/4” / 57mm Half Shoe
1 HS-200 2” / 50.8mm Half Shoe
1 HS-178 1-7/8” / 48mm Half Shoe
1 HS-134 1-3/4” / 44.5mm Half Shoe
1 HS-112 1-1/2” / 38mm Half Shoe
1 QS-214 2-1/4” / 57mm Three Quarter Shoe
1 QS-200 2” / 50.8mm Three Quarter Shoe
SWAGER TOOLING
1 STED-212 2-1/2” / 63.5mm Solid Expander Die / 2-1/4” Male Ball Expander
1 STED-214 2-1/4” / 57mm Solid Expander Die / 2” Male Ball Expander
1 STED-200 2” / 50.8mm Solid Expander Die / 1-3/4” Male Ball Expander
1 STED-178 1-7/8” / 48mm Solid Expander Die
1 STED-134 1-3/4” / 44.5mm Solid Expander Die
1 STED-112 1-1/2” / 38mm Solid Expander Die
1 HAC-212 2-1/2” / 63.5mm Hinged Adapter Collar
1 HAC-214 2-1/4” / 57mm Hinged Adapter Collar
1 HAC-200 2” / 50.8mm Hinged Adapter Collar
1 HAC-178 1-7/8” / 48mm Hinged Adapter Collar
1 HAC-134 1-3/4” / 44.5mm Hinged Adapter Collar
1 HAC-112 1-1/2” / 38mm Hinged Adapter Collar
1 HPF-300 One Tool Fits All Sizes 45 Degree / 90 Degree Flaring Tool
1 DD-134/212 One Tool Fits All Sizes Doming Die
1 BFED-134/214 1-3/4” & 2-1/4” Female Ball Flaring Tool
1 BFED-200-212 2” & 2-1/2” Female Ball Flaring Tool
1 B-212 2-1/2” / 63.5mm Male Ball Tool
1 CFT-200 2” / 50.8mm Manifold Flange Tool
SEGMENT EXPANDER TOOLING
1 HSA-112 One Size Fits All Sizes Arbor
1 SS-212 2-1/2” / 63.5mm Segment Expander
1 SS-214 2-1/4” / 57mm Segment Expander
1 SS-200 2” / 50.8mm Segment Expander
1 SS-134 1-3/4” / 44.5mm Segment Expander
1 SS-112 1-1/2” / 38mm Segment Expander
ACCESSORIES
1 TTA-1000 Tool Tray Kit
2 DPS-150 Radius Die Pusher Block Springs
1 Manual Service Manual
1 OR-1 Small O-Ring Package
1 TC-30 Tubing Cutter
Other Sizes Are Available Upon Request
DELUXE 3O2 DIE PACKAGE
QTY. PART NO. SIZE TOOLING DESCRIPTION

53 Bender Operation Manual Bender Operation Manual 53
BENDING TOOLING
1 5R-212 2-1/2” / 63.5mm 5” / 127mm Radius Die
1 5R-214 2-1/4” / 57mm 5” / 127mm Radius Die
1 5R-200 2” / 50.8mm 5” / 127mm Radius Die
1 4R-214 2-1/4” / 57mm 4” / 102mm Radius Die
1 4R-200 2” / 50.8 mm 4” / 102mm Radius Die
1 35R-134 1-3/4” / 44.5mm 3-1/2” / 89 mm Radius Die
1 35R-112 1-1/2” / 38mm 3-1/2” / 89 mm Radius Die
2 BS-212 2-1/2” / 63.5mm Back Shoes
2 BS-214 2-1/4” / 57mm Back Shoes
2 BS-200 2” / 50.8mm Back Shoes
2 BS-134 1-3/4” / 44.5mm Back Shoes
2 BS-112 1-1/2” / 38mm Back Shoes
1 HS-212 2-1/2” / 63.5mm Half Shoe
1 HS-214 2-1/4” / 57mm Half Shoe
1 HS-200 2” / 50.8mm Half Shoe
1 HS-134 1-3/4” / 44.5mm Half Shoe
1 HS-112 1-1/2” / 38mm Half Shoe
SWAGER TOOLING
1 STED-212 2-1/2” / 63.5mm Solid Expander Die / 2-1/4” Male Ball Expander
1 STED-214 2-1/4” / 57mm Solid Expander Die / 2” Male Ball Expander
1 STED-200 2” / 50.8mm Solid Expander Die / 1-3/4” Male Ball Expander
1 STED-134 1-3/4” / 44.5mm Solid Expander Die
1 STED-112 1-1/2” / 38mm Solid Expander Die
1 HAC-212 2-1/2” / 63.5mm Hinged Adapter Collar
1 HAC-214 2-1/4” / 57mm Hinged Adapter Collar
1 HAC-200 2” / 50.8mm Hinged Adapter Collar
1 HAC-134 1-3/4” / 44.5mm Hinged Adapter Collar
1 HAC-112 1-1/2” / 38mm Hinged Adapter Collar
1 HPF-300 One Tool Fits All Sizes 45 Degree / 90 Degree Flaring Tool
1 DD-134/212 One Tool Fits All Sizes Doming Die
1 BFED-134/214 1-3/4” & 2-1/4” Female Ball Flaring Tool
1 BFED-200-212 2” & 2-1/2” Female Ball Flaring Tool
1 B-212 2-1/2” / 63.5mm Male Ball Tool
SEGMENT EXPANDER TOOLING
1 HSA-112 One Size Fits All Sizes Arbor
1 SS-212 2-1/2” / 63.5mm Segment Expander
1 SS-214 2-1/4” / 57mm Segment Expander
1 SS-200 2” / 50.8mm Segment Expander
1 SS-134 1-3/4” / 44.5mm Segment Expander
1 SS-112 1-1/2” / 38mm Segment Expander
ACCESSORIES
1 TTA-1000 Tool Tray Kit
2 DPS-150 Radius Die Pusher Block Springs
1 Manual Service Manual
1 OR-1 Small O-Ring Package
Other Sizes Are Available Upon Request
ECONOMY 2O2 DIE PACKAGE
QTY. PART NO. SIZE TOOLING DESCRIPTION

54 Bender Operation Manual
BENDING TOOLING
1 5R-212 2-1/2” / 63.5mm 5” / 127mm Radius Die
1 5R-214 2-1/4” / 57mm 5” / 127mm Radius Die
1 5R-200 2” / 50.8mm 5” / 127mm Radius Die
1 4R-214 2-1/4” / 57mm 4” / 102mm Radius Die
1 4R-200 2” / 50.8 mm 4” / 102mm Radius Die
1 35R-134 1-3/4” / 44.5mm 3-1/2” / 89 mm Radius Die
1 35R-112 1-1/2” / 38mm 3-1/2” / 89 mm Radius Die
2 BS-212 2-1/2” / 63.5mm Back Shoes
2 BS-214 2-1/4” / 57mm Back Shoes
2 BS-200 2” / 50.8mm Back Shoes
2 BS-134 1-3/4” / 44.5mm Back Shoes
2 BS-112 1-1/2” / 38mm Back Shoes
1 HS-212 2-1/2” / 63.5mm Half Shoe
1 HS-214 2-1/4” / 57mm Half Shoe
1 HS-200 2” / 50.8mm Half Shoe
1 HS-134 1-3/4” / 44.5mm Half Shoe
1 HS-112 1-1/2” / 38mm Half Shoe
SWAGER TOOLING
1 STED-212 2-1/2” / 63.5mm Solid Expander Die / 2-1/4” Male Ball Expander
1 STED-214 2-1/4” / 57mm Solid Expander Die / 2” Male Ball Expander
1 STED-200 2” / 50.8mm Solid Expander Die / 1-3/4” Male Ball Expander
1 STED-134 1-3/4” / 44.5mm Solid Expander Die
1 STED-112 1-1/2” / 38mm Solid Expander Die
1 HAC-212 2-1/2” / 63.5mm Hinged Adapter Collar
1 HAC-214 2-1/4” / 57mm Hinged Adapter Collar
1 HAC-200 2” / 50.8mm Hinged Adapter Collar
1 HAC-134 1-3/4” / 44.5mm Hinged Adapter Collar
1 HAC-112 1-1/2” / 38mm Hinged Adapter Collar
1 HPF-300 One Tool Fits All Sizes 45 Degree / 90 Degree Flaring Tool
1 DD-134/212 One Tool Fits All Sizes Doming Die
1 BFED-134/214 1-3/4” & 2-1/4” Female Ball Flaring Tool
1 BFED-200-212 2” & 2-1/2” Female Ball Flaring Tool
1 B-212 2-1/2” / 63.5mm Male Ball Tool
SEGMENT EXPANDER TOOLING
1 HSA-112 One Size Fits All Sizes Arbor
1 SS-212 2-1/2” / 63.5mm Segment Expander
1 SS-214 2-1/4” / 57mm Segment Expander
1 SS-200 2” / 50.8mm Segment Expander
1 SS-134 1-3/4” / 44.5mm Segment Expander
1 SS-112 1-1/2” / 38mm Segment Expander
ACCESSORIES
1 TTA-1000 Tool Tray Kit
2 DPS-150 Radius Die Pusher Block Springs
1 Manual Service Manual
1 OR-1 Small O-Ring Package
Other Sizes Are Available Upon Request
BB-1 DIE PACKAGE FOR BLUE BULLET BENDER
QTY. PART NO. SIZE TOOLING DESCRIPTION

55 Bender Operation Manual Bender Operation Manual 55
BENDING TOOLING
1 5R-212 2-1/2” / 63.5mm 5” / 127mm Radius Die
1 5R-214 2-1/4” / 57mm 5” / 127mm Radius Die
1 5R-200 2” / 50.8mm 5” / 127mm Radius Die
1 4R-214 2-1/4” / 57mm 4” / 102mm Radius Die
1 4R-200 2” / 50.8 mm 4” / 102mm Radius Die
1 4R-178 1-7/8” / 48mm 4” / 102mm Radius Die
1 35R-134 1-3/4” / 44.5mm 3-1/2” / 89 mm Radius Die
1 35R-112 1-1/2” / 38mm 3-1/2” / 89 mm Radius Die
2 BS-212 2-1/2” / 63.5mm Back Shoes
2 BS-214 2-1/4” / 57mm Back Shoes
2 BS-200 2” / 50.8mm Back Shoes
2 BS-178 1-7/8” / 48mm Back Shoes
2 BS-134 1-3/4” / 44.5mm Back Shoes
2 BS-112 1-1/2” / 38mm Back Shoes
1 HS-212 2-1/2” / 63.5mm Half Shoe
1 HS-214 2-1/4” / 57mm Half Shoe
1 HS-200 2” / 50.8mm Half Shoe
1 HS-178 1-7/8” / 48mm Half Shoe
1 HS-134 1-3/4” / 44.5mm Half Shoe
1 HS-112 1-1/2” / 38mm Half Shoe
SWAGER TOOLING
1 STED-212 2-1/2” / 63.5mm Solid Expander Die / 2-1/4” Male Ball Expander
1 STED-214 2-1/4” / 57mm Solid Expander Die / 2” Male Ball Expander
1 STED-200 2” / 50.8mm Solid Expander Die / 1-3/4” Male Ball Expander
1 STED-178 1-7/8” / 48mm Solid Expander Die
1 STED-134 1-3/4” / 44.5mm Solid Expander Die
1 STED-112 1-1/2” / 38mm Solid Expander Die
1 HAC-212 2-1/2” / 63.5mm Hinged Adapter Collar
1 HAC-214 2-1/4” / 57mm Hinged Adapter Collar
1 HAC-200 2” / 50.8mm Hinged Adapter Collar
1 HAC-178 1-7/8” / 48mm Hinged Adapter Collar
1 HAC-134 1-3/4” / 44.5mm Hinged Adapter Collar
1 HAC-112 1-1/2” / 38mm Hinged Adapter Collar
1 HPF-300 One Tool Fits All Sizes 45 Degree / 90 Degree Flaring Tool
1 DD-134/212 One Tool Fits All Sizes Doming Die
1 BFED-134/214 1-3/4” & 2-1/4” Female Ball Flaring Tool
1 BFED-200-212 2” & 2-1/2” Female Ball Flaring Tool
1 B-212 2-1/2” / 63.5mm Male Ball Tool
SEGMENT EXPANDER TOOLING
1 HSA-112 One Size Fits All Sizes Arbor
1 SS-212 2-1/2” / 63.5mm Segment Expander
1 SS-214 2-1/4” / 57mm Segment Expander
1 SS-200 2” / 50.8mm Segment Expander
1 SS-134 1-3/4” / 44.5mm Segment Expander
1 SS-112 1-1/2” / 38mm Segment Expander
ACCESSORIES
1 TTA-1000 Tool Tray Kit
2 DPS-150 Radius Die Pusher Block Springs
1 Manual Service Manual
1 OR-1 Small O-Ring Package
Other Sizes Are Available Upon Request
BB-2 DIE PACKAGE FOR BLUE BULLET BENDER
QTY. PART NO. SIZE TOOLING DESCRIPTION

56 Bender Operation Manual
Notes:

57 Bender Operation Manual Bender Operation Manual 57
Notes:

To Expedite Service
FAX YOUR ORDER
1-805-933-9160
Or Dial Direct
1-805-933-9970
BendPak
also provides quality
Above Ground Lifts
to the automotive industry.
Call for details and brochure
58 Bender Operation Manual