Washer Extractor Parts Manual PHM1397C C002923
User Manual: PHM1397C
Open the PDF directly: View PDF
.
Page Count: 122 [warning: Documents this large are best viewed by clicking the View PDF Link!]
- Cover
- Model Identification
- Table of Contents
- Parts Ordering Information
- Serial Plate Location
- Product Overview - PS40 Control
- Decals - Models through 8/31/09 (Drawing 1 of 2)
- Decals - Models through 8/31/09 (Drawing 2 of 2)
- Decals - Models starting 9/1/09
- Bearing Housing Assembly (Drawing 1 of 6)
- Bearing Housing Assembly (Drawing 2 of 6)
- Bearing Housing Assembly (Drawing 3 of 6)
- Bearing Housing Assembly (Drawing 4 of 6)
- Bearing Housing Assembly (Drawing 5 of 6)
- Bearing Housing Assembly (Drawing 6 of 6)
- Cabinet Assembly (Drawing 1 of 4)
- Cabinet Assembly (Drawing 2 of 4)
- Cabinet Assembly (Drawing 3 of 4)
- Cabinet Assembly (Drawing 4 of 4)
- Cylinder Assembly (Drawing 1 of 2)
- Cylinder Assembly (Drawing 2 of 2)
- Single Cup Dispenser Assembly
- 5 Cup Dispenser Assembly
- Door Assembly - Models through 2/9/09
- Door Assembly - Models starting 2/10/09
- Door Lock
- Door Lock Assembly with Magnetic Sensor
- 5 Cup Hot Plumbing Assembly
- 1 Cup Hot Plumbing Assembly
- 5 Cup Cold Plumbing Assembly (Drawing 1 of 3)
- 5 Cup Cold Plumbing Assembly (Drawing 2 of 3)
- 5 Cup Cold Plumbing Assembly (Drawing 3 of 3)
- Single Cup Cold Plumbing Assembly (Drawing 1 of 3)
- Single Cup Cold Plumbing Assembly (Drawing 2 of 3)
- Single Cup Cold Plumbing Assembly (Drawing 3 of 3)
- Auxiliary Plumbing Assembly with Valve
- Auxiliary Plumbing Assembly without Valve (Drawing 1 of 2)
- Auxiliary Plumbing Assembly without Valve (Drawing 2 of 2)
- Hot and Auxiliary Plumbing Assembly with Valve (Drawing 1 of 2)
- Hot and Auxiliary Plumbing Assembly with Valve (Drawing 2 of 2)
- Steam Heat Assembly
- Shell Assembly (Drawing 1 of 2)
- Shell Assembly (Drawing 2 of 2)
- Control Box Assembly
- Drive Box Assembly (Drawing 1 of 2)
- Drive Box Assembly (Drawing 2 of 2)
- Electric Heat Drive Box Assembly
- PowerFlex Drive and EMI Filter (Drawing 1 of 2)
- PowerFlex Drive and EMI Filter (Drawing 2 of 2)
- Main Assembly (Drawing 1 of 10)
- Main Assembly (Drawing 2 of 10)
- Main Assembly (Drawing 3 of 10)
- Main Assembly (Drawing 4 of 10)
- Main Assembly (Drawing 5 of 10)
- Main Assembly (Drawing 6 of 10)
- Main Assembly (Drawing 7 of 10)
- Main Assembly (Drawing 8 of 10)
- Main Assembly (Drawing 9 of 10)
- Main Assembly (Drawing 10 of 10)
- Parts Index

Parts
www.alliancelaundry.com
Washer-Extractor
Refer to Page 5 for Model Numbers
PHM1397C_C002923
Part No. C002923R8
November 2015

C002923 1
© Copyright, Alliance Laundry Systems LLC – DO NOT COPY or TRANSMIT
© Copyright 2015, Alliance Laundry Systems LLC
All rights reserved. No part of the contents of this book may be reproduced or transmitted in any form or by any
means without the expressed written consent of the publisher.
Table of Contents
Title Page
Parts Ordering Information........................................................................................................................................ 3
Serial Plate Location ................................................................................................................................................. 3
Model Identification ................................................................................................................................................... 5
Product Overview - PS40 Control ............................................................................................................................. 6
Decals - Models through 8/31/09 (Drawing 1 of 2) ................................................................................................... 8
Decals - Models through 8/31/09 (Drawing 2 of 2) ................................................................................................. 10
Decals - Models starting 9/1/09 .............................................................................................................................. 12
Bearing Housing Assembly (Drawing 1 of 6) .......................................................................................................... 14
Bearing Housing Assembly (Drawing 2 of 6) .......................................................................................................... 16
Bearing Housing Assembly (Drawing 3 of 6) .......................................................................................................... 18
Bearing Housing Assembly (Drawing 4 of 6) .......................................................................................................... 20
Bearing Housing Assembly (Drawing 5 of 6) .......................................................................................................... 22
Bearing Housing Assembly (Drawing 6 of 6) .......................................................................................................... 24
Cabinet Assembly (Drawing 1 of 4) ........................................................................................................................ 26
Cabinet Assembly (Drawing 2 of 4) ........................................................................................................................ 28
Cabinet Assembly (Drawing 3 of 4) ........................................................................................................................ 30
Cabinet Assembly (Drawing 4 of 4) ........................................................................................................................ 32
Cylinder Assembly (Drawing 1 of 2)........................................................................................................................ 34
Cylinder Assembly (Drawing 2 of 2)........................................................................................................................ 36
Single Cup Dispenser Assembly............................................................................................................................. 38
5 Cup Dispenser Assembly..................................................................................................................................... 40
Door Assembly - Models through 2/9/09................................................................................................................. 42
Door Assembly - Models starting 2/10/09 ............................................................................................................... 44
Door Lock................................................................................................................................................................ 46
Door Lock Assembly with Magnetic Sensor............................................................................................................ 48
5 Cup Hot Plumbing Assembly ............................................................................................................................... 50
1 Cup Hot Plumbing Assembly ............................................................................................................................... 52
5 Cup Cold Plumbing Assembly (Drawing 1 of 3)................................................................................................... 54
5 Cup Cold Plumbing Assembly (Drawing 2 of 3)................................................................................................... 56
5 Cup Cold Plumbing Assembly (Drawing 3 of 3)................................................................................................... 58
Single Cup Cold Plumbing Assembly (Drawing 1 of 3) ........................................................................................... 60
Single Cup Cold Plumbing Assembly (Drawing 2 of 3) ........................................................................................... 62
Single Cup Cold Plumbing Assembly (Drawing 3 of 3) ........................................................................................... 64
Auxiliary Plumbing Assembly with Valve................................................................................................................. 66
Auxiliary Plumbing Assembly without Valve (Drawing 1 of 2) ................................................................................. 68
Auxiliary Plumbing Assembly without Valve (Drawing 2 of 2) ................................................................................. 70
Hot and Auxiliary Plumbing Assembly with Valve (Drawing 1 of 2) ........................................................................ 72
Hot and Auxiliary Plumbing Assembly with Valve (Drawing 2 of 2) ........................................................................ 74
Steam Heat Assembly ............................................................................................................................................ 76
Shell Assembly (Drawing 1 of 2) ............................................................................................................................. 78
Shell Assembly (Drawing 2 of 2) ............................................................................................................................. 80
2C002923
© Copyright, Alliance Laundry Systems LLC – DO NOT COPY or TRANSMIT
Control Box Assembly............................................................................................................................................. 82
Drive Box Assembly (Drawing 1 of 2) ..................................................................................................................... 84
Drive Box Assembly (Drawing 2 of 2) ..................................................................................................................... 86
Electric Heat Drive Box Assembly .......................................................................................................................... 88
PowerFlex Drive and EMI Filter (Drawing 1 of 2).................................................................................................... 90
PowerFlex Drive and EMI Filter (Drawing 2 of 2).................................................................................................... 92
Main Assembly (Drawing 1 of 10) ........................................................................................................................... 94
Main Assembly (Drawing 2 of 10) ........................................................................................................................... 96
Main Assembly (Drawing 3 of 10) ........................................................................................................................... 98
Main Assembly (Drawing 4 of 10) ......................................................................................................................... 100
Main Assembly (Drawing 5 of 10) ......................................................................................................................... 102
Main Assembly (Drawing 6 of 10) ......................................................................................................................... 104
Main Assembly (Drawing 7 of 10) ......................................................................................................................... 106
Main Assembly (Drawing 8 of 10) ......................................................................................................................... 108
Main Assembly (Drawing 9 of 10) ......................................................................................................................... 110
Main Assembly (Drawing 10 of 10) ....................................................................................................................... 112
Parts Index ............................................................................................................................................................ 115

C002923 3
© Copyright, Alliance Laundry Systems LLC – DO NOT COPY or TRANSMIT
Parts Ordering Information
If literature or replacement parts are required, con-
tact the source from whom the machine was pur-
chased or contact Alliance Laundry Systems at
(920) 748-3950 for the name and address of the
nearest authorized parts distributor.
For technical assistance, call either of the num-
bers listed below:
(920) 748-3121 Ripon, Wisconsin
+32 56 41 20 54 Wevelgem, Belgium
Serial Plate Location
When calling or writing about your product, be
sure to mention model and serial numbers. Model
and serial numbers are located on serial plate(s)
as shown. The serial plate is located inside the
door and on the upper rear panel.
PHM1397CA_C002923
Serial Plate
Serial Plate

Notes
4C002923
© Copyright, Alliance Laundry Systems LLC – DO NOT COPY or TRANSMIT
C002923 5
© Copyright, Alliance Laundry Systems LLC – DO NOT COPY or TRANSMIT
Model Identification
Information in this manual is applicable to these washer-extractor models:
CPC125H
CPC140H
CPC140M
CP125PHN1
CP125PHN2
CP125PHQ1
CP125PHQ2
CP140PHN1
CP140PHQ1
CP140PMN1
CP140PMQ1
IPH125H
IPH140H
IPH140M
IPH570
IPH640
IP125PHN1
IP125PHN2
IP125PHQ1
IP125PHQ2
IP140PHN1
IP140PHQ1
IP140PMN1
IP140PMQ1
JP125PHN1
JP125PHN2
JP140PHN1
JP140PHQ1
JP140PMQ1

6C002923
© Copyright, Alliance Laundry Systems LLC – DO NOT COPY or TRANSMIT
Product Overview - PS40 Control
1 2 3
4 5 6
7 8 9
0
PS40
PROG
RUN
PHM3091P_C002923
00000000000
208 – 240
3
Hz Phase
Supply Water: BAR
Number of wires : FLA : amps
3
Circuit Breaker Size : amps
60 3
Serial No.
Model No.
Voltage
40
30 - 85 psi, 2 - 5.7
Max. Load :
Schematic :
KG
18.2
LB
*P040PHQ1001U01

C002923 7
© Copyright, Alliance Laundry Systems LLC – DO NOT COPY or TRANSMIT
Product Overview - PS40 Control
REF PART NO. DESCRIPTION COMMENTS
1Product Family CP
IP
JP
2Capacity (Pounds) 040
060
080
100
125
140
175
3Control P (PS-40 Control)
4Speed H (High Speed)
M (Medium Speed)
5Voltage N (380-415/440-480/50/60/3)
Q (208-220/220-240/50/60/3)
X (208-220/220-240/50/60/1/3)
6Design 1
2
7Heat 0 (Prep for Steam)
D (Direct)
E (Electric)
8Plumbing 0 (Standard US Thread - 2 valves)
A (US Thread - 3 valves)
B (Metric Thread - 2 valves)
C (Metric Thread - 3 valves)
D (US Thread - 2 valves, 3 inlets)
E (No valves)
9Supply 1 (1 Compartment 6 Signals)
2 (1 Compartment 12 Signals)
5 (5 Compartments 6 Signals)
6 (5 Compartments 12 Signals)
7 (No Compartment 6 Signals)
8 (No Compartment 12 Signals)

8C002923
© Copyright, Alliance Laundry Systems LLC – DO NOT COPY or TRANSMIT
Decals - Models through 8/31/09 (Drawing 1 of 2)
PHM2767P_C002923

C002923 9
© Copyright, Alliance Laundry Systems LLC – DO NOT COPY or TRANSMIT
Decals - Models through 8/31/09 (Drawing 1 of 2)
REF PART NO. DESCRIPTION COMMENTS
1F200085100 Spin Warning Decal Models CP125PHN1, CP125PHQ1, CP140PHN1,
CP140PHQ1, CP140PMN1, CP140PMQ1, IP125PHN1,
IP125PHQ1, IP140PHN1, IP140PHQ1, IP140PMN1,
IP140PMQ1, JP125PHN1, JP140PHN1, JP140PHQ1
and JP140PMQ1
2F200085000 Hot Surface Warning Decal Models CP125PHN1, CP125PHQ1, CP140PHN1,
CP140PHQ1, CP140PMN1, CP140PMQ1, IP125PHN1,
IP125PHQ1, IP140PHN1, IP140PHQ1, IP140PMN1,
IP140PMQ1, JP125PHN1, JP140PHN1, JP140PHQ1
and JP140PMQ1
3F200085300 Hot Water and Chemical Caution
Decal
Models CP125PHN1, CP125PHQ1, CP140PHN1,
CP140PHQ1, CP140PMN1, CP140PMQ1, IP125PHN1,
IP125PHQ1, IP140PHN1, IP140PHQ1, IP140PMN1,
IP140PMQ1, JP125PHN1, JP140PHN1, JP140PHQ1
and JP140PMQ1
4F200318200 Cover Decal
5F230734 Water Line Caution Decal Models CP125PHN1, CP125PHQ1, CP140PHN1,
CP140PHQ1, CP140PMN1, CP140PMQ1, IP125PHN1,
IP125PHQ1, IP140PHN1, IP140PHQ1, IP140PMN1,
IP140PMQ1, JP125PHN1, JP140PHN1, JP140PHQ1
and JP140PMQ1
6F231367 Hot Water Valve Decal
7F231368 Cold Water Valve Decal
8C000508 Bearing Lubrication Decal
9C000506 Supply Signal Decal Models starting 3/23/04
10 F230917-1 External Supply Connection Decal Models CP125PHN1, CP125PHQ1, CP140PHN1,
CP140PHQ1, CP140PMN1, CP140PMQ1, IP125PHN1,
IP125PHQ1, IP140PHN1, IP140PHQ1, IP140PMN1,
IP140PMQ1, JP125PHN1, JP140PHN1, JP140PHQ1
and JP140PMQ1

10 C002923
© Copyright, Alliance Laundry Systems LLC – DO NOT COPY or TRANSMIT
Decals - Models through 8/31/09 (Drawing 2 of 2)
PHM2767PA_C002923

C002923 11
© Copyright, Alliance Laundry Systems LLC – DO NOT COPY or TRANSMIT
Decals - Models through 8/31/09 (Drawing 2 of 2)
REF PART NO. DESCRIPTION COMMENTS
1F200318200 Cover Decal
2502511 Electrical Shock Label
3505281 Disconnect Power Warning Label Models CP125PHN1, CP125PHQ1, CP140PHN1,
CP140PHQ1, CP140PMN1, CP140PMQ1, IP125PHN1,
IP125PHQ1, IP140PHN1, IP140PHQ1, IP140PMN1,
IP140PMQ1, JP125PHN1, JP140PHN1, JP140PHQ1 and
JP140PMQ1
4500049 Warning Label Models CP125PHN1, CP125PHQ1, CP140PHN1,
CP140PHQ1, CP140PMN1, CP140PMQ1, IP125PHN1,
IP125PHQ1, IP140PHN1, IP140PHQ1, IP140PMN1,
IP140PMQ1, JP125PHN1, JP140PHN1, JP140PHQ1 and
JP140PMQ1
5N/A Crush Hazard Warning Decal Models CPC125H, CPC140H, CPC140M, IPH125H,
IPH140H, IPH140M, IPH570 and IPH640
5502506 Pinched Fingers Label Models CP125PHN1, CP125PHQ1, CP140PHN1,
CP140PHQ1, CP140PMN1, CP140PMQ1, IP125PHN1,
IP125PHQ1, IP140PHN1, IP140PHQ1, IP140PMN1,
IP140PMQ1, JP125PHN1, JP140PHN1, JP140PHQ1 and
JP140PMQ1
6F231380 Hot Surface Warning Decal
7C001038 Logo Decal Models IPH125H, IPH140H, IPH140M, IPH570, IPH640,
IP125PHN1, IP125PHQ1, IP140PHN1, IP140PHQ1,
IP140PMN1 and IP140PMQ1
8C000694 Door Release Decal
9F230303 Push Decal Models CP125PHN1, CP125PHQ1, CP140PHN1,
CP140PHQ1, CP140PMN1, CP140PMQ1, IP125PHN1,
IP125PHQ1, IP140PHN1, IP140PHQ1, IP140PMN1,
IP140PMQ1, JP125PHN1, JP140PHN1, JP140PHQ1 and
JP140PMQ1
N/A = Part no longer available

12 C002923
© Copyright, Alliance Laundry Systems LLC – DO NOT COPY or TRANSMIT
Decals - Models starting 9/1/09
Models CP125PHN1, CP125PHN2, CP125PHQ1, CP125PHQ2, CP140PHN1, CP140PHQ1, CP140PMN1,
CP140PMQ1, IP125PHN1, IP125PHN2, IP125PHQ1, IP125PHQ2, IP140PHN1, IP140PHQ1, IP140PMN1,
IP140PMQ1, JP125PHN1, JP125PHN2, JP140PHN1, JP140PHQ1 and JP140PMQ1
PHM3089P_C002923

C002923 13
© Copyright, Alliance Laundry Systems LLC – DO NOT COPY or TRANSMIT
Decals - Models starting 9/1/09
REF PART NO. DESCRIPTION COMMENTS
1C000694 Door Release Decal
2F230303 Push Decal
3F200085100 Spin Warning Decal
4F200085000 Hot Surface Warning Decal
5F200085300 Hot Water and Chemical Caution Decal
6F8211901 Hot Surface Warning Plate Steam models only
7F8246401 Mount on Concrete Warning Label
8F200061000 Clean Filter Daily Decal
9C000508 Bearing Lubrication Decal
10 F8150201 External Supply Connection Decal
11 F8233501 Warning Label
12 F8115501 Electric Shock Danger Label
13 44127701 Warning Label

14 C002923
© Copyright, Alliance Laundry Systems LLC – DO NOT COPY or TRANSMIT
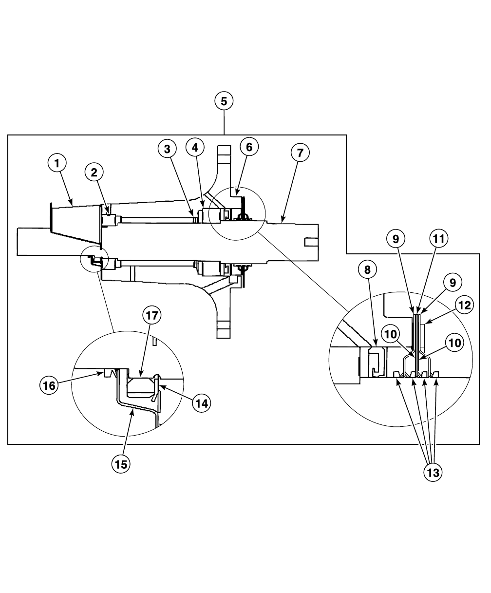
Bearing Housing Assembly (Drawing 1 of 6)
Models CPC140H and IPH140H
Models Through 3/23/04
PHM2848P_C002923

C002923 15
© Copyright, Alliance Laundry Systems LLC – DO NOT COPY or TRANSMIT
Bearing Housing Assembly (Drawing 1 of 6)
REF PART NO. DESCRIPTION COMMENTS
NA C001020 Screw 8 required; Bearing housing to frame
NA C001021 Washer 8 required; Bearing housing to frame
NA F430929 Screw 6 required for rear seal plate to bearing housing; 6
required for front seal plates to bearing housing
NA C000571 Washer 6 required for rear seal plate to bearing housing; 6
required for front seal plates to bearing housing
NA C002637P Proximity Switch Assembly 1 required; Proximity switch on bearing housing
NA C000552 Hose 1 required; 26 inch; Weep hole fitting to drain line fitting
NA 36801 Hose Clamp 1 required; Bearing weep hole “TEE”
1C000969 Proximity Mounting Bracket
2F100155 Bearing
3C000758 Grease Shield 2 required
4C000762 Carb Bearing
5C000673P Bearing Housing Assembly
6C000672 Bearing Housing
7C000674 Cylinder Shaft
8C000761 Front Bearing Lip Seal
9C000754 Seal Plate 2 required
10 C001706 Seal Plate Gasket
11 C000755 Seal Plate
12 C001914 Backup Seal Plate
13 C000757 V-Ring Seal 4 required
14 C000764 Washer
15 C000756 Seal Plate
16 C000765 V-Ring Seal
17 C000763 Nut

16 C002923
© Copyright, Alliance Laundry Systems LLC – DO NOT COPY or TRANSMIT
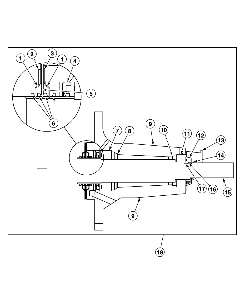
Bearing Housing Assembly (Drawing 2 of 6)
Models CPC140H and IPH140H
Models Starting 3/23/04
PHM2798P_C002923

C002923 17
© Copyright, Alliance Laundry Systems LLC – DO NOT COPY or TRANSMIT
Bearing Housing Assembly (Drawing 2 of 6)
REF PART NO. DESCRIPTION COMMENTS
NA C001020 Screw 8 required; Bearing housing to frame
NA C001021 Washer 8 required; Bearing housing to frame
NA F430929 Screw 6 required for rear seal plate to bearing housing; 6
required for front seal plates to bearing housing
NA C000571 Washer 6 required for rear seal plate to bearing housing; 6
required for front seal plates to bearing housing
NA C002637P Proximity Switch Assembly 1 required; Proximity switch on bearing housing
NA C000552 Hose 1 required; 26 inch; Weep hole fitting to drain line fitting
NA C000628P Tubing 2 required; 33 inch; Lube fittings to bearing housing
NA 1390P Bearing Housing Puller Kit Purchase
NA 1390-1 Bearing Housing Puller Kit Rental; Requires C002023 Hardware Kit
NA C002023 Hardware Kit
NA 36801 Hose Clamp 1 required; Bearing weep hole “TEE”
1C000673P Bearing Housing Assembly Standard seals
1C001946 Bearing Housing Assembly Viton seals
2212/00022/00 Lubricator
3J1408004 Connector 2 required
4C000969 Proximity Mounting Bracket
5C001649 Reducing Connector

18 C002923
© Copyright, Alliance Laundry Systems LLC – DO NOT COPY or TRANSMIT
Bearing Housing Assembly (Drawing 3 of 6)
Models CPC140M, IPH140M and IPH640
Models Through 3/23/04
PHM2724P_C002923

C002923 19
© Copyright, Alliance Laundry Systems LLC – DO NOT COPY or TRANSMIT
Bearing Housing Assembly (Drawing 3 of 6)
REF PART NO. DESCRIPTION COMMENTS
NA C000554 Screw 8 required; Bearing housing to frame
NA C000555 Washer 8 required; Bearing housing to frame
NA F430929 Screw 6 required for rear seal plate to bearing housing; 6
required for front seal plates to bearing housing
NA C000571 Washer 6 required for rear seal plate to bearing housing; 6
required for front seal plates to bearing housing
NA C002637P Proximity Switch Assembly 1 required; Proximity switch on bearing housing
NA C000552 Hose 1 required; 26 inch; Weep hole fitting to drain line fitting
NA 36801 Hose Clamp 1 required; Bearing weep hole “TEE”
1C000166 Seal Plate 2 required
2C001915 Plate
3C001705 Gasket
4C000332 Lip Seal Front bearing
5C000165 Seal Plate
6C000156 V-Ring Seal
7C000163 Carb Bearing
8C000167 Grease Shield Front
9C000155 Bearing Housing
10 C000171 Grease Shield Rear
11 C000164 Roller Bearing
12 C000158 Seal Plate
13 C000658 Mounting Bracket
14 C000070 V-Ring Seal
15 C000157 Cylinder Shaft
16 C000159 Nut
17 C000161 Washer
18 C000154P Bearing Housing Assembly

20 C002923
© Copyright, Alliance Laundry Systems LLC – DO NOT COPY or TRANSMIT
Bearing Housing Assembly (Drawing 4 of 6)
Models CPC140M, IPH140M and IPH640
Models starting 3/23/04
PHM2727P_C002923

C002923 21
© Copyright, Alliance Laundry Systems LLC – DO NOT COPY or TRANSMIT
Bearing Housing Assembly (Drawing 4 of 6)
REF PART NO. DESCRIPTION COMMENTS
NA 1390P Bearing Housing Puller Kit Purchase
NA 1390-1 Bearing Housing Puller Kit Rental; Requires C002023 Hardware Kit
NA C002023 Hardware Kit
NA C000554 Screw 8 required; Bearing housing to frame
NA C000555 Washer 8 required; Bearing housing to frame
NA F430929 Screw 6 required for rear seal plate to bearing housing; 6
required for front seal plates to bearing housing
NA C000571 Washer 6 required for rear seal plate to bearing housing; 6
required for front seal plates to bearing housing
NA C002637P Proximity Switch Assembly 1 required; Proximity switch on bearing housing
NA C000552 Hose 1 required; 26 inch; Weep hole fitting to drain line fitting
NA C000628P Tubing 2 required; 33 inch; Lube fittings to bearing housing
NA C003007 Triple Lip Seal
NA 36801 Hose Clamp 1 required; Bearing weep hole “TEE”
1C000154P Bearing Housing Assembly Standard seals
1C001946 Bearing Housing Assembly Viton seals
2212/00022/00 Lubricator
3J1408004 Connector 2 required
4C000658 Mounting Bracket
5C001649 Reducing Connector

22 C002923
© Copyright, Alliance Laundry Systems LLC – DO NOT COPY or TRANSMIT
Bearing Housing Assembly (Drawing 5 of 6)
Models CP140PHN1, CP140PHQ1, IP140PHN1, IP140PHQ1, JP140PHN1 and JP140PHQ1
PHM2798P_C002923

C002923 23
© Copyright, Alliance Laundry Systems LLC – DO NOT COPY or TRANSMIT
Bearing Housing Assembly (Drawing 5 of 6)
REF PART NO. DESCRIPTION COMMENTS
NA 1390P Bearing Housing Puller Kit Purchase
NA 1390-1 Bearing Housing Puller Kit Rental; Requires C002023 Hardware Kit
NA C002023 Hardware Kit
NA C001020 Screw 8 required; Bearing housing to frame
NA C001021 Washer 8 required; Bearing housing to frame
NA F430929 Screw 6 required for rear seal plate to bearing housing; 6
required for front seal plates to bearing housing
NA C000571 Washer 6 required for rear seal plate to bearing housing; 6
required for front seal plates to bearing housing
NA C002637P Proximity Switch Assembly 1 required; Proximity switch on bearing housing
NA C000552 Hose 1 required; 26 inch; Weep hole fitting to drain line fitting
NA C000628P Tubing 2 required; 33 inch; Lube fittings to bearing housing
NA 36801 Hose Clamp 1 required; Bearing weep hole “TEE”
1C000673P Bearing Housing Assembly Standard seals
1C001946 Bearing Housing Assembly Viton seals
2212/00022/00 Lubricator
3J1408004 Connector 2 required
4C000969 Proximity Mounting Bracket
5C001649 Reducing Connector

24 C002923
© Copyright, Alliance Laundry Systems LLC – DO NOT COPY or TRANSMIT
Bearing Housing Assembly (Drawing 6 of 6)
Models CPC125H, CP125PHN1, CP125PHN2, CP125PHQ1, CP125PHQ2, CP140PMN1, CP140PMQ1,
IPH125H, IPH570, IP125PHN1, IP125PHN2, IP125PHQ1, IP125PHQ2, IP140PMN1, IP140PMQ1,
JP125PHN1, JP125PHN2 and JP140PMQ1
PHM2727P_C002923

C002923 25
© Copyright, Alliance Laundry Systems LLC – DO NOT COPY or TRANSMIT
Bearing Housing Assembly (Drawing 6 of 6)
REF PART NO. DESCRIPTION COMMENTS
NA 1390P Bearing Housing Puller Kit Purchase
NA 1390-1 Bearing Housing Puller Kit Rental; Requires C002023 Hardware Kit
NA C002023 Hardware Kit
NA C000554 Screw 8 required; Bearing housing to frame
NA C000555 Washer 8 required; Bearing housing to frame
NA F430929 Screw 6 required for rear seal plate to bearing housing; 6
required for front seal plates to bearing housing
NA C000571 Washer 6 required for rear seal plate to bearing housing; 6
required for front seal plates to bearing housing
NA C002637P Proximity Switch Assembly 1 required; Proximity switch on bearing housing
NA C000552 Hose 1 required; 26 inch; Weep hole fitting to drain line fitting
NA C000628P Tubing 2 required; 33 inch; Lube fittings to bearing housing
NA C003007 Triple Lip Seal
NA 36801 Hose Clamp 1 required; Bearing weep hole “TEE”
1C000154P Bearing Housing Assembly Standard seals
1C001946 Bearing Housing Assembly Viton seals
2212/00022/00 Lubricator
3J1408004 Connector 2 required
4C000658 Mounting Bracket
5C001649 Reducing Connector

26 C002923
© Copyright, Alliance Laundry Systems LLC – DO NOT COPY or TRANSMIT
Cabinet Assembly (Drawing 1 of 4)
Models CPC140H, CPC140M, IPH140H, IPH140M and IPH640
Models Through 3/23/04
PHM2850P_C002923

C002923 27
© Copyright, Alliance Laundry Systems LLC – DO NOT COPY or TRANSMIT
Cabinet Assembly (Drawing 1 of 4)
REF PART NO. DESCRIPTION COMMENTS
NA C000539 Grease Connector Box
NA C000567 Screw 2 required for grease box to valve panel; 6 required for valve
panel to side panel; 2 required for top panel to valve panel;
12 required for front panel to side panel; 2 required for lower
front panel to frame; 6 required for side panel to frame; 4
required for rear cover to side panel; 4 or 5 required for front
electrical mounting bracket to side panel
NA F431024 Nut 2 required for grease box to valve panel; 6 required for valve
panel to side panel; 4 required for front panel to side panel; 4
or 5 required for front electrical mounting bracket to side
panel
NA N/A Nut 2 required for top panel to valve panel; 2 required for lower
front panel to frame; 6 required for side panel to frame; 2
required for rear electrical cover to valve panel
NA C000571 Washer 2 required for top panel to valve panel; 2 required for lower
front panel to frame; 6 required for side panel to frame; 4
required for rear cover to side panel
NA C000585 Washer 2 required for lower front panel to frame; 6 required for side
panel to frame
NA F430929 Screw 2 required for rear electrical cover to valve panel; 1 required
for inlet power cover to valve panel
NA F430910 Screw 6 required for rub rails to lower front panel
NA C000568 Nut 6 required for rub rails to lower front panel
1C002986 Front Top Panel Assembly
2C002963 Side Panel Assembly
3C000817 Rear Top Panel
4C002983 Valve Panel Assembly
5C000876 Top Brace 2 required
6C000818 Rear Panel
7C002962 Side Panel Assembly
8C002717 Side Panel and Stiffener Assembly
9C001014 Rub Rail Vinyl
10 C001015 Insert Rail
11 C000819 Lower Front Panel
12 C002973 Front Panel Assembly
13 C002718 Side Panel and Stiffener Assembly
14 C000875 Control Box Cover
15 C000874 Control Mounting Bracket 2 required
N/A = Part no longer available

28 C002923
© Copyright, Alliance Laundry Systems LLC – DO NOT COPY or TRANSMIT
Cabinet Assembly (Drawing 2 of 4)
Models CPC140H, CPC140M, IPH140H, IPH140M and IPH640
Models Starting 3/23/04 and Continuing Through 7/1/06
PHM2891P_C002923

C002923 29
© Copyright, Alliance Laundry Systems LLC – DO NOT COPY or TRANSMIT
Cabinet Assembly (Drawing 2 of 4)
REF PART NO. DESCRIPTION COMMENTS
NA C000567 Screw 6 required for valve panel to side panel; 2 required for top
panel to valve panel; 12 required for front panel to side panel;
2 required for lower front panel to frame; 6 required for side
panel to frame; 4 required for rear cover to side panel; 4 or 5
required for front electrical mounting bracket to side panel
NA F431024 Nut 6 required for valve panel to side panel; 4 required for front
panel to side panel; 4 or 5 required for front electrical
mounting bracket to side panel
NA N/A Nut 2 required for top panel to valve panel; 2 required for lower
front panel to frame; 6 required for side panel to frame; 2
required for rear electrical cover to valve panel
NA C000571 Washer 2 required for top panel to valve panel; 2 required for lower
front panel to frame; 6 required for side panel to frame; 4
required for rear cover to side panel
NA C000585 Washer 2 required for lower front panel to frame; 6 required for side
panel to frame
NA F430929 Screw 2 required for rear electrical cover to valve panel; 1 required
for inlet power cover to valve panel
NA F430910 Screw 6 required for rub rails to lower front panel
NA C000568 Nut 6 required for rub rails to lower front panel
1C002986 Front Top Panel Assembly
2C002017 Top Panel Access Cover
3C000817 Rear Top Panel
4C002963 Side Panel Assembly
5C002018 Cabinet Stiffener 3 required
6C000816 Valve Panel
7C000173 Rear Electrical Enclosure Cover
8N/A Inlet Power Cover
9C000539 Grease Connector Box
10 C000818 Rear Panel
11 C002962 Side Panel Assembly
12 C002717 Side Panel and Stiffener Assembly
13 N/A Side Skirt Panel 2 required
14 C002718 Side Panel and Stiffener Assembly
15 C000316 Front Skirt Panel
16 C000819 Lower Front Panel
17 C001014 Rub Rail Vinyl
18 C001015 Insert Rail
19 C000629 Trim Gasket
20 C002973 Front Panel Assembly
N/A = Part no longer available

30 C002923
© Copyright, Alliance Laundry Systems LLC – DO NOT COPY or TRANSMIT
Cabinet Assembly (Drawing 3 of 4)
Models Starting 7/1/06
PHM2890P_C002923

C002923 31
© Copyright, Alliance Laundry Systems LLC – DO NOT COPY or TRANSMIT
Cabinet Assembly (Drawing 3 of 4)
REF PART NO. DESCRIPTION COMMENTS
NA C000567 Screw 2 required for top panel to valve panel; 12 required for front
panel to side panel; 2 required for lower front panel to frame; 4
or 5 required for front electrical mounting bracket to side panel
NA F431024 Nut 4 required for front panel to side panel; 4 or 5 required for front
electrical mounting bracket to side panel
NA N/A Nut 2 required for top panel to valve panel; 2 required for lower
front panel to frame
NA C000571 Washer 2 required for top panel to valve panel; 2 required for lower
front panel to frame
NA C000585 Washer 2 required for lower front panel to frame
NA F430910 Screw 6 required for rub rails to lower front panel
NA C000568 Nut 6 required for rub rails to lower front panel
1C002986 Front Top Panel Assembly
2C002017 Top Panel Access Cover
3C000817 Rear Top Panel Models CPC140H, CPC140M, CP140PHN1, CP140PHQ1,
CP140PMN1, CP140PMQ1, IPH140H, IPH140M, IPH640,
IP140PHN1, IP140PHQ1, IP140PMN1, IP140PMQ1,
JP140PHN1, JP140PHQ1 and JP140PMQ1
3C002298 Rear Top Panel Models CPC125H, CP125PHN1, CP125PHN2, CP125PHQ1,
CP125PHQ2, IPH125H, IPH570, IP125PHN1, IP125PHN2,
IP125PHQ1, IP125PHQ2, JP125PHN1 and JP125PHN2
4N/A Side Skirt Panel
5C000316 Front Skirt Panel
6C000819 Lower Front Panel Models CPC140H, CPC140M, CP140PHN1, CP140PHQ1,
CP140PMN1, CP140PMQ1, IPH140H, IPH140M, IPH640,
IP140PHN1, IP140PHQ1, IP140PMN1, IP140PMQ1,
JP140PHN1, JP140PHQ1 and JP140PMQ1; Models through
6/30/09
6C002912 Lower Front Panel Models CPC125H, CP125PHN1, CP125PHQ1, IPH125H,
IPH570, IP125PHN1, IP125PHQ1 and JP125PHN1; Models
through 6/30/09
6C003081 Lower Front Panel Models starting 7/1/09
7C001014 Rub Rail Vinyl
8C001015 Insert Rail
9C000629 Trim Gasket
10 C002972 Front Panel Assembly Models CPC125H, CP125PHN1, CP125PHQ1, IPH125H,
IPH570, IP125PHN1, IP125PHQ1 and JP125PHN1
10 C002973 Front Panel Assembly Models CPC140H, CPC140M, CP140PHN1, CP140PHQ1,
CP140PMN1, CP140PMQ1, IPH140H, IPH140M, IPH640,
IP140PHN1, IP140PHQ1, IP140PMN1, IP140PMQ1,
JP140PHN1, JP140PHQ1 and JP140PMQ1
N/A = Part no longer available

32 C002923
© Copyright, Alliance Laundry Systems LLC – DO NOT COPY or TRANSMIT
Cabinet Assembly (Drawing 4 of 4)
Models Starting 7/1/06
PHM2890PA_C002923

C002923 33
© Copyright, Alliance Laundry Systems LLC – DO NOT COPY or TRANSMIT
Cabinet Assembly (Drawing 4 of 4)
REF PART NO. DESCRIPTION COMMENTS
NA C000567 Screw 6 required for valve panel to side panel; 2 required for top
panel to valve panel; 12 required for front panel to side panel;
6 required for side panel to frame; 4 required for rear cover to
side panel; 4 or 5 required for front electrical mounting bracket
to side panel
NA F431024 Nut 6 required for valve panel to side panel; 4 required for front
panel to side panel; 4 or 5 required for front electrical mounting
bracket to side panel
NA N/A Nut 2 required for top panel to valve panel; 6 required for side
panel to frame; 2 required for rear electrical cover to valve
panel
NA C000571 Washer 2 required for top panel to valve panel; 6 required for side
panel to frame; 4 required for rear cover to side panel
NA C000585 Washer 6 required for side panel to frame
NA F430929 Screw 2 required for rear electrical cover to valve panel; 1 required
for inlet power cover to valve panel
1C002018 Cabinet Stiffener 3 required
2C002524 Drive Box Assembly Models CPC125H, CP125PHN1, CP125PHN2, CP125PHQ1,
CP125PHQ2, IPH125H, IPH570, IP125PHN1, IP125PHN2,
IP125PHQ1, IP125PHQ2, JP125PHN1 and JP125PHN2
3C002983 Valve Panel Assembly
4C002527 Drive and Power Enclosure Cover
5C000539 Grease Connector Box
6C000818 Rear Panel
7C002960 Left Rear Side Panel Assembly Models CPC125H, CP125PHN1, CP125PHN2, CP125PHQ1,
CP125PHQ2, IPH125H, IPH570, IP125PHN1, IP125PHN2,
IP125PHQ1, IP125PHQ2, JP125PHN1 and JP125PHN2
7C002962 Side Panel Assembly Left rear; Models CPC140H, CPC140M, CP140PHN1,
CP140PHQ1, CP140PMN1, CP140PMQ1, IPH140H,
IPH140M, IPH640, IP140PHN1, IP140PHQ1, IP140PMN1,
IP140PMQ1, JP140PHN1, JP140PHQ1 and JP140PMQ1
8C002717 Side Panel and Stiffener Assembly
9C002718 Side Panel and Stiffener Assembly
10 C002961 Right Rear Side Panel Assembly Models CPC125H, CP125PHN1, CP125PHN2, CP125PHQ1,
CP125PHQ2, IPH125H, IPH570, IP125PHN1, IP125PHN2,
IP125PHQ1, IP125PHQ2, JP125PHN1 and JP125PHN2
10 C002963 Side Panel Assembly Right rear; Models CPC140H, CPC140M, CP140PHN1,
CP140PHQ1, CP140PMN1, CP140PMQ1, IPH140H,
IPH140M, IPH640, IP140PHN1, IP140PHQ1, IP140PMN1,
IP140PMQ1, JP140PHN1, JP140PHQ1 and JP140PMQ1
N/A = Part no longer available

34 C002923
© Copyright, Alliance Laundry Systems LLC – DO NOT COPY or TRANSMIT
Cylinder Assembly (Drawing 1 of 2)
Models CPC140H, CPC140M, IPH140H, IPH140M and IPH640
Models Through 3/23/04
PHM2882P_C002923

C002923 35
© Copyright, Alliance Laundry Systems LLC – DO NOT COPY or TRANSMIT
Cylinder Assembly (Drawing 1 of 2)
REF PART NO. DESCRIPTION COMMENTS
1C000785P Cylinder Assembly Kit Models CPC140H and IPH140H
1C000883P Cylinder Assembly Kit Models CPC140M, IPH140M and IPH640
2N/A Washer
N/A = Part no longer available

36 C002923
© Copyright, Alliance Laundry Systems LLC – DO NOT COPY or TRANSMIT
Cylinder Assembly (Drawing 2 of 2)
Models Starting 3/23/04
PHM2800P_C002923

C002923 37
© Copyright, Alliance Laundry Systems LLC – DO NOT COPY or TRANSMIT
Cylinder Assembly (Drawing 2 of 2)
REF PART NO. DESCRIPTION COMMENTS
1C001239 Washer
2C001238 Cylinder Bolt Shroud
3C001093 Screw Models CPC140H and IPH140H starting 3/23/04 through
7/1/06; Models CPC125H, CPC140M, CP125PHN1,
CP125PHN2, CP125PHQ1, CP125PHQ2, CP140PMN1,
CP140PMQ1, IPH125H, IPH140M, IPH570, IPH640,
IP125PHN1, IP125PHN2, IP125PHQ1, IP125PHQ2,
IP140PMN1, IP140PMQ1, JP125PHN1, JP125PHN2
and JP140PMQ1
3C001294 Screw Models CPC140H, CP140PHN1, CP140PHQ1,
IPH140H, IP140PHN1, IP140PHQ1, JP140PHN1 and
JP140PHQ1 starting 7/1/06
4C002307P Cylinder Assembly Kit Models CPC125H, CP125PHN1, CP125PHN2,
CP125PHQ1, CP125PHQ2, IPH125H, IPH570,
IP125PHN1, IP125PHN2, IP125PHQ1, IP125PHQ2,
JP125PHN1 and JP125PHN2
4C000785P Cylinder Assembly Kit Models CPC140H, CP140PHN1, CP140PHQ1,
IPH140H, IP140PHN1, IP140PHQ1, JP140PHN1 and
JP140PHQ1
4C000883P Cylinder Assembly Kit Models CPC140M, CP140PMN1, CP140PMQ1,
IPH140M, IPH640, IP140PMN1, IP140PMQ1 and
JP140PMQ1

38 C002923
© Copyright, Alliance Laundry Systems LLC – DO NOT COPY or TRANSMIT
Single Cup Dispenser Assembly
PHM2732P_C002923

C002923 39
© Copyright, Alliance Laundry Systems LLC – DO NOT COPY or TRANSMIT
Single Cup Dispenser Assembly
REF PART NO. DESCRIPTION COMMENTS
NA C001148 Screw Models starting 3/23/04; 4 required for hinges to cover; 4
required for hinges to control panel
NA F430920 Screw Models CPC140H, CPC140M, CP140PHN1,
CP140PHQ1, CP140PMN1, CP140PMQ1, IPH140H,
IPH140M, IPH640, IP140PHN1, IP140PHQ1,
IP140PMN1, IP140PMQ1, JP140PHQ1 and
JP140PMQ1; 4 required for hinges to cover for models
through 3/23/04; 4 required for hinges to control panel for
models through 3/23/04; 2 required for dispenser cover
to handle for models starting 3/23/04
NA F430909 Screw 2 required for dispenser cover to handle; Models through
3/23/04
NA F430925 Screw 2 required for dispenser to control panel for all models;
12 required for side dispenser to side panel for 125 and
570 models
NA N/A Nut 2 required for dispenser to control panel
NA C000552 Hose Flush hose for supply dispenser; Models CPC140H,
CPC140M, CP140PHN1, CP140PHQ1, CP140PMN1,
CP140PMQ1, IPH140H, IPH140M, IPH640, IP140PHN1,
IP140PHQ1, IP140PMN1, IP140PMQ1, JP140PHN1,
JP140PHQ1 and JP140PMQ1
NA C000628P Tubing Flush hose for supply dispenser; Models CPC125H,
CP125PHN1, CP125PHN2, CP125PHQ1, CP125PHQ2,
IPH125H, IPH570, IP125PHN1, IP125PHN2,
IP125PHQ1, IP125PHQ2, JP125PHN1 and JP125PHN2
NA F200201 Hose Clamp 2 required for dispenser hose
1C000853 Single Side Dispenser Assembly Models through 3/23/04
1C001582 Single Side Dispenser Assembly Models starting 3/23/04
2N/A Hinge 2 required; 2-part; Models through 3/23/04
2C001787 Hinge 2 required; 2-part; Models starting 3/23/04
3C000073 Supply Dispenser Nozzle
4C000646 Supply Cup
5C000855 Single Side Dispenser Door
6C001788 Dispenser Door Handle
N/A = Part no longer available

40 C002923
© Copyright, Alliance Laundry Systems LLC – DO NOT COPY or TRANSMIT
5 Cup Dispenser Assembly
PHM2733P_C002923

C002923 41
© Copyright, Alliance Laundry Systems LLC – DO NOT COPY or TRANSMIT
5 Cup Dispenser Assembly
REF PART NO. DESCRIPTION COMMENTS
NA C001148 Screw Models starting 3/23/04; 4 required for hinges to cover; 4
required for hinges to control panel
NA F430920 Screw Models CPC140H, CPC140M, CP140PHN1,
CP140PHQ1, CP140PMN1, CP140PMQ1, IPH140H,
IPH140M, IPH640, IP140PHN1, IP140PHQ1,
IP140PMN1, IP140PMQ1, JP140PHN1, JP140PHQ1
and JP140PMQ1; 4 required for hinges to cover for
models through 3/23/04; 4 required for hinges to control
panel for models through 3/23/04; 2 required for
dispenser cover to handle for models starting 3/23/04
NA F430909 Screw 2 required for dispenser cover to handle; Models
CPC140H, CPC140M, CP140PHN1, CP140PHQ1,
CP140PMN1, CP140PMQ1, IPH140H, IPH140M,
IPH640, IP140PHN1, IP140PHQ1, IP140PMN1,
IP140PMQ1, JP140PHQ1 and JP140PMQ1 through
3/23/04
NA F430925 Screw 2 required for dispenser to control panel for all models;
12 required for side dispenser to side panel for 125 and
570 models
NA N/A Nut 2 required for dispenser to control panel
NA 36801 Hose Clamp 7 required for supply dispenser
NA C001004 Spring Hose Clamp 5 required for supply dispenser
NA F200201 Hose Clamp 2 required for dispenser hose
NA C000552 Hose Flush hose; Models CPC140H, CPC140M, CP140PHN1,
CP140PHQ1, CP140PMN1, CP140PMQ1, IPH140H,
IPH140M, IPH640, IP140PHN1, IP140PHQ1,
IP140PMN1, IP140PMQ1, JP140PHN1, JP140PHQ1
and JP140PMQ1 use 22 inches for supply cup 1, 28
inches for supply cup 2, 33 inches for supply cup 3, 38
inches for supply cup 4, 42 inches for supply cup 5;
Models CPC125H, CP125PHN1, CP125PHN2,
CP125PHQ1, CP125PHQ2, IPH125H, IPH570,
IP125PHN1, IP125PHN2, IP125PHQ1, IP125PHQ2,
JP125PHN1 and JP125PHN2 use 16 inches for supply
cup 1, 20 inches for supply cup 2, 26 inches for supply
cup 3, 32 inches for supply cup 4, 35 inches for supply
cup 5
1C001583 Side Dispenser Assembly Models starting 3/23/04
1C000648 Side Dispenser Assembly Models through 3/23/04
2C001788 Dispenser Door Handle
3C001787 Hinge 2 required; 2-part; Models starting 3/24/04
3N/A Hinge 2 required; 2-part; Models through 3/24/04
4C000073 Supply Dispenser Nozzle 5 required
5C000647 Supply Cup 2 required
6C000646 Supply Cup 3 required
7C000642 Side Dispenser Door
N/A = Part no longer available

42 C002923
© Copyright, Alliance Laundry Systems LLC – DO NOT COPY or TRANSMIT
Door Assembly - Models through 2/9/09
PHM2903P_C002923

C002923 43
© Copyright, Alliance Laundry Systems LLC – DO NOT COPY or TRANSMIT
Door Assembly - Models through 2/9/09
REF PART NO. DESCRIPTION COMMENTS
NA C000559 Bolt 8 required for door hinge block to shell front
NA C000574 Nut 8 required for door hinge block to shell front
NA 803017 Nut 2 required for door hinge block to hinge
NA C000561 Bolt 5 required for door hinge to door; 4 required for door
handle hinge to door for models through 3/23/04; 3
required for door handle hinge to door for models
starting 3/24/04
NA C000560 Nut 5 required for door hinge to door; 4 required for door
handle hinge to door
NA F8549401 Nut 8 required for door glass retainer to door
NA C000601 Stud 8 required for door glass retainer to door
NA F431024 Nut 1 required for door handle to door handle hinge
NA C001236 Nut 1 required for door handle to door handle bushing
NA C001546 Door Bumper 2 required for door; Models starting 3/23/04
NA C001032 Screw 2 required for door bumper; Models starting 3/23/04
1C000180 Bolt
2C000181 Door Handle Bushing
3C000749 Door Glass
4C000710 Door
5253/00162/02 Door Seal
6F8513501 Shell Front Gasket Kit 7 feet required
7C000750 Door Glass Gasket
8F8549301 Bolt 2 required
9C000175 Hinge Block 2 required
10 C000176 Door Hinge Bushing 2 required
11 C000177 Washer 2 required
12 C000752 Door Hinge
13 C000751MD Door Glass Retainer
14 C000028P Door Handle Models through 3/23/04
14 C001679P Door Handle Models starting 3/24/04
15 C000470 Door Handle Hinge Weldment
16 C001785 Bolt
17 C000192 Door Handle Spring Bushing
18 C001786 Door Handle Torsion Spring
19 C000748P Door Assembly

44 C002923
© Copyright, Alliance Laundry Systems LLC – DO NOT COPY or TRANSMIT
Door Assembly - Models starting 2/10/09
PHM3095P_C002923

C002923 45
© Copyright, Alliance Laundry Systems LLC – DO NOT COPY or TRANSMIT
Door Assembly - Models starting 2/10/09
REF PART NO. DESCRIPTION COMMENTS
NA C000559 Bolt 8 required for door hinge block to shell front
NA C000574 Nut 8 required for door hinge block to shell front
NA 803017 Nut 2 required for door hinge block to hinge
NA C000561 Bolt 5 required for door hinge to door; 3 required for door
handle hinge to door
NA C000560 Nut 5 required for door hinge to door; 4 required for door
handle hinge to door
NA F8549401 Nut 16 required for door glass retainer to door
NA C000601 Stud 16 required for door glass retainer to door
NA F431024 Nut 1 required for door handle to door handle hinge
NA C001236 Nut 1 required for door handle to door handle bushing
NA C001546 Door Bumper 2 required for door
NA C001032 Screw 2 required for door bumper
1C000181 Door Handle Bushing
2C000180 Bolt
3C000749 Door Glass
4C000710 Door
5253/00162/02 Door Seal
6F8513501 Shell Front Gasket Kit 7 feet required
7C000750 Door Glass Gasket
8F8549301 Bolt 2 required
9C000175 Hinge Block 2 required
10 C000176 Door Hinge Bushing 2 required
11 C000177 Washer 2 required
12 C000752 Door Hinge
13 C000751MD Door Glass Retainer
14 C001679P Door Handle
15 C001785 Bolt
16 C000192 Door Handle Spring Bushing
17 C001786 Door Handle Torsion Spring
18 C000470 Door Handle Hinge Weldment
19 F431223 Pop Rivet
20 F8390801 Magnet
21 C002994 Door Magnet Mounting Bracket
22 C000748P Door Assembly Includes items 1-21

46 C002923
© Copyright, Alliance Laundry Systems LLC – DO NOT COPY or TRANSMIT
Door Lock
Models Through Serial No. 0902007001
PHM2777P_C002923

C002923 47
© Copyright, Alliance Laundry Systems LLC – DO NOT COPY or TRANSMIT
Door Lock
REF PART NO. DESCRIPTION COMMENTS
NA 81398 Screw 4 required for door lock cover to solenoid bracket;
Models starting 3/23/04
NA C000430 Bolt 4 required for door lock cover to door lock plate for
models through 3/23/04; 4 required for door solenoid
bracket to door lock plate for models starting 3/23/04
NA C000614 Screw 2 required for door lock switch to door lock plate; 2
required for door lock switch to door lock solenoid
bracket
NA C000578 Nut 2 required for door lock switch to door lock plate; 2
required for door lock switch to door lock solenoid
bracket
NA C000561 Bolt 4 required for door lock to shell front
NA C000574 Nut 4 required for door lock to shell front
NA C000567 Screw 2 required for door latch to door lock plate
NA C000571 Washer 2 required for door latch to door lock plate; Models
starting 3/23/04
NA C000572 Screw 2 required for door lock solenoid to bracket
NA C000612 Screw 3 required for door lock catch to door lock plate
NA C000613 Screw 2 required for door solenoid bracket to door lock plate;
Models through 3/23/04
NA C000576 Nut 2 required for door solenoid bracket to door lock plate
NA C000867P Door Lock Harness
NA C003291 Jump Wire
1C000688 Door Lock Cover
2C000431 Spring 2 required
3C000684 Door Lock Plate
4C000430 Bolt 4 required
5C000278 Door Lock Microswitch
6C000184P Door Lock Solenoid
7C000185 Door Lock Catch
8C000276 Door Lock Slide Spring
9C000271 Door Lock Switch Slide
10 N/A Door Lock Latch Models through 3/23/04
10 C001244 Door Latch Models starting 3/23/04
11 C000687 Door Lock Spring Cover
12 C003022 Door Lock Solenoid Bracket
13 C001036M Door Lock Kit Includes items 1-12; Models through 7/14/11 MUST
order C002996M Door Lock Kit
13 C002996M Door Lock Kit
N/A = Part no longer available

48 C002923
© Copyright, Alliance Laundry Systems LLC – DO NOT COPY or TRANSMIT
Door Lock Assembly with Magnetic Sensor
Models Starting Serial No. 0902007002
PHM3149P_C002923

C002923 49
© Copyright, Alliance Laundry Systems LLC – DO NOT COPY or TRANSMIT
Door Lock Assembly with Magnetic Sensor
REF PART NO. DESCRIPTION COMMENTS
NA 81398 Screw 4 required for door lock cover to solenoid bracket;
Models starting 3/23/04
NA C000613 Screw 2 required for door solenoid bracket to door lock plate;
Models through 3/23/04
NA C000614 Screw 2 required for door lock switch to door lock plate; 2
required for door lock switch to door lock solenoid
bracket
NA C000578 Nut 2 required for door lock switch to door lock plate; 2
required for door lock switch to door lock solenoid
bracket
NA C000561 Bolt 4 required for door lock to shell front
NA C000574 Nut 4 required for door lock to shell front
NA C000567 Screw 2 required for door latch to door lock plate
NA C000571 Washer 2 required for door latch to door lock plate; Models
starting 3/23/04
NA C000572 Screw 2 required for door lock solenoid to bracket
NA C000612 Screw 3 required for door lock catch to door lock plate
NA C000430 Bolt 4 required for door solenoid bracket to door lock plate for
models starting 3/23/04; 4 required for door lock cover to
door lock plate for models through 3/23/04
NA C000576 Nut 2 required for door lock cover to door lock plate
NA C000867P Door Lock Harness
NA C003291 Jump Wire
1C000688 Door Lock Cover
2C000431 Spring
3C000278 Door Lock Microswitch
4C000430 Bolt
5C002995 Magnetic Door Switch Bracket
6C003000 Reed Switch Assembly
7C000684 Door Lock Plate
8J1111905 Blind Rivet
9C000184P Door Lock Solenoid
10 C000271 Door Lock Switch Slide
11 C000276 Door Lock Slide Spring
12 C000185 Door Lock Catch
13 N/A Door Latch Models through 3/23/04
13 C001244 Door Latch Models starting 3/23/04
14 C000687 Door Lock Spring Cover
15 C003022 Door Lock Solenoid Bracket
16 B12351001 Door Lock Spring Models starting 12/13/10
17 F431215 Pop Rivet Models starting 12/13/10
18 C002996M Door Lock Kit Includes items 1-17
N/A = Part no longer available

50 C002923
© Copyright, Alliance Laundry Systems LLC – DO NOT COPY or TRANSMIT
5 Cup Hot Plumbing Assembly
Models CPC140H, CPC140M, IPH140H, IPH140M and IPH640
Models Through 7/1/06
PHM2854P_C002923

C002923 51
© Copyright, Alliance Laundry Systems LLC – DO NOT COPY or TRANSMIT
5 Cup Hot Plumbing Assembly
REF PART NO. DESCRIPTION COMMENTS
NA C000567 Screw 2 required for hot manifold to valve panel
NA F431024 Nut 2 required for hot manifold to valve panel
NA C001011 Hose 1 required; 43 inch; Hot water valve to vacuum breaker
NA C002612P Inlet Valve Harness
1C000897 Hot Plumbing Assembly
2C000899 Hose Barb
3C000339P Water Valve Parker
4C000894 Nipple 2 required
5C000893 Street Elbow 2 required
6C000900 Tee
7C000892 Mounting Bracket
8C000896 Nipple
9C000895 Reducer
10 C000424 Adapter
11 C000716P Valve
11 G582P3 Diaphragm and Guide Kit

52 C002923
© Copyright, Alliance Laundry Systems LLC – DO NOT COPY or TRANSMIT
1 Cup Hot Plumbing Assembly
Models CPC140H, CPC140M, IPH140H, IPH140M and IPH640
Models Starting 3/23/04 and Continuing Through 7/1/06
PHM2855P_C002923

C002923 53
© Copyright, Alliance Laundry Systems LLC – DO NOT COPY or TRANSMIT
1 Cup Hot Plumbing Assembly
REF PART NO. DESCRIPTION COMMENTS
NA C001011 Hose 43 inch; Hot water valve to vacuum breaker
NA C000567 Screw 2 required for hot manifold to valve panel
NA F431024 Nut 2 required for hot manifold to valve panel
NA C002609P Inlet Valve Harness
1C000893 Street Elbow 2 required
2C000894 Nipple 2 required
3C000895 Reducer
4C000424 Adapter
5C001665 Hot Plumbing Assembly
6C000716P Valve
6G582P3 Diaphragm and Guide Kit
7C000339P Water Valve Parker
8C000899 Hose Barb
9C000900 Tee
10 C000892 Mounting Bracket
11 C000896 Nipple

54 C002923
© Copyright, Alliance Laundry Systems LLC – DO NOT COPY or TRANSMIT
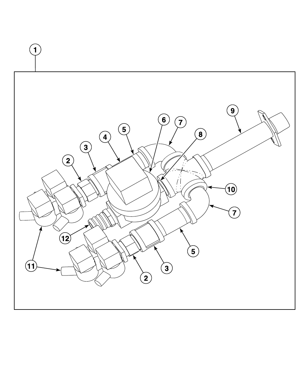
5 Cup Cold Plumbing Assembly (Drawing 1 of 3)
Models CPC140H, CPC140M, IPH140H, IPH140M and IPH640
Models Through 7/1/06
PHM2859P_C002923

C002923 55
© Copyright, Alliance Laundry Systems LLC – DO NOT COPY or TRANSMIT
5 Cup Cold Plumbing Assembly (Drawing 1 of 3)
REF PART NO. DESCRIPTION COMMENTS
NA C001011 Hose 22 inch; Cold water valve to vacuum breaker
NA C000567 Screw 2 required for cold manifold to valve panel
NA F431024 Nut 2 required for cold manifold to valve panel
NA C002612P Inlet Valve Harness
1C000898 5 Cup Cold Plumbing Assembly
2C000899 Hose Barb
3C000893 Street Elbow 1 required for models through 3/23/04; 2 required for
models starting 3/23/04
4C000339P Water Valve Parker
4F380992P Water Valve Repair Kit 1.25 inches
5C000894 Nipple
6C000900 Tee
7C000892 Mounting Bracket
8C000896 Nipple
9C001005 Nipple
10 C000895 Reducer
11 C000424 Adapter
12 C000436P Water Valve
12 G582P3 Diaphragm and Guide Kit

56 C002923
© Copyright, Alliance Laundry Systems LLC – DO NOT COPY or TRANSMIT
5 Cup Cold Plumbing Assembly (Drawing 2 of 3)
Models CPC140H, CPC140M, CP140PHN1, CP140PHQ1, CP140PMN1, CP140PMQ1, IPH140H, IPH140M,
IPH640, IP140PHN1, IP140PHQ1, IP140PMN1, IP140PMQ1, JP140PHN1, JP140PHQ1 and JP140PMQ1
Models Starting 7/1/06
PHM2804P_C002923

C002923 57
© Copyright, Alliance Laundry Systems LLC – DO NOT COPY or TRANSMIT
5 Cup Cold Plumbing Assembly (Drawing 2 of 3)
REF PART NO. DESCRIPTION COMMENTS
NA C001011 Hose 22 inch; Cold water valve to vacuum breaker
NA C000567 Screw 2 required for cold manifold to valve panel
NA F431024 Nut 2 required for cold manifold to valve panel
NA C002612P Inlet Valve Harness
1C002538 5 Cup Cold Plumbing Assembly
2C000436P Water Valve 2 required
2G582P3 Diaphragm and Guide Kit
3C000424 Adapter 2 required
4F420502 Street Elbow 2 required
5F420403 Tee
6F420107 Nipple
7C002164 Mounting Flange Weldment
8C002165 Reducing Tee
9C000894 Nipple
10 C000339P Water Valve Parker
10 C001676P Water Valve Rebuild Kit 1.25 inches
11 C000899 Hose Barb

58 C002923
© Copyright, Alliance Laundry Systems LLC – DO NOT COPY or TRANSMIT
5 Cup Cold Plumbing Assembly (Drawing 3 of 3)
Models CPC125H, CP125PHN1, CP125PHN2, CP125PHQ1, CP125PHQ2, IPH125H, IPH570, IP125PHN1,
IP125PHN2, IP125PHQ1, IP125PHQ2, JP125PHN1 and JP125PHN2
PHM2856P_C002923

C002923 59
© Copyright, Alliance Laundry Systems LLC – DO NOT COPY or TRANSMIT
5 Cup Cold Plumbing Assembly (Drawing 3 of 3)
REF PART NO. DESCRIPTION COMMENTS
NA F200128P Water Hose 16 inch; Cold water valve to vacuum breaker
NA C000567 Screw 2 required for cold manifold to valve panel
NA F431024 Nut 2 required for cold manifold to valve panel
NA C002612P Inlet Valve Harness
NA F8514701 Coil Use with F8322909 Valve
NA F8382301 DIN Valve Adapter Kit Use with F8322909 Valve
NA F8456202P Valve Transition Kit Use with F8322909 Valve
1C002563 Cold Plumbing Assembly
2C000424 Adapter 2 required
3C000420 Coupling 2 required
4F380986P DIN Coil 120 Volt
4F380987P DIN Coil 240 Volt
5C000410 Drain Bracket 2 required
6F380991P Water Valve Repair Kit 3/4 inch; Use with F381700P Valve
6F8322909P Valve Replaces F381700P Valve; Includes F8514701 Coil
7F420502 Street Elbow 2 required
8F420107 Nipple
9C001366 Flange and Nipple Assembly
10 C002166 Cross
11 C000436P Water Valve 2 required
11 G582P3 Diaphragm and Guide Kit
12 F421951 Hose Barb

60 C002923
© Copyright, Alliance Laundry Systems LLC – DO NOT COPY or TRANSMIT
Single Cup Cold Plumbing Assembly (Drawing 1 of 3)
Models CPC140H, CPC140M, IPH140H, IPH140M and IPH640
Models Through 7/1/06
PHM2853P_C002923

C002923 61
© Copyright, Alliance Laundry Systems LLC – DO NOT COPY or TRANSMIT
Single Cup Cold Plumbing Assembly (Drawing 1 of 3)
REF PART NO. DESCRIPTION COMMENTS
NA C001011 Hose 22 inch; Cold water valve to vacuum breaker
NA C000567 Screw 2 required for cold manifold to valve panel
NA F431024 Nut 2 required for cold manifold to valve panel
NA C002609P Inlet Valve Harness
1C001022 Single Cup Cold Plumbing Assembly
2C000339P Water Valve
3C000893 Street Elbow 3 required
4C000892 Mounting Bracket
5C000896 Nipple
6C000899 Hose Barb

62 C002923
© Copyright, Alliance Laundry Systems LLC – DO NOT COPY or TRANSMIT
Single Cup Cold Plumbing Assembly (Drawing 2 of 3)
Models CPC140H, CPC140M, CP140PHN1, CP140PHQ1, CP140PMN1, CP140PMQ1, IPH140H, IPH140M,
IPH640, IP140PHN1, IP140PHQ1, IP140PMN1, IP140PMQ1, JP140PHN1, JP140PHQ1 and JP140PMQ1
Models Starting 7/1/06
PHM2803P_C002923

C002923 63
© Copyright, Alliance Laundry Systems LLC – DO NOT COPY or TRANSMIT
Single Cup Cold Plumbing Assembly (Drawing 2 of 3)
REF PART NO. DESCRIPTION COMMENTS
NA C001011 Hose 22 inch; Cold water valve to vacuum breaker
NA C000567 Screw 2 required for cold manifold to valve panel
NA F431024 Nut 2 required for cold manifold to valve panel
NA C002609P Inlet Valve Harness
1C002537 Single Cup Cold Plumbing Assembly
2C002164 Mounting Flange Weldment
3C002165 Reducing Tee
4C000894 Nipple
5C000339P Water Valve Parker
6C000899 Hose Barb
7C000716P Valve
7G582P3 Diaphragm and Guide Kit
8C000424 Adapter
9F420502 Street Elbow

64 C002923
© Copyright, Alliance Laundry Systems LLC – DO NOT COPY or TRANSMIT
Single Cup Cold Plumbing Assembly (Drawing 3 of 3)
Models CPC125H, CP125PHN1, CP125PHN2, CP125PHQ1, CP125PHQ2, IPH125H, IPH570, IP125PHN1,
IP125PHN2, IP125PHQ1, IP125PHQ2, JP125PHN1 and JP125PHN2
PHM2852P_C002923

C002923 65
© Copyright, Alliance Laundry Systems LLC – DO NOT COPY or TRANSMIT
Single Cup Cold Plumbing Assembly (Drawing 3 of 3)
REF PART NO. DESCRIPTION COMMENTS
NA C000552 Hose 14 inch; Cold water valve to vacuum breaker
NA C000567 Screw 2 required for cold manifold to valve panel
NA F431024 Nut 2 required for cold manifold to valve panel
NA C002609P Inlet Valve Harness
NA F8514701 Coil Use with F8322909 Valve
NA F8382301 DIN Valve Adapter Kit Use with F8322909 Valve
NA F8456202P Valve Transition Kit Use with F8322909 Valve
1C002564 Cold Plumbing Assembly
2C000716P Valve
2G582P3 Diaphragm and Guide Kit
3C000424 Adapter
4F420403 Tee
5C001366 Flange and Nipple Assembly
6F420502 Street Elbow 3 required
7F420107 Nipple
8F8322909P Valve Replaces F381700P Valve; Includes F8514701 Coil
9F421951 Hose Barb
10 F380986P DIN Coil 120 Volt
10 F380987P DIN Coil 240 Volt

66 C002923
© Copyright, Alliance Laundry Systems LLC – DO NOT COPY or TRANSMIT
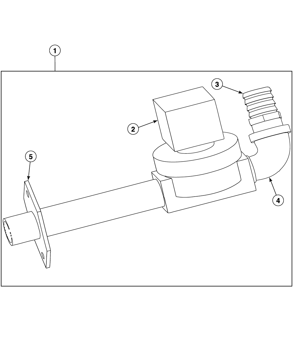
Auxiliary Plumbing Assembly with Valve
Models CPC140H, CPC140M, IPH140H, IPH140M and IPH640
Models Through 7/1/06
PHM2889P_C002923

C002923 67
© Copyright, Alliance Laundry Systems LLC – DO NOT COPY or TRANSMIT
Auxiliary Plumbing Assembly with Valve
REF PART NO. DESCRIPTION COMMENTS
NA C001011 Hose 37 inch; Auxiliary water valve to vacuum breaker
1C000899 Hose Barb
2C000339P Water Valve
3C001144 Nipple
4C001143 Coupling
5C000892 Mounting Bracket
6C000896 Nipple
7C000893 Street Elbow
8C001145 Auxiliary Plumbing Assembly

68 C002923
© Copyright, Alliance Laundry Systems LLC – DO NOT COPY or TRANSMIT
Auxiliary Plumbing Assembly without Valve (Drawing 1 of 2)
Models CPC140H, CPC140M, IPH140H, IPH140M and IPH640
Models Starting 3/23/04 Through 7/1/06
PHM2888P_C002923

C002923 69
© Copyright, Alliance Laundry Systems LLC – DO NOT COPY or TRANSMIT
Auxiliary Plumbing Assembly without Valve (Drawing 1 of 2)
REF PART NO. DESCRIPTION COMMENTS
NA C001011 Hose 37 inch; Auxiliary water valve to vacuum breaker
1C001273 Auxiliary Plumbing Assembly
2C000899 Hose Barb
3C000893 Street Elbow
4C001143 Coupling
5C000896 Nipple
6C000892 Mounting Bracket

70 C002923
© Copyright, Alliance Laundry Systems LLC – DO NOT COPY or TRANSMIT
Auxiliary Plumbing Assembly without Valve (Drawing 2 of 2)
Models CPC140H, CPC140M, CP140PHN1, CP140PHQ1, CP140PMN1, CP140PMQ1, IPH140H, IPH140M, IPH640,
IP140PHN1, IP140PHQ1, IP140PMN1, IP140PMQ1, JP140PHN1, JP140PHQ1 and JP140PMQ1
Models Starting 7/1/06
PHM2805P_C002923

C002923 71
© Copyright, Alliance Laundry Systems LLC – DO NOT COPY or TRANSMIT
Auxiliary Plumbing Assembly without Valve (Drawing 2 of 2)
REF PART NO. DESCRIPTION COMMENTS
NA C001011 Hose 37 inch; Auxiliary water valve to vacuum breaker
1C002397 Auxiliary Plumbing Assembly
2C000899 Hose Barb
3C001143 Coupling
4C002164 Mounting Flange Weldment

72 C002923
© Copyright, Alliance Laundry Systems LLC – DO NOT COPY or TRANSMIT
Hot and Auxiliary Plumbing Assembly with Valve (Drawing 1 of 2)
Models CPC125H, CP125PHN1, CP125PHN2, CP125PHQ1, CP125PHQ2, IPH125H, IPH570, IP125PHN1,
IP125PHN2, IP125PHQ1, IP125PHQ2, JP125PHN1 and JP125PHN2
PHM2739P_C002923

C002923 73
© Copyright, Alliance Laundry Systems LLC – DO NOT COPY or TRANSMIT
Hot and Auxiliary Plumbing Assembly with Valve (Drawing 1 of 2)
REF PART NO. DESCRIPTION COMMENTS
NA C000552 Hose 21 inch; 1 cup; Hot water valve to vacuum breaker
NA F200128P Water Hose 21 inch; 5 cup; Hot water valve to vacuum breaker
NA C000567 Screw 2 required for hot manifold to valve panel
NA F431024 Nut 2 required for hot manifold to valve panel
NA F8514701 Coil Use with F8322909 Valve
NA F8382301 DIN Valve Adapter Kit Use with F8322909 Valve
NA F8456202P Valve Transition Kit Use with F8322909 Valve
1C002565 Hot Plumbing Assembly
2F8322909P Valve Replaces F381700P Valve; Includes F8514701 Coil
3F421951 Hose Barb
4F420502 Street Elbow
5C001366 Flange and Nipple Assembly

74 C002923
© Copyright, Alliance Laundry Systems LLC – DO NOT COPY or TRANSMIT
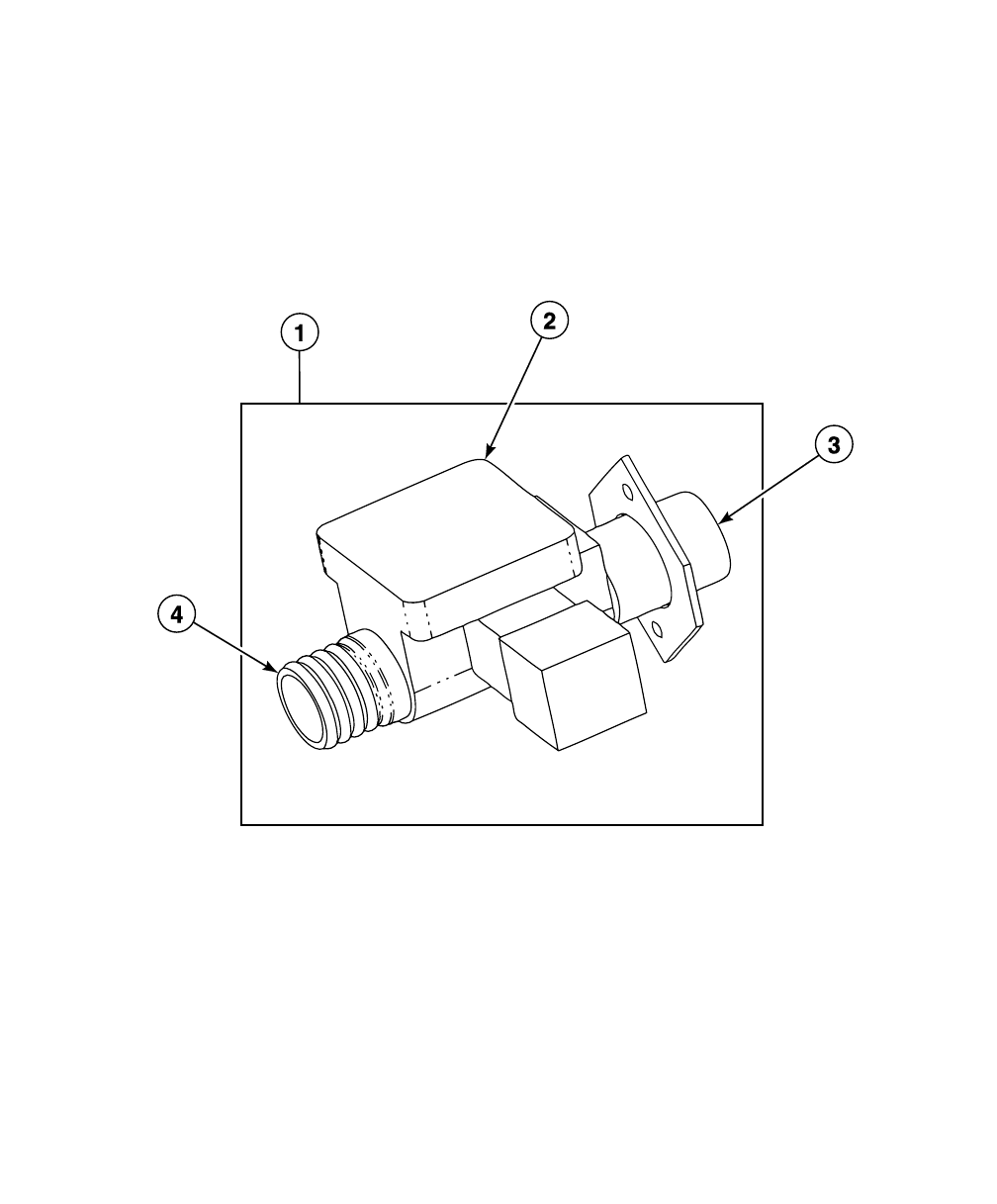
Hot and Auxiliary Plumbing Assembly with Valve (Drawing 2 of 2)
Models CPC140H, CPC140M, CP140PHN1, CP140PHQ1, CP140PMN1, CP140PMQ1, IPH140H, IPH140M,
IPH640, IP140PHN1, IP140PHQ1, IP140PMN1, IP140PMQ1, JP140PHN1, JP140PHQ1 and JP140PMQ1
Models Starting 7/1/06
PHM2802P_C002923

C002923 75
© Copyright, Alliance Laundry Systems LLC – DO NOT COPY or TRANSMIT
Hot and Auxiliary Plumbing Assembly with Valve (Drawing 2 of 2)
REF PART NO. DESCRIPTION COMMENTS
NA C000567 Screw 2 required for hot manifold to valve panel
NA F431024 Nut 2 required for hot manifold to valve panel
NA C001011 Hose 43 inch; Hot water valve to vacuum breaker
1C002539 Hot Plumbing Assembly
2C000339P Water Valve
3C002164 Mounting Flange Weldment
4C000899 Hose Barb

76 C002923
© Copyright, Alliance Laundry Systems LLC – DO NOT COPY or TRANSMIT
Steam Heat Assembly
PHM3094P_C002923

C002923 77
© Copyright, Alliance Laundry Systems LLC – DO NOT COPY or TRANSMIT
Steam Heat Assembly
REF PART NO. DESCRIPTION COMMENTS
1C001000 Steam Option Assembly
2F421707 Street Elbow
3F603132 Steam Injector Tube Assembly
4C000978 Reducing Coupling
5C000982 Steam Hose
6C001003 Steam Hose Insulation
7C001587 Steam Hose Adapter
8C002748P Steam Cord Assembly
9C000981 Steam Valve Mounting Bracket
10 C002898 Steam Inlet Weldment
11 F8322904P Steam Valve
12 F421323 Nipple

78 C002923
© Copyright, Alliance Laundry Systems LLC – DO NOT COPY or TRANSMIT
Shell Assembly (Drawing 1 of 2)
Models CPC140H, CPC140M, CP140PHN1, CP140PHQ1, CP140PMN1, CP140PMQ1, IPH140H, IPH140M,
IPH640, IP140PHN1, IP140PHQ1, IP140PMN1, IP140PMQ1, JP140PHN1, JP140PHQ1 and JP140PMQ1
PHM3206P_C002923

C002923 79
© Copyright, Alliance Laundry Systems LLC – DO NOT COPY or TRANSMIT
Shell Assembly (Drawing 1 of 2)
REF PART NO. DESCRIPTION COMMENTS
NA C001856 Screw 2 required; Holds bands together; Models through 3/23/04
NA C001907 Screw 2 required; Holds bands together; Models starting 3/23/04
NA F431024 Nut 2 required; Holds bands together; Models through 3/23/04
NA C000560 Nut 2 required; Holds bands together; Models starting 3/23/04
NA C000590 Washer As required; Holds bands together; Models through 3/23/04
NA J1001270 Washer As required; Holds bands together; Models starting 3/23/04
NA C000273 Bolt 4 required for shell support bracket to frame; 2 required for
shell support bracket to shell
NA C000611 Nut 4 required for shell support bracket to frame; 2 required for
shell support bracket to shell
NA C000583 Washer 8 required for shell support bracket to frame; 4 required for
shell support bracket to shell
NA C000561 Bolt 8 required for shell back to frame; Models through 3/23/04
NA C001032 Screw 8 required for shell back to frame; Models starting 3/23/04
NA C000599 Vacuum Breaker Hose Models through 3/23/04, 1 required for brass air trap tube to
sensor; Models starting 3/23/04, 1 required for air trap to
water level switch
NA C000654 Air Trap Tube Elbow 1 required for shell back plate; Models through 3/23/04
NA C000662 Air Trap Tube 1 required for air trap tube; Models through 3/23/04
1C002978 Shell Front Assembly Models through 12/1/09
1C002943 Shell Front Assembly Models starting 12/2/09
2C002730 Shell Band Weldment Short
3N/A Shell Front Gasket Models through 3/23/04
3C001876P Shell Front Gasket Models starting 3/23/04
4C000772 Shell Assembly
5C000781 Plug
6F601216 Shell Gasket Shield
7N/A Shell Front Band Models through 3/23/04
7C001887 Shell Band Weldment Models starting 3/23/04
N/A = Part no longer available

80 C002923
© Copyright, Alliance Laundry Systems LLC – DO NOT COPY or TRANSMIT
Shell Assembly (Drawing 2 of 2)
Models CPC125H, CP125PHN1, CP125PHN2, CP125PHQ1, CP125PHQ2, IPH125H, IPH570, IP125PHN1,
IP125PHN2, IP125PHQ1, IP125PHQ2, JP125PHN1 and JP125PHN2
PHM3206P_C002923

C002923 81
© Copyright, Alliance Laundry Systems LLC – DO NOT COPY or TRANSMIT
Shell Assembly (Drawing 2 of 2)
REF PART NO. DESCRIPTION COMMENTS
NA C001856 Screw 2 required; Holds bands together
NA F431024 Nut 2 required; Holds bands together
NA C000590 Washer As required; Holds bands together
NA C000273 Bolt 4 required for shell support bracket to frame; 2 required
for shell support bracket to shell
NA C000611 Nut 4 required for shell support bracket to frame; 2 required
for shell support bracket to shell
NA C000583 Washer 8 required for shell support bracket to frame; 4 required
for shell support bracket to shell
NA C001032 Screw 8 required for shell back to frame
NA C000599 Vacuum Breaker Hose 1 required for air trap to water level switch
1C002978 Shell Front Assembly Models through 12/1/09
1C002943 Shell Front Assembly Models starting 12/2/09
2N/A Shell Front Band 2 required; Models through 3/23/04
2C001887 Shell Band Weldment Models starting 3/23/04
3N/A Shell Front Gasket Models through 3/23/04
3C001876P Shell Front Gasket Models starting 3/23/04
4C000772 Shell Assembly
5C000781 Plug
6F601216 Shell Gasket Shield
N/A = Part no longer available

82 C002923
© Copyright, Alliance Laundry Systems LLC – DO NOT COPY or TRANSMIT
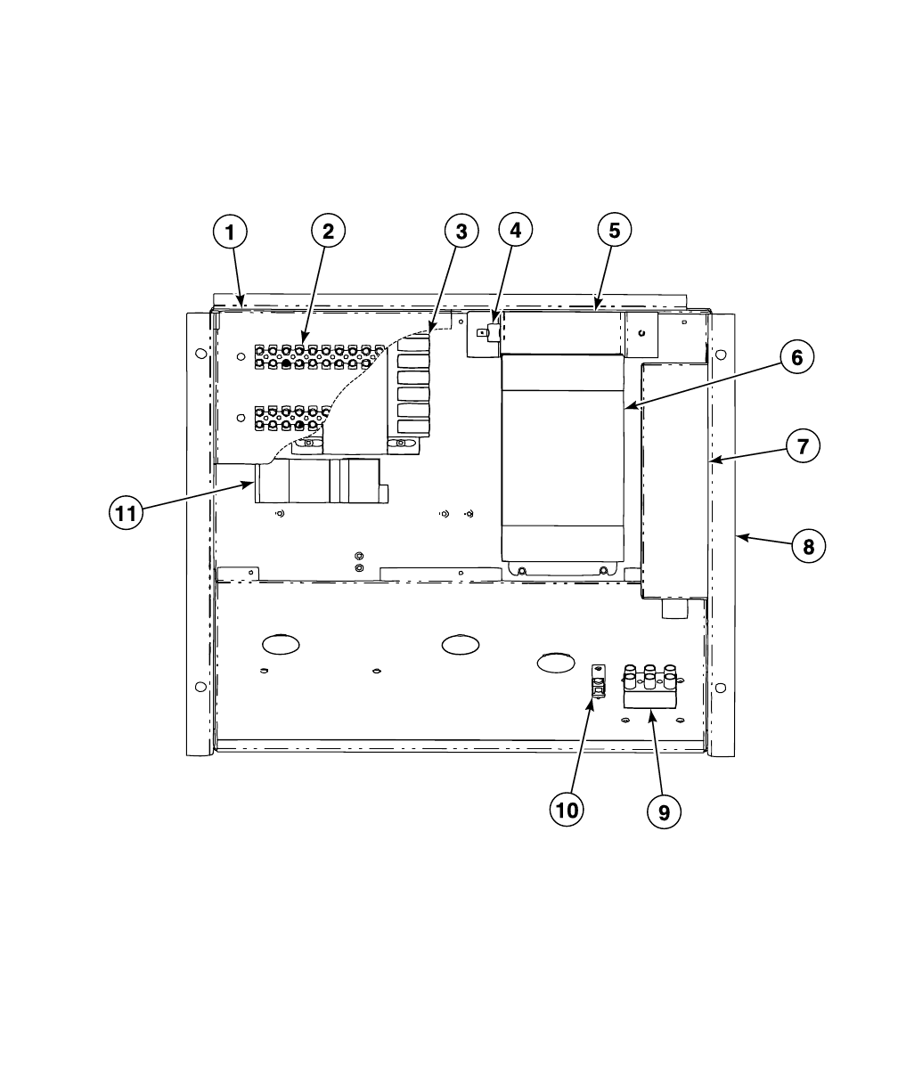
Control Box Assembly
PHM3104P_C002923

C002923 83
© Copyright, Alliance Laundry Systems LLC – DO NOT COPY or TRANSMIT
Control Box Assembly
REF PART NO. DESCRIPTION COMMENTS
NA F431133 Washer 4 required; Models starting 3/23/04
NA F430910 Screw 4 required for keypad to keypad mounting plate
NA C000567 Screw 1 required for keypad mounting plate to control panel; 4
required for electrical box to mounting bracket
NA F431024 Nut 1 required for keypad mounting plate to control panel
NA C003024P Keymode Switch Assembly
NA F200233700P Emergency Stop Button Kit Includes F200233500 E-Stop Pushbutton and
F200233401 Contact Block Switch
NA N/A Nut 4 required for electrical box to mounting bracket
NA C000571 Washer 4 required for electrical box to mounting bracket
NA F430909 Screw 2 required for electrical box cover to electrical box; 1
required for ground connection to electrical box for
models through 3/23/04; 2 required for ground
connection to electrical box for models starting 3/23/04
NA 210/00902/00 Infrared Cable
NA C000865 Control Module Harness
1C000213 Front Electrical Enclosure
2C000371P Chemical Supply Controller 2 required
3C000348 Front Electrical Enclosure Cover
4C001276 Control Panel Decal Models IPH125H, IPH140H, IPH140M, IPH570, IPH640,
IP125PHN1, IP125PHN2, IP125PHQ1, IP125PHQ2,
IP140PHN1, IP140PHQ1, IP140PMN1 and IP140PMQ1
4C001389 Control Panel Decal Models CPC125H, CPC140H, CPC140M, CP125PHN1,
CP125PHN2, CP125PHQ1, CP125PHQ2, CP140PHN1,
CP140PHQ1, CP140PMN1 and CP140PMQ1
4C001069 Control Panel Decal Models JP125PHN1, JP125PHN2, JP140PHN1,
JP140PHQ1 and JP140PMQ1
5C000432 Front Electrical Enclosure Assembly Includes items 6-8, inner mounting bracket and hardware
6C000282P Keypad Controller
7C000376 Standoff 8 required
8C000375 Mounting Bracket
9C000281P Main Board Controller Kit
10 C002104P Water Level Transducer
11 209/00505/04 Battery
12 C002642P Tilt Switch Assembly
13 C002999 RC Network Assembly
14 F330217P RC Network Filter
N/A = Part no longer available

84 C002923
© Copyright, Alliance Laundry Systems LLC – DO NOT COPY or TRANSMIT
Drive Box Assembly (Drawing 1 of 2)
Models CPC140H, CPC140M, IPH140H, IPH140M and IPH640
Models Through 7/1/06
PHM2745P_C002923

C002923 85
© Copyright, Alliance Laundry Systems LLC – DO NOT COPY or TRANSMIT
Drive Box Assembly (Drawing 1 of 2)
REF PART NO. DESCRIPTION COMMENTS
NA C000567 Screw 4 required for drive box to valve panel
NA N/A Nut 4 required for drive box to valve panel
NA C000571 Washer 4 required for drive box to valve panel
NA F430909 Screw 2 required for exhaust bracket to box; 4 required for chemical
terminal mounting bracket to box; 4 required for AC drive to
box; 4 required for EMI filter to box; 4 required for transformer to
box; 2 required for ground lug to box
NA F431133 Washer 4 required for AC drive to box; 4 required for EMI filter to box; 4
required for transformer to box
NA C000575 Screw 2 required for input power block to box
NA F430938 Screw 4 required for cooling fan to valve panel; 2 required for chemical
signal terminal block to bracket
NA C000568 Nut 4 required for cooling fan to valve panel; 2 required for chemical
signal terminal block to bracket
NA C002779 Chemical Supply Harness
NA C002780 Chemical Supply Harness
NA C002781 Chemical Supply Harness
NA C002570 Drive Box Harness
1C000373 Mounting Bracket
2C000370 Power Block Terminal 2 required
3C000203 Transformer
4C000318 Thermostat
5C000324 Exhaust Bracket
6N/A Inverter 200-240 Volt; Models CPC140M, IPH140M and IPH640 order
C002884 160-series to PowerFlex 40 Drive Kit; Models
CPC140H and IPH140H order C002886 160-series to
PowerFlex 40 Drive Kit
6N/A Inverter 380-480 Volt; Models CPC140M, IPH140M and IPH640 order
C002885 160-series to PowerFlex 40 Drive Kit; Models
CPC140H and IPH140H order C002887 160-series to
PowerFlex 40 Drive Kit
7F330284 EMI Filter 200-240 Volt; CE models
7F330283 EMI Filter 380-480 Volt; CE models
8C001050 Drive Box Assembly
9C000290 Power Block Terminal
10 N/A Ground Lug Terminal
11 N/A Circuit Breaker Design 1 models; 2 Amp; 200-240 Volt; Order C0978P3 Circuit
Breaker Kit
11 N/A Circuit Breaker Design 1 models; 1 Amp; 380-480 Volt; Order C0977P3 Circuit
Breaker Kit
11 C0977P3 Circuit Breaker Kit 380-480 Volt; Includes F350217 Circuit Breaker
11 C0978P3 Circuit Breaker Kit 200-240 Volt; Included C003135 Circuit Breaker
11 F350217 Circuit Breaker Design 2 models or models that have been retrofitted with
C0977P3 Circuit Breaker Kit; .5 Amp; 380-480 Volt
11 C003135P Circuit Breaker Design 2 models or models that have been retrofitted with
C0978P3 Circuit Breaker Kit; 1 Amp; 200-240 Volt
N/A = Part no longer available

86 C002923
© Copyright, Alliance Laundry Systems LLC – DO NOT COPY or TRANSMIT
Drive Box Assembly (Drawing 2 of 2)
Models Starting 7/1/06
PHM2831P_C002923

C002923 87
© Copyright, Alliance Laundry Systems LLC – DO NOT COPY or TRANSMIT
Drive Box Assembly (Drawing 2 of 2)
REF PART NO. DESCRIPTION COMMENTS
NA C000567 Screw 4 required for drive box to valve panel
NA N/A Nut 4 required for drive box to valve panel
NA C000571 Washer 4 required for drive box to valve panel
NA F430909 Screw 2 required for exhaust bracket to box; 3 required for chemical
terminal mounting bracket to box; 4 required for AC drive to box;
4 required for EMI filter to box; 4 required for transformer to box;
2 required for ground lug to box
NA F431133 Washer 4 required for AC drive to box
NA C000575 Screw 2 required for input power block to box
NA F430938 Screw 4 required for cooling fan to valve panel; 2 required for chemical
signal terminal block to bracket
NA C000568 Nut 4 required for cooling fan to valve panel; 2 required for chemical
signal terminal block to bracket
NA C002779 Chemical Supply Harness Control box barrier to supply terminal block
NA C002780 Chemical Supply Harness Chemical supply board to control box barrier
NA C002781 Chemical Supply Harness Main control board to chemical supply board
NA F140602 Tie Wrap Mounting Clamp
NA C002570 Drive Box Harness
1C002524 Drive Box Assembly
2C000370 Power Block Terminal 2 required if 12 chemical machine
3C000373 Mounting Bracket
4C000203 Transformer
5C002892 PowerFlex 40 Drive 200-240 Volt; Models CPC140H, CPC140M, CP140PHN1,
CP140PHQ1, CP140PMN1, CP140PMQ1, IPH140H, IPH140M,
IPH640, IP140PHN1, IP140PHQ1, IP140PMN1, IP140PMQ1,
JP140PHN1, JP140PHQ1 and JP140PMQ1
5N/A Inverter 200-240 Volt; Models CPC125H, CP125PHN1, CP125PHQ1,
IPH125H, IPH570, IP125PHN1, IP125PHQ1 and JP125PHN1;
Order C003150 PowerFlex 40 Drive Kit
5C002893 PowerFlex 40 Drive 380-480 Volt; Models CPC140H, CPC140M, CP140PHN1,
CP140PHQ1, CP140PMN1, CP140PMQ1, IPH140H, IPH140M,
IPH640, IP140PHN1, IP140PHQ1, IP140PMN1, IP140PMQ1,
JP140PHN1, JP140PHQ1 and JP140PMQ1
5N/A Inverter 380-480 Volt; Models CPC125H, CP125PHN1, CP125PHQ1,
IPH125H, IPH570, IP125PHN1, IP125PHQ1 and JP125PHN1;
Order C003152 PowerFlex 40 Drive Kit
6C002526 Exhaust Bracket
7F8054001 EMI Filter 200-240 Volt; CE models
7F8054002 EMI Filter 380-480 Volt; CE models
8C000290 Power Block Terminal
9C001803 Ground Terminal Lug
10 C001132 Terminal Bracket
11 N/A Circuit Breaker Design 1 models; 2 Amp; 200-240 Volt; Order C0978P3 Circuit
Breaker Kit
11 N/A Circuit Breaker Design 1 models; 1 Amp; 380-480 Volt; Order C0977P3 Circuit
Breaker Kit
11 C0977P3 Circuit Breaker Kit 380-480 Volt; Includes F350217 Circuit Breaker
11 C0978P3 Circuit Breaker Kit 200-240 Volt; Included C003135 Circuit Breaker
11 F350217 Circuit Breaker Design 2 models or models that have been retrofitted with
C0977P3 Circuit Breaker Kit; .5 Amp; 380-480 Volt
11 C003135P Circuit Breaker Design 2 models or models that have been retrofitted with
C0978P3 Circuit Breaker Kit; 1 Amp; 200-240 Volt
N/A = Part no longer available

88 C002923
© Copyright, Alliance Laundry Systems LLC – DO NOT COPY or TRANSMIT
Electric Heat Drive Box Assembly
Models CPC140H, CPC140M, IPH140H, IPH140M and IPH640
Models Starting 7/1/06
PHM2843P_C002923

C002923 89
© Copyright, Alliance Laundry Systems LLC – DO NOT COPY or TRANSMIT
Electric Heat Drive Box Assembly
REF PART NO. DESCRIPTION COMMENTS
NA C000567 Screw 4 required for drive box to valve panel
NA N/A Nut 4 required for drive box to valve panel
NA C000571 Washer 4 required for drive box to valve panel
NA F430909 Screw 2 required for exhaust bracket to box; 3 required for
chemical terminal mounting bracket to box; 4 required for
AC drive to box; 4 required for EMI filter to box; 4
required for transformer to box; 2 required for ground lug
to box
NA F431133 Washer 4 required for AC drive to box
NA C000575 Screw 2 required for input power block to box
NA F430938 Screw 4 required for cooling fan to valve panel; 2 required for
chemical signal terminal block to bracket
NA C000568 Nut 4 required for cooling fan to valve panel; 2 required for
chemical signal terminal block to bracket
NA C002779 Chemical Supply Harness Use with 12 chemical signal
NA C002780 Chemical Supply Harness Use with 12 chemical signal
NA C002781 Chemical Supply Harness Use with 12 chemical signal
NA C002570 Drive Box Harness
NA C002830 Electric Heat Harness 400 Volt
NA C002831P Electric Heat Harness 200 Volt
NA C002758 Electric Heat Harness 200-240 Volt
1C002524 Drive Box Assembly
2C000370 Power Block Terminal 2 required if 12 chemical signal machine
3C000373 Mounting Bracket
4C000203 Transformer
5C002892 PowerFlex 40 Drive 200-240 Volt
5C002893 PowerFlex 40 Drive 380-480 Volt
6C002526 Exhaust Bracket
7F8054001 EMI Filter 200-240 Volt; CE models
7F8054002 EMI Filter 380-480 Volt; CE models
8C002051 Contactor 200 Volt
8C000309P Contactor 400 Volt
9C001197 Fuse Holder
10 C002096 Fuse 200 Volt
10 C001195 Fuse 400 Volt
11 M413865 Terminal Block
12 N/A Ground Lug
13 N/A Circuit Breaker Design 1 models; 2 Amp; 200-240 Volt; Order C0978P3
Circuit Breaker Kit
13 N/A Circuit Breaker Design 1 models; 1 Amp; 380-480 Volt; Order C0977P3
Circuit Breaker Kit
13 C0977P3 Circuit Breaker Kit 380-480 Volt; Includes F350217 Circuit Breaker
13 C0978P3 Circuit Breaker Kit 200-240 Volt; Included C003135 Circuit Breaker
13 F350217 Circuit Breaker Design 2 models or models that have been retrofitted
with C0977P3 Circuit Breaker Kit; .5 Amp; 380-480 Volt
13 C003135P Circuit Breaker Design 2 models or models that have been retrofitted
with C0978P3 Circuit Breaker Kit; 1 Amp; 200-240 Volt
N/A = Part no longer available

90 C002923
© Copyright, Alliance Laundry Systems LLC – DO NOT COPY or TRANSMIT
PowerFlex Drive and EMI Filter (Drawing 1 of 2)
Models CPC140H, CPC140M, IPH140H, IPH140M and IPH640
PHM3028P_C002923

C002923 91
© Copyright, Alliance Laundry Systems LLC – DO NOT COPY or TRANSMIT
PowerFlex Drive and EMI Filter (Drawing 1 of 2)
REF PART NO. DESCRIPTION COMMENTS
NA C002884 160-Series to PowerFlex 40 Drive Kit 200-240 Volt; Models CPC140M, IPH140M and IPH640;
Includes F8168701 AC Drive, drive box assembly, wire
harness, hardware and instructions
NA C002885 160-Series to PowerFlex 40 Drive Kit 380-480 Volt; Models CPC140M, IPH140M and IPH640;
Includes F8168702 AC Drive, drive box assembly, wire
harness, hardware and instructions
NA C002886 160-Series to PowerFlex 40 Drive Kit 200-240 Volt; Models CPC140H and IPH140H; Includes
F8168701 AC Drive, drive box assembly, wire harness,
hardware and instructions
NA C002887 160-Series to PowerFlex 40 Drive Kit 380-480 Volt; Models CPC140H and IPH140H; Includes
F8168702 AC Drive, drive box assembly, wire harness,
hardware and instructions
1C002890 PowerFlex 40 Drive 200-240 Volt; Models CPC140M, IPH140M and IPH640
that have been retrofitted with C002884 160-series to
PowerFlex 40 Drive Kit; Includes F8168701 AC Drive
1C002891 PowerFlex 40 Drive 380-480 Volt; Models CPC140M, IPH140M and IPH640
that have been retrofitted with C002885 160-series to
PowerFlex 40 Drive Kit; Includes F8168702 AC Drive
1C002892 PowerFlex 40 Drive 200-240 Volt; Models CPC140H and IPH140H that have
been retrofitted with C002886 160-series to PowerFlex
40 Drive Kit; Includes F8168701 AC Drive
1C002893 PowerFlex 40 Drive 380-480 Volt; Models CPC140H and IPH140H that have
been retrofitted with C002887 160-series to PowerFlex
40 Drive Kit; Includes F8168702 AC Drive
2F8054001 EMI Filter 200-240 Volt
2F8054002 EMI Filter 380-480 Volt

92 C002923
© Copyright, Alliance Laundry Systems LLC – DO NOT COPY or TRANSMIT
PowerFlex Drive and EMI Filter (Drawing 2 of 2)
Models CPC125H, CP125PHN1, CP125PHN2, CP125PHQ1, CP125PHQ2, IPH125H, IPH570, IP125PHN1,
IP125PHN2, IP125PHQ1, IP125PHQ2, JP125PHN1 and JP125PHN2
PHM3028P_C002923

C002923 93
© Copyright, Alliance Laundry Systems LLC – DO NOT COPY or TRANSMIT
PowerFlex Drive and EMI Filter (Drawing 2 of 2)
REF PART NO. DESCRIPTION COMMENTS
NA C003150 PowerFlex 40 Drive Kit 200-240 Volt; Design 1 and 2; Includes F8168703 AC
Drive
NA C003152 PowerFlex 40 Drive Kit 380-480 Volt; Design 1 and 2; Includes F8168704 AC
Drive
1C003149 PowerFlex 40 Drive 200-240 Volt; Design 1 and 2; Models that have been
retrofitted with C003150 PowerFlex 40 Drive Kit;
Includes F8168703 AC Drive
1C003151 PowerFlex 40 Drive 380-480 Volt; Design 1 and 2; Models that have been
retrofitted with C003152 PowerFlex 40 Drive Kit;
Includes F8168704 AC Drive
2F8054001 EMI Filter 200-240 Volt
2F8054002 EMI Filter 380-480 Volt

94 C002923
© Copyright, Alliance Laundry Systems LLC – DO NOT COPY or TRANSMIT
Main Assembly (Drawing 1 of 10)
Models CPC140H and IPH140H
Models Through 3/23/04
PHM2846P_C002923

C002923 95
© Copyright, Alliance Laundry Systems LLC – DO NOT COPY or TRANSMIT
Main Assembly (Drawing 1 of 10)
REF PART NO. DESCRIPTION COMMENTS
NA F200222 Hose Clamp 4 required for inlet valve to vacuum breaker
NA 90554 Hose Clamp 1 required for air trap
NA C000552 Hose 27 inch; Flush hose for vacuum breaker
NA F430144 Screw 4 required for motor to motor plate
NA C000556 Washer 8 required for motor to motor plate
NA 803017 Nut 4 required for motor to motor plate
NA F430124 Screw 1 required for motor plate to frame
NA C000612 Screw 1 required for motor plate to frame
NA C000177 Washer 1 required for motor plate to frame
NA C000583 Washer 2 required for motor plate to frame
NA C000567 Screw 4 required for vacuum breaker to valve panel
NA F431024 Nut 4 required for vacuum breaker to valve panel
NA C002424 Motor Cable
NA C003319P Pulley Alignment Tool
1C000680 Adapter 6 required
2C000679 Vacuum Breaker Plug 6 required
3C000173 Rear Electrical Enclosure Cover
4C000830 Vacuum Breaker Assembly
5C000891 Manifold Fill Tray Bracket 2 required
6C000648 Side Dispenser Assembly
7C000685 Cylinder Pulley
8C000211 Fan 3 required
9C001200 Dual Shroud Assembly
10 C000766 Motor Bracket
11 C000995 Spring Clip
12 N/A Belt Tension Spring
13 N/A Belt
14 C000206P Motor
15 C000717 Motor Bushing
16 C000884P Motor Pulley
17 C000841 Bushing
18 N/A Inlet Power Cover
19 C000317 Circuit Breaker
20 C000210 Fan Filter Guard Assembly
21 F140527 Plug 3 required
22 N/A Grease Fitting 2 required
23 N/A Grease Coupling 2 required
N/A = Part no longer available

96 C002923
© Copyright, Alliance Laundry Systems LLC – DO NOT COPY or TRANSMIT
Main Assembly (Drawing 2 of 10)
Models CPC140H and IPH140H
Models Through 3/23/04
PHM2835P_C002923

C002923 97
© Copyright, Alliance Laundry Systems LLC – DO NOT COPY or TRANSMIT
Main Assembly (Drawing 2 of 10)
REF PART NO. DESCRIPTION COMMENTS
NA C002636 Temperature Probe Assembly
NA 225/10004/00 Thermostat Grommet
NA F430935 Screw 2 required for drain valve to drain valve mounting bracket
NA F431024 Nut 2 required for drain valve to drain valve mounting bracket
NA C000585 Washer 2 required for drain valve to drain valve mounting bracket
NA F200213 Hose Clamp 4 required for overflow hose
NA F200201 Hose Clamp 4 required for drain hose
NA C001029 Hose Clamp 4 required for fill inlet hose
NA F200165100 Drain Hose No. 56
NA C002750 Drain Harness
NA C002618P Double Fan Harness
1C000379 Supply Dispenser Hose
2C000972 Drain Assembly
3C000808 Water Inlet Hose
4C000807 Overflow Hose
5C003353 Drain Valve 2 required
6C000411 Drain Hose 2 required
7C000759 Frame Assembly
8N/A Tee
9C000837 Shell Support Brace
10 C000663 Lower Shell Support Bracket
N/A = Part no longer available

98 C002923
© Copyright, Alliance Laundry Systems LLC – DO NOT COPY or TRANSMIT
Main Assembly (Drawing 3 of 10)
Models CPC140H, CP140PHN1, CP140PHQ1, IPH140H, IP140PHN1, IP140PHQ1, JP140PHN1 and JP140PHQ1
Models Starting 3/23/04
PHM3222P_C002923

C002923 99
© Copyright, Alliance Laundry Systems LLC – DO NOT COPY or TRANSMIT
Main Assembly (Drawing 3 of 10)
REF PART NO. DESCRIPTION COMMENTS
NA F430144 Screw 4 required for motor to motor plate
NA C000556 Washer 8 required for motor to motor plate
NA 803017 Nut 4 required for motor to motor plate
NA JA-51516 Screw 1 required for motor plate to frame
NA C000612 Screw 2 required for motor plate to frame
NA C000177 Washer As required for motor plate to frame
NA C000583 Washer 3 required for motor plate to frame
NA F430935 Screw 2 required for drain valve to drain valve mounting bracket
NA F431024 Nut 2 required for drain valve to drain valve mounting bracket
NA C000585 Washer 2 required for drain valve to drain valve mounting bracket
NA C000571 Washer 4 required for drain valve to drain valve mounting bracket
NA F200213 Hose Clamp 4 required for overflow hose
NA 90554 Hose Clamp 1 required for air trap
NA F200222 Hose Clamp 4 required for inlet valve to vacuum breaker
NA C002750 Drain Harness
NA C002861 Dual Drain Harness
NA C002618P Double Fan Harness
NA C002424 Motor Cable
NA C003295 Drain T Models starting 3/6/13; Replaces use of C001649
Reducing Connector
NA C003319P Pulley Alignment Tool
1C000685 Cylinder Pulley
2C000841 Bushing
3C002637P Proximity Switch Assembly
4C000599 Vacuum Breaker Hose
5C000662 Air Trap Tube
6C000654 Air Trap Tube Elbow
7C000808 Water Inlet Hose
8C001772 Vacuum Breaker Cover
9C000549 Grease Fitting 2 required
10 C001789 Connector 2 required
11 C000317 Circuit Breaker
12 C000211 Fan 3 required
13 C000210 Fan Filter Guard Assembly
14 C002636 Temperature Probe Assembly
15 225/10004/00 Thermostat Grommet
16 C000759 Frame Assembly
17 C001054P Belt
18 C000717 Motor Bushing
19 C000206P Motor
20 C000884P Motor Pulley
21 C000766 Motor Bracket
22 C001791 Belt Tension Spring
23 C003353 Drain Valve 2 required
24 C001793 Cap 2 required
25 C002070 Drain Tee Bracket Weldment
26 F200165100 Drain Hose No. 56
27 F200201 Hose Clamp No. 56
28 C000807 Overflow Hose
29 C001649 Reducing Connector

100 C002923
© Copyright, Alliance Laundry Systems LLC – DO NOT COPY or TRANSMIT
Main Assembly (Drawing 4 of 10)
Models CPC140H, CP140PHN1, CP140PHQ1, IPH140H, IP140PHN1, IP140PHQ1, JP140PHN1 and JP140PHQ1
Models Starting 3/23/04
PHM2834P_C002923

C002923 101
© Copyright, Alliance Laundry Systems LLC – DO NOT COPY or TRANSMIT
Main Assembly (Drawing 4 of 10)
REF PART NO. DESCRIPTION COMMENTS
NA C000567 Screw 4 required for vacuum breaker to valve panel
NA N/A Nut 4 required for vacuum breaker to valve panel
NA F200201 Hose Clamp 4 required for drain hose
NA C001029 Hose Clamp 4 required for fill inlet hose
NA C000552 Hose 27 inch; Flush hose for vacuum breaker
1C000891 Manifold Fill Tray Bracket 2 required; Models through 7/1/06
2C001274 Vacuum Breaker Assembly Models through 7/1/06
2C000830 Vacuum Breaker Assembly Models starting 7/1/06
3C000808 Water Inlet Hose
4C000972 Drain Assembly
5C000837 Shell Support Brace
6C000663 Lower Shell Support Bracket
7C001200 Dual Shroud Assembly
8C000411 Drain Hose 2 required
9C000995 Spring Clip
10 C000211 Fan
N/A = Part no longer available

102 C002923
© Copyright, Alliance Laundry Systems LLC – DO NOT COPY or TRANSMIT
Main Assembly (Drawing 5 of 10)
Models CPC140M, IPH140M and IPH640
Models Through 3/23/04
PHM2847P_C002923

C002923 103
© Copyright, Alliance Laundry Systems LLC – DO NOT COPY or TRANSMIT
Main Assembly (Drawing 5 of 10)
REF PART NO. DESCRIPTION COMMENTS
NA 90554 Hose Clamp 1 required for air trap
NA F430144 Screw 4 required for motor to motor plate
NA C000556 Washer 8 required for motor to motor plate
NA 803017 Nut 4 required for motor to motor plate
NA F430124 Screw 1 required for motor plate to frame
NA C000612 Screw 1 required for motor plate to frame
NA C000177 Washer 1 required for motor plate to frame
NA C000583 Washer 2 required for motor plate to frame
NA C002424 Motor Cable
1C000223P Cylinder Bushing
2C002637P Proximity Switch Assembly
3C000679 Vacuum Breaker Plug
4C000680 Adapter
5N/A Grease Coupling
6N/A Grease Fitting
7F140527 Plug
8C000317 Circuit Breaker
9C000210 Fan Filter Guard Assembly
10 C000211 Fan 2 required
11 C000599 Vacuum Breaker Hose
12 C000662 Air Trap Tube
13 C000654 Air Trap Tube Elbow
14 C001201 Single Shroud Assembly
15 C000206P Motor
16 C000995 Spring Clip
17 N/A Belt Tension Spring
18 C000766 Motor Bracket
19 C000717 Motor Bushing
20 C000884P Motor Pulley
21 C002636 Temperature Probe Assembly
22 225/10004/00 Thermostat Grommet
N/A = Part no longer available

104 C002923
© Copyright, Alliance Laundry Systems LLC – DO NOT COPY or TRANSMIT
Main Assembly (Drawing 6 of 10)
Models CPC140M, IPH140M and IPH640
Models Through 3/23/04
PHM2845P_C002923

C002923 105
© Copyright, Alliance Laundry Systems LLC – DO NOT COPY or TRANSMIT
Main Assembly (Drawing 6 of 10)
REF PART NO. DESCRIPTION COMMENTS
NA C000567 Screw 4 required for vacuum breaker to valve panel
NA F431024 Nut 4 required for vacuum breaker to valve panel; 2 required for
drain valve to drain valve mounting bracket
NA F430935 Screw 2 required for drain valve to drain valve mounting bracket
NA C000585 Washer 2 required for drain valve to drain valve mounting bracket
NA F200222 Hose Clamp 4 required for inlet valve to vacuum breaker
NA F200213 Hose Clamp 4 required for overflow hose
NA F200201 Hose Clamp 2 required for drain hose
NA C001029 Hose Clamp 4 required for fill inlet hose
NA C000552 Hose 27 inch; Flush hose for vacuum breaker
NA F200165100 Drain Hose No. 56
NA C002750 Drain Harness
NA C002617P Single Fan Harness
NA C003318P Pulley Alignment Tool
1C000414 Supply Dispenser Hose
2N/A Inlet Power Cover
3C000173 Rear Electrical Enclosure Cover
4C000891 Manifold Fill Tray Bracket 2 required
5C000830 Vacuum Breaker Assembly
6C000972 Drain Assembly
7C000808 Water Inlet Hose
8C000685 Cylinder Pulley
9N/A Belt
10 C000807 Overflow Hose
11 C003353 Drain Valve 2 required
12 C000411 Drain Hose 2 required
13 C000837 Shell Support Brace
14 C000879 Frame Assembly
15 C000663 Lower Shell Support Bracket
N/A = Part no longer available

106 C002923
© Copyright, Alliance Laundry Systems LLC – DO NOT COPY or TRANSMIT
Main Assembly (Drawing 7 of 10)
Models CPC140M, CP140PMN1, CP140PMQ1, IPH140M, IPH640, IP140PMN1, IP140PMQ1 and JP140PMQ1
Models Starting 3/23/04
PHM3223P_C002923

C002923 107
© Copyright, Alliance Laundry Systems LLC – DO NOT COPY or TRANSMIT
Main Assembly (Drawing 7 of 10)
REF PART NO. DESCRIPTION COMMENTS
NA F430144 Screw 4 required for motor to motor plate
NA C000556 Washer 8 required for motor to motor plate
NA 803017 Nut 4 required for motor to motor plate
NA JA-51516 Screw 1 required for motor plate to frame
NA C000612 Screw 2 required for motor plate to frame
NA C000177 Washer As required for motor plate to frame
NA C000583 Washer 3 required for motor plate to frame
NA F200213 Hose Clamp 4 required for overflow hose
NA 90554 Hose Clamp 1 required for air trap
NA F200222 Hose Clamp 4 required for inlet valve to vacuum breaker
NA C000567 Screw 4 required for vacuum breaker to valve panel
NA N/A Nut 4 required for vacuum breaker to valve panel
NA F430935 Screw 2 required for drain valve to drain valve mounting bracket
NA F431024 Nut 2 required for drain valve to drain valve mounting bracket
NA C000585 Washer 2 required for drain valve to drain valve mounting bracket
NA C000571 Washer 4 required for drain valve to drain valve mounting bracket
NA C000552 Hose 27 inch; Flush hose for vacuum breaker
NA C002750 Drain Harness
NA C002861 Dual Drain Harness
NA C002617P Single Fan Harness
NA C002424 Motor Cable
NA C003295 Drain T Models starting 3/6/13; Replaces use of C001649
Reducing Connector
NA C003318P Pulley Alignment Tool
1C000807 Overflow Hose
2C001793 Cap
3C000654 Air Trap Tube Elbow
4C000662 Air Trap Tube
5C000223P Cylinder Bushing
6C002637P Proximity Switch Assembly
7C000685 Cylinder Pulley
8C000599 Vacuum Breaker Hose
9C001054P Belt
10 C001772 Vacuum Breaker Cover
11 C000549 Grease Fitting 2 required
12 C000830 Vacuum Breaker Assembly
13 C001789 Connector 2 required
14 C000317 Circuit Breaker
15 C000211 Fan 2 required
16 C000210 Fan Filter Guard Assembly
17 C002636 Temperature Probe Assembly
18 225/10004/00 Thermostat Grommet
19 C000879 Frame Assembly
20 C000884P Motor Pulley
21 C000206P Motor
22 C000717 Motor Bushing
23 C001791 Belt Tension Spring
23 C000995 Spring Clip
24 C003353 Drain Valve
25 C001649 Reducing Connector
26 C002070 Drain Tee Bracket Weldment
27 F200201 Hose Clamp No. 56
28 F200165100 Drain Hose No. 56
N/A = Part no longer available

108 C002923
© Copyright, Alliance Laundry Systems LLC – DO NOT COPY or TRANSMIT
Main Assembly (Drawing 8 of 10)
Models CPC140M, CP140PMN1, CP140PMQ1, IPH140M, IPH640, IP140PMN1, IP140PMQ1 and JP140PMQ1
Models Starting 3/23/04
PHM2833P_C002923

C002923 109
© Copyright, Alliance Laundry Systems LLC – DO NOT COPY or TRANSMIT
Main Assembly (Drawing 8 of 10)
REF PART NO. DESCRIPTION COMMENTS
NA F200201 Hose Clamp 4 required for drain hose
NA C001029 Hose Clamp 4 required for fill inlet hose
1C000808 Water Inlet Hose
2C000972 Drain Assembly
3C000411 Drain Hose
4C000766 Motor Bracket
5C000837 Shell Support Brace
6C000663 Lower Shell Support Bracket
7C001201 Single Shroud Assembly

110 C002923
© Copyright, Alliance Laundry Systems LLC – DO NOT COPY or TRANSMIT
Main Assembly (Drawing 9 of 10)
Models CPC125H, CP125PHN1, CP125PHN2, CP125PHQ1, CP125PHQ2, IPH125H, IPH570, IP125PHN1,
IP125PHN2, IP125PHQ1, IP125PHQ2, JP125PHN1 and JP125PHN2
PHM3224P_C002923

C002923 111
© Copyright, Alliance Laundry Systems LLC – DO NOT COPY or TRANSMIT
Main Assembly (Drawing 9 of 10)
REF PART NO. DESCRIPTION COMMENTS
NA F200213 Hose Clamp 4 required for overflow hose
NA F430993 Screw 4 required for motor to motor plate
NA C000556 Washer 8 required for motor to motor plate
NA 803017 Nut 4 required for motor to motor plate
NA F430124 Screw 1 required for motor plate to frame
NA C000612 Screw 2 required for motor plate to frame
NA C000177 Washer As required for motor plate to frame
NA C000583 Washer 3 required for motor plate to frame
NA F430935 Screw 2 required for drain valve to drain valve mounting bracket
NA F431024 Nut 2 required for drain valve to drain valve mounting bracket
NA C000585 Washer 2 required for drain valve to drain valve mounting bracket
NA C000571 Washer 4 required for drain valve to drain valve mounting bracket
NA C002424 Motor Cable Use with 801792 Fitting; 3 required of F140761 Splice
Connector and F140762 Splice Insulator Cap
NA C003317P Pulley Alignment Tool
1C000223P Cylinder Bushing
2C002637P Proximity Switch Assembly
3C002545 Belt
4C001772 Vacuum Breaker Cover
5J1408004 Connector 2 required
6C001789 Connector 2 required
7C000317 Circuit Breaker
8C000211 Fan
9C000210 Fan Filter Guard Assembly
10 C002199 Motor 3 required of F140761 Splice Connector and F140762
Splice Insulator Cap
11 C000766 Motor Bracket
12 C001791 Belt Tension Spring
13 C000884P Motor Pulley
14 C000717 Motor Bushing
15 C003353 Drain Valve
16 C002070 Drain Tee Bracket Weldment
17 F200165100 Drain Hose No. 56
18 F200201 Hose Clamp No. 56
19 C000807 Overflow Hose
20 C001793 Cap
21 C002546 Cylinder Pulley

112 C002923
© Copyright, Alliance Laundry Systems LLC – DO NOT COPY or TRANSMIT
Main Assembly (Drawing 10 of 10)
Models CPC125H, CP125PHN1, CP125PHN2, CP125PHQ1, CP125PHQ2, IPH125H, IPH570, IP125PHN1,
IP125PHN2, IP125PHQ1, IP125PHQ2, JP125PHN1 and JP125PHN2
PHM2840P_C002923

C002923 113
© Copyright, Alliance Laundry Systems LLC – DO NOT COPY or TRANSMIT
Main Assembly (Drawing 10 of 10)
REF PART NO. DESCRIPTION COMMENTS
NA C000567 Screw 4 required for vacuum breaker to valve panel
NA N/A Nut 4 required for vacuum breaker to valve panel
NA F200222 Hose Clamp 4 required for inlet valve to vacuum breaker
NA 90554 Hose Clamp 1 required for air trap
NA C000628P Tubing 29 inch; For 1 cup supply dispenser; Flush hose for
vacuum breaker
NA C000552 Hose 29 inch; For 5 cup supply dispenser; Flush hose for
vacuum breaker
NA C001029 Hose Clamp 4 required for fill inlet hose
NA F200201 Hose Clamp 4 required for drain hose
NA C000679 Vacuum Breaker Plug 6 required; Use with old style vacuum breaker
NA C000680 Adapter 6 required; Use with old style vacuum breaker
1C002518 Vacuum Breaker Assembly
2C000808 Water Inlet Hose
3C000972 Drain Assembly
4C002302 Frame Assembly
5C000411 Drain Hose
6C002311 Shell Support Brace
7C002636 Temperature Probe Assembly
7225/10004/00 Thermostat Grommet
8C000663 Lower Shell Support Bracket
N/A = Part no longer available

Notes
114 C002923
© Copyright, Alliance Laundry Systems LLC – DO NOT COPY or TRANSMIT

C002923 115
© Copyright, Alliance Laundry Systems LLC – DO NOT COPY or TRANSMIT
N/A items do not appear in index.
Parts Index
A
Adapter
C000424 ............................. 51, 53, 55, 57, 59, 63, 65
C000680 ................................................. 95, 103, 113
Air Trap Tube
C000662 ........................................... 79, 99, 103, 107
Air Trap Tube Elbow
C000654 ........................................... 79, 99, 103, 107
Auxiliary Plumbing Assembly
C001145.................................................................. 67
C001273 ................................................................. 69
C002397 ................................................................. 71
B
Backup Seal Plate
C001914 ................................................................. 15
Battery
209/00505/04 .......................................................... 83
Bearing
F100155.................................................................. 15
Bearing Housing
C000155 ................................................................. 19
C000672 ................................................................. 15
Bearing Housing Assembly
C000154P ................................................... 19, 21, 25
C000673P ................................................... 15, 17, 23
C001946 ............................................... 17, 21, 23, 25
Bearing Housing Puller Kit
1390P.................................................... 17, 21, 23, 25
1390-1................................................... 17, 21, 23, 25
Bearing Lubrication Decal
C000508 ............................................................. 9, 13
Belt
C001054P ....................................................... 99, 107
C002545 ............................................................... 111
Belt Tension Spring
C001791 ................................................. 99, 107, 111
Blind Rivet
J1111905 ................................................................. 49
Bolt
C000180 ........................................................... 43, 45
C000273 ........................................................... 79, 81
C000430 ........................................................... 47, 49
C000559 ........................................................... 43, 45
C000561 ......................................... 43, 45, 47, 49, 79
C001785 ........................................................... 43, 45
F8549301.......................................................... 43, 45
Bushing
C000841 ........................................................... 95, 99
C
Cabinet Stiffener
C002018 ........................................................... 29, 33
Cap
C001793 ................................................. 99, 107, 111
Carb Bearing
C000163..................................................................19
C000762..................................................................15
Chemical Supply Controller
C000371P ...............................................................83
Chemical Supply Harness
C002779......................................................85, 87, 89
C002780......................................................85, 87, 89
C002781......................................................85, 87, 89
Circuit Breaker
C000317....................................95, 99, 103, 107, 111
C003135P ...................................................85, 87, 89
F350217 ......................................................85, 87, 89
Circuit Breaker Kit
C0977P3 .....................................................85, 87, 89
C0978P3 .....................................................85, 87, 89
Clean Filter Daily Decal
F200061000 ............................................................13
Coil
F8514701 ....................................................59, 65, 73
Cold Plumbing Assembly
C002563..................................................................59
C002564..................................................................65
Cold Plumbing Assembly, 5 Cup
C000898..................................................................55
C002538..................................................................57
Cold Water Valve Decal
F231368 ....................................................................9
Connector
C001789..................................................99, 107, 111
J1408004.......................................17, 21, 23, 25, 111
Contactor
C000309P ...............................................................89
C002051..................................................................89
Control Box Cover
C000875..................................................................27
Control Module Harness
C000865..................................................................83
Control Mounting Bracket
C000874..................................................................27
Control Panel Decal
C001069..................................................................83
C001276..................................................................83
C001389..................................................................83
Coupling
C000420..................................................................59
C001143 ......................................................67, 69, 71
Cover Decal
F200318200 ........................................................9, 11
Cross
C002166..................................................................59
Cylinder Assembly Kit
C000785P .........................................................35, 37
C000883P .........................................................35, 37
C002307P ...............................................................37
Cylinder Bolt Shroud
C001238..................................................................37
Cylinder Bushing
C000223P .............................................103, 107, 111
Cylinder Pulley
C000685............................................95, 99, 105, 107
C002546................................................................111

116 C002923
© Copyright, Alliance Laundry Systems LLC – DO NOT COPY or TRANSMIT
N/A items do not appear in index.
Cylinder Shaft
C000157 ................................................................. 19
C000674 ................................................................. 15
D
Diaphragm and Guide Kit
G582P3............................... 51, 53, 55, 57, 59, 63, 65
DIN Coil
F380986P ......................................................... 59, 65
F380987P ......................................................... 59, 65
DIN Valve Adapter Kit
F8382301.................................................... 59, 65, 73
Disconnect Power Warning Label
505281 .................................................................... 11
Dispenser Door Handle
C001788 ........................................................... 39, 41
Door
C000710 ........................................................... 43, 45
Door Assembly
C000748P ......................................................... 43, 45
Door Bumper
C001546 ........................................................... 43, 45
Door Glass
C000749 ........................................................... 43, 45
Door Glass Gasket
C000750 ........................................................... 43, 45
Door Glass Retainer
C000751MD...................................................... 43, 45
Door Handle
C000028P ............................................................... 43
C001679P ......................................................... 43, 45
Door Handle Bushing
C000181 ........................................................... 43, 45
Door Handle Hinge Weldment
C000470 ........................................................... 43, 45
Door Handle Spring Bushing
C000192 ........................................................... 43, 45
Door Handle Torsion Spring
C001786 ........................................................... 43, 45
Door Hinge
C000752 ........................................................... 43, 45
Door Hinge Bushing
C000176 ........................................................... 43, 45
Door Latch
C001244 ........................................................... 47, 49
Door Lock Catch
C000185 ........................................................... 47, 49
Door Lock Cover
C000688 ........................................................... 47, 49
Door Lock Harness
C000867P ......................................................... 47, 49
Door Lock Kit
C001036M .............................................................. 47
C002996M ........................................................ 47, 49
Door Lock Microswitch
C000278 ........................................................... 47, 49
Door Lock Plate
C000684 ........................................................... 47, 49
Door Lock Slide Spring
C000276 ........................................................... 47, 49
Door Lock Solenoid
C000184P .........................................................47, 49
Door Lock Solenoid Bracket
C003022............................................................47, 49
Door Lock Spring
B12351001 ..............................................................49
Door Lock Spring Cover
C000687............................................................47, 49
Door Lock Switch Slide
C000271............................................................47, 49
Door Magnet Mounting Bracket
C002994..................................................................45
Door Release Decal
C000694............................................................11, 13
Door Seal
253/00162/02 ....................................................43, 45
Double Fan Harness
C002618P .........................................................97, 99
Drain Assembly
C000972..................................97, 101, 105, 109, 113
Drain Bracket
C000410..................................................................59
Drain Harness
C002750............................................97, 99, 105, 107
Drain Hose
C000411 ..................................97, 101, 105, 109, 113
F200165100 ..............................97, 99, 105, 107, 111
Drain T
C003295..........................................................99, 107
Drain Tee Bracket Weldment
C002070..................................................99, 107, 111
Drain Valve
C003353....................................97, 99, 105, 107, 111
Drive and Power Enclosure Cover
C002527..................................................................33
Drive Box Assembly
C001050..................................................................85
C002524......................................................33, 87, 89
Drive Box Harness
C002570......................................................85, 87, 89
Dual Drain Harness
C002861..........................................................99, 107
Dual Shroud Assembly
C001200..........................................................95, 101
E
Electric Heat Harness
C002758..................................................................89
C002830..................................................................89
C002831P ...............................................................89
Electric Shock Danger Label
F8115501.................................................................13
Electrical Shock Label
502511.....................................................................11
Emergency Stop Button Kit
F200233700P..........................................................83
EMI Filter
F330283 ..................................................................85
F330284 ..................................................................85
F8054001 ..............................................87, 89, 91, 93
F8054002 ..............................................87, 89, 91, 93

C002923 117
© Copyright, Alliance Laundry Systems LLC – DO NOT COPY or TRANSMIT
N/A items do not appear in index.
Exhaust Bracket
C000324 ................................................................. 85
C002526 ........................................................... 87, 89
External Supply Connection Decal
F230917-1................................................................. 9
F8150201................................................................ 13
F
Fan
C000211............................ 95, 99, 101, 103, 107, 111
Fan Filter Guard Assembly
C000210 ................................... 95, 99, 103, 107, 111
Flange and Nipple Assembly
C001366 ..................................................... 59, 65, 73
Frame Assembly
C000759 ........................................................... 97, 99
C000879 ....................................................... 105, 107
C002302 ............................................................... 113
Front Bearing Lip Seal
C000761 ................................................................. 15
Front Electrical Enclosure
C000213 ................................................................. 83
Front Electrical Enclosure Assembly
C000432 ................................................................. 83
Front Electrical Enclosure Cover
C000348 ................................................................. 83
Front Panel Assembly
C002972 ................................................................. 31
C002973 ..................................................... 27, 29, 31
Front Skirt Panel
C000316 ........................................................... 29, 31
Front Top Panel Assembly
C002986 ..................................................... 27, 29, 31
Fuse
C001195.................................................................. 89
C002096 ................................................................. 89
Fuse Holder
C001197.................................................................. 89
G
Gasket
C001705 ................................................................. 19
Grease Connector Box
C000539 ..................................................... 27, 29, 33
Grease Fitting
C000549 ......................................................... 99, 107
Grease Shield
C000167 ................................................................. 19
C000171 ................................................................. 19
C000758 ................................................................. 15
Ground Terminal Lug
C001803 ................................................................. 87
H
Hardware Kit
C002023 ............................................... 17, 21, 23, 25
Hinge
C001787 ........................................................... 39, 41
Hinge Block
C000175............................................................43, 45
Hose
C000552.......................15, 17, 19, 21, 23, 25, 39, 41,
65, 73, 95, 101, 105, 107, 113
C001011 ............51, 53, 55, 57, 61, 63, 67, 69, 71, 75
Hose Barb
C000899............51, 53, 55, 57, 61, 63, 67, 69, 71, 75
F421951 ......................................................59, 65, 73
Hose Clamp
C001029..................................97, 101, 105, 109, 113
F200201 ...............................39, 41, 97, 99, 101, 105,
107, 109, 111, 113
F200213 ....................................97, 99, 105, 107, 111
F200222 ....................................95, 99, 105, 107, 113
36801 ..................................15, 17, 19, 21, 23, 25, 41
90554 ........................................95, 99, 103, 107, 113
Hot Plumbing Assembly
C000897..................................................................51
C001665..................................................................53
C002539..................................................................75
C002565..................................................................73
Hot Surface Warning Decal
F200085000 ........................................................9, 13
F231380 ..................................................................11
Hot Surface Warning Plate
F8211901.................................................................13
Hot Water and Chemical Caution Decal
F200085300 ........................................................9, 13
Hot Water Valve Decal
F231367 ....................................................................9
I
Infrared Cable
210/00902/00 ..........................................................83
Inlet Valve Harness
C002609P .............................................53, 61, 63, 65
C002612P .............................................51, 55, 57, 59
Insert Rail
C001015......................................................27, 29, 31
J
Jump Wire
C003291............................................................47, 49
K
Keymode Switch Assembly
C003024P ...............................................................83
Keypad Controller
C000282P ...............................................................83
L
Left Rear Side Panel Assembly
C002960..................................................................33
Lip Seal
C000332..................................................................19

118 C002923
© Copyright, Alliance Laundry Systems LLC – DO NOT COPY or TRANSMIT
N/A items do not appear in index.
Logo Decal
C001038 ................................................................. 11
Lower Front Panel
C000819 ..................................................... 27, 29, 31
C002912 ................................................................. 31
C003081 ................................................................. 31
Lower Shell Support Bracket
C000663 ................................. 97, 101, 105, 109, 113
Lubricator
212/00022/00 ........................................ 17, 21, 23, 25
M
Magnet
F8390801................................................................ 45
Magnetic Door Switch Bracket
C002995 ................................................................. 49
Main Board Controller Kit
C000281P ............................................................... 83
Manifold Fill Tray Bracket
C000891 ................................................. 95, 101, 105
Motor
C000206P ......................................... 95, 99, 103, 107
C002199 ............................................................... 111
Motor Bracket
C000766 ................................... 95, 99, 103, 109, 111
Motor Bushing
C000717 ................................... 95, 99, 103, 107, 111
Motor Cable
C002424 ................................... 95, 99, 103, 107, 111
Motor Pulley
C000884P ................................. 95, 99, 103, 107, 111
Mount on Concrete Warning Label
F8246401................................................................ 13
Mounting Bracket
C000373 ..................................................... 85, 87, 89
C000375 ................................................................. 83
C000658 ..................................................... 19, 21, 25
C000892 ................................... 51, 53, 55, 61, 67, 69
Mounting Flange Weldment
C002164 ............................................... 57, 63, 71, 75
N
Nipple
C000894 ......................................... 51, 53, 55, 57, 63
C000896 ................................... 51, 53, 55, 61, 67, 69
C001005 ................................................................. 55
C001144.................................................................. 67
F420107...................................................... 57, 59, 65
F421323.................................................................. 77
Nut
C000159 ................................................................. 19
C000560 ..................................................... 43, 45, 79
C000568 ................................... 27, 29, 31, 85, 87, 89
C000574 ............................................... 43, 45, 47, 49
C000576 ........................................................... 47, 49
C000578 ........................................................... 47, 49
C000611............................................................ 79, 81
C000763 ................................................................. 15
C001236 ........................................................... 43, 45
F431024................. 27, 29, 31, 33, 43, 45, 51, 53, 55,
57, 59, 61, 63, 65, 73, 75, 79, 81,
83, 95, 97, 99, 105, 107, 111
F8549401 ..........................................................43, 45
803017 ..........................43, 45, 95, 99, 103, 107, 111
O
Overflow Hose
C000807....................................97, 99, 105, 107, 111
P
Pinched Fingers Label
502506 ....................................................................11
Plate
C001915..................................................................19
Plug
C000781............................................................79, 81
F140527 ..........................................................95, 103
Pop Rivet
F431215 ..................................................................49
F431223 ..................................................................45
Power Block Terminal
C000290............................................................85, 87
C000370......................................................85, 87, 89
PowerFlex 40 Drive
C002890..................................................................91
C002891..................................................................91
C002892......................................................87, 89, 91
C002893......................................................87, 89, 91
C003149..................................................................93
C003151..................................................................93
PowerFlex 40 Drive Kit
C003150..................................................................93
C003152..................................................................93
PowerFlex 40 Drive Kit, 160-Series to
C002884..................................................................91
C002885..................................................................91
C002886..................................................................91
C002887..................................................................91
Proximity Mounting Bracket
C000969......................................................15, 17, 23
Proximity Switch Assembly
C002637P ...15, 17, 19, 21, 23, 25, 99, 103, 107, 111
Pulley Alignment Tool
C003317P .............................................................111
C003318P .....................................................105, 107
C003319P .........................................................95, 99
Push Decal
F230303 ............................................................11, 13
R
RC Network Assembly
C002999..................................................................83
RC Network Filter
F330217P................................................................83
Rear Electrical Enclosure Cover
C000173....................................................29, 95, 105
Rear Panel
C000818......................................................27, 29, 33

C002923 119
© Copyright, Alliance Laundry Systems LLC – DO NOT COPY or TRANSMIT
N/A items do not appear in index.
Rear Top Panel
C000817 ..................................................... 27, 29, 31
C002298 ................................................................. 31
Reducer
C000895 ..................................................... 51, 53, 55
Reducing Connector
C001649 ................................. 17, 21, 23, 25, 99, 107
Reducing Coupling
C000978 ................................................................. 77
Reducing Tee
C002165 ........................................................... 57, 63
Reed Switch Assembly
C003000 ................................................................. 49
Right Rear Side Panel Assembly
C002961 ................................................................. 33
Roller Bearing
C000164 ................................................................. 19
Rub Rail
C001014 ..................................................... 27, 29, 31
S
Screw
C000554 ..................................................... 19, 21, 25
C000567 ................ 27, 29, 31, 33, 47, 49, 51, 53, 55,
57, 59, 61, 63, 65, 73, 75, 83, 85,
87, 89, 95, 101, 105, 107, 113
C000572 ........................................................... 47, 49
C000575 ..................................................... 85, 87, 89
C000612 ....................... 47, 49, 95, 99, 103, 107, 111
C000613 ........................................................... 47, 49
C000614 ........................................................... 47, 49
C001020 ..................................................... 15, 17, 23
C001032 ............................................... 43, 45, 79, 81
C001093 ................................................................. 37
C001148............................................................ 39, 41
C001294 ................................................................. 37
C001856 ........................................................... 79, 81
C001907 ................................................................. 79
F430124.................................................. 95, 103, 111
F430144............................................ 95, 99, 103, 107
F430909.................................... 39, 41, 83, 85, 87, 89
F430910................................................ 27, 29, 31, 83
F430920............................................................ 39, 41
F430925............................................................ 39, 41
F430929.................. 15, 17, 19, 21, 23, 25, 27, 29, 33
F430935.................................... 97, 99, 105, 107, 111
F430938...................................................... 85, 87, 89
F430993................................................................ 111
JA-51516......................................................... 99, 107
81398 ................................................................ 47, 49
Seal Plate
C000158 ................................................................. 19
C000165 ................................................................. 19
C000166 ................................................................. 19
C000754 ................................................................. 15
C000755 ................................................................. 15
C000756 ................................................................. 15
Seal Plate Gasket
C001706 ................................................................. 15
Shell Assembly
C000772 ........................................................... 79, 81
Shell Band Weldment
C001887 ........................................................... 79, 81
C002730 ................................................................. 79
Shell Front Assembly
C002943............................................................79, 81
C002978............................................................79, 81
Shell Front Gasket
C001876P .........................................................79, 81
Shell Front Gasket Kit
F8513501 ..........................................................43, 45
Shell Gasket Shield
F601216 ............................................................79, 81
Shell Support Brace
C000837..........................................97, 101, 105, 109
C002311 ................................................................113
Side Dispenser Assembly
C000648............................................................41, 95
C001583..................................................................41
Side Dispenser Door
C000642..................................................................41
Side Panel and Stiffener Assembly
C002717......................................................27, 29, 33
C002718......................................................27, 29, 33
Side Panel Assembly
C002962......................................................27, 29, 33
C002963......................................................27, 29, 33
Single Cup Cold Plumbing Assembly
C001022..................................................................61
C002537..................................................................63
Single Fan Harness
C002617P .....................................................105, 107
Single Shroud Assembly
C001201........................................................103, 109
Single Side Dispenser Assembly
C000853..................................................................39
C001582..................................................................39
Single Side Dispenser Door
C000855..................................................................39
Spin Warning Decal
F200085100 ........................................................9, 13
Spring
C000431............................................................47, 49
Spring Clip
C000995..........................................95, 101, 103, 107
Spring Hose Clamp
C001004..................................................................41
Standoff
C000376..................................................................83
Steam Cord Assembly
C002748P ...............................................................77
Steam Hose
C000982..................................................................77
Steam Hose Adapter
C001587..................................................................77
Steam Hose Insulation
C001003..................................................................77
Steam Injector Tube Assembly
F603132 ..................................................................77
Steam Inlet Weldment
C002898..................................................................77
Steam Option Assembly
C001000..................................................................77
Steam Valve
F8322904P..............................................................77
Steam Valve Mounting Bracket
C000981..................................................................77

120 C002923
© Copyright, Alliance Laundry Systems LLC – DO NOT COPY or TRANSMIT
N/A items do not appear in index.
Street Elbow
C000893 ................................... 51, 53, 55, 61, 67, 69
F420502.......................................... 57, 59, 63, 65, 73
F421707.................................................................. 77
Stud
C000601 ........................................................... 43, 45
Supply Cup
C000646 ........................................................... 39, 41
C000647 ................................................................. 41
Supply Dispenser Hose
C000379 ................................................................. 97
C000414 ............................................................... 105
Supply Dispenser Nozzle
C000073 ........................................................... 39, 41
Supply Signal Decal
C000506 ................................................................... 9
T
Te e
C000900 ..................................................... 51, 53, 55
F420403............................................................ 57, 65
Temperature Probe Assembly
C002636 ................................... 97, 99, 103, 107, 113
Terminal Block
M413865 ................................................................. 89
Terminal Bracket
C001132.................................................................. 87
Thermostat
C000318 ................................................................. 85
Thermostat Grommet
225/10004/00 ............................ 97, 99, 103, 107, 113
Tie Wrap Mounting Clamp
F140602.................................................................. 87
Tilt Switch Assembly
C002642P ............................................................... 83
Top Brace
C000876 ................................................................. 27
Top Panel Access Cover
C002017 ........................................................... 29, 31
Transformer
C000203 ..................................................... 85, 87, 89
Trim Gasket
C000629 ........................................................... 29, 31
Triple Lip Seal
C003007 ........................................................... 21, 25
Tubing
C000628P ............................... 17, 21, 23, 25, 39, 113
V
Vacuum Breaker Assembly
C000830 ......................................... 95, 101, 105, 107
C001274 ............................................................... 101
C002518 ............................................................... 113
Vacuum Breaker Cover
C001772 ................................................. 99, 107, 111
Vacuum Breaker Hose
C000599 ..................................... 79, 81, 99, 103, 107
Vacuum Breaker Plug
C000679 ................................................. 95, 103, 113
Valve
C000716P .............................................51, 53, 63, 65
F8322909P..................................................59, 65, 73
Valve Panel
C000816..................................................................29
Valve Panel Assembly
C002983............................................................27, 33
Valve Transition Kit
F8456202P..................................................59, 65, 73
V-Ring Seal
C000070..................................................................19
C000156..................................................................19
C000757..................................................................15
C000765..................................................................15
W
Warning Label
F8233501 ................................................................13
44127701 ................................................................13
500049 ....................................................................11
Washer
C000161..................................................................19
C000177........................43, 45, 95, 99, 103, 107, 111
C000555......................................................19, 21, 25
C000556....................................95, 99, 103, 107, 111
C000571...........15, 17, 19, 21, 23, 25, 27, 29, 31, 33,
47, 49, 83, 85, 87, 89, 99, 107, 111
C000583........................79, 81, 95, 99, 103, 107, 111
C000585............27, 29, 31, 33, 97, 99, 105, 107, 111
C000590............................................................79, 81
C000764..................................................................15
C001021......................................................15, 17, 23
C001239..................................................................37
F431133.................................................83, 85, 87, 89
J1001270.................................................................79
Water Hose
F200128P..........................................................59, 73
Water Inlet Hose
C000808............................97, 99, 101, 105, 109, 113
Water Level Transducer
C002104P ...............................................................83
Water Line Caution Decal
F230734 ....................................................................9
Water Valve
C000339P .....................51, 53, 55, 57, 61, 63, 67, 75
C000436P ...................................................55, 57, 59
Water Valve Rebuild Kit
C001676P ...............................................................57
Water Valve Repair Kit
F380991P................................................................59
F380992P................................................................55