INSTRUCTION MANUAL C1.0A OM HH 10 18 00
User Manual: C1.0A-OM-HH-10-18-00
Open the PDF directly: View PDF  .
.
Page Count: 69
- October, 2000
- Document No. 4080410 Rev. A
- 1231 TCS
- 3. OPERATING THEORY AND PRACTICE
- 4. START-UP PROCEDURE
- 5. PRODUCT FUNCTIONAL DETAILS
- 6. SPECIFICATIONS
- 7. DIMENSIONS AND VIEWS OF PANELS
- 8. INSTALLATION
- 9. SET-UP AND INITIAL OPERATION
- 10. OPERATING THE TCS CONTROLLER
- LIQUID PUMP OPERATION
- TROUBLE-SHOOTING THE 1231
- APPENDIX
INTRODUCTION 
The model 1231-CCN-DI-001 and 1231-CCN-GL-001 temperature control systems 
(TCS) are two channel systems made by Advanced Thermal Sciences Corp., a 
subsidiary of B/E Aerospace, Inc.  It is designed to provide two independently 
temperature controlled flows of heat transfer fluids (either 50% DI water/50% ethylene 
glycol or Galden®) at a nominal pressure of 100 psi; flow is nominally 5 gallons per 
minute (gpm) on one channel and 8 gpm on the second channel.  Both channels are 
chilled by a low temperature refrigeration system. The channels can supply fluid as cold 
as –20°C to absorb up to 5000 watts on the high flow and 2500 watts on the standard 
flow channel. 
The 1231-CCN-DI-001 and 1231-CCN-GL-001 use a unique system to obtain two 
chilled channels from a single refrigeration source.  This concept is proprietary to B/E 
Aerospace.  The manual describes some details and elementary theory of the system. 
It shows how to operate the TCS as well as perform elementary troubleshooting. 
The 1231-CCN-DI-001 and 1231-CCN-GL-001 are set up to communicate with an 
Applied Materials central controller.  The TCS communicates via the RS485 port and 
CHX communication protocol for this purpose.  The TCS can be controlled either by the 
tool controller or, when set in LOCAL mode, with a controller mounted in the TCS itself.  
The Watlow Anafaze CLS200 Series USER’S GUIDE with supplement is an 
integral part of this manual. 
This manual is designed to provide information sufficient to install, operate and maintain 
the 1231-CCN-DI-001 or 1231-CCN-GL-001. Enough knowledge about the basic 
function and theory is also given to enable the operator to understand the TCS.
TABLE OF CONTENTS 
1. TCS 1231  1-1 
1.1. Scope of the manual  1-1 
1.2. Description of the 1231 TCS  1-1 
1.3.  Safety controls and features  1-1 
1.4 Lock Out Procedure  1-1 
1.5 Customer Service Contacts  1-2 
1.6. Emergency Off Switch (EMO) Operation  1-2 
1.7. Generated Waste  1-2 
1.8. Seismic Tie Down Provision  1-2 
1.9. Fluid Leak Containment Provision   1-3   
1.10. Warnings and Cautions   1-4 
2. OPERATING PANEL  2-1 
3. OPERATING THEORY AND PRACTICE  3-1 
4. START-UP PROCEDURE  4-1 
4.1. Power up  4-1 
4.2. Temperature set point verification.  4-2 
5. PRODUCT FUNCTIONAL DETAILS  5-1 
5.1.  Refrigeration and coolant circuits  5-1 
5.2.  Installation Drawings  5-1 
6. SPECIFICATIONS  6-1 
7. DIMENSIONS AND VIEWS OF PANELS  7-1 
8. INSTALLATION  8-1 
8.1. Receiving the 1231 TCS  8-1 
8.2. Securing the unit  8-1 
8.3. Stacking  8-1 
8.4. Facilities  8-1 
8.5. REMOTE mode  8-3 
8.6. LOCAL mode  8-3 
8.7. Filling the reservoir  8-3 
8.8. Filling the lines from the reservoir  8-3 
8.9. Draining the coolant reservoir  8-3 
9. SET-UP AND INITIAL OPERATION  9-1 
9.1. Filling a tool channel.  9-1 
9.2. Purging gas from a tool channel  9-7 
9.3.  Draining a tool channel  9-9 
     9.4. Fluid Line Connections                                                    9-9 
 9.5.  Draining the TCS for Removal                                     9-9 
9.6.  Instructions for filling a TCS with Galden®                               9-10 
10. OPERATING THE TCS CONTROLLER               10-1 
10.1. Setting up the controller  10-1 
10.2. Address set-up  10-1 
10.3. Proportional Integral Derivative settings  10-1 
10.4. Capacity regulation  10-3 
10.5. Process Control Limit Settings  10-3 
10.6. Changing the Process Set Points  10-3 
10.7. Changing the Safety and Reference Set Points  10-3 
11. LIQUID PUMP OPERATION  11-1 
12. TROUBLE-SHOOTING THE 1231  12-1 
13. APPENDIX  13-1 
1. 1231 TCS  
1.1  Scope of the manual 
This manual provides information on the detailed function, installation, start-up and operation of 
ATS Model 1231-CCN-DI-001 and 1231-CCN-GL-001 Temperature Control Systems (1231 TCS). 
Instructions for installation are provided.  The technician performing the installation must have 
sufficient understanding of electrical wiring and refrigeration systems to be able to use this 
information. 
1.2  Description of the 1231 TCS  
The 1231 TCS is a two channel temperature control unit designed to control the temperature of 
remote heat loads; specifically Semi tools such as electrostatic cathodes and chamber walls. 
From distances up to 75 feet, the 1231 TCS can absorb heat generated by the process 
equipment.  Coolant fluid (Galden® HT 70 or DI Water/Glycol) circulates through heat exchangers 
in the 1231 TCS where it is cooled or heated in a controlled process.   The fluid is then passed, in 
a closed loop, to the process equipment.  The 1231 TCS maintains supply coolant at a 
temperature between -20°C and +40°C, within ±1°C. 
1.3  Safety controls and features 
The 1231’s TCS safety features are listed in the Safety Features Table 1-1 and are followed by 
system warnings and cautions. 
1.4  Lock Out Procedure 
Prior to performing service on the TCS, the Main Circuit Breaker and the ball valve(s) must be 
locked out to protect personnel and equipment.  Reference Applied Materials document 293-200-
01 Chapter 9 for approved Applied Materials Lock out Tag Out procedures.  The multi pole circuit 
breaker uses AMAT P/N 3920-01284.  The ball valve handles use ATS P/N 4081617-001, for the 
lock out device. 
1.5  Customer Service Contacts  
If the chiller operator is in need of assistance regarding the operation of the B/E Aerospace chiller, 
the following information should be useful.  
a. Prior to contacting B/E Aerospace, obtain the following information from the 
chiller: part number, serial number, fluid type (50/50 water-glycol or Galden®) and 
hours of operation (hour meter located on front panel). 
b.  The primary method of contact with ATS is by e-mail. E-mails should be sent to 
ATS_Chiller@beaerospace.com  where they will be handled by the Product 
Support Engineer.  
c.  Incoming phone calls are made to the Product Support Engineer at 714-688-
4201. 
d.  Written Correspondence should be addressed to: 
Advanced Thermal Sciences Corporation 
Attn: Product Support Engineer 
3355 East La Palma Avenue 
Anaheim, California  92806  USA 
e.  Faxes are sent to the attention of the Product Support Engineer at 714-688-4153. 
1.6  Emergency Off Switch (EMO) Operation 
The EMO switch located on the front of the TCS is to be wired to be part of the Applied 
Materials 24vac daisy chain circuit.  The TCS contains two circular connectors on the rear 
panel that are used to create the EMO daisy chain circuit.  Once wired, depressing this or 
other EMO switches on other components will cut off power to the main contactor and shut 
down the entire system.  Reference Applied Materials document GPS-IX-006 Chapter 1.  
See ATS wiring diagrams 4081575 and 4081567, connector P1/J1, pins 19 &20. 
1.7 Generated Waste 
The TCS manufactured by ATS, produces no waste products, nor are waste products 
generated as a result of operating the equipment.  
1.8  Seismic Tie Down Provision 
Reference ATS drawing no. 4081362 for the installation of seismic tie down brackets and 
the provisions required.   TCS chillers manufactured after May 2000 have the mounting 
holes provided in the lower tubular frame members. 
1.9   Fluid Leak Containment Provision 
To be prepared in the event of a leak or rupture in the fluid systems, a Fluid Containment 
System can be adapted to the TCS.  This is comprised of a stainless steel drip pan and 
deflectors.  Reference ATS drawing 4081536.  The drip pan is to be inserted beneath the 
TCS between the casters, extending behind the unit approximately 4 inches.  The 
deflectors are to be mounted to the rear panel of the TCS using the screws that hold on 
the rear panel, second up from the bottom. They should be positioned to deflect any fluid 
from the supply and return fittings into the pan.  
On models manufactured after June, 2000, a one inch diameter hole exists in the middle of 
the bottom panel of the TCS.  A rubber sealing plug is installed at the factory.  If the fluid 
containment system is installed, remove this plug to allow fluid to exit the TCS.   
Transfer the fluid accumulated in the drip pan to a container that can be easily carried.  
Attempting to carry a filled or partially filled drip pan may be difficult and may result in 
spillage of the contents.  Dispose of the fluid in accordance with applicable federal, state 
and local requirements. Refer to the applicable MSDS if the fluid is ethylene glycol/water 
mix or Galden®.

1.10    Warnings and Cautions 
 This symbol indicates a potentially hazardous situation, which if not avoided, could 
result in severe injury or death. 
This symbol indicates a potentially hazardous electrical situation which, if not 
avoided, could result in severe electrical shock and damage to equipment. 
Warning: The mechanical BURST DISK will operate independently of the controller’s 
REMOTE/LOCAL function in the event of extreme pressures for the Refrigerant Circuit. A 
fault or warning will be communicated to the host computer operating the system while in 
the REMOTE MODE in the event of compressor safety device activation. 
Warning: The refrigerant R507 will be suddenly released in the event of a ruptured 
BURST DISK. Consult your MSDS for proper handling and safety precautions. 
Warning: The 1231 TCS weighs approximately 700 pounds (315 kg). Failure 
to take proper care in handling can result in serious bodily injury. 
Warning: Operating with cooling water flow below 10 GPM may cause damage to the 
unit and void the warranty. 
Caution: The Refrigeration Circuit is a sealed loop system. Service, if required, must be 
performed by an authorized refrigeration technician. Do not tamper with or open circuit. 
Violating system will void unit warranty. 
Warning: Any semiconductor equipment must be completely purged of all dissimilar 
coolant fluids including water/glycol coolant, HT110, etc. before connection to the TCS. 
Typically this requires the Etch System to be first flushed with air, then with clean water, 
followed by air again. 

Warning: The TCS is a heavy object. It can cause muscle strain or back 
injury. Use lifting aids and proper lifting techniques when removing or replacing. 
Warning: Tip over hazard. Tip over may cause severe injury or death. Do 
not exceed 10-degree angle of tilt. 
Warning: Hot surfaces inside TCS. Contact may cause burn. Either do not 
touch hot surfaces or wear protective gear before servicing internal parts.  
Warning: Moving parts present. Moving parts can crush and cut. Keep hands 
away from moving parts. 
Warning: Hazardous Voltage. Contact may cause electric shock or burn. Turn off and 
lock out system before servicing. 
Warning: For Protection Against Risk of Fire. Replace only with fuse of the 
specified type and current rating. For installations outside of the United States, replacement 
fuses are to be provided solely by ATS.   Reference paragraph 1.5 for ATS Contacts.  
Caution: In-line, 100micron filters must be installed on each return line immediately prior to 
the chiller’s return connection. The lack of a filter will allow contamination to enter the 
system and may void warranty. 
Caution: Insure that cooling water is particulate free and non-corrosive. Corrosive cooling 
water may shorten the life of internal components and void warranty. Particulate 
contamination may clog the flow switch and allow for conditions that may damage the 
system and void warranty.

Table 1-1 Safety Features (see schematics in Section 5.) 
Component Operation 
EMERGENCY 
OFF 
button (EMO) 
Pressing button on front of unit places process equipment in safe 
non-operable mode by shutting off power to all major system 
components in either REMOTE or LOCAL modes. Must be reset 
to return to operating mode.  Part of AMAT 24 v daisy chain circuit.  
High pressure 
switch  Protects the compressor against high discharge pressure. Switch 
opens at 375 psig: Stops compressor in LOCAL or Remote 
modes, and alerts central control of impending problem in 
REMOTE mode.  Auto reset, backed up by burst disk (see below). 
Burst disk  Vents refrigerant to surrounding environment when pressure rises 
above 500 psig.  Fail safe for high-pressure switch.  Completely 
passive component independent of power or operation. Non-
resettable. 
Coolant 
temperature 
shutoff 
A thermocouple measuring the temperature of the coolant causes 
the unit Watlow controller to shut off power to the heater elements.  
Controller requires manual reset of itself (ALARM ACK) for 
continued operation.   
Electric heater 
overtemp. switch  Switch in contact with heater housing opens when temperature of 
140 °C is reached, shutting off power to the heater elements via 
relay.  Activation causes latching relay to open, requiring manual 
reset.  
Reservoir 
pressure relief 
valve 
Vents air/vapor in space over the fluid reservoir to the surrounding 
atmosphere when pressure is in excess of 100 psig. 
Coolant flow 
switches  Opens in the event that fluid flow is below minimum in particular 
cooling channel.  Watlow controller shuts down power to heaters 
in that channel. If flow fails to return within ten seconds, the 
appropriate pump is shut down and the Watlow requires a manual 
reset of itself (ALARM ACK). A latching relay will not allow 
energizing of the heater until a manual reset switch is activated. 
Facilities water 
flow switch  Opens in the event that facilities water flow is below minimum. 
Stops compressor in LOCAL or REMOTE modes, and alerts 
central control of impending problem in REMOTE mode.  If switch 
should fail, refrigerant pressure will increase until high pressure 
switch activates 
Coolant level 
sensors (2)  Alerts central control as to level in fluid reservoir.  First warning 
indicates reservoir should be filled.  Second warning indicates 
immediate need for filling. 
Coolant pump 
overtemp switch  Bimetallic switch on pump housing opens when sensing an 
excessive temperature, opening the relay supplying power to the 
pump and shutting it down.  The resulting low coolant flow 
condition is sensed by the coolant flow switch (see above). 

Compressor 
temperature 
switch 
Protects the compressor against high temperature operation. 
Stops compressor in LOCAL or Remote modes, and alerts central 
control of impending problem in REMOTE mode. Switch is auto 
resetting, but compressor module requires manual resetting of 
main circuit breaker for continued operation. 

Preventative Maintenance Schedule 
Issue 
After 
service in 
the coolant 
flow path 
Weekly 
Monthly 
Annually 
Comments 
Check coolant fluid 
level  x  x  x  x  Add as necessary per Fill/Drain procedure 
Check reservoir 
pressure  x  x  x  x  Adjust per Fill/Drain procedure 
Check DI 
water/ethylene 
glycol ratio is 
50%/50%  
x for 
the 
1st 
month 
of 
opera
tion 
x  x  This is not required for Galden based systems.  
This check is important regardless of process 
operating temperature 
Check refrigerant 
level in sight glass      x  x  Level at steady state operation should be 
“sightglass full”. Requires qualified refrigeration 
service technician to add refrigerant to eliminate 
bubbles. 
Check oil level in 
compressor      x  x  Level should be visible in sightglass. Requires 
qualified refrigeration technician to add oil to 
system.  Contact ATS for oil type. 
Check cooling 
water flow, 
facilities filters and 
cooling water 
temperature 
    x  x  1. Seasonal temperature changes often affect 
cooling water temperature.  High temperatures will 
reduce chiller performance.  2.  Cooling water 
filters often become plugged due to algae growth 
on the filter element.  Insure that flow 
specifications are maintained for optimum 
performance. 
Purge air from 
system  x        Chamber service procedures often allow air into 
the coolant lines.  Purge lines before restarting 
the system to prevent pump damage. 
Check Watlow PID 
settings       x  x  Each chiller is shipped with a manual that 
contains an appendix with the PID information for 
that serial number system.  Contact ATS if you do 
not have the correct information for your system. 
Check and either 
replace or clean 
Applied coolant 
return line filters 
      x  The duty cycle is low on this part unless external 
components and/or lines have been changed or 
maintained.  Clean or replace filter element 
annually.  Galden® systems can use a brass or 
Stainless Steel filter element.  DI/EG systems use 
SS elements only. 
Check insulation 
on external 
manifolds
,
 fittin
g
s 
    x  x  Confirm that insulation is complete and frost is not 
accumulating on hoses and fittings 

and hoses 
Check Schrader 
valve caps  x  x  x  x  Check to insure all Schrader valve caps are in 
place and secure. 
Check inlet air 
filters on side 
panels.  Condition 
of dirt entrapment 
can be seen 
without removing 
panels. 
    x  x  Filters are attached to insides of side panels via 
hook&loop (Velcro) strips.  Use Philips 
screwdriver to remove side panels; carefully pull 
filter material from Velcro, clean (or replace) and 
install by pushing onto Velcro. 
Check cooling fans      x  x  Two fans are located on the back of the unit. 
Verify air is moved toward outside of unit.  
Replace if non-operational. 

2. OPERATING PANEL 
The operating panel of the 1231 is shown below. 

Table 2-1 Controls and LEDs with their effect or information transmitted. 
CONTROL; 
INDICATOR  ACTION OR READING 
Compressor; on/off  Turns compressor on or off in LOCAL or REMOTE modes, and in the 
REMOTE mode sends an indication to central control that the switch is in off 
position. 
E.M.O.  Cuts off power to the TCS as it turns off all components in tool string.  Is 
connected to central control and works in either REMOTE or LOCAL mode. 
Remote; on/off  Toggles the unit between REMOTE and LOCAL modes. 
Heat/Chill; on/off  Turns heating or chilling of the selected channel on or off when TCS is in the 
LOCAL mode. In REMOTE mode the switch is always activated. 
Pumps; on/off  Turn individual fluid pumps on or off in LOCAL mode.  Have no effect in 
REMOTE mode. 
Green LEDs on pump 
switches.  Indicate when the pumps are turned on in either REMOTE or LOCAL mode. 
Amber Low flow LEDs  Indicate when the flow in each channel is inadequate for proper operation. 
Amber capacity regulation 
LEDs  Indicate when the capacity in a chilled channel is approaching or exceeding 
the capabilities of the refrigeration circuit. 
(2) Amber reservoir fill 
LEDs   Indicate when the fluid reservoir needs filling.  The first to light indicates that 
routine service is required.  If the two are lit it shows that immediate attention 
is required. 
Amber compressor fault 
LED  Indicates that one of the switches in the compressor safety chain has 
opened due to a fault or the compressor on/off switch is in the off position.  In 
LOCAL or Remote modes this will indicate the compressor has been shut 
off.  In REMOTE mode an alarm is sent to the central control. 
Circuit breakers  These safeguard the compressor, pumps, heaters, and system. 
Temperature controller 
and communicator  This monitors temperature and other parameters of the system and controls 
the delivered fluid temperature to pre-set limits in each channel.  This device 
also communicates data and control information between the TCS and the 
central control. 

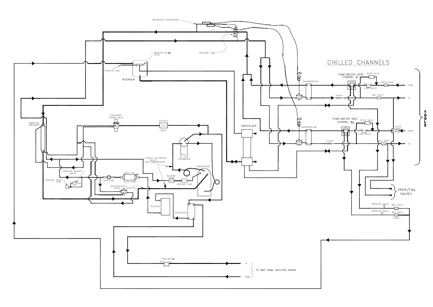
 3.  OPERATING THEORY AND PRACTICE 
A schematic description of the operation of the two chilled channels is shown below. 
COMPRESSOR
EVAPORATOR
HEX
HEX
ELECTRICAL HEATER
CONTROLLABLE EXPANSION VALVE
CONTROLLABLE EXPANSION VALVE
PUMP
PUMP
SEMI TOOL
SEMI TOOL
HEX
CONDENSER
FACILITIES
WATER
REFRIGERATION
ELECTRICAL HEATER
EVAPORATOR
CAPACITY REG. SENSORS
The diagram is simplified for the purposes of this explanation.  The system consists of a 
single 10 HP “REFRIGERATION COMPRESSOR” which supplies high pressure 
refrigerant to a “CONDENSER”.  In this latter unit the refrigerant is liquefied, being 
cooled by a flow of “FACILITIES WATER” through a condenser/heat exchanger 
(“HEX”).  This liquefied refrigerant at high pressure then splits into two streams.  Each 
separate stream passes through a “CONTROLLABLE EXPANSION VALVE” wherein 
the refrigerant pressure is reduced. This process cools the refrigerant to a mixture of 
vapor and liquid at a temperature of –37°C.  As the refrigerant boils off it can cool the 
fluid being passed through the “HEX” side of the “EVAPORATOR”.  Fluid is driven in 
each closed circuit by a “PUMP(s)”.  The controllable expansion valve is opened just 
enough to cool the fluid to a desired set temperature.  The temperature controller 
regulates the opening of the controllable expansion valve to maintain the temperature 
of the pumped fluid at the set value ±1°C.  In the closed fluid circuit the fluid is passed 
through an “ELECTRICAL HEATER” after traveling through the evaporator.  The 
temperature controller supplies power to this heater as needed to maintain the 
temperature of the fluid being sent to the “SEMI TOOL”.  The temperature can be 
controlled at any level between –20°C to +40°C.   
The “CAPACITY REGULATION SENSORS” sense temperature in the refrigeration loop 
and ascertain whether the refrigeration demand is within the capacity of the system.  At 
some times, such as during cool down of a tool after servicing, the demand of a 
channel can be for everything that is available.  This would steal output from the other 
channel that might be operating at another temperature.  The capacity regulation 
system in the TCS controller adjusts the output of the channel that is over demanding 
cooling to bring the demand in line with supply. 

4. START-UP PROCEDURE 
This describes the method for starting and operating an installed and operable 1231 
TCS.  To install a 1231 (see Section 8). 
Warning: When utilizing a perfluorinated fluid (Galden®) the 
semiconductor equipment system must be completely purged of all water/glycol 
coolant before connection to the TCS. Typically this requires the Etch System to 
be first flushed with air, then with clean water, followed by air again, and finally 
with the perfluorinated fluid that will be used as the coolant. 
Note: If at any time an alarm occurs, turn off the TCS and correct the fault 
indicated by the display as directed in the Troubleshooting Guide in Section 8. 
4.1 Power up 
Before applying power, verify that all water and coolant lines are connected to the 
system.  The handles on both coolant line valves should be in the open position.  For 
the location of these connections, refer to Figure 7-2 &7-3 in Section 7. 
To power up the 1231 TCS: 
1.Verify facilities water flow (approximately 10 gpm). 
2.Confirm sufficient fluid level in the reservoir (above 1/2 full), all lines and tools are 
filled with fluid, and that the reservoir pressure is 40 psi. 
3.Establish that all switches and circuit breakers are in their off positions. 
4.Turn on the Main Circuit Breaker and check the Watlow CLS216 for any faults. 
5.Confirm set points per the Watlow PID Factory Setting Matrix, included with this 
manual. 
6.Correct any faults before continuing. 
7.Activate Channel 1(Pump 1) switch. Note: The pump will not start with the circuit 
breaker off.  
8.Rapidly verify the applicable green ON Indicator light and the amber Low Flow light 
are lit. Proceed to step 9 within 10 seconds to avoid system shut down. 
9.Turn on Pump 1 circuit breaker.  
Note: Confirm the TCS phase rotation is correct by observing a rise in pump 
pressure on the corresponding gauge. A drop in pressure indicates the incoming 
power has been wired incorrectly. This condition is sensed by the phase monitor 
as well. 
10.Confirm that the green On Indicator light remains on and that the amber Low Flow 
light extinguishes before proceeding. If not turn off the pump circuit breaker and consult 
your trouble-shooting guide. 
11.Verify the pump pressure using the corresponding gauge. 
12.Purge all entrapped air by opening the appropriate purge valve for 3 to 5 minutes. 
Note the sightglass level and modulate the valve to prevent any reintroduction of air, 
which can occur if the sightglass when the level goes too low. If excessive air is present 
it may be necessary to add fluid. See filling instructions if necessary. 
13.Activate Channel 2 (Pumps 2 and 3) switch. Note: The pumps will not start with the 
circuit breakers off. 
14.Repeat steps 7 through 11 for the remaining channel. Note: activate pump 2 and 3 
circuit breakers at step 9. 
15.Activate the Compressor On/Off switch. Note: The Compressor will not start with 
circuit breaker off. 
16.Verify the green Compressor On Indicator light ignites. 
17.Turn on the Compressor Circuit breaker. 
18.Confirm that the green ON Indicator light remains lit and the compressor is running. 
If not turn off the compressor circuit breaker and consult your troubleshooting guide. 
Caution: Extended operation of the chilled channel pumps, while the compressor 
is off may cause damage to the system or tool. 
19.Once the compressor starts activate the Main (process control) switch. 
20.Scroll the Watlow controller to loop 15 and observe for 60 seconds. The temperature 
should decline. If not turn off the compressor circuit breaker and consult your 
troubleshooting guide. 
21.Confirm channel stabilization utilizing the Watlow controller. See the Watlow manual 
for instructions. 
Note: Subsequent start ups will require less attention once all air has been 
purged from the system. 
4.2  Temperature set point verification. 
Verify that the set point displayed on the TCS controller for each of the two channels 
are those desired.  Locations for each channel are listed in the Appendix I. To change 
these set points see Section 10.  Do not exceed the limits of the TCS, which are −20°C 
to +40°C. Note: The Watlow controller may be adjusted for each channel to 
protect the tool from excessive temperatures. Temperature ranges may be selected 
for each channel. The controller will not allow the channel temperature to exceed its 
selected range. However, it will respond to the extremes as nearly as possible within 
the allowed ranges. Consult your Watlow manual for directions. 
Note: Allow stabilization of the channel set points for a minimum of 3 to 5 
minutes before processing (striking plasma). 
5.  PRODUCT FUNCTIONAL DETAILS 
5.1  Refrigeration and Coolant Circuits 
Following are the Refrigeration and Fluid Flow Schematic Diagram (Figure 5-1), Electrical Schematic Diagram (Figure 5-2), 
Refrigeration and Coolant Components (Table 5.1) and Significant Electrical Components & Functions (Table 5-2); they briefly 
describe the function and purpose of each component in the 1231-CCN-01. 
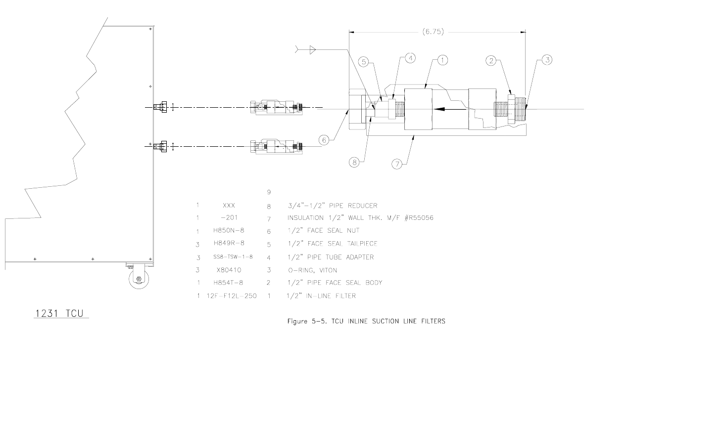
5.2 Installation Drawings 
Following are the In-line Filter Installation Drawing (Figure 5-5) and the Temperature Controlled Unit (TCS) Installation Drawing 
(Figure 5-4); they show the general overall mounting details. 

 Figure 5-1a DI Refrigeration and Fluid Flow Schematic

Figure 5-1b Galden Refrigeration and Fluid Flow Schematic

5-4 




 Table 5-1 Refrigeration and coolant components 
Item Component Name  Function 
1  Reservoir  A holding tank for the fluid transfer fluid (DI Water-Glycol or 
Galden®). 
2  Level sensors (2)  Monitors fluid level in the reservoir. 
3  Compressor  Compresses the refrigerant fluid. 
4  Discharge bypass valve  Regulates the pressure at the compressor input and prevents the 
pressure from becoming too low. 
5  Service Schrader valves  Allows service of system refrigerant. 
6  Solenoid valve/capillary tube  Provides cooling to the compressor. 
7  Pressure sensor switches  Protects the compressor against too high or too low refrigerant 
pressure. 
8  Pressure burst disk  Protects the system with a static guard against too high 
refrigerant pressure. 
9  Condenser  Liquefies the refrigerant by transferring heat from the 
compressed gas to the facility water. 
10  Liquid line filter dryer  Removes contaminants and moisture from the refrigerant. 
11 Desuperheater valve  Limits the compressor input temperature to 18°C. 
12  Reservoir pressure relief 
valve  Limits pressure within the closed fluid circulation system. 
13  Pump/motor assemblies  Circulate the fluid coolant. 
14  Pump relief valve  Regulates fluid coolant pressure. 
15  Sightglass, Compressor  Shows proper level of liquid refrigerant. 
16  Receiver  Allows excess liquid refrigerant volume when system is not using 
all available cooling. 
17  Solenoid valve SVC1  Allows refrigerant to pass through the hot gas bypass valve. 
18  Solenoid valve SVC2  Allows liquid refrigerant to pass to the compressor. 
19  Oil line separator  Separates liquid oil from the compressor output. 
20  (2) TXV (Thermal expansion 
valve)  Controls refrigerant flow as it expands from liquid to gas. 
21  Heaters  Raise temperature of the coolant when the process requires 
heating. 
22  Flow switches  Monitor the flow rate. 
23  Evaporators  Extract heat from fluid coolant and transfers it to the refrigerant. 
24  Ball valves  Isolate fluid flow to and from the TCS. 
25  Sightglass, Reservoir  Shows the fluid level within the system’s reservoir. 

Table 5-2-Significant electrical components & function 
Item Component Name  Function 
1  CB 4  60 amp circuit breaker for main input power. 
2  P 2/J 2 CONN  Connecting jack and plug for main power. 
3  FH 4; FH 5; F 4; F5  Fuses (FH) associated with cooling fans (F) that cool the cabinet.
4  CB: PUMPS 1; 2; 3  Circuit breakers (CB) that protect the pump motors. 
5  LT 8; 9  Lights that indicate that PUMP CH1 etc. are operating. 
6  RL 1; 2; 3   Relays that turn on pump motors in response to inputs from TCS 
controller * (LOCAL) or central controller (REMOTE). 
7  RL 4; 5  Relays that turn on heaters in response to TCS temperature 
controller. 
8  RL 7; 8  Relays associated with heater safety: Power is interrupted when 
heater overheats (LOCAL mode) or signals to central controller 
(REMOTE mode). 
9  PS 1; FH 1; 6  Power supply (PS1) for DC control voltages protected by fuses. 
10  CNT 1; FH 2  TCS controller (CNT1) protected by fuse (FH). 
11  FH 3  Fuse protecting 12 VDC output. 
12  SW 10  Heat/Chill on-off switch that activates TCS system process when 
in LOCAL mode. 
13  E 1; CB 5; COMP  Relay (E), circuit breaker (CB) that turns on and protects the 
refrigeration compressor (COMP). 
14  HM 1  Hour meter (HM1), establishes the operation time of the TCS.  
15  RL 10:  HI PRESSURE; LOW 
PRESSURE; COMP. TEMP.; 
FACILITY WATER 
(SWITCHES) 
Relay (RL) that protects the refrigeration compressor when 
deactivated by safety (HI PRESSURE etc.) switches.  RL10 turns 
refrigeration compressor off directly in LOCAL or REMOTE 
modes and sends signal to central controller when TCS is in 
REMOTE mode. 
16  SW 5  Switches TCS between REMOTE and LOCAL modes. 
17  SW 1; 2  Switches that turn pumps on in response to inputs from TCS 
controller. 
18  RL 12; 13  Relays that turn on safety relays for heaters for channel 1 and 2 
respectively driven by inputs from TCS controller. 
19  RL 20, 21, LS 1; 2, LT 5; 6, 
R6; 7  Relays (RL) that close circuits connected to TCS controller 
inputs to signal that the fluid in the system reservoir is low 
enough to need service or quick filling.  Relays are driven by 
level sensors (LS) that trigger the relay signal when the liquid 
falls below the location of the sensors.  Lights (LT) on the control 
panel indicates when these sensors have triggered.  Resistors ® 
decrease the supply voltage to that suitable for the lights. 
20  LT 5; 6, R 6; 7  Lights (LT) that show that level sensors LS1or LS2 have been 
activated.  R6; 7 are used to drop the voltage to the value correct 
for the lights used. 
21  LS1; 2; 3, J 7/P 7  Temperature limit switches, communicating with the TCS 
controller via connector J7/P7 that protect pumps for each 
channel.  These switches will shut off the pumps in LOCAL or 
REMOTE modes and tell the host controller that a pump has 
overheated in REMOTE mode. 

22  SW 4  Switch that shuts off the compressor in LOCAL or REMOTE 
modes and informs the host controller that someone has turned 
this switch off when the TCS is in REMOTE mode. 
23 REFERENCE 
EVAPORATOR 
TEMPERATURE SAFETY, J 
6/P 6, TXV 1; 2. 
This is a temperature sensor that protects the heaters for the 
thermal expansion valves (TXV).  Through the action of the TCS 
controller the TXV heaters cannot be activated until the 
reference evaporator is below a safe temp. of about  -29°C for 
DI-Water/Glycol. 
24  EMO SW 9, J 7/P 7, J 9; 10  EMO switch sends signal to host controller to shut down entire 
semi tool system because an emergency is perceived to be 
present.  Connects to customer jacks J9; 10 through J7/P7 
connection. 
25  J 8 RS485 
COMMUNICATION  Through J8 the TCS communicates with the host controller via 
the TCS controller. 
26  HEATER TEMP CH 1; 2 
CAPACITY REG. CH 1; 2 
CHANNEL 1; 2 TEMP, J 6/P 
6 
Type T thermocouples that measure temperatures as denoted.  
Information about these values is supplied as input to the TCS 
controller.  The capacity regulation temperature sensors drive 
the TCS controller in case of over demand on the refrigeration 
system (See Section 3.1).   
27  PS 2, D 1, RL 19  PS 2 is a 12 VDC power supply that derives its input from PS 1.  
It supplies the correct voltage to the TXV heaters in the dormant 
state thru relay RL 19: This relay prevents power from being 
supplied to the TXV heaters until the compressor is powered. 
28  RL 16; 17  These relays activate to cut the voltage to the TXV heaters in 
response to signals from the TCS controller when capacity 
regulation is called for. 
29  RL 11; 15  Relays that control process power to the TXV heaters. 
31  H 1; 2, ILF 1 thru 6  Heaters for each of the three channels.  In-line fuses (ILF) are to 
protect the heaters in case of short-term over-current. 
32  CB 5, SVC 2, COMP  Circuit breaker (CB) that protects the compressor.  SVC 2 is the 
solenoid valve that allows liquid refrigerant into the compressor 
to cool the mechanism. 
33  PUMPS (3) and F 1; 2; 3  Pump motors and the cooling fans that keep the motors from 
overheating. 
34  SW 6, SVC 1  Switch is a compressor safety device.  If the gas entering the 
compressor is at a temperature higher than 55°C SW 6 will cut 
electrical power to the discharge bypass solenoid (SVC 1) 
thereby shutting off discharge bypass flow. 
35  LT 2; 3; 4, R 2; 3; 4  Lights indicating lack of flow in each of the three channels. 
Resistors drop the 24VDC to the 12 VDC suitable for the lights. 
36  FSW: 1, 2, 3, 4; R: 8, 9, 10  Flow switches (FSW) for each of the three pumps and the 
facilities water.  These feed inputs to the TCS controller.  The 
resistances ® produce the correct current for the controller input. 
•  See Appendix for guide to TCS controller inputs and outputs.


6. SPECIFICATIONS 
Table 6-1 General Specifications 1231-CCN-01 
Parameter Conditions  Specification 
Temperature ramp 
(chilled channels)  Coolant short circuit conditions  25 feet of fluid line or less between 
TCS and semi tool 
  +25°C to +80°C  Elapsed time: <5 minutes 
  -20°C to +25°C  Elapsed time: <5 minutes 
Cooling @ TCS chilled 
channels  Coolant @ -20°C  Ch1 @ 2,500 watts and Ch2 @ 5,000 
watts with 60 seconds on; 30 
seconds off. 
Heating available    3,750 watts/channel 
System flow  @ 20°C, 80 psig  Ch1 @ 6/4 gpm (27/18 lpm) and Ch2 
@ 12/8 gpm (54/36 lpm) with DI -
Water/Glycol or Galden respectively  
Process temperature 
range-chilled channels    -20°C to + 40°C 
Set-point resolution    0.1°C 
Temperature regulation    ± 1.0°C typical 
Facility water 
requirements  10 GPM maximum at 100 PSI 
maximum @ +20°C maximum with 
100 Micron filtration and non-
corrosive  
System Pressure Drop is 25 PSI  
Power requirements  3 phase delta (balanced load), 4 wire 
(3 phases & earth ground), 200 to 
208 VAC, 50/60 Hz 
60 amp 
Ambient operating 
temperature    +10°C to +37°C 
Weight    700 pounds (315 kg) 
Dimensions    See Figure 7-1 
Transient over-voltage  IEC 664, Installation Category II  2.5 kV 
Pollution degree  IEC 664  2II 
Sound pressure level  At a distance of 1 meter  75 dB(a) 

7.  DIMENSIONS AND VIEWS OF PANELS 
Figure 7-1 Overall View of TCS With Dimensions 
Without Castors, Castors Add Nominally 4” to Height 
36.1"
42" OVERALL
40"
44" TO FLOOR
16"



Figure 7-4 Fill/Drain Tank 

1.   ¼” FLARE NUT W/ SCHRAEDER VALVE CONNECT THIS END TO THE TCS FOR 
FILLING AND DRAINING PROCEDURES (P/N 4028142-00X) 
2.   ¼ TURN BALL VALVE 
3.   INTERNAL CONNECT (NO SCHRAEDER VALVE) 
4.   ¼” FLARE NUT W/ SCHRAEDER VALVE CONNECT THIS FITTING TO THE 
TANK FOR FILLING AND DRAINING PROCEDURES (P/N 4028141-00X)   
         Figure 7-5 Fill/Drain Tank Hose 
* not to scale 

Figure 7-6 ATS Special Adapter Fitting for Draining Tool Lines  
via ATS Fill/Drain Tank (ATS dwg. 4081147-1)_   

TECHNICAL DATA for: 
FILL/DRAIN VESSEL 
4081080 
WARNING: THIS EQUIPMENT IS TO BE FILLED WITH ITS DESIGNATED FLUID, 
MIXING FLUIDS MAY DAMAGE THE TCS AND/OR EQUIPMENT. 
DESCRIPTION: 
Modulated drain/fill vessel designed for use with ATS TCS. 
MAIN FEATURES: 
Rugged, precision fabricated, 316 stainless steel vessel to perform fill and drain operations 
without the loss of fluid or vapors.  The pressure sealing, wide-mouth Tank opening is captive 
and cannot open while the vessel is pressurized. Four ¼” ports accommodate fluid in/out, multi-
use valve, pressure relief valve and pressure gage. The fluid in/out line has a double safety 
interlocked tube section to facilitate fluid drain/fill operations. The base is protected by an acid 
and chemical resistant rubber foot ring. Tank meets OSHA and ASME boiler and pressure 
vessel codes.    
CAUTION:  The information contained in this document is subject to engineering 
improvements.   Obtain an official configuration drawing and manual from ATS, for current 
detailed information. 
RATED OPERATION SPECIFICATIONS 
•  Maximum operating temperature……………………...…300°F @ 130psi (149°C @ 8.96 bar) 
•  Maximum pressure……………………………………..……………….………150 psi (10.34 bar) 
•  Designated heat transfer fluid……………………..……….…Water/Ethylene Glycol or Galden 
•  Vessel volume capacity………………….……………………..………………..5 gallons (18.9 L) 
•  Pressure relief valve setting………………..……………………..…………….125 psi (8.60 bar) 
DIMENSIONS 
•  Overall Diameter ………..…………………………………………….………………9 in (22.9 cm) 
•  Height………………………………………….……………………………………22.5 in (57.2 cm) 
•  Perimeter Fitting ………..………………………………..………………….1/4 in (0.64 cm), qty 4 
ATS 3355 E. La Palma Ave. , Anaheim, CA 92806 
(714) 688-4201 Phone; (714) 688-4153 Fax 

8. INSTALLATION 
8.1  Receiving the 1231 TCS 
Do a complete visual inspection of the TCS 1231 for any damage.  Do not use the TCS 
1231 if physical damage is evident.  If there is visible damage, notify your supplier and 
the carrier within three days; state the serial number of the TCS 1231 together with your 
order number and supplier’s invoice number.  Retain all packing materials for 
inspection. 
Allow a space 22” wide for the TCS 1231, cable and coolant connections.  The TCS 
1231 should have at least three feet of clearance at the front and rear and three inches 
along each side of the unit.  Be sure that the mounting surface can safely support the 
weight of the TCS 1231 (700 pounds evenly distributed).  The center of gravity is 
approximately the center of the unit. 
When using a forklift to move the TCS 1231, position the forks from the side of the unit. 
Warning: The TCS 1231 weighs 700 pounds (315 kg). Failure to 
take proper care in moving or lifting these units can result in serious bodily 
injury. 
8.2  Securing the unit 
The two lockable casters of the TCS 1231 swivel to provide maximum maneuverability.  
Make sure that both lockable casters are parallel to the sides of the unit and locked in 
position once the TCS 1231 is situated. 
8.3 Stacking 
The TCS 1231 may be stacked in an approved mounting rack. Be sure that the 
mounting surface can safely support the weight of the two units stacked vertically 
(700lbs/system, 318 kg/system). 
8.4 Facilities 
The TCS 1231 requires a filtered water supply (filtration ≤ 100 microns) with a flow rate 
of 10 gallons per minute at an inlet pressure between 30 and 100 psig, and an inlet 
temperature range of 17°C to 22°C.  The system is interlocked and will not operate if 
phases are incorrectly wired. 
Power input is by a fused, suitable isolating electrical outlet, 208 VAC, 50/60 Hz, 100 
amp, 3-phase delta (balanced load), 3-wire and earth. Note: Check 3-phase rotation 
using phase rotation checking device. 
8.4.1.   Facility connections 
Figure 7-3 shows a rear view of the TCS 1231 with its water and coolant connections. 
8.4.2.   Three Phase Main Power Cord Installation 
This procedure outlines the steps necessary to install the accompanying power cord harness 
onto the TCS. 

WARNING: Proper phase arrangement is critical, mis-wiring can 
shock personnel and/or cause damage to the unit and FAB. 
1.   Remove four screws from the circuit breaker access panel. 
2.   Unscrew main power compression nut and nylon gland. 
3.   Insert four 6 gage cable ends with lug rings through nylon gland. 
4.   Insert four 6 gage cable ends with lug rings through compression nut with the threaded side 
open to the nylon gland. 
5.   Put green line with lug ring through power cord port and secure to the screw adjacent to the 
circuit breaker using the attached groundnut and lock washer. 
6.   Secure the three line phase cords to the appropriate port as shown in Figure 8.1 by 
loosening the circuit breaker phase locking screw, inserting the phase line and locking the 
screw for the three phases.  Required torque is 40 in-lb for each terminal. 
7.   Tighten strain relief. 
8.   Reinstall circuit breaker access panel. 
Figure 8.1 shows the proper three phase wire connection arrangement where the wires 
are A, B, C, left to right, as viewed from the front per NEC standards. Phase inputs A, 
B, C; from the wall are black, red, and blue, respectively. The TCS phase inputs A, B, 
C, are black, red, and blue respectively. Pretest wall socket with NRTL listed phase 
tester prior to installation and verify clockwise rotation. 
Figure 8.1 Three Phase wire diagram with designated lead colors. 
Note: Units with the phase monitor are protected against under voltage and 
potential phase miswiring damage. In the event of incorrect input voltage or 
miswiring, the phase checker senses the discrepancy and opens the relay that 
supplies power to the Watlow Controller. 

8.5 REMOTE mode 
In REMOTE mode (see Section 9.4) all control of the unit is given to the system central 
controller.  None of the controls on the control panel face of the 1231 have any effect 
except: EMO switch and circuit breakers.  If any work is attempted on the 1231 it is 
essential for proper system operation to place the 1231 in LOCAL mode; see Section 
9.4 for instructions on accomplishing this. 
The AUX LED on the control panel (see Section 2) will illuminate indicating the 
REMOTE has been chosen. 
8.6 LOCAL mode 
In LOCAL mode (see Section 9.3) control of the unit is passed to the control panel (see 
Section 2).   Service of any kind requires that the 1231 unit being serviced be in LOCAL 
mode.  It is also desirable to place the 1231 unit in LOCAL mode when a tool is being 
flushed and filled (see Section 9.2). 
8.7  Filling the reservoir 
Warning: When retrofitting a TCS 1231 in place of a water/glycol unit, the 
coolant lines must be thoroughly flushed with nitrogen to remove moisture prior 
to installation.  The humidity of the emerging flush N2 must be checked to ensure 
that all moisture is removed.  The N2 leaving the system during flush must be 
contain less than 1 mm partial pressure of H2O vapor before the system can be 
considered dry. 
To fill the reservoir it is necessary to have a supply of 50% water/50% ethylene glycol 
(water/glycol) or Galden® in a fill/drain tank that can be pressurized to 60 psi (4 bar).  
This can be supplied from ATS if desired.  Check with your supplier for further 
information. 
8.8  Filling the lines from the reservoir 
This procedure is identical with that of Section 9.1; filling a coolant channel including 
the TCS and semiconductor equipment.  See this section for operating instructions. 
8.9  Draining the coolant reservoir 
Note: If it is desired to completely remove all 50% water/50% ethylene glycol 
(water/glycol) or Galden® fluid from the system of the TCS and tool all the tools must 
be drained.  This procedure is covered in Section 9.2; flushing the Semi Tools.  See this 
section for operating instructions and drain all fluid from the tools before attempting to 
drain the fluid reservoir. 

9.  SET-UP AND INITIAL OPERATION 
9.1  Filling a Coolant Channel including the TCS and semiconductor equipment. 
Before the 1231 can be used all the channel circuits including the lines from TCS to 
tools must be filled. This task should to be accomplished using a ATS approved 
Fill/Drain Tank charged with 50% DI Water/50% Ethylene Glycol (DI/Glycol) or Galden.  
Whenever a tool is removed from the TCS for service that channel circuit needs to have 
its fluid drained from the lines and tool.  The following procedures are to be used for 
both processes. 
Prior to operating the1231 the Fluid Line inline filters must be installed in both channels. 
The filters are shipped ready for installation with their insulation mounted. Use care 
when attaching the filters to avoid damaging the insulation. Mount the filters to the 
return line connections for both fluid channels on the rear panel of the TCS chassis. 
Warning: Do not use the pumps to purge air from the system, hoses or 
chamber lines or damage will occur and warranty will be voided. 
Warning: Before filling any channel with fluid be sure to purge and flush 
out all remaining dissimilar fluids from the connecting tool and its associated 
lines. 
Warning: Use only clean, particulate free coolant fluids or damage may 
result to the temperature control system and void warranty.   
Caution: When connecting stainless steel fittings use of anti-seize compound is 
recommended.   
Note: ATS supplied Fill/Drain Tanks are sized for approximately 75 feet of service 
hose. If longer hoses are required contact ATS for review. 
Caution: Ensure that fluid system is pressurized to at least 25 psi throughout fill, 
purge or drain procedure. 
Caution: DI/EG may change over time. Periodically check the DI/EG ratio. 
Note: For DI Water/Ethylene Glycol (EG) units it is recommended that the 
instructions in this note are followed to achieve the recommended 50/50 DI 
Water/Ethylene Glycol (EG) ratio. 

Caution: EG may be initially absorbed by the DI filters. In order to 
compensate for this effect the following steps are recommended. 
1.  Fill the system with 60/40 (2 gallons EG to 1.5 gallons DI). 
2.  Drain and refill with 100% EG about 0.5 gallon at a time until the mixture 
reaches or exceeds 50/50 using an appropriate EG or specific gravity 
hydrometer. (The scale on the Hydrometer should be 1.00 (100 % DI 
Water) to 1.22, with a 50/50 target reading of 1.058) 
3.  Run unit for approximately 10 minutes at -20°
°°
°C to stabilize unit. 
4.  Check for freezing after every EG input by watching the coolant 
temperature as the chiller removes heat at -20°
°°
°C setpoint.  (Be sure to 
"mix" the coolant by purging through the reservoir and turn up the flow 
through the DI bed to max.) 
 To fill the ATS fill/drain tank 
1.  It is first required to fill the Fill/Drain tank with the filling fluid (DI Water/Glycol or 
Galden®) by lifting the lever on the top of the cap, pushing the cap down and 
orienting the cap so it can be removed from the tank.  
2.  The pressure inside the tank must be at 0 psi per the pressure gauge on the tank. 
Verify this by pulling the ring on the pressure relief valve. Depressurize the tank by 
pulling the ring on the pressure relief valve. 
3.  Fill the tank with the required fluid (DI Water/Glycol or Galden®). Reinsert the cap 
into the tank and close the lever so that the tank is sealed. The tank will now be 
pressurized using 80psi with N2 by connecting the tank to an 80psi N2 source using 
the shraeder valve fitting supplied in the Fill/Drain Tank kit. 
Note: A spare shraeder valve fitting is included in the Fill/Drain Tank Kit. The 
fitting is provided for adapting local installation nitrogen or CDA pressure 
regulators to the Fill/Drain Tank hoses for the purpose of pressurizing the lines 
for operations.  Caution: High Pressure. Please use appropriate fitting 
installation sealant if this fitting is required. 
Pressurizing the fill/drain Tank 
Note: The tags “Fill Port” and “Drain Port” may be ambiguous. The 80psi source 
should be connected to the port marked “Drain Port” and the fitting tagged “Fill 
Port” will be the port used to fill the TCS chiller. By looking inside the tank this 
can be understood as the “Fill Port” is connected to a standpipe that draws from 
the bottom and “Drain Port” is a short standpipe, which pressurize the top of the 
tank.  
1.  Connect the 80psi N2 source to the “Drain Port” of the tank using the hose (Fig. 7-5) 
and pressurize the Fill/Drain tank to 40-60psi per the pressure gauge. 
2.   Disconnect the tank from the hose and move the tank to the front of the ATS chiller.  

Charging the ATS TCS (chiller) and cooling lines to Tool.  
Connect the ATS chiller to the tool using the insulated hoses (50ft or 75ft).  
There are 3 stages to filling the cooling loops to the system: 
1.  Filling the hoses connected between the chiller and the tool. 
2.  Filling the internal cooling loops of the chiller. 
3.  Filling the reservoir and sightglass of the chiller.  
Caution: Do not turn on any of the pumps for the chiller until all 3 filling steps are 
completed.  As damage will result and warranty may be voided. 
Filling the hoses between the chiller and tool. 
1.  To fill the hoses connected between the chiller and the tool first close the supply 
valve for that channel at the back of the TCS. 
2.  Connect the “Fill Port” of the Fill/Drain tank to the Fill/Drain connection at the front of 
the chiller using the blue hose. Make sure the manual valve in the hose is all the 
way closed to prevent liquid being sprayed out of the hose. 
3.  Now open the valve hose and charge the loop watching as the pressure in the tank 
drops slowly. Simultaneously using a flashlight view the sightglass on the front panel 
of the chiller to see if any liquid appears from the bottom. Doing this you are filling 
the hoses and tool by pushing the air from the hoses and chamber cooling channels 
into the reservoir.  
4.  If no liquid appears and the pressure gauge on the Fill/Drain tank has stopped 
dropping the reservoir is pressurized with air and this needs to be released. The air 
in the reservoir is released by compressing the middle nipple of the schraeder fitting 
at the top of the sightglass labeled “Pressurize 80psi max”. This will release the air 
previously in the hoses and tool to atmosphere.  This is shown in the figure a. For 
maximum liquid transfer it is better to maintain the pressure in the reservoir viewed 
on the gauge marked reservoir at zero. 
Figure “a” 

5.  Repeat this until liquid is seen filling the sightglass without bubbles. The cooling 
lines are now filled as shown in figure b and the next step is to fill the internal cooling 
loop of the chiller. 
Warning:  Whenever a new component which contains air is introduced into the 
cooling loop the chiller should be turned off and the above procedure should be 
followed until no bubbles are visible in the sightglass. Air introduced into the 
system while running will travel through the loop and potentially the chiller pump 
to fail. 
 Figure “b” 
Filling the internal cooling loops of the chiller. 
1.  To fill the internal cooling loop of each channel open the “supply valve” of the 
channel being filled at the back of the TCS unit. 
2.  Connect the “Fill Port” of the Fill/Drain tank to the Fill/Drain connection at the front of 
the chiller for each channel using the blue hose. Make sure the manual valve in the 
hose is all the way closed to prevent liquid being sprayed out of the hose. 
3.  Now open the valve hose and charge the loop watching as the pressure in the tank 
drops slowly.  For maximum liquid transfer rate it is better to maintain the pressure 
in the reservoir viewed on the gauge marked reservoir at zero. This is achieved by 
compressing the middle nipple of the schraeder fitting at the top of the sightglass 
labeled “Pressurize 80psi max”. The state of the chiller loop at the start is shown in 
figure “c”. 
4.  For channel 1 only, fill that channel cooling loop while observing the fluid in the 
sightglass using a flashlight, until no bubbles appear in the liquid of the sightglass. 
The bubbles signify the air that is being purged from channel 1 internal chiller loop 
into the reservoir. 

5.  For channel 2 only, fill the channel cooling loop with the manual valve marked “Ch2 
Purge” open. The air inside this channel is vented to the top of the reservoir and 
cannot be viewed in the sightglass. It is sufficient to do this for 2 minutes as liquid 
fills the loop and the reservoir.  
Note: To prevent the risk of introducing air back into the internal chilling loop 
maintain a liquid level above the standpipe opening of the Fill Port in the 
Fill/Drain tank.  
6.  When the internal cooling loop of the chiller loop is filled as shown in Figure “c” 
close the Ch2 Purge valve.  
7.  Disconnect the Fill/Drain tank from the channel “Fill/Drain” connection. 
Filling the reservoir and sightglass of the chiller 
To fill the reservoir of the chiller connect the “Fill Port” of the Fill/Drain tank to the 
connection at the bottom of the sightglass marked “Reservoir Drain”.   
1.  Open the manual valve in the hose and transfer fluid from the “Fill/Drain” tank to the 
reservoir. Again for maximum liquid transfer it is better to maintain the pressure in 
the reservoir viewed on the gauge marked “Reservoir” at zero. 
2.  Fill the reservoir until the reservoir is full or the tank is empty which will be indicated 
by bubbles appearing in the sightglass of the reservoir. Air introduced at this point is 
not harmful to the chiller.  
3.  Each white horizontal indicator on the sightglass corresponds to 25 feet of supply 
and return ½” hose (50 feet total). 
4.  It is now required to pressurize the reservoir and the complete chiller loops.  
Connecting the 80psi N2 source to the schraeder connection at the top of the sight 
glass marked “Pressurize 80psi max” , gently introduced N2 into the reservoir until 
20 psi is indicated on the gauge marked “Reservoir”. The entire system is now at 
reservoir pressure and the corresponding gauges on channels 1 and 2 should 
indicate that pressure.  

Figure “c” 
Operating the chiller. 
To start operating the chiller, ensure that the supply valve at the back of the chiller for 
each connected channel has been opened.  
1.  Turn on main circuit breaker and individual breaker for each pump, the compressor 
and heater.  
2.  Pumps 2 and 3 pump channel 2 fluid. Pump 1 pumps channel 1. 
3.  Start the pump for the channel being purged and check for flow by observing that 
the appropriate “Low Flow” indicating led on the control panel extinguishes and the 
pressure increases on the pressure gauge at the front panel.  
4.  If no flow has been established within 5 seconds turn the pump off. This indicates 
that air still remains in the system at the pump head and must be removed by the 
steps above in “Filling the internal cooling loops of the chiller”. It is important to hit 
“Alarm Ack” on the Watlow TCS control unit should the pump trip off independently.  
5.  Repeat Operating the chiller Step 2-4 until flow and pressure have been established. 
It is interesting to note the pressure in the chilled loop with the pump running is now 
approximately 60-100 psi greater than the pressure indicated in the reservoir. 
6.  After flow and pressure have been established open “Purge Valve” for the channel 
under observation. If flow stops, close the purge valve, stop the pump and repeat 
step 3.  
7.  Hold purge valve open for approximately 3 minutes to remove remaining air in chiller 
loop. Close the purge valve.  
8.  Turn on the compressor and the Heat/Chill processing. A green light on is an 
indication the component is activated. A green light off even if the button is 
depressed means the component is faulted. 
9.  Monitor the chiller in local mode to ensure that it chills adequately in that it goes 
from ambient to setpoint in 15 minutes. It is strongly recommended that only Loop 1 
and Loop 4 temperature setpoints on the Watlow be changed as these are the 
temperature setpoints for channel 1 and 2 respectively. All other loops are set at the 
factory and should not be adjusted.  
10. Refer to the CHX documentation to set the chiller operating in remote mode.  
Note: A rapid increase in gauge pressure indicates the fluid has been purged 
from the tool and its service lines. 
Caution: Use care when removing fitting as the lines may be under pressure. 
Note: When in a non-sensitive area the recovery tank need not be sealed. Thereby 
reducing the time required for purging.  
Note: When using a recovery Fill/Drain Tank it should be at normal atmospheric 
pressure. 
Note: Consult your MSDS for proper handling of the perfluorinated fluid. 
Note: Ensure that system pressure never goes below 25 psi if the TCS is 
operating on the remaining channels during this process.  
Note: The preceding step purges Galden® vapor from the TCS. 
9.2  Purging Gas from a Tool Channel 
Note: These steps are to be done subsequent to the operation shown in Section 
9.1.  
Note: Any reference to a recovery tank is recommended for tanks filled with 
Galden®, for they can trigger air quality detectors at high air concentrations. The 
recovery tank is optional for inert fluids.  
1.  Open  “supply” valves at the TCS rear panel (Figure 7-3). 
2.  Start pump for the channel being purged and check for flow by observing that the 
appropriate “Low Flow LED” on the control panel extinguishes (Figure 2-1) and the 
pressure by checking the pressure gage on the front panel (Figure 7-2). 
3.  If no flow or pressure has been established within 5 seconds turn the pump off and 
repeat steps in filling the internal cooling loops of the chiller in section 9.1.   
4.  Repeat check for flow (step 2 of section 9.2).  If flow and pressure do not establish 
repeat cycle until flow is steady. 
5.  After flow and pressure have been established open “Purge Valve” (Figure 7-2) for 
the channel under observation.  If flow stops, close the purge valve and stop the pump.  
Repeat steps 23 through 35 of section 9.1 and step 2 of section 9.2 until flow continues 
when the channel’s purge valve is opened. 
6.  Hold purge valve open for approximately 3 minutes to remove remaining air in tool 
circuit. 
Caution: Do not leave chilled channel pumps running very long without running 
the compressor and activating the Heat/Chill switch  to avoid overheating the 
fluid. 
9.2.1 Channel Flow Switch Adjustment Procedure 
Note: The purpose of this procedure is to adjust the Channel 2 flow switches. 
1.  Remove left side panel. (Facing front of TCS) 
2.  Disconnect connector#36(flow switch for pump#3). 
3.  Jumper across the female side of connector 36 at pins 1 and 2. 
4.  Monitor continuity of the flow switch(pump#3) across pins 1 and 3 on the male side 
of connector 36(green and yellow). Pumps are off.  
5.   Activate on/off switch for channel 2 on front panel to on position. 
6.   
a. If the low flow light for channel 2 turns off and continuity across pins 1 and 3       
remains constant, adjust flow switch#3 by going to step 10. Flow may be 
confirmed on loop 5 of the Watlow controller; top number is actual, bottom is set 
point; which is 2.5. 
b.  If the low flow light does not extinguish and there is no continuity across pins 1 
and 3, adjust flow switch#2 as described in step 7.   No flow signal is established 
on loop 5 of the Watlow controller while pumps are running. 
c.   If the low flow light extinguishes, flow is established on loop 5 of the Watlow 
controller and there is no continuity across pins 1 and 3, the system is 
functioning correctly- skip to step 12. 
7.  Remove right side panel.  
Caution: Avoid contact with Hi/Low pressure switch bare terminal; high voltage. 
NOTE: For easier access, turn off circuit breakers for all heaters and disconnect 
heater connectors (#s 24 and 25). 
8.  Locate flow switch for pump#2(below pump#3).  
9.  With pumps running (channel 2), adjust flow switch setting on pump#2 with a 5/32” 
allen wrench (clockwise decreases flow rate set point) until low flow light 

extinguishes and flow is established on loop 5 of the Watlow controller (above 2.5 
set point). Note: If continuity across pins 1 and 3 is open, skip step 10. 
10. With pumps running (channel 2), adjust flow switch setting on pump # 3(clockwise 
decreases flow rate set point) with a 5/32” allen wrench until continuity across pins 1 
and 3 opens. Note: Loop 5 on Watlow controller should be above the 2.5 set point 
while adjusting the flow switch for pump#3. 
11. Re-connect connector#36 and check flow (loop 5 on Watlow) and low flow light on 
front panel extinguishes. 
12. While you have the panels off, turn channel 2 pumps on and off 2 or 3 times to 
ensure proper flow switch set point. 
13. Check to be sure all electrical connections are securely attached. 
14. Re-install panels. 
If further assistance is required, please call ATS product support at the following 
telephone number, 714-688-4201. 
9.3  Draining a Tool Channel 
Warning: Do not drain a channel that is over 60°C. First cool the channel 
by reducing the set temperature on the TCS control to 60°C or less. 
Note: Maintain system pressure at 25 psi minimum during the channel draining 
process if the unit is operating on its remaining channel. 
1.  Be sure the pump is stopped for the intended channel to be drained. 
2.  Close TCS “Supply” valve for the appropriate channel (Figure 7-3). 
3.  Connect a source of clean N2 at a pressure of 25-50 psi to the “Fill/Drain Line”          
(Figure 7-2) for the corresponding channel using a Fill/Drain Tank Hose (Figure 7-5). 
4.  Open “Fill/Drain Valve” (Figure 7-2) for that channel, allowing N2 into the line. 
5.  Remove over-pressure between the N2 and the tank from the system by connecting 
a tank hose (Figure 7-5) from the System Pressure valve at the top of the sightglass 
(Figure 7-2) to the Fill/Drain Tank  “Drain Port”. 
6.  Monitor the liquid showing in the sightglass and continue the process until bubbles 
appear in liquid. 
7.  Continue introducing N2 through the “Fill/Drain Valve” for approximately 30 seconds 
per 25 feet of hose to be drained. 
8.  Close TCS “Return” valve for the channel being serviced.  
9.  Close the “Fill/Drain Valve”.  
10. The tool or the lines to the tool can now be removed.   
Note: There will be little more than traces of fluid left in the lines after the drain 
process has been correctly carried out. 
Note: Clean Dry Air (CDA) may be substituted for N2 if needed. 
9.4  Fluid Line Connections 
Prior to operating the1231 the Fluid Line inline filters must be installed in both channels. 
The filters are shipped ready for installation with their insulation mounted. Use care 
when attaching the filters to avoid damaging the insulation. Mount the filters to the 
return line connections for both fluid channels on the rear panel of the TCS chassis. 
9.5  Draining the TCS for Removal 
Note: Before draining the TCS drain the Tool and its service lines per section 9.3. 
Caution: Close all valves and remove all service lines before draining the TCS. 
1.  Cap the Fluid Line “Supply” (Figure 7-3) for the channel to be drained using an 
appropriate face seal cap. 
2.  Open the “Supply” valve (Figure 7-3) for the selected channel using a 9/16” wrench. 
3.  Attach a ATS recommended recovery Fill/Drain Tank to the TCS channel to be 
drained by connecting the tank’s hose (Figure 7-5) between the selected channel TCS 
Fill/Drain Line (Figure 7-2) and the recovery tank’s “Fill Port” (Figure 7-4). 
Note: The tank should be empty and at atmospheric pressure. 
4.  Open the recovery tank hose and TCS Fill/Drain valves (Figure 7-2). 
5.  Connect another hose to a source of clean N2 at a pressure of 25-50 psi and to the 
“System Pressure Valve” (Figure 7-2). 
6.  Open the N2 hose valve and begin introducing N2. 
7.  Monitor the recovery tank’s pressure gauge. A rapid increase in pressure indicates 
that the channel has been emptied. 
Caution: Close all valves before removing any hoses or fittings.  
8.  Repeat the above steps for the remaining channel. 
9.6   INSTRUCTIONS FOR FILLING A TCS WITH GALDEN® 
Note: Due to the sensitivity of FAB air quality measuring devices to Galden® 
special procedures must be followed to prevent alarms. These procedures were 
designed to minimize the exposure of Galden fumes to the FAB environment. Two 
fill/drain tanks (a supply and recovery tank) are key to this. 
9.6.1 Filling a Tool Channel including the TCS. 

Before the 1231 can be used all the channel circuits including the lines from TCS to 
tools must be filled. This task should be accomplished using an ATS approved Fill/Drain 
Tank charged with Galden®.  Whenever a TCS is removed from the tool for service that 
channel circuit needs to have its fluid drained from the lines and tool.  The following 
procedures are to be used for both processes. 
Caution: Ensure that the heat transfer fluid system is pressurized to at least 25 
psi throughout fill, purge, or drain procedure. 
Warning: Before filling any channel with Galden®, be sure to purge all 
remaining fluids from the connecting tool and its associated lines. 
Warning: Use only clean, particulate free coolant fluids or damage may 
result to the temperature control system.   
Caution: When connecting stainless steel fittings use of anti-seize compound is 
recommended.   
1.  When initially connecting the TCS to the tool begin by attaching the special adapter 
fittings (Figure 7-6), using 15/16” and 7/8” wrenches, to the appropriate tool supply and 
return line ends for each channel to be used. 
2. Fill the ATS recommended Supply Fill/Drain Tank with an approved low grade 
Galden fluid or clean water. 
3.  Connect the selected supply line to the Supply Fill/Drain Tank’s “Fill Port” (Figure 7-
4) using a Fill/Drain Tank Hose (Figure 7-5).  
Note: ATS supplied Fill/Drain Tanks are sized for approximately 75 feet of service 
hose. If longer hoses are required contact ATS for review. 
4.  Connect the matching return line to a second empty Recovery Fill/Drain Tank’s 
“Drain Port” (Figure 7-4) using a second Fill/Drain Tank Hose (Figure 7-5). 
5.  Pressurize the filled Supply Fill/Drain Tank to approximately 50 psi by introducing N2 
into its “Drain Port” using a Fill/Drain Tank Hose. 
6.  Open the Fill/Drain Tank hose valves (Figure 7-5) and begin purging the tool with 
low grade Galden® or clean water. 
7.  Monitor the pressure gauges on both tanks.  
8.  When the gauge on the recover tank approaches the reading on the supply tank, 
close the recovery tank’s hose valve and remove the recovery tank from the Fab area 
for venting in an approved location. 
9.  Vent the recovery tank by actuating the pressure relief valve’s finger ring. 
10. Reattach the Fill/Drain tank hose to the recovery tank. 
11. Close supply tank’s hose valve and remove the supply tank, leaving the hose 
connected to the tool supply line. 
12. Attach the loose end of the supply tank’s hose to a N2 source of approximately 50 
psi. 
13. Open both hose valves and begin introducing N2. 
14. Monitor the recovery tank’s pressure gauge. 
Note: A rapid increase in gauge pressure indicates the fluid has been purged 
from the tool and its service lines. 
15. Once the purging has been completed close both hose valves. 
16. Remove the adapter fittings from the supply and return lines. 
Caution: Use care when removing fitting as the lines may be under pressure. 
Note: When in a non-sensitive area the recovery tank need not be sealed. Thereby 
reducing the time required for purging.  
17. Connect the selected channel’s supply and return lines to the TCS. 
18. Close TCS “Supply” (using a 9/16” wrench) valve on the rear panel. 
19. Close the valve of all Fill/Drain Tank hoses. 
20.  Connect a hose (Figure 7-5) between a B/E Fill/Drain Tank’s “Fill Port” (used as a 
supply tank source of Galden® HT 135 or DI-Water/Glycol at a pressure of 25-50 psi) 
and the TCS “Fill/Drain Line” connection (Figure 2) for the corresponding channel. 
21. Connect a hose (Figure 7-5) between an empty B/E Fill/Drain Tank’s “Drain Port” 
(used as a recovery tank for Galden® vapors) and the TCS “System Pressure Valve” 
(Figure 7-2). 
22. Open the appropriate channel’s hose valves to start introducing Galden®.  
Note: When using a recovery Fill/Drain Tank it should be at normal atmospheric 
pressure. 
23. Open the recovery tank’s hose valve to remove excess pressure from the system. 
24.  Observe the fluid entering the TCS Sightglass while step 23 is in process. 
25.  If the pressure in the recovery Fill/Drain Tank approaches that in the supply 
Fill/Drain Tank, it is necessary to interrupt this process by closing all related valves and 
removing the recovery tank.  
26. Bleed the Fill/Drain Tank outside the fab area (fumes from perfluorinated fluids can 
set off false fluorine alarms inside fabs) to remove excess pressure.  
Note: Consult your MSDS for proper handling of the perfluorinated fluid. 
28. Reattach the recovery tank and hose, then open all related valves before continuing 
the process.  
Note: Ensure that system pressure never goes below 25 psi if the TCS is 
operating on the remaining channels during this process.  
29. Open the “Supply” valve when the liquid flow as viewed in the TCS Sightglass no 
longer contains bubbles. 
Note: The preceding step purges Galden® vapor from the TCS. 
30. Continue to monitor the TCS Sightglass for bubbles. 
31. When the liquid flow no longer contains bubbles, close all related hose valves and 
remove both Fill/Drain Tanks. 
32. Repeat the above steps for the remaining channel. 
33. Pressurize the system through the “System Pressure Valve” (Figure 7-2) using  
a 25-50 psi source of N2 connected through a tank hose (Figure 7-5). 
35. Open TCS the “Supply” valve before starting a pump. 
9.6.2  Purging Gas from a Tool Channel 
Note: These steps are to be done subsequent to the operation shown in Section 
9.1. of the TCS manual 
1.  Open  “Supply” valves at the TCS rear panel (Figure 7-3). 
2.  Start pump for the channel being purged and check for flow by observing that the 
appropriate “Low Flow LED” on the control panel extinguishes (Figure 2-1) and the 
pressure by checking the pressure gage on the front panel (Figure 7-2). 
3.  If no flow or pressure has been established within 5 seconds turn the pump off and 
repeat steps 23 through 35 in section 9.1 of the TCS manual.   
4.  Repeat check for flow (step 2 of section 9.2 of the TCS manual).  If flow and 
pressure do not establish repeat cycle until flow is steady. 
5.  After flow and pressure have been established open “Purge Valve” (Figure 7-2) for 
the channel under observation.  If flow stops, close the purge valve and stop the pump.  
Repeat steps 23 through 35 of section 9.1 and step 2 of section 9.2 until flow continues 
when the channel’s purge valve is opened. 
6.  Hold purge valve open for approximately 3 minutes to remove remaining air in tool 
circuit. 
Caution: Do not leave chilled channel pumps running very long to avoid 
overheating the fluid. 
9.6.3 Draining a Tool Channel 
Warning: Do not drain a channel that is over 60°C. First cool the channel by 
reducing the set temperature on the TCS control to 60°C or less. 
Note: Maintain system pressure at 25 psi minimum during the channel draining 
process if the unit is operating on its remaining channel. 
1.  Be sure the pump is stopped for the intended channel to be drained. 
2.  Close TCS “Supply” valve for the appropriate channel (Figure 7-3). 
3.  Connect a source of clean N2 at a pressure of 25-50 psi to the “Fill/Drain Line”          
(Figure 2) for the corresponding channel using a Fill/Drain Tank Hose (Figure 7-5). 
4.  Open “Fill/Drain Valve” (Figure 7-2) for that channel, allowing N2 into the line. 
5.  Remove over-pressure between the N2 and the tank from the system by connecting 
a tank hose (Figure 7-5) from the System Pressure valve at the top of the sightglass 
(Figure 7-2) to the Fill/Drain Tank  “Drain Port”. 
6.  Monitor the liquid showing in the sightglass and continue the process until bubbles 
appear in liquid. 
7.  Continue introducing N2 through the “Fill/Drain Valve” for approximately 30 seconds 
per 25 feet of hose to be drained. 
8.  Close TCS “Return” valve for the channel being serviced.  
9.  Close the “Fill/Drain Valve”.  
10. The tool or the lines to the tool can now be removed.   
Note: There will be little more than traces of fluid left in the lines after the drain 
process has been correctly carried out. 
Note: Clean Dry Air (CDA) may be substituted for N2 if needed. 
9.6.4 Fluid Line Connections 
Prior to operating the1231 the Fluid Line inline filters must be installed in all channels. 
The filters are shipped ready for installation with their insulation mounted. Use care 
when attaching the filters to avoid damaging the insulation. Mount the filters to the 
return line connections for both fluid channels on the rear panel of the TCS chassis. 
9.6.5 Draining the TCS for Removal 
Note: Before draining the TCS drain the Tool and its service lines per section 9.3. 
of the TCS manual 
Caution: Close all valves and remove all service lines before draining the TCS. 
Note: The Reservoir fluid can be drained through any channel. 
1.  Cap the Fluid Line “Supply” (Figure 7-3) for the channel to be drained using an 
appropriate face seal cap. 
2.  Open the “Supply” valve (Figure 7-3) for the selected channel using a 9/16” wrench. 
3.  Attach a B/E recommended recovery Fill/Drain Tank to the TCS channel to be 
drained by connecting the tank’s hose (Figure 7-5) between the selected channel TCS 
Fill/Drain Line (Figure 7-2) and the recovery tank’s “Fill Port” (Figure 7-4). 
Note: The tank should be empty and at atmospheric pressure. 
4.  Open the recovery tank hose and TCS Fill/Drain valves (Figure 7-2). 
5.  Connect another hose to a source of clean N2 at a pressure of 25-50 psi and to the 
“System Pressure Valve” (Figure 7-2). 
6.  Open the N2 hose valve and begin introducing N2. 
7.  Monitor the recovery tank’s pressure gauge. A rapid increase in pressure indicates 
that the channel has been emptied. 
Caution: Close all valves before removing any hoses or fittings.  
8.  Repeat the above steps for the remaining channel. 
10. OPERATING THE TCS CONTROLLER 
As noted in the Introduction to this manual the Watlow Anafaze manual CLS200 Series 
USER’S GUIDE is an integral part of this operating manual.  The instructions found in 
this section are excerpted from that manual and are provided as a short introduction to 
the operating procedures needed by the 1231 operator.  Any more detailed questions 
that are not answered in this manual can normally be found in the CLS200 Series 
USER’S GUIDE.   The operator should gain thorough familiarity with the USER’S 
GUIDE.   Reference to page numbers given in Section 10 refer to the page numbers in 
the USER’S GUIDE. 
10.1  Setting up the controller 
See Appendix I for description of inputs, outputs and functions of the TCS 
controller. 
1.  Set up controller address if unit is used with the Applied central controller and CHX 
communication is in use.  If the TCS is to be used as a stand-alone TCS with no tie-in 
to a central controller for a cluster tool set the TCS controller to LOCAL mode and leave 
it set thus (see Section 8.6). 
2.  Proportional Integral Derivative (PID) settings are factory preset and should not 
require adjustment. if the default settings are not adequate discuss with a 
knowledgeable trained technician or ATS personnel. 
3.  Change the Capacity Regulation settings if the default settings do not prove 
adequate. 
10.2 Address set-up 
(Ref. page 56) Access the Setup Menus: Press; ENTER then ALARM/ACK then CHNG 
SP. 
“Setup Global Parameters” appears: Press YES. 
Press NO to advance the menu selection to “Controller Address” menu: Press YES to 
select this menu. 
Press YES to increase the address number to a selection between 1 and 244 that is 
desired for the first controller address.  The next higher number will be automatically 
assigned to each subsequent controller.  Press ENTER to retain settings.  Press BACK 
to abort editing and return to Setup Global Parameters menu.  Press BACK again to 
return to the control menus. 
10.3  Proportional Integral Derivative settings 
The PID settings are set up to match the needs of a typical 200 mm tool with a thermal 
mass equivalent to about 15 kg of aluminum.  The default settings for Channel 1 and 2 
are: 

Heat Control PB, 4  Heat Control Filter, 0  Cool Control TD, 60 
Heat Control TI, 20  Cool Control PB, 4  Cool Control Filter, 0 
Heat Control TD, 50  Cool Control TI, 20  Heat/Cool Spread, 0 
Note: For additional default settings see the appendix. 
10.3.1  Setting up to change the PID settings 
To change these settings when in the proper loop of the control panel first press “Enter” 
(see Figure 10-1) then “Alarm Ack” then “Chng Sp” all within three seconds.  This will 
change the control panel to read “Setup Global Parameters?”: Press “No” in response.  
“Setup Loop Inputs?” appears: No is the proper response  “Setup Loop Control 
Params?” appears: Press “Yes”.  Press “Yes” to any parameter that should be changed 
and “No” to any that should remain unchanged.  Pressing “No” will advance the control 
to the next parameter.  Pressing “No” to the last parameter will return to “Setup Loop 
Control Params?”.  The operator can then repeat the above menu or get back to the 
main display. 
10.3.2  Changing the PID settings. 
When it is desired to change a setting of a given menu, for example “Cool Control PB”, 
After pressing “Yes” to so indicate press “Yes” to increase the number after the = sign 
or “No” to decrease its value.  Press “Enter” to store the chosen value.  The next step in 
the menu will appear for changing if so desired.  When finished with the changes press 
”Back” enough times to return to the main display. 
10.3.3  Guidance for setting PID settings. 
If control is unsatisfactory enough to indicate a change in the PID settings is needed, 
the following can be used as a rough guide. 
Heat Control PB: Increasing will 
decrease the strength of control; 
decreasing PB will turn more heat or 
cooling at temperatures a small distance 
from set point. 
Cool Control TI: See Heat Control TI. 
Heat Control TI: Increasing this makes 
the setting more stable but less accurate; 
conversely, decreasing will make the 
approach to set temperature closer but 
will oscillate more as TI is reduced. 
Cool Control TD: See Heat Control TD. 
Heat Control TD: Increasing this makes 
the setting slower to respond but with 
less overshoot when the set temperature 
is changed.  Decreasing TD will make 
the response quicker but with more 
overshoot and resultant oscillation after 
set temperature is achieved. 
Cool Control Filter: See Heat Control Filter 
Heat Control Filter: Generall
y
 this should  Heat/Cool S
p
read: Generall
y
 this value 

remain set at 0.  Increasing the value will 
dampen response.  See page 75 in the 
USER’S GUIDE. 
should always be 0.  Any larger value will 
affect the closeness of temperature control.  
To achieve ± 1°C this setting of 0 must be 
maintained. 
Cool Control PB: See Heat Control PB 
above.   
10.4 Capacity regulation 
Generally the settings for Capacity Regulation should not be changed.  These are PID 
settings for Cool only.  If it seems that the capacity regulation light is on (see Section 2) 
too long and it is desired to change these settings check with Engineering at B/E 
Aerospace, Inc. before proceeding. 
10.5   Process Control Limit Settings 
The Anafaze Controller provides system protection through Process Limit Settings in its 
Global Parameters. All 16 loops are limited by one setting for the “Setup Global 
Parameters”. The  “Setup Global Parameters” are factory set to the Chiller specification 
of -20°C and +40°C. New values should be discussed with the ATS factory engineering 
before the limits are changed to ensure satisfactory unit operation.  
Changing the limits is accomplished as follows: 
1.  Access the “Setup Global Parameters” menu as described in section 10.2.   
2.  Once the “Setup Global Parameters” menu has been accessed press NO to 
advance the selection to “Minimum Set Point”.  
3.  Press YES to indicate appropriate heading is ready for data entry.   
4.  Press the “Up Arrow” to increase the value or the “Down Arrow” to decrease the 
value, until the appropriate new value is achieved. 
5.  Press the Enter to accept the value and advance to the “Maximum Set Point” 
heading. 
6.  If changing only the maximum limit, continue advancing the selection by pressing 
NO until “Maximum Set Point” appears. 
7.  Press YES to indicate appropriate heading is ready for data entry.   
8.  Press the “Up Arrow” to increase the value or the “Down Arrow” to decrease the 
value, until the appropriate new value is achieved. 
9.  Press the Enter to accept the value and advance to the next heading. 
10. Press Back twice to return to normal operation. 
10.6  Changing the Process Set Points 
All 16 Loops can be altered locally through the Anafaze front control panel buttons as 
follows: 
1.  Scroll to the appropriate Loop by using the “Up” or “Down” arrow until the correct 
number appears. 
2.  Press the “CHNG SP” button followed by the YES button. 
3.  Press the “Up” or “Down” arrow until the new set point is reached. 
4.  Press enter to accept the value and reset to the normal operation mode. 
10.7  Changing the Safety and Reference Set Points 
Changes to the Safety and Reference Set Points should not be made without 
discussing the changes with the ATS factory engineering before to ensure safe unit 
operation.  
Safety Set Points are set at the factory per the following values: 
•  Flow Switch Safety Limits (Loop 2, and 4) are set to the reference value of 2.5. 
•  Heater Safety Limits (Loops 12, and 13) are set to 100°C. 
Reference Set Points for the Reference Evaporator and the Compressor are set at the 
factory. Their initial values are listed in the Watlow PID Setting Matrix included with this 
manual. 
Note: The Safety and Reference Set Points can be altered locally through the 
Anafaze front control panel buttons as described in section 9.5.

11.LIQUID PUMP OPERATION 
Figure 11-1 shows the basic layout of the ATS liquid pump design.   
Figure 11-1 Liquid pump layout 
The pump is a regenerative turbine style pump driven by a 3 phase induction motor, the 
rotor of which is enclosed inside a stainless steel shell.

12.TROUBLE-SHOOTING THE 1231 
Note: To trouble-shoot the 1231 the TCS controller should be in LOCAL mode. 
Table 12-1 Trouble-shooting the TCS 
 Symptom Cause & Corrective Action 
1.  Capacity regulation lights are on 
continuously in steady-state 
operation. 
Refrigeration circuit is being overloaded: Increase set 
temperature or reduce heat load on chilled channels.  If all 
settings are within specifications refrigeration system is not 
cooling per design and system must be examined for 
cause.  Most likely reason is loss of refrigerant due to a 
leak. 
2.  Low Flow LED will not extinguish.  A. Pump is malfunctioning: Replace with new or rebuilt 
pump if power is correctly applied to pump (Note whether 
pump LED is on.). Check connection phase rotation. 
Confirm circuit breaker position and fuse status. 
B. Channel circuit is blocked: Remove obstruction.  Output 
valve may be shut off or another blockage is in channel 
circuit. 
C.   Pump is vapor locked: Either the fluid is boiling because 
the type of fluid used boils at less than the operating 
temperature or the channel temperature is set over the 
maximum operating range.  In the first case flush out 
the fluid (see Section 9) from all channels and refill with 
the correct fluid. In the second case set the 
temperature to the correct value. 
D.   On channel 2, the flow switches are improperly set for 
the application. If you suspect the flow switches contact 
ATS for instructions. 
3.  Low Flow LED will not illuminate.  A. Flow switch malfunction: Remove switch and clean or 
replace. 
B.  Damage Wiring: Check and repair as necessary. 
4.  Absence of cooling.  A.  Main Heat/Cool Switch activation: Turn on switch. 
B.  Loop 15 set point too low: Reset with higher value. 
C.  Compressor off due to fault: Correct fault. Note: high 
cooling water flow (above 10 gpm) may cause loss of 
function. Lower cooling water flow (below 10 gpm) and 
recheck.  
D.  Refrigerant Low: Contact authorized refrigeration 
technician for service.  
E.  TXV not opening: a) Confirm power supplied to TXV 
bulb heater, if not, correct supply. b) Check for damaged 
TXV bulb heater, replace if necessary. C) Replace TXV if 
needed.   
5.  Heater over-temperature LED stays 
activated.  Channel heater cluster is overheating:  Cause must be 
diagnosed.  Possibilities are: 
   A.  Heater over-temperature setting is set too low: Correct 
at the TCS controller and reset controller 
   B. Channel temperature is set too high for the TCS or the 
fluid used.  Galden® HT 110 or equivalent is 
recommended.  The limit of this fluid is 120°C: Reset 

controller 
   C. Heater relay has failed (closed) and must be replaced. 
6.  Prolonged gradual heating  A.  Main Heat/Cool switch activation: Turn on switch. 
B.  Heater Safety Loops (12 and 13) set point too low: 
Increase set point. 
C.  Failed heater: a) Confirm power supplied to heater, if  
not, correct supply. b) Check for damaged heater, replace 
complete assembly if necessary. 
D.  Exceeding design capacity of TCS: Consult factory for 
assistance. 
7.  Drop in heating capability  A.  Temperature set point altered: Correct set point. 
B.  Failed heater: a) Confirm power supplied to heater, if 
not, correct supply. b) Check for damaged heater, replace 
complete assembly if necessary. 
8.  TCS controller fails to give proper 
readings.  This is difficult to predict where the fault lays.  The TCS 
controller can fail and this is recognized when all channels 
of control are giving wrong readings.  Thermocouples can 
be broken and this will show on the TCS controller readout.  
If the controller needs replacing the TCS will have to be 
removed from service to allow this to be done. 
9.  Increase in TCS cover temperature.  A.  Vent Fan failure: a) Check for free wheeling of fan 
blades, remove blockage if required. b) Confirm power 
supplied to fan if not, correct supply. c) Check for damaged 
fan motor, replace if necessary. 
B.  Blocked inlet vents: a) Remove blockage, if present.   
b) Ensure 2” clearance between TCS and nearest 
obstruction. 
10.  No increase in channel pressure 
during pump operation.  See Low Flow LED will not go off symptom (2). 
11.  Communications faults  A. Wrong cable: confirm a serial cable not a null modem 
cable was used. 
B. Check that the 485/232 converter is wired correctly. 
C.   Confirm the Watlow configuration is correct. 
D.   Reference Watlow manual check ATS wiring is 
compliant. 
12.  Poor and/or erratic cooling 
performance   50/50 mixture of ethylene glycol and deionized water is out 
of balance. DI System may be absorbing the ethylene glycol 
out of the solution thereby raising the freezing point.  
A.   Check the ethylene glycol concentration using a 
hydrometer. 
B.  
A
dd ethylene glycol to reach proper concentration.           
I.e. evaporator min temp. -35C  
13.  Watlow senses flow when the pump 
is off   Loose calibration of magnetic read switch in Malema flow 
switch. Install longer spring into magnetic read switch port 
and recalibrate. 
14.  Pump motors do not turn on  A.   Without Power do a basic visual inspection of the 
connectors that have been disassembled and 
reassembled to make sure that a pin hasn’t been 
pushed out of a connector or a wire pulled out of a pin. 
B. Without Powe
r
Jum
p
er the flow switches between 
p
ins 

1 & 2 on each of the channel 2 pumps (pumps 2 & 3) 
C.   Without Power Jumper the thermal switches on the 
pump which are pins 4 & 5 on connector J23/P23 and 
J22/P22 (thermal switches 16 and 17.) 
D.   Without Power Make sure that pump switches are 
seated completely on the P/C board.  We have seen 1 
or 2 others not fully clipped into place. 
E.   Make sure all circuit breakers are off.  Then turn on 
main circuit breaker.  Activate circuit breakers for 
pumps 2 & 3 to see if they run.  If they do not verify that 
PS 2 is generating 12V.  Test this voltage at Switch 13, 
which is J36 pin 1 to ground (on the female side of the 
connection). 
F.   If you have voltage on J36 pin 1 then jumper switch 13 
between pins 1 & 2 on the female side of the 
connection.  Then check the voltage on flow switch 2, 
which is switch 12, pin 1 to ground, which should read 
12 V. 
G.   If you are not getting power at either steps 5 or 6 above 
check the output of the power supply.  If you have 12 V 
at the power supply but not at the switches check the 
continuity of the circuit.  To do this shut off power to 
the unit and ohm the line between PS2 + terminal to 
J36/P36 pin 1(a pushed out pin or pulled out wire is 
most likely cause). 
H.   If all these work then check the voltage at the Watlow 
WLTB1 #13, voltage from this pin to ground should be 
2-6 VDC or so.  If you get voltage the Watlow is 
receiving the signal. 

13.APPENDIX 
12.1  Appendix I. Inputs and outputs of the TCS controller 
Loop 
#  Input Type  Function  Heat 
Output  Cool 
Output  Output 
Type H/C
1  T-Type T/C  Chan. 1 
Temperature  D/O # 1  D/O # 18  DZC / 
DZC 
2  4 - 20 ma  Chan. 1 Flow 
Rate      Disabled 
3  0 - 5 V  Chan. 1 
Resistivity   D/O # 20  Off /On-
Off  
4  T-Type T/C  Chan. 2 
Temperature  D/O # 4  D/O # 21  DZC / 
DZC 
5  4 - 20 ma  Chan. 2 Flow 
Rate      Disabled 
6  0 - 5 V  Chan. 2 
Resistivity   D/O # 23  Off / On-
Off 
7  Not used        Disabled 
8  Not used        Disabled 
9  Not used        Disabled 
10  T-Type (No C/J)  Capacity 
Regulation   D/O # 27  Off / DZC
11  T-Type (No C/J)  Capacity 
Regulation   D/O # 28  Off / DZC
12  T-Type T/C  Chan. 1 Heater 
Temp  D/O # 12  D/O # 29  On-Off  
13  T-Type T/C  Chan. 2 Heater 
Temp  D/O # 13  D/O # 30  On-Off  
14  Not used        Disabled 
15  T-Type T/C  Cool channels 
control      Disabled 
16  0 - 5 V  Compressor On 
Indicator      Disabled 
Digital  Type  Function 
1  Output  Channel 1 Heat 
2  Output  Not Used 
3  Output  Not Used 
4  Output  Channel 2 Heat 
5  Output  Not Used 
6  Output  Not Used 

7  Output  Not Used 
8  Output  Not Used 
9  Output  Not Used 
10  Output  Not Used 
11  Output  Not Used 
12  Output  Channel 1 Heater Over Temp. 
13  Output  Channel 2 Heater Over Temp. 
14  Output  Not Used 
15  Output  Compressor On/Off 
16  Output  Not Used 
17  Output  Not Used 
18  Output  Channel 1 Cool 
19  Output  Not Used 
20  Output  Channel 1 Resistivity 
21  Output  Channel 2 Cool 
22  Output  Not Used 
23  Output  Channel 2 Resistivity 
24  Output  Not Used 
25  Output  Not Used 
26  Output  Not Used 
Digital  Type  Function 
27  Output  Channel #1 Capacity Regulation 
28  Output  Channel #2 Capacity Regulation 
29  Output  Heater 1 Over Temp. LED 
30  Output  Heater 2 Over Temp. LED 
31  Output  Not Used 
32  Output  Pump 1 On/Off 
33  Output  Pump 2 On/Off 
34  Output  Pump 3 On/Off 
1  Input  Fluid Level Low 
2  Input  Fluid Level Warning 
3  Input  Facility Water 
4  Input  Pump 1 On/Off Switch 
5  Input  Pump 2 On/Off Switch 
6  Input  Not Used 
7  Input  Compressor On/Off Switch / Interlock 
8  Input  Remote / Local switch 
4X Memory Addresses 
100  Digit #1 = Fault Summary, Digit #2 = Warning Summary 
101  Channel # Process Value 
102  Digit #1 = Fluid Level, #2 = Flow Rate alarm, #3 = Resistivity alarm, #4 = Facility 
Water, #5 = Compressor Off, #6 = Heater Over Temp.,  #7 = Fluid Over Temp, #8 = 
Capacity regulation active, #9 = Thermocouple Break. 

103 Not Used 
104  Channel # Resistivity 
105  Channel # Flow Rate 
106 Not Used 
107 Not Used 
108 Not Used 
109  Channel # On / Off 
10A  Channel # Setpoint 
10B Compressor On/Off 
10C Not Used 
10D Not Used 
10E Not Used 
Warning and Fault Settings 
Conditions  Fault  Warn
.  4X 
Address  Trigger 
Fluid Level Low (#1)     102 - 1  Level sensor reaches low trigger 
Fluid Level Low (#2)  X  102 - 1  Level sensor reaches bottom level 
Fluid Flow Rate Low  X  102 - 2  Flow rate reaches 1 gpm 
Resistivity Low  X  102 - 3  When resistivity reaches 2 MΩ•cm 
Facility Water Lost  X  102 - 4  When facility cooling water is lost 
Heater Overtemp  X  102 - 6  When heater temp is > setpoint 
Fluid Overtemp  X  102 - 7  When Fluid temp is > setpoint 
 Capacity Regulation 
Active  X  102 - 8  When  capacity regulation activated 
conditions occur 
Thermocouple Break  X  102 - 9  Channel T/C break Alarm 
Compressor Off  X  102 - 10  When Compressor is off 
Communication Lost  X   Set by Host  
Setpoint Out of 
Range        Modbus Exception Response Sent 
to Host: Setpoint >Setpoint Max or 
Setpoint < Setpoint Min 
Digital inputs are closed when tied to Controller Common. Digital outputs pull outputs to 
Controller Common and can sink 20 ma. 
When the Digital input #8 is closed, the controller is in Local mode and no 
communications with the Host will occur. When the Digital input #8 is open, the 
controller is in Remote mode and its keys are disabled. 
