CABLE SIZE GUIDE

User Manual: CABLE SIZE GUIDE

Open the PDF directly: View PDF PDF.
Page Count: 12

1 of 12 CABLE SIZE GUIDE 23/12/2005 Rev1.2
VIDEX SECURITY LTD
Unit 4-7 Chillingham Ind.
Est. Newcastle Upon Tyne,
N
E6 2XX
CABLE SIZE GUIDE
All cable sizes in this chart are measured in mm² for the cable diameters and meters for the cable
distances. For convenience we have included a conversion chart from AWG (American Wire Gauge) to
mm².
AWG CSA mm²
8 8.35 mm²
9 6.62 mm²
10 5.27 mm²
11 4.15 mm²
12 3.31 mm²
13 2.63 mm²
14 2.08 mm²
15 1.65 mm²
16 1.31 mm²
17 1.04 mm²
18 0.823 mm²
19 0.653 mm²
20 0.519 mm²
21 0.412 mm²
22 0.325 mm²
23 0.259 mm²
24 0.205 mm²
In certain applications it will be necessary to use a twisted pair cable for certain pairs of connections
between devices or even a screened cable. This will be indicated in the chart.
A popular cable type to use would be CW1308 or an equivalent. CW1308 is a twisted pair telephone
cable readily available in a selection or pair quantities with a core size of 0.19mm². In the charts below,
cables sizes greater than 0.19mm² will require either a larger core size or double up on cores for one
connection. Which ever option is chosen, it will still be necessary to follow the requirements for either
screened cable or the use of twisted pairs where indicated.
CORE QUANTITY GUIDE FOR AUDIO TELEPHONES
ALL CABLE SIZES SHOWN ARE MINIMUM REQUIREMENTS
2 of 12 CABLE SIZE GUIDE 23/12/2005 Rev1.2
VIDEX SECURITY LTD
Unit 4-7 Chillingham Ind.
Est. Newcastle Upon Tyne,
N
E6 2XX
CORE QUANTITY GUIDE FOR VIDEOPHONES
VPROX proximity systems:
Reader connections
For best performance RK & Gnd should be a twisted pair.
Maximum acceptable resistance for all terminals = 10.
Maximum overall distance between reader and CPU = 200m
VP1000 & VP4000 bus connections
Connections 50m 100m 200m 300m 400m 500m 600m
Gnd 0.25mm² 0.5mm² 0.75mm² 1.0mm² 1.5mm² 2.0mm² 2.5mm²
CK 0.25mm² 0.5mm² 0.5mm² 0.75mm² 1.0mm² 1.5mm² 2.0mm²
DA 0.25mm² 0.5mm² 0.5mm² 0.75mm² 1.0mm² 1.5mm² 2.0mm²
CK & Gnd must be a twisted pair and DA & Gnd must be a twisted pair.
Maximum acceptable resistance for all terminals = 10.
A screened cable should be used on these connections. The screen should be earthed at one end only.
Connections 50m 100m 200m
+12 0.25mm² 0.5mm² 0.75mm²
Gnd 0.25mm² 0.5mm² 0.75mm²
RK 0.25mm² 0.5mm² 0.75mm²
LG 0.25mm² 0.5mm² 0.75mm²
LR 0.25mm² 0.5mm² 0.75mm²
Reader part numbers
VP/PM (4X)
849S (70X)
849PG (76X/G)
849PW (76X/W)
949SB (70X/S)
949SP (70X/S/G)
849FS (72X)
849SS (72X/S)
3 of 12 CABLE SIZE GUIDE 23/12/2005 Rev1.2
VIDEX SECURITY LTD
Unit 4-7 Chillingham Ind.
Est. Newcastle Upon Tyne,
N
E6 2XX
Connections for power supply output and lock release.
50m 100m
Connections 0.5mm² 0.75mm²
The power supply should be located as close to the door panel as possible for best performance.
Maximum acceptable resistance for above cables = 3
O2LA proximity access systems:
Reader connections:
o The readers can be a maximum of 50m from the control unit (Either the O2LA or EW).
o The cable size should be a minimum of 0.5mm² and there are 8 connections.
o The reader cable must be separate from the lock release cable.
o The reader cable should be screened. (Screen earthed at the CPU end)
Data bus connections between O2LA CPU and additional EW CPU’s
o The maximum distance from furthest CPU to furthest CPU should be no more than 1km
o A 2 core twisted pair screened cable is required. 0.2mm² or larger can be used.
o Screen should be connected at both ends.
o End of line resistors should be fitted at the two extremes. The resistor value will depend on
overall distance (Please refer to system manual).
RS232 Link (For PC, Modem or serial printer)
o Please use supplied cable (Max. distance is 15m)
Connections for power supply output and lock release.
(Each CPU (O2LA & EW’s) requires its own 12Vdc PSU.)
50m 100m
Connections 0.5mm² 0.75mm²
The power supply should be located as close to the door panel as possible for best performance.
Maximum acceptable resistance for above cables = 3
Lock release cables should not be included in the same multi core as for the reader, push to exit or door contacts.
4 of 12 CABLE SIZE GUIDE 23/12/2005 Rev1.2
VIDEX SECURITY LTD
Unit 4-7 Chillingham Ind.
Est. Newcastle Upon Tyne,
N
E6 2XX
CODIX Data Bus (Used on the EX5/EX7 range of keypads)
o Three wire bus for a maximum distance of 200m when used between two devices and 100m when
used between 3 or more Devices
o Data bus core size should be 0.5mm² each (Twisted pairs not essential)
o Power supply must be no more than 10m from master unit. (Two 1.0mm² cores)
3+1 systems:
Connections from door panel to telephone.
Connections 50m 100m 200m 300m 400m
1 0.25mm² 0.35mm² 0.5mm² 0.75mm² 1.0mm²
2 0.25mm² 0.35mm² 0.5mm² 0.75mm² 1.0mm²
3 0.25mm² 0.35mm² 0.5mm² 0.75mm² 1.0mm²
4 0.25mm² 0.35mm² 0.5mm² 0.75mm² 1.0mm²
When ever possible connection 1(Tx) should be twisted with connection 3(Gnd) and connection 2(Rx) should be twisted with connection 3(Gnd) as pairs.
Maximum acceptable resistance for above cables = 10
Connections for power supply output and lock release.
50m 100m
Connections 0.5mm² 0.75mm²
The power supply should be located as close to the door panel as possible for best performance.
Maximum acceptable resistance for above cables = 3
4+1 systems:
Systems covered under the 3+1 header are:
3K kits, DK1 kit, DK2 kit, 836M amplifier,
837M amplifier, SLK kits, 4837 amplifiers,
DK4K kits, SMK kits, KPX kits and the 436
amplifier.
Systems covered under the 4+1 header are: EK kits, DK918 kits, 836
amplifier, 837 amplifier, VRDK kits, IK kits, 536 amplifier, 437
amplifier and the 537 amplifier.
5 of 12 CABLE SIZE GUIDE 23/12/2005 Rev1.2
VIDEX SECURITY LTD
Unit 4-7 Chillingham Ind.
Est. Newcastle Upon Tyne,
N
E6 2XX
Connections from door panel to telephone.
Connections 50m 100m 200m 300m 400m
1 0.25mm² 0.35mm² 0.5mm² 0.75mm² 1.0mm²
2 0.25mm² 0.35mm² 0.5mm² 0.75mm² 1.0mm²
3 0.5mm² 0.75mm² 1.5mm² 2.0mm² 2.5mm²
5 0.5mm² 0.75mm² 1.5mm² 2.0mm² 2.5mm²
6 0.25mm² 0.35mm² 0.5mm² 0.75mm² 1.0mm²
When ever possible connection 1(Tx) should be twisted with connection 3(Gnd) and connection 2(Rx) should be twisted with connection 3(Gnd) as pairs.
Maximum acceptable resistance for terminals 1,2 & 6 = 10 and for terminals 3 & 5 = 3
Connections for power supply output and lock release.
50m 100m
Connections 0.5mm² 0.75mm²
The power supply should be located as close to the door panel as possible for best performance.
Maximum acceptable resistance for above cables = 3
ESK 2 Wire kit:
Connections from door panel to telephone.
Connections 50m 100m 200m
1 0.35mm² 0.5mm² 0.75mm²
2 0.35mm² 0.5mm² 0.75mm²
Maximum acceptable resistance for terminals = 6
Transformer should be mounted within 20m of the audiophone and connected using 1.0mm² cores
Maximum resistance for lock connections = 3
VK6N & SMVK systems:
Systems covered under this header are: All variations on mono videokits (Non-coax).
Connections from door panel to videophone.
Connections
Numbers in brackets are those
of the videophone back plate.
Without brackets are those of
the door panel
50m 100m 200m 300m
1(6) 0.35mm² 0.5mm² 0.75mm² 1.0mm²
2(2) 0.35mm² 0.5mm² 0.75mm² 1.0mm²
+(4) 0.35mm² 0.75mm² 1.5mm² 2.0mm²
-(3) 0.35mm² 0.75mm² 1.5mm² 2.0mm²
V1(15) 0.35mm² 0.5mm² 0.75mm² 1.0mm²
V2(1) 0.35mm² 0.5mm² 0.75mm² 1.0mm²
Connections V1(15) & V2(1) must be a twisted pair
When ever possible connection 1(6)[Tx] should be twisted with connection -(3)[Gnd] and connection 2(2)[Rx] should be twisted with connection -
(3)[Gnd] as pairs.
Maximum acceptable resistance for terminals 1(6),2(2), V1(15) & V2(1) = 10 and for terminals +(4) & -(3) = 3
Connections for power supply output and lock release.
The power supply must be connected as close to the videophone as possible and within a maximum of 20m.
Recommended cable size is 1.0mm² (Plus two 0.35mm² cables from power supply when using 850K/MV PSU).
Maximum acce
p
table resistance for above cables = 3
N
ote: Block
diagram as
p
er CVK6N
& CSMVK
6 of 12 CABLE SIZE GUIDE 23/12/2005 Rev1.2
VIDEX SECURITY LTD
Unit 4-7 Chillingham Ind.
Est. Newcastle Upon Tyne,
N
E6 2XX
CVK6N & CSMVK systems:
Systems covered under this header are: All variations of colour videokits (non-coax).
Connections from door panel to videophone.
Coax video systems using the 890 controller:
Connections from door panel to the Art.890 controller.
Connections 50m 100m 200m 300m 400m
T 0.35mm² 0.5mm² 0.5mm²
0.75mm² 1.0mm²
A 0.5mm² 1.0mm² 1.5mm² 2.0m2.5mm²
+8 0.35mm² 0.5mm² 0.75mm² 1.0mm² 1.5mm²
F 0.35mm² 0.5mm² 0.75mm² 1.0mm² 1.5mm²
I 0.35mm² 0.5mm² 1.0mm² 1.5mm² 2.0mm²
G2 0.35mm² 0.35mm² 0.5mm² 0.75mm² 1.0mm²
H1 0.35mm² 0.5mm² 0.75mm² 1.0mm² 1.5mm²
F1 0.35mm² 0.5mm² 0.75mm² 1.0mm² 1.5mm²
F2 0.35mm² 0.5mm² 0.75mm² 1.0mm² 1.5mm²
SE 0.5mm² 1.0mm² 1.5mm² 2.0mm² 2.5mm²
V Standard quality Medium quality Good quality Good quality High quality
M 75 Coax cable 75 Coax cable 75 Coax cable 75 Coax cable 75 Coax cable
When ever possible connection H1(Tx) should be twisted with connection F(Gnd) and connection G2(Rx) should be twisted with connection F(Gnd) as pairs.
Maximum acceptable resistance for terminals T, G2, H1 = 10 and for terminals A, +8, F, F1 & I = 6 and for terminals SE & F2 = 3
V is the centre core of the coax and M is the screen.
The transformer should be mounted next to the Art.890 and connected using 1mm² cores
Connections
Numbers in brackets are those
of the videophone back plate.
Without brackets are those of
the door panel
50m 100m 200m
1(6) 0.35mm² 0.5mm² 0.75mm²
2(2) 0.35mm² 0.5mm² 0.75mm²
+(4) 0.5mm² 1.5mm² 2.0mm²
-(3) 0.5mm² 1.5mm² 2.0mm²
V1(15) 0.35mm² 0.5mm² 0.75mm²
V2(1) 0.35mm² 0.5mm² 0.75mm²
Connections V1(15) & V2(1) must be a twisted pair
When ever possible connection 1(6) should be twisted with connection -(3) and connection 2(2) shoul
d
be twisted with connection -(3) as pairs.
Maximum acceptable resistance for terminals 1(6),2(2), V1(15) & V2(1) = 10 and for terminals +(4)
& -(3) = 3
Connections for power supply output and lock release.
The power supply must be connected as close to the videophone as possible and within a
maximum of 20m.
Recommended cable size is 1.0mm² (Plus two 0.35mm² cables from power supply when using
850K/MV PSU).
Maximum acceptable resistance for above cables = 3
7 of 12 CABLE SIZE GUIDE 23/12/2005 Rev1.2
VIDEX SECURITY LTD
Unit 4-7 Chillingham Ind.
Est. Newcastle Upon Tyne,
N
E6 2XX
Connections from the Art.890 controller to the videophone.
Connections
Numbers in brackets are those
of the videophone back plate.
Without brackets signal
50m 100m 200m 300m 400m
+12(1) 0.35mm² 0.35mm² 0.5mm² 0.75mm² 1.0mm²
TV1(2) 0.35mm² 0.35mm² 0.5mm² 0.75mm² 1.0mm²
TV2(2 0.35mm² 0.35mm² 0.5mm² 0.75mm² 1.0mm²
1(4) 0.35mm² 0.5mm² 1.0mm² 1.5mm² 2.0mm²
2(5) 0.35mm² 0.35mm² 0.5mm² 0.75mm² 1.0mm²
3(6) 0.35mm² 0.35mm² 0.5mm² 0.75mm² 1.0mm²
4(7) 0.35mm² 0.35mm² 0.5mm² 0.75mm² 1.0mm²
5(8) 0.35mm² 0.35mm² 0.5mm² 0.75mm² 1.0mm²
6(9) 0.35mm² 0.5mm² 1.0mm² 1.5mm² 2.0mm²
7(10) 0.35mm² 0.35mm² 0.5mm² 0.75mm² 1.0mm²
V(11) Standard quality Medium quality Good quality Good quality High quality
M(12) 75 Coax cable 75 Coax cable 75 Coax cable 75 Coax cable 75 Coax cable
R(13) 0.35mm² 0.35mm² 0.5mm²
0.75mm² 1.0mm²
C(14) 0.35mm² 0.35mm² 0.5mm² 0.75mm² 1.0mm²
-(15) 0.35mm² 0.35mm² 0.5mm² 0.75mm² 1.0mm²
T(16) 0.35mm² 0.35mm² 0.5mm² 0.75mm² 1.0mm²
1T(17) 0.35mm² 0.35mm² 0.5mm² 0.75mm² 1.0mm²
2T(18) 0.35mm² 0.35mm² 0.5mm² 0.75mm² 1.0mm²
When ever possible connection 3(6) should be twisted with connection 5(8) and connection 4(7) should be twisted with connection 5(8) as pairs.
Maximum acceptable resistance for all terminals except 1(4) & 6(9) = 10 and terminals 1(4) & 6(9) = 6
V is the centre core of the coax and M is the screen.
8 of 12 CABLE SIZE GUIDE 23/12/2005 Rev1.2
VIDEX SECURITY LTD
Unit 4-7 Chillingham Ind.
Est. Newcastle Upon Tyne,
N
E6 2XX
Sentry and Sentry 1 systems:
Connections from door panel to the control cabinet.
Connections 50m 100m 200m 300m 400m
Amp 1 0.25mm² 0.35mm² 0.5mm²
0.75mm² 1.0mm²
Amp 2 0.25mm² 0.35mm² 0.5mm² 0.75mm² 1.0mm²
Amp 3 0.25mm² 0.35mm² 0.5mm² 0.75mm² 1.0mm²
Amp 4 0.25mm² 0.35mm² 0.5mm² 0.75mm² 1.0mm²
CB 0.25mm² 0.35mm² 0.5mm² 0.75mm² 1.0mm²
Selects 1-n 0.25mm² 0.35mm² 0.5mm² 0.75mm² 1.0mm²
A 0.25mm² 0.35mm² 0.5mm² 0.75mm² 1.0mm²
Trade 0.25mm² 0.35mm² 0.5mm² 0.75mm² 1.0mm²
Trade 0.25mm² 0.35mm² 0.5mm² 0.75mm² 1.0mm²
Lock 0.5mm² 0.75mm² 1.5mm² 2.0mm² 2.5mm²
Lock 0.5mm² 0.75mm² 1.5mm² 2.0mm² 2.5mm²
V Standard quality Medium quality Good quality Good quality High quality
M 75 Coax cable 75 Coax cable 75 Coax cable 75 Coax cable 75 Coax cable
I (+20) 0.35mm² 0.5mm² 1.0mm² 1.5mm² 2.0mm²
F1 (Vid 0V) 0.35mm² 0.5mm² 0.75mm² 1.0mm² 1.5mm²
SB (+12V) 0.25mm² 0.35mm² 0.5mm² 0.75mm² 1.0mm²
Lines in red are only required on video systems.
When ever possible connection 1(Rx) should be twisted with connection 4(Gnd) and connection 2(Tx) should be twisted with connection 4(Gnd) as pairs.
Maximum acceptable resistance for all terminals except lock = 10 and for lock terminals = 3
V is the centre core of the coax and M is the screen.
For best performance, keep the distance between the door panel and the control cabinet to a minimum.
Connections from the control cabinet to the videophone.
Connections
50m 100m 200m 300m 400m
1 0.35mm² 0.35mm² 0.5mm² 0.75mm² 1.0mm²
2 0.35mm² 0.35mm² 0.5mm² 0.75mm² 1.0mm²
- 0.35mm² 0.35mm² 0.5mm² 0.75mm² 1.0mm²
4(T) 0.35mm² 0.35mm² 0.5mm² 0.75mm² 1.0mm²
5(P) 0.35mm² 0.35mm² 0.5mm² 0.75mm² 1.0mm²
6(C) 0.35mm² 0.35mm² 0.5mm² 0.75mm² 1.0mm²
D 0.35mm² 0.35mm² 0.5mm² 0.75mm² 1.0mm²
V(11) Standard quality Medium quality Good quality Good quality High quality
M(12) 75 Coax cable 75 Coax cable 75 Coax cable 75 Coax cable 75 Coax cable
+20 0.35mm² 0.5mm² 1.0mm² 1.5mm² 2.0mm²
Vid Gnd 0.35mm² 0.5mm² 1.0mm² 1.5mm² 2.0mm²
+12 0.35mm² 0.35mm² 0.5mm²
0.75mm² 1.0mm²
T(16) 0.35mm² 0.35mm² 0.5mm² 0.75mm² 1.0mm²
1T(17) 0.35mm² 0.35mm² 0.5mm² 0.75mm² 1.0mm²
2T(18) 0.35mm² 0.35mm² 0.5mm² 0.75mm² 1.0mm²
Lines in black are required on all audio and videophones
Lines in red are only required on videosytems.
Lines in blue are only required on videophones and audiophones with privacy and/or door monitoring.
When ever possible connection 1 should be twisted with connection - and connection 2 should be twisted with connection - as pairs.
Maximum acceptable resistance for all terminals except +20 & Vid Gnd = 10 and terminals +20 & Vid Gnd = 6
V is the centre core of the coax and M is the screen.
9 of 12 CABLE SIZE GUIDE 23/12/2005 Rev1.2
VIDEX SECURITY LTD
Unit 4-7 Chillingham Ind.
Est. Newcastle Upon Tyne,
N
E6 2XX
Sentry and Sentry 1 Audio system block diagram:-
Sentry and Sentry 1 Video system block diagram:-
10 of 12 CABLE SIZE GUIDE 23/12/2005 Rev1.2
VIDEX SECURITY LTD
Unit 4-7 Chillingham Ind.
Est. Newcastle Upon Tyne,
N
E6 2XX
VX2200 Digital system:
Connections from door panel to telephone.
Connections 50m 100m 200m 300m 400m 500m
L 0.4mm² 0.5mm² 0.75mm² 1.0mm² 1.5mm² 2.5mm²
- 0.4mm² 0.5mm² 0.75mm² 1.0mm² 1.5mm² 2.5mm²
V1 0.35mm² 0.5mm² 0.75mm² 1.0mm² 1.5mm² 2.0mm²
V2 0.35mm² 0.5mm² 0.75mm² 1.0mm² 1.5mm² 2.0mm²
+20 0.5mm² 0.75mm² 1.0mm² 1.5mm² 2.0mm²
Vid Gnd 0.5mm² 0.75mm² 1.0mm² 1.5mm² 2.0mm²
+LED 0.25mm² 0.5mm² 0.75mm² 1.0mm² 1.5mm²
Lines in red are only required on video systems
Lines in Blue are only required on telephones with door monitoiring LED
V1 & V2 MUST BE A TWISTED PAIR. L & - SHOULD ALSO BE A TWISTED PAIR.
Maximum acceptable resistance for all terminals = 7.5 except for +20 & Vid Gnd = 5
Maximum of 400m for video systems.
Power supply should be as close to door panel as possible, wired in 1.0mm² cores and a maximum resistance of 5.
Single entrance audio system Multiple main entrance audio system
Single entrance video system Multiple main entrance video system
11 of 12 CABLE SIZE GUIDE 23/12/2005 Rev1.2
VIDEX SECURITY LTD
Unit 4-7 Chillingham Ind.
Est. Newcastle Upon Tyne,
N
E6 2XX
VX2000 Digital system:
Bus connections
Connections 50m 100m 200m 300m 400m 500m 600m
F1 0.25mm² 0.5mm² 0.5mm² 0.75mm² 1.0mm² 1.5mm² 2.0mm²
F2 0.25mm² 0.5mm² 0.5mm² 0.75mm² 1.0mm² 1.5mm² 2.0mm²
- 0.25mm² 0.5mm² 0.75mm² 1.0mm² 1.5mm² 2.0mm² 2.5mm²
+ 0.25mm² 0.5mm² 0.75mm² 1.0mm² 1.5mm² 2.0mm² 2.5mm²
CK 0.25mm² 0.5mm² 0.5mm² 0.75mm² 1.0mm² 1.5mm² 2.0mm²
DA 0.25mm² 0.5mm² 0.5mm² 0.75mm² 1.0mm² 1.5mm² 2.0mm²
+20 0.25mm² 0.75mm² 0.75mm² 1.0mm² 1.5mm² 2.0mm² 2.5mm²
Vid Gnd 0.25mm² 0.75mm² 0.75mm² 1.0mm² 1.5mm² 2.0mm² 2.5mm²
V Standard Standard Good quality Good quality High quality High quality High quality
M 75 Coax
cable
75 Coax
cable
75 Coax cable 75 Coax cable 75 Coax cable 75 Coax cable 75 Coax cable
Lines in red are only required on video systems.
For best performance and to avoid audio and data problems, F1 & - should be a twisted pair, F2 & - should be a twisted pair, CK & - should be a twisted pair
and DA & negative should be a twisted pair. This will not be necessary on small distances.
Maximum acceptable resistance for terminals F1, F2, CK & DA = 10.
Maximum resistances for terminals +, -, +20 & Vid GND = 5
Two level audio system Two level video system
Audio system with concierge
Video system with concierge
12 of 12 CABLE SIZE GUIDE 23/12/2005 Rev1.2
VIDEX SECURITY LTD
Unit 4-7 Chillingham Ind.
Est. Newcastle Upon Tyne,
N
E6 2XX
A NOTE ON MAINS VOLTAGE CONNECTIONS:
All connections to mains voltages must be made to the current national standards (IEE Wiring
regulations).
All intercom and access control cables must be routed separately from the mains.
An all pole circuit breaker must be used to connect the equipment to the mains.
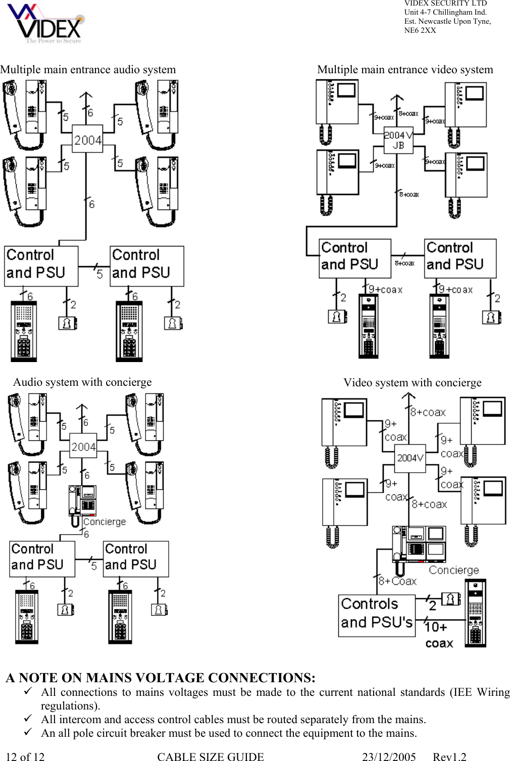
Multiple main entrance audio system Multiple main entrance video system
Video system with concierge
Audio system with concierge
Page 1 of 12 - CABLE SIZE GUIDE
Page 2 of 12 - CABLE SIZE GUIDE
Page 3 of 12 - CABLE SIZE GUIDE
Page 4 of 12 - CABLE SIZE GUIDE
Page 5 of 12 - CABLE SIZE GUIDE
Page 6 of 12 - CABLE SIZE GUIDE
Page 7 of 12 - CABLE SIZE GUIDE
Page 8 of 12 - CABLE SIZE GUIDE
Page 9 of 12 - CABLE SIZE GUIDE
Page 10 of 12 - CABLE SIZE GUIDE
Page 11 of 12 - CABLE SIZE GUIDE
Page 12 of 12 - CABLE SIZE GUIDE

Navigation menu