CDM And PRO Series Detailed Service Manual 6881091C63 B
User Manual: CDM and PRO Series Detailed service manual 6881091C63-B
Open the PDF directly: View PDF 
.
Page Count: 180 [warning: Documents this large are best viewed by clicking the View PDF Link!]
- Product Safety and RF Exposure Compliance
 - Foreword
 - Manual Revisions
 - Computer Software Copyrights
 - Document Copyrights
 - Disclaimer
 - Trademarks
 - Sec2Cover.pdf
- Overview
 - Theory of Operation
 - Troubleshooting Charts
 - Control Head PCBs, Schematics, and Parts Lists
 
 - Sec2Chap4CH_Sche_PLs.pdf
- Control Head CDM1250 / PRO5100 / CDM1550 Series / PRO7100 - Schematic Sheet 2 of 4
 - 2.0 Control Head CDM750 / PRO3100 PCB 8486146B07, Schematics, and Parts Lists
 - Control Head CDM750 / PRO3100 - PCB 8486146B07
 - Control Head CDM750 / PRO3100 - Schematic Sheet 2 of 2
 - Control Head PCB 8486146B07 Parts List†
 - 3.0 Control Head CDM1250 / PRO5100 / CDM1550 Series / PRO7100 PCB 8486155B06, Schematics, and Par...
 - Control Head CDM1250 / PRO5100 / CDM1550 Series / PRO7100 - Schematic Sheet 1 of 4
 - Control Head PCB 8486155B06 Parts List†
 - Control Head CDM750 / PRO3100 - Schematic Sheet 1 of 2
 - Control Head CDM1250 / PRO5100 / CDM1550 Series / PRO7100 - PCB 8486155B06
 - Control Head CDM1250 / PRO5100 / CDM1550 Series / PRO7100 - Schematic Sheet 3 of 4
 - Control Head CDM1250 / PRO5100 / CDM1550 Series / PRO7100 - Schematic Sheet 4 of 4
 - - Schematic Sheet 4 of 4
 
 - Sec3 Cover.pdf
- Theory of Operation
- 1.0 Controller Circuits
- 1.1 Overview
 - 1.2 General
 - 1.3 Radio Power Distribution
 - 1.4 Electronic ON/OFF
 - 1.5 Emergency
 - 1.6 Mechanical ON/OFF
 - 1.7 Ignition
 - 1.8 Microprocessor Clock Synthesizer
 - 1.9 Serial Peripheral Interface (SPI)
 - 1.10 SBEP Serial Interface
 - 1.11 General Purpose Input/Output
 - 1.12 Normal Microprocessor Operation
 - 1.13 FLASH Electronically Erasable Programmable Memory (FLASH EEPROM)
 - 1.14 Electrically Erasable Programmable Memory (EEPROM)
 - 1.15 Static Random Access Memory (SRAM)
 
 - 2.0 Controller Board Audio and Signaling Circuits
 
 - 1.0 Controller Circuits
 - Troubleshooting Charts
 - Controller Schematics and Parts Lists
 
 - Theory of Operation
 - Sec3Chap3ScheCtrl_PLs-EMEA.pdf
- 2.0 Controller T2 Schematics and Parts Lists
 - Controller T2 Parts List
 - 3.0 Controller T5 Schematics and Parts Lists
 - Controller T5 Parts List
 - 4.0 Controller T6/T7/T9 Schematics and Parts Lists
 - Controller T6/7 Parts List
 - Controller T9 Parts List
 - 5.0 Controller T11 Schematics and Parts Lists
 - Controller T11 Parts List
 - 6.0 Controller T12 Schematics and Parts Lists
 - Controller T12 Parts List
 
 - Sec4CoverVHF.pdf
- Model Charts and Technical Specifications
 - Theory of Operation
- 1.0 Introduction
 - 2.0 VHF (136-174 MHz) 1-25W Receiver Front-End
 - 2.1 Receiver Front-End
 - 2.2 Front-End Bandpass Filters and Pre-Amplifier
 - 2.3 First Mixer and High Intermediate Frequency (IF)
 - 2.4 Low Intermediate Frequency (IF) and Receiver Back-End
 - 3.0 VHF (136-174 MHz) 1-25W Transmitter Power Amplifier (PA) 25W
 - 3.1 First Power Controlled Stage
 - 3.2 Power Controlled Driver Stage
 - 3.3 Final Stage
 - 3.4 Directional Coupler
 - 3.5 Antenna Switch
 - 3.6 Harmonic Filter
 - 3.7 Power Control
 - 4.0 VHF (136-174 MHz) 1-25W Frequency Synthesis
 - 4.1 Reference Oscillator
 - 4.2 Fractional-N Synthesizer
 - 4.3 Voltage Controlled Oscillator (VCO)
 - 4.4 Synthesizer Operation
 
 - Troubleshooting Charts
 - VHF (136-174 MHz) 1-25W PCBs, Schematics, and Parts Lists
 
 - Sec4Chap4ScheVHF1-25_PLs.pdf
- VHF (136-174 MHz) 1-25W PCB 8486172B06 Top Side
 - 2.0 VHF (136-174 MHz) 1-25W PCB 8486172B04, Schematics, and Parts Lists
 - VHF (136-174 MHz) 1-25W PCB 8486172B04 Bottom Side
 - VHF (136-174 MHz) 1-25W FRACN Synthesizer
 - VHF (136-174 MHz) 1-25W Voltage Controlled Oscillator
 - VHF (136-174 MHz) 1-25W Receiver Front-End
 - VHF (136-174 MHz) 1-25W IF
 - VHF 1-25W PCB 8486172B04 Parts List†
 - 3.0 VHF (136-174 MHz) 1-25W PCB 8486172B06, Schematics, and Parts Lists
 - VHF (136-174 MHz) 1-25W PCB 8486172B06 Bottom Side
 - VHF (136-174 MHz) 1-25W IF
 - VHF 1-25W PCB 8486172B06 Parts List†
 - 4.0 VHF (136-174 MHz) 1-25W PCB 8486172B07, Schematics, and Parts Lists
 - VHF (136-174 MHz) 1-25W PCB 8486172B07 Bottom Side
 - VHF 1-25W PCB 8486172B07 Parts List†
 - 5.0 VHF (136-174 MHz) 1-25W PCB 8486172B08, Schematics, and Parts Lists
 - VHF 1-25W PCB 8486172B08 Parts List†
 - VHF (136-174 MHz) 1-25W FRACN Synthesizer
 - VHF (136-174 MHz) 1-25W Voltage Controlled Oscillator for PCBs 8486172B06, 8486172B07 and 8486172B08
 - VHF (136-174 MHz) 1-25W Power Amplifier
 - VHF (136-174 MHz) 1-25W IF
 - VHF (136-174 MHz) 1-25W FRACN Synthesizer
 - VHF (136-174 MHz) 1-25W PCB 8486172B07 Top Side
 - VHF (136-174 MHz) 1-25W Receiver Front-End for PCBs 8486172B06, 8486172B07 and 8486172B08
 - VHF (136-174 MHz) 1-25W IF
 - VHF (136-174 MHz) 1-25W Power Amplifier for PCBs 8486172B06 and 8486172B07
 - VHF (136-174 MHz) 1-25W PCB 8486172B08 Top Side
 - VHF (136-174 MHz) 1-25W PCB 8486172B08 Bottom Side
 - VHF (136-174 MHz) 1-25W Power Amplifier
 - VHF (136-174 MHz) 1-25W PCB 8486172B04 Top Side
 
 - 91C63-B Chap1 Sect3.pdf
 

CDM Series™
PRO Series™
Professional Series
Two-Way Mobile Radios
Detailed Service Manual

&'06HULHVDQG
3526HULHV
7ZR:D\0RELOH5DGLRV
'HWDLOHG6HUYLFH0DQXDO
&%

3URGXFW6DIHW\DQG5)([SRVXUH&RPSOLDQFH
$77(17,21
7KLVUDGLRLVUHVWULFWHGWRRFFXSDWLRQDOXVHRQO\WRVDWLVI\)&&5)HQHUJ\H[SRVXUHUHTXLUHPHQWV
%HIRUHXVLQJWKLVSURGXFWUHDGWKH5)HQHUJ\DZDUHQHVVLQIRUPDWLRQDQGRSHUDWLQJLQVWUXFWLRQVLQ
WKH3URGXFW6DIHW\DQG5)([SRVXUHERRNOHWHQFORVHGZLWK\RXUUDGLR0RWRUROD3XEOLFDWLRQSDUW
QXPEHU&WRHQVXUHFRPSOLDQFHZLWK5)HQHUJ\H[SRVXUHOLPLWV
)RUDOLVWRI0RWRURODDSSURYHGDQWHQQDVEDWWHULHVDQGRWKHUDFFHVVRULHVYLVLWWKHIROORZLQJZHEVLWH
ZKLFKOLVWVDSSURYHGDFFHVVRULHVKWWSZZZPRWRURODFRPFJLVVLQGH[VKWPO
)RUHZRUG
7KHLQIRUPDWLRQFRQWDLQHGLQWKLVPDQXDOUHODWHVWRDOO&'06HULHVDQG3526HULHVPRGHOVRI3URIHVVLRQDO
6HULHVWZRZD\PRELOHUDGLRV7KLVPDQXDOSURYLGHVVXIILFLHQWLQIRUPDWLRQWRHQDEOHTXDOLILHGVHUYLFH
WHFKQLFLDQVWRWURXEOHVKRRWDQGUHSDLUD3URIHVVLRQDO6HULHVWZRZD\PRELOHUDGLRWRWKHFRPSRQHQWOHYHO
0DQXDO5HYLVLRQV
&KDQJHVZKLFKRFFXUDIWHUWKLVPDQXDOLVSULQWHGDUHGHVFULEHGLQ)05V)ORULGD0DQXDO5HYLVLRQV7KHVH
)05VSURYLGHFRPSOHWHUHSODFHPHQWSDJHVIRUDOODGGHGFKDQJHGDQGGHOHWHGLWHPVLQFOXGLQJSHUWLQHQW
SDUWVOLVWGDWDVFKHPDWLFVDQGERDUGRYHUOD\V7RREWDLQ)05VSOHDVHFRQWDFWWKH&XVWRPHU&DUHDQG
6HUYLFHV'LYLVLRQ&&6'5HIHUWRWKH$SSHQGL[LQWKHEDFNRIWKLVPDQXDOIRUFRQWDFWLQIRUPDWLRQ
&RPSXWHU6RIWZDUH&RS\ULJKWV
7KH0RWRURODSURGXFWVGHVFULEHGLQWKLVPDQXDOPD\LQFOXGHFRS\ULJKWHG0RWRURODFRPSXWHUSURJUDPVVWRUHG
LQVHPLFRQGXFWRUPHPRULHVRURWKHUPHGLD/DZVLQWKH8QLWHG6WDWHVDQGRWKHUFRXQWULHVSUHVHUYHIRU
0RWRURODFHUWDLQH[FOXVLYHULJKWVIRUFRS\ULJKWHGFRPSXWHUSURJUDPVLQFOXGLQJEXWQRWOLPLWHGWRWKH
H[FOXVLYHULJKWWRFRS\RUUHSURGXFHLQDQ\IRUPWKHFRS\ULJKWHGFRPSXWHUSURJUDP$FFRUGLQJO\DQ\
FRS\ULJKWHG0RWRURODFRPSXWHUSURJUDPVFRQWDLQHGLQWKH0RWRURODSURGXFWVGHVFULEHGLQWKLVPDQXDOPD\
QRWEHFRSLHGUHSURGXFHGPRGLILHGUHYHUVHHQJLQHHUHGRUGLVWULEXWHGLQDQ\PDQQHUZLWKRXWWKHH[SUHVV
ZULWWHQSHUPLVVLRQRI0RWRUROD)XUWKHUPRUHWKHSXUFKDVHRI0RWRURODSURGXFWVVKDOOQRWEHGHHPHGWRJUDQW
HLWKHUGLUHFWO\RUE\LPSOLFDWLRQHVWRSSHORURWKHUZLVHDQ\OLFHQVHXQGHUWKHFRS\ULJKWVSDWHQWVRUSDWHQW
DSSOLFDWLRQVRI0RWRURODH[FHSWIRUWKHQRUPDOQRQH[FOXVLYHOLFHQVHWRXVHWKDWDULVHVE\RSHUDWLRQRIODZLQ
WKHVDOHRIDSURGXFW
'RFXPHQW&RS\ULJKWV
1RGXSOLFDWLRQRUGLVWULEXWLRQRIWKLVGRFXPHQWRUDQ\SRUWLRQWKHUHRIVKDOOWDNHSODFHZLWKRXWWKHH[SUHVV
ZULWWHQSHUPLVVLRQRI0RWRUROD1RSDUWRIWKLVPDQXDOPD\EHUHSURGXFHGGLVWULEXWHGRUWUDQVPLWWHGLQDQ\
IRUPRUE\DQ\PHDQVHOHFWURQLFRUPHFKDQLFDOIRUDQ\SXUSRVHZLWKRXWWKHH[SUHVVZULWWHQSHUPLVVLRQRI
0RWRUROD
'LVFODLPHU
7KHLQIRUPDWLRQLQWKLVGRFXPHQWLVFDUHIXOO\H[DPLQHGDQGLVEHOLHYHGWREHHQWLUHO\UHOLDEOH+RZHYHUQR
UHVSRQVLELOLW\LVDVVXPHGIRULQDFFXUDFLHV)XUWKHUPRUH0RWRURODUHVHUYHVWKHULJKWWRPDNHFKDQJHVWRDQ\
SURGXFWVKHUHLQWRLPSURYHUHDGDELOLW\IXQFWLRQRUGHVLJQ0RWRURODGRHVQRWDVVXPHDQ\OLDELOLW\DULVLQJRXW
RIWKHDSSOLFDWLRQVRUXVHRIDQ\SURGXFWRUFLUFXLWGHVFULEHGKHUHLQQRUGRHVLWFRYHUDQ\OLFHQVHXQGHULWV
SDWHQWULJKWVQRUWKHULJKWVRIRWKHUV
7UDGHPDUNV
027252/$WKH6W\OL]HG0ORJR&'06HULHVDQG&'06HULHVPRGHOQXPEHUV3526HULHVDQG352
6HULHVPRGHOQXPEHUVDQG3URIHVVLRQDO5DGLRDUHUHJLVWHUHGLQWKH863DWHQW7UDGHPDUN2IILFH$OORWKHU
SURGXFWVRUVHUYLFHQDPHVDUHWKHSURSHUW\RIWKHLUUHVSHFWLYHRZQHUV
0RWRUROD,QF
%HIRUHXVLQJWKLVSURGXFWUHDGWKHRSHUDWLQJLQVWUXFWLRQVIRU
VDIHXVDJHFRQWDLQHGLQWKH3URGXFW6DIHW\DQG5)([SRVXUH
ERRNOHWHQFORVHGZLWK\RXUUDGLR
!
C
 a u t i o
 n

)HEUXDU\
&'06HULHVDQG3526HULHV
7ZR:D\0RELOH5DGLRV
'HWDLOHG6HUYLFH0DQXDO
&RQWHQWV
,QWULQVLFDOO\6DIH5DGLR,QIRUPDWLRQ
&KDSWHU6HUYLFH0DLQWDLQDELOLW\
&KDSWHU&RQWURO+HDG6HUYLFH,QIRUPDWLRQ
&KDSWHU&RQWUROOHU6HUYLFH0DLQWDLQDELOLW\
&KDSWHU9+)0+]:6HUYLFH,QIRUPDWLRQ
&KDSWHU8+)%DQG0+]:6HUYLFH ,QIRUPDWLRQ
&KDSWHU8+)%DQG0+]:6HUYLFH ,QIRUPDWLRQ
&KDSWHU/RZ%DQG6HUYLFH,QIRUPDWLRQ
&KDSWHU9+)0+]:%LSRODU6HUYLFH ,QIRUPDWLRQ
&KDSWHU8+)%DQG0+]:%LSRODU6HUYLFH ,QIRUPDWLRQ
&KDSWHU8+)%DQG0+]:%LSRODU6HUYLFH ,QIRUPDWLRQ
&KDSWHU9+)0+]:/'0266HUYLFH ,QIRUPDWLRQ
&KDSWHU8+)%DQG0+]:/'0266HUYLFH ,QIRUPDWLRQ
&KDSWHU8+)%DQG0+]:/'0266HUYLFH,QIRUPDWLRQ
$SSHQGL[$5HSODFHPHQW3DUWV2UGHULQJ

1RWHV

&KDSWHUL
&%
&KDSWHU6HUYLFH0DLQWDLQDELOLW\
7DEOHRI&RQWHQWV
6HFWLRQ ,QWURGXFWLRQ
 $ERXWWKLV0DQXDO 
 6FRSH 
 2UJDQL]DWLRQ 
 &RQYHQWLRQV
 :DUUDQW\DQG6HUYLFH6XSSRUW
 :DUUDQW\3HULRGDQG5HWXUQ,QVWUXFWLRQV 
 $IWHU:DUUDQW\3HULRG 
 3LHFH3DUWV$YDLODELOLW\ 
 5HSODFHPHQW3DUWV2UGHULQJ 
 7HFKQLFDO6XSSRUW
 5DGLR0RGHO,QIRUPDWLRQ
6HFWLRQ 0DLQWHQDQFH
 ,QWURGXFWLRQ 
 3UHYHQWLYH0DLQWHQDQFH 
 ,QVSHFWLRQ 
 &OHDQLQJ 
 6DIH+DQGOLQJRI&026DQG/'026
 *HQHUDO5HSDLU3URFHGXUHVDQG7HFKQLTXHV
 3DUWV5HSODFHPHQWDQG6XEVWLWXWLRQ 
 5LJLG&LUFXLW%RDUGV
 &KLS&RPSRQHQWV
 6KLHOGV
 1RWHV)RU$OO6FKHPDWLFVDQG&LUFXLW%RDUGV 
6HFWLRQ 6HUYLFH$LGV
 5HFRPPHQGHG6HUYLFH7RROV
 5HFRPPHQGHG7HVW(TXLSPHQW 

&KDSWHULL
&%
1RWHV

&KDSWHU
&%
6HFWLRQ
,1752'8&7,21
 $ERXWWKLV0DQXDO
 6FRSH
7KLVPDQXDOLVLQWHQGHGIRUXVHE\VHUYLFHWHFKQLFLDQVIDPLOLDUZLWKPRELOHWZRZD\UDGLR
HTXLSPHQW,WFRQWDLQVVHUYLFHLQIRUPDWLRQUHTXLUHGIRUWKHHTXLSPHQWGHVFULEHGDQGLVFXUUHQWDVRI
WKHSULQWLQJGDWH&KDQJHVZKLFKRFFXUDIWHUWKHSULQWLQJGDWHPD\EHLQFRUSRUDWHGE\DFRPSOHWH
PDQXDOUHYLVLRQRUDOWHUQDWLYHO\DVDGGLWLRQV
 2UJDQL]DWLRQ
7KLVPDQXDOLVRUJDQL]HGVXFKWKDWWKHILUVWWKUHHFKDSWHUVFRQWDLQQRQ±EDQGVSHFLILFLQIRUPDWLRQ
DQGWKHUHPDLQLQJFKDSWHUVFRYHUEDQGVSHFLILFLQIRUPDWLRQIRUH[DPSOH9+)ORZSRZHU8+)
%DQGKLJKSRZHUHWF
$OOGDWDRQFRQWUROKHDGV²LQFOXGLQJERDUGRYHUOD\VVFKHPDWLFVDQGSDUWVOLVWV²LVFRQWDLQHGLQ
&KDSWHUDQGDOOGDWDRQFRQWUROOHUVLVLQ&KDSWHU
7KHEDQGVSHFLILFFKDSWHUV&KDSWHUV±HDFKFRQWDLQWKHLURZQVHFWLRQVRQ
PRGHOFKDUWVDQGWHFKQLFDOVSHFLILFDWLRQV6HFWLRQ
WKHRU\RIRSHUDWLRQ6HFWLRQ
WURXEOHVKRRWLQJFKDUWV6HFWLRQ
ERDUGRYHUOD\VVFKHPDWLFVDQGSDUWVOLVWV6HFWLRQ
(YHU\FKDSWHULQFOXGHVLWVRZQWDEOHRIFRQWHQWV,QDGGLWLRQWKHLQWURGXFWRU\SDJHIRUHDFK
VFKHPDWLFVVHFWLRQLQWKHPDQXDOKDVDOORFDWLRQFKDUWVLQGLFDWLQJWKHSDJHQXPEHUVIRUHDFKERDUG
RYHUOD\VFKHPDWLFDQGSDUWVOLVWLQWKHVHFWLRQ
 &RQYHQWLRQV
³0LFURSURFHVVRU´LVDEEUHYLDWHGDV³3´
 :DUUDQW\DQG6HUYLFH6XSSRUW
0RWRURODRIIHUVVXSSRUWZKLFKLQFOXGHVIXOOH[FKDQJHDQGRUUHSDLURIWKHSURGXFWGXULQJWKH
ZDUUDQW\SHULRGDYDLODEOHRQO\LQFHUWDLQFRXQWULHVDQGVHUYLFHUHSDLURUVSDUHSDUWVVXSSRUWRXWRI
ZDUUDQW\$Q\³UHWXUQIRUH[FKDQJH´RU³UHWXUQIRUUHSDLU´WRDQDXWKRUL]HG0RWRUROD'HDOHUPXVWEH
DFFRPSDQLHGE\D:DUUDQW\&ODLP)RUP&RQWDFWDQDXWKRUL]HG0RWRURODGHDOHUIRU:DUUDQW\&ODLP
)RUPV
127( %HIRUHRSHUDWLQJRUWHVWLQJWKHVHXQLWVSOHDVHUHDGWKH3URGXFW6DIHW\DQG5)([SRVXUH
ERRNOHW0RWRURODSXEOLFDWLRQSDUWQXPEHU&HQFORVHGZLWK\RXUUDGLR

&KDSWHU :DUUDQW\DQG6HUYLFH6XSSRUW
&%
 :DUUDQW\3HULRGDQG5HWXUQ,QVWUXFWLRQV
7KHWHUPVDQGFRQGLWLRQVRIZDUUDQW\DUHGHILQHGIXOO\LQWKH0RWRUROD'HDOHURU'LVWULEXWRURU
5HVHOOHUFRQWUDFW7KHVHFRQGLWLRQVPD\FKDQJHIURPWLPHWRWLPHDQGWKHIROORZLQJVXEVHFWLRQV
DUHIRUJXLGDQFHSXUSRVHVRQO\
,QLQVWDQFHVZKHUHWKHSURGXFWLVFRYHUHGXQGHUD³UHWXUQIRUUHSODFHPHQW´RU³UHWXUQIRUUHSDLU´
ZDUUDQW\IROORZWKHVWHSVRXWOLQHGEHORZEHIRUHVKLSSLQJWKHXQLWEDFNWRWKHDSSURSULDWH0RWRUROD
ZDUUDQW\GHSRW
 &KHFNWKHSURGXFWWRPDNHVXUHLWLVFRUUHFWO\SURJUDPPHGRUKDVQRWEHHQVXEMHFWHGWR
GDPDJHRXWVLGHWKHWHUPVRIWKHZDUUDQW\
 &RQWDFW&XVWRPHU5HVRXUFHVWRUHSRUWWKHSUREOHP
 )LOORXWD:DUUDQW\&ODLP)RUP)RUPVDUHDYDLODEOHIURP\RXU&XVWRPHU5HVRXUFHV
UHSUHVHQWDWLYHRUDXWKRUL]HG0RWRURODGHDOHU
 6KLSWKHSURGXFWVEDFNLQWKHRULJLQDOSDFNDJLQJRURWKHUZLVHVHFXUHO\SDFNDJHGWRHQVXUH
LWLVQRWGDPDJHGLQWUDQVLW(QFORVHWKH:DUUDQW\&ODLP)RUPLQWKHSDFNDJH
 $IWHU:DUUDQW\3HULRG
0RWRURODFRQWLQXHVWRVXSSRUWLWVSURGXFWVLQWZRZD\VDIWHUWKH:DUUDQW\SHULRG
0RWRURODV&XVWRPHU&DUHDQG6HUYLFHV'LYLVLRQ&&6'IRUPHUO\$$'RIIHUVDUHSDLUVHUYLFH
WRERWKHQGXVHUVDQGGHDOHUVDWFRPSHWLWLYHSULFHV
&&6'VXSSOLHVLQGLYLGXDOSDUWVDQGPRGXOHVWKDWFDQEHSXUFKDVHGE\GHDOHUVZKRDUH
WHFKQLFDOO\FDSDEOHRISHUIRUPLQJIDXOWDQDO\VLVDQGUHSDLU
 3LHFH3DUWV$YDLODELOLW\
6RPHUHSODFHPHQWSDUWVVSDUHSDUWVDQGRUSURGXFWLQIRUPDWLRQFDQEHRUGHUHGGLUHFWO\
 5HSODFHPHQW3DUWV2UGHULQJ
:KHQRUGHULQJUHSODFHPHQWSDUWVDQGLQIRUPDWLRQEHVXUHWRVSHFLI\WKHFRPSOHWH0RWRUROD
LGHQWLILFDWLRQQXPEHULQ\RXURUGHU'LUHFWDOOSDUWRUGHUVWR\RXUORFDO&XVWRPHU&DUHDQG6HUYLFHV
'LYLVLRQ&&6'RIILFH5HIHUWRWKH$SSHQGL[LQWKHEDFNRIWKLVPDQXDOIRUFRQWDFWLQIRUPDWLRQ
,I ,WPHDQVWKDW
7KHSDUWKDVDFRPSOHWH0RWRURODSDUWQXPEHU
DVVLJQHGWRLW
7KHSDUWFDQEHRUGHUHGIURP0RWRUROD¶V
&XVWRPHU&DUHDQG6HUYLFHV'LYLVLRQ
7KHSDUWGRHVQRWKDYHDSDUWQXPEHU
DVVLJQHGWRLW
7KHSDUWLVQRWQRUPDOO\DYDLODEOHIURP
0RWRUROD
7KHSDUWQXPEHULVDSSHQGHGZLWKDQDVWHULVN 7KHSDUWLVVHUYLFHDEOHRQO\E\D0RWRUROD
'HSRW
$SDUWVOLVWLVQRWLQFOXGHG 1RXVHUVHUYLFHDEOHSDUWVDUHDYDLODEOHIRU
WKDWNLWRUDVVHPEO\

5DGLR0RGHO,QIRUPDWLRQ &KDSWHU
&%
 7HFKQLFDO6XSSRUW
0RWRURODSURYLGHVWHFKQLFDOVXSSRUWWRDVVLVWGHDOHUVGLVWULEXWRUVDQGVHOIPDLQWDLQHGFXVWRPHUVLQ
UHVROYLQJSUREOHPVLIDQ\ZLWKWKHLUXQLW:KHQFRQWDFWLQJ0RWRUROD7HFKQLFDO6XSSRUWNHHSWKH
UDGLR¶VPRGHOQXPEHUDQGWKHXQLW¶VVHULDOQXPEHUKDQG\7HFKQLFDOVXSSRUWFRQWDFWLQIRUPDWLRQLV
OLVWHGEHORZ
 5DGLR0RGHO,QIRUPDWLRQ
7KHUDGLR¶VPRGHOQXPEHUDQGVHULDOQXPEHUDUHORFDWHGRQDODEHODWWDFKHGWRWKHEDFNRIWKHXQLW
7KHUDGLR¶VPRGHOQXPEHULQGLFDWHVWKHXQLW¶V5)RXWSXWSRZHUIUHTXHQF\EDQGSURWRFROVDQG
SK\VLFDOSDFNDJHV7KHH[DPSOHEHORZVKRZVDPRELOHUDGLRPRGHOQXPEHUDQGLWVFKDUDFWHULVWLFV
7DEOH5DGLR0RGHO1XPEHU([DPSOH$$0.+&$$$1
8QLWHG6WDWHVDQG3XHUWR5LFR
0H[LFR&DULEEHDQ6RXWKDQG&HQWUDO$PHULFD*RWRKWWSVZZZPRWRURODFRPEXVLQHVVRQOLQH
/RJLQDQGFOLFNRQ&RQWDFW8V
0RWRUROD
,QWHUQDO
8VH2QO\
7\SHRI
8QLW
0RGHO
6HULHV )UHT%DQG 3RZHU
/HYHO
3K\VLFDO
3DFNDJHV
&KDQQHO
6SDFLQJ 3URWRFRO )HDWXUH
/HYHO
0RGHO
5HYLVLRQ
0RGHO
3DFNDJH
$$
RU
/$
0
IRU
0RELOH
 .
9+)
0+]
+
:
&
1R'LVSOD\
%DVLF
.H\SDG
3URJUDP
PDEOH
$$
&RQYHQ
WLRQDO
)
$1
%
/RZ%DQG5
0+]
.
:
$
1R'LVSOD\
1R.H\SDG
'8
/75
)
&
/RZ%DQG5
0+]
'
/LQH
'LVSOD\
/LPLWHG
.H\SDG
'3
3DVV3RUW
DQG/75
)
'
/RZ%DQG5
0+]
)
/LQH
'LVSOD\
6WDQGDUG
.H\SDG
3:
SSP
)
/75
5
8+)
0+]
)
6
8+)
&'0
0+]
352:
0+]
352:
0+]

&KDSWHU 5DGLR0RGHO,QIRUPDWLRQ
&%
1RWHV

&KDSWHU
&%
6HFWLRQ
0$,17(1$1&(
 ,QWURGXFWLRQ
7KLVFKDSWHURIWKHPDQXDOGHVFULEHV
SUHYHQWLYHPDLQWHQDQFH
VDIHKDQGOLQJRI&026GHYLFHV
UHSDLUSURFHGXUHVDQGWHFKQLTXHV
 3UHYHQWLYH0DLQWHQDQFH
7KHUDGLRVGRQRWUHTXLUHDVFKHGXOHGSUHYHQWLYHPDLQWHQDQFHSURJUDPKRZHYHUSHULRGLFYLVXDO
LQVSHFWLRQDQGFOHDQLQJLVUHFRPPHQGHG
 ,QVSHFWLRQ
&KHFNWKDWWKHH[WHUQDOVXUIDFHVRIWKHUDGLRDUHFOHDQDQGWKDWDOOH[WHUQDOFRQWUROVDQGVZLWFKHV
DUHIXQFWLRQDO:HUHFRPPHQGDJDLQVWLQVSHFWLQJWKHLQWHULRUHOHFWURQLFFLUFXLWU\
 &OHDQLQJ
7KHIROORZLQJSURFHGXUHVGHVFULEHWKHUHFRPPHQGHGFOHDQLQJDJHQWVDQGWKHPHWKRGVWREHXVHG
ZKHQFOHDQLQJWKHH[WHUQDODQGLQWHUQDOVXUIDFHVRIWKHUDGLR([WHUQDOVXUIDFHVLQFOXGHWKHIURQW
FRYHUKRXVLQJDVVHPEO\DQGEDWWHU\FDVH7KHVHVXUIDFHVVKRXOGEHFOHDQHGZKHQHYHUDSHULRGLF
YLVXDOLQVSHFWLRQUHYHDOVWKHSUHVHQFHRIVPXGJHVJUHDVHDQGRUJULPH
 &OHDQLQJ([WHUQDO3ODVWLF6XUIDFHV
7KHRQO\UHFRPPHQGHGDJHQWIRUFOHDQLQJWKHH[WHUQDOUDGLRVXUIDFHVLVDVROXWLRQRIDPLOG
GLVKZDVKLQJGHWHUJHQWLQZDWHU$SSO\WKLVVROXWLRQVSDULQJO\RQWKHVXUIDFHZLWKDVWLIIQRQPHWDOOLF
VKRUWEULVWOHGEUXVKWRZRUNDOOORRVHGLUWRXW8VHDVRIWDEVRUEHQWOLQWOHVVFORWKRUWLVVXHWRUHPRYH
WKHVROXWLRQ7KHQGU\WKHUDGLR0DNHVXUHWKDWQRZDWHUUHPDLQVHQWUDSSHGQHDUWKHFRQQHFWRUV
FUDFNVRUFUHYLFHV
&$87,21 7KHHIIHFWVRIFHUWDLQFKHPLFDOVDQGWKHLUYDSRUVFDQKDYHKDUPIXOUHVXOWVRQFHUWDLQ
SODVWLFV'RQRWXVHDHURVROVSUD\VWXQHUFOHDQHUVDQGRWKHUFKHPLFDOVWRFOHDQWKH
UDGLR
127( ,QWHUQDOVXUIDFHVVKRXOGEHFOHDQHGRQO\ZKHQWKHUDGLRLVGLVDVVHPEOHGIRUVHUYLFLQJRU
UHSDLU

&KDSWHU 6DIH+DQGOLQJRI&026DQG/'026
&%
 &OHDQLQJ,QWHUQDO&LUFXLW%RDUGVDQG&RPSRQHQWV
7KHRQO\IDFWRU\UHFRPPHQGHGOLTXLGIRUFOHDQLQJWKHSULQWHGFLUFXLWERDUGVDQGWKHLUFRPSRQHQWVLV
LVRSURS\ODOFRKROE\YROXPH$SSO\,VRSURS\ODOFRKROZLWKDVWLIIQRQPHWDOOLFVKRUWEULVWOHG
EUXVKWRGLVORGJHHPEHGGHGRUFDNHGPDWHULDOVORFDWHGLQKDUGWRUHDFKDUHDV7KHEUXVKVWURNH
VKRXOGGLUHFWWKHGLVORGJHGPDWHULDORXWDQGDZD\IURPWKHLQVLGHRIWKHUDGLR0DNHVXUHWKDW
FRQWUROVRUWXQDEOHFRPSRQHQWVDUHQRWVRDNHGZLWKDOFRKRO'RQRWXVHKLJKSUHVVXUHDLUWRKDVWHQ
WKHGU\LQJSURFHVVVLQFHWKLVFRXOGFDXVHWKHOLTXLGWRFROOHFWLQXQZDQWHGSODFHV8SRQFRPSOHWLRQ
RIWKHFOHDQLQJSURFHVVXVHDVRIWDEVRUEHQWOLQWOHVVFORWKWRGU\WKHDUHD'RQRWEUXVKRUDSSO\
DQ\LVRSURS\ODOFRKROWRWKHIUDPHIURQWFRYHURUEDFNFRYHU
 6DIH+DQGOLQJRI&026DQG/'026
&RPSOHPHQWDU\PHWDOR[LGHVHPLFRQGXFWRU&026GHYLFHVDUHXVHGLQWKLVIDPLO\RIUDGLRV&026
FKDUDFWHULVWLFVPDNHWKHPVXVFHSWLEOHWRGDPDJHE\HOHFWURVWDWLFRUKLJKYROWDJHFKDUJHV'DPDJH
FDQEHODWHQWUHVXOWLQJLQIDLOXUHVRFFXUULQJZHHNVRUPRQWKVODWHU7KHUHIRUHWDNHVSHFLDO
SUHFDXWLRQVWRSUHYHQWGHYLFHGDPDJHGXULQJGLVDVVHPEO\WURXEOHVKRRWLQJDQGUHSDLU
+DQGOLQJSUHFDXWLRQVDUHPDQGDWRU\IRU&026FLUFXLWVDQGDUHHVSHFLDOO\LPSRUWDQWLQORZKXPLGLW\
FRQGLWLRQV
 *HQHUDO5HSDLU3URFHGXUHVDQG7HFKQLTXHV
 3DUWV5HSODFHPHQWDQG6XEVWLWXWLRQ
:KHQUHSODFLQJGDPDJHGSDUWVXVHLGHQWLFDOSDUWUHSODFHPHQWV,IDQLGHQWLFDOUHSODFHPHQW
FRPSRQHQWLVQRWORFDOO\DYDLODEOHFKHFNWKHSDUWVOLVWIRUWKHSURSHU0RWRURODSDUWQXPEHUDQGRUGHU
WKHFRPSRQHQWIURPWKHQHDUHVW0RWRURODSDUWVFHQWHUVHHWKH$SSHQGL[DWWKHEDFNRIWKLVPDQXDO
 5LJLG&LUFXLW%RDUGV
7KLVIDPLO\RIUDGLRVXVHVERQGHGPXOWLOD\HUSULQWHGFLUFXLWERDUGV6LQFHWKHLQQHUOD\HUVDUHQRW
DFFHVVLEOHVRPHVSHFLDOFRQVLGHUDWLRQVDUHUHTXLUHGZKHQVROGHULQJDQGGHVROGHULQJFRPSRQHQWV
7KHWKURXJKSODWHGKROHVPD\LQWHUFRQQHFWPXOWLSOHOD\HUVRIWKHSULQWHGFLUFXLW7KHUHIRUHH[HUFLVH
FDUHWRDYRLGSXOOLQJWKHSODWHGFLUFXLWRXWRIWKHKROH
:KHQVROGHULQJQHDUWKHSLQDQGSLQFRQQHFWRUV
DYRLGDFFLGHQWDOO\JHWWLQJVROGHULQWKHFRQQHFWRU
EHFDUHIXOQRWWRIRUPVROGHUEULGJHVEHWZHHQWKHFRQQHFWRUSLQV
FORVHO\H[DPLQH\RXUZRUNIRUVKRUWVGXHWRVROGHUEULGJHV
127( $OZD\VXVHDIUHVKVXSSO\RIDOFRKRODQGDFOHDQFRQWDLQHUWRSUHYHQWFRQWDPLQDWLRQE\
GLVVROYHGPDWHULDOIURPSUHYLRXVXVDJH
&$87,21 '2127DWWHPSWWRGLVDVVHPEOHWKHUDGLRZLWKRXWILUVWUHIHUULQJWRWKHGLVDVVHPEO\DQG
UHDVVHPEO\VHFWLRQVLQWKH%DVLF6HUYLFH0DQXDO0RWRUROD3XEOLFDWLRQSDUWQXPEHU
&>&'06HULHVPRGHOV@RU&>3526HULHVPRGHOV@

*HQHUDO5HSDLU3URFHGXUHVDQG7HFKQLTXHV &KDSWHU
&%
 &KLS&RPSRQHQWV
8VHHLWKHUWKH5/1+RW$LU5HSDLU6WDWLRQRUWKH0RWRUROD%5HSDLU6WDWLRQIRUFKLS
FRPSRQHQWUHSODFHPHQW:KHQXVLQJWKH%5HSDLU6WDWLRQVHOHFWWKH7-PLQL
WKHUPRMHWKDQGSLHFH2QHLWKHUXQLWDGMXVWWKHWHPSHUDWXUHFRQWUROWR&)DQGDGMXVWWKH
DLUIORZWRDPLQLPXPVHWWLQJ$LUIORZFDQYDU\GXHWRFRPSRQHQWGHQVLW\
7RUHPRYHDFKLSFRPSRQHQW
 8VHDKRWDLUKDQGSLHFHDQGSRVLWLRQWKHQR]]OHRIWKHKDQGSLHFHDSSUR[LPDWHO\FP
⁄DERYHWKHFRPSRQHQWWREHUHPRYHG
 %HJLQDSSO\LQJWKHKRWDLU2QFHWKHVROGHUUHIORZVUHPRYHWKHFRPSRQHQWXVLQJDSDLURI
WZHH]HUV
 8VLQJDVROGHUZLFNDQGDVROGHULQJLURQRUDSRZHUGHVROGHULQJVWDWLRQUHPRYHWKHH[FHVV
VROGHUIURPWKHSDGV
7RUHSODFHDFKLSFRPSRQHQWXVLQJDVROGHULQJLURQ
 6HOHFWWKHDSSURSULDWHPLFURWLSSHGVROGHULQJLURQDQGDSSO\IUHVKVROGHUWRRQHRIWKHVROGHU
SDGV
 8VLQJDSDLURIWZHH]HUVSRVLWLRQWKHQHZFKLSFRPSRQHQWLQSODFHZKLOHKHDWLQJWKHIUHVK
VROGHU
 2QFHVROGHUZLFNVRQWRWKHQHZFRPSRQHQWUHPRYHWKHKHDWIURPWKHVROGHU
 +HDWWKHUHPDLQLQJSDGZLWKWKHVROGHULQJLURQDQGDSSO\VROGHUXQWLOLWZLFNVWRWKH
FRPSRQHQW,IQHFHVVDU\WRXFKXSWKHILUVWVLGH$OOVROGHUMRLQWVVKRXOGEHVPRRWKDQGVKLQ\
7RUHSODFHDFKLSFRPSRQHQWXVLQJKRWDLU
 8VHWKHKRWDLUKDQGSLHFHDQGUHIORZWKHVROGHURQWKHVROGHUSDGVWRVPRRWKLW
 $SSO\DGURSRIVROGHUSDVWHIOX[WRHDFKSDG
 8VLQJDSDLURIWZHH]HUVSRVLWLRQWKHQHZFRPSRQHQWLQSODFH
 3RVLWLRQWKHKRWDLUKDQGSLHFHDSSUR[LPDWHO\FPDERYHWKHFRPSRQHQWDQGEHJLQ
DSSO\LQJKHDW
 2QFHWKHVROGHUZLFNVWRWKHFRPSRQHQWUHPRYHWKHKHDWDQGLQVSHFWWKHUHSDLU$OOMRLQWV
VKRXOGEHVPRRWKDQGVKLQ\
 6KLHOGV
5HPRYHDQGUHSODFHVKLHOGVXVLQJWKH5VWDWLRQZLWKWKHWHPSHUDWXUHFRQWUROVHWWR
DSSUR[LPDWHO\°&°)>°&°)PD[LPXP@
7RUHPRYHWKHVKLHOG
 3ODFHWKHFLUFXLWERDUGLQWKH5FLUFXLWERDUGKROGHU
 6HOHFWWKHSURSHUKHDWIRFXVKHDGDQGDWWDFKLWWRWKHKHDWHUFKLPQH\
 $GGVROGHUSDVWHIOX[DURXQGWKHEDVHRIWKHVKLHOG
 3RVLWLRQWKHVKLHOGXQGHUWKHKHDWIRFXVKHDG
 /RZHUWKHYDFXXPWLSDQGDWWDFKLWWRWKHVKLHOGE\WXUQLQJRQWKHYDFXXPSXPS
 /RZHUWKHIRFXVKHDGXQWLOLWLVDSSUR[LPDWHO\FPDERYHWKHVKLHOG
 7XUQRQWKHKHDWHUDQGZDLWXQWLOWKHVKLHOGOLIWVRIIWKHFLUFXLWERDUG
 2QFHWKHVKLHOGLVRIIWXUQRIIWKHKHDWJUDEWKHSDUWZLWKDSDLURIWZHH]HUVDQGWXUQRIIWKH
YDFXXPSXPS
 5HPRYHWKHFLUFXLWERDUGIURPWKH5FLUFXLWERDUGKROGHU

&KDSWHU 1RWHV)RU$OO6FKHPDWLFVDQG&LUFXLW%RDUGV
&%
7RUHSODFHWKHVKLHOG
 $GGVROGHUWRWKHVKLHOGLIQHFHVVDU\XVLQJDPLFURWLSSHGVROGHULQJLURQ
 5XEWKHVROGHULQJLURQWLSDORQJWKHHGJHRIWKHVKLHOGWRVPRRWKRXWDQ\H[FHVVVROGHU8VH
VROGHUZLFNDQGDVROGHULQJLURQWRUHPRYHH[FHVVVROGHUIURPWKHVROGHUSDGVRQWKHFLUFXLW
ERDUG
 3ODFHWKHFLUFXLWERDUGEDFNLQWKH5FLUFXLWERDUGKROGHU
 3ODFHWKHVKLHOGRQWKHFLUFXLWERDUGXVLQJDSDLURIWZHH]HUV
 3RVLWLRQWKHKHDWIRFXVKHDGRYHUWKHVKLHOGDQGORZHULWWRDSSUR[LPDWHO\FPDERYH
WKHVKLHOG
 7XUQRQWKHKHDWHUDQGZDLWIRUWKHVROGHUWRUHIORZ
 2QFHFRPSOHWHWXUQRIIWKHKHDWUDLVHWKHKHDWIRFXVKHDGDQGZDLWDSSUR[LPDWHO\RQH
PLQXWHIRUWKHSDUWWRFRRO
 5HPRYHWKHFLUFXLWERDUGDQGLQVSHFWWKHUHSDLU1RFOHDQLQJVKRXOGEHQHFHVVDU\
 1RWHV)RU$OO6FKHPDWLFVDQG&LUFXLW%RDUGV
&RPSRQHQWLVIUHTXHQF\VHQVLWLYH5HIHUWRWKH(OHFWULFDO3DUWV/LVWIRUYDOXHDQGXVDJH
8QOHVVRWKHUZLVHVWDWHGUHVLVWDQFHVDUHLQ2KPV. 0 DQG
FDSDFLWDQFHVDUHLQSLFRIDUDGVS)QDQRIDUDGVQ)RUPLFURIDUDGV)
'&YROWDJHVDUHPHDVXUHGIURPSRLQWLQGLFDWHGWRFKDVVLVJURXQGXVLQJD0RWRUROD'&
PXOWLPHWHURUHTXLYDOHQW7UDQVPLWWHUPHDVXUHPHQWVVKRXOGEHPDGHZLWKD+
PLFUR+HQU\FKRNHLQVHULHVZLWKWKHYROWDJHSUREHWRSUHYHQWFLUFXLWORDGLQJ
,QWHUFRQQHFW7LH3RLQW/HJHQG
B0+] 0+]5HIHUHQFH)UHTXHQF\
9 5HJXODWHG96XSSO\9ROWDJHIRU9RLFH6WRUDJH
9 5HJXODWHG96XSSO\9ROWDJHIRU5)&LUFXLWU\
9 5HJXODWHG96XSSO\9ROWDJH&RQWURO+HDG
95) 5HJXODWHG96XSSO\9ROWDJHIRU5)&LUFXLWU\
96285&( 96LJQDOWR6ZLWFK2Q&RQWURO+HDG
9' 5HJXODWHG96XSSO\9ROWDJHIRU'LJLWDO&LUFXLWU\
9 5HJXODWHG96XSSO\9ROWDJH
9)/7 )LOWHUHG96XSSO\9ROWDJH
$ 96XSSO\9ROWDJH
$''5 0LFURSURFHVVRU3$GGUHVV/LQHV
$1 $QDORJ/LQHVWR$QDORJWR'LJLWDO&RQYHUWHU
$1$/2*,1387 ([WHUQDO.H\SDG0DWUL[&ROXPQ6LJQDO
$1$/2*,1387 ([WHUQDO.H\SDG0DWUL[5RZ6LJQDO
%$77(5<92/7$*( %DWWHU\9ROWDJH6HQVH/LQH
%/$*5((1 %DFN/LJKW$QRGH*UHHQ
%/$5(' %DFN/LJKW$QRGH5HG
%/*5((1 *UHHQ%DFN/LJKW&RQWURO

1RWHV)RU$OO6FKHPDWLFVDQG&LUFXLW%RDUGV &KDSWHU
&%
%/.*5((1 %DFN/LJKW&DWKRGH*UHHQ
%/.5(' %DFN/LJKW&DWKRGH5HG
%/.3*UHHQ *UHHQ.H\SDG%DFN/LJKW&RQWURO
%/.35(' 5HG.H\SDG%DFN/LJKW&RQWURO
%//&'*5((1 *UHHQ'LVSOD\%DFN/LJKW&RQWURO
%//&'5(' 5HG'LVSOD\%DFN/LJKW&RQWURO
%/5(' 5HG%DFN/LJKW&RQWURO
%227&175/ %RRWVWUDS0RGH(QDEOH6LJQDO
%22702'( %RRW0RGH6HOHFW
%2273:521 &RQWURO+HDG6ZLWFK2Q6LJQDO
%2276&,5; 6HULDO&RPPXQLFDWLRQ,QWHUIDFH5HFHLYH/LQH
%2276&,7; 6HULDO&RPPXQLFDWLRQ,QWHUIDFH7UDQVPLW/LQH
%227933 %RRW0RGH6HOHFW
%86 %LGLUHFWLRQDO6HULDO&RPPXQLFDWLRQ/LQH
%:6(/(&7 6LJQDOWRVHOHFWEHWZHHQWKH&HUDPLF)LOWHU3DLUV
&(; &KLS(QDEOH/LQH
&+$&7 &KDQQHO$FWLYLW\,QGLFDWRU6LJQDO)DVW6TXHOFK
&+.3,' &RQWURO+HDG.H\SDG,''DWD/LQHV
&+5(48(67 &RQWURO+HDG5HTXHVWIURP&RQWURO+HDG3
&/. &ORFN6LJQDO
&17/9/7* 3$3RZHU&RQWURO9ROWDJH
&175$8',2 $XGLR/LQHVRIWKH&RQWUROOHU
&2/[ .H\SDG0DWUL[&ROXPQ[
&6; &KLS(QDEOH/LQH
'$7$ 'DWD6LJQDO
'&32:(521 (OHFWURQLF6ZLWFKLQJ2QRU2IIRIWKH5DGLRV
9ROWDJH5HJXODWRUV
',6&$8',2 $XGLR2XWSXW6LJQDOIURPWKH5HFHLYHU,&
(&/. &ORFNQRWXVHG
((&6 ((3520&KLS6HOHFW
(0(5*(1&<&21752/ (PHUJHQF\/LQHWRVZLWFKRQWKH5DGLRV9ROWDJH
5HJXODWRUV
(;3%'5(4 6HUYLFH5HTXHVW/LQHIURP([SDQVLRQ%RDUG
(;3&6 ([SDQVLRQ%RDUG&KLS6HOHFW
(;3&6 ([SDQVLRQ%RDUG&KLS6HOHFW
(;7.3&2/ ([WHUQDO.H\SDG0DWUL[&ROXPQ6LJQDO
(;7.352: ([WHUQDO.H\SDG0DWUL[5RZ6LJQDO
(;70,& ([WHUQDOIURP$FFHVVRU\&RQQHFWRU0LFURSKRQH
,QSXW
(;76:% ([WHUQDO6ZLWFKHG96XSSO\9ROWDJH
) ,QWHUUXSW/LQHIURP$6),&&03

&KDSWHU 1RWHV)RU$OO6FKHPDWLFVDQG&LUFXLW%RDUGV
&%
)(&75/ &RQWURO9ROWDJHIRU)URQW(QG)LOWHU
)(&75/ &RQWURO9ROWDJHIRU)URQW(QG$WWHQXDWRU6ZLWFK
)/$6+&6 )ODVK&KLS6HOHFW
)/$6+2( )ODVK2XWSXW(QDEOH
)/$75;61' 2SWLRQ%RDUG$XGLR2XWSXW6LJQDO
)/$77;571 )ODW7;,QSXWIURP2SWLRQ%RDUGDQG$FFHVVRU\
&RQQHFWRU
)/7$ )LOWHUHG96XSSO\9ROWDJH
*3[,1 *HQHUDO3XUSRVH,QSXW[
*3[,1$&&\ *HQHUDO3XUSRVH,QSXW[IURP$FFHVVRU\
&RQQHFWRU3LQ\
*3[,1287$&&\ *HQHUDO3XUSRVH,QSXW2XWSXW[IURP$FFHVVRU\
&RQQHFWRU3LQ\
*3[287 *HQHUDO3XUSRVH2XWSXW[
*3[287$&&\ *HQHUDO3XUSRVH,QSXW[IURP$FFHVVRU\
&RQQHFWRU3LQ\
*3,2 *HQHUDO3XUSRVH,QSXW2XWSXW/LQHV
+$1'6(7$8',2 +DQGVHW$XGLR2XWSXW
+22. +DQJXS6ZLWFK,QSXW
+6,2 +LJK6SHHG&ORFN,Q'DWD2XW
,) )LUVW,QWHUPHGLDWH)UHTXHQF\6LJQDO
,*1,7,21&21752/ ,JQLWLRQ/LQHWRVZLWFKRQWKH5DGLRV9ROWDJH
5HJXODWRUV
,195)5(* 6XSSO\9ROWDJHIRU95HJXODWRULQ5)6HFWLRQ
,17.3&2/ ,QWHUQDO.H\SDG0DWUL[&ROXPQ6LJQDO
,17.352: ,QWHUQDO.H\SDG0DWUL[5RZ6LJQDO
,170,& ,QWHUQDOIURP&RQWURO+HDG0LFURSKRQH,QSXW
,176:% ,QWHUQDO6ZLWFKHG96XSSO\9ROWDJH
,176:% ,QWHUQDO6ZLWFKHG96XSSO\9ROWDJH
,54 ,QWHUUXSW5HTXHVWIURP&RQWURO+HDG
.9 9LQ7UDQVPLW0RGH
.(<3$',' .H\SDG,GHQWLILFDWLRQ/LQH
/&'$ /&'&RQWURO'LVSOD\'DWD6HOHFW
/&'&6 /&'&KLS6HOHFW
/&''$7$ /&''DWD/LQHV
/&'(5' /&'(QDEOH5HDG
/&'5::5 /&'5HDG:ULWH&RQWURO
/('&175/ /('&RQWURO/LQHV
/('*5((1 *UHHQ/('&RQWURO
/('5(' 5HG/('&RQWURO
/('<(//2: <HOORZ/('&RQWURO

1RWHV)RU$OO6FKHPDWLFVDQG&LUFXLW%RDUGV &KDSWHU
&%
/2&. /RFN'HWHFW6LJQDOIURP6\QWKHVL]HU
/6,2 /RZ6SHHG&ORFN,Q'DWD2XW
/9=,)&6 /9=,)&KLS6HOHFWQRWXVHG
0,& 0LFURSKRQH,QSXW
0,62 6HULDO3HULSKHUDO,QWHUIDFH5HFHLYH/LQH
02',1 0RGXODWLRQ6LJQDOLQWRWKH6\QWKHVL]HU
026%,$6 3$%LDV9ROWDJHIRU6HFRQG6WDJH
026%,$6 3$%LDV9ROWDJHIRU7KLUG6WDJH
12,6(%/1.5 1RLVH%ODQNHU(QDEOH/RZ%DQGRQO\
212))&21752/ 6HUYLFH5HTXHVW/LQHIURP&RQWURO+HDG0DQXDO
6ZLWFKLQJ2QRIWKH5DGLRV9ROWDJH5HJXODWRUV
212))6(16(&RQWURO+HDG 2Q2II6HQVH/LQHWR&RQWURO+HDG3
212))6(16(&RQWUROOHU 6HUYLFH5HTXHVW/LQHIURP&RQWURO+HDG
237&6 2SWLRQ%RDUG&KLS6HOHFW
237377 377IURP2SWLRQ%RDUG
3$3:56(7 $6),&2XWSXW9ROWDJHWRVHWWKH7UDQVPLWWHU
3RZHU
3$6:% 6ZLWFKHV6XSSO\9ROWDJHIRU3$&XUUHQW&RQWURO
&LUFXLWU\
3$6839/7* 96XSSO\9ROWDJHRIWKH7UDQVPLWWHU3$
3&,&026%,$6 3$%LDV9ROWDJHIRU)LUVW6WDJH
35(6& 3UHVFDOHU6LJQDOIURP9&2WR6\QWKHVL]HU
377,5'(& 0LFURSKRQH377,QSXW
377,5'(&2'(5 0LFURSKRQH377,QSXW
5: 5HDG:ULWH6LJQDOIRU5$0)ODVK
5$0&6 5$0&KLS6HOHFW
5'< 6HUYLFH5HTXHVW/LQHIURP2SWLRQ%RDUG
5()&6 5HIHUHQFH&KLS6HOHFWQRWXVHG
5(6(7 5HVHW/LQH
52:[ .H\SDG0DWUL[5RZ[
566, 5HFHLYHG6LJQDO6WUHQJWK,QGLFDWRU
5;$'$37 )ODW7;3DWK'LVDEOHGXULQJ7UDQVPLWWHU.H\XS
5;$8'571 2SWLRQ%RDUG,QSXW2XWSXWRI5HFHLYHU$XGLR
3DWK
5;)/$7),/7(5('$8',2 )ODWRU)LOWHUHG$XGLRWR$FFHVVRU\&RQQHFWRU
5;,1 5)6LJQDOIURP$QWHQQD6ZLWFKLQWRWKH5HFHLYHU
5;,1- 5)6LJQDOIURPWKH9&2LQWRWKH0L[HU
6&,5; 6HULDO&RPPXQLFDWLRQ,QWHUIDFH5HFHLYH/LQH
6&,7; 6HULDO&RPPXQLFDWLRQ,QWHUIDFH7UDQVPLW/LQH
63, 6HULDO3HULSKHUDO,QWHUIDFH%XV
63.5 1HJDWLYH$XGLR3$6SHDNHU2XWSXW

&KDSWHU 1RWHV)RU$OO6FKHPDWLFVDQG&LUFXLW%RDUGV
&%
)RXUOD\HUFLUFXLWERDUGGHWDLOYLHZLQJFRSSHUVWHSVLQSURSHUOD\HUVHTXHQFH
63.5 3RVLWLYH$XGLR3$6SHDNHU2XWSXW
64'(7 6TXHOFK'HWHFW6LJQDO
6<1 3&ORFN6LJQDO
7(036(16( 7HPSHUDWXUH6HQVH/LQHIRU/&'
7(036(16( 7HPSHUDWXUH6HQVH/LQHIURP3$WR3
75% 7;5;9&26ZLWFK6LJQDO
7;$8'571 2SWLRQ%RDUG2XWSXWWR7UDQVPLW$XGLR3DWK
7;$8'61' 0LFURSKRQH$XGLRWR2SWLRQ%RDUG
7;,1- 5)6LJQDOIURPWKH9&2LQWRWKH7UDQVPLWWHU3$
8'5,9(5 6XSSO\9ROWDJHIRU3$'ULYHU
835('5,9(5 6XSSO\9ROWDJHIRU3$3UHGULYHU
816:9 3HUPDQHQW96XSSO\
85;61' )LOWHUHG$XGLR6LJQDOWR2SWLRQ%RDUG
9$* 95HIHUHQFH9ROWDJHIRU$QDORJ&LUFXLWU\
9&2%,$6 6ZLWFK6LJQDOIURP6\QWKHVL]HU
9&2%,$6 6ZLWFK6LJQDOIURP6\QWKHVL]HU
9&202' 0RGXODWLRQ6LJQDOLQWR9&2
9&75/ 9&2)UHTXHQF\&RQWURO9ROWDJH
9''$ 5HJXODWHG9IRU'LJLWDO&LUFXLWU\LQ5)6HFWLRQ
92/7$*(6(16( 9ROWDJH6HQVH/LQHIURP/&'
92/80( 9ROXPH3RW2XWSXW
92; 9RLFH2SHUDWHG7UDQVPLW/HYHO
933 %RRW0RGH6HOHFW
96$8',26(/ 6ZLWFK6LJQDOWR(QDEOH2SWLRQ%RDUG$XGLR
2XWSXW6LJQDO
96*$,16(/ 9RLFH6WRUDJH*DLQ6HOHFW/LQH
96,17 9RLFH6WRUDJH,QWHUUXSW/LQH
960,& 9RLFH6WRUDJH$XGLR6LJQDOLQWR0LFURSKRQH3DWK
965$& 9RLFH6WRUDJH5RZ$GGUHVV&ORFN6LJQDO
96) 9ROWDJH6XSHU)LOWHUHG9
967%< 96XSSO\IRU3ZKHQWKH5DGLRLVVZLWFKHGRII

&KDSWHU
&%
6HFWLRQ
6(59,&($,'6
 5HFRPPHQGHG6HUYLFH7RROV
7DEOHOLVWVWKHVHUYLFHWRROVUHFRPPHQGHGIRUZRUNLQJRQWKHUDGLR:KLOHDOORIWKHVHLWHPVDUH
DYDLODEOHIURP0RWRURODPRVWDUHVWDQGDUGZRUNVKRSHTXLSPHQWLWHPVDQGDQ\HTXLYDOHQWLWHP
FDSDEOHRIWKHVDPHSHUIRUPDQFHPD\EHVXEVWLWXWHGIRUWKHLWHPOLVWHG
7DEOH5HFRPPHQGHG6HUYLFH7RROV
0RWRUROD3DUW1R 'HVFULSWLRQ $SSOLFDWLRQ
(
$
0DVWHUOHQVV\VWHP
,OOXPLQDWHGPDJQLI\LQJJODVV
ZLWKOHQVDWWDFKPHQW
,OOXPLQDWLRQDQGPDJQLILFDWLRQRIFRPSRQHQWV
( 60'WRRONLWLQFOXGHGZLWK
5B
$ :DOO0RXQWHG3RZHU6XSSO\ 8VHGWRVXSSO\SRZHUWRWKH5,%9$&
$ :DOO0RXQWHG3RZHU6XSSO\ 8VHGWRVXSSO\SRZHUWRWKH5,%9$&
$ $QWLVWDWLF*URXQGLQJ.LW 8VHGGXULQJDOOUDGLRDVVHPEO\DQGGLVDVVHPEO\
SURFHGXUHV
$ 6ROGHU50$W\SHPP
GLDPHWHUOEVSRRO
1 3URJUDPPLQJ&DEOH &RQQHFWV5,%WRUDGLRPLFURSKRQHLQSXW
% &RPSXWHU,QWHUIDFH&DEOH &RQQHFWVWKH5,%WRWKHFRPSXWHUSLQ
% &RPSXWHU,QWHUIDFH&DEOH &RQQHFWVWKH5,%WRWKHFRPSXWHUSLQ8VHIRU,%0
3&$7²RWKHU,%0PRGHOVXVHWKH%FDEOHDERYH
% 5HZRUNHTXLSPHQWFDWDORJ &RQWDLQVDSSOLFDWLRQQRWHVSURFHGXUHVDQGWHFKQLFDO
UHIHUHQFHVXVHGWRUHZRUNHTXLSPHQW
$ %UXVK
& 6WUDLJKWSUREHU
% 5HPRYDO7RRO $VVLVWVLQWKHUHPRYDORIUDGLRFRQWUROKHDG
- +RXVLQJ(OLPLQDWRUVKRUW 7HVWIL[WXUHXVHGWREHQFKWHVWWKHUDGLR3&%
- +RXVLQJ(OLPLQDWRUPHGLXP 7HVWIL[WXUHXVHGWREHQFKWHVWWKHUDGLR3&%
- +RXVLQJ(OLPLQDWRUORQJ 7HVWIL[WXUHXVHGWREHQFKWHVWWKHUDGLR3&%
/ +RXVLQJ(OLPLQDWRUVKRUWWRS 7HVWIL[WXUHXVHGWREHQFKWHVWWKHUDGLR3&%UDGLR
XVHVSUHVVXUHSDGVWRUHWDLQ3&%

&KDSWHU 5HFRPPHQGHG6HUYLFH7RROV
&%
$$5.1B 3URJUDPPLQJ&DEOHZLWK,QWHUQDO
5,%
3URJUDPPLQJFDEOHZLWKLQWHUQDO5,%WKDWSURYLGHV
GLUHFWFRQQHFWLRQIURPFRPSXWHUWRUDGLRPLFURSKRQH
FRQQHFWRU
$$5.1B 0RELOH3URJUDPPLQJ7HVW&DEOH &RQQHFWVUDGLRWR5,%5/1B
+/1B 0LQL8+)WR%1&$GDSWRU $GDSWVUDGLRDQWHQQDSRUWWR%1&FDEOLQJRIWHVW
HTXLSPHQW
5B &KLS0DVWHU9 6XUIDFHPRXQWUHPRYDODQGDVVHPEO\RIVXUIDFH
PRXQWHGLQWHJUDWHGFLUFXLWVDQGRUUHZRUNVWDWLRQ
VKLHOGV,QFOXGHVQR]]OHV
5B &KLS0DVWHU9
&KLS0DVWHURSWLRQV
% î
+HDWIRFXVKHDGVIRU5BZRUNVWDWLRQ
% î
% î
% î
&KLS0DVWHUQR]]OHV
( 3/&&QR]]OH
( 3/&&QR]]OH
( 62,&QR]]OH
( 62,&62/-QR]]OH
( 62/-QR]]OH
( 62/-QR]]OH
( 4)3QR]]OH
( 4)3QR]]OH
( 4)3QR]]OH
( 3/&&QR]]OH
( 3/&&QR]]OH
( 3/&&QR]]OH
( 3/&&QR]]OH
( 3$QR]]OH
( 62/QR]]OH
( 62/QR]]OH
( 7623QR]]OH
( 7623QR]]OH
( 4)3QR]]OH
5B 'LJLWDOKHDWHGWZHH]HUV\VWHP &KLSFRPSRQHQWUHPRYDO
0RWRUROD3DUW1R 'HVFULSWLRQ $SSOLFDWLRQ

5HFRPPHQGHG7HVW(TXLSPHQW &KDSWHU
&%
,QFOXGHGZLWK&KLS0DVWHUSDFNDJHV
 5HFRPPHQGHG7HVW(TXLSPHQW
7DEOHOLVWVWHVWHTXLSPHQWUHTXLUHGWRVHUYLFHWKHPRELOHUDGLRVGHVFULEHGLQWKLVPDQXDODVZHOO
DVRWKHUWZRZD\UDGLRV
7DEOH5HFRPPHQGHG7HVW(TXLSPHQW
5B %RDUGSUHKHDWHU 5HGXFHVKHDWVLQNRQPXOWLOHYHOERDUGV
5B 'LJLWDOUHDGRXWVROGHUVWDWLRQ 'LJLWDOO\FRQWUROOHGVROGHULQJLURQ
5/1B 5DGLR,QWHUIDFH%R[ (QDEOHVFRPPXQLFDWLRQVEHWZHHQUDGLRDQG
FRPSXWHU¶VVHULDOFRPPXQLFDWLRQVDGDSWHU
5/1B +RWDLUZRUNVWDWLRQ9 7RROIRUKRWDLUVROGHULQJGHVROGHULQJRIVXUIDFH
PRXQWHGLQWHJUDWHGFLUFXLWV
5/1B 3RUWDEOH7HVW6HW (QDEOHVFRQQHFWLRQWRDXGLRDFFHVVRU\MDFN$OORZV
VZLWFKLQJIRUUDGLRWHVWLQJ
5/1B WR3LQ$GDSWHU &RQQHFWV5.1BWRWKHUDGLRDFFHVVRU\FRQQHFWRU
56;B 725;VFUHZGULYHU 7LJKWHQDQGUHPRYHFKDVVLVVFUHZV
$ 7725;ELW 5HPRYDEOH725;VFUHZGULYHUELW
$ 7725;ELW 5HPRYDEOH725;VFUHZGULYHUELW
0RWRUROD3DUW
1XPEHU 'HVFULSWLRQ &KDUDFWHULVWLFV $SSOLFDWLRQ
5BRU
5B
6,1$'PHWHURU
6,1$'PHWHUZLWK506
:LWKRXW506DXGLRYROWPHWHURU
ZLWK506DXGLRYROWPHWHU
5HFHLYHUVHQVLWLYLW\
PHDVXUHPHQWV
5B )OXNHGLJLWDOPXOWLPHWHU 7UXH506PHWHULQJN+]
IUHTXHQF\FRXQWHUVHJPHQWEDU
JUDSKZLWKEDFNOLWGLVSOD\
'LJLWDOYROWPHWHULV
UHFRPPHQGHGIRU$&
'&YROWDJHDQGFXUUHQW
PHDVXUHPHQWV
5B $&YROWPHWHU 9WR9+]0+]
0HJRKPLQSXWLPSHGDQFH
$XGLRYROWDJH
PHDVXUHPHQWV
5BRU
5B
6HH7DEOH
%,5'ZDWWPHWHU 3RZHUUDQJHP::
0+]*+]8+))FRQQHFWRU
3RZHUUDQJHP::
0+]*+]1IHPDOHFRQQHFWRU
7UDQVPLWWHUSRZHU
RXWSXWPHDVXUHPHQWV
5B 'XDOFKDQQHO0+]
RVFLOORVFRSH$JLOHQW
7ZRFKDQQHO0+]EDQGZLGWK
0VDPSOHUDWHVHF0EPHPRU\
FKDQQHO
:DYHIRU P
PHDVXUHPHQWV
5B17 &RPPV6\VWHP$QDO\]HU
QRQ037
7KLVPRQLWRUZLOOVXEVWLWXWHIRULWHPV
ZLWKDQDVWHULVN
)UHTXHQF\GHYLDWLRQ
PHWHUDQGVLJQDO
JHQHUDWRUIRUZLGHUDQJH
WURXEOHVKRRWLQJDQG
DOLJQPHQW
0RWRUROD3DUW1R 'HVFULSWLRQ $SSOLFDWLRQ

&KDSWHU 5HFRPPHQGHG7HVW(TXLSPHQW
&%
6B 5)PLOOLYROWPHWHU P9WR95)
N+]WR*+]
5)OHYHOPHDVXUHPHQWV
6B 3URJUDPPDEOH'&SRZHU
VXSSO\
±9'&±DPSVFXUUHQWOLPLWHG %HQFKVXSSO\IRU9
'&
7DEOH:DWWPHWHU3OXJ,Q(OHPHQWV
3RZHU 0+] 0+] 0+[ 0+] 0+]
: ² ) ) ) )
: ² ) ) ) )
: ) ) ) ) )
: ) ) ) ) )
: ) ) ) ) )
: ) ) ) ) )
: ) ) ) ) )
: ) ) ) ) )
0RWRUROD3DUW
1XPEHU 'HVFULSWLRQ &KDUDFWHULVWLFV $SSOLFDWLRQ

&KDSWHUL
&%
&KDSWHU&RQWURO+HDG6HUYLFH,QIRUPDWLRQ
7DEOHRI&RQWHQWV
6HFWLRQ 2YHUYLHZ
 &'03520RGHO*&1B
 &'03520RGHO*&1B
 &'06HULHV3520RGHO*&1B
6HFWLRQ 7KHRU\RI2SHUDWLRQ
 ,QWURGXFWLRQ 
 &RQWURO+HDG&'0352 
 3RZHU6XSSOLHV
 3RZHU2Q2II
 0LFURSURFHVVRU&LUFXLW
 6%(36HULDO,QWHUIDFH
 .H\SDG.H\V 
 6WDWXV/('DQG%DFN/LJKW&LUFXLW
 0LFURSKRQH&RQQHFWRU6LJQDOV 
 6SHDNHU 
 (OHFWURVWDWLF7UDQVLHQW3URWHFWLRQ 
 &RQWURO+HDG&'0352&'06HULHV352 
 3RZHU6XSSOLHV
 3RZHU2Q2II
 0LFURSURFHVVRU&LUFXLW
 6%(36HULDO,QWHUIDFH
 .H\SDG.H\V 
 6WDWXV/('DQG%DFN/LJKW&LUFXLW 
 /LTXLG&U\VWDO'LVSOD\/&' 
 0LFURSKRQH&RQQHFWRU6LJQDOV 
 6SHDNHU 
 (OHFWURVWDWLF7UDQVLHQW3URWHFWLRQ
 3DVV3RUW7UXQNLQJ&RQWUROOHU%RDUG37&%
6HFWLRQ 7URXEOHVKRRWLQJ&KDUWV
 &RQWURO+HDG&'03527URXEOHVKRRWLQJ)ORZ&KDUWV
 7URXEOHVKRRWLQJ)ORZ&KDUWIRU2Q2II

&KDSWHULL
&%
 7URXEOHVKRRWLQJ)ORZ&KDUWIRU0LFURSURFHVVRU 
 &RQWURO+HDG&'0352&'06HULHV352
7URXEOHVKRRWLQJ)ORZ&KDUWV
 7URXEOHVKRRWLQJ)ORZ&KDUWIRU2Q2II 
 7URXEOHVKRRWLQJ)ORZ&KDUWIRU0LFURSURFHVVRU 
 7URXEOHVKRRWLQJ)ORZ&KDUWIRU'LVSOD\ 
 7URXEOHVKRRWLQJ)ORZ&KDUWIRU%DFN/LJKW 
6HFWLRQ &RQWURO+HDG3&%V6FKHPDWLFVDQG3DUWV/LVWV
 $OORFDWLRQRI6FKHPDWLFVDQG&LUFXLW%RDUGV 
 &RQWURO+HDG&'03523&%%6FKHPDWLFVDQG
3DUWV/LVWV 
 &RQWURO+HDG&'0352&'06HULHV3523&%
%6FKHPDWLFVDQG3DUWV/LVWV 

&KDSWHU
&%
6HFWLRQ
29(59,(:
 &'03520RGHO*&1B
7KLVFRQWUROKHDG0RGHO$FRQWDLQVWKHLQWHUQDOVSHDNHUWKH2Q2II9ROXPHNQREWKHPLFURSKRQH
FRQQHFWRUEXWWRQVWRRSHUDWHWKHUDGLRDQGLQGLFDWRU/LJKW(PLWWLQJ'LRGHV/('VWRLQGLFDWHUDGLR
VWDWXV7KHUDGLRXVHVD0RWRUROD+&(PLFURSURFHVVRUWRFRQWUROWKH/('VDQGFRPPXQLFDWH
ZLWKWKHKRVWUDGLR
0RGHO$&RQWURO+HDG*&1BIRU&'0352
 &'03520RGHO*&1B
7KLVFRQWUROKHDG0RGHO%FRQWDLQVWKHLQWHUQDOVSHDNHUWKH2Q2II9ROXPHNQREWKHPLFURSKRQH
FRQQHFWRUEXWWRQVWRRSHUDWHWKHUDGLR/('VWRLQGLFDWHUDGLRVWDWXVDQGDFKDUDFWHU/LTXLG
&U\VWDO'LVSOD\/&'WKDWGLVSOD\VDOSKDQXPHULFDOLQIRUPDWLRQIRUH[DPSOHFKDQQHOQXPEHURUFDOO
DGGUHVVQDPH7KHUDGLRXVHVD0RWRUROD+&(PLFURSURFHVVRUWRFRQWUROWKH/('VDQG/&'
DQGFRPPXQLFDWHZLWKWKHKRVWUDGLR
0RGHO%&RQWURO+HDG*&1BIRU&'0352

&KDSWHU &'06HULHV3520RGHO*&1B
&%
 &'06HULHV3520RGHO*&1B
7KLVFRQWUROKHDG0RGHO&FRQWDLQVWKHLQWHUQDOVSHDNHUWKH2Q2II9ROXPHNQREWKHPLFURSKRQH
FRQQHFWRUEXWWRQVWRRSHUDWHWKHUDGLR/('VWRLQGLFDWHUDGLRVWDWXVDQGDFKDUDFWHU/&'WKDW
GLVSOD\VDOSKDQXPHULFDOLQIRUPDWLRQIRUH[DPSOHFKDQQHOQXPEHURUFDOODGGUHVVQDPH7KHUDGLR
XVHVD0RWRUROD+&(PLFURSURFHVVRUWRFRQWUROWKH/('VDQGWKH/&'DQGFRPPXQLFDWH
ZLWKWKHKRVWUDGLR
0RGHO&&RQWURO+HDG*&1BIRU&'06HULHV352

&KDSWHU
&%
6HFWLRQ
7+(25<2)23(5$7,21
 ,QWURGXFWLRQ
7KLVFKDSWHUSURYLGHVDGHWDLOHGWKHRU\RIRSHUDWLRQIRUWKHFRQWUROKHDGFLUFXLWV)RUWURXEOHVKRRWLQJ
LQIRUPDWLRQUHIHUWRWKHUHODWHGVHFWLRQRIWKLVPDQXDO
 &RQWURO+HDG&'0352
 3RZHU6XSSOLHV
7KHSRZHUVXSSO\WRWKHFRQWUROKHDGLVWDNHQIURPWKHKRVWUDGLR¶V)/7$YROWDJHYLDFRQQHFWRU
-SLQDQGWKHUHJXODWHG9YLDFRQQHFWRU-SLQ7KHYROWDJH)/7$LVDWEDWWHU\OHYHO
DQGLVXVHGIRUWKH/('VWKHEDFNOLJKWDQGWRSRZHUXSWKHUDGLRXVLQJWKH2Q2II9ROXPHNQRE
7KHVWDELOL]HG9LVXVHGIRUWKH3DQGWKHNH\SDGEXWWRQV7KHYROWDJH86:9GHULYHGIURPWKH
)/7$YROWDJHDQGVWDELOL]HGE\WKHVHULHVFRPELQDWLRQRI595LVXVHGWREXIIHUWKH
LQWHUQDO5$0RIWKH38&DOORZVWKHEDWWHU\YROWDJHWREHGLVFRQQHFWHGIRUDFRXSOHRI
VHFRQGVZLWKRXWORVLQJ5$0SDUDPHWHUV'XDOGLRGH'SUHYHQWVUDGLRFLUFXLWVIURPGLVFKDUJLQJ
WKLVFDSDFLWRU:KHQWKHVXSSO\YROWDJHLVDSSOLHGWRWKHUDGLR&LVFKDUJHGYLD5DQG
'7RDYRLGWKH3HQWHULQJWKHZURQJPRGHLIWKHUDGLRLVVZLWFKHGRQZKLOHWKHYROWDJHDFURVV
&LVVWLOOWRRORZWKHUHJXODWHG9VXSSO\FKDUJHV&YLDGLRGH'
 3RZHU2Q2II
7KH2Q2II9ROXPHNQREZKHQSUHVVHGVZLWFKHVWKHUDGLR¶VYROWDJHUHJXODWRUVRQE\FRQQHFWLQJ
OLQH212))&21752/WROLQH816:9YLD'$GGLWLRQDOO\9DWWKHEDVHRIGLJLWDOWUDQVLVWRU
4LQIRUPVWKHFRQWUROKHDG¶V3DERXWWKHSUHVVHGNQRE7KH3DVVHUWVSLQDQGOLQH&+
5(48(67ORZWRKROGWKHOLQH212))&21752/DW9YLD4DQG'7KHKLJKOLQH21
2))&21752/DOVRLQIRUPVWKHKRVWUDGLRWKDWWKHFRQWUROKHDG¶V3ZDQWVWRVHQGGDWDYLDWKH
6%(3EXV:KHQWKHUDGLRUHWXUQVDGDWDUHTXHVWPHVVDJHWKH3LQIRUPVWKHUDGLRDERXWWKH
SUHVVHGNQRE,IWKHUDGLRLVVZLWFKHGRIIWKHUDGLR¶V3VZLWFKHVLWRQDQGYLFHYHUVD,IWKH2Q2II
9ROXPHNQRELVSUHVVHGZKLOHWKHUDGLRLVRQWKHVRIWZDUHGHWHFWVDORZVWDWHRQOLQH212))
6(16(WKHUDGLRLVDOHUWHGYLDOLQH212))&21752/DQGVHQGVDGDWDUHTXHVWPHVVDJH7KH
FRQWUROKHDG3LQIRUPVWKHUDGLRDERXWWKHSUHVVHGNQREDQGWKHUDGLR¶V3VZLWFKHVWKHUDGLRRII
 0LFURSURFHVVRU&LUFXLW
7KHFRQWUROKHDGXVHVWKH0RWRUROD+&(38WRFRQWUROWKH/('VDQGWRFRPPXQLFDWH
ZLWKWKHKRVWUDGLR5$0DQG520DUHFRQWDLQHGZLWKLQWKH3
7KH3JHQHUDWHVLWVFORFNXVLQJWKHRVFLOODWRULQVLGHWKH3DORQJZLWKD0+]FHUDPLFUHVRQDWRU
8DQG5
7KH3¶V5$0LVDOZD\VSRZHUHGWRPDLQWDLQSDUDPHWHUVVXFKDVWKHODVWRSHUDWLQJPRGH7KLVLV
DFKLHYHGE\PDLQWDLQLQJ9DW3SLQ8QGHUQRUPDOFRQGLWLRQVZKHQWKHUDGLRLVRII86:9LV
IRUPHGE\)/7$UXQQLQJWR'&DSDFLWRU&DOORZVWKHEDWWHU\YROWDJHWREHGLVFRQQHFWHG
127( )URPWKLVSRLQWRQWKHPLFURSURFHVVRULVUHIHUUHGWRDV³3´

&KDSWHU &RQWURO+HDG&'0352
&%
IRUDFRXSOHRIVHFRQGVZLWKRXWORVLQJ5$0SDUDPHWHUV'LRGH'SUHYHQWVUDGLRFLUFXLWVIURP
GLVFKDUJLQJWKLVFDSDFLWRU
7KHUHDUHHLJKWDQDORJWRGLJLWDOFRQYHUWHUSRUWV$'RQWKH37KH\DUHODEHOHGZLWKLQWKHGHYLFH
EORFNDV3(3(7KHVHOLQHVVHQVHWKHYROWDJHOHYHOUDQJLQJIURPWR9RIWKHLQSXWOLQHDQG
FRQYHUWWKDWOHYHOWRDQXPEHUUDQJLQJIURPWRZKLFKFDQEHUHDGE\WKHVRIWZDUHWRWDNH
DSSURSULDWHDFWLRQ
3LQ95+LVWKHKLJKUHIHUHQFHYROWDJHIRUWKH$'SRUWVRQWKH3,IWKLVYROWDJHLVORZHUWKDQ9WKH
$'UHDGLQJLVLQFRUUHFW7KH95/VLJQDOLVWKHORZUHIHUHQFHIRUWKH$'SRUWV7KLVOLQHLVQRUPDOO\
WLHGWRJURXQG,IWKLVOLQHLVQRWFRQQHFWHGWRJURXQGWKH$'UHDGLQJVFRXOGEHLQFRUUHFW
7KH3GHWHUPLQHVWKHXVHGNH\SDGW\SHDQGWKHFRQWUROKHDG,'E\UHDGLQJWKHOHYHOVDWSRUWV3&
±3&&RQQHFWLRQV-8DUHSURYLGHGE\WKHLQGLYLGXDONH\SDGV
7KH02'%02'$LQSXWRIWKH3PXVWEHDWDORJLF³´WRVWDUWH[HFXWLQJFRUUHFWO\7KH;,54DQG
WKH,54SLQVVKRXOGDOVREHDWDORJLF³´
9ROWDJHVHQVHGHYLFH8SURYLGHVDUHVHWRXWSXWWKDWJRHVWR9LIWKHUHJXODWHG9JRHVEHORZ
97KLVLVXVHGWRUHVHWWKHFRQWUROOHUWRSUHYHQWLPSURSHURSHUDWLRQ
 6%(36HULDO,QWHUIDFH
7KHKRVWUDGLRPDVWHUFRPPXQLFDWHVWRWKHFRQWUROKHDG3VODYHWKURXJKLWV6%(3EXV7KLV
EXVXVHVRQO\OLQH%86IRUGDWDWUDQVIHU7KHOLQHLVELGLUHFWLRQDOWKDWLVHLWKHUWKHUDGLRRUWKH
FRQWUROKHDG3FDQGULYHWKHOLQH7KH3VHQGVVHULDOGDWDYLDSLQDQG'DQGLWUHDGVVHULDO
GDWDYLDSLQ:KHQHYHUWKH3GHWHFWVDFWLYLW\RQWKH%86OLQHLWVWDUWVFRPPXQLFDWLRQ
:KHQWKHKRVWUDGLRQHHGVWRFRPPXQLFDWHWRWKHFRQWUROKHDG3LWVHQGVGDWDYLDOLQH%86$Q\
WUDQVLWLRQRQWKLVOLQHJHQHUDWHVDQLQWHUUXSWDQGWKH3VWDUWVFRPPXQLFDWLRQ7KHKRVWUDGLRPD\
VHQGGDWDIRUH[DPSOH/('DQGEDFNOLJKWVWDWXVRULWPD\UHTXHVWWKHFRQWUROKHDG,'RUWKH
NH\SDG,'
:KHQWKHFRQWUROKHDG3ZDQWVWRFRPPXQLFDWHWRWKHKRVWUDGLRWKH3EULQJVWKHUHTXHVWOLQH
&+5(48(67WRDORJLF³´YLD3SLQ7KLVVZLWFKHV4RQZKLFKSXOOVOLQH212))
&21752/KLJKWKURXJKGLRGH'$ORZWRKLJKWUDQVLWLRQRQWKLVOLQHLQIRUPVWKHUDGLRWKDWWKH
FRQWUROKHDGUHTXLUHVVHUYLFH7KHKRVWUDGLRWKHQVHQGVDGDWDUHTXHVWPHVVDJHYLD%86DQGWKH
FRQWUROKHDG3UHSOLHVZLWKWKHGDWDLWZDQWVWRVHQGIRUH[DPSOHZKLFKNH\KDVEHHQSUHVVHGRU
WKDWWKHYROXPHNQREKDVEHHQURWDWHG
7KHFRQWUROKHDG3PRQLWRUVDOOPHVVDJHVVHQWYLD%86EXWLJQRUHVDQ\GDWDFRPPXQLFDWLRQ
EHWZHHQWKHKRVWUDGLRDQGWKH&36RUWKHXQLYHUVDOWXQHU
 .H\SDG.H\V
7KHFRQWUROKHDGNH\SDGLVDVL[NH\GHVLJQ$OONH\VDUHFRQILJXUHGDVWZRDQDORJOLQHVUHDGE\3
SLQVDQG7KHYROWDJHRQWKHDQDORJOLQHVYDULHVEHWZHHQ9DQG9GHSHQGLQJRQZKLFKNH\
LVSUHVVHG,IQRNH\LVSUHVVHGWKHYROWDJHDWERWKOLQHVLV97KHNH\FRQILJXUDWLRQFDQEHWKRXJKW
RIDVDPDWUL[ZKHUHWKHWZROLQHVUHSUHVHQWRQHURZDQGRQHFROXPQ(DFKOLQHLVFRQQHFWHGWRD
UHVLVWLYHGLYLGHUSRZHUHGE\9,IDEXWWRQLVSUHVVHGLWZLOOFRQQHFWRQHVSHFLILFUHVLVWRURIHDFK
GLYLGHUOLQHWRJURXQGOHYHODQGWKHUHE\UHGXFHWKHYROWDJHVRQWKHDQDORJOLQHV7KHYROWDJHVRIWKH
OLQHVDUH$'FRQYHUWHGLQVLGHWKH3SRUWV3(DQGVSHFLI\WKHSUHVVHGEXWWRQ7RGHWHUPLQH
ZKLFKNH\LVSUHVVHGWKHYROWDJHRIERWKOLQHVPXVWEHFRQVLGHUHG
$QDGGLWLRQDOSDLURIDQDORJOLQHVDQG$'3SRUWV3(±DUHDYDLODEOHWRVXSSRUWDNH\SDG
PLFURSKRQHFRQQHFWHGWRWKHPLFURSKRQHFRQQHFWRU-$Q\PLFURSKRQHNH\SUHVVLV
SURFHVVHGWKHVDPHZD\DVDNH\SUHVVRQDFRQWUROKHDG

&RQWURO+HDG&'0352 &KDSWHU
&%
 6WDWXV/('DQG%DFN/LJKW&LUFXLW
$OOLQGLFDWRU/('VUHG\HOORZDQGJUHHQDUHGULYHQE\FXUUHQWVRXUFHV7RFKDQJHWKH/('VWDWXV
WKHKRVWUDGLRVHQGVDGDWDPHVVDJHYLD6%(3EXVWRWKHFRQWUROKHDG37KHFRQWUROKHDG3
GHWHUPLQHVWKH/('VWDWXVIURPWKHUHFHLYHGPHVVDJHDQGVZLWFKHVWKH/('VRQRURIIYLDSRUW3%
±DQGSRUW3$7KH/('VWDWXVLVVWRUHGLQWKH3¶VPHPRU\7KH/('FXUUHQWLVGHWHUPLQHGE\
WKHUHVLVWRUDWWKHHPLWWHURIWKHUHVSHFWLYHFXUUHQWVRXUFHWUDQVLVWRU
7KHEDFNOLJKWIRUWKHNH\SDGLVFRQWUROOHGE\WKHKRVWUDGLRWKHVDPHZD\DVWKHLQGLFDWRU/('V
XVLQJ3SRUW3$7KH3FDQVZLWFKWKHEDFNOLJKWRQDQGRIIXQGHUVRIWZDUHFRQWURO7KHEDFN
OLJKWFXUUHQWIRUWKHNH\SDGLVGUDZQIURPWKH)/7$VRXUFHDQGFRQWUROOHGE\WZRFXUUHQWVRXUFHV
7KH/('FXUUHQWLVGHWHUPLQHGE\WKHUHVLVWRUDWWKHHPLWWHURIWKHUHVSHFWLYHFXUUHQWVRXUFH
WUDQVLVWRU
 0LFURSKRQH&RQQHFWRU6LJQDOV
6LJQDOV%86377,5'(&+22.0,&+$1'6(7$8',2)/7$9DQGWZR$'FRQYHUWHU
LQSXWVDUHDYDLODEOHDWWKHPLFURSKRQHFRQQHFWRU-6LJQDO%86-FRQQHFWVWRWKH
6%(3EXVIRUFRPPXQLFDWLRQZLWKWKH&36RUWKH8QLYHUVDO7XQHU/LQH0,&-IHHGVWKH
DXGLRIURPWKHPLFURSKRQHWRWKHUDGLR¶VFRQWUROOHUYLDFRQQHFWRU-7KH/LQH+$1'6(7
$8',2-IHHGVWKHUHFHLYHUDXGLRIURPWKHFRQWUROOHU-WRDFRQQHFWHGKDQGVHW
)/7$ZKLFKLVDWVXSSO\YROWDJHOHYHODQG9DUHXVHGWRVXSSO\DQ\FRQQHFWHGDFFHVVRU\OLNHD
PLFURSKRQHRUDKDQGVHW
7KHWZR$'FRQYHUWHULQSXWV-DUHXVHGIRUDPLFURSKRQHZLWKNH\SDG$SUHVVHGNH\
FKDQJHVWKH'&YROWDJHRQERWKOLQHV7KHYROWDJHVGHSHQGRQZKLFKNH\LVSUHVVHG7KH3
GHWHUPLQHVIURPWKHYROWDJHRQWKHVHOLQHVZKLFKNH\LVSUHVVHGDQGVHQGVWKHLQIRUPDWLRQWRWKH
KRVWUDGLR
/LQH377,5'(&-LVXVHGWRNH\XSWKHUDGLR¶VWUDQVPLWWHU:KLOHWKH377EXWWRQRQD
FRQQHFWHGPLFURSKRQHLVUHOHDVHGOLQH377,5'(&LVSXOOHGWR9OHYHOE\57UDQVLVWRU
4LVVZLWFKHGRQDQGFDXVHVDORZDW3SRUW3$:KHQWKH377EXWWRQLVSUHVVHGVLJQDO377
,5'(&LVSXOOHGWRJURXQGOHYHO7KLVVZLWFKHV4RIIDQGWKHUHVXOWLQJKLJKOHYHODW3SRUW3$
VLJQDOVWKH3DERXWWKHSUHVVHG377EXWWRQ7KH3VLJQDOVWKHKRVWUDGLRDERXWDQ\VWDWXV
FKDQJHRQWKH377,5'(&OLQHYLD6%(3EXV
:KHQWKHOLQH377,5'(&LVFRQQHFWHGWR)/7$OHYHOWUDQVLVWRU4LVVZLWFKHGRQWKURXJK
GLRGH95DQGWKHUHE\SXOOVWKHOHYHORQOLQH212))&21752/WR)/7$OHYHO7KLVVZLWFKHV
RQWKHUDGLRDQGSXWVWKHUDGLR¶V3LQERRWVWUDSPRGH%RRWVWUDSPRGHORDGVWKHILUPZDUHLQWRWKH
UDGLR¶VIODVKPHPRU\
:KHQWKHPLFURSKRQH¶VKDQJXSVZLWFKLVHQJDJHGWKH+22.LQSXW-VLJQDOVWKH3
'HSHQGLQJRQKRZWKHUDGLRLVSURJUDPPHGXVLQJWKH&XVWRPHU3URJUDPPLQJ6RIWZDUH&36WKH
3PD\WDNHDFWLRQVVXFKDVWXUQLQJWKHDXGLR3$RQRURII:KLOHWKHKDQJXSVZLWFKLVRSHQ
5SXOOVWKHOLQH+22.WRD9OHYHO7UDQVLVWRU4LVVZLWFKHGRQDQGFDXVHVDORZDW3
SRUW3$:KHQWKH+22.VZLWFKLVFORVHGWKH+22.VLJQDOLVSXOOHGWRJURXQGOHYHO7KLV
VZLWFKHV5RIIDQGWKHUHVXOWLQJKLJKOHYHODW3SRUW3$VLJQDOVWKH3DERXWWKHFORVHGKDQJ
XSVZLWFK7KH3VLJQDOVWKHKRVWUDGLRDERXWDQ\VWDWXVFKDQJHRQWKH+22.OLQHYLDWKH6%(3
EXV
 6SHDNHU
7KHFRQWUROKHDGFRQWDLQVDVSHDNHUIRUWKHUHFHLYHUDXGLR7KHUHFHLYHUDXGLRVLJQDOIURPWKH
GLIIHUHQWLDODXGLRRXWSXWRIWKHDXGLRDPSOLILHUORFDWHGRQWKHUDGLR¶VFRQWUROOHULVIHGYLDFRQQHFWRU
-WRWKHVSHDNHUFRQQHFWRU3SLQVDQG7KHVSHDNHULVFRQQHFWHGWRWKH

&KDSWHU &RQWURO+HDG&'0352&'06HULHV352
&%
VSHDNHUFRQQHFWRU37KHFRQWUROKHDGVSHDNHUFDQEHGLVFRQQHFWHGRQO\LIDQH[WHUQDO
VSHDNHUFRQQHFWHGWKURXJKWKHDFFHVVRU\FRQQHFWRULVXVHG
 (OHFWURVWDWLF7UDQVLHQW3URWHFWLRQ
(OHFWURVWDWLFWUDQVLHQWSURWHFWLRQLVSURYLGHGIRUWKHVHQVLWLYHFRPSRQHQWVLQWKHFRQWUROKHDGE\
GLRGHV9595DQG95957KHGLRGHVOLPLWDQ\WUDQVLHQWYROWDJHV7KH
DVVRFLDWHGFDSDFLWRUVSURYLGHUDGLRIUHTXHQF\LQWHUIHUHQFH5),SURWHFWLRQ
 &RQWURO+HDG&'0352&'06HULHV352
 3RZHU6XSSOLHV
7KHSRZHUVXSSO\WRWKHFRQWUROKHDGLVWDNHQIURPWKHKRVWUDGLR¶V)/7$YROWDJHYLDFRQQHFWRU
-SLQDQGWKHUHJXODWHG9YLDFRQQHFWRU-SLQ7KHYROWDJH)/7$LVDWEDWWHU\OHYHO
DQGLVXVHGIRUWKH/('VWKHEDFNOLJKWDQGWRSRZHUXSWKHUDGLRXVLQJWKH2Q2II9ROXPHNQRE
7KHVWDELOL]HG9LVXVHGIRUWKH3WKHGLVSOD\WKHGLVSOD\GULYHUDQGWKHNH\SDGEXWWRQV7KH
YROWDJH86:9GHULYHGIURPWKH)/7$YROWDJHDQGVWDELOL]HGE\WKHVHULHVFRPELQDWLRQRI5
95LVXVHGWREXIIHUWKHLQWHUQDO5$0RIWKH38&DOORZVWKHEDWWHU\YROWDJHWREH
GLVFRQQHFWHGIRUDFRXSOHRIVHFRQGVZLWKRXWORVLQJ5$0SDUDPHWHUV'XDOGLRGH'SUHYHQWV
UDGLRFLUFXLWU\IURPGLVFKDUJLQJWKLVFDSDFLWRU:KHQWKHVXSSO\YROWDJHLVDSSOLHGWRWKHUDGLR&
LVFKDUJHGYLD5DQG'7RDYRLGWKH3HQWHULQJWKHZURQJPRGHZKHQWKHUDGLRLV
VZLWFKHGRQZKLOHWKHYROWDJHDFURVV&LVVWLOOWRRORZWKHUHJXODWHG9VXSSO\FKDUJHV&
YLDGLRGH'
 3RZHU2Q2II
7KH2Q2II9ROXPHNQREZKHQSUHVVHGVZLWFKHVWKHUDGLR¶VYROWDJHUHJXODWRUVRQE\FRQQHFWLQJ
OLQH212))&21752/WROLQH816:9YLD'$GGLWLRQDOO\9DWWKHEDVHRIGLJLWDOWUDQVLVWRU
4VLJQDOVWKHFRQWUROKHDG¶V3DERXWWKHSUHVVHGNQRE7KH3DVVHUWVSLQDQGOLQH&+
5(48(67ORZWRKROGOLQH212))&21752/DW9YLD4DQG'7KHKLJKOLQH212))
&21752/DOVRLQIRUPVWKHKRVWUDGLRWKDWWKHFRQWUROKHDG¶V3ZDQWVWRVHQGGDWDYLD6%(3EXV
:KHQWKHUDGLRUHWXUQVDGDWDUHTXHVWPHVVDJHWKH3ZLOOLQIRUPWKHUDGLRDERXWWKHSUHVVHGNQRE
,IWKHUDGLRZDVVZLWFKHGRIIWKHUDGLR¶V3ZLOOVZLWFKLWRQDQGYLFHYHUVD,IWKH2Q2II9ROXPHNQRE
LVSUHVVHGZKLOHWKHUDGLRLVRQWKHVRIWZDUHGHWHFWVDORZVWDWHRQOLQH212))6(16(WKHUDGLRLV
DOHUWHGYLDOLQH212))&21752/DQGVHQGVDGDWDUHTXHVWPHVVDJH7KHFRQWUROKHDG3ZLOO
LQIRUPWKHUDGLRDERXWWKHSUHVVHGNQREDQGWKHUDGLR¶V3ZLOOVZLWFKWKHUDGLRRII
 0LFURSURFHVVRU&LUFXLW
7KHFRQWUROKHDGXVHVWKH0RWRUROD+&(38WRFRQWUROWKH/('VDQGWKH/&'DQGWR
FRPPXQLFDWHZLWKWKHKRVWUDGLR5$0DQG520DUHFRQWDLQHGZLWKLQWKH3LWVHOI
7KH3JHQHUDWHVLWVFORFNXVLQJWKHRVFLOODWRULQVLGHWKH3DORQJZLWKD0+]FHUDPLFUHVRQDWRU
8DQG5
7KH3¶V5$0LVDOZD\VSRZHUHGWRPDLQWDLQSDUDPHWHUVVXFKDVWKHODVWRSHUDWLQJPRGH7KLVLV
DFKLHYHGE\PDLQWDLQLQJ9DW3SLQ8QGHUQRUPDOFRQGLWLRQVZKHQWKHUDGLRLVRII86:9LV
IRUPHGE\)/7$UXQQLQJWR'&DOORZVWKHEDWWHU\YROWDJHWREHGLVFRQQHFWHGIRUD
FRXSOHRIVHFRQGVZLWKRXWORVLQJ5$0SDUDPHWHUV'LRGH'SUHYHQWVUDGLRFLUFXLWU\IURP
GLVFKDUJLQJWKLVFDSDFLWRU
7KHUHDUHHLJKWDQDORJWRGLJLWDOFRQYHUWHUSRUWV$'RQWKH37KH\DUHODEHOHGZLWKLQWKHGHYLFH
EORFNDV3(3(7KHVHOLQHVVHQVHWKHYROWDJHOHYHOUDQJLQJIURPWR9RIWKHLQSXWOLQHDQG

&RQWURO+HDG&'0352&'06HULHV352 &KDSWHU
&%
FRQYHUWWKDWOHYHOWRDQXPEHUUDQJLQJIURPWRZKLFKFDQEHUHDGE\WKHVRIWZDUHWRWDNH
DSSURSULDWHDFWLRQ
3LQ95+LVWKHKLJKUHIHUHQFHYROWDJHIRUWKH$'SRUWVRQWKH3,IWKLVYROWDJHLVORZHUWKDQ9WKH
$'UHDGLQJVZLOOEHLQFRUUHFW/LNHZLVHSLQ95/LVWKHORZUHIHUHQFHIRUWKH$'SRUWV7KLVOLQHLV
QRUPDOO\WLHGWRJURXQG,IWKLVOLQHLVQRWFRQQHFWHGWRJURXQGWKH$'UHDGLQJVZLOOEHLQFRUUHFW
7KH3FDQGHWHUPLQHWKHNH\SDGW\SHDQGWKHFRQWUROKHDG,'E\UHDGLQJWKHOHYHOVDWSRUWV3&±
3&&RQQHFWLRQV-8DUHSURYLGHGE\LQGLYLGXDONH\SDGV
7KH02'%02'$LQSXWRIWKH3PXVWEHDWDORJLF³´IRULWWRVWDUWH[HFXWLQJFRUUHFWO\7KH;,54
DQGWKH,54SLQVVKRXOGDOVREHDWDORJLF³´
9ROWDJHVHQVHGHYLFH8SURYLGHVDUHVHWRXWSXWWKDWJRHVWR9LIWKHUHJXODWHG9JRHVEHORZ
97KLVLVXVHGWRUHVHWWKHFRQWUROOHUWRSUHYHQWLPSURSHURSHUDWLRQ
 6%(36HULDO,QWHUIDFH
7KHKRVWUDGLRPDVWHUFRPPXQLFDWHVWRWKHFRQWUROKHDG3VODYHWKURXJKLWV6%(3EXV7KLV
EXVXVHVRQO\OLQH%86IRUGDWDWUDQVIHU7KHOLQHLVELGLUHFWLRQDOWKDWLVHLWKHUWKHUDGLRRUWKH
FRQWUROKHDG3FDQGULYHWKHOLQH7KH3VHQGVVHULDOGDWDYLDSLQDQG'DQGLWUHDGVVHULDO
GDWDYLDSLQ:KHQHYHUWKH3GHWHFWVDFWLYLW\RQWKH%86OLQHLWVWDUWVFRPPXQLFDWLRQ
:KHQWKHKRVWUDGLRQHHGVWRFRPPXQLFDWHWRWKHFRQWUROKHDG3LWVHQGVGDWDYLDOLQH%86$Q\
WUDQVLWLRQRQWKLVOLQHJHQHUDWHVDQLQWHUUXSWDQGWKH3VWDUWVFRPPXQLFDWLRQ7KHKRVWUDGLRPD\
VHQGGDWDIRUH[DPSOHGLVSOD\LQIRUPDWLRQ/('VWDWXVRUEDFNOLJKWVWDWXVRULWPD\UHTXHVWWKH
FRQWUROKHDGRUNH\SDG,'
:KHQWKHFRQWUROKHDG3ZDQWVWRFRPPXQLFDWHWRWKHKRVWUDGLRWKH3EULQJVUHTXHVWOLQH&+
5(48(67WRDORJLF³´YLD3SLQ7KLVVZLWFKHVRQ4ZKLFKSXOOVOLQH212))&21752/
KLJKWKURXJKGLRGH'$ORZWRKLJKWUDQVLWLRQRQWKLVOLQHLQIRUPVWKHUDGLRWKDWWKHFRQWURO
KHDGUHTXLUHVVHUYLFH7KHKRVWUDGLRWKHQVHQGVDGDWDUHTXHVWPHVVDJHYLD%86DQGWKHFRQWURO
KHDG3UHSOLHVZLWKWKHGDWDLWZDQWVWRVHQGIRUH[DPSOHZKLFKNH\KDVEHHQSUHVVHGRUWKDWWKH
YROXPHNQREKDVEHHQURWDWHG
7KHFRQWUROKHDG3PRQLWRUVDOOPHVVDJHVVHQWYLD%86EXWLJQRUHVDQ\GDWDFRPPXQLFDWLRQ
EHWZHHQKRVWUDGLRDQG&36RU8QLYHUVDO7XQHU
 .H\SDG.H\V
7KHFRQWUROKHDGNH\SDGLVDVL[NH\NH\SDG0RGHO%RUDNH\NH\SDG0RGHO&$OONH\VDUH
FRQILJXUHGDVWZRDQDORJOLQHVUHDGE\3SLQVDQG7KHYROWDJHRQWKHDQDORJOLQHVYDULHV
EHWZHHQ9DQG9GHSHQGLQJRQWKHNH\WKDWKDVEHHQSUHVVHG,IQRNH\LVSUHVVHGWKHYROWDJHDW
ERWKOLQHVZLOOEH97KHNH\FRQILJXUDWLRQFDQEHWKRXJKWRIDVDPDWUL[ZKHUHWKHWZROLQHV
UHSUHVHQWRQHURZDQGRQHFROXPQ(DFKOLQHLVFRQQHFWHGWRDUHVLVWLYHGLYLGHUSRZHUHGE\9,ID
EXWWRQLVSUHVVHGLWZLOOFRQQHFWRQHVSHFLILFUHVLVWRURIHDFKGLYLGHUOLQHWRJURXQGOHYHODQGWKHUHE\
UHGXFHWKHYROWDJHVRQWKHDQDORJOLQHV7KHYROWDJHVRIWKHOLQHVDUH$'FRQYHUWHGLQVLGHWKH3
SRUWV3(DQGVSHFLI\WKHSUHVVHGEXWWRQ7KHYROWDJHRIERWKOLQHVPXVWEHFRQVLGHUHGLQ
RUGHUWRGHWHUPLQHZKLFKNH\LVSUHVVHG
$QDGGLWLRQDOSDLURIDQDORJOLQHVDQG$'3SRUWV3(±LVDYDLODEOHWRVXSSRUWDNH\SDG
PLFURSKRQHFRQQHFWHGWRWKHPLFURSKRQHFRQQHFWRU-$Q\PLFURSKRQHNH\SUHVVLV
SURFHVVHGLQWKHVDPHZD\DVDNH\SUHVVRQWKHFRQWUROKHDG

&KDSWHU &RQWURO+HDG&'0352&'06HULHV352
&%
 6WDWXV/('DQG%DFN/LJKW&LUFXLW
$OOLQGLFDWRU/('VUHG\HOORZDQGJUHHQDUHGULYHQE\FXUUHQWVRXUFHV7RFKDQJHWKH/('VWDWXV
WKHKRVWUDGLRVHQGVDGDWDPHVVDJHYLD6%(3EXVWRWKHFRQWUROKHDG37KHFRQWUROKHDG3
GHWHUPLQHVWKH/('VWDWXVEDVHGWKHUHFHLYHGPHVVDJHDQGVZLWFKHVWKH/('VRQRURIIYLDSRUW3%
±DQGSRUW3$7KH/('VWDWXVLVVWRUHGLQWKH3¶VPHPRU\7KH/('FXUUHQWLVGHWHUPLQHGE\
WKHUHVLVWRUDWWKHHPLWWHURIWKHUHVSHFWLYHFXUUHQWVRXUFHWUDQVLVWRU
7KHEDFNOLJKWIRUWKH/&'DQGWKHNH\SDGLVFRQWUROOHGE\WKHKRVWUDGLRWKHVDPHZD\DVWKH
LQGLFDWRU/('VXVLQJ3SRUW3$7KLVSRUWLVD3XOVH:LGWK0RGXODWRU3:0RXWSXW7KHRXWSXW
VLJQDOFKDUJHVFDSDFLWRU&WKURXJK5%\FKDQJLQJWKHSXOVHZLGWKXQGHUVRIWZDUHFRQWURO
WKH'&YROWDJHRI&DQGWKHUHIRUHWKHEULJKWQHVVRIWKHEDFNOLJKWFDQEHFKDQJHGLQIRXU
VWHSV7KHNH\SDGEDFNOLJKWFXUUHQWLVGUDZQIURPWKH)/7$VRXUFHDQGFRQWUROOHGE\WUDQVLVWRU
47KHFXUUHQWIORZLQJWKURXJKWKH/('VFDXVHVDSURSRUWLRQDOYROWDJHGURSDFURVVWKHSDUDOOHO
UHVLVWRUV5DQG57KLVYROWDJHGURSLVDPSOLILHGE\WKHRSDPS88DQG
4IRUPDGLIIHUHQWLDODPSOLILHU7KHYROWDJHGLIIHUHQFHEHWZHHQWKHEDVHRI4DQGWKH
RXWSXWRI8GHWHUPLQHVWKHFXUUHQWIURPWKHEDVHRIWKH/('FRQWUROWUDQVLVWRU4DQGLQ
WXUQWKHEULJKWQHVVRIWKH/('V7KH3FDQFRQWUROWKH/('VE\FKDQJLQJWKH'&OHYHODWWKHEDVH
RI4,IWKHEDVHRI4LVDWJURXQGOHYHO4LVVZLWFKHGRIIDQGQRFXUUHQWIORZV
WKURXJK4DQGWKH/('V,IWKHEDVHYROWDJHRI4ULVHVDFXUUHQWIORZVWKURXJK4
DQGLQWXUQWKURXJK4FDXVLQJWKH/('VWRWXUQRQDQGDULVLQJYROWDJHGURSDFURVV5DQG
57KHULVLQJYROWDJHFDXVHVWKHRXWSXWRIWKHRSDPSWRULVHDQGWRUHGXFHWKHEDVHWRHPLWWHU
YROWDJHRI47KLVGHFUHDVHVWKHFXUUHQWRI4XQWLOWKHORRSKDVVHWWOHG
 /LTXLG&U\VWDO'LVSOD\/&'
7KH/&'+XVHVWKHGLVSOD\GULYHU87KHGLVSOD\LVDVLQJOHOD\HUVXSHUWZLVWQHPDWLF
671/&'GLVSOD\,WKDVFKDUDFWHUVDQGD[GRWPDWUL[WRGLVSOD\DOSKDQXPHULFDOLQIRUPDWLRQ
DQGDOLQHZLWKSUHGHILQHGLFRQVDERYHWKHGRWPDWUL[
7KHGULYHUFRQWDLQVDGDWDLQWHUIDFHWRWKH3DQ/&'VHJPHQWGULYHUDQ/&'SRZHUFLUFXLWDQ
RVFLOODWRUGDWD5$0DQGFRQWUROORJLF$WSRZHUXSWKHGULYHU¶VFRQWUROORJLFLVUHVHWE\DORJLF³´DW
LQSXW6587KHGULYHU¶VLQWHUQDORVFLOODWRULVVHWWRDERXWN+]DQGFDQEHPHDVXUHGDW
SLQ7KHGULYHU¶V3LQWHUIDFHLVFRQILJXUHGWRDFFHSWELWSDUDOOHOGDWDLQSXW8''IURP
WKHFRQWUROKHDG38SRUW3&3&
7RZULWHGDWDWRWKHGULYHU¶V5$0WKH3VHWVFKLSVHOHFW8WRORJLF³´YLD85'
8WRORJLF³´YLD8DQG:58WRORJLF³´YLD8:LWKLQSXW$
8VHWWRORJLF³´YLD8WKH3ZULWHVFRQWUROGDWDWRWKHGULYHU&RQWUROGDWD
LQFOXGHVWKH5$0VWDUWDGGUHVVIRUWKHGLVSOD\GDWD:LWKLQSXW$VHWWRORJLF³´WKH3WKHQZULWHV
WKHGLVSOD\GDWDWRWKHGLVSOD\5$0:KHQGDWDWUDQVIHULVFRPSOHWHWKH3WHUPLQDWHVWKHFKLS
VHOHFW5'DQG:'DFWLYLWLHV
7KHGLVSOD\GULYHU¶VSRZHUFLUFXLWSURYLGHVWKHYROWDJHVXSSO\IRUWKHGLVSOD\7KLVFLUFXLWFRQVLVWVRI
DYROWDJHPXOWLSOLHUYROWDJHUHJXODWRUDQGDYROWDJHIROORZHU7KHH[WHUQDOFDSDFLWRUV&&
FRQILJXUHWKHPXOWLSOLHUWRGRXEOHWKHVXSSO\YROWDJH,QWKLVFRQILJXUDWLRQWKHPXOWLSOLHURXWSXW9287
8VXSSOLHVDYROWDJHRI±9±9EHORZ9''7KHPXOWLSOLHGYROWDJH9287LVVHQWWR
WKHLQWHUQDOYROWDJHUHJXODWRU7RVHWWKHYROWDJHOHYHORIWKHUHJXODWRURXWSXW98WKLV
YROWDJHLVGLYLGHGE\WKHUHVLVWRUV5DQG5DQGWKHQIHGEDFNWRWKHUHIHUHQFHLQSXW95
8,QDGGLWLRQWKHUHJXODWRURXWSXWYROWDJH9FDQEHFRQWUROOHGHOHFWURQLFDOO\E\DFRQWURO
FRPPDQGVHQWWRWKHGULYHU:LWKWKHXVHGFRQILJXUDWLRQWKHYROWDJH9LVDERXW±97KHYROWDJH
9LVUHVLVWLYHO\GLYLGHGE\WKHGULYHU¶VYROWDJHIROORZHUWRSURYLGHWKHYROWDJHV997KHVH
YROWDJHVDUHUHTXLUHGWRGULYHWKHOLTXLGFU\VWDOV7KHOHYHORI9FDQEHPHDVXUHGE\RQHRIWKH3¶V
DQDORJWRGLJLWDOFRQYHUWHUV8YLDUHVLVWLYHGLYLGHU557RVWDELOL]HWKHGLVSOD\
EULJKWQHVVRYHUDODUJHWHPSHUDWXUHUDQJHWKH3PHDVXUHVWKHWHPSHUDWXUHYLDDQDORJWRGLJLWDO

&RQWURO+HDG&'0352&'06HULHV352 &KDSWHU
&%
FRQYHUWHU8XVLQJWHPSHUDWXUHVHQVRU8%DVHGRQWKHPHDVXUHGWHPSHUDWXUHWKH
3DGMXVWVWKHGULYHURXWSXWYROWDJH9DQGLQWXUQWKHGLVSOD\EULJKWQHVVYLDDSDUDOOHOLQWHUIDFH
 0LFURSKRQH&RQQHFWRU6LJQDOV
6LJQDOV%86377,5'(&+22.0,&+$1'6(7$8',2)/7$9DQG$'FRQYHUWHULQSXWV
DUHDYDLODEOHDWWKHPLFURSKRQHFRQQHFWRU-6LJQDO%86-FRQQHFWVWRWKH6%(3EXV
IRUFRPPXQLFDWLRQZLWKWKH&36RUWKH8QLYHUVDO7XQHU/LQH0,&-IHHGVWKHDXGLRIURP
WKHPLFURSKRQHWRWKHUDGLR¶VFRQWUROOHUYLDFRQQHFWRU-/LQH+$1'6(7$8',2-
IHHGVWKHUHFHLYHUDXGLRIURPWKHFRQWUROOHU-WRDFRQQHFWHGKDQGVHW)/7$ZKLFKLVDW
VXSSO\YROWDJHOHYHODQG9DUHXVHGWRVXSSO\DFFHVVRULHVFRQQHFWHGWRWKHUDGLRLIDQ\IRU
H[DPSOHDPLFURSKRQHRUDKDQGVHW
7KHWZR$'FRQYHUWHULQSXWV-DUHXVHGIRUDPLFURSKRQHZLWKDNH\SDG:KHQDNH\LV
SUHVVHGWKH'&YROWDJHFKDQJHVRQERWKOLQHV7KHYROWDJHVGHSHQGRQZKLFKNH\LVSUHVVHG7KH
3GHWHUPLQHVZKLFKNH\LVSUHVVHGEDVHGRQWKHYROWDJHRQWKHVHOLQHV,WWKHQVHQGVWKH
LQIRUPDWLRQWRWKHKRVWUDGLR
/LQH377,5'(&-LVXVHGWRNH\XSWKHUDGLR¶VWUDQVPLWWHU:KHQWKH377EXWWRQRQD
FRQQHFWHGPLFURSKRQHLVUHOHDVHGOLQH377,5'(&LVSXOOHGWR9OHYHOE\57UDQVLVWRU
4LVVZLWFKHGRQDQGFDXVHVDORZDW3SRUW3$:KHQWKH377EXWWRQLVSUHVVHGVLJQDO377
,5'(&LVSXOOHGWRJURXQGOHYHO7KLVVZLWFKHV4RIIDQGWKHUHVXOWLQJKLJKOHYHODW3SRUW3$
VLJQDOVWKH3DERXWWKHSUHVVHG377EXWWRQ7KH3LQIRUPVWKHKRVWUDGLRDERXWDQ\FKDQJHRI
VWDWXVRQWKH377,5'(&OLQHYLD6%(3EXV
:KHQOLQH377,5'(&LVFRQQHFWHGWR)/7$OHYHOWUDQVLVWRU4LVVZLWFKHGRQWKURXJKGLRGH
95DQGWKHUHE\SXOOVWKHOHYHORQOLQH212))&21752/WR)/7$OHYHO7KLVVZLWFKHVWKH
UDGLRRQDQGSXWVWKHUDGLR¶V3LQERRWVWUDSPRGH%RRWVWUDSPRGHLVWKHPRGHXVHGWRORDGWKH
ILUPZDUHLQWRWKHUDGLR¶VIODVKPHPRU\VHHWKH&RQWUROOHUFKDSWHUIRUPRUHGHWDLOV
7KH+22.LQSXW-LVXVHGWRVLJQDOWKH3ZKHQWKHPLFURSKRQH¶VKDQJXSVZLWFKLV
HQJDJHG'HSHQGLQJRQWKH&36SURJUDPPLQJWKH3PD\WDNHDFWLRQVOLNHWXUQLQJWKHDXGLR3$RQ
RURII:KLOHWKHKDQJXSVZLWFKLVRSHQOLQH+22.LVSXOOHGWR9OHYHOE\57UDQVLVWRU
4LVVZLWFKHGRQDQGFDXVHVDORZDW3SRUW3$:KHQWKH+22.VZLWFKLVFORVHGVLJQDO
+22.LVSXOOHGWRJURXQGOHYHO7KLVVZLWFKHVRII5DQGWKHUHVXOWLQJKLJKOHYHODW3SRUW3$
LQIRUPVWKH3DERXWWKHFORVHGKDQJXSVZLWFK7KH3ZLOOLQIRUPWKHKRVWUDGLRDERXWDQ\VWDWXV
FKDQJHRQWKH+22.OLQHYLD6%(3EXV
 6SHDNHU
7KHFRQWUROKHDGFRQWDLQVDVSHDNHUIRUUHFHLYHUDXGLR7KHUHFHLYHUDXGLRVLJQDOIURPWKH
GLIIHUHQWLDODXGLRRXWSXWRIWKHDXGLRDPSOLILHUORFDWHGRQWKHUDGLR¶VFRQWUROOHULVIHGYLDFRQQHFWRU
-WRWKHVSHDNHUFRQQHFWRU3SLQDQGSLQ7KHVSHDNHULVFRQQHFWHGWRWKH
VSHDNHUFRQQHFWRU37KHFRQWUROKHDGVSHDNHUFDQEHGLVFRQQHFWHGLIDQH[WHUQDOVSHDNHU
FRQQHFWHGWKURXJKWKHDFFHVVRU\FRQQHFWRULVXVHG
 (OHFWURVWDWLF7UDQVLHQW3URWHFWLRQ
(OHFWURVWDWLFWUDQVLHQWSURWHFWLRQLVSURYLGHGIRUWKHVHQVLWLYHFRPSRQHQWVLQWKHFRQWUROKHDGE\
GLRGHV9595DQG95957KHGLRGHVOLPLWDQ\WUDQVLHQWYROWDJHVWR
WROHUDEOHOHYHOV7KHDVVRFLDWHGFDSDFLWRUVSURYLGH5DGLR)UHTXHQF\,QWHUIHUHQFH5),SURWHFWLRQ

&KDSWHU &RQWURO+HDG&'0352&'06HULHV352
&%
 3DVV3RUW7UXQNLQJ&RQWUROOHU%RDUG37&%
3DVV3RUWLVDQHQKDQFHGWUXQNLQJSURWRFROGHYHORSHGE\7ULGHQW0LFURV\VWHPVWKDWVXSSRUWVZLGH
DUHDGLVSDWFKQHWZRUNLQJ$QHWZRUNLVIRUPHGE\OLQNLQJVHYHUDOWUXQNHGVLWHVWRJHWKHUWRIRUPD
VLQJOHV\VWHP7KLVRIIHUVXVHUVDQH[WHQGHGFRPPXQLFDWLRQFRYHUDJHDUHD$GGLWLRQDOO\XVHUVZLWK
3DVV3RUWFDQVHDPOHVVO\URDPDPRQJDOOVLWHVZLWKLQWKHQHWZRUN6HDPOHVVURDPLQJPHDQVWKDW
WKHUDGLRXVHUGRHVQRWKDYHWRPDQXDOO\FKDQJHWKHSRVLWLRQRQWKHUDGLRZKHQURDPLQJIURPVLWHWR
VLWH
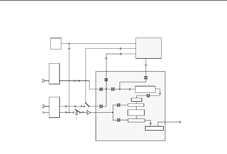
)RUPRGHOVZKLFKIHDWXUH3DVV3RUW7UXQNLQJRSHUDWLRQWKH3DVV3RUW7UXQNLQJ&RQWUROOHU%RDUG
37&%LVDGGHGWRWKHWRSFRYHURIWKHUDGLR7KLVERDUGDOVRSURYLGHVDGYDQFHGYRLFHVWRUDJH
IHDWXUHV5HIHUWR)LJXUHIRUFRQQHFWRUDQGVLJQDOURXWLQJIURPDQGWRWKHUDGLRDQG37&%
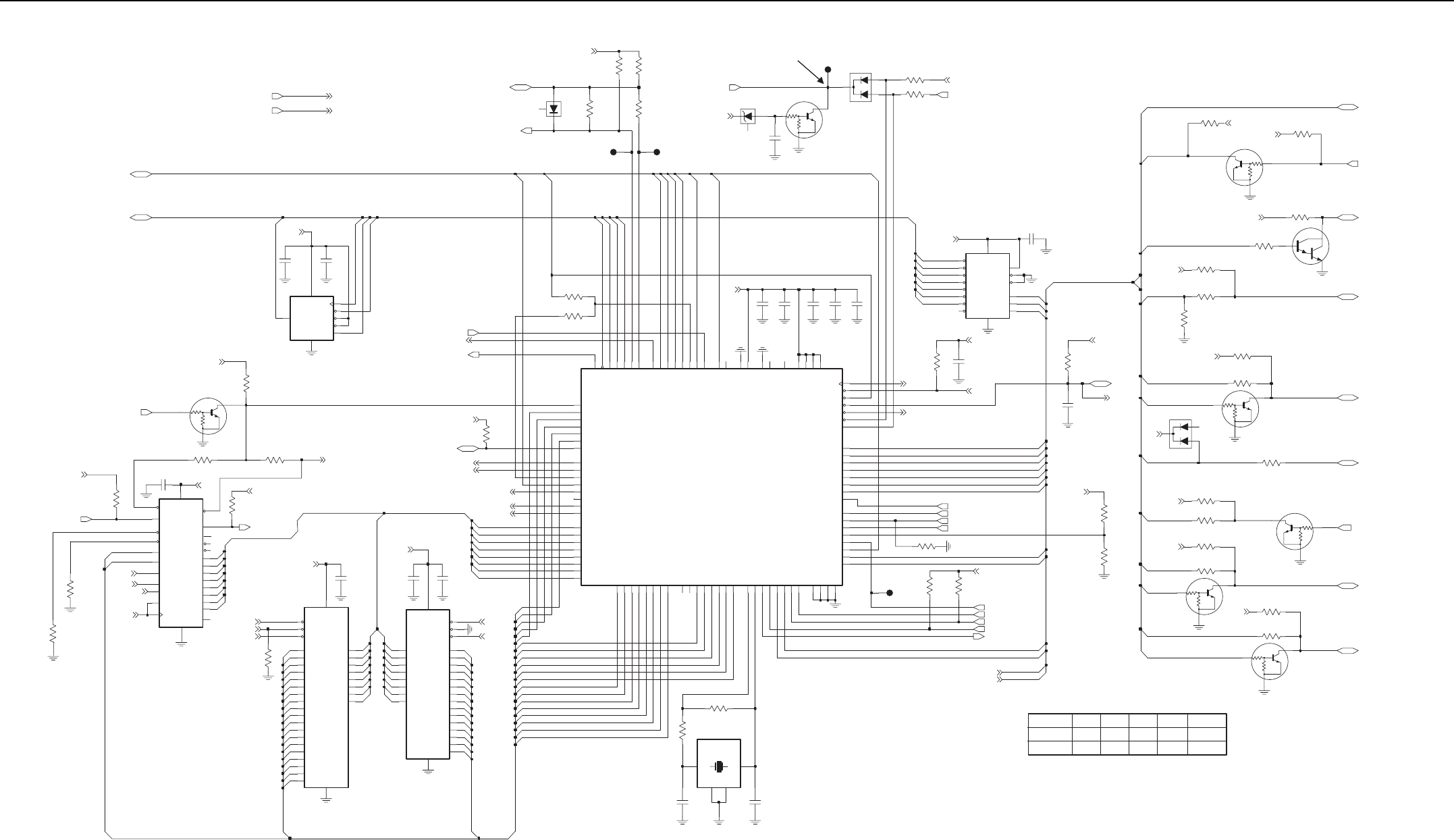
)LJXUH)XOO6HULDO,QWHUIDFH/LQHVIRU3DVV3RUW7UXQNLQJ&RQWUROOHU%RDUG
3DVV3RUW%RDUG
0DLQ5DGLR%RDUG+&
-
-
-
-
-
6HULDO'DWD6HQG 6HULDO'DWD5HWXUQ
6HULDO'DWD5HWXUQ 6HULDO'DWD6HQG
6HULDO&ORFN6HQG 6HULDO&ORFN/LQH
'DWD5HDG\5HTXHVW 'DWD5HDG\5HTXHVW
2SWLRQ%RDUG(QDEOH 2SWLRQ%RDUG(QDEOH
9RLFH6WRUDJH
- -
)ODW7[5HWXUQ
)ODW5[6HQG

&KDSWHU
&%
6HFWLRQ
7528%/(6+227,1*&+$576
 &RQWURO+HDG&'03527URXEOHVKRRWLQJ)ORZ&KDUWV
 7URXEOHVKRRWLQJ)ORZ&KDUWIRU2Q2II
5DGLRGRHVQRWWXUQRQZKHQ2Q2II9ROXPH.QRELV
SUHVVHG
12
YES
<(6
12
53LQ7$%
 9"
53LQ7$%
ZKHQSUHVVHG
 9"
&KHFN5HSODFH
9ROXPH3RW5
&KHFN5HSODFH
595
'&
12
<(6
-3LQ
!9"
&KHFN5HSODFH
4
&KHFN5HSODFH
45
<(6
12
-3LQ
 9"
&KHFN5HSODFH
'5
3UHVVDQGKROG
2Q2II9ROXPH.QRE

&KDSWHU &RQWURO+HDG&'03527URXEOHVKRRWLQJ)ORZ&KDUWV
&%
 7URXEOHVKRRWLQJ)ORZ&KDUWIRU0LFURSURFHVVRU
3RZHUXSDOHUWWRQHVRXQGVEXW9ROXPHNQRE
GRHVQRWRSHUDWHDQGLQGLFDWRUGRHVQRW
OLJKWXS
(;7$/
83LQ
 0+]"
5(6(7
73
 +,*+"
&KHFN5HSODFH
&58
&KHFNUDGLRFRQWUROOHU
'DWD6LJQDO
RQ-3LQ
%86"
'DWD6LJQDO
RQ73
6&,B5;"
'DWD6LJQDO
RQ73
6&,B7;"
&KHFN5HSODFH
588
&KHFN5HSODFH
55
&KHFN5HSODFH
8
&KHFN5HSODFH
'5
0HDVXUHZLWKVFRSHZKLOH
URWDWLQJ9ROXPH3RW

&RQWURO+HDG&'0352&'06HULHV3527URXEOHVKRRWLQJ)ORZ&KDUWV &KDSWHU
&%
 &RQWURO+HDG&'0352&'06HULHV352
7URXEOHVKRRWLQJ)ORZ&KDUWV
 7URXEOHVKRRWLQJ)ORZ&KDUWIRU2Q2II
5DGLRGRHVQRWWXUQRQZKHQ2Q2II9ROXPH.QRELV
SUHVVHG
12
<(6
<(6
12
53LQ7$%
 9"
53LQ7$%
ZKHQSUHVVHG
 9"
&KHFN5HSODFH
9ROXPH3RW5
&KHFN5HSODFH
595
'&
12
<(6
-3LQ
!9"
&KHFN5HSODFH
4
&KHFN5HSODFH
45
<(6
12
-3LQ
 9"
&KHFN5HSODFH
'5
3UHVVDQGKROG
2Q2II9ROXPH.QRE

&KDSWHU &RQWURO+HDG&'0352&'06HULHV3527URXEOHVKRRWLQJ)ORZ&KDUWV
&%
 7URXEOHVKRRWLQJ)ORZ&KDUWIRU0LFURSURFHVVRU
3RZHUXSDOHUWWRQHVRXQGVEXW9ROXPHNQRE
GRHVQRWRSHUDWHDQGLQGLFDWRUGRHVQRWOLJKWXS
12
<(6
<(6
12
<(6
12
<(6
12
<(6
(;7$/
83LQ
 0+]"
5(6(7
73
 +,*+"
&KHFN5HSODFH
&58
&KHFNUDGLRFRQWUROOHU
'DWD6LJQDO
RQ-3LQ
%86"
'DWD6LJQDO
RQ73
6&,B5;"
12
'DWD6LJQDO
RQ73
6&,B7;"
&KHFN5HSODFH
588
&KHFN5HSODFH
55
&KHFN5HSODFH
8
&KHFN5HSODFH
'5
0HDVXUHZLWKVFRSHZKLOH
URWDWLQJ9ROXPH3RW

&RQWURO+HDG&'0352&'06HULHV3527URXEOHVKRRWLQJ)ORZ&KDUWV &KDSWHU
&%
 7URXEOHVKRRWLQJ)ORZ&KDUWIRU'LVSOD\
3RZHUXSDOHUWWRQHVRXQGV9ROXPHNQREZRUNV
LQGLFDWRUEDFNOLJKWLVRQEXWWKHGLVSOD\LVEODQN
<(6
12
<(6
12
9DJDLQVW9
73EHWZHHQ
9DQG9"
$FWLYLW\RQ
$GGUHVV'DWDOLQHV
$''&6
RI8"
&KHFNIRUVKRUW
88
&KHFN/&'$VVHPEO\
&KHFN5HSODFH
&&5
558

&KDSWHU &RQWURO+HDG&'0352&'06HULHV3527URXEOHVKRRWLQJ)ORZ&KDUWV
&%
 7URXEOHVKRRWLQJ)ORZ&KDUWIRU%DFN/LJKW
3RZHUXSDOHUWWRQHVRXQGV9ROXPHNQREZRUNV
LQGLFDWRUOLJKWVXSGLVSOD\ZRUNVEXWEDFNOLJKWGRHVQRW
WXUQRQ
12
<(6
<(6
12
83LQ
LVWRJJOLQJ"
%DVHRI
4
!9"
&KHFN5HSODFH
5&5
&KHFNIRUVKRUW
8
<(6
12
&ROOHFWRURI
4
!9DQG9"
&KHFN5HSODFH
485
555
&KHFN5HSODFH
455

&KDSWHU
&%
6HFWLRQ
&21752/+($'3&%66&+(0$7,&6$1'3$576
/,676
 $OORFDWLRQRI6FKHPDWLFVDQG&LUFXLW%RDUGV
7DEOH&RQWURO+HDG&'0352'LDJUDPVDQG3DUWV/LVWV
3&%%
0DLQ%RDUG7RS6LGH
0DLQ%RDUG%RWWRP6LGH
3DJH
6&+(0$7,&6
6KHHWRI
6KHHWRI
3DUWV/LVW 
7DEOH&RQWURO+HDG&'0352&'06HULHV352'LDJUDPVDQG3DUWV/LVWV
3&%%
0DLQ%RDUG7RS6LGH
0DLQ%RDUG%RWWRP6LGH
3DJH
6&+(0$7,&6
6KHHWRI
6KHHWRI
6KHHWRI
6KHHWRI
3DUWV/LVW 

&KDSWHU $OORFDWLRQRI6FKHPDWLFVDQG&LUFXLW%RDUGV
&%
1RWHV

&RQWURO+HDG&'03523&%%6FKHPDWLFVDQG3DUWV/LVWV &KDSWHU
&%
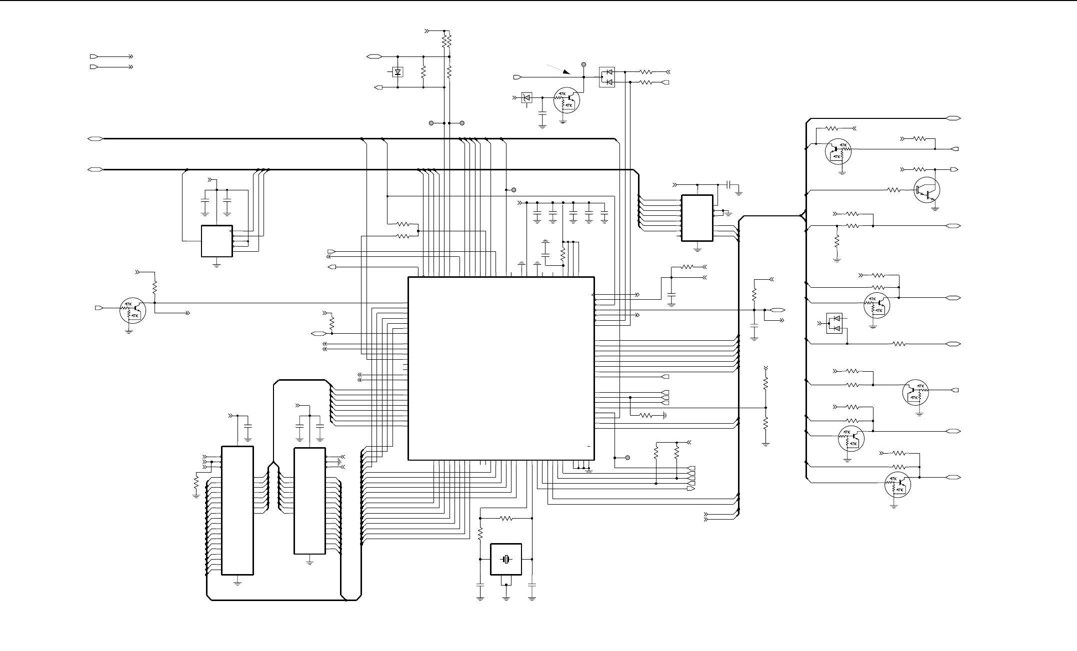
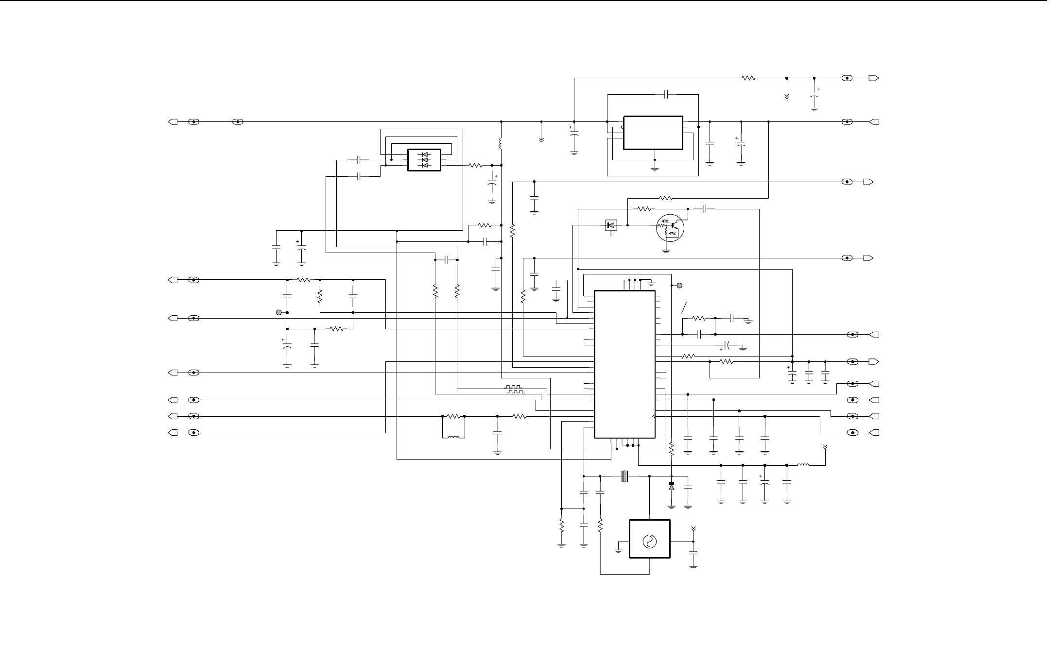
 &RQWURO+HDG&'03523&%%6FKHPDWLFVDQG3DUWV/LVWV
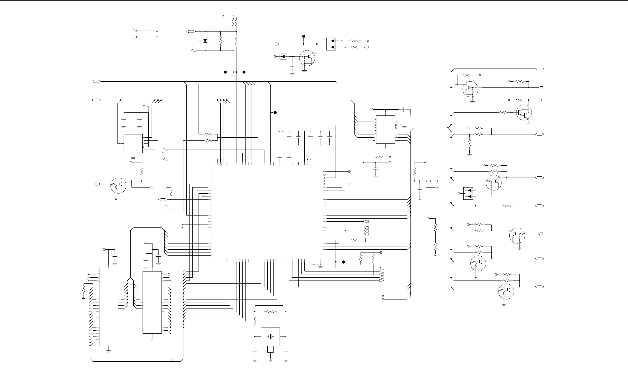
D0871
D0872
D0873
D0874
D0875 D0876
D0877 D0878 D0879
D0881
D0884
D0885
D0886
D0887
D0888
2
3579
864 10
J0811
JU0852
JU0853
JU0854
4
1
23
5
R0823
S0861
S0862
S0863
S0864
S0865
S0866
C0802
C0803
C0804
C0805
C0806
C0808
C0809
C0810
C0811
C0813
C0815
C0816
C0817
C0818
C0819
C0821
C0822
C0823
C0824
C0831
C0832
C0833
C0843
D0821
D0822
D0831
12
J0801
1
2
P0801
Q0821
Q0822
Q0823
Q0841
Q0843
Q0871
Q0872
Q0873
Q0874
Q0875
Q0876
Q0877
Q0878
Q0879
Q0881
Q0885
R0810
R0811
R0812
R0813
R0814
R0815 R0816
R0821
R0822
R0824
R0825
R0832
R0833
R0834
R0835
R0836
R0837
R0838
R0839
R0841
R0842
R0843
R0844
R0845
R0847
R0849
R0852
R0853
R0854
R0861 R0862
R0864
R0866 R0867
R0871
R0872
R0873
R0874
R0875
R0876
R0877
R0878
R0879
R0880
R0881
R0885
TP0831
TP0832
TP0833
TP0834
TP0835
TP0836
TP0837
TP0838
1
49
17
33
U0831
1
45
8
U0832
3
U0835
VR0811
VR0816
VR0817
VR0821
VR0822
VR0823
64
1
1
R0831
U0833
&RQWURO+HDG&'0352
3&%%
7RS6LGH
%RWWRP6LGH
=:*%
=:*$

&KDSWHU &RQWURO+HDG&'03523&%%6FKHPDWLFVDQG3DUWV/LVWV
&%
47K
47K
47K
47K
47K
47K
HOOK
GROUND
MIC
10
GM300
CONTROL HEAD
PTT_IRDECODER
7
CONNECTOR
8
J0801
9
MICROPHONE
CONNECTOR
SCI_RX
BOOT_VPP
J0811
RESET
BOOT_MODE
WARIS
HANDSET_AUDIO
1
CONTROLLER
KEYPAD ID
CONTROL HEAD ID
SCI_TX
EXT_KP_ROW
EXT_KP_COL
FLT_A+
456
BUS+
23 5V
VR0822
5.6V
R0843
2.2K
NU
GND
INPUT RESET_
7
U0835
MC33464N-45ATR
J0801-8
JU0853
SWITCH
C0833
R0833
0.1uF
2
47K
10K
R0844
55
VDD
22
VRH
21
VRL
23
VSS1
VSS2
24
49
VSS3
45
XIRQ
33
XTAL
PE3_AN3
19
PE4_AN4
14
16
PE5_AN5
PE6_AN6
18
PE7_AN7
20
43
RESET
28
STRA_AS
30
STRB_RW*
PD1_TXD
50
PD2_MISO
51
PD3_MOSI
52
53
PD4_SCK
PD5_SS*
54
PE0_AN0
13
PE1_AN1
15
PE2_AN2
17
PC1_AD1
36
PC2_AD2
37
PC3_AD3
38
PC4_AD4
39
40
PC5_AD5
PC6_AD6
41
PC7_AD7
42
PD0_RXD
47
PB1_A9
11
PB2_A10
10
PB3_A11
9
PB4_A12
8
7
PB5_A13
PB6_A14
6
PB7_A15
5
PC0_AD0
34
64
PA1_IC2
63
PA2_IC1
62
PA3_OC5_OC1
59
PA4_OC4_OC1
58
PA5_OC3_OC1
57
PA6_OC2_OC1
56
PA7_PA1_OC1
PB0_A8
12
NC3
4
NC4
26
NC5
32
35
NC6
44
NC7
NC8
48
60
NC9
1
PA0_IC3
29
CLK_E
31
EXTAL
46
IRQ
27
MODA_LIR*
25
MODB_VSTBY
NC1
2
NC10
61
3
NC2
MC68HC711E9
U0831
7
J0801-11
J0801-7
3
TP0832
50K
NEG
POS
TAB
TAB1
VAR
R0823
4.7K
R0824
J0811-5
1
0
Q0843
NU
R0835
100
0
R0839
R0847
22
J0811-4
270
R0814
R0815
0.1uF
C0832
13K
C0831
3.3uF
J0811-1
1
C0823
.01uF
2
06
2
C0809
NU
82pF
Q0823
D0822
10
R0813
1
C1
3
C2
2
GND
4
R0812
CSTCC8.00MG
U0833
22
5.6V
5
VR0821
100K
R0853
8
5.6V
VR0823
J0811-10
0
P0801-2
5
4
J0801-9
TP0837
INPUT
2
NC1
3
NC2
5
NC3
6
NC4
7
8
NC5
RESET
1
U0832
MC33064
GND
4
Q0821
J0811-6
J0801-10
J0801-6
JU0852
SWITCH
JU0854
6
1
SWITCH
C0804
470pF
0
R0852
100K
C0817
82pF
J0811-8
7
R0845
4.7K
NU
VR0811
33V
470pF
NU
470pF
C0818
C0816
33K
R0837
NU
C0808
470pF 470pF
C0806
10K
3
R0841
R0811
51K
J0811-3
J0811-2
1MEG
R0831
VR0816
20V
13K
J0811-9
R0810
4
TP0833
10K
R0821
47K
J0801-14
R0849
P0801-1
2.2K
R0832
J0801-3
J0801-5
TP0838
TP0834
NU
470pF
NU
C0810
470pF
32
C0819
100K
R0854
6
1
J0801-12
R0838
10K
J0811-7
R0834
270
20V
VR0817
2.2uF
J0801-4
C0822
470pF
NU
5
13K
C0821
R0816
R0822
51K
470pF
C0815
C0811
470pF
TP0831
R0836
10K
TP0836
J0801-13
J0801-1
NU
J0801-2
470pF
C0802
C0803
470pF
470pF
C0843 C0813
TP0835
470pF
NU
C0824
.01uF
R0825
1K
D0821
C0805
82pF
Q0822
R0842
47K
Q0841
INT_KP_ROW
INT_KP_COL
USW_5V
5V
5V
5V
5V
FLT_A+
BUS+
EXT_KP_ROW
MIC
EXT_KP_COL
FLT_A+
D0831
5V
CH_KP_ID(0:7)
LED_CNTRL(0:8)
CH_REQUEST
5V
CH_REQUEST
5V
5V
5V
5V
PTT_IRDEC
HOOK
ON_OFF_SENSE
ON_OFF_CONTROL
5V
USW_5V
VOLUME
VOLUME
EXT_KP_ROW
EXT_KP_COL
PTT_IRDEC
FLT_A+
FLT_A+
5V
5V
PTT_IRDEC
SCI_TX
SCI_TX
BUS+
5V
5V
BL_GREEN
ON_OFF_SENSE
5V
HOOK
5V
5V
HANDSET_AUDIO
ON_OFF_CONTROL
FLT_A+
MIC
BUS+
HANDSET_AUDIO
5V
Shown from Front Side
=:*%
&RQWURO+HDG&'03526FKHPDWLF6KHHWRI

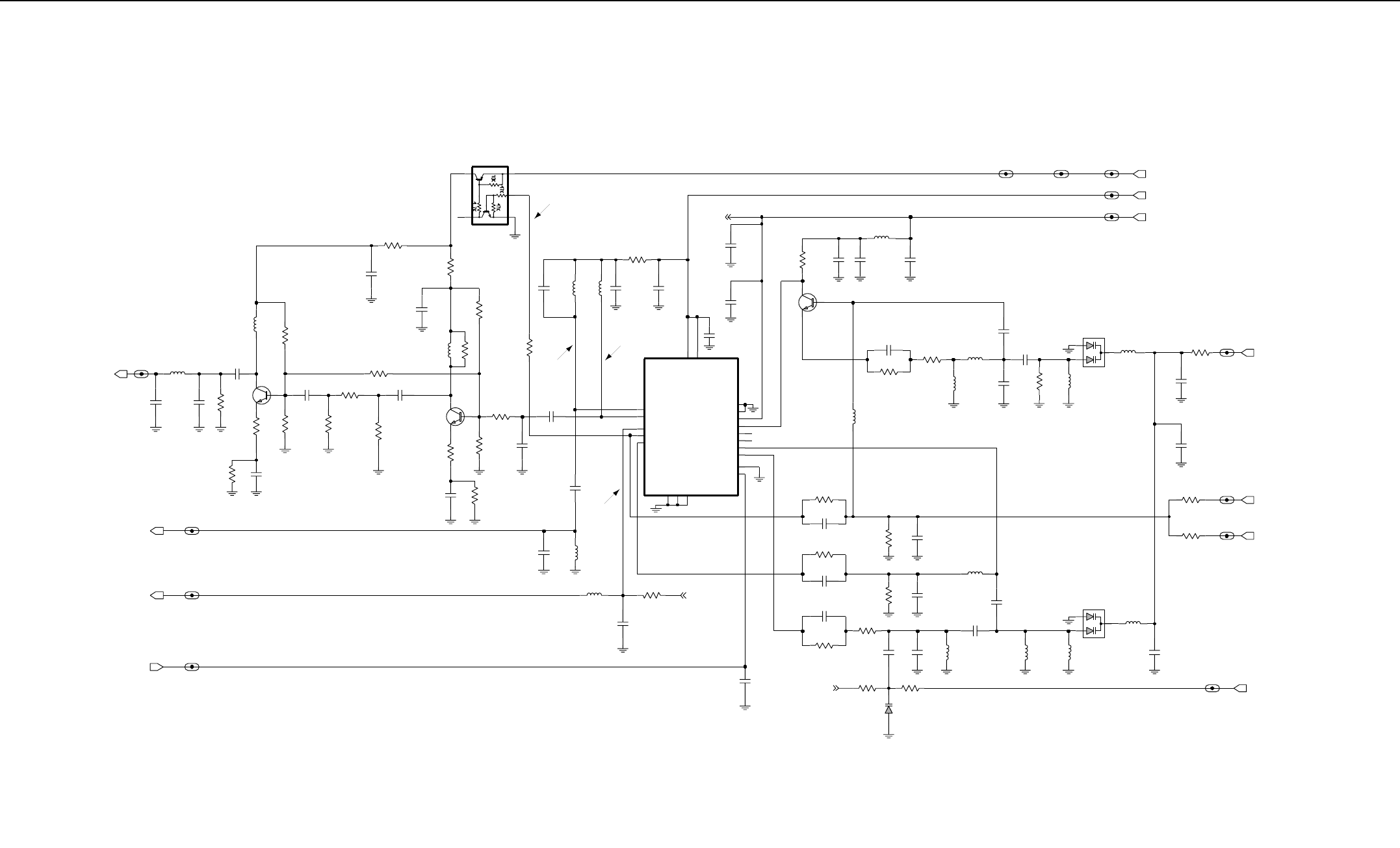
&RQWURO+HDG&'03523&%%6FKHPDWLFVDQG3DUWV/LVWV &KDSWHU
&%
S0862
LED5LED4 LED6LED1 LED2 LED3
F4 P2
F3 P1
F2
F1
F1 F2 F3 F4
P1 P2
LED1 LED2 LED3
1V/1V
0V/0V
0V/1V
LED4
LED6 LED5
S0864 S0863 S0861
S0866 S0865
KEYPAD A LAYOUT
red yellow green
0V/2V
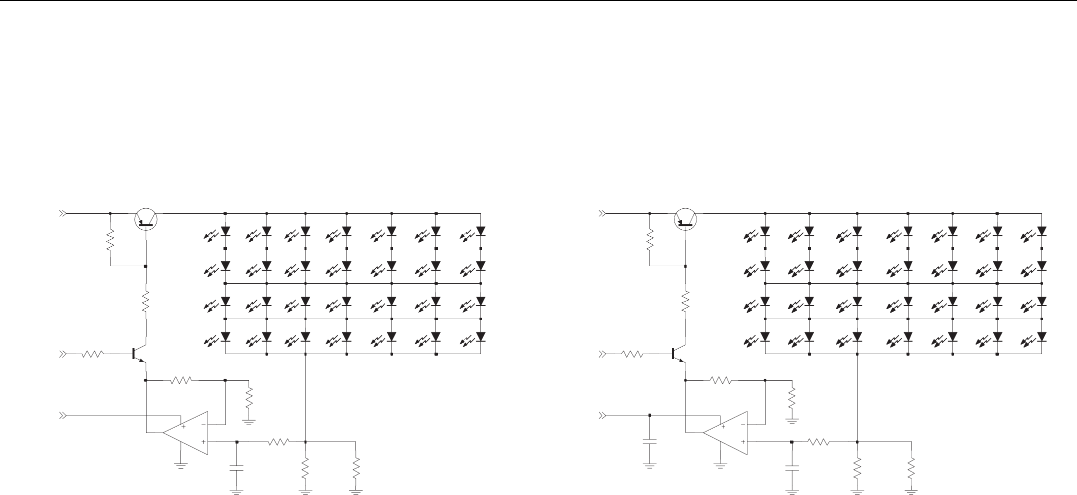
0V/3V
1V/0V
R0867
green
D0885
13K green
D0888
D0886
green
green
D0887
green
D0884
green
D0881
270
R0885
270
R0881
Q0885
1P1
2P2
3P3
4P4
5P5
6P6
7P7
8P8
8P8
S0865
1P1
2P2
3P3
P4
4
5P5
6P6
7P7
R0864
S0861
43K
R0866
51K
R0861
51K
R0880
22K
7
P8
8
13K
R0862
P1
1
P2
2
P3
3
P4
4P5
5
P6
6
P7
6P6
7P7
8P8
S0864
1P1
2P2
3P3
P4
4
5P5
P5
5
P6
6
P7
7
P8
8
S0863
P1
1
P2
2
P3
3
P4
4P4
4P5
5
P6
6
7P7
P8
8
S0862 S0866
P1
1
P2
2
P3
3
270
green
R0877
D0877 D0879
Q0877
red
270
R0878
Q0879
Q0878
yellow
D0878
Q087
3
R0879
270
R0871
270
Q0871 Q0872
82
red
D0876
7
D0875
red
red
D0874
R0876
270
R0875
270
R0874
Q0876
270
Q0875Q0874
6
WG0130240-A
5
43
red
Q0881
D0872 D08
7
red red
R08
7
D0871
270
10
R0872
FLT_A+
LED_CNTRL(0:8)
BL_GREEN
FLT_A+
FLT_A+
LED_CNTRL(0:8)
5V
5V
INT_KP_COL
INT_KP_ROW
270
&RQWURO+HDG&'03526FKHPDWLF6KHHWRI
=:*$

&KDSWHU &RQWURO+HDG&'03523&%%6FKHPDWLFVDQG3DUWV/LVWV
&%
&RQWURO+HDG3&%%3DUWV/LVW
0RWRUROD'HSRW6HUYLFLQJRQO\
5HIHUHQFHGHVLJQDWRUVZLWKDQDVWHULVNLQGLFDWH
FRPSRQHQWVWKDWDUHQRWILHOGUHSODFHDEOH
EHFDXVHWKH\QHHGWREHFDOLEUDWHGZLWK
VSHFLDOL]HGIDFWRU\HTXLSPHQWDIWHULQVWDOODWLRQ
5DGLRVLQZKLFKWKHVHSDUWVKDYHEHHQUHSODFHGLQ
WKHILHOGZLOOEHRIIIUHTXHQF\DWWHPSHUDWXUH
H[WUHPHV
5HSODFHPHQWERDUGVPXVWEHRUGHUHGIURP
&&6'IRUPHUO\$$'XVLQJWKHQXPEHUVKRZQ
LQWKHPRGHOFKDUWVLQ&KDSWHUV%RDUGV
DUHQRWRUGHUDEOHXVLQJWKHSUHIL[HGQXPEHU
&LUFXLW
5HI
0RWRUROD
3DUW1R 'HVFULSWLRQ
& ) S)9
& ) S)9
& ) S)9
& ) S)9
& ) S)9
& ) S)9
& ) S)9
& ) S)9
& ) S)9
& ) S)9
& ) S)9
& ) S)9
& ) S)9
& ) S)9
& $ 7$17&3X)9
& ) Q)9
& ) Q)9
& $ 7$17&3X)9
& ( Q)9
& ( Q)9
& ) S)9
' & '8$/62700%'
' & '8$/62700%'
' ( ',2'(&+,36&+277.<
' % /('5('
' % /('5('
' % /('5('
' % /('5('
' % /('5('
' % /('5('
' % /('5('
' % /('<(//2:
' % /('*5((1
' % /('*5((1
' % /('*5((1
' % /('*5((1
' % /('*5((1
' % /('*5((1
' % /('*5((1
- < &211(&725)/(;3,1
- % &2117(/&23,1-$&.
3 * &211003,168507
4 7 7675'8$/52+0)0&
5+
4 0 7675131',*NN
4 7 7675'8$/52+0)0&
5+
4 0 7675131',*NN
4 0 7675131',*NN
4 $ 76751319$% 
4 $ 76751319$% 
4 $ 76751319$% 
4 $ 76751319$% 
4 $ 76751319$% 
4 $ 76751319$% 
4 $ 76751319$% 
4 $ 76751319$% 
4 $ 76751319$% 
4 $ 76751319$% 
4 $ 76751319$% 
5 $ N:
5 $ N:
5 $ :
5 $ :
5 $ :
5 $ N:
5 $ N:
5 $ N:
5 $ .:
5 9 32792/
5 $ :
5 $ N:
5 % 0:
5 $ N:
5 $ N:
5 $ :
5 $ :
5 $ N:
5 $ N:
5 $ N:
5 $ N:
5 $ N:
5 $ N:
5 $ N:
5 $ :
5 $ :
5 $ N:
5 $ N:
5 $ N:
5 $ N:
5 $ N:
5 $ N:
5 $ N:
5 $ N:
5 $ N:
5 $ 
5 $ 
5 $ 
5 $ 
5 $ 
&LUFXLW
5HI
0RWRUROD
3DUW1R 'HVFULSWLRQ
5 $ 
5 $ 
5 $ N:
5 $ :
5 $ :
8 $ ,&+&:6&,63,$'
8 $ ,&
8 % &(55(621$7250+=
&67&&0*
95 : ',2'(=(1(548$'
004$97
95 : ',2'(=(1(548$'
004$97
95 $ ',2'(9P:
95 $ ',2'(9P:
95 $ ',2'(9P:
&LUFXLW
5HI
0RWRUROD
3DUW1R 'HVFULSWLRQ

&RQWURO+HDG&'0352&'06HULHV3523&%%6FKHPDWLFVDQG3DUWV/LVWV &KDSWHU
&%
 &RQWURO+HDG&'0352&'06HULHV3523&%%6FKHPDWLFVDQG3DUWV/LVWV
=:*$7RS6LGH
=:*%%RWWRP6LGH
D0877
D0879
D0880
D0931
D0932
D0933
D0934
D0935
D0936
D0937
D0938
D0939
D0940
D0941
D0942
D0943
D0944
D0945
D0946
D0947
D0948
D0949
D0950
D0951 D0952
D0953
D0954
D0955
D0956
D0957
D0958
D0961
D0962
D0963
D0964
D0965
D0966
D0967
D0968
D0969
D0970
D0971
D0972
D0973
D0974
D0975
D0976
D0977
D0978
D0979
D0980
D0981 D0982
D0983
D0984
D0985
D0986
D0987
D0988
40
41 80
H0971
2
3579
864 10
J0811
4
1
23
5
R0823
S0852
S0853
S0854
S0901
S0902
S0903
S0904
S0905
S0906
S0907 S0908
S0909 S0910
U0834
110 30
20
60 70
50
1
C0802
C0803
C0804
C0805
C0806
C0807
C0808
C0810
C0811
C0812 C0813
C0815
C0816
C0817
C0818
C0819
C0821
C0822
C0823
C0831
C0832
C0833
C0842
C0843
C0931
C0932
C0933
C0971
C0972
C0973
C0974
C0975
C0976 C0977
C0978 C0979
C0980 C0981
C0982
C0983
C0984
C0985
D0821
D0822
D0831
12
J0801
1
2
P0801
Q0821
Q0822
Q0823
Q0841
Q0843
Q0877
Q0878
Q0879
1
2
3
4Q0931 Q0932
1
2
3
4Q0933
Q0934
R0810
R0811
R0812
R0813
R0814
R0815
R0816
R0817
R0821
R0822
R0824
R0825
R0831
R0832
R0833
R0834
R0835
R0836
R0837
R0838
R0841
R0842
R0843 R0844
R0845
R0847
R0848
R0849
R0850
R0851
R0852
R0853
R0854
R0855
R0856
R0857
R0858
R0859
R0860
R0861
R0862
R0863
R0864
R0865
R0877
R0878
R0879
R0901
R0902
R0903
R0904
R0905
R0906
R0907
R0908
R0909
R0910
R0931
R0932
R0933
R0934
R0935
R0936
R0937
R0938
R0941
R0942
R0943
R0944 R0945
R0946
R0947
R0948
R0972
R0973
R0974
R0975
R0976
R0977
R0978
TP0831
TP0832
TP0833
TP0834
TP0835
TP0836
TP0837
TP0838
TP0971
TP0972
TP0973
TP0974 TP0975
1
49
17
33
U0831
1
4
58
U0832
3U0833
U0835
14
58
U0931
128
103
102
65
64 38
39
U0971
VR0811
VR0812
VR0816
VR0817
VR0821
VR0822
1
1
64
1
&RQWURO+HDG&'0352&'06HULHV3523&%%

&KDSWHU &RQWURO+HDG&'0352&'06HULHV3523&%%6FKHPDWLFVDQG3DUWV/LVWV
&%
CONTROLHEAD B           NU        NU         NU      USED    USED    USED    USED     NU
CONTROLHEAD C           NU        NU      USED       NU      USED    USED       NU     USED
R0850   R0851   R0852   R0853   R0855   R0856   R0857  R0858
47K
47K
47K
47K
47K
47K
MIC
PTT_IRDECODER
C
BUS+
KEYPAD ID
CONTROLLER
B
NOT PLACED
PLACED
VPP
HANDSET_AUDIO
A
NALOG_INPUT_3
5V
BOOT_MODE
SCI_RX
SCI_TX
FLT_A+
RESET
TEMP_SENSE
CONTROL HEAD ID
5V
GND
HOOK
CONTROLHEAD
CONNECTOR
GROUND
A
NALOG_INPUT_2
FLT_A+
J0801
J0801-8
4.7K
R0864
270
R0814
R0815
13K
R0810
13K
Q0841
J0801-5
6
0
R0833
47K
R0832
2.2K
R0837
33K
270
R0877
7
J0811-8
R0852
47K
GND
INPUT RESET_
NU
U0835
MC33464N-45ATR
S0854
SWITCH
SWITCH
S0853
J0801-3
S0852
SWITCH
J0801-10
J0801-13
J0811-9
J0801-14
J0811-10
10
6
7
R0813
J0801-7
5.6V
VR0822
D0831
Q0821
U0833
CSTCC8.00MG
C1 1
C2 3
GND
2
4
8
J0811-6
3
J0801-4
470pF
C0812
22
R0817
47K
7
NU
R0851
green
D0879
R0857
1
1
NU
47K
D0880
yellow
47K
NU
R0854
47K
R0859
10K
R0841
2.2K
R0843
51K
R0816
J0811-7
Q0823
R0831
TAB1
VAR
1MEG
R0823
50K
NEG
POS
TAB
J0801-12
J0801-9
R0848
68K
C0831
NU
NC4
NC5 8
1
RESET
3.3uF
MC33064
4
GND
2
INPUT
3NC1
5NC2
6
NC3 7
U0832
R0812
22
5
0
R0879
270
R0878
270
D0822
J0811-5
R0844
10K
3
R0865
4.7K
100K
R0860
47K
NU
R0853
5
7
0
J0801-11
4
Q0822
4.7K
R0845
C0842
NU
2.2uF
Q0879Q0878
red
D0877
R0811
Q0877
51K
3
TP0833
1K
R0825
470pF
C0804
13K
TP0836
R0822
TP0834
470pF
C0821
4
NU
VR0812
5.6V
R0863
4.7K
NU
R0850
47K
4
R0856
47K
2
82pF
C0805
VDD 22
VRH 21
VRL
23 VSS1
24 VSS2
49 VSS3
45 XIRQ
33 XTAL
19
PE4_AN4
14
PE5_AN5
16
PE6_AN6
18
PE7_AN7
20
RESET
43
28
STRA_AS 30
STRB_RW*
55
50
PD2_MISO
51
PD3_MOSI
52
PD4_SCK
53
PD5_SS*
54
PE0_AN0
13
PE1_AN1
15
PE2_AN2
17
PE3_AN3
36
PC2_AD2 37
PC3_AD3 38
PC4_AD4 39
PC5_AD5 40
PC6_AD6 41
PC7_AD7 42
PD0_RXD
47
PD1_TXD 11
PB2_A10 10
PB3_A11 9
PB4_A12 8
PB5_A13 7
PB6_A14 6
PB7_A15 5
PC0_AD0 34
PC1_AD1
PA1_IC2 63
PA2_IC1 62
PA3_OC5_OC1 59
PA4_OC4_OC1 58
PA5_OC3_OC1 57
PA6_OC2_OC1 56
PA7_PA1_OC1
PB0_A8 12
PB1_A9
NC3
26 NC4
32 NC5
35
NC6 44
NC7 48
NC8 60
NC9
1
PA0_IC3 64
CLK_E
31 EXTAL
46 IRQ
27 MODA_LIR*
25 MODB_VSTBY
2NC1
61
NC10
3NC2
4
4
MC68HC711E9
U0831
29
J0811-4
J0811-3
J0811-2
1
C0822
2.2uF
R0838
10K
R0836
10K
VR0816
20V
VR0817
20V
2.2uF
C0843
0.1uF
2
C0832
C0833
0
0.1uF
47K
R0842
VR0821
5.6V
C0819
C0816
NU
470pF
470pF 82pF
C0817
TP0831
3
P0801-2
P0801-1
TP0835
C0806
470pF
47K
NU
R0849
47K
R0855
7
470pF
C0803
1
R0847 68K
470pF
C0813
C0815
470pF
47K
C0807
R0858
470pF
Q0843
VOUT
D0821
U0834
LM50
3
GND
1
POS
2
R0821
10K 6
6
3
5
J0801-1
270
R0834
1
0
5
3
2
2
J0801-6
R0824
4.7K
NU
470pF
C0802
470pF
C0810
VR0811
33V
NU
C0811 NU
470pF
470pF
C0818
2
NU
100K
R0862
TP0837
TP0832
TP0838
100
4
R0835
100K
R0861
56
J0801-2
J0811-1
82pF
C0808
NU
2
C0823
.01uF
BL_RED
BL_GREEN
5V
5V
5V
BUS+
5V
RESET
5V
HOOK
MIC
5V
FLT_A+
5V
SCI_TX
5V
VOLTAGE_SENSE
HANDSET_AUDIO
PTT_IRDEC
BUS+
AN(0:4)
AN(0:4)
USW_5V
FLT_A+
5V
CH_REQUEST
ON_OFF_CONTROL
5V
5V
PTT_IRDEC
HOOK
5V
CH_REQUEST
ON_OFF_SENSE
5V
SCI_TX
5V
HANDSET_AUDIO
BUS+
MIC
FLT_A+
ON_OFF_CONTROL
5V
FLT_A+
LED_CNTRL(0:8)
LED_CNTRL(0:8)
ON_OFF_SENSE
PTT_IRDEC
FLT_A+
5V
AN(0:4)
USW_5V
FLT_A+
AN(0:4)
CH_KP_ID(0:7)
5V
10
GM300
789
MICROPHONE
CONNECTOR
J0811
WARIS
145623
Shown from Front Side
&RQWURO+HDG&'0352&'06HULHV3526FKHPDWLF6KHHWRI
=:*%

&RQWURO+HDG&'0352&'06HULHV3523&%%6FKHPDWLFVDQG3DUWV/LVWV &KDSWHU
&%
P4
SW0906 SW0904
SW0903 SW0901
SW0909 SW0910
SW0908SW0907
SW0902
SW0905
KEYPAD C LAYOUT
SW0908
SW0905
SW0902
KEYPAD B LAYOUT
P3P1
P2 P4
P6
7P7
8P8
SW0906 SW0910
SW0903
P1
P2
P3
1P1
2P2
3P3
4P4
5P5
6
P5
6P6
7P7
8P8
SWITCH
S0901
1P1
2P2
3P3
4P4
5
4P4
5P5
6P6
7P7
8P8
SWITCH
S0905
1P1
2P2
3P3
3P3
4P4
5P5
6P6
7P7
8P8
SWITCH
S0902
SWITCH
S0910
1P1
2P2
2P2
3P3
4P4
5P5
6P6
7P7
8P8
P8
SWITCH
S0908
1P1
1P1
2P2
3P3
4P4
5P5
6P6
7P7
8
7P7
8P8
SWITCH
S0906
1P1
2P2
3P3
4P4
5P5
6P6
SWITCH
S0903
43K
0
1
R0909
43K
130K
R0904
130K
NU
R0910
NU
R0905
R0906
51K
R0901
51K
R0908
22K
R0903
22K
R0902
13K R0907
13K
P4
5P5
6P6
7P7
8P8
ZWG0130242-A
1P1
2P2
3P3
4
P3
4P4
5P5
6P6
7P7
8P8
SWITCH
S0909
1P1
2P2
3
P2
3P3
4P4
5P5
6P6
7P7
8P8
SWITCH
S0907
SWITCH
S0904
1P1
2
COL2
COL1
ROW2
ROW1
ROW3 COL3
5V
ROW5
ROW4
COL5
COL4
AN(0:4)
COL3 COL2
ROW1
ROW2
ROW3
ROW4
COL4
=:*$
&RQWURO+HDG&'0352&'06HULHV3526FKHPDWLF6KHHWRI

&KDSWHU &RQWURO+HDG&'0352&'06HULHV3523&%%6FKHPDWLFVDQG3DUWV/LVWV
&%
BACKLIGHT REDBACKLIGHT GREEN
NU
Q0931
D0980
D0979
D0978
R0946
D0977
R0945
10K
33K
10K
R0942
10K
R0941
D0972
R0944
10
100K
R0947 R0948
4
10
U0931-2
MC33072
6
5
78
100K
Q0933
D0987
NU
R0934
D0986
D0985
D0984
10K
R0935
D0969
NU
D0951
D0967
D0966
D0964
D0965
NU
NU
D0963
D0970
NU
D0962
D0971
NU
D0947
NU
D0943
Q0934
NU
D0932
4.7K
NU
D0931
R0943
C0931
0.1uF
10
R0938
R0937
10
NU
NU
C0932
0.1uF
R0936
10K
R0932
NU
D0949
NU
33K
NU
R0931
10K
Q0932
MC33072
U0931-1
2
3
1
8
4
NU
D0942
NU
NU
D0941
NU
D0940
NU
D0938
NU
D0937
NU
D0958
NU
D0957
NU
D0956
D0954
D0953
NU
D0952
NU
D0950
NU
NU
D0975
D0976
D0974
D0973
NU
D0939
NU
D0935
D0933
NU
D0934
NU
0.1uF
C0933
D0936
D0968
NU
D0988
4.7K
NU
R0933
NU
D0961
D0983
D0982
D0981 D0955
D0948
NU
D0946
NU
NU
D0944
NU
D0945
FLT_A+
FLT_A+
FLT_A+
BL_GREEN BL_RED
FLT_A+
NU
&RQWURO+HDG&'0352&'06HULHV3526FKHPDWLF6KHHWRI =:*$

&RQWURO+HDG&'0352&'06HULHV3523&%%6FKHPDWLFVDQG3DUWV/LVWV &KDSWHU
&%
THE LCD IS PART OF HARDWARE KITS GLN7358A (EUR) AND GLN7359A (US)
DISPLAY
R0974
1.8MEG
R0973
1.2MEG
R0972
C0972
0
NU
1uF
1uF
C0971
2.2uF
C0985
.01uF
1uF
C0984
C0973
0.1uF
C0980
0.1uF
C0976C0975
0.1uF
C0974
0.1uF
NU
C0982
0.1uF
0.1uF
C0981C0979
0.1uF
NU
0.1uF
C0977
NU
1
2
NU
3
4
5
6
7
0
100K
R0978
200K
R0977
NU
NU
1
100K
R0976
0
04B01
H0971
SEG69_C70
SEG6_C7
SEG7_C8
SEG8_C9
SEG9_C10
SEG61_C62
SEG62_C63
SEG63_C64
SEG64_C65
SEG65_C66
SEG66_C67
SEG67_C68
SEG68_C69
SEG54_C55
SEG55_C56
SEG56_C57
SEG57_C58
SEG58_C59
SEG59_C60
SEG5_C6
SEG60_C61
SEG47_C48
SEG48_C49
SEG49_C50
SEG4_C5
SEG50_C51
SEG51_C52
SEG52_C53
SEG53_C54
SEG3_C4
SEG40_C41
SEG41_C42
SEG42_C43
SEG43_C44
SEG44_C45
SEG45_C46
SEG46_C47
SEG32_C33
SEG33_C34
SEG34_C35
SEG35_C36
SEG36_C37
SEG37_C38
SEG38_C39
SEG39_C40
SEG25_C26
SEG26_C27
SEG27_C28
SEG28_C29
SEG29_C30
SEG2_C3
SEG30_C31
SEG31_C32
SEG18_C19
SEG19_C20
SEG1_C2
SEG20_C21
SEG21_C22
SEG22_C23
SEG23_C24
SEG24_C25
SEG10_C11
SEG11_C12
SEG12_C13
SEG13_C14
SEG14_C15
SEG15_C16
SEG16_C17
SEG17_C18
COM3_R4
COM4_R5
COM5_R6
COM6_R7
COM7_NC
COMS
NC
SEG0_C1
COM0_R1
COM1_R2
COM2_R3
5
7
8
6
13
17
NU
57
58
16
15
1
2
3
4
121
122
123
124
125
126
127
128
114
115
116
117
118
56
119
120
107
108
55
109
110
111
112
113
99
100
101
102
103
104
105
106
92
93
94
95
96
97
98
54
85
86
87
88
53
89
90
91
78
52
79
80
81
82
83
84
70
71
72
73
74
75
76
77
63
64
65
66
67
68
51
69
14
18
49
50
59
60
61
62
25
26
27
28
29
30
31
22
38
39
40
41
48
20
19
24
44
45
46
47
34
35
36
37
12
9
10
23
32
33
42
43
SED1526F0
A
U0971
21
11
V5
VDD
VOUT
VR
VSS
WR
SEG8
SEG9
SR1
SR2
V1
V2
V3
V4
SEG72
SEG73
SEG74
SEG75
SEG76
SEG77
SEG78
SEG79
SEG65
SEG66
SEG67
SEG68
SEG69
SEG7
SEG70
SEG71
SEG58
SEG59
SEG6
SEG60
SEG61
SEG62
SEG63
SEG64
SEG50
SEG51
SEG52
SEG53
SEG54
SEG55
SEG56
SEG57
SEG43
SEG44
SEG45
SEG46
SEG47
SEG48
SEG49
SEG5
SEG36
SEG37
SEG38
SEG39
SEG4
SEG40
SEG41
SEG42
SEG29
SEG3
SEG30
SEG31
SEG32
SEG33
SEG34
SEG35
SEG21
SEG22
SEG23
SEG24
SEG25
SEG26
SEG27
SEG28
SEG14
SEG15
SEG16
SEG17
SEG18
SEG19
SEG2
SEG20
M_S
RD
SEG0
SEG1
SEG10
SEG11
SEG12
SEG13
D1
D2
D3
D4
D5
D6
D7
FR
COM6
COM7
COM8
COM9
COMS
CS1
CS2
D0
COM12
COM13
COM14
COM15
COM2
COM3
COM4
COM5
CAP1_POS
CAP2_NEG
CAP2_POS
CL
COM0
COM1
COM10
COM11
A0
CAP1_NEG
C0978
0.1uF
3
TP0974
TP0973
1
TP0975
1
TP0972
TP0971
2.2uF
C0983
200K
R0975
5V
RESET
5VCH_KP_ID(0:7)
LED_CNTRL(0:8)
5V
VOLTAGE_SENSE
2
=:*$
&RQWURO+HDG&'0352&'06HULHV3526FKHPDWLF6KHHWRI

&KDSWHU &RQWURO+HDG&'0352&'06HULHV3523&%%6FKHPDWLFVDQG3DUWV/LVWV
&%
&RQWURO+HDG3&%%3DUWV/LVW
0RWRUROD'HSRW6HUYLFLQJRQO\
5HIHUHQFHGHVLJQDWRUVZLWKDQDVWHULVNLQGLFDWH
FRPSRQHQWVZKLFKDUHQRWILHOGUHSODFHDEOH
EHFDXVHWKH\QHHGWREHFDOLEUDWHGZLWK
VSHFLDOL]HGIDFWRU\HTXLSPHQWDIWHULQVWDOODWLRQ
5DGLRVLQZKLFKWKHVHSDUWVKDYHEHHQUHSODFHGLQ
WKHILHOGZLOOEHRIIIUHTXHQF\DWWHPSHUDWXUH
H[WUHPHV
5HSODFHPHQWERDUGVPXVWEHRUGHUHGIURP
&&6'IRUPHUO\$$'XVLQJWKHQXPEHUVKRZQ
LQWKHPRGHOFKDUWVLQ&KDSWHUV%RDUGV
DUHQRWRUGHUDEOHXVLQJWKHSUHIL[HGQXPEHU
&LUFXLW
5HI
0RWRUROD
3DUW1R 'HVFULSWLRQ
& ) S)9
& ) S)9
& ) S)913
& ) S)9
& ) S)9
& ) S)9
& ) S)9
& ) S)9
& ) S)9
& ) S)9
& $ 7$17&3X)9
& ) Q)9
& $ 7$17&3X)9
& ( Q)9
& ( Q)9
& $ 7$17&3X)9
& ( Q)9
& ( Q)9
& $ 7$17&3X)9
& $ 7$17&3X)9
& ( Q)9
& ( Q)9
& ( Q)9
& ( Q)9
& ( Q)9
& $ 7$17&3X)9
& ) Q)9
& $ 7$17&3X)9
' & ',2'('8$/627
00%'
' & ',2'('8$/627
00%'
' ( ',2'(&+,36&+277.<
' % /('5('
' % /('*5((1
' % /('<(//2:
' % /('25$1*(
1RWXVHGLQ&RQWURO+HDG%
' % /('25$1*(
1RWXVHGLQ&RQWURO+HDG%
' % /('25$1*(
1RWXVHGLQ&RQWURO+HDG%
' % /('25$1*(
1RWXVHGLQ&RQWURO+HDG%
' % /('*5((1
' % /('*5((1
' % /('*5((1
' % /('*5((1
' % /('*5((1
' % /('*5((1
' % /('*5((1
' % /('*5((1
' % /('*5((1
' % /('*5((1
' % /('*5((1
' % /('*5((1
' % /('*5((1
' % /('*5((1
' % /('*5((1
' % /('*5((1
' % /('*5((1
1RWXVHGLQ&RQWURO+HDG%
' % /('*5((1
1RWXVHGLQ&RQWURO+HDG%
' % /('*5((1
1RWXVHGLQ&RQWURO+HDG%
' % /('*5((1
1RWXVHGLQ&RQWURO+HDG%
' % /('*5((1
' % /('*5((1
' % /('*5((1
' % /('*5((1
- < &211(&725)/(;3,1
- % &2117(/&23,1-$&.
3 * &211003,168507
4 7 7675'8$/52+0)0&5+
4 0 7675131',*NN
4 7 7675'8$/52+0)0&5+
4 0 7675131',*NN
4 0 7675131',*NN
4 $ 76751319$% 
4 $ 76751319$% 
4 $ 76751319$% 
4 $ 76753139$0-'7
4 $ 76751319$% 
5 $ N:
5 $ N:
5 $ :
5 $ :
5 $ :
5 $ N:
5 $ N:
5 $ :
5 $ N:
5 $ N:
5 9 32792/
5 $ :
5 $ N:
5 % 0:
5 $ :
&LUFXLW
5HI
0RWRUROD
3DUW1R 'HVFULSWLRQ
5 $ N:
5 $ :
5 $ :
5 $ N:
5 $ N:
5 $ N:
5 $ N:
5 $ N:
5 $ N:
5 $ N:
5 $ :
5 $ N:
5 $ N:
5 $ N:
1RWXVHGLQ&RQWURO+HDG%
5 $ N:
1RWXVHGLQ&RQWURO+HDG&
5 $ N:
5 $ N:
5 $ N:
1RWXVHGLQ&RQWURO+HDG&
5 $ N:
1RWXVHGLQ&RQWURO+HDG%
5 $ N:
5 $ N:
5 $ N:
5 $ N:
5 $ :
5 $ :
5 $ :
5 $ 
5 $ 
5 $ 
5 $ N:
5 $ N:
5 $ N:
5 $ N:
5 $ N:
5 $ N:
5 $ N:
5 $ N:
1RWXVHGLQ&RQWURO+HDG%
5 $ N:
5 $ N:
5 $ 
5 $ N:
5 $ N:
5 $ :
5 $ N:
5 $ N:
5 $ N:
&LUFXLW
5HI
0RWRUROD
3DUW1R 'HVFULSWLRQ
5 $ 
5 $ 
5 % :
5 % 0:
5 % 0:
5 * N:
5 * N:
8 $ ,&+&:6&,63,$'
8 $ 0&
81'(59/7*6(16,1*
8 % &(55(621$7250+=
&67&&0*
8 $ 7(036(16250
8 $ ,&+,*+3(5)250$1&(6,
8 % /&''5,9(56(')$
95 $ ',2'(9P:
95 : ',2'(=(1(548$'
004$97
95 : ',2'(=(1(548$'
004$97
95 $ ',2'(9P:
95 $ ',2'(9P:
&LUFXLW
5HI
0RWRUROD
3DUW1R 'HVFULSWLRQ

&KDSWHUL
&%
&KDSWHU&RQWUROOHU6HUYLFH0DLQWDLQDELOLW\
7DEOHRI&RQWHQWV
6HFWLRQ 7KHRU\RI2SHUDWLRQ
 &RQWUROOHU&LUFXLWV 
 2YHUYLHZ
 *HQHUDO
 5DGLR3RZHU'LVWULEXWLRQ 
 (OHFWURQLF212)) 
 (PHUJHQF\ 
 0HFKDQLFDO212))
 ,JQLWLRQ 
 0LFURSURFHVVRU&ORFN6\QWKHVL]HU 
 6HULDO3HULSKHUDO,QWHUIDFH63,
 6%(36HULDO,QWHUIDFH
 *HQHUDO3XUSRVH,QSXW2XWSXW
 1RUPDO0LFURSURFHVVRU2SHUDWLRQ
 )/$6+(OHFWURQLFDOO\(UDVDEOH3URJUDPPDEOH0HPRU\
)/$6+((3520 
 (OHFWULFDOO\(UDVDEOH3URJUDPPDEOH0HPRU\((3520
 6WDWLF5DQGRP$FFHVV0HPRU\65$0
 &RQWUROOHU%RDUG$XGLRDQG6LJQDOLQJ&LUFXLWV
 $XGLR6LJQDOLQJ)LOWHU,&ZLWK&RPSDQGHU$6),&&03
 7UDQVPLW$XGLR&LUFXLWV 
 7UDQVPLW6LJQDOLQJ&LUFXLWV
 5HFHLYH$XGLR&LUFXLWV 
 5HFHLYH6LJQDOLQJ&LUFXLWV
 9RLFH6WRUDJH2SWLRQDO 
6HFWLRQ 7URXEOHVKRRWLQJ&KDUWV
 7URXEOHVKRRWLQJ)ORZ&KDUWIRU&RQWUROOHU 
6HFWLRQ &RQWUROOHU6FKHPDWLFVDQG3DUWV/LVWV
 $OORFDWLRQRI6FKHPDWLFVDQG&LUFXLW%RDUGV 
 &RQWUROOHU&LUFXLWV 
 9RLFH6WRUDJH)DFLOLW\
 &RQWUROOHU76FKHPDWLFVDQG3DUWV/LVWV
 &RQWUROOHU76FKHPDWLFVDQG3DUWV/LVWV
 &RQWUROOHU7776FKHPDWLFVDQG3DUWV/LVWV 

&KDSWHULL
&%
 &RQWUROOHU76FKHPDWLFVDQG3DUWV/LVWV
 &RQWUROOHU76FKHPDWLFVDQG3DUWV/LVWV

&KDSWHU
&%
6HFWLRQ
7+(25<2)23(5$7,21
 &RQWUROOHU&LUFXLWV
 2YHUYLHZ
7KLVVHFWLRQSURYLGHVDGHWDLOHGWKHRU\RIRSHUDWLRQIRUWKHUDGLRDQGLWVFRPSRQHQWV7KHPDLQUDGLR
LVDVLQJOHERDUGGHVLJQFRQVLVWLQJRIWKHWUDQVPLWWHUUHFHLYHUDQGFRQWUROOHUFLUFXLWV7KHPDLQ
ERDUGLVGHVLJQHGWRDFFHSWRQHRSWLRQERDUG7KHRSWLRQERDUGPD\SURYLGHIXQFWLRQVVXFKDV
VHFXUHYRLFHGDWDYRLFHVWRUDJHRUVLJQDOLQJGHFRGHU
$FRQWUROKHDGLVHLWKHUPRXQWHGGLUHFWO\RUFRQQHFWHGE\DQH[WHQVLRQFDEOH7KHFRQWUROKHDG
FRQWDLQV/('LQGLFDWRUVDPLFURSKRQHFRQQHFWRUEXWWRQVDQG²GHSHQGLQJRQWKHUDGLRW\SH²D
GLVSOD\DQGDVSHDNHU7KHVHSURYLGHWKHXVHUZLWKLQWHUIDFHFRQWURORYHUWKHYDULRXVIHDWXUHVRIWKH
UDGLR
,IQRFRQWUROKHDGLVPRXQWHGGLUHFWO\RQWKHIURQWRIWKHUDGLRDQH[SDQVLRQERDUGFRQWDLQLQJ
FLUFXLWU\IRUVSHFLDODSSOLFDWLRQVFDQEHPRXQWHGRQWKHIURQWRIWKHUDGLR$QDGGLWLRQDOFRQWUROKHDG
FDQEHFRQQHFWHGE\DQH[WHQVLRQFDEOH
,QDGGLWLRQWRWKHSRZHUFDEOHDQGDQWHQQDFDEOHDQDFFHVVRU\FDEOHFDQEHDWWDFKHGWRD
FRQQHFWRURQWKHUHDURIWKHUDGLR7KHDFFHVVRU\FDEOHHQDEOHV\RXWRFRQQHFWDFFHVVRULHVWRWKH
UDGLRVXFKDVDQH[WHUQDOVSHDNHUHPHUJHQF\VZLWFKIRRWRSHUDWHG377DQGLJQLWLRQVHQVLQJHWF
 *HQHUDO
7KHUDGLRFRQWUROOHUFRQVLVWVRIWKUHHPDLQVXEVHFWLRQV
GLJLWDOFRQWURO
DXGLRSURFHVVLQJ
YROWDJHUHJXODWLRQ
7KHGLJLWDOFRQWUROVHFWLRQRIWKHUDGLRLVEDVHGXSRQDQRSHQDUFKLWHFWXUHFRQWUROOHUFRQILJXUDWLRQ,W
FRQVLVWVRIDPLFURSURFHVVRUVXSSRUWPHPRU\VXSSRUWORJLFVLJQDO08;,&VWKH2Q2IIFLUFXLWDQG
JHQHUDOSXUSRVH,QSXW2XWSXWFLUFXLWU\
7KHFRQWUROOHUXVHVWKH0RWRUROD+&)/PLFURSURFHVVRU87KHFRQWUROOHUDOVRKDVWKUHH
H[WHUQDOPHPRU\GHYLFHV7KHVHGHYLFHVFRQVLVWRID.%\WH65$08D.%\WH)/$6+
((35208DQGD.%\WH((35208
127( )URPWKLVSRLQWRQWKH+&)/PLFURSURFHVVRULVUHIHUUHGWRDV³3´5HIHUHQFHVWRD
FRQWUROKHDGLQGLFDWHWKHFRQWUROKHDGVZLWKGLVSOD\

&KDSWHU &RQWUROOHU&LUFXLWV
&%
)LJXUH&RQWUROOHU%ORFN'LDJUDP
 5DGLR3RZHU'LVWULEXWLRQ
7KH'&SRZHUGLVWULEXWLRQWKURXJKRXWWKHUDGLRERDUGLVVKRZQLQ)LJXUH9ROWDJHUHJXODWLRQIRU
WKHFRQWUROOHULVSURYLGHGE\VHSDUDWHGHYLFHV80&098/09
8/06:%OLPLWHGWR9DQG967%<9DFRPELQDWLRQRI5DQG95$Q
DGGLWLRQDO9UHJXODWRULVORFDWHGRQWKH5)VHFWLRQ
7KH'&YROWDJHDSSOLHGWRFRQQHFWRU-VXSSOLHVSRZHUGLUHFWO\WRWKHHOHFWURQLFRQRIIFRQWURO
5)SRZHUDPSOLILHU9OLPLWHU9UHJXODWRU$XGLR3$DQG9VWDELOL]DWLRQFLUFXLW7KH9
UHJXODWRU8VXSSOLHVSRZHUWRWKH9UHJXODWRU8DQGWKH9YROWDJHGLYLGHU4
5HJXODWRU8LVXVHGWRJHQHUDWHWKHYROWVUHTXLUHGE\VRPHDXGLRFLUFXLWVWKH5)FLUFXLWU\
DQGSRZHUFRQWUROFLUFXLWU\,QSXWDQGRXWSXWFDSDFLWRUV&DQG&&DUHXVHGWR
UHGXFHKLJKIUHTXHQF\QRLVH55VHWWKHRXWSXWYROWDJHRIWKHUHJXODWRU,IWKHYROWDJHDW
SLQLVJUHDWHUWKDQYROWVWKHUHJXODWRURXWSXWGHFUHDVHVDQGLIWKHYROWDJHLVOHVVWKDQYROWV
WKHUHJXODWRURXWSXWLQFUHDVHV7KLVUHJXODWRURXWSXWLVHOHFWURQLFDOO\HQDEOHGE\DYROWVLJQDORQ
SLQ44DQG5DUHXVHGWRGLVDEOHWKHUHJXODWRUZKHQWKHUDGLRLVWXUQHGRII
9ROWDJHUHJXODWLRQSURYLGLQJ9IRUWKHGLJLWDOFLUFXLWU\LVGRQHE\82SHUDWLQJYROWDJHLVIURP
WKHUHJXODWHG9VXSSO\,QSXWDQGRXWSXWFDSDFLWRUV&&DQG&&DUH
XVHGWRUHGXFHKLJKIUHTXHQF\QRLVHDQGSURYLGHSURSHURSHUDWLRQGXULQJEDWWHU\WUDQVLHQWV9ROWDJH
VHQVHGHYLFH8RUDOWHUQDWLYHO\8SURYLGHVDUHVHWRXWSXWWKDWJRHVWRYROWVLIWKH
UHJXODWRURXWSXWJRHVEHORZYROWV7KLVLVXVHGWRUHVHWWKHFRQWUROOHUWRSUHYHQWLPSURSHU
RSHUDWLRQ'LRGH'SUHYHQWVGLVFKDUJHRI&E\QHJDWLYHVSLNHVRQWKH9YROWDJH
([WHUQDO
0LFURSKRQH
,QWHUQDO
0LFURSKRQH
([WHUQDO
6SHDNHU
,QWHUQDO
6SHDNHU
6&,WR
&RQWURO+HDG
$XGLR
3$
$XGLR6LJQDOLQJ
$UFKLWHFWXUH
7R6\QWKHVL]HU
0RG
2XW
0+]
5HIHUHQFH&ORFN
IURP6\QWKHVL]HU
5HFRYHUHG$XGLR
7R  5 )  6 H F W L R Q 63,
'LJLWDO
$UFKLWHFWXUH
3&ORFN
9
5HJXODWRU
9'
5$0
((3520
)/$6+
+&)/
$6),&B&03
$FFHVVRU\
9
IURP6\QWKHVL]HU
6HFWLRQ9B5)
&RQQHFWRU

&RQWUROOHU&LUFXLWV &KDSWHU
&%
7UDQVLVWRU4DQGUHVLVWRUV55GLYLGHWKHUHJXODWHG9GRZQWRDERXWYROWV7KLV
YROWDJHVXSSOLHVWKH9UHJXODWRUORFDWHGRQWKH5)VHFWLRQ%\UHGXFLQJWKHVXSSO\YROWDJHRIWKH
UHJXODWRUWKHSRZHUGLVVLSDWLRQLVGLYLGHGEHWZHHQWKH5)VHFWLRQDQGWKHFRQWUROOHUVHFWLRQ
7KHYROWDJH967%<ZKLFKLVGHULYHGGLUHFWO\IURPWKHVXSSO\YROWDJHE\FRPSRQHQWV5DQG
95LVXVHGWREXIIHUWKHLQWHUQDO5$0&DOORZVWKHEDWWHU\YROWDJHWREHGLVFRQQHFWHGIRU
DFRXSOHRIVHFRQGVZLWKRXWORVLQJ5$0SDUDPHWHUV'XDOGLRGH'SUHYHQWVUDGLRFLUFXLWU\IURP
GLVFKDUJLQJWKLVFDSDFLWRU:KHQWKHVXSSO\YROWDJHLVDSSOLHGWRWKHUDGLR&LVFKDUJHGYLD
5DQG'7RDYRLGWKH3HQWHULQJWKHZURQJPRGHZKHQWKHUDGLRLVVZLWFKHGRQZKLOH
WKHYROWDJHDFURVV&LVVWLOOWRRORZWKHUHJXODWHG9VXSSO\FKDUJHV&YLDGLRGH'
)LJXUH'&3RZHU'LVWULEXWLRQ%ORFN'LDJUDP
7KHYROWDJH,176:%IURPVZLWFKLQJWUDQVLVWRU4SURYLGHVSRZHUWRWKHFLUFXLWFRQWUROOLQJWKH
DXGLR3$RXWSXW7KHYROWDJH,176:%YROWDJHLVPRQLWRUHGE\WKH3WKURXJKYROWDJHGLYLGHU
55DQGOLQH%$77(5<92/7$*('LRGH95OLPLWVWKHGLYLGHGYROWDJHWR9WR
SURWHFWWKH3
5HJXODWRU8LVXVHGWRJHQHUDWHWKHYROWDJHIRUWKHVZLWFKHGVXSSO\YROWDJHRXWSXW6:%DW
WKHDFFHVVRU\FRQQHFWRU-SLQ8LVFRQILJXUHGWRRSHUDWHDVDVZLWFKZLWKYROWDJHDQG
FXUUHQWOLPLW55VHWWKHPD[LPXPRXWSXWYROWDJHWRYROWV7KLVOLPLWDWLRQLVRQO\
DFWLYHDWKLJKVXSSO\YROWDJHOHYHOV7KHUHJXODWRURXWSXWLVHOHFWURQLFDOO\HQDEOHGE\DYROWVLJQDO
RQSLQ44DQG5DUHXVHGWRGLVDEOHWKHUHJXODWRUZKHQWKHUDGLRLVWXUQHGRII
,QSXWDQGRXWSXWFDSDFLWRUV&DQG&&DUHXVHGWRUHGXFHKLJKIUHTXHQF\QRLVH
'LRGH95DFWVDVSURWHFWLRQDJDLQVWWUDQVLHQWVDQGZURQJSRODULW\RIWKHVXSSO\YROWDJH
)XVH)SUHYHQWVGDPDJHRIWKHERDUGLQFDVHWKH)/7$OLQHLVVKRUWHGDWWKHFRQWUROKHDG
FRQQHFWRU

&KDSWHU &RQWUROOHU&LUFXLWV
&%
 (OHFWURQLF212))
7KHUDGLRKDVFLUFXLWU\ZKLFKDOORZVUDGLRVRIWZDUHDQGRUH[WHUQDOWULJJHUVWRWXUQWKHUDGLRRQRURII
ZLWKRXWGLUHFWXVHUDFWLRQIRUH[DPSOHDXWRPDWLFWXUQRQZKHQLJQLWLRQLVVHQVHGDQGRIIZKHQ
LJQLWLRQLVRII
4LVXVHGWRSURYLGH,176:%WRWKHYDULRXVUDGLRFLUFXLWVDQGWRHQDEOHWKHYROWDJH
UHJXODWRUVYLDWUDQVLVWRU44FRQWDLQVDQSQSDQGDQQSQWUDQVLVWRUDQGDFWVDVDQ
HOHFWURQLFRQRIIVZLWFK7KHVZLWFKLVRQZKHQWKHFROOHFWRURIWKHQSQWUDQVLVWRUZLWKLQ4LVORZ
:KHQWKHUDGLRLVRIIWKHFROOHFWRULVDWVXSSO\YROWDJHOHYHO7KLVHIIHFWLYHO\SUHYHQWVFXUUHQWIORZ
IURPHPLWWHUWRFROOHFWRURIWKHSQSWUDQVLVWRU:KHQWKHUDGLRLVWXUQHGRQWKHYROWDJHDWWKHEDVHRI
WKHQSQWUDQVLVWRULVSXOOHGKLJKDQGWKHSQSWUDQVLVWRUVZLWFKHVRQVDWXUDWLRQ:LWKYROWDJH,17
6:%QRZDWVXSSO\YROWDJHOHYHOWUDQVLVWRU4SXOOVSLQRIWKHYROWDJHUHJXODWRUV8DQG
8WRJURXQGOHYHODQGWKHUHE\HQDEOHVWKHLURXWSXWV
7KHHOHFWURQLFRQRIIFLUFXLWU\FDQEHHQDEOHGE\WKH3WKURXJK$6),&&03SRUW*&%OLQH'&
32:(521WKHHPHUJHQF\VZLWFKOLQH(0(5*(1&<&21752/WKHPHFKDQLFDO2Q2II
9ROXPHNQRERQWKHFRQWUROKHDGOLQH212))&21752/RUWKHLJQLWLRQVHQVHFLUFXLWU\OLQH
,*1,7,21&21752/,IDQ\RIWKHSDWKVFDXVHDORZDWWKHFROOHFWRURIWKHQSQWUDQVLVWRUZLWKLQ
4WKHHOHFWURQLF³21´LVHQJDJHG
 (PHUJHQF\
7KHHPHUJHQF\VZLWFK-SLQZKHQHQJDJHGJURXQGVWKHEDVHRI4YLDOLQH
(0(5*(1&<&21752/7KLVVZLWFKHV4RIIDQGUHVLVWRU5SXOOVWKHFROOHFWRURI4
DQGWKHEDVHRI4WROHYHOVDERYHYROWV7UDQVLVWRU4VZLWFKHVRQDQGSXOOVWKHFROOHFWRU
RIWKHQSQWUDQVLVWRUZLWKLQ4WRJURXQGOHYHODQGWKHUHE\HQDEOHVWKHYROWDJHUHJXODWRUVYLD
4:KHQWKHHPHUJHQF\VZLWFKLVUHOHDVHG5SXOOVWKHEDVHRI4XSWRYROWV7KLV
FDXVHVWKHFROOHFWRURIWUDQVLVWRU4WRJRORZ9WKHUHE\VZLWFKLQJ4RII
:KLOHWKHUDGLRLVVZLWFKHGRQWKH3PRQLWRUVWKHYROWDJHDWWKHHPHUJHQF\LQSXWRQWKHDFFHVVRU\
FRQQHFWRUYLDSLQDQGOLQH*3,1$&&7KUHHGLIIHUHQWFRQGLWLRQVDUHGLVWLQJXLVKHGQR
HPHUJHQF\HPHUJHQF\DQGRSHQFRQQHFWLRQWRWKHHPHUJHQF\VZLWFK,IQRHPHUJHQF\VZLWFKLV
FRQQHFWHGRUWKHFRQQHFWLRQWRWKHHPHUJHQF\VZLWFKLVEURNHQWKHUHVLVWLYHGLYLGHU55
ZLOOVHWWKHYROWDJHWRDERXWYROWV,IDQHPHUJHQF\VZLWFKLVFRQQHFWHGDUHVLVWRUWRJURXQG
ZLWKLQWKHHPHUJHQF\VZLWFKZLOOUHGXFHWKHYROWDJHRQOLQH*3,1$&&WRLQIRUPWKH3WKDWWKH
HPHUJHQF\VZLWFKLVRSHUDWLRQDO$QHQJDJHGHPHUJHQF\VZLWFKSXOOVOLQH*3,1$&&WRJURXQG
OHYHO'LRGH'OLPLWVWKHYROWDJHWRSURWHFWWKH3LQSXW
:KLOH(0(5*(1&<&21752/LVORZ,176:%LVRQWKH3VWDUWVH[HFXWLRQUHDGVWKDWWKH
HPHUJHQF\LQSXWLVDFWLYHWKURXJKWKHYROWDJHOHYHORIOLQH*3,1$&&DQGVHWVWKH'&32:(5
21RXWSXWRIWKH$6),&&03SLQWRDORJLFKLJK7KLVKLJKZLOONHHS4DQG4VZLWFKHG
RQ7KLVRSHUDWLRQDOORZVDPRPHQWDU\SUHVVRIWKHHPHUJHQF\VZLWFKWRSRZHUXSWKHUDGLR:KHQ
WKH3KDVILQLVKHGSURFHVVLQJWKHHPHUJHQF\SUHVVLWVHWVWKH'&32:(521OLQHWRDORJLF³´
7KLVWXUQVRII4DQGWKHUDGLRWXUQVRII1RWLFHWKDWWKH3LVDOHUWHGWRWKHHPHUJHQF\FRQGLWLRQ
YLDOLQH*3,1$&&,IWKHUDGLRZDVDOUHDG\RQZKHQHPHUJHQF\ZDVWULJJHUHGWKHQ'&32:(5
21ZRXOGDOUHDG\EHKLJK

&RQWUROOHU&LUFXLWV &KDSWHU
&%
 0HFKDQLFDO212))
7KLVUHIHUVWRWKHW\SLFDO2Q2II9ROXPHNQREORFDWHGRQWKHFRQWUROKHDGDQGZKLFKWXUQVWKHUDGLR
RQDQGRII
,IWKHUDGLRLVWXUQHGRIIDQGWKH2Q2II9ROXPHNQRELVSUHVVHGOLQH212))&21752/-SLQ
JRHVKLJKDQGVZLWFKHVWKHUDGLR¶VYROWDJHUHJXODWRUVRQDVORQJDVWKHEXWWRQLVSUHVVHG7KH
3LVDOHUWHGWKURXJKOLQH212))6(16(8SLQZKLFKLVSXOOHGWRORZE\4ZKLOHWKH
2Q2II9ROXPHNQRELVSUHVVHG,QDGGLWLRQDQLQWHUUXSWLVJHQHUDWHGDW3SLQ7KH3DVVHUWV
OLQH'&32:(521YLD$6),&&03SLQKLJKZKLFKNHHSV4DQG4DQGLQWXUQWKH
UDGLRVZLWFKHGRQ:KHQWKH2Q2II9ROXPHNQRELVUHOHDVHGDJDLQWKHFRQWUROKHDGLQIRUPVWKH3
YLD6%(3EXVDERXWWKHNQREUHOHDVH6HH6%(36HULDO,QWHUIDFHVXEVHFWLRQIRUPRUHGHWDLOV7KLV
LQIRUPVWKH3WRNHHSWKHUDGLRVZLWFKHGRQDQGFRQWLQXHZLWKQRUPDORSHUDWLRQ
,IWKH2Q2II9ROXPHNQRELVSUHVVHGZKLOHWKHUDGLRLVRQWKHFRQWUROKHDGLQIRUPVWKH3YLD6%(3
EXVDERXWWKHNQREVWDWXV6HH6%(36HULDO,QWHUIDFHVXEVHFWLRQIRUPRUHGHWDLOV$IWHUDVKRUW
GHOD\WLPHWKH3VZLWFKHVWKHUDGLRRIIE\VHWWLQJ'&32:(521WRORZYLD$6),&&03SLQ
 ,JQLWLRQ
,JQLWLRQVHQVHLVXVHGWRSUHYHQWWKHUDGLRIURPGUDLQLQJWKHYHKLFOH¶VEDWWHU\EHFDXVHWKHHQJLQHLV
QRWUXQQLQJ
:KHQWKH,*1,7,21LQSXW-SLQJRHVDERYHYROWV4LVWXUQHGRQYLDOLQH,*1,7,21
&21752/4WXUQVRQ,176:%DQGWKHYROWDJHUHJXODWRUVE\WXUQLQJRQ4DQGWKH3
VWDUWVH[HFXWLRQ7KH3LVDOHUWHGWKURXJKOLQH*3,1$&&7KHYROWDJHDWWKH,*1,7,21LQSXW
WXUQV4RQZKLFKSXOOV3SLQWRORZ,IWKHVRIWZDUHGHWHFWVDORZVWDWHLWDVVHUWV'&
32:(521YLD$6),&SLQKLJKZKLFKNHHSV4DQG4RQDQGLQWXUQWKHUDGLR
VZLWFKHGRQ
:KHQWKH,*1,7,21LQSXWJRHVEHORZYROWV4VZLWFKHVRIIDQG5SXOOV3SLQWR
KLJK7KLVDOHUWVWKHVRIWZDUHWRVZLWFKRIIWKHUDGLRE\VHWWLQJ'&32:(521WRORZ7KHQH[WWLPH
WKH,*1,7,21LQSXWJRHVDERYHYROWVWKHDERYHSURFHVVZLOOEHUHSHDWHG
 0LFURSURFHVVRU&ORFN6\QWKHVL]HU
7KHFORFNVRXUFHIRUWKH3V\VWHPLVJHQHUDWHGE\WKH$6),&&0388SRQSRZHUXSWKH
V\QWKHVL]HU,&)5$&1JHQHUDWHVD0+]ZDYHIRUPWKDWLVURXWHGIURPWKH5)VHFWLRQWRWKH
$6),&&03SLQ)RUWKHPDLQERDUGFRQWUROOHUWKH$6),&&03XVHV0+]DVDUHIHUHQFH
LQSXWFORFNVLJQDOIRULWVLQWHUQDOV\QWKHVL]HU7KH$6),&&03LQDGGLWLRQWRDXGLRFLUFXLWU\KDVD
SURJUDPPDEOHV\QWKHVL]HUZKLFKFDQJHQHUDWHDV\QWKHVL]HGVLJQDOUDQJLQJIURP+]WR
0+]LQ+]VWHSV
:KHQSRZHULVILUVWDSSOLHGWKH$6),&&03ZLOOJHQHUDWHLWVGHIDXOW0+]&026VTXDUH
ZDYH83&/.RQ8SLQDQGWKLVLVURXWHGWRWKH38SLQ$IWHUWKH3VWDUWV
RSHUDWLRQLWUHSURJUDPVWKH$6),&&03FORFNV\QWKHVL]HUWRDKLJKHU83&/.IUHTXHQF\XVXDOO\
RU0+]DQGFRQWLQXHVRSHUDWLRQ
7KH$6),&&03PD\EHUHSURJUDPPHGWRFKDQJHWKHFORFNV\QWKHVL]HUIUHTXHQFLHVDWYDULRXV
WLPHVGHSHQGLQJRQWKHVRIWZDUHIHDWXUHVWKDWDUHH[HFXWLQJ,QDGGLWLRQWKHFORFNIUHTXHQF\RIWKH
V\QWKHVL]HULVFKDQJHGLQVPDOODPRXQWVLIWKHUHLVDSRVVLELOLW\RIKDUPRQLFVRIWKHFORFNVRXUFH
LQWHUIHULQJZLWKWKHGHVLUHGUDGLRUHFHLYHIUHTXHQF\

&KDSWHU &RQWUROOHU&LUFXLWV
&%
7KH$6),&&03V\QWKHVL]HUORRSXVHV&&DQG5WRVHWWKHVZLWFKLQJWLPHDQGMLWWHU
RIWKHFORFNRXWSXW,IWKHV\QWKHVL]HUFDQQRWJHQHUDWHWKHUHTXLUHGFORFNIUHTXHQF\LWZLOOVZLWFK
EDFNWRLWVGHIDXOW0+]RXWSXW
%HFDXVHWKH$6),&&03V\QWKHVL]HUDQGWKH3V\VWHPZLOOQRWRSHUDWHZLWKRXWWKH0+]
UHIHUHQFHFORFNLWDQGWKHYROWDJHUHJXODWRUVVKRXOGEHFKHFNHGILUVWZKHQGHEXJJLQJWKHV\VWHP
7KH3XVHV;7$/<DQGDVVRFLDWHGFRPSRQHQWVWRIRUPD5HDO7LPH&ORFN57&,WPD\EH
XVHGWRGLVSOD\WKHWLPHRQFRQWUROKHDGVZLWKGLVSOD\RUDVWLPHVWDPSIRULQFRPLQJFDOOVRU
PHVVDJHV7KHUHDOWLPHFORFNLVSRZHUHGIURPWKHYROWDJH967%<WRNHHSLWUXQQLQJZKLOHWKHUDGLR
LVVZLWFKHGRII:KHQWKHUDGLRLVGLVFRQQHFWHGIURPLWVVXSSO\YROWDJHWKHWLPHPXVWEHVHWDJDLQ
 6HULDO3HULSKHUDO,QWHUIDFH63,
7KH3FRPPXQLFDWHVWRPDQ\RIWKH,&VWKURXJKLWV63,SRUW7KLVSRUWFRQVLVWVRI63,75$160,7
'$7$026,863,5(&(,9('$7$0,62863,&/.8DQGFKLS
VHOHFWOLQHVJRLQJWRWKHYDULRXV,&VFRQQHFWHGRQWKH63,3257%867KLV%86LVD
V\QFKURQRXVEXVLQWKDWWKHWLPLQJFORFNVLJQDO&/.LVVHQWZKLOH63,GDWD63,75$160,7'$7$
RU63,5(&(,9('$7$LVVHQW7KHUHIRUHZKHQHYHUWKHUHLVDFWLYLW\RQHLWKHU63,75$160,7
'$7$RU63,5(&(,9('$7$WKHUHVKRXOGEHDXQLIRUPVLJQDORQ&/.7KH63,75$160,7'$7$
LVXVHGWRVHQGVHULDOIURPD3WRDGHYLFHDQG63,5(&(,9('$7$LVXVHGWRVHQGGDWDIURPD
GHYLFHWRD3
2QWKHFRQWUROOHUWKHUHDUHWZR,&VRQWKH63,%86$6),&&038DQG((3520
8,QWKH5)VHFWLRQVWKHUHDUH,&VRQWKH63,%86WKH)5$&16\QWKHVL]HUDQGWKH
3RZHU&RQWURO,&3&,&7KH63,75$160,7'$7$DQG&/.OLQHVJRLQJWRWKH5)VHFWLRQDUH
ILOWHUHGE\/5DQG/5WRPLQLPL]HQRLVH7KHFKLSVHOHFWOLQH&6;IURP
8SLQLVVKDUHGE\WKH$6),&&03)5$&16\QWKHVL]HUDQG3&,&(DFKRIWKHVH,&VFKHFN
WKH63,GDWDDQGZKHQWKHVHQWDGGUHVVLQIRUPDWLRQPDWFKHVWKH,&¶VDGGUHVVWKHIROORZLQJGDWDLV
SURFHVVHG7KHFKLSVHOHFWOLQHVIRUWKH((3520((&69RLFH6WRUDJH96&6H[SDQVLRQ
ERDUG(;3&6(;3&6DQGRSWLRQERDUG237&6DUHGHFRGHGE\WKHDGGUHVVGHFRGHU
8
:KHQWKH3QHHGVWRSURJUDPDQ\RIWKHVH,&VLWEULQJVWKHFKLSVHOHFWOLQH&6;WRDORJLF³´DQG
WKHQVHQGVWKHSURSHUGDWDDQGFORFNVLJQDOV7KHDPRXQWRIGDWDVHQWWRWKHYDULRXV,&VDUH
GLIIHUHQWHJWKH$6),&&03FDQUHFHLYHXSWRE\WHVELWVZKLOHWKH3&,&FDQUHFHLYHXS
WRE\WHVELWV$IWHUWKHGDWDKDVEHHQVHQWWKHFKLSVHOHFWOLQHLVUHWXUQHGWRORJLF³´
7KHRSWLRQERDUGLQWHUIDFHVDUHGLIIHUHQWLQWKDWWKH3FDQDOVRUHDGGDWDEDFNIURPGHYLFHV
FRQQHFWHG7KHWLPLQJDQGRSHUDWLRQRIWKLVLQWHUIDFHLVVSHFLILFWRWKHRSWLRQFRQQHFWHGEXW
JHQHUDOO\IROORZVWKHSDWWHUQ
 DQRSWLRQERDUGGHYLFHJHQHUDWHVDVHUYLFHUHTXHVWYLD-OLQH5'<DQG3SLQ
 WKHPDLQERDUGDVVHUWVDFKLSVHOHFWIRUWKDWRSWLRQERDUGGHYLFHYLD8OLQH237&6
-
 WKHPDLQERDUG3JHQHUDWHVWKH&/.-
 WKHPDLQERDUG3ZULWHVVHULDOGDWDYLD-DQGUHDGVVHULDOGDWDYLD-DQG
 ZKHQGDWDWUDQVIHULVFRPSOHWHWKHPDLQERDUGWHUPLQDWHVWKHFKLSVHOHFWDQG&/.DFWLYLW\

&RQWUROOHU&LUFXLWV &KDSWHU
&%
 6%(36HULDO,QWHUIDFH
7KH6%(3VHULDOLQWHUIDFHDOORZVWKHUDGLRWRFRPPXQLFDWHZLWKWKH&XVWRPHU3URJUDPPLQJ
6RIWZDUH&36RUWKH8QLYHUVDO7XQHUYLDWKH5DGLR,QWHUIDFH%R[5,%RUWKHFDEOHZLWKLQWHUQDO
5,%7KLVLQWHUIDFHFRQQHFWVWRWKHPLFURSKRQHFRQQHFWRUYLDFRQWUROKHDGFRQQHFWRU-DQG
WRWKHDFFHVVRU\FRQQHFWRU-DQGFRPSULVHV%867KHOLQHLVELGLUHFWLRQDOPHDQLQJWKDW
HLWKHUWKHUDGLRRUWKH5,%FDQGULYHWKHOLQH7KH3VHQGVVHULDOGDWDYLDSLQDQG'DQGLW
UHDGVVHULDOGDWDYLDSLQ:KHQHYHUWKH3GHWHFWVDFWLYLW\RQWKH%86OLQHLWVWDUWV
FRPPXQLFDWLRQ
,QDGGLWLRQWKH6%(3VHULDOLQWHUIDFHLVXVHGWRFRPPXQLFDWHZLWKDFRQQHFWHGFRQWUROKHDG:KHQ
DFRQWUROKHDGNH\LVSUHVVHGRUWKHYROXPHNQRELVURWDWHGWKHOLQH212))&21752/JRHVKLJK
7KLVWXUQVRQWUDQVLVWRU4ZKLFKSXOOVOLQH212))6(16(DQG3SLQWRJURXQGOHYHO,Q
DGGLWLRQDQLQWHUUXSWLVJHQHUDWHGDW3SLQ7KLVLQGLFDWHVWKDWWKHFRQWUROKHDGZDQWVWRVWDUW
6%(3FRPPXQLFDWLRQ7KH3WKHQUHTXHVWVWKHGDWDIURPWKHFRQWUROKHDG7KHFRQWUROKHDGVWDUWV
VHQGLQJDQGDIWHUDOOGDWDKDVEHHQVHQWWKH212))&21752/OLQHJRHVORZ7KHFRQWUROKHDG
LJQRUHVDQ\GDWDRQ%86GXULQJ6%(3FRPPXQLFDWLRQZLWKWKH&36RU8QLYHUVDO7XQHU
 *HQHUDO3XUSRVH,QSXW2XWSXW
7KHFRQWUROOHUSURYLGHVHLJKWJHQHUDOSXUSRVHOLQHV',*WKURXJK',*DYDLODEOHRQWKHDFFHVVRU\
FRQQHFWRU-WRLQWHUIDFHWRH[WHUQDORSWLRQV/LQHV',*,1DUHLQSXWV',*287LVDQ
RXWSXWDQG',*,1287DUHELGLUHFWLRQDO7KHVRIWZDUHDQGWKHKDUGZDUHFRQILJXUDWLRQRIWKH
UDGLRPRGHOGHILQHWKHIXQFWLRQRIHDFKSRUW
',*,1FDQEHXVHGDVH[WHUQDO377LQSXW'$7$377LQSXWRURWKHUVVHWE\WKH&36
7KH3UHDGVWKLVSRUWYLDSLQDQG4
',*287FDQEHXVHGDVQRUPDORXWSXWRUH[WHUQDODODUPRXWSXWVHWE\WKH&367UDQVLVWRU
4LVFRQWUROOHGE\WKH3YLD$6),&&03SLQ
',*,1LVUHDGE\3SLQYLDUHVLVWRU5
',*,1FDQEHXVHGDVQRUPDOLQSXWRUHPHUJHQF\LQSXWVHWE\WKH&367KH3UHDGVWKLV
SRUWYLD5DQG3SLQ'LRGH'OLPLWVWKHYROWDJHWRSURWHFWWKH3LQSXW
',*,1FDQEHXVHGDVQRUPDOLQSXWVHWE\WKH&367KH3UHDGVWKLVSRUWYLDSLQDQG
4
',*,1287DUHELGLUHFWLRQDODQGXVHWKHVDPHFLUFXLWFRQILJXUDWLRQ(DFKSRUWXVHVDQ
RXWSXWWUDQVLVWRU444FRQWUROOHGE\3SLQV7KHSRUWVDUHUHDG
E\3SLQV7RXVHRQHRIWKHSRUWVDVLQSXWWKH3PXVWWXUQRIIWKHFRUUHVSRQGLQJ
RXWSXWWUDQVLVWRU
,QDGGLWLRQWKHVLJQDOVIURP',*,1',*,1287DUHIHGWRWKHRSWLRQERDUGFRQQHFWRU-
DQGWKHH[SDQVLRQERDUGFRQQHFWRU-

&KDSWHU &RQWUROOHU&LUFXLWV
&%
 1RUPDO0LFURSURFHVVRU2SHUDWLRQ
)RUWKLVUDGLRWKH3LVFRQILJXUHGWRRSHUDWHLQRQHRIWZRPRGHVH[SDQGHGDQGERRWVWUDS,Q
H[SDQGHGPRGHWKH3XVHVH[WHUQDOPHPRU\GHYLFHVWRRSHUDWHZKHUHDVLQERRWVWUDSRSHUDWLRQ
WKH3XVHVRQO\LWVLQWHUQDOPHPRU\,QQRUPDORSHUDWLRQRIWKHUDGLRWKH3LVRSHUDWLQJLQ
H[SDQGHGPRGHDVGHVFULEHGEHORZ
,QH[SDQGHGPRGHRQWKLVUDGLRWKH38KDVDFFHVVWRH[WHUQDOPHPRU\GHYLFHV8
)/$6+((3520865$08((3520$OVRZLWKLQWKH3WKHUHDUH.%\WHVRI
LQWHUQDO5$0DVZHOODVORJLFWRVHOHFWH[WHUQDOPHPRU\GHYLFHV
7KHH[WHUQDO((35208VSDFHFRQWDLQVWKHLQIRUPDWLRQLQWKHUDGLRZKLFKLVFXVWRPHU
VSHFLILFUHIHUUHGWRDVWKHFRGHSOXJ7KLVLQIRUPDWLRQFRQVLVWVRILWHPVVXFKDVZKDWEDQGWKH
UDGLRRSHUDWHVLQZKDWIUHTXHQFLHVDUHDVVLJQHGWRZKDWFKDQQHODQGWXQLQJLQIRUPDWLRQ6HH
WKHSDUWLFXODUGHYLFHVXEVHFWLRQIRUPRUHGHWDLOV
7KHH[WHUQDO65$08DVZHOODVWKH3¶VRZQLQWHUQDO5$0VSDFHDUHXVHGIRUWHPSRUDU\
FDOFXODWLRQVUHTXLUHGE\WKHVRIWZDUHGXULQJH[HFXWLRQ$OORIWKHGDWDVWRUHGLQERWKRIWKHVH
ORFDWLRQVLVORVWZKHQWKHUDGLRSRZHUVRII6HHWKHSDUWLFXODUGHYLFHVXEVHFWLRQIRUPRUHGHWDLOV
7KH)/$6+((3520FRQWDLQVWKHDFWXDO5DGLR2SHUDWLQJ6RIWZDUH7KLVVRIWZDUHLVFRPPRQWRDOO
RSHQDUFKLWHFWXUHUDGLRVZLWKLQDJLYHQPRGHOW\SH)RUH[DPSOHWUXQNLQJUDGLRVPD\KDYHD
GLIIHUHQWYHUVLRQRIVRIWZDUHLQWKH)/$6+((3520WKDQQRQWUXQNLQJUDGLRV6HHWKHSDUWLFXODU
GHYLFHVXEVHFWLRQIRUPRUHGHWDLOV
7KH3SURYLGHVDQDGGUHVVEXVRIDGGUHVVOLQHV$''5$''5DQGDGDWDEXVRIGDWD
OLQHV'$7$'$7$7KHUHDUHDOVRFRQWUROOLQHV&6352*8WRFKLSVHOHFW8
)/$6+((3520&6*38WRFKLSVHOHFW865$0DQG3*5:8
WRVHOHFWZKHWKHUWRUHDGRUWRZULWH7KHH[WHUQDO((35208WKH237,21%2$5'DQG
(;3$16,21%2$5'DUHVHOHFWHGE\OLQHVRIWKH3XVLQJDGGUHVVGHFRGHU87KHFKLSV
$6),&&03)5$&13&,&DUHVHOHFWHGE\OLQH&6;8
:KHQWKH3LVIXQFWLRQLQJQRUPDOO\WKHDGGUHVVDQGGDWDOLQHVVKRXOGEHWRJJOLQJDW&026ORJLF
OHYHOV6SHFLILFDOO\WKHORJLFKLJKOHYHOVVKRXOGEHEHWZHHQDQG9DQGWKHORJLFORZOHYHOV
VKRXOGEHEHWZHHQDQG91RRWKHULQWHUPHGLDWHOHYHOVVKRXOGEHREVHUYHGDQGWKHULVHDQG
IDOOWLPHVVKRXOGEHQV
7KHORZRUGHUDGGUHVVOLQHV$''5$''5DQGWKHGDWDOLQHV'$7$'$7$VKRXOGEH
WRJJOLQJDWDKLJKUDWHHJ\RXVKRXOGVHW\RXURVFLOORVFRSHVZHHSWRXVGLYRUIDVWHUWRREVHUYH
LQGLYLGXDOSXOVHV+LJKVSHHG&026WUDQVLWLRQVVKRXOGDOVREHREVHUYHGRQWKH3FRQWUROOLQHV
2QWKH3WKHOLQHV;,54802'$/,5802'%9673<8DQG
5(6(78VKRXOGEHKLJKDWDOOWLPHVGXULQJQRUPDORSHUDWLRQ:KHQHYHUDGDWDRU
DGGUHVVOLQHEHFRPHVRSHQRUVKRUWHGWRDQDGMDFHQWOLQHDFRPPRQV\PSWRPLVWKDWWKH5(6(7
OLQHJRHVORZSHULRGLFDOO\ZLWKWKHSHULRGEHLQJLQWKHRUGHURIPV,QWKHFDVHRIVKRUWHGOLQHV\RX
PD\DOVRGHWHFWWKHOLQHSHULRGLFDOO\DWDQLQWHUPHGLDWHOHYHOLHDURXQG9ZKHQVKRUWHGOLQHV
DWWHPSWWRGULYHWRRSSRVLWHUDLOV
7KH02'$/,58DQG02'%9673<8LQSXWVWRWKH3PXVWEHDWDORJLF³´
IRULWWRVWDUWH[HFXWLQJFRUUHFWO\$IWHUWKH3VWDUWVH[HFXWLRQLWZLOOSHULRGLFDOO\SXOVHWKHVHOLQHVWR
GHWHUPLQHWKHGHVLUHGRSHUDWLQJPRGH:KLOHWKH&HQWUDO3URFHVVLQJ8QLW&38LVUXQQLQJ02'$
/,5LVDQRSHQGUDLQ&026RXWSXWZKLFKJRHVORZZKHQHYHUWKH3EHJLQVDQHZLQVWUXFWLRQDQ
LQVWUXFWLRQW\SLFDOO\UHTXLUHVH[WHUQDOEXVF\FOHVRUPHPRU\IHWFKHV+RZHYHUVLQFHLWLVDQ
RSHQGUDLQRXWSXWWKHZDYHIRUPULVHDVVXPHVDQH[SRQHQWLDOVKDSHVLPLODUWRDQ5&FLUFXLW

&RQWUROOHU&LUFXLWV &KDSWHU
&%
7KHUHDUHDQDORJWRGLJLWDOFRQYHUWHUSRUWV$'RQ87KH\DUHODEHOHGZLWKLQWKHGHYLFH
EORFNDV3(3(7KHVHOLQHVVHQVHWKHYROWDJHOHYHOUDQJLQJIURPWR9RIWKHLQSXWOLQHDQG
FRQYHUWWKDWOHYHOWRDQXPEHUUDQJLQJIURPWRZKLFKFDQEHUHDGE\WKHVRIWZDUHWRWDNH
DSSURSULDWHDFWLRQ
)RUH[DPSOH8LVWKHEDWWHU\YROWDJHGHWHFWOLQH5DQG5IRUPDUHVLVWRUGLYLGHU
RQ,176:%:LWK.DQG.DQGDYROWDJHUDQJHRI9WR9WKDW$'SRUWZRXOGVHH9
WR9ZKLFKZRXOGWKHQEHFRQYHUWHGWRaWRUHVSHFWLYHO\
8LVWKHKLJKUHIHUHQFHYROWDJHIRUWKH$'SRUWVRQWKH3&DSDFLWRU&ILOWHUVWKH9
UHIHUHQFH,IWKLVYROWDJHLVORZHUWKDQ9WKH$'UHDGLQJVZLOOEHLQFRUUHFW/LNHZLVH8LV
WKHORZUHIHUHQFHIRUWKH$'SRUWV7KLVOLQHLVQRUPDOO\WLHGWRJURXQG,IWKLVOLQHLVQRWFRQQHFWHGWR
JURXQGWKH$'UHDGLQJVZLOOEHLQFRUUHFW
 )/$6+(OHFWURQLFDOO\(UDVDEOH3URJUDPPDEOH0HPRU\)/$6+((3520
7KH.%\WH)/$6+((35208FRQWDLQVWKHUDGLR¶VRSHUDWLQJVRIWZDUH7KLVVRIWZDUHLV
FRPPRQWRDOORSHQDUFKLWHFWXUHUDGLRVZLWKLQDJLYHQPRGHOW\SH)RUH[DPSOHWUXQNLQJUDGLRVPD\
KDYHDGLIIHUHQWYHUVLRQRIVRIWZDUHLQWKH)/$6+((3520WKDQQRQWUXQNLQJUDGLRV7KLVLVDV
RSSRVHGWRWKHFRGHSOXJLQIRUPDWLRQVWRUHGLQ((35208ZKLFKFRXOGEHGLIIHUHQWIURPRQH
XVHUWRDQRWKHULQWKHVDPHFRPSDQ\
,QQRUPDORSHUDWLQJPRGHWKLVPHPRU\LVUHDGRQO\LWFDQQRWEHZULWWHQWR7KHPHPRU\DFFHVV
VLJQDOV&(2(DQG:(DUHJHQHUDWHGE\WKH3
7RXSJUDGHUHSURJUDPWKH)/$6+VRIWZDUHWKH3PXVWEHVHWLQERRWVWUDSRSHUDWLQJPRGH7KLVLV
GRQHE\SXOOLQJ3SLQV02'$/,58DQG02'%967%<8WRORZGXULQJSRZHU
XS:KHQDFFHVVRU\FRQQHFWRUSLQLVDWJURXQGOHYHOGLRGH'ZLOOSXOOERWK3SLQVWRORZ
7KHVDPHFDQEHGRQHE\DOHYHORIYROWVRQOLQH212))&21752/IURPWKHFRQWUROKHDG
4SXOOVGLRGH'DQGLQWXUQERWK3SLQVWRORZ'LRGH95SUHYHQWVHQWHULQJ
ERRWVWUDSRSHUDWLQJPRGHGXULQJQRUPDOSRZHUXS
,QERRWVWUDSRSHUDWLQJPRGHWKH3FRQWUROVWKH)/$6+(12(8LQSXWE\3SLQ&KLS
VHOHFW8DQGUHDGRUZULWHRSHUDWLRQ8DUHFRQWUROOHGE\3SLQVDQG
7KH)/$6+GHYLFHPD\EHUHSURJUDPPHGWLPHVZLWKRXWLVVXH,WLVQRWUHFRPPHQGHGWR
UHSURJUDPWKH)/$6+GHYLFHDWDWHPSHUDWXUHEHORZ&
&DSDFLWRU&VHUYHVWRILOWHURXWDQ\$&QRLVHZKLFKPD\ULGHRQ9DW8
 (OHFWULFDOO\(UDVDEOH3URJUDPPDEOH0HPRU\((3520
7KHH[WHUQDO.%\WH((35208FRQWDLQVDGGLWLRQDOUDGLRRSHUDWLQJSDUDPHWHUVVXFKDV
RSHUDWLQJIUHTXHQF\DQGVLJQDOLQJIHDWXUHVFRPPRQO\NQRZDVWKHFRGHSOXJ,WLVDOVRXVHGWRVWRUH
UDGLRRSHUDWLQJVWDWHSDUDPHWHUVVXFKDVFXUUHQWPRGHDQGYROXPH7KLVPHPRU\FDQEHZULWWHQWR
LQH[FHVVRIWLPHVDQGZLOOUHWDLQWKHGDWDZKHQSRZHULVUHPRYHGIURPWKHUDGLR7KH
PHPRU\DFFHVVVLJQDOV6,62DQG6&.DUHJHQHUDWHGE\WKH3DQGFKLSVHOHFW&6LV
JHQHUDWHGE\DGGUHVVGHFRGHU8

&KDSWHU &RQWUROOHU%RDUG$XGLRDQG6LJQDOLQJ&LUFXLWV
&%
 6WDWLF5DQGRP$FFHVV0HPRU\65$0
7KH65$08FRQWDLQVWHPSRUDU\UDGLRFDOFXODWLRQVRUSDUDPHWHUVWKDWFDQFKDQJHYHU\
IUHTXHQWO\DQGZKLFKDUHJHQHUDWHGDQGVWRUHGE\WKHVRIWZDUHGXULQJLWVQRUPDORSHUDWLRQ7KH
LQIRUPDWLRQLVORVWZKHQWKHUDGLRLVWXUQHGRII
7KHGHYLFHDOORZVDQXQOLPLWHGQXPEHURIZULWHF\FOHV65$0DFFHVVHVDUHLQGLFDWHGE\WKH&6
VLJQDO8ZKLFKFRPHVIURP8&6*3JRLQJORZ8LVFRPPRQO\UHIHUUHGWRDV
WKHH[WHUQDO5$0DVRSSRVHGWRWKHLQWHUQDO5$0ZKLFKLVWKH.%\WHVRI5$0ZKLFKLVSDUWRIWKH
+&)/%RWK5$0VSDFHVVHUYHWKHSXUSRVH+RZHYHUWKHLQWHUQDO5$0LVXVHGIRUWKH
FDOFXODWHGYDOXHVZKLFKDUHDFFHVVHGPRVWRIWHQ
&DSDFLWRU&VHUYHVWRILOWHURXWDQ\$&QRLVHZKLFKPD\ULGHRQ9DW8
 &RQWUROOHU%RDUG$XGLRDQG6LJQDOLQJ&LUFXLWV
 $XGLR6LJQDOLQJ)LOWHU,&ZLWK&RPSDQGHU$6),&&03
7KH$6),&&038XVHGLQWKHFRQWUROOHUKDVIXQFWLRQV
 5;7;DXGLRVKDSLQJLHILOWHULQJDPSOLILFDWLRQDWWHQXDWLRQ
 5;7;VLJQDOLQJ3/'3/+670'&
 6TXHOFKGHWHFWLRQ
 3FORFNVLJQDOJHQHUDWLRQVHH6HFWLRQ0LFURSURFHVVRU&ORFN6\QWKHVL]HU
7KH$6),&&03LVSURJUDPPDEOHWKURXJKWKH63,%868QRUPDOO\UHFHLYLQJ
E\WHV7KLVSURJUDPPLQJVHWVXSYDULRXVSDWKVZLWKLQWKH$6),&&03WRURXWHDXGLRDQGRU
VLJQDOLQJVLJQDOVWKURXJKWKHDSSURSULDWHILOWHULQJJDLQDQGDWWHQXDWRUEORFNV7KH$6),&&03DOVR
KDV*HQHUDO&RQWURO%LWV*&%ZKLFKDUH&026OHYHORXWSXWVDQGXVHGIRU12,6(%/$1.(5
*&%LQ/RZ%DQGUDGLRV(;7(51$/$/$50*&%DQG'&32:(521*&%WRVZLWFK
WKHYROWDJHUHJXODWRUVDQGWKHUDGLRRQDQGRII*&%FRQWUROV8SLQWRRXWSXWHLWKHU5;
)/$7$8',2RU5;),/7(5('$8',2RQWKHDFFHVVRU\FRQQHFWRUSLQ*&%FRQWUROV8
SLQWRXVHHLWKHUWKHH[WHUQDOPLFURSKRQHLQSXWRUWKHYRLFHVWRUDJHSOD\EDFNVLJQDO*&%LV
XVHGWRVZLWFKWKHDXGLR3$RQDQGRII

&RQWUROOHU%RDUG$XGLRDQG6LJQDOLQJ&LUFXLWV &KDSWHU
&%
 7UDQVPLW$XGLR&LUFXLWV
5HIHUWR)LJXUHIRUUHIHUHQFHIRUWKHIROORZLQJVHFWLRQV
)LJXUH7UDQVPLW$XGLR3DWKV
 0LF'DWD,QSXW3DWK
7KHUDGLRVXSSRUWVGLVWLQFWPLFURSKRQHSDWKVNQRZQDVLQWHUQDOIURPFRQWUROKHDGDQGH[WHUQDO
PLFIURPDFFHVVRU\FRQQHFWRU-DQGDQDX[LOLDU\SDWK)/$77;$8',2IURPDFFHVVRU\
FRQQHFWRU-7KHPLFURSKRQHVXVHGIRUWKHUDGLRUHTXLUHD'&ELDVLQJYROWDJHSURYLGHGE\D
UHVLVWLYHQHWZRUN
7KHVHWZRPLFURSKRQHDXGLRLQSXWSDWKVHQWHUWKH$6),&&03DW8H[WHUQDOPLFDQG
8LQWHUQDOPLF)ROORZLQJWKHLQWHUQDOPLFSDWKWKHPLFURSKRQHLVSOXJJHGLQWRWKHUDGLR
FRQWUROKHDGDQGLVFRQQHFWHGWRWKHFRQWUROOHUERDUGYLD-
)URPKHUHWKHVLJQDOLVURXWHGYLD5DQGOLQH,170,&WR55DQG5SURYLGHWKH
9'&ELDV5HVLVWLYHGLYLGHU55GLYLGHWKHLQSXWVLJQDOE\DQGSURYLGHLQSXW
SURWHFWLRQIRUWKH&026DPSOLILHULQSXW5DQG&SURYLGHDRKP$&SDWKWRJURXQG
WKDWVHWVWKHLQSXWLPSHGDQFHIRUWKHPLFURSKRQHDQGGHWHUPLQHVWKHJDLQEDVHGRQWKHHPLWWHU
UHVLVWRULQWKHPLFURSKRQH¶VDPSOLILHUFLUFXLW
&VHUYHVDVD'&EORFNLQJFDSDFLWRU7KHDXGLRVLJQDODW873VKRXOGEH
DSSUR[LPDWHO\P9IRUN+]RUN+]RIGHYLDWLRQZLWKN+]RUN+]FKDQQHOVSDFLQJ
7KHH[WHUQDOPLFURSKRQHVLJQDOHQWHUVWKHUDGLRRQDFFHVVRU\FRQQHFWRU-SLQDQGLVURXWHG
YLDOLQH(;70,&WR55DQG5SURYLGHWKH9'&ELDV5HVLVWLYHGLYLGHU5
5GLYLGHWKHLQSXWVLJQDOE\DQGSURYLGHLQSXWSURWHFWLRQIRUWKH&026DPSOLILHULQSXW
MIC 
IN
MOD IN TO
RF
SECTION
(SYNTHESIZER
)
36
44
33
40
J0501
ACCESSORY
CONNECTOR
J0401
CONTROL HEAD
CONNECTOR
MIC
E
XT MIC
FLAT TX
AUDIO
42
32
5
48
46
9
2
IN OUT
OPTION
BOARD
FILTERS AND
PREEMPHASIS
HS SUMMER
SPLATTER
FILTER
LS SUMMER
LIMITER
ATTENUATOR
VCO 
ATN
TX RTN
TX SND
MIC
INT
AUX 
TX
ASFIC_CMP 
 U0221
TP0221
TP0222
MIC
EXT
J0451 J0551
18
FLAT
TX RTN
EXPANSION BOARD
31 IN/OUT
39 OUT
FROM
µP Pin3
U0211-4

&KDSWHU &RQWUROOHU%RDUG$XGLRDQG6LJQDOLQJ&LUFXLWV
&%
5DQG&SURYLGHDRKP$&SDWKWRJURXQGWKDWVHWVWKHLQSXWLPSHGDQFHIRUWKH
PLFURSKRQHDQGGHWHUPLQHVWKHJDLQEDVHGRQWKHHPLWWHUUHVLVWRULQWKHPLFURSKRQH¶VDPSOLILHU
FLUFXLW
&VHUYHVDVD'&EORFNLQJFDSDFLWRU0XOWLVZLWFK8FRQWUROOHGE\$6),&&03SRUW*&%
VHOHFWVHLWKHUWKHH[WHUQDOPLFURSKRQHLQSXWVLJQDORUWKHYRLFHVWRUDJHSOD\EDFNVLJQDOIRUHQWHULQJ
WKH$6),&&03DWSLQ7KHDXGLRVLJQDODW873VKRXOGEHDSSUR[LPDWHO\P9
IRUN+]RUN+]RIGHYLDWLRQZLWKN+]RUN+]FKDQQHOVSDFLQJ
7KH)/$77;$8',2SDWKLVXVHGIRUWUDQVPLWWLQJGDWDVLJQDOVDQGKDVWKHUHIRUHQROLPLWHURUILOWHUV
HQDEOHGLQVLGHWKH$6),&&03:KHQWKLVSDWKLVHQDEOHGYLD&36DQG'$7$377LVDVVHUWHGDQ\
VLJQDORQWKLVSDWKLVGLUHFWO\IHGWRWKHPRGXODWRU6LJQDOVDSSOLHGWRWKLVSDWKHLWKHUYLDDFFHVVRU\
FRQQHFWRU-H[SDQVLRQERDUGFRQQHFWRU-RURSWLRQERDUGFRQQHFWRU-PXVWEH
ILOWHUHGDQGVHWWRWKHFRUUHFWOHYHOH[WHUQDOO\RURQWKHRSWLRQERDUGLQRUGHUQRWWRH[FHHGWKH
PD[LPXPVSHFLILHGWUDQVPLWGHYLDWLRQDQGWUDQVPLWWHGSRZHULQWKHDGMDFHQWFKDQQHOV7KH
DWWHQXDWRULQVLGHWKH$6),&&03FKDQJHVWKH)0GHYLDWLRQRIWKHGDWDVLJQDODFFRUGLQJWRWKH
FKDQQHOVSDFLQJRIWKHDFWLYHWUDQVPLWFKDQQHO
7KH)/$77;$8',2VLJQDOIURPDFFHVVRU\FRQQHFWRU-LVIHGWRWKH$6),&&038
SLQWKURXJK&DQGOLQH)/$77;571VZLWFK8DQGEXIIHU8:KHQWKHUDGLR
VZLWFKHVIURPUHFHLYHWRWUDQVPLWPRGHWKH3RSHQVVZLWFK8IRUDVKRUWSHULRGWRSUHYHQWWKDW
DQ\DSSOLHGVLJQDOFDQFDXVHDWUDQVPLWIUHTXHQF\RIIVHW%XIIHU8VHWVWKHFRUUHFW'&OHYHO
DQGHQVXUHVDVKRUWVHWWOHSHULRGZKHQWKHUDGLRLVVZLWFKHGRQ,QVLGHWKH$6),&&03WKHVLJQDOLV
URXWHGGLUHFWO\WRWKHDWWHQXDWRUZKLFKVHWVWKH)0GHYLDWLRQDFFRUGLQJWRWKHFKDQQHOVSDFLQJRIWKH
DFWLYHWUDQVPLWFKDQQHODQGHPHUJHVIURPWKH$6),&&03DW8DWZKLFKSRLQWLWLVURXWHG
WRWKH5)VHFWLRQ
7KH$6),&KDVDQLQWHUQDO$*&WKDWFDQFRQWUROWKHJDLQLQWKHPLFDXGLRSDWK7KH$*&FDQEH
GLVDEOHGHQDEOHGE\WKH3$QRWKHUIHDWXUHWKDWFDQEHHQDEOHGRUGLVDEOHGLQWKH$6),&LVWKH
92;7KLVFLUFXLWDORQJZLWKWKHFDSDFLWRUDW8SURYLGHVD'&YROWDJHWKDWFDQDOORZWKH3
WRGHWHFWPLFURSKRQHDXGLR7KH$6),&FDQDOVREHSURJUDPPHGWRURXWHWKHPLFURSKRQHDXGLRWR
WKHVSHDNHUIRUSXEOLFDGGUHVVRSHUDWLRQ
 3776HQVLQJDQG7;$XGLR3URFHVVLQJ
0LFURSKRQH377FRPLQJIURPWKHFRQWUROKHDGLVVHQWYLD6%(3EXVWRWKH3$QH[WHUQDO377FDQ
EHJHQHUDWHGE\JURXQGLQJSLQRQWKHDFFHVVRU\FRQQHFWRULIWKLVLQSXWLVSURJUDPPHGIRU377E\
WKH&36:KHQPLFURSKRQH377LVVHQVHGWKH3ZLOODOZD\VFRQILJXUHWKH$6),&&03IRUWKH
³LQWHUQDO´PLFDXGLRSDWKDQGH[WHUQDO377ZLOOUHVXOWLQWKHH[WHUQDOPLFDXGLRSDWKEHLQJVHOHFWHG
,QVLGHWKH$6),&&03WKHPLFDXGLRLVILOWHUHGWRHOLPLQDWHIUHTXHQF\FRPSRQHQWVRXWVLGHWKH
+]YRLFHEDQGDQGSUHHPSKDVL]HGLISUHHPSKDVLVLVHQDEOHG7KHVLJQDOLVWKHQOLPLWHGWR
SUHYHQWWKHWUDQVPLWWHUIURPRYHUGHYLDWLQJ7KHOLPLWHGPLFDXGLRLVWKHQURXWHGWKURXJKDVXPPHU
ZKLFKLVXVHGWRDGGLQVLJQDOLQJGDWDDQGWKHQWRDVSODWWHUILOWHUWRHOLPLQDWHKLJKIUHTXHQF\
VSHFWUDOFRPSRQHQWVWKDWFRXOGEHJHQHUDWHGE\WKHOLPLWHU7KHDXGLRLVWKHQURXWHGWRDQ
DWWHQXDWRUZKLFKLVWXQHGLQWKHIDFWRU\RUWKHILHOGWRVHWWKHSURSHUDPRXQWRI)0GHYLDWLRQ7KH7;
DXGLRHPHUJHVIURPWKH$6),&&03DW802',1DWZKLFKSRLQWLWLVURXWHGWRWKH5)
VHFWLRQ
'HSHQGHQWRQWKHUDGLRPRGHOLQSXWSLQRQWKHDFFHVVRU\FRQQHFWRUFDQEHSURJUDPPHGIRU
'$7$377E\WKH&36:KHQ'$7$377LVVHQVHGWKH3ZLOODOZD\VFRQILJXUHWKH$6),&&03IRU
WKHIODW7;DXGLRSDWK/LPLWHUDQGDQ\ILOWHULQJZLOOEHGLVDEOHG7KHVLJQDOLVURXWHGGLUHFWO\WRWKH
DWWHQXDWRUZKLFKVHWVWKH)0GHYLDWLRQDFFRUGLQJWRWKHFKDQQHOVSDFLQJRIWKHDFWLYHWUDQVPLW

&RQWUROOHU%RDUG$XGLRDQG6LJQDOLQJ&LUFXLWV &KDSWHU
&%
FKDQQHODQGHPHUJHVIURPWKH$6),&&03DW8DWZKLFKSRLQWLWLVURXWHGWRWKH5)
VHFWLRQ
 7;6HFXUH$XGLR2SWLRQDO
7KHDXGLRIROORZVWKHQRUPDOWUDQVPLWDXGLRSURFHVVLQJXQWLOLWHPHUJHVIURPWKH$6),&&037;
61'SLQ8ZKLFKLVIHGWRWKH6HFXUHERDUGUHVLGLQJDWRSWLRQFRQQHFWRU-7KH
6HFXUHERDUGFRQWDLQVFLUFXLWU\WRDPSOLI\HQFU\SWDQGILOWHUWKHDXGLR7KHHQFU\SWHGVLJQDOLVWKHQ
IHGEDFNIURP-WRWKH$6),&&037;571LQSXW87KHVLJQDOOHYHODWWKLVSLQ
VKRXOGEHDERXWP9UPV7KHVLJQDOLVWKHQURXWHGWKURXJKWKH7;SDWKLQWKH$6),&&03DQG
HPHUJHVDW02',1SLQ
 2SWLRQ%RDUG7UDQVPLW$XGLR
7KHDXGLRIROORZVWKHQRUPDOWUDQVPLWDXGLRSURFHVVLQJXQWLOLWHPHUJHVIURPWKH$6),&&037;
61'SLQ8ZKLFKLVIHGWRWKHRSWLRQERDUGUHVLGLQJDWRSWLRQFRQQHFWRU-7KH
RSWLRQERDUGFRQWDLQVFLUFXLWU\WRSURFHVVWKHDXGLR7KHSURFHVVHGVLJQDOLVWKHQIHGEDFNIURP
-WRWKH$6),&&037;571LQSXW87KHVLJQDOOHYHODWWKLVSLQVKRXOGEHDERXW
P9UPV7KHVLJQDOLVWKHQURXWHGWKURXJKWKH7;SDWKLQWKH$6),&&03DQGHPHUJHVDW02',1
SLQ
 7UDQVPLW6LJQDOLQJ&LUFXLWV
5HIHUWR)LJXUHIRUUHIHUHQFHIRUWKHIROORZLQJVHFWLRQV
)LJXUH7UDQVPLW6LJQDOLQJ3DWKV
)URPDKDUGZDUHSRLQWRIYLHZWKHUHDUHW\SHVRIVLJQDOLQJ
6XEDXGLEOHGDWD3/'3/&RQQHFW7RQHWKDWJHWVVXPPHGZLWKWUDQVPLWYRLFHRU
VLJQDOLQJ
'70)GDWDIRUWHOHSKRQHFRPPXQLFDWLRQLQWUXQNHGDQGFRQYHQWLRQDOV\VWHPVDQG
$XGLEOHVLJQDOLQJLQFOXGLQJ0'&DQGKLJKVSHHGWUXQNLQJ
127( $OOWKUHHW\SHVDUHVXSSRUWHGE\WKHKDUGZDUHZKLOHWKHUDGLRVRIWZDUHGHWHUPLQHVZKLFK
VLJQDOLQJW\SHLVDYDLODEOH
19
18
40
MOD IN
TO RF
SECTION
(SYNTHESIZER
)
80
44 HIGH SPEED
CLOCK IN
(HSIO)
LOW SPEED 
CLOCK IN
(LSIO)
ASFIC_CMP U0221
MICRO
CONTROLLER
U0101
HS
SUMMER
5-3-2 STATE 
ENCODER
DTMF 
ENCODER
SPLATTER
FILTER
PL
ENCODER LS
SUMMER
ATTENUATOR
85
82
SPI
BUS

&KDSWHU &RQWUROOHU%RDUG$XGLRDQG6LJQDOLQJ&LUFXLWV
&%
 6XEDXGLEOH'DWD3/'3/
6XEDXGLEOHGDWDLPSOLHVVLJQDOLQJZKRVHEDQGZLGWKLVEHORZ+]3/DQG'3/ZDYHIRUPVDUH
XVHGIRUFRQYHQWLRQDORSHUDWLRQDQGFRQQHFWWRQHVIRUWUXQNHGYRLFHFKDQQHORSHUDWLRQ7KH
WUXQNLQJFRQQHFWWRQHLVVLPSO\D3/WRQHDWDKLJKHUGHYLDWLRQOHYHOWKDQ3/LQDFRQYHQWLRQDO
V\VWHP$OWKRXJKLWLVUHIHUUHGWRDV³VXEDXGLEOHGDWD´WKHDFWXDOIUHTXHQF\VSHFWUXPRIWKHVH
ZDYHIRUPVPD\EHDVKLJKDV+]ZKLFKLVDXGLEOHWRWKHKXPDQHDU+RZHYHUWKHUDGLR
UHFHLYHUILOWHUVRXWDQ\DXGLREHORZ+]VRWKHVHWRQHVDUHQHYHUKHDUGLQWKHDFWXDOV\VWHP
2QO\RQHW\SHRIVXEDXGLEOHGDWDFDQEHJHQHUDWHGE\8$6),&&03DWDQ\RQHWLPH7KH
SURFHVVLVDVIROORZVXVLQJWKH63,%86WKH3SURJUDPVWKH$6),&&03WRVHWXSWKHSURSHUORZ
VSHHGGDWDGHYLDWLRQDQGVHOHFWWKH3/RU'3/ILOWHUV7KH3WKHQJHQHUDWHVDVTXDUHZDYHZKLFK
VWUREHVWKH$6),&3/'3/HQFRGHLQSXW/6,28DWWZHOYHWLPHVWKHGHVLUHGGDWDUDWH)RU
H[DPSOHIRUD3/IUHTXHQF\RI+]WKHIUHTXHQF\RIWKHVTXDUHZDYHZRXOGEH+]
7KLVGULYHVDWRQHJHQHUDWRULQVLGH8ZKLFKJHQHUDWHVDVWDLUFDVHDSSUR[LPDWLRQWRD3/VLQH
ZDYHRU'3/GDWDSDWWHUQ7KLVLQWHUQDOZDYHIRUPLVWKHQORZSDVVILOWHUHGDQGVXPPHGZLWKYRLFH
RUGDWD7KHUHVXOWLQJVXPPHGZDYHIRUPWKHQDSSHDUVRQ802',1ZKHUHLWLVVHQWWR
WKH5)ERDUGDVSUHYLRXVO\GHVFULEHGIRUWUDQVPLWDXGLR$WUXQNLQJFRQQHFWWRQHZRXOGEH
JHQHUDWHGLQWKHVDPHPDQQHUDVD3/WRQH
 +LJK6SHHG'DWD
+LJKVSHHGGDWDUHIHUVWRWKHEDXGGDWDZDYHIRUPVNQRZQDV,QERXQG6LJQDOLQJ:RUGV
,6:VXVHGLQDWUXQNLQJV\VWHPIRUKLJKVSHHGFRPPXQLFDWLRQEHWZHHQWKHFHQWUDOFRQWUROOHUDQG
WKHUDGLR7RJHQHUDWHDQ,6:WKH3ILUVWSURJUDPVWKH$6),&&038WRWKHSURSHUILOWHUDQG
JDLQVHWWLQJV,WWKHQEHJLQVVWURELQJ8+6,2ZLWKDSXOVHZKHQWKHGDWDLVVXSSRVHGWR
FKDQJHVWDWHV8¶V6WDWH(QFRGHUZKLFKLVLQDVWDWHPRGHLVWKHQIHGWRWKHSRVW
OLPLWHUVXPPHUEORFNDQGWKHQWKHVSODWWHUILOWHU)URPWKDWSRLQWLWLVURXWHGWKURXJKWKHPRGXODWLRQ
DWWHQXDWRUVDQGWKHQRXWRIWKH$6),&&03WRWKH5)ERDUG0'&LVJHQHUDWHGLQPXFKWKHVDPH
ZD\DVWUXQNLQJ,6:+RZHYHULQVRPHFDVHVWKHVHVLJQDOVPD\DOVRSDVVWKURXJKDGDWDSUH
HPSKDVLVEORFNLQWKH$6),&&03$OVRWKHVHVLJQDOLQJVFKHPHVDUHEDVHGRQVHQGLQJD
FRPELQDWLRQRI+]DQG+]WRQHVRQO\0LFURSKRQHDXGLRLVPXWHGGXULQJKLJKVSHHGGDWD
VLJQDOLQJ
 'XDO7RQH0XOWLSOH)UHTXHQF\'70)'DWD
'70)GDWDLVDGXDOWRQHZDYHIRUPXVHGGXULQJSKRQHLQWHUFRQQHFWRSHUDWLRQ,WLVWKHVDPHW\SHRI
WRQHVZKLFKDUHKHDUGZKHQXVLQJD³7RXFK7RQH´WHOHSKRQH
7KHUHDUHVHYHQIUHTXHQFLHVZLWKIRXULQWKHORZJURXS+]DQGWKUHHLQWKHKLJK
JURXS+]
7KHKLJKJURXSWRQHLVJHQHUDWHGE\WKH38VWURELQJ8DWVL[WLPHVWKHWRQH
IUHTXHQF\IRUWRQHVOHVVWKDQ+]RUWZLFHWKHIUHTXHQF\IRUWRQHVJUHDWHUWKDQ+]7KHORZ
JURXSWRQHLVJHQHUDWHGE\WKH$6),&&03FRQWUROOHGE\WKH3YLD63,EXV,QVLGH8WKHORZ
JURXSDQGKLJKJURXSWRQHVDUHVXPPHGZLWKWKHDPSOLWXGHRIWKHKLJKJURXSWRQHEHLQJ
DSSUR[LPDWHO\G%JUHDWHUWKDQWKDWRIWKHORZJURXSWRQHDQGWKHQSUHHPSKDVL]HGEHIRUHEHLQJ
URXWHGWRWKHVXPPHUDQGVSODWWHUILOWHU7KH'70)ZDYHIRUPWKHQIROORZVWKHVDPHSDWKDVZDV
GHVFULEHGIRUKLJKVSHHGGDWD

&RQWUROOHU%RDUG$XGLRDQG6LJQDOLQJ&LUFXLWV &KDSWHU
&%
 5HFHLYH$XGLR&LUFXLWV
5HIHUWR)LJXUHIRUUHIHUHQFHIRUWKHIROORZLQJVHFWLRQV
)LJXUH5HFHLYH$XGLR3DWKV
 6TXHOFK'HWHFW
7KHUDGLR¶V5)FLUFXLWVDUHFRQVWDQWO\SURGXFLQJDQRXWSXWDWWKHGLVFULPLQDWRU,),&7KLVVLJQDO
',6&$8',2LVURXWHGWRWKH$6),&&03¶VVTXHOFKGHWHFWFLUFXLWU\LQSXW',6&8$OORI
WKHVTXHOFKGHWHFWFLUFXLWU\LVFRQWDLQHGZLWKLQWKH$6),&&037KHUHIRUHIURPDXVHU¶VSRLQWRI
YLHZ',6&$8',2HQWHUVWKH$6),&&03DQGWKH$6),&&03SURGXFHVWZR&026ORJLFRXWSXWV
EDVHGRQWKHUHVXOW7KH\DUH&+$&78DQG64'(78
7KHVTXHOFKVLJQDOHQWHULQJWKH$6),&&03LVDPSOLILHGILOWHUHGDWWHQXDWHGDQGUHFWLILHG,WLVWKHQ
VHQWWRDFRPSDUDWRUWRSURGXFHDQDFWLYHKLJKVLJQDORQ&+$&7$VTXHOFKWDLOFLUFXLWLVXVHGWR
SURGXFH64'(78IURP&+$&77KHVWDWHRI&+$&7DQG64'(7LVKLJKORJLF³´
ZKHQFDUULHULVGHWHFWHGRWKHUZLVHORZORJLF³´
&+$&7LVURXWHGWRWKH3SLQZKLOH64'(7LVURXWHGWRWKH3SLQ
FLT/FLAT RX AUDIO
J0501
11
16
1EXTERNA
L
SPEAKER
INTERNA
L
SPEAKER
ACCESSORY
CONNECTOR
CONTROLHEAD
CONNECTOR
HANDSET
AUDIO
7
2
3
J0401
INT
SPKR-
SPKR +
SPKR -
1
9
2
J0551
4110
INT
SPKR+
4
6
DISC
ASFIC_CMP
U0221
AUDIO 
PA
U0271
IN
OPTION
BOARD
IN
 OUT VOLUME
ATTEN.
FILTER AND
DEEMPHASIS
17
MICRO 
CONTROLLER
U0101
80
FROM
RF
SECTION
(IF IC) LIMITER, RECTIFIER
FILTER, COMPARATOR
SQ DET
SQUELCH
CIRCUIT
16
PL  FILTER 
LIMITER
CH ACT
AUX RX
43
18
LS IO
U IO AUDIO
83
84
39
URX OUT
17
J0451
EXPANSION
BOARD
DISC
AUDIO
34
28
35
85
IN
7

&KDSWHU &RQWUROOHU%RDUG$XGLRDQG6LJQDOLQJ&LUFXLWV
&%
64'(7LVXVHGWRGHWHUPLQHDOODXGLRPXWHXQPXWHGHFLVLRQVH[FHSWIRU&RQYHQWLRQDO6FDQ,Q
WKLVFDVH&+$&7LVDSUHLQGLFDWRUDVLWRFFXUVVOLJKWO\IDVWHUWKDQ64'(7
 $XGLR3URFHVVLQJDQG'LJLWDO9ROXPH&RQWURO
7KHUHFHLYHUDXGLRVLJQDOHQWHUVWKHFRQWUROOHUVHFWLRQIURPWKH,),&RQ',6&$8',27KHVLJQDOLV
'&FRXSOHGE\5DQGHQWHUVWKH$6),&&03YLDWKH',6&SLQ8
,QVLGHWKH$6),&&03WKHVLJQDOJRHVWKURXJKSDWKVLQSDUDOOHOWKHDXGLRSDWKDQGWKH3/'3/
SDWK
7KHDXGLRSDWKKDVDSURJUDPPDEOHDPSOLILHUZKRVHVHWWLQJLVEDVHGRQWKHFKDQQHOEDQGZLGWK
EHLQJUHFHLYHGWKHQD/3)ILOWHUWRUHPRYHDQ\IUHTXHQF\FRPSRQHQWVDERYH+]DQGWKHQDQ
+3)WRVWULSRIIDQ\VXEDXGLEOHGDWDEHORZ+]1H[WWKHUHFRYHUHGDXGLRSDVVHVWKURXJKDGH
HPSKDVLVILOWHULILWLVHQDEOHGWRFRPSHQVDWHIRU3UHHPSKDVLVZKLFKLVXVHGWRUHGXFHWKHHIIHFWV
RI)0QRLVH7KH,&WKHQSDVVHVWKHDXGLRWKURXJKWKHELWSURJUDPPDEOHDWWHQXDWRUZKRVHOHYHO
LVVHWGHSHQGLQJRQWKHYDOXHRIWKHYROXPHFRQWURO)LQDOO\WKHILOWHUHGDXGLRVLJQDOSDVVHVWKURXJK
DQRXWSXWEXIIHUZLWKLQWKH$6),&&037KHDXGLRVLJQDOH[LWVWKH$6),&&03DWSLQ$8',2
8
7KH3SURJUDPVWKHDWWHQXDWRUXVLQJWKH63,%86EDVHGRQWKHYROXPHVHWWLQJ7KHPLQLPXP
PD[LPXPVHWWLQJVRIWKHDWWHQXDWRUDUHVHWE\FRGHSOXJSDUDPHWHUV
6LQFHVXEDXGLEOHVLJQDOLQJLVVXPPHGZLWKYRLFHLQIRUPDWLRQRQWUDQVPLWLWPXVWEHVHSDUDWHGIURP
WKHYRLFHLQIRUPDWLRQEHIRUHSURFHVVLQJ$Q\VXEDXGLEOHVLJQDOLQJHQWHUVWKH$6),&&03IURPWKH
,),&DW',6&82QFHLQVLGHLWJRHVWKURXJKWKH3/'3/SDWK7KHVLJQDOILUVWSDVVHV
WKURXJKRQHRIORZSDVVILOWHUVHLWKHU3/ORZSDVVILOWHURU'3//67ORZSDVVILOWHU(LWKHUVLJQDOLV
WKHQILOWHUHGDQGJRHVWKURXJKDOLPLWHUDQGH[LWVWKH$6),&&03DW/6,28$WWKLVSRLQW
WKHVLJQDOZLOODSSHDUDVDVTXDUHZDYHYHUVLRQRIWKHVXEDXGLEOHVLJQDOZKLFKWKHUDGLRUHFHLYHG
7KH38ZLOOGHFRGHWKHVLJQDOGLUHFWO\WRGHWHUPLQHLILWLVWKHWRQHFRGHZKLFKLVFXUUHQWO\
DFWLYHRQWKDWPRGH
 $XGLR$PSOLILFDWLRQ6SHDNHU6SHDNHU±
7KHRXWSXWRIWKH$6),&&03¶VGLJLWDOYROXPHSRW8LVURXWHGWKURXJK'&EORFNLQJ
FDSDFLWRU&WRDEXIIHUIRUPHGE\85HVLVWRUV5DQG5VHWWKHFRUUHFWLQSXW
OHYHOWRWKHDXGLR3$87KLVLVQHFHVVDU\EHFDXVHWKHJDLQRIWKHDXGLR3$LVG%DQGWKH
$6),&&03RXWSXWLVFDSDEOHRIRYHUGULYLQJWKH3$XQOHVVWKHPD[LPXPYROXPHLVOLPLWHG5HVLVWRU
5DQGFDSDFLWRU&LQFUHDVHIUHTXHQF\FRPSRQHQWVEHORZ+]
7KHDXGLRWKHQSDVVHVWKURXJK5DQG&ZKLFKSURYLGHV$&FRXSOLQJDQGORZIUHTXHQF\
UROORII&SURYLGHVKLJKIUHTXHQF\UROORIIDVWKHDXGLRVLJQDOLVURXWHGWRSLQVDQGRIWKH
DXGLRSRZHUDPSOLILHU8
7KHDXGLRSRZHUDPSOLILHUKDVRQHLQYHUWHGDQGRQHQRQLQYHUWHGRXWSXWWKDWSURGXFHVWKH
GLIIHUHQWLDODXGLRRXWSXW63.63.87KHLQSXWVIRUHDFKRIWKHVHDPSOLILHUVDUHSLQV
DQGUHVSHFWLYHO\WKHVHLQSXWVDUHERWKWLHGWRWKHUHFHLYHGDXGLR7KHDXGLR3$¶V'&ELDVHVDUH
QRWDFWLYDWHGXQWLOWKHDXGLR3$LVHQDEOHGDWSLQ
7KHDXGLR3$LVHQDEOHGYLDWKH$6),&&038:KHQWKHEDVHRI4LVORZWKH
WUDQVLVWRULVRIIDQG8LVKLJKXVLQJSXOOXSUHVLVWRU5DQGWKHDXGLR3$LV217KH
YROWDJHDW8PXVWEHDERYH9'&WRSURSHUO\HQDEOHWKHGHYLFH

&RQWUROOHU%RDUG$XGLRDQG6LJQDOLQJ&LUFXLWV &KDSWHU
&%
,IWKHYROWDJHLVEHWZHHQDQG9WKHGHYLFHZLOOEHDFWLYHEXWKDVLWVLQSXW8RII7KLV
LVDPXWHFRQGLWLRQZKLFKLVXVHGWRSUHYHQWDQDXGLRSRSZKHQWKH3$LVHQDEOHG
7KH63.DQG63.RXWSXWVRIWKHDXGLR3$KDYHD'&ELDVZKLFKYDULHVSURSRUWLRQDWHO\ZLWK)/7
$8)/7$RI9\LHOGVD'&RIIVHWRI9DQG)/7$RI9\LHOGVD'&RIIVHWRI9
,IHLWKHURIWKHVHOLQHVLVVKRUWHGWRJURXQGLWLVSRVVLEOHWKDWWKHDXGLR3$ZLOOEHGDPDJHG63.
DQG63.DUHURXWHGWRWKHDFFHVVRU\FRQQHFWRU-DQGDQGWRWKHFRQWUROKHDG
FRQQHFWRU-DQG
 +DQGVHW$XGLR
&HUWDLQKDQGKHOGDFFHVVRULHVKDYHDVSHDNHUZLWKLQWKHPZKLFKUHTXLUHDGLIIHUHQWYROWDJHOHYHO
WKDQWKDWSURYLGHGE\8)RUWKRVHGHYLFHV+$1'6(7$8',2LVDYDLODEOHDWFRQWUROKHDG
FRQQHFWRU-
7KHUHFHLYHGDXGLRIURPWKHRXWSXWRIWKH$6),&&03¶VGLJLWDOYROXPHDWWHQXDWRUDQGEXIIHUHGE\
8LVDOVRURXWHGWR8SLQZKHUHLWLVDPSOLILHGG%WKLVLVVHWE\WKHNN
FRPELQDWLRQRI5DQG57KLVVLJQDOLVURXWHGIURPWKHRXWSXWRIWKHRSDPS8SLQ
WR-7KHFRQWUROKHDGVHQGVWKLVVLJQDOGLUHFWO\RXWWRWKHPLFURSKRQHMDFN7KHPD[LPXP
YDOXHRIWKLVRXWSXWLV9SS
 )LOWHUHG$XGLRDQG)ODW$XGLR
7KH$6),&&03KDVDQDXGLRZKRVHRXWSXWDW8KDVEHHQILOWHUHGDQGGHHPSKDVL]HGEXW
KDVQRWJRQHWKURXJKWKHGLJLWDOYROXPHDWWHQXDWRU)URP$6),&&038WKHVLJQDOLVURXWHG
YLD5WKURXJKJDWH8DQG$&FRXSOHGWR87KHJDWHFRQWUROOHGE\$6),&&03
SRUW*&%8VHOHFWVEHWZHHQWKHILOWHUHGDXGLRVLJQDOIURPWKH$6),&&03SLQ
85;287RUWKHXQILOWHUHGIODWDXGLRVLJQDOIURPWKH$6),&&03SLQ8,25DQG5
GHWHUPLQHWKHJDLQRIRSDPS8IRUWKHILOWHUHGDXGLRZKLOH5DQG5GHWHUPLQHWKH
JDLQIRUWKHIODW$XGLR7KHRXWSXWRI8LVWKHQURXWHGWR-YLD'&EORFNLQJFDSDFLWRU
&DQG51RWHWKDWDQ\YROXPHDGMXVWPHQWRIWKHVLJQDORQWKLVSDWKPXVWEHGRQHE\WKH
DFFHVVRU\
 5;6HFXUH$XGLR2SWLRQDO
'LVFULPLQDWRUDXGLRZKLFKLVQRZHQFU\SWHGDXGLRIROORZVWKHQRUPDOUHFHLYHDXGLRSURFHVVLQJXQWLO
LWHPHUJHVIURPWKH$6),&&038,2SLQ8ZKLFKLVIHGWRWKH6HFXUHERDUGUHVLGLQJDW
RSWLRQFRQQHFWRU-2QWKH6HFXUHERDUGWKHHQFU\SWHGVLJQDOLVFRQYHUWHGEDFNWRQRUPDO
DXGLRIRUPDWDQGWKHQIHGEDFNWKURXJK-WR$8;5;RIWKH$6),&&038
)URPWKHQRQLWIROORZVDSDWKLGHQWLFDOWRFRQYHQWLRQDOUHFHLYHDXGLRZKHUHLWLVILOWHUHGN+]
DQGGHHPSKDVL]HG7KHVLJQDO85;61'IURPWKH$6),&&038DOVRURXWHGWRRSWLRQ
FRQQHFWRU-LVQRWXVHGIRUWKH6HFXUHERDUGEXWIRURWKHURSWLRQERDUGV
 2SWLRQ%RDUG5HFHLYH$XGLR
8QILOWHUHGDXGLRIURPWKH$6),&&03SLQ8,28HQWHUVWKHRSWLRQERDUGDWFRQQHFWRU
-)LOWHUHGDXGLRIURPWKH$6),&&03SLQ85;2878HQWHUVWKHRSWLRQERDUGDW
FRQQHFWRU-2QWKHRSWLRQERDUGWKHVLJQDOPD\EHSURFHVVHGDQGWKHQIHGEDFNWKURXJK
-WR$8;5;RIWKH$6),&&038)URPWKHQRQLWIROORZVDSDWKLGHQWLFDOWR
FRQYHQWLRQDOUHFHLYHDXGLRZKHUHLWPD\EHILOWHUHGN+]DQGGHHPSKDVL]HG

&KDSWHU &RQWUROOHU%RDUG$XGLRDQG6LJQDOLQJ&LUFXLWV
&%
 5HFHLYH6LJQDOLQJ&LUFXLWV
5HIHUWR)LJXUHIRUUHIHUHQFHIRUWKHIROORZLQJVHFWLRQV
)LJXUH5HFHLYH6LJQDOLQJ3DWKV
 6XEDXGLEOH3/'3/DQG+LJK6SHHG'DWD'HFRGHU
7KH$6),&&038LVXVHGWRILOWHUDQGOLPLWDOOUHFHLYHGGDWD7KHGDWDHQWHUVWKH$6),&
&03DWLQSXW',6&8,QVLGH8WKHGDWDLVILOWHUHGDFFRUGLQJWRGDWDW\SH+6RU/6
WKHQLWLVOLPLWHGWRD9GLJLWDOOHYHO7KH0'&DQGWUXQNLQJKLJKVSHHGGDWDDSSHDUDW8
ZKHUHLWFRQQHFWVWRWKH38
7KHORZVSHHGOLPLWHGGDWDRXWSXW3/'3/DQGWUXQNLQJ/6DSSHDUVDW8ZKHUHLW
FRQQHFWVWRWKH38
7KHORZVSHHGGDWDLVUHDGE\WKH3DWWZLFHWKHIUHTXHQF\RIWKHVDPSOLQJZDYHIRUPDODWFK
FRQILJXUDWLRQLQWKH$6),&&03VWRUHVRQHELWHYHU\FORFNF\FOH7KHH[WHUQDOFDSDFLWRUV&
DQG&VHWWKHORZIUHTXHQF\SROHIRUD]HURFURVVLQJVGHWHFWRULQWKHOLPLWHUVIRU3/DQG+6
GDWD7KHK\VWHUHVLVRIWKHVHOLPLWHUVLVSURJUDPPHGEDVHGRQWKHW\SHRIUHFHLYHGGDWD
 $OHUW7RQH&LUFXLWV
:KHQWKHVRIWZDUHGHWHUPLQHVWKDWLWQHHGVWRJLYHWKHRSHUDWRUDQDXGLEOHIHHGEDFNIRUDJRRGNH\
SUHVVRUIRUDEDGNH\SUHVVRUUDGLRVWDWXVWUXQNHGV\VWHPEXV\SKRQHFDOOFLUFXLWIDLOXUHVLW
VHQGVDQDOHUWWRQHWRWKHVSHDNHU,WGRHVVRE\VHQGLQJ63,%86GDWDWR8ZKLFKVHWVXSWKH
DXGLRSDWKWRWKHVSHDNHUIRUDOHUWWRQHV7KHDOHUWWRQHLWVHOIFDQEHJHQHUDWHGLQRQHRIWZRZD\V
LQWHUQDOO\E\WKH$6),&&03RUH[WHUQDOO\XVLQJWKH3DQGWKH$6),&&03
7KHDOORZDEOHLQWHUQDODOHUWWRQHVDUHDQG+],QWKLVFDVHDFRGHFRQWDLQHG
ZLWKLQWKH63,%86ORDGWRWKH$6),&&03VHWVXSWKHSDWKDQGGHWHUPLQHVWKHWRQHIUHTXHQF\DQG
DWZKDWYROXPHOHYHOWRJHQHUDWHWKHWRQH,WGRHVQRWKDYHWREHUHODWHGWRWKHYRLFHYROXPH
VHWWLQJ
)RUH[WHUQDODOHUWWRQHVWKH3FDQJHQHUDWHDQ\WRQHZLWKLQWKH+]DXGLREDQG7KLVLV
DFFRPSOLVKHGE\WKH3JHQHUDWLQJDVTXDUHZDYHZKLFKHQWHUVWKH$6),&&03DW8
,QVLGHWKH$6),&&03WKLVVLJQDOLVURXWHGWRWKHDOHUWWRQHJHQHUDWRU
DET AUDIO
D
ISCRIMINATOR AUDIO
FROM RF SECTION
(IF  IC)
19
18
25
2
82
80
DISC
PLCAP2
LSIO
HSIO
DATA FILTER
AND DEEMPHASIS LIMITER
FILTER LIMITER
ASFIC_CMP
U0221
MICRO
CONTROLLER
U0101
85
44
8
PLCAP

&RQWUROOHU%RDUG$XGLRDQG6LJQDOLQJ&LUFXLWV &KDSWHU
&%
7KHRXWSXWRIWKHJHQHUDWRULVVXPPHGLQWRWKHDXGLRFKDLQMXVWDIWHUWKH5;DXGLRGHHPSKDVLV
EORFN,QVLGH8WKHWRQHLVDPSOLILHGDQGILOWHUHGWKHQSDVVHGWKURXJKWKHELWGLJLWDOYROXPH
DWWHQXDWRUZKLFKLVW\SLFDOO\ORDGHGZLWKDVSHFLDOYDOXHIRUDOHUWWRQHDXGLR7KHWRQHH[LWVDW
8DQGLVURXWHGWRWKHDXGLR3$OLNHUHFHLYHDXGLR
 9RLFH6WRUDJH2SWLRQDO
7KH9RLFH6WRUDJH96RSWLRQFDQEHXVHGWRVWRUHDXGLRVLJQDOVFRPLQJIURPWKHUHFHLYHURUIURP
WKHPLFURSKRQH$Q\VWRUHGDXGLRVLJQDOFDQEHSOD\HGEDFNRYHUWKHUDGLR¶VVSHDNHURUVHQWRXWYLD
WKHUDGLR¶VWUDQVPLWWHU
7KH9RLFH6WRUDJHRSWLRQFDQE\SODFHGRQWKHFRQWUROOHUVHFWLRQRURQDQDGGLWLRQDOERDUGZKLFK
UHVLGHVRQRSWLRQERDUGFRQQHFWRU-9RLFH6WRUDJHLVLQFOXGHGRQWKH3DVV3RUWERDUG9RLFH
6WRUDJH,&8SURYLGHVDOOUHTXLUHGIXQFWLRQDOLW\DQGLVSRZHUHGIURPYROWVUHJXODWRU8
ZKLFKLVSRZHUHGIURPWKHUHJXODWHGYROWV'XDOVKRWWN\GLRGH'UHGXFHVWKHVXSSO\YROWDJH
IRU8WRYROWV7KH3FRQWUROV8YLD63,EXVOLQHV&/.8'$7$8
DQG0,6287RWUDQVIHUGDWDWKH3ILUVWVHOHFWVWKH8YLDDGGUHVVGHFRGHU8
OLQH96&6DQG8SLQ7KHQWKH3VHQGVGDWDWKURXJKOLQH'$7$DQGUHFHLYHVGDWDWKURXJK
OLQH0,623LQ5$&RI8LQGLFDWHVWKHHQGRIDPHVVDJHURZE\DORZVWDWHIRUPVDQG
FRQQHFWVWR3SLQ$ORZDWSLQ,17ZKLFKLVFRQQHFWHGWR3SLQLQGLFDWHVWKDWWKH9RLFH
6WRUDJH,&UHTXLUHVVHUYLFHIURPWKH3
$XGLRHLWKHUIURPWKHUDGLR¶VUHFHLYHURUIURPRQHRIWKHPLFURSKRQHLQSXWVHPHUJHVWKH$6),&
&038DWSLQLVEXIIHUHGE\RSDPS8DQGHQWHUVWKH9RLFH6WRUDJH,&8DW
SLQ'XULQJSOD\EDFNWKHVWRUHGDXGLRHPHUJHV8DWSLQ7RWUDQVPLWWKHDXGLRVLJQDOLWLV
IHGWKURXJKUHVLVWLYHGLYLGHU55DQGOLQH960,&WRLQSXWVHOHFWRU,&8:KHQWKLV
SDWKLVVHOHFWHGE\WKH3YLD$6),&&03SRUW*&%WKHDXGLRVLJQDOHQWHUVWKH$6),&&03DW
SLQDQGLVSURFHVVHGOLNHQRUPDOWUDQVPLWDXGLR7RSOD\WKHVWRUHGDXGLRRYHUWKHUDGLR¶V
VSHDNHUWKHDXGLRIURP8SLQLVEXIIHUHGE\RSDPS8DQGIHGYLDVZLWFK8DQG
OLQH)/$75;61'WR$6),&&03SLQ8,2,QWKLVFDVHWKLV$6),&&03SLQLVSURJUDPPHGDV
LQSXWDQGIHHGVWKHDXGLRVLJQDOWKURXJKWKHQRUPDOUHFHLYHUDXGLRSDWKWRWKHVSHDNHURUKDQGVHW
6ZLWFK8LVFRQWUROOHGE\WKH3YLD$6),&&03SRUW*&%DQGIHHGVWKHVWRUHGDXGLRRQO\WR
WKH$6),&&03SRUW8,2ZKHQLWLVSURJUDPPHGDVLQSXW

&KDSWHU &RQWUROOHU%RDUG$XGLRDQG6LJQDOLQJ&LUFXLWV
&%
1RWHV

&KDSWHU
&%
6HFWLRQ
7528%/(6+227,1*&+$576
 7URXEOHVKRRWLQJ)ORZ&KDUWIRU&RQWUROOHU

&KDSWHU 7URXEOHVKRRWLQJ)ORZ&KDUWIRU&RQWUROOHU
&%
1RWHV

&KDSWHU
&%
6HFWLRQ
&21752//(56&+(0$7,&6$1'3$576/,676
 $OORFDWLRQRI6FKHPDWLFVDQG&LUFXLW%RDUGV
 &RQWUROOHU&LUFXLWV
7KLVFKDSWHUVKRZVWKHVFKHPDWLFVDQGWKHSDUWVOLVWVIRUWKHFRQWUROOHUFLUFXLWV
 9RLFH6WRUDJH)DFLOLW\
7KH9RLFH6WRUDJHIDFLOLW\LVDQRUGHUDEOHRSWLRQRQDOO&'0DQG352PRGHOVH[FHSWWKH3DVV3RUW
PRGHO&'0/6RQZKLFK9RLFH6WRUDJHLVDVWDQGDUGIHDWXUH
7KHVFKHPDWLFVLQFOXGLQJWKH9RLFH6WRUDJHVFKHPDWLFZKHUHDSSOLFDEOHERDUGVDQGSDUWVOLVWVIRU
WKHVHFLUFXLWVDUHVKRZQLQWKLVFKDSWHU
7DEOH&RQWUROOHU7'LDJUDPVDQG3DUWV/LVWV
&RQWUROOHU7XVHGRQ3&%
%9+):
6&+(0$7,&6
&RQWUROOHU2YHUDOO
6XSSO\9ROWDJH
$XGLR
,2
0LFURSURFHVVRU
3DJH
3DUWV/LVW 
7DEOH&RQWUROOHU7'LDJUDPVDQG3DUWV/LVWV
&RQWUROOHU7XVHGRQ3&%
%9+):
6&+(0$7,&6
&RQWUROOHU2YHUDOO
6XSSO\9ROWDJH
$XGLR
,2
0LFURSURFHVVRU
9RLFH6WRUDJHLIILWWHG
3DJH
3DUWV/LVW 

&KDSWHU $OORFDWLRQRI6FKHPDWLFVDQG&LUFXLW%RDUGV
&%
7DEOH&RQWUROOHU777'LDJUDPVDQG3DUWV/LVWV
&RQWUROOHU777XVHGRQ3&%
7RQ%/%:
7RQ%/%:
7RQ%9+):
7RQ=8+)%:
7RQ=8+)%:
7RQ%9+):
7RQ=8+)%:
7RQ%9+):
7RQ%9+):
7RQ=8+)%:
7RQ=8+)%:
7RQ=/%:
6&+(0$7,&6
7&RQWUROOHU2YHUDOO
76XSSO\9ROWDJH
7$XGLR
7,2
7,2
7,2
70LFURSURFHVVRU
70LFURSURFHVVRU
79RLFH6WRUDJHLIILWWHG
3DJH
73DUWV/LVW
73DUWV/LVW
7DEOH&RQWUROOHU7'LDJUDPVDQG3DUWV/LVWV
&RQWUROOHU7XVHGRQ3&%
%/%:
%/%:
=/%:
6&+(0$7,&6
&RQWUROOHU2YHUDOO
6XSSO\9ROWDJH
$XGLR
,2
0LFURSURFHVVRU
3DJH
3DUWV/LVW 
7DEOH&RQWUROOHU7'LDJUDPVDQG3DUWV/LVWV
&RQWUROOHU7XVHGRQ3&%
%9+):/'026
=8+)%:/'026
=8+)%:/'026
6&+(0$7,&6
&RQWUROOHU2YHUDOO
6XSSO\9ROWDJH
$XGLR
,2
0LFURSURFHVVRU
3DJH
3DUWV/LVW 

&RQWUROOHU76FKHPDWLFVDQG3DUWV/LVWV &KDSWHU
&%
FLT_A+
IGNITION_CONTROL
INT_SWB+
IN_5V_RF_REG
ON_OFF_CONTROL
PASUPVLTG
RESET
VSTBY
TX_AUD_RTN
TX_AUD_SND
UART_RX
UART_TX
URX_SND
VS_AUDSEL
VS_GAINSEL VS_INT
VS_MIC
VS_RAC
SUPPLY_VOLTAGE
5VD
9V3
BATTERY_VOLTAGE
DC_POWER_ON
EMERGENCY_CONTROL
EXT_SWB+
NOISE_BLNKR
ON_OFF_CONTROL
OPT_PTT
PASUPVLTG
PA_PWR_SET
RDY
RESET
RSSI
RX_ADAPT
RX_AUD_RTN
RX_FLAT_FILTERED_AUDIO
SCI_TX
SPI(0:10)
SPKR+
SPKR-
TEMPSENSE
GP2_OUT_ACC4
GP3_IN_ACC6
GP4_IN_OUT_ACC8
GP5_IN_ACC9
GP6_IN_ACC10
GP7_IN_OUT_ACC12
GP8_IN_OUT_ACC14
HANDSET_AUDIO
IGNITION_CONTROL
INT_MIC
INT_SWB+
IN_5V_RF_REG
LOCK
MODIN
MOSBIAS_2
MOSBIAS_3
5VD 5V_RF
9V3 BOOT_CNTRL
BUS+
CH_ACT
CNTLVLTG
DISCAUDIO
EMERGENCY_CONTROL
EXP_BD_REQ
EXT_MIC
EXT_SWB+
FLAT_RX_SND
FLAT_TX_RTN
FLT_A+
GP1_IN_ACC3
UART_RX
UART_TX
VSTBY
VS_GAINSEL
VS_INT
VS_RAC
VOICE_STORAGE
5VD
FLAT_RX_SND
RX_AUD_RTN
SPI(0:10)
VS_AUDSEL
VS_INT VS_MIC
VS_RAC
IO
16_8MHZ
GP4_IN_OUT_ACC8
GP5_IN_ACC9
GP6_IN_ACC10
GP7_IN_OUT_ACC12
GP8_IN_OUT_ACC14
GPIO(0:13)
LOCK
ON_OFF_CONTROL
OPT_PTT
RDY
RESET
RSSI RX_ADAPT
SCI_TX
SPI(0:10)
TEMPSENSE
TX_AUD_SND
URX_SND
VS_AUDSEL
VS_MIC
CONTROLLER
5VD
BATTERY_VOLTAGE
BOOT_CNTRL
BUS+
CNTLR_AUDIO(0:7)
CNTLVLTG
EXT_BD_REQ
FLT_A+
GP1_IN_ACC3
GP2_OUT_ACC4
GP3_IN_ACC6
FLT_A+
GPIO(0:13)
HANDSET_AUDIO
INT_MIC
INT_SWB+
MODIN
MOSBIAS_2
MOSBIAS_3
NOISE_BLNKR
PA_PWR_SET
RX_AUD_RTN
RX_FLAT_FILTERED_AUDIO
SPI(0:10)
SPKR+
SPKR-
TX_AUD_RTN
PASUPVLTG
PASUPVLTG
FLT_A+
FLT_A+
UART_TX
UART_TX
AUDIO
16_8MHZ
5VD
5V_RF
9V3
CH_ACT
CNTLR_AUDIO(0:7)
DC_POWER_ON
DISCAUDIO
EXT_MIC
FLAT_RX_SND
FLAT_TX_RTN
BATTERY_VOLTAGE
VSTBY
VSTBY
RDY RDY
OPT_PTT OPT_PTT
CH_ACT CH_ACT
URX_SND URX_SND
VS_GAINSEL VS_GAINSEL
MOSBIAS_3
MOSBIAS_3
INT_SWB+ INT_SWB+
EXT_MIC EXT_MIC
IN_5V_RF_REG
IN_5V_RF_REG
SCI_TX SCI_TX
VS_MICVS_MIC
5VD
5VD 9V39V3
EXT_SWB+EXT_SWB+
TX_AUD_RTN
FLAT_TX_RTN
FLAT_TX_RTN
RX_AUD_RTNRX_AUD_RTN
DISCAUDIO
DISCAUDIO
INT_MIC
INT_MIC
5V_RF
5V_RF
RX_FLAT_FILTERED_AUDIO
RX_FLAT_FILTERED_AUDIO
HANDSET_AUDIO
HANDSET_AUDIO
SPKR+
SPKR+
SPKR-
SPKR-
EMERGENCY_CONTROL
EMERGENCY_CONTROL
IGNITION_CONTROL
IGNITION_CONTROL
DC_POWER_ONDC_POWER_ON
ON_OFF_CONTROL
ON_OFF_CONTROL
BATTERY_VOLTAGE
VS_AUDSEL
TEMPSENSE
TEMPSENSE
CNTLVLTG
CNTLVLTG
UART_RX
UART_RX
VS_RAC
VS_RAC
VS_INT
VS_INT
RSSI
RSSI
LOCKLOCK
RX_ADAPT
RX_ADAPT
NOISE_BLNKR
NOISE_BLNKR
PA_PWR_SET
PA_PWR_SET
MOSBIAS_2
MOSBIAS_2
MODIN
MODIN
TX_AUD_SND
TX_AUD_SND
FLAT_RX_SNDFLAT_RX_SND
16_8MHZ16_8MHZ
TX_AUD_RTN
CNTRL_AUDIO(0:7)
CNTRL_AUDIO(0:7)
GPIO(0:13)
GPIO(0:13)
SPI(0:10) SPI(0:10)
BUS+
BUS+
RESET
RESET
GP8
GP8
GP7
GP7
GP6
GP6
GP5
GP5
GP4
GP4
GP3
GP3
GP2
GP2
GP1
GP1
EXP_BD_REQ EXP_BD_REQ
BOOT_CNTRL
BOOT_CNTRL
VS_AUDSEL
 &RQWUROOHU76FKHPDWLFVDQG3DUWV/LVWV
&RQWUROOHU76FKHPDWLF'LDJUDP&RQWUROOHU2YHUDOO
ZWG0130228-O

&KDSWHU &RQWUROOHU76FKHPDWLFVDQG3DUWV/LVWV
&%
47K
47K
47K
47K
C0622
47uF
C0663
C0662
0.1uF
.01uF
10
R0652
0.1uF
C0655
Q0641
C0611
22uF
J0601-1
33uF
C0652
D0621
150K
R0662
1.2K
R0643
R0611
56K
0.1uF
NU
470pF
C0621
C0645
33uF
C0644
R0641
C0641
470pF 10K
J0601-2
10uF
C0654
C0612
0.1uF
Q0661
5.6V
VR0621
MC78M05
2
GND
1
IN
3
OUT
5.6V
U0651
NU
VR0671
30K
R0671
10K
R0672
U0611
ADJ 1
GND1
3
GND2
6
2ON_OFF
VIN
4VOUT 5
LM2941
C0671
0.1uF
D0661
1
ADJ
GND1
3
GND2
6
ON_OFF
2
4
VIN
5
VOUT
LM2941
U0641
Q0662
R0651
57R01
10
R0642
E0631
J0601-3
7.5K
C0601
C0603
470pF
10uF
NU
NC1
3
NC2
5
NC3 6
NC4 7
8
NC5
RESET 1
U0653
U0652
MC33064
GND
4
INPUT
2
R0661
1K C0661
47uF
D0651
0.1uF
NU
C0651
Q0663
D0660
24K
R0621
4.7K
24V
R0612
EXT_SWB+
RESET
9V3
5VD
VSTBY
PASUPVLTG
VR0601
DC_POWER_ON
IGNITION_CONTROL
EMERGENCY_CONTROL
INT_SWB+
BATTERY_VOLTAGE
ON_OFF_CONTROL
FLT_A+
Q0681
IN_5V_RF_REG
68K
R0682
R0671
18K
0.1uF
C0681
0V (13,8VDC when radio off)
5VDC
6VDC
5VDC
5VDC (0VDC during reset)
&RQWUROOHU76FKHPDWLF'LDJUDP6XSSO\9ROWDJH ZWG0130232-A

&RQWUROOHU76FKHPDWLFVDQG3DUWV/LVWV &KDSWHU
&%
SYN
F1200
CLK
GP2_OUT
CSX
DATA
LSIO
VOX
SQ_DET
HSIO
CH_ACT
R0251
47K
0.1uF
C0262
C0261
82pF
NU
C0204
0.1uF
C0235
C0231
.022uF
4.7uF
C0251
0.1uF
NU
R0275
1000pF
C0276
5
10K
10uF
C0212
R0206
10K
24K
2
R0273
NU
0.22uF
C0224
100pF
C0233
R0208
0.1uF
2.2K
C0222
100pF
C0243
2200pF
C0203
NU
R0262
100K
0.1uF
C0227
7
4
11
6
MC3403
U0211-2
6
5
R0276
15K
MC3403
2
3
1
4
11 U0211-1
24K
R0221
R0269
470
NU
0.1uF
C0265
0.1uF
C0266
4
Q0271
INV
9
M_SS
8
NINV
1
4
OUT1
OUT2
6
3
RR
VCC
7
U0271
GND1
25
GND2
.033uF
C0273
C0236
3300pF
0.1uF
C0245
C0232
9
0.1uF
0
NU
R0242
C0242
0.1uF
0.1uF
C0241
C0267
.01uF 47K
10K
R0267
R0268
R0265
24K
10uF
C0201
NU
2200pF
D0201
NU
C0205
10K
R0205
R0252
56K
47uF
C0275
7
560
R0202
TP0221
1
C0252
1uF
1
7
0.1uF
C0272
0.1uF
R0223
C0226
30K
0.1uF
C0221
.01uF
C0246
3
10K
R0261
C0271
R0207
.01uF
2.2K
R0222
24K
E0271
57R01
0.1uF
57R01
C0244
1000pF
E0272
C0277
C0254
0.1uF
C0255
0.1uF
7.5K
R0212
R0211
Y1
4
Z
5
Z0
Z1
3
7.5K
GND
VCC
7
VEE
14
X
12
X0
13
X1
15
Y
2
Y0
1
MC14053B
A
11
10
B
9
C
6
EN
8
45
VDDRC
27
VDDSYN
7
VOX
U0251
36
TXRTN
44
TXSND
10
UIO
39
URXOUT
1
VDDA
32
VDDCP
33
VDDD
11
VDDDAC
46
MICINT
40
MOD
26
NC
8
PLCAP
25
PLCAP2
17
SQDET
9
SQIN
28
SYN
31
GNDD
30
GNDD0
47
GNDRC
23
GNDSYN
19
HSIO
LCAP
24
18
LSIO
48
MICEXT
29
F1200
15
GCB0
14
GCB1
13
GCB2
35
GCB3
GCB4
37
38
GCB5
3
GNDA
21
CLK
34
CLK168
20
CSX
6
DACG
5
DACR
DACU
4
22
DATA
2
DISC
12
AGCCAP
41
AUDIO
AUXRX
43
42
AUXTX
16
CHACT
63A53
U0221
1
100K
R0253
TP0222
R0266
24K
NU
MC3403
U0211-4
13
12
14
4
11
MC3403
9
10
8
4
11
MC3403
U0211-3
NU
0.1uF
560
8
C0211
R0204
100
R0201
R0224
11
8.2K
47K
R0241
C0253
100pF
NU
NU
10K
R0274
C0223
0.1uF
0.1uF
C0234
NU
0.1uF
C0274
0.1uF
C0225
9V3
9V3
MODIN
INT_SWB+
CH_ACT
VAG
9V3 9V3
9V3
VS_MIC
MOSBIAS_3
16_8MHZ
VAG
EXT_MIC
TX_AUD_SND
5V_RF
5V_RF
5VD5VD
5V_RF
5V_RF5V_RF
5V_RF
5V_RF
TX_AUD_RTN
SPKR-
RX_AUD_RTN
INT_MIC
URX_SND
FLAT_RX_SND
DC_POWER_ON
FLT_A+
ASFIC CMP
5VD
SPKR+
5VD
DISCAUDIO
PA_PWR_SET
MOSBIAS_2
9V3
FLAT_TX_RTN
NOISE_BLNKR
VS_AUDSEL
SPI(0:10)
GPIO(0:13)
CNTLR_AUDIO(0:7)
VAG
VAG
HANDSET_AUDIO
RX_FLAT_FILTERED_AUDIO
2.2uF
NU
C0237
R0224
8.2K
NU
R0226
1M
R0227
1M
PA
4.6VDC
80mV RMS
80mV RMS
5VDC (0VDC during radio off)
13VDC unmuted
5VDC muted
300mV RMS
200mV RMS
145mV RMS @25kHz
72mV RMS @12.5kHz 5VDC RX Filtered
Audio (0V DC Flat)
630mV RX Filtered
330mV Flat
0 VDC
&RQWUROOHU76FKHPDWLF'LDJUDP$XGLR
ZWG0130231-A

&KDSWHU &RQWUROOHU76FKHPDWLFVDQG3DUWV/LVWV
&%
32
31
SPEAKER+
BUS+
11
7
17
12
10
VS_CS
INT_MIC
26
Gnd
1
DIG_IN_OUT_8
RST*
RSSI
7
4
18
17
VS_MIC
DB1
36
39
38
30
13 15 17
33
64
DIG_IN_5 WITH WAKEUP (EMERGENCY)
13
37
911
DB2
Key_Intrp
DIG_IN_OUT_4 = Sel5/MDC    UART_TX = MPT
9V3
LED_EN
DB0
DATA
9
DIG_IN_3  = Sel5/MDC            UART_RX = MPT
Tx_Aud_Snd
Tx_Aud_Rtn
PTT
Vddd
25
6
J0551
9
3
2
1
NC
9
20
13
7
8
NC
NC
10
11
12
4
15
REAR VIEW
PCB
2
DATA
CLK
8
5
NC
GROUND
14
Rx_Aud_Rtn
Rdy/Req
EXPANSION BOARD
18-PIN CONNECTOR
DATA
SCI_TX
EXP_BD_PTT
GND
FAST_SQ
DISCAUDIO
INTERNAL OPTION BOARD
23
21
19
20
16
15
14
13
5
NC
16
28
29
12-PIN CONNECTOR
FLAT_TX_AUDIO
DB7
19
20
NC
24NC
NC
DB6
ACCESSORY
9
10 DIG_IN_6 WITH WAKEUP (IGNITION)
FLAT/FILTERED_RX_AUDIO
DIG_IN_OUT_7
5VD
DIG_OUT2 (EXTERNAL_ALARM)
SPEAKER-
HANSET_AUDIO
11
CONTROL HEAD
BUS+
VS_GAINSEL
OFF_BATT_DATA_OUT
3
4
5
FLT_A+
Key_Col
TO/FROM RF
8
VS_RAC
SWB+
NC
NC
16 18
NC
GND
6
16
CSX
6
RX_ADAPT
CLK
MISO
4
VS_CS
Flat_Tx_Rtn CLK
GROUND
SrD_Rtn
5
3
EXP1_CS
CLK
TO/FROM RF
7
NC
N.C.
MISO
2
1
GND
EXP_BD_PTT
DB3
18
J0401
SrD_Snd
Rx_Aud_Snd
ON
VS_INT
1
2
3
5
6 OPT_CS
RDY
OPT_PTT
NC
NC
FLAT_TX_RTN
DIG_IN1
ON_OFF_CONTROL
20-PIN CONNECTOR
J0501
J0451
A0
Key_Row
VS_AUDSEL
GPIO
EXP1_CS
EXP_BD_REQ
INT_EXT_Vdd
2
15
14
13
10
R/W*
Opt_Bd_En
8
7
CS*
27
19
17
22
18
40-PINS CONNECTOR
SPEAKER-
SPEAKER+
GROUND
UART_TX
UART_RX
BOOT_CNTRL
EXT_MIC_AUDIO
Det_Aud_Snd
12
40
N.C.
1412108
OPT_CS
11
DB4
DB5
12
SCK_Snd
35
34
DATA
470pF
C0510
J0451-2
J0401-10
J0401-7
470pF
J0551-19
C0501
C0426
10
.01uF
R0467
J0401-2
J0401-1
470pF
NU
C0403
C0402
NU
C0457
NU
470pF
NU
470pF
470pF
C0458
PA_PWR_SET
C0459
NU
470pF
J0501-17
J0551-42
J0551-41
J0551-1
J0501-5
VR0509
33V
C0524
470pF
NU
470pF
NU
C0454
C0528
470pF
NU
NOISE_BLNKR_CNTLR_1
C0428
9V3
R0410
82pF
0
NU
VR0537
5.6V
C0473
470pF
470pF
C0474
C0476
470pF
8
NU
470pF
C0558
470pF
CSX_CNTLR_2
CSX
C0482
C0410
NU
470pF
J0551-5
C0496
470pF
470pF
NU
470pF
NU
C0523
470pF
NU
C0531
C0530
VR0505
20V
C0487
470pF
33V
VR0510
C0449
470pF
J0401-3
PASUPVLTG
LOCK
J0551-37
82pF
NU
DATA
16_8MHZ_CNTLR_1
C0539
J0551-32
J0551-33
J0551-28
J0451-16
9
RSSI_CNTLR_1
470pF
C0497
NU
C0411
470pF
9V3
MODIN
J0551-27
VR0521 VR0522
5.6V 5.6V
NU220
R0522
NU
220
R0521
RSSI
NU390nH
L0481
10
DATA
R0407
C0527
470pF
NU
C0526
470pF
NU
470pF
NU
470pF
C0540
C0423
470pF
C0431
470pF
C0422
470pF
NU
C0541
0.47uF
C0525
J0551-24
R0525
100K
470pF
9V3_CNTLR_1
C0492
NU
9
C0535
470pF
VR0501
20V
470pF
C0495
C0472
C0471
470pF
470pF
C0470
470pF
R0468
10
J0551-6
J0551-7
220
R0524
220
R0523
14V
VR0541
CNTLVLTG_CNTLR_1
NU
47K
R0542
C0467
NU
470pF
J0501-20
J0401-12
J0451-10
C0509
470pF
MOSBIAS_2_CNTLR_1
J0451-17
J0551-34
R0409 10
J0551-8
J0551-9
C0515
J0551-10
470pF
R0535
J0451-14
1K
C0456
C0520
CLK
NU
470pF
C0407
NU
470pF
470pF
NU
C0448
470pF
C0447
470pF
J0451-18
C0441
470pF
NU
J0501-1
J0501-15
9
8
C0486
470pF
C0429
470pF
NOISE_BLNKR
C0453
NU
470pF
NU
470pF
C0455
J0501-10
J0501-11
C0493
J0501-12
470pF
470pF
NU
C0468
J0451-9
C0485
470pF
NU
C0462
470pF
LOCK_CNTLR_1
DISCAUDIO_CNTLR_1
J0551-30
J0551-35
J0501-16
C0505
470pF
J0551-38
C0538
470pF
NU
C0408
NU
82pF
470pF
NU
C0534
C0533
470pF
NU
C0532
470pF
NU
C0464
470pF
NU
J0551-11
J0551-2
J0551-16
MOSBIAS_3_CNTLR_1
0.1uF
C0593
NU
0.1uF
C0554
0
R0533
470pF
NU
C0521
C0488
470pF
C0508
470pF
C0511
C0512
470pF
J0501-8
CLK
470pF
2
470pF
C0477
C0442
J0501-2
470pF
NU
NU
470pF
47K
CSX
C0560
R0529
J0551-21
J0401-11
J0451-5
J0551-3
C0576
NU
470pF
PASUPVLTG_CNTRL_1
VR0503
20V
J0401-4
R0592
10
C0591
0.1uF
9V3_CNTLR_2
J0451-6
TEMPSENSE_CNTLR_1
470pF
NU
C0443
C0463
NU
470pF
J0551-14
J0501-19
J0551-4
VR0504
470pF
C0504
33V
NU
470pF
C0519
C0427
470pF
J0451-3
470pF
C0516
C0494
.01uF
MODIN_CNTLR_1
J0451-12
C0522
470pF
NU
NU
470pF
C0575
C0559
RESET
TEMPSENSE
NU
470pF
C0537
470pF
NU
470pF
C0513
470pF
C0478
0
R0482
R0481 0
8CLK_CNTLR_2
C0445
470pF
C0446
470pF
J0451-13
J0551-26
J0501-13
220
R0537
J0501-3
470pF
C0514
C0498
NU
470pF
J0551-36
NU
470pF
NU
470pF
C0444
C0461
0
R0527 0
R0528
J0551-15 16_8MHZ
82pF
C0517
J0551-25
J0501-7
J0401-8
J0501-6
J0401-5
J0551-31
J0501-4
J0501-18
470pF
NU
DISCAUDIO
MOSBIAS_2
C0536
470pF
C0484
470pF
NU
C0466
J0551-18
J0551-23
J0551-17
470pF
NU
C0460
27K R0541
MOSBIAS_3
C0430
PA_PWR_SET_1_CNTLR_1
470pF
82pF
J0401-6
C0421
J0451-1
0.1uF
C0592
C0406
NU 470pF
1
10
J0551-22
RESET_CNTLR_1
0
R0530
R0401
220
CLK_CNTLR_1
C0518
470pF
NU
5V
C0401
82pF
C0491
470pF
C0502
470pF
J0551-13
J0451-7
R0591
J0451-8
100K
24K
R0511
CSX_CNTLR_1
3
C0483
470pF
J0551-40
DATA_CNTLR_2
J0551-20
C0409
470pF
J0451-11
NU
4.7K
4.7K
R0539
R0510
J0501-14
DATA_CNTLR_1
J0451-4
J0451-15
470pF
C0506
5V_CNTLR_1
R0538
220
J0551-39
J0551-12
CNTLVLTG
J0501-9
C0542
TP0481
1
47uF
J0551-29
15K
R0512
C0503
390nH NU
470pF
J0401-9
7
L0482
560
R0531
C0451
NUNU
470pF
470pF
DISCAUDIO
HANDSET_AUDIOHANDSET_AUDIO
HANDSET_AUDIO
UART_TX
UART_RX
UART_RX
UART_TX
RSSI RSSI
GP6_IN_ACC10
BOOT_CNTRL
5VD
C0452
FLT_A+
BUS+
5VD
RSSI
EXT_SWB+
UART_TX UART_TX
UART_RXUART_RX
UART_TX
UART_RX
GP4_IN_OUT_ACC8
GP3_IN_ACC6
RDYRDY
RDY
OPT_PTT
OPT_PTTOPT_PTT
OPT_PTT
INT_MIC INT_MIC
INT_MIC
SPKR+SPKR+
DISCAUDIO
GP7_IN_OUT_ACC12
5VD
GP4_IN_OUT_ACC8
EXP1_CS
EXP_BD_REQEXP_BD_REQ
EXP_BD_PTT EXP_BD_PTT
EXP_BD_REQ
EXP_BD_PTT
CH_ACT CH_ACT
CH_ACT
DISCAUDIO
FLT_A+
SCI_TX
SPKR+
GP1_IN_ACC3
RX_FLAT_FILTERED_AUDIO
EMERGENCY_CONTROL
GP5_IN_ACC9
SPKR+
SPKR-
ON_OFF_CONTROL
OPT_CS
RDY
GP4_IN_OUT_ACC8
SPI_CLK
EXP_BD_PTT
DISCAUDIO
EXP_BD_PTT
SPI(0:10)
RX_ADAPT
MOSBIAS_3
VS_MIC VS_MIC
EXT_MIC
SPKR-
FLAT_TX_RTN
FLAT_TX_RTN
DISCAUDIO
16_8MHZ
5V_RF
MODIN
NOISE_BLNKR
MOSBIAS_2
PA_PWR_SETEXP1_CS
9V3
FLAT_TX_RTN FLAT_TX_RTN
GP4_IN_OUT_ACC8 GP4_IN_OUT_ACC8
GP8_IN_OUT_ACC14
CH_ACT
SPI_DATA
SPI_MISO
EXP_BD_REQ
EXP1_CS
FLT_A+
FLAT_TX_RTN
BUS+ BUS+
RESETRESET
ON_OFF_CONTROL ON_OFF_CONTROL
RESET
EXT_MICEXT_MIC
SPKR-SPKR-
RESET
PASUPVLTG
BUS+
GP2_OUT_ACC4
9V3
TEMPSENSE
CNTLVLTG
RSSI
LOCK
5VD5VD
FLT_A+FLT_A+
SPI_DATA
SPI_CLK
SPI_MISO
VS_CS
OPT_CS
OPT_CS
SPI_DATA
TX_AUD_RTN
VS_CS
VS_MIC
SPI_CLK
FLAT_RX_SND
RX_AUD_RTN
URX_SND
TX_AUD_SND
VS_INT
5VD
VS_AUDSEL
VS_GAINSEL
SPI_MISO
VS_RAC
IGNITION_CONTROL
FLT_A+
See NOTE
See NOTE
See NOTE
See NOTE
See NOTE See NOTE
100
R0408
INT_SWB_CNTLR_1
INT_SWB
INT_SWB+
C0499
470pF
Pin  1 to 16 used for standard accessories
Pin 17 to 20 for special use
NOTE
                   VR0521    R0523    R0527    VR0522    R0524     R0528
MDC/Sel5      NU           NU       Used         NU           NU         Used
MPT              Used       Used       NU         Used        Used         NU
Note
Note: Fuse is part of PCB
In case fuse is blowen, replace
it with R0410 P/N 0662057B47
ZWG0130230-A
&RQWUROOHU76FKHPDWLF'LDJUDP,2

&RQWUROOHU76FKHPDWLFVDQG3DUWV/LVWV &KDSWHU
&%
47K
47K
47K
47K
47K
47K
47K
47K
47K
47K
47K
47K
47K
47K
16Kx8bit
GP6_IN
GP4_IN
GP3_IN
HSIO
GP4_IN
VS_CS
EXP1_CS
GP1_IN
CLK
VOX
LSIO
GP7_IN
HC138_A0
ON_OFF_SENSE
EEPROM
OPT_CS
HC138_A1
HC138_A2
MISO
CLK
GP5_IN
GP6_IN
F1200
CHACT
GP8_OUT
SQ_DET
HC138_A1
H/W-Version & 
Memory size
512kx8bit
GP4_OUT
GP7_OUT
(EXT_BD_PTT & DATA_PTT)
EE_CS
GP2_OUT
GP8_OUT
RAM
FLASH ROM
GP4_OUT
GP7_OUT
LVZIF_CS
REF_CS
HC138_A2
EXP2_CS
GP7_IN
MISO
SYN
GP8_IN
LSIO
GP8_IN
GP3_IN
PE6
HC138_A0
32kx8bit
GP5_IN
EE_CS
DATA
1
0
GP4_OUT
GP7_OUT
CSX
HSIO
MICROPROCESSOR
DATA
R0121
Q0177
100K
7
47K
R0186
1000pF
0
NU
3
C0107
5
R0116
8
4
3
Q0181
C0123
100pF
NU
15
IO4
16
IO5
17
IO6
18
IO7
19
IO8
28
VCC
24
A9
20
EN_CS
22
EN_OE
27
EN_WE
GND
14
11
IO1
12
IO2
13
IO3
1
A14
8
A2
7
A3
6
A4
A5
5
4
A6
3
A7
25
A8
U0122
10
A0
9
A1
A10
21
23
A11
2
A12
26
A13
C0106
100pF
NU
3
2
5
10
Q0110
27K
NU
0
2
R0125
100pF
NU
C0104
10MEG
9
R0131
7
C0111
100pF
NU
0.1uF
Y5
10
Y6
9
Y7
7
C0141
EN_CS3
5
GND
8
VCC
16
Y0
15
Y1
14
Y2
13
Y3
12
Y4
11
A0
1
A1
2
A2
3
EN_CS1
6
EN_CS2
4
XTL0
7
XTL1
12
0
U0141
MC74HC138A
RS0
13
RS1
14
RTS
R_W*
28
10
TD
VSS VDD
15
D1
19
D0
18
DCD
16
DSR
17
DTR
11
RC
5
RD
12
CS1
3
CTS
9
D7
25
D6
24
D5
23
D4
22
D3
21
D2
20
U0125
CLK
CS0
2
5
6
6
3
R0101
10K
5
8
9
47K
R0178
R0107
47K
NU
1
6
18
TP0102
0.1uF
C0121
0.1uF
TP0103
1
8
C0122
27K
NU
11
98
R0126
6
6
1
2
3
0
1
4.7K
R0183
22pF
3
4
C0131
D0101
5.6V
VR0151
7
5
12
D0151
.01uF
6
11
12
C0151
4
0
6
R0128
See NOTE
24K
R0152
R0132
330K
7
SI 5
SO
2
VCC
8
VSS
4
WP 3
2
X25128_2.7V
CLK 6
CS 1
HOLD
24K
0
13
U0111
13
0
R0151
12
11
47K
R0182
R0176
10
5
30K
100pF
0
12
C0101
R0175
10K
1
10
1
7
13
7
TP0151
10K
R0115
0
10
1
R0111
R0110
10K
NU
C0112
0.1uF
3
R0104
10K
22pF
2
7
C0132
R0114
10K10K
R0113
R0181
0
1
7
4.7K
TP0101
4.7K
R0185
4
5
11
9
2
5
4.7K
R0177
Q0183
14
4
R0179
47K
D0179
9
4
1
10
8
4
10
16
NC
NC1
OUT IN
R0109
Y0131
38.40KHz
XTAL
R0112
0
NU
18
10K
47K
R0184
R0174
4.7K
R0102
14
C0103
100pF
NU
6
7
6
5
8
15
R0108
2.2K
15
9
See
NOTE
100K
R0105
4
13
12
14
13
17
40 VSSL
87 VSSR
XFC 93
48
XIRQ
91
XTAL
94
RESET
12
VDD
39
VDDL
88
VDDR
92
VDDSYN
69
VRH
68
VRL
13 VSS
71
PJ0_CSGP3
72
PJ1_CSGP4
73
PJ2
74
PJ3
75
PJ4
76
PJ5
77
PJ6
78
PJ7
56 PI0
55 PI1
54 PI2
53 PI3
52 PI4
51 PI5
50 PI6
49 PI7
47
PH0_PW1
46
PH1_PW2
45
PH2_PW3
44
PH3_PW4
43
PH4_CSIO
42
PH5_CSGP1
41
PH6_CSGP2
38
PH7_CSPROG
6
PG0_XA13
16
PG1_XA14
20
PG2_XA15
19
PG3_XA16
17
PG4_XA17
18
PG5_XA18
5
PG6_AS
4
PG7_R_W
28 PF1_ADDR1
27 PF2_ADDR2
26 PF3_ADDR3
25 PF4_ADDR4
24 PF5_ADDR5
23 PF6_ADDR6
22 PF7_ADDR7
29 PFO_ADDR0
PE0_AN0
67
PE1_AN1
66
PE2_AN2
65
PE3_AN3
64
PE4_AN4
63
PE5_AN5
62
PE6_AN6
61
PE7_AN7
60
37
PC7_DATA7
97
PD0_RXD
98
PD1_TXD
99
PD2_MISO
100
PD3_MOSI
1
PD4_SCK
2
PD5_SS
PD6_LVIN 3
14 PBO_ADDR8
30
PC0_DATA0
31
PC1_DATA1
32
PC2_DATA2
33
PC3_DATA3
34
PC4_DATA4
35
PC5_DATA5
36
PC6_DATA6
86
PA7_PA1_OC1
10 PB1_ADDR9
11 PB2_ADDR10
9PB3_ADDR11
21 PB4_ADDR12
15 PB5_ADDR13
8PB6_ADDR14
7PB7_ADDR15
57
MODB_VSTBY
79
PA0_IC3
80
PA1_IC2
81
PA2_IC1
82
PA3_IC4_OC5_OC1
83
PA4_OC4_OC1
84
PA5_OC3_OC1
85
PA6_OC2_OC1
59
AVDD
70 AVSS
89
ECLK
90
EXTAL
96
IRQ
LVOUT 95
58
MODA_LIR
4
U0101
MC68HC11FL0
Q0151
2
7
0
3
2
6
1
0
C0105
Q0173
NU
100pF
3
2
1
26
IO5
27
IO6
28
IO7
29
8
VCC
10
9
1
30
EN_OE
32
EN_WE
7
24
GND
21
IO0
IO1
22
IO2
23
IO3
25
IO4
18
A3
17
A4
16
15
A5
14
A6
A7
13
A8
3
A9
2
EN_CE
1
A12
12
4
A13
A14
5
11
A15
A16
10
A17
6
A18
9
A2
A0
20
A1
19
A10
31
A11
16
3
U0121
0
See
NOTE
R0106
1
1
8
10K
100pF
NU
R0170
C0102
7
4
2
Q0185
17
GP3_IN_ACC6
5VD
ON_OFF_CONTROL
R_W RAM_CS
SCI_TX
BUS+
5
3
5VD
SPI(0:10) SPI(0:10) SPI(0:10) SPI(0:10) SPI(0:10)
GPIO(0:13)
GPIO(0:13)
CNTLR_AUDIO(0:7) CNTLR_AUDIO(0:7)
CNTLR_AUDIO(0:7)
CNTLR_AUDIO(0:7)
FROM_U0101_47
FROM_U0101_46
UART_CS
FROM_U0101_46
FROM_U0101_47
VS_RAC
5VD
VS_INT
GP4_IN_OUT_ACC8
IRQ
IRQ
5VD
BOOT_CNTRL
FLASH_CE
FLASH_OE
R_W
5VD
5VD
ECLK
R_W
5VD
ADDR_BUS(0:18)
UART_RX
5VD
RESET
RESET
5VD
UART_TX
5VD
5VD
OPT_PTT
5VD
GP5_IN_ACC9
BATTERY_VOLTAGE
5VD
FLT_A+ GP2_OUT_ACC4
TEMPSENSE
RAM_CS
5VD
VS_GAINSEL
EXT_BD_REQ
RSSI
5VD
RX_ADAPT
5VD
5VD5VD
FLT_A+ FLT_A+
FLASH_OE
UART_CS
DATA_BUS(0:7)
NC_XTAL
ECLK
NC_PB6_ADDR14
NC_PB7_ADDR15
LOCK
RDY
ON_OFF_CONTROL
NC_PH5_CSGP1
GP7_IN_OUT_ACC12
GP8_IN_OUT_ACC14
5VD
5VD
5VD
GP6_IN_ACC10
5VD
FLASH_CE
R_W
VSTBY
5VD
CNTLVLTG
See NOTE
8
26
5VD
0
NU
R0124
0
NU
R0127
0.1uF
NU
C0125
5VD
3.9K
R0117
Q0171
4.7K
R0171
5VD
10K
R0172
GP1_IN
6
5VD
GP1_IN_ACC3
R0173
4.7K
1
27
UART
1
23
4
5VDC (0VDC during On/Off pressed
              and during head request)
5VDC (0VDC during boot mode)
00
NOTE
                          R0105       R0106       R0128       R0109         U0125
MDC/Sel5          Used           NU            NU          Used              NU
MPT                    NU           Used         Used          NU              Used
&RQWUROOHU76FKHPDWLF'LDJUDP0LFURSURFHVVRU
ZWG0130229-A

&KDSWHU &RQWUROOHU76FKHPDWLFVDQG3DUWV/LVWV
&%
&RQWUROOHU73DUWV/LVW
&LUFXLW
5HI
0RWRUROD
3DUW1R 'HVFULSWLRQ
& ) S)
& ) S)
& ( X)
& ( X)
& ( X)
& ( X)
& ) S)
& ) S)
& ( X)
& ) X)
& $ X)
& ( X)
& $ X)
& ( X)
& ( X)
& ( X)
& ) S)
& ( X)
& ( X)
& ( X)
& * X)
& ( X)
& ( X)
& ( X)
& ( X)
& ( X)
& ) S)
& ( X)
& ( X)
& ) X)
& $ X)
& ( X)
& ( X)
& ( X)
& ) S)
& ( X)
& ) X)
& ) X)
& ( X)
& ) S)
& $ X)
& ) S)
& ) S)
& 1 S)
& ) S)
& ) S)
& / S)
& / S)
& 1 S)
& / S)
& ) S)
& ) S)
& / S)
& / S)
& / S)
& / S)
& / S)
& / S)
& / S)
& / S)
& / S)
& / S)
& / S)
& / S)
& / S)
& / S)
& / S)
& / S)
& / S)
& ) S)
& / S)
& / S)
& / S)
& / S)
& / S)
&LUFXLW
5HI
0RWRUROD
3DUW1R 'HVFULSWLRQ
& / S)
& / S)
& / S)
& / S)
& / S)
& / S)
& / S)
& / S)
& ) X)
& / S)
& / S)
& / S)
& / S)
& / S)
& / S)
& / S)
& ) S)
& / S)
& / S)
& ) S)
& / S)
& / S)
& ) X)
& 1 S)
& / S)
& $ X)
& $ X)
& ( X)
& ( X)
& ( X)
& ) S)
& 0 X)
& & X)
& ( X)
& $ X)
& ) S)
& $ X)
& ( X)
&LUFXLW
5HI
0RWRUROD
3DUW1R 'HVFULSWLRQ
& $ X)
& $ X)
& ( X)
& & X)
& ) X)
& ( X)
& ( X)
& ( X)
' ( &KLS6FKRWWN\
' & '8$/62700%'
' & '8$/62700%'
' & '8$/62700%'
' & '8$/62700%'
' & '8$/62700%'
' & '8$/62700%'
( 5 )HUULWH%HDG
( 5 )HUULWH%HDG
( 5 )HUULWH%HDG
- < &211)/(;3,1
- < &211)/(;6,'((175<
- % &21160'3,1
- < &211=,)+25,=217$/
- % '&3:5&211
4 0 131',*NN
4 0 131',*NN
4 0 131',*NN
4 0 131'5/1*710;7$
4 0 131',*NN
4 0 131',*NN
4 0 131',*NN
4 0 131',*NN
4 $ 1319$
4 0 131',*NN
4 7 '8$/52+0)0&5+
4 $ 1319$% 
4 0 131',*NN
4 0 131'5/1*710;7$
5 $ .:
&LUFXLW
5HI
0RWRUROD
3DUW1R 'HVFULSWLRQ

&RQWUROOHU76FKHPDWLFVDQG3DUWV/LVWV &KDSWHU
&%
0RWRUROD'HSRW6HUYLFLQJRQO\
5HIHUHQFHGHVLJQDWRUVZLWKDQDVWHULVNLQGLFDWH
FRPSRQHQWVZKLFKDUHQRWILHOGUHSODFHDEOH
EHFDXVHWKH\QHHGWREHFDOLEUDWHGZLWK
VSHFLDOL]HGIDFWRU\HTXLSPHQWDIWHULQVWDOODWLRQ
5DGLRVLQZKLFKWKHVHSDUWVKDYHEHHQUHSODFHGLQ
WKHILHOGZLOOEHRIIIUHTXHQF\DWWHPSHUDWXUH
H[WUHPHV
5 $ .
5 $ .
5 $ .
5 $ .
5 % 
5 $ .
5 $ .
5 $ .
5 $ .
5 $ .
5 % 
5 $ .
5 $ .
5 % 
5 % 
5 % 0(*
5 % .
5 $ .
5 $ .
5 $ .
5 $ .
5 $ .
5 $ .
5 $ .
5 $ .
5 $ .
5 $ .
5 $ .
5 $ .
5 $ .
5 $ .
5 $ .
5 $ .
5 $ .
5 $ .
5 $ 
5 $ 
5 $ 
&LUFXLW
5HI
0RWRUROD
3DUW1R 'HVFULSWLRQ
5 $ .
5 $ .
5 $ .
5 $ .
5 ( .
5 ( .
5 $ .
5 $ .
5 $ .
5 $ .
5 % 0(*
5 % 0(*
5 $ .
5 % 
5 $ .
5 $ .
5 $ .
5 $ .
5 $ .
5 $ .
5 $ .
5 $ .
5 $ 
5 $ .
5 $ .
5 $ .
5 $ 
5 0 
5 $ 
5 0 
5 0 
5 0 
5 % 
5 % 
5 $ .
5 $ .
5 $ .
5 $ 
&LUFXLW
5HI
0RWRUROD
3DUW1R 'HVFULSWLRQ
5 $ 
5 $ .
5 $ .
5 % 
5 $ 
5 % 
5 $ .
5 $ 
5 $ 
5 $ .
5 $ .
5 $ .
5 $ 
5 $ .
5 $ .
5 $ .
5 $ .
5 ( .
5 ( .
5 $ 
5 $ 
5 $ .
5 % .
5 $ .
5 $ .
5 $ .
5 $ .
8 - 0&+&)/3,1
8 - .;63,6(5,$/
((3520
8 % .;,&16
8 $ .;65$0
8 8 ,&&026$&,$6623
8 $ 0&+&$'&'5
'(08;
8 0 0&,&$03
8 $ ,&$6),&&033,1
8 $ 0&%08;'(08;
75,3/(&+
&LUFXLW
5HI
0RWRUROD
3DUW1R 'HVFULSWLRQ
8 ; 7'$&$8',23$
8 ; /072'53287
5*75
8 ; /072'53287
5*75
8 $ 0&0%'75.5(*9
3260$
8 $ 0&81'(592/7
6(16,1*
8 7 18
95 $ 9
95 : 9
95 : 9
95 $ 9
95 : 9
95 $ 9
95 $ 9
95 $ 9
95 $ 9
95 $ 9
95 $ 9
95 & 9
95 $ 9
< 5 ;7$/
&LUFXLW
5HI
0RWRUROD
3DUW1R 'HVFULSWLRQ

&KDSWHU &RQWUROOHU76FKHPDWLFVDQG3DUWV/LVWV
&%
 &RQWUROOHU76FKHPDWLFVDQG3DUWV/LVWV
T5 0102727B49
T5 0102727B50
T5 0102727B51  MPT
T5 0102727B52  SELV/MDC
T5 0102727B54 SEL5/MDC
T5 0102727B53 MPT
T5 0102727B55
T3 0102727B39 T3 0102727B40  MPT
P7 0102727B13
P7 0102727B14
P7 0102727B17 MPT
P7 0102727B18 SEL5/MDC
P6 0102727B07
P6 0102727B04  SELV/MDC
P6 0102727B03  MPT
P1 0102726B33
P1 0102726B32
P6 0102727B02
P4 0102726B88
T2 0102727B25  SELV/MDC
P4 0102726B87
P6 0102727B05 MPT
P6 0102727B06 SEL5/MDC
P6 0102727B01
P5 0102726B97 SEL5/MDC
P5 0102726B96
P5 0102726B95 MPT
T2 0102727B26 MPT
T2 0102727B28
P3 0102726B68
P2 0102726B65
P1 0102726B30
P7 0102727B19
P5 0102726B94
P5 0102726B93
T3 0102727B41  SELV/MDC
T3 0102727B43 SEL5/MDC
P4 0102726B86
P4 0102726B85
P4 0102726B84
P3 0102726B35
P2 0102726B35
T2 0102727B22
T2 0102727B23
T2 0102727B24  MPT
T2 0102727B27 SEL5/MDC
T3 0102727B38
T3 0102727B42 MPT
IN_5V_RF_REG
ON_OFF_CONTROL
PASUPVLTG
RESET
VSTBY
T3 0102727B44
P2 0102726B64
P2 0102726B66
P3 0102726B71
P3 0102726B70
P3 0102726B69
P1 0102726B35
P2 0102726B67
P1 0102726B31
P7 0102727B16  SELV/MDC
P7 0102727B15  MPT
T4 0102727B50
T4 0102727B49
T4 0102727B51  MPT
T4 0102727B52  SELV/MDC
T4 0102727B54 SEL5/MDC
T4 0102727B53 MPT
T4 0102727B55
P5 0102726B92
TX_AUD_SND
URX_SND
VS_AUDSEL
VS_GAINSEL VS_INT
VS_MIC
VS_RAC
SUPPLY_VOLTAGE
5VD
9V3
BATTERY_VOLTAGE
DC_POWER_ON
EMERGENCY_CONTROL
EXT_SWB+
FLT_A+
IGNITION_CONTROL
INT_SWB+
ON_OFF_CONTROL
OPT_PTT
PASUPVLTG
PA_PWR_SET
RDY
RESET
RSSI
RX_ADAPT
RX_AUD_RTN
RX_FLAT_FILTERED_AUDIO
SCI_TX
SPI(0:10)
SPKR+
SPKR-
TEMPSENSE
TX_AUD_RTN
GP3_IN_ACC6
GP4_IN_OUT_ACC8
GP5_IN_ACC9
GP6_IN_ACC10
GP7_IN_OUT_ACC12
GP8_IN_OUT_ACC14
HANDSET_AUDIO
IGNITION_CONTROL
INT_MIC
INT_SWB+
IN_5V_RF_REG
LOCKMODIN
MOSBIAS_2
MOSBIAS_3
NOISE_BLNKR
5V_RF
9V3 BOOT_CNTRL
BUS+
CH_ACT
CNTLVLTG
DISCAUDIO
EMERGENCY_CONTROL
EXP_BD_REQ
EXT_MIC
EXT_SWB+
FLAT_RX_SND
FLAT_TX_RTN
FLT_A+
GP1_IN_ACC3
GP2_OUT_ACC4
TEMPSENSE
VSTBY
VS_GAINSEL
VS_INT
VS_RAC
VOICE_STORAGE
5VD
FLAT_RX_SND
RX_AUD_RTN
SPI(0:10)
VS_AUDSEL
VS_INT VS_MIC
VS_RAC
IO
16_8MHZ
5VD
GP3_IN_ACC6
GP4_IN_OUT_ACC8
GP5_IN_ACC9
GP6_IN_ACC10
GP7_IN_OUT_ACC12
GP8_IN_OUT_ACC14
GPIO(0:13)
LOCK
ON_OFF_CONTROL
OPT_PTT
RDY
RESET
RSSI
RX_ADAPT
SCI_TX
SPI(0:10)
TX_AUD_RTN
TX_AUD_SND
URX_SND
VS_AUDSEL
VS_MIC
CONTROLLER
5VD
BATTERY_VOLTAGE
BOOT_CNTRL
BUS+
CNTLR_AUDIO(0:7)
CNTLVLTG
EXT_BD_REQ
FLT_A+
GP1_IN_ACC3
GP2_OUT_ACC4
FLAT_TX_RTN
FLT_A+
GPIO(0:13)
HANDSET_AUDIO
INT_MIC
INT_SWB+
MODIN
MOSBIAS_2
MOSBIAS_3
NOISE_BLNKR
PA_PWR_SET
RX_AUD_RTN
RX_FLAT_FILTERED_AUDIO
SPI(0:10)
SPKR+
SPKR-
EXT_SWB+EXT_SWB+
PASUPVLTGPASUPVLTG
FLT_A+FLT_A+
AUDIO
16_8MHZ
5VD
5V_RF
9V3
CH_ACT
CNTLR_AUDIO(0:7)
DC_POWER_ON
DISCAUDIO
EXT_MIC
FLAT_RX_SND
OPT_PTT OPT_PTT
CH_ACT CH_ACT
URX_SND URX_SND
VS_GAINSEL VS_GAINSEL
MOSBIAS_3MOSBIAS_3
INT_SWB+ INT_SWB+
EXT_MIC EXT_MIC
IN_5V_RF_REGIN_5V_RF_REG
SCI_TX SCI_TX
VS_MICVS_MIC
5VD5VD
9V39V3
HANDSET_AUDIOHANDSET_AUDIO
SPKR+SPKR+
SPKR-SPKR-
EMERGENCY_CONTROLEMERGENCY_CONTROL
IGNITION_CONTROLIGNITION_CONTROL
DC_POWER_ONDC_POWER_ON
ON_OFF_CONTROLON_OFF_CONTROL
BATTERY_VOLTAGEBATTERY_VOLTAGE
VSTBYVSTBY
RDY RDY
PA_PWR_SET
MOSBIAS_2MOSBIAS_2
MODINMODIN
TX_AUD_SNDTX_AUD_SND
FLAT_RX_SNDFLAT_RX_SND
16_8MHZ16_8MHZ
TX_AUD_RTNTX_AUD_RTN
FLAT_TX_RTNFLAT_TX_RTN
RX_AUD_RTNRX_AUD_RTN
DISCAUDIODISCAUDIO
INT_MICINT_MIC
5V_RF5V_RF
RX_FLAT_FILTERED_AUDIORX_FLAT_FILTERED_AUDIO
GP1
GP1
EXP_BD_REQ EXP_BD_REQ
BOOT_CNTRLBOOT_CNTRL
VS_AUDSEL VS_AUDSEL
TEMPSENSETEMPSENSE
CNTLVLTGCNTLVLTG
VS_RACVS_RAC
VS_INTVS_INT
RSSIRSSI
LOCKLOCK
RX_ADAPTRX_ADAPT
NOISE_BLNKRNOISE_BLNKR
PA_PWR_SET
CNTRL_AUDIO(0:7)
CNTRL_AUDIO(0:7)
GPIO(0:13)
GPIO(0:13)
SPI(0:10) SPI(0:10)
BUS+
BUS+
RESET
RESET
GP8
GP8
GP7
GP7
GP6
GP6
GP5
GP5
GP4
GP4
GP3
GP3
GP2
GP2
ZWG013003510-O
&RQWUROOHU76FKHPDWLF'LDJUDP2YHUDOO

&RQWUROOHU76FKHPDWLFVDQG3DUWV/LVWV &KDSWHU
&%
47K
47K
47K
47K
470pF
C0661
47uF
C0601
R0642
7.5K 33uF
C0641
470pF
C0644
0.1uF
C0681
J0601-2
C0612
0.1uF
R0641
J0601-1
10K
R0662
C0662
.01uF
150K
D0660
R0652
10
24K
Q0641
R0621
GND
3
INPUT
2RESET_ 1
C0654
U0653
MC33464N-45ATR
10uF
U0651
MC78M05
GND
2
IN
13
OUT
TP0661
C0663
0.1uF
R0643
1.2K
0.1uF
C0655
D0651
Q0661
R0611
56K
NU
5.6V
VR0671
Q0681
68K
R0682
18K
R0681
E0631
57R01
22uF
C0611
10
R0651
33uF
C0652
0.1uF
NU
C0651
0.1uF
C0645
24V
VR0601
470pF
C0621 C0622
47uF
NU
6
GND2
2ON_OFF
VIN
4VOUT 5
LM2941
U0641
ADJ 1
3
GND1
4.7K
R0612
D0661
Q0662
R0671
R0672
30K
3
GND1
6
GND2
ON_OFF
2
4VIN 5
VOUT
10K
U0611
LM2941
1
ADJ
0.1uF
C0671
J0601-3
Q0663
D0621
C0603
10uF
R0661
VR0621
1K
6
NC3 7
NC4
NC5 8
1
RESET
5.6V
MC33064
U0652
4
GND
2INPUT
3NC1
5NC2
9V3
FLT_A+
IN_5V_RF_REG
RESET
5VD
NU
DC_POWER_ON
IGNITION_CONTROL
EMERGENCY_CONTROL
BATTERY_VOLTAGE
ON_OFF_CONTROL
EXT_SWB+
INT_SWB+
PASUPVLTG
VSTBY
0V (13,8VDC when radio off)
6VDC
5VDC
5VDC (0VDC during reset)
5VDC
&RQWUROOHU76FKHPDWLF'LDJUDP6XSSO\9ROWDJH
ZWG013030506-O

&KDSWHU &RQWUROOHU76FKHPDWLFVDQG3DUWV/LVWV
&%
CH_ACT
SQ_DET
LSIO
F1200
SYN
CLK
HSIO
VOX
GP2_OUT
CSX
DATA
R0251
47K
24K
R0222
C0222
0.1uF
C0226
0.1uF
R0269
470
9
NU
R0220
8.2K
R0225
8.2K
R0224
8.2K
NU
0
C0243
100pF
R0242
14
4
11
NU
0.1uF
C0242
MC3403
U0211-4
13
12
10uF
C0202
R0203
100
0.1uF
C0265
D0201 5
3
1
2
4
0.1uF
NU
C0254
C0234
0.1uF
C0272
0.1uF
3300pF
C0273
100K
R0253
C0253
100pF
1uF
NU
7
C0252
M_SS
8
NINV
1OUT1 4
OUT2 6
3RR
VCC
7
TDA1519C
GND1
25
GND2
INV
9
C0225
0.1uF
U0271
0.1uF
NU
C0274
C0232
0.1uF
1MEG
R0227
100
NU
R0229
C0244
0.1uF
.022uF
C0212
C0235
10uF
NU
1MEG
R0226
5
1uF
C0228
10K
R0275 Q0271
R0228
0
C0221
0.1uF
0.1uF
C0223
56K
R0252
C0261
0.1uF
R0212
7.5K
R0211
7.5K
.033uF MC3403
U0211-3
9
10
8
4
11
C0236
8
10uF
C0201
MC3403
U0211-2
6
57
4
11
11
47uF
C0275
R0273
24K
4
R0206
C0205
10K
NU
2200pF
R0266
NU
C0266
0.1uF
NU
24K C0267
.01uF
1000pF
C0277
E0272
57R01
57R01
E0271
0.1uF
C0245
C0241
0.1uF
R0207
TP0221
1
4
11
2.2K
MC3403
U0211-1
2
3
0.1uF
C0227
10K
NU
C0224
NU
R0274
100pF
NU
0.22uF
C0233
2.2uF
C0237 47K
NU
10K
R0267
R0265
R0268
24K
45
VDDRC
27
VDDSYN
7VOX
1
36
TXRTN
44
TXSND
10 UIO
39
URXOUT
1VDDA
32
VDDCP
33
VDDD
11 VDDDAC
46
MICINT
40
MOD
26
NC
8PLCAP
25
PLCAP2
17 SQDET
9SQIN 28
SYN
31
GNDD 30
GNDD0
47
GNDRC
23 GNDSYN
19 HSIO
LCAP
24
18 LSIO
48
MICEXT
29
F1200
15 GCB0
14 GCB1
13 GCB2
35
GCB3
GCB4 37
38
GCB5
3GNDA
21 CLK
34
CLK168
20 CSX
6DACG
5DACR
DACU
4
22 DATA
2DISC
12 AGCCAP
41
AUDIO
AUXRX 43
42
AUXTX
16 CHACT
6
U0221
63A53
2.2K
R0208
0.1uF
C0211
R0204 NU
560
R0202
560
10K
C0262
82pF
R0261
100
R0201
R0205
10K
R0223
30K
TP0222
1uF
C0231
15K
R0276
C0276
7
1000pF
2
C0251
0.1uF
3
NU
.01uF
0.1uF
C0255
C0271
R0241
47K
.01uF
C0246
13 X1
15
Y
2Y0
1Y1
4
Z
5Z0
Z1
3
10
B
9
C
6
EN
8
GND
16
VCC
7
VEE
14
X
12 X0
U0251 MC14053B
A11
C0203
2200pF
0.1uF
NU
C0204
R0221
24K
R0262
100K
5VD
5V_RF
5V_RF5V_RF
TX_AUD_RTN
5V_RF
TX_AUD_SND
5V_RF
DISCAUDIO
5V_RF
9V3
9V3
9V3
MODIN
INT_SWB+
CH_ACT
VAG
9V3 9V3
9V3
VS_MIC
MOSBIAS_3
16_8MHZ
VAG
EXT_MIC
5V_RF
5V_RF
5VD
SPKR-
RX_AUD_RTN
INT_MIC
URX_SND
FLAT_RX_SND
DC_POWER_ON
FLT_A+
5VD
SPKR+
5VD
PA_PWR_SET
MOSBIAS_2
FLAT_TX_RTN
NOISE_BLNKR
VS_AUDSEL
SPI(0:10)
GPIO(0:13)
CNTLR_AUDIO(0:7)
VAG
VAG
HANDSET_AUDIO
RX_FLAT_FILTERED_AUDIO
80mV RMS
80mV RMS
5VDC (0VDC during radio off) 13VDC unmuted
5VDC muted
300mV RMS
200mV RMS
145mV RMS @25kHz
72mV RMS @12.5kHz 5VDC RX Filtered
Audio (0V DC Flat)
630mV RX Filtered
330mV Flat
0 VDC
ZWG0130507-O
&RQWUROOHU76FKHPDWLF'LDJUDP$XGLR

&RQWUROOHU76FKHPDWLFVDQG3DUWV/LVWV &KDSWHU
&%
NC
RST*
7
8
14
INT_EXT_Vdd
NC
7
9
A0
EXT_BD_REQ
EXT_BD_CS
GP4_IN_OUT
SPI_CLK
SPI_MOSI
SPI_MISO
RESET
FLT_A+
DISCAUDIO
CH_ACT
26
FLAT_TX_RTN
6
CSX
29
12-PIN CONNECTOR
13
FAST_SQ
DISCAUDIO
PCB
23
21
GPIO
DATA
EXP1_CS
VS_AUDSEL
17
GROUND
SrD_Rtn
5
DIG_IN_5 WITH WAKEUP (EMERGENCY)
13
37
DIG_IN_OUT_7
2
EXP_BD_PTT
DATA
36
8
EXP2_CS
BOOT_CNTRL
Rx_Aud_Snd
ON
VS_INT
RX_ADAPT
VS_RAC
6
1
20
SCI_TX
INT_MIC
DIG_IN_3
Tx_Aud_Snd
8
NC
10
11
Key_Row
Key_Intrp
DIG_IN_OUT_4
9V3
VS_MIC
5VD
GM300
SPEAKER-
CLK
30
13
NC
NC
NC
6
NC
DB6
ACCESSORY
16
DB3
19
DB7
FLAT_TX_AUDIO
Opt_Bd_En
NC
13
10
33
OPT_CS
22
18
40-PIN CONNECTOR
DB5
12
SCK_Snd
35
NC
NC
DATA
VS_GAINSEL
Gnd
11
DB2
NC
EXT_BD_PTT
GND
5VD
EXP_BD_PTT
GND
CLK
MISO
GND
16
SPEAKER+
14
3
2
1
WARIS
TO/FROM RF
7
24
CS*
3
1
NC
NC
DIG_OUT2 (EXTERNAL_ALARM)
NC
HANSET_AUDIO
ON_OFF_CONTROL
20-PIN CONNECTOR
J0501
J0451
DIG_IN_6 WITH WAKEUP (IGNITION)
FLAT/FILTERED_RX_AUDIO
19
9
VS_CS
7
4
11
9
R/W*
39
38
9
4
GROUND
DB111
7
17
12
18
RSSI
NC
J0552
NC
NC
GROUND
GROUND
CLK
DIG_IN1
3
EXP1_CS
5
9V3
5VD
EXT_BD_PTT
EXT_MIC_AUDIO
4
VS_CS
DB4
CLK
1
2
SrD_Snd
EXT_BD_PTT
27
19
Det_Aud_Snd
12
Rx_Aud_Rtn
NC
1
MISO
2
5
6
7
8
LED_EN
NC
8
18
17
20
NC
15
14
16
RDY
OPT_PTT
34
INTERNAL OPTION BOARD
25
32
31
SPEAKER+
BUS+
4
12
18-PIN CONNECTOR
NC
GND
1
2
3
5
15 17
15
9
J0551
28
FLT_A+
6
SPEAKER-
DIG_IN_OUT_8
SWB+
20 16
Flat_Tx_Rtn
NC
3
4
EXP_BD_REQ
EXT_BD_PTT
EXT_BD_PTT
5
15
16
17
18
4
1
2
3
9
10
11
12
13
14
DB0
DATA
11
CONTROL HEAD
NC
10
OPT_CS
NC
Tx_Aud_Rtn
PTT
18
Vddd
2
GROUND
10 12 14
REAR VIEW
15
NC
BUS+
5
6
7
8
9
10
11
12
13
14
6
40
18-PIN CONNECTOR
RS232 INTERFACE BOARD
Key_Col
TO/FROM RF
8
3
OFF_BATT_DATA_OUT
15
16
17
18
J0401
5
4
EXPANSION BOARD
10
Rdy/Req
DISCAUDIO_CNTLR_1
0.1uF
LOCK_CNTLR_1
C0591
J0451-10
C0509
470pF
0
R0412
470pF
C0514
VR0505
20V
NU
J0451-3
9V3
C0554
0.1uF
J0401-6
C0421
82pF
INT_SWB_CNTLR_1
470pF
C0445
CLK
INT_SWB
J0451-8
RSSI_CNTLR_1
470pF
C0497
R0531
DATA
560
470pF
C0491
J0551-13
470pF
C0483
470pF
J0401-1
C0446
470pF
C0478
0
R0482
0
R0481
NU
10
R0468
470pF
C0443
C0477
2
J0401-9
470pF
C0447
470pF
3
J0551-22
16_8MHZ
J0551-1
J0451-9
20V
VR0503
J0401-8
CSX
47K
R0529
C0495
J0551-41
470pF
C0493
4
J0401-11
470pF
J0451-5
470pF
C0431
VR0501
20V
J0551-14
VR0510
33V
J0551-4
TEMPSENSE
9
J0451-12
470pF
C0506
5V_CNTLR_1
J0451-1
C0592
0.1uF
J0551-21
J0551-24
C0430
C0593 0.1uF
470pF
PASUPVLTG_CNTRL_1
RESET_CNTLR_1
NU
7
L0482
390nH
J0551-18
100K
R0511
CSX_CNTLR_1J0552-3
J0552-8
8
J0552-10
J0552-9
J0552-11
J0401-10
J0551-40
IN_5V_RF_REG
IN_5V_RF_REG_CNTLR_1
82pF
C0472
C0484
DISCAUDIO
RESET
470pF
14V
VR0541
R0407
10
470pF
J0551-5
C0496
TEMPSENSE_CNTLR_1
C0510
470pF
470pF
C0505
470pF
J0551-20
C0429
1
R0538
220
J0451-6
C0485
470pF
R0408
J0451-2
100
C0488
J0551-23
PASUPVLTG
470pF
C0513
470pF
J0551-26
1TP0530
J0552-16
DATA_CNTLR_1
J0552-18
J0552-17
J0552-19
R0467
MOSBIAS_2_CNTLR_1
J0401-2
10
470pF
NU
C0441
J0551-15
J0551-19
1K
R0535
C0511
470pF
C0512
470pF
CLK
J0551-42
J0551-25
J0451-13
470pF
C0515
J0552-12
J0552-14
J0552-13
470pF
J0552-15
MOSBIAS_2
C0508
J0401-12
0
R0530
VR0509
33V
9V3_CNTLR_1
NU
8
9
470pF
C0558
TP0497
470pF
C0426
.01uF
C0501
J0451-16
15K
R0512
470pF
C0487
4.7K
R0510
470pF
100K
R0525
C0492
CLK_CNTLR_2
RSSI
MOSBIAS_3_CNTLR_1
8
J0451-18
J0451-7
C0422
J0401-5
470pF
J0551-31
J0451-15
R0537 220
J0551-38
82pF
C0428
DATA_CNTLR_2
C0503
J0552-1
470pF
C0502
470pF
1
TP0481
C0504
470pF
VR0504
33V
J0551-9
C0474
J0551-27
470pF
CNTLVLTG
J0551-28
5V
C0471
82pF
J0551-10
C0575
470pF
NU
CSX_CNTLR_2
470pF
C0470
R0541
MOSBIAS_3
27K
J0551-2
J0551-16
J0551-35
J0551-30
L0481
NU
J0451-14
390nH
NOISE_BLNKR
LOCK
C0448
470pF
J0552-6
CSX
470pF
C0482
J0552-7
J0551-8
MODIN
PA_PWR_SET_1_CNTLR_1
C0490
470pF
C0427
470pF
J0551-36
C0517
82pF 470pF
C0518
J0451-17
10
J0551-3
470pF
C0486
470pF
NU
DATA
C0499
J0551-29
C0559
470pF
C0423
470pF
47uF
C0542
R0533 0
PA_PWR_SET
J0551-37
C0494
470pF
J0552-20
J0552-4
J0552-2
470pF
NU
J0552-5
NU
C0442
0
R0410
R0539
4.7K
J0551-39
J0551-33
TP0492
470pF
C0576
NU
J0551-34
R0409
10
NOISE_BLNKR_CNTLR_1
VR0537
5.6V
82pF
C0473
J0451-4
24K
R0591
J0551-17
470pF
CNTLVLTG_CNTLR_1
C0449
J0401-3
J0551-11
47K
R0542
NU
470pF
C0560
NU
0.47uF
R0441
C0541
9
0
J0551-6
.01uF
C0516
MODIN_CNTLR_1
16_8MHZ_CNTLR_1
J0551-32
CLK_CNTLR_1
J0551-7
470pF
C0476
J0401-4
J0401-7
R0592 10
220
R0401
J0551-12
J0451-11
CH_ACT
GP1_IN_ACC3
SPI_DATA
SPI_MISO
SPI_CLK
EXP_BD_REQ
5VD
SPKR-
SPKR+
ON_OFF_CONTROL
EXP_BD_REQ
GP1_IN_ACC3
SPI_CLK
SPI_DATA
SPKR-
EXT_MIC
GP1_IN_ACC3
GP2_OUT_ACC4
GP5_IN_ACC9
GP6_IN_ACC10
GP7_IN_OUT_ACC12
GP8_IN_OUT_ACC14
SPKR+
GP3_IN_ACC6
GP4_IN_OUT_ACC8
EXP2_CS
EXP1_CS
GP4_IN_OUT_ACC8
OPT_CS
RDY
OPT_PTT
EXP2_CS
9V3
SPI_MISO
DISCAUDIO
MODIN
FLAT_TX_RTN
CH_ACT
5VD
9V3
5VD
SPI_MISO
RESET
FLT_A+
DISCAUDIO
GP4_IN_OUT_ACC8
EXP1_CS
RDY
RDY
OPT_PTTOPT_PTT
OPT_PTT
INT_MIC INT_MIC
INT_MIC
SPKR+SPKR+
DISCAUDIO DISCAUDIO
HANDSET_AUDIOHANDSET_AUDIO
HANDSET_AUDIO
RSSI RSSI
BOOT_CNTRL
5VD
IN_5V_RF_REG
BUS+
GP1_IN_ACC3
GP1_IN_ACC3 GP1_IN_ACC3
INT_SWB+
FLAT_TX_RTN
5VD
GP4_IN_OUT_ACC8
EXP1_CS
EXP_BD_REQEXP_BD_REQ
EXP_BD_REQ
GP1_IN_ACC3
CH_ACT CH_ACT
CH_ACT
DISCAUDIO
FLT_A+
SCI_TX
RX_FLAT_FILTERED_AUDIO
EMERGENCY_CONTROL
FLT_A+
RSSI
EXT_SWB+
RDY
16_8MHZ
5V_RF
NOISE_BLNKR
MOSBIAS_2
PA_PWR_SETEXP1_CS
9V3
FLAT_TX_RTN FLAT_TX_RTN
GP4_IN_OUT_ACC8 GP4_IN_OUT_ACC8
DISCAUDIO
SPI(0:10)
RX_ADAPT
MOSBIAS_3
VS_MIC VS_MIC
FLT_A+
BUS+ BUS+
RESETRESET
ON_OFF_CONTROL ON_OFF_CONTROL
FLAT_TX_RTN
5VD5VD
FLT_A+FLT_A+
SPI_DATA
SPI_CLK
SPI_MISO
VS_CS
OPT_CS
RESET
EXT_MICEXT_MIC
SPKR-SPKR-
RESET
PASUPVLTG
BUS+
TEMPSENSE
CNTLVLTG
RSSI
LOCK
OPT_CS
SPI_DATA
TX_AUD_RTN
VS_CS
VS_MIC
SPI_CLK
FLAT_RX_SND
RX_AUD_RTN
URX_SND
TX_AUD_SND
VS_INT
5VD
VS_AUDSEL
VS_GAINSEL
SPI_MISO
VS_RAC
IGNITION_CONTROL
FLT_A+
J0501-3
J0501-10
J0501-8
J0501-7
J0501-6
J0501-15
J0501-5
J0501-16
J0501-18
J0501-13
J0501-1
J0501-11
J0501-12
J0501-2
J0501-20
J0501-19
J0501-9
J0501-14
J0501-4
J0501-17
&RQWUROOHU76FKHPDWLF'LDJUDP,2
ZWG0130508-O

&KDSWHU &RQWUROOHU76FKHPDWLFVDQG3DUWV/LVWV
&%
HSIO
GP4_IN
ON_OFF_SENSE
GP8_OUT
CHACT
HC138_A1
HSIO
GP7_IN
CLK
GP5_IN
32kx8bit
OPT_CS
LVZIF_CS
16Kx8bit
GP4_OUT
GP7_OUT
(EXT_BD_PTT & DATA_PTT)
EE_CS
HC138_A0
GP3_IN
GP8_IN
512kx8bit
RAM
GP6_IN
GP6_IN
MISO
EXP2_CS
GP4_OUT
GP7_OUT
HC138_A2
GP1_IN
GP8_OUT
SQ_DET
HC138_A1
H/W-Version & Memory size
FLASH ROM
SYN
HC138_A2
GP2_OUT
LSIO
MICROPROCESSOR
DATA
MISO
F1200
GP4_IN
EEPROM
DATA
EE_CS
VS_CS
EXP1_CS
GP1_IN
CLK
CSX
GP5_IN
GP4_OUT
GP7_OUT
GP3_IN
GP8_IN
PE6
VOX
LSIO
GP7_IN
HC138_A0
REF_CS
VR0151
15
9
7
5.6V
Q0183
14
TP0104
15
14
4
5
2
Q0171
R0121
100K
47K
Q0177
10
R0186
R0176
0
1
13
0
30K
2
NC
3
NC1
4
OUT
1
IN
9
XTAL
Y0131
38.40KHz
0
R0112
R0182
47K
NU
4.7K
4
3
R0181
5
8
16
R0178
47K
R0131
10MEG
NU
C0111
100pF
4.7K
R0102
100pF
NU
C0103
4
C0131
22pF
D0101
3.9K
14
13
16
R0117
7
2
5
C0123
100pF
C0112
NU
5
0.1uF
2
0
3
Q0151
IO1
22
IO2
23
IO3
25
IO4
26
IO5
27
IO6
28
IO7
29
8
VCC
A7
13
A8
3
A9
2
EN_CE
30
EN_OE
32
EN_WE
7
24
GND
21
IO0
A16
10
A17
6
A18
9
A2
18
A3
17
A4
16
15
A5
14
A6
A0
20
A1
19
A10
31
A11
1
A12
12
4
A13
A14
5
11
A15
3
U0121
AT49F040
6
6
13
4
5
5
7
R0101
10K
TP0101
Q0110
47K
18
NU
R0107
7
R0177
4.7K
10K
NU
R0110
9
R0105
4
2
7
10
9
C0105
100pF
4.7K
NU
1
10
R0171
8
8
4
11
R0108
2.2K
6
1
17
3
10
1
4
5
1
7
TP0151
C0121
0.1uF
0.1uF
8
C0122
18
3
2
TP0103
R0184
47K
10K
R0174
C0132
22pF
0
Q0185
SI
5
SO
2
VCC
8
VSS
4
WP
3
U0111
X25128-2.7
CS
1
HOLD
7
SCK
6
.01uF
Q0173
C0151
13
C0106
1
12
0
NU
100pF
D0151
6
5
12
10
TP0102
4.7K
R0185
6
8
2
6
12
IO2
13
IO3
15
IO4
16
IO5
17
IO6
18
IO7
19
IO8
28
VCC
3
A7
25
A8
24
A9
20
EN_CS
22
EN_OE
27
EN_WE
GND
14
11
IO1
2
A12
26
A13
1
A14
8
A2
7
A3
6
A4
A5
5
4
A6
63A21 U0122
10
A0
9
A1
A10
21
23
A11
11
6
Q0181
8
6
6
9
VRL
13 VSS
40 VSSL
87 VSSR
XFC 93
48
XIRQ
91
XTAL
77
PJ6
78
PJ7
94
RESET
12
VDD
39
VDDL
88
VDDR
92
VDDSYN
69
VRH
68
PI6
49 PI7
71
PJ0_CSGP3
72
PJ1_CSGP4
73
PJ2
74
PJ3
75
PJ4
76
PJ5
41
PH6_CSGP2
38
PH7_CSPROG
56 PI0
55 PI1
54 PI2
53 PI3
52 PI4
51 PI5
50
PG6_AS
4
PG7_R_W
47
PH0_PW1
46
PH1_PW2
45
PH2_PW3
44
PH3_PW4
43
PH4_CSIO
42
PH5_CSGP1
22 PF7_ADDR7
29 PFO_ADDR0
6
PG0_XA13
16
PG1_XA14
20
PG2_XA15
19
PG3_XA16
17
PG4_XA17
18
PG5_XA18
5
61
PE7_AN7
60
28 PF1_ADDR1
27 PF2_ADDR2
26 PF3_ADDR3
25 PF4_ADDR4
24 PF5_ADDR5
23 PF6_ADDR6
2
PD5_SS
PD6_LVIN 3
PE0_AN0
67
PE1_AN1
66
PE2_AN2
65
PE3_AN3
64
PE4_AN4
63
PE5_AN5
62
PE6_AN6
PC5_DATA5
36
PC6_DATA6
37
PC7_DATA7
97
PD0_RXD
98
PD1_TXD
99
PD2_MISO
100
PD3_MOSI
1
PD4_SCK
8PB6_ADDR14
7PB7_ADDR15
14 PBO_ADDR8
30
PC0_DATA0
31
PC1_DATA1
32
PC2_DATA2
33
PC3_DATA3
34
PC4_DATA4
35
PA5_OC3_OC1
85
PA6_OC2_OC1
86
PA7_PA1_OC1
10 PB1_ADDR9
11 PB2_ADDR10
9PB3_ADDR11
21 PB4_ADDR12
15 PB5_ADDR13
LVOUT 95
58
MODA_LIR
57
MODB_VSTBY
79
PA0_IC3
80
PA1_IC2
81
PA2_IC1
82
PA3_IC4_OC5_OC1
83
PA4_OC4_OC1
84
59
AVDD
70 AVSS
89
ECLK
90
EXTAL
96
IRQ
U0101
MC68HC11FL0
NU
100pF
C0102 100pF
C0104
0
4
10
NU
R0179
47K
0
7
4
NU
R0116
C0141
0.1uF
7
24K
R0152
330K
R0132
Y2
13
Y3
12
Y4
11
Y5
10
Y6
9
Y7
7
12
3
A2
3
EN_CS1
6
EN_CS2
4
EN_CS3
5
GND
8
VCC
16
Y0
15
Y1
14
U0141
MC74HC138A
A0
1
A1
2
12
6
2
R0172 10K
10K
7
R0175
R0115
10K
R0111
0
10
1
C0101
100pF
1000pF
90
C0107
10K
R0114
10K
R0104
5
11
R0170
10K
2
R0183
1
11
12
3
1
4.7K
10K
R0113
8
3
0
24K
R0151
2
3
0
13
4.7K
17
9
D0179
3
R0173
RAM_CS
BUS+
CNTLVLTG
5VD
SCI_TX
GP1_IN_ACC3
GP6_IN_ACC10
GP2_OUT_ACC4
R_W
FLASH_CE
FLASH_OE
5VD
IRQ
IRQ
ADDR_BUS(0:18)
DATA_BUS(0:7)
FROM_U0101_47
VS_RAC
5VD
VS_INT
GP4_IN_OUT_ACC8
5VD
BOOT_CNTRL
GP3_IN_ACC6
5VD
ON_OFF_CONTROL
R_W
5VD
5VD
5VD
RESET
RESET
5VD
OPT_PTT
5VD
GP5_IN_ACC9
5VD
SPI(0:10) SPI(0:10) SPI(0:10) SPI(0:10) SPI(0:10)
GPIO(0:13)
GPIO(0:13)
CNTLR_AUDIO(0:7) CNTLR_AUDIO(0:7)CNTLR_AUDIO(0:7)
CNTLR_AUDIO(0:7)
FROM_U0101_47
FROM_U0101_46
FROM_U0101_46
5VD
5VD
FLT_A+
TEMPSENSE
RAM_CS
5VD
VS_GAINSEL
EXT_BD_REQ
RSSI
5VD
RX_ADAPT
5VD
5VD5VD
FLT_A+ FLT_A+
FLASH_OE
NC_XTAL
ECLK
NC
NC
LOCK
RDY
ON_OFF_CONTROL
GP7_IN_OUT_ACC12
GP8_IN_OUT_ACC14
5VD
5VD
5VD
5VD
FLASH_CE
R_W
VSTBY
5VD
BATTERY_VOLTAGE 100K
Used in
standard 
only
R0106
 0
Used in
prime
only
5VDC (0VDC during On/Off pressed
              and during head request)
5VDC (0VDC during boot mode)
&RQWUROOHU76FKHPDWLF'LDJUDP0LFURSURFHVVRU
ZWG0130509-A

&RQWUROOHU76FKHPDWLFVDQG3DUWV/LVWV &KDSWHU
&%
5109152M01
VS_CS
MISO
VS_CS
DATA
CLK
0
R0343
0.1uF
10
INPUT
1
OUTPUT
2
SENSE
3
SHUTDOWN
6
VTAP
C0302
LP2951ACMM-3.3
U0351
5
ERROR
7
FEEDBACK
4
GND
8
0.1uF
0.1uF
2
C0351
C0305
R0347
47K
C0341
1uF
R0323
18K
C0304
0.1uF
100pF
C0303
5.1K
1
VSSA1
17
VSSA2
18
VSSA3
12
VSSD
6
XCLK
R0345
19
NC7
21
NC8
23
NC9
2
RAC
8
SCLK
9
SS
26
VCCA
7
VCCD
3
NC1
27
NC10
28
NC11
4
NC2
13
NC3
14
NC4
15
NC5
16
NC6
AMCAP
22
24
ANA_NEG
25
ANA_POS
20
AUDOUT
INT
5
11
MISO
10
MOSI
U0301
U0342
CNTL
4
12
VDD
5
VSS
3
U0341-1
LM2904
2
31
8
4
TC4S66F
R0346
47K
0.1uF
C0344
10K
6
5
7
8
4
R0331
LM2904
U0341-2
5
3
1
2
4
R0342
1.8K
D0301
R0324
18K
8
C0342
0.1uF
C0343
0.1uF
R0344
56K
10K
1uF
C0301
R0333
C0325
9
0.1uF
C0353
33uF
C0352
.022uF
150K
R0335
0.1uF
C0354
U0331-1
74AHCT1G125
A
2
OE 1
Y
4
PWR_GND
U0331-2
GND
3
VCC
5
2
0.1uF
C0331
R0332
10K
0.1uF
C0324
RX_AUD_RTN 5VD
FLAT_RX_SND
3V3
SPI(0:10)
R0341
10K
VS_MIC
VS_RAC
3V3
3V3
5VD
5VD5VD
VS_INT
5VD
5VD
VS_AUDSEL
5VD
&RQWUROOHU76FKHPDWLF'LDJUDP9RLFH6WRUDJH
ZWG0130505-O

&KDSWHU &RQWUROOHU76FKHPDWLFVDQG3DUWV/LVWV
&%
&RQWUROOHU73DUWV/LVW
&LUFXLW
5HI
0RWRUROD
3DUW1R 'HVFULSWLRQ
& ) S)9
& ) Q)9
& ( Q)9
& ( Q)9
& ( Q)9
& ) S)9
& ) S)9
& ( Q)9
& ) Q)9
& $ 7$17&3X)9
& $ 7$17&3X)9
& ( Q)9
& $ 7$17&3X)9
& ( Q)9
& ( Q)9
& ( Q)9
& ) S)913
& ( Q)9
& ( Q)9
& $ 7$17&3X)9
& % X)9
& ( Q)9
& ( Q)9
& ( Q)9
& ( X)
& ( Q)9
& ) S)9
& ( Q)9
& ( Q)9
& ) Q)9
& $ 7$17&3X)
& ( Q)9
& ( Q)9
& ( Q)9
& ) S)9
& ( Q)9
& ) Q)9
& ) Q)9
& ( Q)9
& ) Q)9
& $ 7$17&3X)9
& ) Q)9
& ) Q)9
& $ X)9
9RLFHVWRUDJHRQO\
& ( Q)9
9RLFHVWRUDJHRQO\
& ) S)9
9RLFHVWRUDJHRQO\
& ( Q)9
9RLFHVWRUDJHRQO\
& ( Q)9
9RLFHVWRUDJHRQO\
& ( Q)9
9RLFHVWRUDJHRQO\
& ( Q)9
9RLFHVWRUDJHRQO\
& $ 7$17&3X)9
9RLFHVWRUDJHRQO\
& ( Q)9
9RLFHVWRUDJHRQO\
& ( Q)9
9RLFHVWRUDJHRQO\
& ( Q)9
9RLFHVWRUDJHRQO\
& ( Q)9
9RLFHVWRUDJHRQO\
& ( Q)9
9RLFHVWRUDJHRQO\
& $ 7$17&+,3X)
9RLFHVWRUDJHRQO\
& ( Q)9
9RLFHVWRUDJHRQO\
& 1 S)
& ) S)9
& ) S)9
& / S)
& / S)
& 1 S)
& / S)
& ) S)9
& ) S)9
& / S)
& / S)
& / S)
& / S)
& / S)
& / S)
& 1 S)
& 1 S)
& 1 S)
& / S)
& / S)
& / S)
&LUFXLW
5HI
0RWRUROD
3DUW1R 'HVFULSWLRQ
& / S)
& / S)
& / S)
& ) S)9
& / S)
& / S)
& / S)
& / S)
& / S)
& / S)
& / S)
& / S)
& / S)
& / S)
& / S)
& / S)
& / S)
& ) Q)9
& / S)
& / S)
& / S)
& / S)
& / S)
& / S)
& / S)
& ) S)9
& / S)
& / S)
& ) S)9
& / S)
& / S)
& ) Q)9
& 1 S)
& / S)
& $ 7$17&3Q)9
& $ 7$17&3X)9
& ( Q)9
& ( Q)9
& % Q)9
& ) S)9
& 0 /<7X)9
& & 7$17&3X)9
& ( Q)9
& $ 7$17&3X)9
& ) S)9
& $ 7$17&+,3X)
& ( Q)9
&LUFXLW
5HI
0RWRUROD
3DUW1R 'HVFULSWLRQ
& $ 7$17&+,3X)
& $ 7$17&3X)9
& ( Q)9
& & 7$17&3X)9
& ) Q)9
& ( Q)9
& ( Q)9
& ( Q)9
' ( &+,36&+277.<
' & '8$/62700%'
' & '8$/62700%'
' - 6&+277.<%$55,(5
5%(
9RLFHVWRUDJHRQO\
' & '8$/62700%'
' & '8$/62700%'
' & '8$/62700%'
' & '8$/62700%'
( 5 )HUULWH%HDG
( 5 )HUULWH%HDG
( 5 )HUULWH%HDG
- < &211)/(;3,1
- < &211)/(;6,'((175<
- % &21160'3,1
- < &211=,)+25,=217$/
- < &211=,)3,1
- % '&3:5&211
4 0 131',*NN
4 0 131',*NN
4 0 131',*NN
4 0 131'5/1*710;7$
4 0 131',*NN
4 0 131',*NN
4 0 131',*NN
4 0 131',*NN
4 $ 1319$
4 0 131',*NN
4 7 '8$/52+0)0&5+
4 $ 1319$% 
4 0 131',*NN
4 0 131'5/1*710;7$
5 $ N:
5 $ :
5 $ N:
5 $ N:
9RLFHVWRUDJHRQO\
5 % :
9RLFHVWRUDJHRQO\
&LUFXLW
5HI
0RWRUROD
3DUW1R 'HVFULSWLRQ

&RQWUROOHU76FKHPDWLFVDQG3DUWV/LVWV &KDSWHU
&%
0RWRUROD'HSRW6HUYLFLQJRQO\
5HIHUHQFHGHVLJQDWRUVZLWKDQDVWHULVNLQGLFDWH
FRPSRQHQWVZKLFKDUHQRWILHOGUHSODFHDEOH
EHFDXVHWKH\QHHGWREHFDOLEUDWHGZLWK
VSHFLDOL]HGIDFWRU\HTXLSPHQWDIWHULQVWDOODWLRQ
5DGLRVLQZKLFKWKHVHSDUWVKDYHEHHQUHSODFHGLQ
WKHILHOGZLOOEHRIIIUHTXHQF\DWWHPSHUDWXUH
H[WUHPHV
5 $ :
5 % :
5 $ N:
5 $ N:
5 $ N:
5 $ :
5 $ N:
5 % 0(*2+06
5 % N:
5 $ .:
5 $ .:
5 $ N:
5 $ :
5 $ N:
5 $ :
5 $ N:
5 $ N:
5 $ N:
5 $ :
5 $ N:
5 $ N:
5 $ :
5 $ N:
5 $ :
5 $ N:
5 $ :
5 $ N:
5 $ :
5 $ :
5 $ :
5 $ :
5 $ N:
5 $ N:
5 $ :
5 $ :
5 ( ),/0
5 ( ),/0
5 $ .:
5 $ .:
5 $ N:
5 $ :
5 % :
5 $ :
5 $ N:
5 % :
5 $ N:
5 $ .:
&LUFXLW
5HI
0RWRUROD
3DUW1R 'HVFULSWLRQ
5 $ N:
5 $ N:
5 $ N:
5 $ .:
5 $ N:
5 $ N:
5 $ :
5 $ .:
5 $ N:
5 $ N:
5 $ N:
9RLFHVWRUDJHRQO\
5 $ N:
9RLFHVWRUDJHRQO\
5 $ N:
9RLFHVWRUDJHRQO\
5 $ N:
9RLFHVWRUDJHRQO\
5 $ N:
9RLFHVWRUDJHRQO\
5 % N:
9RLFHVWRUDJHRQO\
5 $ N:
9RLFHVWRUDJHRQO\
5 $ :
9RLFHVWRUDJHRQO\
5 % :
9RLFHVWRUDJHRQO\
5 $ .:
9RLFHVWRUDJHRQO\
5 $ :
9RLFHVWRUDJHRQO\
5 $ N:
9RLFHVWRUDJHRQO\
5 $ N:
9RLFHVWRUDJHRQO\
5 $ :
5 0 
5 $ :
5 0 
5 % :
5 % :
5 0 
5 0 
5 % :
5 % :
5 $ :
5 $ N:
5 $ N:
&LUFXLW
5HI
0RWRUROD
3DUW1R 'HVFULSWLRQ
5 $ N:
5 $ N:
5 % :
5 $ :
5 % :
5 $ N:
5 $ :
5 $ :
5 $ :
5 $ N:
5 $ .:
5 $ :
5 $ .:
5 $ :
5 $ .:
5 $ N:
5 ( ),/0
5 ( ),/0
5 $ :
5 $ :
5 $ N:
5 % N:
5 $ N:
5 $ N:
5 $ N:
5 $ N:
8 - 0,&52352&(6625
0&+&
8 - ((3520;62
8 % ,&.;)/$6+520
$7%9
8 $ ,&.[65$0
8 $ ,&)'&'55(08;
+&
8 0 ,&48$'23$03BB
8 $ $6),&&030074)3
8 $ 08;'(08;75,3/(
8 ; $8',23$7'$&
8 0 ((3520$1$/2*
,6'(,
9RLFHVWRUDJHRQO\
8 % %X))(5'5,9(5
$+&7*
9RLFHVWRUDJHRQO\
8 : /,1($5,&23$03
9RLFHVWRUDJHRQO\
8 8 61*/$1$/2*6:,7&+
9RLFHVWRUDJHRQO\
&LUFXLW
5HI
0RWRUROD
3DUW1R 'HVFULSWLRQ
8 - 5(*8/$7259
9RLFHVWRUDJHRQO\
8 ; $'-9/7*5(*/0
72
8 ; $'-9/7*5(*/0
72
8 $ 5(*93260$
0&0
8 % 0&1$75627
5%
95 $ 9P:
95 : =(1(548$'004$97
95 : =(1(548$'004$97
95 $ 62&$8726'1
95 : =(1(548$'004$97
95 $ 62&$8726'1
95 $ 62&$8726'1
95 $ 9P:
95 $ 90:
95 & 75$166839+,*3:5
95 $ ',2'(9P:
< 5 &5<67$/.+=
&LUFXLW
5HI
0RWRUROD
3DUW1R 'HVFULSWLRQ

&KDSWHU &RQWUROOHU7776FKHPDWLFVDQG3DUWV/LVWV
&%
 &RQWUROOHU7776FKHPDWLFVDQG3DUWV/LVWV
T2 0102727B24  MPT
T2 0102727B27 SEL5/MDC
T3 0102727B38
T3 0102727B42 MPT
T3 0102727B44
P2 0102726B64
P2 0102726B66
P3 0102726B71
P3 0102726B70
P3 0102726B69
P1 0102726B35
P2 0102726B67
P1 0102726B31
P7 0102727B16  SELV/MDC
P7 0102727B15  MPT
T4 0102727B50
T4 0102727B49
T4 0102727B51  MPT
T4 0102727B52  SELV/MDC
T4 0102727B54 SEL5/MDC
T4 0102727B53 MPT
T4 0102727B55
P5 0102726B92
P6 0102727B04  SELV/MDC
P6 0102727B03  MPT
P1 0102726B33
P1 0102726B32
P6 0102727B02
P4 0102726B88
T2 0102727B25  SELV/MDC
P4 0102726B87
P6 0102727B05 MPT
P6 0102727B06 SEL5/MDC
P6 0102727B01
P5 0102726B97 SEL5/MDC
P5 0102726B96
P5 0102726B95 MPT
T2 0102727B26 MPT
T2 0102727B28
P3 0102726B68
P2 0102726B65
P1 0102726B30
P7 0102727B19
P5 0102726B94
P5 0102726B93
T3 0102727B41  SELV/MDC
T3 0102727B43 SEL5/MDC
P4 0102726B86
P4 0102726B85
P4 0102726B84
P3 0102726B35
P2 0102726B35
T2 0102727B22
T2 0102727B23
INT_SWB+
IN_5V_RF_REG
ON_OFF_CONTROL
PASUPVLTG
RESET
VSTBY
T7 0102727B62
T7 0102727B63
T7 0102727B68
T7 0102727B66 STANDARD
T7 0102727B65 PRIME
T6 0102727B67
T5 0102727B49
T5 0102727B50
T5 0102727B51  MPT
T5 0102727B52  SELV/MDC
T5 0102727B54 SEL5/MDC
T5 0102727B53 MPT
T5 0102727B55
T3 0102727B39
T3 0102727B40  MPT
P7 0102727B13
P7 0102727B14
P7 0102727B17 MPT
P7 0102727B18 SEL5/MDC
P6 0102727B07
TX_AUD_SND
URX_SND
VS_AUDSEL
VS_GAINSEL VS_INT
VS_MIC
VS_RAC
SUPPLY_VOLTAGE
5VD
9V3
BATTERY_VOLTAGE
DC_POWER_ON
EMERGENCY_CONTROL
EXT_SWB+
FLT_A+
IGNITION_CONTROL
NOISE_BLNKR
ON_OFF_CONTROL
OPT_PTT
PASUPVLTG
PA_PWR_SET
RDY
RESET
RSSI
RX_AUD_RTN
RX_FLAT_FILTERED_AUDIO
SCI_TX
SPI(0:10)
SPKR+
SPKR-
TEMPSENSE
TX_AUD_RTN
GP2_OUT_ACC4
GP3_IN_ACC6
GP4_IN_OUT_ACC8
GP5_IN_ACC9
GP6_IN_ACC10
GP7_IN_OUT_ACC12
GP8_IN_OUT_ACC14
HANDSET_AUDIO
IGNITION_CONTROL
INT_MIC
INT_SWB+
IN_5V_RF_REG
LOCKMODIN
MOSBIAS_2
MOSBIAS_3
5VD 5V_RF
9V3 BOOT_CNTRL
BUS+
CH_ACT
CNTLVLTG
DISCAUDIO
EMERGENCY_CONTROL
EXP_BD_REQ
EXT_MIC
EXT_SWB+
FLAT_RX_SND
FLAT_TX_RTN
FLT_A+
GP1_IN_ACC3
SPI(0:10)
TEMPSENSE
VSTBY
VS_GAINSEL
VS_INT
VS_RAC
VOICE_STORAGE
5VD
FLAT_RX_SND
RX_AUD_RTN
SPI(0:10)
VS_AUDSEL
VS_INT VS_MIC
VS_RAC
IO
16_8MHZ
GP2_OUT_ACC4
GP3_IN_ACC6
GP4_IN_OUT_ACC8
GP5_IN_ACC9
GP6_IN_ACC10
GP7_IN_OUT_ACC12
GP8_IN_OUT_ACC14
GPIO(0:13)
LOCK
ON_OFF_CONTROL
OPT_PTT
RDY
RESET
RSSI RX_ADAPT
SCI_TX
SPKR+
SPKR-
TX_AUD_RTN
TX_AUD_SND
URX_SND
VS_AUDSEL
VS_MIC
CONTROLLER
5VD
BATTERY_VOLTAGE
BOOT_CNTRL
BUS+
CNTLR_AUDIO(0:7)
CNTLVLTG
EXT_BD_REQ
FLT_A+
GP1_IN_ACC3
FLAT_RX_SND
FLAT_TX_RTN
FLT_A+
GPIO(0:13)
HANDSET_AUDIO
INT_MIC
INT_SWB+
MODIN
MOSBIAS_2
MOSBIAS_3
NOISE_BLNKR
PA_PWR_SET
RX_ADAPT
RX_AUD_RTN
RX_FLAT_FILTERED_AUDIO
SPI(0:10)
PASUPVLTGPASUPVLTG FLT_A+FLT_A+
RX_ADAPT RX_ADAPT
AUDIO
16_8MHZ
5VD
5V_RF
9V3
CH_ACT
CNTLR_AUDIO(0:7)
DC_POWER_ON
DISCAUDIO
EXT_MIC
CH_ACT CH_ACT
URX_SND URX_SND
VS_GAINSEL VS_GAINSEL
MOSBIAS_3MOSBIAS_3
INT_SWB+ INT_SWB+
EXT_MIC EXT_MIC
IN_5V_RF_REGIN_5V_RF_REG
SCI_TX SCI_TX
VS_MICVS_MIC
5VD5VD 9V39V3
EXT_SWB+EXT_SWB+
SPKR+SPKR+ SPKR-SPKR-
EMERGENCY_CONTROLEMERGENCY_CONTROL IGNITION_CONTROLIGNITION_CONTROL DC_POWER_ONDC_POWER_ON ON_OFF_CONTROLON_OFF_CONTROL
BATTERY_VOLTAGEBATTERY_VOLTAGE
VSTBYVSTBY
RDY RDY
OPT_PTT OPT_PTT
MODINMODIN
TX_AUD_SNDTX_AUD_SND FLAT_RX_SNDFLAT_RX_SND
16_8MHZ16_8MHZ
TX_AUD_RTNTX_AUD_RTN FLAT_TX_RTNFLAT_TX_RTN
RX_AUD_RTNRX_AUD_RTN DISCAUDIODISCAUDIO
INT_MICINT_MIC
5V_RF5V_RF
RX_FLAT_FILTERED_AUDIORX_FLAT_FILTERED_AUDIO HANDSET_AUDIOHANDSET_AUDIO
GP1GP1
EXP_BD_REQ EXP_BD_REQ
BOOT_CNTRLBOOT_CNTRL
VS_AUDSEL VS_AUDSEL
TEMPSENSETEMPSENSE CNTLVLTGCNTLVLTG
VS_RACVS_RAC VS_INTVS_INT
RSSIRSSI LOCKLOCK
NOISE_BLNKRNOISE_BLNKR PA_PWR_SETPA_PWR_SET MOSBIAS_2MOSBIAS_2
DUMMY
CNTRL_AUDIO(0:7)CNTRL_AUDIO(0:7) GPIO(0:13)GPIO(0:13)
SPI(0:10) SPI(0:10)
BUS+BUS+ RESETRESET
GP8GP8 GP7GP7 GP6GP6 GP5GP5 GP4GP4 GP3GP3 GP2GP2
&RQWUROOHU77776FKHPDWLF'LDJUDP2YHUDOO ZWG0130525-O

&RQWUROOHU7776FKHPDWLFVDQG3DUWV/LVWV &KDSWHU
&%
47K
47K
47K
47K
C0621
NU
2
GND
1IN OUT
3
TP0661
NU
0.1uF
NU
NU
J0601-3
Q0663
D0621
C0603
10uF
R0661
1K
VR0621
5.6V
2
NC1
3
NC2
5
NC3 6
NC4 7
8
NC5
RESET 1
U0652
MC33064
GND
4
INPUT
MC78M05
U0651
0.1uF
C0663
R0643
0.1uF
1.2K
C0651 C0655
0.1uF
C0645
24V
470pF
VR0601
ON_OFF
2
4VIN
5
VOUT
47uF
C0622
U0641
LM2941
1
ADJ
GND1
3
GND2
6
Q0661
R0611
56K
VR0671
5.6V
68K
Q0681
R0682
R0681
18K
57R01
E0631
22uF
C0611
R0651
10
C0652
33uF
R0612
4.7K
D0661
Q0662
R0671
30K
R0671
30K
10K
6
2ON_OFF
VIN
4VOUT 5
R0672
LM2941
U0611
ADJ 1
GND1
3
GND2
0.1uF
10K
C0671
R0641
C0662
J0601-1
.01uF
R0662
150K
D0660
R0652
R0621
10
24K
2INPUT 1
RESET_
Q0641
MC33464N-45ATR
U0653
3
GND
C0654
10uF
470pF
C0601
C0661
47uF
R0642
7.5K
470pF
C0641
33uF
C0644
D0651
C0681
0.1uF
J0601-2
0.1uF
C0612
9V3
FLT_A+
IN_5V_RF_REG
RESET
5VD
DC_POWER_ON
IGNITION_CONTROL
EMERGENCY_CONTROL
BATTERY_VOLTAGE
ON_OFF_CONTROL
EXT_SWB+
INT_SWB+
PASUPVLTG
VSTBY
0V (13,8VDC when radio off)
6VDC
5VDC
5VDC (0VDC during reset)
5VDC
ZWG0130529-A
&RQWUROOHU7776FKHPDWLF'LDJUDP6XSSO\9ROWDJH

&KDSWHU &RQWUROOHU7776FKHPDWLFVDQG3DUWV/LVWV
&%
ZWG0130528-B
80mV RMS
80mV RMS
5VDC (0VDC during radio off) 13VDC unmuted
5VDC muted
300mV RMS
200mV RMS
145mV RMS @25kHz
72mV RMS @12.5kHz
5VDC RX Filtered
Audio (0V DC Flat)
630mV RX Filtered
330mV Flat
0 VDC
C0204
NU
C0211
NU
C0237
2.2uF
NU
NU
10K
NU
R0274
C0227
NU
R0266
24K
NU
NU
0.1uF
C0266
NU
NU
R0227
1MEG
NU
0.1uF
C0232
NU
100pF
C0253
NU
D0201
8
C0242
NU
8.2K
R0225
NU
NU
100pF
C0256
NU
SYN
CLK
HSIO
VOX
GP2_OUT
CSX
DATA
CH_ACT
SQ_DET
LSIO
F1200
TP0222
30K
R0223
C0228
4,7uF
R0275
10K
Q0271
0
R0228
0.1uF
C0221
0.1uF
R0252
C0223
56K
0.1uF
C0261
7.5K
R0212
7.5K
R0211
.033uF
C0236
9
10
8
4
11 U0211-3
MC3403
47K
R0267
10K
R0268
24K
R0265
VDDDAC
11
VDDRC 45
VDDSYN
27
VOX
7
1
SYN
28
TXRTN
36
TXSND 44
UIO
10
URXOUT 39
VDDA
1
VDDCP
32
VDDD
33
MICEXT 48
MICINT 46
MOD 40
NC
26
PLCAP
8
PLCAP2
25
SQDET
17
SQIN
9
GNDA
3
GNDD
31
GNDD0
30
GNDRC 47
GNDSYN
23
HSIO
19
LCAP
24
LSIO
18
DISC
2
F1200
29
GCB0
15 GCB1
14 GCB2
13
GCB3
35
GCB4 37
GCB5 38
CHACT
16
CLK
21
CLK168
34
CSX
20
DACG
6
DACR
5
DACU
4
DATA
22
AGCCAP
12
AUDIO 41
AUXRX 43
AUXTX 42
63A53
U0221
VCC
GND2
5
9INV
8M_SS
1NINV
4
OUT1
6
OUT2
RR
3
7
TDA1519C
U0271
2
GND1
C0225
0.1uF
C0274
0.1uF
R0208
2.2K
6
0.1uF
560
R0204
10K
R0261
560
R0202
82pF
C0262
R0201
R0205
100
5
10K
8.2K
R0220
9
8.2K
R0224
100pF
C0243
0
R0242
0.1uF
C0201
10uF
6
5
7
4
11
11
U0211-2
MC3403
C0275
47uF
24K
R0273
100K
4
R0253
1uF
C0252
10K
R0255
7
C0205
2200pF
.01uF
C0267
C0277
1000pF 57R01
E0272
57R01
E0271
0.1uF
C0245
10
R0229
0.1uF
C0244
.022uF
C0235
C0212
10uF
R0226
1MEG
R0206
10K
10K
R0254
1uF
15K
C0231
1000pF
R0276
7
C0276
2
13
12
14
4
11
10uF
U0211-4
MC3403
R0203
C0202
0.1uF
100
5
3
1
2
4
C0265
C0254
C0234
0.1uF
C0272
0.1uF
0.1uF
C0273
3300pF
24K
R0221
R0262
270K
R0256
2.2K
R0257
100K
47K
R0251
R0222
24K
0.1uF
C0222
0.1uF
C0226
470
R0269
0.1uF
C0241
TP0221
2.2K
U0211-1
MC3403
2
3
1
4
11
R0207
0.1uF
C0224
100pF
C0233
0.22uF
3
0.1uF
C0251
C0255
0.1uF
C0271
.01uF
47K
R0241
Z1
C0246
.01uF
14
X0
12
X1
13
Y15
Y0
2
Y1
1
Z4
Z0
5
3
U0251
11
A
B10
C9
EN 6
GND
8
VCC
16
VEE
7
X
MC14053B
2200pF
C0203
TX_AUD_RTN
5V_RF
TX_AUD_SND
5V_RF
DISCAUDIO
5V_RF
RX_ADAPT
FLAT_TX_RTN
5V_RF
0.1uF
MODIN
INT_SWB+
CH_ACT
VAG
9V3 9V3
9V3
VS_MIC
MOSBIAS_3
16_8MHZ
VAG
EXT_MIC
5V_RF
5V_RF
5VD5VD
5V_RF
5V_RF5V_RF
SPKR-
RX_AUD_RTN
INT_MIC
URX_SND
FLAT_RX_SND
DC_POWER_ON
FLT_A+
5VD
SPKR+
5VD
PA_PWR_SET
MOSBIAS_2
9V3
9V3
9V3
NOISE_BLNKR
VS_AUDSEL
SPI(0:10)
GPIO(0:13)
CNTLR_AUDIO(0:7)
VAG
VAG
HANDSET_AUDIO
RX_FLAT_FILTERED_AUDIO
Parts used only in Low Band Models
C0291
10uF
C0290
10uF 10uF
C0292
10uF
C0293
&RQWUROOHU7776FKHPDWLF'LDJUDP$XGLR ZWG0130528-B

&RQWUROOHU7776FKHPDWLFVDQG3DUWV/LVWV &KDSWHU
&%
13
EXT_BD_PTT
EXT_BD_PTT
NC
FLAT/FILTERED_RX_AUDIO
4
14
REAR VIEW
15
4
RS232 INTERFACE BOARD
18-PIN CONNECTOR
NC
12
31
SPEAKER+
DIG_OUT2 (EXTERNAL_ALARM)
DATA
NC
10
5VD
Key_Row
13
37
DIG_IN_OUT_7
CS*
GND
BUS+
5
6
7
8
9
2
1
OPT_CS
VS_RAC
6
1
RST*
7
8
12
INT_EXT_Vdd
4
GROUND
GND
5
15
14
16
RDY
40
18-PIN CONNECTOR
11
DIG_IN_OUT_4
18
1
2
2
SrD_Snd
DIG_IN_OUT_8
SWB+
20 16
Flat_Tx_Rtn
NC
1
10
BOOT_CNTRL
10
11
36
8
EXP2_CS
NC
17
4
1
2
2
EXT_BD_PTT
GND
12
J0401
5
GROUND
17
18
10
EXT_BD_PTT
13
FAST_SQ
DISCAUDIO
PCB
23
21
14
38
9
Rx_Aud_Snd
5
Det_Aud_Snd
15 17
15
6
MISO
2
5
6
GROUND
GROUND
OPT_PTT
34
INTERNAL OPTION BOARD
FLT_A+
SPEAKER-
FLT_A+
DISCAUDIO
CH_ACT
NC
NC
NC
6
NC
9
VS_CS
7
BUS+
11
1
14
15
16
3
1
NC
NC
3
9
10
EXPANSION BOARD
10
Rdy/Req
2
15
16
NC
5VD
DB3
MISO
GND
16
20
SCI_TX
39
DIG_IN_3
Tx_Aud_Snd
8
DB1
22
12
Rx_Aud_Rtn
NC
12
SCK_Snd
35
NC
NC
18
8
LED_EN
CLK
9
J0551
28
11
CONTROL HEAD
6
RESET
WARIS
TO/FROM RF
7
24
RSSI
NC
J0552
19
32
EXT_BD_PTT
EXT_BD_REQ
EXT_BD_CS
7
17
12
Key_Intrp
13
DIG_IN_OUT_4
9V3
VS_MIC
3
NC
HANSET_AUDIO
11
12
13
14
20
NC
9V3
J0552-1
J0552-2
J0552-3
J0552-4
J0552-5
J0552-6
J0552-7
J0552-8
J0552-9
J0552-10
J0552-11
J0552-12
J0552-13
J0552-14
J0552-15
J0552-16
J0552-17
J0552-18
16
EXP1_CS
VS_AUDSEL
26
FLAT_TX_RTN
6
CSX
29
INT_MIC
DATA
ON
VS_INT
CLK
EXP_BD_PTT
18
40-PIN CONNECTOR
DB5
SPI_MISO
EXT_MIC_AUDIO
4
VS_CS
DB4
7
VS_GAINSEL
Gnd
EXP2_CS
8
DB0
DATA
EXP1_CS
5
SrD_Rtn
19
19
DIG_IN_6 WITHWAKEUP
CLK
Tx_Aud_Rtn
PTT
18
Vddd
25
FLAT_TX_AUDIO
3
10
33
OPT_CS
GP4_IN_OUT
SPI_CLK
SPI_MOSI
J0552-19
J0552-20
NC
TO/FROM RF
8
DATA
GM300
SPEAKER-
ON_OFF_CONTROL
20-PIN CONNECTOR
18
17
J0451
DIG_IN_6 WITH WAKEUP (IGNITION)
ACCESSORY
Opt_Bd_En
Key_Col
3
4
EXP_BD_REQ
NC
NC
DB6
5VD
3
OFF_BATT_DATA_OUT
CLK
30
13
J0501
4
11
9
R/W*
EXP_BD_PTT
SPEAKER+
14
11
DB2
DIG_IN1
3
17
GROUND
27
DB7
GND
A0
7
9 DIG_IN_5 WITH WAKEUP (EMERGENCY)
5
12-PIN CONNECTOR
J0551-36
82pF
C0517
J0401-1
10
CNTLVLTG_CNTLR_1
J0551-3
IN_5V_RF_REG_CNTLR_1
J0401-12
470pF
C0457
MOSBIAS_3
NU
NU
L0481
390nH
470pF
C0449
C0430
470pF
J0551-37
J0501-20
RESET_CNTLR_1
PASUPVLTG_CNTRL_1
J0501-6
J0401-2
VR0503
CLK_CNTLR_1
CSX
C0518
J0451-17
470pF
82pF
NU
C0461
J0451-3
9V3
NU
0.1uF
C0554
470pF
C0502
C0453
NU
470pF
R0510
4.7K
J0551-20
C0409
J0451-10
NU
470pF
C0509
470pF
J0551-5
470pF
C0496
J0451-13
470pF
C0515
J0551-25
J0401-11
VR0501
J0551-4
J0551-14
J0501-2
J0551-31
82pF
C0472
R0412
3A
0
470pF
J0451-5
C0431
10
R0592
J0551-23
J0551-18
R0511
100K
CSX_CNTLR_1
J0401-5
J0551-27
J0451-12
VR0510
TEMPSENSE
9
C0506
470pF
5V_CNTLR_1
470pF
C0429
82pF
C0471
5V
J0551-19
R0512
15K
C0426
470pF
C0501
.01uF
C0468
NU
470pF
470pF
C0514
J0501-3
VR0505
J0551-12
J0401-6
J0551-6
J0551-10
NU
470pF
C0575
470pF
C0487
470pF
C0464
J0551-34
NU
10
R0409
J0451-2
470pF
C0511
CLK
C0512
470pF
J0551-42
J0501-12
J0501-11
7
TP0497
TP0530
16_8MHZ
J0551-1
J0451-9
J0501-17
16_8MHZ_CNTLR_1
J0551-32
DATA_CNTLR_2
470pF
C0503
NU
C0462
82pF
C0486
470pF
470pF
C0499
CSX_CNTLR_2
C0470
470pF
27K
R0541
470pF
C0410
J0451-1
NU
0.1uF
C0592
J0551-21
NU
470pF
C0403
1K
R0442
2
J0501-8
470pF
DISCAUDIO_CNTLR_1
C0477
LOCK_CNTLR_1
0.1uF
C0591
R0529
47K
C0495
470pF
J0551-41
470pF
C0492
RSSI
MOSBIAS_3_CNTLR_1
470pF
C0456
470pF
NU NU
C0455
R0467
10
J0501-7
J0551-9
470pF
470pF
C0427
C0482
J0551-38
CSX
82pF
C0428 J0451-18
8CLK_CNTLR_2
J0451-7
470pF 470pF
C0452
C0422
INT_SWB_CNTLR_1
NU
470pF
CLK
INT_SWB
NU
C0407
J0451-8
220
R0538
J0451-6
1
100K
R0543
C0485
470pF
C0478
470pF
R0482
0
0
R0468
100K
R0481
470pF
NU
C0443
470pF
J0501-9
C0474
CNTLVLTG
J0551-28
9
9V3_CNTLR_1
470pF
8
NU
C0558
82pF
C0421
J0451-16
R0407
10
MOSBIAS_2
470pF
C0508
J0551-7
470pF
C0476
J0551-33
TP0492
NU
C0576
470pF
C0541
0.47uF
9
R0441
0
J0501-4
100
J0551-15
R0408
470pF
C0466
C0408
82pF
NU
J0551-40
NU
DATA_CNTLR_1
NU
390nH
L0482
J0551-22
C0447
470pF
3
C0488
470pF
470pF
PASUPVLTG
C0513
470pF
1K
NU
C0460
R0535
J0501-18
J0501-19
470pF
C0504
R0593
VR0504
100K
MODIN
J0551-8
J0501-14
PA_PWR_SET_1_CNTLR_1
J0551-2
J0551-16
470pF
C0441
J0501-1
VR0541
RESET
J0401-4
J0401-10
J0401-9
J0401-7
J0401-3
J0401-8
470pF
C0423
J0551-29
47uF
C0542
PA_PWR_SET
0
R0533
C0490
470pF
J0551-30
J0551-35
J0451-14
J0451-4
24K
J0551-17
R0591
4
C0493
470pF
R0531
560
DATA
IN_5V_RF_REG
J0501-10
C0445
470pF470pF
C0446
82pF
C0463
C0451
NU
NU
470pF
NOISE_BLNKR_CNTLR_1
82pF
C0401
J0551-24
NU
0.1uF
C0593
C0406
NU
470pF
DISCAUDIO
J0501-5
C0484
470pF
470pF
C0458C0459
NUNU
470pF
R0525
100K
470pF
C0491
J0551-13
470pF
C0483
NOISE_BLNKR
C0448
LOCK
470pF
220
R0401
J0451-11
J0551-11
470pF
C0467
C0559
DATA
NU
NU
470pF
C0560
470pF
NU
VR0509
MOSBIAS_2_CNTLR_1
470pF
C0494
MODIN_CNTLR_1
C0516
.01uF
RSSI_CNTLR_1
C0497
470pF
470pF
NU
C0411
NU
470pF
C0402
470pF
C0442
F0401
4.7K
R0539
J0551-39
J0551-26
J0501-13
R0537
220
J0451-15
47K
NU
R0542
VR0537
82pF
C0473
R0530
22K
TEMPSENSE_CNTLR_1
C0510
470pF
470pF
J0501-16
J0501-15
C0505
8
SPKR+
FLT_A+
5VD
GP1_IN_ACC3
ON_OFF_CONTROL
EXP1_CS
EXP_BD_REQ
GP1_IN_ACC3
SPI_CLK
SPI_DATA
SPKR-
EXT_MIC
GP1_IN_ACC3
GP2_OUT_ACC4
GP5_IN_ACC9
GP7_IN_OUT_ACC12
GP8_IN_OUT_ACC14
SPKR+
GP3_IN_ACC6
GP4_IN_OUT_ACC8
EXP2_CS
FLAT_TX_RTN
FLAT_TX_RTN
GP6_IN_ACC10GP6_IN_ACC10
GP6_IN_ACC10
GP6_IN_ACC10
SPKR-
INT_SWB+
9V3
SPI_MISO
DISCAUDIO
MODIN
CH_ACT
5VD
9V3
5VD
SPI_MISO
RESET
FLT_A+
DISCAUDIO
GP4_IN_OUT_ACC8
RDY
RDY
OPT_PTT
OPT_PTTOPT_PTT
OPT_PTT
INT_MIC INT_MIC
INT_MIC
SPKR+SPKR+
DISCAUDIO DISCAUDIO
HANDSET_AUDIOHANDSET_AUDIO
HANDSET_AUDIO
EXP2_CS
RSSI RSSI
BOOT_CNTRL
5VD
IN_5V_RF_REG
BUS+
GP1_IN_ACC3
GP1_IN_ACC3 GP1_IN_ACC3
FLAT_TX_RTN
5VD
G
P4_IN_OUT_ACC8
EXP1_CS
EXP_BD_REQEXP_BD_REQ
EXP_BD_REQ
GP1_IN_ACC3
CH_ACT CH_ACT
CH_ACT
DISCAUDIO
FLT_A+
SCI_TX
RX_FLAT_FILTERED_AUDIO
EMERGENCY_CONTROL
RSSI
EXT_SWB+
RDY
GP4_IN_OUT_ACC8 GP4_IN_OUT_ACC8
CH_ACT
SPI_DATA
SPI_MISO
EXP_BD_REQ
EXP1_CS
OPT_CS
RDY
GP4_IN_OUT_ACC8
SPI_CLK
DISCAUDIO
SPI(0:10)
MOSBIAS_3
VS_MIC VS_MIC
16_8MHZ
5V_RF
NOISE_BLNKR
MOSBIAS_2
PA_PWR_SET
EXP1_CS
9V3
FLAT_TX_RTN FLAT_TX_RTN
RESET
PASUPVLTG
BUS+
FLT_A+
BUS+ BUS+
RESETRESET
ON_OFF_CONTROL ON_OFF_CONTROL
CNTLVLTG
RSSI
LOCK
5VD5VD
FLT_A+FLT_A+
SPI_DATA
SPI_CLK
SPI_MISO
VS_CS
OPT_CS
RESET
EXT_MICEXT_MIC
SPKR-SPKR-
TEMPSENSE
OPT_CS
SPI_DATA
TX_AUD_RTN
VS_CS
VS_MIC
SPI_CLK
FLAT_RX_SND
RX_AUD_RTN
URX_SND
TX_AUD_SND
VS_INT
5VD
VS_AUDSEL
VS_GAINSEL
SPI_MISO
VS_RAC
IGNITION_CONTROL
FLT_A+
FL0830681O
ZWG0130527-B
&RQWUROOHU72QO\6FKHPDWLF'LDJUDP,2

&KDSWHU &RQWUROOHU7776FKHPDWLFVDQG3DUWV/LVWV
&%
470pF
C0560
NU
R0542
NU
470pF
C0576
C0442
470pF
NU
C0559
470pF
NU
J0451-14
J0551-3
NU
C0558
NU
470pF
J0401-2
NU
390nH
NU
L0482
NU
C0554
0.1uF
NU INTERNAL OPTION BOARD
39
38
9
4
VS_CS
NC
GROUND
GROUND
FAST_SQ
DISCAUDIO
4
DB7
FLAT_TX_AUDIO
DIG_IN_OUT_4
DATA
EXP1_CS
11
DB2
DIG_IN1
3
EXP1_CS
5
9V3
5VD
EXT_BD_PTT
EXT_MIC_AUDIO
EXP_BD_PTT
DATA
36
21
NC
BOOT_CNTRL
Rx_Aud_Snd
ON
VS_INT
VS_RAC
16
DB3
23
6
1
RST*
7
8
14
INT_EXT_Vdd
GROUND
DB111
7
17
12
18
RSSI
NC
J0552
SPI_MISO
RESET
FLT_A+
26
FLAT_TX_RTN
6
CSX
29
12-PIN CONNECTOR
13
CLK
MISO
PCB
16
20
SCI_TX
INT_MIC
DIG_IN_3
Tx_Aud_Snd
VS_AUDSEL
17
GROUND
SrD_Rtn
5
DIG_IN_5 WITH WAKEUP (EMERGENCY)
13
37
DIG_IN_OUT_7
2
GM300
SPEAKER-
CLK
DISCAUDIO
CH_ACT
NC
NC
NC
6
NC
DB6
ACCESSORY
7
4
19
9
R/W*
Opt_Bd_En
NC
13
10
33
NC
7
9
A0
EXT_BD_REQ
EXT_BD_CS
GP4_IN_OUT
SPI_CLK
SPI_MOSI
DATA
VS_GAINSEL
Gnd
8
EXP2_CS
NC
EXT_BD_PTT
GND
5VD
EXP_BD_PTT
GND
RDY
OPT_PTT
GND
DB4
CLK
SPEAKER+
14
3
2
8
NC
10
11
Key_Row
Key_Intrp
DIG_IN_OUT_4
9V3
VS_MIC
5VD
DIG_OUT2 (EXTERNAL_ALARM)
NC
HANSET_AUDIO
30
13
J0501
J0451
DIG_IN_6 WITH WAKEUP (IGNITION)
FLAT/FILTERED_RX_AUDIO
19
9
VS_CS
SWB+
20
11
Flat_Tx_Rtn
NC
1
2
SrD_Snd
EXT_BD_PTT
27
OPT_CS
22
18
40-PIN CONNECTOR
DB5
12
SCK_Snd
35
NC
NC
7
8
LED_EN
ON_OFF_CONTROL
20-PIN CONNECTOR
18
17
20
NC
15
14
16
DIG_IN_6 WITH WAKEUP
Tx_Aud_Rtn
34
18
Vddd
25
32
31
SPEAKER+
1
WARIS
TO/FROM RF
7
24
CS*
3
1
NC
NC
3
5
15
CLK
9
J0551
28
FLT_A+
6
SPEAKER-
DIG_IN_OUT_8
16
3
OFF_BATT_DATA_OUT
3
4
EXP_BD_REQ
EXT_BD_PTT
EXT_BD_PTT
19
Det_Aud_Snd
12
Rx_Aud_Rtn
NC
1
MISO
2
5
6
10
11
12
EXP2_CS
8
DB0
DATA
11
CONTROL HEAD
NC
10
OPT_CS
EXPANSION BOARD
10
PTT
Rdy/Req
2
GROUND
10 12 14
REAR VIEW
BUS+
4
12
18-PIN CONNECTOR
NC
GND
1
2
11
12
13
17
15
6
40
18-PIN CONNECTOR
RS232 INTERFACE BOARD
Key_Col
TO/FROM RF
8
5
6
7
8
9
10
5
15
16
17
18
4
1
2
3
9
14
13
14
15
16
17
18
J0401
5
4
15
GND
BUS+
0
R0482
0
R0481
J0501-8
470pF
C0443
100K
R0468
J0552-20
J0552-2
J0552-5
J0552-4
R0539
4.7K
J0551-39
J0551-33
TP0492
J0551-34
82pF
C0428
DATA_CNTLR_2
J0451-7
J0552-1
C0422
J0551-18
7
470pF
100K
R0511
CSX_CNTLR_1
J0501-15
J0552-3
VR0510
33V
8
TEMPSENSE
9
J0451-12
5V_CNTLR_1
470pF
C0506
0.1uF
J0451-1
C0592
470pF
C0478
15K
R0512
C0487
470pF
R0510
10
4.7K
NOISE_BLNKR_CNTLR_1
R0409
5.6V
VR0537
C0473
82pF
8
470pF
J0451-18
C0502
J0401-5
J0551-31
J0451-15
220
R0537
J0551-38
RESET
14V
VR0541
R0407 10
470pF
J0551-5
J0501-19
C0496
VR0504
33V
J0551-9
J0551-27
470pF
C0474
470pF
J0551-20
C0429
.01uF
C0501
470pF
J0451-16
C0426
470pF
C0445
J0501-10
J0451-8
RSSI_CNTLR_1
470pF
C0497
R0531
560
DATA
C0421
82pF
R0525
470pF
100K
MOSBIAS_3_CNTLR_1
C0492
CLK_CNTLR_2
RSSI
C0446
470pF
IN_5V_RF_REG_CNTLR_1
J0501-5
IN_5V_RF_REG
C0472
DISCAUDIO
82pF
470pF
C0484
100K
R0543
100K
R0593
R0442 1K
DISCAUDIO_CNTLR_1
LOCK_CNTLR_1
C0591 0.1uF
TEMPSENSE_CNTLR_1
C0510
470pF
J0501-16
J0451-3
J0401-6
9V3
CLK
INT_SWB
INT_SWB_CNTLR_1
J0551-32
CLK_CNTLR_1
J0551-7
470pF
C0476
470pF
C0491
J0551-13
470pF
C0483
J0451-11
J0401-1
C0505
C0504
470pF 470pF
470pF
C0503
J0551-24
C0593
0.1uF
470pF
C0430
PASUPVLTG_CNTRL_1
470pF
J0451-10
C0509
0
R0412
C0514
470pF
J0501-3
VR0505
20V
J0552-8
J0552-10
J0552-9
J0552-11
J0401-10
J0551-40
CSX
16_8MHZ_CNTLR_1
R0529
C0495
47K
470pF
J0551-41
J0401-4
J0401-7
10
R0592
R0401
220
J0551-12
16_8MHZ
J0451-9
J0551-1
VR0503
J0501-7
20V
J0551-21
RESET_CNTLR_1
1
J0451-6
J0501-18
C0485
470pF
R0408
C0477
2
100
J0401-9
470pF
470pF
C0447
J0551-22
3
J0551-26
J0501-13
TP0530
DATA_CNTLR_1
J0552-17
J0552-16
J0401-8
J0501-6
MOSBIAS_2_CNTLR_1
10
R0467
C0441
J0501-1
4
J0551-15
C0493
J0401-11
470pF
J0451-5
470pF
C0431
VR0501
20V
J0551-14
J0551-4
J0501-12
J0551-25
J0501-2
470pF
C0515
J0451-13
J0552-12
J0552-14
J0552-13
J0552-15
R0538
220
MOSBIAS_2
J0501-20
R0530
J0401-12
J0451-2
0
C0488
J0551-23
PASUPVLTG
470pF
C0513
9V3_CNTLR_1
470pF
8
9
TP0497
470pF
J0552-18
J0551-28
CNTLVLTG
J0552-19
C0471
82pF
5V
J0551-10
J0551-19
1K
R0535
470pF
C0511
470pF
C0512
J0551-42
CLK
J0501-11
J0551-16
J0551-2
J0551-30
J0551-35
390nH
L0481
470pF
NOISE_BLNKR
C0508
C0448
470pF
LOCK
J0552-6
CSX
470pF
C0482
J0552-7
VR0509
33V
C0490
470pF
C0427
470pF
J0551-36
J0501-9
470pF
J0451-17
C0518
10
C0575
470pF
CSX_CNTLR_2
470pF
C0470
27K
R0541
MOSBIAS_3
J0551-37
C0494
470pF
47K 0.47uF
C0541
J0551-8
J0501-14
MODIN
PA_PWR_SET_1_CNTLR_1
0
R0441
J0501-4
9
J0551-6
.01uF
C0516
J0501-17
MODIN_CNTLR_1
C0517
82pF
C0486
470pF
DATA
C0499
470pF
J0551-29
C0542
C0423
470pF
47uF
PA_PWR_SET
R0533 0
J0451-4
24K
R0591
CNTLVLTG_CNTLR_1
J0551-17
470pF
C0449
J0551-11
J0401-3
EXP_BD_REQ
5VD
SPKR-
SPKR+
ON_OFF_CONTROL
SPKR-
GP6_IN_ACC10
FLAT_TX_RTN
GP6_IN_ACC10GP6_IN_ACC10
GP6_IN_ACC10
FLAT_TX_RTN
SPI_DATA
EXT_MIC
GP1_IN_ACC3
GP2_OUT_ACC4
GP5_IN_ACC9
GP7_IN_OUT_ACC12
GP8_IN_OUT_ACC14
SPKR+
GP3_IN_ACC6
GP4_IN_OUT_ACC8
EXP2_CS
EXP1_CS
GP4_IN_OUT_ACC8
OPT_CS
RDY
OPT_PTT
EXP2_CS
CH_ACT
GP1_IN_ACC3
SPI_DATA
SPI_MISO
SPI_CLK
9V3
SPI_MISO
DISCAUDIO
MODIN
CH_ACT
5VD
9V3
5VD
SPI_MISO
RESET
FLT_A+
DISCAUDIO
GP4_IN_OUT_ACC8
EXP1_CS
EXP_BD_REQ
GP1_IN_ACC3
SPI_CLK
OPT_PTTOPT_PTT
OPT_PTT
INT_MIC INT_MIC
INT_MIC
SPKR+SPKR+
DISCAUDIO DISCAUDIO
HANDSET_AUDIOHANDSET_AUDIO
HANDSET_AUDIO
RSSI RSSI
BOOT_CNTRL
5VD
IN_5V_RF_REG
BUS+
GP1_IN_ACC3
GP1_IN_ACC3 GP1_IN_ACC3
INT_SWB+
5VD
GP4_IN_OUT_ACC8
EXP1_CS
EXP_BD_REQEXP_BD_REQ
EXP_BD_REQ
GP1_IN_ACC3
CH_ACT CH_ACT
CH_ACT
DISCAUDIO
FLT_A+
SCI_TX
RX_FLAT_FILTERED_AUDIO
EMERGENCY_CONTROL
FLT_A+
RSSI
EXT_SWB+
RDYRDY
RDY 5V_RF
NOISE_BLNKR
MOSBIAS_2
PA_PWR_SETEXP1_CS
9V3
FLAT_TX_RTN FLAT_TX_RTN
GP4_IN_OUT_ACC8 GP4_IN_OUT_ACC8
DISCAUDIO
SPI(0:10)
MOSBIAS_3
VS_MIC VS_MIC
FLAT_TX_RTN
FLT_A+
BUS+ BUS+
RESETRESET
ON_OFF_CONTROL ON_OFF_CONTROL
16_8MHZ
5VD5VD
FLT_A+FLT_A+
SPI_DATA
SPI_CLK
SPI_MISO
VS_CS
OPT_CS
RESET
EXT_MICEXT_MIC
SPKR-SPKR-
RESET
PASUPVLTG
BUS+
TEMPSENSE
CNTLVLTG
RSSI
LOCK
OPT_CS
SPI_DATA
TX_AUD_RTN
VS_CS
VS_MIC
SPI_CLK
FLAT_RX_SND
RX_AUD_RTN
URX_SND
TX_AUD_SND
VS_INT
5VD
VS_AUDSEL
VS_GAINSEL
SPI_MISO
VS_RAC
IGNITION_CONTROL
FLT_A+
F0401
3A
&RQWUROOHU72QO\6FKHPDWLF'LDJUDP,2
ZWG0130563-A

&RQWUROOHU7776FKHPDWLFVDQG3DUWV/LVWV &KDSWHU
&%
470pF
C0560
NU
R0542
NU
470pF
C0576
C0442
470pF
NU
C0559
470pF
NU
J0451-14
J0551-3
NU
C0558
NU
470pF
J0401-2
NU
390nH
NU
L0482
NU
C0554
0.1uF
NU INTERNAL OPTION BOARD
39
38
9
4
VS_CS
NC
GROUND
GROUND
FAST_SQ
DISCAUDIO
4DB7
FLAT_TX_AUDIO
DIG_IN_OUT_4
DATA
EXP1_CS
11
DB2
DIG_IN1
3
EXP1_CS
5
9V3
5VD
EXT_BD_PTT
EXT_MIC_AUDIO
EXP_BD_PTT
DATA
36
21
NC
BOOT_CNTRL
Rx_Aud_Snd
ON
VS_INT
VS_RAC
16
DB3
23
6
1
RST*
7
8
14
INT_EXT_Vdd
GROUND
DB111
7
17
12
18
RSSI
BUS+
J0552
SPI_MISO
RESET
FLT_A+
26
FLAT_TX_RTN
6
CSX
29
12-PIN CONNECTOR
13
CLK
MISO
PCB
16
20
SCI_TX
INT_MIC
DIG_IN_3
Tx_Aud_Snd
VS_AUDSEL
17
GROUND
SrD_Rtn
5
DIG_IN_5 WITH WAKEUP (EMERGENCY)
13
37
DIG_IN_OUT_7
2
GM300
SPEAKER-
CLK
DISCAUDIO
CH_ACT
NC
NC
BUS+
6
NC
DB6
ACCESSORY
7
4
19
9
R/W*
Opt_Bd_En
NC
13
10
33
NC
7
9
A0
EXT_BD_REQ
EXT_BD_CS
GP4_IN_OUT
SPI_CLK
SPI_MOSI
DATA
VS_GAINSEL
Gnd
8
EXP2_CS
BUS+
EXT_BD_PTT
GND
5VD
EXP_BD_PTT
GND
RDY
OPT_PTT
GND
DB4
CLK
SPEAKER+
14
3
2
8
NC
10
11
Key_Row
Key_Intrp
DIG_IN_OUT_4
9V3
VS_MIC
5VD
DIG_OUT2 (EXTERNAL_ALARM)
NC
HANSET_AUDIO
30
13
J0501
J0451
DIG_IN_6 WITH WAKEUP (IGNITION)
FLAT/FILTERED_RX_AUDIO
19
9
VS_CS
SWB+
20
11
Flat_Tx_Rtn
NC
1
2
SrD_Snd
EXT_BD_PTT
27
OPT_CS
22
18
40-PIN CONNECTOR
DB5
12
SCK_Snd
35
NC
NC
7
8
LED_EN
ON_OFF_CONTROL
20-PIN CONNECTOR
18
17
20
NC
15
14
16
DIG_IN_6 WITH WAKEUP
Tx_Aud_Rtn
34
18
Vddd
25
32
31
SPEAKER+
1
WARIS
TO/FROM RF
7
24
CS*
3
1
NC
NC
3
5
15
CLK
9
J0551
28
FLT_A+
6
SPEAKER-
DIG_IN_OUT_8
16
3
OFF_BATT_DATA_OUT
3
4
EXP_BD_REQ
EXT_BD_PTT
EXT_BD_PTT
19
Det_Aud_Snd
12
Rx_Aud_Rtn
NC
1
MISO
2
5
6
10
11
12
EXP2_CS
8
DB0
DATA
11
CONTROL HEAD
NC
10
OPT_CS
EXPANSION BOARD
10
PTT
Rdy/Req
2
GROUND
10 12 14
REAR VIEW
BUS+
4
12
18-PIN CONNECTOR
NC
GND
1
2
11
12
13
17
15
6
40
18-PIN CONNECTOR
RS232 INTERFACE BOARD
Key_Col
TO/FROM RF
8
5
6
7
8
9
10
5
15
16
17
18
4
1
2
3
9
14
13
14
15
16
17
18
J0401
5
4
15
GND
BUS+
0
R0482
0
R0481
J0501-8
470pF
C0443
100K
R0468
J0552-20
J0552-2
J0552-5
J0552-4
R0539
4.7K
J0551-39
J0551-33
TP0492
J0551-34
82pF
C0428
DATA_CNTLR_2
J0451-7
J0552-1
C0422
J0551-18
7
470pF
100K
R0511
CSX_CNTLR_1
J0501-15
J0552-3
VR0510
33V
8
TEMPSENSE
9
J0451-12
5V_CNTLR_1
470pF
C0506
0.1uF
J0451-1
C0592
470pF
C0478
15K
R0512
C0487
470pF
R0510
10
4.7K
NOISE_BLNKR_CNTLR_1
R0409
5.6V
VR0537
C0473
82pF
8
470pF
J0451-18
C0502
J0401-5
J0551-31
J0451-15
220
R0537
J0551-38
RESET
14V
VR0541
R0407 10
470pF
J0551-5
J0501-19
C0496
VR0504
33V
J0551-9
J0551-27
470pF
C0474
470pF
J0551-20
C0429
.01uF
C0501
470pF
J0451-16
C0426
470pF
C0445
J0501-10
J0451-8
RSSI_CNTLR_1 470pF
C0497
R0531
560
DATA
C0421
82pF
R0525
470pF
100K
MOSBIAS_3_CNTLR_1
C0492
CLK_CNTLR_2
RSSI
C0446
470pF
IN_5V_RF_REG_CNTLR_1
J0501-5
IN_5V_RF_REG
C0472
DISCAUDIO
82pF
470pF
C0484
100K
R0543
100K
R0593
R0442 1K
DISCAUDIO_CNTLR_1
LOCK_CNTLR_1
C0591 0.1uF
TEMPSENSE_CNTLR_1
C0510
470pF
J0501-16
J0451-3
J0401-6
9V3
CLK
INT_SWB
INT_SWB_CNTLR_1
J0551-32 CLK_CNTLR_1
J0551-7
470pF
C0476
470pF
C0491
J0551-13
470pF
C0483
J0451-11
J0401-1
C0505
C0504
470pF 470pF
470pF
C0503
J0551-24
C0593
0.1uF
470pF
C0430
PASUPVLTG_CNTRL_1
470pF
J0451-10
C0509
0
R0412
C0514
470pF
J0501-3
VR0505
20V
J0552-8
J0552-10
J0552-9
J0552-11
J0401-10
J0551-40
CSX
16_8MHZ_CNTLR_1
R0529
C0495
47K
470pF
J0551-41
J0401-4
J0401-7
10
R0592
R0401
220
J0551-12
16_8MHZ
J0451-9
J0551-1
VR0503
J0501-7
20V
J0551-21
RESET_CNTLR_1
1
J0451-6
J0501-18
C0485
470pF
R0408
C0477
2
100
J0401-9
470pF
470pF
C0447
J0551-22
3
J0551-26
J0501-13
TP0530
DATA_CNTLR_1
J0552-17
J0552-16
J0401-8
J0501-6
MOSBIAS_2_CNTLR_1
10
R0467
C0441
J0501-1
4
J0551-15
C0493
J0401-11
470pF
J0451-5
470pF
C0431
VR0501
20V
J0551-14
J0551-4
J0501-12
J0551-25
J0501-2
470pF
C0515
J0451-13
J0552-12
J0552-14
J0552-13
J0552-15
R0538
220
MOSBIAS_2
J0501-20
R0530
J0401-12
J0451-2
22k
C0488
J0551-23
PASUPVLTG
470pF
C0513
9V3_CNTLR_1
470pF
8
9
TP0497
470pF
J0552-18
J0551-28
CNTLVLTG
J0552-19
C0471
82pF
5V
J0551-10
J0551-19
1K
R0535
470pF
C0511 470pF
C0512
J0551-42
CLK
J0501-11
J0551-16
J0551-2
J0551-30
J0551-35
390nH
L0481
470pF
NOISE_BLNKR
C0508
C0448
470pF
LOCK
J0552-6
CSX
470pF
C0482
J0552-7
VR0509
33V
C0490
470pF
C0427
470pF
J0551-36
J0501-9
470pF
J0451-17
C0518
10
C0575
470pF
CSX_CNTLR_2
470pF
C0470
27K
R0541
MOSBIAS_3
J0551-37
C0494
470pF
47K 0.47uF
C0541
J0551-8
J0501-14
MODIN
PA_PWR_SET_1_CNTLR_1
0
R0441
J0501-4
9
J0551-6
.01uF
C0516
J0501-17
MODIN_CNTLR_1
C0517
82pF
C0486
470pF
DATA
C0499
470pF
J0551-29
C0542
C0423
470pF
47uF
PA_PWR_SET
R0533 0
J0451-4
24K
R0591
CNTLVLTG_CNTLR_1
J0551-17
470pF
C0449
J0551-11
J0401-3
EXP_BD_REQ
5VD
SPKR-
SPKR+
ON_OFF_CONTROL
SPKR-
GP6_IN_ACC10
FLAT_TX_RTN
GP6_IN_ACC10GP6_IN_ACC10
GP6_IN_ACC10
FLAT_TX_RTN
SPI_DATA
EXT_MIC
GP1_IN_ACC3
GP2_OUT_ACC4
GP5_IN_ACC9
GP7_IN_OUT_ACC12
GP8_IN_OUT_ACC14
SPKR+
GP3_IN_ACC6
GP4_IN_OUT_ACC8
EXP2_CS
EXP1_CS
GP4_IN_OUT_ACC8
OPT_CS
RDY
OPT_PTT
EXP2_CS
CH_ACT
GP1_IN_ACC3
SPI_DATA
SPI_MISO
SPI_CLK
9V3
SPI_MISO
DISCAUDIO
MODIN
CH_ACT
5VD
9V3
5VD
SPI_MISO
RESET
FLT_A+
DISCAUDIO
GP4_IN_OUT_ACC8
EXP1_CS
EXP_BD_REQ
GP1_IN_ACC3
SPI_CLK
OPT_PTTOPT_PTT
OPT_PTT
INT_MIC INT_MIC
INT_MIC SPKR+SPKR+
DISCAUDIO DISCAUDIO
HANDSET_AUDIOHANDSET_AUDIO
HANDSET_AUDIO
RSSI RSSI
BOOT_CNTRL
5VD
IN_5V_RF_REG
BUS+
GP1_IN_ACC3
GP1_IN_ACC3 GP1_IN_ACC3
INT_SWB+
5VD
GP4_IN_OUT_ACC8
EXP1_CS
EXP_BD_REQEXP_BD_REQ
EXP_BD_REQ
GP1_IN_ACC3
CH_ACT CH_ACT
CH_ACT
DISCAUDIO
FLT_A+
SCI_TX
RX_FLAT_FILTERED_AUDIO
EMERGENCY_CONTROL
FLT_A+
RSSI
EXT_SWB+
RDYRDY
RDY 5V_RF
NOISE_BLNKR
MOSBIAS_2
PA_PWR_SETEXP1_CS
9V3
FLAT_TX_RTN FLAT_TX_RTN
GP4_IN_OUT_ACC8 GP4_IN_OUT_ACC
8
DISCAUDIO
SPI(0:10)
MOSBIAS_3
VS_MIC VS_MIC
FLAT_TX_RTN
FLT_A+
BUS+ BUS+
RESETRESET
ON_OFF_CONTROL ON_OFF_CONTRO
L
16_8MHZ
5VD5VD FLT_A+FLT_A+
SPI_DATA
SPI_CLK
SPI_MISO
VS_CS
OPT_CS
RESET
EXT_MICEXT_MIC
SPKR-SPKR-
RESET
PASUPVLTG
BUS+
TEMPSENSE
CNTLVLTG
RSSI
LOCK
OPT_CS
SPI_DATA
TX_AUD_RTN
VS_CS
VS_MIC
SPI_CLK
FLAT_RX_SND
RX_AUD_RTN
URX_SND
TX_AUD_SND
VS_INT
5VD
VS_AUDSEL
VS_GAINSEL
SPI_MISO
VS_RAC
IGNITION_CONTROL
FLT_A+
ZWG0130586-A
F0401
3A
Fuse P/N
6580542Z01
100
R0556
100
R0556
ZWG0130586-A
&RQWUROOHU72QO\6FKHPDWLF'LDJUDP,2

&KDSWHU &RQWUROOHU7776FKHPDWLFVDQG3DUWV/LVWV
&%
HSIO
GP4_OUT
GP7_OUT
HC138_A2
GP1_IN
GP8_OUT
EXP1_CS
EE_CS
HSIO
GP7_IN
CLK
GP5_IN
GP1_IN
CLK
CSX
- R0105 USED IN
STANDARD ONLY
- R0106 USED IN
PRIME ONLY
GP7_OUT
VOX
LSIO
GP7_IN
HC138_A0
REF_CS
MISO
EXP2_CS
512kx8bit
RAM
GP6_IN
GP6_IN
HC138_A0
GP3_IN
GP8_IN
GP3_IN
GP8_IN
PE6
LVZIF_CS
GP4_IN
SQ_DET
HC138_A1
FLASH ROM
SYN
HC138_A2
GP2_OUT
LSIO
MICROPROCESSOR
DATA
MISO
F1200
GP4_IN
GP5_IN
GP4_OUT
VS_CS
ON_OFF_SENSE
GP8_OUT
EEPROM
DATA
32kx8bit
OPT_CS
HC138_A1
CHACT
16Kx8bit
GP4_OUT
GP7_OUT
(EXT_BD_PTT & DATA_PTT)
EE_CS
47K
47K
47K
47K
47K
47K
47K
R0179
0
R0116
NU
4
R0152
24K
R0132
330K
R0172
2
10K
R0175
6
7
10K
R0115
0
R0111
10K
7
10
1
100pF
C0101
C0107
90
1000pF
11
6
R0114
10K
10K
R0104
69
VRL 68
VSS
13
VSSL
40 VSSR
87
93
XFC
XIRQ 48
XTAL 91
76
PJ6 77
PJ7 78
RESET 94
VDD 12
VDDL 39
VDDR 88
VDDSYN 92
VRH
51 PI6
50 PI7
49
PJ0_CSGP3 71
PJ1_CSGP4 72
PJ2 73
PJ3 74
PJ4 75
PJ5
42
PH6_CSGP2
41
PH7_CSPROG
38
PI0
56 PI1
55 PI2
54 PI3
53 PI4
52 PI5
18
PG6_AS
5
PG7_R_W 4
PH0_PW1
47
PH1_PW2
46
PH2_PW3
45
PH3_PW4
44
PH4_CSIO
43
PH5_CSGP1
23 PF7_ADDR7
22
PFO_ADDR0
29
PG0_XA13
6
PG1_XA14
16
PG2_XA15
20
PG3_XA16
19
PG4_XA17
17
PG5_XA18
PE5_AN5 61
PE6_AN6 60
PE7_AN7
PF1_ADDR1
28 PF2_ADDR2
27 PF3_ADDR3
26 PF4_ADDR4
25 PF5_ADDR5
24 PF6_ADDR6
1
PD5_SS 2
3
PD6_LVIN
67
PE0_AN0 66
PE1_AN1 65
PE2_AN2 64
PE3_AN3 63
PE4_AN4 62
34
PC5_DATA5
35
PC6_DATA6
36
PC7_DATA7
37
PD0_RXD 97
PD1_TXD 98
PD2_MISO 99
PD3_MOSI 100
PD4_SCK
15 PB6_ADDR14
8PB7_ADDR15
7
PBO_ADDR8
14
PC0_DATA0
30
PC1_DATA1
31
PC2_DATA2
32
PC3_DATA3
33
PC4_DATA4
83
PA5_OC3_OC1 84
PA6_OC2_OC1 85
PA7_PA1_OC1 86
PB1_ADDR9
10 PB2_ADDR10
11 PB3_ADDR11
9PB4_ADDR12
21 PB5_ADDR13
96
95
LVOUT
MODA_LIR 58
MODB_VSTBY 57
PA0_IC3 79
PA1_IC2 80
PA2_IC1 81
PA3_IC4_OC5_OC1 82
PA4_OC4_OC1
U0101
AVDD 59
AVSS
70
ECLK 89
EXTAL 90
IRQ
R0170
5
11
10K
0
4
10
3
WP
1
CS
7
HOLD
6
SCK
5
SI
2SO
8
VCC
4
VSS
X25128-2.7
U0111
.01uF
C0151
47K
47K
0.1uF
C0141
7
1
7
C0106
100pF
NU
12
3
0
15 Y0
14 Y1
13 Y2
12 Y3
11 Y4
10 Y5
9Y6
7Y7
1
A0 2
A1 3
A2
6
EN_CS1 4
EN_CS2 5
EN_CS3
8GND 16
VCC
12
MC74HC138A
U0141
TP0102
6
5
6
10
R0185
4.7K
IO6
17
IO7
18
IO8
19
VCC
28
8
2
6
EN_OE 22
EN_WE 27
14 GND
IO1
11
IO2
12
IO3
13
IO4
15
IO5
16 A3 7
A4 6
5
A5
A6 4
A7 3
A8 25
A9 24
EN_CS 20
A0 10
A1 9
21
A10
A11 23
A12 2
A13 26
A14 1
A2 8
6
U0122
63A21
2.2K
R0108
8
17
3
9
Q0181
10
6
6
0.1uF
7
TP0151
C0121
C0102
100pF
NU NU
18
C0104
100pF
47K
R0184
10K
47K
47K
R0174
22pF
C0132
Q0185
0
12
3
1
R0183
4.7K
11
413
Q0173
12
013
D0151
R0173
12
2
3
4.7K
1
8
8
4
18
R0110
NU
7
4.7K
R0177
10K
9
1
4
5
1
1
C0122
7
10
9
8
0.1uF
3
2
TP0103
3
11 1
10
7
2
1
2
C0123
NU
0.1uF
100pF
C0112
10K
R0113
R0151
24K
2
8
0
22
IO1 23
IO2 25
IO3 26
IO4 27
IO5 28
IO6 29
IO7
VCC
8
13 A7
3A8
2A9
30 EN_CE
32 EN_OE
7EN_WE
GND
24
IO0 21
10 A16
6A17
9A18
18 A2
17 A3
16 A4
A5
15
A6
14
20 A0
19 A1
31 A10
1A11
12 A12
A13
4
5A14
A15
11
3
AT49F040
U0121
D0179
2
3
17
9
5
6
7
10K
R0101
TP0101
Q0110
47K
47K R0107
NU
3
47K
4.7K
R0181
4
3
100K
R0105
R0178
5
47K
47K
47K
10MEG
R0131
NU
4
2
100pF
C0105
4.7K
R0171
4
D0101
3.9K
R0117
15
5
14
13
16
5
Q0171
100K
5
R0121
3
Q0151
Q0177
0
R0186
30K
10
47K
0
R0176
13
6
13
4
5
IN 1
9
0
6
1
38.40KHz
Y0131
XTAL
NC
2
NC1
3
OUT
4
NU
R0112
0
47K
R0182
0
NU
8
16
R0106
100pF
C0111
NU
C0103
NU
R0102
4.7K
100pF
22pF
C0131
15
7
VR0151
14
9
Q0183
4
5
0
2
R_W
RAM_CS
BUS+
CNTLVLTG
5VD
SCI_TX
GP1_IN_ACC3
GP6_IN_ACC10
GP2_OUT_ACC4
R_W
FLASH_CE
FLASH_OE
5VD
IRQ
IRQ
ADDR_BUS(0:18)
DATA_BUS(0:7)
14
FROM_U0101_47
VS_RAC
5VD
VS_INT
GP4_IN_OUT_ACC8
5VD
BOOT_CNTRL
GP3_IN_ACC6
5VD
TP0104
ON_OFF_CONTROL
5VD
5VD
5VD
RESET
RESET
5VD
OPT_PTT
5VD
GP5_IN_ACC9
5VD
SPI(0:10) SPI(0:10) SPI(0:10) SPI(0:10)
GPIO(0:13)
GPIO(0:13)
CNTLR_AUDIO(0:7)CNTLR_AUDIO(0:7)
C
NTLR_AUDIO(0:7)
FROM_U0101_47
FROM_U0101_46
FROM_U0101_46
5VD
5VD
FLT_A+
TEMPSENSE
RAM_CS
5VD
VS_GAINSEL
EXT_BD_REQ
RSSI
5VD
RX_ADAPT
5VD
5VD
5VD
FLT_A+ FLT_A+
FLASH_OE
NC
ECLK
NC
NC
LOCK
RDY
ON_OFF_CONTROL
GP7_IN_OUT_ACC1
2
GP8_IN_OUT_ACC1
4
5VD
5VD
5VD
5VD
FLASH_CE
R_W
VSTBY
5VD
BATTERY_VOLTAGE
FL0830683O
FL0830683-O
&RQWUROOHU776FKHPDWLF'LDJUDP0LFURSURFHVVRU

&RQWUROOHU7776FKHPDWLFVDQG3DUWV/LVWV &KDSWHU
&%
4
0
18
100pF
C0104
NU
C0102
100pF
NU
12
0
NU
4.7K
R0171
NU
R0110
10K
NU
18
NU
0.1uF
100pF
NU
NU
R0102
4.7K
NU
R0182
NU
8
16
R0106
 0
Used in
prime
only
NU
GP3_IN
GP8_IN
PE6
VOX
LSIO
GP7_IN
HC138_A0
REF_CS
HC138_A2
GP1_IN
GP8_OUT
SQ_DET
HC138_A1
FLASH ROM
SYN
HC138_A2
GP2_OUT
LSIO
MICROPROCESSOR
DATA
MISO
F1200
GP4_IN
EEPROM
DATA
EE_CS
VS_CS
EXP1_CS
GP1_IN
CLK
CSX
GP5_IN
GP4_OUT
GP7_OUT
GP7_IN
CLK
GP5_IN
32kx8bit
OPT_CS
LVZIF_CS
16Kx8bit
GP4_OUT
GP7_OUT
(EXT_BD_PTT & DATA_PTT)
EE_CS
HC138_A0
GP3_IN
GP8_IN
512kx8bit
RAM
GP6_IN
GP6_IN
MISO
EXP2_CS
GP4_OUT
GP7_OUT
HSIO
GP4_IN
ON_OFF_SENSE
GP8_OUT
CHACT
HC138_A1
HSIO
10K
R0172
6
2
10K
R0175
7
R0111
10K
R0115
10
1
0
C0101
7
9
100pF
0
1000pF
C0107
R0114
10K
R0104
10K
10K
R0170
4
10
5
11
0
47K
R0179
R0116
0.1uF
C0141
7
7
R0152
24K
R0132
330K
9Y6
7Y7
12
3
8
GND
16
VCC
15 Y0
14 Y1
13 Y2
12 Y3
11 Y4
10 Y5
MC74HC138A
U0141
1
A0 2
A1 3
A2
6
EN_CS1 4
EN_CS2 5
EN_CS3
5
12
TP0102
6
6
10
2
6
R0185
4.7K
IO4
15
IO5
16
IO6
17
IO7
18
IO8
19
VCC
28
8
A924
EN_CS 20
EN_OE 22
EN_WE 27
14
GND
IO1
11
IO2
12
IO3
13
A14 1
A2 8
A3 7
A4 6
5
A5
A6 4
A7 3
A825
A010
A1 9
21
A10
A1123
A12 2
A1326
11
6
U0122
63A21
8
6
6
9
Q0181
VSSL
40 VSSR
87
93
XFC
XIRQ 48
XTAL 91
RESET 94
VDD 12
VDDL 39
VDDR 88
VDDSYN 92
VRH 69
VRL 68
VSS
13
PJ0_CSGP3 71
PJ1_CSGP4 72
PJ2 73
PJ3 74
PJ4 75
PJ5 76
PJ6 77
PJ7 78
56 PI1
55 PI2
54 PI3
53 PI4
52 PI5
51 PI6
50 PI7
49
PH0_PW1
47
PH1_PW2
46
PH2_PW3
45
PH3_PW4
44
PH4_CSIO
43
PH5_CSGP1
42
PH6_CSGP2
41
PH7_CSPROG
38
PI0
PG0_XA13
6
PG1_XA14
16
PG2_XA15
20
PG3_XA16
19
PG4_XA17
17
PG5_XA18
18
PG6_AS
5
PG7_R_W 4
PF1_ADDR1
28 PF2_ADDR2
27 PF3_ADDR3
26 PF4_ADDR4
25 PF5_ADDR5
24 PF6_ADDR6
23 PF7_ADDR7
22
PFO_ADDR0
29
67
PE0_AN0 66
PE1_AN1 65
PE2_AN2 64
PE3_AN3 63
PE4_AN4 62
PE5_AN5 61
PE6_AN6 60
PE7_AN7
PC7_DATA7
37
PD0_RXD 97
PD1_TXD 98
PD2_MISO 99
PD3_MOSI 100
PD4_SCK 1
PD5_SS 2
3
PD6_LVIN
PBO_ADDR8
14
PC0_DATA0
30
PC1_DATA1
31
PC2_DATA2
32
PC3_DATA3
33
PC4_DATA4
34
PC5_DATA5
35
PC6_DATA6
36
PA7_PA1_OC1 86
PB1_ADDR9
10 PB2_ADDR10
11 PB3_ADDR11
9PB4_ADDR12
21 PB5_ADDR13
15 PB6_ADDR14
8PB7_ADDR15
7
MODB_VSTBY 57
PA0_IC3 79
PA1_IC2 80
PA2_IC1 81
PA3_IC4_OC5_OC1 82
PA4_OC4_OC1 83
PA5_OC3_OC1 84
PA6_OC2_OC1 85
AVDD 59
AVSS
70
ECLK 89
EXTAL 90
IRQ 96
95
LVOUT
MODA_LIR 58
MC68HC11FL0
U0101
47K
R0184
10K
R0174
22pF
C0132
0
Q0185
7
HOLD
6
SCK
5
SI
2SO
8
VCC
4
VSS
3
WP
X25128-2.7
U0111
1
CS
.01uF
C0151
1
13
Q0173
C0106
100pF
D0151
R0173
12
2
3
4.7K
1
8
8
4
6
1
1
17
3
2.2K
R0108
10
1
4
5
7
TP0151
C0121
0.1uF 0.1uF
C0122
TP0103
8
1
10
3
2
2
3
11
4.7K
1
11
12
3
1
R0183
10K
R0113
R0151
24K
0
3
0
13
4
8
D0179
2
6
17
9
10K
R0101
5
7
TP0101
3
Q0110
47K
R0107
7
4.7K
R0177
99
100K
Used in
standard 
only
R0105
4
2
7
10
100pF
C0105
4
D0101
3.9K
R0117
5
14
13
16
5
C0123
7
2
5
C0112
Q0151
28
IO6 29
IO7
VCC
8
2
0
3
7EN_WE
GND
24
IO0 21
22
IO1 23
IO2 25
IO3 26
IO4 27
IO5
16 A4
A5
15
A6
14
13 A7
3A8
2A9
30 EN_CE
32 EN_OE
A13
4
5A14
A15
11
10 A16
6A17
9A18
18 A2
17 A3
AT49F040
U0121
20 A0
19 A1
31 A10
1A11
12 A12
4
5
3
1
13
6
13
2
NC1
3
OUT
4IN 1
9
0
6
38.40KHz
Y0131
XTAL
NC
R0112
0
47K
4.7K
R0181
4
3
R0178
5
47K
10MEG
R0131
100pF
C0111
100pF
C0103
22pF
C0131
15
9
7
VR0151
5.6V
14
TP0104
Q0183
15
14
4
5
0
2
Q0171
100K
R0121
Q0177
10
47K
R0186
R0176
30K
R_W
RAM_CS
BUS+
CNTLVLTG
5VD
SCI_TX
GP1_IN_ACC3
GP6_IN_ACC10
GP2_OUT_ACC4
R_W
FLASH_CE
FLASH_OE
5VD
IRQ
IRQ
ADDR_BUS(0:18)
DATA_BUS(0:7)
0
FROM_U0101_47
VS_RAC
5VD
VS_INT
GP4_IN_OUT_ACC8
5VD
BOOT_CNTRL
GP3_IN_ACC6
5VD
ON_OFF_CONTROL
5VD
5VD
5VD
RESET
RESET
5VD
OPT_PTT
5VD
GP5_IN_ACC9
5VD
SPI(0:10) SPI(0:10) SPI(0:10) SPI(0:10) SPI(0:10)
GPIO(0:13)
GPIO(0:13)
CNTLR_AUDIO(0:7) CNTLR_AUDIO(0:7)CNTLR_AUDIO(0:7)
C
NTLR_AUDIO(0:7)
FROM_U0101_47
FROM_U0101_46
FROM_U0101_46
5VD
5VD
FLT_A+
TEMPSENSE
RAM_CS
5VD
VS_GAINSEL
EXT_BD_REQ
RSSI
5VD
RX_ADAPT
5VD
5VD5VD
FLT_A+ FLT_A+
FLASH_OE
NC_XTAL
ECLK
LOCK
RDY
ON_OFF_CONTROL
GP7_IN_OUT_ACC12
GP8_IN_OUT_ACC14
5VD
5VD
5VD
5VD
FLASH_CE
R_W
VSTBY
5VD
BATTERY_VOLTAGE
NU 10
R0103
C0108
0,1uF
5VDC (0VDC during On/Off pressed
              and during head request)
5VDC (0VDC during boot mode)
=:*$
&RQWUROOHU72QO\6FKHPDWLF'LDJUDP0LFURSURFHVVRU

&KDSWHU &RQWUROOHU7776FKHPDWLFVDQG3DUWV/LVWV
&%
9
C0325
0.1uF NU
10K
R0332
C0331
0.1uF
U0331-2
PWR_GND
3
GND
5
VCC
2
C0354
0.1uF
C0342
18K
U0341-2
LM2904
6
5
7
8
4
2
5
VDD
3
VSS
6
0.1uF
C0302
10
R0343
0
RX_AUD_RTN
5VD
FLAT_RX_SND
3V3
SPI(0:10)
R0324
C0303
100pF
0.1uF
C0305 0.1uF
C0343
0.1uF
1uF
C0324
U0351
LP2951ACMM-3.3
2
C0351
0.1uF
74AHCT1G125
U0331-1
2
A
1
OE
4
Y
33uF
C0353
.022uF
C0352
10K
R0333 SS
9
VCCA
26
VCCD
7
VSSA1
1
VSSA2
17
VSSA3
18
VSSD
12
XCLK
6
10K
R0341
D0301
5
3
1
2
4
8
4
U0342
TC4S66F
4
CNTL
1
47K
R0346
47K
R0347
1uF
C0341
0.1uF
C0304
LM2904
U0341-1
2
3
1
C0344
0.1uF
8
0.1uF
C0301
CLK
DATA
5109152M01
VS_CS
MISO
VS_CS
56K
R0344
R0335
150K
5.1K
R0345
NC4 14
NC5 15
NC6 16
NC7 19
NC8 21
NC9 23
RAC
2
SCLK
8
INT
MISO
11 MOSI
10
NC1 3
NC10 27
NC11 28
NC2 4
NC3 13
U0301
22 AMCAP
ANA_NEG
24
ANA_POS
25
AUDOUT 20
5
10K
R0331
1.8K
R0342
ERROR 5
FEEDBACK
7
GND
4
INPUT
8OUTPUT 1
SENSE 2
SHUTDOWN
3
VTAP
18K
R0323
VS_MIC
VS_RAC
3V3
3V3
5VD
5VD5VD
VS_INT
5VD
5VD
VS_AUDSEL
5VD
&RQWUROOHU7776FKHPDWLF'LDJUDP9RLFH6WRUDJH ZWG0130530-O

&RQWUROOHU7776FKHPDWLFVDQG3DUWV/LVWV &KDSWHU
&%
&RQWUROOHU73DUWV/LVW
&LUFXLW
5HI
0RWRUROD
3DUW1R 'HVFULSWLRQ
& ) S)9
& ) Q)9
& ( Q)9
& ( Q)9
& ( Q)9
& ) S)9
& ) S)9
& ( Q)9
& ) Q)9
& $ X)9
& $ X)9
& ( Q)9
& $ X)9
& ( Q)9
& ( Q)9
& ( X)%.RKP
UHVLVWRUIRU/6PRGHOV
& ) S)9
& ( Q)9
& ( Q)9
& $ X)9
& % X)9
& ( Q)9
& ( Q)9
& ( Q)9
& ( X)
& ( Q)9
& ) S)9
& ( Q)9
& ( Q)9
& ) Q)9
&
8VHGLQ
( Q)9
&175/7RQO\
& $ X)9
& ( Q)9
& ( Q)9
& ) S)9
& ( Q)9
& ) S)913
& ( Q)9
& ) Q)9
& ) Q)9
& ( Q)9
& ) Q)9
& $ X)9
& ) Q)9;5
& ) Q)9;5
& & X)RQO\/RZ%DQG
& & X)RQO\/RZ%DQG
& & X)RQO\/RZ%DQG
& & X)RQO\/RZ%DQG
& $ X)9
9RLFHVWRUDJHRQO\
& ( Q)9
9RLFHVWRUDJHRQO\
& ) S)9
9RLFHVWRUDJHRQO\
& ( Q)9
9RLFHVWRUDJHRQO\
& ( Q)9
9RLFHVWRUDJHRQO\
& ( Q)9
9RLFHVWRUDJHRQO\
& ( Q)9
9RLFHVWRUDJHRQO\
& $ 7$17&3X)9
9RLFHVWRUDJHRQO\
& ( Q)9
9RLFHVWRUDJHRQO\
& ( Q)9
9RLFHVWRUDJHRQO\
& ( Q)9
9RLFHVWRUDJHRQO\
& ( Q)9
9RLFHVWRUDJHRQO\
& ( Q)9
9RLFHVWRUDJHRQO\
& $ 7$17&+,3X)
9RLFHVWRUDJHRQO\
& ( Q)9
9RLFHVWRUDJHRQO\
& 1 S)
& ) S)9
& ) S)9
& / S)
& / S)
& 1 S)
& / S)
& ) S)9
& ) S)9
& / S)
& / S)
& / S)
& / S)
& / S)
& / S)
& / S)
& / S)
& 1 S)
& 1 S)
& 1 S)
& / S)
& / S)
&LUFXLW
5HI
0RWRUROD
3DUW1R 'HVFULSWLRQ
& / S)
& / S)
& / S)
& / S)
& ) S)9
& / S)
& / S)
& / S)
& / S)
& / S)
& / S)
& / S)
& / S)
& / S)
& / S)
& / S)
& / S)
& / S)
& ) Q)9
& / S)&175/7
& ) S)9&175/7
& / S)&175/7
& ) S)9&175/7
& ) S)9
& / S)&175/7
& ) S)9&175/7
& / S)&175/7
& ) S)9&175/7
& / S)&175/7
& ) S)9&175/7
& / S)&175/7
& ) S)9&175/7
& ) S)9
& / S)&175/7
& ) S)9&175/7
& / S)&175/7
& ) S)9&175/7
& ) S)9
& / S)&175/7
& ) S)9&175/7
& / S)&175/7
& ) S)9&175/7
& ) Q)9
& 1 S)
& / S)&175/7
& ) S)9&175/7
& $ Q)9
& $ X)9
& ( Q)9
& ( Q)9
& ( X)%.RKP
UHVLVWRUIRU/6PRGHOV
&LUFXLW
5HI
0RWRUROD
3DUW1R 'HVFULSWLRQ
& ) S)9
& 0 /<7X)9
& & &3X)9
& ( Q)9
& $ &3X)
& ) S)9
& $ &+,3X)
& ( Q)9'
& $ &+,3X)
& $ &3X)9
& ( Q)9
& & &3X)9
& ) Q)9
& ( Q)9
& ( Q)9
& ( Q)9
' ( &+,36&+277.<
' & '8$/62700%'
' & '8$/62700%'
' - 6&+277.<%$55,(5
5%(
9RLFHVWRUDJHRQO\
' & '8$/62700%'
' & '8$/62700%'
' & '8$/62700%'
' & '8$/62700%'
( 5 )HUULWH%HDG
( 5 )HUULWH%HDG
( 5 )HUULWH%HDG
) = $9
- < &211)/(;3,1
- < &211)/(;6,'((175<
- % &21160'3,1
- < &211=,)+25,=217$/
- < &211=,)3,1
- % '&3:5&211
4 0 131',*NN
4 0 131',*NN
4 0 131',*NN
4 0 131'5/1*710;7$
4 0 131',*NN
4 0 131',*NN
4 0 131',*NN
4 0 131',*NN
4 $ 1319$
4 0 131',*NN
4 7 '8$/52+0)0&5+
4 $ 1319$% 
4 0 131',*NN
4 0 131'5/1*710;7$
5 $ N:
5 $ :
&LUFXLW
5HI
0RWRUROD
3DUW1R 'HVFULSWLRQ

&KDSWHU &RQWUROOHU7776FKHPDWLFVDQG3DUWV/LVWV
&%
0RWRUROD'HSRW6HUYLFLQJRQO\
5HIHUHQFHGHVLJQDWRUVZLWKDQDVWHULVNLQGLFDWH
FRPSRQHQWVZKLFKDUHQRWILHOGUHSODFHDEOH
EHFDXVHWKH\QHHGWREHFDOLEUDWHGZLWK
VSHFLDOL]HGIDFWRU\HTXLSPHQWDIWHULQVWDOODWLRQ
5DGLRVLQZKLFKWKHVHSDUWVKDYHEHHQUHSODFHGLQ
WKHILHOGZLOOEHRIIIUHTXHQF\DWWHPSHUDWXUH
H[WUHPHV
5 $ N:
5 $ N:
5 % :
9RLFHVWRUDJHRQO\
5 $ :
5 % :
5 $ N:
5 $ N:
5 $ N:
5 $ :
5 $ N:
5 % 0(*2+06
5 % N:
5 $ N:
5 $ N:
5 $ N:
5 $ :
5 $ N:
5 $ :
5 $ N:
5 $ N:
5 $ N:
5 $ :
5 $ N:
5 $ N:
5 $ :
5 $ N:
5 $ :
5 $ N:
5 $ :
5 $ N:
5 $ :
5 $ :
5 $ :
5 $ :
5 $ N:
5 $ N:
5 $ :
5 $ :
5 ( ),/0
5 ( ),/0
5 $ N:
5 $ N:
5 $ N:
5 $ :
5 % :
5 $ :
5 $ N:
5 % :
5 $ N:
5 $ .:
&LUFXLW
5HI
0RWRUROD
3DUW1R 'HVFULSWLRQ
5 $ N:
5 $ N:
&175/7RQO\
5 $ N:
&175/7RQO\
5 $ N:
&175/7RQO\
5 $ :
&175/7RQO\
5 $ N:
5 $ N:
5 $ N:
5 $ N:
5 $ N:
5 $ :
5 $ N:
5 $ N:
5 $ N:
5 $ N:
9RLFHVWRUDJHRQO\
5 $ N:
9RLFHVWRUDJHRQO\
5 $ N:
9RLFHVWRUDJHRQO\
5 $ N:
9RLFHVWRUDJHRQO\
5 $ N:
9RLFHVWRUDJHRQO\
5 % N:
9RLFHVWRUDJHRQO\
5 $ N:
9RLFHVWRUDJHRQO\
5 $ :
9RLFHVWRUDJHRQO\
5 % :
9RLFHVWRUDJHRQO\
5 $ .:
9RLFHVWRUDJHRQO\
5 $ :
9RLFHVWRUDJHRQO\
5 $ N:
9RLFHVWRUDJHRQO\
5 $ N:
9RLFHVWRUDJHRQO\
5 $ :
5 0 ;
5 $ :
5 0 ;
5 % :
5 % :
5
8VHGLQ
$ N:
&175/7RQO\
&LUFXLW
5HI
0RWRUROD
3DUW1R 'HVFULSWLRQ
5 0 ;
5 0 ;&175/7
5 $ N:&175/7
5 % :
5 % :
5 $ :
5 $ N:
5 $ N:
5 $ N:
5 $ N:
5 % :
5 $ :
5 % :
5 $ N:
5 $ :
5 $ :
5 $ :
5 $ N:
5 $ N:
&175/7RQO\
5 $ N:
5 $ :
5 $ N:
&175/7RQO\
5 $ .:
5 $ :
5 $ N:
5 $ N:
5 ( ),/0
5 ( ),/0
5 $ :
5 $ :
5 $ N:
5 % N:
5 $ N:
5 $ N:
5 $ N:
5 $ N:
8 - 0,&52352&(6625
0&+&)/2
8 - ((3520;62
8 % .;)/$6+520
$7%9
8 $ .[65$0
8 $ )'&'55(08;
+&
8 0 48$'23$03BB
8 & $6),&&030074)3
8 $ 08;'(08;75,3/(&+
8 ; $8',23$7'$&
&LUFXLW
5HI
0RWRUROD
3DUW1R 'HVFULSWLRQ
8 0 ((3520$1$/2*
,6'(,
9RLFHVWRUDJHRQO\
8 % %X))(5'5,9(5
$+&7*
9RLFHVWRUDJHRQO\
8 : /,1($5,&23$03
9RLFHVWRUDJHRQO\
8 8 61*/$1$/2*6:,7&+
9RLFHVWRUDJHRQO\
8 - 5(*8/$7259
9RLFHVWRUDJHRQO\
8 ; $'-9/7*5(*/0
72
8 ; $'-9/7*5(*/0
72
8 $ 5(*93260$
0&0
8 $ 0&
95 $ 9P:
95 : =(1(548$'004$97
95 : =(1(548$'004$97
95 $ 62&$8726'1
95 : =(1(548$'004$97
95 $ 62&$8726'1
95 $ 62&$8726'1
95 $ 9P:
95 $ 90:
95 & 75$166839+,*+
32:(5
95 $ 9P:
< 5 &5<67$/.+]
&LUFXLW
5HI
0RWRUROD
3DUW1R 'HVFULSWLRQ

&RQWUROOHU7776FKHPDWLFVDQG3DUWV/LVWV &KDSWHU
&%
&RQWUROOHU73DUWV/LVW
&LUFXLW
5HI
0RWRUROD
3DUW1R 'HVFULSWLRQ
& ) S)9
& ) Q)9
& ( Q)9
& ( Q)9
& ( Q)9
& ) S)9
& ) S)9
& ( Q)9
& ) Q)9
& $ X)9
& $ X)9
& ( Q)9
& $ X)9
& ( Q)9
& ( Q)9
& ( X)%.RKP
UHVLVWRUIRU/6PRGHOV
& ) S)9
& ( Q)9
& ( Q)9
& $ X)9
& % X)9
& ( Q)9
& ( Q)9
& ( Q)9
& ( X)
& ( Q)9
& ) S)9
& ( Q)9
& ( Q)9
& ) Q)9
& ( Q)9
& $ X)9
& ( Q)9
& ( Q)9
& ) S)9
& ( Q)9
& ) S)913
& ( Q)9
& ) Q)9
& ) Q)9
& ( Q)9
& ) Q)9
& $ X)9
& ) Q)9;5
& ) Q)9;5
& & X)RQO\/RZ%DQG
& & X)RQO\/RZ%DQG
& & X)RQO\/RZ%DQG
& & X)RQO\/RZ%DQG
& $ X)9
9RLFHVWRUDJHRQO\
& ( Q)9
9RLFHVWRUDJHRQO\
& ) S)9
9RLFHVWRUDJHRQO\
& ( Q)9
9RLFHVWRUDJHRQO\
& ( Q)9
9RLFHVWRUDJHRQO\
& ( Q)9
9RLFHVWRUDJHRQO\
& ( Q)9
9RLFHVWRUDJHRQO\
& $ 7$17&3X)9
9RLFHVWRUDJHRQO\
& ( Q)9
9RLFHVWRUDJHRQO\
& ( Q)9
9RLFHVWRUDJHRQO\
& ( Q)9
9RLFHVWRUDJHRQO\
& ( Q)9
9RLFHVWRUDJHRQO\
& ( Q)9
9RLFHVWRUDJHRQO\
& $ 7$17&+,3X)
9RLFHVWRUDJHRQO\
& ( Q)9
9RLFHVWRUDJHRQO\
& 1 S)
& ) S)9
& ) S)9
& / S)
& / S)
& 1 S)
& / S)
& ) S)9
& ) S)9
& / S)
& / S)
& / S)
& / S)
& / S)
& / S)
& / S)
&LUFXLW
5HI
0RWRUROD
3DUW1R 'HVFULSWLRQ
& / S)
& 1 S)
& 1 S)
& 1 S)
& / S)
& / S)
& / S)
& / S)
& / S)
& / S)
& ) S)9
& / S)
& / S)
& / S)
& / S)
& / S)
& / S)
& / S)
& / S)
& / S)
& / S)
& / S)
& / S)
& / S)
& ) Q)9
& ) S)9
& ) S)9
& ) S)9
& ) S)9
& ) S)9
& ) S)9
& ) S)9
& ) S)9
& ) S)9
& ) S)9
& ) S)9
& ) S)9
& ) S)9
& ) Q)9
& 1 S)
& ) S)9
& $ Q)9
& $ X)9
& / Q)
& ( Q)9
& ( Q)9
& ( X)%.RKP
UHVLVWRUIRU/6PRGHOV
&LUFXLW
5HI
0RWRUROD
3DUW1R 'HVFULSWLRQ
& ) S)9
& 0 /<7X)9
& & &3X)9
& ( Q)9
& $ &3X)
& ) S)9
& $ &+,3X)
& ( Q)9'
& $ &+,3X)
& $ &3X)9
& ( Q)9
& & &3X)9
& ) Q)9
& ( Q)9
& ( Q)9
& ( Q)9
' $ &+,36&+277.<
' & '8$/62700%'
' & '8$/62700%'
' - 6&+277.<%$55,(5
5%(
9RLFHVWRUDJHRQO\
' & '8$/62700%'
' & '8$/62700%'
' & '8$/62700%'
' & '8$/62700%'
( 5 )HUULWH%HDG
( 5 )HUULWH%HDG
( 5 )HUULWH%HDG
) = $9
- < &211)/(;3,1
- < &211)/(;6,'((175<
- % &21160'3,1
- < &211=,)+25,=217$/
- < &211=,)3,1
- % '&3:5&211
4 0 131',*NN
4 0 131',*NN
4 0 131',*NN
4 0 131'5/1*710;7$
4 0 131',*NN
4 0 131',*NN
4 0 131',*NN
4 0 131',*NN
4 * 1319$
4 0 131',*NN
4 7 '8$/52+0)0&5+
4 * 1319$
&LUFXLW
5HI
0RWRUROD
3DUW1R 'HVFULSWLRQ

&KDSWHU &RQWUROOHU7776FKHPDWLFVDQG3DUWV/LVWV
&%
0RWRUROD'HSRW6HUYLFLQJRQO\
5HIHUHQFHGHVLJQDWRUVZLWKDQDVWHULVNLQGLFDWH
FRPSRQHQWVZKLFKDUHQRWILHOGUHSODFHDEOH
EHFDXVHWKH\QHHGWREHFDOLEUDWHGZLWK
VSHFLDOL]HGIDFWRU\HTXLSPHQWDIWHULQVWDOODWLRQ
5DGLRVLQZKLFKWKHVHSDUWVKDYHEHHQUHSODFHGLQ
WKHILHOGZLOOEHRIIIUHTXHQF\DWWHPSHUDWXUH
H[WUHPHV
4 0 131',*NN
4 0 131'5/1*710;7$
5 $ N:
5 $ :
5 $ :
5 $ N:
5 $ N:
5 % :
9RLFHVWRUDJHRQO\
5 $ :
5 % :
5 $ N:
5 $ N:
5 $ N:
5 $ :
5 $ N:
5 % 0(*2+06
5 % N:
5 $ N:
5 $ N:
5 $ N:
5 $ :
5 $ N:
5 $ :
5 $ N:
5 $ N:
5 $ N:
5 $ :
5 $ N:
5 $ N:
5 $ :
5 $ N:
5 $ :
5 $ N:
5 $ :
5 $ N:
5 $ :
5 $ :
5 $ :
5 $ :
5 $ N:
5 $ N:
5 $ :
5 $ :
5 ( ),/0
5 ( ),/0
5 $ N:
&LUFXLW
5HI
0RWRUROD
3DUW1R 'HVFULSWLRQ
5 $ N:
5 $ N:
5 $ :
5 % :
5 $ :
5 $ N:
5 % :
5 $ N:
5 $ .:
5 $ N:
5 $ N:
5 $ N:
5 $ N:
5 $ :
5 $ N:
5 % N:
5 $ N:
5 $ N:
5 $ N:
5 $ :
5 $ N:
5 $ N:
5 $ N:
5 $ N:
9RLFHVWRUDJHRQO\
5 $ N:
9RLFHVWRUDJHRQO\
5 $ N:
9RLFHVWRUDJHRQO\
5 $ N:
9RLFHVWRUDJHRQO\
5 $ N:
9RLFHVWRUDJHRQO\
5 % N:
9RLFHVWRUDJHRQO\
5 $ N:
9RLFHVWRUDJHRQO\
5 $ :
9RLFHVWRUDJHRQO\
5 % :
9RLFHVWRUDJHRQO\
5 $ .:
9RLFHVWRUDJHRQO\
5 $ :
9RLFHVWRUDJHRQO\
5 $ N:
9RLFHVWRUDJHRQO\
5 $ N:
9RLFHVWRUDJHRQO\
&LUFXLW
5HI
0RWRUROD
3DUW1R 'HVFULSWLRQ
5 $ :
5 0 ;
5 $ :
5 0 ;
5 % :
5 % :
5 $ N:
5 0 ;
5 $ N:
5 % :
5 % :
5 $ :
5 $ N:
5 $ N:
5 $ N:
5 $ N:
5 $ N:
5 $ :
5 % :
5 $ N:
5 $ :
5 $ :
5 $ :
5 $ N:
5 $ N:
5 $ :
5 $ :
5 $ N:
5 $ :
5 $ N:
5 $ N:
5 $ :
5 $ N:
5 $ N:
5 ( ),/0
5 ( ),/0
5 $ :
5 $ :
5 $ N:
5 % N:
5 $ N:
5 $ N:
5 $ N:
5 $ N:
8 - 0,&52352&(6625
0&+&)/2
8 - ((3520;62
&LUFXLW
5HI
0RWRUROD
3DUW1R 'HVFULSWLRQ
8 % .;)/$6+520
$7%9
8 / .[65$0
8 $ )'&'55(08;
+&
8 0 48$'23$03BB
8 & $6),&&030074)3
8 0 08;'(08;75,3/(&+
8 ; $8',23$7'$&
8 0 ((3520$1$/2*
,6'(,
9RLFHVWRUDJHRQO\
8 % %X))(5'5,9(5
$+&7*
9RLFHVWRUDJHRQO\
8 : /,1($5,&23$03
9RLFHVWRUDJHRQO\
8 8 61*/$1$/2*6:,7&+
9RLFHVWRUDJHRQO\
8 - 5(*8/$7259
9RLFHVWRUDJHRQO\
8 ; $'-9/7*5(*/0
72
8 ; $'-9/7*5(*/0
72
8 $ 5(*93260$
0&0
8 $ 0&
95 $ 9P:
95 : =(1(548$'004$97
95 : =(1(548$'004$97
95 $ 62&$8726'1
95 : =(1(548$'004$97
95 $ 62&$8726'1
95 $ 62&$8726'1
95 $ 9P:
95 $ 90:
95 & 75$166839+,*+
32:(5
95 $ 9P:
< 5 &5<67$/.+]
&LUFXLW
5HI
0RWRUROD
3DUW1R 'HVFULSWLRQ

&RQWUROOHU76FKHPDWLFVDQG3DUWV/LVWV &KDSWHU
&%
 &RQWUROOHU76FKHPDWLFVDQG3DUWV/LVWV
10
22uF
C0611
R0651
C0652
33uF
R0612
4.7K
D0661
Q0662
R0671
30K
10K
VIN
4VOUT 5
R0672
LM2941
U0611
ADJ 1
GND1
3
GND2
6
2ON_OFF
10K
47K
47K
C0671
0.1uF
R0641
J
0601-1
.01uF
C0662
R0662
150K Q0663
47K
47K
D0621
C0603
R0661
1K
10uF
RESET
RESET
1
VR0621
GND GND
4
INPUT
2
2
NP
NC1
3
NC2
5
NC3 6
NC4 7
8
NC5
U0652
MC33064
2
GND
1IN OUT3
TP0661
C0663
MC78M05
U0651
0.1uF
R0643
0.1uF
1.2K
C0651 C0655
NU
0.1uF
0.1uF
C0645
470pF
VR0601
NU
C0621
4VIN 5
VOUT
47uF
C0622
U0641
LM2941
1
ADJ
GND1
3
GND2
6
ON_OFF
2
Q0661
R0611
56K
VR0671
NU
Q0681
R0682
68K
R0681
18K
57R01
E0631
470pF
C0601
47uF
C0661
R0642
7.5K
470pF
C0641 C0644
33uF
D0651
0.1uF
J
0601-2
C0681
C0612
0.1uF
J
0601-3
D0660
R0652
R0621
10
24K
Q0641
MC33464N-45ATR
U0653
NU
10uF
9V3
FLT_A+
IN_5V_RF_REG
RESET
5VD
C0654
DC_POWER_ON
IGNITION_CONTROL
EMERGENCY_CONTROL
BATTERY_VOLTAG
E
ON_OFF_CONTROL
EXT_SWB+
INT_SWB+
PASUPVLTG
VSTBY
FL0830679O
&RQWUROOHU76FKHPDWLF'LDJUDP6XSSO\9ROWDJH

&KDSWHU &RQWUROOHU76FKHPDWLFVDQG3DUWV/LVWV
&%
LSIO
F1200
SYN
Check PIN Values on IC
CLK
GP2_OUT
CSX
DATA
VOX
CH_ACT
HSIO
SQ_DET
4
0.1uF
C0251
C0255
0.1uF
1
1
VDDCP 32
VDDD 33
VDDDAC
SQCAP
11
12
VDDRC 45
VDDSYN 27
VOX
7
SQDET
17
SQIN
9SYN 28
TXRTN 36
TXSND 44
UIO
10
VDDA
LSIO
18
MICEXT 48
MICINT 46
MOD 40
NC 26
PLCAP
8
PLCAP2 25
GCB5
RXSND
AUXTN
RXRTN
38
39
GNDA
3
GNDD
GNDD0
31
30
GNDRC 47
GNDSYN
23
HSIO
19
24 LCAP
DATA
22
DISC
2
F1200 29
GCB0
15 GCB1
14 GCB2
13
GCB3 35
37
GCB4
CHACT
16
CLK
21
CLK168 34
CSX
20
DACG
6DACR
5
4DACU
63A53
U0221
AUDIO 41
42
43
R0206
10K C0205
2200pF
NU
0.1uF
C0266
NU
C0267
C0231
1uF
.01uF
6
5
7
4
11
11
Y1
1
Z4
Z0
5
3Z1
U0211-2
MC3403
GND
8VCC 16
VEE
7
X14
X0
12
X1
13
Y15
Y0
2
U0251
11
A
B10
C9
EN 6
R0208
2.2K
6
MC14053B
NU
C0211
0.1uF
NU
9
R0266
24K
C0224
100pF
C0237
2.2uF
NU
47K
R0267
10K
R0268
10uF
C0202
10uF C0212
0.1uF
C0225
C0275
47uF
24K
R0273
10uF
C0201
23
8
NU
8.2K
R0225
8.2K
R0224
100pF
C0243
R0242
0.1uF
NU
0
12
14
4
11
C0242
U0211-4
MC3403
13
560
C0244
R0204
C0235
0.1uF
C0271
.022uF
.01uF
47K
R0241
.01uF
100pF
C0256
C0246
R0256
100K
10K
R0254
10K
R0255
0.1uF
C0241
TP0221
57R01
E0272
8.2K
R0220
NU
C0245
0.1uF
100
R0203
C0233
0.22uF
NU
15K
1000pF
R0276
7
VCC
C0276
GND1
GND2
5
9INV
8M_SS
1NINV
4
OUT1
6
OUT2
RR
3
TDA1519C
U0271
2
10K
R0261
0.1uF
C0274
NU
C0232
0.1uF
R0227
1MEG
NU
9
10
8
4
11 U0211-3
MC3403
5
0.1uF
C0222
100K
R0253
100pF
C0253
NU
1uF
C0252
7
C0291
10uF
C0290
10uF
NU
R0207
2.2K
R0226
1MEG
0.1uF
NU
10uF
C0227
C0292
10uF
C0293
C0221
0.1uF
0.1uF
R0252
C0223
56K
30K
R0223
0.1uF
C0261
R0212
R0211
7.5K
C0236
7.5K
.033uF
R0265
24K
C0265
0.1uF
NU
5
3
1
2
4
D0201
0.1uF
C0254
C0234
7
0.1uF
TP0222
C0273
3300pF
47K
R0251
2.2K
R0257
C0228
4.7uF
10K Q0271
R0275
R0228
C0272
0
0.1uF
560
R0202
C0262
R0222
82pF
24K
0.1uF
C0226
470
NU
R0269
2200pF
C0203
10
R0229
0.1uF
C0204
R0221
24K
270K
R0262
C0277
1000pF
U0211-1
MC3403
2
3
1
4
11
57R01
E0271
R0274
NU
10K
R0201
R0205
100
5V_RF5V_RF
TX_AUD_RTN
5V_RF
TX_AUD_SND
5V_RF
DISCAUDIO
5V_RF
5V_RF
RX_ADAPT
FLAT_TX_RTN
10K
9V3
9V3
MODIN
INT_SWB+
CH_ACT
VAG
9V3 9V3
9V3
VS_MIC
MOSBIAS_3
16_8MHZ
VAG
EXT_MIC
5V_RF
5V_RF
5VD5VD
5V_RF
SPKR-
RX_AUD_RTN
INT_MIC
URX_SND
FLAT_RX_SND
DC_POWER_ON
FLT_A+
5VD
SPKR+
5VD
PA_PWR_SET
MOSBIAS_2
9V3
NOISE_BLNKR
VS_AUDSEL
SPI(0:10)
GPIO(0:13)
CNTLR_AUDIO(0:7)
VAG
VAG
HANDSET_AUDIO
RX_FLAT_FILTERED_AUDIO
Parts used only in Low Band Models
FL0830680O
&RQWUROOHU76FKHPDWLF'LDJUDP$XGLR

&RQWUROOHU76FKHPDWLFVDQG3DUWV/LVWV &KDSWHU
&%
R/W*
SPI_MOSI
NC
NC
7
CLK
9
Fuse P/N
6580542Z01
CS*
24
DISCAUDIO
NC
BUS+10
DIG_IN_OUT_4
9
18
9V3
VS_MIC
13
2
GND
5
DATA
GM300
SPEAKER-
CLK
30
13
J0501
J0451
DIG_IN_6 WITH WAKEUP (IGNITION)
FLAT/FILTERED_RX_AUDIO
15
14
16
1
PCB
23
21
SPI_CLK
8
35
OFF_BATT_DATA_OUT
3
4
VS_GAINSEL
Gnd
11
DB2
DIG_IN1
3
EXP1_CS
5
6
SPEAKER-
DIG_IN_OUT_8
SWB+
14
Rdy/Req
2
GROUND
10
6
19
9
VS_CS
RDY
EXT_BD_REQ
EXT_BD_CS
12
2
6
NC
1
12
13
14
15 17
15
6
40
18-PIN CONNECTOR
RS232 INTERFACE BOARD
GND
BUS+
5
NC
RSSI
GND
J0552
NC
GROUND GROUND
NC
BOOT_CNTRL
20
GROUND
DB1
22
GP4_IN_OUT
TO/FROM RF
DATA
SCK_Snd
3
FAST_SQ
EXT_BD_PTT
GND
EXP_BD_REQ
NC
NC
DB6
ACCESSORY
16
DB3
MISO
NC
9
10
11
12
13
EXT_BD_PTT
12
Rx_Aud_Rtn
12
31
4
12
18-PIN CONNECTOR
7
17
1
HANSET_AUDIO
Opt_Bd_En
6
11
17
20
NC
15
16
17
18
REAR VIEW
15
16
34
INTERNAL OPTION BOARD
39
38
9
2
1
NC
CLK
7
4
11
J0551
28
FLT_A+
Key_Col
DIG_OUT2 (EXTERNAL_ALARM)
EXP2_CS
SPI_MISO
5VD
EXP2_CS
11
CONTROL HEAD
J0401
5VD
9V3
5VD
EXT_BD_PTT
13
10
Flat_Tx_Rtn
NC
1
2
SrD_Snd
SPEAKER+
BUS+
11
10
11
NC
1
14
15
16
17
4
NC
33
7
9
18
17
GROUND
SrD_Rtn
NC
10
OPT_CS
VS_RAC
8
RST*
7
8
14
INT_EXT_Vdd
4
EXT_BD_PTT
5
Det_Aud_Snd
18
40-PIN CONNECTOR
DB5
EXP_BD_PTT
GND
13
37
DIG_IN_OUT_7
2
LED_EN
8
DATA
DIG_IN_6 WITHWAKEUP
CLK
Tx_Aud_Rtn
5
4
EXPANSION BOARD
OPT_PTT
16
20
SCI_TX
INT_MIC
DIG_IN_3
Tx_Aud_Snd
Rx_Aud_Snd
ON
VS_INT
DIG_IN_5 WITH WAKEUP (EMERGENCY)
5
Key_Row
Key_Intrp
3
1
NC
NC
3
ON_OFF_CONTROL
3
20-PIN CONNECTOR
OPT_CS
12-PIN CONNECTOR
FLAT_TX_AUDIO
DB7
RESET
FLT_A]
DISCAUDIO
CH_ACT
DIG_IN_OUT_4
DATA
EXP1_CS
VS_AUDSEL
26
FLAT_TX_RTN
8
7
9
6
CSX
29
12
MISO
2
5
6
18
8
36
DB0
19
PTT
18
8
Vddd
25
32
EXT_BD_PTT
27
19
WARI S
TO/FROM RF
7
10
A0
EXT_MIC_AUDIO
4
VS_CS
DB4
EXP_BD_PTT
SPEAKER+
14
3
PA_PWR_SET
470pF
PASUPVLTG
C0513
TEMPSENSE_CNTLR_1
J0501-16
10
C0505
470pF
MODIN
J0551-8
VR0505
CLK_CNTLR_1
C0518
470pF
VR0509
C0487
470pF
C0431
470pF
470pF
C0423
470pF
C0514
J0501-3
J0501-20
C0560
1000pF
J0401-11
J0501-17
J0451-11
16_8MHZ_CNTLR_1
220
R0401
J0551-11
C0488
470pF
3A
F0401
J0501-5
C0495
470pF
470pF
DISCAUDIO
47K
C0484
NU
R0542
VR0537
J0401-1
82pF
C0517
CNTLVLTG_CNTLR_1
J0501-4
9
J0551-3
J0551-10
470pF
C0510
0.47uF
C0541
J0551-40
10
R0592
J0451-5
J0501-14
3
J0551-20
R0525
100K
PA_PWR_SET_1_CNTLR_1
J0551-25
220
R0538
VR0501
J0551-4
J0551-14
C0542
47uF
R0533
J0551-23
0
J0551-18
R0511
100K
CSX_CNTLR_1
J0551-37
NOISE_BLNKR_CNTLR_1
R0529
47K
J0551-19
J0551-41
J0451-1
J0551-36
J0551-32
R0530
22K
J0401-10
J0401-7
470pF
RSSI_CNTLR_1
C0497
R0441
0
470pF
NU
470pF
C0575
DISCAUDIO_CNTLR_1
C0477
DATA_CNTLR_1
LOCK_CNTLR_1
0
R0412
C0447
470pF
J0551-22
MODIN_CNTLR_1
J0451-10
470pF
C0509
J0451-17
J0501-2
C0472
82pF
J0501-11
J0451-6
1
J0501-12
100K
R0543
J0451-12
VR0510
DATA
J0401-5
NU
470pF
C0559
470pF
C0429
J0501-15
R0512
15K
C0426
470pF
C0501
.01uF
C0421
J0451-16
82pF
82pF
C0473
J0401-4
J0551-21
J0401-9
J0401-3
J0401-8
J0451-18
8CLK_CNTLR_2
0.1uF
C0591
470pF
C0494
C0516
.01uF
J0451-4
R0591
24K
J0551-31
470pF
CLK
C0512
MOSBIAS_2_CNTLR_1
J0551-42
470pF
C0442
IN_5V_RF_REG_CNTLR_1
C0485
J0401-12
J0551-13
470pF
C0483
9
470pF
J0551-27
TEMPSENSE
RESET
VR0541
470pF
C0441
8
0.1uF
C0592
R0407
5V
560
10
IN_5V_RF_REG
R0531
J0551-12
2
J0501-8
L0482
J0451-7
NU
390nH
C0478
470pF
J0551-15
R0408
100
470pF
C0511
7
R0539
J0551-29
4.7K
J0551-39
R0510
4.7K
NU
L0481
390nH
J0501-1
C0506
470pF
C0449
5V_CNTLR_1
MOSBIAS_3
470pF 1K
R0442
4
C0493
470pF
DATA
TP0530
CSX
J0551-26
J0501-13
J0401-6
CLK
J0551-6
J0451-8
J0551-34
470pF
82pF
C0471
C0422
0.1uF
C0593
R0482 0
R04810
R0468
100K
C0443
470pF
J0551-17
NU
J0551-30
C0474
470pF
J0501-9
470pF
CNTLVLTG
J0451-9
C0491
100K
R0593
VR0504
J0451-13
C0515
470pF
DATA_CNTLR_2
C0503
470pF
PASUPVLTG_CNTRL_1
J0501-6
J0401-2
VR0503
TP0492 TP0497
R0537
220
J0451-15
470pF
INT_SWB
NU
C0558
10
R0409
J0451-2
LOCK
RSSI
MOSBIAS_3_CNTLR_1 MOSBIAS_2
470pF
C0508
J0501-10
C0490
9V3
470pF
J0551-35
J0451-14
J0551-1
J0551-28
C0492
470pF
R0535
1K
J0501-19
470pF
J0551-5
C0430
C0496
470pF
470pF
C0486
470pF
C0499
RESET_CNTLR_1
CSX_CNTLR_2
C0476
470pF
J0551-33
C0482
470pF
NU
C0576
470pF
9
9V3_CNTLR_1
C0554
J0451-3
NU
0.1uF
J0551-24
NOISE_BLNKR
INT_SWB_CNTLR_1
10
R0467
J0551-9
J0501-7
470pF
C0427
J0551-2
J0551-16
C0470
470pF
R0541
27K
470pF
C0502
J0501-18
470pF
C0504
0
R0509
470
R0508
J0551-7
16_8MHZ
J0551-38
CSX
8
C0428
82pF
C0448
470pF C0445
470pF470pF
C0446
GP4_IN_OUT_ACC8
OPT_CS
RDY
OPT_PTT
EXP2_CS
EXP_BD_REQ
5VD
SPKR-
SPKR+
ON_OFF_CONTROL
BUS+
BUS+
GP6_IN_ACC10
GP5_IN_ACC9
GP2_OUT_ACC4
GP7_IN_OUT_ACC12
GP8_IN_OUT_ACC14
SPKR+
GP3_IN_ACC6
GP4_IN_OUT_ACC8
EXP2_CS
FLAT_TX_RTN
FLAT_TX_RTN
GP6_IN_ACC10
GP6_IN_ACC10
GP6_IN_ACC10
GP1_IN_ACC3
FLT_A+
CH_ACT
GP1_IN_ACC3
SPI_DATA
SPI_MISO
SPI_CLK
EXP1_CS
9V3
SPI_MISO
DISCAUDIO
MODIN
CH_ACT
5VD
9V3
5VD
SPI_MISO
RESET
FLT_A+
DISCAUDIO
GP4_IN_OUT_ACC8
EXP1_CS
EXP_BD_REQ
GP1_IN_ACC3
SPI_CLK
SPI_DATA
SPKR-
EXT_MIC
GP1_IN_ACC3
INT_MIC INT_MIC
INT_MIC
SPKR+SPKR+
DISCAUDIO ISCAUDIO
HANDSET_AUDIO
HANDSET_AUDIO
RSSI RSSI
BOOT_CNTRL
5VD
IN_5V_RF_REG
BUS+
GP1_IN_ACC3 GP1_IN_ACC3
INT_SWB+
GP4_IN_OUT_ACC8
EXP1_CS
EXP_BD_REQ
EXP_BD_REQ
EXP_BD_REQ
GP1_IN_ACC3
CH_ACT CH_ACT
CH_ACT
DISCAUDIO
FLT_A+
SCI_TX
R
X_FLAT_FILTERED_AUDIO
EMERGENCY_CONTROL
RSSI
EXT_SWB+
RDYRDY
RDY
OPT_PTTOPT_PTT
OPT_PTT
NOISE_BLNKR
MOSBIAS_2
PA_PWR_SET
EXP1_CS
9V3
FLAT_TX_RTN FLAT_TX_RTN
GP4_IN_OUT_ACC8 GP4_IN_OUT_ACC8
DISCAUDIO
SPI(0:10)
MOSBIAS_3
VS_MIC VS_MIC
FLAT_TX_RTN
5VD
FLT_A+
BUS+ BUS+
RESET
RESET
ON_OFF_CONTROL ON_OFF_CONTROL
16_8MHZ
5V_RF
5VD
5VD
FLT_A+
SPI_DATA
SPI_CLK
SPI_MISO
VS_CS
OPT_CS
RESET
EXT_MICEXT_MIC
SPKR-SPKR-
RESET
PASUPVLTG
BUS+
TEMPSENSE
CNTLVLTG
RSSI
LOCK
OPT_CS
SPI_DATA
TX_AUD_RTN
VS_CS
VS_MIC
SPI_CLK
FLAT_RX_SND
RX_AUD_RTN
URX_SND
TX_AUD_SND
VS_INT
5VD
VS_AUDSEL
VS_GAINSEL
SPI_MISO
VS_RAC
IGNITION_CONTROL
FLT_A+
FLT_A+
HANDSET_AUDIO
ZWG0131050-O
&RQWUROOHU76FKHPDWLF'LDJUDP,2

&KDSWHU &RQWUROOHU76FKHPDWLFVDQG3DUWV/LVWV
&%
GP3_IN
GP8_IN
PE6
LVZIF_CS
ON_OFF_SENSE
GP5_IN
GP4_OUT
VS_CS
EXP1_CS
HC138_A 2
SYN
HC138_A1
GP2_OUT
LSIO
MICROPROCESSOR
CLK
GP5_IN
CSX
HC138_A 1
OPT_CS
32kx8bit
R0105 USED IN STANDARD ONLY
GP7_OUT
GP8_OUT
SQ_DET
HC138_A1
R0106 USED IN PRIME ONLY
FLASH ROM
NU
EE_CS
HSIO
GP8_IN
GP4_IN
EE_CS
HC138_A0
GP3_IN
512kx8bit
RAM
GP6_IN
GP6_IN
HSIO
GP4_OUT
GP7_OUT
DATA
EEPROM
HC138_A 0REF_CS
MISO
EXP2_CS
GP1_IN
DATA
MISO
F1200
GP4_IN
GP8_OUT
VOX
LSIO
GP7_IN
GP1_IN
CLK
GP7_IN
CHACT
16Kx8bit
GP4_OUT
GP7_OUT
(EXT_BD_PTT & DATA_PTT)
0
R0112
NU
4.7K
R0181
0
R0106
0.1uF
NU
8
10
C0108
NU
R0103
C0111
100pF
4.7K
R0102
100pF
NU
C0103
15
C0131
22pF
VR0151
14
9
7
Q0183
0
2
15
14 14
13
4
5
7
2
5
0.1uF
C0112
Q0171
100K
R0121
0
3
47K
Q0177
10
R0186
R0176
6
13
4
5
0
30K
0
6
1
13
2
NC
3
NC1
4OUT 1
IN
9
XTAL
Y0131
38.40KHz
Q0110
R0182
47K
NU
4
3
18
R0110
10K
16
5
R0105
100K
R0178
47K
4
2
R0131
10MEG
C0105
100pF
NU
4.7K
4
R0171
D0101
16
5
R0117
3.9K
R0183
5
2
1
4.7K
C0123
100pF
NU
11
R0113
10K
Q0151
IO 6 28
IO 7 29
8
VCC
2
8
EN_WE
7
24
GND
21
IO 0
IO 1 22
IO 2 23
IO 3 25
IO 4 26
IO 5 27
A4
16
15 A5
14 A6
A7
13
A8
3
A9
2
EN_CE
30
EN_OE
32
4A13
A14
5
11 A15
A16
10
A17
6
A18
9
A2
18
A3
17
A0
20
A1
19
A10
31
A11
1
A12
12
2
3
3
U0121
AT49F040
6
17
9
D0179
10K
5
7
R0101
3
8
TP0101
47K
NU
2.2K
6
R0107
R0108
R0177
4.7K
1
4
1
17
7
7
10
99
8
C0122
0.1uF TP0103
3
11 1
10
3
2
1
0
CS 1
HOLD 7
SCK 6
SI 5
SO
2
VCC
8
VSS
4
WP 3
3
U0111
X25128-2.7
12
13
0
24K
R0151
12
0
13
4
D0151
4.7K
12
3
R0173
1
2
6
8
4
2
3
6
10
6
65
1
8
7
TP0151
C0121
C0102
NU
0.1uF
100pF 100pF
C0104
NU
47K
18
R0184
R0174
10K
22pF
Q0185
C0132
R0179
47K
7
4
C0151
.01uF
Q0173
C0106
NU
1
7
0
100pF
12
Y4
11
Y5
10
Y6
9
Y7
7
12
3
6
EN_CS2 4
EN_CS3 5
GND
8
VCC
16
Y0
15
Y1
14
Y2
13
Y3
A0 1
A1 2
A2 3
EN_CS1
6
5
12
U0141
MC74HC138
A
10
TP0102
4.7K
R0185
6
80
C0107
1000pF
12 IO 2
13 IO 3
15 IO 4
16 IO 5
17 IO 6
18 IO 7
19 IO 8
28
VCC
3
A7 25
A8 24
A9
20
EN_CS 22
EN_OE 27
EN_WE
GND
14
11 IO 1
2
A12 26
A13 1
A14
8
A2 7
A3 6
A4
A5 5
4
A6
63A21
U0122
10
A0 9
A1
A10 21
23
A11
11
10K
R0114
Q0181
9
R0104
10K
13 VSS
40 VSSL
87 VSSR
XFC 93
48
XIRQ
91
XTAL
PJ6 78
PJ7
94
RESET
12
VDD
39
VDDL
88
VDDR
92
VDDSYN
69
VRH
68
VRL
PI 6
49 PI 7
71
PJ0_CSGP3 72
PJ1_CSGP4 73
PJ2 74
PJ3 75
PJ4 76
PJ5 77
PH6_CSGP2
38 PH7_CSPROG
56 PI 0
55 PI 1
54 PI 2
53 PI 3
52 PI 4
51 PI 5
50
4
PG7_R_W
47 PH0_PW1
46 PH1_PW2
45 PH2_PW3
44 PH3_PW4
43 PH4_CSIO
42 PH5_CSGP1
41
PF7_ADDR7
29 PFO_ADDR0
6PG0_XA13
16 PG1_XA14
20 PG2_XA15
19 PG3_XA16
17 PG4_XA17
18 PG5_XA18
5PG6_AS
PE7_AN7 60
28 PF1_ADDR1
27 PF2_ADDR2
26 PF3_ADDR3
25 PF4_ADDR4
24 PF5_ADDR5
23 PF6_ADDR6
22
PD5_SS
PD6_LVIN 3
PE0_AN0 67
PE1_AN1 66
PE2_AN2 65
PE3_AN3 64
PE4_AN4 63
PE5_AN5 62
PE6_AN6 61
36 PC6_DATA6
37 PC7_DATA7
97
PD0_RXD
98
PD1_TXD
99
PD2_MISO
100
PD3_MOSI
1
PD4_SCK
2
PB6_ADDR14
7PB7_ADDR15
14 PBO_ADDR8
30 PC0_DATA0
31 PC1_DATA1
32 PC2_DATA2
33 PC3_DATA3
34 PC4_DATA4
35 PC5_DATA5
85
PA6_OC2_OC1
86
PA7_PA1_OC1
10 PB1_ADDR9
11 PB2_ADDR10
9PB3_ADDR11
21 PB4_ADDR12
15 PB5_ADDR13
8
95
58
MODA_LIR 57
MODB_VSTBY
79
PA0_IC3
80
PA1_IC2
81
PA2_IC1
82
PA3_IC4_OC5_OC1
83
PA4_OC4_OC1
84
PA5_OC3_OC1
59
AVDD
70 AVSS
89
ECLK
90
EXTAL
96
IRO
LVOUT
U0101
MC68HC11FL0
11
R0170
10K
0
4
10
5
NU
R0116
0
C0141
0.1uF
24K
R0152
330K
R0132
6
2
R0172 10K
R0175
10K
7
R0115
10K
R0111
0
7
10
1
C0101
100pF
RAM_CS
BUS+
CNTLVLTG
5VD
SCI_TX
GP1_IN_ACC3
GP6_IN_ACC10
GP2_OUT_ACC4
R_W
FLASH_CE
FLASH_OE
5VD
IRQ
IRQ
ADDR_BUS(0:18 )
DATA_BUS(0:7)
5VD
9
FROM_U0101_47
VS_RAC
5VD
VS_INT
GP4_IN_OUT_ACC8
5VD
BOOT_CNTRL
GP3_IN_ACC6
ON_OFF_CONTROL
R_W
5VD
5VD
5VD
RESET
RESET
5VD
OPT_PTT
5VD
GP5_IN_ACC9
5VD
SPI(0:10) SPI(0:10) SPI(0:10) SPI(0:10) SPI(0:10)
GPIO(0:13)
GPIO(0:13)
CNTLR_AUDIO(0:7) CNTLR_AUDIO(0:7)CNTLR_AUDIO(0:7)
C
NTLR_AUDIO(0:7)
FROM_U0101_47
FROM_U0101_46
FROM_U0101_46
5VD
5VD
FLT_A+
TEMPSENSE
RAM_CS
5VD
VS_GAINSEL
EXT_BD_REQ
RSSI
5VD
RX_ADAPT
5VD
5VD5VD
FLT_A+ FLT_A+
FLASH_OE
NC_XTAL
ECLK
NC
NC
LOCK
RDY
ON_OFF_CONTROL
NC
GP7_IN_OUT_ACC12
GP8_IN_OUT_ACC14
5VD
5VD
5VD
5VD
FLASH_CE
R_W
VSTBY
5VD
BATTERY_VOLTAGE
ZWG0131049-O
&RQWUROOHU76FKHPDWLF'LDJUDP0LFURSURFHVVRU

&RQWUROOHU76FKHPDWLFVDQG3DUWV/LVWV &KDSWHU
&%
&RQWUROOHU73DUWV/LVW
&LUFXLW
5HI
0RWRUROD
3DUW1R 'HVFULSWLRQ
& ) &$3S)
& ) &$3S)
& ( &$3X)
& ( &$3X)
& ( &$3X)
& ) &$3S)
& ) &$3S)
& ( &$3X)
& ) &$3X)
& $ &$3X)
& $ &$3X)
& ( &$3X)
& $ &$3X)
& ( &$3X)
& ( &$3X)
& ( &$3X)
& ) &$3S)
& ( &$3X)
& ( &$3X)
& $ &$3X)
& % &$3X)
& ( &$3X)
& ( &$3X)
& ( &$3X)
& ( &$3X)
& ( &$3X)
& ) &$3S)
& ( &$3X)
& ( &$3X)
& ) &$3X)
& ( &$3X)
& $ &$3X)
& ( &$3X)
& ( &$3X)
& ) &$3S)
& ( &$3X)
& ) &$3S)
& ( &$3X)
& ) &$3X)
& ) &$3X)
& ( &$3X)
& ) &$3S)
& $ &$3X)
& ) &$3S)
& ) &$3S)
& & &$3 X) RQO\ /RZ %DQG
& & &$3 X) RQO\ /RZ %DQG
& & &$3 X) RQO\ /RZ %DQG
& & &$3 X) RQO\ /RZ %DQG
& 1 &$3S)
& ) &$3S)
& ) &$3S)
& / &$3S)
& / &$3S)
& 1 &$3S)
& / &$3S)
& ) &$3S)
& ) &$3S)
& / &$3S)
& / &$3S)
& / &$3S)
& / &$3S)
& / &$3S)
& / &$3S)
& / &$3S)
& / &$3S)
& 1 &$3S)
& 1 &$3S)
& 1 &$3S)
& / &$3S)
& / &$3S)
& / &$3S)
& / &$3S)
& / &$3S)
& / &$3S)
& ) &$3S)
& / &$3S)
& / &$3S)
& / &$3S)
& / &$3S)
& / &$3S)
& / &$3S)
& / &$3S)
& / &$3S)
& / &$3S)
& / &$3S)
&LUFXLW
5HI
0RWRUROD
3DUW1R 'HVFULSWLRQ
& / &$3S)
& / &$3S)
& / &$3S)
& ) &$3X)
& ) &$3S)
& ) &$3S)
& ) &$3S)
& ) &$3S)
& ) &$3S)
& ) &$3S)
& ) &$3S)
& ) &$3S)
& ) &$3S)
& ) &$3S)
& ) &$3S)
& ) &$3S)
& ) &$3S)
& ) &$3X)
& 1 &$3S)
& ) &$3S)
& $ &$3X)
& $ &$3X)
& ) &$3S)
& ( &$3X)
& ( &$3X)
& % &$3X)
& ) &$3S)
& 0 &$3X)
& & &$3X)
& ( &$3X)
& $ &$3X)
& ) &$3S)
& $ &$3X)
& ( &$3X)
& $ &$3X)
& $ &$3X)
& ( &$3X)
& & &$3X)
& ) &$3X)
& ( &$3X)
& ( &$3X)
& ( &$3X)
' $ 00%'
' & 00%'
&LUFXLW
5HI
0RWRUROD
3DUW1R 'HVFULSWLRQ
' & 00%'
' & 00%'
' & 00%'
' & 00%'
' & 00%'
( 5 )(55,7(%($'
( 5 )(55,7(%($'
( 5 )(55,7(%($'
) = )86(
- < &2113,1&21
752/+($'
- < &2113,1(;3$1
6,21%2$5'
- % &2113,1$&&(6
625<
- < &2113,1,17(5
1$/237,21
- < &2113,156
- % '&32:(5&211(&
725
4 0 '7&(.$
4 0 '7&(.$
4 0 '7&(.$
4 0 5;7$
4 0 '7&(.$
4 0 '7&(.$
4 0 '7&(.$
4 0 '7&(.$
4 * 00%7
4 0 '7&(.$
4 7 )0&$
4 * 00%7
4 0 '7&(.$
4 0 5;7$
5 $ 5(6.
5 $ 5(6.
5 $ 5(6
5 $ 5(6.
5 $ 5(6.
5 $ 5(6.
5 % 5(6
5 $ 5(6.
5 $ 5(6.
5 $ 5(6.
&LUFXLW
5HI
0RWRUROD
3DUW1R 'HVFULSWLRQ

&KDSWHU &RQWUROOHU76FKHPDWLFVDQG3DUWV/LVWV
&%
0RWRUROD'HSRW6HUYLFLQJRQO\
5HIHUHQFHGHVLJQDWRUVZLWKDQDVWHULVNLQGLFDWH
FRPSRQHQWVZKLFKDUHQRWILHOGUHSODFHDEOH
EHFDXVHWKH\QHHGWREHFDOLEUDWHGZLWK
VSHFLDOL]HGIDFWRU\HTXLSPHQWDIWHULQVWDOODWLRQ
5DGLRVLQZKLFKWKHVHSDUWVKDYHEHHQUHSODFHGLQ
WKHILHOGZLOOEHRIIIUHTXHQF\DWWHPSHUDWXUH
H[WUHPHV
5 $ 5(6.
5 $ 5(6.
5 % 5(60(*
5 % 5(6.
5 $ 5(6.
5 $ 5(6.
5 $ 5(6.
5 $ 5(6.
5 $ 5(6.
5 $ 5(6.
5 $ 5(6.
5 $ 5(6.
5 $ 5(6.
5 $ 5(6.
5 $ 5(6.
5 $ 5(6.
5 $ 5(6.
5 $ 5(6.
5 $ 5(6.
5 $ 5(6.
5 $ 5(6.
5 $ 5(6.
5 $ 5(6
5 $ 5(6
5 $ 5(6
5 $ 5(6
5 $ 5(6.
5 $ 5(6.
5 $ 5(6.
5 $ 5(6.
5 ( 5(6.
5 ( 5(6.
5 $ 5(6.
5 $ 5(6.
5 $ 5(6.
5 $ 5(6.
5 % 5(6
5 $ 5(6
5 $ 5(6.
5 % 5(6
5 $ 5(6.
5 $ 5(6.
5 $ 5(6.
5 $ 5(6.
&LUFXLW
5HI
0RWRUROD
3DUW1R 'HVFULSWLRQ
5 $ 5(6.
5 $ 5(6.
5 $ 5(6.
5 $ 5(6.
5 % 5(6.
5 $ 5(6.
5 $ 5(6.
5 $ 5(6.
5 $ 5(6
5 $ 5(6.
5 $ 5(6.
5 $ 5(6.
5 $ 5(6
5 0 5(6
5 $ 5(6
5 0 5(6
5 % 5(6
5 % 5(6
5 $ 5(6.
5 0 5(6
5 $ 5(6.
5 % 5(6
5 % 5(6
5 $ 5(6
5 % 5(6
5 $ 5(6.
5 $ 5(6.
5 $ 5(6.
5 $ 5(6.
5 $ 5(6.
5 $ 5(6.
5 $ 5(6
5 % 5(6
5 $ 5(6.
5 $ 5(6
5 $ 5(6
5 $ 5(6.
5 $ 5(6.
5 $ 5(6.
5 $ 5(6
5 $ 5(6
5 $ 5(6.
5 $ 5(6
5 $ 5(6.
&LUFXLW
5HI
0RWRUROD
3DUW1R 'HVFULSWLRQ
5 $ 5(6.
5 $ 5(6.
5 $ 5(6.
5 $ 5(6.
5 ( 5(6.
5 ( 5(6.
5 $ 5(6
5 $ 5(6
5 $ 5(6.
5 % 5(6.
5 $ 5(6.
5 $ 5(6.
5 $ 5(6.
5 $ 5(6.
8 - 0&+&)/
8 - ((3520
8 % )/$6+520
8 / 65$0
8 $ 5(08;
8 0 0&
8 & $6),&&203$1'(5,&
8 0 08;'(08;
8 ; $8',23$
8 ; /0
8 ; /0
8 $ 0&0
8 $ 0&
95 $ 00%=%
95 : 004$97
95 : 004$97
95 $ 00%=%
95 : 004$97
95 $ 00%=%
95 $ 00%=%
95 $ 00%=%
95 $ 00%=%
95 & 75$16,(17
68335(6625
95 $ 00%=%
< 5 &5<67$/.+=
&LUFXLW
5HI
0RWRUROD
3DUW1R 'HVFULSWLRQ

&RQWUROOHU76FKHPDWLFVDQG3DUWV/LVWV &KDSWHU
&%
 &RQWUROOHU76FKHPDWLFVDQG3DUWV/LVWV
T4 0102727B54 SEL5/MDC
T4 0102727B53 MPT
T4 0102727B51  MPT
T4 0102727B52  SELV/MDC
T4 0102727B50
P1 0102726B31
P6 0102727B05 MPT
P4 0102726B87
P2 0102726B64
P1 0102726B35
T6 0102727B64
T6 0102727B66 STANDARD
T6 0102727B65 PRIME
P6 0102727B06 SEL5/MDC
P6 0102727B01
P5 0102726B97 SEL5/MDC
P5 0102726B96
P5 0102726B95 MPT
T2 0102727B26 MPT
T2 0102727B28
P3 0102726B68
P2 0102726B65
P1 0102726B30
P7 0102727B19
T6 0102727B63
P5 0102726B94
P5 0102726B93
-----
T3 0102727B41  SELV/MDC
T3 0102727B43 SEL5/MDC
P4 0102726B86
P4 0102726B85
P7 0102727B14
P7 0102727B17 MPT
P7 0102727B18 SEL5/MDC
P6 0102727B07
P4 0102726B84
P3 0102726B35
P2 0102726B35
T2 0102727B22
P6 0102727B02
P5 0102726B92
P4 0102726B88
T2 0102727B25  SELV/MDC
T2 0102727B23
T2 0102727B24  MPT
T2 0102727B27 SEL5/MDC
T3 0102727B38
T3 0102727B42 MPT
T3 0102727B44
T6 0102727B62
T4 0102727B55
XX-- -
T4 0102727B49
P7 0102727B16  SELV/MDC
P7 0102727B15  MPT P2 0102726B67
X
X
XX
P2 0102726B66
P3 0102726B71
P3 0102726B70
P3 0102726B69
X
XX
X
X
XX
X
--
-
---
-
SPKR-
TX_AUD_RTN
TX_AUD_SND
URX_SND
VS_AUDSEL
VS_MIC
T6 0102727B67
T3 0102727B39
T3 0102727B40  MPT
P7 0102727B13
P6 0102727B04  SELV/MDC
P6 0102727B03  MPT
P1 0102726B33
P1 0102726B32
Suppl.Vltg.
Audio
I/O
CNTLR
Voice Stor.
T4 T5 T6 T7 T8 T9
Controller Module Vesions Changes
X
FLAT_TX_RTN
FLT_A+
GPIO(0:13)
HANDSET_AUDIO
INT_MIC
INT_SWB+
MODIN
MOSBIAS_2
MOSBIAS_3
NOISE_BLNKR
PA_PWR_SET
RX_ADAPT
RX_AUD_RTN
RX_FLAT_FILTERED_AUDIO
SPI(0:10)
SPKR+
VS_AUDSEL
VS_GAINSEL VS_INT
VS_MIC
VS_RAC
AUDIO
16_8MHZ
5VD
5V_RF
9V3
CH_ACT
CNTLR_AUDIO(0:7)
DC_POWER_ON
DISCAUDIO
EXT_MIC
FLAT_RX_SND
OPT_PTT
PASUPVLTG
PA_PWR_SET
RDY
RESET
RSSI
RX_AUD_RTN
RX_FLAT_FILTERED_AUDIO
SCI_TX
SPI(0:10)
SPKR+
SPKR-
TEMPSENSE
TX_AUD_RTN
TX_AUD_SND
URX_SND
GP4_IN_OUT_ACC8
GP5_IN_ACC9
GP6_IN_ACC10
GP7_IN_OUT_ACC12
GP8_IN_OUT_ACC14
HANDSET_AUDIO
IGNITION_CONTROL
INT_MIC
INT_SWB+
IN_5V_RF_REG
LOCKMODIN
MOSBIAS_2
MOSBIAS_3
NOISE_BLNKR
ON_OFF_CONTROL
9V3 BOOT_CNTRL
BUS+
CH_ACT
CNTLVLTG
DISCAUDIO
EMERGENCY_CONTROL
EXP_BD_REQ
EXT_MIC
EXT_SWB+
FLAT_RX_SND
FLAT_TX_RTN
FLT_A+
GP1_IN_ACC3
GP2_OUT_ACC4
GP3_IN_ACC6
VSTBY
VS_GAINSEL
VS_INT
VS_RAC
VOICE_STORAGE
5VD
FLAT_RX_SND
RX_AUD_RTN
SPI(0:10)
VS_AUDSEL
VS_INT VS_MIC
VS_RAC
IO
16_8MHZ
5VD 5V_RF
GP4_IN_OUT_ACC8
GP5_IN_ACC9
GP6_IN_ACC10
GP7_IN_OUT_ACC12
GP8_IN_OUT_ACC14
GPIO(0:13)
LOCK
ON_OFF_CONTROL
OPT_PTT
RDY
RESET
RSSI RX_ADAPT
SCI_TX
SPI(0:10)
TEMPSENSE
IN_5V_RF_REG
ON_OFF_CONTROL
PASUPVLTG
RESET
VSTBY
CONTROLLER
5VD
BATTERY_VOLTAGE
BOOT_CNTRL
BUS+
CNTLR_AUDIO(0:7)
CNTLVLTG
EXT_BD_REQ
FLT_A+
GP1_IN_ACC3
GP2_OUT_ACC4
GP3_IN_ACC6
PASUPVLTGPASUPVLTG FLT_A+FLT_A+
RX_ADAPT RX_ADAPT
SUPPLY_VOLTAGE
5VD
9V3
BATTERY_VOLTAGE
DC_POWER_ON
EMERGENCY_CONTROL
EXT_SWB+
FLT_A+
IGNITION_CONTROL
INT_SWB+
CH_ACT CH_ACT
URX_SND URX_SND
VS_GAINSEL VS_GAINSEL
MOSBIAS_3MOSBIAS_3
INT_SWB+ INT_SWB+
EXT_MIC EXT_MIC
IN_5V_RF_REGIN_5V_RF_REG
SCI_TX SCI_TX
VS_MICVS_MIC
5VD5VD 9V39V3
EXT_SWB+EXT_SWB+
SPKR+SPKR+ SPKR-SPKR-
EMERGENCY_CONTROLEMERGENCY_CONTROL IGNITION_CONTROLIGNITION_CONTROL DC_POWER_ONDC_POWER_ON ON_OFF_CONTROLON_OFF_CONTROL
BATTERY_VOLTAGEBATTERY_VOLTAGE
VSTBYVSTBY
RDY RDY
OPT_PTT OPT_PTT
MODINMODIN
TX_AUD_SNDTX_AUD_SND FLAT_RX_SNDFLAT_RX_SND
16_8MHZ16_8MHZ
TX_AUD_RTNTX_AUD_RTN FLAT_TX_RTNFLAT_TX_RTN
RX_AUD_RTNRX_AUD_RTN DISCAUDIODISCAUDIO
INT_MICINT_MIC
5V_RF5V_RF
RX_FLAT_FILTERED_AUDIORX_FLAT_FILTERED_AUDIO HANDSET_AUDIOHANDSET_AUDIO
GP1GP1
EXP_BD_REQ EXP_BD_REQ
BOOT_CNTRLBOOT_CNTRL
VS_AUDSEL VS_AUDSEL
TEMPSENSETEMPSENSE CNTLVLTGCNTLVLTG
VS_RACVS_RAC VS_INTVS_INT
RSSIRSSI LOCKLOCK
NOISE_BLNKRNOISE_BLNKR PA_PWR_SETPA_PWR_SET MOSBIAS_2MOSBIAS_2
CNTRL_AUDIO(0:7)CNTRL_AUDIO(0:7) GPIO(0:13)GPIO(0:13)
SPI(0:10) SPI(0:10)
BUS+
BUS+ RESETRESET
GP8GP8 GP7GP7 GP6GP6 GP5GP5 GP4GP4 GP3GP3 GP2GP2
=:*2
&RQWUROOHU76FKHPDWLF'LDJUDP2YHUDOO

&KDSWHU &RQWUROOHU76FKHPDWLFVDQG3DUWV/LVWV
&%
47K
47K
47K
47K
R0641
10K
J0601-1
.01uF
C0662
150K
R0662
Q0661
R0611
56K
VR0671
5.6V
NU
Q0681
R0682
68K
R0681
18K
57R01
E0631
C0611
R0651
10
22uF
33uF
C0652
R0612
4.7K
D0661
Q0662
R0671
30K
R0672
10K
GND1
3
GND2
6
2ON_OFF
VIN
4VOUT 5
LM2941
U0611
ADJ 1
C0671
0.1uF
J0601-3
Q0663
D0621
C0603
1K
10uF
R0661
RESET 1
VR0621
5.6V
GND
4
INPUT
2
NC1
3
NC2
5
NC3 6
NC4 7
8
NC5
U0652
MC33064
2
GND
1IN OUT 3
TP0661
C0663
MC78M05
U0651
0.1uF
1.2K
R0643
C0655
0.1uF
0.1uF
C0651
C0645
NU
0.1uF
VR0601
24V
C0621
470pF
NU
ADJ
GND1
3
GND2
6
ON_OFF
2
4VIN 5
VOUT
47uF
C0622
U0641
LM2941
1
D0660
R0652
R0621
10
24K
2INPUT 1
RESET_
Q0641
NU MC33464N-45ATR
U0653
3
GND
C0654
10uF
470pF
C0601
C0661
47uF
R0642
7.5K
470pF
C0641 33uF
C0644
D0651
C0681
0.1uF
J0601-2
0.1uF
C0612
9V3
FLT_A+
IN_5V_RF_REG
RESET
5VD
DC_POWER_ON
IGNITION_CONTROL
EMERGENCY_CONTROL
BATTERY_VOLTAGE
ON_OFF_CONTROL
EXT_SWB+
INT_SWB+
PASUPVLTG
VSTBY
&RQWUROOHU76FKHPDWLF'LDJUDP6XSSO\9ROWDJH

&RQWUROOHU76FKHPDWLFVDQG3DUWV/LVWV &KDSWHU
&%
=:*2
F1200
HSIO
LSIO
CLK
SQ_DET
VOX
CH_ACT
GP2_OUT
CSX
U0211-2
6
5
7
4
11
SYN
DATA
MC3403
3300pF
C0273
4
R0212
7.5K
7.5K
7
R0211
C0212
10uF
NU
1MEG
R0226
R0241
47K
.01uF
C0246
0.1uF
NU
C0274
5
C0232
0.1uF
R0229
10
C0227
10K
NU
0.1uF
NU
R0274
C0223
56K
0.1uF
R0252
NU
1MEG
R0227
2
MC3403
U0211-3
9
10
8
4
11
C0236
.033uF
560
R0204
2.2K
R0207
MC3403
U0211-1
2
3
1
4
11
NU
C0253
100pF
C0252
1uF
100
10K
R0201
8
R0205
10uF
C0201
R0275
10K
Q0271
NU
C0266
0.1uF
24K
R0266
R0253
NU
100K
E0272
57R01
OUT2
6
3RR
VCC
7
E0271
57R01
TDA1519C
GND1
25
GND2
INV
9
M_SS
8
NINV
1OUT1 4
0.1uF
U0271
C0225
NU
2.2uF
C0237 R0267
47K
C0245
C0262
82pF
0.1uF
C0241
0.1uF
TP0221
R0257
2.2K
C0275
24K
47uF
8.2K
R0273
NU
R0225
R0224
8.2K
C0244
0.1uF
.022uF
1uF
C0231
C0235
R0276
15K
R0228
0
C0272
0.1uF
C0226
0.1uF
R0269
470
C0261
0.1uF
4
0.1uF
C0265
D0201
5
3
1
2
R0251
47K
NU
7
C0251
0.1uF
3
0.1uF
C0255
C0271
.01uF
R0256
11
100K
12 X0
13 X1
15
Y
2Y0
1Y1
4
Z
5Z0
Z1
3
A11
10
B
9
C
6
EN
8
GND
16
VCC
7
VEE
14
X
U0251
MC14053B
C0267
.01uF
6
2.2K
R0208
C0203
2200pF
C0204
0.1uF
NU
R0202
560
R0261
10K
1000pF
C0277
0.1uF
9
C0222
R0220
8.2K
39
URXOUT
1VDDA
32
VDDCP
33
VDDD
11 VDDDAC
45
VDDRC
27
VDDSYN
7VOX
NU
8PLCAP
25
PLCAP2
17 SQDET
9SQIN 28
SYN
36
TXRTN
44
TXSND
10 UIO
23 GNDSYN
19 HSIO
LCAP
24
18 LSIO
48
MICEXT
46
MICINT
40
MOD
26
NC
13 GCB2
35
GCB3
GCB4 37
38
GCB5
3GNDA
31
GNDD 30
GNDD0
47
GNDRC
6DACG
5DACR
DACU
4
22 DATA
2DISC
29
F1200
15 GCB0
14 GCB1
12 AGCCAP
41
AUDIO
AUXRX 43
42
AUXTX
16 CHACT
21 CLK
34
CLK168
20 CSX
U0221
63A53
C0242
13
12
14
4
11
NU
0.1uF
MC3403
U0211-4
R0221
24K
R0262
270K
C0224
4.7uF
C0228
100pF
10K
R0265
R0268
24K
C0254
0.1uF
C0234
0.1uF
R0206
10K
NU
2200pF
C0205
0.22uF
C0233
NU
C0243
100pF
R0242
0
C0256
100pF
10uF
C0202
R0203
100
24K
R0222
C0276
C0221
0.1uF
1000pF
1
10K
R0255
10K
R0254
NU
0.1uF
C0211
R0223
30K
5V_RF5V_RF
TX_AUD_RTN
5V_RF
TX_AUD_SND
5V_RF
DISCAUDIO
5V_RF
FLAT_TX_RTN
5V_RF
RX_ADAPT
TP0222
9V3
9V3
MODIN
INT_SWB+
CH_ACT
VAG
9V3 9V3
9V3
VS_MIC
MOSBIAS_3
16_8MHZ
VAG
EXT_MIC
5V_RF
5V_RF
5VD
5VD
5V_RF
SPKR-
RX_AUD_RTN
INT_MIC
URX_SND
FLAT_RX_SND
DC_POWER_ON
FLT_A+
5VD
SPKR+
5VD
PA_PWR_SET
MOSBIAS_2
9V3
NOISE_BLNKR
VS_AUDSEL
SPI(0:10)
GPIO(0:13)
CNTLR_AUDIO(0:7)
VAG
VAG
HANDSET_AUDIO
RX_FLAT_FILTERED_AUDIO
13VDC unmuted
5VDC muted
5VDC (0VDC during radio off)
145mV RMS @25kHz
72mV RMS @12.5kHz
200mV RMS
300mV RMS
80mV RMS
80mV RMS
0 VDC
630mV RX Filtered
330mV Flat
5VDC RX Filtered
Audio (0V DC Flat)
&RQWUROOHU76FKHPDWLF'LDJUDP$XGLR

&KDSWHU &RQWUROOHU76FKHPDWLFVDQG3DUWV/LVWV
&%
35
22
GP4_IN_OUT
SPI_CLK
9
2
10
Gnd
11
NC
1
DIG_IN_OUT_4
9V3
VS_MIC
15 17
15
17
12
NC
BUS+
6
13
GM300
SPEAKER-
CLK
1
PCB
NC
23
GROUND
NC
BOOT_CNTRL
20
30
13
J0501
EXT_BD_REQ
EXT_BD_CS
21
SCK_Snd
3
NC
NC
7
EXP_BD_REQ
NC
NC
VS_GAINSEL
6580542Z01
CLK
14
Rdy/Req
EXT_BD_PTT
GROUND
Rx_Aud_Rtn
12
31
4
CS*
24
DISCAUDIO
7
Opt_Bd_En
6
11
2
GND
5
15
16
17
19
9
VS_CS
RDY
DATA
DIG_IN_6 WITH WAKEUP (IGNITION)
9
R/W*
16
GND
J0552
1
GROUND
CLK
7
4
11
GROUND
DB1
FLT_A+
Key_Col
TO/FROM RF
SPI_MOSI
SPI_MISO
5VD
EXP2_CS
OFF_BATT_DATA_OUT
3
4
5VD
9V3
5VD
DB2
DIG_IN1
3
EXP1_CS
Fuse P/N
6
12
13
11
12
11
NC
1
14
12
18-PIN CONNECTOR
17
4
1
18
7
9
18
12
13
14
NC
10
OPT_CS
6
40
18-PIN CONNECTOR
RS232 INTERFACE BOARD
J0451
BUS+
6
15
14
9
2
18
NC
DB5
EXP_BD_PTT
GND
J0551
28
DIG_IN_OUT_7
2
DIG_OUT2 (EXTERNAL_ALARM)
8
8
DATA
FAST_SQ
EXT_BD_PTT
GND
5
4
DB6
ACCESSORY
16
DB3
5
NC
DIG_IN_OUT_8
SWB+
SPEAKER+
BUS+
10
5
Key_Row
Key_Intrp
3
15
16
NC
3
NC
2
3
20-PIN CONNECTOR
7
17
20
NC
RESET
FLT_A+
DISCAUDIO
18
REAR VIEW
15
16
GND
INTERNAL OPTION BOARD
FLAT/FILTERED_RX_AUDIO
NC
RSSI
5
Det_Aud_Snd
6
40-PIN CONNECTOR
29
12
MISO
2
13
37
18
8
LED_EN
DATA
36
11
CONTROL HEAD
J0401
EXT_BD_PTT
13
10
Flat_Tx_Rtn
MISO
1
SPEAKER-
10
11
ON
VS_INT
DIG_IN_5 WITH WAKEUP (EMERGENCY)
2
A0
EXT_MIC_AUDIO
4
1
NC
EXP_BD_PTT
SPEAKER+
14
HANSET_AUDIO
ON_OFF_CONTROL
EXT_BD_PTT
27
10
33
OPT_CS
17
GROUND
SrD_Rtn
VS_RAC
8
RST*
7
34
14
5
39
38
8
26
4
EXT_BD_PTT
12-PIN CONNECTOR
FLAT_TX_AUDIO
DB7
5
6
CLK
Tx_Aud_Rtn
PTT
EXP2_CS
9
CSX
10
18
8
EXPANSION BOARD
OPT_PTT
16
20
NC
INT_MIC
9
SrD_Snd
DB0
DIG_IN_3
SCI_TX
Tx_Aud_Snd
Rx_Aud_Snd
VS_CS
DB4
19
WARIS
TO/FROM RF
3
32
Vddd
25
CH_ACT
DIG_IN_OUT_4
DATA
8 EXP1_CS
VS_AUDSEL
INT_EXT_Vdd
FLAT_TX_RTN
19
DIG_IN_6 WITHWAKEUP
7
J0551-41
J0451-1
J0401-1
9
CNTLVLTG_CNTLR_1
J0501-4
470pF
C0510
470pF
C0487
J0501-14
R0525
100K
J0401-11
PA_PWR_SET
16_8MHZ_CNTLR_1
470pF
PASUPVLTG
C0488
C0509
J0451-10
470pF
470pF
DISCAUDIO
47K
NU
C0484
R0542
5.6V
VR0537
J0551-25
220
R0538
10
C0542
47uF
0
R0533
220
R0401
J0451-11
0
470
R0509
R0508
470pF
J0501-16
J0551-37
C0505
3A
24V
F0401
MODIN
J0551-8
C0426
.01uF
470pF
J0451-16
C0501
82pF
C0421
20V
VR0505
CLK_CNTLR_1
J0401-10
J0401-7
C0518
470pF
NU
33V
VR0509
470pF
C0575
470pF
C0423
R0412
0
J0552-19
J0552-18
R0555 100
100
R0556
J0451-4
R0591
24K
J0501-20
J0501-11
J0501-12
J0501-17
J0551-23
J0551-18
NU
DATA
470pF
C0559
R0529
47K
470pF
8
C0513
J0552-9
J0552-8
TEMPSENSE_CNTLR_1
J0401-9
J0551-3
J0551-10
C0477
470pF
C0431
470pF
10
R0592
J0451-5
J0552-16
J0552-17
470pF
C0514
J0501-3
J0551-15
R0408
100
PA_PWR_SET_1_CNTLR_1
C0560
1000pF
J0551-42
MOSBIAS_2_CNTLR_1
470pF
C0442
VR0501
20V
J0551-4
J0551-14
470pF
C0485
J0551-11
J0551-27
NOISE_BLNKR_CNTLR_1
470pF
C0429
J0501-5
470pF
C0495
J0551-32
J0551-36
82pF
C0517
10
R0407
R0531
560
RSSI_CNTLR_1
IN_5V_RF_REG
470pF
0
C0497
R0441
2
J0501-8
C0541
CLK_CNTLR_2
0.47uF
J0551-40
NU
DATA_CNTLR_1
390nH
L0482
J0551-20
3
R0482 0
R0481 0
R0468
100K
C0443
470pF
NU
J0451-17
7
J0451-6
1
100K
R0543
R0510
4.7K
J0551-13
C0483
470pF
R0511
100K
CSX_CNTLR_1
J0401-5
J0552-3
470pF
C0506
VR0541
14V
RESET
5V_CNTLR_1
J0551-19
DATA_CNTLR_2
J0552-1
C0503
470pF
82pF
C0473
R0530
22K
470pF
4CSX
C0493
J0401-3
TP0530
J0401-6
J0401-8
J0551-6
DISCAUDIO_CNTLR_1
LOCK_CNTLR_1
C0591
470pF
0.1uF
C0471
C0422
82pF
470pF
J0551-22
C0447
MODIN_CNTLR_1
C0508
MOSBIAS_2
470pF
J0501-10
J0551-31
J0501-2
C0472
82pF
J0551-30
J0401-12
IN_5V_RF_REG_CNTLR_1
470pF
C0491
33V
VR0510
TEMPSENSE
9
J0451-12
C0449
MOSBIAS_3
470pF
R0512
15K
J0501-15
C0486
470pF
470pF
C0499
CSX_CNTLR_2
C0592
0.1uF
J0551-21
J0501-6
J0401-4
VR0503
20V
TP0492
J0551-12
R0537
220
J0451-18
8CLK
J0451-15
J0451-7
10
R0409
J0451-2
C0494
470pF
C0516
.01uF
J0551-2
J0551-16
C0511
470pF C0512
470pF
470pF
C0490
CLK
9V3
J0551-29
4.7K
R0539
J0551-39
J0551-28
J0451-9
J0501-1
C0430
470pF
33V
100K
R0593
VR0504
C0441
470pF
J0552-5
J0552-4
J0552-7
J0552-6
5V
J0551-33
C0482
470pF
DATA
J0501-13
J0551-26
470pF
NU
C0558
J0551-34
J0551-24
INT_SWB_CNTLR_1
LOCK
J0552-12
C0478
470pF
470pF
C0427
J0551-17
C0470
470pF
R0541
27K
J0501-9
C0474
470pF
CNTLVLTG
390nH
NU
J0501-18
L0481
C0504
470pF
J0551-5
1K
R0442
J0552-11
J0552-10
470pF
C0446 C0445
470pF
TP0497
0.1uF
C0554
NU
J0451-3
INT_SWB
J0451-8
R0467
10
J0501-7
J0551-9
C0593
J0552-15
0.1uF
C0496
J0552-2
470pF
16_8MHZ
J0551-7
C0476
470pF
J0551-35
J0451-14
J0551-1
J0551-38
CSX
C0428
82pF
1K
R0535
8
J0501-19
470pF
C0448
J0451-13
470pF
RESET_CNTLR_1
C0515
PASUPVLTG_CNTRL_1
NU
J0401-2
C0576
470pF
9
9V3_CNTLR_1
J0552-13
NOISE_BLNKR
J0552-14
RSSI
MOSBIAS_3_CNTLR_1
470pF
C0502
C0492
470pF
SPI_DATA
SPI_MISO
SPI_CLK
EXP1_CS
GP4_IN_OUT_ACC8
OPT_CS
RDY
OPT_PTT
EXP2_CS
EXP_BD_REQ
5VD
SPKR-
SPKR+
ON_OFF_CONTROL
BUS+
BUS+
GP6_IN_ACC10
J0552-20
SPKR-
EXT_MIC
GP1_IN_ACC3
GP2_OUT_ACC4
GP5_IN_ACC9
GP7_IN_OUT_ACC12
GP8_IN_OUT_ACC14
SPKR+
GP3_IN_ACC6
GP4_IN_OUT_ACC8
EXP2_CS
FLAT_TX_RTN
FLAT_TX_RTN
GP6_IN_ACC10GP6_IN_ACC10
GP6_IN_ACC10
GP1_IN_ACC3
FLT_A+
CH_ACT
GP1_IN_ACC3
9V3
SPI_MISO
DISCAUDIO
MODIN
CH_ACT
5VD
9V3
5VD
SPI_MISO
RESET
FLT_A+
DISCAUDIO
GP4_IN_OUT_ACC8
EXP1_CS
EXP_BD_REQ
GP1_IN_ACC3
SPI_CLK
SPI_DATA
OPT_PTTOPT_PTT
OPT_PTT
INT_MIC INT_MIC
INT_MIC
SPKR+SPKR+
DISCAUDIO DISCAUDIO
HANDSET_AUDIOHANDSET_AUDIO
HANDSET_AUDIO
RSSI RSSI
BOOT_CNTRL
5VD
IN_5V_RF_REG
BUS+
GP1_IN_ACC3 GP1_IN_ACC3
INT_SWB+
FLAT_TX_RTN
5VD
GP4_IN_OUT_ACC8
EXP1_CS
EXP_BD_REQEXP_BD_REQ
EXP_BD_REQ
GP1_IN_ACC3
CH_ACT CH_ACT
CH_ACT
DISCAUDIO
FLT_A+
SCI_TX
RX_FLAT_FILTERED_AUDIO
EMERGENCY_CONTROL
RSSI
EXT_SWB+
RDYRDY
RDY
NOISE_BLNKR
MOSBIAS_2
PA_PWR_SET
EXP1_CS
9V3
FLAT_TX_RTN FLAT_TX_RTN
GP4_IN_OUT_ACC8 GP4_IN_OUT_ACC8
DISCAUDIO
SPI(0:10)
MOSBIAS_3
VS_MIC VS_MIC
FLT_A+
BUS+ BUS+
RESETRESET
ON_OFF_CONTROL ON_OFF_CONTROL
16_8MHZ
5V_RF
5VD5VD
FLT_A+FLT_A+
SPI_DATA
SPI_CLK
SPI_MISO
VS_CS
OPT_CS
RESET
EXT_MICEXT_MIC
SPKR-SPKR-
RESET
PASUPVLTG
BUS+
TEMPSENSE
CNTLVLTG
RSSI
LOCK
OPT_CS
SPI_DATA
TX_AUD_RTN
VS_CS
VS_MIC
SPI_CLK
FLAT_RX_SND
RX_AUD_RTN
URX_SND
TX_AUD_SND
VS_INT
5VD
VS_AUDSEL
VS_GAINSEL
SPI_MISO
VS_RAC
IGNITION_CONTROL
FLT_A+
&RQWUROOHU76FKHPDWLF'LDJUDP,2 =:*2

&RQWUROOHU76FKHPDWLFVDQG3DUWV/LVWV &KDSWHU
&%
GP7_OUT
(EXT_BD_PTT & DATA_PTT)
EE_CS
HC138_A0
GP3_IN
GP8_IN
SYN
HC138_A2
GP2_OUT
LSIO
MICROPROCESSOR
DATA
MISO
F1200
GP4_IN
VOX
LSIO
GP7_IN
HC138_A0
REF_CS
MISO
EXP2_CS
GP4_OUT
VS_CS
EXP1_CS
GP1_IN
CLK
CSX
GP5_IN
R0105 USED IN
STANDARD ONLY
GP7_OUT
CLK
GP5_IN
GP7_IN
CHACT
16Kx8bit
GP4_OUT
HSIO
GP3_IN
GP8_IN
PE6LVZIF_CS
512kx8bit
RAM
GP6_IN
GP4_OUT
GP7_OUT
DATA
EEPROM
HC138_A2
GP6_IN
HSIO
GP4_IN
ON_OFF_SENSE
GP8_OUT
HC138_A1
OPT_CS
32kx8bit
GP1_IN
GP8_OUT
SQ_DET
HC138_A1
R0106 USED IN
PRIME ONLY
FLASH ROM
EE_CS
R0181
4.7K
0
R0106
8
NU
NU
C0108
0.1uF R0103
10
C0111
100pF
4.7K
R0102
NU
NU
C0103
100pF
15
C0131
22pF
5.6V
VR0151
14
9
7
Q0183
2
TP0104
7
2
15
14
4
5
C0112
5
0.1uF
Q0171
3
100K
R0121
Q0177
0
R0186 47K
10
0
30K
R0176
13
6
13
4
5
4OUT 1
IN
9
0
1
XTAL
Y0131
38.40KHz
2
NC
3
NC1
R0112
47K
NU
0
18
R0182
4
3
16
NU
R0110
10K
R0105
100K
5
R0178 47K
R0131
10MEG
4
2
NU
C0105
100pF
R0171
4.7K
D0101
4
R0117
3.9K
5
14
13
16
4.7K
R0183
100pF
1
11
NU
C0123
R0113
10K
Q0151
8
VCC
2
8
GND
21
IO0
IO1
22
IO2
23
IO3
25
IO4
26
IO5
27
IO6
28
IO7
29
A5
14
A6
A7
13
A8
3
A9
2
EN_CE
30
EN_OE
32
EN_WE
7
24
11
A15
A16
10
A17
6
A18
9
A2
18
A3
17
A4
16
15
A0
20
A1
19
A10
31
A11
1
A12
12
4
A13
A14
5
3
U0121
AT49F040
2
3
6
17
9
D0179
10K
5
7
R0101
TP0101
Q0110
47K
2.2K
6
NU
R0107
R0108
7
R0177
4.7K
9
1
4
1
17
7
10
9
8
C0122
0.1uF
3
2
TP0103
3
11 1
10
VSS
4
WP 3
1
2
CS 1
HOLD 7
SCK 6
SI 5
SO
2
VCC
8
12
3
U0111
X25128-2.7
R0151
13
0
24K
12
0
13
D0151
4.7K
12
4
3
R0173
8
8
1
8
3
6
10
6
65
7
TP0151
0.1uF
C0121
100pF
C0102
100pF
C0104
NU
18
NU
R0184 47K
10K
R0174
C0132
22pF
0
Q0185
47K
R0179
7
4
C0151
.01uF
Q0173
1
7
NU
100pF
C0106
Y4
11
Y5
10
Y6
9
Y7
7
12
3
0
EN_CS2
4
EN_CS3
5
GND
8
VCC
16
Y0
15
Y1
14
Y2
13
Y3
12
A0
1
A1
2
A2
3
EN_CS1
6
6
5
12
U0141
MC74HC138A
10
TP0102
4.7K
R0185
6
8
2
6
12
IO2
13
IO3
15
IO4
16
IO5
17
IO6
18
IO7
19
IO8
28
VCC
3
A7
25
A8
24
A9
20
EN_CS
22
EN_OE
27
EN_WE
GND
14
11
IO1
2
A12
26
A13
1
A14
8
A2
7
A3
6
A4
A5
5
4
A6
63A21
U0122
10
A0
9
A1
A10
21
23
A11
R0114
11
10K
Q0181
9
R0104
10K
69
VRH
68
VRL
13
VSS
40
VSSL
87
VSSR
XFC
93
48
XIRQ
91
XTAL
76
PJ5
77
PJ6
78
PJ7
94
RESET
12
VDD
39
VDDL
88
VDDR
92
VDDSYN
51
PI5
50
PI6
49
PI7
71
PJ0_CSGP3
72
PJ1_CSGP4
73
PJ2
74
PJ3
75
PJ4
42
PH5_CSGP1
41
PH6_CSGP2
38
PH7_CSPROG
56
PI0
55
PI1
54
PI2
53
PI3
52
PI4
18
PG5_XA18
5
PG6_AS
4
PG7_R_W
47
PH0_PW1
46
PH1_PW2
45
PH2_PW3
44
PH3_PW4
43
PH4_CSIO
23
PF6_ADDR6
22
PF7_ADDR7
29
PFO_ADDR0
6
PG0_XA13
16
PG1_XA14
20
PG2_XA15
19
PG3_XA16
17
PG4_XA17
PE5_AN5
62
PE6_AN6
61
PE7_AN7
60
28
PF1_ADDR1
27
PF2_ADDR2
26
PF3_ADDR3
25
PF4_ADDR4
24
PF5_ADDR5
1
PD4_SCK
2
PD5_SS
PD6_LVIN
3
PE0_AN0
67
PE1_AN1
66
PE2_AN2
65
PE3_AN3
64
PE4_AN4
63
34
PC4_DATA4
35
PC5_DATA5
36
PC6_DATA6
37
PC7_DATA7
97
PD0_RXD
98
PD1_TXD
99
PD2_MISO
100
PD3_MOSI
15
PB5_ADDR13
8
PB6_ADDR14
7
PB7_ADDR15
14
PBO_ADDR8
30
PC0_DATA0
31
PC1_DATA1
32
PC2_DATA2
33
PC3_DATA3
83
PA4_OC4_OC1
84
PA5_OC3_OC1
85
PA6_OC2_OC1
86
PA7_PA1_OC1
10
PB1_ADDR9
11
PB2_ADDR10
9
PB3_ADDR11
21
PB4_ADDR12
96
IRQ
LVOUT
95
58
MODA_LIR
57
MODB_VSTBY
79
PA0_IC3
80
PA1_IC2
81
PA2_IC1
82
PA3_IC4_OC5_OC1
59
AVDD
70
AVSS
89
ECLK
90
EXTAL
U0101
MC68HC11FL0
5
11
R0170
10K
0
4
10
NU
R0116
0
0.1uF
C0141
24K
R0152
330K
R0132
10K
6
2
R0172
10K
R0175
10K
7
R0115
1
R0111
0
10
9
C0101
100pF
C0107
1000pF
RAM_CS
BUS+
CNTLVLTG
5VD
SCI_TX
GP1_IN_ACC3
GP6_IN_ACC10
GP2_OUT_ACC4
R_W
FLASH_CE
FLASH_OE
5VD
IRQ
IRQ
ADDR_BUS(0:18)
DATA_BUS(0:7)
5VD
0
FROM_U0101_47
VS_RAC
5VD
VS_INT
GP4_IN_OUT_ACC8
5VD
BOOT_CNTRL
GP3_IN_ACC6
ON_OFF_CONTROL
R_W
5VD
5VD
5VD
RESET
RESET
5VD
OPT_PTT
5VD
GP5_IN_ACC9
5VD
SPI(0:10) SPI(0:10) SPI(0:10) SPI(0:10) SPI(0:10)
GPIO(0:13)
GPIO(0:13)
CNTLR_AUDIO(0:7) CNTLR_AUDIO(0:7)
CNTLR_AUDIO(0:7)
CNTLR_AUDIO(0:7)
FROM_U0101_47
FROM_U0101_46
FROM_U0101_46
5VD
5VD
FLT_A+
TEMPSENSE
RAM_CS
5VD
VS_GAINSEL
EXT_BD_REQ
RSSI
5VD
RX_ADAPT
5VD
5VD5VD
FLT_A+ FLT_A+
FLASH_OE
NC_XTAL
ECLK
NC
NC
LOCK
RDY
ON_OFF_CONTROL
NC
GP7_IN_OUT_ACC12
GP8_IN_OUT_ACC14
5VD
5VD
5VD
5VD
FLASH_CE
R_W
VSTBY
5VD
BATTERY_VOLTAGE
=:*2
&RQWUROOHU76FKHPDWLF'LDJUDP0LFURSURFHVVRU

&KDSWHU &RQWUROOHU76FKHPDWLFVDQG3DUWV/LVWV
&%
&RQWUROOHU73DUWV/LVW
&LUFXLW
5HI
0RWRUROD
3DUW1R 'HVFULSWLRQ
& ) &$3&+,35((/&/
& ) &$3&+,3&/;55((/
& ( &$3&+,3X)
& ( &$3&+,3X)
& ( &$3&+,3X)
& ) &$3&+,35((/&/
& ) &$3&+,35((/&/
& ( &$3&+,3X)
& ) &$3&+,3&/;55((/
& $ &$37$17&+,3$3X)
9
& $ &$37$17&+,3$3X)
9
& ( &$3&+,3X)
& $ &$37$17&+,3$3X)
9
& ( &$3&+,3X)
& ( &$3&+,3X)
& (
%
&$3&+,3X)
68%RQ/60RGHOV2QO\
& ) &$3&+,35((/&/
& ( &$3&+,3X)
& ( &$3&+,3X)
& $ &$37$1&+,3$3
& % &$3&+,3X)9
& ( &$3&+,3X)
& ( &$3&+,3X)
& ( &(5&+,3&$3X)
& ( &$3&+,3X);5
& ( &$3&+,3X)
& ) &$3&+,35((/&/
& ( &$3&+,3X)
& ( &$3&+,3X)
& ) &$3&+,3&/;55((/
& ( &$3&+,3X)
& $ &$37$17X)
& ( &$3&+,3X)
& ( &$3&+,3X)
& ) &$3&+,35((/&/
& ( &$3&+,3X)
& ) &$3&+,35((/&/
& ( &$3&+,3X)
& ) &$3&+,3&/;55((/
& ) &$3&+,3&/;55((/
& ( &$3&+,3X)
& ) &$3&+,3&/;55((/
& $ &$37$17&+,3X)9
& ) &$3&+,3&/;55((/
& ) &$3&+,3&/;55((/
& $ X)9
9RLFHVWRUDJHRQO\
& ( Q)9
9RLFHVWRUDJHRQO\
& ) S)9
9RLFHVWRUDJHRQO\
& ( Q)9
9RLFHVWRUDJHRQO\
& ( Q)9
9RLFHVWRUDJHRQO\
& ( Q)9
9RLFHVWRUDJHRQO\
& ( Q)9
9RLFHVWRUDJHRQO\
& $ 7$17&3X)9
9RLFHVWRUDJHRQO\
& ( Q)9
9RLFHVWRUDJHRQO\
& ( Q)9
9RLFHVWRUDJHRQO\
& ( Q)9
9RLFHVWRUDJHRQO\
& ( Q)9
9RLFHVWRUDJHRQO\
& ( Q)9
9RLFHVWRUDJHRQO\
& $ 7$17&+,3X)
9RLFHVWRUDJHRQO\
& ( Q)9
9RLFHVWRUDJHRQO\
& 1 &$3&+,3S)&2*
& ) &$3&+,3&/;55((/
& ) &$3&+,3&/;55((/
& / &$3&+,3S);5
& / &$3&+,3S);5
& 1 &$3&+,3S)&2*
& / &$3&+,3S);5
& ) &$3&+,3&/;55((/
& ) &$3&+,3&/;55((/
& / &$3&+,3S);5
& / &$3&+,3S);5
& / &$3&+,3S);5
& / &$3&+,3S);5
& / &$3&+,3S);5
& / &$3&+,3S);5
& / &$3&+,3S);5
& / &$3&+,3S);5
& 1 &$3&+,3S)&2*
& 1 &$3&+,3S)&2*
& 1 &$3&+,3S)&2*
& / &$3&+,3S);5
& / &$3&+,3S);5
& / &$3&+,3S);5
& / &$3&+,3S);5
& / &$3&+,3S);5
& / &$3&+,3S);5
&LUFXLW
5HI
0RWRUROD
3DUW1R 'HVFULSWLRQ
& ) &$3&+,3&/;55((/
& / &$3&+,3S);5
& / &$3&+,3S);5
& / &$3&+,3S);5
& / &$3&+,3S);5
& / &$3&+,3S);5
& / &$3&+,3S);5
& / &$3&+,3S);5
& / &$3&+,3S);5
& / &$3&+,3S);5
& / &$3&+,3S);5
& / &$3&+,3S);5
& / &$3&+,3S);5
& / &$3&+,3S);5
& ) &$3&+,3&/;55((/
& ) &$3&+,3&/;55((/
& ) &$3&+,3&/;55((/
& ) &$3&+,3&/;55((/
& ) &$3&+,3&/;55((/
& ) &$3&+,3&/;55((/
& ) &$3&+,3&/;55((/
& ) &$3&+,3&/;55((/
& ) &$3&+,3&/;55((/
& ) &$3&+,3&/;55((/
& ) &$3&+,3&/;55((/
& ) &$3&+,3&/;55((/
& ) &$3&+,3&/;55((/
& ) &$3&+,3&/;55((/
& ) &$3&+,3&/;55((/
& 1 &$3&+,3S)&2*
& ) &$3&+,3&/;55((/
& $ &$37$17X)
& $ &$37$17&+,3X)9
& / &$3&+,3S);5
& ( &$3&+,3X)
& ( &$3&+,3X)
& %
$
&$3&+,3X)
68%RQ/60RGHOV2QO\
& ) &$3&+,3&/;55((/
& 0 ³$/8&$36279´
& & &$37$17&+,3X)9
& ( &$3&+,3X)
& $ &$37$17&+,3X)9
& ) &$3&+,3&/;55((/
& $ &$37$17&+,3X)9
& ( &$3&+,3X)
& $ &$37$17&+,3X)9
& $ &$37$17&+,3$3X)
9
& ( &$3&+,3X)
& & &$37$17&+,3X)9
& ) &$3&+,3&/;55((/
&LUFXLW
5HI
0RWRUROD
3DUW1R 'HVFULSWLRQ
& ( &$3&+,3X)
& ( &$3&+,3X)
& ( &$3&+,3X)
' $ ',2'(9+27&$55,(5
00%'/
' & ',2'('8$/9¶%¶&200
&$7+
' & ',2'('8$/9¶%¶&200
&$7+
' - 6&+277.<%$55,(5
5%(
9RLFHVWRUDJHRQO\
' & ',2'('8$/9¶%¶&200
&$7+
' & ',2'('8$/9¶%¶&200
&$7+
' & ',2'('8$/9¶%¶&200
&$7+
' & ',2'('8$/9¶%¶&200
&$7+
( 5 ,1'8&725%($'&+,3
( 5 ,1'8&725%($'&+,3
( 5 ,1'8&725%($'&+,3
) = )86(&+,360775))$
- < 326)/(;&211(&725
- < ³&211(&725)/(;6,'(
(175<´
- % ³32664&211(&
725´
- < &211=,)+25,=217$/
- < &211=,)+25,=217$/
- % 02%,/('&32:(5&211(&
725
4 0 7675131',*..
4 0 7675131',*..
4 0 7675131',*..
4 0 7675131'5/1*710;7$
4 0 7675131',*..
4 0 7675131',*..
4 0 7675131',*..
4 0 7675131',*..
4 * 767500%7
4 0 7675131',*..
4 7 ;,6725)0&5+
4 * 767500%7
4 0 7675131',*..
4 0 7675131'5/1*710;7$
5 $ &+,35(6.2+06
5 $ &+,35(62+06
5 $ &+,35(62+06
5 $ &+,35(6.2+06
5 $ N:
5 % :
9RLFHVWRUDJHRQO\
5 $ &+,35(62+06
&LUFXLW
5HI
0RWRUROD
3DUW1R 'HVFULSWLRQ

&RQWUROOHU76FKHPDWLFVDQG3DUWV/LVWV &KDSWHU
&%
0RWRUROD'HSRW6HUYLFLQJRQO\
5HIHUHQFHGHVLJQDWRUVZLWKDQDVWHULVNLQGLFDWH
FRPSRQHQWVZKLFKDUHQRWILHOGUHSODFHDEOH
EHFDXVHWKH\QHHGWREHFDOLEUDWHGZLWK
VSHFLDOL]HGIDFWRU\HTXLSPHQWDIWHULQVWDOODWLRQ
5DGLRVLQZKLFKWKHVHSDUWVKDYHEHHQUHSODFHGLQ
WKHILHOGZLOOEHRIIIUHTXHQF\DWWHPSHUDWXUH
H[WUHPHV
5 % &+,35(62+06
2+06
5 $ &+,35(6.2+06
5 $ &+,35(6.2+06
5 $ &+,35(6.2+06
5 $ &+,35(62+06
5 $ &+,35(6.2+0
5 % &+,35(60(*2+06
5 % &+,35(6.2+06
5 $ &+,35(6.2+06
5 $ &+,35(6.2+06
5 $ &+,35(6.2+06
5 $ &+,35(62+06
5 $ &+,35(6.2+06
5 $ &+,35(62+06
5 $ &+,35(6.2+06
5 $ &+,35(6.2+06
5 $ &+,35(6.2+06
5 $ &+,35(62+06
5 $ &+,35(6.2+06
5 $ &+,35(6.2+06
5 $ &+,35(62+06
5 $ &+,35(6.2+06
5 $ &+,35(62+06
5 $ &+,35(6.2+06
5 $ &+,35(62+06
5 $ &+,35(6.2+06
5 $ &+,35(62+06
5 $ &+,35(62+06
5 $ &+,35(62+06
5 $ &+,35(62+06
5 $ &+,35(6.2+06
5 $ &+,35(6.2+06
5 $ &+,35(62+06
5 $ &+,35(62+06
5 ( 5(6&+,3),/0
5 ( 5(6&+,3),/0
5 $ &+,35(6.2+06
5 $ &+,35(6.2+06
5 $ &+,35(6.2+06
5 $ &+,35(62+06
5 % &+,35(62+06
2+06
5 $ &+,35(62+06
5 $ &+,35(6.2+06
5 % &+,35(62+06
2+06
5 $ &+,35(6.2+06
5 $ &+,35(6.2+06
5 $ &+,35(6.2+0
5 $ &+,35(6.2+06
5 $ &+,35(6.2+06
5 $ &+,35(6.2+0
5 $ &+,35(62+06
5 $ &+,35(6.2+06
5 % &+,35(6.2+06
&LUFXLW
5HI
0RWRUROD
3DUW1R 'HVFULSWLRQ
5 $ &+,35(6.2+06
5 $ &+,35(6.2+06
5 $ &+,35(6.2+06
5 $ &+,35(62+06
5 $ &+,35(6.2+06
5 $ &+,35(6.2+06
5 $ &+,35(6.2+06
5 $ N:
9RLFHVWRUDJHRQO\
5 $ N:
9RLFHVWRUDJHRQO\
5 $ N:
9RLFHVWRUDJHRQO\
5 $ N:
9RLFHVWRUDJHRQO\
5 $ N:
9RLFHVWRUDJHRQO\
5 % N:
9RLFHVWRUDJHRQO\
5 $ N:
9RLFHVWRUDJHRQO\
5 $ :
9RLFHVWRUDJHRQO\
5 % :
9RLFHVWRUDJHRQO\
5 $ .:
9RLFHVWRUDJHRQO\
5 $ :
9RLFHVWRUDJHRQO\
5 $ N:
9RLFHVWRUDJHRQO\
5 $ N:
9RLFHVWRUDJHRQO\
5 $ &+,35(62+06
5 0 5(6&+,3;
5 $ &+,35(62+06
5 0 5(6&+,3;
5 % &+,35(62+06
2+06
5 % &+,35(62+06
2+06
5 $ &+,35(62+06
5 0 5(6&+,3;
5 $ &+,35(6.2+0
5 % &+,35(62+06
2+06
5 % &+,35(62+06
2+06
5 $ &+,35(62+06
5 % &+,35(62+06
2+06
5 $ &+,35(62+06
5 $ &+,35(6.2+0
5 $ &+,35(6.2+06
5 $ &+,35(6.2+0
5 $ &+,35(6.2+06
&LUFXLW
5HI
0RWRUROD
3DUW1R 'HVFULSWLRQ
5 $ &+,35(6.2+06
5 $ &+,35(62+06
5 % &+,35(62+06
2+06
5 $ &+,35(62+06
5 $ &+,35(62+06
5 $ &+,35(62+06
5 $ &+,35(62+06
5 $ &+,35(6.2+06
5 $ &+,35(6.2+0
5 $ &+,35(62+06
5 $ &+,35(62+06
5 $ &+,35(6.2+06
5 $ &+,35(62+06
5 $ &+,35(6.2+0
5 $ &+,35(6.2+06
5 $ &+,35(62+06
5 $ &+,35(6.2+06
5 $ &+,35(6.2+06
5 ( 5(6&+,3),/0
5 ( 5(6&+,3
5 $ &+,35(62+06
5 $ &+,35(62+06
5 $ &+,35(62+06
5 % &+,35(6.2+06
5 $ &+,35(6.2+06
5 $ &+,35(6.2+06
5 $ &+,35(6.2+06
5 $ &+,35(6.2+06
8 - +&)/2B3$663,1
74)3
8 - .;63,6(5,$/((3520
8 % ,&)/$6+0%,7.;
16
8 / .;65$03,17623
8 $ ,&)'&'55(08;
+&
8 0 ,&$03BB
8 & ,&$6),&B&03B5
8 0 ,&&0260$1$/26
8 - $8',23$7'$&
8 0 ((3520$1$/2*,6'(,
9RLFHVWRUDJHRQO\
8 % %X))(5'5,9(5
$+&7*
9RLFHVWRUDJHRQO\
8 : /,1($5,&23$03
9RLFHVWRUDJHRQO\
8 8 61*/$1$/2*6:,7&+
9RLFHVWRUDJHRQO\
8 - 5(*8/$7259
9RLFHVWRUDJHRQO\
8 ; ³,&/072'53287
5*75´
8 ; ³,&/072'53287
5*75´
&LUFXLW
5HI
0RWRUROD
3DUW1R 'HVFULSWLRQ
8 $ 5(*93260$
0&0%'75.
8 $ ,&81'(592/76(16,1*&.7
95 $ 767590$0:
95 : ',2'(48$'92/7=(1(5
95 : ',2'(48$'92/7=(1(5
95 $ 62&$8726'1
95 : ',2'(48$'92/7=(1(5
95 $ 62&$8726'1
95 $ 62&$8726'1
95 $ 767590$0:
95 $ ',2'(90:
00%=%B
95 & 75$166839+,*+3:5
95 $ 767590$0:
< 5 &5<67$/.+=
&LUFXLW
5HI
0RWRUROD
3DUW1R 'HVFULSWLRQ

&KDSWHU &RQWUROOHU76FKHPDWLFVDQG3DUWV/LVWV
1RWHV
&%

&KDSWHUL
&%
&KDSWHU9+)0+]:
6HUYLFH,QIRUPDWLRQ
7DEOHRI&RQWHQWV
6HFWLRQ 0RGHO&KDUWVDQG7HFKQLFDO6SHFLILFDWLRQV
 9+)0+]:0RGHO&KDUWV
 &'06HULHV0RGHO&KDUW 
 3526HULHV0RGHO&KDUW
 7HFKQLFDO6SHFLILFDWLRQV 
6HFWLRQ 7KHRU\RI2SHUDWLRQ
 ,QWURGXFWLRQ 
 9+)0+]:5HFHLYHU)URQW(QG
 5HFHLYHU)URQW(QG 
 )URQW(QG%DQGSDVV)LOWHUVDQG3UH$PSOLILHU
 )LUVW0L[HUDQG+LJK,QWHUPHGLDWH)UHTXHQF\,)
 /RZ,QWHUPHGLDWH)UHTXHQF\,)DQG5HFHLYHU%DFN(QG 
 9+)0+]:7UDQVPLWWHU3RZHU$PSOLILHU3$:
 )LUVW3RZHU&RQWUROOHG6WDJH 
 3RZHU&RQWUROOHG'ULYHU6WDJH
 )LQDO6WDJH 
 'LUHFWLRQDO&RXSOHU
 $QWHQQD6ZLWFK 
 +DUPRQLF)LOWHU 
 3RZHU&RQWURO
 9+)0+]:)UHTXHQF\6\QWKHVLV 
 5HIHUHQFH2VFLOODWRU
 )UDFWLRQDO16\QWKHVL]HU 
 9ROWDJH&RQWUROOHG2VFLOODWRU9&2
 6\QWKHVL]HU2SHUDWLRQ
6HFWLRQ 7URXEOHVKRRWLQJ&KDUWV
 7URXEOHVKRRWLQJ)ORZ&KDUWIRU5HFHLYHU 
 7URXEOHVKRRWLQJ)ORZ&KDUWIRU:7UDQVPLWWHU
 7URXEOHVKRRWLQJ)ORZ&KDUWIRU6\QWKHVL]HU
 7URXEOHVKRRWLQJ)ORZ&KDUWIRU9&2
6HFWLRQ 9+)0+]:3&%V6FKHPDWLFVDQG

&KDSWHULL
&%
3DUWV/LVWV
 $OORFDWLRQRI6FKHPDWLFVDQG&LUFXLW%RDUGV  
 &RQWUROOHU&LUFXLWV  
 9+)0+]:3&%%6FKHPDWLFVDQG3DUWV/LVWV  
 9+)0+]:3&%%6FKHPDWLFVDQG3DUWV/LVWV 
 9+)0+]:3&%%6FKHPDWLFVDQG3DUWV/LVWV 
 9+)0+]:3&%%6FKHPDWLFVDQG3DUWV/LVWV 

&KDSWHU
&%
6HFWLRQ
02'(/&+$576$1'7(&+1,&$/63(&,),&$7,216
 9+)0+]:0RGHO&KDUWV
 &'06HULHV0RGHO&KDUW
&'06HULHV9+)0+]:
0RGHO 'HVFULSWLRQ
$$0.+&$$$1 &'00+]:N+]
$$0.+'$$$1 &'00+]:N+]
$$0.+)$$$1 &'00+]:N+]
$$0.+)'3$1 &'0/6 0+]:&+
$$0.+)'3$1 &'0/6 0+]:&+Z0'&
,WHP 'HVFULSWLRQ
;*&1 &RQWURO+HDG&'0
;*&1 &RQWURO+HDG&'0
;;; *&1 &RQWURO+HDG&'0
;;;,08' 7DQDSD9+)0+]:N+]
;;;,08'B6 5HSODFHPHQW%RDUG9+)0+]:N+]
;308'$ 7DQDSD9+)0+]:&+
; 308'$ 7DQDSD9+)0+]:&+Z0'&
;;;;;+$' $QWHQQD0+]:DYH5RRI0RXQW0LQL8
;;;;; +$' $QWHQQD0+]:DYH5RRI0RXQW0LQL8
;;;;;+$' $QWHQQD0+]:DYH5RRI0RXQW0LQL8
;;;;; +$' $QWHQQD0+]:DYH5RRI0RXQW0LQL8
;;;;;+$' $QWHQQD0+]G%*DLQ5RRI0RXQW0LQL8
; ; ; & 8VHU*XLGH&'0
; ; ; & 8VHU*XLGH&'0
;& 8VHU*XLGH&'0
; ; & 8VHU*XLGH&'0/6

&KDSWHU 7HFKQLFDO6SHFLILFDWLRQV
&%
 3526HULHV0RGHO&KDUW
 7HFKQLFDO6SHFLILFDWLRQV
'DWDLVVSHFLILHGIRU&XQOHVVRWKHUZLVHVWDWHG
3526HULHV9+)0+]:
0RGHO 'HVFULSWLRQ
/$0.+&$$$1 3520+]:N+]&K6S
/$0.+'$$$1 3520+]:N+]&K6S
/$0.+)$$$1 3520+]:N+]&K6S
,WHP 'HVFULSWLRQ
;*&1 &RQWURO+HDG352
;*&1 &RQWURO+HDG352
; *&1 &RQWURO+HDG352
;;;,08' 7DQDSD9+)0+]:N+]
;;; ,08'B6 5HSODFHPHQW%RDUG9+)0+]:N+]
;;;+$' $QWHQQD0+]:DYH5RRI0RXQW0LQL8
;;; +$' $QWHQQD0+]:DYH5RRI0RXQW0LQL8
;;;+$' $QWHQQD0+]:DYH5RRI0RXQW0LQL8
;;; +$' $QWHQQD0+]:DYH5RRI0RXQW0LQL8
;;;+$' $QWHQQD0+]G%*DLQ5RRI0RXQW0LQL8
;& 8VHU*XLGH352
;& 8VHU*XLGH352
; & 8VHU*XLGH352
*HQHUDO6SHFLILFDWLRQV
&KDQQHO&DSDFLW\
&'0352
&'0352
&'0352
3RZHU6XSSO\ 9GF9GF
'LPHQVLRQV+[:['LQPP
&'0352
&'0352DQG
&'0352
'HSWKH[FOXGHVNQREV
:
LQ[LQ[LQPP[PP[PP
LQ[LQ[LQPP[PP[PP
$GGLQPPIRU9ROXPH.QRE
:HLJKW$OO&'0DQG352PRGHOV OEJ
6HDOLQJ :LWKVWDQGVUDLQWHVWLQJSHU
0,/67'&'(DQG,3
6KRFNDQG9LEUDWLRQ 3URWHFWLRQSURYLGHGYLDLPSDFW
UHVLVWDQWKRXVLQJH[FHHGLQJ0,/67'&'(
'XVW6DOW)RJ 3URWHFWLRQSURYLGHGYLDHQYLURQPHQWUHVLVWDQWKRXVLQJH[FHHGLQJ
0,/67'&'(

7HFKQLFDO6SHFLILFDWLRQV &KDSWHU
&%
$YDLODELOLW\VXEMHFWWRWKHODZVDQGUHJXODWLRQVRILQGLYLGXDOFRXQWULHV
7UDQVPLWWHU 9+)
)UHTXHQFLHV)XOO%DQGVSOLW 9+)0+]
&KDQQHO6SDFLQJ N+]
)UHTXHQF\6WDELOLW\
&WR&5HI
SSP
3RZHU :
0RGXODWLRQ/LPLWLQJ #N+]
#N+]
#N+]
)0+XP1RLVH G%#N+]
G%#N+]
&RQGXFWHG5DGLDWHG(PLVVLRQ G%P*+]
G%P!*+]
$GMDFHQW&KDQQHO3RZHU G%#N+]
G%#N+]
$XGLR5HVSRQVH
+]#N+]
+]#N+]
WRG%7,$(,$ER[
$XGLR'LVWRUWLRQ
#+]
5DWHG0D[LPXP'HYLDWLRQ
W\SLFDO
5HFHLYHU 9+)
)UHTXHQFLHV)XOO%DQGVSOLW 9+)0+]
&KDQQHO6SDFLQJ N+]
6HQVLWLYLW\G%6,1$' 99W\SLFDO
,QWHUPRGXODWLRQ !G%(76
G%#N+]7,$
G%#N+]7,$
%DVH0RGH!G%
:PRGHORQO\
$GMDFHQW&KDQQHO6HOHFWLYLW\ G%#N+]
G%#N+]
G%#N+]
6SXULRXV5HMHFWLRQ G%#N+]
G%#N+]
5DWHG$XGLR :,QWHUQDO
:([WHUQDO
:([WHUQDO
$XGLR'LVWRUWLRQ#5DWHG$XGLR W\SLFDO
+XP1RLVH G%#N+]
G%#N+]
$XGLR5HVSRQVH
+]#N+]
+]#N+]
WRG%7,$(,$ER[
&RQGXFWHG6SXULRXV(PLVVLRQ G%P*+]
G%P!*+]

&KDSWHU 7HFKQLFDO6SHFLILFDWLRQV
&%
1RWHV

&KDSWHU
&%
6HFWLRQ
7+(25<2)23(5$7,21
 ,QWURGXFWLRQ
7KLVFKDSWHUSURYLGHVDGHWDLOHGWKHRU\RIRSHUDWLRQIRUWKH9+)FLUFXLWVLQWKHUDGLR)RUGHWDLOVRI
WKHWKHRU\RIRSHUDWLRQDQGWURXEOHVKRRWLQJIRUWKHDVVRFLDWHGFRQWUROOHUFLUFXLWVUHIHUWRWKH
FRQWUROOHUVHFWLRQRIWKLVPDQXDO
 9+)0+]:5HFHLYHU)URQW(QG
 5HFHLYHU)URQW(QG
7KHUHFHLYHULVDEOHWRFRYHUWKH9+)UDQJHIURPWR0+],WFRQVLVWVRIIRXUPDMRUEORFNV
IURQWHQGEDQGSDVVILOWHUVDQGSUHDPSOLILHUILUVWPL[HUKLJK,)ORZ,)DQGUHFHLYHUEDFNHQG7ZR
YDUDFWRUWXQHGEDQGSDVVILOWHUVSHUIRUPDQWHQQDVLJQDOSUHVHOHFWLRQ$SDVVLYHGRXEOHEDODQFHG
PL[HUFRQYHUWVWKHVLJQDOWRWKHILUVW,)RI0+]+LJKVLGHILUVWLQMHFWLRQLVXVHG
)LJXUH9+)5HFHLYHU%ORFN'LDJUDP
'HPRGXODWRU
&U\VWDO
)LOWHU
0L[HU
9DUDFWRU
7XQHG)LOWHU
5)$PS
9DUDFWRU
7XQHG)LOWHU
$QWHQQD
&RQWURO9ROWDJH
IURP3&,& )LUVW/2
IURP)*8
5HFRYHUHG$XGLR
566,
,)
6HFRQG/2
&U\VWDO
)LOWHU
N+])LOWHU
N+]
N+])LOWHU
N+]
N+])LOWHU
N+]
N+])LOWHU
N+]
6ZLWFK
6ZLWFK
6ZLWFK
6ZLWFK
/LPLWHU
,)$PS
,)$PS
)LOWHU%DQN6HOHFWLRQ
IURP6\QWKHVL]HU,&
3LQ'LRGH
$QWHQQD
6ZLWFK
5)-DFN
+DUPRQLF
)LOWHU

&KDSWHU 9+)0+]:5HFHLYHU)URQW(QG
&%
7KHUHDUHWZRSROH0+]FU\VWDOILOWHUVLQWKHKLJK,)VHFWLRQDQGSDLUVRIN+]FHUDPLF
ILOWHUVLQWKHORZ,)VHFWLRQWRSURYLGHWKHUHTXLUHGDGMDFHQWFKDQQHOVHOHFWLYLW\7KHFRUUHFWSDLURI
FHUDPLFILOWHUVIRURUN+]FKDQQHOVSDFLQJLVVHOHFWHGYLDFRQWUROOLQH%:6(/(&77KH
VHFRQG,)DWN+]LVPL[HGDPSOLILHGDQGGHPRGXODWHGLQWKH,),&7KHSURFHVVLQJRIWKH
GHPRGXODWHGDXGLRVLJQDOLVSHUIRUPHGE\DQDXGLRSURFHVVLQJ,&ORFDWHGLQWKHFRQWUROOHUVHFWLRQ
 )URQW(QG%DQGSDVV)LOWHUVDQG3UH$PSOLILHU
7KHUHFHLYHGVLJQDOIURPWKHUDGLR¶VDQWHQQDFRQQHFWRULVILUVWURXWHGWKURXJKWKHKDUPRQLFILOWHUDQG
DQWHQQDVZLWFKZKLFKDUHSDUWRIWKH5)SRZHUDPSOLILHUFLUFXLWU\EHIRUHEHLQJDSSOLHGWRWKH
UHFHLYHUSUHVHOHFWRUILOWHU&&'DQGDVVRFLDWHGFRPSRQHQWV7KHSROHSUH
VHOHFWRUILOWHUWXQHGE\WKHGXDOYDUDFWRUGLRGH'SUHVHOHFWVWKHLQFRPLQJVLJQDO5;,1IURP
WKHDQWHQQDVZLWFKWRUHGXFHVSXULRXVHIIHFWVWRIROORZLQJVWDJHV7KHWXQLQJYROWDJH)(&17/B
UDQJLQJIURPYROWVWRYROWVLVFRQWUROOHGE\SLQRI3&,&8LQWKH7UDQVPLWWHUVHFWLRQ$
GXDOKRWFDUULHUGLRGH'OLPLWVDQ\LQEDQGVLJQDOWRG%PWRSUHYHQWGDPDJHWRWKHSUH
DPSOLILHU
7KH5)SUHDPSOLILHULVDQ60'GHYLFH4ZLWKFROOHFWRUEDVHIHHGEDFNWRVWDELOL]HJDLQ
LPSHGDQFHDQGLQWHUPRGXODWLRQ7UDQVLVWRU4FRPSDUHVWKHYROWDJHGURSDFURVVUHVLVWRU
5ZLWKDIL[HGEDVHYROWDJHIURPGLYLGHU55DQG5DQGDGMXVWVWKHEDVH
FXUUHQWRI4DVQHFHVVDU\WRPDLQWDLQLWVFROOHFWRUFXUUHQWFRQVWDQWDWDSSUR[LPDWHO\P$
2SHUDWLQJYROWDJHLVIURPWKHUHJXODWHG9VXSSO\9'XULQJWUDQVPLWYROWV.9WXUQVRII
ERWKWUDQVLVWRUV4DQG47KLVSURWHFWVWKH5)SUHDPSOLILHUIURPH[FHVVLYHGLVVLSDWLRQ
GXULQJWUDQVPLWPRGH$VZLWFKDEOHG%SDG555DQG5FRQWUROOHGYLD/LQH
)(&17/BDQG4VWDELOL]HVWKHRXWSXWLPSHGDQFHDQGLQWHUPRGXODWLRQSHUIRUPDQFH
$VHFRQGSROHYDUDFWRUWXQHGEDQGSDVVILOWHUSURYLGHVDGGLWLRQDOILOWHULQJRIWKHDPSOLILHGVLJQDO
7KHGXDOYDUDFWRUGLRGH'LVFRQWUROOHGE\WKHVDPHVLJQDO)(&17/BZKLFKFRQWUROVWKHSUH
VHOHFWRUILOWHU
 )LUVW0L[HUDQG+LJK,QWHUPHGLDWH)UHTXHQF\,)
7KHVLJQDOFRPLQJIURPWKHIURQWHQGLVFRQYHUWHGWRWKHKLJK,)IUHTXHQF\RI0+]XVLQJD
SDVVLYHGRXEOHEDODQFHGPL[HU',WVSRUWVDUHPDWFKHGIRULQFRPLQJ5)VLJQDOFRQYHUVLRQWR
WKH0+],)XVLQJKLJKVLGHLQMHFWLRQ7KHKLJKVLGHLQMHFWLRQVLJQDO5;,1-IURPWKH
IUHTXHQF\V\QWKHVL]HUFLUFXLWU\KDVDOHYHORIDSSUR[LPDWHO\G%PDQGLVLQMHFWHGYLDPDWFKLQJ
WUDQVIRUPHU7
7KHPL[HU,)RXWSXWVLJQDO,)IURPWUDQVIRUPHU7SLQLVIHGWRWKHILUVWWZRSROHFU\VWDOILOWHU
)/7KHILOWHURXWSXWLQWXUQLVPDWFKHGWRWKHIROORZLQJ,)DPSOLILHU
7KH,)DPSOLILHU4LVDFWLYHO\ELDVHGE\DFROOHFWRUEDVHIHHGEDFN55WRDFXUUHQW
GUDLQRIDSSUR[LPDWHO\P$GUDZQIURPWKHYROWDJH9,WVRXWSXWLPSHGDQFHLVPDWFKHGWRWKH
VHFRQGWZRSROHFU\VWDOILOWHU)/7KHVLJQDOLVIXUWKHUDPSOLILHGE\DSUHDPSOLILHU4
EHIRUHJRLQJLQWRSLQRI,),&8
$GXDOKRWFDUULHUGLRGH'OLPLWVWKHILOWHURXWSXWYROWDJHVZLQJWRUHGXFHRYHUGULYHHIIHFWVDW
5)LQSXWOHYHOVDERYHG%P
 /RZ,QWHUPHGLDWH)UHTXHQF\,)DQG5HFHLYHU%DFN(QG
7KH0+]KLJK,)VLJQDOIURPWKHVHFRQG,)DPSOLILHUIHHGVWKH,),&8DWSLQ:LWKLQ
WKH,),&WKH0+]KLJK,)VLJQDOPL[HVZLWKWKH0+]VHFRQGORFDORVFLOODWRUQG/2
WRSURGXFHWKHORZ,)VLJQDODWN+]7KHQG/2IUHTXHQF\LVGHWHUPLQHGE\FU\VWDO<7KH
ORZ,)VLJQDOLVDPSOLILHGDQGILOWHUHGE\DQH[WHUQDOSDLURIN+]FHUDPLFILOWHUV)/)/

9+)0+]:7UDQVPLWWHU3RZHU$PSOLILHU3$: &KDSWHU
&%
IRUN+]FKDQQHOVSDFLQJRU)/)/)IRUN+]FKDQQHOVSDFLQJ7KHVHSDLUV
DUHVHOHFWDEOHYLD%:6(/(&77KHILOWHUHGRXWSXWIURPWKHFHUDPLFILOWHUVLVDSSOLHGWRWKHOLPLWHU
LQSXWSLQRIWKH,),&SLQ
7KH,),&FRQWDLQVDTXDGUDWXUHGHWHFWRUXVLQJDFHUDPLFSKDVHVKLIWHOHPHQW<WRSURYLGH
DXGLRGHWHFWLRQ,QWHUQDODPSOLILFDWLRQSURYLGHVDQDXGLRRXWSXWOHYHORIP9UPVDW
GHYLDWLRQIURP8SLQ',6&$8',2ZKLFKLVIHGWRWKH$6),&B&038SLQSDUWRI
WKH&RQWUROOHUFLUFXLWU\
$5HFHLYH6LJQDO6WUHQJWK,QGLFDWRU566,VLJQDOLVDYDLODEOHDW8SLQKDYLQJDG\QDPLF
UDQJHRIG%7KH566,VLJQDOLVLQWHUSUHWHGE\WKH38SLQDQGLQDGGLWLRQLVDYDLODEOH
DWDFFHVVRU\FRQQHFWRU-
 9+)0+]:7UDQVPLWWHU3RZHU$PSOLILHU3$:
7KHUDGLR¶V:3$LVDWKUHHVWDJHDPSOLILHUXVHGWRDPSOLI\WKHRXWSXWIURPWKH9&2%,&WRWKH
UDGLRWUDQVPLWOHYHO$OOWKUHHVWDJHVXWLOL]H/'026WHFKQRORJ\7KHJDLQRIWKHILUVWVWDJH8
DQGWKHVHFRQGVWDJH4LVDGMXVWDEOHFRQWUROOHGE\SLQRI3&,&8YLD8DQG
8,WLVIROORZHGE\DQ/'026ILQDOVWDJH4
)LJXUH9+)7UDQVPLWWHU%ORFN'LDJUDP
'HYLFHV84DQG4DUHVXUIDFHPRXQWHG$SUHVVXUHSDGEHWZHHQWKHERDUGDQG
WKHUDGLRVFRYHUSURYLGHVJRRGWKHUPDOFRQWDFWEHWZHHQWKHGHYLFHVDQGWKHFKDVVLV
 )LUVW3RZHU&RQWUROOHG6WDJH
7KHILUVWVWDJH8LVDG%JDLQLQWHJUDWHGFLUFXLWFRQWDLQLQJWZR/'026)(7DPSOLILHU
VWDJHV,WDPSOLILHVWKH5)VLJQDOIURPWKH9&27;,1-7KHRXWSXWSRZHURIVWDJH8LV
FRQWUROOHGE\D'&YROWDJHDSSOLHGWRSLQIURPWKHRSDPS8SLQ7KHFRQWUROYROWDJH
VLPXOWDQHRXVO\YDULHVWKHELDVRIWZR)(7VWDJHVZLWKLQ87KLVELDVLQJSRLQWGHWHUPLQHVWKH
3&,&
3LQ'LRGH
$QWHQQD
6ZLWFK 5)-DFN
$QWHQQD
+DUPRQLF
)LOWHU
3RZHU
6HQVH
3$)LQDO
6WDJH
)URP9&2
&RQWUROOHG
6WDJH
&RQWUROYROWDJH
%LDV
7R0LFURSURFHVVRU
7HPSHUDWXUH
6HQVH
63,%86
$6),&B&03
3$
3:5
6(7
7R0LFURSURFHVVRU
'ULYHU

&KDSWHU 9+)0+]:7UDQVPLWWHU3RZHU$PSOLILHU3$
&%
RYHUDOOJDLQRI8DQGWKHUHIRUHLWVRXWSXWGULYHOHYHOWR4ZKLFKLQWXUQFRQWUROVWKHRXWSXW
SRZHURIWKH3$
2SDPS8PRQLWRUVWKHGUDLQFXUUHQWRI8YLDUHVLVWRU5DQGDGMXVWVWKHELDV
YROWDJHRI8VRWKDWWKHFXUUHQWUHPDLQVFRQVWDQW7KH3&,&8SURYLGHVD'&RXWSXW
YROWDJHDWSLQ,17ZKLFKVHWVWKHUHIHUHQFHYROWDJHRIWKHFXUUHQWFRQWUROORRS$ULVLQJSRZHU
RXWSXWFDXVHVWKH'&YROWDJHIURPWKH3&,&WRIDOODQG8DGMXVWVWKHELDVYROWDJHIRUDORZHU
GUDLQFXUUHQWWRORZHUWKHJDLQRIWKHVWDJH
,QUHFHLYHPRGHWKH'&YROWDJHIURP3&,&SLQ5;WXUQVRQ4ZKLFKLQWXUQVZLWFKHVRII
WKHELDVLQJYROWDJHWR8
6ZLWFK6LVDSUHVVXUHSDGZLWKDFRQGXFWLYHVWULSZKLFKFRQQHFWVWZRFRQGXFWLYHDUHDVRQWKH
ERDUGZKHQWKHUDGLR¶VFRYHULVSURSHUO\VFUHZHGWRWKHFKDVVLV:KHQWKHFRYHULVUHPRYHG6
RSHQVDQGWKHUHVXOWLQJKLJKYROWDJHOHYHODWWKHLQYHUWLQJLQSXWVRIWKHFXUUHQWFRQWURORSDPSV
8VZLWFKHVRIIWKHELDVLQJRI8DQG47KLVSUHYHQWVWUDQVPLWWHUNH\XSZKLOH
WKHGHYLFHVGRQRWKDYHSURSHUWKHUPDOFRQWDFWWRWKHFKDVVLV
 3RZHU&RQWUROOHG'ULYHU6WDJH
7KHQH[WVWDJHLVDQ/'026GHYLFH4SURYLGLQJDJDLQRIG%7KLVGHYLFHUHTXLUHVD
SRVLWLYHJDWHELDVDQGDTXLHVFHQWFXUUHQWIORZIRUSURSHURSHUDWLRQ7KHELDVLVVHWGXULQJWUDQVPLW
PRGHE\WKHGUDLQFXUUHQWFRQWURORSDPS8DQGIHGWRWKHJDWHRI4YLDWKHUHVLVWLYH
QHWZRUN555DQG5
2SDPS8PRQLWRUVWKHGUDLQFXUUHQWRI8YLDUHVLVWRUV5DQGDGMXVWVWKHELDV
YROWDJHRI4VRWKDWWKHFXUUHQWUHPDLQVFRQVWDQW7KH3&,&8SURYLGHVD'&RXWSXW
YROWDJHDWSLQ,17ZKLFKVHWVWKHUHIHUHQFHYROWDJHRIWKHFXUUHQWFRQWUROORRS$ULVLQJSRZHU
RXWSXWFDXVHVWKH'&YROWDJHIURPWKH3&,&WRIDOODQG8DGMXVWVWKHELDVYROWDJHIRUDORZHU
GUDLQFXUUHQWWRORZHUWKHJDLQRIWKHVWDJH
,QUHFHLYHPRGHWKH'&YROWDJHIURP3&,&SLQ5;WXUQVRQ4ZKLFKLQWXUQVZLWFKHVRII
WKHELDVLQJYROWDJHWR4
 )LQDO6WDJH
7KHILQDOVWDJHLVDQ/'026GHYLFH4SURYLGLQJDJDLQRIG%7KLVGHYLFHDOVRUHTXLUHVD
SRVLWLYHJDWHELDVDQGDTXLHVFHQWFXUUHQWIORZIRUSURSHURSHUDWLRQ7KHYROWDJHRIWKHOLQH
026%,$6BLVVHWLQWUDQVPLWPRGHE\WKH$6),&DQGIHGWRWKHJDWHRI4YLDWKHUHVLVWLYH
QHWZRUN55DQG57KLVELDVYROWDJHLVWXQHGLQWKHIDFWRU\,IWKHWUDQVLVWRULV
UHSODFHGWKHELDVYROWDJHPXVWEHWXQHGXVLQJWKH&XVWRPHU3URJUDPPLQJ6RIWZDUH&36&DUH
PXVWEHWDNHQQRWWRGDPDJHWKHGHYLFHE\H[FHHGLQJWKHPD[LPXPDOORZHGELDVYROWDJH,QUHFHLYH
PRGH8SXOOVWKHELDVYROWDJHWRORZYLD'7KHGHYLFH¶VGUDLQFXUUHQWLVGUDZQGLUHFWO\
IURPWKHUDGLR¶V'&VXSSO\YROWDJHLQSXW3$6839/7*YLD/DQG/
$PDWFKLQJQHWZRUNFRQVLVWLQJRI&/DQGWZRVWULSOLQHVWUDQVIRUPVWKHLPSHGDQFHWR
RKPVDQGIHHGVWKHGLUHFWLRQDOFRXSOHU
 'LUHFWLRQDO&RXSOHU
7KHGLUHFWLRQDOFRXSOHULVDPLFURVWULSSULQWHGFLUFXLWZKLFKFRXSOHVDVPDOODPRXQWRIWKHIRUZDUG
SRZHUGHOLYHUHGE\47KHFRXSOHGVLJQDOLVUHFWLILHGE\'7KH'&YROWDJHLVSURSRUWLRQDO
WRWKH5)RXWSXWSRZHUDQGIHHGVWKH5),1SRUWRIWKH3&,&8SLQ7KH3&,&FRQWUROVWKH
JDLQRIVWDJH8DQG4DVQHFHVVDU\WRKROGWKLVYROWDJHFRQVWDQWWKXVHQVXULQJWKH
IRUZDUGSRZHURXWRIWKHUDGLRWREHKHOGWRDFRQVWDQWYDOXH

9+)0+]:)UHTXHQF\6\QWKHVLV &KDSWHU
&%
 $QWHQQD6ZLWFK
7KHDQWHQQDVZLWFKFRQVLVWVRIWZR3,1GLRGHV'DQG',QWKHUHFHLYHPRGHERWKGLRGHV
DUHRII6LJQDOVDSSOLHGDWWKHDQWHQQDMDFN-DUHURXWHGYLDWKHKDUPRQLFILOWHUWKURXJK
QHWZRUN/&DQG&WRWKHUHFHLYHULQSXW,QWKHWUDQVPLWPRGH.9WXUQVRQ
4ZKLFKHQDEOHVFXUUHQWVLQN4VHWWRP$E\5DQG957KLVFRPSOHWHVD
'&SDWKIURP3$6839/7*WKURXJK/'/'/5DQGWKHFXUUHQW
VLQNWRJURXQG%RWKGLRGHVDUHIRUZDUGELDVHGLQWRFRQGXFWLRQ7KHWUDQVPLWWHU5)IURPWKH
GLUHFWLRQDOFRXSOHULVURXWHGYLD'WRWKHKDUPRQLFILOWHUDQGDQWHQQDMDFN'DOVR
FRQGXFWVVKXQWLQJ5)SRZHUDQGSUHYHQWLQJLWIURPUHDFKLQJWKHUHFHLYHUSRUW5;,1/LV
VHOHFWHGWRDSSHDUDVDODPEGDZDYHWUDQVPLVVLRQOLQHPDNLQJWKHVKRUWFLUFXLWSUHVHQWHGE\
'DSSHDUDVDQRSHQFLUFXLWDWWKHMXQFWLRQRI'DQGWKHUHFHLYHUSDWK
 +DUPRQLF)LOWHU
&RPSRQHQWV//DQG/&&IRUPD&KHE\FKHYORZSDVVILOWHUWRDWWHQXDWH
KDUPRQLFHQHUJ\RIWKHWUDQVPLWWHUWRVSHFLILFDWLRQVOHYHO5LVXVHGWRGUDLQHOHFWURVWDWLF
FKDUJHWKDWPLJKWRWKHUZLVHEXLOGXSRQWKHDQWHQQD7KHKDUPRQLFILOWHUDOVRSUHYHQWVKLJKOHYHO5)
VLJQDOVDERYHWKHUHFHLYHUSDVVEDQGIURPUHDFKLQJWKHUHFHLYHUFLUFXLWVLPSURYLQJVSXULRXV
UHVSRQVHUHMHFWLRQ
 3RZHU&RQWURO
7KHWUDQVPLWWHUXVHVWKH3RZHU&RQWURO,&3&,&8WRFRQWUROWKHSRZHURXWSXWRIWKHUDGLR$
SRUWLRQRIWKHIRUZDUG5)SRZHUIURPWKHWUDQVPLWWHULVVDPSOHGE\WKHGLUHFWLRQDOFRXSOHUDQG
UHFWLILHGWRSURYLGHD'&YROWDJHWRWKH5),1SRUWRIWKH3&,&SLQZKLFKLVSURSRUWLRQDOWRWKH
VDPSOHG5)SRZHU
7KH$6),&8KDVLQWHUQDOGLJLWDOWRDQDORJFRQYHUWHUV'$&VZKLFKSURYLGHDUHIHUHQFH
YROWDJHRIWKHFRQWUROORRSWRWKH3&,&YLD57KHUHIHUHQFHYROWDJHOHYHOLVSURJUDPPDEOH
WKURXJKWKH63,OLQHRIWKH3&,&7KLVUHIHUHQFHYROWDJHLVSURSRUWLRQDOWRWKHGHVLUHGSRZHUVHWWLQJ
RIWKHWUDQVPLWWHUDQGLVIDFWRU\SURJUDPPHGDWVHYHUDOSRLQWVDFURVVWKHIUHTXHQF\UDQJHRIWKH
WUDQVPLWWHUWRRIIVHWIUHTXHQF\UHVSRQVHYDULDWLRQVRIWKHWUDQVPLWWHU¶VSRZHUGHWHFWRUFLUFXLW
7KH3&,&SURYLGHVD'&RXWSXWYROWDJHDWSLQ,17ZKLFKVHWVWKHGUDLQFXUUHQWRIWKHILUVW
8DQGVHFRQG4WUDQVPLWWHUVWDJHYLDFXUUHQWFRQWURORSDPSV8DQG8
7KLVDGMXVWVWKHWUDQVPLWWHUSRZHURXWSXWWRWKHLQWHQGHGYDOXH9DULDWLRQVLQIRUZDUGWUDQVPLWWHU
SRZHUFDXVHWKH'&YROWDJHDWSLQWRFKDQJHDQGWKH3&,&DGMXVWVWKHFRQWUROYROWDJHDERYHRU
EHORZLWVQRPLQDOYDOXHWRUDLVHRUORZHURXWSXWSRZHU&DSDFLWRUV&LQFRQMXQFWLRQZLWK
UHVLVWRUVDQGLQWHJUDWRUVZLWKLQWKH3&,&FRQWUROWKHWUDQVPLWWHUSRZHUULVHNH\XSDQGSRZHU
GHFD\GHNH\FKDUDFWHULVWLFWRPLQLPL]HVSODWWHULQWRDGMDFHQWFKDQQHOV8LVDWHPSHUDWXUH
VHQVLQJGHYLFHZKLFKPRQLWRUVWKHFLUFXLWERDUGWHPSHUDWXUHLQWKHYLFLQLW\RIWKHWUDQVPLWWHUGULYHU
DQGILQDOGHYLFHVDQGSURYLGHVD'&YROWDJHWRWKH3&,&7(03SLQSURSRUWLRQDOWR
WHPSHUDWXUH,IWKH'&YROWDJHSURGXFHGH[FHHGVWKHVHWWKUHVKROGLQWKH3&,&WKHWUDQVPLWWHU
RXWSXWSRZHUZLOOEHUHGXFHGVRDVWRUHGXFHWKHWUDQVPLWWHUWHPSHUDWXUH
 9+)0+]:)UHTXHQF\6\QWKHVLV
7KHIUHTXHQF\V\QWKHVL]HUVXEV\VWHPFRQVLVWVRIWKHUHIHUHQFHRVFLOODWRU<RU<WKH
/RZ9ROWDJH)UDFWLRQDO1V\QWKHVL]HU/9)5$&18DQGWKHYROWDJHFRQWUROOHGRVFLOODWRUV
DQGEXIIHUDPSOLILHUV84DQGDVVRFLDWHGFLUFXLWU\

&KDSWHU 9+)0+]:)UHTXHQF\6\QWKHVLV
&%
 5HIHUHQFH2VFLOODWRU
7KHUHIHUHQFHRVFLOODWRU<FRQWDLQVDWHPSHUDWXUHFRPSHQVDWHGFU\VWDORVFLOODWRUZLWKD
IUHTXHQF\RI0+]$QDQDORJWRGLJLWDO$'FRQYHUWHULQWHUQDOWR8/9)5$&1DQG
FRQWUROOHGE\WKH3YLDVHULDOLQWHUIDFH65/VHWVWKHYROWDJHDWWKHZDUSRXWSXWRI8SLQ
WRVHWWKHIUHTXHQF\RIWKHRVFLOODWRU7KHRXWSXWRIWKHRVFLOODWRU8SLQLVDSSOLHGWRSLQ
;7$/RI8YLD5DQG&
,QDSSOLFDWLRQVZKHUHOHVVIUHTXHQF\VWDELOLW\LVUHTXLUHGWKHRVFLOODWRULQVLGH8LVXVHGDORQJ
ZLWKDQH[WHUQDOFU\VWDO<YDUDFWRUGLRGH'&&DQG5,QWKLVFDVH
<5&DQG&DUHQRWXVHG:KHQ<LVXVHG<'&
&DQG5DUHQRWXVHGDQG&LVLQFUHDVHGWRX)
 )UDFWLRQDO16\QWKHVL]HU
7KH/9)5$&1V\QWKHVL]HU,&8FRQVLVWVRIDSUHVFDOHUDSURJUDPPDEOHORRSGLYLGHU
FRQWUROGLYLGHUORJLFDSKDVHGHWHFWRUDFKDUJHSXPSDQ$'FRQYHUWHUIRUORZIUHTXHQF\GLJLWDO
PRGXODWLRQDEDODQFHDWWHQXDWRUWREDODQFHKLJKIUHTXHQF\DQDORJPRGXODWLRQDQGORZIUHTXHQF\
GLJLWDOPRGXODWLRQD9SRVLWLYHYROWDJHPXOWLSOLHUDVHULDOLQWHUIDFHIRUFRQWURODQGILQDOO\DVXSHU
ILOWHUIRUWKHUHJXODWHGYROWV
)LJXUH9+)6\QWKHVL]HU%ORFN'LDJUDP
$YROWDJHRI9DSSOLHGWRWKHVXSHUILOWHULQSXW8SLQVXSSOLHVDQRXWSXWYROWDJHRI9'&
96)DWSLQ,WVXSSOLHVWKH9&29&2PRGXODWLRQELDVFLUFXLWYLD5DQGWKHV\QWKHVL]HU
FKDUJHSXPSUHVLVWRUQHWZRUN557KHV\QWKHVL]HUVXSSO\YROWDJHLVSURYLGHGE\WKH
9UHJXODWRU8
,QRUGHUWRJHQHUDWHDKLJKYROWDJHWRVXSSO\WKHSKDVHGHWHFWRUFKDUJHSXPSRXWSXWVWDJHDW
SLQ9&38DYROWDJHRI9'&LVEHLQJJHQHUDWHGE\WKHSRVLWLYHYROWDJHPXOWLSOLHU

9+)0+]:)UHTXHQF\6\QWKHVLV &KDSWHU
&%
FLUFXLWU\'&&7KLVYROWDJHPXOWLSOLHULVEDVLFDOO\DGLRGHFDSDFLWRUQHWZRUNGULYHQ
E\WZR0+]GHJUHHVRXWRISKDVHVLJQDOV8DQG
2XWSXW/2&.8SURYLGHVLQIRUPDWLRQDERXWWKHORFNVWDWXVRIWKHV\QWKHVL]HUORRS$KLJK
OHYHODWWKLVRXWSXWLQGLFDWHVDVWDEOHORRS,&8SURYLGHVWKH0+]UHIHUHQFHIUHTXHQF\DW
SLQ
7KHVHULDOLQWHUIDFH65/LVFRQQHFWHGWRWKH3YLDWKHGDWDOLQH'$7$8FORFNOLQH&/.
8DQGFKLSHQDEOHOLQH&6;8
 9ROWDJH&RQWUROOHG2VFLOODWRU9&2
7KH9ROWDJH&RQWUROOHG2VFLOODWRU9&2FRQVLVWVRIWKH9&2%XIIHU,&9&2%,&8WKH7;
DQG5;WDQNFLUFXLWVWKHH[WHUQDO5;EXIIHUVWDJHVDQGWKHPRGXODWLRQFLUFXLWU\
)LJXUH9+)9&2%ORFN'LDJUDP
7KH9&2%,&WRJHWKHUZLWKWKH)UDFWLRQDO1V\QWKHVL]HU8JHQHUDWHVWKHUHTXLUHGIUHTXHQFLHV
LQERWKWKHWUDQVPLWDQGUHFHLYHPRGHV7KH75%OLQH8SLQGHWHUPLQHVZKLFKWDQNFLUFXLWV
DQGLQWHUQDOEXIIHUVDUHWREHHQDEOHG$KLJKOHYHORQ75%HQDEOHVWKH7;WDQNDQG7;RXWSXWSLQ
DQGDORZHQDEOHVWKH5;WDQNDQG5;RXWSXWSLQ$VDPSOHRIWKHVLJQDOIURPWKHHQDEOHG
5)RXWSXWLVURXWHGIURP8SLQ35(6&B287YLDDORZSDVVILOWHUWRSLQRI8
35(,1
8
9&2%,&
5;
7;

&KDSWHU 9+)0+]:)UHTXHQF\6\QWKHVLV
&%
$VWHHULQJOLQHYROWDJH9&75/EHWZHHQ9DQG9DWYDUDFWRUGLRGH'ZLOOWXQHWKHIXOO7;
IUHTXHQF\UDQJH7;,1-IURP0+]WR0+]DQGDWYDUDFWRUGLRGH'ZLOOWXQHWKHIXOO
5;IUHTXHQF\UDQJH5;,1-IURP0+]WR0+]7KH5;WDQNFLUFXLWXVHVD+DUWOH\
FRQILJXUDWLRQIRUZLGHUEDQGZLGWK)RUWKH5;WDQNFLUFXLWDQH[WHUQDOWUDQVLVWRU4LVXVHGIRU
EHWWHUVLGHEDQGQRLVH
7KHH[WHUQDO5;EXIIHUV4DQG4DUHHQDEOHGE\DKLJKDW8SLQ5;B6:,7&+
YLDWUDQVLVWRUVZLWFK4,QWKH7;PRGHWKHPRGXODWLRQVLJQDO9&202'IURPWKH/9)5$&1
V\QWKHVL]HU,&8SLQLVDSSOLHGWRYDUDFWRUGLRGH'ZKLFKPRGXODWHVWKH7;9&2
IUHTXHQF\YLDFDSDFLWRU&9DUDFWRU'LVELDVHGIRUOLQHDULW\IURP96)
 6\QWKHVL]HU2SHUDWLRQ
7KHFRPSOHWHV\QWKHVL]HUVXEV\VWHPFRQVLVWVRIWKHORZYROWDJH)5$&1/9)5$&1WKH
UHIHUHQFHRVFLOODWRUDFU\VWDORVFLOODWRUZLWKWHPSHUDWXUHFRPSHQVDWLRQFKDUJHSXPSFLUFXLWU\ORRS
ILOWHUFLUFXLWU\DQGD'&VXSSO\7KHRXWSXWVLJQDO35(6&IURPWKH9&2%,&8SLQLVIHGWR
8SLQ35(,1YLDDORZSDVVILOWHU&/DQG&ZKLFKDWWHQXDWHVKDUPRQLFV
DQGSURYLGHVWKHFRUUHFWOHYHOWRFORVHWKHV\QWKHVL]HUORRS
7KHSUHVFDOHULQWKHV\QWKHVL]HU8LVDGXDOPRGXOXVW\SHZLWKVHOHFWDEOHGLYLGHUUDWLRV7KH
GLYLGHUUDWLRRIWKHSUHVFDOHULVFRQWUROOHGE\WKHORRSGLYLGHUZKLFKLQWXUQUHFHLYHVLWVLQSXWVYLDWKH
65/7KHRXWSXWRIWKHSUHVFDOHULVDSSOLHGWRWKHORRSGLYLGHU7KHRXWSXWRIWKHORRSGLYLGHULV
FRQQHFWHGWRWKHSKDVHGHWHFWRUZKLFKFRPSDUHVWKHORRSGLYLGHU¶VRXWSXWVLJQDOZLWKWKHUHIHUHQFH
VLJQDO7KHUHIHUHQFHVLJQDOLVJHQHUDWHGE\GLYLGLQJGRZQWKHVLJQDORIWKHUHIHUHQFHRVFLOODWRU
<RU<
7KHRXWSXWVLJQDORIWKHSKDVHGHWHFWRULVDSXOVHG'&VLJQDOZKLFKLVURXWHGWRWKHFKDUJHSXPS
7KHFKDUJHSXPSRXWSXWVDFXUUHQWDW8SLQ,2877KHORRSILOWHUZKLFKFRQVLVWVRI
55DQG&&WUDQVIRUPVWKLVFXUUHQWLQWRDYROWDJHWKDWLVDSSOLHGWRWKH
YDUDFWRUGLRGHV'IRUWUDQVPLW'IRUUHFHLYHWRDOWHUWKHRXWSXWIUHTXHQF\RIWKH
DSSURSULDWH9&27KHFXUUHQWFDQEHVHWWRDYDOXHIL[HGZLWKLQWKH/9)5$&1,&RUWRDYDOXH
GHWHUPLQHGE\WKHFXUUHQWVIORZLQJLQWR%,$68RU%,$687KHFXUUHQWVDUH
VHWE\WKHYDOXHRI5DQG5UHVSHFWLYHO\7KHVHOHFWLRQRIWKHWKUHHGLIIHUHQWELDVVRXUFHV
LVGRQHE\VRIWZDUHSURJUDPPLQJ
7RUHGXFHV\QWKHVL]HUORFNWLPHZKHQQHZIUHTXHQF\GDWDKDVEHHQORDGHGLQWRWKHV\QWKHVL]HUWKH
PDJQLWXGHRIWKHORRSFXUUHQWLVLQFUHDVHGE\HQDEOLQJWKH,$'$37SLQ8IRUDFHUWDLQ
VRIWZDUHSURJUDPPDEOHWLPHDGDSWPRGH7KHDGDSWPRGHWLPHULVVWDUWHGE\DORZWRKLJK
WUDQVLWLRQRIWKH&6;OLQH:KHQWKHV\QWKHVL]HULVZLWKLQWKHORFNUDQJHWKHFXUUHQWLVGHWHUPLQHG
RQO\E\WKHUHVLVWRUVFRQQHFWHGWR%,$6DQG%,$6RUE\WKHLQWHUQDOFXUUHQWVRXUFH$VHWWOHG
V\QWKHVL]HUORRSLVLQGLFDWHGE\DKLJKOHYHOVLJQDODW8/2&.
7KH/2&.VLJQDOLVURXWHGWRRQHRIWKH3¶V$'&LQSXWV8)URPWKHPHDVXUHGYROWDJH
WKH3GHWHUPLQHVZKHWKHU/2&.LVDFWLYH
,QRUGHUWRPRGXODWHWKH3//WKHWZRVSRWPRGXODWLRQPHWKRGLVXWLOL]HG9LD8SLQ
02',1WKHDXGLRVLJQDOLVDSSOLHGWRERWKWKH$'FRQYHUWHUORZIUHTXHQF\SDWKDVZHOODVWKH
EDODQFHDWWHQXDWRUKLJKIUHTXHQF\SDWK7KH$'FRQYHUWHUFKDQJHVWKHORZIUHTXHQF\DQDORJ
PRGXODWLQJVLJQDOLQWRDGLJLWDOFRGHWKDWLVDSSOLHGWRWKHORRSGLYLGHUWKHUHE\FDXVLQJWKHFDUULHUWR
GHYLDWH7KHEDODQFHDWWHQXDWRULVXVHGWRDGMXVWWKH9&2¶VGHYLDWLRQVHQVLWLYLW\WRKLJKIUHTXHQF\
PRGXODWLQJVLJQDOV7KHRXWSXWRIWKHEDODQFHDWWHQXDWRULVSUHVHQWDWWKH02'287SRUW8
DQGFRQQHFWHGWRWKH9&2PRGXODWLRQGLRGH'YLD5

&KDSWHU
&%
6HFWLRQ
7528%/(6+227,1*&+$576
 7URXEOHVKRRWLQJ)ORZ&KDUWIRU5HFHLYHU6KHHWRI
%DG6,1$'
%DGG%4XLHWLQJ
1R5HFRYHUHG$XGLR
67$57
$XGLRDW
SLQRI
8"
&KHFN&RQWUROOHU
LQWKHFDVHRIQRDXGLR
25(/6(JRWR³%´
<HV
1R
6SUD\RULQMHFW0+]
LQWR;7$/)LOWHU)/
$XGLRKHDUG"%
<HV
1R
&KHFNQG/2
0+]DW&
/2SUHVHQW"
%
<HV
&KHFNYROWDJHVRQ
8
%LDVLQJ2."
1R
1R
$
<HV
&KHFN4ELDV
IRUIDXOWV
5HSODFH4
*RWR%
<HV
1R
&KHFNFLUFXLWU\
DURXQG8
5HSODFH
8LIGHIHFW
&KHFNFLUFXLWU\DURXQG<
5HSODFH<LIGHIHFW
9ROWDJHV
2."

&KDSWHU 7URXEOHVKRRWLQJ)ORZ&KDUWIRU5HFHLYHU
&%
 7URXEOHVKRRWLQJ)ORZ&KDUWIRU5HFHLYHU6KHHWRI
,)6LJQDODW
&"
1R
5)6LJQDODW
7"
5)6LJQDODW
&"
1R
5)6LJQDODW
&"
1R
5)6LJQDODW
&"
1RRU
&KHFN+DUPRQLF)LOWHU
-DQG
$QWHQQD6ZLWFK
''/
&KHFNILOWHUEHWZHHQ&
&&KHFNWXQLQJ
YROWDJHDW5
,QMHFW5)LQWR-
,VWXQLQJ
YROWDJH2."
1R
<HV
&KHFN5)DPS
46WDJH
&KHFNILOWHUEHWZHHQ
&7
<HV
&KHFN77
'55
/&DQG&
<HV
VW
/2OHYHO2."
/RFNHG"
<HV
&KHFN)*8
<HV
7UDFH,)VLJQDOIURP
&WR4
&KHFNIRUEDG;7$/
ILOWHU
1R
<HV
,)VLJQDODW4
FROOHFWRU"
%HIRUHUHSODFLQJ
8FKHFN
8YROWDJHV
<HV
&KHFNIRU9'&
,V9
SUHVHQW"
&KHFN6XSSO\9ROWDJH
FLUFXLWU\&KHFN4
8DQG8
1R
1R
1R
&KHFN8
&KHFNYDUDFWRUILOWHU
1R
<HV
<HV
<HV
$
$
%
ZHDN5)

7URXEOHVKRRWLQJ)ORZ&KDUWIRU:7UDQVPLWWHU &KDSWHU
&%
 7URXEOHVKRRWLQJ)ORZ&KDUWIRU:7UDQVPLWWHU6KHHWRI

&KDSWHU 7URXEOHVKRRWLQJ)ORZ&KDUWIRU:7UDQVPLWWHU
&%
 7URXEOHVKRRWLQJ)ORZ&KDUWIRU:7UDQVPLWWHU6KHHWRI

7URXEOHVKRRWLQJ)ORZ&KDUWIRU:7UDQVPLWWHU &KDSWHU
&%
 7URXEOHVKRRWLQJ)ORZ&KDUWIRU:7UDQVPLWWHU6KHHWRI

&KDSWHU 7URXEOHVKRRWLQJ)ORZ&KDUWIRU6\QWKHVL]HU
&%
 7URXEOHVKRRWLQJ)ORZ&KDUWIRU6\QWKHVL]HU

7URXEOHVKRRWLQJ)ORZ&KDUWIRU9&2 &KDSWHU
&%
 7URXEOHVKRRWLQJ)ORZ&KDUWIRU9&2
7;9&2
5;9&2

&KDSWHU 7URXEOHVKRRWLQJ)ORZ&KDUWIRU9&2
&%
1RWHV

&KDSWHU
&%
6HFWLRQ
9+)0+=:3&%66&+(0$7,&6$1'
3$576/,676
 $OORFDWLRQRI6FKHPDWLFVDQG&LUFXLW%RDUGV
 &RQWUROOHU&LUFXLWV
7KH9+)FLUFXLWVDUHFRQWDLQHGRQWKHSULQWHGFLUFXLWERDUG3&%ZKLFKDOVRFRQWDLQVWKHFRQWUROOHU
FLUFXLWV7KLVFKDSWHUVKRZVWKHVFKHPDWLFVIRUWKH9+)FLUFXLWVRQO\5HIHUWRWKHFRQWUROOHUVHFWLRQ
IRUGHWDLOVRIWKHUHODWHGFRQWUROOHUFLUFXLWV7KH3&%FRPSRQHQWOD\RXWVDQGWKHSDUWVOLVWVLQWKLV
FKDSWHUVKRZERWKWKHFRQWUROOHUDQG9+)FLUFXLWFRPSRQHQWV7KH9+)VFKHPDWLFVDQGWKHUHODWHG
3&%DQGSDUWVOLVWDUHVKRZQLQWKHWDEOHVEHORZ
7DEOH9+):3&%%'LDJUDPVDQG3DUWV/LVWV
3&%%
0DLQ%RDUG7RS6LGH
0DLQ%RDUG%RWWRP6LGH
3DJH
6&+(0$7,&6
3RZHU$PSOLILHU:
)5$&16\QWKHVL]HU
9ROWDJH&RQWUROOHG2VFLOODWRU
5HFHLYHU)URQW(QG
,)
3DUWV/LVW 
&RQWUROOHUYHUVLRQLV7
7DEOH9+):3&%%'LDJUDPVDQG3DUWV/LVWV
3&%%
0DLQ%RDUG7RS6LGH
0DLQ%RDUG%RWWRP6LGH
3DJH
6&+(0$7,&6
3RZHU$PSOLILHU:
)5$&16\QWKHVL]HU
9ROWDJH&RQWUROOHG2VFLOODWRU
5HFHLYHU)URQW(QG
,)
3DUWV/LVW 
&RQWUROOHUYHUVLRQLV7

&KDSWHU $OORFDWLRQRI6FKHPDWLFVDQG&LUFXLW%RDUGV
&%
7DEOH9+):3&%%'LDJUDPVDQG3DUWV/LVWV
3&%%
0DLQ%RDUG7RS6LGH
0DLQ%RDUG%RWWRP6LGH
3DJH
6&+(0$7,&6
3RZHU$PSOLILHU:
)5$&16\QWKHVL]HU
9ROWDJH&RQWUROOHG2VFLOODWRU
5HFHLYHU)URQW(QG
,)
3DUWV/LVW 
&RQWUROOHUYHUVLRQLV7
7DEOH9+):3&%%'LDJUDPVDQG3DUWV/LVWV
3&%%
0DLQ%RDUG7RS6LGH
0DLQ%RDUG%RWWRP6LGH
3DJH
6&+(0$7,&6
3RZHU$PSOLILHU:
)5$&16\QWKHVL]HU
9ROWDJH&RQWUROOHG2VFLOODWRU
5HFHLYHU)URQW(QG
,)
3DUWV/LVW 
&RQWUROOHUYHUVLRQLV7

9+)0+]:3&%%6FKHPDWLFVDQG3DUWV/LVWV &KDSWHU
&%
 9+)0+]:3&%%6FKHPDWLFVDQG3DUWV/LVWV
C0101 C0102
C0104
C0105
C0106
C0107
C0121
C0131
C0132
C0211
C0212
C0221
C0222
C0223
C0224
C0225
C0226
C0227
C0231
C0232
C0233
C0234
C0235
C0236
C0237
C0241
C0242
C0243
C0244
C0245
C0246
C0251
C0252
C0253
C0255
C0261
C0262
C0267
C0421
C0441
C0442
C0443
C0444
C0445
C0446
C0447
C0448
C0449
C0451
C0452
C0453
C0454
C0455
C0456
C0457
C0458
C0459
C0460
C0461
C0462
C0463
C0464
C0466
C0467
C0468
C0470
C0471
C0472
C0473
C0474
C0476
C0477
C0478
C0482
C0483
C0484
C0486
C0487
C0488
C0490
C0493
C0494
C0495
C0496
C0501
C0502
C0503
C0504
C0505
C0506
C0508
C0509
C0510
C0511
C0512
C0513
C0514
C0515
C0516
C0517
C0518
C0519
C0520
C0521
C0522
C0523
C0524
C0525
C0526
C0527
C0528
C0530
C0531
C0532
C0533
C0534
C0535
C0536
C0537
C0538
C0539
C0540
C0542
C0601
C0603
C0612
C0651
C0652
C0654
C0655
C0681
C3002
C3004
C3005
C3006
C3007
C3008
C3009
C3010
C3011
C3012
C3013
C3014
C3015
C3016
C3017
C3018
C3019
C3020
C3021
C3027
C3028
C3032
C3034
C3100 C3101
C3102
C3103
C3114
C3115
C3131
C3132
C3133
C3134
C3135
C3136
C3137
C3139
C3140
C3141
C3142
C3143 C3144
C3145
C3209
C3210
C3211
C3213
C3214
C3215
C3221
C3222
C3223 C3224
C3226
C3227
C3229
C3231
C3232
C3233
C3234
C3235
C3242
C3243
C3244
C3245
C3246
C3252
C3253
C3254
C3255
C3324
C3336
C3337
C3341
C3342
C3344
C3345
C3346 C3347
C3357
C3361
C3362
C3363
C3364
C3365
C3400
C3401
C3403C3404
C3410
C3411
C3412
C3417
C3418
C3419
C3420
C3422
C3423
C3424
C3425
C3426
C3428
C3431
C3432
C3433
C3434
C3435
C3441C3442
C3443
C3444
C3445
C3446
C3447
C3448
C3449
C3453
C3472
C3473
C3474
C3497
C3507
C3508
C3509
D0201
D0651
D3001
D3003
D3004
D3031
D3221
D3341
D3361
D3362
D3401
D3471
D3472
2
3
456
FL3101
2
3
456
FL3102
4
32
FL3112
FL3114
118
J0451
2011
10
J0501
J0601
23
J3401
L0481
L0482
L3002
L3031
L3032
L3034
L3100
L3101
L3201 L3232
L3333
L3341
L3343 L3344
L3346
L3361
L3362
L3363
L3364
L3401
L3403
L3411
L3412
L3413
L3414
L3422
L3443
L3471
L3472
L3493
M3421
Q0110
Q0177
Q0181
Q0185
Q0681
Q3001
Q3021
Q3221
Q3304
Q3411
Q3422
2
3
4
5
6
7
8
Q3441
Q3442
Q3471 Q3472
R0101
R0102
R0104
R0105
R0106
R0108
R0109
R0110
R0114
R0115
R0116
R0128
R0131
R0132
R0170
R0181
R0182
R0185
R0186
R0211
R0212
R0220
R0221
R0222
R0223
R0224
R0225
R0226
R0227
R0241
R0242
R0251
R0252
R0253
R0261
R0262
R0267
R0268
R0269
R0510
R0522
R0524
R0528
R0533
R0535
R0538
R0539
R0611
R0612
R0651
R0652
R0681
R0682
R3001
R3002
R3003
R3004
R3005
R3009
R3013
R3014
R3015
R3016
R3024
R3025
R3031
R3101
R3106
R3111
R3117
R3130
R3132
R3144
R3145
R3211
R3221
R3222 R3223
R3224
R3225
R3227
R3242
R3251
R3252
R3263
R3335
R3336
R3341
R3342
R3361
R3362
R3363
R3364
R3400
R3401
R3402
R3403
R3404
R3405
R3406
R3414
R3415
R3416
R3424
R3425
R3426
R3427
R3431R3432
R3433
R3434
R3435
R3471
R3473
R3491
R3505
R3506
R3507
R3508
R3509
SH3301
3
46
1
2
T3001
3
46
12
T3002
TP3401
1
76
51
26
U0101
32
17
16
1
U0121
8
7
114
U0211
137
25
13
U0221
16
1
89
U0251
9
U0271
1
6
5
U0611
1
6
5
U0641
3
2
1
U0651
11
1
20
10
U3101
87
1
14
U3111
87
1
14
U3115
4
5
8
U3211
1
16
8
9
U3401
U3502
VR0501
VR0503
VR0505
VR0510
23
4
Y0131
2
Y3102
1
1
48
1
100
3
1
WARIS VHF RF 1-25W 
Top side 
8486172B04-P4
CHECK
ONE
O.K. AS IS
O.K. AS MARKED
(     )
(     )
ISS. REVISION RLSE.
CORRECTED
AS
MARKED
ILLUSTRATOR DATEENGINEERDATE PROGRAM DISK
RLSE.
DWG. NO.
LETTERING SIZE:
REQUIRES:
EDITOR DATECHECKERDATE
Illustrator
RK 7. Oct 1999
ZWG0130397
P4
ZWG0130397-P4
9+)0+]:3&%%7RS6LGH
ZWG0130397-P4

&KDSWHU 9+)0+]:3&%%6FKHPDWLFVDQG3DUWV/LVWV
&%
C0103
C0111
C0112
C0122
C0123
C0125
C0141
C0151
C0201
C0203
C 0204
C0205
C0254 C0265
C0266
C0271
C0272
C0273
C0274
C0275
C0276 C0277
C0301
C0302
C0303
C0304 C0305
C0324 C0325
C0341
C0342
C0343
C0344
C0351
C0352
C0353
C0354
C0401
C0402
C0403
C0406
C0407
C0408
C0409
C0410
C0411
C0422
C0423
C0426
C0427
C0428
C0429
C0430 C0431
C0485
C0491
C0492
C0497
C0498
C0499
C0541
C0554
C0558
C0559
C0560 C0575
C0576
C0591
C0592
C0593
C0611
C0621
C0622
C0641
C0644
C0645
C0661
C0662
C0663
C0671
C3000
C3001
C3003
C3022
C3023
C3024
C3025
C3026
C3029
C3031
C3033
C3035
C3104
C3110
C3111
C3112
C3113
C3116
C3121
C3122
C 3123
C3138
C3146
C3147
C3151
C3152
C3155
C3202
C 3203
C3205
C3206
C3207
C3208 C3212
C3225
C3228
C3241
C3251
C3261
C 3262
C3263
C 3301
C3302
C3303
C3304
C3305
C3306 C3311
C3312
C3313
C3314
C3315
C3316
C3317
C3318
C3319
C3331
C3332
C3333
C3334
C3335
C3348
C3351
C3352
C3355
C3356
C3402
C3405
C3406
C3413
C3414
C3415
C3416
C3421
C3427
C3436
C3437
C3438
C3439
C3440
C3451
C3452
C3471
C3475
C3491
C3492
C3493
C3494
C3495
C3496
C3498
C3499
C 3501
C3502
C3503
C3504
C3505
C3506
C3510
D0101
D0151
D0179
D0301
D0621
D0660 D0661
D3000
D3011
D3101
D3201
D3261
D3451
E0271 E0272
E0631
43
2
FL3111
FL3113
43
2
FL3115 12
J0401
1
40
J0551
L3025
L3111
L3112
L3231
L3301
L3302
L3311
L3317
L3318
L3331
L3332
L3345
L3351
L3402
L3421
L3436
L3437
L3491
L3492
Q0151
Q0171
Q0173 Q0183
Q0271
Q0331
Q0641
Q0661
Q0662
Q0663
Q3002
Q3101
Q3102
Q3151
Q3152
Q3155
Q3301
Q3302
43
Q3303
12
3
Q3421
R0107
R0111
R0112
R0113
R0117
R0121
R0124
R0125
R0126
R0127
R0151 R0152
R0171
R0172
R0173
R0174
R0175
R0176
R0177
R0178
R0179
R0183
R0184
R0201
R0202
R0204
R 0205
R0206
R0207
R0208
R0265
R0266
R0273
R0274
R0275
R0276
R0323
R0324
R0331 R0332 R0333
R0334
R0341
R0342
R0344 R0345 R0346 R0347
R0401
R0407
R0408
R0409 R0410
R0467
R0468
R0481
R0482
R0511
R0512
R0521
R0523 R0525
R0527
R0529
R0530
R0531
R0537
R0541
R0542
R0591
R0592
R0621
R0641
R0642
R0643
R0661
R0662 R0671 R0672
R3000
R3006
R3010
R3011
R3012
R3018
R3019
R3020
R3021
R3022
R3023
R3030
R3032
R3033
R3034
R3035
R3036
R3102
R3104
R3105
R3107
R3108
R3112
R3113
R3114
R 3115
R 3116 R3118
R3133
R3134
R3135
R3146
R3147
R3151
R3152
R3153
R3154
R3155
R 3201
R3203
R3204
R3206
R3226
R3228
R 3241
R3261
R 3262
R3301
R3302
R3303
R3304
R 3305
R3306
R3307
R3308
R3311
R3312
R3313
R3314
R3315
R3316
R3317
R3318
R3319
R3321
R3323
R3331
R3343
R3351
R3352
R3353
R3354
R3355
R3356
R3411
R3412
R3413
R3417
R3418
R3421
R3422
R3423
R3428
R3429
R3441
R3442 R3443
R3444
R3445
R3446
R3452
R3454
R3455
R3457
R3474 R3475
R3501
R3502 R3504
TP0101
TP0102
TP0103
TP0151
TP0221
TP0222
TP0481
TP3201 TP3202
TP3402
TP3403 TP3404
TP3405
TP3406
1
4
58
U0111
22
21 8
7
1
U0122
114
1528
U0125
16
1
8
9
U0141
28 15
14
1
U0301
1
45
8
U0341
U0342
4
58
U0351
14
58
U0652
U0653
1
37
25 13
U3201
11
1
20
10
U3301
1
4
58
U3402
1
17
9
25
U3501
VR0151
VR0504 VR0509
VR0521
VR0522
VR0537
VR0541
VR0601
VR0621
VR0671
VR3471
4
3
2Y3101
Y3261
2
34
Y3263
1
1
48
1
5
1
1
32
1
1
8486172B04_P4
C99
CNTL-REV-T2
PA-REV-P4
VCO-REV-T1
IF-REV-T3
FE-REV-T3
FRAC-REV-P7
ZWG0130398-P4
9+)0+]:3&%%%RWWRP6LGH
ZWG01300398-P4

9+)0+]:3&%%6FKHPDWLFVDQG3DUWV/LVWV &KDSWHU
&%
7.5
J3401
BNC
2.216x
width 2.032
0.8x25
1.542x4
R3432
51
.033uF
C3437
57R01
L3436
C3502
2200pF .01uF
C3504
2200pF
C3503
C3419
470pF
C3428
2200pF
2.7
R3427
R34262.7
2.7
R3425
2.4K
R3428
C3427
2200pF
RESET
RXIN_VHF_PA_1
R3491
10K
2.4K
MOSBIAS_2_VHF_PA_1
R3445
15nH
L3412
C3406
470pF
300
R3401
POS HEATSINK
M3421
HEATSINK
Q3421
330pF
C3416
100pF
330pF
C3507
C3400 R3400
470
C3404
33pF
RESET_VHF_PA_1
C3410
.022uF
270pF
PASUPVLTG_VHF_PA_1
C3473
100
R3415
33pF
C3403
C3475
6.8pF
TP3403
TP3402
C3444
18pF
NU
C3443
120pF
NU
C3421
.033uF
C3435
330pF
R3431
51
CLK
2.7
R3435
C3425
.022uF
C3432
56pF
NU
U3502
3
GND
POS
1
2
VOUT
LM50
C3492
68pF
C3493
6.8pF
R3417
39K
NU
10K
R3443
R3441
39K
R3442
2.2K
.01uF
Q3472
C3434
10K
R3404
47pF
MOSBIAS_2
C3431
DATA
C3506
2200pF
39K
R3421
C3505
1uF
39K
R3502
R3501
R3418
6.8K
22K
8
4
C3440
1000pF
U3402-1
MC33072
2
3
1
RXIN
120
2.7
R3434 R3457
V5EXT
20
VAR1
18
VAR2
24
VAR3
VG 15
6VL 19
VLIM
TXINJ
RFIN
21
RS
31 RSET
23
RX
2T1
30 TEMP
14
V10
16
V45
17
DATA
9
F168
8GND1
25 GND2
4INT
22
NA
11
Q10
QX
1
BPOS
29 CEX
3CI
5CJ
7CL
26 CLK
12
CQ
CQX 1328
H99S-4
U3501
32 ANO
27
CLK_VHF_PA_1
C3449
120pF
L3443
25nH
R350410K
R3414
120
C3426
330pF 220pF
C3474
R3506
1.2uH
NU
10K
L3471
TEMPSENSE
TEMPSENSE_CNTLR_1
57R01
L3402
20K
R3507
R3509
PA_PWR_SET
1K
FECNTL_2
1000pF
C3451
CSX_VHF_PA_1
DATA_VHF_PA_1
20pF
C3445
C3418
33pF
C3422
330pF
R3444
4.7
R3475
10K
R3402
15
39K
R3423
2.2K
R3422
6
57
8
4
MC33072
U3402-2
220
R3429
2.7
R3433
C3508
470pF
2200pF
C3501
INT_SWB_VHF_PA_1
9V3
D3401
INT_SWB
TP3401
K9V1_VHF_PA_1
13.85nH
K9V1
470pF
L3422
C3424
C3448
120pF
17nH
L3437
.022uF
3.3pF
C3471
C3495
R3471
470
C3496
36pF
C3497
NU
6.2pF
51
R3473
C3491
15pF
C3411
D3471
.022uF
R3403
300
C3405
470pF
NU
470pF
C3509
22K
R3406 R3508
100K
L3413
11.03nH
5.6K
R3412
R3505
NU
6.8K
100K
100
R3411
R3405
2.7
R3424
RFOUT1
6
RFOUT2
7
VCNTRL
1
VD1
14 2
VG1
VG2
3
GND2
5
GND3
12
GND4
13
NC1
8
NC2
9
NC3
10
NC4
15
RFIN
16
U3401
G2
11
GND1
4
330pF
09Z67
C3401 C3417
47pF
C3441
PASUPVLTG
150pF
TP3405
R3416
100
68nH
L3403
TXINJ_VHF_PA_1
9V3_VHF_PA_1
330pF
C3412
4.22nH
FECNTL_1
L3401
CNTLVLTG
R3413
3.3K
13pF C3499
C3498
16pF
FECNTL_1_VHF_PA_1
FECNTL_2_VHF_PA_1
13pF
C3494
D3472
C3446
100pF
470pF
D3451
C3439
51nH
L3493
R3474
51
5.6V23
1
VR3471
L3411
68nH
470pF
C3510
CNTLVLTG_VHF_PA_1
PA_PWR_SET_VHF_PA_1
C3438
470pF
R3454 R3452
10K 4.7K
C3472
270pF
L3414
7.66nH
NU
.022uF
C3413
C3423
1uF
C3453
470pF
S3
S4
D
G
GND1
GND2
S1
S2
Q3441
C3415 TP3404
.022uF
100pF
.022uF
C3420
C3402
R3455
100K
C3436
10uF
56pF
51nH
C3433
L3492L3491
51nH
L3472
51nH
57R01
C3414
L3421
C3452
330pF
12pF
Q3411
TP3406
Q3422
Q3442
16pF
C3447
0
R3446
150pF
CSX
C3442
PA_SWB
A+
Q3471
9V3FLT
9V3FLT
U_DRIVER
9V3FLT
PA_SWB
U_DRIVER9V3FLT
9V3FLT
A+
U_PREDRIVER
PA_SWB
A+
NC
9V3FLT
U_PREDRIVER
9V3FLT 9V3FLT
MOSBIAS_1
NC
NC
NC
NC
NC
NC
NC
NC
ZWG0130392-P4
9+)0+]:3RZHU$PSOLILHU

&KDSWHU 9+)0+]:3&%%6FKHPDWLFVDQG3DUWV/LVWV
&%
Remark:
If Y3261 is placed then C3263 2113740F07 1.5pF
If Y3263 is placed then C3263 2113743E20 100nF
Rxxx 0662057B02 150k
R3261 0662057A89 47k
see remark
see remark
(SOURCE)
C3245
C3212
220pF
16_8MHz
.018uF
390nH
L3201
C3202
OUTPUT
1
SENSE
2SHUTDOWN 3
.01uF
LP2951
U3211
5V_TAP
6
ERROR
5FEEDBACK 7
4
GND
INPUT 8
2.2uF
C3255
.01uF
C3205
C3252
0
1000pF
R3242 R3241
100
C3241
DATA
R3261
NU
56pF
47K
2.2uF
C3233
MODIN_VHF_FN_1
BWSELECT_VHF_FN_1
.01uF
C3203
R3263
100
IN_5V_RF_REG
.01uF
C3234
VCTRL_VHF_FN_1
C3244
220pF
2.2uF
C3215
2.2uF
C3213
100pF
47
C3227
1K1
2K2
3K3
R3203
D3201
A1 6
A2 5
A3 4
VCTRL
TRB
VCNTL
CSX
MODIN
TTS05V
2GND
3
OUT
4
VCC
1
R3222
16.8MHz
Y3263
680
1uF
C3224
0.1uF
C3263
VMULT3
12 VMULT4
11
13 VRO
WARP
25
XTAL1
23
24 XTAL2
SFIN 30
SFOUT
TEST1
37 TEST2
38
VBPASS 21
VCP
47
15 VMULT1
VMULT2
14
5PD_VDD
32
PREIN
PRE_GND 33
PRE_VDD
34
PVREF 35
REFSEL 18
SFBASE 27
SFCAP 26
IOUT
LOCK
MODIN 10
MODOUT
41
NC1 17
NC2 29
NC3 31
PD_GND 44
42
CEX 9
CLK 8
DATA 7
6
DGND
DVDD
36
FREFOUT
19
IADAPT
INDMULT
16
AUX1
48 AUX2
1AUX3
2AUX4
3
AVDD
20
BIAS1 40
BIAS2 39
CCOMP
U3201
63A27
ADAPTSW
AGND 22
C3223
C3221
NU
1uF
C3206
0.1uF
10uF
R3206
5V_VHF_FN_2
NU
33K
TRB_VHF_FN_1
NU
220pF
C3262
VSF
VCOBIAS_1
47
R3201
C3210
C3251
2.2uF
0.1uF
TP3202
220pF
C3243
R3223
NU
100
D3261
LOCK
5V
NU
62pF
C3261
VCOBIAS_2_VHF_FN_1
C3246
0.1uF
C3209
220pF
NU
XTAL
Y3261
16.8MHz
C3253
VCOBIAS_2
4.7uF
C3226
8.2pF
TP3201
.01uF
C3235
C3207
CLK
NU
22pF
R3204
47
5V_VHF_FN_1
LOCK_VHF_FN_1
PRESC_VHF_FN_1
16_8MHz_VHF_FN_1 CSX_VHF_FN_1
VCOMOD_VHF_FN_1
VSF_VHF_FN_1
NU
6.2K
R3262
R3227
C3254
NU100K
0.1uF
0.1uF
C3208
DATA_VHF_FN_1
VDDA
VDDA_VHF_FN_1
C3214
PRESC
2.2uF
220pF
C3242
R3252
VCOBIAS_1_VHF_FN_1
330K
C3222
0.1uF
R3211
0
0.1uF
C3211
L3231
VCOMOD
2.2uH
IN_5V_RF_REG_VHF_FN_1
.01uF
C3232
NU
47K
R3226
CLK_VHF_FN_1
390
R3221
C3228
0.1uF
NU
47K
R3228
2.2uH
NU
L3232
C3231
C3225
.01uF
BWSELECT
0.1uF
47K
R3224
R3225
D3221 47K .047uF
C3229
Q3221
R3251
5V
5V
180K
NC
NC
NC
NC
NC
VDDA
VDDA
NC
NC
NC
NC
NC
NC
NC
NC
ZWG0130393-P4
28
45
43
4
46
5VDC
-2 to +7dBm
13.30VDC
6.83VDC
4.52VDC (R)
+1dBm
0VDC (R)
4.95VDC (R)
2.90VDC
3.42VDC
2.5VDC
1.1-4.1VDC
0VDC (T)
2.62VDC (T)
4.91VDC (T)
11.28VDC
4.97VDC
2.5-11VDC
5VDC (LOCKED)
0VDC (UNLOCKED)
3.63VDC
0VDC
5VDC
9+)0+]:)5$&16\QWKHVL]HU
ZWG0130393-P4

9+)0+]:3&%%6FKHPDWLFVDQG3DUWV/LVWV &KDSWHU
&%
C3364
18pF
L3341
8nH
TXINJ_VHF_VCO_1
5.6pF
C3318
1uH
C3342
3pF
L3344
VSF
D3362
1000pF
2.2K
C3365
R3314
R3364
NU
10
C3335
.01uF
R3341
220
5.1pF
C3306 C3301
15pF
NU
PRESC_VHF_VCO_1
VCOBIAS_1
VCTRL_VHF_VCO_1
R3353
100K
35.5nH
.01uF
C3324
C3341
L3346
1000pF
C3337
0.1uF
R3307
220
NU
D3341
UMC5N
2
4
1
3
Q3303
C3346
.01uF
15K
R3336
68nH
L3331
L3362
68nH
C3331
10pF
NU
100nH
.022uF
L3318
C3311
L3351
1uH
.022uF
C3352
9V3_VHF_VCO_2
33
R3335
C3316
3.3pF
56nH
L3361
0
R3308
VCOBIAS_1_VHF_VCO_1
1K
.01uF
R3323
VCOMOD
VCTRL
C3347
R3362
PRESC
47
330pF
NU
C3304
.01uF C3315
C3303
15pF
5.6pF
C3362
R
XINJ_VHF_VCO_1
L3332
100nH
100nH R3303
L3302
VCOBIAS_2
2.2K
20pF
C3345
R3354
VCOMOD_VHF_VCO_1
150K
68pF
RXINJ
C3363
R3301
75
C3302
39K
6.8pF
R3355
R3363
20K
VDDA
9V3
9V3_VHF_VCO_1
5.6pF
NU
C3305
100
R3343
R3356
12K
1uH
L3333
VCOBIAS_2_VHF_VCO_1
D3361
C3334
.022uF
.01uF
C3355
39
R3342
NU
Q3302 C3314
TXINJ
6.8pF
22
NU
R3316
R3306
0
L3301
18nH
1.8pF
20K
C3344
R3351
47K
NU BFQ67W
Q3304
R3319
C3333
L3363
56nH
0.1uF
C3332
0.1uF
100
NU
R3312
C3312
0.1uF
NU
100nH
NU
15
TX_EMITTER
1
TX_IADJ
10
TX_OUT
13
TX_SW
14
VCC_BUFFERS
18
VCC_LOGIC
L3311
5
RX_BASE
6
RX_EMITTER
2
RX_IADJ
8
RX_OUT
7
RX_SW
3
SUPER_FLTR
TRB_IN
19
16
TX_BASE
4
COLL_RFIN
20
FLIP_IN
11
GND_BUFFERS
9
GND_FLAG
GND_LOGIC
17
12
PRESC_OUT
U3301
VCO IC
1K
R3304
L3343
180nH
R3302
NU
100
R3305
220
R3311
100
10K
NU
R3317
22
R3315
220
NU
R3318
.022uF
9V3_VHF_VCO_3
C3361
C3356
1000pF
220
R3361
VDDA_VHF_VCO_1
Q3301
10K
NU
1K
R3321
R3313
.01uF
C3336
C3348
L3345
1uH
.01uF
VSF_VHF_VCO_1
TRB
C3313
330pF
NU
47
1000pF
R3331
C3319
33nH
L3317C3317
C3357
33pF
1uH
7.5pF
TRB_VHF_VCO_1
L3364
C3351
R3352
.01uF
VSF
12K
VSF
VSF
5
7.44VDC (R)
0VDC (T)
9.14VDC (R)
0VDC (T)
3.83VDC (R)
0VDC (T)
9.12VDC 
2.18VDC (R)
0VDC (T)
1.49VDC (R)
0VDC (T)
0VDC (R)
4.91VDC (T)
0VDC (R)
4.52VDC (T)
4.52VDC (R)
0VDC (T)
0VDC (R)
1.92VDC (T)
4.52VDC (R)
2.62VDC (T)
2.5 - 11VDC
4.54VDC
4.97VDC
4.40VDC
1.53VDC (R)
0VDC (T)
0.92VDC (R)
0VDC (T)
4.78VDC (R)
4.22VDC (T)
4.78VDC (R)
4.27VDC (T)
2.56VDC (R)
2.66VDC (T)
0 - 5dBm (T)
- 2 to 7dBm (T)
0VDC (T)
1.42VDC (R)
9+)0+]:9ROWDJH&RQWUROOHG2VFLOODWRU
ZWG0130394-P4

&KDSWHU 9+)0+]:3&%%6FKHPDWLFVDQG3DUWV/LVWV
&%
43pF
C3035
56pF
C3006
Q3001
NU
330pF
C3023
47K
R3019
RXINJ_VHF_FE_1
9.1pF
F
ECNTL_2
C3015
C3002
56pF
.0033uF
C3011
9V3
120pF
C3021
C3001
4.7pF
56pF
C3013
Q3002
R3010
C3017
680
43pF
150nH
L3032
1000pF
C3012
R3002
560
NU
4.7pF
C3018
NU
820
R3032
IF_VHF_FE_1
FECNTL_2_VHF_FE_1
SP_2_3
SP_2_1
SP_2_2
100K
R3001
470nH
L3002
2.7pF
NU
270nH
C3025
L3031
56pF
C3004
5.1pF
C3033
IO1 IO2
IO3
IO4
RXIN_VHF_FE_1
D3031
9V3_VHF_FE_1
4
6
3
1
2
XFMR
T3001
NU
0
R3035
R3004
R3033
1.5K
0
SP_4_1
D3003
C3032
.0033uF
NU
13pF
C3000
R3014
12
3
51
C3005
D3001
100pF
XFMR
T3002
4
6
3
1
2
NU
33nH
L3034
51
R3031
R3021
560
10
R3015
.001uF
C3008
SP_4_3
R3034
NU
820
1
23
SP_4_2
D3000
SP_3_3
100K
R3009
9V3_VHF_FE_2
R3003
C3020
1K
.001uF
100pF
C3016
R3000
1.5K
C3024
NU
3300pF
R3023
0
NU
390
R3024
0
SP_1_3
R3020
390
R3018
R3022
390
C3014
10
7.5pF
SP_1_2
R3016
R3012 1K
D3011
C3027
0.1uF
C3026
0.1uF
Q3021
10
NU
RXIN
K9V1__VHF_FE_1 R3030
L3025
150nH
NU
.0033uF
C3007
FECNTL_1_VHF_FE_1VLTG
.001uF
C3019
4.7K
R3006
R3036
C3028
NU
1K
0.1uF
390
R3025
3.3K
R3013 SP_3_2
82pF
C3034
18pF
C3031
.0033uF
NU
C3003
4.7K
R3011
330pF
C3009
R3005
NU
10K
330pF
C3010
SP_1_1
.01uF
C3022
12
3
D3004
IF
RXINJ
F
ECNTL_1
SP_3_1
C3029
K9V1
9V3 330pF
NC_D3000_1
9V3
9+)0+]:5HFHLYHU)URQW(QG
ZWG0130395-P4

9+)0+]:3&%%6FKHPDWLFVDQG3DUWV/LVWV &KDSWHU
&%
CFUCJ455F
NU
GND
3
IN
1
OUT
2
FL3113
C3136
30pF
R3102
10
10K
R3152
C3113
9.1pF
NU
100
NU
100
R3104
R3105
R3107
6.8K
OSCOUT
3
QUADIN
10
RFIN
1
RFIN_DEC
2
RSSIOUT
5
RSSI_FEED
9
VCC
6
IFAMP_DEC1
19
IFAMP_DEC2
17
LIMIN
14
LIMOUT
11
LIM_DEC1
13
LIM_DEC2
12
MIXOUT
20
OSCIN
4
AUDIOOUT
8
AUDIO_FEED
7
GND
15
IFAMPIN
18
IFAMPOUT
16
U3101
18pF
C3114
Q3152
0.1uF
C3134
C3139
0.1uF C3141
0.1uF
OUT
2
RSSI_VHF_IF_1
FL3112
CFWC455D
GND1
34
GND2
IN
1
33pF
14
VDD
7
VSS
C3135
U3115-4
MC74HC4066
12
CNTL
11 10
C3143
120pF
C3140
0.1uF
R3115
GND2
2
GND3
4
5GND4
3IN 6
OUT
390
12R17
FL3102
1GND1
GND1
1
2GND2
4GND3
GND4
5
IN
3OUT 6
R3117
12R1612R16
FL3101
27K
Q3102
R3133
8.2K
R3134
10K
C3144
0.1uF
10
R3112
5V
1.2K Y3102
45B01
455KHz
2
1
R3135
C3115
620nH
22pF
L3100
VSS
7
C3142
0.1uF
MC74HC4066
CNTL
6
89
VDD
14
DISCAUDIO_VHF_IF_1
U3111-3
CFUCJ455D
GND
3
IN
1
OUT
2
RSSI
FL3114
Q3101 C3152
.01uF
.01uF
.039uF
C3151
C3137
C3104
0.1uF
R3153
10K
D3101
C3122
.039uF
9V3
C3111
0.1uF
R3114
14
VDD
7
VSS
NU
100
U3115-1
MC74HC4066
13
CNTL
1
2
1pF
NU
C3131
0.1uF
C3145
L3101
620nH
2.2pF
CFWC455G
GND1
34
GND2
IN
1
OUT
2
C3101
FL3111
C3103
33pF
3.3K
R3145
BWSELECT_VHF_IF_1
DISCAUDIO
3
GND1
GND2
4
1
IN
2
OUT
BWSELECT
CFWC455F
FL3115
C3133
10uF
C3132
0.1uF
MC74HC4066
12
CNTL
11 10
14
VDD
7
VSS
5
4
3
VDD
14
VSS
7
U3111-4
U3115-2
MC74HC4066
CNTL
C3138
2.2uF
15K
R3132
C3123
.039uF
C3147
0.1uF
6.8K
R3118
12K
R3111
5V_VHF_IF_1
R3130
13
CNTL
12
14
VDD
7
VSS
51
VDD
14
VSS
7
U3111-1
MC74HC4066
MC74HC4066
MC74HC4066
CNTL
5
4
3
C3146
U3111-2
4700pF
R3106
27K
R3144
GND
2
GND1
4
OUT 3
IN
1
2.4K
Y3101
12R17
44.395MHz
C3155
9V3_VHF_IF_2
.01uF
Q3155
NU
IFIN_VHF_IF_1
IF
0.1uF
C3116
330
R3116
L3112
9V3_VHF_IF_1
620nH
10K
R3155
R3151
1.2K
NU
10K
R3154
620nH
620
L3111
C3121
R3108
0.1uF
C3110
27pF
12K
R3147
R3101
15pF
12K
C3102
Q3151
CNTL
6
89
VDD
14
VSS
7
U3115-3
MC74HC4066
680
R3146
82pF
9V3
C3112
5V
5V
9V3
9V3
9V39V3
9V3
5V
9V3
IFIC
C3100
18pF
1K
R3113
NU
12.5kHz  0VDC
20/25kHz  5VDC
3.9VDC
3VDC
0.75VDC
0.75VDC
3VDC
9+)0+]:,)
ZWG0130396-P4

&KDSWHU 9+)0+]:3&%%6FKHPDWLFVDQG3DUWV/LVWV
&%
9+):3&%%3DUWV/LVW
&LUFXLW
5HI
0RWRUROD
3DUW1R 'HVFULSWLRQ
& ) Q)9
& ) S)9
& ) S)9
& ) Q)9
& ) S)9
& ) S)9
& ) S)9
& ) Q)9
& ) Q)9
& ) S)9
& ) S)9
& ) Q)9
& ) Q)9
& ) S)9
& ) S)9
& ) S)9
& ) S)9
& ) S)9
& ) Q)9
& ) Q)9
& ) S)9
& ) Q)9
& ) Q)9
& ) Q)9
& ) S)9
& ) S)9
& ) S)9
& ) S)9
& ) S)9
& ) S)9
& ) S)9
& ( Q)
& ) S)9
& ( Q)
& ) S)9
& ) S)9
& ) S)9
& ( Q)
& ( Q)
& ( Q)
& ( Q)
& ( Q)
& $ 7$17&3X)9
& ( Q)
& / S)
& / S)
& ( Q)
& $ 7$17&3X)9
& ( Q)
& ( Q)
& ( Q)
& ( Q)
& ) S)9
& ( Q)
& ( Q)
& ) Q)9
& ( Q)
& ) Q)9
& ) Q)9
& ) Q)9
& ) Q)9
& ) Q)9
& ) Q)9
& $ 7$17&3X)9
& ( Q)
& ( Q)
& $ 7$17&3X)9
& ( Q)
& ( Q)
& $ 7$17&3X)9
& $ 7$17&3X)9
& $ 7$17&3X)9
& ( Q)
& ( Q)
& : ),/060X)9
& ( Q)
& ) S)9
& ) S)9
& ( Q)
& ( Q)
& ) Q)9
& ) Q)9
& $ 7$17&3X)9
& ) Q)9
& ) Q)9
& ) S)9
& ) S)9
& ) S)9
& ) S)9
& ) S)9
& ( Q)
& ) Q)9
& $ 7$17&3X)9
& ( Q)
& $ 7$17&3X)9
& ( Q)
& ) S)9
& ) Q)9
& ) S)9
& ( Q)
&LUFXLW
5HI
0RWRUROD
3DUW1R 'HVFULSWLRQ
& ) S)9
& ) S)9
& ) S)9
& ) S)9
& ) S)9
& ) Q)9
& ) Q)9
& ( Q)
& ( Q)
& ( Q)
& ) Q)9
& ) Q)9
& ( Q)
& ) Q)9
& / S)S)
& ) S)9
& / S)S)
& ) Q)9
& ) Q)9
& ) Q)9
& ) Q)9
& ( Q)
& ) Q)9
& ( Q)
& ) S)9
& ) Q)9
& ) S)9
& ) S)9
& ) S)9
& ) Q)9
& ) S)9
& ) S)9
& ( Q)
& ) S)9
& ) S)9
& ) S)9
& ) S)9
& ( Q)
& ( Q)
& ) S)9
& ) S)9
& ( Q)
& ) S)9
& ) S)9
& ) S)9
& ) S)9
& ) S)9
& $ Q)9
& $ S)9
& $ 7$17&3X)9
& ) S)9
&LUFXLW
5HI
0RWRUROD
3DUW1R 'HVFULSWLRQ
& ( Q)
& ) S)9
& ) Q)9
& ) Q)9
& % +4S)
& % +4S)
& $ Q)9
& $ S)9
& $ 7$17&3X)9
& $ Q)9
& % +4S)
& % +4S)
& ) Q)9
& % +4S)
& % +4S)
& % +4S)
& % +4S)
& % +4S)
& % +4S)
& % +4S)
& ) Q)9
& ) S)9
& ) S)9
& ( Q)
& % +4S)
& % +4S)
& ) S)9
& ) S)9
& % +4S)
& % +4S)
& % +4S)
& % +4S)
& % +4S)
& % +4S)
& % +4S)
& % +4S)
& ) Q)9
& ) Q)9
& ) Q)9
& ) Q)9
& $ 7$17&3X)9
& ) Q)9
& ) S)9
& ) S)9
& ) S)9
' & '8$/62700%'
' 4 9&7569627
' . '8$/6&+277.<627
' 4 9&7569627
' / 3,1
' % 0,;(5',2'(&526629(5
&LUFXLW
5HI
0RWRUROD
3DUW1R 'HVFULSWLRQ

9+)0+]:3&%%6FKHPDWLFVDQG3DUWV/LVWV &KDSWHU
&%
' . '8$/6&+277.<627
' - 75,3/(6275+
' ( &+,36&+277.<
' 4 9&7569627
' 4 9&7569627
' & 9$5$&725&+,3
' & '8$/62700%'
' ( &+,36&+277.<
' - 3,10$&20
' - 3,10$&20
)/ 5 0+=;67$/)/75
G%
)/ 5 0+=;67$/)/75
G%
)/ 9 &(5)/75(/.+=60'
)/ 9 &(5)/75(/.+=60'
)/ 9 &(5)/75(/.+=60'
)/ 9 &(5)/75(/.+=60'
- < )/(;&211(&725
- < )/(;&211(&725
- % $&&(6625<&211(&725
- < )/(;&211(&725
- < )/(;&211(&725
- % '&32:(5&211(&725
- % 5)&211(&7250,1,8+)
/ 7 &2,/&+,3Q+
/ 7 &2,/&+,3X+
/ 7 &2,/&+,3Q+
/ 7 &2,/&+,3Q+
/ 7 &2,/&+,3Q+
/ 7 &2,/&+,3Q+
/ 7 &2,/&+,3Q+
/ 7 &2,/&+,3Q+
/ 4 ,1'&+,3Q+
/ 4 ,1'&+,3X+
/ 1 &+,3,1'1+
/ 1 &+,3,1'Q+
/ 9 &+,3,1'1+
/ 9 ,1'&+,3Q+
/ 9 &+,3,1'1+
/ 9 ,1'&+,3Q+
/ 4 ,1'&+,3X+
/ 7 0,1,635,1*$:,1'1+
/ 1 &2,/&+,3Q+
/ 1 &+,3,1'X+
/ 1 &+,3,1'X+
/ 7 0,1,635,1*$:,1'
1+
/ 1 &+,3,1'X+
/ 1 &+,3,1'Q+
/ 1 &+,3,1'Q+
&LUFXLW
5HI
0RWRUROD
3DUW1R 'HVFULSWLRQ
/ 1 &+,3,1'Q+
/ 1 &+,3,1'X+
/ $ 648$5(&2,/Q+7
/ 5 )HUULWH%HDG
/ 7 &2,/&+,3Q+
/ 7 &2,/&+,3Q+
/ ; ,1'&+,3/23521
/ % 648$5(&2,/Q+7
/ $ 648$5(&2,/Q+7
/ 5 )HUULWH%HDG
/ & 648$5(&2,/Q+7
/ 5 )HUULWH%HDG
/ $ &2,/$:Q+7
/ ; &2,/648$5(Q+
/ ; ,1'&+,3X+
/ % &2,/$:Q+7
/ % &2,/$:Q+7
/ % &2,/$:Q+7
/ % &2,/$:Q+7
0 = +($7635($'(5
4 $ 13160/6,*00%5
4 $ 3139$% 
4 7 '8$/52+0)0&5+
4 $ 13160/6,*00%5
4 $ 13160/6,*00%5
4 0 131',*NN
4 0 131',*NN
4 0 131',*NN
4 $ 13160/6,*00%5
4 - '8$/13131380&1
4 1 5)75$16627
%)4:
4 7 '8$/52+0)0&5+
4 - 05)
4 0 131',*NN
4 % /'0263:505)
4 0 131',*NN
4 0 131',*NN
4 0 313627%65/+
5 $ :
5 $ N:
5 $ :
5 $ N:
5 $ :
5 $ :
5 $ N:
5 $ 2+06
5 $ :
5 $ N:
5 $ :
5 $ :
&LUFXLW
5HI
0RWRUROD
3DUW1R 'HVFULSWLRQ
5 $ :
5 $ :
5 $ :
5 $ N:
5 % :
5 $ :
5 $ :
5 $ :
5 $ :
5 % :
5 $ N:
5 $ :
5 $ :
5 $ N:
5 $ :
5 $ 2+06
5 $ N:
5 $ :
5 $ :
5 $ :
5 $ N:
5 $ :
5 $ :
5 $ N:
5 $ :
5 $ N:
5 $ :
5 $ :
5 $ :
5 $ 2+06
5 $ N:
5 $ N:
5 $ N:
5 $ N:
5 $ N:
5 $ :
5 $ :
5 $ :
5 % :
5 $ :
5 $ 2+06
5 $ :
5 $ N:
5 $ N:
5 $ :
5 % :
5 % N:
5 % N:
5 % N:
5 $ :
5 $ :
&LUFXLW
5HI
0RWRUROD
3DUW1R 'HVFULSWLRQ
5 $ :
5 $ :
5 $ N:
5 % :
5 $ :
5 % :
5 $ :
5 $ N:
5 $ N:
5 $ :
5 $ :
5 $ N:
5 $ :
5 $ :
5 $ :
5 $ N:
5 $ N:
5 $ N:
5 % N:
5 $ N:
5 $ N:
5 $ :
5 $ :
5 $ N:
5 $ :
5 $ :
5 $ :
5 $ :
5 $ :
5 $ N:
5 $ :
5 $ N:
5 $ :
5 $ :
5 7 :
5 $ :
5 $ :
5 $ N:
5 $ N:
5 $ :
5 $ N:
5 & :
5 & :
5 & :
5 & :
5 $ :
5 $ :
5 0 :
5 0 :
5 & :
5 & :
&LUFXLW
5HI
0RWRUROD
3DUW1R 'HVFULSWLRQ

&KDSWHU 9+)0+]:3&%%6FKHPDWLFVDQG3DUWV/LVWV
&%
0RWRUROD'HSRW6HUYLFLQJRQO\
5HIHUHQFHGHVLJQDWRUVZLWKDQDVWHULVNLQGLFDWH
FRPSRQHQWVZKLFKDUHQRWILHOGUHSODFHDEOH
EHFDXVHWKH\QHHGWREHFDOLEUDWHGZLWK
VSHFLDOL]HGIDFWRU\HTXLSPHQWDIWHULQVWDOODWLRQ
5DGLRVLQZKLFKWKHVHSDUWVKDYHEHHQUHSODFHGLQ
WKHILHOGZLOOEHRIIIUHTXHQF\DWWHPSHUDWXUH
H[WUHPHV
5HSODFHPHQWERDUGVPXVWEHRUGHUHGIURP
&&6'IRUPHUO\$$'XVLQJWKHQXPEHUVKRZQ
LQWKHPRGHOFKDUWVLQ6HFWLRQ%RDUGVDUHQRW
RUGHUDEOHXVLQJWKHSUHIL[HGQXPEHU
5 & :
5 $ N:
5 $ :
5 $ N:
5 & :
5 $ :
5 % :
5 $ :
5 $ N:
5 $ N:
5 7 :
5 $ :
5 0 :
5 0 :
5 $ N:
5 $ N:
5 $ :
5 $ N:
5 $ N:
5 $ N:
5 $ N:
5 $ N:
5 $ N:
7 ; 75$16)250(5
7 ; 75$16)250(5
8 % )0,),&6$
8 $ ,&48$'$1$/2*08;
'(08;
8 $ ,&48$'$1$/2*08;
'(08;
8 $ ,&7(67('$73,1
*)3
8 $ 9/7*5(*/362
8 8 9&2%8))(53.*',(
8 = /'026'5,9(59+)8+)
8 $ ,&+,*+3(5)250$1&(6,
8 % ,&32:(5&21752/
8 $ 7(036(16250
< % &5<67$/0+=
< % 0+=;67$/)/75
G%
< % 9&7&;20+]SSP
77629
< 1RW8VHG 0+]=
&LUFXLW
5HI
0RWRUROD
3DUW1R 'HVFULSWLRQ

9+)0+]:3&%%6FKHPDWLFVDQG3DUWV/LVWV &KDSWHU
&%
 9+)0+]:3&%%6FKHPDWLFVDQG3DUWV/LVWV
ZWG0130397-O
C0101
C0102
C0104 C0106
C0107
C0131
C0132
C0211
C0212
C0221
C0222
C0223
C0224
C0225
C0226
C0227
C0228
C0231
C0232
C0233
C0234
C0235
C0236
C0237
C0241
C0242
C0243
C0244
C0245
C0246
C0251
C0252
C0253
C0261
C0262
C0267
C0421
C0441
C0442
C0443
C0445
C0446
C0447
C0448
C0449
C0470
C0471
C0472
C0473
C0474
C0476
C0477
C0478
C0482
C0483
C0484
C0486
C0487
C0488
C0490
C0493
C0494
C0495
C0496
C0501
C0502
C0503
C0504
C0505
C0506
C0508
C0509
C0510
C0511
C0512
C 0513
C0514
C0515
C 0516
C0517
C0518
C0542
C0601
C0603
C0612
C0651
C0652
C0654
C0655
C0681
C3002
C3004
C3005
C3006
C3007
C3008
C3009
C3010
C3011
C3012
C3013
C3014
C3015
C3016
C3017
C3018
C3019
C3020
C3021
C3027
C3028
C3032
C3034
C3100
C3101
C3102
C3103
C3114
C3115
C3131
C3132
C3133
C3134
C3135
C3136
C3137
C3139
C3140
C3141
C3142
C3143
C3145
C3148
C3210
C3211
C3213
C3214
C3215
C3221
C3222
C3223 C3224
C3226
C3227
C3229
C3231
C3232
C3233
C3234
C3240
C3242
C3243
C3244
C3245
C3246
C3252
C3253
C3254
C3255
C3324
C3336
C3337
C3341
C3342
C3344
C3345
C3346 C3347
C3357 C3361
C3362
C3363
C3364
C3365
C3400
C3401
C3403
C3404
C3410
C3411
C3412
C3417
C3418
C3419
C3420
C3422
C3423
C3424
C3425
C3426
C3428
C3431
C3432
C3433
C3434
C3435
C3441C3442
C3443
C3444
C3445
C3446
C3447
C3448 C3449
C3453
C3472
C3473
C3474
C3497
C3507
C3508
C3509
D0201
D0651
D3001
D3003
D3004
D3031
D3221
D3341
D3361
D3362
D3401
D3471
D3472
2
3
456
FL3101
2
3
456
FL3102
4
32
FL3112
FL3114
18
1
J0451
2011
10
J0501
J0601
23
J3401
L0481
L0482
L3002
L3031
L3032
L3034
L3100
L3101
L3201
L3232
L3333
L3341
L3343 L3344
L3346
L3361
L3362
L3363
L3364
L3401
L3403
L3411
L3412
L3413
L3414
L3422
L3443
L3471
L3472
L3493
M3421
Q0110
Q0177
Q0181
Q0185
Q0681
Q3001
Q3021
Q3221
Q3304
Q3411
Q3422
2
3
4
5
6
7
8
Q3441
Q3442
Q3471
Q3472
R0101
R0102
R0104
R0105
R0106
R0108
R0110
R0114
R0115
R0116
R0131
R0132
R0170
R0181
R0182
R0185
R0186
R0211
R0212
R0220
R0221
R0222
R0223
R0224
R0225
R0226
R0227
R0228
R0229
R0241
R0242
R0251
R0252
R0253
R0261
R0262
R0267
R0268
R0269
R0510
R0533
R0535
R0538
R0539
R0611
R0612
R0651
R0652
R0681
R0682
R3001
R3002
R3003
R3004
R3009
R3013
R3014 R3015
R3016
R3024
R3025 R3026
R3027
R3028
R3031
R3101
R3106
R3111
R3117
R3130
R3132
R3135
R3142
R3144
R3145
R3211
R3221
R3222
R3223
R3224
R3225
R3227
R3242
R3251
R3252
R3335
R3336
R3341
R3342
R3361
R3362
R3363
R3364
R3400
R3401
R3402
R3403
R3404
R3405
R3406
R3414
R3415
R3416
R3424
R3425
R3426
R3427
R3431R3432
R3433
R3434
R3435
R3471
R3473
R3491
R3505
R3506
R3507
R3508
R3509
SH3301
3
46
1
2
T3001
3
46
12
T3002
TP3401
1
76
51
26
32
17
16 1
87
114
U0211
137
25
13
16
1
89
U0251
9
U0271
1
6
5
1
6
5
3
2
1
11
1
20
10
U3101
87
1
14
U3111
87
1
14
U3115
U3211
1
16
8
9
U3401
U3502
VR0501
VR0503
VR0505
VR0510
23
4
Y0131
2
Y3102
1
1
100 1
1
1
1
U0101
Microprocessor
U0121
Flashrom
U0221
ASFIC CMP
U0611
B+ Switch
U0641
9,6V Regulator
U0651
5V Regulator
1
4
5
ZWG0130397-O
9+)0+]:3&%%7RS6LGH

&KDSWHU 9+)0+]:3&%%6FKHPDWLFVDQG3DUWV/LVWV
&%
C0103
C0105
C0111
C0112
C0121
C0122
C0123
C0141
C0151
C0201
C0202
C0203
C0204
C0205
C0254
C0255
C0265
C0266
C0271
C0272
C0273
C0274
C0275
C0276
C0277
C0301
C0302
C0303
C0304
C0305
C0324
C0325
C0331
C0341
C0342
C0343
C0344
C0351
C0352
C0353
C0354
C0422
C0423
C0426
C0427
C0428
C0429
C0430
C0431
C0485
C0491
C0492
C0497
C0499
C0541
C0554
C0558
C0559
C0560
C0575
C0576
C0591
C0592
C0593
C0611
C0621
C0622
C0641
C0644
C0645
C0661
C0662
C0663
C0671
C3000
C3001
C3003
C3022
C3023 C3024
C3025
C3026
C3029
C3030
C3031
C3033
C3035
C3036
C3104
C3110
C3111
C3112
C3113
C3116
C3121
C3122 C3123
C3144
C3146
C3147
C3151 C3152
C3202
C3203
C3205
C3206
C3207
C3208
C3209
C3225
C3228
C3235
C3241
C3251
C3261
C3262
C3263
C3301
C3302
C3303
C3304
C3305
C3306
C3311
C3312
C3313
C3314
C3315
C3316
C3317
C3318
C3319
C3331
C3332
C3333
C3334
C3335
C3348
C3351
C3352
C3355
C3356
C3402
C3405
C3406
C3413
C3414 C3415
C3416
C3421
C3427
C3436 C3437
C3438
C3439
C3440
C3450
C3451
C3452
C3471
C3475
C3491C3492
C3493
C3494
C3495
C3496
C3498
C3499
C3501
C3502
C3503
C3504
C3505 C3506
C3510
D0101
D0151
D0179
D0301
D0621
D0660 D0661
D3000
D3011
D3101
D3201 D3261
D3451
E0271E0272
E0631
43
2
FL3111
FL3113
FL3115
12
J0401
140
J0551
118
J0552
L3025
L3111
L3112
L3231
L3301
L3302
L3311
L3317
L3318
L3331
L3332
L3345
L3351
L3402
L3421
L3436
L3437
L3491
L3492
Q0151
Q0171
Q0173
Q0183
Q0271 Q0641
Q0661
Q0662 Q0663
Q3002
Q3101
Q3102
Q3141
Q3151
Q3152
Q3301
Q3302
43
Q3303
1
23
Q3421
R0107
R0111
R0112
R0113
R0117
R0121
R0151
R0152
R0171
R0172
R0173
R0174
R0175
R0176
R0177
R0178
R0179
R0183
R0184
R0201
R0202
R0203
R0204
R0205
R0206
R0207
R0208
R0265
R0266
R0273
R0274
R0275
R0276
R0323
R0324
R0331
R0332
R0333
R0335
R0341
R0342
R0343
R0344
R0345
R0346
R0347
R0401
R0407
R0408
R0409
R0410
R0412
R0441
R0467
R0468
R0481
R0482
R0511
R0512
R0525
R0529
R0530
R0531
R0537
R0541
R0542
R0591
R0592
R0621
R0641
R0642
R0643
R0661
R0662
R0671
R0672
R3000
R3006
R3010
R3011
R3012
R3018
R3019
R3021
R3023
R3030
R3032
R3033
R3034
R3035
R3036
R3102
R3104
R3105
R3107 R3108
R3112
R3113
R3114
R3115
R3116
R3118
R3133
R3134
R3141
R3146
R3147
R3151
R3152
R3153
R3154
R3201
R3203
R3204
R3206
R3226
R3228
R3241
R3261
R3262
R3263
R3301
R3302
R3303
R3304
R3305
R3306
R3307
R3308
R3311
R3312
R3313
R3314
R3315
R3316
R3317
R3318
R3319
R3321
R3323
R3331
R3343
R3351
R3352
R3353
R3354
R3355
R3356
R3411
R3412
R3413
R3417
R3418
R3421
R3422
R3423
R3428
R3429
R3440
R3441
R3442
R3443
R3444
R3445
R3446
R3450
R3452
R3454
R3455
R3457
R3474
R3475
R3501
R3502R3504
S3440
TP0101
TP0102
TP0103
TP0104
TP0151
TP0221
TP0222
TP0481
TP0492
TP0497
TP0530
TP0661
TP3001
TP3201
TP3202
TP3402
TP3403
TP3404
TP3405
TP3406
14
58
U0111
22
21
8
71
16
18
9
U0141
2815
14 1
U0301
U0331
1
45
8
U0341
U0342
4
58
U0351
1
4
58
U0652
U0653
137
2513
11
1
20
10
14
58
U3402
1
17
9
25
U3501
VR0151
VR0504
VR0509
VR0537
VR0541
VR0601
VR0621
VR0671
VR3471
43
2
Y3101
6
43
1
Y3261
2
34
Y3263
1
1
1
1
48
U0122
RAM
U3201
FRACN
U3301
VCOIC
15
43
21
9+)0+]:3&%%%RWWRP6LGH
ZWG01300398-O

9+)0+]:3&%%6FKHPDWLFVDQG3DUWV/LVWV &KDSWHU
&%
ZWG0130392-A
47K
47K
47K
47K
47K
47K
RXIN_VHF_PA_1
NU
NU
17nH
L3437
NU
NU
0
R3440
NU
C3427
56pF
NU
39K
10K
NU
6.8K
R3411
NU
R3506
10K
NU
C3508
C3443
120pF
C3444
6.2pF
C3509
1uF
C3423
0.8x25
width 2.032
1.542x4
2.216x
J3401
7.5
R3427
R3426
2.7
2.7
2.7
R3428
R3425
C3506
2200pF
2.4K
120
R3414
2.4K
R3502
39K
MOSBIAS_2_VHF_PA_1
R3445
L3412
C3432
15nH
C3404
33pF
2200pF
C3410
.022uF
PASUPVLTG_VHF_PA_1
C3473
270pF
R3415
100
330pF
C3426
Q3421
R3417
39K
R3443
10K
R3491
R3441
C3416
330pF
100pF
330pF
C3400
C3507
R3400
470
RESET_VHF_PA_1
51
R3432
.033uF
C3437 L3436
57R01
C3504
.01uF
470pF
C3503
470pF
C3419
TP3402
TP3403
57R01
L3402
C3406
470pF
R3401
300
C3428 FECNTL_2
C3435
2200pF
C3449
330pF
120pF
C3502
2200pF
25nH
L3443
10K
R3504
470
R3471 Q3472
C3434
.01uF
MOSBIAS_2
47K
R3404
47pF
RESET
C3431
C3421
.033uF
CLK
51
R3431
R3435 2.7
INT_SWB
C3425
.022uF
U3502
3
GND
POS
1
2
VOUT
C3492
68pF
LM50
C3493
6.8pF
DATA_VHF_PA_1
2.2K
20pF
C3445
R3442
C3422
330pF
1
R3444
4.7
5.6V
VR3471
2
3
39K
R3421
DATA
C3505
1uF
33pF
C3403
6.8pF
C3475
TEMPSENSE
TEMPSENSE_CNTLR_1
1K
R3507
20K
PA_PWR_SET
R3509
C3451
1000pF
.022uF
C3471
C3495
C3497
CSX
3.3pF
C3474
220pF
6
5
7
8
4
TXINJ_VHF_PA_1
18pF
LM2904
U3402-2
470pF
R3413
3.3K
9V3
C3501
2200pF
FECNTL_2_VHF_PA_1
INT_SWB_VHF_PA_1
D3401
CSX_VHF_PA_1
D3472
33pF
C3446
100pF
C3418
D3451
51nH
L3493
R3474
51
L3411
68nH
R3473
51
C3491
15pF
.022uF
C3411
D3471
R3403
300
470pF
C3405
L3471
1.2uH
100K
R3406
51nH
R3508
100K
L3491
11.03nH
5.6K
R3412
L3413
R3505
300K
270pF
120pF
C3448
C3472
2.7
R3424
47pF
C3417
C3439
470pF
0
R3446
150pF
C3496
C3442
R3455
36pF
C3510
100K
CNTLVLTG_VHF_PA_1
470pF
PA_PWR_SET_VHF_PA_1
470pF
C3453
10uF
C3436
R3429
220
R3433 2.7
C3433
56pF
R3501
L3492
51nH
6.8K
22K
R3418
2
3
1
8
4
C3440
1000pF
RXIN
U3402-1
LM2904
13pF
C3494
20
VAR1
18
VAR2
24
VAR3
VG
15
6
VL
19
VLIM
TXINJ
21
RS
31
RSET
23
RX
2
T1
30
TEMP
14
V10
16
V45
17
V5EXT
9
F168
8
GND1
25
GND2
4
INT
22
NA
11
Q
10
QX
1
RFIN
29
CEX
3
CI
5
CJ
7
CL
26
CLK
12
CQ
CQX
13
28
DATA
H99S-4
U3501
32
ANO
27
BPOS
FECNTL_1_VHF_PA_1
Q3442
R3402
16pF
C3447
15
39K
R3423
Q3411
TP3406 CLK_VHF_PA_1
470pF
TP3401
L3422
13.85nH
470pF
470pF
C3424
30K
C3438
R3452
R3454
12K
R3405
100
330pF
C3401
RFIN
16
RFOUT1
6
RFOUT2
7
VCNTRL
1
VD1
14 2
VG1
VG2
3
GND1
4
GND2
5
GND3
12
GND4
13
NC1
8
NC2
9
NC3
10
NC4
15
09Z67
U3401
G2
11
C3498
13pF
CNTLVLTG
16pF
C3499
470pF
C3450
470
R3450
TP3405
PASUPVLTG
100
L3403
R3416
Q3422
68nH 330pF
9V3_VHF_PA_1
C3412
SWITCH
S3440
7.66nH
L3414
C3413
.022uF
C3441
150pF
R3434 2.7
10K
R3475
R3457
R3422
120
2.2K
51nH
L3472
Q3471
57R01
L3421
330pF
C3414
12pF
C3452
K9V1
K9V1_VHF_PA_1
D
G
GND1
GND2
S1
S2
S3
S4
Q3441
.022uF
C3415 TP3404
100pF
C3420
FECNTL_1
C3402
.022uF
NC
PA_SWB
A+
L3401
4.22nH
9V3FLT
NC
9V3FLT
U_DRIVER
9V3FLT
PA_SWB
U_DRIVER9V3FLT
9V3FLT
A+
U_PREDRIVER
NC
PA_SWB
A+
NC
9V3FLT
U_PREDRIVER
9V3FLT 9V3FLT
MOSBIAS_1
NC
NC
NC
NC
NC
NC
NC
NC
2
NU
9+)0+]:3RZHU$PSOLILHUIRU3&%V%DQG%

&KDSWHU 9+)0+]:3&%%6FKHPDWLFVDQG3DUWV/LVWV
&%
47K
47K
(SOURCE)
3.63VDC
R3203
A1
5
A2
4
A3
K1
1K2
2K3
3
47
D3201
6
47K
NU
TRB
L3232
2.2uH
NU
R3228
C3231
C3225
.01uF
L3201
390nH
0.1uF
C3202
.01uF
100
R3223
C3229
D3221
0.1uF
.047uF
CLK
C3251
C3207
22pF
NU
47K
VCOBIAS_2
R3225
C3226
8.2pF
MODIN_VHF_FN_1
TP3201
R3252
VCOBIAS_1_VHF_FN_1
330K
16_8MHz_VHF_FN_1
PRESC_VHF_FN_1
R3242
0
100
R3241
VSF_VHF_FN_1
DATA
VCOMOD_VHF_FN_1
CSX_VHF_FN_1
100pF
C3227
22pF
NU
CSX
IN_5V_RF_REG_VHF_FN_1
C3240
NU
1
GND
4
GND1
3
OUT
6IN
16.8MHz
75Z04
Y3261
100K
R3227
0.1uF
C3254
C3208
0.1uF
NU
.01uF
C3232
47K
R3226
PRESC
C3214
2.2uF
C3221
0.1uF
1uF
C3224
C3263
0.1uF
VMULT1
15
14 VMULT2
12 VMULT3
11 VMULT4
VRO
13
25
WARP
23 XTAL1
XTAL2
24
27
SFBASE 26
SFCAP
30
SFIN
28 SFOUT
37 TEST1
38 TEST2
21
VBPASS
47
VCP
31
NC3
44
PD_GND
PD_VDD
5
PREIN 32
33
PRE_GND
34
PRE_VDD
35
PVREF
18
REFSEL
45 IADAPT
16 INDMULT
43 IOUT
LOCK
4
10
MODIN
41 MODOUT
17
NC1
29
NC2
39
BIAS2
42
CCOMP
9
CEX 8
CLK
7
DATA
DGND
6
36
DVDD
19 FREFOUT
46 ADAPTSW
22
AGND
48 AUX1
1AUX2
2AUX3
3AUX4
20
AVDD
40
BIAS1
VCOBIAS_1
63A27
U3201
47
R3201
VSF
C3222
0
R3211
0.1uF
L3231
0.1uF
C3211
TP3202
1
2.2uH
C3243
220pF
16_8MHz
VDDA
VDDA_VHF_FN_1
VCOBIAS_2_VHF_FN_1
0.1uF
C3209 C3246
220pF
NU
C3206
10uF
5V_VHF_FN_2
33K
R3206
Q3221
R3251
180K
.01uF
C3228
0.1uF
C3235
2.2uF
C3210
VCTRL_VHF_FN_1
R3204
LOCK_VHF_FN_1
47
1uF
C3223
NU
220pF
R3262
NU
C3245
BWSELECT
6.2K
C3215
R3224
47K
C3213
2.2uF
1
GND
5
IN
2NR
4OUT
3
SD
2.2uF
VCC
4
VCNTL
1
ADP3300
U3211
6
ERR
Y3263
16.8MHz
GND
2
OUT
3
MODIN
VCTRL
C3255
DATA_VHF_FN_1
220pF
C3242
2.2uF
5V_VHF_FN_1
.01uF
R3222
680
TRB_VHF_FN_1
C3205
C3262
330pF
NU
NU
VCOMOD
C3241
56pF
R3261
47K
2.2uF
C3233
R3221
CLK_VHF_FN_1
C3252
390
1000pF
.01uF
C3234
C3253
4.7uF
NU
IN_5V_RF_REG5V
D3261
C3261
NU
LOCK
C3244
39pF
BWSELECT_VHF_FN_1
220pF
C3203
4,7k
.01uF
NC
5V
5V
R3263
NC
NC
NC
NC
NC
NC
NC
NC
NC
NC
VDDA
VDDA
NC
NC
NC
In case Y3261 is used instead of Y3263,
replacement of the following parts  requires  
new temperature compensation of the frequency: 
Y3261, U3201, R3261, R3262, C3262, D3261
5VDC
-2 to +7dBm
13.30VDC
6.83VDC
4.52VDC (R)
+1dBm
0VDC (R)
4.95VDC (R)
2.90VDC
3.42VDC
2.5VDC
1.1-4.1VDC
0VDC (T)
2.62VDC (T)
4.91VDC (T)
11.28VDC
4.97VDC
2.5-11VDC
5VDC (LOCKED)
0VDC (UNLOCKED)
3.63VDC
0VDC
5VDC
ZWG0130393-A
9+)0+]:)5$&16\QWKHVL]HU

9+)0+]:3&%%6FKHPDWLFVDQG3DUWV/LVWV &KDSWHU
&%
ZWG0130394-O
47K
47K 47K
10K
4.22VDC (T)
0VDC (R)
1.92VDC (T)
4.52VDC (R)
2.62VDC (T)
4.52VDC (R)
0VDC (T)
1.42VDC (R)
0VDC (T)
4.97VDC
4.40VDC
1.53VDC (R)
0VDC (T)
0.92VDC (R)
0VDC (T)
0VDC (R)
0-5dBm (T)
7.44VDC (R)
9.14VDC (R)
0VDC (T)
0VDC (T)
11-14dBm (R)
-2 to 7dBm
0VDC (T)
2.18VDC (R)
0VDC (T)
1.49VDC (R)
2.56VDC (R)
0VDC (R)
2.5-11VDC
4.54VDC
0VDC (T)
4.78VDC (R)
2.66VDC (T)
4.52VDC (T)
WARISMOBILE  VHF_VCO
4.78VDC (R)
4.27VDC (T)
4.91VDC (T)
9.21VDC
3.83VDC (R)
L3333
R3356
12K
VCOBIAS_2_VHF_VCO_1
1uH
D3361
R3335
33
9V3_VHF_VCO_2
220
R3361
C3331
VDDA_VHF_VCO_1
10K
NU
10pF
35.5nH
R3321
15K
L3346
L3331
68nH
R3336
100nH
NU
C3312
0.1uF
10
TX_OUT
13
TX_SWITCH
14
VCC_BUFFERS
18
VCC_LOGIC
NU
L3311
2
RX_IADJ
8
RX_OUT
7
RX_SWITCH
3
SUPER_FLTR
TRB_IN
19
16
TX_BASE
15
TX_EMITTER
1
TX_IADJ
4
COLL_RFIN
20
FLIP_IN
11
GND_BUFFERS
9
GND_FLAG
GND_LOGIC
17
12
PRESC_OUT
5
RX_BASE
6
RX_EMITTER
U3301
50U54
R3362
47
NU
330pF
C3304
R3354
150K
RXINJ
VCOMOD_VHF_VCO_1
C3363
68pF
L3317
33nH
33pF
C3317
C3357
7.5pF
1uH
L3351
100
R3311
10K
R3317
22
R3318
NU
L3344
1uH
C3362
5.6pF
100nH
L3332
22
R3306
0
R3316
NU
18nH
L3301
C3344
1.8pF
Q3301
L3318
100nH
C3311
.022uF
6.8pF
C3314
C3315
.01uF
C3303
15pF
20K
R3351
Q3304
BFQ67W
NU
47K
R3319
3.3pF
C3316
56nH
L3361
0
R3308
TRB_VHF_VCO_1
1uH
L3364
C3351
.01uF 12K
R3352
PRESC
VCOMOD
VCOBIAS_1_VHF_VCO_1
R3323
1K
VCTRL
C3347
.01uF
C3337
0.1uF
NU
R3307
220
D3341
VCOBIAS_1
RXINJ_VHF_VCO_1
100K
R3353
C3324
.01uF
L3302
100nH
VCOBIAS_2
2.2K
R3303 C3345
20pF
L3362
68nH
15pF
C3364
8nH
L3341
C3333
0.1uF
56nH
L3363
100
0.1uF
C3332
NU
R3312
.022uF
C3352
C3305
VDDA
NU
5.6pF
TRB
100
R3343
C3334
VSF_VHF_VCO_1
.022uF
.01uF
C3355
VSF
C3342
3pF
D3362
1K
R3313
C3336
.01uF
NU
C3335
.01uF
R3341
220
R3355
20K
NU
R3363
39K
9V3_VHF_VCO_1
9V3
VCTRL_VHF_VCO_1
PRESC_VHF_VCO_1
75
6.8pF
R3301
C3302
C3306
5.1pF NU
15pF
C3301
NU
330pF
C3313
47
R3331
3
C3319
1000pF
UMC5N
2
4
1
C3346
Q3303
C3341
.01uF
1000pF
39
R3342
NU
Q3302
TXINJ_VHF_VCO_1
TXINJ
5.6pF
C3318
220
R3315
9V3_VHF_VCO_3
NU
C3361
C3356
.022uF
1000pF
180nH
1K
R3304
R3302
L3343
220
100
NU
R3305
C3365
1000pF
R3314
R3364
47K
NU
10
C3348
.01uF
VSF
1uH
L3345
VSF
VSF
NC
NC
NC
9+)0+]:9ROWDJH&RQWUROOHG2VFLOODWRUIRU3&%V%%DQG%

&KDSWHU 9+)0+]:3&%%6FKHPDWLFVDQG3DUWV/LVWV
&%
ZWG0130395-A
3
120pF
C3021
D3004
12
RXINJ
FECNTL_1
SP_3_1
1000pF
C3020
100pF
C3016
1.5K
R3000
SP_4_2
IF_VHF_FE_1
D3003
1
2
3
SP_3_2 C3014
D3001
7.5pF
R3016
10 4
6
3
1
2
1000pF
C3036
XFMR
T3002
3300pF
C3003
4.7K
R3011
RXIN
K9V1__VHF_FE_1
NU
R3030
10
SP_4_3
NU
150nH
L3025
820
R3034
D3000
1
2
3
NU
1000pF
C3019
FECNTL_1_VHF_FE_1VLTG
C3006
3300pF
C3000
56pF
13pF
C3032
1.5K
R3025
NU
220
RXINJ_VHF_FE_1
R3018
3300pF
C3011
FECNTL_2
R3031
51
SP_4_1
330pF
C3009
C3001
9V3
C3013
4.7pF
Q3002
56pF
SP_3_3
100K
R3009
9V3_VHF_FE_2
R3002
1K
R3003
18pF
560
R3032
C3035
C3024
NU
820
NU
3300pF
NU
R3023
0
C3005
NU
4.7pF
C3018
100pF
C3030
1000pF
NU
330pF
C3023
C3027
.01uF
R3028
390
560nH
L3031
56pF
C3004
SP_1_2
R3012
1K
NU
33nH
L3034
Q3021
NU
0
R3035
1.5K
R3004
0
R3033
3300pF
C3007
330pF
C3029
K9V1
390
R3024
NU
.01uF
C3028
10K
1K
R3036
R3006
R3026
NU
SP_2_2
10K
R3014
SP_2_1
51
C3015
C3002
9.1pF
56pF
82pF
C3034
NU
18pF
C3031
IO3
IO4
5.1pF
C3033
D3031
IO1 IO2
560
R3021
10
R3015
1000pF
C3008
SP_1_1 .01uF
C3022
680
R3010
C3017
150nH
L3032
43pF
1000pF
IF
FECNTL_2_VHF_FE_1
Q3001
SP_1_3 SP_2_3
R3013
R3027
3.3K
47K
R3019
10K
L3002
2.7pF
470nH
NU
C3025
TP3001
100K
R3001
C3026
D3011
4
6
3
1
2
0.1uF
RXIN_VHF_FE_1 XFMR
T3001
9V3_VHF_FE_1
9V3
330pF
C3010
NC
NC_D3011_2
9V3
3.0-7.5V
3.6VDC
C3012
9+)0+]:5HFHLYHU)URQW(QGIRU3&%V%%DQG%

9+)0+]:3&%%6FKHPDWLFVDQG3DUWV/LVWV &KDSWHU
&%
GND2
GND1
GND2
IN OUT
GND1
GND2
IN OUT
GND1
47K
47K
47K
47K
9180469V03
3.9VDC
 12.5kHz  0VDC
20/25kHz  5VDC
0.75VDC 0.75VDC
3VDC
9180469V06
9180469V04
9180468v04
9180468V06
3VDC
6.8K
R3107
9V3
R3135
1.2K
390
1GND1
GND2
2
GND3
4
5GND4
3
IN
6
OUT
R3115
FL3101
12R16
R3117
27K
Q3102
Q3151
680
R3146
620nH
L3111
620
R3108
R3118
6.8K
R3111
12K
C3101
5V_VHF_IF_1
GND2
4
1
IN
2
OUT
NU
2.2pF
FL3111
3
GND1
U3115-1
CNTL
13
1
2
VDD
14
VSS
7
DISCAUDIO_VHF_IF_1
15K
R3132
0.1uF
C3144
120pF
C3143
C3139
C3141
0.1uF
0.1uF
13
1
2
VDD
14
VSS
7
Q3141
U3111-1
CNTL
R3116
330
10
9V3_VHF_IF_2
3
12
R3102
C3110
27pF
FL3113
0.1uF
C3142
9.1pF
IFIN_VHF_IF_1
100
R3104
NU
C3113
1
2GND2
4GND3
GND4
5
IN
3
OUT
6
NU
DISCAUDIO
12R16
FL3102
GND1
1000pF
R3151
C3100
C3140
0.1uF
10K
11 10
VDD
14
VSS
7
3
14
VDD
7
VSS
U3111-4
CNTL
12
U3115-2
5
CNTL
4
Q3152
C3152
.01uF
.01uF
C3151
R3133
8.2K
4700pF
C3146
27K
R3106
C3112
390
R3141
82pF
10
R3112
1.8K
R3142
R3154
10K
C3122
.039uF
Q3101
6
VCC
330
R3113
20 MIXOUT 4
OSCIN
3
OSCOUT
10
QUADIN
1
RFIN
2
RFIN_DEC
5RSSIOUT
9
RSSI_FEED
15
18
IFAMPIN
16 IFAMPOUT
19
IFAMP_DEC1
17 IFAMP_DEC2
14
LIMIN
11 LIMOUT
13 LIM_DEC1
12 LIM_DEC2
SA616
U3101
8AUDIOOUT
7
AUDIO_FEED
GND
51
44.395MHz
12R17
Y3101
2
GND
4
GND1
3
OUT
1
IN
R3130
C3136
30pF
C3135
33pF
12K
R3101
R3147
12K
C3133
10uF
C3115
100
R3105
22pF
620nH
L3100
0.1uF
NU
C3137
.039uF
C3134
455KHz
3
2
1
BWSELECT_VHF_IF_1
BWSELECT
45B02
Y3102
C3103
33pF
C3132
0.1uF
10K
R3152
0.1uF
C3111 U3115-3
6
CNTL
89
14
VDD
7
VSS
18pF
C3114
L3112
620nH
9V3_VHF_IF_1
5V
D3101
RSSI_VHF_IF_1
OUT
.039uF
C3123
FL3112
34
1
IN
2
R3114
100
R3134
10K
NU
2.4K
R3144
U3111-2
5
CNTL
4
3
14
VDD
7
VSS
3.3K
R3145
C3145
C3147
0.1uF
620nH
L3101
0.1uF
220pF
C3148
NU
10
VDD
14
VSS
7
NU
1pF
C3131
U3115-4
CNTL
12
11
C3121
0.1uF
FL3115
34
12
15pF
C3102
NU
U3111-3
6
CNTL
89
14
VDD
7
VSS
3
GND
1
IN
2
OUT
RSSI
C3116
FL3114
0.1uF 0.1uF
R3153
C3104
5V
10K
5V
9V3
9V3
9V39V3
9V3
5V
9V3
5V
9V3
9+)0+]:,)
ZWG0130396-O

&KDSWHU 9+)0+]:3&%%6FKHPDWLFVDQG3DUWV/LVWV
&%
9+):3&%%3DUWV/LVW
&LUFXLW
5HI
0RWRUROD
3DUW1R 'HVFULSWLRQ
& ) Q)9
& ) S)
& ) S)
& ) Q)9
& ) S)
& ) S)
& ) S)
& ) Q)9
& ) Q)9
& ) S)9
& ) S)9
& ) Q)9
& ) Q)9
& ) S)
& ) S)
& ) S)
& ) S)9
& ) S)9
& ) Q)9
& ) Q)9
& ) S)9
& ) Q)9
& ( Q)9
& ) Q)9
& ) Q)9
& ) Q)9
& ) S)9
& ) S)9
& ) S)9
& ) Q)9
& ) Q)9
& ) S)9
& ) S)9
& ( Q)9
& ) S)9
& ( Q)9
& ) S)9
& ) S)9
& ) S)9
& ( Q)9
& ( Q)9
& ( Q)
& ( Q)
& ( Q)9
& $ 7$17&3X)9
& ( Q)9
& / S)
& / S)
& ( Q)
& ( Q)9
& ( Q)9
& ( Q)9
& ( Q)9
& ) S)9
& ( Q)9
& ( Q)9
& ) Q)9
& ( Q)9
& ) Q)9
& ) Q)9
& ) Q)9
& ) Q)9
& ) Q)9
& $ 7$17&3X)9
& ( Q)9
& ( Q)9
& $ 7$17&3X)9
& ( Q)9
& $ 7$17&3X)9
& $ 7$17&3X)9
& $ 7$17&3X)9
& ( Q)9
& ( Q)9
& : ),/060X)9
& ( Q)9
& ) S)9
& ) S)9
& ( Q)9
& ( Q)
& ) Q)9
& ) Q)9
& $ 7$17&3X)
& ) Q)9
& ) Q)9
& ) S)9
& ) S)9
& ) S)9
& ) S)9
& ) S)9
& ( Q)9
& ) Q)9
& $ 7$17&3X)9
& ( Q)9
& $ 7$17&3X)9
& ( Q)9
& ) S)9
& ) Q)9
& ) S)9
& ( Q)9
& ) S)9
&LUFXLW
5HI
0RWRUROD
3DUW1R 'HVFULSWLRQ
& ) S)9
& ) S)9
& ) S)9
& ) S)9
& ) Q)9
& ) Q)9
& ( Q)9
& ( Q)9
& ( Q)9
& ) Q)9
& ) Q)9
& ( Q)9
& ) Q)9
& / S)S)
& ) S)9
& / S)S)
& ) Q)9
& ) Q)9
& ) Q)9
& ) Q)9
& ( Q)9
& ) Q)9
& ( Q)9
& ) S)9
& ) Q)9
& ) S)9
& ) S)9
& ) S)9
& ) Q)9
& ) S)9
& ) S)9
& ( Q)9
& ) S)9
& ) S)9
& ) S)9
& ) S)9
& ( Q)9
& ( Q)9
& ) S)9
& ) S)9
& ( Q)9
& ) S)9
& ) S)9
& ) S)9
& ) S)9
& ) S)9
& $ Q)9
& $ S)9
& $ 7$17&3X)9
& ) S)9
& ( Q)9
&LUFXLW
5HI
0RWRUROD
3DUW1R 'HVFULSWLRQ
& ) S)9
& ) Q)9
& ) Q)9
& % +4S)
& % +4S)
& $ Q)9
& $ S)9
& $ 7$17&3X)9
& $ Q)9
& % +4S)
& % +4S)
& ) Q)9
& % +4S)
& % +4S)
& % +4S)
& % +4S)
& % +4S)
& % +4S)
& % +4S)
& ) S)9
& ) Q)9
& ) S)9
& ) S)9
& ( Q)9
& % +4S)
& % +4S)
& ) S)9
& ) S)9
& % +4S)
& % +4S)
& % +4S)
& % +4S)
& % +4S)
& % +4S)
& % +4S)
& % +4S)
& ) Q)9
& ) Q)9
& ) S)9
& ) Q)9
& $ 7$17&3X)9
& ) Q)9;5
& ) S)9
& ) S)9
& ) S)9
' & '8$/62700%'
' 4 9&7569627
' . '8$/6&+277.<627
' 4 9&7569627
' / 3,1
' % 0,;(5',2'(&526629(5
&LUFXLW
5HI
0RWRUROD
3DUW1R 'HVFULSWLRQ

9+)0+]:3&%%6FKHPDWLFVDQG3DUWV/LVWV &KDSWHU
&%
' . ',2'('8$/6&+277.<
' - 75,3/(6275+
' ( &+,36&+277.<
' 4 9&7569627
' 4 9&7569627
' & 9$5$&725&+,3
' & '8$/62700%'
' ( &+,36&+277.<
' - 3,10$&20
' - 3,10$&20
)/ 5 0+=;7$/)/75G%
)/ 5 0+=;7$/)/75G%
)/ 9 &(5)/75(/.+=60'
)/ 9 &(5)/75(/.+=60'
)/ 9 &(5)/75(/.+=60'
)/ 9 &(5)/75(/.+=60'
- < )/(;&211(&725
- < )/(;&211(&725
- % $&&(6625<&211(&725
- < )/(;&211(&725
- < )/(;&211(&725
- % '&32:(5&211(&725
- % 5)&2110,1,8+)
/ 7 &2,/&+,3Q+
/ 7 &2,/&+,3Q+
/ 7 &2,/&+,3Q+
/ 7 &2,/&+,3Q+
/ 7 &2,/&+,3Q+
/ 7 &2,/&+,3Q+
/ 4 ,1'&+,3Q+
/ 4 ,1'&+,3X+
/ 1 &+,3,1'1+
/ 1 &+,3,1'Q+
/ 9 &+,3,1'1+
/ 9 ,1'&+,3Q+
/ 9 &+,3,1'1+
/ 9 ,1'&+,3Q+
/ 4 ,1'&+,3X+
/ 7 0,1,635,1*$:,1'
1+
/ 1 &2,/&+,3Q+
/ 1 &+,3,1'X+
/ 1 &+,3,1'X+
/ 7 0,1,635,1*$:,1'
1+
/ 1 &+,3,1'X+
/ 1 &+,3,1'Q+
/ 1 &+,3,1'Q+
/ 1 &+,3,1'Q+
/ 1 &+,3,1'X+
/ $ 648$5(&2,/Q+7
&LUFXLW
5HI
0RWRUROD
3DUW1R 'HVFULSWLRQ
/ 5 )HUULWH%HDG
/ 7 &2,/&+,3Q+
/ 7 &2,/&+,3Q+
/ ; ,1'&+,3/2352
/ % 648$5(&2,/Q+7
/ $ 648$5(&2,/Q+7
/ 5 )HUULWH%HDG
/ & 648$5(&2,/Q+7
/ 5 )HUULWH%HDG
/ $ &2,/$:Q+7
/ ; &2,/648$5(Q+
/ ; ,1'&+,3X+
/ % &2,/$:Q+7
/ % &2,/$:Q+7
/ % &2,/$:Q+7
/ % &2,/$:Q+7
0 % +($7635($'(5
4 $ 767513160/6,*00%5
4 $ 76753139$% 
4 7 7675'8$/52+0)0&
4 $ 767513160/6,*00%5
4 $ 767513160/6,*00%5
4 $ 76751319$% 
4 0 7675131',*NN
4 0 7675131',*NN
4 0 7675131',*NN
4 $ 767513160/6,*00%5
4 - 7675'8$/131313
80&1
4 1 5)75$16627
%)4:
4 7 '8$/52+0)0&5+
4 - 05)
4 0 131',*NN
4 % /'0263:57675
05)05)
4 0 131',*NN
4 0 131',*NN
4 0 313627%65/+
5 $ :
5 $ N:
5 $ :
5 $ N:
5 $ :
5 $ N:
5 $ N:
5 $ 2+06
5 $ :
5 $ N:
5 $ :
5 $ :
&LUFXLW
5HI
0RWRUROD
3DUW1R 'HVFULSWLRQ
5 $ :
5 $ :
5 $ :
5 $ N:
5 $ :
5 $ :
5 $ :
5 $ N:
5 $ N:
5 $ :
5 $ :
5 % :
5 $ N:
5 $ :
5 $ :
5 $ N:
5 $ :
5 $ 2+06
5 $ N:
5 $ :
5 $ :
5 $ :
5 $ :
5 $ N:
5 $ :
5 $ :
5 $ N:
5 $ :
5 $ N:
5 $ :
5 $ :
5 $ :
5 $ :
5 $ :
5 $ 2+06
5 $ N:
5 $ N:
5 $ N:
5 $ N:
5 $ N:
5 $ :
5 $ :
5 $ :
5 % :
5 $ :
5 $ &+,35(62+06
5 $ :
5 $ N:
5 $ N:
5 $ N:
5 $ :
&LUFXLW
5HI
0RWRUROD
3DUW1R 'HVFULSWLRQ
5 % :
5 % N:
5 % N:
5 $ N:
5 $ :
5 $ :
5 $ :
5 $ :
5 $ N:
5 % :
5 $ :
5 % :
5 $ :
5 $ N:
5 $ N:
5 $ :
5 $ :
5 $ N:
5 $ :
5 $ :
5 $ :
5 $ N:
5 $ N:
5 $ N:
5 % N:
5 $ N:
5 $ N:
5 $ :
5 $ :
5 $ N:
5 $ :
5 $ :
5 $ :
5 $ :
5 $ N:
5 $ :
5 $ N:
5 $ :
5 $ :
5 7 :
5 $ :
5 $ :
5 $ N:
5 $ N:
5 $ :
5 $ N:
5 & :
5 & :
5 & :
5 & :
5 $ :
&LUFXLW
5HI
0RWRUROD
3DUW1R 'HVFULSWLRQ

&KDSWHU 9+)0+]:3&%%6FKHPDWLFVDQG3DUWV/LVWV
&%
0RWRUROD'HSRW6HUYLFLQJRQO\
5HIHUHQFHGHVLJQDWRUVZLWKDQDVWHULVNLQGLFDWH
FRPSRQHQWVZKLFKDUHQRWILHOGUHSODFHDEOH
EHFDXVHWKH\QHHGWREHFDOLEUDWHGZLWK
VSHFLDOL]HGIDFWRU\HTXLSPHQWDIWHULQVWDOODWLRQ
5DGLRVLQZKLFKWKHVHSDUWVKDYHEHHQUHSODFHGLQ
WKHILHOGZLOOEHRIIIUHTXHQF\DWWHPSHUDWXUH
H[WUHPHV
5HSODFHPHQWERDUGVPXVWEHRUGHUHGIURP
&&6'IRUPHUO\$$'XVLQJWKHQXPEHUVKRZQ
LQWKHPRGHOFKDUWVLQ6HFWLRQ%RDUGVDUHQRW
RUGHUDEOHXVLQJWKHSUHIL[HGQXPEHU
5 $ :
5 0 :
5 0 :
5 & :
5 & :
5 & :
5 $ N:
5 $ :
5 $ N:
5 & :
5 $ :
5 % :
5 $ :
5 $ N:
5 $ N:
5 $ N:
5 7 :
5 $ :
5 0 :
5 0 :
5 $ N:
5 $ N:
5 $ :
5 $ N:
5 $ N:
5 % N:
5 $ N:
5 $ N:
5 $ N:
7 ; 75$16)250(5
7 ; 75$16)250(5
8 % )0,),&6$
8 $ ,&48$'$1$/2*08;
'(08;
8 $ ,&48$'$1$/2*08;
'(08;
8 $ ,&7(67('$73,1
*)3
8 ; ,&6279+,35(&,6,21
5(*8/$7
8 8 9&2%8))(53.*',(
8 = /'026'5,9(59+)8+)
8 : /,1($5,&23$03
8 % ,&32:(5&21752/
8 $ 7(036(16250
95 $ 9P:
< % &5<67$/0+=
< % &(5$0,&',6&5,0,1$725
N+]
&LUFXLW
5HI
0RWRUROD
3DUW1R 'HVFULSWLRQ
< % 9&7&;20+]SSP
77629
< 1RW8VHG 0+]=
&LUFXLW
5HI
0RWRUROD
3DUW1R 'HVFULSWLRQ

9+)0+]:3&%%6FKHPDWLFVDQG3DUWV/LVWV &KDSWHU
&%
 9+)0+]:3&%%6FKHPDWLFVDQG3DUWV/LVWV
ZWG0130397-A
C0101
C0102
C0104
C0106
C0107
C0131
C0132
C0211
C0212
C0221
C0222
C0223
C0224
C0225
C0226
C0227
C0228
C0231
C0232
C0233
C0234
C0235
C0236
C0237
C0241
C0242
C0243
C0244
C0245
C0246
C0251
C0252
C0253
C0256
C0261
C0262
C0421
C0441
C0442
C0443
C0445
C0446
C0447
C0448
C0449
C0470
C0471
C0472
C0473
C0474
C0476
C0477
C0478
C0482
C0483
C0484
C0486
C0487
C0488
C0490
C0493
C0494
C0495
C0496
C0501
C0502
C0503
C0504
C0505
C0506
C0508
C0509
C0510
C0511
C0512
C0513
C0514
C0515
C0516
C0517
C0518
C0542
C0601
C0603
C0612
C0651
C0652
C0654
C0655
C0681
C3002
C3004
C3005
C3006
C3007
C3008
C3009
C3010
C3011
C3012
C3013
C3014
C3015
C3016
C3017
C3018
C3019
C3020
C3021
C3027
C3028
C3032
C3034
C3100
C3101
C3102
C3103
C3114
C3115
C3124
C3131
C3132
C3133
C3134
C3135
C3136
C3137
C3139
C3140
C3141
C3142
C3143
C3145
C3148
C3210
C3211
C3212
C3213
C3215
C3221
C3222
C3223 C3224
C3226
C3227
C3229
C3231
C3232
C3233
C3234
C3240
C3242
C3243
C3244
C3245
C3246
C3247
C3252
C3253
C3254
C3255
C3324
C3336
C3337
C3341
C3342
C3344
C3345
C3346 C3347
C3357 C3361
C3362
C3363
C3364
C3365
C3400
C3401
C3403
C3404
C3410
C3411
C3412
C3417
C3418
C3419
C3420
C3422
C3423
C3424
C3425
C3426
C3428
C3431
C3432
C3433
C3434
C3435
C3441C3442
C3443
C3444
C3445
C3446
C3447
C3448
C3449
C3453
C3472
C3473
C3474
C3497
C3507 C3508
C3509
D0201
D0651
D3001
D3003
D3004
D3031
D3221
D3341
D3361
D3362
D3401
D3471
D3472
2
3
456
FL3101
2
3
456
FL3102
4
32
FL3112
FL3114
18
1
2011
10
J0601
23
J3401
L0481
L0482
L3002
L3031
L3032
L3034
L3100
L3101
L3124
L3201
L3232
L3333
L3341
L3343 L3344
L3346
L3361
L3362
L3363
L3364
L3401
L3403
L3411
L3412
L3413
L3414
L3422
L3443
L3471
L3472
L3493
M3421
Q0110
Q0177
Q0181
Q0185
Q0681
Q3001
Q3021
Q3221
Q3304
Q3411
Q3422
2
3
4
5
6
7
8
Q3441
Q3442
Q3471
Q3472
R0101
R0102
R0104
R0105
R0106
R0108
R0110
R0114
R0115
R0116
R0131
R0132
R0170
R0181 R0182
R0185 R0186
R0211
R0212
R0220
R0221
R0222
R0223
R0224
R0225
R0226
R0227
R0228
R0229
R0241
R0242
R0251
R0252
R0253
R0254
R0255
R0256
R0257
R0261
R0262
R0268
R0269
R0442
R0510
R0533
R0535
R0538
R0539
R0543
R0611
R0612
R0651
R0652
R0681
R0682
R3001
R3002
R3003
R3004
R3009
R3013
R3014
R3015
R3016
R3024
R3025 R3026
R3027
R3028
R3031
R3101
R3106
R3111
R3117
R3123
R3124
R3130
R3132
R3135
R3142
R3144
R3145
R3202
R3211
R3221
R3222
R3223
R3224
R3225
R3227
R3242
R3251
R3252
R3335
R3336
R 3341
R3342
R3361
R3362
R3363
R3364
R3400
R3401
R3402
R3403
R3404
R3405
R3406
R3414
R3415
R3416
R3424
R3425
R3426
R3427
R3431
R3432
R3433
R3434
R3435
R3471
R3473
R3491
R3505
R3506
R3507
R3508
R3509
SH3301
3
46
1
2
T3001
3
46
12
T3002
TP3401
1
76
51
26
32
17
16 1
87
114
U0211
137
25
13
16
1
89
9
1
6
5
1
6
5
3
2
1
11
1
20
10
U3101
87
114
U3111
87
1
14
U3115
U3211
1
16
8
9
U3401
U3502
VR0501
VR0503
VR0505
VR0510
23
4
Y0131
2
Y3102
1
1
100
1
C3214
1
1
48
J0451
J0501
U0251
U0271
U0101
Microprocessor
U0121
Flashrom
U0221
ASFIC CMP
U0611
B+ Switch
U0641
9,6V Regulator
U0651
5V Regulator
ZWG0130397-A
9+)0+]:3&%%7RS6LGH

&KDSWHU 9+)0+]:3&%%6FKHPDWLFVDQG3DUWV/LVWV
&%
C0103
C0105
C0111
C0112
C0121
C0122
C0123
C0141
C0151
C0201
C0202
C0203
C0204
C0205
C0254
C0255
C0265
C0266
C0267
C0271
C0272
C0273
C0274
C0275
C0276
C0277
C0301
C0302
C0303
C0304
C0305
C0324
C0325
C0331
C0341
C0342
C0343
C0344
C0351
C0352
C0353
C0354
C0422
C0423
C0426
C0427
C0428
C0429
C0430
C0431
C0485
C0491
C0492
C0497
C0499
C0541
C0554
C0558
C0559
C0560
C0575
C0576
C0591
C0592
C0593
C0611
C0621
C0622
C0641
C0644
C0645
C0661
C0662
C0663
C0671
C3000
C3001
C3003
C3022
C3023 C3024
C3025
C3026
C3029
C3030
C3031
C3033
C3035
C3036
C3104
C3110
C3111
C3112
C3113
C3116
C3121
C3122 C3123
C3144
C3146
C3147
C3151 C3152
C3202
C3203
C3205
C3206
C3207
C3208
C3209
C3225
C3228
C3235
C3241
C3251
C3261
C3262
C3263
C3301
C3302
C3303
C3304
C3305
C3306
C3311
C3312
C3313
C3314
C3315
C3316
C3317
C3318
C3319
C3331
C3332
C3333
C3334
C3335
C3348
C3351
C3352
C3355
C3356
C3402
C3405
C3406
C3413
C3414 C3415
C3416
C3421
C3427
C3436
C3437
C3438
C3439
C3440
C3450
C3451
C3452
C3471
C3475
C3491C3492
C3493
C3494
C3495
C3496
C3498
C3499
C3501
C3502
C3503
C3504
C3505 C3506
C3510
D0101
D0151
D0179
D0301
D0621
D0660 D0661
D3000
D3011
D3101
D3201
D3261
D3451
E0271E0272
E0631
43
2
FL3111
FL3113
43
2
FL3115
12
J0401
140
J0551
118
J0552
L3025
L3111
L3112
L3231
L3301
L3302
L3311
L3317
L3318
L3331
L3332
L3345
L3351
L3402
L3421
L3436
L3437
L3491
L3492
Q0151
Q0171
Q0173
Q0183
Q0271
Q0641
Q0661
Q0662 Q0663
Q3002
Q3101 Q3102
Q3141
Q3151
Q3152
Q3301
Q3302
43
Q3303
1
23
Q3421
R0107
R0111
R0112
R0113
R0117
R0121
R0151
R0152
R0171
R0172
R0173
R0174
R0175
R0176
R0177
R0178
R0179
R0183
R0184
R0201
R0202
R0203
R0204
R0205
R0206
R0207
R0208
R0265
R0266
R0267
R0273
R0274
R0275
R0276
R0323
R0324
R0331
R0332
R0333
R0335
R0341
R0342
R0343
R0344
R0345
R0346
R0347
R0401
R0407
R0408
R0409
R0410
R0412
R0441
R0467
R0468
R0481
R0482
R0511
R0512
R0525
R0529
R0530
R0531
R0537
R0541
R0542
R0591
R0592
R0593
R0621
R0641
R0642
R0643
R0661
R0662
R0671
R0672
R3000
R3006
R3010
R3011
R3012
R3018
R3019
R3021
R3023
R3030
R3032
R3033
R3034
R3035
R3036
R3102
R3104
R3105
R3107 R3108
R3112
R3113
R3114
R3115
R3116
R3118
R3133
R3134
R3141
R3146
R3147
R3151
R3152
R3153
R3154
R3201
R3203
R3204
R3206
R3226
R3228
R3241
R3261
R3262
R3263
R3301
R3302
R3303
R3304
R3305
R3306
R3307
R3308
R3311
R3312
R3313
R3314
R3315
R3316
R3317
R3318
R3319
R3321
R3323
R3331
R3343
R3351
R3352
R3353
R3354
R3355
R3356
R3411
R3412
R3413
R3417
R3418
R3421
R3422
R3423 R3428
R3429
R3440
R3441
R3442
R3443
R3444
R3445
R3446
R3450
R3452
R3454
R3455
R3457
R3474
R3475
R3501
R3502
R3504
S3440
TP0101
TP0102
TP0103
TP0104
TP0151
TP0221
TP0222
TP0492
TP0497
TP0530
TP0661
TP3001
TP3201
TP3202
TP3402
TP3403
TP3404
TP3405
TP3406
14
58
U0111
22
218
71
16
18
9
U0141
2815
14 1
U0301
U0331
1
45
8
U0341
U0342
4
58
U0351
14
58
U0652
U0653
137
2513
11
1
20
10
1
4
58
U3402
1
17
9
25
U3501
VR0151
VR0504
VR0509
VR0537
VR0541
VR0601
VR0621
VR0671
VR3471
43
2
Y3101
6
43
1
Y3261
2
34
Y3263
1
48
1
1
1
U0122
RAM
U3201
FRACN
U3301
VCOIC
9+)0+]:3&%%%RWWRP6LGH ZWG0130398-A

9+)0+]:3&%%6FKHPDWLFVDQG3DUWV/LVWV &KDSWHU
&%
47K
47K
0VDC
5VDC
5VDC
(SOURCE)
-2 to +7dBm
13.30VDC
6.83VDC
4.52VDC (R)
+1dBm
0VDC (R)
4.95VDC (R)
2.90VDC
3.42VDC
3.63VDC
2.5VDC
1.1-4.1VDC
0VDC (T)
2.62VDC (T)
4.91VDC (T)
11.28VDC
4.97VDC
2.5-11VDC
5VDC (LOCKED)
0VDC (UNLOCKED)
R3203
A1
5
A2
4
A3
K1
1K2
2K3
3
47
D3201
6
47K
NU
TRB
L3232
2.2uH
NU
R3228
C3231
C3225
.01uF
L3201
390nH
0.1uF
C3202
.01uF
100
R3223
C3229
D3221
0.1uF
.047uF
CLK
C3251
C3207
22pF
NU
47K
VCOBIAS_2
R3225
C3226
8.2pF
MODIN_VHF_FN_1
TP3201
R3252
VCOBIAS_1_VHF_FN_1
330K
16_8MHz_VHF_FN_1
PRESC_VHF_FN_1
R3242
0
100
R3241
VSF_VHF_FN_1
DATA
VCOMOD_VHF_FN_1
CSX_VHF_FN_1
100pF
C3227
22pF
NU
CSX
IN_5V_RF_REG_VHF_FN_1
C3240
NU
1
GND
4
GND1
3
OUT
6IN
16.8MHz
75Z04
Y3261
100K
R3227
0.1uF
C3254
C3208
0.1uF
NU
.01uF
C3232
47K
R3226
PRESC
C3214
2.2uF
C3221
0.1uF
1uF
C3224
C3263
0.1uF
VMULT1
15
14 VMULT2
12 VMULT3
11 VMULT4
VRO
13
25
WARP
23 XTAL1
XTAL2
24
27
SFBASE 26
SFCAP
30
SFIN
28 SFOUT
37 TEST1
38 TEST2
21
VBPASS
47 VCP
31
NC3
44
PD_GND
PD_VDD
5
PREIN 32
33
PRE_GND
34 PRE_VDD
35
PVREF
18
REFSEL
45 IADAPT
16 INDMULT
43 IOUT
LOCK
4
10
MODIN
41 MODOUT
17
NC1
29
NC2
39
BIAS2
42
CCOMP
9
CEX 8
CLK
7
DATA
DGND 6
36 DVDD
19 FREFOUT
46 ADAPTSW
22
AGND
48 AUX1
1AUX2
2AUX3
3AUX4
20 AVDD
40
BIAS1
VCOBIAS_1
63A27
U3201
47
R3201
VSF
C3222
0
R3211
0.1uF
L3231
0.1uF
C3211
TP3202
2.2uH
C3243
220pF
16_8MHz
VDDA
VDDA_VHF_FN_1
VCOBIAS_2_VHF_FN_1
0.1uF
C3209 C3246
220pF
NU
C3206
10uF
5V_VHF_FN_2
150K
R3206
Q3221
R3251
180K
.01uF
C3228
0.1uF
C3235
2.2uF
C3210
VCTRL_VHF_FN_1
R3204
LOCK_VHF_FN_1
47
1uF
C3223
NU
220pF
R3262
NU
C3245
BWSELECT
6.2K
C3215
R3224
47K
C3213
2.2uF
1
GND
5
IN
2NR
4OUT
3
SD
2.2uF
VCC
4
VCNTL
1
ADP3300
U3211
6
ERR
Y3263
16.8MHz
GND
2
OUT
3
MODIN
VCTRL
C3255
DATA_VHF_FN_1
220pF
C3242
2.2uF
5V_VHF_FN_1
.01uF
R3222
680
TRB_VHF_FN_1
C3205
C3262
330pF
NU
NU
VCOMOD
C3241
56pF
R3261
47K
2.2uF
C3233
R3221
CLK_VHF_FN_1
C3252
390
1000pF
.01uF
C3234
C3253
4.7uF
NU
IN_5V_RF_REG5V
D3261
C3261
NU
LOCK
C3244
39pF
BWSELECT_VHF_FN_1
220pF
C3203
4,7k
.01uF
NC
5V
5V
R3263
NC
NC
NC
NC
NC
NC
NC
NC
NC
NC
VDDA
VDDA
NC
NC
NC
.022uF
C3212
R3202
10MEG
     NU
10pF
C3247
In case Y3261 is used instead of Y3263,
replacement of the following parts requires  
new temperature compensation of the frequency: 
Y3261, U3201, R3261, R3262, C3262, D3261
ZWG0130564-O
9+)0+]:)5$&16\QWKHVL]HU

&KDSWHU 9+)0+]:3&%%6FKHPDWLFVDQG3DUWV/LVWV
&%
9180469V03
3.9VDC
 12.5kHz  0VDC
20/25kHz  5VDC
0.75VDC
0.75VDC 3VDC
9180469V06
9180469V04
9180468v04
9180468V06
3VDC
6.8K
R3107
9V3
R3135
1.2K
390
1GND1
GND2
2
GND3
4
5GND4
3IN 6
OUT
R3115
FL3101
12R16
R3117
27K
Q3102
Q3151
680
R3146
620nH
L3111
620
R3108
R3118
6.8K
R3111
12K
C3101
5V_VHF_IF_1
GND2
4
1IN 2
OUT
NU
2.2pF
FL3111
3
GND1
U3115-1
CNTL
13
1
2VDD
14
VSS
7
DISCAUDIO_VHF_IF_1
15K
R3132
0.1uF
C3144
120pF
C3143
C3139
C3141
0.1uF
0.1uF
13
1
2VDD
14
VSS
7
Q3141
U3111-1
CNTL
R3116
330
10
9V3_VHF_IF_2
3
GND
1IN 2
OUT
R3102
C3110
27pF
FL3113
0.1uF
C3142
9.1pF
IFIN_VHF_IF_1
100
R3104
NU
C3113
1
2GND2
4GND3
GND4
5
IN
3OUT 6
NU
DISCAUDIO
12R16
FL3102
GND1
1000pF
R3151
C3100
C3140
0.1uF
10K
11 10
VDD
14
VSS
7
3
14
VDD
7
VSS
U3111-4
CNTL
12
U3115-2
5
CNTL
4
Q3152
C3152
.01uF
.01uF
C3151
R3133
8.2K
4700pF
C3146
27K
R3106
C3112
390
R3141
82pF
10
R3112
1.8K
R3142
R3154
10K
C3122
.039uF
Q3101
6
VCC
330
R3113
20 MIXOUT 4
OSCIN
3OSCOUT
10
QUADIN
1
RFIN
2
RFIN_DEC
5RSSIOUT
9
RSSI_FEED
15
18
IFAMPIN
16 IFAMPOUT
19
IFAMP_DEC1
17
IFAMP
_DEC2
14
LIMIN
11 LIMOUT
13 LIM_DEC1
12 LIM_DEC2
SA616
U3101
8AUDIOOUT
7
AUDIO_FEED
GND
51
44.395MHz
12R17
Y3101
2
GND
4
GND1
3OUT 1
IN
R3130
C3136
30pF
C3135
33pF
12K
R3101
R3147
12K
C3133
10uF
C3115
100
R3105
22pF
620nH
L3100
0.1uF
NU
C3137
.039uF
C3134
455KHz
3
2
1
BWSELECT_VHF_IF_1
BWSELECT
45B02
Y3102
C3103
33pF
C3132
0.1uF
10K
R3152
0.1uF
C3111
U3115-3
6
CNTL
89
14
VDD
7
VSS
18pF
C3114
L3112
620nH
9V3_VHF_IF_1
5V
D3101
RSSI_VHF_IF_1
OUT
.039uF
C3123
FL3112
3
GND1
GND2
4
1IN 2
R3114
100
R3134
10K
NU
2.4K
R3144
U3111-2
5
CNTL
4
3
14
VDD
7
VSS
3.3K
R3145
C3145
C3147
0.1uF
620nH
L3101
0.1uF
220pF
C3148
NU
10
VDD
14
VSS
7
NU
1pF
C3131
U3115-4
CNTL
12
11
C3121
0.1uF
FL3115
GND1
34
GND2
IN
1OUT 2
15pF
C3102
NU
U3111-3
6
CNTL
89
14
VDD
7
VSS
3GND
1IN 2
OUT
RSSI
C3116
FL3114
0.1uF 0.1uF
R3153
C3104
5V
10K
5V
9V3
9V3
9V39V3
9V3
5V
9V3
5V
9V3
0
R3123
1uH
NU
L3124
33pF
C3124
820
R3124
9+)0+]:,) ZWG0130565-O

9+)0+]:3&%%6FKHPDWLFVDQG3DUWV/LVWV &KDSWHU
&%
9+):3&%%3DUWV/LVW
&LUFXLW
5HI
0RWRUROD
3DUW1R 'HVFULSWLRQ
& ) Q)9
& ) S)
& ) S)
& ) Q)9
& ) S)
& ) S)
& ) S)
& ) Q)9
& ) Q)9
& ) S)9
& ) S)9
& ) Q)9
& ) Q)9
& ) S)
& ) S)
& ) S)
& ) S)9
& ) S)9
& ) Q)9
& ) Q)9
& ) S)9
& ) Q)9
& ( Q)9
& ) Q)9
& ) Q)9
& ) Q)9
& ) S)9
& ) S)9
& ) S)9
& ) Q)9
& ) Q)9
& ) S)9
& ) S)9
& ( Q)9
& ) S)9
& ( Q)9
& ) S)9
& ) S)9
& ) S)9
& ( Q)9
& ( Q)9
& ( Q)
& ( Q)
& / S)
& ( Q)9
& $ 7$17&3X)9
& ( Q)9
& / S)
& / S)
& ( Q)
& ( Q)9
& ( Q)9
& ( Q)9
& ( Q)9
& ) S)9
& ( Q)9
& ( Q)9
& ) Q)9
& ( Q)9
& ) Q)9
& ) Q)9
& ) Q)9
& ) Q)9
& ) Q)9
& $ 7$17&3X)9
& ( Q)9
& ( Q)9
& $ 7$17&3X)9
& ( Q)9
& ( Q)9
& ( Q)9
& $ 7$17&3X)9
& $ 7$17&3X)9
& $ 7$17&3X)9
& ( Q)9
& ( Q)9
& : ),/060X)9
& ( Q)9
& ) S)9
& ) S)9
& ( Q)9
& ( Q)
& ) Q)9
& ) Q)9
& $ 7$17&3X)
& ) Q)9
& ) Q)9
& ) S)9
& ) S)9
& ) S)9
& ) S)9
& ) S)9
& ) S)9
& ( Q)9
& ) Q)9
& $ 7$17&3X)9
& ( Q)9
& $ 7$17&3X)9
& ( Q)9
& ) S)9
&LUFXLW
5HI
0RWRUROD
3DUW1R 'HVFULSWLRQ
& ) Q)9
& ) S)9
& ( Q)9
& ) S)9
& ) S)9
& ) S)9
& ) S)9
& ) S)9
& ) Q)9
& ) Q)9
& ( Q)9
& ( Q)9
& ( Q)9
& ) Q)9
& ) Q)9
& ( Q)9
& ) Q)9
& / S)S)
& ) S)9
& / S)S)
& ) Q)9
& ) Q)9
& ) Q)9
& ) Q)9
& ( Q)9
& ) Q)9
& ( Q)9
& ) S)9
& ) Q)9
& ) S)9
& ) S)9
& ) S)9
& ) Q)9
& ) S)9
& ) S)9
& ( Q)9
& ) S)9
& ) S)9
& ) S)9
& ) S)9
& ( Q)9
& ( Q)9
& ) S)9
& ) S)9
& ( Q)9
& ) S)9
& ) S)9
& ) S)9
& ) S)9
& ) S)9
& $ Q)9
&LUFXLW
5HI
0RWRUROD
3DUW1R 'HVFULSWLRQ
& $ S)9
& $ 7$17&3X)9
& ) S)9
& ( Q)9
& ) S)9
& ) Q)9
& ) Q)9
& % +4S)
& % +4S)
& $ Q)9
& $ S)9
& $ 7$17&3X)9
& $ Q)9
& % +4S)
& % +4S)
& ) Q)9
& % +4S)
& % +4S)
& % +4S)
& % +4S)
& % +4S)
& % +4S)
& % +4S)
& ) S)9
& ) Q)9
& ) S)9
& ) S)9
& ( Q)9
& % +4S)
& % +4S)
& ) S)9
& ) S)9
& % +4S)
& % +4S)
& % +4S)
& % +4S)
& % +4S)
& % +4S)
& % +4S)
& % +4S)
& ) Q)9
& ) Q)9
& ) S)9
& ) Q)9
& $ 7$17&3X)9
& ) Q)9;5
& ) S)9
& ) S)9
& ) S)9
' & '8$/62700%'
' 4 9&7569627
&LUFXLW
5HI
0RWRUROD
3DUW1R 'HVFULSWLRQ

&KDSWHU 9+)0+]:3&%%6FKHPDWLFVDQG3DUWV/LVWV
&%
' . '8$/6&+277.<627
' 4 9&7569627
' / 3,1
' % 0,;(5',2'(&526629(5
' . ',2'('8$/6&+277.<
' - 75,3/(6275+
' ( &+,36&+277.<
' 4 9&7569627
' 4 9&7569627
' & 9$5$&725&+,3
' & '8$/62700%'
' ( &+,36&+277.<
' - 3,10$&20
' - 3,10$&20
)/ 5 0+=&5<67$/)/75
G%
)/ 5 0+=&5<67$/)/75
G%
)/ 9 &(5)/75(/.+=60'
)/ 9 &(5)/75(/.+=60'
)/ 9 &(5)/75(/.+=60'
)/ 9 &(5)/75(/.+=60'
- < )/(;&211(&725
- < )/(;&211(&725
- % $&&(6625<&211(&725
- < )/(;&211(&725
- < )/(;&211(&725
- % '&32:(5&211(&725
- % 5)&2110,1,8+)
/ 7 &2,/&+,3Q+
/ 7 &2,/&+,3Q+
/ 7 &2,/&+,3Q+
/ 7 &2,/&+,3Q+
/ 7 &2,/&+,3Q+
/ 7 &2,/&+,3Q+
/ 1 X+
/ 4 ,1'&+,3Q+
/ 4 ,1'&+,3X+
/ 1 &+,3,1'1+
/ 1 &+,3,1'Q+
/ 9 &+,3,1'1+
/ 9 ,1'&+,3Q+
/ 9 &+,3,1'1+
/ 9 ,1'&+,3Q+
/ 4 ,1'&+,3X+
/ 7 0,1,635,1*$:,1'
1+
/ 1 &2,/&+,3Q+
/ 1 &+,3,1'X+
/ 1 &+,3,1'X+
&LUFXLW
5HI
0RWRUROD
3DUW1R 'HVFULSWLRQ
/ 7 0,1,635,1*$:,1'
1+
/ 1 &+,3,1'X+
/ 1 &+,3,1'Q+
/ 1 &+,3,1'Q+
/ 1 &+,3,1'Q+
/ 1 &+,3,1'X+
/ $ 648$5(&2,/Q+7
/ 5 )HUULWH%HDG
/ 7 &2,/&+,3Q+
/ 7 &2,/&+,3Q+
/ ; ,1'&+,3/2352
/ % 648$5(&2,/Q+7
/ $ 648$5(&2,/Q+7
/ 5 )HUULWH%HDG
/ & 648$5(&2,/Q+7
/ 5 )HUULWH%HDG
/ $ &2,/$:Q+7
/ ; &2,/648$5(Q+
/ ; ,1'&+,3X+
/ % &2,/$:Q+7
/ % &2,/$:Q+7
/ % &2,/$:Q+7
/ % &2,/$:Q+7
0 % +($7635($'(5
4 $ 767513160/6,*00%5
4 $ 76753139$% 
4 7 7675'8$/52+0)0&
4 $ 767513160/6,*00%5
4 $ 767513160/6,*00%5
4 $ 76751319$% 
4 0 7675131',*NN
4 0 7675131',*NN
4 0 7675131',*NN
4 $ 767513160/6,*00%5
4 - 7675'8$/131313
80&1
4 1 5)75$16627
%)4:
4 7 '8$/52+0)0&5+
4 - 05)
4 0 131',*NN
4 % /'0263:57675
05)05)
4 0 131',*NN
4 0 131',*NN
4 0 313627%65/+
5 $ :
5 $ N:
5 $ :
5 $ N:
&LUFXLW
5HI
0RWRUROD
3DUW1R 'HVFULSWLRQ
5 $ :
5 $ N:
5 $ N:
5 $ 2+06
5 $ :
5 $ N:
5 $ :
5 $ :
5 $ :
5 $ :
5 $ :
5 $ N:
5 $ :
5 $ :
5 $ :
5 $ N:
5 $ N:
5 $ :
5 $ :
5 % :
5 $ N:
5 $ :
5 $ :
5 $ N:
5 $ :
5 $ 2+06
5 $ N:
5 $ :
5 $ :
5 $ :
5 $ :
5 $ N:
5 $ :
5 % :
5 $ :
5 $ :
5 $ N:
5 $ :
5 $ N:
5 $ :
5 $ :
5 $ :
5 $ :
5 $ :
5 $ 2+06
5 $ N:
5 $ N:
5 $ N:
5 $ N:
5 $ N:
5 $ :
&LUFXLW
5HI
0RWRUROD
3DUW1R 'HVFULSWLRQ
5 % 0(*
5 $ :
5 $ :
5 % N:
5 % :
5 $ :
5 $ 2+06
5 $ :
5 $ N:
5 $ N:
5 $ N:
5 $ :
5 % :
5 % N:
5 % N:
5 $ N:
5 $ :
5 $ :
5 $ :
5 $ :
5 $ N:
5 % :
5 $ :
5 % :
5 $ :
5 $ N:
5 $ N:
5 $ :
5 $ :
5 $ N:
5 $ :
5 $ :
5 $ :
5 $ N:
5 $ N:
5 $ N:
5 % N:
5 $ N:
5 $ N:
5 $ :
5 $ :
5 $ N:
5 $ :
5 $ :
5 $ :
5 $ :
5 $ N:
5 $ :
5 $ N:
5 $ :
5 $ :
&LUFXLW
5HI
0RWRUROD
3DUW1R 'HVFULSWLRQ

9+)0+]:3&%%6FKHPDWLFVDQG3DUWV/LVWV &KDSWHU
&%
0RWRUROD'HSRW6HUYLFLQJRQO\
5HIHUHQFHGHVLJQDWRUVZLWKDQDVWHULVNLQGLFDWH
FRPSRQHQWVZKLFKDUHQRWILHOGUHSODFHDEOH
EHFDXVHWKH\QHHGWREHFDOLEUDWHGZLWK
VSHFLDOL]HGIDFWRU\HTXLSPHQWDIWHULQVWDOODWLRQ
5DGLRVLQZKLFKWKHVHSDUWVKDYHEHHQUHSODFHGLQ
WKHILHOGZLOOEHRIIIUHTXHQF\DWWHPSHUDWXUH
H[WUHPHV
5HSODFHPHQWERDUGVPXVWEHRUGHUHGIURP
&&6'IRUPHUO\$$'XVLQJWKHQXPEHUVKRZQ
LQWKHPRGHOFKDUWVLQ6HFWLRQ%RDUGVDUHQRW
RUGHUDEOHXVLQJWKHSUHIL[HGQXPEHU
5 7 :
5 $ :
5 $ :
5 $ N:
5 $ N:
5 $ :
5 $ N:
5 & :
5 & :
5 & :
5 & :
5 $ :
5 $ :
5 0 :
5 0 :
5 & :
5 & :
5 & :
5 $ N:
5 $ :
5 $ N:
5 & :
5 $ :
5 % :
5 $ :
5 $ N:
5 $ N:
5 $ N:
5 7 :
5 $ :
5 0 :
5 0 :
5 $ N:
5 $ N:
5 $ :
5 $ N:
5 $ N:
5 % N:
5 $ N:
5 $ N:
5 $ N:
7 ; 75$16)250(5
7 ; 75$16)250(5
8 % )0,),&6$
8 $ ,&48$'$1$/2*08;
'(08;
8 $ ,&48$'$1$/2*08;
'(08;
8 $ ,&7(67('$73,1
*)3
&LUFXLW
5HI
0RWRUROD
3DUW1R 'HVFULSWLRQ
8 ; ,&6279+,35(&,6,21
5(*8/$7
8 8 9&2%8))(53.*',(
8 = /'026'5,9(59+)8+)
8 : /,1($5,&23$03
8 % ,&32:(5&21752/
8 $ 7(036(16250
95 $ 9P:
< % &5<67$/0+=
< % &(5$0,&',6&5,0,1$725
N+]
< % 9&7&;20+]SSP
77629
< 1RW8VHG 0+]=
&LUFXLW
5HI
0RWRUROD
3DUW1R 'HVFULSWLRQ

&KDSWHU 9+)0+]:3&%%6FKHPDWLFVDQG3DUWV/LVWV
&%
 9+)0+]:3&%%6FKHPDWLFVDQG3DUWV/LVWV
C0101
C0102
C0104
C0106
C0107
C0108
C0131
C0132
C0211
C0212
C0221
C0222
C0223
C0224
C0225
C0226
C0227
C0228
C0231
C0232
C0233
C0234
C0235
C0236
C0237
C0241
C0242
C0243
C0244
C0245
C0246
C0251
C0252 C0253
C0256
C0261
C0262
C0421
C0441
C0442
C0443
C0445
C0446
C0447
C0448
C0449
C0470
C0471
C0472
C0473
C0474
C0476
C0477
C0478
C0482
C0483
C0484
C0486
C0487
C0488
C0490
C0493
C0494
C0495
C0496
C0501
C0502
C0503
C0504
C0505
C0506
C0508
C0509
C0510
C0511
C0512
C0513
C0514
C0515
C0516
C0517
C0518
C0542
C0601
C0603
C0612
C0651
C0652
C0654
C0655
C0681
C3002
C3004
C3005
C3006
C3007
C3008
C3009
C3010
C3011
C3012
C3013
C3014
C3015
C3016
C3017
C3018
C3019
C3020
C3021
C3027
C3028
C3032
C3034
C3100 C3101
C3102
C3103
C3114
C3115
C3124
C3131
C3132
C3133
C3134
C3135
C3136
C3137
C3139
C3140
C3141
C3142
C3143
C3145
C3148
C3210
C3211
C3212
C3213
C3214
C3215
C3221
C3222
C3223
C3224
C3226
C3227
C3229
C3231
C3232
C3233
C3234
C3240
C3242
C3243
C3244
C3245
C3246
C3247
C3252
C3253
C3254
C3255
C3324
C3336
C3337
C3341
C3342
C3344
C3345
C3346
C3347
C3357
C3361
C3362
C3363 C3364
C3365
C3400
C3401
C3403
C3404
C3410
C3411
C3412
C3417
C3418
C3419
C3420
C3422
C3423
C3424
C3425
C3426
C3428
C3431
C3432
C3433
C3434
C3435
C3441
C3442
C3443
C3444
C3445
C3446
C3447
C3448 C3449
C3453
C3472
C3473
C3474
C3497
C3507
C3508
C3509
D0201
D0651
D3001
D3003
D3004
D3031
D3221
D3341
D3361
D3362
D3401
D3471
D3472
2
3
456
FL3101
2
3
456
FL3102
4
32
FL3112
FL3114
18
1
J0451
20
11
10
J0501
J0601
23
J3401
L0481
L0482
L3002
L3031
L3032
L3034
L3100
L3101
L3124
L3201
L3232
L3333
L3341
L3343 L3344
L3346
L3361
L3362
L3363
L3364
L3401
L3403
L3411
L3412
L3413
L3414
L3422
L3443
L3471
L3472
L3493
M3421
Q0110
Q0177
Q0181
Q0185
Q0681
Q3001
Q3021
Q3221
Q3304
Q3411
Q3422
2
3
4
5
6
7
8
Q3441
Q3442
Q3471
Q3472
R0101
R0102
R0103
R0104
R0105
R0106
R0108
R0110
R0114
R0115
R0116
R0131
R0132
R0170
R0181
R0182
R0185
R0186
R0211
R0212
R0220
R0221
R0222
R0223
R0224
R0225
R0226
R0227
R0228
R0229
R0241
R0242
R0251
R0252
R0253
R0254
R0255
R0256
R0257
R0261
R0262 R0268
R0269
R0442
R0510
R0533
R0535
R0538
R0539
R0611
R0612
R0651
R0652
R0681
R0682
R3001
R3002
R3003
R3004
R3009
R3013
R3014
R3015
R3016
R3024
R3025 R3026
R3027
R3028
R3031
R3101
R3106
R3111
R3117
R3123
R3124
R3130
R3132
R3135
R3142
R3144
R3145
R3202
R3211
R3221
R3222
R3223
R3224
R3225
R3227
R3242
R3251
R3252
R3335
R3336
R3341
R3342
R3361
R3362
R3363
R3364
R3400
R3401
R3402
R3403
R3404
R3405
R3406
R3414
R3415
R3416
R3424
R3425
R3426
R3427
R3431
R3432
R3433
R3434
R3435
R3471 R3473
R3491
R3505
R3506
R3507
R3508
R3509
SH3301
3
46
1
2
T3001
3
46
12
T3002
TP3401
1
76
51
26
32
17
16 1
87
114
U0211
137
25
13
16
1
89
U0251
9
U0271
1
6
5
1
6
5
3
2
1
11
1
20
10
U3101
87
1
14
U3111
87
1
14
U3115
U3211
9
8
16
1
U3401
U3502
VR0501
VR0503
VR0505
VR0510
23
4
Y0131
2
Y3102
1
1
1
1
1
1
U0121
Flashrom
U0101
Microprocessor
U0221
ASFIC CMP
U0651
5V Regulator
U0641
9,6V Regulator
U0611
B+ Switch
WARIS VHF RF Board 1-25W
8486172B08-A TOP SIDE
CHECK
ONE
O.K. AS IS
O.K. AS MARKED
(     )
(     )
ISS. REVISION RLSE.
CORRECTED
AS
MARKED
ILL
U
ST
RA
TO
RDA
TEE
N
GI
N
EE
RDA
TE
PROGRAM DISK
RLSE.
DWG. NO.
LETTERING SIZE:
REQUIRES:
E
D
ITO
RDA
TE
CH
E
CK
E
RDA
TE
Illustrator
RK 28. Sep. 2000
ZWG0130591
O
ZWG0130591-O
9+)0+]:3&%%7RS6LGH
ZWG0130591-O

9+)0+]:3&%%6FKHPDWLFVDQG3DUWV/LVWV &KDSWHU
&%
C0103
C0105
C0111
C0112
C0121 C0122
C0123
C0141
C0151
C0201
C0202
C0203
C0204
C0205
C0254
C0255
C0265
C0266
C0267
C0271
C0272
C0273
C0274
C0275
C0276
C0277
C0301
C0302
C0303
C0304
C0305
C0324 C0325
C0331
C0341
C0342
C0343
C0344
C0351
C0352
C0353
C0354
C0422
C0423
C0426
C0427
C0428
C0429
C0430
C0431
C0485
C0491
C0492
C0497
C0499
C0541
C0554
C0558 C0559
C0560C0575 C0576
C0591
C0592 C0593
C0611
C0621
C0622
C0641
C0644
C0645
C0661
C0662
C0663
C0671
C3000
C3001
C3003
C3022
C3023
C3024
C3025
C3026
C3029 C3030
C3031
C3033
C3035
C3036
C3104
C3110
C3111
C3112
C3113
C3116
C3121
C3122
C3123
C3144
C3146
C3147
C3151
C3152
C3202
C3203
C3205
C3206
C3207
C3208
C3209
C3225
C3228
C3235
C3241
C3251
C3261
C3262
C3263
C3301
C3302
C3303
C3304
C3305
C3306
C3311
C3312
C3313
C3314
C3315
C3316
C3317
C3318
C3319
C3331
C3332
C3333
C3334
C3335
C3348
C3351
C3352
C3355
C3356
C3402
C3405
C3406
C3413
C3414
C3415
C3416
C3421
C3427
C3436
C3437
C3438 C3439
C3440
C3450
C3451
C3452
C3471
C3475
C3491
C3492
C3493
C3494
C3495
C3496
C3498
C3499
C3501
C3502
C3503
C3504
C3505
C3506
C3510
D0101
D0151
D0179
D0301
D0621
D0660
D0661
D3000
D3011
D3101
D3201
D3261
D3451
E0271
E0272
E0631
F0401
43
2
FL3111
FL3113
43
2
FL3115 12
J0401
1
40
J0551
1
18
J0552
L3025
L3111
L3112
L3231
L3301
L3302
L3311
L3317
L3318
L3331
L3332
L3345
L3351
L3402
L3421
L3436
L3437
L3491
L3492
Q0151
Q0171
Q0173
Q0183
Q0271
Q0641 Q0661
Q0662
Q0663
Q3002
Q3101
Q3102
Q3141
Q3151
Q3152
Q3301
Q3302
43
Q3303
12
3
Q3421
R0107
R0111 R0112
R0113
R0117
R0121
R0151
R0152
R0171
R0172
R0173
R0174
R0175
R0176
R0177
R0178
R0179
R0183
R0184
R0201
R0202
R0203
R0204
R0205
R0206
R0207
R0208
R0265
R0266
R0267
R0273
R0274
R0275
R0276
R0323
R0324
R0331
R0332
R0333
R0335
R0341
R0342
R0343
R0344
R0345
R0346
R0347
R0401
R0407
R0408
R0409
R0412
R0441
R0467
R0468
R0481
R0482
R0511
R0512
R0525
R0529
R0530
R0531
R0537
R0541
R0542
R0543
R0555
R0556
R0591
R0592
R0593
R0621
R0641
R0642
R0643
R0661
R0662
R0671
R0672
R3000
R3006
R3010
R3011
R3012
R3018
R3019
R3021
R3023 R3030
R3032
R3033
R3034
R3035
R3036
R3102
R3104
R3105
R3107
R3108
R3112
R3113
R3114
R3115
R3116 R3118
R3133
R3134
R3141
R3146
R3147
R3151
R3152
R3153
R3154
R3201
R3203
R3204
R3206
R3226
R3228
R3241
R3261
R3262
R3263
R3301
R3302
R3303
R3304
R3305
R3306
R3307
R3308
R3311
R3312
R3313
R3314
R3315
R3316
R3317
R3318
R3319
R3321
R3323
R3331
R3343
R3351
R3352
R3353
R3354
R3355
R3356
R3411
R3412
R3413
R3417
R3418
R3421
R3422
R3423
R3428
R3429
R3440
R3441
R3442
R3443
R3444
R3445
R3446
R3450
R3452
R3454
R3455
R3457
R3474 R3475
R3501
R3502 R3504
S3440
TP0101
TP0102
TP0103
TP0104
TP0151
TP0221
TP0222
TP0492
TP0497
TP0530
TP0661
TP3001
TP3201
TP3202
TP3402
TP3403 TP3404
TP3405
TP3406
1
4
58
U0111
22
21 8
7
1
16
1
8
9U0141
28 15
14
1
U0301
U0331
1
45
8
U0341
U0342
4
58
U0351
14
58
U0652
U0653
1
37
25 13
11
1
20
10
1
4
58
U3402
1
17
9
25
U3501
VR0151
VR0504 VR0509
VR0537
VR0541
VR0601
VR0621
VR0671
VR3471
4
3
2Y3101
6
4
3
1
Y3261
2
34
Y3263
1
1
1
1
1
U0122
RAM
U3201
FRACN
U3301
VCOIC
8486172B08_A
C99
CNTL-REV-T9
PA-REV-T2
VCO-REV-T3
IF-REV-T5
FE-REV-T4
FRAC-T7
1
ZWG01300592-O
9+)0+]:3&%%%RWWRP6LGH

&KDSWHU 9+)0+]:3&%%6FKHPDWLFVDQG3DUWV/LVWV
&%
ZWG0130628-O
RXIN_VHF_PA_1
NU
NU
17nH
L3437
NU
NU
0
R3440
NU
C3427
56pF
NU
39K
10K
NU
6.8K
R3411
NU
R3506
10K
NU
C3508
C3443
120pF
C3444
6.2pF
C3509
1uF
C3423
0.8x25
width 2.032
1.542x4
2.216x J3401
7.5
R3427
R3426
2.7
2.7
2.7 R3428
R3425
C3506
2200pF
2.4K
120
R3414
2.4K
R3502
39K
MOSBIAS_2_VHF_PA_1
R3445
L3412
C3432
12nH
C3404
33pF
2200pF
C3410
.022uF
PASUPVLTG_VHF_PA_1
C3473
270pF
R3415
36
330pF
C3426
Q3421
R3417
39K
R3443
10K
R3491
R3441
C3416
330pF
100pF
330pF
C3400
C3507
R3400
470
RESET_VHF_PA_1
51
R3432
.033uF
C3437 L3436
57R01
C3504
.01uF
470pF
C3503
470pF
C3419
TP3402
TP3403
57R01
L3402
C3406
470pF
R3401
300
C3428 FECNTL_2
C3435
2200pF
C3449
330pF
120pF
C3502
2200pF
25nH
L3443
10K
R3504
470
R3471 Q3472
C3434
.01uF
MOSBIAS_2 47K
R3404
47pF
RESET
C3431
C3421
.033uF
CLK
51
R3431
R3435 2.7
INT_SWB
C3425
.022uF
U3502
3
GND
POS
1
2
VOUT
C3492
68pF
LM50
C3493
6.2pF
DATA_VHF_PA_1
2.2K
20pF
C3445
R3442
C3422
330pF
1
R3444
4.7
5.6V
VR3471
23
39K
R3421
DATA
C3505
1uF
33pF
C3403
6.8pF
C3475
TEMPSENSE
TEMPSENSE_CNTLR_1
1K
R3507
20K
PA_PWR_SE
T
R3509
C3451
1000pF
.022uF
C3471
C3495
C3497
CSX
3.3pF
C3474
220pF
6
5
7
8
4
TXINJ_VHF_PA_1
56pF
LM2904
U3402-2
470pF
R3413
3.3K
9V3
C3501
2200pF
FECNTL_2_VHF_PA_1
INT_SWB_VHF_PA_1
D3401
CSX_VHF_PA_1
D3472
33pF
C3446
62pF
C3418
D3451
51nH
L3493
R3474
51
L3411
68nH
R3473
51
C3491
15pF
.022uF
C3411
D3471
R3403
300
470pF
C3405
L3471
1.2uH
100K
R3406
51nH
R3508
100K
L3491
11.03nH
5.6K
R3412
L3413
R3505
300K
270pF
120pF
C3448
C3472
2.7
R3424
47pF
C3417
C3439
470pF
0
R3446
150pF
C3496
C3442
R3455
36pF
C3510
100K
CNTLVLTG_VHF_PA_1
470pF
PA_PWR_SET_VHF_PA_1
470pF
C3453
10uF
C3436
R3429
220
R3433 2.7
C3433
56pF
R3501
L3492
51nH
6.8K
22K
R3418
2
3
1
8
4
C3440
1000pF
RXIN
U3402-1
LM2904
13pF
C3494
20
VAR1
18
VAR2
24
VAR3
VG 15
6VL 19
VLIM
TXINJ
21
RS
31 RSET
23
RX
2T1
30 TEMP
14
V10
16
V45
17
V5EXT
9
F168
8GND1
25 GND2
4INT
22
NA
11
Q10
QX
1RFIN
29 CEX
3CI
5CJ
7CL
26 CLK
12
CQ
CQX 1328 DATA
H99S-4
U3501
32 ANO
27 BPOS
FECNTL_1_VHF_PA_1
Q3442
R3402
16pF
C3447
15
39K
R3423
Q3411
TP3406 CLK_VHF_PA_1
470pF
TP3401
L3422
13.85nH
470pF
470pF
C3424
30K
C3438
R3452
R3454
12K
R3405
100
330pF
C3401 RFIN
16
RFOUT1
6
RFOUT2 7
VCNTRL
1
VD1
14 2
VG1
VG2 3
GND1
4
GND2
5
GND3
12
GND4
13
NC1
8
NC2
9
NC3
10
NC4
15
09Z67
U3401
G2
11
C3498
13pF
CNTLVLTG
16pF
C3499
470pF
C3450
470
R3450
TP3405
PASUPVLTG
36
L3403
R3416
Q3422
68nH 330pF
9V3_VHF_PA_1
C3412
SWITCH
S3440
7.66nH
L3414
C3413
.022uF
C3441
150pF
R3434 2.7
10K
R3475
R3457
R3422
120
2.2K
51nH
L3472
Q3471
57R01
L3421
330pF
C3414
12pF
C3452
K9V1
K9V1_VHF_PA_1
D
G
GND1
GND2
S1
S2
S3
S4
Q3441
.022uF
C3415 TP3404
100pF
C3420
FECNTL_1
C3402
.022uF
NC
PA_SWB
A+
L3401
4.22nH
9V3FLT
NC
9V3FLT
U_DRIVER
9V3FLT
PA_SWB
U_DRIVER9V3FLT
9V3FLT
A+
U_PREDRIVER
NC
PA_SWB
A+
NC
9V3FLT
U_PREDRIVER
9V3FLT 9V3FLT
MOSBIAS_1
NC
NC
NC
NC
NC
NC
NC
NC
2
NU
9+)0+]:3RZHU$PSOLILHU

9+)0+]:3&%%6FKHPDWLFVDQG3DUWV/LVWV &KDSWHU
&%
9
G
G
G
G
G
G
4802245J84
NOTPLACED 2113740L30  33pF
L3124
9180469V03
0.75VDC 0.75VDC
3VDC
NOTPLACED
2113740F35  22pF
Y3101 4880606B09
20/25kHz  5VDC
 12.5kHz  0VDC
3.9VDC
fundamental xtal 3rd overtone xtal
R3123 0662057B47  0 NOTPLACED
R3124 NOTPLACED 0662057A49 1K
C3124
2462587N68  1uH
C3136 2113740L29 30pF
9180469V04
9180468v04
9180469V06 9180468V06
3VDC
0.1uF
C3139
VDD
14
VSS
7
Q3141
MC74HC4066
U3111-1
CNTL
13
12
R3116
330
82pF
C3112
10
R3112
1.8K
R3142
R3154
10K
C3110
27pF
0.1uF
C3142
15K
R3132
0.1uF
C3144
120pF
C3143
390
GND2
2
GND3
4
5
GND4
3
IN
6
OUT
R3115
FL3101
12R16
1
GND1
R3117
27K
IF
Q3102
IFIN_VHF_IF_1
R3104
NU
C3113
9.1pF
NU
100
620nH
L3111
14
VDD
7
VSS
620
R3108
U3115-2
5
CNTL
43
6.8K
R3107
R3135
1.2K
BWSELECT_VHF_IF_1
C3103
33pF
C3132
0.1uF
10K
R3152
Q3152
C3152
.01uF
R3118
6.8K
R3111
12K
5V_VHF_IF_1
Q3151
680
R3146
10K
R3151
VSS
7
C3140
0.1uF
MC74HC4066
U3111-4
CNTL
12
11 10
VDD
14
C3101
3
GND1
GND2
4
1IN 2
OUT
NU
2.2pF
FL3111
CFWC455G
C3141
0.1uF
R3133
8.2K
R3106
4700pF
C3146
R3141
27K
390
VDD
7
VSS
2.4K
R3144
U3111-2
MC74HC4066
5
CNTL
43
14
1pF
C3131
C3122
.039uF
NU
R3102
10
9V3_VHF_IF_2
FL3113 CFUCJ455F
3
GND
1IN 2
OUT
CNTL
13
12 VDD
14
VSS
7
DISCAUDIO_VHF_IF_1
MC74HC4066
U3115-1
12K
R3101
R3147
12K
C3133
10uF
R3105
22pF
C3115
L3100
100
0.1uF
9V3
NU
620nH
C3137
.039uF
C3134
455KHz
3
BWSELECT
45B02
Y3102
5V
D3101
0.1uF
C3111
MC74HC4066
6
CNTL
14
VDD
7
VSS
GND3
GND4
5
IN
3
OUT
6
U3115-3
12R16
FL3102
GND1
1
2
GND2
4
DISCAUDIO
C3100
1000pF
3.3K
R3145
C3147
0.1uF
0.1uF
C3145
620nH
L3101
C3123
RSSI_VHF_IF_1
C3151
.039uF
.01uF
2GND
4GND1
3OUT 1
IN
R3130
51
44.395MHz
45J84
Y3101
33pF
C3136
14
VDD
7
VSS
C3135
RSSI
U3111-3
MC74HC4066
6
CNTL
FL3114
CFUCJ455D
3
GND
1IN 2
OUT
0.1uF
C3116
CNTL
12
11 10
VDD
14
VSS
7
0.1uF
MC74HC4066
U3115-4
C3121
Q3101
2
RFIN_DEC
5RSSIOUT 9
RSSI_FEED
6VCC
330
R3113
11 LIMOUT
13 LIM_DEC1 12
LIM_DEC2
20 MIXOUT
4
OSCIN
3OSCOUT
10
QUADIN
1
RFIN
8AUDIOOUT 7
AUDIO_FEED
GND 15
18
IFAMPIN
16 IFAMPOUT 19
IFAMP_DEC1
17 IFAMP_DEC2
14
LIMIN
SA616
U3101
C3104
0.1uF
10K
R3153
620nH
9V3_VHF_IF_1
L3112
R3123
L3124
C3124
*
R3124
C3114
18pF
220pF
C3148
4
1IN 2
OUT
NU
FL3112 CFWC455D
3
GND1
GND2
NU
R3114
100
OUT 2
R3134
10K
CFWC455F
FL3115
GND1
3
4GND2
IN
1
15pF
C3102
NU
5V
5V
9V3
9V3
9V39V3
9V3
5V
9V3
5V
9V3
1
2
89 8
*
*
*
*
*
*
9+)0+]:,)
ZWG0130565-B

&KDSWHU 9+)0+]:3&%%6FKHPDWLFVDQG3DUWV/LVWV
&%
9+):3&%%3DUWV/LVW
&LUFXLW
5HI
0RWRUROD
3DUW1R 'HVFULSWLRQ
& ) Q)9
& ) S)
& ) S)
& ) Q)9
& ) S)
& ) S)
& ) S)
& ) Q)9
& ) Q)9
& ) S)9
& ) S)9
& ) Q)9
& ) Q)9
& ) S)
& ) S)
& ) S)
& ) S)9
& ) S)9
& ) Q)9
& ) Q)9
& ) S)9
& ) Q)9
& ( Q)9
& ) Q)9
& ) Q)9
& ) Q)9
& ) S)9
& ) S)9
& ) S)9
& ) Q)9
& ) Q)9
& ) S)9
& ) S)9
& ( Q)9
& ) S)9
& ( Q)9
& ) S)9
& ) S)9
& ) S)9
& ( Q)9
& ( Q)9
& ( Q)
& ( Q)
& /
18
S) UGRYHUWRQHFU\VWDO
IXQGDPHQWDOFU\VWDO
& ( Q)9
& $ 7$17&3X)9
& ( Q)9
& / S)
& )
/
S) UGRYHUWRQHFU\VWDO
S) IXQGDPHQWDOFU\VWDO
& ( Q)
& ( Q)9
& ( Q)9
& ( Q)9
& ( Q)9
& ) S)9
& ( Q)9
& ( Q)9
& ) Q)9
& ( Q)9
& ) Q)9
& ) Q)9
& ) Q)9
& ) Q)9
& ) Q)9
& $ 7$17&3X)9
& ( Q)9
& ( Q)9
& $ 7$17&3X)9
& ( Q)9
& ( Q)9
& ( Q)9
& $ 7$17&3X)9
& $ 7$17&3X)9
& $ 7$17&3X)9
& ( Q)9
& ( Q)9
& : ),/060X)9
& ( Q)9
& ) S)9
& ) S)9
& ( Q)9
& ( Q)
& ) Q)9
& ) Q)9
& $ 7$17&3X)
& ) Q)9
& ) Q)9
& ) S)9
& ) S)9
& ) S)9
& ) S)9
& ) S)9
& ) S)9
& ( Q)9
& ) Q)9
& $ 7$17&3X)9
& ( Q)9
& $ 7$17&3X)9
& ( Q)9
& ) S)9
& ) Q)9
& ) S)9
& ( Q)9
& ) S)9
& ) S)9
& ) S)9
& ) S)9
& ) S)9
&LUFXLW
5HI
0RWRUROD
3DUW1R 'HVFULSWLRQ
& ) Q)9
& ) Q)9
& ( Q)9
& ( Q)9
& ( Q)9
& ) Q)9
& ) Q)9
& ( Q)9
& ) Q)9
& / S)S)
& ) S)9
& / S)S)
& ) Q)9
& ) Q)9
& ) Q)9
& ) Q)9
& ( Q)9
& ) Q)9
& ( Q)9
& ) S)9
& ) Q)9
& ) S)9
& ) S)9
& ) S)9
& ) Q)9
& ) S)9
& ) S)9
& ( Q)9
& ) S)9
& ) S)9
& ) S)9
& ) S)9
& ( Q)9
& ( Q)9
& ) S)9
& ) S)9
& ( Q)9
& ) S)9
& ) S)9
& ) S)9
& ) S)9
& ) S)9
& $ Q)9
& $ S)9
& $ 7$17&3X)9
& ) S)9
& ( Q)9
& ) S)9
& ) Q)9
& ) Q)9
& % +4S)
& % +4S)
& $ Q)9
& $ S)9
& $ 7$17&3X)9
& $ Q)9
&LUFXLW
5HI
0RWRUROD
3DUW1R 'HVFULSWLRQ
& % +4S)
& % +4S)
& ) Q)9
& % +4S)
& % +4S)
& % +4S)
& % +4S)
& % +4S)
& % +4S)
& ) S)9
& ) Q)9
& ) S)9
& ) S)9
& ( Q)9
& % +4S)
& % +4S)
& ) S)9
& ) S)9
& % +4S)
& % +4S)
& % +4S)
& % +4S)
& % +4S)
& % +4S)
& % +4S)
& % +4S)
& ) Q)9
& ) Q)9
& ) S)9
& ) Q)9
& $ 7$17&3X)9
& ) Q)9;5
& ) S)9
& ) S)9
& ) S)9
' & '8$/62700%'
' 4 9&7569627
' . '8$/6&+277.<627
' 4 9&7569627
' / 3,1
' % 0,;(5',2'(&526629(5
' . ',2'('8$/6&+277.<
' - 75,3/(6275+
' ( &+,36&+277.<
' 4 9&7569627
' 4 9&7569627
' & 9$5$&725&+,3
' & '8$/62700%'
' ( &+,36&+277.<
' - 3,10$&20
' - 3,10$&20
)/ 5 0+=&5<67$/)/75G%
)/ 5 0+=&5<67$/)/75G%
)/ 9 &(5)/75(/.+=60'
)/ 9 &(5)/75(/.+=60'
)/ 9 &(5)/75(/.+=60'
&LUFXLW
5HI
0RWRUROD
3DUW1R 'HVFULSWLRQ

9+)0+]:3&%%6FKHPDWLFVDQG3DUWV/LVWV &KDSWHU
&%
)/ 9 &(5)/75(/.+=60'
- < )/(;&211(&725
- < )/(;&211(&725
- % $&&(6625<&211(&725
- < )/(;&211(&725
- < )/(;&211(&725
- % '&32:(5&211(&725
- % 5)&2110,1,8+)
/ 7 &2,/&+,3Q+
/ 7 &2,/&+,3Q+
/ 7 &2,/&+,3Q+
/ 7 &2,/&+,3Q+
/ 7 &2,/&+,3Q+
/ 7 &2,/&+,3Q+
/ 1
18
X+ UGRYHUWRQHFU\VWDO
IXQGDPHQWDOFU\VWDO
/ 4 ,1'&+,3Q+
/ 4 ,1'&+,3X+
/ 1 &+,3,1'1+
/ 1 &+,3,1'Q+
/ 9 &+,3,1'1+
/ 9 ,1'&+,3Q+
/ 9 &+,3,1'1+
/ 9 ,1'&+,3Q+
/ 4 ,1'&+,3X+
/ 7 0,1,635,1*$:,1'
1+
/ 1 &2,/&+,3Q+
/ 1 &+,3,1'X+
/ 1 &+,3,1'X+
/ 7 0,1,635,1*$:,1'1+
/ 1 &+,3,1'X+
/ 1 &+,3,1'Q+
/ 1 &+,3,1'Q+
/ 1 &+,3,1'Q+
/ 1 &+,3,1'X+
/ $ 648$5(&2,/Q+7
/ 5 )HUULWH%HDG
/ 7 &2,/&+,3Q+
/ 7 &2,/&+,3Q+
/ ; ,1'&+,3/2352Q+
/ $ 648$5(&2,/Q+7
/ 5 )HUULWH%HDG
/ & 648$5(&2,/Q+7
/ 5 )HUULWH%HDG
/ $ &2,/$:Q+7
/ ; &2,/648$5(Q+
/ ; ,1'&+,3X+
/ % &2,/$:Q+7
/ % &2,/$:Q+7
/ % &2,/$:Q+7
/ % &2,/$:Q+7
0 % +($7635($'(5
4 $ 767513160/6,*00%5
4 $ 76753139$% 
&LUFXLW
5HI
0RWRUROD
3DUW1R 'HVFULSWLRQ
4 7 7675'8$/52+0)0&
4 $ 767513160/6,*00%5
4 $ 767513160/6,*00%5
4 $ 76751319$% 
4 0 7675131',*NN
4 0 7675131',*NN
4 0 7675131',*NN
4 $ 767513160/6,*00%5
4 - 7675'8$/13131380&1
4 1 5)75$16627%)4:
4 7 '8$/52+0)0&5+
4 % /'0263:5767505)
4 0 131',*NN
4 % /'0263:5767505)
05)
4 0 131',*NN
4 0 131',*NN
4 0 313627%65/+
5 $ :
5 $ N:
5 $ :
5 $ N:
5 $ :
5 $ N:
5 $ N:
5 $ 2+06
5 $ :
5 $ N:
5 $ :
5 $ :
5 $ :
5 $ :
5 $ :
5 $ N:
5 $ :
5 $ :
5 $ :
5 $ N:
5 $ N:
5 $ :
5 $ :
5 % :
5 $ N:
5 $ :
5 $ :
5 $ N:
5 $ :
5 $ 2+06
5 $ N:
5 $ :
5 $ :
5 $ :
5 $ :
5 $ N:
5 $ :
&LUFXLW
5HI
0RWRUROD
3DUW1R 'HVFULSWLRQ
5 18
%
UGRYHUWRQHFU\VWDO
 IXQGDPHQWDOFU\VWDO
5 $
18
. UGRYHUWRQHFU\VWDO
IXQGDPHQWDOFU\VWDO
5 $ :
5 $ N:
5 $ :
5 $ N:
5 $ :
5 $ :
5 $ :
5 $ :
5 $ :
5 $ 2+06
5 $ N:
5 $ N:
5 $ N:
5 $ N:
5 $ N:
5 $ :
5 % 0(*
5 $ :
5 $ :
5 % N:
5 % :
5 $ :
5 $ 2+06
5 $ :
5 $ N:
5 $ N:
5 $ N:
5 $ :
5 % :
5 % N:
5 % N:
5 $ N:
5 $ :
5 $ :
5 $ :
5 $ :
5 $ N:
5 % :
5 $ :
5 % :
5 $ :
5 $ N:
5 $ N:
5 $ :
5 $ :
5 $ N:
5 $ :
5 $ :
5 $ :
5 $ N:
5 $ N:
5 $ N:
&LUFXLW
5HI
0RWRUROD
3DUW1R 'HVFULSWLRQ
5 % N:
5 $ N:
5 $ N:
5 $ :
5 $ :
5 $ N:
5 $ :
5 $ :
5 $ :
5 $ :
5 $ N:
5 $ :
5 $ N:
5 $ :
5 $ :
5 7 :
5 $ :
5 $ :
5 $ N:
5 $ N:
5 $ :
5 $ N:
5 & :
5 & :
5 & :
5 & :
5 $ :
5 $ :
5 0 :
5 0 :
5 & :
5 & :
5 & :
5 $ N:
5 $ :
5 $ N:
5 & :
5 $ :
5 % :
5 $ :
5 $ N:
5 $ N:
5 $ N:
5 7 :
5 $ :
5 0 :
5 0 :
5 $ N:
5 $ N:
5 $ :
5 $ N:
5 $ N:
5 % N:
5 $ N:
5 $ N:
5 $ N:
&LUFXLW
5HI
0RWRUROD
3DUW1R 'HVFULSWLRQ

&KDSWHU 9+)0+]:3&%%6FKHPDWLFVDQG3DUWV/LVWV
&%
0RWRUROD'HSRW6HUYLFLQJRQO\
5HIHUHQFHGHVLJQDWRUVZLWKDQDVWHULVNLQGLFDWH
FRPSRQHQWVZKLFKDUHQRWILHOGUHSODFHDEOH
EHFDXVHWKH\QHHGWREHFDOLEUDWHGZLWK
VSHFLDOL]HGIDFWRU\HTXLSPHQWDIWHULQVWDOODWLRQ
5DGLRVLQZKLFKWKHVHSDUWVKDYHEHHQUHSODFHGLQ
WKHILHOGZLOOEHRIIIUHTXHQF\DWWHPSHUDWXUH
H[WUHPHV
5HSODFHPHQWERDUGVPXVWEHRUGHUHGIURP
&&6'IRUPHUO\$$'XVLQJWKHQXPEHUVKRZQ
LQWKHPRGHOFKDUWVLQ6HFWLRQ%RDUGVDUHQRW
RUGHUDEOHXVLQJWKHSUHIL[HGQXPEHU
7 ; 75$16)250(5
7 ; 75$16)250(5
8 % )0,),&6$
8 $ ,&48$'$1$/2*08;'(08;
8 $ ,&48$'$1$/2*08;'(08;
8 $ ,&7(67('$73,1
*)3
8 ; ,&6279+,35(&,6,215(*
8/$7
8 8 9&2%8))(53.*',(
8 & /'026'5,9(59+)8+)
0+]
8 : /,1($5,&23$03
8 % ,&32:(5&21752/
8 $ 7(036(16250
95 $ 9P:
<
-
%
1'26&;7$/0+=
UGRYHUWRQHFU\VWDO
IXQGDPHQWDOFU\VWDO
< % &(5$0,&',6&5,0,1$725
N+]
< % 9&7&;20+]SSP
77629
< 1RW8VHG 0+]=
&LUFXLW
5HI
0RWRUROD
3DUW1R 'HVFULSWLRQ