CED320 Service Manual
User Manual: CED320 service manual
Open the PDF directly: View PDF
.
Page Count: 38

Car Audio cED320/98
SerMGc
ScnnuGe
Service
E:=F
tpGl
610sG
FEiilini&a
WMA
TABLE OF CONTENTS
Location of PCBS... ............1
Disassembly diagram ---.-- ---2
Software version check&upgrade....-.----..3
Set block diagram-.. ...-.---.4
Wiring diagram... .....-5
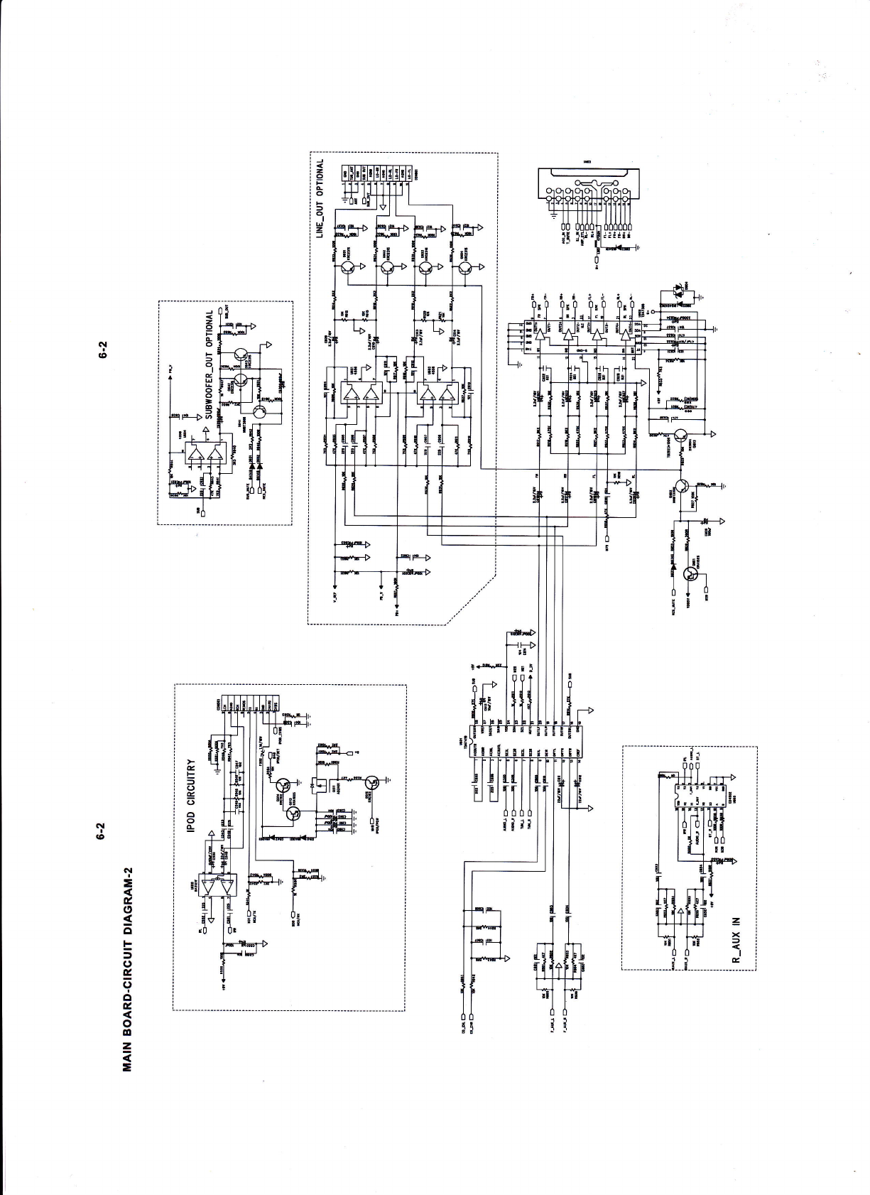
Main board...... r.. .....-6
Servo board.-. ..-.......--7
CB1+AV board"' ".'" ".8
CB2+SD board.....:'.-....-........ .......-.9
LB board.. ...-..10
KEY board .......--11
Exploded view-main unit... ............12
Factory partlist... .....-...13
o Copyright 2008 Philips Consumer Electronics B.V. Eindhoven, The Netherlands
All rights reserved. No part ofthis publication may be reproduced, stored in a retrieval
system or transmitted, in any form or by any means, electronic, mechanical, photocopying,
or otheruise without the prior permission of Philips.
Published by DB 0930Service Audio Printed in The Netherlands Subject to modification
[IlDOLBY
offi;tl
CLASS 1
LASER PRODUCT
@ 3141 78533202
ion 1.0 PHITIPS
Vers
&

1-1
Loeation of PCBS
SD BOARD CONNECT BOARD2
MAIN BOARD
SERVO BOARD
CoNNECTBOARDI KEYBOARD
LONG BOARD
VERSION VARIATIONS:
Board inused: \ service PolicY
cED320
/55 /78 /e8
MAIN BOARD cCL
SERVO BOARD MM M
KEY BOARD CCC
CONNECT BOARDl cc
SD BOARD cCc
CONNECT BOARD2 ccc
LONG BOARD cCC
Features \ Feature diffrence
cED320
/b5 /78 /s8
* TIPS:C--Component Lever Repair.
M--Module Lever Repair
r/ --Used

SPEGIFICATIONS
I General
Power supply:
Fuse:
Suitable speaker impedance :
Maximum power output:
Continuous power output:
Pre-Amp output voltage:
Subwoofer output voltage:
Aux-in level:
Dimensions(WxHxD):
Weight:
1-2
12V DC(11V-l6V)
negative ground
154
4-8c,
50Wx4channels
24Wx4channels(40 10% T. H. D. )
2. 0V(CD play mode; 1 kHz, 0dB,
10Ko load)
2. 0V (CD play mode)
)500mV
l88x58x'l93mm
1.9k9
! Tuner
Frequency range
.FM
Frequency range
-AM(MW)
Usable sensitivity
.FM
Usable sensitivity
-AM(MW)(S/N=20d8)
Frequency response
Stereo separation
Signal/noise ratio
I Components
Front panel carry case
Car audio system
Trim plate
Remote control
Rubber cushion
Standard connector
Removal keys
Screws M5X6mm
User manual
Quike start guide
MP3-link wire
87.5-108. OMHz(Eur)
65. 0-74. 0MHz(OIRT)
87. 5-107 .9MHz(Ame)
522-1 620KHz(Eur)
530-17'l0MHz(Ame)
8uV
30uV
30Hz-1SKHz
30db(lKHz)
>55d8
I oisc Player
Systsm:
Frequency response:
Signal/noise ratio:
Total harmonic distortion :
Channel separation:
Video signal for mat:
Video output:
I lco
Screen size:
Display resolution:
Active area:
Dot pitch:
Contrast ratio:
Brightness:
Disc digital audio system
2OHz-2Ok Hz
>75d8
Less than 0.3%(1KHz)
>55d8
NTSC/PAL/AUTO
1+10.2v
3.5 inches(16. 91)
320x234 dots
76.32x42.822mm
0.2385x0. 'l83mm
350
Z2ocdlm
1
1
1
1
1
1
2
4
1
1
1
Note: Specifications and design are subjec't to change
without notice for product imprcvements.

1-3
MEASUREMENT SETUP
Tuner FM
Bandpass
25OHz- I SkHz
RF G6norator
-9:9
ie
io
i6
i .!!
!tr
/i
Useabandpass filt rtoeliminatohum(50H2,100H2)anddisturbancefromthepilottono(19kHz,38kHz).
TunerAM (MW,LW)
To avoid atmosphcric interference all AM-mGa3uremcnts havc to be carried out in a Fartday's cage
Us6 a bandpass filter ( or at lsast a high pass fllter with 250H2) to eliminat€ hum ( 50H2,100H2 ).
CD
UseAudio Signal Disc SBC429 4822397 30184
(replaceF tost disc 3)
Caesette
Use Universal Test Cassetto CrO2
or Univcrsal Test CaBsette F6 sBc41 I 4822 397 30069
s8c420 4822 397 3007 1
LEVEL METER
..g. S.nnh.lrdUPMSSO
uith FF-litt ,
LEVEL METER
a.9. S.nnh.i..rt PM550
{ith FF-filbr
a
oo
a
oo
a
oo
a
oo
RF G6nerator
-"-:S:ill-s-119
DUT a
oo
a
oo
LF Generator a
oo
a
oo
S/N and distortion metor
..9. Sound T.chnology ST'17008

1-4
SERVICE AIDS
@ wARNTNG
All lCs and many other semi-conductors are
susceptible to electrostatic discharges (ESD).
Careless handling during repair can reduce life
drastically.
When repairing, make sure that you are
connected with the same potential as the mass
of the set via a wrist wrap with resistance.
Keep components and tools also at this
potential.
Safety regulations require that the set be restored to its original
condition and that parts which are identical with those specified,
be used
Safety components are marked by the symbolA.
Route the wire trees correctly and fix them with the
mounted cable clamps.
Check the insulation of the AC Power lead for external
damage.
Check the strain relief of the AC Power eord ,or proper
function.
Check the electrical DC resistance between the AC Power
Plug and the secondary side (only for sets which have a AC
Power isolated power supply):
CLASS 1
LASER PRODUCT
1. Unplug the AC Power cord and connect a wire
between the two pins of the AC Power plug.
2. Set the AC Power switch to the "on" position (keep the
AC Power cord unplugged!).
3. Measure the resistance value between the pins of the
AC Power plug and the metal shielding ot the tuner or
lhe aerial connection on the set. The reading should be
larger than 4.5 Mohm (For U.S. it should be between
4.2 Mohm and 12 Mohm).
4. Switch'off" the set, and remove the wire between the
two pins of the AC Power plug.
. Check the cabinet for defects, to avoid touching ol any
inner parts by the customer.
ESD
)
IAr
INFORMATION ABOUT LEAD-FREE SOLDERING
Philips CE is producing lead-free sets from 1.1.2005 onwards.
IDEI{TIFICAflON:
Regardless of special logo (not atways indicated) one must treat all sets fom FJIiTddEIonwards, according next rules:
. on our website @ you find more information to:
* BGAde-/soldering (+ baking instructions)
* Heating-profiles of BGAs and other lCs used in Philips-sets
* Lead free
You will find this and more technical information within the 'magazine', chapter "workshop news".
For additional questions please contact your local repair-helpdesk.
SERVICE INSTRUGTION
Salety regulations require that after a repair, the set must be retumed in its original condition. Pay in particular attention to
the following points:

1-5
IT.ISTRUCTIONS ON CD PLANB|LITY
-- -1
gotr'f/mtnadasodl I
I For flap loadero(*acccta to CD drive possible)
F closning method@is rccommended
O@For deacrlption-sce following pages

1-6
INSTRUGTIONS ON CD PLAYABILITY
c
PLAYABIUTYCHECK
For sets which are compatible with CD-RW discs
use CD-RW Printed Audio Disc....................7104 099 96611
TR 3 (Fingerprint)
TR 8 (600p Black dot) maximum at 0l:00
. playback of these two tracks without audible disturbance
playing time for: Fingerprint >l0seconds
Black dot from 00:50 to 01 :10
. jump foruvardlbackward (search) within a reasonable t,me
For all other sets
use CD-DA SBC 444A....... ...4822397 30245
TR 14 (600p Black dot) maximum at 01:15
TR 19 (Fingerprint)
TR 10 (1000p wedge)
. playback of all these tracks without audible disturbance
playing time for: 1000p wedge >l0seconds
Fingerprint >1 0seconds
Black dot from 01:05 to 01:25
. jump foruvard/backward (search) within a reasonable time
lu
C U STOM E R I N F ORIyilATI O N
It is proposed to add an addendum sheet to the set which
informs the customer that the set has been checked
carefully - but no fault was found.
The problem was obviously caused by a scratched, dirty or
copy-protected CD. ln case problems remain, the customer
is requested to contact the workshop directly.
The lens cleaning (method @) should be mentioned in the
addendum sheet.
The final wording in national language as well as the printing
is under responsibility of the Regional Service Organizations.
Because the material of the lens is synthetic and coated
with a special anti-reflectivity layer, cleaning must be done
with a non-aggressive cleaning fluid. lt is advised to use
"Cleaning Solvent
The actuator is a very precise mechanical component and
may not be damaged in order to guarantee its full function.
Clean the lens gently (don't press too hard) with a soft and
clean cotton bud moistened with the special lens cleaner.
The direction of cleaning must be in the way as indicated in
the picture below"
LIQUID LENS CLEANING

o
o
E
o
C
o
t
E
c
6
@
AO
EO
c
OF
oi;
o=
€6
o:
:6
EE
o9
{i
F
o
o
6
o
.z
o
-
o
G
o
-
@
o
E
o
x.
o;
j
o
!B
o
o
6
t
v
3
=
q
o
o
o
o
E
o
t
ts
o
o
6
s
-_
3
a
E
o
o
o
o
c
o
o
E
o
d
rt
;
3
o
s
6
i
o
o
E
o
o
E
o
+
a
E
;
a
6
E
=
;
B
o
o
o
E
o
t
I
o
o
@
E
=
3
o
o
q
o
o
3
o
E
o
E
o
t
d
N
o
@
=
G
o
o
E
Ei
o@
a-z
=:
3o
OQ
=6
s6
O-
<=
;E
>=
OE
E=
oo
6i
AI
o
E
o
E
oi
LO
oc
t6
go
Cv
,9
oF
oc
oo
;E
o9
E6
o>
<o
9r
oo
FA
69
E(L
-
E
(g
L
o)
,g
o
>
ll
E
o
o
o
(lt
.9
o

a;
;
o
o
E
o
o
E
o
t
^i
o
3
o
o
o
E
o
E
o
tr
-
@
3
o
o
o
g
o
o
E
o
x.
o
$t
^t
N
=
o
o
s
o
E
o
t
+
(\a
(\a @
o
E
o
c
o
E
E
E
6
..i
@
o
oo
oo
te
o-
o=
e;
o9
>6
9O
o
E
o
E'
.g
o
i
..l
E
o
o
a
t!
p
o

d
o
o
G
I
E
o
o
o
t-
l!
F
j
o
=
d
6
;
o
o
o
o
q
o
,E
o
o
6
?
=
3
o
o
)
9
F
d
E
o
E
o
o
o
o
a
6
o
J
.s
d
e
o
.5
o
E
o
c
6
o
.
o ..
oE
Q)
@e
Q.=
E>
oo
EJ
o9
=,
E3
ia
o
6
'
o
o
o
!a
o
c
3
G'
>
E
E
,ic9
roa
z - = > tr
6e: E6 E o
:58 .ri .E E
*i€ EE E E
E-9F '= '! o
!gi !E F P
€:i !E = =
;EE RE E ''
g*q E-- P E
r{nP EF 13 :
r E?q€gE i E
I 3st-sEi :. -a
s FooEEEs E*8
ErtEE$:;i3r
E E E t E; € gI E f
-- ---b889:E-qtC
i gEiEEEB#gg
(, ;6,i d *d<o
E
IiiEetE
EiEEEEEi
*frE lE["gi E
iiiIEiEEiiIg
(, Jci ci + rito
o
E
6
lD
q
5
c!
x
o
o
a,
tr
o
o
o
o
6
;
o
o
I
aq

x63
Ng'6
r'6'E
o 618
gE
q6
63
>
&.a
Asi
!9 0
iEg
fi
o
*q-
o rd
pBi
tP*
E E€
E.EE
E;;
-E.g;
ih8
N
(rt
!-
9-a 6
3 09
d:3
6 ao
6! -
JEE
EgE
t!.e -
3;.r I
EE:
of d
Ee3
*,9 o
;g F
=P o
o6-b
E€i
6=
er6
I6?
;€E
o ".8
Pg
;.E
8it
q
o
oE?o
5 p B:
ggi-
9bfi
6
. P;
*:$E
E;g;
3 EE g
9B
9"
5
E!
r8,
o
q-d 6
' Pg
:66
EIH
5 Bn
3E I
:cq
,98 P
s 9;E
#+ e
-o
HO
iEe
€Et
SP "
o6-b
o=
+! 6
P E;
r€ E
E:P
6 9P
6 Eg
ao
3YO
eEr
o
E6
6b
o6
rg
o
i FE
oiEoQ
oE6
c3
8;E
'r8
!la
6B
.!
6g
6e
i;
e8
op
seE
963
=- 6
4A a
9o
;@
olo
pEc
6.E 3
Ep E
oq g
8;E
o6"
.9
-9=
p! 6
'EE:6
: P.:5
ei 3 E
-:6.=6
a_9
c:
<6
oQ
o!o
o5
o6
N
c,
aU
c
o
J
(,
o
o
c
s
o
=
=
a!
=

!t
=
E
o
o
x
o
o
o
ItI
o

E
o
llaE
<E(
:o+
: Exa
=s=.E
8 EE-E
i ila;
6 EEIE $
E o !!.9 ! o
E 39EE 3
9 o>&= E
9.q
6@
=
-s.t I
[66
b
ffiEF
ffiE-
*j
o
)@,gE
J
ESE
o
AY
-L
.9
a
o
*c
oo
@E
o
E
:)@
I UO oopt^
z mo oapt
Nl elaueS
1 lno eu0 uorJ
u lno eull luoj
't ro oullreaE
u $o aul Jeeu
eroeec
9NHUVd
lno sns
VNNE}NV
6
t''
=
u
(,
s
o
(,
z
u
=

I
t
ir
1
I
0
I
(0
l"
rl-'
T,T-
-1
tG
i
ai
FI
Fi
*
u,uorrE!l!!, I
oooeocoeooooJ
il il [--,
lIffir
i-
?^!
A- tr-r-
-! lE
fit -
a
(o
=
t
o
g
o
E
=
o
g
()
o
tr
o
o
z
-

z
e
F
d
o
F
l
oI
e
o
o
=
E
-
E,
E
=
C'
c
o
6
o
o-
E
a\
ao
N
I
(o
N
=
t
o
-<
o
ts
f
o
u-
o
o
t
o
o
z
-

(,)
@
E
g
o
r=
ts) o
F
F
o
e
o.
o
F
F
=
o
a
J
o
(J
+
o
d
o
o
2
e.
e

t\
>;
;t
{EA
6E +
-66 !
JE E
tr t
tI I
rr-r} *' rtr,
.. rJ'J tlrILJ
iFffIffin
,
a
+
=
a
+
-
:6
+
Fl
+
+
6
a;
oE
E!
6!
66
I
4
=
E
(,
s
o
b
3
o
g
(,
o
c
o
o
o
c
UJ
o

|_|_mE
Itttt
I"{"i-l
llil
I;II
? VY
ri
e6
ll
: ?s?
c{
3
.i
t\
3Y
VI
tt:
J A:
ili{i F
I lgr i
lV=
I lL
AL
i--------;---1
! :-i
: _iE'
i= !.1
id*d i"r--€ i
i'-----------..i
hhm€
nrr )>!sq&E+ |
Jf
at4
;l I
*il-r-l
:t-l-li-e el--rs
(\a
5-ilile'
?H
at
i+ = P*r
p-+El hF#8
$'-*t*-.e
. EilltE
}-tr*I.g

Elt ii; rg
(t
9"--"f rr*--+
(!)
{J
r!
q
*
c,
.
t
(,
s
o
E
D
o
c,
(,
a
o
d
o
o
o
E
tu
Ut

I
l.
Hl,
t
Hr,
r-l,
E=Hl
tI
t
il*,*-l
it
I
E
o
cl
ts
3
t,
g
I
o
e,
o
o
o
E
u
o

ro
i-
=
ul
t
=
o
F
F
o
No-
o
t-
E
d
o
s
o
F
)
o
+
o
u
o
o
o
t
UI
o

l---------------J
a
I
I
I
I
I
I
I
I
I
I
I
I
I
I
I
I
I
I
I
t
I
I
I
I
I
I
I
I
I
I
I
I
I
la
t3
I
!
!
!
I
I
I
I
I
I
t
!
!
!
I
I
I
I
I
I
I
I
o
E.
F
=
C)
E.
c)
x
=
E.
F
=
O
E.
C)
m
C)
I
oo
I
-
o
oj
H9
ol
I
-
tr
(9
s
o
ts
f
(,
4
(J
a
E
o
o
+
o
(J

3
tIJ
5
T=
6E F
o
El
ri=
o
t-
:f
o
o
o
o-
I
o
d
o
a
+
o
o

c0m
(n
E,
=
=
C)
E,
C)
o
an
O)
El
dlf
3 i"r
o ! 9?
L i'i
3tE I
Ni
t
; -.-.---- -.---.--.-,
U'
+
N
o
o
5-1 e: Bg
3 Y oi
-1r ,
E,
F
=
C)

(\
6)
=
UI
;
E
NO
,F
oF o
@
0-
o
F
F
=)
o
J
o
o
o.
o
t
o
6
o
U'
+
(\
o
o

o
,2.
I tcr
tco
)
o
'l F
=
(n
+l
3e
z.T
o^l
oEo
I
z
o
o
a
(t =
uI
t
a.
o
=
d
(9
s
o
,
o
o
d
o
t0
o
J
.
t
(9
s
o
E
3
(J
u
o
o
E
o,
E
o
F
UJ
a
td
&.
F
o
lrJ
-
lrl

I
:
1,
I*-
r'*
J
I
I
=tlllii
tr - l+t+F+l'+E+F+
? { r4,4:4*t'*e4
= iil rfiffiffi
; Jil- ;:il t'l *'l
q EH ! lrF-r+ HF-ID HFrD
6 trr .'t{u. E{ *(
1 i ',im'*Tffi'?fr !
I lJ LD iJ L'> tJ-b I
l!
v

N
=
UI
t
E
o
qF
;o a
o-
o
F
=
t
o
3
o
F
:f
o
{
cl
u
o
o
ut
v

(\t
N

13-1
Factory partlist
Parts N0. Des cr ipt i on QTY Locat i on
200000 12 14 DM428. \{IRE BRACKET. SECC. T1. O
4 00000172.2. DN44O. BOT COVER. SECC. TO. 6
400000 1 494 DN44O. TOP COVER. SECC. TO.6
4000001496 DN44O. DECK BKT FRONT. SECC. T1. O
4000001 4q5 DN44O- DECK BKT BACK. SECC. T] O
4000001493 DN44O. RTGHT BKT. SECC. TI. O
4000001 4q2 DN44O. LEFT BKT. SECC. T1. O
400000 I 490 DN44O. FRONT PANF]T, BKT. SECC. T1. O
2100070063 SCREW. BM. BLUE ZINC. M5r.6 4
2. 1 0507001 2SCREI{. BTP. BLUE Z]NC. M3*12 1
2 I 04070008 SCREI,V. BTS. B],I]E ZTNC. M2. 6*8 B
2106070007 SCREI{. BTB. BLUE ZTNC. M2.61116 2
21 040700 1 5SCREI{. BTS. BLUE ZINC. \42.6+4 4
21 04070007 SCREW^ BTS. BT,I]E ZTNC. M2.6X5 14
2104070019 SCREW. BTS. BLUE ZINC. M3jrB
2040000222 SCREIT. CM. BLACK ZINC. M2.6+5 2
2045000040 SCREII. CM. BT,ACK ZTNC. M2,,.3 2.
2. 050000003 CMVIOO. MOUNTING BOLT. STEEL. 148
241 0000026 CMVIOO, BOLT RUBBER CUSHION. RUBBER
4 0100201 78 DM42B. MA]N HEATSTNK. AI,_ADCI 2. SANDED
843DN4401 SDo20 DN44O1 SD M] ASSM
438250001 86 WTRE. CM420 1P.26#.90mm- GRFIEN Pgo l
43805000497 SOCKET. 4P. 2. 0mm. SMD. ilSB2. 0USBgO1
238?.5000912 WIRE. 5PIN. 30#. 100mm. BLACK. 30V. DN428 anNqnr-
23820000350 FFC. 12P. l.0mm.70mm. TYPE 8.60V. DN428
842DN440 1SDo20 DN44O1 SD SMT ASSM
4301 0001 1 88 PCB. SD. DN4401. FR4. 1.2. 162*148.osp.9p
41604000273 RES. 27k O . + 5%. t ,/t 6i[. 0603 6R904-909:
41 80301 01 04 CAP.0. luF. +10%.25V. X7R.0603 c901
4380500028 SOCKET, 14P. SMD. TA]_SOL. CM4O3. SD Dqol
43815000017 FFC SOCKET. 12P. 1.Omm. IIPPER CONTACT c0N901
23805000504 socKET. 7P. O3. 5. ST-0222S00-075-162. pHo T901
B43DN428MB1 44 DN428 Nts M] ASSM
1210000003 I 9 CM226. IC BRACKET. SECC. TO. B. TC73B6
1 2t 0q0000043 CD120. ANTTENA IACK ANTT?N 1
141648000022 RCF. 2 0 2_ +s%r. 1W R101 Rt07.
141670000109 THERMAL RES. GBXOsO. PTC (RII,A]DA) FR1 OI
I 41 842030338 E. CAP.3300uF. +20%.13*26. 16V. 105C CR?/.
12201 000001 4AYTS TNDITCTOR 56OrrH -l-50/" 60mA O?O7 L351-352:
142015000036 CH0KE. 200uH. 1A. 24*30*11mm. +30%. FERRTTE I q01
422.06000006 REC DIODE. 1N5401.34. 1V. 1OOV. DO_27. HY nRn?.
142400000218 TC. T,M295O_5V. TO_92. HTC u1 03:
r42400000592 IC. TD47388. FLEXIWATT25. ST ITQN'.
1 23800000037 qOCKFT 5P 2 Omm , nT 1-44 DTPIRO' CON2OR.
1438050001 45 S0CKET.6P.2- 0mm. DTP 180' c0N402:
124800000025 FUSE. ZH27O. 154.32V. SLOI{ TYPE
I 4282000004i TCX0. 32. 768K. +20ppm.-20+70"C. 12. 5oF. DIP {Trn?.
143010001 1 06 PCB. SPK- 428.FR4. l. 6. 20816146. HAT.. 20P- A4B+
143800000155 S0CKET. l 6P. 6mm. 50V. DTPl80'
I 43805000470 SOCKFT 16P ? Omm DTPqO'
842DN428t[8124 DN42B MB SMT ASSM
i41604000000 RES, 0 0, +5%, 1/161{, 0603 8RlA4 R227 R261 R203;R580 R575;R405 R406;
141604000101 RES, 100 o, *570, 1/16\ry, 0603 20
R209 R234 R241 R361;R436;R576 R623-
626;R825-826 R848-849;R909 910 R239
R235.R2i6 R237.

13-2
Factory partlist
Parts N0. Descript ion QTY Locati on
141803010105 CAP. luF. +80V0-200/0.16V. YsV. 0603 4c?6, al^q aR11.a7n?-
141604000102 RES, lk O, *570, 1/161{, 0603 t7 R240 R252; R352-355 R454-455;R508 R544
R614:R616 R619 R622 R905:RBl1-Bl2:
141604000103 RES, 10k a , +50/0,1/16I{, 0603 64
R109 R121-122 Rl29;R126 R201 R2l5;R220
221 R242 R244:R249-250 R260 R435;R437
R439-440 R505;R509-510 ; R574;R602-603
R606 R613;R615 R617-618 R627;R620-621
R751-756 ;R758-759 R802-803;R816-817 RB19
RB21 ;R824 R828-829 R912;R834-840 R842-
843 : R846-847 R26B R2.07 R2.1 2 :
14 604000 o4 RES. 100k O. +5%. 1 /161[. 0603 t0 R106 Ri20 R254-258:R501 RB27 R91l
T4 604000 05 RES. lM0. +570. 1/16\{. 0603 1prtA.
t4 604000 2.3 RES_ t2kO. +5%_ 161[. 0603 2R]?O R7lO.
t4 604000 53 RES. 15k O+5% 1/ 6t[. 0603 5R364-365 R757 R761:R814:
14 604000 IRES I 80 C) L trOI 6i[ 0603 1R'?R'
14 604000222 RES. 2k2 0 . +50/^. 1/ 6W. 0603 2. R906 R9l3:
t4 604000223 RES. 22k Q. +5V0.1/ 6W. 0603 3R223 R702 RR30'
14 604000333 RES. 33k O. +5% 6W. 0603 .) Rro6 RztO.P7nq.
14 604000392 RES. 3k9 0 . +5V". 1/ 6W. 0603 2. R805-806:
t4 604000471 RES.470A.+50/0.7/ 61[. 0603 tr R253 : R503-504 R511-512 :
t41604000472 RES, 4k7 O, *570, 1/16\{, 0603 12 R2l7 R23l-233 R357;R502 R807-808
R813:Rl03 Rl28 R265:
141604000473 RES, 47k O, *570, 1/16l{, 0603 t6 Rl02 R123 Rl27;R218-219 R251 R266;R577
RAO6 RAnT.PAtn-A1 1 pAl q ponl.pon7-One.
4160400047 4RES_ 470k O. +5%. 1,/16W. 0603 6R35q-160 RRlR RRrn.Pq.rr-R9\-
416040005 1 2RES. skl Q. +5V". 1/ 6W- 0603 hR243 R70B RB01:R804 R841 RB44:
41604000562 RES. 5k6 e2 +5% r/ 61{. 0603 4R703 R704.R206 R2 r
41604000752 RES. 7k5 0 . +5%. 1/ 6W_ 0603 6R604 R60B-609 R612:R706 RB33:
41606000022 RES. 2R2 0 . +50 .1/ 01[. 0805 2. R356 R57B:
4l 6060001 00 RES. 10 O. -l-570. 1/10W. 0805 1Reln.
416060001 0l RES_ 100 0. +5%. 1 /t0t[. 0805 5R108 R351 R506:R601 R760:
41606000330 RES. 33 O. *570. l/10lry. 0805 R35B:
41 606000331 RES. 330 fr. *570. 1/10\{. 0805 R707'
41 606000391 RES. 390 0 _ +5%. 1 /1 0W. 0805 R4qO.
41606000750 RES. 75 0. +5%. 1/101{. 0805 IR408-409 R4l2-474:R445 447 R453:
2160600qo2,2. RES_0 22O +5% 1,/t0W 0R05 IP'IA.
416080001 01 RES- I000. +50/0. 1/8W.1206 2. R1 ?9-r 11.
41608000102 RES. 1k O. +5%. 1/4W. 1206 R1 31
41 61 80001 0l NET RES, 100O{.4, +570. 1/16\{.0603 DRp)o1-ro, PPrnq.
4161 8000473 NF'T RFS 47t*4 +6% 1/l6W OAO? Rpro?.
41668000012 V-RES. EZTZ1VB00AA. 0603. 3oF. DCI BV 4D351 D401 D704-705:
4t 803000 00 CAP, 10pF, + 1%. 50V. NP0. 0603 I c?6.9.
41803000 0l CAP l0OnF +lO% 50V NPO OAnq 4C604 C615 : C6.l 1-612 :
41803000 02 CAP. lnF. *1070. 16V. X7R.0603 4c751 C.755.C37R-C37q
4l 803000 03 CAP. 1 OnF. + 100/". 50V. X7R, 0603 6c35?-355 C367.C36?-?64'
141803000104 CAP, 0. luF, +800/0-200/0, 16V, Y5V, 0603 30
C102 C105-106 C108 :C11.5 : C20l-202 C21l
C2l3;C321 C356 C358-360;C365 C37 C408;
C424 C502;C504;C539 C555;C602 C753 C814
cR16.l^R?7 CqOl-qn' rqn4.
t4 803000120 CAP. 12nF. +sYn. 50V. NPO. 0603 2. c206-207:
14 8030001 23 CAP. 12nF. +20%.50V. YsV.0603 I cq05.
14 8030001 53 CAP. 1 5nF. + 1 0%. 50V. X7R. 0603 ,^274-e.7q.
t4 80300022 1CAP. 220nF. + 10%. 50V. NP0- 0603 6 CBO1*802 CB07-B0B : CB40-841
14 803000224 CAP. 0. 22uF. +800/0-200/0.50V. YsV. 0603 2a?AR a?7n.
141803000225 15 C376-377 C380-381 ;C351 C505-507; C605-608
C907: C805-806:

13-3
Factory partlist
Parts N0. Descript ion QTY Locat i on
4803000330 CAP. 33nF. +5%. 50V- NP0. 0603 6C208-209 C366-367 : C372-37 3 :
4Rn300n332 CAP. 3. 3nF. +10%. 50V. X7R. 0603 aaqR-R1q.
4803000474 CAP. 0. 47uF. +80-20%, 25V, YsV, 0603 2. CR?O CR?1.
4803000682 CAP. 6. 8nF. + I 0%. 50V. X7R. 0603 cq08.
4R03000R2 CAP. B20nF. +10%. 16V. X7R.0603 4rR.,, TQ.'L CR'6 CR'R.
48060001 04 CAP.0. 1uF. +10%.50V, X7R,0805 c1 12:
4806000225 C.AP. 2.. 2rtF. +8001\-200/0. I 6V. YsV. 0805 6c.40q-41 1 C.42.1-42.3 :
48270001 05 SMD E-CAP. 1uF. -F2070.4*5. 3.50V. l05C cr10.
48270001 06 SMD E-CAP. 10uF. +20%,4*5.3, 16V, 105C 6Ci01 C70l-702 C705:C813 C829:
141827000107 SMD E-CAP, 100uF, +20%,6.3*5.5, 16V, 105C 13 C103 C109 C113; C361 C415; C601; C603
c1qr'c1qt aRl6 aR44 r'qo6'cqoq.
t41827000.1 0B SMD E-CAP. 1000uF. +2070. 10*10.5.16V.105C cl 07:
141827000225 SMD E-CAP, 2.2uF, *200k,4r.5. 3, 50V, 105C 20 C110 111 C823;C609-610 C613 614;C817-821
CB25 CB27 ;C803-804 C809-810 ; C835-836 ;
41827000226 SMD E-CAP- 2.2.rtF- *20Vn- 4,'65. 3. 16V. 105C 2cB11-812:
41R2.70002.2.7 SMD E-CAP. 220rfi. *2010.6. 3*5. 5. 6. 3V. 105C nc11 /- C6n1 .C/lr-L1 l.CqO2..
41827000476 SMD E-CAP. 47uF. +20010.6.3*5.5, 16V, 105C CR?2.
42000000028 INDIICTOR. 10uH- 0805 2Ll07 1353:
42000000095 P0WER INDUCT0R. 100uH. CD75 2, 101 I 40t
22000000152 P0WER INDUCTOR. 47uH. CD43 2102 1.402:
42000000207 POIIER TIIDIICTOR. 1 OuH. +20y0.1.5A. CD43 3103-l05.
2.2fi000002.67 P0rilER TNDOCTOR. 100uH. +200k.1.7 A. CDH|Z1 104.
22000000296 TNDITCT0R. I 50nH. l-5%. 300mA. 0805. HF r.356:
22000000298 TNDITCT0R. 390nH. *5%. 300mA. 0805. HF 354.
22000000300 lNDUCT0R. 3. 3uH. l-570. 50mA. 0805. F C0TL I ?65.
4204000001 1CHTP BEAD. 0603. 800mA. 100MHz. 0. 6 OFB4O1
142200000019 S1{ DIODE, TCLL414B, | / 2W, 500nA, LL-34 KEL Dl05 106 D201 D208:D404-405 D2i3 D104;
nRol -RO? 'Dqn 1 -qO2 . D207 .
142206000003 REC DToDE. 1N4001_ tA. tV.50V. t2l0 .1 Dl03 D702-703:
142.2.2.4000025 ZENER DT0DE. 6VB. 1 /2\t. 1206. t 570 27.h10,1 7.D405:
142233000004 SCHOTTKY DTODE. RBO63L_30, SOD-1 06 2n1 01 -1 0?-
142245000017 TR. KRAlO2S (PM), SOT_23 30201 0204 0801
142.2.4500001R TR. KRCl02 (NPN). SOT_23 201 0t 45n2.'
142245000021 IR. KRC2315 (NPN). SOT 23 0601-604 oqo1
t42245000024 TR, KTC855OS (PNP), SOT_23, KEC 10106:
42.2.45000048 TR. MMBT39O6LT1(PM). SOT_23. KEC 4o1n, oqn, oqn, or1r.
I 4225 I 00000 1TR, 2N3904 (NPN), SOT_23 ll Q103-104 Q107 Q205;Q202 203 q207
0210:0401 0701:0803:
42.2,66000004 MOSFET. AO34O1. SOT_23 rl10, nrl't r)401
42290000004 ESD DIODE. PGOsGBISV. 2OOl{, 244, 5G zD401
4240000013 1TC. CD4066. S0-1 4. T1 1u501
42.400000384 TC. TDA741gTR. SO2B. ST TIRO.I
22400000395 IC. TL431A, SOT_23 7.D701
42400000416 TC. I]TC4558. SOP_S. UTC 4 TT601-602 TT751 .tiq01
42400000675 I C. OCP257 6. T0263-51. DR]ENT_CH]P r o?.
42400000697 IC. UTC78MO6. TO_252, UTC 1t701
42400000832 TC. TEF6606T/V2. S032. PH]LIPS 1l?52..
22.400000867 IC.7BDO9AL, TO_252, UTC, 1A T',t o1
424t0000424 TC. ITPD78FO547. T,OFP-12*12. NEC 1u201
42,410000405 TC. FMS65O2. TSSOP24. FAIRCH]LD TAn't
424900000 1 3lC. FST32s7MTCXNL. TSSOPI6, FAIRCH]LD 2. TTq?1-5??.
430 10040929 pcB. MB. DN42B. FR4 1.6. 194*141.oSP.1P 1
2i81 50000q3 FFC SOCKET.50P.0.Smm. DOWN CONTACT. HC anNirnT.
238l 50001 92 FFC 21P 1 0mm.SMD.q0" IIP coN20r.

13-4
Factory partlist
Parts N0. Descript ion QTY Locat i on
1238 150001 94 FPC SOCKET. 12P. 1.0mm. SMD. DTP90' . IIP 2c0N501-502:
41806010106 CAP, 10uF, -11070.6.3V. X5R.0805 4cB42-843 C845-846
42400000017 IC. 7 4HC4O52D. PHTI,IPS 1TTRO3.
42400000635 IC. ATz4CO2BN_1OSU_1. B. SOPS. ATMEI I1351
42825000053 TCX0, B. 00M, + 1Sppm. -30+90C. 20oF. SMI) tT2.O1
42825000091 TCXO. 4. 000M. -'l-30oom. -40+85"C. 20nF' SMI) 1xT35l
41604000182 RES. 1k8 O. *570. 1/16W. 0603 2R362 R363:
41604000273 RES. 27k O . + 5%. l /] 61ir. 0603 R70l
4t81205022.6 CAP.22uF- +800k-20V0.25V. YsV. 2.2.nm. 12.1o 1c104:
41604000750 RES. 75 o. +5%. 1/16W. 0603 3R2.2.4-2.2.5.R507 .
2 1490000380 DN42B, HEAT SILICA GEL, EVA.35jr24*0. BTV TIINER (TVI Ol )
210020001 1 3DN42B. SH]ELD COVER. SPTE. TO.4
B42DN42BTV071 DN428 TV SMT ASSM
14301001 1064 PCB, TV, DN428, FR4, 1.6. 183*148.OSp. 12p
141604000473 RES. 47k o. +5%. 1/16W. 060s ,R101 Rl02:
141803000104 CAP, 0. 1uF. +800/0-20%. 16V. YsV. 0603 cl 01
14481 501 01 r 3TUNER. TDVOOl AD. TV TVl O]
123805000642 S0CKET. 4P. 3. 5mm. H-O3. 5SMT-04. EARPH0NE 1T101
141839000107 E. CAP, 100uF, +200k. 6. 3x12. 25V. 105C. HRC c104:
1 4.1 6040001 03 RES. 10kO. +5%. I /16r{. 0603 c.543:
843DyU722F.5R232 DVU722E SB M] ASSM
2t104050023 SCREW, PI{TS, BLUE ZINC. M2,.5 3
41827050?.2.7 E. CAP, 220uF, +200k,6.31.7, 10V. -55C- 105"C EC46:
41830000226 E. CAP. 22uF. +200/0. 4*5.16V. I05 C2EClO EC23:
418300201 06 E. CAP, 10uF, +200k. 4*5. 16V. 105"C 4EC2 EC3 EC7 EC8:
141830020107 E. CAP, 100uF, +200k,6.3*5, 16Y, 105C t4 ECl EC4 ECO EC32;EC36 EC37 EC40
EC4I:F,C42 EC43 EC44 F.C53:F.C.45 F.C22,.
41830040476 E. CAP, 47uF. +20%. 5,F5. 16V. 105"C 3EC38 EC27 ECs.
42206000004 BEC D10DE, 1N4001, 1A, 1V,50V, D0-41 D7:
2382000035 I FFC. 12P. 1.Omm. 170mm. TYPE A.60V. DN428 1
43820000261 FFC,21P, 1.0mm. 120mm. TYPE A.60V. B1=Smm
44840000057 DECK, DL_3OHM, FORYOU MULTIMEDIA
2707001096s CMV1OO. LASER WARNING I,ABE], 1
42400000040 IC,78105. T0-92. CT Tr8.
42820000010 TCX1,27.000M, *20ppm, -30+80C. 1BoF. DIP [T1
43210000004 END_SENSE S14r. S1{1 1 I1K1
43405000004 INF'RARED RECEIVER. IR92B-6C 2D12 Dl3.
23825000705 \{IRE HARNES. DN421. 6P. I 30mm. 26t ICN9:
B42DYU722ESB192 DYU722E SB SMT ASSM
14204000001 CHIP BEAD, 0603. 800mA. 100MHz. 0. 6 OI118 119 L22 L26:L29 Ll6 110 L9 113:
14204000001 8CHIP BEAD, 0603, PZ16O8Ui2l_1ROT (F). 120 O21.1 1.4:
142040000042 CHIP BEAD, 0805 200mA. 100MHz. 1. 2 o4L5 L6 L27 L36:
I 4204000006 rCHIP BEAD, L2x1{1. 25*T1. 25*A, 3A. 100MHz. 17 o3L2.0 L28 L38:
1238000000 r 8FPC SOCKET. 24P.0.Snn. SMT. TOP CNl2:
141604000000 RES, 0 O, +5%, 1/1614I, 0603 t4 Rl R3 RBg R100;R103 R104 R39 Ll5;L17 L21
L23 T.8:Ll l L1zt'
1416040000r0 RES. 1 0. -l-570. I /16W. 0603 R32
141604000022 RES. 2. 2 O. +5%. 1/16\I/. 0603 2R140 130
141606000047 RES. 4 O 7 _ +5V". 1 /10W. 0R05 2RB7 Rq7.
141 6040001 00 RES. 10 0. +5%. l/16W. 0603 IR1 75
141604000101 RES. 100 o. +5%. 1/16\{. 0603 5R242 R243 R163 R41:R6
1 41 604000 1 03 RES, 10k O , -r570. 1/16W. 0603 BR1l BC51 BC1l R17:R20 R244 R3B R9:
141604000152 IRES, 1k5 0, t5%, 1/16W, 0603 1R1 l4:
14i604000153 IRES, 15k o. +5%, 1/16vi, 0603 4R72 R10
R7i R23:
141604000154 IRES, 150k CI, t570, 1/161{, 0603 2R2.2 R34.

13-5
Factory partlist
Parts N0. Descript ion QTY Locat ion
4604000203 RES. 20k O. +5%. 1/16l{. 0603 Rl18:
460400022_3 RES. 22k fr. +5%. 1/16W. 0603 R1 ?6.
4604000330 RES. 33 0 _ + sqo_ I /t 6W. 060i R105:
4604000332 RES. 3k3 Q . +50/0. 1/ 6i{. 0603 4R13 R26 R1 28 R1 31
4604000333 RES. 33k A . +50/0. l/ 6\,v, 0603 p1 r4-
4604000391 RES. 390 Q . +5V^. 1/ 6l[. 0603 Rl13 :
46040003q3 RES. 39k O+50l t/ 61{. 0603 po9 Poq Pq/.
4604000433 RES.43kO.+5%.l/ 61ry, 0603 2R116 R127.
4604000473 RES.47kQ.+501.1/ 6W. 0603 IR7:
4604000474 RES. 470k o. l-570. 1/161{. 0603 p?1 P]16 P?6.
46040005.12 RES 5k1 eJ. +5%. 1/161[. 0603 2Rtl5 Rl14.
4604000560 RES. 56 0. +5%- 1 /16ril. 0603 2R69 R70:
4604000562 RES. 5k6 0. t570. 1/161{. 0603 oP] ' Pr6 Pt rq.
4604000750 RES. 75 0. +50/n. 1 /16W. 0603 R2,
46021010102 RES. 1k O. -F 190. 1/161{. 0603 4Rlq R24 R2.47 R4.
4604010122 RES. 1k2 o. + 1%. 1/161ry. 0603 P'trr.
4606000330 RES. 33 0. +5y0. 1 /10W. 0805 1R160:
4606000750 RES. 75 Q. *570. 1/10W. 0805 p)1
46 1 8000473 NET RES. 47k*4, +5%,1/161{. 0603 RN1
4 803000100 CAP- I 0nF. + I %. 50V. NP0. 0603 2C1 c42:
4R030001 01 CAP. 100oF. +10%.50V. NP0.0603 3CA a( a6q.
141803000102 CAP, lnF, + 10%, 16V, X7R, 0603 IBC10 BC43 BC45 C72:C74 C75 Cl7 C20 BCl4;
41 R030001 03 CAP. 10nF. + 10%. 50V. X7R. 0603 6cql p.caa Ral e P,a16.aA7 cAR.
141 803000104 CAP,0. 1uF, +80%-2090, 16V, Y5V,0603 55
BCl BC2 BC3 BC4;BC5 BC16 BC17 BC19;BC20
BC21 BC6 BC9:BC24 BC2B BC29 BC30;BC34
BC33 BC38 BC35;BC36 BC37 BC40 BC4l;8C42
BC46 BC48 BC50;BC53 BC54 BC56 BC57;BC5B
BC60 BC61 BC63;BC64 BC66 BC69 BC7;BCB
BC13 BC52 BC70:B,C74 BC75 BC76 BC77;C43
clq c(e tq7,c1A c77 cqo-,
48030001 52 CAP. 1. 5nF. + 10%. 50V, X7R, 0603 2. CA Cq.
41 803000225 C.AP. 2,. 2.uF . +800 -20%. 1 0V. YsV. 0603 BC22:
4R03000270 CAP. 27oF. +570. 16V. NP0. 0603 2C7q CRO.
4803000330 CAP. 33pF, +5%. 50V. ){P0, 0603 cRC47 RC4q Rl I ?.
4803000470 CAP. 47nF. +5Yn. 16V. NP0. 0603 2c47 C49:
4803000472 CAP. 4. 7nF. + 10%. 50V. X7R. 0603 ,c, c2.
41 803000473 CAP. 47nF. + 1 0%. 50V. X7R. 0603 c6q.
41803000681 CAP.6B0nF. +10%. l6V. X7R.0603 5c62 C63 C64 C65 C52:
41 80i000683 CAP. 68nF. + 1070. 50V. X7R. 0603 c61
41 80300082 CAP 820nF. +10%. l6V. X7R.0603 c71
41 RO301 022. C,AP.220oF. +50/,.25Y. NP0. 0603 2l5 ClR.
41803010224 CAP.0.22uF. + l0%.25V. X5R.0603 ('f\6.
41803010272 C.AP. ?.. 7nF. + 1 0%. 50V. X7R. 0603 2116 cl9:
41 R0i01 030 CAP. 300nF. +5%. 50V. NPO. 0603 c7n.
41 80301 033 ICAP. 330pF. +5q0. l6V. NPO.0603 c72.
41 803040105 CAP. lrrF. +100/r.25V. XsR.0603 4c46 C58 C60 C61
2845090107 TAN. CAP. 100uF.6. 3V. +2070. C. AVX 6F.C,2,6 F,C,2.4 EC25 EC2q.EC3O EC39:
420000001 79 INDUCT0R. l. 8uH. t10%, 50mA, 0805 t2.
42040000060 CHTP BEAD- 1206 1OuH- 100MHz.0. I O1L3:
42.2.OOOOOO19 51{ DT0DE. TCLL4148. 1/21{.500mA. LL-34 KEL 6nq n1n D, n? n4 D6.
42224000023 TFNER DTODE- 5V6. 1/2,W. MTNT MET,F f)l
42236000005 DT]A], DTOI]E. BAV99. SOT 23. CT 1D1
42.2.4500001F TR. DTC343TK. SOT_23 o-t t.
42245000048 TR MMBT3qO6T,T1 (PNP). SOT_23. KEC o1r.

13-6
Factory partlist
Parts N0. Descript ion QTY Locat i on
4225t000007 TR. 2N3904 (NPN) . S0T-23 n?1'
42251000005 TR. 2SB1132. SOT_89 2o1 1 01?-
42266000004 MOSFET. AO34OI. SOT_23 42.
42290000005 TR. 9015. S0T23. CT oA.
42400000066 TC. AMSt 1 1 7-1. 8V. S0T-223. AMS 1t1 4.
42400000068 IC. AMSl 1 1 7_3V3. SOT_223. AMS u11
42400000108 IC. 846287F. SOP_S. ROMH 1Iq
42400000179 TC. TS42S1 6400_7T. TSOPIT_54. TSST 15.
42400000416 TC. I]TC4558. SOP_8. I]TC
424t0000002 IC. AT24COBAN-1 OSU. SOPS 1TA.
42410000024 IC. 4M5668S. HSOP28. AMTEK 114.
424100001 0B TC. SPHEB2O2D_HI,1 71. T,OFP21 6T,. SI]NP],IIS U2:
424t0000t47 IC. KH2gLV16OCBTC-70. TSOP-48. HY. 16M. BBTT ItI7 .
4301 0020486 PCB_ SB. DVU72.2.F.. FR4. 1 . 2.. 1 07x1 0q. 0Sp. 2p
43800000 1 09 FPC SOCKET.2lP. 1.0mm. SMD. tlP CN7.
43815000017 FFC S0CKET. 12P. 1.0mm. UPPER C0NTACT 1CN'.
t4t604000472 RES, 4k7 A , +50/0,1/16\{, 0603 74 R130 R134 R246 R249;R14 R27 R36 R37;R5
LlZ L24 R101-R102:R40:
845VMq5l] FRM420 DN44O REMOTE PET PET
2109000022,3, DV.7I I. FRONT REM BAT SHEET-, Cl 51 q
27090000224 DV-711.FRONT REM BAT SHEET+.CI519 +.
I2.100006462.7R DM44O1N259A. FRONT REMOTE COVER. ABS. BLK
I2 1 0000647000 DV71 ]. REMOTE BOTTOM COVER- ABS
12 10000649000 DV711. FRONT REMOTE BATTERY COVER. ABS
12.4002.0404000 DVTI 1, FRO\T REM PCB BRACKET. ABS
2 1 46500038 1D\1187232. REMOTE PET. PET.
2 1490000348 DI,IIB7232. RI]BBER KEY. RI]BBER
41 830030476 E. CAP. 47uF. +200/0. 4*5.10V. 85C l'?.
22890000001 TCYO 455K -{-KHz -2O+RO'fr DTP Oqa YI
43010000636 PCB. REM. DV7 1 1 TS. FR4. 1. O. 1 28*36. OSP. 1 P
2481 0000003 BATTERY. CMVlOO. CR2O25, 3. OV
27060000020 CMVI OO. PO],Y BAG RIM. PE
27060000027 CMV1OO. POLY BAG REMOTE CEI,I-. PF:
270700002.1R CAD415. PASS LABEL. REM
41606000022 RES. 2R2 0 . + 50/0. 1 /t 01[. 0805 R1
41806010101 CAP. 100oF. +50/0. 50V. NPO. 0805 2C1 C,2,.
4224500002.4 TR. 58050 (NPN). SOT-23 101 .
42400000335 I C. SC61 22. SOP24. ST,. TI\'F'RARET) TC1
43405000006 INFRARED TRANSMITTER. IR2O4_A D1
4302003000q FPC. DV610. 1.0. 1. m-VD.50PIN.0. 5mm. E 1
23830000755 T/0. DN440. 25p.V /SUR/L4,/AIIX. Si{C. CH. 50V
43830000198 I/0. DV61O. AV CABLE. SPK OUT
23830000740 I/O.DI,I!42B. BP, POWER, T, 5OV (ACC A7) 1
27020001634 DM44O1N259A. GTFT BOX. 3OO*2BB*21 O. STERRA
27000001448 DM4401N259A. CARTON. K=A. 5BBx315*233. STERR 500
14 270300169018 DN44O. RTM- ABS. GEN+BI,K 1
27060000037 tlv-610. POT.Y BAG. 300*400*0.
27060000019 CMVIOO. POLY BAG MANUAL. PE 2
27060000020 CMVIOO, POLY BAG RTM, PE
2706000002 lCMV1OO. POI,Y BAG SCREW. PF:
2,7070005065 DM44O1N259A. MODEL LABEL. SlERRA
2707500 1 998 DM44O1 N259A. MAMIAI,- STERRA
438300008 1 4I/0. DN440. 23P.v /SuR/|.4/ArrX. CH. 50V
843DM44O 1 NKBOOO DM44O1N KB MI ASSM
2 I 490000376 DN44O. PIIRON FOR TFT T,R. PIIRON. TO- 4. ROX2. 2. 4
21490000377 DN44O. PI]RON FOR TFT I]. PI]RON. T0.4. I5O*1. 22.
21 490000378 DN44O, PURO\ FOR TFT D, PURON. T0.4.150*2.2 2

13-7
Factory partlist
Parts N0. Descript ion QTY Locat i on
21490000155 DV_6300- MTC COAT. RI]BBER M]C:
2040000185 SCREII. PTP. BI,ACK Z]NC. M2*5 2
448i0000057 DN428. BLUETOOTH MODEL. SUN_MBA36 Tq.
41 6580001 06 FNCODER ECl 1 O2O1M2D_HA1-007. H] B. 5. BA EN1
434q0000026 TNFRARED RECETVER. FM_3O3BTM2-sAN RM1 O1
23650000008 MIC. FA4s3OL3ODDCC. _38+2dB. 2P. DN44O I\,{TC.
43420000051 TFT/A. PII/O62XSB. 6. 2 !. PRTME VTEW
4342.0000052 TOUCH SCREEN. KDT_460. 6.2,, . 154*87*1. 45
21450000105 DN44O. DUSTPROOF CLOTH, PVC+CLOTH
21460000294 DN44O. TNSIII,ATOR TFT. PC. TO.5
2C000 1 077000 DN44O. LENS DISC GATE. PC
2l 4l 0000025 CMV1OO REMOTE MAT. EVA. 7*6X4
21405000002 CM2O6. REMOTE MAT. EVA.7*6*2
21 445000039 CM7OO. DOUBLE TAPE MIDDLE.3M 3
B42DN4401TFTO2O DN44O1 TFT SMT ASSM
220000000q8 POIrER INDUCT0R. 100uH. CDH6B3B .J 10 I r1-9r.
220000003 I 5 P0IIER INDUCTOR. 100uH. +10%.300mA. CDH4B2B 12 t 20..
438050002 14 qN{.KFT ?P SIIO2R-RHSS_]_TR PWR 1CN4:
4604000000 RES. 0 O. +5%. 1/16i{. 0603 P?n.
4604000 01 RFS 1 00 O + 5%. 1 /1 61il. 0603 2. p27-r9,.
4604000 02 RES. rkO_ +5%. l/16I{.0603 3RB R41 R37:
4604000 03 RES. 10k o. t5y0. 1/16lry. 0603 ,p6?-61 pAr.
4604000 04 RES 100k O. +5%. 1 /161{. 0603 2R?q R6I
4604000 05 RES. lMO_ +570. 1/16W.0603 1R4.
4604000472 RES. 4k7 0. +5%. 1/16r{.0603 p17 .
4 6040001 30 RES 13f)_ +5%. 1/161{- 0603 Rl0 R14 R l9:
4604000 1 5 1RES. 150 0 . +5%. 1/161{. 0603 1R33.
46040001 52 RES. 1k5 Q. -F570. 1/161{. 0603 R4A.
4604000201 RES. 200 0 . + 50/0. 1 /t 6W. 0603 I R58:
46040002.20 RES. 22 0. +5%. 1/16W. 0603 2R38 R45.
4604000221 RES. 220 O. +5%. 1/16]il. 0603 Rl N,I
4604000223 RES_ 22kO_ +50/0. t/16W.0603 R42:
46040002.7 4RES. 270k O. l-570. 1/16it. 0603 Riq.
4604000303 RES. 30k Q. -F570. 1/16W. 0603 R4q.
4604000304 RES. 300k O. +5%. 1 /161[. 0603 R26:
46040003i0 RES. 33 O. *570. 1/16W. 0603 P7 pr, Prq pqA Paq.
4604000331 RES 3300_ +5%. 1 /16W. 0603 R1 nr.
4604000332 RES. sk3 0. +5%. I /16W. 0603 R60:
4604000471 RES. 470 0 . *570. 1/16W. 0603 Rt o?.
A606000471 RES 470 O. +5%. 1 /1 0l[. 0805 DRl 09-l
4604000472 RES. 4k7 0. *570. 1 /i61[. 0603 6R6 R40 R47 R55 R57.R8q.
4604000124 RES. 120k O . +5%. 1/16\t. 0603 P] A.
4604000473 RES. 47k O. +5%. 1 /t 61[. 0603 4R24 R32 R52 RBB:
4604000474 RES. 470k O. +5%. 1/161[. 0603 pqn.
46040005 lRES. 510 12. +5%. 1/16W. 0603 R?5.
4604000123 RES. 12kO_ +5q0. t/161{.0603 1R44:
46040005 1 3 RES. 5lk O. l-570. 1/16W. 0603 p61
604000620 RES. 62 o. -l-570. 1/16W. 0603 6Rq R]1 Rl? R]5.RrO-21
4604000681 RES. 680 0 . + 50/0. 1 /t 61[. 0603 1R104:
4604000682 RES. 6. Bk o. +5%. 1/16W. 0603 p4R.
+604000750 RES 75f). +5%. L/t6W.0603 2RR5_R6.
4604000000 RES. 0 0. +5%. 1/16\,v. 0603 BFB3 FB10 R92-93:R23 Rl2 RIB R120:
46040001 00 RES. 10 0. +5%. 1/161{. 0603 4Rt-? RtnR.
46l 8000330 NET RES. 33 0 *4. + 5%. 1 ,/161{. 0603 4 RP2.5:
4803000101 CAP. l00nF. +10%.50V. NP0.0603 6c3-5 C26 Cio C37.

13-8
Factory partlist
Parts N0. Descript ion QTY Locat ion
141803000104 CAP, 0. 1uF, +80Y0-200/0,16V, Y5V, 0603 55
C7-9 Cl1-13 Cl9-22:C27 C29 C3i-33
C35;C36 C39 C4l-42 C44;C49 C\l C54 C57-
58;C60-61 C63 C65 C67;C68-69 C72 C76-
82;C84-85 CB7 C91-93;C96-97 C101
cl03.c]07 108 cl13 c38.
41 803000200 CAP. 20pF. + 10/o. 25V.NP0, 0603 3c6 c1]q.
41 803000470 CAP. 47nF. +50/0. 16V. NP0. 0603 1cl5:
4l 80301 01 02 CAP. lnF. t5%. 16V. NPO. 0603 5cln cl2. ('7n. c1t aa2'
41803040105 CAP. 1uF. + 100l,. 25Y. XsR, 0603 3c16 C4q C56.
41 803000225 CAP. 2. 2rF. +800k-200/o. 1 0V. YsV. 0603 2c23 C24:
41 81 20001 06 CAP. 10uF. +8070-2070.25V. Y5V. 1210 5cRa c71 c72 C1q CAn.
41827000107 SMD E-CAP. 100uF. l-2070.6.3*5.5. 16Y. 105C 5cR6 CRq Cq4-q6 a]n6.
41R2.7000?.2.7 SMD E-CAP. 220nF. *200k- 6. 3{<5. 5. 6. 3V. 105"C 8C10 C25 Cl06 Cl09:Cl10 C114-116:
1418450401 06 TAN. CAP, l0uF, l6V, +20V0, At4 C2 CzB C34 C46-48;C50 C52-53 C55;C62 C64
l''loo c] I1.
I 42000000050 TNDIICT0R.2.2rfi. * 10%. 1A.0805 1t.24:
420000001 69 INDUCTOR. l0uH. +1070.25nrA.0805. F C01L l5 -9 IL-1 1 Tt?-lA.I1R.
142040000082 CHTP BEAD. 0603. 600 O. CBYO6O3II6OlMT 2 FRl _? .
142.2.0600001 REC DT0DE. 1L6263. 24.ly.70V. S0D-80 inr.
422.36000005 DUAL D]ODE. BAV99. SOT_23. CI 7n]-, n^-4,
t42266000004 MosFET. AO3401. S0T-23 ol
142.2,66000006 I,IOSFET. T RT,MI,6402. SOT-23 1or'
142290000004 ESD DIODE. PGOsGBUSV. 2OOW. 24A. 5G TTE.
t42400000282 IC. N]M3414AM. SOP-8, ]RC t4.
142,400000307 TC. RTg16I_33CV. SOT-23. RICHTEK 1u2:
I 42400000605 IC. TSC2O46IPl,lIR. TSSOPl6. TI t7.
142400000635 rC. AT24CO2BN_1 OSTI_1. 8. SOP8. ATMET ]t n.
I 4241 0000480 TC. MSTT2OC_T_CF. TOFP_100. MST 1U1
142820000004 TCX0. 12. 00M. + 10oom. -20+70C. 20oF. SMD
143815000055 FFC SOCKET. 26P, 0. Smm, DOI{N C0NTACT CN?.
r 2381 500009i FFC S0CKET.50P.0.Srnm. DOWN C0NTACT. HC CN1
I 2381 50001 42 FFC S0CKET.8P.0.5mm. DOWN C0NTACT ar\14.
142410000334 TC. 25VFO1 OA_33_4C_SAE- SOP_S. SST I?.
142.410OOO491 I C,. AI,[C3202. SOP8. ADDMTEK. I,ED BACKI,TGHT 1U5:
I 4t 8030001 03 CAP. lOnF. + I0%. 50V. X7R. 0603 2alQ a60.
t418t2000475 cAP. 4. 7rrF. +80Vr-200 .50V. Y5V. I 21 0CRR.
1 41 80301 0201 CAP. 200oF. +5%. 25V. NP0. 0603 c98:
1 41 803000471 CAP. 47OpF. + l0Yo, 50V, X7R. 0603 c.l7:
142200000019 qlii DTnnF' TCll 414R 'l /?W 50OmA I I -?4 KF'l Dq.
1 4340501 0069 r.F:D. RED. FC-l 60BSXK-620H08. 0603. 1OmA B Dl01-107: D108:
122233000012 SCHOTTKY D]ODE, SS16. DO_214AC n1r.
141614000047 RFS. 4. 7 0. +5y0. 1 /2V{.2010 RA7.
142224000073 ZENER DIODE. 12Y. 7/2W.MINI MELF D10:
i 4200000036 1POWER INDUCTOR.22uH. +20%. 700mA. CDH4B2B 2. T? I l7'
123210000072 TACT SW. 4. 3mm. i[T l 1 01 Ei{l -43F-02. 250Ef. SMI) 5SW10l-105:
I 4301 0001 1 B9 pcB. TFT. DN4401. FR4. 1.2. 193{.196.oSP.2P
I 4i 60401 01 04 RFS 100k O +1%. I /16W.0603 p6A.
I 41 61 401 qO56 RES. 5. 6 0 _ +5y0. 1 /2W. 2010 R5q.
I 43805000040 S0CKET. 2P. l.25nn. H0RIZ0NTAL CNq.
141606000681 RES 680 0 . +5%. 1 /1 0W. 0805 pl 1r.
1?,160600902.2. RES- 0.22 0. l-570. 1/10W.0805 )6.
1 41 23030 87901 BDN44O1. P\{R BUTTON. PC. GEN+BLK
14i23030 BB2O2B DIl4401N. DIM BUTT0I'I, PC, GEN+BLK
1 4 1 23030 8830 1 RDN44OI. SRC BIJTTON. PC. GEN+BI-K
I 4t 23030 BBOO.I B DN44O1. EIECT BUTTON. PC. GEN+BLK

13-9
Factory partlist
Parts N0. Descript ion QTY Locat ion
14 230301881018 DN44O1. RESET BUTTON. PC. GEN+BLK 1
14 220000241039 DM727. REM LENS. PMMA. HENNA
12705001930 7NN44O1 RTTT RTNC ARS PI T+ST 2
14 230301 8840 BDN44O1. VOL KNOB. ABS. GEN+BLK
14 2705001920 7DN44O] - VOI, RTNG. ABS. PT,T+ST
12600002740 0DN44O1. VOI, I,T_GI]TDE. PC. GEN/I{HT 1
14 260000275000 DN44O1. CDM LI_GU]DE_1. PC
l4 260000293000 DN44O1. CDM T,T_GIITDE_R. PC
12403006790 1 8 DN44O1. SD BKT. ABS. GEN+BLK 1
14 210310913028 DM44O1N259A. FRONT PANEL. PC+ABS. GEN+BLK
27070004253 DMB4285BA. TV ANT T,ABET,
2701 5000076 DN44O. PIII,P FOAM. YEI-LOW PULP.280*190*75 2
27060000023 CMVIOO. POLY BAG SIDE LOCK. PE
2383000071 I/0. DN-6320. 3P- SW
2.484500002.0 ANT. DV_721ALM. XY_AVOO3_s. TV
27070000731 CM7OO. BATTERY+ WTRETNG I,ABEI
2,7070000'735 CM7OO. GROI]I{D WTRETNG LABEL
27070000729 CM7OO. ACC+ I{IREING LABEL
127070000730 CM7OO. AMP,/ANT,/REMOTE 1IIIRETNC I,ABEI
12.7070000478 CMl20 FORYOI]ONT T,EFT+ WIRING I,ABEI,.ENG
127070000479 CM12O. FORYOUONT LEFT_ l{IRING LABEL. ENG
127070000480 CMI20. FORYOTIONT RTGHT+ IITRING I,ABET,. ENG
12.7070000441 CMl20. FORYOI]ONT RTGHT_ I{IRING I,ABEi,. ENG
127070000484 C[4120.REAR LEFT+ l,vIRTNG LABEL. ENG
127070000485 CM]20. REAR I,EFT_ l{TRTNG T,ABF]I,. ENG
1 27070000486 CM]20. REAR RTGHT+ I{IRING LABEL.ENG
127070000487 C[4120. REAR RIGHT_ I{TRTNG LABEL. ENG
I 27070000493 CMI20- TET,EI,flITE T,ABF]],. ENG
127070000427 CM11O.OC PASS LABLE
1 27070000984 CMV1 OO. WARRANTY I,ABE],. ENG
12.70700002.02. CAD3 ] O. SCREI{ ],ABEI,. PHT],TPS
127070003207 CMI2I259A.SN LABEL 4
127070004551 CM12OR3OOA. ANT] COUNTERFEIT]NG LABEL
127005000124 DM428. lIHTTE B0X. i{98. 2801.35{.200 1