CFD V3/V7/V7L V7
User Manual: CFD-V7
Open the PDF directly: View PDF
.
Page Count: 50
- SPECIFICATIONS
- SERVICING NOTES
- GENERAL
- DISASSEMBLY
- 3-1. CABINET (FRONT) SUB ASSY
- 3-2. CONTROL BOARD +BVTP 3
- 3-3. CABINET (UPPER)
- 3-4. POWER BOARD, INLET BOARD, BATT (R) BOARD, BATT (L) BOARD
- 3-5. VOLUME BOARD, FM SW BOARD, MAIN BOARD
- 3-6. PRE BOARD, MECHANISM DECK, OPTICAL PICK-UP SECTION, CD BOARD
- 3-7. BELT, M601 (CAPSTAN / REEL MOTOR), HRP901 HEAD, MAGNETIC (RECORD/PLAYBACK), HE901 HEAD (ERASE)
- DIAL POINTER INSTALLATION
- ADJUSTMENTS
- DIAGRAMS
- 6-1. EXPLANATION OF IC TERMINALS
- 6-2. BLOCK DIAGRAMS –TUNER/TC SECTION–
- 6-3. BLOCK DIAGRAMS –MAIN SECTION–
- 6-4. BLOCK DIAGRAMS –CD SECTION–
- 6-5. PRINTED WIRING BOARDS – MAIN SECTION –
- 6-6. SCHEMATIC DIAGRAMS – MAIN SECTION (1/3) –
- 6-7. SCHEMATIC DIAGRAMS – MAIN SECTION (2/3) –
- 6-8. SCHEMATIC DIAGRAMS – MAIN SECTION (3/3) –
- 6-9. PRINTED WIRING BOARDS – CONTROL/POWER SECTION –
- 6-10. SCHEMATIC DIAGRAMS – CONTROL/POWER SECTION –
- 6-11. SCHEMATIC DIAGRAMS – CD SECTION –
- 6-12. PRINTED WIRING BOARD -CD SECTION -
- EXPLODED VIEWS
- ELECTRICAL PARTS LIST

CFD-V3/V7/V7L
SERVICE MANUAL
CD RADIO CASSETTE-CORDER
SPECIFICATIONS
Canadian Model
UK Model
Australian Model
CFD-V7
AEP Model
CFD-V3/V7/V7L
E Model
CFD-V3/V7
Model Name Using CD Section CFD-S36
Similar Mechanism Tape Section CFD-S36
CD Mechanism Type KSM-213CDP
Optical Pick-up Type KSS-213C
Tape Transport Mechanism Type MF-V5-117
CD player section
System
Compact disc digital audio system
Laser diode properties
Material: GaAlAs
Wave length: 780 nm
Emission duration: Continuous
Laser output: Less than 44.6 µW
(This output is the value measured at a distance of about 200 mm
from the objective lens surface on the optical pick-up block with 7
mm aperture.)
Spindle speed
200 r/min (rpm) to 500 r/min (rpm) (CLV)
Number of channels
2
Frequency response
20 - 20 000 Hz +1/–2 dB
Wow and flutter
Below measurable limit
Radio section
Frequency range
CFD-V3/V7
FM Italy 87.5 - 108 MHz
European countries 87.6 - 107 MHz
Other countries 87.6 - 108 MHz
AM Italy 526.5 - 1 606.5 kHz
European countries 531 - 1 602 kHz
Other countries 530 - 1 710 kHz
CFD-V7L
FM 87.6 - 107 MHz
LW 153 - 279 kHz
IF FM: 10.7 MHz
AM/LW: 455 kHz
Aerials
FM: Telescopic aerial
AM/LW: Built-in ferrite bar aerial
Cassette-corder section
Recording system
4-track 2 channel stereo
Fast winding time
Approx. 120 s (sec.) with Sony cassette C-60
Frequency response
TYPE I (normal): 80 - 10 000 Hz
– Continued on page 2 –
Ver 1.5 2003.12
With SUPPLEMENT-1
Photo : CFD–V7
9-873-079-16
2003L02-1
© 2003.12
Sony Corporation
Personal Audio Company
Published by Sony Engineering Corporation

2
CFD-V3/V7/V7L
SAFETY-RELATED COMPONENT WARNING!!
COMPONENTS IDENTIFIED BY MARK 0 OR DOTTED LINE WITH
MARK 0 ON THE SCHEMATIC DIAGRAMS AND IN THE PARTS
LIST ARE CRITICAL TO SAFE OPERATION.
REPLACE THESE COMPONENTS WITH SONY PARTS WHOSE
PART NUMBERS APPEAR AS SHOWN IN THIS MANUAL OR IN
SUPPLEMENTS PUBLISHED BY SONY.
TABLE OF CONTENTS
Specifications ............................................................................... 1
1. SERVICING NOTES ...................................................... 3
2. GENERAL
Location and Function of Controls ....................................... 4
3. DISASSEMBLY
3-1. Cabinet (Front) Sub ASSY, Cabinet (Rear) ................. 5
3-2. Control Board .............................................................. 5
3-3. Cabinet (upper) ............................................................ 6
3-4. Power Board, Inlet Board, BATT (R) Board,
BATT (L) Board ........................................................... 6
3-5. Volume Board, FM SW Board, Main Board ............... 7
3-6. PRE Board, Mechanism Deck,
Optical Pick-up Section, CD Board ............................. 7
3-7. Belt, M601 (Capstan / Reel Motor),
“HRP901 Head, Magnetic (Record/Playback)”,
HE901 Head (Erase) .................................................... 8
3-8. Optical Pick-up (KSS-213C) ....................................... 8
4. DIAL POINTER INSTALLATION .............................. 9
5. ADJUSTMENTS
5-1. Mechanical Adjustments ............................................ 10
5-2. Electrical Adjustments ............................................... 10
6. DIAGRAMS
6-1. Explanation of IC Terminals ...................................... 13
6-2. Block Diagrams – Tuner/TC Section – ..................... 15
6-3. Block Diagrams – Main Section – ............................. 16
6-4. Block Diagrams – CD Section – ................................ 17
6-5. Printed Wiring Boards – Main Section –
(Last digit :-11) ............ 18
6-6. Schematic Diagrams – Main Section (1/3) –
(Last digit :-11) ............ 19
6-7. Schematic Diagrams – Main Section (2/3) –
(Last digit :-11) ............ 20
6-8. Schematic Diagrams – Main Section (3/3) –
(Last digit :-11) ........... 21
6-9. Printed Wiring Boards – Main Section –
(Last digit :-12) ............ 22
6-10. Schematic Diagrams – Main Section (1/3) –
(Last digit :-12) ............ 23
6-11. Schematic Diagrams – Main Section (2/3) –
(Last digit :-12) ............ 24
6-12. Schematic Diagrams – Main Section (3/3) –
(Last digit :-12) ........... 25
6-13. Printed Wiring Boards – Control/Power Section –
(Except V7 :E4 model) ..... 26
6-13. Printed Wiring Boards – Control/Power Section –
(V7 :E4 model) ................. 27
6-15. Schematic Diagrams – Control/Power Section – ...... 28
6-16. Schematic Diagrams – CD Section – ........................ 29
6-17. Printed Wiring Boards – CD Section – ...................... 30
7. EXPLODED VIEWS
7-1. Front Cabinet Section ................................................ 34
7-2. Rear Cabinet Section ................................................. 35
7-3. Upper Cabinet Section ............................................... 36
7-4. Mechanism Deck Section (1) .................................... 37
7-5. Mechanism Deck Section (2) .................................... 38
7-6. CD Block Section ...................................................... 39
8. ELECTRICAL PARTS LIST ...................................... 40
General
Speaker
Full range: 10 cm dia., 3.2 Ω, cone type (2)
Outputs
Headphones jack (stereo minijack)
For 16 - 68 Ω impedance headphones
Maximum power output
3.6 W
Power requirements
For CD radio cassette-corder:
120 V AC, 60 Hz (Canadian, E4 model)
230 V AC, 50 Hz (Except Canadian model)
110-120V AC/220-240V AC
50/60Hz changeable (E4 model)
9 V DC, 6 R20 (size D) batteries
Power consumption
AC 20 W
Battery life
For CD radio cassette-corder:
FM recording
Sony R20P: approx. 13.5 h
Sony alkaline LR20: approx. 20 h
Tape playback
Sony R20P: approx. 7.5 h
Sony alkaline LR20: approx. 15 h
CD playback
Sony R20P: approx. 2.5 h
Sony alkaline LR20: approx. 7 h
Dimensions
Approx. 420 × 165 × 256 mm (w/h/d)
(16 5⁄8 × 6 1⁄2 × 10 1⁄8 inches) (incl. projecting parts)
Mass
Approx. 4.1 kg (9 lb. 1 oz) (incl. batteries)
Supplied accessory
Mains lead (1)
Design and specifications are subject to change without notice.
ATTENTION AU COMPOSANT AYANT RAPPORT
À LA SÉCURITÉ!!
LES COMPOSANTS IDENTIFIÉS PAR UNE MARQUE 0 SUR
LES DIAGRAMMES SCHÉMATIQUES ET LA LISTE DES
PIÈCES SONT CRITIQUES POUR LA SÉCURITÉ DE
FONCTIONNEMENT. NE REMPLACER CES COMPOSANTS
QUE PAR DES PIÈCES SONY DONT LES NUMÉROS SONT
DONNÉS DANS CE MANUEL OU DANS LES SUPPLÉMENTS
PUBLIÉS PAR SONY.
This Compact Disc player is classified as a CLASS 1 LASER
product.
The CLASS 1 LASER PRODUCT label is located at the bottom
of the player.
Information
For customers in Europe
Ver 1.4 2003.06
CAUTION
Use of controls or adjustments or performance
of procedures other than those specified herein
may result in hazardous radiation exposure.

3
CFD-V3/V7/V7L
NOTES ON HANDLING THE OPTICAL PICK-UP
BLOCK OR BASE UNIT
The laser diode in the optical pick-up block may suffer electro-
static breakdown because of the potential difference generated
by the charged electrostatic load, etc. on clothing and the human
body.
During repair, pay attention to electrostatic breakdown and also
use the procedure in the printed matter which is included in the
repair parts.
The flexible board is easily damaged and should be handled
with care.
NOTES ON LASER DIODE EMISSION CHECK
The laser beam on this model is concentrated so as to be focused
on the disc reflective surface by the objective lens in the optical
pick-up block. Therefore, when checking the laser diode
emission, observe more than 30 cm away from the objective
lens.
CHUCK PLATE JIG ON REPAIRING
On repairing CD section, playing a disc without the CD lid, use
Chuck Plate Jig.
• Code number of Chuck Plate Jig : X-4918-255-1
SECTION 1
SERVICING NOTES
LASER DIODE AND FOCUS SEARCH OPERATION
CHECK
1. Press CD open knob.
2. Open the lid for CD.
3. Push on SWITCH (S801) as following figure.
4. Confirm the laser diode emission while observing the
objecting lens. When there is no emission, Auto Power
Control circuit or Optical Pick-up is broken.
Objective lens moves up and down once for the focus
search.
Insert a precision
screw driver and push
SWITCH (S801)

4
CFD-V3/V7/V7L SECTION 2
GENERAL
LOCATION AND FUNCTION OF CONTROLS
This section is extracted from
instruction manual.
* FM MODE•ISS for CFD-V7L
REC PLAY REW FF
STOP/EJECT
PAUSE
c
Loading a CD
With the labeled side up
Inserting a cassette
With the side you want to
play facing upward
Z PUSH OPEN/CLOSE
VOLUME
TUNING
PLAY MODE
ENTER
iFUNCTION .,>
u
MEGA BASS
x
FM MODE (rear)
Display
Total track number
C
Track number
D
Programmed track
E
OPR/BATT

5
CFD-V3/V7/V7L
SECTION 3
DISASSEMBLY
Note : Follow the disassembly procedure in the numerical order given.
3-1. CABINET (FRONT) SUB ASSY, CABINET (REAR)
3-2. CONTROL BOARD
z The equipment can be removed using the following procedure.
Cabinet (front) sub ASSY Control board
Cabinet (rear) Cabinet (upper)
Set
Volume board,
FM SW board, Main board
PRE board, Mechanism deck,
Optical pick-up section, CD board
Belt, M601 (capstan/reel motor),
HRP901 Head, Magnetic (Record/playback),
HE901 Head (Erase)
Power board, Inlet board,
BATT (R) board, BATT (L) board
Cabinet (front) sub assy
Cabinet (rear)
Lid, battery case
3
Screws
+BVTP 3
×
12
6
Open the Lid (CD)
2
Screws
+BVTP 3
×
12
4
Screw
+BVTP 3
×
12
7
Screw
+BVTP 3
×
12
5
9
1
8
Knob (vol )
Cabinet (front) sub assy
CONTROL board
1
Screws
+BVTP 2.6
×
8
2
Screws
+BVTP 2.6
×
8
3
Ver 1.1 2001.04

6
CFD-V3/V7/V7L
3-3. CABINET (UPPER)
8
9
6
Screw +BVTP 3
×
10
5
Screw +BVTP 3
×
12
1
Screws
+BVTP 3
×
12
4
Screw
+BVTP 3
×
12
Remove the handle in
the direction of the arrow.
2
Open the Holder assy, cassette by
pressing STOP/EJECT button.
3
Open the Lid (CD)
Cabinet (rear)
Cabinet (upper)
STOP/EJECT
button
7
CNP902
(POWER board)
3-4. POWER BOARD, INLET BOARD, BATT (R) BOARD, BATT (L) BOARD
2
Screws
+BVTP 3
×
10
1
Screws
+BVTP 3
×
10
INLET board
POWER board
Cabinet (rear)
BATT (R) board
CNP907
BATT (L) board
5
Screws
+WH 3
×
8
6
CNP90
8
4
CNP907
3
8
7

7
CFD-V3/V7/V7L
3-6. PRE BOARD, MECHANISM DECK, OPTICAL PICK-UP SECTION, CD BOARD
0
Screws
+BVTP 3
×
10
5
Screw
+BVTP 3
×
10
MAIN board
2
Remove solder
(five places)
FM SW board
6
KH801
S801
7
Wire, parallel (CN802)
(15 core)
4
Remove solder
(four places)
VOLUME board
Cabinet(upper)
1
Screws
+BVTP 3
×
10
3
qa
9
Wire, parallel (CNP305)
(10 core) (V3, V7)
(12 core) (V7L)
8
CNP304
3-5. VOLUME BOARD, FM SW BOARD, MAIN BOARD
Optical pick-up section
CD board
Mechanism deck
PRE board
1
Screw
+BVTP 3
×
10
1
Screws +BVTP 3
×
10
3
Screw +BVTT 2
×
6
5
Screws +PWH 2.6
×
10
5
Screws
+PWH 2.6
×
10
8
Screw
+BVTT 2
×
6
0
Wire, parallel (CNP701
)
(16 core)
7
Remove solder
(four places)
6
2
9
4
Cabinet(upper)
Ver 1.1 2001.04

8
CFD-V3/V7/V7L
3-7. BELT, M601 (CAPSTAN / REEL MOTOR), “ HRP901 HEAD, MAGNETIC (RECORD/PLAYBACK) ”,
HE901 HEAD (ERASE)
Mechanism deck
HE901 Head (Erase)
HRP901 Head, Magnetic (Record/ Playback)
1 Screws
+B 2.6 × 5
7 Claws
5 Claws
4 M601
(Capstan/reel motor)
2
3 Belt
8
6
Ver 1.1 2001.04
3-8. OPTICAL PICK-UP (KSS-213C)
4
1
2
5
3
Bend the stopper
Chassis ASSY, motor (MB) (spindle
)
Shaft, sled
Claws
Claw
Claw Claw
Cover, CD
Gear
Optical pick-up (KSS-213C)

9
CFD-V3/V7/V7L
SECTION 4
DIAL POINTER INSTALLATION
Note : Follow the installation procedure in the numerical order given.
1 Align the pointer with the groove of “cabinet (front) sub ASSY” and insert it as shown in the illustration.
2 Align knob (TU) with “cabinet (front) sub ASSY” and fasten the screw.
3 Turn the knob (TU) fully in the direction of the allow as shown in the illustration.
4 Turn the tuning capacitor gear fully in the direction of the allow as shown in the illustration.
5 Fasten the “cabinet (front) sub ASSY” and cabinet (rear) with the screws.
1 Pointer
knob (Tu)
Cabinet (front) sub ASSY
2 Screw (+BVTP 2.6 × 8)
3
Tuning knob
4
Tuning capacitor gear
5
Cabinet (rear
)

10
CFD-V3/V7/V7L
5-1. MECHANICAL ADJUSTMENTS
PRECAUTION
1. Clean the following parts with a denatured-alcohol-moistened
swab :
record/playback head pinch roller
erase head rubber belts
capstan
2. Demagnetize the record/playback head with a head demagne-
tizer. (Do not bring the head demagnetizer close to the erase
head.)
3. Do not use a magnetized screwdriver for the adjustments.
4. The adjustments should be performed with the rated power sup-
ply voltage (9V) unless otherwise noted.
Torque Measurement
Torque Torque Meter Meter Reading
1.77 – 5.88 mN•m
Forward CQ-102C (18 – 60 g•cm)
(0.25 – 0.83 oz•inch)
Forward 0.1 – 0.49 mN•m
Back Tension CQ-102C (1.0 – 5.0 g•cm)
(0.014 – 0.069 oz•inch)
4.42 – 9.31 mN•m
Fast Forward CQ-201B (45 – 95 g•cm)
(0.62 – 1.32 oz•inch)
4.42 – 9.31 mN•m
Rewind CQ-201B (45 – 95 g•cm)
(0.62 – 1.32 oz•inch)
Tape Tension Measurement
Torque Meter Meter Reading
CQ-403A more than 60g
(more than 2.12 oz)
TUNER SECTION
AM Section
Function switch : AM or LW
Volume : MIN
FM Section
Function switch : FM
Volume : MIN
AM RF signal
generator
30% amplitude modulation by 400Hz
signal.
Output level : as low as possible
Put the lead-wire
antenna close to
the set.
FM RF signal
generator
22.5kHz frequency deviation by
1kHz signal.
Output level : as low as possible
telescopi
c
antenna
terminal
0.01µF
set
32Ω
J301 (phones)
level mete
r
SECTION 5
ADJUSTMENTS
5-2. ELECTRICAL ADJUSTMENTS
TAPE RECORDER SECTION
Standard Output Level
Output terminal HP OUT
load impedance 32 Ω
output signal level 0.25V (–10dB)
Test Tape
Type Signal Used for
WS-48A 3kHz, 0dB Tape Speed Adjustment
Tape Speed Adjustment
Procedure :
Mode : Playback
Adjustment Value : 3,000Hz
Standard Value : 2,940 - 3,060Hz
Frequency difference between the beginning and the end of the tape
should be within 1.5% (45Hz).
set
test tape
WS-48A
(3kHz, 0dB) 32Ω
digital frequenc
y
counter
J301 (phones)
Tape speed adjustment
control inside motor
0dB = 0.775V
Adjustment Location : Mechanism deck
0dB = 1 µV

11
CFD-V3/V7/V7L
• Repeat the procedures in each adjustment several times, and the
frequency coverage and tracking adjustments should be finally
done by the trimmer capacitors.
( ) : V3/V7: AEP, UK, CET, SP,KR
< > : V7:Italian
[ ] : V7L
AM/LW IF ADJUSTMENT
Adjust for a maximum reading on level meter.
T2 455kHz
EXCEPT V7L
AM FREQUENCY COVERAGE ADJUSTMENT
Adjust for a maximum reading on level meter.
L4 520kHz ( 520kHz) < 516kHz>
CT4 1,780kHz (1,680kHz) <1,630kHz>
AM TRACKING ADJUSTMENT
Adjust for a maximum reading on level meter.
L3 620kHz
CT3 1,400kHz
V7L
LW FREQUENCY COVERAGE ADJUSTMENT
Adjust for a maximum reading on level meter.
L4 145kHz
CT4, CV2 300kHz
LW TRACKING ADJUSTMENT
Adjust for a maximum reading on level meter.
L3 160kHz
CT3, CV3 260kHz
FM IF ADJUSTMENT
Adjust for a maximum reading on level meter.
T1 10.7MHz
FM FREQUENCY COVERAGE ADJUSTMENT
Adjust for a maximum reading on level meter.
L2 86.5MHz ( 87.0MHz) < 87.35MHz> [ 87.0MHz]
CT2 109.5MHz (108.3MHz) <108.25MHz> [108.3MHz]
FM TRACKING ADJUSTMENT
Adjust for a maximum reading on level meter.
L1 86.5MHz ( 87.0MHz) < 87.35MHz> [ 87.0MHz]
CT1 109.5MHz (108.3MHz) <108.25MHz> [108.3MHz]
Adjustment Location : Main board (See page 12)
CD section adjustments are done automatically in this set.
In case of operation check, confirm that focus bias.
Focus Bias Check
1. Connect the oscilloscope between TP (RF) and GND on CD
board.
2. Insert the disc (YEDS-18). (Part No. : 3-702-101-01)
3. Press the 7 button two times (LPC ON).
4. Confirm that the oscilloscope waveform is as shown in the fig-
ure below. (eye pattern)
A good eye pattern means that the diamond shape (◊) in the
center of the waveform can be clearly distinguished.
• RF Signal Reference Waveform (eye pattern)
When observing the eye pattern, set the oscilloscope for AC range
and raise certical sensitivity
RF level
0.7 – 1.0 Vp-p (LPC ON)
1.0 – 1.4 Vp-p (LPC OFF
)
VOLT/TV : 200mV
TIME/DIV : 500 nS
CD SECTION
How to put the set into CD Test Mode
1. Set the function switch to power off.
2. Set the function switch to CD.
3. Set Test mode by momentarily shorting both of the IC801 51pin
to GND. (Shorting the terminals momentarily is sufficient).
The set is into CD test mode (88 is displayed).
4. Turn the power off to release test mode.
S351
R812
R811
R809
R810
-1 -2
R851
C844
C
8
C8
R815
R814
R813
C801
R816
R
JC310
C810
JW316
JW317
JW318
320
21
IC801
GND 51pin
TEST mode : momentarily short
[MAIN BOARD] (Conductor side)
C730
R730
R729
C704
C736
C734
R704
R702
R703
R705
R701
C703
IC701
C731
R706
C
703
C743
C744
C
4
2
R709 R710
R708
C705
R711
TP
(RF)
J
J
W
JW726
C
C747
JW710
9
oscilloscope
(AC range)
[CD BOARD] (Conductor side)
(GND)
TP (RF)
• Abbreviation
CET : East European & Russian
SP : Singapore

12
CFD-V3/V7/V7L
Adjustment Location :
[MAIN BOARD]
(Component side)
[MAIN BOARD]
(Conductor side)
CT1 : FM Tracking Adjustment
CT3 : AM/LW Tracking Adjustment
L3: AM/LW Tracking Adjustment
CV3: LW Tracking Adjustment (V7L)
T2 : AM/LW IF Adjustment
T1 : FM IF Adjustment
L2 : FM Frequency Coverage Adjustment
CT4: AM/LW Frequency
Coverage Adjustment
CT2 : FM Frequency
Coverage Adjustment
L4 : AM/LW Frequency
Coverage Adjustment
CV2 : LW Frequency Coverage Adjustment
(V7L)
L1 : FM Tracking Adjustment

13
CFD-V3/V7/V7L
Pin No. Pin name I/O Description
1 – 4 NC — Not used (open)
5 IC — Connect to ground.
6 XT1 I Connect to ground.
7 XT2 — Not used (open)
8 VDD — Power supply terminal (B+ 3.3 V)
9 VSS — Ground terminal
10 CL1 I Oscillator terminal (4 MHz)
11 CL2 — Oscillator terminal (4 MHz)
12 RESET I Reset signal input
13 NC — Not used (open)
14 SYNC–R — Not used (open)
15 CE O Chip enable signal output
16 C–RST O Reset signal output to the LC78645E (IC701)
17 CAPH — Charge pump capacitor terminal
18 CAPL — Charge pump capacitor terminal
19 – 21 VLC0 – 2 — Capacitor connect terminal
22 – 25 COM0 – 3 O LCD common drive output
26 – 43 S0 – 17 — Not used (open)
44 – 48 S18 – 22 O LCD segment drive output
49 S23 — Not used (open)
50 ENTER I Key (ENTER) input
51 MODE I Key (MODE) input
52 PLAY I Key (H PLAY) input
53 FR I Key (l FR) input
54 FF I Key (L FF) input
55 STOP I Key (s STOP) input
56 DOOR I Door open/close input
57 WRQ I Command signal input
58 TEST I Test mode signal terminal input (TEST: L)
59 MUTE O Mute signal output
60 FSEQ I Frame SYNC signal input
61 DRF I DRF (Defect RF) input
62 DO O Serial data output
63 DIN I Serial data input
64 CLK I Clock signal input
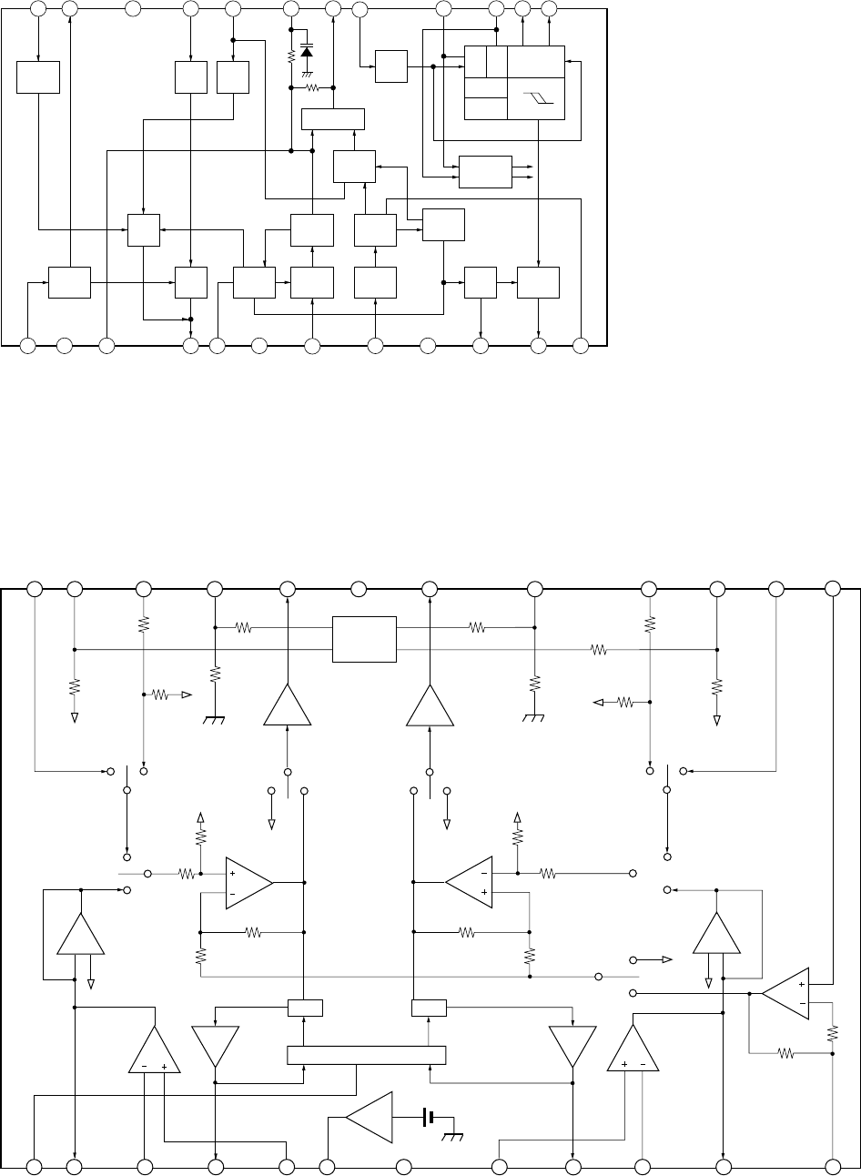
SECTION 6
DIAGRAMS
6-1. EXPLANATION OF IC TERMINALS
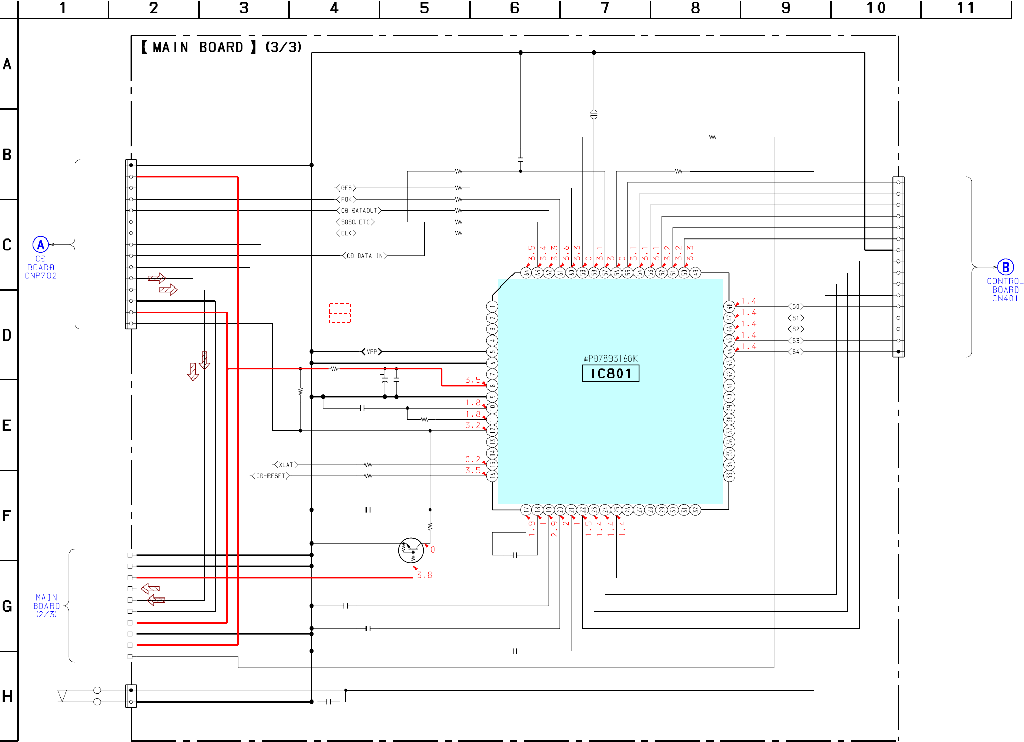
IC801 µPD789316GK-903 SIGNAL PROCESSOR, D/A CONVERTER, LCD DRIVE, SYSTEM CONTROL

14
CFD-V3/V7/V7L
• Circuit Boards Location
INLET board
BATT (R) board
BATT (L) board
FM SW boar
d
MAIN board
CD board
CONTROL board
VOLUME board
POWER board
PRE board

CFD-V3/V7/V7L
1515
D1 D2
T301
S1
Q2 Q1
FM
FRONT-END
AM
FRONT-END
FM/AM
FRONT-END
L1
FM
RF
L2
FM
OSC
L3
FERRITE-ROD
ANTENNA
L4
AM
OSC
ANT1
FM
TELESCOPIC ANTENNA
FM OSC
AM OSC
T2
CF1
CF2
T1
FM
IF IN
IF IN
AM
L OUT
R OUT R-CH
LOGIC
ALC
1
MIC
DET
MUTE
PB AMP
PB AMP
REC
AMP(26dB)
MONITOR
AMP
TAPE
BUFFER
MIC AMP
MUTE
PRE/REC
AMP
BIAS
OSC
(7dB)
OUT
REG
22
24
13
5
4
621
15
17
20
Q301
L.LO
L.RAD
LINE
TAPE
REF REC
L.RO
L.IN
HEAD
HRP901
RECORD/
PLAYBACK
ERASE
HEAD
HE901
AM IF
RF
IN
FM FREQUENCY
CT2,L2
CT1,L1
CT3,L3
COVERAGE
AM FREQUENCY
L4,CT4
COVERAGE
TRACKING
AM
TRACKING
FM
IN
CT1
CT2
CT3
CT4
CV3
CV2 CV1-4
CV1-3
CV1-2
CV1-1
TU +6V
TU +6V
FM DET
AM DET
MPX
FM IF
QUAD
TU +6V
MPX IN
DET OUT
LPF1
LPF2
TU +6V
FM MODE
STEREO
MONO
STEREO
MONO
ISS
FM MODE
1
2
CD
TAPE
FM
CD
TAPE
L.OUT
ISS
L.OUT SECTION
SECTION
MAIN
MAIN
SECTION
CD L-CH
CD R-CH
TU IN L
CD IN L
R-CH
CD
TRACKING
LW
CV3,CT3,L3
COVERAGE
CV2,L4,CT4
LW FREQUENCY
AM/LW
TU +6V
L.LINE
TU +6V
-1 -2
S301
REC
PB
IF AMP,DET,FM MPX
MIX
FM RF OUT
AM RF
IC1
IC301
ISS1
Q303
V7L V7L
V7L
V7L
V7L
EXCEPT V7L
V7L
EXCEPT V7L
-11
-12
6-2. BLOCK DIAGRAMS –TUNER/TC SECTION–
•Signal path.
F: FM
f: AM
E: PLAY
a: REC
J: CD
•IC link button.
Ver 1.5
-12
-11
Last digit : -11
Last digit : -12
•R-CH is omitted:
same as L-CH

1616
CFD-V3/V7/V7L
S901
VOLTAGE
SELECTOR
220-240V AC
R
110-120V AC
VOL SEL BOARD
CNJ901
AC IN
E4
EXCEPT E4
Q409
M601
F901
F901
D302
D303
D304
D309 D314
S402
S406 S404
S405 S401
S403
S801
MOTOR
SWITCH
CD DOOR
(OPEN/CLOSE)
MEGA BASS
S355
OFF
ON MUTE
RV352
STANDBY
SWITCH
POWER
AMP
R-CH J301
SPEAKER
SPEAKER
(R-CH)
(L-CH)
T901
POWER
TRANSFORMER
Q101
R-CH
D308
POWER
SWITCH
OPR/BATT
B+
(+8.9V)
VOLUME
D310
SP101
SP201
DRY BATTERY
SIZE "D"
(IEC DESIGNATION R20)
6PCS,9V
MOTOR
CAPSTAN/REEL
(MD POWER)
S601
S351-1
FUNCTION
CD
SWITCH
INITIAL
Q401
+6.9V REG
Q309,
Q311
POWER
SWITCH
Q311,312
+3.3V REG
Q310,
Q402,Q405
VOLTAGE
DET
TU +6V
TAPE +6V
CD +6V
CD+ 3.3V
POWER AMP
CD
TAPE
FM
SECTION
TUNER/TC
Q801
RESET CD +3.3V
STOP
FF
FR
PLAY
MODE
ENTER
COM0
COM3
S18
S22
CL1
CL2
RESET
DOOR
_
_
22 25 48 44
__
DIGITAL SIGNAL
LCD DRIVE,
PROCESSOR,
SYSTEM CONTROL
PLAY MODE
ENTER
DISPLAY
LIQUID
CRYSTAL
LCD401
S0-S4
COM0-3
RESET
SECTION
CD
SECTION
TUNER/TC L.OUT
-1
-2
D901-904
(4MHz)
CD CONTROL
9V
AC
4.5V
IC304
IC401
IC801(1/2)
AM FM
LW
EXCEPT V7L
V7L
-11
-12
-11
-12
•Signal path.
F: FM
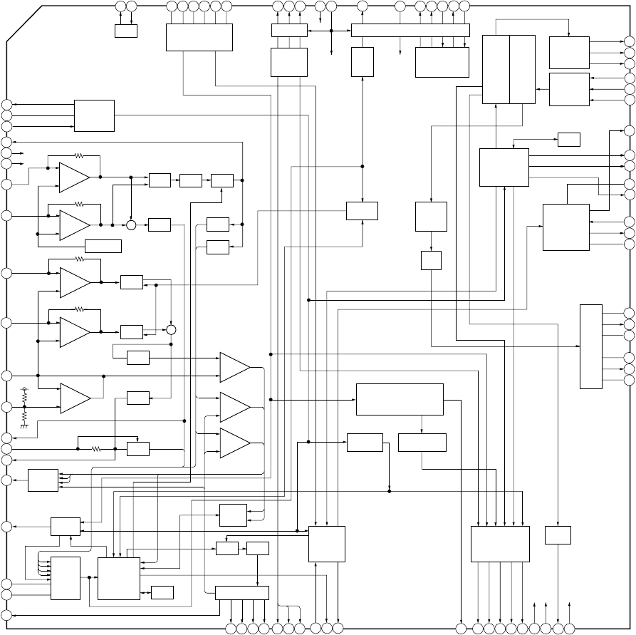
6-3. BLOCK DIAGRAMS –MAIN SECTION–
Ver 1.5
-12
-11
Last digit : -11
Last digit : -12
•IC link button
•R-CH is omitted: same as L-CH

CFD-V3/V7/V7L
1717
X701
33.86MHz
LEVEL
SHIFT
LEVEL
SHIFT
LEVEL
SHIFT
LEVEL
SHIFT
MUTE
DRIVER
SLED/SPINDLE MOTOR DRIVE,
TRACKING/FOCUS COIL DRIVE
LASER
POWER
CONTROL
VC
CD RF/
SYSTEM SERVO
PROCESSOR
MUTE
T+
T-
F+
F-
SL+
SL-
SP+
SP-
-
+
-
+
M701
SLED
MOTOR
M702
SPINDLE
MOTOR
S701
(LIMIT)
LD
G
PD
VR
TRACKING
COIL
FOCUS
COIL
VC
A
B
C
D
E
F
OPTICAL PICK-UP
BLOCK
SW
LD
PD
LCD DRIVE,
SYSTEM CONTROL
Q701
FIN1
FIN2
LDD
VREF
LDS
VREF
DIGITAL SIGNAL
TIN
FIN
SLIN
SPIN
CE
CLK
DO
DIN
WRQ
C-RST
DRF
FSEQ
PROCESSOR,
TDO
FDO
SPDO
SLDO
CONT4
CONT5
CONT3
CONT2
CONT1
XOUT
XIN
CE
CL
DI
DO
DRF
RCHO
LCHO
FSEQ
EFMIN
RF
DIGITAL
ERROR
FILTER/
CORRECTION
D/A
REF
TIN1
TIN2
+
-
+
SERVO
CONTROL
PURPOSE
PORT INTERFACE
RES
WRQ
APC
TE
FE
RESET
CD L-CH
CD R-CH SECTION
SECTION
TUNER/TC
MAIN
RST
IC701
IC702
IC801(2/2)
COMMAND
(KSS-213C)
-11
-12
•Signal path.
J: CD
6-4. BLOCK DIAGRAMS –CD SECTION–
-12
-11
Last digit : -11
Last digit : -12
•IC link button
Ver 1.5

1818
CFD-V3/V7/V7L
2 3 4 5 6 7 8 9
A
1
B
C
D
E
FJ301
i
SP101
SPEAKER
(L-CH)
SP201
SPEAKER
(R-CH)
S351
FUNCTION
TAPE CD/RADIO OFF
AM
FM
CD
LW
S351
B
CONTROL BOARD
CN401
14
1
+
-
2
3
4
M
M601
CAPSTAN/REEL
MOTOR
S601
(MD POWER)
1
4
CINLET BOARD
CNP902
ACD BOARD
CNP702
S801
CD DOOR
(OPEN/CLOSE)
MAIN
BOARD
11
(11)
1-680-676-
CV1-4
CV1-2
CV-1
CV1-1 CV1-3
CT1 CT3
CT4
CT2
ANT1
FM
TELESCOPIC ANTENNA
11
(11)
1-680-678-
FM SW BOARD
S1
FM MODE
STEREO
t
MONO
KH1
S1
11
(11)
1-680-679-
VOLUME BOARD
S355
MEGA BASS
rOFF
T
RON
RV352
VOLUME
R224
C224
R223
R123
C124
R124
C223
KH307
C123
S355
RV352
L3
AM/LW
FERRITE-ROD
ANTENNA
B
C
E
E
C
B
D
TC BOARD
CN303
V3/V7
V7L
FM MODE
ISS
STEREO
MONO
1 2
t
V7L
V7L
V3/V7
V7L
V3/V7
C22 C26
V7L
V3/V7
V7L
V3/V7:AEP,
CET,UK,SP,IT/
V7L
V3/V7:AEP,
CET,UK,SP,IT/
V7L
R343
D310
R386
R342
R344
R340
R341
JC4
JC2
JC1
D1
D2
R812
R811
R809
R810
-1 -2
D302
C851
R805
R851
R819
C844
C805
R806
Q801
C842
C841
C843
R818
R815
R814
R813
C801
R816
R801
C1
1
5
10
12 13
15
20
24
JC5
R3
R20
C6
C5
R30
R9
C27
C20
Q2
C25
C3
C24
R1
C19
C10
C30
C891
C2
JC6
R2
R8
R4
C17
C15
Q1
JC7
C36
R319
R11
D303
D304
R315
R314
D309
C317
D314
R153
D311
R415
R404
R401
R416
R417
R254
R403
R402
Q402
R418
R154
R251
R151
C155
C255
C343
C349
C320
Q312
1
25912
11
C346 R360
R349
R354
R353
R352
R351
C345
D308
R345
JC401
JC303
C252
C152
R253
JC310
Q101
Q201
C810
KH902
IC304
CNP305 CNP304
Q401
Q405
Q409
Q311
Q310
C348
C314
C347
C341
C401
C402
C253
C316
C254
C154
C153
C351
C156
C256
L2
KH306
CNP303
Q309
JW301
JW302
JW303
JW304
JW305
JW306
JW307
JW308
JW309
JW310
JW311
JW312
JW313
JW314
JW315
JW316
JW317
JW318
JW319
JW320
JW321
JW322
JW323
JW324
JW325
JW326
JW327
JW329
JW330
C802
L4 CV3
CV2
C21
IC1
CF2
CF1
T1
KH801 JW335
JW334
C8 C9
C18
JW333
C13
JW332
C23
L1
JW331
C4
C14
C7
C28
C11
C12
C32
JW328
C31
C29
T2
KH2
S801
IC401
C171
CN802
CN801
IC801
C271
OPR/BATT
R346 R414
R401
R413
ICP301
R355
D301
D306
JC302
JC305
V3/V7:AEP,
CET,UK,SP,IT/
V7L
JC306
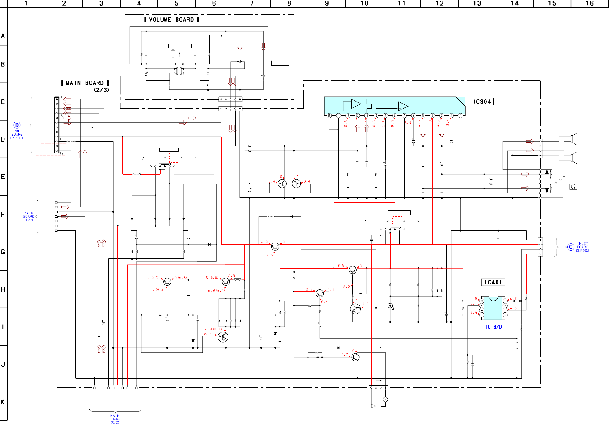
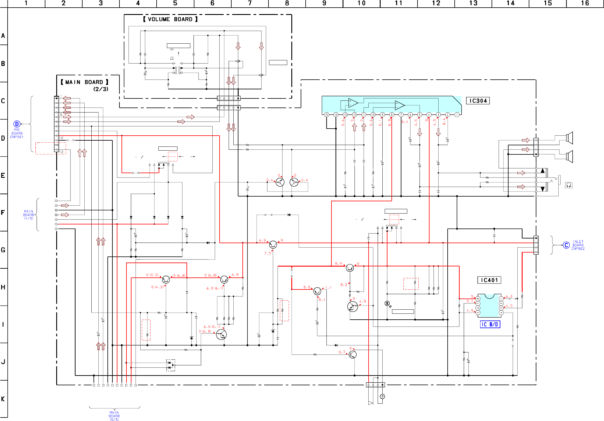
6-5. PRINTED WIRING BOARDS – MAIN SECTION – (Last digit : -11) z Refer to page 14 for Circuit Boards Location.
Note:
•X: parts extracted from the component side.
•: Pattern from the side which enables seeing.
• Abbreviation
CND : Canadian
IT : Italian
CET : East European & Russian
SP : Singapore
AR : Argentina
AUS : Australian
TW : Taiwan
KR : Korean
D1 A-1
D2 A-1
D301 D-8
D302 E-6
D303 D-4
D304 D-4
D306 D-9
D308 C-5
D309 D-4
D310 E-7
D311 D-7
D314 E-4
IC1 C-3
IC304 E-7
IC401 D-8
IC801 D-5
Q1 B-3
Q2 C-3
Q101 E-7
Q201 E-7
Q309 D-7
Q310 C-5
Q311 C-6
Q312 C-6
Q401 E-9
Q402 E-8
Q405 E-8
Q409 C-8
Q801 D-5
Ref. No. Location
z Semiconductor
Ver 1.2 2001.08

CFD-V3/V7/V7L
1919
6-6. SCHEMATIC DIAGRAMS – MAIN SECTION (1/3) – ( Last digit : -11) z Refer to page 30 for Notes. z Refer to page 31 for IC Block
KH1
KH2
C18
R4
C17
L4
C22 C15
L1
C24
R2
C13 C14
CF2
CF1
C3 C4
R30
T1
C30
C2
R8
R9
C10 C27
R11
C1
R1
ANT1
IC1
C8
C9
T2
S1
C31
C29
CV2
JC7
C28
Q1
Q2
C21
C25
C26
C19 C20
C36 CV3
C6 C5
C23
R20
R3
C11 C12
C32
L2
C7
D1 D2
JC1
JC2
JC4
JC5
JC6
1
3.3k
0.1
10.1
0.01
330
0.47 4.7
0.01 22
220
2p
10p
22k
22k
4700p 4700p
10k
1000p
220
FM
TELESCOPIC
ANTENNA
TA2111N
4.7
50V
4.7
50V
470p
100p
30p
470p
KRA302-RTK
SWITCH
KRA302-RTK
SWITCH
4.7p
100p
4700p
10p 50p
5p 10p
10
50V
3.3k
10p 10p
4.7p
1SS133T-77 1SS355T-77
0
0
100
0
0
TU.L
TU.GND
TU.R
TU +B
FM
S-GND
ISS1
**
*
*
FM MODE
1
1
4
4
DET,FM MPX
FRONT-END,IF AMP,
FERRITE-ROD
ANTENNA
L3
STEREO
MONO
ISS
FM MODE
2
1
AM/LW
FM/AM/LW
STEREO
MONO
FM-RF
IN
AM LOW
CUT
AGC
VCC
AM IF
IN
FM IF
IN
GND
QUAD R-OUT
L-OUT
LPF1
LPF2
AFC
AM OSC
FM OSC
FM RF
OUT
AM RF
IN
TUN
MIX
OUT
LED
ST
MPX
DET
RF
RF
GND
VCC
OUT
IN
LED
V7L
V3/V7
CT4
CV1-4
V7L
V7L
V3/V7
CT2
CV1-2
CT1
CV1-1
CT3
CV1-3
V7L
V7L
V3/V7
V7L
C7
C19
C20
R20
4.7PF -
100
4.7PF
0.022uF
0.022uF
1k 1k
0.01uF
0.01uF
0.01uF
0.01uF
V7L
V7:IT
V3:AEP,CET,SP/
CET,UK,SP
*
V7:AEP,
V3:AR/
V7:CND,AR
AUS,TW
2.2PF
V3:AEP,CET,SP/
V7:AEP,CET,
UK,SP,IT/
V7L
0.01uF
0.01uF
V3/V7
V3/
V7:AEP,CET,
UK,IT/
V7L
1k

2020
CFD-V3/V7/V7L
6-7. SCHEMATIC DIAGRAMS – MAIN SECTION (2/3) – ( Last digit : -11) z Refer to page 30 for Notes. z Refer to page 33 for IC Block Diagram.
R124
C123
C124 C224 R224
R123 R223
C223
KH307
RV352(2/2)
RV352(1/2)
D314
D309
D304
D303
R315 R314
C317
D302
R319
C316
Q201
Q311
Q312
JC401
C343
C347
D311
C346 R360
C345
D308
C348
R349
C320
R344
R417
R418
C341
CNP304
R403 C401
R401
R402
R404
C349
KH902
C255
C154 C254
C253
C155
C351
R253
C256
C152
C252
R153
C156
CNP303
C171
C271
R151
R251
IC304
S601
M601
IC401
KH306
C153
JC310
C314
Q101
Q310
CNP305
Q309
Q401
Q409
D310
Q405
C402
D301
JC305
ICP301
JC302
JC303
D306
JC306
Q402
R346
R345
R351
R352
R353
R354
R355
R342
R341
R340
R343
R386
R416
R413
R154
R254
R414
R415
J301
6.8k
0.47
50V
4700p 4700p 6.8k
1k 1k
0.47
50V
5P
20kB
20kB
1SS355TE-17
1SS355TE-17
1SS355TE-17
1SS355TE-17
1k 4.7k
22
25V
1SS355TE-17
4.7k
1
50V
KRC410-RTK
KTB1241Y-AT
KRC405
RTK
0
0.01
220
10V
KDZ 7.5-RTK
0.01 100k
0.01
KTZ 3.9-RTK
100
10V
330
0.022
220
10k
10k
3300
16V
4P
22k 100
10V
100k
10k
1k
10000p
4P
0.1
470
10V
470
10V
47
10V
0.1
47
10V
470
47
10V
1000p
1000p
470
47
10V
4P
10
50V
10
50V
4.7k
4.7k
BA5417
MM1468XD
5P
47
10V
0
47
10V
KRC410-RTK
KTC3203Y-AT
12P
2SD2396K
KTA1266-GR
INITIAL
SWITCH
KTC3203Y-AT
MOTOR
SWITCH
L-34HD
KTA1266-GR-AT
10
50V
1SS355TE-17
0
0
0
1SS355TE-17
0
KRC402
1k
1k
1k
1k
1k
1k
1k
3.3k
3.3k
3.3k
3.3k
3.3k
4.7k
4.7k
100
100
6.8k
6.8k
TU.L
TU.GND
TU.R
TU +B
FM
L-OUT
R-OUT
D.GND
CD 3.3V
CD 6V
AU MUTE
P.GND
S-GND
UCOM-GND
TU-GND
TU +B
ISS1
GND
9V
AC
4.5V
Q402,405
Q101,201
MUTE
TAPE
CD
GND
R_OUT
L_OUT
CD_IN_L
CD_IN_R
TU_IN_L
TU_IN_R
6V
ISS1
POWER SWITCH
CONT
N.C.
VM
GND
VOUT
TC
N.C.
VCC
SPEAKER
(L-CH)
SPEAKER
+
-
+
-
(R-CH)
SP101
SP201
POWER AMP
VOLUME
RV352
S355
ON
OFF
MEGA BASS
S351-1
S351-2
MOTOR
CAPSTAN/REEL
(MD POWER)
VOLTAGE
1
4
FUNCTION
FUNCTION
AM FM CD
+B SWITCH
Q311,312
+3.3V REG
+6.9V REG
OPR/BATT
DETECT
1
4
LW
AM FM CD
LW
1
1
5
5
1
4
V7L
SYNC-R
V7L
V3/V7
V7L
V3/V7
TAPE CD RADIO OFF
TAPE CD RADIO OFF
Ver 1.1 2001.04

CFD-V3/V7/V7L
2121
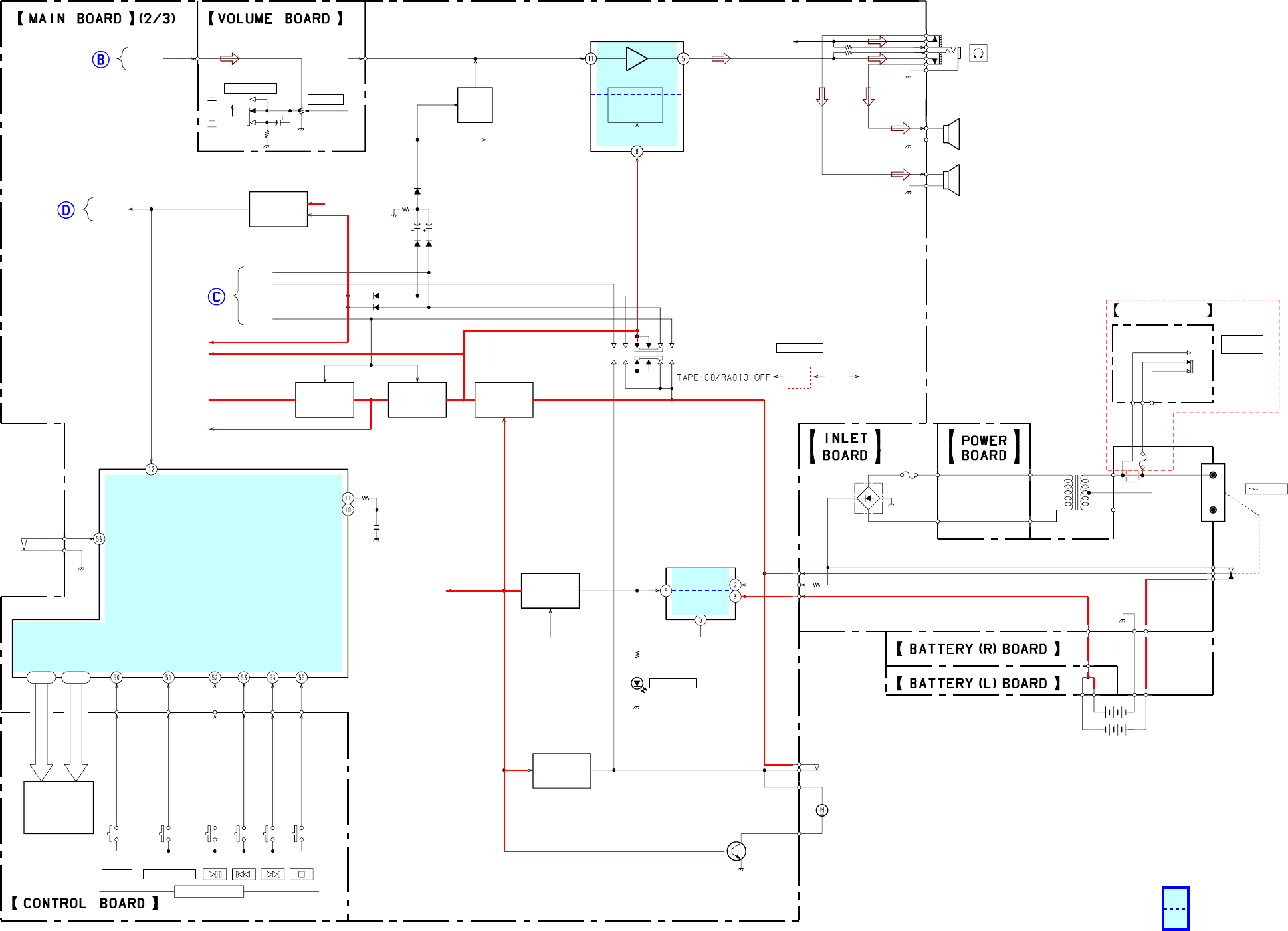
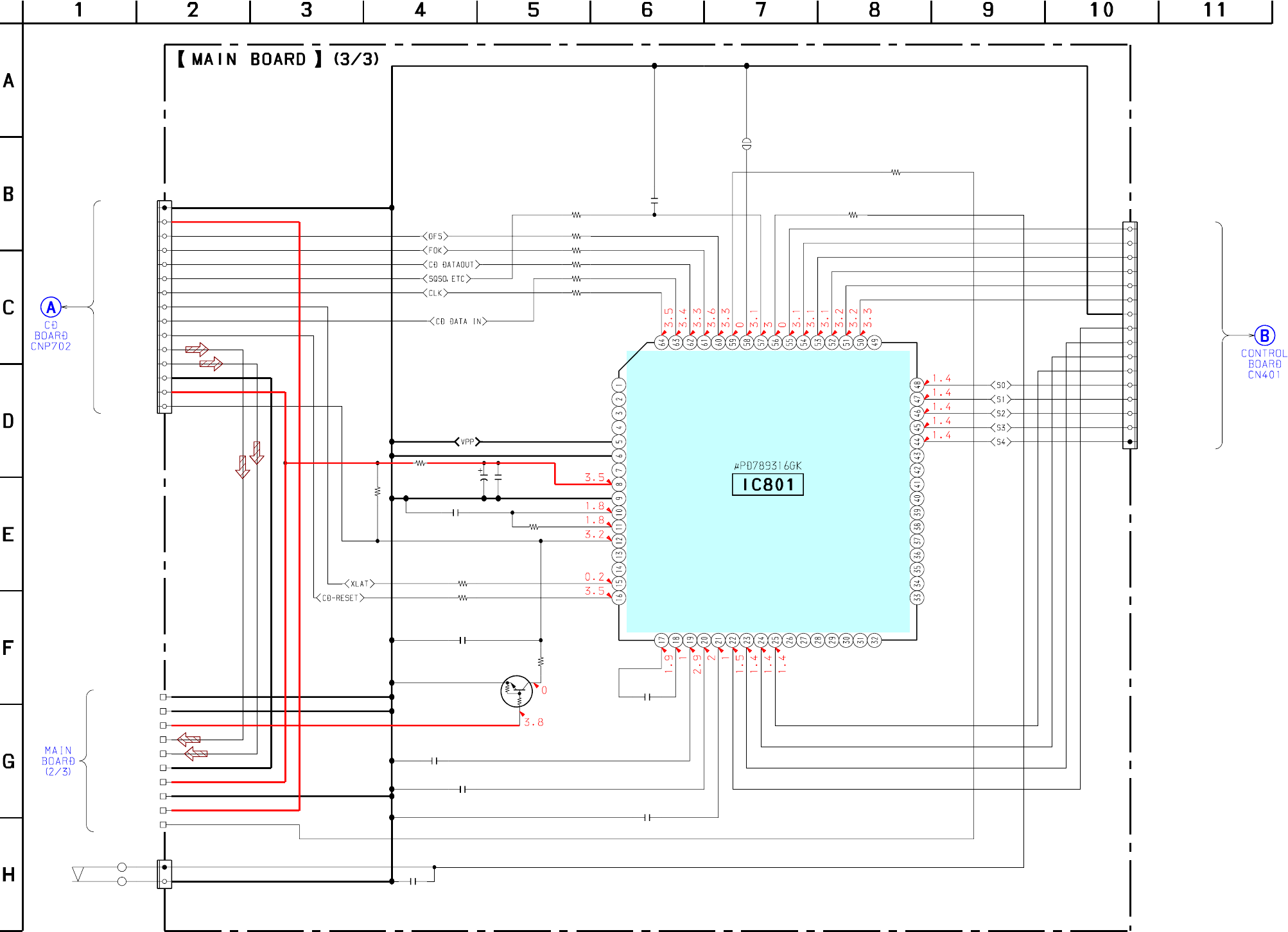
6-8. SCHEMATIC DIAGRAMS – MAIN SECTION (3/3) – ( Last digit : -11) z Refer to page 30 for Notes. z Refer to page 13 for Explanation of IC Terminals.
IC801
DIGITAL SIGNAL
PROCESSOR
LCD DRIVER
SYSTEM CONTROL
R801 C802
C851 R851
C841
C842
C843
C844
KH801
R805
R810
R812
R813
R814
R815
R816
C810
R811
R809
CN801
CN802
S801
C805
Q801
C891
R819
R818
C801
R806
22 47
10V
22p 4.7k
0.1
0.1
0.1
0.1
2P
220k
100
1k
1k
1k
100
100
100p
10k
1k
16P
15P
CD DOOR
(OPEN/CLOSE)
0.1
KRC404-RTK
RESET
1000p
100
100
0.1
220
L-OUT
P.GND
R-OUT
CD 6V
AU MUTE
TU-GND
UCOM-GND
TU +B
D.GND
CD 3.3V
D.GND
CD3.3V
CD6V
FSEQ
DRF
DO
*WRQ
CL
CE
DI
*RES
P.GND
U-RESET
R-CH
L-CH
XT1
XT2
VDD
VSS
CAPH
CAPL
VLC0
VLC1
VLC2
COM0
COM1
COM2
COM3
S0
S1
S2
S3
S4
S5
S6
S7
S8
S9
S10
S11
S12
S13
S14
S15
S16
S17
S18
S19
S20
S21
S22
S23
CL1
CL2
FSEQ
DRF
GND
STOP
FF
COM0
COM1
COM2
DO
NC
PLAY/PAUSE
PLAY MODE
FR
ENTER
IC
COM3
S0
S1
S2
S3
S4
NC
DIN
CLK
STOP
FF
FR
PLAY
MODE
ENTER
MUTE
DOOR
WRQ
TEST
C-RST
SYNC-R
CE
NC
NC
NC
RESET
1
5
10
16
1
2
1
5
10
15

2222
CFD-V3/V7/V7L
6-9. PRINTED WIRING BOARDS – MAIN SECTION – (Last digit : -12) (Added V7: E4, KR model) z Refer to page 14 for Circuit Boards Location.
Note:
•X: parts extracted from the component side.
•: Pattern from the side which enables seeing.
•Abbreviation
CND : Canadian
IT : Italian
CET : East European & Russian
SP : Singapore
AR : Argentina
AUS : Australian
TW : Taiwan
KR : Korean
D1 A-1
D2 A-1
D301 D-8
D302 E-6
D303 D-4
D304 D-4
D305 C-5
D306 D-9
D308 C-5
D309 D-4
D310 E-7
D311 D-7
D314 E-4
IC1 C-3
IC304 E-7
IC401 D-8
IC801 D-5
Q1 B-3
Q2 C-3
Q101 E-7
Q201 E-7
Q309 D-7
Q310 C-5
Q311 C-6
Q312 C-6
Q401 E-9
Q402 E-8
Q405 E-8
Q409 C-8
Q801 D-5
Ref. No. Location
z Semiconductor
Ver 1.4 2003.06
2 3 4 5 6 7 8 9
A
1
B
C
D
E
FJ301
i
SP101
SPEAKER
(L-CH)
SP201
SPEAKER
(R-CH)
S351
FUNCTION
TAPE•CD/RADIO OFF
AM
FM
CD
LW
S351
B
CONTROL BOARD
CN401
(EXCEPT V7:E4)
B
CONTROL BOARD
CN401
(V7:E4)
14
1
+
-
2
3
4
M
M601
CAPSTAN/REEL
MOTOR
S601
(MD POWER)
1
4
CINLET BOARD
CNP902
(V7:E4)
CINLET BOARD
CNP902
(EXCEPT V7:E4)
ACD BOARD
CNP702
S801
CD DOOR
(OPEN/CLOSE)
MAIN
BOARD
12
(12)
1-680-676-
CV1-4
CV1-2
CV-1
CV1-1 CV1-3
CT1 CT3
CT4
CT2
ANT1
FM
TELESCOPIC ANTENNA
12
(12)
1-680-678-
FM SW BOARD
S1
FM MODE
STEREO
t
MONO
KH1
S1
12
(12)
1-680-679-
VOLUME BOARD
S355
MEGA BASS
r
OFF
T
R
ON
RV352
VOLUME
R224
C224
R223
R123
C124
R124
C223
KH307
C123
S355
RV352
L3
AM/LW
FERRITE-ROD
ANTENNA
B
C
E
E
C
B
DTC BOARD
CN303
(V7:E4)
DTC BOARD
CN303
(EXCEPT V7:E4)
FM MODE
ISS
STEREO
MONO
1 2
t
V7L
V7L
V7L
V7L
EXCEPT
V7L
EXCEPT
V7L
V7L
EXCEPT
V7L V7L
EXCEPT
V7L
C22 C26
IT
EXCEPT IT
EXCEPT IT
V3:AEP,CET,SP/V7:AEP,
CET,UK,SP,IT,KR/V7L
V3:AEP,CET,SP/V7:AEP,
CET,UK,SP,IT,KR/V7L
V3:AEP,CET,SP/
V7:AEP,CET,UK,
SP,IT,KR/V7L
D305
R343
D310
R386
R342
R344
R340
R341
JC2
D1
D2
R812
R811
R809
R810
-1 -2
D302
C851
R805
R851
R348
R819
C844
C805
R806
Q801
C842
C841
C843
R818
R815
R814
R813
C801
R816
R801
C1
1
5
10
12 13
15
20
24
JC5
R3
R20
C6
C5
R30
R9
C27
C20
Q2
C25
C3
C24
R1
C19
C10
C30
C891
C2
JC6
R2
R8
R5
R4
C17
C15
Q1
JC7
C36
R319
R11
D303
D304
R315
R314
D309
C317
D314
R153
D311
R415
R404
R401
R416
R417
R254
R403
R402
Q402
R418
R154
R251
R151
C155
C255
C343
C349
C320
Q312
1
25912
11
C346
R360
R349
R354
R353
R352
R351
R350
C345
D308
R345
JC401
JC303
C252
C152
R253
JC310
Q101
Q201
C810
KH902
IC304
CNP305 CNP304
Q401
Q405
Q409
Q311
Q310
C348
C314
C347
C341
C401
C402
C253
C316
C254
C154
C153
C351
C156
C256
L2
KH306
CNP303
Q309
JW301
JW302
JW303
JW304
JW305
JW306
JW307
JW308
JW309
JW310
JW311
JW312
JW313
JW314
JW315
JW316
JW317
JW318
JW319
JW320
JW321
JW322
JW323
JW324
JW325
JW326
JW327
JW329
JW330
C802
L4 CV3
CV2
C21
IC1
CF2
CF1
T1
KH801 JW335
JW334
C8 C9
C18
JW333
C13
JW332
C23
L1
JW331
C4
C14
C7
C28
C11
C12
C32
JW328
C31
C29
T2
KH2
S801
IC401
C171
CN802
CN801
IC801
C271
OPR/BATT
R346
R401
R413
D301
D306
JC302
JC305
JC306

CFD-V3/V7/V7L
2323
6-10. SCHEMATIC DIAGRAMS – MAIN SECTION (1/3) – ( Last digit : -12) z Refer to page 30 for Notes. z Refer to page 31 for IC Block
Ver 1.4 2003.06
KH1
KH2
C18
R4
C17
L4
C22 C15
L1
C24
R2
C13 C14
CF2
CF1
C3 C4
R30
T1
C30
C2
R8
R9
C10 C27
R11
C1
R1
ANT1
IC1
C8
C9
T2
S1
C31
C29
CV2
JC7
C28
Q1
Q2
C21
C25
C26
C19 C20
C36 CV3
C6 C5
C23
R20
R3
C11 C12
C32
L2
C7
D1 D2
JC1
JC2
R5
JC5
JC6
1
3.3k
0.1
10.1
0.01
330
0.47 4.7
0.01 22
220
2p
10p
22k
22k
4700p 4700p
10k
1000p
220
FM
TELESCOPIC
ANTENNA
TA2111N
4.7
50V
4.7
50V
470p
100p
30p
470p
KRA302-RTK
SWITCH
KRA302-RTK
SWITCH
4.7p
100p
4700p
10p 50p
5p 10p
10
50V
3.3k
10p 10p
4.7p
1SS133T-77 1SS355T-77
0
0
100
0
0
TU.L
TU.GND
TU.R
TU +B
FM
S-GND
ISS1
**
*
FM MODE
1
1
4
4
DET,FM MPX
FRONT-END,IF AMP,
FERRITE-ROD
ANTENNA
L3
STEREO
MONO
ISS
FM MODE
2
1
AM/LW
FM/AM/LW
STEREO
MONO
FM-RF
IN
AM LOW
CUT
AGC
VCC
AM IF
IN
FM IF
IN
GND
QUAD R-OUT
L-OUT
LPF1
LPF2
AFC
AM OSC
FM OSC
FM RF
OUT
AM RF
IN
TUN
MIX
OUT
LED
ST
MPX
DET
RF
RF
GND
VCC
OUT
IN
LED CT4
CV1-4
V7L
V7L
V7L
V7L
V7L
CT2
CV1-2
CT1
CV1-1
CT3
CV1-3
V7L
V7L
EXCEPT V7L
EXCEPT V7L
EXCEPT V7L
EXCEPT V7L
EXCEPT V7L
C7
C19
C20
4.7PF -
4.7PF
0.022uF
0.022uF
0.01uF
0.01uF
0.01uF
0.01uF
V7L
V7:IT
V3:AEP,CET,SP/
CET,UK,SP,KR
*
V7:AEP,
V3:AR/
V7:CND,AR
AUS,TW,E4
2.2PF
V3:AEP,CET,SP/
V7:AEP,CET,
UK,SP,IT,KR/
V7L
0.01uF
0.01uF
V3: AEP,CET,SP/
V7:AEP,CET,
UK,IT,SP,KR/
V7L
1k EXCEPT V7L
100 V7L

2424
CFD-V3/V7/V7L
6-11. SCHEMATIC DIAGRAMS – MAIN SECTION (2/3) – ( Last digit : -12) z Refer to page 30 for Notes. z Refer to page 33 for IC Block Diagram.
Ver 1.4 2003.06
R124
C123
C124 C224 R224
R123 R223
C223
KH307
RV352(2/2)
RV352(1/2)
D314
D309
D304
D303
R315 R314
C317
D302
R319
C316
Q201
Q311
Q312
JC401
C343
C347
D311
C346 R360
C345
D308
C348
R349
C320
R344
R417
R418
C341
CNP304
R403 C401
R401
R402
R404
C349
KH902
C255
C154 C254
C253
C155
C351
R253
C256
C152
C252
R153
C156
CNP303
C171
C271
R151
R251
IC304
S601
M601
IC401
KH306
C153
JC310
C314
Q101
Q310
CNP305
Q309
Q401
Q409
D310
Q405
C402
D301
JC305
JC302
JC303
D306
JC306
Q402
R346
R345
R351
R352
R353
R354
R342
R341
R340
R343
R386
R416
R154
R254
R415
J301
6.8k
0.47
50V
4700p 4700p 6.8k
1k 1k
0.47
50V
5P
20kB
20kB
1SS355TE-17
1SS355TE-17
1SS355TE-17
1SS355TE-17
1k 4.7k
22
25V
1SS355TE-17
4.7k
1
50V
KRC410-RTK
KTB1241Y-AT
KRC405
RTK
0
0.01
220
10V
KDZ 7.5-RTK
0.01 100k
0.01
KTZ 3.9-RTK
100
10V
330
R350
2.2k
0.022
220
10k
10k
3300
16V
4P
22k 100
10V
100k
10k
1k
10000p
4P
0.1
470
10V
470
10V
47
10V
0.1
47
10V
470
47
10V
1000p
1000p
470
47
10V
4P
10
50V
10
50V
4.7k
4.7k
BA5417
MM1468XD
5P
47
10V
0
47
10V
KRC410-RTK
KTC3203Y-AT
12P
2SD2396K
KTA1266-GR
INITIAL
SWITCH
KTC3203Y-AT
MOTOR
SWITCH
L-34HD
KTA1266-GR-AT
10
50V
1SS355TE-17
0
0
0
1SS355TE-17
D305
KDS120-RTK
0
KRC402
1k
1k
680
680
680
680
R348 1k
3.3k
3.3k
3.3k
1k
3.3k
4.7k
100
100
3.3k
TU.L
TU.GND
TU.R
TU +B
FM
L-OUT
R-OUT
D.GND
CD 3.3V
CD 6V
AU MUTE
P.GND
S-GND
UCOM-GND
TU-GND
TU +B
ISS1
GND
9V
AC
4.5V
Q402,405
Q101,201
MUTE
TAPE
CD
GND
R_OUT
L_OUT
CD_IN_L
CD_IN_R
TU_IN_L
TU_IN_R
6V
ISS1
POWER SWITCH
CONT
N.C.
VM
GND
VOUT
TC
N.C.
VCC
SPEAKER
(L-CH)
SPEAKER
+
-
+
-
(R-CH)
SP101
SP201
POWER AMP
VOLUME
RV352
S355
ON
OFF
MEGA BASS
S351-1
S351-2
MOTOR
CAPSTAN/REEL
(MD POWER)
VOLTAGE
1
4
FUNCTION
FUNCTION
AM FM CD
+B SWITCH
Q311,312
+3.3V REG
+6.9V REG
OPR/BATT
DETECT
1
4
LW
AM FM CD
LW
1
1
5
5
1
4
V7L
SYNC-R
V7L
V3/V7
V7L
V3/V7
TAPE CD RADIO OFF
TAPE CD RADIO OFF
EXCEPT IT
EXCEPT IT
IT

CFD-V3/V7/V7L
2525
6-12. SCHEMATIC DIAGRAMS – MAIN SECTION (3/3) – ( Last digit : -12) z Refer to page 30 for Notes. z Refer to page 13 for Explanation of IC Terminals.
Ver 1.4 2003.06
V3: AR/V7:CND,AR,AUS,E4,IT,TW/V7L
V3: AEP,CET,SP/V7:AEP,CET,KR,SP,UK
IC801
DIGITAL SIGNAL
PROCESSOR
LCD DRIVER
SYSTEM CONTROL
R801 C802
C851 R851
C841
C842
C843
C844
KH801
R805
R810
R812
R813
R814
R815
R816
C810
R811
R809
CN801
CN802
S801
C805
Q801
C891
R819
R818
C801
R806
22 47
10V
22p 4.7k
0.1
0.1
0.1
0.1
2P
220k
100
1k
1k
1k
100
100
100p
10k
1k
16P
15P
CD DOOR
(OPEN/CLOSE)
0.1
KRC404-RTK
RESET
1000p
100
100
*
C801
*
220
L-OUT
P.GND
R-OUT
CD 6V
AU MUTE
TU-GND
UCOM-GND
TU +B
D.GND
CD 3.3V
D.GND
CD3.3V
CD6V
FSEQ
DRF
DO
*WRQ
CL
CE
DI
*RES
P.GND
U-RESET
R-CH
L-CH
XT1
XT2
VDD
VSS
CAPH
CAPL
VLC0
VLC1
VLC2
COM0
COM1
COM2
COM3
S0
S1
S2
S3
S4
S5
S6
S7
S8
S9
S10
S11
S12
S13
S14
S15
S16
S17
S18
S19
S20
S21
S22
S23
CL1
CL2
FSEQ
DRF
GND
STOP
FF
COM0
COM1
COM2
DO
NC
PLAY/PAUSE
PLAY MODE
FR
ENTER
IC
COM3
S0
S1
S2
S3
S4
NC
DIN
CLK
STOP
FF
FR
PLAY
MODE
ENTER
MUTE
DOOR
WRQ
TEST
C-RST
SYNC-R
CE
NC
NC
NC
RESET
1
5
10
16
1
2
1
5
10
15
0.1
0.01

2626
CFD-V3/V7/V7L
6-13. PRINTED WIRING BOARDS – CONTROL/POWER SECTION – (Exsept V7: E4 model) z Refer to page 14 for Circuit Boards Location.
Note:
•X: parts extracted from the component side.
•: Pattern from the side which enables seeing.
D901 F-7
D902 E-7
D903 F-6
D904 E-6
IC301 B-3
Q301 C-3
Q303 C-2
Ref. No. Location
z Semiconductor
Location
2 3 4 5 6 7 8 9
A
1
B
C
D
E
F
T901
POWER TRANSFORMER
CNJ901
-AC IN
C
MAIN BOARD
KH902
(Last digit :-11)
C
MAIN BOARD
KH902
(Last digit :-12)
C905
R901
V3/V7
C901
C903
C902
C904
KH901
CNP902
D904
D902
D901
D903
CNP907
F901
KH904
11
(11)
1-680-682-
12
(12)
12
(12)
INLET BOARD
11
(11)
1-680-683-
POWER BOARD
11
(11)
1-680-681-
BATT(R)
BOARD
BATT(L)
BOARD
11
(11)
1-680-680-
CNP908
DRY BATTERY
SIZE "D"
(IEC DESIGNATION R20)
6PCS, 9V
L-CH
R-CH
HP901
ERASE
HEAD
HRP901
RECORD/PLAY BACK
HEAD
D
MAIN BOARD
CNP305
(Last digit :-11)
D
MAIN BOARD
CNP305
(Last digit :-12)
IC301
S301
PB
r
REC
12
(12)
1-681-594-
PRE BOARD
S403
l
S405
PLAY MODE
S406
ENTER
S401
s
S404
7
S402
L
11
(11)
1-680-677-
CONTROL BOARD
CN401
B
MAIN BOARD
CN801
(Last digit :-11)
B
MAIN BOARD
CN801
(Last digit :-12)
LCD401
LIQUID CRYSTAL
DISPLAY
V7L
R424
R423
R422
R421
V7L
12
(12)
12
(12)
12
(12)
FORMER
TYPE
NEW
TYPE
FORMER
TYPE
NEW
TYPE
FORMER
TYPE
NEW
TYPE
FORMER
TYPE
NEW
TYPE
FORMER
TYPE
NEW
TYPE
C103
R104
R103
C104
R102
R110
JC304
R303
R304
R105
R302
C206
R310
C310
JC301
JC303
Q302
R202
R203
R204
C203
C204
C201
C207
C102 -1-2
C302
C202
R307
C307
Q301
C304
R101
C101
C107
R306
R211
R205
R309
JC302
R111
CN303
C303
C106
R210
R305
R314
R315
C305
R308
C306
T301
S301
R201
C205
C105
R301
R106
C301
R206
JC309
Ver 1.4 2003.06

CFD-V3/V7/V7L
2727
6-14. PRINTED WIRING BOARDS – CONTROL/POWER SECTION – (V7: E4 model) z Refer to page 14 for Circuit Boards Location.
Note:
•X: parts extracted from the component side.
•: Pattern from the side which enables seeing.
D901 F-7
D902 E-7
D903 F-6
D904 E-6
IC301 B-3
Q301 C-3
Q303 C-2
Ref. No. Location
z Semiconductor
Location
Ver 1.4 2003.06
WHT
BRN
RED
WHT
BRN
RED
2 3 4 5 6 7 8 9
A
1
B
C
D
E
F
T901
POWER TRANSFORMER
CNJ901
-AC IN
C
MAIN BOARD
KH902
C905
R901
C901
C903
C902
C904
KH901
CNP902
D904
D902
D901
D903
CNP907
F901
KH904
11
(11)
1-682-706-
INLET BOARD
11
(11)
1-682-705-
11
(11)
1-682-707-
POWER BOARD
VOL SEL BOARD
12
(12)
1-680-681-
BATT(R)
BOARD
BATT(L)
BOARD
12
(12)
1-680-680-
CNP908
DRY BATTERY
SIZE "D"
(IEC DESIGNATION R20)
6PCS, 9V
L-CH
R-CH
HP901
ERASE
HEAD
HRP901
RECORD/PLAY BACK
HEAD
D
MAIN BOARD
CNP305
IC301
S301
PB
r
REC
12
(12)
1-681-594-
PRE BOARD
S403
l
S405
PLAY MODE
S406
ENTER
S401
s
S404
7
S402
L
12
(12)
1-680-677-
CONTROL BOARD
CN401
B
MAIN BOARD
CN801
LCD401
LIQUID CRYSTAL
DISPLAY
R424
R423
R422
R421
F902
S901
VOLTAGE
SELECTOR
220-240V AC
R
110-120V AC
C103
R104
R103
C104
R102
R110
JC304
R303
R304
R105
R302
C206
JC301
JC303
R202
R203
R204
C203
C204
C201
C207
C102 -1-2
C302
C202
R307
C307
Q301
C304
R101
C101
C107
R306
R211
R205
R309
JC302
R111
CN303
C303
C106
R210
R305
R314
R315
C305
R308
C306
T301
S301
R201
C205
C105
R301
R106
C301
R206

2828
CFD-V3/V7/V7L
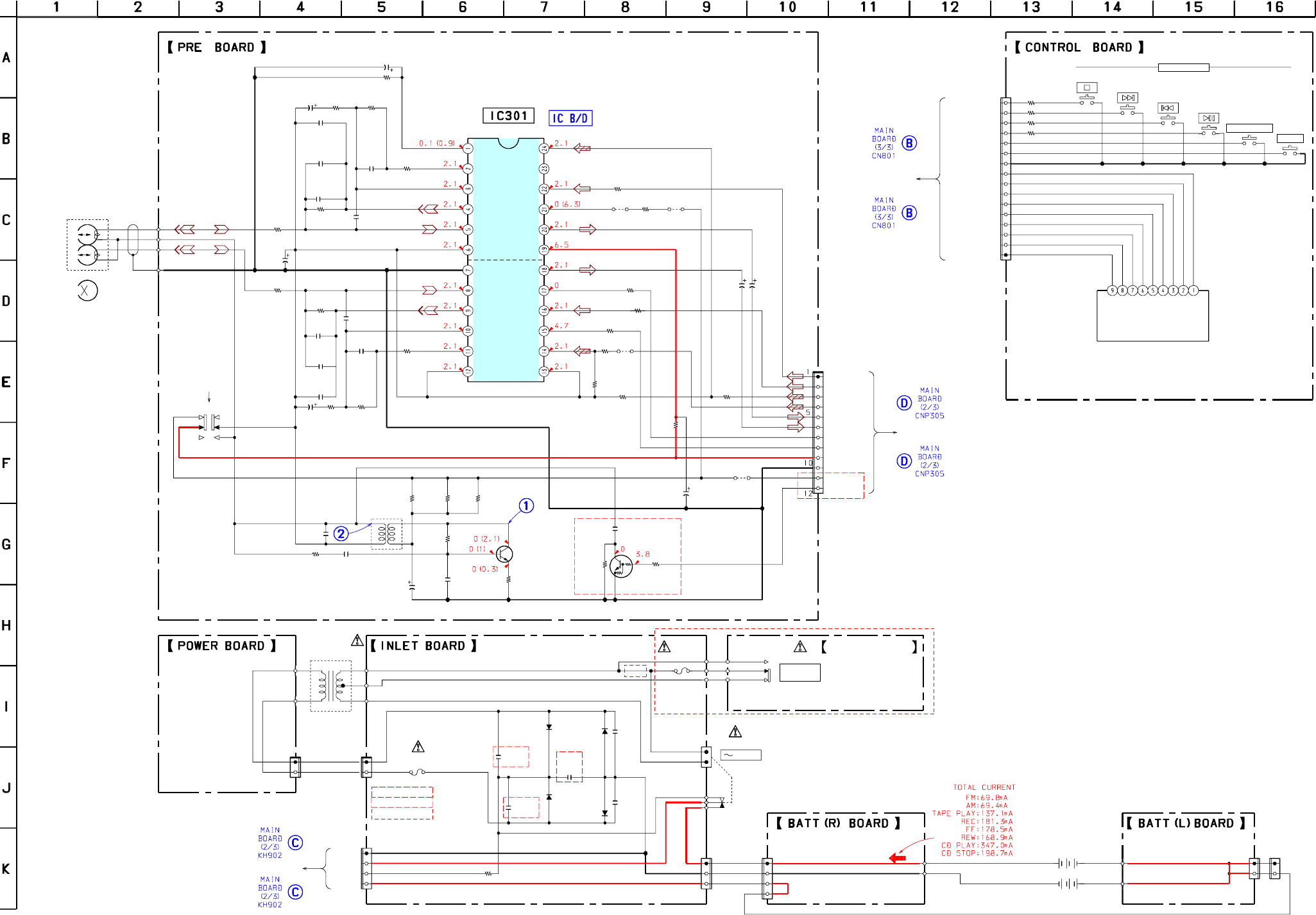
6-15. SCHEMATIC DIAGRAMS – CONTROL/POWER SECTION – z Refer to page 30 for Notes. z Refer to page 30 for Waveforms. z Refer to page 31 for IC Block Diagram.
R203
C204
C202 R202
C201
C207
R201
C302
C203
C205
R204
C105
R101
C107
C101
R110
R104
R103
R102
C102
C104
R301
C301
IC301
JC302
C106
C206
JC304
C303
R309
R205
R302
JC301
R303
JC303
R304
R105
R307
C307
C304
C306
R308
R306
C305
D901
D904
D903
D902
C901
C903
KH904 KH901
CNP907
C905
CNJ901
CNP902
R901
T901
S402
S406
S404
S405
S401
S403
CN401
F901
T301
R206
CNP301
R210
R421
R422
R423
R424
C103
R211
R111
R106
R305 R315
R314
CNP908
R310
C310
JC309
Q302
C902
C904
Q301
68k
0.0022
47
10V 68
1000p
470p
15k
100
10V
0.047
47p
2.2k
47p
15k
470p
1000p
100
2.2k
68k
68
47
10V
0.0022
1M
100
10V
TA2068N
0
1
50V
1
50V
0
100
10V
47
15k
4.7k
0
4.7k
0
1k
15k
10
0.0022
47
10V
0.01
22k
6.8k
470
1N4002B
1N4002B
1N4002B
1N4002B
0.022
0.022
2P 2P
3P
0.022
4P
2.2k
16P
BIAS COIL
2.2k
100
4.7k
4.7k
4.7k
4.7k
0.047
4.7k
4.7k
2.2k
470 470
470
1M
220p
0
KRC402-RTK
ISS1
0.022
0.022
2SC2412-T-146
BIAS OSC
*
F902
T315mA/250V
L
R
TAPE
(-11)
(-12)
CD
GND
R_OUT
L_OUT
6V
CD_IN_L
CD_IN_R
TU_IN_L
TU_IN_R
ERASE
HEAD
HE901
HEAD
RECORD/PLAYBACK
HRP901
REC/PB PRE AMP
AGC
L.PO
L.NF
L.RO
L.IN
REF
GND
R.IN
R.RO
R.NF
R.PO
MIC.NF
L.LIN
MIC
I/EX
L.RAD
REC
L.LO
VCC
R.LO
LINE
R.RAD
TAPE
R.LIN
MIC
S301
PB
REC
TRANSFORMER
POWER
AC IN
1
DRY BATTERY
SIZE "D"
(IEC DESIGNATION R20)
6PCS,9V
1
4
GND
9V
AC
4.5V
(-12)
(-11)
4
GND
STOP
FF
COM0
COM1
COM2
PLAY/PAUSE
PLAY MODE
FR
ENTER
(-11)
(-12)
COM3
S0
S1
S2
S3
S4
PLAY MODE
ENTER
1
5
10
16
DISPLAY
LIQUID
CRYSTAL
LCD401
CD CONTROL
1
3
SYNC-R
EXCEPT
CND,TW,E4
E4
3.15A/250V
T2.5AL/250V
T2.0AL/250V
CND,TW
*F901
V3/V7
V7L
-1 -2
ISS1
V7L
EXCEPT E4
V7L
V7L
E4
S901
VOLTAGE
SELECTOR
220-240V AC
R
110-120V AC
VOL SEL BOARD
EXCEPT
V7:E4
V7:E4
Ver 1.4 2003.06

CFD-V3/V7/V7L
2929
6-16. SCHEMATIC DIAGRAMS – CD SECTION – z Refer to page 30 for Notes. z Refer to page 30 for Waveforms. z Refer to page 32, 33 for IC Block Diagram.
R721
R718
R717
R716
C727
C723
C722
C720
C721
C725
C724
C726
R722
R719
R720
C731
R710
R709
C703
C704
R708
IC701
R711 C705
C743
C734
C736
JC703
C706
C707
C708
IC702
R743
R744
JC702
JC701
R712
C702
C701
C751
C733
CNP701
R706
R705
R704
R703
R702
R701
S701
C744 C747 C746 C745
R729
R730 R728
R727
C730
C728
C729
R726
R725
R731
C717
JC704
C716
C711 FB702
R715
R714
C735
C754 C755
C740
C741
C709
R741
R723
R724
C732
C750
C742
CNP702
R707
Q701
FB701
L706
X701
1k
1k
1k
1k
1000p
0.01
22p
22p
22p
1000p
22p
1000p
100
100
100
0.047
4.7k
22k
0.1
22p
10k
LC78645NE
330 4700p
0.1
4700p
4700p
0
150V
1
100p
BA6998FP-E2
6.8k
100k
0
0
100
47
10V
1000p
0.1
100
10V
16P
47k
15k
15k
15k
15k
47k
0.1 100
10V
100 0.1
220
1k 10k
2.2k
0.1
0.047
1
680
680
2.2k
0.01
220
0.01
0.01
150
150
1000
6.3V 0.01 0.01
470
10V
0.1
0.1
6.8k
100
47k
100
10V
100
10V 0.1
15P
10
KTN2907AS-RTK
O
0
33.86MHz
D.GND
R-OUT
L-OUT
CD3.3V(D)
CD6V
P.GND
E
D
A
B
C
F
LD
VR
PD
F+
T+
T-
F-
VCC
MUTE
SP+
SPIN
SP-
SL-
SL+
REGO
VCC
VREF
F-
F+
T-
T+
RST
DRF
*RES
DO
DI
(-11)
(-12)
CL
CE
VREF
VCC
GND
FSEQ
*WRQ
REG-B
GND
GND
GND NC
OPOUT OPIN
SLCIST
EFMIN
RF
RFVDD
RFVSS
FIN1
FIN2
TIN1
TIN2
VREF
REFI
FE
TEC
TE
RFMON
JITTC
ADAVDD
ADAVSS
TDO
FDO
SPDO
SLDO
GPDAC
CONT4
CONT5
SBCK/CONT6
SBCK/FG
DEFECT
V/*P
FSEQ
MONI1
MINI2
MONI3
MONI4
MONI5
(3.3V)VSS
VDD
DOUT
TEST
LVDD
LCHO
LVSS
RVSS
RCHO
RVDD
XVDD
XOUT
XIN
FSX/16MIN
XVSS
C2F
EFLG
16MOUT
ASLRCK
ASDACK
ASDFIN
LRSY
DATACK
DATA
CE
CL
DI
DO
*WRQ
*RES
DRF
VDD5
VSS
CONT3
CONT2
CONT1
PDO1
PDO2
VVSS
PCKIST
VVDD
FR
LDS
LDD
SLCO
TX TY
FX FY
SPY
SPX
SLX SLY
SLIN
(SLIN)
FIN
(FIN)
RF
FE
TE
VC
TIN
(TIN)
SPINDLE/SLED MOTOR DRIVE,
TRACKING/FOCUS COIL DRIVE
SLED
MOTOR
SPINDLE
MOTOR
M702
M701
(LIMIT)
RESET
1
5
10
16
POWER
CONTROL
LASER
SERVO
SYSTEM
PROCESSOR
CD RF/
TRACKING
COIL
FOCUS
COIL
LD
PD
E
D
A
B
C
F
VREF
VCC
Ver 1.4 2003.06

3030
CFD-V3/V7/V7L
Ver 1.4 2003.06
Note:
•X: parts extracted from the component side.
•: Pattern from the side which enables seeing.
•f: internal component.
6-17. PRINTED WIRING BOARD – CD SECTION – z Refer to page 14 for Circuit Boards Location.
IC701 D-2
IC702 A-3
Q701 B-2
Ref. No. Location
z Semiconductor
Location
2 3 4
A
1
B
C
D
E
CD BOARD
12
(12)
13
(13)
1-680-943-
M701
SPINDLE MOTOR
M702
SLED MOTOR
M
M
OPTICAL PICK-UP
BLOCK
KSS-213C
A
MAIN BOARD
CN802
(Last digit:-11)
A
MAIN BOARD
CN802
(Last digit:-12)
FORMER
TYPE
NEW
TYPE
Q701
IC702
C729
C730
R730
R728
R729
C704
C728
R724
R722 R725
R726
R707
C701
C726
C723
C725
C724
R719
R717
R718
R716
C720
C721
C722
R731
R721
R720
C716
R715
R714
C727
C711
C709
FB701
C736
C734
R704
R702
R703
R705
R701
C703
IC701
C731
R706
R727
R712
R723
C708
R741
JC701
R744
R743
C717
C751
JC702
JC703
C743
C744
C745
C742
C754
C755
C741
JC704
L706
C707
R709 R710
R708
C705
R711
TP
(RF)
S701
(LIMIT)
CNP701
X701
CNP702
C702
JW701
JW702
JW703
JW705
JW706
JW707
JW708
JW713
JW714
JW715
JW716
JW717
JW718
JW721
JW722
JW723
JW724
JW725
JW726
JW727
JW728
JW729
JW730
C740
C750
C746
C747
JW719
C735
JW720
JW711
C733
1
2
5
10
15
16
C706
JW712
JW710
C732
JW709
•Waveforms
Note on Schematic Diagram:
•All capacitors are in µF unless otherwise noted. pF: µµF
50 WV or less are not indicated except for electrolytics
and tantalums.
•All resistors are in Ω and 1/4 W or less unless otherwise
specified.
•f: internal component.
Note:
The components identi-
fied by mark 0 or dotted
line with mark 0 are criti-
cal for safety.
Replace only with part
number specified.
Note:
Les composants identifiés par
une marque 0 sont critiques
pour la sécurité.
Ne les remplacer que par une
piéce portant le numéro
spécifié.
•A: B+ Line.
•H: adjustment for repair.
•Power voltage is dc 9 V and fed with regulated dc power
supply from battery terminal.
•Voltage and waveforms are dc with respect to ground
under no-signal (detuned) conditions.
no mark : FM (RADIO SECTION),
TAPE PLAY (TAPE SECTION)
(): AM (RADIO SECTION),
REC (TAPE SECTION)
•Voltages are taken with a VOM (Input impedance 10 MΩ).
Voltage variations may be noted due to normal produc-
tion tolerances.
•Waveforms are taken with a oscilloscope.
Voltage variations may be noted due to normal produc-
tion tolerances.
•Circled numbers refer to waveforms.
•Signal path.
F: FM
f: AM
E: PB
a: REC
J: CD
•Abbreviation
CND : Canadian
IT : Italian
CET : East European & Russian
SP : Singapore
AR : Argentina
AUS : Australian
TW : Taiwan
KR : Korean
E4 : 110-120V AC/220-240V AC Changeable
1
2
Q301 C
T301
VOLT/DIV : 1 V AC
TIME/DIV : 5 µsec
VOLT/DIV : 1 V AC
(ATT : 1/10)
TIME/DIV : 5 µsec
– CONTROL/POWER SECTION –
3.1Vp-
p
17.95 µsec
30Vp-
p
17.95 µsec
– CD SECTION –
1
IC701 4
RF
2
VOLT/DIV : 0.5 V AC
TIME/DIV : 0.5 µsec
IC701 rk
XOUT
VOLT/DIV : 0.5 V AC
TIME/DIV : 0.2 µsec
0.7–1.0Vp-p
(LPC ON)
1.1Vp-p
29.53nsec
3
IC701 qd
(FE)
4
VOLT/DIV : 1 V AC
TIME/DIV : 1 msec
IC701 qg
(TE)
VOLT/DIV : 20 V AC
TIME/DIV :1 msec
0.6Vp-p
0.6Vp-
p
(PLAY MODE)
(PLAY MODE)

31
CFD-V3/V7/V7L
• IC BLOCK DIAGRAMS –MAIN SECTION–
IC1 TA2111N
IC301 TA2068N
AM RF IN
FM RF OUT
FM RF IN
RF GND
AM LOW-CUT
FM/AM
MIX OUT
AGC
VCC
AM IF IN
FM IF IN
GND
TUN LED
ST LED
QUAD
FM OSC
AM OSC
AFC
DET OUT
MPX IN
LPF2
LPF1
L-OUT
R-OUT
7
5431 2 6 8 9 1210 11
141516
17
181921 20
24 23
RF VCC
22 13
DECODER
VCO
DIVIDER
ST/MONO
FM/AM
AF
AMP
FM
MUTE
AF BUFFER
FM
DET
AM
DET
AM
RF AMP
FM
RF AMP
FM
MIX
FM
OSC
AM
OSC
AM
MIX
TUN
LED
ST
LED
FM IF
AMP
AM IF
AMP
AGC
LEVEL
DET
21
22
2324
235
4678910
111 12
13
14
15
16
17
181920
LOGIC
7dB
26dB 26dB
7dB
ALC1 ALC2
DET
MIC
AMP1
1k
10k
NAB
AMP2
NAB
AMP1
ON
MUTE
MUTE
MUTE
BUF AMP
A2
BUF AMP
A1
BUF AMP
B1
BUF AMP
B2
TAPE
TAPE
–––––
TAPE
–––––
LINE
RADIO
10k
10k
10k
1k
1k
10k
10k
10k
10k 10k 10k
10k
10k
10k
10k
15k 6k
1k
6k
LINE
RADOI
TAPE
REC
AMP1
REC
AMP2
REF AMP
2.1
ON
ON
MONITOR
AMP
MONITOR
AMP
L. LIN
MIC
I/EX
L. RAD
L. LO
REC
TAPE
R. LIN
MIC
IN
R. LO
LINE
R. RAD
VCC
MIC
NF
R. PO
R. NF
R. RO
R. IN
GND
REF
L. IN
L. RO
L. NF
L. PO
AGC
• IC BLOCK DIAGRAMS –CONTROL/POWER SECTION–

32
CFD-V3/V7/V7L
IC701 LC78645E
1
APC PLL
VCEC
GATE GATE
GENERAL-
PURPOSE
PORTS
DRF
SLICE
LEVEL
CONTROL
MIX EQ AGC
LPF PH
BH
TBAL
LEVEL SET
LPF
SW
MONI
CONT
JITTER
DETECT
A/D SERVO
PROCESSOR
RAM
AUTO
ADJUST
FRAME SYNC DETECT,
PROTECT INSERT,
EFM DECODE
TRACK
JUMP
SW D/A
COMMAND
INTERFACE
8FS
DIGITAL
FILTER
1BIT
DAC
SUBCODE
DECODE CRC
CLV, CAV
CONTROL
MONITOR
SIGNAL
SELECTOR
AUDIO
OUT
CLOCK
GENERATOR
ERROR
CORRECTION
AUDIO CD
C1-1, C2-2
RAM
SERIAL
OUT
EXTERNAL
AUDIO IN
2
3
4
5
6
7
8
9
+
–
+
–
+
–
+
–
+
–
10
13
12
11
+
+
–
+
+
–
TBAL
14
15
16
17
18
19
20
LPF
S/H
21 22 23 24
+
–
+
–
+
–
25 26 27 28 29 30
80 79 78 77 76 75 74 73 72 71 70
RUPTURE
DEFECT
32 33 34 35 3631
PCK
LPF
INTERPOLATION
MUTE
ATTENUATION
DEEMPHASIS
69 68 67 65 64 63 62 61
66
37 38 39 40
60
59
58
57
56
55
53
52
54
51
50
49
48
47
46
45
44
43
42
41
SLCO
SLCIST
EFMIN
RF
RFVDD
RFVSS
FIN1
FIN2
TIN1
TIN2
VREF
REFI
FE
TEC
TE
RFMON
JITTC
ADAVDD
ADAVSS
TDO
FDO
SPDO
SLDO
GPDAC
CONT4
CONT5
SBCK/CONT6
SBCK/FG
DEFECT
MONI1
MONI2
MONI3
MONI4
MONI5
(3.3V)VSS
VDD
DOUT
CL
CE
FSEQ
TEST
*RES
*WRQ
DO
DI
VSS
VDD5V
CONT1
DRF
CONT2
CONT3
PCKIST
VVSS
PD02
PD01
LDD
LDS
FR
VVDD
V/*P
LVSS
LCHO
LVSS
RVSS
RCHO
RVSS
XVDD
XOUT
XIN
FSX/16MIN
XVSS
16MOUT
ASLRCK
ASDACK
ASDFIN
LRSY
DATACK
DATA
C2F
EFLG
• IC BLOCK DIAGRAMS –CD SECTION–

33
CFD-V3/V7/V7L
IC702 BA6998FP
6
5
LATCH
VOUT
NC
VH
DET
VL
DET
7TC
8VCC
3
4
2
1
GND
VM
NC
CONT VCC
–
+
VCC
28 27 26 25 24 23 22 21 20 19 18 17 16 15
LEVEL
SHIFT
–
+
VCC
LEVEL
SHIFT
+
–
1 2 3 5 6 78 9 10 11 12 13 14
LEVEL
SHIFT
+
–
+
–
DRIVE
BUFFER
DRIVE
BUFFER
DRIVE
BUFFER
DRIVE
BUFFER
REGULATOR VOLTAGE DETECT,
BIAS VOLTAGE DETECT,
THERMAL SHUT DOWN
4
–
+
DRIVER
MUTING
GND
T +
T –
TIN
NC
VREFI
VCC
VCC
NC
SLIN
SL +
SL –
VREF
SPI
F –
F +
FIN
RESET
REG-B
REGOUT
MUTE
GND
SPIN
NC
SP –
SP +
GND
SPOUT
LEVEL
SHIFT
IC401 MM1468XD
• IC BLOCK DIAGRAMS –MAIN SECTION–

34
CFD-V3/V7/V7L SECTION 7
EXPLODED VIEWS
NOTE :
•-XX, -X mean standardized parts, so they
may have some difference from the original
one.
•Color indication of Appearance Parts
Example :
KNOB, BALANCE (WHITE)• • • (RED)
↑↑
Parts color Cabinet's color
•Items marked “ * ”are not stocked since they
are seldom required for routine service. Some
delay should be anticipated when ordering
these items.
•The mechanical parts with no reference
number in the exploded views are not
supplied.
•Hardware (# mark) list and accessories and
packing materials are given in the last of this
parts list.
•Abbreviation
CND : Canadian
IT : Italian
CET : East European & Russian
SP : Singapore
AR : Argentina
AUS : Australian
TW : Taiwan
KR : Korea
E4 : AC 110-120V AC/
220-240V AC Changeable
Ref. No. Part No. Description Remark Ref. No. Part No. Description Remark
7-1. FRONT CABINET SECTION
#1
SP101
#2
#2
#2
#2
#
2
#1
SP201
#1
#1
9
9
9
97
9
9
5
3
1
2
4
6
8
10
11
Les composants identifiés par une
marque 0 sont critiquens pour la
sécurité.
Ne les remplacer que par une pièce
portant le numéro spécifié.
The components identified by
mark 0 or dotted line with mark
0 are critical for safety.
Replace only with part number
specified.
Ver 1.5
13-226-979-01 WINDOW (TU) (V7:CND,AUS,TW(SILVER))
13-226-979-11 WINDOW (TU) (V7:AUS,AR,E4,TW(BLUE))
13-226-979-21 WINDOW (TU) (V3:AR)
13-229-933-01 WINDOW (TU) (V7:AEP,CET,UK,SP,KR)
13-229-933-11 WINDOW (TU) (V7:IT)
13-229-949-01 WINDOW (TU) (V3:AEP,CET,SP)
13-231-903-01 WINDOW (TU LW) (V7L)
23-031-549-21 KNOB (VOL) (V7:CND,AUS,TW(SILVER))
23-031-549-31 KNOB (VOL)
(V7:AEP,IT,CET,UK,AUS,AR,SP,E4,KR,
TW(BLUE)/V7L)
23-229-950-01 KNOB (VOLUME) (V3)
33-033-527-01 BUTTON CD (PLAY/STOP)...(SILVER)
(V7:CND,AUS,TW)
33-226-986-01 BUTTON CD (PLAY/STOP)...(BLUE)
(V7:AEP,IT,CET,UK,AUS,AR,SP,E4,KR,TW/V7L)
33-229-951-01 BUTTON CD (PLAY/STOP) (V3)
4X-3380-207-1 PANEL SUB ASSY (V7)
4X-3380-519-1 PANEL SUB ASSY (V3)
4X-3380-521-1 PANEL SUB ASSY (V7L)
53-033-528-01 BUTTON CD (AMS) (V7:CND,AUS,TW(SILVER))
53-226-987-01 BUTTON CD (AMS)
(V7:AEP,IT,CET,UK,AUS,AR,SP,E4,KR,
TW(BLUE)/V7L)
53-229-952-01 BUTTON CD (AMS) (V3)
6X-3380-206-1 CABINET (FRONT) SUB ASSY...(SILVER)
(V7:CND,AUS,TW)
6X-3380-518-1 CABINET (FRONT) SUB ASSY...(SILVER)
(V7:AEP,IT,CET,UK,AR,SP,E4,KR/V7L)
6X-3380-520-1 CABINET (FRONT) SUB ASSY (V3)
6X-3380-796-1 CABINET (FRONT) SUB ASSY...(BLUE)
(V7:AEP,IT,CET,UK,AUS,TW/V7L)
73-031-558-01 SHAFT (TU)
*81-681-677-12 CONTROL BOARD
94-951-620-01 SCREW (2.6X8), +BVTP
10 3-031-551-01 POINTER
11 3-031-552-41 KNOB (TU) (V7/V7L)
11 3-229-954-01 KNOB (TUNE) (V3)
SP101 1-529-723-11 SPEAKER (10cm) (L-CH) (V3)
SP101 1-529-723-21 SPEAKER (10cm) (L-CH) (V7/V7L)
SP201 1-529-723-11 SPEAKER (10cm) (R-CH) (V3)
SP201 1-529-723-21 SPEAKER (10cm) (R-CH) (V7/V7L)

35
CFD-V3/V7/V7L
Ref. No. Part No. Description Remark Ref. No. Part No. Description Remark
7-2. REAR CABINET SECTION
57 58
61
56
55
54
66
67
63
65
64
66
65
68
51
52
69
#1
53
T901
#1
#2
#2
#1
#1
#1
59 60
70
62
70
Ver 1.5
51 3-226-989-01 CABINET (REAR)...(SILVER) (V7:CND,TW)
51 3-226-989-11 CABINET (REAR)...(SILVER) (V7:AUS)
51 3-229-939-11 CABINET (REAR)...(SILVER) (V7L)
51 3-229-939-21 CABINET (REAR)...(SILVER) (V7:IT)
51 3-229-939-31 CABINET (REAR)...(SILVER)
(V7:AEP,UK,CET,AR,SP,KR)
51 3-229-939-41 CABINET (REAR)...(SILVER)(V7:E4)
51 3-229-940-11 CABINET (REAR)...(BLUE) (V7L)
51 3-229-940-21 CABINET (REAR)...(BLUE) (V7:IT)
51 3-229-940-31 CABINET (REAR)...(BLUE)
(V7:AEP,UK,CET,AR,SP)
51 3-229-940-41 CABINET (REAR)...(BLUE) (V7:AUS)
51 3-229-958-01 CABINET (REAR) (V3:AEP,CET)
51 3-229-958-11 CABINET (REAR) (V3:SP,AR)
*52 1-680-682-12 INLET BOARD (EXCEPT E4)
*52 1-682-706-11 INLET BOARD (E4)
*53 1-680-683-12 POWER BOARD
54 3-031-570-41 KNOB (FUNCTION) (V7/V7L)
54 3-229-947-01 KNOB (FUNCTION) (V3)
55 3-226-978-01 BUTTON (MEGA BASS)
(V7:CND,AUS,TW(SILVER))
55 3-229-932-01 BUTTON (MEGA BASS)
(V7:AEP,IT,CET,UK,AUS,AR,SP,E4,KR,
TW(BLUE) /V7L)
55 3-229-948-01 BUTTON (MEGA BASS) (V3)
56 3-031-561-01 SPRING (CASSETTE)
57 3-043-830-01 HOLDER, CASSETE (V3)
57 3-226-991-01 HOLDER, CASSETE...(SILVER)
(V7:CND,AUS,TW)
57 3-229-943-01 HOLDER, CASSETTE...(SILVER)
(V7:AEP,IT,CET,UK,AR,SP,E4,KR/V7L)
57 3-229-944-01 HOLDER, CASSETTE...(BLUE)
(V7:AEP,IT,CET,UK,AUS,TW/V7L)
58 3-031-538-91 LID (CD) (V3)
58 3-226-993-01 LID CD...(SILVER) (V7:CND,AUS,TW)
58 3-229-945-01 LID CD...(SILVER)
(V7:AEP,IT,CET,UK,AR,SP,E4,KR/V7L)
58 3-229-946-01 LID CD ... (BLUE)
(V7:AEP,IT,CET,UK,AUS,TW/V7L)
59 1-452-899-11 MAGNET
60 3-019-395-01 PLATE, CHUCKING
61 3-031-562-01 SPRING (CD)
62 4-951-620-11 SCREW (2.6X10), +BVTP
63 3-031-540-11 HANDLE (V7:CND,AUS)
63 3-031-540-81 HANDLE (V3)
63 3-226-976-01 HANDLE...(SILVER) (V7:TW)
63 3-229-931-01 HANDLE...(SILVER)
(V7:AEP,IT,CET,UK,AR,SP,E4,KR/V7L)
63 3-229-935-01 HANDLE...(BLUE)(V7:AEP,IT,CET,UK,AUS,
TW/V7L)
*64 1-680-680-12 BATT (L) BOARD
65 3-028-154-01 TERMINAL (–), BATT
66 4-960-167-01 SCREW (3X8) (DIA. 10), +WH
*67 1-680-681-12 BATT (R) BOARD
68 3-036-134-81 LID, BATTERY CASE (V3)
68 3-226-980-01 LID BATTERY...(SILVER) (V7:TW)
68 3-229-934-01 LID BATTERY...(SILVER)
(V7:AEP,IT,CET,UK,AR,SP,E4,KR/V7L)
68 3-229-936-01 LID BATTERY...(BLUE)
(V7:AEP,IT,CET,UK,AUS,TW/V7L)
68 3-926-244-71 LID BATTERY...(SILVER) (V7:CND,AUS)
69 3-034-633-01 COVER (VOL SEL)
70 3-015-345-21 CUSHION
0T901 1-433-576-11 TRANSFORMER, POWER (CND,TW)
0T901 1-435-921-11 TRANSFORMER, POWER (EXCEPT CND,TW,E4)
0T901 1-435-922-11 TRANSFORMER, POWER (E4)
The components identified by mark
0 or dotted line with mark 0 are
critical for safety.
Replace only with part number
specified.
Les composants identifiés par une
marque 0 sont critiques pour la
sécurité.
Ne les remplacer que par une pièce
portant le numéro spécifié.

36
CFD-V3/V7/V7L
115
104
106
103 108
102
110
119
116
117
113
#1
#1
#1
#1
#1
#1
#4
not supplied
S801
118
101
111
114
112
122
120
105
107
109
#5
ANT1
126
127
121
121
123
121
123
127
121
125
#4
KSM-213CDP
124
Ref. No. Part No. Description Remark Ref. No. Part No. Description Remark
7-3. UPPER CABINET SECTION
Ver 1.5
*101 A-3062-295-A MAIN BOARD, COMPLETE (V7L)
*101 A-3062-411-A MAIN BOARD, COMPLETE (V7:IT)
*101 A-3062-472-A MAIN BOARD, COMPLETE
(V3:AEP,CET,SP/V7:AEP,CET,UK,SP,KR)
*101 A-3347-106-A MAIN BOARD, COMPLETE
(V3:AR/V7:CND,AR,AUS,TW,E4)
102 4-960-167-01 SCREW (3X8) (DIA. 10), +WH
103 3-031-560-01 SHAFT (MD)
104 3-031-541-51 BUTTON (REC) (V7/V7L)
104 3-031-541-61 BUTTON (REC) (V3)
105 3-031-542-51 BUTTON (PLAY) (V7/V7L)
105 3-031-542-61 BUTTON (PLAY) (V3)
106 3-031-543-51 BUTTON (REW) (V7/V7L)
106 3-031-543-61 BUTTON (REW) (V3)
107 3-031-544-51 BUTTON (FF) (V7/V7L)
107 3-031-544-61 BUTTON (FF) (V3)
108 3-031-545-51 BUTTON (STOP) (V7/V7L)
108 3-031-545-61 BUTTON (STOP) (V3)
109 3-031-546-51 BUTTON (PAUSE) (V7/V7L)
109 3-031-546-61 BUTTON (PAUSE) (V3)
110 3-031-559-01 GEAR (PVC 2 BAND)
*111 1-757-584-11 CABLE FLEXIBLE FLAT 15P
*112 1-757-688-11 CABLE FLEXIBLE FLAT 10P (V3/V7)
*112 1-757-845-11 FFC 12P (V7L)
*113 1-680-679-12 VOLUME BOARD
*114 1-757-583-11 CABLE FLEXIBLE FLAT 16P
115 3-922-112-41 DAMPER
116 3-922-112-21 DAMPER
117 3-226-990-01 CABINET (UPPER)...(SILVER)
(V7:CND,AUS,TW)
117 3-229-941-01 CABINET (UPPER)...(SILVER)
(V7:AEP,IT,CET,UK,AR,SP,E4,KR/V7L)
117 3-229-942-01 CABINET (UPPER)...(BLUE)
(V7:AEP,IT,CET,UK,AUS,TW/V7L)
117 3-229-959-01 CABINET (UPPER) (V3)
118 3-225-866-01 CUSHION (MD BUTTON)
119 4-951-620-01 SCREW (2.6X8), +BVTP
*120 1-680-678-12 FM SW BOARD
121 3-921-725-11 SCREW (2.6X10), +PWH
122 3-226-992-01 TERMINAL (ANTENNA)
123 3-038-948-01 RUBBER, VIBRATION PROOF (PINK)
124 1-757-689-11 CABLE FLEXIBLE FLAT 16P
*125 A-3347-105-A CD BOARD, COMPLETE
126 3-923-736-01 COVER, CD
127 3-038-948-11 RUBBER, VIBRATION PROOF (BLUE)
ANT1 1-501-883-21 ANTENNA, TELESCOPIC
S801 1-692-960-11 SWITCH, PUSH (1 KEY)
(CD DOOR OPEN/CLOSE)

37
CFD-V3/V7/V7L
HE901
#3
#3
HRP901
151
152
173
174
172
171
153
154
155
156
157
158
159
160
170
161
162
163 164
165
166
167
168
169
151 3-933-010-01 SPRING (S/P), TORSION
152 3-933-025-01 SPRING (P), TORSION
153 3-040-857-01 LEVER (P)
154 3-933-024-01 ROLLER, PINCH
155 3-933-019-01 SPRING (F/R), TORSION
156 3-933-028-01 SPRING (FWD), TORSION
157 3-933-016-01 GEAR (S REEL)
158 3-008-590-01 SLIDER (REC)
159 3-008-592-01 BASE (H), HEAD
*160 3-008-588-01 SLIDER (REW)
*161 3-008-589-13 SLIDER (FF)
*162 3-008-587-01 SLIDER (STOP)
*163 3-008-591-01 SLIDER (PAUSE)
164 3-933-004-01 CLAW, REEL
*165 3-933-021-01 SLIDER (FRP)
*166 3-933-006-01 SLIDER (EJECT)
167 3-934-833-01 SPRING (FRP)
168 3-022-794-02 SPRING (BT)
169 3-933-007-01 PLATE, LOCK
*170 3-012-114-01 LEVER (FR)
171 3-222-727-01 LEVER (REC)
172 4-951-620-01 SCREW (2.6X8), +BVTP
*173 A-3062-296-A PRE BOARD, COMPLETE (V7L)
*173 A-3347-104-A PRE BOARD, COMPLETE (EXCEPT V7L)
174 3-222-726-01 CHASSIS (TC)
HE901 1-543-876-11 HEAD (ERASE)
HRP901 1-500-668-11 HEAD,MAGNETIC (RECORD/PLAYBACK)
Ref. No. Part No. Description Remark Ref. No. Part No. Description Remark
7-4. MECHANISM DECK SECTION (1)
(MF-V5-117)
Ver 1.2 2001.08

38
CFD-V3/V7/V7L
M601
S601
201
202
203
219
204 205
206
207
208 209
210
211
212
213
214
215
217
218
216
#4
201 3-933-029-01 LEVER, ERASING PREVENTION
202 3-933-182-01 SPRING, CASSETTE
203 3-932-995-01 GEAR (MID)
204 X-3371-667-1 CLUTCH ASSY
205 3-932-997-01 GEAR (CAM)
*206 3-932-999-01 SLIDER (SW)
207 3-932-998-01 SPRING (GROUND), TORSION
208 3-009-648-01 LEVER (S.OFF)
209 3-936-438-01 LEVER (K)
210 X-3373-572-1 REEL ASSY (N), T
211 3-933-020-01 BELT
212 X-3377-877-2 FLYWHEEL ASSY
213 3-932-993-01 CHASSIS, OUTSERT
214 3-343-358-01 RING, RETAINING
215 3-223-156-01 SPRING (CAM), COMPRESSION
216 3-939-383-02 SPRING, COMPRESSION
217 3-937-760-01 SPRING (GROUND), COMPRESSION
218 3-934-336-01 BEARING
219 3-009-650-02 SPRING (K), COMPRESSION
M601 A-3320-446-A MOTOR ASSY (CAPSTAN/REEL)
(INCLUDING PULLEY)
S601 1-762-679-11 SWITCH, LEAF (MD POWER)
Ref. No. Part No. Description Remark Ref. No. Part No. Description Remark
7-5. MECHANISM DECK SECTION (2)
(MF-V5-117)

39
CFD-V3/V7/V7L
M702
M701
251
256
255
252
(including M701)
253
254
not supplie
d
251 2-626-908-01 SHAFT, SLED
252 X-2162-709-1 CHASSIS ASSY (CDP), MOTOR (SPINDLE)
(INCLUDING M701)
0253 8-848-483-05 OPTICAL PICK-UP KSS-213C
254 2-624-188-02 GEAR (A)
Ref. No. Part No. Description Remark Ref. No. Part No. Description Remark
255 2-627-003-01 GEAR B (BP)
256 3-713-786-51 SCREW +P 2X3
M702 X-2625-769-1 GEAR ASSY (MB), MOTOR (SLED)
(INCLUDING GEAR)
The components identified by
mark 0 or dotted line with
mark 0 are critical for safety.
Replace only with part num-
ber specified.
Les composants identifiés par une
marque 0 sont critiques pour la
sécurité.
Ne les remplacer que par une pièce
portant le numéro spécifié.
7-6. CD BLOCK SECTION (KSM–213CDP)
Ver 1.3 2002.06

40
CFD-V3/V7/V7L SECTION 8
ELECTRICAL PARTS LIST
Ref. No. Part No. Description Remark Ref. No. Part No. Description Remark
NOTE:
•Due to standardization, replacements in the
parts list may be different from the parts speci-
fied in the diagrams or the components used
on the set.
•-XX and -X mean standardized parts, so they
may have some difference from the original
one.
•RESISTORS
All resistors are in ohms.
METAL: Metal-film resistor.
METAL OXIDE: Metal oxide-film resistor.
F: nonflammable
•Items marked “*” are not stocked since they
are seldom required for routine service.
Some delay should be anticipated when order-
ing these items.
•SEMICONDUCTORS
In each case, u: µ, for example:
uA. . : µA. . uPA. . : µPA. .
uPB. . : µPB. . uPC. . : µPC. . uPD. . : µPD. .
•CAPACITORS
uF: µF
•COILS
uH: µH
•Abbreviation
CND : Canadian
IT : Italian
CET : East European & Russian
SP : Singapore
AR : Argentina
AUS : Australian
TW : Taiwan
E4 : 110-120V AC/220-240V AC changeable
KR : Korean
•(-11) (-12) : Last digit
Les composants identifiés par une
marque 0 sont critiquens pour la
sécurité.
Ne les remplacer que par une pièce
portant le numéro spécifié.
The components identified by
mark 0 or dotted line with mark 0
are critical for safety.
Replace only with part number
specified.
When indicating parts by reference
number, please include the board.
BATT (L) BATT (R)
CD
*1-680-680-12 BATT (L) BOARD
************
3-028-154-01 TERMINAL (–), BATT
<CONNECTOR>
*CNP908 1-815-550-11 PIN, CONNECTOR (PC BOARD) 2P
*****************************************************
*1-680-681-12 BATT (R) BOARD
************
3-028-154-01 TERMINAL (–), BATT
*****************************************************
*A-3347-105-A CD BOARD, COMPLETE
*****************
<CAPACITOR>
C701 1-162-964-11 CERAMIC CHIP 0.001uF 10% 50V
C702 1-104-657-11 ELECT 47uF 20% 10V
C703 1-107-826-11 CERAMIC CHIP 0.1uF 10% 16V
C704 1-162-919-11 CERAMIC CHIP 22PF 5% 50V
C705 1-162-968-11 CERAMIC CHIP 0.0047uF 10% 50V
C706 1-126-960-11 ELECT 1uF 20% 50V
C707 1-115-156-11 CERAMIC CHIP 1uF 10V
C708 1-162-927-11 CERAMIC CHIP 100PF 5% 50V
C709 1-164-156-11 CERAMIC CHIP 0.1uF 25V
C711 1-162-974-11 CERAMIC CHIP 0.01uF 50V
C716 1-162-974-11 CERAMIC CHIP 0.01uF 50V
C717 1-163-021-11 CERAMIC CHIP 0.01uF 10% 50V
C720 1-162-919-11 CERAMIC CHIP 22PF 5% 50V
C721 1-162-919-11 CERAMIC CHIP 22PF 5% 50V
C722 1-162-919-11 CERAMIC CHIP 22PF 5% 50V
C723 1-162-974-11 CERAMIC CHIP 0.01uF 50V
C724 1-162-919-11 CERAMIC CHIP 22PF 5% 50V
C725 1-162-964-11 CERAMIC CHIP 0.001uF 10% 50V
C726 1-162-964-11 CERAMIC CHIP 0.001uF 10% 50V
C727 1-162-964-11 CERAMIC CHIP 0.001uF 10% 50V
C728 1-165-176-11 CERAMIC CHIP 0.047uF 10% 16V
C729 1-125-837-11 CERAMIC CHIP 1uF 10% 6.3V
C730 1-107-826-11 CERAMIC CHIP 0.1uF 10% 16V
C731 1-165-176-11 CERAMIC CHIP 0.047uF 10% 16V
C732 1-104-658-11 ELECT 100uF 20% 10V
C733 1-104-658-11 ELECT 100uF 20% 10V
C734 1-162-968-11 CERAMIC CHIP 0.0047uF 10% 50V
C735 1-126-916-11 ELECT 1000uF 20% 6.3V
C736 1-162-968-11 CERAMIC CHIP 0.0047uF 10% 50V
C740 1-126-725-11 ELECT 470uF 20% 10V
C741 1-164-156-11 CERAMIC CHIP 0.1uF 25V
C742 1-164-156-11 CERAMIC CHIP 0.1uF 25V
C743 1-164-156-11 CERAMIC CHIP 0.1uF 25V
C744 1-164-156-11 CERAMIC CHIP 0.1uF 25V
C745 1-164-156-11 CERAMIC CHIP 0.1uF 25V
C746 1-126-925-11 ELECT 100uF 20% 10V
C747 1-126-925-11 ELECT 100uF 20% 10V
C750 1-126-925-11 ELECT 100uF 20% 10V
C751 1-164-156-11 CERAMIC CHIP 0.1uF 25V
C754 1-162-970-11 CERAMIC CHIP 0.01uF 10% 25V
C755 1-162-970-11 CERAMIC CHIP 0.01uF 10% 25V
<CONNECTOR>
*CNP701 1-779-553-21 CONNECTOR, FFC/FPC 16P
CNP702 1-784-737-11 CONNECTOR, FFC 15P
<FERRITE BEAD>
FB701 1-469-701-11 FERRITE BEAD 0uH
<IC>
IC701 6-700-455-01 IC LC78645NE
IC702 8-759-591-62 IC BA6998FP
<JUMPER RESISTOR>
JC701 1-216-864-11 SHORT 0
JC702 1-216-864-11 SHORT 0
JC703 1-216-864-11 SHORT 0
JC704 1-216-813-11 METAL CHIP 220 5% 1/16W
<COIL>
L706 1-414-445-11 FERRITE BEAD
<TRANSISTOR>
Q701 8-729-054-57 TRANSISTOR KTN2907AS-RTK
Ver 1.5

CFD-V3/V7/V7L
41
Ref. No. Part No. Description Remark Ref. No. Part No. Description Remark
The components identified by
mark 0 or dotted line with
mark 0 are critical for safety.
Replace only with part num-
ber specified.
Les composants identifiés par une
marque 0 sont critiques pour la
sécurité.
Ne les remplacer que par une pièce
portant le numéro spécifié.
CD CONTROL FM SW INLET
<RESISTOR>
R701 1-216-841-11 METAL CHIP 47K 5% 1/16W
R702 1-216-835-11 METAL CHIP 15K 5% 1/16W
R703 1-216-835-11 METAL CHIP 15K 5% 1/16W
R704 1-216-835-11 METAL CHIP 15K 5% 1/16W
R705 1-216-835-11 METAL CHIP 15K 5% 1/16W
R706 1-216-841-11 METAL CHIP 47K 5% 1/16W
R707 1-216-797-11 METAL CHIP 10 5% 1/16W
R708 1-216-833-11 METAL CHIP 10K 5% 1/16W
R709 1-216-837-11 METAL CHIP 22K 5% 1/16W
R710 1-216-829-11 METAL CHIP 4.7K 5% 1/16W
R711 1-216-815-11 METAL CHIP 330 5% 1/16W
R712 1-216-809-11 METAL CHIP 100 5% 1/16W
R714 1-216-811-11 METAL CHIP 150 5% 1/16W
R715 1-216-811-11 METAL CHIP 150 5% 1/16W
R716 1-216-821-11 METAL CHIP 1K 5% 1/16W
R717 1-216-821-11 METAL CHIP 1K 5% 1/16W
R718 1-216-821-11 METAL CHIP 1K 5% 1/16W
R719 1-216-809-11 METAL CHIP 100 5% 1/16W
R720 1-216-809-11 METAL CHIP 100 5% 1/16W
R721 1-216-821-11 METAL CHIP 1K 5% 1/16W
R722 1-216-809-11 METAL CHIP 100 5% 1/16W
R723 1-216-809-11 METAL CHIP 100 5% 1/16W
R724 1-216-841-11 METAL CHIP 47K 5% 1/16W
R725 1-216-819-11 METAL CHIP 680 5% 1/16W
R726 1-216-819-11 METAL CHIP 680 5% 1/16W
R727 1-216-825-11 METAL CHIP 2.2K 5% 1/16W
R728 1-216-833-11 METAL CHIP 10K 5% 1/16W
R729 1-216-813-11 METAL CHIP 220 5% 1/16W
R730 1-216-821-11 METAL CHIP 1K 5% 1/16W
R731 1-216-825-11 METAL CHIP 2.2K 5% 1/16W
R741 1-216-831-11 METAL CHIP 6.8K 5% 1/16W
R743 1-216-831-11 METAL CHIP 6.8K 5% 1/16W
R744 1-216-845-11 METAL CHIP 100K 5% 1/16W
<SWITCH>
S701 1-762-812-11 SWITCH, LEAF (LIMIT)
<VIBRATOR>
X701 1-795-173-11 VIBRATOR, CERAMIC (33.86MHz)
******************************************************
*1-680-677-12 CONTROL BOARD
*************
<CONNECTOR>
*CN401 1-784-738-11 CONNECTOR, FFC 16P
<LIQUID CRYSTAL DISPLAY>
LCD401 1-804-219-11 DISPLAY PANEL, LIQUID CRYSTAL
<RESISTOR>
R421 1-216-829-11 METAL CHIP 4.7K 5% 1/16W
R422 1-216-829-11 METAL CHIP 4.7K 5% 1/16W
R423 1-216-829-11 METAL CHIP 4.7K 5% 1/16W
R424 1-216-829-11 METAL CHIP 4.7K 5% 1/16W
<SWITCH>
S401 1-771-550-31 SWITCH, KEYBOARD (s)
S402 1-762-875-21 SWITCH, KEYBOARD (L)
S403 1-762-875-21 SWITCH, KEYBOARD (l)
S404 1-771-550-31 SWITCH, KEYBOARD (7)
S405 1-762-875-21 SWITCH, KEYBOARD (PLAY MODE)
S406 1-762-875-21 SWITCH, KEYBOARD (ENTER)
*************************************************************
*1-680-678-12 FM SW BOARD
***********
<CABLE HOLDER>
*KH1 1-565-385-11 HOLDER, CABLE 4P
<SWITCH>
S1 1-786-114-11 FM (ST/MO) SW (V3/V7:FM MODE,
MONO/STEREO, V7L:FM MODE/ISS, MONO,
1/STEREO 2)
******************************************************
*1-680-682-12 INLET BOARD (EXCEPT E4)
*1-682-706-11 INLET BOARD (E4)
********************
1-533-233-31 HOLDER, FUSE
<CAPACITOR>
C901 1-162-995-11 CERAMIC CHIP 0.022uF 50V
C902 1-162-995-11 CERAMIC CHIP 0.022uF 50(V7L)
C903 1-162-995-11 CERAMIC CHIP 0.022uF 50V
C904 1-162-995-11 CERAMIC CHIP 0.022uF 50(V7L)
C905 1-162-995-11 CERAMIC CHIP 0.022uF 50V
(V3/V7)
<JACK>
0CNJ901 1-526-838-11 INLET, AC 2P (-AC IN)
(V3/V7:AEP,IT,CET,UK,AR,AUS,SP,E4,KR/V7L)
0CNJ901 1-540-009-11 INLET, AC (-AC IN)(CND)
<CONNECTOR>
*CNP902 1-815-552-11 PIN, CONNECTOR (PC BOARD) 4P
*CNP907 1-815-444-11 PIN, CONNECTOR 3P
<DIODE>
D901 8-719-063-79 DIODE 1N4002B
D902 8-719-063-79 DIODE 1N4002B
D903 8-719-063-79 DIODE 1N4002B
D904 8-719-063-79 DIODE 1N4002B
<FUSE>
0F901 1-533-468-11 FUSE, GLASS TUBE (DIA. 5)
(TIME LAG 2.0AL/250V) (E4)
0F901 1-533-469-11 FUSE, GLASS TUBE (DIA. 5)
(TIME LAG 2.5AL/250V)
(V3/V7:AEP,IT,CET,UK,AR,AUS,SP,KR/V7L)
0F901 1-533-470-11 FUSE, GLASS TUBE (DIA. 5)(3.15A/250V)
(V7:CND,TW)
0F902 1-533-460-11 FUSE, GLASS TUBE (DIA. 5)(315mA/250V)(E4)
Ver 1.5

42
CFD-V3/V7/V7L
Ref. No. Part No. Description Remark Ref. No. Part No. Description Remark
<CABLE HOLDER>
*KH901 1-573-287-11 HOLDER, CABLE 2P
<RESISTOR>
R901 1-216-825-11 METAL CHIP 2.2K 5% 1/16W
*************************************************************
*A-3062-295-A MAIN BOARD, COMPLETE (V7L)
*A-3062-411-A MAIN BOARD, COMPLETE (V7:IT)
*A-3062-472-A MAIN BOARD, COMPLETE
(V3:AEP,CET,SP/V7:AEP,CET,UK,SP,KR)
*A-3347-106-A MAIN BOARD, COMPLETE
(V3:AR/V7:CND,AR,AUS,TW,E4)
*********************
3-031-559-01 GEAR (PVC 2 BAND)
7-621-775-20 SCREW +B 2.6X5
7-685-675-19 SCREW +BVTP 5X20 TYPE2 N-S (V3/V7)
7-685-645-79 SCREW +BVTP 3X6 TYPE2 N-S (V7L)
<CAPACITOR>
C1 1-162-964-11 CERAMIC CHIP 0.001uF 10% 50V
C2 1-162-915-11 CERAMIC CHIP 10PF 0.5PF 50V
C3 1-162-974-11 CERAMIC CHIP 0.01uF 50V
C4 1-104-662-11 ELECT 22uF 20% 25V
C5 1-162-915-11 CERAMIC CHIP 10PF 0.5PF 50V
C6 1-162-910-11 CERAMIC CHIP 5PF 0.25PF 50V
C7 1-162-191-31 CERAMIC 2.2PF 10% 50V
(V3:AR/V7:CND,AR,AUS,TW,E4)
C7 1-162-195-31 CERAMIC 4.7PF 10% 50V
(V3:AEP,CET,SP/V7:AEP,CET,UK,SP,IT,KR)
C8 1-126-963-11 ELECT 4.7uF 20% 50V
C9 1-126-963-11 ELECT 4.7uF 20% 50V
C10 1-162-968-11 CERAMIC CHIP 0.0047uF 10% 50V
(V3:AEP,CET,SP/V7:AEP,CET,UK,SP,IT,KR/V7L)
C11 1-162-199-31 CERAMIC 10PF 5% 50V
C12 1-162-199-31 CERAMIC 10PF 5% 50V
C13 1-126-959-11 ELECT 0.47uF 20% 50V
C14 1-126-963-11 ELECT 4.7uF 20% 50V
C15 1-164-156-11 CERAMIC CHIP 0.1uF 25V
C17 1-164-156-11 CERAMIC CHIP 0.1uF 25V
C18 1-126-960-11 ELECT 1uF 20% 50V
C19 1-162-995-11 CERAMIC CHIP 0.022uF 50V
(V3:AR/V7:CND,AR,AUS,TW,E4)
C19 1-162-974-11 CERAMIC CHIP 0.01uF 50V
(V3:AEP,CET,SP/V7:AEP,CET,UK,SP,IT,KR/V7L)
C20 1-162-995-11 CERAMIC CHIP 0.022uF 50V
(V3:AR/V7:CND,AR,AUS,TW,E4)
C20 1-162-974-11 CERAMIC CHIP 0.01uF 50V
(V3:AEP,CET,SP/V7:AEP,CET,UK,SP,IT,KR/V7L)
C21 1-162-228-31 CERAMIC 4.7PF 10% 50V
C22 1-115-156-11 CERAMIC CHIP 1uF 10V
C23 1-126-964-11 ELECT 10uF 20% 50V
C24 1-162-974-11 CERAMIC CHIP 0.01uF 50V
C25 1-162-964-11 CERAMIC CHIP 0.001uF 10% 50V
(EXCEPT V7L)
C26 1-162-968-11 CERAMIC CHIP 0.0047uF 10% 50V
(V7L)
C27 1-162-968-11 CERAMIC CHIP 0.0047uF 10% 50V
(V3:AEP,CET,SP/V7:AEP,CET,UK,SP,IT,KR/V7L)
C28 1-130-014-00 FILM 470PF 5.00% 50V
(V7L)
C29 1-130-044-00 FILM 100PF 5.00% 50V
(V7L)
C30 1-162-907-11 CERAMIC CHIP 2PF 0.25PF 50V
C31 1-130-014-00 FILM 470PF 5.00% 50V
(V7L)
C32 1-162-195-31 CERAMIC 4.7PF 10% 50V
(V3:AEP,CET,SP/V7:AEP,CET,UK,SP,IT,KR/V7L)
C36 1-162-915-11 CERAMIC CHIP 10PF 0.5PF 50V
(V7L)
C152 1-162-964-11 CERAMIC CHIP 0.001uF 10% 50V
C153 1-104-657-11 ELECT 47uF 20% 10V
C154 1-126-925-11 ELECT 470uF 20% 10V
C155 1-107-826-11 CERAMIC CHIP 0.1uF 10% 16V
C156 1-104-657-11 ELECT 47uF 20% 10V
C171 1-126-964-11 ELECT 10uF 20% 50V
C252 1-162-964-11 CERAMIC CHIP 0.001uF 10% 50V
C253 1-104-664-11 ELECT 47uF 20% 10V
C254 1-126-935-11 ELECT 470uF 20% 10V
C255 1-107-826-11 CERAMIC CHIP 0.1uF 10% 16V
C256 1-104-657-11 ELECT 47uF 20% 10V
C271 1-126-964-11 ELECT 10uF 20% 50V
C314 1-104-657-11 ELECT 47uF 20% 10V
C316 1-126-960-11 ELECT 1uF 20% 50V
C317 1-104-662-11 ELECT 22uF 20% 25V
C320 1-162-995-11 CERAMIC CHIP 0.022uF 50V
C341 1-126-936-11 ELECT 3300uF 20% 16V
C343 1-162-974-11 CERAMIC CHIP 0.01uF 50V
C345 1-162-974-11 CERAMIC CHIP 0.01uF 50V
C346 1-162-974-11 CERAMIC CHIP 0.01uF 50V
C347 1-126-923-11 ELECT 220uF 20% 10V
C348 1-104-658-11 ELECT 100uF 20% 10V
C349 1-162-974-11 CERAMIC CHIP 0.01uF 50V
C351 1-104-657-11 ELECT 47uF 20% 10V
C401 1-104-658-11 ELECT 100uF 20% 10V
C402 1-126-964-11 ELECT 10uF 20% 50V
C801 1-162-974-11 CERAMIC CHIP 0.01uF 50V
(-12)(V3:AEP,CET,SP/V7:AEP,CET,KR,SP,UK)
C801 1-164-156-11 CERAMIC CHIP 0.1uF 25V(-11)
(-12:V3:AR/V7:CND,AR,AUS,IT,TW/V7L)
C802 1-104-657-11 ELECT 47uF 20% 10V
C805 1-164-156-11 CERAMIC CHIP 0.1uF 25V
C810 1-162-927-11 CERAMIC CHIP 100PF 5% 50V
C841 1-164-156-11 CERAMIC CHIP 0.1uF 25V
C842 1-164-156-11 CERAMIC CHIP 0.1uF 25V
C843 1-164-156-11 CERAMIC CHIP 0.1uF 25V
C844 1-164-156-11 CERAMIC CHIP 0.1uF 25V
C851 1-162-919-11 CERAMIC CHIP 22PF 5% 50V
C891 1-162-964-11 CERAMIC CHIP 0.001uF 10% 50V
<FILTER>
CF1 1-781-962-11 FILTER, CERAMIC (V3/V7)
CF1 1-577-072-11 FILTER, CERAMIC (V7L)
CF2 1-795-277-11 CERAMIC FILTER (V7L)
CF2 1-760-738-61 FILTER, CERAMIC (V3/V7)
<CONNECTOR>
CN801 1-784-777-11 CONNECTOR, FFC 16P
CN802 1-784-737-11 CONNECTOR, FFC 15P
Ver 1.5
INLET MAIN

CFD-V3/V7/V7L
43
Ref. No. Part No. Description Remark Ref. No. Part No. Description Remark
<CONNECTOR>
*CNP303 1-815-445-11 PIN, CONNECTOR 4P
*CNP304 1-815-552-11 PIN, CONNECTOR (PC BOARD) 4P
*CNP305 1-784-732-11 CONNECTOR, FFC 10P (V3/V7)
CNP305 1-784-734-11 CONNECTOR, FFC 12P (V7L)
<VARIABLE CAPACITOR>
CV1 1-141-637-11 CAP, VAR (TUNING)
CV2 1-141-604-11 CAP, ADJ (LW FREQUENCY COVERAGE)(V7L)
CV3 1-141-622-21 CAP, ADJ 50PF (LW TRACKING) (V7L)
<TRIMMER>
CT1 1-141-637-11 CAP, VAR (FM TRACKING)
CT2 1-141-637-11 CAP, VAR (FM FREQUENCY COVERAGE)
CT3 1-141-637-11 CAP, VAR (AM/LW TRACKING)
CT4 1-141-637-11 CAP, VAR (AM/LW FREQUENCY COVERAGE)
<DIODE>
D1 8-719-988-61 DIODE 1SS355TE-17
D2 8-719-988-61 DIODE 1SS355TE-17
D301 8-719-988-61 DIODE 1SS355TE-17
D302 8-719-988-61 DIODE 1SS355TE-17
D303 8-719-988-61 DIODE 1SS355TE-17
D304 8-719-988-61 DIODE 1SS355TE-17
D305 8-719-083-93 DIODE KDS120-RTK
D306 8-719-988-61 DIODE 1SS355TE-17
D308 8-719-082-09 DIODE KDZ3.9V-RTK
D309 8-719-988-61 DIODE 1SS355TE-17
D310 8-719-059-97 LED L-34HD (OPR/BATT)
D311 8-719-084-00 DIODE KDZ7.5V-RTK
D314 8-719-988-61 DIODE 1SS355TE-17
<IC>
IC1 8-759-829-93 IC TA2111N
IC304 8-759-426-51 IC BA5417
IC401 8-759-646-86 IC MM1468XD
IC801 8-759-696-92 IC uPD789316GK-903
<IC LINK>
ICP301 1-533-674-21 IC LINK(-11)
<JACK>
J301 1-815-325-11 JACK (i)
<JUMPER RESISTOR>
JC1 1-216-864-11 SHORT 0
JC2 1-216-864-11 SHORT 0
JC4 1-216-809-11 METAL CHIP 100 5% 1/16W
(-11)
JC5 1-216-864-11 SHORT 0
JC6 1-216-864-11 SHORT 0
JC7 1-216-864-11 SHORT 0 (EXCEPT E4/V7L)
JC302 1-216-864-11 SHORT 0
JC303 1-216-864-11 SHORT 0
JC305 1-216-864-11 SHORT 0
JC306 1-216-864-11 SHORT 0
JC310 1-216-864-11 SHORT 0
JC401 1-216-864-11 SHORT 0
<CABLE HOLDER>
*KH2 1-565-385-11 HOLDER, CABLE 4P
*KH306 1-565-386-11 HOLDER, CABLE 5P
*KH801 1-573-287-11 HOLDER, CABLE 2P
*KH902 1-565-385-11 HOLDER, CABLE 4P
<COIL>
L1 1-406-998-11 COIL, AIR-CORE (FM TRACKING)
L2 1-411-949-11 COIL, AIR-CORE (FM FREQUENCY COVERAGE)
(V3/V7:CND,AR,AUS,TW,E4,AEP,CET,UK,SP/V7L)
L2 1-406-957-21 COIL (WITH CORE) (FM FREQUENCY
COVERAGE) (V7:IT)
L3 1-754-175-11 ANTENNA, FERR ROD (AM TRACKING)
(EXCEPT V7L)
L3 1-754-189-11 ANTENNA, FERR ROD (LW TRACKING) (V7L)
L4 1-406-040-00 COIL (OSC) (AM FREQUENCY COVERAGE)
(EXCEPT V7L)
L4 1-424-771-11 COIL (OSC) (LW FREQUENCY COVERAGE)
(V7L)
<TRANSISTOR>
Q1 8-729-054-02 TRANSISTOR KRA302-RTK
Q2 8-729-054-02 TRANSISTOR KRA302-RTK (V7L)
Q101 8-729-054-24 TRANSISTOR KRC410-RTK
Q201 8-729-054-24 TRANSISTOR KRC410-RTK
Q309 8-729-021-82 TRANSISTOR 2SD2396K
Q310 8-729-036-86 TRANSISTOR KTC3203Y-AT
Q311 8-729-055-41 TRANSISTOR KTB1241Y-AT
Q312 8-729-054-19 TRANSISTOR KRC405-RTK
Q401 8-729-037-03 TRANSISTOR KTA1266GR-AT
Q402 8-729-054-16 TRANSISTOR KRC402-RTK
Q405 8-729-037-03 TRANSISTOR KTA1266GR-AT
Q409 8-729-212-02 TRANSISTOR 2SC2120-Y
Q801 8-729-054-18 TRANSISTOR KRC404-RTK
<RESISTOR>
R1 1-216-813-11 METAL CHIP 220 5% 1/16W
R2 1-216-815-11 METAL CHIP 330 5% 1/16W
R3 1-216-827-11 METAL CHIP 3.3K 5% 1/16W
R4 1-216-827-11 METAL CHIP 3.3K 5% 1/16W
R5 1-216-809-11 METAL CHIP 100 5% 1/16W
(-12)
R8 1-216-837-11 METAL CHIP 22K 5% 1/16W
R9 1-216-837-11 METAL CHIP 22K 5% 1/16W
R11 1-216-833-11 METAL CHIP 10K 5% 1/16W
R20 1-216-821-11 METAL CHIP 1K 5% 1/16W
(EXCEPT V7L)
R20 1-216-809-11 METAL CHIP 100 5% 1/16W
(V7L)
R30 1-216-813-11 METAL CHIP 220 5% 1/16W
R151 1-216-829-11 METAL CHIP 4.7K 5% 1/16W
R153 1-216-817-11 METAL CHIP 470 5% 1/16W
R154 1-216-025-11 RES-CHIP 100 5% 1/10W
R251 1-216-829-11 METAL CHIP 4.7K 5% 1/16W
R253 1-216-817-11 METAL CHIP 470 5% 1/16W
R254 1-216-025-11 RES-CHIP 100 5% 1/10W
R314 1-216-829-11 METAL CHIP 4.7K 5% 1/16W
Ver 1.5
MAIN

44
CFD-V3/V7/V7L
Ref. No. Part No. Description Remark Ref. No. Part No. Description Remark
R315 1-216-821-11 METAL CHIP 1K 5% 1/16W
R319 1-216-829-11 METAL CHIP 4.7K 5% 1/16W
R340 1-216-827-11 METAL CHIP 3.3K 5% 1/16W
R341 1-216-827-11 METAL CHIP 3.3K 5% 1/16W
R342 1-216-827-11 METAL CHIP 3.3K 5% 1/16W
R343 1-216-827-11 METAL CHIP 3.3K 5% 1/16W
(-11)
R343 1-216-821-11 METAL CHIP 1K 5% 1/16W
(V7:IT)
R344 1-216-813-11 METAL CHIP 220 5% 1/16W
R345 1-216-821-11 METAL CHIP 1K 5% 1/16W
R346 1-216-821-11 METAL CHIP 1K 5% 1/16W
(EXCEPT IT)(-12)
R348 1-216-821-11 METAL CHIP 1K 5% 1/16W
(EXCEPT IT)(-12)
R349 1-216-815-11 METAL CHIP 330 5% 1/16W
R350 1-216-825-11 METAL CHIP 2.2K 5% 1/16W
R351 1-216-821-11 METAL CHIP 1K 5% 1/16W
(-11)
R351 1-216-819-11 METAL CHIP 680 5% 1/16W
(-12)
R352 1-216-821-11 METAL CHIP 1K 5% 1/16W
(-11)
R352 1-216-819-11 METAL CHIP 680 5% 1/16W
(-12)
R353 1-216-821-11 METAL CHIP 1K 5% 1/16W
(-11)
R353 1-216-819-11 METAL CHIP 680 5% 1/16W
(-12)
R354 1-216-819-11 METAL CHIP 1K 5% 1/16W
(-11)
R354 1-216-819-11 METAL CHIP 680 5% 1/16W
(-12)
R355 1-216-821-11 METAL CHIP 1K 5% 1/16W
(-11)
R360 1-216-845-11 METAL CHIP 100K 5% 1/16W
R386 1-216-827-11 METAL CHIP 3.3K 5% 1/16W
R401 1-216-845-11 METAL CHIP 100K 5% 1/16W
R402 1-216-833-11 METAL CHIP 10K 5% 1/16W
R403 1-216-837-11 METAL CHIP 22K 5% 1/16W
R404 1-216-821-11 METAL CHIP 1K 5% 1/16W
R413 1-216-829-11 METAL CHIP 4.7K 5% 1/16W
(-11)
R414 1-216-831-11 METAL CHIP 6.8K 5% 1/16W
(-11)
R415 1-216-831-11 METAL CHIP 6.8K 5% 1/16W
(-11)
R415 1-216-827-11 METAL CHIP 3.3K 5% 1/16W
(-12)
R416 1-216-829-11 METAL CHIP 4.7K 5% 1/16W
R417 1-216-833-11 METAL CHIP 10K 5% 1/16W
R418 1-216-833-11 METAL CHIP 10K 5% 1/16W
R801 1-216-801-11 METAL CHIP 22 5% 1/16W
R805 1-216-849-11 METAL CHIP 220K 5% 1/16W
R806 1-216-813-11 METAL CHIP 220 5% 1/16W
R809 1-216-821-11 METAL CHIP 1K 5% 1/16W
R810 1-216-809-11 METAL CHIP 100 5% 1/16W
R811 1-216-833-11 METAL CHIP 10K 5% 1/16W
R812 1-216-821-11 METAL CHIP 1K 5% 1/16W
R813 1-216-821-11 METAL CHIP 1K 5% 1/16W
R814 1-216-821-11 METAL CHIP 1K 5% 1/16W
R815 1-216-809-11 METAL CHIP 100 5% 1/16W
R816 1-216-809-11 METAL CHIP 100 5% 1/16W
R818 1-216-809-11 METAL CHIP 100 5% 1/16W
R819 1-216-809-11 METAL CHIP 100 5% 1/16W
R851 1-216-829-11 METAL CHIP 4.7K 5% 1/16W
<SWITCH>
S351 1-572-300-11 SWITCH, LEVER SLIDE (FUNCTION)
<TRANSFORMER>
T1 1-424-702-11 COIL, FM DET (FM IF)
T2 1-424-703-11 COIL, AM IFT (AM/LW IF)
*****************************************************
*A-3062-296-A PRE BOARD, COMPLETE (V7L)
*A-3347-104-A PRE BOARD, COMPLETE (V3/V7)
************************
<CAPACITOR>
C101 1-162-964-11 CERAMIC CHIP 0.001uF 10% 50V
C102 1-104-664-11 ELECT 47uF 20% 10V
C103 1-165-176-11 CERAMIC CHIP 0.047uF 10% 16V
C104 1-162-966-11 CERAMIC CHIP 0.0022uF 10% 50V
C105 1-162-923-11 CERAMIC CHIP 47PF 5% 50V
C106 1-126-960-11 ELECT 1uF 20% 50V
C107 1-162-962-11 CERAMIC CHIP 470PF 10% 50V
C201 1-162-964-11 CERAMIC CHIP 0.001uF 10% 50V
C202 1-104-664-11 ELECT 47uF 20% 10V
C203 1-165-176-11 CERAMIC CHIP 0.047uF 10% 16V
C204 1-162-966-11 CERAMIC CHIP 0.0022uF 10% 50V
C205 1-162-923-11 CERAMIC CHIP 47PF 5% 50V
C206 1-126-960-11 ELECT 1uF 20% 50V
C207 1-162-962-11 CERAMIC CHIP 470PF 10% 50V
C301 1-104-665-11 ELECT 100uF 20% 10V
C302 1-104-665-11 ELECT 100uF 20% 10V
C303 1-104-665-11 ELECT 100uF 20% 10V
C304 1-104-664-11 ELECT 47uF 20% 10V
C305 1-162-962-11 CERAMIC CHIP 470PF 10% 50V
C306 1-162-970-11 CERAMIC CHIP 0.01uF 10% 25V
C307 1-162-966-11 CERAMIC CHIP 0.0022uF 10% 50V
C310 1-164-230-11 CERAMIC CHIP 220PF 5% 50V
(V7L)
<CONNECTOR>
CN303 1-695-371-31 CONNECTOR, FFC 10P (V3/V7)
CN302 1-784-773-11 CONNECTOR, FFC 12P (V7L)
<IC>
IC301 8-759-264-71 IC TA2068N
<JUMPER RESISTOR>
JC301 1-216-864-11 SHORT 0
JC302 1-216-864-11 SHORT 0
JC303 1-216-864-11 SHORT 0
JC304 1-216-864-11 SHORT 0
JC309 1-216-864-11 SHORT 0 (V7L)
Ver 1.5
MAIN PRE

CFD-V3/V7/V7L
45
Ref. No. Part No. Description Remark Ref. No. Part No. Description Remark
The components identified by
mark 0 or dotted line with
mark 0 are critical for safety.
Replace only with part num-
ber specified.
Les composants identifiés par une
marque 0 sont critiques pour la
sécurité.
Ne les remplacer que par une pièce
portant le numéro spécifié.
PRE POWER VOLUME
<TRANSISTOR>
Q301 8-729-920-75 TRANSISTOR 2SC2412-T146
Q302 8-729-054-16 TRANSISTOR KRC402-RTK (V7L)
<RESISTOR>
R101 1-216-835-11 METAL CHIP 15K 5% 1/16W
R102 1-216-807-11 METAL CHIP 68 5% 1/16W
R103 1-216-843-11 METAL CHIP 68K 5% 1/16W
R104 1-216-825-11 METAL CHIP 2.2K 5% 1/16W
R105 1-216-835-11 METAL CHIP 15K 5% 1/16W
R106 1-216-825-11 METAL CHIP 2.2K 5% 1/16W
R110 1-216-809-11 METAL CHIP 100 5% 1/16W
R111 1-216-829-11 METAL CHIP 4.7K 5% 1/16W
R201 1-216-835-11 METAL CHIP 15K 5% 1/16W
R202 1-216-807-11 METAL CHIP 68 5% 1/16W
R203 1-216-843-11 METAL CHIP 68K 5% 1/16W
R204 1-216-825-11 METAL CHIP 2.2K 5% 1/16W
R205 1-216-835-11 METAL CHIP 15K 5% 1/16W
R206 1-216-825-11 METAL CHIP 2.2K 5% 1/16W
R210 1-216-025-11 RES-CHIP 100 5% 1/10W
R211 1-216-829-11 METAL CHIP 4.7K 5% 1/16W
R301 1-216-857-11 METAL CHIP 1M 5% 1/16W
R302 1-216-829-11 METAL CHIP 4.7K 5% 1/16W
R303 1-216-829-11 METAL CHIP 4.7K 5% 1/16W
R304 1-216-821-11 METAL CHIP 1K 5% 1/16W
R305 1-216-817-11 METAL CHIP 470 5% 1/16W
R306 1-216-831-11 METAL CHIP 6.8K 5% 1/16W
R307 1-216-797-11 METAL CHIP 10 5% 1/16W
R308 1-216-837-11 METAL CHIP 22K 5% 1/16W
R309 1-216-805-11 METAL CHIP 47 5% 1/16W
R310 1-216-857-11 METAL CHIP 1M 5% 1/16W
(V7L)
R314 1-216-817-11 METAL CHIP 470 5% 1/16W
R315 1-216-817-11 METAL CHIP 470 5% 1/16W
<SWITCH>
S301 1-786-126-11 SWITCH, SLIDE (REC/PB)
<TRANSFORMER>
T301 1-416-041-11 TRANSFORMER, BIAS OSCILLATION
******************************************************
*1-680-683-12 POWER BOARD
***********
<CABLE HOLDER>
*KH904 1-573-287-11 HOLDER, CABLE 2P
******************************************************
*1-682-707-11 VOL SEL BOARD(E4)
***************
<SWITCH>
0S901 1-552-921-00 SWITCH,POWER(VOLTAGE SELECTOR)
******************************************************
*1-680-679-12 VOLUME BOARD
*************
<CAPACITOR>
C123 1-115-870-11 ELECT 0.47uF 20% 50V
C124 1-162-968-11 CERAMIC CHIP 0.0047uF 10% 50V
C223 1-115-870-11 ELECT 0.47uF 20% 50V
C224 1-162-968-11 CERAMIC CHIP 0.0047uF 10% 50V
<CABLE HOLDER>
*KH307 1-565-386-11 HOLDER, CABLE 5P
<RESISTOR>
R123 1-216-821-11 METAL CHIP 1K 5% 1/16W
R124 1-216-831-11 METAL CHIP 6.8K 5% 1/16W
R223 1-216-821-11 METAL CHIP 1K 5% 1/16W
R224 1-216-831-11 METAL CHIP 6.8K 5% 1/16W
<VARIABLE RESISTOR>
RV352 1-227-188-11 RES, VAR, CARBON 20K/20K (VOLUME)
<SWITCH>
S355 1-786-141-11 SWITCH PUSH (MEGA BASS)
*****************************************************
MISCELLANEOUS
*************
59 1-452-899-11 MAGNET
*111 1-757-584-11 CABLE FLEXIBLE FLAT 15P
*112 1-757-688-11 CABLE FLEXIBLE FLAT 10P (V3/V7)
*112 1-757-845-11 FFC 12P (V7L)
*114 1-757-583-11 CABLE FLEXIBLE FLAT 16P
124 1-757-689-11 CABLE FLEXIBLE FLAT 16P
252 X-2162-709-1 CHASSIS ASSY (CDP), MOTOR (SPINDLE)
(INCLUDING M701)
0253 8-848-483-05 OPTICAL PICK-UP KSS-213C
ANT1 1-501-883-21 ANTENNA, TELESCOPIC
HE901 1-543-876-11 HEAD (ERASE)
HRP901 1-500-668-11 HEAD,MAGNETIC(RECORD/PLAYBACK)
M601 A-3320-446-A MOTOR ASSY (CAPSTAN/REEL)
(INCLUDING PULLEY)
M702 X-2625-769-1 GEAR ASSY (MB), MOTOR (SLED)
(INCLUDING GEAR)
S601 1-762-679-11 SWITCH, LEAF (MD POWER)
S801 1-692-960-11 SWITCH, PUSH (1 KEY)
(CD DOOR OPEN/CLOSE)
SP101 1-529-723-11 SPEAKER (10cm) (L-CH) (V3)
SP101 1-529-723-21 SPEAKER (10cm) (L-CH) (V7/V7L)
SP201 1-529-723-11 SPEAKER (10cm) (R-CH) (V3)
SP201 1-529-723-21 SPEAKER (10cm) (R-CH) (V7/V7L)
0T901 1-433-576-11 TRANSFORMER, POWER (CND,TW)
0T901 1-435-921-11 TRANSFORMER, POWER (EXCEPT CND,TW,E4)
0T901 1-435-922-11 TRANSFORMER, POWER (E4)
*****************************************************
Ver 1.5
VOL SEL

46
CFD-V3/V7/V7L
Ref. No. Part No. Description Remark
ACCESSORIES & PACKING MATERIALS
****************************
01-577-287-11 CORD, POWER (V7:TW)
01-569-008-21 ADAPTOR,CONVERSION (V7:E4)
01-690-952-12 CORD, POWER (V7:CND)
01-696-819-11 CORD, POWER (V7:AUS)
01-769-412-13 CORD, POWER
(V3:AEP,CET,SP/V7:AEP,IT,CET,UK,SP,E4/V7L)
01-770-019-12 ADAPTOR, CONVERSION PLUG 3P (V7:UK)
01-776-985-11 CORD, POWER (V7:KR)
01-783-952-11 CORD, POWER (V3:AR/V7:AR)
3-227-154-11 MANUAL, INSTRUCTION (ENGLISH,FRENCH)
(V7:CND)
3-227-154-21 MANUAL, INSTRUCTION (ENGLISH,SPANISH)
(V3:AEP,AR,SP/V7:AEP,AR,AUS,SPE4,KR/V7L)
3-227-154-31 MANUAL, INSTRUCTION (FRENCH,GERMAN)
(V3:AEP,SP/V7:AEP,SP/V7L:AEP)
3-227-154-41 MANUAL, INSTRUCTION
(DUTCH,PORTUGUESE) (V3:AEP/V7:AEP,E4/V7L:AEP)
3-227-154-51 MANUAL, INSTRUCTION (ITALIAN)(V7:AEP,IT)
3-227-154-61 MANUAL, INSTRUCTION (SWEDISH,FINNISH)
(CET)
3-227-154-71 MANUAL, INSTRUCTION (POLISH)(CET)
3-227-154-81 MANUAL, INSTRUCTION (CZECK,HUNGARIAN)
(CET)
3-227-154-91 MANUAL, INSTRUCTION (RISSIAN,SLOVAK)
(CET)
3-230-889-11 MANUAL, INSTRUCTION
(ENGLISH,TRADITIONAL CHINESE) (V7:TW)
3-230-889-21 MANUAL, INSTRUCTION (KOREAN) (V7:KR)
*3-703-044-26 LABEL, CAUTION (V7:CND)
**************************************************************
**************
HARDWARELIST
**************
#1 7-685-647-79 SCREW +BVTP 3X10 TYPE2 N-S
#2 7-685-648-79 SCREW +BVTP 3X12 TYPE2 N-S
#3 7-685-853-04 SCREW +BVTT 2X6 (S)
#4 7-621-775-20 SCREW +B 2.6X5
#5 7-682-548-04 SCREW +B 3X8
The components identified by
mark 0 or dotted line with
mark 0 are critical for safety.
Replace only with part num-
ber specified.
Les composants identifiés par une
marque 0 sont critiques pour la
sécurité.
Ne les remplacer que par une pièce
portant le numéro spécifié.
Ver 1.2 2001.08

CFD-V3/V7/V7L
SERVICE MANUAL
SUPPLEMENT - 1
File this Supplement with the Service Manual.
Subject : CHANGE OF CD MECHANISM
(SPM-02027)
Canadian Model
UK Model
Australian Model
CFD-V7
AEP Model
CFD-V3/V7/V7L
E Model
CFD-V3/V7
2002.06
CD mechanism changed to KSM-213RDP from KSM-213CDP.
Please check serial No. when you exchange the parts of CD mechanism.
• Serial No. of changed model
CFD-V3 : No. 1,076,878 and later
CFD-V7 : No. 1,387,153 and later
CFD-V7L : (not changed)

CFD-V3/V7/V7L
2
M702
M701
252
251 259
256
257
256
255
258
253
(including M701)
254
251 3-713-786-51 SCREW (M2X3)
252 2-626-908-01 SHAFT, SLED
253 X-2162-707-1 CHASSIS ASSY (RDP) (RP), MOTOR (SPINDLE)
(INCLUDING M701)
0254 8-820-161-02 OPTICAL PICK-UP KSS-213R
*255 2-647-408-02 GEAR (B)
Ref. No. Part No. Description Remark Ref. No. Part No. Description Remark
256 2-169-388-01 TAPPING (M2), +PWB
*257 2-169-065-01 GEAR (A)
*258 2-169-385-01 SPRING, SLED
*259 2-169-384-01 SHAFT (S), GEAR
M702 X-2162-712-1 GEAR ASSY (R) (RP), MOTOR (MB) (SLED)
(INCLUDING GEAR)
The components identified by
mark 0 or dotted line with
mark 0 are critical for safety.
Replace only with part num-
ber specified.
Les composants identifiés par une
marque 0 sont critiques pour la
sécurité.
Ne les remplacer que par une pièce
portant le numéro spécifié.
OPTICAL PICK-UP SECTION (KSM–213RDP)

CFD-V3/V7/V7L
3
MEMO

REVISION HISTORY
Clicking the version allows you to jump to the revised page.
Also, clicking the version at the upper right on the revised page allows you to jump to the next revised
page.
Ver. Date Description of Revision
1.0 2001.02 New
1.1 2001.04 Model addition
CFD-V3: Singapore, Argentina model
CFD-V7: Singapore, Argentina, Australian, Taiwan model
Change of Schematic Diagram.
Cahnge of Printed Wiring Boards.
Change of Exploded views.
Change of Electrical Parts List
1.2 2001.08 Model addition
CFD-V7: E4, Korean model
Boards change (Last digit:-13). ( ENG-01016)
1.3 2002.06 SUPPLEMENT-1 ( SPM-02027)
Correction of exploded views (7-6. CD BLOCK SECTION).
1.4 2003.06 Correction of boards last digit. (SPM-03014)
1.5 2003.12 Blue model addition for CFD-V7 Ausiralian model.
Writing-together abolition of a former type and new type board of
parts list. (SPM-03063)
CFD-V3/V7/V7L