180UC Svc & Parts Manual Rev 1.03 050201 CMA DISHMACHINE CMA180UC
User Manual: CMA DISHMACHINE
Open the PDF directly: View PDF
.
Page Count: 25

MODEL CMA-180UC
INSTALLATION & OPERATION
Rev 1.13
800-854-6417
FAX 714-895-2141
CMA DISHMACHINES
12700 KNOTT AVENUE
GARDEN GROVE, CALIFORNIA 92841
www.cmadishmachines.com 1203

TABLE OF CONTENTS
MODEL CMA-180UC
1. SPECIFICATIONS ........................................................................................ 2
1.1. CMA-180UC ......................................................................................................................... 2
1.2. CMA-180UC OPERATIONAL CYCLE...................................................................................... 3
2. GETTING STARTED..................................................................................... 4
2.1. INTRODUCTION TO CMA-180UC........................................................................................... 4
2.2. RECEIVING AND INSTALLATION.............................................................................................. 5
2.2.1. Electrical ....................................................................................................................... 5
2.2.2. Plumbing........................................................................................................................5
2.2.3. BETA Detergent And Rinse Dispenser (Optional)1....................................................... 5
2.2.4. NOVA Detergent and Rinse Dispenser (Optional). ....................................................... 7
2.2.5. Water Tempering Kit ..................................................................................................... 9
2.2.6. Booster Heater Setup................................................................................................... 10
2.2.7. Installers Checklist ...................................................................................................... 10
3. OPERATION ............................................................................................... 11
3.1. INITIAL SETUP ...................................................................................................................... 11
3.1.1. Rinse Pressure Regulator ............................................................................................ 11
3.1.2. Rinse and Wash Temperatures .................................................................................... 11
3.1.3. Post Instructions.......................................................................................................... 11
3.2. STARTUP PROCEDURES......................................................................................................... 11
3.3. OPERATING AND CLEANING INSTRUCTIONS ......................................................................... 12
3.4. PREVENTIVE MAINTENANCE CHART .................................................................................... 13
3.5. QUICK SERVICE GUIDE.......................................................................................................... 14
3.6. TROUBLESHOOTING.............................................................................................................. 15
4. PARTS KIT ................................................................................................. 18
4.1. INITIAL PARTS KIT (P/N 1100.66)........................................................................................ 18
4.2. OPTIONAL DRAIN PUMP KIT................................................................................................. 19
4.3. OPTIONAL DRAIN PUMP—INSTALLATION INSTRUCTIONS.................................................... 20
5. CUSTOMER NOTICE ................................................................................. 22
6. ELECTRICAL DIAGRAM............................................................................ 23
www.cmadishmachines.com 1203

1. Specifications
METRIC
EQUIVALENT
1.1. CMA-180UC
WATER CONSUMPTION
PER RACK .86 GAL. (3.25 L)
PER HOUR 20.6 GAL. (77.8 L)
OPERATING CYCLE
WASH TIME-SEC 94 94
RINSE TIME-SEC 16 16
DWELL TIME-SEC 10 10
TOTAL CYCLE 2 MIN. 2 MIN.
OPERATING CAPACITY
RACKS PER HOUR 30 30
WASH TANK CAPACITY 2.5 GAL. (9.46 L)
PUMP CAPACITY 38 GPM (144 LPM)
WATER REQUIREMENTS 140°F (60°C)
WATER INLET ½” —
DRAIN CONNECTION 1” —
RINSE PRESSURE SET 24 PSI 1.7 kg/cm2
CYCLE TEMPERATURES
WASH-°F 155°F – 160°F (68°C/71°C)
RINSE-°F 180°F – 195°F (82°C/90°C)
FRAME DIMENSIONS
DEPTH 25” (63.5 cm)
WIDTH 24” (60.96 cm)
HEIGHT 33 ¼” (84.45 cm)
MAX CLEARANCE FOR DISHES 14.5” (36.8 cm)
ELECTRICAL RATING* 208 VOLTS
1 PH—60 Hz 230 VOLTS
1 PH—60 Hz
33 AMPS 35 AMPS
BOOSTER HEATER 5.3 kW 6.5 kW
WASH PUMP MOTOR ¾ HP ¾ HP
THIS SYSTEM REQUIRES THREE POWER WIRES, WHICH
INCLUDES A CURRENT CARRYING NEUTRAL. AN ADDITIONAL
FOURTH WIRE MUST BE PROVIDED FOR MACHINE GROUND.
SHIPPING WEIGHT
APPROXIMATE 193# (87.54 kg)
MODEL CMA-180UC INSTALLATION & OPERATION MANUAL Rev. 1.13 Page 2

1.2. CMA-180UC Operational Cycle
The CMA-180UC Operational Cycle has a total cycle time of 2 minutes (120 seconds). The
Timing Diagram and the steps listed below detail the individual functions that are executed
during each Operational Cycle.
Seconds: 0 10 20 30 40 50 60 70 80 90 100 110 120
Wash Cycle
Cam
Optional Drain
Pump Cam
Rinse Cycle
Cam
Instant
Start Relay
Cam Timer
Motor Cam
1. With the machine powered up toggling the START switch begins a cycle.
a) Toggling the START switch energizes both the Cam Timer motor and the Instant Start
Relay. The Instant Start Relay latches ON the power to the Cam Timer motor so that
the START switch can be released a moment after it has been toggled without the Cam
Timer motor losing power.
b) After about 1.5 seconds the Cam Timer’s first cam—the Cam Timer Motor Cam—
latches ON the power to the Cam Timer motor and drops out the Instant Start Relay.
The Cam Timer motor continues to run for a total of 2 minutes, at which time it
switches OFF—resetting the Cam Timer—and waits for the next START command.
2. The Cam Timer’s third cam controls the Wash Pump. The Wash Pump comes ON about 3
seconds into the Operational Cycle and continues to run for 94 seconds. This 94-second
period is the Wash Cycle.
3. At the same time that the Wash Pump comes ON the Cam Timer’s fourth cam powers ON
the Optional Drain Pump—if one is present—and keeps it running for about 7 seconds
before powering OFF. This cam turns ON again midway through the Rinse Cycle and
stays ON for 10 seconds, turning OFF 2 seconds after the Rinse Cycle has completed.
4. About 3 seconds after the Wash Cycle has completed the Cam Timer’s second cam, which
controls the Rinse Cycle, turns ON—energizing the Water Solenoid—and stays ON for 16
seconds. This 16-second period is the Rinse Cycle.
MODEL CMA-180UC INSTALLATION & OPERATION MANUAL Rev. 1.13 Page 3

Getting Started
2. Getting Started
2.1. Introduction to CMA-180UC
The CMA-180UC is a hot water sanitizing, single rack, under-counter dishmachine. It is a
standalone machine featuring a self-contained booster heater. The only external connections
necessary are power supply, water supply, drainpipe, and optional chemical dispensers. The
machine uses re-circulated wash water and fresh water final-rinse.
Operation of the CMA-180UC is extremely user friendly. To initially fill the machine each day,
push the switch marked “FILL”. The machine is full when water begins to flow into the scrap tray.
The booster tank heater will maintain the wash water temperature at 155°F. The booster heater
will produce a minimum of 180°F final rinse water each cycle.
The supply water to the CMA-180UC must be a minimum of 140°F at 24 PSI (Pounds per Square
Inch) with a 6 GPM (Gallons Per Minute) flow rate and 60 GPH (Gallons Per Hour) recovery rate.
The pipe supplying the water must be ½” minimum. The plumbing connection is located at the
back of the machine. (See specification sheet on page 2).
The drain is a 1" barbed fitting on the back of the machine for easy attachment of your drain
hose.
The machine retains the features of the standard CMA-180 Series in that it has a scrap tray and
the manner in which the tank is filled ensures that the dishes are always rinsed with fresh water
instead of re-circulated water. The CMA-180UC is the first under-counter dishmachine of its kind
to discharge soil from the wash tank into a scrap tray outside of the wash chamber. This feature
keeps the wash water much cleaner over long periods of time. The scrap tray may be emptied on
a periodic basis without interruption of the flow of work, thereby providing a much cleaner
environment for the wash and rinse cycle. There are also enhancements that can be chosen
when required such as drain pump kits and other accessories. Refer to Section 4 “Parts ” for the
parts list and accessories available for the machine.
This manual is structured to provide a complete reference guide to the CMA-180UC. It is
presented in a manner that all users will be able to comprehend and use as an effective tool in
supporting the operation and maintenance of the dishmachine. The first section explains how the
machine is packaged and what to look for when receiving the machine.
After unpacking the machine, this manual explains how to install and set up the machine for use.
Requirements are given for plumbing, wiring, and space considerations. These attributes of the
machine are always taken into consideration by our well-trained sales representatives prior to the
order being placed. In the manual, guidance is also given for installation to ensure that the
machine will be able to run at optimum conditions.
The Operation Section of the manual may be used for instruction and procedures when required.
We make this portion of the manual easy to understand so that all levels of operators may be
able to read and comprehend the operation of the machine. The function of the machine itself is
mostly automatic and takes little training to put into full operation. The Operation Section also
includes diagnostic considerations for the machine when problems occur.
The next section of the manual is the Parts . This section has the parts lists and wiring diagram
for the machine.
We are committed to providing the best machines and customer service in the food industry and
your feedback is welcome.
MODEL CMA-180UC INSTALLATION & OPERATION MANUAL Rev. 1.13 Page 4

Getting Started
2.2. Receiving and Installation
The dishwasher is shipped from the factory in a corrugated box on a wooden pallet. The
installation guidelines give a systematic procedure for setting up the machine.
Start by removing the packaging material. Unwrap the machine and check for the following
component parts:
The Wash Tank Scrap Screen is shipped inside the wash cavity of the machine. This screen must
be in place during operation. It has been designed to perform two basic functions:
1. Strain water that is circulating through the spray arms and pump assembly.
2. A basket to catch broken glass, or heavy solids that may plug the impeller.
Set the machine in place, and level from side-to-side and front-to-back.
2.2.1. Electrical1
A 50-amp, single-phase 230 volt, 60 Hz dedicated circuit should be used to supply electrical
energy to the CMA-180UC dishwasher (see specification sheet page 2). This system requires
three power wires, which include a current carrying neutral. An additional fourth wire must be
provided for ground. CMA and local codes require the CMA-180UC to be hardwired using #8
AWG (90°C) copper wire (minimum). Approximately 4-feet of ¾” flexible conduit with power leads
(L-1, L-2, Neutral and Ground) extending out of the conduit are provided for easily connecting the
power at installation. The power connection must be located such that there is sufficient length of
the flexible conduit remaining to permit the machine to be moved for cleaning.
2.2.2. Plumbing2
The machine is equipped with a ½” NPT connection located at the lower left-hand corner (facing
the back) of the machine. A 140°F water line should be plumbed to this point (see specification
sheet page 2). The water line used must be of sufficient length and flexibility to permit the
machine to be moved for cleaning.
The supply water to the CMA-180UC must be a minimum of 140°F at 24 PSI (Pounds per Square
Inch) with a 6 GPM (Gallons Per Minute) flow rate and 60 GPH (Gallons Per Hour) recovery rate.
The pipe supplying the water must be ½” minimum. The plumbing connection is located at the
back of the machine. (See specification sheet on page 2).
The CMA-180UC may be supplied with an optional drain pump for elevated drains. For floor
gravity drain applications the drain pump should not be used and a good commercial grade hose
needs to be connected to the discharge side of the diverter valve (drain valve) and run to the floor
drain. If removing a drain pump, safe-end (insulate electrically) the white and purple wires and
secure them out of the way. If a drain pump is used with a floor drain, the drain hose must rise 12
to 16” before dropping to the floor drain (to reduce any chance of the pump cavitations).
2.2.3. BETA Detergent And Rinse Dispenser (Optional)
Note: If you are installing the optional CMA Supplied Detergent and Rinse
Dispenser follow the instructions in Section 2.2.4 NOVA Detergent and Rinse
Dispenser.
1. A mounting plate for ½” conduit is provided on the top right-hand corner (facing
the back) of the machine.
1,2All electrical and plumbing connections must be made by a qualified person who will comply with
all available Federal, State, and Local Health, Electrical, Plumbing and Safety codes
MODEL CMA-180UC INSTALLATION & OPERATION MANUAL Rev. 1.13 Page 5

Getting Started
i. Run an appropriate length of ½” conduit from your dispenser to the mounting
plate where it will be secured. The conduit needs to be of sufficient length
and flexibility to permit the machine to be moved for cleaning without having
to disconnect any wiring.
ii. Run your dispenser wires from the conduit through the enclosed area across
the top of the machine and feed them through the access hole provided in
the back of the control panel drawer.
2. With the machine’s power “OFF”, connect your detergent and rinse dispenser
wires to the power block supplied and labeled (“DISPENSER 110V - 3 AMPS
MAX”) inside the control panel drawer. See Figures 2.2.3a, and Figure 2.2.3c.
Connect detergent wires to red terminals and rinse wires to blue terminals.
3. Remove the plug from the mixing chamber located by the vacuum breaker on the
back of machine and install the rinse injection fitting (supplied with your
dispenser). See Figure 2.2.3b.
4. A 7/8" detergent injection hole is provided in the back of the wash tank. Remove
the S.S. plug and install the detergent fitting7.
5. The final step of installing BETA Detergent and Rinse Dispenser is titration
adjustment by adjusting the detergent and rinse settings. The Quick Installation
Guide supplied with Beta dispenser shows how to that.
Figure 2.2.3a Figure 2.2.3b
(Dispenser wire connections)
Figure 2.2.3c
MODEL CMA-180UC INSTALLATION & OPERATION MANUAL Rev. 1.13 Page 6

Getting Started
2.2.4. NOVA Detergent and Rinse Dispenser (Optional)1.
The NOVA Detergent and Rinse Dispenser has its own reference manual.
Familiarize yourself with the dispenser’s reference manual before proceeding with
installation.
1. The NOVA dispenser is pre-wired with a multi-conductor electrical cable that is to
be run through a conduit to the power block inside the control panel drawer. Use
a ½” watertight conduit meeting all local and national codes. A conduit fitting is
present on the bottom of the dispenser where the power cable exits. A mounting
plate to receive the ½” conduit is provided on the top right-hand corner (facing
the back) of the machine.
i. Run an appropriate length of ½” conduit from your dispenser to the mounting
plate where it will be secured. The conduit needs to be of sufficient length
and flexibility to permit the machine to be moved for cleaning without having
to disconnect any wiring.
ii. Run your dispenser wires through the conduit and through the enclosed area
across the top of the machine and then feed them through the access hole
provided in the back of the control panel drawer.
iii. With the machine’s power “OFF”, connect your detergent and rinse dispenser
wires to the power block supplied and labeled (“DISPENSER 110V - 3 AMPS
MAX”) inside the control panel drawer. The table that follows lists the
function of each conductor of the multi-conductor electrical cable.
Wire Colors Circuit Voltage Function
Gray/Violet 90 VAC-130 VAC 50/60 Hz Main AC Power
Black 90 VAC-130 VAC 50/60 Hz Main AC Power
Brown No Connection. Insulate this wire! This wire is LIVE!
Yellow 90 VAC-130 VAC 50/60 Hz Detergent Signal
White/Yellow 90 VAC-130 VAC 50/60 Hz Detergent Signal
Violet 90 VAC -130 VAC 50/60 Hz Rinse Signal
White/Violet 90 VAC -130 VAC 50/60 Hz Rinse Signal
The individual conductors need to be connected as shown in Figure 2.2.4
and as described on next page.
1 All electrical and plumbing connections must be made by a qualified person who will comply with
all available Federal, State, and Local Health, Electrical, Plumbing and Safety codes
MODEL CMA-180UC INSTALLATION & OPERATION MANUAL Rev. 1.13 Page 7

Getting Started
Brown (LIVE) wire
Multi-conductor cable
Black (Main Power)
Detergent Signal wires
(Red terminals)
Rinse Signal wires
(Blue terminals)
Gray/Violet
(Main Power Neutral)
(
Same terminal as rinse neutral
)
Note: Machine Neutral
(White wires)
Figure 2.2.4
Note: In Figure 2.2.4 the machine’s wire harness was left out of the back of the
power block to more clearly show the dispenser wires.
2. Remove the plug from the mixing chamber located by the vacuum breaker on the
back of machine; and install the rinse injection fitting (supplied with your
dispenser). See Figure 2.2.3b.
3. A 7/8" detergent injection hole is provided in the back of the wash tank. Remove
the S.S. plug and install the detergent fitting (supplied with your dispenser).
4. The final step of installing the CMA supplied Detergent and Rinse Dispenser is
programming it to your specific application. The reference manual supplied with
the dispenser shows you how to program it.
Keep in mind while reading the reference manual that the CMA-180UC
operates in “probe-less” mode. (This mode is selected by setting a value of
“2” in screen 21).
Screen 22 must be set to “1” (Door).
There are four user functions with this dispenser. Their operation is described in the
reference manual. The four user functions are:
Rack Counter
Detergent Prime
Rinse Prime
De-Lime
MODEL CMA-180UC INSTALLATION & OPERATION MANUAL Rev. 1.13 Page 8

Getting Started
2.2.5. Water Tempering Kit
MODEL CMA-180UC INSTALLATION & OPERATION MANUAL Rev. 1.13 Page 9

Getting Started
2.2.6. Booster Heater Setup
The booster tank must be filled with water before the heating element is energized.
For this reason the “High Limit Switch” has intentionally been activated at the factory
and will require resetting before the heating element will turn on.
Follow the procedure below to complete the initial installation:
1. Close the door on the machine.
2. Turn the Power switch to the "ON" position.
3. Hold the “FILL” switch in until water overflows into the scrap tray.
4. Turn the Power switch to the "OFF" position.
5. Connect blue wire with disconnect, identified by red tag, to the High Limit
Switch which is located behind the thermostat behind the front kick panel.
2.2.7. Installers Checklist
Dishmachine checked for concealed damage
Hot water supply is 140° F (60 C) — minimum
Incoming water supply line is ½” — minimum
Incoming water supply is 6 GPM minimum at 24 PSI
Supply circuit breaker for machine is properly sized (50 amp)
Service voltage and phase type are correct to machine data plate
If drain pump is used, drain hose rises 12 to 16” before dropping to drain
Drain hose is installed with air gap (discharge 1” above drain)
Optional detergent and rinse dispenser (if present) is properly installed
Dishmachine is properly grounded
Dishmachine is properly leveled
Machine circuit breaker is labeled “DISHWASHER”
Machine has been “hard-wired” with correctly sized wire
Booster tank has been filled with water (before High Limit Switch is reset)
High Limit Switch for heater has been reset (after Booster Tank has been filled)
MODEL CMA-180UC INSTALLATION & OPERATION MANUAL Rev. 1.13 Page 10

Operation
3. Operation
3.1. Initial Setup
3.1.1. Rinse Pressure Regulator
The CMA-180UC requires a supply water input pressure of 24 PSI minimum. This
pressure is then reduced by the supply water regulator. Use the following
procedure to adjust the rinse pressure to 20 PSI:
1. Close the door on the machine.
2. Turn the Power switch to the "ON" position.
3. While holding the “FILL” switch—to activate the water solenoid—adjust the
pressure regulator until the gauge reads 20 PSI. (Regulator is located
behind the front kick panel).
3.1.2. Rinse and Wash Temperatures
1. Turn the Power switch to the "ON" position.
2. After the machine has warmed up for about ten-minutes, note the wash and
rinse temperatures. The wash temperature must be 155°F minimum. The
rinse temperature must be 180°F minimum3. If necessary, adjust the
temperatures by removing the front kick panel and turning the thermostat
adjustment clockwise to increase, counterclockwise to decrease. This one
adjustment controls both temperatures.
3.1.3. Post Instructions
1. Install wall chart and instruct machine operator on proper cleaning and
operation of the CMA-180UC.
3.2. Startup Procedures
1. Open the door of the machine and check that the scrap screen is in place, and that
the spray arms and end plugs are secure.
2. Close the door of the machine and turn the Power switch to the "ON" position.
3. Hold the fill button until the water overflows into the scrap tray.
4. Once the water is filled to the proper level, press the rocker switch marked “START”
– the machine will automatically begin its cycle.
5. Check machine’s operating temperatures — Adjust if necessary. See section 3.1.2
Rinse and Wash Temperatures.
6. At the end of the wash period, drain the machine by pushing the rocker switch
marked “DRAIN”. Clean the wash tank screen and scrap tray screen. Remove and
clean the spray arms. (See wall chart instructions).
See Sections 2.2.3 and 2.2.4 dispenser insulation instructions for proper setup of
chemical feeders.
3 Rinse cycle temperature must be observed during a rinse cycle while the machine is in operation.
MODEL CMA-180UC INSTALLATION & OPERATION MANUAL Rev. 1.13 Page 11

Operation
3.3. Operating and Cleaning Instructions
MODEL CMA-180UC INSTALLATION & OPERATION MANUAL Rev. 1.13 Page 12

Operation
3.4. Preventive Maintenance Chart
MODEL CMA-180UC INSTALLATION & OPERATION MANUAL Rev. 1.13 Page 13

Operation
3.5. Quick service guide
MODEL CMA-180UC INSTALLATION & OPERATION MANUAL Rev. 1.13 Page 14
MODEL: CMA 180UC HIGH TEMP UNDER COUNTER
TECHNICAL ISSUE CAUSE SOLUTION
Pressure regulator is not set properly Set regulator to 18-20 psi
Faulty rinse micro switch Replace micro switch, P/N 00411.00
Scrap trap over flows
Drain hose elevated too high Must be lowered to goose neck level
Obstruction in drain hose Check hose & clean
Scrap exit screen Clean exit screen
Faulty drain pump Replace pump, P/N 15503.00
Machine not level Adjust machine legs to level
Machine is leaning forward Adjust machine legs to level
Door leaks Wash arm end cap missing Replace end cap, P/N 00308.20
Door gasket Replace gasket, P/N 14506.60
Loose wire at display, board or
transformer
Secure connectors
Thermometer failure Faulty temperature sensing wire Correct, replace, P/N 03202.66
Faulty temperature sensing unit Replace unit, P/N 03203.00
Faulty transformer Replace transformer, P/N 03202.60
Scaled heating element Clean scale from heater
Rinse water temperature low /high
Booster heater’s thermostat not
properly set
Adjust thermostat
Incoming water temperature to
booster heater below 140 F
Adjust external water heater in the facility
Loose lead connections Check and crimp connectors
Pump motor not running Faulty # 3 micro switch Replace micro switch, P/N 00411.00
Faulty contactor Replace contactor, P/N 15504.00
Faulty wash pump motor Replace wash pump motor, P/N 00201.00
Pump motor runs continuously Faulty # 3 micro switch Replace micro switch, P/N 00411.00
Faulty contactor Replace contactor, P/N015504.00
Water regulator not adjusted properly Adjust regulator to 18-20 PSI
Low water pressure at the final rinse Clogged final rinse spray jets Clean jets
Missing final rinse spray end cap Replace end cap, P/N 00308.17
Low incoming water pressure from
facility Increase pressure to 18-20 psi
Scrap trap overflows over night Faulty water solenoid diaphragm Clean or replace diaphragm, P/N 00706.00
Low wash or rinse water temp. Check temperature settings
Poor cleaning results Wash arm bearing or jets Clean bearing and arm jets
Rinse arm bearing or jets Clean bearing and arm jets
Tank discharge screen dirty Clean screen
Wash tank will not drain. Drain valve not operating Check power to drain valve
Drain valve faulty Replace Drain valve, P/N 04103.00

Operation
3.6. Troubleshooting
PROBLEM LIKELY CAUSE SOLUTION
Power off at circuit breaker Reset circuit breaker Machine inoperative
Defective power switch Replace power switch
P/N: 15521.50
Door is open Close door
Control panel is pulled out Secure control panel
Defective reed switch Replace reed switch
P/N: 00557.55
Defective timer assembly Replace timer assembly*
P/N: 14408.80
Defective pump motor contactor Replace contactor
P/N: 15504.00
Motor inoperative
Defective motor Replace motor
P/N: 00201.66
Defective reed switch Replace reed switch
P/N: 00557.55
Motor runs with door open
Defective pump motor contactor Replace contactor
P/N: 15504.00
High limit switch opened or
defective Reset or replace switch
P/N: 17523.51
Defective thermostat Replace thermostat
P/N: 13417.89
Defective heater contactor Replace heater contactor
P/N: 15504.50
Heater (no heat)
Defective heater Replace heater
P/N: 15517.00
Defective thermostat Replace thermostat
P/N: 13417.89
Heater (never turns off)
Defective heater contactor Replace heater contactor
P/N: 15504.50
*The timer assembly motor (P/N: 00501.00) or micro switches (P/N: 00411.00) can be replaced
independently if that’s the only component that’s failed.
MODEL CMA-180UC INSTALLATION & OPERATION MANUAL Rev. 1.13 Page 15

Operation
PROBLEM LIKELY CAUSE SOLUTION
Turn up supply water heater
Low incoming water temperature
(below 140° F) Insulate supply water pipe
Thermostat out of adjustment Adjust thermostat
Cold water mixing with supply Isolate hot water from cold
water
Low heat during operation
Defective heater Replace heater
P/N: 15517.00
Pressure regulator out of
adjustment Adjust pressure regulator
Low rinse water pressure
Defective pressure gauge (actual
pressure is okay) Replace pressure gauge
P/N: 13605.45
Insufficient water supply flow Supply larger supply line
Regulator at maximum but
rinse pressure still low Defective water solenoid valve Replace water solenoid valve
P/N: 03603.10
Low rinse water pressure See “Low rinse water
pressure” in PROBLEM
column
Low rinse water flow
Limed up rinse arm spray nozzles De-lime rinse arm nozzles
Defective water solenoid valve Replace water solenoid valve
P/N: 03603.10
No rinse water flow
Defective (Rinse Relay) ice cube
relay Replace ice cube relay
P/N: 00631.00
Rinse water runs with door
open Defective reed switch Replace reed switch
P/N: 00557.55
Drain hose is kinked Un-kink drain hose
Drain hose is not properly
elevated before dropping to drain
(if drain pump is used)
Elevate drain hose 12 to 16”
above pump before dropping
to drain
Defective timer assembly Replace timer assembly*
P/N: 14408.80
Water overflows scrap tray
onto floor
Defective drain pump
(if drain pump is used)
Replace drain pump
P/N: 15503.00
Defective start switch (cycle light
will not light either) Replace start switch
P/N: 15521.00
With power on, activating
start switch does not begin
cycle Defective timer assembly Replace timer assembly*
P/N: 14408.80
*The timer assembly motor (P/N: 00501.00) or micro switches (P/N: 00411.00) can be replaced
independently if that’s the only component that’s failed.
MODEL CMA-180UC INSTALLATION & OPERATION MANUAL Rev. 1.13 Page 16

Operation
PROBLEM LIKELY CAUSE SOLUTION
Start switch requires > 1
second activation to run
cycle
Defective (Instant Start) ice cube
relay Replace ice cube relay
P/N: 00631.00
Defective drain/fill switch Replace drain/fill switch
P/N: 15522.00
Activating fill switch does
not fill machine
Defective water solenoid valve Replace water solenoid valve
P/N: 03603.10
Defective water solenoid valve Replace water solenoid valve
P/N: 03603.10
Defective drain/fill switch Replace drain/fill switch
P/N: 15522.00
Defective timer assembly Replace timer assembly*
P/N: 14408.80
Fill (rinse water) won’t shut
off
Defective (Rinse Relay) ice cube
relay Replace ice cube relay
P/N: 00631.00
Drain hose is kinked Un-kink drain hose
Defective drain/fill switch Replace drain/fill switch
P/N: 15522.00
Activating drain switch
does not drain machine
Defective drain valve Replace drain valve
P/N: 04103.00
Cycle light does not light
while cycle runs Defective cycle light Replace cycle light (green)
P/N: 00406.60
Power light does not light
but machine runs Defective power light Replace power light (red)
P/N: 00406.00
Wash tank or final rinse
temperature does not
display
Defective digital thermometer Replace digital thermometer
P/N: 03202.45
Both the wash tank
temperature and the final
rinse temperature do not
display
Defective thermometer
transformer Replace thermometer
transformer
P/N: 03202.60
Defective digital thermometer Replace digital thermometer
P/N: 03202.45
Wash tank or final rinse
displays wrong
temperature Defective thermister Replace thermister
P/N: 03202.65
*The timer assembly motor (P/N: 00501.00) or micro switches (P/N: 00411.00) can be replaced
independently if that’s the only component that’s failed.
MODEL CMA-180UC INSTALLATION & OPERATION MANUAL Rev. 1.13 Page 17

4. Parts Kit
4.1. Initial Parts Kit (P/N 1100.66)
P/N DESCRIPTION Qty
15504.00 Motor Contactor, 2-Pole 20 Amp 1
15504.50 Heater Contactor, 2-Pole 35 Amp 1
00501.00 2-Minute Timer Motor 1
00631.00 Ice Cube Relay 120 V 1
15521.00 Rocker Switch Start Momentary 1
15522.00 Rocker Switch Drain/Fill 1
15521.50 Rocker Switch Power Maintained 1
00557.55 Reed Switch 1
03623.00 1/2” Vacuum Breaker Repair Kit – Watts 1
00707.00 1/2” Water Solenoid Repair Kit – J/E 1
04103.00 L1X/L1-C Drain Valve 120V 1
00206.00 Pump Seal Kit 1
13417.89 Heater Thermostat 1
17523.60 High Limit Switch 200°F 1
00411.00 Microswitch 1
00738.15 3/4” Water Solenoid Valve Coil – J/E 1
MODEL CMA-180UC INSTALLATION & OPERATION MANUAL Rev. 1.13 Page 18

Parts Manual
4.2. Optional Drain Pump Kit
ITEM
NO. NO.
REQ’D P/N DESCRIPTION ITEM
NO. NO.
REQ’D P/N DESCRIPTION
1 1 15503.00 Drain Motor Ultra Jet for CMA-180UC 6 4 03101.00 Hose Clamp 1”
2 2 00432.50 Twist Tie 7 1 15603.00 Drain Line Gooseneck
3 1 15601.10 Black Drain Hose 1" ID X 3 1/2" 8 2 03801.10 10-32 SS Nut
4 1 15601.50 Drain Hose 1" ID, 6 ft
9 2 04806.00 #10 Brass Washer
5 1 15601.60 Robber Hose 90 Deg.
MODEL CMA-180UC INSTALLATION & OPERATION MANUAL Rev. 1.13 Page 19

Parts Manual
4.3. Optional Drain Pump—INSTALLATION INSTRUCTIONS
1. Start by removing the existing drain hose from the Drain Valve as shown in Figure 1.
From Scrap Tray
Remove
From Wash Tank
Figure 1
2. Locate the white and purple wires that are safe-ended and tie-wrapped at the top of the Drain
Pump compartment. Bring these wires out so they can be connected after mounting the Drain
Pump.
3. Connect the 3-inch long pump inlet drain hose to the Drain Valve and mount the Drain Pump
using the nuts and washers provided with the kit as shown in Figure 2.
Remove this cover to
make wire connections.
Figure 2
4. Remove the terminal cover and connect the white and purple wires to the two white wires
from the pump. Replace the cover.
White wire
Purple wire
Tighten this
hose clamp
over Drain
V
alve.
Drain hose must elevate
12 to 16 inches before
dropping to drain.
3-inch pump
inlet drain
hose.
MODEL CMA-180UC INSTALLATION & OPERATION MANUAL Rev. 1.13 Page 20

Parts Manual
Secure the drain gooseneck to the wash riser pipe with
the hose clamp provided as shown in Figure 3.
5.
Secure with
hose clamp
Figure 3
6. Route the drain hose to the drain and provide a 1-inch air gap at the drain.
MODEL CMA-180UC INSTALLATION & OPERATION MANUAL Rev. 1.13 Page 21

5. Customer Notice
CMA-180UC Installation Guidelines
Improper installation of this product may void the warranty on this machine. Please follow
these guidelines for recommended installation and to ensure the warranty of this model is
authorized by CMA Dishmachines.
Dishmachine Installation Requirements
1. Machine must be level. Adjust leveling feet to accommodate uneven floor
surfaces.
2. Drain height should not exceed maximum height of 16”. If there is a floor
drain, it is highly recommended the pump drain be removed. Connect
supplied drain line to 3-way valve on back of machine and gravity feed to
the floor drain.
3. PRV must be adjusted not to exceed 20 psi. Recommended pressure is
between 18-20 psi.
4. Water supply to machine must be a minimum 120°F for 3 minute cycle
models and 140°F for 2 minute cycle models.
5. A four-wire, (neutral, ground and two 110v lines) 220v single phase
connection is required. There is a six foot cord provided with the machine.
CMA recommends a minimum 50-amp dedicated circuit, but you should
consult your local building code requirements for proper breaker size.
Activating/Adjusting the Booster Heater
1. Booster heater
must be filled with water prior to connecting the blue wire
from high limit switch. The high limit switch can be found by removing the
front panel and locating the red button on the front of the heater tank.
2. Once the booster has been connected, the thermostat should be adjusted
to maintain 180°F during the final rinse cycle. The thermostat is located on
the front of the booster tank and is accessible by removing the front panel
on the machine.
Automatic Dispensing Equipment
1. Applications utilizing automated dispensers for administering warewash
chemicals must use 110v dispenser equipment. There is a 110v power
block for installing this equipment inside the control panel.
MODEL CMA-180UC INSTALLATION & OPERATION MANUAL Rev. 1.13 Page 22

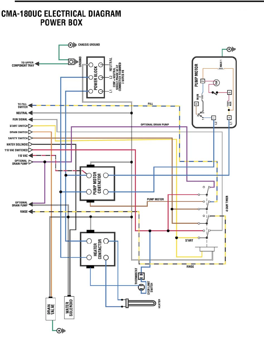
Electrical Diagram
6. Electrical Diagram
MODEL CMA-180UC INSTALLATION & OPERATION MANUAL Rev. 1.13 Page 23

Electrical Diagram
MODEL CMA-180UC INSTALLATION & OPERATION MANUAL Rev. 1.13 Page 24