Nalaa La 6041p_r10_20100412a COMPAL 6041P
User Manual:
Open the PDF directly: View PDF
.
Page Count: 48

A
A
B
B
C
C
D
D
E
E
1 1
2 2
3 3
4 4
Title
Size Document Number Rev
Date: Sheet of
Security Classification
Compal Secret Data
THIS SHEET OF ENGINEERING DRAWING IS THE PROPRIETARY PROPERTY OF COMPAL ELECTRONICS, INC. AND CONTAINS CONFIDENTIAL
AND TRADE SECRET INFORMATION. THIS SHEET MAY NOT BE TRANSFERED FROM THE CUSTODY OF THE COMPETENT DIVISION OF R&D
DEPARTMENT EXCEPT AS AUTHORIZED BY COMPAL ELECTRONICS, INC. NEITHER THIS SHEET NOR THE INFORMATION IT CONTAINS
MAY BE USED BY OR DISCLOSED TO ANY THIRD PARTY WITHOUT PRIOR WRITTEN CONSENT OF COMPAL ELECTRONICS, INC.
Issued Date Deciphered Date
NALAA LA-6041P M/B
1.0
Cover Page
B
148Tuesday, April 13, 2010
2009/01/23 2010/01/23
Compal Electronics, Inc.
Title
Size Document Number Rev
Date: Sheet of
Security Classification
Compal Secret Data
THIS SHEET OF ENGINEERING DRAWING IS THE PROPRIETARY PROPERTY OF COMPAL ELECTRONICS, INC. AND CONTAINS CONFIDENTIAL
AND TRADE SECRET INFORMATION. THIS SHEET MAY NOT BE TRANSFERED FROM THE CUSTODY OF THE COMPETENT DIVISION OF R&D
DEPARTMENT EXCEPT AS AUTHORIZED BY COMPAL ELECTRONICS, INC. NEITHER THIS SHEET NOR THE INFORMATION IT CONTAINS
MAY BE USED BY OR DISCLOSED TO ANY THIRD PARTY WITHOUT PRIOR WRITTEN CONSENT OF COMPAL ELECTRONICS, INC.
Issued Date Deciphered Date
NALAA LA-6041P M/B
1.0
Cover Page
B
148Tuesday, April 13, 2010
2009/01/23 2010/01/23
Compal Electronics, Inc.
Title
Size Document Number Rev
Date: Sheet of
Security Classification
Compal Secret Data
THIS SHEET OF ENGINEERING DRAWING IS THE PROPRIETARY PROPERTY OF COMPAL ELECTRONICS, INC. AND CONTAINS CONFIDENTIAL
AND TRADE SECRET INFORMATION. THIS SHEET MAY NOT BE TRANSFERED FROM THE CUSTODY OF THE COMPETENT DIVISION OF R&D
DEPARTMENT EXCEPT AS AUTHORIZED BY COMPAL ELECTRONICS, INC. NEITHER THIS SHEET NOR THE INFORMATION IT CONTAINS
MAY BE USED BY OR DISCLOSED TO ANY THIRD PARTY WITHOUT PRIOR WRITTEN CONSENT OF COMPAL ELECTRONICS, INC.
Issued Date Deciphered Date
NALAA LA-6041P M/B
1.0
Cover Page
B
148Tuesday, April 13, 2010
2009/01/23 2010/01/23
Compal Electronics, Inc.
2009-10-01 Rev 1.0
Intel Arrandale /IBEX PEAK
NALAA
LA-6041P Schematic
REV 1.0
Hamburg 10

A
A
B
B
C
C
D
D
E
E
1 1
2 2
3 3
4 4
Title
Size Document Number Rev
Date: Sheet of
Security Classification
Compal Secret Data
THIS SHEET OF ENGINEERING DRAWING IS THE PROPRIETARY PROPERTY OF COMPAL ELECTRONICS, INC. AND CONTAINS CONFIDENTIAL
AND TRADE SECRET INFORMATION. THIS SHEET MAY NOT BE TRANSFERED FROM THE CUSTODY OF THE COMPETENT DIVISION OF R&D
DEPARTMENT EXCEPT AS AUTHORIZED BY COMPAL ELECTRONICS, INC. NEITHER THIS SHEET NOR THE INFORMATION IT CONTAINS
MAY BE USED BY OR DISCLOSED TO ANY THIRD PARTY WITHOUT PRIOR WRITTEN CONSENT OF COMPAL ELECTRONICS, INC.
Issued Date Deciphered Date
NALAA LA-6041P M/B
1.0
Block Diagrams
248Tuesday, April 13, 2010
2009/01/23 2010/01/23
Compal Electronics, Inc.
Title
Size Document Number Rev
Date: Sheet of
Security Classification
Compal Secret Data
THIS SHEET OF ENGINEERING DRAWING IS THE PROPRIETARY PROPERTY OF COMPAL ELECTRONICS, INC. AND CONTAINS CONFIDENTIAL
AND TRADE SECRET INFORMATION. THIS SHEET MAY NOT BE TRANSFERED FROM THE CUSTODY OF THE COMPETENT DIVISION OF R&D
DEPARTMENT EXCEPT AS AUTHORIZED BY COMPAL ELECTRONICS, INC. NEITHER THIS SHEET NOR THE INFORMATION IT CONTAINS
MAY BE USED BY OR DISCLOSED TO ANY THIRD PARTY WITHOUT PRIOR WRITTEN CONSENT OF COMPAL ELECTRONICS, INC.
Issued Date Deciphered Date
NALAA LA-6041P M/B
1.0
Block Diagrams
248Tuesday, April 13, 2010
2009/01/23 2010/01/23
Compal Electronics, Inc.
Title
Size Document Number Rev
Date: Sheet of
Security Classification
Compal Secret Data
THIS SHEET OF ENGINEERING DRAWING IS THE PROPRIETARY PROPERTY OF COMPAL ELECTRONICS, INC. AND CONTAINS CONFIDENTIAL
AND TRADE SECRET INFORMATION. THIS SHEET MAY NOT BE TRANSFERED FROM THE CUSTODY OF THE COMPETENT DIVISION OF R&D
DEPARTMENT EXCEPT AS AUTHORIZED BY COMPAL ELECTRONICS, INC. NEITHER THIS SHEET NOR THE INFORMATION IT CONTAINS
MAY BE USED BY OR DISCLOSED TO ANY THIRD PARTY WITHOUT PRIOR WRITTEN CONSENT OF COMPAL ELECTRONICS, INC.
Issued Date Deciphered Date
NALAA LA-6041P M/B
1.0
Block Diagrams
248Tuesday, April 13, 2010
2009/01/23 2010/01/23
Compal Electronics, Inc.
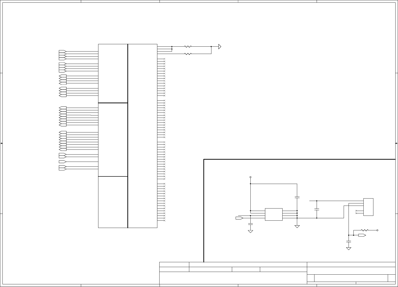
File Name : LA-6041P
Touch Pad
page 26 page 29
Compal Confidential
MDC 1.5 Conn
Int.KBD
page 33
BANK 0, 1, 2, 3
ALC259-GR
Intel Arrandale
Clock Generator
RTM890N-631-GRT
page 32
Fan Control
rPGA-989
200pin DDRIII-SO-DIMM X2
EC ROM
1.5V DDRIII 800/1066 MT/s
page 5,6,7,8,9,10
page 26
HDA Codec
page 13
Memory BUS(DDRIII)
BGA-951
page 6
Intel Ibex Peak
page 11,12
page 16~24
page 26
ENE KB926 E0
LCD Conn.
Model Name : NALAA
page 13
Dual Channel
page 25
SATA HDD
5V 3GHz(300MB/s)
SATA port 1
HD Audio
3.3V/1.5V 24MHz
LPC BUS
3.3V 33 MHz
USB
5V 480MHz
5V 3GHz(300MB/s)
SATA port 5
page 25
eSATA
SATA port 4
page 31
RJ45
RTL8105E-GR 10/100M
page 28page 28
PCIe port 1
page 33
Debug Port
RTS5138-GR
CRT
page 14
HDMI Level Shifter
page 15
USB
5V 480MHz
SATA ODD
page 25
5V 3GHz(300MB/s)
USB port 3
5V 480MHz
USB
page 25
USB port 0,1
page 30
USB/B
USB port 3
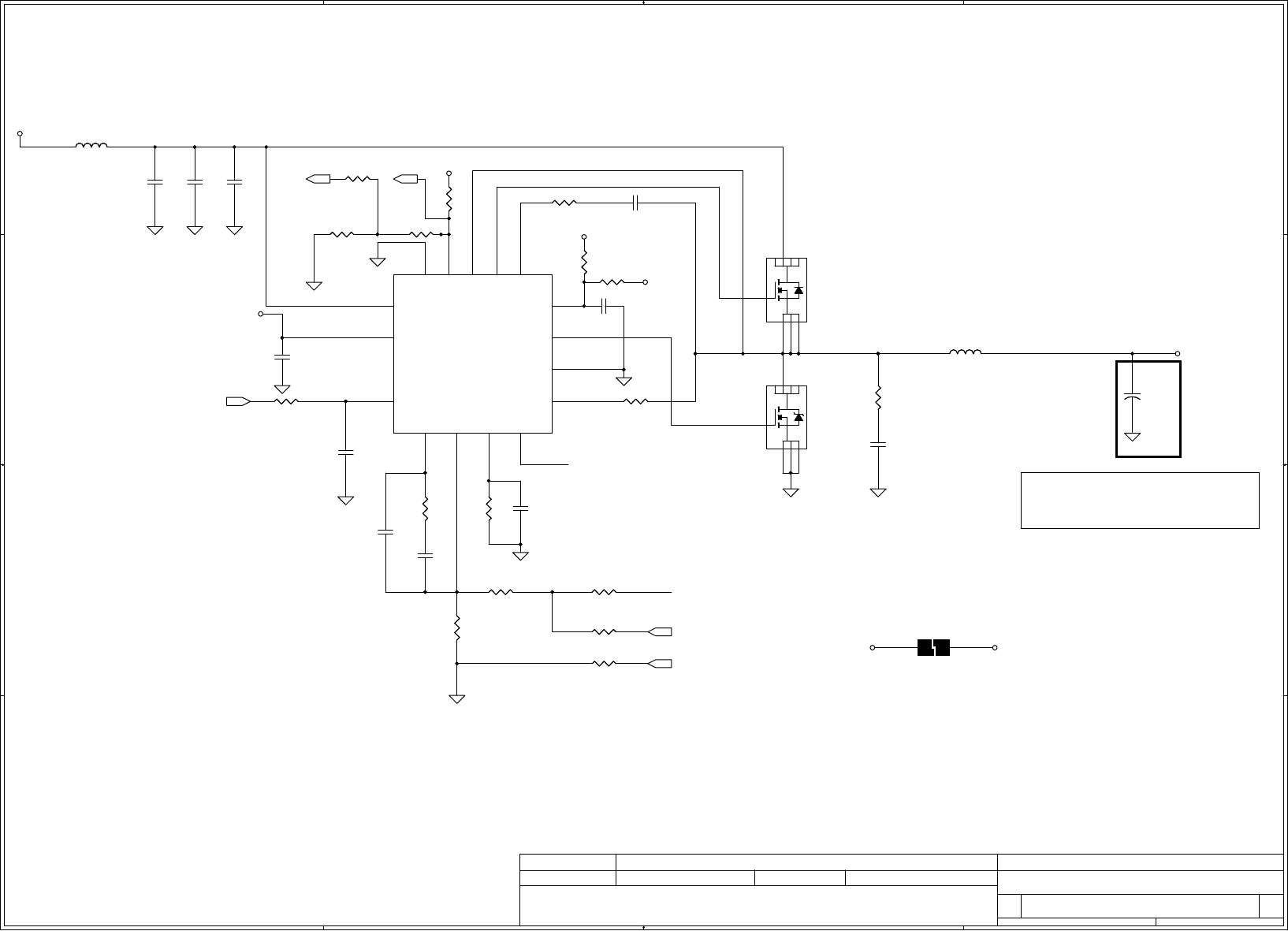
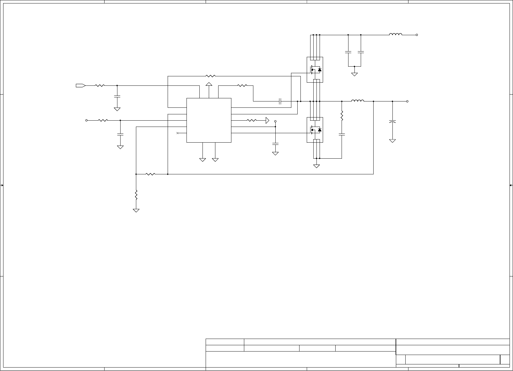
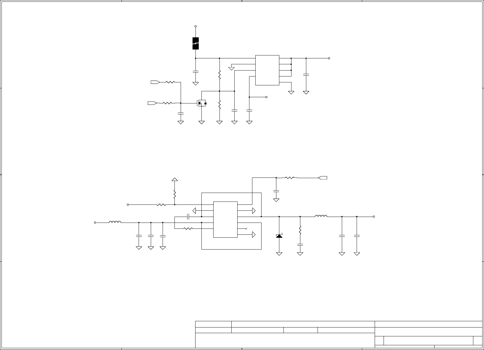
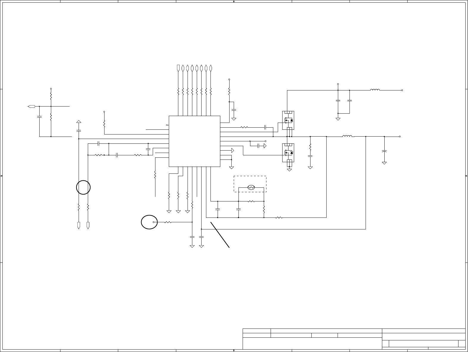
Power Circuit DC/DC
page 35
RTC CKT.
page 16
page 36~44
DC/DC Interface CKT.
USB/B
page 30
Power/B
page 34
ODD/B
page 25
HP CONN
page 30
SPK CONN
page 30
MIC CONN
page 30
MIC CONN
page 13
Int.
PCIeMini Card
WiMax
PCIeMini Card
WLAN
USB port 13
PCIe port 2
page 27
page 27
USB port 5
page 26
BT conn
APL5607KI-TRG
DMI X4
3IN1
USB port 10
Int. Camera
USB port 11
page 13
1.5V 2.5GHz(250MB/s)
PCIe 1x
1.5V 2.5GHz(250MB/s)
PCIe 1x
page 16
SPI ROM
FDI X8
2.5GHz2.7GHz
HDMI Conn.
page 15
(LVDS CONN)

5
5
4
4
3
3
2
2
1
1
D D
C C
B B
A A
Title
Size Document Number Rev
Date: Sheet of
Security Classification
Compal Secret Data
THIS SHEET OF ENGINEERING DRAWING IS THE PROPRIETARY PROPERTY OF COMPAL ELECTRONICS, INC. AND CONTAINS CONFIDENTIAL
AND TRADE SECRET INFORMATION. THIS SHEET MAY NOT BE TRANSFERED FROM THE CUSTODY OF THE COMPETENT DIVISION OF R&D
DEPARTMENT EXCEPT AS AUTHORIZED BY COMPAL ELECTRONICS, INC. NEITHER THIS SHEET NOR THE INFORMATION IT CONTAINS
MAY BE USED BY OR DISCLOSED TO ANY THIRD PARTY WITHOUT PRIOR WRITTEN CONSENT OF COMPAL ELECTRONICS, INC.
Issued Date Deciphered Date
NALAA LA-6041P M/B
1.0
Power Tree
348Tuesday, April 13, 2010
2009/01/23 2010/01/23
Compal Electronics, Inc.
Title
Size Document Number Rev
Date: Sheet of
Security Classification
Compal Secret Data
THIS SHEET OF ENGINEERING DRAWING IS THE PROPRIETARY PROPERTY OF COMPAL ELECTRONICS, INC. AND CONTAINS CONFIDENTIAL
AND TRADE SECRET INFORMATION. THIS SHEET MAY NOT BE TRANSFERED FROM THE CUSTODY OF THE COMPETENT DIVISION OF R&D
DEPARTMENT EXCEPT AS AUTHORIZED BY COMPAL ELECTRONICS, INC. NEITHER THIS SHEET NOR THE INFORMATION IT CONTAINS
MAY BE USED BY OR DISCLOSED TO ANY THIRD PARTY WITHOUT PRIOR WRITTEN CONSENT OF COMPAL ELECTRONICS, INC.
Issued Date Deciphered Date
NALAA LA-6041P M/B
1.0
Power Tree
348Tuesday, April 13, 2010
2009/01/23 2010/01/23
Compal Electronics, Inc.
Title
Size Document Number Rev
Date: Sheet of
Security Classification
Compal Secret Data
THIS SHEET OF ENGINEERING DRAWING IS THE PROPRIETARY PROPERTY OF COMPAL ELECTRONICS, INC. AND CONTAINS CONFIDENTIAL
AND TRADE SECRET INFORMATION. THIS SHEET MAY NOT BE TRANSFERED FROM THE CUSTODY OF THE COMPETENT DIVISION OF R&D
DEPARTMENT EXCEPT AS AUTHORIZED BY COMPAL ELECTRONICS, INC. NEITHER THIS SHEET NOR THE INFORMATION IT CONTAINS
MAY BE USED BY OR DISCLOSED TO ANY THIRD PARTY WITHOUT PRIOR WRITTEN CONSENT OF COMPAL ELECTRONICS, INC.
Issued Date Deciphered Date
NALAA LA-6041P M/B
1.0
Power Tree
348Tuesday, April 13, 2010
2009/01/23 2010/01/23
Compal Electronics, Inc.
B+
TPS51125RGER
AO-3413
+LCD_VDD
VGA_ENVDD
AO-3413
BT_PWR#
P-CHANNEL
+3VALW
DESIGN CURRENT 5A
+BT_VCC
+VTT
ISL62883 +CPU_CORE
DESIGN CURRENT 48A
VR_ON
+1.5V
DESIGN CURRENT 9A
SYSON
+1.05VS
VTTP_EN#
N-CHANNEL
SI4800
+3VS
SUSP
N-CHANNEL
SI4856
SUSP
+1.5VS
G2992F1U
SUSP
+0.75VS
DESIGN CURRENT 1.5A
P-CHANNEL
DESIGN CURRENT 20A
DESIGN CURRENT 180mA
DESIGN CURRENT 1.5A
DESIGN CURRENT 4A
DESIGN CURRENT 1.2A
NALAA Hamburg Intel Arrandale (UMA)
+5VALW
DESIGN CURRENT 5A
N-CHANNEL
SI4800
SUSP
+5VS
DESIGN CURRENT 4A
SUSP#
+1.8VS
DESIGN CURRENT 1.5A
Ipeak=5A, Imax=3.5A, Iocp min=7.9
Ipeak=5A, Imax=3.5A, Iocp min=7.7
Ipeak=9A, Imax=6.3A, Iocp min=9.8
AO-3413
+3V_LAN
WOL_EN#
P-CHANNEL
DESIGN CURRENT 330mA
+GFX_CORE
DESIGN CURRENT 22A
GFXVR_EN
+1.5V_CPU
Ipeak=48A, Imax=33.6A, Iocp min=57.28
ADP3211AMNR
Ipeak=22A, Imax=15.4A, Iocp min=26
APW7138NITRL
Ipeak=20A, Imax=14A, Iocp min=27.49
RT8209BGQW
MP2121DQ

A
A
B
B
C
C
D
D
E
E
1 1
2 2
3 3
4 4
Title
Size Document Number Rev
Date: Sheet of
Security Classification
Compal Secret Data
THIS SHEET OF ENGINEERING DRAWING IS THE PROPRIETARY PROPERTY OF COMPAL ELECTRONICS, INC. AND CONTAINS CONFIDENTIAL
AND TRADE SECRET INFORMATION. THIS SHEET MAY NOT BE TRANSFERED FROM THE CUSTODY OF THE COMPETENT DIVISION OF R&D
DEPARTMENT EXCEPT AS AUTHORIZED BY COMPAL ELECTRONICS, INC. NEITHER THIS SHEET NOR THE INFORMATION IT CONTAINS
MAY BE USED BY OR DISCLOSED TO ANY THIRD PARTY WITHOUT PRIOR WRITTEN CONSENT OF COMPAL ELECTRONICS, INC.
Issued Date Deciphered Date
NALAA LA-6041P M/B
1.0
Notes List
Custom
448Tuesday, April 13, 2010
2009/01/23 2010/01/23
Compal Electronics, Inc.
Title
Size Document Number Rev
Date: Sheet of
Security Classification
Compal Secret Data
THIS SHEET OF ENGINEERING DRAWING IS THE PROPRIETARY PROPERTY OF COMPAL ELECTRONICS, INC. AND CONTAINS CONFIDENTIAL
AND TRADE SECRET INFORMATION. THIS SHEET MAY NOT BE TRANSFERED FROM THE CUSTODY OF THE COMPETENT DIVISION OF R&D
DEPARTMENT EXCEPT AS AUTHORIZED BY COMPAL ELECTRONICS, INC. NEITHER THIS SHEET NOR THE INFORMATION IT CONTAINS
MAY BE USED BY OR DISCLOSED TO ANY THIRD PARTY WITHOUT PRIOR WRITTEN CONSENT OF COMPAL ELECTRONICS, INC.
Issued Date Deciphered Date
NALAA LA-6041P M/B
1.0
Notes List
Custom
448Tuesday, April 13, 2010
2009/01/23 2010/01/23
Compal Electronics, Inc.
Title
Size Document Number Rev
Date: Sheet of
Security Classification
Compal Secret Data
THIS SHEET OF ENGINEERING DRAWING IS THE PROPRIETARY PROPERTY OF COMPAL ELECTRONICS, INC. AND CONTAINS CONFIDENTIAL
AND TRADE SECRET INFORMATION. THIS SHEET MAY NOT BE TRANSFERED FROM THE CUSTODY OF THE COMPETENT DIVISION OF R&D
DEPARTMENT EXCEPT AS AUTHORIZED BY COMPAL ELECTRONICS, INC. NEITHER THIS SHEET NOR THE INFORMATION IT CONTAINS
MAY BE USED BY OR DISCLOSED TO ANY THIRD PARTY WITHOUT PRIOR WRITTEN CONSENT OF COMPAL ELECTRONICS, INC.
Issued Date Deciphered Date
NALAA LA-6041P M/B
1.0
Notes List
Custom
448Tuesday, April 13, 2010
2009/01/23 2010/01/23
Compal Electronics, Inc.
EC SM Bus1 address
Device
EC SM Bus2 address
Device
PCH SM Bus address
Device
Clock Generator
Address
Address Address
STATE SIGNAL
Full ON
S1(Power On Suspend)
S3 (Suspend to RAM)
S4 (Suspend to Disk)
S5 (Soft OFF)
SLP_S3# SLP_S4# SLP_S5#
LOW LOWLOW
LOW LOW
LOW
HIGH HIGHHIGH
HIGH HIGHHIGH
HIGH
HIGH
HIGH
DDR DIMM0
DDR DIMM1
Express
PowerPower
Smart Battery+3VALW VGA THM Sensor
ADM1032ARMZ
Power
+3VALW
PCH
+3VS
+3VS
+3VS
+3VS
EC KB926 D3
+3VALW
EC KB926 D3
+3VS
G3 LOW LOWLOW
+3VS
Voltage Rails
+1.1VS
( O MEANS ON X MEANS OFF )
O
O
X
S3
+3VS
X
X
+3VALW
+5VS
S1
O
+CPU_CORE
OO
OO
X
XX
+VTT
power
plane
O
O
O
O
O
X
S5 S4/ Battery only
XX X
+B
State
+1.5VS
+1.5V
S5 S4/AC & Battery
don't exist
S5 S4/AC
+5VALW
S0
O
O
+1.05VS
+0.75VS
+1.8VS
+RTCVCC
O
O
O
O
O
O
+VSB
+VGA_CORE
BTO Option Table
0100 110x b
+3VS
PCH
1001 110x b0001 011x b
+3VS
WLAN/Wimax/3G
1101 001x b
1001 000x b
1001 010x b
HDMI
(Y)
HDMI
IHDMI@
(B)
Bluetooth MDC
MDC@
Function
BTO
explain
Bluetooth
description
BT@
RJ11 LAN
LAN
Card Reader Mini Card
WIRELESS
WLAN@
Express Card
New Card PCMCIA
CARD@
Card Reader
(W)(R) (E)

5
5
4
4
3
3
2
2
1
1
D D
C C
B B
A A
SM_RCOMP_0
DRAMPWROK
H_COMP0
SM_RCOMP_1
SM_RCOMP_2
SM_DRAMRST#_CPU
CATERR#
VTTPWROK_CPU
H_CPURST#
DRAMPWROK
H_PROCHOT#_D
PM_EXTTS#_R
PM_EXTTS#_R
CLK_CPU_XDP_R
XDP_BPM#0
XDP_BPM#1
XDP_BPM#2
XDP_BPM#3
XDP_PRDY#
XDP_PREQ#
XDP_TCK
XDP_TMS
XDP_TRST#
XDP_TDI_R
XDP_TDO_R
XDP_TDO_M
XDP_TDI_M
XDP_TDI_R XDP_TDI
XDP_TDO
XDP_TDI_M
XDP_TDO_R
XDP_TDO_M
TAPPWRGD
CLK_CPU_XDP#_R
TP_SKTOCC#
PM_EXTTS#0
H_COMP3
H_COMP2
H_COMP1
CLK_CPU_XDP#
CLK_CPU_XDP
PM_EXTTS#0
XDP_RST#_R
H_CPURST#
H_PWRGOOD1_R
XDP_DBRESET#
XDP_PRDY#
XDP_PREQ#
XDP_TCK
XDP_TMS
XDP_TRST#
XDP_TDI_R
XDP_TDO_R
XDP_TDO_M
XDP_TDI_M
SM_DRAMRST#_CPU
H_PWRGOOD
VTTPWROK
DRAMPWROK
XDP_TDI
XDP_BPM#0
XDP_RST#_R
XDP_BPM#2
XDP_PRDY#
TAPPWRGD_R
XDP_TDO
XDP_BPM#1
H_PWRGOOD
TAPPWRGD
CLK_CPU_XDP#
XDP_PREQ#
XDP_BPM#3
XDP_TCK
XDP_TRST#
H_PWRGOOD_R
CLK_CPU_XDP
XDP_DBRESET#
XDP_TMS
VTTPWROK_CPU
DRAMPWROK
PECI21
PMSYNCH18
H_PWRGOOD21
DRAMPWROK18
BUF_PLT_RST#20
CLK_CPU_BCLK 21
CLK_CPU_BCLK# 21
CLK_PEG 17
CLK_PEG# 17
PM_EXTTS# 11,12
H_THERMTRIP#21
XDP_DBRESET# 18
RST_GATE 21
SM_DRAMRST# 11,12
VTTPWROK35,40
VTTPWROK_CPU40
+VTT
+VTT
+1.5V_CPU
+VTT
+3VS
+VTT
+3VALW
+VTT
Title
Size Document Number Rev
Date: Sheet of
Security Classification
Compal Secret Data
THIS SHEET OF ENGINEERING DRAWING IS THE PROPRIETARY PROPERTY OF COMPAL ELECTRONICS, INC. AND CONTAINS CONFIDENTIAL
AND TRADE SECRET INFORMATION. THIS SHEET MAY NOT BE TRANSFERED FROM THE CUSTODY OF THE COMPETENT DIVISION OF R&D
DEPARTMENT EXCEPT AS AUTHORIZED BY COMPAL ELECTRONICS, INC. NEITHER THIS SHEET NOR THE INFORMATION IT CONTAINS
MAY BE USED BY OR DISCLOSED TO ANY THIRD PARTY WITHOUT PRIOR WRITTEN CONSENT OF COMPAL ELECTRONICS, INC.
Issued Date
Deciphered Date
NALAA LA-6041P M/B
1.0
CPU CLK/MISC/JTAG/XDP
Custom
548Tuesday, April 13, 2010
2009/01/23 2010/01/23
Compal Electronics, Inc.
Title
Size Document Number Rev
Date: Sheet of
Security Classification
Compal Secret Data
THIS SHEET OF ENGINEERING DRAWING IS THE PROPRIETARY PROPERTY OF COMPAL ELECTRONICS, INC. AND CONTAINS CONFIDENTIAL
AND TRADE SECRET INFORMATION. THIS SHEET MAY NOT BE TRANSFERED FROM THE CUSTODY OF THE COMPETENT DIVISION OF R&D
DEPARTMENT EXCEPT AS AUTHORIZED BY COMPAL ELECTRONICS, INC. NEITHER THIS SHEET NOR THE INFORMATION IT CONTAINS
MAY BE USED BY OR DISCLOSED TO ANY THIRD PARTY WITHOUT PRIOR WRITTEN CONSENT OF COMPAL ELECTRONICS, INC.
Issued Date
Deciphered Date
NALAA LA-6041P M/B
1.0
CPU CLK/MISC/JTAG/XDP
Custom
548Tuesday, April 13, 2010
2009/01/23 2010/01/23
Compal Electronics, Inc.
Title
Size Document Number Rev
Date: Sheet of
Security Classification
Compal Secret Data
THIS SHEET OF ENGINEERING DRAWING IS THE PROPRIETARY PROPERTY OF COMPAL ELECTRONICS, INC. AND CONTAINS CONFIDENTIAL
AND TRADE SECRET INFORMATION. THIS SHEET MAY NOT BE TRANSFERED FROM THE CUSTODY OF THE COMPETENT DIVISION OF R&D
DEPARTMENT EXCEPT AS AUTHORIZED BY COMPAL ELECTRONICS, INC. NEITHER THIS SHEET NOR THE INFORMATION IT CONTAINS
MAY BE USED BY OR DISCLOSED TO ANY THIRD PARTY WITHOUT PRIOR WRITTEN CONSENT OF COMPAL ELECTRONICS, INC.
Issued Date
Deciphered Date
NALAA LA-6041P M/B
1.0
CPU CLK/MISC/JTAG/XDP
Custom
548Tuesday, April 13, 2010
2009/01/23 2010/01/23
Compal Electronics, Inc.
Scan Chain
(Default)
CPU Only
GMCH Only
STUFF -> R20, R23, R27
NO STUFF -> R21, R26
STUFF -> R20, R21
NO STUFF -> R23, R26, R27
NO STUFF -> R20, R21, R23
STUFF -> R26, R27
JTAG MAPPING
Unused by Clarksfield rPGA989
DDR3 Compensation Signals
Layout Note:Please these
resistors near Processor
Routed as a single daisy chain
EMI reverse, close to JCPU
SFF-24Pin
XDP Connector
Add on 11/09
Close to JCPU
For prevent noise issue
R7 24.9_0402_1%R7 24.9_0402_1%
1 2
R35 0_0402_5%@R35 0_0402_5%@
1 2
C12 0.1U_0402_10V6K@C12 0.1U_0402_10V6K@
1 2
R8 130_0402_1%R8 130_0402_1%
1 2
R15 10K_0402_5%R15 10K_0402_5%
12
R31
750_0402_1%
R31
750_0402_1%
R301.5K_0402_1% R301.5K_0402_1%
C13 0.1U_0402_10V6K@C13 0.1U_0402_10V6K@
1 2
C225 100P_0402_50V8JC225 100P_0402_50V8J
12
R6 100_0402_1%R6 100_0402_1%
1 2
R42 0_0402_5%@R42 0_0402_5%@
1 2
C7 0.1U_0402_10V6K@C7 0.1U_0402_10V6K@
1 2
R127
100K_0402_5%
PS@
R127
100K_0402_5%
PS@
12
T41PAD T41PAD
R19 0_0402_5%
NPS@
R19 0_0402_5%
NPS@
12
C14 0.1U_0402_10V6K@C14 0.1U_0402_10V6K@
1 2
JXDP
MOLEX_52435-2472
@
JXDP
MOLEX_52435-2472
@
1
1
2
2
3
3
4
4
5
5
6
6
7
7
8
8
9
9
10
10
11
11
12
12
13
13
14
14
15
15
16
16
17
17
18
18
19
19
20
20
21
21
22
22
23
23
24
24 GND 25
GND 26
R27 0_0402_5%R27 0_0402_5%
1 2
R3 49.9_0402_1%R3 49.9_0402_1%
1 2
C15 0.1U_0402_10V6K@C15 0.1U_0402_10V6K@
1 2
C1
0.1U_0402_16V7K
@
C1
0.1U_0402_16V7K
@
1
2
R11
51_0402_5%
R11
51_0402_5%
12
C25 0.1U_0402_16V7KC25 0.1U_0402_16V7K
1 2
R32 1K_0402_5%@R32 1K_0402_5%@
1 2
R10
68_0402_5%
@
R10
68_0402_5%
@
1 2
R33 1.5K_0402_1%
PS@
R33 1.5K_0402_1%
PS@
R312 1K_0402_5%R312 1K_0402_5%
12
C17 0.1U_0402_10V6K@C17 0.1U_0402_10V6K@
1 2
R18 49.9_0402_1%R18 49.9_0402_1%
1 2
R2 20_0402_1%R2 20_0402_1%
1 2
R26 0_0402_5%
@
R26 0_0402_5%
@
1 2
R250_0402_5% R250_0402_5%
12
R36 1K_0402_5%R36 1K_0402_5%
1 2
C384 1000P_0402_50V7KC384 1000P_0402_50V7K
12
R1 20_0402_1%R1 20_0402_1%
1 2
R20 0_0402_5%R20 0_0402_5%
1 2
R4 49.9_0402_1%R4 49.9_0402_1%
1 2
C8 0.1U_0402_10V6K@C8 0.1U_0402_10V6K@
1 2
R41 0_0402_5%@R41 0_0402_5%@
1 2
R1451_0402_5% R1451_0402_5%
12
R29
3K_0402_1%
NPS@
R29
3K_0402_1%
NPS@
1 2
C389 1000P_0402_50V7KC389 1000P_0402_50V7K
12
U16
SN74AHC1G08DCKR_SC70-5
PS@
U16
SN74AHC1G08DCKR_SC70-5
PS@
IN1
1
IN2
2
G
3
O4
P5
R29
750_0402_1%
PS@
R29
750_0402_1%
PS@
CLOCKS
MISC THERMAL PWR MANAGEMENT
DDR3
MISC
JTAG & BPM
JCPUB
IC,AUB_CFD_rPGA,R0P9
@
CLOCKS
MISC THERMAL PWR MANAGEMENT
DDR3
MISC
JTAG & BPM
JCPUB
IC,AUB_CFD_rPGA,R0P9
@
SM_RCOMP[1] AM1
SM_RCOMP[2] AN1
SM_DRAMRST# F6
SM_RCOMP[0] AL1
BCLK# B16
BCLK A16
BCLK_ITP# AT30
BCLK_ITP AR30
PEG_CLK# D16
PEG_CLK E16
DPLL_REF_SSCLK# A17
DPLL_REF_SSCLK A18
CATERR#
AK14
COMP3
AT23
PECI
AT15
PROCHOT#
AN26
THERMTRIP#
AK15
RESET_OBS#
AP26
VCCPWRGOOD_1
AN14
VCCPWRGOOD_0
AN27
SM_DRAMPWROK
AK13
VTTPWRGOOD
AM15
RSTIN#
AL14
PM_EXT_TS#[0] AN15
PM_EXT_TS#[1] AP15
PRDY# AT28
PREQ# AP27
TCK AN28
TMS AP28
TRST# AT27
TDI AT29
TDO AR27
TDI_M AR29
TDO_M AP29
DBR# AN25
BPM#[0] AJ22
BPM#[1] AK22
BPM#[2] AK24
BPM#[3] AJ24
BPM#[4] AJ25
BPM#[5] AH22
BPM#[6] AK23
BPM#[7] AH23
COMP2
AT24
PM_SYNC
AL15
TAPPWRGOOD
AM26
COMP1
G16
COMP0
AT26
SKTOCC#
AH24
R23
0_0402_5%
R23
0_0402_5%
12
C9 0.1U_0402_10V6K@C9 0.1U_0402_10V6K@
1 2
R9 68_0402_5%R9 68_0402_5%
1 2
R12 0_0402_5%R12 0_0402_5%
12
R28
1.1K_0402_1%
NPS@
R28
1.1K_0402_1%
NPS@
1 2
C10 0.1U_0402_10V6K@C10 0.1U_0402_10V6K@
1 2
G
D
S
Q41
BSS138_NL_SOT23-3
PS@
G
D
S
Q41
BSS138_NL_SOT23-3
PS@
2
13
R21 0_0402_5%
@
R21 0_0402_5%
@
1 2
R840_0402_5%
@
R840_0402_5%
@
12
R13 10K_0402_5%R13 10K_0402_5%
12
C11 0.1U_0402_10V6K@C11 0.1U_0402_10V6K@
1 2
C314
0.047U_0402_16V7K
PS@C314
0.047U_0402_16V7K
PS@
1 2

5
5
4
4
3
3
2
2
1
1
D D
C C
B B
A A
PEG_RBIAS
PEG_COMP
+FAN1
+FAN1
DMI_PTX_CRX_P318
DMI_PTX_CRX_P218
DMI_PTX_CRX_P118
DMI_PTX_CRX_P018
DMI_PTX_CRX_N318
DMI_PTX_CRX_N218
DMI_PTX_CRX_N118
DMI_PTX_CRX_N018
DMI_CTX_PRX_P318
DMI_CTX_PRX_P218
DMI_CTX_PRX_P118
DMI_CTX_PRX_P018
DMI_CTX_PRX_N318
DMI_CTX_PRX_N218
DMI_CTX_PRX_N118
DMI_CTX_PRX_N018
FDI_CTX_PRX_N018
FDI_CTX_PRX_N118
FDI_CTX_PRX_N218
FDI_CTX_PRX_N318
FDI_CTX_PRX_N418
FDI_CTX_PRX_N518
FDI_CTX_PRX_N618
FDI_CTX_PRX_N718
FDI_CTX_PRX_P018
FDI_CTX_PRX_P118
FDI_CTX_PRX_P218
FDI_CTX_PRX_P318
FDI_CTX_PRX_P418
FDI_CTX_PRX_P518
FDI_CTX_PRX_P618
FDI_CTX_PRX_P718
FDI_FSYNC018
FDI_FSYNC118
FDI_INT18
FDI_LSYNC018
FDI_LSYNC118
EN_DFAN132
FAN_SPEED1 32
+5VS
+3VS
Title
Size Document Number Rev
Date: Sheet of
Security Classification
Compal Secret Data
THIS SHEET OF ENGINEERING DRAWING IS THE PROPRIETARY PROPERTY OF COMPAL ELECTRONICS, INC. AND CONTAINS CONFIDENTIAL
AND TRADE SECRET INFORMATION. THIS SHEET MAY NOT BE TRANSFERED FROM THE CUSTODY OF THE COMPETENT DIVISION OF R&D
DEPARTMENT EXCEPT AS AUTHORIZED BY COMPAL ELECTRONICS, INC. NEITHER THIS SHEET NOR THE INFORMATION IT CONTAINS
MAY BE USED BY OR DISCLOSED TO ANY THIRD PARTY WITHOUT PRIOR WRITTEN CONSENT OF COMPAL ELECTRONICS, INC.
Issued Date Deciphered Date
NALAA LA-6041P M/B
1.0
CPU DMI/FDI/PEG/FAN
B
648Tuesday, April 13, 2010
2009/01/23 2010/01/23
Compal Electronics, Inc.
Title
Size Document Number Rev
Date: Sheet of
Security Classification
Compal Secret Data
THIS SHEET OF ENGINEERING DRAWING IS THE PROPRIETARY PROPERTY OF COMPAL ELECTRONICS, INC. AND CONTAINS CONFIDENTIAL
AND TRADE SECRET INFORMATION. THIS SHEET MAY NOT BE TRANSFERED FROM THE CUSTODY OF THE COMPETENT DIVISION OF R&D
DEPARTMENT EXCEPT AS AUTHORIZED BY COMPAL ELECTRONICS, INC. NEITHER THIS SHEET NOR THE INFORMATION IT CONTAINS
MAY BE USED BY OR DISCLOSED TO ANY THIRD PARTY WITHOUT PRIOR WRITTEN CONSENT OF COMPAL ELECTRONICS, INC.
Issued Date Deciphered Date
NALAA LA-6041P M/B
1.0
CPU DMI/FDI/PEG/FAN
B
648Tuesday, April 13, 2010
2009/01/23 2010/01/23
Compal Electronics, Inc.
Title
Size Document Number Rev
Date: Sheet of
Security Classification
Compal Secret Data
THIS SHEET OF ENGINEERING DRAWING IS THE PROPRIETARY PROPERTY OF COMPAL ELECTRONICS, INC. AND CONTAINS CONFIDENTIAL
AND TRADE SECRET INFORMATION. THIS SHEET MAY NOT BE TRANSFERED FROM THE CUSTODY OF THE COMPETENT DIVISION OF R&D
DEPARTMENT EXCEPT AS AUTHORIZED BY COMPAL ELECTRONICS, INC. NEITHER THIS SHEET NOR THE INFORMATION IT CONTAINS
MAY BE USED BY OR DISCLOSED TO ANY THIRD PARTY WITHOUT PRIOR WRITTEN CONSENT OF COMPAL ELECTRONICS, INC.
Issued Date Deciphered Date
NALAA LA-6041P M/B
1.0
CPU DMI/FDI/PEG/FAN
B
648Tuesday, April 13, 2010
2009/01/23 2010/01/23
Compal Electronics, Inc.
1A
FAN Control Circuit
10mil
JFAN
ACES_85204-0300N
@
JFAN
ACES_85204-0300N
@
1
1
2
2
3
3
GND
4
GND
5
C3
10U_0805_10V4Z
C3
10U_0805_10V4Z
1
2
C4
1000P_0402_50V7K
@
C4
1000P_0402_50V7K
@
1
2
C5
10U_0805_10V4Z
C5
10U_0805_10V4Z
1
2
R34 10K_0402_5%R34 10K_0402_5%
12
R39 750_0402_1%R39 750_0402_1%
1 2
PCI EXPRESS -- GRAPHICS
DMI Intel(R) FDI
JCPUA
IC,AUB_CFD_rPGA,R0P9
@
PCI EXPRESS -- GRAPHICS
DMI Intel(R) FDI
JCPUA
IC,AUB_CFD_rPGA,R0P9
@
DMI_RX#[0]
A24
DMI_RX#[1]
C23
DMI_RX#[2]
B22
DMI_RX#[3]
A21
DMI_RX[0]
B24
DMI_RX[1]
D23
DMI_RX[2]
B23
DMI_RX[3]
A22
DMI_TX#[0]
D24
DMI_TX#[1]
G24
DMI_TX#[2]
F23
DMI_TX#[3]
H23
DMI_TX[0]
D25
DMI_TX[1]
F24
DMI_TX[3]
G23 DMI_TX[2]
E23
FDI_TX#[0]
E22
FDI_TX#[1]
D21
FDI_TX#[2]
D19
FDI_TX#[3]
D18
FDI_TX#[4]
G21
FDI_TX#[5]
E19
FDI_TX#[6]
F21
FDI_TX#[7]
G18
FDI_TX[0]
D22
FDI_TX[1]
C21
FDI_TX[2]
D20
FDI_TX[3]
C18
FDI_TX[4]
G22
FDI_TX[5]
E20
FDI_TX[6]
F20
FDI_TX[7]
G19
FDI_FSYNC[0]
F17
FDI_FSYNC[1]
E17
FDI_INT
C17
FDI_LSYNC[0]
F18
FDI_LSYNC[1]
D17
PEG_ICOMPI B26
PEG_ICOMPO A26
PEG_RBIAS A25
PEG_RCOMPO B27
PEG_RX#[0] K35
PEG_RX#[1] J34
PEG_RX#[2] J33
PEG_RX#[3] G35
PEG_RX#[4] G32
PEG_RX#[5] F34
PEG_RX#[6] F31
PEG_RX#[7] D35
PEG_RX#[8] E33
PEG_RX#[9] C33
PEG_RX#[10] D32
PEG_RX#[11] B32
PEG_RX#[12] C31
PEG_RX#[13] B28
PEG_RX#[14] B30
PEG_RX#[15] A31
PEG_RX[0] J35
PEG_RX[1] H34
PEG_RX[2] H33
PEG_RX[3] F35
PEG_RX[4] G33
PEG_RX[5] E34
PEG_RX[6] F32
PEG_RX[7] D34
PEG_RX[8] F33
PEG_RX[9] B33
PEG_RX[10] D31
PEG_RX[11] A32
PEG_RX[12] C30
PEG_RX[13] A28
PEG_RX[14] B29
PEG_RX[15] A30
PEG_TX#[0] L33
PEG_TX#[1] M35
PEG_TX#[2] M33
PEG_TX#[3] M30
PEG_TX#[4] L31
PEG_TX#[5] K32
PEG_TX#[6] M29
PEG_TX#[7] J31
PEG_TX#[8] K29
PEG_TX#[9] H30
PEG_TX#[10] H29
PEG_TX#[11] F29
PEG_TX#[12] E28
PEG_TX#[13] D29
PEG_TX#[14] D27
PEG_TX#[15] C26
PEG_TX[0] L34
PEG_TX[1] M34
PEG_TX[2] M32
PEG_TX[3] L30
PEG_TX[4] M31
PEG_TX[5] K31
PEG_TX[6] M28
PEG_TX[7] H31
PEG_TX[8] K28
PEG_TX[9] G30
PEG_TX[10] G29
PEG_TX[11] F28
PEG_TX[12] E27
PEG_TX[13] D28
PEG_TX[14] C27
PEG_TX[15] C25
R38 49.9_0402_1%R38 49.9_0402_1%
1 2
U1
G996P11U_SOP8
U1
G996P11U_SOP8
EN
1
VIN
2
VOUT
3
VSET
4
GND 8
GND 7
GND 6
GND 5
C6
0.01U_0402_16V7K
@
C6
0.01U_0402_16V7K
@
1
2

5
5
4
4
3
3
2
2
1
1
D D
C C
B B
A A
DDR_A_D63
DDR_A_D62
DDR_A_D8
DDR_A_D5
DDR_A_D4
DDR_A_D3
DDR_A_D7
DDR_A_D6
DDR_A_D59
DDR_A_D58
DDR_A_D57
DDR_A_D56
DDR_A_D47
DDR_A_D46
DDR_A_D43
DDR_A_D42
DDR_A_D41
DDR_A_D40
DDR_A_D45
DDR_A_D44
DDR_A_D39
DDR_A_D38
DDR_A_D35
DDR_A_D34
DDR_A_D33
DDR_A_D32
DDR_A_D37
DDR_A_D36
DDR_A_D61
DDR_A_D60
DDR_A_D2
DDR_A_D1
DDR_A_D0
DDR_A_D55
DDR_A_D54
DDR_A_D51
DDR_A_D50
DDR_A_D49
DDR_A_D48
DDR_A_D53
DDR_A_D52
DDR_A_D31
DDR_A_D30
DDR_A_D27
DDR_A_D26
DDR_A_D25
DDR_A_D24
DDR_A_D15
DDR_A_D14
DDR_A_D11
DDR_A_D10
DDR_A_D9
DDR_A_D13
DDR_A_D12
DDR_A_D29
DDR_A_D28
DDR_A_D23
DDR_A_D22
DDR_A_D19
DDR_A_D18
DDR_A_D17
DDR_A_D16
DDR_A_D21
DDR_A_D20
DDR_B_D32
DDR_B_D33
DDR_B_D36
DDR_B_D37
DDR_B_D38
DDR_B_D39
DDR_B_D48
DDR_B_D49
DDR_B_D52
DDR_B_D53
DDR_B_D54
DDR_B_D55
DDR_B_D50
DDR_B_D51
DDR_B_D56
DDR_B_D57
DDR_B_D60
DDR_B_D61
DDR_B_D62
DDR_B_D63
DDR_B_D58
DDR_B_D59
DDR_B_D34
DDR_B_D35
DDR_B_D40
DDR_B_D41
DDR_B_D44
DDR_B_D45
DDR_B_D46
DDR_B_D47
DDR_B_D42
DDR_B_D43
DDR_B_D0
DDR_B_D1
DDR_B_D4
DDR_B_D5
DDR_B_D6
DDR_B_D7
DDR_B_D16
DDR_B_D17
DDR_B_D20
DDR_B_D21
DDR_B_D22
DDR_B_D23
DDR_B_D18
DDR_B_D19
DDR_B_D24
DDR_B_D25
DDR_B_D28
DDR_B_D29
DDR_B_D30
DDR_B_D31
DDR_B_D26
DDR_B_D27
DDR_B_D2
DDR_B_D3
DDR_B_D8
DDR_B_D9
DDR_B_D12
DDR_B_D13
DDR_B_D14
DDR_B_D15
DDR_B_D10
DDR_B_D11
DDR_A_DM5
DDR_A_DM2
DDR_A_DM1
DDR_A_DM6
DDR_A_DM4
DDR_A_DM3
DDR_A_MA14
DDR_A_MA0
DDR_A_MA1
DDR_A_MA4
DDR_A_DM0
DDR_A_MA2
DDR_A_MA3
DDR_A_MA5
DDR_A_MA6
DDR_A_MA7
DDR_A_MA8
DDR_A_MA9
DDR_A_MA12
DDR_A_MA13
DDR_A_MA11
DDR_A_MA10
DDR_A_DQS#0
DDR_A_DQS#1
DDR_A_DQS#3
DDR_A_DQS#2
DDR_A_DQS#5
DDR_A_DQS#4
DDR_A_DQS#6
DDR_A_DQS#7
DDR_A_DM7
DDR_A_DQS1
DDR_A_DQS3
DDR_A_DQS5
DDR_A_DQS0
DDR_A_DQS2
DDR_A_DQS6
DDR_A_DQS7
DDR_A_DQS4
DDR_A_MA15
DDR_B_DQS7
DDR_B_DQS0
DDR_B_DQS5
DDR_B_DQS1
DDR_B_DQS4
DDR_B_DQS3
DDR_B_DQS6
DDR_B_DQS2
DDR_B_DQS#1
DDR_B_DQS#5
DDR_B_DQS#7
DDR_B_DQS#3
DDR_B_DQS#4
DDR_B_DQS#0
DDR_B_DQS#6
DDR_B_DQS#2
DDR_B_DM3
DDR_B_DM1
DDR_B_DM5
DDR_B_DM6
DDR_B_DM7
DDR_B_DM2
DDR_B_DM0
DDR_B_DM4
DDR_B_MA2
DDR_B_MA3
DDR_B_MA10
DDR_B_MA11
DDR_B_MA8
DDR_B_MA9
DDR_B_MA0
DDR_B_MA1
DDR_B_MA6
DDR_B_MA7
DDR_B_MA4
DDR_B_MA5
DDR_B_MA14
DDR_B_MA12
DDR_B_MA13
DDR_B_MA15
DDR_A_D[0..63]11
DDR_A_BS111
DDR_A_BS211
DDR_A_BS011
DDR_A_WE#11
DDRA_CLK0 11 DDRB_CLK0 12
DDRA_CLK1 11
DDRA_CLK0# 11
DDRB_CLK1 12
DDRA_CLK1# 11
DDRB_CLK1# 12
DDRB_CLK0# 12
DDRA_CKE0 11 DDRB_CKE0 12
DDRA_CKE1 11
DDRA_SCS0# 11
DDRB_CKE1 12
DDRA_SCS1# 11 DDRB_SCS1# 12
DDRB_SCS0# 12
DDRA_ODT0 11 DDRB_ODT0 12
DDRA_ODT1 11 DDRB_ODT1 12
DDR_B_D[0..63]12
DDR_A_MA[0..15] 11
DDR_A_DQS[0..7] 11
DDR_A_DM[0..7] 11
DDR_A_DQS#[0..7] 11
DDR_B_MA[0..15] 12
DDR_B_DQS#[0..7] 12
DDR_B_DQS[0..7] 12
DDR_B_DM[0..7] 12
DDR_B_BS112
DDR_B_BS212
DDR_B_BS012
DDR_B_WE#12
DDR_A_CAS#11
DDR_A_RAS#11
DDR_B_RAS#12
DDR_B_CAS#12
Title
Size Document Number Rev
Date: Sheet of
Security Classification
Compal Secret Data
THIS SHEET OF ENGINEERING DRAWING IS THE PROPRIETARY PROPERTY OF COMPAL ELECTRONICS, INC. AND CONTAINS CONFIDENTIAL
AND TRADE SECRET INFORMATION. THIS SHEET MAY NOT BE TRANSFERED FROM THE CUSTODY OF THE COMPETENT DIVISION OF R&D
DEPARTMENT EXCEPT AS AUTHORIZED BY COMPAL ELECTRONICS, INC. NEITHER THIS SHEET NOR THE INFORMATION IT CONTAINS
MAY BE USED BY OR DISCLOSED TO ANY THIRD PARTY WITHOUT PRIOR WRITTEN CONSENT OF COMPAL ELECTRONICS, INC.
Issued Date Deciphered Date
NALAA LA-6041P M/B
1.0
CPU DDRIII
B
748Tuesday, April 13, 2010
2009/01/23 2010/01/23
Compal Electronics, Inc.
Title
Size Document Number Rev
Date: Sheet of
Security Classification
Compal Secret Data
THIS SHEET OF ENGINEERING DRAWING IS THE PROPRIETARY PROPERTY OF COMPAL ELECTRONICS, INC. AND CONTAINS CONFIDENTIAL
AND TRADE SECRET INFORMATION. THIS SHEET MAY NOT BE TRANSFERED FROM THE CUSTODY OF THE COMPETENT DIVISION OF R&D
DEPARTMENT EXCEPT AS AUTHORIZED BY COMPAL ELECTRONICS, INC. NEITHER THIS SHEET NOR THE INFORMATION IT CONTAINS
MAY BE USED BY OR DISCLOSED TO ANY THIRD PARTY WITHOUT PRIOR WRITTEN CONSENT OF COMPAL ELECTRONICS, INC.
Issued Date Deciphered Date
NALAA LA-6041P M/B
1.0
CPU DDRIII
B
748Tuesday, April 13, 2010
2009/01/23 2010/01/23
Compal Electronics, Inc.
Title
Size Document Number Rev
Date: Sheet of
Security Classification
Compal Secret Data
THIS SHEET OF ENGINEERING DRAWING IS THE PROPRIETARY PROPERTY OF COMPAL ELECTRONICS, INC. AND CONTAINS CONFIDENTIAL
AND TRADE SECRET INFORMATION. THIS SHEET MAY NOT BE TRANSFERED FROM THE CUSTODY OF THE COMPETENT DIVISION OF R&D
DEPARTMENT EXCEPT AS AUTHORIZED BY COMPAL ELECTRONICS, INC. NEITHER THIS SHEET NOR THE INFORMATION IT CONTAINS
MAY BE USED BY OR DISCLOSED TO ANY THIRD PARTY WITHOUT PRIOR WRITTEN CONSENT OF COMPAL ELECTRONICS, INC.
Issued Date Deciphered Date
NALAA LA-6041P M/B
1.0
CPU DDRIII
B
748Tuesday, April 13, 2010
2009/01/23 2010/01/23
Compal Electronics, Inc.
DDR SYSTEM MEMORY - B
JCPUD
IC,AUB_CFD_rPGA,R0P9
@
DDR SYSTEM MEMORY - B
JCPUD
IC,AUB_CFD_rPGA,R0P9
@
SB_BS[0]
AB1
SB_BS[1]
W5
SB_BS[2]
R7
SB_CAS#
AC5
SB_RAS#
Y7
SB_WE#
AC6
SB_CK[0] W8
SB_CK[1] V7
SB_CK#[0] W9
SB_CK#[1] V6
SB_CKE[0] M3
SB_CKE[1] M2
SB_CS#[0] AB8
SB_CS#[1] AD6
SB_ODT[0] AC7
SB_ODT[1] AD1
SB_DM[0] D4
SB_DM[1] E1
SB_DM[2] H3
SB_DM[3] K1
SB_DM[4] AH1
SB_DM[5] AL2
SB_DM[6] AR4
SB_DM[7] AT8
SB_DQS[4] AG2
SB_DQS#[4] AH2
SB_DQS[5] AL5
SB_DQS#[5] AL4
SB_DQS[6] AP5
SB_DQS#[6] AR5
SB_DQS[7] AR7
SB_DQS#[7] AR8
SB_DQS[0] C5
SB_DQS#[0] D5
SB_DQS[1] E3
SB_DQS#[1] F4
SB_DQS[2] H4
SB_DQS#[2] J4
SB_DQS[3] M5
SB_DQS#[3] L4
SB_MA[0] U5
SB_MA[1] V2
SB_MA[2] T5
SB_MA[3] V3
SB_MA[4] R1
SB_MA[5] T8
SB_MA[6] R2
SB_MA[7] R6
SB_MA[8] R4
SB_MA[9] R5
SB_MA[10] AB5
SB_MA[11] P3
SB_MA[12] R3
SB_MA[13] AF7
SB_MA[14] P5
SB_MA[15] N1
SB_DQ[0]
B5
SB_DQ[1]
A5
SB_DQ[2]
C3
SB_DQ[3]
B3
SB_DQ[4]
E4
SB_DQ[5]
A6
SB_DQ[6]
A4
SB_DQ[7]
C4
SB_DQ[8]
D1
SB_DQ[9]
D2
SB_DQ[10]
F2
SB_DQ[11]
F1
SB_DQ[12]
C2
SB_DQ[13]
F5
SB_DQ[14]
F3
SB_DQ[15]
G4
SB_DQ[16]
H6
SB_DQ[17]
G2
SB_DQ[18]
J6
SB_DQ[19]
J3
SB_DQ[20]
G1
SB_DQ[21]
G5
SB_DQ[22]
J2
SB_DQ[23]
J1
SB_DQ[24]
J5
SB_DQ[25]
K2
SB_DQ[26]
L3
SB_DQ[27]
M1
SB_DQ[28]
K5
SB_DQ[29]
K4
SB_DQ[30]
M4
SB_DQ[31]
N5
SB_DQ[32]
AF3
SB_DQ[33]
AG1
SB_DQ[34]
AJ3
SB_DQ[35]
AK1
SB_DQ[36]
AG4
SB_DQ[37]
AG3
SB_DQ[38]
AJ4
SB_DQ[39]
AH4
SB_DQ[40]
AK3
SB_DQ[41]
AK4
SB_DQ[42]
AM6
SB_DQ[43]
AN2
SB_DQ[44]
AK5
SB_DQ[45]
AK2
SB_DQ[46]
AM4
SB_DQ[47]
AM3
SB_DQ[48]
AP3
SB_DQ[49]
AN5
SB_DQ[50]
AT4
SB_DQ[51]
AN6
SB_DQ[52]
AN4
SB_DQ[53]
AN3
SB_DQ[54]
AT5
SB_DQ[55]
AT6
SB_DQ[56]
AN7
SB_DQ[57]
AP6
SB_DQ[58]
AP8
SB_DQ[59]
AT9
SB_DQ[60]
AT7
SB_DQ[61]
AP9
SB_DQ[62]
AR10
SB_DQ[63]
AT10
DDR SYSTEM MEMORY A
JCPUC
IC,AUB_CFD_rPGA,R0P9
@
DDR SYSTEM MEMORY A
JCPUC
IC,AUB_CFD_rPGA,R0P9
@
SA_BS[0]
AC3
SA_BS[1]
AB2
SA_BS[2]
U7
SA_CAS#
AE1
SA_RAS#
AB3
SA_WE#
AE9
SA_CK[0] AA6
SA_CK[1] Y6
SA_CK#[0] AA7
SA_CK#[1] Y5
SA_CKE[0] P7
SA_CKE[1] P6
SA_CS#[0] AE2
SA_CS#[1] AE8
SA_ODT[0] AD8
SA_ODT[1] AF9
SA_DM[0] B9
SA_DM[1] D7
SA_DM[2] H7
SA_DM[3] M7
SA_DM[4] AG6
SA_DM[5] AM7
SA_DM[6] AN10
SA_DM[7] AN13
SA_DQS[0] C8
SA_DQS#[0] C9
SA_DQS[1] F9
SA_DQS#[1] F8
SA_DQS[2] H9
SA_DQS#[2] J9
SA_DQS[3] M9
SA_DQS#[3] N9
SA_DQS[4] AH8
SA_DQS#[4] AH7
SA_DQS[5] AK10
SA_DQS#[5] AK9
SA_DQS[6] AN11
SA_DQS#[6] AP11
SA_DQS[7] AR13
SA_DQS#[7] AT13
SA_MA[0] Y3
SA_MA[1] W1
SA_MA[2] AA8
SA_MA[3] AA3
SA_MA[4] V1
SA_MA[5] AA9
SA_MA[6] V8
SA_MA[7] T1
SA_MA[8] Y9
SA_MA[9] U6
SA_MA[10] AD4
SA_MA[11] T2
SA_MA[12] U3
SA_MA[13] AG8
SA_MA[14] T3
SA_MA[15] V9
SA_DQ[0]
A10
SA_DQ[1]
C10
SA_DQ[2]
C7
SA_DQ[3]
A7
SA_DQ[4]
B10
SA_DQ[5]
D10
SA_DQ[6]
E10
SA_DQ[7]
A8
SA_DQ[8]
D8
SA_DQ[9]
F10
SA_DQ[10]
E6
SA_DQ[11]
F7
SA_DQ[12]
E9
SA_DQ[13]
B7
SA_DQ[14]
E7
SA_DQ[15]
C6
SA_DQ[16]
H10
SA_DQ[17]
G8
SA_DQ[18]
K7
SA_DQ[19]
J8
SA_DQ[20]
G7
SA_DQ[21]
G10
SA_DQ[22]
J7
SA_DQ[23]
J10
SA_DQ[24]
L7
SA_DQ[25]
M6
SA_DQ[26]
M8
SA_DQ[27]
L9
SA_DQ[28]
L6
SA_DQ[29]
K8
SA_DQ[30]
N8
SA_DQ[31]
P9
SA_DQ[32]
AH5
SA_DQ[33]
AF5
SA_DQ[34]
AK6
SA_DQ[35]
AK7
SA_DQ[36]
AF6
SA_DQ[37]
AG5
SA_DQ[38]
AJ7
SA_DQ[39]
AJ6
SA_DQ[40]
AJ10
SA_DQ[41]
AJ9
SA_DQ[42]
AL10
SA_DQ[43]
AK12
SA_DQ[44]
AK8
SA_DQ[45]
AL7
SA_DQ[46]
AK11
SA_DQ[47]
AL8
SA_DQ[48]
AN8
SA_DQ[49]
AM10
SA_DQ[50]
AR11
SA_DQ[51]
AL11
SA_DQ[52]
AM9
SA_DQ[53]
AN9
SA_DQ[54]
AT11
SA_DQ[55]
AP12
SA_DQ[56]
AM12
SA_DQ[57]
AN12
SA_DQ[58]
AM13
SA_DQ[59]
AT14
SA_DQ[60]
AT12
SA_DQ[61]
AL13
SA_DQ[62]
AR14
SA_DQ[63]
AP14

5
5
4
4
3
3
2
2
1
1
D D
C C
B B
A A
VCCSENSE
VSSSENSEVSSSENSE_R
H_DPRSLPVR_R
VCCSENSE_R
H_DPRSLPVR 43
VSSSENSE 43
CPU_VID1 43
VCCSENSE 43
CPU_VID0 43
H_PSI# 43
CPU_VID5 43
CPU_VID2 43
CPU_VID6 43
CPU_VID3 43
CPU_VID4 43
IMVP_IMON 43
VTT_SENSE 40
VSS_SENSE_VTT 40
+CPU_CORE
+CPU_CORE
+VTT
+CPU_CORE
+CPU_CORE
+CPU_CORE
+CPU_CORE
+CPU_CORE
+CPU_CORE
+CPU_CORE
Title
Size Document Number Rev
Date: Sheet of
Security Classification
Compal Secret Data
THIS SHEET OF ENGINEERING DRAWING IS THE PROPRIETARY PROPERTY OF COMPAL ELECTRONICS, INC. AND CONTAINS CONFIDENTIAL
AND TRADE SECRET INFORMATION. THIS SHEET MAY NOT BE TRANSFERED FROM THE CUSTODY OF THE COMPETENT DIVISION OF R&D
DEPARTMENT EXCEPT AS AUTHORIZED BY COMPAL ELECTRONICS, INC. NEITHER THIS SHEET NOR THE INFORMATION IT CONTAINS
MAY BE USED BY OR DISCLOSED TO ANY THIRD PARTY WITHOUT PRIOR WRITTEN CONSENT OF COMPAL ELECTRONICS, INC.
Issued Date
Deciphered Date
NALAA LA-6041P M/B
1.0
CPU POWER-1
Custom
848Tuesday, April 13, 2010
2009/01/23 2010/01/23
Compal Electronics, Inc.
Title
Size Document Number Rev
Date: Sheet of
Security Classification
Compal Secret Data
THIS SHEET OF ENGINEERING DRAWING IS THE PROPRIETARY PROPERTY OF COMPAL ELECTRONICS, INC. AND CONTAINS CONFIDENTIAL
AND TRADE SECRET INFORMATION. THIS SHEET MAY NOT BE TRANSFERED FROM THE CUSTODY OF THE COMPETENT DIVISION OF R&D
DEPARTMENT EXCEPT AS AUTHORIZED BY COMPAL ELECTRONICS, INC. NEITHER THIS SHEET NOR THE INFORMATION IT CONTAINS
MAY BE USED BY OR DISCLOSED TO ANY THIRD PARTY WITHOUT PRIOR WRITTEN CONSENT OF COMPAL ELECTRONICS, INC.
Issued Date
Deciphered Date
NALAA LA-6041P M/B
1.0
CPU POWER-1
Custom
848Tuesday, April 13, 2010
2009/01/23 2010/01/23
Compal Electronics, Inc.
Title
Size Document Number Rev
Date: Sheet of
Security Classification
Compal Secret Data
THIS SHEET OF ENGINEERING DRAWING IS THE PROPRIETARY PROPERTY OF COMPAL ELECTRONICS, INC. AND CONTAINS CONFIDENTIAL
AND TRADE SECRET INFORMATION. THIS SHEET MAY NOT BE TRANSFERED FROM THE CUSTODY OF THE COMPETENT DIVISION OF R&D
DEPARTMENT EXCEPT AS AUTHORIZED BY COMPAL ELECTRONICS, INC. NEITHER THIS SHEET NOR THE INFORMATION IT CONTAINS
MAY BE USED BY OR DISCLOSED TO ANY THIRD PARTY WITHOUT PRIOR WRITTEN CONSENT OF COMPAL ELECTRONICS, INC.
Issued Date
Deciphered Date
NALAA LA-6041P M/B
1.0
CPU POWER-1
Custom
848Tuesday, April 13, 2010
2009/01/23 2010/01/23
Compal Electronics, Inc.
Auburndale:48A
Clarksfield: 65A Clarksfield: 21A
Auburndale:18A
near CPU
(Place these capacitors under CPU socket Edge, top layer) (Place these capacitors between inductor and socket on Bottom)
(Place these capacitors under CPU socket, top layer)
(Place these capacitors on CPU cavity, Bottom Layer)
TOP side (under inductor)
VTT Rail
Auburndale +1.1VS_VTT=1.05V
Clarksfield +1.1VS_VTT=1.1V
H_VTTSELECT = low, 1.1V
H_VTTSELECT = high, 1.05V
Check list:
+CPU_CORE: 6x 470uF, 12x 22uF, 16x 10uF
+VTT: 4x 330uF, 7x 22uF, 8x 10uF
Material Note (+VTT):
330uF/ 6mohm, number are 3,
power x1, HW x2
CRB default setting:
VID[6:0]=[0100111]
Add on 5/25 for power team request
Co-layout with C123
C144
22U_0805_6.3V6M
@
C144
22U_0805_6.3V6M
@
1
2
C91 22U_0805_6.3V6MC91 22U_0805_6.3V6M
1 2
C103
10U_0805_10V4K
C103
10U_0805_10V4K
1
2
+
C124
330U_D2_2.5VY_R9M
+
C124
330U_D2_2.5VY_R9M
1
2
C108
22U_0805_6.3V6M
C108
22U_0805_6.3V6M
1
2
C85 10U_0805_10V4KC85 10U_0805_10V4K
1 2
R67 100_0402_1%R67 100_0402_1%
1 2
R65 0_0402_5%R65 0_0402_5%
1 2
C102
10U_0805_10V4K
C102
10U_0805_10V4K
1
2
C109
22U_0805_6.3V6M
C109
22U_0805_6.3V6M
1
2
C92 10U_0805_10V4KC92 10U_0805_10V4K
1 2
C148
22U_0805_6.3V6M
@
C148
22U_0805_6.3V6M
@
1
2
C104
10U_0805_10V4K
C104
10U_0805_10V4K
1
2
C81 10U_0805_10V4KC81 10U_0805_10V4K
1 2
+
C159 390U_2.5V_M_R10
+
C159 390U_2.5V_M_R10
1 2
C107
22U_0805_6.3V6M
C107
22U_0805_6.3V6M
1
2
C75
10U_0805_10V4K
C75
10U_0805_10V4K
1
2
C88 10U_0805_10V4KC88 10U_0805_10V4K
1 2
R62 0_0402_5%R62 0_0402_5%
1 2
C106
22U_0805_6.3V6M
C106
22U_0805_6.3V6M
1
2
+
C125
220U_6.3V_M
@
+
C125
220U_6.3V_M
@
1
2
C98
10U_0805_10V4K
C98
10U_0805_10V4K
1
2
C72
10U_0805_10V4K
C72
10U_0805_10V4K
1
2
C114
22U_0805_6.3V6M
C114
22U_0805_6.3V6M
1
2
+
C122
330U_D2_2.5VY_R9M
+
C122
330U_D2_2.5VY_R9M
1
2
C71
10U_0805_10V4K
C71
10U_0805_10V4K
1
2C76
10U_0805_10V4K
C76
10U_0805_10V4K
1
2
+
C123
330U_D2_2.5VY_R9M
+
C123
330U_D2_2.5VY_R9M
1
2
C105
22U_0805_6.3V6M
C105
22U_0805_6.3V6M
1
2
C73
10U_0805_10V4K
C73
10U_0805_10V4K
1
2
+
C160 390U_2.5V_M_R10
+
C160 390U_2.5V_M_R10
1 2
T43 PADT43 PAD
C115
22U_0805_6.3V6M
C115
22U_0805_6.3V6M
1
2
C87 10U_0805_10V4KC87 10U_0805_10V4K
1 2
C99
10U_0805_10V4K
C99
10U_0805_10V4K
1
2
C74
10U_0805_10V4K
C74
10U_0805_10V4K
1
2
C129
22U_0805_6.3V6M
@
C129
22U_0805_6.3V6M
@
1
2
C113
22U_0805_6.3V6M
C113
22U_0805_6.3V6M
1
2
C77
10U_0805_10V4K
C77
10U_0805_10V4K
1
2
C94 10U_0805_10V4K@C94 10U_0805_10V4K@
1 2
C83 10U_0805_10V4KC83 10U_0805_10V4K
1 2
R66 0_0402_5%R66 0_0402_5%
1 2
C130
22U_0805_6.3V6M
@
C130
22U_0805_6.3V6M
@
1
2
C78
10U_0805_10V4K
C78
10U_0805_10V4K
1
2
C112
22U_0805_6.3V6M
C112
22U_0805_6.3V6M
1
2
C90 10U_0805_10V4KC90 10U_0805_10V4K
1 2
C149
22U_0805_6.3V6M
@
C149
22U_0805_6.3V6M
@
1
2
C100
10U_0805_10V4K
C100
10U_0805_10V4K
1
2
C131
22U_0805_6.3V6M
@
C131
22U_0805_6.3V6M
@
1
2
C110
22U_0805_6.3V6M
C110
22U_0805_6.3V6M
1
2
R64 100_0402_1%R64 100_0402_1%
1 2
C79
10U_0805_10V4K
C79
10U_0805_10V4K
1
2
+
C121
330U_D2_2.5VY_R9M
+
C121
330U_D2_2.5VY_R9M
1
2
C132
22U_0805_6.3V6M
@
C132
22U_0805_6.3V6M
@
1
2
POWER
CPU CORE SUPPLY
1.1V RAIL POWER
SENSE LINES
CPU VIDS
JCPUF
IC,AUB_CFD_rPGA,R0P9
@
POWER
CPU CORE SUPPLY
1.1V RAIL POWER
SENSE LINES
CPU VIDS
JCPUF
IC,AUB_CFD_rPGA,R0P9
@
ISENSE AN35
VTT_SENSE B15
PSI# AN33
VID[0] AK35
VID[1] AK33
VID[2] AK34
VID[3] AL35
VID[4] AL33
VID[5] AM33
VID[6] AM35
PROC_DPRSLPVR AM34
VTT_SELECT G15
VCC_SENSE AJ34
VSS_SENSE_VTT A15
VCC1
AG35
VCC2
AG34
VCC3
AG33
VCC4
AG32
VCC5
AG31
VCC6
AG30
VCC7
AG29
VCC8
AG28
VCC9
AG27
VCC10
AG26
VCC11
AF35
VCC12
AF34
VCC13
AF33
VCC14
AF32
VCC15
AF31
VCC16
AF30
VCC17
AF29
VCC18
AF28
VCC19
AF27
VCC20
AF26
VCC21
AD35
VCC22
AD34
VCC23
AD33
VCC24
AD32
VCC25
AD31
VCC26
AD30
VCC27
AD29
VCC28
AD28
VCC29
AD27
VCC30
AD26
VCC31
AC35
VCC32
AC34
VCC33
AC33
VCC34
AC32
VCC35
AC31
VCC36
AC30
VCC37
AC29
VCC38
AC28
VCC39
AC27
VCC40
AC26
VCC41
AA35
VCC42
AA34
VCC43
AA33
VCC44
AA32
VCC45
AA31
VCC46
AA30
VCC47
AA29
VCC48
AA28
VCC49
AA27
VCC50
AA26
VCC51
Y35
VCC52
Y34
VCC53
Y33
VCC54
Y32
VCC55
Y31
VCC56
Y30
VCC57
Y29
VCC58
Y28
VCC59
Y27
VCC60
Y26
VCC61
V35
VCC62
V34
VCC63
V33
VCC64
V32
VCC65
V31
VCC66
V30
VCC67
V29
VCC68
V28
VCC69
V27
VCC70
V26
VCC71
U35
VCC72
U34
VCC73
U33
VCC74
U32
VCC75
U31
VCC76
U30
VCC77
U29
VCC78
U28
VCC79
U27
VCC80
U26
VCC81
R35
VCC82
R34
VCC83
R33
VCC84
R32
VCC85
R31
VCC86
R30
VCC87
R29
VCC88
R28
VCC89
R27
VCC90
R26
VCC91
P35
VCC92
P34
VCC93
P33
VCC94
P32
VCC95
P31
VCC96
P30
VCC97
P29
VCC98
P28
VCC99
P27
VCC100
P26
VTT0_33 AF10
VTT0_34 AE10
VTT0_35 AC10
VTT0_36 AB10
VTT0_37 Y10
VTT0_38 W10
VTT0_39 U10
VTT0_40 T10
VTT0_41 J12
VTT0_42 J11
VTT0_1 AH14
VTT0_2 AH12
VTT0_3 AH11
VTT0_4 AH10
VTT0_5 J14
VTT0_6 J13
VTT0_7 H14
VTT0_8 H12
VTT0_9 G14
VTT0_10 G13
VTT0_11 G12
VTT0_12 G11
VTT0_13 F14
VTT0_14 F13
VTT0_15 F12
VTT0_16 F11
VTT0_17 E14
VTT0_18 E12
VTT0_19 D14
VTT0_20 D13
VTT0_21 D12
VTT0_22 D11
VTT0_23 C14
VTT0_24 C13
VTT0_25 C12
VTT0_26 C11
VTT0_27 B14
VTT0_28 B12
VTT0_29 A14
VTT0_30 A13
VTT0_31 A12
VTT0_32 A11
VSS_SENSE AJ35
VTT0_43 J16
VTT0_44 J15
C89 22U_0805_6.3V6MC89 22U_0805_6.3V6M
1 2
C116
22U_0805_6.3V6M
C116
22U_0805_6.3V6M
1
2
C101
10U_0805_10V4K
C101
10U_0805_10V4K
1
2
C111
22U_0805_6.3V6M
C111
22U_0805_6.3V6M
1
2

5
5
4
4
3
3
2
2
1
1
D D
C C
B B
A A
SUSP
+1.8VS_H_PLL
SUSP
VCC_AXG_SENSE_R
VSS_AXG_SENSE_R
SUSP 35,42
GFXVR_IMON 44
GFXVR_EN 44
VCC_AXG_SENSE 44
VSS_AXG_SENSE 44
GFXVR_VID_0 44
GFXVR_VID_1 44
GFXVR_VID_2 44
GFXVR_VID_3 44
GFXVR_VID_4 44
GFXVR_VID_5 44
GFXVR_VID_6 44
+VSB
+1.5V+1.5V_CPU
+1.8VS
+VTT
+1.5V_CPU
+1.5V
+VTT
+VTT
+GFX_CORE
+GFX_CORE
+VTT
+GFX_CORE
Title
Size Document Number Rev
Date: Sheet of
Security Classification
Compal Secret Data
THIS SHEET OF ENGINEERING DRAWING IS THE PROPRIETARY PROPERTY OF COMPAL ELECTRONICS, INC. AND CONTAINS CONFIDENTIAL
AND TRADE SECRET INFORMATION. THIS SHEET MAY NOT BE TRANSFERED FROM THE CUSTODY OF THE COMPETENT DIVISION OF R&D
DEPARTMENT EXCEPT AS AUTHORIZED BY COMPAL ELECTRONICS, INC. NEITHER THIS SHEET NOR THE INFORMATION IT CONTAINS
MAY BE USED BY OR DISCLOSED TO ANY THIRD PARTY WITHOUT PRIOR WRITTEN CONSENT OF COMPAL ELECTRONICS, INC.
Issued Date Deciphered Date
NALAA LA-6041P M/B
1.0
CPU POWER-2
B
948Tuesday, April 13, 2010
2009/01/23 2010/01/23
Compal Electronics, Inc.
Title
Size Document Number Rev
Date: Sheet of
Security Classification
Compal Secret Data
THIS SHEET OF ENGINEERING DRAWING IS THE PROPRIETARY PROPERTY OF COMPAL ELECTRONICS, INC. AND CONTAINS CONFIDENTIAL
AND TRADE SECRET INFORMATION. THIS SHEET MAY NOT BE TRANSFERED FROM THE CUSTODY OF THE COMPETENT DIVISION OF R&D
DEPARTMENT EXCEPT AS AUTHORIZED BY COMPAL ELECTRONICS, INC. NEITHER THIS SHEET NOR THE INFORMATION IT CONTAINS
MAY BE USED BY OR DISCLOSED TO ANY THIRD PARTY WITHOUT PRIOR WRITTEN CONSENT OF COMPAL ELECTRONICS, INC.
Issued Date Deciphered Date
NALAA LA-6041P M/B
1.0
CPU POWER-2
B
948Tuesday, April 13, 2010
2009/01/23 2010/01/23
Compal Electronics, Inc.
Title
Size Document Number Rev
Date: Sheet of
Security Classification
Compal Secret Data
THIS SHEET OF ENGINEERING DRAWING IS THE PROPRIETARY PROPERTY OF COMPAL ELECTRONICS, INC. AND CONTAINS CONFIDENTIAL
AND TRADE SECRET INFORMATION. THIS SHEET MAY NOT BE TRANSFERED FROM THE CUSTODY OF THE COMPETENT DIVISION OF R&D
DEPARTMENT EXCEPT AS AUTHORIZED BY COMPAL ELECTRONICS, INC. NEITHER THIS SHEET NOR THE INFORMATION IT CONTAINS
MAY BE USED BY OR DISCLOSED TO ANY THIRD PARTY WITHOUT PRIOR WRITTEN CONSENT OF COMPAL ELECTRONICS, INC.
Issued Date Deciphered Date
NALAA LA-6041P M/B
1.0
CPU POWER-2
B
948Tuesday, April 13, 2010
2009/01/23 2010/01/23
Compal Electronics, Inc.
(Place these capacitors under CPU socket, top layer)
(Place these capacitors under CPU socket Edge, top layer)
(Place these capacitors under CPU socket, top layer)
Clarksfield: 21A
Auburndale:18A
Clarksfield: 0.6A
Auburndale:1.35A
Clarksfield: 5A
Auburndale:3A
Auburndale:22A
near CPU
C141
22U_0805_6.3V6M
C141
22U_0805_6.3V6M
1
2
C137
1U_0402_6.3V4Z
C137
1U_0402_6.3V4Z
1
2
+
C217
390U_2.5V_M_R10
+
C217
390U_2.5V_M_R10
1
2
C134
1U_0402_6.3V4Z
C134
1U_0402_6.3V4Z
1
2
Q46B
2N7002KDW_SOT363-6
PS@ Q46B
2N7002KDW_SOT363-6
PS@
3
5
4
C146
22U_0805_6.3V6M
C146
22U_0805_6.3V6M
1
2
C142
22U_0805_6.3V6M
C142
22U_0805_6.3V6M
1
2
R417
820K_0402_5%
PS@
R417
820K_0402_5%
PS@
12
R50 330_0402_5%R50 330_0402_5%
1 2
C136
1U_0402_6.3V4Z
C136
1U_0402_6.3V4Z
1
2
C147
22U_0805_6.3V6M
C147
22U_0805_6.3V6M
1
2
C86
10U_0805_6.3V6M
C86
10U_0805_6.3V6M
1
2
C96
1U_0402_6.3V4Z
C96
1U_0402_6.3V4Z
1
2
C145
22U_0805_6.3V6M
C145
22U_0805_6.3V6M
1
2
R418
220K_0402_5%
PS@ R418
220K_0402_5%
PS@
1 2
T42 PADT42 PAD
PJ30
JUMP_43X79
@PJ30
JUMP_43X79
@
11
2
2
C95
22U_0805_6.3V6M
C95
22U_0805_6.3V6M
1
2
Q46A
2N7002KDW_SOT363-6
PS@
Q46A
2N7002KDW_SOT363-6
PS@
61
2
C135
1U_0402_6.3V4Z
C135
1U_0402_6.3V4Z
1
2
C143
10U_0805_10V4K
C143
10U_0805_10V4K
1
2
C93
47P_0402_50V8J
@
C93
47P_0402_50V8J
@
12
C152
1U_0402_6.3V4Z
C152
1U_0402_6.3V4Z
1
2
C97
47P_0402_50V8J
@
C97
47P_0402_50V8J
@
12
C153
2.2U_0603_6.3V4Z
C153
2.2U_0603_6.3V4Z
1
2
R687 1K_0402_5%
@
R687 1K_0402_5%
@
12
C138
22U_0805_6.3V6M
C138
22U_0805_6.3V6M
1
2
C117
1U_0402_6.3V4Z
C117
1U_0402_6.3V4Z
1
2
R424
470_0805_5%
PS@
R424
470_0805_5%
PS@
1 2
R69 100_0402_1%R69 100_0402_1%
1 2
C118
47P_0402_50V8J
@
C118
47P_0402_50V8J
@
12
C139
22U_0805_6.3V6M
C139
22U_0805_6.3V6M
1
2
C155
22U_0805_6.3V6M
C155
22U_0805_6.3V6M
1
2
C186 0.1U_0402_16V4ZC186 0.1U_0402_16V4Z
1 2
C472
0.1U_0402_25V6
PS@
C472
0.1U_0402_25V6
PS@
1
2
C120
10U_0805_6.3V6M
C120
10U_0805_6.3V6M
1
2
C205 0.1U_0402_16V4ZC205 0.1U_0402_16V4Z
1 2
C151
1U_0402_6.3V4Z
C151
1U_0402_6.3V4Z
1
2
C267
10U_0805_10V4K
PS@
C267
10U_0805_10V4K
PS@
1
2
C119
47P_0402_50V8J
@
C119
47P_0402_50V8J
@
12
C218 0.1U_0402_16V4ZC218 0.1U_0402_16V4Z
1 2
C154
4.7U_0603_6.3V6K
C154
4.7U_0603_6.3V6K
Q33
FDS6676AS_SO8
PS@Q33
FDS6676AS_SO8
PS@
S
1
S
2
S
3
G
4
D8
D7
D6
D5
POWER
GRAPHICS VIDs
GRAPHICS
DDR3 - 1.5V RAILS
FDI PEG & DMI
SENSE
LINES
1.1V1.8V
JCPUG
IC,AUB_CFD_rPGA,R0P9
@
POWER
GRAPHICS VIDs
GRAPHICS
DDR3 - 1.5V RAILS
FDI PEG & DMI
SENSE
LINES
1.1V1.8V
JCPUG
IC,AUB_CFD_rPGA,R0P9
@
GFX_VID[0] AM22
GFX_VID[1] AP22
GFX_VID[2] AN22
GFX_VID[3] AP23
GFX_VID[4] AM23
GFX_VID[5] AP24
GFX_VID[6] AN24
GFX_VR_EN AR25
GFX_DPRSLPVR AT25
GFX_IMON AM24
VAXG_SENSE AR22
VSSAXG_SENSE AT22
VAXG1
AT21
VAXG2
AT19
VAXG3
AT18
VAXG4
AT16
VAXG5
AR21
VAXG6
AR19
VAXG7
AR18
VAXG8
AR16
VAXG9
AP21
VAXG10
AP19
VAXG11
AP18
VAXG12
AP16
VAXG13
AN21
VAXG14
AN19
VAXG15
AN18
VAXG16
AN16
VAXG17
AM21
VAXG18
AM19
VAXG19
AM18
VAXG20
AM16
VAXG21
AL21
VAXG22
AL19
VAXG23
AL18
VAXG24
AL16
VAXG25
AK21
VAXG26
AK19
VAXG27
AK18
VAXG28
AK16
VAXG29
AJ21
VAXG30
AJ19
VAXG31
AJ18
VAXG32
AJ16
VAXG33
AH21
VAXG34
AH19
VAXG35
AH18
VAXG36
AH16
VTT1_45
J24
VTT1_46
J23
VTT1_47
H25
VTT1_48
K26
VTT1_49
J27
VTT1_50
J26
VTT1_51
J25
VTT1_52
H27
VTT1_53
G28
VTT1_54
G27
VTT1_55
G26
VTT1_56
F26
VTT1_57
E26
VTT1_58
E25
VDDQ1 AJ1
VDDQ2 AF1
VDDQ3 AE7
VDDQ4 AE4
VDDQ5 AC1
VDDQ6 AB7
VDDQ7 AB4
VDDQ8 Y1
VDDQ9 W7
VDDQ10 W4
VDDQ11 U1
VDDQ12 T7
VDDQ13 T4
VDDQ14 P1
VDDQ15 N7
VDDQ16 N4
VDDQ17 L1
VDDQ18 H1
VTT0_59 P10
VTT0_60 N10
VTT0_61 L10
VTT0_62 K10
VCCPLL1 L26
VCCPLL2 L27
VCCPLL3 M26
VTT1_63 J22
VTT1_64 J20
VTT1_65 J18
VTT1_66 H21
VTT1_67 H20
VTT1_68 H19
C230 0.1U_0402_16V4ZC230 0.1U_0402_16V4Z
1 2
R82 100_0402_1%R82 100_0402_1%
1 2
R94 0_0402_5%R94 0_0402_5%
1 2
C127
22U_0805_6.3V6M
C127
22U_0805_6.3V6M
1
2
C133
1U_0402_6.3V4Z
C133
1U_0402_6.3V4Z
1
2
+
C185
390U_2.5V_M_R10
+
C185
390U_2.5V_M_R10
1
2
R71 0_0805_5%R71 0_0805_5%
12
R95 0_0402_5%R95 0_0402_5%
1 2

5
5
4
4
3
3
2
2
1
1
D D
C C
B B
A A
H_NCTF1
H_NCTF2
H_NCTF6
H_NCTF7
CFG3
CFG6
CFG5
CFG4
CFG7
CFG10
CFG9
CFG8
CFG11
CFG15
CFG14
CFG13
CFG18
CFG17
CFG16
CFG0
CFG1
CFG2
RSVD17
RSVD18
RSVD64
RSVD65
Title
Size Document Number Rev
Date: Sheet of
Security Classification
Compal Secret Data
THIS SHEET OF ENGINEERING DRAWING IS THE PROPRIETARY PROPERTY OF COMPAL ELECTRONICS, INC. AND CONTAINS CONFIDENTIAL
AND TRADE SECRET INFORMATION. THIS SHEET MAY NOT BE TRANSFERED FROM THE CUSTODY OF THE COMPETENT DIVISION OF R&D
DEPARTMENT EXCEPT AS AUTHORIZED BY COMPAL ELECTRONICS, INC. NEITHER THIS SHEET NOR THE INFORMATION IT CONTAINS
MAY BE USED BY OR DISCLOSED TO ANY THIRD PARTY WITHOUT PRIOR WRITTEN CONSENT OF COMPAL ELECTRONICS, INC.
Issued Date Deciphered Date
NALAA LA-6041P M/B
1.0
CPU GND/RESERVED
Custom
10 48Tuesday, April 13, 2010
2009/01/23 2010/01/23
Compal Electronics, Inc.
Title
Size Document Number Rev
Date: Sheet of
Security Classification
Compal Secret Data
THIS SHEET OF ENGINEERING DRAWING IS THE PROPRIETARY PROPERTY OF COMPAL ELECTRONICS, INC. AND CONTAINS CONFIDENTIAL
AND TRADE SECRET INFORMATION. THIS SHEET MAY NOT BE TRANSFERED FROM THE CUSTODY OF THE COMPETENT DIVISION OF R&D
DEPARTMENT EXCEPT AS AUTHORIZED BY COMPAL ELECTRONICS, INC. NEITHER THIS SHEET NOR THE INFORMATION IT CONTAINS
MAY BE USED BY OR DISCLOSED TO ANY THIRD PARTY WITHOUT PRIOR WRITTEN CONSENT OF COMPAL ELECTRONICS, INC.
Issued Date Deciphered Date
NALAA LA-6041P M/B
1.0
CPU GND/RESERVED
Custom
10 48Tuesday, April 13, 2010
2009/01/23 2010/01/23
Compal Electronics, Inc.
Title
Size Document Number Rev
Date: Sheet of
Security Classification
Compal Secret Data
THIS SHEET OF ENGINEERING DRAWING IS THE PROPRIETARY PROPERTY OF COMPAL ELECTRONICS, INC. AND CONTAINS CONFIDENTIAL
AND TRADE SECRET INFORMATION. THIS SHEET MAY NOT BE TRANSFERED FROM THE CUSTODY OF THE COMPETENT DIVISION OF R&D
DEPARTMENT EXCEPT AS AUTHORIZED BY COMPAL ELECTRONICS, INC. NEITHER THIS SHEET NOR THE INFORMATION IT CONTAINS
MAY BE USED BY OR DISCLOSED TO ANY THIRD PARTY WITHOUT PRIOR WRITTEN CONSENT OF COMPAL ELECTRONICS, INC.
Issued Date Deciphered Date
NALAA LA-6041P M/B
1.0
CPU GND/RESERVED
Custom
10 48Tuesday, April 13, 2010
2009/01/23 2010/01/23
Compal Electronics, Inc.
WW41 Recommend not pull down
PCIE2.0 Jitter is over on ES1
(SA_DIMM_VREF)
(SB_DIMM_VREF)
CFG0 - PCI-Express Configuration Select
*1:Single PEG
0:Bifurcation enabled
*1 :Normal Operation
0 :Lane Numbers Reversed
15 -> 0, 14 -> 1, ...
CFG4 - Display Port Presence
*:Default
*1:Disabled; No Physical Display Port
attached to Embedded Display Port
0:Enabled; An external Display Port
device is connected to the Embedded
Display Port
CFG3 - PCI-Express Static Lane Reversal
Reserve via for test
Reserve via for test
T6
PAD T6
PAD
R753.01K_0402_1% @R753.01K_0402_1% @
1 2
R763.01K_0402_1% @R763.01K_0402_1% @
1 2
VSS
NCTF
JCPUI
IC,AUB_CFD_rPGA,R0P9
@
VSS
NCTF
JCPUI
IC,AUB_CFD_rPGA,R0P9
@
VSS161
K27
VSS162
K9
VSS163
K6
VSS164
K3
VSS165
J32
VSS166
J30
VSS167
J21
VSS168
J19
VSS169
H35
VSS170
H32
VSS171
H28
VSS172
H26
VSS173
H24
VSS174
H22
VSS175
H18
VSS176
H15
VSS177
H13
VSS178
H11
VSS179
H8
VSS180
H5
VSS181
H2
VSS182
G34
VSS183
G31
VSS184
G20
VSS185
G9
VSS186
G6
VSS187
G3
VSS188
F30
VSS189
F27
VSS190
F25
VSS191
F22
VSS192
F19
VSS193
F16
VSS194
E35
VSS195
E32
VSS196
E29
VSS197
E24
VSS198
E21
VSS199
E18
VSS200
E13
VSS201
E11
VSS202
E8
VSS203
E5
VSS204
E2
VSS205
D33
VSS206
D30
VSS207
D26
VSS208
D9
VSS209
D6
VSS210
D3
VSS211
C34
VSS212
C32
VSS213
C29
VSS214
C28
VSS215
C24
VSS216
C22
VSS217
C20
VSS218
C19
VSS219
C16
VSS220
B31
VSS221
B25
VSS222
B21
VSS223
B18
VSS224
B17
VSS225
B13
VSS226
B11
VSS227
B8
VSS228
B6
VSS229
B4
VSS230
A29
VSS_NCTF1 AT35
VSS_NCTF2 AT1
VSS_NCTF3 AR34
VSS_NCTF4 B34
VSS_NCTF5 B2
VSS_NCTF6 B1
VSS_NCTF7 A35
VSS231
A27
VSS232
A23
VSS233
A9
RESERVED
JCPUE
IC,AUB_CFD_rPGA,R0P9
@
RESERVED
JCPUE
IC,AUB_CFD_rPGA,R0P9
@
CFG[0]
AM30
CFG[1]
AM28
CFG[2]
AP31
CFG[3]
AL32
CFG[4]
AL30
CFG[5]
AM31
CFG[6]
AN29
CFG[7]
AM32
CFG[8]
AK32
CFG[9]
AK31
CFG[10]
AK28
CFG[11]
AJ28
CFG[12]
AN30
CFG[13]
AN32
CFG[14]
AJ32
CFG[15]
AJ29
CFG[16]
AJ30
CFG[17]
AK30
RSVD34 AH25
RSVD35 AK26
RSVD38 AJ26
RSVD_NCTF_42 AT3
RSVD39 AJ27
RSVD_NCTF_40 AP1
RSVD_NCTF_41 AT2
RSVD_NCTF_43 AR1
RSVD_TP_86
H16
RSVD45 AL28
RSVD46 AL29
RSVD47 AP30
RSVD48 AP32
RSVD49 AL27
RSVD50 AT31
RSVD51 AT32
RSVD52 AP33
RSVD53 AR33
RSVD_NCTF_54 AT33
RSVD_NCTF_55 AT34
RSVD_NCTF_56 AP35
RSVD_NCTF_57 AR35
RSVD58 AR32
RSVD_NCTF_30
C35
RSVD_NCTF_31
B35
RSVD_NCTF_28
A34
RSVD_NCTF_29
A33
RSVD27
J28 RSVD26
J29
RSVD16
A19 RSVD15
B19
RSVD17
A20
RSVD18
B20
RSVD20
T9 RSVD19
U9
RSVD22
AB9 RSVD21
AC9
RSVD_NCTF_23
C1
RSVD_NCTF_24
A3
RSVD_TP_66 AA5
RSVD_TP_67 AA4
RSVD_TP_68 R8
RSVD_TP_71 AA2
RSVD_TP_72 AA1
RSVD_TP_73 R9
RSVD_TP_69 AD3
RSVD_TP_74 AG7
RSVD_TP_70 AD2
RSVD_TP_75 AE3
RSVD_TP_76 V4
RSVD_TP_77 V5
RSVD_TP_78 N2
RSVD_TP_81 W3
RSVD_TP_82 W2
RSVD_TP_83 N3
RSVD_TP_79 AD5
RSVD_TP_84 AE5
RSVD_TP_80 AD7
RSVD_TP_85 AD9
RSVD36 AL26
RSVD_NCTF_37 AR2
RSVD1
AP25
RSVD2
AL25
RSVD3
AL24
RSVD4
AL22
RSVD5
AJ33
RSVD6
AG9
RSVD7
M27
RSVD8
L28
RSVD9
J17
RSVD10
H17
RSVD11
G25
RSVD12
G17
RSVD13
E31
RSVD14
E30
RSVD32 AJ13
RSVD33 AJ12
RSVD_TP_59 E15
RSVD_TP_60 F15
KEY A2
RSVD62 D15
RSVD63 C15
RSVD64 AJ15
RSVD65 AH15
VSS AP34
VSS
JCPUH
IC,AUB_CFD_rPGA,R0P9
@
VSS
JCPUH
IC,AUB_CFD_rPGA,R0P9
@
VSS1
AT20
VSS2
AT17
VSS3
AR31
VSS4
AR28
VSS5
AR26
VSS6
AR24
VSS7
AR23
VSS8
AR20
VSS9
AR17
VSS10
AR15
VSS11
AR12
VSS12
AR9
VSS13
AR6
VSS14
AR3
VSS15
AP20
VSS16
AP17
VSS17
AP13
VSS18
AP10
VSS19
AP7
VSS20
AP4
VSS21
AP2
VSS22
AN34
VSS23
AN31
VSS24
AN23
VSS25
AN20
VSS26
AN17
VSS27
AM29
VSS28
AM27
VSS29
AM25
VSS30
AM20
VSS31
AM17
VSS32
AM14
VSS33
AM11
VSS34
AM8
VSS35
AM5
VSS36
AM2
VSS37
AL34
VSS38
AL31
VSS39
AL23
VSS40
AL20
VSS41
AL17
VSS42
AL12
VSS43
AL9
VSS44
AL6
VSS45
AL3
VSS46
AK29
VSS47
AK27
VSS48
AK25
VSS49
AK20
VSS50
AK17
VSS51
AJ31
VSS52
AJ23
VSS53
AJ20
VSS54
AJ17
VSS55
AJ14
VSS56
AJ11
VSS57
AJ8
VSS58
AJ5
VSS59
AJ2
VSS60
AH35
VSS61
AH34
VSS62
AH33
VSS63
AH32
VSS64
AH31
VSS65
AH30
VSS66
AH29
VSS67
AH28
VSS68
AH27
VSS69
AH26
VSS70
AH20
VSS71
AH17
VSS72
AH13
VSS73
AH9
VSS74
AH6
VSS75
AH3
VSS76
AG10
VSS77
AF8
VSS78
AF4
VSS79
AF2
VSS80
AE35
VSS81 AE34
VSS82 AE33
VSS83 AE32
VSS84 AE31
VSS85 AE30
VSS86 AE29
VSS87 AE28
VSS88 AE27
VSS89 AE26
VSS90 AE6
VSS91 AD10
VSS92 AC8
VSS93 AC4
VSS94 AC2
VSS95 AB35
VSS96 AB34
VSS97 AB33
VSS98 AB32
VSS99 AB31
VSS100 AB30
VSS101 AB29
VSS102 AB28
VSS103 AB27
VSS104 AB26
VSS105 AB6
VSS106 AA10
VSS107 Y8
VSS108 Y4
VSS109 Y2
VSS110 W35
VSS111 W34
VSS112 W33
VSS113 W32
VSS114 W31
VSS115 W30
VSS116 W29
VSS117 W28
VSS118 W27
VSS119 W26
VSS120 W6
VSS121 V10
VSS122 U8
VSS123 U4
VSS124 U2
VSS125 T35
VSS126 T34
VSS127 T33
VSS128 T32
VSS129 T31
VSS130 T30
VSS131 T29
VSS132 T28
VSS133 T27
VSS134 T26
VSS135 T6
VSS136 R10
VSS137 P8
VSS138 P4
VSS139 P2
VSS140 N35
VSS141 N34
VSS142 N33
VSS143 N32
VSS144 N31
VSS145 N30
VSS146 N29
VSS147 N28
VSS148 N27
VSS149 N26
VSS150 N6
VSS151 M10
VSS152 L35
VSS153 L32
VSS154 L29
VSS155 L8
VSS156 L5
VSS157 L2
VSS158 K34
VSS159 K33
VSS160 K30
T5
PAD T5
PAD
T7
PAD T7
PAD
R743.01K_0402_1% @R743.01K_0402_1% @
1 2
T4
PAD T4
PAD

5
5
4
4
3
3
2
2
1
1
D D
C C
B B
A A
DDR_A_D3
DDR_A_DM1
DDR_A_D18
DDR_A_DM3
DDR_A_D27
DDR_A_MA3
DDR_A_D41
DDR_A_D30
DDR_A_MA7
DDR_A_D1
DDR_A_D5
DDR_A_DQS0
DDR_A_D12
DDR_A_D24
DDR_A_DM7
DDR_A_DQS3
DDR_A_D62
DDR_A_D43
DDR_A_DQS6
DDR_A_D46
DDR_A_MA13
DDR_A_D40
DDR_A_D51
DDR_A_D59
DDR_A_D22
DDR_A_D28
DDR_A_D37
DDR_A_D45
DDR_A_D53
DDR_A_D26
DDR_A_MA5
DDR_A_D35
DDR_A_DM2
DDR_A_MA15
DDR_A_MA6
DDR_A_MA2
DDR_A_D47
DDR_A_D52
DDR_A_DM5
DDR_A_DQS#5
DDR_A_DM6
DDR_A_D25
DDR_A_D49
DDR_A_D56
DDR_A_D57
DDR_A_DQS1
DDR_A_D20
DDR_A_MA8
DDR_A_D34
DDR_A_MA4
DDR_A_D60
DDR_A_D32
DDR_A_DQS4
DDR_A_D29
DDR_A_MA14
DDR_A_D38
DDR_A_D61
DDR_A_D0
DDR_A_D19
DDR_A_MA10
DDR_A_D58
DDR_A_D21
DDR_A_D31
DDR_A_MA1
DDR_A_D23
DDR_A_D36
DDR_A_D54
DDR_A_D8
DDR_A_D13
DDR_A_D48
DDR_A_D55
DDR_A_DQS#1
DDR_A_D11
DDR_A_D16
DDR_A_D50
DDR_A_DM0
DDR_A_D14
DDR_A_D17
DDR_A_DQS2
DDR_A_D33
DDR_A_DQS#4
DDR_A_DQS#3
DDR_A_MA0
DDR_A_D39
DDR_A_DQS7
DDR_A_D7
DDR_A_D15
DDR_A_DQS#6
DDR_A_D44
DDR_A_DQS5
DDR_A_D63
DDR_A_D9
DDR_A_D4
DDR_A_MA12
DDR_A_D42
DDR_A_D2
DDR_A_D10
DDR_A_DQS#0
DDR_A_D6
DDR_A_DQS#2
DDR_A_MA9
DDR_A_MA11
DDR_A_DM4
DDR_A_DQS#7
+DDR_VREF_CA_DIMMA
DDRA_CKE1 7DDRA_CKE07
DDR_A_RAS# 7
DDRA_ODT1 7
DDR_A_BS07
DDRA_CLK0#7
DDR_A_WE#7
DDR_A_BS27
PM_SMBCLK 12,13,17,27
DDRA_ODT0 7
DDR_A_BS1 7
DDRA_SCS0# 7
DDR_A_CAS#7
DDRA_CLK1 7
DDRA_SCS1#7
PM_SMBDATA 12,13,17,27
SM_DRAMRST# 5,12
PM_EXTTS# 5,12
DDRA_CLK1# 7
DDRA_CLK07
DDR_A_DQS#[0..7]7
DDR_A_DQS[0..7]7
DDR_A_D[0..63]7
DDR_A_DM[0..7]7
DDR_A_MA[0..15]7
+1.5V
+V_DDR3_DIMM_REF
+3VS
+0.75VS
+1.5V
+VREF_DQA
+0.75VS
+VREF_DQB
+V_DDR3_DIMM_REF
+1.5V
+VREF_DQA
+1.5V
+1.5V +0.75VS
+1.5V
Title
Size Document Number Rev
Date: Sheet of
Security Classification
Compal Secret Data
THIS SHEET OF ENGINEERING DRAWING IS THE PROPRIETARY PROPERTY OF COMPAL ELECTRONICS, INC. AND CONTAINS CONFIDENTIAL
AND TRADE SECRET INFORMATION. THIS SHEET MAY NOT BE TRANSFERED FROM THE CUSTODY OF THE COMPETENT DIVISION OF R&D
DEPARTMENT EXCEPT AS AUTHORIZED BY COMPAL ELECTRONICS, INC. NEITHER THIS SHEET NOR THE INFORMATION IT CONTAINS
MAY BE USED BY OR DISCLOSED TO ANY THIRD PARTY WITHOUT PRIOR WRITTEN CONSENT OF COMPAL ELECTRONICS, INC.
Issued Date Deciphered Date
NALAA LA-6041P M/B
1.0
DDRIII-SODIMM0
Custom
11 48Tuesday, April 13, 2010
2009/01/23 2010/01/23
Compal Electronics, Inc.
Title
Size Document Number Rev
Date: Sheet of
Security Classification
Compal Secret Data
THIS SHEET OF ENGINEERING DRAWING IS THE PROPRIETARY PROPERTY OF COMPAL ELECTRONICS, INC. AND CONTAINS CONFIDENTIAL
AND TRADE SECRET INFORMATION. THIS SHEET MAY NOT BE TRANSFERED FROM THE CUSTODY OF THE COMPETENT DIVISION OF R&D
DEPARTMENT EXCEPT AS AUTHORIZED BY COMPAL ELECTRONICS, INC. NEITHER THIS SHEET NOR THE INFORMATION IT CONTAINS
MAY BE USED BY OR DISCLOSED TO ANY THIRD PARTY WITHOUT PRIOR WRITTEN CONSENT OF COMPAL ELECTRONICS, INC.
Issued Date Deciphered Date
NALAA LA-6041P M/B
1.0
DDRIII-SODIMM0
Custom
11 48Tuesday, April 13, 2010
2009/01/23 2010/01/23
Compal Electronics, Inc.
Title
Size Document Number Rev
Date: Sheet of
Security Classification
Compal Secret Data
THIS SHEET OF ENGINEERING DRAWING IS THE PROPRIETARY PROPERTY OF COMPAL ELECTRONICS, INC. AND CONTAINS CONFIDENTIAL
AND TRADE SECRET INFORMATION. THIS SHEET MAY NOT BE TRANSFERED FROM THE CUSTODY OF THE COMPETENT DIVISION OF R&D
DEPARTMENT EXCEPT AS AUTHORIZED BY COMPAL ELECTRONICS, INC. NEITHER THIS SHEET NOR THE INFORMATION IT CONTAINS
MAY BE USED BY OR DISCLOSED TO ANY THIRD PARTY WITHOUT PRIOR WRITTEN CONSENT OF COMPAL ELECTRONICS, INC.
Issued Date Deciphered Date
NALAA LA-6041P M/B
1.0
DDRIII-SODIMM0
Custom
11 48Tuesday, April 13, 2010
2009/01/23 2010/01/23
Compal Electronics, Inc.
Standard Type
DDR3 SO-DIMM A
close to JDDRL.1
close to JDDRL.126
M1 Circuit
Layout Note:
Place near JDDRH
Layout Note:
Place near JDDRH.203 and 204
Layout Note: Place these 4 Caps near
Command and Control signals of JDDRH
For EMI Request
For EMI Request
R91
10K_0402_5%
R91
10K_0402_5%
12
C177 1U_0402_6.3V4ZC177 1U_0402_6.3V4Z
12
C171 10U_0805_6.3V6MC171 10U_0805_6.3V6M
1 2
C162
0.1U_0402_16V4Z
C162
0.1U_0402_16V4Z
1
2
C169 1U_0402_6.3V4ZC169 1U_0402_6.3V4Z
12
R89
0_0402_5%
R89
0_0402_5%
1 2
C167 0.1U_0402_16V4ZC167 0.1U_0402_16V4Z
1 2
R78 0_0402_5%R78 0_0402_5%
12
C161
2.2U_0603_6.3V4Z
C161
2.2U_0603_6.3V4Z
1
2
C22 68P_0402_50V8JC22 68P_0402_50V8J
12
C174 10U_0805_6.3V6MC174 10U_0805_6.3V6M
1 2
R79
1K_0402_1%
R79
1K_0402_1%
12
C166 10U_0805_6.3V6MC166 10U_0805_6.3V6M
1 2
C157
2.2U_0603_6.3V4Z
C157
2.2U_0603_6.3V4Z
1
2
R81
1K_0402_1%
R81
1K_0402_1%
12
C21 68P_0402_50V8JC21 68P_0402_50V8J
1 2
JDDRH
FOX_AS0A626-U2SN-7F_204P
@
JDDRH
FOX_AS0A626-U2SN-7F_204P
@
VREF_DQ
1
VSS
3
DQ0
5
DQ1
7
VSS
9
DM0
11
VSS
13
DQ2
15
DQ3
17
VSS
19
DQ8
21
DQ9
23
VSS
25
DQS1#
27
DQS1
29
VSS
31
DQ10
33
DQ11
35
VSS
37
DQ16
39
VSS 2
DQ4 4
DQ5 6
VSS 8
DQS0# 10
DQS0 12
VSS 14
DQ6 16
DQ7 18
VSS 20
DQ12 22
DQ13 24
VSS 26
DM1 28
RESET# 30
VSS 32
DQ14 34
DQ15 36
VSS 38
DQ20 40
DQ17
41
VSS
43
DQS2#
45
DQS2
47
VSS
49
DQ18
51
DQ19
53
VSS
55
DQ24
57
DQ25
59
VSS
61
DM3
63
VSS
65
DQ26
67
DQ27
69
VSS
71
CKE0
73
VDD
75
NC
77
BA2
79
VDD
81
A12/BC#
83
A9
85
VDD
87
A8
89
A5
91
VDD
93
A3
95
A1
97
VDD
99
CK0
101
CK0#
103
VDD
105
A10/AP
107
BA0
109
VDD
111
WE#
113
CAS#
115
VDD
117
A13
119
S1#
121
VDD
123
TEST
125
VSS
127
DQ32
129
DQ33
131
VSS
133
DQS4#
135
DQS4
137
VSS
139
DQ34
141
DQ35
143
VSS
145
DQ40
147
DQ41
149
VSS
151
DM5
153
VSS
155
DQ42
157
DQ43
159
VSS
161
DQ48
163
DQ49
165
VSS
167
DQS6#
169
DQS6
171
VSS
173
DQ50
175
DQ51
177
VSS
179
DQ56
181
DQ57
183
VSS
185
DM7
187
VSS
189
DQ58
191
DQ59
193
VSS
195
SA0
197
VDDSPD
199
DQ21 42
VSS 44
DM2 46
VSS 48
DQ22 50
DQ23 52
VSS 54
DQ28 56
DQ29 58
VSS 60
DQS3# 62
DQS3 64
VSS 66
DQ30 68
DQ31 70
VSS 72
CKE1 74
VDD 76
A15 78
A14 80
VDD 82
A11 84
A7 86
VDD 88
A6 90
A4 92
VDD 94
A2 96
A0 98
VDD 100
CK1 102
CK1# 104
VDD 106
BA1 108
RAS# 110
VDD 112
S0# 114
ODT0 116
VDD 118
ODT1 120
NC 122
VDD 124
VREF_CA 126
VSS 128
DQ36 130
DQ37 132
VSS 134
DM4 136
VSS 138
DQ38 140
DQ39 142
VSS 144
DQ44 146
DQ45 148
VSS 150
DQS5# 152
DQS5 154
VSS 156
DQ46 158
DQ47 160
VSS 162
DQ52 164
DQ53 166
VSS 168
DM6 170
VSS 172
DQ54 174
DQ55 176
VSS 178
DQ60 180
DQ61 182
VSS 184
DQS7# 186
DQS7 188
VSS 190
DQ62 192
DQ63 194
VSS 196
EVENT# 198
SDA 200
SA1
201
VTT
203
GND1
205
SCL 202
VTT 204
BOSS1 206
GND2
207 BOSS2 208
R83
1K_0402_1%
PS@
R83
1K_0402_1%
PS@
12
C175 1U_0402_6.3V4ZC175 1U_0402_6.3V4Z
12
C165 10U_0805_6.3V6MC165 10U_0805_6.3V6M
1 2
C182
0.1U_0402_16V4Z
C182
0.1U_0402_16V4Z
1
2
C176 10U_0805_6.3V6MC176 10U_0805_6.3V6M
1 2
C170 0.1U_0402_16V4ZC170 0.1U_0402_16V4Z
1 2
C164 0.1U_0402_16V4ZC164 0.1U_0402_16V4Z
1 2
C156
0.1U_0402_16V4Z
C156
0.1U_0402_16V4Z
1
2
C181
2.2U_0603_6.3V4Z
C181
2.2U_0603_6.3V4Z
1
2
C178 10U_0805_6.3V6MC178 10U_0805_6.3V6M
1 2
R90
10K_0402_5%
R90
10K_0402_5%
1 2
C172 1U_0402_6.3V4ZC172 1U_0402_6.3V4Z
12
R80 0_0402_5%R80 0_0402_5%
12
+
C268 390U_2.5V_M_R10
+
C268 390U_2.5V_M_R10
1 2
C173 0.1U_0402_16V4ZC173 0.1U_0402_16V4Z
1 2
C168 10U_0805_6.3V6MC168 10U_0805_6.3V6M
1 2

A
A
B
B
C
C
D
D
E
E
1 1
2 2
3 3
4 4
DDR_B_D25
DDR_B_D26
DDR_B_D32
DDR_B_D55
DDR_B_D8
DDR_B_MA12
DDR_B_D43
DDR_B_DQS#6
DDR_B_D1
DDR_B_DQS#0
DDR_B_D15
DDR_B_D48
DDR_B_DM7
DDR_B_D30
DDR_B_D38
DDR_B_D52
DDR_B_D53
DDR_B_D20
DDR_B_D17
DDR_B_D50
DDR_B_D51
DDR_B_D23
DDR_B_MA6
DDR_B_D47
DDR_B_D9
DDR_B_D18
DDR_B_MA10
DDR_B_DQS#3
DDR_B_MA15
DDR_B_D46
DDR_B_D16
DDR_B_DQS#4
DDR_B_D35
DDR_B_D56
DDR_B_D29
DDR_B_MA11
DDR_B_MA4
DDR_B_D0
DDR_B_D13
DDR_B_D41
DDR_B_D21
DDR_B_MA7
DDR_B_D36
DDR_B_DM4
DDR_B_D54
DDR_B_D63
DDR_B_DQS#1
DDR_B_D19
DDR_B_D24
DDR_B_MA8
DDR_B_MA3
DDR_B_D57
DDR_B_DQS3
DDR_B_MA14
DDR_B_DQS#7
DDR_B_D44
DDR_B_D45
DDR_B_DM0
DDR_B_D2
DDR_B_MA9
DDR_B_MA13
DDR_B_D49
DDR_B_D61
DDR_B_D11
DDR_B_DQS0
DDR_B_MA1
DDR_B_D33
DDR_B_D31
DDR_B_MA2
DDR_B_DQS5
DDR_B_DM6
DDR_B_DQS7
DDR_B_D3
DDR_B_D4
DDR_B_D5
DDR_B_D6
DDR_B_MA5
DDR_B_D34
DDR_B_DM5
DDR_B_D58
DDR_B_D28
DDR_B_MA0
DDR_B_D62
DDR_B_D42
DDR_B_DQS6
DDR_B_D39
DDR_B_DQS#5
DDR_B_D60
DDR_B_DQS1
DDR_B_D10
DDR_B_D12
DDR_B_D40
DDR_B_DM2
DDR_B_D22
DDR_B_D7
DDR_B_DM1
DDR_B_DQS#2
DDR_B_DQS2
DDR_B_DM3
DDR_B_DQS4
DDR_B_D14
DDR_B_D27
DDR_B_D59
DDR_B_D37
+DDR_VREF_CA_DIMMB
DDRB_CLK1# 7
DDR_B_CAS#7
PM_SMBDATA 11,13,17,27
DDR_B_RAS# 7DDR_B_BS07
DDRB_ODT1 7
DDRB_CLK0#7
DDRB_CKE1 7
DDR_B_BS1 7
DDR_B_BS27
DDRB_CLK07
DDRB_SCS1#7
PM_EXTTS# 5,11
DDRB_SCS0# 7
DDRB_CLK1 7
DDRB_ODT0 7
DDRB_CKE07
PM_SMBCLK 11,13,17,27
SM_DRAMRST# 5,11
DDR_B_WE#7
DDR_B_DQS#[0..7]7
DDR_B_DQS[0..7]7
DDR_B_D[0..63]7
DDR_B_MA[0..15]7
DDR_B_DM[0..7]7
+0.75VS
+V_DDR3_DIMM_REF
+1.5V
+3VS
+1.5V
+VREF_DQB
+0.75VS
+1.5V
+0.75VS+1.5V
Title
Size Document Number Rev
Date: Sheet of
Security Classification
Compal Secret Data
THIS SHEET OF ENGINEERING DRAWING IS THE PROPRIETARY PROPERTY OF COMPAL ELECTRONICS, INC. AND CONTAINS CONFIDENTIAL
AND TRADE SECRET INFORMATION. THIS SHEET MAY NOT BE TRANSFERED FROM THE CUSTODY OF THE COMPETENT DIVISION OF R&D
DEPARTMENT EXCEPT AS AUTHORIZED BY COMPAL ELECTRONICS, INC. NEITHER THIS SHEET NOR THE INFORMATION IT CONTAINS
MAY BE USED BY OR DISCLOSED TO ANY THIRD PARTY WITHOUT PRIOR WRITTEN CONSENT OF COMPAL ELECTRONICS, INC.
Issued Date Deciphered Date
NALAA LA-6041P M/B
1.0
DDRIII-SODIMM1
Custom
12 48Tuesday, April 13, 2010
2009/01/23 2010/01/23
Compal Electronics, Inc.
Title
Size Document Number Rev
Date: Sheet of
Security Classification
Compal Secret Data
THIS SHEET OF ENGINEERING DRAWING IS THE PROPRIETARY PROPERTY OF COMPAL ELECTRONICS, INC. AND CONTAINS CONFIDENTIAL
AND TRADE SECRET INFORMATION. THIS SHEET MAY NOT BE TRANSFERED FROM THE CUSTODY OF THE COMPETENT DIVISION OF R&D
DEPARTMENT EXCEPT AS AUTHORIZED BY COMPAL ELECTRONICS, INC. NEITHER THIS SHEET NOR THE INFORMATION IT CONTAINS
MAY BE USED BY OR DISCLOSED TO ANY THIRD PARTY WITHOUT PRIOR WRITTEN CONSENT OF COMPAL ELECTRONICS, INC.
Issued Date Deciphered Date
NALAA LA-6041P M/B
1.0
DDRIII-SODIMM1
Custom
12 48Tuesday, April 13, 2010
2009/01/23 2010/01/23
Compal Electronics, Inc.
Title
Size Document Number Rev
Date: Sheet of
Security Classification
Compal Secret Data
THIS SHEET OF ENGINEERING DRAWING IS THE PROPRIETARY PROPERTY OF COMPAL ELECTRONICS, INC. AND CONTAINS CONFIDENTIAL
AND TRADE SECRET INFORMATION. THIS SHEET MAY NOT BE TRANSFERED FROM THE CUSTODY OF THE COMPETENT DIVISION OF R&D
DEPARTMENT EXCEPT AS AUTHORIZED BY COMPAL ELECTRONICS, INC. NEITHER THIS SHEET NOR THE INFORMATION IT CONTAINS
MAY BE USED BY OR DISCLOSED TO ANY THIRD PARTY WITHOUT PRIOR WRITTEN CONSENT OF COMPAL ELECTRONICS, INC.
Issued Date Deciphered Date
NALAA LA-6041P M/B
1.0
DDRIII-SODIMM1
Custom
12 48Tuesday, April 13, 2010
2009/01/23 2010/01/23
Compal Electronics, Inc.
Standard Type
DDR3 SO-DIMM B
close to JDDRH.1
close to JDDRH.126
Layout Note:
Place near JDDRL
Layout Note:
Place near JDDRL.203 and 204
Layout Note: Place these 4 Caps near
Command and Control signals of JEERL
For EMI Request
For EMI Request
JDDRL
FOX_AS0A626-UASN-7F_204P
@
JDDRL
FOX_AS0A626-UASN-7F_204P
@
VREF_DQ
1
VSS
3
DQ0
5
DQ1
7
VSS
9
DM0
11
VSS
13
DQ2
15
DQ3
17
VSS
19
DQ8
21
DQ9
23
VSS
25
DQS1#
27
DQS1
29
VSS
31
DQ10
33
DQ11
35
VSS
37
DQ16
39
VSS 2
DQ4 4
DQ5 6
VSS 8
DQS0# 10
DQS0 12
VSS 14
DQ6 16
DQ7 18
VSS 20
DQ12 22
DQ13 24
VSS 26
DM1 28
RESET# 30
VSS 32
DQ14 34
DQ15 36
VSS 38
DQ20 40
DQ17
41
VSS
43
DQS2#
45
DQS2
47
VSS
49
DQ18
51
DQ19
53
VSS
55
DQ24
57
DQ25
59
VSS
61
DM3
63
VSS
65
DQ26
67
DQ27
69
VSS
71
CKE0
73
VDD
75
NC
77
BA2
79
VDD
81
A12/BC#
83
A9
85
VDD
87
A8
89
A5
91
VDD
93
A3
95
A1
97
VDD
99
CK0
101
CK0#
103
VDD
105
A10/AP
107
BA0
109
VDD
111
WE#
113
CAS#
115
VDD
117
A13
119
S1#
121
VDD
123
TEST
125
VSS
127
DQ32
129
DQ33
131
VSS
133
DQS4#
135
DQS4
137
VSS
139
DQ34
141
DQ35
143
VSS
145
DQ40
147
DQ41
149
VSS
151
DM5
153
VSS
155
DQ42
157
DQ43
159
VSS
161
DQ48
163
DQ49
165
VSS
167
DQS6#
169
DQS6
171
VSS
173
DQ50
175
DQ51
177
VSS
179
DQ56
181
DQ57
183
VSS
185
DM7
187
VSS
189
DQ58
191
DQ59
193
VSS
195
SA0
197
VDDSPD
199
DQ21 42
VSS 44
DM2 46
VSS 48
DQ22 50
DQ23 52
VSS 54
DQ28 56
DQ29 58
VSS 60
DQS3# 62
DQS3 64
VSS 66
DQ30 68
DQ31 70
VSS 72
CKE1 74
VDD 76
A15 78
A14 80
VDD 82
A11 84
A7 86
VDD 88
A6 90
A4 92
VDD 94
A2 96
A0 98
VDD 100
CK1 102
CK1# 104
VDD 106
BA1 108
RAS# 110
VDD 112
S0# 114
ODT0 116
VDD 118
ODT1 120
NC 122
VDD 124
VREF_CA 126
VSS 128
DQ36 130
DQ37 132
VSS 134
DM4 136
VSS 138
DQ38 140
DQ39 142
VSS 144
DQ44 146
DQ45 148
VSS 150
DQS5# 152
DQS5 154
VSS 156
DQ46 158
DQ47 160
VSS 162
DQ52 164
DQ53 166
VSS 168
DM6 170
VSS 172
DQ54 174
DQ55 176
VSS 178
DQ60 180
DQ61 182
VSS 184
DQS7# 186
DQS7 188
VSS 190
DQ62 192
DQ63 194
VSS 196
EVENT# 198
SDA 200
SA1
201
VTT
203
GND1
205
SCL 202
VTT 204
BOSS1 206
GND2
207 BOSS2 208
C193 0.1U_0402_16V4ZC193 0.1U_0402_16V4Z
1 2
C188
0.1U_0402_16V4Z
C188
0.1U_0402_16V4Z
1
2
C202 10U_0805_6.3V6MC202 10U_0805_6.3V6M
1 2
C191 10U_0805_6.3V6MC191 10U_0805_6.3V6M
1 2
R97
0_0402_5%
R97
0_0402_5%
1 2
C208
0.1U_0402_16V4Z
C208
0.1U_0402_16V4Z
1
2
C196 0.1U_0402_16V4ZC196 0.1U_0402_16V4Z
1 2
C192 10U_0805_6.3V6MC192 10U_0805_6.3V6M
1 2
C183
2.2U_0603_6.3V4Z
C183
2.2U_0603_6.3V4Z
1
2
C204 10U_0805_6.3V6MC204 10U_0805_6.3V6M
1 2
R98
10K_0402_5%
R98
10K_0402_5%
1 2
C190 0.1U_0402_16V4ZC190 0.1U_0402_16V4Z
1 2
C207
2.2U_0603_6.3V4Z
C207
2.2U_0603_6.3V4Z
1
2
R99
10K_0402_5%
R99
10K_0402_5%
1 2
C199 0.1U_0402_16V4ZC199 0.1U_0402_16V4Z
1 2
C194 10U_0805_6.3V6MC194 10U_0805_6.3V6M
1 2
C198 1U_0402_6.3V4ZC198 1U_0402_6.3V4Z
12
C184
0.1U_0402_16V4Z
C184
0.1U_0402_16V4Z
1
2
C197 10U_0805_6.3V6MC197 10U_0805_6.3V6M
1 2
C201 1U_0402_6.3V4ZC201 1U_0402_6.3V4Z
12
C23 68P_0402_50V8JC23 68P_0402_50V8J
1 2
C203 1U_0402_6.3V4ZC203 1U_0402_6.3V4Z
12
C200 10U_0805_6.3V6MC200 10U_0805_6.3V6M
1 2
C187
2.2U_0603_6.3V4Z
C187
2.2U_0603_6.3V4Z
1
2
C195 1U_0402_6.3V4ZC195 1U_0402_6.3V4Z
12
C24 68P_0402_50V8JC24 68P_0402_50V8J
12
+
C189 330U_B2_2.5VM_R15M
@
+
C189 330U_B2_2.5VM_R15M
@
1 2

A
A
B
B
C
C
D
D
E
E
F
F
G
G
H
H
1 1
2 2
3 3
4 4
H_STP_CPU#
CLK_XTAL_IN
CLK_XTAL_OUT
CLK_XTAL_OUT
H_STP_CPU#
CK_PWRGD
CLK_XTAL_IN
CPU_SEL
+LCDVDD_R
CLK_48M_CR_R
CK_PWRGD
CPU_SEL
USB20_N11_R
USB20_P11_R
+LCDVDD_R
USB20_N11_R
USB20_P11_R
INT_MIC_CLK
INT_MIC_DATA
BKOFF#_R
BKOFF#_R
CLK_14M_PCH 17
PM_SMBDATA 11,12,17,27
PM_SMBCLK 11,12,17,27
CLK_DOT17
CLK_DOT#17
CLK_SATA#17
CLK_SATA17
PCH_CLK_DMI17
PCH_CLK_DMI#17
CLK_BCLK 17
CLK_BCLK# 17
UMA_ENVDD19
CLK_48M_CR31
CLK_ENABLE# 43
PCH_PWM 19
USB20_P1120
USB20_N1120
LCD_EDID_CLK 19
LCD_EDID_DATA 19
LCD_TZCLK+ 19
LCD_TZCLK- 19
LCD_TXOUT0+19
LCD_TXOUT0-19
LCD_TXOUT1+19
LCD_TXOUT1-19
LCD_TXOUT2+19
LCD_TXOUT2-19
LCD_TZOUT0+19
LCD_TZOUT0-19
LCD_TZOUT1+19
LCD_TZOUT1-19
LCD_TZOUT2+19
LCD_TZOUT2-19
INT_MIC_CLK 29
INT_MIC_DATA 29
LCD_TXCLK+ 19
LCD_TXCLK- 19
BKOFF#32
+3VS +3VS_CK505 +1.05VS +1.05VS_CK505
+3VS_CK505
+3VS_CK505
+1.05VS_CK505
+3VS_CK505
+1.05VS_CK505
+3VS
+LCD_VDD
+LCD_VDD +3VS
+LCD_VDD
+3VS_CK505
+1.05VS
+1.5VS_CK505
+1.5VS +1.5VS_CK505
+1.5VS_CK505
+3VS_LVDS_CAM
+3VS
B+
+3VS
+LCD_INV
+LCD_INV
Title
Size Document Number Rev
Date: Sheet of
Security Classification
Compal Secret Data
THIS SHEET OF ENGINEERING DRAWING IS THE PROPRIETARY PROPERTY OF COMPAL ELECTRONICS, INC. AND CONTAINS CONFIDENTIAL
AND TRADE SECRET INFORMATION. THIS SHEET MAY NOT BE TRANSFERED FROM THE CUSTODY OF THE COMPETENT DIVISION OF R&D
DEPARTMENT EXCEPT AS AUTHORIZED BY COMPAL ELECTRONICS, INC. NEITHER THIS SHEET NOR THE INFORMATION IT CONTAINS
MAY BE USED BY OR DISCLOSED TO ANY THIRD PARTY WITHOUT PRIOR WRITTEN CONSENT OF COMPAL ELECTRONICS, INC.
Issued Date Deciphered Date
NALAA LA-6041P M/B
1.0
Clock Generator (CK505)/ LVDS CONN
Custom
13 48Tuesday, April 13, 2010
2009/01/23 2010/01/23
Compal Electronics, Inc.
Title
Size Document Number Rev
Date: Sheet of
Security Classification
Compal Secret Data
THIS SHEET OF ENGINEERING DRAWING IS THE PROPRIETARY PROPERTY OF COMPAL ELECTRONICS, INC. AND CONTAINS CONFIDENTIAL
AND TRADE SECRET INFORMATION. THIS SHEET MAY NOT BE TRANSFERED FROM THE CUSTODY OF THE COMPETENT DIVISION OF R&D
DEPARTMENT EXCEPT AS AUTHORIZED BY COMPAL ELECTRONICS, INC. NEITHER THIS SHEET NOR THE INFORMATION IT CONTAINS
MAY BE USED BY OR DISCLOSED TO ANY THIRD PARTY WITHOUT PRIOR WRITTEN CONSENT OF COMPAL ELECTRONICS, INC.
Issued Date Deciphered Date
NALAA LA-6041P M/B
1.0
Clock Generator (CK505)/ LVDS CONN
Custom
13 48Tuesday, April 13, 2010
2009/01/23 2010/01/23
Compal Electronics, Inc.
Title
Size Document Number Rev
Date: Sheet of
Security Classification
Compal Secret Data
THIS SHEET OF ENGINEERING DRAWING IS THE PROPRIETARY PROPERTY OF COMPAL ELECTRONICS, INC. AND CONTAINS CONFIDENTIAL
AND TRADE SECRET INFORMATION. THIS SHEET MAY NOT BE TRANSFERED FROM THE CUSTODY OF THE COMPETENT DIVISION OF R&D
DEPARTMENT EXCEPT AS AUTHORIZED BY COMPAL ELECTRONICS, INC. NEITHER THIS SHEET NOR THE INFORMATION IT CONTAINS
MAY BE USED BY OR DISCLOSED TO ANY THIRD PARTY WITHOUT PRIOR WRITTEN CONSENT OF COMPAL ELECTRONICS, INC.
Issued Date Deciphered Date
NALAA LA-6041P M/B
1.0
Clock Generator (CK505)/ LVDS CONN
Custom
13 48Tuesday, April 13, 2010
2009/01/23 2010/01/23
Compal Electronics, Inc.
Clock Generator
Routing the
trace at
least 10mil
Silego Have Internal Pull-Up
IDT Have Internal Pull-Down
1
CPU_1/1#CPU_SEL CPU_0/0#
0 133MHz
(Default)
133MHz
100MHz 100MHz
W=60mils
W=60mils
LCD/PANEL BD. Conn.
1.5A
For SED For SED
For SED For SED
For SED
Reserve for EMI request
SA00003HQ10
For EMI request
W=20mils
Rated Current MAX:1000mA
Calpella PCH request 100K ohm
250mA
Prevent EC damage
Prevent noise coupling
C270
0.1U_0402_16V4Z
C270
0.1U_0402_16V4Z
1 2
C219
10U_0805_10V4Z
C219
10U_0805_10V4Z
1
2
R391
0_0603_5%
R391
0_0603_5%
1 2
C226
0.1U_0402_16V4Z
C226
0.1U_0402_16V4Z
1
2
C228
0.1U_0402_16V7K
C228
0.1U_0402_16V7K
1
2
C221
0.1U_0402_16V4Z
C221
0.1U_0402_16V4Z
1
2
C301
680P_0402_50V7K
C301
680P_0402_50V7K
1
2
C229
0.01U_0402_25V7K
C229
0.01U_0402_25V7K
1
2
R10510K_0402_5% R10510K_0402_5%
12
L1
0_0805_5%
L1
0_0805_5%
12
R108
100K_0402_5%
R108
100K_0402_5%
12
R110
10K_0402_5%
R110
10K_0402_5%
12
R101
FBMH1608HM601-T_0603
R101
FBMH1608HM601-T_0603
1 2
C255
0.1U_0402_25V6
C255
0.1U_0402_25V6
1
2
C302
680P_0402_50V7K
C302
680P_0402_50V7K
1
2
JLVDS
ACES_87242-4001-09
@
JLVDS
ACES_87242-4001-09
@
11
2
2
33
4
4
55
6
6
77
8
8
99
10
10
11 11
12
12
13 13
14
14
17 17
18
18
19 19
21 21
22
22
23 23
24
24
25 25
26
26
27 27
28
28
29 29
30
30
31 31
32
32
33 33
34
34
35 35
36
36
37 37
38
38
39 39
40
40
GMD 41
GND
42
15 15
20
20
16
16
R126
FBMH1608HM601-T_0603
R126
FBMH1608HM601-T_0603
1 2
C213
1U_0402_6.3V6K
C213
1U_0402_6.3V6K
1
2
C211
0.1U_0402_16V4Z
C211
0.1U_0402_16V4Z
1
2
C269
0.1U_0402_16V4Z
C269
0.1U_0402_16V4Z
1
2
R401
0_0603_5%
@R401
0_0603_5%
@
1 2
Q1B
2N7002KDW_SOT363-6
Q1B
2N7002KDW_SOT363-6
3
5
4
R92 0_0402_5%R92 0_0402_5%
1 2
C231
1U_0402_6.3V6K
C231
1U_0402_6.3V6K
1
2
C210
0.1U_0402_16V4Z
C210
0.1U_0402_16V4Z
1
2
Q35B
2N7002KDW_SOT363-6
Q35B
2N7002KDW_SOT363-6
3
5
4
R100
FBMH1608HM601-T_0603
R100
FBMH1608HM601-T_0603
1 2
C252
47P_0402_50V8J
C252
47P_0402_50V8J
12
R109 47K_0402_5%R109 47K_0402_5%
1 2
R93 0_0402_5%R93 0_0402_5%
1 2
R24
33_0402_5%
R24
33_0402_5%
1 2
C212
0.1U_0402_16V4Z
C212
0.1U_0402_16V4Z
1
2
L2
FBMA-L11-201209-221LMA30T_0805
L2
FBMA-L11-201209-221LMA30T_0805
12
C233
0.1U_0402_16V4Z
C233
0.1U_0402_16V4Z
1
2
R11910K_0402_5% @ R11910K_0402_5% @
12
C214
0.1U_0402_16V4Z
C214
0.1U_0402_16V4Z
1
2
R10233_0402_5% R10233_0402_5%
1 2
U5
RTM890N-631-GRT_QFN32_5X5
U5
RTM890N-631-GRT_QFN32_5X5
CPU_1# 19
SATA
10
CKPWRGD/PD# 25
DOT_96#
4
CPU_0# 22
XTAL_OUT 27
VSS_REF 26
VDD_CPU 24
CPU_0 23
27MHZ_SS
7
XTAL_IN 28
27MHZ
6
USB_48
8
CPU_1 20
VSS_CPU 21
VDD_CPU_IO 18
VDD_USB_48
1
VSS_48M
2
REF_0/CPU_SEL 30
SDA 31
SCL 32
VDD_27
5
VSS_27M
9
SATA#
11
VSS_SRC
12
SRC_1
13
SRC_1#
14
VDD_SRC_IO
15
VDD_SRC 17
VDD_REF 29
DOT_96
3
CPU_STOP#
16
TGND
33
R113
10K_0402_5%
R113
10K_0402_5%
12
R390 33_0402_5%
CARD@
R390 33_0402_5%
CARD@
1 2
C312
68P_0402_50V8J
C312
68P_0402_50V8J
1
2
C220
0.1U_0402_16V4Z
C220
0.1U_0402_16V4Z
1
2
Q1A
2N7002KDW_SOT363-6
Q1A
2N7002KDW_SOT363-6
61
2
C209
10U_0805_10V4Z
C209
10U_0805_10V4Z
1
2
D58
AZ5125-02S.R7G_SOT23-3
D58
AZ5125-02S.R7G_SOT23-3
2
3
1
C224
22P_0402_50V8J
C224
22P_0402_50V8J
1
2
R107
150_0603_5%
R107
150_0603_5%
12
C227
4.7U_0805_10V4Z
C227
4.7U_0805_10V4Z
1
2
Y1
14.318MHZ_16PF_7A14300083
Y1
14.318MHZ_16PF_7A14300083
1 2
G
D
S
Q17
AO3413_SOT23
G
D
S
Q17
AO3413_SOT23
2
1 3
C251
47P_0402_50V8J
C251
47P_0402_50V8J
12
R112
100K_0402_5%
R112
100K_0402_5%
1 2
L55
WCM-2012-900T_0805
@L55
WCM-2012-900T_0805
@
1
122
33
4
4
R10610K_0402_5% R10610K_0402_5%
12
C223
22P_0402_50V8J
C223
22P_0402_50V8J
1
2
C222
0.1U_0402_16V4Z
C222
0.1U_0402_16V4Z
1
2
C215
0.1U_0402_16V4Z
C215
0.1U_0402_16V4Z
1
2

A
A
B
B
C
C
D
D
E
E
1 1
2 2
3 3
4 4
CRT_B_L
CRT_DDC_DAT
CRT_DDC_CLK
HSYNC
VSYNCD_CRT_VSYNC
D_CRT_HSYNC
CRT_R_L
CRT_G_L
CRT_R_L
CRT_G_L
CRT_B_L
CRT_DDC_DAT
CRT_DDC_CLK
HSYNC
VSYNC
UMA_CRT_R19
UMA_CRT_G19
UMA_CRT_B19
UMA_CRT_HSYNC19
UMA_CRT_VSYNC19
UMA_CRT_DATA19
UMA_CRT_CLK19
+3VS
+CRT_VCC
+CRT_VCC
+CRT_VCC
+3VS
+5VS
+CRT_VCC_R +CRT_VCC
+CRT_VCC
Title
Size Document Number Rev
Date: Sheet of
Security Classification
Compal Secret Data
THIS SHEET OF ENGINEERING DRAWING IS THE PROPRIETARY PROPERTY OF COMPAL ELECTRONICS, INC. AND CONTAINS CONFIDENTIAL
AND TRADE SECRET INFORMATION. THIS SHEET MAY NOT BE TRANSFERED FROM THE CUSTODY OF THE COMPETENT DIVISION OF R&D
DEPARTMENT EXCEPT AS AUTHORIZED BY COMPAL ELECTRONICS, INC. NEITHER THIS SHEET NOR THE INFORMATION IT CONTAINS
MAY BE USED BY OR DISCLOSED TO ANY THIRD PARTY WITHOUT PRIOR WRITTEN CONSENT OF COMPAL ELECTRONICS, INC.
Issued Date Deciphered Date
NALAA LA-6041P M/B
1.0
CRT
14 48Tuesday, April 13, 2010
2009/01/23 2010/01/23
Compal Electronics, Inc.
Title
Size Document Number Rev
Date: Sheet of
Security Classification
Compal Secret Data
THIS SHEET OF ENGINEERING DRAWING IS THE PROPRIETARY PROPERTY OF COMPAL ELECTRONICS, INC. AND CONTAINS CONFIDENTIAL
AND TRADE SECRET INFORMATION. THIS SHEET MAY NOT BE TRANSFERED FROM THE CUSTODY OF THE COMPETENT DIVISION OF R&D
DEPARTMENT EXCEPT AS AUTHORIZED BY COMPAL ELECTRONICS, INC. NEITHER THIS SHEET NOR THE INFORMATION IT CONTAINS
MAY BE USED BY OR DISCLOSED TO ANY THIRD PARTY WITHOUT PRIOR WRITTEN CONSENT OF COMPAL ELECTRONICS, INC.
Issued Date Deciphered Date
NALAA LA-6041P M/B
1.0
CRT
14 48Tuesday, April 13, 2010
2009/01/23 2010/01/23
Compal Electronics, Inc.
Title
Size Document Number Rev
Date: Sheet of
Security Classification
Compal Secret Data
THIS SHEET OF ENGINEERING DRAWING IS THE PROPRIETARY PROPERTY OF COMPAL ELECTRONICS, INC. AND CONTAINS CONFIDENTIAL
AND TRADE SECRET INFORMATION. THIS SHEET MAY NOT BE TRANSFERED FROM THE CUSTODY OF THE COMPETENT DIVISION OF R&D
DEPARTMENT EXCEPT AS AUTHORIZED BY COMPAL ELECTRONICS, INC. NEITHER THIS SHEET NOR THE INFORMATION IT CONTAINS
MAY BE USED BY OR DISCLOSED TO ANY THIRD PARTY WITHOUT PRIOR WRITTEN CONSENT OF COMPAL ELECTRONICS, INC.
Issued Date Deciphered Date
NALAA LA-6041P M/B
1.0
CRT
14 48Tuesday, April 13, 2010
2009/01/23 2010/01/23
Compal Electronics, Inc.
CRT CONNECTOR
30mil
If=1A
Q2B
2N7002KDW_SOT363-6
Q2B
2N7002KDW_SOT363-6
3
5
4
R139
150_0402_1%
R139
150_0402_1%
12
L6 10_0402_5%L6 10_0402_5%
1 2
R146
2.2K_0402_5%
R146
2.2K_0402_5%
12
F1
1.1A_6V_MINISMDC110F-2
F1
1.1A_6V_MINISMDC110F-2
21
C242
2.2P_0402_50V8C
C242
2.2P_0402_50V8C
1
2
L7 10_0402_5%L7 10_0402_5%
1 2
R141 10K_0402_5%R141 10K_0402_5%
12
D4
DAN217_SC59
@
D4
DAN217_SC59
@
2
3
1
D5
DAN217_SC59
@
D5
DAN217_SC59
@
2
3
1
C239
2.2P_0402_50V8C
C239
2.2P_0402_50V8C
1
2
L4
NBQ100505T-800Y-N_2P
L4
NBQ100505T-800Y-N_2P
1 2
C238
2.2P_0402_50V8C
C238
2.2P_0402_50V8C
1
2
C243
2.2P_0402_50V8C
C243
2.2P_0402_50V8C
1
2
U7
SN74AHCT1G125GW_SOT353-5
U7
SN74AHCT1G125GW_SOT353-5
A
2Y4
OE# 1
G
3P5
L3
NBQ100505T-800Y-N_2P
L3
NBQ100505T-800Y-N_2P
1 2
U6
SN74AHCT1G125GW_SOT353-5
U6
SN74AHCT1G125GW_SOT353-5
A
2Y4
OE# 1
G
3P5
R140
150_0402_1%
R140
150_0402_1%
12
C247
33P_0402_50V8K
@
C247
33P_0402_50V8K
@
1
2
Q2A
2N7002KDW_SOT363-6
Q2A
2N7002KDW_SOT363-6
61
2
JCRT
SUYIN_070546FR015S263ZR
@
JCRT
SUYIN_070546FR015S263ZR
@
RGND
6
ID0
11
Red
1
GGND
7
SDA
12
Green
2
BGND
8
Hsync
13
Blue
3
+5V
9
Vsync
14
res
4
SGND
10
SCL
15
GND
5
GND
16
GND
17
C241
2.2P_0402_50V8C
C241
2.2P_0402_50V8C
1
2
C240
2.2P_0402_50V8C
C240
2.2P_0402_50V8C
1
2
C245
10P_0402_50V8J
@
C245
10P_0402_50V8J
@
1
2
R138
150_0402_1%
R138
150_0402_1%
12
C237
0.1U_0402_16V4Z@
C237
0.1U_0402_16V4Z@
1
2
C246
10P_0402_50V8J
@
C246
10P_0402_50V8J
@
1
2
D3
DAN217_SC59
@
D3
DAN217_SC59
@
2
3
1
C244 0.1U_0402_16V4ZC244 0.1U_0402_16V4Z
1 2
C250
470P_0402_50V8J
@
C250
470P_0402_50V8J
@
1
2
L5
NBQ100505T-800Y-N_2P
L5
NBQ100505T-800Y-N_2P
1 2
C249
470P_0402_50V8J
@
C249
470P_0402_50V8J
@
1
2
R147
2.2K_0402_5%
R147
2.2K_0402_5%
12
D6
RB491D_SOT23-3
D6
RB491D_SOT23-3
2
1
3
C248
33P_0402_50V8K
@
C248
33P_0402_50V8K
@
1
2

5
5
4
4
3
3
2
2
1
1
D D
C C
B B
A A
UMA_DVI_TXD2-
UMA_DVI_TXD2+
HDMI_R_D0+
UMA_DVI_TXC+
UMA_DVI_TXC-
UMA_DVI_TXD0+
UMA_DVI_TXD1+
HDMI_R_D1-
HDMI_R_D1+
HDMI_R_D2+
HDMI_HPD
HDMI_R_CK+
HDMI_R_D1-
HDMI_R_D2-
HDMI_R_CK-
HDMI_R_CK-
HDMI_R_D0-
HDMI_R_D0+
HDMI_R_D2+
HDMI_SDATA
HDMI_R_D0-
HDMI_R_CK+
HDMI_SCLK
HDMI_R_D1+
HDMI_R_D2-
UMA_DVI_TXD0-
UMA_DVI_TXD1-
HDMI_HPD
HDMI_HPD_R
HDMI_CG2
HDMI_EQ0
HDMI_EQ1
UMA_DVI_TXD1+
UMA_DVI_TXD2-
UMA_DVI_TXD2+
UMA_DVI_TXC+
UMA_DVI_TXC-
UMA_DVI_TXD0-
UMA_DVI_TXD0+
UMA_DVI_TXD1-
HDMI_CG1
HDMI_TX0-
HDMI_TX0+
HDMI_TX2-
HDMI_TX2+
HDMI_TXC-
HDMI_TXC+
HDMI_TX1-
HDMI_TX1+
OE#
HDMI_HPD_R
HDMI_CG0
HDMI_SCLK
HDMI_SDATA
PCH_HDMI_HPD
OE#
HDMI_HPD_R
HDMI_CG2 HDMI_CG1 HDMI_CG0
HDMI_EQ1 HDMI_EQ0
HDMI_TXC-
UMA_HDMI_DATA19
UMA_HDMI_CLK19
UMA_HDMI_TXC+ 19
UMA_HDMI_TXC- 19
PCH_HDMI_HPD19,21
UMA_HDMI_TX1- 19
UMA_HDMI_TX1+ 19
UMA_HDMI_TX0+ 19
UMA_HDMI_TX0- 19
UMA_HDMI_TX2- 19
UMA_HDMI_TX2+ 19
+HDMI_5V_OUT
+5VS
+HDMI_5V_OUT
+3VS
+3VS
+3VS
+HDMI_5V_OUT+5VS
+3VS
+3VS
+3VS
+3VS +3VS +3VS
+3VS +3VS
Title
Size Document Number Rev
Date: Sheet of
Security Classification
Compal Secret Data
THIS SHEET OF ENGINEERING DRAWING IS THE PROPRIETARY PROPERTY OF COMPAL ELECTRONICS, INC. AND CONTAINS CONFIDENTIAL
AND TRADE SECRET INFORMATION. THIS SHEET MAY NOT BE TRANSFERED FROM THE CUSTODY OF THE COMPETENT DIVISION OF R&D
DEPARTMENT EXCEPT AS AUTHORIZED BY COMPAL ELECTRONICS, INC. NEITHER THIS SHEET NOR THE INFORMATION IT CONTAINS
MAY BE USED BY OR DISCLOSED TO ANY THIRD PARTY WITHOUT PRIOR WRITTEN CONSENT OF COMPAL ELECTRONICS, INC.
Issued Date Deciphered Date
NALAA LA-6041P M/B
1.0
HDMI Connector
15 48Tuesday, April 13, 2010
2009/01/23 2010/01/23
Compal Electronics, Inc.
Title
Size Document Number Rev
Date: Sheet of
Security Classification
Compal Secret Data
THIS SHEET OF ENGINEERING DRAWING IS THE PROPRIETARY PROPERTY OF COMPAL ELECTRONICS, INC. AND CONTAINS CONFIDENTIAL
AND TRADE SECRET INFORMATION. THIS SHEET MAY NOT BE TRANSFERED FROM THE CUSTODY OF THE COMPETENT DIVISION OF R&D
DEPARTMENT EXCEPT AS AUTHORIZED BY COMPAL ELECTRONICS, INC. NEITHER THIS SHEET NOR THE INFORMATION IT CONTAINS
MAY BE USED BY OR DISCLOSED TO ANY THIRD PARTY WITHOUT PRIOR WRITTEN CONSENT OF COMPAL ELECTRONICS, INC.
Issued Date Deciphered Date
NALAA LA-6041P M/B
1.0
HDMI Connector
15 48Tuesday, April 13, 2010
2009/01/23 2010/01/23
Compal Electronics, Inc.
Title
Size Document Number Rev
Date: Sheet of
Security Classification
Compal Secret Data
THIS SHEET OF ENGINEERING DRAWING IS THE PROPRIETARY PROPERTY OF COMPAL ELECTRONICS, INC. AND CONTAINS CONFIDENTIAL
AND TRADE SECRET INFORMATION. THIS SHEET MAY NOT BE TRANSFERED FROM THE CUSTODY OF THE COMPETENT DIVISION OF R&D
DEPARTMENT EXCEPT AS AUTHORIZED BY COMPAL ELECTRONICS, INC. NEITHER THIS SHEET NOR THE INFORMATION IT CONTAINS
MAY BE USED BY OR DISCLOSED TO ANY THIRD PARTY WITHOUT PRIOR WRITTEN CONSENT OF COMPAL ELECTRONICS, INC.
Issued Date Deciphered Date
NALAA LA-6041P M/B
1.0
HDMI Connector
15 48Tuesday, April 13, 2010
2009/01/23 2010/01/23
Compal Electronics, Inc.
HDMI Connector
11/16 Add circuit to control
OE# pin for save power consumption
CG2
0
CG1 CG0
0
0
0
1
1
1
1
0
0
0
0
1
1
1
1
0
0
0
0
1
1
1
1
Swing
450
420
450
460
340
400
400
420
Pre-amp
0
0
0
0
0
0
2dB
2dB
Slew-rate
0
0
0
0
0
-3dB
-3dB
-4dB
Shortest trace
Shortest trace
Longest trace
Longest trace
EqualizationEQ1
0
0
EQ0
1
1
1
1
0
0
12dB
9dB
6dB
3dB
*
*
For UMA HDMI level shift display compatibility issue
R37
10K_0402_5%
IHDMI@
R37
10K_0402_5%
IHDMI@
12
C282 0.1U_0402_16V7K
IHDMI@
C282 0.1U_0402_16V7K
IHDMI@
1 2
C266
0.1U_0402_16V4Z
IHDMI@
C266
0.1U_0402_16V4Z
IHDMI@
1
2
D53
PMEG2010AEH_SOD123 IHDMI@
D53
PMEG2010AEH_SOD123 IHDMI@
2 1
C284 0.1U_0402_16V7K
IHDMI@
C284 0.1U_0402_16V7K
IHDMI@
1 2
L8
OCE2012120YZF_0805
@L8
OCE2012120YZF_0805
@
1
122
33
4
4
Q51A
2N7002KDW_SOT363-6
IHDMI@
Q51A
2N7002KDW_SOT363-6
IHDMI@
61
2
C430
0.1U_0402_16V4Z
IHDMI@
C430
0.1U_0402_16V4Z
IHDMI@
1
2
F2
1.1A_6V_MINISMDC110F-2
IHDMI@F2
1.1A_6V_MINISMDC110F-2
IHDMI@
2 1
L10
OCE2012120YZF_0805
@L10
OCE2012120YZF_0805
@
1
122
33
4
4
R167
2.2K_0402_5%
IHDMI@
R167
2.2K_0402_5%
IHDMI@
12
R187
0_0402_5%IHDMI@
R187
0_0402_5%IHDMI@
1 2
R691 0_0402_5%
IHDMI@
R691 0_0402_5%
IHDMI@
1 2
R160
3.9K_0402_1% IHDMI@
R160
3.9K_0402_1% IHDMI@
1 2
R183
0_0402_5%IHDMI@
R183
0_0402_5%IHDMI@
1 2
C264
0.1U_0402_16V4Z
@
C264
0.1U_0402_16V4Z
@
1
2
R122 2.2K_0402_5%
IHDMI@
R122 2.2K_0402_5%
IHDMI@
1 2
R165
2.2K_0402_5%
IHDMI@
R165
2.2K_0402_5%
IHDMI@
12
R163
2.2K_0402_5%
@
R163
2.2K_0402_5%
@
12
R186
100K_0402_5%
@
R186
100K_0402_5%
@
1 2
R131
2.2K_0402_5%
@
R131
2.2K_0402_5%
@
12
C256
10U_0805_10V4Z
IHDMI@
C256
10U_0805_10V4Z
IHDMI@
1
2
R158
2.2K_0402_5%
IHDMI@
R158
2.2K_0402_5%
IHDMI@
12
C285 0.1U_0402_16V7K
IHDMI@
C285 0.1U_0402_16V7K
IHDMI@
1 2
U10
ASM1442 QFN_48P_7X7
IHDMI@
U10
ASM1442 QFN_48P_7X7
IHDMI@
VCC3V
2
ANALOG1(REXT)
6
HPD_SOURCE
7
SDA_SOURCE
8
SCL_SOURCE
9
ANALOG2
10
GND
12 GND
5GND
1
GND
18
GND
24
GND
27
GND
31
GND
36
GND
37
GND
43
VCC3V
11
VCC3V
15
VCC3V
21
VCC3V
26
VCC3V
33
VCC3V
40
VCC3V
46
FUNCTION1
3
FUCNTION2
4
OUT_D4+
13
OUT_D4-
14
OUT_D3+
16
OUT_D3-
17
OUT_D2+
19
IN_D4+ 48
IN_D4- 47
IN_D3+ 45
IN_D3- 44
IN_D2+ 42
IN_D2- 41
IN_D1- 38
OE* 25
SCL_SINK 28
SDA_SINK 29
HPD_SINK 30
DDC_EN 32
OUT_D2-
20
OUT_D1+
22
OUT_D1-
23 IN_D1+ 39
FUNCTION3 34
FUNCTION4 35
THERMAL_PAD 49
JHDMI
SUYIN_100042MR019S153ZL@
JHDMI
SUYIN_100042MR019S153ZL@
D2+
1D2_shield
2D2-
3D1+
4D1_shield
5D1-
6D0+
7D0_shield
8D0-
9CK+
10 CK_shield
11 CK-
12 CEC
13 Reserved
14 SCL
15 SDA
16 DDC/CEC_GND
17 +5V
18 HP_DET
19
GND 20
GND 21
GND 22
GND 23
R173
0_0402_5%IHDMI@
R173
0_0402_5%IHDMI@
1 2
U9
74AHCT1G125GW_SOT353-5
@
U9
74AHCT1G125GW_SOT353-5
@
A
2Y4
OE# 1
G
3P5
R177 10K_0402_5%
@
R177 10K_0402_5%
@
12
C257
0.1U_0402_16V4Z
IHDMI@
C257
0.1U_0402_16V4Z
IHDMI@
1
2
R154
2.2K_0402_5%
@
R154
2.2K_0402_5%
@
12
R182
0_0402_5%IHDMI@
R182
0_0402_5%IHDMI@
1 2
C283 0.1U_0402_16V7K
IHDMI@
C283 0.1U_0402_16V7K
IHDMI@
1 2
R175
0_0402_5%IHDMI@
R175
0_0402_5%IHDMI@
1 2
C260
0.1U_0402_16V4Z
IHDMI@
C260
0.1U_0402_16V4Z
IHDMI@
1
2
R168 4.7K_0402_5%
IHDMI@
R168 4.7K_0402_5%
IHDMI@
12
R164
2.2K_0402_5%
@
R164
2.2K_0402_5%
@
12
L11
OCE2012120YZF_0805
@L11
OCE2012120YZF_0805
@
1
122
33
4
4
R159 10K_0402_5%
@
R159 10K_0402_5%
@
12
R188
0_0402_5%IHDMI@
R188
0_0402_5%IHDMI@
1 2
C265
0.1U_0402_16V4Z
IHDMI@
C265
0.1U_0402_16V4Z
IHDMI@
1
2
C258
0.1U_0402_16V4Z
IHDMI@
C258
0.1U_0402_16V4Z
IHDMI@
1
2
C286 0.1U_0402_16V7K
IHDMI@
C286 0.1U_0402_16V7K
IHDMI@
1 2
R180
0_0402_5%IHDMI@
R180
0_0402_5%IHDMI@
1 2
R170
100K_0402_5%
IHDMI@
R170
100K_0402_5%
IHDMI@
1 2
R161
10K_0402_5%
@
R161
10K_0402_5%
@
12
C261
0.1U_0402_16V4Z
IHDMI@
C261
0.1U_0402_16V4Z
IHDMI@
1
2
R157
0_0402_5%IHDMI@
R157
0_0402_5%IHDMI@
1 2
R162
2.2K_0402_5%
IHDMI@
R162
2.2K_0402_5%
IHDMI@
12
R148 2.2K_0402_5%
IHDMI@
R148 2.2K_0402_5%
IHDMI@
1 2
C262
0.1U_0402_16V4Z
IHDMI@
C262
0.1U_0402_16V4Z
IHDMI@
1
2
C279 0.1U_0402_16V7K
IHDMI@
C279 0.1U_0402_16V7K
IHDMI@
1 2
R132
2.2K_0402_5%
IHDMI@
R132
2.2K_0402_5%
IHDMI@
12
C263
0.1U_0402_16V4Z
IHDMI@
C263
0.1U_0402_16V4Z
IHDMI@
1
2
C281 0.1U_0402_16V7K
IHDMI@
C281 0.1U_0402_16V7K
IHDMI@
1 2
R166
2.2K_0402_5%
@
R166
2.2K_0402_5%
@
12
C280 0.1U_0402_16V7K
IHDMI@
C280 0.1U_0402_16V7K
IHDMI@
1 2
R96 1K_0402_1%@R96 1K_0402_1%@
1 2
L9
OCE2012120YZF_0805
@L9
OCE2012120YZF_0805
@
1
122
33
4
4
C259
0.1U_0402_16V4Z
IHDMI@
C259
0.1U_0402_16V4Z
IHDMI@
1
2
R123 2.2K_0402_5%
IHDMI@
R123 2.2K_0402_5%
IHDMI@
1 2

5
5
4
4
3
3
2
2
1
1
D D
C C
B B
A A
AZ_SYNC
PCH_RTCRST#
PCH_SRTCRST#
AZ_RST#
AZ_BITCLK
SM_INTRUDER#
AZ_SDOUT
AZ_SYNC
PCH_INTVRMEN
PCH_SRTCRST#
PCH_RTCRST#
AZ_RST#
PCH_RTCX2
PCH_RTCX1
AZ_SDOUT
SATAICOMP
SERIRQ
PCH_SPKR
AZ_BITCLK
SATA_LED#
SATA_LED#
PCH_SPI_MISO
PCH_SPI_CS0#
PCH_SPI_CLK
PCH_SPI_MOSIPCH_SPI_MOSI
PCH_SPI_MOSI
PCH_GPIO21
PCH_SPI_CLK
PCH_SPI_MISO
PCH_GPIO19
PCH_GPIO19
PCH_JTAG_TCK
PCH_JTAG_TMS
PCH_JTAG_TDI
PCH_JTAG_TDO
PCH_JTAG_RST#
PCH_JTAG_TCK
PCH_JTAG_TMS PCH_JTAG_RST#PCH_JTAG_TDO PCH_JTAG_TDI
PCH_SPI_CS0#
PCH_GPIO21
PCH_SPI_CLK
AZ_SDIN0_HD29
LPC_AD0 32,33
LPC_AD1 32,33
LPC_AD2 32,33
LPC_AD3 32,33
AZ_RST_HD#29
AZ_SYNC_HD29
LPC_FRAME# 32,33
AZ_SDOUT_HD29
SERIRQ 32,33
PCH_SPKR19,29
AZ_BITCLK_HD29
AZ_BITCLK_MD26
AZ_SYNC_MD26
AZ_RST_MD#26
AZ_SDOUT_MD26
AZ_SDIN1_MD26
SATA_LED# 34
SATA_PRX_C_DTX_N5 25
SATA_PRX_C_DTX_P5 25
SATA_PTX_DRX_P5 25
SATA_PTX_DRX_N5 25
SATA_PRX_C_DTX_N4 25
SATA_PRX_C_DTX_P4 25
SATA_PTX_DRX_P4 25
SATA_PTX_DRX_N4 25
SATA_PRX_C_DTX_N1 25
SATA_PRX_C_DTX_P1 25
SATA_PTX_DRX_P1 25
SATA_PTX_DRX_N1 25
PWRME_CTRL#32
+RTCVCC
+1.05VS
+3VS
+3VS
+RTCVCC
+3VS
+3VALW +3VALW +3VALW +3VALW
+CHGRTC
+RTCVCC
+RTCBATT
+3VS
Title
Size Document Number Rev
Date: Sheet of
Security Classification
Compal Secret Data
THIS SHEET OF ENGINEERING DRAWING IS THE PROPRIETARY PROPERTY OF COMPAL ELECTRONICS, INC. AND CONTAINS CONFIDENTIAL
AND TRADE SECRET INFORMATION. THIS SHEET MAY NOT BE TRANSFERED FROM THE CUSTODY OF THE COMPETENT DIVISION OF R&D
DEPARTMENT EXCEPT AS AUTHORIZED BY COMPAL ELECTRONICS, INC. NEITHER THIS SHEET NOR THE INFORMATION IT CONTAINS
MAY BE USED BY OR DISCLOSED TO ANY THIRD PARTY WITHOUT PRIOR WRITTEN CONSENT OF COMPAL ELECTRONICS, INC.
Issued Date Deciphered Date
NALAA LA-6041P M/B
1.0
PCH-SPI/SATA/LPC/RTC/HDA
B
16 48Tuesday, April 13, 2010
2009/01/23 2010/01/23
Compal Electronics, Inc.
Title
Size Document Number Rev
Date: Sheet of
Security Classification
Compal Secret Data
THIS SHEET OF ENGINEERING DRAWING IS THE PROPRIETARY PROPERTY OF COMPAL ELECTRONICS, INC. AND CONTAINS CONFIDENTIAL
AND TRADE SECRET INFORMATION. THIS SHEET MAY NOT BE TRANSFERED FROM THE CUSTODY OF THE COMPETENT DIVISION OF R&D
DEPARTMENT EXCEPT AS AUTHORIZED BY COMPAL ELECTRONICS, INC. NEITHER THIS SHEET NOR THE INFORMATION IT CONTAINS
MAY BE USED BY OR DISCLOSED TO ANY THIRD PARTY WITHOUT PRIOR WRITTEN CONSENT OF COMPAL ELECTRONICS, INC.
Issued Date Deciphered Date
NALAA LA-6041P M/B
1.0
PCH-SPI/SATA/LPC/RTC/HDA
B
16 48Tuesday, April 13, 2010
2009/01/23 2010/01/23
Compal Electronics, Inc.
Title
Size Document Number Rev
Date: Sheet of
Security Classification
Compal Secret Data
THIS SHEET OF ENGINEERING DRAWING IS THE PROPRIETARY PROPERTY OF COMPAL ELECTRONICS, INC. AND CONTAINS CONFIDENTIAL
AND TRADE SECRET INFORMATION. THIS SHEET MAY NOT BE TRANSFERED FROM THE CUSTODY OF THE COMPETENT DIVISION OF R&D
DEPARTMENT EXCEPT AS AUTHORIZED BY COMPAL ELECTRONICS, INC. NEITHER THIS SHEET NOR THE INFORMATION IT CONTAINS
MAY BE USED BY OR DISCLOSED TO ANY THIRD PARTY WITHOUT PRIOR WRITTEN CONSENT OF COMPAL ELECTRONICS, INC.
Issued Date Deciphered Date
NALAA LA-6041P M/B
1.0
PCH-SPI/SATA/LPC/RTC/HDA
B
16 48Tuesday, April 13, 2010
2009/01/23 2010/01/23
Compal Electronics, Inc.
CMOS Setting, near DDR Door
iME Setting.
Integrated SUS 1.05V VRM Enable
PCH_INTVRMEN
High - Enable Internal VRs
(must be always pulled high)
Desktop Only
PCH_JTAG_TDO
ES1 ES1ES2 ES2
PCH_JTAG_TDI
PCH_JTAG_TCK
PCH_JTAG_RST#
R355
R354
R358
R535
No Install
No Install
No Install
No Install
51ohm
No InstallR536
R537
R643
R353
No Install
No Install
No Install
No Install
No InstallNo Install
No Install
100ohm 100ohm
100ohm 100ohm
10Kohm 10Kohm
10Kohm
20Kohm 20Kohm
20Kohm
100ohm
200ohm
200ohm
200ohm
200ohm
200ohm
51ohm 51ohm 51ohm
No Install
No Install
R156
No Install
No Install
PCH_JTAG_TMS
PCH JTAG Enable PCH JTAG Disable (Default)
RefDesPCH Pin
HDA_SYNC
L=>On Die PLL is supplied by 1.8V
H=>On Die PLL is supplied by 1.5V
This signal has a weak internal pull down.
*
HDA_SDO
This signal has a weak internal pull down.
This signal can't PU
*
SPI_MOSI
ITPM Enabled
High = Enabled
Low = Disabled (Default)
Internal: Pull down 20k
HDA_DOCK_EN#
Flash Descriptor Security Overide
Low = Enabled
High = Disabled
eSATA
SATA ODD
1ST HDD
06/01 change R125 from 4.7K to 51 ohm
4MB
For EMI
for EMI request
R118
1K_0402_5%
@
R118
1K_0402_5%
@
1 2
R355
100_0402_5%
@
R355
100_0402_5%
@
12
R289 33_0402_5%MDC@R289 33_0402_5%MDC@
1 2
R292 33_0402_5%R292 33_0402_5%
1 2
R536
200_0402_5%
@
R536
200_0402_5%
@
1 2
C20 10P_0402_50V8J@C20 10P_0402_50V8J@
12
R273 1K_0402_5%
@
R273 1K_0402_5%
@
12
J2J2
1 2
R363
200_0402_5%
@
R363
200_0402_5%
@
12
R537
100_0402_5%
@
R537
100_0402_5%
@
1 2
R643
20K_0402_5%
@
R643
20K_0402_5%
@
1 2
C287
15P_0402_50V8J
C287
15P_0402_50V8J
12
R364
10K_0402_5%
@
R364
10K_0402_5%
@
12
R275 330K_0402_5%R275 330K_0402_5%
1 2
C290 15P_0402_50V8JC290 15P_0402_50V8J
12
JCMOSJCMOS
1 2
C19 10P_0402_50V8J@C19 10P_0402_50V8J@
12
RTCIHDA
SATA LPC
SPI JTAG
U11A
IBEXPEAK-M QV20 A0_FCBGA1071
HM55R1@
RTCIHDA
SATA LPC
SPI JTAG
U11A
IBEXPEAK-M QV20 A0_FCBGA1071
HM55R1@
RTCX1
B13
RTCX2
D13
INTVRMEN
A14
INTRUDER#
A16
HDA_BCLK
A30
HDA_SYNC
D29
HDA_RST#
C30
HDA_SDIN0
G30
HDA_SDIN1
F30
HDA_SDIN2
E32
HDA_SDO
B29
SATALED# T3
FWH0 / LAD0 D33
FWH1 / LAD1 B33
FWH2 / LAD2 C32
FWH3 / LAD3 A32
LDRQ1# / GPIO23 F34
FWH4 / LFRAME# C34
LDRQ0# A34
RTCRST#
C14
HDA_SDIN3
F32
HDA_DOCK_EN# / GPIO33
H32
HDA_DOCK_RST# / GPIO13
J30
SRTCRST#
D17
SATA0RXN AK7
SATA0RXP AK6
SATA0TXN AK11
SATA0TXP AK9
SATA1RXN AH6
SATA1RXP AH5
SATA1TXN AH9
SATA1TXP AH8
SATA2RXN AF11
SATA2RXP AF9
SATA2TXN AF7
SATA2TXP AF6
SATA3RXN AH3
SATA3RXP AH1
SATA3TXN AF3
SATA3TXP AF1
SATA4RXN AD9
SATA4RXP AD8
SATA4TXN AD6
SATA4TXP AD5
SATA5RXN AD3
SATA5RXP AD1
SATA5TXN AB3
SATA5TXP AB1
SATAICOMPI AF15
SPI_CLK
BA2
SPI_CS0#
AV3
SPI_CS1#
AY3
SPI_MOSI
AY1
SPI_MISO
AV1
SATA0GP / GPIO21 Y9
SATA1GP / GPIO19 V1
JTAG_TCK
M3
JTAG_TMS
K3
JTAG_TDI
K1
JTAG_TDO
J2
TRST#
J4
SERIRQ AB9
SPKR
P1
SATAICOMPO AF16
C291
0.1U_0402_16V4Z
C291
0.1U_0402_16V4Z
1
2
R306 10K_0402_5%R306 10K_0402_5%
1 2
D13
BAS40-04_SOT23-3
D13
BAS40-04_SOT23-3
1
2
3
R386
200_0402_5%
@
R386
200_0402_5%
@
12
R156 51_0402_5%R156 51_0402_5%
1 2
R301 10K_0402_5%R301 10K_0402_5%
12
R283
10M_0402_5%
R283
10M_0402_5%
12
U13
MX25L3205DM2I-12G SO8
U13
MX25L3205DM2I-12G SO8
S
1
VCC
8
Q2
HOLD
7
VSS 4
D
5
C
6
W
3
R294 33_0402_5%R294 33_0402_5%
1 2
R293 33_0402_5%MDC@R293 33_0402_5%MDC@
1 2
C289 1U_0402_6.3V4ZC289 1U_0402_6.3V4Z
1 2
R290 33_0402_5%R290 33_0402_5%
1 2
C293
0.1U_0402_16V4Z
C293
0.1U_0402_16V4Z
1
2
R284 20K_0402_1%R284 20K_0402_1%
1 2
R295 37.4_0402_1%R295 37.4_0402_1%
1 2
R291 33_0402_5%MDC@R291 33_0402_5%MDC@
1 2
R385
10_0402_5%
@
R385
10_0402_5%
@
12
R287 33_0402_5%MDC@R287 33_0402_5%MDC@
1 2
Y3
32.768KHZ_12.5PF_Q13MC14610002
Y3
32.768KHZ_12.5PF_Q13MC14610002
OSC 4
OSC 1
NC
3
NC
2
R535
100_0402_5%
@
R535
100_0402_5%
@
12
R303 10K_0402_5%R303 10K_0402_5%
1 2
R286 10K_0402_5%R286 10K_0402_5%
1 2
R282 20K_0402_1%R282 20K_0402_1%
1 2
C16
10P_0402_50V8J
@C16
10P_0402_50V8J
@
1
2
C288 1U_0402_6.3V4ZC288 1U_0402_6.3V4Z
1 2
R285 1M_0402_5%R285 1M_0402_5%
1 2
R288 33_0402_5%R288 33_0402_5%
1 2

5
5
4
4
3
3
2
2
1
1
D D
C C
B B
A A
PCH_X1
PCH_X1
PCH_SMLDATA0
XCLK_RCOMP
PCH_X2
PCH_SMLCLK1
PCH_SMLCLK0
PCH_SMBDATA
PCH_SMBCLK
PCH_SMBDATA
PCH_SMLDATA1
PCH_GPIO60
PCH_X2
PCH_SMBCLK
PCH_GPIO74
EC_LID_OUT#
PCH_SMLCLK1
PCH_SMLDATA1
PCH_SMLCLK0
PCH_SMLDATA0
PCH_GPIO60
PCH_GPIO74
EC_LID_OUT#
PCH_GPIO26
PCH_GPIO44
PCH_GPIO56
PCH_GPIO26
PCH_GPIO44
PCH_GPIO56
CLKREQ_WLAN#
PCH_GPIO25PCH_GPIO25
CLKREQ_WLAN#
PCIE_PTX_WLANRX_P2
PCIE_PTX_WLANRX_N2
CLKREQ_PEG#
CLK_14M_PCH
PCH_GPIO20
CLKREQ_LAN#
CLK_PCILOOP
PCIE_PTX_LANRX_P1
PCIE_PTX_LANRX_N1
CLKREQ_LAN#
PCH_GPIO20
PM_SMBDATA 11,12,13,27
PM_SMBCLK 11,12,13,27
CLK_PCILOOP 20
CLK_14M_PCH 13
EC_LID_OUT# 32
EC_SMB_DA2 32
EC_SMB_CK2 32
CLK_WLAN#27
CLK_WLAN27
CLKREQ_WLAN#27
PCIE_PTX_C_WLANRX_N227
PCIE_PRX_WLANTX_N227
PCIE_PTX_C_WLANRX_P227
PCIE_PRX_WLANTX_P227
CLK_BCLK# 13
CLK_BCLK 13
PCH_CLK_DMI# 13
PCH_CLK_DMI 13
CLK_DOT# 13
CLK_DOT 13
CLK_SATA# 13
CLK_SATA 13
CLK_PEG# 5
CLK_PEG 5
PCIE_PTX_C_LANRX_P128
PCIE_PTX_C_LANRX_N128
PCIE_PRX_C_LANTX_N128
PCIE_PRX_C_LANTX_P128
CLK_LAN#28
CLK_LAN28
CLKREQ_LAN#28
+3VS
+3VALW
+3VS
+1.05VS
+3VS
+3VALW
+3VALW
+3VALW
+3VALW
Title
Size Document Number Rev
Date: Sheet of
Security Classification
Compal Secret Data
THIS SHEET OF ENGINEERING DRAWING IS THE PROPRIETARY PROPERTY OF COMPAL ELECTRONICS, INC. AND CONTAINS CONFIDENTIAL
AND TRADE SECRET INFORMATION. THIS SHEET MAY NOT BE TRANSFERED FROM THE CUSTODY OF THE COMPETENT DIVISION OF R&D
DEPARTMENT EXCEPT AS AUTHORIZED BY COMPAL ELECTRONICS, INC. NEITHER THIS SHEET NOR THE INFORMATION IT CONTAINS
MAY BE USED BY OR DISCLOSED TO ANY THIRD PARTY WITHOUT PRIOR WRITTEN CONSENT OF COMPAL ELECTRONICS, INC.
Issued Date Deciphered Date
NALAA LA-6041P M/B
1.0
CLK/PCIE/SMBUS
B
17 48Tuesday, April 13, 2010
2009/01/23 2010/01/23
Compal Electronics, Inc.
Title
Size Document Number Rev
Date: Sheet of
Security Classification
Compal Secret Data
THIS SHEET OF ENGINEERING DRAWING IS THE PROPRIETARY PROPERTY OF COMPAL ELECTRONICS, INC. AND CONTAINS CONFIDENTIAL
AND TRADE SECRET INFORMATION. THIS SHEET MAY NOT BE TRANSFERED FROM THE CUSTODY OF THE COMPETENT DIVISION OF R&D
DEPARTMENT EXCEPT AS AUTHORIZED BY COMPAL ELECTRONICS, INC. NEITHER THIS SHEET NOR THE INFORMATION IT CONTAINS
MAY BE USED BY OR DISCLOSED TO ANY THIRD PARTY WITHOUT PRIOR WRITTEN CONSENT OF COMPAL ELECTRONICS, INC.
Issued Date Deciphered Date
NALAA LA-6041P M/B
1.0
CLK/PCIE/SMBUS
B
17 48Tuesday, April 13, 2010
2009/01/23 2010/01/23
Compal Electronics, Inc.
Title
Size Document Number Rev
Date: Sheet of
Security Classification
Compal Secret Data
THIS SHEET OF ENGINEERING DRAWING IS THE PROPRIETARY PROPERTY OF COMPAL ELECTRONICS, INC. AND CONTAINS CONFIDENTIAL
AND TRADE SECRET INFORMATION. THIS SHEET MAY NOT BE TRANSFERED FROM THE CUSTODY OF THE COMPETENT DIVISION OF R&D
DEPARTMENT EXCEPT AS AUTHORIZED BY COMPAL ELECTRONICS, INC. NEITHER THIS SHEET NOR THE INFORMATION IT CONTAINS
MAY BE USED BY OR DISCLOSED TO ANY THIRD PARTY WITHOUT PRIOR WRITTEN CONSENT OF COMPAL ELECTRONICS, INC.
Issued Date Deciphered Date
NALAA LA-6041P M/B
1.0
CLK/PCIE/SMBUS
B
17 48Tuesday, April 13, 2010
2009/01/23 2010/01/23
Compal Electronics, Inc.
FROM CLK GEN FOR: 133/100/96/14.318 MHZWLAN
For WLAN
NC
Note: Stuff 0 ohm if
25MHz crystal un-stuff
for EMI request
For LAN
LAN
R24510K_0402_5% R24510K_0402_5%
1 2
Q3A
2N7002KDW_SOT363-6
Q3A
2N7002KDW_SOT363-6
6 1
2
R232 4.7K_0402_5%R232 4.7K_0402_5%
R125 10_0402_5%
@
R125 10_0402_5%
@
1 2
R23910K_0402_5% R23910K_0402_5%
12
R231 4.7K_0402_5%R231 4.7K_0402_5%
C277
0_0402_5%
@
C277
0_0402_5%
@
R229 2.2K_0402_5%R229 2.2K_0402_5%
12
C273 0.1U_0402_16V7KC273 0.1U_0402_16V7K
12
R247 1M_0402_5%R247 1M_0402_5%
12
R24010K_0402_5% R24010K_0402_5%
12
R24610K_0402_5% R24610K_0402_5%
1 2
Q4A
2N7002KDW_SOT363-6
Q4A
2N7002KDW_SOT363-6
6 1
2
R252 90.9_0402_1%R252 90.9_0402_1%
1 2
C276 0.1U_0402_16V7KC276 0.1U_0402_16V7K
12
C277
27P_0402_50V8J
C277
27P_0402_50V8J
1
2
Q3B
2N7002KDW_SOT363-6
Q3B
2N7002KDW_SOT363-6
3
5
4
R24810K_0402_5% R24810K_0402_5%
1 2
R260 10K_0402_5%R260 10K_0402_5%
1 2
C278
27P_0402_50V8J
C278
27P_0402_50V8J
1
2
Y2
25MHZ_20PF_7A25000012
Y2
25MHZ_20PF_7A25000012
1 2
R24910K_0402_5% R24910K_0402_5%
1 2
R70 100_0402_5%
@
R70 100_0402_5%
@
1 2
R230 2.2K_0402_5%R230 2.2K_0402_5%
12
R24110K_0402_5% R24110K_0402_5%
12
C216 10P_0402_50V8J
@
C216 10P_0402_50V8J
@
1 2
R234 2.2K_0402_5%R234 2.2K_0402_5%
12
PCI-E*
SMBus
Controller
From CLK BUFFER PEG
Clock Flex
Link
U11B
IBEXPEAK-M QV20 A0_FCBGA1071
HM55R1@
PCI-E*
SMBus
Controller
From CLK BUFFER PEG
Clock Flex
Link
U11B
IBEXPEAK-M QV20 A0_FCBGA1071
HM55R1@
PERN1
BG30
PERP1
BJ30
PERN2
AW30
PERP2
BA30
PERN3
AU30
PERP3
AT30
PERN4
BA32
PERP4
BB32
PERN5
BF33
PERP5
BH33
PERN6
BA34
PERP6
AW34
PERN7
AT34
PERP7
AU34
PERN8
BG34
PERP8
BJ34
PETN1
BF29
PETP1
BH29
PETN2
BC30
PETP2
BD30
PETN3
AU32
PETP3
AV32
PETN4
BD32
PETP4
BE32
PETN5
BG32
PETP5
BJ32
PETN6
BC34
PETP6
BD34
PETN7
AU36
PETP7
AV36
PETN8
BG36
PETP8
BJ36
SMBALERT# / GPIO11 B9
SMBCLK H14
SMBDATA C8
SML0CLK C6
SML0DATA G8
CLKOUT_PCIE0N
AK48
CLKOUT_PCIE0P
AK47
CLKOUT_PCIE1N
AM43
CLKOUT_PCIE1P
AM45
CLKOUT_PCIE2N
AM47
CLKOUT_PCIE2P
AM48
CLKOUT_PCIE3N
AH42
CLKOUT_PCIE3P
AH41
CLKOUT_PCIE4N
AM51
CLKOUT_PCIE4P
AM53
CLKOUT_PCIE5N
AJ50
CLKOUT_PCIE5P
AJ52
SML0ALERT# / GPIO60 J14
CL_CLK1 T13
CL_DATA1 T11
CL_RST1# T9
CLKIN_BCLK_N AP3
CLKIN_BCLK_P AP1
CLKIN_DMI_N AW24
CLKIN_DMI_P BA24
CLKIN_DOT_96N F18
CLKIN_DOT_96P E18
CLKIN_SATA_N / CKSSCD_N AH13
CLKIN_SATA_P / CKSSCD_P AH12
XTAL25_IN AH51
XTAL25_OUT AH53
REFCLK14IN P41
CLKIN_PCILOOPBACK J42
CLKOUT_PEG_A_N AD43
CLKOUT_PEG_A_P AD45
PEG_A_CLKRQ# / GPIO47 H1
PCIECLKRQ0# / GPIO73
P9
PCIECLKRQ1# / GPIO18
U4
PCIECLKRQ2# / GPIO20
N4
PCIECLKRQ3# / GPIO25
A8
PCIECLKRQ4# / GPIO26
M9
PCIECLKRQ5# / GPIO44
H6
CLKOUTFLEX0 / GPIO64 T45
CLKOUTFLEX1 / GPIO65 P43
CLKOUTFLEX2 / GPIO66 T42
CLKOUTFLEX3 / GPIO67 N50
CLKOUT_DMI_N AN4
CLKOUT_DMI_P AN2
PEG_B_CLKRQ# / GPIO56
P13
CLKOUT_PEG_B_P
AK51 CLKOUT_PEG_B_N
AK53
SML1ALERT# / GPIO74 M14
SML1CLK / GPIO58 E10
SML1DATA / GPIO75 G12
XCLK_RCOMP AF38
CLKOUT_DP_P / CLKOUT_BCLK1_P AT3
CLKOUT_DP_N / CLKOUT_BCLK1_N AT1
Q4B
2N7002KDW_SOT363-6
Q4B
2N7002KDW_SOT363-6
3
5
4
C274 0.1U_0402_16V7KC274 0.1U_0402_16V7K
12
C206 100P_0402_50V8J
@
C206 100P_0402_50V8J
@
12
R25010K_0402_5% R25010K_0402_5%
1 2
R2372.2K_0402_5% R2372.2K_0402_5%
12
C275 0.1U_0402_16V7KC275 0.1U_0402_16V7K
12
R2382.2K_0402_5% R2382.2K_0402_5%
12
R233 2.2K_0402_5%R233 2.2K_0402_5%
12
R24410K_0402_5% R24410K_0402_5%
1 2
R25110K_0402_5% R25110K_0402_5%
1 2

5
5
4
4
3
3
2
2
1
1
D D
C C
B B
A A
DMI_COMP
LAN_RST#
PWROK
PCH_RSMRST#
PCH_RSMRST#
PCH_SUSPWRDN
PCH_SUSPWRDN
PCH_ACIN
PCH_LOW_BAT#
PM_CLKRUN#
XDP_DBRESET# EC_SWI#
LAN_RST#
PCH_LOW_BAT#
IBEX_RI#
SUS_STAT#
SUS_CLK
PWROK
IBEX_RI#
EC_SWI#
VGATE
PM_PWROK
DMI_PTX_CRX_N26
DMI_PTX_CRX_P16
DMI_PTX_CRX_N06
DMI_PTX_CRX_N16
DMI_PTX_CRX_N36
DMI_PTX_CRX_P06
DMI_CTX_PRX_N06
DMI_CTX_PRX_N16
DMI_CTX_PRX_N26
DMI_CTX_PRX_P16
DMI_CTX_PRX_P26
DMI_PTX_CRX_P36
DMI_CTX_PRX_P36
DMI_CTX_PRX_N36
DMI_CTX_PRX_P06
DMI_PTX_CRX_P26
EC_RSMRST#32
PBTN_OUT#32
PM_SLP_S5# 32
PM_SLP_S4# 32
PM_SLP_S3# 32
PMSYNCH 5
XDP_DBRESET#5
ACIN32,34,36
VGATE32,43
EC_SWI# 28
PM_PWROK32
DRAMPWROK5
FDI_CTX_PRX_N0 6
FDI_CTX_PRX_N1 6
FDI_CTX_PRX_N3 6
FDI_CTX_PRX_N2 6
FDI_CTX_PRX_N5 6
FDI_CTX_PRX_N4 6
FDI_CTX_PRX_N7 6
FDI_CTX_PRX_N6 6
FDI_CTX_PRX_P1 6
FDI_CTX_PRX_P0 6
FDI_CTX_PRX_P3 6
FDI_CTX_PRX_P2 6
FDI_CTX_PRX_P4 6
FDI_CTX_PRX_P5 6
FDI_CTX_PRX_P7 6
FDI_CTX_PRX_P6 6
FDI_INT 6
FDI_FSYNC0 6
FDI_LSYNC0 6
FDI_FSYNC1 6
FDI_LSYNC1 6
PCH_SUSPWRDN32
+1.05VS
+3VALW
+3VALW
+3VALW
+3VALW
+3VS
+3VALW
+3VS
Title
Size Document Number Rev
Date: Sheet of
Security Classification
Compal Secret Data
THIS SHEET OF ENGINEERING DRAWING IS THE PROPRIETARY PROPERTY OF COMPAL ELECTRONICS, INC. AND CONTAINS CONFIDENTIAL
AND TRADE SECRET INFORMATION. THIS SHEET MAY NOT BE TRANSFERED FROM THE CUSTODY OF THE COMPETENT DIVISION OF R&D
DEPARTMENT EXCEPT AS AUTHORIZED BY COMPAL ELECTRONICS, INC. NEITHER THIS SHEET NOR THE INFORMATION IT CONTAINS
MAY BE USED BY OR DISCLOSED TO ANY THIRD PARTY WITHOUT PRIOR WRITTEN CONSENT OF COMPAL ELECTRONICS, INC.
Issued Date Deciphered Date
NALAA LA-6041P M/B
1.0
PCH-DMI/FDI/PWM
B
18 48Tuesday, April 13, 2010
2009/01/23 2010/01/23
Compal Electronics, Inc.
Title
Size Document Number Rev
Date: Sheet of
Security Classification
Compal Secret Data
THIS SHEET OF ENGINEERING DRAWING IS THE PROPRIETARY PROPERTY OF COMPAL ELECTRONICS, INC. AND CONTAINS CONFIDENTIAL
AND TRADE SECRET INFORMATION. THIS SHEET MAY NOT BE TRANSFERED FROM THE CUSTODY OF THE COMPETENT DIVISION OF R&D
DEPARTMENT EXCEPT AS AUTHORIZED BY COMPAL ELECTRONICS, INC. NEITHER THIS SHEET NOR THE INFORMATION IT CONTAINS
MAY BE USED BY OR DISCLOSED TO ANY THIRD PARTY WITHOUT PRIOR WRITTEN CONSENT OF COMPAL ELECTRONICS, INC.
Issued Date Deciphered Date
NALAA LA-6041P M/B
1.0
PCH-DMI/FDI/PWM
B
18 48Tuesday, April 13, 2010
2009/01/23 2010/01/23
Compal Electronics, Inc.
Title
Size Document Number Rev
Date: Sheet of
Security Classification
Compal Secret Data
THIS SHEET OF ENGINEERING DRAWING IS THE PROPRIETARY PROPERTY OF COMPAL ELECTRONICS, INC. AND CONTAINS CONFIDENTIAL
AND TRADE SECRET INFORMATION. THIS SHEET MAY NOT BE TRANSFERED FROM THE CUSTODY OF THE COMPETENT DIVISION OF R&D
DEPARTMENT EXCEPT AS AUTHORIZED BY COMPAL ELECTRONICS, INC. NEITHER THIS SHEET NOR THE INFORMATION IT CONTAINS
MAY BE USED BY OR DISCLOSED TO ANY THIRD PARTY WITHOUT PRIOR WRITTEN CONSENT OF COMPAL ELECTRONICS, INC.
Issued Date Deciphered Date
NALAA LA-6041P M/B
1.0
PCH-DMI/FDI/PWM
B
18 48Tuesday, April 13, 2010
2009/01/23 2010/01/23
Compal Electronics, Inc.
RSMRST# circuit
Close to PCH
R322 10K_0402_5%R322 10K_0402_5%
12
R2560_0402_5%
@
R2560_0402_5%
@
12
R324 330K_0402_5%R324 330K_0402_5%
1 2
R3250_0402_5% @ R3250_0402_5% @
1 2
D26
CH751H-40PT_SOD323-2
D26
CH751H-40PT_SOD323-2
21
C272
0.1U_0402_16V4Z
C272
0.1U_0402_16V4Z
1 2
DMI
FDI
System Power Management
U11C
IBEXPEAK-M QV20 A0_FCBGA1071
HM55R1@
DMI
FDI
System Power Management
U11C
IBEXPEAK-M QV20 A0_FCBGA1071
HM55R1@
DMI0RXN
BC24
DMI1RXN
BJ22
DMI2RXN
AW20
DMI3RXN
BJ20
DMI0RXP
BD24
DMI1RXP
BG22
DMI2RXP
BA20
DMI3RXP
BG20
DMI0TXN
BE22
DMI1TXN
BF21
DMI2TXN
BD20
DMI3TXN
BE18
DMI0TXP
BD22
DMI1TXP
BH21
DMI2TXP
BC20
DMI3TXP
BD18
DMI_ZCOMP
BH25
DMI_IRCOMP
BF25
FDI_RXN0 BA18
FDI_RXN1 BH17
FDI_RXN2 BD16
FDI_RXN3 BJ16
FDI_RXN4 BA16
FDI_RXN5 BE14
FDI_RXN6 BA14
FDI_RXN7 BC12
FDI_RXP0 BB18
FDI_RXP1 BF17
FDI_RXP2 BC16
FDI_RXP3 BG16
FDI_RXP4 AW16
FDI_RXP5 BD14
FDI_RXP6 BB14
FDI_RXP7 BD12
FDI_FSYNC0 BF13
FDI_FSYNC1 BH13
FDI_LSYNC0 BJ12
FDI_LSYNC1 BG14
FDI_INT BJ14
PMSYNCH BJ10
TP23 N2
SLP_M# K8
SLP_S3# P12
SLP_S4# H7
SLP_S5# / GPIO63 E4
SYS_RESET#
T6
SYS_PWROK
M6
PWRBTN#
P5
RI#
F14
WAKE# J12
SUS_STAT# / GPIO61 P8
SUSCLK / GPIO62 F3
ACPRESENT / GPIO31
P7
LAN_RST#
A10
MEPWROK
K5
BATLOW# / GPIO72
A6
PWROK
B17
CLKRUN# / GPIO32 Y1
SUS_PWR_DN_ACK / GPIO30
M1
RSMRST#
C16
DRAMPWROK
D9
SLP_LAN# / GPIO29 F6
R321 0_0402_5%R321 0_0402_5%
1 2
C
B
E
Q26
MMBT3906_SOT23-3
C
B
E
Q26
MMBT3906_SOT23-3
1
2
3
R319 8.2K_0402_5%R319 8.2K_0402_5%
12
R313 10K_0402_5%R313 10K_0402_5%
1 2
R311 49.9_0402_1%R311 49.9_0402_1%
1 2
R327
4.7K_0402_5%
R327
4.7K_0402_5%
12
R316 10K_0402_5%R316 10K_0402_5%
1 2
U12
SN74AHC1G08DCKR_SC70-5
U12
SN74AHC1G08DCKR_SC70-5
IN1
1
IN2
2
G
3
O4
P5
R328
2.2K_0402_5%
R328
2.2K_0402_5%
1 2
R318 10K_0402_5%R318 10K_0402_5%
1 2
D15B
BAV99DW-7_SOT363
D15B
BAV99DW-7_SOT363
4
5
3
R690 1K_0402_5%R690 1K_0402_5%
1 2
R329 10K_0402_5%R329 10K_0402_5%
12
T39PADT39PAD
D15A
BAV99DW-7_SOT363
D15A
BAV99DW-7_SOT363
1
2
6
R320 10K_0402_5%R320 10K_0402_5%
1 2
T38PADT38PAD
R323 10K_0402_5%R323 10K_0402_5%
12
R326
10K_0402_5%
R326
10K_0402_5%
12

5
5
4
4
3
3
2
2
1
1
D D
C C
B B
A A
CRT_IREF
PCH_SPKR
PCI_GNT#3
PCI_GNT#0
PCI_GNT#1
NV_ALE
NV_CLE
LCTL_DATA
LCTL_CLK
LVDS_IBG
UMA_CRT_B
UMA_CRT_G
UMA_CRT_R
LCD_EDID_CLK
LCD_EDID_DATA
UMA_CRT_CLK
UMA_CRT_DATA
UMA_ENBKL
PCH_SPKR 16,29
PCI_GNT#0 20
PCI_GNT#1 20
PCI_GNT#3 20
NV_CLE 20
NV_ALE 20
LCD_TZOUT0+13
LCD_TZOUT0-13
LCD_TZOUT1+13
LCD_TZOUT1-13
LCD_TZOUT2+13
LCD_TZOUT2-13
LCD_TXOUT0-13
LCD_TXOUT1-13
LCD_TXOUT2-13
LCD_EDID_CLK13
LCD_EDID_DATA13
LCD_TZCLK+13
LCD_TXCLK+13
LCD_TZCLK-13
LCD_TXCLK-13
UMA_ENVDD13
UMA_ENBKL32
LCD_TXOUT0+13
LCD_TXOUT1+13
LCD_TXOUT2+13
UMA_CRT_R14
UMA_CRT_G14
UMA_CRT_B14
UMA_CRT_HSYNC14
UMA_CRT_VSYNC14
UMA_CRT_DATA14
UMA_CRT_CLK14
UMA_HDMI_CLK 15
UMA_HDMI_DATA 15
PCH_HDMI_HPD 15,21
UMA_HDMI_TX2- 15
UMA_HDMI_TX2+ 15
UMA_HDMI_TX1- 15
UMA_HDMI_TX1+ 15
UMA_HDMI_TX0- 15
UMA_HDMI_TX0+ 15
UMA_HDMI_TXC- 15
UMA_HDMI_TXC+ 15
PCH_PWM13
+3VS
+1.8VS_PCH_NAND
+3VS
+3VS
+3VS
+3VS
Title
Size Document Number Rev
Date: Sheet of
Security Classification
Compal Secret Data
THIS SHEET OF ENGINEERING DRAWING IS THE PROPRIETARY PROPERTY OF COMPAL ELECTRONICS, INC. AND CONTAINS CONFIDENTIAL
AND TRADE SECRET INFORMATION. THIS SHEET MAY NOT BE TRANSFERED FROM THE CUSTODY OF THE COMPETENT DIVISION OF R&D
DEPARTMENT EXCEPT AS AUTHORIZED BY COMPAL ELECTRONICS, INC. NEITHER THIS SHEET NOR THE INFORMATION IT CONTAINS
MAY BE USED BY OR DISCLOSED TO ANY THIRD PARTY WITHOUT PRIOR WRITTEN CONSENT OF COMPAL ELECTRONICS, INC.
Issued Date Deciphered Date
NALAA LA-6041P M/B
1.0
PCH-CRT/LVDS/HDMI/STRAP
Custom
19 48Tuesday, April 13, 2010
2009/01/23 2010/01/23
Compal Electronics, Inc.
Title
Size Document Number Rev
Date: Sheet of
Security Classification
Compal Secret Data
THIS SHEET OF ENGINEERING DRAWING IS THE PROPRIETARY PROPERTY OF COMPAL ELECTRONICS, INC. AND CONTAINS CONFIDENTIAL
AND TRADE SECRET INFORMATION. THIS SHEET MAY NOT BE TRANSFERED FROM THE CUSTODY OF THE COMPETENT DIVISION OF R&D
DEPARTMENT EXCEPT AS AUTHORIZED BY COMPAL ELECTRONICS, INC. NEITHER THIS SHEET NOR THE INFORMATION IT CONTAINS
MAY BE USED BY OR DISCLOSED TO ANY THIRD PARTY WITHOUT PRIOR WRITTEN CONSENT OF COMPAL ELECTRONICS, INC.
Issued Date Deciphered Date
NALAA LA-6041P M/B
1.0
PCH-CRT/LVDS/HDMI/STRAP
Custom
19 48Tuesday, April 13, 2010
2009/01/23 2010/01/23
Compal Electronics, Inc.
Title
Size Document Number Rev
Date: Sheet of
Security Classification
Compal Secret Data
THIS SHEET OF ENGINEERING DRAWING IS THE PROPRIETARY PROPERTY OF COMPAL ELECTRONICS, INC. AND CONTAINS CONFIDENTIAL
AND TRADE SECRET INFORMATION. THIS SHEET MAY NOT BE TRANSFERED FROM THE CUSTODY OF THE COMPETENT DIVISION OF R&D
DEPARTMENT EXCEPT AS AUTHORIZED BY COMPAL ELECTRONICS, INC. NEITHER THIS SHEET NOR THE INFORMATION IT CONTAINS
MAY BE USED BY OR DISCLOSED TO ANY THIRD PARTY WITHOUT PRIOR WRITTEN CONSENT OF COMPAL ELECTRONICS, INC.
Issued Date Deciphered Date
NALAA LA-6041P M/B
1.0
PCH-CRT/LVDS/HDMI/STRAP
Custom
19 48Tuesday, April 13, 2010
2009/01/23 2010/01/23
Compal Electronics, Inc.
Low= A16 swap override Enable
High= A16 swap override Disable
PCH Strap Pin
NO REBOOT Strap
PCH_SPKR
Low= Disable
High= Enable
NV_ALE
NV_CLE
High = Enabled
Low = Disabled (Default)
DMI Termination Voltage
Danbury Technology Enabled
Low= Set to Vss (Default)
High= Set to Vcc
Internal: Pull down 20k
During Reset: Low
Initial: Low
Internal: Pull up 20k
During Reset: High
Initial: High
Internal: Pull down 20k
During Reset: HZ
Initial: Low
Internal: Pull down 20k
During Reset: Low
Initial: Low
1
0
Boot BIOS LoactionPCI_GNT#0PCI_GNT#1
Internal: Pull up 20k
During Reset: High
Initial: High
Internal: Pull up 20k
During Reset: High
Initial: High
Boot BIOS Strap
LPC (Default)
PCI
SPI
1
11
0
0
0 Reserved (NAND)
A16 Swap Override Strap
PCI_GNT#3
Check list: 10k PU
Check list: 4.7k PD
Check list: 8.2k PU
HDMI
For INTEL issue (pending interrupts from the PCH for unused HDMI ports)
For INTEL issue (pending interrupts from the PCH for unused HDMI ports)
For INTEL issue (pending interrupts from the PCH for unused HDMI ports)
R120
2.2K_0402_5%
IHDMI@
R120
2.2K_0402_5%
IHDMI@
12
R60 2.2K_0402_5%R60 2.2K_0402_5%
12
R189 100K_0402_5%R189 100K_0402_5%
12
R56 150_0402_1%R56 150_0402_1%
1 2
R63 2.2K_0402_5%R63 2.2K_0402_5%
1 2
R55 2.37K_0402_1%R55 2.37K_0402_1%
1 2
R121
2.2K_0402_5%
IHDMI@
R121
2.2K_0402_5%
IHDMI@
12
R266
1K_0402_1%
R266
1K_0402_1%
12
R58 150_0402_1%R58 150_0402_1%
1 2
R2711K_0402_5% @ R2711K_0402_5% @
12
R68 100K_0402_5%R68 100K_0402_5%
12
R61 2.2K_0402_5%R61 2.2K_0402_5%
1 2
R57 150_0402_1%R57 150_0402_1%
1 2
R2701K_0402_5% @ R2701K_0402_5% @
12
R272 1K_0402_5%
@
R272 1K_0402_5%
@
12
R124 100K_0402_5%R124 100K_0402_5%
1 2
R54 10K_0402_5%R54 10K_0402_5%
1 2
LVDS
Digital Display Interface
CRT
U11D
IBEXPEAK-M QV20 A0_FCBGA1071
HM55R1@
LVDS
Digital Display Interface
CRT
U11D
IBEXPEAK-M QV20 A0_FCBGA1071
HM55R1@
L_BKLTCTL
Y48
L_BKLTEN
T48
L_CTRL_CLK
AB46
L_CTRL_DATA
V48
L_DDC_CLK
AB48
L_DDC_DATA
Y45
L_VDD_EN
T47
LVDSA_CLK#
AV53
LVDSA_CLK
AV51
LVDSA_DATA#0
BB47
LVDSA_DATA#1
BA52
LVDSA_DATA#2
AY48
LVDSA_DATA#3
AV47
LVDSA_DATA0
BB48
LVDSA_DATA1
BA50
LVDSA_DATA2
AY49
LVDSA_DATA3
AV48
LVDSB_CLK#
AP48
LVDSB_CLK
AP47
LVDSB_DATA#0
AY53
LVDSB_DATA#1
AT49
LVDSB_DATA#2
AU52
LVDSB_DATA#3
AT53
LVDSB_DATA0
AY51
DDPB_0N BD42
DDPB_1N BJ42
LVD_VREFH
AT43
LVD_VREFL
AT42
DDPD_2N BF37
DDPD_3N BE36
DDPB_2N BB40
DDPB_3N AW38
DDPC_0N BE40
DDPC_1N BF41
DDPC_2N BD38
DDPC_3N BB36
DDPD_0N BJ40
DDPD_1N BJ38
DDPB_0P BC42
DDPB_1P BG42
DDPD_2P BH37
DDPD_3P BD36
DDPB_2P BA40
DDPB_3P BA38
LVDSB_DATA1
AT48
LVDSB_DATA2
AU50
LVDSB_DATA3
AT51
LVD_IBG
AP39
LVD_VBG
AP41
DDPC_1P BH41
DDPC_0P BD40
DDPC_2P BC38
DDPC_3P BA36
DDPD_0P BG40
DDPD_1P BG38
CRT_BLUE
AA52
CRT_DDC_CLK
V51
CRT_DDC_DATA
V53
CRT_GREEN
AB53
CRT_HSYNC
Y53
CRT_IRTN
AB51
CRT_RED
AD53
CRT_VSYNC
Y51
DAC_IREF
AD48
SDVO_CTRLCLK T51
SDVO_CTRLDATA T53
DDPC_CTRLCLK Y49
DDPC_CTRLDATA AB49
DDPD_CTRLCLK U50
DDPD_CTRLDATA U52
DDPB_AUXN BG44
DDPC_AUXN BE44
DDPD_AUXN BC46
DDPB_AUXP BJ44
DDPC_AUXP BD44
DDPD_AUXP BD46
DDPB_HPD AU38
DDPC_HPD AV40
DDPD_HPD AT38
SDVO_TVCLKINP BG46
SDVO_TVCLKINN BJ46
SDVO_STALLP BG48
SDVO_STALLN BJ48
SDVO_INTP BH45
SDVO_INTN BF45
R268 1K_0402_5%
@
R268 1K_0402_5%
@
12
R269 1K_0402_5%
@
R269 1K_0402_5%
@
1 2
T15 PADT15 PAD
R267 1K_0402_5%
@
R267 1K_0402_5%
@
12
R77 100K_0402_5%R77 100K_0402_5%
12
R53 10K_0402_5%R53 10K_0402_5%
1 2
R59 2.2K_0402_5%R59 2.2K_0402_5%
12

5
5
4
4
3
3
2
2
1
1
D D
C C
B B
A A
USBBIAS
EXP_CPPE#
USB_OC#1
USB_OC#3
PCI_PIRQH#
PCI_PIRQG#
PCI_PIRQF#
PCI_PIRQE#
PCI_PIRQB#
PCI_PIRQC#
PCI_PIRQD#
PCI_PIRQA#
PCI_REQ#0
PCI_REQ#1
PCI_REQ#2
PCI_REQ#3
PCI_SERR#
PCI_PERR#
PCI_IRDY#
PCI_PLOCK#
PCI_DEVSEL#
PCI_TRDY#
PCI_STOP#
PCI_FRAME#
CLK_SIO
USB_OC#2
TP_PCI_RST#
USB_OC#4
USB_OC#5
USB_OC#6
USB_OC#0
PLT_RST#
PCI_PIRQG#
PCI_PIRQC#
PCI_PIRQE#
PCI_STOP#
PCI_REQ#3
PCI_PIRQF#
PCI_PIRQB#
PCI_REQ#0
PCI_SERR#
PCI_DEVSEL#
PCI_PLOCK#
PCI_PERR#
PCI_IRDY#
PCI_PIRQD#
PCI_REQ#2
PCI_REQ#1
PCI_PIRQA#
PCI_FRAME#
PCI_TRDY#
PCI_PIRQH#
CLK_PCH
CLK_EC
PLT_RST#
USB_OC#5
EXP_CPPE#
USB_OC#6
USB_OC#0
USB_OC#1
USB_OC#2
USB_OC#3
USB_OC#4
USB20_P1 30
USB20_N1 30
USB20_P3 25
USB20_N3 25
USB20_P5 26
USB20_N5 26
USB20_P0 30
USB20_N0 30
USB20_P11 13
USB20_N11 13
USB_OC#0 30,32
PCI_GNT#019
PCI_GNT#319
PLT_RST#27,28,32,33
CLK_PCI_DDR33
PCI_GNT#119
USB20_P10 31
USB20_N10 31
BUF_PLT_RST#5
NV_CLE 19
NV_ALE 19
USB20_N13 27
USB20_P13 27
CLK_PCILOOP17 CLK_PCI_EC32
USB_OC#1 25,32
+3VALW
+3VS
+3VS
+3VS
+3VS
Title
Size Document Number Rev
Date: Sheet of
Security Classification
Compal Secret Data
THIS SHEET OF ENGINEERING DRAWING IS THE PROPRIETARY PROPERTY OF COMPAL ELECTRONICS, INC. AND CONTAINS CONFIDENTIAL
AND TRADE SECRET INFORMATION. THIS SHEET MAY NOT BE TRANSFERED FROM THE CUSTODY OF THE COMPETENT DIVISION OF R&D
DEPARTMENT EXCEPT AS AUTHORIZED BY COMPAL ELECTRONICS, INC. NEITHER THIS SHEET NOR THE INFORMATION IT CONTAINS
MAY BE USED BY OR DISCLOSED TO ANY THIRD PARTY WITHOUT PRIOR WRITTEN CONSENT OF COMPAL ELECTRONICS, INC.
Issued Date Deciphered Date
NALAA LA-6041P M/B
1.0
PCH USB/PCI/NAND
B
20 48Tuesday, April 13, 2010
2009/01/23 2010/01/23
Compal Electronics, Inc.
Title
Size Document Number Rev
Date: Sheet of
Security Classification
Compal Secret Data
THIS SHEET OF ENGINEERING DRAWING IS THE PROPRIETARY PROPERTY OF COMPAL ELECTRONICS, INC. AND CONTAINS CONFIDENTIAL
AND TRADE SECRET INFORMATION. THIS SHEET MAY NOT BE TRANSFERED FROM THE CUSTODY OF THE COMPETENT DIVISION OF R&D
DEPARTMENT EXCEPT AS AUTHORIZED BY COMPAL ELECTRONICS, INC. NEITHER THIS SHEET NOR THE INFORMATION IT CONTAINS
MAY BE USED BY OR DISCLOSED TO ANY THIRD PARTY WITHOUT PRIOR WRITTEN CONSENT OF COMPAL ELECTRONICS, INC.
Issued Date Deciphered Date
NALAA LA-6041P M/B
1.0
PCH USB/PCI/NAND
B
20 48Tuesday, April 13, 2010
2009/01/23 2010/01/23
Compal Electronics, Inc.
Title
Size Document Number Rev
Date: Sheet of
Security Classification
Compal Secret Data
THIS SHEET OF ENGINEERING DRAWING IS THE PROPRIETARY PROPERTY OF COMPAL ELECTRONICS, INC. AND CONTAINS CONFIDENTIAL
AND TRADE SECRET INFORMATION. THIS SHEET MAY NOT BE TRANSFERED FROM THE CUSTODY OF THE COMPETENT DIVISION OF R&D
DEPARTMENT EXCEPT AS AUTHORIZED BY COMPAL ELECTRONICS, INC. NEITHER THIS SHEET NOR THE INFORMATION IT CONTAINS
MAY BE USED BY OR DISCLOSED TO ANY THIRD PARTY WITHOUT PRIOR WRITTEN CONSENT OF COMPAL ELECTRONICS, INC.
Issued Date Deciphered Date
NALAA LA-6041P M/B
1.0
PCH USB/PCI/NAND
B
20 48Tuesday, April 13, 2010
2009/01/23 2010/01/23
Compal Electronics, Inc.
BT
eSATA-USB
USB-RIGHT2
USB-RIGHT1
Int. Camera
Within 500 mils
GNT2#: Not pull low, internal pull up 20K
Change to 47 ohm?
Card reader(3 in 1)
WLAN
RP2
8.2K_0804_8P4R_5%
RP2
8.2K_0804_8P4R_5%
1 8
2 7
3 6
4 5
T37 PADT37 PAD
R27922_0402_5% R27922_0402_5%
12
R30010K_0402_5% R30010K_0402_5%
12
R277 100K_0402_5%R277 100K_0402_5%
1 2
RP1
8.2K_0804_8P4R_5%
RP1
8.2K_0804_8P4R_5%
1 8
2 7
3 6
4 5
R129
100K_0402_5%
@
R129
100K_0402_5%
@
12
R276 32.4_0402_1%
@
R276 32.4_0402_1%
@
1 2
R30210K_0402_5% R30210K_0402_5%
12
PCI
NVRAM
USB
U11E
IBEXPEAK-M QV20 A0_FCBGA1071
HM55R1@
PCI
NVRAM
USB
U11E
IBEXPEAK-M QV20 A0_FCBGA1071
HM55R1@
AD0
H40
AD1
N34
AD2
C44
AD20
C42
AD21
K46
AD22
M51
AD23
J52
AD24
K51
AD25
L34
AD26
F42
AD27
J40
AD28
G46
AD29
F44
AD3
A38
AD30
M47
AD31
H36
AD4
C36
AD5
J34
AD6
A40
AD7
D45
AD8
E36
AD9
H48
C/BE0#
J50
C/BE1#
G42
C/BE2#
H47
C/BE3#
G34
PCIRST#
K6
PERR#
E50
PIRQA#
G38
PIRQB#
H51
PIRQC#
B37
PIRQD#
A44
PLOCK#
D49
PLTRST#
D5
PME#
M7
REQ0#
F51
REQ1# / GPIO50
A46
REQ2# / GPIO52
B45
REQ3# / GPIO54
M53
SERR#
E44
STOP#
D41
TRDY#
C48
NV_ALE BD3
NV_CE#0 AY9
NV_CE#1 BD1
NV_CE#2 AP15
NV_CE#3 BD8
NV_CLE AY6
NV_DQS0 AV9
NV_DQS1 BG8
NV_DQ0 / NV_IO0 AP7
NV_DQ1 / NV_IO1 AP6
NV_DQ10 / NV_IO10 BD6
NV_DQ11 / NV_IO11 BB7
NV_DQ12 / NV_IO12 BC8
NV_DQ13 / NV_IO13 BJ8
NV_DQ14 / NV_IO14 BJ6
NV_DQ15 / NV_IO15 BG6
NV_DQ2 / NV_IO2 AT6
NV_DQ3 / NV_IO3 AT9
NV_DQ4 / NV_IO4 BB1
NV_DQ5 / NV_IO5 AV6
NV_DQ6 / NV_IO6 BB3
NV_DQ7 / NV_IO7 BA4
NV_DQ8 / NV_IO8 BE4
NV_DQ9 / NV_IO9 BB6
NV_RB# AV7
NV_RCOMP AU2
NV_WR#0_RE# AY8
NV_WR#1_RE# AY5
NV_WE#_CK0 AV11
NV_WE#_CK1 BF5
USBP0N H18
USBP0P J18
USBP10N A22
USBP10P C22
USBP11N G24
USBP11P H24
USBP12N L24
USBP12P M24
USBP13N A24
USBP13P C24
USBP1N A18
USBP1P C18
USBP2N N20
USBP2P P20
USBP3N J20
USBP3P L20
USBP4N F20
USBP4P G20
USBP5N A20
USBP5P C20
USBP6N M22
USBP7N B21
USBP7P D21
USBP8N H22
USBP8P J22
USBP9N E22
USBP9P F22
USBRBIAS# B25
USBRBIAS D25
USBP6P N22
AD10
E40
AD11
C40
AD12
M48
AD13
M45
AD14
F53
AD15
M40
AD16
M43
AD17
J36
AD18
K48
AD19
F40
DEVSEL#
F46
FRAME#
C46
GNT0#
F48
GNT1# / GPIO51
K45
GNT2# / GPIO53
F36
GNT3# / GPIO55
H53
PIRQE# / GPIO2
B41
PIRQF# / GPIO3
K53
PIRQG# / GPIO4
A36
PIRQH# / GPIO5
A48
IRDY#
A42
PAR
H44
OC0# / GPIO59 N16
OC1# / GPIO40 J16
OC2# / GPIO41 F16
OC3# / GPIO42 L16
OC4# / GPIO43 E14
OC5# / GPIO9 G16
OC6# / GPIO10 F12
OC7# / GPIO14 T15
CLKOUT_PCI0
N52
CLKOUT_PCI1
P53
CLKOUT_PCI2
P46
CLKOUT_PCI3
P51
CLKOUT_PCI4
P48
RP5
8.2K_0804_8P4R_5%
RP5
8.2K_0804_8P4R_5%
1 8
2 7
3 6
4 5
R30410K_0402_5% R30410K_0402_5%
12
R30710K_0402_5% R30710K_0402_5%
12
R29810K_0402_5% R29810K_0402_5%
12
R29710K_0402_5% R29710K_0402_5%
12
R278 22.6_0402_1%R278 22.6_0402_1%
12
R29910K_0402_5% R29910K_0402_5%
12
RP4
8.2K_0804_8P4R_5%
RP4
8.2K_0804_8P4R_5%
1 8
2 7
3 6
4 5
U8
SN74AHC1G08DCKR_SC70-5
U8
SN74AHC1G08DCKR_SC70-5
IN1 1
IN2 2
G
3
O
4
P5
R253 0_0402_5%
@
R253 0_0402_5%
@
1 2
R30510K_0402_5% R30510K_0402_5%
12
RP3
8.2K_0804_8P4R_5%
RP3
8.2K_0804_8P4R_5%
1 8
2 7
3 6
4 5
R28022_0402_5% R28022_0402_5%
12
R28122_0402_5% R28122_0402_5%
12

5
5
4
4
3
3
2
2
1
1
D D
C C
B B
A A
KB_RST#
THRMTRIP_PCH#
RST_GATE
PCH_GPIO27
PCH_GPIO39
BT_DET#
BT_DET#
EC_SMI#
PCH_GPIO1
PCH_GPIO1
EC_SMI#
PROJECT_ID0
PCH_HDMI_HPD
PCH_GPIO6
PCH_GPIO6
PCH_GPIO57
PCH_GPIO17
PCH_GPIO17
PCH_GPIO16
PCH_GPIO15
PCH_GPIO15
PCH_GPIO57
PCH_GPIO28
PCH_GPIO28
PROJECT_ID1
PCH_GPIO38
PCH_GPIO38
RST_GATE
PCH_GPIO39
PCH_GPIO48
PCH_GPIO48
THM_ALT#
PCH_GPIO16
EC_SCI#
PCH_GPIO12
PCH_GPIO12
GATEA20
EC_SCI#
PCH_HDMI_HPD
THM_ALT#
PROJECT_ID0
PROJECT_ID1
PECI 5
KB_RST# 32
H_PWRGOOD 5
H_THERMTRIP# 5
GATEA20 32
CLK_CPU_BCLK 5
CLK_CPU_BCLK# 5
BT_DET#26
EC_SMI#32
BT_RST#26
EC_SCI#32
BT_PWR#26,27
RST_GATE5
THM_ALT#32
PCH_HDMI_HPD15,19
+3VS
+3VALW
+VTT
+3VS+3VS
Title
Size Document Number Rev
Date: Sheet of
Security Classification
Compal Secret Data
THIS SHEET OF ENGINEERING DRAWING IS THE PROPRIETARY PROPERTY OF COMPAL ELECTRONICS, INC. AND CONTAINS CONFIDENTIAL
AND TRADE SECRET INFORMATION. THIS SHEET MAY NOT BE TRANSFERED FROM THE CUSTODY OF THE COMPETENT DIVISION OF R&D
DEPARTMENT EXCEPT AS AUTHORIZED BY COMPAL ELECTRONICS, INC. NEITHER THIS SHEET NOR THE INFORMATION IT CONTAINS
MAY BE USED BY OR DISCLOSED TO ANY THIRD PARTY WITHOUT PRIOR WRITTEN CONSENT OF COMPAL ELECTRONICS, INC.
Issued Date Deciphered Date
NALAA LA-6041P M/B
1.0
PCH CPU/GPIO
B
21 48Tuesday, April 13, 2010
2009/01/23 2010/01/23
Compal Electronics, Inc.
Title
Size Document Number Rev
Date: Sheet of
Security Classification
Compal Secret Data
THIS SHEET OF ENGINEERING DRAWING IS THE PROPRIETARY PROPERTY OF COMPAL ELECTRONICS, INC. AND CONTAINS CONFIDENTIAL
AND TRADE SECRET INFORMATION. THIS SHEET MAY NOT BE TRANSFERED FROM THE CUSTODY OF THE COMPETENT DIVISION OF R&D
DEPARTMENT EXCEPT AS AUTHORIZED BY COMPAL ELECTRONICS, INC. NEITHER THIS SHEET NOR THE INFORMATION IT CONTAINS
MAY BE USED BY OR DISCLOSED TO ANY THIRD PARTY WITHOUT PRIOR WRITTEN CONSENT OF COMPAL ELECTRONICS, INC.
Issued Date Deciphered Date
NALAA LA-6041P M/B
1.0
PCH CPU/GPIO
B
21 48Tuesday, April 13, 2010
2009/01/23 2010/01/23
Compal Electronics, Inc.
Title
Size Document Number Rev
Date: Sheet of
Security Classification
Compal Secret Data
THIS SHEET OF ENGINEERING DRAWING IS THE PROPRIETARY PROPERTY OF COMPAL ELECTRONICS, INC. AND CONTAINS CONFIDENTIAL
AND TRADE SECRET INFORMATION. THIS SHEET MAY NOT BE TRANSFERED FROM THE CUSTODY OF THE COMPETENT DIVISION OF R&D
DEPARTMENT EXCEPT AS AUTHORIZED BY COMPAL ELECTRONICS, INC. NEITHER THIS SHEET NOR THE INFORMATION IT CONTAINS
MAY BE USED BY OR DISCLOSED TO ANY THIRD PARTY WITHOUT PRIOR WRITTEN CONSENT OF COMPAL ELECTRONICS, INC.
Issued Date Deciphered Date
NALAA LA-6041P M/B
1.0
PCH CPU/GPIO
B
21 48Tuesday, April 13, 2010
2009/01/23 2010/01/23
Compal Electronics, Inc.
Not pull low
internal pull up
Internal: Pull up 20k
During Reset: High
Initial: High
Internal: Pull up 20k
During Reset: High
Initial: High
GPIO8
Not pull down
Internal: Pull down 20k
During Reset: Low
Initial: Low
GPIO15
a Strong pull up may be needed
for GPIO Functionality
PCH_GPIO27
High = Enabled (Default)
Low = Disabled
On-Die PLL VR
NBQAA 11.6/13.3"
NBQAA 14"
NWQAA 16"
*NALAA 17.3"
LL
L
L
H
H
HH
PROJECT_ID
ID0
Name
ID1
LVDS_SEL : GND for
Dual-Channel Panel
GPIO57:
OPTIMUS_EN# : Pull-High
for non-support OPTIMUS
GPIO39:
CIR_EN# : Pull-High
for non-support CIR
R25510K_0402_5% R25510K_0402_5%
1 2
R212 56_0402_1%R212 56_0402_1%
1 2
R242 10K_0402_5%R242 10K_0402_5%
1 2
R25710K_0402_5% R25710K_0402_5%
1 2
R22010K_0402_5% R22010K_0402_5%
1 2
R226 10K_0402_5%R226 10K_0402_5%
1 2
R21810K_0402_5% R21810K_0402_5%
1 2
R264
10K_0402_5%
R264
10K_0402_5%
12
R25910K_0402_5% R25910K_0402_5%
1 2
R21910K_0402_5% R21910K_0402_5%
1 2
R21610K_0402_5% R21610K_0402_5%
1 2
R274 1K_0402_5%
@
R274 1K_0402_5%
@
12
R265
10K_0402_5%
R265
10K_0402_5%
12
R21310K_0402_5%
@
R21310K_0402_5%
@
1 2
GPIO
MISC
NCTF
RSVD
CPU
U11F
IBEXPEAK-M QV20 A0_FCBGA1071
HM55R1@
GPIO
MISC
NCTF
RSVD
CPU
U11F
IBEXPEAK-M QV20 A0_FCBGA1071
HM55R1@
GPIO27
AB12
GPIO28
V13
GPIO24
H10
GPIO57
F8
LAN_PHY_PWR_CTRL / GPIO12
K9
VSS_NCTF_1
A4
VSS_NCTF_2
A49
VSS_NCTF_3
A5
VSS_NCTF_4
A50
VSS_NCTF_5
A52
VSS_NCTF_6
A53
VSS_NCTF_7
B2
VSS_NCTF_8
B4
VSS_NCTF_9
B52
VSS_NCTF_10
B53
VSS_NCTF_11
BE1
VSS_NCTF_12
BE53
VSS_NCTF_13
BF1
VSS_NCTF_14
BF53
VSS_NCTF_15
BH1
VSS_NCTF_16
BH2
VSS_NCTF_17
BH52
VSS_NCTF_18
BH53
VSS_NCTF_19
BJ1
VSS_NCTF_20
BJ2
VSS_NCTF_21
BJ4
VSS_NCTF_22
BJ49
VSS_NCTF_23
BJ5
VSS_NCTF_24
BJ50
VSS_NCTF_25
BJ52
VSS_NCTF_26
BJ53
VSS_NCTF_27
D1
VSS_NCTF_28
D2
VSS_NCTF_29
D53
VSS_NCTF_30
E1
VSS_NCTF_31
E53
TACH2 / GPIO6
D37
TACH0 / GPIO17
F38
TACH3 / GPIO7
J32
TP9 M18
TP10 N18
TP11 AJ24
TP12 AK41
SATA3GP / GPIO37
AB13
SATA5GP / GPIO49
AA4
SCLOCK / GPIO22
Y7
SLOAD / GPIO38
V3
SDATAOUT0 / GPIO39
P3
SDATAOUT1 / GPIO48
AB6
A20GATE U2
PROCPWRGD BE10
RCIN# T1
PECI BG10
THRMTRIP# BD10
GPIO8
F10
CLKOUT_PCIE6N AH45
CLKOUT_PCIE6P AH46
PCIECLKRQ6# / GPIO45
H3
CLKOUT_PCIE7N AF48
CLKOUT_PCIE7P AF47
PCIECLKRQ7# / GPIO46
F1
TP5 AY46
TP4 AY45
TP6 AV43
TP7 AV45
BMBUSY# / GPIO0
Y3
TP16 M30
TP17 N30
NC_1 AB45
NC_2 AB38
NC_3 AB42
NC_4 AB41
GPIO15
T7
TACH1 / GPIO1
C38
TP13 AK42
TP3 BB22
TP1 BA22
TP2 AW22
TP14 M32
TP15 N32
SATA2GP / GPIO36
AB7
NC_5 T39
INIT3_3V# P6
STP_PCI# / GPIO34
M11
SATACLKREQ# / GPIO35
V6
SATA4GP / GPIO16
AA2
TP24 C10
TP8 AF13
CLKOUT_BCLK0_N / CLKOUT_PCIE8N AM3
CLKOUT_BCLK0_P / CLKOUT_PCIE8P AM1
TP19 AA23
TP18 H12
R21410K_0402_5% R21410K_0402_5%
1 2
R227 1K_0402_5%R227 1K_0402_5%
1 2
R2158.2K_0402_5% R2158.2K_0402_5%
1 2
R22110K_0402_5% R22110K_0402_5%
1 2
R225 10K_0402_5%R225 10K_0402_5%
1 2
R210 56_0402_1%R210 56_0402_1%
1 2
R223 10K_0402_5%R223 10K_0402_5%
1 2
R22410K_0402_5% R22410K_0402_5%
1 2

5
5
4
4
3
3
2
2
1
1
D D
C C
B B
A A
+PCH_VCCDMI
+3VS_VCCADAC
+1.8VS_VCCTX_LVDS
+3VS_VCCADAC_R
+1.05VS
+3VS
+3VS
+3VS
+VTT
+1.05VS
+1.05VS
+1.05VS
+PCH_VRM
+1.8VS
+1.8VS+PCH_VRM
+1.8VS_PCH_NAND
+PCH_VRM
+1.8VS
+3VS
+3VS
Title
Size Document Number Rev
Date: Sheet of
Security Classification
Compal Secret Data
THIS SHEET OF ENGINEERING DRAWING IS THE PROPRIETARY PROPERTY OF COMPAL ELECTRONICS, INC. AND CONTAINS CONFIDENTIAL
AND TRADE SECRET INFORMATION. THIS SHEET MAY NOT BE TRANSFERED FROM THE CUSTODY OF THE COMPETENT DIVISION OF R&D
DEPARTMENT EXCEPT AS AUTHORIZED BY COMPAL ELECTRONICS, INC. NEITHER THIS SHEET NOR THE INFORMATION IT CONTAINS
MAY BE USED BY OR DISCLOSED TO ANY THIRD PARTY WITHOUT PRIOR WRITTEN CONSENT OF COMPAL ELECTRONICS, INC.
Issued Date Deciphered Date
NALAA LA-6041P M/B
1.0
PCH POWER-1
B
22 48Tuesday, April 13, 2010
2009/01/23 2010/01/23
Compal Electronics, Inc.
Title
Size Document Number Rev
Date: Sheet of
Security Classification
Compal Secret Data
THIS SHEET OF ENGINEERING DRAWING IS THE PROPRIETARY PROPERTY OF COMPAL ELECTRONICS, INC. AND CONTAINS CONFIDENTIAL
AND TRADE SECRET INFORMATION. THIS SHEET MAY NOT BE TRANSFERED FROM THE CUSTODY OF THE COMPETENT DIVISION OF R&D
DEPARTMENT EXCEPT AS AUTHORIZED BY COMPAL ELECTRONICS, INC. NEITHER THIS SHEET NOR THE INFORMATION IT CONTAINS
MAY BE USED BY OR DISCLOSED TO ANY THIRD PARTY WITHOUT PRIOR WRITTEN CONSENT OF COMPAL ELECTRONICS, INC.
Issued Date Deciphered Date
NALAA LA-6041P M/B
1.0
PCH POWER-1
B
22 48Tuesday, April 13, 2010
2009/01/23 2010/01/23
Compal Electronics, Inc.
Title
Size Document Number Rev
Date: Sheet of
Security Classification
Compal Secret Data
THIS SHEET OF ENGINEERING DRAWING IS THE PROPRIETARY PROPERTY OF COMPAL ELECTRONICS, INC. AND CONTAINS CONFIDENTIAL
AND TRADE SECRET INFORMATION. THIS SHEET MAY NOT BE TRANSFERED FROM THE CUSTODY OF THE COMPETENT DIVISION OF R&D
DEPARTMENT EXCEPT AS AUTHORIZED BY COMPAL ELECTRONICS, INC. NEITHER THIS SHEET NOR THE INFORMATION IT CONTAINS
MAY BE USED BY OR DISCLOSED TO ANY THIRD PARTY WITHOUT PRIOR WRITTEN CONSENT OF COMPAL ELECTRONICS, INC.
Issued Date Deciphered Date
NALAA LA-6041P M/B
1.0
PCH POWER-1
B
22 48Tuesday, April 13, 2010
2009/01/23 2010/01/23
Compal Electronics, Inc.
close to AB34
close to AM8
close to AT16
close to Ak13
close to AE50
375mA
69mA
40mA
1432mA
61mA
37mA
3062mA
85mA
156mA
375mA
196mA
> 1mA
59mA
C309
1U_0402_6.3V4Z
C309
1U_0402_6.3V4Z
1
2
C300
0.01U_0402_25V7K
C300
0.01U_0402_25V7K
1
2
C313 0.1U_0402_16V4ZC313 0.1U_0402_16V4Z
1
2
R338 0_0603_5%R338 0_0603_5%
1 2
L57
BLM18PG181SN1D_2P
L57
BLM18PG181SN1D_2P
1 2
C295
10U_0805_10V4Z
C295
10U_0805_10V4Z
1
2
C297
0.1U_0402_16V4Z
C297
0.1U_0402_16V4Z
1
2
C296
0.01U_0402_25V7K
C296
0.01U_0402_25V7K
1
2
R336 0_0402_5%R336 0_0402_5%
12
C304 10U_0805_10V4ZC304 10U_0805_10V4Z
1 2
C298
10U_0805_10V4Z
C298
10U_0805_10V4Z
1
2
C303
0.1U_0402_16V4Z
C303
0.1U_0402_16V4Z
1
2
C311
0.1U_0402_16V4Z
C311
0.1U_0402_16V4Z
1
2
C307 1U_0402_6.3V4ZC307 1U_0402_6.3V4Z
1 2
C299
0.01U_0402_25V7K
C299
0.01U_0402_25V7K
1
2
POWER
VCC CORE
DMI
PCI E*
CRTLVDS
FDI
NAND / SPI HVCMOS
U11G
IBEXPEAK-M QV20 A0_FCBGA1071
HM55R1@
POWER
VCC CORE
DMI
PCI E*
CRTLVDS
FDI
NAND / SPI HVCMOS
U11G
IBEXPEAK-M QV20 A0_FCBGA1071
HM55R1@
VCCCORE[1]
AB24
VCCCORE[2]
AB26
VCCCORE[3]
AB28
VCCCORE[4]
AD26
VCCCORE[5]
AD28
VCCCORE[6]
AF26
VCCCORE[7]
AF28
VCCCORE[8]
AF30
VCCCORE[9]
AF31
VCCCORE[10]
AH26
VCCCORE[11]
AH28
VCCCORE[12]
AH30
VCCCORE[13]
AH31
VCCCORE[14]
AJ30
VCCCORE[15]
AJ31
VCCPNAND[4] AK19
VCCPNAND[3] AK20
VCCIO[27]
AN23
VCCIO[28]
AN24
VCCIO[29]
AN26
VCCIO[30]
AN28
VCCIO[54]
AN30
VCCIO[55]
AN31
VCCIO[33]
AT26
VCCIO[34]
AT28
VCCIO[35]
AU26
VCCIO[36]
AU28
VCCIO[37]
AV26
VCCIO[38]
AV28
VCCIO[39]
AW26
VCCIO[40]
AW28
VCCIO[41]
BA26
VCCIO[42]
BA28
VCCIO[43]
BB26
VCCIO[44]
BB28
VCCIO[45]
BC26
VCCIO[46]
BC28
VCCIO[47]
BD26
VCCIO[48]
BD28
VCCIO[49]
BE26
VCCIO[50]
BE28
VCCIO[51]
BG26
VCCIO[52]
BG28
VCCIO[53]
BH27
VCCIO[31]
BJ26
VCCIO[32]
BJ28
VCCADAC[1] AE50
VCCADAC[2] AE52
VCCTX_LVDS[1] AP43
VCCTX_LVDS[2] AP45
VCCALVDS AH38
VCCVRM[2] AT24
VCCVRM[1]
AT22
VCCAPLLEXP
BJ24
VCCFDIPLL
BJ18
VCCPNAND[6] AK13
VCCPNAND[5] AK15
VCCPNAND[7] AM12
VCCPNAND[8] AM13
VCCIO[24]
AK24 VCCTX_LVDS[4] AT45
VCCTX_LVDS[3] AT46
VSSA_DAC[1] AF53
VSSA_LVDS AH39
VSSA_DAC[2] AF51
VCCIO[1]
AM23
VCC3_3[2] AB34
VCC3_3[3] AB35
VCC3_3[4] AD35
VCC3_3[1]
AN35
VCCME3_3[1] AM8
VCCME3_3[2] AM9
VCCME3_3[3] AP11
VCCME3_3[4] AP9
VCCPNAND[2] AK16
VCCPNAND[9] AM15
VCCPNAND[1] AM16
VCCDMI[1] AT16
VCCDMI[2] AU16
VCCIO[25]
AN20
VCCIO[26]
AN22
R335 0_0603_5%R335 0_0603_5%
1 2
L12 1_0603_1%L12 1_0603_1%
1 2
C306 1U_0402_6.3V4ZC306 1U_0402_6.3V4Z
1 2
C310 0.1U_0402_16V4ZC310 0.1U_0402_16V4Z
12
R341 0_0603_5%R341 0_0603_5%
1 2
C294
1U_0402_6.3V4Z
C294
1U_0402_6.3V4Z
1
2
C305 1U_0402_6.3V4ZC305 1U_0402_6.3V4Z
1 2
C308 1U_0402_6.3V4ZC308 1U_0402_6.3V4Z
1 2

5
5
4
4
3
3
2
2
1
1
D D
C C
B B
A A
+PCH_VCCME4
+PCH_VCCME1
+VCCRTCEXT
+V1.1A_INT_VCCSUS
+VCCSUSHDA
+PCH_VCCME3
+1.05VS_PCHDPLL_A
+PCH_VCCME2
+PCH_VCC5REF
+VCCSST
+1.05VS_PCHDPLL_B
+TP_PCH_VCCDSW
+PCH_VCC5REFSUS
+PCH_VCC5REF
+VTT_V_CPU_IO
+3VS
+1.05VS
+RTCVCC
+1.05VS
+3VALW
+VTT
+1.05VS
+PCH_VRM
+3VS
+1.05VS
+1.05VS
+3VALW
+1.05VS
+3VS
+5VALW+3VALW
+5VS
+3VALW
+3VS
+PCH_VRM
+1.05VS
+1.05VS
+1.5VALW
+1.5VALW
+3VALW
Title
Size Document Number Rev
Date: Sheet of
Security Classification
Compal Secret Data
THIS SHEET OF ENGINEERING DRAWING IS THE PROPRIETARY PROPERTY OF COMPAL ELECTRONICS, INC. AND CONTAINS CONFIDENTIAL
AND TRADE SECRET INFORMATION. THIS SHEET MAY NOT BE TRANSFERED FROM THE CUSTODY OF THE COMPETENT DIVISION OF R&D
DEPARTMENT EXCEPT AS AUTHORIZED BY COMPAL ELECTRONICS, INC. NEITHER THIS SHEET NOR THE INFORMATION IT CONTAINS
MAY BE USED BY OR DISCLOSED TO ANY THIRD PARTY WITHOUT PRIOR WRITTEN CONSENT OF COMPAL ELECTRONICS, INC.
Issued Date
Deciphered Date
NALAA LA-6041P M/B
1.0
PCH POWER-2
Custom
23 48Tuesday, April 13, 2010
2009/01/23 2010/01/23
Compal Electronics, Inc.
Title
Size Document Number Rev
Date: Sheet of
Security Classification
Compal Secret Data
THIS SHEET OF ENGINEERING DRAWING IS THE PROPRIETARY PROPERTY OF COMPAL ELECTRONICS, INC. AND CONTAINS CONFIDENTIAL
AND TRADE SECRET INFORMATION. THIS SHEET MAY NOT BE TRANSFERED FROM THE CUSTODY OF THE COMPETENT DIVISION OF R&D
DEPARTMENT EXCEPT AS AUTHORIZED BY COMPAL ELECTRONICS, INC. NEITHER THIS SHEET NOR THE INFORMATION IT CONTAINS
MAY BE USED BY OR DISCLOSED TO ANY THIRD PARTY WITHOUT PRIOR WRITTEN CONSENT OF COMPAL ELECTRONICS, INC.
Issued Date
Deciphered Date
NALAA LA-6041P M/B
1.0
PCH POWER-2
Custom
23 48Tuesday, April 13, 2010
2009/01/23 2010/01/23
Compal Electronics, Inc.
Title
Size Document Number Rev
Date: Sheet of
Security Classification
Compal Secret Data
THIS SHEET OF ENGINEERING DRAWING IS THE PROPRIETARY PROPERTY OF COMPAL ELECTRONICS, INC. AND CONTAINS CONFIDENTIAL
AND TRADE SECRET INFORMATION. THIS SHEET MAY NOT BE TRANSFERED FROM THE CUSTODY OF THE COMPETENT DIVISION OF R&D
DEPARTMENT EXCEPT AS AUTHORIZED BY COMPAL ELECTRONICS, INC. NEITHER THIS SHEET NOR THE INFORMATION IT CONTAINS
MAY BE USED BY OR DISCLOSED TO ANY THIRD PARTY WITHOUT PRIOR WRITTEN CONSENT OF COMPAL ELECTRONICS, INC.
Issued Date
Deciphered Date
NALAA LA-6041P M/B
1.0
PCH POWER-2
Custom
23 48Tuesday, April 13, 2010
2009/01/23 2010/01/23
Compal Electronics, Inc.
> 1mA
> 1mA
> 1mA
375mA
375mA
52mA
68mA
69mA
3062mA
320mA
1849mA
1849mA
2mA
31mA
163mA
3062mA
3062mA
163mA
6mA
196mA
VCCSUSHDA can be
either 1.5V or 3.3V
196mA
VccLAN may be grounded if Intel LAN is disabled
Near AD38
Near V39
If two VccME rails can be
combined, only total 2 x 22 ȝF and
2 x 1 ȝF caps are necessary
For HDA power rail to +1.5V
For HDA power rail to +3.3V(default) / +1.5V
+
C331
220U_6.3V_M
+
C331
220U_6.3V_M
1
2
R346
100_0402_1%
R346
100_0402_1%
12
C332
1U_0402_6.3V4Z
C332
1U_0402_6.3V4Z
1
2
R356 0_0402_5%R356 0_0402_5%
1 2
R347
0_0603_5%
@
R347
0_0603_5%
@
12
C323
22U_0805_6.3V6M
@
C323
22U_0805_6.3V6M
@
1
2
C324
1U_0402_6.3V4Z
C324
1U_0402_6.3V4Z
1
2
R353 0_0402_5%R353 0_0402_5%
1 2
C326 1U_0402_6.3V4ZC326 1U_0402_6.3V4Z
12
C336
1U_0402_6.3V4Z
C336
1U_0402_6.3V4Z
1
2
C350
1U_0402_6.3V4Z
C350
1U_0402_6.3V4Z
1
2
R343 0_0603_5%R343 0_0603_5%
1 2
C322
22U_0805_6.3V6M
C322
22U_0805_6.3V6M
1
2
R344
100_0402_1%
R344
100_0402_1%
12
L17
10UH_LB2012T100MR_20%
L17
10UH_LB2012T100MR_20%
1 2
POWER
SATA
USB
Clock and Miscellaneous
HDA
CPU
PCI/GPIO/LPC
RTC PCI/GPIO/LPC
U11J
IBEXPEAK-M QV20 A0_FCBGA1071
HM55R1@
POWER
SATA
USB
Clock and Miscellaneous
HDA
CPU
PCI/GPIO/LPC
RTC PCI/GPIO/LPC
U11J
IBEXPEAK-M QV20 A0_FCBGA1071
HM55R1@
DCPSUSBYP
Y20
VCCME[1]
AD38
VCCME[2]
AD39
VCCME[3]
AD41
VCCME[5]
AF41
VCCME[6]
AF42
VCCSUSHDA L30
VCCSUS3_3[28] U23
VCCIO[56] V23
VCCIO[13] AD19
VCCIO[14] AF20
VCCIO[15] AF19
VCCME[7]
V39
VCCME[8]
V41
VCCME[9]
V42
VCCME[10]
Y39
VCCME[11]
Y41
VCCME[12]
Y42
V5REF K49
VCC3_3[8] J38
VCC3_3[9] L38
VCC3_3[10] M36
VCC3_3[11] N36
VCC3_3[12] P36
VCC3_3[13] U35
VCCRTC
A12
VCCSUS3_3[27] A26
VCCSUS3_3[26] A28
VCCSUS3_3[25] B27
VCCSUS3_3[24] C26
VCCSUS3_3[23] C28
VCCSUS3_3[22] E26
VCCSUS3_3[21] E28
VCCSUS3_3[20] F26
VCCSUS3_3[19] F28
VCCSUS3_3[18] G26
VCCSUS3_3[17] G28
VCCSUS3_3[16] H26
VCCSUS3_3[15] H28
VCCSUS3_3[14] J26
VCCSUS3_3[13] J28
VCCSUS3_3[12] L26
VCCSUS3_3[11] L28
VCCSUS3_3[10] M26
VCCSUS3_3[9] M28
VCCSUS3_3[8] N26
VCCSUS3_3[7] N28
VCCSUS3_3[6] P26
VCCSUS3_3[5] P28
VCCSUS3_3[4] U24
VCCSUS3_3[3] U26
VCCSUS3_3[2] U28
VCCSUS3_3[1] V28
VCCIO[11] AD20
VCCIO[20] AD22
VCCIO[10] AH19
VCCADPLLA[2]
BB53
VCCADPLLB[1]
BD51
VCCIO[22]
AJ35
V5REF_SUS F24
VCCIO[16] AH20
VCCIO[17] AB19
VCCIO[18] AB20
VCCIO[19] AB22
VCCIO[12] AF22
VCC3_3[14] AD13
VCCIO[9] AH22
VCCVRM[4] AT20
DCPSUS
Y22
VCCIO[2]
AF34
VCCIO[3]
AH34
VCCLAN[1]
AF23
VCCLAN[2]
AF24
VCCADPLLA[1]
BB51
VCCADPLLB[2]
BD53
VCCVRM[3]
AU24
VCCACLK[1]
AP51
VCCACLK[2]
AP53
DCPRTC
V9
VCCIO[4]
AF32
VCCME[4]
AF43
VCCIO[23]
AH35
VCCIO[21]
AH23
DCPSST
V12 VCCSATAPLL[2] AK1
VCCSATAPLL[1] AK3
VCCME[13] AA34
VCCME[14] Y34
VCCME[15] Y35
VCCME[16] AA35
VCC3_3[5]
V15
VCC3_3[6]
V16
VCC3_3[7]
Y16
VCCSUS3_3[29]
P18
VCCSUS3_3[30]
U19
VCCSUS3_3[31]
U20
VCCSUS3_3[32]
U22
VCCIO[5] V24
VCCIO[6] V26
VCCIO[7] Y24
VCCIO[8] Y26
V_CPU_IO[1]
AT18
V_CPU_IO[2]
AU18
C342
1U_0402_6.3V4Z
C342
1U_0402_6.3V4Z
1
2
U54 APL5508-25DC-TRL_SOT89-3
@
U54 APL5508-25DC-TRL_SOT89-3
@
IN
2
GND
1
OUT 3
C447
22U_0805_6.3V6M
C447
22U_0805_6.3V6M
1
2
C341 0.1U_0402_16V4ZC341 0.1U_0402_16V4Z
1 2
C347
0.1U_0402_16V4Z
C347
0.1U_0402_16V4Z
1
2
R357 0_0402_5%@R357 0_0402_5%@
1 2
C348 1U_0402_6.3V4ZC348 1U_0402_6.3V4Z
1 2
C325
0.1U_0402_16V4Z
C325
0.1U_0402_16V4Z
1
2
C335
1U_0402_6.3V4Z
C335
1U_0402_6.3V4Z
1
2
C316
1U_0402_6.3V4Z
C316
1U_0402_6.3V4Z
1
2
C351 0.1U_0402_16V4ZC351 0.1U_0402_16V4Z
1 2
C349 0.1U_0402_16V4ZC349 0.1U_0402_16V4Z
1 2
C321
0.1U_0402_16V4Z
C321
0.1U_0402_16V4Z
1
2
C334
1U_0402_6.3V4Z
C334
1U_0402_6.3V4Z
1
2
C333
0.1U_0402_16V4Z
C333
0.1U_0402_16V4Z
1
2
+
C328
220U_6.3V_M
+
C328
220U_6.3V_M
1
2
C327 0.1U_0402_16V4ZC327 0.1U_0402_16V4Z
1 2
L18
10UH_LB2012T100MR_20%
L18
10UH_LB2012T100MR_20%
1 2
C344 0.1U_0402_16V4ZC344 0.1U_0402_16V4Z
1 2
R352 0_0402_5%R352 0_0402_5%
1 2
C391
22U_0805_6.3V6M
@
C391
22U_0805_6.3V6M
@
1
2
C2
1U_0603_10V6K
@
C2
1U_0603_10V6K
@
12
C343 0.1U_0402_16V4ZC343 0.1U_0402_16V4Z
1 2
D16
CH751H-40PT_SOD323-2
D16
CH751H-40PT_SOD323-2
21
C18
4.7U_0603_6.3V6K
@
C18
4.7U_0603_6.3V6K
@
1
2
C320 0.1U_0402_16V4ZC320 0.1U_0402_16V4Z
12
R354 0_0402_5%R354 0_0402_5%
1 2
D17
CH751H-40PT_SOD323-2
D17
CH751H-40PT_SOD323-2
21
C329
1U_0402_6.3V4Z
C329
1U_0402_6.3V4Z
1
2
C337 0.1U_0402_16V4ZC337 0.1U_0402_16V4Z
12
C345
4.7U_0603_6.3V6K
C345
4.7U_0603_6.3V6K
1
2
R351 0_0402_5%R351 0_0402_5%
1 2
C318
1U_0402_6.3V4Z
C318
1U_0402_6.3V4Z
1
2
C346
0.1U_0402_16V4Z
C346
0.1U_0402_16V4Z
1
2
C338 0.1U_0402_16V4ZC338 0.1U_0402_16V4Z
1 2
C330
1U_0402_6.3V4Z
C330
1U_0402_6.3V4Z
1
2

5
5
4
4
3
3
2
2
1
1
D D
C C
B B
A A
Title
Size Document Number Rev
Date: Sheet of
Security Classification
Compal Secret Data
THIS SHEET OF ENGINEERING DRAWING IS THE PROPRIETARY PROPERTY OF COMPAL ELECTRONICS, INC. AND CONTAINS CONFIDENTIAL
AND TRADE SECRET INFORMATION. THIS SHEET MAY NOT BE TRANSFERED FROM THE CUSTODY OF THE COMPETENT DIVISION OF R&D
DEPARTMENT EXCEPT AS AUTHORIZED BY COMPAL ELECTRONICS, INC. NEITHER THIS SHEET NOR THE INFORMATION IT CONTAINS
MAY BE USED BY OR DISCLOSED TO ANY THIRD PARTY WITHOUT PRIOR WRITTEN CONSENT OF COMPAL ELECTRONICS, INC.
Issued Date Deciphered Date
NALAA LA-6041P M/B
1.0
PCH-GND
Custom
24 48Tuesday, April 13, 2010
2009/01/23 2010/01/23
Compal Electronics, Inc.
Title
Size Document Number Rev
Date: Sheet of
Security Classification
Compal Secret Data
THIS SHEET OF ENGINEERING DRAWING IS THE PROPRIETARY PROPERTY OF COMPAL ELECTRONICS, INC. AND CONTAINS CONFIDENTIAL
AND TRADE SECRET INFORMATION. THIS SHEET MAY NOT BE TRANSFERED FROM THE CUSTODY OF THE COMPETENT DIVISION OF R&D
DEPARTMENT EXCEPT AS AUTHORIZED BY COMPAL ELECTRONICS, INC. NEITHER THIS SHEET NOR THE INFORMATION IT CONTAINS
MAY BE USED BY OR DISCLOSED TO ANY THIRD PARTY WITHOUT PRIOR WRITTEN CONSENT OF COMPAL ELECTRONICS, INC.
Issued Date Deciphered Date
NALAA LA-6041P M/B
1.0
PCH-GND
Custom
24 48Tuesday, April 13, 2010
2009/01/23 2010/01/23
Compal Electronics, Inc.
Title
Size Document Number Rev
Date: Sheet of
Security Classification
Compal Secret Data
THIS SHEET OF ENGINEERING DRAWING IS THE PROPRIETARY PROPERTY OF COMPAL ELECTRONICS, INC. AND CONTAINS CONFIDENTIAL
AND TRADE SECRET INFORMATION. THIS SHEET MAY NOT BE TRANSFERED FROM THE CUSTODY OF THE COMPETENT DIVISION OF R&D
DEPARTMENT EXCEPT AS AUTHORIZED BY COMPAL ELECTRONICS, INC. NEITHER THIS SHEET NOR THE INFORMATION IT CONTAINS
MAY BE USED BY OR DISCLOSED TO ANY THIRD PARTY WITHOUT PRIOR WRITTEN CONSENT OF COMPAL ELECTRONICS, INC.
Issued Date Deciphered Date
NALAA LA-6041P M/B
1.0
PCH-GND
Custom
24 48Tuesday, April 13, 2010
2009/01/23 2010/01/23
Compal Electronics, Inc.
U11I
IBEXPEAK-M QV20 A0_FCBGA1071
HM55R1@
U11I
IBEXPEAK-M QV20 A0_FCBGA1071
HM55R1@
VSS[159]
AY7
VSS[160]
B11
VSS[161]
B15
VSS[162]
B19
VSS[163]
B23
VSS[164]
B31
VSS[165]
B35
VSS[166]
B39
VSS[167]
B43
VSS[168]
B47
VSS[169]
B7
VSS[170]
BG12
VSS[171]
BB12
VSS[172]
BB16
VSS[173]
BB20
VSS[174]
BB24
VSS[175]
BB30
VSS[176]
BB34
VSS[177]
BB38
VSS[178]
BB42
VSS[179]
BB49
VSS[180]
BB5
VSS[181]
BC10
VSS[182]
BC14
VSS[183]
BC18
VSS[184]
BC2
VSS[185]
BC22
VSS[186]
BC32
VSS[187]
BC36
VSS[188]
BC40
VSS[189]
BC44
VSS[190]
BC52
VSS[191]
BH9
VSS[192]
BD48
VSS[193]
BD49
VSS[194]
BD5
VSS[195]
BE12
VSS[196]
BE16
VSS[197]
BE20
VSS[198]
BE24
VSS[199]
BE30
VSS[200]
BE34
VSS[201]
BE38
VSS[202]
BE42
VSS[203]
BE46
VSS[204]
BE48
VSS[205]
BE50
VSS[206]
BE6
VSS[207]
BE8
VSS[208]
BF3
VSS[209]
BF49
VSS[210]
BF51
VSS[211]
BG18
VSS[212]
BG24
VSS[213]
BG4
VSS[214]
BG50
VSS[215]
BH11
VSS[216]
BH15
VSS[217]
BH19
VSS[218]
BH23
VSS[219]
BH31
VSS[220]
BH35
VSS[221]
BH39
VSS[222]
BH43
VSS[223]
BH47
VSS[224]
BH7
VSS[225]
C12
VSS[226]
C50
VSS[227]
D51
VSS[228]
E12
VSS[229]
E16
VSS[230]
E20
VSS[231]
E24
VSS[232]
E30
VSS[233]
E34
VSS[234]
E38
VSS[235]
E42
VSS[236]
E46
VSS[237]
E48
VSS[264] K47
VSS[265] K7
VSS[266] L14
VSS[267] L18
VSS[268] L2
VSS[269] L22
VSS[270] L32
VSS[271] L36
VSS[272] L40
VSS[273] L52
VSS[274] M12
VSS[275] M16
VSS[276] M20
VSS[277] N38
VSS[278] M34
VSS[279] M38
VSS[280] M42
VSS[281] M46
VSS[282] M49
VSS[283] M5
VSS[284] M8
VSS[285] N24
VSS[286] P11
VSS[288] P22
VSS[289] P30
VSS[290] P32
VSS[291] P34
VSS[292] P42
VSS[293] P45
VSS[294] P47
VSS[295] R2
VSS[296] R52
VSS[297] T12
VSS[298] T41
VSS[299] T46
VSS[300] T49
VSS[301] T5
VSS[302] T8
VSS[303] U30
VSS[304] U31
VSS[305] U32
VSS[306] U34
VSS[307] P38
VSS[308] V11
VSS[309] P16
VSS[310] V19
VSS[311] V20
VSS[312] V22
VSS[313] V30
VSS[314] V31
VSS[315] V32
VSS[316] V34
VSS[238]
E6
VSS[239]
E8
VSS[240]
F49
VSS[241]
F5
VSS[242]
G10
VSS[243]
G14
VSS[244]
G18
VSS[245]
G2
VSS[246]
G22
VSS[247]
G32
VSS[248]
G36
VSS[249]
G40
VSS[250]
G44
VSS[251]
G52
VSS[317] V35
VSS[318] V38
VSS[319] V43
VSS[320] V45
VSS[321] V46
VSS[322] V47
VSS[323] V49
VSS[324] V5
VSS[325] V7
VSS[326] V8
VSS[327] W2
VSS[328] W52
VSS[329] Y11
VSS[330] Y12
VSS[331] Y15
VSS[332] Y19
VSS[333] Y23
VSS[334] Y28
VSS[335] Y30
VSS[336] Y31
VSS[337] Y32
VSS[338] Y38
VSS[339] Y43
VSS[340] Y46
VSS[342] Y5
VSS[343] Y6
VSS[344] Y8
VSS[341] P49
VSS[345] P24
VSS[287] AD15
VSS[252]
AF39
VSS[253]
H16
VSS[254]
H20
VSS[255]
H30
VSS[256]
H34
VSS[257]
H38
VSS[258]
H42
VSS[346] T43
VSS[347] AD51
VSS[348] AT8
VSS[349] AD47
VSS[350] Y47
VSS[351] AT12
VSS[352] AM6
VSS[353] AT13
VSS[354] AM5
VSS[355] AK45
VSS[356] AK39
VSS[366] AV14
VSS[262] K11
VSS[263] K43
VSS[259] H49
VSS[260] H5
VSS[261] J24
U11H
IBEXPEAK-M QV20 A0_FCBGA1071
HM55R1@
U11H
IBEXPEAK-M QV20 A0_FCBGA1071
HM55R1@
VSS[1]
AA19
VSS[2]
AA20
VSS[3]
AA22
VSS[5]
AA24
VSS[6]
AA26
VSS[7]
AA28
VSS[8]
AA30
VSS[9]
AA31
VSS[10]
AA32
VSS[11]
AB11
VSS[12]
AB15
VSS[13]
AB23
VSS[14]
AB30
VSS[15]
AB31
VSS[16]
AB32
VSS[17]
AB39
VSS[18]
AB43
VSS[19]
AB47
VSS[20]
AB5
VSS[21]
AB8
VSS[22]
AC2
VSS[23]
AC52
VSS[24]
AD11
VSS[25]
AD12
VSS[26]
AD16
VSS[27]
AD23
VSS[28]
AD30
VSS[29]
AD31
VSS[30]
AD32
VSS[31]
AD34
VSS[33]
AD42
VSS[34]
AD46
VSS[35]
AD49
VSS[36]
AD7
VSS[37]
AE2
VSS[38]
AE4
VSS[39]
AF12
VSS[43]
AF35
VSS[44]
AP13
VSS[46]
AF45
VSS[47]
AF46
VSS[48]
AF49
VSS[49]
AF5
VSS[50]
AF8
VSS[51]
AG2
VSS[52]
AG52
VSS[53]
AH11
VSS[54]
AH15
VSS[55]
AH16
VSS[56]
AH24
VSS[57]
AH32
VSS[59]
AH43
VSS[60]
AH47
VSS[61]
AH7
VSS[62]
AJ19
VSS[63]
AJ2
VSS[64]
AJ20
VSS[65]
AJ22
VSS[66]
AJ23
VSS[67]
AJ26
VSS[68]
AJ28
VSS[69]
AJ32
VSS[70]
AJ34
VSS[71]
AT5
VSS[72]
AJ4
VSS[73]
AK12
VSS[76]
AK26
VSS[77]
AK22
VSS[78]
AK23
VSS[79]
AK28
VSS[80] AK30
VSS[81] AK31
VSS[82] AK32
VSS[83] AK34
VSS[84] AK35
VSS[85] AK38
VSS[86] AK43
VSS[87] AK46
VSS[88] AK49
VSS[89] AK5
VSS[90] AK8
VSS[91] AL2
VSS[92] AL52
VSS[93] AM11
VSS[96] AM20
VSS[97] AM22
VSS[98] AM24
VSS[99] AM26
VSS[100] AM28
VSS[102] AM30
VSS[103] AM31
VSS[104] AM32
VSS[105] AM34
VSS[106] AM35
VSS[107] AM38
VSS[108] AM39
VSS[109] AM42
VSS[110] AU20
VSS[111] AM46
VSS[112] AV22
VSS[113] AM49
VSS[114] AM7
VSS[116] BB10
VSS[117] AN32
VSS[118] AN50
VSS[119] AN52
VSS[120] AP12
VSS[121] AP42
VSS[122] AP46
VSS[123] AP49
VSS[124] AP5
VSS[125] AP8
VSS[126] AR2
VSS[127] AR52
VSS[128] AT11
VSS[131] AT32
VSS[132] AT36
VSS[133] AT41
VSS[134] AT47
VSS[135] AT7
VSS[136] AV12
VSS[137] AV16
VSS[138] AV20
VSS[139] AV24
VSS[140] AV30
VSS[141] AV34
VSS[142] AV38
VSS[143] AV42
VSS[144] AV46
VSS[145] AV49
VSS[146] AV5
VSS[147] AV8
VSS[148] AW14
VSS[149] AW18
VSS[150] AW2
VSS[151] BF9
VSS[152] AW32
VSS[153] AW36
VSS[154] AW40
VSS[155] AW52
VSS[156] AY11
VSS[157] AY43
VSS[158] AY47
VSS[40]
Y13
VSS[42]
AU4
VSS[45]
AN34
VSS[115] AA50
VSS[0]
AB16
VSS[58]
AV18
VSS[32]
AU22
VSS[4]
AM19
VSS[74]
AM41
VSS[75]
AN19
VSS[41]
AH49
VSS[129] BA12
VSS[130] AH48
VSS[101] BA42
VSS[95] AD24
VSS[94] BB44

5
5
4
4
3
3
2
2
1
1
D D
C C
B B
A A
SATA_PTX_C_DRX_P1
SATA_PTX_C_DRX_N1
SATA_PRX_DTX_N1
SATA_PRX_DTX_P1
USB20_N3_R
SATA_PRX_DTX_P5
SATA_PTX_C_DRX_P5
SATA_PTX_C_DRX_N5
SATA_PRX_DTX_N5
SATA_PRX_DTX_P4
SATA_PRX_DTX_N4
SATA_PTX_C_DRX_N4
SATA_PTX_C_DRX_P4
USB20_P3_R
USB_EN#
USB20_N3_R
USB20_P3_R
SATA_PTX_DRX_P1 16
SATA_PTX_DRX_N1 16
SATA_PRX_C_DTX_N1 16
SATA_PRX_C_DTX_P1 16
SATA_PTX_DRX_P516
SATA_PTX_DRX_N516
SATA_PRX_C_DTX_P516
SATA_PRX_C_DTX_N516
USB_OC#1 20,32
SATA_PRX_C_DTX_N4 16
SATA_PTX_DRX_P4 16
SATA_PRX_C_DTX_P4 16
SATA_PTX_DRX_N4 16
USB20_P320
USB20_N320
USB_EN#30,32
+5VS
+3VS
+5VS
+3VS
+5VALW +USB_VCCB
+USB_VCCB
+5VS
Title
Size Document Number Rev
Date: Sheet of
Security Classification
Compal Secret Data
THIS SHEET OF ENGINEERING DRAWING IS THE PROPRIETARY PROPERTY OF COMPAL ELECTRONICS, INC. AND CONTAINS CONFIDENTIAL
AND TRADE SECRET INFORMATION. THIS SHEET MAY NOT BE TRANSFERED FROM THE CUSTODY OF THE COMPETENT DIVISION OF R&D
DEPARTMENT EXCEPT AS AUTHORIZED BY COMPAL ELECTRONICS, INC. NEITHER THIS SHEET NOR THE INFORMATION IT CONTAINS
MAY BE USED BY OR DISCLOSED TO ANY THIRD PARTY WITHOUT PRIOR WRITTEN CONSENT OF COMPAL ELECTRONICS, INC.
Issued Date Deciphered Date
NALAA LA-6041P M/B
1.0
SATA-HDD/ODD/ESATA
25 48Tuesday, April 13, 2010
2009/01/23 2010/01/23
Compal Electronics, Inc.
Title
Size Document Number Rev
Date: Sheet of
Security Classification
Compal Secret Data
THIS SHEET OF ENGINEERING DRAWING IS THE PROPRIETARY PROPERTY OF COMPAL ELECTRONICS, INC. AND CONTAINS CONFIDENTIAL
AND TRADE SECRET INFORMATION. THIS SHEET MAY NOT BE TRANSFERED FROM THE CUSTODY OF THE COMPETENT DIVISION OF R&D
DEPARTMENT EXCEPT AS AUTHORIZED BY COMPAL ELECTRONICS, INC. NEITHER THIS SHEET NOR THE INFORMATION IT CONTAINS
MAY BE USED BY OR DISCLOSED TO ANY THIRD PARTY WITHOUT PRIOR WRITTEN CONSENT OF COMPAL ELECTRONICS, INC.
Issued Date Deciphered Date
NALAA LA-6041P M/B
1.0
SATA-HDD/ODD/ESATA
25 48Tuesday, April 13, 2010
2009/01/23 2010/01/23
Compal Electronics, Inc.
Title
Size Document Number Rev
Date: Sheet of
Security Classification
Compal Secret Data
THIS SHEET OF ENGINEERING DRAWING IS THE PROPRIETARY PROPERTY OF COMPAL ELECTRONICS, INC. AND CONTAINS CONFIDENTIAL
AND TRADE SECRET INFORMATION. THIS SHEET MAY NOT BE TRANSFERED FROM THE CUSTODY OF THE COMPETENT DIVISION OF R&D
DEPARTMENT EXCEPT AS AUTHORIZED BY COMPAL ELECTRONICS, INC. NEITHER THIS SHEET NOR THE INFORMATION IT CONTAINS
MAY BE USED BY OR DISCLOSED TO ANY THIRD PARTY WITHOUT PRIOR WRITTEN CONSENT OF COMPAL ELECTRONICS, INC.
Issued Date Deciphered Date
NALAA LA-6041P M/B
1.0
SATA-HDD/ODD/ESATA
25 48Tuesday, April 13, 2010
2009/01/23 2010/01/23
Compal Electronics, Inc.
Place closely JHDD SATA CONN.
SATA HDD Conn. SATA ODD Conn
1.2A
1.1A
+3VS rail reserve for SSD
SSD HDD need 400mA for 3V(PHISON)
W=60mils
eSATA/USB Conn
eSATA/USB
2A
W=60mils
Reserve for EMI request
+
C379
220U_6.3V_M_R15
+
C379
220U_6.3V_M_R15
1
2
C380
0.1U_0402_16V4Z
C380
0.1U_0402_16V4Z
1
2
C369 0.01U_0402_25V7KC369 0.01U_0402_25V7K
1 2
JHDD
SUYIN_127072FR022G210ZR_RV@
JHDD
SUYIN_127072FR022G210ZR_RV@
GND 1
A+ 2
A- 3
GND 4
B- 5
B+ 6
GND 7
V33 8
V33 9
V33 10
GND 11
GND 12
GND 13
V5 14
V5 15
V5 16
GND 17
Reserved 18
GND 19
V12 20
V12 21
V12 22
C378 0.01U_0402_25V7KC378 0.01U_0402_25V7K
1 2
C385 0.01U_0402_25V7KC385 0.01U_0402_25V7K
1 2
C376 0.01U_0402_25V7KC376 0.01U_0402_25V7K
1 2
C364
0.1U_0402_16V4Z
@
C364
0.1U_0402_16V4Z
@
1
2
C381
1000P_0402_50V7K
C381
1000P_0402_50V7K
1
2
C357
0.1U_0402_16V4Z
C357
0.1U_0402_16V4Z
1
2
C383
4.7U_0805_10V4Z
@
C383
4.7U_0805_10V4Z
@
1
2
C359
0.1U_0402_16V4Z
C359
0.1U_0402_16V4Z
1
2
C370 0.01U_0402_25V7KC370 0.01U_0402_25V7K
1 2
C365
0.1U_0402_16V4Z
@
C365
0.1U_0402_16V4Z
@
1
2
C366
0.1U_0402_16V4Z
@
C366
0.1U_0402_16V4Z
@
1
2
JODDB
ACES_88058-120N
@
JODDB
ACES_88058-120N
@
11
22
33
44
55
66
GND 13
GND 14
77
88
99
10 10
11 11
12 12
R85 0_0402_5%@R85 0_0402_5%@
1 2
C386 0.01U_0402_25V7KC386 0.01U_0402_25V7K
1 2
USB
ESATA
JESATA
TYCO_1759576-1@
USB
ESATA
JESATA
TYCO_1759576-1@
VBUS
1
D-
2
D+
3
GND
4
GND
5
A+
6
A-
7
GND
8
B-
9
B+
10
GND
11
GND
12
GND
13
GND
14
GND
15
C368 0.01U_0402_25V7KC368 0.01U_0402_25V7K
1 2
D18
AZC199-02S.R7G_SOT23-3
@D18
AZC199-02S.R7G_SOT23-3
@
2
3
1
C367 0.01U_0402_25V7KC367 0.01U_0402_25V7K
1 2
C377 0.01U_0402_25V7KC377 0.01U_0402_25V7K
1 2
R72 0_0402_5%@R72 0_0402_5%@
1 2
C356
10U_0805_10V4Z
C356
10U_0805_10V4Z
1
2
C387 0.01U_0402_25V7KC387 0.01U_0402_25V7K
1 2
C358
0.1U_0402_16V4Z
C358
0.1U_0402_16V4Z
1
2
C388 0.01U_0402_25V7KC388 0.01U_0402_25V7K
1 2
C363
10U_0805_10V4Z
@
C363
10U_0805_10V4Z
@
1
2
C375 0.01U_0402_25V7KC375 0.01U_0402_25V7K
1 2
U15
RT9715BGS_SO8
U15
RT9715BGS_SO8
FLG 5
VIN
3VOUT 6
GND
1
EN
4
VOUT 7
VIN
2VOUT 8
L52
WCM-2012-900T_0805
L52
WCM-2012-900T_0805
1
122
33
4
4

5
5
4
4
3
3
2
2
1
1
D D
C C
B B
A A
AZ_SDIN1_MD_R
KSO17
KSO16
KSO[0..17]
KSI[0..7]
KSO15
KSO14
KSO2
KSO4
KSO5
KSO0
KSO1
KSO12
KSO6
KSO13
KSO3
KSO7
KSO10
KSO11
KSO8
KSO9
KSI0
KSI2
KSI3
KSI7
KSI1
KSI5
KSI6
KSI4
KSO10
KSO11
KSO12
KSO15
KSI7
KSI2
KSI3
KSI4
KSI0
KSI5
KSI6
KSI1
KSO14
KSO2
KSO4
KSO5
KSO0
KSO1
KSO6
KSO13
KSO3
KSO7
KSO8
KSO9
NUM_LED#
CAPS_LED#
JKB34
CAPS_LED#
NUM_LED#
JKB4
KSO16
KSO17
BT_RESET#
KSO0KSI6KSI6
KSO0
BT_PWR#21,27
AZ_RST_MD#16
AZ_SYNC_MD16
AZ_BITCLK_MD 16
AZ_SDOUT_MD16
AZ_SDIN1_MD16
KSI[0..7] 32
KSO[0..17] 32
CAPS_LED# 32
NUM_LED# 32
USB20_N520
USB20_P520
BT_DET#21
BT_RST#21
TP_CLK32
TP_DATA32
SW_L34
SW_R34
+BT_VCC
+3VS +3VS
+3VALW
+3VS
+3VS
+BT_VCC
+3VALW
+1.5VALW
+MDC_VCC
+MDC_VCC
+5VS
Title
Size Document Number Rev
Date: Sheet of
Security Classification
Compal Secret Data
THIS SHEET OF ENGINEERING DRAWING IS THE PROPRIETARY PROPERTY OF COMPAL ELECTRONICS, INC. AND CONTAINS CONFIDENTIAL
AND TRADE SECRET INFORMATION. THIS SHEET MAY NOT BE TRANSFERED FROM THE CUSTODY OF THE COMPETENT DIVISION OF R&D
DEPARTMENT EXCEPT AS AUTHORIZED BY COMPAL ELECTRONICS, INC. NEITHER THIS SHEET NOR THE INFORMATION IT CONTAINS
MAY BE USED BY OR DISCLOSED TO ANY THIRD PARTY WITHOUT PRIOR WRITTEN CONSENT OF COMPAL ELECTRONICS, INC.
Issued Date Deciphered Date
NALAA LA-6041P M/B
1.0
BT/MDC/KB/TP
26 48Tuesday, April 13, 2010
2009/01/23 2010/01/23
Compal Electronics, Inc.
Title
Size Document Number Rev
Date: Sheet of
Security Classification
Compal Secret Data
THIS SHEET OF ENGINEERING DRAWING IS THE PROPRIETARY PROPERTY OF COMPAL ELECTRONICS, INC. AND CONTAINS CONFIDENTIAL
AND TRADE SECRET INFORMATION. THIS SHEET MAY NOT BE TRANSFERED FROM THE CUSTODY OF THE COMPETENT DIVISION OF R&D
DEPARTMENT EXCEPT AS AUTHORIZED BY COMPAL ELECTRONICS, INC. NEITHER THIS SHEET NOR THE INFORMATION IT CONTAINS
MAY BE USED BY OR DISCLOSED TO ANY THIRD PARTY WITHOUT PRIOR WRITTEN CONSENT OF COMPAL ELECTRONICS, INC.
Issued Date Deciphered Date
NALAA LA-6041P M/B
1.0
BT/MDC/KB/TP
26 48Tuesday, April 13, 2010
2009/01/23 2010/01/23
Compal Electronics, Inc.
Title
Size Document Number Rev
Date: Sheet of
Security Classification
Compal Secret Data
THIS SHEET OF ENGINEERING DRAWING IS THE PROPRIETARY PROPERTY OF COMPAL ELECTRONICS, INC. AND CONTAINS CONFIDENTIAL
AND TRADE SECRET INFORMATION. THIS SHEET MAY NOT BE TRANSFERED FROM THE CUSTODY OF THE COMPETENT DIVISION OF R&D
DEPARTMENT EXCEPT AS AUTHORIZED BY COMPAL ELECTRONICS, INC. NEITHER THIS SHEET NOR THE INFORMATION IT CONTAINS
MAY BE USED BY OR DISCLOSED TO ANY THIRD PARTY WITHOUT PRIOR WRITTEN CONSENT OF COMPAL ELECTRONICS, INC.
Issued Date Deciphered Date
NALAA LA-6041P M/B
1.0
BT/MDC/KB/TP
26 48Tuesday, April 13, 2010
2009/01/23 2010/01/23
Compal Electronics, Inc.
Bluetooth Connector
BlueTooth Interface MDC 1.5 Conn.
Touch PAD Connector
KEYBOARD
CONN. for 17"
please close to JKB1
(MAX=200mA)
Touch ON OFF/B Connector
For HDA power rail to +3.3V(default) / +1.5V
C396
0.1U_0402_16V7K
BT@
C396
0.1U_0402_16V7K
BT@
1
2
R376 300_0402_5%R376 300_0402_5%
12
Connector for MDC Rev1.5
JMDC
ACES_88018-124G
@
Connector for MDC Rev1.5
JMDC
ACES_88018-124G
@
GND1
1
IAC_SDATA_OUT
3
GND2
5
IAC_SYNC
7
IAC_SDATA_IN
9
IAC_RESET#
11
RES0 2
RES1 4
3.3V 6
GND3 8
GND4 10
IAC_BITCLK 12
GND
13
GND
14
GND
15
GND
16
GND
17
GND
18
C421 100P_0402_50V8JC421 100P_0402_50V8J
1 2
C395
4.7U_0805_10V4Z
MDC@
C395
4.7U_0805_10V4Z
MDC@
1
2
C425 100P_0402_50V8JC425 100P_0402_50V8J
1 2
C429 100P_0402_50V8JC429 100P_0402_50V8J
1 2
C406 100P_0402_50V8JC406 100P_0402_50V8J
1 2
C431 100P_0402_50V8JC431 100P_0402_50V8J
1 2
C413 100P_0402_50V8JC413 100P_0402_50V8J
1 2
R392
0_0603_5%
@
R392
0_0603_5%
@
1 2
C412 100P_0402_50V8JC412 100P_0402_50V8J
1 2
R372 300_0402_5%R372 300_0402_5%
1 2
R362 47K_0402_5%
BT@
R362 47K_0402_5%
BT@
1 2
C488
4.7U_0805_10V4Z
BT@
C488
4.7U_0805_10V4Z
BT@
1
2
C487
0.1U_0402_16V4Z
BT@
C487
0.1U_0402_16V4Z
BT@
1
2
C422 100P_0402_50V8JC422 100P_0402_50V8J
1 2
C418 100P_0402_50V8JC418 100P_0402_50V8J
1 2
R369 33_0402_5% MDC@R369 33_0402_5% MDC@
12
JKB
ACES_88170-3400@
JKB
ACES_88170-3400@
1
2
3
4
5
6
7
8
9
10
11
12
13
14
15
16
17
18
19
20
21
22
23
24
25
26
27
28
29
30
31
32
33
34
SW4
NTC017-DA1J-D160T
SW4
NTC017-DA1J-D160T
3
2
1
4
5
6
C404 100P_0402_50V8JC404 100P_0402_50V8J
1 2
C402 100P_0402_50V8JC402 100P_0402_50V8J
1 2
C416 100P_0402_50V8JC416 100P_0402_50V8J
1 2
C489
0.1U_0402_16V4Z
BT@C489
0.1U_0402_16V4Z
BT@
1
2
C392
0.1U_0402_16V4Z
MDC@
C392
0.1U_0402_16V4Z
MDC@
1
2
C393
1000P_0402_50V7K
MDC@
C393
1000P_0402_50V7K
MDC@
1
2
C419 100P_0402_50V8JC419 100P_0402_50V8J
1 2
G
D
S
Q28
AO3413_SOT23
BT@
G
D
S
Q28
AO3413_SOT23
BT@
2
1 3
C420 100P_0402_50V8JC420 100P_0402_50V8J
1 2
C433 100P_0402_50V8JC433 100P_0402_50V8J
1 2
JTOUCH
P-TWO_161021-06021
@
JTOUCH
P-TWO_161021-06021
@
1
1
2
2
3
3
4
4
5
5
6
6G8 8
G7 7
C410 100P_0402_50V8JC410 100P_0402_50V8J
1 2
C415 100P_0402_50V8JC415 100P_0402_50V8J
1 2
C424 100P_0402_50V8JC424 100P_0402_50V8J
1 2
C423 100P_0402_50V8JC423 100P_0402_50V8J
1 2
JTPB
P-TWO_161011-04021@
JTPB
P-TWO_161011-04021@
11
22
33
44
GND 5
GND 6
C401 100P_0402_50V8JC401 100P_0402_50V8J
1 2
R45 0_0402_5%@R45 0_0402_5%@
12
R44 0_0402_5%MDC@ R44 0_0402_5%MDC@
12
C390
0.01U_0402_25V7K
BT@
C390
0.01U_0402_25V7K
BT@
1
2
C427 100P_0402_50V8JC427 100P_0402_50V8J
1 2
C408 100P_0402_50V8JC408 100P_0402_50V8J
1 2
C407 100P_0402_50V8JC407 100P_0402_50V8J
1 2
R442 0_0402_5%BT@ R442 0_0402_5%BT@
1 2
C417 100P_0402_50V8JC417 100P_0402_50V8J
1 2
JBT
ACES_87213-0600G@
JBT
ACES_87213-0600G@
1
1
2
2
3
3
4
4
5
5
6
6G1 7
G2 8
C409 100P_0402_50V8JC409 100P_0402_50V8J
1 2
C405 100P_0402_50V8JC405 100P_0402_50V8J
1 2
C411 100P_0402_50V8JC411 100P_0402_50V8J
1 2
D57
AZ5125-02S.R7G_SOT23-3
D57
AZ5125-02S.R7G_SOT23-3
2
3
1
R361
100K_0402_5%
R361
100K_0402_5%
1 2
C435 100P_0402_50V8JC435 100P_0402_50V8J
1 2

PLT_RST#
WL_OFF#
BT_CTRL
USB20_P13 20
USB20_N13 20
CLKREQ_WLAN#17
CLK_WLAN#17
CLK_WLAN17
PCIE_PRX_WLANTX_P217
PCIE_PRX_WLANTX_N217
PCIE_PTX_C_WLANRX_N217
PCIE_PTX_C_WLANRX_P217
PLT_RST# 20,28,32,33
PM_SMBCLK 11,12,13,17
PM_SMBDATA 11,12,13,17
E51_TXD32
E51_RXD32
WL_OFF# 32
BT_PWR#21,26
+3VS
+3VS
+1.5VS
+1.5VS
+3VS
Title
Size Document Number Rev
Date: Sheet of
Security Classification
Compal Secret Data
THIS SHEET OF ENGINEERING DRAWING IS THE PROPRIETARY PROPERTY OF COMPAL ELECTRONICS, INC. AND CONTAINS CONFIDENTIAL
AND TRADE SECRET INFORMATION. THIS SHEET MAY NOT BE TRANSFERED FROM THE CUSTODY OF THE COMPETENT DIVISION OF R&D
DEPARTMENT EXCEPT AS AUTHORIZED BY COMPAL ELECTRONICS, INC. NEITHER THIS SHEET NOR THE INFORMATION IT CONTAINS
MAY BE USED BY OR DISCLOSED TO ANY THIRD PARTY WITHOUT PRIOR WRITTEN CONSENT OF COMPAL ELECTRONICS, INC.
Issued Date Deciphered Date
NALAA LA-6041P M/B
1.0
PCIe-WLAN
27 48
Tuesday, April 13, 2010
2009/01/23 2010/01/23
Title
Size Document Number Rev
Date: Sheet of
Security Classification
Compal Secret Data
THIS SHEET OF ENGINEERING DRAWING IS THE PROPRIETARY PROPERTY OF COMPAL ELECTRONICS, INC. AND CONTAINS CONFIDENTIAL
AND TRADE SECRET INFORMATION. THIS SHEET MAY NOT BE TRANSFERED FROM THE CUSTODY OF THE COMPETENT DIVISION OF R&D
DEPARTMENT EXCEPT AS AUTHORIZED BY COMPAL ELECTRONICS, INC. NEITHER THIS SHEET NOR THE INFORMATION IT CONTAINS
MAY BE USED BY OR DISCLOSED TO ANY THIRD PARTY WITHOUT PRIOR WRITTEN CONSENT OF COMPAL ELECTRONICS, INC.
Issued Date Deciphered Date
NALAA LA-6041P M/B
1.0
PCIe-WLAN
27 48
Tuesday, April 13, 2010
2009/01/23 2010/01/23
Title
Size Document Number Rev
Date: Sheet of
Security Classification
Compal Secret Data
THIS SHEET OF ENGINEERING DRAWING IS THE PROPRIETARY PROPERTY OF COMPAL ELECTRONICS, INC. AND CONTAINS CONFIDENTIAL
AND TRADE SECRET INFORMATION. THIS SHEET MAY NOT BE TRANSFERED FROM THE CUSTODY OF THE COMPETENT DIVISION OF R&D
DEPARTMENT EXCEPT AS AUTHORIZED BY COMPAL ELECTRONICS, INC. NEITHER THIS SHEET NOR THE INFORMATION IT CONTAINS
MAY BE USED BY OR DISCLOSED TO ANY THIRD PARTY WITHOUT PRIOR WRITTEN CONSENT OF COMPAL ELECTRONICS, INC.
Issued Date Deciphered Date
NALAA LA-6041P M/B
1.0
PCIe-WLAN
27 48
Tuesday, April 13, 2010
2009/01/23 2010/01/23
Compal Electronics, Inc.
PCIe Mini Card-WLAN/WiMax
Debug card using
2.75A
For SED
For SED
1A
Enable Disable
LO HI
HI LO
BT
on module
BT
on module
WLAN&BT Combo module circuits
BT_CRTL
BT_PWR#
CM9
4.7U_0805_10V4Z
CM9
4.7U_0805_10V4Z
1
2
CM1
0.01U_0402_25V7K
CM1
0.01U_0402_25V7K
1
2
R17 0_0402_5%R17 0_0402_5%
1 2
G
D
S
Q25
2N7002_SOT23-3
G
D
S
Q25
2N7002_SOT23-3
2
13
CM8
0.1U_0402_16V4Z
CM8
0.1U_0402_16V4Z
1
2
C253
47P_0402_50V8J
@
C253
47P_0402_50V8J
@
12
CM2
0.1U_0402_16V4Z
CM2
0.1U_0402_16V4Z
1
2
CM7
0.01U_0402_25V7K
CM7
0.01U_0402_25V7K
1
2
JWLAN
FOX_AS0B226-S40N-7F
@
JWLAN
FOX_AS0B226-S40N-7F
@
1
1
3
3
5
5
7
7
9
9
11
11
13
13
15
15
17
17
19
19
21
21
23
23
25
25
27
27
29
29
31
31
33
33
35
35
37
37
39
39
41
41
43
43
45
45
47
47
49
49
51
51
GND1
53
22
44
66
88
10 10
12 12
14 14
16 16
18 18
20 20
22 22
24 24
26 26
28 28
30 30
32 32
34 34
36 36
38 38
40 40
42 42
44 44
46 46
48 48
50 50
52 52
GND2 54
R16 0_0402_5%R16 0_0402_5%
1 2
CM3
4.7U_0805_10V4Z
CM3
4.7U_0805_10V4Z
1
2
C254
47P_0402_50V8J
@
C254
47P_0402_50V8J
@
12

A
A
B
B
C
C
D
D
E
E
1 1
2 2
3 3
4 4
ISOLATEB
+LAN_REGOUT
LAN_SK_LINK#_R
+LAN_REGOUT
RJ45_MIDI0-
RJ45_MIDI0+
RJ45_MIDI1-
RJ45_MIDI1+
ISOLATEB
LAN_X2LAN_X1
PCIE_PRX_LANTX_P1
PCIE_PRX_LANTX_N1
LAN_MDI1+
LAN_MDI1-
LAN_MDI0-
LAN_MDI0+
ENSWREG
LAN_SK_LINK#
LAN_SK_LINK#
LAN_MDI0+
LAN_MDI0- RJ45_MIDI0-
RJ45_MIDI0+
LAN_MDI1+
RJ45_GND
LAN_MDI1-
RJ45_MIDI1+
RJ45_MIDI1-
ENSWREG
LAN_ACTIVITY#
+3V_AVDDXTAL
LAN_ACTIVITY#_R
LAN_X2
LAN_X1
EC_SWI#
EC_SWI#
RJ45_GND LANGND
LAN_ACTIVITY#
+3V_AVDDXTAL
WOL_EN#32
PCIE_PTX_C_LANRX_N117
PCIE_PTX_C_LANRX_P117
PCIE_PRX_C_LANTX_P117
PCIE_PRX_C_LANTX_N117
CLK_LAN#17
CLK_LAN17
EC_SWI#18
PLT_RST#20,27,32,33
CLKREQ_LAN#17
+3VALW
+3VALW
+3V_LAN
+LAN_EVDD10
+3VS
+3V_LAN
+LAN_VDD10
+LAN_EVDD10
+3V_LAN
+3V_LAN
+LAN_VDD10
+LAN_VDD10
+3V_LAN
+3V_LAN
+LAN_VDDREG
+LAN_VDD10
+3V_LAN
+LAN_VDD10
+LAN_VDDREG
+LAN_VDD10
+3V_LAN
+3V_LAN
+3V_LAN
+3V_LAN
Title
Size Document Number Rev
Date: Sheet of
Security Classification
Compal Secret Data
THIS SHEET OF ENGINEERING DRAWING IS THE PROPRIETARY PROPERTY OF COMPAL ELECTRONICS, INC. AND CONTAINS CONFIDENTIAL
AND TRADE SECRET INFORMATION. THIS SHEET MAY NOT BE TRANSFERED FROM THE CUSTODY OF THE COMPETENT DIVISION OF R&D
DEPARTMENT EXCEPT AS AUTHORIZED BY COMPAL ELECTRONICS, INC. NEITHER THIS SHEET NOR THE INFORMATION IT CONTAINS
MAY BE USED BY OR DISCLOSED TO ANY THIRD PARTY WITHOUT PRIOR WRITTEN CONSENT OF COMPAL ELECTRONICS, INC.
Issued Date Deciphered Date
NALAA LA-6041P M/B
1.0
RTL8105E 10/100 LAN
Custom
28 48Tuesday, April 13, 2010
2009/01/23 2010/01/23
Compal Electronics, Inc.
Title
Size Document Number Rev
Date: Sheet of
Security Classification
Compal Secret Data
THIS SHEET OF ENGINEERING DRAWING IS THE PROPRIETARY PROPERTY OF COMPAL ELECTRONICS, INC. AND CONTAINS CONFIDENTIAL
AND TRADE SECRET INFORMATION. THIS SHEET MAY NOT BE TRANSFERED FROM THE CUSTODY OF THE COMPETENT DIVISION OF R&D
DEPARTMENT EXCEPT AS AUTHORIZED BY COMPAL ELECTRONICS, INC. NEITHER THIS SHEET NOR THE INFORMATION IT CONTAINS
MAY BE USED BY OR DISCLOSED TO ANY THIRD PARTY WITHOUT PRIOR WRITTEN CONSENT OF COMPAL ELECTRONICS, INC.
Issued Date Deciphered Date
NALAA LA-6041P M/B
1.0
RTL8105E 10/100 LAN
Custom
28 48Tuesday, April 13, 2010
2009/01/23 2010/01/23
Compal Electronics, Inc.
Title
Size Document Number Rev
Date: Sheet of
Security Classification
Compal Secret Data
THIS SHEET OF ENGINEERING DRAWING IS THE PROPRIETARY PROPERTY OF COMPAL ELECTRONICS, INC. AND CONTAINS CONFIDENTIAL
AND TRADE SECRET INFORMATION. THIS SHEET MAY NOT BE TRANSFERED FROM THE CUSTODY OF THE COMPETENT DIVISION OF R&D
DEPARTMENT EXCEPT AS AUTHORIZED BY COMPAL ELECTRONICS, INC. NEITHER THIS SHEET NOR THE INFORMATION IT CONTAINS
MAY BE USED BY OR DISCLOSED TO ANY THIRD PARTY WITHOUT PRIOR WRITTEN CONSENT OF COMPAL ELECTRONICS, INC.
Issued Date Deciphered Date
NALAA LA-6041P M/B
1.0
RTL8105E 10/100 LAN
Custom
28 48Tuesday, April 13, 2010
2009/01/23 2010/01/23
Compal Electronics, Inc.
+3VALW TO +3V_LAN
Vgs=-4.5V,Id=3A,Rds<97mohm
Close to Pin 21
CL19,CL20,CL21,CL22 close to
Pin 3,13,29,45
LAN Conn.
CL4,CL5,CL6,CL7 close to
Pin 27,39,47,48
Layout Note: LL1 must be
within 200mil to Pin36,
CL13,CL9 must be within
200mil to LL1
+LAN_REGOUT: Width =60mil
Place these components
colsed to LAN chip
Reserved For 1.05V Crystal
LL1,CL13 will be changed to
2.2uH&4.7uF after EVT test
RL22 need always pull-high
for RTL8105E Efuse mode
CL11 close to pin42
CL41 1000P_0402_50V7KCL41 1000P_0402_50V7K
12
CL70.1U_0402_16V4Z CL70.1U_0402_16V4Z
1 2
RL16 47K_0402_5%RL16 47K_0402_5%
1 2
UL3
LFE8456E-R
UL3
LFE8456E-R
TD+
1
TD-
2
CT
3
CT
6
RD+
7
RD-
8RX- 9
RX+ 10
CT 11
CT 14
TX- 15
TX+ 16
NC
4
NC
5NC 13
NC 12
CL220.1U_0402_16V4Z CL220.1U_0402_16V4Z
1 2
CL17
0.1U_0402_16V4Z
CL17
0.1U_0402_16V4Z
1
2
RL14
150_0402_5%
RL14
150_0402_5%
12
CL42 1000P_0402_50V7KCL42 1000P_0402_50V7K
12
RL18 150_0402_5%RL18 150_0402_5%
12
CL8 1U_0402_6.3V4ZCL8 1U_0402_6.3V4Z
1
2
RL2 10K_0402_5%RL2 10K_0402_5%
12
CL13
4.7U_0603_6.3V6K
CL13
4.7U_0603_6.3V6K
1
2
RL13 75_0402_1%RL13 75_0402_1%
1 2
YL1
25MHZ_20PF_7A25000012
YL1
25MHZ_20PF_7A25000012
1 2
RL19 0_0402_5%RL19 0_0402_5%
LL30_0603_5% LL30_0603_5%
12
RL25
100K_0402_5%
RL25
100K_0402_5%
1 2
CL11
0.1U_0402_16V4Z
CL11
0.1U_0402_16V4Z
1
2
CL60.1U_0402_16V4Z CL60.1U_0402_16V4Z
1 2
CL200.1U_0402_16V4Z CL200.1U_0402_16V4Z
1 2
RL7
15K_0402_5%
RL7
15K_0402_5%
CL23
68P_0402_50V8J
CL23
68P_0402_50V8J
1
2
RL22 1K_0402_5%RL22 1K_0402_5%
1 2
CL12
0.1U_0402_16V7K
CL12
0.1U_0402_16V7K
1
2
RL1 10K_0402_5%RL1 10K_0402_5%
12
CL40.1U_0402_16V4Z CL40.1U_0402_16V4Z
1 2
RL10
150_0402_5%
RL10
150_0402_5%
12
RL23
0_0402_5%
@
RL23
0_0402_5%
@
CL14
0.01U_0402_25V7K
CL14
0.01U_0402_25V7K
1
2
RL6
1K_0402_1%
RL6
1K_0402_1%
12
JLAN
LIYO_101005-00803-3
@
JLAN
LIYO_101005-00803-3
@
PR1-
2
PR1+
1
PR2+
3
PR3+
4
PR3-
5
PR2-
6
PR4+
7
PR4-
8
Green LED+
9
Green LED-
10
Amber LED+
11
Amber LED-
12
SHLD4 16
SHLD3 15
SHLD2 14
SHLD1 13
RL17 150_0402_5%RL17 150_0402_5%
12
CL24
68P_0402_50V8J
CL24
68P_0402_50V8J
1
2
RL15 75_0402_1%RL15 75_0402_1%
1 2
CL1 0.1U_0402_16V7KCL1 0.1U_0402_16V7K
1 2
CL27
27P_0402_50V8J
CL27
27P_0402_50V8J
1
2
G
D
S
QL1
AO3413_SOT23
G
D
S
QL1
AO3413_SOT23
2
1 3
CL210.1U_0402_16V4Z CL210.1U_0402_16V4Z
1 2
CL36
1000P_1808_3KV7K
CL36
1000P_1808_3KV7K
1 2
LL1
2.2UH +-5% NLC252018T-2R2J-N
LL1
2.2UH +-5% NLC252018T-2R2J-N
1 2
RL4
0_0402_5%
RL4
0_0402_5%
CL34
0.1U_0402_25V4K
CL34
0.1U_0402_25V4K
1
2
UL1
RTL8105E-GR QFN _6X6
UL1
RTL8105E-GR QFN _6X6
PERSTB
25
HSOP
22
HSON
23
HSIP
17
HSIN
18
REFCLK_P
19
REFCLK_N
20 NC/MDIP2 7
NC/MDIN2 8
NC/MDIP3 10
NC/MDIN3 11
LED3/EEDO 31
LED1/EESK 37
EECS/SCL 30
LED0 40
MDIN1 5
MDIP1 4
MDIN0 2
MDIP0 1
RSET
46
LANWAKEB
28
ISOLATEB
26
CKXTAL1
43
CKXTAL2
44
AVDD10 3
EVDD10 21
DVDD10 29
DVDD10 41
VDDREG
34
ENSWREG
33
DVDD33 27
DVDD33 39
AVDD33 12
DVDD10 13
AVDD33 42
CLKREQB
16
EEDI/SDA 32
AVDD33 47
AVDD33 48
AVDD10 6
AVDD10 9
AVDD10 45
NC/SMBCLK
14
NC/SMBDATA
15
GPO/SMBALERT
38
GND
24
PGND
49 REGOUT 36
VDDREG
35
CL37
0.1U_0402_16V4Z
CL37
0.1U_0402_16V4Z
1
2
RL3 100K_0402_5%@RL3 100K_0402_5%@
1 2
CL18
1U_0402_6.3V4Z
CL18
1U_0402_6.3V4Z
1
2
CL38
4.7U_0603_6.3V6K
CL38
4.7U_0603_6.3V6K
1
2
CL190.1U_0402_16V4Z CL190.1U_0402_16V4Z
1 2
CL28
4.7U_0603_6.3V6K
CL28
4.7U_0603_6.3V6K
1
2
CL50.1U_0402_16V4Z CL50.1U_0402_16V4Z
1 2
RL9
0_0402_5%@
RL9
0_0402_5%@
LL20_0603_5% LL20_0603_5%
12
RL5 2.49K_0402_1%RL5 2.49K_0402_1%
1 2
CL15
4.7U_0805_10V4Z
@
CL15
4.7U_0805_10V4Z
@
1
2
CL9
0.1U_0402_16V4Z
CL9
0.1U_0402_16V4Z
1
2
CL26
27P_0402_50V8J
CL26
27P_0402_50V8J
1
2
RL8
0_0402_5%
RL8
0_0402_5%
CL2 0.1U_0402_16V7KCL2 0.1U_0402_16V7K
1 2
CL29
0.1U_0402_16V4Z
CL29
0.1U_0402_16V4Z
1
2

5
5
4
4
3
3
2
2
1
1
D D
C C
B B
A A
MONO_IN
+PVDD1
+PVDD2
AZ_SDIN0_HD_R
+PVDD2
AC_VREF
MONO_IN
AC_JDREF
SENSE_A
SENSE_A
INT_MIC_CLK_R
EC_MUTE#
EC_BEEP#32
PCH_SPKR16,19
AZ_RST_HD#16
HP_L 30
HP_R 30
SPKL+ 30
INT_MIC_DATA13
SPKR+ 30
SPKL- 30
SPKR- 30
AZ_SYNC_HD 16
AZ_BITCLK_HD 16
AZ_SDOUT_HD 16
AZ_SDIN0_HD 16
MIC1_R_L30
MIC1_R_R30
MIC_SENSE30
NBA_PLUG30
INT_MIC_CLK13
EC_MUTE#32
+MIC1_VREFO_L
+3VS
+3VS_DVDD
+5VS
+5VS
+5VS
+MIC1_VREFO_R
+AVDD
+3VS
+1.5VS
+DVDD_IO
Title
Size Document Number Rev
Date: Sheet of
Security Classification
Compal Secret Data
THIS SHEET OF ENGINEERING DRAWING IS THE PROPRIETARY PROPERTY OF COMPAL ELECTRONICS, INC. AND CONTAINS CONFIDENTIAL
AND TRADE SECRET INFORMATION. THIS SHEET MAY NOT BE TRANSFERED FROM THE CUSTODY OF THE COMPETENT DIVISION OF R&D
DEPARTMENT EXCEPT AS AUTHORIZED BY COMPAL ELECTRONICS, INC. NEITHER THIS SHEET NOR THE INFORMATION IT CONTAINS
MAY BE USED BY OR DISCLOSED TO ANY THIRD PARTY WITHOUT PRIOR WRITTEN CONSENT OF COMPAL ELECTRONICS, INC.
Issued Date Deciphered Date
NALAA LA-6041P M/B
1.0
HD CODEC ALC259
29 48
Tuesday, April 13, 2010
2009/01/23 2010/01/23
Title
Size Document Number Rev
Date: Sheet of
Security Classification
Compal Secret Data
THIS SHEET OF ENGINEERING DRAWING IS THE PROPRIETARY PROPERTY OF COMPAL ELECTRONICS, INC. AND CONTAINS CONFIDENTIAL
AND TRADE SECRET INFORMATION. THIS SHEET MAY NOT BE TRANSFERED FROM THE CUSTODY OF THE COMPETENT DIVISION OF R&D
DEPARTMENT EXCEPT AS AUTHORIZED BY COMPAL ELECTRONICS, INC. NEITHER THIS SHEET NOR THE INFORMATION IT CONTAINS
MAY BE USED BY OR DISCLOSED TO ANY THIRD PARTY WITHOUT PRIOR WRITTEN CONSENT OF COMPAL ELECTRONICS, INC.
Issued Date Deciphered Date
NALAA LA-6041P M/B
1.0
HD CODEC ALC259
29 48
Tuesday, April 13, 2010
2009/01/23 2010/01/23
Title
Size Document Number Rev
Date: Sheet of
Security Classification
Compal Secret Data
THIS SHEET OF ENGINEERING DRAWING IS THE PROPRIETARY PROPERTY OF COMPAL ELECTRONICS, INC. AND CONTAINS CONFIDENTIAL
AND TRADE SECRET INFORMATION. THIS SHEET MAY NOT BE TRANSFERED FROM THE CUSTODY OF THE COMPETENT DIVISION OF R&D
DEPARTMENT EXCEPT AS AUTHORIZED BY COMPAL ELECTRONICS, INC. NEITHER THIS SHEET NOR THE INFORMATION IT CONTAINS
MAY BE USED BY OR DISCLOSED TO ANY THIRD PARTY WITHOUT PRIOR WRITTEN CONSENT OF COMPAL ELECTRONICS, INC.
Issued Date Deciphered Date
NALAA LA-6041P M/B
1.0
HD CODEC ALC259
29 48
Tuesday, April 13, 2010
2009/01/23 2010/01/23
Compal Electronics, Inc.
Codec
Beep sound
PCI Beep
EC Beep
ALC259Q PN IS NOT READY
place close to chip
place close to chip
place close to chip
AGND
place close to chip
Ext. Mic
DGND
Ext. MIC
Function
Headphone out
10K
20K
39.2K
SENSE A
5.1K
10K
20K
39.2K
PORT-H (PIN 20)
Sense Pin Impedance
PORT-E (PIN 14, 15)
PORT-F (PIN 16, 17)SENSE B
(PIN 48)
PORT-C (PIN 23, 24)
PORT-B (PIN 21, 22)
PORT-I (PIN 32, 33)
Codec Signals
place close to chip
ANALOG
Moat
Pin1
Pin48
Pin12
Pin13
Pin24
Pin25Pin36
Pin37
ALC259-GR
Pin38
Pin39
DIGITAL
(Include Themal PAD)
For EMI Request
35mA for 3.3V level
UA1
ALC259-GR_QFN48_7X7
UA1
ALC259-GR_QFN48_7X7
AVDD1 25
AVDD2 38
AVSS1 26
AVSS2 37
DVDD 1
DVDD_IO 9
DVSS1
7
PVDD1 39
PVDD2 46
PVSS1
42 PVSS2
43 CPVEE 34
JDREF 19
VREF 27
LDO_CAP 28
MIC1_VREFO_R 30
MIC2_VREFO 29
MIC1_VREFO_L
31
CBN
35
CBP
36
SENSE A
13
SENSE B
18
SPK_OUT_L+ 40
SPK_OUT_L- 41
SPK_OUT_R+ 45
SPK_OUT_R- 44
HP_OUT_L 32
HP_OUT_R 33
PCBEEP
12
LINE1_L
23
LINE1_R
24
LINE2_L
14
LINE2_R
15
MIC1_L
21
MIC1_R
22
MIC2_L
16
MIC2_R
17
MONO_OUT 20
RESET#
11
GPIO0/DMIC_DATA
2
GPIO1/DMIC_CLK
3
PD#
4
SYNC 10
BCLK 6
SDATA_OUT 5
SDATA_IN 8
EAPD 47
SPDIFO 48
DVSS2
49
CA28 10U_0805_10V4ZCA28 10U_0805_10V4Z
1 2
CA4
10U_0805_10V4Z
CA4
10U_0805_10V4Z
1
2
CA43
10U_0805_10V4Z
CA43
10U_0805_10V4Z
1
2
CA8
10U_0805_10V4Z
CA8
10U_0805_10V4Z
1
2
CA58
10U_0805_10V4Z
@CA58
10U_0805_10V4Z
@
1
2
CA17
0.1U_0402_16V4Z
CA17
0.1U_0402_16V4Z
1
2
CA44
0.1U_0402_16V4Z
CA44
0.1U_0402_16V4Z
1
2
CA3
10U_0805_10V4Z
CA3
10U_0805_10V4Z
1
2
CA49 0.1U_0603_50V7KCA49 0.1U_0603_50V7K
1 2
CA14 2.2U_0603_6.3V4ZCA14 2.2U_0603_6.3V4Z
1 2
CA7
0.1U_0402_16V4Z
CA7
0.1U_0402_16V4Z
1
2
RA6 33_0402_5%RA6 33_0402_5%
12
JA1
JUMP_43X39
@
JA1
JUMP_43X39
@
1
122
CA56
10U_0805_10V4Z
CA56
10U_0805_10V4Z
1
2
CA48 0.1U_0603_50V7KCA48 0.1U_0603_50V7K
1 2
CA15
2.2U_0603_6.3V4Z
CA15
2.2U_0603_6.3V4Z
1 2
CA6
0.1U_0402_16V4Z
CA6
0.1U_0402_16V4Z
1
2
RA2
0_0603_1%
RA2
0_0603_1%
12
CA2
10U_0805_10V4Z
CA2
10U_0805_10V4Z
1
2
CA64 0.01U_0402_25V7K@CA64 0.01U_0402_25V7K@
1 2
RA21 39.2K_0402_1%RA21 39.2K_0402_1%
CA63
10U_0805_10V4Z
@CA63
10U_0805_10V4Z
@
1
2
CA50 0.1U_0603_50V7KCA50 0.1U_0603_50V7K
1 2
L56 FBMA-L10-160808-301LMT_2PL56 FBMA-L10-160808-301LMT_2P
1 2
CA1
0.1U_0402_16V4Z
CA1
0.1U_0402_16V4Z
1
2
RA3
0_0603_1%
RA3
0_0603_1%
12
CA18
0.1U_0402_16V4Z
CA18
0.1U_0402_16V4Z
1
2
CA5
0.1U_0402_16V4Z
CA5
0.1U_0402_16V4Z
1
2
RA19 0_0603_5%RA19 0_0603_5%
1 2
RA8
47K_0402_5%
RA8
47K_0402_5%
1 2
CA57
0.1U_0402_16V4Z
CA57
0.1U_0402_16V4Z
1
2
RA20 0_0603_5%@RA20 0_0603_5%@
1 2
CA61
0.1U_0402_16V4Z
CA61
0.1U_0402_16V4Z
1
2
RA9 20K_0402_1%RA9 20K_0402_1%
12
RA5 75_0402_1%RA5 75_0402_1%
RA12
10K_0402_5%
RA12
10K_0402_5%
12
RA11
0_0603_1%
@
RA11
0_0603_1%
@
12
CA16
10U_0805_10V4Z
@
CA16
10U_0805_10V4Z
@
1
2
CA294.7U_0805_10V4Z CA294.7U_0805_10V4Z
12
RA10 20K_0402_1%RA10 20K_0402_1%
12
RA7
47K_0402_5%
RA7
47K_0402_5%
1 2
RA1
0_0603_1%
RA1
0_0603_1%
12
RA4 75_0402_1%RA4 75_0402_1%
RA18 0_0603_5%RA18 0_0603_5%
1 2
CA13
0.1U_0402_16V4Z
CA13
0.1U_0402_16V4Z
1 2
CA12 100P_0402_50V8JCA12 100P_0402_50V8J
1 2
CA47 0.1U_0603_50V7KCA47 0.1U_0603_50V7K
1 2
CA62
0.1U_0402_16V4Z
@
CA62
0.1U_0402_16V4Z
@
1
2
CA234.7U_0805_10V4Z CA234.7U_0805_10V4Z
12
RA454.7K_0402_5% RA454.7K_0402_5%
12

MIC1_R
MIC1_L
SPK_L1
SPKL-
SPKL+
SPK_R1
SPKR-
SPKR+
SPK_R2
SPK_L2
USB20_N0_R
USB20_P0_R
USB20_N1_R
USB20_P1_R
AGND
MIC1_L
MIC1_R
USB20_N0_R
USB20_P0_R
USB20_N1_R
USB20_P1_R
SPK_L2
SPK_L1
SPK_R1
SPK_R2
MIC1_R_R29
MIC1_R_L29
SPKL+29
SPKL-29
SPKR+29
SPKR-29
USB_EN#25,32 USB_OC#0 20,32
USB20_P020
USB20_N020
USB20_P120
USB20_N120
HP_R29
HP_L29
NBA_PLUG29
MIC_SENSE29
+MIC1_VREFO_L
+MIC1_VREFO_R
+5VALW +USB_VCCA
+USB_VCCA
Title
Size Document Number Rev
Date: Sheet of
Security Classification
Compal Secret Data
THIS SHEET OF ENGINEERING DRAWING IS THE PROPRIETARY PROPERTY OF COMPAL ELECTRONICS, INC. AND CONTAINS CONFIDENTIAL
AND TRADE SECRET INFORMATION. THIS SHEET MAY NOT BE TRANSFERED FROM THE CUSTODY OF THE COMPETENT DIVISION OF R&D
DEPARTMENT EXCEPT AS AUTHORIZED BY COMPAL ELECTRONICS, INC. NEITHER THIS SHEET NOR THE INFORMATION IT CONTAINS
MAY BE USED BY OR DISCLOSED TO ANY THIRD PARTY WITHOUT PRIOR WRITTEN CONSENT OF COMPAL ELECTRONICS, INC.
Issued Date Deciphered Date
NALAA LA-6041P M/B
1.0
SPK/AUDIO&USB
30 48
Tuesday, April 13, 2010
2009/01/23 2010/01/23
Compal Electronics, Inc.
Title
Size Document Number Rev
Date: Sheet of
Security Classification
Compal Secret Data
THIS SHEET OF ENGINEERING DRAWING IS THE PROPRIETARY PROPERTY OF COMPAL ELECTRONICS, INC. AND CONTAINS CONFIDENTIAL
AND TRADE SECRET INFORMATION. THIS SHEET MAY NOT BE TRANSFERED FROM THE CUSTODY OF THE COMPETENT DIVISION OF R&D
DEPARTMENT EXCEPT AS AUTHORIZED BY COMPAL ELECTRONICS, INC. NEITHER THIS SHEET NOR THE INFORMATION IT CONTAINS
MAY BE USED BY OR DISCLOSED TO ANY THIRD PARTY WITHOUT PRIOR WRITTEN CONSENT OF COMPAL ELECTRONICS, INC.
Issued Date Deciphered Date
NALAA LA-6041P M/B
1.0
SPK/AUDIO&USB
30 48
Tuesday, April 13, 2010
2009/01/23 2010/01/23
Compal Electronics, Inc.
Title
Size Document Number Rev
Date: Sheet of
Security Classification
Compal Secret Data
THIS SHEET OF ENGINEERING DRAWING IS THE PROPRIETARY PROPERTY OF COMPAL ELECTRONICS, INC. AND CONTAINS CONFIDENTIAL
AND TRADE SECRET INFORMATION. THIS SHEET MAY NOT BE TRANSFERED FROM THE CUSTODY OF THE COMPETENT DIVISION OF R&D
DEPARTMENT EXCEPT AS AUTHORIZED BY COMPAL ELECTRONICS, INC. NEITHER THIS SHEET NOR THE INFORMATION IT CONTAINS
MAY BE USED BY OR DISCLOSED TO ANY THIRD PARTY WITHOUT PRIOR WRITTEN CONSENT OF COMPAL ELECTRONICS, INC.
Issued Date Deciphered Date
NALAA LA-6041P M/B
1.0
SPK/AUDIO&USB
30 48
Tuesday, April 13, 2010
2009/01/23 2010/01/23
Compal Electronics, Inc.
Ext.MIC/LINE IN
Speaker Connector
placement near Audio Codec
W=60mils
2A
Reserve for EMI request
Reserve for EMI request
W=80mils
Audio & USB Sub-Board Conn.
USB Board
For EMI Request
CA24
1U_0402_6.3V4Z
@
CA24
1U_0402_6.3V4Z
@
1
2
RA23
1K_0402_5%
RA23
1K_0402_5%
12
U14
RT9715BGS_SO8
U14
RT9715BGS_SO8
FLG 5
VIN
3VOUT 6
GND
1
EN
4
VOUT 7
VIN
2VOUT 8
DA6
AZ5125-02S.R7G_SOT23-3
DA6
AZ5125-02S.R7G_SOT23-3
2
3
1
RA25
2.2K_0402_5%
RA25
2.2K_0402_5%
12
LA5
FBMA-L11-160808-800LMT_0603
LA5
FBMA-L11-160808-800LMT_0603
1 2
CA26
470P_0402_50V8J
CA26
470P_0402_50V8J
1
2
LA3
FBMA-L11-160808-800LMT_0603
LA3
FBMA-L11-160808-800LMT_0603
1 2
R86 0_0402_5%@R86 0_0402_5%@
1 2
R87 0_0402_5%@R87 0_0402_5%@
1 2
CA65
0.1U_0402_16V4Z
@
CA65
0.1U_0402_16V4Z
@
1
2
CA22
470P_0402_50V8J
CA22
470P_0402_50V8J
1
2
R73 0_0402_5%@R73 0_0402_5%@
1 2
CA66
0.1U_0402_16V4Z
@
CA66
0.1U_0402_16V4Z
@
1
2
CA21
470P_0402_50V8J
CA21
470P_0402_50V8J
1
2
R88 0_0402_5%@R88 0_0402_5%@
1 2
JUSBB
ACES_85201-20051@
JUSBB
ACES_85201-20051@
1
2
3
4
5
6
7
8
9
10
11
12
13
14
15
16
17
18
19
20
JSPK
ACES_85204-0400N
@
JSPK
ACES_85204-0400N
@
1
1
2
2
3
3
4
4
DA9
AZ5125-02S.R7G_SOT23-3
DA9
AZ5125-02S.R7G_SOT23-3
2
3
1
L53
WCM-2012-900T_0805
L53
WCM-2012-900T_0805
1
122
33
4
4
RA22
2.2K_0402_5%
RA22
2.2K_0402_5%
12
LA2
FBMA-L11-160808-800LMT_0603
LA2
FBMA-L11-160808-800LMT_0603
1 2
CA25
470P_0402_50V8J
CA25
470P_0402_50V8J
1
2
LA4
FBMA-L11-160808-800LMT_0603
LA4
FBMA-L11-160808-800LMT_0603
1 2
C362
4.7U_0805_10V4Z
@
C362
4.7U_0805_10V4Z
@
1
2
CA27
1U_0402_6.3V4Z
@
CA27
1U_0402_6.3V4Z
@
1
2
L54
WCM-2012-900T_0805
L54
WCM-2012-900T_0805
1
122
33
4
4
RA24
1K_0402_5%
RA24
1K_0402_5%
12

5
5
4
4
3
3
2
2
1
1
D D
C C
B B
A A
SD_DATA2_MS_DATA5
MS_DATA1_SD_DATA3
MSBS
CLK_48M_CR
SDCMD
SD_DATA1
SDWP_MSCLK_R
MS_DATA1_SD_DATA3
MS_DATA3_SD_DATA7
SD_DATA2_MS_DATA5
MS_DATA2_SDCLK_R
MSCD#
MSBS
SD_DATA0
SDCD#
MS_DATA0_SD_DATA5
MSCD#
SDWP_MSCLK
MS_DATA2_SDCLK
+3VS_CR
SD_DATA1
SD_DATA0
MS_DATA3_SD_DATA7 SDCD#
V1_8
MS_DATA0_SD_DATA5
CR_LED#
USB20_N10
USB20_P10
SDCMD
MS_DATA2_SDCLK_RMS_DATA2_SDCLK_R
SDWP_MSCLK_R
CLK_48M_CR 13USB20_P1020
USB20_N1020
CR_LED# 34
+VCC_3IN1
+VCC_3IN1
+3VS +3VS_CR
Title
Size Document Number Rev
Date: Sheet of
Security Classification
Compal Secret Data
THIS SHEET OF ENGINEERING DRAWING IS THE PROPRIETARY PROPERTY OF COMPAL ELECTRONICS, INC. AND CONTAINS CONFIDENTIAL
AND TRADE SECRET INFORMATION. THIS SHEET MAY NOT BE TRANSFERED FROM THE CUSTODY OF THE COMPETENT DIVISION OF R&D
DEPARTMENT EXCEPT AS AUTHORIZED BY COMPAL ELECTRONICS, INC. NEITHER THIS SHEET NOR THE INFORMATION IT CONTAINS
MAY BE USED BY OR DISCLOSED TO ANY THIRD PARTY WITHOUT PRIOR WRITTEN CONSENT OF COMPAL ELECTRONICS, INC.
Issued Date Deciphered Date
NALAA LA-6041P M/B
1.0
RTS5138 Card Reader
Custom
31 48Tuesday, April 13, 2010
2009/01/23 2010/01/23
Compal Electronics, Inc.
Title
Size Document Number Rev
Date: Sheet of
Security Classification
Compal Secret Data
THIS SHEET OF ENGINEERING DRAWING IS THE PROPRIETARY PROPERTY OF COMPAL ELECTRONICS, INC. AND CONTAINS CONFIDENTIAL
AND TRADE SECRET INFORMATION. THIS SHEET MAY NOT BE TRANSFERED FROM THE CUSTODY OF THE COMPETENT DIVISION OF R&D
DEPARTMENT EXCEPT AS AUTHORIZED BY COMPAL ELECTRONICS, INC. NEITHER THIS SHEET NOR THE INFORMATION IT CONTAINS
MAY BE USED BY OR DISCLOSED TO ANY THIRD PARTY WITHOUT PRIOR WRITTEN CONSENT OF COMPAL ELECTRONICS, INC.
Issued Date Deciphered Date
NALAA LA-6041P M/B
1.0
RTS5138 Card Reader
Custom
31 48Tuesday, April 13, 2010
2009/01/23 2010/01/23
Compal Electronics, Inc.
Title
Size Document Number Rev
Date: Sheet of
Security Classification
Compal Secret Data
THIS SHEET OF ENGINEERING DRAWING IS THE PROPRIETARY PROPERTY OF COMPAL ELECTRONICS, INC. AND CONTAINS CONFIDENTIAL
AND TRADE SECRET INFORMATION. THIS SHEET MAY NOT BE TRANSFERED FROM THE CUSTODY OF THE COMPETENT DIVISION OF R&D
DEPARTMENT EXCEPT AS AUTHORIZED BY COMPAL ELECTRONICS, INC. NEITHER THIS SHEET NOR THE INFORMATION IT CONTAINS
MAY BE USED BY OR DISCLOSED TO ANY THIRD PARTY WITHOUT PRIOR WRITTEN CONSENT OF COMPAL ELECTRONICS, INC.
Issued Date Deciphered Date
NALAA LA-6041P M/B
1.0
RTS5138 Card Reader
Custom
31 48Tuesday, April 13, 2010
2009/01/23 2010/01/23
Compal Electronics, Inc.
< 3 in 1 Card Reader >
< 48MHz >
RC2
6.19K_0402_1%
CARD@
RC2
6.19K_0402_1%
CARD@
12
RC24 0_0402_5%RC24 0_0402_5%
1 2
CC6
0.1U_0402_16V4Z
CARD@
CC6
0.1U_0402_16V4Z
CARD@
1
2
CC3
0.1U_0402_16V4Z
CARD@
CC3
0.1U_0402_16V4Z
CARD@
1
2
CC10
10P_0402_50V8J
@
CC10
10P_0402_50V8J
@
1
2
CC5
1U_0402_6.3V4Z
CARD@
CC5
1U_0402_6.3V4Z
CARD@
1
2
CC4
4.7U_0805_10V4Z
CARD@
CC4
4.7U_0805_10V4Z
CARD@
1
2
JREAD
TAITW_R009-025-LR_NR@
JREAD
TAITW_R009-025-LR_NR@
SD-WP 1
SD-DAT1 2
SD-DAT0 3
SD-GND 4
MS-GND 5
MS-BS 6
SD-CLK 7
MS-DAT1 8
MS-DAT0 9
SD-VCC 10
MS-DAT2 11
SD-GND 12
MS-INS 13
MS-DAT3 14
MS-SCLK 16
MS-VCC 17
SD-DAT3 18
SD-CMD 15
SD-DAT2 20
MS-GND 19
SD-CD 21
GND1
22
GND2
23
CC2 100P_0402_50V8J@CC2 100P_0402_50V8J@
1 2
RC3
0_0603_5%
CARD@
RC3
0_0603_5%
CARD@
RC22 0_0402_5%RC22 0_0402_5%
1 2
CC9
10P_0402_50V8J
@
CC9
10P_0402_50V8J
@
1
2
UC1
RTS5138-GR_QFN24_4X4
CARD@
UC1
RTS5138-GR_QFN24_4X4
CARD@
REFE
1
DM
2
DP
3
3V3_IN
4
CARD_3V3
5
V18
6
XD_CD#
7
SP1
8
SP2
9
SP3
10
SP4
11
SP5
12 SP6 13
SP7 14
SP8 15
SP9 16
GPIO0 17
SP10 18
SP11 19
SP12 20
SP13 21
SP14 22
XD_D7 23
CLK_IN 24
EPAD
25
CC7
1U_0402_6.3V4ZCARD@
CC7
1U_0402_6.3V4ZCARD@
1
2

5
5
4
4
3
3
2
2
1
1
D D
C C
B B
A A
BATT_TEMPA
CLK_PCI_EC
ECRST#
EC_SMB_DA1
EC_SMB_CK1
ACIN_D
TP_DATA
TP_CLK
CLK_PCI_EC
ECRST#
KSO2
KSO4
KSO5
KSO0
KSO1
KSO8
KSO10
KSO12
KSO3
KSO6
KSO9
KSO15
KSO14
KSO13
KSO7
KSO11
KSI5
KSI2
KSI4
KSI0
KSI1
KSI3
CRY1
KSI7
KSI6
EC_SMB_DA2
EC_SMB_CK1
EC_SMB_DA1
EC_SMB_CK2
CRY2
BATT_TEMPA
CRY2CRY1
TP_CLK
TP_DATA
KSI[0..7]
KSO[0..17]
EC_SMB_CK2
EC_SMB_DA2
+EC_V18R
ACIN_D
VGATE
KSO1
KSO2
KSO17
KSO16
LID_SW#_R
VTTP_EN
E51_TXD
SYSON
ACIN_D
EC_SEL
EC_SEL
KB_RST#
PLT_RST#
VR_ON
LID_SW#
ACIN 18,34,36
EC_SO_SPI_SI 33
EC_BEEP# 29
GATEA2021
LPC_AD216,33
LPC_AD116,33
LPC_AD016,33
LPC_FRAME#16,33
KB_RST#21
LPC_AD316,33
PLT_RST#20,27,28,33
BATT_FULL_LED# 34
BATT_CHG_LOW_LED# 34
FSTCHG 38
WOL_EN# 28
BKOFF# 13
TP_DATA 26
TP_CLK 26
WL_OFF# 27
SYSON 41
EC_ON 34
EN_DFAN1 6
IREF 38
EC_SI_SPI_SO 33
CLK_PCI_EC20
EC_SMB_DA137
EC_SMB_CK137
EC_SMI#21
EC_SCI#21
EC_SMB_DA217
EC_SMB_CK217
PWR_SUSP_LED#34
NUM_LED#26
FAN_SPEED16
PM_SLP_S3#18
E51_TXD27
BATT_TEMPA 37
CAPS_LED# 26
KSI[0..7]26
KSO[0..17]26
CHGVADJ 38
ON/OFFBTN#34
USB_OC#1 20,25
PM_PWROK 18
ADP_V 38
ADP_I 38
PWR_ON_LED# 34
SERIRQ16,33
E51_RXD27
ACOFF 38
USB_EN# 25,30
VGATE 18,43
SPI_CLK 33
SPI_CS# 33
EC_RSMRST# 18
EC_LID_OUT# 17
PBTN_OUT# 18
SUSP# 35,38,42
PM_SLP_S5#18
UMA_ENBKL 19
VR_ON 43
WL_BT_LED#34
PM_SLP_S4# 18
USB_OC#0 20,30
THM_ALT#21
PCH_SUSPWRDN18
VTTP_EN 40
PWRME_CTRL# 16
EC_MUTE# 29
LID_SW#_R 34
+3VL
+3VL
+3VL
+5VS
+3VL
+3VS
+3VL
+3VALW
+3VL
+3VALW
Title
Size Document Number Rev
Date: Sheet of
Security Classification
Compal Secret Data
THIS SHEET OF ENGINEERING DRAWING IS THE PROPRIETARY PROPERTY OF COMPAL ELECTRONICS, INC. AND CONTAINS CONFIDENTIAL
AND TRADE SECRET INFORMATION. THIS SHEET MAY NOT BE TRANSFERED FROM THE CUSTODY OF THE COMPETENT DIVISION OF R&D
DEPARTMENT EXCEPT AS AUTHORIZED BY COMPAL ELECTRONICS, INC. NEITHER THIS SHEET NOR THE INFORMATION IT CONTAINS
MAY BE USED BY OR DISCLOSED TO ANY THIRD PARTY WITHOUT PRIOR WRITTEN CONSENT OF COMPAL ELECTRONICS, INC.
Issued Date Deciphered Date
NALAA LA-6041P M/B
1.0
ENE-KB926 RevD2
32 48
Tuesday, April 13, 2010
2009/01/23 2010/01/23
Compal Electronics, Inc.
Title
Size Document Number Rev
Date: Sheet of
Security Classification
Compal Secret Data
THIS SHEET OF ENGINEERING DRAWING IS THE PROPRIETARY PROPERTY OF COMPAL ELECTRONICS, INC. AND CONTAINS CONFIDENTIAL
AND TRADE SECRET INFORMATION. THIS SHEET MAY NOT BE TRANSFERED FROM THE CUSTODY OF THE COMPETENT DIVISION OF R&D
DEPARTMENT EXCEPT AS AUTHORIZED BY COMPAL ELECTRONICS, INC. NEITHER THIS SHEET NOR THE INFORMATION IT CONTAINS
MAY BE USED BY OR DISCLOSED TO ANY THIRD PARTY WITHOUT PRIOR WRITTEN CONSENT OF COMPAL ELECTRONICS, INC.
Issued Date Deciphered Date
NALAA LA-6041P M/B
1.0
ENE-KB926 RevD2
32 48
Tuesday, April 13, 2010
2009/01/23 2010/01/23
Compal Electronics, Inc.
Title
Size Document Number Rev
Date: Sheet of
Security Classification
Compal Secret Data
THIS SHEET OF ENGINEERING DRAWING IS THE PROPRIETARY PROPERTY OF COMPAL ELECTRONICS, INC. AND CONTAINS CONFIDENTIAL
AND TRADE SECRET INFORMATION. THIS SHEET MAY NOT BE TRANSFERED FROM THE CUSTODY OF THE COMPETENT DIVISION OF R&D
DEPARTMENT EXCEPT AS AUTHORIZED BY COMPAL ELECTRONICS, INC. NEITHER THIS SHEET NOR THE INFORMATION IT CONTAINS
MAY BE USED BY OR DISCLOSED TO ANY THIRD PARTY WITHOUT PRIOR WRITTEN CONSENT OF COMPAL ELECTRONICS, INC.
Issued Date Deciphered Date
NALAA LA-6041P M/B
1.0
ENE-KB926 RevD2
32 48
Tuesday, April 13, 2010
2009/01/23 2010/01/23
Compal Electronics, Inc.
to avoid EC entry ENE test mode
for EMI request
EC SEL EC Version
High
Low
KB926D3
KB926E0
For EMI request
Enable Disable
LO HI
HI LO
BT
on module
BT
on module
For prevent leakage for CPU_CORE
BT_CRTL
BT_PWR#
C448
4.7U_0805_10V4Z
C448
4.7U_0805_10V4Z
R128
100K_0402_5%
@R128
100K_0402_5%
@
12
R3794.7K_0402_5% R3794.7K_0402_5%
1 2
R3814.7K_0402_5% R3814.7K_0402_5%
1 2
C437
0.1U_0402_16V4Z
C437
0.1U_0402_16V4Z
1
2
R5 4.7K_0402_5%R5 4.7K_0402_5%
1 2
R378
47K_0402_5%
R378
47K_0402_5%
12
R342 100K_0402_5%R342 100K_0402_5%
1 2
C446 100P_0402_50V8JC446 100P_0402_50V8J
1 2
C436
0.1U_0402_16V4Z
C436
0.1U_0402_16V4Z
1
2
R40 10K_0402_5%R40 10K_0402_5%
12
LPC & MISC
Int. K/B
Matrix
SM Bus
GPIO
GPIO
AD Input
PWM Output
DA Output
PS2 Interface
SPI Device Interface
SPI Flash ROM
GPO
GPI
U19
KB926QFE0_LQFP128_14X14
LPC & MISC
Int. K/B
Matrix
SM Bus
GPIO
GPIO
AD Input
PWM Output
DA Output
PS2 Interface
SPI Device Interface
SPI Flash ROM
GPO
GPI
U19
KB926QFE0_LQFP128_14X14
GA20/GPIO00
1
KBRST#/GPIO01
2
SERIRQ#
3
LFRAME#
4
LAD3
5
PM_SLP_S3#/GPIO04
6
LAD2
7
LAD1
8
VCC 9
LAD0
10
GND
11
PCICLK
12
PCIRST#/GPIO05
13
PM_SLP_S5#/GPIO07
14
EC_SMI#/GPIO08
15
LID_SW#/GPIO0A
16
SUSP#/GPIO0B
17
PBTN_OUT#/GPIO0C
18
EC_PME#/GPIO0D
19
SCI#/GPIO0E
20
INVT_PWM/PWM1/GPIO0F 21
VCC 22
BEEP#/PWM2/GPIO10 23
GND
24
EC_THERM#/GPIO11
25
FANPWM1/GPIO12 26
ACOFF/FANPWM2/GPIO13 27
FAN_SPEED1/FANFB1/GPIO14
28
FANFB2/GPIO15
29
EC_TX/GPIO16
30
EC_RX/GPIO17
31
ON_OFF/GPIO18
32
VCC 33
PWR_LED#/GPIO19
34
GND
35
NUMLED#/GPIO1A
36
ECRST#
37
CLKRUN#/GPIO1D
38
KSO0/GPIO20
39
KSO1/GPIO21
40
KSO2/GPIO22
41
KSO3/GPIO23
42
KSO4/GPIO24
43
KSO5/GPIO25
44
KSO6/GPIO26
45
KSO7/GPIO27
46
KSO8/GPIO28
47
KSO9/GPIO29
48
KSO10/GPIO2A
49
KSO11/GPIO2B
50
KSO12/GPIO2C
51
KSO13/GPIO2D
52
KSO14/GPIO2E
53
KSO15/GPIO2F
54
KSI0/GPIO30
55
KSI1/GPIO31
56
KSI2/GPIO32
57
KSI3/GPIO33
58
KSI4/GPIO34
59
KSI5/GPIO35
60
KSI6/GPIO36
61
KSI7/GPIO37
62
BATT_TEMP/AD0/GPIO38 63
BATT_OVP/AD1/GPIO39 64
ADP_I/AD2/GPIO3A 65
AD3/GPIO3B 66
AVCC 67
DAC_BRIG/DA0/GPIO3C 68
AGND
69
EN_DFAN1/DA1/GPIO3D 70
IREF/DA2/GPIO3E 71
DA3/GPIO3F 72
CIR_RX/GPIO40 73
CIR_RLC_TX/GPIO41 74
AD4/GPIO42 75
SELIO2#/AD5/GPIO43 76
SCL1/GPIO44
77
SDA1/GPIO45
78
SCL2/GPIO46
79
SDA2/GPIO47
80
KSO16/GPIO48
81
KSO17/GPIO49
82
PSCLK1/GPIO4A 83
PSDAT1/GPIO4B 84
PSCLK2/GPIO4C 85
PSDAT2/GPIO4D 86
TP_CLK/PSCLK3/GPIO4E 87
TP_DATA/PSDAT3/GPIO4F 88
FSTCHG/SELIO#/GPIO50 89
BATT_CHGI_LED#/GPIO52 90
CAPS_LED#/GPIO53 91
BATT_LOW_LED#/GPIO54 92
SUSP_LED#/GPIO55 93
GND
94
SYSON/GPIO56 95
VCC 96
SDICS#/GPXOA00 97
SDICLK/GPXOA01 98
SDIDO/GPXOA02 99
EC_RSMRST#/GPXO03 100
EC_LID_OUT#/GPXO04 101
EC_ON/GPXO05 102
EC_SWI#/GPXO06 103
ICH_PWROK/GPXO06 104
BKOFF#/GPXO08 105
WL_OFF#/GPXO09 106
GPXO10 107
GPXO11 108
SDIDI/GPXID0 109
PM_SLP_S4#/GPXID1 110
VCC 111
ENBKL/GPXID2 112
GND
113
GPXID3 114
GPXID4 115
GPXID5 116
GPXID6 117
GPXID7 118
SPIDI/RD# 119
SPIDO/WR# 120
VR_ON/XCLK32K/GPIO57 121
XCLK1
122
XCLK0
123 V18R 124
VCC 125
SPICLK/GPIO58 126
AC_IN/GPIO59 127
SPICS# 128
R130
100K_0402_5%
R130
100K_0402_5%
12
R389
10M_0402_5%@
R389
10M_0402_5%@
1 2
C445 100P_0402_50V8JC445 100P_0402_50V8J
1 2
R382 47K_0402_5%R382 47K_0402_5%
1 2
R337 100K_0402_5%R337 100K_0402_5%
1 2
D21
CH751H-40PT_SOD323-2
D21
CH751H-40PT_SOD323-2
2 1
R377
10_0402_5%
@
R377
10_0402_5%
@
12
C449
18P_0402_50V8J
C449
18P_0402_50V8J
1
2
Y4
32.768KHZ_12.5PF_Q13MC14610002
Y4
32.768KHZ_12.5PF_Q13MC14610002
OSC 4
OSC 1
NC
3
NC
2
RP7
2.2K_0804_8P4R_5%
RP7
2.2K_0804_8P4R_5%
1 8
2 7
3 6
4 5
C442
0.1U_0402_16V4Z
C442
0.1U_0402_16V4Z
1 2
C450
18P_0402_50V8J
C450
18P_0402_50V8J
1
2
C444 0.1U_0402_16V4ZC444 0.1U_0402_16V4Z
12
C452 0.1U_0402_16V4Z@C452 0.1U_0402_16V4Z@
12
C440
1000P_0402_50V7K
C440
1000P_0402_50V7K
1
2
C438
0.1U_0402_16V4Z
C438
0.1U_0402_16V4Z
1
2
R331 330K_0402_5%R331 330K_0402_5%
1 2
C441
1000P_0402_50V7K
C441
1000P_0402_50V7K
1
2
C439
0.1U_0402_16V4Z
C439
0.1U_0402_16V4Z
1
2
R38347K_0402_5% R38347K_0402_5%
12
R772 1K_0402_1%R772 1K_0402_1%
1 2
C453 0.1U_0402_16V4Z@C453 0.1U_0402_16V4Z@
12
R380 47K_0402_5%R380 47K_0402_5%
1 2
C443
22P_0402_50V8J
@
C443
22P_0402_50V8J
@
1
2

SPI_CLK
EC_SI_SPI_SO 32
SPI_CLK32
EC_SO_SPI_SI32 LPC_FRAME#16,32
LPC_AD2 16,32
LPC_AD0 16,32
LPC_AD316,32
LPC_AD116,32
PLT_RST# 20,27,28,32
CLK_PCI_DDR 20
SPI_CS#32
SERIRQ16,32
+3VS
+3VL
Title
Size Document Number Rev
Date: Sheet of
Security Classification
Compal Secret Data
THIS SHEET OF ENGINEERING DRAWING IS THE PROPRIETARY PROPERTY OF COMPAL ELECTRONICS, INC. AND CONTAINS CONFIDENTIAL
AND TRADE SECRET INFORMATION. THIS SHEET MAY NOT BE TRANSFERED FROM THE CUSTODY OF THE COMPETENT DIVISION OF R&D
DEPARTMENT EXCEPT AS AUTHORIZED BY COMPAL ELECTRONICS, INC. NEITHER THIS SHEET NOR THE INFORMATION IT CONTAINS
MAY BE USED BY OR DISCLOSED TO ANY THIRD PARTY WITHOUT PRIOR WRITTEN CONSENT OF COMPAL ELECTRONICS, INC.
Issued Date Deciphered Date
NALAA LA-6041P M/B
1.0
SPI ROM/TP/KB/Debug
33 48
Tuesday, April 13, 2010
2009/01/23 2010/01/23
Title
Size Document Number Rev
Date: Sheet of
Security Classification
Compal Secret Data
THIS SHEET OF ENGINEERING DRAWING IS THE PROPRIETARY PROPERTY OF COMPAL ELECTRONICS, INC. AND CONTAINS CONFIDENTIAL
AND TRADE SECRET INFORMATION. THIS SHEET MAY NOT BE TRANSFERED FROM THE CUSTODY OF THE COMPETENT DIVISION OF R&D
DEPARTMENT EXCEPT AS AUTHORIZED BY COMPAL ELECTRONICS, INC. NEITHER THIS SHEET NOR THE INFORMATION IT CONTAINS
MAY BE USED BY OR DISCLOSED TO ANY THIRD PARTY WITHOUT PRIOR WRITTEN CONSENT OF COMPAL ELECTRONICS, INC.
Issued Date Deciphered Date
NALAA LA-6041P M/B
1.0
SPI ROM/TP/KB/Debug
33 48
Tuesday, April 13, 2010
2009/01/23 2010/01/23
Title
Size Document Number Rev
Date: Sheet of
Security Classification
Compal Secret Data
THIS SHEET OF ENGINEERING DRAWING IS THE PROPRIETARY PROPERTY OF COMPAL ELECTRONICS, INC. AND CONTAINS CONFIDENTIAL
AND TRADE SECRET INFORMATION. THIS SHEET MAY NOT BE TRANSFERED FROM THE CUSTODY OF THE COMPETENT DIVISION OF R&D
DEPARTMENT EXCEPT AS AUTHORIZED BY COMPAL ELECTRONICS, INC. NEITHER THIS SHEET NOR THE INFORMATION IT CONTAINS
MAY BE USED BY OR DISCLOSED TO ANY THIRD PARTY WITHOUT PRIOR WRITTEN CONSENT OF COMPAL ELECTRONICS, INC.
Issued Date Deciphered Date
NALAA LA-6041P M/B
1.0
SPI ROM/TP/KB/Debug
33 48
Tuesday, April 13, 2010
2009/01/23 2010/01/23
Compal Electronics, Inc.
SPI Flash (256KB)
20mils
LPC Debug Port
Please place the PAD under DDR DIMM.
reserve for EMI, close to U22 reserve for EMI
Socket: SP07000F500 & SP07000H900
R393
22_0402_5%
R393
22_0402_5%
1 2
H7
DEBUG_PAD
@
H7
DEBUG_PAD
@
1
2
3
4
56
7
8
9
10
C454 10P_0402_50V8JC454 10P_0402_50V8J
1 2
R394
10_0402_5%
R394
10_0402_5%
1 2
U22
MX25L2005CMI-12G SO8
U22
MX25L2005CMI-12G SO8
S
1
VCC
8
Q2
HOLD
7
VSS 4
D
5
C
6
W
3
C451
0.1U_0402_16V4Z
C451
0.1U_0402_16V4Z
1
2
C457
22P_0402_50V8J
C457
22P_0402_50V8J
1
2

5
5
4
4
3
3
2
2
1
1
D D
C C
B B
A A
ACIN_LED#
HDD_LED#
ON/OFFBTN#
ON/OFFBTN#
HDD_LED#
ACIN_LED#
EC_ON32
51_ON# 36
ON/OFFBTN# 32
ACIN18,32,36
SATA_LED#16
PWR_ON_LED#32
PWR_SUSP_LED#32
CR_LED#31
LID_SW#_R32
SW_L26
SW_R26
BATT_CHG_LOW_LED#32
BATT_FULL_LED#32
WL_BT_LED#32
+3VL
+5VS
+3VS
+5VALW
+5VS
+3VALW
Title
Size Document Number Rev
Date: Sheet of
Security Classification
Compal Secret Data
THIS SHEET OF ENGINEERING DRAWING IS THE PROPRIETARY PROPERTY OF COMPAL ELECTRONICS, INC. AND CONTAINS CONFIDENTIAL
AND TRADE SECRET INFORMATION. THIS SHEET MAY NOT BE TRANSFERED FROM THE CUSTODY OF THE COMPETENT DIVISION OF R&D
DEPARTMENT EXCEPT AS AUTHORIZED BY COMPAL ELECTRONICS, INC. NEITHER THIS SHEET NOR THE INFORMATION IT CONTAINS
MAY BE USED BY OR DISCLOSED TO ANY THIRD PARTY WITHOUT PRIOR WRITTEN CONSENT OF COMPAL ELECTRONICS, INC.
Issued Date Deciphered Date
NALAA LA-6041P M/B
1.0
Comm. SW/ Sub Conn./LEDS
34 48
Tuesday, April 13, 2010
2009/01/23 2010/01/23
Title
Size Document Number Rev
Date: Sheet of
Security Classification
Compal Secret Data
THIS SHEET OF ENGINEERING DRAWING IS THE PROPRIETARY PROPERTY OF COMPAL ELECTRONICS, INC. AND CONTAINS CONFIDENTIAL
AND TRADE SECRET INFORMATION. THIS SHEET MAY NOT BE TRANSFERED FROM THE CUSTODY OF THE COMPETENT DIVISION OF R&D
DEPARTMENT EXCEPT AS AUTHORIZED BY COMPAL ELECTRONICS, INC. NEITHER THIS SHEET NOR THE INFORMATION IT CONTAINS
MAY BE USED BY OR DISCLOSED TO ANY THIRD PARTY WITHOUT PRIOR WRITTEN CONSENT OF COMPAL ELECTRONICS, INC.
Issued Date Deciphered Date
NALAA LA-6041P M/B
1.0
Comm. SW/ Sub Conn./LEDS
34 48
Tuesday, April 13, 2010
2009/01/23 2010/01/23
Title
Size Document Number Rev
Date: Sheet of
Security Classification
Compal Secret Data
THIS SHEET OF ENGINEERING DRAWING IS THE PROPRIETARY PROPERTY OF COMPAL ELECTRONICS, INC. AND CONTAINS CONFIDENTIAL
AND TRADE SECRET INFORMATION. THIS SHEET MAY NOT BE TRANSFERED FROM THE CUSTODY OF THE COMPETENT DIVISION OF R&D
DEPARTMENT EXCEPT AS AUTHORIZED BY COMPAL ELECTRONICS, INC. NEITHER THIS SHEET NOR THE INFORMATION IT CONTAINS
MAY BE USED BY OR DISCLOSED TO ANY THIRD PARTY WITHOUT PRIOR WRITTEN CONSENT OF COMPAL ELECTRONICS, INC.
Issued Date Deciphered Date
NALAA LA-6041P M/B
1.0
Comm. SW/ Sub Conn./LEDS
34 48
Tuesday, April 13, 2010
2009/01/23 2010/01/23
Compal Electronics, Inc.
another at page 35
ISPD
PCB
Power Button
DC-IN
17
LED/B Conn.DC-IN LED Control Circuit
POWER LED Control Circuit
HDD LED Control Circuit
Debug Button
debug phase using
DEBUG POWER LED
debug phase using
another at page 35
CPU
MDC
MINI CARD
Screw Hole
PCB Fedical Mark PAD
For ESD
H24
H_6P8
@
H24
H_6P8
@
1
FD1
@
FD1
@
1
H16
H_3P0
@
H16
H_3P0
@
1
H3
H_4P2
@
H3
H_4P2
@
1
R396
10K_0402_5%
R396
10K_0402_5%
1 2
ZZZ
PCB LA-6041P REV10
ZZZ
PCB LA-6041P REV10
FD4
@
FD4
@
1
H13
H_3P0
@
H13
H_3P0
@
1
H18
H_3P0
@
H18
H_3P0
@
1
H23
H_3P0
@
H23
H_3P0
@
1
H31
H_3P3
@
H31
H_3P3
@
1
R415
10K_0402_5%
R415
10K_0402_5%
12
H37
H_3P3
@
H37
H_3P3
@
1
D59
AZ5125-02S.R7G_SOT23-3
D59
AZ5125-02S.R7G_SOT23-3
2
3
1
FD3
@
FD3
@
1
H30
H_3P3
@
H30
H_3P3
@
1
H26
H_2P7N
@
H26
H_2P7N
@
1
H4
H_4P2X4P7
@
H4
H_4P2X4P7
@
1
U11
PCH
HM55R3@
U11
PCH
HM55R3@
FD2
@
FD2
@
1
H22
H_3P0
@
H22
H_3P0
@
1
PJP1
PJP1
45@
PJP1
PJP1
45@
JPOWER
ACES_85201-0405N
@
JPOWER
ACES_85201-0405N
@
11
22
33
44
G1 5
G2 6
SW2
NTC017-DA1J-D160T
@SW2
NTC017-DA1J-D160T
@
3
2
1
4
5
6
H17
H_3P0
@
H17
H_3P0
@
1
H19
H_3P0
@
H19
H_3P0
@
1
H2
H_4P7
@
H2
H_4P7
@
1
H5
H_4P2X4P7
@
H5
H_4P2X4P7
@
1
Q50B
2N7002KDW_SOT363-6
Q50B
2N7002KDW_SOT363-6
3
5
4
H27
H_3P3X2P7N
@
H27
H_3P3X2P7N
@
1
G
D2
LTW-110TLA1_WHITE
@
G
D2
LTW-110TLA1_WHITE
@
2 1
3
H36
H_3P3
@
H36
H_3P3
@
1
R771 330_0402_5%@R771 330_0402_5%@
1 2
Q50A
2N7002KDW_SOT363-6
Q50A
2N7002KDW_SOT363-6
6 1
2
R395
100K_0402_5%
R395
100K_0402_5%
1 2
Q49A
2N7002KDW_SOT363-6
Q49A
2N7002KDW_SOT363-6
61
2
H14
H_3P0
@
H14
H_3P0
@
1
C490 0.1U_0402_25V6C490 0.1U_0402_25V6
1 2
H25
H_3P3X2P7N
@
H25
H_3P3X2P7N
@
1
JLEDB
ACES_85201-1605N@
JLEDB
ACES_85201-1605N@
1
1
2
2
3
3
4
4
5
5
6
6
7
7
8
8
9
9
10
10
11
11
12
12 GND 17
GND 18
13
13
14
14
15
15
16
16
H20
H_3P0
@
H20
H_3P0
@
1
H21
H_3P0
@
H21
H_3P0
@
1
Q6A
2N7002KDW_SOT363-6
Q6A
2N7002KDW_SOT363-6
61
2

A
A
B
B
C
C
D
D
E
E
1 1
2 2
3 3
4 4
SUSP SUSP
SUSP
SUSP
SUSP
0.75VR_EN
SUSP
SUSP#32,38,42
SUSP9,42
0.75VR_EN# 42
VTTPWROK5,40
+VSB
+3VALW +3VS
+VSB
+5VALW +5VS
+0.75VS +5VALW
+VSB
+1.5V +1.5VS
+3VALW
Title
Size Document Number Rev
Date: Sheet of
Security Classification
Compal Secret Data
THIS SHEET OF ENGINEERING DRAWING IS THE PROPRIETARY PROPERTY OF COMPAL ELECTRONICS, INC. AND CONTAINS CONFIDENTIAL
AND TRADE SECRET INFORMATION. THIS SHEET MAY NOT BE TRANSFERED FROM THE CUSTODY OF THE COMPETENT DIVISION OF R&D
DEPARTMENT EXCEPT AS AUTHORIZED BY COMPAL ELECTRONICS, INC. NEITHER THIS SHEET NOR THE INFORMATION IT CONTAINS
MAY BE USED BY OR DISCLOSED TO ANY THIRD PARTY WITHOUT PRIOR WRITTEN CONSENT OF COMPAL ELECTRONICS, INC.
Issued Date Deciphered Date
NALAA LA-6041P M/B
1.0
DC-DC INTERFACE
35 48
Tuesday, April 13, 2010
2009/01/23 2010/01/23
Title
Size Document Number Rev
Date: Sheet of
Security Classification
Compal Secret Data
THIS SHEET OF ENGINEERING DRAWING IS THE PROPRIETARY PROPERTY OF COMPAL ELECTRONICS, INC. AND CONTAINS CONFIDENTIAL
AND TRADE SECRET INFORMATION. THIS SHEET MAY NOT BE TRANSFERED FROM THE CUSTODY OF THE COMPETENT DIVISION OF R&D
DEPARTMENT EXCEPT AS AUTHORIZED BY COMPAL ELECTRONICS, INC. NEITHER THIS SHEET NOR THE INFORMATION IT CONTAINS
MAY BE USED BY OR DISCLOSED TO ANY THIRD PARTY WITHOUT PRIOR WRITTEN CONSENT OF COMPAL ELECTRONICS, INC.
Issued Date Deciphered Date
NALAA LA-6041P M/B
1.0
DC-DC INTERFACE
35 48
Tuesday, April 13, 2010
2009/01/23 2010/01/23
Title
Size Document Number Rev
Date: Sheet of
Security Classification
Compal Secret Data
THIS SHEET OF ENGINEERING DRAWING IS THE PROPRIETARY PROPERTY OF COMPAL ELECTRONICS, INC. AND CONTAINS CONFIDENTIAL
AND TRADE SECRET INFORMATION. THIS SHEET MAY NOT BE TRANSFERED FROM THE CUSTODY OF THE COMPETENT DIVISION OF R&D
DEPARTMENT EXCEPT AS AUTHORIZED BY COMPAL ELECTRONICS, INC. NEITHER THIS SHEET NOR THE INFORMATION IT CONTAINS
MAY BE USED BY OR DISCLOSED TO ANY THIRD PARTY WITHOUT PRIOR WRITTEN CONSENT OF COMPAL ELECTRONICS, INC.
Issued Date Deciphered Date
NALAA LA-6041P M/B
1.0
DC-DC INTERFACE
35 48
Tuesday, April 13, 2010
2009/01/23 2010/01/23
+3VALW TO +3VS
Compal Electronics, Inc.
+5VALW TO +5VS
Vgs=-0V,Id=9A,Rds=18.5mohm
+1.5V to +1.5VS
Vgs=10V,Id=14.5A,Rds=6mohm
FDS6676AS
another at page34
another at page 34
Prevent noise coupling
Q11A
2N7002KDW_SOT363-6
Q11A
2N7002KDW_SOT363-6
61
2
C464
4.7U_0805_10V4Z
C464
4.7U_0805_10V4Z
1
2
R422
100K_0402_5%
R422
100K_0402_5%
1 2
R411
220K_0402_5%
R411
220K_0402_5%
1 2
Q11B
2N7002KDW_SOT363-6
Q11B
2N7002KDW_SOT363-6
3
5
4
R414
820K_0402_5%
R414
820K_0402_5%
12
R409
47K_0402_5%
R409
47K_0402_5%
1 2
C234
100P_0402_50V8J
C234
100P_0402_50V8J
1
2
Q30
SI4800BDY_SO8
Q30
SI4800BDY_SO8
S1
S2
S3
G4
D
8
D
7
D
6
D
5
R169 100K_0402_5%
PS@
R169 100K_0402_5%
PS@
1 2
C465
4.7U_0805_10V4Z
C465
4.7U_0805_10V4Z
1
2
R421
47_0805_5%
PS@
R421
47_0805_5%
PS@
Q49B
2N7002KDW_SOT363-6
Q49B
2N7002KDW_SOT363-6
3
5
4
C469
4.7U_0805_10V4Z
C469
4.7U_0805_10V4Z
1
2
R413
200K_0402_5%
@
R413
200K_0402_5%
@
12
Q12A
2N7002KDW_SOT363-6
Q12A
2N7002KDW_SOT363-6
61
2
R410
47K_0402_5%
R410
47K_0402_5%
1 2
C463
1U_0402_6.3V4Z
C463
1U_0402_6.3V4Z
1
2
Q12B
2N7002KDW_SOT363-6
Q12B
2N7002KDW_SOT363-6
3
5
4
R406
470_0805_5%
R406
470_0805_5%
1 2
C470
0.1U_0402_25V6
C470
0.1U_0402_25V6
1
2
C468
0.01U_0402_25V7K
C468
0.01U_0402_25V7K
1
2
Q48A
2N7002KDW_SOT363-6
PS@
Q48A
2N7002KDW_SOT363-6
PS@
61
2
C466
0.022U_0402_25V7K
C466
0.022U_0402_25V7K
1
2
R408
470_0805_5%
R408
470_0805_5%
1 2
Q29
SI4800BDY_SO8
Q29
SI4800BDY_SO8
S1
S2
S3
G4
D
8
D
7
D
6
D
5
C460 4.7U_0805_10V4ZC460 4.7U_0805_10V4Z
1
2
R407
470_0805_5%
R407
470_0805_5%
1 2
Q48B
2N7002KDW_SOT363-6
PS@
Q48B
2N7002KDW_SOT363-6
PS@
3
5
4
Q10B
2N7002KDW_SOT363-6
Q10B
2N7002KDW_SOT363-6
3
5
4
C462
4.7U_0805_10V4Z
C462
4.7U_0805_10V4Z
1
2
Q31
SI4800BDY_SO8
Q31
SI4800BDY_SO8
S1
S2
S3
G4
D
8
D
7
D
6
D
5
R425
100K_0402_5%
PS@
R425
100K_0402_5%
PS@
1 2
R423
10K_0402_5%
R423
10K_0402_5%
1 2
C459
1U_0402_6.3V4Z
C459
1U_0402_6.3V4Z
1
2
C467
4.7U_0805_10V4Z
C467
4.7U_0805_10V4Z
1
2
C461
1U_0402_6.3V4Z
C461
1U_0402_6.3V4Z
1
2
C232
100P_0402_50V8J
C232
100P_0402_50V8J
1
2
Q6B
2N7002KDW_SOT363-6
Q6B
2N7002KDW_SOT363-6
3
5
4
R412
330K_0402_5%
R412
330K_0402_5%
12
R421
470_0805_5%
NPS@
R421
470_0805_5%
NPS@
1 2
Q10A
2N7002KDW_SOT363-6
Q10A
2N7002KDW_SOT363-6
61
2

A
A
B
B
C
C
D
D
1 1
2 2
3 3
4 4
N1
N2
CHGRTCP
DC_IN_S1
PACIN
PACIN
N3
DC_IN_S2
51_ON#34
ACON38
EN039
ACIN 18,32,34
PACIN 38
+RTCBATT
VIN
VIN
VS
BATT+
+CHGRTC
+3VALWP +3VALW
+5VALWP
+VSBP +VSB
+0.75VS+0.75VSP
+1.5VP +1.5V
+5VALW
+VTTP +VTT
+CHGRTC
VIN
VS
B+
VL
+5VALWP
VIN
N1
+CHGRTC
+3VLP +3VL
+GFX_COREP +GFX_CORE
+1.8VS+1.8VSP
Title
Size Document Number Rev
Date: Sheet of
Security Classification
Compal Secret Data
THIS SHEET OF ENGINEERING DRAWING IS THE PROPRIETARY PROPERTY OF COMPAL ELECTRONICS, INC. AND CONTAINS CONFIDENTIAL
AND TRADE SECRET INFORMATION. THIS SHEET MAY NOT BE TRANSFERED FROM THE CUSTODY OF THE COMPETENT DIVISION OF R&D
DEPARTMENT EXCEPT AS AUTHORIZED BY COMPAL ELECTRONICS, INC. NEITHER THIS SHEET NOR THE INFORMATION IT CONTAINS
MAY BE USED BY OR DISCLOSED TO ANY THIRD PARTY WITHOUT PRIOR WRITTEN CONSENT OF COMPAL ELECTRONICS, INC.
Issued Date
Deciphered Date
1.0
DCIN / DETECTOR
36 48Tuesday, April 13, 2010
Compal Electronics, Inc.
2010/01/232009/01/23
Title
Size Document Number Rev
Date: Sheet of
Security Classification
Compal Secret Data
THIS SHEET OF ENGINEERING DRAWING IS THE PROPRIETARY PROPERTY OF COMPAL ELECTRONICS, INC. AND CONTAINS CONFIDENTIAL
AND TRADE SECRET INFORMATION. THIS SHEET MAY NOT BE TRANSFERED FROM THE CUSTODY OF THE COMPETENT DIVISION OF R&D
DEPARTMENT EXCEPT AS AUTHORIZED BY COMPAL ELECTRONICS, INC. NEITHER THIS SHEET NOR THE INFORMATION IT CONTAINS
MAY BE USED BY OR DISCLOSED TO ANY THIRD PARTY WITHOUT PRIOR WRITTEN CONSENT OF COMPAL ELECTRONICS, INC.
Issued Date
Deciphered Date
1.0
DCIN / DETECTOR
36 48Tuesday, April 13, 2010
Compal Electronics, Inc.
2010/01/232009/01/23
Title
Size Document Number Rev
Date: Sheet of
Security Classification
Compal Secret Data
THIS SHEET OF ENGINEERING DRAWING IS THE PROPRIETARY PROPERTY OF COMPAL ELECTRONICS, INC. AND CONTAINS CONFIDENTIAL
AND TRADE SECRET INFORMATION. THIS SHEET MAY NOT BE TRANSFERED FROM THE CUSTODY OF THE COMPETENT DIVISION OF R&D
DEPARTMENT EXCEPT AS AUTHORIZED BY COMPAL ELECTRONICS, INC. NEITHER THIS SHEET NOR THE INFORMATION IT CONTAINS
MAY BE USED BY OR DISCLOSED TO ANY THIRD PARTY WITHOUT PRIOR WRITTEN CONSENT OF COMPAL ELECTRONICS, INC.
Issued Date
Deciphered Date
1.0
DCIN / DETECTOR
36 48Tuesday, April 13, 2010
Compal Electronics, Inc.
2010/01/232009/01/23
-+
RTC Battery
3.3V
SP093MX0000
DC301001M80
(120mA,40mils ,Via NO.= 1)
(5A,200mils ,Via NO.= 10
OCP=7.7A)
(1.5A,60mils ,Via NO.= 4)
(5A,200mils ,Via NO.= 10
OCP=7.9A)
(9A,360mils ,Via NO.= 18
OCP=9.8A)
(20A,720mils ,Via NO.=40
OCP=26.38A)
Vin Detector
High 18.384 17.901 17.430
Low 17.728 17.257 16.976
Precharge detector
15.97V/14.84V FOR
ADAPTOR
3.3V
(100mA,40mils ,Via NO.= 2)
(22A,880mils ,Via NO.=44
OCP=26A)
(2A,80mils ,Via NO.= 4)
NALAA LA-6041P M/B
PJ17
JUMP_43X79@
PJ17
JUMP_43X79@
11
2
2
PR25
66.5K_0402_1%
@PR25
66.5K_0402_1%
@
12
PJ7
JUMP_43X39@
PJ7
JUMP_43X39@
11
2
2
PR21
560_0603_5%
PR21
560_0603_5%
1 2
PR1
1M_0402_1%
PR1
1M_0402_1%
1 2
PC4
1000P_0402_50V7K
PC4
1000P_0402_50V7K
12
PC13
1000P_0402_50V7K
PC13
1000P_0402_50V7K
12
PC10
0.1U_0603_25V7K
PC10
0.1U_0603_25V7K
12
PJ13
JUMP_43X118@
PJ13
JUMP_43X118@
11
2
2
PR14
1K_1206_5%
PR14
1K_1206_5%
1 2
PD3
RLS4148_LL34-2
PD3
RLS4148_LL34-2
12
PR23
10K_0402_1%
PR23
10K_0402_1%
12
PD4
RLS4148_LL34-2
PD4
RLS4148_LL34-2
12
PL1
SMB3025500YA_2P
PL1
SMB3025500YA_2P
1 2
PF1
10A_125V_451010MRL
PF1
10A_125V_451010MRL
21
PQ3
DTC115EUA_SC70-3
PQ3
DTC115EUA_SC70-3
2
13
PR7
10K_0402_1%
PR7
10K_0402_1%
12
PR5
22K_0402_1%
PR5
22K_0402_1%
1 2
PR4
10K_0402_1%
PR4
10K_0402_1%
1 2
PR24
499K_0402_1%
PR24
499K_0402_1%
12
PC5
680P_0402_50V7K
@
PC5
680P_0402_50V7K
@
12
PR9
68_1206_5%
PR9
68_1206_5%
12
PJ9
JUMP_43X39@
PJ9
JUMP_43X39@
11
2
2
PR8
10K_0402_1%
PR8
10K_0402_1%
12
PR6
20K_0402_1%
PR6
20K_0402_1%
12
PD5
RB715F_SOT323-3
PD5
RB715F_SOT323-3
2
3
1
PC9
0.22U_0603_25V7K
PC9
0.22U_0603_25V7K
12
PR27
47K_0402_1%
PR27
47K_0402_1%
12
PR16
1K_1206_5%
PR16
1K_1206_5%
1 2
PR3
5.6K_0402_5%
PR3
5.6K_0402_5%
12
PJ1
JUMP_43X118@
PJ1
JUMP_43X118@
11
2
2
PR19
100K_0402_1%
PR19
100K_0402_1%
1 2
PJP1
SINGA_2DW -0005-B03
@
PJP1
SINGA_2DW -0005-B03
@
+1
-3
-4
+2
PR20
2.2M_0402_5%
PR20
2.2M_0402_5%
12
PR13
100K_0402_1%
PR13
100K_0402_1%
12
PR12
1K_1206_5%
PR12
1K_1206_5%
1 2
PR10
68_1206_5%
PR10
68_1206_5%
12
PR22
560_0603_5%
PR22
560_0603_5%
1 2
PR11
200_0603_5%
PR11
200_0603_5%
1 2
PBJ1
MAXEL_ML1220T10@
PBJ1
MAXEL_ML1220T10@
12
PJ11
JUMP_43X118@
PJ11
JUMP_43X118@
11
2
2
PJ3
JUMP_43X79@
PJ3
JUMP_43X79@
11
2
2
PC7
0.068U_0402_10V6K
PC7
0.068U_0402_10V6K
12
PU1A
LM393DG_SO8
PU1A
LM393DG_SO8
+
3
-
2O1
P8
G
4
PD2
RLS4148_LL34-2
PD2
RLS4148_LL34-2
1 2
PJ10
JUMP_43X118@
PJ10
JUMP_43X118@
11
2
2
PC3
100P_0402_50V8J
PC3
100P_0402_50V8J
12
PU1B
LM393DG_SO8
PU1B
LM393DG_SO8
+5
-6
O
7
P8
G
4
PC8
.1U_0402_16V7K
PC8
.1U_0402_16V7K
12
PQ1
TP0610K-T1-E3_SOT23-3
PQ1
TP0610K-T1-E3_SOT23-3
2
13
G
D
S
PQ2
SSM3K7002FU_SC70-3
G
D
S
PQ2
SSM3K7002FU_SC70-3
2
13
PD1
GLZ4.3B_LL34-2
PD1
GLZ4.3B_LL34-2
12
PR15
22K_0402_1%
PR15
22K_0402_1%
1 2
PC6
100P_0402_50V8J
PC6
100P_0402_50V8J
12
PC12
1U_0805_25V4Z
PC12
1U_0805_25V4Z
12
PR26
191K_0402_1%
PR26
191K_0402_1%
12
PR17
200_0603_5%
PR17
200_0603_5%
12
PC2
680P_0402_50V7K
@
PC2
680P_0402_50V7K
@
12
PJ4
JUMP_43X118@
PJ4
JUMP_43X118@
11
2
2
PC1
1000P_0402_50V7K
PC1
1000P_0402_50V7K
12
PR18
499K_0402_1%
PR18
499K_0402_1%
12
PR2
84.5K_0402_1%
PR2
84.5K_0402_1%
12
PC14
1000P_0402_50V7K
PC14
1000P_0402_50V7K
12
PJ8
JUMP_43X118@
PJ8
JUMP_43X118@
11
2
2
PC11
10U_0805_10V4Z
PC11
10U_0805_10V4Z
12
PU2 G920AT24U_SOT89-3PU2 G920AT24U_SOT89-3
IN 2
GND
1
OUT
3
PC15
1000P_0402_50V7K
PC15
1000P_0402_50V7K
12
PJ5
JUMP_43X118@
PJ5
JUMP_43X118@
11
2
2

A
A
B
B
C
C
D
D
1 1
2 2
3 3
4 4
BATT_P4
BATT_P5
BATT_S1
BATT_P3
EC_SMDA
EC_SMCA
BATT_TEMPA 32
EC_SMB_DA1 32
EC_SMB_CK1 32
POK39
VS_ON39
BATT+
+3VLP
VMB
+3VLP
B+ +VSBP
VL
VL
Title
Size Document Number Rev
Date: Sheet of
Security Classification
Compal Secret Data
THIS SHEET OF ENGINEERING DRAWING IS THE PROPRIETARY PROPERTY OF COMPAL ELECTRONICS, INC. AND CONTAINS CONFIDENTIAL
AND TRADE SECRET INFORMATION. THIS SHEET MAY NOT BE TRANSFERED FROM THE CUSTODY OF THE COMPETENT DIVISION OF R&D
DEPARTMENT EXCEPT AS AUTHORIZED BY COMPAL ELECTRONICS, INC. NEITHER THIS SHEET NOR THE INFORMATION IT CONTAINS
MAY BE USED BY OR DISCLOSED TO ANY THIRD PARTY WITHOUT PRIOR WRITTEN CONSENT OF COMPAL ELECTRONICS, INC.
Issued Date
Deciphered Date
1.0
BATTERY CONN / OTP
37 48Tuesday, April 13, 2010
Compal Electronics, Inc.
2010/01/232009/01/23
Title
Size Document Number Rev
Date: Sheet of
Security Classification
Compal Secret Data
THIS SHEET OF ENGINEERING DRAWING IS THE PROPRIETARY PROPERTY OF COMPAL ELECTRONICS, INC. AND CONTAINS CONFIDENTIAL
AND TRADE SECRET INFORMATION. THIS SHEET MAY NOT BE TRANSFERED FROM THE CUSTODY OF THE COMPETENT DIVISION OF R&D
DEPARTMENT EXCEPT AS AUTHORIZED BY COMPAL ELECTRONICS, INC. NEITHER THIS SHEET NOR THE INFORMATION IT CONTAINS
MAY BE USED BY OR DISCLOSED TO ANY THIRD PARTY WITHOUT PRIOR WRITTEN CONSENT OF COMPAL ELECTRONICS, INC.
Issued Date
Deciphered Date
1.0
BATTERY CONN / OTP
37 48Tuesday, April 13, 2010
Compal Electronics, Inc.
2010/01/232009/01/23
Title
Size Document Number Rev
Date: Sheet of
Security Classification
Compal Secret Data
THIS SHEET OF ENGINEERING DRAWING IS THE PROPRIETARY PROPERTY OF COMPAL ELECTRONICS, INC. AND CONTAINS CONFIDENTIAL
AND TRADE SECRET INFORMATION. THIS SHEET MAY NOT BE TRANSFERED FROM THE CUSTODY OF THE COMPETENT DIVISION OF R&D
DEPARTMENT EXCEPT AS AUTHORIZED BY COMPAL ELECTRONICS, INC. NEITHER THIS SHEET NOR THE INFORMATION IT CONTAINS
MAY BE USED BY OR DISCLOSED TO ANY THIRD PARTY WITHOUT PRIOR WRITTEN CONSENT OF COMPAL ELECTRONICS, INC.
Issued Date
Deciphered Date
1.0
BATTERY CONN / OTP
37 48Tuesday, April 13, 2010
Compal Electronics, Inc.
2010/01/232009/01/23
PH2 near main Battery CONN :
Recovery at 56 degree C
BAT. thermal protection at 90 degree C
Recovery at 56 degree C
CPU thermal protection at 90 degree C
PH1 under CPU botten side :
NALAA LA-6041P M/B
PH2
100K_0402_1%_NCP15W F104F03RC
PH2
100K_0402_1%_NCP15W F104F03RC
12
PR36
100_0402_1%
PR36
100_0402_1%
1 2
PR28
1K_0402_1%
PR28
1K_0402_1%
1 2
PQ4
TP0610K-T1-E3_SOT23-3
PQ4
TP0610K-T1-E3_SOT23-3
2
13
PR42
22K_0402_1%
PR42
22K_0402_1%
1 2
PL2
SMB3025500YA_2P
PL2
SMB3025500YA_2P
1 2
PR40
11.3K_0402_1%
PR40
11.3K_0402_1%
12
PR29
47K_0402_1%
PR29
47K_0402_1%
1 2
PR33
23.7K_0402_1%
PR33
23.7K_0402_1%
1 2
PC19
0.1U_0603_25V7K
PC19
0.1U_0603_25V7K
12
PR41
100K_0402_1%
PR41
100K_0402_1%
12
PU4
G718TM1U_SOT23-8
PU4
G718TM1U_SOT23-8
RHYST2 5
OT1
3
OT2
4
GND
2
VCC
1
TMSNS2 6
RHYST1 7
TMSNS1 8
PR32
6.49K_0402_1%
PR32
6.49K_0402_1%
12
PR43
100K_0402_1%
PR43
100K_0402_1%
1 2
PR35
1K_0402_1%
PR35
1K_0402_1%
12
PJP2
SUYIN_200045MR009G171ZR
@
PJP2
SUYIN_200045MR009G171ZR
@
11
33
44
55
66
88
99
22
77
GND
11 GND
10
GND
12
GND
13
PR30
1K_0402_1%
PR30
1K_0402_1%
12
PC21
0.1U_0603_25V7K
@
PC21
0.1U_0603_25V7K
@
12
PC18
0.1U_0402_25V6K
@PC18
0.1U_0402_25V6K
@
12
PD6
PJSOT24C_SOT23-3
PD6
PJSOT24C_SOT23-3
2
3
1
PC17
0.01U_0402_25V7K
PC17
0.01U_0402_25V7K
12
PC20
0.22U_0603_25V7K
@
PC20
0.22U_0603_25V7K
@
12
PH1
100K_0402_1%_NCP15W F104F03RC
PH1
100K_0402_1%_NCP15W F104F03RC
12
PD7
PJSOT24C_SOT23-3
PD7
PJSOT24C_SOT23-3
2
3
1
PR34
11.3K_0402_1%
PR34
11.3K_0402_1%
12
PR31
23.7K_0402_1%
PR31
23.7K_0402_1%
12
PC22
.1U_0402_16V7K
@PC22
.1U_0402_16V7K
@
12
G
D
S
PQ5
SSM3K7002FU_SC70-3
G
D
S
PQ5
SSM3K7002FU_SC70-3
2
13
PR37
100_0402_1%
PR37
100_0402_1%
1 2
PC16
1000P_0402_50V7K
PC16
1000P_0402_50V7K
12
PF2
15A_65V_451015MRL
PF2
15A_65V_451015MRL
21
PR44
0_0402_5%
PR44
0_0402_5%
1 2

A
A
B
B
C
C
D
D
1 1
2 2
3 3
4 4
ACOFF
6251_EN CSON
ACOFF
6251VDD
6251VDD
6251VREF
6251VREF
DCIN
PACIN
FSTCHG
BST_CHG
PACIN
6251aclim
DH_CHG
CSIP
DCIN
DL_CHG
CSIN
LX_CHG
6251VDDP
BST_CHGA
CHG
IREF32
FSTCHG32
PACIN36
ACOFF32
SUSP# 32,35,42
CHGVADJ32
ACON36
ADP_I32
ADP_V 32
VIN
VIN
BATT+
P2 P3
B+
CHG_B+
P3
VIN
VIN
B+
Title
Size Document Number Rev
Date: Sheet of
Security Classification
Compal Secret Data
THIS SHEET OF ENGINEERING DRAWING IS THE PROPRIETARY PROPERTY OF COMPAL ELECTRONICS, INC. AND CONTAINS CONFIDENTIAL
AND TRADE SECRET INFORMATION. THIS SHEET MAY NOT BE TRANSFERED FROM THE CUSTODY OF THE COMPETENT DIVISION OF R&D
DEPARTMENT EXCEPT AS AUTHORIZED BY COMPAL ELECTRONICS, INC. NEITHER THIS SHEET NOR THE INFORMATION IT CONTAINS
MAY BE USED BY OR DISCLOSED TO ANY THIRD PARTY WITHOUT PRIOR WRITTEN CONSENT OF COMPAL ELECTRONICS, INC.
Issued Date
Deciphered Date
1.0
CHARGER
38 48Tuesday, April 13, 2010
2009/01/23 2010/01/23
Compal Electronics, Inc.
Title
Size Document Number Rev
Date: Sheet of
Security Classification
Compal Secret Data
THIS SHEET OF ENGINEERING DRAWING IS THE PROPRIETARY PROPERTY OF COMPAL ELECTRONICS, INC. AND CONTAINS CONFIDENTIAL
AND TRADE SECRET INFORMATION. THIS SHEET MAY NOT BE TRANSFERED FROM THE CUSTODY OF THE COMPETENT DIVISION OF R&D
DEPARTMENT EXCEPT AS AUTHORIZED BY COMPAL ELECTRONICS, INC. NEITHER THIS SHEET NOR THE INFORMATION IT CONTAINS
MAY BE USED BY OR DISCLOSED TO ANY THIRD PARTY WITHOUT PRIOR WRITTEN CONSENT OF COMPAL ELECTRONICS, INC.
Issued Date
Deciphered Date
1.0
CHARGER
38 48Tuesday, April 13, 2010
2009/01/23 2010/01/23
Compal Electronics, Inc.
Title
Size Document Number Rev
Date: Sheet of
Security Classification
Compal Secret Data
THIS SHEET OF ENGINEERING DRAWING IS THE PROPRIETARY PROPERTY OF COMPAL ELECTRONICS, INC. AND CONTAINS CONFIDENTIAL
AND TRADE SECRET INFORMATION. THIS SHEET MAY NOT BE TRANSFERED FROM THE CUSTODY OF THE COMPETENT DIVISION OF R&D
DEPARTMENT EXCEPT AS AUTHORIZED BY COMPAL ELECTRONICS, INC. NEITHER THIS SHEET NOR THE INFORMATION IT CONTAINS
MAY BE USED BY OR DISCLOSED TO ANY THIRD PARTY WITHOUT PRIOR WRITTEN CONSENT OF COMPAL ELECTRONICS, INC.
Issued Date
Deciphered Date
1.0
CHARGER
38 48Tuesday, April 13, 2010
2009/01/23 2010/01/23
Compal Electronics, Inc.
NALAA LA-6041P M/B
Vcell
CHGVADJ=(Vcell-4)/0.10627
CHGVADJ
Iada=0~3.42A(65W)
4V
CP= 92%*Iada; CP=3.147A
4.2V
4.35V
0V
1.882V
3.2935V
CC=0.25A~3A
IREF=0.254V~3.048V
IREF=1.016*Icharge
CP mode
Vaclim=1.08V(65W) PR68=75k PR45=0.02
VCHLIM need over 95mV
PC33
0.1U_0603_25V7K
PC33
0.1U_0603_25V7K
12
PQ7
AO4435_SO8
PQ7
AO4435_SO8
4
7
8
6
5
1
2
3
PC23 1000P_0402_25V8J
@
PC23 1000P_0402_25V8J
@
12
PR51
100K_0402_1%
PR51
100K_0402_1%
12
PC38 100P_0402_50V8J@PC38 100P_0402_50V8J@
1 2
PQ19
AO4466_SO8
PQ19
AO4466_SO8
3 6
5
7
8
2
4
1
PC28
5600P_0402_25V7K
PC28
5600P_0402_25V7K
1 2
PQ9
AO4435_SO8
@PQ9
AO4435_SO8
@
4
7
8
6
5
1
2
3
PD12
RB751V-40TE17_SOD323-2
PD12
RB751V-40TE17_SOD323-2
12
PR65
4.7_1206_5%
PR65
4.7_1206_5%
12
PR76
47K_0402_1%
PR76
47K_0402_1%
12
PR46
200K_0402_1%
PR46
200K_0402_1%
12
PR71
4.7_0603_5%
PR71
4.7_0603_5%
1 2
PL19
HCB4532KF-800T90_1812
PL19
HCB4532KF-800T90_1812
12
PQ11 TP0610K-T1-E3_SOT23-3PQ11 TP0610K-T1-E3_SOT23-3
2
13
PR47 10_0603_5%PR47 10_0603_5%
1 2
PC42
10U_1206_25V6M
PC42
10U_1206_25V6M
12
PC36
0.01U_0402_25V7K
PC36
0.01U_0402_25V7K
1 2
PR68
75K_0402_1%
PR68
75K_0402_1%
1 2
G
D
S
PQ18
SSM3K7002FU_SC70-3
G
D
S
PQ18
SSM3K7002FU_SC70-3
2
13
PR53
10K_0402_1%
PR53
10K_0402_1%
12
PR61
2.2_0603_1%
PR61
2.2_0603_1%
1 2
PC29
2.2U_0603_6.3V6K
PC29
2.2U_0603_6.3V6K
12
PC25 4.7U_0805_25V6-KPC25 4.7U_0805_25V6-K
12
PR55
150K_0402_1%
PR55
150K_0402_1%
12
PD9
1SS355_SOD323-2
PD9
1SS355_SOD323-2
1 2
PC41
10U_1206_25V6M
PC41
10U_1206_25V6M
12
PU5
ISL6251AHAZ-T_QSOP24
PU5
ISL6251AHAZ-T_QSOP24
EN
3
CELLS
4
VDD
1
ACSET
2
ICOMP
5
VCOMP
6
CHLIM
9
ACPRN 23
CSIP 19
UGATE 17
PHASE 18
BOOT 16
PGND 13
GND
12
ICM
7
VREF
8
VADJ
11
DCIN 24
CSIN 20
ACLIM
10
LGATE 14
VDDP 15
CSOP 21
CSON 22
PQ15
DTC115EUA_SC70-3
PQ15
DTC115EUA_SC70-3
2
13
PC32
0.047U_0603_16V7K
PC32
0.047U_0603_16V7K
1 2
PR52
10K_0402_1%
PR52
10K_0402_1%
1 2
PR75
10K_0402_1%
PR75
10K_0402_1%
1 2
PR50
100K_0402_1%
PR50
100K_0402_1%
12
PC27
0.1U_0603_25V7K
PC27
0.1U_0603_25V7K
12
PC45
4.7U_0805_6.3V6K
PC45
4.7U_0805_6.3V6K
1 2
PD11
1SS355_SOD323-2
PD11
1SS355_SOD323-2
1 2
PR57
20_0603_5%
PR57
20_0603_5%
1 2
PR69
120K_0402_1%
PR69
120K_0402_1%
12
PQ6
AO4435_SO8
PQ6
AO4435_SO8
4
7
8
6
5
1
2
3
PC44
0.01U_0402_25V7K
PC44
0.01U_0402_25V7K
12
PC39
.1U_0402_16V7K
PC39
.1U_0402_16V7K
1 2
PC75
10U_1206_25V6M
@PC75
10U_1206_25V6M
@
1 2
PR67
2.2_0603_1%
PR67
2.2_0603_1%
1 2
PR59
20_0603_5%
PR59
20_0603_5%
12
PC37
0.1U_0603_25V7K
PC37
0.1U_0603_25V7K
1 2
PR48
47K_0402_1%
PR48
47K_0402_1%
12
PR58
20_0603_5%
PR58
20_0603_5%
1 2
PR56
100K_0402_1%
PR56
100K_0402_1%
12
PD8
RB715F_SOT323-3
PD8
RB715F_SOT323-3
2
3
1
PC30
.1U_0402_16V7K
PC30
.1U_0402_16V7K
1 2
PC31
0.1U_0603_25V7K
PC31
0.1U_0603_25V7K
12
PR70
20K_0402_1%
PR70
20K_0402_1%
12
PQ20
DTC115EUA_SC70-3
PQ20
DTC115EUA_SC70-3
2
13
PC76
10U_1206_25V6M
@PC76
10U_1206_25V6M
@
1 2
PR49
47K_0402_1%
PR49
47K_0402_1%
1 2
PQ10
DTA144EUA_SC70-3
PQ10
DTA144EUA_SC70-3
2
1 3
G
D
S
PQ14
SSM3K7002FU_SC70-3
G
D
S
PQ14
SSM3K7002FU_SC70-3
2
13
PC26 4.7U_0805_25V6-KPC26 4.7U_0805_25V6-K
12
PQ17
AO4466_SO8
PQ17
AO4466_SO8
3 6
5
7
8
2
4
1
PL3
10U_LF919AS-100M-P3_4.5A_20%
PL3
10U_LF919AS-100M-P3_4.5A_20%
1 2
PR74
309K_0402_1%
PR74
309K_0402_1%
12
PC46
.1U_0402_16V7K
PC46
.1U_0402_16V7K
12
PR64
22K_0402_5%
PR64
22K_0402_5%
1 2
PR66
154K_0402_1%
PR66
154K_0402_1%
12
PR63
0.02_1206_1%
PR63
0.02_1206_1%
1
3
4
2
PQ12
DTC115EUA_SC70-3
PQ12
DTC115EUA_SC70-3
2
13
PC35 6800P_0402_25V7KPC35 6800P_0402_25V7K
1 2
PC40
0.1U_0603_25V7K
PC40
0.1U_0603_25V7K
12
PC43
680P_0603_50V8J
PC43
680P_0603_50V8J
12
PR73
31.6K_0402_1%
PR73
31.6K_0402_1%
12
PD10
1SS355_SOD323-2
PD10
1SS355_SOD323-2
1 2
PR62 47K_0402_1%PR62 47K_0402_1%
1 2
PQ8
AO4407A_SO8
PQ8
AO4407A_SO8
3 6
5
7
8
2
4
1
PR60 6.81K_0402_1%PR60 6.81K_0402_1%
1 2
PC24 4.7U_0805_25V6-KPC24 4.7U_0805_25V6-K
12
PR54
200K_0402_1%
PR54
200K_0402_1%
1 2
PR45
0.02_2512_1%
PR45
0.02_2512_1%
1
3
4
2
PC73
10U_1206_25V6M
@
PC73
10U_1206_25V6M
@
12
PC74
10U_1206_25V6M
PC74
10U_1206_25V6M
12
PR72
15.4K_0402_1%
PR72
15.4K_0402_1%
1 2
G
D
S
PQ16
SSM3K7002FU_SC70-3
G
D
S
PQ16
SSM3K7002FU_SC70-3
2
13
PQ13
DTC115EUA_SC70-3
PQ13
DTC115EUA_SC70-3
2
13

5
5
4
4
3
3
2
2
1
1
D D
C C
B B
A A
BST_5V
LX_5V
UG_5V
BST_3V
LG_5V
ENTRIP1 ENTRIP2
LG_3V
LX_3V
UG_3V
ENTRIP1
ENTRIP2
POK 37
EN036
VS_ON37
B++
+5VALWP
+3VALWP
B++
B++
2VREF_51125
B+
+3VLP
2VREF_51125
VL
VL
VS
B+
Title
Size Document Number Rev
Date: Sheet of
Security Classification
Compal Secret Data
THIS SHEET OF ENGINEERING DRAWING IS THE PROPRIETARY PROPERTY OF COMPAL ELECTRONICS, INC. AND CONTAINS CONFIDENTIAL
AND TRADE SECRET INFORMATION. THIS SHEET MAY NOT BE TRANSFERED FROM THE CUSTODY OF THE COMPETENT DIVISION OF R&D
DEPARTMENT EXCEPT AS AUTHORIZED BY COMPAL ELECTRONICS, INC. NEITHER THIS SHEET NOR THE INFORMATION IT CONTAINS
MAY BE USED BY OR DISCLOSED TO ANY THIRD PARTY WITHOUT PRIOR WRITTEN CONSENT OF COMPAL ELECTRONICS, INC.
Issued Date Deciphered Date
1.0
3VALWP/5VALWP
39 48
Tuesday, April 13, 2010
2009/01/23 2010/01/23
Compal Electronics, Inc.
Title
Size Document Number Rev
Date: Sheet of
Security Classification
Compal Secret Data
THIS SHEET OF ENGINEERING DRAWING IS THE PROPRIETARY PROPERTY OF COMPAL ELECTRONICS, INC. AND CONTAINS CONFIDENTIAL
AND TRADE SECRET INFORMATION. THIS SHEET MAY NOT BE TRANSFERED FROM THE CUSTODY OF THE COMPETENT DIVISION OF R&D
DEPARTMENT EXCEPT AS AUTHORIZED BY COMPAL ELECTRONICS, INC. NEITHER THIS SHEET NOR THE INFORMATION IT CONTAINS
MAY BE USED BY OR DISCLOSED TO ANY THIRD PARTY WITHOUT PRIOR WRITTEN CONSENT OF COMPAL ELECTRONICS, INC.
Issued Date Deciphered Date
1.0
3VALWP/5VALWP
39 48
Tuesday, April 13, 2010
2009/01/23 2010/01/23
Compal Electronics, Inc.
Title
Size Document Number Rev
Date: Sheet of
Security Classification
Compal Secret Data
THIS SHEET OF ENGINEERING DRAWING IS THE PROPRIETARY PROPERTY OF COMPAL ELECTRONICS, INC. AND CONTAINS CONFIDENTIAL
AND TRADE SECRET INFORMATION. THIS SHEET MAY NOT BE TRANSFERED FROM THE CUSTODY OF THE COMPETENT DIVISION OF R&D
DEPARTMENT EXCEPT AS AUTHORIZED BY COMPAL ELECTRONICS, INC. NEITHER THIS SHEET NOR THE INFORMATION IT CONTAINS
MAY BE USED BY OR DISCLOSED TO ANY THIRD PARTY WITHOUT PRIOR WRITTEN CONSENT OF COMPAL ELECTRONICS, INC.
Issued Date Deciphered Date
1.0
3VALWP/5VALWP
39 48
Tuesday, April 13, 2010
2009/01/23 2010/01/23
Compal Electronics, Inc.
NALAA LA-6041P M/B
Ipeak=5A
Imax=3.5A
F=305KHz
Total Capacitor 220u
ESR 15m ohm
Ipeak=5A
Imax=3.5A
F=245KHz
Total Capacitor 220u
ESR 15m ohm
PR89
0_0402_5%
@PR89
0_0402_5%
@
1 2
+
PC54
220U_6.3V_M
+
PC54
220U_6.3V_M
1
2
PQ22
AO4466_SO8
PQ22
AO4466_SO8
3 6
5
7
8
2
4
1
PQ24
AO4712_SO8
PQ24
AO4712_SO8
3 6
5
7
8
2
4
1
PQ27
DTC115EUA_SC70-3
PQ27
DTC115EUA_SC70-3
2
13
PR88
100K_0402_5%
PR88
100K_0402_5%
12
+
PC53
220U_6.3V_M
+
PC53
220U_6.3V_M
1
2
PC58
4.7U_0805_10V6K
PC58
4.7U_0805_10V6K
12
PR91
100K_0402_1%
PR91
100K_0402_1%
1 2
PR92
42.2K_0402_1%
PR92
42.2K_0402_1%
12
PC52
.1U_0402_16V7K
PC52
.1U_0402_16V7K
1 2
PC47
1U_0603_10V6K
PC47
1U_0603_10V6K
12
PR80
19.1K_0402_1%
PR80
19.1K_0402_1%
1 2
PC55
680P_0603_50V8J
@
PC55
680P_0603_50V8J
@
12
PU6
RT8205EGQW_WQFN24_4X4
PU6
RT8205EGQW_WQFN24_4X4
FB1 2
REF 3
VO1 24
ENTRIP1 1
TONSEL 4
FB2 5
SKIPSEL
14
NC
18
VREG5
17
VO2
7
VREG3
8
VIN
16
GND
15
UGATE1 21
BOOT1 22
ENTRIP2 6
PGOOD 23
PHASE1 20
LGATE1 19
EN
13
BOOT2
9
UGATE2
10
PHASE2
11
LGATE2
12
P PAD
25
PC50
4.7U_0805_10V6K
PC50
4.7U_0805_10V6K
12
PQ23
AO4712_SO8
PQ23
AO4712_SO8
3 6
5
7
8
2
4
1
PL5
4.7U_LF919AS-4R7M-P3_5.2A_20%
PL5
4.7U_LF919AS-4R7M-P3_5.2A_20%
1 2
PC51
.1U_0402_16V7K
PC51
.1U_0402_16V7K
1 2
PR86
4.7_1206_5%
@
PR86
4.7_1206_5%
@
12
G
D
S
PQ26
SSM3K7002FU_SC70-3
G
D
S
PQ26
SSM3K7002FU_SC70-3
2
13
PC49
10U_1206_25V6M
PC49
10U_1206_25V6M
12
PR83
0_0603_5%
PR83
0_0603_5%
1 2
PC48
10U_1206_25V6M
PC48
10U_1206_25V6M
12
PR82
150K_0402_1%
PR82
150K_0402_1%
1 2
PC60
0.01U_0402_16V7K
@
PC60
0.01U_0402_16V7K
@
12
PC59
0.1U_0603_25V7K
PC59
0.1U_0603_25V7K
12
G
D
S
PQ25
SSM3K7002FU_SC70-3
G
D
S
PQ25
SSM3K7002FU_SC70-3
2
13
PC56
680P_0603_50V8J
@
PC56
680P_0603_50V8J
@
12
PR77
13K_0402_1%
PR77
13K_0402_1%
1 2
PR90
100K_0402_1%
PR90
100K_0402_1%
12
PC57
1U_0402_6.3V6K
PC57
1U_0402_6.3V6K
12
PR84
0_0603_5%
PR84
0_0603_5%
1 2
PR78
30K_0402_1%
PR78
30K_0402_1%
1 2
PR79
20K_0402_1%
PR79
20K_0402_1%
1 2
PL4
4.7U_LF919AS-4R7M-P3_5.2A_20%
PL4
4.7U_LF919AS-4R7M-P3_5.2A_20%
1 2
PL20
HCB4532KF-800T90_1812
PL20
HCB4532KF-800T90_1812
12
PC78
10U_1206_25V6M
@
PC78
10U_1206_25V6M
@
12
PC77
10U_1206_25V6M
PC77
10U_1206_25V6M
12
PR85
4.7_1206_5%
@
PR85
4.7_1206_5%
@
12
PR81
150K_0402_1%
PR81
150K_0402_1%
1 2
PQ21
AO4466_SO8
PQ21
AO4466_SO8
3 6
5
7
8
2
4
1
PR87
499K_0402_1%
PR87
499K_0402_1%
1 2

A
A
B
B
C
C
D
D
1 1
2 2
3 3
4 4
+VTTP
LX_+VTTP
DH_+VTTP
DH_+VTTP
BST_+VTTP
DL_+VTTP
SE_+VTTP
+VTTP
+VTTP_B+
FB_+VTTP
VTT_SENSE 8
VSS_SENSE_VTT 8
VTTP_EN32
VTTPWROK_CPU5VTTPWROK 5,35
+VTTP_VCC
+VTTP_VCC
+VTTP
+5VALW
B+
+1.05VS+VTTP
+5VS
Title
Size Document Number Rev
Date: Sheet of
Security Classification
Compal Secret Data
THIS SHEET OF ENGINEERING DRAWING IS THE PROPRIETARY PROPERTY OF COMPAL ELECTRONICS, INC. AND CONTAINS CONFIDENTIAL
AND TRADE SECRET INFORMATION. THIS SHEET MAY NOT BE TRANSFERED FROM THE CUSTODY OF THE COMPETENT DIVISION OF R&D
DEPARTMENT EXCEPT AS AUTHORIZED BY COMPAL ELECTRONICS, INC. NEITHER THIS SHEET NOR THE INFORMATION IT CONTAINS
MAY BE USED BY OR DISCLOSED TO ANY THIRD PARTY WITHOUT PRIOR WRITTEN CONSENT OF COMPAL ELECTRONICS, INC.
Issued Date Deciphered Date
NALAA LA-6041P M/B
1.0
+VTTP
40 48Tuesday, April 13, 2010
2009/01/23 2010/01/23
Compal Electronics, Inc.
Title
Size Document Number Rev
Date: Sheet of
Security Classification
Compal Secret Data
THIS SHEET OF ENGINEERING DRAWING IS THE PROPRIETARY PROPERTY OF COMPAL ELECTRONICS, INC. AND CONTAINS CONFIDENTIAL
AND TRADE SECRET INFORMATION. THIS SHEET MAY NOT BE TRANSFERED FROM THE CUSTODY OF THE COMPETENT DIVISION OF R&D
DEPARTMENT EXCEPT AS AUTHORIZED BY COMPAL ELECTRONICS, INC. NEITHER THIS SHEET NOR THE INFORMATION IT CONTAINS
MAY BE USED BY OR DISCLOSED TO ANY THIRD PARTY WITHOUT PRIOR WRITTEN CONSENT OF COMPAL ELECTRONICS, INC.
Issued Date Deciphered Date
NALAA LA-6041P M/B
1.0
+VTTP
40 48Tuesday, April 13, 2010
2009/01/23 2010/01/23
Compal Electronics, Inc.
Title
Size Document Number Rev
Date: Sheet of
Security Classification
Compal Secret Data
THIS SHEET OF ENGINEERING DRAWING IS THE PROPRIETARY PROPERTY OF COMPAL ELECTRONICS, INC. AND CONTAINS CONFIDENTIAL
AND TRADE SECRET INFORMATION. THIS SHEET MAY NOT BE TRANSFERED FROM THE CUSTODY OF THE COMPETENT DIVISION OF R&D
DEPARTMENT EXCEPT AS AUTHORIZED BY COMPAL ELECTRONICS, INC. NEITHER THIS SHEET NOR THE INFORMATION IT CONTAINS
MAY BE USED BY OR DISCLOSED TO ANY THIRD PARTY WITHOUT PRIOR WRITTEN CONSENT OF COMPAL ELECTRONICS, INC.
Issued Date Deciphered Date
NALAA LA-6041P M/B
1.0
+VTTP
40 48Tuesday, April 13, 2010
2009/01/23 2010/01/23
Compal Electronics, Inc.
Material Note:
390uF/ 10mohm, number are 3,
power x1, HW x2
(7.0A,280mils ,Via NO.=14)
Arrandale -- mount,
Clarksfield --non mount @
Arrandale 1.05V
Ipeak=20A
Imax=14A
F=231KHz
Total Capacitor 1170u
ESR 3.33m ohm
PR97
4.7_0603_5%
PR97
4.7_0603_5%
1 2
PC65
2.2U_0603_6.3V6K
PC65
2.2U_0603_6.3V6K
1 2
+
PC67
390U_2.5V_M
+
PC67
390U_2.5V_M
1
2
PR187
0_0402_5%
PR187
0_0402_5%
1 2
PR102
57.6K_0402_1%
PR102
57.6K_0402_1%
12
PQ28
TPCA8030-H_SOP-ADV8-5
PQ28
TPCA8030-H_SOP-ADV8-5
4
5
1
2
3
PC72
2200P_0603_50V7K
@
PC72
2200P_0603_50V7K
@
12
PR96
0_0402_5%
PR96
0_0402_5%
12
PC63
4.7U_0805_25V6-K
PC63
4.7U_0805_25V6-K
12
PU7
APW7138NITRL_SSOP16
PU7
APW7138NITRL_SSOP16
EN
5
BOOT 15
PVCC 14
VIN
3
VCC
4
PGOOD 2
PHASE 1
UG 16
LG 13
PGND 12
VO
10
NC
6
FB
7
FSET
9
ISEN 11
GND 8
PR93
3.4K_0402_1%
PR93
3.4K_0402_1%
12
PR100
0_0402_5%
PR100
0_0402_5%
1 2
PR106
4.42K_0402_1%
PR106
4.42K_0402_1%
12
PC61
4.7U_0805_25V6-K
PC61
4.7U_0805_25V6-K
12
PC62
4.7U_0805_25V6-K
PC62
4.7U_0805_25V6-K
12
PQ29
TPCA8028-H_SOP-ADVANCE8-5
PQ29
TPCA8028-H_SOP-ADVANCE8-5
4
1
2
3 5
PR94 2.2_0603_1%PR94 2.2_0603_1%
1 2
PR184
4.53K_0402_1%
PR184
4.53K_0402_1%
1 2
PR110
10_0402_5%
PR110
10_0402_5%
1 2
PL7
1.0UH_PCMC104T-1R0MN_20A_20%
PL7
1.0UH_PCMC104T-1R0MN_20A_20%
1 2
PC66
2.2U_0603_6.3V6K
PC66
2.2U_0603_6.3V6K
12
PR108
10_0402_5%
PR108
10_0402_5%
1 2
PR95
2.43K_0402_1%
PR95
2.43K_0402_1%
1 2
PR104
0_0402_5%
PR104
0_0402_5%
1 2
PC71
33P_0402_50V8J
@PC71
33P_0402_50V8J
@
12
PR99
4.7_1206_5%
PR99
4.7_1206_5%
12
PC70
0.01U_0402_16V7K
@PC70
0.01U_0402_16V7K
@
12
PJ20
JUMP_43X79@
PJ20
JUMP_43X79@
11
2
2
PC68
.1U_0402_16V7K
@
PC68
.1U_0402_16V7K
@
12
PC69
680P_0603_50V8J
PC69
680P_0603_50V8J
12
PR103
3.32K_0402_1%
PR103
3.32K_0402_1%
1 2
PL6
HCB4532KF-800T90_1812
PL6
HCB4532KF-800T90_1812
12
PR101
33.2K_0402_1%
@
PR101
33.2K_0402_1%
@
12
PR98
9.76K_0402_1%
PR98
9.76K_0402_1%
1 2
PC64
0.1U_0603_25V7K
PC64
0.1U_0603_25V7K
1 2

5
5
4
4
3
3
2
2
1
1
D D
C C
B B
A A
BST_1.5V
DL_1.5V
LX_1.5V
DH_1.5V
1.5V_B+
SYSON32
+1.5VP
+5VALW
B+
+5VALW
Title
Size Document Number Rev
Date: Sheet of
Security Classification
Compal Secret Data
THIS SHEET OF ENGINEERING DRAWING IS THE PROPRIETARY PROPERTY OF COMPAL ELECTRONICS, INC. AND CONTAINS CONFIDENTIAL
AND TRADE SECRET INFORMATION. THIS SHEET MAY NOT BE TRANSFERED FROM THE CUSTODY OF THE COMPETENT DIVISION OF R&D
DEPARTMENT EXCEPT AS AUTHORIZED BY COMPAL ELECTRONICS, INC. NEITHER THIS SHEET NOR THE INFORMATION IT CONTAINS
MAY BE USED BY OR DISCLOSED TO ANY THIRD PARTY WITHOUT PRIOR WRITTEN CONSENT OF COMPAL ELECTRONICS, INC.
Issued Date Deciphered Date
Compal Electronics, Inc.
NALAA LA-6041P M/B
1.0
+1.5VP
Custom
41 48
Tuesday, April 13, 2010
2009/01/23 2010/01/23
Title
Size Document Number Rev
Date: Sheet of
Security Classification
Compal Secret Data
THIS SHEET OF ENGINEERING DRAWING IS THE PROPRIETARY PROPERTY OF COMPAL ELECTRONICS, INC. AND CONTAINS CONFIDENTIAL
AND TRADE SECRET INFORMATION. THIS SHEET MAY NOT BE TRANSFERED FROM THE CUSTODY OF THE COMPETENT DIVISION OF R&D
DEPARTMENT EXCEPT AS AUTHORIZED BY COMPAL ELECTRONICS, INC. NEITHER THIS SHEET NOR THE INFORMATION IT CONTAINS
MAY BE USED BY OR DISCLOSED TO ANY THIRD PARTY WITHOUT PRIOR WRITTEN CONSENT OF COMPAL ELECTRONICS, INC.
Issued Date Deciphered Date
Compal Electronics, Inc.
NALAA LA-6041P M/B
1.0
+1.5VP
Custom
41 48
Tuesday, April 13, 2010
2009/01/23 2010/01/23
Title
Size Document Number Rev
Date: Sheet of
Security Classification
Compal Secret Data
THIS SHEET OF ENGINEERING DRAWING IS THE PROPRIETARY PROPERTY OF COMPAL ELECTRONICS, INC. AND CONTAINS CONFIDENTIAL
AND TRADE SECRET INFORMATION. THIS SHEET MAY NOT BE TRANSFERED FROM THE CUSTODY OF THE COMPETENT DIVISION OF R&D
DEPARTMENT EXCEPT AS AUTHORIZED BY COMPAL ELECTRONICS, INC. NEITHER THIS SHEET NOR THE INFORMATION IT CONTAINS
MAY BE USED BY OR DISCLOSED TO ANY THIRD PARTY WITHOUT PRIOR WRITTEN CONSENT OF COMPAL ELECTRONICS, INC.
Issued Date Deciphered Date
Compal Electronics, Inc.
NALAA LA-6041P M/B
1.0
+1.5VP
Custom
41 48
Tuesday, April 13, 2010
2009/01/23 2010/01/23
Ipeak=9A
Imax=6.3A
F=313KHz
Total Capacitor 610u
ESR 6m ohm
PR130
4.7_1206_5%
PR130
4.7_1206_5%
12
PR133
10K_0402_1%
PR133
10K_0402_1%
1 2
PC98
4.7U_0805_10V6K
PC98
4.7U_0805_10V6K
12
PU10
RT8209BGQW_WQFN14_3P5X3P5
PU10
RT8209BGQW_WQFN14_3P5X3P5
VOUT
3
VDD
4
EN/DEM 1
TON
2
FB
5
PGOOD
6LGATE 9
UGATE 13
PHASE 12
GND
7
PGND
8
CS 11
VDDP 10
BOOT 14
NC 15
+
PC95
220U_6.3V_M
+
PC95
220U_6.3V_M
1
2
PL21
HCB2012KF-121T50_0805
PL21
HCB2012KF-121T50_0805
12
PC92
4.7U_0805_25V6-K
PC92
4.7U_0805_25V6-K
12
PC96
4.7U_0603_6.3V6K
PC96
4.7U_0603_6.3V6K
12
PR127
255K_0402_1%
PR127
255K_0402_1%
1 2
PR131
100_0603_1%
PR131
100_0603_1%
1 2
PC91
4.7U_0805_25V6-K
PC91
4.7U_0805_25V6-K
12
PQ35
AO4712_SO8
PQ35
AO4712_SO8
3 6
5
7
8
2
4
1
PQ34
AO4466_SO8
PQ34
AO4466_SO8
3 6
5
7
8
2
4
1
PC93
.1U_0402_16V7K
@PC93
.1U_0402_16V7K
@
12
PC94
0.1U_0603_25V7K
PC94
0.1U_0603_25V7K
1 2
PL10
1.8UH_SIL104R-1R8PF_9.5A_30%
PL10
1.8UH_SIL104R-1R8PF_9.5A_30%
1 2
PR129
2.2_0603_1%
PR129
2.2_0603_1%
1 2
PR134
10K_0402_1%
PR134
10K_0402_1%
12
PC97
680P_0603_50V8J
PC97
680P_0603_50V8J
12
PR132
18K_0402_1%
PR132
18K_0402_1%
1 2
PR128
0_0402_5%
PR128
0_0402_5%
1 2

A
A
B
B
C
C
D
D
1 1
2 2
3 3
4 4
SUSP9,35
0.75VR_EN#35
SUSP# 32,35,38
+0.75VSP
+5VALW
+1.5V
+5VALW
+1.8VSP
+1.8VSP
Title
Size Document Number Rev
Date: Sheet of
Security Classification
Compal Secret Data
THIS SHEET OF ENGINEERING DRAWING IS THE PROPRIETARY PROPERTY OF COMPAL ELECTRONICS, INC. AND CONTAINS CONFIDENTIAL
AND TRADE SECRET INFORMATION. THIS SHEET MAY NOT BE TRANSFERED FROM THE CUSTODY OF THE COMPETENT DIVISION OF R&D
DEPARTMENT EXCEPT AS AUTHORIZED BY COMPAL ELECTRONICS, INC. NEITHER THIS SHEET NOR THE INFORMATION IT CONTAINS
MAY BE USED BY OR DISCLOSED TO ANY THIRD PARTY WITHOUT PRIOR WRITTEN CONSENT OF COMPAL ELECTRONICS, INC.
Issued Date Deciphered Date
NALAA LA-6041P M/B
1.0
0.75VSP/+1.8VSP
42 48Tuesday, April 13, 2010
2009/01/23 2010/01/23
Compal Electronics, Inc.
Title
Size Document Number Rev
Date: Sheet of
Security Classification
Compal Secret Data
THIS SHEET OF ENGINEERING DRAWING IS THE PROPRIETARY PROPERTY OF COMPAL ELECTRONICS, INC. AND CONTAINS CONFIDENTIAL
AND TRADE SECRET INFORMATION. THIS SHEET MAY NOT BE TRANSFERED FROM THE CUSTODY OF THE COMPETENT DIVISION OF R&D
DEPARTMENT EXCEPT AS AUTHORIZED BY COMPAL ELECTRONICS, INC. NEITHER THIS SHEET NOR THE INFORMATION IT CONTAINS
MAY BE USED BY OR DISCLOSED TO ANY THIRD PARTY WITHOUT PRIOR WRITTEN CONSENT OF COMPAL ELECTRONICS, INC.
Issued Date Deciphered Date
NALAA LA-6041P M/B
1.0
0.75VSP/+1.8VSP
42 48Tuesday, April 13, 2010
2009/01/23 2010/01/23
Compal Electronics, Inc.
Title
Size Document Number Rev
Date: Sheet of
Security Classification
Compal Secret Data
THIS SHEET OF ENGINEERING DRAWING IS THE PROPRIETARY PROPERTY OF COMPAL ELECTRONICS, INC. AND CONTAINS CONFIDENTIAL
AND TRADE SECRET INFORMATION. THIS SHEET MAY NOT BE TRANSFERED FROM THE CUSTODY OF THE COMPETENT DIVISION OF R&D
DEPARTMENT EXCEPT AS AUTHORIZED BY COMPAL ELECTRONICS, INC. NEITHER THIS SHEET NOR THE INFORMATION IT CONTAINS
MAY BE USED BY OR DISCLOSED TO ANY THIRD PARTY WITHOUT PRIOR WRITTEN CONSENT OF COMPAL ELECTRONICS, INC.
Issued Date Deciphered Date
NALAA LA-6041P M/B
1.0
0.75VSP/+1.8VSP
42 48Tuesday, April 13, 2010
2009/01/23 2010/01/23
Compal Electronics, Inc.
PL22
HCB2012KF-121T50_0805
PL22
HCB2012KF-121T50_0805
12
PC88
22U_0805_6.3V6M
PC88
22U_0805_6.3V6M
12
PC86
10U_0805_10V4Z
PC86
10U_0805_10V4Z
12
PC103
10U_0805_6.3V6M
PC103
10U_0805_6.3V6M
12
PU9
MP2121DQ-LF-Z_QFN10_3X3
PU9
MP2121DQ-LF-Z_QFN10_3X3
SW
3
GND
2
IN 7
GND 9
SW 8
POK 6
EN/SYNC 10
BS
5
IN
4
FB
1
TP 11
PR122
0_0402_5%
PR122
0_0402_5%
1 2
PC89
22U_0805_6.3V6M
PC89
22U_0805_6.3V6M
12
PC99
1U_0603_10V6K
PC99
1U_0603_10V6K
12
PR126
4.7_1206_5%
PR126
4.7_1206_5%
12
PC90
680P_0603_50V8J
PC90
680P_0603_50V8J
12
PC102
0.1U_0402_10V7K
PC102
0.1U_0402_10V7K
12
PL9
2.2UH_FMJ-0630T-2R2 HF_8A_20%
PL9
2.2UH_FMJ-0630T-2R2 HF_8A_20%
1 2
PC83
0.1U_0402_16V7K
@PC83
0.1U_0402_16V7K
@
12
PC100
4.7U_0805_6.3V6K
PC100
4.7U_0805_6.3V6K
12
PR135
1K_0402_1%
PR135
1K_0402_1%
12
PR124
402K_0402_1%
PR124
402K_0402_1%
12
PR136
0_0402_5%
@PR136
0_0402_5%
@
1 2
PR123
316K_0402_1%
PR123
316K_0402_1%
1 2
PR125
0_0402_5%
PR125
0_0402_5%
1 2
PC101
.1U_0402_16V7K
@PC101
.1U_0402_16V7K
@
12
PD13
B340A_SMA2
@
PD13
B340A_SMA2
@
12
PJ23
JUMP_43X79@
PJ23
JUMP_43X79@
11
2
2
PR137
0_0402_5%
PR137
0_0402_5%
1 2
PC85
0.1U_0402_25V6
PC85
0.1U_0402_25V6
12
PR138
1K_0402_1%
PR138
1K_0402_1%
12
G
D
S
PQ36
SSM3K7002FU_SC70-3
G
D
S
PQ36
SSM3K7002FU_SC70-3
2
13
PC87
10U_0805_10V4Z
PC87
10U_0805_10V4Z
1 2
PC84
0.1U_0402_16V7K
PC84
0.1U_0402_16V7K
1 2
PU11
G2992F1U_SO8
PU11
G2992F1U_SO8
VOUT
4
NC 5
GND
2
VREF
3
VIN
1VCNTL 6
NC 7
NC 8
TP 9

8
8
7
7
6
6
5
5
4
4
3
3
2
2
1
1
H H
G G
F F
E E
D D
C C
B B
A A
V2N
BOOT2 BOOT2_2
UGATE2
BOOT1_1
V1N
CLK_ENABLE#
BOOT1
V2N
V1N
VSUM-
PHASE1
LGATE2
LGATE1
UGATE1
VSSSENSE
PHASE2
CPU_VID0
CPU_VID1
CPU_VID2
CPU_VID6
CPU_VID3
CPU_VID0
CPU_VID1
CPU_VID2
CPU_VID6
CPU_VID3
H_DPRSLPVR
CPU_VID4
H_DPRSLPVR
CPU_VID5
CPU_VID4
CPU_VID5
H_PSI#
CPU_VID08
CPU_VID18
CPU_VID28
CPU_VID38
CPU_VID48
CPU_VID58
CPU_VID68
H_DPRSLPVR8
VR_ON32
CLK_ENABLE#13
VGATE18,32
IMVP_IMON8
H_PSI#8
VCCSENSE8
VSSSENSE8
+CPU_B+
B+
+CPU_B+
+5VALW
+3VS
+5VALW
+CPU_B+
+VTT
+CPU_CORE
+CPU_CORE
+CPU_CORE
VSUM-
VSUM-
VSUM-
ISEN2
ISEN2
ISEN1
ISEN1
VSUM+
VSUM+
VSUM+
+VTT
Title
Size Document Number Rev
Date: Sheet of
Security Classification
Compal Secret Data
THIS SHEET OF ENGINEERING DRAWING IS THE PROPRIETARY PROPERTY OF COMPAL ELECTRONICS, INC. AND CONTAINS CONFIDENTIAL
AND TRADE SECRET INFORMATION. THIS SHEET MAY NOT BE TRANSFERED FROM THE CUSTODY OF THE COMPETENT DIVISION OF R&D
DEPARTMENT EXCEPT AS AUTHORIZED BY COMPAL ELECTRONICS, INC. NEITHER THIS SHEET NOR THE INFORMATION IT CONTAINS
MAY BE USED BY OR DISCLOSED TO ANY THIRD PARTY WITHOUT PRIOR WRITTEN CONSENT OF COMPAL ELECTRONICS, INC.
Issued Date
Deciphered Date
NALAA LA-6041P M/B
1.0
+CPU_CORE
C
43 48Tuesday, April 13, 2010
2009/01/23 2010/01/23
Compal Electronics, Inc.
Title
Size Document Number Rev
Date: Sheet of
Security Classification
Compal Secret Data
THIS SHEET OF ENGINEERING DRAWING IS THE PROPRIETARY PROPERTY OF COMPAL ELECTRONICS, INC. AND CONTAINS CONFIDENTIAL
AND TRADE SECRET INFORMATION. THIS SHEET MAY NOT BE TRANSFERED FROM THE CUSTODY OF THE COMPETENT DIVISION OF R&D
DEPARTMENT EXCEPT AS AUTHORIZED BY COMPAL ELECTRONICS, INC. NEITHER THIS SHEET NOR THE INFORMATION IT CONTAINS
MAY BE USED BY OR DISCLOSED TO ANY THIRD PARTY WITHOUT PRIOR WRITTEN CONSENT OF COMPAL ELECTRONICS, INC.
Issued Date
Deciphered Date
NALAA LA-6041P M/B
1.0
+CPU_CORE
C
43 48Tuesday, April 13, 2010
2009/01/23 2010/01/23
Compal Electronics, Inc.
Title
Size Document Number Rev
Date: Sheet of
Security Classification
Compal Secret Data
THIS SHEET OF ENGINEERING DRAWING IS THE PROPRIETARY PROPERTY OF COMPAL ELECTRONICS, INC. AND CONTAINS CONFIDENTIAL
AND TRADE SECRET INFORMATION. THIS SHEET MAY NOT BE TRANSFERED FROM THE CUSTODY OF THE COMPETENT DIVISION OF R&D
DEPARTMENT EXCEPT AS AUTHORIZED BY COMPAL ELECTRONICS, INC. NEITHER THIS SHEET NOR THE INFORMATION IT CONTAINS
MAY BE USED BY OR DISCLOSED TO ANY THIRD PARTY WITHOUT PRIOR WRITTEN CONSENT OF COMPAL ELECTRONICS, INC.
Issued Date
Deciphered Date
NALAA LA-6041P M/B
1.0
+CPU_CORE
C
43 48Tuesday, April 13, 2010
2009/01/23 2010/01/23
Compal Electronics, Inc.
Layout Note:
Place near Phase1 Choke
Layout Note:
PH3 place near
Phase1 L-MOS
Arrandale -- 2 phase 1H1L
PR210
4.7_1206_5%
PR210
4.7_1206_5%
12
PC149
330P_0402_50V7K
PC149
330P_0402_50V7K
12
PL12
0.36UH_PCMC104T-R36MN1R17_30A_20%
PL12
0.36UH_PCMC104T-R36MN1R17_30A_20%
1
3
4
2
PC150
680P_0603_50V8J
PC150
680P_0603_50V8J
12
PR215
11K_0402_1%
PR215
11K_0402_1%
12
PQ43
TPCA8030-H_SOP-ADV8-5
PQ43
TPCA8030-H_SOP-ADV8-5
4
5
1
2
3
PR144 1K_0402_1%PR144 1K_0402_1%
12
PR209 0_0402_5%PR209 0_0402_5%
1 2
PQ37
TPCA8030-H_SOP-ADV8-5
PQ37
TPCA8030-H_SOP-ADV8-5
4
5
1
2
3
PR165 0_0402_5%PR165 0_0402_5%
1 2
PR195 0_0402_5%PR195 0_0402_5%
1 2
PR170
3.65K_0805_1%
PR170
3.65K_0805_1%
12
PC131
10P_0402_50V8J
PC131
10P_0402_50V8J
1 2
PC110
2200P_0402_50V7K
PC110
2200P_0402_50V7K
12
PR164 0_0402_5%PR164 0_0402_5%
1 2
PR196
2.55K_0402_1%
PR196
2.55K_0402_1%
1 2
PC134
0.22U_0603_25V7K
PC134
0.22U_0603_25V7K
12
PR205 10_0402_5%@PR205 10_0402_5%@
1 2
PQ45
TPCA8028-H_SOP-ADVANCE8-5
PQ45
TPCA8028-H_SOP-ADVANCE8-5
4
1
2
3 5
PR183
0_0402_5%
PR183
0_0402_5%
1 2
PR163 1K_0402_1%PR163 1K_0402_1%
12
PR177
0_0402_5%
PR177
0_0402_5%
1 2
PR153 0_0402_5%PR153 0_0402_5%
1 2
+
PC111
68U_25V_M_R0.36
+
PC111
68U_25V_M_R0.36
1
2
PL14
0.36UH_PCMC104T-R36MN1R17_30A_20%
PL14
0.36UH_PCMC104T-R36MN1R17_30A_20%
1
3
4
2
PR167 0_0402_5%PR167 0_0402_5%
1 2
PR147 1K_0402_1%@PR147 1K_0402_1%@
12
PR151 1K_0402_1%@PR151 1K_0402_1%@
12
PR201 1_0402_5%PR201 1_0402_5%
1 2
PC145
0.22U_0603_10V7K
PC145
0.22U_0603_10V7K
12
PR212
10K_0402_5%
PR212
10K_0402_5%
12
PR174
1.91K_0402_1%
PR174
1.91K_0402_1%
1 2
PC112
470P_0603_50V8J
PC112
470P_0603_50V8J
12
PL11
HCB4532KF-800T90_1812
PL11
HCB4532KF-800T90_1812
1 2
PR159 0_0402_5%PR159 0_0402_5%
1 2
PR211
3.65K_0805_1%
PR211
3.65K_0805_1%
12
PR207 0_0603_5%PR207 0_0603_5%
1 2
PC118
680P_0603_50V8J
PC118
680P_0603_50V8J
12
PC138 0.22U_0402_6.3V6KPC138 0.22U_0402_6.3V6K
12
PC140
10U_1206_25V6M
PC140
10U_1206_25V6M
12
PC126
22P_0402_50V8J
PC126
22P_0402_50V8J
1 2
PR214
1.2K_0402_1%
PR214
1.2K_0402_1%
1 2
PR156 0_0402_5%PR156 0_0402_5%
1 2
PC151
.1U_0402_16V7K
PC151
.1U_0402_16V7K
12
PQ38
TPCA8028-H_SOP-ADVANCE8-5
@PQ38
TPCA8028-H_SOP-ADVANCE8-5
@
4
1
2
3 5
PR180
147K_0402_1%
PR180
147K_0402_1%
1 2
PR146 1K_0402_1%PR146 1K_0402_1%
12
PC141
10U_1206_25V6M
PC141
10U_1206_25V6M
12
PC115
0.1U_0603_25V7K
@PC115
0.1U_0603_25V7K
@
12
PR168 0_0402_5%PR168 0_0402_5%
1 2
PR194
562_0402_1%
PR194
562_0402_1%
1 2
PR173
10K_0402_5%
PR173
10K_0402_5%
12
PR219 10_0402_5%@PR219 10_0402_5%@
1 2
PC132
150P_0402_50V8J
PC132
150P_0402_50V8J
1 2
PR179 0_0402_5%PR179 0_0402_5%
1 2
PR160 1K_0402_1%PR160 1K_0402_1%
12
PR171
1_0402_5%
PR171
1_0402_5%
12
PR178 1K_0402_1%@PR178 1K_0402_1%@
1 2
PC137 0.22U_0402_6.3V6KPC137 0.22U_0402_6.3V6K
12
PR158 1K_0402_1%PR158 1K_0402_1%
12
PR208
2.61K_0402_1%
PR208
2.61K_0402_1%
12
PC143
0.22U_0603_25V7K
PC143
0.22U_0603_25V7K
1 2
PR217 0_0402_5%PR217 0_0402_5%
1 2
PR206
82.5_0402_1%
PR206
82.5_0402_1%
12
PR143 1K_0402_1%@PR143 1K_0402_1%@
12
PU13
ISL62883HRZ-T_QFN40_5X5~D
PU13
ISL62883HRZ-T_QFN40_5X5~D
PGOOD
1
PSI#
2
RBIAS
3
VR_TT#
4
NTC
5
VW
6
COMP
7
FB
8
VIN
17
ISEN1
11
VSEN
12
RTN
13
ISUM-
14
ISUM+
15
VDD
16
VSSP1 22
LGATE1 23
PWM3 24
VCCP 25
LGATE2 26
VSSP2 27
PHASE2 28
UGATE2 29
VID0 31
VID1 32
VID2 33
VID3 34
VID5 36
VID6 37
VR_ON 38
ISEN3
9
ISEN2
10
IMON
18
BOOT1
19
UGATE1
20
AGND
41
PHASE1 21
BOOT2 30
DPRSLPVR 39
CLK_EN# 40
VID4 35
PQ39
TPCA8028-H_SOP-ADVANCE8-5
PQ39
TPCA8028-H_SOP-ADVANCE8-5
4
1
2
3 5
PC127
1000P_0402_50V7K
PC127
1000P_0402_50V7K
12
PC147
0.01U_0402_25V7K
PC147
0.01U_0402_25V7K
12
PR148 1K_0402_1%@PR148 1K_0402_1%@
12
PC128
1U_0603_10V6K
PC128
1U_0603_10V6K
12
PR172
1.91K_0402_1%
PR172
1.91K_0402_1%
1 2
PR202 0_0402_5%PR202 0_0402_5%
1 2
PR150 0_0402_5%PR150 0_0402_5%
1 2
PR157 1K_0402_1%@PR157 1K_0402_1%@
12
PC148
1000P_0402_50V7K
PC148
1000P_0402_50V7K
12
PR203 0_0402_5%PR203 0_0402_5%
1 2
PC116
10U_1206_25V6M
PC116
10U_1206_25V6M
12
+
PC114
68U_25V_M_R0.36
+
PC114
68U_25V_M_R0.36
1
2
PC113
10U_1206_25V6M
PC113
10U_1206_25V6M
12
PC119
1U_0603_10V6K
PC119
1U_0603_10V6K
1 2
PR166 0_0603_5%PR166 0_0603_5%
1 2
PR161 1K_0402_1%@PR161 1K_0402_1%@
12
PR216
0_0402_5%
@PR216
0_0402_5%
@
1 2
PC144
0.047U_0402_16V7K
PC144
0.047U_0402_16V7K
12
PH4
10K_0402_1%_ERTJ0EG103FA
PH4
10K_0402_1%_ERTJ0EG103FA
1 2
PR213
1_0402_5%
PR213
1_0402_5%
12
PC117
0.22U_0603_25V7K
PC117
0.22U_0603_25V7K
1 2
PR249
100_0402_1%
@PR249
100_0402_1%
@
1 2
PQ44
TPCA8028-H_SOP-ADVANCE8-5
@
PQ44
TPCA8028-H_SOP-ADVANCE8-5
@
4
1
2
3 5
PR149 1K_0402_1%PR149 1K_0402_1%
12
PR186 0_0402_5%PR186 0_0402_5%
1 2
PR188
8.06K_0402_1%
PR188
8.06K_0402_1%
12
PR145 1K_0402_1%@PR145 1K_0402_1%@
12
PR162 0_0402_5%PR162 0_0402_5%
1 2
PC130
390P_0402_50V7K
PC130
390P_0402_50V7K
1 2
PC168
1200P_0402_50V7K
@PC168
1200P_0402_50V7K
@
1 2
PR155 1K_0402_1%@PR155 1K_0402_1%@
12
PC146
330P_0402_50V7K
PC146
330P_0402_50V7K
12
PR152 1K_0402_1%PR152 1K_0402_1%
12
PC135
0.22U_0603_25V7K
PC135
0.22U_0603_25V7K
12
PC133
1U_0603_10V6K
PC133
1U_0603_10V6K
12
PR142 1K_0402_1%PR142 1K_0402_1%
12
PR189
249K_0402_1%
@
PR189
249K_0402_1%
@
12
PR169
4.7_1206_5%
PR169
4.7_1206_5%
12
PR175
0_0402_5%
@PR175
0_0402_5%
@
1 2
PR154 1K_0402_1%PR154 1K_0402_1%
12
PR204
9.1K_0402_1%
PR204
9.1K_0402_1%
12
PR199
412K_0402_1%
PR199
412K_0402_1%
1 2
PR198 0_0402_5%PR198 0_0402_5%
1 2
PC139
470P_0603_50V8J
PC139
470P_0603_50V8J
12

A
A
B
B
C
C
D
D
E
E
F
F
G
G
H
H
1 1
2 2
3 3
4 4
GFX_VCC
GFX_COMP-1
GFX_CSCOMP
GFX_FB
GFX_RAMP
GFX_DRVH
GFX_RAMP-1
GFX_VCC
GFX_RT
GFX_CSFB
GFX_EN
GFX_CSCOMP
GFX_BOOST
GFX_CSCOMP
GFX_DRVL
GFX_COMP
GFX_BOOST-1
GFX_ILIM
GFX_SW
GFX_IREF
GFX_RPM
GFX_IMON
GFX_IMON
VSS_AXG_SENSE
GFXVR_EN
9
VCC_AXG_SENSE
9
VSS_AXG_SENSE
9
GFXVR_VID_6
9
GFXVR_VID_5
9
GFXVR_VID_4
9
GFXVR_VID_0
9
GFXVR_VID_1
9
GFXVR_VID_2
9
GFXVR_VID_3
9
GFXVR_IMON9
+3VS
+5VS
+GFX_B+
+5VS
+GFX_COREP
B+
+GFX_B+
+1.05VS
Title
Size Document Number Rev
Date: Sheet of
Security Classification
Compal Secret Data
THIS SHEET OF ENGINEERING DRAWING IS THE PROPRIETARY PROPERTY OF COMPAL ELECTRONICS, INC. AND CONTAINS CONFIDENTIAL
AND TRADE SECRET INFORMATION. THIS SHEET MAY NOT BE TRANSFERED FROM THE CUSTODY OF THE COMPETENT DIVISION OF R&D
DEPARTMENT EXCEPT AS AUTHORIZED BY COMPAL ELECTRONICS, INC. NEITHER THIS SHEET NOR THE INFORMATION IT CONTAINS
MAY BE USED BY OR DISCLOSED TO ANY THIRD PARTY WITHOUT PRIOR WRITTEN CONSENT OF COMPAL ELECTRONICS, INC.
Issued Date
Deciphered Date
NALAA LA-6041P M/B
1.0
+GFX_COREP
44 48Tuesday, April 13, 2010
2009/10/02 2010/10/02
Compal Electronics, Inc.
Title
Size Document Number Rev
Date: Sheet of
Security Classification
Compal Secret Data
THIS SHEET OF ENGINEERING DRAWING IS THE PROPRIETARY PROPERTY OF COMPAL ELECTRONICS, INC. AND CONTAINS CONFIDENTIAL
AND TRADE SECRET INFORMATION. THIS SHEET MAY NOT BE TRANSFERED FROM THE CUSTODY OF THE COMPETENT DIVISION OF R&D
DEPARTMENT EXCEPT AS AUTHORIZED BY COMPAL ELECTRONICS, INC. NEITHER THIS SHEET NOR THE INFORMATION IT CONTAINS
MAY BE USED BY OR DISCLOSED TO ANY THIRD PARTY WITHOUT PRIOR WRITTEN CONSENT OF COMPAL ELECTRONICS, INC.
Issued Date
Deciphered Date
NALAA LA-6041P M/B
1.0
+GFX_COREP
44 48Tuesday, April 13, 2010
2009/10/02 2010/10/02
Compal Electronics, Inc.
Title
Size Document Number Rev
Date: Sheet of
Security Classification
Compal Secret Data
THIS SHEET OF ENGINEERING DRAWING IS THE PROPRIETARY PROPERTY OF COMPAL ELECTRONICS, INC. AND CONTAINS CONFIDENTIAL
AND TRADE SECRET INFORMATION. THIS SHEET MAY NOT BE TRANSFERED FROM THE CUSTODY OF THE COMPETENT DIVISION OF R&D
DEPARTMENT EXCEPT AS AUTHORIZED BY COMPAL ELECTRONICS, INC. NEITHER THIS SHEET NOR THE INFORMATION IT CONTAINS
MAY BE USED BY OR DISCLOSED TO ANY THIRD PARTY WITHOUT PRIOR WRITTEN CONSENT OF COMPAL ELECTRONICS, INC.
Issued Date
Deciphered Date
NALAA LA-6041P M/B
1.0
+GFX_COREP
44 48Tuesday, April 13, 2010
2009/10/02 2010/10/02
Compal Electronics, Inc.
Place RTH1 close to inductor
on the same layer
Connect to input caps
Shortest the
net trace
Avoid high dV/dt
Switchable -- mount
Non Swithchable--non mount @
Ipeak=22A
Imax=15.4A
F=350KHz
Total Capacitor 780u
ESR 5m ohm
PC152
10U_1206_25V6M
PC152
10U_1206_25V6M
12
PC163
680P_0603_50V8J
PC163
680P_0603_50V8J
12
PR236
1K_0402_1%
PR236
1K_0402_1%
1 2
PC158
220P_0402_50V7K
PC158
220P_0402_50V7K
1 2
PR246
165K_0402_1%
PR246
165K_0402_1%
12
PR221 0_0402_5%PR221 0_0402_5%
1 2
PR244
0_0402_5%
PR244
0_0402_5%
1 2
PL15
HCB4532KF-800T90_1812
PL15
HCB4532KF-800T90_1812
12
PC157
0.22U_0603_25V7K
PC157
0.22U_0603_25V7K
1 2
PC162
470P_0402_50V8J
PC162
470P_0402_50V8J
1 2
PC166
1000P_0402_50V7K
PC166
1000P_0402_50V7K
12
PH5
220K_0402_5%_ERTJ0EV224J~D
PH5
220K_0402_5%_ERTJ0EV224J~D
1 2
PR243
0_0402_5%
PR243
0_0402_5%
1 2
PR240
237K_0402_1%
PR240
237K_0402_1%
1 2
PC160
47P_0402_50V8J
PC160
47P_0402_50V8J
12
PR226 0_0402_5%PR226 0_0402_5%
1 2
PR228
10_0603_1%
PR228
10_0603_1%
1 2
PR225 0_0402_5%PR225 0_0402_5%
1 2
PR247
47K_0603_1%
PR247
47K_0603_1%
12
PL16
0.36UH_PCMC104T-R36MN1R105_30A_20%
PL16
0.36UH_PCMC104T-R36MN1R105_30A_20%
1 2
PR229
300K_0402_5%
@PR229
300K_0402_5%
@
12
PC159
2.2U_0603_10V6K
PC159
2.2U_0603_10V6K
12
PR232
6.98K_0402_1%
PR232
6.98K_0402_1%
12
PC167
1000P_0402_50V7K
PC167
1000P_0402_50V7K
12
PR224 0_0402_5%PR224 0_0402_5%
1 2
PC154
1U_0805_25V6K
PC154
1U_0805_25V6K
12
PR227 0_0402_5%PR227 0_0402_5%
1 2
PC153
10U_1206_25V6M
PC153
10U_1206_25V6M
12
PR235
4.7_1206_5%
PR235
4.7_1206_5%
12
PR231 0_0402_5%PR231 0_0402_5%
1 2
PC156
1000P_0402_50V7K
PC156
1000P_0402_50V7K
12
PR248
1K_0402_1%
PR248
1K_0402_1%
12
PQ47
TPCA8028-H_SOP-ADVANCE8-5
PQ47
TPCA8028-H_SOP-ADVANCE8-5
4
1
2
3 5
PR241
340K_0402_1%
PR241
340K_0402_1%
1 2
PR237
20K_0402_1%
PR237
20K_0402_1%
1 2
PQ46
TPCA8030-H_SOP-ADV8-5
PQ46
TPCA8030-H_SOP-ADV8-5
4
5
1
2
3
PR242
71.5K_0402_1%
PR242
71.5K_0402_1%
12
PR222 0_0402_5%PR222 0_0402_5%
1 2
PR238
10.7K_0402_1%
PR238
10.7K_0402_1%
1 2
PU15
ADP3211AMNR2G_QFN32_5X5
PU15
ADP3211AMNR2G_QFN32_5X5
GPU
7
PWRGD
1
IMON
2
CLKEN#
3
FBRTN
4
FB
5
COMP
6
ILIM
8
IREF
9
RPM
10
RT
11
RAMP
12
LLINE
13
CSREF
14
CSFB
15
CSCOMP
16
VCC 24
BST 23
DRVH 22
SW 21
PVCC 20
DRVL 19
PGND 18
AGND 17
EN 32
VID0 31
VID1 30
VID2 29
VID3 28
VID4 27
VID5 26
VID6 25
AGND 33
PR245
422K_0402_1%
PR245
422K_0402_1%
12
+
PC161
390U_2.5V_M
+
PC161
390U_2.5V_M
1
2
PR223 0_0402_5%PR223 0_0402_5%
1 2
PC155
0.056U_0402_16V7K
PC155
0.056U_0402_16V7K
12
PC165
560P_0402_50V7K
PC165
560P_0402_50V7K
12
PC164
1000P_0402_50V7K
PC164
1000P_0402_50V7K
12
PR233
10K_0402_1%
PR233
10K_0402_1%
12
PR234
0_0603_5%
PR234
0_0603_5%
1 2
PR239
80.6K_0402_1%
PR239
80.6K_0402_1%
1 2

5
5
4
4
3
3
2
2
1
1
D D
C C
B B
A A
Title
Size Document Number Rev
Date: Sheet of
Security Classification
Compal Secret Data
THIS SHEET OF ENGINEERING DRAWING IS THE PROPRIETARY PROPERTY OF COMPAL ELECTRONICS, INC. AND CONTAINS CONFIDENTIAL
AND TRADE SECRET INFORMATION. THIS SHEET MAY NOT BE TRANSFERED FROM THE CUSTODY OF THE COMPETENT DIVISION OF R&D
DEPARTMENT EXCEPT AS AUTHORIZED BY COMPAL ELECTRONICS, INC. NEITHER THIS SHEET NOR THE INFORMATION IT CONTAINS
MAY BE USED BY OR DISCLOSED TO ANY THIRD PARTY WITHOUT PRIOR WRITTEN CONSENT OF COMPAL ELECTRONICS, INC.
Issued Date Deciphered Date
NALAA LA-6041P M/B
1.0
HW PIR 0.1 TO 0.2
Custom
45 48Tuesday, April 13, 2010
2009/01/23 2010/01/23
Compal Electronics, Inc.
Title
Size Document Number Rev
Date: Sheet of
Security Classification
Compal Secret Data
THIS SHEET OF ENGINEERING DRAWING IS THE PROPRIETARY PROPERTY OF COMPAL ELECTRONICS, INC. AND CONTAINS CONFIDENTIAL
AND TRADE SECRET INFORMATION. THIS SHEET MAY NOT BE TRANSFERED FROM THE CUSTODY OF THE COMPETENT DIVISION OF R&D
DEPARTMENT EXCEPT AS AUTHORIZED BY COMPAL ELECTRONICS, INC. NEITHER THIS SHEET NOR THE INFORMATION IT CONTAINS
MAY BE USED BY OR DISCLOSED TO ANY THIRD PARTY WITHOUT PRIOR WRITTEN CONSENT OF COMPAL ELECTRONICS, INC.
Issued Date Deciphered Date
NALAA LA-6041P M/B
1.0
HW PIR 0.1 TO 0.2
Custom
45 48Tuesday, April 13, 2010
2009/01/23 2010/01/23
Compal Electronics, Inc.
Title
Size Document Number Rev
Date: Sheet of
Security Classification
Compal Secret Data
THIS SHEET OF ENGINEERING DRAWING IS THE PROPRIETARY PROPERTY OF COMPAL ELECTRONICS, INC. AND CONTAINS CONFIDENTIAL
AND TRADE SECRET INFORMATION. THIS SHEET MAY NOT BE TRANSFERED FROM THE CUSTODY OF THE COMPETENT DIVISION OF R&D
DEPARTMENT EXCEPT AS AUTHORIZED BY COMPAL ELECTRONICS, INC. NEITHER THIS SHEET NOR THE INFORMATION IT CONTAINS
MAY BE USED BY OR DISCLOSED TO ANY THIRD PARTY WITHOUT PRIOR WRITTEN CONSENT OF COMPAL ELECTRONICS, INC.
Issued Date Deciphered Date
NALAA LA-6041P M/B
1.0
HW PIR 0.1 TO 0.2
Custom
45 48Tuesday, April 13, 2010
2009/01/23 2010/01/23
Compal Electronics, Inc.
PIR (Product Improve Record)
3411/26 Change C296,C299,C300,CA64,CM1,CM7 from SE072103Z80 to SE068103K80 For reduce BOM type
12/09 34 Connect JLEDB.15&16 to GND For T/P SW issue
25,3012/09 Change U14 & U15 from SA00002XX00 to SA000033H00 For material issue
Change R159 from IHDMI@ to @12/16 15 For HDMI level shift disable function
12/16 31 Change CC2 from CARD@ to @ For Card Reader issue
12/16 34 Modify JLEDB pin define For customer concern
12/16 21 Del R222 and connect PCH GPIO45 to GND
For CLK GEN updateChange U5 from SA00003HQ00 to SA00003HQ1012/16 13
For LVDS_SEL (Dual-Channel)
12/16 27 Add R22 and Net BT_PWR#_R to connect JWLAN Pin5 For BT/WLAN combo Mini Card
Change U13 footprint to M25P80-VMW6TP_SO8 and delete BOM structure.12/16 16 For delete ROM socket
Change H36, H37 from H_3P3 to H_3P8.12/16 34 For ME modify
Reverse JBT pin definition12/16 26 For ME modify
Change CC2 from 0.1u to 100P (SE071101J80) and add BOM structure @.12/16 31 For Card Reader issue
Change JPOWER footprint to ACES_85201-0405N_4P.12/16 34 For ME modify
12/16 26 Change JTPB footprint to P-TWO_161011-04021_4P-T. For ME modify
Change JLEDB footprint to ACES_85201-1605N_16P3412/16 For ME modify
12/16 30 Change JUSBB footprint to ACES_85201-20051_20P For ME modify
12/16 34 Del H15 For ME modify
12/21 34 Change H36,H37 from H_3P8 to H_3P3 For ME modify
12/21 13 Change +LCD_INV from JLVDS.35 to JLVDS.40
12/21 13 Change BKOFF#_R from JLVDS.40 to JLVDS.35
For prevent burn issue
For prevent burn issue
12/23 16,32 Change net name from PWRME_CTRL to PWRME_CTRL# For signal is LOW active
12/23 08 Add C125 SF000002Y00 For co-lay with C123
12/23 09 Del C128 For del co-lay with C185
09 Del C140 For del co-lay with C21712/23
12/23 17 Change Y2 P/N from SJ125P0M200 to SJ100003300 For cost down plan
12/23 27 Delete R22 and BT_PWR#_R and add Q25 and BT_CTRL at JWLAN pin5 For BT/WLAN combo Mini Card
For EMI issueChange RA26 to L56 bead 300 ohm FBMA-L10-160808-301LMT(SM010017710)2912/24
For prevent U9 ESD damage issueAdd R96 1K ohm to connect HDMI_HPD and U9.11512/24
12/24 30 Change LA2,LA3,LA4,LA5 to 80 Ohm bead FBMA-L11-160808-800LMT (SM010015410)
12/24 30 Change CA21,CA22,CA25,CA26 to 470P (SE071471J80) For EMI request
For EMI request
12/24 26 Del R361 BOM structure BT@ (always mount) For BT function
12/28 26 Change R392 BOM structure from BT@ to @. For BT function
26 Change C159,C160,C185,C217,C268 footprint from C_PXC6P3VC220MF60 to C_MP2VU390MC5R7.12/28
25 Change JODDB footprint to ACES_88058-120N_12P-T.12/28 For DFX request
13 Del C29212/29 Only for NSWAA
28 Change UL3 P/N from SP050005W00 to SP050005V00 12/29 For EMI request
28 Change UL1 P/N from SA00003PO00 to SA00003PO10 12/29 For IC chip revise version
06 Change C4 from SE068102J80 to SE074102K80 For component common design01/05

5
5
4
4
3
3
2
2
1
1
D D
C C
B B
A A
Title
Size Document Number Rev
Date: Sheet of
Security Classification
Compal Secret Data
THIS SHEET OF ENGINEERING DRAWING IS THE PROPRIETARY PROPERTY OF COMPAL ELECTRONICS, INC. AND CONTAINS CONFIDENTIAL
AND TRADE SECRET INFORMATION. THIS SHEET MAY NOT BE TRANSFERED FROM THE CUSTODY OF THE COMPETENT DIVISION OF R&D
DEPARTMENT EXCEPT AS AUTHORIZED BY COMPAL ELECTRONICS, INC. NEITHER THIS SHEET NOR THE INFORMATION IT CONTAINS
MAY BE USED BY OR DISCLOSED TO ANY THIRD PARTY WITHOUT PRIOR WRITTEN CONSENT OF COMPAL ELECTRONICS, INC.
Issued Date Deciphered Date
NALAA LA-6041P M/B
1.0
HW PIR 0.2 TO 0.3
Custom
46 48Tuesday, April 13, 2010
2009/01/23 2010/01/23
Compal Electronics, Inc.
Title
Size Document Number Rev
Date: Sheet of
Security Classification
Compal Secret Data
THIS SHEET OF ENGINEERING DRAWING IS THE PROPRIETARY PROPERTY OF COMPAL ELECTRONICS, INC. AND CONTAINS CONFIDENTIAL
AND TRADE SECRET INFORMATION. THIS SHEET MAY NOT BE TRANSFERED FROM THE CUSTODY OF THE COMPETENT DIVISION OF R&D
DEPARTMENT EXCEPT AS AUTHORIZED BY COMPAL ELECTRONICS, INC. NEITHER THIS SHEET NOR THE INFORMATION IT CONTAINS
MAY BE USED BY OR DISCLOSED TO ANY THIRD PARTY WITHOUT PRIOR WRITTEN CONSENT OF COMPAL ELECTRONICS, INC.
Issued Date Deciphered Date
NALAA LA-6041P M/B
1.0
HW PIR 0.2 TO 0.3
Custom
46 48Tuesday, April 13, 2010
2009/01/23 2010/01/23
Compal Electronics, Inc.
Title
Size Document Number Rev
Date: Sheet of
Security Classification
Compal Secret Data
THIS SHEET OF ENGINEERING DRAWING IS THE PROPRIETARY PROPERTY OF COMPAL ELECTRONICS, INC. AND CONTAINS CONFIDENTIAL
AND TRADE SECRET INFORMATION. THIS SHEET MAY NOT BE TRANSFERED FROM THE CUSTODY OF THE COMPETENT DIVISION OF R&D
DEPARTMENT EXCEPT AS AUTHORIZED BY COMPAL ELECTRONICS, INC. NEITHER THIS SHEET NOR THE INFORMATION IT CONTAINS
MAY BE USED BY OR DISCLOSED TO ANY THIRD PARTY WITHOUT PRIOR WRITTEN CONSENT OF COMPAL ELECTRONICS, INC.
Issued Date Deciphered Date
NALAA LA-6041P M/B
1.0
HW PIR 0.2 TO 0.3
Custom
46 48Tuesday, April 13, 2010
2009/01/23 2010/01/23
Compal Electronics, Inc.
01/27 13,26,30,34 Change D57,D58,D59,DA6,DA9 from SCA00000G00 to SCA00001A00 For ESD request
01/19 13 Change BKOFF#_R from JLVDS.35 to JLVDS.33 For prevent burn issue
01/27 28 Change UL3 from SP050005W00 to SP050005V00 For ESD request
01/27 25 Change D18 from SCA00000A00 to SC600001600 For ESD request
01/27 15 Add pull down R148 2.2Kohm at HDMI_TXC-. For UMA HDMI level shift display compatibility issue
01/27 29 Change UA1 from SA00003QR00 to SA00003QR10 For Realtek update
01/27 32 Add pull down R40 10Kohm at VR_ON. For prevent leakage for CPU_CORE
01/27 32 Change R128 BOM structure from mount to un-mount. For EC update
01/27 32 Change R130 BOM structure from un-mount to mount. For EC update
01/27 32 For EC updateChange U19 from SA00001J580 to SA00001J5A0.
30 For common SPK materialChange JSPK pin define 02/01
16 For prevent RTC empty then can not boot up issueAdd D19 & R133 between +RTCVCC and RTCVREF.02/01
19 For INTEL issue (pending interrupts from the PCH for unused HDMI ports)Change R77 from SD028100280 to SD02810038002/01
05 For prevent noise issueAdd C22502/01
22 Change L12 from SM010028480 to SHI00002K0002/04 For CRT wave issue
28 Change LL1 from SHI00004T00 to SHI0000AA0002/04 For package limitation, Realtek criteria, 2ND source reason
28 Change CL13 from SE000000I10 to SE107475K8002/04 For package limitation, Realtek criteria, 2ND source reason

5
5
4
4
3
3
2
2
1
1
D D
C C
B B
A A
Title
Size Document Number Rev
Date: Sheet of
Security Classification
Compal Secret Data
THIS SHEET OF ENGINEERING DRAWING IS THE PROPRIETARY PROPERTY OF COMPAL ELECTRONICS, INC. AND CONTAINS CONFIDENTIAL
AND TRADE SECRET INFORMATION. THIS SHEET MAY NOT BE TRANSFERED FROM THE CUSTODY OF THE COMPETENT DIVISION OF R&D
DEPARTMENT EXCEPT AS AUTHORIZED BY COMPAL ELECTRONICS, INC. NEITHER THIS SHEET NOR THE INFORMATION IT CONTAINS
MAY BE USED BY OR DISCLOSED TO ANY THIRD PARTY WITHOUT PRIOR WRITTEN CONSENT OF COMPAL ELECTRONICS, INC.
Issued Date Deciphered Date
NALAA LA-6041P M/B
1.0
HW PIR 0.3 TO 1.0
Custom
47 48Tuesday, April 13, 2010
2009/01/23 2010/01/23
Compal Electronics, Inc.
Title
Size Document Number Rev
Date: Sheet of
Security Classification
Compal Secret Data
THIS SHEET OF ENGINEERING DRAWING IS THE PROPRIETARY PROPERTY OF COMPAL ELECTRONICS, INC. AND CONTAINS CONFIDENTIAL
AND TRADE SECRET INFORMATION. THIS SHEET MAY NOT BE TRANSFERED FROM THE CUSTODY OF THE COMPETENT DIVISION OF R&D
DEPARTMENT EXCEPT AS AUTHORIZED BY COMPAL ELECTRONICS, INC. NEITHER THIS SHEET NOR THE INFORMATION IT CONTAINS
MAY BE USED BY OR DISCLOSED TO ANY THIRD PARTY WITHOUT PRIOR WRITTEN CONSENT OF COMPAL ELECTRONICS, INC.
Issued Date Deciphered Date
NALAA LA-6041P M/B
1.0
HW PIR 0.3 TO 1.0
Custom
47 48Tuesday, April 13, 2010
2009/01/23 2010/01/23
Compal Electronics, Inc.
Title
Size Document Number Rev
Date: Sheet of
Security Classification
Compal Secret Data
THIS SHEET OF ENGINEERING DRAWING IS THE PROPRIETARY PROPERTY OF COMPAL ELECTRONICS, INC. AND CONTAINS CONFIDENTIAL
AND TRADE SECRET INFORMATION. THIS SHEET MAY NOT BE TRANSFERED FROM THE CUSTODY OF THE COMPETENT DIVISION OF R&D
DEPARTMENT EXCEPT AS AUTHORIZED BY COMPAL ELECTRONICS, INC. NEITHER THIS SHEET NOR THE INFORMATION IT CONTAINS
MAY BE USED BY OR DISCLOSED TO ANY THIRD PARTY WITHOUT PRIOR WRITTEN CONSENT OF COMPAL ELECTRONICS, INC.
Issued Date Deciphered Date
NALAA LA-6041P M/B
1.0
HW PIR 0.3 TO 1.0
Custom
47 48Tuesday, April 13, 2010
2009/01/23 2010/01/23
Compal Electronics, Inc.
1502/23 Change R167 BOM structure from @ to IHDMI@. For reduce HDMI choke plan
15 Change R163 BOM structure from IHDMI@ to @. For reduce HDMI choke plan02/23
15 Change R160 from SD028330180 (3.3K ohm) to SD034390180 (3.9K ohm). For reduce HDMI choke plan02/23
15 Change L8,L9,L10,L11 BOM structure from IHDMI@ to @. For reduce HDMI choke plan02/23
1502/23 Change R157,R173,R175,R180,R182,R183,R187,R188 BOM structure from @ to IHDMI@. For reduce HDMI choke plan
2202/23 Change L12 from SHI00002K00 (10UH +-20%) to SD008100B80 (1 ohm +-1% 0805). For CRT wave issue
1602/23 Delete D19 & R133 For prevent RTC empty then can not boot up issue
23 Change U54,C2,C18 BOM structure to @. For reserve HDA power rail to +1.5V02/23
26,34 Change SW2,SW4 from SN100000F00 to SN100002Y00 and add BOM structure @ at SW2. For cost concern02/23
29,32 Add Net EC_MUTE# from EC pin 83 to codec Pin4 For system has abnormally noise after S3 resume.03/09
29 Add pull Low RA45 4.7K ohm. For system has abnormally noise after S3 resume.03/09
29 Change CA16 BOM structure to @. For system has abnormally noise after S3 resume.03/09
22 Add L57. For prevent EMI and CRT wave issue.03/11
25,30 Change U14,U15 from SA000033H00 to SA00002XX00. For sourcer suggestion.03/11
25,30 Change ZZZ from DA60000GC00 to DAZ0CK00100. For Pre-MP phase.03/11
06 Change U1 from SA00002XA00 to SA000035G00.03/11 For voltage drop issue.
34 Change R771,D2 BOM structure to @.03/11 For Pre-MP phase.
Add net name +3VS_VCCADAC_R22 For net nameing rule03/11
Add R772 & C490 and net name LID_SW#_R34 For prevent ESD damage03/15
Change L12 from SD008100B80 to SD014100B80.22 For package size03/15
Change CA12.1, RA12.2, CA18.2 connect to GNDA29 For high frequency noise issue at S003/16
Add C23113 For prevent noise coupling03/16
Add C232,C23435 For prevent noise coupling03/17
Add CC9,CC10,RC22,RC2431 For EMI request03/17
Del RC2,RC3,CC7,CC831 For EMI request03/17
Change C213 from SE070104Z80 to SE000000K80.13 For prevent noise coupling03/20
Change C231 from SE071101J80 to SE000000K80.13 For prevent noise coupling03/20
Change D18 BOM structure to @.25 For EMI remove03/23

Title
Size Document Number Rev
Date: Sheet of
Security Classification
Compal Secret Data
THIS SHEET OF ENGINEERING DRAWING IS THE PROPRIETARY PROPERTY OF COMPAL ELECTRONICS, INC. AND CONTAINS CONFIDENTIAL
AND TRADE SECRET INFORMATION. THIS SHEET MAY NOT BE TRANSFERED FROM THE CUSTODY OF THE COMPETENT DIVISION OF R&D
DEPARTMENT EXCEPT AS AUTHORIZED BY COMPAL ELECTRONICS, INC. NEITHER THIS SHEET NOR THE INFORMATION IT CONTAINS
MAY BE USED BY OR DISCLOSED TO ANY THIRD PARTY WITHOUT PRIOR WRITTEN CONSENT OF COMPAL ELECTRONICS, INC.
Issued Date Deciphered Date
NALAA LA-6041P M/B
1.0
Power PIR
48 48Tuesday, April 13, 2010
2009/01/23 2010/01/23
Compal Electronics, Inc.
Title
Size Document Number Rev
Date: Sheet of
Security Classification
Compal Secret Data
THIS SHEET OF ENGINEERING DRAWING IS THE PROPRIETARY PROPERTY OF COMPAL ELECTRONICS, INC. AND CONTAINS CONFIDENTIAL
AND TRADE SECRET INFORMATION. THIS SHEET MAY NOT BE TRANSFERED FROM THE CUSTODY OF THE COMPETENT DIVISION OF R&D
DEPARTMENT EXCEPT AS AUTHORIZED BY COMPAL ELECTRONICS, INC. NEITHER THIS SHEET NOR THE INFORMATION IT CONTAINS
MAY BE USED BY OR DISCLOSED TO ANY THIRD PARTY WITHOUT PRIOR WRITTEN CONSENT OF COMPAL ELECTRONICS, INC.
Issued Date Deciphered Date
NALAA LA-6041P M/B
1.0
Power PIR
48 48Tuesday, April 13, 2010
2009/01/23 2010/01/23
Compal Electronics, Inc.
Title
Size Document Number Rev
Date: Sheet of
Security Classification
Compal Secret Data
THIS SHEET OF ENGINEERING DRAWING IS THE PROPRIETARY PROPERTY OF COMPAL ELECTRONICS, INC. AND CONTAINS CONFIDENTIAL
AND TRADE SECRET INFORMATION. THIS SHEET MAY NOT BE TRANSFERED FROM THE CUSTODY OF THE COMPETENT DIVISION OF R&D
DEPARTMENT EXCEPT AS AUTHORIZED BY COMPAL ELECTRONICS, INC. NEITHER THIS SHEET NOR THE INFORMATION IT CONTAINS
MAY BE USED BY OR DISCLOSED TO ANY THIRD PARTY WITHOUT PRIOR WRITTEN CONSENT OF COMPAL ELECTRONICS, INC.
Issued Date Deciphered Date
NALAA LA-6041P M/B
1.0
Power PIR
48 48Tuesday, April 13, 2010
2009/01/23 2010/01/23
Compal Electronics, Inc.
circuit modify
39 Change PR92 to 42.2K ohm circuit modify2009/12/21
2009/12/21 40 Change PR95 to 2.43K ohm,PR101,PC71,PC72 to unmount
,PR98 to 6.49K ohm
circuit modify
2009/12/21 42 Change PR136 to unmount,PR137 to mount,PC90 toSE024681J80 circuit modify
43 Change PQ44 to unmount,PQ45 to mount EMI request2009/12/21
45-542009/10/20 Release
2009/12/29 37 Change PR31 and PR33 to19.6K ohm,
PR34 to 8.66K ohm,PR40 to 7.87K ohm
circuit modify
2010/01/05 43 Change PR169,PR210,PC118 and PC150 to mount
2010/01/05 44 Change PR235 and PC163 to mount
Change PR196 to 2.55K ohm,PR204 to 9.1K ohm
EMI request
EMI request
382009/12/29 Add PR139(0_0402_5%) EMI test request
442009/12/29 Change PH5 to SL200000500 circuit modify
43 Change PC111,PC114 to 68U DFB request2009/12/28
2010/02/03
2010/02/03 38
Change PQ27 to DTC115EUA_SC70-3
EMI request
39
Change PC24,PC25,PC26 to 10U_1206,PR67 to 2.2 ohm
PC74 to mount,PC23 to 1000P
EMI request
Add PC77
2010/02/03
Delete PR139 circuit modify
2010/02/26 Change PR31,PR33 to 23.7K ohm,PR34,PR40 to 11.3K ohm
Add PD6,PD7
Thermal request37
2010/03/16 38 Change PC24,PC25,PC26 to 4.7U_0805,
PC75,PC76 to unmount,
For PCB noise ossue
2010/03/18 40 Change PR247 to 47K ohm Modify GFX load line
2010/04/02 40 Change PR98 to 9.76K ohm circuit modify(cut in AON6718L)
EMI request