CT8R

User Manual: CT8R

Open the PDF directly: View PDF PDF.
Page Count: 23

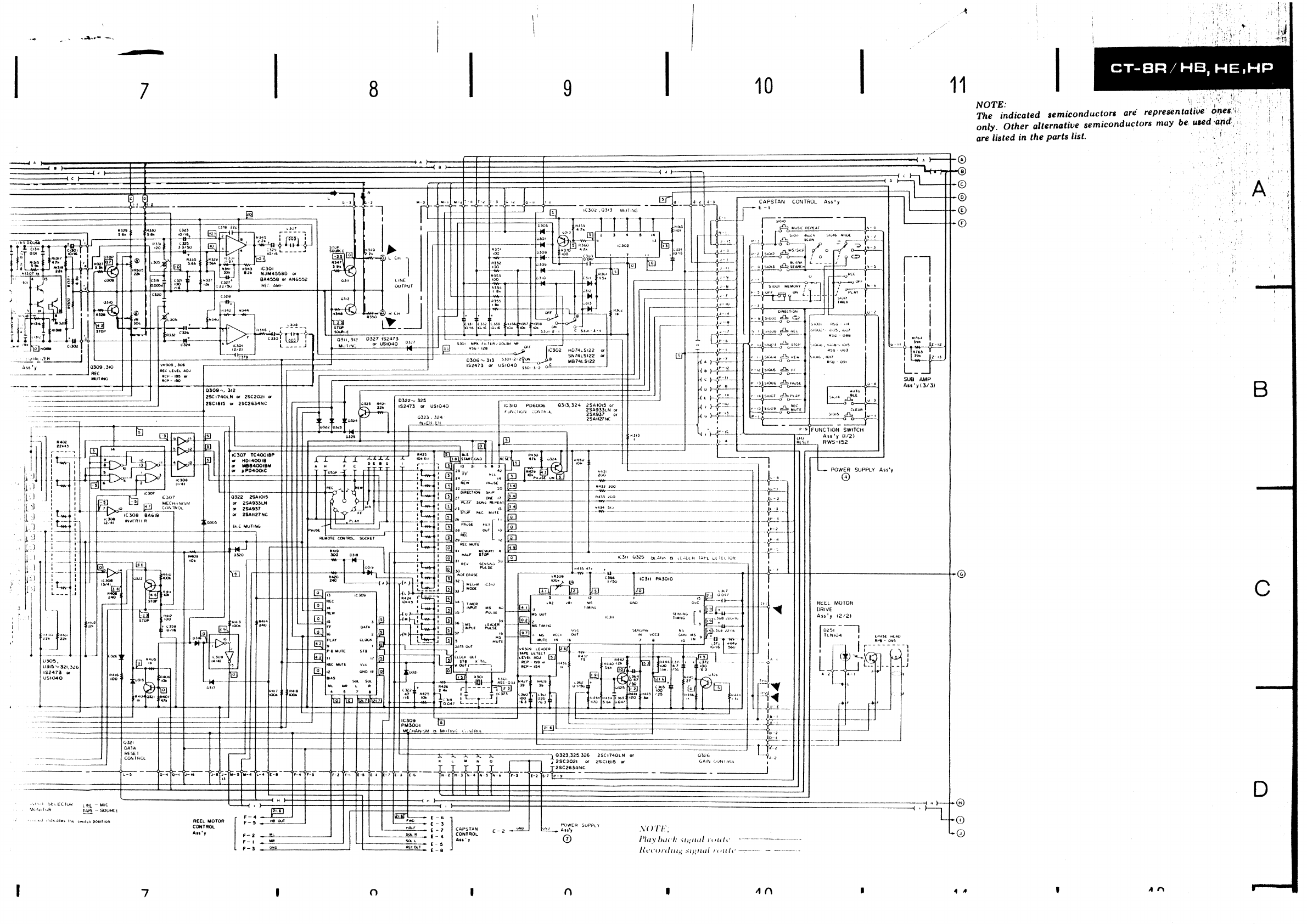
SERVICE MANUAL
PIONEER CT-8R
MODEL

Navigation menu