D CTM3
User Manual: CTM3
Open the PDF directly: View PDF
.
Page Count: 718 [warning: Documents this large are best viewed by clicking the View PDF Link!]
- CTM3 John Deere Series 220 Diesel Engines
- Forward
- Introduction
- SPECIFICATIONS
- Section 1 - 3TN66 AND 3TNA72 ENGINES
- Section 2 - 3TN75, 3TN78, 3TNC78, 3TN82, 3TNA82 AND 3TN84 ENGINES
- Section 3 - 4TN78T, 4TN82 AND 4TN84(T) ENGINES
- Section 4 - 4TN100
- Section 10 - ACCESORIES SERIES 220 POWER UNIT ENGINES
- Section 20 - AIR INTAKE AND FUEL SYSTEM
- Section 21 - ELECTRICAL
- ALPHABETICAL INDEX
3
John Deere Series 220
Diesel Engines
COMPONENT
TECHNICAL
MANUAL
John Deere
Lawn & Grounds Care Division
CTM3 (10AUG93)
Replaces CTM3 (28NOV89)
Litho in U.S.A.
FOREWORD
This manual is written for an experienced
technician. Essential tools required in performing
certain service work are identified in this manual
and are recommended for use.
Live with safety: Read the safety messages in the
introduction of this manual and the cautions
presented throughout the text of the manual.
Use this component technical manual in conjunction
with the machine technical manual. An application
listing in the Specifications and General Information
section identifies product-model/component type-
model relationship. See the machine technical
manual for information on component removal and
installation, and gaining access to the components.
This manual is organized so that all the information
on a particular engine is kept together in a single
section.
Information in each section is organized in groups
for the various components requiring service
instruction. At the beginning of each group are
summary listings of all applicable essential tools,
other materials needed to do the job and service
parts kits. All specifications, wear tolerances, and
torque values appear at the beginning of each
section.
This manual is part of a total product support
program.
FOS MANUALS—REFERENCE
TECHNICAL MANUALS—MACHINE SERVICE
COMPONENT MANUALS—COMPONENT
SERVICE
Fundamentals of Service (FOS) Manuals cover basic
theory of operation, fundamentals of
troubleshooting, general maintenance, and basic
type of failures and their causes. FOS Manuals are
for training new personnel and for reference by
experienced technicians.
Technical Manuals are concise guides for specific
machines. Technical manuals are on-the-job guides
containing only the vital information needed for
diagnosis, analysis, testing and repair.
Component Technical Manuals are concise service
guides for specific components. Component
technical manuals are written as stand-alone
manuals covering multiple machine applications.
3
JOHN DEERE DEALERS
IMPORTANT: The changes listed below make
your current CTM obsolete. Discard CTM3,
dated 28 NOV 89. Please remove this page and
route through your service department.
•The format or “style” of the book has been
changed. The familiar “modular” layout has
been replaced by a two-column “floating text”
format. Also, a heavy emphasis on the use of
“exploded” line art, to illustrate specific yet
“simple” procedures, is used.
•The layout of the book also changed. It has been
completely reorganized to cover a different
engine “family” in its own section, similar to
how a Technical manual is layed out, using
sections and groups.
-Sections 1 through 4 cover engine service.
This includes; engine teardown, diagnosis,
checks, tests, adjustments and operational
tests.
-Section 10 covers removal/installation and
repair of accessories, primarily on Series 220
OEM Power Unit engines.
-Section 20 covers Theory of Operation of the
various engine systems.
-Section 21 covers Electrical System
component location and schematics for Series
220 OEM Power Unit engines.
•Turbocharger analysis, inspection and repair
information has been added. See Accessories -
Series 220 Power Unit Engines.
•Information/model designation for Series 220
engines (3009, 3011, 3014 and 4019) have been
added wherever applicable.
•Engine application charts have been updated to
include the latest product models. See
Specifications and General Information section.
•The book’s title. The title was changed from
“3TN and 4TN Series Yanmar Diesel Engines”
to “John Deere 220 Series Diesel Engines”, to
include information pertaining to the OEM
Stand-alone power packs.
•A safety section, fuels, lubricants and coolant
information and an alphabetical index have also
been added.
•A nominal or “standard” specification has been
added and listed with the “wear limit”
specification.
ABOUT THIS MANUAL
This Component Technical Manual (CTM3) covers
the recommended repair and adjustment procedures
for the following engines:
•3 and 4TN Series Diesel Engines used in John
Deere Lawn and Grounds Care and small
Industrial products.
•Series 220 Diesel Engines offered as OEM units.
Three different configurations are available:
Base industrial engine, industrial power unit or a
generator drive unit.
Before beginning repair of an engine, clean the
engine and mount on a repair stand.
This manual contains SI Metric units of measure,
followed immediately by the U.S. customary units
of measure.
Direction of engine crankshaft rotation in this
manual is referenced facing the flywheel looking
toward the water pump. Front of engine is water
pump end.
Some components of this engine may be serviced
without removing the engine from the machine.
Refer to the specific machine technical manuals for
information on components that can be serviced
without removing the engine from the machine and
for engine removal and installation procedures.
Read each story completely before performing
service to check engine model differences in
procedure or specifications.

Introduction
1
2
3
4
10
20
21
S
G
Each section will be identified with a symbol, letter
or a number.
All information, illustrations and specifications in
this manual are based on the latest information
available at the time of publication. The right is
reserved to make changes at any time without notice.
Safety
Specifications and
General Information
3TN66, 3TNA72 (3009)
3TN75, 3TN78, 3TNC78 (3011),
3TN82, 3TNA82, 3TN84 (3014)
4TN78T, 4TN82, 4TN84(T) (4019)
4TN100
Accessories - Series 220
Power Unit Engines
Engine, Air Intake and
Fuel System
Electrical System - Series 220
Power Unit Engines
COPYRIGHT© 1993
JOHN DEERE HORICON WORKS
Horicon, Wisconsin
All rights reserved

Introduction

Safety
4/7/95
S-1
S
RECOGNIZE SAFETY INFORMATION
This is the safety-alert symbol. When you see this
symbol on your engine or in this manual, be alert to
the potential for personal injury.
Follow recommended precautions and safe servicing
practices.
Understand Signal Words
A signal word—DANGER, WARNING, or
CAUTION—is used with the safety-alert symbol.
DANGER identifies the most serious hazards.
DANGER or WARNING safety signs are located
near specific hazards. General precautions are listed
on CAUTION safety signs. CAUTION also calls
attention to safety messages in this manual.
REPLACE SAFETY SIGNS
Replace missing or damaged safety signs. See the
machine operator’s manual for correct safety sign
placement.
T81389
TS201
HANDLE FLUIDS SAFELY-AVOID
FIRES
Be Prepared For Emergencies
When you work around fuel, do not smoke or work
near heaters or other fire hazards.
Store flammable fluids away from fire hazards. Do
not incinerate or puncture pressurized containers.
Make sure engine is clean of trash, grease, and
debris.
Do not store oily rags; they can ignite and burn
spontaneously.
Be prepared if a fire starts.
Keep a first aid kit and fire extinguisher handy.
Keep emergency numbers for doctors, ambulance
service, hospital, and fire department near your
telephone.
TS291
TS227

Safety
S-2
4/7/95
SUSE CARE IN HANDLING AND
SERVICING BATTERIES
Prevent Battery Explosions
•Keep sparks, lighted matches, and open flame
away from the top of battery. Battery gas can
explode.
•Never check battery charge by placing a metal
object across the posts. Use a volt-meter or
hydrometer.
•Do not charge a frozen battery; it may explode.
Warm battery to 16°C (60°F).
Prevent Acid Burns
•Sulfuric acid in battery electrolyte is poisonous.
It is strong enough to burn skin, eat holes in
clothing, and cause blindness if splashed into
eyes.
• Avoid acid burns by:
1. Filling batteries in a well-ventilated area.
2. Wearing eye protection and rubber gloves.
3. Avoiding breathing fumes when electrolyte is
added.
4. Avoiding spilling or dripping electrolyte.
5. Use proper jump start procedure.
• If you spill acid on yourself:
1. Flush your skin with water.
2. Apply baking soda or lime to help neutralize the
acid.
3. Flush your eyes with water for 15-30 minutes.
4. Get medical attention immediately.
TS203TS204
• If acid is swallowed:
1. Do not induce vomiting.
2. Drink large amounts of water or milk, but do not
exceed 1.9 L (2 quarts).
3. Get medical attention immediately.
SERVICE COOLING SYSTEM SAFELY
Explosive release of fluids from pressurized cooling
system can cause serious burns.
Shut off engine. Only remove filler cap when cool
enough to touch with bare hands. Slowly loosen cap
to first stop to relieve pressure before removing
completely.
USE SAFE SERVICE PROCEDURES
Wear Protective Clothing
Wear close fitting clothing and safety equipment
appropriate to the job.
Prolonged exposure to loud noise can cause
impairment or loss of hearing. Wear a suitable
hearing protective device such as earmuffs or
earplugs to protect against objectionable or
uncomfortable loud noises.
Operating equipment safely requires the full
attention of the operator. Do not wear radio or music
headphones while operating engine.
TS281
TS206

Safety
4/7/95
S-3
S
Service Engines Safely
Tie long hair behind your head. Do not wear a
necktie, scarf, loose clothing, or necklace when you
work near machine tools or moving parts. If these
items were to get caught, severe injury could result.
Remove rings and other jewelry to prevent electrical
shorts and entanglement in moving parts.
Use Proper Tools
Use tools appropriate to the work. Makeshift tools
can create safety hazards. Use power tools only to
loosen threaded parts and fasteners. For loosening
and tightening hardware, use the correct size tools.
DO NOT use U.S. measurement tools on metric
fasteners. Use only service parts meeting John Deere
specifications.
Shut Down Engine
• Before working on the engine:
1. Stop the engine and remove the key.
2. Disconnect the battery ground strap.
3. Hang a “DO NOT OPERATE” tag on the
instrument panel.
TS228
TS230
Support Engine Properly and Use
Proper Lifting Equipment
If you must work on a lifted engine, securely support
the engine.
Do not support the engine on cinder blocks, hollow
tiles, or props that may crumble under continuous
load. Do not work under an engine that is supported
solely by a jack. Follow recommended procedures in
this manual.
Lifting heavy components incorrectly can cause
severe injury or engine damage. Follow
recommended procedure for removal and
installation of components in the manual.
Work In A Clean Area
• Before starting a job:
1. Clean work area and engine.
2. Make sure you have all necessary tools to do your
job.
3. Have the right parts on hand.
4. Read all instructions thoroughly; do not attempt
shortcuts.
Illuminate Your Work Area Safely
Illuminate your work area adequately but safely. Use
a portable safety light for working inside or under
the engine. Make sure the bulb is enclosed by a wire
cage. The hot filament of an accidentally broken
bulb can ignite spilled fuel or oil.
TS229

Safety
S-4
4/7/95
SWork In A Ventilated Area
Engine exhaust fumes can cause sickness or death. If
it is necessary to run an engine in an enclosed area,
remove the exhaust fumes from the area with an
exhaust pipe extension.
If you do not have an exhaust pipe extension, open
the doors and get outside air into the area.
Remove Paint Before Welding Or
Heating
Avoid potentially toxic fumes and dust. Hazardous
fumes can be generated when paint is heated by
welding, soldering, or using a torch. Do all work
outside or in a well ventilated area. Dispose of paint
and solvent properly. Remove paint before welding
or heating: If you sand or grind paint, avoid
breathing the dust. Wear an approved respirator. If
you use solvent or paint stripper, remove stripper
with soap and water before welding. Remove
solvent or paint stripper containers and other
flammable material from area. Allow fumes to
disperse at least 15 minutes before welding or
heating.
USE CARE AROUND HIGH-
PRESSURE FLUID LINES
Avoid High-Pressure Fluids
TS220
X9811
Escaping fluid under pressure can penetrate the skin
causing serious injury.
Avoid the hazard by relieving pressure before
disconnecting hydraulic or other lines. Tighten all
connections before applying pressure.
Search for leaks with a piece of cardboard. Protect
hands and body from high pressure fluids.
If an accident occurs, see a doctor immediately. Any
fluid injected into the skin must be surgically
removed within a few hours or gangrene may result.
Doctors unfamiliar with this type of injury should
reference a knowledgeable medical source. Such
information is available from Deere & Company
Medical Department in Moline, Illinois, U.S.A.
Avoid Heating Near Pressurized Fluid
Lines
Flammable spray can be generated by heating near
pressurized fluid lines, resulting in severe burns to
yourself and bystanders. Do not heat by welding,
soldering, or using a torch near pressurized fluid
lines or other flammable materials. Pressurized lines
can be accidentally cut when heat goes beyond the
immediate flame area.
HANDLE CHEMICAL PRODUCTS
SAFELY
TS953
TS1133TS1132

Safety
4/7/95
S-5
S
Direct exposure to hazardous chemicals can cause
serious injury. Potentially hazardous chemicals used
with John Deere equipment include such items as
lubricants, coolants, paints, and adhesives.
A Material Safety Data Sheet (MSDS) provides
specific details on chemical products: physical and
health hazards, safety procedures, and emergency
response techniques. Check the MSDS before you
start any job using a hazardous chemical. That way
you will know exactly what the risks are and how to
do the job safely. Then follow procedures and
recommended equipment.
Dispose of Waste Properly
Improperly disposing of waste can threaten the
environment and ecology. Potentially harmful waste
used with John Deere equipment include such items
as oil, fuel, coolant, brake fluid, filters, and batteries.
Use leakproof containers when draining fluids. Do
not use food or beverage containers that may
mislead someone into drinking from them. Do not
pour waste onto the ground, down a drain, or into
any water source. Inquire on the proper way to
recycle or dispose of waste from your local
environmental or recycling center, or from your John
Deere dealer.
LIVE WITH SAFETY
Before returning machine to customer, make sure
engine is functioning properly, especially the safety
systems. Install all guards and shields.
TS231

Safety
S-6
4/7/95
S

G
SPECIFICATIONS AND
GENERAL INFORMATION
General Information. . . . . . . . . . . . . . . . . . . . . . . . . . . . . . . 1
Engine Specifications . . . . . . . . . . . . . . . . . . . . . . . . . . . . . 4
Fuels, Lubricants and Coolant. . . . . . . . . . . . . . . . . . . . . . . 8
Repair Information . . . . . . . . . . . . . . . . . . . . . . . . . . . . . . . 15

G

General Information
4/7/95
G-1
G
ENGINE SERIAL NUMBER PLATE
NOTE: The engine serial number plate can be
easily destroyed. Before “hot tank”
cleaning the block, remove the plate or
record the information elsewhere.
Location
All except 4TN100: The engine serial number plate
is located on the rocker arm cover.
4TN100: The engine serial number plate is located
on the side of the engine, under exhaust manifold.
Refer to the engine model designation on your
engine's serial number plate to identify as to which
section to use for repair information.
Engine Serial Number Information
Each engine has a 13-digit John Deere engine serial
number identifying the producing factory, engine
model designation, and a 6-digit sequential number.
The following are examples:
3TN and 4TN Series Engines
CH3029D000000
CH. . . . . . . . . . Factory producing engine (Yanmar)
3029D . . . . . . . . . . . . Engine model designation
000000 . . . . . . Sequential serial number
Series 220 OEM Engines
CH3009D000000
CH. . . . . . . . . . . . . . . . . . .Factory producing engine
3009D . . . . . . . . . . . . Engine model designation
000000 . . . . . . Sequential serial number
M37502
Factory Code
CH. . . . . . . . . . . . . . . . . . Yanmar
Engine Model Designation
3009D . . . . . . . . . . . . . . . Definition explained
following. (See
“Engine Model
Designation”.)
Sequential Number
000000 . . . . . . . . . . . . . . 6-digit sequential
serial number
Engine Model Designation -
3TN and 4TN Series Engines
John Deere engine model designation includes
number of cylinders, usage, engine type, bore
diameter, fuel injection (type) and application. For
example:
3TNA72UJK Engine
3 . . . . . . . . . . . . . . . . . . . . . . . .Number of cylinders
T . . . . . . . . . . . . . . . . . . . . . . . . . . . Usage (tractor)
NA . . . . . . . . . . . . . . . . . . . . . . . . . . Engine type
72 . . . . . . . . . . . . . . . . . . . . . . .Bore diameter
U. . . . . . . . . . . . . . . Fuel Injection (Type)
JK. . . . . . . . . . . . . . . . . . . . .Application
Engine Type
NA. . . . . . . . . . . . . . . . . . . . . . . . . . . . Diesel
G . . . . . . . . . . . . . . . . . . . . . . . . . . . Gasoline
Fuel Injection (Type)
U . . . . . . . . . . . . . . . . . . . . Indirect injection
R . . . . . . . . . . . . . . . . . . . . . .Direct injection
Application
JK . . . . . . . . . . . . . . . . . . . . . . . . John Deere
E-SP . . . . . . . . . . Export - Sperry Company

General Information
G-2
4/7/95
G
Engine Model Designation -Series 220
OEM Engines
John Deere engine model designation includes
number of cylinders, displacement in liters,
aspiration, user code and application code. For
example:
3009DF001 Engine
3 . . . . . . . . . . . . . . . . . . . . . . . .Number of cylinders
0.9 . . . . . . . . . . . . . . . . . . . . . . . . Liter designation
D . . . . . . . . . . . . . . . . . . . . . . . Aspiration code
F0 . . . . . . . . . . . . . . . . . . . . . . . . . . User code
01 . . . . . . . . . . . . . . . . . Application code
ENGINE APPLICATION CHART - LAWN AND GROUNDS CARE EQUIPMENT
Machine Model No. Engine Model
LAWN AND GARDEN TRACTORS
330 . . . . . . . . . . . . . . . . . . . . . . . . . . . . . . . . . . . . . . . . . . . . . . . . . . . . . . . . . . . . . . . . . . . . . . . . . . .3TN66UJ
332 . . . . . . . . . . . . . . . . . . . . . . . . . . . . . . . . . . . . . . . . . . . . . . . . . . . . . . . . . . . . . . . . . . . . . . . . . . .3TN66UJ
430 . . . . . . . . . . . . . . . . . . . . . . . . . . . . . . . . . . . . . . . . . . . . . . . . . . . . . . . . . . . . . . . . . . . . . . . . 3TNA72UJ*
455 . . . . . . . . . . . . . . . . . . . . . . . . . . . . . . . . . . . . . . . . . . . . . . . . . . . . . . . . . . . . . . . . . . . . . . . . 3TNA72UJ3
FRONT MOWERS
F915 . . . . . . . . . . . . . . . . . . . . . . . . . . . . . . . . . . . . . . . . . . . . . . . . . . . . . . . . . . . . . . . . . . . . . . . . . .3TN66UJ
F925 . . . . . . . . . . . . . . . . . . . . . . . . . . . . . . . . . . . . . . . . . . . . . . . . . . . . . . . . . . . . . . . . . . . . . . . . 3TNA72UJ
F935 . . . . . . . . . . . . . . . . . . . . . . . . . . . . . . . . . . . . . . . . . . . . . . . . . . . . . . . . . . . . . . . . . . . . . . . . 3TNA72UJ
F1145 . . . . . . . . . . . . . . . . . . . . . . . . . . . . . . . . . . . . . . . . . . . . . . . . . . . . . . . . . . . . . . . . . . . . . . . . .3TN75RJ
COMPACT UTILITY TRACTORS
655 . . . . . . . . . . . . . . . . . . . . . . . . . . . . . . . . . . . . . . . . . . . . . . . . . . . . . . . . . . . . . . . . . . . . . . . . . . .3TN66UJ
670 . . . . . . . . . . . . . . . . . . . . . . . . . . . . . . . . . . . . . . . . . . . . . . . . . . . . . . . . . . . . . . . . . . . . . . . .3TNA72UJK
755 . . . . . . . . . . . . . . . . . . . . . . . . . . . . . . . . . . . . . . . . . . . . . . . . . . . . . . . . . . . . . . . . . . . . . . . . . 3TNA72UJ
770 . . . . . . . . . . . . . . . . . . . . . . . . . . . . . . . . . . . . . . . . . . . . . . . . . . . . . . . . . . . . . . . . . . . . . . . . 3TNA82RJK
855 . . . . . . . . . . . . . . . . . . . . . . . . . . . . . . . . . . . . . . . . . . . . . . . . . . . . . . . . . . . . . . . . . . . . . . . . . . .3TN75RJ
870 . . . . . . . . . . . . . . . . . . . . . . . . . . . . . . . . . . . . . . . . . . . . . . . . . . . . . . . . . . . . . . . . . . . . . . . . . 3TN84RJK
955 . . . . . . . . . . . . . . . . . . . . . . . . . . . . . . . . . . . . . . . . . . . . . . . . . . . . . . . . . . . . . . . . . . . . . . . . . . .3TN84UJ
970 . . . . . . . . . . . . . . . . . . . . . . . . . . . . . . . . . . . . . . . . . . . . . . . . . . . . . . . . . . . . . . . . . . . . . . . . . 4TN82RJK
1070 . . . . . . . . . . . . . . . . . . . . . . . . . . . . . . . . . . . . . . . . . . . . . . . . . . . . . . . . . . . . . . . . . . . . . . . . 4TN84RJK
SKID STEER LOADERS
375 . . . . . . . . . . . . . . . . . . . . . . . . . . . . . . . . . . . . . . . . . . . . . . . . . . . . . . . . . . . . . . . . . . . . . . . . .3TN66E-SP
575 . . . . . . . . . . . . . . . . . . . . . . . . . . . . . . . . . . . . . . . . . . . . . . . . . . . . . . . . . . . . . . . . . . . . . . . . .3TN82E-SP
675 . . . . . . . . . . . . . . . . . . . . . . . . . . . . . . . . . . . . . . . . . . . . . . . . . . . . . . . . . . . . . . . . . . . . . . . . .4TN82E-SP
GOLF AND TURF
756 Compact Utility Tractor. . . . . . . . . . . . . . . . . . . . . . . . . . . . . . . . . . . . . . . . . . . . . . . . . . . . . . 3TNA72UJ
856 Compact Utility Tractor. . . . . . . . . . . . . . . . . . . . . . . . . . . . . . . . . . . . . . . . . . . . . . . . . . . . . . . .3TN75RJ
3325 Professional Turf Mower . . . . . . . . . . . . . . . . . . . . . . . . . . . . . . . . . . . . . . . . . . . . . . . . . . . . 4TN82RJE
3365 Professional Turf Mower . . . . . . . . . . . . . . . . . . . . . . . . . . . . . . . . . . . . . . . . . . . . . . . . . . . . 4TN82RJE
*430 Lawn and Garden Tractors were built with two slightly different versions of 3TNA72UJ engines. In
this manual, 3TNA72UJ engines, Serial Numbers (- 5000), are referred to as “Early 3TNA72”. Engines
with Serial Numbers (5001 -) are referred to as “Later 3TNA72”.
Aspiration Code
D . . . . . . . . . . . . . . . . . . .Naturally aspirated
T . . . . . . . . . . . . . . . . . . . . . . . Turbocharged
User Code
F0 . . . . . . . . . . . . . . . . . . . . . . . . . . . . .OEM
Application Code
01 . . . . . . . . . . . . . . . Bare industrial engine
05 . . . . . . . . . . . . . . . Industrial power pack
06 . . . . . . . . . . . . . . . Gen set power pack

General Information
4/7/95
G-3
G
ENGINE APPLICATION CHART - INDUSTRIAL EQUIPMENT
Machine Model No. Engine Model
EXCAVATORS
15 . . . . . . . . . . . . . . . . . . . . . . . . . . . . . . . . . . . . . . . . . . . . . . . . . . . . . . . . . . . . . . . . . . . . . . . . . 3TNA72UJB
25 . . . . . . . . . . . . . . . . . . . . . . . . . . . . . . . . . . . . . . . . . . . . . . . . . . . . . . . . . . . . . . . . . . . . . . . . . . 3TN78RJB
30 . . . . . . . . . . . . . . . . . . . . . . . . . . . . . . . . . . . . . . . . . . . . . . . . . . . . . . . . . . . . . . . . . . . . . . . . . . 3TN82RJB
50 . . . . . . . . . . . . . . . . . . . . . . . . . . . . . . . . . . . . . . . . . . . . . . . . . . . . . . . . . . . . . . . . . . . . . . . . . 4TN78TRJB
LOADERS
84 . . . . . . . . . . . . . . . . . . . . . . . . . . . . . . . . . . . . . . . . . . . . . . . . . . . . . . . . . . . . . . . . . . . . . . . . . .4TN100RJF
244E . . . . . . . . . . . . . . . . . . . . . . . . . . . . . . . . . . . . . . . . . . . . . . . . . . . . . . . . . . . . . . . . . . . . . . . 4TN100LFB
ENGINE APPLICATION CHART - OEM APPLICATION
Machine Model No. Engine Model
3009 . . . . . . . . . . . . . . . . . . . . . . . . . . . . . . . . . . . . . . . . . . . . . . . . . . . . . . . . . . . . . . . . . . . . . . . . . . 3TNA72
3011 . . . . . . . . . . . . . . . . . . . . . . . . . . . . . . . . . . . . . . . . . . . . . . . . . . . . . . . . . . . . . . . . . . . . . . . . . . 3TNC78
3014 . . . . . . . . . . . . . . . . . . . . . . . . . . . . . . . . . . . . . . . . . . . . . . . . . . . . . . . . . . . . . . . . . . . . . . . . . . . . 3TN84
4019D . . . . . . . . . . . . . . . . . . . . . . . . . . . . . . . . . . . . . . . . . . . . . . . . . . . . . . . . . . . . . . . . . . . . . . . . . . . 4TN84
4019T . . . . . . . . . . . . . . . . . . . . . . . . . . . . . . . . . . . . . . . . . . . . . . . . . . . . . . . . . . . . . . . . . . . . . . . . . .4TN84T

General Engine Specifications
G-4
4/7/95
G
BASIC ENGINE SPECIFICATIONS
*Engine horsepower will vary by application. Refer to machine technical manual or operator's manual for
specific engine horsepower.
GENERALUNIT OF
MEASURE3TN663TNA72 (3009)3TN753TN78
Number of
Cylinders---- 3 3 3 3
Boremm
(in.)66
(2.60)72
(2.83)75
(2.95)78
(3.07)
Strokemm
(in.)64.2
(2.53)72
(2.83)75
(2.95)86
(3.39)
Displacement L
(cu in.)0.658
(40.15)0.879
(53.64)0.994
(60.70)1.232
(75.20)
Compression Ratio---- 23:122.3:117.8:117.75:1
Horsepower*kW
(hp)10.4 - 12.7
(14 - 17)12.7 - 16.4
(17 - 22)17.9
(24)17
(23)
Firing Order---- 1-3-21-3-21-3-21-3-2
Combustion System---- Indirect
InjectionIndirect
InjectionDirect
InjectionDirect
Injection
Aspiration---- NaturalNaturalNaturalNatural
Weight (dry)kg
(lbs)85
(187)118
(260)160
(353)123
(271)
Starter---- Hitachi 0.8 kWNippondenso
1.0 kW
(Hitachi 0.8 kW
on 3009)
Nippondenso
1.0 kWHitachi 2.0 kW
Alternator---- Kokosan 20A,
Nippondenso
35 or 40A
Kokosan 20A,
Nippondenso
35 or 40A
Nippondenso
35 or 40AHitachi 25A

General Engine Specifications
4/7/95
G-5
G
*Engine horsepower will vary by application. Refer to machine technical manual or operator's manual for
specific engine horsepower.
GENERALUNIT OF
MEASURE3TNC78 (3011)3TN823TNA823TN84 (3014)
Number of
Cylinders---- 3 3 3 3
Boremm
(in.)78
(3.07)82
(3.23)82
(3.23)84
(3.31)
Strokemm
(in.)80
(3.15)86
(3.39)86
(3.39)86
(3.39)
Displacement L
(cu in.)1.146
(69.90)1.362
(83)1.362
(83)1.429
(87.2)
Compression Ratio---- 18:118.06:118.1:117.8:1
Horsepower*kW
(hp)16.9 - 20.2
(22.7 - 27.1)18 - 24.6
(24 - 33)17.2
(24)20.9 - 24.9
(28 - 33.5)
Firing Order---- 1-3-21-3-21-3-21-3-2
Combustion System---- Direct
InjectionDirect
InjectionDirect
InjectionDirect
Injection
Aspiration---- NaturalNaturalNaturalNatural
Weight (dry)kg
(lbs)160
(353)190
(419)190
(419)153
(337)
Starter---- Nippondenso
1.0 kWHitachi 2.0 kW,
Nippondenso
1.4 kW
Nippondenso
1.0 or 1.2 kWNippondenso
1.0 or 1.2 kW
Alternator---- Nippondenso
40AHitachi 25A,
Nippondenso
35 or 40A
Kokosan 20A,
Nippondenso
35A
Kokosan 20A,
Nippondenso
35 or 40A

General Engine Specifications
G-6
4/7/95
G
*Engine horsepower will vary by application. Refer to machine technical manual or operator's manual for
specific engine horsepower.
GENERALUNIT OF
MEASURE4TN78T4TN824TN84 (4019D)4TN84T (4019T)
Number of
Cylinders---- 4 4 4 4
Boremm
(in.)78
(3.07)82
(3.23)84
(3.31)84
(3.31)
Strokemm
(in.)86
(3.39)86
(3.39)86
(3.39)86
(3.39)
Displacement L
(cu in.)1.643
(100)1.816
(110.8)1.906
(116.3)1.906
(116.3)
Compression Ratio---- 17.75:118.1:117.8:117.8:1
Horsepower*kW
(hp)29
(39)24.6 - 28
(33 - 38)28.1 - 33.4
(37.7 - 44.8)34.4 - 40.3
(46.1 - 54)
Firing Order---- 1-3-4-2-11-3-4-2-11-3-4-2-11-3-4-2-1
Combustion System---- Direct
InjectionDirect
InjectionDirect
InjectionDirect
Injection
Aspiration---- TurbochargedNaturalNaturalTurbocharged
Weight (dry)kg
(lbs)230
(507)220
(485)194
(428)199
(439)
Starter---- Hitachi 0.8 kWNippondenso
1.0 or 1.4 kW,
Hitachi 2.0 kW
Nippondenso
1.0 or 1.4 kWNippondenso
1.4 kW
Alternator---- Hitachi 25AKokosan 20A,
Nippondenso
35 or 40A
Kokosan 20A,
Nippondenso
40A
Nippondenso
40A

General Engine Specifications
4/7/95
G-7
G
*Engine horsepower will vary by application. Refer to machine technical manual or operator's manual for
specific engine horsepower.
GENERALUNIT OF
MEASURE4TN100
Number of
Cylinders---- 4
Boremm
(in.)100
(3.90)
Strokemm
(in.)110
(4.30)
Displacement L
(cu in.)3.5
(211)
Compression Ratio---- N/A
Horsepower*kW
(hp)38.8 - 44
(52 - 59)
Firing Order---- 1-3-4-2-1
Combustion System---- Direct
Injection
Aspiration---- Natural or
Turbocharged
Weight (dry)kg
(lbs)332
(731)
Starter---- Nippondenso
1.4 kW
Alternator---- Hitachi 25A

Fuels, Lubricants and Coolant
G-8
4/7/95
G
DIESEL FUEL
Use either Grade No. 1-D or Grade No. 2-D fuel as
defined by ASTM Designation D975 for diesel
fuels. In European countries, use ISO 1585
commercial diesel fuel.
NOTE: At altitudes above 1500 m (5000 ft) use
Grade 1-D for all temperatures. If engine is
operated under “stand-by” conditions, use
grade 1-D for all temperatures.
If engine is operated at temperatures of -40° to -
57°C (-40° to -70°F), Grade DF-A arctic fuel is
recommended.
Fuel sulfur content of less than 0.5 percent is
preferred, to prevent higher wear from corrosive
combustion products.
IMPORTANT: If fuel sulfur content exceeds 0.5
percent, the engine oil drain interval must be
reduced by 50 percent.
Cetane number should be no less than 40 to assure
satisfactory starting and overall performance. At low
temperatures and/or high altitude, a cetane number
of more than 45 is recommended.
NOTE: Excessive white smoke at start-up could be
the result of low cetane fuel.
Cloud point should be at least 6°C (10°F) below
lowest expected air temperature at time of starting.
Wax can separate from fuel when temperature
decreases to cloud point and may plug filter.
DIESEL ENGINE OIL
Use oil viscosity based on the expected air
temperature range during the period between oil
changes.
IMPORTANT: John Deere TORQ-GARD
SUPREME PLUS-50™ engine oil is not
recommended during engine break-in (first
100 hours on a new or overhauled engine). The
superior lubricating properties of this oil will
not allow the engine to properly wear during
break-in period. Use SAE 10W 30.
John Deere TORQ-GARD SUPREME PLUS-50™
engine oil is recommended at all other times. This
oil is specially formulated to provide superior
protection against high temperature thickening and
wear as well as exceptional cold weather starting
performance; these properties may result in longer
engine life.
NOTE: When John Deere TORQ-GARD SUPREME
PLUS-50™ engine oil and a John Deere oil
filter are used, the change interval may be
extended by 50 hours. ALWAYS follow
recommendations in the operator’s manual.
John Deere TORQ-GARD SUPREME® engine oil
is also recommended but standard operator’s manual
oil change intervals must be maintained. Other oils
may be used if they meet one or more of the
following specifications:
•API Service Classification CE or CD
•Military Specification MIL-L-2104E or MIL-L-
2104D or MIL-L-2104C
In European countries, oils meeting CCMC
Specification D4 or D5 may be used.
SAE 5W20, SAE 5W30, and arctic oil viscosity
grades meeting API Service Classification CC may
be used, but oil and filter must be changed at one-
half the normal interval.
Oils meeting Military Specification MIL-L-46167B
may be used as arctic oils.
NOTE: Some increase in oil consumption may be
expected when low viscosity oils are used.
Check oil levels more frequently.
TS238

Fuels, Lubricants and Coolant
4/7/95
G-9
G
OILSCAN® AND COOLSCAN™
OILSCAN and COOLSCAN are John Deere
sampling programs to help you monitor machine
performance and identify potential problems before
they cause serious damage.
Oil and coolant samples should be taken from each
system prior to its recommended change interval.
Check with your John Deere dealer for the
availability of OILSCAN and COOLSCAN kits.
GREASE
Use grease based on the expected air temperature
range during the service interval.
The following greases are preferred:
•John Deere MOLY HIGH TEMPERATURE EP
GREASE
•John Deere HIGH TEMPERATURE EP
GREASE
•John Deere GREASE-GARD™
Other greases may be used if they meet one of the
following:
•SAE Multipurpose EP Grease with a maximum
of 5% molybdenum disulfide
•SAE Multipurpose EP Grease
Grease meeting Military Specification MIL-G-
10294F may be used as arctic grease.
T6828AB
ENGINE COOLANT
RECOMMENDATIONS
•Always maintain engine coolant at correct level.
•Coolant make-up should be mixed at same
concentrations as original coolant, including
inhibitors.
CAUTION
Explosive release of fluids from pressurized
cooling system can cause serious burns.
Shut off engine. Remove the radiator filler
cap only when the cap is cool enough to touch
with bare hands. Slowly loosen cap to first
stop to relieve pressure before removing
completely.
TS1417

Fuels, Lubricants and Coolant
G-10
4/7/95
G
•In tropical areas where antifreeze of John Deere
Cooling Fluid is not available, use water
meeting quality specifications outlined in this
group and John Deere RE23182 Liquid Coolant
Conditioner. The liquid coolant conditioner
should be added in the amount recommended on
the label for your cooling system capacity.
IMPORTANT: John Deere Liquid Coolant
Conditioner does not protect against freezing.
In certain geographical areas where water quality is
unacceptable, John Deere Engine Cooling Fluid is
marketed for use in the engine cooling system. It
protects the engine from corrosion and freezing
down to -37°C (-35°F).
John Deere Engine Cooling Fluid or John Deere
Low Silicate Antifreeze are recommended for all
John Deere Diesel Engines. John Deere Cooling
Fluid is ready to use as it is without dilution or
mixing. John Deere Low Silicate Antifreeze is
concentrated and should be mixed minimum 40% -
maximum 60% antifreeze and distilled to deionized
water. Consult your John Deere Parts Network for
local availability.
ENGINE COOLANT SPECIFICATIONS
Water Quality
Distilled, de-ioned, or soft water is preferred for use
in cooling systems. Mineral (hard/tap) water should
NEVER be put in a cooling system unless first
tested. However, water that meets the following
water quality specifications is acceptable.
TS281
Water Quality Specifications
Parts Grains
Per Per
Item Million Gallon
Chlorides (maximum). . . . . . . . . 40 2.5
Sulfates (maximum) . . . . . . . . . . 100 5.9
Total Dissolved
Solids (maximum). . . . . . . . . . . . 340 20
Total Hardness (maximum). . . . . 170 10
pH Level . . . . . . . . . . . . . . . . . . . . . . 5.5 - 9.0
If Chlorides, Sulfates, or Total Dissolved Solids are
higher than the above given specifications, the water
must be distilled, de-mineralized, or de-ionized
before using in cooling system.
If Total Hardness is higher than the above given
specification, and all other parameters are within the
given specifications, the water must be softened
before using in cooling system.
Ethylene Glycol Concentrate
(Antifreeze)
IMPORTANT: DO NOT use methyl alcohol or
methoxy propanol base concentrate. This
concentrate is not compatible with additives
used in supplemental coolant additives.
Damage can occur to rubber seals on cylinder
liners which are in contact with coolant.
DO NOT use ethylene glycol concentrate
sealer or stop-leak additives.
DO NOT use concentrate containing less than
10% ethylene glycol.
DO NOT use concentrate containing more
than 0.1% anhydrous metasilicate. This type
of concentrate, which is intended for use in
aluminum engines, may cause a gel-like
deposit to form that reduces heat transfer and
coolant flow. Check container label or consult
with supplier before using.

Fuels, Lubricants and Coolant
4/7/95
G-11
G
John Deere Low Silicate Antifreeze is the ethylene
glycol concentrate recommended for all John Deere
Diesel Engines. This product is concentrated and
should be mixed 50/50 with quality water. Add to
the mixture 3% (by volume) supplemental coolant
additives (SCA’s).
John Deere Low Silicate Antifreeze is available in
the following sizes:
-TY6377 - 208 L (55 U.S. Gal) container
-TY15886 - 3.8 L (1 U.S. Gal) container
Contact your John Deere Parts Network for local
availability.
If John Deere Low Silicate Antifreeze is not
available, use an ethylene glycol concentrate
meeting ASTM D 4985, SAEJ1941, General Motors
Performance Specification GM1899M, or
formulated to GM6038M.
Supplemental Coolant Additives
(SCA’s)
IMPORTANT: Ethylene glycol concentrate
(antifreeze) DOES NOT contain sufficient
additives to prevent liner erosion or pitting
which could occur in wet sleeve diesel engines.
ALWAYS mix the coolant solution with a
supplemental coolant additive such as John
Deere Liquid Coolant Conditioner or spin-on
coolant filter conditioner element.
•John Deere Liquid Coolant Conditioner
IMPORTANT: ALWAYS mix the 50/50 solution
of ethylene glycol concentrate with quality
water in a separate container BEFORE
adding the SCA’s. Then add solution to the
radiator. NEVER pour cold water into a hot
engine, as it may crack cylinder block or head.
John Deere Liquid Coolant Conditioner MUST be
added at a rate of 3% (by volume) to the coolant
solution. When adding John Deere Liquid Coolant
Conditioner, follow the supplier’s recommendations
printed on the container.
John Deere Liquid Coolant Conditioner is available
in the following sizes:
-RE23182 473 mL (16 oz) container
-RE35992 3.8 L (1 gal) container
Contact your John Deere Parts Network for
availability.
Other approved SCA’s are:
-NALCOOL 3000®
-FLEETGARD®-DCA008-78L DCA2 in 473
mL (16 oz) container
-FLEETGARD®-DCA60-78L DCA4 in 473
mL (16 oz) container
CAUTION
John Deere Liquid Coolant Conditioner
contains alkali. Avoid contact with eyes.
Avoid prolonged or repeated contact with
skin. Do not take internally. In case of
contact, immediately wash skin with soap
and water. For eyes, flush with large amounts
of water for at least 15 minutes. Call
physician. KEEP OUT OF REACH OF
CHILDREN.
NALCOOL 3000® is a registered trademark of the NALCO Company.
FLEETGARD® is a registered trademark of the Cummins Engine Company.

Fuels, Lubricants and Coolant
G-12
4/7/95
G
IMPORTANT: John Deere Liquid Coolant
Conditioner does NOT protect against
freezing.
DO NOT over-concentrate coolant solutions
with supplemental coolant additives, as this
can cause silicate-dropout. When this
happens, a gel-type deposit is created which
retards heat transfer and coolant flow. DO
NOT use soluble oil.
JOHN DEERE ENGINE COOLING
FLUID
In certain regions of the world, John Deere Engine
Cooling Fluid is marketed for use in the engine
cooling system. John Deere Cooling Fluid is
premixed and contains the proper mixture of quality
water, low silicate antifreeze to protect the engine
from freezing down to -37°C (-35°F), and
supplemental coolant additives (SCA’s).
IMPORTANT: Additional SCA’s should NOT be
added to the Cooling Fluid.
John Deere Engine Cooling Fluid is available in the
following sizes:
-AL66606 (formally DD14134) - 5 L (1.3 U.S.
Gal) can
-AL66607 (formally DD14345) - 20 L (5.3
U.S. Gal) can
-AL67171 (formally DD14136) - 60 L (15.9
U.S. Gal) drum
-AL66608 (formally DD14346) 200 L (53
U.S. Gal) drum
Contact your John Deere Parts Network for local
availability.
CHECK EFFECTIVENESS OF
COOLANT SOLUTION
Prior to the recommended change interval or if
concentration of coolant solution is in question, a
coolant sample should be taken and a COOLSCAN
analysis performed.
COOLSCAN is a John Deere sampling program to
help you monitor the effectiveness of your engine’s
coolant solution and identify potential problems
before they cause serious damage.
Check with your John Deere dealer for the
availability of DS0251 COOLSCAN kit. Refer to
instructions provided with kit.
Usually recharging your engine coolant with the
recommended amount of John Deere Liquid Coolant
Conditioner at the appropriate time is adequate.
However, with a COOLSCAN analysis report, you
will be given a more thorough evaluation of your
engine coolant condition along with a detailed
service recommendation.
T6828AB

Fuels, Lubricants and Coolant
4/7/95
G-13
G
REPLENISHING SUPPLEMENTAL
COOLANT ADDITIVES (SCA’S)
BETWEEN COOLANT CHANGES
Through time and use, original additives eventually
lose their effectiveness and must be recharged with
additional supplemental coolant additives available
in the form of liquid coolant conditioner.
NOTE: Service intervals listed are a recommended
engineering guideline. Refer to your vehicle
operator’s manual for a specific service
interval.
At 600 hours or 1 year service interval, it is
recommended to perform a COOLSCAN analysis as
described earlier. If COOLSCAN analysis is not
available, recharge system per instructions printed
on bottle.
IMPORTANT: DO NOT CHANGE the spin-on
filter element at the 600 hour or 1 year service
interval. If the filter is replaced at this time,
the result could be an overcharged system.
This could cause “solder bloom” in the
radiator because the over concentration of
nitrite will attack the solder. Replace the filter
only if the entire cooling system is drained and
coolant replaced.
IMPORTANT: ALWAYS maintain coolant at
correct level and concentration. DO NOT
operate engine without coolant for even a few
minutes.
If frequent coolant make-up is required, the
glycol concentration should be checked with
JT05460 Refractometer to assure that the
desired freeze point is maintained. Follow
manufacturer’s instructions provided with
refractometer.
RG6261
See ENGINE COOLANT SPECIFICATIONS
earlier in this group for proper mixing of coolant
ingredients before adding to the cooling system.
FLUSHING AND SERVICING
COOLING SYSTEM
CAUTION
Explosive release of fluids from pressurized
cooling system can cause serious burns.
Shut off engine. Remove the radiator filler
cap only when the cap is cool enough to touch
with bare hands. Slowly loosen cap to first
stop to relieve pressure before removing
completely.
RG6262
TS281

Fuels, Lubricants and Coolant
G-14
4/7/95
G
IMPORTANT: Air must be expelled from
cooling system when system is refilled. Follow
procedure given in your operator’s manual.
Engine coolant MUST BE drained and
replaced at a maximum of 1200 hours or 2
years of engine operating time, whichever
comes first.
The ethylene glycol base (antifreeze) can become
depleted of SCA’s allowing various acids to form
that will damage engine components. In addition,
heavy metals, such as lead, copper and zinc,
accumulate in the ethylene glycol base. The heavy
metals come from corrosion that occurs to some
degree within a cooling system. When a coolant is
saturated to the point where it can no longer hold
heavy metals and other dissolved solids, they settle
out and act as abrasives on engine parts.
NOTE: Service intervals listed are a recommended
engineering guideline. Refer to your vehicle
operator’s manual for a specific service
interval.
At 1200 hours/2-year service interval, flush cooling
system and replace thermostats as described in your
operator’s manual. Clean cooling system with a
heavy duty cooling system cleaner such as
FLEETGARD® RESTORE™. Follow the
instructions provided with cleaner. Refill cooling
system with the appropriate coolant solution. See
ENGINE COOLANT SPECIFICATIONS, earlier in
this group.
IMPORTANT: NEVER overfill the system. A
pressurized system needs space for heat
expansion without overflowing at the top of
the radiator. Coolant level should be
approximately 19 mm (3/4 in.) below bottom
of radiator filler neck.
After adding new coolant solution, run engine until
it reaches operating temperature. This mixes the
coolant solution uniformly and circulates it through
the entire system. After running engine, check
coolant level and entire cooling system for leaks.
Contact your authorized servicing dealer or engine
distributor, if there are further questions.
DISPOSING OF COOLANT
Improperly disposing of coolant can threaten the
environment and ecology.
Use leakproof containers when draining fluids. Do
not use food or beverage containers that may
mislead someone into drinking from them.
Do not pour waste onto the ground, down a drain, or
into any water source.
Inquire on the proper way to recycle or dispose of
waste from your local environmental or recycling
center, or from your John Deere dealer.
TS1133
FLEETGARD® is a registered trademark of the Cummins Engine Company.
RESTORE™ is a registered trademark of FLEETGARD®.

Repair Information
4/7/95
G-15
G
METRIC BOLT AND CAP SCREW TORQUE VALUES
Class 4.8Class 8.8 or 9.8Class 10.9Class 12.9
LubricatedaDryaLubricatedaDryaLubricatedaDryaLubricatedaDrya
SizeNmlb-ftNmlb-ftNmlb-ftNmlb-ftNmlb-ftNmlb-ftNmlb-ftNmlb-ft
M64.83.564.5 9 6.5 11 8.5139.5 17 12 15 11.5 19 14.5
M8128.5 15 11 22 16 28 2032 24 40 30 37 28 47 35
M1023 17 29 21 43 32 55 4063 47 80 60 75 55 95 70
M1240 29 50 37 75 55 95 70 110 80 140 105130 95 165 120
M1463 47 80 60 120 88 150 110 175 130 225 165205 150 260 190
M16100 73 125 92 190140 240 175 275 200 350 225320 240 400 300
M18135 100 175 125260195 330 250 375 275 475 350440 325 560 410
M20190 140 240 180375275 475 350 530 400 675 500625 460 800 580
M22260 190 330 250510375 650 475 725 540 925 675850 625 1075 800
M24330 250 425 310650475 825 600 925 675 1150 850 1075 800 13501000
M27490 360 625 4509507001200 875 13501000 1700 1250 1600 1150 20001500
M30675 490 850 625 1300 9501650120018501350 2300 1700 2150 1600 27002000
M33900 675 1150850 1750 1300 2200165025001850 3150 2350 2900 2150 37002750
M361150 850 1450 1075 2250 1650 2850210032002350 4050 3000 3750 2750 47503500
TS1163
Property
Class
and
Head
Markings
Property
Class
and
Nut
DO NOT use these values if a different torque value
or tightening procedure is given for a specific
application. Torque values listed are for general use
only. Check tightness of fasteners periodically.
Shear bolts are designed to fail under predetermined
loads. Always replace shear bolts with identical
grade.
Fasteners should be replaced with the same or higher
grade. If higher grade fasteners are used, these
should only be tightened to the strength of the
original. Make sure fasteners threads are clean and
that you properly start thread engagement. This will
prevent them from failing when tightening.
Tighten plastic insert or crimped steel-type lock nuts
to approximately 50 percent of the dry torque shown
in the chart, applied to the nut, not to the bolt head.
Tighten toothed or serrated-type lock nuts to the full
torque value.
a“Lubricated” means coated with a lubricant such
as engine oil, or fasteners with phosphate and oil
coatings. “Dry” means plain or zinc plated without
any lubrication.

Repair Information
G-16
4/7/95
G
UNIFIED INCH BOLT AND CAP SCREW TORQUE VALUES
Grade 1Grade 2bGrade 5, 5.1 or 5.2Grade 8 or 8.2
LubricatedaDryaLubricatedaDryaLubricatedaDryaLubricatedaDrya
SizeNmlb-ftNmlb-ftNmlb-ftNmlb-ftNmlb-ftNmlb-ftNmlb-ftNmlb-ft
1/43.72.84.73.5 6 4.57.55.59.5 7 12 9 13.5 10 17 12.5
5/167.75.5 10 7 12 9 15 1120 15 25 18 28 21 35 26
3/814 10 17 13 22 16 27 2035 26 44 33 50 36 63 46
7/1622 16 28 20 35 26 44 3255 41 70 52 80 58 100 75
1/233 25 42 31 53 39 67 5085 63 110 80 120 90 150 115
9/1648 36 60 45 75 56 95 70 125 90 155 115175 130 225 160
5/867 50 85 62 105 78 135 100 170 125 215 160215 160 300 225
3/4120 87 150 110190140 240 175 300 225 375 280425 310 550 400
7/8190 140 240 175190140 240 175 490 360 625 450700 500 875 650
1290 210 360 270290210 360 270 725 540 925 675 1050 750 1300 975
1-1/8470 300 510 375470300 510 375 900 675 1150 850 1450 1075 18501350
1-1/4570 425 725 530570425 725 530 1300 950 1650 1200 2050 1500 26001950
1-3/8750 550 950 700750550 950 700 17001250 2150 1550 2700 2000 34002550
1-1/21000 725 12509259907251250 930 22501650 2850 2100 3600 2650 45503350
TS1162
No Marks
No Marks
SAE
Grade
and Head
Markings
SAE
Grade
and Nut
Marking
DO NOT use these values if a different torque value
or tightening procedure is given for a specific
application. Torque values listed are for general use
only. Check tightness of fasteners periodically.
Shear bolts are designed to fail under predetermined
loads. Always replace shear bolts with identical
grade.
Fasteners should be replaced with the same or higher
grade. If higher grade fasteners are used, these
should only be tightened to the strength of the
original. Make sure fasteners threads are clean and
that you properly start thread engagement. This will
prevent them from failing when tightening.
Tighten plastic insert or crimped steel-type lock nuts
to approximately 50 percent of the dry torque shown
in the chart, applied to the nut, not to the bolt head.
Tighten toothed or serrated-type lock nuts to the full
torque value.
a“Lubricated” means coated with a lubricant such
as engine oil, or fasteners with phosphate and oil
coatings. “Dry” means plain or zinc plated without
any lubrication.
bGrade 2 applies for hex cap screws (not hex bolts)
up to 152 mm (6 in.) long. Grade 1 applies for hex
cap screws over 152 mm (6 in.) long, and for all
other types of bolts and screws of any length.

Repair Information
4/7/95
G-17
G
CLEAN ENGINE
1. Cap or plug all openings on engine. If electrical
components (starter, alternator, etc.) are not
removed prior to cleaning, cover with plastic and
tape securely to prevent moisture from entering.
2. Steam-clean engine thoroughly.
IMPORTANT: Never steam-clean or pour cold
water on an injection pump while it is still
warm. To do so may cause seizure of pump
parts.
DISCONNECT TURBOCHARGER OIL
INLET LINE
1. Drain all engine oil and coolant.
IMPORTANT: When servicing turbocharged
engines on a rollover stand, disconnect
turbocharger oil inlet line before rolling
engine over. Failure to do so may cause a
hydraulic lock upon starting engine.
Hydraulic lock may cause severe engine
damage.
Hydraulic lock occurs when trapped oil in the
oil filter housing drains through the
turbocharger, into exhaust and intake
manifolds, and cylinder head. After starting
the engine, trapped oil in the manifold and
head is released into the cylinder(s) filling
them with oil causing hydraulic lock and
severe engine damage.
2. Disconnect turbocharger oil inlet line at
turbocharger.

Repair Information
G-18
4/7/95
G

3
1
3TN66 AND 3TNA72 (3009)
ENGINES
Specifications. . . . . . . . . . . . . . . . . . . . . . . . . . . . . . . . . . . 1-1
Cylinder Head, Valves and Manifolds . . . . . . . . . . . . . . . 1-17
Pistons, Rods and Cylinder Block . . . . . . . . . . . . . . . . . . 1-32
Crankshaft, Main Bearings and Flywheel . . . . . . . . . . . . 1-42
Camshaft and Timing Gear Train. . . . . . . . . . . . . . . . . . . 1-55
Lubrication System . . . . . . . . . . . . . . . . . . . . . . . . . . . . . 1-71
Cooling System . . . . . . . . . . . . . . . . . . . . . . . . . . . . . . . . 1-83
Fuel System. . . . . . . . . . . . . . . . . . . . . . . . . . . . . . . . . . . 1-91
Starter . . . . . . . . . . . . . . . . . . . . . . . . . . . . . . . . . . . . . . 1-113
Alternator. . . . . . . . . . . . . . . . . . . . . . . . . . . . . . . . . . . . 1-122
Diagnosis. . . . . . . . . . . . . . . . . . . . . . . . . . . . . . . . . . . . 1-131
Checks, Tests and Adjustments. . . . . . . . . . . . . . . . . . . 1-134
Operational Tests. . . . . . . . . . . . . . . . . . . . . . . . . . . . . . 1-152
Section 1

1

Specifications
4/7/95
1-1
1
ENGINE SPECIFICATIONS - 3TN66
Rocker Arm Cover
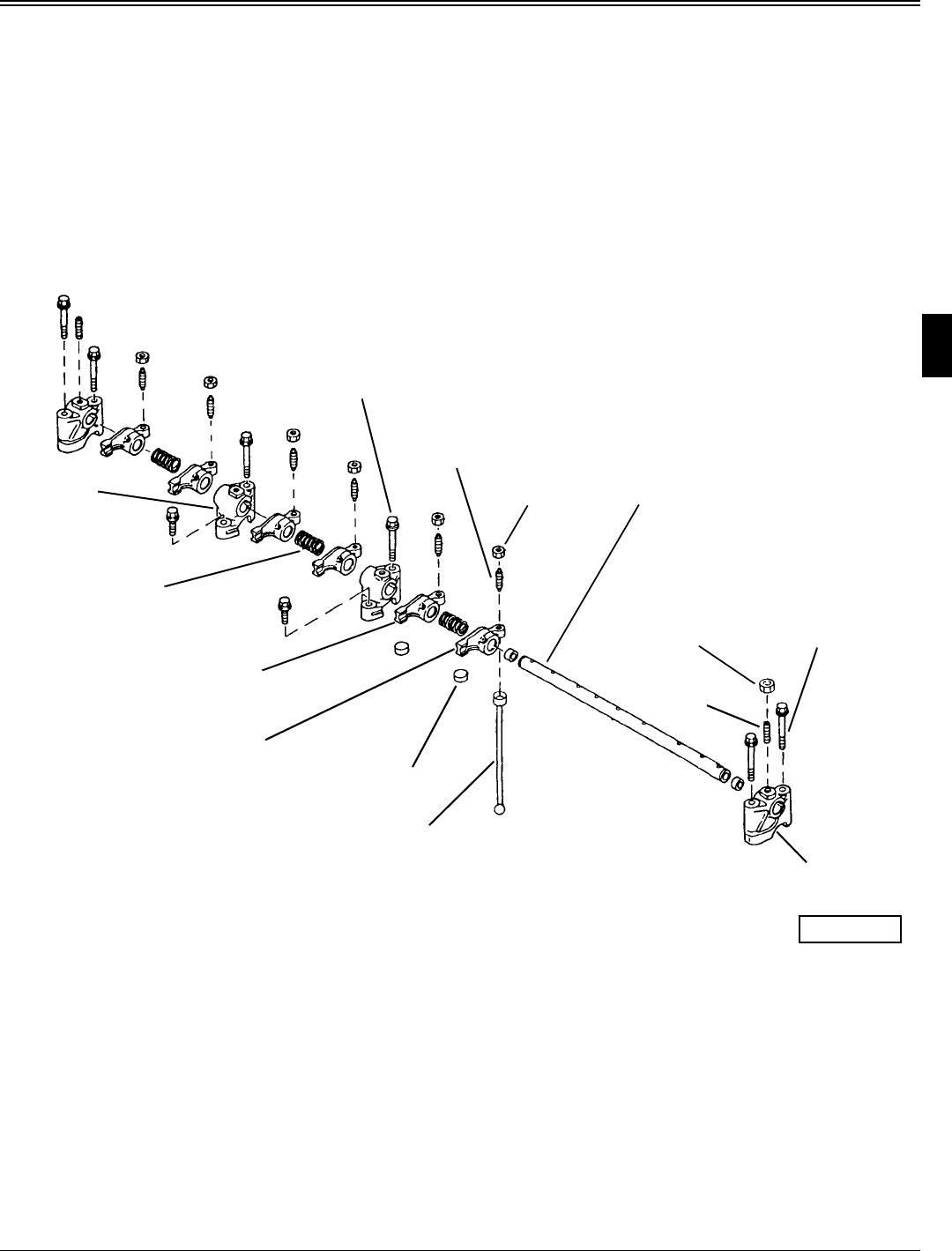
Special Nut Torque . . . . . . . . . . . . . . . . . . . . . . . . . . . . . . . . . . . . . . . . . . . . . . . . . 18 N•m (160 lb-in.)
Rocker Arm Assembly
Mounting Cap Screw and Nut Torque . . . . . . . . . . . . . . . . . . . . . . . . . . . . . . . . . . 26 N•m (226 lb-in.)
Rocker Arm Shaft O.D.
Standard . . . . . . . . . . . . . . . . . . . . . . . . . . . . . . . . . . . . . . . . .9.97 - 9.99 mm (0.3925 - 0.3933 in.)
Wear Limit . . . . . . . . . . . . . . . . . . . . . . . . . . . . . . . . . . . . . . . . . . . . . . . . . . . 9.95 mm (0.3920 in.)
Rocker Arm and Shaft Support I.D.'s
Clearance . . . . . . . . . . . . . . . . . . . . . . . . . . . . . . . . . . . . . . . . . . . . . . . . . . . . . 0.14 mm (0.005 in.)
Standard . . . . . . . . . . . . . . . . . . . . . . . . . . . . . . . . . . . . . . .10.00 - 10.02 mm (0.3937 - 0.3945 in.)
Wear Limit . . . . . . . . . . . . . . . . . . . . . . . . . . . . . . . . . . . . . . . . . . . . . . . . . . 10.09 mm (0.3972 in.)
Push Rod Length
Standard . . . . . . . . . . . . . . . . . . . . . . . . . . . . . . . . . . . . . . . . . . . .114 - 115 mm (4.488 - 4.528 in.)
Push Rod Bend
Wear Limit . . . . . . . . . . . . . . . . . . . . . . . . . . . . . . . . . . . . . . . . . . . . . . . . . . . . 0.08 mm (0.003 in.)
Cylinder Head and Valves
Mounting Cap Screw Torque
First . . . . . . . . . . . . . . . . . . . . . . . . . . . . . . . . . . . . . . . . . . . . . . . . . . . . . . . . . . . 11 N•m (97 lb-in.)
Second. . . . . . . . . . . . . . . . . . . . . . . . . . . . . . . . . . . . . . . . . . . . . . . . . . . . . . . . 22 N•m (195 lb-in.)
Final . . . . . . . . . . . . . . . . . . . . . . . . . . . . . . . . . . . . . . . . . . . . . . . . . . . . . . . . . . . 34 N•m (25 lb-ft)
Cylinder Head Distortion
Standard . . . . . . . . . . . . . . . . . . . . . . . . . . . . . . . . . . . . . . . . . . . . . . . . 0.05 mm (0.002 in.) or less
Wear Limit . . . . . . . . . . . . . . . . . . . . . . . . . . . . . . . . . . . . . . . . . . . . . . . . . . . . 0.15 mm (0.006 in.)
Maximum Amount of Metal to be Removed . . . . . . . . . . . . . . . . . . . . . . . . . . 0.20 mm (0.008 in.)
Valve Seat Width
Intake Valve
Standard . . . . . . . . . . . . . . . . . . . . . . . . . . . . . . . . . . . . . . . . . . . . . . . . . . . 1.15 mm (0.045 in.)
Wear Limit . . . . . . . . . . . . . . . . . . . . . . . . . . . . . . . . . . . . . . . . . . . . . . . . . 1.65 mm (0.065 in.)
Exhaust Valve
Standard . . . . . . . . . . . . . . . . . . . . . . . . . . . . . . . . . . . . . . . . . . . . . . . . . . . . .41 mm (0.056 in.)
Wear Limit . . . . . . . . . . . . . . . . . . . . . . . . . . . . . . . . . . . . . . . . . . . . . . . . . 1.91 mm (0.075 in.)
Intake and Exhaust Valves
Valve Faces
Minimum Margin . . . . . . . . . . . . . . . . . . . . . . . . . . . . . . . . . . . . . . . . . . . . . . . 0.51 mm (0.020 in.)
Exhaust Angle. . . . . . . . . . . . . . . . . . . . . . . . . . . . . . . . . . . . . . . . . . . . . . . . . . . . . . . . . . . . . . . 45°
Intake Angle . . . . . . . . . . . . . . . . . . . . . . . . . . . . . . . . . . . . . . . . . . . . . . . . . . . . . . . . . . . . . . . . 30°
Valve Stem O.D.
Distance A. . . . . . . . . . . . . . . . . . . . . . . . . . . . . . . . . . . . . . . . . . . . . . . . . . . . . . .20 mm (0.787 in.)
Distance B. . . . . . . . . . . . . . . . . . . . . . . . . . . . . . . . . . . . . . . . . . . . . . . . . . . . . . .40 mm (1.575 in.)
Intake Valve
Standard . . . . . . . . . . . . . . . . . . . . . . . . . . . . . . . . . . . . . . . . .5.46 - 5.48 mm (0.2149 - 0.2157 in.)
Wear Limit . . . . . . . . . . . . . . . . . . . . . . . . . . . . . . . . . . . . . . . . . . . . . . . . . . . 5.40 mm (0.2126 in.)
Exhaust Valve
Standard . . . . . . . . . . . . . . . . . . . . . . . . . . . . . . . . . . . . . . . . .5.44 - 5.46 mm (0.2142 - 0.2149 in.)
Wear Limit . . . . . . . . . . . . . . . . . . . . . . . . . . . . . . . . . . . . . . . . . . . . . . . . . . . 5.40 mm (0.2126 in.)
Valve Recession
Intake Valve . . . . . . . . . . . . . . . . . . . . . . . . . . . . . . . . . . . . . . . . . . . . . . . . . . . 0.40 mm (0.016 in.)
Exhaust Valve. . . . . . . . . . . . . . . . . . . . . . . . . . . . . . . . . . . . . . . . . . . . . . . . . . 0.85 mm (0.033 in.)

Specifications
1-2
4/7/95
1
Valve Guides
Valve Guide I.D.
Maximum Clearance. . . . . . . . . . . . . . . . . . . . . . . . . . . . . . . . . . . . . . . . . . . . . 0.20 mm (0.008 in.)
Standard . . . . . . . . . . . . . . . . . . . . . . . . . . . . . . . . . . . . . . . . . . .5.50 - 5.52 mm (0.216 - 0.217 in.)
Wear Limit . . . . . . . . . . . . . . . . . . . . . . . . . . . . . . . . . . . . . . . . . . . . . . . . . . . . 5.58 mm (0.220 in.)
Valve Guide Height . . . . . . . . . . . . . . . . . . . . . . . . . . . . . . . . . . . . . . . . . . . . . . . . . . .7 mm (0.276 in.)
Valve Springs
Spring Free Length
Wear Limit . . . . . . . . . . . . . . . . . . . . . . . . . . . . . . . . . . . . . . . . . . . . . . . . . . . . . .28 mm (1.102 in.)
Maximum Spring Inclination . . . . . . . . . . . . . . . . . . . . . . . . . . . . . . . . . . . . . . . . . 0.80 mm (0.032 in.)
Exhaust Manifold
Mounting Cap Screw and Nut Torque . . . . . . . . . . . . . . . . . . . . . . . . . . . . . . . . . . . 11 N•m (97 lb-in.)
Intake Manifold
Mounting Cap Screw Torque . . . . . . . . . . . . . . . . . . . . . . . . . . . . . . . . . . . . . . . . . . 11 N•m (97 lb-in.)
Valve Seat Angles
Valve Seat Surface
Exhaust Valve. . . . . . . . . . . . . . . . . . . . . . . . . . . . . . . . . . . . . . . . . . . . . . . . . . . . . . . . . . . . . . . 45°
Intake Valve . . . . . . . . . . . . . . . . . . . . . . . . . . . . . . . . . . . . . . . . . . . . . . . . . . . . . . . . . . . . . . . . 30°
Lower Seat Surface. . . . . . . . . . . . . . . . . . . . . . . . . . . . . . . . . . . . . . . . . . . . . . . . . . . . . . . . . . . . . . 70°
Upper Seat Surface . . . . . . . . . . . . . . . . . . . . . . . . . . . . . . . . . . . . . . . . . . . . . . . . . . . . . . . . . . . . . . 15°
Piston-to-Cylinder Head Clearance . . . . . . . . . . . . . . . . . . . . . . . . . . . .0.59 - 0.74 mm (0.023 - 0.029 in.)
Piston and Connecting Rod Cap Screw Torque . . . . . . . . . . . . . . . . . . . . . . . . . . . . . . 23 N•m (203 lb-in.)
Connecting Rod Bearing I.D.
Clearance . . . . . . . . . . . . . . . . . . . . . . . . . . . . . . . . . . . . . . . . . . . . . . . . . . . . . . . . 0.16 mm (0.006 in.)
Standard . . . . . . . . . . . . . . . . . . . . . . . . . . . . . . . . . . . . . . . . . . . . . 36 - 36.042 mm (1.417 - 1.419 in.)
Wear Limit . . . . . . . . . . . . . . . . . . . . . . . . . . . . . . . . . . . . . . . . . . . . . . . . . . . . . . 37.07 mm (1.459 in.)
Piston Ring Groove Clearance
First Compression Ring
Standard . . . . . . . . . . . . . . . . . . . . . . . . . . . . . . . . . . . . . . .0.065 - 0.100 mm (0.0026 - 0.0039 in.)
Wear Limit . . . . . . . . . . . . . . . . . . . . . . . . . . . . . . . . . . . . . . . . . . . . . . . . . . . 0.20 mm (0.0079 in.)
Second Compression Ring
Standard . . . . . . . . . . . . . . . . . . . . . . . . . . . . . . . . . . . . . . .0.030 - 0.065 mm (0.0012 - 0.0026 in.)
Wear Limit . . . . . . . . . . . . . . . . . . . . . . . . . . . . . . . . . . . . . . . . . . . . . . . . . . . 0.20 mm (0.0079 in.)
Oil Ring
Standard . . . . . . . . . . . . . . . . . . . . . . . . . . . . . . . . . . . . . . .0.020 - 0.055 mm (0.0008 - 0.0022 in.)
Wear Limit . . . . . . . . . . . . . . . . . . . . . . . . . . . . . . . . . . . . . . . . . . . . . . . . . . . 0.20 mm (0.0079 in.)
Piston End Ring Gap
Standard
First Compression Ring and Oil Ring. . . . . . . . . . . . . . . . . . . . .0.15 - 0.35 mm (0.006 - 0.014 in.)
Second Compression Ring . . . . . . . . . . . . . . . . . . . . . . . . . . . . .0.25 - 0.40 mm (0.010 - 0.016 in.)
Wear Limit . . . . . . . . . . . . . . . . . . . . . . . . . . . . . . . . . . . . . . . . . . . . . . . . . . . . . . 1.50 mm (0.0591 in.)
Piston Pin
Pin O.D.
Standard . . . . . . . . . . . . . . . . . . . . . . . . . . . . . . . . . . . . . . . .19.991 - 20.00 mm (0.787 - 0.788 in.)
Wear Limit . . . . . . . . . . . . . . . . . . . . . . . . . . . . . . . . . . . . . . . . . . . . . . . . . . 19.975 mm (0.786 in.)
Bore I.D.
Clearance . . . . . . . . . . . . . . . . . . . . . . . . . . . . . . . . . . . . . . . . . . . . . . . . . . . 0.045 mm (0.0018 in.)
Standard . . . . . . . . . . . . . . . . . . . . . . . . . . . . . . . . . . . . . . . .20.00 - 20.008 mm (0.787 - 0.788 in.)
Wear Limit . . . . . . . . . . . . . . . . . . . . . . . . . . . . . . . . . . . . . . . . . . . . . . . . . . . 20.02 mm (0.788 in.)

Specifications
4/7/95
1-3
1
Piston Pin, continued
Bushing I.D.
Clearance . . . . . . . . . . . . . . . . . . . . . . . . . . . . . . . . . . . . . . . . . . . . . . . . . . . 0.110 mm (0.0043 in.)
Standard . . . . . . . . . . . . . . . . . . . . . . . . . . . . . . . . . . . . . . .20.025 - 20.038 mm (0.788 - 0.789 in.)
Wear Limit . . . . . . . . . . . . . . . . . . . . . . . . . . . . . . . . . . . . . . . . . . . . . . . . . . . 20.10 mm (0.781 in.)
Piston O.D.
Distance A. . . . . . . . . . . . . . . . . . . . . . . . . . . . . . . . . . . . . . . . . . . . . . . . . . . . . . . . . . .5 mm (0.197 in.)
Standard Size Piston
Standard . . . . . . . . . . . . . . . . . . . . . . . . . . . . . . . . . . . . . . .65.927 - 65.957 mm (2.596 - 2.597 in.)
Wear Limit . . . . . . . . . . . . . . . . . . . . . . . . . . . . . . . . . . . . . . . . . . . . . . . . . . . 65.85 mm (2.593 in.)
0.25 mm (0.010 in.) Oversize Piston
Standard . . . . . . . . . . . . . . . . . . . . . . . . . . . . . . . . . . . . . . . . .66.18 - 66.21 mm (2.606 - 2.607 in.)
Wear Limit . . . . . . . . . . . . . . . . . . . . . . . . . . . . . . . . . . . . . . . . . . . . . . . . . . . 66.10 mm (2.602 in.)
0.50 mm (0.020 in.) Oversize Piston
Standard . . . . . . . . . . . . . . . . . . . . . . . . . . . . . . . . . . . . . . . . .66.43 - 66.46 mm (2.615 - 2.616 in.)
Wear Limit . . . . . . . . . . . . . . . . . . . . . . . . . . . . . . . . . . . . . . . . . . . . . . . . . . . 66.35 mm (2.612 in.)
Cylinder Bore I.D.
Standard Size Bore
Clearance . . . . . . . . . . . . . . . . . . . . . . . . . . . . . . . . . . . . . . . . . . . . . . . . . . . . . 0.25 mm (0.010 in.)
Standard . . . . . . . . . . . . . . . . . . . . . . . . . . . . . . . . . . . . . . . . .66.00 - 66.03 mm (2.599 - 2.600 in.)
Wear Limit . . . . . . . . . . . . . . . . . . . . . . . . . . . . . . . . . . . . . . . . . . . . . . . . . . . 66.20 mm (2.606 in.)
0.25 mm (0.010 in.) Oversize Bore
Standard . . . . . . . . . . . . . . . . . . . . . . . . . . . . . . . . . . . . . . . . .66.25 - 66.28 mm (2.609 - 2.610 in.)
Wear Limit . . . . . . . . . . . . . . . . . . . . . . . . . . . . . . . . . . . . . . . . . . . . . . . . . . . 66.45 mm (2.616 in.)
0.50 mm (0.020 in.) Oversize Bore
Standard . . . . . . . . . . . . . . . . . . . . . . . . . . . . . . . . . . . . . . . . .66.50 - 66.53 mm (2.619 - 2.620 in.)
Wear Limit . . . . . . . . . . . . . . . . . . . . . . . . . . . . . . . . . . . . . . . . . . . . . . . . . . . 66.70 mm (2.626 in.)
Degalzing . . . . . . . . . . . . . . . . . . . . . . . . . . . . . . . . . . . . . . . . . . . . . . . . . . 30 - 40° cross-hatch pattern
Reboring . . . . . . . . . . . . . . . . . . . . . . . . . . . . . . . . . . . . . . . . . . . . . . . . . . . 30 - 40° cross-hatch pattern
Crankshaft Rear Oil Seal
Seal Case-to-Block Cap Screw Torque . . . . . . . . . . . . . . . . . . . . . . . . . . . . . . . . . . 11 N•m (96 lb-in.)
Oil Pan-to-Seal Case Cap Screw Torque . . . . . . . . . . . . . . . . . . . . . . . . . . . . . . . . . . 9 N•m (78 lb-in.)
Crankshaft and Main Bearings
Main Bearing Cap Screw Torque . . . . . . . . . . . . . . . . . . . . . . . . . . . . . . . . . . . . . . . . 54 N•m (40 lb-ft)
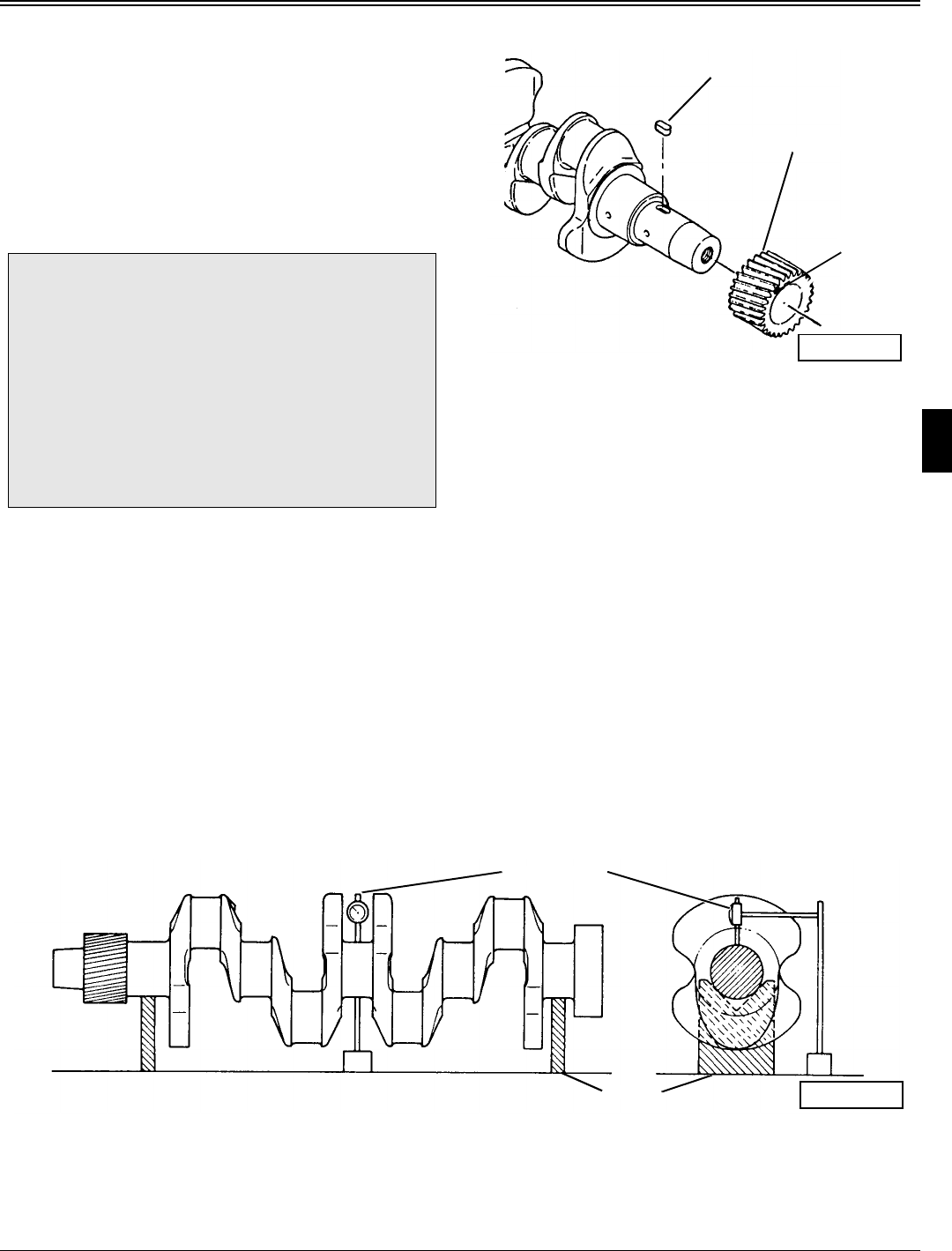
Crankshaft Maximum Bend . . . . . . . . . . . . . . . . . . . . . . . . . . . . . . . . . . . . . . . . . 0.02 mm (0.0007 in.)
Connecting Rod Journal O.D.
Standard . . . . . . . . . . . . . . . . . . . . . . . . . . . . . . . . . . . . . . .35.97 - 35.98 mm (1.4161 - 1.4165 in.)
Wear Limit . . . . . . . . . . . . . . . . . . . . . . . . . . . . . . . . . . . . . . . . . . . . . . . . . . . 35.92 mm (1.414 in.)
Main Bearing Journal O.D.
Standard . . . . . . . . . . . . . . . . . . . . . . . . . . . . . . . . . . . . . . .39.97 - 39.98 mm (1.5736 - 1.5740 in.)
Wear Limit . . . . . . . . . . . . . . . . . . . . . . . . . . . . . . . . . . . . . . . . . . . . . . . . . . . 39.92 mm (1.572 in.)
Main Bearing I.D.
Clearance . . . . . . . . . . . . . . . . . . . . . . . . . . . . . . . . . . . . . . . . . . . . . . . . . . . . 0.15 mm (0.0059 in.)
Standard . . . . . . . . . . . . . . . . . . . . . . . . . . . . . . . . . . . . . . . .40.00 - 40.042 mm (1.575 - 1.577 in.)
Wear Limit . . . . . . . . . . . . . . . . . . . . . . . . . . . . . . . . . . . . . . . . . . . . . . . . . . . 40.07 mm (1.578 in.)
Stub Shaft (330/332 LGT, F915 FM)
Stub Shaft-to-Flywheel Cap Screw Torque . . . . . . . . . . . . . . . . . . . . . . . . . . . . . . . . 59 N•m (44 lb-ft)
Cover-to-Block Cap Screw Torque . . . . . . . . . . . . . . . . . . . . . . . . . . . . . . . . . . . . . . 49 N•m (36 lb-ft)
Cover-to-Plate Cap Screw Torque . . . . . . . . . . . . . . . . . . . . . . . . . . . . . . . . . . . . . 26 N•m (226 lb-in.)

Specifications
1-4
4/7/95
1
Flywheel
Maximum Distortion. . . . . . . . . . . . . . . . . . . . . . . . . . . . . . . . . . . . . . . . . . . . . . . 0.02 mm (0.0008 in.)
Mounting Cap Screw Torque . . . . . . . . . . . . . . . . . . . . . . . . . . . . . . . . . . . . . . . . . . . 83 N•m (61 lb-ft)
Flywheel Plate Mounting Cap Screw Torque. . . . . . . . . . . . . . . . . . . . . . . . . . . . . . . 49 N•m (36 lb-ft)
Camshaft
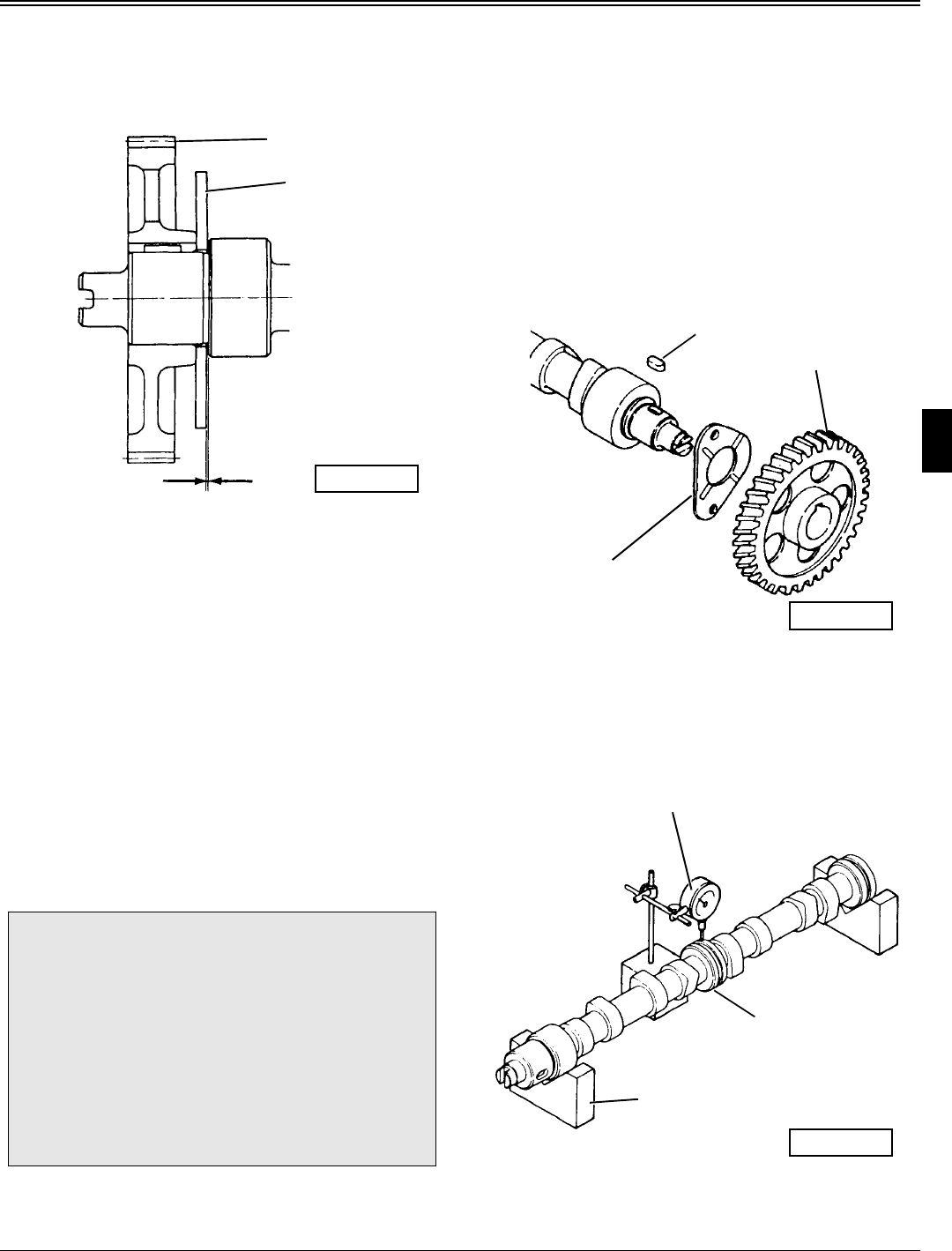
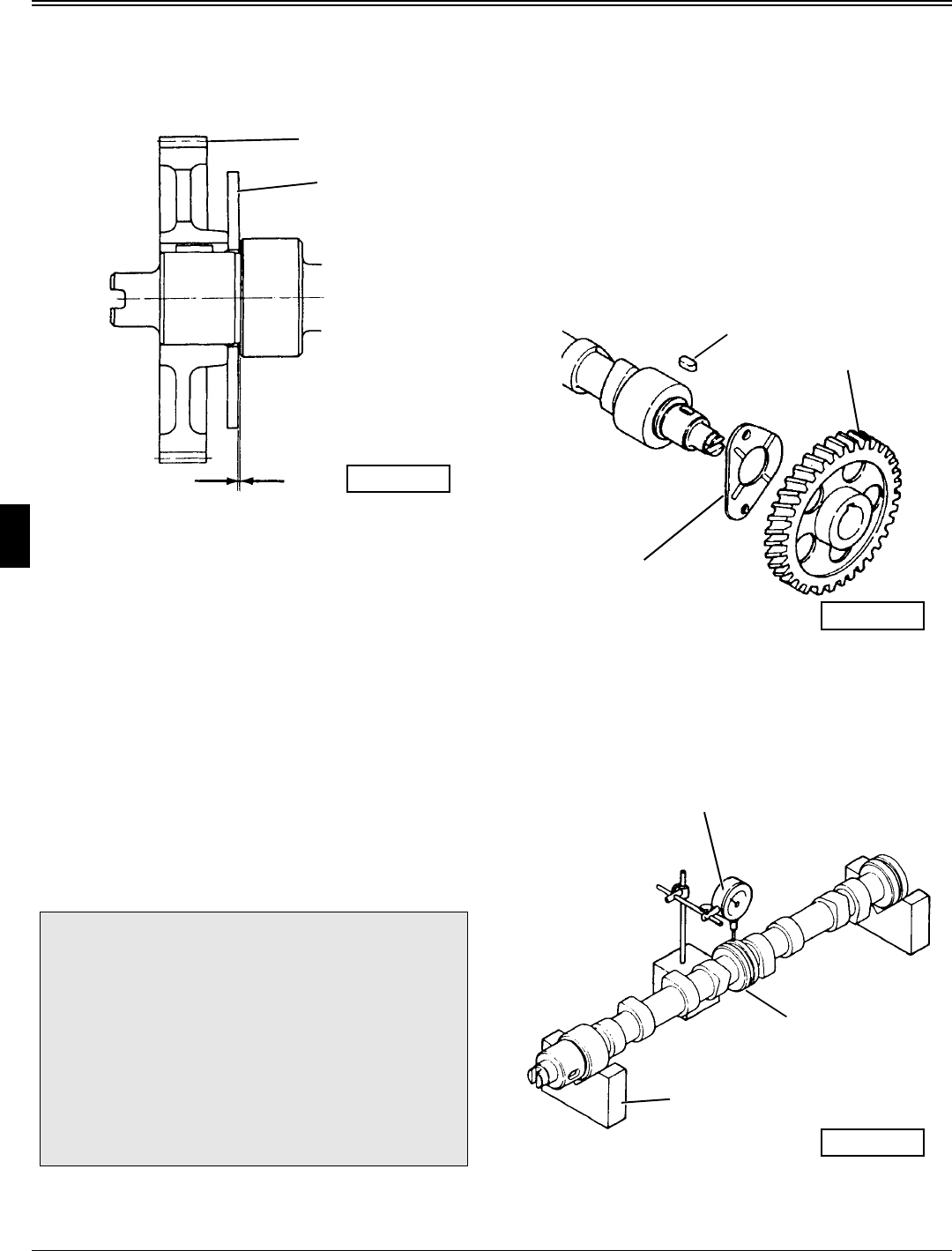
Mounting Cap Screw Torque . . . . . . . . . . . . . . . . . . . . . . . . . . . . . . . . . . . . . . . . . . 11 N•m (96 lb-in.)
Camshaft Side Gap
Standard . . . . . . . . . . . . . . . . . . . . . . . . . . . . . . . . . . . . . . . . .0.05 - 0.15 mm (0.0020 - 0.0060 in.)
Wear Limit . . . . . . . . . . . . . . . . . . . . . . . . . . . . . . . . . . . . . . . . . . . . . . . . . . . . 0.40 mm (0.016 in.)
Maximum Camshaft Bend . . . . . . . . . . . . . . . . . . . . . . . . . . . . . . . . . . . . . . . . . . . 0.02 mm (0.001 in.)
Lobe Height
Standard . . . . . . . . . . . . . . . . . . . . . . . . . . . . . . . . . . . . . . . . .29.97 - 30.03 mm (1.180 - 1.182 in.)
Wear Limit . . . . . . . . . . . . . . . . . . . . . . . . . . . . . . . . . . . . . . . . . . . . . . . . . . . 29.75 mm (1.171 in.)
Journal O.D.
Gear Housing and Flywheel Ends
Standard . . . . . . . . . . . . . . . . . . . . . . . . . . . . . . . . . . . .35.94 - 35.96 mm (1.4150 - 1.4157 in.)
Wear Limit . . . . . . . . . . . . . . . . . . . . . . . . . . . . . . . . . . . . . . . . . . . . . . . 35.85 mm (1.4114 in.)
Intermediate
Standard . . . . . . . . . . . . . . . . . . . . . . . . . . . . . . . . . . . .35.91 - 35.94 mm (1.4138 - 1.4150 in.)
Wear Limit . . . . . . . . . . . . . . . . . . . . . . . . . . . . . . . . . . . . . . . . . . . . . . . 35.85 mm (1.4114 in.)
Bushing I.D.
Clearance . . . . . . . . . . . . . . . . . . . . . . . . . . . . . . . . . . . . . . . . . . . . . . . . . . . . . 0.18 mm (0.007 in.)
Standard . . . . . . . . . . . . . . . . . . . . . . . . . . . . . . . . . . . . . . . .36.00 - 36.065 mm (1.417 - 1.420 in.)
Wear Limit . . . . . . . . . . . . . . . . . . . . . . . . . . . . . . . . . . . . . . . . . . . . . . . . . . . 36.10 mm (1.421 in.)
Bore I.D.
Clearance . . . . . . . . . . . . . . . . . . . . . . . . . . . . . . . . . . . . . . . . . . . . . . . . . . . . . 0.18 mm (0.007 in.)
Standard . . . . . . . . . . . . . . . . . . . . . . . . . . . . . . . . . . . . . . . .36.00 - 36.025 mm (1.417 - 1.418 in.)
Wear Limit . . . . . . . . . . . . . . . . . . . . . . . . . . . . . . . . . . . . . . . . . . . . . . . . . . . 36.10 mm (1.421 in.)
Cam Followers
O.D.
Standard . . . . . . . . . . . . . . . . . . . . . . . . . . . . . . . . . . . . .17.950 - 17.968 mm (0.7067 - 0.7074 in.)
Wear Limit . . . . . . . . . . . . . . . . . . . . . . . . . . . . . . . . . . . . . . . . . . . . . . . . . . . 17.93 mm (0.706 in.)
Bore I.D.
Clearance . . . . . . . . . . . . . . . . . . . . . . . . . . . . . . . . . . . . . .0.032 - 0.068 mm (0.0013 - 0.0027 in.)
Standard . . . . . . . . . . . . . . . . . . . . . . . . . . . . . . . . . . . . . .18.00 - 18.018 mm (0.7087 - 0.7094 in.)
Wear Limit . . . . . . . . . . . . . . . . . . . . . . . . . . . . . . . . . . . . . . . . . . . . . . . . . . . 18.05 mm (0.711 in.)
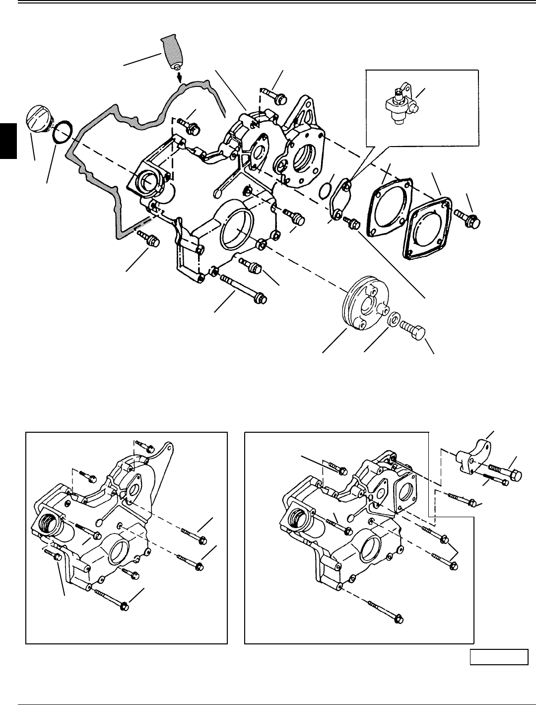
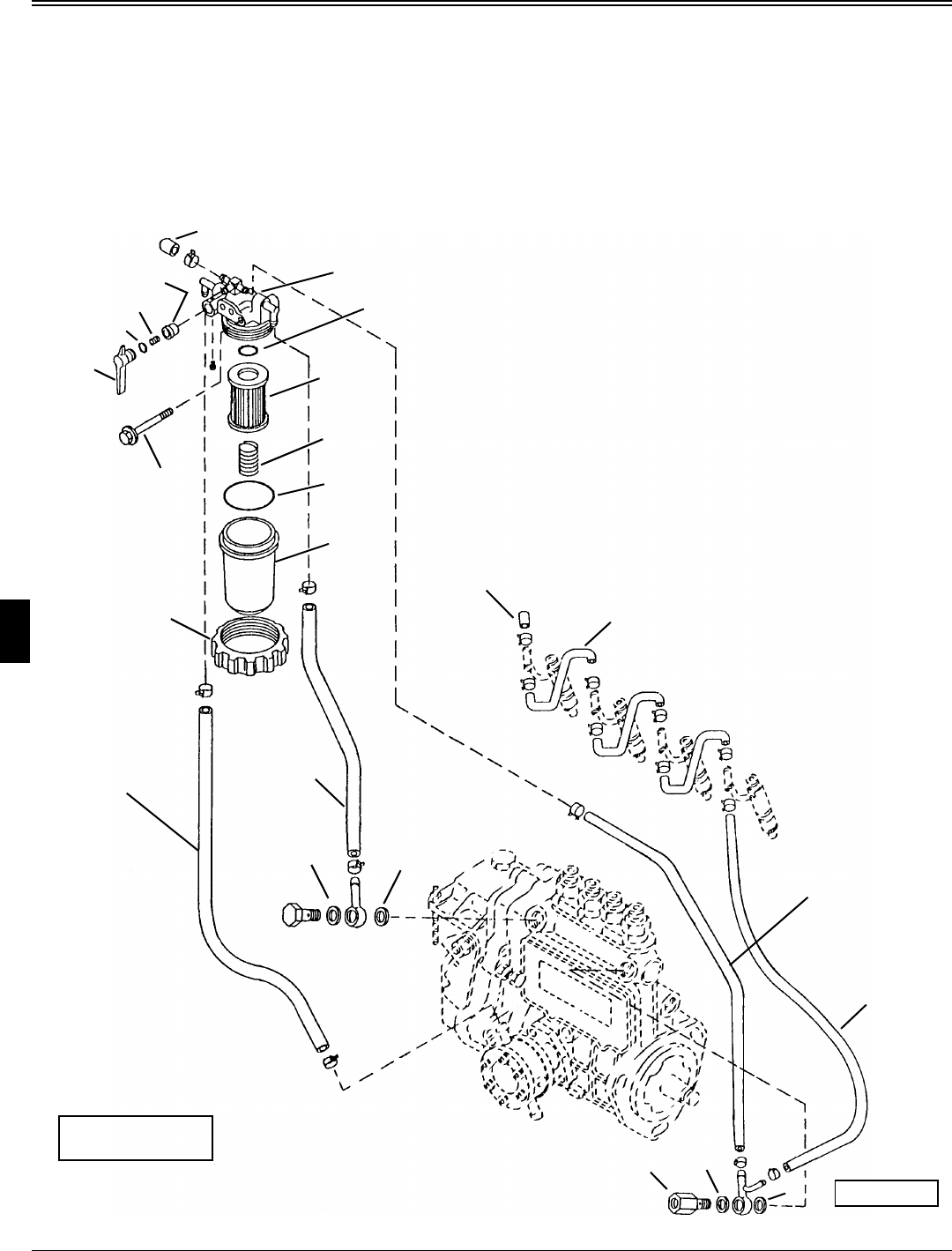
Timing Gear Cover
Fan Mounting Cap Screw Torque. . . . . . . . . . . . . . . . . . . . . . . . . . . . . . . . . . . . . . . 11 N•m (96 lb-in.)
Cover Mounting Cap Screw Torque. . . . . . . . . . . . . . . . . . . . . . . . . . . . . . . . . . . . . . 9 N•m (78 lb-in.)
Crankshaft Pulley Cap Screw Torque. . . . . . . . . . . . . . . . . . . . . . . . . . . . . . . . . . . . 115 N•m (85 lb-ft)
Idler Gear
Shaft O.D
Standard . . . . . . . . . . . . . . . . . . . . . . . . . . . . . . . . . . . . . . .19.959 - 19.980 mm (0.786 - 0.787 in.)
Wear Limit . . . . . . . . . . . . . . . . . . . . . . . . . . . . . . . . . . . . . . . . . . . . . . . . . . . 19.93 mm (0.785 in.)
Bushing I.D.
Clearance . . . . . . . . . . . . . . . . . . . . . . . . . . . . . . . . . . . . . . . . . . . . . . . . . . . . 0.15 mm (0.0059 in.)
Standard . . . . . . . . . . . . . . . . . . . . . . . . . . . . . . . . . . . . . . . .20.00 - 20.021 mm (0.787 - 0.788 in.)
Wear Limit . . . . . . . . . . . . . . . . . . . . . . . . . . . . . . . . . . . . . . . . . . . . . . . . . . . 20.08 mm (0.791 in.)

Specifications
4/7/95
1-5
1
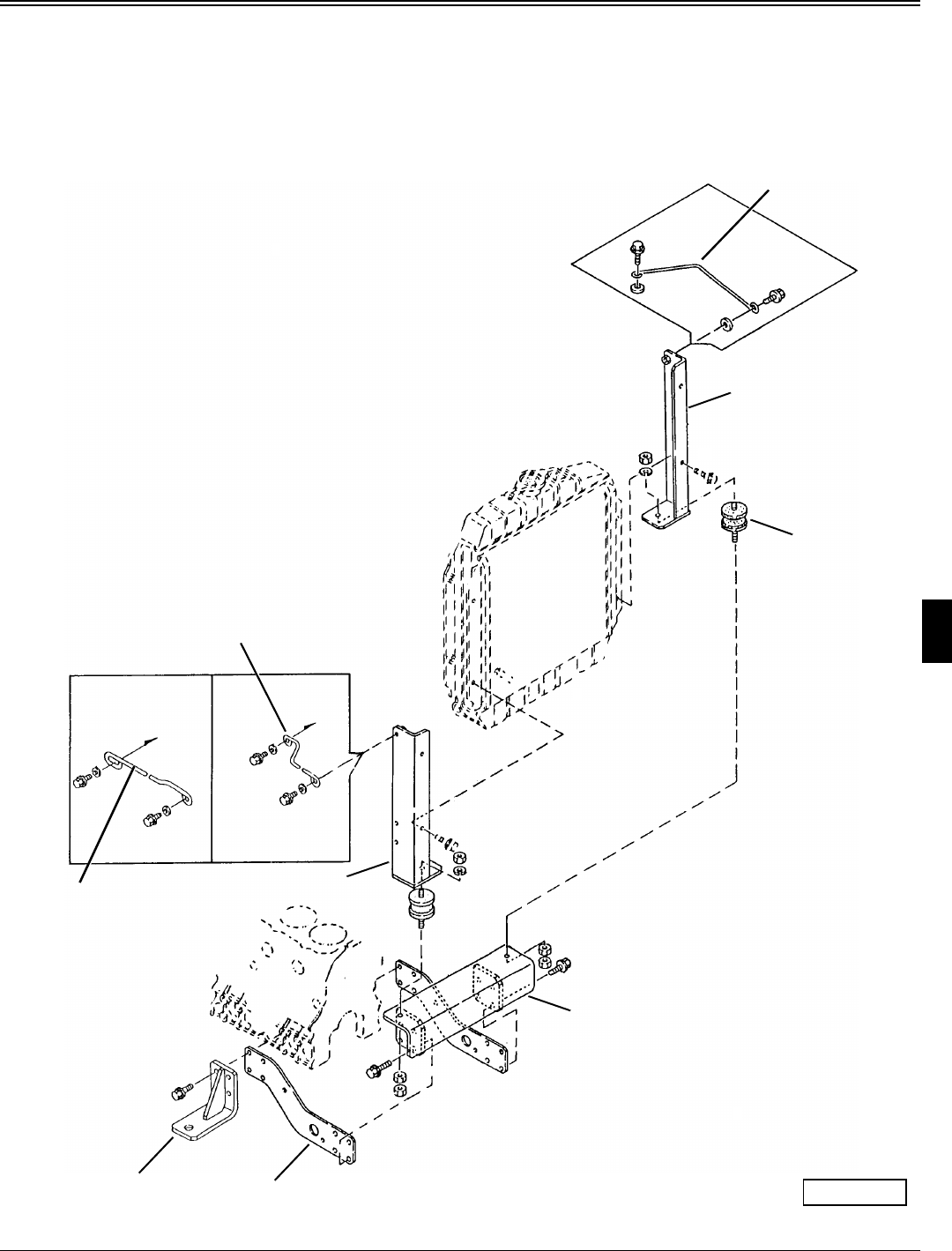
Timing Gear Housing Cap Screw Torque
Aluminum Housing-to-Block . . . . . . . . . . . . . . . . . . . . . . . . . . . . . . . . . . . . . . . . . . . 9 N•m (78 lb-in.)
Cast Iron Housing-to-Block . . . . . . . . . . . . . . . . . . . . . . . . . . . . . . . . . . . . . . . . . . . 11 N•m (96 lb-in.)
Oil Pan and Strainer Mounting Cap Screw Torque
Oil Pan-to-Block. . . . . . . . . . . . . . . . . . . . . . . . . . . . . . . . . . . . . . . . . . . . . . . . . . . . 11 N•m (96 lb-in.)
Oil Pan-to-Seal Case. . . . . . . . . . . . . . . . . . . . . . . . . . . . . . . . . . . . . . . . . . . . . . . . . . 9 N•m (78 lb-in.)
Oil Pan-to-Timing Gear Housing . . . . . . . . . . . . . . . . . . . . . . . . . . . . . . . . . . . . . . . . 9 N•m (78 lb-in.)
Oil Strainer-to-Block . . . . . . . . . . . . . . . . . . . . . . . . . . . . . . . . . . . . . . . . . . . . . . . . 11 N•m (96 lb-in.)
Oil Pump
Mounting Cap Screw Torque . . . . . . . . . . . . . . . . . . . . . . . . . . . . . . . . . . . . . . . . . . . 25 N•m (18 lb-ft)
Rotor Shaft O.D.-to-Backing Plate I.D. Clearance
Standard . . . . . . . . . . . . . . . . . . . . . . . . . . . . . . . . . . . . . . .0.015 - 0.048 mm (0.0006 - 0.0035 in.)
Wear Limit . . . . . . . . . . . . . . . . . . . . . . . . . . . . . . . . . . . . . . . . . . . . . . . . . . . 0.20 mm (0.0078 in.)
Rotor Recess
Wear Limit . . . . . . . . . . . . . . . . . . . . . . . . . . . . . . . . . . . . . . . . . . . . . . . . . . . . 0.25 mm (0.010 in.)
Outer Rotor-to-Pump Body Clearance
Standard . . . . . . . . . . . . . . . . . . . . . . . . . . . . . . . . . . . . . . . . .0.03 - 0.09 mm (0.0011 - 0.0035 in.)
Wear Limit . . . . . . . . . . . . . . . . . . . . . . . . . . . . . . . . . . . . . . . . . . . . . . . . . . . 0.13 mm (0.0057 in.)
Inner-to-Outer Rotor Clearance
Wear Limit . . . . . . . . . . . . . . . . . . . . . . . . . . . . . . . . . . . . . . . . . . . . . . . . . . . 0.15 mm (0.0059 in.)
Oil Pressure Regulating Valve
Spring
Compressed Length . . . . . . . . . . . . . . . . . . . . . . . . . . .14.70 mm (0.580 in.) @12 N (2.7 lb-force)
Free Length. . . . . . . . . . . . . . . . . . . . . . . . . . . . . . . . . . . . . . .21.90 - 24.50 mm (0.860 - 0.960 in.)
Housing-to-Valve Body Retaining Nut Torque . . . . . . . . . . . . . . . . . . . . . . . . . . 30 N•m (22 lb-ft)
Thermostat
Thermostat Cover Cap Screw Torque . . . . . . . . . . . . . . . . . . . . . . . . . . . . . . . . . . . . 9 N•m (78 lb-in.)
Water Pump
Mounting Cap Screw Torque . . . . . . . . . . . . . . . . . . . . . . . . . . . . . . . . . . . . . . . . . 26 N•m (226 lb-in.)
Fan Mounting Cap Screw Torque. . . . . . . . . . . . . . . . . . . . . . . . . . . . . . . . . . . . . . . 11 N•m (96 lb-in.)
Plate-to-Housing Screw Torque . . . . . . . . . . . . . . . . . . . . . . . . . . . . . . . . . . . . . . . . . 9 N•m (78 lb-in.)
Fuel Injection Pump
Mounting Nut Torque . . . . . . . . . . . . . . . . . . . . . . . . . . . . . . . . . . . . . . . . . . . . . . . 20 N•m (180 lb-in.)
Fuel Injection Pump Camshaft
Bearing Retaining Screw Torque . . . . . . . . . . . . . . . . . . . . . . . . . . . . . . . . . . . . . . 20 N•m (180 lb-in.)
Minimum Lobe Height . . . . . . . . . . . . . . . . . . . . . . . . . . . . . . . . . . . . . . . . . . . . . 30.90 mm (1.217 in.)
Fuel Control and Governor Linkage
Governor Shaft O.D. (Minimum) . . . . . . . . . . . . . . . . . . . . . . . . . . . . . . . . . . . . . . 7.90 mm (0.311 in.)
Governor Shaft Bore I.D.
Wear Limit . . . . . . . . . . . . . . . . . . . . . . . . . . . . . . . . . . . . . . . . . . . . . . . . . . . . 8.15 mm (0.321 in.)
Clearance . . . . . . . . . . . . . . . . . . . . . . . . . . . . . . . . . . . . . . . . . . . . . . . . . . . . . 0.18 mm (0.007 in.)
Sleeve I.D. (Maximum) . . . . . . . . . . . . . . . . . . . . . . . . . . . . . . . . . . . . . . . . . . . . . 8.20 mm (0.323 in.)
Injection Pump Camshaft O.D.
Clearance . . . . . . . . . . . . . . . . . . . . . . . . . . . . . . . . . . . . . . . . . . . . . . . . . . . . . 0.15 mm (0.006 in.)
Wear Limit . . . . . . . . . . . . . . . . . . . . . . . . . . . . . . . . . . . . . . . . . . . . . . . . . . . . 7.90 mm (0.311 in.)
Fuel Injection Nozzles
Mounting Nut Torque . . . . . . . . . . . . . . . . . . . . . . . . . . . . . . . . . . . . . . . . . . . . . . . . . 40 N•m (30 lb-ft)
Nozzle Fitting Torque. . . . . . . . . . . . . . . . . . . . . . . . . . . . . . . . . . . . . . . . . . . . . . . . . 40 N•m (30 lb-ft)
Nozzle Torque. . . . . . . . . . . . . . . . . . . . . . . . . . . . . . . . . . . . . . . . . . . . . . . . . . . . . . . 50 N•m (37 lb-ft)
Separator Plate Nozzle Contact Surface Maximum Wear . . . . . . . . . . . . . . . . . . 0.10 mm (0.0039 in.)

Specifications
1-6
4/7/95
1
Starter - Hitachi 0.8 kW
Cover Bushing (Reamed Out). . . . . . . . . . . . . . . . . . . . . . . . . . . .12.50 - 12.53 mm (0.492 - 0.493 in.)
Minimum Brush Length . . . . . . . . . . . . . . . . . . . . . . . . . . . . . . . . . . . . . . . . . . . . . 7.70 mm (0.303 in.)
Alternator - Kokosan 20A (375 SSL, 330/332 LGT, F915 FM)
Flywheel Assembly-to-Coil Plate Assembly Nut Torque . . . . . . . . . . . . . . . . . . . . . 27 N•m (20 lb-ft)
Alternator - Nippondenso 35A (655 CUT)
Attaching Screw Torque . . . . . . . . . . . . . . . . . . . . . . . . . . . . . . . . . . . . . . . . . . . . . . . 4 N•m (31 lb-in.)
Rotor Assembly
Pulley Nut Torque. . . . . . . . . . . . . . . . . . . . . . . . . . . . . . . . . . . . . . . . . . . . . . . . . 54 N•m (40 lb-ft)
Retainer-to-Front Frame Screw Torque . . . . . . . . . . . . . . . . . . . . . . . . . . . . . . . . 2 N•m (16 lb-in.)
Stator-to-Rectifier Lead Wire Distance . . . . . . . . . . . . . . . . . . . . . . . . . . . . . 33.50 mm (1.300 in.)
Minimum Brush Length . . . . . . . . . . . . . . . . . . . . . . . . . . . . . . . . . . . . . . . . . . . . . 5.50 mm (0.220 in.)
Alternator - Nippondenso 40A (655 CUT)
Minimum Rotor Slip Ring O.D. . . . . . . . . . . . . . . . . . . . . . . . . . . . . . . . . . . . . . . . . .14 mm (0.550 in.)
Retainer-to-Front Frame Screw Torque . . . . . . . . . . . . . . . . . . . . . . . . . . . . . . . . . . . 2 N•m (16 lb-in.)
Sheave Nut Torque . . . . . . . . . . . . . . . . . . . . . . . . . . . . . . . . . . . . . . . . . . . . . . . . . . . 69 N•m (51 lb-ft)
Brush Length
New. . . . . . . . . . . . . . . . . . . . . . . . . . . . . . . . . . . . . . . . . . . . . . . . . . . . . . . . . 10.50 mm (0.410 in.)
Wear Limit . . . . . . . . . . . . . . . . . . . . . . . . . . . . . . . . . . . . . . . . . . . . . . . . . . . . 4.50 mm (0.170 in.)
Checks, Tests and Adjustments
Valve Clearance . . . . . . . . . . . . . . . . . . . . . . . . . . . . . . . . . . . . . . . . . . . . . . . . . . . . .20 mm (0.008 in.)
Connecting Rod Side Play
Standard Clearance . . . . . . . . . . . . . . . . . . . . . . . . . . . . . . . . .0.20 - 0.40 mm (0.0079 - 0.0157 in.)
Wear Limit . . . . . . . . . . . . . . . . . . . . . . . . . . . . . . . . . . . . . . . . . . . . . . . . . . . 0.55 mm (0.0217 in.)
Connecting Rod Bearing Clearance
Standard Clearance . . . . . . . . . . . . . . . . . . . . . . . . . . . . . . .0.020 - 0.072 mm (0.0008 - 0.0028 in.)
Wear Limit . . . . . . . . . . . . . . . . . . . . . . . . . . . . . . . . . . . . . . . . . . . . . . . . . . . 0.15 mm (0.0059 in.)
Crankshaft End Play
Standard Clearance . . . . . . . . . . . . . . . . . . . . . . . . . . . . . . . . .0.090 - 0.271 mm (0.004 - 0.011 in.)
Wear Limit . . . . . . . . . . . . . . . . . . . . . . . . . . . . . . . . . . . . . . . . . . . . . . . . . . . 0.33 mm (0.0129 in.)
Crankshaft Main Bearing Clearance
Main Bearing Cap Cap Screw Torque . . . . . . . . . . . . . . . . . . . . . . . . . . . . . . . . . 54 N•m (40 lb-ft)
Standard Clearance . . . . . . . . . . . . . . . . . . . . . . . . . . . . . . .0.020 - 0.072 mm (0.0008 - 0.0028 in.)
Wear Limit . . . . . . . . . . . . . . . . . . . . . . . . . . . . . . . . . . . . . . . . . . . . . . . . . . . 0.15 mm (0.0059 in.)
Valve Lift (Intake and Exhaust) . . . . . . . . . . . . . . . . . . . . . . . . . . . . . . . . . . . . . . . . 7.5 mm (0.300 in.)
Camshaft End Play
Standard Clearance . . . . . . . . . . . . . . . . . . . . . . . . . . . . . . . . .0.05 - 0.20 mm (0.0020 - 0.0079 in.)
Wear Limit . . . . . . . . . . . . . . . . . . . . . . . . . . . . . . . . . . . . . . . . . . . . . . . . . . . . 0.40 mm (0.016 in.)
Timing Gear Backlash
Standard Backlash
All Except Crankshaft Gear-to-Oil Pump Gear . . . . . . . .0.04 - 0.12 mm (0.0016 - 0.0047 in.)
Crankshaft Gear-to-Oil Pump Gear . . . . . . . . . . . . . . . . .0.11 - 0.19 mm (0.0043 - 0.0075 in.)
Wear Limit . . . . . . . . . . . . . . . . . . . . . . . . . . . . . . . . . . . . . . . . . . . . . . . . . . . 0.20 mm (0.0079 in.)
Fuel Injection Nozzle
Opening Pressure . . . . . . . . . . . . . . . . . . . . . . . . . . . . . . . . . . . . . . . .11722 ± 480 kPa (1700 ± 70 psi)
Leakage at 11032 kPa (1600 psi) . . . . . . . . . . . . . . . . . . . . . . . . . . . . . . . . . . Minimum of 10 Seconds
Chatter and Spray Pattern at 11722 ± 480 kPa (1700 ± 70 psi)
Slow Hand Lever Movement . . . . . . . . . . . . . . . . . . . . . . . . . . . . . . . . . . . . . . . . . . .Chatter Sound
Slow Hand Lever Movement . . . . . . . . . . . . . . . . . . . . . . . . . . . . . . . . . Fine Stream Spray Pattern
Fast Hand Lever Movement . . . . . . . . . . . . . . . . . . . . . . . . . . . . . . . .Fine Atomized Spray Pattern

Specifications
4/7/95
1-7
1
Thermostat
Begin Opening . . . . . . . . . . . . . . . . . . . . . . . . . . . . . . . . . . . . . . . . . . . . . . . . . . . . . . . . .71° C (160°F)
Fully Open . . . . . . . . . . . . . . . . . . . . . . . . . . . . . . . . . . . . . . . . . . . . . . . . . . . . . . . . . . . 85° C (184° F)
Minimum Lift Height . . . . . . . . . . . . . . . . . . . . . . . . . . . . . . . . . . . . . . . . . . . . . . . . . .8 mm (0.310 in.)
Coolant Temperature Sensor Continuity . . . . . . . . . . . . . . . . . . . . . . . . . . . . . . . 107-113° C (225-235° F)
Starter No-Load Amp Draw/RPM
Maximum Starter Amperage
Hitachi 0.8 kW . . . . . . . . . . . . . . . . . . . . . . . . . . . . . . . . . . . . . . . . . . . . . . . .60 Amps at 7000 rpm
Minimum Starter RPM
Hitachi 0.8 kW . . . . . . . . . . . . . . . . . . . . . . . . . . . . . . . . . . . . . . . . . . . . . . . . . . . . . . . . . . . . . 7000
Fuel Injection Pump Static Timing
Injection Pump Timing . . . . . . . . . . . . . . . . . . . . . . . . . . . . . . . . 13° BTDC (Before Top Dead Center)
Distance on Outer Surface of Crankshaft Pulley for
Every 0.1 mm (0.004 in.) of Shim Thickness. . . . . . . . . . . . . . . . . . . . . . . . . . . . 1° or 1 mm (3/64 in.)
Engine Crankshaft Position . . . . . . . . . . . . . . . . . . . . . . No. 1 Cylinder on TDC Compression Stroke
Total Shim Pack Thickness (New Shims) . . . . . . . . . . . . . . . . . . . . . . . . . . . . . . . . 0.5 mm (0.020 in.)
Delivery Valve Fitting Torque . . . . . . . . . . . . . . . . . . . . . . . . . . . . . . . . . . . . . . . . . . 42 N•m (31 lb-ft)
Fan/Alternator Drive Belt Tension
Applied Force . . . . . . . . . . . . . . . . . . . . . . . . . . . . . . . . . . . . . . . . . . . . . . . . . . . . . . 98 N (22 lb-force)
Deflection . . . . . . . . . . . . . . . . . . . . . . . . . . . . . . . . . . . . . . . . . . . . . . . .10 - 15 mm (0.400 - 0.600 in.)
Operational Tests
Radiator, Bubble Test
Maximum Air Pressure Into Cylinder . . . . . . . . . . . . . . . . . . . . . . . . . . . . . . . . 2448 kPa (355 psi)
Cooling System
Maximum Pressure . . . . . . . . . . . . . . . . . . . . . . . . . . . . . . . . . . . . . . . . . . . . . . . . . 117 kPa (17 psi)
Minimum Pressure after 15 Seconds . . . . . . . . . . . . . . . . . . . . . . . . . . . . . . . . . . . . 90 kPa (13 psi)
Radiator Cap
Valve Opening Pressure . . . . . . . . . . . . . . . . . . . . . . . . . . . . . . . . . . . . . . . . . . . . . . 97 kPa (14 psi)
Cylinder, Compression Pressure
Compression Pressure. . . . . . . . . . . . . . . . . . . . . . . . . . . . . . . . . . . . . . . . . . . . . 2448 kPa (355 psi)
Maximum Difference Between Cylinders . . . . . . . . . . . . . . . . . . . . . . . . . . . . . . . 490 kPa (71 psi)
Engine Oil Pressure
375 SSL
Idle Speed
Fast . . . . . . . . . . . . . . . . . . . . . . . . . . . . . . . . . . . . . . . . . . . . . . . . . . . . . . . . 3625 ± 25 rpm
Slow . . . . . . . . . . . . . . . . . . . . . . . . . . . . . . . . . . . . . . . . . . . . . . . . . . . . . . . 1450 ± 50 rpm
Engine Oil Pressure . . . . . . . . . . . . . . . . . . . . . . . . . . . . . . . . . . . . .294 - 392 kPa (43 - 57 psi)
330/332 LGT
Idle Speed
Fast . . . . . . . . . . . . . . . . . . . . . . . . . . . . . . . . . . . . . . . . . . . . . . . . . . . . . . . 3350 ± 100 rpm
Slow . . . . . . . . . . . . . . . . . . . . . . . . . . . . . . . . . . . . . . . . . . . . . . . . . . . . . . . 1450 ± 50 rpm
Engine Oil Pressure . . . . . . . . . . . . . . . . . . . . . . . . . . . . . . . . . . . . .294 - 440 kPa (43 - 64 psi)
655 CUT
Fast Idle. . . . . . . . . . . . . . . . . . . . . . . . . . . . . . . . . . . . . . . . . . . . . . . . . . . . . . . . 3425 ± 25 rpm
Engine Oil Pressure . . . . . . . . . . . . . . . . . . . . . . . . . . . . . . . . . . . . .365 ± 69 kPa (53 ± 10 psi)
F915 FM
Idle Speed
Fast . . . . . . . . . . . . . . . . . . . . . . . . . . . . . . . . . . . . . . . . . . . . . . . . . . . . . . . . 3635 ± 35 rpm
Slow . . . . . . . . . . . . . . . . . . . . . . . . . . . . . . . . . . . . . . . . . . . . . . . . . . . . . . . 1450 ± 50 rpm
Engine Oil Pressure . . . . . . . . . . . . . . . . . . . . . . . . . . . . . . . . . . . . .294 - 440 kPa (43 - 64 psi)
Air Intake System Holding Pressure. . . . . . . . . . . . . . . . . . . . . . . . . . . . . . . . . .34 - 69 kPa (5 - 10 psi)
Fuel Supply Pump Pressure (Maximum) . . . . . . . . . . . . . . . . . . . . . . . . . . . . . . . . . . . 103 kPa (15 psi)

Specifications
1-8
4/7/95
1
ENGINE SPECIFICATIONS - 3TNA72 (3009)
Rocker Arm Cover
Special Nut Torque . . . . . . . . . . . . . . . . . . . . . . . . . . . . . . . . . . . . . . . . . . . . . . . . . 18 N•m (160 lb-in.)
Rocker Arm Assembly
Mounting Cap Screw and Nut Torque . . . . . . . . . . . . . . . . . . . . . . . . . . . . . . . . . . 26 N•m (226 lb-in.)
Rocker Arm Shaft O.D.
Standard . . . . . . . . . . . . . . . . . . . . . . . . . . . . . . . . . . . . . . .11.96 - 11.98 mm (0.4711 - 0.4718 in.)
Wear Limit . . . . . . . . . . . . . . . . . . . . . . . . . . . . . . . . . . . . . . . . . . . . . . . . . . 11.95 mm (0.4706 in.)
Rocker Arm and Shaft Support I.D.'s
Clearance . . . . . . . . . . . . . . . . . . . . . . . . . . . . . . . . . . . . . . . . . . . . . . . . . . . . . 0.14 mm (0.005 in.)
Standard . . . . . . . . . . . . . . . . . . . . . . . . . . . . . . . . . . . . . . .12.00 - 12.02 mm (0.4724 - 0.4732 in.)
Wear Limit . . . . . . . . . . . . . . . . . . . . . . . . . . . . . . . . . . . . . . . . . . . . . . . . . . 12.09 mm (0.4759 in.)
Push Rod Length
Standard . . . . . . . . . . . . . . . . . . . . . . . . . . . . . . . . . . . . . . . . . . . .141 - 142 mm (5.550 - 5.590 in.)
Push Rod Bend
Wear Limit . . . . . . . . . . . . . . . . . . . . . . . . . . . . . . . . . . . . . . . . . . . . . . . . . . . . 0.08 mm (0.003 in.)
Cylinder Head and Valves
Mounting Cap Screw Torque
First . . . . . . . . . . . . . . . . . . . . . . . . . . . . . . . . . . . . . . . . . . . . . . . . . . . . . . . . . . 19 N•m (168 lb-in.)
Second. . . . . . . . . . . . . . . . . . . . . . . . . . . . . . . . . . . . . . . . . . . . . . . . . . . . . . . . . . 38 N•m (28 lb-ft)
Final . . . . . . . . . . . . . . . . . . . . . . . . . . . . . . . . . . . . . . . . . . . . . . . . . . . . . . . . . . . 61 N•m (45 lb-ft)
Cylinder Head Distortion
Standard . . . . . . . . . . . . . . . . . . . . . . . . . . . . . . . . . . . . . . . . . . . . . . . . 0.05 mm (0.002 in.) or less
Wear Limit . . . . . . . . . . . . . . . . . . . . . . . . . . . . . . . . . . . . . . . . . . . . . . . . . . . . 0.15 mm (0.006 in.)
Maximum Amount of Metal to be Removed . . . . . . . . . . . . . . . . . . . . . . . . . . . . . 0.20 mm (0.008 in.)
Valve Seat Width
Intake Valve
Standard . . . . . . . . . . . . . . . . . . . . . . . . . . . . . . . . . . . . . . . . . . . . . . . . . . . 1.44 mm (0.057 in.)
Wear Limit . . . . . . . . . . . . . . . . . . . . . . . . . . . . . . . . . . . . . . . . . . . . . . . . . 1.98 mm (0.078 in.)
Exhaust Valve
Standard . . . . . . . . . . . . . . . . . . . . . . . . . . . . . . . . . . . . . . . . . . . . . . . . . . . 1.77 mm (0.070 in.)
Wear Limit . . . . . . . . . . . . . . . . . . . . . . . . . . . . . . . . . . . . . . . . . . . . . . . . . 2.27 mm (0.089 in.)
Intake and Exhaust Valves
Valve Faces
Minimum Margin . . . . . . . . . . . . . . . . . . . . . . . . . . . . . . . . . . . . . . . . . . . . . . . 0.51 mm (0.020 in.)
Exhaust Angle. . . . . . . . . . . . . . . . . . . . . . . . . . . . . . . . . . . . . . . . . . . . . . . . . . . . . . . . . . . . . . . 45°
Intake Angle . . . . . . . . . . . . . . . . . . . . . . . . . . . . . . . . . . . . . . . . . . . . . . . . . . . . . . . . . . . . . . . . 30°
Valve Stem O.D.
Distance A. . . . . . . . . . . . . . . . . . . . . . . . . . . . . . . . . . . . . . . . . . . . . . . . . . . . . . .25 mm (0.984 in.)
Distance B. . . . . . . . . . . . . . . . . . . . . . . . . . . . . . . . . . . . . . . . . . . . . . . . . . . . . . .45 mm (1.772 in.)
Intake and Exhaust Valves
Standard . . . . . . . . . . . . . . . . . . . . . . . . . . . . . . . . . . . . . . . . .6.94 - 6.96 mm (0.2732 - 0.2740 in.)
Wear Limit . . . . . . . . . . . . . . . . . . . . . . . . . . . . . . . . . . . . . . . . . . . . . . . . . . . 6.90 mm (0.2717 in.)
Valve Recession
Exhaust Valve. . . . . . . . . . . . . . . . . . . . . . . . . . . . . . . . . . . . . . . . . . . . . . . . . . 0.85 mm (0.033 in.)
Intake Valve . . . . . . . . . . . . . . . . . . . . . . . . . . . . . . . . . . . . . . . . . . . . . . . . . . . 0.50 mm (0.020 in.)
Valve Guides
Valve Guide I.D.
Maximum Clearance. . . . . . . . . . . . . . . . . . . . . . . . . . . . . . . . . . . . . . . . . . . . . 0.20 mm (0.008 in.)
Standard . . . . . . . . . . . . . . . . . . . . . . . . . . . . . . . . . . . . . . . . . . .7.00 - 7.02 mm (0.275 - 0.276 in.)
Wear Limit . . . . . . . . . . . . . . . . . . . . . . . . . . . . . . . . . . . . . . . . . . . . . . . . . . . . 7.08 mm (0.279 in.)

Specifications
4/7/95
1-9
1
Valve Guides, continued
Valve Guide Height . . . . . . . . . . . . . . . . . . . . . . . . . . . . . . . . . . . . . . . . . . . . . . . . . . .9 mm (0.354 in.)
Valve Springs
Spring Free Length
Wear Limit . . . . . . . . . . . . . . . . . . . . . . . . . . . . . . . . . . . . . . . . . . . . . . . . . . . 37.40 mm (1.472 in.)
Maximum Spring Inclination . . . . . . . . . . . . . . . . . . . . . . . . . . . . . . . . . . . . . . . . . .1.00 mm 0.040 in.)
Exhaust Manifold
Mounting Cap Screw and Nut Torque . . . . . . . . . . . . . . . . . . . . . . . . . . . . . . . . . . . 26 N•m (30 lb-in.)
Intake Manifold
Mounting Cap Screw Torque . . . . . . . . . . . . . . . . . . . . . . . . . . . . . . . . . . . . . . . . . . 11 N•m (97 lb-in.)
Valve Seat Angles
Valve Seat Surface
Exhaust Valve. . . . . . . . . . . . . . . . . . . . . . . . . . . . . . . . . . . . . . . . . . . . . . . . . . . . . . . . . . . . . . . 45°
Intake Valve . . . . . . . . . . . . . . . . . . . . . . . . . . . . . . . . . . . . . . . . . . . . . . . . . . . . . . . . . . . . . . . . 30°
Lower Seat Surface. . . . . . . . . . . . . . . . . . . . . . . . . . . . . . . . . . . . . . . . . . . . . . . . . . . . . . . . . . . . . . 70°
Upper Seat Surface . . . . . . . . . . . . . . . . . . . . . . . . . . . . . . . . . . . . . . . . . . . . . . . . . . . . . . . . . . . . . . 15°
Piston and Connecting Rod Cap Screw Torque . . . . . . . . . . . . . . . . . . . . . . . . . . . . . . 23 N•m (203 lb-in.)
Piston-to-Cylinder Head Clearance . . . . . . . . . . . . . . . . . . . . . . . . . . . .0.61 - 0.79 mm (0.024 - 0.031 in.)
Connecting Rod Bearing I.D.
Clearance . . . . . . . . . . . . . . . . . . . . . . . . . . . . . . . . . . . . . . . . . . . . . . . . . . . . . . . . 0.16 mm (0.006 in.)
Standard . . . . . . . . . . . . . . . . . . . . . . . . . . . . . . . . . . . . . . . . . . .40.00 - 40.042 mm (1.575 - 1.577 in.)
Wear Limit . . . . . . . . . . . . . . . . . . . . . . . . . . . . . . . . . . . . . . . . . . . . . . . . . . . . . . 40.07 mm (1.578 in.)
Piston Ring Groove Clearance
First Compression Ring
Standard . . . . . . . . . . . . . . . . . . . . . . . . . . . . . . . . . . . . . . .0.075 - 0.110 mm (0.0030 - 0.0043 in.)
Wear Limit . . . . . . . . . . . . . . . . . . . . . . . . . . . . . . . . . . . . . . . . . . . . . . . . . . . 0.20 mm (0.0079 in.)
Second Compression Ring
Standard . . . . . . . . . . . . . . . . . . . . . . . . . . . . . . . . . . . . . . .0.030 - 0.065 mm (0.0012 - 0.0026 in.)
Wear Limit . . . . . . . . . . . . . . . . . . . . . . . . . . . . . . . . . . . . . . . . . . . . . . . . . . . 0.20 mm (0.0079 in.)
Oil Ring
Standard . . . . . . . . . . . . . . . . . . . . . . . . . . . . . . . . . . . . . . .0.020 - 0.055 mm (0.0008 - 0.0022 in.)
Wear Limit . . . . . . . . . . . . . . . . . . . . . . . . . . . . . . . . . . . . . . . . . . . . . . . . . . . 0.20 mm (0.0079 in.)
Piston Ring End Gap
Standard
First Compression Ring . . . . . . . . . . . . . . . . . . . . . . . . . . . . . . .0.10 - 0.25 mm (0.004 - 0.010 in.)
Second Compression Ring . . . . . . . . . . . . . . . . . . . . . . . . . . . . .0.25 - 0.40 mm (0.010 - 0.016 in.)
Oil Ring. . . . . . . . . . . . . . . . . . . . . . . . . . . . . . . . . . . . . . . . . . . .0.15 - 0.35 mm (0.006 - 0.014 in.)
Wear Limit . . . . . . . . . . . . . . . . . . . . . . . . . . . . . . . . . . . . . . . . . . . . . . . . . . . . . . 1.50 mm (0.0591 in.)
Piston Pin
O.D.
Standard . . . . . . . . . . . . . . . . . . . . . . . . . . . . . . . . . . . . . . . .20.991 - 21.00 mm (0.826 - 0.827 in.)
Wear Limit . . . . . . . . . . . . . . . . . . . . . . . . . . . . . . . . . . . . . . . . . . . . . . . . . . 20.975 mm (0.825 in.)
Bore I.D.
Clearance . . . . . . . . . . . . . . . . . . . . . . . . . . . . . . . . . . . . . . . . . . . . . . . . . . . 0.045 mm (0.0018 in.)
Standard . . . . . . . . . . . . . . . . . . . . . . . . . . . . . . . . . . . . . .21.00 - 21.009 mm (0.8268 - 0.8271 in.)
Wear Limit . . . . . . . . . . . . . . . . . . . . . . . . . . . . . . . . . . . . . . . . . . . . . . . . . . . 21.02 mm (0.828 in.)
Bushing I.D.
Clearance . . . . . . . . . . . . . . . . . . . . . . . . . . . . . . . . . . . . . . . . . . . . . . . . . . . 0.110 mm (0.0043 in.)
Standard . . . . . . . . . . . . . . . . . . . . . . . . . . . . . . . . . . . . .21.025 - 21.038 mm (0.8278 - 0.8282 in.)
Wear Limit . . . . . . . . . . . . . . . . . . . . . . . . . . . . . . . . . . . . . . . . . . . . . . . . . . . 21.10 mm (0.831 in.)

Specifications
1-10
4/7/95
1
Piston O.D.
Distance A. . . . . . . . . . . . . . . . . . . . . . . . . . . . . . . . . . . . . . . . . . . . . . . . . . . . . . . . . . .8 mm (0.315 in.)
Standard Size Piston
Standard . . . . . . . . . . . . . . . . . . . . . . . . . . . . . . . . . . . . . . .71.922 - 71.952 mm (2.832 - 2.833 in.)
Wear Limit . . . . . . . . . . . . . . . . . . . . . . . . . . . . . . . . . . . . . . . . . . . . . . . . . . . 71.81 mm (2.827 in.)
0.25mm (0.10 in.) Oversize Piston
Standard . . . . . . . . . . . . . . . . . . . . . . . . . . . . . . . . . . . . . . . . .72.17 - 72.20 mm (2.841 - 2.842 in.)
Wear Limit . . . . . . . . . . . . . . . . . . . . . . . . . . . . . . . . . . . . . . . . . . . . . . . . . . . 72.06 mm (2.837 in.)
0.50 mm (0.020 in.) Oversize Piston
Standard . . . . . . . . . . . . . . . . . . . . . . . . . . . . . . . . . . . . . . . . .72.42 - 72.45 mm (2.851 - 2.852 in.)
Wear Limit . . . . . . . . . . . . . . . . . . . . . . . . . . . . . . . . . . . . . . . . . . . . . . . . . . . 72.31 mm (2.847 in.)
Cylinder Bore I.D.
Standard Size Bore
Clearance . . . . . . . . . . . . . . . . . . . . . . . . . . . . . . . . . . . . . . . . . . . . . . . . . . . . . 0.28 mm (0.011 in.)
Standard . . . . . . . . . . . . . . . . . . . . . . . . . . . . . . . . . . . . . . . . .72.00 - 72.03 mm (2.835 - 2.836 in.)
Wear Limit . . . . . . . . . . . . . . . . . . . . . . . . . . . . . . . . . . . . . . . . . . . . . . . . . . . 72.20 mm (2.843 in.)
0.25 mm (0.010 in.) Oversize Bore
Standard . . . . . . . . . . . . . . . . . . . . . . . . . . . . . . . . . . . . . . . . 72.25 - 72.28 mm ((2.845 - 2.846 in.)
Wear Limit . . . . . . . . . . . . . . . . . . . . . . . . . . . . . . . . . . . . . . . . . . . . . . . . . . . 72.45 mm (2.852 in.)
0.50 mm (0.020 in.) Oversize Bore
Standard . . . . . . . . . . . . . . . . . . . . . . . . . . . . . . . . . . . . . . . . .72.50 - 72.53 mm (2.855 - 2.856 in.)
Wear Limit . . . . . . . . . . . . . . . . . . . . . . . . . . . . . . . . . . . . . . . . . . . . . . . . . . . 72.70 mm (2.862 in.)
Degalzing . . . . . . . . . . . . . . . . . . . . . . . . . . . . . . . . . . . . . . . . . . . . . . . . . . 30 - 40° cross-hatch pattern
Reboring . . . . . . . . . . . . . . . . . . . . . . . . . . . . . . . . . . . . . . . . . . . . . . . . . . . 30 - 40° cross-hatch pattern
Crankcase Extension Housing
Mounting Cap Screw Torque
Flywheel Housing/Plate-to-Extension . . . . . . . . . . . . . . . . . . . . . . . . . . . . . . . . . 49 N•m (36 lb-ft)
Seal Case-to-Extension. . . . . . . . . . . . . . . . . . . . . . . . . . . . . . . . . . . . . . . . . . . 26 N•m (226 lb-in.)
Extension-to-Block . . . . . . . . . . . . . . . . . . . . . . . . . . . . . . . . . . . . . . . . . . . . . . . . 27 N•m (20 lb-ft)
Extension-to-Timing Gear Housing . . . . . . . . . . . . . . . . . . . . . . . . . . . . . . . . . 22 N•m (195 lb-in.)
Crankshaft Rear Oil Seal
Seal Case-to-Block Cap Screw Torque. . . . . . . . . . . . . . . . . . . . . . . . . . . . . . . . . . . .11N•m (96 lb-in.)
Oil Pan-to-Seal Case Cap Screw Torque
(430 LGT, 455 LGT, 755/56 CUT, F925/35 FM) . . . . . . . . . . . . . . . . . . . . . . . . . . . 9 N•m (78 lb-in.)
Seal Case-to-Extension Cap Screw Torque
(15 EX, 670 CUT, 3009 OEM). . . . . . . . . . . . . . . . . . . . . . . . . . . . . . . . . . . . . . . . . . 9 N•m (78 lb-in.)
Crankshaft and Main Bearings
Main Bearing Cap Screw Torque . . . . . . . . . . . . . . . . . . . . . . . . . . . . . . . . . . . . . . . . 79 N•m (58 lb-ft)
Crankshaft Maximum Bend . . . . . . . . . . . . . . . . . . . . . . . . . . . . . . . . . . . . . . . . . 0.02 mm (0.0007 in.)
Connecting Rod Journal O.D.
Standard . . . . . . . . . . . . . . . . . . . . . . . . . . . . . . . . . . . . . . .39.97 - 39.98 mm (1.5736 - 1.5740 in.)
Wear Limit . . . . . . . . . . . . . . . . . . . . . . . . . . . . . . . . . . . . . . . . . . . . . . . . . . . 39.92 mm (1.572 in.)
Main Bearing Journal O.D.
Standard . . . . . . . . . . . . . . . . . . . . . . . . . . . . . . . . . . . . . . .43.97 - 43.98 mm (1.7311 - 1.7315 in.)
Wear Limit . . . . . . . . . . . . . . . . . . . . . . . . . . . . . . . . . . . . . . . . . . . . . . . . . . . 43.92 mm (1.729 in.)
Main Bearing I.D.
Clearance . . . . . . . . . . . . . . . . . . . . . . . . . . . . . . . . . . . . . . . . . . . . . . . . . . . . . . . 0.15 mm (0.0059 in.)
Standard . . . . . . . . . . . . . . . . . . . . . . . . . . . . . . . . . . . . . . . . . . .44.00 - 44.042 mm (1.732 - 1.734 in.)
Wear Limit . . . . . . . . . . . . . . . . . . . . . . . . . . . . . . . . . . . . . . . . . . . . . . . . . . . . . . 44.07 mm (1.735 in.)

Specifications
4/7/95
1-11
1
Stub Shaft (430 LGT, F925/35 FM)
Stub Shaft-to-Flywheel Cap Screw Torque . . . . . . . . . . . . . . . . . . . . . . . . . . . . . . . . 59 N•m (44 lb-ft)
Cover-to-Block Cap Screw Torque . . . . . . . . . . . . . . . . . . . . . . . . . . . . . . . . . . . . . . 49 N•m (36 lb-ft)
Nut Torque . . . . . . . . . . . . . . . . . . . . . . . . . . . . . . . . . . . . . . . . . . . . . . . . . . . . . . . . . 88 N•m (65 lb-ft)
Cover-to-Plate Cap Screw Torque . . . . . . . . . . . . . . . . . . . . . . . . . . . . . . . . . . . . . 26 N•m (226 lb-in.)
Flywheel
Maximum Distortion. . . . . . . . . . . . . . . . . . . . . . . . . . . . . . . . . . . . . . . . . . . . . . . 0.02 mm (0.0008 in.)
Mounting Cap Screw Torque . . . . . . . . . . . . . . . . . . . . . . . . . . . . . . . . . . . . . . . . . . . 83 N•m (61 lb-ft)
Flywheel Housing/Plate Mounting Cap Screw Torque . . . . . . . . . . . . . . . . . . . . . . . . . . 49 N•m (36 lb-ft)
Camshaft
Mounting Cap Screw Torque . . . . . . . . . . . . . . . . . . . . . . . . . . . . . . . . . . . . . . . . . . 11 N•m (96 lb-in.)
Camshaft Side Gap
Standard . . . . . . . . . . . . . . . . . . . . . . . . . . . . . . . . . . . . . . . . . . . .0.05 - 0.15 mm (0.0020 - 0.0060 in.)
Wear Limit . . . . . . . . . . . . . . . . . . . . . . . . . . . . . . . . . . . . . . . . . . . . . . . . . . . . . . . 0.40 mm (0.016 in.)
Maximum Camshaft Bend . . . . . . . . . . . . . . . . . . . . . . . . . . . . . . . . . . . . . . . . . . . 0.02 mm (0.001 in.)
Lobe Height
Standard . . . . . . . . . . . . . . . . . . . . . . . . . . . . . . . . . . . . . . . . .33.95 - 34.05 mm (1.337 - 1.341 in.)
Wear Limit . . . . . . . . . . . . . . . . . . . . . . . . . . . . . . . . . . . . . . . . . . . . . . . . . . . 33.75 mm (1.329 in.)
Journal O.D.
Gear Housing and Flywheel Ends
Standard . . . . . . . . . . . . . . . . . . . . . . . . . . . . . . . . . . . .39.94 - 39.96 mm (1.5724 - 1.5732 in.)
Wear Limit . . . . . . . . . . . . . . . . . . . . . . . . . . . . . . . . . . . . . . . . . . . . . . . 39.85 mm (1.5689 in.)
Intermediate
Standard . . . . . . . . . . . . . . . . . . . . . . . . . . . . . . . . . . . .39.91 - 39.94 mm (1.5713 - 1.5724 in.)
Wear Limit . . . . . . . . . . . . . . . . . . . . . . . . . . . . . . . . . . . . . . . . . . . . . . . 39.85 mm (1.5689 in.)
Bushing I.D.
Standard . . . . . . . . . . . . . . . . . . . . . . . . . . . . . . . . . . . . . . . .40.00 - 40.065 mm (1.575 - 1.577 in.)
Clearance . . . . . . . . . . . . . . . . . . . . . . . . . . . . . . . . . . . . . . . . . . . . . . . . . . . . . 0.18 mm (0.007 in.)
Wear Limit . . . . . . . . . . . . . . . . . . . . . . . . . . . . . . . . . . . . . . . . . . . . . . . . . . . 40.10 mm (1.579 in.)
Bore I.D.
Clearance . . . . . . . . . . . . . . . . . . . . . . . . . . . . . . . . . . . . . . . . . . . . . . . . . . . . . 0.18 mm (0.007 in.)
Standard . . . . . . . . . . . . . . . . . . . . . . . . . . . . . . . . . . . . . . . .40.00 - 40.025 mm (1.575 - 1.576 in.)
Wear Limit . . . . . . . . . . . . . . . . . . . . . . . . . . . . . . . . . . . . . . . . . . . . . . . . . . . 40.10 mm (1.579 in.)
Cam Followers
O.D.
Standard . . . . . . . . . . . . . . . . . . . . . . . . . . . . . . . . . . . . .20.927 - 20.960 mm (0.8239 - 0.8252 in.)
Wear Limit . . . . . . . . . . . . . . . . . . . . . . . . . . . . . . . . . . . . . . . . . . . . . . . . . . . 20.93 mm (0.824 in.)
Bore I.D.
Clearance . . . . . . . . . . . . . . . . . . . . . . . . . . . . . . . . . . . . . .0.040 - 0.094 mm (0.0016 - 0.0037 in.)
Standard . . . . . . . . . . . . . . . . . . . . . . . . . . . . . . . . . . . . . 21.00 - 21.021 mm (0.8268 - 0.8276 in.)
Wear Limit . . . . . . . . . . . . . . . . . . . . . . . . . . . . . . . . . . . . . . . . . . . . . . . . . . . 21.05 mm (0.829 in.)
Timing Gear Cover
Fan Mounting Cap Screw Torque. . . . . . . . . . . . . . . . . . . . . . . . . . . . . . . . . . . . 11 N•m (96 lb-in.)
Cover Mounting Cap Screw Torque. . . . . . . . . . . . . . . . . . . . . . . . . . . . . . . . . . . 9 N•m (78 lb-in.)
Crankcase Extension Housing-to-Cover Cap Screw Torque . . . . . . . . . . . . . . 22 N•m (195 lb-in.)
Crankshaft Pulley Cap Screw Torque
Early 3TNA72 (430 LGT) . . . . . . . . . . . . . . . . . . . . . . . . . . . . . . . . . . . . . . . 88 N•m (65 lb-ft)
Later 3TNA72. . . . . . . . . . . . . . . . . . . . . . . . . . . . . . . . . . . . . . . . . . . . . . . . 115 N•m (85 lb-ft)

Specifications
1-12
4/7/95
1
Idler Gear
Shaft O.D
Standard . . . . . . . . . . . . . . . . . . . . . . . . . . . . . . . . . . . . . . .19.959 - 19.980 mm (0.786 - 0.787 in.)
Wear Limit . . . . . . . . . . . . . . . . . . . . . . . . . . . . . . . . . . . . . . . . . . . . . . . . . . . 19.93 mm (0.785 in.)
Bushing I.D.
Clearance . . . . . . . . . . . . . . . . . . . . . . . . . . . . . . . . . . . . . . . . . . . . . . . . . . . . 0.15 mm (0.0059 in.)
Standard . . . . . . . . . . . . . . . . . . . . . . . . . . . . . . . . . . . . . . . .20.00 - 20.021 mm (0.787 - 0.788 in.)
Wear Limit . . . . . . . . . . . . . . . . . . . . . . . . . . . . . . . . . . . . . . . . . . . . . . . . . . . 20.08 mm (0.791 in.)
Timing Gear Housing Cap Screw Torque
Aluminum Housing-to-Block . . . . . . . . . . . . . . . . . . . . . . . . . . . . . . . . . . . . . . . . . . . 9 N•m (73 lb-in.)
Cast Iron Housing-to-Block . . . . . . . . . . . . . . . . . . . . . . . . . . . . . . . . . . . . . . . . . . . 11 N•m (96 lb-in.)
Crankcase Extension-to-Housing (670 CUT, 15 EX, 3009 OEM). . . . . . . . . . . . . 22 N•m (195 lb-in.)
Oil Pan and Strainer Mounting Cap Screw Torque
Oil Pan/Plate-to-Extension Housing (670 CUT) . . . . . . . . . . . . . . . . . . . . . . . . . . . 11 N•m (96 lb-in.)
Oil Pan-to-Block (All Except 670 CUT) . . . . . . . . . . . . . . . . . . . . . . . . . . . . . . . . . 11 N•m (96 lb-in.)
Oil Pan-to-Seal Case (All Except 670, 15 EX, 3009 OEM). . . . . . . . . . . . . . . . . . . . 9 N•m (78 lb-in.)
Oil Pan-to-Timing Gear Housing (All Except 670, 15 EX, 3009 OEM) . . . . . . . . . . 9 N•m (78 lb-in.)
Oil Strainer-to-Block . . . . . . . . . . . . . . . . . . . . . . . . . . . . . . . . . . . . . . . . . . . . . . . . 11 N•m (96 lb-in.)
Oil Pump - Early 3TNA72 (430 LGT)
Mounting Cap Screw and Nut Torque . . . . . . . . . . . . . . . . . . . . . . . . . . . . . . . . . . . . 9 N•m (78 lb-in.)
Governor Shaft Torque . . . . . . . . . . . . . . . . . . . . . . . . . . . . . . . . . . . . . . . . . . . . . . . . 49 N•m (36 lb-ft)
Gear Housing End Cover Cap Screw Torque. . . . . . . . . . . . . . . . . . . . . . . . . . . . . . . 9 N•m (78 lb-in.)
Oil Pump Gear Lock Nut Torque . . . . . . . . . . . . . . . . . . . . . . . . . . . . . . . . . . . . . . . . 27 N•m (20 lb-ft)
Outer Rotor Bore Depth-to-Outer Rotor Thickness Clearance
Standard . . . . . . . . . . . . . . . . . . . . . . . . . . . . . . . . . . . . . . . . . . .0.08 - 0.15 mm (0.003 - 0.006 in.)
Wear Limit . . . . . . . . . . . . . . . . . . . . . . . . . . . . . . . . . . . . . . . . . . . . . . . . . . . . 0.25 mm (0.010 in.)
Outer Rotor-to-Bore Diameter Clearance
Standard . . . . . . . . . . . . . . . . . . . . . . . . . . . . . . . . . . . . . . . . . . .0.10 - 0.15 mm (0.004 - 0.006 in.)
Wear Limit . . . . . . . . . . . . . . . . . . . . . . . . . . . . . . . . . . . . . . . . . . . . . . . . . . . . 0.25 mm (0.010 in.)
Inner Rotor-to-Outer Rotor Clearance
Standard . . . . . . . . . . . . . . . . . . . . . . . . . . . . . . . . . . . . . . . . . . .0.10 - 0.15 mm (0.004 - 0.006 in.)
Wear Limit . . . . . . . . . . . . . . . . . . . . . . . . . . . . . . . . . . . . . . . . . . . . . . . . . . . . 0.25 mm (0.010 in.)
Rotor Shaft O.D.
Standard . . . . . . . . . . . . . . . . . . . . . . . . . . . . . . . . . . . . .12.670 - 12.685 mm (0.4988 - 0.4990 in.)
Wear Limit . . . . . . . . . . . . . . . . . . . . . . . . . . . . . . . . . . . . . . . . . . . . . . . . . 12.650 mm (0.4980 in.)
Rotor Shaft Bore I.D.
Standard . . . . . . . . . . . . . . . . . . . . . . . . . . . . . . . . . . . . .12.700 - 12.718 mm (0.5000 - 0.5007 in.)
Wear Limit . . . . . . . . . . . . . . . . . . . . . . . . . . . . . . . . . . . . . . . . . . . . . . . . . . 0.100 mm (0.0039 in.)
Rotor Shaft-to-Bore Clearance
Standard . . . . . . . . . . . . . . . . . . . . . . . . . . . . . . . . . . . . . . . .0.015 - 0.048 mm (0.006 - 0.0019 in.)
Wear Limit . . . . . . . . . . . . . . . . . . . . . . . . . . . . . . . . . . . . . . . . . . . . . . . . . . 0.100 mm (0.0039 in.)
Oil Pump - Later 3TNA72
Mounting Cap Screw Torque . . . . . . . . . . . . . . . . . . . . . . . . . . . . . . . . . . . . . . . . . . . 25 N•m (18 lb-ft)
Rotor Recess
Wear Limit . . . . . . . . . . . . . . . . . . . . . . . . . . . . . . . . . . . . . . . . . . . . . . . . . . . . 0.25 mm (0.010 in.)
Rotor Shaft O.D.-to-Backing Plate I.D. Clearance
Standard . . . . . . . . . . . . . . . . . . . . . . . . . . . . . . . . . . . . . . .0.015 - 0.048 mm (0.0006 - 0.0035 in.)
Wear Limit . . . . . . . . . . . . . . . . . . . . . . . . . . . . . . . . . . . . . . . . . . . . . . . . . . . 0.20 mm (0.0078 in.)

Specifications
4/7/95
1-13
1
Oil Pump - Later 3TNA72, continued
Outer Rotor-to-Pump Body Clearance
Standard . . . . . . . . . . . . . . . . . . . . . . . . . . . . . . . . . . . . . . . . .0.03 - 0.09 mm (0.0011 - 0.0035 in.)
Wear Limit . . . . . . . . . . . . . . . . . . . . . . . . . . . . . . . . . . . . . . . . . . . . . . . . . . . 0.13 mm (0.0057 in.)
Inner-to-Outer Rotor Clearance
Wear Limit . . . . . . . . . . . . . . . . . . . . . . . . . . . . . . . . . . . . . . . . . . . . . . . . . . . 0.15 mm (0.0059 in.)
Oil Pressure Regulating Valve -Early 3TNA72 (430 LGT)
Spring
Compressed Length . . . . . . . . . . . . . . . . . . 30 mm (1.180 in.) @ 29.4 ± 3.1 N (6.6 ± 0.7 lb-force)
Free Length. . . . . . . . . . . . . . . . . . . . . . . . . . . . . . . . . . . . . . .39.50 - 40.50 mm (1.550 - 1.590 in.)
Oil Pressure Regulating Valve - Later 3TNA72
Spring
Compressed Length . . . . . . . . . . . . . . . . . . . . . . . . .27.50 mm (1.080 in.) @ 20.5 N (4.6 lb-force)
Free Length. . . . . . . . . . . . . . . . . . . . . . . . . . . . . . . . . . . . . . .43.50 - 48.50 mm (1.710 - 1.910 in.)
Housing-to-Valve Body Retaining Nut Torque . . . . . . . . . . . . . . . . . . . . . . . . . . . . . 30 N•m (22 lb-ft)
Housing-to-Engine Block Cap Screw Torque . . . . . . . . . . . . . . . . . . . . . . . . . . . . . . 27 N•m (20 lb-ft)
Thermostat
Thermostat Cover Cap Screw Torque . . . . . . . . . . . . . . . . . . . . . . . . . . . . . . . . . . 26 N•m (226 lb-in.)
Water Pump
Mounting Cap Screw Torque . . . . . . . . . . . . . . . . . . . . . . . . . . . . . . . . . . . . . . . . . 26 N•m (226 lb-in.)
Fan Mounting Cap Screw Torque. . . . . . . . . . . . . . . . . . . . . . . . . . . . . . . . . . . . . . . 11 N•m (96 lb-in.)
Plate-to-Housing Cap Screw Torque . . . . . . . . . . . . . . . . . . . . . . . . . . . . . . . . . . . . . 9 N•m (78 lb-in.)
Fuel Supply Pump - (670 CUT, 3009 OEM)
Mounting Nut Torque . . . . . . . . . . . . . . . . . . . . . . . . . . . . . . . . . . . . . . . . . . . . . . . . 11 N•m (96 lb-in.)
Fuel Injection Pump
Mounting Nut Torque . . . . . . . . . . . . . . . . . . . . . . . . . . . . . . . . . . . . . . . . . . . . . . . 20 N•m (180 lb-in.)
Fuel Injection Pump Camshaft
Bearing Retaining Screw Torque . . . . . . . . . . . . . . . . . . . . . . . . . . . . . . . . . . . . . . 20 N•m (180 lb-in.)
Gear-to-Camshaft Lock Nut Torque - Early 3TNA72 (430 LGT) . . . . . . . . . . . . . . . 88 N•m (65 lb-ft)
Minimum Lobe Height . . . . . . . . . . . . . . . . . . . . . . . . . . . . . . . . . . . . . . . . . . . . . 30.90 mm (1.217 in.)
Fuel Control and Governor Linkage - Early 3TNA72 (430 LGT)
Gear Housing End Cover Cap Screw Torque. . . . . . . . . . . . . . . . . . . . . . . . . . . . . . . 9 N•m (78 lb-in.)
Governor Shaft O.D. (Minimum) . . . . . . . . . . . . . . . . . . . . . . . . . . . . . . . . . . . . . 7.90 N•m (0.311 in.)
Governor Shaft Torque . . . . . . . . . . . . . . . . . . . . . . . . . . . . . . . . . . . . . . . . . . . . . . . . 49 N•m (36 lb-ft)
Governor Shaft Bore I.D.
Clearance . . . . . . . . . . . . . . . . . . . . . . . . . . . . . . . . . . . . . . . . . . . . . . . . . . . . . . . . 0.18 mm (0.007 in.)
Wear Limit . . . . . . . . . . . . . . . . . . . . . . . . . . . . . . . . . . . . . . . . . . . . . . . . . . . . . . . 8.15 mm (0.321 in.)
Sleeve I.D. (Maximum) . . . . . . . . . . . . . . . . . . . . . . . . . . . . . . . . . . . . . . . . . . . . . . . . 9.20 mm (0.362 in.)
Oil Pump Rotor Shaft O.D.
Clearance . . . . . . . . . . . . . . . . . . . . . . . . . . . . . . . . . . . . . . . . . . . . . . . . . . . . . . . . .0.15mm (0.006 in.)
Wear Limit . . . . . . . . . . . . . . . . . . . . . . . . . . . . . . . . . . . . . . . . . . . . . . . . . . . . . . . 8.90 mm (0.350 in.)
Fuel Control and Governor Linkage - Later 3TNA72
Governor Shaft O.D. (Minimum) . . . . . . . . . . . . . . . . . . . . . . . . . . . . . . . . . . . . . . 7.90 mm (0.311 in.)
Governor Shaft Bore I.D.
Wear Limit . . . . . . . . . . . . . . . . . . . . . . . . . . . . . . . . . . . . . . . . . . . . . . . . . . . . 8.15 mm (0.321 in.)
Clearance . . . . . . . . . . . . . . . . . . . . . . . . . . . . . . . . . . . . . . . . . . . . . . . . . . . . . 0.18 mm (0.007 in.)
Sleeve I.D. (Maximum) . . . . . . . . . . . . . . . . . . . . . . . . . . . . . . . . . . . . . . . . . . . . . 8.20 mm (0.323 in.)
Injection Pump Camshaft O.D.
Wear Limit . . . . . . . . . . . . . . . . . . . . . . . . . . . . . . . . . . . . . . . . . . . . . . . . . . . . . . . 7.90 mm (0.311 in.)
Clearance . . . . . . . . . . . . . . . . . . . . . . . . . . . . . . . . . . . . . . . . . . . . . . . . . . . . . . . . 0.15 mm (0.006 in.)

Specifications
1-14
4/7/95
1
Fuel Injection Nozzles
Mounting Nut Torque . . . . . . . . . . . . . . . . . . . . . . . . . . . . . . . . . . . . . . . . . . . . . . . . . 40 N•m (30 lb-ft)
Nozzle Fitting Torque. . . . . . . . . . . . . . . . . . . . . . . . . . . . . . . . . . . . . . . . . . . . . . . . . 40 N•m (30 lb-ft)
Nozzle Torque. . . . . . . . . . . . . . . . . . . . . . . . . . . . . . . . . . . . . . . . . . . . . . . . . . . . . . . 50 N•m (37 lb-ft)
Separator Plate Nozzle Contact Surface Maximum Wear . . . . . . . . . . . . . . . . . . 0.10 mm (0.0039 in.)
Starter - Hitachi 0.8 kW (3009 OEM)
Cover Bushing (Reamed Out). . . . . . . . . . . . . . . . . . . . . . . . . . . . . . . 12.50 - 12.53 (0.492 - 0.493 in.)
Minimum Brush Length . . . . . . . . . . . . . . . . . . . . . . . . . . . . . . . . . . . . . . . . . . . . . 7.70 mm (0.303 in.)
Starter Motor - Nippondenso 1.0 kW (All Except 3009 OEM)
Minimum Brush Length . . . . . . . . . . . . . . . . . . . . . . . . . . . . . . . . . . . . . . . . . . . . . . 8.5 mm (0.300 in.)
Alternator - Kokosan 20A (670 CUT, 15 EX)
Flywheel Assembly-to-Coil Plate Assembly Nut Torque . . . . . . . . . . . . . . . . . . . . . 27 N•m (20 lb-ft)
Alternator - Nippondenso 35A (430 LGT, 670 CUT, 755/56 CUT, F925/35 FM)
Attaching Screw Torque . . . . . . . . . . . . . . . . . . . . . . . . . . . . . . . . . . . . . . . . . . . . . . . 4 N•m (31 lb-in.)
Rotor Assembly
Retainer-to-Front Frame Screw Torque . . . . . . . . . . . . . . . . . . . . . . . . . . . . . . . . 2 N•m (16 lb-in.)
Pulley Nut Torque. . . . . . . . . . . . . . . . . . . . . . . . . . . . . . . . . . . . . . . . . . . . . . . . . 54 N•m (40 lb-ft)
Stator-to-Rectifier Lead Wire Distance . . . . . . . . . . . . . . . . . . . . . . . . . . . . . 33.50 mm (1.300 in.)
Minimum Brush Length . . . . . . . . . . . . . . . . . . . . . . . . . . . . . . . . . . . . . . . . . . . . . 5.50 mm (0.220 in.)
Alternator - Nippondenso 40A (455 LGT, 755/56 CUT, 3009 OEM)
Sheave Nut Torque . . . . . . . . . . . . . . . . . . . . . . . . . . . . . . . . . . . . . . . . . . . . . . . . . . . 69 N•m (51 lb-ft)
Retainer-to-Front Frame Screw Torque . . . . . . . . . . . . . . . . . . . . . . . . . . . . . . . . . . . 2 N•m (16 lb-in.)
Minimum Rotor Slip Ring O.D. . . . . . . . . . . . . . . . . . . . . . . . . . . . . . . . . . . . . . . . . .14 mm (0.550 in.)
Brush Length
New. . . . . . . . . . . . . . . . . . . . . . . . . . . . . . . . . . . . . . . . . . . . . . . . . . . . . . . . . 10.50 mm (0.410 in.)
Wear Limit . . . . . . . . . . . . . . . . . . . . . . . . . . . . . . . . . . . . . . . . . . . . . . . . . . . . 4.50 mm (0.170 in.)
Checks, Tests and Adjustments
Valve Clearance . . . . . . . . . . . . . . . . . . . . . . . . . . . . . . . . . . . . . . . . . . . . . . . . . . . 0.20 mm (0.008 in.)
Connecting Rod Side Play
Standard Clearance . . . . . . . . . . . . . . . . . . . . . . . . . . . . . . . . .0.20 - 0.40 mm (0.0079 - 0.0157 in.)
Wear Limit . . . . . . . . . . . . . . . . . . . . . . . . . . . . . . . . . . . . . . . . . . . . . . . . . . . 0.55 mm (0.0217 in.)
Connecting Rod Bearing Clearance
Standard Clearance . . . . . . . . . . . . . . . . . . . . . . . . . . . . . . .0.020 - 0.072 mm (0.0008 - 0.0028 in.)
Wear Limit . . . . . . . . . . . . . . . . . . . . . . . . . . . . . . . . . . . . . . . . . . . . . . . . . . . 0.15 mm (0.0059 in.)
Crankshaft End Play
Standard Clearance . . . . . . . . . . . . . . . . . . . . . . . . . . . . . . . . .0.090 - 0.271 mm (0.004 - 0.011 in.)
Wear Limit . . . . . . . . . . . . . . . . . . . . . . . . . . . . . . . . . . . . . . . . . . . . . . . . . . . 0.33 mm (0.0129 in.)
Crankshaft Main Bearing Clearance
Main Bearing Cap Cap Screw Torque . . . . . . . . . . . . . . . . . . . . . . . . . . . . . . . . . 79 N•m (58 lb-ft)
Standard Clearance . . . . . . . . . . . . . . . . . . . . . . . . . . . .0.020 - 0.072 mm (0.0008 - 0.0028 in.)
Wear Limit . . . . . . . . . . . . . . . . . . . . . . . . . . . . . . . . . . . . . . . . . . . . . . . . 0.15 mm (0.0059 in.)
Valve Lift (Intake and Exhaust) . . . . . . . . . . . . . . . . . . . . . . . . . . . . . . . . . . . . . . . . 7.5 mm (0.300 in.)
Camshaft End Play
Standard Clearance . . . . . . . . . . . . . . . . . . . . . . . . . . . . . . . . .0.05 - 0.20 mm (0.0020 - 0.0079 in.)
Wear Limit . . . . . . . . . . . . . . . . . . . . . . . . . . . . . . . . . . . . . . . . . . . . . . . . . . . . 0.40 mm (0.016 in.)
Timing Gear Backlash - Early 3TNA72 (430 LGT)
Standard Backlash
Fuel Injection Pump Gear-to-Oil Pump Gear . . . . . . . . . .0.11 - 0.19 mm (0.0043 - 0.0075 in.)
All Except Fuel Injection Pump Gear-to-Oil Pump Gear. 0.04 - 0.12 mm (0.0016 -0.0047 in.)
Wear Limit . . . . . . . . . . . . . . . . . . . . . . . . . . . . . . . . . . . . . . . . . . . . . . . . . . . 0.20 mm (0.0079 in.)

Specifications
4/7/95
1-15
1
Timing Gear Backlash - Later 3TNA72
Standard Backlash
Crankshaft Gear-to-Oil Pump Gear . . . . . . . . . . . . . . . . .0.11 - 0.19 mm (0.0043 - 0.0075 in.)
All Except Crankshaft Gear-to-Oil Pump Gear . . . . . . . .0.04 - 0.12 mm (0.0016 - 0.0047 in.)
Fuel Injection Nozzle
Opening Pressure . . . . . . . . . . . . . . . . . . . . . . . . . . . . . . . . . . . . .11722 ± 480 kPa (1700 ± 70 psi)
Leakage at 11032 kPa (1600 psi) . . . . . . . . . . . . . . . . . . . . . . . . . . . . . . . Minimum of 10 Seconds
Chatter and Spray Pattern at 11722 ± 480 kPa (1700 ± 70 psi)
Slow Hand Lever Movement . . . . . . . . . . . . . . . . . . . . . . . . . . . . . . . . . . . . . . . .Chatter Sound
Slow Hand Lever Movement . . . . . . . . . . . . . . . . . . . . . . . . . . . . . . Fine Stream Spray Pattern
Fast Hand Lever Movement . . . . . . . . . . . . . . . . . . . . . . . . . . . . .Fine Atomized Spray Pattern
Thermostat
Begin Opening . . . . . . . . . . . . . . . . . . . . . . . . . . . . . . . . . . . . . . . . . . . . . . . . . . . . . .71° C (160°F)
Fully Open . . . . . . . . . . . . . . . . . . . . . . . . . . . . . . . . . . . . . . . . . . . . . . . . . . . . . . . . 85° C (184° F)
Minimum Lift Height . . . . . . . . . . . . . . . . . . . . . . . . . . . . . . . . . . . . . . . . . . . . . . .8 mm (0.310 in.)
Coolant Temperature Sensor Continuity . . . . . . . . . . . . . . . . . . . . . . . . . . . . 107-113° C (225-235° F)
Starter No-Load Amp Draw/RPM
Maximum Starter Amperage
Hitachi 0.8 kW . . . . . . . . . . . . . . . . . . . . . . . . . . . . . . . . . . . . . . . . . . . . . . . .60 Amps at 7000 rpm
Nippondenso 1.0 kW . . . . . . . . . . . . . . . . . . . . . . . . . . . . . . . . . . . . . . . . . . .90 Amps at 3000 rpm
Minimum Starter RPM
Hitachi 0.8 kW . . . . . . . . . . . . . . . . . . . . . . . . . . . . . . . . . . . . . . . . . . . . . . . . . . . . . . . . . . . . . 7000
Nippondenso 1.0 kW . . . . . . . . . . . . . . . . . . . . . . . . . . . . . . . . . . . . . . . . . . . . . . . . . . . . . . . . 3000
Fuel Injection Pump Static Timing Adjustment - Early 3TNA72 (430 LGT)
Injection Pump Timing . . . . . . . . . . . . . . . . . . . . . . . . . . . . . 15° BTDC (Before Top Dead Center)
Engine Crankshaft Position . . . . . . . . . . . . . . . . . . . No. 1 Cylinder on TDC Compression Stroke
Distance On Outer Surface of Crankshaft Pulley for
Every 0.1 mm (0.004 in.) of Shim Thickness. . . . . . . . . . . . . . . . . . . . . . . . . 1° or 1 mm (3/64 in.)
Delivery Valve Fitting Torque . . . . . . . . . . . . . . . . . . . . . . . . . . . . . . . . . . . . . . . 42 N•m (31 lb-ft)
Fuel Injection Pump Static Timing Adjustment - Later 3TNA72
Injection Pump Timing . . . . . . . . . . . . . . . . . . . . . . . . . . . . . 13° BTDC (Before Top Dead Center)
Engine Crankshaft Position . . . . . . . . . . . . . . . . . . . No. 1 Cylinder on TDC Compression Stroke
Distance on Outer Surface of Flywheel Per 1° of Rotation . . . . . . . . . . . . . . . 2.62 mm (0.100 in.)
Total Shim Pack Thickness (New Shims) . . . . . . . . . . . . . . . . . . . . . . . . . . . . . 0.5 mm (0.020 in.)
Delivery Valve Fitting Torque . . . . . . . . . . . . . . . . . . . . . . . . . . . . . . . . . . . . . . . 42 N•m (31 lb-ft)
Fan/Alternator Drive Belt Tension
Applied Force . . . . . . . . . . . . . . . . . . . . . . . . . . . . . . . . . . . . . . . . . . . . . . . . . . . 98 N (22 lb-force)
Deflection . . . . . . . . . . . . . . . . . . . . . . . . . . . . . . . . . . . . . . . . . . . . .10 - 15 mm (0.400 - 0.600 in.)
Operational Tests
Radiator, Bubble Test
Maximum Air Pressure Into Cylinder
3009 OEM. . . . . . . . . . . . . . . . . . . . . . . . . . . . . . . . . . . . . . . . . . . . . . . . . . . 2455 kPa (356 psi)
All Except 3009 OEM . . . . . . . . . . . . . . . . . . . . . . . . . . . . . . . . . . . . . . . . . 2448 kPa (355 psi)
Cooling System
15 EX, 670 CUT, 3009 OEM
Maximum Pressure . . . . . . . . . . . . . . . . . . . . . . . . . . . . . . . . . . . . . . . . . . . . . . . 97 kPa (14 psi)
Minimum Pressure after 15 Seconds . . . . . . . . . . . . . . . . . . . . . . . . . . . . . . . 88 kPa (12.8 psi)
430 LGT, 455 LGT, 755/56 CUT, F925/35 FM
Maximum Pressure . . . . . . . . . . . . . . . . . . . . . . . . . . . . . . . . . . . . . . . . . . . . . . 117 kPa (17 psi)
Minimum Pressure after 15 seconds. . . . . . . . . . . . . . . . . . . . . . . . . . . . . . . . . . 90 kPa (13 psi)

Specifications
1-16
4/7/95
1
Radiator Cap
Valve Opening Pressure
15 EX, 3009 OEM . . . . . . . . . . . . . . . . . . . . . . . . . . . . . . . . . . . . . . . . . . . . . 88 kPa (12.8 psi)
670 CUT . . . . . . . . . . . . . . . . . . . . . . . . . . . . . . . . . . . . . . . . . . . . . . . . . . . . . . . . 55 kPa (8 psi)
430 LGT, 455 LGT, 655 CUT, 755/56 CUT, F925/35 FM . . . . . . . . . . . . . . . . 97 kPa (14 psi)
Cylinder, Compression Pressure
Compression Pressure
All Except 3009 OEM . . . . . . . . . . . . . . . . . . . . . . . . . . . . . . . . . . . . . . . . . 2448 kPa (355 psi)
3009 OEM. . . . . . . . . . . . . . . . . . . . . . . . . . . . . . . . . . . . . . . . . . . . . . . . . . . 2455 kPa (356 psi)
Maximum Difference Between Cylinders . . . . . . . . . . . . . . . . . . . . . . . . . . . . . . . 490 kPa (71 psi)
Engine Oil Pressure
F925/35 FM
Idle Speed
Fast . . . . . . . . . . . . . . . . . . . . . . . . . . . . . . . . . . . . . . . . . . . . . . . . . . . . . . . . 3635 ± 35 rpm
Slow . . . . . . . . . . . . . . . . . . . . . . . . . . . . . . . . . . . . . . . . . . . . . . . . . . . . . . . 1450 ± 50 rpm
Engine Oil Pressure . . . . . . . . . . . . . . . . . . . . . . . . . . . . . . . . . . . . .294 - 440 kPa (43 - 64 psi)
455 LGT
Idle Speed
Fast . . . . . . . . . . . . . . . . . . . . . . . . . . . . . . . . . . . . . . . . . . . . . . . . . . . . . . . 3350 ± 100 rpm
Slow . . . . . . . . . . . . . . . . . . . . . . . . . . . . . . . . . . . . . . . . . . . . . . . . . . . . . . . 1650 ± 50 rpm
Engine Oil Pressure . . . . . . . . . . . . . . . . . . . . . . . . . . . . . . . . . . . . .294 - 440 kPa (43 - 64 psi)
430 LGT, 755/56 CUT, 670 CUT
Fast Idle Speed . . . . . . . . . . . . . . . . . . . . . . . . . . . . . . . . . . . . . . . . . . . . . . . . . . 3425 ± 25 rpm
Engine Oil Pressure . . . . . . . . . . . . . . . . . . . . . . . . . . . . . . . . . . . . .365 ± 69 kPa (53 ± 10 psi)
15 EX
Idle Speed
Fast . . . . . . . . . . . . . . . . . . . . . . . . . . . . . . . . . . . . . . . . . . . . . . . . . . . . . . . . 2425 ± 25 rpm
Slow . . . . . . . . . . . . . . . . . . . . . . . . . . . . . . . . . . . . . . . . . . . . . . . . . . . . . . . . 800 ± 25 rpm
Engine Oil Pressure . . . . . . . . . . . . . . . . . . . . . . . . . . . . . . . . . . . . .117 - 345 kPa (17 - 50 psi)
3009 OEM
Low Idle Speed . . . . . . . . . . . . . . . . . . . . . . . . . . . . . . . . . . . . . . . . . . . . . . . . . . . . . . 1300 rpm
Engine Oil Pressure . . . . . . . . . . . . . . . . . . . . . . . . . . . . . . . . . . . . . . . . . . . . . 147 kPa (21 psi)
Air Intake System Holding Pressure. . . . . . . . . . . . . . . . . . . . . . . . . . . . . . . . . .34 - 69 kPa (5 - 10 psi)
Minimum Fuel Supply Pump Pressure (670 CUT, 3009 OEM). . . . . . . . . . . . . . . . . . 29 kPa (4.3 psi)
Fuel System Holding Pressure (Maximum) . . . . . . . . . . . . . . . . . . . . . . . . . . . . . . . . . 103 kPa (15 psi)

Cylinder Head, Valves and Manifolds
4/7/95
1
1-17
SPECIAL OR ESSENTIAL TOOLS
NOTE: Order tools according to information given in the U.S. SERVICE-GARDTM Catalog or in the
European Microfiche Tool Catalog (MTC).
JDG504 Valve Guide Driver
Use to remove and install valve guides in cylinder head on 3TN66 engine.
JDE118 Valve Guide Driver
Use to remove and install valve guides in cylinder head on 3TNA72 (3009) engine.
D-20018WI Valve Guide Knurler
Use to knurl inside diameter of valve guides on 3TNA72 (3009) engine.
D-20020WI Valve Guide Reamer
Use to ream out new valve guides on 3TNA72 (3009) engine.
SERVICE PARTS KITS
The following kits are available through your parts catalog:
•Cylinder Head Gasket Kit

Cylinder Head, Valves and Manifolds
1-18
4/7/95
1
ROCKER ARM COVER
NOTE: Some models may be equipped with an oil
fill extension and/or adaptor with an o-ring.
M82004A
Crankcase Breather
Tube
O-Ring
Oil Filler Cap
Rocker Arm Cover
O-Ring Seal
Baffle Breather
Deflector
Gasket
Breather Fitting
Lock Washer (4)
Screw (4)
Special Nut (2)
18 N•m (160 lb-in.)
O-Ring (2)

Cylinder Head, Valves and Manifolds
4/7/95
1
1-19
ROCKER ARM ASSEMBLY
Removal/Installation and
Disassembly/Assembly
1. Remove rocker arm cover. (See procedure in this
group.)
•Inspect all parts for wear or damage. (See
Inspection procedures.)
IMPORTANT: Install center rocker arm support
on shaft, aligning set screw hole in support
with center hole in shaft.
•Lubricate all parts with clean oil during
assembly.
•Adjust valve clearance. (See Checks, Tests and
Adjustments in this section.)
M82257A
Rocker Arm Shaft
Mounting Cap Screw
M8 x 45
26 N•m (226 lb-in.)
Mounting Nut (2)
M8
26 N•m (226 lb-in.)
Rocker Arm
Shaft Spring
Intake Valve Rocker Arm
Exhaust Valve Rocker Arm
Rocker Arm Support (3)
Push Rod
Valve Caps
Adjusting Screw
3TN66
Set Screw
Nut

Cylinder Head, Valves and Manifolds
1-20
4/7/95
1
M82258A
Rocker Arm Shaft
Mounting Cap Screw
M8 x 45
26 N•m (226 lb-in.)
Mounting Nut (2)
M8
26 N•m (226 lb-in.)
Rocker Arm
Shaft SpringNut
Intake Valve Rocker Arm
Exhaust Valve
Rocker Arm
Rocker Arm
Support (3)
Push Rod
Valve Caps
Adjusting Screw
3TNA72 (3009)
Set Screw
Inspection
•Measure outer diameter of rocker arm shaft at
each rocker arm location.
M35262
Rocker Arm Shaft O.D. - 3TN66:
Standard . . . . . . . . . . . . . . . . . 9.97 - 9.99 mm
. . . . . . . . . . . . . . . . . . . . .(0.3925 - 0.3933 in.)
Wear Limit. . . . . . . . . . . 9.95 mm (0.3920 in.)
Rocker Arm Shaft O.D. - 3TNA72 (3009):
Standard . . . . . . . . . . . . . . . 11.96 - 11.98 mm
. . . . . . . . . . . . . . . . . . . . .(0.4711 - 0.4718 in.)
Wear Limit. . . . . . . . . . 11.95 mm (0.4706 in.)
Replace rocker arm shaft if less than wear limit.
•Measure inner diameters of rocker arms and
supports.

Cylinder Head, Valves and Manifolds
4/7/95
1
1-21
Rocker Arm and Shaft Support I.D.’s - 3TN66:
Standard . . . . . . . . . . . . . . . 10.00 - 10.02 mm
. . . . . . . . . . . . . . . . . . . . .(0.3937 - 0.3945 in.)
Wear Limit. . . . . . . . . . 10.09 mm (0.3972 in.)
Clearance . . . . . . . . . . . . . 0.14 mm (0.005 in.)
Rocker Arm and Shaft Support I.D.’s -
3TNA72 (3009):
Standard . . . . . . . . . . . . . . . 12.00 - 12.02 mm
. . . . . . . . . . . . . . . . . . . . .(0.4724 - 0.4732 in.)
Wear Limit. . . . . . . . . . 12.09 mm (0.4759 in.)
Clearance . . . . . . . . . . . . . 0.14 mm (0.005 in.)
Replace rocker arms or supports if I.D. is more than
wear limit.
If shaft and support/arm clearance (support/arm I.D.
minus shaft O.D.) exceed wear limit, replace all
parts.
•Measure length and bending of push rod.
M82022A
Push Rod Length:
3TN66. . . . . . . . . . . . . . . . . . . . . 114 - 115 mm
. . . . . . . . . . . . . . . . . . . . . . .(4.488 - 4.528 in.)
3TNA72 (3009) . . . . . . . . . . . . . 141 - 142 mm
. . . . . . . . . . . . . . . . . . . . . . .(5.550 - 5.590 in.)
Push Rod Bend:
Wear Limit. . . . . . . . . . . . 0.08 mm (0.003 in.)
Replace push rod if not within specifications.
CYLINDER HEAD AND VALVES
Removal/Installation
1. Remove rocker arm assembly, push rods and
valve caps. (See procedure in this group.)
2. Remove exhaust and intake manifolds. (See
procedures in this group.)
3. Remove water pump. (See Cooling System in this
section.)
M82023A
Feeler
Gauge
Length

Cylinder Head, Valves and Manifolds
1-22
4/7/95
1
4. Remove fuel injection nozzles. (See Fuel System
in this section.)
5. Remove glow plugs. (See procedure in
ACCESSORIES - SERIES 220 POWER UNIT
ENGINES section.)
6. Disassemble and inspect cylinder head and
valves. (See Disassembly/ Assembly and
Inspection/Replacement procedures.)
IMPORTANT: Oil passage in gasket must be
located over oil passage in cylinder block.
Install gasket as shown.
7. Tighten mounting cap screws, in the sequence
shown, in three stages of gradually-increasing
torque.
IMPORTANT: Cylinder head mounting cap
screws must be checked for proper torque
after 50 hours of engine operation.
Torque Specifications - 3TN66:
First . . . . . . . . . . . . . . . . . . 11 N•m (97 lb-in.)
Second . . . . . . . . . . . . . . . 22 N•m (195 lb-in.)
Final . . . . . . . . . . . . . . . . . . . 34 N•m (25 lb-ft)
Torque Specifications - 3TNA72 (3009):
First . . . . . . . . . . . . . . . . . 19 N•m (168 lb-in.)
Second . . . . . . . . . . . . . . . . . 38 N•m (28 lb-ft)
Final . . . . . . . . . . . . . . . . . . . 61 N•m (45 lb-ft)
M82260A
Exhaust Manifold Side
Intake Manifold Side
Flywheel Side
Timing Gear Case Side
12
10
3
1
5
13
7
14
8
6
2411 9
M82259A
Flywheel
Cylinder Head
Mounting Cap
Screw (14)
Dip entire cap screw in clean
engine oil before installing.
Gasket
Oil
Passage

Cylinder Head, Valves and Manifolds
4/7/95
1
1-23
Disassembly/Assembly
NOTE: Size and shape of lifting brackets will vary
due to numerous engine applications.
•Compress valve springs using a valve spring
compressor.
•Intake and exhaust valve guides are press fit.
Remove guides only if replacement is necessary.
(See Inspection/Replacement procedures.)
•On 3TNA72 (3009), intake and exhaust valve
seat inserts are press fit. Remove inserts only if
replacement is necessary.
•Inspect all parts for wear or damage. (See
Inspection/Replacement procedures.)
IMPORTANT: Do not reuse stem seals if
removed. Used seals will leak.
•Apply clean engine oil on intake and exhaust
valve stems during assembly.
•Install springs with smaller pitch end or paint
mark toward cylinder head.
NOTE: If new valves are installed, measure valve
recession. (See Inspection/Replacement
procedures.)
After each valve has been assembled, tap on top of
valve stem with a plastic hammer to seat retainer.
M82261A
Lifting
Bracket (2)
Collet Halves (12)
Exhaust Valve
Guide (3)
Stem
Seal (6)
Replace.Retainer (6)
Valve Spring (6)
Intake Valve Guide (3)
Exhaust Valve
Intake Valve
Exhaust Manifold
Mounting Stud (2)
Valve Seat Inserts
3TNA72 (3009) Only.
Rocker Arm Assembly
and Cover Mounting
Stud (2)

Cylinder Head, Valves and Manifolds
1-24
4/7/95
1
Inspection/Replacement
Before inspection, thoroughly clean all components
of carbon or dirt.
Cylinder Head:
•Measure cylinder head flatness. Place a straight-
edge along each of the four sides and each
diagonal. Measure clearance between straight
edge and combustion surface with a feeler
gauge.
Cylinder Head Distortion:
Standard . . . . . . . 0.05 mm (0.002 in.) or less
Wear Limit. . . . . . . . . . . . 0.15 mm (0.006 in.)
If distortion exceeds the wear limit, resurface or
replace cylinder head. Remove only enough metal to
make cylinder head flat; but do not remove more
than 0.20 mm (0.008 in.).
If cylinder head was resurfaced:
•Measure piston-to-cylinder head clearance. (See
procedure in this group.)
•Measure valve recession. (See procedure in this
group.)
•Measure valve seat width.
M82028A
Straight-Edge
Feeler Gauge
Valve Seat Width - 3TN66:
Intake Valve
Standard . . . . . . . . . . . . . 1.15 mm (0.045 in.)
Wear Limit. . . . . . . . . . . . 1.65 mm (0.065 in.)
Exhaust Valve
Standard . . . . . . . . . . . . . 1.41 mm (0.056 in.)
Wear Limit. . . . . . . . . . . . 1.91 mm (0.075 in.)
Valve Seat Width - 3TNA72 (3009):
Intake Valve
Standard . . . . . . . . . . . . . 1.44 mm (0.057 in.)
Wear Limit. . . . . . . . . . . . 1.98 mm (0.078 in.)
Exhaust Valve
Standard . . . . . . . . . . . . . 1.77 mm (0.070 in.)
Wear Limit. . . . . . . . . . . . 2.27 mm (0.089 in.)
If necessary, grind valve seats to meet specifications.
(See GRIND VALVE SEATS procedure.)
Intake and Exhaust Valves:
•Check valve for out-of-round, bent or warped
condition using a valve inspection center.
Replace valve if necessary.
M82029A
Valve Seat
Width

Cylinder Head, Valves and Manifolds
4/7/95
1
1-25
If valve faces are worn, burned or pitted, grind
valves to proper face angle. If valve face margin is
less than 0.51 mm (0.020 in.) after grinding, replace
valve.
•Measure valve stem diameter at two locations
shown. Replace valve if measurement exceeds
wear limit.
M35307
Exhaust:
Intake:
45°
30°
M82030A
Valve
Face
Margin
Valve Face
Angle
M82031A
AB
Valve Stem O.D. - 3TN66:
Distance A . . . . . . . . . . . . . . . . .20 mm (0.787 in.)
Distance B . . . . . . . . . . . . . . . . .40 mm (1.575 in.)
Intake Valve
Standard . . . . . . . . . . . . . . . . . 5.46 - 5.48 mm
. . . . . . . . . . . . . . . . . . . . .(0.2149 - 0.2157 in.)
Wear Limit. . . . . . . . . . . 5.40 mm (0.2126 in.)
Exhaust Valve
Standard . . . . . . . . . . . . . . . . . 5.44 - 5.46 mm
. . . . . . . . . . . . . . . . . . . . .(0.2142 - 0.2149 in.)
Wear Limit. . . . . . . . . . . 5.40 mm (0.2126 in.)
Valve Stem O.D. - 3TNA72 (3009):
Distance A . . . . . . . . . . . . . . . . .25 mm (0.984 in.)
Distance B . . . . . . . . . . . . . . . . .45 mm (1.772 in.)
Intake and Exhaust Valves
Standard . . . . . . . . . . . . . . . . . 6.94 - 6.96 mm
. . . . . . . . . . . . . . . . . . . . .(0.2732 - 0.2740 in.)
Wear Limit. . . . . . . . . . . 6.90 mm (0.2717 in.)
•Measure valve recession using a depth gauge.
Replace valve or cylinder head if measurement
exceeds specification.
M82032A
Valve Recession
Cylinder
Head
Depth
Gauge

Cylinder Head, Valves and Manifolds
1-26
4/7/95
1
Valve Recession - 3TN66:
Intake Valve. . . . . . . . . . . 0.40 mm (0.016 in.)
Exhaust Valve . . . . . . . . . 0.85 mm (0.033 in.)
Valve Recession - 3TNA72 (3009):
Intake Valve. . . . . . . . . . . 0.50 mm (0.020 in.)
Exhaust Valve . . . . . . . . . 0.85 mm (0.033 in.)
Valve Guides:
•Clean valve guides using a valve guide brush.
•Measure valve guide inside diameter.
Valve Guide I.D. - 3TN66:
Standard . . . . . . . . . . . . . . . . . 5.50 - 5.52 mm
. . . . . . . . . . . . . . . . . . . . . . .(0.216 - 0.217 in.)
Wear Limit. . . . . . . . . . . . 5.58 mm (0.220 in.)
Valve Guide I.D. - 3TNA72 (3009):
Standard . . . . . . . . . . . . . . . . . 7.00 - 7.02 mm
. . . . . . . . . . . . . . . . . . . . . . .(0.275 - 0.276 in.)
Wear Limit. . . . . . . . . . . . 7.08 mm (0.279 in.)
If diameter exceeds wear limit, knurl or replace
guide.
If diameter is less than wear limit, determine guide-
to-stem clearance (guide diameter minus stem
diameter).
If clearance exceeds 0.15 mm (0.006 in.) but is less
than 0.20 mm (0.008 in.), knurl valve guides.
•Knurl valve guides using:
-3TN66: 5.50 mm Valve Guide Knurler
-3TNA72 (3009): D-20018WI Valve Guide
Knurler
If clearance exceeds 0.20 mm (0.008 in.), replace
valve guides.
•Replace valve guides using:
-3TN66: JDG504 Valve Guide Driver
-3TNA72 (3009): JDE118 Valve Guide Driver
Intake and exhaust valve guides are different. The
exhaust valve guide has one groove and the intake
valve guide has none. Install valve guides with
tapered ends down. Push valve guides down until
top of valve guides are a specified distance (A) from
top of cylinder head.
Valve Guide Height “A”:
3TN66. . . . . . . . . . . . . . . . . . .7 mm (0.276 in.)
3TNA72 (3009) . . . . . . . . . . .9 mm (0.354 in.)
•Ream inside diameter of valve guides using:
-3TN66: 5.50 mm Valve Guide Reamer
-3TNA72 (3009): D-20020WI Valve Guide
Reamer
Valve Springs:
•Measure spring free length. Replace spring if
measurement exceeds specification.
M82193A
A
M82034A

Cylinder Head, Valves and Manifolds
4/7/95
1
1-27
Spring Free Length:
3TN66. . . . . . . . . . . . . . . . . .28 mm (1.102 in.)
3TNA72 (3009) . . . . . . . 37.40 mm (1.472 in.)
•Measure spring inclination. Replace spring if
measurement exceeds specification.
Spring Inclination:
3TN66. . . . . . . . . . . . . . . . 0.80 mm (0.032 in.)
3TNA72 (3009) . . . . . . . . 1.00 mm (0.040 in.)
M82035A
Square Gauge
Spring Inclination
Free Length
EXHAUST MANIFOLD - 3TN66
•Remove muffler and gasket, if equipped.
•Tighten all mounting hardware to 11 N•m (97
lb-in.).
M82262A
Gasket
Flange Nut (2)
Lifting Bracket
330/332 LGT
M6
Cap Screw (4)
M6 x 40
Stud (3)
Gasket
375 SSL
M82263A
Cap Screw (4)
M6 x 40
Flange Nut (2)
M6
Gasket
Stud (3)
Cap Screw (2)
M6 x 70
Flange Nut (2)
M6
Cap Screw (2)
M6 x 40
655 CUT, F915 FM
M82264A

Cylinder Head, Valves and Manifolds
1-28
4/7/95
1
EXHAUST MANIFOLD - 3TNA72 (3009)
•Remove muffler and gasket, if equipped.
•Remove extension/elbow and gasket, if
equipped.
•Tighten all mounting hardware to 26 N•m (230
lb-in.).
Gasket
Stud (4)
Cap Screw (2)
M8 x 80 Flange Nut (2)
M8
Cap Screw (2)
M8 x 35
430 LGT (Early), 755/56 CUT, F925/35 FM
M82264A
M82265A
Gasket
Stud (4)
Cap Screw (2)
M8 x 55
Cap Screw (2)
M8 x 40
430 LGT (Later)
Nut and Lock
Washer (2)
M8
M82266A
Gasket
670 CUT
Spring Pin (2) Nut and Lock
Washer (2)
Cap Screw (4)
M8 x 70
M8
Gasket
15 EX, 455 LGT
M82267A
Stud (4)
Cap Screw (4)
M8 x 40
Nut and Lock
Washer (2)
M8
M82268A
Gasket
3009 OEM
Stud (4)
Nut and Lock
Washer (2)
M8
Cap Screw (4)
M8 x 40

Cylinder Head, Valves and Manifolds
4/7/95
1
1-29
INTAKE MANIFOLD - 3TN66
NOTE: On 375 SSL engine application, mounting
cap screws are 22 mm long.
1. Remove fuel filter assembly mounting cap
screw(s), if equipped.
2. Remove fuel injection lines, if necessary. (See
Fuel System in this section.)
INTAKE MANIFOLD - 3TNA72 (3009)
1. Remove fuel filter assembly mounting cap
screw(s), if equipped.
2. Remove fuel injection lines. (See Fuel System in
this section.)
3. OEM Power Unit engine (3009):
•Remove air cleaner and mount bracket.
•Remove instrument panel and bracket.
(See procedures in ACCESSORIES - SERIES 220
POWER UNIT ENGINES section.)
•Tighten all mounting cap screws to 11 N•m (97
lb-in.).
M82269A
Cap Screw (4)
Gasket
M6 x 20
11 N•m (97 lb-in.)
3TN66
M82270A
3TNA72 (670 CUT)
Gasket
Cap Screw
M6 x 40
Cap Screw (2)
M6 x 16
M82271A
3TNA72 (15 EX, 3009 OEM)
Gasket
Cap Screw (2)
M6 x 16
Cap Screw
M6 x 40
M82272A
Gasket
Cap Screw (6)
M6 x 20
3TNA72 (430 and 455 LGT,
F925/35 FM, 755/56 CUT)

Cylinder Head, Valves and Manifolds
1-30
4/7/95
1
GRIND VALVE SEATS
IMPORTANT: Valve seats should never be cut.
Cutting a valve seat can damage its sealing
surface, which may result in leaks or valve/
seat failure. Valve seats should be ground and
lapped.
NOTE: LIGHTLY grind valve seats for a few
seconds only to avoid excessive valve seat
width.
1. Grind intake valve seat using a 30° seat grinder
and exhaust valve seat using a 45° seat grinder.
Follow tool manufacturers instructions.
2. Measure valve seat width after grinding.
3. If seat is too wide after grinding, grind lower seat
surface using a 70° seat grinder until seat width is
close to specifications.
4. Grind upper seat surface using a 15° seat grinder
until seat width is narrowed to specifications.
5. If valve seats are ground, measure valve recession
and check contact pattern between the seat and
valve with bluing dye.
6. Lap valves. (See procedure in this group.)
M82039A
Seat Grinder
If valve recession exceeds maximum specifications
or seats cannot be reconditioned, replace valves,
valve seats if equipped and/or cylinder head.
NOTE: Valve seat inserts are available for 4TN78T
engine only.
LAP VALVES
NOTE: Use a rubber type lapping tool for valves
without a lapping tool groove slit.
If seat does not make proper contact, lap the valve
into the seat:
1. Apply small amount of fine lapping compound to
face of valve.
2. Turn valve to lap valve to seat.
3. Lift valve from seat every 8 to 10 strokes. Lap
until a uniform ring appears around the surface of
the valve face.
4. Wash all parts in solvent to remove lapping
compound. Dry parts.
5. Check position of lap mark on valve face. Lap
mark must be on or near center of valve face.
M82040A
Seat
Width
15°
Cylinder
Head
Upper
Seat
Surface
Valve
Seat
Lower Seat
Surface 70°

Cylinder Head, Valves and Manifolds
4/7/95
1
1-31
MEASURE PISTON-TO-CYLINDER
HEAD CLEARANCE
1. Place three 10 mm (0.400 in.) long pieces of 1.50
mm (0.060 in.) diameter soft wire in three
positions on the flat part of the piston head.
2. Install cylinder head and old gasket. Install
cylinder head cap screws and tighten in proper
sequence to specified torque. (See CYLINDER
HEAD AND VALVES - Removal/Installation in
this group.)
3. Slowly turn crankshaft one complete revolution.
4. Remove cylinder head and gasket.
5. Measure thickness of flattened section of each
piece of wire. Calculate average thickness of
wires to obtain piston-to-cylinder head clearance
specification.
M82041A
Lapping Tool
Piston-to-Cylinder Head Clearance:
3TN66. . . . . . . . . . . . . . . . . . . . 0.59 - 0.74 mm
. . . . . . . . . . . . . . . . . . . . . . . (0.023 - 0.029 in.)
3TNA72 (3009) . . . . . . . . . . . . 0.61 - 0.79 mm
. . . . . . . . . . . . . . . . . . . . . . . (0.024 - 0.031 in.)
If clearance is less than specifications, replace
cylinder head.
M82042A

Pistons, Rods and Cylinder Bloc
k
1-32
4/7/95
1
SERVICE PARTS KITS
The following kits are available through your parts catalog:
•Cylinder Block Gasket Kit
•Cylinder Head Gasket Kit
•Oversized Pistons and Rings
•Undersized Connecting Rod Bearing Inserts

Pistons, Rods and Cylinder Block
4/7/95
1
1-33
PISTON AND CONNECTING ROD
Removal
1. Remove oil pan and strainer tube. (See
Lubrication System in this section.)
2. Remove cylinder head. (See Cylinder Head,
Valves and Manifolds in this section.)
3. Check cylinder bore for ridges. These ridges can
cause damage to piston if ridge is not removed.
4. If necessary, remove ridge from top of cylinder
bore using a ridge reamer.
5. Measure connecting rod side play. (See Checks,
Tests and Adjustments in this section.)
6. Measure connecting rod bearing clearance. (See
Checks, Tests and Adjustments in this section.)
IMPORTANT: Keep connecting rods and caps
together. Rods and caps are a matched set.
Note alignment marks on each part.
7. Remove two cap screws, connecting rod cap and
bearing inserts.
IMPORTANT: Pistons and cylinders are
matched. Pistons must be installed in the
cylinders from which they are removed.
8. Note connecting rod alignment mark in relation
to the cylinders. Starting at flywheel end with
cylinder number one, then two, etc.
9. Push piston and connecting rod out of cylinder
bore using a wooden dowl.
10.Disassemble and inspect all parts for wear or
damage. (See Disassembly and Inspection/
Replacement procedures.)
Installation
•Apply clean engine oil on all parts during
installation.
•Never reuse connecting rod cap screws, replace
with new.
IMPORTANT: Pistons must be installed in
cylinders from which they were removed and
in the same direction. Be careful not to
damage crankshaft rod journal while
installing piston.
1. If new piston rings were installed, deglaze
cylinder bore. (See procedure in this group.)
2. Install piston and connecting rod into the cylinder
from which it was removed, with piston recess on
top of piston toward fuel injection pump.
M82273A
Piston and
Connecting Rod
Bearing
Inserts
Connecting
Rod Cap
Connecting Rod
Cap Screw
Replace.

Pistons, Rods and Cylinder Bloc
k
1-34
4/7/95
1
IMPORTANT: Do not touch bearing insert
surfaces. Oil and acid from your finger will
corrode the bearing surface.
3. Install bearing inserts on connecting rod and rod
cap, aligning tangs with grooves.
IMPORTANT: Connecting rod caps must be
installed on the same connecting rods they
were removed from.
4. Match the connecting rods to caps using
alignment marks. Install caps.
5. Dip entire connecting rod cap screws in clean
engine oil. Install new cap screws and tighten to
23 N•m (203 lb-in.).
6. If a new piston and connecting rod were installed,
stamp a number corresponding to the cylinder
number on the connecting rod cap and connecting
rod.
7. Install cylinder head. (See Cylinder Head, Valves
and Manifolds in this section.)
8. Install oil pan and strainer tube. (See Lubrication
System in this section.)
M82273A
Piston
Recess
Flywheel
Side
Groove
Tangs
GrooveConnecting Rod
Cap Screw
Connecting Rod
Cap Alignment
Mark
Fuel
Injection
Pump Side
Disassembly
IMPORTANT: Pistons must be installed on the
same connecting rod they were removed from.
•Put a mark on each piston and connecting rod to
aid in assembly.
•Piston pin bushing is press fit in connecting rod.
Remove bushing only if replacement is
necessary. (See Inspection/Replacement
procedures.)
•Inspect all parts for wear or damage. Replace as
necessary. (See Inspection/Replacement
procedures.)
M82274A
1st Compression Ring
2nd Compression Ring
Oil Ring with
Coil Expander
Piston
Piston Pin
Retaining
Ring
Connecting Rod
Piston
Pin
Bushing

Pistons, Rods and Cylinder Block
4/7/95
1
1-35
Assembly
•Apply clean engine oil to all parts during
assembly.
IMPORTANT: Pistons must be installed on the
same connecting rod they were removed from.
1. Assemble piston to connecting rod with piston
recess on same side as connecting rod “punched”
alignment mark. If a new connecting rod is used,
assemble piston to connecting rod with piston
recess opposite connecting rod bearing insert
groove.
2. Install piston pin and snap rings.
3. Install oil ring expander in bottom ring groove of
piston with ends above either end of piston pin.
4. Install oil ring over expander with ring gap
opposite (180o) of expander ends.
M82275A
Piston RecessPiston
Piston Pin
Retaining Ring
Alignment
Mark
Connecting
Rod
Bearing Insert Groove
5. Install second compression ring, with chamfer
toward top of piston, in middle groove. Turn ring
until gap is 120o away from oil ring gap.
6. Install first compression ring (chrome plated),
with manufacturer's mark “T”, “R” or “RN”
(near ring gap) toward top of piston, in top
groove. Turn ring until gap is 120o away from
second ring gap.
M82046A
Oil
Ring
Gap
Piston Pin
Oil Ring
Expander
Oil Ring
Expander
Ends
Oil Ring
M82276A
1st Compression Ring
2nd Compression
Ring
1st Compression
Ring
Oil Ring
2nd
Compression
Ring
120°
120°
120°

Pistons, Rods and Cylinder Bloc
k
1-36
4/7/95
1
Inspection/Replacement
1. Inspect all parts for wear or damage. Replace as
necessary.
2. Measure crankshaft connecting rod journal
diameter. (See Crankshaft, Main Bearings and
Flywheel in this section.)
3. Install connecting rod cap and bearing inserts on
connecting rod. Install old connecting rod cap
screws and tighten to 23 N•m (203 lb-in.).
4. Measure connecting rod bearing diameter.
Connecting Rod Bearing I.D. - 3TN66:
Standard . . . . . . . . . . . . . . 36.00 - 36.042 mm
. . . . . . . . . . . . . . . . . . . . . . .(1.417 - 1.419 in.)
Wear Limit. . . . . . . . . . . 37.07 mm (1.459 in.)
Clearance . . . . . . . . . . . . . 0.16 mm (0.006 in.)
Connecting Rod Bearing I.D. - 3TNA72 (3009):
Standard . . . . . . . . . . . . . . 40.00 - 40.042 mm
. . . . . . . . . . . . . . . . . . . . . . .(1.575 - 1.577 in.)
Wear Limit. . . . . . . . . . . 40.07 mm (1.578 in.)
Clearance . . . . . . . . . . . . . 0.16 mm (0.006 in.)
M82048A
If bearing diameter exceeds wear limit, replace
bearing inserts.
If bearing clearance (bearing I.D. minus crankshaft
journal O.D.) exceeds specification, grind crankshaft
connecting rod journals and install undersized
bearing inserts, or replace bearing inserts and
crankshaft.
5. With rings installed on piston, measure piston
ring groove clearance. Measure several places
around each piston.
Piston Ring Groove Clearance - 3TN66:
First Compression Ring
Standard . . . . . . . . . . . . . . . 0.065 - 0.100 mm
. . . . . . . . . . . . . . . . . . . . .(0.0026 - 0.0039 in.)
Wear Limit. . . . . . . . . . . 0.20 mm (0.0079 in.)
Second Compression Ring
Standard . . . . . . . . . . . . . . . 0.030 - 0.065 mm
. . . . . . . . . . . . . . . . . . . . .(0.0012 - 0.0026 in.)
Wear Limit. . . . . . . . . . . 0.20 mm (0.0079 in.)
Oil Ring
Standard . . . . . . . . . . . . . . . 0.020 - 0.055 mm
. . . . . . . . . . . . . . . . . . . . .(0.0008 - 0.0022 in.)
Wear Limit. . . . . . . . . . . 0.20 mm (0.0079 in.)
M35360

Pistons, Rods and Cylinder Block
4/7/95
1
1-37
Piston Ring Groove Clearance - 3TNA72 (3009):
First Compression Ring
Standard . . . . . . . . . . . . . . . 0.075 - 0.110 mm
. . . . . . . . . . . . . . . . . . . . .(0.0030 - 0.0043 in.)
Wear Limit. . . . . . . . . . . 0.20 mm (0.0079 in.)
Second Compression Ring
Standard . . . . . . . . . . . . . . . 0.030 - 0.065 mm
. . . . . . . . . . . . . . . . . . . . .(0.0012 - 0.0026 in.)
Wear Limit. . . . . . . . . . . 0.20 mm (0.0079 in.)
Oil Ring
Standard . . . . . . . . . . . . . . . 0.020 - 0.055 mm
. . . . . . . . . . . . . . . . . . . . .(0.0008 - 0.0022 in.)
Wear Limit. . . . . . . . . . . 0.20 mm (0.0079 in.)
If clearance exceeds wear limit, replace rings or
piston.
6. Measure piston ring end gap. Push ring into
cylinder bore, using a piston, until ring is
approximately 30 mm (1.181 in.) from bottom of
cylinder bore.
M82049A
End Gap
End Gap
Cylinder
Bore
Piston
Ring
Approx.
30 mm
(1.181 in.)
Piston Ring End Gap - 3TN66:
Standard
First Compression Ring
and Oil Ring . . . . . . . . . . . . . 0.15 - 0.35 mm
. . . . . . . . . . . . . . . . . . . . . .(0.006 - 0.014 in.)
Second Compression Ring . . 0.25 - 0.40 mm
. . . . . . . . . . . . . . . . . . . . . .(0.010 - 0.016 in.)
Wear Limit. . . . . . . . . . . 1.50 mm (0.0591 in.)
Piston Ring End Gap - 3TNA72 (3009):
Standard
First Compression Ring . . . . 0.10 - 0.25 mm
. . . . . . . . . . . . . . . . . . . . . .(0.004 - 0.010 in.)
Second Compression Ring . . 0.25 - 0.40 mm
. . . . . . . . . . . . . . . . . . . . . .(0.010 - 0.016 in.)
Oil Ring . . . . . . . . . . . . . . . . . 0.15 - 0.35 mm
. . . . . . . . . . . . . . . . . . . . . .(0.006 - 0.014 in.)
Wear Limit: . . . . . . . . . . 1.50 mm (0.0591 in.)
If end gap exceeds wear limit, replace rings.
7. Measure piston pin diameter. Measure diameter
at six places.
M82050A
Measuring Positions

Pistons, Rods and Cylinder Bloc
k
1-38
4/7/95
1
Piston Pin O.D. - 3TN66:
Standard . . . . . . . . . . . . . . 19.991 - 20.00 mm
. . . . . . . . . . . . . . . . . . . . . . .(0.787 - 0.788 in.)
Wear Limit. . . . . . . . . . 19.975 mm (0.786 in.)
Piston Pin O.D. - 3TNA72 (3009):
Standard . . . . . . . . . . . . . . 20.991 - 21.00 mm
. . . . . . . . . . . . . . . . . . . . . . .(0.826 - 0.827 in.)
Wear Limit. . . . . . . . . . 20.975 mm (0.825 in.)
If pin diameter is less than wear limit, replace pin.
8. Measure piston pin bore diameter in piston.
Piston Pin Bore I.D. - 3TN66:
Standard . . . . . . . . . . . . . . 20.00 - 20.008 mm
. . . . . . . . . . . . . . . . . . . . . . .(0.787 - 0.788 in.)
Wear Limit. . . . . . . . . . . 20.02 mm (0.788 in.)
Clearance . . . . . . . . . . . 0.045 mm (0.0018 in.)
Piston Pin Bore I.D. - 3TNA72 (3009):
Standard . . . . . . . . . . . . . . 21.00 - 21.009 mm
. . . . . . . . . . . . . . . . . . . . .(0.8268 - 0.8271 in.)
Wear Limit. . . . . . . . . . . 21.02 mm (0.828 in.)
Clearance . . . . . . . . . . . 0.045 mm (0.0018 in.)
If piston pin bore exceeds wear limit, replace piston.
If bore clearance (bore I.D. minus pin O.D.) exceeds
specification, replace piston, piston pin or both.
9. Measure piston pin bushing diameter in
connecting rod.
M37683
Piston Pin Bushing I.D. - 3TN66:
Standard . . . . . . . . . . . . . 20.025 - 20.038 mm
. . . . . . . . . . . . . . . . . . . . . . .(0.788 - 0.789 in.)
Wear Limit. . . . . . . . . . . 20.10 mm (0.781 in.)
Clearance . . . . . . . . . . . . 0.11 mm (0.0043 in.)
Piston Pin Bushing I.D. - 3TNA72 (3009):
Standard . . . . . . . . . . . . . 21.025 - 21.038 mm
. . . . . . . . . . . . . . . . . . . . .(0.8278 - 0.8282 in.)
Wear Limit. . . . . . . . . . . 21.10 mm (0.831 in.)
Clearance . . . . . . . . . . . . 0.11 mm (0.0043 in.)
If bushing diameter exceeds wear limit, replace
bushing.
If bushing clearance (bushing I.D. minus pin O.D.)
exceeds specification, replace bushing, piston pin or
both.
Piston pin bushing is press fit. Replace bushing
using a driver set. When installing bushing, make
sure to align oil hole in bushing with hole in
connecting rod.
10.Measure piston diameter perpendicular to piston
pin bore at distance A.
NOTE: If engine has had a previous major
overhaul, oversize pistons and rings may
have been installed. Pistons and rings are
available in 0.25 mm (0.010 in.) and 0.50
mm (0.020 in.) oversize.
M82051A

Pistons, Rods and Cylinder Block
4/7/95
1
1-39
Piston O.D. - 3TN66:
Distance A . . . . . . . . . . . . . . . . . .5 mm (0.197 in.)
Standard Size Piston
Standard . . . . . . . . . . . . . 65.927 - 65.957 mm
. . . . . . . . . . . . . . . . . . . . . . .(2.596 - 2.597 in.)
Wear Limit. . . . . . . . . . . 65.85 mm (2.593 in.)
M82200A
A
M82052A
0.25 mm (0.010 in.) Oversize Piston
Standard . . . . . . . . . . . . . . . 66.18 - 66.21 mm
. . . . . . . . . . . . . . . . . . . . . . .(2.606 - 2.607 in.)
Wear Limit. . . . . . . . . . . 66.10 mm (2.602 in.)
0.50 mm (0.020 in.) Oversize Piston
Standard . . . . . . . . . . . . . . . 66.43 - 66.46 mm
. . . . . . . . . . . . . . . . . . . . . . .(2.615 - 2.616 in.)
Wear Limit. . . . . . . . . . . 66.35 mm (2.612 in.)
Piston O.D. - 3TNA72 (3009):
Distance A . . . . . . . . . . . . . . . . . .8 mm (0.315 in.)
Standard Size Piston
Standard . . . . . . . . . . . . . 71.922 - 71.952 mm
. . . . . . . . . . . . . . . . . . . . . . .(2.832 - 2.833 in.)
Wear Limit. . . . . . . . . . . 71.81 mm (2.827 in.)
0.25 mm (0.010 in.) Oversize Piston
Standard . . . . . . . . . . . . . . . 72.17 - 72.20 mm
. . . . . . . . . . . . . . . . . . . . . . .(2.841 - 2.842 in.)
Wear Limit. . . . . . . . . . . 72.06 mm (2.837 in.)
0.50 mm (0.020 in.) Oversize Piston
Standard . . . . . . . . . . . . . . . 72.42 - 72.45 mm
. . . . . . . . . . . . . . . . . . . . . . .(2.851 - 2.852 in.)
Wear Limit. . . . . . . . . . . 72.31 mm (2.847 in.)
If piston diameter is less than wear limit, install a
new piston.
11.Measure cylinder bore diameter. (See procedure
in this group.)

Pistons, Rods and Cylinder Bloc
k
1-40
4/7/95
1
CYLINDER BORE
Inspection
Measure cylinder bore diameter at three positions;
top, middle and bottom. At these three positions,
measure in both directions; along crankshaft center
line and direction of crankshaft rotation.
NOTE: If engine has had a previous major
overhaul, oversize pistons and rings may
have been installed.
Cylinder Bore I.D. - 3TN66:
Standard Size Bore
Standard . . . . . . . . . . . . . . . 66.00 - 66.03 mm
. . . . . . . . . . . . . . . . . . . . . . .(2.599 - 2.600 in.)
Wear Limit . . . . . . . . . . 66.20 mm (2.606 in.)
Clearance . . . . . . . . . . . . . 0.25 mm (0.010 in.)
0.25 mm (0.010 in.) Oversize Bore
Standard . . . . . . . . . . . . . . . 66.25 - 66.28 mm
. . . . . . . . . . . . . . . . . . . . . . .(2.609 - 2.610 in.)
Wear Limit. . . . . . . . . . . 66.45 mm (2.616 in.)
M82053A
Top Position
Middle Position
Bottom Position
Direction of
Crankshaft Rotation
Direction of
Crankshaft
Centerline
0.50 mm (0.020 in.) Oversize Bore
Standard . . . . . . . . . . . . . . . 66.50 - 66.53 mm
. . . . . . . . . . . . . . . . . . . . . . . (2.619 -2.620 in.)
Wear Limit. . . . . . . . . . . 66.70 mm (2.626 in.)
Cylinder Bore I.D. - 3TNA72 (3009):
Standard Size Bore
Standard . . . . . . . . . . . . . . . 72.00 - 72.03 mm
. . . . . . . . . . . . . . . . . . . . . . .(2.835 - 2.836 in.)
Wear Limit . . . . . . . . . . 72.20 mm (2.843 in.)
Clearance . . . . . . . . . . . . . 0.28 mm (0.011 in.)
0.25 mm (0.010 in.) Oversize Bore
Standard . . . . . . . . . . . . . . . 72.25 - 72.28 mm
. . . . . . . . . . . . . . . . . . . . . . .(2.845 - 2.846 in.)
Wear Limit. . . . . . . . . . . 72.45 mm (2.852 in.)
0.50 mm (0.020 in.) Oversize Bore
Standard . . . . . . . . . . . . . . . 72.50 - 72.53 mm
. . . . . . . . . . . . . . . . . . . . . . .(2.855 - 2.856 in.)
Wear Limit. . . . . . . . . . . 72.70 mm (2.862 in.)
If cylinder bore exceeds wear limit, replace cylinder
block or have cylinder rebored. (See Reboring
procedure.)
If cylinder is rebored, oversize pistons and rings
must be installed. Pistons and rings are available in
0.25 mm (0.010 in.) and 0.50 mm (0.020 in.)
oversize.
If clearance (cylinder bore I.D. minus piston O.D.)
exceeds specification, replace cylinder block, piston
or both; or rebore cylinder and install oversize piston
and rings.
Deglazing
IMPORTANT: If cylinder bores are to be
deglazed with crankshaft installed in engine,
put clean shop towels over crankshaft to
protect journal and bearing surfaces from any
abrasives.
1. Deglaze cylinder bores using a flex-hone with
180 grit stones.

Pistons, Rods and Cylinder Block
4/7/95
1
1-41
2. Use flex-hone as instructed by manufacturer to
obtain a 30 - 40° cross-hatch pattern as shown.
IMPORTANT: Do not use gasoline, kerosene or
commercial solvents to clean cylinder bores.
Solvents will not remove all abrasives from
cylinder walls.
3. Remove excess abrasive residue from cylinder
walls using a clean dry rag. Clean cylinder walls
using clean white rags and warm soapy water.
Continue to clean cylinder until white rags show
no discoloration.
Reboring
NOTE: The cylinder block can be rebored to use
oversize pistons and rings. Pistons and
rings are available in 0.25 mm (0.010 in.)
and 0.50 mm (0.020 in.) oversize. (See this
group for cylinder bore I. D. specifications.)
1. Align center of bore to drill press center.
IMPORTANT: Check stone for wear or damage.
Use a rigid hone with 300 grit stones.
2. Adjust hone so lower end is even with lower end
of cylinder bore.
3. Adjust rigid hone stones until they contact
narrowest point of cylinder.
4. Coat cylinder with honing oil. Hone should turn
by hand. Adjust if too tight.
M82054A
5. Run drill press at about 250 RPM. Move hone up
and down in order to obtain a 30 - 40°crosshatch
pattern.
NOTE: Measure bore when cylinder is cool.
6. Stop press and check cylinder diameter.
NOTE: Finish should not be smooth. It should have
a 30 - 40o crosshatch pattern.
7. Remove rigid hone when cylinder is within 0.03
mm (0.001 in.) of desired size.
8. Use a flex hone with 180 grit stones for honing to
final size.
9. Check bore for size, taper and out-of-round. (See
Inspection procedures.)
IMPORTANT: Do not use solvents to clean
cylinder bore. Solvents will not remove all
metal particles and abrasives produced during
honing.
10.Clean cylinder thoroughly using warm soapy
water until clean white rags show no
discoloration.
11.Dry cylinder and apply engine oil.
M52959
30 - 40°

Crankshaft, Main Bearings and Flywhee
l
1-42
4/7/95
1
OTHER MATERIALS
Number Name Use
LOCTITE® PRODUCTS
U.S./
Canadian/
LOCTITE No.
TY15130/ John Deere Form-In-Place Seals rear oil seal case, crankcase
NA/ Gasket extension housing, (3TNA72 - 670 CUT,
#395 15 EX, 3009 OEM) and flywheel housing
(3TNA72 - 15 EX, 3009 OEM) to engine
block.
SERVICE PARTS KITS
The following kits are available through your parts catalog:
•Cylinder Block Gasket Kit
•Undersized Main Bearing Inserts
®LOCTITE is a registered trademark of the Loctite Corp.

Crankshaft, Main Bearings and Flywheel
4/7/95
1
1-43
CRANKCASE EXTENSION HOUSING -
3TNA72 (670 CUT)
1. Remove flywheel. (See procedure in this group.)
2. Remove oil pan and oil strainer. (See Lubrication
System in this section.)
Cap Screw (4)
M6 x22
26 N•m (226 lb-in.)
Cap Screw (3)
M10 x 20
49 N•m (36 lb-ft)
M82056
M82277A
John Deere
Form-In-Place Gasket
(RTV rubber silicone
sealant)
Crankcase Extension
Housing
Extension-to-Timing Gear Housing
Cap Screw (4)
M8 x 45
22 N•m (195 lb-in.)
Extension-to-Block
Cap Screw (14)
M6 x 85
27 N•m (20 lb-ft)
Extension-to-Block
Cap Screw (2)
M8 x 45
27 N•m (20 lb-ft)

Crankshaft, Main Bearings and Flywhee
l
1-44
4/7/95
1
CRANKCASE EXTENSION HOUSING -
3TNA72 (15 EX and 3009 OEM)
1. Remove flywheel. (See procedure in this group.)
2. Remove oil pan and oil strainer. (See Lubrication
System in this section.)
M82056
Cap Screw (4)
M6 x22
26 N•m (226 lb-in.)
Cap Screw (3)
M10 x 28
49 N•m (36 lb-ft)
M82202A
John Deere
Form-In-Place Gasket
(RTV rubber silicone
sealant)
Crankcase Extension
Housing

Crankshaft, Main Bearings and Flywheel
4/7/95
1
1-45
CRANKSHAFT REAR OIL SEAL -
3TN66 AND 3TNA72
(430 LGT, 455 LGT, 755/56 CUT,
F925/35 FM)
Replacement
1. Remove flywheel plate. (See procedure in this
group.)
•Replace oil seal using a driver set. Install seal,
with lip toward cylinder block. Install seal flush
with surface of oil seal case.
NOTE: If crankshaft is grooved at oil seal contact
point, seal can be installed 3 mm (0.120 in.)
farther into oil seal case.
Rear Oil Seal
Seal Case-to-Block
Cap Screw (6)
M6 X 20
11N•m (96 lb-in.)
Oil Seal CaseJohn Deere
Form-In-Place
Gasket
(RTV rubber
silicone sealant)
Oil Pan-to-Seal Case (2)
9 N•m (78 lb-in.)M82279A
CRANKSHAFT REAR OIL SEAL -
3TNA72 (15 EX, 670 CUT, 3009 OEM)
Replacement
1. Remove flywheel. (See procedure in this group.)
•Replace oil seal using a driver set. Install seal,
with lip toward cylinder block. Install seal flush
with surface of oil seal case.
NOTE: If crankshaft is grooved at oil seal contact
point, seal can be installed 3 mm (0.120 in.)
farther into oil seal case.
Rear Oil Seal
Oil Seal Case
John Deere
Form-In-Place
Gasket
(RTV rubber
silicone sealant)
M82280A
Seal Case-to-Block
Cap Screw (6)
M6 X 22
11N•m (96 lb-in.)
Seal Case-to-Extension
Cap Screw (4)
M6 x 22
9 N•m (78 lb-in.)

Crankshaft, Main Bearings and Flywhee
l
1-46
4/7/95
1
CRANKSHAFT FRONT OIL SEAL
Replacement
NOTE: Timing gear covers are similar. The most
common applications are shown.
•Remove timing gear cover. (See Camshaft and
Timing Gear Train in this section.)
•Replace oil seal using a driver set. Install seal
with lip toward inside of gear housing cover.
Install seal flush with surface of cover.
M82281A
Timing Gear Cover
Crankshaft
Front
Oil Seal
3TN66
M82282A
Timing Gear Cover
Crankshaft
Front
Oil Seal
3TNA72
CRANKSHAFT AND MAIN BEARINGS
Removal
1. Check crankshaft end play. (See Checks, Tests
and Adjustments in this section.)
2. Remove rear oil seal. (See procedure in this
group.)
3. Remove flywheel housing, if equipped. (See
procedure in this group.)
4. Remove crankcase extension housing, if
equipped. (See procedure in this group.)
5. Remove timing gear housing. (See Camshaft and
Timing Gear Train in this section.)
6. Check crankshaft bearing clearance. (See Checks,
Tests and Adjustments in this section.)
IMPORTANT: Connecting rod end caps must be
installed on the same connecting rods from
which they were removed. Note alignment
marks on caps and rods.
7. Remove connecting rod cap screws and end caps.
8. Push pistons and connecting rods away from
crankshaft.
IMPORTANT: Main bearing caps must be
installed on the same main bearings from
which they were removed.
9. Remove main bearing cap screws, caps and cap
thrust bearings.
10.Remove crankshaft.
11.Remove block thrust bearings and main bearing
inserts.
12.Inspect all parts for wear or damage. (See
Inspection/Replacement procedures.)

Crankshaft, Main Bearings and Flywheel
4/7/95
1
1-47
Installation
•Apply clean engine oil on all parts during
installation.
IMPORTANT: Do not touch bearing insert
surfaces. Oil and acid from your finger will
corrode the bearing surface.
1. Install grooved bearing inserts in crankshaft
bearing bores, aligning tangs with slots in bores.
2. Install block thrust bearings with oil grooves
facing away from engine block.
NOTE: Main bearing caps have “raised arrows”
that are stamped with numbers. Both
correspond to their location on the engine
block. The number “1” main bearing bore
is at flywheel end. Install bearing caps
beginning with number 1, then 2, etc. The
main bearing cap at gear train end does not
have a number. Also install bearing caps
with the “arrow” toward the flywheel end.
3. Install crankshaft.
4. Install smooth bearing inserts in main bearing
caps, aligning tangs with slots in caps.
5. Install cap thrust bearings, with oil grooves
facing away from cap, in the number “1” main
bearing cap.
6. Install main bearing caps in their original
locations with arrows pointing toward flywheel
side of engine.
IMPORTANT: DO NOT use high speed power
tools or air wrenches to tighten main bearing
cap screws.
7. Dip entire main bearing cap screws in clean
engine oil. Install cap screws and tighten. DO
NOT tighten to specifications.
8. Using a soft-faced hammer, tap the front end of
the crankshaft then the rear end of the crankshaft
to align the thrust bearings.
M82283A
Flywheel
End
Crankshaft
Block Thrust Bearing
Cap Thrust Bearing
Main Bearing Inserts
Main Bearing Cap
Screw (8)
Main Bearing Cap

Crankshaft, Main Bearings and Flywhee
l
1-48
4/7/95
1
9. Tighten main bearing cap screws to
specifications. When tightening, start at center
main bearing cap and work your way out,
alternating to the ends. Turn crankshaft by hand.
If it does not turn easily, disassemble the parts
and find the cause.
IMPORTANT: Connecting rod caps must be
installed on the same connecting rods they
were removed from.
Never reuse connecting rod cap screws,
replace with new.
10.Match the connecting rod caps to the rods using
alignment marks. Install caps.
11.Dip entire connecting rod cap screws in clean
engine oil. Install new cap screws and tighten to
23 N•m (203 lb-in.).
12.Install timing gear housing. (See Camshaft and
Timing Gear Train in this section.)
13.Install crankcase extension housing, if equipped.
(See procedure in this group.)
14.Install flywheel housing, if equipped. (See
procedure in this group.)
15.Install rear oil seal. (See procedure in this group.)
M82283A
Flywheel
End
Crankshaft
Block Thrust Bearing
Cap Thrust Bearing
Smooth Bearing Insert
Grooved Bearing Insert
Main Bearing Cap
Main Bearing Cap Screw (8)
Dip in clean engine oil.
3TN66: 54 N•m (40 lb-ft)
3TNA72 (3009):79 N•m (58 lb-ft)
Tangs
1
2
3

Crankshaft, Main Bearings and Flywheel
4/7/95
1
1-49
Inspection/Replacement
1. Inspect crankshaft gear for chipped or broken
teeth. Replace if necessary.
To replace gear:
Remove gear from crankshaft using a knife-edge
puller and a press.
Heat gear to approximately 150oC (300oF). Install
gear with timing mark “A” toward press table. Align
slot in gear with key in shaft. Press crankshaft into
gear until gear is tight against crankshaft shoulder.
CAUTION
DO NOT heat oil over 182° C (360° F). Oil
fumes or oil can ignite above 193° C (380° F).
Use a thermometer. Do not allow a flame or
heating element to come in direct contact
with the oil. Heat the oil in a well-ventilated
area. Plan a safe handling procedure to avoid
burns.
2. Inspect crankshaft for bend using v-blocks and a
dial indicator. Turn crankshaft slowly and read
variation on indicator. If variation is greater than
0.02 mm (0.0007 in.), replace crankshaft.
M82060A
Key
Crankshaft Gear
Timing
Mark
M82061A
V-Block
Dial Indicator

Crankshaft, Main Bearings and Flywhee
l
1-50
4/7/95
1
3. Measure crankshaft connecting rod journal and
main bearing journal diameters. Measure several
places around each journal.
NOTE: If engine has had a previous major
overhaul, journals may have been ground
and undersized bearing inserts installed.
Connecting Rod Journal O.D. - 3TN66:
Standard . . . . . . . . . . . . . . . 35.97 - 35.98 mm
. . . . . . . . . . . . . . . . . . . . .(1.4161 - 1.4165 in.)
Wear Limit. . . . . . . . . . . 35.92 mm (1.414 in.)
Connecting Rod Journal O.D. - 3TNA72 (3009):
Standard . . . . . . . . . . . . . . . 39.97 - 39.98 mm
. . . . . . . . . . . . . . . . . . . . .(1.5736 - 1.5740 in.)
Wear Limit. . . . . . . . . . . 39.92 mm (1.572 in.)
Main Bearing Journal O.D. - 3TN66:
Standard . . . . . . . . . . . . . . . 39.97 - 39.98 mm
. . . . . . . . . . . . . . . . . . . . .(1.5736 - 1.5740 in.)
Wear Limit. . . . . . . . . . . 39.92 mm (1.572 in.)
Main Bearing Journal O.D. - 3TNA72 (3009):
Standard . . . . . . . . . . . . . . . 43.97 - 43.98 mm
. . . . . . . . . . . . . . . . . . . . .(1.7311 - 1.7315 in.)
Wear Limit. . . . . . . . . . . 43.92 mm (1.729 in.)
If journal diameter is less than wear limit, replace
crankshaft or have journals ground undersize by a
qualified machine shop.
If journals are ground, undersize bearing inserts
must be installed. Bearing inserts are available in
0.25 mm (0.010 in.) undersize.
M82062A
Main
Bearing
Journal
Connecting
Rod Journal
4. Install bearing inserts and main bearing cap on
main bearing. Tighten main bearing cap screws to
specifications.
Main Bearing Cap Screw Torque Specifications:
3TN66. . . . . . . . . . . . . . . . . . 54 N•m (40 lb-ft)
3TNA72 (3009) . . . . . . . . . . 79 N•m (58 lb-ft)
5. Measure main bearing diameter.
Main Bearing I.D. - 3TN66:
Standard . . . . . . . . . . . . . . 40.00 - 40.042 mm
. . . . . . . . . . . . . . . . . . . . . . .(1.575 - 1.577 in.)
Wear Limit. . . . . . . . . . . 40.07 mm (1.578 in.)
Clearance . . . . . . . . . . . . 0.15 mm (0.0059 in.)
Main Bearing I.D. - 3TNA72 (3009):
Standard . . . . . . . . . . . . . . 44.00 - 44.042 mm
. . . . . . . . . . . . . . . . . . . . . . .(1.732 - 1.734 in.)
Wear Limit. . . . . . . . . . . 44.07 mm (1.735 in.)
Clearance . . . . . . . . . . . . 0.15 mm (0.0059 in.)
If bearing diameter exceeds wear limit, replace
bearing inserts.
If bearing clearance (bearing I.D. minus crankshaft
main bearing journal O.D.) exceeds specification,
replace bearing inserts and crankshaft or have
crankshaft journals ground undersize by a qualified
machine shop and install undersized bearing inserts.
Bearing inserts are available in 0.25 mm (0.010 in.)
undersize.
6. Clean and inspect oil passages in main bearing
journals, connecting rod journals and main
bearing bores in cylinder block.
7. Inspect crankshaft for cracks or damage. Replace
if necessary.
M35408

Crankshaft, Main Bearings and Flywheel
4/7/95
1
1-51
STUB SHAFT - 3TN66 (330/332 LGT,
F915 FM) AND 3TNA72 (430 LGT,
F925/35 FM)
1. Remove electric clutch. (See procedure in
Machine Technical Manual.)
2. Remove cover.
3. Measure stub shaft TIR (total indicated runout)
using a dial indicator. If TIR exceeds (0.20 mm
(0.008 in.), replace stub shaft.
4. Remove stub shaft.
M35331
Cap Screws
330/332 LGT: M10 x 60
F915FM: M10 x 35
49 N•m (36 lb-ft)
Stud (4)
Clip
Cover
Guide
Pins
Stub
Shaft
Cap Screw (6)
M8 x 50
26 N•m
(226 lb-in.)
Cap Screw (4)
M10 x 25
59 N•m (44 lb-ft)
3TN66
M82285A
5. Measure stub shaft mounting flange flatness.
Place a straight edge across stub shaft mounting
surface. Measure clearance between straight edge
and mounting surface with a feeler gauge. If
clearance exceeds 0.05 mm (0.002 in.), replace
stub shaft.
Installation is done in reverse order of removal.
3TNA72
M82286A
Cap Screw (2)
M10 x 75
49 N•m (36 lb-ft)
Nut (2)
88 N•m (65 lb-ft)
Guide
Pin (2)
Stub
Shaft
Cap Screw (4)
M8 x 20
59 N•m (44 lb-ft)
Plug
Cap Screw (5)
M8 x 70
26 N•m (226 lb-ft)
M35338

Crankshaft, Main Bearings and Flywhee
l
1-52
4/7/95
1
FLYWHEEL
1. 3TN66 (330/332 LGT and F915 FM) and
3TNA72 (430 LGT and F925/35 FM). Remove
stub shaft. (See procedure in this group.)
-3TN66 (655 CUT) and 3TNA72 (455 LGT
and 755/56 CUT): Remove starter and
flywheel guard.
-3TNA72 (3009 OEM): Remove bearing
housing.
-3TN66 (375 SSL) and 3TNA72 (15 EX):
Remove center flex coupler. (See procedure
in Machine Technical Manual.)
Flywheel
Pilot Bushing
3TNA72 (670 CUT)
Only
Flywheel Mounting
Cap Screw (5)
Replace.
Apply clean engine oil
on threads.
83 N•m (61 lb-ft)
Bearing Bearing
Housing
Cap Screw (3)
3TNA72
(3009 OEM)
Only
M82287A
Nut Clip
755/56 CUT Only
Flywheel
Guard
Cap Screw (2)
M8 x 12
Flywheel
Guard
Cap Screw (3)
M8 x 50
3TNA72 (455 LGT and 755/56 CUT) Only
Cap
Screw
M8 x 55
Cap Screw
M10 x 20 Clip
3TN66 (655 CUT) Only

Crankshaft, Main Bearings and Flywheel
4/7/95
1
1-53
2. Remove mounting cap screws and flywheel.
IMPORTANT: Never reuse flywheel mounting
cap screws. Always install new.
•Inspect pilot bushing, if equipped, for wear or
damage. Replace if necessary using a driver set.
Install bushing flush with flywheel surface.
•Measure flywheel flatness. Place a straight edge
across flywheel surface opposite of ring gear.
Measure clearance between straight edge and
flywheel surface with a feeler gauge. If
clearance exceeds 0.02 mm (0.0008 in.), replace
flywheel.
M35337
FLYWHEEL HOUSING - 3TNA72
(15 EX, 3009 OEM)
1. Remove flywheel. (See procedure in this group.)
2. Remove starter.
M35336
Units Equipped with Stub Shaft Only
M82288A
Housing-to-Block
Cap Screw (6)
M10 x 25
49 N•m (36 lb-ft)
Housing-to-Extension
Cap Screw (3)
M10 x 28
49 N•m (36 lb-ft)
Flywheel Housing
Plug
John Deere Form-In-Place Gasket
(RTV rubber silicone sealant)

Crankshaft, Main Bearings and Flywhee
l
1-54
4/7/95
1
FLYWHEEL PLATE - 3TN66 AND
3TNA72
(All Except 15 EX and 3009 OEM)
1. Remove flywheel. (See procedure in this group.)
2. Remove starter.
M82289A
Mounting Cap
M10 x 20
49 N•m (36 lb-ft)
3TN66 (655 CUT)
Screw (7)
Flywheel Plate
Foam Seal
M82290A
Mounting Cap Screw (6)
M10 x 20
49 N•m (36 lb-ft)
Foam Seal
Flywheel Plate
3TN66 (375 SSL, 330/332 LGT,
F915 FM)
M82357A
3TNA72 (430 LGT, F925/35 FM)
Foam Seal
Flywheel
Plate
Mounting Cap Screw (8)
M10 x 20
49 N•m (36 lb-ft)
Cover
Cap
Screw (5)
M8 x 8
Washer (5)
Early 430 LGT
Only
M82358A
3TNA72 (455 LGT, 755/56 CUT)
Stud
Mounting Cap Screw (7)
M10 x 20
49 N•m (36 lb-ft)
Foam Seal
M82359A
Flywheel
Plate
Mounting
Cap Screw (11)
M10 x 20
49 N•m (36 lb-ft)
3TNA72 (670 CUT)

Camshaft and Timing Gear Train
4/7/95
1
1-55
SPECIAL OR ESSENTIAL TOOLS
NOTE: Order tools according to information given in the U.S. SERVICE-GARDTM Catalog or in the
European Microfiche Tool Catalog (MTC).
D15001NU Magnetic Follower Holder Kit
Hold cam followers when removing and installing camshaft.
OTHER MATERIALS
Number Name Use
LOCTITE® PRODUCTS
U.S./
Canadian/
LOCTITE No.
TY15130/ John Deere Form-In-Place Seals camshaft plug, timing gear cover and
NA/ Gasket housing to engine block.
#395
TY9370/ Thread Lock and Sealer Apply to threads of crankshaft pulley
TY9477/ (Medium Strength) cap screw.
#242
TY9369/ Thread Lock and Sealer Apply to threads of studs in timing
NA/ (Low Strength) gear housing.
#222
SERVICE PARTS KITS
The following kits are available through your parts catalog:
•Cylinder Head Gasket Kit
•Cylinder Block Gasket Kit
® LOCTITE is a registered trademark of the Loctite Corp.

Camshaft and Timing Gear Train
1-56
4/7/95
1
CAMSHAFT
Removal
1. Remove rocker arm assembly and push rods. (See
Cylinder Head, Valves and Manifolds in this
section.)
2. Remove timing gear cover. (See procedure in this
group.)
3. Check camshaft end play. (See Checks, Tests and
Adjustments in this section.)
4. Check backlash of timing gears. (See Checks,
Tests and Adjustments in this section.)
NOTE: If a magnetic follower holder kit is not
available, turn engine until oil pan is
upward, to hold cam followers away from
camshaft.
5. Hold cam followers away from camshaft using a
magnetic follower holder kit such as D15001NU.
NOTE: Due to the odd number of teeth on the idler
gear, timing marks will only align
periodically.
6. Rotate crankshaft and align timing marks.
IMPORTANT: DO NOT allow camshaft lobes to
hit bearing surfaces while removing camshaft.
Machined surfaces can be damaged.
7. Remove two cap screws and camshaft.
8. Inspect all parts for wear or damage. (See
Inspection/Replacement procedures.)
Mounting Cap Screws
M8 X 16
Timing
Marks
3TN66, Later 3TNA72 M37832
Camshaft
Installation
•Apply clean engine oil on all parts during
installation.
IMPORTANT: DO NOT allow camshaft lobes to
hit bearing surfaces while installing camshaft.
Machined surfaces can be damaged.
1. Rotate crankshaft to align timing marks.
2. Install camshaft.
3. Install and tighten mounting cap screws to 11
N•m (96 lb-in.).
4. Install timing gear cover. (See procedure in this
group.)
5. Install push rods and rocker arm assembly. (See
Cylinder Head, Valves and Manifolds in this
section.)
Mounting Cap Screws
M8 X 16
Timing
Marks
Early 3TNA72
M35501
Camshaft

Camshaft and Timing Gear Train
4/7/95
1
1-57
Inspection/Replacement
1. Check camshaft side gap using a feeler gauge.
Camshaft Side Gap:
Standard . . . . . . . . . . . . . . . . . 0.05 - 0.15 mm
. . . . . . . . . . . . . . . . . . . . .(0.0020 - 0.0060 in.)
Wear Limit. . . . . . . . . . . . 0.40 mm (0.016 in.)
If side gap is at wear limit, remove gear and replace
thrust plate.
2. Inspect gear for chipped or broken teeth. Replace
if necessary.
To remove/replace gear:
Remove gear from camshaft using a knife-edge
puller and a press.
CAUTION
DO NOT heat oil over 182° C (360° F). Oil
fumes or oil can ignite above 193° C (380° F).
Use a thermometer. Do not allow a flame or
heating element to come in direct contact
with the oil. Heat the oil in a well-ventilated
area. Plan a safe handling procedure to avoid
burns.
M82067A
Camshaft Gear
Thrust Plate
Side Gap
Heat gear to approximately 150oC (300oF).
IMPORTANT: Be sure thrust plate is not
between camshaft gear and camshaft shoulder
while installing gear.
Install thrust plate if removed. Install gear with
timing mark “C” side toward press table. Align slot
in gear with key in shaft. Press camshaft into gear
until gear is tight against camshaft shoulder.
Thrust plate must spin freely on camshaft.
3. Inspect camshaft for bend using v-blocks and a
dial indicator. Turn camshaft slowly and read
variation on indicator. If variation is greater than
0.02 mm (0.001 in.), replace camshaft.
4. Measure camshaft lobe height.
M82068A
Thrust Plate
Camshaft Gear
Key
M82291A
Dial Indicator
Camshaft
Central Bearing
Areas
V-Block

Camshaft and Timing Gear Train
1-58
4/7/95
1Lobe Height - 3TN66:
Standard . . . . . . . . . . . . . . . 29.97 - 30.03 mm
. . . . . . . . . . . . . . . . . . . . . . .(1.180 - 1.182 in.)
Wear Limit. . . . . . . . . . . 29.75 mm (1.171 in.)
Lobe Height - 3TNA72 (3009):
Standard . . . . . . . . . . . . . . . 33.95 - 34.05 mm
. . . . . . . . . . . . . . . . . . . . . . .(1.337 - 1.341 in.)
Wear Limit. . . . . . . . . . . 33.75 mm (1.329 in.)
If lobe height is less than wear limit, replace
camshaft.
5. Measure camshaft end and intermediate journal
diameters.
Camshaft Journal O.D. - 3TN66:
Gear Housing and Flywheel Ends
Standard . . . . . . . . . . . . . . . 35.94 - 35.96 mm
. . . . . . . . . . . . . . . . . . . . .(1.4150 - 1.4157 in.)
Wear Limit. . . . . . . . . . 35.85 mm (1.4114 in.)
M82070A
Lobe
Height
M82292A
Flywheel End
Journal
Intermediate
Journals
Gear Housing
End Journal
Intermediate
Standard . . . . . . . . . . . . . . . 35.91 - 35.94 mm
. . . . . . . . . . . . . . . . . . . . .(1.4138 - 1.4150 in.)
Wear Limit. . . . . . . . . . 35.85 mm (1.4114 in.)
Camshaft Journal O.D. - 3TNA72 (3009):
Gear Housing and Flywheel Ends
Standard . . . . . . . . . . . . . . . 39.94 - 39.96 mm
. . . . . . . . . . . . . . . . . . . . .(1.5724 - 1.5732 in.)
Wear Limit. . . . . . . . . . 39.85 mm (1.5689 in.)
Intermediate
Standard . . . . . . . . . . . . . . . 39.91 - 39.94 mm
. . . . . . . . . . . . . . . . . . . . .(1.5713 - 1.5724 in.)
Wear Limit. . . . . . . . . . 39.85 mm (1.5689 in.)
If journal diameters are less than wear limit, replace
camshaft.
6. Measure camshaft bushing diameter at gear
housing end.
Camshaft Bushing I.D. - 3TN66:
Standard . . . . . . . . . . . . . . 36.00 - 36.065 mm
. . . . . . . . . . . . . . . . . . . . . . .(1.417 - 1.420 in.)
Wear Limit. . . . . . . . . . . 36.10 mm (1.421 in.)
Clearance . . . . . . . . . . . . . 0.18 mm (0.007 in.)
Camshaft Bushing I.D. - 3TNA72 (3009):
Standard . . . . . . . . . . . . . . 40.00 - 40.065 mm
. . . . . . . . . . . . . . . . . . . . . . .(1.575 - 1.577 in.)
Wear Limit. . . . . . . . . . . 40.10 mm (1.579 in.)
Clearance . . . . . . . . . . . . . 0.18 mm (0.007 in.)
M82072
Camshaft Bushing
Oil Holes

Camshaft and Timing Gear Train
4/7/95
1
1-59
If bushing diameter exceeds wear limit, replace
bushing.
If bushing clearance (bushing I.D. minus camshaft
journal O.D.) exceeds specification, replace bushing,
camshaft or both.
To replace bushing:
Remove bushing using a chisel. Be careful not to
push bushing inside of engine. Align oil holes in
new bushing and cylinder block. Install bushing
using a driver set.
NOTE: Flywheel housing/plate must be removed to
measure camshaft intermediate and
flywheel end bearing diameters.
7. Measure intermediate and flywheel end camshaft
bore diameters using the following procedures:
•Remove flywheel housing/plate. (See
Crankshaft, Main Bearings and Flywheel in this
section.)
•Remove plug using a long wooden dowel. Insert
wooden dowel through gear housing side.
•Measure intermediate and flywheel end
camshaft bore diameters.
M35287
Plug
M82073
Intermediate
Bores
Flywheel
End
Bore
Camshaft Bore I.D. - 3TN66:
Standard . . . . . . . . . . . . . . 36.00 - 36.025 mm
. . . . . . . . . . . . . . . . . . . . . . .(1.417 - 1.418 in.)
Wear Limit. . . . . . . . . . . 36.10 mm (1.421 in.)
Clearance . . . . . . . . . . . . . 0.18 mm (0.007 in.)
Camshaft Bore I.D. - 3TNA72 (3009):
Standard . . . . . . . . . . . . . . 40.00 - 40.025 mm
. . . . . . . . . . . . . . . . . . . . . . .(1.575 - 1.576 in.)
Wear Limit. . . . . . . . . . . 40.10 mm (1.579 in.)
Clearance . . . . . . . . . . . . . 0.18 mm (0.007 in.)
If bore diameter exceeds wear limit, replace cylinder
block.
If bore clearance (bore I.D. minus camshaft journal
O.D.) exceeds specification, replace camshaft,
cylinder block or both.
•Apply John Deere Form-In Place Gasket, or an
equivalent, on outer edge of plug. Install plug
until it bottoms in bore.
•Install flywheel housing/plate.
CAM FOLLOWERS
Removal/Installation
1. Remove cylinder head. (See Cylinder Head,
Valves and Manifold in this section.)
IMPORTANT: Cam followers must be installed
in the same bores from which they were
removed.
2. Put a mark on each cam follower and cylinder
block bore to aid in installation.
3. Remove cam followers.
4. Inspect all parts for wear or damage. (See
Inspection procedures.)
5. Apply clean engine oil on all parts during
installation.
Installation is done in the reverse order of removal.

Camshaft and Timing Gear Train
1-60
4/7/95
1
Inspection
•Inspect cam follower contact surface for
abnormal wear. Replace if necessary.
•Measure cam follower diameter.
Cam Follower O.D. - 3TN66:
Standard . . . . . . . . . . . . . 17.950 - 17.968 mm
. . . . . . . . . . . . . . . . . . . . .(0.7067 - 0.7074 in.)
Wear Limit. . . . . . . . . . . 17.93 mm (0.706 in.)
Cam Follower O.D. - 3TNA72 (3009):
Standard . . . . . . . . . . . . . 20.927 - 20.960 mm
. . . . . . . . . . . . . . . . . . . . .(0.8239 - 0.8252 in.)
Wear Limit. . . . . . . . . . . 20.93 mm (0.824 in.)
If diameter is less than wear limit, replace cam
follower.
•Measure cam follower bore diameter in cylinder
block.
M82293A
Abnormal ContactNormal Contact
M35268
Cam Follower Bore I.D. - 3TN66:
Standard . . . . . . . . . . . . . . 18.00 - 18.018 mm
. . . . . . . . . . . . . . . . . . . . .(0.7087 - 0.7094 in.)
Wear Limit. . . . . . . . . . . 18.05 mm (0.711 in.)
Clearance . . . . . . . . . . . . . . . 0.032 - 0.068 mm
. . . . . . . . . . . . . . . . . . . . .(0.0013 - 0.0027 in.)
Cam Follower Bore I.D. - 3TNA72 (3009):
Standard . . . . . . . . . . . . . . 21.00 - 21.021 mm
. . . . . . . . . . . . . . . . . . . . .(0.8268 - 0.8276 in.)
Wear Limit. . . . . . . . . . . 21.05 mm (0.829 in.)
Clearance . . . . . . . . . . . . . . . 0.040 - 0.094 mm
. . . . . . . . . . . . . . . . . . . . .(0.0016 - 0.0037 in.)
If cam follower bore diameter exceeds wear limit,
replace cylinder block.
If bore clearance (bore I.D. minus follower stem
O.D.) exceeds specification, replace cam follower,
cylinder block or both.
TIMING GEAR COVER - 3TN66
Removal/Installation
1. Remove alternator and belt.
2. Remove fan, spacer, if equipped, and pulley.
3. Remove crankshaft pulley cap screw and washer.
4. Remove crankshaft pulley using a two-jaw puller
kit.
5. Remove tachometer, if equipped.
M82294A
PulleySpacer
(655 CUT Only)
Cap Screw (4)
11 N•m (96 lb-in.)

Camshaft and Timing Gear Train
4/7/95
1
1-61
NOTE: It is not necessary to remove end cover and
o-ring to remove timing gear cover.
6. Remove 18 mounting cap screws and timing gear
cover.
Installation is done in the reverse order of removal.
•Tighten all mounting cap screws to 9 N•m (78
lb-in.)
•Adjust fan/alternator drive belt tension. (See
Checks, Tests and Adjustments in this section.)
O-Ring
Cap Screw (2)
M6 x 18
Mounting Cap Screw (4)
M6 x 50
Crankshaft Pulley
Washer
Cap Screw
Apply thread lock and
sealer (medium strength)
to threads.
115 N•m (85 lb-ft)
Mounting Cap Screw (6)
M6 x 65
John Deere
Form-In-Place
Gasket
(RTV rubber
silicone sealant)
Tachometer
O-Ring
Cap
Mounting Cap Screw (3)
M6 x 40
Mounting Cap Screw (5)
M6 x 30Timing Gear
Cover
655 CUT Only
M82295A
End
Cover

Camshaft and Timing Gear Train
1-62
4/7/95
1
TIMING GEAR COVER - EARLY
3TNA72 (430 LGT)
Removal/Installation
1. Remove alternator and belt.
2. Remove crankshaft pulley cap screw and washer.
3. Remove crankshaft pulley using a two-jaw puller
kit.
4. Remove cotter pin and washer to disconnect fuel
shutoff solenoid linkage.
5. Remove two nuts and one cap screw to remove
bracket and fuel shutoff solenoid.
M35272
Cotter Pin
and Washer
M35294
Nut (2)
9 N•m (78 lb-in.)
Cap Screw
9 N•m (78 lb-in.)
NOTE: It is not necessary to remove auxiliary drive
cover and gasket, if equipped, or end cover
and o-ring to remove timing gear cover.
6. Remove 14 mounting cap screws and timing gear
cover.
Installation is done in the reverse order of removal.
•Tighten all mounting cap screws to 9 N•m (78
lb-in.).
•Align pin in crankshaft pulley with hole in
crankshaft gear. Install crankshaft pulley.
•Adjust alternator drive belt tension. (See Checks,
Tests and Adjustments in this section.)
M35295
Hole
Pin

Camshaft and Timing Gear Train
4/7/95
1
1-63
TIMING GEAR COVER - LATER
3TNA72
Removal/Installation
1. Remove alternator and belt.
NOTE: 430 LGT (Later) and F925/35 FM
application is not equipped with a fan.
Alternator belt pulley does not have to be
removed to access timing gear cover.
2. Remove fan, spacer/plate, if equipped, and
pulley.
M82297A
Cap Screw (4)
11 N•m (96 lb-in.)
Spacer
(3009 OEM, 670 CUT Only)
Plate
Pulley
755/56 CUT
Only
3. Remove crankshaft pulley cap screw and washer.
4. Remove crankshaft pulley using a two-jaw puller
kit.
5. Remove tachometer, if equipped.
6. 670 CUT: Remove hydraulic pump and steering
pump, if equipped. (See procedures in Machine
Technical Manual.)
NOTE: It is not necessary to remove auxiliary drive
cover and gasket, if equipped, or end cover
and o-ring to remove timing gear cover.
7. Remove mounting cap screws and timing gear
cover.
Installation is done in the reverse order of removal.
•Tighten all mounting cap screws to 9 N•m (78
lb-in.)
•Adjust fan/alternator drive belt tension. (See
Checks, Tests and Adjustments in this section.)
O-Ring
Cap Screw (2)
M6 x 18
Crankshaft
Pulley
Washer
Cap Screw
Apply thread lock and
sealer (medium strength)
to threads.
88 N•m (65 lb-ft)
Mounting Cap Screw (9)
M6 x 25
John Deere
Form-In-Place Gasket
(RTV rubber
silicone sealant)
End Cover
Mounting Cap Screw (5)
M6 x 55
Timing Gear
Cover
Early 3TNA72 (430 LGT)
Gasket Auxiliary
Cap Screw (4)
M8 x 35
Drive Cover
M82296A

Camshaft and Timing Gear Train
1-64
4/7/95
1
O-Ring
WasherCap Screw
Apply thread lock and
sealer (medium strength)
to threads.
115 N•m (85 lb-ft)
**Mounting Cap Screw (6)
John Deere
Form-In-Place Gasket
(RTV rubber
silicone sealant)Timing Gear
Cover
Later 3TNA72
M82298A
Gasket
Cap Screw (4)
M8 x 40
Cap
**
M6 x 30
*Mounting Cap Screw (6)
M6 x 80
***
Cap Screw (2)
**
**
Mounting Cap
Screw (8)
M6 x 30
*
**
455 LGT
Mounting Cap Screw
15 EX (5)
670 CUT (6)
M6 x 30
**
**
Cap Screw
and Nut (3)
Alternator Bracket
M6 x 50
M10 x 60
Crankshaft
Pulley
670 CUT, 15 EX
15 EX
Only
**
Auxiliary
Drive Cover
Tachometer
755/56 CUT, 3009 OEM,
670 CUT Only
O-Ring
End
Cover
**Mounting Cap Screw (4)
M6 x 60 (755/56 CUT, 3009 OEM, 455 LGT, 670 CUT, 15 EX)
M6 x 55 (430 LGT, F935 FM)
M6 x 16
(755/56 CUT, 3009 OEM,
670 CUT, 15 EX)
M6 x 18
(430 LGT, F935 FM,
455 LGT)
M8 x 65

Camshaft and Timing Gear Train
4/7/95
1
1-65
IDLER GEAR - EARLY 3TNA72
(430 LGT)
Removal/Installation
1. Remove timing gear cover. (See procedure in this
group.)
2. Check backlash of timing gears. (See Checks,
Tests and Adjustments in this section.)
NOTE: Due to the odd number of teeth on the idler
gear, timing marks will only align
periodically. When all timing marks on
gears are aligned, the piston closest to the
water pump is at TDC on compression
stroke. Number one cylinder is closest to the
flywheel.
3. Rotate crankshaft and align timing marks.
4. Remove idler gear.
5. Inspect gear and shaft for wear or damage. (See
Inspection/Replacement procedures.)
Installation is done in the reverse order of removal.
Inspection/Replacement
•Inspect gear for chipped or broken teeth.
Replace if necessary.
•Measure idler gear shaft diameter.
M35491
M35494
Idler Gear Shaft O.D.:
Standard . . . . . . . . . . . . . 19.959 - 19.980 mm
. . . . . . . . . . . . . . . . . . . . . . .(0.786 - 0.787 in.)
Wear Limit. . . . . . . . . . . 19.93 mm (0.785 in.)
If shaft diameter is less than wear limit, replace idler
gear shaft.
To replace shaft:
•Remove set screw in end of shaft. Install a gear
cover mounting cap screw with washer into
threaded hole. Remove idler shaft using a slide
hammer and puller.
•Install shaft with flange toward cylinder block.
Install shaft tight against block using a soft-
faced hammer. Install set screw.
•Measure idler gear bushing diameter.
Idler Gear Bushing I.D.:
Standard . . . . . . . . . . . . . . 20.00 - 20.021 mm
. . . . . . . . . . . . . . . . . . . . . . .(0.787 - 0.788 in.)
Wear Limit. . . . . . . . . . . 20.08 mm (0.791 in.)
Clearance . . . . . . . . . . . . 0.15 mm (0.0059 in.)
If bushing diameter exceeds wear limit, replace
bushing.
M35496
M35492
Idler
Gear
Idler Gear
Shaft
Bushing

Camshaft and Timing Gear Train
1-66
4/7/95
1
To replace bushing:
Replace bushing using a driver set. Align oil holes in
bushing and idler gear. Install bushing flush with
surface of idler gear.
If bushing clearance (bushing I.D. minus shaft O.D.)
exceeds specification, replace bushing, shaft or both.
IDLER GEAR - 3TN66 AND LATER
3TNA72
Removal/Installation
1. Remove timing gear cover. (See procedure in this
group.)
2. Check backlash of timing gears. (See Checks,
Tests and Adjustments in this section.)
NOTE: Due to the odd number of teeth on the idler
gear, timing marks will only align
periodically. When all timing marks on
gears are aligned, the piston closest to the
water pump is at TDC on compression
stroke. Number one cylinder is closest to the
flywheel.
3. Rotate crankshaft and align timing marks.
4. Remove snap ring, washer and gear.
5. Inspect all parts for wear or damage. (See
Inspection/Replacement procedures.)
Installation is done in the reverse order of removal.
Inspection/Replacement
•Inspect gear for chipped or broken teeth.
Replace if necessary.
•Measure idler gear shaft diameter.
M37516
Washer Snap Ring
Idler Gear Shaft O.D.:
Standard . . . . . . . . . . . . . 19.959 - 19.980 mm
. . . . . . . . . . . . . . . . . . . . . . .(0.786 - 0.787 in.)
Wear Limit. . . . . . . . . . . 19.93 mm (0.785 in.)
If shaft diameter is less than wear limit, remove
three cap screws and replace idler gear shaft.
•Measure idler gear bushing diameter.
Idler Gear Bushing I.D.:
Standard . . . . . . . . . . . . . . 20.00 - 20.021 mm
. . . . . . . . . . . . . . . . . . . . . . .(0.787 - 0.788 in.)
Wear Limit. . . . . . . . . . . 20.08 mm (0.791 in.)
Clearance . . . . . . . . . . . . 0.15 mm (0.0059 in.)
If bushing diameter exceeds wear limit, replace
bushing.
To replace bushing:
Replace bushing using a driver set. Align oil holes in
bushing and idler gear. Install bushing flush with
surface of idler gear.
If bushing clearance (bushing I.D. minus shaft O.D.)
exceeds specification, replace bushing, shaft or both.
M37834
Cap Screw (3)
M6 x 12
M35492

Camshaft and Timing Gear Train
4/7/95
1
1-67
M82299A
John Deere
Form-In-Place Gasket
(RTV rubber silicone sealant)
O-Rings
Replace.
Cap Screw (2)
M6 x 14
Cover
Stud (4)
Apply thread lock and
sealer (low strength)
to threads.
Gasket
Stud (4)
Apply thread lock and
sealer (low strength)
to threads.
Spring Pin (2) Timing Gear Housing
Mounting Cap Screw
All Except 655 CUT (4)
655 CUT (5)
M6 x 16
Cast Iron - 11 N•m (96 lb-in.)
Aluminum - 9 N•m (78 lb-in.)
Alignment Dowel (2)
TIMING GEAR HOUSING - 3TN66
Removal/Installation
1. Remove idler gear. (See procedure in this group.)
2. Remove injection pump camshaft. (See Fuel
System in this section.)
3. Remove engine camshaft. (See procedure in this
group.)
4. Remove oil pump. (See Lubrication System in
this section.)
5. Remove water pump. (See Cooling System in this
section.)
6. Remove mounting cap screws and housing.
7. Replace o-rings.
Installation is done in the reverse order of removal.

Camshaft and Timing Gear Train
1-68
4/7/95
1
TIMING GEAR HOUSING -
EARLY 3TNA72
Removal/Installation
1. Remove fuel control and governor linkage. (See
Fuel System in this section.)
2. Remove idler gear. (See procedure in this group.)
3. Remove injection pump camshaft. (See Fuel
System in this section.)
4. Remove engine camshaft. (See procedure in this
group.)
5. Remove water pump. (See Cooling System in this
section.)
6. Remove oil pump. (See Lubrication System in
this section).
7. Remove bracket.
8. Remove mounting cap screws and housing.
9. Replace o-rings
Installation is done in reverse order.
•Install special screw before installing gear
housing.
•Tighten all mounting cap screws to:
Cast Iron. . . . . . . . . . . . . . . 11 N•m (96 lb-in.)
Aluminum. . . . . . . . . . . . . . . 9 N•m (73 lb-in.)
M35508
O-Rings
Replace.
M35506
Special Screw
M82300A
John Deere
Form-In-Place Gasket
(RTV rubber silicone sealant)
Cap Screw (2)
M6 x 14
Cover
Stud
Apply thread lock and
sealer (low strength)
to threads.
Gasket
Stud (4)
Apply thread lock and
sealer (low strength)
to threads.
Spring Pin (2) Timing Gear Housing
Mounting Cap Screw (6)
M6 x 16
Alignment Dowel
Mounting Cap Screw (2)
M6 x 35
Mounting Cap Screw (4)
M6 x 30
Bracket
Cap Screw (2)
M6 x 14
Cap Screw
M8 x 12
Special Screw

Camshaft and Timing Gear Train
4/7/95
1
1-69
TIMING GEAR HOUSING - LATER
3TNA72
Removal/Installation
1. Remove idler gear. (See procedure in this group.)
2. 670 CUT and 3009 OEM: Remove fuel supply
pump. (See procedure in ACCESSORIES -
SERIES 220 POWER UNIT ENGINES Section.)
3. Remove fuel injection pump camshaft. (See Fuel
System in this section.)
4. Remove engine camshaft. (See procedure in this
group.)
5. Remove oil pump. (See Lubrication System in
this section.)
6. Remove water pump. (See Cooling System in this
section.)
7. Remove mounting cap screws and housing.
8. Replace o-rings.
Installation is done in reverse order of removal.

Camshaft and Timing Gear Train
1-70
4/7/95
1
John Deere
Form-In-Place Gasket
(RTV rubber silicone sealant)
Cap Screw (2)
M6 x 14
Cover
Stud (4)
Apply thread lock and
sealer (low strength)
to threads.
Gasket
Stud (4)
Apply thread lock and
sealer (low strength)
to threads.
Spring Pin (2) Timing Gear Housing
Mounting Cap
M6 x 16
Alignment Dowel (2)
Cap Screw (4)
M8 x 12
Fuel
Supply
Pump
Cap Screw (2)
M6 x 20
670 CUT, 3009 OEM
Screw (7)
Cast Iron - 11 N•m (96 lb-in.)
Aluminum - 9 N•m (78 lb-in.)
O-Ring (2)
Replace.
Crankcase Extension-to-
Housing Cap Screw (4)
(670 CUT, 15 EX, 3009 OEM Only)
M6 x 45 (15 EX, 3009 OEM)
M8 x 45 (670 CUT)
22 N•m (195 lb-in.)
455 LGT
Cover
(15 EX Only)
Cap Screw
M8 x 12
(15 EX Only)
15 EX, 670 CUT
M82310A
Cover
Gasket
All Except 455 LGT, 15 EX,
670 CUT, 3009 OEM

Lubrication
4/7/95
1
1-71
OTHER MATERIALS
Number Name Use
LOCTITE® PRODUCTS
U.S./
Canadian/
Loctite No.
TY15130/ John Deere Form-In-Place Seals oil pan/plate to crankcase
NA/ Gasket extension housing and/or block.
#395
®LOCTITE is a registered trademark of the Loctite Corp.

Lubrication
1-72
4/7/95
1
OIL PAN AND STRAINER - 3TN66
Removal/Installation
•Approximate crankcase oil capacity is 2.5 L
(2.6 qt).
NOTE: On 655 CUT; Engine serial number
( - 012269), uses an aluminum oil pan.
Engine serial number (012270 - ) uses a
sheet metal oil pan. Size and quantity on
mounting cap screws are different.
•Fill engine with proper engine oil. (See
SPECIFICATIONS AND GENERAL
INFORMATION section.)
M82302A
Cap Screw (2)
M6 x 12
11 N•m (96 lb-in.)
ªªªªªªªª
ªªªªªªªªª
John Deere Form-In-Place Gasket
(RTV rubber silicone sealant)
Drain PlugWasher
Replace.
Oil Pan-to-Seal Case
Cap Screw (2)
M6 x 12
9 N•m (78 lb-in.)
Cap Screw (10)
M6 x 10
11 N•m (96 lb-in.)
Oil Pan
Oil Pan-to-Timing Gear
Housing Cap Screw (4)
M6 x 12
9 N•m (78 lb-in.)
Oil Strainer
O-Ring
Replace.
3TN66 (375 SSL, 330/332 LGT, F915 FM)

Lubrication
4/7/95
1
1-73
OIL PAN AND STRAINER - 3TNA72
Removal/Installation
•Approximate crankcase oil capacity is:
15 EX . . . . . . . . . . . . . . . . . . . . . . . . 1.9L (2 qt)
430 LGT, 455 LGT. . . . . . . . . . . . . .2.8L (3 qt)
670 CUT . . . . . . . . . . . . . . . . . . . . 2.6L (2.7 qt)
755/56 CUT . . . . . . . . . . . . . . . . . 3.2L (3.4 qt)
F925/35 FM . . . . . . . . . . . . . . . . . 3.5L (3.6 qt)
3009 OEM
F001 and 005 . . . . . . . . . . . . . . 2.9L (3.1 qt)
F007 . . . . . . . . . . . . . . . . . . . . . 3.8L (3.9 qt)
•Fill engine with proper engine oil. (See
SPECIFICATIONS AND GENERAL
INFORMATION section.)
M82304A
15 EX, 3009 OEM
3009D F007 OEM
O-Ring
Replace.
Oil Strainer Cap Screw (2)
M6 x 10
11 N•m (96 lb-in.)
Cap Screw (20)
M6 x 45
11 N•m (96 lb-in.)
Drain Plug
O-Ring
Replace.
Oil Pan
Cap Screw (3)
M6 x 12
11 N•m (96 lb-in.)
John Deere Form-In-Place Gaske
t
(RTV rubber silicone sealant
)
M82303A
John Deere Form-In-Place Gasket
(RTV rubber silicone sealant)
Drain Plug
Washer
Replace.
Oil Pan-to-Seal Case
Cap Screw (2)
M6 x30 (Aluminum Pan)
9 N•m (78 lb-in.)
Cap Screw (2)
M6 x 12
11 N•m (96 lb-in.)
Oil Pan
Oil Pan-to-Timing Gear
Housing Cap Screw
(5) M6 x 35 (Aluminum Pan)
9 N•m (78 lb-in.)
Oil Strainer
O-Ring
Replace.
Tube
(Aluminum Pan)
(6) M6 x 12 (Sheet Metal Pan)
Plug
(Aluminum Pan)
Cap Screw
(9) M6 x 20 (Aluminum Pan)
(16) M6 x 10 (Sheet Metal Pan)
11 N•m (96 lb-in.)
O-Ring
Replace.
M6 x 25 (Sheet Metal Pan)
3TN66 (655 CUT)

Lubrication
1-74
4/7/95
1
M82305A
Oil Pan/Plate
Cap Screw (8)
M8 x 12
11 N•m (96 lb-in.)
Washer
Drain Plug
Cap Screw (2)
M6 x 10
11 N•m (96 lb-in.)
Oil Strainer
O-Ring
Replace.
670 CUT
John Deere Form-In-Place
Gasket (RTV rubber
silicone sealant)
M82306A
Cap Screw (16)
M6 x 8
11 N•m (96 lb-in.)
Washer Drain Plug
Cap Screw (2)
M6 x 10
11 N•m (96 lb-in.)
Oil Strainer
O-Ring
Replace.
455 LGT
Replace.
Oil Pan-to-
Housing Cap
M6 x 12
9 N•m
Timing Gear
Screw (4)
John Deere Form-In-Place
Gasket (RTV rubber
silicone sealant)
(78 lb-in.)
Oil Pan-to-Seal Case
Cap Screw (2)
M6 x 12
9 N•m (78 lb-in.)
M82307A
430 LGT, F925/35 FM, 755/56 CUT
Cap Screw (2)
M6 x 10
11 N•m (96 lb-in.)
Oil Strainer
O-Ring
Replace.
Oil Pan
Early 430 LGT
Oil Pan-to-Timing Gear
Housing Cap Screw (4)
M6 x 22
9 N•m (78 lb-in.)
Cap Screw
M6 x 45
11 N•m (96 lb-in.)
Drain Plug
Washer
Replace.
Cap Screw (15)
M6 x 22
11 N•m (96 lb-in.)
Oil Pan-to-Seal
Case Cap Screw (2)
M6 x 22
9 N•m (78 lb-in.)
John Deere Form-In-Place
Gasket (RTV rubber
silicone sealant)

Lubrication
4/7/95
1
1-75
OIL PUMP - EARLY 3TNA72 (430 LGT)
Removal
1. Remove idler gear, (See Camshaft and Timing
Gear Train in this section.)
2. Loosen oil pump gear lock nut.
3. Remove fuel injection pump camshaft. (See Fuel
System in this section.)
4. Remove oil filter and oil dipstick tube.
5. Remove two cap screws, bracket and four
washers.
6. Remove two cap screws, cover and gasket.
7. Remove sealing wire.
8. Loosen jam nut. Turn slow idle adjustment screw
counterclockwise several turns.
9. Disconnect spring from governor linkage.
Cover and Gasket Bracket
Washers (4)
M35539
Sealing Wire
Slow Idle
Adjustment Screw
Jam Nut
M35540
10.Remove governor shaft, washer and spacer.
11.Remove governor linkage assembly.
12.Remove oil pump gear lock nut.
NOTE: Oil pump gear is press fit on rotor shaft.
13.Remove oil pump gear using a three-jaw puller.
M35542
M35543
Spacer
Governor Shaft
and Washer
Replace washer.
M35544

Lubrication
1-76
4/7/95
1
14.Remove four cap screws, nut cover and gasket.
15.Remove oil pump assembly.
NOTE: See OIL PRESSURE REGULATING VALVE
if service is necessary.
16.Inspect all parts for wear or damage. (See
Inspection procedures.)
Installation
1. Apply clean engine oil on all parts during
installation.
IMPORTANT: Oil pump assembly must be
installed with identification marks on rotors
facing toward gear housing.
2. Install rotor shaft assembly and outer rotor in
gear housing with identification marks facing
gear housing.
Spring Pin (2)
Gasket
Cover
Oil Pressure
Regulating
Valve
Mounting
Nut
Mounting
Cap Screw
Oil Pump
Gear Lock
Nut
Rotor Shaft
Inner Rotor
Outer Rotor M82308A
(4)
3. Align splines on rotor shaft with splines in thrust
washer and governor weights. Install thrust
washer, governor weights and sleeve on rotor
shaft.
4. Install oil pump gasket and cover.
5. Install four cap screws and nut. Tighten to 9 N•m
(78 lb-in.).
6. Install oil pump gear and lock nut. Leave nut
loose.
7. Install spacer and new washer on governor shaft.
Rotor Shaft
M35557
Assembly
Outer Rotor
Identification
Marks
M35558
Governor Weights
Sleeve
Thrust Washer
Rotor Shaft

Lubrication
4/7/95
1
1-77
8. Install governor linkage assembly.
9. Insert governor shaft through linkage assembly.
Tighten shaft to 49 N•m (36 lb-ft).
10.Connect spring to internal lever, then to governor
assembly.
11.Install gasket, cover and two cap screws.
12.Install four washers (two each hole location),
bracket and two cap screws. Tighten all four cap
screws to 9 N•m (78 lb-in.).
M35544
M35562
Governor
Linkage Spacer Washer
Governor
Shaft
M35542
13.Install oil dipstick tube and oil filter.
14.Install fuel injection pump camshaft. (See Fuel
System in this section.)
15.Tighten oil pump gear lock nut to 27 N•m (20 lb-
ft).
16.Install idler gear. (See Camshaft and Timing
Gear Train in this section.)
Inspection
•Measure outer rotor bore depth and outer rotor
thickness.
Cover and Gasket Bracket
Washers (4)
M35539
M35549
M35550

Lubrication
1-78
4/7/95
1
Outer Rotor-to-Bore Clearance:
Standard . . . . . . . . . . . . . . . . . 0.08 - 0.15 mm
. . . . . . . . . . . . . . . . . . . . . . .(0.003 - 0.006 in.)
Wear Limit. . . . . . . . . . . . 0.25 mm (0.010 in.)
If clearance (bore depth minus rotor thickness) is
more than wear limit, replace timing gear housing.
•Measure outer rotor bore and outer rotor
diameters.
Outer Rotor-to-Bore Diameter Clearance:
Standard . . . . . . . . . . . . . . . . . 0.10 - 0.15 mm
. . . . . . . . . . . . . . . . . . . . . . .(0.004 - 0.006 in.)
Wear Limit. . . . . . . . . . . . 0.25 mm (0.010 in.)
If clearance (bore I.D. minus rotor O.D.) is more
than wear limit, replace timing gear housing.
•Measure inner rotor O.D. and outer rotor I.D.
M35551
M35552
Inner Rotor-to-Outer Rotor Clearance:
Standard . . . . . . . . . . . . . . . . . 0.10 - 0.15 mm
. . . . . . . . . . . . . . . . . . . . . . .(0.004 - 0.006 in.)
Wear Limit. . . . . . . . . . . . 0.25 mm (0.010 in.)
If clearance (outer rotor I.D. minus inner rotor O.D.)
is more than wear limit, replace oil pump assembly.
•Measure rotor shaft diameter.
M35553
M35554
M35555

Lubrication
4/7/95
1
1-79
Rotor Shaft Diameter:
Standard . . . . . . . . . . . . . 12.670 - 12.685 mm
. . . . . . . . . . . . . . . . . . . . .(0.4988 - 0.4990 in.)
Wear Limit. . . . . . . . . 12.650 mm (0.4980 in.)
If shaft diameter is less than wear limit, replace oil
pump assembly.
•Measure rotor shaft bore diameter.
Rotor Shaft Bore Diameter:
Standard . . . . . . . . . . . . . 12.700 - 12.718 mm
. . . . . . . . . . . . . . . . . . . . .(0.5000 - 0.5007 in.)
Wear Limit. . . . . . . . . . . 12.80 mm (0.504 in.)
Clearance
Standard . . . . . . . . . . . . 0.015 - 0.048 mm
. . . . . . . . . . . . . . . . . . .(0.006 - 0.0019 in.)
Wear Limit. . . . . . . 0.100 mm (0.0039 in.)
If bore diameter is more than wear limit, replace
timing gear housing.
If rotor shaft clearance (bore I.D. minus shaft O.D.)
is more than wear limit, replace timing gear housing
and oil pump assembly.
M35556
OIL PUMP - 3TN66 and LATER
3TNA72
Removal/Installation
1. Remove timing gear cover. (See Camshaft and
Timing Gear Train in this section.)
2. Check oil pump gear backlash. Replace entire oil
pump assembly if backlash is more than 0.25 mm
(0.010 in.).
3. Remove four mounting cap screws, oil pump and
gasket.
4. Inspect all parts for wear or damage. (See
Disassembly/Assembly procedures).
Disassembly/Assembly
•Gear is press fit on rotor shaft. Remove gear
using a knife edge puller and a press.
•Inspect parts for wear or damage. (See
Inspection procedures.)
•Coat all parts with clean engine oil.
M82309A
Mounting Cap Screw
M6 x 20
25 N•m (18 lb-ft)
Oil Pump
Oil Pump
Gasket

Lubrication
1-80
4/7/95
1
•Install outer rotor with identification mark
facing toward rotor shaft assembly.
Inspection
•Check rotor shaft outer diameter and the shaft
hole diameter in backing plate. If clearance is
more than wear limit, replace entire assembly.
Rotor Shaft and Plate Clearance:
Standard . . . . . . . . . . . . . . . 0.015 - 0.048 mm
. . . . . . . . . . . . . . . . . . . . .(0.0006 - 0.0035 in.)
Wear Limit. . . . . . . . . . . 0.20 mm (0.0078 in.)
•Check rotor recess. If rotors are below face of
pump housing more than 0.25 mm (0.010 in.),
replace rotor assembly.
•Check outer rotor-to-pump body clearance. If
clearance is more than wear limit, replace entire
assembly.
M82301A
Alignment Pin (2)
Backing Plate
Pump Body
Rotor ShaftGear
Inner Rotor
Outer Rotor
Identification
Mark
M37775
Straight Edge
Housing
Feeler Gauge
Outer Rotor
Outer Rotor-to-Pump Body Clearance:
Standard . . . . . . . . . . . . . . . . . 0.03 - 0.09 mm
. . . . . . . . . . . . . . . . . . . . .(0.0011 - 0.0035 in.)
Wear Limit. . . . . . . . . . . 0.13 mm (0.0051 in.)
•Check inner-to-outer rotor clearance. If
clearance is more than 0.15 mm (0.0059 in.),
replace rotor assembly.
OIL PRESSURE REGULATING
VALVE - 3TN66
Removal/Installation
1. Remove oil filter and o-ring.
2. Remove retaining nut and valve assembly.
3. If adjusting pressure only, remove cap and add
shims. Each 1 mm (0.039 in.) of shim thickness
increases oil pressure 13.8 kPa (2 psi).
NOTE: Valve components are not serviced
individually. Replace complete regulating
valve if any components are defective.
M37776
Body
Outer Rotor
Feeler Gauge
M37777
Feeler Gauge
Inner Rotor
Outer Rotor

Lubrication
4/7/95
1
1-81
4. Inspect all parts for wear or damage. Replace
complete valve if necessary.
5. Check spring free and compressed lengths.
Spring Specifications:
Free Length . . . . . . . . . . . . . 21.90 - 24.50 mm
. . . . . . . . . . . . . . . . . . . . . . .(0.860 - 0.960 in.)
Compressed Length . . . 14.70 mm (0.580 in.)
. . . . . . . . . . . . . . . . . . . . @12 N (2.7 lb-force)
Installation is done in the reverse order of removal.
OIL PRESSURE REGULATING
VALVE - EARLY 3TNA72 (430 LGT)
Removal/Installation
1. Remove timing gear cover. (See Camshaft and
Timing Gear Train in this section.)
2. Remove cap, shims, if equipped, spring and
valve.
Retaining Nut
30 N•m (22 lb-ft)
Oil FIlter
O-Ring
Replace.
Valve Body
Valve
Spring
Shims
Cap
Stake to
valve body.
M82311A
3. Inspect all parts for wear or damage. Replace as
necessary.
4. Check spring free and compressed lengths.
Spring Specifications:
Free Length . . . . . . . . . . . . . 39.50 - 40.50 mm
. . . . . . . . . . . . . . . . . . . . . . .(1.550 - 1.590 in.)
Compressed Length . . . . . .30 mm (1.180 in.)
. . . . . . . . . @ 29.4 ± 3.1 N (6.6 ± 0.7 lb-force)
IMPORTANT: If oil pressure regulating valve
was disassembled to be cleaned, the same
number and thickness of shims must be
installed.
NOTE: Shims are available in 0.20 mm (0.080 in.)
and 0.30 mm (0.012 in.) sizes.
5. If adjusting oil pressure only, add shims as
necessary. Each 0.20 mm (0.080 in.) of shim
thickness increases oil pressure 6 kPa (0.85 psi).
Each 0.30 mm (0.012 in.) shim thickness
increases oil pressure 9 kPa (1.30 psi).
Installation is done in the reverse order of removal.
M35573
Cap
Shims
Spring
Valve

Lubrication
1-82
4/7/95
1
OIL PRESSURE REGULATING
VALVE - LATER 3TNA72
Removal/Installation
1. Remove oil filter.
2. Remove three cap screws, valve assembly and
gasket.
NOTE: If adjusting engine oil pressure, retaining
nut need not be removed.
3. If adjusting pressure only, remove cap and add
shims. Each 1 mm (0.039 in.) of shim thickness
increases oil pressure 10.9 kPa (1.6 psi).
NOTE: Valve components are not serviced
individually. Replace complete regulating
valve if any components are defective.
4. Inspect all parts for wear or damage. Replace
complete valve if necessary.
5. Check spring free and compressed lengths.
Spring Specifications:
Free Length . . . . . . . . . . . . . 43.50 - 48.50 mm
. . . . . . . . . . . . . . . . . . . . . . .(1.710 - 1.910 in.)
Compressed Length . . . 27.50 mm (1.080 in.)
. . . . . . . . . . . . . . . . . . @ 20.5 N (4.6 lb-force)
Installation is done in the reverse order of removal.
M82312A
Housing
Retaining Nut
30 N•m (22 lb-ft)
Oil Filter
Gasket
Cap Screw (3)
M8 x 20
27 N•m (20 lb-ft)
O-Ring
Replace.
Cap
Stake to
valve body.
Shims
Spring
Valve
Valve Body
O-Ring
Replace.

Cooling System
4/7/95
1
1-83
OTHER MATERIALS
Number Name Use
LOCTITE® PRODUCTS
U.S./
Canadian/
LOCTITE No.
TY9375/ John Deere Pipe Sealant 3TNA72 (15 EX, 755/56 CUT): Apply
TY9480/ with TEFLON® to threads of plug in water pump
#592 housing.
®LOCTITE is a registered trademark of the Loctite Corp.
®TEFLON is a registered trademark of the Du Pont Company.

Cooling System
1-84
4/7/95
1
COOLANT TEMPERATURE SENSOR
Replacement
NOTE: Some engines may also be equipped with a
coolant temperature switch. Switch is
located opposite of sensor in water pump
housing. Replacement procedures are the
same.
1. Disconnect wiring lead, if equipped.
2. Open engine drain valve to drain coolant.
3. Remove sensor and washer.
4. Test sensor. (See Checks, Tests and Adjustments
in this section.)
Installation is done in reverse order of removal.
THERMOSTAT
•Replace gaskets.
•Test thermostat. (See Checks, Tests and
Adjustments in this section.)
M82313A
Coolant Temperature
Switch
Copper
Washer
Replace.
Water Pump
Housing
Copper
Washer
Replace.
Coolant Temperature
Sensor
M82314A
Cover
Thermostat
Cap Screw (2)
M8 x 20
9 N•m (78 lb-in.)
O-Ring
Replace.
3TN66
M82315A
3TNA72
Later 430 LGT,
755/56 CUT
F925/35 FM,
Cap Screw
M8 x 25
Cap Screw
M8 x 55
Cap Screw (2)
M8 x 20
26 N•m (226 lb-in.)
Gasket
Thermostat
Gasket
(430 LGT Only)

Cooling System
4/7/95
1
1-85
WATER PUMP - 3TN66
Removal/Installation
1. Open engine drain valve to drain coolant.
2. Remove fan/alternator drive belt.
3. Remove fan, spacer, if equipped, and pulley.
4. Remove three mounting cap screws, pump and
gasket.
5. Inspect all parts for wear or damage. (See
Disassembly/Assembly procedures.)
Installation is done in the reverse order of removal.
•Adjust fan/alternator drive belt tension. (See
Checks, Tests and Adjustments in this section.)
M82316A
Cap Screw (4)
11 N•m (96 lb-in.)
Mounting Cap Screw (3)
M8 x 45
26 N•m (226 lb-in.)
Gasket
Replace.
O-Ring
Replace.
Water Pump
Pulley
Spacer
(655 CUT Only)
Fan

Cooling System
1-86
4/7/95
1
Disassembly
1. Remove thermostat. (See procedure in this
group.)
4. Apply extreme heat to pulley flange. Remove
flange using a knife-edge puller set and two small
nuts.
5. Place water pump assembly on a press table.
Install supports under water pump housing,
staying clear of impeller. Press bearing shaft
assembly through water pump housing using a
piece of pipe or a deep socket.
M35645
Two Small Nuts
Pulley Flange
Water Pump
Housing
Knife-Edge
Puller Set
IMPORTANT: Impeller bore is tapered. When
pressing bearing shaft from impeller, allow
enough clearance between cap screw and
impeller bore to prevent cap screw from
binding.
6. Remove impeller from bearing shaft using a
knife-edge puller, a 3/8 in. cap screw and a press.
7. Remove shaft seal assembly; (seal, ceramic seal
and seal cup).
8. Inspect all parts for wear or damage. Replace as
necessary.
M82317A
Pulley
Flange
Bearing
Shaft
Water Pump
Housing
Shaft Seal Assembly
Replace.
Impeller
Gasket
Replace.
Plate
Plate-to-Housing Screw (6)
9 N•m (78 lb-in.)
Plug
2. Remove coolant temperature sensor. (See
procedure in this group.)
3. Apply heat to six plate-to-housing screws.
Remove screws, plate and gasket.

Cooling System
4/7/95
1
1-87
Assembly
1. Install bearing shaft into pump housing, long end
down, using a piece of pipe or deep socket and a
press. Press shaft into pump housing until bearing
surface is flush with pump housing surface.
2. Install new shaft seal over impeller side of
bearing shaft, rubber seal side away from pump
housing. Push shaft seal into pump housing, until
it stops, using a 25 mm or 1 in. socket and a
press.
IMPORTANT: Support pump housing on
bearing shaft only. DO NOT support on
housing or damage to housing will occur.
3. Place water pump housing on a press table.
Support housing on bearing shaft using a driver
disk. Install pulley flange onto shaft with straight
hub facing away from housing.
Press pulley flange onto bearing shaft until flange
is flush with end of shaft.
IMPORTANT: DO NOT touch lapped sealing
surface of ceramic seal with bare hands. It
must be clean and dry.
4. Install seal cup and ceramic seal in impeller.
5. Install a knife-edge puller around bearing shaft,
between pulley flange and pump housing. Place
pump housing, with knife-edge puller down, on a
press table. Install impeller with ceramic seal
toward shaft seal.
Press impeller on bearing shaft until top of
impeller is even with end of shaft.
6. Install new gasket, plate and six screws. Tighten
to specifications.
7. Install coolant temperature sensor. (See
procedure in this group.)
8. Install thermostat. (See procedure in this group.)
M35656

Cooling System
1-88
4/7/95
1
WATER PUMP - 3TNA72
Removal/Installation
1. Open engine drain valve to drain coolant.
2. Remove fan/alternator drive belt.
NOTE: 430 LGT and F925/35 FM application is
not equipped with a fan.
3. Remove fan and spacer/plate, if equipped, and
pulley.
4. Remove three mounting cap screws, pump and
gasket.
5. Inspect all parts for wear or damage. (See
Disassembly/Assembly procedures.)
Installation is done in the reverse order of removal.
•Adjust fan/alternator drive belt tension. (See
Checks, Tests and Adjustments in this section.)
•Tighten mounting cap screws to 26 N•m (226
lb-in.).
M82318A
Cap Screw (4)
11 N•m (96 lb-in.)
Mounting Cap Screw
3009 OEM, 455 LGT,
670 CUT - (3)
All Except - (4)
M8 x 45
Gasket
Replace.
O-Ring
Replace.
Water Pump
PulleySpacer
(3009 OEM, 655 CUT Only)
Fan
Mounting Cap Screw
(3009 OEM, 455 LGT, 670 CUT Only)
M8 x 20
Plate
755/56 CUT
Only

Cooling System
4/7/95
1
1-89
Disassembly
1. Remove thermostat. (See procedure in this
group.)
4. Apply extreme heat to pulley flange. Remove
flange using a knife-edge puller set and two small
nuts.
5. Place water pump assembly on a press table.
Install supports under water pump housing,
staying clear of impeller. Press bearing shaft
assembly through water pump housing using a
piece of pipe or a deep socket.
M35645
Two Small Nuts
Pulley Flange
Water Pump
Housing
Knife-Edge
Puller Set
IMPORTANT: Impeller bore is tapered. When
pressing bearing shaft from impeller, allow
enough clearance between cap screw and
impeller bore to prevent cap screw from
binding.
6. Remove impeller from bearing shaft using a
knife-edge puller, a 3/8 in. cap screw and a press.
7. Remove shaft seal assembly; (seal, ceramic seal
and seal cup).
8. Inspect all parts for wear or damage. Replace as
necessary.
M82319A
Pulley
Flange
Bearing
Shaft
Water Pump
Housing
Shaft Seal Assembly
Replace.
Impeller
Gasket
Replace.
Plate
Plate-to-Housing Screw
Early 3TNA72 (3)
Later 3TNA72 (5)
9 N•m (78 lb-in.)
Cap
Copper Washer
Replace.
Plug
Apply Pipe Sealant with
TEFLON to threads.
Stud
Coolant Temperature
Switch
455 LGT
(Early 430 LGT Only)
(15 EX, 755/56 CUT Only)
2. Remove coolant temperature sensor. (See
procedure in this group.)
3. Apply heat to plate-to-housing screws. Remove
screws, plate and gasket.

Cooling System
1-90
4/7/95
1
Assembly
1. Install bearing shaft into pump housing, long end
down, using a piece of pipe or deep socket and a
press. Press shaft into pump housing until bearing
surface is flush with pump housing surface.
2. Install new shaft seal over impeller side of
bearing shaft, rubber seal side away from pump
housing. Push shaft seal into pump housing, until
it stops, using a 25 mm or 1 in. socket and a
press.
IMPORTANT: Support pump housing on
bearing shaft only. DO NOT support on
housing or damage to housing will occur.
3. Place water pump housing on a press table.
Support housing on bearing shaft using a driver
disk. Install pulley flange onto shaft with straight
hub facing away from housing.
Press pulley flange onto bearing shaft until flange
is flush with end of shaft.
IMPORTANT: DO NOT touch lapped sealing
surface of ceramic seal with bare hands. It
must be clean and dry.
4. Install seal cup and ceramic seal in impeller.
5. Install a knife-edge puller around bearing shaft,
between pulley flange and pump housing. Place
pump housing, with knife-edge puller down, on a
press table. Install impeller with ceramic seal
toward shaft seal.
Press impeller on bearing shaft until top of
impeller is even with end of shaft.
6. Install new gasket, plate and screws. Tighten to
specifications.
7. Install coolant temperature sensor. (See
procedure in this group.)
8. Install thermostat. (See procedure in this group.)
M35656

Fuel System
4/10/95
1
1-91
SPECIAL OR ESSENTIAL TOOLS
NOTE: Order tools according to information given in the U.S. SERVICE-GARDTM Catalog or in the
European Microfiche Tool Catalog (MTC).
JDF13 Nozzle Cleaning Kit
Use to clean fuel injection nozzles.
OTHER MATERIALS
Number Name Use
LOCTITE® PRODUCTS
U.S./
Canadian/
LOCTITE No.
TY9369/ Thread Lock and Sealer Apply to threads of fuel shutoff
NA/ (Low Strength) lever set screw.
#222
SERVICE PARTS KITS
The following kits are available through your parts catalog:
•Cylinder Block Gasket Kit
•Fuel Injection Nozzle Shim Pack
® LOCTITE is a registered trademark of the Loctite Corp.

Fuel System
1-92
4/10/95
1
FUEL SUPPLY PUMP - 3TNA72
(670 CUT, 3009 OEM)
Replacement
IMPORTANT: Replace all copper washers.
Damaged or used washers may leak.
M82135A
Gasket
Fuel Supply
Pump
Copper Washer (4)
Replace.
Fuel Pump-to-Filter Hose
Mounting Screw (2)Lock Washer (2)
Fuel Supply-to-
Pump Hose
M6 x 20
11 N•m (96 lb-in.)

Fuel System
4/10/95
1
1-93
FUEL FILTER ASSEMBLY - IF
EQUIPPED
NOTE: As a result of the various engine
applications for each engine model, fuel
filter assemblies may or may not be
mounted on the engine. Fuel filters and line
routing will be different. 3TNA72 (3009
OEM) shown.
IMPORTANT: Replace all copper washers.
Damaged or used washers may leak.
M82133A
Bleed Screw
Rubber Washer
Bleed Valve
**
Fuel Supply
Pump-to-Filter
**
Shutoff
Lever
O-Ring
Spring
Fuel Filter-to-
Injection Pump
Hose
Shutoff
Valve Rubber Washer
Mounting Base
Filter Element
Spring
O-Ring
Filter Cover
Retaining Ring
*
Nut (3)
Nozzle Leak-Off Hose
(Short) (2)
Nozzle Leak-Off Hose
(Long)
To Fuel Tank
Hose
*Copper Washers
Replace.

Fuel System
1-94
4/10/95
1
FUEL INJECTION PUMP
Removal
IMPORTANT: Never steam clean or pour cold
water on injection pump while the pump is
running or warm. Doing so can damage the
pump.
1. Clean the injection pump lines and area around
the pump using a parts cleaning solvent or steam
cleaner.
IMPORTANT: When removing injection lines,
DO NOT turn pump delivery valve fittings.
Turning fittings may damage pump internally.
2. Loosen fuel injection line connectors slightly to
release pressure in the fuel system. When
loosening connectors, use another wrench to keep
delivery valves from loosening.
3. Loosen line clamp and remove fuel injection
lines.
CAUTION
Escaping fluid under pressure can penetrate
the skin causing serious injury. Avoid the
hazard by relieving pressure before
disconnecting hydraulic or other lines.
Tighten all connections before applying
pressure. Search for leaks with a piece of
cardboard. Protect hands and body from
high pressure fluids.
If an accident occurs, see a doctor
immediately. Any fluid injected into the skin
must be surgically removed within a few
hours or gangrene may result. Doctors
unfamiliar with this type of injury should
reference a knowledgable source. Such
information is available from the Deere &
Company Medical Department in Moline,
Illinois, U.S.A.
4. Disconnect hose from fuel filter or supply pump
(670 CUT, 3009 OEM), if equipped.
5. Disconnect leak-off hoses to/from injection
pump.
6. 375 SSL, 655 CUT, F915 FM, 455 LGT, 755/56
CUT:
-Disconnect fuel shutoff solenoid link.
-Remove four nuts, shutoff solenoid bracket
and gasket.
430 LGT (Early):
-Remove two cap screws, nut, oil fill cover and
gasket.
M37785
M37786
Shutoff Solenoid
Bracket
Gasket
Replace.
Fuel Shutoff
Solenoid Link

Fuel System
4/10/95
1
1-95
330/332 LGT, 15 EX, 430 LGT (Later), 670
CUT, F925/35 FM, 3009 OEM:
-Remove four nuts, cover and gasket.
7. 3TN66 and Later 3TNA72: Remove pin and
washer, if equipped. Disconnect governor
linkage.
IMPORTANT: If injection pump is being
removed to be serviced or replaced, the same
number and thickness of new shims must be
installed when pump is assembled.
8. Remove four nuts to remove fuel injection pump
and shims.
M35890
Gasket
Replace.
Oil Fill Cover
M37787
Governor Linkage
Pin
M37788
Nut (4) Shims
20 N•m
(180 lb-in.)
Fuel Injection Pump
DO NOT attempt to service the injection pump
except for fuel delivery valves. If unit is in need of
repair, it must be serviced by a qualified fuel
injection repair shop. If replacement is necessary,
replace entire unit.
Installationl
Installation is done in the reverse order of removal.
IMPORTANT: If a serviced or replacement fuel
injection pump is installed, measure old shim
thickness and install new shims of the same
thickness.
•Early 3TNA72: When installing fuel injection
pump into housing, align controller rack with
governor linkage fork.
NOTE: 3TN66 and Later 3TNA72: Governor
linkage may have two holes. Connect
governor linkage to injection pump rack
using hole closest to injection pump gear.
•3TN66 and Later 3TNA72: When connecting
governor linkage to injection pump rack, attach
link to rack at hole closest to injection pump
gear.
•Bleed the fuel system. (See Operational Tests in
this section.)
•If new injection pump is being installed, check
and adjust injection pump timing. (See Checks,
Tests and Adjustments in this section.)
M35888
Controller Rack
Governor
Linkage Fork

Fuel System
1-96
4/10/95
1
FUEL INJECTION PUMP CAMSHAFT
- EARLY 3TNA72 (430 LGT)
Removal
1. Remove fuel injection pump. (See procedure in
this group.)
2. Remove idler gear. (See Camshaft and Timing
Gear Train in this section.)
3. Put a shop towel between oil pump and injection
pump gears. Loosen injection pump gear lock
nut.
4. Remove bearing retaining screw.
IMPORTANT: DO NOT allow fuel injection
pump camshaft lobes to hit bearing surfaces
while removing camshaft. Machined surfaces
may be damaged. ª ª
5. Remove fuel injection pump camshaft assembly
using a slide hammer, puller set and two
mounting cap screws from gear housing cover.
6. Disassemble and inspect all parts for wear or
damage. (See Disassembly and Inspection
procedures.
M35536
Lock Nut
Bearing
88 N•m (65 lb-ft)
Retaining
Screw
20 N•m
(180 lb-in.)
M35537
Installation
Installation is done in the reverse order of removal.
•After installing camshaft assembly into housing,
tap on end of camshaft gear with a plastic
hammer to seat bearings in bores.
Disassembly
NOTE: Injection pump camshaft is tapered on gear
end. Gear and bearings are press fit on
shaft.
IMPORTANT: Hold camshaft while removing
gear and bearings. Shaft can be damaged if
dropped.
1. Remove lock nut and lock washer.
2. Remove gear using a knife edge puler and a
press.
3. Remove key.
4. Remove bearings using a knife edge puller and a
press.
5. Inspect all parts for wear or damage. (See
Inspection procedures.)
M35568
M37797

Fuel System
4/10/95
1
1-97
Assembly
NOTE: Install large bearing on gear end.
1. Install bearings on ends of camshaft using a 3/4
in. deep well socket and a press. Press until
bearing races bottom on camshaft shoulders.
2. Install key.
3. Put camshaft gear on a flat surface and press
camshaft assembly into gear. Press until gear face
is flush with end of shaft.
4. Install lock washer and lock nut. Leave nut loose.
Inspection
•Measure height of each camshaft lobe. Replace
camshaft if lobe height is less than 30.90 mm
(1.217 in.).
•Inspect camshaft bearing supports in timing gear
housing. Check for cracks, damage or
indications that bearings have spun in support.
Replace timing gear housing if bearing bores are
damaged. (See Camshaft and Timing Gear Train
in this section.)
•Inspect all parts for wear or damage. Replace as
necessary.
FUEL INJECTION PUMP CAMSHAFT
- 3TN66 AND LATER 3TNA72
Removal
1. Remove fuel injection pump. (See procedure in
this group.)
M35905
2. 670 CUT and 3009 OEM: Remove fuel supply
pump. (See procedure in this group.)
3. Remove fuel control and governor linkage. (See
procedure in this group.)
4. Remove idler gear. (See Camshaft and Timing
Gear Train in this section.)
5. Remove bearing retaining screw.
IMPORTANT: DO NOT allow fuel injection
pump camshaft lobes to hit bearing surfaces
while removing camshaft. Machined surfaces
may be damaged.
6. Tap the rear of camshaft with plastic hammer to
remove from housing.
7. Disassemble and inspect all parts for wear or
damage. (See Disassembly and Inspection
procedures.)ª ª
M37804
Bearing
Retaining
Screw
20 N•m
(180 lb-in.)
M37796
Camshaft

Fuel System
1-98
4/10/95
1
Installation
Installation is done in reverse order of removal.
•After installing camshaft assembly into housing,
tap on end of camshaft gear with a plastic
hammer to seat bearings in bores.
Disassembly
NOTE: Gear and bearings are press fit on shaft.
IMPORTANT: Hold camshaft while removing
gear and bearings. Shaft can be damaged if
dropped.
1. Remove gear using knife edge puller and a press.
2. Remove key.
3. Remove bearings using a knife edge puller and a
press.
4. Inspect all parts for wear or damage. (See
Inspection procedures.)
M35568
M37797
Assembly
NOTE: Install large bearing on gear end.
1. Install bearings on ends of camshaft using a 3/4
in. deep well socket and a press. Press until
bearing races bottom on camshaft shoulders.
2. Install key.
3. Put camshaft gear on a flat surface and press
camshaft assembly into gear. Press until gear face
is flush with end of shaft.
Inspection
•Measure height of each camshaft lobe. Replace
camshaft if lobe height is less than 30.90 mm
(1.217 in.).
•Inspect camshaft bearing supports in timing gear
housing. Check for cracks, damage or
indications that bearings have spun in support.
-If rear bearing bore is damaged, replace
timing gear housing. (See Camshaft and
Timing Gear Train in this section.)
-If front bearing bore is damaged, remove
three cap screws and replace support.
•Inspect all parts for wear or damage. Replace as
necessary.
M35905
M37803
Front Bearing
Support

Fuel System
4/10/95
1
1-99
FUEL CONTROL AND GOVERNOR
LINKAGE - EARLY 3TNA72
(430 LGT)
Removal
1. Remove fuel injection pump. (See procedure in
this group.)
2. Remove cotter pin and washer to disconnect fuel
shutoff solenoid linkage.
3. Remove oil filter and dipstick tube.
4. Remove two cap screws, bracket and four
washers.
5. Remove two cap screws, cover and gasket.
6. Remove sealing wire.
7. Remove cap screw and slow idle screw bracket.
8. Remove cap nuts and seals.
M35272
M35928
Bracket
Cover
and
Gasket
Washers (4)
9. Loosen lock nut and remove fast idle adjustment
screw and seal.
10.Loosen lock nut and remove fuel controller and
seal.
M35929
Bracket
Cap Nuts
and Seals
Replace
seals. Sealing Wire
M35930
Fast Idle
Seal
Replace.
Adjustment
Screw
M35932
Fuel Controller
Seal
Replace.

Fuel System
1-100
4/10/95
1
11.Disconnect spring from throttle lever regulator.
12.Remove nut, throttle lever, regulator and o-ring.
13.Remove set screw and fuel shutoff lever.
M35933
M35934
Throttle Lever
O-Ring
Replace.
Regulator
M35936
Set Screw
Fuel Shutoff Lever
14.Remove o-ring, e-clip and spring.
15.Remove governor shaft, bronze washer and
spacer.
16.Turn governor weights until one weight is toward
the engine. Remove governor linkage assembly.
M35937
O-Ring
Spring
Replace. E-Clip
M35938
Governor Shaft
M35940

Fuel System
4/10/95
1
1-101
17.Remove spring pin.
18.Remove e-clip, pin and spring.
19.Remove sleeve, governor weights and thrust
washer.
20.Inspect all parts for wear or damage. (See
Inspection procedures.)
M35939
M35943
M35944
Spring
E-Clip
Pin
M35945
Sleeve
Governor
Weights
Thrust
Washer
Installation
•Coat all internal parts with clean engine oil.
1. Align splines on oil pump rotor shaft with splines
in thrust washer and governor weights. Install
thrust washer, governor weights and sleeve on
rotor shaft.
2. Install spring, pin and e-clip.
3. Install spring pin.
Sleeve
Governor
Weights
Thrust
Washer
M35945
M35944
Spring
E-Clip
Pin
M35948

Fuel System
1-102
4/10/95
1
4. Turn governor weights until one weight is toward
the engine. Install governor linkage assembly.
5. Install spacer and new bronze washer on
governor shaft.
6. Insert governor shaft through governor linkage
assembly. Tighten shaft to 49 N•m (36 lb-ft).
M35940
M35939
Spacer Washer
M35949
7. Install spring, e-clip and new o-ring.
8. Align groove in fuel shutoff lever with hole in
timing gear housing and install lever. Make sure
groove is visible through hole.
9. Apply thread lock and sealer (low strength) on
threads of set screw. Install and tighten set screw.
10.Install new o-ring on regulator.
11.Install throttle lever and nut.
M35937
O-Ring
Spring
E-Clip
M35951
Hole
Groove
M35934
Throttle Lever
O-Ring
Regulator

Fuel System
4/10/95
1
1-103
12.Connect spring to throttle lever regulator then to
governor linkage assembly.
13.Install new seals and fuel controller. Tighten lock
nut.
14.Install new seals and fast idle adjustment screw.
Tighten lock nut.
NOTE: Do not install cap nuts or sealing wire until
installation procedures have been
completed and fast and slow idle
adjustments have been made. Idle
adjustments are made after engine has been
installed in the machine.
M35933
M35932
Fuel Controller
Seals
M35930M35930
Fast Idle
Seals
Adjustment
Screw
15.Install slow idle screw bracket so the stop on the
lever contacts the end of slow idle screw. Install
and tighten cap screw.
16.Install fuel shutoff lever spring on slow idle
screw bracket.
17.Install new gasket, cover and two cap screws.
18.Install four washers (two each hole location),
bracket and two cap screws. Tighten all four cap
screws to 9 N•m (78 lb-in.).
19.Install oil dipstick tube and oil filter.
20.Connect fuel shutoff solenoid linkage and install
washer and cotter pin.
M35954
Slow Idle Screw
Bracket
Fuel Shutoff
Lever Spring
Slow Idle Screw
Stop
M35928
Bracket
Cover
and
Gasket
Washers (4)
M35272

Fuel System
1-104
4/10/95
1
21.Install fuel injection pump. (See procedure in this
group.)
22.Adjust fuel shutoff solenoid. (See Checks, Tests
and Adjustments in this section.)
23.Check and adjust slow and fast idle settings. (See
procedure in Machine Technical Manual.)
Inspection
NOTE: Throttle lever bushing is press fit in timing
gear housing. Remove bushing only if
replacement is necessary.
1. Inspect throttle lever bushing for wear or damage.
Replace if necessary.
To replace bushing:
Remove bushing using a blind hole puller set.
Install bushing with chamfered end toward gear
housing using a driver set. Push in bushing until
flush with surface of gear housing.
2. Measure governor shaft diameter. If O.D. is less
than 7.90 mm (0.311 in.), replace governor shaft.
3. Measure governor shaft bore diameter in
governor linkage.
M35935
M35941
Governor Shaft Bore I.D.
Wear Limit. . . . . . . . . . . . 8.15 mm (0.321 in.)
Clearance . . . . . . . . . . . . . 0.18 mm (0.007 in.)
If shaft bore exceeds wear limit, replace governor
linkage. ª ª
If bore clearance (bore I.D. minus shaft O.D.)
exceeds specification, replace governor shaft,
governor linkage or both.
4. Measure inside diameter of sleeve. If I.D. is more
than 9.20 mm (0.362 in.), replace sleeve.
5. Measure oil pump rotor shaft diameter.
Rotor Shaft O.D.
Wear Limit. . . . . . . . . . . . 8.90 mm (0.350 in.)
Clearance . . . . . . . . . . . . . 0.15 mm (0.006 in.)
M35942
M35946
M35947

Fuel System
4/10/95
1
1-105
If shaft diameter is less than wear limit, replace
pump rotor shaft. Inspect splines on shaft for
chipped or broken teeth. If necessary, replace oil
pump rotor shaft. (See Lubrication System in this
section.)
If clearance (sleeve I.D. minus shaft O.D.) exceeds
specification, replace sleeve, oil pump rotor shaft or
both.
FUEL CONTROL AND GOVERNOR
LINKAGE - 3TN66 AND LATER
3TNA72
Removal
1. 375 SSL, 655 CUT, F915 FM, 455 LGT, 755/56
CUT:
-Disconnect fuel shutoff solenoid link.
-Remove four nuts, shutoff solenoid bracket
and gasket.
330 LGT, 15 EX, 430 LGT (Later), 670 CUT,
F925/35 FM, 3009 OEM:
-Remove four nuts, cover and gasket.
2. Remove pin and washer, if equipped, to
disconnect governor linkage.
3. Remove dipstick tube.
M37786
Fuel Shutoff Solenoid Link
Shutoff Solenoid
Bracket Gasket
Replace.
M37787
Pin
Governor Linkage
4. 670 CUT, 15 EX, 375 SSL, 3009 OEM: Remove
six cap screws, linkage housing and gasket.
430 LGT (Later), 330 LGT, 655 CUT, F915 FM,
455 LGT, 755/56 CUT, F925/35 FM:
-Remove three cap screws and throttle cable
mounting bracket.
-Remove three cap screws, linkage housing
and gasket.
5. Remove sleeve.
6. Remove nut and governor weights.
7. Disassemble and inspect all parts for wear or
damage. (See Disassembly and Inspection
procedures.)
Installation
Installation is done in the reverse order of removal.
•Governor linkage may have two holes. Connect
governor linkage to injection pump rack using
hole closest to injection pump gear.
•Adjust fuel shutoff solenoid. (See Checks, Tests
and Adjustments in this section.)
•Check and adjust slow and fast idle settings.
(See procedure in Machine Technical Manual.)
•Check and adjust slow and fast idle settings.
(See procedure in Machine Technical Manual.)
M37754
Gasket
Linkage Housing
Replace.
Dipstick
Tube
Throttle Cable
Mounting Bracket
If equipped.
M37755
Nut
Sleeve
Governor
Weights

Fuel System
1-106
4/10/95
1
Disassembly
1. Remove spring.
2. Remove seal and sealing wire.
NOTE: Washer is on 670 CUT, 455 LGT and 3009
OEM only.
3. Remove nut, washer, if equipped, and throttle
lever.
4. Remove cap screw and throttle shaft retaining
plate.
5. Remove cap screw and governor shaft retaining
plate.
6. Remove set screw, fuel shutoff lever, spring and
O-ring.
M37759
Spring
Seal and
Sealing
Wire
M37760
Governor Shaft
Retaining Plate
O-Ring
Replace.
Set Screw
Apply thread lock and sealer
(low strength) on threads.
Fuel Shutoff Lever
Throttle Lever
Nut
Spring
Throttle
Shaft
Retaining
Plate
NOTE: Shims are on all engines except 670 CUT
and 3009 OEM applications.
7. Remove governor shaft, governor linkage
assembly, shims and O-ring.
8. Rotate throttle shaft assembly as shown.
9. Remove tapered pin from tapered hole using a
punch.
10.Remove throttle shaft, shaft lever and O-ring.
M37762
O-Ring
Replace.
Governor
Shaft
Governor Linkage
Assembly
Shims
If equipped.
M37766
Throttle Shaft
Tapered Pin Shaft Lever
O-Ring
Replace.

Fuel System
4/10/95
1
1-107
11.Remove cover, gasket, fuel controller assembly,
fast idle stop and slow idle stop.
12.Disassemble governor linkage assembly.
M82320A
Cap Nut Seals
Replace.
Fuel
Controller
Assembly
Cap Nut
Seals
Replace.
Slow Idle
Stop
Spring Pin (2)
Fast Idle Stop
670 CUT,
3009 OEM
Cover
Gasket
Replace.
Cap Screw (3)
M82321A
E-Clip
Pin
Governor
Lever
Spring
Shim (as required)
Bushing (2)
Tension Lever
Spring Pin
Washer
Pin
Governor
Link
Spring
Pin
All Except 670 CUT, 3009 OEM
13.Inspect all parts for wear or damage. Replace as
necessary. (See Inspection procedures.)
Assembly
Assembly is done in the reverse order of
disassembly.
•Apply clean engine oil on all internal parts.
•When installing throttle shaft:
-Install new O-ring, throttle shaft and shaft
lever. Rotate shaft until rounded side of shaft
is facing toward hole.
-Position shaft lever as shown and install
tapered pin in tapered hole.
M82322A
Nut
Clip
Washer
Stud
Spring Pin
Tension Lever Needle
Bearing (2)
Spring
Pin
Spring
Shim
(as required)
Washer
Pin Governor Link
Bracket
E-Clip
Governor
Lever Spring
Pin
Pin
Spring
670 CUT, 3009 OEM

Fuel System
1-108
4/10/95
1
•Seal and sealing wire are not installed until
governor linkage housing installation
procedures have been completed and fast and
slow idle adjustments have been made. Idle
adjustments are made after engine has been
installed in the machine.
Inspection
1. Measure governor shaft diameter. If O.D. is less
than 7.90 mm (0.311 in.), replace governor shaft.
M37768
Tapered Pin
O-Ring
Throttle Shaft
Shaft Lever
M37769
Throttle Shaft
Hole
Rounded
Side
M37763
2. Measure governor shaft bore diameter in
governor linkage.
Governor Shaft Bore I.D.
Wear Limit. . . . . . . . . . . . 8.15 mm (0.321 in.)
Clearance . . . . . . . . . . . . . 0.18 mm (0.007 in.)
If shaft bore exceeds wear limit, replace governor
linkage.
If bore clearance (bore I.D. minus shaft O.D.)
exceeds specification, replace governor shaft,
governor linkage or both.
3. Measure inside diameter of sleeve. If I.D. is more
than 8.20 mm (0.323 in.), replace sleeve.
4. Measure injection pump camshaft diameter.
Injection Pump Camshaft O.D.
Wear Limit. . . . . . . . . . . . 7.90 mm (0.311 in.)
Clearance . . . . . . . . . . . . . 0.15 mm (0.006 in.)
If camshaft diameter is less than wear limit, replace
injection pump camshaft. (See procedure in this
group.)
If clearance (sleeve I.D. minus camshaft O.D.)
exceeds specification, replace sleeve, injection pump
camshaft or both.
5. Inspect all parts for wear or damage. Replace as
necessary.
M37756
M37757

Fuel System
4/10/95
1
1-109
FUEL INJECTION NOZZLES
(PINTLE-TYPE)
Removal/Installation
IMPORTANT: Never steam clean or pour cold
water on injection pump while the pump is
running or warm. Doing so can damage the
pump.
1. Clean the injection pump lines and area around
the pump using a parts cleaning solvent or steam
cleaner.
CAUTION
Escaping fluid under pressure can penetrate
the skin causing serious injury. Avoid the
hazard by relieving pressure before
disconnecting hydraulic or other lines.
Tighten all connections before applying
pressure. Search for leaks with a piece of
cardboard. Protect hands and body from
high pressure fluids.
If an accident occurs, see a doctor
immediately. Any fluid injected into the skin
must be surgically removed within a few
hours or gangrene may result. Doctors
unfamiliar with this type of injury should
reference a knowledgable source. Such
information is available from the Deere &
Company Medical Department in Moline,
Illinois, U.S.A.
NOTE: Nozzles are matched to the cylinders. If
removing more than one nozzle, tag nozzles,
according to the cylinder from which it was
removed.
IMPORTANT: When removing injection lines,
DO NOT turn pump delivery valve fittings.
Turning fittings may damage pump internally.
2. Loosen fuel injection line connectors slightly to
release pressure in the fuel system. When
loosening connectors, use another wrench to keep
delivery valves from loosening.
3. Loosen line clamp and remove fuel injection
lines.
4. Disconnect long leak-off hose.
5. Remove nuts and leak-off hose assembly.
6. Remove bronze washers and o-rings.
7. Remove injection nozzle, washers and heat
protector.
8. Test injection nozzles. (See Checks, Tests and
Adjustments in this section.)
Installation is done in reverse order of removal.
M35885

Fuel System
1-110
4/10/95
1
M82323A
Nut
40 N•m (30 lb-ft)
Leak-Off Hose
Assembly
Leak-Off Hose (Long) Hose Clamp
Heat Protector
Replace.
Bronze Washers
Replace.
Injection Nozzle
50 N•m (37 lb-ft)
O-Ring
Replace.
Bronze Washer
Replace.
ª
ª
M82324A
Injector Body
Shims
(as required)
Spring
Spring Seat
Nozzle
40 N•m
Nozzle
Body
Nozzle
Valve
Separator
Plate
(30 lb-ft)
Fitting
Disassembly/Assembly
NOTE: If servicing more than one nozzle, keep
parts for each nozzle separate from one
another.
IMPORTANT: If injection nozzles are
disassembled to be cleaned, the same number
and thickness of shims must be installed.
•Clean and inspect nozzle assembly. (See
Cleaning/Inspection procedures.)
•After assembly is complete, test injection
nozzle. (See Checks, Tests and Adjustments in
this section.)

Fuel System
4/10/95
1
1-111
CROSS SECTION
Cleaning/Inspection
NOTE: To clean nozzles properly, JDF13 Nozzle
Cleaning Kit is recommended. The Cleaning
Kit is available through the John Deere
SERVICEGARD™ Catalog.
1. Remove anti-corrosive grease from new or
reconditioned nozzles by washing them
thoroughly in diesel fuel.
M82325A
Injector
Body
Shim
(as required)
Spring
Nozzle
Fitting
Spring
Seat
Separator
Plate
Nozzle
Body
Nozzle
Valve
IMPORTANT: Never use a steel brush to clean
nozzles as this will distort the spray hole.
2. Remove carbon from used nozzles, and clean by
washing in diesel fuel. If parts are coated with
hardened carbon or lacquer, it may be necessary
to use a brass wire brush (supplied in Nozzle
Cleaning Kit).
3. After removing carbon or lacquer from the
exterior of nozzle, inspect sealing surfaces
between separator plate and nozzle body for
nicks or scratches.
4. Inspect condition of separator plate and nozzle
body. Contact area of separator plate (both parts)
must not be scored or pitted. Use an inspection
magnifier (No. 16487 or equivalent) to aid in
making the inspection.
5. Check nozzle contact surface on separator plate
for wear. If contact surface is more than 0.10 mm
(0.0039 in.), replace nozzle assembly.
6. Inspect the piston (large) part of nozzle valve to
see that it is not scratched or scored and that
lower (tip) end of valve is not broken. If any of
these conditions are present, replace the nozzle
assembly.
M82326A
Nozzle Contact
Surface
Sealing SurfacesSeparator
Plate
Nozzle Body

Fuel System
1-112
4/10/95
1
7. Further inspect the nozzle assembly by
performing a slide test. Use the following
procedure:
•Dip the nozzle valve in clean diesel fuel. Insert
valve in nozzle body.
•Hold nozzle vertical, and pull valve out about
1/3 of its engaged length.
•Release valve. Valve should slide down to its
seat by its own weight.
Replace nozzle assembly if the valve does not slide
freely to its seat.
M35919
Piston Part of
Nozzle Valve
Nozzle Body

Starter
4/7/95
1
1-113
STARTER - HITACHI 0.8 kW
Disassembly/Inspection
1. Disconnect field lead.
2. Remove two cap screws and two screws from rear
cover.
3. Pry off plastic cap.
4. Remove e-clip, shims and rear cover.
5. Inspect cover bushing for wear or damage.
Replace if necessary.
To replace bushing:
Remove bushing using a blind-hole puller set. Install
new bushing until it bottoms in cover bore using a
driver set.
Ream out bushing to 12.50 - 12.53 mm (0.492 -
0.493 in.).
6. Remove field coil brushes from brush holder.
7. Pry brush springs away and pull negative brushes
up enough to allow spring to hold brush in place.
8. Remove brush holder.
M37923
Field Coil Brush (2)
Field Lead
Rear Cover
Cap E-Clip
Shims
Rear Cover
Bushing M37874
9. Remove field coil housing from armature/
solenoid assembly.
10.Remove two cap screws and pivot bolt, if
equipped.
11.Remove dust cover.
12.Remove solenoid and armature assemblies from
end frame.
M37875
Brush Spring
Negative
Brush
Field Coil Housing M37876
M37877
Dust
Solenoid Assembly
Armature
Cap End Frame
Assembly
Cover
Screw (2)

Starter
1-114
4/7/95
1
13.Inspect end frame bushing for wear or damage.
Replace if necessary.
Replace bushing using a driver set. Install bushing
flush with face of housing.
14.Slide pinion stopper away from retaining wire
using a piece of pipe or deep socket. Remove
retaining wire, pinion stopper, and clutch
assembly from armature shaft.
15.Inspect clutch assembly for wear or damage.
Gear should rotate in one direction only. Replace
if necessary.
16.Remove clutch fork pivot, plunger, spring and
shim(s) from solenoid.
17.Inspect all parts for wear or damage. Replace as
necessary.
18.Inspect and test brushes, holder, field coil and
armature. (See Test procedures.)
M37830
End Frame
Bushing
M37879
Retaining
Wire
Armature
Shaft
Pinion
Stopper
Clutch
Assembly
Assembly
Assembly is done in the reverse order of
disassembly.
•After installing clutch assembly, pinion stopper
and retaining wire on armature shaft, use two
pliers to press pinion stopper over retaining
wire.
•When installing solenoid and armature
assemblies into end frame, make sure fork pivot
seats in notch on clutch fork.
IMPORTANT: When installing rear cover, be
sure field coil brush wires do not touch cover.
Turn brush holder slightly to take up slack in
brush wires. Press wires inward to clear rear
cover.
Spring
Plunger
Shims
Solenoid
Clutch Fork
PivotM37880
M37831
Clutch
Assembly
Retaining
WirePinion
Stopper
M37881
Fork Pivot
Notch

Starter
4/7/95
1
1-115
Test
1. Measure holder and field coil brush lengths.
Minimum brush length is 7.70 mm (0.303 in.).
Replace brush holder or field coil if brush length
is below minimum.
NOTE: Test brush holder using an ohmmeter or test
light.
2. Test brush holder:
Touch one probe of tester to negative brush
holder and other probe to field brush holder. If
there is continuity, replace the brush holder.
3. Inspect springs for wear or damage. Replace if
necessary.
NOTE: Test field coil using an ohmmeter or test
light.
4. Test for grounded field winding:
Touch one probe of tester to field coil brush and
other probe to field coil housing. Be sure the
brush lead is not touching the frame. If there is
continuity, the coil is grounded and the field coil
housing assembly must be replaced.
5. Test for open field coil:
Touch one probe of tester to each field coil brush.
If there is no continuity, the field coil is open and
the field coil housing assembly must be replaced.
M82234
Field Brush
Holder
Negative Brush
Holder
Spring (4)
Brush Length
IMPORTANT: Do not clean armature with
solvent. Solvent can damage insulation on
windings. Use only mineral spirits and a
brush.
6. Inspect armature. Look for signs of dragging
against pole shoes.
7. Inspect commutator. Look for roughness, burned
bars, or any material which might cause short
circuits between bars. If necessary, clean and
touch up with 400 sandpaper. NEVER use emery
cloth. Clean all dust from armature when
finished.
NOTE: Test armature windings using an ohmmeter
or test light.
8. Test for grounded windings:
Touch probes on one commutator bar and
armature shaft. Armature windings are connected
in series, so only one commutator bar needs to be
checked.
M82235
Field Coil
Housing
Field Coil Brush

Starter
1-116
4/7/95
1
If test shows continuity, a winding is grounded and
the armature must be replaced.
9. Test for open circuited windings:
Touch probes on two different commutator bars.
If test shows no continuity, there is an open circuit
and the armature must be replaced.
10.Test for short circuited windings using a growler.
Put armature in a growler and hold a hacksaw
blade above each slot while slowly rotating
armature.
If coil is shorted, the blade will vibrate on the slot.
NOTE: A short circuit most often occurs because of
copper dust or filings between two
commutator segments.
11.If test indicates short circuited windings, clean
the commutator of dust and filings. Check the
armature again. If the test still indicates a short
circuit, replace the armature.
M82246
Armature Shaft
Commutator Bars
M82125A
Hacksaw Blade
Growler
Armature
STARTER MOTOR - NIPPONDENSO
1.0 kW
Disassembly
1. Disconnect field lead.
2. Remove two cap screws and two screws.
3. Remove rear cover and o-ring, if equipped.
4. Remove field coil brushes from brush holder.
5. Pry brush springs away and pull negative brushes
up enough to allow spring to hold brush in place.
6. Remove brush holder.
7. Remove armature from field coil housing.
8. Remove felt washer and o-ring, if equipped.
9. Inspect and test brushes, holder, field coil and
armature. (See Inspection/Test procedures.)
M82233
Rear Cover
Cap Screw (2)
O-Ring
Field Lead
Screw (2)
M36754
Field Coil Brush (2)
Brush Spring
Brush Holder

Starter
4/7/95
1
1-117
Assembly
Assembly is done in the reverse order of
disassembly.
•Apply multipurpose grease to bearing cup inside
rear cover and felt washer, if equipped.
IMPORTANT: When installing rear cover, be
sure field coil brush wires do not touch cover.
Turn brush holder slightly to take up slack in
brush wires. Press wires inward to clear rear
cover.
Inspection/Test/Replacement
1. Measure holder and field coil brush lengths.
Minimum brush length is 8.5 mm (0.335 in.).
Replace brush holder or field coil if brush length
is below minimum.
NOTE: Test brush holder using an ohmmeter or test
light.
2. Test brush holder:
Touch one probe of tester to negative brush holder
and other probe to field brush holder. If there is
continuity, replace the brush holder.
3. Inspect springs for wear or damage. Replace if
necessary.
M36759
Field Coil Housing
O-Ring
Armature
Felt Washer
NOTE: Test field coil using an ohmmeter or test
light.
4. Test for grounded field winding:
Touch one probe of tester to field coil brush and
other probe to field coil housing. Be sure the brush
lead is not touching the frame. If there is continuity,
the coil is grounded and the field coil housing
assembly must be replaced.
5. Test for open field coil:
Touch one probe of tester to each field coil brush. If
there is no continuity, the field coil is open and the
field coil housing assembly must be replaced.
M82234
Spring (4)Negative Brush
Holder
Field Brush
Holder
Brush
Length
M82235
Field Coil Brush
Field Coil
Housing

Starter
1-118
4/7/95
1
IMPORTANT: Do not clean armature with
solvent. Solvent can damage insulation on
windings. Use only mineral spirits and a
brush.
6. Inspect armature. Look for signs of dragging
against pole shoes.
7. Inspect commutator. Look for roughness, burned
bars, or any material which might cause short
circuits between bars. If necessary, clean and
touch up with 400 sandpaper. NEVER use emery
cloth. Clean all dust from armature when
finished.
NOTE: Test armature windings using an ohmmeter
or test light.
8. Test for grounded windings:
Touch probes on one commutator bar and armature
shaft. Armature windings are connected in series, so
only one commutator bar needs to be checked.
If test shows continuity, a winding is grounded and
the armature must be replaced.
9. Test for open circuited windings:
Touch probes on two different commutator bars. If
test shows no continuity, there is an open circuit and
the armature must be replaced.
10.Test for short circuited windings using a growler.
Put armature in a growler and hold a hacksaw
blade above each slot while slowly rotating
armature.
If coil is shorted, the blade will vibrate on the slot.
M82236
Commutator Bars
Armature Shaft
NOTE: A short circuit most often occurs because of
copper dust or filings between two
commutator segments.
11.If test indicates short circuited windings, clean
the commutator of dust and filings. Check the
armature again. If the test still indicates a short
circuit, replace the armature.
12.Inspect armature cover and housing bearings for
wear or damage. Replace if necessary.
To replace bearings:
Bearings are press fit. Remove bearings using a
knife-edge puller set.
IMPORTANT: Install both bearings with sealed
side toward armature.
Install new housing bearing tight against shoulder of
shaft using a piece of pipe.
Install new rear cover bearing tight against shoulder
of shaft using a driver set.
M82125A
Armature
Hacksaw Blade
Growler
M82237
Housing Bearing
Rear Cover Bearing

Starter
4/7/95
1
1-119
STARTER GEAR TRAIN AND
OVERRUNNING CLUTCH -
NIPPONDENSO 1.0 kW
Disassembly/Inspection
1. Remove two motor-to-clutch housing cap screws
and two clutch housing-to-solenoid housing
screws.
2. Separate clutch housing from solenoid/motor
assembly.
3. Remove plunger spring and gear, if equipped.
M82233
Motor-to-Clutch
Housing Cap Screws
M82238
Clutch Housing-to-
Solenoid Housing
Screws
NOTE: Starter is equipped with either a 33 mm
(1.299 in.), 44 mm (1.732 in.) or 44.5 mm
(1.752 in.) drive gear on end of clutch shaft.
Disassembly procedures are slightly
different.
4. Starter with 33 mm (1.299 in.) drive gear:
Remove clutch assembly from housing.
5. Remove retainer, five rollers and pinion gear.
6. Remove steel ball.
M82239
Plunger Spring
Clutch Housing
Gear
M82240
Roller (5)
Pinion Gear
Clutch Assembly
Steel Ball
Retainer

Starter
1-120
4/7/95
1
7. Put clutch (housing) assembly into a soft-jawed
vice, as shown.
8. Tighten vise slowly, until drive gear compresses.
9. Remove retainer and circlip.
10.While holding clutch assembly, slowly open vise
until all spring compression is relieved.
11.Starter with 33 mm (1.299 in.) drive gear:
Remove drive gear and spring from clutch
assembly.
Starter with 44 mm (1.732 in.) or 44.5 mm (1.752
in.) drive gear: Remove drive gear, spring and clutch
assembly from housing.
CAUTION
Shaft could be propelled from clutch unit
with considerable force if spring is not
allowed to extend fully while in vise.
M82241
Starter with 44 or 44.5 mm
Drive Gear Shown
Circlip
Retainer
(1.732 or 1.752 in.) 12.Remove washer, toothed washer, spring and
clutch shaft.
13.Inspect all parts for wear or damage. Replace as
necessary.
Assembly
Assembly is done in the reverse order of
disassembly.
•Apply multipurpose grease to bearings, clutch
shaft, springs, pinion gears, retainer, rollers and
steel ball.
•Install large washer with flat side toward clutch
assembly.
•Install retainer with cupped side away from
clutch assembly.
M82242
Clutch Housing
Starter with 44 or 44.5 mm
(1.732 or 1.752 in.)
drive gear only.
Retainer
Spring
Clutch Assembly
Drive Gear
Circlip
M82243
Clutch
Spring
Clutch Shaft
Toothed Washer
Large Washer

Starter
4/7/95
1
1-121
STARTER SOLENOID -
NIPPONDENSO 1.0 kW
Disassembly/Inspection
1. Disconnect field lead.
2. Remove three screws and clip.
3. Remove cover and gasket.
4. Remove plunger.
5. Disassemble terminals. Remove parts from each
terminal in order shown.
6. Inspect copper washer and contact plates for
excessive burning or pitting. Clean burnt areas to
improve electrical contact. Replace contacts or
plunger if necessary. The solenoid is not
serviceable. If defective, replace solenoid
housing assembly.
M82244
Field Lead
Clip
Screw (3)
M82245
Copper Washer
PlungerSpring
Contact Plates
Assembly
Assembly is done in the reverse order of
disassembly.
NOTE: The assembly sequence of the left and right
terminals is similar. Be sure solenoid
terminal lead is installed between terminal
bolt and contact plate. Also, be sure smaller
contact plate is on the left side.
M36771
Terminal Bolt
Nut
Washer
O-Ring
Insulator
Contact Plate
M36771
Terminal Bolt
Small Contact
Plate
Solenoid Terminal
Lead

Alternator
1-122
4/7/95
1
ALTERNATOR - KOKOSAN 20A
Disassembly/Inspection
1. Remove nut and washers.
2. Tap on end of shaft with a soft-faced hammer to
separate flywheel assembly from coil plate
assembly.
3. Remove long spacer.
NOTE: Bearing and flywheel are press fit on shaft.
4. Remove shaft from bearing, short spacer, washer,
flywheel and sheave half, using a press.
5. Inspect all parts for wear or damage. Replace as
necessary.
NOTE: Remove bearing only if replacement is
necessary.
6. Inspect bearing in coil plate for wear or damage.
Replace if necessary.
To replace bearing:
Remove bearing using a spark plug socket and a
press. Install bearing into coil plate until it bottoms
in bore using a 1 in. socket.
M82247A
Nut
27 N•m
(20 lb-ft)
Lock WasherWasher
Flywheel Assembly
Long Spacer
Coil Plate Assembly
M82248A
Flywheel
Bearing
Press fit on
shaft.
Short Spacer
Sheave Half
Shaft
Washer
7. Remove wire clamp.
8. Remove connector from harness leads.
9. Remove two screws and stator.
10.Inspect all parts for wear or damage. Replace as
necessary.
Assembly
Assembly is done in the reverse order of
disassembly.
•With sheave half on shaft, press shaft into
flywheel until sheave half bottoms on flywheel
face.
•With washer and short spacer installed, press
new bearing onto shaft until it bottoms on
spacer.
VOLTAGE REGULATOR -
NIPPONDENSO 35A
Replacement
1. Remove three attaching screws.
2. Remove end frame-to-rectifier nut.
M82249A
Coil plate
Connector
Wire Clamp
Stator
Screw (2)
Bearing
Press fit in
coil plate.
M36725
Altaching Screw (3)
M5
4 N•m (31 lb-in.)

Alternator
4/7/95
1
1-123
3. Remove nuts and insulators.
IMPORTANT: Do not pry against stator wires.
4. Use a screwdriver to pry end frame from stator.
Do not separate stator from front frame.
IMPORTANT: Do not heat connections longer
than necessary to melt solder, as excess heat
will damage rectifier assembly.
5. Use a soldering gun with a least 120 watt
capacity to disconnect terminals. Replace voltage
regulator.
Installation is done in the reverse order of removal.
•If additional solder is needed, use ONLY 60-40
rosin-core solder.
M36726
Nuts and Insulators
End Frame-to-Rectifier Nut
M5
4 N•m (31 lb-in.)
M36727
End
Frame
Front
Frame
Stator
M36728
Voltage Regulator
Terminals
ALTERNATOR - NIPPONDENSO 35A
Disassembly
1. Remove three attaching screws.
IMPORTANT: Do not pry against stator wires.
2. Use a screwdriver to separate rotor assembly
from stator assembly.
Rotor Assembly:
•Rear bearing is press fit. Replace only if
necessary. Remove bearing using a puller set.
Install bearing until flush with end of rotor shaft.
Press only on inner race of bearing.
3. Put rotor assembly in a soft-jawed vise. Remove
nut, lock washer, sheave, fan and bushing.
4. Put front frame on open jaws of vice. Use a soft-
faced hammer to remove rotor and spacer.
5. Remove three screws, retainer, front bearing,
washer and felt washer.
6. Inspect all parts for wear or damage. Replace as
necessary.
M36725
Attaching Screw (3)
M5
4 N•m (31 lb-in.)
M36730
Rotor Assembly
Stator Assembly

Alternator
1-124
4/7/95
1
7. Test rotor. (See Inspection/Test procedures.)
Stator Assembly:
8. Remove end frame-to-rectifier nut.
9. Remove nuts and insulators.
IMPORTANT: Do not pry against stator wires.
10.Use a screwdriver to pry end frame from stator.
M36726
Nuts and Insulators
End Frame-to-Rectifier Nut
M5
4 N•m (31 lb-in.)
11.Use a soldering gun with at least 120 watt
capacity to disconnect terminals. Remove voltage
regulator.
12.Melt solder inside the connecting pipes. While
solder is hot, open the flattened pipe with a
needle nose pliers. Pull stator wire from pipe.
M36728
Voltage Regulator
Terminals
M82250A
Rotor
Spacer
Washer
Retainer
Felt Washer
Apply multipurpose grease
during assembly.
Fan
Sheave
Lock
Washer
Nut
M14
54 N•m (40 lb-ft)
Bushing
Screw (3)
2 N•m (16 lb-in.)
Rear Bearing
Apply multipurpose grease
to O.D. during assembly.
Front Frame
Front
Bearing

Alternator
4/7/95
1
1-125
13.Inspect and test brushes, stator and rectifier. (See
Inspection/Test procedures.)
Assembly
Assembly is done in the reverse order of
disassembly.
NOTE: The three pair of lead wires on the stator are
not evenly spaced. Rotate the rectifier until
the terminal pipes align with the stator
leads.
•Bend the stator lead wires, as necessary, to
obtain an approximate distance of 33.50 mm
(1.300 in.) from stator to rectifier. Connect the
six leads using a soldering gun.
•If additional solder is needed, use ONLY 60-40
rosin-core solder.
IMPORTANT: Be sure six stator lead wires do
not contact end frame when installed.
•Before assembling stator assembly to rotor
assembly, push brushes into brush holder and
insert a wire through access hole in rear at end
frame to lock brushes in place.
•Assemble rotor assembly to stator assembly and
fasten with three attaching screws. Remove wire
from access hole.
M36739
M36748
Brushes Wire
Inspection/Test
Rotor:
•Inspect the rotor slip rings for dirt build-up,
rough spots, or out of roundness. If necessary,
polish the surface of the slip rings using No. 00
sandpaper or 400-grit silicon carbide paper.
•Touch the probes of an ohmmeter to slip rings.
Replace rotor if test indicates no continuity (no
needle movement).
•Touch the probes of the ohmmeter to the shaft
and one of the slip rings. Repeat for other slip
ring. Replace rotor if test shows continuity
(needle movement).
Brushes:
•Inspect brush holder and brushes for damage.
Brushes must slide freely and the springs must
hold the brushes firmly against the slip rings of
the rotor.
•Measure brushes for wear. Minimum exposed
length must be 5.50 mm (0.220 in.) or to wear
limit line on brushes. Replace brushes as
necessary.
M82110A
Ohmmeter
Rotor Shaft
Slip Rings
M82111A
Ohmmeter
Rotor Shaft
Slip Rings

Alternator
1-126
4/7/95
1
•Use an ohmmeter or a test light to check for
continuity. Check between the two brushes and
between each brush and ground stud. There
should be no continuity. Replace brush holder-
rectifier assembly if there is continuity.
•To replace brushes:
-Melt solder from brush lead connections and -
remove brushes and springs.
-Inspect springs for wear or damage. Replace
as necessary.
-Push brush lead wire through spring. Insert
spring and brush in brush holder with lead
protruding through hole in brush holder.
Make sure the longest side of brush is on side
of brush holder with raised lip.
-Hold brushes in position so that exposed
length is 13 mm (0.500 in.)
-Solder brush leads in this position. Cut off
excess length of brush lead wire.
-Be sure insulating washers and insulator are
in place.
Brushes
Ground Stud
M36736
M36737
Brush Lead Connections
NOTE: If additional solder is needed, use ONLY 60-
40 rosin-core solder.
Stator:
•Inspect stator for defective insulation,
discoloration or a burned odor. If any of these
defects are found, replace stator.
NOTE: Use an ohmmeter that is sensitive to
resistance of 0 to 1 ohm.
•Touch probes of an ohmmeter to each pair of
stator wires. Equal continuity readings should be
observed between each pair of leads. If readings
are not equal, replace stator.
M36745
Brush
Insulating Washers
Brush Holder
Insulator
Brush Lead
Wire
M36740

Alternator
4/7/95
1
1-127
•Touch one probe of the ohmmeter to the bare
metal surface of stator and the other probe to a
bare stator lead wire. Repeat for each wire.
Replace stator if test indicates continuity.
Rectifier:
NOTE: The three inner terminals are connected by
a printed circuit in the rectifier.
•Test the three inner terminals using an
ohmmeter. Move probes so all terminals are
cross checked. Replace the rectifier if test shows
no continuity.
NOTE: Each of the three outer terminals on the
rectifier is connected to two diodes
permitting current flow in only one
direction.
M36741
M36742
Inner
Terminals
•Test the diodes by touching probes to output
post and the three outer terminals.
•Switch the probes and check each terminal
again. There should be continuity in only one
direction between each terminal and the output
post.
•Test the diodes by touching probes to ground
post and the three outer terminals.
•Switch the probes and check each terminal
again. There should be continuity in only one
direction between each terminal and the ground
post.
A shorted diode would have continuity in both
directions. An open diode would have no continuity
in either direction. Replace the rectifier assembly if
any of the six diodes are defective.
M36743
Output Post
M36744
Ground
Post

Alternator
1-128
4/7/95
1
VOLTAGE REGULATOR -
NIPPONDENSO 40A
Replacement
1. Remove nut and insulator.
2. Remove three screws and cover.
3. Remove two screws, brush holder and cover.
4. Remove three screws. Replace voltage regulator.
Installation is done in the reverse order of removal.
IMPORTANT: Make sure to install short screw
at location shown. Longer screw will contact
frame and cause damage to the charging
system.
ALTERNATOR - NIPPONDENSO 40A
Disassembly
1. Remove voltage regulator. (See VOLTAGE
REGULATOR - REPLACEMENT in this group.)
2. Remove nut.
3. Remove sheave using a puller set.
M52470
Cover
Nut and
Insulator
M52472
Short
Screw
Brush Holder
and Cove
r
Voltage
Regulator
Long Screw (2)
4. Remove four screws and straighten stator wire
leads.
5. Remove rectifier.
6. Remove two nuts, two screws and end frame
assembly.
7. Press rotor shaft from end frame.
8. Remove spring washer.
9. Remove four screws and retainer.
NOTE: Front bearing is press fit in front frame.
Remove bearing only if replacement is
necessary.
M52469
Nut
69 N•m (51 lb-ft)
Sheave
M52471
Rectifier
Stator Wire
Lead (4)
M52473
Spring
Washer
Rotor
Shaft
End Frame
Assembly

Alternator
4/7/95
1
1-129
10.Inspect bearing in front frame for wear or
damage. Replace if necessary. Replace bearing
using a driver set and a press.
11.Inspect and test brushes, stator and rectifier. (See
Inspection/Test in this group.)
Assembly
Assembly is done in the reverse order of
disassembly.
•After installing rectifier, form a loop in stator
wire leads, insert screws through loop and
secure rectifier and wire leads.
Inspection/Test
Rotor:
NOTE: Rear bearing and rotor assembly are not
serviced separately. Damaged parts require
that rotor assembly and bearing be replaced
as a unit.
•Inspect bearing for wear or damage. Replace
complete rotor if necessary.
•Inspect slip rings for dirt build-up, rough spots
or out-of-roundness. If necessary, polish the
surface of the slip rings using No. 00 sandpaper
or 400-grit silicone carbide paper. Measure outer
diameter of slip rings. Replace rotor if less than
14 mm (0.550 in.).
•Touch the probes of an ohmmeter to slip rings.
Replace rotor if test indicates no continuity (no
needle movement).
•Touch probes of ohmmeter to the rotor core and
one of the slip rings. Repeat for other slip ring.
Replace rotor if test shows continuity (needle
movement).
M52475
Front Bearing Front Frame
Retainer
Screw (4)
2 N•m (16 lb-in.)
Brushes:
•Inspect brush holder, brushes and springs for
damage. Brushes must slide freely and springs
must hold brushes firmly against the slip rings of
the rotor.
•Measure length of brush protruding from holder.
If length is less than wear limit, replace brushes.
Brush Length Specifications
New. . . . . . . . . . . . . . . . . 10.50 mm (0.410 in.)
Wear Limit. . . . . . . . . . . . 4.50 mm (0.170 in.)
•Check continuity between brush and terminal
“A”. Check continuity between brush and
terminal “B”. There should be continuity only at
these points.
M52474
Rear Bearing
Slip Rings
Rotor Core
M52478
M52479
B
A

Alternator
1-130
4/7/95
1
Stator:
•Inspect stator for defective insulation,
discoloration or a burned odor. If any of these
defects are found, replace stator.
NOTE: Use an ohmmeter that is sensitive to
resistance of 0 to 1 ohm.
•Check for continuity between each stator lead
and stator body. Replace stator if test indicates
continuity.
To replace stator:
- Scribe a mark on housing, at notch in stator, to
aid in installation of a new stator.
- Remove two studs.
- Replace stator using a punch and hammer.
M82251
Stator Body
Stud (2)
Stator
Lead (4)
Notch
Scribe Mark on
Housing
Rectifier:
NOTE: Set the ohmmeter to the K ohm range.
•Check continuity between output post and each
diode lead. Reverse ohmmeter leads and
recheck. There should be continuity in one
direction, but not the other.
A shorted diode would have continuity in both
directions. An open diode would have no continuity
in either direction. Replace the rectifier if any of the
four diodes are defective.
M52477
Diode Lead (4)
Output Post

Diagnosis
4/7/95
3
1-131
1
ENGINE AND FUEL SYSTEM TROUBLESHOOTING CHART
PROBLEM OR
SYMPTOM
CHECK OR
SOLU-
TION
Engine will not crank.
Engine cranks but will not start
or starts hard.
Engine will not stay running, or
stalls frequently.
Engine runs rough, misses,
noisy, vibrates or
low on power. Fuel in oil. Oil
level high.
Engine surges, or has uneven
or uncontrolled rpm.
Oil in the coolant or coolant in
the oil.
Engine has low oil pressure.
Engine operating temperature
is incorrect.
Lack of fuel at injection pump.
Exhaust smoke blue or uses
too much oil.
Exhaust smoke white.
Exhaust smoke black or grey or
uses too much fuel.
Fuel pump screen, fuel filter, or fuel
line restricted. Fuel dirty, contains
water or wrong grade.
● ● ● ● ● ● ●
Air filter elements dirty or plugged.
Replace.● ● ● ● ● ● ●
Fuel shut-off valve turned off, or
restricted. Solenoid linkage
misadjusted. See adjustment.
● ● ● ● ● ●
Muffler or exhaust manifold leak.● ●
Defective glow plugs. ●
Injection pump or governor
malfunctioning. Injection pump
timing incorrect.
● ● ● ● ●
Defective cranking components or
connectors.● ●
Low compression from worn rings,
cylinder bore, piston, valves or
warped head.
● ● ● ● ● ●
Valve clearance incorrect.● ● ● ● ● ●
Burned or warped valves and valve
seats. Defective valve spring.● ● ● ● ● ●
Starter cranking rpm too slow.
Damaged starter. Excessive engine
load.
● ● ●
Fuel pump leaking or not operating.
See Fuel Supply Pump Pressure
Test.
● ● ● ● ● ●
Engine oil viscosity or level
incorrect. ● ● ● ● ●
Injector pressure incorrect or
leaking.● ● ● ● ● ● ●
Cylinder head gaskets leaking or
damaged. ● ● ● ● ● ● ● ● ●
Radiator.● ● ●

Diagnosis
1-132
3
4/7/95
1
ENGINE SYSTEM DIAGNOSIS
Conditions:
•Engine mounted on level surface.
•Key switch off unless indicated otherwise.
Test LocationNormalIf Not Normal
1. Engine dipstick
and exterior
engine surface-
engine oil check.
Oil level between “L” and “H” marks.
Oil not burnt, or contaminated with
metal particles, fuel, or coolant. No
external leakage, filter clean.
Change oil and inspect for source of
contamination. Check gaskets, seals,
plugs, cylinder head, block, and intake
manifold and breather. Change oil
filter.
2. Coolant tank and
radiator.
-Cooling System
Check.
Coolant level between marks on tank
when engine is warm.
Coolant in radiator full to top.
Coolant not contaminated with oil,
fuel or discolored brown.
Add proper coolant mix.
Drain and flush system. Check for
source of contamination.
Radiator screen free of debris.Clean or replace.
Hoses not cracked or leaking, clamps
and radiator cap tight. Pressure test radiator and cap.
Fan belt tight, not glazed or cracked.Replace and adjust belt tension.
Fan blades not damaged or warped.Replace fan.
3. Fuel tank, pump,
pump screen,
lines, filter, filter
shutoff valve.
- Fuel System Check
Fuel level correct, not contaminated,
correct grade of fuel, no water.
Fuel pump screen and in-line filter free
of debris.
Fuel shutoff valve in “ON” position.
Drain and clean fuel tank. Add fresh
fuel.
Replace filters.
Move to “ON” position.
Fuel hoses not cracked or leaking.Replace.
Fuel hose clamps tight.Replace or tighten.
Fuel tank does not have vacuum.Replace fuel tank check valve.
4. Air filter and air
intake.
-Air Intake System
Check
Air filter hose not cracked, clamps
tight.
Element not plugged. Air filter
housing sealed, no dirt tracking inside
filter element.
Replace and tighten clamps.
Replace element or housing.
5. Fuel shutoff
solenoid. (Key in
RUN position.)
Fuel shutoff solenoid must pull in and
stay in. Solenoid must bottom out.
Shutoff shaft must still move slightly.
Check shutoff solenoid adjustment.
Clean any dirt from under solenoid
boot. If solenoid will not pull in and
hold in, see Fuel Shutoff Solenoid
Circuit Test Points in ELECTRICAL
section of Machine TM.
6. Glow plug
indicator light.
(Key in RUN
position.)
Indicator light should come on up to
15 seconds depending on air
temperature.
See Glow Plug Circuit Test Points in
ELECTRICAL section of Machine
TM.

Diagnosis
4/7/95
3
1-133
1
ENGINE SYSTEM DIAGNOSIS - Continued
Test LocationNormalIf Not Normal
7. Fuel filter, fuel
pump. (Key
switch in RUN
position.)
Fuel level increases in filter.
Fuel pump operating - listen for
humming sound.
Fuel present in return hose at fuel
pump.
See Fuel Pump Circuit Test Points in
ELECTRICAL section of Machine
TM. Test fuel pump pressure. (See
Operational Tests in this section.)
Replace fuel filter.
8. Throttle lever and
cable.Linkage not binding and adjusted
correctly.Repair, replace or adjust cable.
9. Intake and
exhaust valves.Cold engine. Valve clearance within
specification.
Valves not sticking.
Check and adjust. (See Checks, Tests
and Adjustments in this section.)
Check valve guides and stems.
10. Fuel at injectors.
(Key in START
position - engine
cranking.)
Crack fuel injection lines at injectors.
Fuel shutoff solenoid pulled in.
Engine must crank.
Check spray pattern and cracking
pressure. (See Checks, Tests and
Adjustments in this section.) Replace
injectors.See Cranking Circuit Test
Points in ELECTRICAL section of
Machine TM.
11. Injector ports.
(Key in START
position.)
Cylinder compression within
specification. Pressure difference
between cylinders within
specification.
Perform cylinder compression test.
(See Operational Tests in this section.)
12. Flywheel and
starter.Minimum cranking rpm within
specification.See Starter Amp Draw Test in
ELECTRICAL section of Machine
TM.
13. Injection pump
timing
inspection. (Key
OFF.)
Timing should be correct. Remove
pump as the LAST possible solution.Perform injection pump static timing
adjustment. (See Checks, Tests and
Adjustments in this section.) Have
pump tested by a qualified Service
Repair Shop.
14. Injection pump
idle settings.
(Engine running).
Engine runs smooth under load.
Engine rpm to specification.See Slow Idle and Fast Idle
Adjustments in ENGINE section of
Machine TM.
15. Oil pressure
sender port.Oil pressure in specification.Test engine oil pressure. (See
Operational Tests in this section.)
16. Thermostat.
(Engine at
operating
temperature.)
Clean from corrosion, rust, or debris.
Opening temperature within
specification.
Replace thermostat.
Perform thermostat opening test. (See
Checks, Tests and Adjustments in this
section.)
17. Muffler.Not restricted.Replace muffler.

Checks, Tests and Adjustments
1-134
4/7/95
1
VALVE CLEARANCE, CHECK AND
ADJUSTMENT - EARLY 3TNA72
(430 LGT)
Reason:
To achieve correct engine operation.
Equipment:
•Feeler Gauge
Procedure:
NOTE: “Top Dead Center (TDC)” is the piston at
its highest point.
1. Remove rocker arm cover.
2. Turn crankshaft pulley clockwise until No.1
cylinder timing mark on pulley aligns with arrow
on timing gear cover.
NOTE: No. 1 cylinder is the closest to the flywheel.
3. Try to move both No. 1 cylinder rocker arms or
push rods.
If rocker arm push rods are not loose, rotate
flywheel one revolution (360°). If both rocker arm
push rods are loose the piston is at TDC on
compression stroke.
4. Measure and adjust valve clearance on the valves
(arrows) with No. 1 piston at TDC.
M35256
Arrow
No. 1 Timing Mark
To adjust valves, loosen nut and turn adjusting screw
until clearance is 0.20 mm (0.008 in.). Hold screw
while tightening nut.
5. Turn crankshaft pulley one revolution (360°).
This puts the piston in No. 2 cylinder at TDC
compression stroke.
6. Measure and adjust valve clearance on the valves
(arrows) with No. 2 piston at TDC.
M82327A
Cylinders
No. 1 Piston at TDC
Flywheel End
Fan End
EIEIEI
1 2 3
T6105BF
Feeler
Gauge
M82327A
Cylinders
No. 2 Piston at TDC
Flywheel End
Fan End
EIEIEI
1 2 3

Checks, Tests and Adjustments
4/7/95
1
1-135
VALVE CLEARANCE, CHECK AND
ADJUSTMENT - 3TN66 AND LATER
3TNA72
Reason:
To achieve correct engine operation.
Equipment:
•Feeler Gauge
Procedure:
NOTE: Location of the index mark will be different
as a result of the various engine
applications.
The index mark appears on the following:
-15 EX, 3009 OEM: Flywheel housing.
-330/332 LGT, F915 FM, 430 LGT (Later),
F925/35 FM: Flywheel cover.
-375 SSL, 670 CUT: Flywheel plate.
-655 CUT, 455 LGT, 755/56 CUT: Flywheel
guard and plate.
1. Remove rocker arm cover.
2. Remove plug from timing hole in flywheel
housing/cover, if equipped.
NOTE: “Top Dead Center (TDC)” is the piston at
its highest point.
3. Turn crankshaft pulley clockwise until No.1
cylinder TDC mark on flywheel aligns with index
mark on flywheel housing/cover or plate.
M37500
No. 1 TDC Mark
on Flywheel
Index Mark on Flywheel
Housing/Cover
330/332 LGT, F915 FM, 430 LGT (Later),
F925/35 FM, 15 EX, 3009 OEM
NOTE: No. 1 cylinder is the closest to the flywheel.
4. Try to move both No. 1 cylinder rocker arms or
push rods.
If rocker arm push rods are not loose, rotate
flywheel one revolution (360°). If both rocker arm
push rods are loose, the piston is at TDC on
compression stroke.
5. Measure and adjust valve clearance on the valves
(arrows) with No. 1 piston at TDC.
To adjust valves, loosen nut and turn adjusting screw
until clearance is 0.20 mm (0.008 in.). Hold screw
while tightening nut.
M37501
No. 1 TDC Mark
on Flywheel Index Mark on
Flywheel Plate
375 SSL, 670 CUT
M82327A
Cylinders
No. 1 Piston at TDC
Flywheel End
Fan End
EIEIEI
1 2 3
T6105BF
Feeler
Gauge

Checks, Tests and Adjustments
1-136
4/7/95
1
6. Turn crankshaft pulley one revolution (360°).
This puts the piston in No. 2 cylinder at TDC
compression stroke.
7. Measure and adjust valve clearance on the valves
(arrows) with No. 2 piston at TDC.
CONNECTING ROD SIDE PLAY
CHECK
Reason:
To determine proper side clearance between
crankshaft and connecting rod.
Equipment:
•Feeler Gauge
Procedure:
1. Insert a feeler gauge, according to specifications,
between connecting rod cap and crankshaft.
M82327A
Cylinders
No. 2 Piston at TDC
Flywheel End
Fan End
EIEIEI
1 2 3
M82116A
Feeler Gauge
Specifications:
Standard Clearance . . . . . . . . 0.20 - 0.40 mm
. . . . . . . . . . . . . . . . . . . . .(0.0079 - 0.0157 in.)
Wear Limit. . . . . . . . . . . 0.55 mm (0.0217 in.)
Results:
•If side play exceeds wear limit, replace
connecting rod and connecting rod cap.
CONNECTING ROD BEARING
CLEARANCE CHECK
Reason:
To measure oil clearance between connecting rod
bearing and crankshaft journal.
Equipment:
•PLASTIGAGE®
Procedure:
IMPORTANT: Connecting rod caps must be
installed on the same connecting rod and in
the same direction to prevent crankshaft and
connecting rod damage.
1. Remove connecting rod cap.
2. Wipe oil from bearing insert and crankshaft
journal.
3. Put a piece of PLASTIGAGE, or an equivalent,
along the full length of the bearing insert
approximately 6 mm (0.250 in.) off center.
4. Turn crankshaft approximately 30° from bottom
dead center.
M35351
PLASTIGAGE

Checks, Tests and Adjustments
4/7/95
1
1-137
5. Install connecting rod end cap and original cap
screws. Tighten cap screws to 23 N•m (203 lb-
in.).
6. Remove cap screws and connecting rod cap.
NOTE: The flattened PLASTIGAGE will be found
on either the bearing insert or crankshaft
journal.
7. Use the graduation marks on the envelope to
compare the width of the flattened
PLASTIGAGE at its widest point.
8. Determine bearing clearance. The number within
the graduation marks indicates the bearing
clearance in inches or millimeters depending on
which side of the envelope is used.
9. Remove PLASTIGAGE.
Specifications:
Standard Clearance . . . . . . 0.020 - 0.072 mm
. . . . . . . . . . . . . . . . . . . . .(0.0008 - 0.0028 in.)
Wear Limit. . . . . . . . . . . 0.15 mm (0.0059 in.)
Results:
•If clearance exceeds wear limit, replace bearing
inserts.
®PLASTIGAGE is a registered trademark of the DANA
Corporation.
CRANKSHAFT, END PLAY CHECK
Reason:
To determine proper side clearance between
crankshaft and engine block.
M82117A
Flattened
PLASTIGAGE
Graduation Marks
on Envelope
Equipment:
•Dial Indicator
Procedure:
NOTE: Crankshaft end play can be measured at
front end or rear end of crankshaft.
Procedure is performed from the rear end.
The flywheel is removed to show detail.
1. Fasten dial indicator to engine and position
indicator tip on end of crankshaft.
IMPORTANT: Do not use excessive force when
moving crankshaft to avoid damaging
bearings.
2. Push crankshaft toward rear as far as possible.
3. Zero the dial indicator.
4. Using a bar, gently pry the crankshaft as far
forward as possible.
Specifications:
Standard Clearance . . . . . . 0.090 - 0.271 mm
. . . . . . . . . . . . . . . . . . . . . . .(0.004 - 0.011 in.)
Wear Limit. . . . . . . . . . . 0.33 mm (0.0129 in.)
Results:
•If end play exceeds wear limit, replace thrust
bearings.
M82118A
Dial Indicator
Crankshaft

Checks, Tests and Adjustments
1-138
4/7/95
1
CRANKSHAFT MAIN BEARING,
CLEARANCE CHECK
Reason:
To measure oil clearance between main bearing and
crankshaft journal.
Equipment:
•PLASTIGAGE®
Procedure:
IMPORTANT: Main bearing caps must be
installed on the same main bearing and in the
same direction to prevent crankshaft and main
bearing damage.
1. Remove main bearing cap.
2. Wipe oil from bearing insert and crankshaft
journal.
3. Put a piece of PLASTIGAGE, or an equivalent,
along the full length of the bearing insert
approximately 6 mm (0.250 in.) off center.
4. Install main bearing cap and cap screws. Tighten
cap screws to:
3TN66. . . . . . . . . . . . . . . . . . 54 N•m (40 lb-ft)
3TNA72 (3009) . . . . . . . . . . 79 N•m (58 lb-ft)
5. Remove cap screws and main bearing cap.
NOTE: The flattened PLASTIGAGE will be found
on either the bearing insert or crankshaft
journal.
6. Use the graduation marks on the envelope to
compare the width of the flattened
PLASTIGAGE at its widest point.
M35382
PLASTIGAGE
7. Determine main bearing clearance. The number
within the graduation marks indicates the bearing
clearance in inches or millimeters depending on
which side of the envelope is used.
8. Remove PLASTIGAGE.
Specifications:
Standard Clearance . . . . . . 0.020 - 0.072 mm
. . . . . . . . . . . . . . . . . . . . .(0.0008 - 0.0028 in.)
Wear Limit. . . . . . . . . . . 0.15 mm (0.0059 in.)
Results:
•If clearance exceeds wear limit, replace bearing
inserts.
®PLASTIGAGE is a registered trademark of the DANA Corpo-
ration.
VALVE LIFT CHECK
Reason:
Can indicate excessive wear on cam lobes,
followers, and/or push rods.
Equipment:
•Dial Indicator
Procedure:
1. Adjust valve clearance. (See procedure in this
group.)
2. Remove rocker arm cover. (See Cylinder Head,
Valves and Manifolds in this section.)
3. Fasten dial indicator to engine and position
indicator tip on valve retainer. Valve must be
fully closed and rocker arm must move freely.
4. Zero the dial indicator.
5. Manually turn crankshaft pulley clockwise (from
fan end).
M82119AE
Flattened
PLASTIGAGE
Graduation Marks
on Envelope

Checks, Tests and Adjustments
4/7/95
1
1-139
6. Observe dial indicator as valve is moved to the
full open position. Valve lift (intake and exhaust)
should be 7.5 mm (0.300 in.).
Repeat for each valve.
Results:
•If valve lift is less than specification, remove and
inspect camshaft, followers and push rods. (See
Camshaft and Timing Gear Train and/or
Cylinder Head, Valves and Manifolds in this
section.)
CAMSHAFT END PLAY CHECK
Reason:
To determine proper side clearance between
camshaft gear end journal and thrust plate.
Equipment:
•Dial Indicator
T6333DT
Procedure:
1. Remove timing gear cover. (See Camshaft and
Timing Gear Train in this section.)
2. Fasten dial indicator to engine and position
indicator tip on end of camshaft.
3. Push camshaft toward the rear as far as possible.
4. Zero the dial indicator.
5. Pull camshaft forward as far as possible.
Specifications:
Standard Clearance . . . . . . . . 0.05 - 0.20 mm
. . . . . . . . . . . . . . . . . . . . .(0.0020 - 0.0079 in.)
Wear Limit. . . . . . . . . . . . 0.40 mm (0.016 in.)
Results:
•If end play exceeds wear limit, remove camshaft
and replace thrust plate. (See Camshaft and
Timing Gear Train in this section.)
M37512

Checks, Tests and Adjustments
1-140
4/7/95
1
TIMING GEAR BACKLASH, CHECK -
EARLY 3TNA72 (430 LGT)
Reason:
To check for wear between meshing gears, resulting
in excessive noise and poor engine performance.
Equipment:
•Dial Indicator
Procedure:
1. Measure backlash between meshing gears.
Specifications:
Standard Backlash
Fuel Injection Pump Gear-to-Oil
Pump Gear. . . . . . . . . . . . . 0.11 - 0.19 mm
. . . . . . . . . . . . . . . . . .(0.0043 - 0.0075 in.)
All Except
Fuel Injection Pump Gear-to-Oil
Pump Gear. . . . . . . . . . . . . 0.04 - 0.12 mm
. . . . . . . . . . . . . . . . . .(0.0016 - 0.0047 in.)
Wear Limit. . . . . . . . . . . 0.20 mm (0.0079 in.)
Results:
•If backlash exceeds wear limit, replace meshing
gears as a set:
Idler Gear, Camshaft Gear, Crankshaft Gear, AND/
OR Idler Gear, Fuel Injection Pump Gear, and Oil
Pump Gear.
M82328A
Fuel Injection Pump Gear-to-Idler Gear
Camshaft Gear-to-Idler Gear
Fuel Injection
Pump Gear-to-Oil
Pump Gear
Idler Gear-to-Crankshaft Gear

Checks, Tests and Adjustments
4/7/95
1
1-141
TIMING GEAR BACKLASH, CHECK -
3TN66 AND LATER 3TNA72
Reason:
To check for wear between meshing gears, resulting
in excessive noise and poor engine performance.
Equipment:
•Dial Indicator
Procedure:
1. Measure backlash between meshing gears.
Specifications:
Standard Backlash
Crankshaft Gear-to-Oil
Pump Gear. . . . . . . . . . . . . 0.11 - 0.19 mm
. . . . . . . . . . . . . . . . . .(0.0043 - 0.0075 in.)
All Except
Crankshaft Gear-to-Oil
Pump Gear. . . . . . . . . . . . . 0.04 - 0.12 mm
. . . . . . . . . . . . . . . . . .(0.0016 - 0.0047 in.)
Wear Limit. . . . . . . . . . . 0.20 mm (0.0079 in.)
Results:
•If backlash exceeds wear limit, replace meshing
gears as a set:
Idler Gear, Camshaft Gear, Crankshaft Gear, Oil
Pump Gear AND/OR Idler Gear, Fuel Injection
Pump Gear.
M82252A
Fuel Injection Pump Gear-to-Idler Gear
Camshaft Gear-to-Idler Gear
Crankshaft Gear-to-Oil Pump Gear
Idler Gear-to-Crankshaft Gear

Checks, Tests and Adjustments
1-142
4/7/95
1
FUEL INJECTION NOZZLE TEST
(PINTLE-TYPE)
Reason:
To determine opening pressure, leakage, chatter and
spray pattern of the fuel injection nozzle.
CAUTION
Escaping fluid under pressure can penetrate
the skin causing serious injury. Avoid the
hazard by relieving pressure before
disconnecting hydraulic or other lines.
Tighten all connections before applying
pressure. Search for leaks with a piece of
cardboard. Protect hands and body from
high pressure fluids.
If an accident occurs, see a doctor
immediately. Any fluid injected into the skin
must be surgically removed within a few
hours or gangrene may result. Doctors
unfamiliar with this type of injury should
reference a knowledgable source. Such
information is available from the Deere &
Company Medical Department in Moline,
Illinois, U.S.A.
Equipment:
•D01109AA Diesel Fuel Injection Nozzle Tester
•D01110AA Adapter Set
•23622 Straight Adapter
•Container
Connections:
1. Connect fuel injection nozzle to D01109AA
Diesel Fuel Injection Nozzle Tester using parts
from D01110AA Adapter Set and 23622 Straight
Adapter.
IMPORTANT: Use clean filtered diesel fuel
when testing injection nozzles to get best test
results.
Procedure 1:
Test fuel injection nozzle opening pressure
following the Nozzle Tester manufacturer's
instructions.
Specifications:
Opening Pressure . . . . . . . . 11722 ± 480 kPa
. . . . . . . . . . . . . . . . . . . . . . . . . (1700 ± 70 psi)
Results:
•If pressure reading does not meet specification,
disassemble injection nozzle and inspect nozzle
assembly for contamination or stuck valve. If
necessary, add or remove shims to change
opening pressure.

Checks, Tests and Adjustments
4/7/95
1
1-143
Procedure 2:
Test fuel injection nozzle leakage following the
Nozzle Tester manufacturer's instructions.
1. Dry nozzle completely using a lint-free cloth.
2. Pressurize nozzle to 11032 kPa (1600 psi).
3. Watch for leakage from nozzle spray orifice.
Leakage time should be a minimum of 10
seconds.
Results:
•If leakage time does not meet specification,
disassemble injection nozzle and inspect nozzle
assembly for contamination. Inspect valve
seating surface. Replace nozzle assembly if
necessary.
Procedure 3:
Test fuel injection nozzle chatter and spray
pattern following the Nozzle Tester manufacturer's
instructions.
1. Pressurize nozzle to 11722 ± 480 kPa (1700 ± 70
psi).
2. Listen for “chatter” sound and watch spray
pattern.
Specifications:
Slow Hand
Lever Movement . . . . . . . . . . .Chatter Sound
Slow Hand
Lever Movement . . . . . . . . . . . . . Fine Stream
. . . . . . . . . . . . . . . . . . . . . . . . . Spray Pattern
Fast Hand
Lever Movement . . . . . . . . . . . Fine Atomized
. . . . . . . . . . . . . . . . . . . . . . . . . Spray Pattern
M82121A
Proper Spray
Angle
Poor
Correct
Correct Injection Angle
M35913
D01109AA Diesel Fuel
Injection Nozzle Tester
36352 Fuel Line
Assembly
Container
23617 90° Adapter
23621 Straight Adapter
23622 Straight Adapter
Fuel Injection Nozzle

Checks, Tests and Adjustments
1-144
4/7/95
1
Results:
•If nozzle chatter or spray pattern does not meet
specifications, disassemble injection nozzle and
inspect nozzle assembly for contamination.
Inspect valve seating surface. Replace nozzle
assembly if necessary.
•If there is excessive difference in spray angle or
injection angle, incomplete atomization or
sluggish starting/stopping of injection,
disassemble injection nozzle and inspect nozzle
assembly for contamination. Replace nozzle
assembly if necessary.
THERMOSTAT OPENING TEST
Reason:
To determine opening temperature of thermostat.
Equipment:
•Thermometer
•Glass Container
•Heating Unit
Procedure:
1. Suspend thermostat and a thermometer in a
container of water.
2. Heat and stir the water. Observe opening action
of thermometer and compare temperatures with
specifications.
3. Remove thermostat and observe its closing action
as it cools.
CAUTION
DO NOT allow thermostat or thermometer
to rest against the side or bottom of glass
container when heating water. Either may
rupture if overheated.
Specifications:
Begin Opening. . . . . . . . . . . . . 71° C (160° F)
Fully Open . . . . . . . . . . . . . . . . 85° C (184° F)
Minimum Lift Height . . . . . .8 mm (0.310 in.)
Results:
•If thermostat does not open according to
specifications, replace.
•If closing action is not smooth and slow, replace
thermostat.
COOLANT TEMPERATURE SENSOR
TEST
Reason:
To determine operating temperature of sensor.
Equipment:
•Thermometer
•Glass Container
•Heating Unit
•Ohmmeter
M82122A
Thermometer
Thermostat

Checks, Tests and Adjustments
4/7/95
1
1-145
Procedure:
1. Connect lead wires from ohmmeter probes, to
sensor terminal and body.
2. Suspend sensor and a thermometer in a container
of water.
3. Heat and stir the water. Observe water
temperature when continuity occurs. Water
temperature should be 107 - 113° C (225 -
235°F).
Results:
•If continuity does not occur within temperature
listed, replace sensor.
STARTER NO-LOAD AMP
DRAW/RPM TEST
Reason:
To determine if starter is binding or has excessive
amperage draw under no load.
CAUTION
DO NOT allow switch or thermometer to rest
against the side or bottom of glass container
when heating water. Either may rupture if
overheated.
M82123A
Ohmmeter
Probes
Coolant
Temperature
Sensor
Equipment:
•JT05712 Current Gun
•JT05719 Hand-Held Digital Tachometer
•Jumper Cables
•Jumper Wire
Procedure:
1. Mount starter in a vise.
NOTE: Check that battery is fully charged and of
proper size to ensure accuracy of test.
2. Connect jumper cables to a 12 volt battery.
3. Connect positive (+) cable to solenoid battery
terminal on starter.
4. Connect negative (-) cable to starter body.
5. Attach Current Gun to positive cable.
IMPORTANT: Complete this test in 20 seconds
or less to prevent starter damage.
6. Use a jumper wire to briefly connect positive (+)
starter terminal to solenoid terminal “S”. Starter
should engage and run.
7. Read and record starter amperage and rpm.
Specifications:
Maximum Starter Amperage
Hitachi 0.8 kW. . . . . . . 60 Amps at 7000 rpm
Nippondenso 1.0 kW. . 90 Amps at 3000 rpm
Minimum Starter RPM
Hitachi 0.8 kW. . . . . . . . . . . . . . . . . . . . . 7000
Nippondenso 1.0 kW. . . . . . . . . . . . . . . . 3000
Results:
•If solenoid “clicks” or chatters and motor does
not turn, replace solenoid.
•If pinion gear engages and motor doesn't turn,
repair or replace starter motor.
•If starter engages and runs but amperage is more
than specifications, repair or replace starter.
•If rpm is less than specification, with battery
fully charged, repair or replace starter.

Checks, Tests and Adjustments
1-146
4/7/95
1
M82149A
JT05719 Hand-Held Digital Tachometer
Hitachi 0.8 k
W
Jumper Wire
JT05712 Current Gun
M82150A
Nippondenso 1.0 k
W
Jumper Wire
JT05719 Hand-Held Digital Tachometer
JT05712 Current Gun

Checks, Tests and Adjustments
4/7/95
1
1-147
INJECTION PUMP STATIC TIMING
ADJUSTMENT - EARLY 3TNA72
(430 LGT)
Reason:
To make sure that injection pump timing is set to
manufacturers specification.
Equipment:
•Timing Tool (No. 1 fuel injection line cut off at
first bend)
•External fuel supply
Procedure:
IMPORTANT: Injection pump timing should be
correct. Once timing is set, it will not normally
change during the life of the engine, unless it
was altered.
Check and adjust timing only as the last
option. Check fuel, fuel supply system,
injectors, air intake system and cylinder
compression before continuing.
NOTE: The flywheel turns counterclockwise (as
viewed from the flywheel end). The number
one fuel injection line is toward the
flywheel.
1. Remove the number one fuel injection line and
delivery valve fitting.
2. Remove spring and delivery valve. Do not
remove delivery valve seat.
3. Install delivery valve fitting and tighten to 42
N•m (31 lb-ft).
4. Install timing tool (number one fuel line cut off at
first bend).
T6333HP
Delivery Valve Fitting
Spring
Delivery Valve
5. Remove glow plugs to aid in turning crankshaft
pulley.
6. Turn crankshaft pulley in either direction until the
No. 1 cylinder timing mark aligns with arrow on
timing gear cover.
7. Put a container under timing tool to collect any
fuel.
8. Turn key switch to ON position. DO NOT start
engine. Push fuel shutoff solenoid plunger to
“hold” position.
9. Turn flywheel clockwise (as viewed from the
flywheel end) until fuel flows in a stream.
10.Slowly turn flywheel counterclockwise until fuel
flow changes from a stream and then stops
completely. This is the point of injection timing
at which the pump is set.
NOTE: If the fuel flow does not stop, the number
one piston is on the exhaust stroke instead of
the compression stroke. Turn flywheel one
revolution and repeat Steps 6 - 10.
11.Check timing mark on camshaft pulley. The 15°
timing mark must line up with the arrow on
timing gear cover.
M35865
Timing Tool
M35256
Arrow
No. 1 Timing Mark

Checks, Tests and Adjustments
1-148
4/7/95
1
Specifications:
Injection Pump Timing. . . . . . . . . .15° BTDC
. . . . . . . . . . . . . . . (Before Top Dead Center)
Engine Crankshaft
Position. . . . . . . . . . . . . . . . . . . No.1 Cylinder
. . . . . . . . . . . . .on TDC Compression Stroke
Distance On Outer Surface of Crankshaft
Pulley for Every 0.1 mm (0.004 in.) of
Shim Thickness . . . . . . . 1° or 1 mm (3/64 in.)
Results:
•If timing is not according to specifications:
-Remove injection pump and shims (See Fuel
System in this section.)
-Measure old shims to determine shim
thickness.
-Measure approximate distance between
timing mark and arrow.
NOTE: Crankshaft pulley always turns clockwise
when engine is running.
-If timing mark has not reached arrow,
RETARD pump timing by increasing total
shim thickness. If mark has passed arrow,
ADVANCE timing by decreasing total shim
thickness. Use new shims.
For every 0.1 mm (0.004 in.) of shim
thickness, there is approximately a 1° or 1
mm (3/64 in.) change in crankshaft pulley
timing.
Shim Pack:Approximate Timing
Change on Crankshaft
Shim Size Pulley
0.2 mm (0.007 in.) . . . . . . . .2° or 2 mm (5/64 in.)
0.3 mm (0.012 in.) . . . . . . . . .3° or 3 mm (1/8 in.)
0.5 mm (0.020 in.) . . . . . . .5° or 5 mm (13/64 in.)
M35868
Arrow
15° Timing Mark
-Install new shims with the THICKEST shim
against the injection pump body and the
THINNEST shim against the gear housing.
•If timing did not change, have pump tested by a
diesel injection service shop.
•If timing is OK:
-Remove timing tool.
-Remove delivery valve fitting.
-Install delivery valve and spring.
-Install new o-ring and delivery valve fitting.
Tighten to 42 N•m (31 lb-ft).
-Install number one injection line.
INJECTION PUMP STATIC TIMING
ADJUSTMENT - 3TN66 AND LATER
3TNA72
Reason:
To make sure that injection pump timing is set to
manufacturers specification.
Equipment:
•Timing Tool (No. 1 fuel injection line cut off at
first bend)
•External fuel supply
Procedure:
IMPORTANT: Injection pump timing should be
correct. Once timing is set, it will not normally
change during the life of the engine, unless it
was altered.
Check and adjust timing only as the last
option. Check fuel, fuel supply system,
injectors, air intake system and cylinder
compression before continuing.
NOTE: The flywheel turns counterclockwise (as
viewed from the flywheel end). The number
one fuel injection line is toward the
flywheel.
1. Remove the number one fuel injection line and
delivery valve fitting.

Checks, Tests and Adjustments
4/7/95
1
1-149
2. Remove spring and delivery valve. Do not
remove delivery valve seat.
3. Install delivery valve fitting and tighten to 42
N•m (31 lb-ft).
4. Install timing tool (number one fuel line cut off at
first bend).
5. Remove glow plugs to aid turning crankshaft
pulley.
6. Remove plug from flywheel housing/cover, if
equipped.
7. Turn crankshaft pulley in either direction until the
No. 1 cylinder top dead center (TDC) mark aligns
with the index mark on the flywheel housing/
cover or plate.
T6333HP
Delivery Valve Fitting
Spring
Delivery Valve
M35865
Timing Tool
8. Put a container under timing tool to collect any
fuel.
9. Turn key switch to ON position. DO NOT start
engine. Push fuel shutoff solenoid plunger to
“hold” position.
10.Turn flywheel clockwise (as viewed from the
flywheel end) until fuel flows in a stream.
11.Slowly turn flywheel counterclockwise until fuel
flow changes from a stream and then stops
completely. This is the point of injection timing
at which the pump is set.
NOTE: If the fuel flow does not stop, the number
one piston is on the exhaust stroke instead of
the compression stroke. Turn flywheel one
revolution and repeat Steps 7 - 11.
12.Check timing mark on flywheel. The index mark
must line up with the 13° mark on flywheel.
M37500
No. 1 TDC Mark
on Flywheel
Index Mark on Flywheel
Housing/Cover
330/332 LGT, F915 FM, 430 LGT (Later),
F925/35 FM, 15 EX, 3009 OEM
M37501
No. 1 TDC Mark
on Flywheel Index Mark on
375 SSL, 670 CUT
Flywheel Plate

Checks, Tests and Adjustments
1-150
4/7/95
1
Specifications:
Injection Pump Timing. . . . . . . . . .13° BTDC
. . . . . . . . . . . . . . . (Before Top Dead Center)
Engine Crankshaft
Position. . . . . . . . . . . . . . . . . . . No.1 Cylinder
. . . . . . . . . . . . .on TDC Compression Stroke
Distance On Outer Surface Of Flywheel
Per 1° Of Rotation. . . . . . 2.62 mm (0.100 in.)
Results:
•If timing is not according to specifications:
-Remove injection pump and shims. (See Fuel
System in this section.)
-Install new shim(s) with a total shim pack
thickness of 0.5 mm (0.020 in.).
-Install injection pump and recheck timing.
•If engine performance is poor, check air
cleaners, fuel filter, fuel supply, injectors and
cylinder compression before removing pump for
service. Check all timing gears for wear. Retest
performance.
•If performance did not change, have pump tested
by a diesel injection service. When reinstalling
injection pump, use same thickness of shim pack
T6471CS
13°
Mark
Flywheel
TDC Mark on
Flywheel
1
Index Mark on
Flywheel
Housing/Cover
or Plate
removed. If shim pack thickness is unknown or
new pump is installed, replace with 0.5 mm
(0.020 in.) shim pack thickness.
•If timing is OK:
-Install rubber plug in flywheel housing/cover,
if equipped.
-Remove timing tool.
-Remove delivery valve fitting.
-Install delivery valve and spring.
-Install new o-ring and delivery valve fitting.
Tighten to 42 N•m (31 lb-ft).
-Install number one injection line.
FAN/ALTERNATOR DRIVE BELT
ADJUSTMENT
Reason:
To keep proper tension on belt to drive water pump
and alternator. To prevent shortened belt and bearing
life.
Equipment:
•JDG529 or JDST28 Belt Tension Gauge
•Straight Edge
Procedure:
1. Check belt tension between fan and alternator
using Belt Tension Gauge and a straight edge.
Specifications:
Applied Force . . . . . . . . . . .98 N (22 lb-force)
Deflection . . . . .10 - 15 mm (0.400 - 0.600 in.)
M54014
Belt Deflection

Checks, Tests and Adjustments
4/7/95
1
1-151
Results:
•If deflection is not within specifications:
-Loosen both alternator mounting cap screws/
nuts.
-Apply force to FRONT alternator housing
only (near the belt) until tension is correct.
-Tighten cap screws/nuts.
FUEL SHUTOFF SOLENOID
ADJUSTMENT
Reason:
To ensure that fuel shutoff solenoid retracts fully,
moving the injection pump shutoff control lever far
enough to allow full rack travel.
Procedure:
1. Loosen lock nut.
2. Disconnect link from solenoid.
3. Hold solenoid plunger bottomed in solenoid
body.
4. Move link toward solenoid until it stops.
5. Turn plunger rod in or out of knuckle until
knuckle and link holes line up. Turn out two
additional turns. The additional turns insure that
the solenoid bottoms out before the linkage.
6. Assemble and check for free movement when key
switch is turned ON. Also check that linkage
returns completely to the STOP position when
key switch is turned OFF.
M55698
Link
Knuckle
Lock Nut
Plunger

Operational Tests
1-152
4/7/95
1
RADIATOR, BUBBLE TEST
Reason:
To determine if compression pressure is leaking
from cylinder.
Equipment:
•JDG472 Adapter
Procedure:
1. With coolant at proper level and radiator cap
tight, run engine for 5 minutes to bring to
operating temperature.
2. Remove cap from recovery tank.
3. Check for bubbles coming from overflow hose at
bottom of tank.
If bubbles are present, isolate source of compression
leak:
-Remove injection nozzles.
-Install JDG472 Adapter in injection port of
cylinder to be tested.
-Move piston to bottom of stroke with intake
and exhaust valves closed.
-Connect hose from compressed air source to
adapter.
-Apply the specified maximum air pressure
into cylinder:
3TN66. . . . . . . . . . . . . . . . .2448 kPa (355 psi)
3TNA72
All Except
3009 OEM . . . . . . . . . . 2448 kPa (355 psi)
3009 OEM . . . . . . . . . . 2455 kPa (356 psi)
-Check for bubbles in recovery tank or air
escaping from muffler, air cleaner or oil fill
opening.
-Repeat for each cylinder.
Results:
•If bubbles are present, check for cracks in
cylinder head and block. Check for damaged
head gasket.
•If air escapes from muffler, check for worn
exhaust valve.
•If air escapes from air cleaner, check for worn
intake valve.
•If air escapes from engine oil fill, check for worn
piston rings.
COOLING SYSTEM, PRESSURE TEST
Reason:
Inspect cooling system for leaks.
Equipment:
•D05104ST Cooling System Pressure Pump
•JDG692 Radiator Pressure Test Kit (Adapters)
Procedure:
1. Remove cap and attach pressure pump to radiator.
2. Apply pressure according to specifications.
3. Check for leaks throughout cooling system.
Specifications - 3TN66:
Maximum Pressure. . . . . . . . 117 kPa (17 psi)
Minimum Pressure
after 15 Seconds . . . . . . . . . . . 90 kPa (13 psi)
Specifications - 3TNA72:
15 EX, 670 CUT, 3009 OEM
Maximum Pressure. . . . . . . . 97 kPa (14 psi)
Minimum Pressure
after 15 Seconds . . . . . . . . 88 kPa (12.8 psi)
430 LGT, 455 LGT, 755/56 CUT, F925/35 FM
Maximum Pressure. . . . . . . 117 kPa (17 psi)
Minimum Pressure
after 15 seconds . . . . . . . . . . . 90 kPa (13 psi)
T6333AW
Cooling System
Pressure Pump

Operational Tests
4/7/95
1
1-153
Results:
•Pressure should hold to specifications. If pressure
decreases, check for leaks. Repair leaks or replace
parts as necessary.
•If pressure test still indicates leakage after all
external leaks have been stopped, a defective head
gasket, cracked block, or cylinder head may be the
cause. Perform RADIATOR BUBBLE TEST.
RADIATOR CAP, PRESSURE TEST
Reason:
Test radiator cap for operating in correct pressure
range.
Equipment:
•D05104ST Cooling System Pressure Pump
•JDG692 Radiator Pressure Test Kit (Adapters)
Procedure:
1. Install radiator cap on pressure pump.
2. Apply pressure. Pressure valve in cap should
open according to specifications.
Specifications:
Valve Opening Pressure
3TN66. . . . . . . . . . . . . . . . . . . . 97 kPa (14 psi)
3TNA72
15 EX, 3009 OEM . . . . . . . 88 kPa (12.8 psi)
670 CUT. . . . . . . . . . . . . . . . . .55 kPa (8 psi)
430 LGT, 455 LGT, 655 CUT,
755/56 CUT,
F925/35 FM . . . . . . . . . . . . . . 97 kPa (14 psi)
T6333AX
Cooling System
Pressure Pump
Radiator Cap
Results:
•If cap leaks, retighten and test again. Replace cap
if pressure is not within specification.
CYLINDER, COMPRESSION
PRESSURE TEST
Reason:
To determine the condition of the pistons, rings,
cylinder walls and valves.
Equipment:
•JT01682 Compression Gauge Assembly
•JDG472 Adapter
Procedure:
1. Run engine for 5 minutes to bring to operating
temperature. Shut off engine.
2. Remove injection nozzles. (See Fuel System in
this section.)
3. Install Adapter and Compression Gauge
Assembly in injector port.
4. Disconnect fuel shut-off solenoid connector.
5. Crank engine for three seconds with starter.
6. Record pressure reading for each cylinder.
M82143
JT01682 Compression
Gauge Assembly
JDG472 Adapter

Operational Tests
1-154
4/7/95
1
Specifications:
Compression Pressure
3TN66. . . . . . . . . . . . . . . . .2448 kPa (355 psi)
3TNA72
All Except
3009 OEM . . . . . . . . . . 2448 kPa (355 psi)
3009 OEM . . . . . . . . . . 2455 kPa (356 psi)
Maximum Difference
Between Cylinders . . . . . . . . 490 kPa (71 psi)
NOTE: Pressure listed is for 300 m (1000 ft) above
sea level. For naturally aspirated engines,
reduce specification an additional 4% for
each 300 m (1000 ft) of altitude.
Results:
•If pressure reading is below specification, squirt
approximately two teaspoons of clean engine oil
into cylinders through injector ports and repeat
test.
•If pressure increases significantly, check piston,
rings and cylinder walls for wear or damage.
•If pressure does not increase significantly after
retest, check for leaking valves, valve seats or
cylinder head gasket.
ENGINE OIL PRESSURE TEST
Reason:
To determine if engine bearings or lubrication
system components are worn.
Equipment:
•JT03017 Hose Assembly
•JT05577 Pressure Gauge (100 psi)
•JT03349 Connector
(All Except 430 LGT, 15 EX)
•JT03338 90° Elbow Connector (430 LGT)
•JT05487 Connector (15 EX)
Procedure:
1. Remove oil pressure sender.
2. Install Connector.
3. Connect Hose Assembly and Pressure Gauge.
IMPORTANT: Do not run if no pressure
present.
4. Start engine. If pressure reading is below 69 kPa
(10 psi), STOP ENGINE.
5. Run engine approximately five minutes to heat
oil, then check oil pressure at fast and/or slow
idle.
Specifications - 375 SSL:
Idle Speed
Fast . . . . . . . . . . . . . . . . . . . 3625 ± 25 rpm
Slow . . . . . . . . . . . . . . . . . . 1450 ± 50 rpm
Engine Oil Pressure . . . . . . . . . 294 - 392 kPa
. . . . . . . . . . . . . . . . . . . . . . . . . . . .(43 - 57 psi)
Specifications - 330/332 LGT:
Idle Speed
Fast . . . . . . . . . . . . . . . . . . 3350 ± 100 rpm
Slow . . . . . . . . . . . . . . . . . . 1450 ± 50 rpm
Engine Oil Pressure . . . . . . . . . 294 - 440 kPa
. . . . . . . . . . . . . . . . . . . . . . . . . . . .(43 - 64 psi)
Specifications - 655 CUT, 430 LGT,
755/56 CUT, 670 CUT:
Fast Idle . . . . . . . . . . . . . . . . . . 3425 ± 25 rpm
Engine Oil Pressure . . . . . . . . . 365 ± 69 kPa
. . . . . . . . . . . . . . . . . . . . . . . . . . . (53 ± 10 psi)
Specifications - F915 FM, F925/35 FM:
Idle Speed
Fast . . . . . . . . . . . . . . . . . . . 3635 ± 35 rpm
Slow . . . . . . . . . . . . . . . . . . 1450 ± 50 rpm
Engine Oil Pressure . . . . . . . . . 294 - 440 kPa
. . . . . . . . . . . . . . . . . . . . . . . . . . . .(43 - 64 psi)
Specifications - 455 LGT:
Idle Speed
Fast . . . . . . . . . . . . . . . . . . 3350 ± 100 rpm
Slow . . . . . . . . . . . . . . . . . . 1650 ± 50 rpm
Engine Oil Pressure . . . . . . . . . 294 - 440 kPa
. . . . . . . . . . . . . . . . . . . . . . . . . . . .(43 - 64 psi)

Operational Tests
4/7/95
1
1-155
Specifications - 15 EX:
Idle Speed
Fast . . . . . . . . . . . . . . . . . . . 2425 ± 25 rpm
Slow . . . . . . . . . . . . . . . . . . . 800 ± 25 rpm
Engine Oil Pressure . . . . . . . . . 117 - 345 kPa
. . . . . . . . . . . . . . . . . . . . . . . . . . . (17 - 50 psi)
Specifications - 3009 OEM:
Slow Idle. . . . . . . . . . . . . . . . . . . . . . 1300 rpm
Engine Oil Pressure . . . . . . 147 kPa (21 psi)
Results:
•If oil pressure is not within specifications,
inspect oil pressure regulating valve parts for
wear or damage. Add or remove shims as
necessary. (See Lubrication System in this
section.)
•If oil pressure does not increase, see “Engine
Has Low Oil Pressure” in Diagnosis group.
AIR INTAKE SYSTEM LEAKAGE TEST
Reason:
Check for leaks in air intake system.
Equipment:
•Air Pressure Regulator
Procedure:
1. Remove air cleaner restriction indicator/switch, if
equipped and install test fitting.
2. Connect air pressure regulator to manifold using
hose and fitting from air cleaner.
3. Remove air cleaner cover and main filter element.
4. Put large plastic bag into and over end of main
filter element. Install main filter element and
cover.
5. Pressurize air intake system between 34 - 69 kPa
(5 - 10 psi). If air intake system cannot be
pressurized, turn engine slightly to close valves.
6. Spray soap solution over all connections from air
cleaner to intake manifold or turbocharger, if
equipped, and check for leaks.
IMPORTANT: When reinstalling starting aid
nozzle, position arrow on nozzle pointing
against intake air flow.
Results:
•Find leaks and repair or replace parts as
necessary.
FUEL SUPPLY PUMP PRESSURE
TEST - 3TNA72 (670 CUT, 3009 OEM)
Reason:
To determine supply pump operating pressure.
Equipment:
•JT03274 Hose Fitting
•JT01609 Female Quick Coupler
•JT03115 Gauge w/Male Quick Coupler (0 - 150
psi)
Procedure:
1. Disconnect supply pump-to-filter hose.
2. Install Hose Fitting, Coupler and Gauge.
3. Pull fuel shut-off cable out and crank engine
using the starter. Do not run starter for more than
10 seconds at a time. Gauge should read more
than 29 kPa (4.3 psi).
M82124

Operational Tests
1-156
4/7/95
1
Results:
•If pressure is below specification, replace fuel
supply pump.
FUEL DRAIN BACK TEST
Reason:
Determines if air is entering the fuel system at
connections, allowing fuel to siphon back to tank.
Procedure:
1. Disconnect fuel supply line and return line at fuel
tank.
IMPORTANT: Fuel return line MUST extend
below fuel level in fuel tank before performing
this test. Fill fuel tank if necessary.
2. Drain all fuel from the system, including fuel
supply pump, injection pump, filter(s) and water
separator, if equipped.
3. Plug end of fuel return hose.
4. Pressurize fuel system at fuel supply line, to a
maximum pressure of 103 kPa (15 psi).
5. Apply liquid soap and water solution to all joints
and connections in the fuel system and inspect for
leaks.
Results:
•Find leaks and repair or replace parts as
necessary.
M82145A
JT03115 Gauge w/Male
Quick Coupler
JT01609 Female Quick
Coupler
JT03274 Hose Fitting
Supply
Pump-to
Filter Hose
Fuel Filter
BLEED FUEL SYSTEM
Reason:
Any time the fuel system has been opened up for
service (lines disconnected or filters removed), it
will be necessary to bleed air from the system.
Procedure:
IMPORTANT: Modification or alteration of the
injection pump, pump timing, or the injection
nozzles in any way not approved by the
manufacturer will terminate the warranty
obligation.
1. Turn fuel filter shutoff valve to “OPEN” position.
2. Loosen both air bleed screws on fuel filter base.
3. Turn ignition switch to “ON” position.
4. Operate hand primer lever of fuel supply pump, if
equipped, until fuel flows free of air bubbles.
Tighten bleed screws.
5. Loosen bleed screw on injection pump. Operate
hand primer, if equipped, and tighten bleed screw
when fuel flows free of air bubbles.
RG6594
Shutoff Valve
Air Bleed
Screws
RG6595

Operational Tests
4/7/95
1
1-157
6. Start engine. If engine does not start after several
attempts, proceed with steps 7 through 10.
7. Loosen all three injector line nuts using a 17 mm
wrench. Be sure not to loosen bottom nut of
injector.
RG6596
8. Crank engine over with starter.
9. When fuel appears at injectors, tighten line nuts.
10.Start engine. If engine does not start, repeat bleed
procedure.
RG6597

Operational Tests
1-158
4/7/95
1

3
2
3TN75, 3TN78, 3TNC78 (3011)
3TN82, 3TNA82, AND
3TN84 (3014)
ENGINES
Specifications. . . . . . . . . . . . . . . . . . . . . . . . . . . . . . . . . . . 2-1
Cylinder Head, Valves and Manifolds . . . . . . . . . . . . . . . 2-17
Pistons, Rods and Cylinder Block . . . . . . . . . . . . . . . . . . 2-30
Crankshaft, Main Bearings and Flywheel . . . . . . . . . . . . 2-43
Camshaft and Timing Gear Train. . . . . . . . . . . . . . . . . . . 2-54
Lubrication System . . . . . . . . . . . . . . . . . . . . . . . . . . . . . 2-63
Cooling System . . . . . . . . . . . . . . . . . . . . . . . . . . . . . . . . 2-69
Fuel System. . . . . . . . . . . . . . . . . . . . . . . . . . . . . . . . . . . 2-77
Starter . . . . . . . . . . . . . . . . . . . . . . . . . . . . . . . . . . . . . . . 2-86
Alternator. . . . . . . . . . . . . . . . . . . . . . . . . . . . . . . . . . . . 2-102
Diagnosis. . . . . . . . . . . . . . . . . . . . . . . . . . . . . . . . . . . . 2-116
Checks, Tests and Adjustments. . . . . . . . . . . . . . . . . . . 2-119
Operational Tests. . . . . . . . . . . . . . . . . . . . . . . . . . . . . . 2-136
Section 2

2

Specifications
4/7/95
2-1
2
ENGINE SPECIFICATIONS - 3TN75, 3TN78, 3TNC78 (3011)
Rocker Arm Cover
Special Nut Torque . . . . . . . . . . . . . . . . . . . . . . . . . . . . . . . . . . . . . . . . . . . . . . . . . 18 N•m (160 lb-in.)
Rocker Arm Assembly
Mounting Cap Screw Torque . . . . . . . . . . . . . . . . . . . . . . . . . . . . . . . . . . . . . . . . . 26 N•m (226 lb-in.)
Rocker Arm Shaft O.D.
Standard . . . . . . . . . . . . . . . . . . . . . . . . . . . . . . . . . . . . . . .15.97 - 15.98 mm (0.6286 - 0.6293 in.)
Wear Limit . . . . . . . . . . . . . . . . . . . . . . . . . . . . . . . . . . . . . . . . . . . . . . . . . . 15.95 mm (0.6280 in.)
Rocker Arm and Shaft Support I.D.'s
Clearance . . . . . . . . . . . . . . . . . . . . . . . . . . . . . . . . . . . . . . . . . . . . . . . . . . . . . 0.13 mm (0.005 in.)
Standard . . . . . . . . . . . . . . . . . . . . . . . . . . . . . . . . . . . . . . . . .16.00 - 16.02 mm (0.630 - 0.631 in.)
Wear Limit . . . . . . . . . . . . . . . . . . . . . . . . . . . . . . . . . . . . . . . . . . . . . . . . . . . 16.09 mm (0.633 in.)
Push Rod Length
Standard . . . . . . . . . . . . . . . . . . . . . . . . . . . . . . . . . . . . . . .146.65 - 147.35 mm (5.774 - 5.801 in.)
Push Rod Bend
Standard . . . . . . . . . . . . . . . . . . . . . . . . . . . . . . . . . . . . . . . . . . . . . . . . 0.03 mm (0.001 in.) or less
Wear Limit . . . . . . . . . . . . . . . . . . . . . . . . . . . . . . . . . . . . . . . . . . . . . . . . . . . . 0.30 mm (0.012 in.)
Cylinder Head and Valves
Mounting Cap Screw Torque
First . . . . . . . . . . . . . . . . . . . . . . . . . . . . . . . . . . . . . . . . . . . . . . . . . . . . . . . . . . 21 N•m (186 lb-in.)
Second. . . . . . . . . . . . . . . . . . . . . . . . . . . . . . . . . . . . . . . . . . . . . . . . . . . . . . . . . . 42 N•m (31 lb-ft)
Final . . . . . . . . . . . . . . . . . . . . . . . . . . . . . . . . . . . . . . . . . . . . . . . . . . . . . . . . . . . 69 N•m (51 lb-ft)
Cylinder Head Distortion
Standard . . . . . . . . . . . . . . . . . . . . . . . . . . . . . . . . . . . . . . . . . . . . . . . . 0.05 mm (0.002 in.) or less
Wear Limit . . . . . . . . . . . . . . . . . . . . . . . . . . . . . . . . . . . . . . . . . . . . . . . . . . . . 0.15 mm (0.006 in.)
Maximum Amount of Metal to be Removed . . . . . . . . . . . . . . . . . . . . . . . . . . 0.20 mm (0.008 in.)
Valve Seat Width
Intake Valve
Standard . . . . . . . . . . . . . . . . . . . . . . . . . . . . . . . . . . . . . . . .1.36 - 1.53 mm (0.054 - 0.060 in.)
Wear Limit . . . . . . . . . . . . . . . . . . . . . . . . . . . . . . . . . . . . . . . . . . . . . . . . . 1.98 mm (0.078 in.)
Exhaust Valve
Standard . . . . . . . . . . . . . . . . . . . . . . . . . . . . . . . . . . . . . . . .1.66 - 1.87 mm (0.065 - 0.074 in.)
Wear Limit . . . . . . . . . . . . . . . . . . . . . . . . . . . . . . . . . . . . . . . . . . . . . . . . . 2.27 mm (0.089 in.)
Intake and Exhaust Valves
Valve Faces
Minimum Margin . . . . . . . . . . . . . . . . . . . . . . . . . . . . . . . . . . . . . . . . . . . . . . . 0.51 mm (0.020 in.)
Exhaust Angle. . . . . . . . . . . . . . . . . . . . . . . . . . . . . . . . . . . . . . . . . . . . . . . . . . . . . . . . . . . . . . . 45°
Intake Angle . . . . . . . . . . . . . . . . . . . . . . . . . . . . . . . . . . . . . . . . . . . . . . . . . . . . . . . . . . . . . . . . 30°
Valve Stem O.D.
Distance A. . . . . . . . . . . . . . . . . . . . . . . . . . . . . . . . . . . . . . . . . . . . . . . . . . . . . . .30 mm (1.181 in.)
Distance B. . . . . . . . . . . . . . . . . . . . . . . . . . . . . . . . . . . . . . . . . . . . . . . . . . . . . . .50 mm (1.969 in.)
Intake and Exhaust Valves
Standard . . . . . . . . . . . . . . . . . . . . . . . . . . . . . . . . . . . . . .6.94 - 6.96 mm (0.2732 - 0.2740 in.)
Wear Limit . . . . . . . . . . . . . . . . . . . . . . . . . . . . . . . . . . . . . . . . . . . . . . . . 6.90 mm (0.2717 in.)
Valve Recession
Standard . . . . . . . . . . . . . . . . . . . . . . . . . . . . . . . . . . . . . . . . . . .0.30 - 0.50 mm (0.012 - 0.020 in.)
Wear Limit . . . . . . . . . . . . . . . . . . . . . . . . . . . . . . . . . . . . . . . . . . . . . . . . . . . . 1.00 mm (0.039 in.)
Valve Guides
Valve Guide I.D.
Maximum Clearance. . . . . . . . . . . . . . . . . . . . . . . . . . . . . . . . . . . . . . . . . . . . . 0.20 mm (0.008 in.)
Standard . . . . . . . . . . . . . . . . . . . . . . . . . . . . . . . . . . . . . . . . . . .7.00 - 7.02 mm (0.275 - 0.276 in.)
Wear Limit . . . . . . . . . . . . . . . . . . . . . . . . . . . . . . . . . . . . . . . . . . . . . . . . . . . . 7.08 mm (0.279 in.)

Specifications
2-2
4/7/95
2
Valve Guides, continued
Valve Guide Height . . . . . . . . . . . . . . . . . . . . . . . . . . . . . . . . . . . . . . . . . . . . . . . . . .12 mm (0.472 in.)
Valve Springs
Spring Free Length
Standard . . . . . . . . . . . . . . . . . . . . . . . . . . . . . . . . . . . . . . . . . . . . . . . . . . . . . . . .42 mm (1.654 in.)
Wear Limit . . . . . . . . . . . . . . . . . . . . . . . . . . . . . . . . . . . . . . . . . . . . . . . . . . . 41.50 mm (1.630 in.)
Maximum Spring Inclination . . . . . . . . . . . . . . . . . . . . . . . . . . . . . . . . . . . . . . . . . 1.10 mm (0.044 in.)
Exhaust Manifold
Mounting Cap Screw and Nut Torque . . . . . . . . . . . . . . . . . . . . . . . . . . . . . . . . . . 26 N•m (226 lb-in.)
Intake Manifold
Mounting Cap Screw Torque . . . . . . . . . . . . . . . . . . . . . . . . . . . . . . . . . . . . . . . . . 26 N•m (226 lb-in.)
Valve Seat Angles
Valve Seat Surface
Exhaust Valve. . . . . . . . . . . . . . . . . . . . . . . . . . . . . . . . . . . . . . . . . . . . . . . . . . . . . . . . . . . . . . . 45°
Intake Valve . . . . . . . . . . . . . . . . . . . . . . . . . . . . . . . . . . . . . . . . . . . . . . . . . . . . . . . . . . . . . . . . 30°
Lower Seat Surface. . . . . . . . . . . . . . . . . . . . . . . . . . . . . . . . . . . . . . . . . . . . . . . . . . . . . . . . . . . . . . 70°
Upper Seat Surface . . . . . . . . . . . . . . . . . . . . . . . . . . . . . . . . . . . . . . . . . . . . . . . . . . . . . . . . . . . . . . 15°
Piston-to-Cylinder Head Clearance
3TN75 . . . . . . . . . . . . . . . . . . . . . . . . . . . . . . . . . . . . . . . . . . . . . . . .0.59 - 0.77 mm (0.023 - 0.030 in.)
3TN78, 3TNC78 (3011) . . . . . . . . . . . . . . . . . . . . . . . . . . . . . . . . . .0.63 - 0.77 mm (0.025 - 0.030 in.)
Piston and Connecting Rod Cap Screw Torque . . . . . . . . . . . . . . . . . . . . . . . . . . . . . . . . 39 N•m (29 lb-ft)
Connecting Rod Bearing I.D.
Clearance . . . . . . . . . . . . . . . . . . . . . . . . . . . . . . . . . . . . . . . . . . . . . . . . . . . . . . . . 0.16 mm (0.006 in.)
Standard . . . . . . . . . . . . . . . . . . . . . . . . . . . . . . . . . . . . . . . . . . . . . 43 - 43.042 mm (1.693 - 1.695 in.)
Wear Limit . . . . . . . . . . . . . . . . . . . . . . . . . . . . . . . . . . . . . . . . . . . . . . . . . . . . . . 43.07 mm (1.696 in.)
Piston Ring Groove Clearance
First Compression Ring
Standard . . . . . . . . . . . . . . . . . . . . . . . . . . . . . . . . . . . . . . .0.070 - 0.105 mm (0.0028 - 0.0041 in.)
Wear Limit . . . . . . . . . . . . . . . . . . . . . . . . . . . . . . . . . . . . . . . . . . . . . . . . . . . 0.25 mm (0.0098 in.)
Second Compression Ring
Standard . . . . . . . . . . . . . . . . . . . . . . . . . . . . . . . . . . . . . . .0.035 - 0.070 mm (0.0014 - 0.0028 in.)
Wear Limit . . . . . . . . . . . . . . . . . . . . . . . . . . . . . . . . . . . . . . . . . . . . . . . . . . . 0.25 mm (0.0098 in.)
Oil Ring
Standard . . . . . . . . . . . . . . . . . . . . . . . . . . . . . . . . . . . . . . .0.030 - 0.060 mm (0.0012 - 0.0024 in.)
Wear Limit . . . . . . . . . . . . . . . . . . . . . . . . . . . . . . . . . . . . . . . . . . . . . . . . . . . 0.20 mm (0.0079 in.)
Piston Ring End Gap
3TN75
Compression Rings and Oil Ring
Standard . . . . . . . . . . . . . . . . . . . . . . . . . . . . . . . . . . . . . . . .0.20 - 0.40 mm (0.008 - 0.016 in.)
Wear Limit . . . . . . . . . . . . . . . . . . . . . . . . . . . . . . . . . . . . . . . . . . . . . . . . 1.50 mm (0.0591 in.)
3TN78, 3TNC78 (3011)
Standard
Compression Rings. . . . . . . . . . . . . . . . . . . . . . . . . . . . . . .0.25 - 0.40 mm (0.0010 - 0.016 in.)
Oil Ring. . . . . . . . . . . . . . . . . . . . . . . . . . . . . . . . . . . . . . . . .0.20 - 0.40 mm (0.008 - 0.016 in.)
Wear Limit . . . . . . . . . . . . . . . . . . . . . . . . . . . . . . . . . . . . . . . . . . . . . . . . 1.50 mm (0.0591 in.)
Piston Pin
Pin O.D.
Standard . . . . . . . . . . . . . . . . . . . . . . . . . . . . . . . . . . . . . . . .22.991 - 23.00 mm (0.905 - 0.906 in.)
Wear Limit . . . . . . . . . . . . . . . . . . . . . . . . . . . . . . . . . . . . . . . . . . . . . . . . . . . 22.90 mm (0.902 in.)
Bore I.D.
Clearance . . . . . . . . . . . . . . . . . . . . . . . . . . . . . . . . . . . . . . . . . . . . . . . . . . . 0.045 mm (0.0018 in.)
Standard . . . . . . . . . . . . . . . . . . . . . . . . . . . . . . . . . . . . . .23.00 - 23.009 mm (0.9055 - 0.9059 in.)
Wear Limit . . . . . . . . . . . . . . . . . . . . . . . . . . . . . . . . . . . . . . . . . . . . . . . . . . . 23.02 mm (0.906 in.)

Specifications
4/7/95
2-3
2
Piston Pin, continued
Bushing I.D.
Clearance . . . . . . . . . . . . . . . . . . . . . . . . . . . . . . . . . . . . . . . . . . . . . . . . . . . 0.110 mm (0.0043 in.)
Standard . . . . . . . . . . . . . . . . . . . . . . . . . . . . . . . . . . . . .23.025 - 23.038 mm (0.9065 - 0.9070 in.)
Wear Limit . . . . . . . . . . . . . . . . . . . . . . . . . . . . . . . . . . . . . . . . . . . . . . . . . . . 23.10 mm (0.909 in.)
Piston O.D.
3TN75
Distance A. . . . . . . . . . . . . . . . . . . . . . . . . . . . . . . . . . . . . . . . . . . . . . . . . . . . . 12.5 mm (0.492 in.)
Standard Piston Size
Standard . . . . . . . . . . . . . . . . . . . . . . . . . . . . . . . . . . . . . .74.91 - 74.94 mm (2.949 - 2.951 in.)
Wear Limit . . . . . . . . . . . . . . . . . . . . . . . . . . . . . . . . . . . . . . . . . . . . . . . . 74.81 mm (2.945 in.)
0.25 mm (0.10 in.) Oversize Piston
Standard . . . . . . . . . . . . . . . . . . . . . . . . . . . . . . . . . . . . . .75.17 - 75.18 mm (2.959 - 2.960 in.)
Wear Limit . . . . . . . . . . . . . . . . . . . . . . . . . . . . . . . . . . . . . . . . . . . . . . . . 75.06 mm (2.955 in.)
0.50 mm (0.020 in.) Oversize Piston (F1145 FM Only)
Standard . . . . . . . . . . . . . . . . . . . . . . . . . . . . . . . . . . . . . .75.42 - 75.43 mm (2.969 - 2.970 in.)
Wear Limit . . . . . . . . . . . . . . . . . . . . . . . . . . . . . . . . . . . . . . . . . . . . . . . . 75.31 mm (2.965 in.)
3TN78, 3TNC78 (3011)
Distance A. . . . . . . . . . . . . . . . . . . . . . . . . . . . . . . . . . . . . . . . . . . . . . . . . . . . . . .23 mm (0.905 in.)
Standard Size Piston
Standard . . . . . . . . . . . . . . . . . . . . . . . . . . . . . . . . . . . .77.895 - 77.925 mm (3.067 - 3.068 in.)
Wear Limit . . . . . . . . . . . . . . . . . . . . . . . . . . . . . . . . . . . . . . . . . . . . . . . . 77.81 mm (3.063 in.)
0.25 mm (0.010 in.) Oversize Piston
Standard . . . . . . . . . . . . . . . . . . . . . . . . . . . . . . . . . . . . . .78.15 - 78.18 mm (3.076 - 3.077 in.)
Wear Limit . . . . . . . . . . . . . . . . . . . . . . . . . . . . . . . . . . . . . . . . . . . . . . . . 78.05 mm (3.053 in.)
0.50 mm (0.020 in.) Oversize Piston (3011 OEM Only)
Standard . . . . . . . . . . . . . . . . . . . . . . . . . . . . . . . . . . . . . .78.40 - 78.42 mm (3.086 - 3.087 in.)
Wear Limit . . . . . . . . . . . . . . . . . . . . . . . . . . . . . . . . . . . . . . . . . . . . . . . . 78.30 mm (3.083 in.)
Cylinder Bore I.D.
3TN75
Standard Size Bore
Clearance . . . . . . . . . . . . . . . . . . . . . . . . . . . . . . . . . . . . . . . . . . . . . . . . . . 0.22 mm (0.009 in.)
Standard . . . . . . . . . . . . . . . . . . . . . . . . . . . . . . . . . . . . . .75.00 - 75.03 mm (2.953 - 2.954 in.)
Wear Limit . . . . . . . . . . . . . . . . . . . . . . . . . . . . . . . . . . . . . . . . . . . . . . . . 75.20 mm (2.961 in.)
0.25 mm (0.010 in.) Oversize Bore
Standard . . . . . . . . . . . . . . . . . . . . . . . . . . . . . . . . . . . . . .75.25 - 75.28 mm (2.963 - 2.964 in.)
Wear Limit . . . . . . . . . . . . . . . . . . . . . . . . . . . . . . . . . . . . . . . . . . . . . . . . 75.45 mm (2.970 in.)
0.50 mm (0.020 in.) Oversize Bore (F1145 FM Only)
Standard . . . . . . . . . . . . . . . . . . . . . . . . . . . . . . . . . . . . . .75.50 - 75.53 mm (2.972 - 2.974 in.)
Wear Limit . . . . . . . . . . . . . . . . . . . . . . . . . . . . . . . . . . . . . . . . . . . . . . . . 75.70 mm (2.980 in.)
3TN78, 3TNC78 (3011)
Standard Size Bore
Clearance . . . . . . . . . . . . . . . . . . . . . . . . . . . . . . . . . . . . . . . . . . . . . . . . . . 0.22 mm (0.009 in.)
Standard . . . . . . . . . . . . . . . . . . . . . . . . . . . . . . . . . . . . . .78.00 - 78.03 mm (3.071 - 3.072 in.)
Wear Limit . . . . . . . . . . . . . . . . . . . . . . . . . . . . . . . . . . . . . . . . . . . . . . . . 78.20 mm (3.079 in.)
0.25 mm (0.010 in.) Oversize Bore
Standard . . . . . . . . . . . . . . . . . . . . . . . . . . . . . . . . . . . . . .78.25 - 78.28 mm (3.081 - 3.082 in.)
Wear Limit . . . . . . . . . . . . . . . . . . . . . . . . . . . . . . . . . . . . . . . . . . . . . . . . 78.45 mm (3.089 in.)
0.50 mm (0.020 in.) Oversize Bore (3011 OEM Only)
Standard . . . . . . . . . . . . . . . . . . . . . . . . . . . . . . . . . . . . . .78.50 - 78.53 mm (3.091 - 3.092 in.)
Wear Limit . . . . . . . . . . . . . . . . . . . . . . . . . . . . . . . . . . . . . . . . . . . . . . . . 78.70 mm (3.099 in.)
Deglazing . . . . . . . . . . . . . . . . . . . . . . . . . . . . . . . . . . . . . . . . . . . . . . . . . . 30 - 40° cross-hatch pattern
Reboring . . . . . . . . . . . . . . . . . . . . . . . . . . . . . . . . . . . . . . . . . . . . . . . . . . . 30 - 40° cross-hatch pattern

Specifications
2-4
4/7/95
2
Crankcase Extension Housing
Mounting Cap Screw Torque
Flywheel Housing/Plate-to-Extension . . . . . . . . . . . . . . . . . . . . . . . . . . . . . . . . . 49 N•m (36 lb-ft)
Seal Case-to-Extension. . . . . . . . . . . . . . . . . . . . . . . . . . . . . . . . . . . . . . . . . . . 26 N•m (226 lb-in.)
Extension-to-Block . . . . . . . . . . . . . . . . . . . . . . . . . . . . . . . . . . . . . . . . . . . . . . . . 27 N•m (20 lb-ft)
Extension-to-Timing Gear Cover . . . . . . . . . . . . . . . . . . . . . . . . . . . . . . . . . . . 22 N•m (195 lb-in.)
Crankshaft Rear Oil Seal
Seal Case-to-Block Cap Screw Torque. . . . . . . . . . . . . . . . . . . . . . . . . . . . . . . . . . 26 N•m (226 lb-in.)
Seal Case-to-Extension Cap Screw Torque . . . . . . . . . . . . . . . . . . . . . . . . . . . . . . 21 N•m (180 lb-in.)
Crankshaft and Main Bearings
Main Bearing Cap Screw Torque . . . . . . . . . . . . . . . . . . . . . . . . . . . . . . . . . . . . . . . . 79 N•m (58 lb-ft)
Crankshaft Maximum Bend . . . . . . . . . . . . . . . . . . . . . . . . . . . . . . . . . . . . . . . . . 0.02 mm (0.0007 in.)
Connecting Rod Journal O.D.
Standard . . . . . . . . . . . . . . . . . . . . . . . . . . . . . . . . . . . . .42.952 - 42.962 mm (1.6910 - 1.6914 in.)
Wear Limit . . . . . . . . . . . . . . . . . . . . . . . . . . . . . . . . . . . . . . . . . . . . . . . . . . . 42.91 mm (1.689 in.)
Main Bearing Journal O.D.
Standard . . . . . . . . . . . . . . . . . . . . . . . . . . . . . . . . . . . . .46.952 - 46.962 mm (1.8485 - 1.8489 in.)
Wear Limit . . . . . . . . . . . . . . . . . . . . . . . . . . . . . . . . . . . . . . . . . . . . . . . . . . . 46.91 mm (1.847 in.)
Main Bearing I.D.
Clearance . . . . . . . . . . . . . . . . . . . . . . . . . . . . . . . . . . . . . . . . . . . . . . . . . . . . 0.15 mm (0.0059 in.)
Standard . . . . . . . . . . . . . . . . . . . . . . . . . . . . . . . . . . . . . . . .47.00 - 47.045 mm (1.850 - 1.852 in.)
Wear Limit . . . . . . . . . . . . . . . . . . . . . . . . . . . . . . . . . . . . . . . . . . . . . . . . . . 47.10 mm (1.8541 in.)
Flywheel
Maximum Distortion. . . . . . . . . . . . . . . . . . . . . . . . . . . . . . . . . . . . . . . . . . . . . . . 0.02 mm (0.0008 in.)
Mounting Cap Screw Torque . . . . . . . . . . . . . . . . . . . . . . . . . . . . . . . . . . . . . . . . . . . 83 N•m (61 lb-ft)
3TN75 (F1145 FM) Pulley-to-Isolator Mount Plate Cap Screw Torque . . . . . . . . . . 49 N•m (36 lb-ft)
Flywheel Housing/Plate Mounting Cap Screw Torque . . . . . . . . . . . . . . . . . . . . . . . . . . 49 N•m (36 lb-ft)
Camshaft
Mounting Cap Screw Torque . . . . . . . . . . . . . . . . . . . . . . . . . . . . . . . . . . . . . . . . . 26 N•m (226 lb-in.)
Camshaft Side Gap
Standard . . . . . . . . . . . . . . . . . . . . . . . . . . . . . . . . . . . . . . . . .0.05 - 0.20 mm (0.0020 - 0.0079 in.)
Wear Limit . . . . . . . . . . . . . . . . . . . . . . . . . . . . . . . . . . . . . . . . . . . . . . . . . . . . 0.40 mm (0.016 in.)
Maximum Camshaft Bend . . . . . . . . . . . . . . . . . . . . . . . . . . . . . . . . . . . . . . . . . . . 0.02 mm (0.001 in.)
Lobe Height
Standard . . . . . . . . . . . . . . . . . . . . . . . . . . . . . . . . . . . . . . .38.635 - 38.765 mm (1.521 - 1.526 in.)
Wear Limit . . . . . . . . . . . . . . . . . . . . . . . . . . . . . . . . . . . . . . . . . . . . . . . . . . . 38.40 mm (1.512 in.)
Journal O.D.
Gear Housing and Flywheel Ends
Standard . . . . . . . . . . . . . . . . . . . . . . . . . . . . . . . . . . . . . .44.92 - 44.95 mm (1.769 - 1.770 in.)
Wear Limit . . . . . . . . . . . . . . . . . . . . . . . . . . . . . . . . . . . . . . . . . . . . . . . . 44.80 mm (1.764 in.)
Intermediate
Standard . . . . . . . . . . . . . . . . . . . . . . . . . . . . . . . . . . . . . .44.91 - 44.94 mm (1.768 - 1.769 in.)
Wear Limit . . . . . . . . . . . . . . . . . . . . . . . . . . . . . . . . . . . . . . . . . . . . . . . . 44.80 mm (1.764 in.)
Bushing I.D.
Clearance . . . . . . . . . . . . . . . . . . . . . . . . . . . . . . . . . . . . . . . . . . . . . . . . . . . . 0.20 mm (0.0078 in.)
Standard . . . . . . . . . . . . . . . . . . . . . . . . . . . . . . . . . . . . . . .44.990 - 45.055 mm (1.771 - 1.744 in.)
Wear Limit . . . . . . . . . . . . . . . . . . . . . . . . . . . . . . . . . . . . . . . . . . . . . . . . . . . 45.10 mm (1.776 in.)
Bore I.D.
Clearance . . . . . . . . . . . . . . . . . . . . . . . . . . . . . . . . . . . . . . . . . . . . . . . . . . . . . 0.20 mm (0.008 in.)
Standard . . . . . . . . . . . . . . . . . . . . . . . . . . . . . . . . . . . . . . . .45.00 - 45.025 mm (1.772 - 1.773 in.)
Wear Limit . . . . . . . . . . . . . . . . . . . . . . . . . . . . . . . . . . . . . . . . . . . . . . . . . . . 45.10 mm (1.776 in.)

Specifications
4/7/95
2-5
2
Cam Followers
Stem O.D.
Standard . . . . . . . . . . . . . . . . . . . . . . . . . . . . . . . . . . . . . . .11.975 - 11.990 mm (0.471 - 0.472 in.)
Wear Limit . . . . . . . . . . . . . . . . . . . . . . . . . . . . . . . . . . . . . . . . . . . . . . . . . . . 11.93 mm (0.470 in.)
Bore I.D.
Clearance . . . . . . . . . . . . . . . . . . . . . . . . . . . . . . . . . . . . . . . . . . . . . . . . . . . . . 0.10 mm (0.004 in.)
Standard . . . . . . . . . . . . . . . . . . . . . . . . . . . . . . . . . . . . . . .12.000 - 12.018 mm (0.472 - 0.473 in.)
Wear Limit . . . . . . . . . . . . . . . . . . . . . . . . . . . . . . . . . . . . . . . . . . . . . . . . . . . 12.05 mm (0.474 in.)
Timing Gear Cover
Fan Mounting Cap Screw Torque. . . . . . . . . . . . . . . . . . . . . . . . . . . . . . . . . . . . . . 11 N•m (226 lb-in.)
Cover Mounting Cap Screw Torque. . . . . . . . . . . . . . . . . . . . . . . . . . . . . . . . . . . . 26 N•m (226 lb-in.)
Crankcase Extension Housing-to-Cover Cap Screw Torque . . . . . . . . . . . . . . . . . 22 N•m (195 lb-in.)
Crankshaft Pulley Cap Screw Torque. . . . . . . . . . . . . . . . . . . . . . . . . . . . . . . . . . . . 115 N•m (85 lb-ft)
Idler Gear
Shaft O.D
Standard . . . . . . . . . . . . . . . . . . . . . . . . . . . . . . . . . . . . . . .45.950 - 45.975 mm (1.809 - 1.810 in.)
Wear Limit . . . . . . . . . . . . . . . . . . . . . . . . . . . . . . . . . . . . . . . . . . . . . . . . . . . 45.93 mm (1.808 in.)
Bushing I.D.
Clearance . . . . . . . . . . . . . . . . . . . . . . . . . . . . . . . . . . . . . . . . . . . . . . . . . . . . 0.15 mm (0.0059 in.)
Standard . . . . . . . . . . . . . . . . . . . . . . . . . . . . . . . . . . . . . . . .46.00 - 46.025 mm (1.811 - 1.812 in.)
Wear Limit . . . . . . . . . . . . . . . . . . . . . . . . . . . . . . . . . . . . . . . . . . . . . . . . . . . 46.03 mm (1.812 in.)
Timing Gear Cover Mounting Plate Cap Screw Torque . . . . . . . . . . . . . . . . . . . . . . . 25 N•m (220 lb-in.)
Oil Pan and Strainer Mounting Cap Screw Torque . . . . . . . . . . . . . . . . . . . . . . . . . . . 26 N•m (226 lb-in.)
Oil Pump
Mounting Cap Screw Torque . . . . . . . . . . . . . . . . . . . . . . . . . . . . . . . . . . . . . . . . . . . 25 N•m (18 lb-ft)
Rotor Shaft O.D.-to-Backing Plate I.D. Clearance
Standard . . . . . . . . . . . . . . . . . . . . . . . . . . . . . . . . . . . . . . .0.015 - 0.048 mm (0.0006 - 0.0035 in.)
Wear Limit . . . . . . . . . . . . . . . . . . . . . . . . . . . . . . . . . . . . . . . . . . . . . . . . . . . 0.20 mm (0.0078 in.)
Rotor Recess
Standard . . . . . . . . . . . . . . . . . . . . . . . . . . . . . . . . . . . . . . . . .0.05 - 0.10 mm (0.0020 - 0.0039 in.)
Wear Limit . . . . . . . . . . . . . . . . . . . . . . . . . . . . . . . . . . . . . . . . . . . . . . . . . . . 0.15 mm (0.0059 in.)
Outer Rotor-to-Pump Body Clearance
Standard . . . . . . . . . . . . . . . . . . . . . . . . . . . . . . . . . . . . . . . . .0.09 - 0.16 mm (0.0035 - 0.0063 in.)
Wear Limit . . . . . . . . . . . . . . . . . . . . . . . . . . . . . . . . . . . . . . . . . . . . . . . . . . . 0.25 mm (0.0098 in.)
Inner-to-Outer Rotor Clearance
Standard . . . . . . . . . . . . . . . . . . . . . . . . . . . . . . . . . . . . . . . . .0.02 - 0.04 mm (0.0008 - 0.0016 in.)
Wear Limit . . . . . . . . . . . . . . . . . . . . . . . . . . . . . . . . . . . . . . . . . . . . . . . . . . . 0.15 mm (0.0059 in.)
Oil Pressure Regulating Valve
Spring
Compressed Length . . . . . . . . . . . . . . . . . . . . . . . . .27.50 mm (1.080 in.) @ 20.5 N (4.6 lb-force)
Free Length. . . . . . . . . . . . . . . . . . . . . . . . . . . . . . . . . . . . . . . . . . . . . . . . . . . . . .46 mm (1.810 in.)
Housing-to-Valve Body Retaining Nut Torque . . . . . . . . . . . . . . . . . . . . . . . . . . . . . 30 N•m (22 lb-ft)
Housing-to-Engine Block Cap Screw Torque . . . . . . . . . . . . . . . . . . . . . . . . . . . . . . 27 N•m (20 lb-ft)
Thermostat and Housing - 3TN78
Thermostat Cover Cap Screw Torque . . . . . . . . . . . . . . . . . . . . . . . . . . . . . . . . . . 20 N•m (180 lb-in.)
Plate-to-Housing Cap Screw Torque . . . . . . . . . . . . . . . . . . . . . . . . . . . . . . . . . . . . . 9 N•m (78 lb-in.)
Housing Mounting Cap Screw Torque . . . . . . . . . . . . . . . . . . . . . . . . . . . . . . . . . . 26 N•m (226 lb-in.)
Thermostat - 3TN75, 3TNC78 (3011)
Cover Cap Screw Torque . . . . . . . . . . . . . . . . . . . . . . . . . . . . . . . . . . . . . . . . . .20 N•m (180 lb-in.) 70
Water Pump - 3TN78
Fan Mounting Cap Screw Torque. . . . . . . . . . . . . . . . . . . . . . . . . . . . . . . . . . . . . . . 11 N•m (96 lb-in.)
Mounting Cap Screw Torque . . . . . . . . . . . . . . . . . . . . . . . . . . . . . . . . . . . . . . . . . 26 N•m (226 lb-in.)
Plate-to-Housing Screw Torque . . . . . . . . . . . . . . . . . . . . . . . . . . . . . . . . . . . . . . . 15 N•m (134 lb-in.)
Plug-to-Housing Torque . . . . . . . . . . . . . . . . . . . . . . . . . . . . . . . . . . . . . . . . . . . . . 15 N•m (130 lb-in.)

Specifications
2-6
4/7/95
2
Water Pump - 3TN78, continued
Bottom of Pulley Flange-to-Top of Housing . . . . . . . . . . . . . . . . . . . . . . . . . . . . . . .17 mm (0.670 in.)
Top of Impeller-to-Housing . . . . . . . . . . . . . . . . . . . . . . . . . . . . . . . . 2 mm (0.080 in.) below housing
Water Pump - 3TN75, 3TNC78 (3011)
Adapter-to-Plate Cap Screw Torque. . . . . . . . . . . . . . . . . . . . . . . . . . . . . . . . . . . . . . 9 N•m (78 lb-in.)
Fan Mounting Cap Screw Torque. . . . . . . . . . . . . . . . . . . . . . . . . . . . . . . . . . . . . . . 11 N•m (96 lb-in.)
Mounting Cap Screw Torque . . . . . . . . . . . . . . . . . . . . . . . . . . . . . . . . . . . . . . . . . 26 N•m (226 lb-in.)
Plate-to-Housing Cap Screw Torque . . . . . . . . . . . . . . . . . . . . . . . . . . . . . . . . . . . . . 9 N•m (78 lb-in.)
Plug-to-Housing Torque . . . . . . . . . . . . . . . . . . . . . . . . . . . . . . . . . . . . . . . . . . . . . 15 N•m (130 lb-in.)
Bottom of Pulley Flange-to-Top of Housing . . . . . . . . . . . . . . . . . . . . . . . . . . . . . . .17 mm (0.670 in.)
Top of Impeller-to-Housing . . . . . . . . . . . . . . . . . . . . . . . . . . . . . . . . 2 mm (0.080 in.) below housing
Fuel Supply Pump - 3TN75, 3TNC78 (3011)
External Lube Line Mounting Bolt Torque . . . . . . . . . . . . . . . . . . . . . . . . . . . . . . 15 N•m (130 lb-in.)
Mounting Nut Torque . . . . . . . . . . . . . . . . . . . . . . . . . . . . . . . . . . . . . . . . . . . . . . . . 11 N•m (96 lb-in.)
Fuel Injection Pump
Injection Pump Gear Nut Torque . . . . . . . . . . . . . . . . . . . . . . . . . . . . . . . . . . . . . . . . 90 N•m (66 lb-ft)
Mounting Nut Torque . . . . . . . . . . . . . . . . . . . . . . . . . . . . . . . . . . . . . . . . . . . . . . . . . 26 N•m (19 lb-ft)
Lube Line-to-Block Bolt Torque . . . . . . . . . . . . . . . . . . . . . . . . . . . . . . . . . . . . . . 25 N•m (217 lb-in.)
Fuel Injection Nozzles
Mounting Nut Torque . . . . . . . . . . . . . . . . . . . . . . . . . . . . . . . . . . . . . . . . . . . . . . . . . 5 N•m (39 lb-in.)
Retaining Nut Torque . . . . . . . . . . . . . . . . . . . . . . . . . . . . . . . . . . . . . . . . . . . . . . . . . 43 N•m (31 lb-ft)
Separator Plate Nozzle Contact Surface Maximum Wear . . . . . . . . . . . . . . . . . . 0.10 mm (0.0039 in.)
Starter - 3TN78 (Hitachi 0.8 kW)
Minimum Brush Length . . . . . . . . . . . . . . . . . . . . . . . . . . . . . . . . . . . . . . . . . . . . . . . .9 mm (0.354 in.)
Starter Motor - 3TN75, 3TNC78 (3011) (Nippondenso 1.0 kW)
Minimum Brush Length . . . . . . . . . . . . . . . . . . . . . . . . . . . . . . . . . . . . . . . . . . . . . . 8.5 mm (0.335 in.)
Alternator - 3TN78 (Hitachi 25A)
Attaching Screw Torque . . . . . . . . . . . . . . . . . . . . . . . . . . . . . . . . . . . . . . . . . . . . . . . 4 N•m (31 lb-in.)
Rotor Assembly
Retainer-to-Front Frame Screw Torque . . . . . . . . . . . . . . . . . . . . . . . . . . . . . . . . 2 N•m (16 lb-in.)
Sheave Nut Torque . . . . . . . . . . . . . . . . . . . . . . . . . . . . . . . . . . . . . . . . . . . . . . . . 49 N•m (36 lb-ft)
End Frame-to-Rectifier Nut Torque . . . . . . . . . . . . . . . . . . . . . . . . . . . . . . . . . . . . . . 4 N•m (31 lb-in.)
Stator-to-Rectifier Lead Wire Distance . . . . . . . . . . . . . . . . . . . . . . . . . . . . . . . . 33.50 mm (1.300 in.)
Minimum Brush Length . . . . . . . . . . . . . . . . . . . . . . . . . . . . . . . . . . . . . . . . . . . . . 5.50 mm (0.220 in.)
Alternator - 3TN75 (Nippondenso 35A)
Attaching Screw Torque . . . . . . . . . . . . . . . . . . . . . . . . . . . . . . . . . . . . . . . . . . . . . . . 4 N•m (31 lb-in.)
Rotor Assembly
Retainer-to-Front Frame Screw Torque . . . . . . . . . . . . . . . . . . . . . . . . . . . . . . . . 2 N•m (16 lb-in.)
Pulley Nut Torque. . . . . . . . . . . . . . . . . . . . . . . . . . . . . . . . . . . . . . . . . . . . . . . . . 54 N•m (40 lb-ft)
Stator-to-Rectifier Lead Wire Distance . . . . . . . . . . . . . . . . . . . . . . . . . . . . . 33.50 mm (1.300 in.)
Minimum Brush Length . . . . . . . . . . . . . . . . . . . . . . . . . . . . . . . . . . . . . . . . . . . . . 5.50 mm (0.220 in.)
Alternator - 3TN75, 3TNC78 (3011) (Nippondenso 40A)
Sheave Nut Torque . . . . . . . . . . . . . . . . . . . . . . . . . . . . . . . . . . . . . . . . . . . . . . . . . . . 69 N•m (51 lb-ft)
Retainer-to-Front Frame Screw Torque . . . . . . . . . . . . . . . . . . . . . . . . . . . . . . . . . . . 2 N•m (16 lb-in.)
Minimum Rotor Slip Ring O.D. . . . . . . . . . . . . . . . . . . . . . . . . . . . . . . . . . . . . . . . . .14 mm (0.550 in.)
Brush Length
New. . . . . . . . . . . . . . . . . . . . . . . . . . . . . . . . . . . . . . . . . . . . . . . . . . . . . . . . . 10.50 mm (0.410 in.)
Wear Limit . . . . . . . . . . . . . . . . . . . . . . . . . . . . . . . . . . . . . . . . . . . . . . . . . . . . 4.50 mm (0.170 in.)
Checks, Tests and Adjustments
Valve Clearance . . . . . . . . . . . . . . . . . . . . . . . . . . . . . . . . . . . . . . . . . . . . . . . . . . . 0.20 mm (0.008 in.)
Connecting Rod Side Play
Standard Clearance . . . . . . . . . . . . . . . . . . . . . . . . . . . . . . . . .0.20 - 0.40 mm (0.0079 - 0.0157 in.)
Wear Limit . . . . . . . . . . . . . . . . . . . . . . . . . . . . . . . . . . . . . . . . . . . . . . . . . . . 0.55 mm (0.0217 in.)

Specifications
4/7/95
2-7
2
Checks, Tests and Adjustments, continued
Connecting Rod Bearing Clearance
Standard Clearance . . . . . . . . . . . . . . . . . . . . . . . . . . . . . . .0.038 - 0.090 mm (0.0015 - 0.0035 in.)
Wear Limit . . . . . . . . . . . . . . . . . . . . . . . . . . . . . . . . . . . . . . . . . . . . . . . . . . . 0.16 mm (0.0063 in.)
Crankshaft End Play
Standard Clearance . . . . . . . . . . . . . . . . . . . . . . . . . . . . . . . . .0.090 - 0.271 mm (0.004 - 0.011 in.)
Wear Limit . . . . . . . . . . . . . . . . . . . . . . . . . . . . . . . . . . . . . . . . . . . . . . . . . . . 0.33 mm (0.0129 in.)
Crankshaft Main Bearing Clearance
Main Bearing Cap Cap Screw Torque . . . . . . . . . . . . . . . . . . . . . . . . . . . . . . . . . 79 N•m (58 lb-ft)
Standard Clearance . . . . . . . . . . . . . . . . . . . . . . . . . . . . . . .0.038 - 0.090 mm (0.0015 - 0.0035 in.)
Wear Limit . . . . . . . . . . . . . . . . . . . . . . . . . . . . . . . . . . . . . . . . . . . . . . . . . . . 0.06 mm (0.0063 in.)
Valve Lift (Intake and Exhaust) . . . . . . . . . . . . . . . . . . . . . . . . . . . . . . . . . . . . . . . . 8.8 mm (0.350 in.)
Camshaft End Play
Standard Clearance . . . . . . . . . . . . . . . . . . . . . . . . . . . . . . . . .0.05 - 0.20 mm (0.0020 - 0.0079 in.)
Wear Limit . . . . . . . . . . . . . . . . . . . . . . . . . . . . . . . . . . . . . . . . . . . . . . . . . . . . 0.40 mm (0.016 in.)
Timing Gear Backlash
Standard Backlash
All Except Crankshaft Gear-to-Oil Pump Gear . . . . . . . .0.04 - 0.12 mm (0.0016 - 0.0047 in.)
Crankshaft Gear-to-Oil Pump Gear . . . . . . . . . . . . . . . . .0.11 - 0.19 mm (0.0043 - 0.0075 in.)
Wear Limit . . . . . . . . . . . . . . . . . . . . . . . . . . . . . . . . . . . . . . . . . . . . . . . . . . . 0.20 mm (0.0079 in.)
Fuel Injection Nozzle
Opening Pressure . . . . . . . . . . . . . . . . . . . . . . . . . . . . . . . . . . . . .19600 ± 480 kPa (2843 ± 70 psi)
Leakage at 17640 kPa (2558 psi) . . . . . . . . . . . . . . . . . . . . . . . . . . . . . . . . Minimum of 5 Seconds
Chatter and Spray Pattern at 19600 ± 480 kPa (2843 ± 70 psi)
Slow Hand Lever Movement . . . . . . . . . . . . . . . . . . . . . . . . . . . . . . . . . . . . . . . .Chatter Sound
Slow Hand Lever Movement . . . . . . . . . . . . . . . . . . . . . . . . . . . . . . Fine Stream Spray Pattern
Fast Hand Lever Movement . . . . . . . . . . . . . . . . . . . . . . . . . . . . .Fine Atomized Spray Pattern
Thermostat
Begin Opening . . . . . . . . . . . . . . . . . . . . . . . . . . . . . . . . . . . . . . . . . . . . . . . . . . . . . .71° C (160°F)
Fully Open . . . . . . . . . . . . . . . . . . . . . . . . . . . . . . . . . . . . . . . . . . . . . . . . . . . . . . . . 85° C (184° F)
Minimum Lift Height . . . . . . . . . . . . . . . . . . . . . . . . . . . . . . . . . . . . . . . . . . . . . . .8 mm (0.310 in.)
Coolant Temperature Switch Continuity . . . . . . . . . . . . . . . . . . . . . . . . . . 107 - 113° C (225 - 235° F)
Starter No-Load Amp Draw/RPM
Maximum Starter Amperage
Hitachi 2.0 kW . . . . . . . . . . . . . . . . . . . . . . . . . . . . . . . . . . . . . . . . . . . .110 Amps at 4500 rpm
Nippondenso 1.0 kW . . . . . . . . . . . . . . . . . . . . . . . . . . . . . . . . . . . . . . . .90 Amps at 3000 rpm
Minimum Starter RPM
Hitachi 2.0 kW . . . . . . . . . . . . . . . . . . . . . . . . . . . . . . . . . . . . . . . . . . . . . . . . . . . . . . . . . . 4500
Nippondenso 1.0 kW . . . . . . . . . . . . . . . . . . . . . . . . . . . . . . . . . . . . . . . . . . . . . . . . . . . . . 3000
Fuel Injection Pump Static Timing
Injection Pump Timing . . . . . . . . . . . . . . . . . . . . . . . . . 16° ± 1°BTDC (Before Top Dead Center)
Engine Crankshaft Position . . . . . . . . . . . . . . . . . . . No. 1 Cylinder on TDC Compression Stroke
Fan/Alternator Drive Belt Tension
Applied Force . . . . . . . . . . . . . . . . . . . . . . . . . . . . . . . . . . . . . . . . . . . . . . . . . . . 98 N (22 lb-force)
Deflection . . . . . . . . . . . . . . . . . . . . . . . . . . . . . . . . . . . . . . . . . . . . .10 - 15 mm (0.400 - 0.600 in.)
Operational Tests
Radiator, Bubble Test
Maximum Air Pressure Into Cylinder
3TN75, 3TN78 . . . . . . . . . . . . . . . . . . . . . . . . . . . . . . . . . . . . . . . . . . . . . . . . . . 2448 kPa (355 psi)
3TNC78 (3011). . . . . . . . . . . . . . . . . . . . . . . . . . . . . . . . . . . . . . . . . . . . . . . . . . 2158 kPa (313 psi)
Cooling System
3TN75
Maximum Pressure . . . . . . . . . . . . . . . . . . . . . . . . . . . . . . . . . . . . . . . . . . . . . . 117 kPa (17 psi)
Minimum Pressure after 15 Seconds . . . . . . . . . . . . . . . . . . . . . . . . . . . . . . . . . 90 kPa (13 psi)

Specifications
2-8
4/7/95
2
Operational Tests - Cooling System, continued
3TN78, 3TNC78 (3011)
Maximum Pressure . . . . . . . . . . . . . . . . . . . . . . . . . . . . . . . . . . . . . . . . . . . . . . . 97 kPa (14 psi)
Minimum Pressure after 15 Seconds . . . . . . . . . . . . . . . . . . . . . . . . . . . . . . . 88 kPa (12.8 psi)
Radiator Cap
Valve Opening Pressure
3TN75 . . . . . . . . . . . . . . . . . . . . . . . . . . . . . . . . . . . . . . . . . . . . . . . . . . . . . . . . . 90 kPa (13 psi)
3TN78, 3TNC78 (3011) . . . . . . . . . . . . . . . . . . . . . . . . . . . . . . . . . . . . . . . . . 88 kPa (12.8 psi)
Cylinder, Compression Pressure
Compression Pressure
3TN75, 3TN78 . . . . . . . . . . . . . . . . . . . . . . . . . . . . . . . . . . . . . . . . . . . . . . . 2448 kPa (355 psi)
3TNC78 (3011). . . . . . . . . . . . . . . . . . . . . . . . . . . . . . . . . . . . . . . . . . . . . . . 2158 kPa (313 psi)
Maximum Difference Between Cylinders . . . . . . . . . . . . . . . . . . . . . . . . . . . . . . . 490 kPa (71 psi)
Engine Oil Pressure
3TN75
F1145 FM
Slow Idle. . . . . . . . . . . . . . . . . . . . . . . . . . . . . . . . . . . . . . . . . . . . . . . . . . . . 1450 ± 50 rpm
Fast Idle. . . . . . . . . . . . . . . . . . . . . . . . . . . . . . . . . . . . . . . . . . . . . . . . . . . . . . . . . 3425 rpm
Oil Pressure. . . . . . . . . . . . . . . . . . . . . . . . . . . . . . . . . . . . . . . . .294 - 440 kPa (43 - 64 psi)
855/56 CUT
Fast Idle. . . . . . . . . . . . . . . . . . . . . . . . . . . . . . . . . . . . . . . . . . . . . . . . . . . . . 3425 ± 25 rpm
Oil Pressure. . . . . . . . . . . . . . . . . . . . . . . . . . . . . . . . . . . . . . . . .365 ± 69 kPa (53 ± 10 psi)
3TN78
Idle Speed
Slow . . . . . . . . . . . . . . . . . . . . . . . . . . . . . . . . . . . . . . . . . . . . . . . . . . . . . . . . 800 ± 25 rpm
Fast . . . . . . . . . . . . . . . . . . . . . . . . . . . . . . . . . . . . . . . . . . . . . . . . . . . . . . . . 2450 ± 25 rpm
Oil Pressure
Slow Idle. . . . . . . . . . . . . . . . . . . . . . . . . . . . . . . . . . . . . . . . . . . . . . . . . . . 262 kPa (38 psi)
Fast Idle. . . . . . . . . . . . . . . . . . . . . . . . . . . . . . . . . . . . . . . . . . . . .345 ± 48 kPa (50 ± 7 psi)
3TNC78 (3011)
Low Idle Speed
Industrial . . . . . . . . . . . . . . . . . . . . . . . . . . . . . . . . . . . . . . . . . . . . . . . . . . . . . . . . 1300 rpm
Generator . . . . . . . . . . . . . . . . . . . . . . . . . . . . . . . . . . . . . . . . . . . . . . . . . . . . . . . 1200 rpm
Oil Pressure . . . . . . . . . . . . . . . . . . . . . . . . . . . . . . . . . . . . . . . . . . . . . . . . . . . 147 kPa (21 psi)
Air Intake System Holding Pressure. . . . . . . . . . . . . . . . . . . . . . . . . . . . . . . . . .34 - 69 kPa (5 - 10 psi)
Minimum Fuel Supply Pump Pressure . . . . . . . . . . . . . . . . . . . . . . . . . . . . . . . . . . . . . 29 kPa (4.3 psi)
Fuel System Holding Pressure (Maximum) . . . . . . . . . . . . . . . . . . . . . . . . . . . . . . . . . 103 kPa (15 psi)
ENGINE SPECIFICATIONS - 3TN82, 3TNA82, 3TN84 (3014)
Rocker Arm Cover
Special Nut Torque . . . . . . . . . . . . . . . . . . . . . . . . . . . . . . . . . . . . . . . . . . . . . . . . . 18 N•m (160 lb-in.)
Rocker Arm Assembly
Mounting Cap Screw Torque . . . . . . . . . . . . . . . . . . . . . . . . . . . . . . . . . . . . . . . . . 26 N•m (226 lb-in.)
Rocker Arm Shaft O.D.
Standard . . . . . . . . . . . . . . . . . . . . . . . . . . . . . . . . . . . . . . .15.97 - 15.98 mm (0.6286 - 0.6293 in.)
Wear Limit . . . . . . . . . . . . . . . . . . . . . . . . . . . . . . . . . . . . . . . . . . . . . . . . . . 15.95 mm (0.6280 in.)
Rocker Arm and Shaft Support I.D.'s
Clearance . . . . . . . . . . . . . . . . . . . . . . . . . . . . . . . . . . . . . . . . . . . . . . . . . . . . . 0.13 mm (0.005 in.)
Standard . . . . . . . . . . . . . . . . . . . . . . . . . . . . . . . . . . . . . . . . .16.00 - 16.02 mm (0.630 - 0.631 in.)
Wear Limit . . . . . . . . . . . . . . . . . . . . . . . . . . . . . . . . . . . . . . . . . . . . . . . . . . . 16.09 mm (0.633 in.)
Push Rod Length
Standard . . . . . . . . . . . . . . . . . . . . . . . . . . . . . . . . . . . . . . .178.25 - 178.75 mm (7.018 - 7.037 in.)
Push Rod Bend
Standard . . . . . . . . . . . . . . . . . . . . . . . . . . . . . . . . . . . . . . . . . . . . . . . . 0.03 mm (0.001 in.) or less
Wear Limit . . . . . . . . . . . . . . . . . . . . . . . . . . . . . . . . . . . . . . . . . . . . . . . . . . . . 0.30 mm (0.012 in.)

Specifications
4/7/95
2-9
2
Cylinder Head and Valves
Mounting Cap Screw Torque
First . . . . . . . . . . . . . . . . . . . . . . . . . . . . . . . . . . . . . . . . . . . . . . . . . . . . . . . . . . 24 N•m (212 lb-in.)
Second. . . . . . . . . . . . . . . . . . . . . . . . . . . . . . . . . . . . . . . . . . . . . . . . . . . . . . . . . . 48 N•m (36 lb-ft)
Final . . . . . . . . . . . . . . . . . . . . . . . . . . . . . . . . . . . . . . . . . . . . . . . . . . . . . . . . . . . 78 N•m (58 lb-ft)
Cylinder Head Distortion
Standard . . . . . . . . . . . . . . . . . . . . . . . . . . . . . . . . . . . . . . . . . . . . . . . . 0.05 mm (0.002 in.) or less
Wear Limit . . . . . . . . . . . . . . . . . . . . . . . . . . . . . . . . . . . . . . . . . . . . . . . . . . . . 0.15 mm (0.006 in.)
Maximum Amount of Metal to be Removed . . . . . . . . . . . . . . . . . . . . . . . . . . 0.20 mm (0.008 in.)
Valve Seat Width
Intake Valve
Standard . . . . . . . . . . . . . . . . . . . . . . . . . . . . . . . . . . . . . . . .1.07 - 1.24 mm (0.042 - 0.049 in.)
Wear Limit . . . . . . . . . . . . . . . . . . . . . . . . . . . . . . . . . . . . . . . . . . . . . . . . . 1.74 mm (0.069 in.)
Exhaust Valve
Standard . . . . . . . . . . . . . . . . . . . . . . . . . . . . . . . . . . . . . . . .1.24 - 1.45 mm (0.049 - 0.057 in.)
Wear Limit . . . . . . . . . . . . . . . . . . . . . . . . . . . . . . . . . . . . . . . . . . . . . . . . . 1.94 mm (0.076 in.)
Intake and Exhaust Valves
Valve Faces
Minimum Margin . . . . . . . . . . . . . . . . . . . . . . . . . . . . . . . . . . . . . . . . . . . . . . . 0.51 mm (0.020 in.)
Exhaust Angle. . . . . . . . . . . . . . . . . . . . . . . . . . . . . . . . . . . . . . . . . . . . . . . . . . . . . . . . . . . . . . . 45°
Intake Angle . . . . . . . . . . . . . . . . . . . . . . . . . . . . . . . . . . . . . . . . . . . . . . . . . . . . . . . . . . . . . . . . 30°
Valve Stem O.D.
Distance A. . . . . . . . . . . . . . . . . . . . . . . . . . . . . . . . . . . . . . . . . . . . . . . . . . . . . . .30 mm (1.181 in.)
Distance B. . . . . . . . . . . . . . . . . . . . . . . . . . . . . . . . . . . . . . . . . . . . . . . . . . . . . . .60 mm (2.360 in.)
Intake and Exhaust Valves
Standard . . . . . . . . . . . . . . . . . . . . . . . . . . . . . . . . . . . . . .7.96 - 7.98 mm (0.3134 - 0.3142 in.)
Wear Limit . . . . . . . . . . . . . . . . . . . . . . . . . . . . . . . . . . . . . . . . . . . . . . . . 7.90 mm (0.3110 in.)
Valve Recession
Standard . . . . . . . . . . . . . . . . . . . . . . . . . . . . . . . . . . . . . . . . . . .0.30 - 0.50 mm (0.012 - 0.020 in.)
Wear Limit . . . . . . . . . . . . . . . . . . . . . . . . . . . . . . . . . . . . . . . . . . . . . . . . . . . . 1.00 mm (0.039 in.)
Valve Guides
Valve Guide I.D.
Maximum Clearance. . . . . . . . . . . . . . . . . . . . . . . . . . . . . . . . . . . . . . . . . . . . . 0.20 mm (0.008 in.)
Standard . . . . . . . . . . . . . . . . . . . . . . . . . . . . . . . . . . . . . . . . . . . . . . 8.01 - 8.03 (0.315 - 0.316 in.)
Wear Limit . . . . . . . . . . . . . . . . . . . . . . . . . . . . . . . . . . . . . . . . . . . . . . . . . . . . 8.10 mm (0.319 in.)
Valve Guide Height . . . . . . . . . . . . . . . . . . . . . . . . . . . . . . . . . . . . . . . . . . . . . . . . . .15 mm (0.591 in.)
Valve Springs
Spring Free Length
Standard . . . . . . . . . . . . . . . . . . . . . . . . . . . . . . . . . . . . . . . . . . . . . . . . . . . . . . . .40 mm (1.575 in.)
Wear Limit . . . . . . . . . . . . . . . . . . . . . . . . . . . . . . . . . . . . . . . . . . . . . . . . . . . 39.50 mm (1.550 in.)
Maximum Spring Inclination . . . . . . . . . . . . . . . . . . . . . . . . . . . . . . . . . . . . . . . . . 1.10 mm (0.044 in.)
Exhaust Manifold
Mounting Cap Screw and Nut Torque . . . . . . . . . . . . . . . . . . . . . . . . . . . . . . . . . . 26 N•m (226 lb-in.)
Intake Manifold
Mounting Cap Screw Torque . . . . . . . . . . . . . . . . . . . . . . . . . . . . . . . . . . . . . . . . . 26 N•m (226 lb-in.)
Valve Seat Angles
Valve Seat Surface
Exhaust Valve. . . . . . . . . . . . . . . . . . . . . . . . . . . . . . . . . . . . . . . . . . . . . . . . . . . . . . . . . . . . . . . 45°
Intake Valve . . . . . . . . . . . . . . . . . . . . . . . . . . . . . . . . . . . . . . . . . . . . . . . . . . . . . . . . . . . . . . . . 30°
Lower Seat Surface. . . . . . . . . . . . . . . . . . . . . . . . . . . . . . . . . . . . . . . . . . . . . . . . . . . . . . . . . . . . . . 70°
Upper Seat Surface . . . . . . . . . . . . . . . . . . . . . . . . . . . . . . . . . . . . . . . . . . . . . . . . . . . . . . . . . . . . . . 15°
Piston-to-Cylinder Head Clearance . . . . . . . . . . . . . . . . . . . . . . . . . . . .0.64 - 0.82 mm (0.025 - 0.032 in.)
Piston and Connecting Rod Cap Screw Torque . . . . . . . . . . . . . . . . . . . . . . . . . . . . . . . . 47 N•m (35 lb-ft)

Specifications
2-10
4/7/95
2
Connecting Rod Bearing I.D.
Clearance . . . . . . . . . . . . . . . . . . . . . . . . . . . . . . . . . . . . . . . . . . . . . . . . . . . . . . . . 0.16 mm (0.006 in.)
Standard . . . . . . . . . . . . . . . . . . . . . . . . . . . . . . . . . . . . . . . . . . . . . 48 - 48.042 mm (1.888 - 1.891 in.)
Wear Limit . . . . . . . . . . . . . . . . . . . . . . . . . . . . . . . . . . . . . . . . . . . . . . . . . . . . . . 48.07 mm (1.893 in.)
Piston Ring Groove Clearance
First Compression Ring
Standard . . . . . . . . . . . . . . . . . . . . . . . . . . . . . . . . . . . . . . .0.075 - 0.110 mm (0.0030 - 0.0043 in.)
Wear Limit . . . . . . . . . . . . . . . . . . . . . . . . . . . . . . . . . . . . . . . . . . . . . . . . . . . 0.25 mm (0.0098 in.)
Second Compression Ring
Standard . . . . . . . . . . . . . . . . . . . . . . . . . . . . . . . . . . . . . . . .0.45 - 0.080 mm (0.0018 - 0.0031 in.)
Wear Limit . . . . . . . . . . . . . . . . . . . . . . . . . . . . . . . . . . . . . . . . . . . . . . . . . . . 0.25 mm (0.0098 in.)
Oil Ring
Standard . . . . . . . . . . . . . . . . . . . . . . . . . . . . . . . . . . . . . . .0.025 - 0.060 mm (0.0010 - 0.0024 in.)
Wear Limit . . . . . . . . . . . . . . . . . . . . . . . . . . . . . . . . . . . . . . . . . . . . . . . . . . . 0.20 mm (0.0079 in.)
Piston Ring End Gap
3TN82, 3TNA82
Standard
First Compression Ring . . . . . . . . . . . . . . . . . . . . . . . . . . . .0.25 - 0.40 mm (0.010 - 0.016 in.)
Oil Ring. . . . . . . . . . . . . . . . . . . . . . . . . . . . . . . . . . . . . . . . .0.20 - 0.40 mm (0.008 - 0.016 in.)
Second Compression Ring . . . . . . . . . . . . . . . . . . . . . . . . . .0.20 - 0.35 mm (0.008 - 0.014 in.)
Wear Limit . . . . . . . . . . . . . . . . . . . . . . . . . . . . . . . . . . . . . . . . . . . . . . . . . . . 1.50 mm (0.0591 in.)
3TN84 (3014)
Standard
Compression Rings. . . . . . . . . . . . . . . . . . . . . . . . . . . . . . . .0.20 - 0.40 mm (0.008 - 0.016 in.)
Oil Ring. . . . . . . . . . . . . . . . . . . . . . . . . . . . . . . . . . . . . . . . .0.25 - 0.45 mm (0.010 - 0.018 in.)
Wear Limit . . . . . . . . . . . . . . . . . . . . . . . . . . . . . . . . . . . . . . . . . . . . . . . . . . . 1.50 mm (0.0591 in.)
Piston Pin
Pin O.D.
Standard . . . . . . . . . . . . . . . . . . . . . . . . . . . . . . . . . . . . . . . .25.987 - 26.00 mm (1.023 - 1.024 in.)
Wear Limit . . . . . . . . . . . . . . . . . . . . . . . . . . . . . . . . . . . . . . . . . . . . . . . . . . . 25.90 mm (1.020 in.)
Bore I.D.
Clearance . . . . . . . . . . . . . . . . . . . . . . . . . . . . . . . . . . . . . . . . . . . . . . . . . . . 0.045 mm (0.0018 in.)
Standard . . . . . . . . . . . . . . . . . . . . . . . . . . . . . . . . . . . . . .26.00 - 26.009 mm (1.0236 - 1.0240 in.)
Wear Limit . . . . . . . . . . . . . . . . . . . . . . . . . . . . . . . . . . . . . . . . . . . . . . . . . . . 26.02 mm (1.024 in.)
Bushing I.D.
Clearance . . . . . . . . . . . . . . . . . . . . . . . . . . . . . . . . . . . . . . . . . . . . . . . . . . . 0.110 mm (0.0043 in.)
Standard . . . . . . . . . . . . . . . . . . . . . . . . . . . . . . . . . . . . .26.025 - 26.038 mm (1.0246 - 1.0251 in.)
Wear Limit . . . . . . . . . . . . . . . . . . . . . . . . . . . . . . . . . . . . . . . . . . . . . . . . . . . 26.10 mm (1.028 in.)
Piston O.D.
3TN82, 3TNA82
Distance A. . . . . . . . . . . . . . . . . . . . . . . . . . . . . . . . . . . . . . . . . . . . . . . . . . . . . . .24 mm (0.945 in.)
Standard Size Piston
Standard . . . . . . . . . . . . . . . . . . . . . . . . . . . . . . . . . . . . . .81.90 - 81.93 mm (3.224 - 3.225 in.)
Wear Limit . . . . . . . . . . . . . . . . . . . . . . . . . . . . . . . . . . . . . . . . . . . . . . . . 81.80 mm (3.221 in.)
0.25 mm (0.010 in.) Oversize Piston
Standard . . . . . . . . . . . . . . . . . . . . . . . . . . . . . . . . . . . . . .82.15 - 82.17 mm (3.234 - 3.235 in.)
Wear Limit . . . . . . . . . . . . . . . . . . . . . . . . . . . . . . . . . . . . . . . . . . . . . . . . 82.05 mm (3.230 in.)
0.50 mm (0.020 in.) Oversize Piston (575 SSL Only)
Standard . . . . . . . . . . . . . . . . . . . . . . . . . . . . . . . . . . . . . .82.40 - 82.42 mm (3.244 - 3.245 in.)
Wear Limit . . . . . . . . . . . . . . . . . . . . . . . . . . . . . . . . . . . . . . . . . . . . . . . . 82.30 mm (3.240 in.)

Specifications
4/7/95
2-11
2
Piston O.D., continued
3TN84 (3014)
Distance A. . . . . . . . . . . . . . . . . . . . . . . . . . . . . . . . . . . . . . . . . . . . . . . . . . . . . . .24 mm (0.945 in.)
Standard Size Piston
Standard . . . . . . . . . . . . . . . . . . . . . . . . . . . . . . . . . . . . . .83.90 - 83.93 mm (3.303 - 3.304 in.)
Wear Limit . . . . . . . . . . . . . . . . . . . . . . . . . . . . . . . . . . . . . . . . . . . . . . . . 83.80 mm (3.299 in.)
0.25 mm (0.10 in.) Oversize Piston
Standard . . . . . . . . . . . . . . . . . . . . . . . . . . . . . . . . . . . . . .84.15 - 84.17 mm (3.313 - 3.314 in.)
Wear Limit . . . . . . . . . . . . . . . . . . . . . . . . . . . . . . . . . . . . . . . . . . . . . . . . 84.05 mm (3.309 in.)
0.50 mm (0.020 in.) Oversize Piston (3014 OEM Only)
Standard . . . . . . . . . . . . . . . . . . . . . . . . . . . . . . . . . . . . . .84.40 - 84.42 mm (3.323 - 3.324 in.)
Wear Limit . . . . . . . . . . . . . . . . . . . . . . . . . . . . . . . . . . . . . . . . . . . . . . . . 84.30 mm (3.319 in.)
Cylinder Bore I.D.
3TN82, 3TNA82
Standard Size Bore
Clearance . . . . . . . . . . . . . . . . . . . . . . . . . . . . . . . . . . . . . . . . . . . . . . . . . . 0.35 mm (0.014 in.)
Standard . . . . . . . . . . . . . . . . . . . . . . . . . . . . . . . . . . . . . .82.00 - 82.03 mm (3.228 - 3.230 in.)
Wear Limit . . . . . . . . . . . . . . . . . . . . . . . . . . . . . . . . . . . . . . . . . . . . . . . . 82.20 mm (3.236 in.)
0.25 mm (0.010 in.) Oversize Bore
Standard . . . . . . . . . . . . . . . . . . . . . . . . . . . . . . . . . . . . . .82.25 - 82.28 mm (3.238 - 3.239 in.)
Wear Limit . . . . . . . . . . . . . . . . . . . . . . . . . . . . . . . . . . . . . . . . . . . . . . . . 82.45 mm (3.246 in.)
0.50 mm (0.020 in.) Oversize Bore (575 SSL Only)
Standard . . . . . . . . . . . . . . . . . . . . . . . . . . . . . . . . . . . . . .82.50 - 82.53 mm (3.248 - 3.249 in.)
Wear Limit . . . . . . . . . . . . . . . . . . . . . . . . . . . . . . . . . . . . . . . . . . . . . . . . 82.70 mm (3.256 in.)
3TN84 (3014)
Standard Size Bore
Clearance . . . . . . . . . . . . . . . . . . . . . . . . . . . . . . . . . . . . . . . . . . . . . . . . . . 0.35 mm (0.014 in.)
Standard . . . . . . . . . . . . . . . . . . . . . . . . . . . . . . . . . . . . . .84.00 - 84.03 mm (3.307 - 3.308 in.)
Wear Limit . . . . . . . . . . . . . . . . . . . . . . . . . . . . . . . . . . . . . . . . . . . . . . . . 84.20 mm (3.315 in.)
0.25 mm (0.010 in.) Oversize Bore
Standard . . . . . . . . . . . . . . . . . . . . . . . . . . . . . . . . . . . . . .84.25 - 84.28 mm (3.317 - 3.318 in.)
Wear Limit . . . . . . . . . . . . . . . . . . . . . . . . . . . . . . . . . . . . . . . . . . . . . . . . 84.45 mm (3.325 in.)
0.50 mm (0.020 in.) Oversize Bore (3014 OEM Only)
Standard . . . . . . . . . . . . . . . . . . . . . . . . . . . . . . . . . . . . . .84.50 - 84.53 mm (3.327 - 3.328 in.)
Wear Limit . . . . . . . . . . . . . . . . . . . . . . . . . . . . . . . . . . . . . . . . . . . . . . . . 84.70 mm (3.335 in.)
Deglazing . . . . . . . . . . . . . . . . . . . . . . . . . . . . . . . . . . . . . . . . . . . . . . . . . . 30 - 40° cross-hatch pattern
Reboring . . . . . . . . . . . . . . . . . . . . . . . . . . . . . . . . . . . . . . . . . . . . . . . . . . . 30 - 40° cross-hatch pattern
Crankcase Extension Housing
Mounting Cap Screw Torque
Flywheel Housing/Plate-to-Extension . . . . . . . . . . . . . . . . . . . . . . . . . . . . . . . . . 49 N•m (36 lb-ft)
Seal Case-to-Extension. . . . . . . . . . . . . . . . . . . . . . . . . . . . . . . . . . . . . . . . . . . 26 N•m (226 lb-in.)
Extension-to-Block . . . . . . . . . . . . . . . . . . . . . . . . . . . . . . . . . . . . . . . . . . . . . . . . 27 N•m (20 lb-ft)
Extension-to-Timing Gear Cover . . . . . . . . . . . . . . . . . . . . . . . . . . . . . . . . . . . 22 N•m (195 lb-in.)
Crankshaft Rear Oil Seal
Seal Case-to-Block Cap Screw Torque . . . . . . . . . . . . . . . . . . . . . . . . . . . . . . . . . 26 N•m (226 lb-in.)
Seal Case-to-Extension Cap Screw Torque . . . . . . . . . . . . . . . . . . . . . . . . . . . . . . 21 N•m (180 lb-in.)
Crankshaft and Main Bearings
Main Bearing Cap Screw Torque . . . . . . . . . . . . . . . . . . . . . . . . . . . . . . . . . . . . . . . . 98 N•m (72 lb-ft)
Crankshaft Maximum Bend . . . . . . . . . . . . . . . . . . . . . . . . . . . . . . . . . . . . . . . . . 0.02 mm (0.0007 in.)
Connecting Rod Journal O.D.
Standard . . . . . . . . . . . . . . . . . . . . . . . . . . . . . . . . . . . . .47.952 - 47.962 mm (1.8879 - 1.8883 in.)
Wear Limit . . . . . . . . . . . . . . . . . . . . . . . . . . . . . . . . . . . . . . . . . . . . . . . . . . . 47.91 mm (1.886 in.)

Specifications
2-12
4/7/95
2
Crankshaft and Main Bearings, continued
Main Bearing Journal O.D.
Standard . . . . . . . . . . . . . . . . . . . . . . . . . . . . . . . . . . . . .46.952 - 46.962 mm (1.9666 - 1.9670 in.)
Wear Limit . . . . . . . . . . . . . . . . . . . . . . . . . . . . . . . . . . . . . . . . . . . . . . . . . . . 49.90 mm (1.965 in.)
Main Bearing I.D.
Clearance . . . . . . . . . . . . . . . . . . . . . . . . . . . . . . . . . . . . . . . . . . . . . . . . . . . . 0.15 mm (0.0059 in.)
Standard . . . . . . . . . . . . . . . . . . . . . . . . . . . . . . . . . . . . . . . .50.00 - 50.045 mm (1.969 - 1.970 in.)
Wear Limit . . . . . . . . . . . . . . . . . . . . . . . . . . . . . . . . . . . . . . . . . . . . . . . . . . . 50.10 mm (1.972 in.)
Flywheel
Maximum Distortion. . . . . . . . . . . . . . . . . . . . . . . . . . . . . . . . . . . . . . . . . . . . . . . 0.02 mm (0.0008 in.)
Mounting Cap Screw Torque . . . . . . . . . . . . . . . . . . . . . . . . . . . . . . . . . . . . . . . . . . . 83 N•m (61 lb-ft)
Flywheel Housing/Plate Mounting Cap Screw Torque . . . . . . . . . . . . . . . . . . . . . . . . . . 49 N•m (36 lb-ft)
Camshaft
Mounting Cap Screw Torque . . . . . . . . . . . . . . . . . . . . . . . . . . . . . . . . . . . . . . . . . 26 N•m (226 lb-in.)
Camshaft Side Gap
Standard . . . . . . . . . . . . . . . . . . . . . . . . . . . . . . . . . . . . . . . . .0.05 - 0.20 mm (0.0020 - 0.0079 in.)
Wear Limit . . . . . . . . . . . . . . . . . . . . . . . . . . . . . . . . . . . . . . . . . . . . . . . . . . . . 0.40 mm (0.016 in.)
Maximum Camshaft Bend . . . . . . . . . . . . . . . . . . . . . . . . . . . . . . . . . . . . . . . . . . . 0.02 mm (0.001 in.)
Lobe Height
Standard . . . . . . . . . . . . . . . . . . . . . . . . . . . . . . . . . . . . . . .38.635 - 38.765 mm (1.521 - 1.526 in.)
Wear Limit . . . . . . . . . . . . . . . . . . . . . . . . . . . . . . . . . . . . . . . . . . . . . . . . . . . 38.40 mm (1.512 in.)
Journal O.D.
Gear Housing and Flywheel Ends
Standard . . . . . . . . . . . . . . . . . . . . . . . . . . . . . . . . . . . . . .44.92 - 44.95 mm (1.769 - 1.770 in.)
Wear Limit . . . . . . . . . . . . . . . . . . . . . . . . . . . . . . . . . . . . . . . . . . . . . . . . 44.80 mm (1.764 in.)
Intermediate
Standard . . . . . . . . . . . . . . . . . . . . . . . . . . . . . . . . . . . . . .44.91 - 44.94 mm (1.768 - 1.769 in.)
Wear Limit . . . . . . . . . . . . . . . . . . . . . . . . . . . . . . . . . . . . . . . . . . . . . . . . 44.80 mm (1.764 in.)
Bushing I.D.
Clearance . . . . . . . . . . . . . . . . . . . . . . . . . . . . . . . . . . . . . . . . . . . . . . . . . . . . 0.20 mm (0.0078 in.)
Standard . . . . . . . . . . . . . . . . . . . . . . . . . . . . . . . . . . . . . . .44.990 - 45.055 mm (1.771 - 1.744 in.)
Wear Limit . . . . . . . . . . . . . . . . . . . . . . . . . . . . . . . . . . . . . . . . . . . . . . . . . . . 45.10 mm (1.776 in.)
Bore I.D.
Clearance . . . . . . . . . . . . . . . . . . . . . . . . . . . . . . . . . . . . . . . . . . . . . . . . . . . . . 0.20 mm (0.008 in.)
Standard . . . . . . . . . . . . . . . . . . . . . . . . . . . . . . . . . . . . . . . .45.00 - 45.025 mm (1.772 - 1.773 in.)
Wear Limit . . . . . . . . . . . . . . . . . . . . . . . . . . . . . . . . . . . . . . . . . . . . . . . . . . . 45.10 mm (1.776 in.)
Cam Followers
Stem O.D.
Standard . . . . . . . . . . . . . . . . . . . . . . . . . . . . . . . . . . . . . . .11.975 - 11.990 mm (0.471 - 0.472 in.)
Wear Limit . . . . . . . . . . . . . . . . . . . . . . . . . . . . . . . . . . . . . . . . . . . . . . . . . . . 11.93 mm (0.470 in.)
Bore I.D.
Clearance . . . . . . . . . . . . . . . . . . . . . . . . . . . . . . . . . . . . . . . . . . . . . . . . . . . . . 0.10 mm (0.004 in.)
Standard . . . . . . . . . . . . . . . . . . . . . . . . . . . . . . . . . . . . . . .12.000 - 12.018 mm (0.472 - 0.473 in.)
Wear Limit . . . . . . . . . . . . . . . . . . . . . . . . . . . . . . . . . . . . . . . . . . . . . . . . . . . 12.05 mm (0.474 in.)
Timing Gear Cover
Cover Mounting Cap Screw Torque. . . . . . . . . . . . . . . . . . . . . . . . . . . . . . . . . . . . 26 N•m (226 lb-in.)
Crankcase Extension Housing-to-Cover Cap Screw Torque . . . . . . . . . . . . . . . . . 22 N•m (195 lb-in.)
Crankshaft Pulley Cap Screw Torque. . . . . . . . . . . . . . . . . . . . . . . . . . . . . . . . . . . . 115 N•m (85 lb-ft)
Fan Mounting Cap Screw Torque. . . . . . . . . . . . . . . . . . . . . . . . . . . . . . . . . . . . . . 11 N•m (226 lb-in.)
Oil Pan-to-Cover Cap Screw Torque . . . . . . . . . . . . . . . . . . . . . . . . . . . . . . . . . . . 22 N•m (195 lb-in.)
Idler Gear
Shaft O.D
Standard . . . . . . . . . . . . . . . . . . . . . . . . . . . . . . . . . . . . . . .45.950 - 45.975 mm (1.809 - 1.810 in.)
Wear Limit . . . . . . . . . . . . . . . . . . . . . . . . . . . . . . . . . . . . . . . . . . . . . . . . . . . 45.93 mm (1.808 in.)

Specifications
4/7/95
2-13
2
Idler Gear, continued
Bushing I.D.
Clearance . . . . . . . . . . . . . . . . . . . . . . . . . . . . . . . . . . . . . . . . . . . . . . . . . . . . 0.15 mm (0.0059 in.)
Standard . . . . . . . . . . . . . . . . . . . . . . . . . . . . . . . . . . . . . . . .46.00 - 46.025 mm (1.811 - 1.812 in.)
Wear Limit . . . . . . . . . . . . . . . . . . . . . . . . . . . . . . . . . . . . . . . . . . . . . . . . . . . 46.03 mm (1.812 in.)
Timing Gear Cover Mounting Plate Cap Screw Torque . . . . . . . . . . . . . . . . . . . . . . . 25 N•m (220 lb-in.)
Oil Pan and Strainer Mounting Cap Screw Torque . . . . . . . . . . . . . . . . . . . . . . . . . . . 26 N•m (226 lb-in.)
Oil Pump
Mounting Cap Screw Torque . . . . . . . . . . . . . . . . . . . . . . . . . . . . . . . . . . . . . . . . . . . 25 N•m (18 lb-ft)
Rotor Shaft O.D.-to-Backing Plate I.D. Clearance
Standard . . . . . . . . . . . . . . . . . . . . . . . . . . . . . . . . . . . . . . .0.015 - 0.048 mm (0.0006 - 0.0035 in.)
Wear Limit . . . . . . . . . . . . . . . . . . . . . . . . . . . . . . . . . . . . . . . . . . . . . . . . . . . 0.20 mm (0.0078 in.)
Rotor Recess
Standard . . . . . . . . . . . . . . . . . . . . . . . . . . . . . . . . . . . . . . . . .0.03 - 0.09 mm (0.0011 - 0.0035 in.)
Wear Limit . . . . . . . . . . . . . . . . . . . . . . . . . . . . . . . . . . . . . . . . . . . . . . . . . . . 0.15 mm (0.0059 in.)
Outer Rotor-to-Pump Body Clearance
Standard . . . . . . . . . . . . . . . . . . . . . . . . . . . . . . . . . . . . . . . . .0.10 - 0.17 mm (0.0039 - 0.0067 in.)
Wear Limit . . . . . . . . . . . . . . . . . . . . . . . . . . . . . . . . . . . . . . . . . . . . . . . . . . . 0.25 mm (0.0098 in.)
Inner-to-Outer Rotor Clearance
Standard . . . . . . . . . . . . . . . . . . . . . . . . . . . . . . . . . . . . . . . .0.05 - 0.105 mm (0.0019 - 0.0041 in.)
Wear Limit . . . . . . . . . . . . . . . . . . . . . . . . . . . . . . . . . . . . . . . . . . . . . . . . . . . 0.15 mm (0.0059 in.)
Oil Cooler - 3TN84 (955 CUT)
Oil Cooler-to-Valve Body Retaining Nut Torque . . . . . . . . . . . . . . . . . . . . . . . . . . . 30 N•m (22 lb-ft)
Oil Pressure Regulating Valve
Spring
Compressed Length . . . . . . . . . . . . . . . . . . . . . . . . .27.50 mm (1.080 in.) @ 20.5 N (4.6 lb-force)
Free Length. . . . . . . . . . . . . . . . . . . . . . . . . . . . . . . . . . . . . . . . . . . . . . . . . . . . . .46 mm (1.810 in.)
Housing-to-Valve Body Retaining Nut Torque . . . . . . . . . . . . . . . . . . . . . . . . . . . . . 30 N•m (22 lb-ft)
Housing-to-Engine Block Cap Screw Torque . . . . . . . . . . . . . . . . . . . . . . . . . . . . . . 27 N•m (20 lb-ft)
Thermostat and Housing - 3TN82 (30 EX), 3TN84 (955 CUT, 3014 OEM)
Thermostat Cover Cap Screw Torque . . . . . . . . . . . . . . . . . . . . . . . . . . . . . . . . . . 20 N•m (180 lb-in.)
Plate-to-Housing Cap Screw Torque . . . . . . . . . . . . . . . . . . . . . . . . . . . . . . . . . . . . . 9 N•m (78 lb-in.)
Housing Mounting Cap Screw Torque . . . . . . . . . . . . . . . . . . . . . . . . . . . . . . . . . . 26 N•m (226 lb-in.)
Thermostat - 3TN82 (575 SSL), 3TNA82, 3TN84 (870 CUT)
Cover Cap Screw Torque . . . . . . . . . . . . . . . . . . . . . . . . . . . . . . . . . . . . . . . . . . . . 20 N•m (180 lb-in.)
Water Pump - 3TN82 (30 EX), 3TN84 (955 CUT, 3014 OEM)
Fan Mounting Cap Screw . . . . . . . . . . . . . . . . . . . . . . . . . . . . . . . . . . . . . . . . . . . . . 11 N•m (96 lb-in.)
Mounting Cap Screw Torque . . . . . . . . . . . . . . . . . . . . . . . . . . . . . . . . . . . . . . . . . 26 N•m (226 lb-in.)
Plate-to-Housing Screw Torque . . . . . . . . . . . . . . . . . . . . . . . . . . . . . . . . . . . . . . . 15 N•m (134 lb-in.)
Plug-to-Housing Torque . . . . . . . . . . . . . . . . . . . . . . . . . . . . . . . . . . . . . . . . . . . . . 15 N•m (130 lb-in.)
3TN82 (30 EX)
Top of Pulley Flange-to-Top of Housing . . . . . . . . . . . . . . . . . . . . . . . . . . . . . . .27 mm (1.060 in.)
Top of Impeller-to-Housing . . . . . . . . . . . . . . . . . . . . . . . . . . . . . 1 mm (0.040 in.) below housing
3TN84 (955 CUT, 3014 OEM)
Bottom of Pulley Flange-to-Top of Housing . . . . . . . . . . . . . . . . . . . . . . . . . . . .17 mm (0.670 in.)
Top of Impeller-to-Housing . . . . . . . . . . . . . . . . . . . . . . . . . . . . . 2 mm (0.080 in.) below housing
Water Pump - 3TN82 (575 SSL), 3TNA82, 3TN84 (870 CUT)
Mounting Cap Screw Torque . . . . . . . . . . . . . . . . . . . . . . . . . . . . . . . . . . . . . . . . . 26 N•m (226 lb-in.)
Fan Mounting Cap Screw Torque. . . . . . . . . . . . . . . . . . . . . . . . . . . . . . . . . . . . . . . 11 N•m (96 lb-in.)
Plate-to-Housing Cap Screw Torque . . . . . . . . . . . . . . . . . . . . . . . . . . . . . . . . . . . . . 9 N•m (78 lb-in.)
Adapter-to-Plate Cap Screw Torque. . . . . . . . . . . . . . . . . . . . . . . . . . . . . . . . . . . . . . 9 N•m (78 lb-in.)
Bottom of Pulley Flange-to-Top of Housing . . . . . . . . . . . . . . . . . . . . . . . . . . . . . . .17 mm (0.670 in.)
Impeller-to-Pump Housing . . . . . . . . . . . . . . . . . . . . . . . . . . . . . . . . . 2 mm (0.080 in.) below housing

Specifications
2-14
4/7/95
2
Fuel Supply Pump - 3TNA82, 3TN84 (3014)
External Lube Line Mounting Bolt Torque . . . . . . . . . . . . . . . . . . . . . . . . . . . . . . 15 N•m (130 lb-in.)
Mounting Nut Torque . . . . . . . . . . . . . . . . . . . . . . . . . . . . . . . . . . . . . . . . . . . . . . . . 11 N•m (96 lb-in.)
Fuel Injection Pump
Injection Pump Gear Nut Torque . . . . . . . . . . . . . . . . . . . . . . . . . . . . . . . . . . . . . . . . 90 N•m (66 lb-ft)
Mounting Nut Torque . . . . . . . . . . . . . . . . . . . . . . . . . . . . . . . . . . . . . . . . . . . . . . . . . 26 N•m (19 lb-ft)
Lube Line-to-Block Bolt Torque . . . . . . . . . . . . . . . . . . . . . . . . . . . . . . . . . . . . . . 25 N•m (217 lb-in.)
Fuel Injection Nozzles
Mounting Nut Torque . . . . . . . . . . . . . . . . . . . . . . . . . . . . . . . . . . . . . . . . . . . . . . . . . 5 N•m (39 lb-in.)
Retaining Nut Torque . . . . . . . . . . . . . . . . . . . . . . . . . . . . . . . . . . . . . . . . . . . . . . . . . 43 N•m (31 lb-ft)
Separator Plate Nozzle Contact Surface Maximum Wear . . . . . . . . . . . . . . . . . . 0.10 mm (0.0039 in.)
Starter Motor - 3TN82 (30 EX) (Hitachi 2.0 kW)
Minimum Brush Length . . . . . . . . . . . . . . . . . . . . . . . . . . . . . . . . . . . . . . . . . . . . . . . .9 mm (0.354 in.)
Starter Motor - 3TNA82, 3TN84 (3014) (Nippondenso 1.0 and 1.2 kW)
Minimum Brush Length . . . . . . . . . . . . . . . . . . . . . . . . . . . . . . . . . . . . . . . . . . . . . . 8.5 mm (0.335 in.)
Starter Motor - 3TN82 (575 SSL) (Nippondenso 1.4 kW)
Minimum Brush Length . . . . . . . . . . . . . . . . . . . . . . . . . . . . . . . . . . . . . . . . . . . . . . 8.5 mm (0.335 in.)
Alternator -3TNA82, 3TN84 (870 CUT) (Kokosan 20A)
Flywheel Assembly-to-Coil Plate Assembly Nut Torque . . . . . . . . . . . . . . . . . . . . . 27 N•m (20 lb-ft)
Alternator - 3TN82 (30 EX) (Hitachi 25A)
Attaching Screw Torque . . . . . . . . . . . . . . . . . . . . . . . . . . . . . . . . . . . . . . . . . . . . . . . 4 N•m (31 lb-in.)
Rotor Assembly
Retainer-to-Front Frame Screw Torque . . . . . . . . . . . . . . . . . . . . . . . . . . . . . . . . 2 N•m (16 lb-in.)
Sheave Nut Torque . . . . . . . . . . . . . . . . . . . . . . . . . . . . . . . . . . . . . . . . . . . . . . . . 49 N•m (36 lb-ft)
End Frame-to-Rectifier Nut Torque . . . . . . . . . . . . . . . . . . . . . . . . . . . . . . . . . . . . . . 4 N•m (31 lb-in.)
Stator-to-Rectifier Lead Wire Distance . . . . . . . . . . . . . . . . . . . . . . . . . . . . . . . . 33.50 mm (1.300 in.)
Minimum Brush Length . . . . . . . . . . . . . . . . . . . . . . . . . . . . . . . . . . . . . . . . . . . . . 5.50 mm (0.220 in.)
Alternator - 3TN82 (575 SSL), 3TNA82, 3TN84 (870 CUT, 955 CUT) (Nippondenso 35A)
Attaching Screw Torque . . . . . . . . . . . . . . . . . . . . . . . . . . . . . . . . . . . . . . . . . . . . . . . 4 N•m (31 lb-in.)
Rotor Assembly
Retainer-to-Front Frame Screw Torque . . . . . . . . . . . . . . . . . . . . . . . . . . . . . . . . 2 N•m (16 lb-in.)
Pulley Nut Torque. . . . . . . . . . . . . . . . . . . . . . . . . . . . . . . . . . . . . . . . . . . . . . . . . 54 N•m (40 lb-ft)
Stator-to-Rectifier Lead Wire Distance . . . . . . . . . . . . . . . . . . . . . . . . . . . . . 33.50 mm (1.300 in.)
Minimum Brush Length . . . . . . . . . . . . . . . . . . . . . . . . . . . . . . . . . . . . . . . . . . . . . 5.50 mm (0.220 in.)
Alternator - 3TN82 (575 SSL), 3TN84 (955 CUT, 3014 OEM) (Nippondenso 40A)
Sheave Nut Torque . . . . . . . . . . . . . . . . . . . . . . . . . . . . . . . . . . . . . . . . . . . . . . . . . . . 69 N•m (51 lb-ft)
Retainer-to-Front Frame Screw Torque . . . . . . . . . . . . . . . . . . . . . . . . . . . . . . . . . . . 2 N•m (16 lb-in.)
Minimum Rotor Slip Ring O.D. . . . . . . . . . . . . . . . . . . . . . . . . . . . . . . . . . . . . . . . . .14 mm (0.550 in.)
Brush Length
New. . . . . . . . . . . . . . . . . . . . . . . . . . . . . . . . . . . . . . . . . . . . . . . . . . . . . . . . . 10.50 mm (0.410 in.)
Wear Limit . . . . . . . . . . . . . . . . . . . . . . . . . . . . . . . . . . . . . . . . . . . . . . . . . . . . 4.50 mm (0.170 in.)
Checks, Tests and Adjustments
Valve Clearance . . . . . . . . . . . . . . . . . . . . . . . . . . . . . . . . . . . . . . . . . . . . . . . . . . . 0.20 mm (0.008 in.)
Connecting Rod Side Play
Standard Clearance . . . . . . . . . . . . . . . . . . . . . . . . . . . . . . . . .0.20 - 0.40 mm (0.0079 - 0.0157 in.)
Wear Limit . . . . . . . . . . . . . . . . . . . . . . . . . . . . . . . . . . . . . . . . . . . . . . . . . . . 0.55 mm (0.0217 in.)
Connecting Rod Bearing Clearance
Standard Clearance . . . . . . . . . . . . . . . . . . . . . . . . . . . . . . .0.038 - 0.090 mm (0.0015 - 0.0035 in.)
Wear Limit . . . . . . . . . . . . . . . . . . . . . . . . . . . . . . . . . . . . . . . . . . . . . . . . . . . 0.16 mm (0.0063 in.)
Crankshaft End Play
Standard Clearance . . . . . . . . . . . . . . . . . . . . . . . . . . . . . . . . .0.090 - 0.271 mm (0.004 - 0.011 in.)
Wear Limit . . . . . . . . . . . . . . . . . . . . . . . . . . . . . . . . . . . . . . . . . . . . . . . . . . . 0.33 mm (0.0129 in.)

Specifications
4/7/95
2-15
2
Checks, Tests and Adjustments, continued
Crankshaft Main Bearing Clearance
Main Bearing Cap Cap Screw Torque . . . . . . . . . . . . . . . . . . . . . . . . . . . . . . . . . 98 N•m (72 lb-ft)
Standard Clearance . . . . . . . . . . . . . . . . . . . . . . . . . . . . . . .0.038 - 0.090 mm (0.0015 - 0.0035 in.)
Wear Limit . . . . . . . . . . . . . . . . . . . . . . . . . . . . . . . . . . . . . . . . . . . . . . . . . . . 0.06 mm (0.0063 in.)
Valve Lift (Intake and Exhaust) . . . . . . . . . . . . . . . . . . . . . . . . . . . . . . . . . . . . . . . . 8.8 mm (0.350 in.)
Camshaft End Play
Standard Clearance . . . . . . . . . . . . . . . . . . . . . . . . . . . . . . . . .0.05 - 0.20 mm (0.0020 - 0.0079 in.)
Wear Limit . . . . . . . . . . . . . . . . . . . . . . . . . . . . . . . . . . . . . . . . . . . . . . . . . . . . 0.40 mm (0.016 in.)
Timing Gear Backlash
Standard Backlash. . . . . . . . . . . . . . . . . . . . . . . . . . . . . . . . . .0.04 - 0.12 mm (0.0016 - 0.0047 in.)
Wear Limit . . . . . . . . . . . . . . . . . . . . . . . . . . . . . . . . . . . . . . . . . . . . . . . . . . . 0.20 mm (0.0079 in.)
Fuel Injection Nozzle
Opening Pressure . . . . . . . . . . . . . . . . . . . . . . . . . . . . . . . . . . . . .19600 ± 480 kPa (2843 ± 70 psi)
Leakage at 17640 kPa (2558 psi) . . . . . . . . . . . . . . . . . . . . . . . . . . . . . . . . Minimum of 5 Seconds
Chatter and Spray Pattern at 19600 ± 480 kPa (2843 ± 70 psi)
Slow Hand Lever Movement . . . . . . . . . . . . . . . . . . . . . . . . . . . . . . . . . . . . . . . .Chatter Sound
Slow Hand Lever Movement . . . . . . . . . . . . . . . . . . . . . . . . . . . . . . Fine Stream Spray Pattern
Fast Hand Lever Movement . . . . . . . . . . . . . . . . . . . . . . . . . . . . .Fine Atomized Spray Pattern
Thermostat
Begin Opening . . . . . . . . . . . . . . . . . . . . . . . . . . . . . . . . . . . . . . . . . . . . . . . . . . . . . .71° C (160°F)
Fully Open . . . . . . . . . . . . . . . . . . . . . . . . . . . . . . . . . . . . . . . . . . . . . . . . . . . . . . . . 85° C (184° F)
Minimum Lift Height . . . . . . . . . . . . . . . . . . . . . . . . . . . . . . . . . . . . . . . . . . . . . . .8 mm (0.310 in.)
Coolant Temperature Switch Continuity . . . . . . . . . . . . . . . . . . . . . . . . . . 107 - 113° C (225 - 235° F)
Starter No-Load Amp Draw/RPM
Maximum Starter Amperage
Hitachi 2.0 kW . . . . . . . . . . . . . . . . . . . . . . . . . . . . . . . . . . . . . . . . . . . .110 Amps at 4500 rpm
Nippondenso 1.0 and 1.2 kW . . . . . . . . . . . . . . . . . . . . . . . . . . . . . . . . . .90 Amps at 3000 rpm
Nippondenso 1.4 kW . . . . . . . . . . . . . . . . . . . . . . . . . . . . . . . . . . . . . . . .90 Amps at 3500 rpm
Minimum Starter RPM
Hitachi 2.0 kW . . . . . . . . . . . . . . . . . . . . . . . . . . . . . . . . . . . . . . . . . . . . . . . . . . . . . . . . . . 4500
Nippondenso 1.0 and 1.2 kW . . . . . . . . . . . . . . . . . . . . . . . . . . . . . . . . . . . . . . . . . . . . . . . 3000
Nippondenso 1.4 kW . . . . . . . . . . . . . . . . . . . . . . . . . . . . . . . . . . . . . . . . . . . . . . . . . . . . . 3500
Fuel Injection Pump Static Timing Adjustment
Injection Pump Timing
3TN82 (575 SSL) . . . . . . . . . . . . . . . . . . . . . . . . . . .17 ± 1° BTDC (Before Top Dead Center)
3TN82 (30 EX), 3TNA82, 3TN84 (3014) . . . . . . . . . . . . . . . . . . . . . . . . . . . . . 16 ± 1° BTDC
Engine Crankshaft Position . . . . . . . . . . . . . . . . . . . No. 1 Cylinder on TDC Compression Stroke
Fan/Alternator Drive Belt Tension
Applied Force . . . . . . . . . . . . . . . . . . . . . . . . . . . . . . . . . . . . . . . . . . . . . . . . . . . 98 N (22 lb-force)
Deflection . . . . . . . . . . . . . . . . . . . . . . . . . . . . . . . . . . . . . . . . . . . . .10 - 15 mm (0.400 - 0.600 in.)
Oil Cooler Leakage - 3TN84 (955 CUT)
Applied Air Pressure. . . . . . . . . . . . . . . . . . . . . . . . . . . . . . . . . . . . . . . .206 - 483 kPa (30 - 70 psi)
Operational Tests
Radiator, Bubble Test
Maximum Air Pressure Into Cylinder
3TN82, 3TNA82, 3TN84 (870 CUT, 955 CUT) . . . . . . . . . . . . . . . . . . . . . 2448 kPa (355 psi)
3TN84 (3014 OEM) . . . . . . . . . . . . . . . . . . . . . . . . . . . . . . . . . . . . . . . . . . . 2158 kPa (313 psi)
Cooling System
3TN82, 3TNA82, 3TN84 (870 CUT, 3014 OEM)
Maximum Pressure . . . . . . . . . . . . . . . . . . . . . . . . . . . . . . . . . . . . . . . . . . . . . . . 97 kPa (14 psi)
Minimum Pressure after 15 Seconds . . . . . . . . . . . . . . . . . . . . . . . . . . . . . . . 88 kPa (12.8 psi)

Specifications
2-16
4/7/95
2
Operational Tests - Cooling System, continued
3TN84 (955 CUT)
Maximum Pressure . . . . . . . . . . . . . . . . . . . . . . . . . . . . . . . . . . . . . . . . . . . . . . 117 kPa (17 psi)
Minimum Pressure after 15 Seconds . . . . . . . . . . . . . . . . . . . . . . . . . . . . . . . . . 90 kPa (13 psi)
Radiator Cap
Valve Opening Pressure
3TN82, 3TNA82, 3TN84 (870 CUT, 3014 OEM) . . . . . . . . . . . . . . . . . . . . . 88 kPa (12.8 psi)
3TN84 (955 CUT) . . . . . . . . . . . . . . . . . . . . . . . . . . . . . . . . . . . . . . . . . . . . . . . 90 kPa (13 psi)
Cylinder, Compression Pressure
Compression Pressure
3TN82, 3TNA82, 3TN84 (870 CUT, 955 CUT) . . . . . . . . . . . . . . . . . . . . . 2448 kPa (355 psi)
3TN84 (3014 OEM) . . . . . . . . . . . . . . . . . . . . . . . . . . . . . . . . . . . . . . . . . . . 2158 kPa (313 psi)
Maximum Difference Between Cylinders . . . . . . . . . . . . . . . . . . . . . . . . . . . . . . . 490 kPa (71 psi)
Engine Oil Pressure
3TN82 (30 EX)
Idle Speed
Slow . . . . . . . . . . . . . . . . . . . . . . . . . . . . . . . . . . . . . . . . . . . . . . . . . . . . . . . . 800 ± 25 rpm
Fast . . . . . . . . . . . . . . . . . . . . . . . . . . . . . . . . . . . . . . . . . . . . . . . . . . . . . . . . 2450 ± 25 rpm
Oil Pressure
Slow Idle. . . . . . . . . . . . . . . . . . . . . . . . . . . . . . . . . . . . . . . . . . . . . . . . . . . 262 kPa (38 psi)
Fast Idle. . . . . . . . . . . . . . . . . . . . . . . . . . . . . . . . . . . . . . . . . . . . .345 ± 48 kPa (50 ± 7 psi)
3TN82 (575 SSL)
Idle Speed
Slow . . . . . . . . . . . . . . . . . . . . . . . . . . . . . . . . . . . . . . . . . . . . . . . . . . . . . . . 1250 ± 25 rpm
Fast . . . . . . . . . . . . . . . . . . . . . . . . . . . . . . . . . . . . . . . . . . . . . . . . . . . . . . . . 2875 ± 25 rpm
Oil Pressure. . . . . . . . . . . . . . . . . . . . . . . . . . . . . . . . . . . . . . . . . . . .294 - 392 kPa (43 - 57 psi)
3TNA82, 3TN84 (870 CUT)
Fast Idle. . . . . . . . . . . . . . . . . . . . . . . . . . . . . . . . . . . . . . . . . . . . . . . . . . . . . . .2750 - 2800 rpm
Oil Pressure. . . . . . . . . . . . . . . . . . . . . . . . . . . . . . . . . . . . . . . . . . . .365 ± 69 kPa (53 ± 10 psi)
3TN84 (955 CUT)
Fast Idle. . . . . . . . . . . . . . . . . . . . . . . . . . . . . . . . . . . . . . . . . . . . . . . . . . . . . . . . 3425 ± 25 rpm
Oil Pressure. . . . . . . . . . . . . . . . . . . . . . . . . . . . . . . . . . . . . . . . . . . .365 ± 69 kPa (53 ± 10 psi)
3TN84 (3014 OEM)
Low Idle Speed
Industrial . . . . . . . . . . . . . . . . . . . . . . . . . . . . . . . . . . . . . . . . . . . . . . . . . . . . . . . . 1300 rpm
Generator . . . . . . . . . . . . . . . . . . . . . . . . . . . . . . . . . . . . . . . . . . . . . . . . . . . . . . . 1200 rpm
Oil Pressure . . . . . . . . . . . . . . . . . . . . . . . . . . . . . . . . . . . . . . . . . . . . . . . . . . . 147 kPa (21 psi)
Air Intake System Holding Pressure. . . . . . . . . . . . . . . . . . . . . . . . . . . . . . . . . .34 - 69 kPa (5 - 10 psi)
Minimum Fuel Supply Pump Pressure . . . . . . . . . . . . . . . . . . . . . . . . . . . . . . . . . . . . . 29 kPa (4.3 psi)
Fuel System Holding Pressure (Maximum) . . . . . . . . . . . . . . . . . . . . . . . . . . . . . . . . . 103 kPa (15 psi)

Cylinder Head, Valves and Manifolds
4/7/95
2
2-17
SPECIAL OR ESSENTIAL TOOLS
NOTE: Order tools according to information given in the U.S. SERVICE-GARDTM Catalog or in the
European Microfiche Tool Catalog (MTC).
D-20018WI Valve Guide Knurler
Use to knurl inside diameter of valve guides on 3TN75, 3TN78 and 3TNC78 (3011) engine.
D-20019WI Valve Guide Knurler
Use to knurl inside diameter of valve guides on 3TN82, 3TNA82 and 3TN84 (3014) engines.
JDE118 Valve Guide Driver
Use to remove and install valve guides in cylinder head.
D-20020WI Valve Guide Reamer
Use to ream out new valve guides on 3TN75, 3TN78 and 3TNC78 (3011) engine.
D-20021WI Valve Guide Reamer
Use to ream out new valve guides on 3TN82, 3TNA82 and 3TN84 (3014) engines.
SERVICE PARTS KITS
The following kits are available through your parts catalog:
•Cylinder Head Gasket Kits

Cylinder Head, Valves and Manifolds
2-18
4/7/95
2
ROCKER ARM COVER
•Wash packing in a safe solvent and blow dry
with air pressure. If packing comes apart or is
deteriorated, replace it.
M82329A
Extension
(575 SSL)
O-Ring
(575 SSL)
Crankcase Breather
Tube
Cap Screw (2)
M8 x 16
O-Ring
Replace.
Packing
Special Nut (3)
18 N•m (160 lb-in.)
O-Ring (3)
O-Ring
Oil Filler Cap
Crankcase Breather
Cover
Screen
Rocker Arm Cover
O-Ring Seal

Cylinder Head, Valves and Manifolds
4/7/95
2
2-19
ROCKER ARM ASSEMBLY
Removal/Installation and
Disassembly/Assembly
1. Remove rocker arm cover. (See procedure in this
group.)
•Remove and install studs using two M8 nuts.
•Inspect all parts for wear or damage. (See
Inspection procedures.)
•Lubricate all parts with clean oil during
assembly.
•Adjust valve clearance. (See Checks, Tests and
Adjustments in this section.)
M82330A
Rocker Arm Shaft
Mounting Cap
Screw (2)
M8 x 25
26 N•m (226 lb-in.)
Mounting Cap Screw (6)
M8 x 50
26 N•m (226 lb-in.)
Rocker Arm
Shaft Spring
Nut
Nut (3)
M8
(575 SSL)
Stud (3)
Push Rod
Adjusting Screw
Valve Cap
Intake Valve Rocker Arm
Exhaust Valve Rocker Arm
Rocker Arm
Center Support (2)
Rocker Arm
End Support (2)

Cylinder Head, Valves and Manifolds
2-20
4/7/95
2
Inspection
•Measure outer diameter of rocker arm shaft.
Rocker Arm Shaft O.D.:
Standard . . . . . . . . . . . . . . . 15.97 - 15.98 mm
. . . . . . . . . . . . . . . . . . . . .(0.6286 - 0.6293 in.)
Wear Limit. . . . . . . . . . 15.95 mm (0.6280 in.)
Replace rocker arm shaft if less than wear limit.
•Measure inner diameters of rocker arms and
supports.
M35262
M82022A
Rocker Arm and Shaft Support I.D.’s:
Standard . . . . . . . . . . . . . . . 16.00 - 16.02 mm
. . . . . . . . . . . . . . . . . . . . . . .(0.630 - 0.631 in.)
Wear Limit. . . . . . . . . . . 16.09 mm (0.633 in.)
Clearance . . . . . . . . . . . . . 0.13 mm (0.005 in.)
Replace rocker arms or supports if I.D. is more than
wear limit.
If shaft and support/arm clearance (support/arm I.D.
minus shaft O.D.) exceed wear limit, replace all
parts.
•Measure length and bending of push rod.
Push Rod Length:
3TN75, 3TN78,
3TNC78 (3011) . . . . . . . . 146.65 - 147.35 mm
. . . . . . . . . . . . . . . . . . . . . . .(5.774 - 5.801 in.)
3TN82, 3TNA82,
3TN84 (3014) . . . . . . . . . . 178.25 - 178.75 mm
. . . . . . . . . . . . . . . . . . . . . . .(7.018 - 7.037 in.)
Push Rod Bend:
Standard . . . . . . . 0.03 mm (0.001 in.) or less
Wear Limit. . . . . . . . . . . . 0.30 mm (0.012 in.)
Replace push rod if not within specifications.
M82023A
Feeler
Gauge
Length

Cylinder Head, Valves and Manifolds
4/7/95
2
2-21
CYLINDER HEAD AND VALVES
Removal/Installation
1. Remove rocker arm assembly, push rods and
valve caps. (See procedure in this group.)
2. Remove exhaust and intake manifolds. (See
procedures in this group.)
3. Remove water pump. (See Cooling System in this
section.)
4. Remove fuel injection nozzles. (See Fuel System
in this section.)
5. Disassemble and inspect cylinder head and
valves. (See Disassembly/ Assembly and
Inspection/Replacement procedures.)
IMPORTANT: Oil passage in gasket must be
located over oil passage in cylinder block.
M82331A
Flywheel
Cylinder Head
Mounting Cap
Screw (14)
Dip entire cap
screw in
clean engine oil
before
installing.
Gasket

Cylinder Head, Valves and Manifolds
2-22
4/7/95
2
6. Tighten mounting cap screws, in the sequence
shown, in three stages of gradually-increasing
torque.
IMPORTANT: Cylinder head mounting cap
screws must be checked for proper torque
after 50 hours of engine operation.
Torque Specifications - 3TN75, 3TN78,
3TNC78 (3011):
First . . . . . . . . . . . . . . . . . 21 N•m (186 lb-in.)
Second . . . . . . . . . . . . . . . . . 42 N•m (31 lb-ft)
Final . . . . . . . . . . . . . . . . . . . 69 N•m (51 lb-ft)
M82260A
Exhaust Manifold Side
Intake Manifold Side
Flywheel Side
Timing Gear Case Side
13 731610 12
14
8
4
2
5
9
11
Torque Specifications - 3TN82, 3TNA82,
3TN84 (3014):
First . . . . . . . . . . . . . . . . . 24 N•m (212 lb-in.)
Second . . . . . . . . . . . . . . . . . 48 N•m (36 lb-ft)
Final . . . . . . . . . . . . . . . . . . . 78 N•m (58 lb-ft)
Disassembly/Assembly
•Compress valve springs using a valve spring
compressor.
•Intake and exhaust valve guides are press fit.
Remove guides only if replacement is necessary.
(See Inspection/Replacement procedures.)
•On 3TN75, 3TN84 (955 CUT), intake and
exhaust valve seat inserts are press fit. Remove
inserts only if replacement is necessary.
•Inspect all parts for wear or damage. (See
Inspection/Replacement procedures.)
IMPORTANT: Do not reuse stem seals if
removed. Used seals will leak.
•Apply clean engine oil on intake and exhaust
valve stems during assembly.
•Install springs with smaller pitch end or paint
mark toward cylinder head.
M82332A
Short
Stud (6)
Lifting
Bracket (2)
Cap Screw (4)
Collet Halves (12)
Exhaust Valve
Guide (3)
Stem
Seal (6)
Replace.Retainer (6)
Valve Spring (6)
Intake Valve Guide (3)
Exhaust Valve
Intake Valve
Exhaust Manifold
Mounting Stud
(3 Short - 770 CUT, 870 CUT)
(2 Long - All Except 770 CUT, 870 CUT)
Valve Seat Inserts
3TN75 and 3TN84
(955 CUT)Only.

Cylinder Head, Valves and Manifolds
4/7/95
2
2-23
NOTE: f new valves are installed, measure valve
recession. (See Inspection/Replacement
procedures.)
After each valve has been assembled, tap on top of
valve stem with a plastic hammer to seat retainer.
Inspection/Replacement
Before inspection, thoroughly clean all components
of carbon or dirt.
Cylinder Head:
•Measure cylinder head flatness. Place a straight-
edge along each of the four sides and each
diagonal. Measure clearance between straight
edge and combustion surface with a feeler
gauge.
Cylinder Head Distortion:
Standard . . . . . . . 0.05 mm (0.002 in.) or less
Wear Limit. . . . . . . . . . . . 0.15 mm (0.006 in.)
If distortion exceeds the wear limit, resurface or
replace cylinder head. Remove only enough metal to
make cylinder head flat; but do not remove more
than 0.20 mm (0.008 in.).
If cylinder head was resurfaced:
•Measure piston-to-cylinder head clearance. (See
procedure in this group.)
•Measure valve recession. (See procedure in this
group.)
•Measure valve seat width.
M82028A
Straight-Edge
Feeler Gauge
Valve Seat Width - 3TN75, 3TN78,
3TNC78 (3011):
Intake Valve
Standard . . . . . . . . . . . . . . . . . 1.36 - 1.53 mm
. . . . . . . . . . . . . . . . . . . . . . .(0.054 - 0.060 in.)
Wear Limit. . . . . . . . . . . . 1.98 mm (0.078 in.)
Exhaust Valve
Standard . . . . . . . . . . . . . . . . . 1.66 - 1.87 mm
. . . . . . . . . . . . . . . . . . . . . . .(0.065 - 0.074 in.)
Wear Limit. . . . . . . . . . . . 2.27 mm (0.089 in.)
Valve Seat Width - 3TN82, 3TNA82,
3TN84 (3014):
Intake Valve
Standard . . . . . . . . . . . . . . . . . 1.07 - 1.24 mm
. . . . . . . . . . . . . . . . . . . . . . .(0.042 - 0.049 in.)
Wear Limit. . . . . . . . . . . . 1.74 mm (0.069 in.)
Exhaust Valve
Standard . . . . . . . . . . . . . . . . . 1.24 - 1.45 mm
. . . . . . . . . . . . . . . . . . . . . . .(0.049 - 0.057 in.)
Wear Limit. . . . . . . . . . . . 1.94 mm (0.076 in.)
If necessary, grind valve seats to meet specifications.
(See GRIND VALVE SEATS procedure.)
Intake and Exhaust Valves:
•Check valve for out-of-round, bent or warped
condition using a valve inspection center.
Replace valve if necessary.
M82029A
Valve Seat
Width

Cylinder Head, Valves and Manifolds
2-24
4/7/95
2•If valve faces are worn, burned or pitted, grind
valves to proper face angle. If valve face margin
is less than 0.51 mm (0.020 in.) after grinding,
replace valve.
•Measure valve stem diameter at two locations
shown. Replace valve if measurement exceeds
wear limit.
M35307
Exhaust:
Intake:
45°
30°
M82030A
Valve
Face
Margin
Valve Face
Angle
M82031A
AB
Valve Stem O.D. - 3TN75, 3TN78,
3TNC78 (3011):
Distance A . . . . . . . . . . . . . . . . .30 mm (1.181 in.)
Distance B . . . . . . . . . . . . . . . . .50 mm (1.969 in.)
Intake and Exhaust Valves
Standard . . . . . . . . . . . . . . . . . 6.94 - 6.96 mm
. . . . . . . . . . . . . . . . . . . . .(0.2732 - 0.2740 in.)
Wear Limit. . . . . . . . . . . 6.90 mm (0.2717 in.)
Valve Stem O.D. - 3TN82, 3TNA82,
3TN84 (3014):
Distance A . . . . . . . . . . . . . . . . .30 mm (1.181 in.)
Distance B . . . . . . . . . . . . . . . . .60 mm (2.360 in.)
Intake and Exhaust Valves
Standard . . . . . . . . . . . . . . . . . 7.96 - 7.98 mm
. . . . . . . . . . . . . . . . . . . . .(0.3134 - 0.3142 in.)
Wear Limit. . . . . . . . . . . 7.90 mm (0.3110 in.)
•Measure valve recession using a depth gauge.
Replace valve or cylinder head if measurement
exceeds wear limit.
M82032A
Valve Recession
Cylinder
Head
Depth
Gauge

Cylinder Head, Valves and Manifolds
4/7/95
2
2-25
Valve Recession:
Standard . . . . . . . . . . . . . . . . . 0.30 - 0.50 mm
. . . . . . . . . . . . . . . . . . . . . . .(0.012 - 0.020 in.)
Wear Limit. . . . . . . . . . . . 1.00 mm (0.039 in.)
Valve Guides:
•Clean valve guides using a valve guide brush.
•Measure valve guide inside diameter.
Valve Guide I.D. - 3TN75, 3TN78,
3TNC78 (3011):
Standard . . . . . . . . . . . . . . . . . 7.00 - 7.02 mm
. . . . . . . . . . . . . . . . . . . . . . .(0.275 - 0.276 in.)
Wear Limit. . . . . . . . . . . . 7.08 mm (0.279 in.)
Valve Guide I.D. - 3TN82, 3TNA82,
3TN84 (3014):
Standard . . . . . . . . . . . . . . . . . 8.01 - 8.03 mm
. . . . . . . . . . . . . . . . . . . . . . .(0.315 - 0.316 in.)
Wear Limit. . . . . . . . . . . . 8.10 mm (0.319 in.)
If diameter exceeds wear limit, knurl or replace
guide.
If diameter is less than wear limit, determine guide-
to-stem clearance (guide diameter minus stem
diameter).
If clearance exceeds 0.15 mm (0.006 in.) but is less
than 0.20 mm (0.008 in.), knurl valve guides.
•Knurl valve guides using:
-3TN75, 3TN78, 3TNC78 (3011):
D-20018WI Valve Guide Knurler
-3TN82, 3TNA82, 3TN84 (3014):
D-20019WI Valve Guide Knurler
If clearance exceeds 0.20 mm (0.008 in.), replace
valve guide.
•Replace valve guides using JDE118 Valve Guide
Driver.
Intake and exhaust valve guides are different. The
exhaust valve guide has one groove and the intake
valve guide has none. Install valve guides with
tapered ends down. Push valve guides down until
top of valve guides are a specified distance (A) from
top of cylinder head.
Valve Guide Height “A”:
3TN75, 3TN78,
3TNC78 (3011) . . . . . . . . . .12 mm (0.472 in.)
3TN82, 3TNA82,
3TN84 (3014) . . . . . . . . . . . .15 mm (0.591 in.)
•Ream inside diameter of valve guides using:
-3TN75, 3TN78, 3TNC78 (3011):
D-20020WI Valve Guide Reamer
-3TN82, 3TNA82, 3TN84 (3014):
D-20021WI Valve Guide Reamer
Valve Springs:
•Measure spring free length. Replace spring if
measurement exceeds wear limit.
Spring Free Length - 3TN75, 3TN78,
3TNC78 (3011):
Standard . . . . . . . . . . . . . . .42 mm (1.654 in.)
Wear Limit. . . . . . . . . . . 41.50 mm (1.630 in.)
Spring Free Length - 3TN82, 3TNA82,
3TN84 (3014):
Standard . . . . . . . . . . . . . . .40 mm (1.575 in.)
Wear Limit. . . . . . . . . . . 39.50 mm (1.550 in.)
M82193A
A
M82034A

Cylinder Head, Valves and Manifolds
2-26
4/7/95
2
•Measure spring inclination. Replace spring if
measurement exceeds specification.
EXHAUST MANIFOLD
1. Remove muffler and gasket, if equipped.
•Tighten all hardware to 26 N•m (226 lb-in.).
M82035A
Square Gauge
Spring Inclination
1.10mm (0.044 in.)
Free Length
M82333A
3TN75 (Early 855/56 CUT)
Stud (4) Nut Cap Screw
M8 x 80
Cap Screw (3)
M8 x 60
Cap Screw
M8 x 50
Exhaust ManifoldGasket
M82334A
3TN75, 3TN84 (955 CUT)
Later 855/56 CUT
Nut and Lock
Washer (2) Cap Screw (2)
M8 x 60
Cap Screw (2)
F1145 FM,
Later 855/56 CUT -
Cap Screw (2)
F1145 FM - M8 x 60
955 CUT - M8 x 80
Exhaust Manifold
Gasket 955 CUT - M8 x 55
M8 x 50
M82335A
3TNC78 (3011 OEM)
Exhaust
Manifold Nut (2)
M8 Stud (4)
Cap Screw (4)
M8 x 60
Gasket

Cylinder Head, Valves and Manifolds
4/7/95
2
2-27
INTAKE MANIFOLD
NOTE: Air heater removal/installation is similar to
procedures found in ACCESSORIES -
SERIES 220 POWER UNIT ENGINES
section.
1. Remove intake air heater. (See procedure in
ACCESSORIES - SERIES 220 POWER UNIT
ENGINES section.)
2. Remove fuel filter assembly mounting cap
screw(s), if equipped.
3. Remove fuel injection lines. (See Fuel System in
this section.)
M82336A
3TN78, 3TN82, 3TN84 (3014 OEM)
Exhaust
Manifold Nut (2)
M8 Stud (4)
Cap Screw (4)
M8 x 60
Gasket
M82337A
3TNA82, 3TN84 (870 CUT)
Gasket
Exhaust Manifold Nut and Lock
Washer (3) Cap Screw (2)
M8 x 65
Cap Screw
M8 x 115
4. OEM Power Unit engines (3011 and 3014):
•Remove air cleaner and mount bracket.
•Remove instrument panel and bracket.
•Remove radiator support rod.
(See procedures in ACCESSORIES - SERIES 220
POWER UNIT ENGINES section.)
•Tighten all mounting cap screws to 26 N•m (226
lb-in.).
M82338A
3TN75
Intake
Manifold
Cap Screw (4)
M8 x 25
Gasket
M82339A
3TN78, 3TN82 (30 EX)
Intake
Manifold Gasket
Cap Screw (4)
M8 x 25
M82340A
Intake
Manifold Gasket
Cap Screw (4)
M8 x 25
3TN84 (3014 OEM)
3TNC78 (3011 OEM), 3TN84 (3014 OEM)

Cylinder Head, Valves and Manifolds
2-28
4/7/95
2
GRIND VALVE SEATS
IMPORTANT: Valve seats should never be cut.
Cutting a valve seat can damage its sealing
surface, which may result in leaks or valve/
seat failure. Valve seats should be ground and
lapped.
NOTE: LIGHTLY grind valve seats for a few
seconds only to avoid excessive valve seat
width.
M82341A
3TN82 (575 SSL)
Intake
Manifold
Cap Screw (4)
M8 x 25
Gasket
M82342A
3TNA82, 3TN84 (870 CUT)
John Deere Form-In-Place Gasket
(RTV rubber silicone sealant)
Gasket
Plate
Cap Screw (12)
M6 x 14
Cap Screw (4)
M8 x 25
M82343A
3TN84 (955 CUT)
Intake
Manifold
Cap Screw (4)
M8 x 25
Gasket
1. Grind intake valve seat using a 30° seat grinder
and exhaust valve seat using a 45° seat grinder.
Follow tool manufacturers instructions.
2. Measure valve seat width after grinding.
3. If seat is too wide after grinding, grind lower seat
surface using a 70° seat grinder until seat width is
close to specifications.
4. Grind upper seat surface using a 15° seat grinder
until seat width is narrowed to specifications.
5. If valve seats are ground, measure valve recession
and check contact pattern between the seat and
valve with bluing dye.
6. Lap valves. (See procedure in this group.)
If valve recession exceeds maximum specifications
or seats cannot be reconditioned, replace valves,
valve seats if equipped and/or cylinder head.
NOTE: Valve seat inserts are available for 3TN75
and 3TN84 (955 CUT) engines only.
M82039A
Seat Grinder
M82040A
Seat
Width
15°
Cylinder
Head
Upper
Seat
Surface
Valve
Seat
Lower Seat
Surface 70°

Cylinder Head, Valves and Manifolds
4/7/95
2
2-29
LAP VALVES
NOTE: Use a rubber type lapping tool for valves
without a lapping tool groove slit.
If seat does not make proper contact, lap the valve
into the seat:
1. Apply small amount of fine lapping compound to
face of valve.
2. Turn valve to lap valve to seat.
3. Lift valve from seat every 8 to 10 strokes. Lap
until a uniform ring appears around the surface of
the valve face.
4. Wash all parts in solvent to remove lapping
compound. Dry parts.
5. Check position of lap mark on valve face. Lap
mark must be on or near center of valve face.
MEASURE PISTON-TO-CYLINDER
HEAD CLEARANCE
1. Place three 10 mm (0.400 in.) long pieces of 1.50
mm (0.060 in.) diameter soft wire in three
positions on the flat part of the piston head.
M82041A
Lapping Tool
2. Install cylinder head and old gasket. Install
cylinder head cap screws and tighten in proper
sequence to specified torque. (See CYLINDER
HEAD AND VALVES - Removal/Installation in
this group.)
3. Slowly turn crankshaft one complete revolution.
4. Remove cylinder head and gasket.
5. Measure thickness of flattened section of each
piece of wire. Calculate average thickness of
wires to obtain piston-to-cylinder head clearance
specification.
Piston-to-Cylinder Head Clearance:
3TN75. . . . . . . . . . . . . . . . . . . . 0.59 - 0.77 mm
. . . . . . . . . . . . . . . . . . . . . . . (0.023 - 0.030 in.)
3TN78, 3TNC78 (3011) . . . . . 0.63 - 0.77 mm
. . . . . . . . . . . . . . . . . . . . . . . (0.025 - 0.030 in.)
3TN82, 3TNA82,
3TN84 (3014) . . . . . . . . . . . . . . 0.64 - 0.82 mm
. . . . . . . . . . . . . . . . . . . . . . . (0.025 - 0.032 in.)
If clearance is less than specifications, replace
cylinder head.
M82042A

Pistons, Rods and Cylinder Bloc
k
2-30
4/7/95
2
SERVICE PARTS KITS
The following kits are available through your parts catalog:
•Cylinder Block Gasket Kit
•Cylinder Head Gasket Kit
•Oversized Pistons and Rings
•Undersized Connecting Rod Bearing Inserts

Pistons, Rods and Cylinder Block
4/7/95
2
2-31
PISTON AND CONNECTING ROD
Removal
1. Remove oil pan and strainer tube. (See
Lubrication System in this section.)
2. Remove cylinder head. (See Cylinder Head,
Valves and Manifolds in this section.)
3. Check cylinder bore for ridges. These ridges can
cause damage to piston if ridge is not removed.
4. If necessary, remove ridge from top of cylinder
bore using a ridge reamer.
5. Measure connecting rod side play. (See Checks,
Tests and Adjustments in this section.)
6. Measure connecting rod bearing clearance. (See
Checks, Tests and Adjustments in this section.)
IMPORTANT: Keep connecting rods and caps
together. Rods and caps are a matched set.
Note alignment marks on each part.
M82273A
Piston and
Connecting Rod
Bearing
Inserts
Connecting
Rod Cap
Connecting Rod
Cap Screw
Replace.
3TN75
7. Remove two cap screws, connecting rod cap and
bearing inserts.
IMPORTANT: Pistons and cylinders are
matched. Pistons must be installed in the
cylinders from which they are removed.
8. Note connecting rod alignment mark in relation
to the cylinders. Starting at flywheel end with
cylinder number one, then two, etc.
9. Push piston and connecting rod out of cylinder
bore using a wooden dowl.
10.Disassemble and inspect all parts for wear or
damage. (See Disassembly and Inspection/
Replacement procedures.)
M82196A
Piston and
Connecting Rod
Bearing
Inserts
Connecting
Rod Cap
Connecting Rod
Cap Screw
Replace.
All Except 3TN75

Pistons, Rods and Cylinder Bloc
k
2-32
4/7/95
2
Installation
•Apply clean engine oil on all parts during
installation.
•Never reuse connecting rod cap screws, replace
with new.
IMPORTANT: Pistons must be installed in
cylinders from which they were removed and
in the same direction. Be careful not to
damage crankshaft rod journal while
installing piston.
1. If new piston rings were installed, deglaze
cylinder bore. (See procedure in this group.)
2. 3TN75: Install piston and connecting rod into the
cylinder from which it was removed, with piston
recess on top of piston toward fuel injection
pump.
All Except 3TN75: Install piston and connecting
rod into the cylinder from which it was removed,
with alignment mark on connecting rod and/or
with piston size mark on top of piston toward fuel
injection pump.
IMPORTANT: Do not touch bearing insert
surfaces. Oil and acid from your finger will
corrode the bearing surface.
3. Install bearing inserts on connecting rod and rod
cap, aligning tangs with grooves.
IMPORTANT: Connecting rod caps must be
installed on the same connecting rods they
were removed from.
4. Match the connecting rods to caps using
alignment marks. Install caps.
5. Dip entire connecting rod cap screws in clean
engine oil. Install new cap screws and tighten to
specifications.
Connecting Rod Cap Screw Torque
Specifications:
3TN75, 3TN78,
3TNC78 (3011) . . . . . . . . . . 39 N•m (29 lb-ft)
3TN82, 3TNA82,
3TN84 (3014) . . . . . . . . . . . . 47 N•m (35 lb-ft)
6. If a new piston and connecting rod were installed,
stamp a number corresponding to the cylinder
number on the connecting rod cap and connecting
rod.
M82273A
Piston
Recess
Flywheel
Side
Groove
Tangs
GrooveConnecting Rod
Cap Screw
Connecting Rod
Cap Alignment
Mark
Fuel
Injection
Pump Side
3TN75

Pistons, Rods and Cylinder Block
4/7/95
2
2-33
7. Install cylinder head. (See Cylinder Head, Valves
and Manifolds in this section.)
8. Install oil pan and strainer tube. (See Lubrication
System in this section.)
Disassembly
IMPORTANT: Pistons must be installed on the
same connecting rod they were removed from.
•Put a mark on each piston and connecting rod to
aid in assembly.
M82196A
Piston Size
Mark
Flywheel
Side
Groove
Tangs
Groove
Connecting Rod
Cap Screw
Connecting Rod
Alignment Mark
Fuel
Injection
Pump Side
All Except 3TN75
•Piston pin bushing is press fit in connecting rod.
Remove bushing only if replacement is
necessary. (See Inspection/Replacement
procedures.)
•Inspect all parts for wear or damage. Replace as
necessary. (See Inspection/Replacement
procedures.)
M82274A
1st Compression Ring
2nd Compression Ring
Oil Ring with
Coil Expander
Piston
Piston Pin
Retaining
Ring
Connecting Rod
Piston
Pin
Bushing
3TN75

Pistons, Rods and Cylinder Bloc
k
2-34
4/7/95
2
Assembly
•Apply clean engine oil to all parts during
assembly.
IMPORTANT: Pistons must be installed on the
same connecting rod they were removed from.
1. 3TN75: Assemble piston to connecting rod with
recess mark on same side as connecting rod
“punched” alignment mark. If a new connecting
rod is used, assemble piston to connecting rod
with piston recess opposite connecting rod
bearing insert groove.
All except 3TN75: Assemble piston to
connecting rod with piston size mark on same
side as connecting rod “punched” alignment
mark. If a new connecting rod is used, assemble
piston to connecting rod with piston size mark
opposite connecting rod bearing insert groove.
M82197A
1st Compression Ring
2nd Compression Ring
Oil Ring with
Coil Expander
Piston
Piston Pin
Snap Ring
Piston Pin Bushing
Connecting Rod
All Except 3TN75
M82275A
Piston RecessPiston
Piston Pin
Retaining Ring
Alignment
Mark
Connecting
Rod
Bearing Insert Groove
3TN75
M82198A
Piston
Size
MarkPiston
Piston Pin
Snap Ring
Alignment
Mark
Connecting
Rod
Bearing Insert Groove
All Except 3TN75

Pistons, Rods and Cylinder Block
4/7/95
2
2-35
2. Install piston pin and retaining/snap rings.
3. Install oil ring expander in bottom ring groove of
piston with ends above either end of piston pin.
4. Install oil ring over expander with ring gap
opposite (180o) of expander ends.
5. 3TN75: Install second compression ring, with
chamfer toward top of piston, in middle groove.
Turn ring until gap is 120o ring gap.
All Except 3TN75: Install second compression
ring, with small diameter of taper toward top of
piston, in middle groove. Turn ring until gap is
120o away from oil ring gap.
M82046A
Oil
Ring
Gap
Piston Pin
Oil Ring
Expander
Oil Ring
Expander
Ends
Oil Ring
M82276A
1st Compression Ring
2nd Compression
Ring
1st Compression
Ring
Oil Ring
2nd
Compression
Ring
120°
120°
120°
3TN75
6. Install first compression ring (chrome plated),
with manufacturer's mark “R”, “T” or “RN”
(near ring gap) toward top of piston, in top
groove. Turn ring until gap is 120o away from
second ring gap.
Inspection/Replacement
1. Inspect all parts for wear or damage. Replace as
necessary.
2. Measure crankshaft connecting rod journal
diameter. (See Crankshaft, Main Bearings and
Flywheel in this section.)
3. Install connecting rod cap and bearing inserts on
connecting rod. Install old connecting rod cap
screws and tighten to specifications.
Connecting Rod Cap Screw Torque
Specifications:
3TN75, 3TN78,
3TNC78 (3011) . . . . . . . . . . 39 N•m (29 lb-ft)
3TN82, 3TNA82,
3TN84 (3014) . . . . . . . . . . . . 47 N•m (35 lb-ft)
4. Measure connecting rod bearing diameter.
M82199A
1st Compression Ring
2nd Compression
Ring
1st Compression
Ring
Oil Ring
2nd
Compression
Ring
120°
120°
120°
All Except 3TN75

Pistons, Rods and Cylinder Bloc
k
2-36
4/7/95
2
Connecting Rod Bearing I.D. - 3TN75,
3TN78, 3TNC78 (3011):
Standard . . . . . . . . . . . . . . . . 43 - 43.042 mm
. . . . . . . . . . . . . . . . . . . . . . .(1.693 - 1.695 in.)
Wear Limit. . . . . . . . . . . 43.07 mm (1.696 in.)
Clearance . . . . . . . . . . . . . 0.16 mm (0.006 in.)
Connecting Rod Bearing I.D. - 3TN82, 3TNA82,
3TN84 (3014):
Standard . . . . . . . . . . . . . . . . 48 - 48.042 mm
. . . . . . . . . . . . . . . . . . . . . . .(1.888 - 1.891 in.)
Wear Limit. . . . . . . . . . . 48.07 mm (1.893 in.)
Clearance . . . . . . . . . . . . . 0.16 mm (0.006 in.)
If bearing diameter exceeds wear limit, replace
bearing inserts.
If bearing clearance (bearing I.D. minus crankshaft
journal O.D.) exceeds specification, grind crankshaft
connecting rod journals and install undersized
bearing inserts, or replace bearing inserts and
crankshaft.
5. With rings installed on piston, measure piston
ring groove clearance. Measure several places
around each piston.
M82048A Piston Ring Groove Clearance - 3TN75, 3TN78,
3TNC78 (3011):
First Compression Ring
Standard . . . . . . . . . . . . . . . 0.070 - 0.105 mm
. . . . . . . . . . . . . . . . . . . . .(0.0028 - 0.0041 in.)
Wear Limit. . . . . . . . . . . 0.25 mm (0.0098 in.)
Second Compression Ring
Standard . . . . . . . . . . . . . . . 0.035 - 0.070 mm
. . . . . . . . . . . . . . . . . . . . .(0.0014 - 0.0028 in.)
Wear Limit. . . . . . . . . . . 0.25 mm (0.0098 in.)
Oil Ring
Standard . . . . . . . . . . . . . . . 0.030 - 0.060 mm
. . . . . . . . . . . . . . . . . . . . .(0.0012 - 0.0024 in.)
Wear Limit. . . . . . . . . . . 0.20 mm (0.0079 in.)
Piston Ring Groove Clearance - 3TN82, 3TNA82,
3TN84 (3014):
First Compression Ring
Standard . . . . . . . . . . . . . . . 0.075 - 0.110 mm
. . . . . . . . . . . . . . . . . . . . .(0.0030 - 0.0043 in.)
Wear Limit. . . . . . . . . . . 0.25 mm (0.0098 in.)
Second Compression Ring
Standard . . . . . . . . . . . . . . . . 0.45 - 0.080 mm
. . . . . . . . . . . . . . . . . . . . .(0.0018 - 0.0031 in.)
Wear Limit. . . . . . . . . . . 0.25 mm (0.0098 in.)
M35360

Pistons, Rods and Cylinder Block
4/7/95
2
2-37
Oil Ring
Standard . . . . . . . . . . . . . . . 0.025 - 0.060 mm
. . . . . . . . . . . . . . . . . . . . .(0.0010 - 0.0024 in.)
Wear Limit. . . . . . . . . . . 0.20 mm (0.0079 in.)
If clearance exceeds wear limit, replace rings or
piston.
6. Measure piston ring end gap. Push ring into
cylinder bore, using a piston, until ring is
approximately 30 mm (1.181 in.) from bottom of
cylinder bore.
Piston Ring End Gap - 3TN75:
Compression Rings and Oil Ring
Standard . . . . . . . . . . . . . . . . . 0.20 - 0.40 mm
. . . . . . . . . . . . . . . . . . . . . . .(0.008 - 0.016 in.)
Wear Limit. . . . . . . . . . . 1.50 mm (0.0591 in.)
M82049A
End Gap
End Gap
Cylinder
Bore
Piston
Ring
Approx.
30 mm
(1.181 in.)
Piston Ring End Gap - 3TN78, 3TNC78 (3011):
Standard
Compression Rings. . . . . . . . 0.25 - 0.40 mm
. . . . . . . . . . . . . . . . . . . . . .(0.010 - 0.016 in.)
Oil Ring . . . . . . . . . . . . . . . . . 0.20 - 0.40 mm
. . . . . . . . . . . . . . . . . . . . . .(0.008 - 0.016 in.)
Wear Limit. . . . . . . . . . . 1.50 mm (0.0591 in.)
Piston Ring End Gap - 3TN82, 3TNA82:
Standard
First Compression Ring . . . . 0.25 - 0.40 mm
. . . . . . . . . . . . . . . . . . . . . .(0.010 - 0.016 in.)
Second Compression Ring . . 0.20 - 0.35 mm
. . . . . . . . . . . . . . . . . . . . . .(0.008 - 0.014 in.)
Oil Ring . . . . . . . . . . . . . . . . . 0.20 - 0.40 mm
. . . . . . . . . . . . . . . . . . . . . .(0.008 - 0.016 in.)
Wear Limit: . . . . . . . . . . 1.50 mm (0.0591 in.)
Piston Ring End Gap - 3TN84 (3014):
Standard
Compression Rings. . . . . . . . 0.20 - 0.40 mm
. . . . . . . . . . . . . . . . . . . . . .(0.008 - 0.016 in.)
Oil Ring . . . . . . . . . . . . . . . . . 0.25 - 0.45 mm
. . . . . . . . . . . . . . . . . . . . . .(0.010 - 0.018 in.)
Wear Limit: . . . . . . . . . . 1.50 mm (0.0591 in.)
If end gap exceeds wear limit, replace rings.
7. Measure piston pin diameter. Measure diameter
at six places.

Pistons, Rods and Cylinder Bloc
k
2-38
4/7/95
2
Piston Pin O.D. - 3TN75, 3TN78,
3TNC78 (3011):
Standard . . . . . . . . . . . . . . 22.991 - 23.00 mm
. . . . . . . . . . . . . . . . . . . . . . .(0.905 - 0.906 in.)
Wear Limit. . . . . . . . . . . 22.90 mm (0.902 in.)
Piston Pin O.D. - 3TN82, 3TNA82,
3TN84 (3014):
Standard . . . . . . . . . . . . . . 25.987 - 26.00 mm
. . . . . . . . . . . . . . . . . . . . . . .(1.023 - 1.024 in.)
Wear Limit. . . . . . . . . . . 25.90 mm (1.020 in.)
If pin diameter is less than wear limit, replace pin.
8. Measure piston pin bore diameter in piston.
M82050A
Measuring Positions
Piston Pin Bore I.D. - 3TN75, 3TN78,
3TNC78 (3011):
Standard . . . . . . . . . . . . . . 23.00 - 23.009 mm
. . . . . . . . . . . . . . . . . . . . .(0.9055 - 0.9059 in.)
Wear Limit. . . . . . . . . . . 23.02 mm (0.906 in.)
Clearance . . . . . . . . . . . 0.045 mm (0.0018 in.)
Piston Pin Bore I.D. - 3TN82, 3TNA82,
3TN84 (3014):
Standard . . . . . . . . . . . . . . 26.00 - 26.009 mm
. . . . . . . . . . . . . . . . . . . . .(1.0236 - 1.0240 in.)
Wear Limit. . . . . . . . . . . 26.02 mm (1.024 in.)
Clearance . . . . . . . . . . . 0.045 mm (0.0018 in.)
If piston pin bore exceeds wear limit, replace piston.
If bore clearance (bore I.D. minus pin O.D.) exceeds
specification, replace piston, piston pin or both.
9. Measure piston pin bushing diameter in
connecting rod.
M37683
M82051A

Pistons, Rods and Cylinder Block
4/7/95
2
2-39
Piston Pin Bushing I.D. - 3TN75, 3TN78,
3TNC78 (3011):
Standard . . . . . . . . . . . . . 23.025 - 23.038 mm
. . . . . . . . . . . . . . . . . . . . .(0.9065 - 0.9070 in.)
Wear Limit. . . . . . . . . . . 23.10 mm (0.909 in.)
Clearance . . . . . . . . . . . 0.110 mm (0.0043 in.)
Piston Pin Bushing I.D. - 3TN82, 3TNA82,
3TN84 (3014):
Standard . . . . . . . . . . . . . 26.025 - 26.038 mm
. . . . . . . . . . . . . . . . . . . . .(1.0246 - 1.0251 in.)
Wear Limit. . . . . . . . . . . 26.10 mm (1.028 in.)
Clearance . . . . . . . . . . . 0.110 mm (0.0043 in.)
If bushing diameter exceeds wear limit, replace
bushing.
If bushing clearance (bushing I.D. minus pin O.D.)
exceeds specification, replace bushing, piston pin or
both.
Piston pin bushing is press fit. Replace bushing
using a driver set. When installing bushing, make
sure to align oil hole in bushing with hole in
connecting rod.
10.Measure piston diameter perpendicular to piston
pin bore at distance A.
NOTE: If engine has had a previous major
overhaul, oversize pistons and rings may
have been installed. Pistons and rings are
available in 0.25 mm (0.010 in.) oversize for
all engines and 0.50 mm (0.020 in.) oversize
for 3TN75 (F1145 FM), 3TN82 (575 SSL),
3TNC78 (3011 OEM) and 3TN84 (3014
OEM).
M82200A
A
Piston O.D. - 3TN75:
Distance A . . . . . . . . . . . . . . . 12.5 mm (0.492 in.)
Standard Size Piston
Standard . . . . . . . . . . . . . . . 74.91 - 74.94 mm
. . . . . . . . . . . . . . . . . . . . . . .(2.949 - 2.951 in.)
Wear Limit. . . . . . . . . . . 74.81 mm (2.945 in.)
0.25 mm (0.010 in.) Oversize Piston
Standard . . . . . . . . . . . . . . . 75.17 - 75.18 mm
. . . . . . . . . . . . . . . . . . . . . . .(2.959 - 2.960 in.)
Wear Limit. . . . . . . . . . . 75.06 mm (2.955 in.)
0.50 mm (0.020 in.) Oversize Piston
(F1145 FM Only)
Standard . . . . . . . . . . . . . . . 75.42 - 75.43 mm
. . . . . . . . . . . . . . . . . . . . . . .(2.969 - 2.970 in.)
Wear Limit. . . . . . . . . . . 75.31 mm (2.965 in.)
Piston O.D. - 3TN78, 3TNC78 (3011):
Distance A . . . . . . . . . . . . . . . . .23 mm (0.905 in.)
Standard Size Piston
Standard . . . . . . . . . . . . . 77.895 - 77.925 mm
. . . . . . . . . . . . . . . . . . . . . . .(3.067 - 3.068 in.)
Wear Limit. . . . . . . . . . . 77.81 mm (3.063 in.)
0.25 mm (0.010 in.) Oversize Piston
Standard . . . . . . . . . . . . . . . 78.15 - 78.18 mm
. . . . . . . . . . . . . . . . . . . . . . .(3.076 - 3.077 in.)
Wear Limit. . . . . . . . . . . 78.05 mm (3.073 in.)
M82052A

Pistons, Rods and Cylinder Bloc
k
2-40
4/7/95
2
0.50 mm (0.020 in.) Oversize Piston
(3011 OEM Only)
Standard . . . . . . . . . . . . . . . 78.40 - 78.42 mm
. . . . . . . . . . . . . . . . . . . . . . .(3.086 - 3.087 in.)
Wear Limit. . . . . . . . . . . 78.30 mm (3.083 in.)
Piston O.D. - 3TN82, 3TNA82:
Distance A . . . . . . . . . . . . . . . . .24 mm (0.945 in.)
Standard Size Piston
Standard . . . . . . . . . . . . . . . 81.90 - 81.93 mm
. . . . . . . . . . . . . . . . . . . . . . .(3.224 - 3.226 in.)
Wear Limit. . . . . . . . . . . 81.80 mm (3.221 in.)
0.25 mm (0.010 in.) Oversize Piston
Standard . . . . . . . . . . . . . . . 82.15 - 82.17 mm
. . . . . . . . . . . . . . . . . . . . . . .(3.234 - 3.235 in.)
Wear Limit. . . . . . . . . . . 82.05 mm (3.230 in.)
0.50 mm (0.020 in.) Oversize Piston
(575 SSL Only)
Standard . . . . . . . . . . . . . . . 82.40 - 82.42 mm
. . . . . . . . . . . . . . . . . . . . . . .(3.244 - 3.245 in.)
Wear Limit. . . . . . . . . . . 82.30 mm (3.240 in.)
Piston O.D. - 3TN84 (3014):
Distance A . . . . . . . . . . . . . . . . .24 mm (0.945 in.)
Standard Size Piston
Standard . . . . . . . . . . . . . . . 83.90 - 83.93 mm
. . . . . . . . . . . . . . . . . . . . . . .(3.303 - 3.304 in.)
Wear Limit. . . . . . . . . . . 83.80 mm (3.299 in.)
0.25 mm (0.010 in.) Oversize Piston
Standard . . . . . . . . . . . . . . . 84.15 - 84.17 mm
. . . . . . . . . . . . . . . . . . . . . . .(3.313 - 3.314 in.)
Wear Limit. . . . . . . . . . . 84.05 mm (3.309 in.)
0.50 mm (0.020 in.) Oversize Piston
(3014 OEM Only)
Standard . . . . . . . . . . . . . . . 84.40 - 84.42 mm
. . . . . . . . . . . . . . . . . . . . . . .(3.323 - 3.324 in.)
Wear Limit. . . . . . . . . . . 84.30 mm (3.319 in.)
If piston diameter is less than wear limit, install a
new piston.
11.Measure cylinder bore diameter. (See procedure
in this group.)
CYLINDER BORE
Inspection
Measure cylinder bore diameter at three positions;
top, middle and bottom. At these three positions,
measure in both directions; along crankshaft center
line and direction of crankshaft rotation.
NOTE: If engine has had a previous major
overhaul, oversize pistons and rings may
have been installed.
Cylinder Bore I.D. - 3TN75:
Standard Size Bore
Standard . . . . . . . . . . . . . . . 75.00 - 75.03 mm
. . . . . . . . . . . . . . . . . . . . . . . (2.953 -2.954 in.)
Wear Limit . . . . . . . . . . 75.20 mm (2.961 in.)
Clearance . . . . . . . . . . . . . 0.22 mm (0.009 in.)
M82053A
Top Position
Middle Position
Bottom Position
Direction of
Crankshaft Rotation
Direction of
Crankshaft
Centerline

Pistons, Rods and Cylinder Block
4/7/95
2
2-41
0.25 mm (0.010 in.) Oversize Bore
Standard . . . . . . . . . . . . . . . 75.25 - 75.28 mm
. . . . . . . . . . . . . . . . . . . . . . .(2.963 - 2.964 in.)
Wear Limit. . . . . . . . . . . 75.45 mm (2.970 in.)
Clearance . . . . . . . . . . . . . 0.22 mm (0.009 in.)
0.50 mm (0.020 in.) Oversize Bore
(F1145 FM Only)
Standard . . . . . . . . . . . . . . . 75.50 - 75.53 mm
. . . . . . . . . . . . . . . . . . . . . . .(2.972 - 2.974 in.)
Wear Limit. . . . . . . . . . . 75.70 mm (2.980 in.)
Clearance . . . . . . . . . . . . . 0.22 mm (0.009 in.)
Cylinder Bore I.D. - 3TN78, 3TNC78 (3011):
Standard Size Bore
Standard . . . . . . . . . . . . . . . 78.00 - 78.03 mm
. . . . . . . . . . . . . . . . . . . . . . .(3.071 - 3.072 in.)
Wear Limit . . . . . . . . . . 78.20 mm (3.079 in.)
Clearance . . . . . . . . . . . . . 0.22 mm (0.009 in.)
0.25 mm (0.010 in.) Oversize Bore
Standard . . . . . . . . . . . . . . . 78.25 - 78.28 mm
. . . . . . . . . . . . . . . . . . . . . . .(3.081 - 3.082 in.)
Wear Limit. . . . . . . . . . . 78.45 mm (3.089 in.)
0.50 mm (0.020 in.) Oversize Bore
(3011 OEM Only)
Standard . . . . . . . . . . . . . . . 78.50 - 78.53 mm
. . . . . . . . . . . . . . . . . . . . . . .(3.091 - 3.092 in.)
Wear Limit. . . . . . . . . . . 78.70 mm (3.099 in.)
Cylinder Bore I.D. - 3TN82, 3TNA82:
Standard Size Bore
Standard . . . . . . . . . . . . . . . 82.00 - 82.03 mm
. . . . . . . . . . . . . . . . . . . . . . .(3.228 - 3.230 in.)
Wear Limit . . . . . . . . . . 82.20 mm (3.236 in.)
Clearance . . . . . . . . . . . . . 0.35 mm (0.014 in.)
0.25 mm (0.010 in.) Oversize Bore
Standard . . . . . . . . . . . . . . . 82.25 - 82.28 mm
. . . . . . . . . . . . . . . . . . . . . . .(3.238 - 3.239 in.)
Wear Limit. . . . . . . . . . . 82.45 mm (3.246 in.)
0.50 mm (0.020 in.) Oversize Bore
(575 SSL Only)
Standard . . . . . . . . . . . . . . . 82.50 - 82.53 mm
. . . . . . . . . . . . . . . . . . . . . . .(3.248 - 3.249 in.)
Wear Limit. . . . . . . . . . . 82.70 mm (3.256 in.)
Cylinder Bore I.D. - 3TN84 (3014):
Standard Size Bore
Standard . . . . . . . . . . . . . . . 84.00 - 84.03 mm
. . . . . . . . . . . . . . . . . . . . . . .(3.307 - 3.308 in.)
Wear Limit . . . . . . . . . . 84.20 mm (3.315 in.)
Clearance . . . . . . . . . . . . . 0.35 mm (0.014 in.)
0.25 mm (0.010 in.) Oversize Bore
Standard . . . . . . . . . . . . . . . 84.25 - 84.28 mm
. . . . . . . . . . . . . . . . . . . . . . .(3.317 - 3.318 in.)
Wear Limit. . . . . . . . . . . 84.45 mm (3.325 in.)
0.50 mm (0.020 in.) Oversize Bore
(3014 OEM Only)
Standard . . . . . . . . . . . . . . . 84.50 - 84.53 mm
. . . . . . . . . . . . . . . . . . . . . . .(3.327 - 3.328 in.)
Wear Limit. . . . . . . . . . . 84.70 mm (3.335 in.)
If cylinder bore exceeds wear limit, replace cylinder
block or have cylinder rebored. (See Reboring
procedure.)
If cylinder is rebored, oversize pistons and rings
must be installed. Pistons and rings are available in
0.25 mm (0.010 in.) oversize for all engines and 0.50
mm (0.020 in.) oversize for 3TN75 (F1145 FM),
3TN82 (575 SSL), 3TNC78 (3011 OEM), and
3TN84 (3014 OEM).
If clearance (cylinder bore I.D. minus piston O.D.)
exceeds specification, replace cylinder block, piston
or both; or rebore cylinder and install oversize piston
and rings.

Pistons, Rods and Cylinder Bloc
k
2-42
4/7/95
2
Deglazing
IMPORTANT: If cylinder bores are to be
deglazed with crankshaft installed in engine,
put clean shop towels over crankshaft to
protect journal and bearing surfaces from any
abrasives.
1. Deglaze cylinder bores using a flex-hone with
180 grit stones.
2. Use flex-hone as instructed by manufacturer to
obtain a 30 - 40° cross-hatch pattern as shown.
IMPORTANT: Do not use gasoline, kerosene or
commercial solvents to clean cylinder bores.
Solvents will not remove all abrasives from
cylinder walls.
3. Remove excess abrasive residue from cylinder
walls using a clean dry rag. Clean cylinder walls
using clean white rags and warm soapy water.
Continue to clean cylinder until white rags show
no discoloration.
Reboring
NOTE: The cylinder block can be rebored to use
oversize pistons and rings. Pistons and
rings are available in 0.25 mm (0.010 in.)
oversize for all engines and 0.50 mm (0.020
in.) oversize for 3TN75 (F1145 FM), 3TN82
(575 SSL), 3TNC78 (3011 OEM) and
3TN84 (3014 OEM). (See this group for
cylinder bore I. D. specifications.)
1. Align center of bore to drill press center.
IMPORTANT: Check stone for wear or damage.
Use a rigid hone with 300 grit stones.
2. Adjust hone so lower end is even with lower end
of cylinder bore.
M82054A
3. Adjust rigid hone stones until they contact
narrowest point of cylinder.
4. Coat cylinder with honing oil. Hone should turn
by hand. Adjust if too tight.
5. Run drill press at about 250 RPM. Move hone up
and down in order to obtain a 30 - 40°crosshatch
pattern.
NOTE: Measure bore when cylinder is cool.
6. Stop press and check cylinder diameter.
NOTE: Finish should not be smooth. It should have
a 30 - 40o crosshatch pattern.
7. Remove rigid hone when cylinder is within 0.03
mm (0.001 in.) of desired size.
8. Use a flex hone with 180 grit stones for honing to
final size.
9. Check bore for size, taper and out-of-round. (See
Inspection procedures.)
IMPORTANT: Do not use solvents to clean
cylinder bore. Solvents will not remove all
metal particles and abrasives produced during
honing.
10.Clean cylinder thoroughly using warm soapy
water until clean white rags show no
discoloration.
11.Dry cylinder and apply engine oil.
M52959
30 - 40°

Crankshaft, Main Bearings and Flywheel
4/7/95
2
2-43
OTHER MATERIALS
Number Name Use
LOCTITE® PRODUCTS
U.S./
Canadian/
LOCTITE No.
TY15130/ John Deere Form-In-Place Seals crankcase extension housing,
NA/ Gasket rear oil seal case and flywheel housing
#395 to engine block.
SERVICE PARTS KITS
The following kits are available through your parts catalog:
•Cylinder Block Gasket Kit
•Undersized Main Bearing Inserts
®LOCTITE is a registeredtrademark of the Loctite Corp.

Crankshaft, Main Bearings and Flywhee
l
2-44
4/7/95
2
CRANKCASE EXTENSION HOUSING -
3TN75, 3TNC78 (3011 OEM),
3TN82 (575 SSL), 3TN84 (955 CUT,
3014 OEM)
1. Remove flywheel. (See procedure in this group.)
2. Remove oil pan and oil strainer. (See Lubrication
System in this section.)
3. Remove seal case-to-extension cap screws and
flywheel plate/housing-to-extension cap screws.
4. Remove remaining cap screws and extension
housing.
Installation is done in the reverse order of removal.
M82056
Seal Case - to-
Extension Cap
Screw (3)
M8 x 35
26 N•m (226 lb-in.)
Flywheel Plate/Housing-to-
Extension Cap Screw (4)
M10 x 25 (Flywheel Plate)
M10 x 30 (Flywheel Housing)
49 N•m (36 lb-ft)
M82344A
3TN75
John Deere
Form-In-Place
Gasket
(RTV rubber
silicone
sealant)
Extension-to-
Timing Gear
Cover Cap
Screw (6)
M8 x 45
22 N•m
(195 lb-in.)
Crankcase
Extension
Housing
CRANKCASE EXTENSION HOUSING -
3TN78 (25 EX), 3TN82 (30 EX), 3TNA82
(770 CUT), 3TN84 (870 CUT)
1. Remove flywheel. (See procedure in this group.)
2. Remove oil pan/plate. (See Lubrication System in
this section.)
M82345A
3TNC78 (3011 OEM)
Extension-to-
Timing Gear
Cover Cap
Screw (6)
M8 x 45
22 N•m
(195 lb-in.)
Extension-
to-Block Cap
Screw (2) (3011DF006 Only)
M8 x 45
27 N•m (20 lb-ft)
John Deere
Form-In-Place
Gasket
(RTV rubber
silicone
sealant)
M82346A
3TN82 (575 SSL),
3TN84 (955 CUT, 3014 OEM)
John Deere Form-In-Place
Gasket (RTV rubber
silicone sealant)
Extension-to-Block
Cap Screw (2)
M8 x 50
27 N•m (20 lb-ft) Extension-to-Timing Gear
Cover Cap Screw (2)
M8 x 25
22 N•m (195 lb-in.)

Crankshaft, Main Bearings and Flywheel
4/7/95
2
2-45
3. Remove seal case-to-extension cap screws and
flywheel plate/housing-to-extension cap screws.
4. Remove remaining cap screws and extension
housing.
Installation is done in the reverse order of removal.
M82056
Seal Case - to-
Extension Cap
Screw (3)
M8 x 30
26 N•m (226 lb-in.)
Flywheel Plate/Housing-to-
Extension Cap Screw
Plate: (4) M10 x 20
Housing: (2) M10 x 25
49 N•m (36 lb-ft)
M82347A
John Deere Form-In-
Place Gasket (RTV
rubber silicone
sealant)
Crankcase
Extension
Housing
Extension -
to-Timing
Gear Cover
Cap Screw (6)
M8 x 25
22 N•m
(195 lb-in.)
Extension-to-Block
Cap Screw (4)
M8 x 50
27 N•m (20 lb-ft)
Extension-to-Block Cap Screw (8)
M8 x 85
27 N•m (20 lb-ft)
Extension -
to-Block Cap
Screw (4)
M8 x 120
27 N•m (20 lb-ft)
3TN78 (25 EX), 3TN82 (30 EX), 3TNA82 (770 CUT)
CRANKSHAFT REAR OIL SEAL
Replacement
1. Remove flywheel. (See procedure in this group.)
•Replace oil seal using a driver set. Install seal,
with lip toward cylinder block. Install seal flush
with surface of oil seal case.
NOTE: If crankshaft is grooved at oil seal contact
point, seal can be installed 3 mm (0.120 in.)
farther into oil seal case.
On 3TN78, 3TN82 (30 EX), 3TNA82, 3TN84
(870 CUT): All nine seal case cap screws
are M8 x 30 long.
M82348A
John Deere Form-In-
Place Gasket (RTV
rubber silicone
selant)
Crankcase
Extension
Housing
Extension-to-
Timing Gear Cover
Cap Screw (4)
M8 x 25
22 N•m (195 lb-in.)
Extension-to-Block Cap Screw (14)
M8 x 85
27 N•m (20 lb-ft)
Extension-to-Block Cap Screw (4)
M8 x 120
27 N•m (20 lb-ft)
3TN84 (870 CUT)

Crankshaft, Main Bearings and Flywhee
l
2-46
4/7/95
2
CRANKSHAFT FRONT OIL SEAL
Replacement
•Remove timing gear cover. (See Camshaft and
Timing Gear Train in this section.)
•Replace oil seal using a driver set. Install seal
with lip toward inside of gear housing cover.
Install seal flush with surface of cover.
M82349A
Rear Oil Seal
Seal Case-to-Block
Cap Screw (6)
M8 X 30
26 N•m (226 lb-in.)
Oil Seal Case
John Deere
Form-In-Place
Gasket
(RTV rubber
silicone sealant)
Seal Case-to-Extension
Cap Screw (3)
M8 X 35
21 N•m (180 lb-in.)
M82203A
Timing Gear Cover
Crankshaft
Front
Oil Seal
CRANKSHAFT AND MAIN BEARINGS
Removal
1. Check crankshaft end play. (See Checks, Tests
and Adjustments in this section.)
2. Remove rear oil seal. (See procedure in this
group.)
3. Remove flywheel housing. (See procedure in this
group.)
4. Remove crankcase extension housing. (See
procedure in this group.)
NOTE: On 3TNA82 and 3TN84 (870 CUT),
crankshaft can be removed without
removing timing gear cover mounting plate.
5. Remove timing gear cover mounting plate. (See
Camshaft and Timing Gear Train in this section.)
6. Check crankshaft bearing clearance. (See Checks,
Tests and Adjustments in this section.)
IMPORTANT: Connecting rod end caps must be
installed on the same connecting rods from
which they were removed. Note alignment
marks on caps and rods.
7. Remove connecting rod cap screws and end caps.
8. Push pistons and connecting rods away from
crankshaft.
IMPORTANT: Main bearing caps must be
installed on the same main bearings from
which they were removed.
9. Remove main bearing cap screws, caps and cap
thrust bearings.
10.Remove crankshaft.
11.Remove block thrust bearings and main bearing
inserts.
12.Inspect all parts for wear or damage. (See
Inspection/Replacement procedures.)

Crankshaft, Main Bearings and Flywheel
4/7/95
2
2-47
M82283A
Flywheel
End
Crankshaft
Block Thrust Bearing
Cap Thrust Bearing
Main Bearing Inserts
Main Bearing Cap
Screw (8)
Main Bearing Cap
5. Install cap thrust bearings, with oil grooves
facing away from cap, in the number “1” main
bearing cap.
6. Install main bearing caps in their original
locations with arrows pointing toward flywheel
side of engine.
IMPORTANT: DO NOT use high speed power
tools or air wrenches to tighten main bearing
cap screws.
7. Dip entire main bearing cap screws in clean
engine oil. Install cap screws and tighten. DO
NOT tighten to specifications.
8. Using a soft-faced hammer, tap the front end of
the crankshaft then the rear end of the crankshaft
to align the thrust bearings.
9. Tighten main bearing cap screws to
specifications. When tightening, start at center
main bearing cap and work your way out,
alternating to the ends. Turn crankshaft by hand.
If it does not turn easily, disassemble the parts
and find the cause.
Installation
•Apply clean engine oil on all parts during
installation.
IMPORTANT: Do not touch bearing insert
surfaces. Oil and acid from your finger will
corrode the bearing surface.
1. Install grooved bearing inserts in crankshaft
bearing bores, aligning tangs with slots in bores.
2. Install block thrust bearings with oil grooves
facing away from engine block.
3. Install crankshaft.
4. Install smooth bearing inserts in main bearing
caps, aligning tangs with slots in caps.
NOTE: Main bearing caps have “raised arrows”
that are stamped with numbers. Both
correspond to their location on the engine
block. The number “1” main bearing bore
is at flywheel end. Install bearing caps
beginning with number 1, then 2, etc. The
main bearing cap at gear train end does not
have a number. Also install bearing caps
with the “arrow” toward the flywheel end.

Crankshaft, Main Bearings and Flywhee
l
2-48
4/7/95
2
M82283A
Flywheel
End
Crankshaft
Block Thrust Bearing
Cap Thrust Bearing
Smooth Bearing Insert
Grooved Bearing Insert
Main Bearing Cap
Main Bearing Cap Screw (8)
Dip in clean engine oil.
3TN75, 3TN78, 3TNC78 (3011):79 N•m (58 lb-ft)
3TN82, 3TNA82, 3TN84 (3014):98 N•m (72 lb-ft)
Tangs
1
2
3
NOTE: On 3TNA82 and 3TN84 (870 CUT),
crankshaft can be installed without
removing timing gear cover mounting plate.
12.Install timing gear cover mounting plate. (See
Camshaft and Timing Gear Train in this section.)
13.Install crankcase extension housing. (See
procedure in this group.)
14.Install flywheel housing. (See procedure in this
group.)
15.Install rear oil seal. (See procedure in this group.)
IMPORTANT: Connecting rod caps must be
installed on the same connecting rods they
were removed from.
Never reuse connecting rod cap screws,
replace with new.
10.Match the connecting rod caps to the rods using
alignment marks. Install caps.
11.Dip entire connecting rod cap screws in clean
engine oil. Install new cap screws and tighten to
specifications.
Connecting Rod Cap Screw Torque
Specifications:
3TN75, 3TN78,
3TNC78 (3011) . . . . . . . . . . 39 N•m (29 lb-ft)
3TN82, 3TNA82,
3TN84 (3014) . . . . . . . . . . . . 47 N•m (35 lb-ft)

Crankshaft, Main Bearings and Flywheel
4/7/95
2
2-49
Inspection/Replacement
1. Inspect crankshaft gear for chipped or broken
teeth. Replace if necessary.
To replace gear:
Remove gear from crankshaft using a knife-edge
puller and a press.
Heat gear to approximately 150oC (300oF). Install
gear with timing mark “A” toward press table. Align
slot in gear with key in shaft. Press crankshaft into
gear until gear is tight against crankshaft shoulder.
CAUTION
DO NOT heat oil over 182° C (360° F). Oil
fumes or oil can ignite above 193° C (380° F).
Use a thermometer. Do not allow a flame or
heating element to come in direct contact
with the oil. Heat the oil in a well-ventilated
area. Plan a safe handling procedure to avoid
burns.
M82060A
Key
Crankshaft Gear
Timing
Mark
2. Inspect crankshaft for bend using v-blocks and a
dial indicator. Turn crankshaft slowly and read
variation on indicator. If variation is greater than
0.02 mm (0.0007 in.), replace crankshaft.
3. Measure crankshaft connecting rod journal and
main bearing journal diameters. Measure several
places around each journal.
NOTE: If engine has had a previous major
overhaul, journals may have been ground
and undersized bearing inserts installed.
Connecting Rod Journal O.D. - 3TN75, 3TN78,
3TNC78 (3011):
Standard . . . . . . . . . . . . . 42.952 - 42.962 mm
. . . . . . . . . . . . . . . . . . . . .(1.6910 - 1.6914 in.)
Wear Limit. . . . . . . . . . . 42.91 mm (1.689 in.)
Connecting Rod Journal O.D. - 3TN82, 3TNA82,
3TN84 (3014):
Standard . . . . . . . . . . . . . 47.952 - 47.962 mm
. . . . . . . . . . . . . . . . . . . . .(1.8879 - 1.8883 in.)
Wear Limit. . . . . . . . . . . 47.91 mm (1.886 in.)
M82062A
Main
Bearing
Journal
Connecting
Rod Journal
M82284A
Dial Indicator
V-Block

Crankshaft, Main Bearings and Flywhee
l
2-50
4/7/95
2
Main Bearing Journal O.D. - 3TN75, 3TN78,
3TNC78 (3011):
Standard . . . . . . . . . . . . . 46.952 - 46.962 mm
. . . . . . . . . . . . . . . . . . . . .(1.8485 - 1.8489 in.)
Wear Limit. . . . . . . . . . . 46.91 mm (1.847 in.)
Main Bearing Journal O.D. - 3TN82, 3TNA82,
3TN84 (3014):
Standard . . . . . . . . . . . . . 46.952 - 46.962 mm
. . . . . . . . . . . . . . . . . . . . .(1.9666 - 1.9670 in.)
Wear Limit. . . . . . . . . . . 49.90 mm (1.965 in.)
If journal diameter is less than wear limit, replace
crankshaft or have journals ground undersize by a
qualified machine shop.
If journals are ground, undersize bearing inserts
must be installed. Bearing inserts are available in
0.25 mm (0.010 in.) undersize.
4. Install bearing inserts and main bearing cap on
main bearing. Tighten main bearing cap screws to
specifications.
Main Bearing Cap Screw Torque Specifications:
3TN75, 3TN78,
3TNC78 (3011) . . . . . . . . . . 79 N•m (58 lb-ft)
3TN82, 3TNA82,
3TN84 (3014) . . . . . . . . . . . . 98 N•m (72 lb-ft)
5. Measure main bearing diameter.
M82063
Main Bearing I.D. - 3TN75, 3TN78,
3TNC78 (3011):
Standard . . . . . . . . . . . . . . 47.00 - 47.045 mm
. . . . . . . . . . . . . . . . . . . . . . .(1.850 - 1.852 in.)
Wear Limit. . . . . . . . . . 47.10 mm (1.8541 in.)
Clearance . . . . . . . . . . . . 0.15 mm (0.0059 in.)
Main Bearing I.D. - 3TN82, 3TNA82,
3TN84 (3014):
Standard . . . . . . . . . . . . . . 50.00 - 50.045 mm
. . . . . . . . . . . . . . . . . . . . . . .(1.969 - 1.970 in.)
Wear Limit. . . . . . . . . . . 50.10 mm (1.972 in.)
Clearance . . . . . . . . . . . . 0.15 mm (0.0059 in.)
If bearing diameter exceeds wear limit, replace
bearing inserts.
If bearing clearance (bearing I.D. minus crankshaft
main bearing journal O.D.) exceeds specification,
replace bearing inserts and crankshaft or have
crankshaft journals ground undersize by a qualified
machine shop and install undersized bearing inserts.
Bearing inserts are available in 0.25 mm (0.010 in.)
undersize.
6. Clean and inspect oil passages in main bearing
journals, connecting rod journals and main
bearing bores in cylinder block.
7. Inspect crankshaft for cracks or damage. Replace
if necessary.

Crankshaft, Main Bearings and Flywheel
4/7/95
2
2-51
FLYWHEEL
IMPORTANT: Never reuse flywheel mounting
cap screws. Always install new.
1. 3TN75 (F1145FM): Remove cooling fan,
isolator, pulley, isolator mount plate and flywheel
guards.
-3TN75 (855/56 CUT): Remove flywheel
guards.
-3TN84 (955 CUT): Remove isolator mount
plate and flywheel guards.
-3TN78, 3TN82: Remove center flex coupler.
(See procedure in Machine Technical
Manual.)
2. Remove mounting cap screws and flywheel.
•Inspect pilot bushing, if equipped, for wear or
damage. Replace if necessary using a driver set.
Install bushing flush with flywheel surface.
•Measure flywheel flatness. Place a straight edge
across flywheel surface opposite of ring gear.
Measure clearance between straight edge and
flywheel surface with a feeler gauge. If
clearance exceeds 0.02 mm (0.0008 in.), replace
flywheel.
M35337
M82350A
Flywheel
Pilot Bushing
3TNA82 (770 CUT),
3TN84 (870 CUT) Only
Flywheel Mounting
Cap Screw (6)
Replace.
Apply clean engine oil on threads.
83 N•m (61 lb-ft)
Cap Screw (8)
M8 x 16
Isolator
Mount
Plate
3TN84 (955 CUT)
Flywheel Guard (Top)
Flywheel
Guard (Bottom)
Early 855/56 CUT
Bracket
Flywheel
Guards
Cap Screw (3)
M10 x 50
49 N•m
(36 lb-ft) Pulley
Cap Screw (8)
M8 x 16 Isolator
Mount
Plate
3TN75 (F1145FM)
(F1145 FM Only)
Isolator

Crankshaft, Main Bearings and Flywhee
l
2-52
4/7/95
2
FLYWHEEL HOUSING - 3TN78,
3TNC78 (3011), 3TN82, 3TN84 (3014)
1. Remove flywheel. (See procedure in this group.)
2. Remove starter.
NOTE: 3TNC78 (3011DF001 OEM) and 3TN84
(3014DF001 OEM) engines are equipped
with a flywheel plate in place of a housing.
(See procedure in this group.)
Housing-to-Block
Cap Screw (6)
M10 x 25
49 N•m (36 lb-ft)
Housing-to-Extension
Cap Screw (4)
M10 x 30
49 N•m (36 lb-ft)
Plug
Flywheel Housing
John Deere Form-In-Place
Gasket (RTV rubber
silicone sealant)
M82351A
3TN82 (575 SSL)
Mounting Cap Screw (8)
M10 x 25
49 N•m (36 lb-ft)
3TN78 (25 EX) , 3TN82 (30 EX)

Crankshaft, Main Bearings and Flywheel
4/7/95
2
2-53
FLYWHEEL PLATE - 3TN75, 3TNC78
(3011), 3TNA82, 3TN84 (3014)
1. Remove flywheel. (See procedure in this group.)
2. Remove starter.
M82352A
Plate-to-Extension
Cap Screw (4)
M10 x 25
49 N•m
(36 lb-ft)
Plate-to-Block Cap Screw (6)
M10 x 20
49 N•m (36 lb-ft)
3TN75,
3TN84
(955 CUT)
3TN75, 3TNC78 (3011), 3TN84 (955 CUT, 3014 OEM)
M82353A
3TN84 (870 CUT)
3TNA82, 3TN84 (870 CUT)
Mounting Cap
Screw (8)
M10 x 20
49 N•m
(36 lb-ft)

Camshaft and Timing Gear Train
2-54
4/7/95
2
SPECIAL OR ESSENTIAL TOOLS
NOTE: Order tools according to information given in the U.S. SERVICE-GARDTM Catalog or in the
European Microfiche Tool Catalog (MTC).
D15001NU Magnetic Follower Holder Kit
Hold cam followers when removing and installing camshaft.
OTHER MATERIALS
Number Name Use
LOCTITE® PRODUCTS
U.S./
Canadian/
LOCTITE No.
TY15130/ John Deere Form-In-Place Seals camshaft plug, timing gear cover and
NA/ Gasket plate to engine block.
#395
TY9370/ Thread Lock and Sealer Apply to threads of crankshaft pulley
TY9477/ (Medium Strength) cap screw.
#242
SERVICE PARTS KITS
The following kits are available through your parts catalog:
•Cylinder Head Gasket Kit
•Cylinder Block Gasket Kit
® LOCTITE is a registered trademark of the Loctite Corp.

Camshaft and Timing Gear Train
4/7/95
2
2-55
CAMSHAFT
Removal
1. Remove rocker arm assembly and push rods. (See
Cylinder Head, Valves and Manifolds in this
section.)
2. Remove timing gear cover. (See procedure in this
group.)
3. Check camshaft end play. (See Checks, Tests and
Adjustments in this section.)
4. Check backlash of timing gears. (See Checks,
Tests and Adjustments in this section.)
NOTE: If a magnetic follower holder kit is not
available, turn engine until oil pan is
upward, to hold cam followers away from
camshaft.
5. Hold cam followers away from camshaft using a
magnetic follower holder kit such as D15001NU.
NOTE: Due to the odd number of teeth on the idler
gear, timing marks will only align
periodically.
6. Rotate crankshaft and align timing marks.
IMPORTANT: DO NOT allow camshaft lobes to
hit bearing surfaces while removing camshaft.
Machined surfaces can be damaged.
7. Remove two cap screws and camshaft.
8. Inspect all parts for wear or damage. (See
Inspection/Replacement procedures.)
Installation
•Apply clean engine oil on all parts during
installation.
IMPORTANT: DO NOT allow camshaft lobes to
hit bearing surfaces while installing camshaft.
Machined surfaces can be damaged.
1. Rotate crankshaft to align timing marks.
2. Install camshaft.
3. Install and tighten mounting cap screws to 26
N•m (226 lb-in.).
4. Install timing gear cover. (See procedure in this
group.)
5. Install push rods and rocker arm assembly. (See
Cylinder Head, Valves and Manifolds in this
section.)
M37836
Mounting Cap Screws
M8 X 16
Camshaft
Timing
Marks

Camshaft and Timing Gear Train
2-56
4/7/95
2
Inspection/Replacement
1. Check camshaft side gap using a feeler gauge.
Camshaft Side Gap:
Standard . . . . . . . . . . . . . . . . . 0.05 - 0.20 mm
. . . . . . . . . . . . . . . . . . . . .(0.0020 - 0.0079 in.)
Wear Limit. . . . . . . . . . . . 0.40 mm (0.016 in.)
If side gap is at wear limit, remove gear and replace
thrust plate.
2. Inspect gear for chipped or broken teeth. Replace
if necessary.
To remove/replace gear:
Remove gear from camshaft using a knife-edge
puller and a press.
CAUTION
DO NOT heat oil over 182° C (360° F). Oil
fumes or oil can ignite above 193° C (380° F).
Use a thermometer. Do not allow a flame or
heating element to come in direct contact
with the oil. Heat the oil in a well-ventilated
area. Plan a safe handling procedure to avoid
burns.
M82067A
Camshaft Gear
Thrust Plate
Side Gap
Heat gear to approximately 150oC (300oF).
IMPORTANT: Be sure thrust plate is not
between camshaft gear and camshaft shoulder
while installing gear.
Install thrust plate if removed. Install gear with
timing mark “C” side toward press table. Align slot
in gear with key in shaft. Press camshaft into gear
until gear is tight against camshaft shoulder.
Thrust plate must spin freely on camshaft.
3. Inspect camshaft for bend using v-blocks and a
dial indicator. Turn camshaft slowly and read
variation on indicator. If variation is greater than
0.02 mm (0.001 in.), replace camshaft.
M82068A
Thrust Plate
Camshaft Gear
Key
M82291A
Dial Indicator
Camshaft
Central Bearing
Areas
V-Block

Camshaft and Timing Gear Train
4/7/95
2
2-57
4. Measure camshaft lobe height.
Lobe Height:
Standard . . . . . . . . . . . . . 38.635 - 38.765 mm
. . . . . . . . . . . . . . . . . . . . . . .(1.521 - 1.526 in.)
Wear Limit. . . . . . . . . . . 38.40 mm (1.512 in.)
If lobe height is less than wear limit, replace
camshaft.
5. Measure camshaft end and intermediate journal
diameters.
Camshaft Journal O.D.:
Gear Housing and Flywheel Ends
Standard . . . . . . . . . . . . . . . 44.92 - 44.95 mm
. . . . . . . . . . . . . . . . . . . . . . .(1.769 - 1.770 in.)
Wear Limit. . . . . . . . . . . 44.80 mm (1.764 in.)
Intermediate
Standard . . . . . . . . . . . . . . . 44.91 - 44.94 mm
. . . . . . . . . . . . . . . . . . . . . . .(1.768 - 1.769 in.)
Wear Limit. . . . . . . . . . . 44.80 mm (1.764 in.)
M82070A
Lobe
Height
M82292A
Flywheel End
Journal
Intermediate
Journals
Gear Housing
End Journal
If journal diameters are less than wear limit, replace
camshaft.
6. Measure camshaft bushing diameter at gear
housing end.
Camshaft Bushing I.D.:
Standard . . . . . . . . . . . . . 44.990 - 45.055 mm
. . . . . . . . . . . . . . . . . . . . . . .(1.771 - 1.774 in.)
Wear Limit. . . . . . . . . . . 45.10 mm (1.776 in.)
Clearance . . . . . . . . . . . . 0.20 mm (0.0078 in.)
If bushing diameter exceeds wear limit, replace
bushing.
If bushing clearance (bushing I.D. minus camshaft
journal O.D.) exceeds specification, replace bushing,
camshaft or both.
To replace bushing:
Remove bushing using a chisel. Be careful not to
push bushing inside of engine. Align oil holes in
new bushing and cylinder block. Install bushing
using a driver set.
NOTE: Flywheel housing/plate must be removed to
measure camshaft intermediate and
flywheel end bearing diameters.
7. Measure intermediate and flywheel end camshaft
bore diameters using the following procedures:
•Remove flywheel housing/plate. (See
Crankshaft, Main Bearings and Flywheel in this
section.)
•Remove plug using a long wooden dowel. Insert
wooden dowel through gear housing side.
M82072
Camshaft Bushing
Oil Holes

Camshaft and Timing Gear Train
2-58
4/7/95
2
•Measure intermediate and flywheel end
camshaft bore diameters.
Camshaft Bore I.D.:
Standard . . . . . . . . . . . . . . 45.00 - 45.025 mm
. . . . . . . . . . . . . . . . . . . . . . .(1.772 - 1.773 in.)
Wear Limit. . . . . . . . . . . 45.10 mm (1.776 in.)
Clearance . . . . . . . . . . . . . 0.20 mm (0.008 in.)
If bore diameter exceeds wear limit, replace cylinder
block.
If bore clearance (bore I.D. minus camshaft journal
O.D.) exceeds specification, replace camshaft,
cylinder block or both.
•Apply John Deere Form-In Place Gasket, or an
equivalent, on outer edge of plug. Install plug
until it bottoms in bore.
•Install flywheel housing.
CAM FOLLOWERS
Removal/Installation
1. Remove camshaft. (See procedure in this group.)
2. Remove oil pan and strainer. (See Lubrication
System in this section.)
M35287
Plug
M82073
Intermediate
Bores
Flywheel
End
Bore
IMPORTANT: Cam followers must be installed
in the same bores from which they were
removed.
3. Put a mark on each cam follower and cylinder
block bore to aid in installation.
4. Remove cam followers.
5. Inspect all parts for wear or damage. (See
Inspection procedures.)
6. Apply clean engine oil on all parts during
installation.
Installation is done in the reverse order of removal.
Inspection
•Inspect cam follower contact surface for
abnormal wear. Replace if necessary.
•Measure cam follower stem diameter.
M82074A
Abnormal Contact
Normal Contact
M82075A

Camshaft and Timing Gear Train
4/7/95
2
2-59
Cam Follower Stem O.D.:
Standard . . . . . . . . . . . . . 11.975 - 11.990 mm
. . . . . . . . . . . . . . . . . . . . . . .(0.471 - 0.472 in.)
Wear Limit. . . . . . . . . . . 11.93 mm (0.470 in.)
If stem diameter is less than wear limit, replace cam
follower.
•Measure cam follower bore diameter in cylinder
block.
Cam Follower Bore I.D.:
Standard . . . . . . . . . . . . . 12.000 - 12.018 mm
. . . . . . . . . . . . . . . . . . . . . . .(0.472 - 0.473 in.)
Wear Limit. . . . . . . . . . . 12.05 mm (0.474 in.)
Clearance . . . . . . . . . . . . . 0.10 mm (0.004 in.)
If cam follower bore diameter exceeds wear limit,
replace cylinder block.
If bore clearance (bore I.D. minus follower stem
O.D.) exceeds specification, replace cam follower,
cylinder block or both.
TIMING GEAR COVER
Removal/Installation
1. Remove alternator and belt.
NOTE: 3TN75 (F1145 FM) fan is mounted on
flywheel end of engine. Alternator belt
pulley does not have to be removed to
access timing gear cover.
2. Remove fan, spacer/plate, if equipped, and
pulley.
M82354A
Pulley
Cap Screw (4)
11 N•m (96 lb-in.)
Spacer
3TN84 (870 CUT)
Plate
(3TN78, 3TN82, 3TNA82,
3TN84 (3014 OEM) Only
3. Remove crankshaft pulley cap screw and washer.
4. Remove crankshaft pulley using a two-jaw puller
kit.
5. Remove key, if equipped.
6. Remove tachometer, if equipped.
7. 3TNA82 (770 CUT), 3TN84 (870 CUT):
Remove hydraulic pump and steering pump, if
equipped. (See procedure in Machine Technical
Manual).
NOTE: It is not necessary to remove auxiliary drive
cover and gasket, if equipped, end cover and
o-ring or fuel injection pump gear cover to
remove timing gear cover.
8. Remove mounting cap screws and timing gear
cover.
Installation is done in the reverse order of removal.
•Replace seal washer.
•Tighten all mounting cap screws to 26 N•m (226
lb-in.)
•All except 3TNA82 (770 CUT), 3TN84 (870
CUT): Align pin in crankshaft pulley with hole
in crankshaft gear. Install crankshaft pulley.
•3TNA82 (770 CUT), 3TN84 (870 CUT): Install
key and crankshaft pulley.
•Adjust fan/alternator drive belt tension. (See
Checks, Tests and Adjustments in this section.)
M35295
Pin
Hole

Camshaft and Timing Gear Train
2-60
4/7/95
2
O-Ring
Timing
Gear
Cover
Cap Screw (2)
M6 x 12
Mounting Cap Screw (3)
M8 x 55
Seal Washer
Replace.
Crankshaft Pulley
Washer
Cap Screw
Apply thread lock and
sealer (medium strength)
to threads.
115 N•m (85 lb-ft)
Cap Screw (4)
M8 x 12
Mounting Cap
Screw (4)
M8 x 85
Crankcase Extension
Housing-to-Cover Cap Screw
3TN75, 3TNC78 (3011),
3TN78, 3TN82 (30 EX),
3TNA82 (770 CUT) - (6)
3TN82 (575 SSL), 3TN84 (955 CUT,
3014 OEM) - (2)
3TN84 (870 CUT) - (4)
22 N•m (195 lb-in.)
Mounting Cap Screw (6)
M8 x 45
Clamp
3TNC78 (3011),
3TNA82, 3TN84
(870 CUT, 3014 OEM)
Mounting Cap Screw
M8 x 16
Gasket
O-Ring
Cap
M82355A
3TN75,
3TNC78 (3011)
Key
3TNA82, 3TN84 (870 CUT)
Injection
Pump
Gear
Cover
Oil Pan-to-Cover
Cap Screw (2)
3TN82 (575 SSL),
3TN84 (955 CUT, 3014 OEM)
22 N•m (195 lb-in.)
Cap Screw (2)
M6 x 16
Tachometer
3TNC78 (3011), 3TNA82,
3TN84
End Cover
Gasket Cover
If equipped.
Cap Screw (2)
M8 x 16
Nut and Lock
Washer (2)
3TNA82, 3TN84 (870 CUT)
John Deere Form-In-Place Gasket
(RTV rubber silicone sealant)
Mounting Plate-to-Cover
Cap Screw (3)
M8 x 20
Mounting Plate-to-
Cover Cap Screw (3)
3TN75, 3TN84
(955 CUT)
M8 x 16
All Except 3TNA82, 3TN84 (870 CUT)

Camshaft and Timing Gear Train
4/7/95
2
2-61
IDLER GEAR
Removal/Installation
1. Remove timing gear cover. (See procedure in this
group.)
2. Check backlash of timing gears. (See Checks,
Tests and Adjustments in this section.)
NOTE: Due to the odd number of teeth on the idler
gear, timing marks will only align
periodically. When all timing marks on
gears align, the piston closest to the water
pump is at TDC on compression stroke.
Number one cylinder is closest to the
flywheel.
3. Rotate crankshaft and align timing marks.
4. Remove two cap screws, shaft and gear.
5. Inspect all parts for wear or damage. (See
Inspection/Replacement procedures.)
Installation is done in the reverse order of removal.
Inspection/Replacement
•Inspect gear for chipped or broken teeth.
Replace if necessary.
•Measure idler gear shaft diameter.
M82209A
Idler Gear (43T)
Idler Gear Shaft
Cap Screw (2)
M8 x 45
Idler Gear Shaft O.D.:
Standard . . . . . . . . . . . . . 45.950 - 45.975 mm
. . . . . . . . . . . . . . . . . . . . . . .(1.809 - 1.810 in.)
Wear Limit. . . . . . . . . . . 45.93 mm (1.808 in.)
If shaft diameter is less than wear limit, replace idler
gear shaft.
•Measure idler gear bushing diameter.
Idler Gear Bushing I.D.:
Standard . . . . . . . . . . . . . . 46.00 - 46.025 mm
. . . . . . . . . . . . . . . . . . . . . . .(1.811 - 1.812 in.)
Wear Limit. . . . . . . . . . . 46.03 mm (1.812 in.)
Clearance . . . . . . . . . . . . 0.15 mm (0.0059 in.)
If bushing diameter exceeds wear limit, replace
bushing.
To replace bushing:
Replace bushing using a driver set. Align oil holes in
bushing and idler gear. Install bushing flush with
surface of idler gear.
If bushing clearance (bushing I.D. minus shaft O.D.)
exceeds specification, replace bushing, shaft or both.
M82210A
Idler Gear
Bushing
Idler Gear
Shaft

Camshaft and Timing Gear Train
2-62
4/7/95
2
TIMING GEAR COVER MOUNTING
PLATE
Removal/Installation
1. Remove camshaft. (See procedure in this group.)
2. Remove idler gear. (See procedure in this group.)
3. Remove fuel injection pump. (See Fuel System in
this section.)
4. Remove oil pump. (See Lubrication System in
this section.)
5. 3TNA82, 3TN84 (870 CUT): Remove hydraulic
pump drive assembly. (See procedure in Machine
Technical Manual.)
6. Remove mounting cap screws and plate.
7. Replace o-rings.
Installation is done in the reverse order of removal.
M82356A
John Deere
Form-In-Place Gasket
(RTV rubber silicone sealant)
Timing Gear Cover
Mounting Plate
Mounting Cap Screw (3)
M8 x 16
25 N•m (220 lb-in.)
Stud (3)
O-Rings
Replace.
Studs
3TNA82, 3TN84 (870 CUT)

Lubrication System
4/7/95
2
2-63
OTHER MATERIALS
Number Name Use
LOCTITE® PRODUCTS
U.S./
Canadian/
Loctite No.
TY15130/ John Deere Form-In-Place Seals oil pan/plate to crankcase
NA/ Gasket extension housing.
#395
®LOCTITE is a registered trademark of the Loctite Corp.

Lubrication System
2-64
4/7/95
2
OIL PAN AND STRAINER
Removal/Installation
•Approximate crankcase oil capacity is:
3TN75 . . . . . . . . . . . . . . . . . . . . . . 3.9L (4.1 qt)
3TN78, 3TN82 (30 EX),
3TNA82 . . . . . . . . . . . . . . . . . . . . 4.0L (4.2 qt)
3TNC78 (3011)
DF001 and 005. . . . . . . . . . . . . 4.2L (4.4 qt)
DF006. . . . . . . . . . . . . . . . . . . . 6.2L (6.5 qt)
3TN82 (575 SSL) . . . . . . . . . . . . . 6.0L (6.3 qt)
3TN84
(870 CUT) . . . . . . . . . . . . . . . . 4.8L (5.1 qt)
(955 CUT) . . . . . . . . . . . . . . . . 4.3L (4.5 qt)
(3014 OEM)
DF001 and 005 . . . . . . . . . . 5.2L (5.4 qt)
DF006 . . . . . . . . . . . . . . . . . 7.4L (7.7 qt)
•Tighten all cap screws to 26 N•m (226 lb-in.).
•Fill engine with proper engine oil. (See
SPECIFICATIONS AND GENERAL
INFORMATION section.)
M82360A
Gasket
Replace.
Cap Screw (2)
M8 x 35
John Deere Form-In-
Place Gasket (RTV rubber
silicone sealant)
Cap Screw (16)
M8 x 45
Cap Screw (4)
M8 x 16
Drain Plug
O-Ring
Replace.
Oil Pan
Oil Strainer
3TN75, 3TNC78 (3011DF001 and 005)
M82361A
Gasket
Replace.
John Deere Form-In-
Place Gasket
(RTV rubber
silicone sealant)
Cap Screw (8)
M8 x 12
Drain Plug
Washer
Replace.
Oil Pan/Plate
3TN78, 3TN82 (30 EX), 3TNA82, 3TN84 (870 CUT)
Oil Strainer
Cap Screw (2)
M8 x 35
Cap Screw (2)
3TNA82, 3TN84
(870 CUT) Only
M8 x 12

Lubrication System
4/7/95
2
2-65
M82362A
John Deere Form-In-Place Gasket
(RTV rubber silicone sealant)
Gasket
Replace.
Oil Strainer
Cap Screw (2)
M8 x 35
Cap Screw (16)
M8 x 45
Cap Screw (4)
M8 x 16
Drain Plug
O-Ring
Replace.
Cap Screw (4)
M8 x 50
Spacer
Plate (2)
Oil Pan
3TN84 (3014DF001 and 005 OEM)
3TNC78 (3011DF006 OEM),
3TN84 (3014DF006 OEM)
3TNC78 (3011DF006 OEM), 3TN82 (575 SSL), 3TN84 (955 CUT, 3014 OEM)
3. Remove mounting cap screws, oil pump and
gasket.
4. Inspect all parts for wear or damage. (See
Disassembly/Assembly procedures).
M82215A
Mounting Cap Screw
M6 x 25
25 N•m (18 lb-ft)
Oil Pump
Oil Pump
Gasket
All Except 3TN75
OIL PUMP
Removal/Installation
1. Remove timing gear cover. (See Camshaft and
Timing Gear Train in this section.)
2. Check oil pump gear backlash. Replace entire oil
pump assembly if backlash is more than 0.25 mm
(0.010 in.).
Mounting Cap Screw (4)
M6 x 20
25 N•m (18 lb-ft)
M82363A
Gasket
Oil Pump
3TN75

Lubrication System
2-66
4/7/95
2
Disassembly/Assembly
•Gear is press fit on rotor shaft. Remove gear
using a knife edge puller and a press.
•Inspect parts for wear or damage. (See
Inspection procedures.)
•Coat all parts with clean engine oil.
•Install outer rotor with identification mark
facing toward rotor shaft assembly.
Inspection
•Check rotor shaft outer diameter and the shaft
hole diameter in backing plate. If clearance is
more than wear limit, replace entire assembly.
M82364A
Alignment Pin (2)
Backing Plate
Pump BodyRotor Shaft
Gear
Outer Rotor
Inner Rotor
Identification
Mark
3TN75
M82216A
Alignment Pin (2)
Backing Plate
Pump Body
Rotor Shaft
Gear
Inner Rotor
Outer Rotor
Identification
Mark
Safety Valve
Non-Adjustable.
DO NOT Remove.
All Except 3TN75
Rotor Shaft and Plate Clearance:
Standard . . . . . . . . . . . . . . . 0.015 - 0.048 mm
. . . . . . . . . . . . . . . . . . . . .(0.0006 - 0.0035 in.)
Wear Limit. . . . . . . . . . . 0.20 mm (0.0078 in.)
•Check rotor recess. If rotors are below face of
pump housing more than wear limit, replace
rotor assembly.
Rotor Recess - 3TN75, 3TN78, 3TNC78 (3011):
Standard . . . . . . . . . . . . . . . . . 0.05 - 0.10 mm
. . . . . . . . . . . . . . . . . . . . .(0.0020 - 0.0039 in.)
Wear Limit. . . . . . . . . . . 0.15 mm (0.0059 in.)
Rotor Recess - 3TN82, 3TNA82, 3TN84 (3014):
Standard . . . . . . . . . . . . . . . . . 0.03 - 0.09 mm
. . . . . . . . . . . . . . . . . . . . .(0.0011 - 0.0035 in.)
Wear Limit. . . . . . . . . . . 0.15 mm (0.0059 in.)
•Check outer rotor-to-pump body clearance. If
clearance is more than wear limit, replace entire
assembly.
M37775
Straight Edge
Housing
Feeler Gauge
Outer Rotor
M37776
Body
Outer Rotor
Feeler Gauge

Lubrication System
4/7/95
2
2-67
Outer Rotor-to-Pump Body Clearance - 3TN75,
3TN78, 3TNC78 (3011):
Standard . . . . . . . . . . . . . . . . . 0.09 - 0.16 mm
. . . . . . . . . . . . . . . . . . . . .(0.0035 - 0.0063 in.)
Wear Limit. . . . . . . . . . . 0.25 mm (0.0098 in.)
Outer Rotor-to-Pump Body Clearance - 3TN82,
3TNA82, 3TN84 (3014):
Standard . . . . . . . . . . . . . . . . . 0.10 - 0.17 mm
. . . . . . . . . . . . . . . . . . . . .(0.0039 - 0.0067 in.)
Wear Limit. . . . . . . . . . . 0.25 mm (0.0098 in.)
•Check inner-to-outer rotor clearance. If
clearance is more than wear limit, replace rotor
assembly.
Inner-to-Outer Rotor Clearance - 3TN75, 3TN78,
3TNC78 (3011):
Standard . . . . . . . . . . . . . . . . . 0.02 - 0.04 mm
. . . . . . . . . . . . . . . . . . . . .(0.0008 - 0.0016 in.)
Wear Limit. . . . . . . . . . . 0.15 mm (0.0059 in.)
Inner-to-Outer Rotor Clearance - 3TN82,
3TNA82, 3TN84 (3014):
Standard . . . . . . . . . . . . . . . . 0.05 - 0.105 mm
. . . . . . . . . . . . . . . . . . . . .(0.0019 - 0.0041 in.)
Wear Limit. . . . . . . . . . . 0.15 mm (0.0059 in.)
OIL COOLER - 3TN84 (955 CUT)
1. Remove drain plug to drain engine cooling
system.
2. Remove oil filter.
M37777
Feeler Gauge
Inner Rotor
Outer Rotor
3. Disconnect coolant hoses.
4. Remove nut, oil cooler and o-rings.
5. Pressure test oil cooler. (See Checks, Tests and
Adjustments in this section.)
Installation is done in reverse order of removal.
OIL PRESSURE REGULATING VALVE
- 3TN84 (955 CUT)
Removal/Installation
1. Remove oil cooler. (See procedure in this group.)
2. Remove mounting cap screws, pressure control
valve housing and gasket.
NOTE: Valve components are not serviced
individually. Replace complete regulating
valve if any components are defective.
M48394
Oil Cooler
Drain Plug
Nut
30 N•m (22 lb-ft)
M48395
O-Rings
Replace.

Lubrication System
2-68
4/7/95
2
3. Inspect all parts for wear or damage. Replace
complete regulating valve if necessary.
Installation is done in the reverse order of removal.
M82365A
Plug
Washer
Replace.
O-Ring
Replace. Valve
Shims
Cap
Stake to valve body.
Spring
Valve Body
Gasket
Replace.
Pressure Control
Valve Housing
Mounting Cap Screw (3)
M8 x 25
27 N•m (20 lb-ft)
OIL PRESSURE REGULATING
VALVE - ALL EXCEPT 3TN84
(955 CUT)
Removal/Installation
1. Remove oil filter.
2. Remove three cap screws, valve assembly and
gasket.
NOTE: If adjusting engine oil pressure, retaining
nut need not be removed.
3. If adjusting pressure only, remove cap and add
shims. Each 1 mm (0.039 in.) of shim thickness
increases oil pressure 15.6 kPa (2.3 psi).
NOTE: Valve components are not serviced
individually. Replace complete regulating
valve if any components are defective.
4. Inspect all parts for wear or damage. Replace
complete valve if necessary.
5. Check spring free and compressed length.
Spring Specifications:
Free Length . . . . . . . . . . . . .46 mm (1.810 in.)
Compressed Length . . . 27.50 mm (1.080 in.)
. . . . . . . . . . . . . . . . . . @ 20.5 N (4.6 lb-force)
Installation is done in the reverse order of removal.
M82219A
Housing
Retaining Nut
30 N•m (22 lb-ft)
Oil Filter
Gasket
Cap Screw (3)
M8 x 20
27 N•m (20 lb-ft)
O-Ring
Replace.
Shims
Spring
Valve
Valve Body
Cap
Stake to valve body.

Cooling System
4/7/95
2
2-69
OTHER MATERIALS
Number Name Use
LOCTITE® PRODUCTS
U.S./
Canadian/
LOCTITE No.
TY9375/ John Deere Pipe Sealant 3TN78, 3TN82 (30 EX), 3TN84
TY9480/ with TEFLON® (955 CUT, 3014 OEM): Apply to threads
#592 of plug and nipple in thermostat housing
and pipe plug in water pump housing.
®LOCTITE is a registered trademark of the Loctite Corp.
®TEFLON is a registered trademark of the Du Pont Company.

Cooling System
2-70
4/7/95
2
COOLANT TEMPERATURE SWITCH
Replacement
NOTE: Some engines may also be equipped with a
coolant temperature sender. Sender is
located opposite of switch in thermostat
housing. Replacement procedures are the
same.
1. Disconnect wiring lead, if equipped.
2. Open engine drain valve to drain coolant.
3. Remove switch and washer.
4. Test switch. (See Checks, Tests and Adjustments
in this section.)
Installation is done in reverse order of removal.
M82220A
Coolant Temperature
Switch
Copper
Washer
Replace.Thermostat
Housing
THERMOSTAT AND HOUSING -
3TN78, 3TN82 (30 EX), 3TN84
(955 CUT, 3014 OEM)
1. Drain engine coolant.
2. Remove upper radiator hose, if equipped.
3. Disconnect coolant temperature switch/sender
wiring lead(s).
4. Loosen alternator-to-bracket mounting cap screw.
5. Loosen clamps and remove thermostat housing-
to-water pump hose.
6. Remove mounting cap screws, housing and
gasket.
7. Inspect all parts for wear or damage. Replace as
necessary.
8. Test thermostat. (See Checks, Tests and
Adjustments in this section.)
Installation is done in reverse order of removal.
Adjust fan/alternator drive belt tension. (See Checks,
Tests and Adjustments in this section.)
Gasket
Replace.
PlateCap Screw (2)
M8 x 20
20 N•m (180 lb-in.)
Copper Washer
Replace.
Cover
Gasket
Replace.
Thermostat
Gasket
Replace.
M82221A
Copper Washer
Replace.
Cap
Alternator Slide
Bracket
Mounting Cap
Screw
M8 x 60
26 N•m (226 lb-in.)
Thermostat Housing-to-
Water Pump Hose
Mounting Cap Screw
M8 x 50
26 N•m (226 lb-in.
)
Mounting Cap Screw
M8 x 25
26 N•m (226 lb-in.
)
Nipple
Apply Pipe Sealant
with TEFLON to threads.
Housing
Plug
Apply Pipe Sealant with
TEFLON to threads.
Gasket
Replace.
Coolant Temperature Switch
Cap Screw (2)
M6 x 16
9 N•m (78 lb-in.)

Cooling System
4/7/95
2
2-71
THERMOSTAT - 3TN75, 3TNC78
(3011), 3TN82 (575 SSL), 3TNA82,
3TN84 (870 CUT)
•Replace gaskets.
•Test thermostat. (See Checks, Tests and
Adjustments in this section.)
WATER PUMP - 3TN78, 3TN82 (30 EX),
3TN84 (955 CUT, 3014 OEM)
Removal/Installation
1. Drain engine coolant.
2. Remove fan/alternator belt.
3. 3TN78, 3TN82 (30 EX), 3TN84 (955 CUT):
Remove fan, plate, if equipped, and pulley.
3TN84 (3014 OEM): Remove cooling fan. (See
procedure in ACCESSORIES - SERIES 220
POWER UNIT ENGINES section.)
M82366A
Cover
Cover
Gasket
Thermostat
Gasket
Cap Screw (2)
M8 x 20
20 N•m (180 lb-in.)
Cap Screw
M8 x 65
20 N•m
Cap Screw
M8 x 25
20 N•m
(180 lb-in.)
(180 lb-in.)
Cover
3TN82 (575 SSL)
4. Remove lower radiator hose, if equipped.
5. Loosen clamps and remove thermostat housing-
to-water pump hose.
6. Remove three mounting cap screws, pump and
gasket.
7. Inspect all parts for wear or damage. (See
Disassembly/Assembly procedures.)
Installation is done in the reverse order of removal.
M82294A
Pulley Plate
3TN78, 3TN82 (30 EX),
Cap Screw
11 N•m (96 lb-in.)
3TN84 (955 CUT) Only
M82223A
Gasket
Replace.
Mounting Cap Screw (3)
M8 x 60
26 N•m (226 lb-in.
)
Water PumpThermostat Housing-to-
Water Pump Hose

Cooling System
2-72
4/7/95
2
Disassembly
1. Apply heat to three plate-to-housing screws.
Remove screws, plate and gasket
3. Place water pump assembly on a press table.
Install supports under water pump housing,
staying clear of impeller. Press bearing shaft
assembly through water pump housing using a
piece of pipe or a deep socket.
IMPORTANT: Impeller bore is tapered. When
pressing bearing shaft from impeller, allow
enough clearance between cap screw and
impeller bore to prevent cap screw from
binding.
4. Remove impeller from bearing shaft using a
knife-edge puller, a 3/8 in. cap screw and a press.
5. Remove shaft seal, ceramic seal and seal cup.
6. Inspect all parts for wear or damage. Replace as
necessary.
2. Apply extreme heat to pulley flange. Remove
flange using a knife-edge puller set and two small
nuts.
M35645
Two Small Nuts
Pulley Flange
Water Pump
Housing
Knife-Edge
Puller Set
M82224A
Pipe Plug
Apply Pipe Sealant with
TEFLON to threads.
Pulley
Flange
Bearing
Shaft
Water Pump
Housing
Shaft Seal
Replace.
Seal Cup and
Ceramic Seal
Replace.
Impeller
Gasket
Replace.
Plate-to-Housing Screw (3)
15 N•m (134 lb-in.)
Plate
Plug
15 N•m (130 lb-in.)

Cooling System
4/7/95
2
2-73
Assembly
1. Install bearing shaft into pump housing, long end
down, using a piece of pipe or deep socket and a
press. Press shaft into pump housing until bearing
surface is flush with pump housing surface.
2. Install new shaft seal over impeller side of
bearing shaft, rubber seal side away from pump
housing. Push shaft seal into pump housing, until
it stops, using a 25 mm or 1 in. socket and a
press.
IMPORTANT: Support pump housing on
bearing shaft only. DO NOT support on
housing or damage to housing will occur.
3. Place water pump housing on a press table.
Support housing on bearing shaft using a driver
disk. Install pulley flange onto shaft with straight
hub facing away from housing.
3TN82 (30 EX): Press pulley flange onto bearing
shaft until top of flange is 27 mm (1.060 in.) from
top of housing.
3TN78, 3TN84 (955 CUT, 3014 OEM): Press pulley
flange onto bearing shaft until bottom of flange is
17 mm (0.670 in.) from top of housing.
IMPORTANT: DO NOT touch lapped sealing
surface of ceramic seal with bare hands. It
must be clean and dry.
4. Install seal cup and ceramic seal in impeller.
5. Install a knife-edge puller around bearing shaft,
between pulley flange and pump housing. Place
pump housing, with knife-edge puller down, on a
press table. Install impeller with ceramic seal
toward shaft seal.
3TN82 (30 EX): Press impeller on bearing shaft
until top of impeller is 1 mm (0.040 in.) below
housing.
3TN78, 3TN84 (955 CUT, 3014 OEM): Press
impeller on bearing shaft until top of impeller is 2
mm (0.080 in.) below housing.
6. Install new gasket, plate, three screws, two cap
screws and nuts. Tighten to specifications.
M37905

Cooling System
2-74
4/7/95
2
WATER PUMP - 3TN75, 3TNC78
(3011), 3TN82 (575 SSL), 3TNA82,
3TN84 (870 CUT)
Removal/Installation
1. Open engine drain valve to drain coolant.
2. Remove fan/alternator drive belt.
NOTE: 3TN75 (F1145 FM): Fan is mounted on
flywheel end of engine.
3. Remove four cap screws, fan, spacer/plate, if
equipped, and pulley.
4. Remove four mounting cap screws, pump and
gasket.
5. Inspect all parts for wear or damage. (See
Disassembly/Assembly procedures.)
Installation is done in the reverse order of removal.
•Adjust fan/alternator drive belt tension. (See
Checks, Tests and Adjustments in this section.)
M82367A
Cap Screw (4)
M6 x 25
11 N•m (96 lb-in.)
Mounting Cap Screw (3)
M8 x 55
26 N•m (226 lb-in.)
Gasket
Replace.
O-Ring
Replace.
Water Pump
Plate
3TN82
(575 SSL)
3TNA82 Only
Fan
Mounting Cap Screw
M8 x 60
26 N•m (226 lb-in.)
Spacer 3TN84
(870 CUT)
Pulley

Cooling System
4/7/95
2
2-75
Disassembly
1. Remove thermostat. (See procedure in this
group.)
2. Remove coolant temperature switch. (See
procedure in this group.)
3. Remove two cap screws, adapter and gasket.
4. Apply heat to plate-to-housing cap screws.
Remove cap screws, plate and gasket.
M82368A
Cap
Copper
Washer
Replace.
Pulley
Flange
Bearing
Shaft
Water Pump
Housing
Shaft Seal Assembly
Replace.
Impeller
Adapter
Gasket
Replace.
Plate
Gasket
Replace.
Adapter-to-Plate Cap Screw (2)
M6 x 20
9 N•m (78 lb-in.)
Plate-to-Housing Cap Screw (2)
M6 x 14
9 N•m (78 lb-in.)
Plug
15 N•m (130 lb-in.)
Plug
15 N•m (130 lb-in.)
3TN75, 3TNC78 (3011)
M82226A
Cap
Copper
Washer
Replace.
Pulley
Flange
Bearing
Shaft
Water Pump
Housing
Shaft Seal
Replace.
Seal Cup and
Ceramic Seal
Replace.
Impeller
Adapter
Gasket
Replace.
Plate
Gasket
Replace.
Adapter-to-Plate Cap Screw (2)
M6 x 20
9 N•m (78 lb-in.)
Plate-to-Housing Cap Screw (5)
M6 x 14
9 N•m (78 lb-in.)
Plate-to-Housing Cap Screw
9 N•m (78 lb-in.)
3TN82 (575 SSL), 3TNA82, 3TN84 (870 CUT)

Cooling System
2-76
4/7/95
2
5. Apply extreme heat to pulley flange. Remove
flange using a knife-edge puller set and two small
nuts.
6. Place water pump assembly on a press table.
Install supports under water pump housing,
staying clear of impeller. Press bearing shaft
assembly through water pump housing using a
piece of pipe or a deep socket.
IMPORTANT: Impeller bore is tapered. When
pressing bearing shaft from impeller, allow
enough clearance between cap screw and
impeller bore to prevent cap screw from
binding.
7. Remove impeller from bearing shaft using a
knife-edge puller, a 3/8 in. cap screw and a press.
8. Remove shaft seal (shaft seal assembly), ceramic
seal and seal cup.
9. Inspect all parts for wear or damage. Replace as
necessary.
Assembly
1. Install bearing shaft into pump housing, long end
down, using a piece of pipe or deep socket and a
press. Press shaft into pump housing until bearing
surface is flush with pump housing surface.
2. Install new shaft seal over impeller side of
bearing shaft, rubber seal side away from pump
housing. Push shaft seal into pump housing, until
it stops, using a 25 mm or 1 in. socket and a
press.
M35645
Two Small Nuts
Pulley Flange
Water Pump
Housing
Knife-Edge
Puller Set
IMPORTANT: Support pump housing on
bearing shaft only. DO NOT support on
housing or damage to housing will occur.
3. Place water pump housing on a press table.
Support housing on bearing shaft using a driver
disk. Install pulley flange onto shaft with straight
hub facing away from housing.
Press pulley flange onto bearing shaft until bottom
of flange is 17 mm (0.670 in.) from top of housing.
IMPORTANT: DO NOT touch lapped sealing
surface of ceramic seal with bare hands. It
must be clean and dry.
4. Install seal cup and ceramic seal (shaft seal
assembly) in impeller.
5. Install a knife-edge puller around bearing shaft,
between pulley flange and pump housing. Place
pump housing, with knife-edge puller down, on a
press table. Install impeller with ceramic seal
toward shaft seal.
Press impeller on bearing shaft until top of impeller
is 2 mm (0.080 in.) below housing.
6. Install new gasket, plate and cap screws. Tighten
to specifications.
7. Install new gasket, adapter and cap screws.
Tighten to specifications.
8. Install coolant temperature switch. (See
procedure in this group.)
9. Install thermostat. (See procedure in this group.)
M37906

Fuel System
4/7/95
2
2-77
SPECIAL OR ESSENTIAL TOOLS
NOTE: Order tools according to information given in the U.S. SERVICE-GARDTM Catalog or in the
European Microfiche Tool Catalog (MTC).
JDF13 Nozzle Cleaning Kit
Use to clean fuel injection nozzles.
SERVICE PARTS KITS
The following kits are available through your parts catalog:
•Cylinder Block Gasket Kit
•Fuel Injection Nozzle Shim Pack

Fuel System
2-78
4/7/95
2
FUEL SUPPLY PUMP - IF EQUIPPED
Replacement
NOTE: 3TN78 and 3TN82 engines are not equipped
with a fuel supply pump.
Oil will leak out of fuel injection pump
housing when supply pump is removed.
IMPORTANT: If oil has been drained out of fuel
injection pump housing, add oil as necessary.
Fuel injection pump can become damaged if
operated dry or without proper amount of oil.
After fuel supply pump is installed, disconnect
external lube line to fuel injection pump housing.
Remove fill plug and add clean engine oil to
housing. Add until oil begins to drip out of lube line
hole. (For proper oil specification see
SPECIFICATIONS AND GENERAL
INFORMATION section.)M82369
Fuel Supply Pump External Lube Line
Tighten mounting bolt to
15 N•m (130 lb-in.)
Fill Plug
Supply Pump-to-
Filter Hose
M82228A
Lock Washer (2)
Packing
Replace.
Mounting Nut (2)
11 N•m (96 lb-in.)
Fuel Supply Pump

Fuel System
4/7/95
2
2-79
FUEL FILTER ASSEMBLY - IF
EQUIPPED
NOTE: Fuel filter assemblies will be slightly
different for each engine model depending
on engine application. 3TN84 (3014 OEM)
shown.
IMPORTANT: Replace all copper washers.
Damaged or used washers may leak.
End CapNozzle Leak-Off Hose
(Short) (2)
Mounting
Cap Screw
Nozzle Leak-Off
Hose (Long)
Mounting Base
Fuel Filter-to-
Injection
Pump Hose
Air Vent
Check Valve
Fuel Supply
Pump-to-Filter
Hose
*
*Copper Washers
Replace.
End Cap
O-Ring
O-Ring
Spring
Filter
Element
Filter
Cover
Retaining
Ring
Shutoff
Lever
O-Ring
Shutoff Valve
Spring
**
M82370A
*
*
Injection Pump
Bleed-Off Hose

Fuel System
2-80
4/7/95
2
FUEL INJECTION PUMP
Removal
CAUTION
Escaping fluid under pressure can penetrate
the skin causing serious injury. Avoid the
hazard by relieving pressure before
disconnecting hydraulic or other lines.
Tighten all connections before applying
pressure. Search for leaks with a piece of
cardboard. Protect hands and body from
high pressure fluids.
If an accident occurs, see a doctor
immediately. Any fluid injected into the skin
must be surgically removed within a few
hours or gangrene may result. Doctors
unfamiliar with this type of injury should
reference a knowledgable source. Such
information is available from the Deere &
Company Medical Department in Moline,
Illinois, U.S.A.
IMPORTANT: Never steam clean or pour cold
water on injection pump while the pump is
running or warm. Doing so can damage the
pump.
1. Clean the injection pump lines and area around
the pump using a parts cleaning solvent or steam
cleaner.
2. Loosen fuel injection line connectors slightly to
release pressure in the fuel system. When
loosening connectors, use another wrench to keep
delivery valves from loosening.
3. Loosen line clamp(s) and remove fuel injection
lines.
4. Disconnect hoses to/from fuel filter, if equipped.
5. Remove external lube line.
6. Disconnect fuel shutoff solenoid link.
7. Note position of timing marks on injection pump
and gear cover mounting plate.
8. Remove three mounting nuts.
M82371
Line Clamp
Delivery
Valve (3)
Fuel Injection
Lines
Fuel Supply Pump-to-Filter Hose
Fuel Shutoff
Solenoid Link
Fuel
Filter-to-Injection
Pump Hose
Nozzle Leak-Off
Hose
External
Lube Line
Injection Pump Bleed-Off-to-Filter Hose
Fuel Injection Line
Connectors (3)

Fuel System
4/7/95
2
2-81
9. Remove fan guard, if equipped.
10.Remove four cap screws, washers, cover and
gasket.
11.Use chalk or paint to mark injection pump gear to
idler gear.
12.Remove nut and lock washer.
13.Pull gear from injection pump shaft using a two
jaw puller.
14.Remove injection pump and o-ring.
Timing Marks
Mounting
Nut (3)
M82230
Nut and Lock
Washer
Chalk/Paint
Marks
M82231
M37794
DO NOT attempt to service the injection pump or
governor. If unit is in need of repair, it must be
serviced by a qualified fuel injection repair shop. If
replacement is necessary, replace entire unit.
Installation
1. Install new o-ring on injection pump.
2. Put injection pump onto back of gear cover
mounting plate. Align key on shaft with keyway
in gear. Be sure to align marks on gears made
during removal.
3. Install lock washer and nut. Tighten to
specification.
4. Install new gasket, cover, four washers and cap
screws.
5. Install fan guard, if equipped.
6. Install three mounting nuts. Do not tighten.
7. Align marks on mounting plate and injection
pump, to same place as when removed, and
tighten mounting nuts to specifications.
8. Connect fuel shutoff solenoid link.
9. Connect hoses to/from fuel filter.
Nut and Lock
Washer
Chalk/Paint
Marks
M82231
M12
90 N•m (66 lb-ft)
Timing Marks
Mounting
Nut (3)
M82230
26 N•m (19 lb-ft)

Fuel System
2-82
4/7/95
2
10.Install fuel injection lines and tighten line clamp
cap screws.
IMPORTANT: If oil has been drained out of fuel
injection pump housing, add oil as necessary.
Fuel injection pump can become damaged if
operated dry or without proper amount of oil.
11.Remove fill plug and add clean engine oil to
housing. Add until oil begins to drip out of
external lube line inlet. (For proper oil
specification see SPECIFICATIONS AND
GENERAL INFORMATION section.)
12.Install external lube line. When installing line,
put one copper washer between mounting bolt
head and lube line and the other between lube
line and housing.
If new injection pump is being installed, check and
adjust injection pump static timing. (See Checks,
Tests and Adjustments in this section.)
M82371
Line Clamp
Delivery
Valve (3)
Fuel Injection
Lines
Fuel Supply Pump-to-Filter Hose
Fuel Shutoff
Solenoid Link
Fuel
Filter-to-Injection
Pump Hose
Nozzle Leak-Off
Hose
External
Lube Line
Injection Pump Bleed-Off-to-Filter Hose
Fuel Injection Line
Connectors (3)
Lube Line-to-Block Bolt
25 N•m (217 lb-in.)
Oil Fill Plug

Fuel System
4/7/95
2
2-83
FUEL INJECTION NOZZLES
(HOLE-TYPE)
Removal/Installation
IMPORTANT: Never steam clean or pour cold
water on injection pump while the pump is
running or warm. Doing so can damage the
pump.
1. Clean the injection pump lines and area around
the pump using a parts cleaning solvent or steam
cleaner.
NOTE: Nozzles are matched to the cylinders. If
removing more than one nozzle, tag nozzles,
according to the cylinder from which it was
removed.
2. Loosen fuel injection line connectors-to-nozzles
slightly to release pressure in the fuel system.
3. Loosen line clamp(s) and remove fuel injection
lines.
4. Remove clamps and leak-off hoses.
5. Remove nuts and retaining plates.
6. Remove injection nozzle, ring and teflon heat
protector. If ring and protector stay in cylinder
head, thread a cap screw into protector and pull
from cylinder head.
CAUTION
Escaping fluid under pressure can penetrate
the skin causing serious injury. Avoid the
hazard by relieving pressure before
disconnecting hydraulic or other lines.
Tighten all connections before applying
pressure. Search for leaks with a piece of
cardboard. Protect hands and body from
high pressure fluids.
If an accident occurs, see a doctor
immediately. Any fluid injected into the skin
must be surgically removed within a few
hours or gangrene may result. Doctors
unfamiliar with this type of injury should
reference a knowledgable source. Such
information is available from the Deere &
Company Medical Department in Moline,
Illinois, U.S.A.
If nozzles are stuck in cylinder head:
•Grind the head of a cap screw so it fits inside a
nut from an old injection line.
•Use two nuts to attach a large flat washer to the
cap screw.
•Install assembly onto nozzle and use a puller and
slide hammer to pull nozzle from cylinder head.
7. Test injection nozzles. (See Checks, Tests and
Adjustments in this section.)
Installation is done in reverse order of removal.
M82092A
Nut (2)
5 N•m
(39 lb-in.)
Retaining Plate
Hose Clamp
Leak-Off Hose
Injection
Nozzle
Ring
Heat
Protector
Replace.
M82126
Cap Screw
Old Injection
Line Nut
Injection
Nozzle
Large
Flat
Washer
Nuts

Fuel System
2-84
4/7/95
2
Disassembly/Assembly
NOTE: If servicing more than one nozzle, keep
parts for each nozzle separate from one
another.
•Clean and inspect nozzle assembly. (See
Cleaning/Inspection procedures.)
•After assembly is complete, test injection
nozzle. (See Checks, Tests and Adjustments in
this section.)
M82093A
Injector Body
Shims (as required)
Spring
Spring Seat
Separator Plate
Nozzle Valve
Nozzle Body
Retaining Nut
43 N•m (31 lb-ft)
Index
Pin (2)
Cross Section
M37684
Injector
Body
Shim
(as required)
Spring
Spring Seat
Nozzle Valve
Nozzle Body
Retaining Nut
Separator Plate
Index Pin (2)
Fuel Return
Pipe

Fuel System
4/7/95
2
2-85
Cleaning/Inspection
NOTE: To clean nozzles properly, JDF13 Nozzle
Cleaning Kit is recommended. The Cleaning
Kit is available through the John Deere
SERVICEGARD™ Catalog.
1. Remove anti-corrosive grease from new or
reconditioned nozzles by washing them
thoroughly in diesel fuel.
IMPORTANT: Never use a steel brush to clean
nozzles as this will distort the spray hole.
2. Remove carbon from used nozzles, and clean by
washing in diesel fuel. If parts are coated with
hardened carbon or lacquer, it may be necessary
to use a brass wire brush (supplied in Nozzle
Cleaning Kit).
3. After removing carbon or lacquer from the
exterior of nozzle, inspect sealing surfaces
between separator plate and nozzle body for
nicks or scratches.
4. Inspect condition of separator plate and nozzle
body. Contact area of separator plate (both parts)
must not be scored or pitted. Use an inspection
magnifier (No. 16487 or equivalent) to aid in
making the inspection.
5. Check nozzle contact surface on separator plate
for wear. If contact surface is more than 0.10 mm
(0.0039 in.), replace nozzle assembly.
M82094A
Nozzle Contact
Surface
Sealing Surfaces
Index Pin
Separator
Plate
Nozzle Body
6. Inspect the piston (large) part of nozzle valve to
see that it is not scratched or scored and that
lower (tip) end of valve is not broken. If any of
these conditions are present, replace the nozzle
assembly.
7. Further inspect the nozzle assembly by
performing a slide test. Use the following
procedure:
•Dip the nozzle valve in clean diesel fuel. Insert
valve in nozzle body.
•Hold nozzle vertical, and pull valve out about
1/3 of its engaged length.
•Release valve. Valve should slide down to its
seat by its own weight.
Replace nozzle assembly if the valve does not slide
freely to its seat.
M82095A
Nozzle Valve
Piston Part of
Nozzle Valve
Nozzle Body

Starter
2-86
3
4/7/95
2
STARTER IDENTIFICATION CHART
The various starters covered in this group are
identified by manufacturer and output rating.
To help identify the starters, measure the outside
diameter of the motor.
Field Coil Brush (2)
M82232
ManufacturerRated OutputMotor Outside Diameter
Hitachi 2.0 kW 80 mm (3.150 in.)
Nippondenso 1.0 kW 68 mm (2.680 in.)
Nippondenso 1.2 kW 72 mm (2.835 in.)
Nippondenso 1.4 kW 76 mm (3.000 in.)

Starter
4/7/95
3
2-87
2
STARTER MOTOR - HITACHI 2.0 kW
Disassembly
1. Remove two cap screws and two screws.
2. Remove rear cover.
3. Remove field coil brushes from brush holder.
4. Pry brush springs away and pull negative brushes
up enough to allow spring to hold brush in place.
5. Remove brush holder.
6. Disconnect wiring lead.
7. Remove field coil housing, armature and seal
ring, if equipped.
M82096
Cap Screw (2)
Screw (2)
Rear Cover
M82097
Negative Brush (2)
Brush Holder
Field Coil Brush (2)
Brush Spring (2)
8. Inspect and test brushes, holder, field coil and
armature. (See Inspection/Test procedures.)
Assembly
Assembly is done in the reverse order of
disassembly.
•Apply multipurpose grease to bearing cup inside
rear cover.
IMPORTANT: When installing rear cover, be
sure field coil brush wires do not touch cover.
Turn brush holder slightly to take up slack in
brush wires. Press wires inward to clear rear
cover.
Inspection/Test/Replacement
1. Measure holder and field coil brush lengths.
Minimum brush length is 9 mm (0.354 in.).
Replace brush holder or field coil if brush length
is below minimum.
NOTE: Test brush holder using an ohmmeter or test
light.
2. Test brush holder:
Touch one probe of tester to negative brush
holder and other probe to field brush holder. If
there is continuity, replace the brush holder.
3. Inspect springs for wear or damage. Replace if
necessary.
M82098
Field Coil
Housing
Seal Ring
If equipped
Armature
Wiring Lead

Starter
2-88
3
4/7/95
2
NOTE: Test field coil using an ohmmeter or test
light.
4. Test for grounded field winding:
Touch one probe of tester to field coil brush and
other probe to field coil housing. Be sure the
brush lead is not touching the frame. If there is
continuity, the coil is grounded and the field coil
housing assembly must be replaced.
5. Test for open field coil:
Touch one probe of tester to each field coil brush.
If there is no continuity, the field coil is open and
the field coil housing assembly must be replaced.
M82099
Spring (4)
Negative Brush
Holder
Field Brush
Holder
Brush
Length
M82100
Field Coil Brush
Field Coil
Housing
IMPORTANT: Do not clean armature with
solvent. Solvent can damage insulation on
windings. Use only mineral spirits and a
brush.
6. Inspect armature. Look for signs of dragging
against pole shoes.
7. Inspect commutator. Look for roughness, burned
bars, or any material which might cause short
circuits between bars. If necessary, clean and
touch up with 400 sandpaper. NEVER use emery
cloth. Clean all dust from armature when
finished.
NOTE: Test armature windings using an ohmmeter
or test light.
8. Test for grounded windings:
Touch probes on one commutator bar and
armature shaft. Armature windings are connected
in series, so only one commutator bar needs to be
checked.
If test shows continuity, a winding is grounded
and the armature must be replaced.
9. Test for open circuited windings:
Touch probes on two different commutator bars.
If test shows no continuity, there is an open
circuit and the armature must be replaced.
10.Test for short circuited windings using a growler.
Put armature in a growler and hold a hacksaw
blade above each slot while slowly rotating
armature.
If coil is shorted, the blade will vibrate on the slot.
M82101
Commutator Bars
Armature Shaft

Starter
4/7/95
3
2-89
2
NOTE: A short circuit most often occurs because of
copper dust or filings between two
commutator segments.
11.If test indicates short circuited windings, clean
the commutator of dust and filings. Check the
armature again. If the test still indicates a short
circuit, replace the armature.
12.Inspect armature cover and housing bearings for
wear or damage. Replace if necessary.
To replace bearings:
Bearings are press fit. Remove bearings using a
knife-edge puller set.
IMPORTANT: Install both bearings with sealed
side toward armature.
Install new housing bearing tight against shoulder of
shaft using a piece of pipe.
Install new rear cover bearing tight against shoulder
of shaft using a driver set.
M82125A
Armature
Hacksaw Blade
Growler
M82102
Housing Bearing
Rear Cover Bearing
STARTER OVERRUNNING CLUTCH -
HITACHI 2.0 kW
Disassembly
1. Disconnect wiring lead.
2. Remove two cap screws.
3. Remove starter motor assembly.
4. Remove three cap screws.
5. Separate clutch housing assembly from starter
housing. Remove gasket.
M82096
Starter Motor
Assembly
Cap Screw (2)
Wiring Lead
M82103
Clutch Housing
Assembly
Cap Screw (3)
Starter
Housing
Gasket

Starter
2-90
3
4/7/95
2
6. Remove ring, retainer, spring, clutch assembly
and clutch shaft from clutch housing.
7. Inspect all parts for wear or damage. Replace as
necessary.
Assembly
Assembly is done in the reverse order of
disassembly.
•Apply multipurpose grease to all internal
components during assembly.
•Install retainer with large cupped side toward
clutch assembly.
STARTER SOLENOID - HITACHI
2.0 kW
Disassembly
1. Disconnect wiring lead.
2. Remove cap screws.
3. Remove starter solenoid assembly.
M82104
Spring
Clutch Assembly
Clutch Housing
Clutch Shaft
Retainer
Ring
4. Remove clutch arm, clutch arm pivot, plunger
and shim(s), if equipped, from solenoid.
5. Inspect all parts for wear or damage. Replace as
necessary.
Assembly
Assembly is done in the reverse order of
disassembly.
•Apply multipurpose grease to all internal
components during assembly.
IMPORTANT: Make sure long end of clutch arm
is installed all the way into starter housing.
Clutch arm must be install on end of clutch
shaft or starter will not operate.
M82105
Wiring Lead
Starter Solenoid
AssemblyCap Screws
M82106
Plunger
Clutch Arm
Clutch Arm
Pivot
Shim(s)
If equipped.
Solenoid

Starter
4/7/95
3
2-91
2
•Pull clutch shaft away from housing and insert
clutch arm in starter housing. Push arm in until it
stops.
STARTER MOTOR - NIPPONDENSO
1.0 kW AND 1.2 kW
Disassembly
1. Disconnect field lead.
2. Remove two cap screws and two screws.
3. Remove rear cover and o-ring, if equipped.
4. Remove field coil brushes from brush holder.
M82107
Clutch Arm
Clutch Shaft
M82233
Rear Cover
Cap Screw (2
)
O-Ring
Field Lead
Screw (2)
5. Pry brush springs away and pull negative brushes
up enough to allow spring to hold brush in place.
6. Remove brush holder.
7. Remove armature from field coil housing.
8. Remove felt washer and o-ring, if equipped.
9. Inspect and test brushes, holder, field coil and
armature. (See Inspection/Test procedures.)
Assembly
Assembly is done in the reverse order of
disassembly.
•Apply multipurpose grease to bearing cup inside
rear cover and felt washer, if equipped.
IMPORTANT: When installing rear cover, be
sure field coil brush wires do not touch cover.
Turn brush holder slightly to take up slack in
brush wires. Press wires inward to clear rear
cover.
M36754
Field Coil Brush (2)
Brush Spring
Brush Holder
M36759
Field Coil Housing
O-Ring
Armature
Felt Washer

Starter
2-92
3
4/7/95
2
Inspection/Test/Replacement
1. Measure holder and field coil brush lengths.
Minimum brush length is 8.5 mm (0.335 in.).
Replace brush holder or field coil if brush length
is below minimum.
NOTE: Test brush holder using an ohmmeter or test
light.
2. Test brush holder:
Touch one probe of tester to negative brush holder
and other probe to field brush holder. If there is
continuity, replace the brush holder.
3. Inspect springs for wear or damage. Replace if
necessary.
NOTE: Test field coil using an ohmmeter or test
light.
4. Test for grounded field winding:
Touch one probe of tester to field coil brush and
other probe to field coil housing. Be sure the brush
lead is not touching the frame. If there is continuity,
the coil is grounded and the field coil housing
assembly must be replaced.
5. Test for open field coil:
Touch one probe of tester to each field coil brush. If
there is no continuity, the field coil is open and the
field coil housing assembly must be replaced.
M82234
Spring (4)Negative Brush
Holder
Field Brush
Holder
Brush
Length
IMPORTANT: Do not clean armature with
solvent. Solvent can damage insulation on
windings. Use only mineral spirits and a
brush.
6. Inspect armature. Look for signs of dragging
against pole shoes.
7. Inspect commutator. Look for roughness, burned
bars, or any material which might cause short
circuits between bars. If necessary, clean and
touch up with 400 sandpaper. NEVER use emery
cloth. Clean all dust from armature when
finished.
NOTE: Test armature windings using an ohmmeter
or test light.
8. Test for grounded windings:
Touch probes on one commutator bar and armature
shaft. Armature windings are connected in series, so
only one commutator bar needs to be checked.
If test shows continuity, a winding is grounded and
the armature must be replaced.
9. Test for open circuited windings:
Touch probes on two different commutator bars. If
test shows no continuity, there is an open circuit and
the armature must be replaced.
M82235
Field Coil Brush
Field Coil
Housing

Starter
4/7/95
3
2-93
2
10.Test for short circuited windings using a growler.
Put armature in a growler and hold a hacksaw
blade above each slot while slowly rotating
armature.
If coil is shorted, the blade will vibrate on the slot.
NOTE: A short circuit most often occurs because of
copper dust or filings between two
commutator segments.
11.If test indicates short circuited windings, clean
the commutator of dust and filings. Check the
armature again. If the test still indicates a short
circuit, replace the armature.
12.Inspect armature cover and housing bearings for
wear or damage. Replace if necessary.
To replace bearings:
Bearings are press fit. Remove bearings using a
knife-edge puller set.
M82236
Commutator Bars
Armature Shaft
M82125A
Armature
Hacksaw Blade
Growler
IMPORTANT: Install both bearings with sealed
side toward armature.
Install new housing bearing tight against shoulder of
shaft using a piece of pipe.
Install new rear cover bearing tight against shoulder
of shaft using a driver set.
STARTER GEAR TRAIN AND
OVERRUNNING CLUTCH -
NIPPONDENSO 1.0 kW AND 1.2 kW
Disassembly/Inspection
1. Remove two motor-to-clutch housing cap screws
and two clutch housing-to-solenoid housing
screws.
M82237
Housing Bearing
Rear Cover Bearing
M82233
Motor-to-Clutch
Housing Cap Screws

Starter
2-94
3
4/7/95
22. Separate clutch housing from solenoid/motor
assembly.
3. Remove plunger spring and gear, if equipped.
NOTE: Starter is equipped with either a 33 mm
(1.299 in.), 44 mm (1.732 in.) or 44.5 mm
(1.752 in.) drive gear on end of clutch shaft.
Disassembly procedures are slightly
different.
4. Starter with 33 mm (1.299 in.) drive gear:
Remove clutch assembly from housing.
5. Remove retainer, five rollers and pinion gear.
6. Remove steel ball.
M82238
Clutch Housing-to-
Solenoid Housing
Screws
M82239
Plunger Spring
Clutch Housing
Gear
7. Put clutch (housing) assembly into a soft-jawed
vice, as shown.
8. Tighten vise slowly, until drive gear compresses.
9. Remove retainer and circlip.
10.While holding clutch assembly, slowly open vise
until all spring compression is relieved.
CAUTION
Shaft could be propelled from clutch unit
with considerable force if spring is not
allowed to extend fully while in vise.
M82240
Roller (5)
Pinion Gear
Clutch Assembly
Steel Ball
Retainer
M82241
Starter with 44 or 44.5
Drive Gear Shown
Circlip
Retainer
(1.732 or 1.752 in.)

Starter
4/7/95
3
2-95
2
11.Starter with 33 mm (1.299 in.) drive gear:
Remove drive gear and spring from clutch
assembly.
Starter with 44 mm (1.732 in.) or 44.5 mm (1.752
in.) drive gear: Remove drive gear, spring and
clutch assembly from housing.
12.Remove washer, toothed washer, spring and
clutch shaft.
13.Inspect all parts for wear or damage. Replace as
necessary.
M82242
Clutch Housing
Starter with 44 or 44.5 mm
(1.732 or 1.752 in.)
drive gear only.
Retainer
Spring
Clutch Assembly
Drive Gear
Circlip
M82243
Clutch
Spring
Clutch Shaft
Toothed Washer
Large Washer
Assembly
Assembly is done in the reverse order of
disassembly.
•Apply multipurpose grease to bearings, clutch
shaft, springs, pinion gears, retainer, rollers and
steel ball.
•Install large washer with flat side toward clutch
assembly.
•Install retainer with cupped side away from
clutch assembly.
STARTER SOLENOID -
NIPPONDENSO 1.0 kW AND 1.2 kW
Disassembly/Inspection
1. Disconnect field lead.
2. Remove three screws and clip.
3. Remove cover and gasket.
4. Remove plunger.
5. Disassemble terminals. Remove parts from each
terminal in order shown.
6. Inspect copper washer and contact plates for
excessive burning or pitting. Clean burnt areas to
improve electrical contact. Replace contacts or
plunger if necessary. The solenoid is not
serviceable. If defective, replace solenoid
housing assembly.
M82244
Field Lead
Clip
Screw (3)

Starter
2-96
3
4/7/95
2
Assembly
Assembly is done in the reverse order of
disassembly.
NOTE: The assembly sequence of the left and right
terminals is similar. Be sure solenoid
terminal lead is installed between terminal
bolt and contact plate. Also, be sure smaller
contact plate is on the left side.
M82245
Copper Washer
PlungerSpring
Contact Plates
M36771
Terminal Bolt
Nut
Washer
O-Ring
Insulator
Contact Plate
STARTER MOTOR - NIPPONDENSO
1.4 kW
Disassembly
1. Remove two cap screws and two screws.
2. Remove rear cover and thrust washer, if
equipped.
3. Remove field coil brushes from brush holder.
4. Pry brush springs away and pull negative brushes
up enough to allow spring to hold brush in place.
5. Remove brush holder.
M36771
Terminal Bolt
Small Contact
Plate
Solenoid Terminal
Lead
M82096
Cap Screw (2)
Screw (2)
Rear Cover
Thrust
Washer

Starter
4/7/95
3
2-97
2
6. Disconnect wiring lead and relay leads, if
equipped.
7. Remove field coil housing, armature and o-ring,
if equipped.
8. Inspect and test brushes, holder, field coil and
armature. (See Inspection/Test procedures.)
M82097
Negative Brush (2)
Brush Holder
Field Coil Brush (2)
Brush Spring (2)
M82098
Field Coil
Housing
Seal Ring
If equipped
Armature
Wiring Lead
Assembly
Assembly is done in the reverse order of
disassembly.
•Apply multipurpose grease to bearing cup inside
rear cover.
IMPORTANT: When installing rear cover, be
sure field coil brush wires do not touch cover.
Turn brush holder slightly to take up slack in
brush wires. Press wires inward to clear rear
cover.
Inspection/Test/Replacement
1. Measure holder and field coil brush lengths.
Minimum brush length is 8.5 mm (0.335 in.).
Replace brush holder or field coil if brush length
is below minimum.
NOTE: Test brush holder using an ohmmeter or test
light.
2. Test brush holder:
Touch one probe of tester to negative brush holder
and other probe to field brush holder. If there is
continuity, replace the brush holder.
3. Inspect springs for wear or damage. Replace if
necessary.
NOTE: Test field coil using an ohmmeter or test
light.
4. Test for grounded field winding:
M82099
Spring (4)
Negative Brush
Holder
Field Brush
Holder
Brush
Length

Starter
2-98
3
4/7/95
2
Touch one probe of tester to field coil brush and
other probe to field coil housing. Be sure the brush
lead is not touching the frame. If there is continuity,
the coil is grounded and the field coil housing
assembly must be replaced.
5. Test for open field coil:
Touch one probe of tester to each field coil brush. If
there is no continuity, the field coil is open and the
field coil housing assembly must be replaced.
IMPORTANT: Do not clean armature with
solvent. Solvent can damage insulation on
windings. Use only mineral spirits and a
brush.
6. Inspect armature. Look for signs of dragging
against pole shoes.
7. Inspect commutator. Look for roughness, burned
bars, or any material which might cause short
circuits between bars. If necessary, clean and
touch up with 400 sandpaper. NEVER use emery
cloth. Clean all dust from armature when
finished.
NOTE: Test armature windings using an ohmmeter
or test light.
8. Test for grounded windings:
Touch probes on one commutator bar and armature
shaft. Armature windings are connected in series, so
only one commutator bar needs to be checked.
If test shows continuity, a winding is grounded and
the armature must be replaced.
M82100
Field Coil Brush
Field Coil
Housing
9. Test for open circuited windings:
Touch probes on two different commutator bars. If
test shows no continuity, there is an open circuit and
the armature must be replaced.
10.Test for short circuited windings using a growler.
Put armature in a growler and hold a hacksaw
blade above each slot while slowly rotating
armature.
If coil is shorted, the blade will vibrate on the slot.
NOTE: A short circuit most often occurs because of
copper dust or filings between two
commutator segments.
11.If test indicates short circuited windings, clean
the commutator of dust and filings. Check the
armature again. If the test still indicates a short
circuit, replace the armature.
12.Inspect armature cover and housing bearings for
wear or damage. Replace if necessary.
M82101
Commutator Bars
Armature Shaft
M82125A
Armature
Hacksaw Blade
Growler

Starter
4/7/95
3
2-99
2
To replace bearings:
Bearings are press fit. Remove bearings using a
knife-edge puller set.
IMPORTANT: Install both bearings with sealed
side toward armature.
Install new housing bearing tight against shoulder of
shaft using a piece of pipe.
Install new rear cover bearing tight against shoulder
of shaft using a driver set.
STARTER GEAR TRAIN AND
SOLENOID - NIPPONDENSO 1.4 kW
Disassembly/Inspection
1. Remove two socket head screws, end cap and
shim(s).
2. Disconnect wiring lead and relay leads, if
equipped.
3. Remove two cap screws.
4. Remove starter motor assembly from bearing
housing.
Housing Bearing
Rear Cover Bearing
M82102
End Cap
Shim(s)
M37820
5. Remove three cap screws.
6. Separate end frame assembly from bearing
housing.
7. Inspect seal and needle bearing for wear or
damage. Replace as necessary.
To replace needle bearing:
Remove bearing using a blind-hole puller set. Install
new bearing flush with housing surface using a
driver set.
M82096
Starter Motor
Assembly
Cap
Screw (2)
Wiring Lead
M37822
Cap Screw (3)
End
Frame
Assembly
Bearing Housing
M37823
Bearing Housing
Seal
Needle Bearing

Starter
2-100
3
4/7/95
2
8. Remove two cap screws, plunger, spring, shims
and solenoid.
9. Remove shims from ring gear shaft.
10.Remove pivot bolt, clutch fork and clutch
assembly.
11.Inspect shoes on fork for wear or damage.
Replace fork if necessary.
M37824
End Frame
Cap Screw (2)
Plunger
Spring
Shim(s)Solenoid
M37821
Shims
Ring Gear Shaft
M37825
End Frame
Pivot Bolt
ShoesClutch
Assembly
Clutch Fork
12.Inspect end frame bushing for wear or damage.
Replace if necessary.
Replace bushing using a driver set. Install bushing
flush with face of housing.
13.Slide pinion stopper away from retaining wire
using a piece of pipe or deep socket. Remove
retaining wire, pinion stopper, and clutch
assembly from ring gear shaft.
14.Inspect all parts for wear or damage. Replace as
necessary.
15.Remove snap ring, washer, spring cap, and spring
from clutch.
16.Inspect all parts for wear or damage. Replace as
necessary.
M37830
End Frame
Bushing
M37827
Retaining
Wire
Pinion
Stopper
Clutch
Assembly
Ring Gear
Shaft

Starter
4/7/95
3
2-101
2
Assembly
Assembly is done in the reverse order of
disassembly.
•After installing clutch assembly, pinion stopper
and retaining wire on ring gear shaft, use two
pliers to press pinion stopper over retaining
wire.
M37829
Snap Ring
Washer
Spring Cap
Spring
Clutch
M37831
Retaining
Wire
Pinion
Stopper
Clutch
Assembly

Alternator
2-102
4/7/95
2
ALTERNATOR - KOKOSAN 20A
Disassembly/Inspection
1. Remove nut and washers.
2. Tap on end of shaft with a soft-faced hammer to
separate flywheel assembly from coil plate
assembly.
3. Remove long spacer.
NOTE: Bearing and flywheel are press fit on shaft.
4. Remove shaft from bearing, short spacer, washer,
flywheel and sheave half, using a press.
5. Inspect all parts for wear or damage. Replace as
necessary.
NOTE: Remove bearing only if replacement is
necessary.
M82247A
Nut
27 N•m
(20 lb-ft)
Lock WasherWasher
Flywheel Assembly
Long Spacer
Coil Plate Assembly
M82248A
Flywheel
Bearing
Press fit on
shaft.
Short Spacer
Sheave Half
Shaft
Washer
6. Inspect bearing in coil plate for wear or damage.
Replace if necessary.
To replace bearing:
Remove bearing using a spark plug socket and a
press. Install bearing into coil plate until it bottoms
in bore using a 1 in. socket.
7. Remove wire clamp.
8. Remove connector from harness leads.
9. Remove two screws and stator.
10.Inspect all parts for wear or damage. Replace as
necessary.
Assembly
Assembly is done in the reverse order of
disassembly.
•With sheave half on shaft, press shaft into
flywheel until sheave half bottoms on flywheel
face.
•With washer and short spacer installed, press
new bearing onto shaft until it bottoms on
spacer.
M82249A
Coil plate
Connector
Wire Clamp
Stator
Screw (2)
Bearing
Press fit in
coil plate.

Alternator
4/7/95
2
2-103
VOLTAGE REGULATOR -
HITACHI 25A
7. Use a soldering gun with at least 120 watt
capacity to disconnect five terminals. Replace
voltage regulator.
•If additional solder is needed, use ONLY 60-40
rosin-core solder.
ALTERNATOR - HITACHI 25A
Disassembly
1. Remove three screws and cover.
2. Remove four attaching screws, wire clamp and
grommet.
M82108
Attaching Screws (4)
M5
4 N•m (31 lb-in.)
Grommet
Wire Clamp
M82108
Attaching Screw (4)
M5
4 N•m (31 lb-in.)
Stator
Grommet
Wire Clamp
Front Frame
Two Nuts and Insulator
End Frame-to-Rectifier Nuts (4)
M5
4 N•m (31 lb-in.)
End Frame
Replacement
1. Remove three screws and cover.
2. Remove four attaching screws, wire clamp and
grommet.
3. Remove four end frame-to-rectifier nuts.
4. Remove two nuts and insulator.
IMPORTANT: Do not pry against stator wires.
5. Use a screwdriver to pry end frame from stator.
Do not separate stator from front frame.
6. Remove two screws and insulator.
IMPORTANT: Do not heat connections longer
than necessary to melt solder, as excess heat
will damage rectifier assembly.
M51602
Insulator
Brush
Holder
Terminals
Voltage
Regulator
Screw (2)

Alternator
2-104
4/7/95
2
IMPORTANT: Do not pry against stator wires.
3. Use a screwdriver to separate rotor assembly
from stator assembly.
M36730
Rotor Assembly
Stator Assembly
Rotor Assembly:
•Rear bearing is press fit. Replace only if
necessary. Remove bearing using a puller set.
Install bearing until flush with end of rotor shaft.
Press only on inner race of bearing.
4. Put rotor assembly in a soft-jawed vise. Remove
nut, lock washer, sheave, fan and bushing.
5. Put front frame on open jaws of vice. Use a soft-
faced hammer to remove rotor and spacer.
6. Remove three screws, retainer and front bearing.
7. Inspect all parts for wear or damage. Replace as
necessary.
8. Test rotor. (See Inspection/Test procedures.)
M82109A
Clip
Rotor
Spacer
Front
Bearing
Retainer
Front
Frame
FanSheaveLock
Washer
Nut
M14
49 N•m (36 lb-ft)
Bushing
Screw (3)
2 N•m (16 lb-in.)
Rear Bearing
Apply multipurpose grease
to O.D. during assembly.

Alternator
4/7/95
2
2-105
Stator Assembly:
9. Remove four end frame-to-rectifier nuts.
10.Remove two nuts and insulator.
IMPORTANT: Do not pry against stator wires.
11.Use a screwdriver to pry end frame from stator
12.Use a soldering gun with at least 120 watt
capacity to disconnect three stator leads. Remove
rectifier.
13.Inspect and test brushes, stator and rectifier. (See
Inspection/Test procedures.)
Assembly
Assembly is done in the reverse order of
disassembly.
•Bend the stator lead wires, as necessary, to
obtain an approximate distance of 33.50 mm
(1.300 in.) from stator to rectifier. Connect the
three leads using a soldering gun.
•If additional solder is needed, use ONLY 60-40
rosin-core solder.
M51595
Two Nuts and
Insulator
End
Frame
End Frame-to-Rectifier Nuts
M5
4 N•m (31 lb-in.)
M51605
Rectifier
Stator
Leads (3)
Stator
IMPORTANT: Be sure stator lead wires do not
contact end frame when installed.
•Before assembling stator assembly to rotor
assembly, push brushes into brush holder and
insert a wire through access hole to lock brushes
in place.
•Assemble rotor assembly to stator assembly and
fasten with four attaching screws. Remove wire
from access hole.
Inspection/Test
Rotor:
•Inspect the rotor slip rings for dirt build-up,
rough spots, or out of roundness. If necessary,
polish the surface of the slip rings using No. 00
sandpaper or 400-grit silicon carbide paper.
•Touch the probes of an ohmmeter to slip rings.
Replace rotor if test indicates no continuity (no
needle movement).
•Touch the probes of the ohmmeter to the shaft
and one of the slip rings. Repeat for other slip
ring. Replace rotor if test shows continuity
(needle movement).
M51595
Access Hole
End Frame
M82110A
Ohmmeter
Rotor Shaft
Slip Rings

Alternator
2-106
4/7/95
2Brushes:
•Inspect brush holder and brushes for damage.
Brushes must slide freely and the springs must
hold the brushes firmly against the slip rings of
the rotor.
•Measure brushes for wear. Minimum exposed
length must be 5.50 mm (0.220 in.) or to wear
limit line on brushes. Replace brushes as
necessary.
M82111A
Ohmmeter
Rotor Shaft
Slip Rings
M82112
Brush Length
Rectifier
Voltage
Regulator
Ground
Stud
Brush
HolderSoldered
Connection
Brushes
•Use an ohmmeter or a test light to check for
continuity. Check between the two brushes and
between each brush and ground stud. There
should be no continuity. Replace brush holder-
rectifier assembly if there is continuity.
•To replace brushes, melt solder from connection.
Remove voltage regulator if necessary. (See
VOLTAGE REGULATOR REPLACEMENT in
this group.)
NOTE: If additional solder is needed, use ONLY 60-
40 rosin-core solder.
Stator:
•Inspect stator for defective insulation,
discoloration or a burned odor. If any of these
defects are found, replace stator.
NOTE: Use an ohmmeter that is sensitive to
resistance of 0 to 1 ohm.
•Touch probes of an ohmmeter to lead wires of
stator in three possible combinations. Continuity
should read approximately 0.26 ohms. If
readings are not equal, replace stator.
•Touch one probe of the ohmmeter to the bare
metal surface of stator and the other probe to a
bare stator lead wire. Repeat for each wire.
Replace stator if test indicates continuity.
M82113A
Stator
Ohmmeter
M82114A
Stator
Ohmmeter

Alternator
4/7/95
2
2-107
Rectifier:
•Test the diodes by touching probes to ground
post and the three outer terminals.
•Switch the probes and check each terminal
again. There should be continuity in only one
combination of each terminals and the ground
post.
•Test the diodes by touching probes to output
post and the three outer terminals.
•Switch the probes and check each terminal
again. There should be continuity in only one
combination of each terminal and the output
post.
A shorted diode would have continuity in both
directions. An open diode would have no continuity
in either direction. Replace the rectifier assembly if
any of the three diodes are defective.
•To replace rectifier, melt solder from
connection.
NOTE: If additional solder is needed, use ONLY 60-
40 rosin-core solder.
M82115
Outer
Terminal
Output
Post
Ground
Post
Outer
Terminals
Soldered
Connection
VOLTAGE REGULATOR -
NIPPONDENSO 35A
Replacement
1. Remove three attaching screws.
2. Remove end frame-to-rectifier nut.
3. Remove nuts and insulators.
IMPORTANT: Do not pry against stator wires.
4. Use a screwdriver to pry end frame from stator.
Do not separate stator from front frame.
M36725
Attaching Screw (3)
M5
4 N•m (31 lb-in.)
M36726
Nuts and Insulators
End Frame-to-Rectifier Nut
M5
4 N•m (31 lb-in.)
M36727
End
Frame
Front
Frame
Stator

Alternator
2-108
4/7/95
2
IMPORTANT: Do not heat connections longer
than necessary to melt solder, as excess heat
will damage rectifier assembly.
5. Use a soldering gun with a least 120 watt
capacity to disconnect terminals. Replace voltage
regulator.
Installation is done in the reverse order of removal.
•If additional solder is needed, use ONLY 60-40
rosin-core solder.
ALTERNATOR - NIPPONDENSO 35A
Disassembly
1. Remove three attaching screws.
M36728
Voltage Regulator
Terminals
M36725
Attaching Screw (3)
M5
4 N•m (31 lb-in.)
IMPORTANT: Do not pry against stator wires.
2. Use a screwdriver to separate rotor assembly
from stator assembly.
Rotor Assembly:
•Rear bearing is press fit. Replace only if
necessary. Remove bearing using a puller set.
Install bearing until flush with end of rotor shaft.
Press only on inner race of bearing.
3. Put rotor assembly in a soft-jawed vise. Remove
nut, lock washer, sheave, fan and bushing.
4. Put front frame on open jaws of vice. Use a soft-
faced hammer to remove rotor and spacer.
5. Remove three screws, retainer, front bearing,
washer and felt washer.
6. Inspect all parts for wear or damage. Replace as
necessary.
M36730
Rotor Assembly
Stator Assembly

Alternator
4/7/95
2
2-109
7. Test rotor. (See Inspection/Test procedures.)
Stator Assembly:
8. Remove end frame-to-rectifier nut.
9. Remove nuts and insulators.
IMPORTANT: Do not pry against stator wires.
10.Use a screwdriver to pry end frame from stator.
M36726
Nuts and Insulators
End Frame-to-Rectifier Nut
M5
4 N•m (31 lb-in.)
11.Use a soldering gun with at least 120 watt
capacity to disconnect terminals. Remove voltage
regulator.
12.Melt solder inside the connecting pipes. While
solder is hot, open the flattened pipe with a
needle nose pliers. Pull stator wire from pipe.
M36728
Voltage Regulator
Terminals
M82250A
Rotor
Spacer
Washer
Retainer
Felt Washer
Apply multipurpose grease
during assembly.
Fan
Sheave
Lock
Washer
Nut
M14
54 N•m (40 lb-ft)
Bushing
Screw (3)
2 N•m (16 lb-in.)
Rear Bearing
Apply multipurpose grease
to O.D. during assembly.
Front Frame
Front
Bearing

Alternator
2-110
4/7/95
213.Inspect and test brushes, stator and rectifier. (See
Inspection/Test procedures.)
Assembly
Assembly is done in the reverse order of
disassembly.
NOTE: The three pair of lead wires on the stator are
not evenly spaced. Rotate the rectifier until
the terminal pipes align with the stator
leads.
•Bend the stator lead wires, as necessary, to
obtain an approximate distance of 33.50 mm
(1.300 in.) from stator to rectifier. Connect the
six leads using a soldering gun.
•If additional solder is needed, use ONLY 60-40
rosin-core solder.
IMPORTANT: Be sure six stator lead wires do
not contact end frame when installed.
•Before assembling stator assembly to rotor
assembly, push brushes into brush holder and
insert a wire through access hole in rear at end
frame to lock brushes in place.
M36739
M36748
Brushes Wire
•Assemble rotor assembly to stator assembly and
fasten with three attaching screws. Remove wire
from access hole.
Inspection/Test
Rotor:
•Inspect the rotor slip rings for dirt build-up,
rough spots, or out of roundness. If necessary,
polish the surface of the slip rings using No. 00
sandpaper or 400-grit silicon carbide paper.
•Touch the probes of an ohmmeter to slip rings.
Replace rotor if test indicates no continuity (no
needle movement).
•Touch the probes of the ohmmeter to the shaft
and one of the slip rings. Repeat for other slip
ring. Replace rotor if test shows continuity
(needle movement).
Brushes:
•Inspect brush holder and brushes for damage.
Brushes must slide freely and the springs must
hold the brushes firmly against the slip rings of
the rotor.
M82110A
Ohmmeter
Rotor Shaft
Slip Rings
M82111A
Ohmmeter
Rotor Shaft
Slip Rings

Alternator
4/7/95
2
2-111
•Measure brushes for wear. Minimum exposed
length must be 5.50 mm (0.220 in.) or to wear
limit line on brushes. Replace brushes as
necessary.
•Use an ohmmeter or a test light to check for
continuity. Check between the two brushes and
between each brush and ground stud. There
should be no continuity. Replace brush holder-
rectifier assembly if there is continuity.
•To replace brushes:
- Melt solder from brush lead connections and -
remove brushes and springs.
- Inspect springs for wear or damage. Replace as
necessary.
- Push brush lead wire through spring. Insert
spring and brush in brush holder with lead
protruding through hole in brush holder. Make
sure the longest side of brush is on side of brush
holder with raised lip.
- Hold brushes in position so that exposed length
is 13 mm (0.500 in.)
- Solder brush leads in this position. Cut off
excess length of brush lead wire.
- Be sure insulating washers and insulator are in
place.
Brushes
Ground Stud
M36736
M36737
Brush Lead Connections
NOTE: If additional solder is needed, use ONLY 60-
40 rosin-core solder.
Stator:
•Inspect stator for defective insulation,
discoloration or a burned odor. If any of these
defects are found, replace stator.
NOTE: Use an ohmmeter that is sensitive to
resistance of 0 to 1 ohm.
•Touch probes of an ohmmeter to each pair of
stator wires. Equal continuity readings should be
observed between each pair of leads. If readings
are not equal, replace stator.
M36745
Brush
Insulating Washers
Brush Holder
Insulator
Brush Lead
Wire
M36740

Alternator
2-112
4/7/95
2
•Touch one probe of the ohmmeter to the bare
metal surface of stator and the other probe to a
bare stator lead wire. Repeat for each wire.
Replace stator if test indicates continuity.
Rectifier:
NOTE: The three inner terminals are connected by
a printed circuit in the rectifier.
•Test the three inner terminals using an
ohmmeter. Move probes so all terminals are
cross checked. Replace the rectifier if test shows
no continuity.
NOTE: Each of the three outer terminals on the
rectifier is connected to two diodes
permitting current flow in only one
direction.
•Test the diodes by touching probes to output
post and the three outer terminals.
•Switch the probes and check each terminal
again. There should be continuity in only one
direction between each terminal and the output
post.
M36741
M36742
Inner
Terminals
•Test the diodes by touching probes to ground
post and the three outer terminals.
•Switch the probes and check each terminal
again. There should be continuity in only one
direction between each terminal and the ground
post.
A shorted diode would have continuity in both
directions. An open diode would have no continuity
in either direction. Replace the rectifier assembly if
any of the six diodes are defective.
VOLTAGE REGULATOR -
NIPPONDENSO 40A
Replacement
1. Remove nut and insulator.
2. Remove three screws and cover.
M36743
Output Post
M36744
Ground
Post

Alternator
4/7/95
2
2-113
3. Remove two screws, brush holder and cover.
4. Remove three screws. Replace voltage regulator.
Installation is done in the reverse order of removal.
IMPORTANT: Make sure to install short screw
at location shown. Longer screw will contact
frame and cause damage to the charging
system.
ALTERNATOR - NIPPONDENSO 40A
Disassembly
1. Remove voltage regulator. (See VOLTAGE
REGULATOR - REPLACEMENT in this group.)
2. Remove nut.
3. Remove sheave using a puller set.
M52470
Cover
Nut and
Insulator
M52472
Short
Screw
Brush Holder
and Cove
r
Voltage
Regulator
Long Screw (2)
4. Remove four screws and straighten stator wire
leads.
5. Remove rectifier.
6. Remove two nuts, two screws and end frame
assembly.
7. Press rotor shaft from end frame.
8. Remove spring washer.
M52469
Nut
69 N•m (51 lb-ft)
Sheave
M52471
Rectifier
Stator Wire
Lead (4)
M52473
Spring
Washer
Rotor
Shaft
End Frame
Assembly

Alternator
2-114
4/7/95
2
9. Remove four screws and retainer.
NOTE: Front bearing is press fit in front frame.
Remove bearing only if replacement is
necessary.
10.Inspect bearing in front frame for wear or
damage. Replace if necessary. Replace bearing
using a driver set and a press.
11.Inspect and test brushes, stator and rectifier. (See
Inspection/Test in this group.)
Assembly
Assembly is done in the reverse order of
disassembly.
•After installing rectifier, form a loop in stator
wire leads, insert screws through loop and
secure rectifier and wire leads.
Inspection/Test
Rotor:
NOTE: Rear bearing and rotor assembly are not
serviced separately. Damaged parts require
that rotor assembly and bearing be replaced
as a unit.
•Inspect bearing for wear or damage. Replace
complete rotor if necessary.
•Inspect slip rings for dirt build-up, rough spots
or out-of-roundness. If necessary, polish the
surface of the slip rings using No. 00 sandpaper
or 400-grit silicone carbide paper. Measure outer
diameter of slip rings. Replace rotor if less than
14 mm (0.550 in.).
M52475
Front Bearing Front Frame
Retainer
Screw (4)
2 N•m (16 lb-in.)
•Touch the probes of an ohmmeter to slip rings.
Replace rotor if test indicates no continuity (no
needle movement).
•Touch probes of ohmmeter to the rotor core and
one of the slip rings. Repeat for other slip ring.
Replace rotor if test shows continuity (needle
movement).
Brushes:
•Inspect brush holder, brushes and springs for
damage. Brushes must slide freely and springs
must hold brushes firmly against the slip rings of
the rotor.
•Measure length of brush protruding from holder.
If length is less than wear limit, replace brushes.
Brush Length Specifications
New. . . . . . . . . . . . . . . . . 10.50 mm (0.410 in.)
Wear Limit. . . . . . . . . . . . 4.50 mm (0.170 in.)
•Check continuity between brush and terminal
“A”. Check continuity between brush and
terminal “B”. There should be continuity only at
these points.
M52474
Rear Bearing
Slip Rings
Rotor Core
M52478

Alternator
4/7/95
2
2-115
Stator:
•Inspect stator for defective insulation,
discoloration or a burned odor. If any of these
defects are found, replace stator.
NOTE: Use an ohmmeter that is sensitive to
resistance of 0 to 1 ohm.
•Check for continuity between each stator lead
and stator body. Replace stator if test indicates
continuity.
To replace stator:
-Scribe a mark on housing, at notch in stator,
to aid in installation of a new stator.
-Remove two studs.
-Replace stator using a punch and hammer.
M52479
B
A
M82251
Stator Body
Stud (2)
Stator
Lead (4)
Notch
Scribe Mark on
Housing
Rectifier:
NOTE: Set the ohmmeter to the K ohm range.
•Check continuity between output post and each
diode lead. Reverse ohmmeter leads and
recheck. There should be continuity in one
direction, but not the other.
A shorted diode would have continuity in both
directions. An open diode would have no continuity
in either direction. Replace the rectifier if any of the
four diodes are defective.
M52477
Diode Lead (4)
Output Post

Diagnosis
2-116
3
4/7/95
2
ENGINE AND FUEL SYSTEM TROUBLESHOOTING CHART
PROBLEM OR
SYMPTOM
CHECK OR
SOLU-
TION
Engine will not crank.
Engine cranks but will not start
or starts hard.
Engine will not stay running, or
stalls frequently.
Engine runs rough, misses,
noisy, vibrates or
low on power. Fuel in oil. Oil
level high.
Engine surges, or has uneven
or uncontrolled rpm.
Oil in the coolant or coolant in
the oil.
Engine has low oil pressure.
Engine operating temperature
is incorrect.
Lack of fuel at injection pump.
Exhaust smoke blue or uses
too much oil.
Exhaust smoke white.
Exhaust smoke black or grey or
uses too much fuel.
Fuel pump screen, fuel filter, or fuel
line restricted. Fuel dirty, contains
water or wrong grade.
● ● ● ● ● ● ●
Air filter elements dirty or plugged.
Replace.● ● ● ● ● ● ●
Fuel shut-off valve turned off, or
restricted. Solenoid linkage
misadjusted. See adjustment.
● ● ● ● ● ●
Muffler or exhaust manifold leak.● ●
Defective manifold heater. ●
Injection pump or governor
malfunctioning. Injection pump
timing incorrect.
● ● ● ● ●
Defective cranking components or
connectors.● ●
Low compression from worn rings,
cylinder bore, piston, valves or
warped head.
● ● ● ● ● ●
Valve clearance incorrect.● ● ● ● ● ●
Burned or warped valves and valve
seats. Defective valve spring.● ● ● ● ● ●
Starter cranking rpm too slow.
Damaged starter. Excessive engine
load.
● ● ●
Fuel pump leaking or not operating.
See Fuel Supply Pump Pressure
Test.
● ● ● ● ● ●
Engine oil viscosity or level
incorrect. ● ● ● ● ●
Injector pressure incorrect or
leaking.● ● ● ● ● ● ●
Cylinder head gaskets leaking or
damaged. ● ● ● ● ● ● ● ● ●
Radiator/oil cooler leak.● ● ●

Diagnosis
4/7/95
3
2-117
2
ENGINE SYSTEM DIAGNOSIS
Conditions:
•Engine mounted on level surface.
•Key switch off unless indicated otherwise.
Test LocationNormalIf Not Normal
1. Engine dipstick
and exterior
engine surface-
engine oil check.
Oil level between “L” and “H” marks.
Oil not burnt, or contaminated with
metal particles, fuel, or coolant. No
external leakage, filter clean.
Change oil and inspect for source of
contamination. Check gaskets, seals,
plugs, cylinder head, block, and intake
manifold and breather. Change oil
filter.
2. Coolant tank and
radiator.
-Cooling System
Check.
Coolant level between marks on tank
when engine is warm.
Coolant in radiator full to top.
Coolant not contaminated with oil,
fuel or discolored brown.
Add proper coolant mix.
Drain and flush system. Check for
source of contamination.
Radiator screen free of debris.Clean or replace.
Hoses not cracked or leaking, clamps
and radiator cap tight. Pressure test radiator and cap.
Fan belt tight, not glazed or cracked.Replace and adjust belt tension.
Fan blades not damaged or warped.Replace fan.
3. Fuel tank, pump,
pump screen,
lines, filter, filter
shutoff valve.
- Fuel System Check
Fuel level correct, not contaminated,
correct grade of fuel, no water.
Fuel pump screen and in-line filter free
of debris.
Fuel shutoff valve in “ON” position.
Drain and clean fuel tank. Add fresh
fuel.
Replace filters.
Move to “ON” position.
Fuel hoses not cracked or leaking.Replace.
Fuel hose clamps tight.Replace or tighten.
Fuel tank does not have vacuum.Replace fuel tank check valve.
4. Air filter and air
intake.
-Air Intake System
Check
Air filter hose not cracked, clamps
tight.
Element not plugged. Air filter
housing sealed, no dirt tracking inside
filter element.
Replace and tighten clamps.
Replace element or housing.
5. Fuel shutoff
solenoid. (Key in
RUN position.)
Fuel shutoff solenoid must pull in and
stay in. Solenoid must bottom out.
Shutoff shaft must still move slightly.
Check shutoff solenoid adjustment.
Clean any dirt from under solenoid
boot. If solenoid will not pull in and
hold in, see Fuel Shutoff Solenoid
Circuit Test Points in ELECTRICAL
section of Machine TM.
6. Air heater
indicator light.
(Key in RUN
position.)
Indicator light should come on up to
15 seconds depending on air
temperature.
See Air Heater Circuit Test Points in
ELECTRICAL section of Machine
TM.

Diagnosis
2-118
3
4/7/95
2
ENGINE SYSTEM DIAGNOSIS - Continued
Test LocationNormalIf Not Normal
7. Fuel filter, fuel
pump. (Key
switch in RUN
position.)
Fuel level increases in filter.
Fuel pump operating - listen for
humming sound.
Fuel present in return hose at fuel
pump.
See Fuel Pump Circuit Test Points in
ELECTRICAL section of Machine
TM. Test fuel pump pressure. (See
Operational Tests in this section.)
Replace fuel filter.
8. Throttle lever and
cable.Linkage not binding and adjusted
correctly.Repair, replace or adjust cable.
9. Intake and
exhaust valves.Cold engine. Valve clearance within
specification.
Valves not sticking.
Check and adjust. (See Checks, Tests
and Adjustments in this section.)
Check valve guides and stems.
10. Fuel at injectors.
(Key in START
position - engine
cranking.)
Crack fuel injection lines at injectors.
Fuel shutoff solenoid pulled in.
Engine must crank.
Check spray pattern and cracking
pressure. (See Checks, Tests and
Adjustments in this section.) Replace
injectors.See Cranking Circuit Test
Points in ELECTRICAL section of
Machine TM.
11. Injector ports.
(Key in START
position.)
Cylinder compression within
specification. Pressure difference
between cylinders within
specification.
Perform cylinder compression test.
(See Operational Tests in this section.)
12. Flywheel and
starter.Minimum cranking rpm within
specification.See Starter Amp Draw Test in
ELECTRICAL section of Machine
TM.
13. Injection pump
timing
inspection. (Key
OFF.)
Timing should be correct. Remove
pump as the LAST possible solution.Perform injection pump static timing
adjustment. (See Checks, Tests and
Adjustments in this section.) Have
pump tested by a qualified Service
Repair Shop.
14. Injection pump
idle settings.
(Engine running).
Engine runs smooth under load.
Engine rpm to specification.See Slow Idle and Fast Idle
Adjustments in ENGINE section of
Machine TM.
15. Oil pressure
sender port.Oil pressure in specification.Test engine oil pressure. (See
Operational Tests in this section.)
16. Thermostat.
(Engine at
operating
temperature.)
Clean from corrosion, rust, or debris.
Opening temperature within
specification.
Replace thermostat.
Perform thermostat opening test. (See
Checks, Tests and Adjustments in this
section.)
17. Muffler.Not restricted.Replace muffler.

Checks, Tests and Adjustments
4/7/95
2
2-119
VALVE CLEARANCE, CHECK AND
ADJUSTMENT
Reason:
To achieve correct engine operation.
Equipment:
•Feeler Gauge
Procedure:
NOTE: Location of the index mark will be different
as a result of the various engine
applications.
The index mark appears on the following:
-3TN75 (F1145 FM): Edge of flywheel guard
and plate.
-3TN75 (855/56 CUT), 3TNC78 (3011DF001
OEM), 3TN84 (870 CUT, 955 CUT,
3014DF001 OEM): Flywheel plate.
-3TN78, 3TNC78 (3011DF001, 005, 006
OEM), 3TN82, 3TN84 (3014DF001, 005, 006
OEM): Flywheel housing.
1. Remove rocker arm cover.
2. Remove plug from timing hole in flywheel
housing, if equipped.
NOTE: “Top Dead Center (TDC)” is the piston at
its highest point.
3. Turn crankshaft pulley clockwise until No.1
cylinder TDC mark on flywheel aligns with index
mark on flywheel housing or plate.
M82372A
Index Mark on
Flywheel Housing
TDC Mark on
Flywheel
3TN78, 3TNC78 (3011), 3TN82, 3TN84 (3014 OEM)
NOTE: No. 1 cylinder is the closest to the flywheel.
4. Try to move both No. 1 cylinder rocker arms or
push rods.
If rocker arm push rods are not loose, rotate
flywheel one revolution (360°). If both rocker arm
push rods are loose the piston is at TDC on
compression stroke.
5. Measure and adjust valve clearance on the valves
(arrows) with No. 2 piston at TDC.
To adjust valves, loosen nut and turn adjusting screw
until clearance is 0.20 mm (0.008 in.). Hold screw
while tightening nut.
M37501
No. 1 TDC Mark
on Flywheel Index Mark on
Flywheel Plate
3TN75, 3TNC78 (3011DF001 OEM), 3TNA82,
3TN84 (870 CUT, 955 CUT, 3014DF001 OEM)
M82327A
Cylinders
No. 1 Piston at TDC
Flywheel End
Fan End
EIEIEI
1 2 3
T6105BF
Feeler
Gauge

Checks, Tests and Adjustments
2-120
4/7/95
2
6. Turn crankshaft pulley one revolution (360°).
This puts the piston in No. 2 cylinder at TDC
compression stroke.
7. Measure and adjust valve clearance on the valves
(arrows) with No. 2 piston at TDC.
CONNECTING ROD SIDE PLAY
CHECK
Reason:
To determine proper side clearance between
crankshaft and connecting rod.
Equipment:
•Feeler Gauge
Procedure:
1. Insert a feeler gauge, according to specifications,
between connecting rod cap and crankshaft.
M82327A
Cylinders
No. 2 Piston at TDC
Flywheel End
Fan End
EIEIEI
1 2 3
M82116A
Feeler Gauge
Specifications:
Standard Clearance . . . . . . . . 0.20 - 0.40 mm
. . . . . . . . . . . . . . . . . . . . .(0.0079 - 0.0157 in.)
Wear Limit. . . . . . . . . . . 0.55 mm (0.0217 in.)
Results:
•If side play exceeds wear limit, replace
connecting rod and connecting rod cap.
CONNECTING ROD BEARING
CLEARANCE CHECK
Reason:
To measure oil clearance between connecting rod
bearing and crankshaft journal.
Equipment:
•PLASTIGAGE®
Procedure:
IMPORTANT: Connecting rod caps must be
installed on the same connecting rod and in
the same direction to prevent crankshaft and
connecting rod damage.
1. Remove connecting rod cap.
2. Wipe oil from bearing insert and crankshaft
journal.
3. Put a piece of PLASTIGAGE, or an equivalent,
along the full length of the bearing insert
approximately 6 mm (0.250 in.) off center.
4. Turn crankshaft approximately 30° from bottom
dead center.
M35351
PLASTIGAGE

Checks, Tests and Adjustments
4/7/95
2
2-121
5. Install connecting rod end cap and original cap
screws. Tighten cap screws to:
3TN75, 3TN78,
3TNC78 (3011) . . . . . . . . . . 39 N•m (29 lb-ft)
3TN82, 3TNA82,
3TN84 (3014) . . . . . . . . . . . . 47 N•m (35 lb-ft)
6. Remove cap screws and connecting rod cap.
NOTE: The flattened PLASTIGAGE will be found
on either the bearing insert or crankshaft
journal.
7. Use the graduation marks on the envelope to
compare the width of the flattened
PLASTIGAGE at its widest point.
8. Determine bearing clearance. The number within
the graduation marks indicates the bearing
clearance in inches or millimeters depending on
which side of the envelope is used.
9. Remove PLASTIGAGE.
Specifications:
Standard Clearance . . . . . . 0.038 - 0.090 mm
. . . . . . . . . . . . . . . . . . . . .(0.0015 - 0.0035 in.)
Wear Limit. . . . . . . . . . . 0.16 mm (0.0063 in.)
Results:
•If clearance exceeds wear limit, replace bearing
inserts.
®PLASTIGAGE is a registered trademark of the DANA
Corporation.
M82117A
Flattened
PLASTIGAGE
Graduation Marks
on Envelope
CRANKSHAFT, END PLAY CHECK
Reason:
To determine proper side clearance between
crankshaft and engine block.
Equipment:
•Dial Indicator
Procedure:
NOTE: Crankshaft end play can be measured at
front end or rear end of crankshaft.
Procedure is performed from the rear end.
The flywheel is removed to show detail.
1. Fasten dial indicator to engine and position
indicator tip on end of crankshaft.
IMPORTANT: Do not use excessive force when
moving crankshaft to avoid damaging
bearings.
2. Push crankshaft toward rear as far as possible.
3. Zero the dial indicator.
4. Using a bar, gently pry the crankshaft as far
forward as possible.
Specifications:
Standard Clearance . . . . . . 0.090 - 0.271 mm
. . . . . . . . . . . . . . . . . . . . . . .(0.004 - 0.011 in.)
Wear Limit. . . . . . . . . . . 0.33 mm (0.0129 in.)
Results:
•If end play exceeds wear limit, replace thrust
bearings.
M82118A
Dial Indicator
Crankshaft

Checks, Tests and Adjustments
2-122
4/7/95
2
CRANKSHAFT MAIN BEARING,
CLEARANCE CHECK
Reason:
To measure oil clearance between main bearing and
crankshaft journal.
Equipment:
•PLASTIGAGE®
Procedure:
IMPORTANT: Main bearing caps must be
installed on the same main bearing and in the
same direction to prevent crankshaft and main
bearing damage.
1. Remove main bearing cap.
2. Wipe oil from bearing insert and crankshaft
journal.
3. Put a piece of PLASTIGAGE, or an equivalent,
along the full length of the bearing insert
approximately 6 mm (0.250 in.) off center.
4. Install main bearing cap and cap screws. Tighten
cap screws to:
3TN75, 3TN78,
3TNC78 (3011) . . . . . . . . . . 79 N•m (58 lb-ft)
3TN82, 3TNA82,
3TN84 (3014) . . . . . . . . . . . . 98 N•m (72 lb-ft)
5. Remove cap screws and main bearing cap.
NOTE: The flattened PLASTIGAGE will be found
on either the bearing insert or crankshaft
journal.
6. Use the graduation marks on the envelope to
compare the width of the flattened
PLASTIGAGE at its widest point.
M35382
PLASTIGAGE
7. Determine main bearing clearance. The number
within the graduation marks indicates the bearing
clearance in inches or millimeters depending on
which side of the envelope is used.
8. Remove PLASTIGAGE.
Specifications:
Standard Clearance . . . . . . 0.038 - 0.090 mm
. . . . . . . . . . . . . . . . . . . . .(0.0015 - 0.0035 in.)
Wear Limit. . . . . . . . . . . 0.06 mm (0.0063 in.)
Results:
•If clearance exceeds wear limit, replace bearing
inserts.
®PLASTIGAGE is a registered trademark of the DANA Corpo-
ration.
VALVE LIFT CHECK
Reason:
Can indicate excessive wear on cam lobes,
followers, and/or push rods.
Equipment:
•Dial Indicator
Procedure:
1. Adjust valve clearance. (See procedure in this
group.)
2. Remove rocker arm cover. (See Cylinder Head,
Valves and Manifolds in this section.)
3. Fasten dial indicator to engine and position
indicator tip on valve retainer. Valve must be
fully closed and rocker arm must move freely.
M82119AE
Flattened
PLASTIGAGE
Graduation Marks
on Envelope

Checks, Tests and Adjustments
4/7/95
2
2-123
4. Zero the dial indicator.
5. Manually turn crankshaft pulley clockwise (from
fan end).
6. Observe dial indicator as valve is moved to the
full open position. Valve lift (intake and exhaust)
should be 8.8 mm (0.350 in.).
Repeat for each valve.
Results:
•If valve lift is less than specification, remove and
inspect camshaft, followers and push rods. (See
Camshaft and Timing Gear Train and/or
Cylinder Head, Valves and Manifolds in this
section.)
CAMSHAFT END PLAY CHECK
Reason:
To determine proper side clearance between
camshaft gear end journal and thrust plate.
Equipment:
•Dial Indicator
Procedure:
1. Remove timing gear cover. (See Camshaft and
Timing Gear Train in this section.)
2. Fasten dial indicator to engine and position
indicator tip on end of camshaft.
3. Push camshaft toward the rear as far as possible.
4. Zero the dial indicator.
5. Pull camshaft forward as far as possible.
T6333DT
Specifications:
Standard Clearance . . . . . . . . 0.05 - 0.20 mm
. . . . . . . . . . . . . . . . . . . . .(0.0020 - 0.0079 in.)
Wear Limit. . . . . . . . . . . . 0.40 mm (0.016 in.)
Results:
•If end play exceeds wear limit, remove camshaft
and replace thrust plate. (See Camshaft and
Timing Gear Train in this section.)
TIMING GEAR BACKLASH, CHECK
Reason:
To check for wear between meshing gears, resulting
in excessive noise and poor engine performance.
Equipment:
•Dial Indicator
Procedure:
1. Measure backlash between meshing gears.
Specifications - 3TN75, 3TN78,
3TNC78 (3011):
Standard Backlash
Crankshaft Gear-to-Oil
Pump Gear. . . . . . . . . . . . . 0.11 - 0.19 mm
. . . . . . . . . . . . . . . . . .(0.0043 - 0.0075 in.)
All Except Crankshaft Gear-to-Oil
Pump Gear. . . . . . . . . . . . . 0.04 - 0.12 mm
. . . . . . . . . . . . . . . . . .(0.0016 - 0.0047 in.)
Wear Limit. . . . . . . . . . . 0.20 mm (0.0079 in.)
M37512

Checks, Tests and Adjustments
2-124
4/7/95
2
Specifications - 3TN82, 3TNA82,
3TN84 (3014):
Standard Backlash . . . . . . . . . 0.04 - 0.12 mm
. . . . . . . . . . . . . . . . . . . . .(0.0016 - 0.0047 in.)
Wear Limit. . . . . . . . . . . 0.20 mm (0.0079 in.)
M82252A
Fuel Injection Pump Gear-to-Idler Gear
Camshaft Gear-to-Idler Gear
Crankshaft Gear-to-Oil Pump Gear
Idler Gear-to-Crankshaft Gear
Results:
•If backlash exceeds wear limit, replace meshing
gears as a set:
Idler Gear, Camshaft Gear, Crankshaft Gear, Oil
Pump Gear AND/OR Idler Gear, Fuel Injection
Pump Gear.

Checks, Tests and Adjustments
4/7/95
2
2-125
FUEL INJECTION NOZZLE TEST
(HOLE-TYPE)
Reason:
To determine opening pressure, leakage, chatter and
spray pattern of the fuel injection nozzle.
CAUTION
Escaping fluid under pressure can penetrate
the skin causing serious injury. Avoid the
hazard by relieving pressure before
disconnecting hydraulic or other lines.
Tighten all connections before applying
pressure. Search for leaks with a piece of
cardboard. Protect hands and body from
high pressure fluids.
If an accident occurs, see a doctor
immediately. Any fluid injected into the skin
must be surgically removed within a few
hours or gangrene may result. Doctors
unfamiliar with this type of injury should
reference a knowledgable source. Such
information is available from the Deere &
Company Medical Department in Moline,
Illinois, U.S.A.
Equipment:
•D01109AA Diesel Fuel Injection Nozzle Tester
•D01110AA Adapter Set
•23622 Straight Adapter
•Container
Connections:
1. Connect fuel injection nozzle to D01109AA
Diesel Fuel Injection Nozzle Tester using parts
from D01110AA Adapter Set and 23622 Straight
Adapter.
IMPORTANT: Use clean filtered diesel fuel
when testing injection nozzles to get best test
results.
Procedure 1:
Test fuel injection nozzle opening pressure
following the Nozzle Tester manufacturer's
instructions.
Specifications:
Opening Pressure . . . . . . . . 19600 ± 480 kPa
. . . . . . . . . . . . . . . . . . . . . . . . . (2843 ± 70 psi)
Results:
•If pressure reading does not meet specification,
disassemble injection nozzle and inspect nozzle
assembly for contamination or stuck valve. If
necessary, add or remove shims to change
opening pressure.

Checks, Tests and Adjustments
2-126
4/7/95
2
Procedure 2:
Test fuel injection nozzle leakage following the
Nozzle Tester manufacturer's instructions.
1. Dry nozzle completely using a lint-free cloth.
2. Pressurize nozzle to 17640 kPa (2558 psi).
3. Watch for leakage from nozzle spray orifice.
Leakage time should be a minimum of 5 seconds.
Results:
•If leakage time does not meet specification,
disassemble injection nozzle and inspect nozzle
assembly for contamination. Inspect valve
seating surface. Replace nozzle assembly if
necessary.
Procedure 3:
Test fuel injection nozzle chatter and spray
pattern following the Nozzle Tester manufacturer's
instructions.
1. Pressurize nozzle to 19600 ± 480 kPa (2843 ± 70
psi).
2. Listen for “chatter” sound and watch spray
pattern.
Specifications:
Slow Hand
Lever Movement . . . . . . . . . . . Chatter Sound
Slow Hand
Lever Movement . . . . . . . . . . . . . Fine Stream
. . . . . . . . . . . . . . . . . . . . . . . . . Spray Pattern
Fast Hand
Lever Movement . . . . . . . . . . . Fine Atomized
. . . . . . . . . . . . . . . . . . . . . . . . . Spray Pattern
M35913
D01109AA Diesel Fuel
Injection Nozzle Tester
36352 Fuel Line
Assembly
Container
23617 90° Adapter
23621 Straight Adapter
23622 Straight Adapter
Fuel Injection Nozzle

Checks, Tests and Adjustments
4/7/95
2
2-127
Results:
•If nozzle chatter or spray pattern does not meet
specifications, disassemble injection nozzle and
inspect nozzle assembly for contamination.
Inspect valve seating surface. Replace nozzle
assembly if necessary.
•If there is excessive difference in spray angle or
injection angle, incomplete atomization or
sluggish starting/stopping of injection,
disassemble injection nozzle and inspect nozzle
assembly for contamination. Replace nozzle
assembly if necessary.
THERMOSTAT OPENING TEST
Reason:
To determine opening temperature of thermostat.
Equipment:
•Thermometer
•Glass Container
•Heating Unit
M82121A
Proper Spray
Angle
Poor
Correct
Correct Injection Angle
Procedure:
1. Suspend thermostat and a thermometer in a
container of water.
2. Heat and stir the water. Observe opening action
of thermometer and compare temperatures with
specifications.
3. Remove thermostat and observe its closing action
as it cools.
Specifications:
Begin Opening. . . . . . . . . . . . . 71° C (160° F)
Fully Open . . . . . . . . . . . . . . . . 85° C (184° F)
Minimum Lift Height . . . . . .8 mm (0.310 in.)
Results:
•If thermostat does not open according to
specifications, replace.
•If closing action is not smooth and slow, replace
thermostat.
CAUTION
DO NOT allow thermostat or thermometer
to rest against the side or bottom of glass
container when heating water. Either may
rupture if overheated.
M82122A
Thermometer
Thermostat

Checks, Tests and Adjustments
2-128
4/7/95
2
COOLANT TEMPERATURE SWITCH
TEST
Reason:
To determine operating temperature of sender.
Equipment:
•Thermometer
•Glass Container
•Heating Unit
•Ohmmeter
Procedure:
1. Connect lead wires from ohmmeter probes, to
sender terminal and body.
CAUTION
DO NOT allow switch or thermometer to rest
against the side or bottom of glass container
when heating water. Either may rupture if
overheated.
2. Suspend sender and a thermometer in a container
of water.
3. Heat and stir the water. Observe water
temperature when continuity occurs. Water
temperature should be 107 - 113° C (225 -
235°F).
Results:
•If continuity does not occur within temperature
listed, replace sender.
M82123A
Ohmmeter
Probes
Coolant
Temperature
Switch

Checks, Tests and Adjustments
4/7/95
2
2-129
STARTER NO-LOAD AMP
DRAW/RPM TEST
Reason:
To determine if starter is binding or has excessive
amperage draw under no load.
Equipment:
•JT05712 Current Gun
•JT05719 Hand-Held Digital Tachometer
•Jumper Cables
•Jumper Wire
Procedure:
1. Mount starter in a vise.
NOTE: Check that battery is fully charged and of
proper size to ensure accuracy of test.
2. Connect jumper cables to a 12 volt battery.
3. Connect positive (+) cable to solenoid battery
terminal on starter.
4. Connect negative (-) cable to starter body.
5. Attach Current Gun to positive cable.
IMPORTANT: Complete this test in 20 seconds
or less to prevent starter damage.
6. Use a jumper wire to briefly connect positive (+)
starter terminal to solenoid terminal “S”. Starter
should engage and run.
7. Read and record starter amperage and rpm.
Specifications:
Maximum Starter Amperage
Hitachi 2.0 kW. . . . . . 110 Amps at 4500 rpm
Nippondenso 1.0 kW
and 1.2 kW. . . . . . . . . . 90 Amps at 3000 rpm
Nippondenso 1.4 kW. . 90 Amps at 3500 rpm
Minimum Starter RPM
Hitachi 2.0 kW. . . . . . . . . . . . . . . . . . . . . 4500
Nippondenso 1.0 kW
and 1.2 kW. . . . . . . . . . . . . . . . . . . . . . . . 3000
Nippondenso 1.4 kW. . . . . . . . . . . . . . . . 3500
Results:
•If solenoid “clicks” or chatters and motor does
not turn, replace solenoid.
•If pinion gear engages and motor doesn't turn,
repair or replace starter motor.
•If starter engages and runs but amperage is more
than specifications, repair or replace starter.
If rpm is less than specification, with battery fully
charged, repair or replace starter.

Checks, Tests and Adjustments
2-130
4/7/95
2
M82149A
JT05719 Hand-Held Digital Tachometer
All Except Nippondenso 1.0 kW and 1.2 k
W
Jumper Wire
JT05712 Current Gun
M82150A
Nippondenso 1.0 kW and 1.2 k
W
Jumper Wire
JT05719 Hand-Held Digital Tachometer
JT05712 Current Gun

Checks, Tests and Adjustments
4/7/95
2
2-131
INJECTION PUMP STATIC TIMING
ADJUSTMENT
Reason:
To make sure that injection pump timing is set to
manufacturers specification.
Equipment:
•Timing Tool (No. 1 fuel injection line cut off at
first bend)
•External fuel supply
Procedure:
IMPORTANT: Injection pump timing should be
correct. Once timing is set, it will not normally
change during the life of the engine, unless it
was altered.
Check and adjust timing only as the last
option. Check fuel, fuel supply system,
injectors, air intake system and cylinder
compression before continuing.
NOTE: If injection pump has been removed from
engine without disturbing engine crankshaft
and pump shaft, perform Step 1 only.
Otherwise, perform the entire timing
procedure.
1. 3TN78, 3TNC78 (3011), 3TN82, 3TNA82: Align
arrow or line on injection pump flange with the
sixth mark (line) on timing gear mounting plate.
3TN75, 3TN84 (3014): Align arrow or line on
injection pump flange between third and fourth
marks (lines) on timing gear mounting plate.
M82255A
3TN78, 3TNC78
(3011), 3TN82,
3TNA82
NOTE: Normal rotation, as viewed from the
flywheel end, is counterclockwise. The
number one fuel injection line is toward the
flywheel.
2. Remove the number one fuel injection line.
3. Install timing tool (number one fuel line cut off at
first bend).
4. Remove rubber plug from flywheel housing, if
equipped.
5. Turn crankshaft pulley in either direction until the
No. 1 cylinder top dead center (TDC) mark aligns
with the index mark on the flywheel housing/
plate.
M82256A
3TN75,
3TN84 (3014)
T6530AB
Timing Tool
T6530AC
Index Mark on
Flywheel
Housing/Plate
TDC Mark
on Flywheel
1

Checks, Tests and Adjustments
2-132
4/7/95
2
6. Prime pump to fill it with fuel. 1 L (1.06 qt) of
fuel is more than adequate.
7. Hold throttle lever in run position.
8. Turn flywheel clockwise (as viewed from the
flywheel end) until tip of Timing Tool has
become MOIST with solid fuel.
9. Check timing mark on flywheel. The index mark
must line up with the injection pump timing mark
on flywheel. See specifications.
Specifications:
Injection Pump Timing Mark
3TN75 (F1145 FM,
855/56 CUT). . . . . . . . . . . . . . .16° ± 1° BTDC
. . . . . . . . . . . . . . . (Before Top Dead Center)
3TN78 (25 EX). . . . . . . . . . . . .16° ± 1° BTDC
3TNC78 (3011 OEM) . . . . . . .16° ± 1° BTDC
3TN82
(575 SSL) . . . . . . . . . . . . . .17° ± 1° BTDC
(30 EX) . . . . . . . . . . . . . . . .16° ± 1° BTDC
3TNA82 (770 CUT). . . . . . . . .16° ± 1° BTDC
3TN84 (870 CUT, 955
CUT, 3014 OEM) . . . . . . . . . .16° ± 1° BTDC
M82373A
Injection Pump
Timing MarksFlywheel
TDC Mark on
Flywheel
Index Mark
on Flywheel
Housing
1
25°
20°
15°
Engine Crankshaft
Position. . . . . . . . . . . . . . . . . . . No.1 Cylinder
. . . . . . . . . . . . . on TDC Compression Stroke
Results:
•If timing is not according to specifications,
loosen pump mounting bolts and turn pump
towards engine block to retard timing or away
from block to advance timing. Recheck timing.
•If timing did not change, remove pump and have
tested by a diesel injection service shop.
•If timing is OK:
-Install rubber plug in flywheel housing, if
equipped.
-Remove timing tool.
-Install number one injection line.
FAN/ALTERNATOR DRIVE BELT
ADJUSTMENT
Reason:
To keep proper tension on belt to drive water pump
and alternator. To prevent shortened belt and bearing
life.
Equipment:
•JDG529 or JDST28 Belt Tension Gauge
•Straight Edge
Procedure:
1. Check belt tension between fan and alternator
using Belt Tension Gauge and a straight edge.
M54014
Belt Deflection

Checks, Tests and Adjustments
4/7/95
2
2-133
Specifications:
Applied Force . . . . . . . . . . .98 N (22 lb-force)
Deflection . . . . .10 - 15 mm (0.400 - 0.600 in.)
Results:
•If deflection is not within specifications:
-Loosen both alternator mounting cap screws/
nuts.
-Apply force to FRONT alternator housing
only (near the belt) until tension is correct.
-Tighten cap screws/nuts.
ENGINE OIL COOLER LEAKAGE
TEST - 3TN84 (955 CUT)
Reason:
Inspect oil cooler for leaks.
Procedure:
1. Plug one end of coolant inlet or outlet passage.
2. Apply regulated air pressure of 206 - 483 kPa
(30 - 70 psi) to other end.
3. Dip oil cooler into water and check for leaks.
Optional test:
If a leak did not appear, use a hot water bath to
possibly open crack(s).
Results:
•Repair leak(s) or replace oil cooler if necessary.
FUEL SHUTOFF SOLENOID
ADJUSTMENT
Reason:
To ensure that fuel shutoff solenoid retracts fully,
moving the injection pump shutoff control lever far
enough to allow full rack travel.
Procedure:
1. Loosen lock nut.
2. Disconnect link from solenoid.
3. Hold solenoid plunger bottomed in solenoid
body.
4. Move link toward solenoid until it stops
5. Turn plunger rod in or out of knuckle until
knuckle and link holes line up. Turn out two
additional turns. The additional turns insure that
the solenoid bottoms out before the linkage.
6. Assemble and check for free movement when key
switch is turned ON. Also check that linkage
returns completely to the STOP position when
key switch is turned OFF.
M82141
Plunger Link
Lock Nut Knuckle

Operational Tests
2-134
4/7/95
2
RADIATOR, BUBBLE TEST
Reason:
To determine if compression pressure is leaking
from cylinder.
Equipment:
•JDG560 Adapter
Procedure:
1. With coolant at proper level and radiator cap
tight, run engine for 5 minutes to bring to
operating temperature.
2. Remove cap from recovery tank.
3. Check for bubbles coming from overflow hose at
bottom of tank.
If bubbles are present, isolate source of compression
leak:
-Remove injection nozzles.
-Install JDG560 Adapter in injection port of
cylinder to be tested.
-Move piston to bottom of stroke with intake
and exhaust valves closed.
-Connect hose from compressed air source to
adapter.
-Apply the specified maximum air pressure
into cylinder:
3TN75, 3TN78, 3TN82, 3TNA82, 3TN84
(870 CUT, 955 CUT) . . . . . 2448 kPa (355 psi)
3TNC78 (3011 OEM),
3TN84 (3014 OEM). . . . . . 2158 kPa (313 psi)
-Check for bubbles in recovery tank or air
escaping from muffler, air cleaner or oil fill
opening.
-Repeat for each cylinder.
Results:
•If bubbles are present, check for cracks in
cylinder head and block. Check for damaged
head gasket.
•If air escapes from muffler, check for worn
exhaust valve.
•If air escapes from air cleaner, check for worn
intake valve.
•If air escapes from engine oil fill, check for worn
piston rings.
COOLING SYSTEM, PRESSURE TEST
Reason:
Inspect cooling system for leaks.
Equipment:
•D05104ST Cooling System Pressure Pump
•JDG692 Radiator Pressure Test Kit (Adapters)
Procedure:
1. Remove cap and attach pressure pump to radiator.
2. Apply pressure according to specifications.
3. Check for leaks throughout cooling system.
Specifications - 3TN75, 3TN84 (955 CUT):
Maximum Pressure. . . . . . . . 117 kPa (17 psi)
Minimum Pressure
after 15 Seconds . . . . . . . . . . . 90 kPa (13 psi)
Specifications - 3TN78, 3TNC78 (3011), 3TN82,
3TNA82, 3TN84 (870 CUT, 3014 OEM):
Maximum Pressure. . . . . . . . . 97 kPa (14 psi)
Minimum Pressure
after 15 Seconds . . . . . . . . . 88 kPa (12.8 psi)
T6333AW
Cooling System
Pressure Pump

Operational Tests
4/7/95
2
2-135
Results:
•Pressure should hold to specifications. If pressure
decreases, check for leaks. Repair leaks or replace
parts as necessary.
•If pressure test still indicates leakage after all
external leaks have been stopped, a defective head
gasket, cracked block, or cylinder head may be the
cause. Perform RADIATOR BUBBLE TEST.
RADIATOR CAP, PRESSURE TEST
Reason:
Test radiator cap for operating in correct pressure
range.
Equipment:
•D05104ST Cooling System Pressure Pump
•JDG692 Radiator Pressure Test Kit (Adapters)
Procedure:
1. Install radiator cap on pressure pump.
2. Apply pressure. Pressure valve in cap should
open according to specifications.
Specifications:
Valve Opening Pressure
3TN75,
3TN84 (955 CUT) . . . . . . . . . . 90 kPa (13 psi)
3TN78, 3TNC78 (3011),
3TN82, 3TNA82, 3TN84
(870 CUT, 3014 OEM) . . . . 88 kPa (12.8 psi)
T6333AX
Cooling System
Pressure Pump
Radiator Cap
Results:
•If cap leaks, retighten and test again. Replace cap
if pressure is not within specification.
CYLINDER, COMPRESSION
PRESSURE TEST
Reason:
To determine the condition of the pistons, rings,
cylinder walls and valves.
Equipment:
•JT01682 Compression Gauge Assembly
•JDG560 Adapter
Procedure:
1. Run engine for 5 minutes to bring to operating
temperature. Shut off engine.
2. Remove injection nozzles. (See Fuel System in
this section.)
3. Remove heat protector from end of injector and
install on Adapter.
4. Install Adapter and Compression Gauge
Assembly in injector port. Install retaining plate
and tighten nuts to 4.5 N•m (39 lb-in.)
5. Hold fuel shut-off knob in shut-off position.
6. Crank engine for three seconds with starter.
7. Record pressure reading for each cylinder.
T6333EU
JDG560 Adapter
JT01682 Compression
Gauge Assembl
y

Operational Tests
2-136
4/7/95
2
Specifications:
Compression Pressure
3TN75, 3TN78, 3TN82,
3TNA82, 3TN84
(870 CUT, 955 CUT) . . . . . 2448 kPa (355 psi)
3TNC78 (3011 OEM),
3TN84 (3014 OEM). . . . . .2158 kPa (313 psi)
Maximum Difference Between
Cylinders . . . . . . . . . . . . . . . . . . . 490 kPa (71 psi)
NOTE: Pressure listed is for 300 m (1000 ft) above
sea level. For naturally aspirated engines,
reduce specification an additional 4% for
each 300 m (1000 ft) of altitude.
Results:
•If pressure reading is below specification, squirt
approximately two teaspoons of clean engine oil
into cylinders through injector ports and repeat
test.
•If pressure increases significantly, check piston,
rings and cylinder walls for wear or damage.
•If pressure does not increase significantly after
retest, check for leaking valves, valve seats or
cylinder head gasket.
ENGINE OIL PRESSURE TEST
Reason:
To determine if engine bearings or lubrication
system components are worn.
Equipment:
•JT03017 Hose Assembly
•JT05577 Pressure Gauge (100 psi)
•JT05487 Connector (4TN78T)
•JT03349 Connector (All Except 4TN78T)
Procedure:
1. Remove oil pressure sender.
2. Install Connector.
3. Connect Hose Assembly and Pressure Gauge.
IMPORTANT: Do not run if no pressure
present.
4. Start engine. If pressure reading is below 69 kPa
(10 psi), STOP ENGINE.
5. Run engine approximately five minutes to heat
oil, then check oil pressure at fast and/or slow
idle.
Specifications - 3TN75:
F1145 FM
Slow Idle. . . . . . . . . . . . . . . . . . 1450 ± 50 rpm
Fast Idle . . . . . . . . . . . . . . . . . . . . . . 3425 rpm
Oil Pressure . . . . . . . . . . . . . . . . 294 - 440 kPa
. . . . . . . . . . . . . . . . . . . . . . . . . . . .(43 - 64 psi)
855/56 CUT
Fast Idle . . . . . . . . . . . . . . . . . . 3425 ± 25 rpm
Oil Pressure . . . . . . . . . . . . . . . . 365 ± 69 kPa
. . . . . . . . . . . . . . . . . . . . . . . . . . . (53 ± 10 psi)
Specifications - 3TN78, 3TN82 (30 EX):
Idle Speed
Slow . . . . . . . . . . . . . . . . . . . . . . 800 ± 25 rpm
Fast . . . . . . . . . . . . . . . . . . . . . . 2450 ± 25 rpm
Oil Pressure
Slow Idle. . . . . . . . . . . . . . . . . 262 kPa (38 psi)
Fast Idle . . . . . . . . . . . . . . . . . . . 345 ± 48 kPa
. . . . . . . . . . . . . . . . . . . . . . . . . . . . (50 ± 7 psi)
Specifications - 3TNC78 (3011), 3TN84 (3014):
Low Idle Speed
Industrial . . . . . . . . . . . . . . . . . . . . . 1300 rpm
Generator. . . . . . . . . . . . . . . . . . . . . 1200 rpm
Oil Pressure . . . . . . . . . . . . . . . . . 147 kPa (21 psi)
Specifications - 3TN82 (575 SSL):
Idle Speed
Slow . . . . . . . . . . . . . . . . . . . . . 1250 ± 25 rpm
Fast . . . . . . . . . . . . . . . . . . . . . . 2875 ± 25 rpm
Oil Pressure . . . . . . . . . . . . . . . . . . . 294 - 392 kPa
. . . . . . . . . . . . . . . . . . . . . . . . . . . .(43 - 57 psi)
Specifications - 3TNA82, 3TN84 (870 CUT):
Fast Idle . . . . . . . . . . . . . . . . .2750 - 2800 rpm
Oil Pressure . . . . . . . . . . . . . . . . 365 ± 69 kPa
. . . . . . . . . . . . . . . . . . . . . . . . . . . (53 ± 10 psi)
Specifications - 3TN84 (955 CUT):
Fast Idle . . . . . . . . . . . . . . . . . . 3425 ± 25 rpm
Oil Pressure . . . . . . . . . . . . . . . . 365 ± 69 kPa
. . . . . . . . . . . . . . . . . . . . . . . . . . . (53 ± 10 psi)

Operational Tests
4/7/95
2
2-137
Results:
•If oil pressure is not within specifications,
inspect oil pressure regulating valve parts for
wear or damage. Add or remove shims as
necessary. (See Lubrication System in this
section.)
•If oil pressure does not increase, see “Engine
Has Low Oil Pressure” in Diagnosis group.
AIR INTAKE SYSTEM LEAKAGE TEST
Reason:
Check for leaks in air intake system.
Equipment:
•Air Pressure Regulator
Procedure:
1. Remove air cleaner restriction indicator/switch
and install test fitting.
2. Connect air pressure regulator to manifold using
hose and fitting from air cleaner.
3. Remove air cleaner cover and main filter element.
4. Put large plastic bag into and over end of main
filter element. Install main filter element and
cover.
5. Pressurize air intake system between 34 - 69 kPa
(5 - 10 psi). If air intake system cannot be
pressurized, turn engine slightly to close valves.
6. Spray soap solution over all connections from air
cleaner to intake manifold or turbocharger, if
equipped, and check for leaks.
IMPORTANT: When reinstalling starting aid
nozzle, position arrow on nozzle pointing
against intake air flow.
Results:
•Find leaks and repair or replace parts as
necessary.
FUEL SUPPLY PUMP PRESSURE
TEST - IF EQUIPPED
NOTE: 3TN78 and 3TN82 engines are not equipped
with a fuel supply pump.
Reason:
To determine supply pump operating pressure.
Equipment:
•JT03274 Hose Fitting
•JT01609 Female Quick Coupler
•JT03115 Gauge w/Male Quick Coupler (0 - 150
psi)
M82124

Operational Tests
2-138
4/7/95
2
Procedure:
1. Disconnect supply pump-to-filter hose.
2. Install Hose Fitting, Coupler and Gauge.
3. Pull fuel shut-off cable out and crank engine
using the starter. Do not run starter for more than
10 seconds at a time. Gauge should read more
than 29 kPa (4.3 psi).
Results:
•If pressure is below specification, repair or
replace fuel supply pump.
FUEL DRAIN BACK TEST
Reason:
Determines if air is entering the fuel system at
connections, allowing fuel to siphon back to tank.
M82145A
JT03115 Gauge w/Male
Quick Coupler
JT01609 Female Quick
Coupler
JT03274 Hose Fitting
Supply
Pump-to
Filter Hose
Fuel Filter
Procedure:
1. Disconnect fuel supply line and return line at fuel
tank.
IMPORTANT: Fuel return line MUST extend
below fuel level in fuel tank before performing
this test. Fill fuel tank if necessary.
2. Drain all fuel from the system, including fuel
supply pump, injection pump, filter(s) and water
separator, if equipped.
3. Plug end of fuel return hose.
4. Pressurize fuel system at fuel supply line, to a
maximum pressure of 103 kPa (15 psi).
5. Apply liquid soap and water solution to all joints
and connections in the fuel system and inspect for
leaks.
Results:
•Find leaks and repair or replace parts as
necessary.
BLEED FUEL SYSTEM
IMPORTANT: Modification or alteration of the
injection pump, pump timing, or the injection
nozzles in any way not approved by the
manufacturer will terminate the warranty
obligation.
All engines are equipped with an automatic air
venting system which makes the fuel system self-
bleeding.
•Assure that all fuel line connections are securely
tightened.
•Add fuel to fuel tank.
•Crank engine to allow fuel system to bleed itself.

3
3
4TN78T, 4TN82 AND
4TN84(T) (4019)
ENGINES
Specifications. . . . . . . . . . . . . . . . . . . . . . . . . . . . . . . . . . . 3-1
Cylinder Head, Valves and Manifolds . . . . . . . . . . . . . . . 3-17
Pistons, Rods and Cylinder Block . . . . . . . . . . . . . . . . . . 3-30
Crankshaft, Main Bearings and Flywheel . . . . . . . . . . . . 3-41
Camshaft and Timing Gear Train. . . . . . . . . . . . . . . . . . . 3-53
Lubrication System . . . . . . . . . . . . . . . . . . . . . . . . . . . . . 3-62
Cooling System . . . . . . . . . . . . . . . . . . . . . . . . . . . . . . . . 3-69
Fuel System. . . . . . . . . . . . . . . . . . . . . . . . . . . . . . . . . . . 3-77
Starter . . . . . . . . . . . . . . . . . . . . . . . . . . . . . . . . . . . . . . . 3-86
Alternator. . . . . . . . . . . . . . . . . . . . . . . . . . . . . . . . . . . . 3-105
Diagnosis. . . . . . . . . . . . . . . . . . . . . . . . . . . . . . . . . . . . 3-119
Checks, Tests and Adjustments. . . . . . . . . . . . . . . . . . . 3-122
Operational Tests. . . . . . . . . . . . . . . . . . . . . . . . . . . . . . 3-139
Section 3

3

Specifications
4/7/95
3
3-1
ENGINE SPECIFICATIONS - 4TN78T
Rocker Arm Cover
Special Nut Torque . . . . . . . . . . . . . . . . . . . . . . . . . . . . . . . . . . . . . . . . . . . . . . . . . 18 N•m (160 lb-in.)
Rocker Arm Assembly
Mounting Cap Screw Torque . . . . . . . . . . . . . . . . . . . . . . . . . . . . . . . . . . . . . . . . . 26 N•m (226 lb-in.)
Rocker Arm Shaft O.D.
Standard . . . . . . . . . . . . . . . . . . . . . . . . . . . . . . . . . . . . . . .15.97 - 15.98 mm (0.6286 - 0.6293 in.)
Wear Limit . . . . . . . . . . . . . . . . . . . . . . . . . . . . . . . . . . . . . . . . . . . . . . . . . . 15.95 mm (0.6280 in.)
Rocker Arm and Shaft Support I.D.'s
Clearance . . . . . . . . . . . . . . . . . . . . . . . . . . . . . . . . . . . . . . . . . . . . . . . . . . . . . 0.13 mm (0.005 in.)
Standard . . . . . . . . . . . . . . . . . . . . . . . . . . . . . . . . . . . . . . . . .16.00 - 16.02 mm (0.630 - 0.631 in.)
Wear Limit . . . . . . . . . . . . . . . . . . . . . . . . . . . . . . . . . . . . . . . . . . . . . . . . . . . 16.09 mm (0.633 in.)
Push Rod Length
Standard . . . . . . . . . . . . . . . . . . . . . . . . . . . . . . . . . . . . . . .146.65 - 147.35 mm (5.774 - 5.801 in.)
Push Rod Bend
Standard . . . . . . . . . . . . . . . . . . . . . . . . . . . . . . . . . . . . . . . . . . . . . . . . 0.03 mm (0.001 in.) or less
Wear Limit . . . . . . . . . . . . . . . . . . . . . . . . . . . . . . . . . . . . . . . . . . . . . . . . . . . . 0.30 mm (0.012 in.)
Cylinder Head and Valves
Mounting Cap Screw Torque
First . . . . . . . . . . . . . . . . . . . . . . . . . . . . . . . . . . . . . . . . . . . . . . . . . . . . . . . . . . . . 22 N•m (16 lb-ft)
Second. . . . . . . . . . . . . . . . . . . . . . . . . . . . . . . . . . . . . . . . . . . . . . . . . . . . . . . . . . 43 N•m (32 lb-ft)
Final . . . . . . . . . . . . . . . . . . . . . . . . . . . . . . . . . . . . . . . . . . . . . . . . . . . . . . . . . . . 69 N•m (51 lb-ft)
Cylinder Head Distortion
Standard . . . . . . . . . . . . . . . . . . . . . . . . . . . . . . . . . . . . . . . . . . . . . . . . 0.05 mm (0.002 in.) or less
Wear Limit . . . . . . . . . . . . . . . . . . . . . . . . . . . . . . . . . . . . . . . . . . . . . . . . . . . . 0.15 mm (0.006 in.)
Maximum Amount of Metal to be Removed . . . . . . . . . . . . . . . . . . . . . . . . . . 0.20 mm (0.008 in.)
Valve Seat Width
Intake Valve
Standard . . . . . . . . . . . . . . . . . . . . . . . . . . . . . . . . . . . . . . . .1.36 - 1.53 mm (0.054 - 0.060 in.)
Wear Limit . . . . . . . . . . . . . . . . . . . . . . . . . . . . . . . . . . . . . . . . . . . . . . . . . 1.98 mm (0.078 in.)
Exhaust Valve
Standard . . . . . . . . . . . . . . . . . . . . . . . . . . . . . . . . . . . . . . . .1.66 - 1.87 mm (0.065 - 0.074 in.)
Wear Limit . . . . . . . . . . . . . . . . . . . . . . . . . . . . . . . . . . . . . . . . . . . . . . . . . 2.27 mm (0.089 in.)
Intake and Exhaust Valves
Valve Faces
Minimum Margin . . . . . . . . . . . . . . . . . . . . . . . . . . . . . . . . . . . . . . . . . . . . . . . 0.51 mm (0.020 in.)
Exhaust Angle. . . . . . . . . . . . . . . . . . . . . . . . . . . . . . . . . . . . . . . . . . . . . . . . . . . . . . . . . . . . . . . 45°
Intake Angle . . . . . . . . . . . . . . . . . . . . . . . . . . . . . . . . . . . . . . . . . . . . . . . . . . . . . . . . . . . . . . . . 30°
Valve Stem O.D.
Distance A. . . . . . . . . . . . . . . . . . . . . . . . . . . . . . . . . . . . . . . . . . . . . . . . . . . . . . .30 mm (1.181 in.)
Distance B. . . . . . . . . . . . . . . . . . . . . . . . . . . . . . . . . . . . . . . . . . . . . . . . . . . . . . .50 mm (1.969 in.)
Intake and Exhaust Valves
Standard . . . . . . . . . . . . . . . . . . . . . . . . . . . . . . . . . . . . . .6.94 - 6.96 mm (0.2732 - 0.2740 in.)
Wear Limit . . . . . . . . . . . . . . . . . . . . . . . . . . . . . . . . . . . . . . . . . . . . . . . . 6.90 mm (0.2717 in.)
Valve Recession
Standard . . . . . . . . . . . . . . . . . . . . . . . . . . . . . . . . . . . . . . . . . . .0.30 - 0.50 mm (0.012 - 0.020 in.)
Wear Limit . . . . . . . . . . . . . . . . . . . . . . . . . . . . . . . . . . . . . . . . . . . . . . . . . . . . 1.00 mm (0.039 in.)

Specifications
3-2
4/7/95
3
Valve Guides
Valve Guide I.D.
Maximum Clearance. . . . . . . . . . . . . . . . . . . . . . . . . . . . . . . . . . . . . . . . . . . . . 0.20 mm (0.008 in.)
Standard . . . . . . . . . . . . . . . . . . . . . . . . . . . . . . . . . . . . . . . . . . .7.00 - 7.02 mm (0.275 - 0.276 in.)
Wear Limit . . . . . . . . . . . . . . . . . . . . . . . . . . . . . . . . . . . . . . . . . . . . . . . . . . . . 7.08 mm (0.279 in.)
Valve Guide Height . . . . . . . . . . . . . . . . . . . . . . . . . . . . . . . . . . . . . . . . . . . . . . . . . .12 mm (0.472 in.)
Valve Springs
Spring Free Length
Standard . . . . . . . . . . . . . . . . . . . . . . . . . . . . . . . . . . . . . . . . . . . . . . . . . . . . . . . .40 mm (1.575 in.)
Wear Limit . . . . . . . . . . . . . . . . . . . . . . . . . . . . . . . . . . . . . . . . . . . . . . . . . . . 39.50 mm (1.550 in.)
Maximum Spring Inclination . . . . . . . . . . . . . . . . . . . . . . . . . . . . . . . . . . . . . . . . . 1.10 mm (0.044 in.)
Exhaust Manifold
Mounting Cap Screw and Nut Torque . . . . . . . . . . . . . . . . . . . . . . . . . . . . . . . . . . 26 N•m (226 lb-in.)
Intake Manifold
Mounting Cap Screw Torque . . . . . . . . . . . . . . . . . . . . . . . . . . . . . . . . . . . . . . . . . 26 N•m (226 lb-in.)
Valve Seat Angles
Valve Seat Surface
Exhaust Valve. . . . . . . . . . . . . . . . . . . . . . . . . . . . . . . . . . . . . . . . . . . . . . . . . . . . . . . . . . . . . . . 45°
Intake Valve . . . . . . . . . . . . . . . . . . . . . . . . . . . . . . . . . . . . . . . . . . . . . . . . . . . . . . . . . . . . . . . . 30°
Lower Seat Surface. . . . . . . . . . . . . . . . . . . . . . . . . . . . . . . . . . . . . . . . . . . . . . . . . . . . . . . . . . . . . . 70°
Upper Seat Surface . . . . . . . . . . . . . . . . . . . . . . . . . . . . . . . . . . . . . . . . . . . . . . . . . . . . . . . . . . . . . . 15°
Piston-to-Cylinder Head Clearance . . . . . . . . . . . . . . . . . . . . . . . . . . . .0.59 - 0.77 mm (0.023 - 0.030 in.)
Piston and Connecting Rod Cap Screw Torque . . . . . . . . . . . . . . . . . . . . . . . . . . . . . . . . 39 N•m (29 lb-ft)
Connecting Rod Bearing I.D.
Clearance . . . . . . . . . . . . . . . . . . . . . . . . . . . . . . . . . . . . . . . . . . . . . . . . . . . . . . . . 0.16 mm (0.006 in.)
Standard . . . . . . . . . . . . . . . . . . . . . . . . . . . . . . . . . . . . . . . . . . . . . 43 - 43.042 mm (1.693 - 1.695 in.)
Wear Limit . . . . . . . . . . . . . . . . . . . . . . . . . . . . . . . . . . . . . . . . . . . . . . . . . . . . . . 43.07 mm (1.696 in.)
Piston Ring Groove Clearance
First Compression Ring
Standard . . . . . . . . . . . . . . . . . . . . . . . . . . . . . . . . . . . . . . .0.070 - 0.105 mm (0.0028 - 0.0041 in.)
Wear Limit . . . . . . . . . . . . . . . . . . . . . . . . . . . . . . . . . . . . . . . . . . . . . . . . . . . 0.25 mm (0.0098 in.)
Second Compression Ring
Standard . . . . . . . . . . . . . . . . . . . . . . . . . . . . . . . . . . . . . . .0.035 - 0.070 mm (0.0014 - 0.0028 in.)
Wear Limit . . . . . . . . . . . . . . . . . . . . . . . . . . . . . . . . . . . . . . . . . . . . . . . . . . . 0.25 mm (0.0098 in.)
Oil Ring
Standard . . . . . . . . . . . . . . . . . . . . . . . . . . . . . . . . . . . . . . .0.030 - 0.060 mm (0.0012 - 0.0024 in.)
Wear Limit . . . . . . . . . . . . . . . . . . . . . . . . . . . . . . . . . . . . . . . . . . . . . . . . . . . 0.20 mm (0.0078 in.)
Piston Ring End Gap
Compression Rings and Oil Ring
Standard . . . . . . . . . . . . . . . . . . . . . . . . . . . . . . . . . . . . . . . . . . .0.20 - 0.40 mm (0.008 - 0.016 in.)
Wear Limit . . . . . . . . . . . . . . . . . . . . . . . . . . . . . . . . . . . . . . . . . . . . . . . . . . . 1.50 mm (0.0591 in.)
Piston Pin
Pin O.D.
Standard . . . . . . . . . . . . . . . . . . . . . . . . . . . . . . . . . . . . . . . .22.991 - 23.00 mm (0.905 - 0.906 in.)
Wear Limit . . . . . . . . . . . . . . . . . . . . . . . . . . . . . . . . . . . . . . . . . . . . . . . . . . . 22.90 mm (0.902 in.)
Bore I.D.
Clearance . . . . . . . . . . . . . . . . . . . . . . . . . . . . . . . . . . . . . . . . . . . . . . . . . . . 0.018 mm (0.0007 in.)
Standard . . . . . . . . . . . . . . . . . . . . . . . . . . . . . . . . . . . . . .23.00 - 23.009 mm (0.9055 - 0.9059 in.)
Wear Limit . . . . . . . . . . . . . . . . . . . . . . . . . . . . . . . . . . . . . . . . . . . . . . . . . . . 23.02 mm (0.906 in.)

Specifications
4/7/95
3
3-3
Piston Pin, continued
Bushing I.D.
Clearance . . . . . . . . . . . . . . . . . . . . . . . . . . . . . . . . . . . . . . . . . . . . . . . . . . . 0.110 mm (0.0043 in.)
Standard . . . . . . . . . . . . . . . . . . . . . . . . . . . . . . . . . . . . .23.025 - 23.038 mm (0.9065 - 0.9070 in.)
Wear Limit . . . . . . . . . . . . . . . . . . . . . . . . . . . . . . . . . . . . . . . . . . . . . . . . . . . 23.10 mm (0.909 in.)
Piston O.D.
Distance A. . . . . . . . . . . . . . . . . . . . . . . . . . . . . . . . . . . . . . . . . . . . . . . . . . . . . . . . . .23 mm (0.905 in.)
Standard Size Piston
Standard . . . . . . . . . . . . . . . . . . . . . . . . . . . . . . . . . . . . . . .77.895 - 77.925 mm (3.067 - 3.068 in.)
Wear Limit . . . . . . . . . . . . . . . . . . . . . . . . . . . . . . . . . . . . . . . . . . . . . . . . . . . 77.81 mm (3.063 in.)
0.25 mm (0.010 in.) Oversize Piston
Standard . . . . . . . . . . . . . . . . . . . . . . . . . . . . . . . . . . . . . . . . .78.15 - 78.18 mm (3.076 - 3.077 in.)
Wear Limit . . . . . . . . . . . . . . . . . . . . . . . . . . . . . . . . . . . . . . . . . . . . . . . . . . . 78.05 mm (3.073 in.)
Cylinder Bore I.D.
Standard Size Bore
Clearance . . . . . . . . . . . . . . . . . . . . . . . . . . . . . . . . . . . . . . . . . . . . . . . . . . . . . 0.22 mm (0.009 in.)
Standard . . . . . . . . . . . . . . . . . . . . . . . . . . . . . . . . . . . . . . . . .78.00 - 78.03 mm (3.071 - 3.072 in.)
Wear Limit . . . . . . . . . . . . . . . . . . . . . . . . . . . . . . . . . . . . . . . . . . . . . . . . . . . 78.20 mm (3.079 in.)
0.25 mm (0.010 in.) Oversize Bore
Standard . . . . . . . . . . . . . . . . . . . . . . . . . . . . . . . . . . . . . . . . .78.25 - 78.28 mm (3.081 - 3.082 in.)
Wear Limit . . . . . . . . . . . . . . . . . . . . . . . . . . . . . . . . . . . . . . . . . . . . . . . . . . . 78.45 mm (3.089 in.)
Deglazing . . . . . . . . . . . . . . . . . . . . . . . . . . . . . . . . . . . . . . . . . . . . . . . . . . 30 - 40° cross-hatch pattern
Reboring . . . . . . . . . . . . . . . . . . . . . . . . . . . . . . . . . . . . . . . . . . . . . . . . . . . 30 - 40° cross-hatch pattern
Crankcase Extension Housing
Mounting Cap Screw Torque
Flywheel Housing/Plate-to-Extension . . . . . . . . . . . . . . . . . . . . . . . . . . . . . . . . . 49 N•m (36 lb-ft)
Seal Case-to-Extension. . . . . . . . . . . . . . . . . . . . . . . . . . . . . . . . . . . . . . . . . . . 26 N•m (226 lb-in.)
Extension-to-Block . . . . . . . . . . . . . . . . . . . . . . . . . . . . . . . . . . . . . . . . . . . . . . . . 27 N•m (20 lb-ft)
Extension-to-Timing Gear Cover . . . . . . . . . . . . . . . . . . . . . . . . . . . . . . . . . . . 22 N•m (195 lb-in.)
Crankshaft Rear Oil Seal
Seal Case-to-Block Cap Screw Torque . . . . . . . . . . . . . . . . . . . . . . . . . . . . . . . . . 26 N•m (226 lb-in.)
Seal Case-to-Extension Cap Screw Torque . . . . . . . . . . . . . . . . . . . . . . . . . . . . . . 21 N•m (180 lb-in.)
Crankshaft and Main Bearings
Main Bearing Cap Screw Torque . . . . . . . . . . . . . . . . . . . . . . . . . . . . . . . . . . . . . . . . 79 N•m (58 lb-ft)
Crankshaft Maximum Bend . . . . . . . . . . . . . . . . . . . . . . . . . . . . . . . . . . . . . . . . . 0.02 mm (0.0007 in.)
Connecting Rod Journal O.D.
Standard . . . . . . . . . . . . . . . . . . . . . . . . . . . . . . . . . . . . .42.952 - 42.962 mm (1.6910 - 1.6914 in.)
Wear Limit . . . . . . . . . . . . . . . . . . . . . . . . . . . . . . . . . . . . . . . . . . . . . . . . . . . 42.91 mm (1.689 in.)
Main Bearing Journal O.D.
Standard . . . . . . . . . . . . . . . . . . . . . . . . . . . . . . . . . . . . .46.952 - 46.962 mm (1.8485 - 1.8489 in.)
Wear Limit . . . . . . . . . . . . . . . . . . . . . . . . . . . . . . . . . . . . . . . . . . . . . . . . . . . 46.91 mm (1.847 in.)
Main Bearing I.D.
Clearance . . . . . . . . . . . . . . . . . . . . . . . . . . . . . . . . . . . . . . . . . . . . . . . . . . . . . 0.16 mm (0.006 in.)
Standard . . . . . . . . . . . . . . . . . . . . . . . . . . . . . . . . . . . . . . . .47.00 - 47.045 mm (1.850 - 1.852 in.)
Wear Limit . . . . . . . . . . . . . . . . . . . . . . . . . . . . . . . . . . . . . . . . . . . . . . . . . . 47.10 mm (1.8541 in.)
Flywheel
Maximum Distortion. . . . . . . . . . . . . . . . . . . . . . . . . . . . . . . . . . . . . . . . . . . . . . . 0.02 mm (0.0008 in.)
Mounting Cap Screw Torque . . . . . . . . . . . . . . . . . . . . . . . . . . . . . . . . . . . . . . . . . . . 83 N•m (61 lb-ft)
Flywheel Housing Mounting Cap Screw Torque . . . . . . . . . . . . . . . . . . . . . . . . . . . . . . . 49 N•m (36 lb-ft)

Specifications
3-4
4/7/95
3
Camshaft
Mounting Cap Screw Torque . . . . . . . . . . . . . . . . . . . . . . . . . . . . . . . . . . . . . . . . . 26 N•m (226 lb-in.)
Camshaft Side Gap
Standard . . . . . . . . . . . . . . . . . . . . . . . . . . . . . . . . . . . . . . . . .0.05 - 0.20 mm (0.0020 - 0.0079 in.)
Wear Limit . . . . . . . . . . . . . . . . . . . . . . . . . . . . . . . . . . . . . . . . . . . . . . . . . . . . 0.40 mm (0.016 in.)
Maximum Camshaft Bend . . . . . . . . . . . . . . . . . . . . . . . . . . . . . . . . . . . . . . . . . . . 0.02 mm (0.001 in.)
Lobe Height
Standard . . . . . . . . . . . . . . . . . . . . . . . . . . . . . . . . . . . . . . .38.635 - 38.765 mm (1.521 - 1.526 in.)
Wear Limit . . . . . . . . . . . . . . . . . . . . . . . . . . . . . . . . . . . . . . . . . . . . . . . . . . . 38.40 mm (1.512 in.)
Journal O.D.
Gear Housing and Flywheel Ends
Standard . . . . . . . . . . . . . . . . . . . . . . . . . . . . . . . . . . . . . .44.92 - 44.95 mm (1.769 - 1.770 in.)
Wear Limit . . . . . . . . . . . . . . . . . . . . . . . . . . . . . . . . . . . . . . . . . . . . . . . . 44.80 mm (1.764 in.)
Intermediate
Standard . . . . . . . . . . . . . . . . . . . . . . . . . . . . . . . . . . . . . .44.91 - 44.94 mm (1.768 - 1.769 in.)
Wear Limit . . . . . . . . . . . . . . . . . . . . . . . . . . . . . . . . . . . . . . . . . . . . . . . . 44.80 mm (1.764 in.)
Bushing I.D.
Clearance . . . . . . . . . . . . . . . . . . . . . . . . . . . . . . . . . . . . . . . . . . . . . . . . . . . . 0.20 mm (0.0079 in.)
Standard . . . . . . . . . . . . . . . . . . . . . . . . . . . . . . . . . . . . . . .44.990 - 45.055 mm (1.771 - 1.744 in.)
Wear Limit . . . . . . . . . . . . . . . . . . . . . . . . . . . . . . . . . . . . . . . . . . . . . . . . . . . 45.10 mm (1.776 in.)
Bore I.D.
Clearance . . . . . . . . . . . . . . . . . . . . . . . . . . . . . . . . . . . . . . . . . . . . . . . . . . . . . 0.18 mm (0.007 in.)
Standard . . . . . . . . . . . . . . . . . . . . . . . . . . . . . . . . . . . . . . . .45.00 - 45.025 mm (1.772 - 1.773 in.)
Wear Limit . . . . . . . . . . . . . . . . . . . . . . . . . . . . . . . . . . . . . . . . . . . . . . . . . . . 45.10 mm (1.776 in.)
Cam Followers
Stem O.D.
Standard . . . . . . . . . . . . . . . . . . . . . . . . . . . . . . . . . . . . . . .11.975 - 11.990 mm (0.471 - 0.472 in.)
Wear Limit . . . . . . . . . . . . . . . . . . . . . . . . . . . . . . . . . . . . . . . . . . . . . . . . . . . 11.93 mm (0.470 in.)
Bore I.D.
Clearance . . . . . . . . . . . . . . . . . . . . . . . . . . . . . . . . . . . . . . . . . . . . . . . . . . . . . 0.10 mm (0.004 in.)
Standard . . . . . . . . . . . . . . . . . . . . . . . . . . . . . . . . . . . . . . .12.000 - 12.018 mm (0.472 - 0.473 in.)
Wear Limit . . . . . . . . . . . . . . . . . . . . . . . . . . . . . . . . . . . . . . . . . . . . . . . . . . . 12.05 mm (0.474 in.)
Timing Gear Cover
Fan Mounting Cap Screw Torque. . . . . . . . . . . . . . . . . . . . . . . . . . . . . . . . . . . . . . . 11 N•m (96 lb-in.)
Cover Mounting Cap Screw Torque. . . . . . . . . . . . . . . . . . . . . . . . . . . . . . . . . . . . 26 N•m (226 lb-in.)
Crankcase Extension Housing-to-Cover Cap Screw Torque . . . . . . . . . . . . . . . . . 22 N•m (195 lb-in.)
Crankshaft Pulley Cap Screw Torque. . . . . . . . . . . . . . . . . . . . . . . . . . . . . . . . . . . . 115 N•m (85 lb-ft)
Idler Gear
Shaft O.D
Standard . . . . . . . . . . . . . . . . . . . . . . . . . . . . . . . . . . . . . . .45.950 - 45.975 mm (1.809 - 1.810 in.)
Wear Limit . . . . . . . . . . . . . . . . . . . . . . . . . . . . . . . . . . . . . . . . . . . . . . . . . . . 45.93 mm (1.808 in.)
Bushing I.D.
Clearance . . . . . . . . . . . . . . . . . . . . . . . . . . . . . . . . . . . . . . . . . . . . . . . . . . . . 0.15 mm (0.0059 in.)
Standard . . . . . . . . . . . . . . . . . . . . . . . . . . . . . . . . . . . . . . . .46.00 - 46.025 mm (1.811 - 1.812 in.)
Wear Limit . . . . . . . . . . . . . . . . . . . . . . . . . . . . . . . . . . . . . . . . . . . . . . . . . . . 46.08 mm (1.814 in.)
Timing Gear Cover Mounting Plate Cap Screw Torque . . . . . . . . . . . . . . . . . . . . . . . 25 N•m (220 lb-in.)
Oil Pan and Strainer Mounting Cap Screw Torque . . . . . . . . . . . . . . . . . . . . . . . . . . . 26 N•m (226 lb-in.)

Specifications
4/7/95
3
3-5
Oil Pump
Mounting Cap Screw Torque . . . . . . . . . . . . . . . . . . . . . . . . . . . . . . . . . . . . . . . . . . . 25 N•m (18 lb-ft)
Rotor Shaft O.D.-to-Backing Plate I.D. Clearance
Standard . . . . . . . . . . . . . . . . . . . . . . . . . . . . . . . . . . . . . . .0.015 - 0.048 mm (0.0006 - 0.0035 in.)
Wear Limit . . . . . . . . . . . . . . . . . . . . . . . . . . . . . . . . . . . . . . . . . . . . . . . . . . . 0.20 mm (0.0078 in.)
Rotor Recess
Standard . . . . . . . . . . . . . . . . . . . . . . . . . . . . . . . . . . . . . . . . .0.05 - 0.10 mm (0.0020 - 0.0039 in.)
Wear Limit . . . . . . . . . . . . . . . . . . . . . . . . . . . . . . . . . . . . . . . . . . . . . . . . . . . 0.15 mm (0.0059 in.)
Outer Rotor-to-Pump Body Clearance
Standard . . . . . . . . . . . . . . . . . . . . . . . . . . . . . . . . . . . . . . . . .0.09 - 0.16 mm (0.0035 - 0.0063 in.)
Wear Limit . . . . . . . . . . . . . . . . . . . . . . . . . . . . . . . . . . . . . . . . . . . . . . . . . . . 0.25 mm (0.0098 in.)
Inner-to-Outer Rotor Clearance
Standard . . . . . . . . . . . . . . . . . . . . . . . . . . . . . . . . . . . . . . . . .0.02 - 0.04 mm (0.0008 - 0.0016 in.)
Wear Limit . . . . . . . . . . . . . . . . . . . . . . . . . . . . . . . . . . . . . . . . . . . . . . . . . . . 0.15 mm (0.0059 in.)
Oil Cooler
Oil Cooler-to-Mounting Block Mounting Bolt Torque . . . . . . . . . . . . . . . . . . . . . . . 30 N•m (22 lb-ft)
Mounting Block-to-Engine Block Cap Screw Torque . . . . . . . . . . . . . . . . . . . . . . . . 27 N•m (20 lb-ft)
Piston Cooling Nozzle Mounting Bolt Torque . . . . . . . . . . . . . . . . . . . . . . . . . . . . . . . 15 N•m (130 lb-in.)
Thermostat and Housing
Thermostat Cover Cap Screw Torque . . . . . . . . . . . . . . . . . . . . . . . . . . . . . . . . . . 20 N•m (180 lb-in.)
Plate-to-Housing Cap Screw Torque . . . . . . . . . . . . . . . . . . . . . . . . . . . . . . . . . . . . . 9 N•m (78 lb-in.)
Housing Mounting Cap Screw Torque . . . . . . . . . . . . . . . . . . . . . . . . . . . . . . . . . . 26 N•m (226 lb-in.)
Water Pump
Mounting Cap Screw Torque . . . . . . . . . . . . . . . . . . . . . . . . . . . . . . . . . . . . . . . . . 26 N•m (226 lb-in.)
Plate-to-Housing Screw Torque . . . . . . . . . . . . . . . . . . . . . . . . . . . . . . . . . . . . . . . 15 N•m (134 lb-in.)
Plug-to-Housing Torque . . . . . . . . . . . . . . . . . . . . . . . . . . . . . . . . . . . . . . . . . . . . . 15 N•m (130 lb-in.)
Bottom of Pulley Flange-to-Top of Housing . . . . . . . . . . . . . . . . . . . . . . . . . . . . . . .17 mm (0.670 in.)
Top of Impeller-to-Housing . . . . . . . . . . . . . . . . . . . . . . . . . . . . . . . . 2 mm (0.080 in.) below housing
Fuel Injection Pump
Injection Pump Gear Nut Torque . . . . . . . . . . . . . . . . . . . . . . . . . . . . . . . . . . . . . . . . 90 N•m (66 lb-ft)
Mounting Nut Torque . . . . . . . . . . . . . . . . . . . . . . . . . . . . . . . . . . . . . . . . . . . . . . . . . 26 N•m (19 lb-ft)
Lube Line-to-Block Bolt Torque . . . . . . . . . . . . . . . . . . . . . . . . . . . . . . . . . . . . . . 25 N•m (217 lb-in.)
Fuel Injection Nozzles
Mounting Nut Torque . . . . . . . . . . . . . . . . . . . . . . . . . . . . . . . . . . . . . . . . . . . . . . . . . 5 N•m (39 lb-in.)
Retaining Nut Torque . . . . . . . . . . . . . . . . . . . . . . . . . . . . . . . . . . . . . . . . . . . . . . . . . 43 N•m (31 lb-ft)
Separator Plate Nozzle Contact Surface Maximum Wear . . . . . . . . . . . . . . . . . . 0.10 mm (0.0039 in.)
Starter - Hitachi 0.8 kW
Cover Bushing (Reamed Out). . . . . . . . . . . . . . . . . . . . . . . . . . . .12.50 - 12.53 mm (0.492 - 0.493 in.)
Minimum Brush Length . . . . . . . . . . . . . . . . . . . . . . . . . . . . . . . . . . . . . . . . . . . . . 7.70 mm (0.303 in.)
Alternator - Hitachi 25A
Attaching Screw Torque . . . . . . . . . . . . . . . . . . . . . . . . . . . . . . . . . . . . . . . . . . . . . . . 4 N•m (31 lb-in.)
Rotor Assembly
Retainer-to-Front Frame Screw Torque . . . . . . . . . . . . . . . . . . . . . . . . . . . . . . . . 2 N•m (16 lb-in.)
Sheave Nut Torque . . . . . . . . . . . . . . . . . . . . . . . . . . . . . . . . . . . . . . . . . . . . . . . . 49 N•m (36 lb-ft)
End Frame-to-Rectifier Nut Torque . . . . . . . . . . . . . . . . . . . . . . . . . . . . . . . . . . . . . . 4 N•m (31 lb-in.)
Stator-to-Rectifier Lead Wire Distance . . . . . . . . . . . . . . . . . . . . . . . . . . . . . . . . 33.50 mm (1.300 in.)
Minimum Brush Length . . . . . . . . . . . . . . . . . . . . . . . . . . . . . . . . . . . . . . . . . . . . . 5.50 mm (0.220 in.)

Specifications
3-6
4/7/95
3
Checks, Tests and Adjustments
Valve Clearance . . . . . . . . . . . . . . . . . . . . . . . . . . . . . . . . . . . . . . . . . . . . . . . . . . . 0.20 mm (0.008 in.)
Connecting Rod Side Play
Standard Clearance . . . . . . . . . . . . . . . . . . . . . . . . . . . . . . . . .0.20 - 0.40 mm (0.0079 - 0.0157 in.)
Wear Limit . . . . . . . . . . . . . . . . . . . . . . . . . . . . . . . . . . . . . . . . . . . . . . . . . . . 0.55 mm (0.0217 in.)
Connecting Rod Bearing Clearance
Standard Clearance . . . . . . . . . . . . . . . . . . . . . . . . . . . . . . .0.038 - 0.090 mm (0.0015 - 0.0035 in.)
Wear Limit . . . . . . . . . . . . . . . . . . . . . . . . . . . . . . . . . . . . . . . . . . . . . . . . . . . 0.16 mm (0.0063 in.)
Crankshaft End Play
Standard Clearance . . . . . . . . . . . . . . . . . . . . . . . . . . . . . . . . .0.090 - 0.271 mm (0.004 - 0.011 in.)
Wear Limit . . . . . . . . . . . . . . . . . . . . . . . . . . . . . . . . . . . . . . . . . . . . . . . . . . . 0.33 mm (0.0129 in.)
Crankshaft Main Bearing Clearance
Main Bearing Cap Cap Screw Torque . . . . . . . . . . . . . . . . . . . . . . . . . . . . . . . . . 79 N•m (58 lb-ft)
Standard Clearance . . . . . . . . . . . . . . . . . . . . . . . . . . . . . . .0.038 - 0.090 mm (0.0015 - 0.0035 in.)
Wear Limit . . . . . . . . . . . . . . . . . . . . . . . . . . . . . . . . . . . . . . . . . . . . . . . . . . . 0.06 mm (0.0063 in.)
Valve Lift (Intake and Exhaust) . . . . . . . . . . . . . . . . . . . . . . . . . . . . . . . . . . . . . . . . 8.8 mm (0.350 in.)
Camshaft End Play
Standard Clearance . . . . . . . . . . . . . . . . . . . . . . . . . . . . . . . . .0.05 - 0.20 mm (0.0020 - 0.0079 in.)
Wear Limit . . . . . . . . . . . . . . . . . . . . . . . . . . . . . . . . . . . . . . . . . . . . . . . . . . . . 0.40 mm (0.016 in.)
Timing Gear Backlash
Standard Backlash
All Except Crankshaft Gear-to-Oil Pump Gear . . . . . . . .0.04 - 0.12 mm (0.0016 - 0.0047 in.)
Crankshaft Gear-to-Oil Pump Gear . . . . . . . . . . . . . . . . .0.11 - 0.19 mm (0.0043 - 0.0075 in.)
Wear Limit . . . . . . . . . . . . . . . . . . . . . . . . . . . . . . . . . . . . . . . . . . . . . . . . . . . 0.20 mm (0.0079 in.)
Fuel Injection Nozzle
Opening Pressure . . . . . . . . . . . . . . . . . . . . . . . . . . . . . . . . . . . . .19600 ± 480 kPa (2843 ± 70 psi)
Leakage at 17640 kPa (2558 psi) . . . . . . . . . . . . . . . . . . . . . . . . . . . . . . . . Minimum of 5 Seconds
Chatter and Spray Pattern at 19600 ± 480 kPa (2843 ± 70 psi)
Slow Hand Lever Movement . . . . . . . . . . . . . . . . . . . . . . . . . . . . . . . . . . . . . . . .Chatter Sound
Slow Hand Lever Movement . . . . . . . . . . . . . . . . . . . . . . . . . . . . . . Fine Stream Spray Pattern
Fast Hand Lever Movement . . . . . . . . . . . . . . . . . . . . . . . . . . . . .Fine Atomized Spray Pattern
Thermostat
Begin Opening . . . . . . . . . . . . . . . . . . . . . . . . . . . . . . . . . . . . . . . . . . . . . . . . . . . . . .71° C (160°F)
Fully Open . . . . . . . . . . . . . . . . . . . . . . . . . . . . . . . . . . . . . . . . . . . . . . . . . . . . . . . . 85° C (184° F)
Minimum Lift Height . . . . . . . . . . . . . . . . . . . . . . . . . . . . . . . . . . . . . . . . . . . . . . .8 mm (0.310 in.)
Coolant Temperature Switch Continuity . . . . . . . . . . . . . . . . . . . . . . . . . . 107 - 133° C (225 - 235° F)
Starter No-Load Amp Draw/RPM
Maximum Starter Amperage
Hitachi 0.8 kW . . . . . . . . . . . . . . . . . . . . . . . . . . . . . . . . . . . . . . . . . . . . .60 Amps at 7000 rpm
Minimum Starter RPM
Hitachi 0.8 kW . . . . . . . . . . . . . . . . . . . . . . . . . . . . . . . . . . . . . . . . . . . . . . . . . . . . . . . . . . 7000
Fuel Injection Pump Static Timing
Injection Pump Timing . . . . . . . . . . . . . . . . . . . . . . . . . . . . . 14° BTDC (Before Top Dead Center)
Engine Crankshaft Position . . . . . . . . . . . . . . . . . . . No. 1 Cylinder on TDC Compression Stroke
Distance on Outer Surface of Flywheel Per 1° of Rotation . . . . . . . . . . . . . . . 2.88 mm (0.110 in.)
Timing Lines on Pump Mounting Plate . . . . . . . . . . . . . . . . . . . . . . . . . . . . . . . . . . . . . .2.5° Apart

Specifications
4/7/95
3
3-7
Checks, Tests and Adjustments, continued
Fan/Alternator Drive Belt Tension
Applied Force . . . . . . . . . . . . . . . . . . . . . . . . . . . . . . . . . . . . . . . . . . . . . . . . . . . 98 N (22 lb-force)
Deflection . . . . . . . . . . . . . . . . . . . . . . . . . . . . . . . . . . . . . . . . . . . . .10 - 15 mm (0.400 - 0.600 in.)
Oil Cooler Leakage
Applied Air Pressure. . . . . . . . . . . . . . . . . . . . . . . . . . . . . . . . . . . . . . . .206 - 483 kPa (30 - 70 psi)
Operational Tests
Radiator, Bubble Test
Maximum Air Pressure Into Cylinder . . . . . . . . . . . . . . . . . . . . . . . . . . . . . . . . 2448 kPa (355 psi)
Cooling System
Maximum Pressure . . . . . . . . . . . . . . . . . . . . . . . . . . . . . . . . . . . . . . . . . . . . . . . . . . 97 kPa (14 psi)
Minimum Pressure after 15 Seconds . . . . . . . . . . . . . . . . . . . . . . . . . . . . . . . . . . 88 kPa (12.8 psi)
Radiator Cap
Valve Opening Pressure . . . . . . . . . . . . . . . . . . . . . . . . . . . . . . . . . . . . . . . . . . . . 88 kPa (12.8 psi)
Cylinder, Compression Pressure
Minimum Compression Pressure . . . . . . . . . . . . . . . . . . . . . . . . . . . . . . . . . . . . 2448 kPa (355 psi)
Maximum Difference Between Cylinders . . . . . . . . . . . . . . . . . . . . . . . . . . . . . . . 490 kPa (71 psi)
Engine Oil Pressure
Idle Speed
Fast . . . . . . . . . . . . . . . . . . . . . . . . . . . . . . . . . . . . . . . . . . . . . . . . . . . . . . . . . . . 2750 ± 25 rpm
Slow . . . . . . . . . . . . . . . . . . . . . . . . . . . . . . . . . . . . . . . . . . . . . . . . . . . . . . . . . . . 800 ± 25 rpm
Oil Pressure
Fast Idle. . . . . . . . . . . . . . . . . . . . . . . . . . . . . . . . . . . . . . . . . . . . . . . . 345 ± 48kPa (50 ± 7 psi)
Slow Idle. . . . . . . . . . . . . . . . . . . . . . . . . . . . . . . . . . . . . . . . . . . . . . . . . . . . . . 214 kPa (31 psi)
Air Intake System Holding Pressure. . . . . . . . . . . . . . . . . . . . . . . . . . . . . . . . . .34 - 69 kPa (5 - 10 psi)
Minimum Fuel Supply Pump Pressure . . . . . . . . . . . . . . . . . . . . . . . . . . . . . . . . . . . . . 29 kPa (4.3 psi)
Fuel System Holding Pressure (Maximum) . . . . . . . . . . . . . . . . . . . . . . . . . . . . . . . . . 103 kPa (15 psi)
ENGINE SPECIFICATIONS - 4TN82, 4TN84(T) (4019)
Rocker Arm Cover
Special Nut Torque . . . . . . . . . . . . . . . . . . . . . . . . . . . . . . . . . . . . . . . . . . . . . . . . . 18 N•m (160 lb-in.)
Rocker Arm Assembly
Mounting Cap Screw Torque . . . . . . . . . . . . . . . . . . . . . . . . . . . . . . . . . . . . . . . . . 26 N•m (226 lb-in.)
Rocker Arm Shaft O.D.
Standard . . . . . . . . . . . . . . . . . . . . . . . . . . . . . . . . . . . . . . .15.97 - 15.95 mm (0.6286 - 0.6293 in.)
Wear Limit . . . . . . . . . . . . . . . . . . . . . . . . . . . . . . . . . . . . . . . . . . . . . . . . . . 15.96 mm (0.6280 in.)
Rocker Arm and Shaft Support I.D.'s
Clearance . . . . . . . . . . . . . . . . . . . . . . . . . . . . . . . . . . . . . . . . . . . . . . . . . . . . . 0.13 mm (0.005 in.)
Standard . . . . . . . . . . . . . . . . . . . . . . . . . . . . . . . . . . . . . . . . .16.00 - 16.02 mm (0.630 - 0.631 in.)
Wear Limit . . . . . . . . . . . . . . . . . . . . . . . . . . . . . . . . . . . . . . . . . . . . . . . . . . . 16.09 mm (0.633 in.)
Push Rod Length
Standard . . . . . . . . . . . . . . . . . . . . . . . . . . . . . . . . . . . . . . .178.25 - 178.75 mm (7.018 - 7.037 in.)
Push Rod Bend
Standard . . . . . . . . . . . . . . . . . . . . . . . . . . . . . . . . . . . . . . . . . . . . . . . . 0.03 mm (0.001 in.) or less
Wear Limit . . . . . . . . . . . . . . . . . . . . . . . . . . . . . . . . . . . . . . . . . . . . . . . . . . . . 0.30 mm (0.012 in.)

Specifications
3-8
4/7/95
3
Cylinder Head and Valves
Mounting Cap Screw Torque
First . . . . . . . . . . . . . . . . . . . . . . . . . . . . . . . . . . . . . . . . . . . . . . . . . . . . . . . . . . . . 24 N•m (18 lb-ft)
Second. . . . . . . . . . . . . . . . . . . . . . . . . . . . . . . . . . . . . . . . . . . . . . . . . . . . . . . . . . 49 N•m (36 lb-ft)
Final . . . . . . . . . . . . . . . . . . . . . . . . . . . . . . . . . . . . . . . . . . . . . . . . . . . . . . . . . . . 78 N•m (58 lb-ft)
Cylinder Head Distortion
Standard . . . . . . . . . . . . . . . . . . . . . . . . . . . . . . . . . . . . . . . . . . . . . . . . 0.05 mm (0.002 in.) or less
Wear Limit . . . . . . . . . . . . . . . . . . . . . . . . . . . . . . . . . . . . . . . . . . . . . . . . . . . . 0.15 mm (0.006 in.)
Maximum Amount of Metal to be Removed . . . . . . . . . . . . . . . . . . . . . . . . . . 0.20 mm (0.008 in.)
Valve Seat Width
Intake Valve
Standard . . . . . . . . . . . . . . . . . . . . . . . . . . . . . . . . . . . . . . . .1.07 - 1.24 mm (0.042 - 0.049 in.)
Wear Limit . . . . . . . . . . . . . . . . . . . . . . . . . . . . . . . . . . . . . . . . . . . . . . . . . 1.74 mm (0.069 in.)
Exhaust Valve
Standard . . . . . . . . . . . . . . . . . . . . . . . . . . . . . . . . . . . . . . . .1.24 - 1.45 mm (0.049 - 0.057 in.)
Wear Limit . . . . . . . . . . . . . . . . . . . . . . . . . . . . . . . . . . . . . . . . . . . . . . . . . 1.94 mm (0.076 in.)
Intake and Exhaust Valves
Valve Faces
Minimum Margin . . . . . . . . . . . . . . . . . . . . . . . . . . . . . . . . . . . . . . . . . . . . . . . 0.51 mm (0.020 in.)
Exhaust Angle. . . . . . . . . . . . . . . . . . . . . . . . . . . . . . . . . . . . . . . . . . . . . . . . . . . . . . . . . . . . . . . 45°
Intake Angle . . . . . . . . . . . . . . . . . . . . . . . . . . . . . . . . . . . . . . . . . . . . . . . . . . . . . . . . . . . . . . . . 30°
Valve Stem O.D.
Distance A. . . . . . . . . . . . . . . . . . . . . . . . . . . . . . . . . . . . . . . . . . . . . . . . . . . . . . .30 mm (1.181 in.)
Distance B. . . . . . . . . . . . . . . . . . . . . . . . . . . . . . . . . . . . . . . . . . . . . . . . . . . . . . .60 mm (2.360 in.)
Intake Valve
Standard . . . . . . . . . . . . . . . . . . . . . . . . . . . . . . . . . . . . . .7.96 - 7.98 mm (0.3134 - 0.3142 in.)
Wear Limit . . . . . . . . . . . . . . . . . . . . . . . . . . . . . . . . . . . . . . . . . . . . . . . . 7.90 mm (0.3110 in.)
Exhaust Valve
Standard . . . . . . . . . . . . . . . . . . . . . . . . . . . . . . . . . . . . . .7.96 - 7.97 mm (0.3134 - 0.3138 in.)
Wear Limit . . . . . . . . . . . . . . . . . . . . . . . . . . . . . . . . . . . . . . . . . . . . . . . . 7.90 mm (0.3110 in.)
Valve Recession
Standard . . . . . . . . . . . . . . . . . . . . . . . . . . . . . . . . . . . . . . . . . . .0.30 - 0.50 mm (0.012 - 0.020 in.)
Wear Limit . . . . . . . . . . . . . . . . . . . . . . . . . . . . . . . . . . . . . . . . . . . . . . . . . . . . 1.00 mm (0.039 in.)
Valve Guides
Valve Guide I.D.
Maximum Clearance. . . . . . . . . . . . . . . . . . . . . . . . . . . . . . . . . . . . . . . . . . . . . 0.20 mm (0.008 in.)
Standard . . . . . . . . . . . . . . . . . . . . . . . . . . . . . . . . . . . . . . . . . . . . . . 8.01 - 8.03 (0.315 - 0.316 in.)
Wear Limit . . . . . . . . . . . . . . . . . . . . . . . . . . . . . . . . . . . . . . . . . . . . . . . . . . . . 8.10 mm (0.319 in.)
Valve Guide Height . . . . . . . . . . . . . . . . . . . . . . . . . . . . . . . . . . . . . . . . . . . . . . . . . .15 mm (0.591 in.)
Valve Springs
Spring Free Length
Standard . . . . . . . . . . . . . . . . . . . . . . . . . . . . . . . . . . . . . . . . . . . . . . . . . . . . . . . .40 mm (1.575 in.)
Wear Limit . . . . . . . . . . . . . . . . . . . . . . . . . . . . . . . . . . . . . . . . . . . . . . . . . . . 39.50 mm (1.550 in.)
Maximum Spring Inclination . . . . . . . . . . . . . . . . . . . . . . . . . . . . . . . . . . . . . . . . . 1.10 mm (0.044 in.)
Exhaust Manifold
Mounting Cap Screw and Nut Torque . . . . . . . . . . . . . . . . . . . . . . . . . . . . . . . . . . 26 N•m (226 lb-in.)
Intake Manifold
Mounting Cap Screw Torque . . . . . . . . . . . . . . . . . . . . . . . . . . . . . . . . . . . . . . . . . 26 N•m (226 lb-in.)

Specifications
4/7/95
3
3-9
Valve Seat Angles
Valve Seat Surface
Exhaust Valve. . . . . . . . . . . . . . . . . . . . . . . . . . . . . . . . . . . . . . . . . . . . . . . . . . . . . . . . . . . . . . . 45°
Intake Valve . . . . . . . . . . . . . . . . . . . . . . . . . . . . . . . . . . . . . . . . . . . . . . . . . . . . . . . . . . . . . . . . 30°
Lower Seat Surface. . . . . . . . . . . . . . . . . . . . . . . . . . . . . . . . . . . . . . . . . . . . . . . . . . . . . . . . . . . . . . 70°
Upper Seat Surface . . . . . . . . . . . . . . . . . . . . . . . . . . . . . . . . . . . . . . . . . . . . . . . . . . . . . . . . . . . . . . 15°
Piston-to-Cylinder Head Clearance . . . . . . . . . . . . . . . . . . . . . . . . . . . .0.64 - 0.82 mm (0.025 - 0.032 in.)
Piston and Connecting Rod Cap Screw Torque . . . . . . . . . . . . . . . . . . . . . . . . . . . . . . . . 47 N•m (35 lb-ft)
Connecting Rod Bearing I.D.
Clearance . . . . . . . . . . . . . . . . . . . . . . . . . . . . . . . . . . . . . . . . . . . . . . . . . . . . . . . . 0.16 mm (0.006 in.)
Standard . . . . . . . . . . . . . . . . . . . . . . . . . . . . . . . . . . . . . . . . . . . . . 48 - 48.042 mm (1.888 - 1.891 in.)
Wear Limit . . . . . . . . . . . . . . . . . . . . . . . . . . . . . . . . . . . . . . . . . . . . . . . . . . . . . . 48.07 mm (1.893 in.)
Piston Ring Groove Clearance
First Compression Ring
Standard . . . . . . . . . . . . . . . . . . . . . . . . . . . . . . . . . . . . . . .0.075 - 0.110 mm (0.0030 - 0.0043 in.)
Wear Limit . . . . . . . . . . . . . . . . . . . . . . . . . . . . . . . . . . . . . . . . . . . . . . . . . . . 0.25 mm (0.0098 in.)
Second Compression Ring
Standard . . . . . . . . . . . . . . . . . . . . . . . . . . . . . . . . . . . . . . . .0.45 - 0.080 mm (0.0018 - 0.0031 in.)
Wear Limit . . . . . . . . . . . . . . . . . . . . . . . . . . . . . . . . . . . . . . . . . . . . . . . . . . . 0.25 mm (0.0098 in.)
Oil Ring
Standard . . . . . . . . . . . . . . . . . . . . . . . . . . . . . . . . . . . . . . .0.025 - 0.060 mm (0.0010 - 0.0024 in.)
Wear Limit . . . . . . . . . . . . . . . . . . . . . . . . . . . . . . . . . . . . . . . . . . . . . . . . . . . 0.20 mm (0.0079 in.)
Piston Ring End Gap
4TN82
Standard
First Compression Ring . . . . . . . . . . . . . . . . . . . . . . . . . . . .0.25 - 0.40 mm (0.010 - 0.016 in.)
Oil Ring. . . . . . . . . . . . . . . . . . . . . . . . . . . . . . . . . . . . . . . . .0.20 - 0.40 mm (0.008 - 0.016 in.)
Second Compression Ring . . . . . . . . . . . . . . . . . . . . . . . . . .0.20 - 0.35 mm (0.008 - 0.014 in.)
Wear Limit . . . . . . . . . . . . . . . . . . . . . . . . . . . . . . . . . . . . . . . . . . . . . . . . . . . 1.50 mm (0.0591 in.)
4TN84 (4019D)
Standard
Compression Rings. . . . . . . . . . . . . . . . . . . . . . . . . . . . . . . .0.20 - 0.40 mm (0.008 - 0.016 in.)
Oil Ring. . . . . . . . . . . . . . . . . . . . . . . . . . . . . . . . . . . . . . . . .0.25 - 0.45 mm (0.010 - 0.018 in.)
Wear Limit . . . . . . . . . . . . . . . . . . . . . . . . . . . . . . . . . . . . . . . . . . . . . . . . . . . 1.50 mm (0.0591 in.)
4TN84T (4019T)
Standard
First Compression Ring and Oil Ring. . . . . . . . . . . . . . . . . .0.25 - 0.45 mm (0.010 - 0.018 in.)
Second Compression Ring . . . . . . . . . . . . . . . . . . . . . . . . . .0.20 - 0.40 mm (0.008 - 0.016 in.)
Wear Limit . . . . . . . . . . . . . . . . . . . . . . . . . . . . . . . . . . . . . . . . . . . . . . . . . . . 1.50 mm (0.0591 in.)
Piston Pin
Pin O.D.
Standard . . . . . . . . . . . . . . . . . . . . . . . . . . . . . . . . . . . . . . . .25.987 - 26.00 mm (1.023 - 1.024 in.)
Wear Limit . . . . . . . . . . . . . . . . . . . . . . . . . . . . . . . . . . . . . . . . . . . . . . . . . . . 25.90 mm (1.020 in.)
Bore I.D.
Clearance . . . . . . . . . . . . . . . . . . . . . . . . . . . . . . . . . . . . . . . . . . . . . . . . . . . 0.022 mm (0.0009 in.)
Standard . . . . . . . . . . . . . . . . . . . . . . . . . . . . . . . . . . . . . .26.00 - 26.009 mm (1.0236 - 1.0240 in.)
Wear Limit . . . . . . . . . . . . . . . . . . . . . . . . . . . . . . . . . . . . . . . . . . . . . . . . . . . 26.02 mm (1.024 in.)

Specifications
3-10
4/7/95
3
Piston Pin, continued
Bushing I.D.
Clearance . . . . . . . . . . . . . . . . . . . . . . . . . . . . . . . . . . . . . . . . . . . . . . . . . . . 0.110 mm (0.0043 in.)
Standard . . . . . . . . . . . . . . . . . . . . . . . . . . . . . . . . . . . . .26.025 - 26.038 mm (1.0246 - 1.0251 in.)
Wear Limit . . . . . . . . . . . . . . . . . . . . . . . . . . . . . . . . . . . . . . . . . . . . . . . . . . . 26.10 mm (1.028 in.)
Piston O.D.
4TN82
Distance A. . . . . . . . . . . . . . . . . . . . . . . . . . . . . . . . . . . . . . . . . . . . . . . . . . . . . . .24 mm (0.945 in.)
Standard Size Piston
Standard . . . . . . . . . . . . . . . . . . . . . . . . . . . . . . . . . . . . . .81.90 - 81.93 mm (3.224 - 3.225 in.)
Wear Limit . . . . . . . . . . . . . . . . . . . . . . . . . . . . . . . . . . . . . . . . . . . . . . . . 81.80 mm (3.220 in.)
0.25 mm (0.010 in.) Oversize Piston
Standard . . . . . . . . . . . . . . . . . . . . . . . . . . . . . . . . . . . . . .82.15 - 82.18 mm (3.234 - 3.235 in.)
Wear Limit . . . . . . . . . . . . . . . . . . . . . . . . . . . . . . . . . . . . . . . . . . . . . . . . 82.05 mm (3.230 in.)
0.50 mm (0.020 in.) Oversize Piston
Standard . . . . . . . . . . . . . . . . . . . . . . . . . . . . . . . . . . . . . .82.40 - 82.42 mm (3.244 - 3.245 in.)
Wear limit . . . . . . . . . . . . . . . . . . . . . . . . . . . . . . . . . . . . . . . . . . . . . . . . . 82.30 mm (3.240 in.)
4TN84(T) (4019)
Distance A. . . . . . . . . . . . . . . . . . . . . . . . . . . . . . . . . . . . . . . . . . . . . . . . . . . . . . .24 mm (0.945 in.)
Standard Size Piston
Standard . . . . . . . . . . . . . . . . . . . . . . . . . . . . . . . . . . . . . .83.90 - 83.93 mm (3.303 - 3.304 in.)
Wear Limit . . . . . . . . . . . . . . . . . . . . . . . . . . . . . . . . . . . . . . . . . . . . . . . . 83.80 mm (3.299 in.)
0.25 mm (0.10 in.) Oversize Piston
Standard . . . . . . . . . . . . . . . . . . . . . . . . . . . . . . . . . . . . . .84.15 - 84.18 mm (3.313 - 3.314 in.)
Wear Limit . . . . . . . . . . . . . . . . . . . . . . . . . . . . . . . . . . . . . . . . . . . . . . . . 84.05 mm (3.309 in.)
0.50 mm (0.020 in.) Oversize Piston
Standard . . . . . . . . . . . . . . . . . . . . . . . . . . . . . . . . . . . . . .84.40 - 84.42 mm (3.323 - 3.324 in.)
Wear Limit . . . . . . . . . . . . . . . . . . . . . . . . . . . . . . . . . . . . . . . . . . . . . . . . 84.30 mm (3.319 in.)
Cylinder Bore I.D.
4TN82
Standard Size Bore
Clearance . . . . . . . . . . . . . . . . . . . . . . . . . . . . . . . . . . . . . . . . . . . . . . . . . . 0.35 mm (0.014 in.)
Standard . . . . . . . . . . . . . . . . . . . . . . . . . . . . . . . . . . . . . .82.00 - 82.03 mm (3.228 - 3.230 in.)
Wear Limit . . . . . . . . . . . . . . . . . . . . . . . . . . . . . . . . . . . . . . . . . . . . . . . . 82.20 mm (3.236 in.)
0.25 mm (0.010 in.) Oversize Bore
Standard . . . . . . . . . . . . . . . . . . . . . . . . . . . . . . . . . . . . . .82.25 - 82.28 mm (3.238 - 3.239 in.)
Wear Limit . . . . . . . . . . . . . . . . . . . . . . . . . . . . . . . . . . . . . . . . . . . . . . . . 82.45 mm (3.246 in.)
0.50 mm (0.020 in.) Oversize Bore
Standard . . . . . . . . . . . . . . . . . . . . . . . . . . . . . . . . . . . . . .82.50 - 82.53 mm (3.248 - 3.249 in.)
Wear Limit . . . . . . . . . . . . . . . . . . . . . . . . . . . . . . . . . . . . . . . . . . . . . . . . 82.70 mm (3.256 in.)
4TN84(T) (4019)
Standard Size Bore
Clearance . . . . . . . . . . . . . . . . . . . . . . . . . . . . . . . . . . . . . . . . . . . . . . . . . . 0.35 mm (0.014 in.)
Standard . . . . . . . . . . . . . . . . . . . . . . . . . . . . . . . . . . . . . .84.00 - 84.03 mm (3.307 - 3.308 in.)
Wear Limit . . . . . . . . . . . . . . . . . . . . . . . . . . . . . . . . . . . . . . . . . . . . . . . . 84.20 mm (3.315 in.)
0.25 mm (0.010 in.) Oversize Bore
Standard . . . . . . . . . . . . . . . . . . . . . . . . . . . . . . . . . . . . . .84.25 - 84.28 mm (3.317 - 3.318 in.)
Wear Limit . . . . . . . . . . . . . . . . . . . . . . . . . . . . . . . . . . . . . . . . . . . . . . . . 84.45 mm (3.325 in.)

Specifications
4/7/95
3
3-11
4TN84(T) (4019), continued
0.50 mm (0.020 in.) Oversize Bore
Standard . . . . . . . . . . . . . . . . . . . . . . . . . . . . . . . . . . . . . .84.50 - 84.53 mm (3.327 - 3.328 in.)
Wear Limit . . . . . . . . . . . . . . . . . . . . . . . . . . . . . . . . . . . . . . . . . . . . . . . . 84.70 mm (3.335 in.)
Deglazing . . . . . . . . . . . . . . . . . . . . . . . . . . . . . . . . . . . . . . . . . . . . . . . . . . 30 - 40° cross-hatch pattern
Reboring . . . . . . . . . . . . . . . . . . . . . . . . . . . . . . . . . . . . . . . . . . . . . . . . . . . 30 - 40° cross-hatch pattern
Balancer Assembly - 4TN82RJK, 4TN84RJK
Mounting Cap Screw Torque . . . . . . . . . . . . . . . . . . . . . . . . . . . . . . . . . . . . . . . . . . . 27 N•m (20 lb-ft)
Drive Gear Nut Torque. . . . . . . . . . . . . . . . . . . . . . . . . . . . . . . . . . . . . . . . . . . . . . . 106 N•m (78 lb-ft)
Retaining Plate Cap Screw Torque. . . . . . . . . . . . . . . . . . . . . . . . . . . . . . . . . . . . . . . 27 N•m (20 lb-ft)
Crankcase Extension Housing
Mounting Cap Screw Torque
Flywheel Housing/Plate-to-Extension . . . . . . . . . . . . . . . . . . . . . . . . . . . . . . . . . 49 N•m (36 lb-ft)
Seal Case-to-Extension. . . . . . . . . . . . . . . . . . . . . . . . . . . . . . . . . . . . . . . . . . . 26 N•m (226 lb-in.)
Extension-to-Block . . . . . . . . . . . . . . . . . . . . . . . . . . . . . . . . . . . . . . . . . . . . . . . . 27 N•m (20 lb-ft)
Extension-to-Timing Gear Cover . . . . . . . . . . . . . . . . . . . . . . . . . . . . . . . . . . . 22 N•m (195 lb-in.)
Crankshaft Rear Oil Seal
Seal Case-to-Block Cap Screw Torque . . . . . . . . . . . . . . . . . . . . . . . . . . . . . . . . . 26 N•m (226 lb-in.)
Seal Case-to-Extension Cap Screw Torque . . . . . . . . . . . . . . . . . . . . . . . . . . . . . . 21 N•m (180 lb-in.)
Crankshaft and Main Bearings
Main Bearing Cap Screw Torque . . . . . . . . . . . . . . . . . . . . . . . . . . . . . . . . . . . . . . . . 98 N•m (72 lb-ft)
Crankshaft Maximum Bend . . . . . . . . . . . . . . . . . . . . . . . . . . . . . . . . . . . . . . . . . 0.02 mm (0.0007 in.)
Connecting Rod Journal O.D.
Standard . . . . . . . . . . . . . . . . . . . . . . . . . . . . . . . . . . . . .47.952 - 47.962 mm (1.8879 - 1.8883 in.)
Wear Limit . . . . . . . . . . . . . . . . . . . . . . . . . . . . . . . . . . . . . . . . . . . . . . . . . . . 47.91 mm (1.886 in.)
Main Bearing Journal O.D.
Standard . . . . . . . . . . . . . . . . . . . . . . . . . . . . . . . . . . . . .46.952 - 46.962 mm (1.9666 - 1.9670 in.)
Wear Limit . . . . . . . . . . . . . . . . . . . . . . . . . . . . . . . . . . . . . . . . . . . . . . . . . . . 49.90 mm (1.965 in.)
Main Bearing I.D.
Clearance . . . . . . . . . . . . . . . . . . . . . . . . . . . . . . . . . . . . . . . . . . . . . . . . . . . . . 0.16 mm (0.006 in.)
Standard . . . . . . . . . . . . . . . . . . . . . . . . . . . . . . . . . . . . . . . .50.00 - 50.045 mm (1.969 - 1.970 in.)
Wear Limit . . . . . . . . . . . . . . . . . . . . . . . . . . . . . . . . . . . . . . . . . . . . . . . . . . . 50.10 mm (1.972 in.)
Flywheel
Maximum Distortion. . . . . . . . . . . . . . . . . . . . . . . . . . . . . . . . . . . . . . . . . . . . . . . 0.02 mm (0.0008 in.)
Mounting Cap Screw Torque . . . . . . . . . . . . . . . . . . . . . . . . . . . . . . . . . . . . . . . . . . . 83 N•m (61 lb-ft)
Flywheel Housing Mounting Cap Screw Torque . . . . . . . . . . . . . . . . . . . . . . . . . . . . . . . 49 N•m (36 lb-ft)
Flywheel Plate Mounting Cap Screw Torque. . . . . . . . . . . . . . . . . . . . . . . . . . . . . . . . . . 49 N•m (36 lb-ft)
Camshaft
Mounting Cap Screw Torque . . . . . . . . . . . . . . . . . . . . . . . . . . . . . . . . . . . . . . . . . 26 N•m (226 lb-in.)
Camshaft Side Gap
Standard . . . . . . . . . . . . . . . . . . . . . . . . . . . . . . . . . . . . . . . . .0.05 - 0.20 mm (0.0020 - 0.0079 in.)
Wear Limit . . . . . . . . . . . . . . . . . . . . . . . . . . . . . . . . . . . . . . . . . . . . . . . . . . . . 0.40 mm (0.016 in.)
Maximum Camshaft Bend . . . . . . . . . . . . . . . . . . . . . . . . . . . . . . . . . . . . . . . . . . . 0.02 mm (0.001 in.)
Lobe Height
Standard . . . . . . . . . . . . . . . . . . . . . . . . . . . . . . . . . . . . . . .38.635 - 38.765 mm (1.521 - 1.526 in.)
Wear Limit . . . . . . . . . . . . . . . . . . . . . . . . . . . . . . . . . . . . . . . . . . . . . . . . . . . 38.40 mm (1.512 in.)

Specifications
3-12
4/7/95
3
Camshaft, continued
Journal O.D.
Gear Housing and Flywheel Ends
Standard . . . . . . . . . . . . . . . . . . . . . . . . . . . . . . . . . . . . . .44.92 - 44.95 mm (1.769 - 1.770 in.)
Wear Limit . . . . . . . . . . . . . . . . . . . . . . . . . . . . . . . . . . . . . . . . . . . . . . . . 44.80 mm (1.764 in.)
Intermediate
Standard . . . . . . . . . . . . . . . . . . . . . . . . . . . . . . . . . . . . . .44.91 - 44.94 mm (1.768 - 1.769 in.)
Wear Limit . . . . . . . . . . . . . . . . . . . . . . . . . . . . . . . . . . . . . . . . . . . . . . . . 44.80 mm (1.764 in.)
Bushing I.D.
Clearance . . . . . . . . . . . . . . . . . . . . . . . . . . . . . . . . . . . . . . . . . . . . . . . . . . . . 0.20 mm (0.0079 in.)
Standard . . . . . . . . . . . . . . . . . . . . . . . . . . . . . . . . . . . . . . .44.990 - 45.055 mm (1.771 - 1.744 in.)
Wear Limit . . . . . . . . . . . . . . . . . . . . . . . . . . . . . . . . . . . . . . . . . . . . . . . . . . . 45.10 mm (1.776 in.)
Bore I.D.
Clearance . . . . . . . . . . . . . . . . . . . . . . . . . . . . . . . . . . . . . . . . . . . . . . . . . . . . . 0.18 mm (0.007 in.)
Standard . . . . . . . . . . . . . . . . . . . . . . . . . . . . . . . . . . . . . . . .45.00 - 45.025 mm (1.772 - 1.773 in.)
Wear Limit . . . . . . . . . . . . . . . . . . . . . . . . . . . . . . . . . . . . . . . . . . . . . . . . . . . 45.10 mm (1.776 in.)
Cam Followers
Stem O.D.
Standard . . . . . . . . . . . . . . . . . . . . . . . . . . . . . . . . . . . . . . .11.975 - 11.990 mm (0.471 - 0.472 in.)
Wear Limit . . . . . . . . . . . . . . . . . . . . . . . . . . . . . . . . . . . . . . . . . . . . . . . . . . . 11.93 mm (0.470 in.)
Bore I.D.
Clearance . . . . . . . . . . . . . . . . . . . . . . . . . . . . . . . . . . . . . . . . . . . . . . . . . . . . . 0.10 mm (0.004 in.)
Standard . . . . . . . . . . . . . . . . . . . . . . . . . . . . . . . . . . . . . . .12.000 - 12.018 mm (0.472 - 0.473 in.)
Wear Limit . . . . . . . . . . . . . . . . . . . . . . . . . . . . . . . . . . . . . . . . . . . . . . . . . . . 12.05 mm (0.474 in.)
Timing Gear Cover
Fan Mounting Cap Screw Torque. . . . . . . . . . . . . . . . . . . . . . . . . . . . . . . . . . . . . . . 11 N•m (96 lb-in.)
Cover Mounting Cap Screw Torque. . . . . . . . . . . . . . . . . . . . . . . . . . . . . . . . . . . . 26 N•m (226 lb-in.)
Crankcase Extension Housing-to-Cover Cap Screw Torque . . . . . . . . . . . . . . . . . 22 N•m (195 lb-in.)
Crankshaft Pulley Cap Screw Torque. . . . . . . . . . . . . . . . . . . . . . . . . . . . . . . . . . . . 115 N•m (85 lb-ft)
Idler Gear
Shaft O.D
Standard . . . . . . . . . . . . . . . . . . . . . . . . . . . . . . . . . . . . . . .45.950 - 45.975 mm (1.809 - 1.810 in.)
Wear Limit . . . . . . . . . . . . . . . . . . . . . . . . . . . . . . . . . . . . . . . . . . . . . . . . . . . 45.93 mm (1.808 in.)
Bushing I.D.
Clearance . . . . . . . . . . . . . . . . . . . . . . . . . . . . . . . . . . . . . . . . . . . . . . . . . . . . 0.15 mm (0.0059 in.)
Standard . . . . . . . . . . . . . . . . . . . . . . . . . . . . . . . . . . . . . . . .46.00 - 46.025 mm (1.811 - 1.812 in.)
Wear Limit . . . . . . . . . . . . . . . . . . . . . . . . . . . . . . . . . . . . . . . . . . . . . . . . . . . 46.08 mm (1.814 in.)
Timing Gear Cover Mounting Plate Cap Screw Torque . . . . . . . . . . . . . . . . . . . . . . . 25 N•m (220 lb-in.)
Oil Pan and Strainer Mounting Cap Screw Torque . . . . . . . . . . . . . . . . . . . . . . . . . . . 26 N•m (226 lb-in.)
Oil Pump
Mounting Cap Screw Torque . . . . . . . . . . . . . . . . . . . . . . . . . . . . . . . . . . . . . . . . . . . 25 N•m (18 lb-ft)
Rotor Shaft O.D.-to-Backing Plate I.D. Clearance
Standard . . . . . . . . . . . . . . . . . . . . . . . . . . . . . . . . . . . . . . .0.015 - 0.048 mm (0.0006 - 0.0035 in.)
Wear Limit . . . . . . . . . . . . . . . . . . . . . . . . . . . . . . . . . . . . . . . . . . . . . . . . . . . 0.20 mm (0.0078 in.)
Rotor Recess
Standard . . . . . . . . . . . . . . . . . . . . . . . . . . . . . . . . . . . . . . . . .0.03 - 0.09 mm (0.0011 - 0.0035 in.)
Wear Limit . . . . . . . . . . . . . . . . . . . . . . . . . . . . . . . . . . . . . . . . . . . . . . . . . . . 0.15 mm (0.0059 in.)

Specifications
4/7/95
3
3-13
Oil Pump, continued
Outer Rotor-to-Pump Body Clearance
Standard . . . . . . . . . . . . . . . . . . . . . . . . . . . . . . . . . . . . . . . . .0.10 - 0.17 mm (0.0039 - 0.0067 in.)
Wear Limit . . . . . . . . . . . . . . . . . . . . . . . . . . . . . . . . . . . . . . . . . . . . . . . . . . . 0.25 mm (0.0098 in.)
Inner-to-Outer Rotor Clearance
Standard . . . . . . . . . . . . . . . . . . . . . . . . . . . . . . . . . . . . . . . .0.05 - 0.105 mm (0.0019 - 0.0041 in.)
Wear Limit . . . . . . . . . . . . . . . . . . . . . . . . . . . . . . . . . . . . . . . . . . . . . . . . . . . 0.15 mm (0.0059 in.)
Oil Cooler - 4TN84T (4019TF001 and 005)
Oil Cooler-to-Mounting Block Mounting Bolt Torque . . . . . . . . . . . . . . . . . . . . . . . 30 N•m (22 lb-ft)
Mounting Block-to-Engine Block Cap Screw Torque . . . . . . . . . . . . . . . . . . . . . . . . 27 N•m (20 lb-ft)
Oil Pressure Regulating Valve - All Except 4TN84T (4019TF001 and 005)
Spring
Compressed Length . . . . . . . . . . . . . . . . . . . . . . . . .27.50 mm (1.080 in.) @ 20.5 N (4.6 lb-force)
Free Length. . . . . . . . . . . . . . . . . . . . . . . . . . . . . . . . . . . . . . . . . . . . . . . . . . . . . .46 mm (1.810 in.)
Housing-to-Valve Body Retaining Nut Torque . . . . . . . . . . . . . . . . . . . . . . . . . . . . . 30 N•m (22 lb-ft)
Housing-to-Engine Block Cap Screw Torque . . . . . . . . . . . . . . . . . . . . . . . . . . . . . . 27 N•m (20 lb-ft)
Piston Cooling Nozzles - 4TN84T (4019TF001 and 005)
Mounting Bolt Torque . . . . . . . . . . . . . . . . . . . . . . . . . . . . . . . . . . . . . . . . . . . . . . 15 N•m (130 lb-in.)
Thermostat and Housing - 4TN82RJE, 4TN82ESP and 4TN84(T) (4019)
Thermostat Cover Cap Screw Torque . . . . . . . . . . . . . . . . . . . . . . . . . . . . . . . . . . 20 N•m (180 lb-in.)
Plate-to-Housing Cap Screw Torque . . . . . . . . . . . . . . . . . . . . . . . . . . . . . . . . . . . . . 9 N•m (78 lb-in.)
Housing Mounting Cap Screw Torque . . . . . . . . . . . . . . . . . . . . . . . . . . . . . . . . . . 26 N•m (226 lb-in.)
Thermostat - 4TN82RJK and 4TN84RJK
Cover Cap Screw Torque . . . . . . . . . . . . . . . . . . . . . . . . . . . . . . . . . . . . . . . . . . . . 20 N•m (180 lb-in.)
Water Pump - 4TN82RJE, 4TN82ESP and 4TN84(T) (4019)
Mounting Cap Screw Torque . . . . . . . . . . . . . . . . . . . . . . . . . . . . . . . . . . . . . . . . . 26 N•m (226 lb-in.)
Plate-to-Housing Screw Torque . . . . . . . . . . . . . . . . . . . . . . . . . . . . . . . . . . . . . . . 15 N•m (134 lb-in.)
Plug-to-Housing Torque . . . . . . . . . . . . . . . . . . . . . . . . . . . . . . . . . . . . . . . . . . . . . 15 N•m (130 lb-in.)
4TN82RJE and 4TN82ESP
Top of Pulley Flange-to-Top of Housing . . . . . . . . . . . . . . . . . . . . . . . . . . . . . . .27 mm (1.060 in.)
Top of Impeller-to-Housing . . . . . . . . . . . . . . . . . . . . . . . . . . . . . 1 mm (0.040 in.) below housing
4TN84(T) (4019)
Bottom of Pulley Flange-to-Top of Housing . . . . . . . . . . . . . . . . . . . . . . . . . . . .17 mm (0.670 in.)
Top of Impeller-to-Housing . . . . . . . . . . . . . . . . . . . . . . . . . . . . . 2 mm (0.080 in.) below housing
Water Pump - 4TN82RJK and 4TN84RJK
Mounting Cap Screw Torque . . . . . . . . . . . . . . . . . . . . . . . . . . . . . . . . . . . . . . . . . 26 N•m (226 lb-in.)
Fan Mounting Cap Screw Torque. . . . . . . . . . . . . . . . . . . . . . . . . . . . . . . . . . . . . . . 11 N•m (96 lb-in.)
Plate-to-Housing Cap Screw Torque . . . . . . . . . . . . . . . . . . . . . . . . . . . . . . . . . . . . . 9 N•m (78 lb-in.)
Adapter-to-Plate Cap Screw Torque. . . . . . . . . . . . . . . . . . . . . . . . . . . . . . . . . . . . . . 9 N•m (78 lb-in.)
4TN82RJK
Top of Pulley Flange-to-Top of Housing . . . . . . . . . . . . . . . . . . . . . . . . . . . . . . .27 mm (1.060 in.)
Impeller-to-Pump Housing . . . . . . . . . . . . . . . . . . . . . . . . . . . . . . 1 mm (0.040 in.) below housing
4TN84RJK
Bottom of Pulley Flange-to-Top of Housing . . . . . . . . . . . . . . . . . . . . . . . . . . . .17 mm (0.670 in.)
Impeller-to-Pump Housing . . . . . . . . . . . . . . . . . . . . . . . . . . . . . . 2 mm (0.080 in.) below housing
Fuel Supply Pump - All Except 4TN82RJE and 4TN82ESP
External Lube Line Mounting Bolt Torque . . . . . . . . . . . . . . . . . . . . . . . . . . . . . . 15 N•m (130 lb-in.)
Mounting Nut Torque . . . . . . . . . . . . . . . . . . . . . . . . . . . . . . . . . . . . . . . . . . . . . . . . 11 N•m (96 lb-in.)

Specifications
3-14
4/7/95
3
Fuel Injection Pump
Injection Pump Gear Nut Torque . . . . . . . . . . . . . . . . . . . . . . . . . . . . . . . . . . . . . . . . 90 N•m (66 lb-ft)
Mounting Nut Torque . . . . . . . . . . . . . . . . . . . . . . . . . . . . . . . . . . . . . . . . . . . . . . . . . 26 N•m (19 lb-ft)
Lube Line-to-Block Bolt Torque . . . . . . . . . . . . . . . . . . . . . . . . . . . . . . . . . . . . . . 25 N•m (217 lb-in.)
Fuel Injection Nozzles
Mounting Nut Torque . . . . . . . . . . . . . . . . . . . . . . . . . . . . . . . . . . . . . . . . . . . . . . . . . 5 N•m (39 lb-in.)
Retaining Nut Torque . . . . . . . . . . . . . . . . . . . . . . . . . . . . . . . . . . . . . . . . . . . . . . . . . 43 N•m (31 lb-ft)
Separator Plate Nozzle Contact Surface Maximum Wear . . . . . . . . . . . . . . . . . . 0.10 mm (0.0039 in.)
Starter Motor - 4TN82RJE (Hitachi 2.0 kW)
Minimum Brush Length . . . . . . . . . . . . . . . . . . . . . . . . . . . . . . . . . . . . . . . . . . . . . . . .9 mm (0.354 in.)
Starter Motor - 4TN82RJK, 4TN84RJK (Nippondenso 1.0 kW)
Minimum Brush Length . . . . . . . . . . . . . . . . . . . . . . . . . . . . . . . . . . . . . . . . . . . . . . 8.5 mm (0.335 in.)
Starter Motor - 4TN82ESP, 4TN84(T) (4019) (Nippondenso 1.4 kW)
Minimum Brush Length . . . . . . . . . . . . . . . . . . . . . . . . . . . . . . . . . . . . . . . . . . . . . . 8.5 mm (0.335 in.)
Alternator - 4TN82RJK, 4TN84RJK (Kokosan 20A)
Flywheel Assembly-to-Coil Plate Assembly Nut Torque . . . . . . . . . . . . . . . . . . . . . 27 N•m (20 lb-ft)
Alternator - 4TN82, 4TN84RJK (Nippondenso 35A)
Attaching Screw Torque . . . . . . . . . . . . . . . . . . . . . . . . . . . . . . . . . . . . . . . . . . . . . . . 4 N•m (31 lb-in.)
Rotor Assembly
Retainer-to-Front Frame Screw Torque . . . . . . . . . . . . . . . . . . . . . . . . . . . . . . . . 2 N•m (16 lb-in.)
Pulley Nut Torque. . . . . . . . . . . . . . . . . . . . . . . . . . . . . . . . . . . . . . . . . . . . . . . . . 54 N•m (40 lb-ft)
Stator-to-Rectifier Lead Wire Distance . . . . . . . . . . . . . . . . . . . . . . . . . . . . . 33.50 mm (1.300 in.)
Minimum Brush Length . . . . . . . . . . . . . . . . . . . . . . . . . . . . . . . . . . . . . . . . . . . . . 5.50 mm (0.220 in.)
Alternator - 4TN82ESP/RJE, 4TN84(T) (4019) (Nippondenso 40A)
Sheave Nut Torque . . . . . . . . . . . . . . . . . . . . . . . . . . . . . . . . . . . . . . . . . . . . . . . . . . . 69 N•m (51 lb-ft)
Retainer-to-Front Frame Screw Torque . . . . . . . . . . . . . . . . . . . . . . . . . . . . . . . . . . . 2 N•m (16 lb-in.)
Minimum Rotor Slip Ring O.D. . . . . . . . . . . . . . . . . . . . . . . . . . . . . . . . . . . . . . . . . .14 mm (0.550 in.)
Brush Length
New. . . . . . . . . . . . . . . . . . . . . . . . . . . . . . . . . . . . . . . . . . . . . . . . . . . . . . . . . 10.50 mm (0.410 in.)
Wear Limit . . . . . . . . . . . . . . . . . . . . . . . . . . . . . . . . . . . . . . . . . . . . . . . . . . . . 4.50 mm (0.170 in.)
Checks, Tests and Adjustments
Valve Clearance . . . . . . . . . . . . . . . . . . . . . . . . . . . . . . . . . . . . . . . . . . . . . . . . . . . 0.20 mm (0.008 in.)
Connecting Rod Side Play
Standard Clearance . . . . . . . . . . . . . . . . . . . . . . . . . . . . . . . . .0.20 - 0.40 mm (0.0079 - 0.0157 in.)
Wear Limit . . . . . . . . . . . . . . . . . . . . . . . . . . . . . . . . . . . . . . . . . . . . . . . . . . . 0.55 mm (0.0217 in.)
Connecting Rod Bearing Clearance
Standard Clearance . . . . . . . . . . . . . . . . . . . . . . . . . . . . . . .0.038 - 0.090 mm (0.0015 - 0.0035 in.)
Wear Limit . . . . . . . . . . . . . . . . . . . . . . . . . . . . . . . . . . . . . . . . . . . . . . . . . . . 0.16 mm (0.0063 in.)
Crankshaft End Play
Standard Clearance . . . . . . . . . . . . . . . . . . . . . . . . . . . . . . . . .0.090 - 0.271 mm (0.004 - 0.011 in.)
Wear Limit . . . . . . . . . . . . . . . . . . . . . . . . . . . . . . . . . . . . . . . . . . . . . . . . . . . 0.33 mm (0.0129 in.)
Crankshaft Main Bearing Clearance
Main Bearing Cap Cap Screw Torque . . . . . . . . . . . . . . . . . . . . . . . . . . . . . . . . . 98 N•m (72 lb-ft)
Standard Clearance . . . . . . . . . . . . . . . . . . . . . . . . . . . . . . .0.038 - 0.090 mm (0.0015 - 0.0035 in.)
Wear Limit . . . . . . . . . . . . . . . . . . . . . . . . . . . . . . . . . . . . . . . . . . . . . . . . . . . 0.06 mm (0.0063 in.)
Valve Lift (Intake and Exhaust) . . . . . . . . . . . . . . . . . . . . . . . . . . . . . . . . . . . . . . . . 8.8 mm (0.350 in.)

Specifications
4/7/95
3
3-15
Checks, Tests and Adjustments, continued
Camshaft End Play
Standard Clearance . . . . . . . . . . . . . . . . . . . . . . . . . . . . . . . . .0.05 - 0.20 mm (0.0020 - 0.0079 in.)
Wear Limit . . . . . . . . . . . . . . . . . . . . . . . . . . . . . . . . . . . . . . . . . . . . . . . . . . . . 0.40 mm (0.016 in.)
Timing Gear Backlash
Standard Backlash. . . . . . . . . . . . . . . . . . . . . . . . . . . . . . . . . .0.04 - 0.12 mm (0.0016 - 0.0047 in.)
Wear Limit . . . . . . . . . . . . . . . . . . . . . . . . . . . . . . . . . . . . . . . . . . . . . . . . . . . 0.20 mm (0.0079 in.)
Fuel Injection Nozzle
Opening Pressure . . . . . . . . . . . . . . . . . . . . . . . . . . . . . . . . . . . . .19600 ± 480 kPa (2843 ± 70 psi)
Leakage at 17640 kPa (2558 psi) . . . . . . . . . . . . . . . . . . . . . . . . . . . . . . . . Minimum of 5 Seconds
Chatter and Spray Pattern at 19600 ± 480 kPa (2843 ± 70 psi)
Slow Hand Lever Movement . . . . . . . . . . . . . . . . . . . . . . . . . . . . . . . . . . . . . . . .Chatter Sound
Slow Hand Lever Movement . . . . . . . . . . . . . . . . . . . . . . . . . . . . . . Fine Stream Spray Pattern
Fast Hand Lever Movement . . . . . . . . . . . . . . . . . . . . . . . . . . . . .Fine Atomized Spray Pattern
Thermostat
Begin Opening . . . . . . . . . . . . . . . . . . . . . . . . . . . . . . . . . . . . . . . . . . . . . . . . . . . . . .71° C (160°F)
Fully Open . . . . . . . . . . . . . . . . . . . . . . . . . . . . . . . . . . . . . . . . . . . . . . . . . . . . . . . . 85° C (184° F)
Minimum Lift Height . . . . . . . . . . . . . . . . . . . . . . . . . . . . . . . . . . . . . . . . . . . . . . .8 mm (0.310 in.)
Coolant Temperature Switch Continuity . . . . . . . . . . . . . . . . . . . . . . . . . . 107 - 133° C (225 - 235° F)
Starter No-Load Amp Draw/RPM
Maximum Starter Amperage
Hitachi 2.0 kW . . . . . . . . . . . . . . . . . . . . . . . . . . . . . . . . . . . . . . . . . . . .110 Amps at 4500 rpm
Nippondenso 1.0 kW . . . . . . . . . . . . . . . . . . . . . . . . . . . . . . . . . . . . . . . .90 Amps at 3000 rpm
Nippondenso 1.4 kW . . . . . . . . . . . . . . . . . . . . . . . . . . . . . . . . . . . . . . . .90 Amps at 3500 rpm
Minimum Starter RPM
Hitachi 2.0 kW . . . . . . . . . . . . . . . . . . . . . . . . . . . . . . . . . . . . . . . . . . . . . . . . . . . . . . . . . . 4500
Nippondenso 1.0 kW . . . . . . . . . . . . . . . . . . . . . . . . . . . . . . . . . . . . . . . . . . . . . . . . . . . . . 3000
Nippondenso 1.4 kW . . . . . . . . . . . . . . . . . . . . . . . . . . . . . . . . . . . . . . . . . . . . . . . . . . . . . 3500
Fuel Injection Pump Static Timing Adjustment
Injection Pump Timing Mark
4TN82 (970 CUT, 675 SSL, 3325/65 GM) . . . . . . 15° ± 1° BTDC (Before Top Dead Center)
4TN84
(1070 CUT). . . . . . . . . . . . . . . . . . . . . . . . . . . . . . . . . . . . . . . . . . . . . . . . . 15° ± 1° BTDC
(4019D OEM). . . . . . . . . . . . . . . . . . . . . . . . . . . . . . . . . . . . . . . . . . . . . . . 16° ± 1° BTDC
4TN84T (4019T OEM)
4019TF001 and 005 . . . . . . . . . . . . . . . . . . . . . . . . . . . . . . . . . . . . . . . . . . 15° ± 1° BTDC
4019TF006 . . . . . . . . . . . . . . . . . . . . . . . . . . . . . . . . . . . . . . . . . . . . . . . . . 12° ± 1° BTDC
Engine Crankshaft Position . . . . . . . . . . . . . . . . . . . No. 1 Cylinder on TDC Compression Stroke
Fan/Alternator Drive Belt Tension
Applied Force . . . . . . . . . . . . . . . . . . . . . . . . . . . . . . . . . . . . . . . . . . . . . . . . . . . 98 N (22 lb-force)
Deflection . . . . . . . . . . . . . . . . . . . . . . . . . . . . . . . . . . . . . . . . . . . . .10 - 15 mm (0.400 - 0.600 in.)
Oil Cooler Leakage - 4TN84T (4019TF001 and 005)
Applied Air Pressure. . . . . . . . . . . . . . . . . . . . . . . . . . . . . . . . . . . . . . . .206 - 483 kPa (30 - 70 psi)
Operational Tests
Radiator, Bubble Test
Maximum Air Pressure Into Cylinder
4TN82RJK, 4TN84RJK,
4TN82RJE, 4TN82ESP . . . . . . . . . . . . . . . . . . . . . . . . . . . . . . . . . . . . . . . . 2448 kPa (355 psi)
4TN84(T) (4019) . . . . . . . . . . . . . . . . . . . . . . . . . . . . . . . . . . . . . . . . . . . . . 2158 kPa (313 psi)

Specifications
3-16
4/7/95
3
Cooling System
4TN82RJK, 4TN84RJK, 4TN84(T) (4019)
Maximum Pressure . . . . . . . . . . . . . . . . . . . . . . . . . . . . . . . . . . . . . . . . . . . . . . . 97 kPa (14 psi)
Minimum Pressure after 15 Seconds . . . . . . . . . . . . . . . . . . . . . . . . . . . . . . . 88 kPa (12.8 psi)
4TN82RJE, 4TN82ESP
Maximum Pressure . . . . . . . . . . . . . . . . . . . . . . . . . . . . . . . . . . . . . . . . . . . . . . . 69 kPa (10 psi)
Minimum Pressure after 15 Seconds . . . . . . . . . . . . . . . . . . . . . . . . . . . . . . . . . . 55 kPa (8 psi)
Radiator Cap
Valve Opening Pressure
4TN82RJK, 4TN84RJK, 4TN84(T) (4019) . . . . . . . . . . . . . . . . . . . . . . . . . . 88 kPa (12.8 psi)
4TN82RJE, 4TN82ESP . . . . . . . . . . . . . . . . . . . . . . . . . . . . . . . . . . . . . . . . . . . . 55 kPa (8 psi)
Cylinder, Compression Pressure
Minimum Compression Pressure
4TN82RJK, 4TN84RJK,
4TN82RJE, 4TN82ESP . . . . . . . . . . . . . . . . . . . . . . . . . . . . . . . . . . . . . . . . 2448 kPa (355 psi)
4TN84(T) (4019) . . . . . . . . . . . . . . . . . . . . . . . . . . . . . . . . . . . . . . . . . . . . . 2158 kPa (313 psi)
Maximum Difference Between Cylinders . . . . . . . . . . . . . . . . . . . . . . . . . . . . . . . 490 kPa (71 psi)
Engine Oil Pressure
4TN82RJE
Idle Speed
Fast . . . . . . . . . . . . . . . . . . . . . . . . . . . . . . . . . . . . . . . . . . . . . . . . . . . . . . . . . . . . 2800 rpm
Slow . . . . . . . . . . . . . . . . . . . . . . . . . . . . . . . . . . . . . . . . . . . . . . . . . . . . . . . 1000 ± 50 rpm
Oil Pressure. . . . . . . . . . . . . . . . . . . . . . . . . . . . . . . . . . . . . . . . . . . .294 - 440 kPa (43 - 64 psi)
4TN82ESP
Idle Speed
Fast . . . . . . . . . . . . . . . . . . . . . . . . . . . . . . . . . . . . . . . . . . . . . . . . . . . . . . . . 2875 ± 25 rpm
Slow . . . . . . . . . . . . . . . . . . . . . . . . . . . . . . . . . . . . . . . . . . . . . . . . . . . . . . . . 900 ± 25 rpm
Oil Pressure. . . . . . . . . . . . . . . . . . . . . . . . . . . . . . . . . . . . . . . . . . . .294 - 392 kPa (43 - 57 psi)
4TN82RJK, 4TN84RJK
Fast Idle Speed
4TN82RJK . . . . . . . . . . . . . . . . . . . . . . . . . . . . . . . . . . . . . . . . . . . . . . . . .2750 - 2800 rpm
4TN84RJK . . . . . . . . . . . . . . . . . . . . . . . . . . . . . . . . . . . . . . . . . . . . . . . . .2850 - 2900 rpm
Oil Pressure. . . . . . . . . . . . . . . . . . . . . . . . . . . . . . . . . . . . . . . . . . . .365 ± 69 kPa (53 ± 10 psi)
4TN84(T) (4019)
Low Idle Speed
Generator . . . . . . . . . . . . . . . . . . . . . . . . . . . . . . . . . . . . . . . . . . . . . . . . . . . . . . . 1200 rpm
Industrial . . . . . . . . . . . . . . . . . . . . . . . . . . . . . . . . . . . . . . . . . . . . . . . . . . . . . . . . 1300 rpm
Oil Pressure. . . . . . . . . . . . . . . . . . . . . . . . . . . . . . . . . . . . . . . . . . . . . . . . . . . . 147 kPa (21 psi)
Air Intake System Holding Pressure. . . . . . . . . . . . . . . . . . . . . . . . . . . . . . . . . .34 - 69 kPa (5 - 10 psi)
Minimum Fuel Supply Pump Pressure . . . . . . . . . . . . . . . . . . . . . . . . . . . . . . . . . . . . . 29 kPa (4.3 psi)
Fuel System Holding Pressure (Maximum) . . . . . . . . . . . . . . . . . . . . . . . . . . . . . . . . . 103 kPa (15 psi)

Cylinder Head, Valves and Manifolds
4/7/95
3
3-17
3
SPECIAL OR ESSENTIAL TOOLS
NOTE: Order tools according to information given in the U.S. SERVICE-GARDTM Catalog or in the
European Microfiche Tool Catalog (MTC).
D-20018WI Valve Guide Knurler
Use to knurl inside diameter of valve guides on 4TN78T engine.
D-20019WI Valve Guide Knurler
Use to knurl inside diameter of valve guides on 4TN82 and 4TN84(T)(4019) engines.
JDE118 Valve Guide Driver
Use to remove and install valve guides in cylinder head.
D-20020WI Valve Guide Reamer
Use to ream out new valve guides on 4TN78T engine.
D-20021WI Valve Guide Reamer
Use to ream out new valve guides on 4TN82 and 4TN84(T)(4019) engines.
SERVICE PARTS KITS
The following kits are available through your parts catalog:
•Cylinder Head Gasket Kits

Cylinder Head, Valves and Manifolds
3-18
3
4/7/95
3
ROCKER ARM COVER
•Wash packing in a safe solvent and blow dry
with air pressure. If packing comes apart or is
deteriorated, replace it.
M82189A
Extension
If Equipped.
O-Ring
If Equipped.
Crankcase Breather
Tube
Cap Screw (2)
M8 x 16
O-Ring
Replace.
Packing
Special Nut (3)
18 N•m (160 lb-in.)
O-Ring (3)
O-Ring
Oil Filler Cap
Crankcase Breather
Cover
Screen
Rocker Arm Cover
O-Ring Seal

Cylinder Head, Valves and Manifolds
4/7/95
3
3-19
3
ROCKER ARM ASSEMBLY
Removal/Installation and
Disassembly/Assembly
1. Remove rocker arm cover. (See procedure in this
group.)
•Remove and install studs using two M8 nuts.
•Inspect all parts for wear or damage. (See
Inspection procedures.)
•Lubricate all parts with clean oil during
assembly.
•Adjust valve clearance. (See Checks, Tests and
Adjustments in this section.)
M82190A
Rocker Arm Shaft
Mounting Cap
Screw (3)
M8 x 25
26 N•m (226 lb-in.)
Mounting Cap Screw (7)
M8 x 50
26 N•m (226 lb-in.)
Rocker Arm
Shaft Spring
Nut
Nut (3)
M8
Stud (3)
Push Rod
Adjusting Screw
Valve Cap
Intake Valve Rocker Arm
Exhaust Valve Rocker Arm
Rocker Arm Center Support (3)
Rocker Arm
End Support (2)

Cylinder Head, Valves and Manifolds
3-20
3
4/7/95
3
Inspection
•Measure outer diameter of rocker arm shaft.
Rocker Arm Shaft O.D.:
Standard. . . . . . . . . . . . . . . .15.97 - 15.95 mm
. . . . . . . . . . . . . . . . . . . . . .(0.6286 - 0.6293 in.)
Wear Limit. . . . . . . . . . 15.95 mm (0.6280 in.)
Replace rocker arm shaft if less than wear limit.
•Measure inner diameters of rocker arms and
supports.
M35262
M82022A
Rocker Arm and Shaft Support I.D.’s:
Standard. . . . . . . . . . . . . . . . 16.00 - 16.02 mm
. . . . . . . . . . . . . . . . . . . . . . . .(0.630 - 0.631 in.)
Wear Limit. . . . . . . . . . . 16.09 mm (0.633 in.)
Clearance . . . . . . . . . . . . . 0.13 mm (0.005 in.)
Replace rocker arms or supports if I.D. is more than
wear limit.
If shaft and support/arm clearance (support/arm I.D.
minus shaft O.D.) exceed wear limit, replace all
parts.
•Measure length and bending of push rod.
Push Rod Length:
4TN78T. . . . . . . . . . . . . . .146.65 - 147.35 mm
. . . . . . . . . . . . . . . . . . . . . . . .(5.774 - 5.801 in.)
4TN82,
4TN84(T)(4019) . . . . . . . .178.25 - 178.75 mm
. . . . . . . . . . . . . . . . . . . . . . . .(7.018 - 7.037 in.)
Push Rod Bend:
Standard. . . . . . . . 0.03 mm (0.001 in.) or less
Wear Limit. . . . . . . . . . . . 0.30 mm (0.012 in.)
Replace push rod if not within specifications.
M82023A
Feeler
Gauge
Length

Cylinder Head, Valves and Manifolds
4/7/95
3
3-21
3
CYLINDER HEAD AND VALVES
Removal/Installation
1. Remove rocker arm assembly, push rods and
valve caps. (See procedure in this group.)
2. Remove exhaust and intake manifolds. (See
procedures in this group.)
3. Remove water pump. (See Cooling System in this
section.)
4. Remove fuel injection nozzles. (See Fuel System
in this section.)
5. Disassemble and inspect cylinder head and
valves. (See Disassembly/ Assembly and
Inspection/Replacement procedures.)
IMPORTANT: Oil passage in gasket must be
located over oil passage in cylinder block.
M82191A
Flywheel
Cylinder Head
Mounting Cap
Screw (18)
Dip entire cap
screw in
clean engine oil
before
installing.
Gasket

Cylinder Head, Valves and Manifolds
3-22
3
4/7/95
3
6. Tighten mounting cap screws, in the sequence
shown, in three stages of gradually-increasing
torque.
IMPORTANT: Cylinder head mounting cap
screws must be checked for proper torque
after 50 hours of engine operation.
Torque Specifications - 4TN78T:
First . . . . . . . . . . . . . . . . . . . 22 N•m (16 lb-ft)
Second . . . . . . . . . . . . . . . . . 43 N•m (32 lb-ft)
Final . . . . . . . . . . . . . . . . . . . 69 N•m (51 lb-ft)
M82025A
Exhaust Manifold Side
Intake Manifold Side
Flywheel Side
Timing Gear Case Side
181210 315 13
715
1614 862411
917
Torque Specifications - 4TN82, 4TN84(T)(4019):
First . . . . . . . . . . . . . . . . . . . 24 N•m (18 lb-ft)
Second . . . . . . . . . . . . . . . . . 49 N•m (36 lb-ft)
Final . . . . . . . . . . . . . . . . . . . 78 N•m (58 lb-ft)
Disassembly/Assembly
•Compress valve springs using a valve spring
compressor.
•Intake and exhaust valve guides are press fit.
Remove guides only if replacement is necessary.
(See Inspection/Replacement procedures.)
•On 4TN78T, intake and exhaust valve seat
inserts are press fit. Remove inserts only if
replacement is necessary.
•Inspect all parts for wear or damage. (See
Inspection/Replacement procedures.)
IMPORTANT: Do not reuse stem seals if
removed. Used seals will leak.
•Apply clean engine oil on intake and exhaust
valve stems during assembly.
•Install springs with smaller pitch end or paint
mark toward cylinder head.
M82192A
Short
Stud (8)
Lifting
Bracket (2)
Cap Screw (4)
M10 x 20
Collet Halves (16)
Exhaust Valve
Guide (4)
Stem
Seal (8)
Replace.Retainer (8)
Valve Spring (8)
Intake Valve Guide (4)
Exhaust Valve
Intake Valve
Exhaust Manifold
Mounting Stud
(2-Long or 4-Short)
If equipped.
Valve Seat Inserts
4TN78T Only.

Cylinder Head, Valves and Manifolds
4/7/95
3
3-23
3
NOTE: If new valves are installed, measure valve
recession. (See Inspection/Replacement
procedures.)
After each valve has been assembled, tap on top of
valve stem with a plastic hammer to seat retainer.
Inspection/Replacement
Before inspection, thoroughly clean all components
of carbon or dirt.
Cylinder Head:
•Measure cylinder head flatness. Place a straight-
edge along each of the four sides and each
diagonal. Measure clearance between straight
edge and combustion surface with a feeler
gauge.
Cylinder Head Distortion:
Standard . . . . . . . 0.05 mm (0.002 in.) or less
Wear Limit. . . . . . . . . . . . 0.15 mm (0.006 in.)
If distortion exceeds the wear limit, resurface or
replace cylinder head. Remove only enough metal to
make cylinder head flat; but do not remove more
than 0.20 mm (0.008 in.).
If cylinder head was resurfaced:
•Measure piston-to-cylinder head clearance. (See
procedure in this group.)
M82027A
M82028A
Straight-Edge
Feeler Gauge
•Measure valve recession. (See procedure in this
group.)
•Measure valve seat width.
Valve Seat Width - 4TN78T:
Intake Valve
Standard . . . . . . . . . . . . . . . . . 1.36 - 1.53 mm
. . . . . . . . . . . . . . . . . . . . . . .(0.054 - 0.060 in.)
Wear Limit. . . . . . . . . . . . 1.98 mm (0.078 in.)
Exhaust Valve
Standard . . . . . . . . . . . . . . . . . 1.66 - 1.87 mm
. . . . . . . . . . . . . . . . . . . . . . .(0.065 - 0.074 in.)
Wear Limit. . . . . . . . . . . . 2.27 mm (0.089 in.)
Valve Seat Width - 4TN82, 4TN84(T)(4019):
Intake Valve
Standard . . . . . . . . . . . . . . . . . 1.07 - 1.24 mm
. . . . . . . . . . . . . . . . . . . . . . .(0.042 - 0.049 in.)
Wear Limit. . . . . . . . . . . . 1.74 mm (0.069 in.)
Exhaust Valve
Standard . . . . . . . . . . . . . . . . . 1.24 - 1.45 mm
. . . . . . . . . . . . . . . . . . . . . . .(0.049 - 0.057 in.)
Wear Limit. . . . . . . . . . . . 1.94 mm (0.076 in.)
If necessary, grind valve seats to meet specifications.
(See GRIND VALVE SEATS procedure.)
Intake and Exhaust Valves:
•Check valve for out-of-round, bent or warped
condition using a valve inspection center.
Replace valve if necessary.
M82029A
Valve Seat
Width

Cylinder Head, Valves and Manifolds
3-24
3
4/7/95
3
•If valve faces are worn, burned or pitted, grind
valves to proper face angle. If valve face margin
is less than 0.51 mm (0.020 in.) after grinding,
replace valve.
•Measure valve stem diameter at two locations
shown. Replace valve if measurement exceeds
wear limit.
M35307
Exhaust:
Intake:
45°
30°
M82030A
Valve
Face
Margin
Valve Face
Angle
M82031A
AB
Valve Stem O.D. - 4TN78T:
Distance A . . . . . . . . . . . . . . . . .30 mm (1.181 in.)
Distance B . . . . . . . . . . . . . . . . .50 mm (1.969 in.)
Intake and Exhaust Valves
Standard . . . . . . . . . . . . . . . . . 6.94 - 6.96 mm
. . . . . . . . . . . . . . . . . . . . .(0.2732 - 0.2740 in.)
Wear Limit. . . . . . . . . . . 6.90 mm (0.2717 in.)
Valve Stem O.D. - 4TN82, 4TN84(T)(4019):
Distance A . . . . . . . . . . . . . . . . .30 mm (1.181 in.)
Distance B . . . . . . . . . . . . . . . . .60 mm (2.360 in.)
Intake Valve
Standard . . . . . . . . . . . . . . . . . 7.96 - 7.98 mm
. . . . . . . . . . . . . . . . . . . . .(0.3134 - 0.3142 in.)
Wear Limit. . . . . . . . . . . 7.90 mm (0.3110 in.)
Exhaust Valve
Standard . . . . . . . . . . . . . . . . . 7.96 - 7.97 mm
. . . . . . . . . . . . . . . . . . . . .(0.3134 - 0.3138 in.)
Wear Limit. . . . . . . . . . . 7.90 mm (0.3110 in.)
•Measure valve recession using a depth gauge.
Replace valve or cylinder head if measurement
exceeds wear limit.
M82032A
Valve Recession
Cylinder
Head
Depth
Gauge

Cylinder Head, Valves and Manifolds
4/7/95
3
3-25
3
Valve Recession:
Standard . . . . . . . . . . . . . . . . . 0.30 - 0.50 mm
. . . . . . . . . . . . . . . . . . . . . . . (0.012 - 0.020 in.)
Wear Limit . . . . . . . . . . . 1.00 mm (0.039 in.)
Valve Guides:
Clean valve guides using a valve guide brush.
Measure valve guide inside diameter.
Valve Guide I.D. - 4TN78T:
Standard . . . . . . . . . . . . . . . . . 7.00 - 7.02 mm
. . . . . . . . . . . . . . . . . . . . . . . (0.275 - 0.276 in.)
Wear Limit . . . . . . . . . . . 7.08 mm (0.279 in.)
Maximum Clearance . . . 0.20 mm (0.008 in.)
Valve Guide I.D. - 4TN82, 4TN84(T)(4019):
Standard . . . . . . . . . . . . . . . . . 8.01 - 8.03 mm
. . . . . . . . . . . . . . . . . . . . . . . (0.315 - 0.316 in.)
Wear Limit . . . . . . . . . . . 8.10 mm (0.319 in.)
If diameter exceeds wear limit, knurl or replace
guide.
If diameter is less than wear limit, determine guide-
to-stem clearance (guide diameter minus stem
diameter).
If clearance exceeds 0.15 mm (0.006 in.) but is less
than 0.20 mm (0.008 in.), knurl valve guides.
•Knurl valve guides using:
-4TN78T: D-20018WI Valve Guide Knurler
-4TN82, 4TN84(T)(4019): D-20019WI Valve
Guide Knurler
If clearance exceeds 0.20 mm (0.008 in.), replace
valve guide.
•Replace valve guides using JDE118 Valve Guide
Driver.
Intake and exhaust valve guides are different. The
exhaust valve guide has one groove and the intake
valve guide has none. Install valve guides with
tapered ends down. Push valve guides down until
top of valve guides are a specified distance (A) from
top of cylinder head.
Valve Guide Height “A”:
4TN78T . . . . . . . . . . . . . . . .12 mm (0.472 in.)
4TN82, 4TN84(T)(4019). . .15 mm (0.591 in.)
•Ream inside diameter of valve guides using:
-4TN78T: D-20020WI Valve Guide Reamer
-4TN82, 4TN84(T)(4019): D-20021WI Valve
Guide Reamer
Valve Springs:
•Measure spring free length. Replace spring if
measurement exceeds wear limit.
Spring Free Length:
Standard . . . . . . . . . . . . . . .40 mm (1.575 in.)
Wear Limit . . . . . . . . . . 39.50 mm (1.550 in.)
M82193A
A
M82034A

Cylinder Head, Valves and Manifolds
3-26
3
4/7/95
3
•Measure spring inclination. Replace spring if
measurement exceeds specification.
M82035A
Square Gauge
Spring Inclination
1.10mm (0.044 in.)
Free Length
EXHAUST MANIFOLD
1. Remove muffler and gasket, if equipped.
NOTE: Turbocharger removal/installation
procedures are similar to unit used on
Series 220 Engines. Follow procedures used
in ACCESSORIES - SERIES 220 POWER
UNIT ENGINES section. Service
procedures are also similar.
2. Remove turbocharger, if equipped. (See
procedure in ACCESSORIES - SERIES 220
POWER UNIT ENGINES section).
INTAKE MANIFOLD
NOTE: Air heater removal/installation is similar to
procedures found in ACCESSORIES -
SERIES 220 POWER UNIT ENGINES
section.
1. Remove intake air heater. (See procedure in
ACCESSORIES - SERIES 220 POWER UNIT
ENGINES section.)
2. Remove fuel filter assembly mounting cap
screw(s), if equipped.
3. Remove fuel injection lines. (See Fuel System in
this section.)
4. OEM Power Unit engine (4019):
•Remove air cleaner and mount bracket.
•Remove instrument panel and bracket.
•Remove radiator support rod.
(See procedures in ACCESSORIES - SERIES 220
POWER UNIT ENGINES section.)

Cylinder Head, Valves and Manifolds
4/7/95
3
3-27
3
M82195A
Gasket
Exhaust ManifoldNut (4)
M8
26 N•m (226 lb-in.)
Cap Screw (2)
M8 x 60
26 N•m (226 lb-in.)
Cap Screw
Long
26 N•m (226 lb-in.)
Stud (4)
Cap Screw (6)
M8 x 80
26 N•m (226 lb-in.)
Nut (2)
M10
26 N•m (226 lb-in.)
Exhaust
Manifold
Gasket
4TN82RJK, 4TN84RJK
4TN82ESP/RJE, 4TN84(4019D)
Stud (3)
Cap Screw
M8 x 85
26 N•m (226 lb-in.)
Cap Screw (4)
M8 x 100
26 N•m (226 lb-in.)
Cap Screw (3)
M8 x 65
26 N•m (226 lb-in.)
Exhaust
Manifold
Gasket
4TN78T, 4TN84T(4019T)
M82194A
Intake Manifold
Gasket
Cap Screw (5)
M8 x 35
26 N•m (226 lb-in.)
Intake ManifoldGasket
Cap Screw (5)
M8 x 35
26 N•m (226 lb-in.)
4TN78T, 4TN82, 4TN844TN84(T)(4019)

Cylinder Head, Valves and Manifolds
3-28
3
4/7/95
3
GRIND VALVE SEATS
IMPORTANT: Valve seats should never be cut.
Cutting a valve seat can damage its sealing
surface, which may result in leaks or valve/
seat failure. Valve seats should be ground and
lapped.
NOTE: LIGHTLY grind valve seats for a few
seconds only to avoid excessive valve seat
width.
1. Grind intake valve seat using a 30° seat grinder
and exhaust valve seat using a 45° seat grinder.
Follow tool manufacturers instructions.
2. Measure valve seat width after grinding.
3. If seat is too wide after grinding, grind lower seat
surface using a 70° seat grinder until seat width is
close to specifications.
4. Grind upper seat surface using a 15° seat grinder
until seat width is narrowed to specifications.
5. If valve seats are ground, measure valve recession
and check contact pattern between the seat and
valve with bluing dye.
6. Lap valves. (See procedure in this group.)
M82039A
Seat Grinder
If valve recession exceeds maximum specifications
or seats cannot be reconditioned, replace valves,
valve seats if equipped and/or cylinder head.
NOTE: Valve seat inserts are available for 4TN78T
engine only.
LAP VALVES
NOTE: Use a rubber type lapping tool for valves
without a lapping tool groove slit.
If seat does not make proper contact, lap the valve
into the seat:
1. Apply small amount of fine lapping compound to
face of valve.
2. Turn valve to lap valve to seat.
3. Lift valve from seat every 8 to 10 strokes. Lap
until a uniform ring appears around the surface of
the valve face.
4. Wash all parts in solvent to remove lapping
compound. Dry parts.
M82040A
Seat
Width
15°
Cylinder
Head
Upper
Seat
Surface
Valve
Seat
Lower Seat
Surface 70°

Cylinder Head, Valves and Manifolds
4/7/95
3
3-29
3
5. Check position of lap mark on valve face. Lap
mark must be on or near center of valve face.
MEASURE PISTON-TO-CYLINDER
HEAD CLEARANCE
1. Place three 10 mm (0.400 in.) long pieces of 1.50
mm (0.060 in.) diameter soft wire in three
positions on the flat part of the piston head.
2. Install cylinder head and old gasket. Install
cylinder head cap screws and tighten in proper
sequence to specified torque. (See CYLINDER
HEAD AND VALVES - Removal/Installation in
this group.)
M82041A
Lapping Tool
3. Slowly turn crankshaft one complete revolution.
4. Remove cylinder head and gasket.
5. Measure thickness of flattened section of each
piece of wire. Calculate average thickness of
wires to obtain piston-to-cylinder head clearance
specification.
Piston-to-Cylinder Head Clearance:
4TN78T. . . . . . . . . . . . . . . . . . .0.59 - 0.77 mm
. . . . . . . . . . . . . . . . . . . . . . . (0.023 - 0.030 in.)
4TN82, 4TN84(T)(4019) . . . . .0.64 - 0.82 mm
. . . . . . . . . . . . . . . . . . . . . . . (0.025 - 0.032 in.)
If clearance is less than specifications, replace
cylinder head.
M82042A

Pistons, Rods and Cylinder Bloc
k
3-30
4/7/95
3
SERVICE PARTS KITS
The following kits are available through your parts catalog:
•Cylinder Block Gasket Kit
•Cylinder Head Gasket Kit
•Oversized Pistons and Rings
•Undersized Connecting Rod Bearing Inserts

Pistons, Rods and Cylinder Block
4/7/95
3-31
3
PISTON AND CONNECTING ROD
Removal
1. Remove oil pan and strainer tube. (See
Lubrication System in this section.)
2. Remove cylinder head. (See Cylinder Head,
Valves and Manifolds in this section.)
3. Check cylinder bore for ridges. These ridges can
cause damage to piston if ridge is not removed.
4. If necessary, remove ridge from top of cylinder
bore using a ridge reamer.
5. Measure connecting rod side play. (See Checks,
Tests and Adjustments in this section.)
6. Measure connecting rod bearing clearance. (See
Checks, Tests and Adjustments in this section.)
IMPORTANT: Keep connecting rods and caps
together. Rods and caps are a matched set.
Note alignment marks on each part.
7. Remove two cap screws, connecting rod cap and
bearing inserts.
IMPORTANT: Pistons and cylinders are
matched. Pistons must be installed in the
cylinders from which they are removed.
8. Note connecting rod alignment mark in relation
to the cylinders. Starting at flywheel end with
cylinder number one, then two, etc.
9. Push piston and connecting rod out of cylinder
bore using a wooden dowl.
10.Disassemble and inspect all parts for wear or
damage. (See Disassembly and Inspection/
Replacement procedures.)
Installation
•Apply clean engine oil on all parts during
installation.
•Never reuse connecting rod cap screws, replace
with new.
IMPORTANT: Pistons must be installed in
cylinders from which they were removed and
in the same direction. Be careful not to
damage crankshaft rod journal while
installing piston.
1. If new piston rings were installed, deglaze
cylinder bore. (See procedure in this group.)
2. Install piston and connecting rod into the cylinder
from which it was removed, with piston size
mark on top of piston toward fuel injection pump.
M82196A
Piston and
Connecting Rod
Bearing
Inserts
Connecting
Rod Cap
Connecting Rod
Cap Screw
Replace.

Pistons, Rods and Cylinder Bloc
k
3-32
4/7/95
3
IMPORTANT: Do not touch bearing insert
surfaces. Oil and acid from your finger will
corrode the bearing surface.
3. Install bearing inserts on connecting rod and rod
cap, aligning tangs with grooves.
IMPORTANT: Connecting rod caps must be
installed on the same connecting rods they
were removed from.
4. Match the connecting rods to caps using
alignment marks. Install caps.
5. Dip entire connecting rod cap screws in clean
engine oil. Install new cap screws and tighten to
specifications.
Connecting Rod Cap Screw Torque
Specifications:
4TN78T . . . . . . . . . . . . . . . . 39 N•m (29 lb-ft)
4TN82, 4TN84(T)(4019) . . . 47 N•m (35 lb-ft)
6. If a new piston and connecting rod were installed,
stamp a number corresponding to the cylinder
number on the connecting rod cap and connecting
rod
M82196A
Piston Size
Mark
Flywheel
Side
Groove
Tangs
Groove
Connecting Rod
Cap Screw
Connecting Rod
Cap Alignment
Mark
Fuel
Injection
Pump Side
7. Install cylinder head. (See Cylinder Head, Valves
and Manifolds in this section.)
8. Install oil pan and strainer tube. (See Lubrication
System in this section.)
Disassembly
IMPORTANT: Pistons must be installed on the
same connecting rod they were removed from.
•Put a mark on each piston and connecting rod to
aid in assembly.
•Piston pin bushing is press fit in connecting rod.
Remove bushing only if replacement is
necessary. (See Inspection/Replacement
procedures.)
•Inspect all parts for wear or damage. Replace as
necessary. (See Inspection/Replacement
procedures.)
M82197A
1st Compression Ring
2nd Compression Ring
Oil Ring with
Coil Expander
Piston
Piston Pin
Snap Ring
Piston Pin Bushing
Connecting Rod

Pistons, Rods and Cylinder Block
4/7/95
3-33
3
Assembly
•Apply clean engine oil to all parts during
assembly.
IMPORTANT: Pistons must be installed on the
same connecting rod they were removed from.
1. Assemble piston to connecting rod with piston
size mark on same side as connecting rod
“punched” alignment mark. If a new connecting
rod is used, assemble piston to connecting rod
with piston size mark opposite connecting rod
bearing insert groove.
2. Install piston pin and snap rings.
3. Install oil ring expander in bottom ring groove of
piston with ends above either end of piston pin.
4. Install oil ring over expander with ring gap
opposite (180o) of expander ends.
M82198A
Piston
Size
MarkPiston
Piston Pin
Snap Ring
Alignment
Mark
Connecting
Rod
Bearing Insert Groove
5. Install second compression ring, with small
diameter of taper toward top of piston, in middle
groove. Turn ring until gap is 120o away from oil
ring gap.
6. Install first compression ring (chrome plated),
with manufacturer's mark “R”, “T” or “RN”
(near ring gap) toward top of piston, in top
groove. Turn ring until gap is 120o away from
second ring gap.
M82046A
Oil
Ring
Gap
Piston Pin
Oil Ring
Expander
Oil Ring
Expander
Ends
Oil Ring
M82199A
1st Compression Ring
2nd Compression
Ring
1st Compression
Ring
Oil Ring
2nd
Compression
Ring
120°
120°
120°

Pistons, Rods and Cylinder Bloc
k
3-34
4/7/95
3
Inspection/Replacement
1. Inspect all parts for wear or damage. Replace as
necessary.
2. Measure crankshaft connecting rod journal
diameter. (See Crankshaft, Main Bearings and
Flywheel in this section.)
3. Install connecting rod cap and bearing inserts on
connecting rod. Install old connecting rod cap
screws and tighten to specifications.
Connecting Rod Cap Screw Torque
Specifications:
4TN78T . . . . . . . . . . . . . . . . 39 N•m (29 lb-ft)
4TN82, 4TN84(T) (4019) . . 47 N•m (35 lb-ft)
4. Measure connecting rod bearing diameter.
Connecting Rod Bearing I.D. - 4TN78T:
Standard . . . . . . . . . . . . . . . . 43 - 43.042 mm
. . . . . . . . . . . . . . . . . . . . . . .(1.693 - 1.695 in.)
Wear Limit. . . . . . . . . . . 43.07 mm (1.696 in.)
Clearance . . . . . . . . . . . . . 0.16 mm (0.006 in.)
Connecting Rod Bearing I.D. - 4TN82,
4TN84(T)(4019):
Standard . . . . . . . . . . . . . . . . 48 - 48.042 mm
. . . . . . . . . . . . . . . . . . . . . . .(1.888 - 1.891 in.)
Wear Limit. . . . . . . . . . . 48.07 mm (1.893 in.)
Clearance . . . . . . . . . . . . . 0.16 mm (0.006 in.)
M82048A
If bearing diameter exceeds wear limit, replace
bearing inserts.
If bearing clearance (bearing I.D. minus crankshaft
journal O.D.) exceeds specification, grind crankshaft
connecting rod journals and install undersized
bearing inserts, or replace bearing inserts and
crankshaft.
5. With rings installed on piston, measure piston
ring groove clearance. Measure several places
around each piston.
Piston Ring Groove Clearance - 4TN78T:
First Compression Ring
Standard . . . . . . . . . . . . . . . 0.070 - 0.105 mm
. . . . . . . . . . . . . . . . . . . . .(0.0028 - 0.0041 in.)
Wear Limit. . . . . . . . . . . 0.25 mm (0.0098 in.)
Second Compression Ring
Standard . . . . . . . . . . . . . . . 0.035 - 0.070 mm
. . . . . . . . . . . . . . . . . . . . .(0.0014 - 0.0028 in.)
Wear Limit. . . . . . . . . . . 0.25 mm (0.0098 in.)
Oil Ring
Standard . . . . . . . . . . . . . . . 0.030 - 0.060 mm
. . . . . . . . . . . . . . . . . . . . .(0.0012 - 0.0024 in.)
Wear Limit. . . . . . . . . . . 0.20 mm (0.0078 in.)
M35360

Pistons, Rods and Cylinder Block
4/7/95
3-35
3
Piston Ring Groove Clearance - 4TN82,
4TN84(T)(4019):
First Compression Ring
Standard . . . . . . . . . . . . . . . 0.075 - 0.110 mm
. . . . . . . . . . . . . . . . . . . . .(0.0030 - 0.0043 in.)
Wear Limit. . . . . . . . . . . 0.25 mm (0.0098 in.)
Second Compression Ring
Standard . . . . . . . . . . . . . . . . 0.45 - 0.080 mm
. . . . . . . . . . . . . . . . . . . . .(0.0018 - 0.0031 in.)
Wear Limit. . . . . . . . . . . 0.25 mm (0.0098 in.)
Oil Ring
Standard . . . . . . . . . . . . . . . 0.025 - 0.060 mm
. . . . . . . . . . . . . . . . . . . . .(0.0010 - 0.0024 in.)
Wear Limit. . . . . . . . . . . 0.20 mm (0.0079 in.)
If clearance exceeds wear limit, replace rings or
piston.
6. Measure piston ring end gap. Push ring into
cylinder bore, using a piston, until ring is
approximately 30 mm (1.181 in.) from bottom of
cylinder bore.
M82049A
End Gap
End Gap
Cylinder
Bore
Piston
Ring
Approx.
30 mm
(1.181 in.)
Piston Ring End Gap - 4TN78T:
Compression Rings and Oil Ring
Standard . . . . . . . . . . . . . . . . . 0.20 - 0.40 mm
. . . . . . . . . . . . . . . . . . . . . . .(0.008 - 0.016 in.)
Wear Limit. . . . . . . . . . . 1.50 mm (0.0591 in.)
Piston Ring End Gap - 4TN82:
Standard
First Compression Ring . . . . 0.25 - 0.40 mm
. . . . . . . . . . . . . . . . . . . . . .(0.010 - 0.016 in.)
Second Compression Ring . . 0.20 - 0.35 mm
. . . . . . . . . . . . . . . . . . . . . .(0.008 - 0.014 in.)
Oil Ring . . . . . . . . . . . . . . . . . 0.20 - 0.40 mm
. . . . . . . . . . . . . . . . . . . . . .(0.008 - 0.016 in.)
Wear Limit: . . . . . . . . . . 1.50 mm (0.0591 in.)
Piston Ring End Gap - 4TN84 (4019D):
Standard
Compression Rings. . . . . . . . 0.20 - 0.40 mm
. . . . . . . . . . . . . . . . . . . . . .(0.008 - 0.016 in.)
Oil Ring . . . . . . . . . . . . . . . . . 0.25 - 0.45 mm
. . . . . . . . . . . . . . . . . . . . . .(0.010 - 0.018 in.)
Wear Limit: . . . . . . . . . . 1.50 mm (0.0591 in.)
Piston Ring End Gap - 4TN84T (4019T):
Standard
First Compression Ring
and Oil Ring. . . . . . . . . . . . . 0.25 - 0.45 mm
. . . . . . . . . . . . . . . . . . . . . .(0.010 - 0.018 in.)
Second Compression Ring . . 0.20 - 0.40 mm
. . . . . . . . . . . . . . . . . . . . . .(0.008 - 0.016 in.)
Wear Limit. . . . . . . . . . . 1.50 mm (0.0591 in.)
If end gap exceeds wear limit, replace rings.
7. Measure piston pin diameter. Measure diameter
at six places.

Pistons, Rods and Cylinder Bloc
k
3-36
4/7/95
3
Piston Pin O.D. - 4TN78T:
Standard . . . . . . . . . . . . . . 22.991 - 23.00 mm
. . . . . . . . . . . . . . . . . . . . . . .(0.905 - 0.906 in.)
Wear Limit. . . . . . . . . . . 22.90 mm (0.902 in.)
Piston Pin O.D. - 4TN82, 4TN84(T)(4019):
Standard . . . . . . . . . . . . . . 25.987 - 26.00 mm
. . . . . . . . . . . . . . . . . . . . . . .(1.023 - 1.024 in.)
Wear Limit. . . . . . . . . . . 25.90 mm (1.020 in.)
If pin diameter is less than wear limit, replace pin.
8. Measure piston pin bore diameter in piston.
M82050A
Measuring Positions
M37683
Piston Pin Bore I.D. - 4TN78T:
Standard . . . . . . . . . . . . . . 23.00 - 23.009 mm
. . . . . . . . . . . . . . . . . . . . .(0.9055 - 0.9059 in.)
Wear Limit. . . . . . . . . . . 23.02 mm (0.906 in.)
Clearance . . . . . . . . . . . 0.018 mm (0.0007 in.)
Piston Pin Bore I.D. - 4TN82, 4TN84(T)(4019):
Standard . . . . . . . . . . . . . . 26.00 - 26.009 mm
. . . . . . . . . . . . . . . . . . . . .(1.0236 - 1.0240 in.)
Wear Limit. . . . . . . . . . . 26.02 mm (1.024 in.)
Clearance . . . . . . . . . . . 0.022 mm (0.0009 in.)
If piston pin bore exceeds wear limit, replace piston.
If bore clearance (bore I.D. minus pin O.D.) exceeds
specification, replace piston, piston pin or both.
9. Measure piston pin bushing diameter in
connecting rod.
Piston Pin Bushing I.D. - 4TN78T:
Standard . . . . . . . . . . . . . 23.025 - 23.038 mm
. . . . . . . . . . . . . . . . . . . . .(0.9065 - 0.9070 in.)
Wear Limit. . . . . . . . . . . 23.10 mm (0.909 in.)
Clearance . . . . . . . . . . . 0.110 mm (0.0043 in.)
Piston Pin Bushing I.D. - 4TN82,4TN84(T)(4019):
Standard . . . . . . . . . . . . . 26.025 - 26.038 mm
. . . . . . . . . . . . . . . . . . . . .(1.0246 - 1.0251 in.)
Wear Limit. . . . . . . . . . . 26.10 mm (1.028 in.)
Clearance . . . . . . . . . . . 0.110 mm (0.0043 in.)
M82051A

Pistons, Rods and Cylinder Block
4/7/95
3-37
3
If bushing diameter exceeds wear limit, replace
bushing.
If bushing clearance (bushing I.D. minus pin O.D.)
exceeds specification, replace bushing, piston pin or
both.
Piston pin bushing is press fit. Replace bushing
using a driver set. When installing bushing, make
sure to align oil hole in bushing with hole in
connecting rod.
10.Measure piston diameter perpendicular to piston
pin bore at distance A.
NOTE: If engine has had a previous major
overhaul, oversize pistons and rings may
have been installed. Pistons and rings are
available in 0.25 mm (0.010 in.) oversize for
all engines and 0.50 mm (0.020 in.) oversize
for 4TN82 and 4TN84(T)(4019).
M82200A
A
M82052A
Piston O.D. - 4TN78T:
Distance A . . . . . . . . . . . . . . . . .23 mm (0.905 in.)
Standard Size Piston
Standard . . . . . . . . . . . . . 77.895 - 77.925 mm
. . . . . . . . . . . . . . . . . . . . . . .(3.067 - 3.068 in.)
Wear Limit. . . . . . . . . . . 77.81 mm (3.063 in.)
0.25 mm (0.010 in.) Oversize Piston
Standard . . . . . . . . . . . . . . . 78.15 - 78.18 mm
. . . . . . . . . . . . . . . . . . . . . . .(3.076 - 3.077 in.)
Wear Limit. . . . . . . . . . . 78.05 mm (3.073 in.)
Piston O.D. - 4TN82:
Distance A . . . . . . . . . . . . . . . . .24 mm (0.945 in.)
Standard Size Piston
Standard . . . . . . . . . . . . . . . 81.90 - 81.93 mm
. . . . . . . . . . . . . . . . . . . . . . .(3.224 - 3.225 in.)
Wear Limit. . . . . . . . . . . 81.80 mm (3.220 in.)
0.25 mm (0.010 in.) Oversize Piston
Standard . . . . . . . . . . . . . . . 82.15 - 82.18 mm
. . . . . . . . . . . . . . . . . . . . . . .(3.234 - 3.235 in.)
Wear Limit. . . . . . . . . . . 82.05 mm (3.230 in.)
0.50 mm (0.020 in.) Oversize Piston
Standard . . . . . . . . . . . . . . . 82.40 - 82.42 mm
. . . . . . . . . . . . . . . . . . . . . . .(3.244 - 3.245 in.)
Wear Limit. . . . . . . . . . . 82.30 mm (3.240 in.)
Piston O.D. - 4TN84(T)(4019)
Distance A . . . . . . . . . . . . . . . . .24 mm (0.945 in.)
Standard Size Piston
Standard . . . . . . . . . . . . . . . 83.90 - 83.93 mm
. . . . . . . . . . . . . . . . . . . . . . .(3.303 - 3.304 in.)
Wear Limit. . . . . . . . . . . 83.80 mm (3.299 in.)
0.25 mm (0.010 in.) Oversize Piston
Standard . . . . . . . . . . . . . . . 84.15 - 84.18 mm
. . . . . . . . . . . . . . . . . . . . . . .(3.313 - 3.314 in.)
Wear Limit. . . . . . . . . . . 84.05 mm (3.309 in.)

Pistons, Rods and Cylinder Bloc
k
3-38
4/7/95
3
0.50 mm (0.020 in.) Oversize Piston
Standard . . . . . . . . . . . . . . . 84.40 - 84.42 mm
. . . . . . . . . . . . . . . . . . . . . . .(3.323 - 3.324 in.)
Wear Limit. . . . . . . . . . . 84.30 mm (3.319 in.)
If piston diameter is less than wear limit, install a
new piston.
11.Measure cylinder bore diameter. (See procedure
in this group.)
CYLINDER BORE
Inspection
Measure cylinder bore diameter at three positions;
top, middle and bottom. At these three positions,
measure in both directions; along crankshaft center
line and direction of crankshaft rotation.
NOTE: If engine has had a previous major
overhaul, oversize pistons and rings may
have been installed.
M82053A
Top Position
Middle Position
Bottom Position
Direction of
Crankshaft Rotation
Direction of
Crankshaft
Centerline
Cylinder Bore I.D. - 4TN78T:
Standard Size Bore
Standard . . . . . . . . . . . . . . . 78.00 - 78.03 mm
. . . . . . . . . . . . . . . . . . . . . . .(3.071 - 3.072 in.)
Wear Limit . . . . . . . . . . 78.20 mm (3.079 in.)
Clearance . . . . . . . . . . . . . 0.22 mm (0.009 in.)
0.25 mm (0.010 in.) Oversize Bore
Standard . . . . . . . . . . . . . . . 78.25 - 78.28 mm
. . . . . . . . . . . . . . . . . . . . . . .(3.081 - 3.082 in.)
Wear Limit. . . . . . . . . . . 78.45 mm (3.089 in.)
Cylinder Bore I.D. - 4TN82:
Standard Size Bore
Standard . . . . . . . . . . . . . . . 82.00 - 82.03 mm
. . . . . . . . . . . . . . . . . . . . . . .(3.228 - 3.230 in.)
Wear Limit . . . . . . . . . . 82.20 mm (3.236 in.)
Clearance . . . . . . . . . . . . . 0.35 mm (0.014 in.)
0.25 mm (0.010 in.) Oversize Bore
Standard . . . . . . . . . . . . . . . 82.25 - 82.28 mm
. . . . . . . . . . . . . . . . . . . . . . .(3.238 - 3.239 in.)
Wear Limit. . . . . . . . . . . 82.45 mm (3.246 in.)
0.50 mm (0.020 in.) Oversize Bore
Standard . . . . . . . . . . . . . . . 82.50 - 82.53 mm
. . . . . . . . . . . . . . . . . . . . . . .(3.248 - 3.249 in.)
Wear Limit. . . . . . . . . . . 82.70 mm (3.256 in.)
Cylinder Bore I.D. - 4TN84(T)(4019):
Standard Size Bore
Standard . . . . . . . . . . . . . . . 84.00 - 84.03 mm
. . . . . . . . . . . . . . . . . . . . . . .(3.307 - 3.308 in.)
Wear Limit . . . . . . . . . . 84.20 mm (3.315 in.)
Clearance . . . . . . . . . . . . . 0.35 mm (0.014 in.)
0.25 mm (0.010 in.) Oversize Bore
Standard . . . . . . . . . . . . . . . 84.25 - 84.28 mm
. . . . . . . . . . . . . . . . . . . . . . .(3.317 - 3.318 in.)
Wear Limit. . . . . . . . . . . 84.45 mm (3.325 in.)

Pistons, Rods and Cylinder Block
4/7/95
3-39
3
0.50 mm (0.020 in.) Oversize Bore
Standard . . . . . . . . . . . . . . . 84.50 - 84.53 mm
. . . . . . . . . . . . . . . . . . . . . . .(3.327 - 3.328 in.)
Wear Limit. . . . . . . . . . . 84.70 mm (3.335 in.)
If cylinder bore exceeds wear limit, replace cylinder
block or have cylinder rebored. (See Reboring
procedure.)
If cylinder is rebored, oversize pistons and rings
must be installed. Pistons and rings are available in
0.25 mm (0.010 in.) oversize for all engines and 0.50
mm (0.020 in.) oversize for 4TN82 and
4TN84(T)(4019).
If clearance (cylinder bore I.D. minus piston O.D.)
exceeds specification, replace cylinder block, piston
or both; or rebore cylinder and install oversize piston
and rings.
Deglazing
IMPORTANT: If cylinder bores are to be
deglazed with crankshaft installed in engine,
put clean shop towels over crankshaft to
protect journal and bearing surfaces from any
abrasives.
1. Deglaze cylinder bores using a flex-hone with
180 grit stones.
2. Use flex-hone as instructed by manufacturer to
obtain a 30 - 40° cross-hatch pattern as shown.
IMPORTANT: Do not use gasoline, kerosene or
commercial solvents to clean cylinder bores.
Solvents will not remove all abrasives from
cylinder walls.
3. Remove excess abrasive residue from cylinder
walls using a clean dry rag. Clean cylinder walls
using clean white rags and warm soapy water.
Continue to clean cylinder until white rags show
no discoloration.
Reboring
NOTE: The cylinder block can be rebored to use
oversize pistons and rings. Pistons and
rings are available in 0.25 mm (0.010 in.)
oversize for all engines and 0.50 mm (0.020
in.) oversize for 4TN82 and
4TN84(T)(4019). (See this group for
cylinder bore I. D. specifications.)
1. Align center of bore to drill press center.
IMPORTANT: Check stone for wear or damage.
Use a rigid hone with 300 grit stones.
2. Adjust hone so lower end is even with lower end
of cylinder bore.
3. Adjust rigid hone stones until they contact
narrowest point of cylinder.
4. Coat cylinder with honing oil. Hone should turn
by hand. Adjust if too tight.
5. Run drill press at about 250 RPM. Move hone up
and down in order to obtain a 30 - 40°crosshatch
pattern.
M82054A

Pistons, Rods and Cylinder Bloc
k
3-40
4/7/95
3M52959
30 - 40°
NOTE: Measure bore when cylinder is cool.
6. Stop press and check cylinder diameter.
NOTE: Finish should not be smooth. It should have
a 30 - 40o crosshatch pattern.
7. Remove rigid hone when cylinder is within 0.03
mm (0.001 in.) of desired size.
8. Use a flex hone with 180 grit stones for honing to
final size.
9. Check bore for size, taper and out-of-round. (See
Inspection procedures.)
IMPORTANT: Do not use solvents to clean
cylinder bore. Solvents will not remove all
metal particles and abrasives produced during
honing.
10.Clean cylinder thoroughly using warm soapy
water until clean white rags show no
discoloration.
11.Dry cylinder and apply engine oil.

Crankshaft, Main Bearings and Flywheel
4/7/95
3-41
3
OTHER MATERIALS
Number Name Use
LOCTITE® PRODUCTS
U.S./
Canadian/
LOCTITE No.
TY15130/ John Deere Form-In-Place Seals crankcase extension housing,
NA/ Gasket rear oil seal case and flywheel housing
#395 to engine block.
SERVICE PARTS KITS
The following kits are available through your parts catalog:
•Cylinder Block Gasket Kit
•Undersized Main Bearing Inserts
®LOCTITE is a registeredtrademark of the Loctite Corp.

Crankshaft, Main Bearings and Flywhee
l
3-42
3
4/7/95
3
BALANCER ASSEMBLY - 4TN82RJK,
4TN84RJK
Removal/Installation
1. Remove oil pan. (See Lubrication System in this
section.)
NOTE: Crankcase extension is removed to show
detail.
2. Align balancer-to-crankshaft timing marks.
IMPORTANT: Rotate crankshaft to find timing
marks or scribe a mark across balancer gear
and crankshaft gear teeth before removing
balancer assembly.
3. Remove oil strainer. (See Lubrication System in
this section.)
4. Remove six mounting cap screws.
5. Remove balancer assembly and o-ring.
6. Disassemble and inspect balancer assembly. (See
Disassembly/Inspection procedures.)
M48268
Timing Marks
Installation is done in the reverse order of removal.
•Align balancer-to-crankshaft timing marks when
installing balancer assembly.
Disassembly/Assembly
1. Remove nut, drive gear, cap screws and shaft
assemblies.
NOTE: Driven gears are press fit on balancer
shafts.
2. Remove driven gear using a knife-edge puller and
a press.
3. Remove retaining plate.
4. Inspect all parts for wear or damage. Replace as
necessary.
NOTE: Shaft bushings cannot be replaced
separately. Replace balancer housing if
necessary.
If drive gear is damaged, check balancer gear on
crankshaft for damage. Replace if necessary. (See
CRANKSHAFT - Inspection/Replacement
procedure in this group.)
M48309
Oil Strainer
O-Ring
Replace.
Mounting Cap Screw (6)
27 N•m (20 lb-ft)

Crankshaft, Main Bearings and Flywheel
4/7/95
3-43
3
Assembly is done in the reverse order of
disassembly.
•Install retaining plate on shaft with grooves
toward driven gear.
•Press driven gear on balancer shaft until flush
with beveled edge. Install gear with timing
marks facing away from retainer plate.
•Apply clean engine oil on all parts during
assembly.
•Align driven gear timing marks when installing
balancer shaft assemblies.
M48311
Shaft BushingHousing
Drive Gear
Nut
106 N•m (78 lb-ft)
Shaft
Driven Gear
Retaining Plate
Cap Screw (2)
M8 x 16
27 N•m (20 lb-ft
)
CRANKCASE EXTENSION HOUSING -
4TN78T, 4TN82RJK, 4TN84RJK
1. Remove flywheel. (See procedure in this group.)
2. Remove oil pan/plate. (See Lubrication System in
this section.)
M48312
Timing Marks
M48310
Cap Screw (2)
4TN78T: M10 x 25
4TN82,
4TN84: M10 x 20
49 N•m (36 lb-ft)
Cap Screw (3)
M8 x 30
26 N•m (226 lb-in.)
M82201A
John Deere
Form-In-Place Gasket
(RTV rubber silicone
sealant)
Crankcase Extension
Housing
Cap Screw (8)
M8 x 50
22 N•m (195 lb-in.)
Cap Screw (14)
27 N•m (20 lb-ft)
Cap Screw (4)
M8 x 120
27 N•m (20 lb-ft)

Crankshaft, Main Bearings and Flywhee
l
3-44
3
4/7/95
3
CRANKCASE EXTENSION HOUSING -
4TN82RJE, 4TN82ESP,
4TN84(T)(4019)
1. Remove flywheel. (See procedure in this group.)
2. Remove oil pan and oil strainer. (See Lubrication
System in this section.)
M82056
Cap Screw (3)
M8 x 35
26 N•m (226 lb-in.)
Cap Screw (4)
M10 x 30
49 N•m (36 lb-ft)
M82202A
John Deere
Form-In-Place Gasket
(RTV rubber silicone
sealant)
Crankcase Extension
Housing
Cap Screw (2)
M8 x 25
22 N•m (195 lb-in.)
Cap Screw (2)
M8 x 50
27 N•m (20 lb-ft)

Crankshaft, Main Bearings and Flywheel
4/7/95
3-45
3
CRANKSHAFT REAR OIL SEAL
Replacement
1. Remove flywheel. (See procedure in this group.)
•Replace oil seal using a driver set. Install seal,
with lip toward cylinder block. Install seal flush
with surface of oil seal case.
NOTE: If crankshaft is grooved at oil seal contact
point, seal can be installed 3 mm (0.120 in.)
farther into oil seal case.
On 4TN78T, 4TN82RJK, 4TN84RJK: All
nine seal case cap screws are M8 x 30 long.
CRANKSHAFT FRONT OIL SEAL
Replacement
•Remove timing gear cover. (See Camshaft and
Timing Gear Train in this section.)
M82057A
Rear Oil SealSeal Case-to-Block
Cap Screw (6)
M8 X 30
26 N•m (226 lb-in.)
Oil Seal Case
John Deere
Form-In-Place
Gasket
(RTV rubber
silicone sealant)
Seal Case-to-Extension
Cap Screw (3)
M8 X 35
21 N•m (180 lb-in.)
•Replace oil seal using a driver set. Install seal
with lip toward inside of gear housing cover.
Install seal flush with surface of cover.
CRANKSHAFT AND MAIN BEARINGS
Removal
1. Check crankshaft end play. (See Checks, Tests
and Adjustments in this section.)
2. Remove rear oil seal. (See procedure in this
group.)
3. Remove flywheel housing. (See procedure in this
group.)
4. Remove crankcase extension housing. (See
procedure in this group.)
5. Remove balancer assembly, if equipped. (See
procedure in this group.)
NOTE: On 4TN82 (970 CUT) and 4TN84 (1070
CUT), crankshaft can be removed without
removing timing gear cover mounting plate.
6. Remove timing gear cover mounting plate. (See
Camshaft and Timing Gear Train in this section.)
7. Check crankshaft bearing clearance. (See Checks,
Tests and Adjustments in this section.)
IMPORTANT: Connecting rod end caps must be
installed on the same connecting rods from
which they were removed. Note alignment
marks on caps and rods.
M82203A
Timing Gear Cover
Crankshaft
Front
Oil Seal

Crankshaft, Main Bearings and Flywhee
l
3-46
3
4/7/95
3
8. Remove connecting rod cap screws and end caps.
9. Push pistons and connecting rods away from
crankshaft.
IMPORTANT: Main bearing caps must be
installed on the same main bearings from
which they were removed.
10.Remove main bearing cap screws, caps and cap
thrust bearings.
11.Remove crankshaft.
12.Remove block thrust bearings and main bearing
inserts.
13.Inspect all parts for wear or damage. (See
Inspection/Replacement procedures.)
M82059A
Flywheel
End
Crankshaft
Block Thrust Bearing
Cap Thrust BearingMain Bearing Inserts
Main Bearing Cap Screw (10)
Main Bearing Cap

Crankshaft, Main Bearings and Flywheel
4/7/95
3-47
3
Installation
•Apply clean engine oil on all parts during
installation.
IMPORTANT: Do not touch bearing insert
surfaces. Oil and acid from your finger will
corrode the bearing surface.
1. Install grooved bearing inserts in crankshaft
bearing bores, aligning tangs with slots in bores.
2. Install block thrust bearings with oil grooves
facing away from engine block.
3. Install crankshaft.
4. Install smooth bearing inserts in main bearing
caps, aligning tangs with slots in caps.
NOTE: Main bearing caps have “raised arrows”
that are stamped with numbers. Both
correspond to their location on the engine
block. The number “1” main bearing bore
is at flywheel end. Install bearing caps
beginning with number 1, then 2, etc. The
main bearing cap at gear train end does not
have a number. Also install bearing caps
with the “arrow” toward the flywheel end.
5. Install cap thrust bearings, with oil grooves
facing away from cap, in the number “1” main
bearing cap.
6. Install main bearing caps in their original
locations with arrows pointing toward flywheel
side of engine.
IMPORTANT: DO NOT use high speed power
tools or air wrenches to tighten main bearing
cap screws.
7. Dip entire main bearing cap screws in clean
engine oil. Install cap screws and tighten. DO
NOT tighten to specifications.
8. Using a soft-faced hammer, tap the front end of
the crankshaft then the rear end of the crankshaft
to align the thrust bearings.
9. Tighten main bearing cap screws to
specifications. When tightening, start at center
main bearing cap and work your way out,
alternating to the ends. Turn crankshaft by hand.
If it does not turn easily, disassemble the parts
and find the cause.

Crankshaft, Main Bearings and Flywhee
l
3-48
3
4/7/95
3
M82059A
Flywheel
End
Crankshaft
Block Thrust Bearing
Cap Thrust BearingSmooth Bearing Insert
Grooved Bearing Insert
Main Bearing Cap
Main Bearing Cap Screw (10)
Dip in clean engine oil.
4TN78T: 79 N•m (58 lb-ft)
4TN82, 4TN84(T)(4019): 98 N•m (72 lb-ft)
Tangs
1
2
3
4
NOTE: On 4TN82 (970 CUT) and 4TN84 (1070
CUT), crankshaft can be installed without
removing timing gear cover mounting plate.
12.Install timing gear cover mounting plate. (See
Camshaft and Timing Gear Train in this section.)
13.Install balancer, if equipped. (See procedure in
this group.)
14.Install crankcase extension housing. (See
procedure in this group.)
15.Install flywheel housing. (See procedure in this
group.)
16.Install rear oil seal. (See procedure in this group.)
IMPORTANT: Connecting rod caps must be
installed on the same connecting rods they
were removed from.
Never reuse connecting rod cap screws,
replace with new.
10.Match the connecting rod caps to the rods using
alignment marks. Install caps.
11.Dip entire connecting rod cap screws in clean
engine oil. Install new cap screws and tighten to
specifications.
Connecting Rod Cap Screw Torque
Specifications:
4TN78T . . . . . . . . . . . . . . . . 39 N•m (29 lb-ft)
4TN82, 4TN84(T)(4019) . . . 47 N•m (35 lb-ft)

Crankshaft, Main Bearings and Flywheel
4/7/95
3-49
3
Inspection/Replacement
1. Inspect crankshaft gear for chipped or broken
teeth. Replace if necessary.
To replace gear:
Remove gear from crankshaft using a knife-edge
puller and a press.
Heat gear to approximately 150oC (300oF). Install
gear with timing mark “A” toward press table. Align
slot in gear with key in shaft. Press crankshaft into
gear until gear is tight against crankshaft shoulder.
CAUTION
DO NOT heat oil over 182° C (360° F). Oil
fumes or oil can ignite above 193° C (380° F).
Use a thermometer. Do not allow a flame or
heating element to come in direct contact
with the oil. Heat the oil in a well-ventilated
area. Plan a safe handling procedure to avoid
burns.
2. If equipped, inspect balancer gear on crankshaft
for chipped or broken teeth. Replace if necessary.
To replace gear:
- Scribe a mark across crankshaft at location of
timing mark on gear, to aid in assembly.
- Remove gear using a knife-edge puller and a
press.
- Heat gear to approximately 150°C (300°F).
Install new gear with timing mark facing away
from press table. Align timing mark on gear
with mark on crankshaft made during
disassembly. Press gear onto crankshaft until
gear is tight against crankshaft shoulder.
3. Inspect crankshaft for bend using v-blocks and a
dial indicator. Turn crankshaft slowly and read
variation on indicator. If variation is greater than
0.02 mm (0.0007 in.), replace crankshaft.
M82060A
Key
Crankshaft Gear
Timing
Mark
M82061A
Dial Indicator
V-Block

Crankshaft, Main Bearings and Flywhee
l
3-50
3
4/7/95
3
4. Measure crankshaft connecting rod journal and
main bearing journal diameters. Measure several
places around each journal.
NOTE: If engine has had a previous major
overhaul, journals may have been ground
and undersized bearing inserts installed.
Connecting Rod Journal O.D. - 4TN78T:
Standard . . . . . . . . . . . . . 42.952 - 42.962 mm
. . . . . . . . . . . . . . . . . . . . .(1.6910 - 1.6914 in.)
Wear Limit. . . . . . . . . . . 42.91 mm (1.689 in.)
Connecting Rod Journal O.D. - 4TN82,
4TN84(T)(4019):
Standard . . . . . . . . . . . . . 47.952 - 47.962 mm
. . . . . . . . . . . . . . . . . . . . .(1.8879 - 1.8883 in.)
Wear Limit. . . . . . . . . . . 47.91 mm (1.886 in.)
Main Bearing Journal O.D. - 4TN78T:
Standard . . . . . . . . . . . . . 46.952 - 46.962 mm
. . . . . . . . . . . . . . . . . . . . .(1.8485 - 1.8489 in.)
Wear Limit. . . . . . . . . . . 46.91 mm (1.847 in.)
Main Bearing Journal O.D. - 4TN82,
4TN84(T)(4019):
Standard . . . . . . . . . . . . . 46.952 - 46.962 mm
. . . . . . . . . . . . . . . . . . . . .(1.9666 - 1.9670 in.)
Wear Limit. . . . . . . . . . . 49.90 mm (1.965 in.)
M82062A
Main
Bearing
Journal
Connecting
Rod Journal
If journal diameter is less than wear limit, replace
crankshaft or have journals ground undersize by a
qualified machine shop.
If journals are ground, undersize bearing inserts
must be installed. Bearing inserts are available in
0.25 mm (0.010 in.) undersize.
5. Install bearing inserts and main bearing cap on
main bearing. Tighten main bearing cap screws to
specifications.
Main Bearing Cap Screw Torque Specifications:
4TN78T . . . . . . . . . . . . . . . . 79 N•m (58 lb-ft)
4TN82,
4TN84(T)(4019). . . . . . . . . . 98 N•m (72 lb-ft)
6. Measure main bearing diameter.
Main Bearing I.D. - 4TN78T:
Standard . . . . . . . . . . . . . . 47.00 - 47.045 mm
. . . . . . . . . . . . . . . . . . . . . . .(1.850 - 1.852 in.)
Wear Limit. . . . . . . . . . 47.10 mm (1.8541 in.)
Clearance . . . . . . . . . . . . . 0.16 mm (0.006 in.)
Main Bearing I.D. - 4TN82, 4TN84(T)(4019):
Standard . . . . . . . . . . . . . . 50.00 - 50.045 mm
. . . . . . . . . . . . . . . . . . . . . . .(1.969 - 1.970 in.)
Wear Limit. . . . . . . . . . . 50.10 mm (1.972 in.)
Clearance . . . . . . . . . . . . . 0.16 mm (0.006 in.)
M82063

Crankshaft, Main Bearings and Flywheel
4/7/95
3-51
3
If bearing diameter exceeds wear limit, replace
bearing inserts.
If bearing clearance (bearing I.D. minus crankshaft
main bearing journal O.D.) exceeds specification,
replace bearing inserts and crankshaft or have
crankshaft journals ground undersize by a qualified
machine shop and install undersized bearing inserts.
Bearing inserts are available in 0.25 mm (0.010 in.)
undersize.
7. Clean and inspect oil passages in main bearing
journals, connecting rod journals and main
bearing bores in cylinder block.
8. Inspect crankshaft for cracks or damage. Replace
if necessary.
FLYWHEEL
IMPORTANT: Never reuse flywheel mounting
cap screws. Always install new.
•Inspect pilot bushing, if equipped, for wear or
damage. Replace if necessary using a driver set.
Install bushing flush with flywheel surface.
•Measure flywheel flatness. Place a straight edge
across flywheel surface opposite of ring gear.
Measure clearance between straight edge and
flywheel surface with a feeler gauge. If
clearance exceeds 0.02 mm (0.0008 in.), replace
flywheel.
M35337
M82204A
Flywheel
Pilot Bushing
(4TN82RJK,
4TN84RJK only)
Flywheel Mounting
Cap Screw (6)
Replace.
Apply clean engine oil
on threads.
83 N•m (61 lb-ft)
Flywheel Housing/Plate

Crankshaft, Main Bearings and Flywhee
l
3-52
3
4/7/95
3
FLYWHEEL HOUSING - 4TN78T,
4TN82RJE, 4TN82ESP, 4TN84(T)
(4019 DF/TF005 and 006)
1. Remove flywheel. (See procedure in this group.)
2. Remove starter.
Housing-to-Block
Cap Screw (6)
M10 x 25
49 N•m (36 lb-ft)
Housing-to-Extension
Cap Screw
4TN78T: (2)
4TN82, 4TN84(T)(4019): (4)
4TN78T: M10 x 25
4TN82,
4TN84(T)(4019): M10 x 30
49 N•m (36 lb-ft)
Plug
Flywheel Housing
John Deere Form-In-Place
Gasket (RTV rubber
silicone sealant)
M82205A
NOTE: 4TN84(T)(4019 DF/TF001) engines are
equipped with a flywheel plate in place of a
housing. (See procedure in this group.)
FLYWHEEL PLATE - 4TN82RJK,
4TN84RJK, 4TN84(T)(4019 DF/TF001)
1. Remove flywheel. (See procedure in this group.)
2. Remove starter.
Mounting Cap Screw (8)
M10 x 20
49 N•m (36 lb-ft) Flywheel Plate
M82206A

Camshaft and Timing Gear Train
4/7/95
3
3-53
3
SPECIAL OR ESSENTIAL TOOLS
NOTE: Order tools according to information given in the U.S. SERVICE-GARDTM Catalog or in the
European Microfiche Tool Catalog (MTC).
D15001NU Magnetic Follower Holder Kit
Hold cam followers when removing and installing camshaft.
OTHER MATERIALS
Number Name Use
LOCTITE® PRODUCTS
U.S./
Canadian/
LOCTITE No.
TY15130/ John Deere Form-In-Place Seals camshaft plug, timing gear cover and
NA/ Gasket plate to engine block.
#395
TY9370/ Thread Lock and Sealer Apply to threads of crankshaft pulley
TY9477/ (Medium Strength) cap screw.
#242
SERVICE PARTS KITS
The following kits are available through your parts catalog:
•Cylinder Head Gasket Kit
•Cylinder Block Gasket Kit
® LOCTITE is a registered trademark of the Loctite Corp.

Camshaft and Timing Gear Train
3-54
3
4/7/95
3
CAMSHAFT
Removal
1. Remove rocker arm assembly and push rods. (See
Cylinder Head, Valves and Manifolds in this
section.)
2. Remove timing gear cover. (See procedure in this
group.)
3. Check camshaft end play. (See Checks, Tests and
Adjustments in this section.)
4. Check backlash of timing gears. (See Checks,
Tests and Adjustments in this section.)
NOTE: If a magnetic follower holder kit is not
available, turn engine until oil pan is
upward, to hold cam followers away from
camshaft.
5. Hold cam followers away from camshaft using a
magnetic follower holder kit such as D15001NU.
NOTE: Due to the odd number of teeth on the idler
gear, timing marks will only align
periodically.
6. Rotate crankshaft and align timing marks.
IMPORTANT: DO NOT allow camshaft lobes to
hit bearing surfaces while removing camshaft.
Machined surfaces can be damaged.
7. Remove two cap screws and camshaft.
8. Inspect all parts for wear or damage. (See
Inspection/Replacement procedures.)
Installation
•Apply clean engine oil on all parts during
installation.
IMPORTANT: DO NOT allow camshaft lobes to
hit bearing surfaces while installing camshaft.
Machined surfaces can be damaged.
1. Rotate crankshaft to align timing marks.
2. Install camshaft.
3. Install and tighten mounting cap screws to 26
N•m (226 lb-in.).
4. Install timing gear cover. (See procedure in this
group.)
5. Install push rods and rocker arm assembly. (See
Cylinder Head, Valves and Manifolds in this
section.)
M37836
Mounting Cap Screws
M8 X 16
Camshaft
Timing
Marks

Camshaft and Timing Gear Train
4/7/95
3
3-55
3
Inspection/Replacement
1. Check camshaft side gap using a feeler gauge.
Camshaft Side Gap:
Standard . . . . . . . . . . . . . . . . . 0.05 - 0.20 mm
. . . . . . . . . . . . . . . . . . . . .(0.0020 - 0.0079 in.)
Wear Limit. . . . . . . . . . . . 0.40 mm (0.016 in.)
If side gap is at wear limit, remove gear and replace
thrust plate.
2. Inspect gear for chipped or broken teeth. Replace
if necessary.
To remove/replace gear:
Remove gear from camshaft using a knife-edge
puller and a press.
CAUTION
DO NOT heat oil over 182° C (360° F). Oil
fumes or oil can ignite above 193° C (380° F).
Use a thermometer. Do not allow a flame or
heating element to come in direct contact
with the oil. Heat the oil in a well-ventilated
area. Plan a safe handling procedure to avoid
burns.
M82067A
Camshaft Gear
Thrust Plate
Side Gap
Heat gear to approximately 150oC (300oF).
IMPORTANT: Be sure thrust plate is not
between camshaft gear and camshaft shoulder
while installing gear.
Install thrust plate if removed. Install gear with
timing mark “C” side toward press table. Align slot
in gear with key in shaft. Press camshaft into gear
until gear is tight against camshaft shoulder.
Thrust plate must spin freely on camshaft.
3. Inspect camshaft for bend using v-blocks and a
dial indicator. Turn camshaft slowly and read
variation on indicator. If variation is greater than
0.02 mm (0.001 in.), replace camshaft.
4. Measure camshaft lobe height.
M82068A
Thrust Plate
Camshaft Gear
Key
M82069A
Dial Indicator
Camshaft
Central Bearing
Area
V-Block

Camshaft and Timing Gear Train
3-56
3
4/7/95
3
Lobe Height:
Standard . . . . . . . . . . . . . 38.635 - 38.765 mm
. . . . . . . . . . . . . . . . . . . . . . .(1.521 - 1.526 in.)
Wear Limit. . . . . . . . . . . 38.40 mm (1.512 in.)
If lobe height is less than wear limit, replace
camshaft.
5. Measure camshaft end and intermediate journal
diameters.
Camshaft Journal O.D.:
Gear Housing and Flywheel Ends
Standard . . . . . . . . . . . . . . . 44.92 - 44.95 mm
. . . . . . . . . . . . . . . . . . . . . . .(1.769 - 1.770 in.)
Wear Limit. . . . . . . . . . . 44.80 mm (1.764 in.)
Intermediate
Standard . . . . . . . . . . . . . . . 44.91 - 44.94 mm
. . . . . . . . . . . . . . . . . . . . . . .(1.768 - 1.769 in.)
Wear Limit. . . . . . . . . . . 44.80 mm (1.764 in.)
M82070A
Lobe
Height
M82071A
Flywheel End
Journal
Intermediate
Journal
Gear Housing
End Journal
If journal diameters are less than wear limit, replace
camshaft.
6. Measure camshaft bushing diameter at gear
housing end.
Camshaft Bushing I.D.:
Standard . . . . . . . . . . . . . 44.990 - 45.055 mm
. . . . . . . . . . . . . . . . . . . . . . .(1.771 - 1.774 in.)
Wear Limit. . . . . . . . . . . 45.10 mm (1.776 in.)
Clearance . . . . . . . . . . . . 0.20 mm (0.0079 in.)
If bushing diameter exceeds wear limit, replace
bushing.
If bushing clearance (bushing I.D. minus camshaft
journal O.D.) exceeds specification, replace bushing,
camshaft or both.
To replace bushing:
Remove bushing using a chisel. Be careful not to
push bushing inside of engine. Align oil holes in
new bushing and cylinder block. Install bushing
using a driver set.
NOTE: Flywheel housing must be removed to
measure camshaft intermediate and
flywheel end bearing diameters.
7. Measure intermediate and flywheel end camshaft
bore diameters using the following procedures:
•Remove flywheel housing. (See Crankshaft,
Main Bearings and Flywheel in this section.)
•Remove plug using a long wooden dowel. Insert
wooden dowel through gear housing side.
M82072
Camshaft Bushing
Oil Holes

Camshaft and Timing Gear Train
4/7/95
3
3-57
3
•Measure intermediate and flywheel end
camshaft bore diameters.
Camshaft Bore I.D.:
Standard . . . . . . . . . . . . . . 45.00 - 45.025 mm
. . . . . . . . . . . . . . . . . . . . . . .(1.772 - 1.773 in.)
Wear Limit. . . . . . . . . . . 45.10 mm (1.776 in.)
Clearance . . . . . . . . . . . . . 0.18 mm (0.007 in.)
If bore diameter exceeds wear limit, replace cylinder
block.
If bore clearance (bore I.D. minus camshaft journal
O.D.) exceeds specification, replace camshaft,
cylinder block or both.
•Apply John Deere Form-In Place Gasket, or an
equivalent, on outer edge of plug. Install plug
until it bottoms in bore.
•Install flywheel housing.
M35287
Plug
M82073
Intermediate
Bore
Flywheel
End
Bore
CAM FOLLOWERS
Removal/Installation
1. Remove camshaft. (See procedure in this group.)
2. Remove oil pan and strainer. (See Lubrication
System in this section.)
IMPORTANT: Cam followers must be installed
in the same bores from which they were
removed.
3. Put a mark on each cam follower and cylinder
block bore to aid in installation.
4. Remove cam followers.
5. Inspect all parts for wear or damage. (See
Inspection procedures.)
6. Apply clean engine oil on all parts during
installation.
Installation is done in the reverse order of removal.
Inspection
•Inspect cam follower contact surface for
abnormal wear. Replace if necessary.
M82074A
Abnormal Contact
Normal Contact

Camshaft and Timing Gear Train
3-58
3
4/7/95
3
•Measure cam follower stem diameter.
Cam Follower Stem O.D.:
Standard . . . . . . . . . . . . . 11.975 - 11.990 mm
. . . . . . . . . . . . . . . . . . . . . . .(0.471 - 0.472 in.)
Wear Limit. . . . . . . . . . . 11.93 mm (0.470 in.)
If stem diameter is less than wear limit, replace cam
follower.
•Measure cam follower bore diameter in cylinder
block.
Cam Follower Bore I.D.:
Standard . . . . . . . . . . . . . 12.000 - 12.018 mm
. . . . . . . . . . . . . . . . . . . . . . .(0.472 - 0.473 in.)
Wear Limit. . . . . . . . . . . 12.05 mm (0.474 in.)
Clearance . . . . . . . . . . . . . 0.10 mm (0.004 in.)
If cam follower bore diameter exceeds wear limit,
replace cylinder block.
If bore clearance (bore I.D. minus follower stem
O.D.) exceeds specification, replace cam follower,
cylinder block or both.
TIMING GEAR COVER
Removal/Installation
1. Remove alternator and belt.
2. Remove fan, spacer/plate, if equipped, and
pulley.
M82075A 3. Remove crankshaft pulley cap screw and washer.
4. Remove crankshaft pulley using a two-jaw puller
kit.
5. Remove tachometer, if equipped.
6. 4TN82RJK (970 CUT), 4TN84RJK (1070 CUT):
Remove hydraulic pump and steering pump, if
equipped. (See procedure in Machine Technical
Manual).
NOTE: It is not necessary to remove auxiliary drive
cover and gasket, if equipped, end cover and
o-ring or fuel injection pump gear cover to
remove timing gear cover.
7. Remove 18 mounting cap screws and timing gear
cover.
Installation is done in the reverse order of removal.
•Replace seal washer.
•Tighten all mounting cap screws to 26 N•m (226
lb-in.)
•Align pin in crankshaft pulley with hole in
crankshaft gear. Install crankshaft pulley.
•Adjust fan/alternator drive belt tension. (See
Checks, Tests and Adjustments in this section.)
M82207A
PulleySpacer/Plate
If equipped.
Cap Screw (4)
11 N•m (96 lb-in.)
M35295
Pin
Hole

Camshaft and Timing Gear Train
4/7/95
3
3-59
3
IDLER GEAR
Removal/Installation
1. Remove timing gear cover. (See procedure in this
group.)
2. Check backlash of timing gears. (See Checks,
Tests and Adjustments in this section.)
NOTE: Due to the odd number of teeth on the idler
gear, timing marks will only align
periodically. When all timing marks on
gears align, the piston closest to the water
pump is at TDC on compression stroke.
Number one cylinder is closest to the
flywheel.
3. Rotate crankshaft and align timing marks.
4. Remove two cap screws, shaft and gear.
M82208A
Mounting Plate-to-Cover
Cap Screw (2)
M8 x 20
O-Ring
Timing Gear Cover
Cap Screw (2)
M6 x 12
Mounting Cap Screw (3)
M8 x 55
Seal Washer
Replace.
Crankshaft Pulley
Washer
Cap Screw
Apply thread lock and
sealer (medium strength)
to threads.
115 N•m (85 lb-ft)
Cap Screw (4)
M8 x 12
Injection Pump
Gear Cover
Mounting Cap Screw (4)
M8 x 85
Crankcase Extension
Housing-to-Cover
Cap Screw (2)
M8 x 25
22 N•m (195 lb-in.)
Mounting Cap Screw (6)
M8 x 45
Clamp
If equipped.
John Deere
Form-In-Place
Gasket
(RTV rubber
silicone sealant)
End Cover
Tachometer is
optional.
Mounting Cap Screw
M8 x 16
Gasket
O-Ring
Cap

Camshaft and Timing Gear Train
3-60
3
4/7/95
3
5. Inspect all parts for wear or damage. (See
Inspection/Replacement procedures.)
Installation is done in the reverse order of removal.
Inspection/Replacement
•Inspect gear for chipped or broken teeth.
Replace if necessary.
•Measure idler gear shaft diameter.
Idler Gear Shaft O.D.:
Standard . . . . . . . . . . . . . 45.950 - 45.975 mm
. . . . . . . . . . . . . . . . . . . . . . .(1.809 - 1.810 in.)
Wear Limit. . . . . . . . . . . 45.93 mm (1.808 in.)
M82209A
Idler Gear (43T)
Idler Gear Shaft
Cap Screw (2)
M8 x 45
If shaft diameter is less than wear limit, replace idler
gear shaft.
•Measure idler gear bushing diameter.
Idler Gear Bushing I.D.:
Standard . . . . . . . . . . . . . . 46.00 - 46.025 mm
. . . . . . . . . . . . . . . . . . . . . . .(1.811 - 1.812 in.)
Wear Limit. . . . . . . . . . . 46.08 mm (1.814 in.)
Clearance . . . . . . . . . . . . 0.15 mm (0.0059 in.)
If bushing diameter exceeds wear limit, replace
bushing.
To replace bushing:
Replace bushing using a driver set. Align oil holes in
bushing and idler gear. Install bushing flush with
surface of idler gear.
If bushing clearance (bushing I.D. minus shaft O.D.)
exceeds specification, replace bushing, shaft or both.
M82210A
Idler Gear
Bushing
Idler Gear
Shaft

Camshaft and Timing Gear Train
4/7/95
3
3-61
3
M82211A
John Deere
Form-In-Place Gasket
(RTV rubber silicone sealant)
Timing Gear Cover
Mounting Plate
Mounting Cap Screw (4)
M8 x 16
25 N•m (220 lb-in.)
Stud (3)
O-Rings
Replace.
TIMING GEAR COVER MOUNTING
PLATE
Removal/Installation
1. Remove camshaft. (See procedure in this group.)
2. Remove idler gear. (See procedure in this group.)
3. Remove fuel injection pump. (See Fuel System in
this section.)
4. Remove oil pump. (See Lubrication System in
this section.)
5. Remove mounting cap screws and plate.
6. Replace o-rings.
Installation is done in the reverse order of removal.

Lubrication System
3-62
4/7/95
3
OTHER MATERIALS
Number Name Use
LOCTITE® PRODUCTS
U.S./
Canadian/
Loctite No.
TY15130/ John Deere Form-In-Place Seals oil pan to crankcase
NA/ Gasket extension housing.
#395
TY9375/ John Deere Pipe Sealant 4TN78T and 4TN84T (4019TF001 and
TY9480/ with TEFLON® 005): Apply to threads of plug in oil
filter #592 mounting block.
®LOCTITE is a registered trademark of the Loctite Corp.
®TEFLON is a registered trademark of the Du Pont Company.

Lubrication System
4/7/95
3
3-63
3
OIL PAN AND STRAINER
Removal/Installation
•Approximate crankcase oil capacity is:
4TN78T. . . . . . . . . . . . . . . . . . . . . . . 7.5L (8 qt)
4TN82RJK . . . . . . . . . . . . . . . . . . 5.3L (5.6 qt)
4TN82RJE/ESP . . . . . . . . . . . . . . . . 5.7L (6 qt)
4TN84RJK . . . . . . . . . . . . . . . . . . 5.3L (5.6 qt)
4TN84(T)(4019)
4019D/TF001 and 005 . . . . . . . 6.8L (7.1 qt)
4019D/TF006. . . . . . . . . . . . . . 9.5L (9.9 qt)
•Tighten all cap screws to 26 N•m (226 lb-in.).
•Fill engine with proper engine oil. (See
SPECIFICATIONS AND GENERAL
INFORMATION section.)
M82213A
Oil Strainer
Gasket
Replace.
Cap Screw (2)
M8 x 35
John Deere Form-In-Place Gasket
(RTV rubber silicone sealant)
Cap Screw (20)
M8 x 45
Cap Screw (4)
M8 x 16
Drain Plug
Spacer Plate (2)
Oil
Pan
4TN82RJE,
4TN82ESP
O-Ring
Replace.
M82212A
Gasket
Replace.
Cap Screw (2)
M8 x 35
Oil Strainer
John Deere Form-In-Place Gasket
(RTV rubber silicone sealant)
Oil Pan/Cover
Cap Screw (20)
M8 x 12 (4TN82RJK, 4TN84RJK)
M8 x 25 (4TN78T)
Drain Plug
O-Ring (4TN78T)
or
Copper Washer
(4TN82RJK, 4TN84RJK)
Replace.
4TN78T, 4TN82RJK, 4TN84RJK
Cap Screw
4TN82RJK, 4TN84RJK (1)
4TN78T (2)
M8 x 12

Lubrication System
3-64
4/7/95
3
OIL PUMP
Removal/Installation
1. Remove timing gear cover. (See Camshaft and
Timing Gear Train in this section.)
2. Check oil pump gear backlash. Replace entire oil
pump assembly if backlash is more than 0.25 mm
(0.010 in.).
3. Remove four mounting cap screws, oil pump and
gasket.
4. Inspect all parts for wear or damage. (See
Disassembly/Assembly procedures).
Disassembly/Assembly
•Gear is press fit on rotor shaft. Remove gear
using a knife edge puller and a press.
NOTE: Safety valve is on 4TN78T and 4TN84T
(4019TF001 and 005) only.
•Inspect parts for wear or damage. (See
Inspection procedures.)
•Coat all parts with clean engine oil.
M82215A
Mounting Cap Screw
M6 x 25
25 N•m (18 lb-ft)
Oil Pump
Oil Pump
Gasket
M82214A
Oil Strainer
Cap Screw (2)
M8 x 35
Gasket
Spacer Plate (2)
Drain Plug
Cap Screw (18)
M8 x 45
O-Ring
Replace.Cap Screw (4)
M8 x 16
Cap Screw (4)
M8 x 50
John Deere Form-In-Place Gasket
(RTV rubber silicone sealant)
Oil Pan
(4019D/TF001, 005)
4019D/TF006
4TN84(T)(4019)

Lubrication System
4/7/95
3
3-65
3
•Install outer rotor with identification mark
facing toward rotor shaft assembly.
Inspection
•Check rotor shaft outer diameter and the shaft
hole diameter in backing plate. If clearance is
more than wear limit, replace entire assembly
Rotor Shaft and Plate Clearance:
Standard . . . . . . . . . . . . . . . 0.015 - 0.048 mm
. . . . . . . . . . . . . . . . . . . . .(0.0006 - 0.0035 in.)
Wear Limit. . . . . . . . . . . 0.20 mm (0.0078 in.)
•Check rotor recess. If rotors are below face of
pump housing more than wear limit, replace
rotor assembly.
Rotor Recess - 4TN78T:
Standard . . . . . . . . . . . . . . . . . 0.05 - 0.10 mm
. . . . . . . . . . . . . . . . . . . . .(0.0020 - 0.0039 in.)
Wear Limit. . . . . . . . . . . 0.15 mm (0.0059 in.)
M82216A
Alignment Pin (2)
Backing Plate
Pump Body
Rotor Shaft
Gear
Inner Rotor
Outer Rotor
Identification
Mark
Safety Valve
Non-Adjustable.
DO NOT Remove.
M37775
Straight Edge
Housing
Feeler Gauge
Outer Rotor
Rotor Recess - 4TN82, 4TN84(T)(4019):
Standard . . . . . . . . . . . . . . . . . 0.03 - 0.09 mm
. . . . . . . . . . . . . . . . . . . . .(0.0011 - 0.0035 in.)
Wear Limit. . . . . . . . . . . 0.15 mm (0.0059 in.)
•Check outer rotor-to-pump body clearance. If
clearance is more than wear limit, replace entire
assembly
Outer Rotor-to-Pump Body Clearance - 4TN78T:
Standard . . . . . . . . . . . . . . . . . 0.09 - 0.16 mm
. . . . . . . . . . . . . . . . . . . . .(0.0035 - 0.0063 in.)
Wear Limit. . . . . . . . . . . 0.25 mm (0.0098 in.)
Outer Rotor-to-Pump Body Clearance - 4TN82,
4TN84(T)(4019):
Standard . . . . . . . . . . . . . . . . . 0.10 - 0.17 mm
. . . . . . . . . . . . . . . . . . . . .(0.0039 - 0.0067 in.)
Wear Limit. . . . . . . . . . . 0.25 mm (0.0098 in.)
•Check inner-to-outer rotor clearance. If
clearance is more than wear limit, replace rotor
assembly.
M37776
Body
Outer Rotor
Feeler Gauge
M37777
Feeler Gauge
Inner Rotor
Outer Rotor

Lubrication System
3-66
4/7/95
3
M82217A
Oil Pressure
Regulating Valve
Mounting Bolt
30 N•m (22 lb-ft)
Cap Screw (3)
M8 x 65
27 N•m (20 lb-ft)
Plug
Apply Pipe Sealant
with TEFLON.
Gasket
Mounting Stud
Oil Filter
Oil Cooler
O-Ring
O-Rings
Replace.
Mounting BlockOil Cooler
By-Pass Valve
3. Disconnect coolant hoses.
4. Remove mounting bolt, oil cooler and o-rings.
5. Remove three cap screws, oil filter mounting
block and gasket.
NOTE: See OIL PRESSURE REGULATING VALVE
if service is necessary.
6. Inspect all parts for wear or damage. Replace as
necessary.
NOTE: Oil cooler bypass valve components are not
seviced seperately. Bypass valve and
mounting block are replaced as an
assembly. Remove parts only to inspect for
wear or damage.
7. Pressure test oil cooler. (See Checks, Tests and
Adjustments in this section.)
Installation is done in reverse order of removal.
•Close drain valve and fill radiator with proper
coolant to top of filler neck. (See
SPECIFICATIONS AND GENERAL
INFORMATION section.)
Inner-to-Outer Rotor Clearance - 4TN78T:
Standard . . . . . . . . . . . . . . . . . 0.02 - 0.04 mm
. . . . . . . . . . . . . . . . . . . . .(0.0008 - 0.0016 in.)
Wear Limit. . . . . . . . . . . 0.15 mm (0.0059 in.)
Inner-to-Outer Rotor Clearance - 4TN82,
4TN84(T)(4019):
Standard . . . . . . . . . . . . . . . . 0.05 - 0.105 mm
. . . . . . . . . . . . . . . . . . . . .(0.0019 - 0.0041 in.)
Wear Limit. . . . . . . . . . . 0.15 mm (0.0059 in.)
OIL COOLER - 4TN78T AND 4TN84T
(4019TF001 and 005)
NOTE: 4TN84T(4019TF001 and 005):
Approximate cooling system capacity is
4.7L (4.9 qt).
1. 4TN84T(4019TF001 and 005): Drain cooling
system.
2. Remove oil filter.

Lubrication System
4/7/95
3
3-67
3
OIL PRESSURE REGULATING
VALVE - 4TN78T AND 4TN84T
(4019TF001 and 005)
Removal/Installation
•Inspect all parts for wear or damage. Replace as
necessary.
M82218A
Plug
Copper Washer
Replace.
Shims
Spring
Valve
OIL PRESSURE REGULATING
VALVE - 4TN82, 4TN84 (4019DF)
AND 4TN84T (4019TF006)
Removal/Installation
1. Remove oil filter.
2. Remove three cap screws, valve assembly and
gasket.
NOTE: If adjusting engine oil pressure, retaining
nut need not be removed.
3. If adjusting pressure only, remove cap and add
shims. Each 1 mm (0.039 in.) of shim thickness
increases oil pressure 15.6 kPa (2.3 psi).
NOTE: Valve components are not serviced
individually. Replace complete regulating
valve if any components are defective.
4. Inspect all parts for wear or damage. Replace
complete valve if necessary.
5. Check spring free and compressed length.
Spring Specifications:
Free Length . . . . . . . . . . . . .46 mm (1.810 in.)
Compressed Length . . . 27.50 mm (1.080 in.)
. . . . . . . . . . . . . . . . . . @ 20.5 N (4.6 lb-force)
Installation is done in the reverse order of removal.

Lubrication System
3-68
4/7/95
3
M51580
Mounting Bolt
15 N•m (130 lb-in.)
Piston
Cooling
Nozzle
M51581
Locating Pin
M82219A
Housing
Retaining Nut
30 N•m (22 lb-ft)
Oil Filter
Gasket
Cap Screw (3)
M8 x 20
27 N•m (20 lb-ft)
O-Ring
Replace.
Cap
Stake to
valve body.
Shims
Spring
Valve
Valve Body
PISTON COOLING NOZZLES - 4TN78T
AND 4TN84T
(4019TF001 and 005)
Replacement
1. Remove oil pan and strainer. (See procedure in
this group.)
•Install nozzle with locating pin in locating hole
of cylinder block.

Cooling System
4/7/95
3-69
3
OTHER MATERIALS
Number Name Use
LOCTITE® PRODUCTS
U.S./
Canadian/
LOCTITE No.
TY9375/ John Deere Pipe Sealant 4TN78T, 4TN82RJE, 4TN82ESP and
TY9480/ with TEFLON® 4TN84(T)(4019): Apply to threads of
#592 plug and nipple in thermostat housing
and pipe plug in water pump housing.
®LOCTITE is a registered trademark of the Loctite Corp.
®TEFLON is a registered trademark of the Du Pont Company.

Cooling System
3-70
4/7/95
3
COOLANT TEMPERATURE SWITCH
Replacement
NOTE: Some engines may also be equipped with a
coolant temperature sender. Sender is
located opposite of switch in thermostat
housing. Replacement procedures are the
same.
1. Disconnect wiring lead, if equipped.
2. Open engine drain valve to drain coolant.
3. Remove switch and washer.
4. Test switch. (See Checks, Tests and Adjustments
in this section.)
Installation is done in reverse order of removal.
M82220A
Coolant Temperature
Switch
Copper
Washer
Replace.Thermostat
Housing
THERMOSTAT AND HOUSING -
4TN78T, 4TN82RJE, 4TN82ESP AND
4TN84(T) (4019)
1. Drain engine coolant.
2. Remove upper radiator hose, if equipped.
3. Disconnect coolant temperature switch/sender
wiring lead(s).
4. Loosen alternator-to-bracket mounting cap screw.
5. Loosen clamps and remove thermostat housing-
to-water pump hose.
6. Remove mounting cap screws, housing and
gasket.
7. Inspect all parts for wear or damage. Replace as
necessary.
8. Test thermostat. (See Checks, Tests and
Adjustments in this section.)
Installation is done in reverse order of removal.
•Adjust fan/alternator drive belt tension. (See
Checks, Tests and Adjustments in this section.)
Gasket
Replace.
PlateCap Screw (2)
M8 x 20
20 N•m (180 lb-in.)
Copper Washer
Replace.
Cover
Gasket
Replace.
Thermostat
Gasket
Replace.
M82221A
Copper Washer
Replace.
Cap
Alternator Slide
Bracket
Mounting Cap
Screw
M8 x 60
26 N•m (226 lb-in.)
Thermostat Housing-to-
Water Pump Hose
Mounting Cap Screw
M8 x 50
26 N•m (226 lb-in.
)
Mounting Cap Screw
M8 x 25
26 N•m (226 lb-in.
)
Nipple
Apply Pipe Sealant
with TEFLON to threads.
Housing
Plug
Apply Pipe Sealant with
TEFLON to threads.
Gasket
Replace.
Coolant Temperature Switch
Cap Screw (2)
M6 x 16
9 N•m (78 lb-in.)

Cooling System
4/7/95
3-71
3
THERMOSTAT - 4TN82RJK AND
4TN84RJK
•Replace gaskets.
•Test thermostat. (See Checks, Tests and
Adjustments in this section.)
WATER PUMP - 4TN78T, 4TN82RJE,
4TN82ESP AND 4TN84(T) (4019)
Removal/Installation
1. Drain engine coolant.
2. Remove fan/alternator belt.
3. 4TN78T, 4TN82RJE, 4TN82ESP, 4TN84RJK:
Remove fan, plate, if equipped, and pulley.
4TN84(T) (4019): Remove cooling fan. (See
procedure in ACCESSORIES - SERIES 220
POWER UNIT ENGINES section.)
M82222A
Cover
Cover
Gasket
Thermostat
Gasket
Cap Screw (2)
M8 x 20
20 N•m (180 lb-in.)
4. Remove lower radiator hose, if equipped.
5. Loosen clamps and remove thermostat housing-
to-water pump hose.
6. Remove three mounting cap screws, pump and
gasket.
7. Inspect all parts for wear or damage. (See
Disassembly/Assembly procedures.)
Installation is done in the reverse order of removal.
M82294A
Pulley Plate
4TN78T, 4TN82RJE, 4TN84RJK Only
Cap Screw
11 N•m (96 lb-in.)
M82223A
Gasket
Replace.
Mounting Cap Screw (3)
M8 x 60
26 N•m (226 lb-in.
)
Water PumpThermostat Housing-to-
Water Pump Hose

Cooling System
3-72
4/7/95
3
Disassembly
1. Apply heat to three plate-to-housing screws.
Remove screws, plate and gasket
M82224A
Pipe Plug
Apply Pipe Sealant with
TEFLON to threads.
Pulley
Flange
Bearing
Shaft
Water Pump
Housing
Shaft Seal
Replace.
Seal Cup and
Ceramic Seal
Replace.
Impeller
Gasket
Replace.
Plate-to-Housing Screw (3)
15 N•m (134 lb-in.)
Plate
Plug
15 N•m (130 lb-in.)
2. Apply extreme heat to pulley flange. Remove
flange using a knife-edge puller set and two small
nuts.
M35645
Two Small Nuts
Pulley Flange
Water Pump
Housing
Knife-Edge
Puller Set
3. Place water pump assembly on a press table.
Install supports under water pump housing,
staying clear of impeller. Press bearing shaft
assembly through water pump housing using a
piece of pipe or a deep socket.
IMPORTANT: Impeller bore is tapered. When
pressing bearing shaft from impeller, allow
enough clearance between cap screw and
impeller bore to prevent cap screw from
binding.
4. Remove impeller from bearing shaft using a
knife-edge puller, a 3/8 in. cap screw and a press.
5. Remove shaft seal, ceramic seal and seal cup.
6. Inspect all parts for wear or damage. Replace as
necessary.

Cooling System
4/7/95
3-73
3
Assembly
1. Install bearing shaft into pump housing, long end
down, using a piece of pipe or deep socket and a
press. Press shaft into pump housing until bearing
surface is flush with pump housing surface.
2. Install new shaft seal over impeller side of
bearing shaft, rubber seal side away from pump
housing. Push shaft seal into pump housing, until
it stops, using a 25 mm or 1 in. socket and a
press.
IMPORTANT: Support pump housing on
bearing shaft only. DO NOT support on
housing or damage to housing will occur.
3. Place water pump housing on a press table.
Support housing on bearing shaft using a driver
disk. Install pulley flange onto shaft with straight
hub facing away from housing.
4TN82RJE and 4TN82ESP: Press pulley flange onto
bearing shaft until top of flange is 27 mm (1.060
in.) from top of housing.
4TN78T and 4TN84(T)(4019): Press pulley flange
onto bearing shaft until bottom of flange is 17 mm
(0.670 in.) from top of housing.
IMPORTANT: DO NOT touch lapped sealing
surface of ceramic seal with bare hands. It
must be clean and dry.
4. Install seal cup and ceramic seal in impeller.
5. Install a knife-edge puller around bearing shaft,
between pulley flange and pump housing. Place
pump housing, with knife-edge puller down, on a
press table. Install impeller with ceramic seal
toward shaft seal.
4TN82RJE and 4TN82ESP: Press impeller on
bearing shaft until top of impeller is 1 mm (0.040
in.) below housing.
4TN78T and 4TN84(T)(4019): Press impeller on
bearing shaft until top of impeller is 2 mm (0.080
in.) below housing.
6. Install new gasket, plate, three screws, two cap
screws and nuts. Tighten to specifications.
M37905

Cooling System
3-74
4/7/95
3
WATER PUMP - 4TN82RJK AND
4TN84RJK
Removal/Installation
1. Open engine drain valve to drain coolant.
2. Remove fan/alternator drive belt.
3. Remove four cap screws, fan, spacer and pulley.
4. Remove four mounting cap screws, pump and
gasket.
5. Inspect all parts for wear or damage. (See
Disassembly/Assembly procedures.)
Installation is done in the reverse order of removal.
•Adjust fan/alternator drive belt tension. (See
Checks, Tests and Adjustments in this section.)
M82225A
Cap Screw (4)
M6 x 25
1 N•m (96 lb-in.)1
Mounting Cap Screw (3)
M8 x 55
26 N•m (226 lb-in.)
Gasket
Replace.
O-Ring
Replace.
Water Pump
Pulley
Spacer
Fan
Mounting Cap Screw
M8 x 60
26 N•m (226 lb-in.)

Cooling System
4/7/95
3-75
3
Disassembly
1. Remove thermostat. (See procedure in this
group.)
2. Remove coolant temperature switch. (See
procedure in this group.)
3. Remove two cap screws, adapter and gasket.
4. Apply heat to six plate-to-housing cap screws.
Remove cap screws, plate and gasket.
M82226A
Cap
Copper
Washer
Replace.
Pulley
Flange
Bearing
Shaft
Water Pump
Housing
Shaft Seal
Replace.
Seal Cup and
Ceramic Seal
Replace.
Impeller
Adapter
Gasket
Replace.
Plate
Gasket
Replace.
Adapter-to-Plate Cap Screw (2)
M6 x 20
9 N•m (78 lb-in.)
Plate-to-Housing Cap Screw (5)
M6 x 14
9 N•m (78 lb-in.)
Plate-to-Housing Cap Screw
9 N•m (78 lb-in.)
5. Apply extreme heat to pulley flange. Remove
flange using a knife-edge puller set and two small
nuts.
M35645
Two Small Nuts
Pulley Flange
Water Pump
Housing
Knife-Edge
Puller Set
6. Place water pump assembly on a press table.
Install supports under water pump housing,
staying clear of impeller. Press bearing shaft
assembly through water pump housing using a
piece of pipe or a deep socket.
IMPORTANT: Impeller bore is tapered. When
pressing bearing shaft from impeller, allow
enough clearance between cap screw and
impeller bore to prevent cap screw from
binding.

Cooling System
3-76
4/7/95
3
7. Remove impeller from bearing shaft using a
knife-edge puller, a 3/8 in. cap screw and a press.
8. Remove shaft seal, ceramic seal and seal cup.
9. Inspect all parts for wear or damage. Replace as
necessary.
Assembly
1. Install bearing shaft into pump housing, long end
down, using a piece of pipe or deep socket and a
press. Press shaft into pump housing until bearing
surface is flush with pump housing surface.
2. Install new shaft seal over impeller side of
bearing shaft, rubber seal side away from pump
housing. Push shaft seal into pump housing, until
it stops, using a 25 mm or 1 in. socket and a
press.
IMPORTANT: Support pump housing on
bearing shaft only. DO NOT support on
housing or damage to housing will occur.
3. Place water pump housing on a press table.
Support housing on bearing shaft using a driver
disk. Install pulley flange onto shaft with straight
hub facing away from housing.
4TN82RJK: Press pulley flange onto bearing shaft
until top of flange is 27 mm (1.060 in.) from top of
housing.
4TN84RJK: Press pulley flange onto bearing shaft
until bottom of flange is 17 mm (0.670 in.) from
top of housing.
IMPORTANT: DO NOT touch lapped sealing
surface of ceramic seal with bare hands. It
must be clean and dry.
4. Install seal cup and ceramic seal in impeller.
5. Install a knife-edge puller around bearing shaft,
between pulley flange and pump housing. Place
pump housing, with knife-edge puller down, on a
press table. Install impeller with ceramic seal
toward shaft seal.
4TN82RJK: Press impeller on bearing shaft until top
of impeller is 1 mm (0.040 in.) below housing.
4TN84RJK: Press impeller on bearing shaft until top
of impeller is 2 mm (0.080 in.) below housing.
6. Install new gasket, plate and six cap screws.
Tighten to specifications.
7. Install new gasket, adapter and cap screws.
Tighten to specifications.
8. Install coolant temperature switch. (See
procedure in this group.)
9. Install thermostat. (See procedure in this group.)
M37906

Fuel System
4/7/95
3-77
3
SPECIAL OR ESSENTIAL TOOLS
NOTE: Order tools according to information given in the U.S. SERVICE-GARDTM Catalog or in the
European Microfiche Tool Catalog (MTC).
JDF13 Nozzle Cleaning Kit
Use to clean fuel injection nozzles.
SERVICE PARTS KITS
The following kits are available through your parts catalog:
•Cylinder Block Gasket Kit
•Fuel Injection Nozzle Shim Pack

Fuel System
3-78
3
4/7/95
3
FUEL SUPPLY PUMP - IF EQUIPPED
Replacement
NOTE: 4TN78T, 4TN82RJE and 4TN82ESP
engines are not equipped with a fuel supply
pump.
Oil will leak out of fuel injection pump
housing when supply pump is removed.
IMPORTANT: If oil has been drained out of fuel
injection pump housing, add oil as necessary.
Fuel injection pump can become damaged if
operated dry or without proper amount of oil.
After fuel supply pump is installed, disconnect
external lube line to fuel injection pump housing.
Remove fill plug and add clean engine oil to
housing. Add until oil begins to drip out of lube line
hole (For proper oil specification see
SPECIFICATIONS AND GENERAL
INFORMATION section.)
M82227
Fuel Supply Pump
External Lube Line
Tighten mounting bolt to
15 N•m (130 lb-in.)
Fill Plug
Supply Pump-to-
Filter Hose
M82228A
Lock Washer (2)
Packing
Replace.
Mounting Nut (2)
11 N•m (96 lb-in.)
Fuel Supply Pump
Fill Plug

Fuel System
4/7/95
3-79
3
FUEL FILTER ASSEMBLY - IF
EQUIPPED
NOTE: Fuel filter assemblies will be slightly
different for each engine model
depending on engine application.
4TN84(T) (4019 OEM) shown.
End CapNozzle Leak-Off Hose
(Short) (3)
Mounting
Cap Screw
Nozzle Leak-Off
Hose (Long)
Mounting Base
Fuel Filter-to-
Injection
Pump Hose
Air Vent
Check Valve
Fuel Supply
Pump-to-Filter
Hose
*
*Copper Washers
Replace.
End Cap
O-Ring
O-Ring
Spring
Filter
Element
Filter
Cover
Retaining
Ring
Shutoff
Lever
O-Ring
Shutoff Valve
Spring
**
M82134A
*
*
Injection Pump
Bleed-Off Hose
IMPORTANT: Replace all copper washers.
Damaged or used washers may leak.

Fuel System
3-80
3
4/7/95
3
FUEL INJECTION PUMP
Removal
CAUTION
Escaping fluid under pressure can penetrate
the skin causing serious injury. Avoid the
hazard by relieving pressure before
disconnecting hydraulic or other lines.
Tighten all connections before applying
pressure. Search for leaks with a piece of
cardboard. Protect hands and body from
high pressure fluids.
If an accident occurs, see a doctor
immediately. Any fluid injected into the skin
must be surgically removed within a few
hours or gangrene may result. Doctors
unfamiliar with this type of injury should
reference a knowledgable source. Such
information is available from the Deere &
Company Medical Department in Moline,
Illinois, U.S.A.
IMPORTANT: Never steam clean or pour cold
water on injection pump while the pump is
running or warm. Doing so can damage the
pump.
1. Clean the injection pump lines and area around
the pump using a parts cleaning solvent or steam
cleaner.
2. Loosen fuel injection line connectors slightly to
release pressure in the fuel system. When
loosening connectors, use another wrench to keep
delivery valves from loosening.
3. Loosen line clamp(s) and remove fuel injection
lines.
4. Disconnect hoses to/from fuel filter, if equipped.
5. Remove external lube line.
6. Disconnect fuel shutoff solenoid link.
7. Note position of timing marks on injection pump
and gear cover mounting plate.
8. Remove three mounting nuts.
M82229
Fuel Injection Line
Connectors (4)
Line Clamp(s)
Delivery
Valve (4)
Fuel Injection
Lines
Injection Pump Bleed-Off-to-Filter Hose
Fuel Supply Pump-to-Filter HoseExternal
Lube Line
Fuel Shutoff
Solenoid Link
Fuel
Filter-to-Injection
Pump Hose
Nozzle Leak-Off
Hose

Fuel System
4/7/95
3-81
3
9. Remove fan guard, if equipped.
10.Remove four cap screws, washers, cover and
gasket.
11.Use chalk or paint to mark injection pump gear to
idler gear.
12.Remove nut and lock washer.
13.Pull gear from injection pump shaft using a two
jaw puller.
14.Remove injection pump and o-ring.
Timing Marks
Mounting
Nut (3)
M82230
Nut and Lock
Washer
Chalk/Paint
Marks
M82231
M37794
DO NOT attempt to service the injection pump or
governor. If unit is in need of repair, it must be
serviced by a qualified fuel injection repair shop. If
replacement is necessary, replace entire unit.
Installationl
1. Install new o-ring on injection pump.
2. Put injection pump onto back of gear cover
mounting plate. Align key on shaft with keyway
in gear. Be sure to align marks on gears made
during removal.
3. Install lock washer and nut. Tighten to
specification.
4. Install new gasket, cover, four washers and cap
screws.
5. Install fan guard, if equipped.
6. Install three mounting nuts. Do not tighten.
7. Align marks on mounting plate and injection
pump, to same place as when removed, and
tighten mounting nuts to specifications.
8. Connect fuel shutoff solenoid link.
9. Connect hoses to/from fuel filter.
Nut and Lock
Washer
Chalk/Paint
Marks
M82231
M12
90 N•m (66 lb-ft)
Timing Marks
Mounting
Nut (3)
M82230
26 N•m (19 lb-ft)

Fuel System
3-82
3
4/7/95
3
12.Install external lube line. When installing line,
put one copper washer between mounting bolt
head and lube line and the other between lube
line and housing.
If new injection pump is being installed, check and
adjust injection pump static timing. (See Checks,
Tests and Adjustments in this section.)
10.Install fuel injection lines and tighten line clamp
cap screws.
IMPORTANT: If oil has been drained out of fuel
injection pump housing, add oil as necessary.
Fuel injection pump can become damaged if
operated dry or without proper amount of oil.
11.Remove fill plug and add clean engine oil to
housing. Add until oil begins to drip out of
external lube line inlet. (For proper oil
specification see SPECIFICATIONS AND
GENERAL INFORMATION section.)
M82229
Fuel Injection Line
Connectors (4)
Line Clamp(s)
Delivery
Valve (4)
Fuel Injection
Lines
Injection Pump Bleed-Off-to-Filter Hose
Fuel Supply Pump-to-Filter HoseExternal
Lube Line
Fuel Shutoff
Solenoid Link
Fuel
Filter-to-Injection
Pump Hose
Nozzle Leak-Off
Hose
Oil Fill Plug
Lube Line-to-Block
Bolt
25 N•m (217 lb-in.)

Fuel System
4/7/95
3-83
3
FUEL INJECTION NOZZLES
(HOLE-TYPE)
Removal/Installation
IMPORTANT: Never steam clean or pour cold
water on injection pump while the pump is
running or warm. Doing so can damage the
pump.
1. Clean the injection pump lines and area around
the pump using a parts cleaning solvent or steam
cleaner.
NOTE: Nozzles are matched to the cylinders. If
removing more than one nozzle, tag nozzles,
according to the cylinder from which it was
removed.
2. Loosen fuel injection line connectors-to-nozzles
slightly to release pressure in the fuel system.
3. Loosen line clamp(s) and remove fuel injection
lines.
4. Remove clamps and leak-off hoses.
5. Remove nuts and retaining plates.
6. Remove injection nozzle, ring and teflon heat
protector. If ring and protector stay in cylinder
head, thread a cap screw into protector and pull
from cylinder head.
CAUTION
Escaping fluid under pressure can penetrate
the skin causing serious injury. Avoid the
hazard by relieving pressure before
disconnecting hydraulic or other lines.
Tighten all connections before applying
pressure. Search for leaks with a piece of
cardboard. Protect hands and body from
high pressure fluids.
If an accident occurs, see a doctor
immediately. Any fluid injected into the skin
must be surgically removed within a few
hours or gangrene may result. Doctors
unfamiliar with this type of injury should
reference a knowledgable source. Such
information is available from the Deere &
Company Medical Department in Moline,
Illinois, U.S.A.
If nozzles are stuck in cylinder head:
•Grind the head of a cap screw so it fits inside a
nut from an old injection line.
•Use two nuts to attach a large flat washer to the
cap screw.
•Install assembly onto nozzle and use a puller and
slide hammer to pull nozzle from cylinder head.
7. Test injection nozzles. (See Checks, Tests and
Adjustments in this section.)
Installation is done in reverse order of removal.
M82092A
Nut (2)
5 N•m
(39 lb-in.)
Retaining Plate
Hose Clamp
Leak-Off Hose
Injection
Nozzle
Ring
Heat
Protector
Replace.
M82126
Cap Screw
Old Injection
Line Nut
Injection
Nozzle
Large
Flat
Washer
Nuts

Fuel System
3-84
3
4/7/95
3
Disassembly/Assembly
NOTE: If servicing more than one nozzle, keep
parts for each nozzle separate from one
another.
•Clean and inspect nozzle assembly. (See
Cleaning/Inspection procedures.)
•After assembly is complete, test injection
nozzle. (See Checks, Tests and Adjustments in
this section.)
M82093A
Injector Body
Shims (as required)
Spring
Spring Seat
Separator Plate
Nozzle Valve
Nozzle Body
Retaining Nut
43 N•m (31 lb-ft)
Index
Pin (2)
Cross Section
M37684
Injector
Body
Shim
(as required)
Spring
Spring Seat
Nozzle Valve
Nozzle Body
Retaining Nut
Separator Plate
Index Pin (2)
Fuel Return
Pipe

Fuel System
4/7/95
3-85
3
Cleaning/Inspection
NOTE: To clean nozzles properly, JDF13 Nozzle
Cleaning Kit is recommended. The Cleaning
Kit is available through the John Deere
SERVICEGARD™ Catalog.
1. Remove anti-corrosive grease from new or
reconditioned nozzles by washing them
thoroughly in diesel fuel.
IMPORTANT: Never use a steel brush to clean
nozzles as this will distort the spray hole.
2. Remove carbon from used nozzles, and clean by
washing in diesel fuel. If parts are coated with
hardened carbon or lacquer, it may be necessary
to use a brass wire brush (supplied in Nozzle
Cleaning Kit).
3. After removing carbon or lacquer from the
exterior of nozzle, inspect sealing surfaces
between separator plate and nozzle body for
nicks or scratches.
4. Inspect condition of separator plate and nozzle
body. Contact area of separator plate (both parts)
must not be scored or pitted. Use an inspection
magnifier (No. 16487 or equivalent) to aid in
making the inspection.
5. Check nozzle contact surface on separator plate
for wear. If contact surface is more than 0.10 mm
(0.0039 in.), replace nozzle assembly.
M82094A
Nozzle Contact
Surface
Sealing Surfaces
Index Pin
Separator
Plate
Nozzle Body
6. Inspect the piston (large) part of nozzle valve to
see that it is not scratched or scored and that
lower (tip) end of valve is not broken. If any of
these conditions are present, replace the nozzle
assembly.
7. Further inspect the nozzle assembly by
performing a slide test. Use the following
procedure:
•Dip the nozzle valve in clean diesel fuel. Insert
valve in nozzle body.
•Hold nozzle vertical, and pull valve out about
1/3 of its engaged length.
•Release valve. Valve should slide down to its
seat by its own weight.
Replace nozzle assembly if the valve does not slide
freely to its seat.
M82095A
Nozzle Valve
Piston Part of
Nozzle Valve
Nozzle Body

Starter
3-86
3
4/7/95
3
STARTER IDENTIFICATION CHART
The various starters covered in this group are
identified by manufacturer and output rating.
To help identify the starters, measure the outside
diameter of the motor.
Field Coil Brush (2)
M82232
ManufacturerRated OutputMotor Outside Diameter
Hitachi 0.8 kW N/A
Hitachi 2.0 kW 80 mm (3.150 in.)
Nippondenso 1.0 kW 68 mm (2.680 in.)
Nippondenso 1.4 kW 76 mm (3.000 in.)

Starter
4/7/95
3
3-87
3
STARTER - HITACHI 0.8 kW
Disassembly/Inspection
1. Disconnect field lead.
2. Remove two cap screws and two screws from rear
cover.
3. Pry off plastic cap.
4. Remove e-clip, shims and rear cover.
5. Inspect cover bushing for wear or damage.
Replace if necessary.
To replace bushing:
Remove bushing using a blind-hole puller set. Install
new bushing until it bottoms in cover bore using a
driver set.
Ream out bushing to 12.50 - 12.53 mm (0.492 -
0.493 in.).
6. Remove field coil brushes from brush holder.
7. Pry brush springs away and pull negative brushes
up enough to allow spring to hold brush in place.
M37923
Field Coil Brush (2)
Field Lead
Rear Cover
Cap E-Clip
Shims
Rear Cover
Bushing
M37874
8. Remove brush holder.
9. Remove field coil housing from armature/
solenoid assembly.
10.Remove two cap screws and pivot bolt, if
equipped.
11.Remove dust cover.
12.Remove solenoid and armature assemblies from
end frame.
M37875
Brush Spring
Negative
Brush
Field Coil Housing M37876
M37877
Dust
Solenoid Assembly
Armature
Cap End Frame
Assembly
Cover
Screw (2)

Starter
3-88
3
4/7/95
3
13.Inspect end frame bushing for wear or damage.
Replace if necessary.
Replace bushing using a driver set. Install bushing
flush with face of housing.
14.Slide pinion stopper away from retaining wire
using a piece of pipe or deep socket. Remove
retaining wire, pinion stopper, and clutch
assembly from armature shaft.
15.Inspect clutch assembly for wear or damage.
Gear should rotate in one direction only. Replace
if necessary.
16.Remove clutch fork pivot, plunger, spring and
shim(s) from solenoid.
17.Inspect all parts for wear or damage. Replace as
necessary.
18.Inspect and test brushes, holder, field coil and
armature. (See Test procedures.)
M37830
End Frame
Bushing
M37879
Retaining
Wire
Armature
Shaft
Pinion
Stopper
Clutch
Assembly
Assembly
Assembly is done in the reverse order of
disassembly.
•After installing clutch assembly, pinion stopper
and retaining wire on armature shaft, use two
pliers to press pinion stopper over retaining
wire.
•When installing solenoid and armature
assemblies into end frame, make sure fork pivot
seats in notch on clutch fork.
M37880
Spring
Plunger
Shims
Solenoid
Clutch Fork
Pivot
M37831
Clutch
Assembly
Retaining
WirePinion
Stopper

Starter
4/7/95
3
3-89
3
IMPORTANT: When installing rear cover, be
sure field coil brush wires do not touch cover.
Turn brush holder slightly to take up slack in
brush wires. Press wires inward to clear rear
cover.
Test
1. Measure holder and field coil brush lengths.
Minimum brush length is 7.70 mm (0.303 in.).
Replace brush holder or field coil if brush length
is below minimum.
NOTE: Test brush holder using an ohmmeter or test
light.
2. Test brush holder:
Touch one probe of tester to negative brush
holder and other probe to field brush holder. If
there is continuity, replace the brush holder.
3. Inspect springs for wear or damage. Replace if
necessary.
M37881
Notch
Fork Pivot
M82234
Field Brush
Holder
Negative Brush
Holder
Spring (4)
Brush Length
NOTE: Test field coil using an ohmmeter or test
light.
4. Test for grounded field winding:
Touch one probe of tester to field coil brush and
other probe to field coil housing. Be sure the
brush lead is not touching the frame. If there is
continuity, the coil is grounded and the field coil
housing assembly must be replaced.
5. Test for open field coil:
Touch one probe of tester to each field coil brush.
If there is no continuity, the field coil is open and
the field coil housing assembly must be replaced.
IMPORTANT: Do not clean armature with
solvent. Solvent can damage insulation on
windings. Use only mineral spirits and a
brush.
6. Inspect armature. Look for signs of dragging
against pole shoes.
7. Inspect commutator. Look for roughness, burned
bars, or any material which might cause short
circuits between bars. If necessary, clean and
touch up with 400 sandpaper. NEVER use emery
cloth. Clean all dust from armature when
finished.
NOTE: Test armature windings using an ohmmeter
or test light.
8. Test for grounded windings:
Touch probes on one commutator bar and
armature shaft. Armature windings are connected
in series, so only one commutator bar needs to be
checked.
M82235
Field Coil
Housing
Field Coil Brush

Starter
3-90
3
4/7/95
3
If test shows continuity, a winding is grounded and
the armature must be replaced.
9. Test for open circuited windings:
Touch probes on two different commutator bars.
If test shows no continuity, there is an open circuit
and the armature must be replaced.
10.Test for short circuited windings using a growler.
Put armature in a growler and hold a hacksaw
blade above each slot while slowly rotating
armature.
If coil is shorted, the blade will vibrate on the slot.
NOTE: A short circuit most often occurs because of
copper dust or filings between two
commutator segments.
11.If test indicates short circuited windings, clean
the commutator of dust and filings. Check the
armature again. If the test still indicates a short
circuit, replace the armature.
M82246
Armature Shaft
Commutator Bars
M82125A
Hacksaw Blade
Growler
Armature
STARTER MOTOR - HITACHI 2.0 kW
Disassembly
1. Remove two cap screws and two screws.
2. Remove rear cover.
3. Remove field coil brushes from brush holder.
4. Pry brush springs away and pull negative brushes
up enough to allow spring to hold brush in place.
5. Remove brush holder.
6. Disconnect wiring lead.
7. Remove field coil housing, armature and seal
ring, if equipped.
M82096
Cap Screw (2)
Screw (2)
Rear Cover
M82097
Negative Brush (2)
Brush Holder
Field Coil Brush (2)
Brush Spring (2)

Starter
4/7/95
3
3-91
3
8. Inspect and test brushes, holder, field coil and
armature. (See Inspection/Test procedures.)
Assembly
Assembly is done in the reverse order of
disassembly.
•Apply multipurpose grease to bearing cup inside
rear cover.
IMPORTANT: When installing rear cover, be
sure field coil brush wires do not touch cover.
Turn brush holder slightly to take up slack in
brush wires. Press wires inward to clear rear
cover.
Inspection/Test/Replacement
1. Measure holder and field coil brush lengths.
Minimum brush length is 9 mm (0.354 in.).
Replace brush holder or field coil if brush length
is below minimum.
NOTE: Test brush holder using an ohmmeter or test
light.
2. Test brush holder:
Touch one probe of tester to negative brush
holder and other probe to field brush holder. If
there is continuity, replace the brush holder.
3. Inspect springs for wear or damage. Replace if
necessary.
M82098
Field Coil
Housing
Seal Ring
If equipped
Armature
Wiring Lead
NOTE: Test field coil using an ohmmeter or test
light.
4. Test for grounded field winding:
Touch one probe of tester to field coil brush and
other probe to field coil housing. Be sure the
brush lead is not touching the frame. If there is
continuity, the coil is grounded and the field coil
housing assembly must be replaced.
5. Test for open field coil:
Touch one probe of tester to each field coil brush.
If there is no continuity, the field coil is open and
the field coil housing assembly must be replaced.
M82099
Spring (4)
Negative Brush
Holder
Field Brush
Holder
Brush
Length
M82100
Field Coil Brush
Field Coil
Housing

Starter
3-92
3
4/7/95
3
IMPORTANT: Do not clean armature with
solvent. Solvent can damage insulation on
windings. Use only mineral spirits and a
brush.
6. Inspect armature. Look for signs of dragging
against pole shoes.
7. Inspect commutator. Look for roughness, burned
bars, or any material which might cause short
circuits between bars. If necessary, clean and
touch up with 400 sandpaper. NEVER use emery
cloth. Clean all dust from armature when
finished.
NOTE: Test armature windings using an ohmmeter
or test light.
8. Test for grounded windings:
Touch probes on one commutator bar and
armature shaft. Armature windings are connected
in series, so only one commutator bar needs to be
checked.
If test shows continuity, a winding is grounded
and the armature must be replaced.
9. Test for open circuited windings:
Touch probes on two different commutator bars.
If test shows no continuity, there is an open
circuit and the armature must be replaced.
10.Test for short circuited windings using a growler.
Put armature in a growler and hold a hacksaw
blade above each slot while slowly rotating
armature.
If coil is shorted, the blade will vibrate on the slot.
M82101
Commutator Bars
Armature Shaft
NOTE: A short circuit most often occurs because of
copper dust or filings between two
commutator segments.
11.If test indicates short circuited windings, clean
the commutator of dust and filings. Check the
armature again. If the test still indicates a short
circuit, replace the armature.
12.Inspect armature cover and housing bearings for
wear or damage. Replace if necessary.
To replace bearings:
Bearings are press fit. Remove bearings using a
knife-edge puller set.
IMPORTANT: Install both bearings with sealed
side toward armature.
Install new housing bearing tight against shoulder of
shaft using a piece of pipe.
Install new rear cover bearing tight against shoulder
of shaft using a driver set.
M82125A
Armature
Hacksaw Blade
Growler
M82102
Housing Bearing
Rear Cover Bearing

Starter
4/7/95
3
3-93
3
STARTER OVERRUNNING CLUTCH -
HITACHI 2.0 kW
Disassembly
1. Disconnect wiring lead.
2. Remove two cap screws.
3. Remove starter motor assembly.
4. Remove three cap screws.
5. Separate clutch housing assembly from starter
housing. Remove gasket.
M82096
Starter Motor
Assembly
Cap Screw (2)
Wiring Lead
M82103
Clutch Housing
Assembly
Cap Screw (3)
Starter
Housing
Gasket
6. Remove ring, retainer, spring, clutch assembly
and clutch shaft from clutch housing.
7. Inspect all parts for wear or damage. Replace as
necessary.
Assembly
Assembly is done in the reverse order of
disassembly.
•Apply multipurpose grease to all internal
components during assembly.
•Install retainer with large cupped side toward
clutch assembly.
STARTER SOLENOID - HITACHI
2.0 kW
Disassembly
1. Disconnect wiring lead.
2. Remove cap screws.
3. Remove starter solenoid assembly.
M82104
Spring
Clutch Assembly
Clutch Housing
Clutch Shaft
Retainer
Ring

Starter
3-94
3
4/7/95
34. Remove clutch arm, clutch arm pivot, plunger
and shim(s), if equipped, from solenoid.
5. Inspect all parts for wear or damage. Replace as
necessary.
Assembly
Assembly is done in the reverse order of
disassembly.
•Apply multipurpose grease to all internal
components during assembly.
IMPORTANT: Make sure long end of clutch arm
is installed all the way into starter housing.
Clutch arm must be install on end of clutch
shaft or starter will not operate.
M82105
Wiring Lead
Starter Solenoid
AssemblyCap Screws
M82106
Plunger
Clutch Arm
Clutch Arm
Pivot
Shim(s)
If equipped.
Solenoid
•Pull clutch shaft away from housing and insert
clutch arm in starter housing. Push arm in until it
stops.
STARTER MOTOR - NIPPONDENSO
1.0 kW
Disassembly
1. Disconnect field lead.
2. Remove two cap screws and two screws.
3. Remove rear cover and o-ring, if equipped.
4. Remove field coil brushes from brush holder.
5. Pry brush springs away and pull negative brushes
up enough to allow spring to hold brush in place.
6. Remove brush holder.
M82107
Clutch Arm
Clutch Shaft
M82233
Rear Cover
Cap Screw (2
)
O-Ring
Field Lead
Screw (2)

Starter
4/7/95
3
3-95
3
7. Remove armature from field coil housing.
8. Remove felt washer and o-ring, if equipped.
9. Inspect and test brushes, holder, field coil and
armature. (See Inspection/Test procedures.)
Assembly
Assembly is done in the reverse order of
disassembly.
•Apply multipurpose grease to bearing cup inside
rear cover and felt washer, if equipped.
IMPORTANT: When installing rear cover, be
sure field coil brush wires do not touch cover.
Turn brush holder slightly to take up slack in
brush wires. Press wires inward to clear rear
cover.
M36754
Field Coil Brush (2)
Brush Spring
Brush Holder
M36759
Field Coil Housing
O-Ring
Armature
Felt Washer
Inspection/Test/Replacement
1. Measure holder and field coil brush lengths.
Minimum brush length is 8.5 mm (0.335 in.).
Replace brush holder or field coil if brush length
is below minimum.
NOTE: Test brush holder using an ohmmeter or test
light.
2. Test brush holder:
Touch one probe of tester to negative brush holder
and other probe to field brush holder. If there is
continuity, replace the brush holder.
3. Inspect springs for wear or damage. Replace if
necessary.
NOTE: Test field coil using an ohmmeter or test
light.
4. Test for grounded field winding:
Touch one probe of tester to field coil brush and
other probe to field coil housing. Be sure the brush
lead is not touching the frame. If there is continuity,
the coil is grounded and the field coil housing
assembly must be replaced.
5. Test for open field coil:
Touch one probe of tester to each field coil brush. If
there is no continuity, the field coil is open and the
field coil housing assembly must be replaced.
M82234
Spring (4)Negative Brush
Holder
Field Brush
Holder
Brush
Length

Starter
3-96
3
4/7/95
3
IMPORTANT: Do not clean armature with
solvent. Solvent can damage insulation on
windings. Use only mineral spirits and a
brush.
6. Inspect armature. Look for signs of dragging
against pole shoes.
7. Inspect commutator. Look for roughness, burned
bars, or any material which might cause short
circuits between bars. If necessary, clean and
touch up with 400 sandpaper. NEVER use emery
cloth. Clean all dust from armature when
finished.
NOTE: Test armature windings using an ohmmeter
or test light.
8. Test for grounded windings:
Touch probes on one commutator bar and armature
shaft. Armature windings are connected in series, so
only one commutator bar needs to be checked.
If test shows continuity, a winding is grounded and
the armature must be replaced.
9. Test for open circuited windings:
Touch probes on two different commutator bars. If
test shows no continuity, there is an open circuit and
the armature must be replaced.
M82235
Field Coil Brush
Field Coil
Housing
10.Test for short circuited windings using a growler.
Put armature in a growler and hold a hacksaw
blade above each slot while slowly rotating
armature.
If coil is shorted, the blade will vibrate on the slot.
NOTE: A short circuit most often occurs because of
copper dust or filings between two
commutator segments.
11.If test indicates short circuited windings, clean
the commutator of dust and filings. Check the
armature again. If the test still indicates a short
circuit, replace the armature.
12.Inspect armature cover and housing bearings for
wear or damage. Replace if necessary.
To replace bearings:
Bearings are press fit. Remove bearings using a
knife-edge puller set.
M82236
Commutator Bars
Armature Shaft
M82125A
Armature
Hacksaw Blade
Growler

Starter
4/7/95
3
3-97
3
IMPORTANT: Install both bearings with sealed
side toward armature.
Install new housing bearing tight against shoulder of
shaft using a piece of pipe.
Install new rear cover bearing tight against shoulder
of shaft using a driver set.
STARTER GEAR TRAIN AND
OVERRUNNING CLUTCH -
NIPPONDENSO 1.0 kW
Disassembly/Inspection
1. Remove two motor-to-clutch housing cap screws
and two clutch housing-to-solenoid housing
screws.
M82237
Housing Bearing
Rear Cover Bearing
M82233
Motor-to-Clutch
Housing Cap Screws
2. Separate clutch housing from solenoid/motor
assembly.
3. Remove plunger spring and gear, if equipped.
NOTE: Starter is equipped with either a 33 mm
(1.299 in.), 44 mm (1.732 in.) or 44.5 mm
(1.752 in.) drive gear on end of clutch shaft.
Disassembly procedures are slightly
different.
4. Starter with 33 mm (1.299 in.) drive gear:
Remove clutch assembly from housing.
5. Remove retainer, five rollers and pinion gear.
6. Remove steel ball.
M82238
Clutch Housing-to-
Solenoid Housing
Screws
M82239
Plunger Spring
Clutch Housing
Gear

Starter
3-98
3
4/7/95
37. Put clutch (housing) assembly into a soft-jawed
vice, as shown.
8. Tighten vise slowly, until drive gear compresses.
9. Remove retainer and circlip.
10.While holding clutch assembly, slowly open vise
until all spring compression is relieved.
CAUTION
Shaft could be propelled from clutch unit
with considerable force if spring is not
allowed to extend fully while in vise.
M82240
Roller (5)
Pinion Gear
Clutch Assembly
Steel Ball
Retainer
M82241
Starter with 44 or 44.5
Drive Gear Shown
Circlip
Retainer
(1.732 or 1.752 in.)
11.Starter with 33 mm (1.299 in.) drive gear:
Remove drive gear and spring from clutch
assembly.
Starter with 44 mm (1.732 in.) or 44.5 mm (1.752
in.) drive gear: Remove drive gear, spring and clutch
assembly from housing.
12.Remove washer, toothed washer, spring and
clutch shaft.
13.Inspect all parts for wear or damage. Replace as
necessary.
M82242
Clutch Housing
Sarter with 44 or 44.5 mm
(1.732 or 1.752 in.)
drive gear only.
Retainer
Spring
Clutch Assembly
Drive Gear
Circlip
M82243
Clutch
Spring
Clutch Shaft
Toothed Washer
Large Washer

Starter
4/7/95
3
3-99
3
Assembly
Assembly is done in the reverse order of
disassembly.
•Apply multipurpose grease to bearings, clutch
shaft, springs, pinion gears, retainer, rollers and
steel ball.
•Install large washer with flat side toward clutch
assembly.
•Install retainer with cupped side away from
clutch assembly.
STARTER SOLENOID -
NIPPONDENSO 1.0 kW
Disassembly/Inspection
1. Disconnect field lead.
2. Remove three screws and clip.
3. Remove cover and gasket.
4. Remove plunger.
5. Disassemble terminals. Remove parts from each
terminal in order shown.
6. Inspect copper washer and contact plates for
excessive burning or pitting. Clean burnt areas to
improve electrical contact. Replace contacts or
plunger if necessary. The solenoid is not
serviceable. If defective, replace solenoid
housing assembly.
M82244
Field Lead
Clip
Screw (3) Assembly
Assembly is done in the reverse order of
disassembly.
NOTE: The assembly sequence of the left and right
terminals is similar. Be sure solenoid
terminal lead is installed between terminal
bolt and contact plate. Also, be sure smaller
contact plate is on the left side.
M82245
Copper Washer
PlungerSpring
Contact Plates
M36771
Terminal Bolt
Nut
Washer
O-Ring
Insulator
Contact Plate

Starter
3-100
3
4/7/95
3STARTER MOTOR - NIPPONDENSO
1.4 kW
Disassembly
1. Remove two cap screws and two screws.
2. Remove rear cover and thrust washer, if
equipped.
3. Remove field coil brushes from brush holder.
4. Pry brush springs away and pull negative brushes
up enough to allow spring to hold brush in place.
5. Remove brush holder.
M36771
Terminal Bolt
Small Contact
Plate
Solenoid Terminal
Lead
M82096
Cap Screw (2)
Screw (2)
Rear Cover
Thrust
Washer
6. Disconnect wiring lead and relay leads, if
equipped.
7. Remove field coil housing, armature and o-ring,
if equipped.
8. Inspect and test brushes, holder, field coil and
armature. (See Inspection/Test procedures.)
M82097
Negative Brush (2)
Brush Holder
Field Coil Brush (2)
Brush Spring (2)
M82098
Field Coil
Housing
Seal Ring
If equipped
Armature
Wiring Lead

Starter
4/7/95
3
3-101
3
Assembly
Assembly is done in the reverse order of
disassembly.
•Apply multipurpose grease to bearing cup inside
rear cover.
IMPORTANT: When installing rear cover, be
sure field coil brush wires do not touch cover.
Turn brush holder slightly to take up slack in
brush wires. Press wires inward to clear rear
cover.
Inspection/Test/Replacement
1. Measure holder and field coil brush lengths.
Minimum brush length is 8.5 mm (0.335 in.).
Replace brush holder or field coil if brush length
is below minimum.
NOTE: Test brush holder using an ohmmeter or test
light.
2. Test brush holder:
Touch one probe of tester to negative brush holder
and other probe to field brush holder. If there is
continuity, replace the brush holder.
3. Inspect springs for wear or damage. Replace if
necessary.
NOTE: Test field coil using an ohmmeter or test
light.
4. Test for grounded field winding:
M82099
Spring (4)
Negative Brush
Holder
Field Brush
Holder
Brush
Length
Touch one probe of tester to field coil brush and
other probe to field coil housing. Be sure the brush
lead is not touching the frame. If there is continuity,
the coil is grounded and the field coil housing
assembly must be replaced.
5. Test for open field coil:
Touch one probe of tester to each field coil brush. If
there is no continuity, the field coil is open and the
field coil housing assembly must be replaced.
IMPORTANT: Do not clean armature with
solvent. Solvent can damage insulation on
windings. Use only mineral spirits and a
brush.
6. Inspect armature. Look for signs of dragging
against pole shoes.
7. Inspect commutator. Look for roughness, burned
bars, or any material which might cause short
circuits between bars. If necessary, clean and
touch up with 400 sandpaper. NEVER use emery
cloth. Clean all dust from armature when
finished.
NOTE: Test armature windings using an ohmmeter
or test light.
8. Test for grounded windings:
Touch probes on one commutator bar and armature
shaft. Armature windings are connected in series, so
only one commutator bar needs to be checked.
If test shows continuity, a winding is grounded and
the armature must be replaced.
M82100
Field Coil Brush
Field Coil
Housing

Starter
3-102
3
4/7/95
3
9. Test for open circuited windings:
Touch probes on two different commutator bars. If
test shows no continuity, there is an open circuit and
the armature must be replaced.
10.Test for short circuited windings using a growler.
Put armature in a growler and hold a hacksaw
blade above each slot while slowly rotating
armature.
If coil is shorted, the blade will vibrate on the slot.
NOTE: A short circuit most often occurs because of
copper dust or filings between two
commutator segments.
11.If test indicates short circuited windings, clean
the commutator of dust and filings. Check the
armature again. If the test still indicates a short
circuit, replace the armature.
12.Inspect armature cover and housing bearings for
wear or damage. Replace if necessary.
M82101
Commutator Bars
Armature Shaft
M82125A
Armature
Hacksaw Blade
Growler
To replace bearings:
Bearings are press fit. Remove bearings using a
knife-edge puller set.
IMPORTANT: Install both bearings with sealed
side toward armature.
Install new housing bearing tight against shoulder of
shaft using a piece of pipe.
Install new rear cover bearing tight against shoulder
of shaft using a driver set.
STARTER GEAR TRAIN AND
SOLENOID - NIPPONDENSO 1.4 kW
Disassembly/Inspection
1. Remove two socket head screws, end cap and
shim(s).
2. Disconnect wiring lead and relay leads, if
equipped.
3. Remove two cap screws.
4. Remove starter motor assembly from bearing
housing.
Housing Bearing
Rear Cover Bearing
M82102
End Cap
Shim(s)
M37820

Starter
4/7/95
3
3-103
3
5. Remove three cap screws.
6. Separate end frame assembly from bearing
housing.
7. Inspect seal and needle bearing for wear or
damage. Replace as necessary.
To replace needle bearing:
Remove bearing using a blind-hole puller set. Install
new bearing flush with housing surface using a
driver set.
M82096
Starter Motor
Assembly
Cap
Screw (2)
Wiring Lead
M37822
Cap Screw (3)
End
Frame
Assembly
Bearing Housing
M37823
Bearing Housing
Seal
Needle Bearing
8. Remove two cap screws, plunger, spring, shims
and solenoid.
9. Remove shims from ring gear shaft.
10.Remove pivot bolt, clutch fork and clutch
assembly.
11.Inspect shoes on fork for wear or damage.
Replace fork if necessary.
12.Inspect end frame bushing for wear or damage.
Replace if necessary.
M37824
End Frame
Cap Screw (2)
Plunger
Spring
Shim(s)Solenoid
M37821
Shims
Ring Gear Shaft
M37825
End Frame
Pivot Bolt
ShoesClutch
Assembly
Clutch Fork

Starter
3-104
3
4/7/95
3
Replace bushing using a driver set. Install bushing
flush with face of housing.
13.Slide pinion stopper away from retaining wire
using a piece of pipe or deep socket. Remove
retaining wire, pinion stopper, and clutch
assembly from ring gear shaft.
14.Inspect all parts for wear or damage. Replace as
necessary.
15.Remove snap ring, washer, spring cap, and spring
from clutch.
16.Inspect all parts for wear or damage. Replace as
necessary.
M37830
End Frame
Bushing
M37827
Retaining
Wire
Pinion
Stopper
Clutch
Assembly
Ring Gear
Shaft
Assembly
Assembly is done in the reverse order of
disassembly.
•After installing clutch assembly, pinion stopper
and retaining wire on ring gear shaft, use two
pliers to press pinion stopper over retaining
wire.
M37829
Snap Ring
Washer
Spring Cap
Spring
Clutch
M37831
Retaining
Wire
Pinion
Stopper
Clutch
Assembly

Alternator
4/7/95
3-105
3
6. Inspect bearing in coil plate for wear or damage.
Replace if necessary.
To replace bearing:
Remove bearing using a spark plug socket and a
press. Install bearing into coil plate until it bottoms
in bore using a 1 in. socket.
7. Remove wire clamp.
8. Remove connector from harness leads.
9. Remove two screws and stator.
10.Inspect all parts for wear or damage. Replace as
necessary.
Assembly
Assembly is done in the reverse order of
disassembly.
•With sheave half on shaft, press shaft into
flywheel until sheave half bottoms on flywheel
face.
•With washer and short spacer installed, press
new bearing onto shaft until it bottoms on
spacer.
M82249A
Coil plate
Connector
Wire Clamp
Stator
Screw (2)
Bearing
Press fit in
coil plate.
ALTERNATOR - KOKOSAN 20A
Disassembly/Inspection
1. Remove nut and washers.
2. Tap on end of shaft with a soft-faced hammer to
separate flywheel assembly from coil plate
assembly.
3. Remove long spacer.
NOTE: Bearing and flywheel are press fit on shaft.
4. Remove shaft from bearing, short spacer, washer,
flywheel and sheave half, using a press.
5. Inspect all parts for wear or damage. Replace as
necessary.
NOTE: Remove bearing only if replacement is
necessary.
M82247A
Nut
27 N•m
(20 lb-ft)
Lock WasherWasher
Flywheel Assembly
Long Spacer
Coil Plate Assembly
M82248A
Flywheel
Bearing
Press fit on
shaft.
Short Spacer
Sheave Half
Shaft
Washer

Alternator
3-106
3
4/7/95
3
VOLTAGE REGULATOR -
HITACHI 25A
M82108
Attaching Screw (4)
M5
4 N•m (31 lb-in.)
Stator
Grommet
Wire Clamp
Front Frame
Two Nuts and Insulator
End Frame-to-Rectifier Nuts (4)
M5
4 N•m (31 lb-in.)
End Frame
Replacement
11.Remove three screws and cover.
12.Remove four attaching screws, wire clamp and
grommet.
13.Remove four end frame-to-rectifier nuts.
14.Remove two nuts and insulator.
IMPORTANT: Do not pry against stator wires.
15.Use a screwdriver to pry end frame from stator.
Do not separate stator from front frame.
16.Remove two screws and insulator.
IMPORTANT: Do not heat connections longer
than necessary to melt solder, as excess heat
will damage rectifier assembly.
M51602
Insulator
Brush
Holder
Terminals
Voltage
Regulator
Screw (2)
17.Use a soldering gun with at least 120 watt
capacity to disconnect five terminals. Replace
voltage regulator.
•If additional solder is needed, use ONLY 60-40
rosin-core solder.
ALTERNATOR - HITACHI 25A
Disassembly
1. Remove three screws and cover.
2. Remove four attaching screws, wire clamp and
grommet.
M82108
Attaching Screws (4)
M5
4 N•m (31 lb-in.)
Grommet
Wire Clamp

Alternator
4/7/95
3-107
3
IMPORTANT: Do not pry against stator wires.
3. Use a screwdriver to separate rotor assembly
from stator assembly.
M36730
Rotor Assembly
Stator Assembly
Rotor Assembly:
•Rear bearing is press fit. Replace only if
necessary. Remove bearing using a puller set.
Install bearing until flush with end of rotor shaft.
Press only on inner race of bearing.
4. Put rotor assembly in a soft-jawed vise. Remove
nut, lock washer, sheave, fan and bushing.
5. Put front frame on open jaws of vice. Use a soft-
faced hammer to remove rotor and spacer.
6. Remove three screws, retainer and front bearing.
7. Inspect all parts for wear or damage. Replace as
necessary.
8. Test rotor. (See Inspection/Test procedures.)
M82109A
Clip
Rotor
Spacer
Front
Bearing
Retainer
Front
Frame
FanSheaveLock
Washer
Nut
M14
49 N•m (36 lb-ft)
Bushing
Screw (3)
2 N•m (16 lb-in.)
Rear Bearing
Apply multipurpose grease
to O.D. during assembly.

Alternator
3-108
3
4/7/95
3
Stator Assembly:
9. Remove four end frame-to-rectifier nuts.
10.Remove two nuts and insulator.
IMPORTANT: Do not pry against stator wires.
11.Use a screwdriver to pry end frame from stator
12.Use a soldering gun with at least 120 watt
capacity to disconnect three stator leads. Remove
rectifier.
13.Inspect and test brushes, stator and rectifier. (See
Inspection/Test procedures.)
Assembly
Assembly is done in the reverse order of
disassembly.
•Bend the stator lead wires, as necessary, to
obtain an approximate distance of 33.50 mm
(1.300 in.) from stator to rectifier. Connect the
three leads using a soldering gun.
•If additional solder is needed, use ONLY 60-40
rosin-core solder.
M51595
Two Nuts and
Insulator
End
Frame
End Frame-to-Rectifier Nuts
M5
4 N•m (31 lb-in.)
M51605
Rectifier
Stator
Leads (3)
Stator
IMPORTANT: Be sure stator lead wires do not
contact end frame when installed.
•Before assembling stator assembly to rotor
assembly, push brushes into brush holder and
insert a wire through access hole to lock brushes
in place.
•Assemble rotor assembly to stator assembly and
fasten with four attaching screws. Remove wire
from access hole.
Inspection/Test
Rotor:
•Inspect the rotor slip rings for dirt build-up,
rough spots, or out of roundness. If necessary,
polish the surface of the slip rings using No. 00
sandpaper or 400-grit silicon carbide paper.
•Touch the probes of an ohmmeter to slip rings.
Replace rotor if test indicates no continuity (no
needle movement).
•Touch the probes of the ohmmeter to the shaft
and one of the slip rings. Repeat for other slip
ring. Replace rotor if test shows continuity
(needle movement).
M51595
Access Hole
End Frame
M82110A
Ohmmeter
Rotor Shaft
Slip Rings

Alternator
4/7/95
3-109
3
Brushes:
•Inspect brush holder and brushes for damage.
Brushes must slide freely and the springs must
hold the brushes firmly against the slip rings of
the rotor.
•Measure brushes for wear. Minimum exposed
length must be 5.50 mm (0.220 in.) or to wear
limit line on brushes. Replace brushes as
necessary.
M82111A
Ohmmeter
Rotor Shaft
Slip Rings
M82112
Brush Length
Rectifier
Voltage
Regulator
Ground
Stud
Brush
HolderSoldered
Connection
Brushes
•Use an ohmmeter or a test light to check for
continuity. Check between the two brushes and
between each brush and ground stud. There
should be no continuity. Replace brush holder-
rectifier assembly if there is continuity.
•To replace brushes, melt solder from connection.
Remove voltage regulator if necessary. (See
VOLTAGE REGULATOR REPLACEMENT in
this group.)
NOTE: If additional solder is needed, use ONLY 60-
40 rosin-core solder.
Stator:
•Inspect stator for defective insulation,
discoloration or a burned odor. If any of these
defects are found, replace stator.
NOTE: Use an ohmmeter that is sensitive to
resistance of 0 to 1 ohm.
•Touch probes of an ohmmeter to lead wires of
stator in three possible combinations. Continuity
should read approximately 0.26 ohms. If
readings are not equal, replace stator.
•Touch one probe of the ohmmeter to the bare
metal surface of stator and the other probe to a
bare stator lead wire. Repeat for each wire.
Replace stator if test indicates continuity.
M82113A
Stator
Ohmmeter
M82114A
Stator
Ohmmeter

Alternator
3-110
3
4/7/95
3
Rectifier:
•Test the diodes by touching probes to ground
post and the three outer terminals.
•Switch the probes and check each terminal
again. There should be continuity in only one
combination of each terminals and the ground
post.
•Test the diodes by touching probes to output
post and the three outer terminals.
•Switch the probes and check each terminal
again. There should be continuity in only one
combination of each terminal and the output
post.
A shorted diode would have continuity in both
directions. An open diode would have no continuity
in either direction. Replace the rectifier assembly if
any of the three diodes are defective.
•To replace rectifier, melt solder from
connection.
NOTE: If additional solder is needed, use ONLY 60-
40 rosin-core solder.
M82115
Outer
Terminal
Output
Post
Ground
Post
Outer
Terminals
Soldered
Connection
VOLTAGE REGULATOR -
NIPPONDENSO 35A
Replacement
1. Remove three attaching screws.
2. Remove end frame-to-rectifier nut.
3. Remove nuts and insulators.
IMPORTANT: Do not pry against stator wires.
4. Use a screwdriver to pry end frame from stator.
Do not separate stator from front frame.
M36725
Altaching Screw (3)
M5
4 N•m (31 lb-in.)
M36726
Nuts and Insulators
End Frame-to-Rectifier Nut
M5
4 N•m (31 lb-in.)
M36727
End
Frame
Front
Frame
Stator

Alternator
4/7/95
3-111
3
IMPORTANT: Do not heat connections longer
than necessary to melt solder, as excess heat
will damage rectifier assembly.
5. Use a soldering gun with a least 120 watt
capacity to disconnect terminals. Replace voltage
regulator.
Installation is done in the reverse order of removal.
•If additional solder is needed, use ONLY 60-40
rosin-core solder.
ALTERNATOR - NIPPONDENSO 35A
Disassembly
1. Remove three attaching screws.
M36728
Voltage Regulator
Terminals
M36725
Attaching Screw (3)
M5
4 N•m (31 lb-in.)
IMPORTANT: Do not pry against stator wires.
2. Use a screwdriver to separate rotor assembly
from stator assembly.
Rotor Assembly:
•Rear bearing is press fit. Replace only if
necessary. Remove bearing using a puller set.
Install bearing until flush with end of rotor shaft.
Press only on inner race of bearing.
3. Put rotor assembly in a soft-jawed vise. Remove
nut, lock washer, sheave, fan and bushing.
4. Put front frame on open jaws of vice. Use a soft-
faced hammer to remove rotor and spacer.
5. Remove three screws, retainer, front bearing,
washer and felt washer.
6. Inspect all parts for wear or damage. Replace as
necessary.
M36730
Rotor Assembly
Stator Assembly

Alternator
3-112
3
4/7/95
3
7. Test rotor. (See Inspection/Test procedures.)
Stator Assembly:
8. Remove end frame-to-rectifier nut.
9. Remove nuts and insulators.
IMPORTANT: Do not pry against stator wires.
10.Use a screwdriver to pry end frame from stator.
M36726
Nuts and Insulators
End Frame-to-Rectifier Nut
M5
4 N•m (31 lb-in.)
11.Use a soldering gun with at least 120 watt
capacity to disconnect terminals. Remove voltage
regulator.
12.Melt solder inside the connecting pipes. While
solder is hot, open the flattened pipe with a
needle nose pliers. Pull stator wire from pipe.
M36728
Voltage Regulator
Terminals
M82250A
Rotor
Spacer
Washer
Retainer
Felt Washer
Apply multipurpose grease
during assembly.
Fan
Sheave
Lock
Washer
Nut
M14
54 N•m (40 lb-ft)
Bushing
Screw (3)
2 N•m (16 lb-in.)
Rear Bearing
Apply multipurpose grease
to O.D. during assembly.
Front Frame
Front
Bearing

Alternator
4/7/95
3-113
3
13.Inspect and test brushes, stator and rectifier. (See
Inspection/Test procedures.)
Assembly
Assembly is done in the reverse order of
disassembly.
NOTE: The three pair of lead wires on the stator are
not evenly spaced. Rotate the rectifier until
the terminal pipes align with the stator
leads.
•Bend the stator lead wires, as necessary, to
obtain an approximate distance of 33.50 mm
(1.300 in.) from stator to rectifier. Connect the
six leads using a soldering gun.
•If additional solder is needed, use ONLY 60-40
rosin-core solder.
IMPORTANT: Be sure six stator lead wires do
not contact end frame when installed.
•Before assembling stator assembly to rotor
assembly, push brushes into brush holder and
insert a wire through access hole in rear at end
frame to lock brushes in place.
M36739
M36748
Brushes Wire
•Assemble rotor assembly to stator assembly and
fasten with three attaching screws. Remove wire
from access hole.
Inspection/Test
Rotor:
•Inspect the rotor slip rings for dirt build-up,
rough spots, or out of roundness. If necessary,
polish the surface of the slip rings using No. 00
sandpaper or 400-grit silicon carbide paper.
•Touch the probes of an ohmmeter to slip rings.
Replace rotor if test indicates no continuity (no
needle movement).
•Touch the probes of the ohmmeter to the shaft
and one of the slip rings. Repeat for other slip
ring. Replace rotor if test shows continuity
(needle movement).
Brushes:
•Inspect brush holder and brushes for damage.
Brushes must slide freely and the springs must
hold the brushes firmly against the slip rings of
the rotor.
M82110A
Ohmmeter
Rotor Shaft
Slip Rings
M82111A
Ohmmeter
Rotor Shaft
Slip Rings

Alternator
3-114
3
4/7/95
3
•Measure brushes for wear. Minimum exposed
length must be 5.50 mm (0.220 in.) or to wear
limit line on brushes. Replace brushes as
necessary.
•Use an ohmmeter or a test light to check for
continuity. Check between the two brushes and
between each brush and ground stud. There
should be no continuity. Replace brush holder-
rectifier assembly if there is continuity.
•To replace brushes:
- Melt solder from brush lead connections and -
remove brushes and springs.
- Inspect springs for wear or damage. Replace as
necessary.
- Push brush lead wire through spring. Insert
spring and brush in brush holder with lead
protruding through hole in brush holder. Make
sure the longest side of brush is on side of brush
holder with raised lip.
- Hold brushes in position so that exposed length
is 13 mm (0.500 in.)
- Solder brush leads in this position. Cut off
excess length of brush lead wire.
- Be sure insulating washers and insulator are in
place.
Brushes
Ground Stud
M36736
M36737
Brush Lead Connections
NOTE: If additional solder is needed, use ONLY 60-
40 rosin-core solder.
Stator:
•Inspect stator for defective insulation,
discoloration or a burned odor. If any of these
defects are found, replace stator.
NOTE: Use an ohmmeter that is sensitive to
resistance of 0 to 1 ohm.
•Touch probes of an ohmmeter to each pair of
stator wires. Equal continuity readings should be
observed between each pair of leads. If readings
are not equal, replace stator.
M36745
Brush
Insulating Washers
Brush Holder
Insulator
Brush Lead
Wire
M36740

Alternator
4/7/95
3-115
3
•Touch one probe of the ohmmeter to the bare
metal surface of stator and the other probe to a
bare stator lead wire. Repeat for each wire.
Replace stator if test indicates continuity.
Rectifier:
NOTE: The three inner terminals are connected by
a printed circuit in the rectifier.
•Test the three inner terminals using an
ohmmeter. Move probes so all terminals are
cross checked. Replace the rectifier if test shows
no continuity.
NOTE: Each of the three outer terminals on the
rectifier is connected to two diodes
permitting current flow in only one
direction.
•Test the diodes by touching probes to output
post and the three outer terminals.
•Switch the probes and check each terminal
again. There should be continuity in only one
direction between each terminal and the output
post.
M36741
M36742
Inner
Terminals
•Test the diodes by touching probes to ground
post and the three outer terminals.
•Switch the probes and check each terminal
again. There should be continuity in only one
direction between each terminal and the ground
post.
A shorted diode would have continuity in both
directions. An open diode would have no continuity
in either direction. Replace the rectifier assembly if
any of the six diodes are defective.
VOLTAGE REGULATOR -
NIPPONDENSO 40A
Replacement
1. Remove nut and insulator.
2. Remove three screws and cover.
M36743
Output Post
M36744
Ground
Post

Alternator
3-116
3
4/7/95
3
3. Remove two screws, brush holder and cover.
4. Remove three screws. Replace voltage regulator.
Installation is done in the reverse order of removal.
IMPORTANT: Make sure to install short screw
at location shown. Longer screw will contact
frame and cause damage to the charging
system.
ALTERNATOR - NIPPONDENSO 40A
Disassembly
1. Remove voltage regulator. (See VOLTAGE
REGULATOR - REPLACEMENT in this group.)
2. Remove nut.
3. Remove sheave using a puller set.
M52470
Cover
Nut and
Insulator
M52472
Short
Screw
Brush Holder
and Cove
r
Voltage
Regulator
Long Screw (2)
4. Remove four screws and straighten stator wire
leads.
5. Remove rectifier.
6. Remove two nuts, two screws and end frame
assembly.
7. Press rotor shaft from end frame.
8. Remove spring washer.
M52469
Nut
69 N•m (51 lb-ft)
Sheave
M52471
Rectifier
Stator Wire
Lead (4)
M52473
Spring
Washer
Rotor
Shaft
End Frame
Assembly

Alternator
4/7/95
3-117
3
9. Remove four screws and retainer.
NOTE: Front bearing is press fit in front frame.
Remove bearing only if replacement is
necessary.
10.Inspect bearing in front frame for wear or
damage. Replace if necessary. Replace bearing
using a driver set and a press.
11.Inspect and test brushes, stator and rectifier. (See
Inspection/Test in this group.)
Assembly
Assembly is done in the reverse order of
disassembly.
•After installing rectifier, form a loop in stator
wire leads, insert screws through loop and
secure rectifier and wire leads.
Inspection/Test
Rotor:
NOTE: Rear bearing and rotor assembly are not
serviced separately. Damaged parts require
that rotor assembly and bearing be replaced
as a unit.
•Inspect bearing for wear or damage. Replace
complete rotor if necessary.
•Inspect slip rings for dirt build-up, rough spots
or out-of-roundness. If necessary, polish the
surface of the slip rings using No. 00 sandpaper
or 400-grit silicone carbide paper. Measure outer
diameter of slip rings. Replace rotor if less than
14 mm (0.550 in.).
M52475
Front Bearing Front Frame
Retainer
Screw (4)
2 N•m (16 lb-in.)
•Touch the probes of an ohmmeter to slip rings.
Replace rotor if test indicates no continuity (no
needle movement).
•Touch probes of ohmmeter to the rotor core and
one of the slip rings. Repeat for other slip ring.
Replace rotor if test shows continuity (needle
movement).
Brushes:
•Inspect brush holder, brushes and springs for
damage. Brushes must slide freely and springs
must hold brushes firmly against the slip rings of
the rotor.
•Measure length of brush protruding from holder.
If length is less than wear limit, replace brushes.
Brush Length Specifications
New. . . . . . . . . . . . . . . . . 10.50 mm (0.410 in.)
Wear Limit. . . . . . . . . . . . 4.50 mm (0.170 in.)
•Check continuity between brush and terminal
“A”. Check continuity between brush and
terminal “B”. There should be continuity only at
these points.
M52474
Rear Bearing
Slip Rings
Rotor Core
M52478

Alternator
3-118
3
4/7/95
3
Stator:
•Inspect stator for defective insulation,
discoloration or a burned odor. If any of these
defects are found, replace stator.
NOTE: Use an ohmmeter that is sensitive to
resistance of 0 to 1 ohm.
•Check for continuity between each stator lead
and stator body. Replace stator if test indicates
continuity.
To replace stator:
- Scribe a mark on housing, at notch in stator, to
aid in installation of a new stator.
- Remove two studs.
- Replace stator using a punch and hammer.
M52479
B
A
M82251
Stator Body
Stud (2)
Stator
Lead (4)
Notch
Scribe Mark on
Housing
Rectifier:
NOTE: Set the ohmmeter to the K ohm range.
•Check continuity between output post and each
diode lead. Reverse ohmmeter leads and
recheck. There should be continuity in one
direction, but not the other.
A shorted diode would have continuity in both
directions. An open diode would have no continuity
in either direction. Replace the rectifier if any of the
four diodes are defective.
M52477
Diode Lead (4)
Output Post

Diagnosis
4/7/95
3
3-119
3
ENGINE AND FUEL SYSTEM TROUBLESHOOTING CHART
PROBLEM OR
SYMPTOM
CHECK OR
SOLU-
TION
Engine will not crank.
Engine cranks but will not start
or starts hard.
Engine will not stay running, or
stalls frequently.
Engine runs rough, misses,
noisy, vibrates or
low on power. Fuel in oil. Oil
level high.
Engine surges, or has uneven
or uncontrolled rpm.
Oil in the coolant or coolant in
the oil.
Engine has low oil pressure.
Engine operating temperature
is incorrect.
Lack of fuel at injection pump.
Exhaust smoke blue or uses
too much oil.
Exhaust smoke white.
Exhaust smoke black or grey or
uses too much fuel.
Fuel pump screen, fuel filter, or fuel
line restricted. Fuel dirty, contains
water or wrong grade.
● ● ● ● ● ● ●
Air filter elements dirty or plugged.
Replace.● ● ● ● ● ● ●
Fuel shut-off valve turned off, or
restricted. Solenoid linkage
misadjusted. See adjustment.
● ● ● ● ● ●
Muffler or exhaust manifold leak.● ●
Defective manifold heater. ●
Injection pump or governor
malfunctioning. Injection pump
timing incorrect.
● ● ● ● ●
Defective cranking components or
connectors.● ●
Low compression from worn rings,
cylinder bore, piston, valves or
warped head.
● ● ● ● ● ●
Valve clearance incorrect.● ● ● ● ● ●
Burned or warped valves and valve
seats. Defective valve spring.● ● ● ● ● ●
Starter cranking rpm too slow.
Damaged starter. Excessive engine
load.
● ● ●
Fuel pump leaking or not operating.
See Fuel Supply Pump Pressure
Test.
● ● ● ● ● ●
Engine oil viscosity or level
incorrect. ● ● ● ● ●
Injector pressure incorrect or
leaking.● ● ● ● ● ● ●
Cylinder head gaskets leaking or
damaged. ● ● ● ● ● ● ● ● ●
Radiator/oil cooler leak.● ● ●
Turbocharger● ●

Diagnosis
3-120
3
4/7/95
3
ENGINE SYSTEM DIAGNOSIS
Conditions:
•Engine mounted on level surface.
•Key switch off unless indicated otherwise.
Test LocationNormalIf Not Normal
1. Engine dipstick
and exterior
engine surface-
engine oil check.
Oil level between “L” and “H” marks.
Oil not burnt, or contaminated with
metal particles, fuel, or coolant. No
external leakage, filter clean.
Change oil and inspect for source of
contamination. Check gaskets, seals,
plugs, cylinder head, block, and intake
manifold and breather. Change oil
filter.
2. Coolant tank and
radiator.
-Cooling System
Check.
Coolant level between marks on tank
when engine is warm.
Coolant in radiator full to top.
Coolant not contaminated with oil,
fuel or discolored brown.
Add proper coolant mix.
Drain and flush system. Check for
source of contamination.
Radiator screen free of debris.Clean or replace.
Hoses not cracked or leaking, clamps
and radiator cap tight. Pressure test radiator and cap.
Fan belt tight, not glazed or cracked.Replace and adjust belt tension.
Fan blades not damaged or warped.Replace fan.
3. Fuel tank, pump,
pump screen,
lines, filter, filter
shutoff valve.
- Fuel System Check
Fuel level correct, not contaminated,
correct grade of fuel, no water.
Fuel pump screen and in-line filter free
of debris.
Fuel shutoff valve in “ON” position.
Drain and clean fuel tank. Add fresh
fuel.
Replace filters.
Move to “ON” position.
Fuel hoses not cracked or leaking.Replace.
Fuel hose clamps tight.Replace or tighten.
Fuel tank does not have vacuum.Replace fuel tank check valve.
4. Air filter and air
intake.
-Air Intake System
Check
Air filter hose not cracked, clamps
tight.
Element not plugged. Air filter
housing sealed, no dirt tracking inside
filter element.
Replace and tighten clamps.
Replace element or housing.
5. Fuel shutoff
solenoid. (Key in
RUN position.)
Fuel shutoff solenoid must pull in and
stay in. Solenoid must bottom out.
Shutoff shaft must still move slightly.
Check shutoff solenoid adjustment.
Clean any dirt from under solenoid
boot. If solenoid will not pull in and
hold in, see Fuel Shutoff Solenoid
Circuit Test Points in ELECTRICAL
section of Machine TM.
6. Air heater
indicator light.
(Key in RUN
position.)
Indicator light should come on up to
15 seconds depending on air
temperature.
See Air Heater Circuit Test Points in
ELECTRICAL section of Machine
TM.

Diagnosis
4/7/95
3
3-121
3
ENGINE SYSTEM DIAGNOSIS - Continued
Test LocationNormalIf Not Normal
7. Fuel filter, fuel
pump. (Key
switch in RUN
position.)
Fuel level increases in filter.
Fuel pump operating - listen for
humming sound.
Fuel present in return hose at fuel
pump.
See Fuel Pump Circuit Test Points in
ELECTRICAL section of Machine
TM. Test fuel pump pressure. (See
Operational Tests in this section.)
Replace fuel filter.
8. Throttle lever and
cable.Linkage not binding and adjusted
correctly.Repair, replace or adjust cable.
9. Intake and
exhaust valves.Cold engine. Valve clearance within
specification.
Valves not sticking.
Check and adjust. (See Checks, Tests
and Adjustments in this section.)
Check valve guides and stems.
10. Fuel at injectors.
(Key in START
position - engine
cranking.)
Crack fuel injection lines at injectors.
Fuel shutoff solenoid pulled in.
Engine must crank.
Check spray pattern and cracking
pressure. (See Checks, Tests and
Adjustments in this section.) Replace
injectors.See Cranking Circuit Test
Points in ELECTRICAL section of
Machine TM.
11. Injector ports.
(Key in START
position.)
Cylinder compression within
specification. Pressure difference
between cylinders within
specification.
Perform cylinder compression test.
(See Operational Tests in this section.)
12. Flywheel and
starter.Minimum cranking rpm within
specification.See Starter Amp Draw Test in
ELECTRICAL section of Machine
TM.
13. Injection pump
timing
inspection. (Key
OFF.)
Timing should be correct. Remove
pump as the LAST possible solution.Perform injection pump static timing
adjustment. (See Checks, Tests and
Adjustments in this section.) Have
pump tested by a qualified Service
Repair Shop.
14. Injection pump
idle settings.
(Engine running).
Engine runs smooth under load.
Engine rpm to specification.See Slow Idle and Fast Idle
Adjustments in ENGINE section of
Machine TM.
15. Oil pressure
sender port.Oil pressure in specification.Test engine oil pressure. (See
Operational Tests in this section.)
16. Thermostat.
(Engine at
operating
temperature.)
Clean from corrosion, rust, or debris.
Opening temperature within
specification.
Replace thermostat.
Perform thermostat opening test. (See
Checks, Tests and Adjustments in this
section.)
17. Muffler.Not restricted.Replace muffler.

Checks, Tests and Adjustments
3-122
3
4/7/95
3
VALVE CLEARANCE, CHECK AND
ADJUSTMENT
Reason:
To achieve correct engine operation.
Equipment:
•Feeler Gauge
Procedure:
1. Remove rocker arm cover.
2. Remove plug from timing hole on flywheel
housing.
NOTE: “Top Dead Center (TDC)” is the piston at
its highest point.
3. Turn crankshaft pulley clockwise until No.1
cylinder TDC mark on flywheel aligns with index
mark on flywheel housing.
NOTE: No. 1 cylinder is the closest to the flywheel.
4. Try to move both No. 1 cylinder rocker arms or
push rods.
If rocker arm push rods are not loose, rotate
flywheel one revolution (360°). If both rocker arm
push rods are loose the piston is at TDC on
compression stroke.
5. Measure and adjust valve clearance on the valves
(arrows) with No. 1 piston at TDC.
T6469AJ
Index Mark on
Flywheel Housing
TDC Mark on
Flywheel
To adjust valves, loosen nut and turn adjusting screw
until clearance is 0.20 mm (0.008 in.). Hold screw
while tightening nut.
6. Turn crankshaft pulley one revolution (360°).
This puts the piston in No. 4 cylinder at TDC
compression stroke.
7. Measure and adjust valve clearance on the valves
(arrows) with No. 4 piston at TDC.
T6479AB
Cylinders
No. 1 Piston at TDC
Flywheel End
Fan End
EIEIEIEI
1 2 3 4
T6105BF
Feeler
Gauge
Cylinders
T6479AB
No. 4 Piston at TDC
Flywheel End
Fan End
EIEIEIEI
1 2 3 4

Checks, Tests and Adjustments
4/7/95
3
3-123
3
CONNECTING ROD SIDE PLAY
CHECK
Reason:
To determine proper side clearance between
crankshaft and connecting rod.
Equipment:
•Feeler Gauge
Procedure:
1. Insert a feeler gauge, according to specifications,
between connecting rod cap and crankshaft.
Specifications:
Standard Clearance . . . . . . . . 0.20 - 0.40 mm
. . . . . . . . . . . . . . . . . . . . .(0.0079 - 0.0157 in.)
Wear Limit. . . . . . . . . . . 0.55 mm (0.0217 in.)
Results:
•If side play exceeds wear limit, replace
connecting rod and connecting rod cap.
CONNECTING ROD BEARING
CLEARANCE CHECK
Reason:
To measure oil clearance between connecting rod
bearing and crankshaft journal.
M82116A
Feeler Gauge
Equipment:
•PLASTIGAGE®
Procedure:
IMPORTANT: Connecting rod caps must be
installed on the same connecting rod and in
the same direction to prevent crankshaft and
connecting rod damage.
1. Remove connecting rod cap.
2. Wipe oil from bearing insert and crankshaft
journal.
3. Put a piece of PLASTIGAGE, or an equivalent,
along the full length of the bearing insert
approximately 6 mm (0.250 in.) off center.
4. Turn crankshaft approximately 30° from bottom
dead center.
5. Install connecting rod end cap and original cap
screws. Tighten cap screws to:
4TN78T . . . . . . . . . . . . . . . . 39 N•m (29 lb-ft)
4TN82, 4TN84(T)(4019) . . . 47 N•m (35 lb-ft)
6. Remove cap screws and connecting rod cap.
NOTE: The flattened PLASTIGAGE will be found
on either the bearing insert or crankshaft
journal.
7. Use the graduation marks on the envelope to
compare the width of the flattened
PLASTIGAGE at its widest point.
8. Determine bearing clearance. The number within
the graduation marks indicates the bearing
clearance in inches or millimeters depending on
which side of the envelope is used.
M35351
PLASTIGAGE

Checks, Tests and Adjustments
3-124
3
4/7/95
3
9. Remove PLASTIGAGE.
Specifications:
Standard Clearance . . . . . . 0.038 - 0.090 mm
. . . . . . . . . . . . . . . . . . . . .(0.0015 - 0.0035 in.)
Wear Limit. . . . . . . . . . . 0.16 mm (0.0063 in.)
Results:
•If clearance exceeds wear limit, replace bearing
inserts.
®PLASTIGAGE is a registered trademark of the DANA
Corporation.
CRANKSHAFT, END PLAY CHECK
Reason:
To determine proper side clearance between
crankshaft and engine block.
Equipment:
•Dial Indicator
Procedure:
NOTE: Crankshaft end play can be measured at
front end or rear end of crankshaft.
Procedure is performed from the rear end.
The flywheel is removed to show detail.
1. Fasten dial indicator to engine and position
indicator tip on end of crankshaft.
IMPORTANT: Do not use excessive force when
moving crankshaft to avoid damaging
bearings.
2. Push crankshaft toward rear as far as possible.
M82117A
Flattened
PLASTIGAGE
Graduation Marks
on Envelope
3. Zero the dial indicator.
4. Using a bar, gently pry the crankshaft as far
forward as possible.
Specifications:
Standard Clearance . . . . . . 0.090 - 0.271 mm
. . . . . . . . . . . . . . . . . . . . . . .(0.004 - 0.011 in.)
Wear Limit. . . . . . . . . . . 0.33 mm (0.0129 in.)
Results:
•If end play exceeds wear limit, replace thrust
bearings.
CRANKSHAFT MAIN BEARING,
CLEARANCE CHECK
Reason:
To measure oil clearance between main bearing and
crankshaft journal.
Equipment:
•PLASTIGAGE®
Procedure:
IMPORTANT: Main bearing caps must be
installed on the same main bearing and in the
same direction to prevent crankshaft and main
bearing damage.
1. Remove main bearing cap.
2. Wipe oil from bearing insert and crankshaft
journal.
M82118A
Dial Indicator
Crankshaft

Checks, Tests and Adjustments
4/7/95
3
3-125
3
3. Put a piece of PLASTIGAGE, or an equivalent,
along the full length of the bearing insert
approximately 6 mm (0.250 in.) off center.
4. Install main bearing cap and cap screws. Tighten
cap screws to:
4TN78T . . . . . . . . . . . . . . . . 79 N•m (58 lb-ft)
4TN82, 4TN84(T)(4019) . . . 98 N•m (72 lb-ft)
5. Remove cap screws and main bearing cap.
NOTE: The flattened PLASTIGAGE will be found
on either the bearing insert or crankshaft
journal.
6. Use the graduation marks on the envelope to
compare the width of the flattened
PLASTIGAGE at its widest point.
7. Determine main bearing clearance. The number
within the graduation marks indicates the bearing
clearance in inches or millimeters depending on
which side of the envelope is used.
8. Remove PLASTIGAGE.
M35382
PLASTIGAGE
M82119AE
Flattened
PLASTIGAGE
Graduation Marks
on Envelope
Specifications:
Standard Clearance . . . . . . 0.038 - 0.090 mm
. . . . . . . . . . . . . . . . . . . . .(0.0015 - 0.0035 in.)
Wear Limit. . . . . . . . . . . 0.06 mm (0.0063 in.)
Results:
•If clearance exceeds wear limit, replace bearing
inserts.
®PLASTIGAGE is a registered trademark of the DANA Corpo-
ration.
VALVE LIFT CHECK
Reason:
Can indicate excessive wear on cam lobes,
followers, and/or push rods.
Equipment:
•Dial Indicator
Procedure:
1. Adjust valve clearance. (See procedure in this
group.)
2. Remove rocker arm cover. (See Cylinder Head,
Valves and Manifolds in this section.)
3. Fasten dial indicator to engine and position
indicator tip on valve retainer. Valve must be
fully closed and rocker arm must move freely.
4. Zero the dial indicator.
5. Manually turn crankshaft pulley clockwise (from
fan end).
6. Observe dial indicator as valve is moved to the
full open position. Valve lift (intake and exhaust)
should be 8.8 mm (0.350 in.).
Repeat for each valve.

Checks, Tests and Adjustments
3-126
3
4/7/95
3
Results:
•If valve lift is less than specification, remove and
inspect camshaft, followers and push rods. (See
Camshaft and Timing Gear Train and/or
Cylinder Head, Valves and Manifolds in this
section.)
CAMSHAFT END PLAY CHECK
Reason:
To determine proper side clearance between
camshaft gear end journal and thrust plate.
Equipment:
•Dial Indicator
T6333DT
Procedure:
1. Remove timing gear cover. (See Camshaft and
Timing Gear Train in this section.)
2. Fasten dial indicator to engine and position
indicator tip on end of camshaft.
3. Push camshaft toward the rear as far as possible.
4. Zero the dial indicator.
5. Pull camshaft forward as far as possible.
Specifications:
Standard Clearance . . . . . . . . 0.05 - 0.20 mm
. . . . . . . . . . . . . . . . . . . . .(0.0020 - 0.0079 in.)
Wear Limit. . . . . . . . . . . . 0.40 mm (0.016 in.)
Results:
•If end play exceeds wear limit, remove camshaft
and replace thrust plate. (See Camshaft and
Timing Gear Train in this section.)
M37512

Checks, Tests and Adjustments
4/7/95
3
3-127
3
TIMING GEAR BACKLASH, CHECK
Reason:
To check for wear between meshing gears, resulting
in excessive noise and poor engine performance.
Equipment:
•Dial Indicator
Procedure:
1. Measure backlash between meshing gears.
Specifications - 4TN78T:
Standard Backlash
Crankshaft Gear-to-Oil
Pump Gear. . . . . . . . . . . . . 0.11 - 0.19 mm
. . . . . . . . . . . . . . . . . .(0.0043 - 0.0075 in.)
All Except Crankshaft Gear-to-Oil
Pump Gear. . . . . . . . . . . . . 0.04 - 0.12 mm
. . . . . . . . . . . . . . . . . .(0.0016 - 0.0047 in.)
Wear Limit. . . . . . . . . . . 0.20 mm (0.0079 in.)
Specifications - 4TN82, 4TN84(T)(4019):
Standard Backlash . . . . . . . . . 0.04 - 0.12 mm
. . . . . . . . . . . . . . . . . . . . .(0.0016 - 0.0047 in.)
Wear Limit. . . . . . . . . . . 0.20 mm (0.0079 in.)
Results:
•If backlash exceeds wear limit, replace meshing
gears as a set:
Idler Gear, Camshaft Gear, Crankshaft Gear, Oil
Pump Gear AND/OR Idler Gear, Fuel Injection
Pump Gear.
M82252A
Fuel Injection Pump Gear-to-Idler Gear
Camshaft Gear-to-Idler Gear
Crankshaft Gear-to-Oil Pump Gear
Idler Gear-to-Crankshaft Gear

Checks, Tests and Adjustments
3-128
3
4/7/95
3
FUEL INJECTION NOZZLE TEST
(HOLE-TYPE)
Reason:
To determine opening pressure, leakage, chatter and
spray pattern of the fuel injection nozzle.
CAUTION
Escaping fluid under pressure can penetrate
the skin causing serious injury. Avoid the
hazard by relieving pressure before
disconnecting hydraulic or other lines.
Tighten all connections before applying
pressure. Search for leaks with a piece of
cardboard. Protect hands and body from
high pressure fluids.
If an accident occurs, see a doctor
immediately. Any fluid injected into the skin
must be surgically removed within a few
hours or gangrene may result. Doctors
unfamiliar with this type of injury should
reference a knowledgable source. Such
information is available from the Deere &
Company Medical Department in Moline,
Illinois, U.S.A.
Equipment:
•D01109AA Diesel Fuel Injection Nozzle Tester
•D01110AA Adapter Set
•23622 Straight Adapter
•Container
Connections:
1. Connect fuel injection nozzle to D01109AA
Diesel Fuel Injection Nozzle Tester using parts
from D01110AA Adapter Set and 23622 Straight
Adapter.
IMPORTANT: Use clean filtered diesel fuel
when testing injection nozzles to get best test
results.
Procedure 1:
Test fuel injection nozzle opening pressure
following the Nozzle Tester manufacturer's
instructions.
Specifications:
Opening Pressure . . . . . . . . 19600 ± 480 kPa
. . . . . . . . . . . . . . . . . . . . . . . . . (2843 ± 70 psi)
Results:
•If pressure reading does not meet specification,
disassemble injection nozzle and inspect nozzle
assembly for contamination or stuck valve. If
necessary, add or remove shims to change
opening pressure.

Checks, Tests and Adjustments
4/7/95
3
3-129
3
M35913
D01109AA Diesel Fuel
Injection Nozzle Tester
36352 Fuel Line
Assembly
Container
23617 90° Adapter
23621 Straight Adapter
23622 Straight Adapter
Fuel Injection Nozzle
1. Pressurize nozzle to 19600 ± 480 kPa (2843 ± 70
psi).
2. Listen for “chatter” sound and watch spray
pattern.
Specifications:
Slow Hand
Lever Movement . . . . . . . . . . . Chatter Sound
Slow Hand
Lever Movement . . . . . . . . . . . . . Fine Stream
. . . . . . . . . . . . . . . . . . . . . . . . . Spray Pattern
Fast Hand
Lever Movement . . . . . . . . . . . Fine Atomized
. . . . . . . . . . . . . . . . . . . . . . . . . Spray Pattern
Procedure 2:
Test fuel injection nozzle leakage following the
Nozzle Tester manufacturer's instructions.
1. Dry nozzle completely using a lint-free cloth.
2. Pressurize nozzle to 17640 kPa (2558 psi).
3. Watch for leakage from nozzle spray orifice.
Leakage time should be a minimum of 5 seconds.
Results:
•If leakage time does not meet specification,
disassemble injection nozzle and inspect nozzle
assembly for contamination. Inspect valve
seating surface. Replace nozzle assembly if
necessary.
Procedure 3:
Test fuel injection nozzle chatter and spray
pattern following the Nozzle Tester manufacturer's
instructions.

Checks, Tests and Adjustments
3-130
3
4/7/95
3
Results:
•If nozzle chatter or spray pattern does not meet
specifications, disassemble injection nozzle and
inspect nozzle assembly for contamination.
Inspect valve seating surface. Replace nozzle
assembly if necessary.
•If there is excessive difference in spray angle or
injection angle, incomplete atomization or
sluggish starting/stopping of injection,
disassemble injection nozzle and inspect nozzle
assembly for contamination. Replace nozzle
assembly if necessary.
THERMOSTAT OPENING TEST
Reason:
To determine opening temperature of thermostat.
Equipment:
•Thermometer
•Glass Container
•Heating Unit
M82121A
Proper Spray
Angle
Poor
Correct
Correct Injection Angle
Procedure:
1. Suspend thermostat and a thermometer in a
container of water.
2. Heat and stir the water. Observe opening action
of thermometer and compare temperatures with
specifications.
3. Remove thermostat and observe its closing action
as it cools.
Specifications:
Begin Opening. . . . . . . . . . . . . 71° C (160° F)
Fully Open . . . . . . . . . . . . . . . . 85° C (184° F)
Minimum Lift Height . . . . . .8 mm (0.310 in.)
Results:
•If thermostat does not open according to
specifications, replace.
•If closing action is not smooth and slow, replace
thermostat.
CAUTION
DO NOT allow thermostat or thermometer
to rest against the side or bottom of glass
container when heating water. Either may
rupture if overheated.
M82122A
Thermometer
Thermostat

Checks, Tests and Adjustments
4/7/95
3
3-131
3
COOLANT TEMPERATURE SWITCH
TEST
Reason:
To determine operating temperature of sender.
Equipment:
•Thermometer
•Glass Container
•Heating Unit
•Ohmmeter
Procedure:
1. Connect lead wires from ohmmeter probes, to
sender terminal and body.
CAUTION
DO NOT allow switch or thermometer to rest
against the side or bottom of glass container
when heating water. Either may rupture if
overheated.
2. Suspend sender and a thermometer in a container
of water.
3. Heat and stir the water. Observe water
temperature when continuity occurs. Water
temperature should be 107 - 113° C (225 -
235°F).
Results:
•If continuity does not occur within temperature
listed, replace sender.
M82123A
Ohmmeter
Probes
Coolant
Temperature
Switch

Checks, Tests and Adjustments
3-132
3
4/7/95
3
STARTER NO-LOAD AMP
DRAW/RPM TEST
Reason:
To determine if starter is binding or has excessive
amperage draw under no load.
Equipment:
•JT05712 Current Gun
•JT05719 Hand-Held Digital Tachometer
•Jumper Cables
•Jumper Wire
Procedure:
1. Mount starter in a vise.
NOTE: Check that battery is fully charged and of
proper size to ensure accuracy of test.
2. Connect jumper cables to a 12 volt battery.
3. Connect positive (+) cable to solenoid battery
terminal on starter.
4. Connect negative (-) cable to starter body.
5. Attach Current Gun to positive cable.
IMPORTANT: Complete this test in 20 seconds
or less to prevent starter damage.
6. Use a jumper wire to briefly connect positive (+)
starter terminal to solenoid terminal “S”. Starter
should engage and run.
7. Read and record starter amperage and rpm.
Specifications:
Maximum Starter Amperage
Hitachi 0.8 kW. . . . . . . 60 Amps at 7000 rpm
Hitachi 2.0 kW. . . . . . 110 Amps at 4500 rpm
Nippondenso 1.0 kW. . 90 Amps at 3000 rpm
Nippondenso 1.4 kW. . 90 Amps at 3500 rpm
Minimum Starter RPM
Hitachi 0.8 kW. . . . . . . . . . . . . . . . . . . . . 7000
Hitachi 2.0 kW. . . . . . . . . . . . . . . . . . . . . 4500
Nippondenso 1.0 kW. . . . . . . . . . . . . . . . 3000
Nippondenso 1.4 kW. . . . . . . . . . . . . . . . 3500
Results:
•If solenoid “clicks” or chatters and motor does
not turn, replace solenoid.
•If pinion gear engages and motor doesn't turn,
repair or replace starter motor.
•If starter engages and runs but amperage is more
than specifications, repair or replace starter.
•If rpm is less than specification, with battery
fully charged, repair or replace starter.

Checks, Tests and Adjustments
4/7/95
3
3-133
3
M82149A
JT05719 Hand-Held Digital Tachometer
All Except Nippondenso 1.0 k
W
Jumper Wire
JT05712 Current Gun
M82150A
Nippondenso 1.0 k
W
Jumper Wire
JT05719 Hand-Held Digital Tachometer
JT05712 Current Gun

Checks, Tests and Adjustments
3-134
3
4/7/95
3
INJECTION PUMP STATIC TIMING
ADJUSTMENT - 4TN78T
Reason:
To make sure that injection pump timing is set to
manufacturers specification.
Equipment:
•Timing Tool (No. 1 fuel injection line cut off at
first bend)
•External fuel supply
Procedure:
IMPORTANT: Injection pump timing should be
correct. Once timing is set, it will not normally
change during the life of the engine, unless it
was altered.
Check and adjust timing only as the last
option. Check fuel, fuel supply system,
injectors, air intake system and cylinder
compression before continuing.
NOTE: Normal rotation, as viewed from the
flywheel end, is counterclockwise. The
number one fuel injection line is toward the
flywheel.
1. Remove the number one fuel injection line.
2. Install timing tool (number one fuel line cut off at
first bend).
3. Remove rubber plug from flywheel housing.
4. Turn crankshaft pulley in either direction until the
No. 1 cylinder top dead center (TDC) mark aligns
with the index mark on the flywheel housing.
T6530AB
Timing Tool
5. Prime pump to fill it with fuel. 1 L (1.06 qt) of
fuel is more than adequate.
6. Hold throttle lever in run position.
7. Turn flywheel clockwise (as viewed from the
flywheel end) until tip of Timing Tool has
become MOIST with solid fuel.
8. Check timing mark on flywheel. The index mark
must line up with the 14° mark on flywheel.
M82253A
Index Mark on
Flywheel Housing
TDC Mark
on Flywheel
M82254A
Flywheel
TDC Mark on
Flywheel
Index Mark
on Flywheel
Housing

Checks, Tests and Adjustments
4/7/95
3
3-135
3
Specifications:
Injection Pump Timing. . . . . . . . . .14° BTDC
. . . . . . . . . . . . . . . (Before Top Dead Center)
Engine Crankshaft
Position. . . . . . . . . . . . . . . . . . . No.1 Cylinder
. . . . . . . . . . . . .on TDC Compression Stroke
Distance On Outer Surface Of Flywheel
Per 1° Of Rotation. . . . . . 2.88 mm (0.110 in.)
Timing Lines On Pump
Mounting Plate . . . . . . . . . . . . . . . .2.5° Apart
Results:
•If timing is not according to specifications,
loosen pump mounting bolts and turn pump
towards engine block to retard timing or away
from block to advance timing. Recheck timing.
•If timing did not change, remove pump and have
tested by a diesel injection service shop.
•If timing is OK:
-Install rubber plug in flywheel housing.
-Remove timing tool.
-Install number one injection line.
INJECTION PUMP STATIC TIMING
ADJUSTMENT - 4TN82 AND
4TN84(T)(4019)
Reason:
To make sure that injection pump timing is set to
manufacturers specification.
Equipment:
•Timing Tool (No. 1 fuel injection line cut off at
first bend)
•External fuel supply
Procedure:
IMPORTANT: Injection pump timing should be
correct. Once timing is set, it will not normally
change during the life of the engine, unless it
was altered.
Check and adjust timing only as the last
option. Check fuel, fuel supply system,
injectors, air intake system and cylinder
compression before continuing.
NOTE: If injection pump has been removed from
engine without disturbing engine crankshaft
and pump shaft, perform Step 1 only.
Otherwise, perform the entire timing
procedure.
1. 4TN82: Align arrow or line on injection pump
flange with the sixth mark (line) on timing gear
mounting plate.
4TN84(T)(4019): Align arrow or line on
injection pump flange between third and fourth
marks (lines) on timing gear mounting plate.
M82255A
4TN82
M82256A
4TN84(T)(4019)

Checks, Tests and Adjustments
3-136
3
4/7/95
3
NOTE: Normal rotation, as viewed from the
flywheel end, is counterclockwise. The
number one fuel injection line is toward the
flywheel.
2. Remove the number one fuel injection line.
3. Install timing tool (number one fuel line cut off at
first bend).
4. Remove rubber plug from flywheel housing, if
equipped.
5. Turn crankshaft pulley in either direction until the
No. 1 cylinder top dead center (TDC) mark aligns
with the index mark on the flywheel housing/
plate.
T6530AB
Timing Tool
T6530AC
Index Mark on
Flywheel
Housing/Plate
TDC Mark
on Flywheel
1
6. Prime pump to fill it with fuel. 1 L (1.06 qt) of
fuel is more than adequate.
7. Hold throttle lever in run position.
8. Turn flywheel clockwise (as viewed from the
flywheel end) until tip of Timing Tool has
become MOIST with solid fuel.
9. Check timing mark on flywheel. The index mark
must line up with injection pump timing mark on
flywheel. See specifications.
Specifications:
Injection Pump Timing Mark
4TN82 (970 CUT, 675 SSL,
3325/65 GM) . . . . . . . . . . . . . .15° ± 1° BTDC
. . . . . . . . . . . . . . . (Before Top Dead Center)
4TN84
(1070 CUT) . . . . . . . . . . . .15° ± 1° BTDC
(4019D OEM) . . . . . . . . . .16° ± 1° BTDC
4TN84T (4019T OEM)
4019TF001 and 005. . . . . .15° ± 1° BTDC
4019TF006 . . . . . . . . . . . . .12° ± 1° BTDC
Engine Crankshaft
Position. . . . . . . . . . . . . . . . . . . . . . No. 1 Cylinder
. . . . . . . . . . . . . . . . on TDC Compression Stroke
M82373A
Injection Pump
Timing MarksFlywheel
TDC Mark on
Flywheel
Index Mark
on Flywheel
Housing
1
25°
20°
15°

Checks, Tests and Adjustments
4/7/95
3
3-137
3
Results:
•If timing is not according to specifications,
loosen pump mounting bolts and turn pump
towards engine block to retard timing or away
from block to advance timing. Recheck timing.
•If timing did not change, remove pump and have
tested by a diesel injection service shop.
•If timing is OK:
-Install rubber plug in flywheel housing, if
equipped.
-Remove timing tool.
-Install number one injection line.
FAN/ALTERNATOR DRIVE BELT
ADJUSTMENT
Reason:
To keep proper tension on belt to drive water pump
and alternator. To prevent shortened belt and bearing
life.
Equipment:
•JDG529 or JDST28 Belt Tension Gauge
•Straight Edge
Procedure:
1. Check belt tension between fan and alternator
using Belt Tension Gauge and a straight edge.
M54014
Belt Deflection
Specifications:
Applied Force . . . . . . . . . . .98 N (22 lb-force)
Deflection . . . . .10 - 15 mm (0.400 - 0.600 in.)
Results:
•If deflection is not within specifications:
-Loosen both alternator mounting cap screws/
nuts.
-Apply force to FRONT alternator housing
only (near the belt) until tension is correct.
-Tighten cap screws/nuts.
ENGINE OIL COOLER LEAKAGE
TEST - 4TN78T AND 4TN84T
(4019TF001 and 005)
Reason:
Inspect oil cooler for leaks.
Procedure:
1. Plug one end of coolant inlet or outlet passage.
2. Apply regulated air pressure of 206 - 483 kPa
(30 - 70 psi) to other end.
3. Dip oil cooler into water and check for leaks.
Optional test:
If a leak did not appear, use a hot water bath to
possibly open crack(s).
Results:
•Repair leak(s) or replace oil cooler if necessary.

Checks, Tests and Adjustments
3-138
3
4/7/95
3
FUEL SHUTOFF SOLENOID
ADJUSTMENT
Reason:
To ensure that fuel shutoff solenoid retracts fully,
moving the injection pump shutoff control lever far
enough to allow full rack travel.
Procedure:
1. Loosen lock nut.
2. Disconnect link from solenoid.
3. Hold solenoid plunger bottomed in solenoid
body.
4. Move link toward solenoid until it stops
5. Turn plunger rod in or out of knuckle until
knuckle and link holes line up. Turn out two
additional turns. The additional turns insure that
the solenoid bottoms out before the linkage.
6. Assemble and check for free movement when key
switch is turned ON. Also check that linkage
returns completely to the STOP position when
key switch is turned OFF.
M82141
Plunger Link
Lock Nut Knuckle

Operational Tests
4/7/95
3
3-139
3
RADIATOR, BUBBLE TEST
Reason:
To determine if compression pressure is leaking
from cylinder.
Equipment:
•JDG560 Adapter
Procedure:
1. With coolant at proper level and radiator cap
tight, run engine for 5 minutes to bring to
operating temperature.
2. Remove cap from recovery tank.
3. Check for bubbles coming from overflow hose at
bottom of tank.
If bubbles are present, isolate source of compression
leak:
-Remove injection nozzles.
-Install JDG560 Adapter in injection port of
cylinder to be tested.
-Move piston to bottom of stroke with intake
and exhaust valves closed.
-Connect hose from compressed air source to
adapter.
-Apply the specified maximum air pressure
into cylinder:
4TN78T, 4TN82RJK,
4TN84RJK, 4TN82RJE,
4TN82ESP . . . . . . . . . . . . . 2448 kPa (355 psi)
4TN84(T)(4019). . . . . . . . . 2158 kPa (313 psi)
-Check for bubbles in recovery tank or air
escaping from muffler, air cleaner or oil fill
opening.
-Repeat for each cylinder.
Results:
•If bubbles are present, check for cracks in
cylinder head and block. Check for damaged
head gasket.
•If air escapes from muffler, check for worn
exhaust valve.
•If air escapes from air cleaner, check for worn
intake valve.
•If air escapes from engine oil fill, check for worn
piston rings.
COOLING SYSTEM, PRESSURE TEST
Reason:
Inspect cooling system for leaks.
Equipment:
•D05104ST Cooling System Pressure Pump
•JDG692 Radiator Pressure Test Kit (Adapters)
Procedure:
1. Remove cap and attach pressure pump to radiator.
2. Apply pressure according to specifications.
3. Check for leaks throughout cooling system.
Specifications - 4TN78T, 4TN82RJK,
4TN84RJK, 4TN84(T)(4019):
Maximum Pressure. . . . . . . . . 97 kPa (14 psi)
Minimum Pressure
after 15 Seconds . . . . . . . . . 88 kPa (12.8 psi)
Specifications - 4TN82RJE, 4TN82ESP:
Maximum Pressure. . . . . . . . . 69 kPa (10 psi)
Minimum Pressure
after 15 Seconds . . . . . . . . . . . . 55 kPa (8 psi)
T6333AW
Cooling System
Pressure Pump

Operational Tests
3-140
3
4/7/95
3
Results:
•Pressure should hold to specifications. If pressure
decreases, check for leaks. Repair leaks or replace
parts as necessary.
•If pressure test still indicates leakage after all
external leaks have been stopped, a defective head
gasket, cracked block, or cylinder head may be the
cause. Perform RADIATOR BUBBLE TEST.
RADIATOR CAP, PRESSURE TEST
Reason:
Test radiator cap for operating in correct pressure
range.
Equipment:
•D05104ST Cooling System Pressure Pump
•JDG692 Radiator Pressure Test Kit (Adapters)
Procedure:
1. Install radiator cap on pressure pump.
2. Apply pressure. Pressure valve in cap should
open according to specifications.
Specifications:
Valve Opening Pressure
4TN78T, 4TN82RJK, 4TN84RJK,
4TN84(T)(4019). . . . . . . . . . 88 kPa (12.8 psi)
4TN82RJE, 4TN82ESP . . . . . . 55 kPa (8 psi)
T6333AX
Cooling System
Pressure Pump
Radiator Cap
Results:
•If cap leaks, retighten and test again. Replace cap
if pressure is not within specification.
CYLINDER, COMPRESSION
PRESSURE TEST
Reason:
To determine the condition of the pistons, rings,
cylinder walls and valves.
Equipment:
•JT01682 Compression Gauge Assembly
•JDG560 Adapter
Procedure:
1. Run engine for 5 minutes to bring to operating
temperature. Shut off engine.
2. Remove injection nozzles. (See Fuel System in
this section.)
3. Remove heat protector from end of injector and
install on Adapter.
4. Install Adapter and Compression Gauge
Assembly in injector port. Install retaining plate
and tighten nuts to 4.5 N•m (39 lb-in.)
5. Hold fuel shut-off knob in shut-off position.
6. Crank engine for three seconds with starter.
7. Record pressure reading for each cylinder.
T6333EU
JDG560 Adapter
JT01682 Compression
Gauge Assembl
y

Operational Tests
4/7/95
3
3-141
3
Specifications:
Minimum Compression Pressure
4TN78T, 4TN82RJK,
4TN84RJK, 4TN82RJE,
4TN82ESP . . . . . . . . . . . . . 2448 kPa (355 psi)
4TN84(T)(4019). . . . . . . . . 2158 kPa (313 psi)
Maximum Difference Between
Cylinders . . . . . . . . . . . . . . . . . . . 490 kPa (71 psi)
NOTE: Pressure listed is for 300 m (1000 ft) above
sea level. For naturally aspirated engines,
reduce specification an additional 4% for
each 300 m (1000 ft) of altitude. For turbo
charged engines, reduce specification an
additional 3.6% (4TN78T) or 3%
(4TN84T)(4019T) for each additional 300 m
(1000 ft) of altitude.
Results:
•If pressure reading is below specification, squirt
approximately two teaspoons of clean engine oil
into cylinders through injector ports and repeat
test.
•If pressure increases significantly, check piston,
rings and cylinder walls for wear or damage.
•If pressure does not increase significantly after
retest, check for leaking valves, valve seats or
cylinder head gasket.
ENGINE OIL PRESSURE TEST
Reason:
To determine if engine bearings or lubrication
system components are worn.
Equipment:
•JT03017 Hose Assembly
•JT05577 Pressure Gauge (100 psi)
•JT05487 Connector (4TN78T)
•JT03349 Connector (All Except 4TN78T)
Procedure:
1. Remove oil pressure sender.
2. Install Connector.
3. Connect Hose Assembly and Pressure Gauge.
IMPORTANT: Do not run if no pressure
present.
4. Start engine. If pressure reading is below 69 kPa
(10 psi), STOP ENGINE.
5. Run engine approximately five minutes to heat
oil, then check oil pressure at fast and/or slow
idle.
Specifications - 4TN78T:
Idle Speed
Fast . . . . . . . . . . . . . . . . . . . . . . 2750 ± 25 rpm
Slow . . . . . . . . . . . . . . . . . . . . . . 800 ± 25 rpm
Engine Oil Pressure
Fast Idle . . . . . . . . . .345 ± 48 kPa (50 ± 7 psi)
Slow Idle. . . . . . . . . . . . . . . . . 214 kPa (31 psi)
Specifications - 4TN82RJE:
Idle Speed
Fast . . . . . . . . . . . . . . . . . . . . . . . . . . 2800 rpm
Slow . . . . . . . . . . . . . . . . . . . . . 1000 ± 50 rpm
Engine Oil Pressure . . . . . . . . . . . . 294 - 440 kPa
. . . . . . . . . . . . . . . . . . . . . . . . . . . . . . .(43 - 64 psi)
T6471FB
JT05577 Pressure Gauge
JT03017 Hose Assembly
Connector

Operational Tests
3-142
3
4/7/95
3
Specifications - 4TN82ESP:
Idle Speed
Fast . . . . . . . . . . . . . . . . . . . . . . 2875 ± 25 rpm
Slow . . . . . . . . . . . . . . . . . . . . . . 900 ± 25 rpm
Engine Oil Pressure . . . . . . . . . . . . 294 - 392 kPa
. . . . . . . . . . . . . . . . . . . . . . . . . . . . . . (43 - 57 psi)
Specifications - 4TN82RJK, 4TN84RJK:
Fast Idle Speed
4TN82RJK. . . . . . . . . . . . . . .2750 - 2800 rpm
4TN84RJK. . . . . . . . . . . . . . .2850 - 2900 rpm
Engine Oil Pressure . . . . . . . . . . . . 365 ± 69 kPa
. . . . . . . . . . . . . . . . . . . . . . . . . . . . . . (53 ± 10 psi)
Specifications - 4TN84(T)(4019):
Low Idle Speed
Industrial . . . . . . . . . . . . . . . . . . . . . 1300 rpm
Generator. . . . . . . . . . . . . . . . . . . . . 1200 rpm
Engine Oil Pressure . . . . . . . . . . 147 kPa (21 psi)
Results:
•If oil pressure is not within specifications,
inspect oil pressure regulating valve parts for
wear or damage. Add or remove shims as
necessary. (See Lubrication System in this
section.)
•If oil pressure does not increase, see “Engine
Has Low Oil Pressure” in Diagnosis group.
AIR INTAKE SYSTEM LEAKAGE TEST
Reason:
Check for leaks in air intake system.
Equipment:
•Air Pressure Regulator
Procedure:
1. Remove air cleaner restriction indicator/switch
and install test fitting.
2. Connect air pressure regulator to manifold using
hose and fitting from air cleaner.
3. Remove air cleaner cover and main filter element.
4. Put large plastic bag into and over end of main
filter element. Install main filter element and
cover.
5. Pressurize air intake system between 34 - 69 kPa
(5 - 10 psi). If air intake system cannot be
pressurized, turn engine slightly to close valves.
6. Spray soap solution over all connections from air
cleaner to intake manifold or turbocharger, if
equipped, and check for leaks.
IMPORTANT: When reinstalling starting aid
nozzle, position arrow on nozzle pointing
against intake air flow.
Results:
•Find leaks and repair or replace parts as
necessary.
FUEL SUPPLY PUMP PRESSURE
TEST - IF EQUIPPED
NOTE: 4TN78T, 4TN82RJE and 4TN82ESP
engines are not equipped with a fuel supply
pump.
Reason:
To determine supply pump operating pressure.
Equipment:
•JT03274 Hose Fitting
•JT01609 Female Quick Coupler
•JT03115 Gauge w/Male Quick Coupler (0 - 150
psi)
M82124

Operational Tests
4/7/95
3
3-143
3
Procedure:
1. Disconnect supply pump-to-filter hose.
2. Install Hose Fitting, Coupler and Gauge.
3. Pull fuel shut-off cable out and crank engine
using the starter. Do not run starter for more than
10 seconds at a time. Gauge should read more
than 29 kPa (4.3 psi).
Results:
•If pressure is below specification, repair or
replace fuel supply pump.
FUEL DRAIN BACK TEST
Reason:
Determines if air is entering the fuel system at
connections, allowing fuel to siphon back to tank.
M82145A
JT03115 Gauge w/Male
Quick Coupler
JT01609 Female Quick
Coupler
JT03274 Hose Fitting
Supply
Pump-to
Filter Hose
Fuel Filter
Procedure:
1. Disconnect fuel supply line and return line at fuel
tank.
IMPORTANT: Fuel return line MUST extend
below fuel level in fuel tank before performing
this test. Fill fuel tank if necessary.
2. Drain all fuel from the system, including fuel
supply pump, injection pump, filter(s) and water
separator, if equipped.
3. Plug end of fuel return hose.
4. Pressurize fuel system at fuel supply line, to a
maximum pressure of 103 kPa (15 psi).
5. Apply liquid soap and water solution to all joints
and connections in the fuel system and inspect for
leaks.
Results:
•Find leaks and repair or replace parts as
necessary.
BLEED FUEL SYSTEM
IMPORTANT: Modification or alteration of the
injection pump, pump timing, or the injection
nozzles in any way not approved by the
manufacturer will terminate the warranty
obligation.
All engines are equipped with an automatic air
venting system which makes the fuel system self-
bleeding.
•Assure that all fuel line connections are securely
tightened.
•Add fuel to fuel tank.
•Crank engine to allow fuel system to bleed itself.

4
4
4TN100 ENGINE
Specifications. . . . . . . . . . . . . . . . . . . . . . . . . . . . . . . . . . . 4-1
Cylinder Head, Valves and Manifolds . . . . . . . . . . . . . . . . 4-8
Pistons, Rods and Cylinder Block . . . . . . . . . . . . . . . . . . 4-21
Crankshaft, Main Bearings and Flywheel . . . . . . . . . . . . 4-30
Camshaft and Timing Gear Train. . . . . . . . . . . . . . . . . . . 4-40
Lubrication System . . . . . . . . . . . . . . . . . . . . . . . . . . . . . 4-49
Cooling System . . . . . . . . . . . . . . . . . . . . . . . . . . . . . . . . 4-55
Fuel System. . . . . . . . . . . . . . . . . . . . . . . . . . . . . . . . . . . 4-60
Starter (Nippondenso 1.4 kW). . . . . . . . . . . . . . . . . . . . . 4-70
Alternator (Hitachi 25A) . . . . . . . . . . . . . . . . . . . . . . . . . . 4-75
Diagnosis. . . . . . . . . . . . . . . . . . . . . . . . . . . . . . . . . . . . . 4-80
Checks, Tests and Adjustments. . . . . . . . . . . . . . . . . . . . 4-83
Operational Tests. . . . . . . . . . . . . . . . . . . . . . . . . . . . . . . 4-97
Section 4

44

Specifications
4/7/95
4
4-1
ENGINE SPECIFICATIONS - 4TN100
Rocker Arm Cover Mounting Cap Screw Torque . . . . . . . . . . . . . . . . . . . . . . . . . . . . 26 N•m (226 lb-in.)
Rocker Arm Assembly
Mounting Cap Screw and Nut Torque . . . . . . . . . . . . . . . . . . . . . . . . . . . . . . . . . . 26 N•m (226 lb-in.)
Push Rod Bend
Standard . . . . . . . . . . . . . . . . . . . . . . . . . . . . . . . . . . . . . . . . . . . . . . . .0.05 mm (0.002 in.) or Less
Wear Limit . . . . . . . . . . . . . . . . . . . . . . . . . . . . . . . . . . . . . . . . . . . . . . . . . . . . 0.30 mm (0.012 in.)
Push Rod Length
Standard . . . . . . . . . . . . . . . . . . . . . . . . . . . . . . . . . . . . . . .178.25 - 178.75 mm (7.018 - 7.037 in.)
Rocker Arm and Shaft Support I.D.'s
Clearance . . . . . . . . . . . . . . . . . . . . . . . . . . . . . . . . . . . . . . . . . . . . . . . . . . . . . 0.06 mm (0.002 in.)
Standard . . . . . . . . . . . . . . . . . . . . . . . . . . . . . . . . . . . . . . . . .18.50 - 18.52 mm (0.728 - 0.729 in.)
Wear Limit . . . . . . . . . . . . . . . . . . . . . . . . . . . . . . . . . . . . . . . . . . . . . . . . . . . 18.60 mm (0.732 in.)
Rocker Arm Shaft O.D.
Standard . . . . . . . . . . . . . . . . . . . . . . . . . . . . . . . . . . . . . . . . .18.46 - 18.48 mm (0.727 - 0.728 in.)
Wear Limit . . . . . . . . . . . . . . . . . . . . . . . . . . . . . . . . . . . . . . . . . . . . . . . . . . . 18.35 mm (0.722 in.)
Cylinder Head and Valves
Cylinder Head Distortion
Maximum Amount of Metal to be Removed . . . . . . . . . . . . . . . . . . . . . . . . . . 0.20 mm (0.008 in.)
Standard . . . . . . . . . . . . . . . . . . . . . . . . . . . . . . . . . . . . . . . . . . . . . . . .0.05 mm (0.002 in.) or Less
Wear Limit . . . . . . . . . . . . . . . . . . . . . . . . . . . . . . . . . . . . . . . . . . . . . . . . . . . . 0.20 mm (0.008 in.)
Mounting Cap Screw Torque
First . . . . . . . . . . . . . . . . . . . . . . . . . . . . . . . . . . . . . . . . . . . . . . . . . . . . . . . . . . . . 49 N•m (36 lb-ft)
Second. . . . . . . . . . . . . . . . . . . . . . . . . . . . . . . . . . . . . . . . . . . . . . . . . . . . . . . . . . 98 N•m (72 lb-ft)
Final . . . . . . . . . . . . . . . . . . . . . . . . . . . . . . . . . . . . . . . . . . . . . . . . . . . . . . . . . 157 N•m (116 lb-ft)
Valve Seat Width (Exhaust Valve)
Standard . . . . . . . . . . . . . . . . . . . . . . . . . . . . . . . . . . . . . . . . . . .2.02 - 2.33 mm (0.079 - 0.089 in.)
Wear Limit . . . . . . . . . . . . . . . . . . . . . . . . . . . . . . . . . . . . . . . . . . . . . . . . . . . . 2.73 mm (0.108 in.)
Valve Seat Width (Intake Valve)
Standard . . . . . . . . . . . . . . . . . . . . . . . . . . . . . . . . . . . . . . . . . . .1.38 - 1.62 mm (0.054 - 0.064 in.)
Wear Limit . . . . . . . . . . . . . . . . . . . . . . . . . . . . . . . . . . . . . . . . . . . . . . . . . . . . 2.12 mm (0.084 in.)
Intake and Exhaust Valves
Valve Face
Exhaust Angle. . . . . . . . . . . . . . . . . . . . . . . . . . . . . . . . . . . . . . . . . . . . . . . . . . . . . . . . . . . . . . . 45°
Intake Angle . . . . . . . . . . . . . . . . . . . . . . . . . . . . . . . . . . . . . . . . . . . . . . . . . . . . . . . . . . . . . . . . 30°
Minimum Margin . . . . . . . . . . . . . . . . . . . . . . . . . . . . . . . . . . . . . . . . . . . . . . . 0.51 mm (0.020 in.)
Valve Recession
Standard . . . . . . . . . . . . . . . . . . . . . . . . . . . . . . . . . . . . . . . . . . .0.20 - 0.40 mm (0.008 - 0.016 in.)
Wear Limit . . . . . . . . . . . . . . . . . . . . . . . . . . . . . . . . . . . . . . . . . . . . . . . . . . . . 1.80 mm (0.071 in.)
Valve Stem O.D. (Exhaust Valve)
Standard . . . . . . . . . . . . . . . . . . . . . . . . . . . . . . . . . . . . . . . . .8.94 - 8.96 mm (0.3520 - 0.3528 in.)
Wear Limit . . . . . . . . . . . . . . . . . . . . . . . . . . . . . . . . . . . . . . . . . . . . . . . . . . . 8.90 mm (0.3504 in.)
Valve Stem O.D. (Intake Valve)
Standard . . . . . . . . . . . . . . . . . . . . . . . . . . . . . . . . . . . . . . . . .8.96 - 8.98 mm (0.3528 - 0.3535 in.)
Wear Limit . . . . . . . . . . . . . . . . . . . . . . . . . . . . . . . . . . . . . . . . . . . . . . . . . . . 8.90 mm (0.3504 in.)
Valve Guides
Valve Guide Height . . . . . . . . . . . . . . . . . . . . . . . . . . . . . . . . . . . . . . . . . . . . . . . 11.50 mm (0.453 in.)
Valve Guide I.D.

Specifications
4-2
4/7/95
4
Maximum Clearance. . . . . . . . . . . . . . . . . . . . . . . . . . . . . . . . . . . . . . . . . . . . . 0.20 mm (0.008 in.)
Standard . . . . . . . . . . . . . . . . . . . . . . . . . . . . . . . . . . . . . . . . . . .9.00 - 9.02 mm (0.354 - 0.355 in.)
Wear Limit . . . . . . . . . . . . . . . . . . . . . . . . . . . . . . . . . . . . . . . . . . . . . . . . . . . . 9.10 mm (0.358 in.)
Valve Springs
Maximum Spring Tension . . . . . . . . . . . . . . . . . . . . . . . 41.50 mm (1.634 in.) at 12.6 N (5.7 lb force)
Spring Free Length
Standard . . . . . . . . . . . . . . . . . . . . . . . . . . . . . . . . . . . . . . . . . . . . . . . . . . . . . . . .43 mm (1.693 in.)
Wear Limit . . . . . . . . . . . . . . . . . . . . . . . . . . . . . . . . . . . . . . . . . . . . . . . . . . . 42.50 mm (1.673 in.)
Maximum Spring Inclination . . . . . . . . . . . . . . . . . . . . . . . . . . . . . . . . . . . . . . . . . 1.20 mm (0.047 in.)
Exhaust Manifold
Mounting Cap Screw Torque . . . . . . . . . . . . . . . . . . . . . . . . . . . . . . . . . . . . . . . . . 26 N•m (226 lb-in.)
Intake Manifold
Mounting Cap Screw Torque . . . . . . . . . . . . . . . . . . . . . . . . . . . . . . . . . . . . . . . . . 26 N•m (226 lb-in.)
Valve Seat Angles
Lower Seat Surface. . . . . . . . . . . . . . . . . . . . . . . . . . . . . . . . . . . . . . . . . . . . . . . . . . . . . . . . . . . . . . 70°
Upper Seat Surface . . . . . . . . . . . . . . . . . . . . . . . . . . . . . . . . . . . . . . . . . . . . . . . . . . . . . . . . . . . . . . 15°
Valve Seat Surface
Exhaust Valve. . . . . . . . . . . . . . . . . . . . . . . . . . . . . . . . . . . . . . . . . . . . . . . . . . . . . . . . . . . . . . . 45°
Intake Valve . . . . . . . . . . . . . . . . . . . . . . . . . . . . . . . . . . . . . . . . . . . . . . . . . . . . . . . . . . . . . . . . 30°
Piston-to-Cylinder Head Clearance . . . . . . . . . . . . . . . . . . . . . . . . . . . .0.71 - 0.89 mm (0.028 - 0.035 in.)
Piston and Connecting Rod Cap Screw Torque . . . . . . . . . . . . . . . . . . . . . . . . . . . . . . . . 98 N•m (69 lb-ft)
Connecting Rod Bearing I.D.
Clearance . . . . . . . . . . . . . . . . . . . . . . . . . . . . . . . . . . . . . . . . . . . . . . . . . . . . . . . . 0.09 mm (0.004 in.)
Standard . . . . . . . . . . . . . . . . . . . . . . . . . . . . . . . . . . . . . . . . . . . 60 - 60.042 mm (2.3622 - 2.3639 in.)
Wear Limit . . . . . . . . . . . . . . . . . . . . . . . . . . . . . . . . . . . . . . . . . . . . . . . . . . . . . 60.10 mm (2.3661 in.)
Piston Ring Groove Clearance
First Compression Ring
Standard . . . . . . . . . . . . . . . . . . . . . . . . . . . . . . . . . . . . . . .0.090 - 0.125 mm (0.0035 - 0.0049 in.)
Wear Limit . . . . . . . . . . . . . . . . . . . . . . . . . . . . . . . . . . . . . . . . . . . . . . . . . . . 0.20 mm (0.0079 in.)
Oil Ring
Standard . . . . . . . . . . . . . . . . . . . . . . . . . . . . . . . . . . . . . . .0.030 - 0.065 mm (0.0012 - 0.0026 in.)
Wear Limit . . . . . . . . . . . . . . . . . . . . . . . . . . . . . . . . . . . . . . . . . . . . . . . . . . . 0.15 mm (0.0059 in.)
Second Compression Ring
Standard . . . . . . . . . . . . . . . . . . . . . . . . . . . . . . . . . . . . . . .0.035 - 0.070 mm (0.0014 - 0.0028 in.)
Wear Limit . . . . . . . . . . . . . . . . . . . . . . . . . . . . . . . . . . . . . . . . . . . . . . . . . . . 0.15 mm (0.0059 in.)
Piston Ring End Gap
Compression Rings
Standard . . . . . . . . . . . . . . . . . . . . . . . . . . . . . . . . . . . . . . . . .0.25 - 0.40 mm (0.0098 - 0.0157 in.)
Wear Limit . . . . . . . . . . . . . . . . . . . . . . . . . . . . . . . . . . . . . . . . . . . . . . . . . . . 1.50 mm (0.0591 in.)
Oil Ring
Standard . . . . . . . . . . . . . . . . . . . . . . . . . . . . . . . . . . . . . . . . .0.30 - 0.50 mm (0.0118 - 0.0197 in.)
Wear Limit . . . . . . . . . . . . . . . . . . . . . . . . . . . . . . . . . . . . . . . . . . . . . . . . . . . 1.50 mm (0.0591 in.)
Piston Pin
Bore I.D.
Clearance . . . . . . . . . . . . . . . . . . . . . . . . . . . . . . . . . . . . . . . . . . . . . . . . . . . 0.022 mm (0.0009 in.)
Standard . . . . . . . . . . . . . . . . . . . . . . . . . . . . . . . . . . . . . .34.00 - 34.011 mm (1.3386 - 1.3390 in.)
Wear Limit . . . . . . . . . . . . . . . . . . . . . . . . . . . . . . . . . . . . . . . . . . . . . . . . . . 34.02 mm (1.3393 in.)
Bushing I.D.
Clearance . . . . . . . . . . . . . . . . . . . . . . . . . . . . . . . . . . . . . . . . . . . . . . . . . . . 0.061 mm (0.0024 in.)

Specifications
4/7/95
4
4-3
Standard . . . . . . . . . . . . . . . . . . . . . . . . . . . . . . . . . . . . . . .34.03 - 34.05 mm (1.3398 - 1.3406 in.)
Wear Limit . . . . . . . . . . . . . . . . . . . . . . . . . . . . . . . . . . . . . . . . . . . . . . . . . . 34.10 mm (1.3425 in.)
Pin O.D.
Standard . . . . . . . . . . . . . . . . . . . . . . . . . . . . . . . . . . . . . .33.989 - 34.00 mm (1.3381 - 1.3386 in.)
Wear Limit . . . . . . . . . . . . . . . . . . . . . . . . . . . . . . . . . . . . . . . . . . . . . . . . . . 33.90 mm (1.3346 in.)
Piston O.D.
0.25 mm (0.010 in.) Oversize Piston
Standard . . . . . . . . . . . . . . . . . . . . . . . . . . . . . . . . . . . . . . .100.15 - 100.18 mm (3.943 - 3.944 in.)
Wear Limit . . . . . . . . . . . . . . . . . . . . . . . . . . . . . . . . . . . . . . . . . . . . . . . . . . 100.05 mm (3.939 in.)
Standard Size Piston
Standard . . . . . . . . . . . . . . . . . . . . . . . . . . . . . . . . . . . . .99.895 - 99.925 mm (3.9329 - 3.9341 in.)
Wear Limit . . . . . . . . . . . . . . . . . . . . . . . . . . . . . . . . . . . . . . . . . . . . . . . . . . 99.79 mm (3.9287 in.)
Cylinder Bore I.D.
0.25 mm (0.010 in.) Oversize Bore
Standard . . . . . . . . . . . . . . . . . . . . . . . . . . . . . . . . . . . . . . .100.25 - 100.28 mm (3.947 - 3.948 in.)
Wear Limit . . . . . . . . . . . . . . . . . . . . . . . . . . . . . . . . . . . . . . . . . . . . . . . . . . 100.45 mm (3.955 in.)
Deglazing . . . . . . . . . . . . . . . . . . . . . . . . . . . . . . . . . . . . . . . . . . . . . . . . . 30 - 40° Cross-Hatch Pattern
Reboring . . . . . . . . . . . . . . . . . . . . . . . . . . . . . . . . . . . . . . . . . . . . . . . . . . 30 - 40° Cross-Hatch Pattern
Standard Size Bore
Clearance . . . . . . . . . . . . . . . . . . . . . . . . . . . . . . . . . . . . . . . . . . . . . . . . . . . . . 0.41 mm (0.016 in.)
Standard . . . . . . . . . . . . . . . . . . . . . . . . . . . . . . . . . . . . .100.00 - 100.03 mm (3.9370 - 3.9382 in.)
Wear Limit . . . . . . . . . . . . . . . . . . . . . . . . . . . . . . . . . . . . . . . . . . . . . . . . . 100.15 mm (3.9429 in.)
Crankcase Extension Housing
Mounting Cap Screw Torque
Extension-to-Block (M12) . . . . . . . . . . . . . . . . . . . . . . . . . . . . . . . . . . . . . . . . . . 88 N•m (65 lb-ft)
Extension-to-Block (M8) . . . . . . . . . . . . . . . . . . . . . . . . . . . . . . . . . . . . . . . . . 26 N•m (226 lb-in.)
Extension-to-Gear Housing . . . . . . . . . . . . . . . . . . . . . . . . . . . . . . . . . . . . . . . 21 N•m (180 lb-in.)
Flywheel Housing-to-Extension . . . . . . . . . . . . . . . . . . . . . . . . . . . . . . . . . . . . . . 49 N•m (36 lb-ft)
Seal Case-to-Extension. . . . . . . . . . . . . . . . . . . . . . . . . . . . . . . . . . . . . . . . . . . 21 N•m (180 lb-in.)
Crankshaft Rear Oil Seal
Seal Case-to-Block Cap Screw Torque . . . . . . . . . . . . . . . . . . . . . . . . . . . . . . . . . 26 N•m (226 lb-in.)
Seal Case-to-Extension Cap Screw Torque . . . . . . . . . . . . . . . . . . . . . . . . . . . . . . 21 N•m (180 lb-in.)
Crankshaft Front Oil Seal Depth . . . . . . . . . . . . . . . . . . . . . 3.18 mm (0.125 in.) Below Surface of Cover
Crankshaft and Main Bearings
Connecting Rod Journal O.D.
Standard . . . . . . . . . . . . . . . . . . . . . . . . . . . . . . . . . . . . . 59.952 -59.964 mm (2.3603 - 2.3608 in.)
Wear Limit . . . . . . . . . . . . . . . . . . . . . . . . . . . . . . . . . . . . . . . . . . . . . . . . . . 59.90 mm (2.3583 in.)
Crankshaft Maximum Bend . . . . . . . . . . . . . . . . . . . . . . . . . . . . . . . . . . . . . . . . . 0.02 mm (0.0007 in.)
Crankshaft and Main Bearings - Continued
Main Bearing Cap Screw Torque
Initial. . . . . . . . . . . . . . . . . . . . . . . . . . . . . . . . . . . . . . . . . . . . . . . . . . . . . . . . . 136 N•m (100 lb-ft)
Final . . . . . . . . . . . . . . . . . . . . . . . . . . . . . . . . . . . . . . . . . . . . . . . . . . . . . . . . . 196 N•m (145 lb-ft)
Main Bearing I.D.
Clearance . . . . . . . . . . . . . . . . . . . . . . . . . . . . . . . . . . . . . . . . . . . . . . . . . . . . . 0.09 mm (0.004 in.)
Standard . . . . . . . . . . . . . . . . . . . . . . . . . . . . . . . . . . . . . .60.00 - 60.042 mm (2.3622 - 2.3639 in.)
Wear Limit . . . . . . . . . . . . . . . . . . . . . . . . . . . . . . . . . . . . . . . . . . . . . . . . . . 60.10 mm (2.3661 in.)
Main Bearing Journal O.D.
Standard . . . . . . . . . . . . . . . . . . . . . . . . . . . . . . . . . . . . .69.952 - 69.964 mm (2.7540 - 2.7545 in.)
Wear Limit . . . . . . . . . . . . . . . . . . . . . . . . . . . . . . . . . . . . . . . . . . . . . . . . . . 69.90 mm (2.7520 in.)

Specifications
4-4
4/7/95
4
Flywheel
Maximum Distortion. . . . . . . . . . . . . . . . . . . . . . . . . . . . . . . . . . . . . . . . . . . . . . . 0.02 mm (0.0008 in.)
Mounting Cap Screw Torque . . . . . . . . . . . . . . . . . . . . . . . . . . . . . . . . . . . . . . . . . 196 N•m (145 lb-ft)
Flywheel Housing Mounting Cap Screw Torque . . . . . . . . . . . . . . . . . . . . . . . . . . . . . . . 49 N•m (36 lb-ft)
Camshaft
Bore I.D.
Standard . . . . . . . . . . . . . . . . . . . . . . . . . . . . . . . . . . . . . . .57.00 - 57.03 mm (2.2441 - 2.2453 in.)
Clearance . . . . . . . . . . . . . . . . . . . . . . . . . . . . . . . . . . . . . . . . . . . . . . . . . . . . . 0.12 mm (0.005 in.)
Wear Limit . . . . . . . . . . . . . . . . . . . . . . . . . . . . . . . . . . . . . . . . . . . . . . . . . . 57.10 mm (2.2480 in.)
Bushing Depth . . . . . . . . . . . . . . . . . . . . . . . . . . . . . . . . . . . . . . . . . . . . . . . . . . . . . 1.6 mm (0.062 in.)
Bushing I.D.
Clearance . . . . . . . . . . . . . . . . . . . . . . . . . . . . . . . . . . . . . . . . . . . . . . . . . . . . . 0.14 mm (0.006 in.)
Standard . . . . . . . . . . . . . . . . . . . . . . . . . . . . . . . . . . . . . . .56.98 - 57.05 mm (2.2433 - 2.2461 in.)
Wear Limit . . . . . . . . . . . . . . . . . . . . . . . . . . . . . . . . . . . . . . . . . . . . . . . . . . 57.10 mm (2.2480 in.)
Camshaft Side Gap
Standard . . . . . . . . . . . . . . . . . . . . . . . . . . . . . . . . . . . . . . . . .0.05 - 0.20 mm (0.0020 - 0.0079 in.)
Wear Limit . . . . . . . . . . . . . . . . . . . . . . . . . . . . . . . . . . . . . . . . . . . . . . . . . . . 0.29 mm (0.0114 in.)
End Journal O.D.
Standard . . . . . . . . . . . . . . . . . . . . . . . . . . . . . . . . . . . . . . .56.91 - 56.94 mm (2.2406 - 2.2417 in.)
Wear Limit . . . . . . . . . . . . . . . . . . . . . . . . . . . . . . . . . . . . . . . . . . . . . . . . . . 56.80 mm (2.2362 in.)
Intermediate Journal O.D.
Standard . . . . . . . . . . . . . . . . . . . . . . . . . . . . . . . . . . . . . . .56.89 - 56.92 mm (2.2398 - 2.2409 in.)
Wear Limit . . . . . . . . . . . . . . . . . . . . . . . . . . . . . . . . . . . . . . . . . . . . . . . . . . 56.80 mm (2.2362 in.)
Lobe Height
Standard . . . . . . . . . . . . . . . . . . . . . . . . . . . . . . . . . . . . .48.435 - 48.565 mm (1.9069 - 1.9120 in.)
Wear Limit . . . . . . . . . . . . . . . . . . . . . . . . . . . . . . . . . . . . . . . . . . . . . . . . . . . 48.20 mm (1.897 in.)
Maximum Camshaft Bend . . . . . . . . . . . . . . . . . . . . . . . . . . . . . . . . . . . . . . . . . . 0.05 mm (0.0020 in.)
Mounting Cap Screw Torque . . . . . . . . . . . . . . . . . . . . . . . . . . . . . . . . . . . . . . . . . 26 N•m (226 lb-in.)
Cam Followers
Bore I.D.
Clearance . . . . . . . . . . . . . . . . . . . . . . . . . . . . . . . . . . . . . . . . . . . . . . . . . . . 0.052 mm (0.0020 in.)
Standard . . . . . . . . . . . . . . . . . . . . . . . . . . . . . . . . . . . . .14.249 - 14.270 mm (0.5610 - 0.5618 in.)
Wear Limit . . . . . . . . . . . . . . . . . . . . . . . . . . . . . . . . . . . . . . . . . . . . . . . . . . 14.30 mm (0.5630 in.)
Cam Followers - Continued
Stem O.D.
Standard . . . . . . . . . . . . . . . . . . . . . . . . . . . . . . . . . . . . .14.218 - 14.233 mm (0.5598 - 0.5604 in.)
Wear Limit . . . . . . . . . . . . . . . . . . . . . . . . . . . . . . . . . . . . . . . . . . . . . . . . . . 14.17 mm (0.5579 in.)
Timing Gear Cover
Cover Mounting Cap Screw Torque. . . . . . . . . . . . . . . . . . . . . . . . . . . . . . . . . . . . 26 N•m (226 lb-in.)
Fan Mounting Cap Screw Torque. . . . . . . . . . . . . . . . . . . . . . . . . . . . . . . . . . . . . . . . 65 N•m (47 lb-ft)
Fan Spacer-to-Water Pump Socket-Head Cap Screw Torque . . . . . . . . . . . . . . . . . 11 N•m (96 lb-in.)
Crankshaft Pulley Cap Screw Torque. . . . . . . . . . . . . . . . . . . . . . . . . . . . . . . . . . . . 115 N•m (85 lb-ft)
Idler Gear
Bushing I.D.
Clearance . . . . . . . . . . . . . . . . . . . . . . . . . . . . . . . . . . . . . . . . . . . . . . . . . . . 0.075 mm (0.0030 in.)
Standard . . . . . . . . . . . . . . . . . . . . . . . . . . . . . . . . . . . . . .46.00 - 46.025 mm (1.8110 - 1.8120 in.)
Wear Limit . . . . . . . . . . . . . . . . . . . . . . . . . . . . . . . . . . . . . . . . . . . . . . . . . . 46.09 mm (1.8146 in.)
Shaft O.D.
Standard . . . . . . . . . . . . . . . . . . . . . . . . . . . . . . . . . . . . . .45.95 - 45.975 mm (1.8091 - 1.8100 in.)

Specifications
4/7/95
4
4-5
Wear Limit . . . . . . . . . . . . . . . . . . . . . . . . . . . . . . . . . . . . . . . . . . . . . . . . . . . 45.9 mm (1.8071 in.)
Timing Gear Housing
Mounting Cap Screw Torque
Extension-to-Gear Housing . . . . . . . . . . . . . . . . . . . . . . . . . . . . . . . . . . . . . . . 21 N•m (180 lb-in.)
Gear Housing-to-Block. . . . . . . . . . . . . . . . . . . . . . . . . . . . . . . . . . . . . . . . . . . 25 N•m (220 lb-in.)
Oil Strainer Mounting Cap Screw Torque . . . . . . . . . . . . . . . . . . . . . . . . . . . . . . . . . . 26 N•m (226 lb-in.)
Oil Pan Mounting Cap Screw Torque
Oil Pan-to-Block. . . . . . . . . . . . . . . . . . . . . . . . . . . . . . . . . . . . . . . . . . . . . . . . . . . 26 N•m (226 lb-in.)
Oil Pan-to-Extension. . . . . . . . . . . . . . . . . . . . . . . . . . . . . . . . . . . . . . . . . . . . . . . . 21 N•m (180 lb-in.)
Oil Pump
Inner-to-Outer Rotor Maximum Clearance . . . . . . . . . . . . . . . . . . . . . . . . . . . . . . 0.25 mm (0.010 in.)
Maximum Gear Backlash . . . . . . . . . . . . . . . . . . . . . . . . . . . . . . . . . . . . . . . . . . . . 0.25 mm (0.010 in.)
Maximum Outer Rotor Recess . . . . . . . . . . . . . . . . . . . . . . . . . . . . . . . . . . . . . . . . 0.25 mm (0.010 in.)
Mounting Cap Screw Torque . . . . . . . . . . . . . . . . . . . . . . . . . . . . . . . . . . . . . . . . . . . 25 N•m (18 lb-ft)
Outer Rotor-to-Pump Housing Maximum Clearance. . . . . . . . . . . . . . . . . . . . . . . 0.25 mm (0.010 in.)
Rotor Shaft Assembly-to-Housing Cap Screw Torque. . . . . . . . . . . . . . . . . . . . . . . . 6 N•m (53 lb-in.)
Rotor Shaft O.D.-to-Housing I.D. Maximum Clearance . . . . . . . . . . . . . . . . . . . . 0.20 mm (0.008 in.)
Oil Cooler
Adapter-to-Housing Cap Screw Torque . . . . . . . . . . . . . . . . . . . . . . . . . . . . . . . . . . . 24 N•m (18 lb-ft)
Mounting Cap Screw Torque . . . . . . . . . . . . . . . . . . . . . . . . . . . . . . . . . . . . . . . . . . . 24 N•m (18 lb-ft)
Oil Cooler-to-Housing Nut Torque. . . . . . . . . . . . . . . . . . . . . . . . . . . . . . . . . . . . . . . 49 N•m (36 lb-ft)
Oil Cooler By-Pass Valve Spring
Compressed Length . . . . . . . . . . . . . . . . . . . . . . . . . . . . 37 mm (1.450 in.) @ 3.75 N (0.840 lb force)
Free Length. . . . . . . . . . . . . . . . . . . . . . . . . . . . . . . . . . . . . . . . . . . . . . . . . . . . . . . . .63 mm (2.480 in.)
Oil Pressure Regulating Valve Spring
Compressed Length . . . . . . . . . . . . . . . . . . . . . . . . . . . . 50 mm (1.970 in.) @ 5.40 N (1.200 lb force)
Free Length. . . . . . . . . . . . . . . . . . . . . . . . . . . . . . . . . . . . . . . . . . . . . . . . . . . . . . . . .51 mm (2.010 in.)
Piston Cooling Nozzle Mounting Bolt Torque . . . . . . . . . . . . . . . . . . . . . . . . . . . . . . . 15 N•m (130 lb-in.)
Thermostat Cover Cap Screw Torque. . . . . . . . . . . . . . . . . . . . . . . . . . . . . . . . . . . . . . 20 N•m (180 lb-in.)
Water Pump
Adapter Fitting-to-Housing Torque . . . . . . . . . . . . . . . . . . . . . . . . . . . . . . . . . . . . 23 N•m (199 lb-in.)
Adapter-to-Plate Screw Torque . . . . . . . . . . . . . . . . . . . . . . . . . . . . . . . . . . . . . . . . 10 N•m (91 lb-in.)
Bottom of Pulley Flange-to-Top of Housing . . . . . . . . . . . . . . . . . . . . . . . . . . . . . . .11 mm (0.433 in.)
Fan Mounting Cap Screw Torque. . . . . . . . . . . . . . . . . . . . . . . . . . . . . . . . . . . . . . . . 65 N•m (47 lb-ft)
Fan Spacer-to-Pump Socket-Head Cap Screw Torque. . . . . . . . . . . . . . . . . . . . . . . 11 N•m (96 lb-in.)
Impeller-to-Pump Housing Clearance . . . . . . . . . . . . . . . . . . . . . . .0.30 - 1.10 mm (0.012 - 0.043 in.)
Mounting Cap Screw Torque . . . . . . . . . . . . . . . . . . . . . . . . . . . . . . . . . . . . . . . . . 26 N•m (226 lb-in.)
Plate-to-Housing Screw Torque . . . . . . . . . . . . . . . . . . . . . . . . . . . . . . . . . . . . . . . 15 N•m (134 lb-in.)
Plug-to-Housing Torque . . . . . . . . . . . . . . . . . . . . . . . . . . . . . . . . . . . . . . . . . . . . . 15 N•m (130 lb-in.)
Fuel Supply Pump
Mounting Nut Torque . . . . . . . . . . . . . . . . . . . . . . . . . . . . . . . . . . . . . . . . . . . . . . . . 11 N•m (96 lb-in.)
External Lube Line Inlet Mounting Bolt Torque . . . . . . . . . . . . . . . . . . . . . . . . . . 15 N•m (130 lb-in.)
Fuel Injection Pump
External Lube Line Inlet Mounting Bolt Torque . . . . . . . . . . . . . . . . . . . . . . . . . . 15 N•m (130 lb-in.)
Lube Line-to-Block Bolt Torque . . . . . . . . . . . . . . . . . . . . . . . . . . . . . . . . . . . . . . 25 N•m (217 lb-in.)
Mounting Cap Screw Torque . . . . . . . . . . . . . . . . . . . . . . . . . . . . . . . . . . . . . . . . . . . 27 N•m (20 lb-ft)
Fuel Injection Nozzles
Mounting Nut Torque . . . . . . . . . . . . . . . . . . . . . . . . . . . . . . . . . . . . . . . . . . . . . . . . . 5 N•m (39 lb-in.)
Retaining Nut Torque . . . . . . . . . . . . . . . . . . . . . . . . . . . . . . . . . . . . . . . . . . . . . . . . . 43 N•m (31 lb-ft)

Specifications
4-6
4/7/95
4
Separator Plate Nozzle Contact Surface Maximum Wear . . . . . . . . . . . . . . . . . . 0.10 mm (0.0039 in.)
Starter Minimum Brush Length . . . . . . . . . . . . . . . . . . . . . . . . . . . . . . . . . . . . . . . . . . . 8.5 mm (0.335 in.)
Alternator
Minimum Brush Length . . . . . . . . . . . . . . . . . . . . . . . . . . . . . . . . . . . . . . . . . . . . . 5.50 mm (0.220 in.)
Rotor Assembly
Pulley Nut Torque. . . . . . . . . . . . . . . . . . . . . . . . . . . . . . . . . . . . . . . . . . . . . . . . . 49 N•m (36 lb-ft)
Retainer-to-Front Frame Screw Torque . . . . . . . . . . . . . . . . . . . . . . . . . . . . . . . . 2 N•m (16 lb-in.)
Rotor-to-Stator Assembly Attaching Screw Torque. . . . . . . . . . . . . . . . . . . . . . . . . . 4 N•m (31 lb-in.)
Stator Assembly
End Frame-to-Rectifier Nut Torque . . . . . . . . . . . . . . . . . . . . . . . . . . . . . . . . . . . 4 N•m (31 lb-in.)
Stator-to-Rectifier Lead Wire Distance . . . . . . . . . . . . . . . . . . . . . . . . . . . . . . . . 33.50 mm (1.300 in.)
Checks, Tests and Adjustments
Camshaft End Play
Standard Clearance . . . . . . . . . . . . . . . . . . . . . . . . . . . . . . . . .0.05 - 0.20 mm (0.0020 - 0.0079 in.)
Wear Limit . . . . . . . . . . . . . . . . . . . . . . . . . . . . . . . . . . . . . . . . . . . . . . . . . . . 0.29 mm (0.0114 in.)
Connecting Rod Bearing Clearance
Standard Clearance . . . . . . . . . . . . . . . . . . . . . . . . . . . . . . .0.036 - 0.090 mm (0.0014 - 0.0035 in.)
Wear Limit . . . . . . . . . . . . . . . . . . . . . . . . . . . . . . . . . . . . . . . . . . . . . . . . . . . 0.15 mm (0.0059 in.)
Connecting Rod Side Play
Standard Clearance . . . . . . . . . . . . . . . . . . . . . . . . . . . . . . . . .0.20 - 0.40 mm (0.0079 - 0.0157 in.)
Wear Limit . . . . . . . . . . . . . . . . . . . . . . . . . . . . . . . . . . . . . . . . . . . . . . . . . . . 0.45 mm (0.0177 in.)
Coolant Temperature Sender Continuity . . . . . . . . . . . . . . . . . . . . . . . . . . 107 - 133° C (225 - 235° F)
Thermostat
Begin Opening . . . . . . . . . . . . . . . . . . . . . . . . . . . . . . . . . . . . . . . . . . . . . . . . . . . . . 71° C (160° F)
Fully Open . . . . . . . . . . . . . . . . . . . . . . . . . . . . . . . . . . . . . . . . . . . . . . . . . . . . . . . . 85° C (184° F)
Minimum Lift Height . . . . . . . . . . . . . . . . . . . . . . . . . . . . . . . . . . . . . . . . . . . . . . .8 mm (0.310 in.)
Checks, Tests and Adjustments - Continued
Crankshaft End Play
Standard Clearance . . . . . . . . . . . . . . . . . . . . . . . . . . . . . . .0.132 - 0.223 mm (0.0052 - 0.0088 in.)
Wear Limit . . . . . . . . . . . . . . . . . . . . . . . . . . . . . . . . . . . . . . . . . . . . . . . . . . . 0.29 mm (0.0114 in.)
Crankshaft Main Bearing Clearance
Main Bearing Cap Cap Screw Torque . . . . . . . . . . . . . . . . . . . . . . . . . . . . . . . 196 N•m (145 lb-ft)
Standard Clearance . . . . . . . . . . . . . . . . . . . . . . . . . . . . . . .0.036 - 0.093 mm (0.0014 - 0.0037 in.)
Wear Limit . . . . . . . . . . . . . . . . . . . . . . . . . . . . . . . . . . . . . . . . . . . . . . . . . . . 0.09 mm (0.0040 in.)
Fan/Alternator Drive Belt
Applied Force . . . . . . . . . . . . . . . . . . . . . . . . . . . . . . . . . . . . . . . . . . . . . . . . . . . 98 N (22 lb-force)
Deflection . . . . . . . . . . . . . . . . . . . . . . . . . . . . . . . . . . . . . . . . . . . . .10 - 15 mm (0.400 - 0.600 in.)
Fuel Injection Nozzle
Chatter and Spray Pattern at 20100 ± 490 kPa (2915 ± 71 psi) Pressure
Slow Hand Lever Movement . . . . . . . . . . . . . . . . . . . . . . . . . . . . . . . . . . . . . . . .Chatter Sound
Slow Hand Lever Movement . . . . . . . . . . . . . . . . . . . . . . . . . . . . . . Fine Stream Spray Pattern
Fast Hand Lever Movement . . . . . . . . . . . . . . . . . . . . . . . . . . . . .Fine Atomized Spray Pattern
Leakage. . . . . . . . . . . . . . . . . . . . . . . . . . . . . . . . . . .Minimum 5 Seconds at 18100 kPa (2625 psi)
Opening Pressure . . . . . . . . . . . . . . . . . . . . . . . . . . . . . . . . . . . . . . . . . . . . . . 19615 kPa (2850 psi)
Injection Pump Static Timing
Distance on Outer Surface of Flywheel per 1° of Rotation . . . . . . . . . . . . . . . . 3.5 mm (0.130 in.)
Engine Crankshaft Position . . . . . . . . . . . . . . . . . . . No. 1 Cylinder on TDC Compression Stroke
Injection Pump Timing . . . . . . . . . . . . . . . . . . . . . . . . . . . . . 16° BTDC (Before Top Dead Center)
Timing Lines on Pump Mounting Plate . . . . . . . . . . . . . . . . . . . . . . . . . . . . . . . . . . . . . . . 2° Apart

Specifications
4/7/95
4
4-7
Starter, No-Load Amp Draw/RPM
Maximum Starter Amperage . . . . . . . . . . . . . . . . . . . . . . . . . . . . . . . . . . . . . 90 amps at 3500 rpm
Minimum Starter RPM . . . . . . . . . . . . . . . . . . . . . . . . . . . . . . . . . . . . . . . . . . . . . . . . . . . . . . . 3500
Timing Gear Backlash
Standard Backlash. . . . . . . . . . . . . . . . . . . . . . . . . . . . . . . . . .0.08 - 0.16 mm (0.0031 - 0.0063 in.)
Wear Limit . . . . . . . . . . . . . . . . . . . . . . . . . . . . . . . . . . . . . . . . . . . . . . . . . . . 0.25 mm (0.0098 in.)
Valve Clearance . . . . . . . . . . . . . . . . . . . . . . . . . . . . . . . . . . . . . . . . . . . . . . . . . . . 0.30 mm (0.012 in.)
Valve Lift Intake and Exhaust . . . . . . . . . . . . . . . . . . . . . . . . . . . . . . . . . . . . . . . . . 6.5 mm (0.256 in.)
Operational Tests
Air Intake System Holding Pressure. . . . . . . . . . . . . . . . . . . . . . . . . . . . . . . . . .34 - 69 kPa (5 - 10 psi)
Cooling System
Maximum Pressure . . . . . . . . . . . . . . . . . . . . . . . . . . . . . . . . . . . . . . . . . . . . . . . . . . 97 kPa (14 psi)
Minimum Pressure After 15 Seconds . . . . . . . . . . . . . . . . . . . . . . . . . . . . . . . . . . 88 kPa (12.8 psi)
Cylinder Compression Pressure
Compression Pressure. . . . . . . . . . . . . . . . . . . . . . . . . . . . . . . . . . . . . . . . . . . . . 2942 kPa (427 psi)
Maximum Difference Between Cylinders . . . . . . . . . . . . . . . . . . . . . . . . . . . . . . . 588 kPa (85 psi)
Engine Oil Pressure
Fast Idle. . . . . . . . . . . . . . . . . . . . . . . . . . . . . . . . . . . . . . . . . . . . . . . . . . . . . . . . . . . 2375 ± 50 rpm
Oil Pressure Fast Idle . . . . . . . . . . . . . . . . . . . . . . . . . . . . . . . . . . . . . . .343 - 441 kPa (50 - 64 psi)
Oil Pressure Slow Idle (Minimum). . . . . . . . . . . . . . . . . . . . . . . . . . . . . . . . . . . . . . 98 kPa (14 psi)
Slow Idle. . . . . . . . . . . . . . . . . . . . . . . . . . . . . . . . . . . . . . . . . . . . . . . . . . . . . . . . . . . 900 ± 50 rpm
Fuel Supply Pump Pressure (Minimum) . . . . . . . . . . . . . . . . . . . . . . . . . . . . . . . . . . . 216 kPa (31 psi)
Fuel System Holding Pressure (Maximum) . . . . . . . . . . . . . . . . . . . . . . . . . . . . . . . . . 103 kPa (15 psi)
Radiator Cap
Valve Opening Pressure . . . . . . . . . . . . . . . . . . . . . . . . . . . . . . . . . . . . . . . . . . . . 88 kPa (12.8 psi)

Cylinder Head, Valves and Manifolds
4-8
4/7/95
4
SPECIAL OR ESSENTIAL TOOLS
NOTE: Order tools according to information given in the U.S. SERVICE-GARDTM Catalog or in the
European Microfiche Tool Catalog (MTC).
JT07092 Valve Guide Knurler (9 mm)
Use to knurl inside diameter of valve guides.
JDE118 Valve Guide Driver
Use to remove and install valve guides in cylinder head.
JT07091 Valve Guide Reamer (9 mm)
Use to ream out new valve guides.
OTHER MATERIALS
Number Name Use
LOCTITE® PRODUCTS
U.S./
Canadian/
LOCTITE No.
TY9375/ John Deere Pipe Sealant Apply to threads of fitting on top of
TY9480/ with TEFLON® cylinder head.
#592
SERVICE PARTS KITS
The following kits are available through your parts catalog:
•Cylinder Head Gasket Kit
®LOCTITE is a registered trademark of the Loctite Corp.
®TEFLON is a registered trademark of the Du Pont Company.

Cylinder Head, Valves and Manifolds
4/7/95
4-9
4
ROCKER ARM COVER
M82020A
Oil Fill Cap
O-Ring
Cap Screw (10)
M8 x 25
26 N•m (226 lb-in.)
Gasket
Crankcase Breather
Tube

Cylinder Head, Valves and Manifolds
4-10
4/7/95
4
ROCKER ARM ASSEMBLY
Removal/Installation and
Disassembly/Assembly
1. Remove rocker arm cover. (See procedure in this
group.)
•Inspect all parts for wear or damage. (See
Inspection procedures.)
•Lubricate all parts with clean oil during
assembly.
IMPORTANT: Install rocker arm support, with
alignment cap screw on rocker arm shaft, with
raised letter “F” facing toward other supports.
Install remaining rocker arm supports on
rocker arm shaft with raised letter “F” facing
away from support with alignment cap screw.
•Adjust valve clearance. (See Checks, Tests and
Adjustments in this section.)
M82021A
Adjusting
Screw
Push Rod
Intake Valve Rocker Arm
Rocker Arm Support
Exhaust Valve Rocker Arm
Rocker Arm
Shaft Spring
Alignment Cap Screw
Rocker Arm Shaft
Mounting Cap
Screw (6)
26 N•m
(226 lb-in.)
Mounting
Nut (2)
26 N•m
(226 lb-in.)

Cylinder Head, Valves and Manifolds
4/7/95
4-11
4
Inspection
•Measure outer diameter of rocker arm shaft.
Rocker Arm Shaft O.D.:
Standard . . . . . . . . . . . . . . . 18.46 - 18.48 mm
. . . . . . . . . . . . . . . . . . . . . . .(0.727 - 0.728 in.)
Wear Limit. . . . . . . . . . . 18.35 mm (0.722 in.)
Replace rocker arm shaft if less than wear limit.
•Measure inner diameters of rocker arms and
supports.
M35262
M82022A
Rocker Arm and Shaft Support I.D.’s:
Standard . . . . . . . . . . . . . . . 18.50 - 18.52 mm
. . . . . . . . . . . . . . . . . . . . . . .(0.728 - 0.729 in.)
Wear Limit. . . . . . . . . . . 18.60 mm (0.732 in.)
Clearance . . . . . . . . . . . . . 0.06 mm (0.002 in.)
Replace rocker arms or supports if I.D. is more than
wear limit.
If shaft and support/arm clearance (support/arm I.D.
minus shaft O.D.) exceed wear limit, replace all
parts.
•Measure length and bending of push rod.
Push Rod Length:
Standard . . . . . . . . . . . . . 178.25 - 178.75 mm
. . . . . . . . . . . . . . . . . . . . . . .(7.018 - 7.037 in.)
Push Rod Bend:
Standard . . . . . . . 0.05 mm (0.002 in.) or less
Wear Limit. . . . . . . . . . . . 0.30 mm (0.012 in.)
Replace push rod if not within specifications.
M82023A
Feeler
Gauge
Length

Cylinder Head, Valves and Manifolds
4-12
4/7/95
4
CYLINDER HEAD AND VALVES
Removal/Installation
1. Remove rocker arm assembly and push rods. (See
procedures in this group.)
2. Remove exhaust and intake manifolds. (See
procedures in this group.)
3. Remove water pump. (See Cooling System in this
section.)
4. Remove fuel injection nozzles. (See Fuel System
in this section.)
NOTE: Fitting must be removed to remove mounting
cap screw.
5. Disassemble and inspect cylinder head and
valves. (See Disassembly/ Assembly and
Inspection/Replacement procedures.)
IMPORTANT: Oil passage in gasket must be
located over oil passage in cylinder block.
Install gasket as shown.
M82024A
Fitting
Apply Pipe Sealant
with TEFLON to threads.
Flywheel
Cylinder Head
Mounting Cap
Screw (18)
Dip entire cap
screw in
clean engine oil
before
installing.
Oil Passage
Gasket

Cylinder Head, Valves and Manifolds
4/7/95
4-13
4
6. Tighten mounting cap screws, in the sequence
shown, in three stages of gradually-increasing
torque.
IMPORTANT: Cylinder head mounting cap
screws must be checked for proper torque
after 50 hours of engine operation.
Torque Specifications:
First . . . . . . . . . . . . . . . . . . . 49 N•m (36 lb-ft)
Second . . . . . . . . . . . . . . . . . 98 N•m (72 lb-ft)
Final . . . . . . . . . . . . . . . . . 157 N•m (116 lb-ft)
M82025A
Exhaust Manifold Side
Intake Manifold Side
Flywheel Side
Timing Gear Case Side
181210 315 13
715
1614 862411
917
Disassembly/Assembly
•Compress valve springs using a valve spring
compressor.
•Intake and exhaust valve guides are press fit.
Remove guides only if replacement is necessary.
(See Inspection/Replacement procedures.)
•Inspect all parts for wear or damage. (See
Inspection/Replacement procedures.)
IMPORTANT: Do not reuse stem seals if
removed. Used seals will leak.
•Apply clean engine oil on intake and exhaust
valve stems during assembly.
NOTE: If new valves are installed, measure valve
recession. (See Inspection/Replacement
procedures.)
After each valve has been assembled, tap on top of
valve stem with a plastic hammer to seat retainer.
M82026A
Short
Stud (8)
Lifting
Bracket (2)
Cap Screw (4)
M10 x 20
Collet Halves (16)
Exhaust Valve
Guide (4)
Stem
Seal (8)
Replace
Retainer (8)
Valve Spring (8)
Intake Valve Guide (4)
Long Stud (2)
Exhaust Valve
Intake Valve

Cylinder Head, Valves and Manifolds
4-14
4/7/95
4
Inspection/Replacement
Before inspection, thoroughly clean all components
of carbon or dirt.
Cylinder Head:
•Measure cylinder head flatness. Place a straight-
edge along each of the four sides and each
diagonal. Measure clearance between straight
edge and combustion surface with a feeler
gauge.
Cylinder Head Distortion:
Standard . . . . . . . 0.05 mm (0.002 in.) or less
Wear Limit. . . . . . . . . . . . 0.20 mm (0.008 in.)
If distortion exceeds the wear limit, resurface or
replace cylinder head. Remove only enough metal to
make cylinder head flat; but do not remove more
than 0.20 mm (0.008 in.).
If cylinder head was resurfaced:
•Measure piston-to-cylinder head clearance. (See
procedure in this group.)
•Measure valve recession. (See procedure in this
group.)
•Measure valve seat width.
M82027A
M82028A
Straight-Edge
Feeler Gauge
Valve Seat Width:
Intake Valve:
Standard . . . . . . . . . . . . . . . . . 1.38 - 1.62 mm
. . . . . . . . . . . . . . . . . . . . . . .(0.054 - 0.064 in.)
Wear Limit. . . . . . . . . . . . 2.12 mm (0.084 in.)
Exhaust Valve:
Standard . . . . . . . . . . . . . . . . . 2.02 - 2.23 mm
. . . . . . . . . . . . . . . . . . . . . . .(0.079 - 0.089 in.)
Wear Limit. . . . . . . . . . . . 2.73 mm (0.108 in.)
If necessary, grind valve seats to meet specifications.
(See GRIND VALVE SEATS procedure.)
Intake and Exhaust Valves:
•Check valve for out-of-round, bent or warped
condition using a valve inspection center.
Replace valve if necessary.
M82029A
Valve Seat
Width
M35307

Cylinder Head, Valves and Manifolds
4/7/95
4-15
4
•If valve faces are worn, burned or pitted, grind
valves to proper face angle. If valve face margin
is less than 0.51mm (0.020 in.) after grinding,
replace valve.
•Measure valve stem diameter at two locations
shown. Replace valve if measurement exceeds
wear limit.
Valve Stem O.D.:
Intake Valve:
Standard . . . . . . . . . . . . . . . . . 8.96 - 8.98 mm
. . . . . . . . . . . . . . . . . . . . .(0.3528 - 0.3535 in.)
Wear Limit: . . . . . . . . . . 8.90 mm (0.3504 in.)
Exhaust Valve:
Standard . . . . . . . . . . . . . . . . . 8.94 - 8.96 mm
. . . . . . . . . . . . . . . . . . . . .(0.3520 - 0.3528 in.)
Wear Limit. . . . . . . . . . . 8.90 mm (0.3504 in.)
•Measure valve recession using a depth gauge.
Replace valve or cylinder head if measurement
exceeds wear limit.
M82030A
Valve
Face
Margin
Valve Face
Angle
Exhaust:
Intake:45°
30°
M82031A
40 mm
(1.570 in.)60 mm
(2.360 in.)Valve Recession:
Standard . . . . . . . . . . . . . . . . . 0.20 - 0.40 mm
. . . . . . . . . . . . . . . . . . . . . . .(0.008 - 0.016 in.)
Wear Limit. . . . . . . . . . . . 1.80 mm (0.071 in.)
Valve Guides:
•Clean valve guides using a valve guide brush.
•Measure valve guide inside diameter.
Valve Guide I.D.:
Standard . . . . . . . . . . . . . . . . . 9.00 - 9.02 mm
. . . . . . . . . . . . . . . . . . . . . . .(0.354 - 0.355 in.)
Wear Limit. . . . . . . . . . . . 9.10 mm (0.358 in.)
If diameter exceeds wear limit, knurl or replace
guide.
If diameter is less than wear limit, determine guide-
to-stem clearance (guide diameter minus stem
diameter).
If clearance exceeds 0.15 mm (0.006 in.) but is less
than 0.20 mm (0.008 in.), knurl valve guide using
JT07092 Knurler.
If clearance exceeds 0.20 mm (0.008 in.), replace
valve guide.
•Replace valve guides using JDE118 Valve Guide
Driver.
M82032A
Valve Recession
Cylinder
Head
Depth
Gauge

Cylinder Head, Valves and Manifolds
4-16
4/7/95
4
Intake and exhaust valve guides are different. The
exhaust valve guide has two grooves and the intake
valve guide has one. Install valve guides with
grooves upward. Push valve guides down until top of
valve guides are 11.50 mm (0.453 in.) from top of
cylinder head.
Ream inside diameter of valve guides using
JT07091 Valve Guide Reamer.
Valve Springs:
•Measure spring free length. Replace spring if
measurement exceeds wear limit.
Spring Free Length:
Standard . . . . . . . . . . . . . . .43 mm (1.693 in.)
Wear Limit. . . . . . . . . . . 42.50 mm (1.673 in.)
M82033A
Exhaust Valve Guide
Intake Valve Guide
M82034A
•Measure spring inclination. Replace spring if
measurement exceeds specification.
•Measure spring tension. Replace spring if
measurement exceeds specification.
M82035A
Square Gauge
Spring Inclination
1.20mm (0.047 in.)
Free Length
M82036A
Spring
Tension
Tester
41.50 mm (1.634 in.)
at 12.6 N
(5.7 lb-force)

Cylinder Head, Valves and Manifolds
4/7/95
4-17
4
EXHAUST MANIFOLD
NOTE: Turbocharger removal/installation
procedures are similar to unit used on
Series 220 Engines. Follow procedures used
in ACCESSORIES - SERIES 220 POWER
UNIT ENGINES section. Service
procedures are also similar.
1. Remove turbocharger, if equipped. (See
procedure in ACCESSORIES - SERIES 220
POWER UNIT ENGINES section).
M82037A
EXHAUST MANIFOLD
WITHOUT TURBOCHARGER
Gasket
Cap Screw (4)
M8 x 40
26 N•m (226 lb-in.)
Cap Screw (4)
M8 x 50
26 N•m (226 lb-in.)Stud (4)
Exhaust
Manifold
EXHAUST MANIFOLD
WITH TURBOCHARGER
Stud (4)Cap Screw
M8 x 110
26 N•m (226 lb-in.)
Cap Screw (3)
M8 x 70
26 N•m (226 lb-in.)
Cap Screw (4)
M8 x 40
26 N•m (226 lb-in.)
Exhaust
Manifold
Gasket

Cylinder Head, Valves and Manifolds
4-18
4/7/95
4
INTAKE MANIFOLD
NOTE: Air heater removal/installation is similar to
procedures found in ACCESSORIES - SERIES
220 POWER UNIT ENGINES section.
1. Remove intake air heater. (See procedure in
ACCESSORIES - SERIES 220 POWER UNIT
ENGINES section.)
2. Remove two fuel filter assembly mounting cap
screws.
3. Remove dipstick tube.
NOTE: Before placing intake manifold on engine,
install one M8 x 70 cap screw in manifold at
position shown.
M82038A
Cap Screw (4)
M8 x 15
Cover
Gasket
Cap Screw
M8 x 115
26 N•m (226 lb-in.)
Cap Screw (3)
M8 x 70
26 N•m (226 lb-in.)
Cap Screw (5)
M8 x 20
26 N•m (226 lb-in.)
Intake Manifold
Gasket

Cylinder Head, Valves and Manifolds
4/7/95
4-19
4
GRIND VALVE SEATS
IMPORTANT: Valve seats should never be cut.
Cutting a valve seat can damage its sealing
surface, which may result in leaks or valve/
seat failure. Valve seats should be ground and
lapped.
NOTE: LIGHTLY grind valve seats for a few
seconds only to avoid excessive valve seat
width.
1. Grind intake valve seat using a 30° seat grinder
and exhaust valve seat using a 45° seat grinder.
Follow tool manufacturers instructions.
2. Measure valve seat width after grinding.
3. If seat is too wide after grinding, grind lower seat
surface using a 70° seat grinder until seat width is
close to specifications.
4. Grind upper seat surface using a 15° seat grinder
until seat width is narrowed to specifications.
5. If valve seats are ground, measure valve recession
and check contact pattern between the seat and
valve with bluing dye.
M82039A
Seat Grinder
6. Lap valves. (See procedure in this group.)
If valve recession exceeds maximum specifications
or seats cannot be reconditioned, replace valves and
cylinder head.
LAP VALVES
NOTE: Use a rubber type lapping tool for valves
without a lapping tool groove slit.
If seat does not make proper contact, lap the valve
into the seat:
1. Apply small amount of fine lapping compound to
face of valve.
2. Turn valve to lap valve to seat.
3. Lift valve from seat every 8 to 10 strokes. Lap
until a uniform ring appears around the surface of
the valve face.
4. Wash all parts in solvent to remove lapping
compound. Dry parts.
M82040A
Seat
Width
15°
Cylinder
Head
Upper
Seat
Surface
Valve
Seat
Lower Seat
Surface 70°

Cylinder Head, Valves and Manifolds
4-20
4/7/95
4
5. Check position of lap mark on valve face. Lap
mark must be on or near center of valve face.
MEASURE PISTON-TO-CYLINDER
HEAD CLEARANCE
1. Place three 10 mm (0.400 in.) long pieces of 1.50
mm (0.060 in.) diameter soft wire in three
positions on the flat part of the piston head.
2. Install cylinder head and old gasket. Install
cylinder head cap screws and tighten in proper
sequence to specified torque. (See CYLINDER
HEAD AND VALVES - Removal/Installation in
this group.)
M82041A
Lapping Tool
3. Slowly turn crankshaft one complete revolution.
4. Remove cylinder head and gasket.
5. Measure thickness of flattened section of each
piece of wire. Calculate average thickness of
wires to obtain piston-to-cylinder head clearance
specification.
If clearance is less than 0.71 - 0.89 mm (0.028 -
0.035 in.), replace cylinder head.
M82042A

Pistons, Rods and Cylinder Block
4/7/95
4-21
4
SERVICE PARTS KITS
The following kits are available through your parts catalog:
•Cylinder Block Gasket Kit
•Cylinder Head Gasket Kit
•Connecting Rod Cap Screws
•Oversized Pistons and Rings
•Undersized Connecting Rod Bearing Inserts

Pistons, Rods and Cylinder Bloc
k
4-22
4/7/95
4
PISTON AND CONNECTING ROD
Removal
1. Remove oil pan and strainer tube. (See
Lubrication System in this section.)
2. Remove cylinder head. (See Cylinder Head,
Valves and Manifolds in this section.)
3. Check cylinder bore for ridges. These ridges can
cause damage to piston if ridge is not removed.
4. If necessary, remove ridge from top of cylinder
bore using a ridge reamer.
5. Measure connecting rod side play. (See Checks,
Tests and Adjustments in this section.)
6. Measure connecting rod bearing clearance. (See
Checks, Tests and Adjustments in this section.)
IMPORTANT: Keep connecting rods and caps
together. Rods and caps are a matched set.
Note alignment marks on each part.
7. Remove two cap screws, connecting rod cap and
bearing inserts.
IMPORTANT: Pistons and cylinders are
matched. Pistons must be installed in the
cylinders from which they are removed.
8. Note connecting rod alignment mark in relation
to the cylinders. Starting at flywheel end with
cylinder number one, then two, etc.
9. Push piston and connecting rod out of cylinder
bore using a wooden dowl.
10.Disassemble and inspect all parts for wear or
damage. (See Disassembly and Inspection/
Replacement procedures.)
Installation
•Apply clean engine oil on all parts during
installation.
•Never reuse connecting rod cap screws, Replace
with new.
IMPORTANT: Pistons must be installed in
cylinders from which they were removed and
in the same direction. Be careful not to
damage crankshaft rod journal while
installing piston.
1. If new piston rings were installed, deglaze
cylinder bore. (See procedure in this group.)
2. Install piston and connecting rod into the cylinder
from which it was removed, with piston size
mark on top of piston toward camshaft.
M82043A
Piston and
Connecting Rod
Bearing
Inserts
Connecting
Rod Cap
Connecting Rod
Cap Screw

Pistons, Rods and Cylinder Block
4/7/95
4-23
4
IMPORTANT: Do not touch bearing insert
surfaces. Oil and acid from your finger will
corrode the bearing surface.
3. Install bearing inserts on connecting rod and rod
cap, aligning tangs with grooves.
IMPORTANT: Connecting rod caps must be
installed on the same connecting rods they
were removed from.
4. Match the connecting rods to caps using
alignment marks. Install caps.
5. Dip entire connecting rod cap screws in clean
engine oil. Install new cap screws and tighten to
specifications.
6. If a new piston and connecting rod were installed,
stamp a number corresponding to the cylinder
number on the connecting rod cap and connecting
rod.
M82043A
Piston Size
Mark
Camshaft
SideFlywheel
Side
Groove
Tangs
Groove
Connecting Rod
Cap Screw
Dip in clean
engine oil.
98 N•m (69 lb-ft)
Connecting Rod
Cap Alignment
Mark
7. Install cylinder head. (See Cylinder Head, Valves
and Manifolds in this section.)
8. Install oil pan and strainer tube. (See Lubrication
System in this section.)
Disassembly
IMPORTANT: Pistons must be installed on the
same connecting rod they were removed from.
•Put a mark on each piston and connecting rod to
aid in assembly.
•Piston pin bushing is press fit in connecting rod.
Remove bushing only if replacement is
necessary. (See Inspection/Replacement
procedures.)
•Inspect all parts for wear or damage. Replace as
necessary. (See Inspection/Replacement
procedures.)
M82044A
1st Compression Ring
2nd Compression Ring
Oil Ring with
Coil Expander
Piston
Piston Pin
Snap Ring
Piston Pin Bushing
Connecting Rod

Pistons, Rods and Cylinder Bloc
k
4-24
4/7/95
4
Assembly
•Apply clean engine oil to all parts during
assembly.
IMPORTANT: Pistons must be installed on the
same connecting rod they were removed from.
1. Assemble piston to connecting rod with piston
size mark opposite connecting rod “punched”
alignment mark. If a new connecting rod is used,
assemble piston to connecting rod with piston
size mark on same side as connecting rod bearing
insert groove.
2. Install piston pin and snap rings.
3. Install oil ring expander in bottom ring groove of
piston with ends above either end of piston pin.
4. Install oil ring over expander with ring gap
opposite (180o) of expander ends.
M82045A
Piston
Size
Mark
Piston
Piston Pin
Snap Ring
Alignment
Mark
Connecting
Rod
Bearing Insert Groove
5. Install second compression ring, with chamfer
toward top of piston, in middle groove. Turn ring
until gap is 120o away from oil ring gap.
6. Install first compression ring, with
manufacturer's mark “R” (near ring gap) toward
top of piston, in top groove. Turn ring until gap
is 120o away from second ring gap.
M82046A
Oil
Ring
Gap
Piston Pin
Oil Ring
Expander
Oil Ring
Expander
Ends
Oil Ring
M82047A
1st Compression Ring
2nd Compression
Ring
1st Compression
Ring
Oil Ring
2nd
Compression
Ring
120°
120°
120°

Pistons, Rods and Cylinder Block
4/7/95
4-25
4
Inspection/Replacement
1. Inspect all parts for wear or damage. Replace as
necessary.
2. Measure crankshaft connecting rod journal
diameter. (See Crankshaft, Main Bearings and
Flywheel in this section.)
3. Install connecting rod cap and bearing inserts on
connecting rod. Install old connecting rod cap
screws and tighten to 93 N•m (69 lb-ft).
4. Measure connecting rod bearing diameter.
Connecting Rod Bearing I.D.:
Standard . . . . . . . . . . . . . . . . 60 - 60.042 mm
. . . . . . . . . . . . . . . . . . . . .(2.3622 - 2.3639 in.)
Wear Limit. . . . . . . . . . 60.10 mm (2.3661 in.)
Clearance . . . . . . . . . . . . . 0.09 mm (0.004 in.)
If bearing diameter exceeds wear limit, replace
bearing inserts.
If bearing clearance (bearing I.D. minus crankshaft
journal O.D.) exceeds specification, grind crankshaft
connecting rod journals and install undersized
bearing inserts, or replace bearing inserts and
crankshaft.
M82048A
5. With rings installed on piston, measure piston
ring groove clearance. Measure several places
around each piston.
Piston Ring Groove Clearance:
First Compression Ring:
Standard . . . . . . . . . . . . . . . 0.090 - 0.125 mm
. . . . . . . . . . . . . . . . . . . . .(0.0035 - 0.0049 in.)
Wear Limit. . . . . . . . . . . 0.20 mm (0.0079 in.)
Second Compression Ring:
Standard . . . . . . . . . . . . . . . 0.035 - 0.070 mm
. . . . . . . . . . . . . . . . . . . . .(0.0014 - 0.0028 in.)
Wear Limit. . . . . . . . . . . 0.15 mm (0.0059 in.)
Oil Ring:
Standard . . . . . . . . . . . . . . . 0.030 - 0.065 mm
. . . . . . . . . . . . . . . . . . . . .(0.0012 - 0.0026 in.)
Wear Limit. . . . . . . . . . . 0.15 mm (0.0059 in.)
If clearance exceeds wear limit, replace rings or
piston.
6. Measure piston ring end gap. Push ring into
cylinder bore, using a piston, until ring is
approximately 30 mm (1.181 in.) from bottom of
cylinder bore.
M35360

Pistons, Rods and Cylinder Bloc
k
4-26
4/7/95
4
Piston Ring End Gap:
Compression Rings:
Standard . . . . . . . . . . . . . . . . . 0.25 - 0.40 mm
. . . . . . . . . . . . . . . . . . . . .(0.0098 - 0.0157 in.)
Wear Limit. . . . . . . . . . . 1.50 mm (0.0591 in.)
Oil Ring:
Standard . . . . . . . . . . . . . . . . . 0.30 - 0.50 mm
. . . . . . . . . . . . . . . . . . . . .(0.0118 - 0.0197 in.)
Wear Limit. . . . . . . . . . . 1.50 mm (0.0591 in.)
If end gap exceeds wear limit, replace rings.
7. Measure piston pin diameter. Measure diameter
at six places.
M82049A
End Gap
End Gap
Cylinder
Bore
Piston
Ring
Approx.
30 mm
(1.181 in.)
Piston Pin O.D.:
Standard . . . . . . . . . . . . . . 33.989 - 34.00 mm
. . . . . . . . . . . . . . . . . . . . .(1.3381 - 1.3386 in.)
Wear Limit. . . . . . . . . . 33.90 mm (1.3346 in.)
If pin diameter is less than wear limit, replace pin.
8. Measure piston pin bore diameter in piston.
M82050A
Measuring Positions
M37683

Pistons, Rods and Cylinder Block
4/7/95
4-27
4
Piston Pin Bore I.D.:
Standard . . . . . . . . . . . . . . 34.00 - 34.011 mm
. . . . . . . . . . . . . . . . . . . . .(1.3386 - 1.3390 in.)
Wear Limit. . . . . . . . . . 34.02 mm (1.3393 in.)
Clearance . . . . . . . . . . . 0.022 mm (0.0009 in.)
If piston pin bore exceeds wear limit, replace piston.
If bore clearance (bore I.D. minus pin O.D.) exceeds
specification, replace piston, piston pin or both.
9. Measure piston pin bushing diameter in
connecting rod.
Piston Pin Bushing I.D.:
Standard . . . . . . . . . . . . . . . 34.03 - 34.05 mm
. . . . . . . . . . . . . . . . . . . . .(1.3398 - 1.3406 in.)
Wear Limit. . . . . . . . . . 34.10 mm (1.3425 in.)
Clearance . . . . . . . . . . . 0.061 mm (0.0024 in.)
If bushing diameter exceeds wear limit, replace
bushing.
If bushing clearance (bushing I.D. minus pin O.D.)
exceeds specification, replace bushing, piston pin or
both.
M82051A
Piston pin bushing is press fit. Replace bushing
using a driver set. When installing bushing, make
sure to align oil hole in bushing with hole in
connecting rod.
10.Measure piston diameter perpendicular to piston
pin bore 25.50 mm (1.004 in.) from bottom of
piston.
NOTE: If engine has had a previous major
overhaul, oversize pistons and rings may
have been installed. Pistons and rings are
available in 0.25 mm (0.010 in.) oversize.
Piston O.D.:
Standard Size Piston:
Standard . . . . . . . . . . . . . 99.895 - 99.925 mm
. . . . . . . . . . . . . . . . . . . . .(3.9329 - 3.9341 in.)
Wear Limit. . . . . . . . . . 99.79 mm (3.9287 in.)
0.25 mm (0.010 in.) Oversize Piston:
Standard . . . . . . . . . . . . . 100.15 - 100.18 mm
. . . . . . . . . . . . . . . . . . . . . . .(3.943 - 3.944 in.)
Wear Limit. . . . . . . . . . 100.05 mm (3.939 in.)
If piston diameter is less than wear limit, install a
new piston.
11.Measure cylinder bore diameter. (See procedure
in this group.)
M82052A

Pistons, Rods and Cylinder Bloc
k
4-28
4/7/95
4
CYLINDER BORE
Inspection
Measure cylinder bore diameter at three positions;
top, middle and bottom. At these three positions,
measure in both directions; along crankshaft center
line and direction of crankshaft rotation.
NOTE: If engine has had a previous major
overhaul, oversize pistons and rings may
have been installed.
Cylinder Bore I.D.:
Standard Size Bore:
Standard . . . . . . . . . . . . . 100.00 - 100.03 mm
. . . . . . . . . . . . . . . . . . . . .(3.9370 - 3.9382 in.)
Wear Limit . . . . . . . . 100.15 mm (3.9429 in.)
Clearance . . . . . . . . . . . . . 0.41 mm (0.016 in.)
0.25 mm (0.010 in.) Oversize Bore:
Standard . . . . . . . . . . . . . 100.25 - 100.28 mm
. . . . . . . . . . . . . . . . . . . . . . .(3.947 - 3.948 in.)
Wear Limit. . . . . . . . . . 100.45 mm (3.955 in.)
M82053A
Top Position
Middle Position
Bottom Position
Direction of
Crankshaft Rotation
Direction of
Crankshaft
Centerline
If cylinder bore exceeds wear limit, replace cylinder
block or have cylinder rebored. (See Reboring
procedure.)
If cylinder is rebored, oversize pistons and rings
must be installed. Pistons and rings are available in
0.25 mm (0.010 in.) oversize.
If clearance (cylinder bore I.D. minus piston O.D.)
exceeds specification, replace cylinder block, piston
or both; or rebore cylinder and install oversize piston
and rings.
Deglazing
IMPORTANT: If cylinder bores are to be
deglazed with crankshaft installed in engine,
put clean shop towels over crankshaft to
protect journal and bearing surfaces from any
abrasives.
1. Deglaze cylinder bores using a flex-hone with
180 grit stones.
2. Use flex-hone as instructed by manufacturer to
obtain a 30 - 40° cross-hatch pattern as shown.
IMPORTANT: Do not use gasoline, kerosene or
commercial solvents to clean cylinder bores.
Solvents will not remove all abrasives from
cylinder walls.
3. Remove excess abrasive residue from cylinder
walls using a clean dry rag. Clean cylinder walls
using clean white rags and warm soapy water.
Continue to clean cylinder until white rags show
no discoloration.
M82054A

Pistons, Rods and Cylinder Block
4/7/95
4-29
4
Reboring
NOTE: The cylinder block can be rebored to use
0.25 mm (0.010 in.) oversize pistons and
rings. (See this group for cylinder bore I. D.
specifications.)
1. Align center of bore to drill press center.
IMPORTANT: Check stone for wear or damage.
Use a rigid hone with 300 grit stones.
2. Adjust hone so lower end is even with lower end
of cylinder bore.
3. Adjust rigid hone stones until they contact
narrowest point of cylinder.
4. Coat cylinder with honing oil. Hone should turn
by hand. Adjust if too tight.
5. Run drill press at about 250 RPM. Move hone up
and down in order to obtain a 30 - 40°crosshatch
pattern.
M52959
30 - 40°
NOTE: Measure bore when cylinder is cool.
6. Stop press and check cylinder diameter.
NOTE: Finish should not be smooth. It should have
a 30 - 40o crosshatch pattern.
7. Remove rigid hone when cylinder is within 0.03
mm (0.001 in.) of desired size.
8. Use a flex hone with 180 grit stones for honing to
final size.
9. Check bore for size, taper and out-of-round. (See
Inspection procedures.)
IMPORTANT: Do not use solvents to clean
cylinder bore. Solvents will not remove all
metal particles and abrasives produced during
honing.
10.Clean cylinder thoroughly using warm soapy
water until clean white rags show no
discoloration.
11.Dry cylinder and apply engine oil.

Crankshaft, Main Bearings and Flywhee
l
4-30
4/7/95
4
OTHER MATERIALS
Number Name Use
LOCTITE® PRODUCTS
U.S./
Canadian/
LOCTITE No.
TY15130/ John Deere Form-In-Place Seals crankcase extension housing and
NA/ Gasket rear oil seal case to engine block.
#395
SERVICE PARTS KITS
The following kits are available through your parts catalog:
•Cylinder Block Gasket Kit
•Undersized Main Bearing Inserts
•Flywheel Mounting Cap Screws
® LOCTITE is a registered trademark of the Loctite Corp.

Crankshaft, Main Bearings and Flywheel
4/7/95
4-31
4
CRANKCASE EXTENSION HOUSING
1. Remove flywheel. (See procedure in this group.)
2. Remove oil pan and oil strainer. (See Lubrication
System in this section.)
3. Remove oil dipstick and tube, if equipped.
NOTE: 4TN100LFB shown. 4TN100RJF is not
equipped with an oil dipstick tube.
M82056
Cap Screw (3)
M8 x 25
21 N•m (180 lb-in.)
Cap Screw (4)
M10 x 30
49 N•m (36 lb-ft)
M82055A
Oil Dipstick
Cap Screw
M10 x 16
Intake
Manifold
Oil Dipstick
Tube
O-Ring
Washer (6)
Cap Screw (2)
M8 X 70
26 N•m (226 lb-in.)
Cap Screw (6)
M12 X 85
88 N•m (65 lb-ft)Crankcase Extension
Housing
Cap Screw (4)
M8 x 35
21 N•m (180 lb-in.)
John Deere
Form-In-Place Gasket
(RTV rubber silicone sealant)

Crankshaft, Main Bearings and Flywhee
l
4-32
4/7/95
4
CRANKSHAFT REAR OIL SEAL
Replacement
1. Remove flywheel. (See procedure in this group.)
•Replace oil seal using a driver set. Install seal,
with lip toward cylinder block. Install seal flush
with surface of oil seal case.
CRANKSHAFT FRONT OIL SEAL
Replacement
•Remove timing gear cover. (See Camshaft and
Timing Gear Train in this section.)
M82057A
Rear Oil SealSeal Case-to-Block
Cap Screw (5)
M8 X 25
26 N•m (226 lb-in.)
Oil Seal Case
John Deere
Form-In-Place
Gasket
(RTV rubber
silicone sealant)
Seal Case-to-Extension
Cap Screw (3)
M8 X 25
21 N•m (180 lb-in.)
•Replace oil seal using a driver set. Install seal
with lip toward inside of gear housing cover.
Install seal 3.18 mm (0.125 in.) below surface of
cover.
CRANKSHAFT AND MAIN BEARINGS
Removal
1. Check crankshaft end play. (See Checks, Tests
and Adjustments in this section.)
2. Remove rear oil seal. (See procedure in this
group.)
3. Remove flywheel housing. (See procedure in this
group.)
4. Remove crankcase extension housing. (See
procedure in this group.)
5. Remove timing gear housing. (See Camshaft and
Timing Gear Train in this section.)
6. Check crankshaft bearing clearance. (See Checks,
Tests and Adjustments in this section.)
IMPORTANT: Connecting rod end caps must be
installed on the same connecting rods from
which they were removed. Note alignment
marks on caps and rods.
M82058A
Timing Gear Cover
Crankshaft
Front
Oil Seal

Crankshaft, Main Bearings and Flywheel
4/7/95
4-33
4
7. Remove connecting rod cap screws and end caps.
8. Push pistons and connecting rods away from
crankshaft.
IMPORTANT: Main bearing caps must be
installed on the same main bearings from
which they were removed.
9. Remove main bearing cap screws, caps and cap
thrust bearings.
10.Remove crankshaft.
11.Remove block thrust bearings and main bearing
inserts.
12.Inspect all parts for wear or damage. (See
Inspection/Replacement procedures.)
M82059A
Flywheel
End
Crankshaft
Block Thrust Bearing
Cap Thrust BearingMain Bearing Inserts
Main Bearing Cap Screw (10)
Main Bearing Cap

Crankshaft, Main Bearings and Flywhee
l
4-34
4/7/95
4
Installation
•Apply clean engine oil on all parts during
installation.
IMPORTANT: Do not touch bearing insert
surfaces. Oil and acid from your finger will
corrode the bearing surface.
1. Install grooved bearing inserts in crankshaft
bearing bores, aligning tangs with slots in bores.
2. Install block thrust bearings with oil grooves
facing away from engine block.
3. Install crankshaft.
4. Install smooth bearing inserts in main bearing
caps, aligning tangs with slots in caps.
NOTE: Main bearing caps have “raised arrows”
that are stamped with numbers. Both
correspond to their location on the engine
block. The number “1” main bearing bore
is at flywheel end. Install bearing caps
beginning with number 1, then 2, etc. The
main bearing cap at gear train end does not
have a number. Also install bearing caps
with the “arrow” toward the flywheel end.
5. Install cap thrust bearings, with oil grooves
facing away from cap, in the number “1” main
bearing cap.
6. Install main bearing caps in their original
locations with arrows pointing toward flywheel
side of engine.
IMPORTANT: DO NOT use high speed power
tools or air wrenches to tighten main bearing
cap screws.
7. Dip entire main bearing cap screws in clean
engine oil. Install cap screws and tighten. DO
NOT tighten to specifications.
8. Using a soft-faced hammer, tap the front end of
the crankshaft then the rear end of the crankshaft
to align the thrust bearings.
9. Tighten main bearing cap screws to
specifications. When tightening, start at center
main bearing cap and work your way out,
alternating to the ends. Turn crankshaft by hand.
If it does not turn easily, disassemble the parts
and find the cause.

Crankshaft, Main Bearings and Flywheel
4/7/95
4-35
4
M82059A
Flywheel
End
Crankshaft
Block Thrust Bearing
Cap Thrust BearingSmooth Bearing Insert
Grooved Bearing Insert
Main Bearing Cap
Main Bearing Cap Screw (10)
Dip in clean engine oil.
Initial: 136 N•m (100 lb-ft)
Final: 196 N•m (145 lb-ft)
Tangs
1
2
3
4
12.Install timing gear housing. (See Camshaft and
Timing Gear Train in this section.)
13.Install crankcase extension housing. (See
procedure in this group.)
14.Install flywheel housing. (See procedure in this
group.)
15.Install rear oil seal. (See procedure in this group.)
IMPORTANT: Connecting rod caps must be
installed on the same connecting rods they
were removed from.
Never reuse connecting rod cap screws,
replace with new.
10.Match the connecting rod caps to the rods using
alignment marks. Install caps.
11.Dip entire connecting rod cap screws in clean
engine oil. Install new cap screws and tighten to
98 N•m (69 lb-ft).

Crankshaft, Main Bearings and Flywhee
l
4-36
4/7/95
4
Inspection/Replacement
1. Inspect gear for chipped or broken teeth. Replace
if necessary.
To replace gear:
Remove gear from crankshaft using a knife-edge
puller and a press.
CAUTION
DO NOT heat oil over 182° C (360° F). Oil
fumes or oil can ignite above 193° C (380° F).
Use a thermometer. Do not allow a flame or
heating element to come in direct contact
with the oil. Heat the oil in a well-ventilated
area. Plan a safe handling procedure to avoid
burns.
Heat gear to approximately 150o C (300o F). Install
gear with timing mark “A” toward press table. Align
slot in gear with key in shaft. Press crankshaft into
gear until gear is tight against crankshaft shoulder.
2. Inspect crankshaft for bend using v-blocks and a
dial indicator. Turn crankshaft slowly and read
variation on indicator. If variation is greater than
0.02 mm (0.0007 in.), replace crankshaft.
M82060A
Key
Crankshaft Gear
Timing
Mark
M82061A
Dial Indicator
V-Block

Crankshaft, Main Bearings and Flywheel
4/7/95
4-37
4
3. Measure crankshaft connecting rod journal and
main bearing journal diameters. Measure several
places around each journal.
NOTE: If engine has had a previous major
overhaul, journals may have been ground
and undersized bearing inserts installed.
Connecting Rod Journal O.D.:
Standard . . . . . . . . . . . . . 59.952 - 59.964 mm
. . . . . . . . . . . . . . . . . . . . .(2.3603 - 2.3608 in.)
Wear Limit. . . . . . . . . . 59.90 mm (2.3583 in.)
Main Bearing Journal O.D.:
Standard . . . . . . . . . . . . . 69.952 - 69.964 mm
. . . . . . . . . . . . . . . . . . . . .(2.7540 - 2.7545 in.)
Wear Limit. . . . . . . . . . 69.90 mm (2.7520 in.)
If journal diameter is less than wear limit, replace
crankshaft or have journals ground undersize by a
qualified machine shop.
If journals are ground, undersize bearing inserts
must be installed. Bearing inserts are available in
0.25 mm (0.010 in.) undersize.
M82062A
Main
Bearing
Journal
Connecting
Rod Journal
4. Install bearing inserts and main bearing cap on
main bearing. Tighten main bearing cap screws to
196 N•m (145 lb-ft).
5. Measure main bearing diameter.
Main Bearing I.D.:
Standard . . . . . . . . . . . . . . 60.00 - 60.042 mm
. . . . . . . . . . . . . . . . . . . . .(2.3622 - 2.3639 in.)
Wear Limit. . . . . . . . . . 60.10 mm (2.3661 in.)
Clearance . . . . . . . . . . . . . 0.09 mm (0.004 in.)
If bearing diameter exceeds wear limit, replace
bearing inserts.
If bearing clearance (bearing I.D. minus crankshaft
main bearing journal O.D.) exceeds specification,
replace bearing inserts and crankshaft or have
crankshaft journals ground undersize by a qualified
machine shop and install undersized bearing inserts.
Bearing inserts are available in 0.25 mm (0.010 in.)
undersize.
6. Clean and inspect oil passages in main bearing
journals, connecting rod journals and main
bearing bores in cylinder block.
7. Inspect crankshaft for cracks or damage. Replace
if necessary.
M82063

Crankshaft, Main Bearings and Flywhee
l
4-38
4/7/95
4
FLYWHEEL
IMPORTANT: Never reuse flywheel mounting
cap screws. Always install new.
•Inspect pilot bearing, if equipped, for wear or
damage. Replace if necessary using a driver set.
Install bearing flush with flywheel surface.
•Measure flywheel flatness. Place a straight edge
across flywheel surface opposite of ring gear.
Measure clearance between straight edge and
flywheel surface with a feeler gauge. If
clearance exceeds 0.02 mm (0.0008 in.), replace
flywheel.
M35337
M82064A
Flywheel
Pilot Bearing
(4TN100RJF only)
Flywheel Mounting
Cap Screw (6)
Replace.
Apply clean engine oil
on threads.
196 N•m (145 lb-ft)
Flywheel

Crankshaft, Main Bearings and Flywheel
4/7/95
4-39
4
FLYWHEEL HOUSING
1. Remove flywheel. (See procedure in this group.)
2. Remove starter.
Housing-to-Block
Cap Screw (8)
M10 X 25
49 N•m (36 lb-ft)
Flywheel
Housing-to-Extension Cap Screw (4)
M10 X 30
49 N•m (36 lb-ft)M82065A
Plug

Camshaft and Timing Gear Train
4-40
4/7/95
4
SPECIAL OR ESSENTIAL TOOLS
NOTE: Order tools according to information given in the U.S. SERVICE-GARDTM Catalog or in the
European Microfiche Tool Catalog (MTC).
D15001NU Magnetic Follower Holder Kit
Hold cam followers when removing and installing camshaft.
OTHER MATERIALS
Number Name Use
LOCTITE® PRODUCTS
U.S./
Canadian/
LOCTITE No.
TY15130/ John Deere Form-In-Place Seals camshaft plug, timing gear cover and
NA/ Gasket housing to engine block.
#395
TY9370/ Thread Lock and Sealer Apply to threads of crankshaft pulley
TY9477/ (Medium Strength) cap screw.
#242
SERVICE PARTS KITS
The following kits are available through your parts catalog:
•Cylinder Head Gasket Kit
•Cylinder Block Gasket Kit
® LOCTITE is a registered trademark of the Loctite Corp.

Camshaft and Timing Gear Train
4/7/95
4-41
4
CAMSHAFT
Removal
1. Remove rocker arm assembly and push rods. (See
Cylinder Head, Valves and Manifolds in this
section.)
2. Remove timing gear cover. (See procedure in this
group.)
3. Check camshaft end play. (See Checks, Tests and
Adjustments in this section.)
4. Check backlash of timing gears. (See Checks,
Tests and Adjustments in this section.)
NOTE: If a magnetic follower holder kit is not
available, turn engine until oil pan is
upward, to hold cam followers away from
camshaft.
5. Hold cam followers away from camshaft using a
magnetic follower holder kit such as D15001NU.
NOTE: Due to the odd number of teeth on the idler
gear, timing marks will only align
periodically.
6. Rotate crankshaft and align timing marks.
IMPORTANT: DO NOT allow camshaft lobes to
hit bearing surfaces while removing camshaft.
Machined surfaces can be damaged.
7. Remove two cap screws and camshaft.
8. Inspect all parts for wear or damage. (See
Inspection/Replacement procedures.)
Installation
•Apply clean engine oil on all parts during
installation.
IMPORTANT: DO NOT allow camshaft lobes to
hit bearing surfaces while installing camshaft.
Machined surfaces can be damaged.
1. Rotate crankshaft to align timing marks.
2. Install camshaft.
3. Install and tighten mounting cap screws to 26
N•m (226 lb-in.).
4. Install timing gear cover. (See procedure in this
group.)
5. Install push rods and rocker arm assembly. (See
Cylinder Head, Valves and Manifolds in this
section.)
M82066
Mounting Cap Screws (2)
M8 X 16Camshaft
Timing Marks

Camshaft and Timing Gear Train
4-42
4/7/95
4
Inspection/Replacement
1. Check camshaft side gap using a feeler gauge.
Camshaft Side Gap:
Standard . . . . . . . . . . . . . . . . . 0.05 - 0.20 mm
. . . . . . . . . . . . . . . . . . . . .(0.0020 - 0.0079 in.)
Wear Limit. . . . . . . . . . . 0.29 mm (0.0114 in.)
If side gap is at wear limit, remove gear and replace
thrust plate.
2. Inspect gear for chipped or broken teeth. Replace
if necessary.
To remove/replace gear:
Remove gear from camshaft using a knife-edge
puller and a press.
CAUTION
DO NOT heat oil over 182° C (360° F). Oil
fumes or oil can ignite above 193° C (380° F).
Use a thermometer. Do not allow a flame or
heating element to come in direct contact
with the oil. Heat the oil in a well-ventilated
area. Plan a safe handling procedure to avoid
burns.
M82067A
Camshaft Gear
Thrust Plate
Side Gap
Heat gear to approximately 150oC (300oF).
IMPORTANT: Be sure thrust plate is not
between camshaft gear and camshaft shoulder
while installing gear.
Install thrust plate if removed. Install gear with
timing mark “C” side toward press table. Align slot
in gear with key in shaft. Press camshaft into gear
until gear is tight against camshaft shoulder.
Thrust plate must spin freely on camshaft.
3. Inspect camshaft for bend using v-blocks and a
dial indicator. Turn camshaft slowly and read
variation on indicator. If variation is greater than
0.05 mm (0.0020 in.), replace camshaft.
4. Measure camshaft lobe height.
M82068A
Thrust Plate
Camshaft Gear
Key
M82069A
Dial Indicator
Camshaft
Central Bearing
Area
V-Block

Camshaft and Timing Gear Train
4/7/95
4-43
4
Lobe Height:
Standard . . . . . . . . . . . . . 48.435 - 48.565 mm
. . . . . . . . . . . . . . . . . . . . .(1.9069 - 1.9120 in.)
Wear Limit. . . . . . . . . . . 48.20 mm (1.897 in.)
If lobe height is less than wear limit, replace
camshaft.
5. Measure camshaft end and intermediate journal
diameters.
Camshaft Journal O.D.:
Gear Housing and Flywheel Ends:
Standard . . . . . . . . . . . . . . . 56.91 - 56.94 mm
. . . . . . . . . . . . . . . . . . . . .(2.2406 - 2.2417 in.)
Wear Limit. . . . . . . . . . 56.80 mm (2.2362 in.)
Intermediate:
Standard . . . . . . . . . . . . . . . 56.89 - 56.92 mm
. . . . . . . . . . . . . . . . . . . . .(2.2398 - 2.2409 in.)
Wear Limit. . . . . . . . . . 56.80 mm (2.2362 in.)
M82070A
Lobe
Height
M82071A
Flywheel End
Journal
Intermediate
Journal
Gear Housing
End Journal
If journal diameters are less than wear limit, replace
camshaft.
6. Measure camshaft bushing diameter at gear
housing end.
Camshaft Bushing I.D.:
Standard . . . . . . . . . . . . . . . 56.98 - 57.05 mm
. . . . . . . . . . . . . . . . . . . . .(2.2433 - 2.2461 in.)
Wear Limit. . . . . . . . . . 57.10 mm (2.2480 in.)
Clearance . . . . . . . . . . . . . 0.14 mm (0.006 in.)
If bushing diameter exceeds wear limit, replace
bushing.
To replace bushing:
Remove bushing using a chisel. Be careful not to
push bushing inside of engine. Align oil holes in
new bushing and cylinder block. Install bushing 1.6
mm (0.062 in.) below surface of cylinder block
using a driver set.
If bushing clearance (bushing I.D. minus camshaft
journal O.D.) exceeds specification, replace bushing,
camshaft or both.
NOTE: Flywheel housing must be removed to
measure camshaft intermediate and
flywheel end bearing diameters.
7. Measure intermediate and flywheel end camshaft
bore diameters using the following procedures:
•Remove flywheel housing. (See Crankshaft,
Main Bearings and Flywheel in this section.)
•Remove plug using a long wooden dowel. Insert
wooden dowel through gear housing side.
M82072
Camshaft Bushing
Oil Holes

Camshaft and Timing Gear Train
4-44
4/7/95
4
•Measure intermediate and flywheel end
camshaft bore diameters.
Camshaft Bore I.D.:
Standard . . . . . . . . . . . . . . . 57.00 - 57.03 mm
. . . . . . . . . . . . . . . . . . . . .(2.2441 - 2.2453 in.)
Wear Limit. . . . . . . . . . 57.10 mm (2.2480 in.)
Clearance . . . . . . . . . . . . . 0.12 mm (0.005 in.)
If bore diameter exceeds wear limit, replace cylinder
block.
If bore clearance (bore I.D. minus camshaft journal
O.D.) exceeds specification, replace camshaft,
cylinder block or both.
•Apply John Deere Form-In Place Gasket, or an
equivalent, on outer edge of plug. Install plug
until it bottoms in bore.
•Install flywheel housing.
M35287
Plug
M82073
Intermediate
Bore
Flywheel
End
Bore
CAM FOLLOWERS
Removal/Installation
1. Remove camshaft. (See procedure in this group.)
2. Remove oil pan and strainer. (See Lubrication
System in this section.)
IMPORTANT: Cam followers must be installed
in the same bores from which they were
removed.
3. Put a mark on each cam follower and cylinder
block bore to aid in installation.
4. Remove cam followers.
5. Inspect all parts for wear or damage. (See
Inspection procedures.)
6. Apply clean engine oil on all parts during
installation.
Installation is done in the reverse order of removal.
Inspection
•Inspect cam follower contact surface for
abnormal wear. Replace if necessary.
M82074A
Abnormal Contact
Normal Contact

Camshaft and Timing Gear Train
4/7/95
4-45
4
•Measure cam follower stem diameter.
Cam Follower Stem O.D.:
Standard . . . . . . . . . . . . . 14.218 - 14.233 mm
. . . . . . . . . . . . . . . . . . . . .(0.5598 - 0.5604 in.)
Wear Limit. . . . . . . . . . 14.17 mm (0.5579 in.)
If stem diameter is less than wear limit, replace cam
follower.
•Measure cam follower bore diameter in cylinder
block.
Cam Follower Bore I.D.:
Standard . . . . . . . . . . . . . 14.249 - 14.270 mm
. . . . . . . . . . . . . . . . . . . . .(0.5610 - 0.5618 in.)
Wear Limit. . . . . . . . . . 14.30 mm (0.5630 in.)
Clearance . . . . . . . . . . . 0.052 mm (0.0020 in.)
If cam follower bore diameter exceeds wear limit,
replace cylinder block.
If bore clearance (bore I.D. minus follower stem
O.D.) exceeds specification, replace cam follower,
cylinder block or both.
TIMING GEAR COVER
Removal/Installation
1. Remove alternator and belt.
2. Remove fan, spacer and pulley.
M82075A
3. Remove cap screw and washer.
4. Remove crankshaft pulley using a two-jaw puller
kit.
5. Remove key.
NOTE: It is not necessary to remove auxiliary drive
cover and gasket, end cover and o-ring or
fuel injection pump gear cover to remove
timing gear cover.
6. Remove 18 mounting cap screws and timing gear
cover.
Installation is done in the reverse order of removal.
•Replace seal washer.
•Tighten all mounting cap screws to 26 N•m (226
lb-in.).
•Adjust fan/alternator drive belt tension. (See
Checks, Tests and Adjustments in this section.)
M82076A
PulleySpacer
Cap Screw (4)
M10 x 20
Apply thread lock and
sealer (medium strength)
to threads.
65 N•m (47 lb-ft)
Socket-Head
Cap Screw (4)
M8 x 50
11 N•m (96 lb-
in.)
Fan

Camshaft and Timing Gear Train
4-46
4/7/95
4
M82077A
Mounting Cap Screw
M8 x 75
Mounting Plate
Mounting Cap Screw
M8 x 45GasketAuxiliary Drive Cover
Mounting Cap Screw (2)
M8 x 50
Cap Screw (2)
M8 x 20
Mounting Cap Screw
M8 x 45
O-Ring
End Cover
Cap Screw (2)
M8 x 20
Mounting Cap Screws
M8 x 45
Mounting Cap Screws
M8 x 75
Mounting Cap Screw
M8 x 45
KeyCrankshaft Pulley
Washer
Cap Screw
Apply thread lock and
sealer (medium strength)
to threads.
115 N•m (85 lb-ft)
Cap Screw
M8 x 20
Mounting Cap
Screw (3)
M8 x 45Mounting Cap
Screw (2)
M8 x 90
Injection Pump
Gear Cover
Mounting Cap
Screw
M8 x 40
Seal Washer
Replace
Mounting Cap
Screw
M8 x 75
Mounting Cap
Screw
M8 x 45
Timing Gear
Cover
John Deere
Form-In-Place
Gasket
(RTV
rubber silicone
sealant)
NOTE: Due to the odd number of teeth on the idler
gear, timing marks will only align
periodically. When all timing marks on
gears are aligned, the piston closest to the
water pump is at TDC on compression
stroke. Number one cylinder is closest to the
flywheel.
3. Rotate crankshaft and align timing marks.
4. Remove two cap screws, shaft and gear.
IDLER GEAR
Removal/Installation
1. Remove timing gear cover. (See procedure in this
group.)
2. Check backlash of timing gears. (See Checks,
Tests and Adjustments in this section.)

Camshaft and Timing Gear Train
4/7/95
4-47
4
5. Inspect all parts for wear or damage. (See
Inspection/Replacement procedures.)
Installation is done in the reverse order of removal.
Inspection/Replacement
•Inspect gear for chipped or broken teeth.
Replace if necessary.
•Measure idler gear shaft diameter.
Idler Gear Shaft O.D.:
Standard . . . . . . . . . . . . . . 45.95 - 45.975 mm
. . . . . . . . . . . . . . . . . . . . .(1.8091 - 1.8100 in.)
Wear Limit. . . . . . . . . . . 45.9 mm (1.8071 in.)
If shaft diameter is less than wear limit, replace idler
gear shaft.
•Measure idler gear bushing diameter.
Idler Gear Bushing I.D.:
Standard . . . . . . . . . . . . . . 46.00 - 46.025 mm
. . . . . . . . . . . . . . . . . . . . .(1.8110 - 1.8120 in.)
Wear Limit. . . . . . . . . . 46.09 mm (1.8146 in.)
Clearance . . . . . . . . . . . 0.075 mm (0.0030 in.)
M82078A
Idler Gear (51T)
Idler Gear Shaft
Cap Screw (2)
M8 x 45
If bushing diameter exceeds wear limit, replace
bushing.
To replace bushing:
Replace bushing using a driver set. Align oil holes in
bushing and idler gear. Install bushing flush with
surface of idler gear.
If bushing clearance (bushing I.D. minus shaft O.D.)
exceeds specification, replace bushing, shaft or both.
TIMING GEAR HOUSING
Removal/Installation
1. Remove camshaft. (See procedure in this group.)
2. Remove idler gear. (See procedure in this group.)
3. Remove fuel injection pump. (See Fuel System in
this section.)
4. Remove mounting cap screws and housing.
Installation is done in the reverse order of removal.
M82079A
Idler Gear
Bushing
Idler Gear
Shaft

Camshaft and Timing Gear Train
4-48
4/7/95
4
M82080A
John Deere
Form-In-Place Gasket
(RTV rubber silicone sealant)
Timing Gear
Housing
Mounting Cap Screw
M8 x 45
25 N•m (220 lb-in.)
Mounting Cap Screw (4)
M8 x 35
21 N•m (180 lb-in.)Mounting Cap Screw (5)
M8 x 20
25 N•m (220 lb-in.)
M82081
Auxiliary
Drive Gear
Ball
Bearing
AUXILIARY DRIVE GEAR - IF
EQUIPPED
Remove timing gear cover. (See procedure in this
group.)
NOTE: Bearings are slip fit in timing gear housing
and cover and press fit on drive gear ends.
Inspect all parts for wear or damage. Replace as
necessary.

Lubrication System
4/7/95
4-49
4
OTHER MATERIALS
Number Name Use
LOCTITE® PRODUCTS
U.S./
Canadian/
LOCTITE No.
TY15130/ John Deere Form-In-Place Seals oil pan to crankcase
NA/ Gasket extension housing.
#395
TY9375/ John Deere Pipe Sealant Apply to threads of plug in oil cooler.
TY9480/ with TEFLON®
#592
®LOCTITE is a registered trademark of the Loctite Corp.
®TEFLON is a registered trademark of the Du Pont Company.

Lubrication System
4-50
4/7/95
4
OIL PAN AND STRAINER
Removal/Installation
•Approximate crankcase oil capacity is 12.7L
(13.4 qt.).
•Replace all O-rings and copper washers, if
equipped.
•Fill engine with proper engine oil. (See
SPECIFICATIONS AND GENERAL
INFORMATION section.)
M82082A
Cap Screw (4)
M8 x 30
21 N•m (180 lb-in.)
John Deere
Form-In-Place Gasket
(RTV rubber silicone
sealant)
Oil Pan
Cap Screw (4)
M8 x 30
21 N•m (180 lb-in.)
Cap Screw (18)
M8 x 85
26 N•m (226 lb-in.)
Cap Screw (2)
M8 x 16
26 N•m (226 lb-in.)
Cap Screw with
Lock Washer (2)
M8 x 16
26 N•m (226 lb-in.)
Oil Strainer Tube
O-Ring
Replace
O-Ring
(4TN100RJF)
Replace
Drain Plug
(4TN100RJF)
Copper Washer (2)
Replace
Drain Plug
Assembly
(4TN100LFB)

Lubrication System
4/7/95
4-51
4
OIL PUMP
Removal/Installation
1. Remove timing gear cover. (See Camshaft and
Timing Gear Train in this section.)
2. Check oil pump gear backlash. Replace entire oil
pump assembly if backlash is more than 0.25 mm
(0.010 in.).
3. Remove idler shaft and gear. (See Camshaft and
Timing Gear Train in this section.)
4. Remove two mounting cap screws, oil pump and
gasket.
5. Inspect all parts for wear or damage. (See
Disassembly/Assembly procedures).
Disassembly/Assembly
•Do not remove gear to remove cap screws. Do
not disassemble rotor shaft assembly other than
shown. If any parts are worn or damaged,
replace as an assembly.
•Inspect parts for wear or damage. (See
Inspection procedures.)
M51568
Mounting Cap Screw
M8 x 50
25 N•m (18 lb-ft)
Mounting Cap Screw
M8 x 16
25 N•m (18 lb-ft)
Oil Pump
Oil Pump
Gasket
•Coat all parts with clean engine oil.
•Install outer rotor with identification mark
facing toward rotor shaft assembly.
Inspection
•Check rotor shaft outer diameter and the shaft
hole diameter in housing. If clearance is more
than 0.20 mm (0.008 in.), replace entire
assembly.
M51574
Cap Screws
M6 x 25
6 N•m (53 lb-in.)
Safety Valve
Non-Adjustable.
Do not remove.
Outer Rotor
Housing
Identification
Mark
Cap Screw (2)
M6 x 16
6 N•m (53 lb-in.)
Rotor Shaft
Assembly
M51570
HousingRotor Shaft Assembly

Lubrication System
4-52
4/7/95
4
•Check outer rotor recess. If outer rotor is below
face of pump housing more than 0.25 mm
(0.010 in.), replace entire assembly.
•Check outer rotor-to-pump housing clearance. If
clearance is more than 0.25 mm (0.010 in.),
replace entire assembly.
•Check inner-to-outer rotor clearance. If
clearance is more than 0.25 mm (0.010 in.),
replace entire assembly.
M51571
Straight Edge
Housing
Feeler Gauge
Outer Rotor
M51572
Housing
Outer Rotor
Feeler Gauge
OIL COOLER
1. Remove fuel injection pump. (See Fuel System in
this section.)
•Replace O-ring, copper washer and gaskets.
Damaged or used parts will leak.
•Pressure test oil cooler. (See Checks, Tests and
Adjustments section.)
NOTE: Oil cooler adapter is slip fit on water pump
with an O-ring seal.
M51573
Feeler Gauge
Inner Rotor
Outer Rotor
M51577
Oil Cooler
Adapter
Water Pump
O-Ring

Lubrication System
4/7/95
4-53
4
M82083A
Cap Screw (10)
M8 x 50
24 N•m (18 lb-ft)
Oil Cooler
Housing
Plug
Copper
Washer
Flange Nut (4)
49 N•m (36 lb-ft)
Cap Screw (8)
M8 x 35
24 N•m (18 lb-ft)
Oil Cooler
By-Pass Valve
Oil Pressure
Regulating Valve
Cap Screw (3)
M8 x 20
24 N•m (18 lb-ft)Plug
Apply Pipe Sealant
with TEFLON
.
Gasket
Adapter
Cap Screw
M8 x 20
24 N•m (18 lb-ft)
Cap Screw
M8 x 25
24 N•m (18 lb-ft)
Gasket (2)
Oil Cooler
Gasket
Spring Specifications:
Free Length . . . . . . . . . . . . .63 mm (2.480 in.)
Compressed Length . . . . . .37 mm (1.450 in.)
. . . . . . . . . . . . . . . . . @ 3.75N (0.840 lb force)
M51578
Valve
Spring
Copper
Washer
Plug
NOTE: See OIL COOLER BY-PASS VALVE and
OIL PRESSURE REGULATING VALVE
if service is necessary.
OIL COOLER BY-PASS VALVE
NOTE: Oil cooler is removed to show detail.
•Inspect parts for wear or damage. Check spring
free and compressed lengths. Replace parts as
necessary.
•Replace copper washer. A used washer may
leak.

Lubrication System
4-54
4/7/95
4
OIL PRESSURE REGULATING VALVE
NOTE: Oil cooler is removed to show detail.
•Inspect parts for wear or damage. Check spring
free and compressed lengths. Replace parts as
necessary.
•Replace copper washer. A used washer may
leak.
NOTE: Valve assembly may or may not be equipped
with shims.
Spring Specifications:
Free Length . . . . . . . . . . . . 51 mm (2.010 in.).
Compressed Length . . . . . .50 mm (1.970 in.)
. . . . . . . . . . . . . . . . . @ 5.40N (1.200 lb force)
M51579
Valve
Spring
Shim
If equipped
Plug
Copper
Washer
PISTON COOLING NOZZLES
Replacement
1. Remove oil pan and strainer. (See procedure in
this group.)
•Install nozzle with locating pin in locating hole
of cylinder block.
M51580
Mounting Bolt
15 N•m (130 lb-in.)
Piston
Cooling
Nozzle
M51581
Locating Pin

Cooling System
4/7/95
4-55
4
® TEFLON is a registered trademark of the Du Pont Company.
® LOCTITE is a registered trademark of the Loctite Corp.
OTHER MATERIALS
Number Name Use
LOCTITE® PRODUCTS
U.S./
Canadian/
LOCTITE No.
TY9375/ John Deere Pipe Sealant Apply to threads of coolant temperature
TY9480/ with TEFLON® sender, heater hose fitting and adapter
#592 fitting.
TY9370/ Thread Lock and Sealer Apply to threads of fan-to-spacer
TY9477/ (Medium Strength) cap screws.
#242

Cooling System
4-56
4/7/95
4
COOLANT TEMPERATURE SENDER
•Replace copper washer.
•Test sender. (See Checks, Tests and Adjustments
in this section.)
•Apply Pipe Sealant with TEFLON, or equivalent
to threads of sender.
THERMOSTAT
•Replace gaskets.
•Test thermostat. (See Checks, Tests and
Adjustments in this section.)
M82084A
Water Pump
Coolant Temperature
SenderCopper
Washer
M82085A
Cap Screw (4)
M6 x 14
20 N•m (180 lb-in.)
Cover
Cover
Gasket
Thermostat
Gasket

Cooling System
4/7/95
4-57
4
WATER PUMP
Removal/Installation
1. Open engine drain valve to drain coolant.
2. Remove fan/alternator drive belt.
3. Remove alternator slide bracket-to-water pump
cap screw.
4. Remove four cap screws and fan.
5. Remove four socket head cap screws, spacer and
pulley.
6. Remove five mounting cap screws, pump and
gasket.
7. Inspect all parts for wear or damage. (See
Disassembly/Assembly procedures.)
Installation is done in the reverse order of removal.
•Replace gasket and o-ring.
•Adjust fan/alternator drive belt tension. (See
Checks, Tests and Adjustments in this section.)
M82086A
Cap Screw (4)
M10 x 20
Apply thread lock and
sealer (medium strength)
to threads.
65 N•m (47 lb-ft)
Mounting Cap Screw (5)
M8 x 65
26 N•m (226 lb-in.)
Gasket
O-Ring
Water Pump
Pulley
Spacer
Socket-Head
Cap Screw (4)
M8 x 50
11 N•m (96 lb-in.)
Fan
Cap Screw
M8 x 20
Alternator Slide Bracket

Cooling System
4-58
4/7/95
4
Disassembly
1. Remove thermostat. (See procedure in this
group.)
2. Remove coolant temperature sender. (See
procedure in this group.)
3. Remove two screws, adapter and gasket.
4. Remove two M8 cap screws and nuts.
5. Apply heat to six plate-to-housing screws.
Remove screws, plate and gasket.
M82087A
Heater Hose Fitting
Apply Pipe Sealant with
TEFLON to threads.
Adapter Fitting
Apply Pipe Sealant with
TEFLON to threads.
23 N•m (199 lb-in.)
Cap
Copper
Washer
Plug
15 N•m (130 lb-in.)
Cap Screw (2)
M8 x 60
15 N•m (134 lb-in.)
Pulley
Flange
Bearing
Shaft
Water Pump
Housing
Shaft Seal
Ceramic
Seal
Seal Cup
Impeller
Adapter
Gasket
Adapter-to-Plate Screw (2)
10 N•m (91 lb-in.)
Gasket
Plate-to-Housing Screw (6)
15 N•m (134 lb-in.)
Plate
Nut (2)

Cooling System
4/7/95
4-59
4
6. Apply extreme heat to pulley flange. Remove
flange using a knife-edge puller set and two small
nuts.
7. Place water pump assembly on a press table.
Install supports under water pump housing,
staying clear of impeller. Press bearing shaft
assembly through water pump housing using a
piece of pipe or a deep socket.
IMPORTANT: Impeller bore is tapered. When
pressing bearing shaft from impeller, allow
enough clearance between cap screw and
impeller bore to prevent cap screw from
binding.
8. Remove impeller from bearing shaft using a
knife-edge puller, a 3/8 in. cap screw and a press.
9. Remove shaft seal, ceramic seal and seal cup.
10.Inspect all parts for wear or damage. Replace as
necessary.
Assembly
NOTE: Replace shaft seal, ceramic seal, seal cup,
gaskets and copper washer.
1. Install bearing shaft into pump housing, long end
down, using a piece of pipe or deep socket and a
press. Press shaft into pump housing until bearing
surface is flush with pump housing surface.
2. Install new shaft seal over impeller side of
bearing shaft, rubber seal side away from pump
housing. Push shaft seal into pump housing, until
it stops, using a 25 mm or 1 in. socket and a
press.
M35645
Two Small Nuts
Pulley Flange
Water Pump
Housing
Knife-Edge
Puller Set
IMPORTANT: Support pump housing on
bearing shaft only. DO NOT support on
housing or damage to housing will occur.
3. Place water pump housing on a press table.
Support housing on bearing shaft using a driver
disk. Install pulley flange onto shaft with straight
hub facing away from housing. Press pulley
flange onto bearing shaft until bottom of flange is
11 mm (0.433 in.) from top of housing.
IMPORTANT: DO NOT touch lapped sealing
surface of ceramic seal with bare hands. It
must be clean and dry.
4. Install seal cup and ceramic seal in impeller.
5. Install a knife-edge puller around bearing shaft,
between pulley flange and pump housing. Place
pump housing, with knife-edge puller down, on a
press table. Install impeller with ceramic seal
toward shaft seal. Press impeller on bearing shaft
until shaft end is flush with impeller ID surface
OR clearance between impeller and pump
housing is 0.30 - 1.10 mm (0.012 - 0.043 in.).
6. Install new gasket, plate, six screws, two cap
screws and nuts.
7. Install new gasket, adapter and screws.
8. Install coolant temperature sender. (See
procedure in this group.)
9. Install thermostat. (See procedure in this group.)
M51567
Clearance
Specification
Impeller ID
Bearing Shaft End

Fuel System
4-60
4/7/95
4
SPECIAL OR ESSENTIAL TOOLS
NOTE: Order tools according to information given in the U.S. SERVICE-GARDTM Catalog or in the
European Microfiche Tool Catalog (MTC).
JDF13 Nozzle Cleaning Kit
Use to clean fuel injection nozzles.
SERVICE PARTS KITS
The following kits are available through your parts catalog:
•Cylinder Block Gasket Kit
•Fuel Injection Nozzle Shim Pack

Fuel System
4/7/95
4-61
4
FUEL SUPPLY PUMP
NOTE: Oil will leak out of fuel injection pump
housing when shaft or pump body is
removed.
•Inspect all parts for wear or damage. Replace as
necessary.
Replace all o-rings and copper washers. Damaged or
used parts will leak.
•Replace seal if necessary. Remove seal using a
blind-hole puller set. Install seal, lips toward
holder, flush with pump body.
•Install holder into pump body with small hole in
holder toward bottom of pump body.
IMPORTANT: If oil has been drained out of fuel
injection pump housing, add oil as necessary.
Fuel injection pump can become damaged if
operated dry or without proper amount of oil.
After fuel supply pump is installed, disconnect
external lube line to fuel injection pump housing.
Remove fill plug and add clean engine oil to
housing. Add until oil begins to drip out of lube line
hole (For proper oil specification see
SPECIFICATIONS AND GENERAL
INFORMATION section.)
M82089
External Lube Line
Tighten mounting bolt to
15 N•m (130 lb-in.)
Fuel Supply Pump
Fill Plug

Fuel System
4-62
4/7/95
4
M82088A
Supply Pump-to-
Filter Hose
Hose Clamp
Fitting
Copper
Washer
Fitting
O-Ring
Spring (2)
Valve (2)
Lock Washer (3)
Mounting Nut (3)
11 N•m (96 lb-in.)
PlugCopper
Washer
Spring
Plunger
Pump
Body
Shaft
SealHolderSlide Pivot (2)
Washer (2)
Shaft
Roller
Retaining
Wire
Gasket
Cover
Hand Primer
Assembly
Copper
Washer

Fuel System
4/7/95
4-63
4
FUEL FILTER ASSEMBLY
IMPORTANT: Replace all copper washers.
Damaged or used washers may leak.
M82090A
End Cap
Nozzle Leak-Off
Hose (Short) (3)
To
Fuel Tank
Mounting Cap
Screw (2)
Nozzle Leak-Off
Hose (Long)
Bleed ValveRubber Washer
Bleed Valve
Mounting
Bracket
Fuel Filter
Fuel Filter-to-Injection
Pump Hose
Injection Pump
Bleed-Off Hose
From
Fuel Tank
Air Vent
Check Valve
Fuel Supply
Pump-to-Filter Hose
*
*
*
*
*
*
*
*
*Copper Washers
Replace

Fuel System
4-64
4/7/95
4
FUEL INJECTION PUMP
Removal
CAUTION
Escaping fluid under pressure can penetrate
the skin causing serious injury. Avoid the
hazard by relieving pressure before
disconnecting hydraulic or other lines.
Tighten all connections before applying
pressure. Search for leaks with a piece of
cardboard. Protect hands and body from
high pressure fluids.
If an accident occurs, see a doctor
immediately. Any fluid injected into the skin
must be surgically removed within a few
hours or gangrene may result. Doctors
unfamiliar with this type of injury should
reference a knowledgable source. Such
information is available from the Deere &
Company Medical Department in Moline,
Illinois, U.S.A.
IMPORTANT: Never steam clean or pour cold
water on injection pump while the pump is
running or warm. Doing so can damage the
pump.
1. Clean the injection pump lines and area around
the pump using a parts cleaning solvent or steam
cleaner.
2. Loosen fuel injection line connectors slightly to
release pressure in the fuel system. When
loosening connectors, use another wrench to keep
delivery valves from loosening.
3. Loosen line clamp and remove fuel injection
lines.
4. Disconnect hoses to/from fuel filter.
5. Remove external lube line.
6. Scribe an alignment mark across injection pump
and gear case housing.
M82091
Fuel Injection Line
Connectors (4)
Line Clamp
Delivery
Valve (4)
Fuel Injection
Lines
Injection Pump Bleed-Off-to-Filter Hose
Fuel Supply Pump-to-Filter Hose
Oil Filler Neck
Assembly and Gasket
Mounting Cap
Screws
Cap Screw (2)
Alignment Mark
Mounting Cap Screw (3)
External
Lube Line
Mounting Cap Screw
Fuel
Filter-to-Injection
Pump Hose

Fuel System
4/7/95
4-65
4
7. Remove two cap screws, oil filler neck assembly
and gasket.
8. Use chalk or paint to mark injection pump gear to
notch on gear case housing.
9. Remove six mounting cap screws, injection pump
and o-ring.
DO NOT attempt to service the injection pump or
governor. If unit is in need of repair, it must be
serviced by a qualified fuel injection repair shop. If
replacement is necessary, replace entire unit.
Installation
1. Install new o-ring on injection pump.
2. Put injection pump onto gear case housing. Align
mark, made on injection pump gear during
removal, with notch on housing.
3. Install six mounting cap screws. Do not tighten.
4. Align marks on housing and injection pump,
made during removal, and tighten mounting cap
screws.
M51583
Injection Pump
Notch Injection Pump
Gear
Gear Case
Housing
5. Install new gasket, oil filler neck assembly and
two cap screws.
6. Connect hoses to/from fuel filter.
7. Install fuel injection lines and tighten line clamp
cap screws.
IMPORTANT: If oil has been drained out of fuel
injection pump housing, add oil as necessary.
Fuel injection pump can become damaged if
operated dry or without proper amount of oil.
8. Remove fill plug and add clean engine oil to
housing. Add until oil begins to drip out of
external lube line inlet. (For proper oil
specification see SPECIFICATIONS AND
GENERAL INFORMATION section.)
9. Install external lube line. When installing line,
put one copper washer between mounting bolt
head and lube line and the other between lube
line and housing.
If new injection pump is being installed, check and
adjust injection pump static timing. (See Checks,
Tests and Adjustments in this section.)
M51585
Notch
Gear Case Housing
Injection Pump Gear
O-Ring
Alignment Mark
Injection Pump

Fuel System
4-66
4/7/95
4
M82091
Line Clamp
Oil Fill
Plug
Fuel Injection
Lines
Injection Pump Bleed-Off-to-Filter Hose
Fuel Supply Pump-to-Filter Hose
Oil Filler Neck
Assembly and Gasket
Mounting Cap Screws
M8 x 90
27 N•m (20 lb-ft)
Cap Screw (2)
M8 x 25
Alignment Mark
Mounting Cap Screw (3)
M8 x 25
27 N•m (20 lb-ft)
External
Lube Line
External Lube
Line Inlet
Tighten Mounting Bolt
to 15 N•m (130 lb-in.)
Lube Line-to-Block
Bolt
25 N•m (217 lb-in.)
Mounting Cap Screw
M8 x 16
27 N•m (20 lb-ft)
Fuel
Filter-to-Injection
Pump Hose
CAUTION
Escaping fluid under pressure can penetrate
the skin causing serious injury. Avoid the
hazard by relieving pressure before
disconnecting hydraulic or other lines.
Tighten all connections before applying
pressure. Search for leaks with a piece of
cardboard. Protect hands and body from
high pressure fluids.
If an accident occurs, see a doctor
immediately. Any fluid injected into the skin
must be surgically removed within a few
hours or gangrene may result. Doctors
unfamiliar with this type of injury should
reference a knowledgable source. Such
information is available from the Deere &
Company Medical Department in Moline,
Illinois, U.S.A.
FUEL INJECTION NOZZLES
(HOLE-TYPE)
Removal/Installation
IMPORTANT: Never steam clean or pour cold
water on injection pump while the pump is
running or warm. Doing so can damage the
pump.
1. Clean the injection pump lines and area around
the pump using a parts cleaning solvent or steam
cleaner.

Fuel System
4/7/95
4-67
4
NOTE: Nozzles are matched to the cylinders. If
removing more than one nozzle, tag nozzles,
according to the cylinder from which it was
removed.
2. Loosen fuel injection line connectors-to-nozzles
slightly to release pressure in the fuel system.
3. Loosen line clamp and remove fuel injection
lines.
4. Remove clamps and leak-off hoses.
5. Remove nuts and retaining plates.
6. Remove injection nozzle, ring and teflon heat
protector. If ring and protector stay in cylinder
head, thread a cap screw into protector and pull
from cylinder head.
If nozzles are stuck in cylinder head:
•Grind the head of a cap screw so it fits inside a
nut from an old injection line.
•Use two nuts to attach a large flat washer to the
cap screw.
•Install assembly onto nozzle and use a puller and
slide hammer to pull nozzle from cylinder head.
M82092A
Nut (2)
5 N•m
(39 lb-in.)
Retaining Plate
Hose Clamp
Leak-Off Hose
Injection
Nozzle
Ring
Heat
Protector
Replace.
7. Test injection nozzles. (See Checks, Tests and
Adjustments in this section.)
Disassembly/Assembly
NOTE: If servicing more than one nozzle, keep
parts for each nozzle separate from one
another.
•Clean and inspect nozzle assembly. (See
Cleaning/Inspection procedures.)
•After assembly is complete, test injection
nozzle. (See Checks, Tests and Adjustments in
this section.)
M82126
Cap Screw
Old Injection
Line Nut
Injection
Nozzle
Large
Flat
Washer
Nuts
M82093A
Injector Body
Shims (as required)
Spring
Spring Seat
Separator Plate
Nozzle Valve
Nozzle Body
Retaining Nut
43 N•m (31 lb-ft)
Index
Pin (2)

Fuel System
4-68
4/7/95
4
Cross Section
Cleaning/Inspection
NOTE: To clean nozzles properly, JDF13 Nozzle
Cleaning Kit is recommended. The Cleaning
Kit is available through the John Deere
SERVICEGARD™ Catalog.
M37684
Injector
Body
Shim
(as required)
Spring
Spring Seat
Nozzle Valve
Nozzle Body
Retaining Nut
Separator Plate
Index Pin (2)
Fuel Return
Pipe
1. Remove anti-corrosive grease from new or
reconditioned nozzles by washing them
thoroughly in diesel fuel.
IMPORTANT: Never use a steel brush to clean
nozzles as this will distort the spray hole.
2. Remove carbon from used nozzles, and clean by
washing in diesel fuel. If parts are coated with
hardened carbon or lacquer, it may be necessary
to use a brass wire brush (supplied in Nozzle
Cleaning Kit).
3. After removing carbon or lacquer from the
exterior of nozzle, inspect sealing surfaces
between separator plate and nozzle body for
nicks or scratches.
4. Inspect condition of separator plate and nozzle
body. Contact area of separator plate (both parts)
must not be scored or pitted. Use an inspection
magnifier (No. 16487 or equivalent) to aid in
making the inspection.
5. Check nozzle contact surface on separator plate
for wear. If contact surface is more than 0.10 mm
(0.0039 in.), replace nozzle assembly.
6. Inspect the piston (large) part of nozzle valve to
see that it is not scratched or scored and that
lower (tip) end of valve is not broken. If any of
these conditions are present, replace the nozzle
assembly.
M82094A
Nozzle Contact
Surface
Sealing Surfaces
Index Pin
Separator
Plate
Nozzle Body

Fuel System
4/7/95
4-69
4
7. Further inspect the nozzle assembly by
performing a slide test. Use the following
procedure:
•Dip the nozzle valve in clean diesel fuel. Insert
valve in nozzle body.
•Hold nozzle vertical, and pull valve out about
1/3 of its engaged length.
•Release valve. Valve should slide down to its
seat by its own weight.
Replace nozzle assembly if the valve does not slide
freely to its seat.
M82095A
Nozzle Valve
Piston Part of
Nozzle Valve
Nozzle Body

Starter (Nippondenso 1.4 kW)
4-70
4/7/95
4
STARTER MOTOR
Disassembly
1. Remove two cap screws and two screws.
2. Remove rear cover and thrust washer, if
equipped.
3. Remove field coil brushes from brush holder.
4. Pry brush springs away and pull negative brushes
up enough to allow spring to hold brush in place.
5. Remove brush holder.
6. Disconnect wiring lead and relay leads, if
equipped.
7. Remove field coil housing, armature and o-ring,
if equipped.
M82096
Cap Screw (2)
Screw (2)
Rear Cover
Thrust
Washer
M82097
Negative Brush (2)
Brush Holder
Field Coil Brush (2)
Brush Spring (2)
8. Inspect and test brushes, holder, field coil and
armature. (See Inspection/Test procedures.)
Assembly
Assembly is done in the reverse order of
disassembly.
•Apply multipurpose grease to bearing cup inside
rear cover.
IMPORTANT: When installing rear cover, be
sure field coil brush wires do not touch cover.
Turn brush holder slightly to take up slack in
brush wires. Press wires inward to clear rear
cover.
Inspection/Test/Replacement
1. Measure holder and field coil brush lengths.
Minimum brush length is 8.5 mm (0.335 in.).
Replace brush holder or field coil if brush length
is below minimum.
NOTE: Test brush holder using an ohmmeter or test
light.
2. Test brush holder:
Touch one probe of tester to negative brush holder
and other probe to field brush holder. If there is
continuity, replace the brush holder.
3. Inspect springs for wear or damage. Replace if
necessary.
M82098
Field Coil
Housing
Seal Ring
If equipped
Armature
Wiring Lead

Starter (Nippondenso 1.4 kW)
4/7/95
4-71
4
NOTE: Test field coil using an ohmmeter or test
light.
4. Inspect springs for wear or damage. Replace if
necessary.
5. Test for grounded field winding:
Touch one probe of tester to field coil brush and
other probe to field coil housing. Be sure the brush
lead is not touching the frame. If there is continuity,
the coil is grounded and the field coil housing
assembly must be replaced.
6. Test for open field coil:
Touch one probe of tester to each field coil brush. If
there is no continuity, the field coil is open and the
field coil housing assembly must be replaced.
M82099
Spring (4)
Negative Brush
Holder
Field Brush
Holder
Brush
Length
M82100
Field Coil Brush
Field Coil
Housing
IMPORTANT: Do not clean armature with
solvent. Solvent can damage insulation on
windings. Use only mineral spirits and a
brush.
7. Inspect armature. Look for signs of dragging
against pole shoes.
8. Inspect commutator. Look for roughness, burned
bars, or any material which might cause short
circuits between bars. If necessary, clean and
touch up with 400 sandpaper. NEVER use emery
cloth. Clean all dust from armature when
finished.
NOTE: Test armature windings using an ohmmeter
or test light.
9. Test for grounded windings:
Touch probes on one commutator bar and armature
shaft. Armature windings are connected in series, so
only one commutator bar needs to be checked.
If test shows continuity, a winding is grounded and
the armature must be replaced.
10.Test for open circuited windings:
Touch probes on two different commutator bars. If
test shows no continuity, there is an open circuit and
the armature must be replaced.
M82101
Commutator Bars
Armature Shaft

Starter (Nippondenso 1.4 kW)
4-72
4/7/95
4
11.Test for short circuited windings using a growler.
Put armature in a growler and hold a hacksaw
blade above each slot while slowly rotating
armature.
If coil is shorted, the blade will vibrate on the slot.
NOTE: A short circuit most often occurs because of
copper dust or filings between two
commutator segments.
12.If test indicates short circuited windings, clean
the commutator of dust and filings. Check the
armature again. If the test still indicates a short
circuit, replace the armature.
13.Inspect armature cover and housing bearings for
wear or damage. Replace if necessary.
To replace bearings:
Bearings are press fit. Remove bearings using a
knife-edge puller set.
IMPORTANT: Install both bearings with sealed
side toward armature.
Install new housing bearing tight against shoulder of
shaft using a piece of pipe.
Install new rear cover bearing tight against shoulder
of shaft using a driver set.
M82125A
Armature
Hacksaw Blade
Growler
STARTER GEAR TRAIN AND
SOLENOID
Disassembly/Inspection
1. Remove two socket head screws, end cap and
shim(s).
2. Disconnect wiring lead and relay leads, if
equipped.
3. Remove two cap screws.
4. Remove starter motor assembly from bearing
housing.
M82102
Housing Bearing
Rear Cover Bearing
End Cap
Shim(s)
M37820

Starter (Nippondenso 1.4 kW)
4/7/95
4-73
4
5. Remove three cap screws.
6. Separate end frame assembly from bearing
housing.
7. Inspect seal and needle bearing for wear or
damage. Replace as necessary.
To replace needle bearing:
Remove bearing using a blind-hole puller set. Install
new bearing flush with housing surface using a
driver set.
M82096
Starter Motor
Assembly
Cap
Screw (2)
Wiring Lead
M37822
Cap Screw (3)
End
Frame
Assembly
Bearing Housing
M37823
Bearing Housing
Seal
Needle Bearing
8. Remove two cap screws, plunger, spring, shims
and solenoid.
9. Remove shims from ring gear shaft.
10.Remove pivot bolt, clutch fork and clutch
assembly.
11.Inspect shoes on fork for wear or damage.
Replace fork if necessary.
12.Inspect end frame bushing for wear or damage.
Replace if necessary.
M37824
End Frame
Cap Screw (2)
Plunger
Spring
Shim(s)Solenoid
M37821
Shims
Ring Gear Shaft
M37825
End Frame
Pivot Bolt
ShoesClutch
Assembly
Clutch Fork

Starter (Nippondenso 1.4 kW)
4-74
4/7/95
4
Replace bushing using a driver set. Install bushing
flush with face of housing.
13.Slide pinion stopper away from retaining wire
using a piece of pipe or deep socket. Remove
retaining wire, pinion stopper, and clutch
assembly from ring gear shaft.
14.Inspect all parts for wear or damage. Replace as
necessary.
15.Remove snap ring, washer, spring cap, and spring
from clutch.
M37830
End Frame
Bushing
M37827
Retaining
Wire
Pinion
Stopper
Clutch
Assembly
Ring Gear
Shaft
16.Inspect all parts for wear or damage. Replace as
necessary.
Assembly
Assembly is done in the reverse order of
disassembly.
•After installing clutch assembly, pinion stopper
and retaining wire on ring gear shaft, use two
pliers to press pinion stopper over retaining
wire.
M37829
Snap Ring
Washer
Spring Cap
Spring
Clutch
M37831
Retaining
Wire
Pinion
Stopper
Clutch
Assembly

Alternator (Hitachi 25A)
4/7/95
4-75
4
VOLTAGE REGULATOR
7. Use a soldering gun with at least 120 watt
capacity to disconnect five terminals. Replace
voltage regulator.
•If additional solder is needed, use ONLY 60-40
rosin-core solder.
ALTERNATOR
Disassembly
1. Remove three screws and cover.
2. Remove four attaching screws, wire clamp and
grommet.
M82108
Attaching Screws (4)
M5
4 N•m (31 lb-in.)
Grommet
Wire Clamp
M82108
Attaching Screw (4)
M5
4 N•m (31 lb-in.)
Stator
Grommet
Wire Clamp
Front Frame
Two Nuts and Insulator
End Frame-to-Rectifier Nuts (4)
M5
4 N•m (31 lb-in.)
End Frame
Replacement
1. Remove three screws and cover.
2. Remove four attaching screws, wire clamp and
grommet.
3. Remove four end frame-to-rectifier nuts.
4. Remove two nuts and insulator.
IMPORTANT: Do not pry against stator wires.
5. Use a screwdriver to pry end frame from stator.
Do not separate stator from front frame.
6. Remove two screws and insulator.
IMPORTANT: Do not heat connections longer
than necessary to melt solder, as excess heat
will damage rectifier assembly.
M51602
Insulator
Brush
Holder
Terminals
Voltage
Regulator
Screw (2)

Alternator (Hitachi 25A)
4-76
4/7/95
4
IMPORTANT: Do not pry against stator wires.
3. Use a screwdriver to separate rotor assembly
from stator assembly.
M36730
Rotor Assembly
Stator Assembly
Rotor Assembly:
•Rear bearing is press fit. Replace only if
necessary. Remove bearing using a puller set.
Install bearing until flush with end of rotor shaft.
Press only on inner race of bearing.
4. Put rotor assembly in a soft-jawed vise. Remove
nut, lock washer, sheave, fan and bushing.
5. Put front frame on open jaws of vice. Use a soft-
faced hammer to remove rotor and spacer.
6. Remove three screws, retainer and front bearing.
7. Inspect all parts for wear or damage. Replace as
necessary.
8. Test rotor. (See Inspection/Test procedures.)
M82109A
Clip
Rotor
Spacer
Front
Bearing
Retainer
Front
Frame
FanSheaveLock
Washer
Nut
M14
49 N•m (36 lb-ft)
Bushing
Screw (3)
2 N•m (16 lb-in.)
Rear Bearing
Apply multipurpose grease
to O.D. during assembly.

Alternator (Hitachi 25A)
4/7/95
4-77
4
Stator Assembly:
9. Remove four end frame-to-rectifier nuts.
10.Remove two nuts and insulator.
IMPORTANT: Do not pry against stator wires.
11.Use a screwdriver to pry end frame from stator
12.Use a soldering gun with at least 120 watt
capacity to disconnect three stator leads. Remove
rectifier.
13.Inspect and test brushes, stator and rectifier. (See
Inspection/Test procedures.)
Assembly
Assembly is done in the reverse order of
disassembly.
•Bend the stator lead wires, as necessary, to
obtain an approximate distance of 33.50 mm
(1.300 in.) from stator to rectifier. Connect the
three leads using a soldering gun.
•If additional solder is needed, use ONLY 60-40
rosin-core solder.
M51595
Two Nuts and
Insulator
End
Frame
End Frame-to-Rectifier Nuts
M5
4 N•m (31 lb-in.)
M51605
Rectifier
Stator
Leads (3)
Stator
IMPORTANT: Be sure stator lead wires do not
contact end frame when installed.
•Before assembling stator assembly to rotor
assembly, push brushes into brush holder and
insert a wire through access hole to lock brushes
in place.
•Assemble rotor assembly to stator assembly and
fasten with four attaching screws. Remove wire
from access hole.
Inspection/Test
Rotor:
•Inspect the rotor slip rings for dirt build-up,
rough spots, or out of roundness. If necessary,
polish the surface of the slip rings using No. 00
sandpaper or 400-grit silicon carbide paper.
•Touch the probes of an ohmmeter to slip rings.
Replace rotor if test indicates no continuity (no
needle movement).
•Touch the probes of the ohmmeter to the shaft
and one of the slip rings. Repeat for other slip
ring. Replace rotor if test shows continuity
(needle movement).
M51595
Access Hole
End Frame
M82110A
Ohmmeter
Rotor Shaft
Slip Rings

Alternator (Hitachi 25A)
4-78
4/7/95
4
Brushes:
•Inspect brush holder and brushes for damage.
Brushes must slide freely and the springs must
hold the brushes firmly against the slip rings of
the rotor.
•Measure brushes for wear. Minimum exposed
length must be 5.50 mm (0.220 in.) or to wear
limit line on brushes. Replace brushes as
necessary.
M82111A
Ohmmeter
Rotor Shaft
Slip Rings
M82112
Brush Length
Rectifier
Voltage
Regulator
Ground
Stud
Brush
HolderSoldered
Connection
Brushes
•Use an ohmmeter or a test light to check for
continuity. Check between the two brushes and
between each brush and ground stud. There
should be no continuity. Replace brush holder-
rectifier assembly if there is continuity.
•To replace brushes, melt solder from connection.
Remove voltage regulator if necessary. (See
VOLTAGE REGULATOR REPLACEMENT in
this group.)
NOTE: If additional solder is needed, use ONLY 60-
40 rosin-core solder.
Stator:
•Inspect stator for defective insulation,
discoloration or a burned odor. If any of these
defects are found, replace stator.
NOTE: Use an ohmmeter that is sensitive to
resistance of 0 to 1 ohm.
•Touch probes of an ohmmeter to lead wires of
stator in three possible combinations. Continuity
should read approximately 0.26 ohms. If
readings are not equal, replace stator.
•Touch one probe of the ohmmeter to the bare
metal surface of stator and the other probe to a
bare stator lead wire. Repeat for each wire.
Replace stator if test indicates continuity.
M82113A
Stator
Ohmmeter

Alternator (Hitachi 25A)
4/7/95
4-79
4
Rectifier:
•Test the diodes by touching probes to ground
post and the three outer terminals.
•Switch the probes and check each terminal
again. There should be continuity in only one
combination of each terminals and the ground
post.
•Test the diodes by touching probes to output
post and the three outer terminals.
•Switch the probes and check each terminal
again. There should be continuity in only one
combination of each terminal and the output
post.
M82114A
Stator
Ohmmeter
A shorted diode would have continuity in both
directions. An open diode would have no continuity
in either direction. Replace the rectifier assembly if
any of the six diodes are defective.
•To replace rectifier, melt solder from
connection.
NOTE: If additional solder is needed, use ONLY 60-
40 rosin-core solder.
M82115
Outer
Terminal
Output
Post
Ground
Post
Outer
Terminals
Soldered
Connection

Diagnosis
4-80
4/7/95
4
ENGINE AND FUEL SYSTEM TROUBLESHOOTING CHART
PROBLEM OR
SYMPTOM
CHECK OR
SOLU-
TION
Engine will not crank.
Engine cranks but will not start
or starts hard.
Engine will not stay running, or
stalls frequently.
Engine runs rough, misses,
noisy, vibrates or
low on power. Fuel in oil. Oil
level high.
Engine surges, or has uneven
or uncontrolled rpm.
Oil in the coolant or coolant in
the oil.
Engine has low oil pressure.
Engine operating temperature
is incorrect.
Lack of fuel at injection pump.
Exhaust smoke blue or uses
too much oil.
Exhaust smoke white.
Exhaust smoke black or grey or
uses too much fuel.
Fuel pump screen, fuel filter, or fuel
line restricted. Fuel dirty, contains
water or wrong grade.
● ● ● ● ● ● ●
Air filter elements dirty or plugged.
Replace.● ● ● ● ● ● ●
Fuel shut-off valve turned off, or
restricted. Solenoid linkage
misadjusted. See adjustment.
● ● ● ● ● ●
Muffler or exhaust manifold leak.● ●
Defective manifold heater. ●
Injection pump or governor
malfunctioning. Injection pump
timing incorrect.
● ● ● ● ●
Defective cranking components or
connectors.● ●
Low compression from worn rings,
cylinder bore, piston, valves or
warped head.
● ● ● ● ● ●
Valve clearance incorrect.● ● ● ● ● ●
Burned or warped valves and valve
seats. Defective valve spring.● ● ● ● ● ●
Starter cranking rpm too slow.
Damaged starter. Excessive engine
load.
● ● ●
Fuel pump leaking or not operating.
See Fuel Supply Pump Pressure
Test.
● ● ● ● ● ●
Engine oil viscosity or level
incorrect. ● ● ● ● ●
Injector pressure incorrect or
leaking.● ● ● ● ● ● ●
Cylinder head gaskets leaking or
damaged. ● ● ● ● ● ● ● ● ●
Radiator/oil cooler leak.● ● ●
Turbocharger● ●

Diagnosis
4/7/95
4-81
4
ENGINE SYSTEM DIAGNOSIS
Conditions:
•Engine mounted on level surface.
•Key switch off unless indicated otherwise.
Test LocationNormalIf Not Normal
1. Engine dipstick
and exterior
engine surface-
engine oil check.
Oil level between “L” and “H” marks.
Oil not burnt, or contaminated with
metal particles, fuel, or coolant. No
external leakage, filter clean.
Change oil and inspect for source of
contamination. Check gaskets, seals,
plugs, cylinder head, block, and intake
manifold and breather. Change oil
filter.
2. Coolant tank and
radiator.
-Cooling System
Check.
Coolant level between marks on tank
when engine is warm.
Coolant in radiator full to top.
Coolant not contaminated with oil,
fuel or discolored brown.
Add proper coolant mix.
Drain and flush system. Check for
source of contamination.
Radiator screen free of debris.Clean or replace.
Hoses not cracked or leaking, clamps
and radiator cap tight. Pressure test radiator and cap.
Fan belt tight, not glazed or cracked.Replace and adjust belt tension.
Fan blades not damaged or warped.Replace fan.
3. Fuel tank, pump,
pump screen,
lines, filter, filter
shutoff valve.
- Fuel System Check
Fuel level correct, not contaminated,
correct grade of fuel, no water.
Fuel pump screen and in-line filter free
of debris.
Fuel shutoff valve in “ON” position.
Drain and clean fuel tank. Add fresh
fuel.
Replace filters.
Move to “ON” position.
Fuel hoses not cracked or leaking.Replace.
Fuel hose clamps tight.Replace or tighten.
Fuel tank does not have vacuum.Replace fuel tank check valve.
4. Air filter and air
intake.
-Air Intake System
Check
Air filter hose not cracked, clamps
tight.
Element not plugged. Air filter
housing sealed, no dirt tracking inside
filter element.
Replace and tighten clamps.
Replace element or housing.
5. Fuel shutoff
solenoid. (Key in
RUN position.)
Fuel shutoff solenoid must pull in and
stay in. Solenoid must bottom out.
Shutoff shaft must still move slightly.
Check shutoff solenoid adjustment.
Clean any dirt from under solenoid
boot. If solenoid will not pull in and
hold in, see Fuel Shutoff Solenoid
Circuit Test Points in ELECTRICAL
section of Machine TM.
6. Air heater
indicator light.
(Key in RUN
position.)
Indicator light should come on up to
15 seconds depending on air
temperature.
See Air Heater Circuit Test Points in
ELECTRICAL section of Machine
TM.

Diagnosis
4-82
4/7/95
4
ENGINE SYSTEM DIAGNOSIS - Continued
Test LocationNormalIf Not Normal
7. Fuel filter, fuel
pump. (Key
switch in RUN
position.)
Fuel level increases in filter.
Fuel pump operating - listen for
humming sound.
Fuel present in return hose at fuel
pump.
See Fuel Pump Circuit Test Points in
ELECTRICAL section of Machine
TM. Test fuel pump pressure. (See
Operational Tests in this section.)
Replace fuel filter.
8. Throttle lever and
cable.Linkage not binding and adjusted
correctly.Repair, replace or adjust cable.
9. Intake and
exhaust valves.Cold engine valve clearance of
0.30 mm (0.012 in.).
Valves not sticking.
Check and adjust. (See Checks, Tests
and Adjustments in this section.)
Check valve guides and stems.
10. Fuel at injectors.
(Key in START
position - engine
cranking.)
Crack fuel injection lines at injectors.
Fuel shutoff solenoid pulled in.
Engine must crank.
Check spray pattern and cracking
pressure. (See Checks, Tests and
Adjustments in this section.) Replace
injectors.See Cranking Circuit Test
Points in ELECTRICAL section of
Machine TM.
11. Injector ports.
(Key in START
position.)
Minimum compression of 2942 kPa
(427 psi) with a 588 kPa (85 psi)
maximum difference between
cylinders.
Perform cylinder compression test.
(See Operational Tests in this section.)
12. Flywheel and
starter.Minimum cranking rpm - 300 rpm.See Starter Amp Draw Test in
ELECTRICAL section of Machine
TM.
13. Injection pump
timing
inspection. (Key
OFF.)
Timing should be correct. Remove
pump as the LAST possible solution.Perform injection pump static timing
adjustment. (See Checks, Tests and
Adjustments in this section.) Have
pump tested by a qualified Service
Repair Shop.
14. Injection pump
idle settings.
(Engine running).
Slow idle at 900 + 50 rpm. Fast idle at
2375 + 50 rpm.See Slow Idle and Fast Idle
Adjustments in ENGINE section of
Machine TM.
15. Oil pressure
sender port.Minimum oil pressure at 900 rpm is
98 kPa (14 psi).Test engine oil pressure. (See
Operational Tests in this section.)
16. Thermostat.
(Engine at
operating
temperature.)
Clean from corrosion, rust, or debris.
Opening temperature 71°C (160°F) or
85°C (184°F).
Replace thermostat.
17. Muffler.Not restricted.Replace muffler.

Checks, Tests and Adjustments
4/7/95
4-83
4
VALVE CLEARANCE CHECK AND
ADJUSTMENT
Reason:
To achieve correct engine operation.
Equipment:
•Feeler Gauge
Procedure:
1. Remove rocker arm cover.
2. Remove plug from timing hole on flywheel
housing.
NOTE: “Top Dead Center (TDC)” is the piston at
its highest point.
3. Turn crankshaft pulley clockwise until No.1
cylinder TDC mark on flywheel aligns with index
mark on flywheel housing.
NOTE: No. 1 cylinder is the closest to the flywheel.
4. Try to move both No. 1 cylinder rocker arms or
push rods.
If rocker arm push rods are not loose, rotate
flywheel one revolution (360°). If both rocker arm
push rods are loose the piston is at TDC on
compression stroke.
5. Measure and adjust valve clearance on the valves
(arrows) with No. 1 piston at TDC.
T6469AJ
Index Mark on
Flywheel Housing
TDC Mark on
Flywheel
To adjust valves, loosen nut and turn adjusting screw
until clearance is 0.30 mm (0.012 in.). Hold screw
while tightening nut.
6. Turn crankshaft pulley one revolution (360°).
This puts the piston in No. 4 cylinder at TDC
compression stroke.
7. Measure and adjust valve clearance on the valves
(arrows) with No. 4 piston at TDC.
T6479AB
Cylinders
No. 1 Piston at TDC
Flywheel End
Fan End
EIEIEIEI
1 2 3 4
T6105BF
Feeler
Gauge
Cylinders
T6479AB
No. 4 Piston at TDC
Flywheel End
Fan End
EIEIEIEI
1 2 3 4

Checks, Tests and Adjustments
4-84
4/7/95
4
CONNECTING ROD SIDE PLAY
CHECK
Reason:
To determine proper side clearance between
crankshaft and connecting rod.
Equipment:
•Feeler Gauge
Procedure:
1. Insert a feeler gauge, according to specifications,
between connecting rod cap and crankshaft.
Specifications:
Standard Clearance . . . . . . . . 0.20 - 0.40 mm
. . . . . . . . . . . . . . . . . . . . .(0.0079 - 0.0157 in.)
Wear Limit. . . . . . . . . . . 0.45 mm (0.0177 in.)
Results:
•If side play exceeds wear limit, replace
connecting rod and connecting rod cap.
CONNECTING ROD BEARING
CLEARANCE CHECK
Reason:
To measure oil clearance between connecting rod
bearing and crankshaft journal.
M82116A
Feeler Gauge
Equipment:
•PLASTIGAGE®
Procedure:
IMPORTANT: Connecting rod caps must be
installed on the same connecting rod and in
the same direction to prevent crankshaft and
connecting rod damage.
1. Remove connecting rod cap.
2. Wipe oil from bearing insert and crankshaft
journal.
3. Put a piece of PLASTIGAGE, or an equivalent,
along the full length of the bearing insert
approximately 6 mm (0.250 in.) off center.
4. Turn crankshaft approximately 30° from bottom
dead center.
5. Install connecting rod end cap and original cap
screws. Tighten cap screws to 118 N•m (87 lb-
ft).
6. Remove cap screws and connecting rod cap.
NOTE: The flattened PLASTIGAGE will be found
on either the bearing insert or crankshaft
journal.
7. Use the graduation marks on the envelope to
compare the width of the flattened
PLASTIGAGE at its widest point.
8. Determine bearing clearance. The number within
the graduation marks indicates the bearing
clearance in inches or millimeters depending on
which side of the envelope is used.
M35351
PLASTIGAGE

Checks, Tests and Adjustments
4/7/95
4-85
4
9. Remove PLASTIGAGE.
Specifications:
Standard Clearance . . . . . . 0.036 - 0.090 mm
. . . . . . . . . . . . . . . . . . . . .(0.0014 - 0.0035 in.)
Wear Limit. . . . . . . . . . . 0.15 mm (0.0059 in.)
Results:
•If clearance exceeds wear limit, replace bearing
inserts.
®PLASTIGAGE is a registered trademark of the DANA
Corporation.
CRANKSHAFT END PLAY CHECK
Reason:
To determine proper side clearance between
crankshaft and engine block.
Equipment:
•Dial Indicator
Procedure:
NOTE: Crankshaft end play can be measured at
front end or rear end of crankshaft.
Procedure is performed from the rear end.
The flywheel is removed to show detail.
1. Fasten dial indicator to engine and position
indicator tip on end of crankshaft.
IMPORTANT: Do not use excessive force when
moving crankshaft to avoid damaging
bearings.
2. Push crankshaft toward rear as far as possible.
M82117A
Flattened
PLASTIGAGE
Graduation Marks
on Envelope
3. Zero the dial indicator.
4. Using a bar, gently pry the crankshaft as far
forward as possible.
Specifications:
Standard Clearance . . . . . . 0.132 - 0.223 mm
. . . . . . . . . . . . . . . . . . . . .(0.0052 - 0.0088 in.)
Wear Limit. . . . . . . . . . . 0.29 mm (0.0114 in.)
Results:
•If end play exceeds wear limit, replace thrust
bearings.
CRANKSHAFT MAIN BEARING
CLEARANCE CHECK
Reason:
To measure oil clearance between main bearing and
crankshaft journal.
Equipment:
•PLASTIGAGE®
Procedure:
IMPORTANT: Main bearing caps must be
installed on the same main bearing and in the
same direction to prevent crankshaft and main
bearing damage.
1. Remove main bearing cap.
2. Wipe oil from bearing insert and crankshaft
journal.
M82118A
Dial Indicator
Crankshaft

Checks, Tests and Adjustments
4-86
4/7/95
4
3. Put a piece of PLASTIGAGE, or an equivalent,
along the full length of the bearing insert
approximately 6 mm (0.250 in.) off center.
4. Install main bearing cap and cap screws. Tighten
cap screws to 196 N•m (145 lb-ft).
5. Remove cap screws and main bearing cap.
NOTE: The flattened PLASTIGAGE will be found
on either the bearing insert or crankshaft
journal.
6. Use the graduation marks on the envelope to
compare the width of the flattened
PLASTIGAGE at its widest point.
7. Determine main bearing clearance. The number
within the graduation marks indicates the bearing
clearance in inches or millimeters depending on
which side of the envelope is used.
8. Remove PLASTIGAGE.
Specifications:
Standard Clearance . . . . . . 0.036 - 0.093 mm
. . . . . . . . . . . . . . . . . . . . .(0.0014 - 0.0037 in.)
Wear Limit. . . . . . . . . . . 0.09 mm (0.0040 in.)
M35382
PLASTIGAGE
M82119AE
Flattened
PLASTIGAGE
Graduation Marks
on Envelope
Results:
•If clearance exceeds wear limit, replace bearing
inserts.
®PLASTIGAGE is a registered trademark of the DANA Corpo-
ration.
VALVE LIFT CHECK
Reason:
Can indicate excessive wear on cam lobes,
followers, and/or push rods.
Equipment:
•Dial Indicator
Procedure:
1. Adjust valve clearance. (See procedure in this
group.)
2. Remove rocker arm cover. (See Cylinder Head,
Valves and Manifolds in this section.)
3. Fasten dial indicator to engine and position
indicator tip on valve retainer. Valve must be
fully closed and rocker arm must move freely.
4. Zero the dial indicator.
5. Manually turn crankshaft pulley clockwise (from
fan end).
6. Observe dial indicator as valve is moved to the
full open position. Valve lift (intake and exhaust)
should be 6.5 mm (0.256 in.).
Repeat for each valve.
T6333DT

Checks, Tests and Adjustments
4/7/95
4-87
4
Results:
•If valve lift is less than specification, remove and
inspect camshaft, followers and push rods. (See
Camshaft and Timing Gear Train and/or
Cylinder Head, Valves and Manifolds in this
section.)
CAMSHAFT END PLAY CHECK
Reason:
To determine proper side clearance between
camshaft gear end journal and thrust plate.
Equipment:
•Dial Indicator
Procedure:
1. Remove timing gear cover. (See Camshaft and
Timing Gear Train in this section.)
2. Fasten dial indicator to engine and position
indicator tip on end of camshaft.
3. Push camshaft toward the rear as far as possible.
4. Zero the dial indicator.
5. Pull camshaft forward as far as possible.
Specifications:
Standard Clearance . . . . . . . . 0.05 - 0.20 mm
. . . . . . . . . . . . . . . . . . . . .(0.0020 - 0.0079 in.)
Wear Limit. . . . . . . . . . . 0.29 mm (0.0114 in.)
Results:
•If end play exceeds wear limit, remove camshaft
and replace thrust plate. (See Camshaft and
Timing Gear Train in this section.)
M37512

Checks, Tests and Adjustments
4-88
4/7/95
4
TIMING GEAR BACKLASH CHECK
Reason:
To check for wear between meshing gears, resulting
in excessive noise and poor engine performance.
Equipment:
•Dial Indicator
Procedure:
1. Measure backlash between meshing gears.
Specifications:
Standard Backlash . . . . . . . . . 0.08 - 0.16 mm
. . . . . . . . . . . . . . . . . . . . .(0.0031 - 0.0063 in.)
Wear Limit. . . . . . . . . . . 0.25 mm (0.0098 in.)
Results:
•If backlash exceeds wear limit, replace meshing
gears as a set:
Idler Gear, Camshaft Gear, Crankshaft Gear AND/
OR Idler Gear, Fuel Injection Pump Gear, Oil Pump
Gear.
M82120A
Fuel Injection Pump Gear-to-Idler Gear
Camshaft Gear-to-Idler Gear
Idler Gear-to-Oil Pump Gear
Idler Gear-to-Crankshaft Gear

Checks, Tests and Adjustments
4/7/95
4-89
4
FUEL INJECTION NOZZLE TEST
(HOLE-TYPE)
Reason:
To determine opening pressure, leakage, chatter and
spray pattern of the fuel injection nozzle.
CAUTION
Escaping fluid under pressure can penetrate
the skin causing serious injury. Avoid the
hazard by relieving pressure before
disconnecting hydraulic or other lines.
Tighten all connections before applying
pressure. Search for leaks with a piece of
cardboard. Protect hands and body from
high pressure fluids.
If an accident occurs, see a doctor
immediately. Any fluid injected into the skin
must be surgically removed within a few
hours or gangrene may result. Doctors
unfamiliar with this type of injury should
reference a knowledgable source. Such
information is available from the Deere &
Company Medical Department in Moline,
Illinois, U.S.A.
Equipment:
•D01109AA Diesel Fuel Injection Nozzle Tester
•D01110AA Adapter Set
•23622 Straight Adapter
•Container
Connections:
1. Connect fuel injection nozzle to D01109AA
Diesel Fuel Injection Nozzle Tester using parts
from D01110AA Adapter Set and 23622 Straight
Adapter.
IMPORTANT: Use clean filtered diesel fuel
when testing injection nozzles to get best test
results.
Procedure 1:
Test fuel injection nozzle opening pressure
following the Nozzle Tester manufacturer's
instructions.
Specifications:
Opening Pressure . . . . .19615 kPa (2850 psi)
Results:
•If pressure reading does not meet specification,
disassemble injection nozzle and inspect nozzle
assembly for contamination or stuck valve. If
necessary, add or remove shims to change
opening pressure.

Checks, Tests and Adjustments
4-90
4/7/95
4
M35913
D01109AA Diesel Fuel
Injection Nozzle Tester
36352 Fuel Line
Assembly
Container
23617 90° Adapter
23621 Straight Adapter
23622 Straight Adapter
Fuel Injection Nozzle
1. Pressurize nozzle to 20100 ± 490 kPa (2915 ± 71
psi).
2. Listen for “chatter” sound and watch spray
pattern.
Specifications:
Slow Hand
Lever Movement . . . . . . . . . . . Chatter Sound
Slow Hand
Lever Movement . . . . . . . . . . . . . Fine Stream
. . . . . . . . . . . . . . . . . . . . . . . . . Spray Pattern
Fast Hand
Lever Movement . . . . . . . . . . . Fine Atomized
. . . . . . . . . . . . . . . . . . . . . . . . . Spray Pattern
Procedure 2:
Test fuel injection nozzle leakage following the
Nozzle Tester manufacturer's instructions.
1. Dry nozzle completely using a lint-free cloth.
2. Pressurize nozzle to 18100 kPa (2625 psi).
3. Watch for leakage from nozzle spray orifice.
Leakage time should be a minimum of 5 seconds.
Results:
•If leakage time does not meet specification,
disassemble injection nozzle and inspect nozzle
assembly for contamination. Inspect valve
seating surface. Replace nozzle assembly if
necessary.
Procedure 3:
Test fuel injection nozzle chatter and spray
pattern following the Nozzle Tester manufacturer's
instructions.

Checks, Tests and Adjustments
4/7/95
4-91
4
Results:
•If nozzle chatter or spray pattern does not meet
specifications, disassemble injection nozzle and
inspect nozzle assembly for contamination.
Inspect valve seating surface. Replace nozzle
assembly if necessary.
•If there is excessive difference in spray angle or
injection angle, incomplete atomization or
sluggish starting/stopping of injection,
disassemble injection nozzle and inspect nozzle
assembly for contamination. Replace nozzle
assembly if necessary.
THERMOSTAT OPENING TEST
Reason:
To determine opening temperature of thermostat.
Equipment:
•Thermometer
•Glass Container
•Heating Unit
M82121A
Proper Spray
Angle
Poor
Correct
Correct Injection Angle
Procedure:
1. Suspend thermostat and a thermometer in a
container of water.
2. Heat and stir the water. Observe opening action
of thermometer and compare temperatures with
specifications.
3. Remove thermostat and observe its closing action
as it cools.
Specifications:
Begin Opening. . . . . . . . . . . . . 71° C (160° F)
Fully Open . . . . . . . . . . . . . . . . 85° C (184° F)
Minimum Lift Height . . . . . .8 mm (0.310 in.)
Results:
•If thermostat does not open according to
specifications, replace.
•If closing action is not smooth and slow, replace
thermostat.
CAUTION
DO NOT allow thermostat or thermometer
to rest against the side or bottom of glass
container when heating water. Either may
rupture if overheated.
M82122A
Thermometer
Thermostat

Checks, Tests and Adjustments
4-92
4/7/95
4
COOLANT TEMPERATURE SENDER
TEST
Reason:
To determine operating temperature of sender.
Equipment:
•Thermometer
•Glass Container
•Heating Unit
•Ohmmeter
Procedure:
1. Connect lead wires from ohmmeter probes, to
sender terminal and body.
CAUTION
DO NOT allow sender or thermometer to
rest against the side or bottom of glass
container when heating water. Either may
rupture if overheated.
2. Suspend sender and a thermometer in a container
of water.
3. Heat and stir the water. Observe water
temperature when continuity occurs. Water
temperature should be 107-113° C (225-235° F).
Results:
•If continuity does not occur within temperature
listed, replace sender.
M82123A
Ohmmeter
Probes
Coolant
Temperature
Sender

Checks, Tests and Adjustments
4/7/95
4-93
4
STARTER NO-LOAD AMP
DRAW/RPM TEST
Reason:
To determine if starter is binding or has excessive
amperage draw under no load.
Equipment:
•JT05712 Current Gun
•JT05719 Photo Tachometer
•Jumper Cables
•Jumper Wire
Procedure:
1. Mount starter in a vise.
NOTE: Check that battery is fully charged and of
proper size to ensure accuracy of test.
2. Connect jumper cables to a 12 volt battery.
3. Connect positive (+) cable to solenoid battery
terminal on starter.
4. Connect negative (-) cable to starter body.
5. Attach Current Gun to positive cable.
IMPORTANT: Complete this test in 20 seconds
or less to prevent starter damage.
6. Use a jumper wire to briefly connect positive (+)
starter terminal to solenoid terminal “S”. Starter
should engage and run.
7. Read and record starter amperage and rpm.
Specifications:
Maximum Starter
Amperage. . . . . . . . . . . .90 amps at 3500 rpm
Minimum Starter RPM . . . . . . . . . . . . . 3500
Results:
•If solenoid “clicks” or chatters and motor does
not turn, replace solenoid.
•If pinion gear engages and motor doesn't turn,
repair or replace starter motor.
•If starter engages and runs but amperage is more
than specifications, repair or replace starter.
•If rpm is less than specification, with battery
fully charged, repair or replace starter.
LV066AE
JT05719 Tachometer
Negative (-) Jumper Cable
Jumper Wire
JT05712 Current Gun
Positive (+) Jumper Cable

Checks, Tests and Adjustments
4-94
4/7/95
4
INJECTION PUMP STATIC TIMING
ADJUSTMENT
Reason:
To make sure that injection pump timing is set to
manufacturers specification.
Equipment:
•Timing Tool (No. 1 fuel injection line cut off at
first bend)
•External fuel supply
Procedure:
IMPORTANT: Injection pump timing should be
correct. Once timing is set, it will not normally
change during the life of the engine, unless it
was altered.
Check and adjust timing only as the last
option. Check fuel, fuel supply system,
injectors, air intake system and cylinder
compression before continuing.
NOTE: Normal rotation, as viewed from the
flywheel end, is counterclockwise. The
number one fuel injection line is toward the
flywheel.
1. Remove the number one fuel injection line.
2. Install timing tool (number one fuel line cut off at
first bend).
3. Remove rubber plug from flywheel housing.
4. Turn crankshaft pulley in either direction until the
No. 1 cylinder top dead center (TDC) mark aligns
with the index mark on the flywheel housing.
T6530AB
Timing Tool
5. Operate hand operated primer pump to fill
injection pump with fuel.
6. Hold throttle lever in RUN position.
7. Turn flywheel clockwise (as viewed from
flywheel end) until tip of Timing Tool has
become MOIST with solid fuel. This is the point
of injection timing at which the pump is set.
8. Check timing mark on flywheel. The index mark
must line up with the 16° mark on flywheel.
T6530AC
Index Mark on
Flywheel Housing
TDC Mark
on Flywheel
1
T6471CS
Flywheel
TDC Mark on
Flywheel
Index Mark
on Flywheel
Housing
Flywheel
Injection Pump
Timing Marks
16°
12°
1

Checks, Tests and Adjustments
4/7/95
4-95
4
Specifications:
Injection Pump Timing. . . . . . . . . .16° BTDC
. . . . . . . . . . . . . . . (Before Top Dead Center)
Engine Crankshaft
Position. . . . . . . . . . . . . . . . . . . No.1 Cylinder
. . . . . . . . . . . . .on TDC Compression Stroke
Distance On Outer Surface Of Flywheel
Per 1° Of Rotation. . . . . . . 3.5 mm (0.130 in.)
Timing Lines On Pump
Mounting Plate . . . . . . . . . . . . . . . . . 2° Apart
Results:
•If timing is not according to specifications,
loosen pump mounting bolts and turn pump
towards engine block to retard timing or away
from block to advance timing. Recheck timing.
•If timing did not change, remove pump and have
tested by a diesel injection service shop.
•If timing is OK:
-Install rubber plug in flywheel housing.
-Remove timing tool.
-Install number one injection line.
FAN/ALTERNATOR DRIVE BELT
ADJUSTMENT
Reason:
To keep proper tension on belt to drive water pump
and alternator. To prevent shortened belt and bearing
life.
Equipment:
•JDG529 or JDST28 Belt Tension Gauge
•Straight Edge
Procedure:
1. Check belt tension between fan and alternator
using Belt Tension Gauge and a straight edge.
Specifications:
Applied Force . . . . . . . . . . .98 N (22 lb-force)
Deflection . . . . .10 - 15 mm (0.400 - 0.600 in.)
Results:
•If deflection is not within specifications:
-Loosen both alternator mounting cap screws.
-Apply force to FRONT alternator housing
only (near the belt) until tension is correct.
-Tighten cap screws.
ENGINE OIL COOLER LEAKAGE
TEST
Reason:
Inspect oil cooler for leaks.
Procedure:
1. Plug one end of coolant inlet or outlet passage.
2. Apply regulated air pressure of 206 - 483 kPa (30
- 70 psi) to other end.
3. Dip oil cooler into water and check for leaks.
4. Optional test: If a leak did not appear, use a hot
water bath to possibly open crack(s).
Results:
•Repair leak(s) or replace oil cooler if necessary.
M54014
Belt Deflection

Operational Tests
4-96
4/7/95
4
RADIATOR BUBBLE TEST
Reason:
To determine if compression pressure is leaking
from cylinder.
Equipment:
•JDG560 Adapter
Procedure:
1. With coolant at proper level and radiator cap
tight, run engine for 5 minutes to bring to
operating temperature.
2. Remove cap from recovery tank.
3. Check for bubbles coming from overflow hose at
bottom of tank.
If bubbles are present, isolate source of compression
leak:
-Remove injection nozzles.
-Install JDG560 Adapter in injection port of
cylinder to be tested.
-Move piston to bottom of stroke with intake
and exhaust valves closed.
-Connect hose from compressed air source
(2942 kPa (427 psi) maximum) to adapter.
-Check for bubbles in recovery tank or air
escaping from muffler, air cleaner or oil fill
opening.
-Repeat for each cylinder.
Results:
•If bubbles are present, check for cracks in
cylinder head and block. Check for damaged
head gasket.
•If air escapes from muffler, check for worn
exhaust valve.
•If air escapes from air cleaner, check for worn
intake valve.
•If air escapes from engine oil fill, check for worn
piston rings.
COOLING SYSTEM PRESSURE TEST
Reason:
Inspect cooling system for leaks.
Equipment:
•D05104ST Cooling System Pressure Pump
Procedure:
1. Remove cap and attach pressure pump to radiator.
2. Apply 97 kPa (14 psi) maximum pressure.
3. Check for leaks throughout cooling system.
Specifications:
Minimum pressure
after 15 seconds . . . . . . . . . . 88 kPa (12.8 psi)
Results:
•Pressure should hold to specifications. If pressure
decreases, check for leaks. Repair leaks or replace
parts as necessary.
•If pressure test still indicates leakage after all
external leaks have been stopped, a defective head
gasket, cracked block, or cylinder head may be the
cause. Perform RADIATOR BUBBLE TEST.
T6333AW
Cooling System
Pressure Pump

Operational Tests
4/7/95
4-97
4
RADIATOR CAP PRESSURE TEST
Reason:
Test radiator cap for operating in correct pressure
range.
Equipment:
•D05104ST Cooling System Pressure Pump
Procedure:
1. Install radiator cap on pressure pump.
2. Apply pressure. Pressure valve in cap should
open at 88 kPa (12.8 psi).
Results:
•If cap leaks, retighten and test again. Replace cap
if pressure is not within specification.
CYLINDER COMPRESSION
PRESSURE TEST
Reason:
To determine the condition of the pistons, rings,
cylinder walls and valves.
Equipment:
•JT01682 Compression Gauge Assembly
•JDG560 Adapter
T6333AX
Cooling System
Pressure Pump
Radiator Cap
Procedure:
1. Run engine for 5 minutes to bring to operating
temperature. Shut off engine.
2. Remove injection nozzles. (See Fuel System in
this section.)
3. Remove heat protector from end of injector and
install on Adapter.
4. Install Adapter and Compression Gauge
Assembly in injector port. Install retaining plate
and tighten nuts to 4.5 N•m (39 lb-in.).
5. Hold fuel shut-off knob in shut-off position.
6. Crank engine for five seconds with starter.
7. Record pressure reading for each cylinder.
Specifications:
Compression Pressure . . . 2942 kPa (427 psi)
Maximum Difference Between
Cylinders . . . . . . . . . . . . . . . . 588 kPa (85 psi)
NOTE: Pressure listed is for 300 m (1000 ft) above
sea level. Reduce specification an
additional 3.6% for each additional 300 m
(1000 ft) of altitude.
Results:
•If pressure reading is below specification, squirt
approximately two teaspoons of clean engine oil
into cylinders through injector ports and repeat
test.
T6333EU
JDG560 Adapter
JT01682 Compression
Gauge Assembl
y

Operational Tests
4-98
4/7/95
4
•If pressure increases significantly, check piston,
rings and cylinder walls for wear or damage.
•If pressure does not increase significantly after
retest, check for leaking valves, valve seats or
cylinder head gasket.
ENGINE OIL PRESSURE TEST
Reason:
To determine if engine bearings or lubrication
system components are worn.
Equipment:
•JT05487 Connector
•JT03017 Hose Assembly
•JT05577 Pressure Gauge (100 psi)
Procedure:
1. Remove oil pressure sender.
2. Install connector.
3. Connect Hose Assembly and Pressure Gauge.
IMPORTANT: Do not run if no pressure
present.
4. Start engine. If pressure reading is below 69 kPa
(10 psi), STOP ENGINE.
5. Run engine approximately five minutes to heat
oil, then check oil pressure at fast and slow idle.
Specifications:
Fast Idle . . . . . . . . . . . . . . . . . . .2375 ±50 rpm
Slow Idle. . . . . . . . . . . . . . . . . . . .900 ±50 rpm
Engine Oil Pressure:
Fast Idle . . . . . . .343 - 441 kPa (50 - 64 psi)
Slow Idle (Minimum) . . . . . 98 kPa (14 psi)
Results:
•If oil pressure is not within specifications,
inspect oil pressure regulating valve parts for
wear or damage. Add or remove shims as
necessary. (See Lubrication System in this
section.)
•If oil pressure does not increase, see “Engine
Has Low Oil Pressure” in Diagnosis group.
T6471FB
JT05577 Pressure Gauge
JT03017 Hose Assembly
JT05487 Connector

Operational Tests
4/7/95
4-99
4
AIR INTAKE SYSTEM LEAKAGE TEST
Reason:
Check for leaks in air intake system.
Equipment:
•Air Pressure Regulator
Procedure:
1. Remove air cleaner restriction indicator/switch
and install test fitting.
2. Connect air pressure regulator to manifold using
hose and fitting from air cleaner.
3. Remove air cleaner cover and main filter element.
4. Put large plastic bag into and over end of main
filter element. Install main filter element and
cover.
5. Pressurize air intake system between 34 - 69 kPa
(5 - 10 psi). If air intake system cannot be
pressurized, turn engine slightly to close valves.
6. Spray soap solution over all connections from air
cleaner to intake manifold or turbocharger, if
equipped, and check for leaks.
IMPORTANT: When reinstalling starting aid
nozzle, position arrow on nozzle pointing
against intake air flow.
Results:
•Find leaks and repair or replace parts as
necessary.
M82124
FUEL SUPPLY PUMP PRESSURE
TEST
Reason:
To determine supply pump operating pressure.
Equipment:
•JT03274 Hose Fitting
•JT01609 Female Quick Coupler
•JT03115 Gauge w/Male Quick Coupler (0 - 150
psi)
Procedure:
1. Disconnect supply pump-to-filter hose.
2. Install Hose Fitting, Coupler and Gauge.
3. Pull fuel shut-off cable out and crank engine
using the starter. Do not run starter for more than
10 seconds at a time. Gauge should read more
than 216 kPa (31 psi).
Results:
•If pressure is below specification, repair or
replace fuel supply pump.
T6471CU
JT03115 Gauge w/Male
Quick Coupler
JT01609 Female Quick
Coupler
JT03274 Hose Fitting
Supply
Pump-to
Filter HoseFuel Filter

Operational Tests
4-100
4/7/95
4
FUEL DRAIN BACK TEST
Reason:
Determines if air is entering the fuel system at
connections, allowing fuel to siphon back to tank.
Procedure:
1. Disconnect fuel supply line and return line at fuel
tank.
IMPORTANT: Fuel return line MUST extend
below fuel level in fuel tank before performing
this test. Fill fuel tank if necessary.
2. Drain all fuel from the system, including fuel
supply pump, injection pump, filter(s) and water
separator, if equipped.
3. Plug end of fuel return hose.
4. Pressurize fuel system at fuel supply line, to a
maximum pressure of 103 kPa (15 psi).
5. Apply liquid soap and water solution to all joints
and connections in the fuel system and inspect for
leaks.
Results:
•Find leaks and repair or replace parts as
necessary.

Operational Tests
4/7/95
4-101
4

10
ACCESSORIES
SERIES 220
POWER UNIT
ENGINES
Specifications. . . . . . . . . . . . . . . . . . . . . . . . . . . . . . . . . . 10-1
Intake and Exhaust Systems . . . . . . . . . . . . . . . . . . . . . . 10-5
Cooling System . . . . . . . . . . . . . . . . . . . . . . . . . . . . . . . 10-32
Fuel System. . . . . . . . . . . . . . . . . . . . . . . . . . . . . . . . . . 10-35
Electrical System . . . . . . . . . . . . . . . . . . . . . . . . . . . . . . 10-39
Miscellaneous . . . . . . . . . . . . . . . . . . . . . . . . . . . . . . . . 10-43
Engine Tune-up . . . . . . . . . . . . . . . . . . . . . . . . . . . . . . . 10-44
Operational Tests and Adjustments. . . . . . . . . . . . . . . . 10-47
Dealer Fabricated Tools. . . . . . . . . . . . . . . . . . . . . . . . . 10-62
Section 10

10

Specifications
4/7/95
10-1
10
ENGINE ACCESSORIES SPECIFICATIONS
Turbocharger
Rotor Shaft Axial Play
Without Waste Gate (RHB3)
Standard . . . . . . . . . . . . . . . . . . . . . . . . . . . . . . . . . . . . . . 0.022 - 0.053 mm (0.0008 - 0.0021 in.)
Wear Limit . . . . . . . . . . . . . . . . . . . . . . . . . . . . . . . . . . . . . . . . . . . . . . . . . . 0.07 mm (0.0028 in.)
With Waste Gate (RHB5)
Standard . . . . . . . . . . . . . . . . . . . . . . . . . . . . . . . . . . . . . . . . 0.03 - 0.06 mm (0.0012 - 0.0024 in.)
Wear Limit . . . . . . . . . . . . . . . . . . . . . . . . . . . . . . . . . . . . . . . . . . . . . . . . . . 0.09 mm (0.0035 in.)
Rotor Shaft Radial Play
Without Waste Gate (RHB3)
Standard . . . . . . . . . . . . . . . . . . . . . . . . . . . . . . . . . . . . . . 0.061 - 0.093 mm (0.0024 - 0.0037 in.)
Wear Limit . . . . . . . . . . . . . . . . . . . . . . . . . . . . . . . . . . . . . . . . . . . . . . . . . . 0.12 mm (0.0047 in.)
With Waste Gate (RHB5)
Standard . . . . . . . . . . . . . . . . . . . . . . . . . . . . . . . . . . . . . . . . 0.08 - 0.13 mm (0.0031 - 0.0051 in.)
Wear Limit . . . . . . . . . . . . . . . . . . . . . . . . . . . . . . . . . . . . . . . . . . . . . . . . . . 0.17 mm (0.0067 in.)
Thrust Bearing-to-Center Housing Screw Torque . . . . . . . . . . . . . . . . . . . . . . . . . . . . . . .1 N•m (9 lb-in.)
Seal Plate-to-Center Housing Screw Torque . . . . . . . . . . . . . . . . . . . . . . . . . . . . . . . . . . .1 N•m (9 lb-in.)
Compressor Wheel Lock Nut Torque
RHB3 . . . . . . . . . . . . . . . . . . . . . . . . . . . . . . . . . . . . . . . . . . . . . . . . . . . . . . . . . . . . . .1 N•m (9 lb-in.)
RHB5 . . . . . . . . . . . . . . . . . . . . . . . . . . . . . . . . . . . . . . . . . . . . . . . . . . . . . . . . . . . . .2 N•m (17 lb-in.)
Center Housing-to-Turbine Housing Cap Screw Torque
RHB3 . . . . . . . . . . . . . . . . . . . . . . . . . . . . . . . . . . . . . . . . . . . . . . . . . . . . . . . . . . .12 N•m (108 lb-in.)
RHB5 . . . . . . . . . . . . . . . . . . . . . . . . . . . . . . . . . . . . . . . . . . . . . . . . . . . . . . . . . . .28 N•m (247 lb-in.)
Center Housing-to-Compressor Housing Cap Screw Torque. . . . . . . . . . . . . . . . . . . . . .4 N•m (39 lb-in.)
Turbine Wheel/Shaft Deflection
RHB3
Standard . . . . . . . . . . . . . . . . . . . . . . . . . . . . . . . . . . . . . . . . . . . . . . . . . . . . . 0.002 mm (0.00008)
Wear Limit . . . . . . . . . . . . . . . . . . . . . . . . . . . . . . . . . . . . . . . . . . . . . . . . . . . 0.005 mm (0.00019)
RHB5
Standard . . . . . . . . . . . . . . . . . . . . . . . . . . . . . . . . . . . . . . . . . . . . . . . . . . . . . 0.010 mm (0.00039)
Wear Limit . . . . . . . . . . . . . . . . . . . . . . . . . . . . . . . . . . . . . . . . . . . . . . . . . . . 0.011 mm (0.00043)
Turbine Shaft O.D.
RHB3
Standard . . . . . . . . . . . . . . . . . . . . . . . . . . . . . . . . . . . . . . 6.257 - 6.263 mm (0.2463 - 0.2466 in.)
Wear Limit . . . . . . . . . . . . . . . . . . . . . . . . . . . . . . . . . . . . . . . . . . . . . . . . . 6.250 mm (0.2461 in.)
RHB5
Standard . . . . . . . . . . . . . . . . . . . . . . . . . . . . . . . . . . . . . . . . 7.99 - 8.00 mm (0.3146 - 0.3150 in.)
Wear Limit . . . . . . . . . . . . . . . . . . . . . . . . . . . . . . . . . . . . . . . . . . . . . . . . . 7.980 mm (0.3142 in.)
Shaft Seal Ring Groove Width
RHB3
Standard . . . . . . . . . . . . . . . . . . . . . . . . . . . . . . . . . . . . . . 1.038 - 1.062 mm (0.0409 - 0.0418 in.)
Wear Limit . . . . . . . . . . . . . . . . . . . . . . . . . . . . . . . . . . . . . . . . . . . . . . . . . 1.070 mm (0.0421 in.)
RHB5
Standard . . . . . . . . . . . . . . . . . . . . . . . . . . . . . . . . . . . . . . 1.250 - 1.280 mm (0.0492 - 0.0504 in.)
Wear Limit . . . . . . . . . . . . . . . . . . . . . . . . . . . . . . . . . . . . . . . . . . . . . . . . . 1.290 mm (0.0508 in.)
Oil Thrower Seal Ring Groove Widths
Small End
RHB3
Standard . . . . . . . . . . . . . . . . . . . . . . . . . . . . . . . . . . . . . 0.82 - 0.83 mm (0.0323 - 0.0327 in.)
Wear Limit . . . . . . . . . . . . . . . . . . . . . . . . . . . . . . . . . . . . . . . . . . . . . . . 0.84 mm (0.0331 in.)

Specifications
10-2
4/7/95
10
Oil Thrower Seal Ring Groove Widths, Small End - continued
RHB5
Standard . . . . . . . . . . . . . . . . . . . . . . . . . . . . . . . . . . . . . 1.02 - 1.03 mm (0.0402 - 0.0406 in.)
Wear Limit . . . . . . . . . . . . . . . . . . . . . . . . . . . . . . . . . . . . . . . . . . . . . . . 1.11 mm (0.0437 in.)
Large End
RHB3
Standard . . . . . . . . . . . . . . . . . . . . . . . . . . . . . . . . . . . . . 1.02 - 1.03 mm (0.0402 - 0.0406 in.)
Wear Limit . . . . . . . . . . . . . . . . . . . . . . . . . . . . . . . . . . . . . . . . . . . . . . . 1.04 mm (0.0409 in.)
RHB5
Standard . . . . . . . . . . . . . . . . . . . . . . . . . . . . . . . . . . . . . 1.22 - 1.23 mm (0.0480 - 0.0484 in.)
Wear Limit . . . . . . . . . . . . . . . . . . . . . . . . . . . . . . . . . . . . . . . . . . . . . . . 1.31 mm (0.0516 in.)
Seal Plate I.D.s
Side Without Slot
RHB3
Standard . . . . . . . . . . . . . . . . . . . . . . . . . . . . . . . . . . . . .7.968 - 8.00 mm (0.3137 - 03150 in.)
Wear Limit . . . . . . . . . . . . . . . . . . . . . . . . . . . . . . . . . . . . . . . . . . . . . . 8.015 mm (0.3156 in.)
RHB5
Standard . . . . . . . . . . . . . . . . . . . . . . . . . . . . . . . . . . . 10.00 - 10.02 mm (0.3937 - 0.3945 in.)
Wear Limit . . . . . . . . . . . . . . . . . . . . . . . . . . . . . . . . . . . . . . . . . . . . . . 10.05 mm (0.3957 in.)
Side With Slot
RHB3
Standard . . . . . . . . . . . . . . . . . . . . . . . . . . . . . . . . . . 9.987 - 10.025 mm (0.3932 - 0.3947 in.)
Wear Limit . . . . . . . . . . . . . . . . . . . . . . . . . . . . . . . . . . . . . . . . . . . . . . 10.04 mm (0.3953 in.)
RHB5
Standard . . . . . . . . . . . . . . . . . . . . . . . . . . . . . . . . . . . 12.40 - 12.42 mm (0.4882 - 0.4890 in.)
Wear Limit . . . . . . . . . . . . . . . . . . . . . . . . . . . . . . . . . . . . . . . . . . . . . . 12.45 mm (0.4902 in.)
Thrust Bushing Shoulder Length
RHB3
Standard . . . . . . . . . . . . . . . . . . . . . . . . . . . . . . . . . . . . . . 3.632 - 3.642 mm (0.1430 - 0.1434 in.)
Wear Limit . . . . . . . . . . . . . . . . . . . . . . . . . . . . . . . . . . . . . . . . . . . . . . . . . 3.650 mm (0.1437 in.)
RHB5
Standard . . . . . . . . . . . . . . . . . . . . . . . . . . . . . . . . . . . . . . . . 4.04 - 4.05 mm (0.1591 - 0.1594 in.)
Wear Limit . . . . . . . . . . . . . . . . . . . . . . . . . . . . . . . . . . . . . . . . . . . . . . . . . . 4.07 mm (0.1602 in.)
Thrust Bearing Thickness
RHB3
Standard . . . . . . . . . . . . . . . . . . . . . . . . . . . . . . . . . . . . . . . . 3.59 - 3.61 mm (0.1413 - 0.1421 in.)
Wear Limit . . . . . . . . . . . . . . . . . . . . . . . . . . . . . . . . . . . . . . . . . . . . . . . . . . 3.58 mm (0.1409 in.)
RHB5
Standard . . . . . . . . . . . . . . . . . . . . . . . . . . . . . . . . . . . . . . . . 3.99 - 4.01 mm (0.1571 - 0.1579 in.)
Wear Limit . . . . . . . . . . . . . . . . . . . . . . . . . . . . . . . . . . . . . . . . . . . . . . . . . . 3.98 mm (0.1567 in.)
Journal Bearing I. D.
RHB3
Standard . . . . . . . . . . . . . . . . . . . . . . . . . . . . . . . . . . . . . . 6.275 - 6.285 mm (0.2470 - 0.2474 in.)
Wear Limit . . . . . . . . . . . . . . . . . . . . . . . . . . . . . . . . . . . . . . . . . . . . . . . . . 6.290 mm (0.2476 in.)
RHB5
Standard . . . . . . . . . . . . . . . . . . . . . . . . . . . . . . . . . . . . . . . . 8.01 - 8.03 mm (0.3154 - 0.3161 in.)
Wear Limit . . . . . . . . . . . . . . . . . . . . . . . . . . . . . . . . . . . . . . . . . . . . . . . . . . 8.04 mm (0.3165 in.)
Journal Bearing O.D.
RHB3
Standard . . . . . . . . . . . . . . . . . . . . . . . . . . . . . . . . . . . . . . 9.940 - 9.946 mm (0.3913 - 0.3916 in.)
Wear Limit . . . . . . . . . . . . . . . . . . . . . . . . . . . . . . . . . . . . . . . . . . . . . . . . . 9.930 mm (0.3909 in.)

Specifications
4/7/95
10-3
10
Journal Bearing O. D. - continued
RHB5
Standard . . . . . . . . . . . . . . . . . . . . . . . . . . . . . . . . . . . . . . 12.32 - 12.33 mm (0.4850 - 0.4854 in.)
Wear Limit . . . . . . . . . . . . . . . . . . . . . . . . . . . . . . . . . . . . . . . . . . . . . . . . . 12.31 mm (0.4846 in.)
Seal Ring Surface I.D.
RHB3
Standard . . . . . . . . . . . . . . . . . . . . . . . . . . . . . . . . . . . . . 11.00 - 11.018 mm (0.4331 - 0.4338 in.)
Wear Limit . . . . . . . . . . . . . . . . . . . . . . . . . . . . . . . . . . . . . . . . . . . . . . . . . 11.03 mm (0.4343 in.)
RHB5
Standard . . . . . . . . . . . . . . . . . . . . . . . . . . . . . . . . . . . . . . 15.00 - 15.02 mm (0.5906 - 0.5913 in.)
Wear Limit . . . . . . . . . . . . . . . . . . . . . . . . . . . . . . . . . . . . . . . . . . . . . . . . . 15.05 mm (0.5925 in.)
Journal Bearing Surface I.D.
RHB3
Standard . . . . . . . . . . . . . . . . . . . . . . . . . . . . . . . . . . . . . 9.995 - 10.005 mm (0.3935 - 0.3939 in.)
Wear Limit . . . . . . . . . . . . . . . . . . . . . . . . . . . . . . . . . . . . . . . . . . . . . . . . . 10.01 mm (0.3941 in.)
RHB5
Standard . . . . . . . . . . . . . . . . . . . . . . . . . . . . . . . . . . . . . . 12.40 - 12.41 mm (0.4882 - 0.4886 in.)
Wear Limit . . . . . . . . . . . . . . . . . . . . . . . . . . . . . . . . . . . . . . . . . . . . . . . . . 12.42 mm (0.4890 in.)
Fan/Alternator Belt
Applied Force . . . . . . . . . . . . . . . . . . . . . . . . . . . . . . . . . . . . . . . . . . . . . . . . . . . . . . . . . 98 N (22 lb-force)
Belt Deflection . . . . . . . . . . . . . . . . . . . . . . . . . . . . . . . . . . . . . . . . . . . . . . 10 - 15 mm (0.400 - 0.600 in.)
Glow Plug Resistance . . . . . . . . . . . . . . . . . . . . . . . . . . . . . . . . . . . . . . . . . . . . . . . . . . . . .1.35 - 1.65 ohms
Coolant Temperature Sender Continuity . . . . . . . . . . . . . . . . . . . . . . . . . . . . . . . . . . . . . . 110° C (230° F)
Operational Tests and Adjustments
Radiator Bubble Test
Maximum Air Pressure Into Cylinder
3009 (3TNA72). . . . . . . . . . . . . . . . . . . . . . . . . . . . . . . . . . . . . . . . . . . . . . . . . 2455 kPa (356 psi)
3011 (3TNC78), 3014 (3TN84), 4019 (4TN84). . . . . . . . . . . . . . . . . . . . . . . . 2158 kPa (313 psi)
Cooling System
Maximum Pressure . . . . . . . . . . . . . . . . . . . . . . . . . . . . . . . . . . . . . . . . . . . . . . . . . . . . 97 kPa (14 psi)
Minimum Pressure after 10 Seconds . . . . . . . . . . . . . . . . . . . . . . . . . . . . . . . . . . . . . 88 kPa (12.8 psi)
Radiator Cap
Valve Opening Pressure . . . . . . . . . . . . . . . . . . . . . . . . . . . . . . . . . . . . . . . . . . . . . . . 88 kPa (12.8 psi)
Cylinder Compression Pressure - 3009
Compression Pressure. . . . . . . . . . . . . . . . . . . . . . . . . . . . . . . . . . . . . . . . . . . . . . . 2455 kPa (356 psi)
Maximum Difference Between Cylinders . . . . . . . . . . . . . . . . . . . . . . . . . . . . . . . . . 490 kPa (71 psi)
Cylinder Compression Pressure - 3011, 3014, 4019
Compression Pressure. . . . . . . . . . . . . . . . . . . . . . . . . . . . . . . . . . . . . . . . . . . . . . . 2158 kPa (313 psi)
Maximum Difference Between Cylinders . . . . . . . . . . . . . . . . . . . . . . . . . . . . . . . . . 490 kPa (71 psi)
Engine Oil Pressure
Low Idle Speed
Industrial Application
All . . . . . . . . . . . . . . . . . . . . . . . . . . . . . . . . . . . . . . . . . . . . . . . . . . . . . . . . . . . . . . . . . . .1300 rpm
Generator Application
3009 (3TNA72). . . . . . . . . . . . . . . . . . . . . . . . . . . . . . . . . . . . . . . . . . . . . . . . . . . . . . . . .1300 rpm
3011 (3TNC78), 3014 (3TN84), 4019 (4TN84). . . . . . . . . . . . . . . . . . . . . . . . . . . . . . . .1200 rpm
Engine Oil Pressure . . . . . . . . . . . . . . . . . . . . . . . . . . . . . . . . . . . . . . . . . . . . . . . . . . . . . 147 kPa (21 psi)
Air Intake System Holding Pressure. . . . . . . . . . . . . . . . . . . . . . . . . . . . . . . . . . . . 34 - 69 kPa (5 - 10 psi)
Fuel Supply Pump Pressure (minimum). . . . . . . . . . . . . . . . . . . . . . . . . . . . . . . . . . . . . . .29 kPa (4.3 psi)
Fuel System Holding Pressure (maximum) . . . . . . . . . . . . . . . . . . . . . . . . . . . . . . . . . . . 103 kPa (15 psi)

Specifications
10-4
4/7/95
10
Slow Idle Speed
Industrial Application
All . . . . . . . . . . . . . . . . . . . . . . . . . . . . . . . . . . . . . . . . . . . . . . . . . . . . . . . . . . . . . . . . . . .1300 rpm
Generator Application
3009 (3TNA72). . . . . . . . . . . . . . . . . . . . . . . . . . . . . . . . . . . . . . . . . . . . . . . . . . . . . . . . .1300 rpm
3011 (3TNC78), 3014 (3TN84), 4019 (4TN84). . . . . . . . . . . . . . . . . . . . . . . . . . . . . . . .1200 rpm
Fast Idle Speed - 3009
Industrial Application . . . . . . . . . . . . . . . . . . . . . . . . . . . . . . . . . . . . . . . . . . . . . . . . . . . . . . . 3300 rpm
Generator Application. . . . . . . . . . . . . . . . . . . . . . . . . . . . . . . . . . . . . . . . . . . . . . . . . . . . . . .3800 rpm
Fast Idle Speed - 3011, 3014 and 4019
Industrial Application . . . . . . . . . . . . . . . . . . . . . . . . . . . . . . . . . . . . . . . . . . . . . . . . . . . . . . . 3300 rpm
Generator Application. . . . . . . . . . . . . . . . . . . . . . . . . . . . . . . . . . . . . . . . . . . . . . . . . . . . . . .1900 rpm
Fuel Shutoff Solenoid
Maximum Pull-in Amperage . . . . . . . . . . . . . . . . . . . . . . . . . . . . . . . . . . . . . 50 Amps for 1/2 second
Maximum Hold-In Amperage . . . . . . . . . . . . . . . . . . . . . . . . . . . . . . . . . . . . . . . . . 1 amp continuous
Starter
Amp Draw/RPM
3009 (3TNA72). . . . . . . . . . . . . . . . . . . . . . . . . . . . . . . . . . . . . . . . . . . . . . . 200 Amps at 300 rpm
3011 (3TNC78) and 3014 (3TN84) . . . . . . . . . . . . . . . . . . . . . . . . . . . . . . . 230 Amps at 300 rpm
4019 (4TN84) . . . . . . . . . . . . . . . . . . . . . . . . . . . . . . . . . . . . . . . . . . . . . . .35 0 Amps at 1100 rpm
No-Load Amp Draw RPM
3009 (3TNA72). . . . . . . . . . . . . . . . . . . . . . . . . . . . . . . . . . . . . . . . . . . . . . . 60 Amps at 7000 rpm
3011 (3TNC78) and 3014 (3TN84) . . . . . . . . . . . . . . . . . . . . . . . . . . . . . . . 90 Amps at 3000 rpm
4019 (4TN84) . . . . . . . . . . . . . . . . . . . . . . . . . . . . . . . . . . . . . . . . . . . . . . . . 90 Amps at 3500 rpm
Regulated Amperage
Fast Idle Speed
Industrial Application
All . . . . . . . . . . . . . . . . . . . . . . . . . . . . . . . . . . . . . . . . . . . . . . . . . . . . . . . . . . . . . . . .3300 rpm
Generator Application
3009 (3TNA72). . . . . . . . . . . . . . . . . . . . . . . . . . . . . . . . . . . . . . . . . . . . . . . . . . . . . .3800 rpm
3011 (3TNC78), 3014 (3TN84), 4019 (4TN84). . . . . . . . . . . . . . . . . . . . . . . . . . . . .1900 rpm
Minimum Regulated Amperage . . . . . . . . . . . . . . . . . . . . . . . . . . . . . . . . . . . . . . . . . . . . . . . .35 amps
Unregulated Amperage
Fast Idle Speed
Industrial Application
All . . . . . . . . . . . . . . . . . . . . . . . . . . . . . . . . . . . . . . . . . . . . . . . . . . . . . . . . . . . . . . . .3300 rpm
Generator Application
3009 (3TNA72). . . . . . . . . . . . . . . . . . . . . . . . . . . . . . . . . . . . . . . . . . . . . . . . . . . . . .3800 rpm
3011 (3TNC78), 3014 (3TN84), 4019 (4TN84). . . . . . . . . . . . . . . . . . . . . . . . . . . . .1900 rpm
Minimum Regulated Amperage . . . . . . . . . . . . . . . . . . . . . . . . . . . . . . . . . . . . . . . . . . . . . . . .35 amps
Regulated Voltage
Fast Idle Speed
Industrial Application
All . . . . . . . . . . . . . . . . . . . . . . . . . . . . . . . . . . . . . . . . . . . . . . . . . . . . . . . . . . . . . . . .3300 rpm
Generator Application
3009 (3TNA72). . . . . . . . . . . . . . . . . . . . . . . . . . . . . . . . . . . . . . . . . . . . . . . . . . . . . .3800 rpm
3011 (3TNC78), 3014 (3TN84), 4019 (4TN84). . . . . . . . . . . . . . . . . . . . . . . . . . . . .1900 rpm
Regulated Voltage. . . . . . . . . . . . . . . . . . . . . . . . . . . . . . . . . . . . . . . . . . . . . . . . . . . . 12.2 - 14.7 VDC

Intake and Exhaust Systems
4/7/95
10-5
10
SPECIAL OR ESSENTIAL TOOLS
NOTE: Order tools according to information given in the U.S. SERVICE-GARD® Catalog or in the
European Microfiche Tool Catalog (MTC).
*DFRG1 Extended Indicator Tip (RHB3)
Attach to a dial indicator gauge to check radial play of turbocharger rotor shaft.
*DFRG2 Extended Indicator Tip (RHB5)
Attach to a dial indicator gauge to check radial play of turbocharger rotor shaft.
OTHER MATERIALS
Number Name Use
LOCTITE® PRODUCTS
U.S./
Canadian/
LOCTITE No.
TY9370/ Thread Lock and Sealer Apply to threads of turbocharger thrust
TY9477/ (Medium Strength) bearing and seal plate mounting screws.
#242
TY15130/ John Deere Form-In-Place Seals turbocharger seal plate and
NA/ Gasket compressor housing to center housing.
#395
* Fabricated tool, dealer made. (See Dealer Fabricated Tools in this section for instruction to make tools.)
® LOCTITE is a registered trademark of the Loctite Corp.

Intake and Exhaust Systems
10-6
4/7/95
10
AIR CLEANER - 3009 (3TNA72)
Inspection
M82182A
Air Cleaner-to-Intake
Manifold Hose
Hose Clamp (2) Air Cleaner Housing
Element
Seal Washer
Collar
Rain Cap
Mounting
Bracket
Isolator Pad (2)
Flywheel End

Intake and Exhaust Systems
4/7/95
10-7
10
AIR CLEANER - 3011(3TNC78), 3014
(3TN84) AND 4019D (4TN84)
Inspection
M82183AE
Primary Element
Secondary Safety
Element (Optional)
Rain Cap
Seal Washer
Baffle
Dust Pan AssemblyAir Cleaner
Housing
Hose Clamp (2)
Air Cleaner-to-Intake
Manifold Hose
Isolator Pad (2)
Flywheel End
Mounting Bracket

Intake and Exhaust Systems
10-8
4/7/95
10
AIR CLEANER - 4019T (4TN84T)
Inspection
M82184AE
Isolator Pad (2)
Seal Washer
Baffle
Dust Pan Assembly
Flywheel End
Rain Cap
Secondary Safety
Element (Optional)
Turbocharger-to-Intake
Manifold Hose
Small Hose
Clamp (2)
Air Cleaner-to-
Turbocharger Hose
Primary Element
Large Hose Clamp (2)
Mounting Bracket

Intake and Exhaust Systems
4/7/95
10-9
10
MUFFLER - 3009 (3TNA72)
Removal/InstallationCAUTION
Muffler may be hot. Allow muffler to cool
before removing. A hot muffler can cause
serious burns.
M82188AE
Muffler
Mounting
Nut (4)
Gasket
Mounting
Nut (2)
Adapter
Fan Side
Gasket

Intake and Exhaust Systems
10-10
4/7/95
10
MUFFLER - 3011 (3TNC78), 3014
(3TN84) AND 4019D (4TN84)
Removal/InstallationCAUTION
Muffler may be hot. Allow muffler to cool
before removing. A hot muffler can cause
serious burns.
M82127AE
Muffler
Mounting
Nut (4)
Gasket
Fan Side

Intake and Exhaust Systems
4/7/95
10-11
10
MUFFLER - 4019T (4TN84T)
Removal/InstallationCAUTION
Muffler may be hot. Allow muffler to cool
before removing. A hot muffler can cause
serious burns.
M82128AE
Gasket
Mounting
Nut (4) Support
Bracket
Cap Screw (2)
M8 x 18
Cap Screw (2)
M8 x 22
Muffler
Fan Side

Intake and Exhaust Systems
10-12
4/7/95
10
EXTENDING TURBOCHARGER LIFE
Turbochargers are designed to last the life of the
engine, but, because they operate at such high
speeds (100,000 rpm or more); a moments
carelessness can cause them to fail in seconds.
The major causes of turbocharger failures are
attributed to:
-Lack of lube oil (quick starts and hot
shutdowns)
-Oil contamination
-Ingestion of foreign objects
-Restricted oil drainage
-Low oil level
-Operation on excessive side slopes
-Abnormally high exhaust temperatures
Lack of Lube Oil
Oil not only lubricates the turbo's spinning shaft and
bearings, it also carries away heat. When oil flow
stops or is reduced, heat is immediately transferred
from the hot turbine wheel to the bearings, which are
also heating up because of the increased friction due
to the lack of oil. This combination causes the turbo
shaft temperature to increase rapidly.
If oil flow does not increase and the process
continues, bearings will fail. Once the bearings fail
(which can happen in seconds) seals, shaft, turbine
and compressor wheels can also be damaged.
The principle causes of turbo bearing lubrication
problems are low oil pressure, a bent, plugged or
undersized oil lube supply line, plugged or restricted
oil galleries in the turbo, or improper machine start-
up and shutdown procedures.
Oil levels and pressure should always be closely
monitored. All worn hoses and lines should be
replaced. The turbo oil supply line should be
checked frequently to make sure it is not kinked or
bent. It should always be replaced with a line of
equal size, length and strength.
The easiest way to damage a turbo is through
improper start-up and shutdown procedures. Always
idle the engine for at least 30 seconds (no load) after
start-up and before shutdown. Warming the engine
up before applying a load allows oil pressure to
build up and lines to fill with oil.
Idling the engine before shutdown allows the engine
and turbo to cool. “Hot” shutdowns can cause the
turbo to fail. After high-speed operation the turbo
will continue to rotate long after the engine has been
shut off and oil pressure has dropped to zero. This
will cause heat to build up and create possible
bearing damage. It can also cause carbon and
varnish deposits to form.
Oil Contamination
A second cause of turbo failure is contaminated oil.
It can be caused by a worn or damaged oil filter or
not changing the lube oil at recommended intervals.
Expecting the oil filter to remove dirt, sand, metal
chips, ect. from the oil before they reach the engine
or turbocharger can be a costly mistake.
Contaminated oil may completely bypass the engine
oil filter if; the oil filter or oil cooler is clogged, the
filter is improperly installed, or the oil is thick
during cold weather.

Intake and Exhaust Systems
4/7/95
10-13
10
Four good ways of avoiding oil contamination are:
-Always inspect the engine thoroughly during
a major overhaul. Look especially for any
sludge or debris left in lube oil galleries.
-Change lube oil at recommended intervals.
Analysis of oil samples at filter change
periods can help identify potentially harmful
contaminants in the oil.
-Clean the area around the oil fill cap before
adding oil.
-Use a clean container when adding oil.
Injestion of Foreign Objects
The third cause of turbo damage is the injestion of
foreign objects. Foreign objects or particles can be
injested and cause damage to the turbo on both
compressor and turbine sides. This is easy to avoid.
On the compressor side, foreign objects usually take
the form of dust, sand, or shreds of air cleaner
element that enter through improperly installed air
cleaner elements. Leaky air inlet piping (loose
clamps or torn rubber joints) or torn pleats in dry-
type air cleaner elements also create problems.
The result is erosion of compressor blades that can
cause the delicately balanced wheel to wobble.
IMPORTANT: Whenever an internal engine
failure (valve, valve seat, piston) occurs, a
thorough inspection of the turbocharger
MUST BE performed before returning engine
to service.
Restricted Oil Drainage
A fourth cause of turbocharger damage is restricted
lube oil drainage. The lubricating oil carries away
heat generated by friction of the bearings and from
the hot exhaust gases. If drainage back to the sump
is impeded, the bearings will overheat with damage
that will ultimately lead to failure.
There are two primary reasons for restricted
drainage:
-A blocked drain tube, due to either damage or
a buildup of sludged oil.
-High crankcase pressure, due to restricted
crankcase breather or excessive engine
blowby.
Periodically check both the turbocharger oil drain
tube and engine breather tube for damage or
restriction. Correction of these conditions lead to
longer turbo life.
Abnormally High Exhaust
Temperatures
A fifth cause of turbocharger damage is abnormally
high exhaust temperatures. Elevated exhaust
temperatures cause choking of oil which can lead to
bearing failure. Extreme over-temperature operation
can cause wheel burst.
There are two basic causes of over-temperature:
-Restricted air flow.
-Overpowering the engine.
In either case the engine has more fuel than available
air for proper combustion. This overfueled condition
leads to elevated exhaust temperatures.
Causes of restricted air flow can include damaged
inlet piping, clogged air filters, excessive exhaust
restriction, or operation at extreme altitudes.
Overpowering generally is due to improper fuel
delivery or injection timing. If overtemperature
operation has been identified, an inspection of the
air inlet and exhaust systems should be performed.
Also check the fuel delivery and timing.

Intake and Exhaust Systems
10-14
4/7/95
10
TURBOCHARGER - YANMAR (RHB3
and RHB5)
Removal
NOTE: Model number RHB5 is equipped with a
waste gate system. Removal/installation
procedures are the same for both. Model
RHB3 turbocharger is shown.
1. Remove muffler. (See procedure in this group.)
CAUTION
Turbocharger may be hot. Allow
turbocharger to cool before removing. A hot
turbocharger can cause serious burns.
M82185
Lube Line Mounting
Cap Screw and Washers
Turbocharger-to-Intake
Manifold Hose
Air Cleaner-to-
Turbocharger Hose
Lube Line Clamp
Cap Screw
Oil Drain Line
Cap Screws
Turbocharger
IMPORTANT: When cleaning turbocharger, do
not spray directly into compressor or turbine
housings. If inspection is required, do not
clean exterior of turbocharger prior to
removal. Cleaning can remove evidence of a
potential failure mode.
2. Remove air cleaner-to-turbocharger hose and
clamps.
3. Remove turbocharger-to-intake manifold hose
and clamps.
4. Remove lube line clamp cap screw.
5. Remove lube line mounting cap screw and two
copper washers.
6. Remove two oil drain line cap screws.
Disconnect line and remove o-ring.
7. Remove three nuts, turbocharger and gasket.

Intake and Exhaust Systems
4/7/95
10-15
10
Rotor Shaft Axial Play Check
1. Fasten dial indicator to turbine housing and
position indicator tip on end of rotor shaft at
turbine housing end.
2. Move rotor shaft in axial direction. Record
measurement.
Axial Play Specifications:
Without Waste Gate (RHB3)
Standard . . . . . . . . . . . . . . . 0.022 - 0.053 mm
. . . . . . . . . . . . . . . . . . . . .(0.0008 - 0.0021 in.)
Wear Limit. . . . . . . . . . . 0.07 mm (0.0028 in.)
With Waste Gate (RHB5)
Standard . . . . . . . . . . . . . . . . . 0.03 - 0.06 mm
. . . . . . . . . . . . . . . . . . . . .(0.0012 - 0.0024 in.)
Wear Limit. . . . . . . . . . . 0.09 mm (0.0035 in.)
If axial play is not within specifications, disassemble
and inspect all components for wear or damage. (See
Disassembly procedures.)
M82186A
Magnetic Base
Dial
Indicator
Turbine Housing
Axial Direction
8. Diagnose the cause of failure, if necessary. (See
TURBOCHARGER FAILURE ANALYSIS.)
9. Inspect turbocharger. (See TURBOCHARGER
SEVEN-STEP INSPECTION.)
10.Check rotor shaft axial and radial play. (See
Rotor Shaft Axial and Radial Play Check
procedures.)
11.Disassemble and inspect all parts for wear or
damage, if necessary. (See Disassembly
procedures.)
Installation
1. Prelube turbocharger: Fill oil inlet or drain port
with clean oil and turn rotating assembly (by
hand) to properly lubricate bearings.
2. Install new gasket, turbocharger and three nuts.
3. Install new o-ring and connect oil drain line.
Install and tighten two mounting cap screws.
4. Install two new copper washers and lube line
mounting cap screw.
5. Install lube line clamp cap screw.
6. Install turbocharger-to-intake manifold hose and
clamps.
7. Install air cleaner-to-turbocharger hose and
clamps.
8. Install muffler. (See procedure in this group.)
IMPORTANT: A new or repaired turbocharger
does not have an adequate oil supply for
immediate start-up of engine. Perform the
following steps to prevent damage to
turbocharger bearings.
9. Push the throttle lever to the “STOP” position or
disconnect fuel shutoff solenoid connector, if
equipped.
10.Crank engine over with starter until oil pressure
gauge needle registers within the “GREEN” zone
of pressure gauge. DO NOT crank engine longer
than 30 seconds at a time to avoid damaging the
starter.

Intake and Exhaust Systems
10-16
4/7/95
10
Rotor Shaft Radial Play Check
1. Attach DFRG1 or DFRG2 Extended Indicator
Tip to Dial Indicator gauge.
2. Fasten dial indicator to bottom of turbocharger
mounting flange. Insert extended indicator tip
through oil drain opening and position tip on
rotor shaft.
3. Hold both turbine and compressor wheels and
move rotor shaft in radial direction. Record
measurement.
Radial Play Specifications:
Without Waste Gate (RHB3)
Standard . . . . . . . . . . . . . . . 0.061 - 0.093 mm
. . . . . . . . . . . . . . . . . . . . .(0.0024 - 0.0037 in.)
Wear Limit. . . . . . . . . . . 0.12 mm (0.0047 in.)
With Waste Gate (RHB5)
Standard . . . . . . . . . . . . . . . . . 0.08 - 0.13 mm
. . . . . . . . . . . . . . . . . . . . .(0.0031 - 0.0051 in.)
Wear Limit. . . . . . . . . . . 0.17 mm (0.0067 in.)
If radial play is not within specifications, disassem-
ble and inspect all components for wear or damage.
(See Disassembly procedures.)
M82187A
Magnatic Base
Mounting Flange
Turbine Wheel
Dial Indicator
DFRG1 or DFRG2
Extended Indicator Tip
Oil Drain
Compressor Wheel
Radial
Direction
Oil Inlet

Intake and Exhaust Systems
4/7/95
10-17
10
Disassembly
NOTE: Model number RHB5 is equipped with a
waste gate system. Service procedures are
the same for both unless noted otherwise.
Model RHB5 turbocharger is illustrated
throughout service procedures.
1. Remove circlip and disconnect rod.
2. Remove clamps and hose.
3. Remove two cap screws, waste gate actuator and
spacer(s), if equipped.
4. Scribe alignment marks across compressor
housing and center housing to aid in assembly.
5. Remove four cap screws and lock plates.
IMPORTANT: Be careful when removing
compressor housing. Damage to compressor
wheel blades can occur.
6. Tap on compressor housing with a plastic
hammer to remove from center housing.
M82158
Oil Inlet Port Spacer(s)
Hose
and Clamps
Waste Gate
Actuator
Circlip
7. Scribe alignment marks across turbine housing
and center housing to aid in assembly.
8. Remove four cap screws, lock plates and turbine
housing.
M82159
Alignment Marks Compressor
Housing
Cap Screw (4)
Lock Plate (4)
M5 x 10
M82160
Turbine Housing Alignment
Marks
Lock Plate (4)
Cap Screw (4)
M6 x 10 (RHB3)
M8 x 10 (RHB5)

Intake and Exhaust Systems
10-18
4/7/95
10
NOTE: Lock nut has left-hand threads.
9. Remove lock nut and compressor wheel.
10.Remove turbine wheel/shaft and heat protector.
11.Remove seal ring.
12.Model RHB3: Tap two holes in seal plate using a
5 mm, 0.80 thread tap.
13.Remove seal plate mounting screws.
M82161
Compressor
Wheel
Lock Nut
M4 (RHB3)
M5 (RHB5)
M82162
Turbine
Wheel/Shaft Seal Ring
Heat Protector
Replace.
14.Insert two existing M5 cap screws (compressor
housing-to-center housing cap screws) into
threaded holes and pull out seal plate.
15.Remove oil thrower assembly from seal plate.
16.Remove seal rings.
17.Remove thrust bearing mounting screws.
18.Remove thrust bearing, thrust bushing and
journal bearing.
M82163
Holes
Seal Plate Assembly Mounting Screw (RHB3: 2)
(RHB5: 3)M3 x 12
Replace.
M82164
Oil Thrower
Small Seal Ring
Large Seal Ring
Replace.
Replace.
Seal Plate

Intake and Exhaust Systems
4/7/95
10-19
10
19.Remove retaining ring and journal bearing from
turbine side.
NOTE: There are two retaining rings inside center
housing. Remove only if replacement is
necessary.
20.Inspect all parts for wear or damage. Replace as
necessary. (See Inspection procedures.)
M82165
Journal Bearing
Thrust Bushing
Thrust Bearing
Mounting Screw
(RHB3: 2)
(RHB5: 4)
M3 x 7
Replace.
M82166
Journal Bearing
Retaining Ring
Replace.
Assembly
1. If removed, install two new retaining rings into
center housing with “open end” of rings facing
toward oil outlet port.
2. Coat journal bearing with clean engine oil and
install in center housing.
3. Install turbine side retaining ring with beveled
edge toward journal bearing and with “open end”
in direction shown.
4. Install new seal ring on turbine shaft.
5. Install heat protector and turbine wheel/shaft with
“open end” of seal ring facing toward oil inlet
port. Turbine wheel/shaft should “snap” into
place.
M82166
Journal Bearing
Retaining Ring
Retaining Rings
M82167A
Retaining Ring
Oil Inlet Port End
Match Up Contact
Viewed from Compressor Side (RBH3)
Viewed from Turbine Side (RBH5)
Surface

Intake and Exhaust Systems
10-20
4/7/95
10
6. Coat journal bearing and thrust bushing with
clean engine oil and install in center housing.
7. Install thrust bearing and mounting screws.
8. Install new seal rings on oil thrower.
Turbine
Wheel/Shaft Seal Ring
Heat Protector
M82162
Oil Inlet Port
Apply thread lock and sealer
(medium strength) to threads.
1 N•m (9 lb-in.)
Mounting Screw (RHB3: 2)
(RHB5: 4)
Thrust Bearing
Thrust Bushing
Journal Bearing
M3 x 7
M82168
9. Position seal rings on oil thrower as shown and
insert thrower into seal plate. Oil thrower should
“snap” into place.
10.Clean mating surfaces of center housing and seal
plate assembly using Clean and Cure Primer.
11.Install seal plate assembly with slot toward oil
outlet port.
12.Install mounting screws.
M82164
Oil Thrower
Small Seal Ring
Large Seal Ring
Seal Plate
M82169A
Seal
Plate
Slot
Viewed from Seal Plate Side Without Slot
45°

Intake and Exhaust Systems
4/7/95
10-21
10
NOTE: Lock nut has left-hand threads.
13.Install compressor wheel and lock nut.
14.Install turbine housing.
15.Align marks made during disassembly and install
lock plates and cap screws.
M82170
Apply thread lock and sealer
(medium strength) to threads.
1 N•m (9 lb-in.)
Mounting Screw (RHB3: 2)
(RHB5: 4)M3 x 12
Oil Outlet Port
Slot Seal Plate
Assembly
John Deere
Form-In-Place
Gasket
(RTV rubber silicone
sealant)
M82161
Compressor
Wheel
Lock Nut
RHB3: M4
RHB5: M5
1 N•m (9 lb-in.)
2 N•m (17 lb-in.)
16.Clean mating surfaces of center housing and
compressor housing using Clean and Cure
Primer. Apply a coat of John Deere Form-In-
Place Gasket (RTV rubber silicone sealant) on
compressor housing.
17.Install compressor housing.
18.Align marks made during disassembly and install
lock plates and cap screws.
M82160
Turbine Housing Alignment
Marks
Lock Plate (4)
Cap Screw (4)
RHB3: M6 x 10
RHB5: M8 x 10
12 N•m (108 lb-in.)
28 N•m (247 lb-in.)
M82159
Alignment Marks Compressor
Housing
Cap Screw (4)
Lock Plate (4)
M5 x 10
4 N•m (39 lb-in.)

Intake and Exhaust Systems
10-22
4/7/95
10
19.Install spacer(s), if equipped, waste gate actuator
and two cap screws. Tighten cap screws to 4 N•m
(39 lb-in.).
20.Install hose and clamps.
21.Connect rod and install circlip.
22.Prelube turbocharger: Fill oil inlet or drain port
with clean oil and turn rotating assembly (by
hand) to properly lubricate bearings.
Inspection
1. Inspect all parts for wear or damage. Replace as
necessary.
2. Inspect turbine wheel/shaft for bend using v-
block and a dial indicator. Turn wheel/shaft
slowly and read variation on indicator.
Turbine Wheel/Shaft Deflection:
RHB3
Standard . . . . . . . . . . . . .0.002 mm (0.00008)
Wear Limit. . . . . . . . . . . .0.005 mm (0.00019)
M82158
Oil Inlet Port Spacer(s)
Hose
and Clamps
Waste Gate
Actuator
Circlip
M82171A
Dial Indicator
V-Block
RHB5
Standard . . . . . . . . . . . . .0.010 mm (0.00039)
Wear Limit. . . . . . . . . . . .0.011 mm (0.00043)
If variation is more than wear limit, replace wheel/
shaft.
3. Measure turbine shaft diameter and seal ring
groove width.
Turbine Shaft O.D.:
RHB3
Standard . . . . . . . . . . . . . . . 6.257 - 6.263 mm
. . . . . . . . . . . . . . . . . . . . .(0.2463 - 0.2466 in.)
Wear Limit. . . . . . . . . . 6.250 mm (0.2461 in.)
RHB5
Standard . . . . . . . . . . . . . . . . . 7.99 - 8.00 mm
. . . . . . . . . . . . . . . . . . . . .(0.3146 - 0.3150 in.)
Wear Limit. . . . . . . . . . 7.980 mm (0.3142 in.)
Shaft Seal Ring Groove Width:
RHB3
Standard . . . . . . . . . . . . . . . 1.038 - 1.062 mm
. . . . . . . . . . . . . . . . . . . . .(0.0409 - 0.0418 in.)
Wear Limit. . . . . . . . . . 1.070 mm (0.0421 in.)
RHB5
Standard . . . . . . . . . . . . . . . 1.250 - 1.280 mm
. . . . . . . . . . . . . . . . . . . . .(0.0492 - 0.0504 in.)
Wear Limit. . . . . . . . . . 1.290 mm (0.0508 in.)
If turbine shaft diameter is less than wear limit,
replace turbine wheel/shaft and journal bearings.
If ring groove width is greater than wear limit,
replace turbine wheel/shaft.
M82172A
Shaft Seal Ring
Groove Width
Turbine Shaft O.D.

Intake and Exhaust Systems
4/7/95
10-23
10
4. Measure seal ring groove widths in oil thrower.
Oil Thrower Seal Ring Groove Widths:
Small End
RHB3
Standard . . . . . . . . . . . . . . . . . 0.82 - 0.83 mm
. . . . . . . . . . . . . . . . . . . . .(0.0323 - 0.0327 in.)
Wear Limit. . . . . . . . . . . 0.84 mm (0.0331 in.)
RHB5
Standard . . . . . . . . . . . . . . . . . 1.02 - 1.03 mm
. . . . . . . . . . . . . . . . . . . . .(0.0402 - 0.0406 in.)
Wear Limit. . . . . . . . . . . 1.11 mm (0.0437 in.)
Large End
RHB3
Standard . . . . . . . . . . . . . . . . . 1.02 - 1.03 mm
. . . . . . . . . . . . . . . . . . . . .(0.0402 - 0.0406 in.)
Wear Limit. . . . . . . . . . . 1.04 mm (0.0409 in.)
RHB5
Standard . . . . . . . . . . . . . . . . . 1.22 - 1.23 mm
. . . . . . . . . . . . . . . . . . . . .(0.0480 - 0.0484 in.)
Wear Limit. . . . . . . . . . . 1.31 mm (0.0516 in.)
If either ring groove width is greater than wear limit,
replace oil thrower.
5. Measure inside diameters (seal ring surfaces) of
seal plate.
M82173A
Oil Thrower
Seal Ring Groove
Width (Large End) Seal Ring Groove
Width (Small End)
Seal Plate I.D.s:
Side Without Slot
RHB3
Standard . . . . . . . . . . . . . . . . 7.968 - 8.00 mm
. . . . . . . . . . . . . . . . . . . . .(0.3137 - 0.3150 in.)
Wear Limit. . . . . . . . . . 8.015 mm (0.3156 in.)
RHB5
Standard . . . . . . . . . . . . . . . 10.00 - 10.02 mm
. . . . . . . . . . . . . . . . . . . . .(0.3937 - 0.3945 in.)
Wear Limit. . . . . . . . . . 10.05 mm (0.3957 in.)
Side With Slot
RHB3
Standard . . . . . . . . . . . . . . 9.987 - 10.025 mm
. . . . . . . . . . . . . . . . . . . . .(0.3932 - 0.3947 in.)
Wear Limit. . . . . . . . . . 10.04 mm (0.3953 in.)
RHB5
Standard . . . . . . . . . . . . . . . 12.40 - 12.42 mm
. . . . . . . . . . . . . . . . . . . . .(0.4882 - 0.4890 in.)
Wear Limit. . . . . . . . . . 12.45 mm (0.4902 in.)
If either inside diameter is less than wear limit,
replace seal plate.
6. Measure length of thrust bushing shoulder.
M82174A
Seal Plate
Slot
Seal Ring Surface
I.D. (Large) Seal Ring Surface
I.D. (Small)

Intake and Exhaust Systems
10-24
4/7/95
10
Thrust Bushing Shoulder Length:
RHB3
Standard . . . . . . . . . . . . . . . 3.632 - 3.642 mm
. . . . . . . . . . . . . . . . . . . . .(0.1430 - 0.1434 in.)
Wear Limit. . . . . . . . . . 3.650 mm (0.1437 in.)
RHB5
Standard . . . . . . . . . . . . . . . . . 4.04 - 4.05 mm
. . . . . . . . . . . . . . . . . . . . .(0.1591 - 0.1594 in.)
Wear Limit. . . . . . . . . . . 4.07 mm (0.1602 in.)
If shoulder length is more than wear limit, replace
thrust bushing.
7. Measure thrust bearing thickness.
Thrust Bearing Thickness:
RHB3
Standard . . . . . . . . . . . . . . . . . 3.59 - 3.61 mm
. . . . . . . . . . . . . . . . . . . . .(0.1413 - 0.1421 in.)
Wear Limit. . . . . . . . . . . 3.58 mm (0.1409 in.)
RHB5
Standard . . . . . . . . . . . . . . . . . 3.99 - 4.01 mm
. . . . . . . . . . . . . . . . . . . . .(0.1571 - 0.1579 in.)
Wear Limit. . . . . . . . . . . 3.98 mm (0.1567 in.)
If bearing thickness is less than wear limit, replace
thrust bearing.
8. Measure outside and inside diameters of journal
bearings.
M82175A
Thrust Bushing
Shoulder Length
Journal Bearing I.D.:
RHB3
Standard . . . . . . . . . . . . . . . 6.275 - 6.285 mm
. . . . . . . . . . . . . . . . . . . . .(0.2470 - 0.2474 in.)
Wear Limit. . . . . . . . . . 6.290 mm (0.2476 in.)
RHB5
Standard . . . . . . . . . . . . . . . . . 8.01 - 8.03 mm
. . . . . . . . . . . . . . . . . . . . .(0.3154 - 0.3161 in.)
Wear Limit. . . . . . . . . . . 8.04 mm (0.3165 in.)
Journal Bearing O.D.:
RHB3
Standard . . . . . . . . . . . . . . . 9.940 - 9.946 mm
. . . . . . . . . . . . . . . . . . . . .(0.3913 - 0.3916 in.)
Wear Limit. . . . . . . . . . 9.930 mm (0.3909 in.)
RHB5
Standard . . . . . . . . . . . . . . . 12.32 - 12.33 mm
. . . . . . . . . . . . . . . . . . . . .(0.4850 - 0.4854 in.)
Wear Limit. . . . . . . . . . 12.31 mm (0.4846 in.)
If inside diameter is more than wear limit, replace
both journal bearings and turbine wheel/shaft.
If outside diameter is less than wear limit, replace
both journal bearings, turbine wheel/shaft and center
housing.
9. Inspect center housing for cracks or damage.
Measure inside diameters (seal ring surface and
journal bearing surfaces) of center housing.
M82176A
Journal Bearing
Surface I.D.s
Seal Ring
Surface I.D.

Intake and Exhaust Systems
4/7/95
10-25
10
Seal Ring Surface I.D.:
RHB3
Standard . . . . . . . . . . . . . . 11.00 - 11.018 mm
. . . . . . . . . . . . . . . . . . . . .(0.4331 - 0.4338 in.)
Wear Limit. . . . . . . . . . 11.03 mm (0.4343 in.)
RHB5
Standard . . . . . . . . . . . . . . . 15.00 - 15.02 mm
. . . . . . . . . . . . . . . . . . . . .(0.5906 - 0.5913 in.)
Wear Limit. . . . . . . . . . 15.05 mm (0.5925 in.)
Journal Bearing Surface I.D.:
RHB3
Standard . . . . . . . . . . . . . . 9.995 - 10.005 mm
. . . . . . . . . . . . . . . . . . . . .(0.3935 - 0.3939 in.)
Wear Limit. . . . . . . . . . 10.01 mm (0.3941 in.)
RHB5
Standard . . . . . . . . . . . . . . . 12.40 - 12.41 mm
. . . . . . . . . . . . . . . . . . . . .(0.4882 - 0.4886 in.)
Wear Limit. . . . . . . . . . 12.42 mm (0.4890 in.)
If seal ring surface diameter is more than wear limit,
replace center housing.
If journal bearing surface diameters are more than
wear limit, replace center housing, journal bearings
and turbine wheel/shaft.

Intake and Exhaust Systems
10-26
4/7/95
10
TURBOCHARGER FAILURE ANALYSIS
ProblemPossible CauseSuggested Remedy
Compressor Housing Inlet Defects
Foreign Object DamageObjects left in intake system.Disassemble and inspect intake system
for foreign objects.
Inspect engine for internal damage.
Leaking and/or defective intake
system.Inspect air intake system connections
and air cleaner. Repair or replace as
necessary.
Inspect air intake related engine
components.
Compressor Wheel RubFailure of journal bearings and/
or thrust bushing and bearing.Determine if engine and/or operator
contributed to lack of lubrication,
contaminated lubrication, excessive
temperature, or debris generating
engine failure in progress.
Manufacturing defects.Correct as required. (See Disassembly
and Inspection procedures in this
group.)
Compressor Housing Outlet Defects
Oil and/or Dirt in HousingRestricted air intake system.
Prolonged periods of low RPM
engine idling.
Defective seal ring on oil
thrower or defective seal
around seal plate.
Restricted oil drain line.
Inspect and clean air cleaner.
Check with operator to confirm
conditions. (See Operators manual.)
Repair as necessary. (See
Disassembly and Inspection in this
group.
Inspect and clear oil drain line as
required.
Turbine Housing Inlet Defects
Oil in HousingInternal engine failure.
Oil leaking from turbine shaft
seal ring.
Inspect and repair engine as required.
Repair as necessary. (See
Disassembly and Inspection in this
group.)
Internal Walls DeterioratedExcessive operating
temperature.Check for restricted air intake.
Check engine for overfueling.
Check injection pump timing.

Intake and Exhaust Systems
4/7/95
10-27
10
ProblemPossible CauseSuggested Remedy
Turbine Housing Outlet Defects
Turbine Wheel RubFailure of journal bearings and/
or thrust bushing and bearing.
Manufacturing defect.
Leaking air intake system.
Determine if engine and/or operator
contributed to lack of lubrication,
contaminated lubrication, excessive
temperature, or debris generating
engine failure in progress.
Correct as required. (See Disassembly
and Inspection procedures in this
group.)
Foreign Object DamageInternal engine failure.
Objects left in intake system.
Leaking air intake system.
Inspect and repair engine as required.
Disassemble and inspect air intake
system. (See AIR CLEANER in this
group.)
Correct as required.
Oil and/or Excessive CarbonInternal engine failure.Verified by oil in turbine housing.
Correct as required.
Turbine shaft seal ring failure.
Prolonged periods of low RPM
engine idling.
Restricted oil drain line.
Inspect for excessive heat from
overfueling and/or restricted air intake.
Verify with operator to run engine
under load or a higher RPM. (See
Operator’s manual).
Inspect and clean oil drain line as
required.
Engine Center Housing and Joint Defects
Leaks from CastingDefective casting.Replace turbocharger.
Leaks from JointsLoose attaching screws.
Defective heat shield or
deteriorated sealant.
Tighten to specifications. (See
Assembly procedures in this group.)
Inspect and repair as required. (See
Disassembly and Assembly
procedures in this group.)
Internal Center Housing Defects
Excessive Carbon Build-up in
Housing or on ShaftHot engine shut-down.
Excessive operating
temperature.
Restricted oil drain line.
Operating engine at high
speeds & loads immediately
after start-up.
Review proper operation with operator
as shown in Operator’s manual.
Restricted air intake; Overfueling or
mistimed engine.
Inspect and clean oil drain lines as
required.
Idle engine for a few minutes to allow
oil to reach bearings before applying
heavy loads.

Intake and Exhaust Systems
10-28
4/7/95
10
TURBOCHARGER SEVEN-STEP
INSPECTION
The following inspection procedure is recommended
for systematic failure analysis of a suspected failed
turbocharger. This procedure will help to identify
when a turbocharger has failed, and why it has
failed, so the primary cause of the failure can be
corrected.
Proper diagnosis of a non-failed turbocharger is
important for two reasons. First, identification of a
non-failed turbocharger will lead to further
investigation and repair of the cause of a
performance complaint.
Second, proper diagnosis eliminates the unnecessary
expense incurred when a non-failed turbocharger is
replaced.
The seven recommended inspection steps, which are
explained in detail on the following pages, are:
-Compressor Housing Inlet and Compressor
Wheel
-Compressor Housing Outlet
-Turbine Housing Inlet
-Turbine Housing Outlet and Turbine Wheel
-External Center Housing and Joints
-Internal Center Housing
-Turbo Bench Test
NOTE: To enhance the turbocharger inspection, an
inspection sheet (Form No. DS-2280
available from Distribution Service Center)
can be used that lists the inspection steps in
the proper order and shows potential failure
modes for each step. Check off each step as
you complete the inspection and record any
details or problems obtained during
inspection. Retain this with the work order
for future reference.
Compressor Housing Inlet and
Compressor Wheel
1. Check compressor inlet and wheel for foreign
object damage.
NOTE: Foreign object damage may be extensive or
minor. In either case, the source of the
foreign object must be found and corrected
to eliminate further damages.
2. Mark findings on your checklist and continue the
inspection.
NOTE: You will need a good light source for this
check.
3. Check compressor inlet for wheel rub on the
housing (arrow). Look very closely for any score
marks on the housing itself and check the tips of
the compressor wheel blades for damage.
Compressor Housing Outlet
1. Check compressor housing outlet. The outlet
should be clean and free of dirt or oil.
2. Mark it on your checklist if dirt or oil is found
and continue the inspection.
RG4523
Compressor Wheel
RG4524
M82154
Compressor
Housing Outlet
Model RHB5

Intake and Exhaust Systems
4/7/95
10-29
10
Turbine Housing Inlet
1. Check the turbine housing inlet port for oil in
housing, excessive carbon deposit or erosion of
walls.
NOTE: If the inlet is wet with oil or has excessive
carbon deposits, an engine problem is likely.
Wall erosion (cracking or missing pieces),
indicate excessive exhaust temperature.
Turbine Housing Outlet and Turbine
Wheel
1. Use a flashlight to look up inside the turbine
housing outlet and check blades for foreign
object damage.
M82155
Model RHB5
Turbine Housing
Inlet Port
M82156
Turbine
Housing
Outlet
Blades
Model RHB5
2. Inspect the wheel blades and housing for
evidence of wheel rub (arrow). Wheel rub can
bend the tips of the blades with the housing
showing wear or damage.
External Center Housing and Joints
1. Visually check the outside of the center housing,
all connections to the compressor housing, and
turbine housing for oil.
NOTE: If oil is present, make sure it is not coming
from a leak at the oil supply or return line.
Internal Center Housing
1. Using a flashlight, look through the oil return
hole to check the condition of the shaft and/or
bearings. There should not be excess carbon
deposits on the shaft or in the housing.
RG4528
M82157
Model RHB5
Center Housing

Intake and Exhaust Systems
10-30
4/7/95
10
2. Excessive “blueing” or “coking” of oil along the
complete length of the shaft indicates a possible
lack of lubrication caused by an engine failure, or
improper operation, such as hot shutdowns.
Turbo Bench Test
1. Mount the turbocharger in a vise.
2. Rotate the shaft, using both hands, to check
rotation and clearance. The shaft should turn
freely, however, there may be a slight amount of
drag.
M82155
Oil Return Hole
Model RHB5
RG4531
Turbine Wheel/Shaft
3. Pull up on the compressor end of the shaft and
press down on the turbine end while rotating
shaft. Neither the compressor wheel nor the
turbine wheel should contact the housing at any
point.
NOTE: There will be some “play” because the
bearings inside the center housing are free
floating.
M82157
Model RHB5
M82157

Intake and Exhaust Systems
4/7/95
10-31
10
4. Check shaft endplay by moving the shaft back
and forth while rotating. There will be some
endplay but not to the extent that the wheels
contact the housings.
M82157
NOTE: These diagnostic procedures will allow you
to determine the condition of the
turbocharger. If the turbocharger has failed,
analysis of your inspection notes should
direct you to the specific areas of the engine
to correct the problems causing the
turbocharger failure.
(See TURBOCHARGER FAILURE
ANALYSIS.) It is not unusual to find that a
turbocharger has not failed. If your
turbocharger passes all the inspections, the
problem lies somewhere else.
IMPORTANT: Before you finalize your
conclusion that the turbocharger has not
failed, it is strongly recommended to check
rotor shaft axial and radial play. (See
procedures in this group.) These procedures
are not required if a failure mode has already
been identified.

Cooling System
10-32
4/7/95
10
RADIATOR
Removal/Inspection
NOTE: Approximate cooling system capacity is:
3009 . . . . . . . . . . . . . . . . 3.5 L (3.7 qt)
3011 . . . . . . . . . . . . . . . . 3.7 L (3.9 qt)
3014 . . . . . . . . . . . . . . . . 4.0 L (4.2 qt)
4019 . . . . . . . . . . . . . . . . 4.7 L (4.9 qt)
1. Remove radiator cap and open drain valve to
drain cooling system.
2. Remove fan guard.
3. Remove four fan shroud mounting cap screws,
and place shroud over fan.
4. Remove upper and lower radiator hoses.
5. Disconnect drain hose.
cCAUTION
Explosive release of fluids from pressurized
cooling system can cause serious burns.
Shut off engine. Only remove filler cap when
cool enough to touch with bare hands. Slowly
loosen cap to first stop to relieve pressure
before removing completely.
6. Support bottom of radiator and remove four
mounting cap screws.
7. Remove radiator.
CAUTION
Reduce compressed air to less than 210 kPa
(30 psi) when using for cleaning purposes.
Clear area of bystanders, guard against
flying chips, and wear personal protection
equipment including eye protection.
M82129
Fan
Guard Upper Radiator Hose
Fan
Shroud
Lower
Radiator
Hose
Drain Hose
Drain Valve

Cooling System
4/7/95
10-33
10
8. Check radiator for debris lodged in fins. Clean
radiator using compressed air or pressure washer.
9. Inspect radiator for bent fins, cracks and damaged
seams. Repair as necessary.
Installation
Installation is done in the reverse order of removal.
•Close drain valve and fill radiator with proper
coolant to top of filler neck. (See
SPECIFICATIONS AND GENERAL
INFORMATION section.)
•Start engine and allow it to reach proper
operating temperature. Check radiator, hoses
and connections for leaks. Adjust coolant level
in recovery tank.
COOLING FAN
Removal
1. Remove fan guard, if equipped.
2. Loosen alternator mount/lift bracket cap screws
and flange nut.
3. Remove four fan shroud mounting cap screws, if
equipped, and move shroud toward engine.
4. Remove four cap screws, fan and spacer, if
equipped.
M82130
Radiator Mounting
Cap Screws
Installation
Installation is done in the reverse order of removal.
•Install fan with blade curve facing AWAY from
engine.
•Adjust belt tension. (See procedure in this
group.)
M82131
Fan Shroud
Flange Nut
Alternator Mount/
Lift Bracket
Fan Guard
M82132
Fan Blade
Curve
Engine

Cooling System
10-34
4/7/95
10
FAN/ALTERNATOR BELT
Replacement
1. Remove fan guard, if equipped.
2. Loosen alternator mount/lift bracket cap screws
and flange nut.
3. Replace belt.
4. Adjust belt tension. (See Adjustment procedure.)
M82131
Fan/Alternator Belt
Flange Nut
Alternator Mount/
Lift Bracket
Fan Guard
Adjustment
1. Use JDG529 or JDST28 Belt Tension Gauge and
a straight edge to check belt deflection between
fan and alternator pulleys.
Specifications:
Applied Force . . . . . . . . . . .98 N (22 lb-force)
Belt Deflection . . . . . . . . . . . . . . . . 10 - 15 mm
. . . . . . . . . . . . . . . . . . . . . . .(0.400 - 0.600 in.)
If deflection is not according to specifications:
-Loosen alternator mounting cap screws and
nut.
-Apply force to FRONT alternator housing
only (near the belt) until tension is correct.
-Tighten cap screws and nut.
M54014
Belt Deflection

Fuel System
4/7/95
10-35
10
FUEL FILTER ASSEMBLY - 3009
(3TNA72)
IMPORTANT: Replace all copper and rubber
washers. Damaged or used washers may leak.
M82133A
Bleed Screw
Rubber Washer
Bleed Valve
**
Fuel Supply
Pump-to-Filter
**
Shutoff
Lever
O-Ring
Spring
Fuel Filter-to-
Injection Pump
Hose
Shutoff
Valve Rubber Washer
Mounting Base
Filter Element
Spring
O-Ring
Filter Cover
Retaining Ring
*
Nut (3)
Nozzle Leak-Off Hose
(Short) (2)
Nozzle Leak-Off Hose
(Long)
To Fuel Tank
Hose
*Copper Washers
Replace.

Fuel System
10-36
4/7/95
10
FUEL FILTER ASSEMBLY - 3011
(3TNC78), 3014 (3TN84) AND 4019
(4TN84)
IMPORTANT: Replace all copper and rubber
washers. Damaged or used washers may leak.
M82134A
Nozzle Leak-Off
Hose (Long)
Nozzle Leak-Off Hose
(Short) (2 or 3)
End Cap
Air Vent Check Valve *
*
*
*
Fuel Filter-
to-Injection
Pump Hose
Mounting
Cap Screw
Shutoff
Lever
O-Ring
Spring
Shutoff Valve
End Cap
Mounting Base
O-RIng
Filter
Element
Spring
O-Ring
Filter
Cover
Retaining
Ring
*Copper Washers
Replace.
Fuel Supply
Pump-to-Filter
Hose
Injection Pump
Bleed-Off Hose

Fuel System
4/7/95
10-37
10
FUEL SUPPLY PUMP - 3009 (3TNA72)
Removal/Installation
IMPORTANT: Replace all copper washers.
Damaged or used washers may leak.
M82135A
Gasket
Fuel Supply
Pump
Copper Washer (4)
Replace.
Fuel Pump-to-Filter Hose
Mounting Screw (2)
Lock Washer (2)
Fuel Supply-to-
Pump Hose

Fuel System
10-38
4/7/95
10
FUEL SUPPLY PUMP - 3011 (3TNC78),
3014 (3TN84) AND 4019 (4TN84)
Removal/Installation
M82136A
Fuel Supply-to-Pump Hose
Fuel Supply Pump
Packing
Mounting Nut (2)
Lock Washer (2)
Fuel Pump-to-Filter Hose

Electrical System
4/7/95
10-39
10
GLOW PLUGS - IF EQUIPPED
Removal/Installation
1. Remove air cleaner assembly. (See Intake and
Exhaust System in this section.)
2. Disconnect wiring leads and remove glow plug.
3. Test glow plugs. (See Test procedure.)
Installation is done in the reverse order of removal.
Test
NOTE: Test glow plug using an ohmmeter.
Touch one probe of tester to glow plug terminal and
the other probe to body. If resistance is not within
1.35 - 1.65 ohms, replace glow plug.
M81237
Wiring Leads
Glow Plug
M46296
Teminal
Body
AIR HEATER - IF EQUIPPED
Removal/Installation
1. Remove air intake hose.
2. Disconnect wiring lead.
3. Scribe a mark across heater and intake manifold
to aid in installation.
4. Remove four cap screws, heater and gasket.
Installation is done in the reverse order of removal.
M82137
Air Heater
Wiring Lead

Electrical System
10-40
4/7/95
10
INSTRUMENT PANEL
M82138A
Mount Bracket (2)
Instrument
Panel
Mounting Screw (4)
Spacer (4)
Isolator (4)
Red Warning Lamp (3)
Water Temperature
Oil Pressure
Charge
Blue Warning Lamp
Preheat
Key Switch
Cap (2)
Optional: Oil Pressure Guage
Water Temperature Gauge
Timer
Tachometer
Tachometer Cable

Electrical System
4/7/95
10-41
10
OIL PRESSURE SWITCH
Replacement
COOLANT TEMPERATURE SENDER
Replacement
IMPORTANT: Replace copper washer.
Damaged or used washer may leak.
M82139
Oil Pressure Switch
Wiring Lead
M82140
Wiring Lead
Copper Washer
Replace.
Coolant Temperature
Sender
Test
Equipment:
•Thermometer
•Glass Container
•Heating Unit
•Ohmmeter
Procedure:
1. Connect lead wires from ohmmeter probes, to
sender terminal and body.
2. Suspend sender and a thermometer in a container
of water.
3. Heat and stir the water. Observe water
temperature when continuity occurs. If continuity
does not occur at 110° C (230° F), replace
sender.
CAUTION
DO NOT allow sender or thermometer to
rest against the side or bottom of glass
container when heating water. Either may
rupture if overheated.
M82123A
Thermometer
Coolant
Temperature Sender
Ohmmeter
Probes

Electrical System
10-42
4/7/95
10
FUEL SHUTOFF SOLENOID
Replacement
NOTE: 3011 (3TNC78), 3014 (3TN84), 4019
(4TN84) shown. 3009 (3TNA72) is similar.
•Ajust. (See Operational Tests and Adjustments
in this section.)
M82141
Fuel Shutoff Solenoid
Wire Connector
Clip and Washer

Miscellaneous
4/7/95
10-43
10
RADIATOR MOUNT - IF EQUIPPED
•Inspect isolators for cracks, wear or damage.
Replace if necessary.
M82142A
Support Rod
Support Rod Right Hand Support Pillar
Engine Foot (2) Side Support Plate (2)
Support Bracket
Isolator (2)
Left Hand
Support Pillar
Support Rod
3009
3014 3011,
4019

Engine Tune-Up
10-44
4/7/95
10
GENERAL TUNE-UP
RECOMMENDATIONS
The following services are recommended each time
a tune-up is performed:
•Change oil and filter. (See Operator's Manual.)
•Replace fuel filter and clean sediment bowl.
(See Fuel System in this section.)
•Clean crankcase vent tube. (See this group.)
•Check air intake system. Replace air cleaner
elements. (See Operator's Manual)
•Check exhaust system. (See this group.)
•Check and service engine cooling system. (See
this group.)
•Check electrical system. (See this group.)
•Check fuel injection system. Check engine/
injection pump timing: check and adjust speed
advance, clean injection nozzles and adjust
injection nozzle opening pressure. (See Fuel
System in the appropriate ENGINE section.)
•Check engine oil pressure. Adjust if necessary.
(See Operational Tests and Adjustments in this
section.)
•Check engine valve clearance. Adjust if
necessary. (See Checks, Tests and Adjustments
in the appropriate ENGINE section.)
•Check engine speeds. Adjust if necessary. (See
Operational Tests and Adjustments in this
section.)
•Check engine performance on dynamometer.
(See Operational Tests and Adjustments in this
section.)
ALTITUDE COMPENSATION
GUIDELINES
High elevations may affect engine performance. As
a general rule, these guidelines will apply:
Naturally Aspirated Engines
Four percent power reduction per 300 m (1000 ft)
rise in elevation above sea level. Engine may have to
be defueled when a substantial percentage of
operating time occurs at 1500 m (5000 ft) or higher.
Turbocharged Engines
Three percent power reduction per 300 m (1000 ft)
rise in elevation above sea level. Engine may have to
be defueled when a substantial percentage of
operating time occurs at 2250 m (7500 ft) or higher.
If engine required less fuel for acceptable
performance at higher elevation, contact your local
authorized fuel injection pump repair station for
service.
PRELIMINARY ENGINE TESTING
Before tuning up an engine, determine whether a
tune-up will restore operating efficiency. When there
is doubt, the following preliminary tests will help to
determine if the engine can be tuned-up. Choose
from the following procedures only those necessary
to restore the unit.
1. After engine has stopped for several hours,
carefully loosen crankcase drain plug and watch
for any water to seep out. A few drops could be
due to condensation, but any more than this
would indicate problems which require engine
repairs rather than just a tune-up.

Engine Tune-Up
4/7/95
10-45
10
2. With engine stopped, inspect engine coolant for
an oil film. With engine running, inspect coolant
for air bubbles. (See Radiator Bubble Test in
Operational Tests and Adjustments in this
section.) Either condition would indicate
problems which require engine repairs rather than
just a tune-up.
3. Perform a dynamometer test and record power
output. (See Operational Tests and Adjustments
in this section.) Repeat dynamometer test after
tune-up, so power output before and after tune-up
can be compared.
4. Perform compression test. (See Operational Tests
and Adjustments in this section.)
CRANKCASE VENTILATION SYSTEM
Check
1. Inspect crankcase ventilation system for
restrictions. Lack of ventilation causes sludge to
form in engine crankcase. This can lead to
clogging of oil passages, filters and screens,
resulting in serious engine damage.
2. Clean crankcase vent hose with solvent and
compressed air if restricted.
3. 3009 (3TNA72): Remove rocker arm cover and
clean crankcase ventilator.
3011 (3TNC78), 3014 (3TN84) and 4019 (4TN84):
Remove and clean crankcase ventilator assembly.
RG6589
Ventilator Assembly
Vent Hose
All Except 3009 (3TNA72) Shown
AIR INTAKE SYSTEM
Check
1. Replace air cleaner filter element(s).
2. Check condition of air intake hose(s). Replace
any hose that is cracked, split, or otherwise in
poor condition.
3. Check hose clamps for tightness. Replace any
clamp that cannot be properly tightened. This
will help prevent dust from entering the air intake
system which could cause serious engine
damage.
EXHAUST SYSTEM
Check
1. Inspect exhaust system for leaks or restrictions.
Check manifold for cracks. Repair or replace as
necessary.
COOLING SYSTEM
Check and Service
1. Remove any trash that has accumulated on the
radiator.
2. Visually inspect entire cooling system for leaks
or damage. Repair or replace as necessary.
3. Remove and check thermostat. (See Cooling
System in the appropriate ENGINE section.)
4. Drain cooling system by opening drain cocks on
radiator and engine block.
CAUTION
Do not drain coolant until the coolant
temperature is below operating temperature.
Always loosen drain cock slowly to relieve
any excess pressure.

Engine Tune-Up
10-46
4/7/95
10
5. Close drain cocks and fill cooling system with
clean water.
6. Run engine until it reaches operating temperature
(about 10 minutes) to stir up possible rust or
sediment.
7. Stop engine and immediately drain the water
before rust and sediment settle.
8. Close drain cocks and fill the cooling system with
a good commercial radiator cleaner and water.
Follow the instructions with the cleaner.
9. After cleaning the cooling system, fill with water
to flush the system. Run the engine about 10
minutes, then drain out flushing water.
IMPORTANT: Air must be expelled from
cooling system when system is refilled. Loosen
coolant temperature sender or plug in
thermostat housing to allow air to escape when
filling system. Retighten sender or plug when
all the air has been expelled.
10.Fill cooling system with coolant. (See
SPECIFICATIONS AND GENERAL
INFORMATION section.)
11.Run engine until it reaches operating
temperature. This mixes solution uniformly and
circulates it through the entire system. The
normal engine coolant temperature range is 70° -
80° C (160° - 180° F).
NOTE: Coolant level should be approximately 19
mm (3/4 in.) below bottom of radiator filler
neck.
12.After running engine, check coolant level and
entire cooling system for leaks.
13.Check system for holding pressure. (See Cooling
System Pressure Test in Operational Tests and
Adjustments in this section.)
FAN/ALTERNATOR BELT
Inspection
Check condition of fan/alternator belt and replace if
cracked, frayed or excessively worn. Check belt
tension and adjust as necessary. (See Cooling System
in this section.)
ELECTRICAL SYSTEM
Check
1. Clean battery and cables with a damp cloth. If
corrosion is present, remove it and wash the
terminals with a solution of ammonia or baking
soda in water. Then flush area with clean water.
2. Coat battery terminals and connectors with
petroleum jelly mixed with baking soda to retard
corrosion.
3. Test battery. If battery is not near full charge, try
to find out why.
4. On low-maintenance batteries, check level of
electrolyte in each cell of battery. If water is
needed, use clean, mineral-free water.
If water must be added to batteries more often than
every 250 hours, alternator may be overcharging.
NOTE: Water cannot be added to maintenance-free
batteries.
5. If battery appears to be either undercharged or
overcharged, check alternator and charging
circuit.
6. Check tension of fan/alternator drive belt. (See
FAN/ALTERNATOR BELT-Adjustment in
Cooling System in this section.)
7. Check operation of starting motor and gauges.

Operational Tests and Adjustments
4/7/95
10-47
10
DYNAMOMETER TEST
NOTE: High elevations may affect engine
performance. (See ALTITUDE
COMPENSATION GUIDELINES in
Engine Tune-up in this section.)
1. Connect engine to dynamometer using
manufacturer's instructions.
2. Operate engine at one-half load until coolant and
crankcase oil temperatures are up to normal.
3. Run engine at fast idle.
4. Gradually increase load on engine until speed is
reduced to rated speed rpm.
5. Read horsepower on dynamometer.
6. Compare readings taken with power rating level
for your engine application listed in the following
chart.
DYNAMOMETER TEST SPECIFICATIONS
*Industrial Intermittent Gross or Generator Standby Net.
Engine
Model
Pump
Option
Code
Injection
Pump
Assembly
Part NumberGovernor
RegulationRated
Speed (rpm)Fast Idle
(rpm)Power Rating*
kW (BHP)
3009DF001 1601 RG60070STD3000 3300 15.4 (20.7)
3009DF005 1601 RG60070STD3000 3300 15.4 (20.7)
3009DF007 1601 RG601323-5%3600 3800 14.2 (19.0)
3011DF001 1601 RG60187STD3000 3300 20.2 (27.1)
3011DF005 1601 RG60187STD3000 3300 20.2 (27.1)
3011DF006 1601 RG604643-5%1800 1900 13.0 (17.4)
3014DF001 1601 RG60269STD3000 3300 24.9 (33.5)
3014DF005 1601 RG60269STD3000 3300 24.9 (33.5)
3014DF006 1601 RG602933-5%1800 1900 16.0 (21.5)
4019DF001 1601 RG60330STD3000 3300 33.4 (44.8)
4019DF005 1601 RG60330STD3000 3300 33.4 (44.8)
4019DF006 1601 RG604103-5%1800 1900 22.0 (29.5)
4019TF001 1601 RG60425STD3000 3300 40.3 (54.0)
4019TF005 1601 RG60425STD3000 3300 40.3 (54.0)
4019TF006 1601 RG604593-5%1800 1900 27.2 (36.5)

Operational Tests and Adjustments
10-48
4/7/95
10
RADIATOR BUBBLE TEST
Reason:
To determine if compression pressure is leaking
from cylinder.
Equipment:
•JDG560 Adapter
Procedure:
1. With coolant at proper level and radiator cap
tight, run engine for 5 minutes to bring to
operating temperature.
2. Remove cap from recovery tank.
3. Check for bubbles coming from overflow hose at
bottom of tank.
If bubbles are present, isolate source of compression
leak:
-Remove injection nozzles.
-Install JDG560 Adapter in injection port of
cylinder to be tested.
-Move piston to bottom of stroke with intake
and exhaust valves closed.
-Connect hose from compressed air source to
adapter.
-Apply the specified maximum air pressure
into cylinder:
3009 (3TNA72) . . . . . . . . . 2455 kPa (356 psi)
3011 (3TNC78),
3014 (3TN84),
4019 (4TN84) . . . . . . . . . . . 2158 kPa (313 psi)
-Check for bubbles in recovery tank or air
escaping from muffler, air cleaner or oil fill
opening.
-Repeat for each cylinder.
Results:
•If bubbles are present, check for cracks in
cylinder head and block. Check for damaged
head gasket.
•If air escapes from muffler, check for worn
exhaust valve.
•If air escapes from air cleaner, check for worn
intake valve.
•If air escapes from engine oil fill, check for worn
piston rings.
COOLING SYSTEM PRESSURE TEST
Reason:
Inspect cooling system for leaks.
Equipment:
•D05104ST Cooling System Pressure Pump
Procedure:
1. Remove cap and attach pressure pump to radiator.
2. Apply 97 kPa (14 psi) maximum pressure.
3. Check for leaks throughout cooling system.
Specifications:
Minimum Pressure
after 10 seconds . . . . . . . . . . 88 kPa (12.8 psi)
Results:
•Pressure should hold to specifications. If
pressure decreases, check for leaks. Repair leaks
or replace parts as necessary.
•If pressure test still indicates leakage after all
external leaks have been stopped, a defective
head gasket, cracked block, or cylinder head
may be the cause. Perform RADIATOR BUBBLE
TEST.
T6333AW
Cooling System
Pressure Pump

Operational Tests and Adjustments
4/7/95
10-49
10
RADIATOR CAP PRESSURE TEST
Reason:
Test radiator cap for operating in correct pressure
range.
Equipment:
•D05104ST Cooling System Pressure Pump
Procedure:
1. Install radiator cap on pressure pump.
2. Apply pressure. Pressure valve in cap should
open at 88 kPa (12.8 psi).
Results:
•If cap leaks, retighten and test again. Replace
cap if pressure is not within specification.
CYLINDER COMPRESSION
PRESSURE TEST - 3009 (3TNA72)
Reason:
To determine the condition of the pistons, rings,
cylinder walls and valves.
Equipment:
•JT01682 Compression Gauge Assembly
•JDG472 Adapter
Procedure:
1. Run engine for 5 minutes to bring to operating
temperature. Shut off engine.
2. Remove air cleaner assembly. (See Intake and
Exhaust System in this section.)
T6333AX
Cooling System
Pressure Pump
Radiator Cap
3. Remove injection nozzles. (See Fuel System in
the appropriate ENGINE section.)
4. Install Adapter and Compression Gauge
Assembly.
5. Disconnect fuel shutoff solenoid connector.
6. Crank engine for five seconds with starter.
7. Record pressure reading for each cylinder.
Specifications:
Compression Pressure . . . 2455 kPa (356 psi)
Maximum Difference
Between Cylinders . . . . . . . . 490 kPa (71 psi)
NOTE: Pressure listed is for 300 m (1000 ft) above
sea level. Reduce specification an
additional four percent for each additional
300 m (1000 ft) of altitude.
Results:
•If pressure reading is below specification, squirt
approximately two teaspoons of clean engine oil
into cylinders through injector ports and repeat
test.
•If pressure increases significantly, check piston,
rings and cylinder walls for wear or damage.
•If pressure does not increase significantly after
retest, check for leaking valves, valve seats or
cylinder head gasket.
M82143
JT01682 Compression
Gauge Assembly
JDG472 Adapter

Operational Tests and Adjustments
10-50
4/7/95
10
CYLINDER COMPRESSION
PRESSURE TEST - 3011 (3TNC78),
3014 (3TN84) AND 4019 (4TN84)
Reason:
To determine the condition of the pistons, rings,
cylinder walls and valves.
Equipment:
•JT01682 Compression Gauge Assembly
•JDG560 Adapter
Procedure:
1. Run engine for 5 minutes to bring to operating
temperature. Shut off engine.
2. Remove air cleaner assembly. (See Intake and
Exhaust System in this section.)
3. Remove injection nozzles. (See Fuel System in
the appropriate ENGINE section.)
4. Remove heat protector from end of injector and
install on Adapter.
5. Install Adapter and Compression Gauge
Assembly in injector port. Install retaining plate
and tighten nuts to 4.5 N•m (39 lb-in.)
6. Disconnect fuel shutoff solenoid connector.
7. Crank engine for five seconds with starter.
8. Record pressure reading for each cylinder.
T6333EU
JT01682 Compression
Gauge Assembly
JDG560 Adapter
Specifications:
Compression Pressure . . . 2158 kPa (313 psi)
Maximum Difference
Between Cylinders . . . . . . . . 490 kPa (71 psi)
NOTE: Pressure listed is for 300 m (1000 ft) above
sea level. For naturally aspirated engines,
reduce specification an additional four
percent for each additional 300 m (1000 ft)
of altitude. For turbocharged engines,
reduce specification an additional three
percent for each additional 300 m (1000 ft)
of altitude.
Results:
•If pressure reading is below specification, squirt
approximately two teaspoons of clean engine oil
into cylinders through injector ports and repeat
test.
•If pressure increases significantly, check piston,
rings and cylinder walls for wear or damage.
•If pressure does not increase significantly after
retest, check for leaking valves, valve seats or
cylinder head gasket.
ENGINE OIL PRESSURE TEST
Reason:
To determine if engine bearings or lubrication
system components are worn.
Equipment:
•JT03349 Connector
•JT03017 Hose Assembly
•JT05577 Pressure Gauge (100 psi)
Procedure:
1. Remove oil pressure sender.
2. Install Connector.
3. Connect Hose Assembly and Pressure Gauge.
IMPORTANT: Do not run engine if no pressure
present.

Operational Tests and Adjustments
4/7/95
10-51
10
4. Start engine. If pressure reading is below 69 kPa
(10 psi), STOP ENGINE.
5. Run engine approximately five minutes to heat
oil, then check oil pressure at low idle.
Specifications:
Low Idle Speed
Industrial Application
All . . . . . . . . . . . . . . . . . . . . . . . . . . . 1300 rpm
Generator Application
3009 (3TNA72) . . . . . . . . . . . . . . . . 1300 rpm
3011 (3TNC78), 3014 (3TN84),
4019 (4TN84). . . . . . . . . . . . . . . . . . 1200 rpm
Engine Oil Pressure . . . . . . . . . . 147 kPa (21 psi)
Results:
•If oil pressure is not within specifications,
inspect oil pressure regulating valve parts for
wear or damage. Add or remove shims as
necessary. (See Lubrication System in the
appropriate ENGINE section.)
•If oil pressure does not increase, see “Engine
Has Low Oil Pressure” in Diagnosis in the
appropriate ENGINE section.
JT05577
Pressure
Gauge
JT03017
Hose Assembly
JT03349 Connector
M82144
AIR INTAKE SYSTEM LEAKAGE TEST
Reason:
Check for leaks in air intake system.
Equipment:
•Air Pressure Regulator
Procedure:
1. Remove air cleaner restriction indicator, if
equipped, and install test fitting.
2. Connect air pressure regulator to manifold using
hose and fitting from air cleaner.
3. Remove air cleaner cover and main filter element.
4. Put large plastic bag into and over end of main
filter element. Install main filter element and
cover.
5. Pressurize air intake system within 34 - 69 kPa (5
- 10 psi). If air intake system cannot be
pressurized, turn engine slightly to close valves.
6. Spray soap solution over all connections from air
cleaner to intake manifold or turbocharger, if
equipped, and check for leaks.
Results:
•Find leaks and repair or replace parts as
necessary.
M82124

Operational Tests and Adjustments
10-52
4/7/95
10
FUEL SUPPLY PUMP PRESSURE
TEST
Reason:
To determine supply pump operating pressure.
Equipment:
•JT03274 Hose Fitting
•JT01609 Female Quick Coupler
•JT03115 Gauge w/Male Quick Coupler (0 - 150
psi)
Procedure:
1. Disconnect supply pump-to-filter hose.
2. Install Hose Fitting, Coupler and Gauge.
3. Disconnect fuel shutoff solenoid connector.
4. Crank engine using the starter. Do not run starter
for more than 10 seconds at a time. Gauge should
read more than 29 kPa (4.3 psi).
Results:
•If pressure is below specification, repair or
replace fuel supply pump.
M82145A
JT03315 Gauge w/Male
Quick Coupler
JT01609 Female
Quick Coupler
JT03274 Hose Fitting
Supply
Pump-to-
Filter Hose
Fuel Filter
FUEL DRAIN BACK TEST
Reason:
Determines if air is entering the fuel system at
connections, allowing fuel to siphon back to tank.
Procedure:
1. Disconnect fuel supply line and return line at fuel
tank.
IMPORTANT: Fuel return line MUST extend
below fuel level in fuel tank before performing
this test. Fill fuel tank if necessary.
2. Drain all fuel from the system, including fuel
supply pump, injection pump, filter(s) and water
separator, if equipped.
3. Plug end of fuel return hose.
4. Pressurize fuel system, at fuel supply line, to a
maximum pressure of 103 kPa (15 psi).
5. Apply liquid soap and water solution to all joints
and connections in the fuel system and inspect for
leaks.
Results:
•Find leaks and repair or replace parts as
necessary.
BLEED FUEL SYSTEM - 3009
(3TNA72)
Reason:
Any time the fuel system has been opened up for
service (lines disconnected or filters removed), it
will be necessary to bleed air from the system.
Procedure:
IMPORTANT: Modification or alteration of the
injection pump, pump timing, or the injection
nozzles in any way not approved by the
manufacturer will terminate the warranty
obligation.
1. Turn fuel filter shutoff valve to “OPEN” position.
2. Loosen both air bleed screws on fuel filter base.

Operational Tests and Adjustments
4/7/95
10-53
10
3. Turn ignition switch to “ON” position.
4. Operate hand primer lever of fuel supply pump
until fuel flows free of air bubbles. Tighten bleed
screws.
5. Loosen bleed screw on injection pump. Operate
hand primer and tighten bleed screw when fuel
flows free of air bubbles.
6. Start engine. If engine does not start after several
attempts, proceed with steps 7 through 10.
7. Loosen all three injector line nuts using a 17 mm
wrench. Be sure not to loosen bottom nut of
injector.
8. Crank engine over with starter.
RG6594
Shutoff Valve
Air Bleed
Screws
RG6595
RG6596
9. When fuel appears at injectors, tighten line nuts.
10.Start engine. If engine does not start, repeat bleed
procedure.
BLEED FUEL SYSTEM - 3011
(3TNC78), 3014 (3TN84) AND 4019
(4TN84)
IMPORTANT: Modification or alteration of the
injection pump, pump timing, or the injection
nozzles in any way not approved by the
manufacturer will terminate the warranty
obligation.
All engines are equipped with an automatic air
venting system which makes the fuel system self-
bleeding.
•Assure that all fuel line connections are securely
tightened.
•Add fuel to fuel tank.
•Crank engine to allow fuel system to bleed itself.
SLOW IDLE SPEED ADJUSTMENT
Reason:
To achieve proper slow idle rpm setting. Provides
adequate rpm to keep engine running smoothly
without stalling.
Equipment:
•JT05719 Hand-Held Digital Tachometer
RG6597

Operational Tests and Adjustments
10-54
4/7/95
10
Procedure:
1. Start engine and run for five minutes.
2. Visually check that injection pump throttle lever
is against slow idle stop screw.
3. Check engine speed at flywheel using the Digital
Tachometer.
Specifications:
Industrial Application
All . . . . . . . . . . . . . . . . . . . . . . . . . . . 1300 rpm
Generator Application
3009 (3TNA72) . . . . . . . . . . . . . . . . 1300 rpm
3011 (3TNC78), 3014 (3TN84),
4019 (4TN84). . . . . . . . . . . . . . . . . . 1200 rpm
Results:
•If slow idle rpm is not according to
specifications, loosen nut and turn screw. After
adjustment, tighten nut.
FAST IDLE SPEED ADJUSTMENT -
3009 (3TNA72)
Reason:
To achieve proper fast idle rpm setting. Provides
proper speed for PTO operation and insures that
engine is running at proper rpm's for peak
performance.
M82146A
Nut
Idling Adjustment
Screw
Control Lever
Equipment:
•JT05719 Hand-Held Digital Tachometer
Procedure:
NOTE: Make sure air cleaner is clean and not
restricted. Clean or replace air cleaner
element(s) as necessary.
1. Start engine and run for five minutes.
2. Push against injection pump throttle lever to
insure it is against fast idle stop screw.
3. Check engine speed at flywheel using the Digital
Tachometer.
Specifications:
Industrial Application . . . . . . . . . . 3300 rpm
Generator Application . . . . . . . . . . 3800 rpm
Results:
NOTE: Some adjustment can be made without
removing sealed wire. Attempt to make the
adjustment before removing wire.
•If fast idle rpm is not according to specifications,
loosen nut and turn screw until fast idle speed is
correct. After adjustment, tighten nut.
•If engine still does not meet fast idle
specifications, have pump inspected by a diesel
injection service.
M55700
Nut
Sealed Wire
Screw

Operational Tests and Adjustments
4/7/95
10-55
10
FAST IDLE SPEED ADJUSTMENT -
3011 (3TNC78), 3014 (3TN84) AND
4019 (4TN84)
Reason:
To achieve proper fast idle rpm setting. Provides
proper speed for PTO operation and insures that
engine is running at proper rpm's for peak
performance.
Equipment:
•JT05719 Hand-Held Digital Tachometer
Procedure:
NOTE: Make sure air cleaner is clean and not
restricted. Clean or replace air cleaner
element(s) as necessary.
1. Start engine and run for five minutes.
2. Push against injection pump throttle lever to
insure it is against fast idle stop screw.
3. Check engine speed at flywheel using the Digital
Tachometer.
Specifications:
Industrial Application . . . . . . . . . . 3300 rpm
Generator Application . . . . . . . . . . 1900 rpm
Results:
•If fast idle rpm is not according to specifications,
loosen nut and turn screw until fast idle speed is
correct. After adjustment, tighten nut.
•If engine still does not meet fast idle
specifications, have pump inspected by a diesel
injection service.
M82147A
Nut
Maximum Speed
Adjustment Screw
Control Lever
FUEL SHUTOFF SOLENOID
AMPERAGE TEST
Reason:
To test condition of fuel shutoff solenoid windings
and check for fuel pump linkage binding creating
excessive current draw.
Equipment:
•JT05712 Current Gun
Procedure:
1. Test system ground connections and battery.
2. Perform circuit tests to ensure voltage at
solenoid.
3. Attach current gun to white wire of fuel shutoff
solenoid.
4. Set current gun for DC current.
5. Turn key switch ON.
Maximum pull-in amperage should be 50
amps for 1/2 second.
6. Move current gun to red wire.
Maximum hold-in amperage should be 1 amp
continuous.
Results:
•If readings do not meet specifications, check for
binding linkage and adjust as needed or replace
solenoid.
M82148A
Fuel Shutoff
Solenoid
JT05712
Current Gun

Operational Tests and Adjustments
10-56
4/7/95
10
FUEL SHUTOFF SOLENOID
ADJUSTMENT
Reason:
To ensure that fuel shutoff solenoid retracts fully,
moving the injection pump shutoff control lever far
enough to allow full rack travel.
Procedure:
1. Loosen lock nut.
2. Disconnect link from solenoid.
3. Hold solenoid plunger bottomed in solenoid
body.
4. Move link toward solenoid until it stops.
5. Turn plunger rod in or out of knuckle until
knuckle and link holes line up. Turn out two
additional turns. The additional turns insure that
the solenoid bottoms out before the linkage.
6. Assemble and check for free movement when key
switch is turned ON. Also check that linkage
returns completely to the STOP position when
key switch is turned OFF.
M82141
Plunger Link
Lock Nut Knuckle
STARTER AMP DRAW/RPM TEST
Reason:
To determine the amperage required to crank the
engine and check starter motor operation under load.
Equipment:
•JT05685 Battery Load Tester
•JT05719 Hand-Held Digital Tachometer
IMPORTANT: Turn load knob fully
counterclockwise before making connections.
NOTE: Engine should be at normal operating
temperature when performing this test for
an accurate amperage reading.
Procedure:
1. Turn load knob fully counterclockwise.
2. Connect Battery Load Tester to battery.
3. Disconnect fuel shutoff solenoid connector.
4. Check system ground connections. Be sure
battery is fully charged.
5. Crank engine. Read and record voltage at meter.
6. Use Tachometer to read and record cranking rpm.
7. Turn key switch to OFF position. Adjust load
knob until battery voltage is the same as when
engine is cranking.
8. Read amperage on meter.
Specifications:
3009 (3TNA72) . . . . . . 200 Amps at 300 rpm
3011 (3TNC78) and
3014 (3TN84) . . . . . . . . 230 Amps at 300 rpm
4019 (4TN84) . . . . . . . 350 Amps at 1100 rpm
9. Turn load knob fully counterclockwise.
Results:
•If amp reading is not to specification, or to
specification but rpm is low, perform STARTER
NO-LOAD AMP DRAW/RPM TEST.

Operational Tests and Adjustments
4/7/95
10-57
10
STARTER NO-LOAD AMP DRAW/RPM
TEST
Reason:
To determine condition of starter.
Equipment:
•JT05712 Current Gun
•JT05719 Hand-Held Digital Tachometer
Procedure:
1. Remove starter from engine.
NOTE: Check that battery is fully charged and of
proper size to ensure accuracy of test.
2. Connect jumper cables to battery.
3. Connect positive (+) cable to positive (battery)
terminal on starter.
4. Connect negative (-) cable to starter body. Attach
Current Gun to positive (+) cable.
IMPORTANT: Complete this test in 20 seconds
or less to prevent starter damage.
5. Use a jumper wire to briefly connect positive (+)
starter terminal to solenoid.
6. Measure starter amperage and rpm.
Specifications:
3009 (3TNA72) . . . . . . 60 Amps at 7000 rpm
3011 (3TNC78) and
3014 (3TN84) . . . . . . . . 90 Amps at 3000 rpm
4019 (4TN84) . . . . . . . . 90 Amps at 3500 rpm
Results:
•If starter amps or rpm are not to specification,
repair or replace starter.
M82149A
Jumper Wire
JT05712 Current Gun
JT05719 Hand-Held
Digital Tachometer
3009 and 4019

Operational Tests and Adjustments
10-58
4/7/95
10
M82150A
Jumper Wire
JT05712 Current Gun
JT05719 Hand-Held
Digital Tachometer
3011 and 3014
5. Connect jumper wire between terminals.
•Starter runs: Replace solenoid.
•Starter does not run: Check battery cables then
replace starter.
REGULATED AMPERAGE TEST
Reason:
To determine regulated charging output of the
alternator.
M82151
Large Terminals
Starter Solenoid
Terminal
Connector
3011 and 4019 Shown
STARTER SOLENOID TEST
Reason:
To determine if starter solenoid or starter motor is
defective.
Equipment:
•Jumper Wire
Procedure:
1. Disconnect fuel shutoff solenoid connector.
2. Disconnect single wire connector from starter
solenoid.
3. Connect jumper wire to positive (+) battery
terminal and briefly jump to starter solenoid
terminal.
•Starter runs: Solenoid is good.
•Starter does not run: Go to step 4.
4. Remove rubber boots from starter solenoid large
terminals.

Operational Tests and Adjustments
4/7/95
10-59
10
Equipment:
•JT05712 Current Gun
•JT05685 Battery Load Tester
Procedure:
1. Turn load knob of Battery Tester fully out
(counterclockwise) before connecting to battery.
2. Connect Battery Tester to battery.
3. Attach Current Gun to alternator red wire. Set
Current Gun for DC current.
IMPORTANT: Perform this test quickly to
prevent damage to battery tester. DO NOT
apply full load to battery for more than 10
seconds.
4. Start and run engine at fast idle (full throttle).
Fast Idle Speed Specifications:
Industrial Application
All . . . . . . . . . . . . . . . . . . . . . . . . . . . 3300 rpm
Generator Application
3009 (3TNA72) . . . . . . . . . . . . . . . . 3800 rpm
3011 (3TNC78), 3014 (3TN84),
4019 (4TN84) . . . . . . . . . . . . . . . . . . 1900 rpm
5. Turn load knob in until voltage read on the tester
voltage scale is 11 volts and read amperage on
Current Gun. Minimum regulated amperage
should be 35 amps.
Results:
•If reading is less than specifications, verify
voltage at the alternator regulator terminal and
good alternator ground. If voltage and ground
are OK, perform UNREGULATED
AMPERAGE TEST to determine if alternator or
voltage regulator is defective.
M82152A
JT05685 Battery Load Tester
JT05712 Current Gun

Operational Tests and Adjustments
10-60
4/7/95
10
UNREGULATED AMPERAGE TEST
Reason:
To determine charging output of the alternator stator.
Equipment:
•JT05712 Current Gun
Procedure:
1. Attach Current Gun to alternator red wire. Set
Current Gun for DC current.
IMPORTANT: Perform this test quickly to
prevent damage to battery. DO NOT apply full
load to battery for more than 10 seconds.
2. Start and run engine at fast idle (full throttle).
Fast Idle Speed Specifications:
Industrial Application
All . . . . . . . . . . . . . . . . . . . . . . . . . . . 3300 rpm
Generator Application
3009 (3TNA72) . . . . . . . . . . . . . . . . 3800 rpm
3011 (3TNC78), 3014 (3TN84),
4019 (4TN84) . . . . . . . . . . . . . . . . . . 1900 rpm
3. Insert a Phillips screwdriver through hole in rear
cover of alternator, to ground the regulator to the
rear cover. Read amperage on current gun.
Minimum regulated amperage should be 35
amps.
M82153A
Hole
JT05712
Current Gun
Results:
•If reading is less than specifications, verify
voltage at the alternator regulator terminal and
good alternator ground. If voltage and ground
are OK, replace the alternator.
•If reading meets the specification, replace the
regulator.
REGULATED VOLTAGE TEST
Reason:
To determine regulated voltage output of the
alternator regulator.
Equipment:
•Voltmeter
Procedure:
1. Remove surface charge from battery by placing a
small load on the battery for 15 seconds.
2. Set voltmeter to DC volts scale.
3. Connect meter red lead to positive (+) battery
terminal.
4. Connect meter black lead to negative (-) battery
terminal.
5. Start and run engine at fast idle (full throttle).
Fast Idle Speed Specifications:
Industrial Application
All . . . . . . . . . . . . . . . . . . . . . . . . . . . 3300 rpm
Generator Application
3009 (3TNA72) . . . . . . . . . . . . . . . . 3800 rpm
3011 (3TNC78), 3014 (3TN84),
4019 (4TN84) . . . . . . . . . . . . . . . . . . 1900 rpm
6. Read meter several times during five minutes of
running time. Regulated voltage should be
within 12.2 - 14.7 VDC.
IMPORTANT: Do not allow the battery voltage
to exceed 15.5 volts or the battery and
charging system will be damaged.

Operational Tests and Adjustments
4/7/95
10-61
10
Results:
•If the DC voltage stays below the minimum
specification, verify voltage at the alternator
regulator terminal and good alternator ground. If
voltage and ground are OK, perform
UNREGULATED AMPERAGE TEST to
determine if alternator or voltage regulator is
defective.
•If the DC voltage goes above the maximum
specification, replace the regulator.

Dealer Fabricated Tools
10-62
4/7/95
10
DFRG1 EXTENDED INDICATOR TIP (RHB3)
Material required:
Extended indicator tip from a local supplier.
Approximately 0.118 in. dia. x 3 in. long. Heat and
bend to size shown.
M82177A
R10 mm
(0.3937 in.)
Ø3 mm (0.1181 in.)
6 mm (0.236 in.)
20 mm10 mm
30 mm8 mm
M 2.6
P 0.45 1 mm (0.0393 in.)
(0.3149 in.) (1.180 in.) (0.3937 in.) (0.787 in.)
R5 mm (0.1968 in.)
Extended indicator tip is used to check radial play of
turbocharger rotor shaft. Attach extended tip to a
dial indicator gauge.

Dealer Fabricated Tools
4/7/95
10-63
10
DFRG2 EXTENDED INDICATOR TIP
(RHB5)
Material required:
Extended indicator tip from a local supplier.
Approximately 0.197 in. dia. x 3 in. long. Heat and
bend to size shown.
Extended indicator tip is used to check radial play of
turbocharger rotor shaft. Attach extended tip to a
dial indicator gauge.
M82177A
R10 mm
(0.3937 in.)
M 2.6
P 0.45
8 mm
(0.3149 in.)
1 mm (0.0393 in.)
40 mm
(1.5748 in.)
10 mm
(0.3937 in.)
15 mm
(0.5905 in.)
R5 mm (0.1968 in.)
Ø5 mm (0.1968 in.)
7 mm (0.2755 in.)

Dealer Fabricated Tools
10-64
4/7/95
10

20

Component Location
4/7/95
20-1
20
INTRODUCTION
This section provides an overview of the compact
three and four cylinder in-line diesel engines used in
John Deere Grounds Care and Industrial products.
These compact engines are also available as OEM
stand-alone power packs.
The TN Series diesel engines are offered as base
engines only and are mainly used in tractor
applications.
The Series 220 diesel engines are offered as OEM
units with three different configurations available. A
base industrial engine, an industrial power unit, and
a generator drive unit. Features on the power units
include an air cleaner kit, muffler, radiator kit and
instrument panel.
NOTE: The Series 220 engines are NOT repower
engines for tractor application.
TN Series Engines
Model NumberkW (hp) Rating
3TN6611.9 (16) SAE Net @ 3200 rpm
3TNA7216.4 (22) SAE Net @ 3600 rpm
3TN7517.9 (24) SAE Net @ 3200 rpm
3TN7817 (23) SAE Net @ 2500 rpm
3TN8221.4 (28.7) SAE Net @ 2800 rpm
3TNA8217.2 (24) SAE Net @ 2600 rpm
3TN8420.9 (28) SAE Net @ 2600 rpm
4TN78T29 (39) SAE Net @ 2650 rpm
4TN8228.9 (38.8) SAE Net @ 2800 rpm
4TN8428.7 (38.5) SAE Net @ 2600 rpm
4TN10041 (55) SAE Net @ 2200 rpm
Series 220 Engines (OEM)
Intermittent Gross Power,
Model (Engine)kW (hp) @ 3000 rpm
3009 (3TNA72). . . . . . . . . . . . . . . . . . . . . . . . . . . . . . . . . . . . . . . . . . . . . . . . . . . . . . . . . . . . . . . . . 15.4 (20.7)
3011 (3TNC78). . . . . . . . . . . . . . . . . . . . . . . . . . . . . . . . . . . . . . . . . . . . . . . . . . . . . . . . . . . . . . . . . 20.2 (27.1)
3014 (3TN84) . . . . . . . . . . . . . . . . . . . . . . . . . . . . . . . . . . . . . . . . . . . . . . . . . . . . . . . . . . . . . . . . . . 24.9 (33.5)
4019D (4TN84). . . . . . . . . . . . . . . . . . . . . . . . . . . . . . . . . . . . . . . . . . . . . . . . . . . . . . . . . . . . . . . . . 33.4 (44.8)
4019T (4TN84T). . . . . . . . . . . . . . . . . . . . . . . . . . . . . . . . . . . . . . . . . . . . . . . . . . . . . . . . . . . . . . . . . .40.3 (54)
While most parts in the TN Series Engines are
identical and interchangeable with Series 220
Engines, specifications are not always the same.
General appearance, repair procedures, and
operation of sub-systems are similar and often even
identical.
There are two “types” of engines; Indirect Injection -
3TN66 and 3TNA72 (3009) and Direct Injection -
All except 3TN66 and 3TNA72 (3009).
The following is a complete engine listing with the
approximate horsepower ratings:
NOTE: The TN Series horsepower ratings are
averages as a result of the numerous tractor
applications for each engine.

Component Location
20-2
4/7/95
20
M82000A
INDIRECT INJECTION (IDI) ENGINE COMPONENTS

Component Location
4/7/95
20-3
20
M82001A
DIRECT INJECTION (DI) ENGINE COMPONENTS

Theory of Operation
20-4
4/7/95
20
ENGINE BALANCER OPERATION -
4TN82 and 4TN84
Function:
To minimize engine vibrations resulting from
unbalanced movements.
NOTE: TN Series 4TN82 and 4TN84 engines are
fitted with balancer shafts, because the
engines are used as rigid-mount, structural
members. Series 220 OEM 4019D (4TN84)
and 4019T (4TN84T) engines are “loose”
engines and do not have balancer shafts.
These engines may be “soft” mounted if
vibration is a concern.
Theory of Operation:
In-line 4 cylinder engines with crankshaft throws
180° apart have some unbalanced forces of the
reciprocating parts. Most of these forces are offset
by parts moving in opposite directions.
However, the forces are not entirely cancelled.
During each 45° segment of crankshaft rotation, the
No. 1 piston and connecting rod moves a different
distance than the No. 2 piston and connecting rod.
Since the crankshaft throws move at equal speed, the
parts moving farther must also move faster. As
engine speeds increase and/or parts get heavier,
vibrations resulting from the unbalanced movements
may become objectionable.
To minimize these vibrations the engines have a
balancer assembly mounted to the block, below the
crankshaft. It is driven by a gear on the crankshaft.
The balancer has two shafts, counter-rotating, with
balancing weights, turning at double crankshaft
RPM.
The balancer weights are timed to the crankshaft so
that when No. 1 piston travels downward from TDC
to horizontal crankshaft position, the balancer
weights both move upward. The weights are then
positioned so they can move downward as the No. 2
piston moves up from horizontal crankshaft position
to TDC.

Theory of Operation
4/7/95
20-5
20
M82002A
ENGINE BALANCER OPERATION - 4TN82 and 4TN84
1 2 3 4 5
BDC
TDC
2 CYL
1 CYL
9MM
16MM
36MM
45° 90°
50MM
135°
70MM 77MM 86MM

Theory of Operation
20-6
4/7/95
20
COOLING SYSTEM OPERATION
Function:
The coolant pump circulates coolant through the
cooling system, drawing hot coolant from the engine
block, circulating it through the radiator for cooling.
Theory of Operation:
The pressurized cooling system includes the
radiator, water pump, fan and thermostat.
During the warm-up period, the thermostat remains
closed and coolant is directed through a by-pass tube
to the suction side of the coolant pump. The coolant
then circulates through the cylinder block providing
a fast warm-up period.
Once the engine has reached operating temperature,
the thermostat opens and coolant is pumped from
the bottom of the radiator via the lower radiator hose
into the cylinder block. Here it circulates through the
block and around the cylinders.
From the block, coolant is then directed through the
cylinder head, and into thermostat housing. With the
thermostat open, 82° C (180° F), warm engine
coolant passes through the housing into the top of
the radiator where it is circulated to dissipate heat.
When coolant system pressure exceeds 48 kPa (7
psi), a valve in the radiator cap opens to allow
coolant to discharge into the coolant recovery tank.
When temperature is reduced, a vacuum is produced
in the radiator and coolant is drawn back out of the
coolant recovery tank through a valve in the radiator
cap.
3TN84UJ, 4TN78T, 4TN84T (4019T) and 4TN100
are equipped with an oil cooler. The oil cooler is
used to help reduce the temperature of engine oil.
Pressurized oil enters the oil cooler and passes
through a network of tubing surrounded by engine
coolant. Heat transfers from the oil to the coolant,
thus reducing oil temperature.
A coolant temperature sender senses critical coolant
temperature and sends a signal to an indicator light
and/or gauge in the instrument panel.

Theory of Operation
4/7/95
20-7
20
M82003A
Cylinder Head
Cylinder Block
Oil Cooler
Thermostat
By-Pass
Tube
Coolant
Radiator
Coolant
Recovery
Tank
Pump
COOLING SYSTEM OPERATION

Theory of Operation
20-8
4/7/95
20
CRANKCASE BREATHER OPERATION - 3TN66, 3TNA72 (3009) and 4TN100
M82004A
Oil Filler Cap
Valve Cover Nut
Valve Cover
Baffle Gasket
Baffle Breather
Deflector
Valve Cover Gasket
Breather Tube
Breather Pipe
Joint Fitting
CRANKCASE BREATHER OPERATION - 3TN66, 3TNA72 (3009) and 4TN100
Theory of Operation:
During normal engine operation, unburned fuel
vapors and water vapors, tend to contaminate the
crankcase. Most of these vapors are expelled by the
exchange of air which is controlled by the breather.
The crankcase is slightly pressurized by the leakage
of compression around the pistons. The air is
circulated by the movement of the pistons.
Function:
Vents crankcase fuel and water vapor out of engine
without losing engine oil, controls the pressurization
of the crankcase.

Theory of Operation
4/7/95
20-9
20
CRANKCASE BREATHER OPERATION - ALL EXCEPT 3TN66, 3TNA72
(3009) and 4TN100
M82005A
Oil Filler Cap
Breather Tube
Valve Cover
Valve Cover O-Ring
Deflector
Valve Cover Nut
Cap
Plate
O-Ring
CRANKCASE BREATHER OPERATION - ALL EXCEPT
3TN66, 3TNA72 (3009) and 4TN100
Theory of Operation:
During normal engine operation, unburned fuel
vapors and water vapors tend to contaminate the
crankcase. Most of these vapors are expelled by the
exchange of air which is controlled by the breather.
The crankcase is slightly pressurized by the leakage
of compression around the pistons. The air is
circulated by the movement of the pistons.
Function:
Vents crankcase fuel and water vapor out of engine
without losing engine oil, controls the pressurization
of the crankcase.

Theory of Operation
20-10
4/7/95
20
AIR CLEANER OPERATION - 3009 (3TNA72)
M82006AE
AIR CLEANER OPERATION - 3009 (3TNA72)
Rain Cap
Collar
Metal Shield
Unloader Valve
Element
Seal WasherAir Cleaner
Housing
Most of the dust is separated from the air by
centrifugal force that causes heavy dust particles to
enter the opening at the top of the unloader valve.
The remaining air enters the element.
The dirt that is deposited in the unloader valve is
removed by the rubber diaphragm at the base of
unloader valve. When the engine is running, a
pulsing action is created in the intake system by each
intake stroke of engine. This pulsing action causes
the rubber diaphragm to open and close, thus
emptying the unloader valve.
Function:
Air cleaner filters air needed for combustion.
Theory of Operation:
Air enters the air cleaner inlet and is directed into
the side of a metal shield. This starts a high-speed
centrifugal motion of air which continues around the
element until it reaches the far end of the air cleaner
housing, to an unloader valve.

Theory of Operation
4/7/95
20-11
20
AIR CLEANER OPERATION - 3011 (3TNC78), 3014 (3TN84), 4019D (4TN84)
and 4019T (4TN84T)
M82007AE
AIR CLEANER OPERATION - 3011 (3TNC78),
3014 (3TN84), 4019D (4TN84) AND 4019T (4TN84T)
Rain Cap
Air Cleaner
Housing
Fins
Primary
Element
Seal Washer
Secondary
Safety Element
Baffle
Dust Pan
Assembly
To Intake
Manifold
Most of the dust is separated from the air by
centrifugal force that causes the heavy dust particles
to enter the opening at the top of the dust pan
assembly. The remaining air enters the primary
element, then secondary safety element to cylinder
head.
Remove the baffle to empty dust pan assembly.
Dust pan should be emptied daily.
Function:
Air cleaner filters air needed for combustion.
Theory of Operation:
Air enters the air cleaner inlet and is forced into a
high-speed centrifugal motion by fins on the primary
element. When the air reaches the end of the air
cleaner housing, the dirt passes through a slot in top
of the dust pan assembly.

Theory of Operation
20-12
4/7/95
20
TURBOCHARGER OPERATION -
4TN78T, 4TN84T (4019T) and 4TN100
Function:
To force more air into the engine cylinders to allow
the engine to efficiently burn more fuel, thereby
producing more power.
Theory of Operation:
The turbocharger provides additional air to burn
more fuel and produce more power without
increasing the size of the engine. In the thinner air of
high altitudes, the turbocharger turbine wheel may
turn as fast as 186,000 rpm to maintain power.
Exhaust gases from the engine pass through a
turbine housing, causing a shaft to rotate before the
exhaust gas is discharged.
A compressor wheel, also mounted on the shaft,
rotates in the compressor housing. Inlet air is drawn
into the housing, where it is compressed and
delivered to engine cylinders.
Engine oil under pressure from the engine
lubrication system is pumped through passages in
the bearing housing and directed to the bearings.
The turbocharger contains two floating bearings that
have clearance between the bearing O.D. and
housing wall as well as a clearance between the
bearing I.D. and the shaft O.D.
These clearances are lubricated by the oil supply and
the bearings are protected by a cushion of oil.
The pressure-free oil drains by gravity from the
center housing to the engine crankcase.
The turbocharger may be equipped with a waste
gate. If the turbocharger goes above specified
pressure, a diaphragm sensing inlet pressure from
the compressor, opens a waste gate valve to allow
excess exhaust gases to bypass the turbine. The
waste gate valve limits boost pressure at high rpm to
prevent damage to the engine.

Theory of Operation
4/7/95
20-13
20
M82008A
From Air Cleaner
Oil Inlet
To Muffler
Oil
Outlet To Intake
Manifold
From
Exhaust
Manifold
Compressor Housing
Center
Housing
Turbine Wheel
Floating Bearings
Shaft
Turbine Housing
Compressor Wheel
TURBOCHARGER OPERATION - 4TN78T, 4TN84T (4019T) AND 4TN100
M82019A
Turbocharger
Turbine
Compressor
Waste
Gate
Valve
Exhaust
Manifold
Cylinder
Intake
Manifold
Diaphram
To Muffler
From Air Cleaner

Theory of Operation
20-14
4/7/95
20
LUBRICATION SYSTEM OPERATION
Function:
A full pressure system lubricates engine parts with
clean oil.
NOTE: Safety valve and oil cooler are on 3TN84UJ,
4TN78T, 4TN84T (4019T) and 4TN100
engines only.
Piston cooling nozzles are on 4TN78T,
4TN84T (4019T) and 4TN100 engines only.
Theory of Operation:
The pressure lubrication system consists of a
positive displacement gear-driven pump, oil
strainer, full flow oil filter, oil pressure regulating
valve and an electrical pressure warning switch.
Some models are also equipped with an oil cooler,
safety valve and piston cooling nozzles.
The pump draws lubrication oil from the oil pan
through a strainer and a suction tube. The oil is then
pumped through an oil passage to the oil filter, oil
cooler, if equipped, and through the engine block
main oil galley.
From the main oil galley, oil is forwarded under
pressure to the crankshaft main bearing journals,
idler gear shaft and piston cooling nozzles, if
equipped. Drilled cross-passages in the crankshaft
distribute the oil from the main bearings to
connecting rod bearings.
Lube oil holes in main bearing oil grooves are
provided to direct oil to the camshaft bearings.
A drilled passage from the rear camshaft bearing
through the cylinder block and cylinder head
supplies lubricating oil to the rocker arm shaft. The
hollow shaft distributes oil to the rocker arms,
tappets and valves.
Oil passages direct from the main oil galley, through
external oil lines, route lubricating oil to the fuel
injection pump and turbocharger, if equipped.
An oil pressure switch activates an indicator light to
alert the operator to shut down the engine if oil
pressure drops below a specification.
A safety valve (by-pass) (3TN84UJ, 4TN78T,
4TN84T (4019T), 4TN100 only) is located in the oil
pump housing. Should the difference between the
pressure in the main oil galley and oil pump become
excessive, this valve would open and let oil bypass
the filter and oil cooler to reach the main galley
faster. This valve has a permanent setting which
cannot be changed.

Theory of Operation
4/7/95
20-15
20
M82009A
Fuel Injection Pump
Oil Pressure
Regulating Valve
By-Pass Valve
Oil Cooler
By-Pass Valve
Oil Filter
Engine Block Main Oil Galley
Piston
Cooling Nozzle
TurbochargerPistonCrank Pin
Crank Journal
Camshaft Bearing
Valve Rocker
Arm Shaft
Valve
Rocker Arm
Tappet Valve
Idler
Gear Shaft
Idler
Gear Face
Oil Pump
Oil Strainer
Safety Valve
LUBRICATION SYSTEM OPERATION
Oil Pan

Theory of Operation
20-16
4/7/95
20
OIL FILTER OPERATION
M53983
OIL FILTER OPERATION
By-Pass
Valve
The oil filter is equipped with a bypass valve to
ensure adequate engine lubrication if the filter is
clogged or oil viscosity is too heavy to properly flow
through the filter. Bypass valve opens at 96 kPa (14
psi) pressure differential.
Function:
Filters contaminates from the oil between oil/filter
changes.
Theory of Operation:
Pressurized oil is directed from the oil pump to the
oil filter. Oil flows through the filter element to the
main oil galley and to the engine components.

Theory of Operation
4/7/95
20-17
20
OIL PRESSURE REGULATING VALVE OPERATION
M53993
Engine
Poppet Spring
Filter Mounting Base
Filtered
Oil-to-Main Oil
Galley
Filtered
Oil-to-Crankcase
OIL PRESSURE REGULATING VALVE OPERATION
The oil pressure regulating valve is set to maintain a
pressure of 294 - 440 kPa (43 - 64 psi).
NOTE: All pressure regulating valves operate the
same. The most common mounting location
is shown. 4TN100 valve is located in the oil
cooler housing and 4TN78T and 4TN84T
(4019T) valve is located in oil filter and
cooler mounting bracket.
Function:
Regulates engine oil pressure.
Theory of Operation:
The oil pressure regulating valve is located in the oil
filter mounting base stud. Filtered oil passes through
the pressure regulating valve to the main oil galley.
If oil pressure is higher than the valve is set for, a
poppet spring is overcome, opening the relief valve.
When opened, a passage is opened to route oil back
to the crankcase.

Theory of Operation
20-18
4/7/95
20
OIL COOLER OPERATION - 3TN84UJ,
4TN78T, 4TN84T (4019T) AND 4TN100
NOTE: 4TN78T and 4TN84T (4019T) is shown. Oil
cooler assembly on 3TN84UJ and 4TN100
engines is different in shape, but operation
is the same.
Function:
The oil cooler helps reduce the temperature of
engine oil.
Theory of Operation:
After passing through the oil filter, pressurized oil
enters the oil cooler and passes through a network of
tubing surrounded by engine coolant. Prior to
entering the oil cooler, the engine coolant passes
through the radiator, which transfers much of the
coolant's heat into the surrounding air.
The coolant, its temperature now reduced, enters the
oil cooler and passes over the warmer tubing. Heat
transfers from the oil to the coolant, thus reducing
oil temperature. Oil then flows into the engine block
main oil galley through the filter bracket.
The oil cooler keeps the maximum oil temperature
below 115° C (175° F).
The oil filter bracket on 4TN78T and 4TN84T
(4019T) (cooler housing on 4TN100), contains a by-
pass valve for the oil cooler. If the oil cooler would
become plugged, pressure would build to exceed the
spring force, opening the valve and directing oil to
the engine block, by-passing the oil cooler.
The oil filter bracket also contains an oil pressure
regulating valve. See OIL PRESSURE
REGULATING VALVE OPERATION.

Theory of Operation
4/7/95
20-19
20
M82010AE
To Main Oil Galley
To Crankcase
From Oil Pump
Oil Cooler By-Pass Valve Oil Pressure
Regulating Valve
Oil Cooler
Oil Filter
Oil Filter Bracket
Oil Filter Bracket
Oil Filter
Oil Cooler
OIL COOLER OPERATION - 3TN84UJ, 4TN78T,
4TN84T (4019T) AND 4TN100

Theory of Operation
20-20
4/7/95
20
PISTON COOLING NOZZLE
OPERATION - 4TN78T, 4TN84T
(4019T) and 4TN100
Function:
Cooling nozzles direct lube oil to underside of
pistons to lower piston temperature and thermal
load. Cooling the pistons also reduces thermal
expansion and carbon deposits in the piston ring
grooves.
Theory of Operation:
Lube oil from the engine block main oil galley
passes a check valve in the nozzle mounting bolt,
then flows through a small steel pipe creating a jet
spray. This jet spray coats the underside of the
piston, cooling the piston as a whole.
The check valve's opening pressure is factory set at
148 - 245 kPa (21.5 - 35.5 psi).
The oil spray amount is 21.3 L/min (5.6 gal/min) at
an oil pressure of 343 kPa (50 psi).

Theory of Operation
4/7/95
20-21
20
M82011A
Piston
Piston Cooling
Nozzle
Nozzle
Mounting Bolt
Check Valve
Engine Block
Main Oil Galley
Jet Spray
PISTON COOLING NOZZLE OPERATION - 4TN78T,
4TN84T (4019T) AND 4TN100

Theory of Operation
20-22
4/7/95
20
FUEL SYSTEM OPERATION
NOTE: On 3TNA72 (3009) IDI engine, fuel supply
pump is part of the engine (attached to fuel
injection pump) for OEM application only.
On 3TN82, 3TN78, 4TN78T and some
4TN82 DI engines, the fuel supply pump is
separate from the engine.
Function:
Fuel system supplies fuel to injection nozzles.
Theory of Operation:
Fuel supply pump draws fuel from a vented fuel tank
through a water separator and directs fuel through a
fuel filter to the fuel gallery of an injection pump.
The injection pump meters fuel as determined by the
governor and delivers it at high pressure to the
injection nozzles.
The injection nozzle prevents flow until high
pressure is reached, opening the valve and spraying
atomized fuel into the combustion chamber.
Injection lines have trapped fuel whenever injection
is not taking place.
3TN66 and 3TNA72 (3009) (IDI engine): A small
amount of fuel leaks past the nozzle valve to
lubricate the fuel injection nozzle. This leakage is
then returned to the fuel tank.
All except 3TN66 and 3TNA72 (3009) (DI engine):
A small amount of fuel leaks past the nozzle valve to
lubricate the fuel injection nozzle. This leakage
combines with excess fuel from the injection pump
and is returned to tank.
Any air in the fuel system is bled out with return fuel
to the fuel tank.

Theory of Operation
4/7/95
20-23
20
M82012A
Return Fuel
Air Vent
Fuel Filter
Fuel
Supply
Pump
Fuel
Injection
Pump
Fuel
Injection
Nozzles
Engine
Local Procurement
Water
Separator
Fuel Tank
DI Engine - All Except 3TN66 and 3TNA72 (3009)IDI Engine - 3TN66 and 3TNA72 (3009)
Fuel Filter
Fuel
Supply
Pump
Fuel
Injection
Pump
Fuel
Injection
Nozzles
Water
Separator
Fuel Tank
Return Fuel
Local Procurement Engine
FUEL SYSTEM OPERATION

Theory of Operation
20-24
4/7/95
20
FUEL INJECTION PUMP OPERATION
Function:
Injection pump regulates fuel flow from fuel supply
pump to injectors.
Theory of Operation:
Bottom of Plunger Stroke:
The fuel injection pump is a variable-displacement,
in-line plunger-type pump. It is located on the right
side of the engine. The pump is driven by a camshaft
which turns at one-half engine speed.
When the plunger is in the downward position,
filtered medium pressure fuel from the fuel supply
pump flows through the fuel inlet fitting, to the fuel
gallery. Fuel flows from the fuel gallery through the
inlet orifice and fills the plunger area.
Whenever the plunger is in the downward position,
the delivery valve is held closed against the valve
seat, by spring pressure and trapped fuel pressure. In
this position, fuel flow to the fuel injection line and
nozzle is blocked.

Theory of Operation
4/7/95
20-25
20
FUEL INJECTION PUMP OPERATION (BOTTOM OF PLUNGER STROKE)
Medium Pressure Fuel
Trapped Fuel
M82013AE
Fuel Injection Line
Fuel Inlet Fitting
Inlet Orifice
Barrel
Control Rack
Roller Tappet
Camshaft
Control Sleeve
Plunger
Fuel Gallery
Valve Seat
Delivery Valve
Spring

Theory of Operation
20-26
4/7/95
20
Theory of Operation - Continued:
Top of Plunger Stroke:
When the roller tappet is moved up by the camshaft,
the inlet orifice is blocked by the plunger. Fuel in the
plunger area is compressed and forced against the
delivery valve.
When fuel pressure is high enough to overcome the
spring, the delivery valve is lifted upward off the
valve seat. High pressure fuel flows past the delivery
valve to the fuel injection line and then to the fuel
injection nozzle. The delivery valve is held open
only when the fuel pressure in the plunger area is
greater than the delivery valve spring pressure.
As the plunger continues moving upward, the
plunger helix aligns with the inlet orifice. The
pressure in the plunger area is higher than the
pressure in the fuel gallery. This causes fuel to flow
from the plunger area, through the plunger helix and
inlet orifice to the fuel gallery.
Fuel flow through the inlet orifice causes pressure in
the plunger area to decrease. With pressure equal on
both sides of the delivery valve, spring force closes
the delivery valve and stops the fuel flow to injection
nozzle.
A governor-operated control rack is connected to the
control sleeve and plunger to regulate the quantity of
fuel delivery to the nozzles. The control sleeve turns
the plunger and increases or decreases the amount of
plunger movement before the plunger helix and inlet
orifice are aligned.

Theory of Operation
4/7/95
20-27
20
High Pressure Fuel
Medium Presure Fuel
M82014AE
Fuel Injection Line
Fuel Inlet Fitting
Barrel
Control Rack
Roller Tappet
Camshaft
Control Sleeve
Plunger
Fuel Gallery
Valve Seat
Delivery Valve
Spring
Plunger Helix
Inlet Orifice
FUEL INJECTION PUMP OPERATION (TOP OF PLUNGER STROKE)

Theory of Operation
20-28
4/7/95
20
GOVERNOR OPERATION
Function:
Governor maintains a set engine speed under
varying loads.
Theory of Operation:
The injection pump governor is a mechanical
centrifugal flyweight type. On 3TN66 and 3TNA72
(3009) (IDI) engines, it is contained in a housing
mounted to the timing gear case and is serviced
separately from the injection pump. On all except
3TN66 and 3TNA72 (3009) (DI) engines, the
governor is assembled to the injection pump and
serviced with the pump. Governor internal
components and operation are similar.
The flyweights are mounted on the injection pump
camshaft. The flyweights move the thrust sleeve in
and out with changes in engine RPM. The thrust
sleeve works against a button on the governor lever.
The governor lever is connected to the injection
pump control rack by the fuel control link. The
governor spring connects the tension lever assembly
to the throttle lever.
NOTE: Due to the variety and number of tractor
applications, information on all horsepower
ratings for TN Series engines are not
available. Refer to individual machine
Technical manual for proper horsepower
ratings.
Series 220 Engines (OEM)
Model NET Power kW (hp) @Rated rpm
3009DF001. . . . . . . . . . . . . . . . . . . . . . . . . . . . . . . . . . . . . . Continuous . . . . . . . . . . . . . 12.8 (17.1) @ 3000
3009DF005. . . . . . . . . . . . . . . . . . . . . . . . . . . . . . . . . . . . . . Intermittent . . . . . . . . . . . . . 14.2 (19.0) @ 3000
3009DF007. . . . . . . . . . . . . . . . . . . . . . . . . . . . . . . . . . . . . . Generator . . . . . . . . . . . . . . 14.2 (19.0) @ 3600
3011DF001. . . . . . . . . . . . . . . . . . . . . . . . . . . . . . . . . . . . . . Continuous . . . . . . . . . . . . . 16.9 (22.7) @ 3000
3011DF005. . . . . . . . . . . . . . . . . . . . . . . . . . . . . . . . . . . . . . Intermittent . . . . . . . . . . . . . 18.8 (25.2) @ 3000
3011DF006. . . . . . . . . . . . . . . . . . . . . . . . . . . . . . . . . . . . . . Generator . . . . . . . . . . . . . . 10.2 (13.7) @ 1800
3014DF001. . . . . . . . . . . . . . . . . . . . . . . . . . . . . . . . . . . . . . Continuous . . . . . . . . . . . . . 21.3 (28.6) @ 3000
3014DF005. . . . . . . . . . . . . . . . . . . . . . . . . . . . . . . . . . . . . . Intermittent . . . . . . . . . . . . . 23.5 (31.5) @ 3000
3014DF006. . . . . . . . . . . . . . . . . . . . . . . . . . . . . . . . . . . . . . Generator . . . . . . . . . . . . . . 12.9 (17.3) @ 1800
4019DF001. . . . . . . . . . . . . . . . . . . . . . . . . . . . . . . . . . . . . . Continuous . . . . . . . . . . . . . 28.1 (37.7) @ 3000
4019DF005 . . . . . . . . . . . . . . . . . . . . . . . . . . . . . . . . . . . . . Intermittent . . . . . . . . . . . . . 30.9 (41.4) @ 3000
4019DF006 . . . . . . . . . . . . . . . . . . . . . . . . . . . . . . . . . . . . . Generator . . . . . . . . . . . . . . 18.7 (25.0) @ 1800
4019TF001. . . . . . . . . . . . . . . . . . . . . . . . . . . . . . . . . . . . . . Continuous . . . . . . . . . . . . . 34.4 (46.1) @ 3000
4019TF005. . . . . . . . . . . . . . . . . . . . . . . . . . . . . . . . . . . . . . Intermittent . . . . . . . . . . . . . 37.8 (50.7) @ 3000
4019TF006. . . . . . . . . . . . . . . . . . . . . . . . . . . . . . . . . . . . . . Generator . . . . . . . . . . . . . . 24.6 (33.0) @ 1800

Theory of Operation
4/7/95
20-29
20
M54070
High Idle Stop
Throttle Shaft
Governor Spring
Tension Lever
Fuel Control Link
Control Rack
Flyweights
Enrichment Spring
Thrust Sleeve
Governor Lever Assembly
Low Idle Stop
Throttle Lever
Fuel Control Lever
Torque Spring Capsule
GOVERNOR OPERATION

Theory of Operation
20-30
4/7/95
20
Theory of Operation - Continued:
Starting:
When the key switch is turned to “ON”, a fuel
solenoid pulls the shutoff lever to the “RUN”
position. This permits the governor spring to move
the tension lever, pulling the control rack left. The
enrichment spring extends, pulling the rack an
additional amount to give starting fuel delivery.
After the engine starts as speed increases,
centrifugal force moves the flyweights outward
forcing the thrust sleeve against the button on the
governor lever. The enrichment spring compresses
and remains compressed while the engine is
running.
The forces generated by the flyweights against the
governor lever overcome governor spring tension,
pushing the rack to the right. This reduces fuel
delivery to an amount that will maintain the RPM
established by the speed control lever setting.
When the key is turned “OFF”, the fuel control
solenoid is de-energized. The spring on the shutoff
lever rotates the shaft so the high spot moves the
governor lever to the right, pushing the rack to a
“NO” fuel position, stopping the engine.

Theory of Operation
4/7/95
20-31
20
M48495
Governor Spring
Tension Lever
Starting Fuel Delivery
Max. Fuel
Min. Fuel
Enrichment Spring
Governor Lever
Shutoff Lever
GOVERNOR OPERATION - STARTING

Theory of Operation
20-32
4/7/95
20
Theory of Operation - Continued:
High Idle, Maximum Torque:
When a load is applied, decreasing engine speed, the
flyweight force is reduced against the governor
lever. The spring can then pull the lever assembly
and the rack to increase fuel delivery and bring RPM
back up to preset speed.
Additional load would further reduce the flyweight
force permitting the governor spring to pull tension
lever against the torque spring, compressing it and
moving the rack to the maximum torque fuel
delivery.
A high idle adjusting screw and low idle screw,
provide stops for the speed control lever.

Theory of Operation
4/7/95
20-33
20
M48496
High Idle Screw
Governor Spring
Max. Fuel
Min. Fuel
Governor Lever
Low Idle Screw
Torque Spring
GOVERNOR OPERATION - HIGH IDLE, MAXIMUM TORQUE

Theory of Operation
20-34
4/7/95
20
INDIRECT INJECTION NOZZLE
OPERATION (PINTLE TYPE) -
3TN66 and 3TNA72 (3009)
Function:
Injection nozzle injects fuel in an atomized form
into a precombustion chamber.
Theory of Operation:
The pintle type nozzle is used on indirect injection
engines 3TN66 and 3TNA72 (3009). It is different
from the hole-type nozzle in that it is threaded into
the cylinder head.
The fuel injection nozzle has an inward opening
pintle-type valve.
High pressure fuel from the pump flows through an
inlet passage to the pintle valve. When pressure
against the valve increases above spring tension, the
valve is lifted off its seat, permitting fuel to be
forced through a nozzle body orifice in an atomized
form into the precombustion chamber.
A small amount of fuel leaks past the pintle valve to
lubricate valve and body, then flows through a return
passage to return lines and tank.
The pintle valve is shim adjustable to regulate the
opening pressure.

Theory of Operation
4/7/95
20-35
20
M82015AE
High Pressure Fuel
Return Fuel
Return Connector
Return Line
Injector Body
Spring
Pintle
Orifice
Valve Seat
Nozzle Body
Separator Plate
Spring Seat
Nozzle Fitting
Shim
Fuel Return Passage
Fuel Inlet Passage
INDIRECT INJECTION NOZZLE OPERATION (PINTLE TYPE)
(Valve)

Theory of Operation
20-36
4/7/95
20
DIRECT INJECTION NOZZLE
OPERATION (HOLE TYPE) - ALL
EXCEPT 3TN66 and 3TNA72 (3009)
Function:
Injection nozzle injects fuel in an atomized form
into the combustion chamber.
Theory of Operation:
The hole type nozzle is used on direct injection
engines 3TN75 and larger. It is different from the
pintle type nozzle in that it is held in the cylinder
head by a retaining bracket instead of being
threaded.
High pressure fuel from the injection pump flows
through a fuel inlet passage. Pressure builds beneath
the nozzle valve. When the fuel pressure reaches
specified pressure it overcomes the nozzle spring
tension. The nozzle valve retracts into the nozzle
body and fuel is injected into the engine.
The nozzle valve is automatically pushed down by
the nozzle spring and closed after fuel is injected.
Leakage (return fuel) flows from between the nozzle
valve and nozzle body to the hole on top of the
nozzle spring through the return pipe and back into
the fuel tank.
The nozzle valve is shim adjustable to regulate the
opening pressure.

Theory of Operation
4/7/95
20-37
20
M82016A
High Pressure Fuel
Return Fuel
Nozzle Valve Seat
Nozzle Nut
Seat
Dowel Pin
Return Pipe
Shim
Spring
Retainer
Nozzle Valve
Nozzle Body
Injection Holes
DIRECT INJECTION NOZZLE OPERATION (HOLE TYPE)

Theory of Operation
20-38
4/7/95
20
PRECOMBUSTION CHAMBER
OPERATION (INDIRECT INJECTION) -
3TN66 and 3TNA72 (3009)
Function:
The precombustion chamber is a small turbulent
area where the fuel is injected, mixed with a limited
amount of air, and the start of ignition takes place.
Theory of Operation:
A precombustion chamber is located in the cylinder
head with a small opening into the cylinder.
As the piston comes up on the compression stroke,
some of the air is forced through the opening into
the precombustion chamber. The opening is shaped
to direct this air flow into a turbulent action as it is
being compressed and heated.
At 16° BTDC crankshaft rotation, injection of fuel
begins. The injection nozzle sprays atomized fuel
into the precombustion chamber turbulent air. Heat
from the compressed air ignites the fuel, increasing
pressure in the precombustion chamber forcing the
burning mixture into the cylinder where it mixes
with the air in the piston swirl cup.
Expansion for the burning mixture forces the piston
down on its power stroke.
When starting a cold engine, compression pressure
may not provide enough heat to ignite the fuel when
injected into a cold precombustion chamber. An
electrically operated glow plug is installed into the
precombustion chamber to provide added heat to
ignite the fuel as it is injected. The glow plugs are
energized during starting, and also may be pre-
heated by turning key switch counterclockwise and
holding for up to 30 seconds.

Theory of Operation
4/7/95
20-39
20
M82017AE
Combustion
Cylinder
Exhaust Valve
Intake Valve
Glow Plug
Injection Nozzle
Precombustion Chamber
Swirl Cup
PRECOMBUSTION CHAMBER OPERATION
(INDIRECT INJECTION)

Theory of Operation
20-40
4/7/95
20
COMBUSTION CHAMBER
OPERATION (DIRECT INJECTION) -
ALL EXCEPT 3TN66 and 3TNA72
(3009)
Function:
The combustion chamber is an area where the fuel is
injected, mixed with a limited amount of air, and the
start of ignition takes place.
Theory of Operation:
A swirl cup is formed in the head of the piston. As
the piston travels upward on its compression stroke,
the shape of the cup causes the air to swirl as it is
compressed and heated.
At 16° BTDC crankshaft rotation, fuel is injected by
the multi-hole injection nozzle. The swirling action
of the air thoroughly mixes the atomized fuel and air
for complete burning, as the piston travels into the
power stroke.
When starting a cold engine, compression of
ambient temperature air may not provide enough
heat for ignition. To aid cold temperature starting, an
electrically operated heater element is located at the
intake manifold inlet. The heater is energized during
starting and also may be pre-heated by turning key
switch counterclockwise and holding for up to 30
seconds.

Theory of Operation
4/7/95
20-41
20
M82018AE
High Pressure Fuel
Injection Nozzle
Exhaust Valve
Intake Valve
Combustion Chamber
Piston Swirl Cup
COMBUSTION CHAMBER OPERATION (DIRECT INJECTION)

21
ELECTRICAL SYSTEM
SERIES 220
POWER UNIT ENGINES
Electrical System . . . . . . . . . . . . . . . . . . . . . . . . . . . . . . . 21-1
Component Location . . . . . . . . . . . . . . . . . . . . . . . . . . . . 21-2
Schematics . . . . . . . . . . . . . . . . . . . . . . . . . . . . . . . . . . . 21-4
Section 21

21

Electrical System
4/7/95
21-1
21
INTRODUCTION
This section provides component location and schematics of the electrical system used on OEM stand-alone
power packs.
The Series 220 diesel engines are offered as OEM units with two different power unit configurations
available for each model. Features on the power units include an air cleaner kit, muffler, radiator kit and
instrument panel.
The following is a complete engine listing of all Series 220 Power Units:
Power Unit Engine
Model Number Model Number Description
3009DF005 3TNA72 Industrial Power Unit
3009DF007 3TNA72 3600 rpm gen-set Power Unit
3011DF005 3TNC78 Industrial Power Unit
3011DF006 3TNC78 1800 rpm gen-set Power Unit
3014DF005 3TN84 Industrial Power Unit
3014DF006 3TN84 1800 rpm gen-set Power Unit
4019DF005 4TN84 Industrial Power Unit
4019DF006 4TN84 1800 rpm gen-set Power Unit
4019TF005 4TN84T Industrial Power Unit
4019TF006 4TN84T 1800 rpm gen-set Power Unit

Component Location
21-2
4/7/95
21
ENGINE ELECTRICAL COMPONENTS
RG6604
Air Heater
(Glow Plugs on
3009D Engine)
Instrument Panel Coolant
Temperature Sensor
Optional.
Fuel Shutoff Solenoid
Oil Pressure Switch
Additional Oil Pressure
Sensor is Optional.
RG6605
Alternator
Starter
Coolant Temperature Switch

Component Location
4/7/95
21-3
21
INSTRUMENT PANEL COMPONENTS
M82178A
Coolant Temperature Gauge
Optional. Oil Pressure Gauge
Optional.
Preheat Indicator
Charge Indicator
Oil Pressure Indicator
Coolant
Temperature
Indicator
Key Switch
Preheat Timer

Schematics
21-4
4/7/95
21
LEGEND FOR ELECTRICAL SCHEMATIC - 3009 POWER UNIT
B1 - Oil Pressure Switch
B2 - Coolant Temperature Switch
D1 - Preheat Timer
D2 - Fuel Shutoff Solenoid Timer
F1 - 30-amp Fuse
G1 - 12-volt Battery
G2 - Alternator
H1 - Preheat Indicator
H2 - Charge Indicator
H3 - Oil Pressure Indicator
H4 - Coolant Temperature Indicator
K1 - Fuel Injection Relay
M1 - Starter
R1 - Glow Plugs
S1 - Battery Switch
S2 - Key Switch
V1 - Diode
X1 - 4-Wire Connector, at Preheat Timer
X2 - 10-Wire Connector, Main Harness-to-Instrument Panel
X3 - 3-Wire Connector, at Fuel Shutoff Solenoid
X4 - 1-Wire Bullet Connector, at Oil Pressure Switch
X5 - 1-Wire Connector, at Starter
X6 - 2-Wire Connector, at Alternator
X7 - 1-Wire Bullet Connector, at Coolant Temperature Switch
X8 - 1-Wire Connector, Fuel Injection Relay-to-Fuse
X9 - 1-Wire Connector, at Fuel Injection Relay-to-Shutoff Solenoid
X10 - 2-Wire Connector, at Fuel Injection Relay
X11 - 1-Wire Bullet Connector, Preheat Indicator Positive Lead
X12 - 1-Wire Bullet Connector, Preheat Indicator Negative Lead
X13 - 1-Wire Bullet Connector, Charge Indicator Positive Lead
X14 - 1-Wire Bullet Connector, Charge Indicator Negative Lead
X15 - 1-Wire Bullet Connector, Oil Pressure Indicator Positive Lead
X16 - 1-Wire Bullet Connector, Oil Pressure Indicator Negative Lead
X17 - 1-Wire Bullet Connector, Collant Temperature Indicator Positive Lead
X18 - 1-Wire Bullet Connector, Collant Temperature Indicator Negative Lead
X19 - 4-Wire Connector, at Fuel Shutoff Solenoid Timer
Y1 - Fuel Shutoff Solenoid

Schematics
4/7/95
21-5
21

Schematics
21-6
4/7/95
21
M82179AE

Schematics
4/7/95
21-7
21
M82179AF

Schematics
21-8
4/7/95
21
LEGEND FOR ELECTRICAL SCHEMATIC - 3011, 3014 AND 4019 POWER UNITS
B1 - Oil Pressure Switch
B2 - Coolant Temperature Switch
D1 - Preheat Timer
D2 - Fuel Shutoff Solenoid Timer
F1 - 10-amp Fuse
G1 - 12-volt Battery
G2 - Alternator
H1 - Preheat Indicator
H2 - Charge Indicator
H3 - Oil Pressure Indicator
H4 - Coolant Temperature Indicator
M1 - Starter
R1 - Air Heater
S1 - Battery Switch
S2 - Key Switch
X1 - 4-Wire Connector, at Preheat Timer
X2 - 10-Wire Connector, Main Harness-to-Instrument Panel
X3 - 3-Wire Connector, at Fuel Shutoff Solenoid
X4 - 1-Wire Bullet Connector, at Oil Pressure Switch
X5 - 1-Wire Connector, at Starter
X6 - 2-Wire Connector, at Alternator
X7 - 1-Wire Bullet Connector, at Coolant Temperature Switch
X8 - 1-Wire Bullet Connector, Preheat Indicator Positive Lead
X9 - 1-Wire Bullet Connector, Preheat Indicator Negative Lead
X10 - 1-Wire Bullet Connector, Charge Indicator Positive Lead
X11 - 1-Wire Bullet Connector, Charge Indicator Negative Lead
X12 - 1-Wire Bullet Connector, Oil Pressure Indicator Positive Lead
X13 - 1-Wire Bullet Connector, Oil Pressure Indicator Negative Lead
X14 - 1-Wire Bullet Connector, Coolant Temperature Indicator Positive Lead
X15 - 1-Wire Bullet Connector, Coolant Temperature Indicator Negative Lead
Y1 - Fuel Shutoff Solenoid

Schematics
4/7/95
21-9
21

Schematics
21-10
4/7/95
21
M82180AE

Schematics
4/7/95
21-11
21
M82180AF

Schematics
21-12
4/7/95
21
LEGEND FOR ELECTRICAL SCHEMATIC - OPTIONAL EQUIPMENT
B3 - Coolant Temperature Sender
B4 - Oil Pressure Sender
P1 - Coolant Temperature Gauge
P2 - Oil Pressure Gauge
X2 - 10-Wire Connector, Main Harness-to-Instrument Panel
X20 - 1-Wire Bullet Connector, at Coolant Temperature Sender
X21 - 1-Wire Bullet Connector, at Oil Pressure Sender

Schematics
4/7/95
21-13
21
M82181AE

Schematics
21-14
4/7/95
21

Index
4/7/95
Index-1
I
A
Air Cleaner Operation
3009 (3TNA72). . . . . . . . . . . . . . . . . . . . . 20-10
3011 (3TNC78), 3014 (3TN84),
4019D (4TN84), 4019T (4TN84T) . . . . . 20-11
Air Cleaner, Inspection
3009 . . . . . . . . . . . . . . . . . . . . . . . . . . . . . . 10-6
3011, 3014, 4019D . . . . . . . . . . . . . . . . . . . 10-7
4019T . . . . . . . . . . . . . . . . . . . . . . . . . . . . . 10-8
Air Heater, Removal/Installation . . . . . . . . . . 10-39
Air Intake System, Check . . . . . . . . . . . . . . . . 10-45
Air Intake System, Leakage Test
3009, 3011, 3014, 4019 . . . . . . . . . . . . . . 10-51
3TN66, 3TNA72 (3009) . . . . . . . . . . . . . . 1-155
3TN75, 3TN78, 3TNC78 (3011) . . . . . . . 2-137
3TN82, 3TNA82, 3TN84 (3014) . . . . . . . 2-137
4TN100 . . . . . . . . . . . . . . . . . . . . . . . . . . . . 4-99
4TN78T, 4TN82, 4TN84(T) (4019) . . . . . 3-142
Alternator - 3TN66 (375 SSL, 330/332 LGT,
F915 FM) (Kokosan 20A)
Assembly . . . . . . . . . . . . . . . . . . . . . . . . . 1-122
Disassembly/Inspection . . . . . . . . . . . . . . 1-122
Alternator - 3TN66 (655 CUT)
(Nippondenso 35A)
Assembly . . . . . . . . . . . . . . . . . . . . . . . . . 1-125
Disassembly . . . . . . . . . . . . . . . . . . . . . . . 1-123
Test/Inspection . . . . . . . . . . . . . . . . . . . . . 1-125
Alternator - 3TN66 (655 CUT)
(Nippondenso 40A)
Assembly . . . . . . . . . . . . . . . . . . . . . . . . . 1-129
Disassembly . . . . . . . . . . . . . . . . . . . . . . . 1-128
Inspection/Test . . . . . . . . . . . . . . . . . . . . . 1-129
Alternator - 3TN75 (855/56 CUT), 3TN82
(575 SSL), 3TNA82, 3TN84 (870 CUT, 955 CUT)
(Nippondenso 35A)
Assembly . . . . . . . . . . . . . . . . . . . . . . . . . 2-110
Disassembly . . . . . . . . . . . . . . . . . . . . . . . 2-108
Inspection/Test . . . . . . . . . . . . . . . . . . . . . 2-110
Alternator - 3TN75, 3TNC78 (3011), 3TN82
(575 SSL), 3TN84 (955 CUT, 3014 OEM)
(Nippondenso 40A)
Assembly . . . . . . . . . . . . . . . . . . . . . . . . . 2-114
Disassembly . . . . . . . . . . . . . . . . . . . . . . . 2-113
Inspection/Test . . . . . . . . . . . . . . . . . . . . . 2-114
Alternator - 3TN78, 3TN82 (30 EX)
(Hitachi 25A)
Assembly . . . . . . . . . . . . . . . . . . . . . . . . . 2-105
Disassembly . . . . . . . . . . . . . . . . . . . . . . . 2-103
Inspection/Test . . . . . . . . . . . . . . . . . . . . . 2-105
Alternator - 3TNA72 (430 LGT, 670 CUT, 755/56
CUT, F925/35 FM) (Nippondenso 35A)
Assembly . . . . . . . . . . . . . . . . . . . . . . . . . 1-125
Disassembly . . . . . . . . . . . . . . . . . . . . . . . 1-123
Test/Inspection . . . . . . . . . . . . . . . . . . . . . 1-125
Alternator - 3TNA72 (455 LGT, 755/56 CUT,
3009 OEM) (Nippondenso 40A)
Assembly . . . . . . . . . . . . . . . . . . . . . . . . . 1-129
Disassembly . . . . . . . . . . . . . . . . . . . . . . . 1-128
Inspection/Test . . . . . . . . . . . . . . . . . . . . . 1-129
Alternator - 3TNA72 (670 CUT, 15 EX)
(Kokosan 20A)
Assembly . . . . . . . . . . . . . . . . . . . . . . . . . 1-122
Disassembly/Inspection . . . . . . . . . . . . . . 1-122
Alternator - 3TNA82, 3TN84 (870 CUT)
(Kokosan 20A)
Assembly . . . . . . . . . . . . . . . . . . . . . . . . . 2-102
Disassembly/Inspection . . . . . . . . . . . . . . 2-102
Alternator - 4TN100 (Hitachi 25A)
Assembly . . . . . . . . . . . . . . . . . . . . . . . . . . 4-77
Disassembly . . . . . . . . . . . . . . . . . . . . . . . . 4-75
Inspection/Test . . . . . . . . . . . . . . . . . . . . . . 4-77
Alternator - 4TN78T (Hitachi 25A)
Assembly . . . . . . . . . . . . . . . . . . . . . . . . . 3-108
Disassembly . . . . . . . . . . . . . . . . . . . . . . . 3-106
Inspection/Test . . . . . . . . . . . . . . . . . . . . . 3-108
Alternator - 4TN82, 4TN84RJK
(Nippondenso 35A)
Assembly . . . . . . . . . . . . . . . . . . . . . . . . . 3-113
Disassembly . . . . . . . . . . . . . . . . . . . . . . . 3-111
Inspection/Test . . . . . . . . . . . . . . . . . . . . . 3-113
Alternator - 4TN82ESP/RJE, 4TN84(T) (4019)
(Nippondenso 40A)
Assembly . . . . . . . . . . . . . . . . . . . . . . . . . 3-117
Disassembly . . . . . . . . . . . . . . . . . . . . . . . 3-116
Inspection/Test . . . . . . . . . . . . . . . . . . . . . 3-117
Alternator - 4TN82RJK, 4TN84RJK
(Kokosan 20A)
Assembly . . . . . . . . . . . . . . . . . . . . . . . . . 3-105
Disassembly/Inspection . . . . . . . . . . . . . . 3-105
Altitude Compensation Guidelines. . . . . . . . . 10-44
Amperage Test - 3009, 3011, 3014, 4019
Regulated . . . . . . . . . . . . . . . . . . . . . . . . . 10-58
Unregulated. . . . . . . . . . . . . . . . . . . . . . . . 10-60
Auxiliary Drive Gear
4TN100 . . . . . . . . . . . . . . . . . . . . . . . . . . . . 4-48

Index
Index-2
4/7/95
I
B
Balancer Assembly - 4TN82RJK, 4TN84RJK
Disassembly/Assembly. . . . . . . . . . . . . . . . 3-42
Removal/Installation. . . . . . . . . . . . . . . . . . 3-42
Basic Engine Specifications . . . . . . . . . . . . . . . . G-4
C
Cam Followers - 3TN66, 3TNA72 (3009)
Inspection . . . . . . . . . . . . . . . . . . . . . . . . . . 1-60
Removal/Installation. . . . . . . . . . . . . . . . . . 1-59
Cam Followers - 3TN75, 3TN78, 3TNC78 (3011)
Inspection . . . . . . . . . . . . . . . . . . . . . . . . . . 2-58
Removal/Installation. . . . . . . . . . . . . . . . . . 2-58
Cam Followers - 3TN82, 3TNA82, 3TN84 (3014)
Inspection . . . . . . . . . . . . . . . . . . . . . . . . . . 2-58
Removal/Installation. . . . . . . . . . . . . . . . . . 2-58
Cam Followers - 4TN100
Inspection . . . . . . . . . . . . . . . . . . . . . . . . . . 4-44
Removal/Installation. . . . . . . . . . . . . . . . . . 4-44
Cam Followers - 4TN78T, 4TN82,
4TN84(T) (4019)
Inspection . . . . . . . . . . . . . . . . . . . . . . . . . . 3-57
Removal/Installation. . . . . . . . . . . . . . . . . . 3-57
Camshaft - 3TN66, 3TNA72 (3009)
End Play Check. . . . . . . . . . . . . . . . . . . . . 1-139
Inspection/Replacement . . . . . . . . . . . . . . . 1-57
Installation . . . . . . . . . . . . . . . . . . . . . . . . . 1-56
Removal . . . . . . . . . . . . . . . . . . . . . . . . . . . 1-56
Camshaft - 3TN75, 3TN78, 3TNC78 (3011)
End Play Check. . . . . . . . . . . . . . . . . . . . . 2-123
Inspection/Replacement . . . . . . . . . . . . . . . 2-56
Installation . . . . . . . . . . . . . . . . . . . . . . . . . 2-55
Removal . . . . . . . . . . . . . . . . . . . . . . . . . . . 2-55
Camshaft - 3TN82, 3TNA82, 3TN84 (3014)
End Play Check. . . . . . . . . . . . . . . . . . . . . 2-123
Inspection/Replacement . . . . . . . . . . . . . . . 2-56
Installation . . . . . . . . . . . . . . . . . . . . . . . . . 2-55
Removal . . . . . . . . . . . . . . . . . . . . . . . . . . . 2-55
Camshaft - 4TN100
End Play Check. . . . . . . . . . . . . . . . . . . . . . 4-87
Inspection/Replacement . . . . . . . . . . . . . . . 4-42
Installation . . . . . . . . . . . . . . . . . . . . . . . . . 4-41
Removal . . . . . . . . . . . . . . . . . . . . . . . . . . . 4-41
Camshaft - 4TN78T, 4TN82, 4TN84(T) (4019)
End Play Check. . . . . . . . . . . . . . . . . . . . . 3-126
Inspection/Replacement . . . . . . . . . . . . . . . 3-55
Installation . . . . . . . . . . . . . . . . . . . . . . . . . 3-54
Removal . . . . . . . . . . . . . . . . . . . . . . . . . . . 3-54
Combustion Chamber Operation
(Direct Injection). . . . . . . . . . . . . . . . . . . . . . . 20-40
Component Location
Engine Components - Direct Injection . . . . 20-3
Engine Components - Indirect Injection. . . 20-2
Engine Electrical Components . . . . . . . . . . 21-2
Instrument Panel Components . . . . . . . . . . 21-3
Connecting Rod Check - 3TN66, 3TNA72 (3009)
Bearing Clearance. . . . . . . . . . . . . . . . . . . 1-136
Side Play . . . . . . . . . . . . . . . . . . . . . . . . . . 1-136
Connecting Rod Check - 3TN75, 3TN78,
3TNC78 (3011)
Bearing Clearance. . . . . . . . . . . . . . . . . . . 2-120
Side Play . . . . . . . . . . . . . . . . . . . . . . . . . . 2-120
Connecting Rod Check - 3TN82, 3TNA82,
3TN84 (3014)
Bearing Clearance. . . . . . . . . . . . . . . . . . . 2-120
Side Play . . . . . . . . . . . . . . . . . . . . . . . . . . 2-120
Connecting Rod Check - 4TN100
Bearing Clearance. . . . . . . . . . . . . . . . . . . . 4-84
Side Play . . . . . . . . . . . . . . . . . . . . . . . . . . . 4-84
Connecting Rod Check - 4TN78T, 4TN82,
4TN84(T) (4019)
Bearing Clearance. . . . . . . . . . . . . . . . . . . 3-123
Side Play . . . . . . . . . . . . . . . . . . . . . . . . . . 3-123
Coolant Temperature Sender
Replacement . . . . . . . . . . . . . . . . . . . . . . . 10-41
Test . . . . . . . . . . . . . . . . . . . . . . . . . . . . . . 10-41
Coolant Temperature Sender - 4TN100
Replacement . . . . . . . . . . . . . . . . . . . . . . . . 4-56
Test . . . . . . . . . . . . . . . . . . . . . . . . . . . . . . . 4-92
Coolant Temperature Sensor - 3TN66,
3TNA72 (3009)
Replacement . . . . . . . . . . . . . . . . . . . . . . . . 1-84
Test . . . . . . . . . . . . . . . . . . . . . . . . . . . . . . 1-144
Coolant Temperature Switch - 3TN75, 3TN78,
3TNC78 (3011)
Replacement . . . . . . . . . . . . . . . . . . . . . . . . 2-70
Test . . . . . . . . . . . . . . . . . . . . . . . . . . . . . . 2-128
Coolant Temperature Switch - 3TN82, 3TNA82,
3TN84 (3014)
Replacement . . . . . . . . . . . . . . . . . . . . . . . . 2-70
Test . . . . . . . . . . . . . . . . . . . . . . . . . . . . . . 2-128
Coolant Temperature Switch - 4TN78T, 4TN82,
4TN84(T) (4019)
Replacement . . . . . . . . . . . . . . . . . . . . . . . . 3-70
Test . . . . . . . . . . . . . . . . . . . . . . . . . . . . . . 3-131
Cooling Fan
Installation . . . . . . . . . . . . . . . . . . . . . . . . 10-33
Removal . . . . . . . . . . . . . . . . . . . . . . . . . . 10-33

Index
4/7/95
Index-3
I
Cooling System
Check and Service . . . . . . . . . . . . . . . . . . 10-45
Flushing and Servicing . . . . . . . . . . . . . . . . G-13
Theory of Operation . . . . . . . . . . . . . . . . . . 20-6
Cooling System, Pressure Test
3009, 3011, 3014, 4019 . . . . . . . . . . . . . . 10-48
3TN66, 3TNA72 (3009) . . . . . . . . . . . . . . 1-152
3TN75, 3TN78, 3TNC78 (3011) . . . . . . . 2-134
3TN82, 3TNA82, 3TN84 (3014) . . . . . . . 2-134
4TN100 . . . . . . . . . . . . . . . . . . . . . . . . . . . . 4-96
4TN78T, 4TN82, 4TN84(T) (4019) . . . . . 3-139
Crankcase Breather Operation
3TN66, 3TNA72 (3009), 4TN100 . . . . . . . 20-8
All Except 3TN66,
3TNA72 (3009), 4TN100 . . . . . . . . . . . . . . 20-9
Crankcase Extension Housing
3TN75, 3TNC78 (3011 OEM),
3TN82 (575 SSL), 3TN84
(955 CUT, 3014 OEM). . . . . . . . . . . . . . . . 2-44
3TN78 (25 EX), 3TN82 (30 EX),
3TNA82 (770 CUT), 3TN84
(870 CUT). . . . . . . . . . . . . . . . . . . . . . . . . . 2- 44
3TNA72 (15 EX and 3009 OEM). . . . . . . . 1-44
3TNA72 (670 CUT) . . . . . . . . . . . . . . . . . . 1-43
4TN100 . . . . . . . . . . . . . . . . . . . . . . . . . . . . 4-31
4TN78T, 4TN82RJK,
4TN84RJK . . . . . . . . . . . . . . . . . . . . . . . . . 3-43
4TN82RJE, 4TN82ESP,
4TN84(T) (4019) . . . . . . . . . . . . . . . . . . . . 3-44
Crankcase Ventilation System, Check . . . . . . 10-45
Crankshaft and Main Bearings - 3TN66,
3TNA72 (3009)
Inspection/Replacement . . . . . . . . . . . . . . . 1-49
Installation . . . . . . . . . . . . . . . . . . . . . . . . . 1-47
Removal . . . . . . . . . . . . . . . . . . . . . . . . . . . 1-46
Crankshaft and Main Bearings - 3TN75, 3TN78,
3TNC78 (3011)
Inspection/Replacement . . . . . . . . . . . . . . . 2-49
Installation . . . . . . . . . . . . . . . . . . . . . . . . . 2-47
Removal . . . . . . . . . . . . . . . . . . . . . . . . . . . 2-46
Crankshaft and Main Bearings - 3TN82, 3TNA82,
3TN84 (3014)
Inspection/Replacement . . . . . . . . . . . . . . . 2-49
Installation . . . . . . . . . . . . . . . . . . . . . . . . . 2-47
Removal . . . . . . . . . . . . . . . . . . . . . . . . . . . 2-46
Crankshaft and Main Bearings - 4TN100
Inspection/Replacement . . . . . . . . . . . . . . . 4-36
Installation . . . . . . . . . . . . . . . . . . . . . . . . . 4-34
Removal . . . . . . . . . . . . . . . . . . . . . . . . . . . 4-32
Crankshaft and Main Bearings - 4TN78T, 4TN82,
4TN84(T) (4019)
Inspection/Replacement . . . . . . . . . . . . . . . 3-49
Installation . . . . . . . . . . . . . . . . . . . . . . . . . 3-47
Removal . . . . . . . . . . . . . . . . . . . . . . . . . . . 3-45
Crankshaft Front Oil Seal
3TN66, 3TNA72 (3009) . . . . . . . . . . . . . . . 1-46
3TN75, 3TN78, 3TNC78 (3011) . . . . . . . . 2-46
3TN82, 3TNA82, 3TN84 (3014) . . . . . . . . 2-46
4TN100 . . . . . . . . . . . . . . . . . . . . . . . . . . . . 4-32
4TN78T, 4TN82, 4TN84(T) (4019) . . . . . . 3-45
Crankshaft Main Bearing, Clearance Check
3TN66, 3TNA72 (3009) . . . . . . . . . . . . . . 1-138
3TN75, 3TN78, 3TNC78 (3011) . . . . . . . 2-122
3TN82, 3TNA82, 3TN84 (3014) . . . . . . . 2-122
4TN100 . . . . . . . . . . . . . . . . . . . . . . . . . . . . 4-85
4TN78T, 4TN82, 4TN84(T) (4019) . . . . . 3-124
Crankshaft Rear Oil Seal
3TN66 . . . . . . . . . . . . . . . . . . . . . . . . . . . . . 1-45
3TN75, 3TN78, 3TNC78 (3011) . . . . . . . . 2-45
3TN82, 3TNA82, 3TN84 (3014) . . . . . . . . 2-45
3TNA72 (15 EX, 670 CUT,
3009 OEM) . . . . . . . . . . . . . . . . . . . . . . . . . 1-45
3TNA72 (430 LGT, 455 LGT,
755/56 CUT, F925/35 FM). . . . . . . . . . . . . 1-45
4TN100 . . . . . . . . . . . . . . . . . . . . . . . . . . . . 4-32
4TN78T, 4TN82, 4TN84(T) (4019) . . . . . . 3-45
Crankshaft, End Play Check
3TN66, 3TNA72 (3009) . . . . . . . . . . . . . . 1-137
3TN75, 3TN78, 3TNC78 (3011) . . . . . . . 2-121
3TN82, 3TNA82, 3TN84 (3014) . . . . . . . 2-121
4TN100 . . . . . . . . . . . . . . . . . . . . . . . . . . . . 4-85
4TN78T, 4TN82, 4TN84(T) (4019) . . . . . 3-124
Cylinder Bore - 3TN66, 3TNA72 (3009)
Deglazing . . . . . . . . . . . . . . . . . . . . . . . . . . 1-40
Inspection . . . . . . . . . . . . . . . . . . . . . . . . . . 1-40
Reboring . . . . . . . . . . . . . . . . . . . . . . . . . . . 1-41
Cylinder Bore - 3TN75, 3TN78, 3TNC78 (3011)
Deglazing . . . . . . . . . . . . . . . . . . . . . . . . . . 2-42
Inspection . . . . . . . . . . . . . . . . . . . . . . . . . . 2-40
Reboring . . . . . . . . . . . . . . . . . . . . . . . . . . . 2-42
Cylinder Bore - 3TN82, 3TNA82, 3TN84 (3014)
Deglazing . . . . . . . . . . . . . . . . . . . . . . . . . . 2-42
Inspection . . . . . . . . . . . . . . . . . . . . . . . . . . 2-40
Reboring . . . . . . . . . . . . . . . . . . . . . . . . . . . 2-42
Cylinder Bore - 4TN100
Deglazing . . . . . . . . . . . . . . . . . . . . . . . . . . 4-28
Inspection . . . . . . . . . . . . . . . . . . . . . . . . . . 4-28
Reboring . . . . . . . . . . . . . . . . . . . . . . . . . . . 4-29

Index
Index-4
4/7/95
I
Cylinder Bore - 4TN78T, 4TN82,
4TN84(T) (4019)
Deglazing . . . . . . . . . . . . . . . . . . . . . . . . . . 3-39
Inspection . . . . . . . . . . . . . . . . . . . . . . . . . . 3-38
Reboring . . . . . . . . . . . . . . . . . . . . . . . . . . . 3-39
Cylinder Head and Valves - 3TN66,
3TNA72 (3009)
Disassembly/Assembly. . . . . . . . . . . . . . . . 1-23
Inspection/Replacement . . . . . . . . . . . . . . . 1-24
Removal/Installation. . . . . . . . . . . . . . . . . . 1-21
Cylinder Head and Valves - 3TN75, 3TN78,
3TNC78 (3011)
Disassembly/Assembly. . . . . . . . . . . . . . . . 2-22
Inspection/Replacement . . . . . . . . . . . . . . . 2-23
Removal/Installation. . . . . . . . . . . . . . . . . . 2-21
Cylinder Head and Valves - 3TN82, 3TNA82,
3TN84 (3014)
Disassembly/Assembly. . . . . . . . . . . . . . . . 2-22
Inspection/Replacement . . . . . . . . . . . . . . . 2-23
Removal/Installation. . . . . . . . . . . . . . . . . . 2-21
Cylinder Head and Valves - 4TN100
Disassembly/Assembly. . . . . . . . . . . . . . . . 4-13
Inspection/Replacement . . . . . . . . . . . . . . . 4-14
Removal/Installation. . . . . . . . . . . . . . . . . . 4-12
Cylinder Head and Valves - 4TN78T, 4TN82,
4TN84(T) (4019)
Disassembly/Assembly. . . . . . . . . . . . . . . . 3-22
Inspection/Replacement . . . . . . . . . . . . . . . 3-23
Removal/Installation. . . . . . . . . . . . . . . . . . 3-21
Cylinder, Compression Pressure Test
3009 . . . . . . . . . . . . . . . . . . . . . . . . . . . . . 10-49
3011, 3014, 4019 . . . . . . . . . . . . . . . . . . . 10-50
3TN66, 3TNA72 (3009) . . . . . . . . . . . . . . 1-153
3TN75, 3TN78, 3TNC78 (3011) . . . . . . . 2-135
3TN82, 3TNA82, 3TN84 (3014) . . . . . . . 2-135
4TN100 . . . . . . . . . . . . . . . . . . . . . . . . . . . . 4-97
4TN78T, 4TN82, 4TN84(T) (4019) . . . . . 3-140
D
Dealer Fabricated Tools
DFRG1 Extended Indicator Tip . . . . . . . . 10-62
DFRG2 Extended Indicator Tip . . . . . . . . 10-63
Diagnosis
3TN66, 3TNA72 (3009) . . . . . . . . . . . . . . 1-132
3TN75, 3TN78, 3TNC78 (3011) . . . . . . . 2-117
3TN82, 3TNA82, 3TN84 (3014) . . . . . . . 2-117
4TN100 . . . . . . . . . . . . . . . . . . . . . . . . . . . . 4-81
4TN78T, 4TN82, 4TN84(T) (4019) . . . . . 3-120
Diesel Engine Oil . . . . . . . . . . . . . . . . . . . . . . . . G-8
Diesel Fuel . . . . . . . . . . . . . . . . . . . . . . . . . . . . . G-8
Dynamometer Test - 3009, 3011,
3014, 4019 . . . . . . . . . . . . . . . . . . . . . . . . . . . 10-47
E
Electrical Component Location
Engine . . . . . . . . . . . . . . . . . . . . . . . . . . . . . 21-2
Instrument Panel . . . . . . . . . . . . . . . . . . . . . 21-3
Electrical Schematic
3009 Power Unit . . . . . . . . . . . . . . . . . . . . . 21-4
3011, 3014 and 4019 Power Units . . . . . . . 21-8
Optional Equipment . . . . . . . . . . . . . . . . . 21-12
Electrical System, Check . . . . . . . . . . . . . . . . 10-46
Engine Application Chart
Industrial Equipment. . . . . . . . . . . . . . . . . . . G-3
Lawn and Grounds Care Equipment. . . . . . . G-2
OEM Application . . . . . . . . . . . . . . . . . . . . . G-3
Engine Balancer Operation. . . . . . . . . . . . . . . . 20-4
Engine Coolant
Recommendations. . . . . . . . . . . . . . . . . . . . . G-9
Specifications . . . . . . . . . . . . . . . . . . . . . . . G-10
Engine Oil Pressure, Test
3009, 3011, 3014, 4019 . . . . . . . . . . . . . . 10-50
3TN66, 3TNA72 (3009) . . . . . . . . . . . . . . 1-154
3TN75, 3TN78, 3TNC78 (3011) . . . . . . . 2-136
3TN82, 3TNA82, 3TN84 (3014) . . . . . . . 2-136
4TN100 . . . . . . . . . . . . . . . . . . . . . . . . . . . . 4-98
4TN78T, 4TN82, 4TN84(T) (4019) . . . . . 3-141
Engine Serial Number Plate
Location . . . . . . . . . . . . . . . . . . . . . . . . . . . . G-1
Serial Number Information. . . . . . . . . . . . . . G-1
Engine Specifications
3TN66 . . . . . . . . . . . . . . . . . . . . . . . . . . . . . . 1-1
3TNA72 (3009). . . . . . . . . . . . . . . . . . . . . . . 1-8
3TN75, 3TN78, 3TNC78 (3011) . . . . . . . . . 2-1
3TN82, 3TNA82, 3TN84 (3014) . . . . . . . . . 2-8
4TN78T. . . . . . . . . . . . . . . . . . . . . . . . . . . . . 3-1
4TN82, 4TN84(T) (4019). . . . . . . . . . . . . . . 3-8
4TN100 . . . . . . . . . . . . . . . . . . . . . . . . . . . . . 4-1
Engine, Clean . . . . . . . . . . . . . . . . . . . . . . . . . . G-17
Exhaust Manifold
3TN66 . . . . . . . . . . . . . . . . . . . . . . . . . . . . . 1-27
3TN75, 3TN78, 3TNC78 (3011) . . . . . . . . 2-26
3TN82, 3TNA82, 3TN84 (3014) . . . . . . . . 2-26
3TNA72 (3009). . . . . . . . . . . . . . . . . . . . . . 1-28
4TN100 . . . . . . . . . . . . . . . . . . . . . . . . . . . . 4-17
4TN78T, 4TN82, 4TN84(T) (4019) . . . . . . 3-26
Exhaust System, Check. . . . . . . . . . . . . . . . . . 10-45
F
Fan/Alternator Belt
Adjustment . . . . . . . . . . . . . . . . . . . . . . . . 10-34
Replacement . . . . . . . . . . . . . . . . . . . . . . . 10-34

Index
4/7/95
Index-5
I
Fan/Alternator Drive Belt, Adjustment
3TN66, 3TNA72 (3009) . . . . . . . . . . . . . . 1-150
3TN75, 3TN78, 3TNC78 (3011) . . . . . . . 2-132
3TN82, 3TNA82, 3TN84 (3014) . . . . . . . 2-132
4TN100 . . . . . . . . . . . . . . . . . . . . . . . . . . . . 4-95
4TN78T, 4TN82, 4TN84(T) (4019) . . . . . 3-137
Fan/Alternator Drive Belt, Inspection . . . . . . 10-46
Fast Idle Speed Adjustment
3009 . . . . . . . . . . . . . . . . . . . . . . . . . . . . . 10-54
3011, 3014, 4019 . . . . . . . . . . . . . . . . . . . 10-55
Flywheel
3TN66, 3TNA72 (3009) . . . . . . . . . . . . . . . 1-52
3TN75, 3TN78, 3TNC78 (3011) . . . . . . . . 2-51
3TN82, 3TNA82, 3TN84 (3014) . . . . . . . . 2-51
4TN100 . . . . . . . . . . . . . . . . . . . . . . . . . . . . 4-38
4TN78T, 4TN82, 4TN84(T) (4019) . . . . . . 3-51
Flywheel Housing
3TN66 . . . . . . . . . . . . . . . . . . . . . . . . . . . . . 1-54
3TN78, 3TNC78 (3011), 3TN82,
3TN84 (3014) . . . . . . . . . . . . . . . . . . . . . . . 2-52
3TNA72 (15 EX, 3009 OEM) . . . . . . . . . . 1-53
3TNA72 (All Except 15 EX and
3009 OEM) . . . . . . . . . . . . . . . . . . . . . . . . . 1-54
4TN100 . . . . . . . . . . . . . . . . . . . . . . . . . . . . 4-39
4TN78T, 4TN82RJE, 4TN82ESP,
4TN84(T) (4019) . . . . . . . . . . . . . . . . . . . . 3-52
Flywheel Plate
3TN75, 3TNC78 (3011), 3TNA82,
3TN84 (3014) . . . . . . . . . . . . . . . . . . . . . . . 2-53
4TN82RJK, 4TN84RJK,
4TN84(T) (4019) . . . . . . . . . . . . . . . . . . . . 3-52
Fuel Control and Governor Linkage -
3TN66 and Later 3TNA72
Assembly . . . . . . . . . . . . . . . . . . . . . . . . . 1-107
Disassembly . . . . . . . . . . . . . . . . . . . . . . . 1-106
Inspection . . . . . . . . . . . . . . . . . . . . . . . . . 1-108
Installation . . . . . . . . . . . . . . . . . . . . . . . . 1-105
Removal . . . . . . . . . . . . . . . . . . . . . . . . . . 1-105
Fuel Control and Governor Linkage -
Early 3TNA72 (430 LGT)
Inspection . . . . . . . . . . . . . . . . . . . . . . . . . 1-104
Installation . . . . . . . . . . . . . . . . . . . . . . . . 1-101
Removal . . . . . . . . . . . . . . . . . . . . . . . . . . . 1-99
Fuel Drain Back Test
3009, 3011, 3014, 4019 . . . . . . . . . . . . . . 10-52
3TN66, 3TNA72 (3009) . . . . . . . . . . . . . . 1-156
3TN75, 3TN78, 3TNC78 (3011) . . . . . . . 2-138
3TN82, 3TNA82, 3TN84 (3014) . . . . . . . 2-138
4TN100 . . . . . . . . . . . . . . . . . . . . . . . . . . . 4-100
4TN78, 4TN82, 4TN84(T) (4019) . . . . . . 3-143
Fuel Filter Assembly
3009 . . . . . . . . . . . . . . . . . . . . . . . . . . . . . 10-35
3011, 3014 and 4019. . . . . . . . . . . . . . . . . 10-36
3TN66, 3TNA72 (3009) . . . . . . . . . . . . . . . 1-93
3TN75, 3TN78, 3TNC78 (3011) . . . . . . . . 2-79
3TN82, 3TNA82, 3TN84 (3014) . . . . . . . . 2-79
4TN100 . . . . . . . . . . . . . . . . . . . . . . . . . . . . 4-63
4TN78T, 4TN82, 4TN84(T) (4019) . . . . . . 3-79
Fuel Injection Nozzles - 3TN66, 3TNA72 (3009)
Cleaning/Inspection . . . . . . . . . . . . . . . . . 1-111
Cross Section . . . . . . . . . . . . . . . . . . . . . . 1-111
Disassembly/Assembly. . . . . . . . . . . . . . . 1-110
Removal/Installation. . . . . . . . . . . . . . . . . 1-109
Test . . . . . . . . . . . . . . . . . . . . . . . . . . . . . . 1-142
Fuel Injection Nozzles - 3TN75, 3TN78,
3TNC78 (3011)
Cleaning/Inspection . . . . . . . . . . . . . . . . . . 2-85
Cross Section . . . . . . . . . . . . . . . . . . . . . . . 2-84
Disassembly/Assembly. . . . . . . . . . . . . . . . 2-84
Removal/Installation. . . . . . . . . . . . . . . . . . 2-83
Test . . . . . . . . . . . . . . . . . . . . . . . . . . . . . . 2-125
Fuel Injection Nozzles - 3TN82, 3TNA82,
3TN84 (3014)
Cleaning/Inspection . . . . . . . . . . . . . . . . . . 2-85
Cross Section . . . . . . . . . . . . . . . . . . . . . . . 2-84
Disassembly/Assembly. . . . . . . . . . . . . . . . 2-84
Removal/Installation. . . . . . . . . . . . . . . . . . 2-83
Test . . . . . . . . . . . . . . . . . . . . . . . . . . . . . . 2-125
Fuel Injection Nozzles - 4TN100
Cleaning/Inspection . . . . . . . . . . . . . . . . . . 4-68
Cross Section . . . . . . . . . . . . . . . . . . . . . . . 4-68
Disassembly/Assembly. . . . . . . . . . . . . . . . 4-67
Removal/Installation. . . . . . . . . . . . . . . . . . 4-66
Test . . . . . . . . . . . . . . . . . . . . . . . . . . . . . . . 4-89
Fuel Injection Nozzles - 4TN78T, 4TN82,
4TN84(T) (4019)
Cleaning/Inspection . . . . . . . . . . . . . . . . . . 3-85
Cross Section . . . . . . . . . . . . . . . . . . . . . . . 3-84
Disassembly/Assembly. . . . . . . . . . . . . . . . 3-84
Removal/Installation. . . . . . . . . . . . . . . . . . 3-83
Test . . . . . . . . . . . . . . . . . . . . . . . . . . . . . . 3-128
Fuel Injection Pump - 3TN66, 3TNA72 (3009)
Installation . . . . . . . . . . . . . . . . . . . . . . . . . 1-95
Removal . . . . . . . . . . . . . . . . . . . . . . . . . . . 1-94
Fuel Injection Pump - 3TN75, 3TN78,
3TNC78 (3011)
Installation . . . . . . . . . . . . . . . . . . . . . . . . . 2-81
Removal . . . . . . . . . . . . . . . . . . . . . . . . . . . 2-80
Static Timing Adjustment. . . . . . . . . . . . . 2-131

Index
Index-6
4/7/95
I
Fuel Injection Pump - 3TN82, 3TNA82,
3TN84 (3014)
Installation . . . . . . . . . . . . . . . . . . . . . . . . . 2-81
Removal . . . . . . . . . . . . . . . . . . . . . . . . . . . 2-80
Static Timing Adjustment. . . . . . . . . . . . . 2-131
Fuel Injection Pump - 4TN100
Installation . . . . . . . . . . . . . . . . . . . . . . . . . 4-65
Removal . . . . . . . . . . . . . . . . . . . . . . . . . . . 4-64
Static Timing Adjustment. . . . . . . . . . . . . . 4-94
Fuel Injection Pump - 4TN78T, 4TN82,
4TN84(T) (4019)
Installation . . . . . . . . . . . . . . . . . . . . . . . . . 3-81
Removal . . . . . . . . . . . . . . . . . . . . . . . . . . . 3-80
Fuel Injection Pump Camshaft -
3TN66 and Later 3TNA72
Assembly . . . . . . . . . . . . . . . . . . . . . . . . . . 1-98
Disassembly . . . . . . . . . . . . . . . . . . . . . . . . 1-98
Inspection . . . . . . . . . . . . . . . . . . . . . . . . . . 1-98
Installation . . . . . . . . . . . . . . . . . . . . . . . . . 1-98
Removal . . . . . . . . . . . . . . . . . . . . . . . . . . . 1-97
Fuel Injection Pump Camshaft -
Early 3TNA72 (430 LGT)
Assembly . . . . . . . . . . . . . . . . . . . . . . . . . . 1-97
Disassembly . . . . . . . . . . . . . . . . . . . . . . . . 1-96
Inspection . . . . . . . . . . . . . . . . . . . . . . . . . . 1-97
Installation . . . . . . . . . . . . . . . . . . . . . . . . . 1-96
Removal . . . . . . . . . . . . . . . . . . . . . . . . . . . 1-96
Fuel Injection Pump Operation . . . . . . . . . . . 20-24
Fuel Injection Pump Static Timing Adjustment
3TN66 and Later 3TNA72 . . . . . . . . . . . . 1-148
4TN78T. . . . . . . . . . . . . . . . . . . . . . . . . . . 3-134
4TN82, 4TN84(T) (4019). . . . . . . . . . . . . 3-135
Early 3TNA72 (430 LGT) . . . . . . . . . . . . 1-147
Fuel Shutoff Solenoid
Replacement . . . . . . . . . . . . . . . . . . . . . . . 10-42
Fuel Shutoff Solenoid - 3009, 3011, 3014, 4019
Adjustment . . . . . . . . . . . . . . . . . . . . . . . . 10-56
Amperage Test . . . . . . . . . . . . . . . . . . . . . 10-55
Fuel Shutoff Solenoid, Adjustment
3TN66, 3TNA72 (3009) . . . . . . . . . . . . . . 1-151
3TN75, 3TN78, 3TNC78 (3011) . . . . . . . 2-133
3TN82, 3TNA82, 3TN84 (3014) . . . . . . . 2-133
4TN78T, 4TN82, 4TN84(T) (4019) . . . . . 3-138
Fuel Supply Pump - 3009
Pressure Test. . . . . . . . . . . . . . . . . . . . . . . 10-52
Removal/Installation. . . . . . . . . . . . . . . . . 10-37
Fuel Supply Pump - 3011, 3014, 4019
Pressure Test. . . . . . . . . . . . . . . . . . . . . . . 10-52
Removal/Installation. . . . . . . . . . . . . . . . . 10-38
Fuel Supply Pump - 3TN75, 3TNC78 (3011),
3TNA82, 3TN84 (3014)
Pressure Test. . . . . . . . . . . . . . . . . . . . . . . 2-137
Replacement . . . . . . . . . . . . . . . . . . . . . . . . 2-78
Fuel Supply Pump - 3TNA72 (670 CUT, 3009 OEM)
Pressure Test. . . . . . . . . . . . . . . . . . . . . . . 1-155
Replacement . . . . . . . . . . . . . . . . . . . . . . . . 1-92
Fuel Supply Pump - 4TN100
Pressure Test. . . . . . . . . . . . . . . . . . . . . . . . 4-99
Removal/Installation. . . . . . . . . . . . . . . . . . 4-61
Fuel Supply Pump - 4TN82, 4TN84(T) (4019)
Pressure Test. . . . . . . . . . . . . . . . . . . . . . . 3-142
Replacement . . . . . . . . . . . . . . . . . . . . . . . . 3-78
Fuel System Operation . . . . . . . . . . . . . . . . . . 20-22
Fuel System, Bleed
3009 . . . . . . . . . . . . . . . . . . . . . . . . . . . . . 10-52
3011, 3014, 4019 . . . . . . . . . . . . . . . . . . . 10-53
3TN66, 3TNA72 (3009) . . . . . . . . . . . . . . 1-156
3TN75, 3TN78, 3TNC78 (3011) . . . . . . . 2-138
3TN82, 3TNA82, 3TN84 (3014) . . . . . . . 2-138
4TN78T, 4TN82, 4TN84(T) (4019) . . . . . 3-143
G
General Tune-Up Recommendations . . . . . . . 10-44
Glow Plugs
Removal/Installation. . . . . . . . . . . . . . . . . 10-39
Test . . . . . . . . . . . . . . . . . . . . . . . . . . . . . . 10-39
Governor Operation . . . . . . . . . . . . . . . . . . . . 20-28
Grease . . . . . . . . . . . . . . . . . . . . . . . . . . . . . . . . . G-9
I
Idler Gear - 3TN66 and Later 3TNA72
Inspection/Replacement . . . . . . . . . . . . . . . 1-66
Removal/Installation. . . . . . . . . . . . . . . . . . 1-66
Idler Gear - 3TN75, 3TN78, 3TNC78 (3011)
Inspection/Replacement . . . . . . . . . . . . . . . 2-61
Removal/Installation. . . . . . . . . . . . . . . . . . 2-61
Idler Gear - 3TN82, 3TNA82, 3TN84 (3014)
Inspection/Replacement . . . . . . . . . . . . . . . 2-61
Removal/Installation. . . . . . . . . . . . . . . . . . 2-61
Idler Gear - 4TN100
Inspection/Replacement . . . . . . . . . . . . . . . 4-47
Removal/Installation. . . . . . . . . . . . . . . . . . 4-46
Idler Gear - 4TN78T, 4TN82, 4TN84(T) (4019)
Inspection/Replacement . . . . . . . . . . . . . . . 3-60
Removal/Installation. . . . . . . . . . . . . . . . . . 3-59
Idler Gear - Early 3TNA72 (430 LGT)
Inspection/Replacement . . . . . . . . . . . . . . . 1-65
Removal/Installation. . . . . . . . . . . . . . . . . . 1-65

Index
4/7/95
Index-7
I
Injection Nozzle Operation
Hole Type . . . . . . . . . . . . . . . . . . . . . . . . . 20-36
Pintle Type . . . . . . . . . . . . . . . . . . . . . . . . 20-34
Instrument Panel - 3009, 3011,
3014, 4019 . . . . . . . . . . . . . . . . . . . . . . . . . . . 10-40
Intake Manifold
3TN66 . . . . . . . . . . . . . . . . . . . . . . . . . . . . . 1-29
3TN75, 3TN78, 3TNC78 (3011) . . . . . . . . 2-27
3TN82, 3TNA82, 3TN84 (3014) . . . . . . . . 2-27
3TNA72 (3009). . . . . . . . . . . . . . . . . . . . . . 1-29
4TN100 . . . . . . . . . . . . . . . . . . . . . . . . . . . . 4-18
4TN78T, 4TN82, 4TN84(T) (4019) . . . . . . 3-26
L
Lubrication System Operation . . . . . . . . . . . . 20-14
M
Muffler, Removal/Installation
3009 . . . . . . . . . . . . . . . . . . . . . . . . . . . . . . 10-9
3011, 3014, 4019D . . . . . . . . . . . . . . . . . . 10-10
4019T . . . . . . . . . . . . . . . . . . . . . . . . . . . . 10-11
O
Oil Cooler - 3TN84 (955 CUT)
Leakage Test. . . . . . . . . . . . . . . . . . . . . . . 2-133
Removal/Installation. . . . . . . . . . . . . . . . . . 2-67
Oil Cooler - 4TN100
Leakage Test. . . . . . . . . . . . . . . . . . . . . . . . 4-52
Removal/Installation. . . . . . . . . . . . . . . . . . 4-52
Oil Cooler - 4TN8T, 4TN84T (4019TF001, 005)
Leakage Test. . . . . . . . . . . . . . . . . . . . . . . 3-137
Removal/Installation. . . . . . . . . . . . . . . . . . 3-66
Oil Cooler By-Pass Valve
4TN100 . . . . . . . . . . . . . . . . . . . . . . . . . . . . 4-53
Oil Cooler Operation . . . . . . . . . . . . . . . . . . . 20-18
Oil Filter Operation. . . . . . . . . . . . . . . . . . . . . 20-16
Oil Pan and Strainer
3TN66 . . . . . . . . . . . . . . . . . . . . . . . . . . . . . 1-72
3TN75, 3TN78, 3TNC78 (3011) . . . . . . . . 2-64
3TN82, 3TNA82, 3TN84 (3014) . . . . . . . . 2-64
3TNA72 . . . . . . . . . . . . . . . . . . . . . . . . . . . 1-73
4TN100 . . . . . . . . . . . . . . . . . . . . . . . . . . . . 4-50
4TN78T, 4TN82, 4TN84(T) (4019) . . . . . . 3-63
Oil Pressure Regulating Valve
3TN66 . . . . . . . . . . . . . . . . . . . . . . . . . . . . . 1-80
3TN75, 3TN78, 3TNC78 (3011) . . . . . . . . 2-68
3TN82, 3TNA82, 3TN84 (3014) . . . . . . . . 2-68
3TN84 (955 CUT) . . . . . . . . . . . . . . . . . . . 2-67
4TN100 . . . . . . . . . . . . . . . . . . . . . . . . . . . . 4-54
4TN78T, 4TN84T (4019TF001, 005). . . . . 3-67
4TN82, 4TN84 (4019DF),
4TN84T (4019TF006) . . . . . . . . . . . . . . . . 3-67
Early 3TNA72 (430 LGT) . . . . . . . . . . . . . 1-81
Later 3TNA72. . . . . . . . . . . . . . . . . . . . . . . 1-82
Theory of Operation . . . . . . . . . . . . . . . . . 20-17
Oil Pressure Switch, Replacement . . . . . . . . . 10-41
Oil Pump - 3TN66 and Later 3TNA72
Disassembly/Assembly. . . . . . . . . . . . . . . . 1-79
Inspection . . . . . . . . . . . . . . . . . . . . . . . . . . 1-80
Removal/Installation. . . . . . . . . . . . . . . . . . 1-79
Oil Pump - 3TN75, 3TN78, 3TNC78 (3011)
Disassembly/Assembly. . . . . . . . . . . . . . . . 2-66
Inspection . . . . . . . . . . . . . . . . . . . . . . . . . . 2-66
Removal/Installation. . . . . . . . . . . . . . . . . . 2-65
Oil Pump - 3TN82, 3TNA82, 3TN84 (3014)
Disassembly/Assembly. . . . . . . . . . . . . . . . 2-66
Inspection . . . . . . . . . . . . . . . . . . . . . . . . . . 2-66
Removal/Installation. . . . . . . . . . . . . . . . . . 2-65
Oil Pump - 4TN100
Disassembly/Assembly. . . . . . . . . . . . . . . . 4-51
Inspection . . . . . . . . . . . . . . . . . . . . . . . . . . 4-51
Removal/Installation. . . . . . . . . . . . . . . . . . 4-51
Oil Pump - 4TN78T, 4TN82, 4TN84(T) (4019)
Disassembly/Assembly. . . . . . . . . . . . . . . . 3-64
Inspection . . . . . . . . . . . . . . . . . . . . . . . . . . 3-65
Removal/Installation. . . . . . . . . . . . . . . . . . 3-64
Oil Pump - Early 3TNA72 (430 LGT)
Inspection . . . . . . . . . . . . . . . . . . . . . . . . . . 1-77
Installation . . . . . . . . . . . . . . . . . . . . . . . . . 1-76
Removal . . . . . . . . . . . . . . . . . . . . . . . . . . . 1-75
P
Piston and Connecting Rod - 3TN66, 3TNA72
(3009)
Assembly . . . . . . . . . . . . . . . . . . . . . . . . . . 1-35
Disassembly . . . . . . . . . . . . . . . . . . . . . . . . 1-34
Inspection/Replacement . . . . . . . . . . . . . . . 1-36
Installation . . . . . . . . . . . . . . . . . . . . . . . . . 1-33
Removal . . . . . . . . . . . . . . . . . . . . . . . . . . . 1-33

Index
Index-8
4/7/95
I
Piston and Connecting Rod - 3TN75, 3TN78,
3TNC78 (3011)
Assembly . . . . . . . . . . . . . . . . . . . . . . . . . . 2-34
Disassembly . . . . . . . . . . . . . . . . . . . . . . . . 2-33
Inspection/Replacement . . . . . . . . . . . . . . . 2-35
Installation . . . . . . . . . . . . . . . . . . . . . . . . . 2-32
Removal . . . . . . . . . . . . . . . . . . . . . . . . . . . 2-31
Piston and Connecting Rod - 3TN82, 3TNA82,
3TN84 (3014)
Assembly . . . . . . . . . . . . . . . . . . . . . . . . . . 2-34
Disassembly . . . . . . . . . . . . . . . . . . . . . . . . 2-33
Inspection/Replacement . . . . . . . . . . . . . . . 2-35
Installation . . . . . . . . . . . . . . . . . . . . . . . . . 2-32
Removal . . . . . . . . . . . . . . . . . . . . . . . . . . . 2-31
Piston and Connecting Rod - 4TN100
Assembly . . . . . . . . . . . . . . . . . . . . . . . . . . 4-24
Disassembly . . . . . . . . . . . . . . . . . . . . . . . . 4-23
Inspection/Replacement . . . . . . . . . . . . . . . 4-25
Installation . . . . . . . . . . . . . . . . . . . . . . . . . 4-22
Removal . . . . . . . . . . . . . . . . . . . . . . . . . . . 4-22
Piston and Connecting Rod - 4TN78T, 4TN82,
4TN84(T) (4019)
Assembly . . . . . . . . . . . . . . . . . . . . . . . . . . 3-33
Disassembly . . . . . . . . . . . . . . . . . . . . . . . . 3-32
Inspection/Replacement . . . . . . . . . . . . . . . 3-34
Installation . . . . . . . . . . . . . . . . . . . . . . . . . 3-31
Removal . . . . . . . . . . . . . . . . . . . . . . . . . . . 3-31
Piston Cooling Nozzles
4TN100 . . . . . . . . . . . . . . . . . . . . . . . . . . . . 4-54
4TN78T, 4TN84T (4019TF001, 005). . . . . 3-68
Theory of Operation . . . . . . . . . . . . . . . . . 20-20
Piston-to-Cylinder Head Clearance
3TN66, 3TNA72 (3009) . . . . . . . . . . . . . . . 1-31
3TN75, 3TN78, 3TNC78 (3011) . . . . . . . . 2-29
3TN82, 3TNA82, 3TN84 (3014) . . . . . . . . 2-29
4TN100 . . . . . . . . . . . . . . . . . . . . . . . . . . . . 4-20
4TN78T, 4TN82, 4TN84(T) (4019) . . . . . . 3-29
Precombustion Chamber Operation
(Indirect Injection) . . . . . . . . . . . . . . . . . . . . . 20-38
Preliminary Engine Testing . . . . . . . . . . . . . . 10-44
R
Radiator
Installation . . . . . . . . . . . . . . . . . . . . . . . . 10-33
Removal/Inspection . . . . . . . . . . . . . . . . . 10-32
Radiator Cap, Pressure Test
3009, 3011, 3014, 4019 . . . . . . . . . . . . . . 10-49
3TN66, 3TNA72 (3009) . . . . . . . . . . . . . . 1-153
3TN75, 3TN78, 3TNC78 (3011) . . . . . . . 2-135
3TN82, 3TNA82, 3TN84 (3014) . . . . . . . 2-135
4TN100 . . . . . . . . . . . . . . . . . . . . . . . . . . . . 4-97
4TN78T, 4TN82, 4TN84(T) (4019) . . . . . 3-140
Radiator Mount - If Equipped. . . . . . . . . . . . . 10-43
Radiator, Bubble Test
3009, 3011, 3014, 4019 . . . . . . . . . . . . . . 10-48
3TN66, 3TNA72 (3009) . . . . . . . . . . . . . . 1-152
3TN75, 3TN78, 3TNC78 (3011) . . . . . . . 2-134
3TN82, 3TNA82, 3TN84 (3014) . . . . . . . 2-134
4TN78T, 4TN82, 4TN84(T) (4019) . . . . . 3-139
4TN100 . . . . . . . . . . . . . . . . . . . . . . . . . . . . 4-96
Regulated Voltage Test
3009, 3011, 3014, 4019 . . . . . . . . . . . . . . 10-60
Rocker Arm Assembly - 3TN66, 3TNA72 (3009)
Disassembly/Assembly. . . . . . . . . . . . . . . . 1-19
Inspection . . . . . . . . . . . . . . . . . . . . . . . . . . 1-20
Removal/Installation. . . . . . . . . . . . . . . . . . 1-19
Rocker Arm Assembly - 3TN75, 3TN78,
3TNC78 (3011)
Disassembly/Assembly. . . . . . . . . . . . . . . . 2-19
Inspection . . . . . . . . . . . . . . . . . . . . . . . . . . 2-20
Removal/Installation. . . . . . . . . . . . . . . . . . 2-19
Rocker Arm Assembly - 3TN82, 3TNA82, 3TN84
(3014)
Disassembly/Assembly. . . . . . . . . . . . . . . . 2-19
Inspection . . . . . . . . . . . . . . . . . . . . . . . . . . 2-20
Removal/Installation. . . . . . . . . . . . . . . . . . 2-19
Rocker Arm Assembly - 4TN100
Disassembly/Assembly. . . . . . . . . . . . . . . . 4-10
Inspection . . . . . . . . . . . . . . . . . . . . . . . . . . 4-11
Removal/Installation. . . . . . . . . . . . . . . . . . 4-10
Rocker Arm Assembly - 4TN78T, 4TN82,
4TN84(T) (4019)
Disassembly/Assembly. . . . . . . . . . . . . . . . 3-19
Inspection . . . . . . . . . . . . . . . . . . . . . . . . . . 3-20
Removal/Installation. . . . . . . . . . . . . . . . . . 3-19
Rocker Arm Cover
3TN66, 3TNA72 (3009) . . . . . . . . . . . . . . . 1-18
3TN75, 3TN78, 3TNC78 (3011) . . . . . . . . 2-18
3TN82, 3TNA82, 3TN84 (3014) . . . . . . . . 2-18
4TN100 . . . . . . . . . . . . . . . . . . . . . . . . . . . . . 4-9
4TN78T, 4TN82, 4TN84(T) (4019) . . . . . . 3-18
S
Slow Idle Speed Adjustment
3009, 3011, 3014, 4019 . . . . . . . . . . . . . . 10-53
Specifications
Engine Accessories. . . . . . . . . . . . . . . . . . . 10-1
Starter - 3TN66 (Hitachi 0.8 kW)
Assembly . . . . . . . . . . . . . . . . . . . . . . . . . 1-114
Disassembly/Inspection . . . . . . . . . . . . . . 1-113
Test . . . . . . . . . . . . . . . . . . . . . . . . . . . . . . 1-115

Index
4/7/95
Index-9
I
Starter - 3TNA72 (3009 OEM) (Hitachi 0.8 kW)
Assembly . . . . . . . . . . . . . . . . . . . . . . . . . 1-114
Disassembly/Inspection . . . . . . . . . . . . . . 1-113
Test . . . . . . . . . . . . . . . . . . . . . . . . . . . . . . 1-115
Starter - 4TN78T (Hitachi 0.8 kW)
Assembly . . . . . . . . . . . . . . . . . . . . . . . . . . 3-88
Disassembly/Inspection . . . . . . . . . . . . . . . 3-87
Test . . . . . . . . . . . . . . . . . . . . . . . . . . . . . . . 3-89
Starter Gear Train and Overrunning Clutch -
3TN75, 3TNC78 (3011), 3TNA82, 3TN84
(870 CUT, 955 CUT) (Nippondenso 1.0 kW)
Assembly . . . . . . . . . . . . . . . . . . . . . . . . . . 2-95
Disassembly/Inspection . . . . . . . . . . . . . . . 2-93
Starter Gear Train and Overrunning Clutch -
3TNA72 (All Except 3009 OEM)
(Nippondenso 1.0 kW)
Assembly . . . . . . . . . . . . . . . . . . . . . . . . . 1-120
Disassembly/Inspection . . . . . . . . . . . . . . 1-119
Starter Gear Train and Overrunning Clutch -
3TNA82, 3TN84 (870 CUT, 3014 OEM)
(Nippondenso 1.2 kW)
Assembly . . . . . . . . . . . . . . . . . . . . . . . . . . 2-95
Disassembly/Inspection . . . . . . . . . . . . . . . 2-93
Starter Gear Train and Overrunning Clutch -
4TN82RJK, 4TN84RJK (Nippondenso 1.0 kW)
Assembly . . . . . . . . . . . . . . . . . . . . . . . . . . 3-99
Disassembly/Inspection . . . . . . . . . . . . . . . 3-97
Starter Gear Train and Solenoid - 3TN82 (575 SSL)
(Nippondenso 1.4 kW)
Assembly . . . . . . . . . . . . . . . . . . . . . . . . . 2-101
Disassembly/Inspection . . . . . . . . . . . . . . . 2-99
Starter Gear Train and Solenoid - 4TN100
(Nippondenso 1.4 kW)
Assembly . . . . . . . . . . . . . . . . . . . . . . . . . . 4-74
Disassembly/Inspection . . . . . . . . . . . . . . . 4-72
Starter Gear Train and Solenoid - 4TN82ESP,
4TN84(T) (4019) (Nippondenso 1.4 kW)
Assembly . . . . . . . . . . . . . . . . . . . . . . . . . 3-104
Disassembly/Inspection . . . . . . . . . . . . . . 3-102
Starter Identification Chart
3TN75, 3TN78, 3TNC78 (3011) . . . . . . . . 2-86
3TN82, 3TNA82, 3TN84 (3014) . . . . . . . . 2-86
4TN78T, 4TN82, 4TN84(T) (4019) . . . . . . 3-86
Starter Motor - 3TN75, 3TNC78 (3011),
3TNA82, 3TN84 (870 CUT, 955 CUT)
(Nippondenso 1.0 kW)
Assembly . . . . . . . . . . . . . . . . . . . . . . . . . . 2-91
Disassembly . . . . . . . . . . . . . . . . . . . . . . . . 2-91
Inspection/Test/Replacement . . . . . . . . . . . 2-92
Starter Motor - 3TN78, 3TN82 (30 EX)
(Hitachi 2.0 kW)
Assembly . . . . . . . . . . . . . . . . . . . . . . . . . . 2-87
Disassembly . . . . . . . . . . . . . . . . . . . . . . . . 2-87
Inspection/Test/Replacement . . . . . . . . . . . 2-87
Starter Motor - 3TN82 (575 SSL)
(Nippondenso 1.4 kW)
Assembly . . . . . . . . . . . . . . . . . . . . . . . . . . 2-97
Disassembly . . . . . . . . . . . . . . . . . . . . . . . . 2-96
Inspection/Test/Replacement . . . . . . . . . . . 2-97
Starter Motor - 3TNA72 (All Except 3009 OEM)
(Nippondenso 1.0 kW)
Assembly . . . . . . . . . . . . . . . . . . . . . . . . . 1-117
Disassembly . . . . . . . . . . . . . . . . . . . . . . . 1-116
Inspection/Test/Replacement . . . . . . . . . . 1-117
Starter Motor - 3TNA82, 3TN84
(870 CUT, 3014 OEM) (Nippondenso 1.2 kW)
Assembly . . . . . . . . . . . . . . . . . . . . . . . . . . 2-91
Disassembly . . . . . . . . . . . . . . . . . . . . . . . . 2-91
Inspection/Test/Replacement . . . . . . . . . . . 2-92
Starter Motor - 4TN100
Assembly . . . . . . . . . . . . . . . . . . . . . . . . . . 4-70
Disassembly . . . . . . . . . . . . . . . . . . . . . . . . 4-70
Inspection/Test/Replacement . . . . . . . . . . . 4-70
Starter Motor - 4TN82ESP, 4TN84(T) (4019)
(Nippondenso 1.4 kW)
Assembly . . . . . . . . . . . . . . . . . . . . . . . . . 3-101
Disassembly . . . . . . . . . . . . . . . . . . . . . . . 3-100
Inspection/Test/Replacement . . . . . . . . . . 3-101
Starter Motor - 4TN82RJE (Hitachi 2.0 kW)
Assembly . . . . . . . . . . . . . . . . . . . . . . . . . . 3-91
Disassembly . . . . . . . . . . . . . . . . . . . . . . . . 3-90
Inspection/Test/Replacement . . . . . . . . . . . 3-91
Starter Motor - 4TN82RJK, 4TN84RJK
(Nippondenso 1.0 kW)
Assembly . . . . . . . . . . . . . . . . . . . . . . . . . . 3-95
Disassembly . . . . . . . . . . . . . . . . . . . . . . . . 3-94
Inspection/Test/Replacement . . . . . . . . . . . 3-95
Starter Overrunning Clutch - 3TN78,
3TN82 (30 EX) (Hitachi 2.0 kW)
Assembly . . . . . . . . . . . . . . . . . . . . . . . . . . 2-90
Disassembly . . . . . . . . . . . . . . . . . . . . . . . . 2-89
Starter Overrunning Clutch - 4TN82RJE
(Hitachi 2.0 kW)
Assembly . . . . . . . . . . . . . . . . . . . . . . . . . . 3-93
Disassembly . . . . . . . . . . . . . . . . . . . . . . . . 3-93
Starter Solenoid - 3TN75, 3TNC78 (3011),
3TNA82, 3TN84 (870 CUT, 955 CUT)
(Nippondenso 1.0 kW)
Assembly . . . . . . . . . . . . . . . . . . . . . . . . . . 2-96
Disassembly/Inspection . . . . . . . . . . . . . . . 2-95

Index
Index-10
4/7/95
I
Starter Solenoid - 3TN78, 3TN82 (30 EX)
(Hitachi 2.0 kW)
Assembly . . . . . . . . . . . . . . . . . . . . . . . . . . 2-90
Disassembly . . . . . . . . . . . . . . . . . . . . . . . . 2-90
Starter Solenoid - 3TNA72 (All Except 3009 OEM)
(Nippondenso 1.0 kW)
Assembly . . . . . . . . . . . . . . . . . . . . . . . . . 1-121
Disassembly/Inspection . . . . . . . . . . . . . . 1-121
Starter Solenoid - 3TNA82, 3TN84
(870 CUT 3014 OEM) (Nippondenso 1.2 kW)
Assembly . . . . . . . . . . . . . . . . . . . . . . . . . . 2-96
Disassembly/Inspection . . . . . . . . . . . . . . . 2-95
Starter Solenoid - 4TN82RJE (Hitachi 2.0 kW)
Assembly . . . . . . . . . . . . . . . . . . . . . . . . . . 3-94
Disassembly . . . . . . . . . . . . . . . . . . . . . . . . 3-93
Starter Solenoid - 4TN82RJK, 4TN84RJK
(Nippondenso 1.0 kW)
Assembly . . . . . . . . . . . . . . . . . . . . . . . . . . 3-99
Disassembly/Inspection . . . . . . . . . . . . . . . 3-99
Starter Solenoid, Test
3009, 3011, 3014, 4019 . . . . . . . . . . . . . . 10-58
Starter, AMP Draw/RPM Test
3009, 3011, 3014, 4019 . . . . . . . . . . . . . . 10-56
Starter, No-Load AMP Draw/RPM Test
3009, 3011, 3014, 4019 . . . . . . . . . . . . . . 10-57
Starter, No-Load Amp Draw/RPM Test
3TN66, 3TNA72 (3009) . . . . . . . . . . . . . . 1-145
3TN75, 3TN78, 3TNC78 (3011) . . . . . . . 2-129
3TN82, 3TNA82, 3TN84 (3014) . . . . . . . 2-129
4TN100 . . . . . . . . . . . . . . . . . . . . . . . . . . . . 4-93
4TN78T, 4TN82, 4TN84(T) (4019) . . . . . 3-132
Stub Shaft
3TN66 (330/332 LGT, F915 FM). . . . . . . . 1-51
3TNA72 (430 LGT, F925/35 FM) . . . . . . . 1-51
T
Thermostat - 3TN66, 3TNA72 (3009)
Opening Test. . . . . . . . . . . . . . . . . . . . . . . 1-144
Replacement . . . . . . . . . . . . . . . . . . . . . . . . 1-84
Thermostat - 3TN75, 3TNC78 (3011),
3TN82 (575 SSL), 3TNA82, 3TN84 (870 CUT)
Opening Test. . . . . . . . . . . . . . . . . . . . . . . 2-127
Replacement . . . . . . . . . . . . . . . . . . . . . . . . 2-71
Thermostat - 4TN100
Opening Test. . . . . . . . . . . . . . . . . . . . . . . . 4-91
Replacement . . . . . . . . . . . . . . . . . . . . . . . . 4-56
Thermostat - 4TN78T, 4TN82, 4TN84(T) (4019)
Opening Test. . . . . . . . . . . . . . . . . . . . . . . 3-130
Thermostat - 4TN82RJK, 4TN84RJK
Replacement . . . . . . . . . . . . . . . . . . . . . . . . 3-71
Thermostat and Housing - 3TN78, 3TN82 (30 EX),
3TN84 (955 CUT, 3014 OEM)
Opening Test. . . . . . . . . . . . . . . . . . . . . . . 2-127
Thermostat Replacement . . . . . . . . . . . . . . 2-70
Thermostat and Housing - 4TN78T, 4TN82RJE,
4TN82ESP, 4TN84(T) (4019)
Opening Test. . . . . . . . . . . . . . . . . . . . . . . 3-130
Thermostat Replacement . . . . . . . . . . . . . . 3-70
Timing Gear Backlash, Check
3TN66 and Later 3TNA72 . . . . . . . . . . . . 1-141
3TN75, 3TN78, 3TNC78 (3011) . . . . . . . 2-123
3TN82, 3TNA82, 3TN84 (3014) . . . . . . . 2-123
4TN100 . . . . . . . . . . . . . . . . . . . . . . . . . . . . 4-88
4TN78T, 4TN82, 4TN84(T) (4019) . . . . . 3-127
Early 3TNA72 (430 LGT) . . . . . . . . . . . . 1-140
Timing Gear Cover
3TN66 . . . . . . . . . . . . . . . . . . . . . . . . . . . . . 1-60
3TN75, 3TN78, 3TNC78 (3011) . . . . . . . . 2-59
3TN82, 3TNA82, 3TN84 (3014) . . . . . . . . 2-59
4TN100 . . . . . . . . . . . . . . . . . . . . . . . . . . . . 4-45
4TN78T, 4TN82, 4TN84(T) (4019) . . . . . . 3-58
Early 3TNA72 (430 LGT) . . . . . . . . . . . . . 1-62
Later 3TNA72. . . . . . . . . . . . . . . . . . . . . . . 1-63
Timing Gear Cover Mounting Plate
3TN75, 3TN78, 3TNC78 (3011) . . . . . . . . 2-62
3TN82, 3TNA82, 3TN84 (3014) . . . . . . . . 2-62
4TN78T, 4TN82, 4TN84(T) (4019) . . . . . . 3-61
Timing Gear Housing
3TN66 . . . . . . . . . . . . . . . . . . . . . . . . . . . . . 1-67
4TN100 . . . . . . . . . . . . . . . . . . . . . . . . . . . . 4-47
Early 3TNA72. . . . . . . . . . . . . . . . . . . . . . . 1-68
Later 3TNA72. . . . . . . . . . . . . . . . . . . . . . . 1-69
Torque Values
Metric . . . . . . . . . . . . . . . . . . . . . . . . . . . . . G-15
Unified Inch . . . . . . . . . . . . . . . . . . . . . . . . G-16
Troubleshooting Chart
3TN66, 3TNA72 (3009) . . . . . . . . . . . . . . 1-131
3TN75, 3TN78, 3TNC78 (3011) . . . . . . . 2-116
3TN82, 3TNA82, 3TN84 (3014) . . . . . . . 2-116
4TN100 . . . . . . . . . . . . . . . . . . . . . . . . . . . . 4-80
4TN78T, 4TN82, 4TN84(T) (4019) . . . . . 3-119
Turbocharger
Assembly . . . . . . . . . . . . . . . . . . . . . . . . . 10-19
Disassembly . . . . . . . . . . . . . . . . . . . . . . . 10-17
Disconnect Oil Inlet Line . . . . . . . . . . . . . . G-17
Extending Life . . . . . . . . . . . . . . . . . . . . . 10-12
Failure Analysis . . . . . . . . . . . . . . . . . . . . 10-26
Inspection . . . . . . . . . . . . . . . . . . . . . . . . . 10-22
Installation . . . . . . . . . . . . . . . . . . . . . . . . 10-15
Removal . . . . . . . . . . . . . . . . . . . . . . . . . . 10-14
Rotor Shaft Axial Play Check. . . . . . . . . . 10-15
Rotor Shaft Radial Play Check . . . . . . . . . 10-16
Seven-Step Inspection. . . . . . . . . . . . . . . . 10-28
Theory of Operation . . . . . . . . . . . . . . . . . 20-12

Index
4/7/95
Index-11
I
V
Valve Clearance, Check and Adjustment
3TN66 and Later 3TNA72 . . . . . . . . . . . . 1-135
3TN75, 3TN78, 3TNC78 (3011) . . . . . . . 2-119
3TN82, 3TNA82, 3TN84 (3014) . . . . . . . 2-119
4TN100 . . . . . . . . . . . . . . . . . . . . . . . . . . . . 4-83
4TN78T, 4TN82, 4TN84(T) (4019) . . . . . 3-122
Early 3TNA72 (430 LGT) . . . . . . . . . . . . 1-134
Valve Lift Check
3TN66, 3TNA72 (3009) . . . . . . . . . . . . . . 1-138
3TN75, 3TN78, 3TNC78 (3011) . . . . . . . 2-122
3TN82, 3TNA82, 3TN84 (3014) . . . . . . . 2-122
4TN100 . . . . . . . . . . . . . . . . . . . . . . . . . . . . 4-86
4TN78T, 4TN82, 4TN84(T) (4019) . . . . . 3-125
Valve Seats, Grind
3TN66, 3TNA72 (3009) . . . . . . . . . . . . . . . 1-30
3TN75, 3TN78, 3TNC78 (3011) . . . . . . . . 2-28
3TN82, 3TNA82, 3TN84 (3014) . . . . . . . . 2-28
4TN100 . . . . . . . . . . . . . . . . . . . . . . . . . . . . 4-19
4TN78T, 4TN82, 4TN84(T) (4019) . . . . . . 3-28
Valves, Lap
3TN66, 3TNA72 (3009) . . . . . . . . . . . . . . . 1-30
3TN75, 3TN78, 3TNC78 (3011) . . . . . . . . 2-29
3TN82, 3TNA82, 3TN84 (3014) . . . . . . . . 2-29
4TN100 . . . . . . . . . . . . . . . . . . . . . . . . . . . . 4-19
4TN78T, 4TN82, 4TN84(T) (4019) . . . . . . 3-28
Voltage Regulator, Replacement (Hitachi 25A)
3TN78, 3TN82 (30 EX) . . . . . . . . . . . . . . 2-103
4TN100 . . . . . . . . . . . . . . . . . . . . . . . . . . . . 4-75
4TN78T. . . . . . . . . . . . . . . . . . . . . . . . . . . 3-106
Voltage Regulator, Replacement
(Nippondenso 35A)
3TN66 (655 CUT) . . . . . . . . . . . . . . . . . . 1-122
3TN75, (855/56 CUT), 3TN82
(575 SSL), 3TNA82, 3TN84
(870 CUT, 955 CUT) . . . . . . . . . . . . . . . . 2-107
3TNA72 (430 LGT, 670 CUT,
755/56 CUT, F925/35 FM). . . . . . . . . . . . 1-122
4TN82, 4TN84RJK. . . . . . . . . . . . . . . . . . 3-110
Voltage Regulator, Replacement
(Nippondenso 40A)
3TN66 (655 CUT) . . . . . . . . . . . . . . . . . . 1-128
3TN75, 3TNC78 (3011),
3TN82 (575 SSL),
3TN84 (955 CUT, 3014 OEM). . . . . . . . . 2-112
3TNA72 (455 LGT, 755/56 CUT,
3009 OEM) . . . . . . . . . . . . . . . . . . . . . . . . 1-128
4TN82ESP/RJE, 4TN84(T) (4019) . . . . . 3-115
W
Water Pump - 3TN66
Assembly . . . . . . . . . . . . . . . . . . . . . . . . . . 1-87
Disassembly . . . . . . . . . . . . . . . . . . . . . . . . 1-86
Removal/Installation. . . . . . . . . . . . . . . . . . 1-85
Water Pump - 3TN75, 3TNC78 (3011),
3TN82 (575 SSL), 3TNA82, 3TN84 (870 CUT)
Assembly . . . . . . . . . . . . . . . . . . . . . . . . . . 2-76
Disassembly . . . . . . . . . . . . . . . . . . . . . . . . 2-75
Removal/Installation. . . . . . . . . . . . . . . . . . 2-74
Water Pump - 3TN78, 3TN82 (30 EX),
3TN84 (955 CUT, 3014 OEM)
Assembly . . . . . . . . . . . . . . . . . . . . . . . . . . 2-73
Disassembly . . . . . . . . . . . . . . . . . . . . . . . . 2-72
Removal/Installation. . . . . . . . . . . . . . . . . . 2-71
Water Pump - 3TNA72
Assembly . . . . . . . . . . . . . . . . . . . . . . . . . . 1-90
Disassembly . . . . . . . . . . . . . . . . . . . . . . . . 1-89
Removal/Installation. . . . . . . . . . . . . . . . . . 1-88
Water Pump - 4TN100
Assembly . . . . . . . . . . . . . . . . . . . . . . . . . . 4-59
Disassembly . . . . . . . . . . . . . . . . . . . . . . . . 4-58
Removal/Installation. . . . . . . . . . . . . . . . . . 4-57
Water Pump - 4TN78T, 4TN82RJE, 4TN82ESP,
4TN84(T) (4019)
Assembly . . . . . . . . . . . . . . . . . . . . . . . . . . 3-73
Disassembly . . . . . . . . . . . . . . . . . . . . . . . . 3-72
Removal/Installation. . . . . . . . . . . . . . . . . . 3-71
Water Pump - 4TN82RJK, 4TN84RJK
Assembly . . . . . . . . . . . . . . . . . . . . . . . . . . 3-76
Disassembly . . . . . . . . . . . . . . . . . . . . . . . . 3-75
Removal/Installation. . . . . . . . . . . . . . . . . . 3-74

Index
Index-12
4/7/95
I

John Deere Series 220
Diesel Engines CTM3 (10AUG93)
