NET IT PS600 Cable Info R106
User Manual: NET IT PS600
Open the PDF directly: View PDF
.
Page Count: 68

1
Sep. 2010 Rev. 1.06
Rev. 1.0 April, 2009
Internal use only
C
Cable
able
Information
Information
Broadcast and Multi-media Business Unit
Panasonic System Networks Co., Ltd.

2
Confidential
Revision history
Revised ; HRP935 Preview connecter number
HR10A-7R-4P => HR10A-7R-4P(73)
Sep. 20101.06
Addition ; AW-CA20T6GAug. 20101.05
Addition ; PH405 / HRP150 connectionJun. 20101.04
Addition ; Pan/Tilt & Controller interfaceJun. 20101.03
Addition ; AW-PB506 cable Info.Feb. 20101.02
NoteChangesDateRev.

3
SECTION 1
Confidential
AW camera series

4
AW-CA1T1(Co-axial cable with special connector)
-This co-axial cable with special connector is used for special signal output such as SDI
signal on outdoor pan-tilt head system (AW-PH600/CH600).
-Cable Length:1m
-Wiring & Signals -Dimensions
(Unit:mm)
AW-CA4T1(DC power cable)
-This cable is used for connection with convertible cameras(AW-E350/E650/E655/E750
/E800A/E300S or live switcher(AW-SW350) and power supply(AW-PS505).
-Cable Length:3m
-Wiring & Signals -Dimensions
(Unit:mm)
Pin No. Signal
DC Plug
White
Red CANON Connector
(Male)
HA21J-4P
HIROSE
Core
Cable:Black
Co-axial Cable(5C-2V equivalent)
PanelCo-ax.Cable Nut BNC Connector
Painted Side
Connector
Option Cable
Discontinued
Discontinued

5
AW-CA16U10/20/30(Camera control cable)
-This cable is used with outdoor pan-tilt head system (AW-PH600) or
indoor pan-tilt head(AW-PH500) for camera control and genlock.
-Cable Length:AW-CA16U10:10m,AW-CA16U20:20m,AW-CA16U30:30m
-Wiring & Signals -Dimensions
(Unit:mm)
AW-CA8U30(Power cable)
-This cable is used for connection with pan-tilt head(AW-PH600) and power supply
(AW-PS600).
-Cable Length:30m
-Wiring & Signals -Dimensions
(Unit:mm)
Pin No. Signal
Shield
8 pins
(Female)
JRC25WPG-8S
HIROSE
Cable Color
Red
Black
Red
Black
Blue
Green
Lug
Terminal
Cord Clump
JRC25WPG-CP12
HIROSE
Heat Shrink Tube
SignalPin No.
Cable Color
Yellow
White
Black
Green
Red
Blue
BNC Connector
16 pin male
JRC25WPG-16P
HIROSE
Contact
Contact
Contact
Contact
Contact
Contact
Shield
Shield
Shield
Shield
Shield
Shield
Label
Yellow COMMAND
White G/l
Black VIDEO OUT
Green Y OUT
Red Pr OUT
Blue Pb OUT
Discontinued
Discontinued
Option Cable

6
-Dimensions
(Unit:mm)
AW-CA24U10/20/30(Camera control cable)
-This cable is used with pan-tilt head(AW-PH600) or indoor pan-tilt head(AW-PH500)
for pan-tilt control.
-Cable Length:AW-CA24U10:10m,AW-CA24U20:20m,AW-CA24U30:30m
-Wiring & Signals
Pin No. Signal Function
Up Direction Cont Input(Contact Signal)
Down Direction Cont In (Contact Signal)
Left Direction Cont In (Contact Signal)
Right Direction Cont In (Contact Signal)
Under Running Signal Out (Contact Signal)
Power Control Input
No Connection
Receiving Data of Pan-tilt (Controller Use)
Sending Data of Pan-tilt (Controller Use)
Sending Data of Pan-tilt (Controller Use)
Receiving Data of Pan-tilt (Controller Use)
Tally Control Input
Sending Data of Pan-tilt
Receiving Data of Pan-tilt
No Connection
Ground
24 pin male
JRC25WPG-24P
HIROSE
Cable Equivalent
Brown
Red
Orange
Black
Blue
Wht(Grn)
Brown
Wht(Brn)
Green
Blue
Wht(Blu)
No Connection
Twist Pair Wire
10BASE-T Cable
Category 5 Equivalent
Heat Shrink Tube
Pin No. Signal
8 pin modular jack
943-SP370808M2-A3814
STUART STAMPING
Remove heat shrink tube.
8 pin modular
To control
panel
To RS232C
Output(PC)
To 16 pin(TXD232)---Brown Wire
To 17 pin(RXD232)---Red Wire
To 18 pin(D-GND)---Orange Wire
Heat Shrink Tube
Discontinued
Option Cable

7
RJ-45(Modular plug)
Ferrite core
50 Pin connector
Same cable as
AW-CA50T6
Circuit box
AW-CA50T8(Camera control cable)
-This cable is used for controlling cameras(AW-E350/E650/E655/E750/E800A) by
AW-CB400.
-Cable Length:10m
-Camera control distance can be extended max.1000m by using 10-BASE-T cable.
-Dimensions
(Unit:mm)
-Wiring & Signals
Description
S connector
(Modular plug)
Twist pair cable
Option Cable

8
AW-CA50A26(RCU cable)
-This cable is used for connection with convertible cameras(AW-E350/E650/E655/E750
/E800A) and RCU(WV-RC700A).
-Cable Length:15m
-Wiring & Signals -Dimensions
(Unit:mm)
Core
Shield
SignalPin No.
SignalPin No.
26 pin male
SRCB06A21-26P
JAE
50 pin connector
AW-CA50T9(RS232C camera control cable)
(Unit:mm)
-Dimensions-Wiring & Signals
-This cable is used for connection with convertible cameras(AW-E350/E650/E655/E750
/E800A) and PC.
-Cable Length:10m
SHIELD SHIELD
Pin No. Signal Pin No. Signal
50 pin connector D sub 9 pin
Core
Option Cable

9
AW-CA26U15/30/100(RCU extension cable)
-This cable is used for extension of RCU cable(AW-CA50A26) with joint connector
WC-CA26T26).
-Cable Length:AW-CA26U15:15m,AW-CA26U30:30m,AW-CA26U100:100m
-Wiring & Signals -Dimensions
(Unit:mm)
26 pin male
SRCB06A21-26P
JAE
26 pin female
SRCB06A21-26S
JAE
SHIELD SHIELD
Pin No. Pin No. SignalSignal
AW-CA26T26(RCU extension cable joint connector)
-This connector is used for extension of RCU cable(AW-CA50A26) with RCU extension
cable(AW-CA26U15/30/100).
-Length:30mm
-Dimensions
(Unit:mm)
DIM 35
DIM 26
DOM 26
33
14
Option Cable

10
AW-CA10B02/25/50(RCB extension cable)
-This cable is used for extension of RCB cable(AW-CA50B10).
-Cable Length:AW-CA10B02:2m,AW-CA10B25:25m,AW-CA10B50:50m
-Wiring & Signals -Dimensions
(Unit:mm)
AW-CA50B10(RCB cable for extension)
-This cable is used with extension cable for connection with convertible cameras
(AW-E350/E300S/E650/E655/E750/E800A) and camera control box(WV-CB700A).
-Length:5m
-Wiring & Signals -Dimensions
(Unit:mm)
50 pin
connector
10S
Connector
HR10A-10J-10S
HIROSE
Pin Signal
Pin Signal
Grey/Red
Orange/Black
Black/Green
Black/Red
Orange/Red
Black
Black/White
Core
Pin Signal Pin Signal
Shield Shield
10 pin male
HR10A-10P-10P
HIROSE
10 pin female
HR10A-10P-10S
HIROSE
Discontinued
Option Cable
Discontinued

11
AW-CA12T12A(Lens extension cable)
-This cable is used for extension of lens iris cable .
-Cable Length:15cm
-Wiring & Signals -Dimensions
(Unit:mm)
AW-CA50T10(RCB cable)
-This cable is used with connection with convertible cameras(AW-E350/E300S/E650/
E655/E750/E800A) and camera control box(WV-CB700A).
-Length:5m
-Wiring & Signals -Dimensions
(Unit:mm)
Core
Grey/Red
Orange/Black
Black/Green
Black/Red
Orange/Red
Black
Black/White
50 pin
connector
10S
Connector
HR10A-10J-10S
HIROSE
Pin No. Signal
SignalPin No.
SignalPin No. Signal
Pin No.
Shield
Shield Shield
HIROSE HIROSE
12P Connector Male 12P Connector Female
Option Cable
Discontinued

12
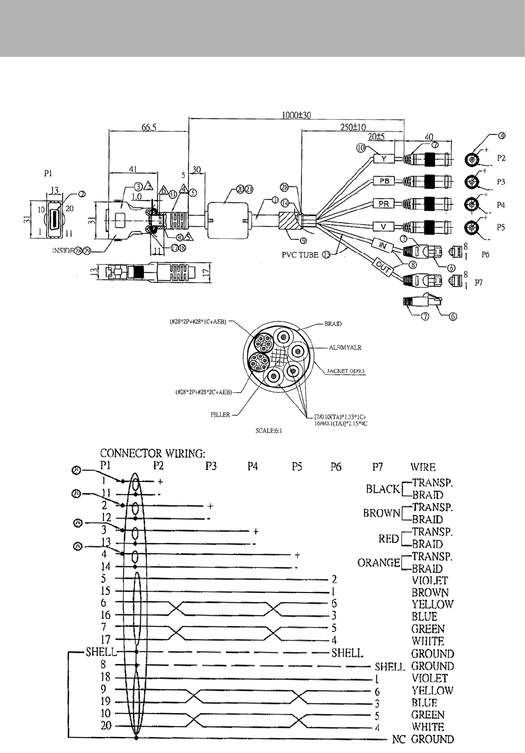
AW-CA9T9(RGB cable for PC)
-This cable is used for connection with convertible cameras(AW-E350/E300S/E650/
E655/E750/E800A)installed RGB card(AW-PB302) and PC.
-Cable Length:5m
-Wiring & Signals -Dimensions
(Unit:mm)
AW-CA50T6(RGB cable)
-This cable is used for connection with convertible cameras(AW-E350/E300S/E650/
E655/E750/E800A)installed RGB card(AW-PB302 and RGB monitor.
-Length:5m
-Wiring & Signals -Dimensions
(Unit:mm)
50 pin connector
BNC, Mini DIN 4 pin connector
Pin No. Signal
SHIELD
SHIELD
SHIELD
SHIELD
SHIELD
SHIELD
CONTACT
CONTACT
CONTACT
CONTACT
CONTACT
Pin No. Signal
4P
Mini DIN
Core
D sub 9 pin D sub 9 pin
JAE JAE
Pin No. Signal Pin No. Signal
SHIELD SHIELD
Discontinued
Option Cable
Discontinued

13
AW-CA12T11(Contact closure type pan-tilt cable)
(Unit:mm)
11 pin housing 12 pin connector male
HIROSEJ.S.T.
-Wiring & Signals -Dimensions
-This cable is used for connection with convertible cameras(AW-E350/E300S/E650/
E655/E750/E800A)installed lens interface card(AW-PB308) and contact closure type
pan-tilt head.
-Cable Length:25m
AW-CA9T5(RGB cable)
(Unit:mm)
D sub 9 pin
JAE BNC Connector
Pin No. Signal
SHIELD
SHIELD
SHIELD
SHIELD
SHIELD
SHIELD
CONTACT
CONTACT
CONTACT
CONTACT
CONTACT
Red
Green
Blue
White
Black
-Wiring & Signals -Dimensions
-This cable is used for connection with convertible cameras(AW-E350/E300S/E650/
E655/E750/E800A)installed RGB card(AW-PB302 and RGB monitor.
-Length:5m
Discontinued
Option Cable
Discontinued

14
AW-CA50T15(Pan-tilt cable)
(Unit:mm)
50 pin connector
D sub 15 pin
P
i
n
Pin No. Signal
Pin No. Signal
SHIELD
SHIELD
Core
AW-CA50TBNC(WV-CB550 cable)
(Unit:mm)
50 pin connector
Pin No. Signal Pin No. Signal
SHIELD
SHIELD
CONTACT
BNC connector(J Type)
C
o
r
e
C
o
r
e
Core
•BNC cable is required for
connection with WV-CB550.
-Wiring & Signals -Dimensions
-This cable is used for connection with convertible cameras(AW-E350/E300S/E650/
E655/E750/E800A) and remote control box(WV-CB550).
-Length:2m
-Wiring & Signals -Dimensions
-This cable is used for connection with convertible cameras(AW-E350/E300S/E650/
E655/E750/E800A) and pan-tilt head(AW-PH300A/PH600.
-Cable Length:40cm
Discontinued
Option Cable
Discontinued

15
AW-CA50C15(Pan-tilt cable)
(Unit:mm)
Core
50 pin connector D sub 15 pin
Pin No. Signal Pin No. Signal
SHIELD
SHIELD
AW-CA50A15(Pan-tilt cable)
(Unit:mm)
50 pin connector D sub 15 pin
Pin No. Signal Pin No. Signal
SHIELD
SHIELD
Core
-Wiring & Signals -Dimensions
-This cable is used for connection with convertible cameras(AW-E350/E300S/E650/
E655/E750/E800A) and pan-tilt head(AW-PH300A/PH600) for RS232C control.
-Length:40cm
-Wiring & Signals -Dimensions
-This cable is used for connection with convertible cameras(AW-E350/E300S/E650/
E655/E750/E800A) and pan-tilt head(AW-PH300A/PH600 for component output.
-Cable Length:40cm
Discontinued
Option Cable
Discontinued

16
AW-CA28T9(RS232C pan-tilt cable)
(Unit:mm)
AW-CA50D15(Pan-tilt cable)
(Unit:mm)
-Wiring & Signals -Dimensions
-This cable is used for connection with convertible cameras(AW-E350/E300S/E650/
E655/E750/E800A) and pan-tilt head(AW-PH300A/PH600) for RS232C control and
component output.
-Length:40cm
-Wiring & Signals -Dimensions
-This cable is used for connection with convertible cameras(AW-E350/E300S/E650/
E655/E750/E800A) and pan-tilt head(AW-PH300A/PH600) by RS232C control.
-Cable Length:10m
Option Cable
Discontinued

17
AW-CA50T29(Pan-tilt cable)
(Unit:mm)
-Wiring & Signals -Dimensions
-This cable is used for connection with convertible cameras(AW-E350/E300S/E650/
E655/E750/E800A) and pan-tilt head(AW-PH350) for composite output.
-Cable Length:40cm
AW-CA50F29(Pan-tilt cable)
(Unit:mm)
-Wiring & Signals -Dimensions
-This cable is used for connection with convertible cameras(AW-E350/E300S/E650/
E655/E750/E800A) installed Web Card(AW-PB309) and pan-tilt head(AW-PH350)
for Web control.
-Length:55cm
26 pin connector male 50 pin connector
8 pin DIN connector(card side)
8 pin modular jack(card side)
Pin No. Signal Pin No.
29 pin connector male 50 pin connector
Pin No. Signal Pin No. l
Discontinued
Option Cable
Discontinued

18
AW-CA50C29(Pan-tilt cable)
(Unit:mm)
-Wiring & Signals -Dimensions
-This cable is used for connection with convertible cameras(AW-E350/E300S/E650/
E655/E750/E800A) and pan-tilt head(AW-PH300A/PH600) for component output.
-Cable Length:40cm
Pin No. Signal Pin No.l
29 pin connector male 50 pin connector
AW-CA50E29(Pan-tilt cable)
(Unit:mm)
-Wiring & Signals -Dimensions
-This cable is used for connection with convertible cameras(AW-E350/E300S/E650/
E655/E750/E800A) installed IEEE1394 Card(AW-PB310) and pan-tilt head(AW-PH350)
for IEEE1394 control.
-Length:55cm
Twist pair wire
JAE
29 pin D sub connector male
50 pin connector
Hoshiden
Stereo mini jack
IEEE1394 6 pin connector
JAE
DA-C8J10-F1-1
JAE
D02-29P-N-F0
ECON
HPBW-1350-10S-N-001
HOSHIDEN
TCP6180-01-1120
ECON
FWW14-6K5000
Core
Core
Core
Core
Discontinued
Option Cable
Discontinued

19
AW-CA24T24(Control extension cable)
-This cable is used for extension of camera/pan-tilt control cable for outdoor pan-tilt head
AW-PH650.
-Length:20m
-Wiring & Signals
-Dimensions
Option Cable

20
AW-CA15H29(Pan-tilt cable)
-Wiring & Signals
-Dimensions
-This cable is used for connection with multi-format camera(AK-HC1500/
and pan-tilt head (AW-PH405 and AW-PH400) when the camera controller
AW-CB400 is used.
-Cable Length:0.7m
Option Cable

21
-This cable is a cable kit for connection with multi-format camera (AK-HC1500) and pan-tilt
head (AW-PH405/AW-PH400) when camera controller AK-HRP150 is used.
Pan-tilt cable
-Length:0.7m
-Wiring & Signals
-Dimensions
AW-CAK4H1(Pan-tilt cable kit) 1/2
15P
6
9
4
1
7
8
11
5
10
Cover
Signal
DC12V
TX_P
TX_N
GL GND
GL In
GND
GND
RX_N
RX_P
Shield
29P Signal
5
6
7
9
10
20
21
23
24
25
26
28
29
Cover
DC12V
DC12V
DC12V
TX_P
TX_N
GL In
GL GND
GND
GND
GND
GND
Shield
RX_P
RX_N
Option Cable

22
AW-CAK4H1(Pan-tilt cable kit) 2/2
-Wiring & Signals
-Dimensions
Control cable
-Length:3m
3
9
4
12
Signal
Y Out
Y GND
Pr Out
SYNC In
SYNC GND
RXD(C)
Shield
15P
1
8
10
2
11
Cover
6
15
14
7
13
Pr GND
Pb Out
Pb GND
TXD(H)
TXD(C)
RXD(H)
DC GND
Frame GND
6
8
5
Signal
9
7
4
3
1
2
BNC
(Green)
BNC
(Red)
BNC
(Blue)
BNC
(Yellow)
Y Out
Y GND
Pr Out
SYNC In
SYNC GND
RXD(C)
Pr GND
Pb Out
Pb GND
TXD(H)
TXD(C)
RXD(H)
DC GND
Option Cable

23
-This cable is used for connection with Fujinon broadcast ENG(RD) lens on multi-format
camera (AK-HC1500) and pan-tilt head (AW-PH405/AW-PH400)
-Length:0.8m
-Dimensions
(Unit:mm)
AW-CA4FLZ (ENG lens cable) <1/2>
Option Cable

24
AW-CA4FLZ (ENG lens cable) <2/2>
-Wiring & Signals
Connecter ; 3M 10136-3000PE
Shell ; 3M 10336-52F0-008
Connecter ; Hirose HR10A-10P-12P(73)
Connecter ; Hirose HR10A-10P-12P(73)
Connecter ; Hirose HR10A-10J-12S(73)
Connecter ; Hirose HR10A-10P-12P(73)
To LENS FOCUS
Length ;
800+/-10 mm
To LENS ZOOM
Length ;
800+/-10 mm
To LENS cable
Length ;
500+/-10 mm
To LENS IRIS
Length ;
420+/-10 mm
Option Cable

25
AW-CA4ALZ(ENG lens cable) 1/2
-Dimensions
-This cable is used for connection with Canon broadcast ENG (Analog) lens on multi-format
camera (AK-HC1500) and pan-tilt head (AW-PH405/AW-PH400)
-Length:0.8m
Option Cable

26
-Wiring & Signals
AW-CA4ALZ(ENG lens cable) 2/2
Connecter ; 3M 10136-3000PE
Shell ; 3M 10336-52F0-008
Connecter ; Hirose SR30-10PE-6P(74)
Connecter ; Tajimi R01-01P9-8M
Connecter ; Hirose HR10A-10J-12S(73)
Connecter ; Hirose HR10A-10P-12P(73)
To LENS FOCUS
Length ;
800+/-10 mm
To LENS ZOOM
Length ;
800+/-10 mm
To LENS cable
Length ;
500+/-10 mm
To LENS IRIS
Length ;
420+/-10 mm
Option Cable

27
-This cable is used for connection with Canon broadcast ENG (Digital) lens on multi-format
camera (AK-HC1500) and pan-tilt head (AW-PH405/AW-PH400)
-Length:0.8m
-Dimensions
AW-CA4DLZ (ENG lens cable) 1/2
Option Cable

28
AW-CA4DLZ (ENG lens cable) 2/2
-Wiring & Signals
Connecter ; 3M 10136-3000PE
Shell ; 3M 10336-52F0-008
Connecter ; Hirose HR25-9P-20P(72)
To LENS ZOOM/FOCUS
Length ; 800+/-10 mm
Connecter ; Hirose HR10A-10J-12S(73)
Connecter ; Hirose HR10A-10P-12P(73)
To LENS cable Length ; 500+/-10 mm
To LENS IRIS
Length ; 420+/-10 mm
Option Cable

29
AW-CA20T6G (for AW-HE50)
Option Cable

30
Interface Bracket
Rev. 1.02
AW-PB506A Cable (1)
Pin No. Pin No.
Connecter (9)
Shell
Color
(to PCB)
Shield
Orange
Red/Green (shield)
Green (lead)
Red (lead)
Blue (shield)
Blue (lead)
Brown
Yellow
White
Purple
< To SDI card >

31
Connecter (4) for WV-VF65
AW-PB506A Cable (2)
Rev. 1.02
tube
terminal
Type of wire color
12P
round type 6P
black
terminal
Blue
Green
Blue
Orange
Shield
lead
< To PCB >
NC11
TALLY8
+12V4
GND3
Video GND2
Video1
SignalPin No.

32
AW-PB506A Cable (3)
Rev. 1.02
Connecter (5) for AW-VF64
< EVF side >
< PCB side >
terminal
Round type ; Tajimi R16-R6F
Housing ; Hirose DF3-6S-2C
Contact ; Hirose DF3-2428SC
tube
; guide mark
PIN assignment
guide
type color
Gr
Bl
Or
Gy
green
blue
orange
gray
shield
lead

33
Unit
Pan/Tilt cable for PH360/400

34
50-pin camera Connector
•50pin Camera Connecter (Local procurement)
Manufacturer:3M company
Model No. :Plug-----10150-3000VE
Cover---10350-52A0-008
Plug Cover
Note:Screws for connecter cover(10350-52A0-008) have to be cut to adjust to the connecter of
convertible camera.
Screws
Cover

35
Pin Configuration of 50-pin connector

36
Confidential
Pan/Tilt & Controller Interface
1---- 8
8----1
8
7
6RX+
5TX+
4TX-
3RX-
2
1GND
8
7
6
5
4
3
2
1
RJ45 Socket RJ45 Plug
CAT-5 Straight cable
RJ45 Plug
Controller
Pan/Tilt
Note;
Interface EIA/TIA-422A
(RS-422A)

37
----NC12
----NC11
----NC10
----NC9
Auto Iris ; open
Remote Iris ; +5V
C -> LARIS A/R8
F16 ; +3.4V +/-0.1V, F2.8 ; +6.2V +/-0.1VC -> LIRIS POSITION7
DC+12V (DC+10V to +17V)C -> L+12V (POWER)6
F16 ; +3.4V +/-0.1V, F2.8 ; +6.2V +/-0.1VC -> LIRIS CTRL5
ON ; +5V, OFF ; openC -> LENF AUTO4
Power GND (0V)--GND3
----NC2
----NC1
SpecificationDirectionSignalNo.
Camera connecter (HR10A-10P-12P, HIROSE) (C; camera L ; Lens)
SpecificationDirectionSignalNo.
Lens reference voltage (DC-2.5V +/-0.1V)C.B -> LCOM-V12
Lens reference voltage (DC+2.5V +/-0.1V)C.B -> LCOM+V11
Position control (P); +V (power supply voltage)
Speed control (S) ; 0V
C.B -> LIRIS P/S10
Tele ; COM+V, Wide ; COM-VC.B -> LZOOM CTRL9
Infinity ; COM+V, Near ; COM-VC.B -> LFOCUS CTRL8
Lens reference voltage (DC+5V +/-0.02V)C.B -> LCOM7
DC+12V (DC+10V to +17V)C.B -> L+12V (POWER)6
Open ; COM+V, Close ; COM-V--IRIS CTRL5
Camera control ; open
Control box (S) ; 0V
C.B -> LIRIS C/L4
Power GND (0V)--GND (0V)3
Position control (P) ; +V (power supply voltage)
Speed control (S) ; 0V
C.B -> LZOOM P/S2
Position control (P) ; +V (power supply voltage)
Speed control (S) ; 0V
C.B -> LFOCUS P/S1
Control connecter (HR10A-10P-12S, HIROSE) (CB ; control box L; Lens)
Confidential
Lens control connecter

38
SECTION 2
Confidential
System information
(AW camera series)

39
Note
ND/EXT connecter of AW^PH360 has same pin assignment.
But CVCC voltage is +15V, not +12V
Confidential
AW-PH650 ND/EXT connecter
+12V

40
MONI SEL OUT
AW-RP555
AW-RP400
AW-RP655
Each controller has "MONI SEL OUT", and this signal can be connected to AW-RC400.
AW-RC400 selects input camera signal according to controller.
8 7 6 5 4 3 2 1
RJ-45 connecter pin assignment
1 ; GND
2 ; RC4_SCK
3 ; GND
4 ; RC4_STB
5 ; GND
6 ; RC$_SDT
7 ; NC
8 ; NC
Confidential
AW-RC400 Monitor outputs control (1)
AW-RC400

41
7 6 5 4 3 2 1 0 0-5V
3.3 us
5.1 us
P6 (RC4_SDT)
P4 (RC4_STB)
P2 (RC4_SCK)
AW-RP400 sends data to AW-RC400 in following procedure to switch monitor
output selection. Monitor1 data selects Monitor1 output of RC400, and Monitor2 data
selects Monitor2 output of RC400.
- Control Procedure :3 wire (data/clock/strobe)
- Cable / Connector :CAT-5 / RJ45
- Signal Level : 0 - 5V (CMOS LEVEL)
- Strobe signal (STB) : Approx. 3.3us
- Data timing : Approx. 5.1us
- RP400 will refresh (send data) every 100ms.
Send STB pulse after sending data
bit0
Bit1
Select Monitor 2
bit 6 5 4
1 0 1 Camera 5
1 0 0 Camera 4
0 1 1 Camera 3
0 1 0 Camera 2
0 0 1 Camera 1
Bit2
Not usedBit3
Bit4
Bit5
Select Monitor 1
bit 6 5 4
1 0 1 Camera 5
1 0 0 Camera 4
0 1 1 Camera 3
0 1 0 Camera 2
0 0 1 Camera 1
Bit6
Not usedBit7
Monitor1 : Camera selection of RP400 Master
Monitor2 : Depend on system;
a) One RP400 only : Same selection as Monitor1
b) One of Each RP400 and CB400
: Camera selection of CB400
c) Two RP400 (Master/Slave)
: Camera selection of RP400(Slave)
Confidential
AW-RC400 Monitor outputs control (2)

42
Multi Function Control System (AW-RP655)
AW-RP655

43
Pan-tilt System Connection(AW-RP555)
AW-RP555

44
SECTION 3
Confidential
AK Box camera

45
(AK-HC1500 Side)
15P Connector(Female)
(DHW10-153F200 (ACON)
Not used
15
10
6
11 15
Camera Control Cable
15P Connector(Male)
(17JE-23150-02(D8A6)-CG (DDK)
(AK-HRP150 Side)
Not used
Not used
Not used Not used
Not used
Not used
1
8
915
Twist Pair
(AK-HRP150 Side)
(AK-HC1500 Side)
(Not used)
(Not used)
(Not used)
(Male) (Male)
Non Lead
PVC sheath
Paper Tape Winding
Tin Plated Cupper Wire
Shield Stranded Wire
Space Strings
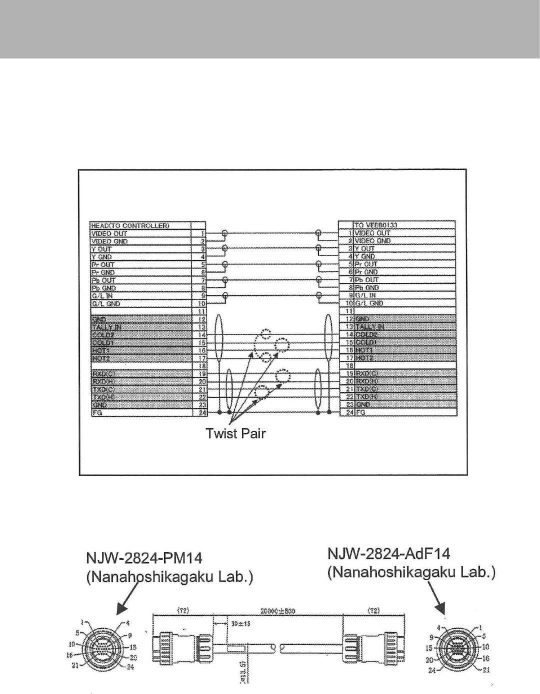
Note: This cable(5m) is Included in AK-HRP150.
Camera Control Cable
HC1500/1800 control cable
(Standard accessory cable)

46
Connection with AK-HRP150 (1)
1) Accessory cable
AK-HC1500/1800 AK-HRP150
HRP150 accessory cable 5m
AW-PS510AN
2) Up to 20m extension
AK-HC1500/1800 AK-HRP150
Custom made cable prepared in local
(See next page)
AW-PS510AN
3) More than 20m extension (Up to 500m)
AK-HC1500/1800 AK-HRP150
AW-PS510AN
AW-PS510A
Custom made cable prepared in local
(See page 61 and O/I manual)

47
Custom made cable
for connecting AK-HC1500/1800 and AK-HRP150
Small 15-pin
connector
Male Male
Max. 20m
AWG18 and more for
supplying +12V
To AK-HRP150
To AK-HC1800
Connection with AK-HRP150 (2)

48
Power supply break out cable for HC1500/1800
A break out cable for power
supply to the AK-HC1800
XLR 4P: male
Connect to AK-HC1800
D-SUB 15p: male Connect to the peripheral or the cable
D-SUB 15p: female
To AK-HC1500/1800 To AK-HRP150
To power supply
More than 3 m
To AK-HC1500/1800
To AK-HRP150

49
Female, Socket
8------1
CAT-HRPCAT
A break out cable for power supply to the HC1800
XLR 4P: male
Connect to AK-HC1800
D-SUB 15p: male
Connect to the peripheral or the cable
CAT-5: female
To AK-HC1500/1800
To AW-CB400
Power supply break out cable for CB400
To power supply
AK-HC1500/1800
RX_C
TX_C
TX_H
RX_H

50
AK-HRP150 extension cable for AW-CAK4H1
Note.
-Power supply cannot be performed
-Gen^lock cannot be performed
AW-CAK4H1
One cable of AW-CAK4H1 is 3m length.
If longer cable necessary, please prepare in local.
AK-HC1800

51
AK-HRP150 extension cable for AW-CAK4H1
Note.
-Power supply cannot be performed
-Gen^lock cannot be performed
AW-CAK4H1
One cable of AW-CAK4H1 is 3m length.
If longer cable necessary, please prepare in local.
AK-HC1800

52
Connection with HRP900/150

53
Control cable for AK-HC900 (Cable A)
15P Connector(Female)
(17JE-13150-02(D8A6)A-CG (DDK)
15P Connector(Male)
(17JE-23150-02(D8A6)-CG (DDK)
(AK-HRP900 Side)
(AK-HC900 Side)
1
8
915
1
8
915
Cable Construction
Twist Pair
(AK-HC900 Side)
(AK-HRP900 Side)
(Female)(Male) Paper Tape Winding
Space Strings
Non Lead
PVC sheath
Tin Plated Cupper Wire
Shield Stranded Wire

54
Connection between PH405 and HRP150 (1)
AW-PH400
AW-PH405
Camera I/F of PH405 is same as PH400.
15P
6
9
4
1
7
8
11
5
10
Cover
Signal
DC12V
TX_P
TX_N
GL GND
GL In
GND
GND
RX_N
RX_P
Shield
29P Signal
5
6
7
9
10
20
21
23
24
25
26
28
29
Cover
DC12V
DC12V
DC12V
TX_P
TX_N
GL In
GL GND
GND
GND
GND
GND
Shield
RX_P
RX_N
AK-HC1500/1800
One piece of AW-CAK4H1 can be connected between PH405 and HC1500/1800.
Connection between PH405 and HC1500/1800

55
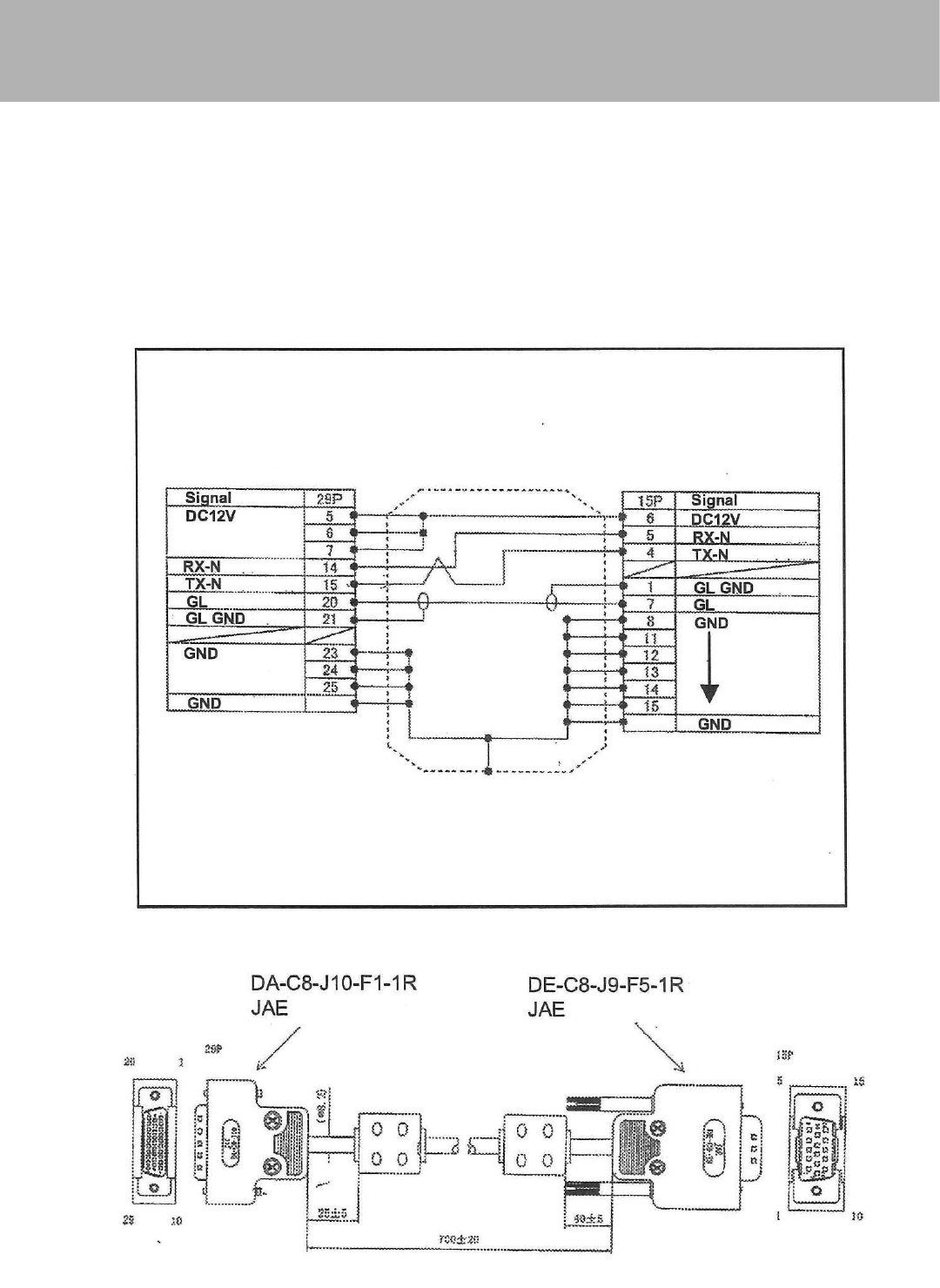
Connection between PH405 and HRP150 (2)
AK-HRP150
Connection between PH405 and HRP150
D-sub 15-pin
Connecter ; JAE DA-15P-NR
Case ; JAE DA-C8-J10-F1-1R
RJ-45
COM

56
SECTION 4
Confidential
AK studio camera

57
Optical cable

58
Tajimi optical Cable

59
ROP Cable specification
Master Setup Unit
AK-MSU935
Remote Operation Panel
AK-HRP931 (1/3 Rack Size)
AK-HRP935 (1/4 Rack Size)
Camera Control Unit
AK-HCU935
Multi-format Camera
Optical Fiber Cable
ROP Cable
Power Supply
AW-PS505A
Power Cable
(Standard accessory
of AW-PS505A)
MSU Cable
ROP and MSU cable has same specification.
(recommended)
NOTE
20379-FG-SV-10HIRAKAWA HEWTECHCable(3)
HR10A-10P-10SHIROSE ELECTRICConnecter(2)
HR10A-10P-10PHIROSE ELECTRICConnecter(1)
Model numberManufactureItem
HIROSE ELECTRIC http://www.hirose.com/index.html
HIRAKAWA HEWTECH CORP. http://www.hewtech.co.jp/e/index.html
HR10A-10P-10P
HR10A-10P-10S

60
Twisted pair
brown
red
orange
yellow
green
blue
purple
grey
white
black
Filler
Barrier layer
Shielding
Cable construction
Jacket (PVC)
Pin assignment
ROP Cable specification

61
AK-HRP931
ROP "PREVIEW" connecter
AK-HRP935
HR10A-7R-4P
HR10A-7R-4P(73)
Closed, when joystick
knob is pressed.
Remark
PREVIEW22
(NC)4
(NC)3
PREVIEW11
SignalNo.
Plug connecter ; HR10A-7P-4S(73) (HIROSE)
"PREVIEW" pin assignment

62
SECTION 5
Confidential
Live switcher

63
Editing control Cable
FRAME GND9
TXD -8
RXD +7
GND6
NC5
GND4
TXD +3
RXD -2
FRAME GND1
SignalPin No.
External Control Device
External Control Device
Ex) Editing controller
AG-A850
D-sub 9-pin male
AV-HS400A/300
D-sub 9-pin male

64
Single camera control (HE100)

65
Single camera control (PH400)

66
Multi-camera Control

67
Connection for tally control (AW-CB400 & AV-HS400)

68
Tally Configuration (AW-CB400 & AV-HS400)
AW-CB400L
TALLY
AW-CA50T8
CAM 1
AW-CA50T8
CAM 5
AW-CA50T8
CAM 2
TALLY 1
TALLY 2
TALLY 3
TALLY 4
TALLY 5
TALLY 1
TALLY 2
TALLY 3
TALLY 4
TALLY 5
AV-HS400
CAM 1
CAM 2
CAM 3
CAM 4
CAM 5
CAM 1
CAM 2
CAM 3
CAM 4
CAM 5
When “CAM 2” on HS400 PGM is
pressed, TALLY 2 become active,
and CAM2 Tally turn on.