Can Sat Kit User Manual PL
User Manual:
Open the PDF directly: View PDF
.
Page Count: 39

1
Dokumentacja zestawu
startowego CanSat Kit
Rewizja dokumentu: v1.1 (2018-09)
Dotyczy zestawu CanSat Kit rev. 1.1

2
1 Spis treści
2 Przeznaczenie zestawu ................................................................................................................................. 4
3 Elementy zestawu ........................................................................................................................................ 4
4 Parametry techniczne .................................................................................................................................. 5
4.1 Płytka główna CanSata / stacji naziemnej .......................................................................................... 5
4.1.1 Informacje ogólne ........................................................................................................................... 5
4.1.2 Mapa złącz, gniazd i diod LED ......................................................................................................... 6
4.1.3 Źródła i metody zasilania płytki .................................................................................................... 14
4.1.4 Układ zasilania ............................................................................................................................... 15
4.1.5 Mikrokontroler .............................................................................................................................. 16
4.1.6 Czytnik kart microSD ..................................................................................................................... 17
4.1.7 Moduł radiowy .............................................................................................................................. 17
4.1.8 Parametry mechaniczne ................................................................................................................ 18
4.2 Czujnik temperatury .......................................................................................................................... 19
4.2.1 Parametry pomiarowe .................................................................................................................. 19
4.2.2 Zasilanie ......................................................................................................................................... 20
4.2.3 Interfejs .......................................................................................................................................... 20
4.2.4 Pinout ............................................................................................................................................. 20
4.2.5 Parametry mechaniczne ................................................................................................................ 20
4.3 Czujnik ciśnienia atmosferycznego ................................................................................................... 21
4.3.1 Parametry pomiarowe .................................................................................................................. 21
4.3.2 Zasilanie ......................................................................................................................................... 21
4.3.3 Interfejs .......................................................................................................................................... 21
4.3.4 Pinout ............................................................................................................................................. 21
4.3.5 Parametry mechaniczne ................................................................................................................ 22
5 Uruchomienie zestawu .............................................................................................................................. 22
5.1 Instalacja i konfiguracja środowiska Arduino IDE ............................................................................ 22
5.2 Podłączanie płytki do komputera za pomocą portu USB ................................................................. 27
5.3 Wgranie pierwszego programu „Hello CanSat” ............................................................................... 28
5.4 Podłączenie i testy czujnika temperatury ......................................................................................... 30
5.5 Podłączenie i testy czujnika ciśnienia ............................................................................................... 31

3
5.6 Używanie karty micro SD .................................................................................................................. 32
5.7 Używanie modułu radiowego ........................................................................................................... 34
5.7.1 Konfiguracja nadajnika .................................................................................................................. 34
5.7.2 Konfiguracja odbiornika ................................................................................................................ 35
5.8 Podłączenie anten ............................................................................................................................. 36
6 Zestaw analogiczny .................................................................................................................................... 37
6.1 Lista elementów zestawu analogicznego ......................................................................................... 37
6.2 Podłączenie modułów ....................................................................................................................... 38
6.3 Różnice i ograniczenia ....................................................................................................................... 38
7 Bezpieczeństwo i zasady prawidłowego użytkowania ............................................................................. 39

4
2 Przeznaczenie zestawu
Zestaw startowy CanSat Kit zaprojektowany został jako platforma do budowy minisatelity CanSat
oraz stacji naziemnej zgodnych z wymaganiami konkursu „CanSats in Europe” oraz polskich
zawodów CanSat organizowanych przez ESERO-PL.
⚠
Przed użyciem zestawu należy zapoznać się z niniejszym dokumentem,
w szczególności z rozdziałem 7. Bezpieczeństwo i zasady prawidłowego użytkowania.
3 Elementy zestawu
Zestaw zawiera wszystkie niezbędne komponenty elektroniczne do wypełnienia misji
podstawowej minisatelity CanSat: moduł zasilania (bez akumulatora/baterii), komputer
pokładowy, moduły łączności bezprzewodowej, a także czujniki temperatury i ciśnienia
atmosferycznego.
Obudowa minisatelity CanSat, system odzysku (np. spadochron) oraz akumulator/bateria
zasilająca powinny zostać wykonane/dodane przez użytkownika zestawu według wymagań
danego minisatelity.
Zestaw CanSat Kit składa się z następujących elementów:
• 2 x płytka główna CanSata / stacji naziemnej
• 1 x płytka drukowana prototypowa
• 1 x czujnik temperatury LM35
• 1 x czujnik ciśnienia BMP280
• 2 x kabel mini USB
• 1 x złącze antenowe SMA
• 1 x listwa kołkowa 2x40-pin 2.54 mm
• 2 x złącze śrubowe typu terminal block 2.54 mm
• 1 x płytka stykowa

5
• 8 x kabel do płytki stykowej
• 1 x opakowanie ESD
4 Parametry techniczne
4.1 Płytka główna CanSata / stacji naziemnej
4.1.1 Informacje ogólne
Płytka główna dedykowana jest do użycia zarówno w minisatelicie CanSat, jak i w stacji naziemnej
do odbioru danych drogą radiową.
Płytka główna składa się z następujących bloków:

6
• układ zasilania – umożliwia zasilenie płytki i urządzeń zewnętrznych z pojedynczego
ogniwa baterii litowo-jonowej lub innych ogniw o napięciach 2.5 – 5.0 V;
• komputer pokładowy – mikrokontroler zgodny z Arduino M0, z możliwością
programowania przez port USB;
• magazyn danych – złączę na kartę microSD, dostępne z poziomu komputera
pokładowego;
• moduł łączności bezprzewodowej – układ radiowy nadawczo-odbiorczy, oparty o
standard LoRa, z zewnętrznym złączem antenowym.
4.1.2 Mapa złącz, gniazd i diod LED

7
Tabela 1. Złącza płytki głównej / stacji naziemnej
Nazwa złącza
Opis i funkcje
BAT (J4)
• złącze zasilania zewnętrznego (np. z baterii): 2.5 – 5.0 V,
• raster 2.5 mm,
• możliwość wlutowania złącza typu listwa kołkowa (header),
śrubowego (terminal block) lub przylutowania przewodów (ze stress
reliefem).
RBL (J3)
• zworka zasilania,
• możliwość wpięcia głównego włącznika,
mini USB (J5)
• zasilanie,
• programowanie mikrokontrolera z Arduino IDE,
• przesyłanie danych (SerialUSB),
• po więcej szczegółów zobacz dokumentację Arduino M0 dotyczącą
złącza USB.
J1, J2
• złącze kołkowe żeńskie 2.5 mm,
• dostępne napięcia zasilające,
• wyprowadzone wejścia/wyjścia mikrokontrolera.
micro SD
• złącze na karty pamięci micro SD,
• podłączone do mikrokontrolera – zob. 4.1.6.
ANT
• złącze anteny modułu radiowego,
• możliwość przylutowania złącza SMA np. do wkręcenia większej
anteny (w stacji naziemnej),
• możliwość przylutowania anteny ćwierćfalowej wykonanej z
przewodu.

8
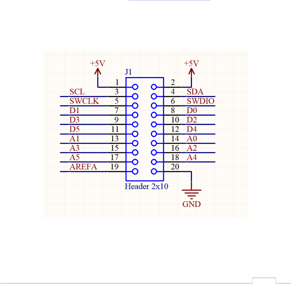
4.1.2.1 Złącze J1
🛈
Piny zaznaczone (✓) jako „Arduino M0” są w pełni kompatybilne z płytką Arduino M0.
Szczegółowe informacje o właściwościach i wykorzystaniu tych pinów są dostępne
w dokumentacji Arduino M0: https://store.arduino.cc/arduino-m0
⚠
Standard napięć dla pinów mikrokontrolera to 3.3 V.
Podłączenie urządzeń pracujących w innych standardach napięciowych (np. 5 V)
może skutkować uszkodzeniem zestawu.

9
Tabela 2. Mapa pinów złącza J1
Pin nr
Nazwa
Arduino
M0
Opis
Użycie w Arduino IDE
wejście /
wyjście
cyfrowe
wejście
analogowe
wyście
analogowe
inne funkcje
1
+5 V
Zasilanie + 5 V
-
-
-
-
2
+5 V
Zasilanie + 5 V
-
-
-
-
3
SCL2
✓
Interfejs I2C – linia SCL (clock)
17
-
-
I2C – Wire lib
4
SDA2
✓
Interfejs I2C – linia SDA (data)
16
-
-
I2C – Wire lib
5
SWCLK
pin do programowania przy użyciu
zewnętrznego programatora
-
-
-
-
6
SWDIO
pin do programowania przy użyciu
zewnętrznego programatora
-
-
-
-
7
D1
✓
Generalnego przeznaczenia –
wejście/wyjście cyfrowe (GPIO)
Serial port TX: w Arduino IDE jako
Serial1
1
-
-
Serial1 (TX)
8
D0
✓
Generalnego przeznaczenia –
wejście/wyjście cyfrowe (GPIO)
Serial port RX: w Arduino IDE jako
Serial1
0
-
-
Serial1 (RX)
9
D3
✓
Generalnego przeznaczenia –
wejście/wyjście cyfrowe (GPIO)
3
-
3
-
10
D2
✓
Generalnego przeznaczenia –
wejście/wyjście cyfrowe (GPIO)
2
-
2
-

10
11
D5
✓
Generalnego przeznaczenia –
wejście/wyjście cyfrowe (GPIO)
5
-
5
-
12
D4
✓
Generalnego przeznaczenia –
wejście/wyjście cyfrowe (GPIO)
4
-
4
-
13
A1
✓
Wejście/wyjście cyfrowe (GPIO), wejście
analogowe (ADC)
A1
A1
-
-
14
A0
✓
Wejście/wyjście cyfrowe (GPIO), wejście
analogowe (ADC), wyjście analogowe
(DAC)
A0
A0
A0
-
15
A3
✓
Wejście/wyjście cyfrowe (GPIO), wejście
analogowe (ADC)
A3
A3
-
-
16
A2
✓
Wejście/wyjście cyfrowe (GPIO), wejście
analogowe (ADC)
A2
A2
-
-
17
A5
✓
Wejście/wyjście cyfrowe (GPIO), wejście
analogowe (ADC)
A5
A5
-
-
18
A4
✓
Wejście/wyjście cyfrowe (GPIO), wejście
analogowe (ADC)
A4
A4
-
-
19
AREFA
✓
Zewnętrzne napięcie referencyjne dla
przetwornika ADC (opcjonalnie)
-
-
-
-
20
GND
✓
Masa
-
-
-
-

11
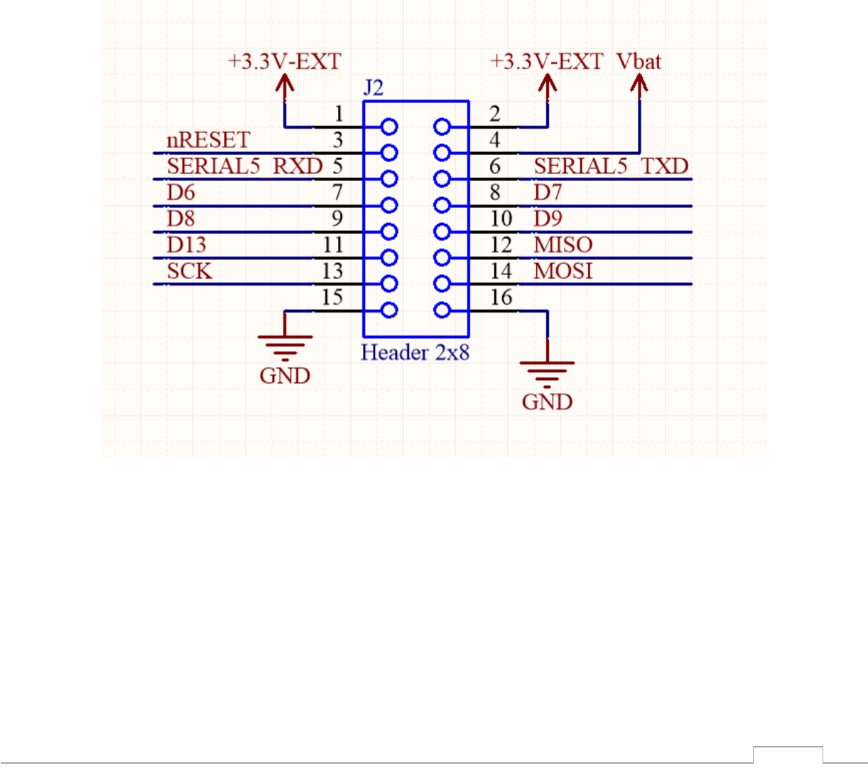
4.1.2.2 Złącze J2
🛈
Piny zaznaczone (✓) jako „Arduino M0” są w pełni kompatybilne z płytką Arduino M0.
Szczegółowe informacje o właściwościach i wykorzystaniu tych pinów są dostępne
w dokumentacji Arduino M0: https://store.arduino.cc/arduino-m0

12
Tabela 3. Mapa pinów złącza J2
Pin nr
Nazwa
Arduino
M0
Opis
Użycie w Arduino IDE
wejście /
wyjście
cyfrowe
wejście
analogowe
wyście
analogowe
inne funkcje
1
+3.3 V
Zasilanie + 3.3 V
-
-
-
-
2
+3.3 V
Zasilanie + 3.3 V
-
-
-
-
3
nRESET
✓
Zanegowany reset mikrokontrolera
(zwarcie z GND powoduje reset
mikrokontrolera)
-
-
-
-
4
Vbat
Napięcie z wejścia Vbat (za zworką RBL)
-
-
-
-
5
SERIAL5_RXD
✓1
Dodatkowy Serial port RX: w Arduino IDE
jako Serial
-
-
-
Serial (RX)
6
SERIAL5_TXD
✓1
Dodatkowy Serial port TX: w Arduino IDE
jako Serial
-
-
-
Serial (TX)
7
D6
✓
Generalnego przeznaczenia –
wejście/wyjście cyfrowe (GPIO)
6
-
-
-
8
D7
✓
Generalnego przeznaczenia –
wejście/wyjście cyfrowe (GPIO)
7
-
-
-
9
D8
✓
Generalnego przeznaczenia –
wejście/wyjście cyfrowe (GPIO)
8
-
-
-
10
D9
✓
Generalnego przeznaczenia –
wejście/wyjście cyfrowe (GPIO)
9
-
-
-
11
D13
✓
Generalnego przeznaczenia –
wejście/wyjście cyfrowe (GPIO),
podłączona dioda D13
13
-
-
-

13
12
MISO2
✓
Interfejs SPI, podłączony czytnik kart SD
oraz moduł radiowy
18
-
-
-
13
SCK2
✓
Interfejs SPI, podłączony czytnik kart SD
oraz moduł radiowy
20
-
-
-
14
MOSI2
✓
Interfejs SPI, podłączony czytnik kart SD
oraz moduł radiowy
21
-
-
-
15
GND
✓
Masa
-
-
-
-
16
GND
✓
Masa
-
-
-
-
Przypisy:
1 – dostępne na Arduino M0 w wersji Wemos SAMD21 M0
2 – do linii podłączono rezystor podciągający do 3.3 V (pull-up) o rezystancji 15 k

14
4.1.2.3 Diody
Tabela 4. Diody świecące (LED) dostępne na płytce i ich funkcje
Nazwa diody
Opis
LED D13
• dioda LED bezpośrednio podłączona do pinu D13 mikrokontrolera,
• kompatybilna z diodą D13 w Arduino M0 (LED_BUILTIN),
• po więcej szczegółów zobacz dokumentację Arduino M0.
LED PWR
• dioda sygnalizująca obecność napięcia na linii zasilania 3.3 V,
• obecność napięcia na linii 3.3 V implikuje obecność na linii 5 V (oraz
VBAT jeśli zasilanie jest dostarczane przez VBAT).
4.1.3 Źródła i metody zasilania płytki
Płytka główna może być zasilana na kilka różnych sposobów, które zostały przedstawione poniżej:
1) Złącze zasilające J4 (BAT)
̶ minimalne napięcie wejściowe: 2.5 V
̶ maksymalne napięcie wejściowe: 5.0 V
̶ zasilenie układów płytki ze złącza BAT następuje tylko wtedy, gdy zwarta jest zworka
oznaczona jako RBL,
̶ zalecane jest zasilanie płytki z akumulatorów litowo-jonowych (1 cela szeregowo/1S, 3.7 -
4.3 V), baterii lub akumulatorów 3 x AA/AAA połączone szeregowo (3.6 – 4.5 V).
2) Złącze mini USB (J5)
̶ maksymalne napięcie wejściowe: 5.5 V
̶ podłączenie płytki za pomocą złącza mini USB spowoduje zasilenie jej modułów (w tym
pojawienie się napięcia na liniach zasilających 5 V i 3.3 V na złączu J1 i J2) niezależnie od
stanu zworki RBL.
3) Złącze kołkowe J2: VBAT (pin 4) oraz GND (piny 15 lub 16)
̶ minimalne napięcie wejściowe: 2.5 V
̶ maksymalne napięcie wejściowe: 5.0 V
̶ podłączenie płytki za pomocą tego złącza spowoduje zasilenie jej modułów (w tym
pojawienie się napięcia na liniach zasilających 5 V i 3.3 V na złączu J1 i J2) niezależnie od
stanu zworki RBL.

15
⚠
Zamiana polaryzacji zasilania powoduje nieodwracalne uszkodzenia na płytce!
⚠
Podłączenie napięcia większego niż maksymalne napięcie podane w specyfikacji dla
danego wejścia może spowodować nieodwracalne uszkodzenia na płytce!
4.1.4 Układ zasilania
Układ zasilania obecny na płytce odpowiada za konwersję energii elektrycznej, dystrybucję na
płytce głównej do zasilania jej podzespołów oraz dostarczenie energii do zasilenia układów
dołączanych do płytki głównej przez użytkownika.
Układ dostarcza następujące linie zasilania na złączach J1 i J2:
• linia 5 V
− napięcie (minimalne, nominalne, maksymalne): 4.7 V, 5.0 V, 5.4 V
− wydajność prądowa: maksymalnie 0.75 A, zalecana 0.5 A
• linia 3.3 V
− napięcie (minimalne, maksymalne): 3.0 V, 3.3 V
− wydajność prądowa: maksymalnie 0.75 A, zalecana 0.5 A
• linia VBAT
− bezpośrednie, niezabezpieczone napięcie z baterii (za zworką RBL).
⚠
Sumaryczny pobór prądu z linii 3.3 V i 5 V nie może przekraczać 1 A.
⚠
W przypadku poboru większego prądu niż podano w specyfikacji dla danej linii,
zostanie aktywowane zabezpieczenie nadprądowe, które skutkuje odłączeniem linii
na pewien okres czasu. Cała płytka powinna zostać odłączona od zasilania na kilka
minut, aby przywrócić napięcie na odłączonej linii. Zabezpieczenie prądowe jest
realizowane za pomocą bezpieczników typu „polyfuse”

16
Zworka RBL:
Zworka RBL jest podłączona szeregowo ze pinem „+” złącza BAT (J4). Zalecane jest podłączenie
przełącznika do złącza RBL (J3), który będzie pełnił funkcję głównego włącznika CanSata. Jeśli
przełącznik jest zlokalizowany w innym miejscu, złącze RBL (J3) można zewrzeć.
⚠
Zworka ma wpływ tylko i wyłącznie za odłączanie/włączanie źródła zasilania
podpiętego do złącza BAT (J4). Nie ma ona wpływu, jeśli płytka zasilana jest przez
złącze miniUSB (J5) oraz przez pin VBAT na złączu J2!
4.1.5 Mikrokontroler
Adel ATSAMD21G18 to wydajny, 32-bitowy mikrokontroler z rdzeniem ARM Cortex® M0.
W 100% zgodny z Arduino M0.
Parametry techniczne:
Mikrokontroler
ATSAMD21G18, LQFP 48
Architektura rdzenia
ARM Cortex-M0+
Napięcie pracy
3.3V
Pamięć Flash
256 KB
Pamięć SRAM
32 KB
Częstotliwość zegara
48 MHz
Dostępne dla użytkownika interfejsy zostały wymienione w tabelach 4.1.2.1 oraz 4.1.2.2.
⚠
Pobór prądu z każdego pinu mikrokontrolera:
• maksymalnie 10 mA
• rekomendowane 7 mA
⚠
Sumaryczny pobór prądu z pinów w obrębie jednej grupy zasilania maksymalnie
65 mA. Zobacz dokumentację mikrokontrolera.

17
⚠
Sumaryczny pobór prądu ze wszystkich pinów mikrokontrolera maksymalnie
130 mA. Zobacz dokumentację mikrokontrolera.
4.1.6 Czytnik kart microSD
Czytnik kart microSD został podłączony do mikrokontrolera poprzez interfejs SPI, zgodnie z
poniższą tabelą.
Pin karty SD (funkcja w trybie SPI karty SD)
Pin mikrokontrolera
DAT0 (MISO)
MISO
CMD (MOSI)
MOSI
CLK (Clock / SCK)
SCK
DAT3 (Chip Select / CS)
D11
🛈
Więcej informacji o podłączaniu karty SD do Arduino można znaleźć
w dokumentacji biblioteki oraz poradniku.
4.1.7 Moduł radiowy
Moduł radiowy SX1278 został podłączony do mikrokontrolera poprzez interfejs SPI oraz
dodatkowe piny GPIO, zgodnie z poniższą tabelą:
Pin modułu SX1278
Pin mikrokontrolera
MISO
MISO
MOSI
MOSI
SCK
SCK
NSS
D10
RESET
nRESET
DIO0
D12
DIO1
D91

18
Przypisy:
1 – domyślnie pin DIO1 nie jest podłączony do pinu mikrokontrolera D9, aby to zrobić należy
wlutować rezystor R10 - wielkość SMD0603 o wartości 0 - 100 lub zworkę np. kawałek drutu.
Nie jest to jednak niezbędne do wykonania misji CanSata, instrukcja przez cały czas zakłada, że
pin jest odłączony.
🛈
Szczegółowe informacje o module radiowym SX1278 można znaleźć w jego
dokumentacji.
4.1.8 Parametry mechaniczne
Kształt płytki: koło o promieniu 30 mm ze ściętymi fragmentami – w miejscu ścięcia szerokość
54.4 mm.
Na płytce rozmieszczone są 4 otwory montażowe przeznaczone na śruby M3 (średnica 3.2 mm).
Otwory posiadają metalizowane obręcze (średnica 6.5 mm), podłączone bezpośrednio do masy
(GND).

19
4.2 Czujnik temperatury
🛈
Szczegółowe informacje o czujniku temperatury LM35 można znaleźć w jego
dokumentacji.
4.2.1 Parametry pomiarowe
• 0.5 °C dokładności (w temperaturze 25 °C)
• Dostosowany do zakresu temperatur −55 °C to 150 °C
• Niskie samoogrzewanie (self-heating), 0.08 °C w stojącym powietrzu
• Nielinowość pomiaru ±¼ °C (typowo)

20
4.2.2 Zasilanie
• zakres napięcia zasilania: 4 V – 20 V
• pobór prądu: 60 𝜇𝐴
4.2.3 Interfejs
LM35 jest czujnikiem analogowym. Informacja o mierzonej temperaturze zakodowana jest
w postaci napięcia wyjściowego obecnego na pinie nr 2 czujnika, zgodnie z równaniem:
𝑉𝑜𝑢𝑡 = 𝑇 [℃]⋅10 [𝑚𝑉/℃]
gdzie 𝑇 [℃] jest mierzoną temperaturą.
4.2.4 Pinout
Poniższy obrazek pokazuje identyfikację pinów czujnika LM35 (źródło grafiki):
1. VCC
2. OUT
3. GND
4.2.5 Parametry mechaniczne
Czujnik posiada obudowę plastikową typu TO-92 z trzema wyprowadzeniami. Przybliżone
wymiary czujnika przedstawione są w dokumentacji obudowy TO-92 (strony 29-30).

21
4.3 Czujnik ciśnienia atmosferycznego
🛈
Szczegółowe informacje o czujniku ciśnienia atmosferycznego BMP280 można znaleźć
w jego dokumentacji.
4.3.1 Parametry pomiarowe
• Zakres pomiaru ciśnienia: 300 - 1100 hPa
• Zakres pomiaru temperatury: od –40 - 85 °C
• Dokładność bezwzględna (0 - 65 °C): ±1 hPa
• Dokładność względna (700 – 900 hPa przy +25 °C do +40 °C): ± 0.12 hPa (odpowiada
±1 m)
• Czas pomiaru: od 5.5 ms
4.3.2 Zasilanie
• zakres napięcia zasilania: 1.71 V – 3.6 V
• pobór prądu: < 1 mA
4.3.3 Interfejs
• komunikacja z mikrokontrolerem poprzez cyfrowy interfejs I2C (linie SDA i SCL)
• adres I2C czujnika: 0x76
• zarówno mikrokontroler, jak i czujnik na swojej płytce posiadają odpowiednie rezystory
podciągające linie SDA i SCL (pull-up), wymagane do prawidłowej pracy interfejsu I2C
• alternatywnie możliwość użycia interfejsu SPI – szczegóły dostępne w dokumentacji
czujnika
4.3.4 Pinout
Pogrubione skróty obecne są na spodniej stronie płytki czujnika:
• VCC - Napięcie zasilania 3.3 V

22
• GND - Masa
• SCL - Zegar I2C / SPI
• SDA - Linia danych I2C / MOSI w trybie SPI
• CSB - Chip Select (standardowo nieużywany, nieprzylutowany)
• SD0 - MISO w trybie SPI (standardowo nieużywany, nieprzylutowany)
4.3.5 Parametry mechaniczne
• Czujnik jest przylutowany do niewielkiej płytki PCB ze złączem w postaci listwy kołkowej
6-pin o rastrze 2.54 mm.
• Dostępne są również dwa otwory montażowe o średnicy 3 mm.
• Rozmiar płytki: 15 x 10 mm
• Masa: 0.6 g
5 Uruchomienie zestawu
5.1 Instalacja i konfiguracja środowiska Arduino IDE
1) Pobierz program Arduino IDE w wersji desktop przynajmniej 1.8.5 ze strony
https://www.arduino.cc/en/main/software dla swojego systemu operacyjnego.
2) Zainstaluj oprogramowanie zgodnie z instrukcjami dla swojego systemu operacyjnego:
https://www.arduino.cc/en/Guide/HomePage .
3) Uruchom Arduino IDE i przejdź do opcji: „Tools → Board: … → Boards Manager…”.

23
4) W oknie „Boards Manager” wyszukaj “SAMD” i zainstaluj paczkę „Arduino SAMD Boards (32-
bits ARM Cortex-M0+)” w najnowszej wersji i zamknij okno.

24
5) Po zainstalowaniu pakietu płytek Arduino SAMD należy wybrać rodzaj płytki, która będzie
używana – w menu „Tools → Board → Arduino M0”.

26

27
Na pasku w dolnej części okna powinien się pojawić następujący napis potwierdzający dodanie
biblioteki:
7) W menu „File → Examples → CanSat Kit Library” dostępne są przykładowe programy.
5.2 Podłączanie płytki do komputera za pomocą portu USB
1) Używając kabla mini USB dołączonego do zestawu podłącz jedną z płytek głównych CanSat
Kit do komputera PC.
2) W menu „Tools → Port” powinna być widoczna płytka Arduino M0 pod nazwą „COMx
(Arduino M0)”. Po wybraniu tego portu możliwe będzie programowanie i komunikacja
z podłączoną płytką.

28
5.3 Wgranie pierwszego programu „Hello CanSat”
1) Otwórz przykładowy program „File → Examples → CanSatKit → HelloCanSatKit”
2) Upewnij się, że płytka jest podłączona do komputera, a Arduino IDE ustawione jest zgodnie
z punktami 5.1 5) oraz 5.2.
3) Po wciśnięciu przycisku „Upload” (na pierwszym rysunku poniżej) rozpocznie się kompilacja
i wgrywanie oprogramowania na płytkę (drugi rysunek):
Proces wgrywania jest sygnalizowany przez miganie niebieskiej diody D13.

29
4) Po zakończeniu wgrywania (jak na rysunku poniżej) nowy program jest wykonywany przez
płytkę CanSat Kit.
5) Ostatnim krokiem jest weryfikacja działania programu.
̶ Dioda LED D13 powinna migać co 1 sekundę.
̶ Po otwarciu Monitora Portu Szeregowego (Serial Monitor): „Tools → Serial Monitor” lub
ikona lupy w prawym, górnym rogu Arduino IDE na ekranie powinny wyświetlać się
komunikaty przesyłane do komputera przez płytkę CanSat Kit.
Uwaga! Należy upewnić się, że wybrana jest prędkość „115200 baud” – jak pokazano na
obrazku poniżej:
Uwaga! Po wgraniu oprogramowania może zmienić się numer portu COM – aby otworzyć
„Serial Monitor” może okazać się konieczne ponowne wybranie portu - patrz 5.2 pkt. 2).
Wynik działania programu jest widoczny na obrazku poniżej:

30
5.4 Podłączenie i testy czujnika temperatury
1) Podłącz czujnik temperatury do płytki CanSat Kit w następujący sposób:
Piny płytki CanSat Kit
Piny czujnika LM35
+5 V
(1) Vcc
A0
(2) OUT
GND
(3) GND
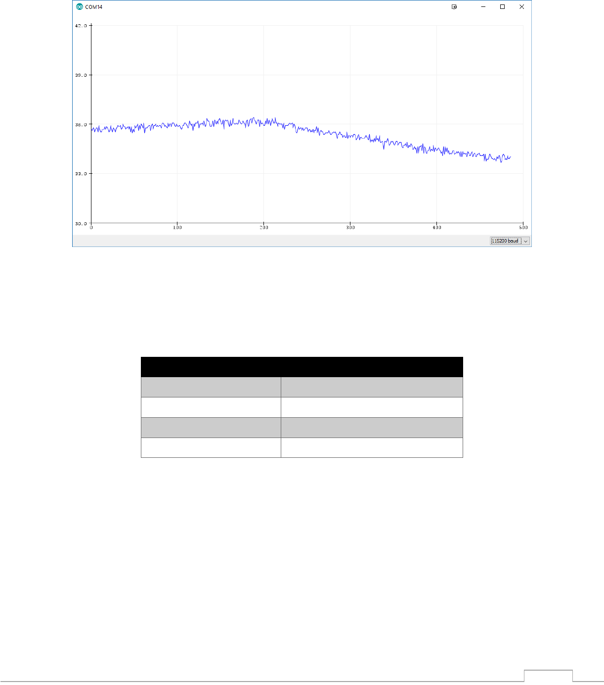
2) Otwórz przykładowy program „File → Examples → CanSatKit → TemperatureSensor” i wgraj
go na płytkę.
3) Po otwarciu Monitora Portu Szeregowego (Serial Monitor) na ekranie wyświetlone zostaną
pomiary temperatury. Alternatywnie można otworzyć aplikację „Kreślarka”: „Tools → Serial
Plotter” (lub kombinacja klawiszy Ctrl-Shift-L).

31
5.5 Podłączenie i testy czujnika ciśnienia
1) Podłącz czujnik ciśnienia do płytki CanSat Kit w następujący sposób:
Piny płytki CanSat Kit
Piny czujnika ciśnienia BMP280
+3.3 V
VCC
GND
GND
SCL
SCL
SDA
SDA
2) Otwórz przykładowy program „File → Examples → CanSatKit → PressureSensor” i wgraj go
na płytkę.
3) Po otwarciu Monitora Portu Szeregowego (Serial Monitor) na ekranie wyświetlone zostaną
pomiary ciśnienia. Alternatywnie można otworzyć aplikację „Kreślarka”: „Tools → Serial
Plotter” (lub kombinacja klawiszy Ctrl-Shift-L).

32
5.6 Używanie karty micro SD
Do uruchomienia tego przykładu konieczne będzie włożenie karty pamięci micro SD do
odpowiedniego slotu na płytce. Polecane jest używanie kart o niewielkich rozmiarach
np. 128 MB – 8 GB.
1) Włóż kartę micro SD do slotu na płytce (stykami karty SD do płytki), podłącz płytkę kablem
USB do komputera.
2) W środowisku Arduino IDE otwórz przykład Datalogger: „File → Examples → SD →
Datalogger”.

33
3) Dokonaj niezbędnych modyfikacji w programie:
̶ stałą const int chipSelect = 4; zamień na const int chipSelect = 11;
̶ wszystkie wystąpienia wyrazu Serial zamień na SerialUSB.
4) Skompiluj i wgraj program na płytkę.
5) Otwórz monitor portu szeregowego i obserwuj dane które powinny być zapisane na kartę SD
(program wyświetla i zapisuje wartości z trzech wejść analogowych do których można
podłączyć np. czujnik LM35). W przypadku błędów inicjalizacji karty SD lub błędów zapisu
stosowne informacje będą również wyświetlone.
6) Po pewnym czasie (kilku minutach) odłącz płytkę od zasilania, wysuń kartę ze slotu i włóż do
czytnika w swoim komputerze PC. Odczytaj zawartość pliku z danymi i sprawdź, czy są one
poprawne.

34
5.7 Używanie modułu radiowego
Do tego przykładu potrzebne będą dwie płytki CanSat Kit – jedna będzie pełniła rolę nadajnika
(CanSat), a druga odbiornika (stacja naziemna).
5.7.1 Konfiguracja nadajnika
1) Otwórz przykładowy program „File → Examples → CanSatKit →
RadioTransmitHelloCanSat” i wgraj go na płytkę.
2) Otwórz monitor portu szeregowego, zaobserwuj pojawiające się komunikaty – porównaj
z poniższymi:
3) Zaobserwuj miganie diody D13 – sygnalizuje to poprawną pracę nadajnika.

35
5.7.2 Konfiguracja odbiornika
Następnie należy uruchomić odbiornik radiowy na drugiej płytce.
1) Podłącz drugą płytkę do komputera.
2) Wybierz port COM odpowiadający drugiej płytce.
3) Otwórz przykładowy program „File → Examples → CanSatKit → RadioReceiver” i wgraj go
na płytkę.
4) Otwórz monitor portu szeregowego, zaobserwuj pojawiające się komunikaty – oznaczają
one odebrane pakiety:
5) Parametr RSSI (Receiver Signal Strength Indicator) wskazuje siłę sygnału w odbiorniku.
Zaobserwuj jak zbliżanie i oddalanie płytek wpływa na wartość RSSI.

36
5.8 Podłączenie anten
🛈
Krótkodystansowa komunikacja np. podczas testów oprogramowania może odbywać
się bez anten.
Polecaną anteną do płytki umieszczonej w minisatelicie CanSat jest ćwierćfalowa antena
monopolowa wykonana z giętkiego przewodu typu linka/drut o długości 17 cm. Taka antena
może być przylutowana bezpośrednio do środkowego pola lutowniczego oznaczonego CN1/ANT:
Przewód należy zabezpieczyć przez ułamaniem w miejscu lutowania – należy zrobić tzw. „stress
relief” za pomocą np. kleju epoksydowego lub na gorąco.
Do płytki stacji naziemnej przewidziane jest złącze SMA, które należy wlutować w miejsce
CN1/ANT w następujący sposób:
Miejsce na przylutowanie
przewodu / anteny

37
Do takiego złącza można przyłączyć większą antenę np. typu Yagi-Uda za pomocą kabla
koncentrycznego 50 Ω.
6 Zestaw analogiczny
Zestaw CanSat Kit można odtworzyć przy użyciu ogólnodostępnych komponentów i modułów
elektronicznych. Prototypowanie, eksperymenty i testy, które mogą spowodować przypadkowe
uszkodzenie zestawu CanSat Kit poleca się przeprowadzać na zestawie analogicznym.
6.1 Lista elementów zestawu analogicznego
• Arduino M0 (lub odpowiednik np. Wemos SAMD21 M0) x 2
• Moduł radiowy SX1278 x 2
• Moduł czytnika kart SD x 2
• Moduł czujnika ciśnienia BMP280 x 1
• Czujnik LM35 x 1
• Płytka stykowa x 2
• Kable połączeniowe do płytki stykowej i modułów

38
6.2 Podłączenie modułów
Moduł radiowy należy podłączyć do Arduino M0 zgodnie z rozdziałem 4.1.7 Moduł radiowy,
natomiast czytnik kart micro SD zgodnie z rozdziałem 4.1.6 Czytnik kart microSD. W obu
przypadkach należy pamiętać o podłączeniu zasilania zgodnie z wymaganiami zakupionych
modułów. Czujniki LM35 i BMP280 należy podłączyć w identyczny sposób jak do płytki głównej
CanSat Kit.
6.3 Różnice i ograniczenia
⚠
Zestaw analogiczny dostarcza takie same poziomy napięć jak zestaw CanSat Kit
(3.3 V, 5 V), jednakże wydajność prądowa poszczególnych linii zasilania może być
inna, w zależności od zakupionej wersji Arduino M0 lub jego odpowiednika.
⚠
Zestaw analogiczny nie może być zasilany z baterii/akumulatorów o takim samym
napięciu jak zestaw CanSat Kit.
⚠
Po pomyślnych testach na zestawie analogicznym należy przeprowadzić testy na
zestawie CanSat Kit!
⚠
Testy zasięgu radiowego powinny być prowadzone na zestawie CanSat Kit ze względu
na duży wpływ toru radiowego i anten na osiągi.

39
7 Bezpieczeństwo i zasady prawidłowego użytkowania
1) Zestaw przeznaczony jest do celów edukacyjnych, badawczych i rozwojowych.
2) Użycie zestawu na zewnątrz wymaga zastosowania obudów chroniących przed wilgocią,
bezpośrednim kontaktem z wodą, zanieczyszczeniami i pyłem.
3) Zestaw powinien być zasilany zgodnie z instrukcjami zawartymi w niniejszym dokumencie.
Nieprawidłowe podłączenie zestawu może doprowadzić do jego uszkodzenia i komponentów
podłączonych do zestawu, silnego nagrzania elementów, wzniecenia otwartego ognia, a nawet
eksplozji akumulatorów (jeśli były podłączone).
4) Zewnętrzne urządzenia elektroniczne powinny być podłączone do zestawu przez dedykowane
do tego złącza wymienione w rozdziale 4.1.2 Mapa złącz, gniazd i diod LED. Podłączanie,
lutowanie czy wprowadzanie innych modyfikacji do zestawu skutkuje utratą gwarancji i może
doprowadzić do uszkodzenia zestawu. Należy przestrzegać ograniczeń odnośnie użytkowania
wyprowadzeń zestawu i podłączania urządzeń zewnętrznych, które są wymienione w niniejszej
instrukcji.
5) Zestaw jest czuły na wyładowania elektrostatyczne ESD, które mogą doprowadzić do
uszkodzenia części lub całości urządzenia. Zaleca się stosować procedury zmniejszające ryzyko
powstawania wyładowań elektrostatycznych (maty, opaski uziemiające itp.).
6) Zestaw nie powinien być użytkowany w przypadku stwierdzenia widocznego uszkodzenia
jakiejkolwiek jego części do czasu zweryfikowania wpływu zaistniałego uszkodzenia lub
naprawienia usterki.
7) W przypadku stwierdzenia nadmiernego nagrzewania się elementów zestawu, podejrzanego
zapachu, pojawienia się dymu lub ognia należy natychmiast odłączyć cały zestaw od wszelkich
źródeł zasilania.
8) Elementy zestawu należy czyścić za pomocą suchej lub nasączonej alkoholem izopropylowym
antystatycznej ściereczki. Wyjątek stanowi czujnik ciśnienia BMP280, który może być
czyszczony tylko ściereczką suchą.
9) Zużyte elementy zestawu powinny zostać zutylizowane zgodnie z obowiązującym prawem,
w szczególności nie mogą być wyrzucane wraz z odpadami ogólnymi.
