Cessna 182 And Skylane Parts Catalog 1974 Thru 1976 Cessna_182_1974 76_Parts Manual 76
User Manual: Cessna_182_1974-76_PartsManual
Open the PDF directly: View PDF
.
Page Count: 350 [warning: Documents this large are best viewed by clicking the View PDF Link!]
- Menu - Cessna 182 Parts 74-76
- Toolbar Help
- Parts Figures List (Links)
- Cover Page
- Introduction
- Finish & Trim Plate
- Upholstery & Interior Trim
- Alphabetical Index
- Parts Listing / Figures
- 1. Miscellaneous Bulk Items
- 2. (Sheet 1) Placards, Nameplates & Exterior Markings
- 2. (Sheet 2) Placards, Nameplates & Exterior Markings
- 2. (Sheet 3) Placards, Nameplates & Exterior Markings
- 2. (Sheet 4) Placards, Nameplates & Exterior Markings
- 2. (Sheet 5) Placards, Nameplates & Exterior Markings
- 3. Wing Assembly Complete
- 4. Wing Structure Assembly
- 5. Wing Leading Edge Assembly
- 6. Wing Spar Assemblies
- 7. Skins & Stringers Installation
- 8. Fuel Tank Installation
- 9. Fuel Tank Drain Valve Installation
- 10. Aileron Installation
- 11. Flap Installation
- 12. Wing Strut Installation
- 13. Fin & Dorsal Installation
- 13A. Fin & Dorsal Installation - VHF Comm Antenna
- 14. Rudder Assembly
- 15. Stabilizer Installation
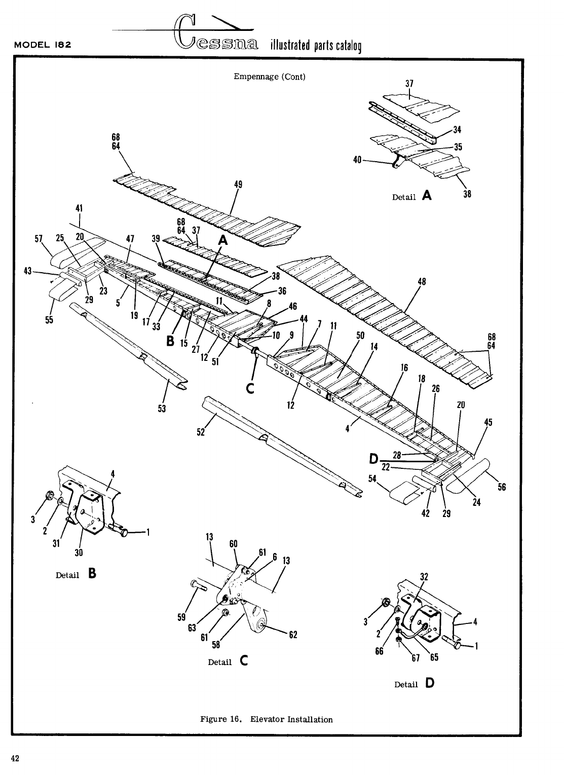
- 16. Elevator Installation
- 17. Fuselage Assembly
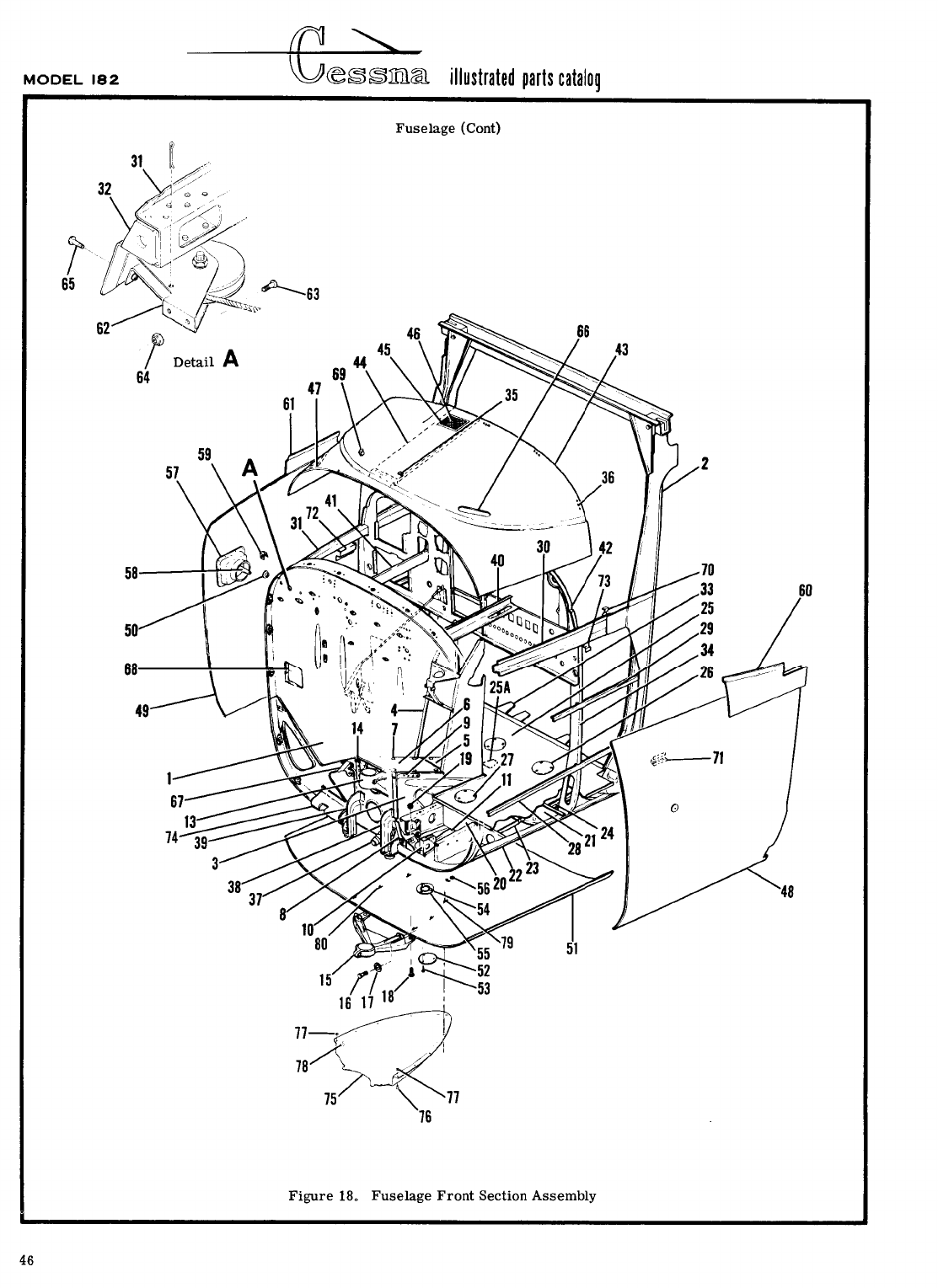
- 18. Fuselage Front Section Assembly
- 19. Front Doorpost Bulkhead Assembly
- 20. Console Structure Assembly
- 21. Front Section Tunnel Components
- 22. Firewall Assembly
- 23. Firewall Grommets Installation
- 24. Center Cabin Section Assembly
- 25. Rear Doorpost Bulkhead Assembly
- 26. Lower Cabin Section Assembly
- 27. Landing Gear Bulkhead Assembly
- 28. Windshield Installation
- 29. Aft Cabin Windows Installation
- 30. Tailcone Assembly - Extended Baggage Compartment
- 31. Battery Box Installation
- 32. Aft Tailcone Assembly Sta. 209.000 to 230.187
- 33. Stinger Installation
- 34. Nose Gear Installation
- 35. Nose Gear Steering System Installation
- 36. Nose Gear Shock Strut Assembly
- 37. Cleveland Nose Wheel Assembly
- 38. Nose Gear Wheel Assembly - Alternate
- 39. Shimmy Dampener Assembly
- 40. Main Landing Gear Installation
- 40A. Main Landing Gear Installation
- 41. Main Wheel & Brake Assembly
- 42. Main Landing Gear Wheel & Brake Assembly (Alternate)
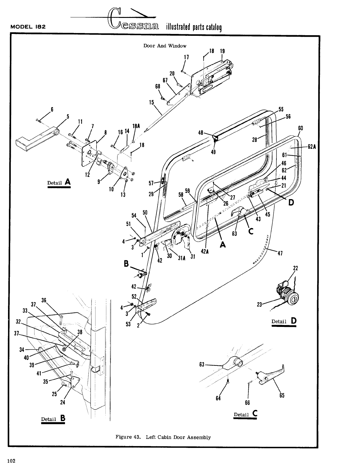
- 43. Left Cabin Door Assembly
- 44. Right Cabin Door Assembly
- 44A. Right Cabin Door Assembly - Openable Window
- 45. Cabin Door Latch Assembly
- 46. Baggage Door Installation
- 47. Cabin Top & Firewall Upholstery Installation
- 48. Cabin Door Upholstery Installation
- 49. Upholstery Cabin Side & Floorboard Installation
- 50. Fuselage Soundproofing Installation
- 51. Pilot & Co-Pilot Seat Installation - Standard
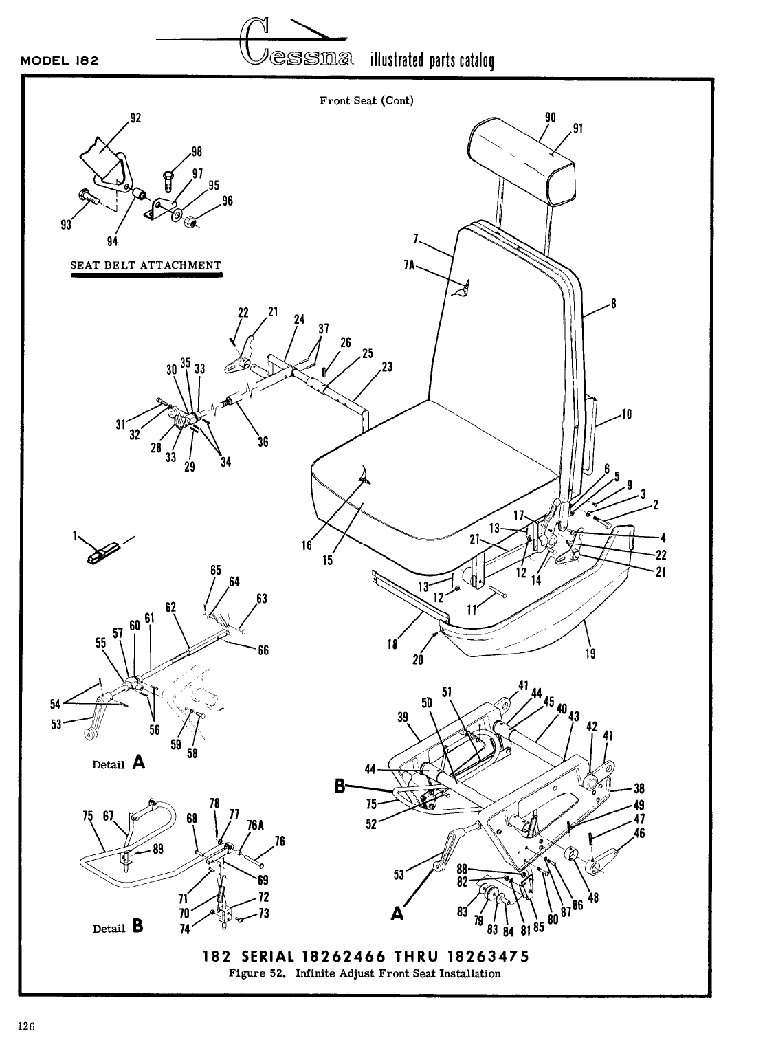
- 52. Infinite Adjust Front Seat Installation
- 52A. Infinite Adjust Front Seat Installation
- 53. Rear Seat Assembly
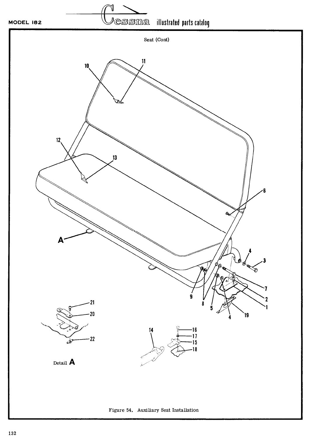
- 54. Auxiliary Seat Installation
- 55. Instrument Panel Equipment Installation
- 55A. Instrument Panel Equipment Installation
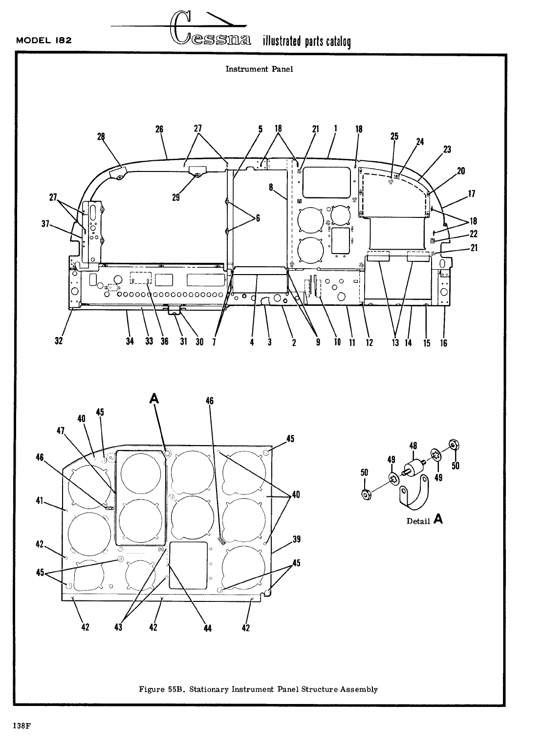
- 55B. Stationary Instrument Panel Structure Assembly
- 56. Post Lighted Instrument Panel Installation
- 57. Map Compartment Installation
- 58. Fuselage Equipment Installation
- 59. Portable Stretcher Installation
- 60. Rear View Mirror & Compass Installation
- 61. Propeller Installation
- 62. Propeller Installation
- 63. Engine Cowl Assembly
- 64. Engine Installation
- 65. Engine Assembly
- 66. Engine Components (not illustrated)
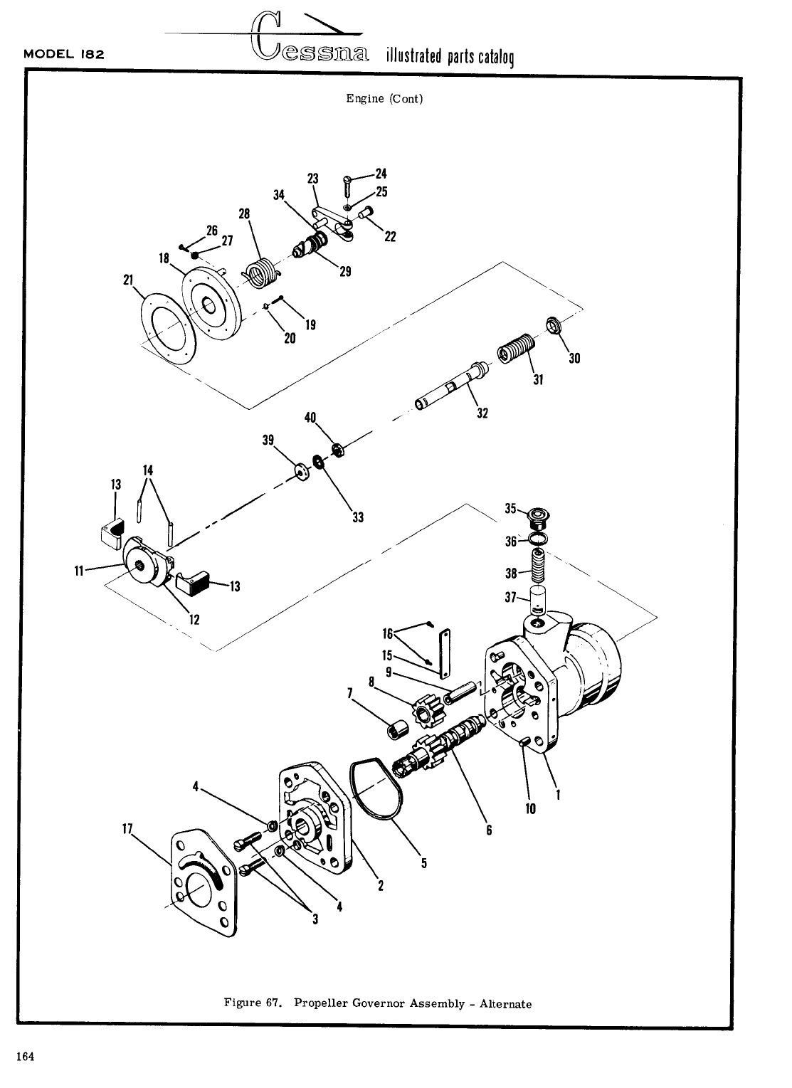
- 67. Propeller Governor Assembly - Alternate
- 68. Engine Exhaust Assembly
- 68A. Engine Exhaust Assembly
- 69. Engine Baffles Installation
- 70. Cowl Flaps Control System Installation
- 71. Winterization Equipment Installation
- 72. Cabin Ventilation System
- 72A. Cabin Ventilation System
- 73. Cabin Heating & Defrosting System
- 74. Brake System Installation
- 75. Brake & Rudder Pedals Installation
- 76. Master Brake Cylinder Assembly
- 77. Control Column Installation
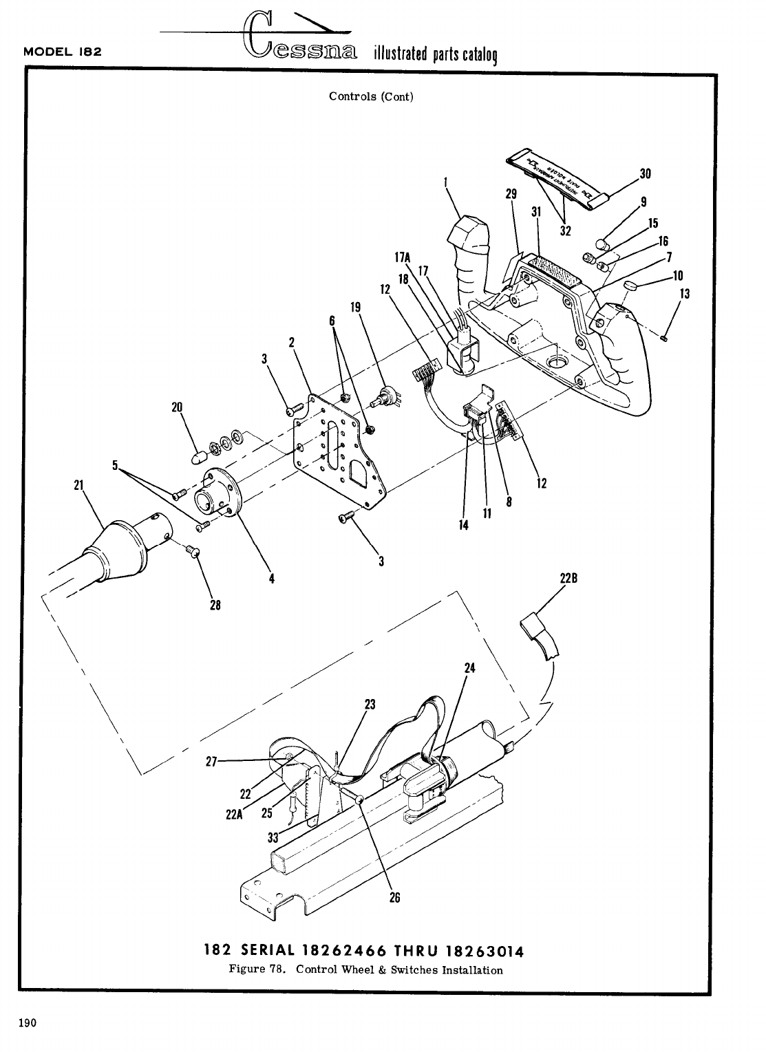
- 78. Control Wheel & Switches Installation
- 78A. Control Wheel & Switches Installation
- 79. Console Installation
- 80. Aileron Controls Installation
- 81. Elevator Control System
- 82. Elevator Trim Control System
- 82A. Elevator Electric Trim Components Installation
- 82B. Elevator Trim Tab Actuator Assembly
- 83. Electric Flap System Installation
- 84. Flap Control Detail Installation
- 85. Rudder Control System Installation
- 86. Pitot System Installation
- 86A. Encoding Altimeter Installation
- 87. Fuel System Installation
- 88. Fuel Strainer & Drain Control Installation
- 89. Fuel Primer System Installation
- 90. Oil System Installation
- 91. Vacuum System Installation
- 92. Oxygen System Installation
- 92A. Oxygen System Installation
- 93. Electrical Equipment Installation
- 94. Instrument Panel Lights Installation
- 95. Instrument Panel Light & Console Installation
- 96. Flashing Beacon Light Installation
- 97. Courtesy Light Installation
- 98. Shock Mounted Alternator Installation
- 99. Seat Belt & Shoulder Harness Installation
- 100. Console Cover & Lighting Installation
- 101. Inertia Reel Installation
- Numerical Index





























































































































































































































































































































































