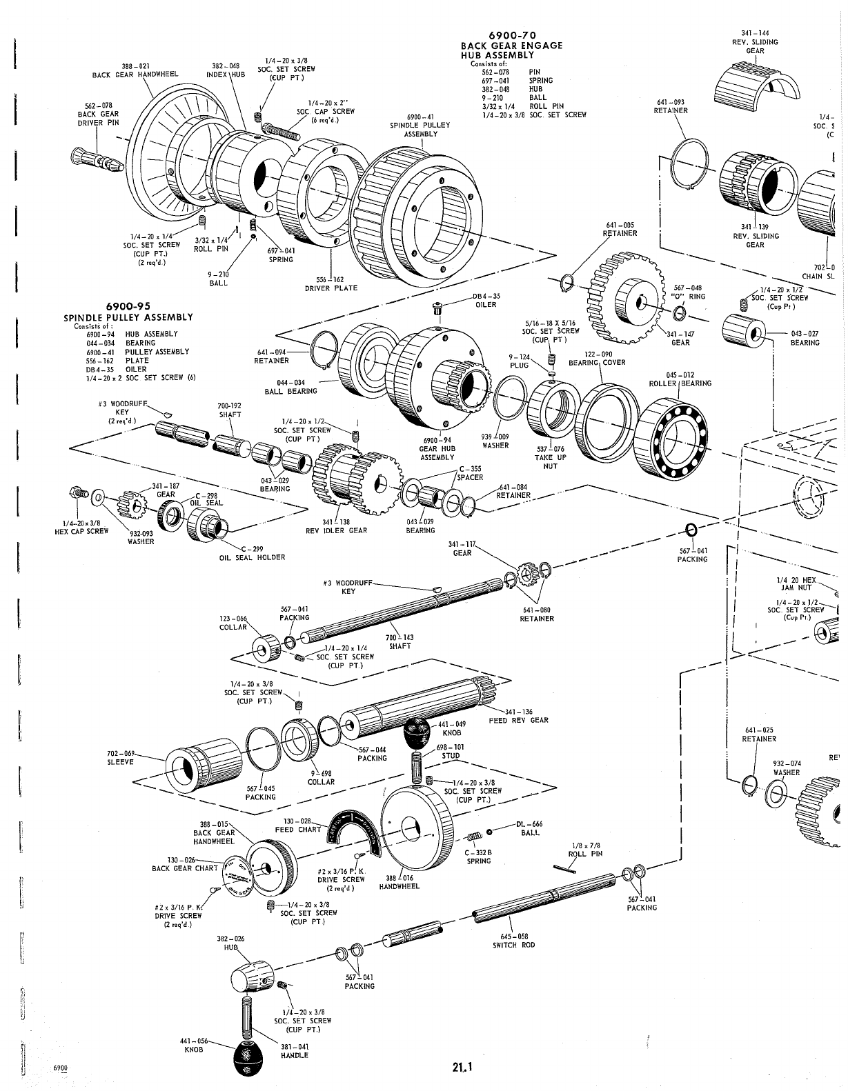
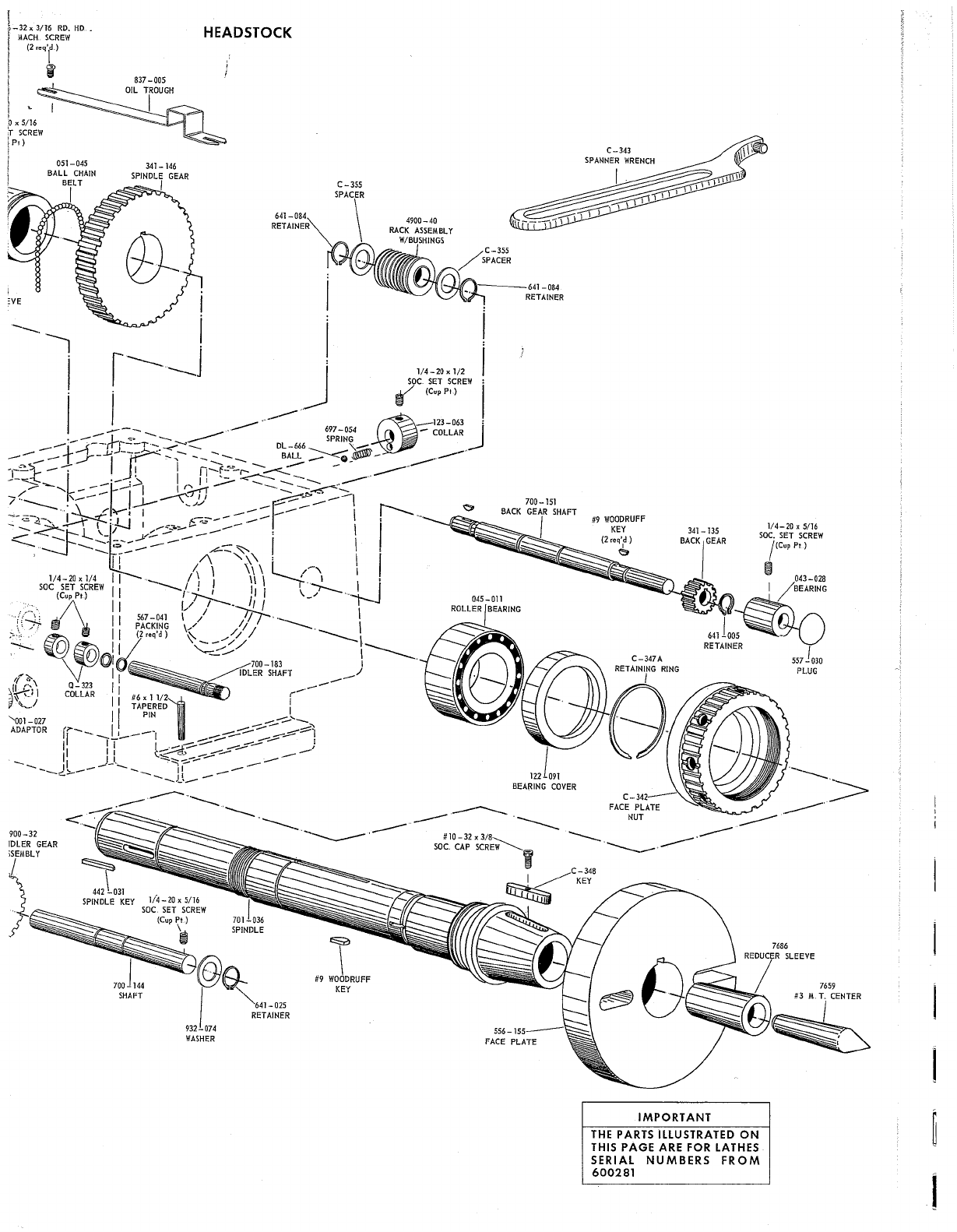
Clausing 6900 Series Parts

User Manual: Clausing-6900-Series-Parts Clausing == Clausing Lathe And Mill == Clausing Lathes == 6900

Open the PDF directly: View PDF PDF.
Page Count: 20

Navigation menu