HP Color LaserJet 2550 Service Manual EN Color_Laser Jet_2550_sm Laser Jet Sm
User Manual: Color_LaserJet_2550_sm
Open the PDF directly: View PDF
.
Page Count: 312 [warning: Documents this large are best viewed by clicking the View PDF Link!]
- Product information
- Installation and operation
- Maintenance
- Theory of operation
- Removal and replacement
- Chapter contents
- Introduction
- Before performing service
- Removal and replacement
- Imaging drum
- Print cartridges
- Fuser cover (and fuser)
- Right- and left-side covers
- Control panel
- On-off switch
- Interface cover
- Formatter assemblies
- Fuser motor
- Dc controller
- Optional tray 2 (250-sheet tray)
- Carousel-engagement motor
- Front lower cover
- Back cover
- Top cover
- Top door
- Air duct and fan
- Laser/scanner assembly
- Front cover
- Density sensor and top-of-page sensor
- E-label reader (for imaging-drum E-labels)
- Tray 1 (multipurpose tray)
- Tray 1 separation pad assembly
- Gear assembly
- Waste-toner sensor
- Rotary-drive assembly
- Top plate
- Print-cartridge carousel
- Aligning the carousel gears
- Registration-roller assembly
- Toner-catch tray
- Transfer-roller plate
- Transfer roller
- Feed-drive shaft
- ECU pan
- Sub-high-voltage transformer PCA
- High-voltage transformer PCA
- Low-voltage PCA
- Paper-top sensor
- Fuser-wrap sensor
- 250-sheet feeder pickup roller
- 500-sheet feeder pickup roller
- Troubleshooting
- Parts and diagrams
- Index

hp color LaserJet
2550 printer service

hp color LaserJet 2550 series printer
Service Manual

Copyright information
© 2004 Copyright Hewlett-Packard
Development Company, L.P.
Reproduction, adaptation, or translation
without prior written permission is
prohibited, except as allowed under the
copyright laws.
The information contained herein is subject
to change without notice.
The only warranties for HP products and
services are set forth in the express
warranty statements accompanying such
products and services. Nothing herein
should be construed as constituting an
additional warranty. HP shall not be liable
for technical or editorial errors or omissions
contained herein.
Part number Q3702-90923
Edition 1, 5/2004
Safety information
WARNING!
Potential Shock Hazard
Always follow basic safety precautions
when using this product to reduce risk of
injury from fire or electric shock.
Read and understand all instructions in the
user guide.
Observe all warnings and instructions
marked on the product.
Use only a grounded electrical outlet when
connecting the printer to a power source. If
you do not know whether the outlet is
grounded, check with a qualified electrician.
Do not touch the contacts on the end of
any of the sockets on the printer. Replace
damaged cords immediately.
Unplug this product from wall outlets before
cleaning.
Do not install or use this product near water
or when you are wet.
Install the product securely on a stable
surface.
Install the product in a protected location
where no one can step on or trip over the
power cord and where the power cord will
not be damaged.
If the product does not operate normally,
see the online user guide.
Refer all servicing questions to qualified
personnel.
Information regarding FCC Class B, Parts
15 and 68 requirements can be found in
the user guide.
Trademark credits
Adobe®, Acrobat®, Adobe® PostScript®
3™, and the Acrobat Logo® are
trademarks of Adobe Systems Incorporated.
Microsoft®, Windows®, and Windows NT®
are U.S. registered trademarks of Microsoft
Corporation.
UNIX® is a registered trademark of The
Open Group.
Energy Star® and the Energy Star logo®
are U.S. registered marks of the United
States Environmental Protection Agency.
Table of contents
1 Product information
Chapter contents .......................................................................................................................1
Printer configurations ................................................................................................................2
HP color LaserJet 2550L ....................................................................................................2
HP color LaserJet 2550Ln ..................................................................................................2
HP color LaserJet 2550n ....................................................................................................3
Printer features ..........................................................................................................................4
Printer overview..........................................................................................................................7
Hardware components........................................................................................................7
Model and serial numbers ..................................................................................................7
Software components ...............................................................................................................9
Software and supported operating systems .......................................................................9
Software tips .....................................................................................................................10
Software for Windows .......................................................................................................11
Software for Macintosh .....................................................................................................12
Uninstalling the printing software .....................................................................................13
Specifications ..........................................................................................................................15
Media specifications ................................................................................................................17
Supported media weights and sizes .................................................................................17
General guidelines ............................................................................................................18
Paper and print media ......................................................................................................19
Printing and storage environment ....................................................................................19
Envelopes .........................................................................................................................20
Labels ...............................................................................................................................21
Transparencies .................................................................................................................2 2
Hewlett-Packard limited warranty statement ..........................................................................23
Limited warranty for the print cartridges and imaging drum ...................................................24
Print cartridge information .......................................................................................................25
Refilled print cartridges .....................................................................................................25
HP LaserJet printing supplies ..........................................................................................25
HP Printing Supplies Returns and Recycling Program information..................................25
Regulatory statements ............................................................................................................27
Safety statements ...................................................................................................................28
Laser safety statement .....................................................................................................28
Canadian DOC statement ................................................................................................28
Korean EMI statement ......................................................................................................28
Finnish laser statement ....................................................................................................29
2 Installation and operation
Chapter contents .....................................................................................................................31
Operating environment ............................................................................................................32
Interface ports .........................................................................................................................33
Control panel features .............................................................................................................34
Understanding Supplies Status ........................................................................................34
Understanding Printer Status ...........................................................................................35
ENWW iii
Input trays ................................................................................................................................37
Printer output paths .................................................................................................................38
Top output bin ...................................................................................................................38
Rear output door ...............................................................................................................38
Loading media .........................................................................................................................39
Loading tray 1 ...................................................................................................................39
Loading optional tray 2 .....................................................................................................40
Loading optional tray 3 .....................................................................................................42
HP LaserJet Toolbox ...............................................................................................................44
Supported operating systems ...........................................................................................44
Supported browsers .........................................................................................................44
Viewing the HP LaserJet Toolbox ...................................................................................45
Status tab ..........................................................................................................................45
Troubleshooting tab ..........................................................................................................45
Alerts tab ...........................................................................................................................46
Documentation tab ...........................................................................................................46
Device Settings window ....................................................................................................47
Other links .........................................................................................................................48
3 Maintenance
Chapter contents .....................................................................................................................49
Life expectancies of supplies ..................................................................................................50
User-replaceable parts ............................................................................................................52
Replacing the tray 1 pickup roller and separation pad .....................................................52
Replacing the separation pad in optional tray 2 or in optional tray 3 ...............................57
Cleaning the printer .................................................................................................................61
Cleaning the printer ..........................................................................................................61
Calibrating the printer ..............................................................................................................63
To calibrate the printer at the printer ................................................................................63
To calibrate the printer from the HP LaserJet Toolbox ....................................................63
Managing supplies ..................................................................................................................64
Supplies life ......................................................................................................................64
Checking and ordering supplies .......................................................................................64
Storing supplies ................................................................................................................65
Replacing and recycling supplies .....................................................................................65
HP policy for non-HP supplies ..........................................................................................66
HP fraud hotline ................................................................................................................66
4 Theory of operation
Chapter contents .....................................................................................................................67
Introduction ..............................................................................................................................68
Engine control system .............................................................................................................70
Basic sequence of operation ............................................................................................70
Power-on sequence ..........................................................................................................72
Motors and fans ................................................................................................................7 3
Laser/scanner system .............................................................................................................74
Pickup and feed system ..........................................................................................................75
Paper trays .......................................................................................................................76
Jam detection ...................................................................................................................77
Photosensors and switches ..............................................................................................78
Solenoid and clutches ......................................................................................................80
Printed circuit assemblies .................................................................................................82
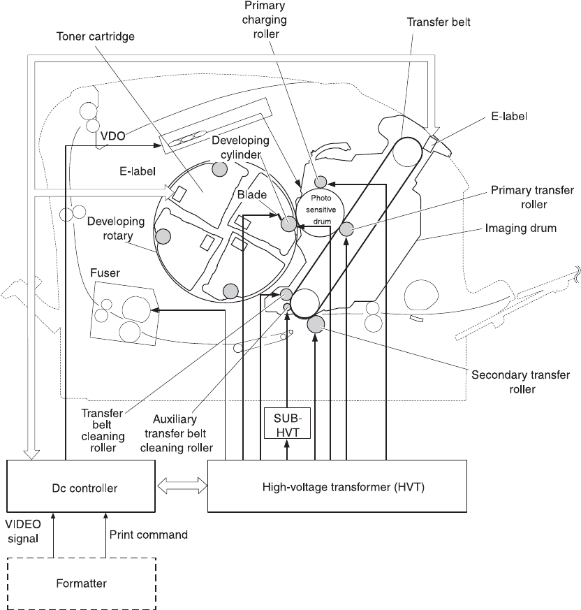
Image-formation system ..........................................................................................................84
Image-formation process ..................................................................................................85
Latent-image-formation stage ..........................................................................................85
iv ENWW
Developing stage ..............................................................................................................86
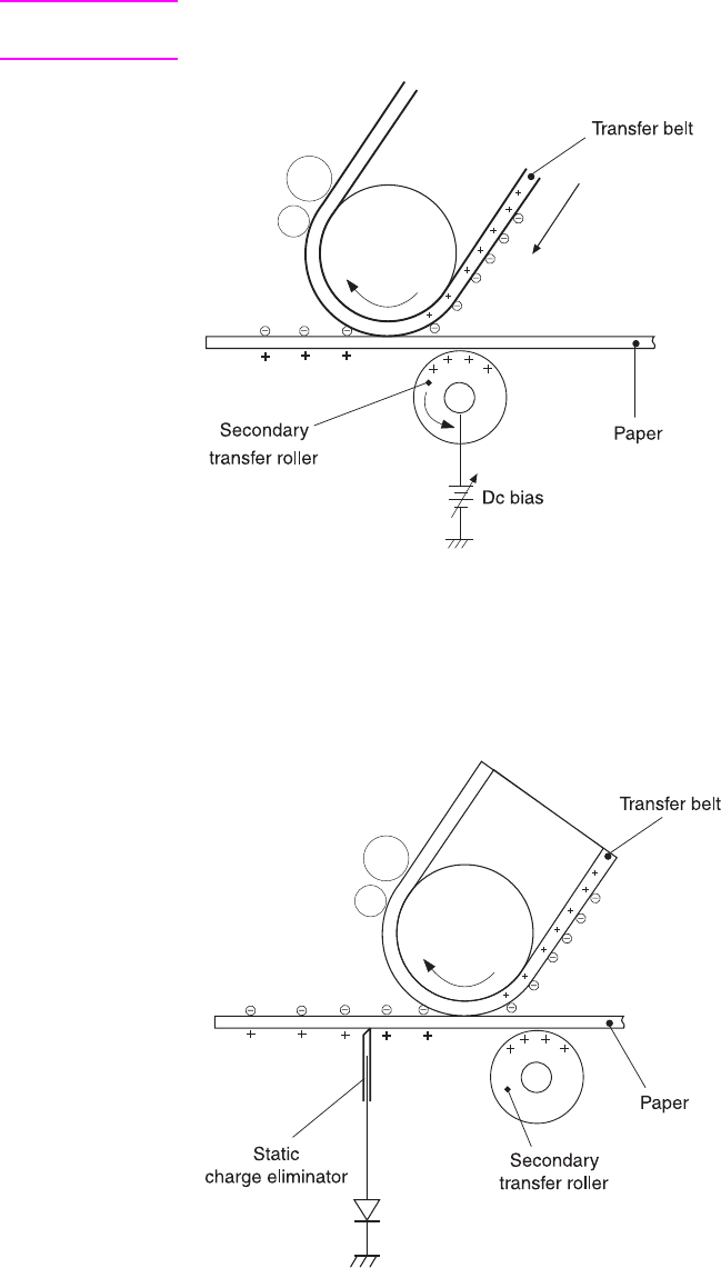
Transfer stage ...................................................................................................................87
Fusing stage .....................................................................................................................89
Print cartridge ...................................................................................................................93
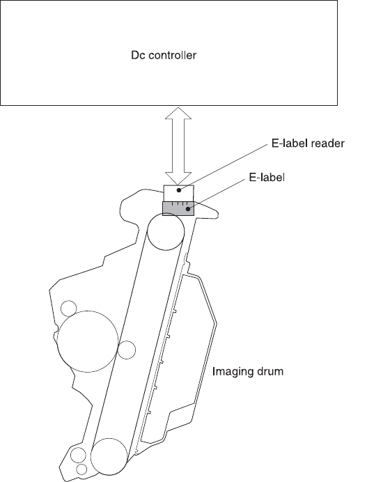
Imaging-drum E-label .......................................................................................................94
5 Removal and replacement
Chapter contents .....................................................................................................................97
Introduction ..............................................................................................................................99
Removal and replacement strategy ..................................................................................99
Electrostatic discharge .....................................................................................................99
User-replaceable parts .....................................................................................................99
Required tools ...................................................................................................................99
Before performing service .....................................................................................................101
Pre-service procedures ..................................................................................................101
Parts removal order ........................................................................................................102
Removal and replacement ....................................................................................................103
Imaging drum ..................................................................................................................103
Print cartridges ................................................................................................................103
Fuser cover (and fuser) ..................................................................................................104
Right- and left-side covers ..............................................................................................106
Control panel ..................................................................................................................107
On-off switch ...................................................................................................................109
Interface cover ................................................................................................................110
Formatter assemblies .....................................................................................................111
Fuser motor ....................................................................................................................116
Dc controller ....................................................................................................................117
Optional tray 2 (250-sheet tray) ......................................................................................118
Carousel-engagement motor ..........................................................................................120
Front lower cover ............................................................................................................121
Back cover ......................................................................................................................122
Top cover ........................................................................................................................123
Top door .........................................................................................................................125
Air duct and fan ...............................................................................................................127
Laser/scanner assembly .................................................................................................128
Front cover ......................................................................................................................130
Density sensor and top-of-page sensor .........................................................................130
E-label reader (for imaging-drum E-labels) ....................................................................132
Tray 1 (multipurpose tray) ..............................................................................................133
Tray 1 separation pad assembly ....................................................................................135
Gear assembly ................................................................................................................136
Waste-toner sensor ........................................................................................................138
Rotary-drive assembly ....................................................................................................139
Top plate .........................................................................................................................142
Print-cartridge carousel ..................................................................................................145
Aligning the carousel gears ............................................................................................149
Registration-roller assembly ...........................................................................................150
Toner-catch tray ..............................................................................................................151
Transfer-roller plate ........................................................................................................152
Transfer roller .................................................................................................................152
Feed-drive shaft ..............................................................................................................153
ECU pan .........................................................................................................................154
Sub-high-voltage transformer PCA ................................................................................157
High-voltage transformer PCA .......................................................................................158
Low-voltage PCA ............................................................................................................159
ENWW v
Paper-top sensor ............................................................................................................160
Fuser-wrap sensor ..........................................................................................................161
250-sheet feeder pickup roller ........................................................................................162
500-sheet feeder pickup roller ........................................................................................163
6 Troubleshooting
Chapter contents....................................................................................................................167
Basic troubleshooting ............................................................................................................169
Clearing jams ........................................................................................................................171
Where to look for jams ....................................................................................................171
To clear jams from inside the printer ..............................................................................171
To clear jams from input areas .......................................................................................172
To clear jams from output areas .....................................................................................174
Control panel light messages ................................................................................................176
Supplies Status lights .....................................................................................................177
Printer Status lights ........................................................................................................182
Solving image-quality problems ............................................................................................190
Print-quality checklist ......................................................................................................190
Solving image-quality problems (all print jobs) ...............................................................190
Solving image-quality problems (color print jobs) ..........................................................200
Resolving problems that generated messages .....................................................................204
Messages for both Windows and Macintosh ..................................................................204
Messages for Windows only ...........................................................................................204
Resolving problems that did not generate messages ...........................................................206
Troubleshooting checklist ...............................................................................................206
Checking the network .....................................................................................................207
Solving general printing problems ..................................................................................207
Solving PostScript (PS) errors ........................................................................................212
Solving common Macintosh problems ............................................................................213
Manually rotating the print-cartridge carousel ................................................................216
Functional checks .................................................................................................................218
Engine test ......................................................................................................................218
High-voltage power-supply check ..................................................................................219
Paper-path check ...........................................................................................................219
Service mode functions .........................................................................................................221
Cold reset .......................................................................................................................221
NVRAM initializer ............................................................................................................221
Error report......................................................................................................................222
Super NVRAM initialization.............................................................................................222
Network card cold reset...................................................................................................222
Using PJL commands .....................................................................................................223
Troubleshooting tools ............................................................................................................225
Demo page .....................................................................................................................225
Configuration page .........................................................................................................225
Supplies Status page ......................................................................................................226
Repetitive image defects ................................................................................................227
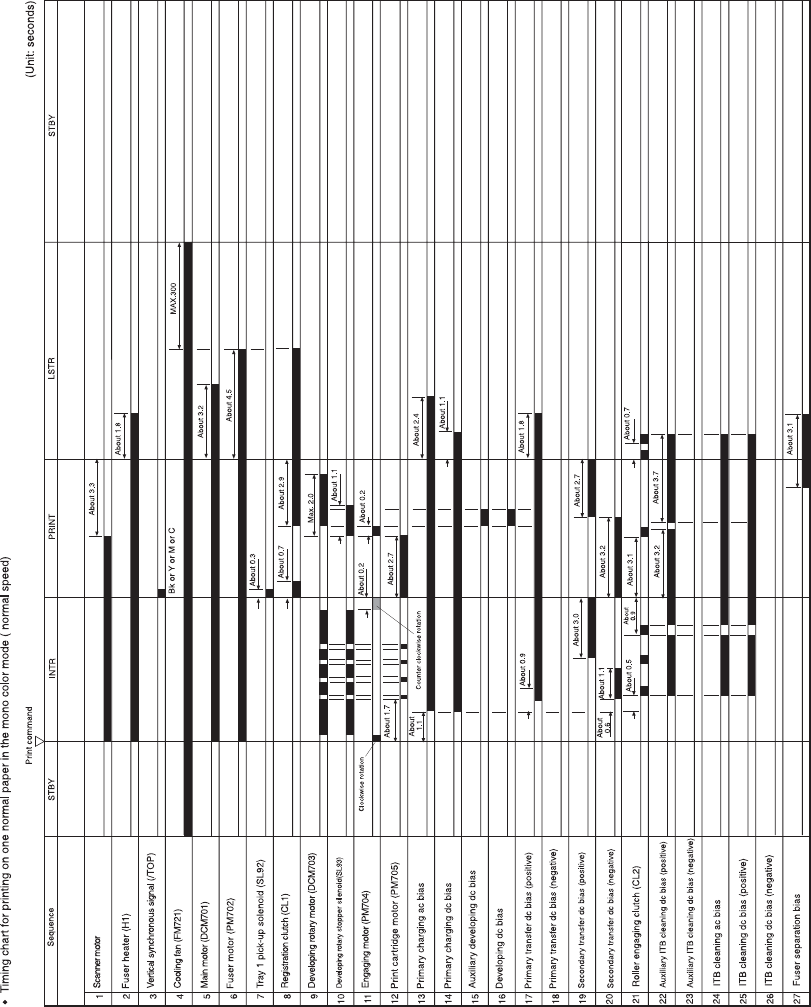
General timing charts .....................................................................................................228
Locations of connectors ..................................................................................................230
Dc controller connections ...............................................................................................233
Main wiring diagram .......................................................................................................234
HP LaserJet Toolbox .............................................................................................................236
To view the HP LaserJet Toolbox ..................................................................................236
7 Parts and diagrams
Chapter contents ...................................................................................................................237
vi ENWW
Ordering parts and supplies ..................................................................................................238
Parts ...............................................................................................................................238
Related documentation and software .............................................................................238
Supplies ..........................................................................................................................238
Accessories ...........................................................................................................................239
Assembly locations (1 of 2).............................................................................................241
Assembly locations (2 of 2).............................................................................................242
Covers....................................................................................................................................244
Internal assemblies................................................................................................................246
PCA assemblies.....................................................................................................................268
Alphabetical parts list.............................................................................................................270
Numerical parts list.................................................................................................................278
Index
ENWW vii
viii ENWW
List of tables
Table 1-1. HP color LaserJet 2550 series printer software ................................................9
Table 1-2. Physical specifications ....................................................................................15
Table 1-3. Supplies specifications ....................................................................................15
Table 1-4. Electrical specifications ...................................................................................15
Table 1-5. Environmental specifications ..........................................................................16
Table 1-6. Acoustic emissions (HP color LaserJet 2550 series) .....................................16
Table 1-7. Tray 1 specifications .......................................................................................17
Table 1-8. Optional tray 2 specifications ..........................................................................18
Table 1-9. Optional tray 3 specifications ..........................................................................18
Table 2-1. Input tray configuration ....................................................................................37
Table 3-1. Life expectancies of supplies ..........................................................................51
Table 4-1. Basic sequence of operation ...........................................................................70
Table 4-2. Motors and fans...............................................................................................73
Table 4-3. Photosensors and switches.............................................................................79
Table 4-4. Solenoid...........................................................................................................80
Table 4-5. Clutches...........................................................................................................81
Table 4-6. Printed circuit assemblies................................................................................83
Table 6-1. Basic troubleshooting ....................................................................................169
Table 6-2. Control panel lights legend ...........................................................................176
Table 6-3. Supplies Status light messages ....................................................................177
Table 6-4. Printer-status light messages ........................................................................182
Table 6-5. Attention light messages, unnumbered.........................................................184
Table 6-6. Attention light messages, numbered..............................................................185
Table 6-7. Accessory error light messages.....................................................................186
Table 6-8. Service error light messages.........................................................................186
Table 6-9. Additional error messages.............................................................................189
Table 6-10. Solving general printing problems .................................................................207
Table 6-11. Problems in the Chooser ..............................................................................213
Table 6-12. Printing Errors ...............................................................................................214
Table 6-13. USB Problems ...............................................................................................215
Table 6-14. Repetitive image defects................................................................................227
Table 7-1. Technical support Web sites .........................................................................238
Table 7-2. Accessories ...................................................................................................239
Table 7-3. Covers ...........................................................................................................245
Table 7-4. Front frame assembly ...................................................................................247
Table 7-5. Internal components (1 of 2) .........................................................................251
Table 7-6. Internal components (2 of 2) .........................................................................253
Table 7-7. Main drive assembly......................................................................................255
Table 7-8. Rear frame assembly ....................................................................................257
Table 7-9. Middle frame assembly .................................................................................259
Table 7-10. Rotary assembly ...........................................................................................263
Table 7-11. Power-supply base assembly .......................................................................265
Table 7-12. Rotary-drive assembly ..................................................................................267
Table 7-13. PCA assemblies ............................................................................................269
Table 7-14. Alphabetical parts list.....................................................................................270
Table 7-15. Numerical parts list.........................................................................................278
ENWW ix
xENWW
List of figures
Figure 1-1. HP color LaserJet 2550 series printer identification label .................................8
Figure 2-1. Space required ................................................................................................32
Figure 2-2. Standard and optional input trays—HP color LaserJet 2550 series
printers ............................................................................................................37
Figure 2-3. Printer output paths .........................................................................................38
Figure 3-1. Smearing..........................................................................................................61
Figure 3-2. Toner specks ...................................................................................................61
Figure 3-3. Loading the cleaning page in tray 1 ................................................................62
Figure 4-1. Cross-section of the printer .............................................................................68
Figure 4-2. Engine control system (includes the basic configuration of the printer) .........70
Figure 4-3. Power-on sequence ........................................................................................72
Figure 4-4. Motors and fans...............................................................................................73
Figure 4-5. Laser/scanner system .....................................................................................74
Figure 4-6. Pickup and feed system ..................................................................................76
Figure 4-7. Optional tray 2 (250-sheet paper tray) ............................................................77
Figure 4-8. Photosensors and switches (1 of 2) ................................................................78
Figure 4-9. Photosensors and switches (2 of 2).................................................................79
Figure 4-10. Solenoid ..........................................................................................................80
Figure 4-11. Clutches ..........................................................................................................81
Figure 4-12. Printed circuit assemblies (1 of 2) ...................................................................82
Figure 4-13. Printed circuit assemblies (2 of 2) ...................................................................83
Figure 4-14. Image-formation system ..................................................................................84
Figure 4-15. Image-formation process ................................................................................85
Figure 4-16. Step 1: primary charging .................................................................................86
Figure 4-17. Step 2: laser-beam exposure ..........................................................................86
Figure 4-18. Developing block .............................................................................................87
Figure 4-19. Step 3: developing ..........................................................................................87
Figure 4-20. Step 4: primary transfer ...................................................................................88
Figure 4-21. Step 5: secondary transfer ..............................................................................89
Figure 4-22. Step 6: separation ...........................................................................................89
Figure 4-23. Step 7: fusing ..................................................................................................90
Figure 4-24. Step 8: roller charging (auxiliary transfer belt cleaning roller) ........................90
Figure 4-25. Step 9: roller charging (transfer belt cleaning roller) .......................................91
Figure 4-26. Step 10: transfer belt cleaning ........................................................................92
Figure 4-27. Step 11: drum cleaning ...................................................................................93
Figure 4-28. Print cartridge ..................................................................................................94
Figure 4-29. Print-cartridge E-label .....................................................................................95
Figure 5-1. Removing the fuser cover (and fuser) ..........................................................105
Figure 5-2. Removing the right-side cover (1 of 2) ..........................................................106
Figure 5-3. Removing the right-side cover (2 of 2) ..........................................................107
Figure 5-4. Removing the control panel (1 of 2) ..............................................................108
Figure 5-5. Removing the control panel (2 of 2) ..............................................................109
Figure 5-6. Removing the on-off switch ...........................................................................110
Figure 5-7. Removing the interface cover .......................................................................111
Figure 5-8. Removing the formatter cage (1 of 2) ...........................................................112
Figure 5-9. Removing the formatter cage (2 of 2) ...........................................................113
ENWW xi
Figure 5-10. Removing the formatter (1 of 2) ....................................................................114
Figure 5-11. Removing the formatter (2 of 2) ....................................................................115
Figure 5-12. Removing the network card...........................................................................116
Figure 5-13. Removing the fuser motor .............................................................................117
Figure 5-14. Removing the dc controller ...........................................................................118
Figure 5-15. Removing optional tray 2 (1 of 2) ..................................................................119
Figure 5-16. Removing optional tray 2 (2 of 2) ..................................................................120
Figure 5-17. Removing the carousel-engagement motor ..................................................121
Figure 5-18. Removing the front lower cover ....................................................................122
Figure 5-19. Removing the back cover .............................................................................123
Figure 5-20. Removing the top cover (1 of 2) ....................................................................124
Figure 5-21. Removing the top cover (2 of 2) ....................................................................125
Figure 5-22. Removing the top door (1 of 2) .....................................................................126
Figure 5-23. Removing the top door (2 of 2) .....................................................................127
Figure 5-24. Removing the air duct ...................................................................................128
Figure 5-25. Removing the laser/scanner assembly .........................................................129
Figure 5-26. Reinstalling the top output bin cover .............................................................129
Figure 5-27. Removing the front cover ..............................................................................130
Figure 5-28. Removing the density sensor cover ..............................................................131
Figure 5-29. Removing the density sensor ........................................................................131
Figure 5-30. Removing the E-label reader (1 of 2) ............................................................132
Figure 5-31. Removing the E-label reader (2 of 2) ............................................................133
Figure 5-32. Removing tray 1 (1 of 2) ................................................................................134
Figure 5-33. Removing tray 1 (2 of 2) ................................................................................135
Figure 5-34. Removing the tray 1 separation pad assembly .............................................136
Figure 5-35. Removing the gear assembly (1 of 2) ...........................................................137
Figure 5-36. Removing the gear assembly (2 of 2) ...........................................................138
Figure 5-37. Removing the waste-toner sensor ................................................................139
Figure 5-38. Removing the rotary-drive assembly (1 of 3) ................................................140
Figure 5-39. Removing the rotary-drive assembly (2 of 3) ................................................141
Figure 5-40. Removing the rotary-drive assembly (3 of 3) ................................................142
Figure 5-41. Removing the top plate (1 of 3) .....................................................................143
Figure 5-42. Removing the top plate (2 of 3) .....................................................................144
Figure 5-43. Reinstalling the grounding plate.....................................................................144
Figure 5-44. Removing the top plate (3 of 3) .....................................................................145
Figure 5-45. Removing the print-cartridge carousel (1 of 3) .............................................146
Figure 5-46. Removing the print-cartridge carousel (2 of 3) .............................................147
Figure 5-47. Removing the print-cartridge carousel (3 of 3) .............................................148
Figure 5-48. Reinstalling the print-cartridge carousel .......................................................150
Figure 5-49. Removing the registration-roller assembly ...................................................151
Figure 5-50. Removing the toner-catch tray ......................................................................151
Figure 5-51. Removing the transfer-roller plate .................................................................152
Figure 5-52. Removing the transfer roller ..........................................................................153
Figure 5-53. Removing the feed-drive shaft ......................................................................154
Figure 5-54. Removing the ECU pan (1 of 2) ....................................................................155
Figure 5-55. Removing the ECU pan (2 of 2) ....................................................................156
Figure 5-56. ECU connections ..........................................................................................156
Figure 5-57. Removing the sub-high-voltage transformer PCA ........................................157
Figure 5-58. Removing the high-voltage transformer PCA ...............................................158
Figure 5-59. Removing the low-voltage PCA (1 of 2) ........................................................159
Figure 5-60. Removing the low-voltage PCA (2 of 2) ........................................................160
Figure 5-61. Removing the paper-top sensor ....................................................................161
Figure 5-62. Removing the fuser wrap sensor ..................................................................162
Figure 5-63. Removing the 250-sheet feeder pickup roller ...............................................163
Figure 5-64. Removing the 500-sheet feeder pickup roller (1 of 2) ..................................164
Figure 5-65. Removing the 500-sheet feeder pickup roller (2 of 2) ..................................165
xii ENWW
Figure 6-1. Control panel lights .......................................................................................176
Figure 6-2. Manually rotating the print-cartridge carousel ...............................................217
Figure 6-3. Location of the engine-test switch .................................................................218
Figure 6-4. Print cartridge high-voltage connection points ..............................................219
Figure 6-5. Overriding SW301 and the laser/scanner switch ..........................................220
Figure 6-6. General timing chart--WAIT period ...............................................................228
Figure 6-7. General timing chart--one page, full-color, normal speed ............................229
Figure 6-8. Locations of printer connectors (1 of 3) ........................................................230
Figure 6-9. Locations of printer connectors (2 of 3) ........................................................231
Figure 6-10. Locations of printer connectors (3 of 3) ........................................................231
Figure 6-11. Locations of 250-sheet tray connectors ........................................................232
Figure 6-12. Locations of 500-sheet tray connectors ........................................................232
Figure 6-13. Dc controller connections ..............................................................................233
Figure 6-14. Main wiring (1 of 2) ........................................................................................234
Figure 6-15. Main wiring (2 of 2) ........................................................................................235
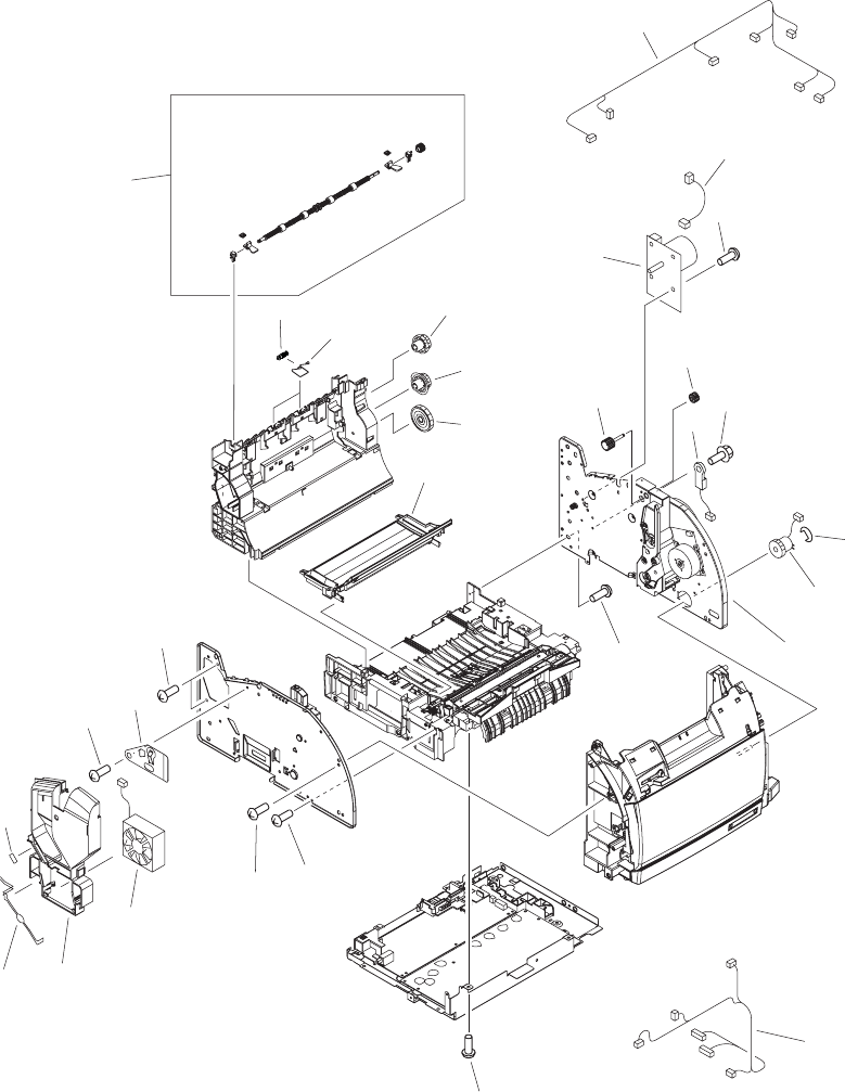
Figure 7-1. Covers............................................................................................................244
Figure 7-2. Front frame assembly ...................................................................................246
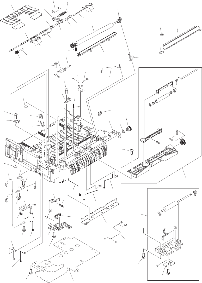
Figure 7-3. Internal components (1 of 2)..........................................................................250
Figure 7-4. Internal components (2 of 2) .........................................................................252
Figure 7-5. Main drive assembly .....................................................................................254
Figure 7-6. Rear frame assembly ....................................................................................256
Figure 7-7. Middle frame assembly .................................................................................258
Figure 7-8. Rotary (carousel) assembly ..........................................................................262
Figure 7-9. Power-supply base assembly .......................................................................264
Figure 7-10. Rotary-drive assembly ..................................................................................266
Figure 7-11. PCA assemblies ............................................................................................268
ENWW xiii
xiv ENWW
1
Product information
Chapter contents
Chapter contents .......................................................................................................................1
Printer configurations ................................................................................................................2
HP color LaserJet 2550L ....................................................................................................2
HP color LaserJet 2550Ln ..................................................................................................2
HP color LaserJet 2550n ....................................................................................................3
Printer features ..........................................................................................................................4
Printer overview..........................................................................................................................7
Hardware components........................................................................................................7
Model and serial numbers ..................................................................................................7
Software components ...............................................................................................................9
Software and supported operating systems .......................................................................9
Software tips .....................................................................................................................10
Software for Windows .......................................................................................................11
Software for Macintosh .....................................................................................................12
Uninstalling the printing software .....................................................................................13
Specifications ..........................................................................................................................15
Media specifications ................................................................................................................17
Supported media weights and sizes .................................................................................17
General guidelines ............................................................................................................18
Paper and print media ......................................................................................................19
Printing and storage environment ....................................................................................19
Envelopes .........................................................................................................................20
Labels ...............................................................................................................................21
Transparencies .................................................................................................................2 2
Hewlett-Packard limited warranty statement ..........................................................................23
Limited warranty for the print cartridges and imaging drum ...................................................24
Print cartridge information .......................................................................................................25
Refilled print cartridges .....................................................................................................25
HP LaserJet printing supplies ..........................................................................................25
HP Printing Supplies Returns and Recycling Program information..................................25
Regulatory statements ............................................................................................................27
Safety statements ...................................................................................................................28
Laser safety statement .....................................................................................................28
Canadian DOC statement ................................................................................................28
Korean EMI statement ......................................................................................................28
Finnish laser statement ....................................................................................................29
ENWW Chapter contents 1

Printer configurations
Thank you for purchasing the HP color LaserJet 2550 series printer. The printer is available
in the following configurations.
HP color LaserJet 2550L
The HP color LaserJet 2550L printer is a four-color laser printer that prints letter-size pages
up to 20 pages per minute (ppm) in black and white, A4-size pages up to 19 ppm, and it
prints letter/A4-size pages at 4 ppm in color. It includes a PCL 6 printer driver and has
PostScript
®
level 3 emulation.
●Trays. The printer comes with a multipurpose tray (tray 1) that holds up to 125 sheets of
various print media or 10 envelopes. The printer can also accept an optional 250-sheet
tray (tray 2) for standard sizes and optional 500-sheet tray (tray 3) for A4 and letter
sizes. (Optional tray 2 must be installed in order to install optional tray 3.) See Supported
media weights and sizes for more information.
●Print cartridges. This model comes standard with color print cartridges (cyan, yellow,
and magenta) that can print up to 2,000 pages at 5 percent coverage. It comes with a
black print cartridge that can print up to 5,000 pages at 5 percent coverage. (A typical
business letter has 5 percent coverage.)
●Connectivity. The printer provides parallel and universal serial bus (USB) ports for
connectivity. The printer also accepts an optional HP Jetdirect external print server for
connecting to a network.
●Memory. The printer comes standard with 64 MB RAM.
●Expandability. The printer has one available DIMM slot for memory expansion and
additional font support. The memory is expandable to 192 MB by adding a 128-MB DIMM.
HP color LaserJet 2550Ln
The HP color LaserJet 2550Ln printer has the same features as the HP color LaserJet
2550L printer, except it includes an HP Jetdirect internal print server for connecting to a
10/100Base-T network. This model also accepts optional tray 2 and optional tray 3. (Optional
tray 2 must be installed in order to install optional tray 3.)
2Chapter 1 Product information ENWW

HP color LaserJet 2550n
The HP color LaserJet 2550n printer has the same features as the HP color LaserJet
2550Ln printer and also includes tray 2. This model also accepts optional tray 3. This model
comes standard with high-capacity color print cartridges that can print up to 4,000 pages.
ENWW Printer configurations 3

Printer features
Feature HP color LaserJet 2550 series printer
Color printing ●Provides laser printing in full color by using
the four process colors: cyan, magenta,
yellow, and black (CMYK).
Fast print speed ●Prints in black on letter-size paper up to 20
ppm and on A4-size paper up to 19 ppm.
Prints in color on A4/letter at 4 ppm.
Excellent print quality ●ImageREt 2400 provides 2400 dpi (dots per
inch) color and laser-class quality through a
multilevel printing process.
●True 600 x 600 dpi text and graphics.
●Adjustable settings to optimize print quality.
●The HP UltraPrecise print cartridge has a
finer toner formulation that provides sharper
text and graphics.
Ease of use ●Few supplies to order. Supplies are easy to
install.
●Convenient access to printer information
and settings by using the HP LaserJet
Toolbox software.
●Convenient access to all supplies and to the
paper path through the front door.
Expandability ●Optional tray 2. (Included with the 2550n
model; compatible with all other models.)
This 250-sheet tray for standard sizes
reduces how often you have to add paper to
the printer. Only one 250-sheet tray can be
installed on the printer.
●Optional tray 3. This 500-sheet tray for letter
and A4 sizes reduces how often you have to
add paper to the printer. Only one 500-sheet
tray can be installed on the printer. Optional
tray 2 must be installed in order to install
optional tray 3.
●Optional HP Jetdirect external print server
for connecting to a network (HP color
LaserJet 2550L printer).
●One DIMM slot for adding memory and fonts.
4Chapter 1 Product information ENWW

Feature HP color LaserJet 2550 series printer
Flexible paper handling ●Adjustable tray 1 (multipurpose tray) for
letterhead, envelopes, labels,
transparencies, custom-sized media,
postcards, glossy paper, HP LaserJet
Tough paper, and heavy paper.
●Optional tray 2 (250-sheet tray) that is
adjustable for several standard sizes of
paper.
●Optional tray 3 (500-sheet tray) for letter-
and A4-size paper. (Optional tray 2 must be
installed in order to install optional tray 3.)
●One 125-sheet output bin and one output
door. Select the top output bin (face down)
for most jobs, including transparencies. Use
the rear output door (face up) for jobs on
heavy paper, light paper, or special print
media.
●Straight-through paper path capability from
tray 1 to the rear output door.
●Manual two-sided printing (duplexing). See
Interface cover.
Printer driver features ●Fast printing performance, built-in Intellifont
and TrueType scaling technologies, built-in
HP-GL/2 vector graphics, and advanced
imaging capabilities are benefits of the PCL
6 printer language. The PCL 6 also
includes 45 scalable TrueType fonts and
one bitmapped Line Printer Font. The PCL
6 printer language also included.
PostScript® (PS) level 3 emulation language
and fonts
●Includes 35 built-in PS language fonts.
Automatic language-switching ●The printer automatically determines and
switches to the appropriate printer language
(such as PS or PCL 6) for the print job.
Interface connections ●Bidirectional enhanced capabilities port
(ECP) type-B parallel port (IEEE-1284
compliant).
●High-speed USB port.
●Accepts an optional HP Jetdirect external
print server (HP color LaserJet 2550L
printer). The HP color LaserJet 2550Ln and
2550n printers include an HP Jetdirect
internal print server.
ENWW Printer features 5

Feature HP color LaserJet 2550 series printer
Networking ●Accepts an optional HP Jetdirect external
print server (HP color LaserJet 2550L
printer). The HP color LaserJet 2550Ln and
2550n printers include an HP Jetdirect
internal print server.
●All common network protocols such as
Ethernet, Token Ring, and LocalTalk are
available by using an optional HP Jetdirect
external print server. (The 2550Ln and
2550n models include an HP Jetdirect
internal print server.)
Enhanced memory and memory expansion ●The printer comes with 64 MB of memory
and can be expanded to 192 MB by using
the DIMM slot. Most documents can be
printed with the standard amount of printer
memory through the aid of Memory
Enhancement technology (MEt). MEt
automatically compresses data, and almost
doubles the printer memory and
accommodating more complex printing with
available memory.
Energy savings ●The printer automatically conserves
electricity by substantially reducing power
consumption when it is not printing.
●As an ENERGY STAR® partner, Hewlett-
Packard Company has determined that this
product meets ENERGY STAR® guidelines
for energy efficiency. ENERGY STAR® is a
U.S. registered service mark of the United
States Environmental Protection Agency.
Economical printing ●N-up printing (printing more than one page
on a sheet) and two-sided printing using
manual duplexing saves paper. See To use
a cleaning page and Interface cover.
Supplies ●A Supplies Status page with print cartridge
and imaging drum gauges that show the
supply levels that remain. For HP supplies
only.
●No-shake cartridge design.
●Authentication for HP print cartridges.
●Enabled supplies-ordering capability.
Accessibility ●Online user guide that is compatible with
text screen-readers.
●Print cartridges and the imaging drum can
be installed and removed by using one hand.
●All doors and covers can be opened by
using one hand.
6Chapter 1 Product information ENWW

Printer overview
Hardware components
Before using the printer, familiarize yourself with the parts of the printer.
3
4
5
1
2
6
7
1 Top (face-down) output bin
2 Power switch
3 Optional tray 3
4 Optional tray 2 (included with HP color LaserJet 2550n model)
5 Tray 1
6 Top cover
7 Control panel
12
7
8
9
10
11
7 Control panel
8 Interface ports *
9 Optional tray 2
10 Optional tray 3
11 Power connector
12 Rear (face-up) output door
* The interface ports are described in more detail in the next chapter. See Interface ports.
Model and serial numbers
The model number and serial number are listed on an identification label located underneath
the top door.
ENWW Printer overview 7

The label contains information about the country/region of origin and the revision level,
manufacturing date, production code, and production number of the product. The label also
contains power rating and regulatory information.
Figure 1-1. HP color LaserJet 2550 series printer identification label
8Chapter 1 Product information ENWW

Software components
Software and supported operating systems
For easy printer setup and access to the full range of printer features, HP strongly
recommends that you install the software that is provided. Not all software is available in all
languages. See the HP Color LaserJet 2550 Series Printer Getting Started Guide for
installation instructions, and see the Readme file for the latest software information.
The most recent drivers, additional drivers, and other software are available from the Internet
and other sources. See Related documentation and software.
The printer supports the following operating systems:
●Microsoft
®
Windows
®
98, Windows 2000, Windows Millennium Edition (Me), and
Windows XP
●Windows NT
®
4.0 (driver only, other printer software is not available)
●Macintosh OS 9.1, 9.2, 9.3, and OS X v.10.1 and later
●UNIX
®
, Linux, and OS/2 (limited functionality)
The following tables list the software that is available for your operating system.
Table 1-1. HP color LaserJet 2550 series printer software
Feature Windows
98, Me
Windows
2000 and
XP
Macintosh
OS 9.1,
9.2, and 9.3
Macintosh
OS X v.
10.1 and
later
UNIX®,
Linux
OS/2
Windows
Installer
PCL 6
printer driver
PS printer
driver
HP Web
Jetadmin
software
1
HP
HP LaserJet
Toolbox
software
2
Macintosh
Installer
ENWW Software components 9

Feature Windows
98, Me
Windows
2000 and
XP
Macintosh
OS 9.1,
9.2, and 9.3
Macintosh
OS X v.
10.1 and
later
UNIX®,
Linux
OS/2
Macintosh
PostScript
printer
description
(PPD) and
printer
dialog
extensions
(PDE)
IBM drivers 1
Model
scripts 3
1
Available on the HP Web site.
2
HP LaserJet Toolbox software support for Macintosh OS X, v. 10.2 or later.
3
Available on the HP Web site. Not specific to this printer.
Software tips
The following are some tips for working with the printer software.
Gaining access to the printer features
The printer features are available in the printer driver. Some features such as custom paper
sizes and page orientation might also be available in the program that was used to create a
file. Change settings in the program, if possible, because changes that are made in the
program override changes that are made in the printer driver.
Obtaining the latest printing software
To check for and install upgrades to the printing software, download drivers from the Internet
or HP’s file transfer protocol (FTP) servers.
To download drivers
1. Go to www.hp.com. Click the support & drivers block.
2. Type color laserjet 2550 as the product name. The Web page for the drivers
might be in English, but you can download the drivers themselves in several languages.
If Internet access is not available, see the flyer that came in the printer box.) See the
Readme file for additional release information.
Other print system software
See the Readme file that is provided on the HP color LaserJet 2550 CD-ROM for additional,
included software and for supported languages.
Table 1-1. HP color LaserJet 2550 series printer software (continued)
10 Chapter 1 Product information ENWW

Software for Windows
When you install the software for Windows, you can directly connect the printer to a
computer by using a USB or parallel cable or, if your printer is network-enabled, you can
connect the printer to the network by using the HP Jetdirect print server. See the HP Color
LaserJet 2550 Series Printer Getting Started Guide for installation instructions, and see the
Readme file for the latest software information.
The following software is available to all users of the printer, whether you connected the
printer directly to a computer by using a parallel cable or USB cable, or whether you
connected the printer to the network by using an HP Jetdirect print server.
Printer drivers
Select a printer driver based on the way the printer is being used.
●Use the PCL 6 printer driver to take full advantage of the printer features. Unless
complete backward compatibility with previous PCL drivers or older printers is
necessary, the PCL 6 driver is recommended.
●Use the PS printer driver for compatibility with PS needs. Certain printer features are not
available in this printer driver.
The printer automatically switches between PS 3 emulation and PCL printer languages
depending on the driver you have selected.
Using Help
The printer driver has Help dialog boxes that can be activated from the Help button in the
printer driver, the F1 key on the computer keyboard, or the question mark symbol (?) in the
upper-right corner of the printer driver. These Help dialog boxes give detailed information
about the specific printer driver. Help for the printer driver is separate from the Help for your
program.
HP LaserJet Toolbox
You must perform a complete software installation to use the HP LaserJet Toolbox.
The HP LaserJet Toolbox provides links to printer status information and help information,
such as the HP Color LaserJet 2550 Series Printer User Guide; and tools for diagnosing and
solving problems. You can also view explanations and animations of light messages on the
control panel. See HP LaserJet Toolbox for more information.
Software for network installations only
This software is available only when the printer is connected to a network.
HP Web Jetadmin
HP Web Jetadmin is intended for printer management in commercial and enterprise
networks. While the HP LaserJet Toolbox is used to manage a single printer, HP Web
Jetadmin is used to manage groups of printers and other devices. Download this software
from the HP Web site at http://www.hp.com/go/webjetadmin. The HP Web Jetadmin Web
site provides HP Web Jetadmin software in many languages.
ENWW Software components 11

HP Web Jetadmin is available only if the printer is connected to an Internet protocol- (IP-)
based network. This browser-based software can be installed on one of the following
supported platforms:
●Microsoft Windows 2000 or XP
●Red Hat Linux
●SuSE Linux
Starting HP Web Jetadmin
After you install the HP Web Jetadmin software, you can start it in a supported Web browser
on any computer by typing one of the following Web addresses:
●http://server.domain:port/
where "server.domain" is the server hostname and "port" is the port number that you
selected during installation. (The default port is 8000.) This information is available in the
url.txt file, which is stored in the folder where HP Web Jetadmin is installed.
●http://ipaddress:port/
where "ipaddress" is the IP address of the computer on which HP Web Jetadmin is
installed.
For settings that appear in both the printer driver and HP Web Jetadmin, changes that are
made in the printer driver override changes that are made in HP Web Jetadmin.
Software for Macintosh
For Mac 9.1, the Apple LaserWriter 8 driver must be installed to use the PPD file. Use the
Apple LaserWriter 8 driver that came with your Macintosh. For Mac OS X, use Print Center
to print.
The printer includes the following software for Macintosh computers.
PPDs (Mac OS 9.1 and Mac OS X classic)
PPDs, in combination with the LaserWriter driver, provide access to the printer features and
allow the computer to communicate with the printer. An installation program for the PPDs is
provided on the HP color LaserJet 2550 CD-ROM.
PDEs (Mac OS X)
PDEs are code plug-ins that provide access to printer features, such as information about
the number of copies, two-sided printing, and quality settings. An installation program for the
PDEs and other software is provided on the HP color LaserJet 2550 CD-ROM.
HP LaserJet Toolbox
The HP LaserJet Toolbox is supported for Mac OS 10.2 and later. You must perform a
complete software installation to use the HP LaserJet Toolbox.The HP LaserJet Toolbox
provides links to printer status information and help information, such as the HP Color
LaserJet 2550 Series Printer User Guide; and tools for diagnosing and solving problems.
You can also view explanations and animations of light messages on the control panel. See
HP LaserJet Toolbox for more information.
12 Chapter 1 Product information ENWW

Uninstalling the printing software
Uninstall software by using the following directions for your operating system.
Uninstalling software for Windows
The printer comes with an uninstall utility that you can use to select and remove any or all of
the Windows HP printing system components from your computer.
To uninstall software for Windows 98 and later
Note To uninstall the software from Windows 2000 or XP, you must log on with administrator
privileges.
1. Close all of the open programs.
For Windows 98 and Me
a. Press Ctrl+Alt+Delete. The Close Program dialog box opens.
b. Select a program except Explorer or Systray, and then click End Task.
c. Repeat step b until all of the programs except Explorer and Systray are closed.
For Windows 2000 and XP
a. Press Ctrl+Alt+Delete. The Windows Security dialog box opens.
b. Click Task Manager and then click the Applications tab.
c. Select a program, and then click End Task.
d. Repeat step c until all of the programs are closed.
2. On the Start menu, point to Programs, point to Hewlett-Packard, point to HP color
LaserJet 2550 series, and then click Add or Remove.
3. On the Setup screen, click Next.
4. To remove specific software components, click Modify the existing installation. To
remove all the printer software, click Remove All.
Note Clicking Remove All requires you to have the software CD to complete the uninstallation.
5. Click the drop-down icon next to each feature that you want to remove. From the drop-
down list, click This feature will not be available.
6. Click Next, and follow the directions on the screen. If the message "The following file is
a shared file but is not used by any other programs. Would you like to delete it?"
appears, click Yes to All. The system finishes removing files.
7. If prompted to restart the computer, click OK.
Uninstalling software for Windows by using Add or Remove Programs
An alternate method for uninstalling the printer software is to use the Add or Remove
Programs method. This method does not require you to have the software CD.
1. Click Start, point to Settings, and then click Control Panel.
2. Click Add or Remove Programs.
ENWW Software components 13
3. Scroll through the list of software programs and then click HP color LaserJet 2550
series printer.
4. Click Remove.
Uninstalling software for Macintosh
To remove the printing software from your Macintosh, drag the HP LaserJet folder and PPDs
to the Trash. If you are using Mac OS X, you must also drag the PDEs to the Trash.
For Mac OS 9.1: The PPDs are located in Macintosh HD\System Folder\Extensions
\Printer Descriptions.
For Mac OS X: The PPDs are located in Macintosh HD\Library\Printers\PPDs
\Contents\Resources\<lang>.lproj. The PDEs are located in Macintosh HD
\Library\Printers\PPD Plugins\HP*.
The phrase <lang> represents the language of the printer software that you selected.
14 Chapter 1 Product information ENWW

Specifications
Table 1-2. Physical specifications
Product Height Depth Width Weight
HP color
LaserJet 2550L
printer without
optional trays
325 mm
(12.80 in)
451 mm
(17.76 in)
482 mm
(18.98 in)
21.5 kg
(47.5 lbs)
HP color
LaserJet 2550n
printer with tray 2
(250-sheet)
376 mm
(14.80 in)
451 mm
(17.76 in)
482 mm
(18.98 in)
23.9 kg
(52.7 lbs)
HP color
LaserJet 2550n
printer with tray 2
and optional tray
3 (500-sheet)
512 mm
(20.16 in)
451 mm
(17.76 in)
482 mm
(18.98 in)
29.3 kg
(64.6 lbs)
Table 1-3. Supplies specifications
Imaging-drum life (based on 5% coverage) 20,000 pages when printing only in black
5,000 pages when printing in color
6,000 to 8,000 pages is the average life
Print-cartridge life (based on 5% coverage) Black: 5,000 pages
Yellow, cyan, and magenta: 2,000 pages
each
Yellow, cyan, and magenta: 4,000 pages
each (HP extended-life color cartridges)
Table 1-4. Electrical specifications
Item 110-volt models 220-volt models
Power supply 115 to 127 V (+/- 10 %) 220 to 240 V (+/- 10 %)
50 to 60 Hz (+/- 3 Hz) 50 to 60 Hz (+/- 3 Hz)
Power consumption (typical)
During printing (color) 224 W (average) 217 W (average)
During printing (black and
white)
400 W (average) 403 W (average)
During standby 15 W (average) 18 W (average)
Off mode 0 W (average) 0 W (average)
Heat output
Idle 51 BTU/hr 61 BTU/hr
ENWW Specifications 15

Item 110-volt models 220-volt models
Minimum recommended circuit
capacity
12 A 6 A
CAUTION Power requirements are based on the country/region where the printer is sold. Do not
convert operating voltages. This will damage the printer and void the product warranty.
Table 1-5. Environmental specifications
Recommended1Operating1Storage1
(printer and print
cartridge)
Temperature
20° to 27°C
(68° to 81°F)
15° to 32.5°C
(59° to 90.5°F)
-20° to 40°C
(-4° to 104°F)
Relative humidity 20% to 70% 10% to 80% 95% or less
1
Values are subject to change. See www.hp.com/support/clj2550 for current information.
Table 1-6. Acoustic emissions (HP color LaserJet 2550 series)
Sound power Declared per ISO 92961
Printing (20 ppm) LWAd = 6.6 Bels (A)
Sound Pressure Declared per ISO 92961
Operator position (printing at 20 ppm) LpAm = 62 dB(A)
Bystander position (printing at 20 ppm) LpAm = 52 dB(A)
1
Values are subject to change. See http://www.hp.com/support/clj2550 for current information.
Table 1-4. Electrical specifications (continued)
16 Chapter 1 Product information ENWW

Media specifications
This section contains information about the sizes, weights, and capacities of media that each
tray supports.
Supported media weights and sizes
This section contains information about the sizes, weights, and capacities of paper and other
print media that each tray supports.
Table 1-7. Tray 1 specifications
Tray 1 Dimensions1Weight Capacity2
Paper Minimum: 76 x 127 mm (3 x
5 inches)
60 to 177 g/m2 (16 to 47 lb) Up to 125 sheets of 75 g/m2
(20 lb) paper
Maximum: 216 x 356 mm
(8.5 x 14 inches)
Glossy paper Same as the preceding
listed minimum and
maximum sizes.
75 to 120 g/m2 (20 to 32 lb) Maximum stack height: 12 mm
(0.47 inches)
HP Cover paper4203 g/m2 (75 lb cover) 50 (typically)
Transparencies and
opaque film
Thickness: 0.10 to 0.13 mm
(3.9 to 5.1 mils)
50 (typically)
Labels3Thickness: up to 0.23 mm
(up to 9 mils)
50 (typically)
Envelopes Up to 90 g/m2 (16 to 24 lb) Up to 10
1
The printer supports a wide range of standard and custom sizes of print media. Check the printer driver for
supported sizes.
2
Capacity can vary depending on media weight and thickness, and environmental conditions.
3
Smoothness: 100 to 250 (Sheffield).
4
HP does not guarantee results when printing with other types of heavy paper.
ENWW Media specifications 17

Table 1-8. Optional tray 2 specifications
Optional tray 2 (250-sheet tray) Dimensions1Weight Capacity2
Letter 216 x 279 mm (8.5 x 11 inches) 60 to 105 g/m2
(16 to 28 lb)
250 sheets of 75
g/m2 (20 lb) paper
A4 210 x 297 mm (8.3 x 11.7 inches)
A5 148 x 210 mm (5.8 x 8.3 inches)
B5 (ISO) 176 x 250 mm (6.9 x 9.9 inches)
B5 (JIS) 182 x 257 mm (7.2 x 10 inches)
Executive 191 x 267 mm (7.3 x 10.5 inches)
Legal 216 x 356 mm (8.5 x 14 inches)
8.5 x 13 inches 216 x 330 mm (8.5 x 13 inches)
1
The printer supports a wide range of standard and custom sizes of print media. Check the printer driver for
supported sizes.
2
Capacity can vary depending on the media weight and thickness, and environmental conditions.
Table 1-9. Optional tray 3 specifications
Optional tray 3 (500-sheet tray) Dimensions1Weight Capacity2
Letter 216 x 279 mm (8.5 x 11 inches) 60 to 105 g/m2
(16 to 28 lb)
500 sheets of 75-
g/m2 (20-lb) paper
A4 210 x 297 mm (8.3 x 11.7 inches)
1
The printer supports a wide range of standard and custom sizes of print media. Check the printer driver for
supported sizes.
2
Capacity can vary depending on the media weight and thickness, and environmental conditions.
General guidelines
Some print media might meet all of the guidelines in this manual and still not produce
satisfactory results. This problem might be the result of improper handling, unacceptable
temperature and humidity levels, or other variables over which HP has no control.
Before purchasing large quantities of print media, always test a sample and make sure the
that the print media meets the requirements specified in the HP Color LaserJet 2550 Series
Printer User Guide and in the HP LaserJet Printer Family Print Media Guide. For ordering
information, see Ordering parts and supplies.
CAUTION Using print media that does not meet HP specifications can cause problems for the printer,
requiring repair. This repair is not covered by the HP warranty or service agreements.
18 Chapter 1 Product information ENWW

This printer accepts a variety of media, such as cut-sheet paper (including up to 100%
recycled-fiber-content paper), envelopes, labels, transparencies, glossy paper, HP LaserJet
Tough paper, and custom-size paper. Properties such as weight, composition, grain, and
moisture content are important factors affecting printer performance and output quality. Print
media that does not meet the guidelines outlined in this manual can cause the following
problems:
●Poor print quality
●Increased jams
●Premature wear on the printer, requiring repair
Paper and print media
Category Specifications
Acid content 5.5 pH to 8.0 pH
Caliper 0.094 to 0.18 mm (3.0 to 7.0 mils)
Curl in ream Flat within 5 mm (0.02 inch)
Cut-edge conditions Cut with sharp blades with no visible fray
Fusing compatibility Must not scorch, melt, offset, or release
hazardous emissions when heated to 210°C
(410°F) for 0.1 second
Grain Long Grain
Moisture content 4% to 6% by weight
Smoothness 100 to 250 Sheffield
For complete print-media specifications for all HP LaserJet printers, see the HP LaserJet
Printer Family Print Media Guide. To download the guide in PDF format, go to www.hp.com/
support/ljpaperguide.
Printing and storage environment
Ideally, the printing and media-storage environment should be at or near room temperature,
and not too dry or too humid. Remember that paper is hygroscopic; it absorbs and loses
moisture rapidly.
Heat works with humidity to damage paper. Heat causes the moisture in paper to evaporate,
while cold causes it to condense on the sheets. Heating systems and air conditioners
remove most of the humidity from a room. As paper is opened and used, it loses moisture,
causing streaks and smudging. Humid weather or water coolers can cause the humidity to
increase in a room. As paper is opened and used it absorbs any excess moisture, causing
light print and dropouts. Also, as paper loses and gains moisture it can distort. This issue
can cause jams.
As a result, paper storage and handling are as important as the paper-making process itself.
Paper storage environmental conditions directly affect the feed operation and print quality.
ENWW Media specifications 19

Care should be taken not to purchase more paper than can be easily used in a short time
(about three months). Paper stored for long periods can experience heat and moisture
extremes, which can cause damage. Planning is important to prevent damage to a large
supply of paper.
Unopened paper in sealed reams can remain stable for several months before use. Opened
packages of paper have more potential for environmental damage, especially if they are not
wrapped with a moisture-proof barrier.
The media-storage environment should be properly maintained to ensure optimum printer
performance. The required condition is 20° to 24°C (68° to 75°F), with a relative humidity of
45% to 55%. The following guidelines should be helpful when evaluating the storage
environment:
●Print media should be stored at or near room temperature.
●The air should not be too dry or too humid (to moderate the hygroscopic properties of
paper).
●The best way to store an opened ream of paper is to rewrap it tightly in its moisture-
proof wrapping. If the printer environment is subject to extremes, unwrap only the
amount of paper to be used to prevent unwanted moisture changes.
●Avoid storing paper and print media near heating and air conditioning vents or near
windows and doors that are frequently open.
Envelopes
Use only tray 1 to print on envelopes. Select the type of envelope that you are using from
the Print dialog box or the printer driver.
In your program, set the margins for the envelope. The following table gives typical address
margins for a commercial #10 or DL envelope.
Type of address Top margin Left margin
Return address 15 mm (0.6 inch) 15 mm (0.6 inch)
Delivery address 51 mm (2 inches) 89 mm (3.5 inches)
●For the best print quality, position margins no closer than 15 mm (0.6 inch) from the
edges of the envelope.
●Avoid printing over the area where the envelope seams meet.
Envelope storage
Proper storage of envelopes helps contribute to print quality. Envelopes should be stored
flat. If air is trapped in an envelope and creates an air bubble, then the envelope might
wrinkle during printing.
For more information, see Resetting the printer for non-HP supplies.
Envelope construction
20 Chapter 1 Product information ENWW

Envelope construction is critical. Envelope fold lines can vary considerably, not only between
manufacturers, but also within a box from the same manufacturer. Successful printing on
envelopes depends upon the quality of the envelopes. When selecting envelopes, consider
the following components:
●Weight: The weight of the envelope paper should not exceed 90 g/m
2
(24 lb) or jamming
might occur.
●Construction: Before printing, envelopes should lie flat with less than 6 mm (0.25 inch)
curl, and should not contain air.
●Condition: Envelopes should not be wrinkled, nicked, or otherwise damaged.
●Temperature: Use envelopes that are compatible with the heat and pressure of the
printer. The fusing temperature of this printer is 210°C (410°F).
●Size: Use only envelopes that are within the following size ranges.
●Minimum: 6 x 127 mm (3 x 5 inches)
●Maximum: 216 x 356 mm (8.5 x 14 inches)
Envelopes with double side-seams
Double side-seam construction has vertical seams at both ends of the envelope rather than
diagonal seams. This style might be more likely to wrinkle. Be sure the seam extends all the
way to the corner of the envelope as shown in the illustration.
1
2
1 acceptable
2 unacceptable
Envelopes with adhesive strips or flaps
Envelopes with a peel-off adhesive strip or with more than one flap that folds over to seal
must use adhesives that are compatible with the heat and pressure in the printer. The extra
flaps and strips might cause wrinkling, creasing, or even jams and might damage the fuser.
Labels
Select the type of label that you are using from the Print dialog box or the printer driver.
CAUTION To avoid damaging the printer, use only labels that are recommended for laser printers. To
prevent serious jams, always use tray 1 to print on labels and always use the straight-
through paper path. Never print on the same sheet of labels more than once or print on a
partial sheet of labels.
ENWW Media specifications 21

When selecting labels, consider the quality of each component:
●Adhesives: The adhesive material should be stable at 210°C (410°F), which is the
printer fusing temperature.
●Arrangement: Only use labels with no exposed backing between them. Labels can peel
off sheets with spaces between the labels, causing serious jams.
●Curl: Before printing, labels must lie flat with no more than 13 mm (0.5 inch) of curl in
any direction.
●Condition: Do not use labels that have wrinkles, bubbles, or other indications of
separation.
For more information, see Imaging drum.
Transparencies
Use only tray 1 to print on transparencies. Select Transparencies from the Print dialog box
or the printer driver.
The printer supports printing in color on transparencies. Transparencies that are used in the
printer must be able to withstand 210°C (410°F), which is the printer fusing temperature.
CAUTION To avoid damage to the printer, use only transparencies that are recommended for use in
laser printers.
For more information, see Media specifications.
22 Chapter 1 Product information ENWW
Hewlett-Packard limited warranty statement
HP PRODUCT
HP color LaserJet 2550L, 2550Ln, 2550n
DURATION OF LIMITED WARRANTY
1 year, Return to Authorized Service Center
HP warrants to you, the end-user customer, that HP hardware and accessories will be free from defects in
materials and workmanship after the date of purchase, for the period specified above. If HP receives notice of
such defects during the warranty period, HP will, at its option, either repair or replace products which prove to be
defective. Replacement products may be either new or equivalent in performance to new.
HP warrants to you that HP software will not fail to execute its programming instructions after the date of
purchase, for the period specified above, due to defects in material and workmanship when properly installed and
used. If HP receives notice of such defects during the warranty period, HP will replace software which does not
execute its programming instructions due to such defects.
HP does not warrant that the operation of HP products will be uninterrupted or error free. If HP is unable, within a
reasonable time, to repair or replace any product to a condition as warranted, you will be entitled to a refund of
the purchase price upon prompt return of the product.
HP products may contain remanufactured parts equivalent to new in performance or may have been subject to
incidental use.
Warranty does not apply to defects resulting from (a) improper or inadequate maintenance or calibration, (b)
software, interfacing, parts or supplies not supplied by HP, (c) unauthorized modification or misuse, (d) operation
outside of the published environmental specifications for the product, or (e) improper site preparation or
maintenance.
TO THE EXTENT ALLOWED BY LOCAL LAW, THE ABOVE WARRANTIES ARE EXCLUSIVE AND NO OTHER
WARRANTY OR CONDITION, WHETHER WRITTEN OR ORAL, IS EXPRESSED OR IMPLIED AND
HP SPECIFICALLY DISCLAIMS ANY IMPLIED WARRANTIES OR CONDITIONS OF MERCHANTABILITY,
SATISFACTORY QUALITY, AND FITNESS FOR A PARTICULAR PURPOSE. Some countries/regions, states or
provinces do not allow limitations on the duration of an implied warranty, so the above limitation or exclusion
might not apply to you. This warranty gives you specific legal rights and you might also have other rights that vary
from country/region to country/region, state to state, or province to province. HP's limited warranty is valid in any
country/region or locality where HP has a support presence for this product and where HP has marketed this
product. The level of warranty service you receive may vary according to local standards. HP will not alter form, fit
or function of the product to make it operate in a country/region for which it was never intended to function for
legal or regulatory reasons.
TO THE EXTENT ALLOWED BY LOCAL LAW, THE REMEDIES IN THIS WARRANTY STATEMENT ARE
YOUR SOLE AND EXCLUSIVE REMEDIES. EXCEPT AS INDICATED ABOVE, IN NO EVENT WILL HP OR ITS
SUPPLIERS BE LIABLE FOR LOSS OF DATA OR FOR DIRECT, SPECIAL, INCIDENTAL, CONSEQUENTIAL
(INCLUDING LOST PROFIT OR DATA), OR OTHER DAMAGE, WHETHER BASED IN CONTRACT, TORT, OR
OTHERWISE. Some countries/regions, states or provinces do not allow the exclusion or limitation of incidental or
consequential damages, so the above limitation or exclusion may not apply to you.
THE WARRANTY TERMS CONTAINED IN THIS STATEMENT, EXCEPT TO THE EXTENT LAWFULLY
PERMITTED, DO NOT EXCLUDE, RESTRICT OR MODIFY AND ARE IN ADDITION TO THE MANDATORY
STATUTORY RIGHTS APPLICABLE TO THE SALE OF THIS PRODUCT TO YOU.
ENWW Hewlett-Packard limited warranty statement 23
Limited warranty for the print cartridges and imaging drum
This HP product is warranted to be free from defects in materials and workmanship during its
useful life (end of life is indicated by a printer control panel low-life message).
This warranty does not cover products that have been modified, refurbished,
remanufactured, misused, or tampered with in any way.
This limited warranty gives you specific legal rights. You may have other rights which vary
from state to state, province to province, and country/region to country/region.
The above warranties are exclusive and no other warranty, whether written or oral, is
expressed or implied. The Hewlett-Packard Company specifically disclaims the implied
warranties or merchantability and fitness for a particular purpose. To the extent allowed by
applicable law, in no event shall Hewlett-Packard Company be liable for any incidental,
consequential, special, indirect, punitive, or exemplary damages or lost profits from any
breach of this warranty or otherwise.
In the event that your product proves to be defective, please return to place of purchase with
a written description of the problem.
24 Chapter 1 Product information ENWW
Print cartridge information
At 5% page coverage, a black print cartridge will print approximately 5,000 pages. Color print
cartridges (yellow, cyan, and magenta) will print 2,000 pages each, and extended-life color
print cartridges (yellow, cyan, and magenta) will print 4,000 pages each. These estimates
are only approximate; usage conditions and print patterns can cause results to vary.
Refilled print cartridges
While HP does not prohibit the use of refilled print cartridges during the warranty period or
while the product is under a maintenance contract, it is not recommended for the following
reasons:
●Repairs resulting from the use of refilled cartridges are not covered under HP warranty
or maintenance contracts.
●HP has no controls or processes to ensure that a refilled cartridge functions at the high
level of reliability of a new HP LaserJet print cartridge. HP also cannot predict the long-
term reliability effect on the product from using different toner formulations found in
refilled cartridges.
●The print quality of HP LaserJet print cartridges influences the customer’s perception of
the product. HP has no control over the actual print quality of a refilled cartridge.
●Parts that are critical to print quality might not be replaced when the cartridge is refilled
with toner.
HP LaserJet printing supplies
In many countries/regions, this product's printing supplies (for example the print cartridge)
can be returned to HP through the HP Printing Supplies Returns and Recycling Program. An
easy-to-use and free take-back program is available in more than 30 countries/regions.
Multilingual program information and instructions are included in every new HP LaserJet
print cartridge and supplies package.
HP Printing Supplies Returns and Recycling Program
information
Since 1990, the HP Printing Supplies Returns and Recycling Program has collected millions
of used LaserJet print cartridges that otherwise might have been discarded in the world's
landfills. The HP LaserJet print cartridges and supplies are collected and bulk shipped to our
resource and recovery partners, who disassemble the cartridges. Remaining materials are
separated and converted into raw materials for use by other industries to make a variety of
useful products.
U.S. returns
For a more environmentally responsible return of used cartridges and supplies,
HP encourages the use of bulk returns. Simply bundle two or more cartridges together and
use the single, pre-paid, pre-addressed UPS label that is supplied in the package that the
new cartridge comes in. For more information in the U.S., call 800-340-2445 or visit the
HP LaserJet Supplies Web site at www.hp.com/recycle.
Non-U.S. returns
ENWW Print cartridge information 25
Regulatory statements
Declaration of Conformity
according to ISO/IEC Guide 22 and EN 45014
Manufacturer's Name: Hewlett-Packard Company
Manufacturer's Address: 11311 Chinden Boulevard
Boise, Idaho 83714-1021, USA
declares, that the product
Product Name: HP color LaserJet 2550L/2550Ln/2550n
Regulatory Model Number
4)
:BOISB-0305-00. Including: Q3709A - Optional 250-sheet input tray; Q3710A - Optional
500-sheet input tray
Product Options: ALL
conforms to the following Product Specifications:
Safety: IEC 60950:1999 / EN60950:2000
IEC 60825-1:1993+A1:1997 +A2:2001 / EN 60825-1:1994+A11:1996 +A2:2001 (Class 1 Laser/LED Product)
GB4943-2001
EMC: CISPR 22:1997 / EN 55022:1998 Class B
1) 3)
EN 61000-3-2:2000
EN 61000-3-3:1995 / A1
EN 55024:1998
FCC Title 47 CFR, Part 15 Class B
2)
/ ICES-003, Issue 3/ GB9254-1998, GB17625.1-1998 / CNS 13438
Supplementary Information:
The product herewith complies with the requirements of the EMC Directive 89/336/EEC and the Low Voltage Directive 73/23/EEC, and carries
the CE-marking accordingly.
1) The product was tested in a typical configuration with Hewlett-Packard Personal Computer Systems. Compliance testing of product to
standard with exception of Clause 9.5, which is not yet in effect.
2) This Device complies with Part 15 of the FCC Rules. Operation is subject to the following two conditions: (1) this device may not cause
harmful interference, and (2) this device must accept any interference received, including interference that may cause undesired operation.
3) This product includes LAN (Local Area Network) options. When the interface cable is attached to LAN connectors, the product meets the
requirements of EN55022 & CNS13438 Class A in which case the following applies: "Warning — This is a class A product. In a domestic
environment this product may cause radio interference in which case the user may be required to take adequate measures."
3) For regulatory purposes, this product is assigned a Regulatory model number. This number should not be confused with the product name
or the product number(s).
Boise, Idaho , USA
1 April, 2004
For regulatory topics only:
Australia Contact: Product Regulations Manager, Hewlett-Packard Australia Ltd. 31-41 Joseph Street Blackburn, Victoria 3130, Australia
European Contact: Your Local Hewlett-Packard Sales and Service Office or Hewlett-Packard GmbH, Department HQ-TRE / Standards
Europe Herrenberger Straße 140 Böblingen, D-71034, +49-7031-14-3143
USA Contact: Product Regulations Manager, Hewlett-Packard Company PO Box 15, Mail Stop 160 Boise, ID 83707-0015, USA
(Phone: 208-396-6000)
ENWW Regulatory statements 27

Safety statements
Laser safety statement
The Center for Devices and Radiological Health (CDRH) of the U.S. Food and Drug
Administration has implemented regulations for laser products manufactured since August 1,
1976. Compliance is mandatory for products marketed in the United States. The printer is
certified as a "Class 1" laser product under the U.S. Department of Health and Human
Services (DHHS) Radiation Performance Standard according to the Radiation Control for
Health and Safety Act of 1968.
Since radiation emitted inside the printer is completely confined within protective housings
and external covers, the laser beam cannot escape during any phase of normal user
operation.
WARNING! Using controls, making adjustments, or performing procedures other than those specified in
the HP Color LaserJet 2550 Series Printer User Guide may result in exposure to hazardous
radiation.
Canadian DOC statement
Complies with Canadian EMC Class B requirements.
«Conforme àla classe B des normes canadiennes de compatibilité électromagnétiques
(CEM).»
Korean EMI statement
28 Chapter 1 Product information ENWW
Finnish laser statement
LASERTURVALLISUUS
LUOKAN 1 LASERLAITE
KLASS 1 LASER APPARAT
HP color LaserJet 2550L, 2550Ln, 2550n -laserkirjoitin on käyttäjän kannalta turvallinen
luokan 1 laserlaite. Normaalissa käytössä kirjoittimen suojakotelointi estää lasersäteen
pääsyn laitteen ulkopuolelle.
Laitteen turvallisuusluokka on määritetty standardin EN60825-1 (1994) mukaisesti.
VAROITUS!
Laitteen käyttäminen muulla kuin käyttöohjeessa mainitulla tavalla saattaa altistaa käyttäjän
turvallisuusluokan 1 ylittävälle näkymättömälle lasersäteilylle.
VARNING!
Om apparaten används på annat sätt än i bruksanvisning specificerats, kan användaren
utsättas för osynlig laserstrålning, som överskrider gränsen för laserklass 1.
HUOLTO
HP color LaserJet 2550L, 2550Ln, 2550n -kirjoittimen sisällä ei ole käyttäjän huollettavissa
olevia kohteita. Laitteen saa avata ja huoltaa ainoastaan sen huoltamiseen koulutettu
henkilö. Tällaiseksi huoltotoimenpiteeksi ei katsota väriainekasetin vaihtamista, paperiradan
puhdistusta tai muita käyttäjän käsikirjassa lueteltuja, käyttäjän tehtäväksi tarkoitettuja
ylläpitotoimia, jotka voidaan suorittaa ilman erikoistyökaluja.
VARO!
Mikäli kirjoittimen suojakotelo avataan, olet alttiina näkymättömälle lasersäteilylle laitteen
ollessa toiminnassa. Älä katso säteeseen.
VARNING!
Om laserprinterns skyddshölje öppnas då apparaten är i funktion, utsättas användaren för
osynlig laserstrålning. Betrakta ej strålen.
Tiedot laitteessa käytettävän laserdiodin säteilyominaisuuksista:
Aallonpituus 770-800 nm
Teho 5 mW
Luokan 3B laser
ENWW Safety statements 29
30 Chapter 1 Product information ENWW
2
Installation and operation
Chapter contents
Chapter contents .....................................................................................................................31
Operating environment ............................................................................................................32
Interface ports .........................................................................................................................33
Control panel features .............................................................................................................34
Understanding Supplies Status ........................................................................................34
Understanding Printer Status ...........................................................................................35
Input trays ................................................................................................................................37
Printer output paths .................................................................................................................38
Top output bin ...................................................................................................................38
Rear output door ...............................................................................................................38
Loading media .........................................................................................................................39
Loading tray 1 ...................................................................................................................39
Loading optional tray 2 .....................................................................................................40
Loading optional tray 3 .....................................................................................................42
HP LaserJet Toolbox ...............................................................................................................44
Supported operating systems ...........................................................................................44
Supported browsers .........................................................................................................44
Viewing the HP LaserJet Toolbox ...................................................................................45
Status tab ..........................................................................................................................45
Troubleshooting tab ..........................................................................................................45
Alerts tab ...........................................................................................................................46
Documentation tab ...........................................................................................................46
Device Settings window ....................................................................................................47
Other links .........................................................................................................................48
ENWW Chapter contents 31

Operating environment
Place the printer on a sturdy, level surface in a well-ventilated area that meets the following
environmental requirements:
●temperature: 15° to 32.5° C (59° to 90.5° F)
●humidity: 10 percent to 80 percent relative humidity (no condensation)
●away from direct sunlight, open flames, and ammonia fumes
●with sufficient space around the printer for access and ventilation
387 mm
(15.2 inches)
1068 mm (42.0 inches)
590 mm (23.2 inches)
643 mm (25.3 inches)
694 mm (27.3 inches)
830 mm (32.7 inches)
505 mm (19.9 inches)
Figure 2-1. Space required
32 Chapter 2 Installation and operation ENWW

Interface ports
The printer has two interface ports: an IEEE-1284B parallel port and a high-speed USB port.
The HP color LaserJet 2550Ln and 2550n models include an HP Jetdirect internal print
server that contains a 10/100Base-T (RJ-45) port.
1
23
1 Parallel port (IEEE-1284B)
2 High-speed USB port
3 10/100Base-T port (HP color LaserJet 2550Ln and 2550n printers only)
ENWW Interface ports 33

Control panel features
The printer contains the following lights and buttons on the control panel:
8
1
10
11
12
9
3
4
5
2
6
7
1Supplies status lights and buttons
2 Black print-cartridge light
3 Cyan print-cartridge light
4 Magenta print-cartridge light
5 Yellow print-cartridge light
6R
OTATE
C
AROUSEL
button
7 Imaging drum light
8Printer status lights and buttons
9C
ANCEL
J
OB
button
10 Attention light (amber)
11 Ready light (green)
12 Go light and G
O
button (both green)
The lights and buttons are arranged into two main groups: Supplies Status (top) and Printer
Status (bottom). To interpret and troubleshoot the control panel light messages, see Control
panel light messages.
Understanding Supplies Status
The printer contains five lights and one button to indicate and control the status of the print
cartridges and imaging drum. To interpret and troubleshoot control panel light messages,
see Control panel light messages.
Black, Cyan, Magenta, and Yellow Supplies Status lights
These lights indicate when a print cartridge is low (the light is on), or empty or missing (the
light blinks). The lights also indicate when a non-HP print cartridge is installed (the light
blinks and the Attention light is on).
34 Chapter 2 Installation and operation ENWW

Rotate Carousel button
When the top cover is closed, pressing (R
OTATE
C
AROUSEL
) rotates the print-cartridge
carousel to bring the next print cartridge into the top position. The light for the print cartridge
that is approaching the top position blinks quickly two or three times.
Imaging drum light
This light indicates when the imaging drum is low (light is on), or empty or missing (light
blinks). The light also indicates when a non-HP imaging drum is installed (the light blinks and
the Attention light is on).
Understanding Printer Status
The printer has two buttons and three lights to indicate and control the printer status. To
interpret and troubleshoot the control panel light messages, see Control panel light messages.
Cancel Job button
●When the Ready light is blinking, pressing (C
ANCEL
J
OB
) cancels the current job.
●When the printer is not experiencing an error, pressing (G
O
) and (C
ANCEL
J
OB
)
simultaneously prints a Configuration page and a Supplies Status page. (If an
HP Jetdirect print server is installed, an HP Jetdirect page also prints.)
●When a Supplies Status light is blinking and the Attention light is on (indicating that a
non-HP supply has been installed), pressing (C
ANCEL
J
OB
) allows you to continue
printing.
CAUTION You might not receive any indication when a non-HP supply is empty. If you continue
printing after the supply is empty, damage to the printer can occur. See Hewlett-Packard
limited warranty statement.
Attention light
Generally, the Attention light blinks when the printer is out of paper, when a jam has
occurred, or when other problems that need attention occur.
The Attention light is on and one of the Supplies Status lights is blinking the first time a non-
HP supply is installed.
Ready light
The Ready light is on when the printer is ready to print (experiencing no errors that prevent
printing) and blinks when it is receiving data to be printed.
ENWW Control panel features 35

Go light and Go button
●When the Go light is on and the Attention light is blinking, pressing (G
O
) continues
the print job after you load print media for a manual feed, or clears some errors.
●When the Go light is blinking, the top cover has been opened and then closed or you
have pressed (R
OTATE
C
AROUSEL
). Pressing (G
O
) returns the printer to the Ready
state. If you do not press (G
O
), the printer returns to the Ready state on its own.
●When the Go light is off, pressing (G
O
) prints a Demo page. Pressing (G
O
) and
(C
ANCEL
J
OB
) simultaneously prints a Configuration page and a Supplies Status page.
(If an HP Jetdirect print server is installed, an HP Jetdirect page also prints.)
36 Chapter 2 Installation and operation ENWW

Input trays
The HP color LaserJet 2550 series printer comes with one or more input trays. See Table
2-1. Input tray configuration for configuration information.
Figure 2-2. Standard and optional input trays—HP color LaserJet 2550 series printers
Table 2-1. Input tray configuration
Printer model Standard input trays Optional input trays
HP color LaserJet 2550L tray 1 (125-sheet) tray 2 (250-sheet)
tray 3 (500-sheet)
HP color LaserJet 2550Ln tray 1 (125-sheet) tray 2 (250-sheet)
tray 3 (500-sheet)
HP color LaserJet 2550n tray 1 (125-sheet)
tray 2 (250-sheet)
tray 3 (500-sheet)
Note Because tray 2 and tray 3 are not included with all models, they are referred to as optional
tray 2 and optional tray 3 in this documentation.
Optional tray 2 must be installed in order to install optional tray 3.
By default, the printer draws first from tray 1. If tray 1 is empty, the printer draws first from
optional tray 3 (if installed) and then from optional tray 2.
ENWW Input trays 37

Printer output paths
The printer comes with the top output bin and rear output door for printing to a straight-
through paper path. Print jobs emerge from the top output bin when the rear output door is
closed. Print jobs emerge from the back of the printer when the rear output door is open.
Top output bin
Use the top output bin when printing most jobs, including jobs on average-weight paper and
letterhead, and transparencies. The top output bin can hold up to 125 sheets. Prevent more
than 125 sheets from accumulating in the top output bin, or jams can occur.
Rear output door
Print jobs emerge from the back of the printer when the rear output door is open. Use the
rear output door (straight-through paper path) when printing envelopes, labels, heavy- or
lightweight paper, and other thick or special print media. Remove each sheet as it exits the
printer.
Figure 2-3. Printer output paths
38 Chapter 2 Installation and operation ENWW

Loading media
Load special print media such as envelopes, labels, custom-size media, and transparencies
in tray 1 only. Load only paper in optional tray 2 or optional tray 3.
Loading tray 1
Tray 1 (multipurpose tray) holds up to 125 sheets of paper or other print media, or up to 10
envelopes.
To load tray 1
CAUTION Avoid adding print media to tray 1 while the printer is printing, or jams can occur.
1. Open tray 1.
2. Slide out the tray extender. If the print media being loaded is longer than 229 mm (9
inches), also open the additional tray extender.
3. Slide the width guides slightly wider than the print media.
ENWW Loading media 39

4. Place print media into the tray with the side to be printed up, and the top, short edge in
first.
Note If you are manually duplexing, see the HP Color LaserJet 2550 Series Printer User Guide for
loading instructions.
5. Slide the paper width guides inward until they lightly touch the print media stack on both
sides without bending it. Make sure that the print media fits under the tabs on the width
guides.
CAUTION If you choose to close tray 1, first wait for the printer to finish printing. Closing the tray before
printing is complete can cause jams.
6. On the back of the printer, lower the rear output door if you are printing on special
media, such as labels, envelopes, or heavy or light paper, to prevent curl.
Loading optional tray 2
Optional tray 2 supports standard-size paper only, including average-weight letterhead and
prepunched paper. For additional information about loading letterhead and prepunched
paper, see the HP Color LaserJet 2550 Series Printer User Guide.
CAUTION Print special print media such as labels and transparencies from tray 1 only. Printing special
print media from optional tray 2 or optional tray 3 can cause jams.
40 Chapter 2 Installation and operation ENWW

To load optional tray 2
1. Pull optional tray 2 out of the printer and remove any paper.
2. Move the side width guides to match the size of paper you are loading.
3. Extend the rear of the tray until the arrow points to the size you are loading.
4. Load the paper. If this is special paper such as letterhead, load it with the side to be
printed facing down and the top edge toward the front of the tray.
Note If you are manually duplexing, see the HP Color LaserJet 2550 Series Printer User Guide for
loading instructions.
ENWW Loading media 41

5. Make sure that the stack of paper is flat in the tray at all four corners, and keep it below
the height tabs on the paper length guide in the rear of the tray. Push down on the metal
paper-lift plate to lock it into place.
6. Slide the tray back into the printer. If you set the rear of the tray to one of the longer
sizes, the back of the tray will protrude from the back of the printer.
Loading optional tray 3
The optional tray 3 supports A4- and letter-size paper. Optional tray 3 supports only paper,
which includes average-weight letterhead and prepunched paper.
For additional information about letterhead and prepunched paper, see the Series Printer
User.
CAUTION Print special print media such as labels and transparencies from tray 1 only. Printing special
print media from optional tray 2 or optional tray 3 can cause jams.
To load optional tray 3
1. Pull the tray out of the printer and remove any paper.
2. For letter-size paper, pull up the rear stop. For A4-size paper, push down the rear stop.
42 Chapter 2 Installation and operation ENWW

3. For letter-size paper, move the side width guides outward as far as possible. For A4-size
paper, move the side width guides inward as far as possible.
4. Load the paper. If this is special paper such as letterhead, load it with the side to be
printed facing down and the top edge toward the front of the tray.
Note If you are manually duplexing, see the HP Color LaserJet 2550 Series Printer Series Printer
User for loading instructions.
5. Make sure that the stack of paper is flat in the tray at all four corners, and keep it below
the height tabs on the length guide in the rear of the tray.
6. Slide the tray back into the printer.
ENWW Loading media 43

HP LaserJet Toolbox
The HP LaserJet Toolbox is a Web application that you can use for the following tasks:
●Check the printer status.
●Configure the printer settings.
●View troubleshooting information.
●View online documentation.
You can view the HP LaserJet Toolbox when the printer is directly connected to your
computer or when it is connected to the network. You must perform a complete software
installation to use the HP LaserJet Toolbox.
Note You do not have to have Internet access to open and use the HP LaserJet Toolbox.
However, if you click a link in the Other Links area, you must have Internet access to go to
the site that is associated with the link. See Other links for more information.
Supported operating systems
The HP LaserJet Toolbox is supported for the following operating systems:
●Windows 98, 2000, Me, and XP
●Mac OS X, v. 10.2, or later
Supported browsers
To use the HP LaserJet Toolbox, you must have one of the following browsers:
Windows
●Microsoft Internet Explorer 5.5 or later
●Netscape Navigator 6.2 or later
●Opera Software ASA Opera 7 or later
Macintosh (OS X, v. 10.2 or later, only)
●Microsoft Internet Explorer 5.1 or later
●Netscape Navigator 6.23 or later
●Safari 1.0
All pages can be printed from the browser.
44 Chapter 2 Installation and operation ENWW

Viewing the HP LaserJet Toolbox
1. Open the HP LaserJet Toolbox in one of these ways:
●On the Windows desktop, double-click the HP LaserJet Toolbox icon.
●On the Windows Start menu, point to Programs, and then click the HP LaserJet
Toolbox.
●For Macintosh OS X, on the hard drive, click Applications, and then click the
Utilities folder. Double-click the HP LaserJet Toolbox icon.
Note After you open the URL, you can bookmark it so that you can return to it quickly in the future.
2. The HP LaserJet Toolbox opens in a Web browser. The HP LaserJet Toolbox software
contains the following sections:
●Status tab
●Troubleshooting tab
●Alerts tab
●Documentation tab
●Device Settings window
●HP LaserJet Toolbox links
●Other links
Status tab
The Status tab has links to the following main pages:
●Device Status. View printer status information. This page indicates printer conditions
such as a jam or an empty tray. After you correct a problem with the printer, click the
Refresh button to update the device status.
●Supplies Status. View detailed supplies status such as the percent of toner remaining
in the print cartridge and the number of pages that have been printed with the current
print cartridge. This page also has links to order supplies and to find recycling information.
●Print Info. Print the configuration page and various other information pages that are
available for the printer, such as the supplies status page and the demo page.
Troubleshooting tab
The Troubleshooting tab has links to the following main pages:
●Printer Lights. Click the control panel lights on this simulator to find help for a specific
control panel light pattern. For several conditions, animated video clips are available that
demonstrate the recommended action to solve the problem.
●Print Quality Tools. Print a page that assists in solving print-quality problems, view
information about print-quality problems, print the cleaning page and clean the printer,
and calibrate the printer to maintain color print quality.
●Maintenance. Print the cleaning page and clean the printer, view information about
printer supplies, and view animated demos of how to replace the print cartridges and the
imaging drum.
ENWW HP LaserJet Toolbox 45
●Paper Jams. View information on locating and clearing jams, and view an animated
demo of how to clear jams.
●Supported Media. View information about media that the printer supports, and view
information about solving problems related to print media.
●Demo Page. Print the Demo page for this printer.
Alerts tab
Use the Alerts tab to configure the printer to automatically notify you of printer alerts. The
Alerts tab has links to the following main pages:
●Set up status alerts
●Set up e-mail alerts
●Administrative settings
Set up status alerts page
On the Set up status alerts page, you can choose to turn alerts on or off, specify when the
printer should send an alert, and select from two different types of alerts:
●Pop-up message
●Taskbar icon
Click Apply to activate the settings.
Set up e-mail alerts page
On the Set up e-mail alerts page, you can set the e-mail addresses that you want to have
alerts sent to, and specify what kind of alerts should go to which e-mail addresses. You can
have two e-mail destinations for the following alerts:
●Supplies
●Service
●Paper path
●Advisory
You must set up a simple mail transfer protocol (SMTP) server to send e-mail alerts.
Documentation tab
The Documentation tab contains links to these information sources:
●Print: How Do I? Contains information about how to use the printer to print different
types of print jobs (for example, how to manually duplex).
●Series Printer User. Contains the information about the printer usage, warranty,
specifications, and support that you are currently reading. The Series Printer User is
available in both HTML and PDF format.
●Readme. Contains important information about the printer that is not available in the
Series Printer User. The Late-Breaking Readme contains last-minute information about
the printer (in English only).
46 Chapter 2 Installation and operation ENWW

Device Settings window
When you click the Device Settings button, a new window opens. The Device Settings
window has the following sections:
●Information tab
●Settings tab
●Network link
Information tab
The Information tab provides quick links to the following information:
●Device Status. View information about the printer's current status.
●Supplies Status. View information about the supplies installed in the printer. A link is
provided to the HP Web site for ordering supplies.
●Event Log. View a history of printer errors. The most recent error is at the top of the list.
●Save/Restore Settings. Save the current settings for the printer to a file on your
computer. Use this file to load the same settings onto another printer or to restore these
settings to this printer at a later time.
●Device Configuration. View a detailed description of the printer's current configuration
including the amount of memory installed and whether optional trays are installed.
Settings tab
The Settings tab has links to several pages where you can view and change the printer's
configuration.
Note Software settings can override settings that are made in the HP LaserJet Toolbox.
●Device Information. View basic information about the printer.
●Paper Handling. View and change the settings for the printer's trays.
●Printing. View and change the default printer job settings.
●PCL. View and change the PCL font information.
●PostScript. View and change settings for PS errors and timeout.
●Print Quality. View and change the print-quality settings.
●Print Modes. View and change the print modes for various media types.
●System Setup. View and change system information.
●I/O. View and change the I/O timeout setting.
●Service. Gain access to various procedures required to service the printer.
Network window
The network administrator can use the Network window to control the network-related
settings for the printer when it is connected to an IP-based network. This button will not
appear if the printer is directly connected to a computer, or if the printer is connected to a
network through anything other than an HP Jetdirect print server.
ENWW HP LaserJet Toolbox 47
HP LaserJet Toolbox links
The HP LaserJet Toolbox links at the left of the screen provide links to the following options:
●Select a device. Select from all of the HP LaserJet Toolbox-enabled devices.
●View current alerts. View the current alerts for all printers that have been set up. (You
must be printing to view the current alerts.)
●Text only page. View the HP LaserJet Toolbox as a site map that links to text-only
pages.
Other links
This section contains links that connect you to the Internet. You must have Internet access in
order to use any of these links. If you use a dial-up connection and did not connect when
you first opened the HP LaserJet Toolbox, you must connect before you can visit these Web
sites. Connecting might require that you close the HP LaserJet Toolbox and reopen it.
●HP Instant Support.
●Product Registration. Connects to the HP product registration Web site.
●Product Support. Connects to the support site for the HP color LaserJet 2550 series
printer. Then, you can search for help with a specific problem.
48 Chapter 2 Installation and operation ENWW
3
Maintenance
Chapter contents
Chapter contents .....................................................................................................................49
Life expectancies of supplies ..................................................................................................50
User-replaceable parts ............................................................................................................52
Replacing the tray 1 pickup roller and separation pad .....................................................52
Replacing the separation pad in optional tray 2 or in optional tray 3 ...............................57
Cleaning the printer .................................................................................................................61
Cleaning the printer ..........................................................................................................61
Calibrating the printer ..............................................................................................................63
To calibrate the printer at the printer ................................................................................63
To calibrate the printer from the HP LaserJet Toolbox ....................................................63
Managing supplies ..................................................................................................................64
Supplies life ......................................................................................................................64
Checking and ordering supplies .......................................................................................64
Storing supplies ................................................................................................................65
Replacing and recycling supplies .....................................................................................65
HP policy for non-HP supplies ..........................................................................................66
HP fraud hotline ................................................................................................................66
ENWW Chapter contents 49
Life expectancies of supplies
Inspect supplies when you service the printer. Replace supplies as needed, based on failure
or wear, rather than on usage.
The following table lists approximate schedules for replacing supplies.
50 Chapter 3 Maintenance ENWW

Table 3-1. Life expectancies of supplies
Description Part number Estimated life (in number
of pages at 5 percent
coverage1)
Remarks
Print cartridge, black (user
replaceable)
Q3960-67901
Q3960-67902 (EMEA)
5,000
Print cartridge, cyan (user
replaceable)
Q3971-67901
Q3971-67902 (EMEA)
2,000
Print cartridge, cyan (user
replaceable)
Q3961-67901
Q3961-67902 (EMEA)
4,000 Extended-life cartridge
Print cartridge, yellow (user
replaceable)
Q3972-67901
Q3972-67902 (EMEA)
2,000
Print cartridge, yellow (user
replaceable)
Q3962-67901
Q3962-67902 (EMEA)
4,000 Extended-life cartridge
Print cartridge, magenta
(user replaceable)
Q3973-67901
Q3973-67902 (EMEA)
2,000
Print cartridge, magenta
(user replaceable)
Q3963-67901
Q3963-67902 (EMEA)
4,000 Extended-life cartridge
Imaging drum Q3964-67901 20,000 (black only)
5,000 (color)
The average life is 6,000 to
8,000 pages.
Transfer roller RF5-4067-000CN Can affect print quality and
paper movement.
Printer pickup roller RB3-0160-000CN Look for glazing and/or
cracks.
Printer separation pad RF5-4012-000CN Can affect document
movement.
Fuser assembly, 110-127 V) RG5-7572-000CN Can affect print quality and
document movement.
Fuser assembly, 220-240 V) RG5-7573-000CN Can affect print quality and
document movement.
Separation pad, optional
trays 2 and 3
RB2-9960-000CN Can affect document
movement.
1
The estimated print cartridge life is based on letter- or A4-sized paper with an average of 5% toner coverage and
a medium density setting. Print cartridge life can be extended further by conserving toner by using draft-mode
settings.
ENWW Life expectancies of supplies 51

User-replaceable parts
Pickup rollers and separation pads are user-replaceable parts.
Replacing the tray 1 pickup roller and separation pad
1. Turn the printer off and disconnect the power cable from the back of the printer.
2. Open tray 1.
3. Find the faceplate cover that is located beneath the pickup roller in tray 1.
52 Chapter 3 Maintenance ENWW

4. Grasp both sides of the center tab and pull the cover out of the printer.
5. Squeeze the tab on the idler roller that is located on the right side of the pickup roller. If
the tab is not visible, rotate the idler roller so that the tab is toward the front of the printer.
6. Slide the idler roller to the right to separate it from the pickup roller.
7. Squeeze the tab on the idler roller that is located on the left side of the pickup roller. If
the tab is not visible, rotate the idler roller so that the tab is toward the front of the printer.
ENWW User-replaceable parts 53

8. Slide the idler roller to the left to separate it from the pickup roller.
9. Press and hold the button that is located on the right side of the pickup roller. Slide the
pickup roller slightly to the right, and then pull it off of the shaft.
CAUTION To prevent the shaft retaining pin from falling out, do not move the remaining hub that is
located to the left of the pickup roller.
10. Locate the separation pad beneath the area of the shaft from which the pickup roller was
removed.
54 Chapter 3 Maintenance ENWW

11. Insert a flatblade screwdriver into the slot under the separation pad. Pry the pad up from
the spring-loaded base by twisting the screwdriver until the tabs are separated from the
printer.
12. Use one hand to push the spring-loaded base down and then use the other hand to pull
the separation pad up and out of the printer.
Note If you feel resistance when you try to remove the pad, make sure that the tabs are
completely separated from the printer.
13. Push the spring-loaded base down and position the new separation pad in the empty slot.
Note Make sure that the two tabs on the edge of the pad are toward the front of the printer.
ENWW User-replaceable parts 55

14. Snap both sides of the separation pad firmly into place until they click.
CAUTION If the pad is not straight, or if space exists between the pad and the base, make sure that the
tabs on the pad are toward the front of the printer.
15. Hold down the new separation pad. Position the new pickup roller so that the button is
on the right side, and the open side of the roller faces down. Make sure that the small
ridge on the open side of the roller aligns with the groove in the shaft.
16. Slide the left and right idler rollers inward, against the pickup roller, until the idler rollers
click into place.
56 Chapter 3 Maintenance ENWW

17. Hold the faceplate cover as shown in the illustration, and align the cover with the rails on
the inside of the printer.
18. Grasp both sides of the center tab and insert the cover into the printer until the cover
clicks into place. Close tray 1.
Replacing the separation pad in optional tray 2 or in optional
tray 3
1. Remove the tray from the printer and place it on a flat surface. Remove any paper from
the tray.
ENWW User-replaceable parts 57

2. Locate the separation pad in the base at the inside-front edge of the tray.
3. Press the large metal plate at the bottom of the tray down. Insert a flatblade screwdriver
in the slots on each side of the base and push the tabs out of the slots.
Note In a 250-sheet tray, the plate locks down; in a 500-sheet tray, hold the plate down manually.
4. Pull the separation pad up and out of the tray.
58 Chapter 3 Maintenance ENWW

5. Use one hand to position the new separation pad above the empty base. Align the
grooves on the sides of the pad with the sides of the base, and then slide the pad down
until the tabs snap into the slots on the base.
6. Reload any print media, and then slide the tray into the printer.
7. Reconnect the power cable. Turn the printer on.
ENWW User-replaceable parts 59

8. When the green Ready light is on, press Go to print a Demo page, which verifies that
the printer works and that installation is complete.
9. If the page does not print, or to find additional help, go to www.hp.com/support/clj2550.
Note If the page does not print, reconnect the power cable. Make sure that the Ready light is on
and that no other lights are on or blinking. Make sure that print media is loaded and that all
parts are installed correctly.
60 Chapter 3 Maintenance ENWW

Cleaning the printer
During the printing process, paper, toner, and dust particles can accumulate inside the
printer. Over time, this buildup can cause print-quality problems such as toner specks or
smearing.
Cleaning the printer
Use a cleaning page to correct and prevent print-quality problems such as toner specks or
smearing.
Figure 3-1. Smearing
Figure 3-2. Toner specks
To use a cleaning page
Note The following procedure must be performed from the HP LaserJet Toolbox. To clean the
printer when the computer is running an operating system that does not support the
HP LaserJet Toolbox, see the Late-Breaking Readme on the CD-ROM, or visit www.hp.com/
support/clj2550.
1. Make sure that the printer is turned on and in the Ready state.
2. Open the HP LaserJet Toolbox.
3. On the Troubleshooting tab, click Maintenance, click Cleaning Page, and then click
Print. A page with a pattern prints from the printer.
4. At the printer, remove any print media that might be in tray 1.
ENWW Cleaning the printer 61

Calibrating the printer
The printer automatically calibrates at various times. You can adjust the calibration settings
by using the HP LaserJet Toolbox.
Environmental differences, aging print cartridges, aging toner, and an aging imaging drum
might cause fluctuations in image density. The printer accounts for this with image
stabilization control. The printer automatically calibrates at various times to maintain the
highest level of print quality. You can also request a calibration by using the HP LaserJet
Toolbox.
The printer does not interrupt a print job to calibrate. It waits until the job is complete before
calibrating or cleaning. While the printer is calibrating, it pauses printing for the time that is
required to complete the calibration.
To calibrate the printer at the printer
Press (G
O
) and (R
OTATE
C
AROUSEL
) simultaneously to start a calibration.
To calibrate the printer from the HP LaserJet Toolbox
Note This procedure applies to Windows operating systems only. Macintosh users should
calibrate the printer manually by using the previous procedure.
1. Open the HP LaserJet Toolbox in one of these ways:
●On the desktop, double-click the HP LaserJet Toolbox icon.
●On the Start menu, point to Programs, point to HP Color LaserJet 2550, and then
click HP LaserJet Toolbox.
2. On the Troubleshooting tab, click Print Quality (on the left side of the screen).
3. Click Calibrate Now.
ENWW Calibrating the printer 63

Managing supplies
For warranty information about these supplies, see Limited warranty for the print cartridges
and imaging drum.
Supplies life
The life of the imaging drum depends on the number of black-only or color pages that print
jobs require. An HP color LaserJet 2550 series printer imaging drum could last an average of
20,000 pages when printing black-only pages and 5,000 pages when printing color pages.
Actual life lies somewhere between these two numbers, depending on the number of black-
only pages you print versus color. The average life is between 6,000 and 8,000 pages.
Imaging-drum life is also affected each time the printer calibrates because calibrating causes
the imaging drum to rotate. Imaging-drum life is measured in terms of number of rotations
rather than number of pages printed.
The type and length of print jobs also affects drum life. A series of short print jobs uses more
drum life than an equivalent number of pages printed in a single large job. To extend drum
life, print multiple copies of a print job at one time rather than sending the same job to the
printer multiple times.
The life of a print cartridge depends on the amount of toner that print jobs require. When
printing text at 5% coverage, black print cartridges last an average of 5,000 pages and cyan,
magenta, and yellow print cartridges last an average of 2,000 pages. Extended-life cyan,
magenta, and yellow print cartridges last an average of 4,000 pages. (A typical business
letter has 5% coverage.)
NoteNote The imaging drum and print cartridges for this printer are not compatible with older, similar
printer models such as the HP color LaserJet 1500 series printer or the HP color LaserJet
2500 series printer.
For longer supplies life, you can order extended-life replacement cyan, magenta, or yellow
print cartridges for the HP color LaserJet 2550L printer that last an average of 4,000 pages
at 5% coverage.
Checking and ordering supplies
You can check the supplies status by using the printer control panel, printing a Supplies
Status page, viewing the HP LaserJet Toolbox, or viewing HP Web Jetadmin. Hewlett-
Packard recommends that you place an order for a replacement print cartridge when you
first receive the Low message for a print cartridge. The Low message indicates that
approximately two weeks of life remain. When you use a new, authentic HP print cartridge or
imaging drum, you can obtain the following types of supplies information:
●amount of cartridge or drum life remaining
●estimated number of pages that can be printed
●number of pages printed
●other supplies information
Note If the printer is connected to the network, you can set the HP LaserJet Toolbox to notify you
by e-mail when a print cartridge is low or the imaging drum is near the end of its useful life. If
the printer is directly connected to a computer, you can set the HP LaserJet Toolbox to notify
you when supplies are low.
64 Chapter 3 Maintenance ENWW

To check status and order supplies using the control panel
Do one of the following:
●Check the supplies status lights on the printer control panel. These lights indicate when
a print cartridge or the imaging drum is low or empty. The lights also indicate when a
non-HP print cartridge is first installed. See Supplies Status lights to interpret the light
patterns.
●Press (Go) and (Cancel Job) simultaneously. A Supplies Status page (and the
Configuration page and, possibly, the HP Jetdirect page) prints. Check the supplies
levels on the Supplies Status page.
If the supplies levels are low, you can order supplies through your local HP dealer, by
telephone, or online. See Parts and diagrams for part numbers. See www.hp.com/go/
ljsupplies to order online.
To check status and order supplies using the HP LaserJet Toolbox
You can configure the HP LaserJet Toolbox to notify you when the supplies are low. You
can choose to receive alerts by e-mail or as a pop-up message or taskbar icon. To order
supplies by using the HP LaserJet Toolbox, in the Other Links area, click Order supplies.
For more information, see Other links.
To check status and order supplies using HP Web Jetadmin
In HP Web Jetadmin, select the printer device. The device status page shows supplies
information. To order, use the HP LaserJet Toolbox. Or, see Parts and diagrams.
Storing supplies
Follow these guidelines for storing print cartridges and the imaging drum:
●Do not remove the print cartridge or imaging drum from its package until you are ready
to use it.
CAUTION To prevent damage, do not expose the print cartridge or imaging drum to light for more than
a few minutes.
●See Table 1-5. Environmental specifications for operating- and storage-temperature
ranges.
●Store the supply in a horizontal position.
●Store the supply in a dark, dry location away from heat and magnetic sources.
Replacing and recycling supplies
To install a new HP print cartridge or imaging drum, follow the instructions included in the
box that contains the new supply, or see the HP Color LaserJet 2550 Series Getting Started
Guide.
ENWW Managing supplies 65

To recycle supplies, place the used supply in the box in which the new supply arrived. Use
the enclosed return label to send the used supply to HP for recycling. For complete
information, see the recycling guide that is included with each new HP supply item. See
HP Printing Supplies Returns and Recycling Program information for more information about
HP's recycling program.
HP policy for non-HP supplies
Hewlett-Packard Company cannot recommend the use of non-HP supplies, either new or
remanufactured. Because they are not HP products, HP cannot influence their design or
control their quality. Service or repairs that are required as a result of using a non-HP supply
will not be covered under the printer warranty.
When you insert a supply into the printer, the printer informs you if the supply is not a
genuine HP supply. If you insert a genuine HP supply that has reached the low state from
another HP printer, the printer identifies the supply as non-HP. Simply return the supply to
the original printer to reactivate HP features and functionality.
Resetting the printer for non-HP supplies
When you install a non-HP print cartridge or imaging drum, the light next to the print
cartridge or imaging drum you replaced blinks and the Attention light is on. In order to print
with this supply, you must press (Cancel Job) the first time you install this non-
HP supply. The status lights will not indicate when this type of supply is low or empty.
CAUTION The printer will not stop printing when a non-HP supply is empty. Printer damage can occur if
the printer attempts to print with an empty print cartridge or imaging drum. See Uninstalling
the printing software.
HP fraud hotline
Call the HP fraud hotline if the supplies status lights indicate that the print cartridge or
imaging drum is not an HP product and you think that it is genuine. Hewlett-Packard will help
determine if the product is genuine and take steps to resolve the problem.
Your print cartridge or imaging drum might not be a genuine HP product if you notice the
following issues:
●You are experiencing a large number of problems with the print cartridge or imaging
drum.
●The print cartridge or imaging drum does not look like an HP product usually does (for
example, the pull tab or the box is different).
In the United States, call toll-free: 877-219-3183.
Outside the United States, you can call collect. Dial the operator and ask to place a collect
call to this telephone number: 770-263-4745. If you do not speak English, a representative at
the HP fraud hotline who speaks your language will assist you. Or, if someone who speaks
your language is not available, a language line interpreter will connect approximately one
minute after the beginning of the call. The language line interpreter is a service that
translates between you and the representative for the HP fraud hotline.
66 Chapter 3 Maintenance ENWW
4
Theory of operation
Chapter contents
Chapter contents .....................................................................................................................67
Introduction ..............................................................................................................................68
Engine control system .............................................................................................................70
Basic sequence of operation ............................................................................................70
Power-on sequence ..........................................................................................................72
Motors and fans ................................................................................................................7 3
Laser/scanner system .............................................................................................................74
Pickup and feed system ..........................................................................................................75
Paper trays .......................................................................................................................76
Jam detection ...................................................................................................................77
Photosensors and switches ..............................................................................................78
Solenoid and clutches ......................................................................................................80
Printed circuit assemblies .................................................................................................82
Image-formation system ..........................................................................................................84
Image-formation process ..................................................................................................85
Latent-image-formation stage ..........................................................................................85
Developing stage ..............................................................................................................86
Transfer stage ...................................................................................................................87
Fusing stage .....................................................................................................................89
Print cartridge ...................................................................................................................93
Imaging-drum E-label .......................................................................................................94
ENWW Chapter contents 67

Introduction
This chapter presents an overview of the relationships between major components in the
printer, and includes a detailed discussion of the image-formation system. The following
systems are discussed:
●engine control system
●laser/scanner system
●pickup and feed system
●image-formation system
8
9
4 5
6
7
13
2
10
11
12
13
1415161718192021
21
22
Figure 4-1. Cross-section of the printer
Ref Description Part number Qty
1 Laser/scanner RG5-6880-000CN
2Developing cylinder (contained in print cartridge)
3Photosensitive drum (contained in imaging drum)
4Primary charging roller (contained in imaging drum)
5Imaging drum Q3964A
68 Chapter 4 Theory of operation ENWW

Ref Description Part number Qty
6Transfer belt (contained in imaging drum)
7Density sensor RH7-7146-000CN
8Primary transfer roller (contained in imaging drum)
9Transfer-belt cleaning roller (contained in imaging drum)
10 Registration shutter (contained in imaging drum)
11 Pickup roller RG5-6592-000CN
12 Tray 1 RG5-7585-000CN
13 Separation pad RF5-4012-000CN
14 Registration roller RG5-6939-000CN
15 Secondary transfer roller RF5-4067-000CN
16 Auxiliary transfer-belt cleaning roller (contained in imaging drum)
17 Feed belt (8) RB3-0063-000CN
18 Carousel RG5-7592-000CN
19 Print cartridge (several; see Table 7-2.
Accessories for part
numbers)
20 Fusing film (contained in fuser)
21 Pressure roller (contained in fuser)
22 Fuser delivery roller (contained in fuser)
23 Top output bin delivery roller RG5-7595-000CN (lower)
and RG5-6897-000CN
(upper)
ENWW Introduction 69

Engine control system
The engine control system coordinates all printer functions. It drives the laser/scanner
system, the image formation system, and the pickup and feed system.
The engine control system contains the following components:
●Dc controller
●High-voltage power-supply PCB
●Low-voltage power unit:
●Fuser-control circuit
●Low-voltage power-supply PCB
Figure 4-2. Engine control system (includes the basic configuration of the printer)
Basic sequence of operation
Operation sequences are controlled by the CPU in the dc controller in the engine control
system. Table 4-1. Basic sequence of operation describes engine operations for each period
of a print operation.
Table 4-1. Basic sequence of operation
Period Duration Purpose Remarks
WAIT (wait) From the time the power
switch is turned on until
transfer-belt cleaning is
complete.
Clears potential from the
drum surface and cleans the
transfer belt.
See Figure 4-3. Power-on
sequence for a complete
description of the WAIT
(power-on) period. Also see
the General timing charts for
detailed information about
timing.
STBY (standby) From the end of the WAIT or
LSTR period until either a
print command is sent from
the formatter or the power is
turned off.
Prepares the printer to
receive print commands.
70 Chapter 4 Theory of operation ENWW

Period Duration Purpose Remarks
INTR (initial rotation) From the time of the print
command until detection of
the HP1 (transfer-belt home-
position detection) signal for
the first color.
Prepares the photosensitive
drum for printing.
PRINT (print) From the end of the INTR
period until detection of the
transfer-belt home-position
signal for the secondary
transfer.
Forms the image on the
photosensitive drum and
transfers the toner image to
the transfer belt.
LSTR (last rotation) From the end of the PRINT
period until the main motor
stops rotating.
Transfers the toner image
on the transfer belt to the
media and delivers the
printed media.
After LSTR, the printer
returns to STBY.
Table 4-1. Basic sequence of operation (continued)
ENWW Engine control system 71

Motors and fans
14
5
6
3
2
Figure 4-4. Motors and fans
Table 4-2. Motors and fans
Reference Description
1Engaging motor
2Developing-rotary motor
3Toner-cartridge motor
4Fuser motor
5Main motor
6Cooling fan
ENWW Engine control system 73

Laser/scanner system
The laser/scanner system receives video signals from the dc controller, and then it converts
the signals into latent images on the photosensitive drum. The dc controller controls the
laser/scanner.
Figure 4-5. Laser/scanner system
74 Chapter 4 Theory of operation ENWW

Pickup and feed system
The pickup and feed system consists of several types of feed rollers and sensors. The dc
controller drives the paper and feed system by controlling two motors, two clutches, and the
solenoid.
Two photo-interrupters (PS1 and PS711) detect media as it passes. If media does not reach
or pass each sensor within the specified time period, the dc controller determines that a jam
has occurred and alerts the video controller circuit.
The following components are identified in Figure 4-6. Pickup and feed system:
●PS1 fusing-delivery paper sensor
●PS711 registration paper sensor
●PS718 tray 1 (multipurpose tray) paper sensor
●PS720 fuser wrap-jam sensor
●DCM701 main motor
●PM702 fuser motor
●SL92 tray 1 pickup solenoid
ENWW Pickup and feed system 75

●CL1 registration clutch
●CL2 roller-engaging clutch
Figure 4-6. Pickup and feed system
Paper trays
The dc controller drives the operation sequence of the paper trays. It signals the driver PCB
in optional tray 2 (250-sheet paper tray) and in optional tray 3 (500-sheet paper tray). In
optional tray 2, the printer main motor drives the tray solenoids. In optional tray 3, each
driver PCB controls the motors and solenoids in its paper tray.
The following components are identified in Figure 4-7. Optional tray 2 (250-sheet paper tray):
●DCM701 gear-train motor (printer)
●SL9 pickup solenoid (optional tray 2)
76 Chapter 4 Theory of operation ENWW

●PS716 paper sensor (optional tray 2)
●PS717 paper-feed sensor
Note Only optional tray 2 is shown; optional tray 3 is similar.
Figure 4-7. Optional tray 2 (250-sheet paper tray)
Jam detection
The registration sensor (PS711) and the fuser sensor (PS1) detect media that is moving
through the printer. If a jam is detected, the dc controller immediately stops the printing
process and sends a message to the video controller circuit.
A jam can be detected under any of the following conditions:
●Pickup delay jam. The leading edge of the print media does not reach the registration
sensor (PS711) within 1.1 seconds (tray 1), 1.7 seconds (optional tray 2), or 2.8 seconds
(optional tray 3).
●Pickup stationary jam. The registration clutch is on, and the registration sensor (PS711)
does not detect the trailing edge of the media within 3.4 seconds after the start of a re-
pickup operation.
●Fuser wrap-jam. The main CPU detects media inside the fuser front sensor (PS720)
when the power is turned on or after the top cover is closed.
ENWW Pickup and feed system 77

●Delivery delay jam. The registration clutch is on, and the fuser-delivery sensor (PS1)
does not detect the leading edge of the media within 2.3 seconds after the start of a re-
pickup operation.
●Delivery stationary jam. The leading edge of media does not pass the fuser-delivery
sensor (PS1) within 2.4 seconds after it has passed the registration sensor (PS711).
●Door-open jam. The main CPU detects that the top cover is open during a print operation.
●Residual jam. The main CPU detects one or more of the following conditions:
●Power is turned on.
●The printer door is closed after a jam occurrence.
●The registration sensor (PS711) and fusing-delivery sensor (PS1) detect media.
●Paper pickup failure. The sensor (PS717) near the feed roller does not detect media
moving through the printer.
Photosensors and switches
1
2
4
5
3
Figure 4-8. Photosensors and switches (1 of 2)
78 Chapter 4 Theory of operation ENWW

6
7
Figure 4-9. Photosensors and switches (2 of 2)
Table 4-3. Photosensors and switches
Reference Description
1Tray 1 sensor
2Roller-engaging sensor
3Developing-rotary-engaging sensor
4Fuser-delivery sensor
5Front fuser-detection sensor
6Door-open detection switch
7Power switch
ENWW Pickup and feed system 79

Solenoid and clutches
1
2
Figure 4-10. Solenoid
Table 4-4. Solenoid
Reference Description
1Developing-rotary-stopper solenoid
2Tray 1 pickup solenoid
80 Chapter 4 Theory of operation ENWW

2
1
Figure 4-11. Clutches
Table 4-5. Clutches
Reference Description
1Roller-engaging clutch
2Registration clutch
ENWW Pickup and feed system 81

Printed circuit assemblies
4
5
13
2
Figure 4-12. Printed circuit assemblies (1 of 2)
82 Chapter 4 Theory of operation ENWW

10
8
9
7
Figure 4-13. Printed circuit assemblies (2 of 2)
Table 4-6. Printed circuit assemblies
Reference Description
1Developing-rotary/toner-level detection PCA
2Transfer-belt home-position detection PCA
3Waste-toner-detection PCA
4Density-detection PCA
5Registration-detection PCA
6Dc controller
7Sub high-voltage power-supply PCA
8High-voltage power-supply PCA
9Power supply
ENWW Pickup and feed system 83

Image-formation system
The image-formation system, which forms a toner image on media, consists of several
interdependent systems:
●Electrostatic latent-image-formation system
●Developing system
●Transfer block
●Fuser
●Transfer belt cleaning block
●Imaging drum (with ITB)
●Photosensitive drum
Figure 4-14. Image-formation system
84 Chapter 4 Theory of operation ENWW

Image-formation process
Laser printing requires the interaction of several different technologies including electronics,
optics, and electrophotographics to produce a printed page. Each process functions
independently and must be coordinated with the other printer processes. Image formation
consists of the following five processes:
1. Latent-image formation
2. Developing
3. Image transfer
4. Fusing
5. Transfer-belt cleaning
The five processes are divided into twelve steps, which are shown in the Image-formation
process graphic and are described in the following sections.
Figure 4-15. Image-formation process
Latent-image-formation stage
ENWW Image-formation system 85

Step 1: primary charging
A dc bias is applied to the primary charging roller, which transfers a uniform negative
potential to the photosensitive drum.
Figure 4-16. Step 1: primary charging
Step 2: laser-beam exposure
The laser beam scans the photosensitive drum to neutralize negative charges on parts of
the drum. An electrostatic latent image is formed on the drum where negative charges were
neutralized.
Figure 4-17. Step 2: laser-beam exposure
Developing stage
The developing cylinder comes in contact with the photosensitive drum to deposit toner onto
the electrostatic latent image.
86 Chapter 4 Theory of operation ENWW

Note The charges on the exposed area on the drum are shown as positive in Figure 4-18.
Developing block. The charges are actually negative, but they are more positive than the
charges on the developing cylinder.
Figure 4-18. Developing block
Step 3: auxiliary developing
The dc bias applied to the blade imports a uniform negative potential to the toner.
Step 4: developing
Toner acquires a negative charge through friction from the developing cylinder and the
blade. When the negatively charged toner comes in contact with the drum, the toner adheres
to the electrostatic latent image. The image on the drum becomes visible because of the
toner.
Figure 4-19. Step 3: developing
Transfer stage
ENWW Image-formation system 87

Step 5: primary transfer
The primary transfer roller, to which a dc positive bias is applied, imparts a positive charge
on the transfer belt. The negatively charged toner on the drum is transferred to the positively
charged transfer belt. This procedure is repeated for each color (yellow, magenta, cyan, and
black).
The dc positive bias is increased for each successive color to make sure that all of the colors
adhere to the transfer belt.
Figure 4-20. Step 4: primary transfer
Step 6: secondary transfer
The secondary transfer roller, to which a dc positive bias is applied, imparts a positive
charge to the print media. When the print media comes in contact with the transfer belt, the
toner is transferred to the print media.
88 Chapter 4 Theory of operation ENWW

Note When secondary transfer is complete, a dc negative bias is applied to the secondary transfer
roller to prevent toner on the transfer belt from adhering to the secondary transfer roller.
Figure 4-21. Step 5: secondary transfer
Step 7: separation
The elasticity of the print media causes it to separate from the transfer belt. A static charge
eliminator aids separation by weakening any electrostatic adhesion.
Figure 4-22. Step 6: separation
Fusing stage
The heat of the fuser bonds the toner to the media.
ENWW Image-formation system 89

Step 8: fusing
The dc negative bias applied to the fusing film strengthens the holding force of the toner on
the print media and prevents the toner from scattering.
Figure 4-23. Step 7: fusing
Step 9: roller charging (auxiliary transfer belt cleaning roller)
During secondary transfer, not all of the toner on the transfer belt is transferred to the print
media. Toner that remains on the belt is called "residual toner."
The auxiliary transfer belt cleaning roller, to which a dc positive bias is applied, imparts a
positive charge to the residual toner, strengthening its hold on the transfer belt. This
prevents toner from falling off of the transfer belt and scattering in the printer.
Figure 4-24. Step 8: roller charging (auxiliary transfer belt cleaning roller)
90 Chapter 4 Theory of operation ENWW

Step 10: roller charging (transfer-belt cleaning roller)
The transfer-belt cleaning roller, to which a dc positive bias is applied, imparts a positive
charge to the residual toner on the transfer belt. This positive charge is stronger than the
positive charge applied in step 8, so the earlier charge now behaves like a negative charge.
Figure 4-25. Step 9: roller charging (transfer belt cleaning roller)
ENWW Image-formation system 91

Step 11: transfer belt cleaning
A dc positive bias is applied to the transfer belt to produce a difference in potential between
the belt and the photosensitive drum. This causes residual toner to transfer to the drum.
Figure 4-26. Step 10: transfer belt cleaning
92 Chapter 4 Theory of operation ENWW

Step 12: drum cleaning
The cleaning blade scrapes the residual toner off of the photosensitive drum, where the
waste toner screws collect the toner and deposit it into the waste toner case.
Figure 4-27. Step 11: drum cleaning
Print cartridge
The printer has four print cartridges: yellow, magenta, cyan, and black. Each print cartridge
contains a developing cylinder, toner-feed roller, and stirrer. The developer motor rotates
these parts so that each print cartridge can use toner to form a visible image on the drum.
The carousel motor rotates the E-label reader, which communicates E-label information to
the dc controller.
ENWW Image-formation system 93

The developing rotary/toner level detection PCB uses an LED (light emitter) and a
photodiode (light receiver) to determine the toner level in each print cartridge.
Figure 4-28. Print cartridge
Imaging-drum E-label
The E-label is nonvolatile memory, which is built into the imaging drum and stores usage
information. When the imaging drum is installed in the printer, the E-label makes constant
contact with the E-label reader. The E-label reader sends memory information to the dc
controller, which updates the information and sends it back to the E-label.
The dc controller instructs the E-label to read information when:
●The printer is turned on.
●The top cover is closed.
●A command is sent from the video controller.
The dc controller instructs the E-label to write information when:
●A specified period occurs during printing.
●A command is sent from the video controller.
94 Chapter 4 Theory of operation ENWW

If the E-label reader fails to read or write information four times in a row, the dc controller
notifies the video controller that an abnormality exists in the imaging drum.
Figure 4-29. Print-cartridge E-label
ENWW Image-formation system 95
96 Chapter 4 Theory of operation ENWW
5
Removal and replacement
Chapter contents
Chapter contents .....................................................................................................................97
Introduction ..............................................................................................................................99
Removal and replacement strategy ..................................................................................99
Electrostatic discharge .....................................................................................................99
User-replaceable parts .....................................................................................................99
Required tools ...................................................................................................................99
Before performing service .....................................................................................................101
Pre-service procedures ..................................................................................................101
Parts removal order ........................................................................................................102
Removal and replacement ....................................................................................................103
Imaging drum ..................................................................................................................103
Print cartridges ................................................................................................................103
Fuser cover (and fuser) ..................................................................................................104
Right- and left-side covers ..............................................................................................106
Control panel ..................................................................................................................107
On-off switch ...................................................................................................................109
Interface cover ................................................................................................................110
Formatter assemblies .....................................................................................................111
Fuser motor ....................................................................................................................116
Dc controller ....................................................................................................................117
Optional tray 2 (250-sheet tray) ......................................................................................118
Carousel-engagement motor ..........................................................................................120
Front lower cover ............................................................................................................121
Back cover ......................................................................................................................122
Top cover ........................................................................................................................123
Top door .........................................................................................................................125
Air duct and fan ...............................................................................................................127
Laser/scanner assembly .................................................................................................128
Front cover ......................................................................................................................130
Density sensor and top-of-page sensor .........................................................................130
E-label reader (for imaging-drum E-labels) ....................................................................132
Tray 1 (multipurpose tray) ..............................................................................................133
Tray 1 separation pad assembly ....................................................................................135
Gear assembly ................................................................................................................136
Waste-toner sensor ........................................................................................................138
Rotary-drive assembly ....................................................................................................139
Top plate .........................................................................................................................142
Print-cartridge carousel ..................................................................................................145
Aligning the carousel gears ............................................................................................149
Registration-roller assembly ...........................................................................................150
ENWW Chapter contents 97
Toner-catch tray ..............................................................................................................151
Transfer-roller plate ........................................................................................................152
Transfer roller .................................................................................................................152
Feed-drive shaft ..............................................................................................................153
ECU pan .........................................................................................................................154
Sub-high-voltage transformer PCA ................................................................................157
High-voltage transformer PCA .......................................................................................158
Low-voltage PCA ............................................................................................................159
Paper-top sensor ............................................................................................................160
Fuser-wrap sensor ..........................................................................................................161
250-sheet feeder pickup roller ........................................................................................162
500-sheet feeder pickup roller ........................................................................................163
98 Chapter 5 Removal and replacement ENWW

Introduction
This chapter documents removal and replacement of field replaceable units (FRUs) only.
Removal and replacement strategy
Replace parts in the reverse order of their removal. Directions for difficult or critical
replacement procedures are included.
WARNING! The sheet-metal edges of the product can be sharp. Use caution when working on the
product.
Note Note the length, diameter, color, type, and location of each screw. Be sure to return each
screw to its original location during reassembly.
Incorrectly routed or loose wire harnesses can interfere with other internal components and
can become damaged or broken. Frayed or pinched harness wires can be difficult to locate.
When replacing wire harnesses, always use the provided wire loops, lance points, or wire-
harness guides.
Electrostatic discharge
CAUTION The product contains parts that are sensitive to electrostatic discharge (ESD). Always
service the product at an ESD-protected workstation, or use an ESD mat.
Watch for the ESD symbol (shown at left) to identify the parts that are sensitive to ESD.
Protect these parts by using an ESD wrist strap and by placing ESD-sensitive parts into
protective ESD pouches.
User-replaceable parts
This chapter contains removal and replacement procedures for the imaging drum (see
Imaging drum) and the print cartridge (see Print cartridges).
To remove and replace the pickup roller or separation pad, see Replacing the tray 1 pickup
roller and separation pad.
Required tools
The following tools are needed to service this product:
●#2 Phillips screwdriver with magnetic tip
●Small flatblade screwdriver
●Small needle-nose pliers
ENWW Introduction 99

●ESD mat
●Penlight
CAUTION A PoziDriv screwdriver will damage screw heads on the product. Use a #2 Phillips
screwdriver.
If you use a multispeed screwdriver, use a torque limiter.
100 Chapter 5 Removal and replacement ENWW

Before performing service
Follow the pre-service procedures before you perform service.
Pre-service procedures
1. Remove all media from the product.
2. Place the product on an ESD mat. If an ESD mat or an ESD-protected workstation is not
available, discharge body static and ground the product chassis before servicing the
product.
3. Remove the imaging drum (see Imaging drum).
4. Remove the print cartridges (see Print cartridges).
5. Unplug the power cord and the interface cable.
6. Lift the printer (and optional tray 2) off of optional tray 3 (if it is installed).
ENWW Before performing service 101

Parts removal order
Use the following diagram to determine which parts must be removed before removing other
parts.
102 Chapter 5 Removal and replacement ENWW

Removal and replacement
Imaging drum
1. Open the top cover.
2. Grasp the imaging drum handle and then rotate the imaging drum until the handle is
horizontal.
3. Lift the imaging drum straight up to remove it from the printer.
Print cartridges
1. Open the top door.
2. Remove the imaging drum (see Imaging drum).
ENWW Removal and replacement 103

3. Pinch together the two large blue tabs on the first cartridge and then lift the cartridge
straight up to remove it from the carousel.
4. Close the top cover, and then press the Rotate Carousel button.
Note If the print-cartridge carousel does not rotate, see Functional checks.
5. Open the top cover, and then remove the next cartridge following the procedure in step 3.
6. Repeat steps 2 through 5 until all four cartridges have been removed.
Note When the top door is open, the carousel retracts but does not rotate.
Fuser cover (and fuser)
1. Turn the printer off.
2. Rotate two locking tabs (callout 1) upward.
104 Chapter 5 Removal and replacement ENWW

3. Gently slide the fuser out of the printer.
1
Figure 5-1. Removing the fuser cover (and fuser)
ENWW Removal and replacement 105

Right- and left-side covers
Use the following steps to remove the right-side cover. Then, remove the left-side cover in
the same manner.
1. Remove one screw (callout 1) from the lower edge of the cover.
1
Figure 5-2. Removing the right-side cover (1 of 2)
106 Chapter 5 Removal and replacement ENWW

2. Grasp the cover by the handle and by the top and then pull the cover out gently, rotating
the cover away from the printer as you lift it straight up.
CAUTION To avoid breaking two internal tabs (see detail in Figure 5-3. Removing the right-side cover
(2 of 2)), lift the cover straight up.
Figure 5-3. Removing the right-side cover (2 of 2)
3. Repeat steps 1 and 2 to remove the left-side cover.
Reinstallation tip
Reattach the tab that is closer to the front of the printer before reattaching the back tab.
Control panel
1. Remove the right-side cover (see Right- and left-side covers).
ENWW Removal and replacement 107

2. Use a flatblade screwdriver to lift the plastic catch (callout 1) off of the tab.
Figure 5-4. Removing the control panel (1 of 2)
108 Chapter 5 Removal and replacement ENWW

3. Push the control panel away from the right-side cover to release three tabs (callout 2),
and then continue pushing the control panel to remove it.
2
Figure 5-5. Removing the control panel (2 of 2)
On-off switch
1. Remove the left-side cover (see Right- and left-side covers).
2. On the inside of the left-side cover, pinch two tabs (callout 1) together to remove the
spring (callout 2).
ENWW Removal and replacement 109

3. Pinch the two tabs together, and then press them through the holes in the left-side cover
to release the on-off switch.
1
2
Figure 5-6. Removing the on-off switch
Interface cover
1. Remove the fuser (see Fuser cover (and fuser)).
2. Release the tab (callout 1) at the top of the interface cover and the tab (callout 2) at the
back cover.
110 Chapter 5 Removal and replacement ENWW

3. Rotate the top of the interface cover away from the printer to remove the cover.
1
2
Figure 5-7. Removing the interface cover
Formatter assemblies
Formatter cage
1. Remove the following cover and assembly:
●Right-side cover (see Right- and left-side covers)
●Interface cover (see Interface cover)
2. Use a flatblade screwdriver to pinch the tab on the cable connector (callout 1) to unplug
the connector.
ENWW Removal and replacement 111

3. Remove two screws (callout 2) from the formatter cage.
2
1
Figure 5-8. Removing the formatter cage (1 of 2)
4. Unplug one flat, flexible cable (callout 3)
5. Remove two screws (callout 4) from the formatter cage.
112 Chapter 5 Removal and replacement ENWW

6. Rotate the formatter cage upward to remove it from two hooks (callout 5).
54
3
Figure 5-9. Removing the formatter cage (2 of 2)
Formatter
1. Remove the following cover and assemblies:
●Right-side cover (see Right- and left-side covers)
●Interface cover (see Interface cover)
●Formatter cage (see Formatter cage)
2. Remove five screws (callout 1) from the metal plate on the back of the formatter cage,
and then remove the metal plate.
ENWW Removal and replacement 113

3. Lift the front edge (callout 2) of the plate upward to clear the tabs (callout 3, two of five
shown in the callout), and then lift the plate away from the formatter cage.
2
1
3
Figure 5-10. Removing the formatter (1 of 2)
114 Chapter 5 Removal and replacement ENWW

4. Unplug one connector (callout 4), and then lift the formatter from the formatter cage.
4
Figure 5-11. Removing the formatter (2 of 2)
Reinstallation tip
Make sure that the metal clips on the interface connector are in the "open" position,
perpendicular to the connector. If they are in the "closed" position when the formatter is
reinstalled, they do not fit correctly through the hole in the formatter cage.
ENWW Removal and replacement 115

5. To remove the network card, remove two screws (callout 5) and then lift the network
card from the formatter cage.
5
Figure 5-12. Removing the network card
Fuser motor
1. Remove the following covers and assembly:
●Right-side cover (see Right- and left-side covers)
●Interface cover (see Interface cover)
●Formatter cage (see Formatter assemblies)
2. Unplug one connector (callout 1).
3. Remove four screws (callout 2).
116 Chapter 5 Removal and replacement ENWW

4. Pull the motor away from the printer.
1
2
2
Figure 5-13. Removing the fuser motor
Dc controller
1. Remove the following covers and assembly:
●Right-side cover (see Right- and left-side covers)
●Interface cover (see Interface cover)
●Formatter cage (see Formatter assemblies)
2. Unplug the flat, flexible cable (callout 1).
3. Release the cables from two cable-holders (callout 2)
4. Unplug one cable connector (callout 3) by pressing and releasing the tab on the side of
the connector.
5. Unplug two cable connectors (callout 4) by releasing a clip on each connector (see the
detail in the lower-left corner of Figure 5-14. Removing the dc controller).
ENWW Removal and replacement 117

6. Unplug the remaining 24 cable connectors, and then remove the two screws (callout 5)
at the bottom of the dc controller before removing two screws (callout 6) at the top of the
dc controller.
1
3
2
5
4
6
7
Figure 5-14. Removing the dc controller
7. Lift the dc controller up and then away from the printer.
Reinstallation tip
The connection that remains empty upon reinstallation is shown in callout 7 in Figure
5-14. Removing the dc controller. The connection is used to "flash" the dc controller.
Optional tray 2 (250-sheet tray)
1. Remove the Right- and left-side covers (see Right- and left-side covers).
2. If optional tray 3 is installed, lift the printer (and optional tray 2) up and away from
optional tray 3.
118 Chapter 5 Removal and replacement ENWW

3. Remove one screw (callout 1) from optional tray 2.
1
Figure 5-15. Removing optional tray 2 (1 of 2)
4. Remove one screw (callout 2) from the left side of the printer.
5. Remove two screws (callout 3) from the back of optional tray 2.
ENWW Removal and replacement 119

6. Grasp the printer frame on each side, and then carefully lift the printer off of tray 2.
3
2
Figure 5-16. Removing optional tray 2 (2 of 2)
Carousel-engagement motor
1. Remove the left-side cover (see Right- and left-side covers).
2. Unplug one cable connector (callout 1).
3. Remove two screws (callout 2).
4. Rotate the motor counterclockwise to clear the metal lock-tab.
120 Chapter 5 Removal and replacement ENWW

5. Lift the carousel-engagement motor away from the printer to remove it.
1
2
Figure 5-17. Removing the carousel-engagement motor
Front lower cover
1. Remove the Right- and left-side covers (see Right- and left-side covers).
2. Use the small flatblade screwdriver to lift the plastic catch (callout 1) off of the tab on the
left side of the printer.
ENWW Removal and replacement 121

3. Pull the cover away from the printer to remove it.
1
Figure 5-18. Removing the front lower cover
Back cover
1. Remove the Right- and left-side covers (see Right- and left-side covers).
2. Use a flatblade screwdriver to release two internal tabs (callout 1), one at each side of
the cover.
122 Chapter 5 Removal and replacement ENWW

3. Rotate the top of the cover away from the printer and then downward to release the
internal tabs under the cover.
1
Figure 5-19. Removing the back cover
Top cover
1. Remove the following covers:
●Right- and left-side covers (see Right- and left-side covers)
●Interface cover (see Interface cover)
●Back cover (see Back cover)
2. Open the top door.
3. Press the small tab on the gear (callout 1) to release the gear.
ENWW Removal and replacement 123

4. Remove the gear to release the top-door rack (callout 2).
12
Figure 5-20. Removing the top cover (1 of 2)
Note Return the gear to its shaft after releasing the top door rack.
124 Chapter 5 Removal and replacement ENWW

5. Remove three screws (callout 3) from the top cover.
3
4
Figure 5-21. Removing the top cover (2 of 2)
6. Lift the top cover off of the printer.
Reinstallation tip
Lift the vertical rack (callout 4) up to its highest position, and then align the notch on the gear
with the lip on the top-door rack.
Top door
1. Remove the following covers:
●Right- and left-side covers (see Right- and left-side covers)
●Interface cover (see Interface cover)
●Back cover (see Back cover)
●Top cover (see Top cover)
2. Turn the top cover over.
3. Firmly flex the top-door arm (callout 1) to release the plastic pin (callout 2) on either side.
ENWW Removal and replacement 125

4. Release the pin on the other side and slip the top door arms through the holes in the top
cover.
1
2
Figure 5-22. Removing the top door (1 of 2)
Reinstallation tip
Slide the door arm on one side through the hole in the top cover and into place before
attempting to reattach the other side.
126 Chapter 5 Removal and replacement ENWW

5. Slide the top door rack (callout 3) off of its pin at the right side of the cover.
3
Figure 5-23. Removing the top door (2 of 2)
Air duct and fan
1. Remove the following covers:
●Right- and left-side covers (see Right- and left-side covers)
●Interface cover (see Interface cover)
●Back cover (see Back cover)
●Top cover (see Top cover)
2. Remove one connector (callout 1).
3. Release two tabs (callout 2).
ENWW Removal and replacement 127

4. Lift the air duct straight up to release two hidden tabs at the top of the air duct, and lift
the air duct away from the printer.
1
3
2
Figure 5-24. Removing the air duct
5. To remove the fan (callout 3) from the air duct, release two tabs on the side of the air
duct that faces the printer and then lift the fan from the air duct.
Laser/scanner assembly
1. Remove the following covers:
●Right- and left-side covers (see Right- and left-side covers)
●Interface cover (see Interface cover)
●Back cover (see Back cover)
●Top cover (see Top cover)
2. Unplug two cable connectors (callout 1), and unroute the cables from the cable holders.
3. Disconnect the flat flexible cable from the cable socket (callout 2) on the laser/scanner.
4. Rotate the lower part of the top output bin cover (callout 3) toward the front of the printer,
and then lift away from the printer.
5. Remove four screws (callout 4).
6. Unroute the cables from the cable harness attached to the back of the laser/scanner.
128 Chapter 5 Removal and replacement ENWW

7. Lift the laser/scanner assembly straight up to remove it from the printer.
1
3
4
2
1
Figure 5-25. Removing the laser/scanner assembly
Reinstallation tip
When replacing the top output bin cover (callout 3 in Figure 5-25. Removing the laser/
scanner assembly), place the guides (on the top output bin roller) on top of the cover, as
shown in Figure 5-26. Reinstalling the top output bin cover.
Figure 5-26. Reinstalling the top output bin cover
ENWW Removal and replacement 129

Front cover
1. Remove the following covers:
●Right- and left-side covers (see Right- and left-side covers)
2. Use a flatblade screwdriver to release two internal tabs (callout 1), one at each side of
the printer.
3. Rotate the cover upward to release four internal tabs (callout 2) underneath the cover.
2
1
Figure 5-27. Removing the front cover
Reinstallation tip
Make sure that the tabs on each side of the cover click into place.
Density sensor and top-of-page sensor
1. Remove the following covers:
●Right- and left-side covers (see Right- and left-side covers)
●Front cover (see Front cover)
130 Chapter 5 Removal and replacement ENWW

2. Press the tab (callout 1) on the sensor cover to release the cover, and then lift the cover
up and away from the printer.
Figure 5-28. Removing the density sensor cover
3. Unplug one connector (callout 2).
4. Remove the two screws (callout 3).
5. Lift the density sensor straight up to remove it from the printer.
6. Unplug one connector (callout 4) from the top-of-page sensor.
7. Remove one screw (callout 5) and then lift the top-of-page sensor straight up and away
from the printer.
2
3
5
4
Figure 5-29. Removing the density sensor
ENWW Removal and replacement 131

E-label reader (for imaging-drum E-labels)
1. Remove the following covers and assembly:
●Right- and left-side covers (see Right- and left-side covers)
●Interface cover (see Interface cover)
●Formatter cage (see Formatter assemblies)
●Front cover (see Front cover)
2. Use the small flatblade screwdriver to lift two tabs (callout 1), one on each side of the E-
label reader housing.
3. Slide the E-label reader off of its rails.
1
Figure 5-30. Removing the E-label reader (1 of 2)
132 Chapter 5 Removal and replacement ENWW

4. Unplug the E-label reader connector (callout 2) from the dc controller.
Note Examine the cable routing as you lift the E-label reader from the printer.
2
Figure 5-31. Removing the E-label reader (2 of 2)
Tray 1 (multipurpose tray)
1. Remove the following covers:
●Right- and left-side covers (see Right- and left-side covers)
●Front lower cover (see Front lower cover)
2. Open tray 1.
3. Press the multipurpose-roller cover (not shown) inward toward the printer, and then
grasp the top edge to remove it.
4. Lift tray 1 slightly to align the notch (callout 1) in the tray 1 cover (callout 2) with the
hinge pins of the tray 1 hinges (callout 3).
5. Push the left tray 1 hinge to the right while pulling the tray 1 cover to the left to carefully
disengage the hinge pin from the tray 1 cover.
6. Disengage the right tray 1 hinge (callout 4) from the tray 1 cover.
ENWW Removal and replacement 133

7. Close the tray 1 guide (callout 5), open the tray 1 cover, and then slide the tray 1 cover
to the left to remove it from its pins.
3
1
2
54
Figure 5-32. Removing tray 1 (1 of 2)
8. Disengage the left and right hinges from the tray 1 guide and then slide both of the
hinges off of their keyed holes (callout 6) in the printer.
134 Chapter 5 Removal and replacement ENWW

9. Use needle-nose pliers to unhook two springs (callout 7), one at each side of the tray 1
guide, and then remove the tray 1 guide.
7
6
Figure 5-33. Removing tray 1 (2 of 2)
Reinstallation tip
The two springs should remain attached to two pegs inside the printer. If the springs are
not attached, use needle-nose pliers to reattach them before reinstalling the tray 1 guide.
Tray 1 separation pad assembly
1. Remove tray 1 (see Tray 1 (multipurpose tray)).
ENWW Removal and replacement 135

2. Remove one screw (callout 1) from the separation pad assembly, and then remove the
separation pad assembly.
1
Figure 5-34. Removing the tray 1 separation pad assembly
Gear assembly
1. Remove the following covers and assembly:
●Right- and left-side covers (see Right- and left-side covers)
●Interface cover (see Interface cover)
●Formatter cage (see Formatter assemblies)
●Back cover (see Back cover)
●Top cover (see Top cover)
2. Disconnect one connector (callout 1, hidden, is the connector to the main motor).
3. Disconnect two connectors (callout 2) from the dc controller.
Note The dc controller has been removed from the printer in Figure 5-35. Removing the gear
assembly (1 of 2). If it were not, then the connectors in callout 2 would still be attached to the
dc controller.
Reinstallation tip
The connectors in callout 2 can become lost behind the dc controller upon reinstallation
of the dc controller.
136 Chapter 5 Removal and replacement ENWW

4. Pinch the cable holder (callout 3) and then unwind the cable.
CAUTION Do not attempt to disconnect the clutch cable from the clutch. Doing so can damage the
cable.
5. Remove the e-clip (callout 4) from the clutch, and then pull the clutch away from the
printer.
6. From inside the printer, press the small tab on the gear (see callout 1 in Figure 5-20.
Removing the top cover (1 of 2)) to disengage the inside and outside gears (callout 5)
from each other.
Note To reinstall the gear, lower the vertical rack (callout 6) to its lowest position, and then align
the gear with the vertical rack.
1
2
5
6
4
3
Figure 5-35. Removing the gear assembly (1 of 2)
Note The clutch cable routing in more recent versions of the printer is different from the routing
shown in Figure 5-35. Removing the gear assembly (1 of 2). Examine the routing to make
sure that it is reinstalled correctly.
7. Remove eight screws (callout 7) from the gear plate.
ENWW Removal and replacement 137

8. Rotate the gear assembly away from the printer, beginning with the front edge.
Note A grounding spring (callout 8, hidden) should remain attached to the printer chassis. If it
does not, then either reattach it to the chassis or place it with the gear assembly to prevent
misplacing it.
7
8
Figure 5-36. Removing the gear assembly (2 of 2)
Reinstallation tip
A grounding wire at the lower-back corner of the gear assembly must be hooked around
the chassis at reinstallation. Callout 2 in Figure 5-37. Removing the waste-toner sensor
shows the grounding wire, and callout 3 shows the grounding spring attached to the
chassis.
Align the following parts with the printer chassis:
●gear assembly shaft
●grounding spring
●grounding wire
Waste-toner sensor
1. Unroute the cable from several cable holders.
2. Remove one screw (callout 1).
138 Chapter 5 Removal and replacement ENWW

3. Lift the waste-toner sensor away from the printer.
Note Callout 2 shows the grounding wire that must be hooked around the printer chassis upon
reinstallation of the gear assembly. Callout 3 shows the grounding spring.
1
3
2
Figure 5-37. Removing the waste-toner sensor
Rotary-drive assembly
Note The rotary-drive assembly includes the developer motor, the brake solenoid, and the
encoder motor.
1. Remove the following covers and assembly:
●Right- and left-side covers (see Right- and left-side covers)
●Interface cover (see Interface cover)
●Formatter cage (see Formatter assemblies)
●Back cover (see Back cover)
●Top cover (see Top cover)
ENWW Removal and replacement 139

2. Unplug three cable connectors (callout 1) from the dc controller and unplug the flat laser/
scanner cable (callout 2) from the laser/scanner.
1
2
Figure 5-38. Removing the rotary-drive assembly (1 of 3)
3. Remove one screw (callout 3) from the motor.
140 Chapter 5 Removal and replacement ENWW

4. Remove one of the four screws that secures the rotary-drive assembly to the chassis
(callout 4).
3
4
Figure 5-39. Removing the rotary-drive assembly (2 of 3)
5. Face the top of the printer, and remove the other three screws that secure the rotary-
drive assembly to the chassis (callout 5).
ENWW Removal and replacement 141

6. Lift the rotary-drive assembly straight up to remove it from the printer.
5
Figure 5-40. Removing the rotary-drive assembly (3 of 3)
Reinstallation tip
Insert the metal protrusion at the back of the rotary-drive assembly into the slot in the
rear frame assembly and then lower the rotary-drive assembly into position over the
alignment pins. Make sure that no cables are pinched.
Top plate
1. Remove the following covers and assembly:
●Right- and left-side covers (see Right- and left-side covers)
●Interface cover (see Interface cover)
●Formatter cage (see Formatter assemblies)
●Back cover (see Back cover)
●Top cover (see Top cover)
2. Remove the air duct (see Air duct and fan).
3. Unplug the flat flexible cable (callout 1) from the laser/scanner.
4. Release the cables from one cable-holder (callout 2).
5. Unplug one cable connector (callout 3) by pressing and releasing the tab on the side of
the connector.
142 Chapter 5 Removal and replacement ENWW

6. Unplug five connectors (callout 4) from the dc controller.
2
3
4
1
Figure 5-41. Removing the top plate (1 of 3)
7. Unroute two cables (callout 5).
Note Examine the routing of the cables. If the cables are not reinstalled to their correct routing,
then the cables can become pinched by other assemblies.
8. Unplug two connectors (callout 6).
ENWW Removal and replacement 143

9. Remove two screws at the left side of the printer (callout 7) and then remove the two
corresponding screws from the right side of the printer.
6
7
5
Figure 5-42. Removing the top plate (2 of 3)
Reinstallation tip
The "hidden" screw in callout 7 secures a grounding plate (callout 8) to the chassis.
Removing the screw releases the grounding plate. Upon reinstallation of the top plate,
make sure that the grounding plate tab is in its correct position on the outside of the
carousel drive shaft.
Figure 5-43. Reinstalling the grounding plate
144 Chapter 5 Removal and replacement ENWW

10. Remove four screws (callout 9) from the top plate.
9
Figure 5-44. Removing the top plate (3 of 3)
11. Carefully lift the top plate off of the printer frame.
Print-cartridge carousel
1. Remove the following covers and assemblies:
●Right- and left-side covers (see Right- and left-side covers)
●Interface cover (see Interface cover)
●Formatter cage (see Formatter assemblies)
●Back cover (see Back cover)
●Top cover (see Top cover)
●Air duct (see Air duct and fan)
●Rotary-drive assembly (see Rotary-drive assembly)
●Top plate (see Top plate)
ENWW Removal and replacement 145

2. Remove two screws (callout 1) from the back of the printer.
1
Figure 5-45. Removing the print-cartridge carousel (1 of 3)
Reinstallation tip
Because the remainder of the print-cartridge carousel removal procedures are
performed from the left, right, and front of the printer, it is easy to forget to replace the
two screws at the back of the printer.
146 Chapter 5 Removal and replacement ENWW

3. Press the white plastic tab (callout 2) at the left side of the printer to release the left
swing-shaft bushing, and then rotate the bushing to a vertical position.
2
Figure 5-46. Removing the print-cartridge carousel (2 of 3)
4. On the right side of the printer, repeat step 3 on the right swing-shaft bushing.
Examine the positions of the left pressure-shaft holder (callout 3), the right pressure-
shaft holder (callout 4), and the pressure-shaft gear (callout 5) before you perform step
5. The pressure-shaft holders must be reinstalled to their correct positions when
reinstalling the print-cartridge carousel.
ENWW Removal and replacement 147

5. Use the flatblade screwdriver to pry two white tabs on the pressure-shaft holders from
their seated positions in the rear frame assembly.
3
5
4
Figure 5-47. Removing the print-cartridge carousel (3 of 3)
6. Lift the print-cartridge carousel out of the printer.
Reinstallation tip
Make sure that the "feet" of the pressure-shaft holders fit into the slots in the rear frame
assembly. After the "feet" are reinstalled correctly, press the tops of the white tabs firmly into
position.
148 Chapter 5 Removal and replacement ENWW

Incorrect reinstallation of the "feet" is shown, followed by correct installation.
Also make sure that the tab on the pressure-shaft gear points down.
Aligning the carousel gears
Make sure that the gears in the print-cartridge carousel are aligned correctly before placing
the carousel back into the printer.
1. Rotate the carousel so that the marker for the yellow print cartridge faces the front of the
printer.
2. Examine the gears: two marks on the smaller gear should line up with the single mark
on the larger gear (see the detail of the gears in Figure 5-48. Reinstalling the print-
cartridge carousel).
Note The single mark on the larger gear is adjacent to the slot for the black cartridge, marked with
a "K."
ENWW Removal and replacement 149

3. If the gears are not aligned correctly, locate the marks on the gears and realign the gears.
Figure 5-48. Reinstalling the print-cartridge carousel
Registration-roller assembly
1. Remove two screws (callout 1) from the registration-shutter assembly.
150 Chapter 5 Removal and replacement ENWW

2. Rotate the registration-roller assembly toward the front of the printer and then lift it
towards the rear of the printer and up to remove it from the printer.
1
Figure 5-49. Removing the registration-roller assembly
Toner-catch tray
The toner-catch tray is secured by two tabs underneath the tray (see Figure 5-50. Removing
the toner-catch tray), toward the front of the tray.
1. Release one tab on either side of the toner-catch tray and then pull the tray
approximately 2 or 3 mm (approximately 0.125 inch) toward the front of the printer to
make sure that the tab does not reseat as you perform step 2.
2. Release the tab on the other side and then lift the tray out of the printer.
Figure 5-50. Removing the toner-catch tray
ENWW Removal and replacement 151

Transfer-roller plate
CAUTION Do not touch the black sponge portion of the transfer roller.
1. Remove the toner-catch tray (see Toner-catch tray).
2. Remove two screws (callout 1) from the transfer-roller plate.
3. Lift the transfer-roller plate straight up to remove it from the printer.
1
Figure 5-51. Removing the transfer-roller plate
Transfer roller
CAUTION Do not touch the black sponge portion of the transfer roller.
1. Remove the following assemblies:
●Toner-catch tray (see Toner-catch tray)
●Transfer-roller plate (see Transfer-roller plate)
2. Use needle-nose pliers to gently squeeze the small tabs at the right side of the transfer
roller (see the detail in Figure 5-52. Removing the transfer roller) and then also squeeze
the tabs at the left side of the transfer roller to release the roller.
Note Be careful not to bend the thin metal strip adjacent to the tabs on the right side of the roller.
152 Chapter 5 Removal and replacement ENWW

3. Lift the transfer roller up from the right side, slide it to the right, and lift it out of the printer.
Note The small grounding spring that is underneath the left side of the transfer roller is attached to
the transfer roller. It is removed with the transfer roller.
The small grounding spring that is underneath the right side of the transfer roller remains in
the chassis.
Figure 5-52. Removing the transfer roller
Feed-drive shaft
1. Remove the following covers and assemblies:
●Right- and left-side covers (see Right- and left-side covers)
●Toner-catch tray (see Toner-catch tray)
●Transfer-roller plate (see Transfer-roller plate)
●Transfer roller (see Transfer roller)
2. Remove one screw (callout 1) from the gear cover, and then lift the gear cover to
remove it.
3. Lift the belt roller (callout 2) from its hooks.
4. Use a small flatblade screwdriver to slide the clip toward the back of the printer, and
then pry the feed-drive shaft (callout 3) off of the hooks that secure it to the printer.
Note Unless the feed-drive shaft itself is damaged, there is no need to remove the shaft.
5. Use a small flatblade screwdriver to pry four pulleys (callout 4) from their hooks.
ENWW Removal and replacement 153

6. After the feed-drive shaft and the pulleys are released, remove the timing belt (callout 5)
and the small feed belts by sliding them off of the right end of the feed-drive shaft.
Note Callout 6 shows the roller on the fuser wrap-jam sensor. The roller must be removed first if
you want to remove the ECU pan (the bottom plate of the printer).
162
5
3
4
Figure 5-53. Removing the feed-drive shaft
Reinstallation tip
Examine the timing belt (callout 5) before removing it from the printer. The leading and
trailing sides of the ridges are different and the belt must be reinstalled correctly to
prevent media-feed problems.
ECU pan
1. Remove the following covers and assemblies:
●Right- and left-side covers (see Right- and left-side covers)
●Interface cover (see Interface cover)
●Formatter cage (see Formatter assemblies)
●Optional tray 2 (see Optional tray 2 (250-sheet tray))
●Toner-catch tray (see Toner-catch tray)
2. Unplug five cable connectors (callout 1) from the dc controller.
154 Chapter 5 Removal and replacement ENWW

3. Remove one screw (callout 2) from the grounding wire.
1
2
Figure 5-54. Removing the ECU pan (1 of 2)
4. Turn the printer over so that it rests on its top.
5. Remove one screw from the left side of the printer (callout 3)
6. Remove eight screws (callout 4) from the bottom of the ECU pan.
ENWW Removal and replacement 155

7. Lift the ECU pan off of the printer.
4
3
Figure 5-55. Removing the ECU pan (2 of 2)
Reinstallation tip
Make sure that the grounding springs are attached to each of the eight ECU connections
before reinstalling the ECU pan.
Figure 5-56. ECU connections
156 Chapter 5 Removal and replacement ENWW

Sub-high-voltage transformer PCA
1. Remove the following covers and assemblies:
●Right- and left-side covers (see Right- and left-side covers)
●Optional tray 2 (see Optional tray 2 (250-sheet tray))
●Fuser (see Fuser cover (and fuser))
●ECU pan
2. Unplug one connector (callout 1) from the high-voltage transformer PCA.
3. Remove two screws (callout 2).
4. Lift up the sub-high-voltage transformer PCA and its holder, and then unplug one
connector (callout 3) from the high-voltage transformer PCA.
1
3
2
Figure 5-57. Removing the sub-high-voltage transformer PCA
ENWW Removal and replacement 157

High-voltage transformer PCA
1. Remove the following covers and assemblies:
●Right- and left-side covers (see Right- and left-side covers)
●Interface cover (see Interface cover)
●Formatter cage (see Formatter assemblies)
●Optional tray 2 (see Optional tray 2 (250-sheet tray))
●ECU pan (see ECU pan)
●sub-high-voltage transformer PCA (see Sub-high-voltage transformer PCA)
2. Release two cable holders (callout 1) and then unplug two connectors (callout 2).
3. Remove two screws (callout 3).
4. Pinch six plastic pins (callout 4) and then lift the high-voltage transformer PCA off of the
ECU pan.
4
3
1
2
Figure 5-58. Removing the high-voltage transformer PCA
158 Chapter 5 Removal and replacement ENWW

Low-voltage PCA
1. Remove the following covers and assemblies:
●Right- and left-side covers (see Right- and left-side covers)
●Interface cover (see Interface cover)
●Formatter cage (see Formatter assemblies)
●Optional tray 2 (see Optional tray 2 (250-sheet tray))
●ECU pan (see ECU pan)
2. Unplug four connectors (callout 1) from the low-voltage PCA.
3. Remove one screw (callout 2) from the grounding wire.
4. Remove two screws (callout 3) from the fuser-connector holder and lift the holder off of
the low-voltage PCA.
1
3
2
Figure 5-59. Removing the low-voltage PCA (1 of 2)
ENWW Removal and replacement 159

5. Remove six screws (callout 4) from the low-voltage PCA, and then lift the PCA off of the
ECU pan.
4
Figure 5-60. Removing the low-voltage PCA (2 of 2)
Paper-top sensor
1. Remove the ECU pan (see Front cover).
2. Remove one screw (callout 1).
3. Lift the paper-top sensor straight up to remove it from the printer.
160 Chapter 5 Removal and replacement ENWW

4. Unwind the cable from the cable harness, and unplug the cable from the dc controller.
CAUTION Do not attempt to disconnect the paper-top sensor cable from the paper-top sensor. Doing
so can damage the cable.
1
Figure 5-61. Removing the paper-top sensor
Fuser-wrap sensor
1. Remove the ECU pan (see ECU pan).
2. Remove the fuser-wrap sensor roller (see Figure 5-53. Removing the feed-drive shaft).
3. Remove one screw (callout 1) from the fuser-wrap sensor.
ENWW Removal and replacement 161

4. Unwind the cable from the cable harness, and unplug the cable from the dc controller.
1
Figure 5-62. Removing the fuser wrap sensor
250-sheet feeder pickup roller
1. Remove all paper from the 250-sheet feeder and then remove the 250-sheet feeder from
the printer.
2. Press the lift plate down and then pull the tray out of the feeder.
3. Turn the feeder upside-down.
4. Use a flatblade screwdriver to disengage the white, plastic lever, and then rotate the
lever toward the front of the feeder to release the roller.
162 Chapter 5 Removal and replacement ENWW

5. Lift the pickup roller up to remove it.
Figure 5-63. Removing the 250-sheet feeder pickup roller
500-sheet feeder pickup roller
1. Lift the printer off of the 500-sheet feeder.
2. Remove all paper from the 500-sheet feeder.
3. Press the lift plate down and then pull the tray out of the feeder.
4. Turn the feeder so that it rests on its back side.
5. Insert the flatblade screwdriver into the slot (callout 1) on the right roller-shaft cover and
then pry the cover off of the feeder.
ENWW Removal and replacement 163

6. Insert the flatblade screwdriver into the slot (callout 2) on the left roller-shaft cover and
then pry the cover off of the feeder.
2
1
Figure 5-64. Removing the 500-sheet feeder pickup roller (1 of 2)
7. Use the flatblade screwdriver to disengage the white, plastic lever (callout 3), and then
rotate the tab toward the front of the tray to release the roller.
164 Chapter 5 Removal and replacement ENWW

8. Lift up the pickup roller to remove it.
3
Figure 5-65. Removing the 500-sheet feeder pickup roller (2 of 2)
ENWW Removal and replacement 165
166 Chapter 5 Removal and replacement ENWW
6
Troubleshooting
Chapter contents
Chapter contents....................................................................................................................167
Basic troubleshooting ............................................................................................................169
Clearing jams ........................................................................................................................171
Where to look for jams ....................................................................................................171
To clear jams from inside the printer ..............................................................................171
To clear jams from input areas .......................................................................................172
To clear jams from output areas .....................................................................................174
Control panel light messages ................................................................................................176
Supplies Status lights .....................................................................................................177
Printer Status lights ........................................................................................................182
Solving image-quality problems ............................................................................................190
Print-quality checklist ......................................................................................................190
Solving image-quality problems (all print jobs) ...............................................................190
Solving image-quality problems (color print jobs) ..........................................................200
Resolving problems that generated messages .....................................................................204
Messages for both Windows and Macintosh ..................................................................204
Messages for Windows only ...........................................................................................204
Resolving problems that did not generate messages ...........................................................206
Troubleshooting checklist ...............................................................................................206
Checking the network .....................................................................................................207
Solving general printing problems ..................................................................................207
Solving PostScript (PS) errors ........................................................................................212
Solving common Macintosh problems ............................................................................213
Manually rotating the print-cartridge carousel ................................................................216
Functional checks .................................................................................................................218
Engine test ......................................................................................................................218
High-voltage power-supply check ..................................................................................219
Paper-path check ...........................................................................................................219
Service mode functions .........................................................................................................221
Cold reset .......................................................................................................................221
NVRAM initializer ............................................................................................................221
Error report......................................................................................................................222
Super NVRAM initialization.............................................................................................222
Network card cold reset...................................................................................................222
Using PJL commands .....................................................................................................223
Troubleshooting tools ............................................................................................................225
Demo page .....................................................................................................................225
Configuration page .........................................................................................................225
Supplies Status page ......................................................................................................226
Repetitive image defects ................................................................................................227
ENWW Chapter contents 167
General timing charts .....................................................................................................228
Locations of connectors ..................................................................................................230
Dc controller connections ...............................................................................................233
Main wiring diagram .......................................................................................................234
HP LaserJet Toolbox .............................................................................................................236
To view the HP LaserJet Toolbox ..................................................................................236
168 Chapter 6 Troubleshooting ENWW

Basic troubleshooting
Table 6-1. Basic troubleshooting
Does the printer turn on successfully?
When the printer is connected to a grounded power source, the control panel lights should
cycle one after another and the cartridge carousel should rotate.
Cause Solution
No power. 1. Verify that the printer is plugged directly into
a wall outlet, and not plugged into a power
strip or a UPS.
2. Verify that the power cable is functional and
that the power on-off switch is on.
Control panel lights do not cycle. Verify that the control panel cable is seated into
both the control panel and the formatter. If the
cable is connected correctly, replace the control
panel.
Is the printer ready?
The printer should function without error-indicator light messages appearing on the control
panel or error messages appearing on the Printer Status and Alerts screen.
Cause Solution
Control panel lights, other than the Ready light,
are on or blinking.
Consult the lists of control panel light messages
(see Control panel light messages) to identify
and correct the error.
An error message appears in the Printer Status
and Alerts screen.
See Resolving problems that generated
messages.
There is a problem, but no control panel lights
are on or blinking, and no messages appear on
the Printer Status and Alerts screen.
See Resolving problems that did not generate
messages.
Do engine tests and information pages print?
Print an engine test (see Functional checks). The engine test should print without paper-feed
problems or print-quality problems. Also print a Demo page or a configuration page (see
Troubleshooting tools).
Cause Solution
The engine test is not successful. Make sure that the formatter is connected to a
power source.
Note
The formatter must be connected to a power
source to perform an engine test.
ENWW Basic troubleshooting 169

Do engine tests and information pages print?
Print an engine test (see Functional checks). The engine test should print without paper-feed
problems or print-quality problems. Also print a Demo page or a configuration page (see
Troubleshooting tools).
Cause Solution
The engine test is not successful. Turn off the printer, turn on the printer, and
perform another engine test.
●The engine test produces a blank page. Make sure that the carousel is seated correctly.
Replace the low-voltage power supply.
●The engine test does not produce any pages. Replace the dc controller.
An error-indicator light message appears on the
control panel.
Consult the lists of control panel light messages
to identify and correct the error. See Control
panel light messages.
Printer Status and Alerts software generates an
error message.
See Resolving problems that generated
messages.
Poor print quality. See Hewlett-Packard limited warranty statement.
Is the software installed correctly?
Cause Solution
Software is not installed or an error occurred
during software installation.
Uninstall and then reinstall the printer software.
Make sure that you use the correct installation
procedure and the correct port setting.
Does the printer print from the computer?
Connect the parallel cable or USB cable to the printer and to the computer. Use a word-
processing application to send a print job to the printer.
Cause Solution
The cable is not connected correctly. Reconnect the cable.
The cable is not within specifications. Make sure that the the parallel cable is
IEEE-1284B-compliant or that the USB cable is
USB 2.0 full speed. Also make sure that the
length of cables is less than 3 meters
(118 inches).
An incorrect printer driver is selected. Reset the printer driver. (Check for the correct
port setting.)
Other devices are connected to the parallel port. Disconnect the other devices and try to print
again. Also, try connecting directly to the
computer or through a powered USB hub.
Table 6-1. Basic troubleshooting (continued)
170 Chapter 6 Troubleshooting ENWW

Clearing jams
Occasionally, paper or other print media can become jammed during a print job. Causes
include the following:
●Input trays are loaded improperly or are overfilled.
●Media guides in the input trays are not set correctly.
●Optional tray 2 or optional tray 3 is removed during a print job.
●The top cover is opened during a print job.
●The tabs on the fuser are unlocked or the fuser is not seated correctly.
●Too many sheets have accumulated in an output area or blocked an output area.
●The media being used does not meet HP specifications. See the HP Color LaserJet
2550 Series Printer User Guide for information about print-media specifications.
●The environment in which the paper was stored is too humid or too dry. See the
HP Color LaserJet 2550 Series Printer User Guide for information about print-media
specifications.
●Non-HP supplies are installed in the printer.
Where to look for jams
Jams can occur in these locations:
●Inside the printer. See To clear jams from inside the printer.
●In input areas. See To clear jams from input areas.
●In output areas. See To clear jams from output areas.
Find and remove the jam by using the instructions on the following pages. If the location of
the jam is not obvious, look first inside the printer.
Loose toner might remain in the printer after a jam. This problem should resolve itself after a
few sheets have been printed. See Loose toner.
To clear jams from inside the printer
CAUTION Jams in this area might result in loose toner on the page. If you get toner on your clothes or
hands, wash them in cold water. (Hot water sets toner into fabric.)
1. Open the top cover.
ENWW Clearing jams 171

2. Remove the imaging drum by pushing it away from you and lifting it out of the printer.
Note You cannot reach jams by removing the print cartridges.
3. Complete one of these steps:
●If the leading edge or the trailing edge of the print media is visible, carefully pull the
sheet out of the printer.
●If the media is too difficult to remove, clear the jam as described in To clear jams
from output areas.
4. After the jam has been removed, replace the imaging drum and close the top cover.
5. Press (Go) if the Go light is blinking. If the Attention light is still blinking, then another
jam is present. See To clear jams from input areas and To clear jams from output areas.
To clear jams from input areas
1. Open optional tray 2 or optional tray 3 to expose the jam.
172 Chapter 6 Troubleshooting ENWW

2. Complete one of these steps:
●If the media has already partially entered the printer, see To clear jams from inside
the printer.
●If the jam is only in the input tray, remove the jammed media by pulling it out by the
visible edge. Realign all of the media in the tray and proceed to step 4.
3. If you could not remove the jammed media from inside the printer or by pulling it out of
the tray, grasp the sheet from the outside of the printer and carefully pull it free.
4. Push the paper down to lock the metal lift plate into place and slide the tray back into the
printer.
5. Open the top cover, close it again, and then press (Go) if the Go light is blinking. If
the Attention light is still blinking, then another jam is present. See To clear jams from
inside the printer and To clear jams from output areas.
ENWW Clearing jams 173

To clear jams from output areas
CAUTION Jams in these areas might result in loose toner on the page. If you get toner on your clothes
or hands, wash them in cold water. (Hot water sets toner into fabric.)
1. Complete one of these steps:
●If the media is not almost completely visible from the top output bin, proceed to step
2.
●If the media is almost completely visible, pull it carefully out of the printer and
proceed to step 9.
2. Open the rear output door.
3. If the leading edge of the media is visible from the rear opening, carefully pull it out.
4. If the jam is too far into the printer to remove, turn off the printer and disconnect the
power cable.
CAUTION Always turn off the printer and disconnect the power cable before you remove the fuser.
174 Chapter 6 Troubleshooting ENWW

5. Rotate the locks on the fuser to the unlocked position.
6. Grasp the fuser handles and pull to remove the fuser from the printer.
WARNING! The parts on the internal surface of the fuser are very hot. To avoid burning yourself, do not
touch those parts.
7. Press the green fuser-release levers to separate the fuser rollers, and then carefully
remove any media from inside the fuser.
8. Using both hands, slowly and steadily remove any media from inside the printer. Then,
carefully reinsert the fuser and secure the locks.
9. Reconnect the power cable and turn on the printer.
10. Open the top cover, close it again, and then press (Go) if the Go light is flashing. If
the Attention light is still blinking, then there is another jam. See To clear jams from
inside the printer and To clear jams from input areas.
ENWW Clearing jams 175

Control panel light messages
Note For non-error status messages, see Supplies Status lights and Printer Status lights.
Each error message is listed in the following tables along with possible causes and steps to
resolve the identified errors. See Figure 6-1. Control panel lights and Table 6-2. Control
panel lights legend for descriptions of the control panel elements and a legend for
understanding the tables.
Use the HP LaserJet Toolbox to view animations of the light patterns and to see their
messages.
Figure 6-1. Control panel lights
Table 6-2. Control panel lights legend
Light symbol Meaning of symbol
Light off
Light on
Light blinking
176 Chapter 6 Troubleshooting ENWW

Supplies Status lights
This section describes the meaning of the patterns for the lights in the Supplies Status area.
Information about supplies also appears in the HP LaserJet Toolbox. For more information
about how to use and view the HP LaserJet Toolbox, see HP LaserJet Toolbox.
Table 6-3. Supplies Status light messages
Control panel message Event
log error
message
Description Recommended action
The black-print-cartridge light is on.
The black print cartridge is low. 1. The printer continues to print
without any action required
until the print cartridge is
empty.
2. Order a new print cartridge.
The cyan-print-cartridge light is on.
The cyan print cartridge is low. 1. The printer continues to print
without any action required
until the print cartridge is
empty.
2. Order a new print cartridge.
The magenta-print-cartridge light is
on.
The magenta print cartridge is low. 1. The printer continues to print
without any action required
until the print cartridge is
empty.
2. Order a new print cartridge.
The yellow-print-cartridge light is on.
The yellow print cartridge is low. 1. The printer continues to print
without any action required
until the print cartridge is
empty.
2. Order a new print cartridge.
ENWW Control panel light messages 177

Control panel message Event
log error
message
Description Recommended action
The imaging-drum light is on.
The imaging drum is low. 1. The printer continues to print
without any action required
until the imaging drum fails.
2. Order a new imaging drum.
The black-print-cartridge light is
blinking, and the printer stops
printing.
10000
40208
The print cartridge is empty or
missing (40208) or the E-label
reader is faulty (10000).
The printer cannot detect the print
cartridge correctly.
1. Reinsert or replace the print
cartridge.
2. If the print-cartridge light is
still blinking but the Attention
light is not on, turn the printer
off and then back on.
3. If the problem persists, repeat
steps 1 and 2 with black print
cartridges until the error is
resolved.
4. If the problem persists,
replace the print-cartridge E-
label reader, which is located
on the pressure assembly of
the print-cartridge carousel.
The cyan-print-cartridge light is
blinking, and the printer stops
printing.
10001
40207
The print cartridge is empty or
missing (40207) or the E-label
reader is faulty (10001).
The printer cannot detect the print
cartridge correctly.
1. Reinsert or replace the print
cartridge.
2. If the print-cartridge light is
still blinking but the Attention
light is not on, turn the printer
off and then back on.
3. If the problem persists, repeat
steps 1 and 2 with cyan print
cartridges until the error is
resolved.
4. If the problem persists,
replace the print-cartridge E-
label reader, which is located
on the pressure assembly of
the print-cartridge carousel.
Table 6-3. Supplies Status light messages (continued)
178 Chapter 6 Troubleshooting ENWW

Control panel message Event
log error
message
Description Recommended action
The magenta-print-cartridge light is
blinking, and the printer stops
printing.
10002
40206
The print cartridge is empty or
missing (40206) or the E-label
reader is faulty (10002).
The printer cannot detect the print
cartridge correctly.
1. Reinsert or replace the print
cartridge.
2. If the print-cartridge light is
still blinking but the Attention
light is not on, turn the printer
off and then back on.
3. If the problem persists, repeat
steps 1 and 2 with magenta
print cartridges until the error
is resolved.
4. If the problem persists,
replace the print-cartridge E-
label reader, which is located
on the pressure assembly of
the print-cartridge carousel.
The yellow-print-cartridge light is
blinking, and the printer stops
printing.
10003
40205
The print cartridge is empty or
missing (40205) or the E-label
reader is faulty (10003).
The printer cannot detect the print
cartridge correctly.
1. Reinsert or replace the print
cartridge.
2. If the print-cartridge light is
still blinking but the Attention
light is not on, turn the printer
off and then back on.
3. If the problem persists, repeat
steps 1 and 2 with yellow print
cartridges until the error is
resolved.
4. If the problem persists,
replace the print-cartridge E-
label reader, which is located
on the pressure assembly of
the print-cartridge carousel.
The four print-cartridge lights are
blinking, and the printer stops
printing.
The print cartridges are empty or
missing.
The printer cannot detect the print
cartridges correctly. The E-label
reader might be faulty.
1. Replace any non-HP print
cartridges with HP print
cartridges.
2. Reinsert or replace the print
cartridges.
3. If the print-cartridge lights are
still blinking but the Attention
light is not on, turn the printer
off and then back on.
4. If the problem persists, repeat
steps 1 through 3 with sets of
print cartridges until the error
is resolved.
5. If the problem persists,
replace the print-cartridge E-
label reader, which is located
on the pressure assembly of
the print-cartridge carousel.
Table 6-3. Supplies Status light messages (continued)
ENWW Control panel light messages 179

Control panel message Event
log error
message
Description Recommended action
The imaging-drum light is blinking,
and the printer stops printing.
10004 The imaging drum is empty or
missing or the E-label reader is
faulty.
The printer cannot detect the
imaging drum correctly.
1. Reinsert or replace the
imaging drum.
2. If the imaging-drum light is
still blinking but the Attention
light is not on, turn the printer
off and then back on.
3. If the problem persists, repeat
steps 1 and 2 with imaging
drums until the error is
resolved.
4. If the problem persists,
replace the imaging-drum E-
label reader (see E-label
reader (for imaging-drum E-
labels)).
The black-print-cartridge light is
blinking and the Attention light is on.
The printer stops printing.
10300
10310
10320
The black print cartridge is either
non-HP (00), cloned (10), or
unauthorized (20).
Note
Although HP supports customer
choice, HP cannot guarantee the
quality or reliability of non-
HP supplies. Service or repairs
required as a result of using a non-
HP supply are not covered under
the printer warranty.
If you want to use this non-
HP print cartridge, press
(Cancel Job) to continue printing.
To ensure full availability and/or
accuracy of printing features (such
as remaining supply status), use
genuine HP supplies. If you
believe you purchased a genuine
HP supply, go to www.hp.com/go/
anticounterfeit.
The cyan-print-cartridge light is
blinking and the Attention light is on.
The printer stops printing.
10301
10311
10321
The cyan print cartridge is either
non-HP (01), cloned (11), or
unauthorized (21).
Note
Although HP supports customer
choice, HP cannot guarantee the
quality or reliability of non-
HP supplies. Service or repairs
required as a result of using a non-
HP supply are not covered under
the printer warranty.
If you want to use this non-
HP print cartridge, press
(Cancel Job) to continue printing.
To ensure full availability and/or
accuracy of printing features (such
as remaining supply status), use
genuine HP supplies. If you
believe you purchased a genuine
HP supply, go to www.hp.com/go/
anticounterfeit.
Table 6-3. Supplies Status light messages (continued)
180 Chapter 6 Troubleshooting ENWW

Control panel message Event
log error
message
Description Recommended action
The magenta-print-cartridge light is
blinking and the Attention light is on.
The printer stops printing.
10302
10312
10322
The magenta print cartridge is
either non-HP (02), cloned (12), or
unauthorized (22).
Note
Although HP supports customer
choice, HP cannot guarantee the
quality or reliability of non-
HP supplies. Service or repairs
required as a result of using a non-
HP supply are not covered under
the printer warranty.
If you want to use this non-
HP print cartridge, press
(Cancel Job) to continue printing.
To ensure full availability and/or
accuracy of printing features (such
as remaining supply status), use
genuine HP supplies. If you
believe you purchased a genuine
HP supply, go to www.hp.com/go/
anticounterfeit.
The yellow-print-cartridge light is
blinking and the Attention light is on.
The printer stops printing.
10303
10313
10323
The yellow print cartridge is either
non-HP (03), cloned (13), or
unauthorized (23).
Note
Although HP supports customer
choice, HP cannot guarantee the
quality or reliability of non-
HP supplies. Service or repairs
required as a result of using a non-
HP supply are not covered under
the printer warranty.
If you want to use this non-
HP print cartridge, press
(Cancel Job) to continue printing.
To ensure full availability and/or
accuracy of printing features (such
as remaining supply status), use
genuine HP supplies. If you
believe you purchased a genuine
HP supply, go to www.hp.com/go/
anticounterfeit.
The imaging-drum light is blinking
and the Attention light is on. The
printer stops printing.
10304
10314
The imaging drum is either non-
HP (04) or cloned (14).
Note
Although HP supports customer
choice, HP cannot guarantee the
quality or reliability of non-
HP supplies. Service or repairs
required as a result of using a non-
HP supply are not covered under
the printer warranty.
If you want to use this non-
HP imaging drum, press
(Cancel Job) to continue printing.
To ensure full availability and/or
accuracy of printing features (such
as remaining supply status), use
genuine HP supplies. If you
believe you purchased a genuine
HP supply, go to www.hp.com/go/
anticounterfeit.
Table 6-3. Supplies Status light messages (continued)
ENWW Control panel light messages 181

Printer Status lights
The following section describes the meaning of the light patterns in the Printer Status area.
●Printer status (see Table 6-4. Printer-status light messages)
●Attention with the ability to continue errors (see Table 6-5. Attention light messages,
unnumbered)
●Accessory errors (see Table 6-7. Accessory error light messages)
●Service errors (see Table 6-8. Service error light messages)
Table 6-4. Printer-status light messages
Control panel message Event
log error
message
Description Recommended action
All control panel lights cycle. The printer is in startup state. Pressing buttons has no effect
until the printer is in the Ready
state.
The Ready (green) light is on and
the printer is ready to print.
The printer is in Ready state. ●No action is needed.
●Pressing (Go) prints a
Demo page.
●Pressing (Go) and
(Cancel Job) simultaneously
prints a Configuration page
and a Supplies Status page,
and also prints an
HP Jetdirect page, if the
printer is network-enabled.
The Ready (green) light is blinking.
The printer is receiving or
processing data. Pressing (Cancel Job)
cancels the current job. One or
two pages might print as the
printer clears the print job. The
printer returns to the Ready state
after the job has been cancelled.
182 Chapter 6 Troubleshooting ENWW

Control panel message Event
log error
message
Description Recommended action
The Attention (amber) light is
blinking.
40022
40119
50014
Attention error. The top cover is
open.
Close the top cover.
Attention error. The printer is out
of media.
Load media.
Attention error. The printer has a
jam (40022).
Clear the jam (see Clearing jams).
If the location of the jam is not
apparent, check the HP LaserJet
Toolbox to find the jam location.
●If the jam is under the
imaging drum, toggle the
registration sensor to check
its movement and replace the
registration sensor if it does
not move freely.
●If the jam is in the fuser area,
toggle the fuser exit sensor to
check its movement and
replace the fuser exit sensor if
it does not move freely.
Attention error. The printer has
misfed media (40119).
1. Make sure that the media is
loaded correctly in the input
tray.
2. Open and then close the top
cover.
The fuser is missing or is not
installed correctly (50014).
Replace the fuser.
The Go (green) light is blinking.
The top cover has been opened
and then closed.
-Or-
You pressed (Rotate
Carousel).
●Pressing (Go) returns the
printer to the Ready state. If
you do not press (Go),
the printer automatically
returns to the Ready state
after approximately 10
seconds.
●Pressing (Rotate
Carousel) brings another
print cartridge to the top
position.
Table 6-4. Printer-status light messages (continued)
ENWW Control panel light messages 183

Table 6-5. Attention light messages, unnumbered
Control panel message Event
log error
message
Description Recommended action
The Attention light is blinking and
the Go light is on. The printer stops
printing.
41103 A manual-feed job was sent to the
printer, and the printer is waiting
for the special media (41103).
1. Load media into tray 1.
2. If the printer does not begin
printing after the media has
been reloaded, press
(Go). Or, press (Go) to
try to print from another tray if
another tray is installed.
Note
Single-page print jobs are not
printed when (Go) is pressed.
After loading media into tray 1,
reprint the page.
After loading media into tray 1 and
pressing (Go), multiple-page
print jobs continue to print, but the
page that was to be printed when
the printer stopped printing does
not print. Reprint the page after
the current print job is complete.
The printer has finished printing
the first side of a manual-duplex
job, and the printer is waiting for
the pages to be reloaded so it can
print the second side.
1. Reload the pages.
2. If the printer does not begin
printing after the pages have
been reloaded, press (Go).
Someone is trying to print by
Source (tray) and there is no
media in the selected tray.
1. Add media to the selected
tray to print from it.
2. Press (Go) to try to print
from another tray.
The print image is larger than the
size of media in the tray.
Load the correct-size media and
then press (Go).
The printer has an Attention with
Ability to Continue error.
1. Press (Go) for the printer
to attempt to recover from the
error and print whatever data
it can. If successful, the
printer completes the job
while the Ready light blinks.
2. If unsuccessful, the Attention
with Ability to Continue
message continues to
appear. Press (Cancel
Job) to cancel the print job. If
the problem has been
resolved, the printer returns to
the Ready state (Ready light
on).
184 Chapter 6 Troubleshooting ENWW

Table 6-6. Attention light messages, numbered
Control panel message Event
log error
message
Description Recommended action
The Attention light is blinking and
the Go light is on. The printer stops
printing.
30016
30033
35031
50012
30016, memory out 1. Make sure that the formatter
cable is connected.
2. Press (Go) to resume
printing. If you lose some
data, try to free some printer
memory by removing fonts,
macros, or any data currently
in printer memory. If you
continue to lose data, you
might have to add more
printer memory. For a
temporary solution, simplify
the image.
30033, unexpected size 1. Load the correct size of
media and then press
(Go).
2. If printing does not resume,
open the top cover, remove
the imaging drum, and check
for a jam inside the printer.
3. Turn the printer off and then
back on.
35031, invalid personality The print job was canceled, either
because the printer language
(personality) is not supported or
because the carousel is not
positioned correctly.
1. Make sure that the carousel is
positioned correctly.
2. Press (Go) to clear the
message.
3. If you printed the job using
one of the PCL drivers, try
printing using the PS driver,
or vice versa.
4. Turn the printer off and
remove or replace the
language font DIMM.
CAUTION
Inserting or removing DIMMs
while power is supplied to the
printer can damage the DIMMs.
50012, beam detect malfunction 1. Turn the printer off and then
back on.
2. If the problem persists,
replace the laser/scanner
(see Laser/scanner assembly).
ENWW Control panel light messages 185

Table 6-7. Accessory error light messages
Control panel message Event
log error
message
Description Recommended action
The Attention light, Ready light, and
Go light are blinking. The printer
stops printing, and pressing any
button has no effect.
Accessory error. An error has
occurred in the DIMM slot.
1. Turn the printer off.
CAUTION
Inserting or removing DIMMs
while power is supplied to the
printer can damage the DIMMs.
2. Remove the DIMM and
reinstall it to make sure that it
is correctly installed.
3. Make sure that you are using
a supported DIMM. See
Accessories.
4. Move the DIMM to a different
DIMM slot. If the DIMM works
in a different slot, then DIMM
slot 1 is malfunctioning.
5. To continue printing, remove
the DIMM from DIMM slot 1.
Table 6-8. Service error light messages
Control panel message Event
log error
message
Description Recommended action
The Attention light, Ready light, and
Go light are on.
(many) The printer has a service error. Press and hold (Go ) to see a
secondary error light message,
and then see the secondary error
light messages in this table to
identify the service error. You can
also use the simulator in the
printer driver or the event log
messages to identify the service
error.
186 Chapter 6 Troubleshooting ENWW

Control panel message Event
log error
message
Description Recommended action
Secondary message:
The Ready light is on.
50005 Scanner error. 1. Turn the printer off and then
back on.
2. Turn the printer off, and then
reseat the laser/scanner cable.
3. Replace the laser/scanner
(see Laser/scanner assembly).
Secondary message:
The Attention light is blinking.
50006 Fan motor error. 1. Turn the printer off.
2. Check cable connections to
the fan.
3. Turn the printer back on.
4. If the error persists, replace
the fan (see Air duct and fan).
Secondary message:
The Attention light is on.
50007
50021
Engine communication error.
Dc controller memory error.
The formatter is not
communicating with the printer
engine (50007).
The dc controller is faulty (50021).
1. Turn the printer off and then
back on.
2. Check the connections to the
formatter and the dc controller.
3. Replace the formatter (see
Formatter assemblies).
4. Replace the dc controller (see
Dc controller).
5. Replace the laser/scanner
(see Laser/scanner assembly).
Secondary message:
The Ready and Go lights are on.
50008
50009
50010
50015
Low fuser-temperature error
Slow fuser error
High fuser-temperature error
Fuser drive-circuit error
1. Turn the printer off for
approximately 20 to 30
minutes.
2. If the printer is plugged into a
power-strip or a UPS, unplug
it and plug the printer power
cord directly into a wall socket.
3. Turn the printer back on.
4. If the error persists, replace
the fuser (see Fuser cover
(and fuser)).
Table 6-8. Service error light messages (continued)
ENWW Control panel light messages 187

Control panel message Event
log error
message
Description Recommended action
Secondary message:
The Ready light and Go light are
blinking.
50019
50023
50024
Fuser motor error
Developer motor error
Main motor error
1. Turn the printer off and then
back on.
2. If the error persists, replace
the motor that causes the
error.
Secondary message:
The Ready light is blinking.
50020
50031
Bad top-of-page sensor
Top-of-page sensor error
1. Clean the top-of-page sensor.
2. Replace the imaging drum.
3. If the error persists, replace
the top-of-page sensor (see
Density sensor and top-of-
page sensor).
Secondary message:
The Attention and Go lights are on.
50022 T2 clutch error. 1. Turn the printer off and then
back on.
2. If the error persists, replace
the clutch (see Gear
assembly).
Table 6-8. Service error light messages (continued)
188 Chapter 6 Troubleshooting ENWW

Control panel message Event
log error
message
Description Recommended action
Secondary message:
The Attention and Ready lights are
on.
50025 Carousel motor error 1. Turn the printer off and then
back on.
2. If the error persists, replace
the motor (see Rotary-drive
assembly).
Table 6-9. Additional error messages
Control panel message Event
log error
message
Description Recommended action
(No light pattern.) 50026
50027
50028
50029
50030
50031
Yellow density out-of-range
Magenta density out-of-range
Cyan density out-of-range
Black density out-of-range
Density sensor error
Top-of-page sensor error
1. Turn the printer off and then
back on.
2. If the problem persists,
replace the appropriate sensor.
Table 6-8. Service error light messages (continued)
ENWW Control panel light messages 189

Solving image-quality problems
If your document is printing but the quality is not what you expected, start by using the print-
quality checklist.
Print-quality checklist
Use the following checklist to solve general print-quality problems:
1. Check the printer driver to make sure that you are using the best available print-quality
option, or return to the default settings. See the HP Color LaserJet 2550 Series Printer
User Guide for more information about print-quality options.
2. Make sure that the paper or print media you are using meets specifications. See the
HP Color LaserJet 2550 Series Printer User Guide for more information. Generally,
smoother paper provides better results.
3. If you are using a special print media such as labels, transparencies, or letterhead, make
sure that you selected the correct media type (see the Paper tab in the printer driver).
See the HP Color LaserJet 2550 Series Printer User Guide for information about
HP print-media specifications. Also see the HP LaserJet Printer Family Print Media
Guide (http://www.hp.com/support/ljpaperguide).
4. Print a Configuration page and Supplies Status page at the printer by pressing (Go)
and (Cancel Job) simultaneously. If the pages do not print, then the problem is in
the hardware rather than in the software.
●Check printer status messages on the Configuration page.
●Check the Supplies Status page to see if any supplies are low or empty. Note that
no information is provided for non-HP print cartridges. Replace non-HP print
cartridges with HP print cartridges.
5. Use the HP LaserJet Toolbox to print a Demo page. If the page prints correctly, there
might be a problem with the printing software. Uninstall the printing software and then
reinstall it (see the HP Color LaserJet 2550 Series Printer Getting Started Guide).
6. Try printing from one of the other printer drivers. For example, if you are using the PCL 6
printer driver, print from the PS printer driver.
7. Try printing from a different program. If the page prints correctly, the problem might be in
the program from which you were printing.
8. Restart the computer and the printer and try printing again. If the problem is not
resolved, choose one of these options:
●If the problem is affecting all printed pages, see Solving image-quality problems (all
print jobs).
●If the problem is affecting only pages that are printed in color, see Solving image-
quality problems (color print jobs).
Solving image-quality problems (all print jobs)
The following examples depict letter-size paper that has passed through the printer short-
edge first. These examples illustrate problems that would affect all pages you print, whether
you print in color or in black only. The topics that follow list the typical cause and solution for
each of these examples.
190 Chapter 6 Troubleshooting ENWW

Light print or fade Toner specks Dropouts Vertical lines
Gray background Toner smear Loose toner Repetitive defects on
the front
Repetitive defects on
the back
Misformed characters Curl or wave Page skew
Wrinkles or creases Toner scatter outline Random image
repetition
Random image
repetition
ENWW Solving image-quality problems 191

Light print or fade
A vertical streak or an incorrect or faded color area appears on the page.
●The paper might not meet HP's paper specifications (for example, the paper is too moist
or too rough). See the HP Color LaserJet 2550 Series Printer User Guide for information
about print-media specifications.
●One or more print cartridges are low. If you are using non-HP print cartridges, no
messages appear on the printer control panel or in the HP LaserJet Toolbox.
●The imaging drum might be low or empty. Print the Supplies Status page to check
remaining life. Replace the imaging drum if it is low or empty.
●If none of the print cartridges or the imaging drum is low or empty, remove the print
cartridges one at a time and inspect the toner roller in each to see if the roller is
damaged. If so, replace the print cartridge.
●Inspect the imaging drum for toner dust, oil, or fingerprints.
●If the problem is not resolved, see If the problem is not resolved.
Toner specks
●The paper might not meet specifications. For example, the paper is too moist or too
rough. See the HP Color LaserJet 2550 Series Printer User Guide for information about
print-media specifications.
●The paper path might need to be cleaned. See To use a cleaning page for details.
●If using a cleaning page did not solve the problem, then check the fuser for
contamination and replace the fuser, if necessary.
●If the problem is not resolved, see If the problem is not resolved.
192 Chapter 6 Troubleshooting ENWW

Dropouts
Faded areas, generally rounded, occur randomly on the page.
●A single sheet of paper might be defective. Try reprinting the job.
●The paper path might need to be cleaned. Open the HP LaserJet Toolbox to use the
cleaning page. See To use a cleaning page for details.
●The moisture content of the paper is uneven or the paper has moist spots on its surface.
Try different paper, such as high-quality paper designed for laser printers. See the
HP Color LaserJet 2550 Series Printer User Guide for information about print-media
specifications.
●The paper lot is flawed. The manufacturing processes can cause some areas to reject
toner. Try a different brand of paper, such as high-quality paper designed for laser
printers. See the HP Color LaserJet 2550 Series Printer User Guide for information
about print-media specifications.
●The imaging drum might be defective. See .
●If the problem is not resolved, see If the problem is not resolved.
Vertical lines
Vertical streaks or bands appear on the page.
●One or more print cartridges are low or defective. Print the Supplies Status page to
check remaining life. If you are using non-HP print cartridges, no messages appear on
the printer control panel or in the HP LaserJet Toolbox.
●Clean the printer using a cleaning page. Open the HP LaserJet Toolbox to use the
cleaning page. See To use a cleaning page for details.
●Use the tools on the Troubleshooting tab of the HP LaserJet Toolbox to correct the
problem.
●Inspect the imaging drum for toner dust, oil, or fingerprints.
●Check the jam-access door.
●If the problem is not resolved, see If the problem is not resolved.
ENWW Solving image-quality problems 193

Gray background
The amount of background toner shading is unacceptable.
●Clean the density sensor and perform a calibration. See To use a cleaning page.
●Use a different paper with a lighter basis weight. See the HP Color LaserJet 2550 Series
Printer User Guide for information about print-media specifications.
●Check the printer environment. Very dry (low humidity) conditions can increase the
amount of background shading.
●One or more print cartridges are low. If you are using non-HP print cartridges, no
messages appear on the printer control panel or in the HP LaserJet Toolbox.
●The imaging drum might be low or empty. Print the Supplies Status page to check
remaining life. Replace the imaging drum if it is low or empty.
●If the problem is not resolved, see If the problem is not resolved.
Toner smear
Toner smear appears on the leading edge.
●Check the paper type and quality. Use a different paper, such as high-quality paper
designed for laser printers. See the HP Color LaserJet 2550 Series Printer User Guide
for information about print-media specifications.
●The paper guides is dirty, or debris is in the print path. Open the HP LaserJet Toolbox to
use the cleaning page. See To use a cleaning page for details.
●The imaging drum might be low or empty. Check the status of the imaging drum at the
printer control panel or in the HP LaserJet Toolbox and replace the imaging drum if it is
low or empty.
●The fuser might not be heating correctly. If the printer is plugged into a surge protector,
plug it directly into the wall.
●If the problem is not resolved, see If the problem is not resolved.
194 Chapter 6 Troubleshooting ENWW

Loose toner
Toner smears easily when touched.
●In the printer driver, select the Paper tab and set Type is to match the type of paper on
which you are printing. Print speed might be slower if you are using heavy paper.
●Check the paper type and quality. Use a different paper, such as high-quality paper
designed for laser printers. See the HP Color LaserJet 2550 Series Printer User Guide
for information about print-media specifications.
●Clean the inside of the printer. Open the HP LaserJet Toolbox to use the cleaning page.
See To use a cleaning page for details.
●The fuser or imaging drum might be damaged.
●If the problem is not resolved, see If the problem is not resolved.
Repetitive defects on the front
Marks repeatedly appear on the printed side of the page at even intervals.
●In the printer driver, select the Paper tab and set Type is to match the type of paper on
which you are printing. Print speed might be slower if you are using heavy paper.
●Clean the printer. Open the HP LaserJet Toolbox to use the cleaning page. See To use
a cleaning page for details.
●Use the tools on the Troubleshooting tab of the HP LaserJet Toolbox to correct the
problem.
●The imaging drum might be defective. Replace the imaging drum.
●The fuser or imaging drum might be damaged.
●One of the print cartridges might be defective. Examine the print cartridges and replace
as needed.
●If the problem is not resolved, see If the problem is not resolved.
ENWW Solving image-quality problems 195

Repetitive defects on the back
Marks repeatedly appear on the unprinted side of the page at even intervals.
●Internal parts might have toner on them. The problem will likely correct itself after a few
more pages.
●Clean the printer. Open the HP LaserJet Toolbox to use the cleaning page. See To use
a cleaning page for details.
●The fuser or imaging drum might be damaged.
●If the problem is not resolved, see If the problem is not resolved.
Misformed characters
●If characters are improperly formed so that they produce hollow images, the paper might
be too slick (for example, photo, glossy, or coated paper). Use a different paper, such as
high-quality paper designed for laser printers. See the HP Color LaserJet 2550 Series
Printer User Guide for information about print-media specifications.
●If characters are improperly formed so that they produce a wavy effect, the laser/
scanner might need service. Verify that the problem also occurs on the Configuration
page. If so, replace the laser/scanner.
●If the problem is not resolved, see If the problem is not resolved.
196 Chapter 6 Troubleshooting ENWW

Curl or wave
●Make sure that the printer has adequate ventilation by verifying that the fan is not
blocked.
●Plug the printer directly into a wall outlet. Do not use a power-strip or a UPS.
●Turn over the stack of paper in the tray. Also try rotating the paper 180 degrees in the
input tray.
●Set the correct type in the printer driver. Heavier paper might take longer to print.
●Open the rear output door to print to the straight-through paper path.
●Check the paper type and quality. Both high temperature and humidity will cause paper
curl. Try a new, unopened ream of paper or try using a different paper, such as high-
quality paper designed for laser printers. See the HP Color LaserJet 2550 Series Printer
User Guide for information about print-media specifications.
●If the problem is not resolved, see If the problem is not resolved.
Page skew
●Make sure that the paper or other print media is loaded correctly and that the guides are
not too tight or too loose against the stack. See Loading media.
●Check the paper type and quality. Use a different paper, such as high-quality paper
designed for laser printers. See the HP Color LaserJet 2550 Series Printer User Guide
for information about print-media specifications.
●Clean the printer (see Cleaning the printer).
●Calibrate the printer (see Calibrating the printer).
●If the problem is not resolved, see If the problem is not resolved.
ENWW Solving image-quality problems 197

Wrinkles or creases
●Make sure that paper is loaded properly.
●Turn over the stack of paper in the input tray, or try rotating the paper 180 degrees in the
input tray.
●Open the rear output door to print to the straight-through paper path.
●Check the paper type and quality. Use a different paper, such as high-quality paper
designed for laser printers. See the HP Color LaserJet 2550 Series Printer User Guide
for information about print-media specifications.
●Reseat the fuser.
●If the problem is not resolved, see If the problem is not resolved.
Toner scatter outline
●Turn over the stack of paper in the tray.
●Clean the density sensor and perform a calibration. See To use a cleaning page.
●Small amounts of toner scatter are normal for laser printing.
●If large amounts of toner have scattered around the characters, the paper might have
high resistivity. Use a different paper, such as high-quality paper designed for laser
printers. See the HP Color LaserJet 2550 Series Printer User Guide for information
about print-media specifications.
●Change the print mode in the HP LaserJet Toolbox to dry-media mode.
●If the problem is not resolved, see If the problem is not resolved.
198 Chapter 6 Troubleshooting ENWW

Random image repetition
If an image that appears at the top of the page (in solid black) repeats farther down the page
(in a gray field), the toner might not have been completely erased from the last print job. The
repeated image might be lighter or darker than the field in which it appears.
●Clean the printer. Open the HP LaserJet Toolbox to use the cleaning page. See To use
a cleaning page for details.
●In your program, change the tone (darkness) of the field in which the repeated image
appears.
●In your program, rotate the whole page 180 degrees to print the lighter image first.
●Change the order in which the images are printed. For example, have the lighter image
at the top of the page, and the darker image farther down the page.
●If the defect occurs later in a print job, turn the printer off for 10 minutes, and then turn
the printer on to restart the print job.
●Replace the imaging drum.
●Replace the fuser.
●If the problem is not resolved, see If the problem is not resolved.
If the problem is not resolved
If the problem is not resolved, try these steps:
1. Perform a cleaning and calibration. See Calibrating the printer.
2. Print the Configuration page and Supplies Status page again.
●If the pages print correctly, then the problem is in the program, the computer, or the
printer driver.
●If the pages do not print correctly, then the problem is in the printer hardware. The
problem might be the fuser or the imaging drum.
3. Change the Type setting in the printer driver, or change the print mode. If this step does
not help, proceed to the next step.
ENWW Solving image-quality problems 199

4. If the problem persists, check the paper type and quality. (See the HP Color LaserJet
2550 Series Printer User Guide for information about print-media specifications.) Use a
different paper, such as high-quality paper designed for laser printers.
5. Print to a different printer.
●If the page prints correctly, then the problem might be in the printer driver. Uninstall
the printer driver and reinstall it.
●If the page does not print correctly, the problem is in the program or the computer.
See the documentation for the program or the computer.
Solving image-quality problems (color print jobs)
This section describes issues that can occur when you print in color.
Note Whenever you experience color-related issues, calibrate the printer before trying any other
steps. See Calibrating the printer.
Only black prints
Only black is printing when the document should be printing in color.
●Color mode is not selected in your program or printer driver. Select color mode instead
of grayscale mode.
●The correct printer driver is not selected in the program. Select the correct printer driver.
●The printer is not properly configured. Check the printer configuration by printing a
Configuration page. If no color appears on the Configuration page, replace the imaging
drum.
200 Chapter 6 Troubleshooting ENWW

Missing or incorrect color
One or more colors are not printing, or are inaccurate.
●You have changed the color settings manually. Return the color setting to Automatic.
●Windows: On the Color tab of the printer driver, click Automatic.
●Mac OS: In the Print dialog box, select the Color Options tab, and then select
Automatic.
●Turn the printer off and then on again.
●Your print media does not meet the specifications for this printer. Use a different paper,
such as a high-quality paper designed for laser printers. See the HP Color LaserJet
2550 Series Printer User Guide for information about print-media specifications.
●You are operating the printer in excessively humid or dry conditions. Verify that the
printer environment is within humidity specifications.
●A print cartridge might be low on toner. Check the printer control panel, print a Supplies
Status page, or view the HP LaserJet Toolbox to see supplies status. (If you are using a
non-HP cartridge, none of these sources will provide information about a low or empty
print cartridge.) If a cartridge is low on toner, replace the print cartridge.
●Clean the sensors and perform a calibration. See To use a cleaning page.
ENWW Solving image-quality problems 201

Color prints inconsistently
A color is printing inconsistently after you load a new print cartridge.
●Another print cartridge might be low on toner. Check the supplies status lights or the
HP LaserJet Toolbox to see if a print cartridge is low, and replace it if necessary. If you
are using a non-HP print cartridge, it might be low or empty but you will receive no
indication.
●Print cartridges might be improperly installed. Remove the print cartridge for the color
that is printing inconsistently and reinstall it.
●Your print media does not meet the specifications for this printer. Use a different paper,
such as a high-quality paper designed for laser printers. See the HP Color LaserJet
2550 Series Printer User Guide for information about print-media specifications.
Colors do not match
The colors on the printed page do not match the colors as they appear on the screen.
●Your print media does not meet the specifications for this printer. Use a different paper,
such as a high-quality paper designed for laser printers. See the HP Color LaserJet
2550 Series Printer User Guide for information about print-media specifications.
●The colors on your computer monitor differ from the printer output. Try selecting
Automatic on the Color tab of the printer driver.
●Print the Configuration and Supplies Status pages to make sure that they print correctly.
If not, the problem is with the printer.
●Try printing from a different program or from one of the other printer drivers. For
example, if you are using the PCL 6 printer driver, try the PS printer driver.
●Extremely light colors or extremely dark colors on screen are not printing. Your program
might interpret extremely light colors as white or extremely dark colors as black. If so,
avoid using extremely light or extremely dark colors.
●Clean the sensors and perform a calibration. See Calibrating the printer.
202 Chapter 6 Troubleshooting ENWW

Color pages have inconsistent finish
The finish on the printed color page is inconsistent.
●Use a smooth paper or print media, such as a high-quality paper designed for laser
printers. Generally, the smoother the paper, the better the results. See the HP Color
LaserJet 2550 Series Printer User Guide for information about print-media specifications.
ENWW Solving image-quality problems 203

Resolving problems that generated messages
This section helps resolve problems that generated messages on the computer.
Messages for both Windows and Macintosh
This section lists some common errors that only provide a simple message but no
information for resolving the error. Errors that you see in the HP LaserJet Toolbox provide
their own instructions for resolving the error. For other errors generated by your operating
system, see the documentation for the operating system or computer.
Limit Check Error
Cause Solution
The print job is too complex. ●Reduce the complexity of the page. For
example, try using fewer fonts.
●Use one of the other printer drivers.
●Send the print job in smaller pieces or with a
fewer number of pages.
Messages for Windows only
Cause Solution
"Error Writing to LPTx" in Windows 98 or Me ●Make sure that the tray contains print media.
●Make sure that the cables are connected
correctly, the printer is on, and the Ready
light is on.
●Print a Demo page from the HP LaserJet
Toolbox to make sure that the computer can
communicate with the printer.
●On the Start menu, point to Settings and
then click Printers. Right-click the HP color
LaserJet 2550 driver and select
Properties. Click Details and then click
Port Settings. Clear the Check Port State
before Printing check box and then click
OK. Click Spool Settings, select Print
Directly to Printer, and then click OK.
●Try again to print.
204 Chapter 6 Troubleshooting ENWW

Cause Solution
"General Protection Fault"
"Exception OE"
"Spool32"
"Illegal Operation"
●Restart the computer and try again.
●Clear the contents of the computer Temp
folder, which is generally located in C:
\Windows (95, 98, and Me) or C:\Winnt (NT
4.0, 2000, and XP).
●Change the graphics mode in the driver
from raster to vector, or from vector to raster.
Other Windows messages For more information, see Microsoft Windows
documentation that came with the operating
system or computer.
ENWW Resolving problems that generated messages 205

Resolving problems that did not generate messages
Troubleshooting checklist
If the printer is not responding properly, complete the steps in the following checklist, in
order. If the printer does not pass a step, follow the corresponding troubleshooting
suggestions. If a step resolves the problem, you can stop without performing the rest of the
steps on the checklist.
1. Make sure that the printer Ready light is on. If no lights are on, complete the following
steps:
a. Check the power cable connections.
b. Make sure that the power switch is on.
c. Check the power source by plugging the printer directly into the wall or into a
different outlet.
d. If none of these measures restores power, replace the low-voltage power supply.
e. If replacing the low-voltage power supply does not restore power, replace the dc
controller.
2. Check the cabling.
a. Check the cable connection between the printer and the computer or network port.
Make sure that the connection is secure.
b. Make sure that the cable itself is not faulty by using a different cable, if possible.
c. Check the network connection. See Checking the network.
3. Make sure that the print media you are using meets specifications. See the HP Color
LaserJet 2550 Series Printer User Guide for information about print-media specifications.
4. Press (Go) and (Cancel Job) simultaneously to print a Configuration page and a
Supplies Status page. If the printer is network-enabled, an HP Jetdirect page also prints.
●If the Configuration and Supplies Status pages do not print, check the following items:
a. Check that there is paper in at least one of the printer input trays.
b. If the page jams in the printer, see Clearing jams.
c. Try again to print the Configuration and Supplies Status pages.
●If the Configuration and Supplies Status pages print, check the following items:
a. If the pages print correctly, then the printer hardware is working. The problem is in
the computer you are using, the printer driver, or the program.
b. If the pages do not print correctly, calibrate the printer. See Calibrating the printer.
c. Print the pages again. If the pages still do not print correctly, the problem is in the
printer hardware.
5. At the computer, check the print queue or print spooler (Print Monitor or Print Center
Queue for Mac OSs) to see if the printer is paused or set to print offline.
6. Verify that you have installed the HP color LaserJet 2550 series printer driver. Check the
program to make sure that you are using the HP color LaserJet 2550 series printer driver.
7. Print a page from the HP LaserJet Toolbox, if available.
206 Chapter 6 Troubleshooting ENWW

a. If the page prints, then the problem is in the printer driver. For Windows, try using
the other printer driver. Or, for Windows or Macintosh, uninstall the printer driver
(see the HP Color LaserJet 2550 Series Printer User Guide for information about
uninstalling the printing software) and reinstall it (see the HP Color LaserJet 2550
Series Printer Getting Started Guide).
b. If the page does not print, then the problem is in the computer or the program.
8. Print a short document by using a different program that has worked in the past. If this
solution works, then the problem is in the program you are using. If this solution does not
work (the document does not print) complete these steps:
a. Try printing the job from another computer that has the printer software installed.
b. If you connected the printer to the network, connect the printer directly to a computer
by using a parallel cable or USB cable. Redirect the printer to the correct port, or
reinstall the software and select the new connection type you are using.
9. If the problem is still not resolved, see Solving general printing problems.
Checking the network
It is recommended that you use the HP color LaserJet 2550 series printer CD-ROM to install
and set up the printer on a network.
Follow these steps to see if the problem is caused by the network.
●When the Configuration page printed, an HP Jetdirect configuration page should have
printed if the printer is network-enabled. (If these pages do not print in your language,
see Troubleshooting tools.) Verify that all network settings are correctly configured.
●Contact the network administrator for assistance.
Solving general printing problems
In addition to the problems listed in this section, see Solving common Macintosh problems if
you are using a Macintosh computer, and see Solving PostScript (PS) errors if you are using
several printer languages.
Table 6-10. Solving general printing problems
The print job is extremely slow.
Cause Solution
The job might be very complex (for example, if it
contains graphics).
●Wait for the job to print.
●Reduce the complexity of the page or try
adjusting the print-quality settings. If this
problem occurs frequently, add memory to
the printer.
The maximum speed is 16 ppm in black and
4 ppm in color and cannot be exceeded even
when more memory is added.
Wait for the print job to finish.
Printing speeds might be automatically reduced
when printing special-size media.
Wait for the print job to finish.
ENWW Resolving problems that did not generate messages 207

The print job is extremely slow.
Cause Solution
In the printer driver, the Type or Size is set
incorrectly for the media in the printer.
●If you are printing on heavy paper, the Type
or Size should be set to a heavy paper
setting. The printer prints more slowly to
provide better quality. Wait for the job to print.
●If you are not printing on heavy paper, set
Type or Size in the printer driver to plain
paper.
●In the default settings for this printer, click
the Paper tab and make sure that Type is
set to plain paper. You can override this
setting from the printer driver when you print
on heavy paper.
An issue might exist with the driver. ●If you are printing using a PCL driver, print
using the PS driver, or vice versa.
The printer pulls paper or print media from the wrong tray.
Cause Solution
The Source (tray) selection might be incorrect. ●For Windows, make sure that the Source is
selected from the Print dialog box (which is
part of the program) if possible or in the
printer driver. If you select the Source in the
printer driver and then select a different
Source in the Print dialog box, the Source
setting in the printer driver changes to
match the Source setting in the Print dialog
box.
●For Macintosh, set the Source in the Print
dialog box.
●Remove any media from other trays to
make the printer select from the tray you
want, and then press (Go).
The Type or Size setting does not match the
size of paper or print media loaded in the tray.
Using the HP LaserJet Toolbox, change the
Type or Size setting for the tray to match the
size of print media that is loaded.
Media is loaded in tray 1. Remove any media from tray 1. The printer pulls
from tray 1 if you did not specify a tray that had a
compatible size or type loaded and tray 1 is
unconfigured.
Printer does not pull paper from optional tray 2 or optional tray 3.
Cause Solution
The rear paper length guide (optional tray 2) or
the rear paper stop (optional tray 3) is set
incorrectly.
To set the rear guides properly, see Loading
optional tray 2 or Loading optional tray 3.
Table 6-10. Solving general printing problems (continued)
208 Chapter 6 Troubleshooting ENWW

Printer does not pull paper from optional tray 2 or optional tray 3.
Cause Solution
The tray is not recognized in the printer software. Configure the printer software to recognize the
tray.
If the printer does not pull paper from either tray,
the problem might be the paper.
●Try a different type or brand of paper.
●Make sure that you are using a high-quality
paper made for laser printers. See the
HP Color LaserJet 2550 Series Printer User
Guide for information about print-media
specifications or to order media.
The separation pad and the pick-up rollers might
be worn out.
Replace the separation pad and pick-up rollers.
See Table 3-1. Life expectancies of supplies for
ordering information.
The printer does not respond when the Print command is selected in the software.
Cause Solution
The printer experienced an error. Check the control panel lights on the printer to
determine if an error exists.
If no control panel lights are on, the printer is not
receiving power.
1. Check the power cable connection between
the printer and the power source.
2. Check that the power switch is on.
3. Check that the power source (the wall
outlet) is receiving power.
4. If the problem persists, replace the high-
voltage power supply.
5. If, after replacing the high-voltage power
supply, the problem persists, replace the dc
controller.
The printer might be in Manual Feed mode (the
Attention light is blinking and Go is light on).
Add media to tray 1 if it is empty. If media is
already in the tray, press (Go).
The wrong printer was selected in the software. ●In the Print or Printer Setup dialog box,
make sure that the HP color LaserJet 2550
series printer is selected as the printer.
A jam might be present. Clear any jams. See Clearing jams.
The printer is on a network and is not receiving a
signal.
●Disconnect the printer from the network and
attach it directly to a computer using a
parallel or USB cable.
●Clear any stopped jobs from the print queue.
●Print a job that you know works.
●Reinstall the printing software.
The interface cable between the computer (or
network) and the printer is not connected
properly.
Disconnect and reconnect the interface cable.
Table 6-10. Solving general printing problems (continued)
ENWW Resolving problems that did not generate messages 209

The printer does not respond when the Print command is selected in the software.
Cause Solution
The interface cable is defective. ●If possible, connect the interface cable to
another computer (or network port) and print
a job that you know works.
●Try using a different cable.
If the printer is connected to a computer, the
software for the printer is not configured for the
printer port.
●Check the printer selection menu in the
software to make sure it is using the correct
port. If the computer has more than one
port, make sure that the printer is
associated with the correct one.
●Remove all shared or third-party devices.
Pages print, but all colors do not print or the pages are completely blank.
Cause Solution
One of the print cartridges might be low or empty. Run an engine test (see Functional checks) to
make sure that all four colors print. If not all
colors print, replace one or more of the print
cartridges. If the engine test is successful,
replace the formatter.
If the printed pages are completely blank, the file
might have blank pages.
Check the file to make sure that it does not
contain blank pages.
A print cartridge might be low or empty. Check the printer control panel for a Supplies
Status message, or print a Supplies Status page,
to see the levels remaining in the print
cartridges. Replace any print cartridges that are
low or empty. Messages are not created for non-
HP print cartridges.
If you are using non-HP print cartridges, one or
more print cartridges are low or empty. The
control panel lights do not indicate low or empty
for non-HP print cartridges.
Replace one or more of the print cartridges.
Font DIMM might be selected but the font DIMM
is not physically installed in the printer. (This
issue applies only when using an Asian-
language font DIMM.)
In the settings for this printer, clear the Font
DIMM check box on the Configure tab if no font
DIMM is installed in the printer. Select the Font
DIMM check box only if the font DIMM is
physically installed in the printer. If you think that
the font DIMM is installed, make sure that it is
installed correctly.
The paper curls when exiting the top output bin.
Cause Solution
The paper needs to print to the straight-through
paper path.
Open the rear output door to print to the straight-
through paper path. Remove each sheet as it
exits the printer.
Table 6-10. Solving general printing problems (continued)
210 Chapter 6 Troubleshooting ENWW

The paper curls when exiting the top output bin.
Cause Solution
The stack was slightly curled when it was placed
in the tray.
Turn the stack over in the tray.
The paper does not meet specifications. See the HP Color LaserJet 2550 Series Printer
User Guide for information about print-media
specifications.
If you are printing on light media, the Type
setting might not be correct.
Select Light in the Type field in the printer driver.
The printer prints, but the text is wrong, garbled, or incomplete.
Cause Solution
Not enough power is supplied to the printer
because the printer is plugged into a power strip
or a UPS.
Plug the printer power cord directly into a wall
outlet.
The interface cable is loose or defective. Disconnect the printer cable and reconnect it.
Try a print job that you know works. If possible,
attach the cable and printer to another computer
and try a print job that you know works. Finally,
try a new cable.
The printer is on a network or sharing device and
is not receiving a clear signal.
Disconnect the printer from the network or
shared drivers and attach it directly to a
computer using a parallel cable or USB cable.
Print a job that you know works.
The wrong driver was selected in the software. In the Print or Printer Setup dialog box, make
sure that the HP color LaserJet 2550 series
printer is selected as the printer and that the
appropriate port is selected.
The printer driver is malfunctioning. Print a page from the HP LaserJet Toolbox. If
the page prints, then the problem is in the printer
driver. Uninstall and reinstall the printer driver.
The program is malfunctioning. Try printing a job from another program.
Table 6-10. Solving general printing problems (continued)
ENWW Resolving problems that did not generate messages 211

The printer prints, but the text is wrong, garbled, or incomplete.
Cause Solution
If the printer is connected to a computer, the
operating system is malfunctioning.
Check the operating system.
Note
This method works only with Windows 98, NT
4.0, and 2000 operating systems, and the
computer must be connected to a parallel cable.
If you do not know how to use this method, see
the documentation that came with the computer.
Restart the computer. When it beeps during
startup, press F5 and select Command Prompt
Only. At the C:\ prompt on the computer, type
Dir<LPT1 and then press Enter. (This assumes
that the printer is connected to LPT1.) If the Go
light comes on at the printer, press (Go) to
print and eject the page. If the page prints
correctly, then the operating system is
malfunctioning.
Font DIMM might be selected but the font DIMM
might not be physically installed in the printer.
(This issue only applies when an Asian-language
font DIMM is installed.)
In the settings for this printer, clear the Font
DIMM check box on the Configure tab if no font
DIMM is installed in the printer. Select the Font
DIMM check box only if the font DIMM is
physically installed in the printer. If you think that
the font DIMM is installed, make sure that it is
installed correctly.
Solving PostScript (PS) errors
The following situations are specific to the PS language and might occur when several
printer languages are being used.
Note To receive a printed or an onscreen message when PS errors occur, select this option in the
PS printer driver or the HP LaserJet Toolbox.
The job prints in Courier (the printer default typeface) instead of the typeface you requested.
Cause Solution
The requested typeface is not downloaded. A
personality switch might have been performed to
print a PCL job just before the PS printing job
was received.
Download the font you want to use and send the
print job again. Verify the type and location of the
font. Download the font to the printer, if
applicable. See the software documentation.
A PS error page prints.
Cause Solution
The print job might not be a PS job. Make sure the print job is a PS job. Check to see
whether the program expected a setup or PS
header file to be sent to the printer.
Table 6-10. Solving general printing problems (continued)
212 Chapter 6 Troubleshooting ENWW

VM Error
Cause Solution
This is a PS font error that occurs when you are
using several fonts.
●Select Unlimited Downloadable Fonts in
the printer driver.
Range Check
Cause Solution
The tray settings are incorrect. ●Try printing from a different tray.
●Select Unlimited Downloadable Fonts in
the printer driver.
Limit Check
Cause Solution
The printer is out of memory. ●Reduce the complexity of the page.
●Use one of the other printer drivers.
●Send the print job in smaller pieces with a
fewer number of pages.
●Install more memory.
Solving common Macintosh problems
In addition to the problems listed in Solving general printing problems, this section lists
problems that can happen only when using the Mac OS, versions 9.1, 9.2, 9.3, and OS X, v.
10.1 and later.
Table 6-11. Problems in the Chooser
The printer driver icon does not appear in the Chooser (when using Mac OS, version OS X).
Cause Solution
The software was not installed correctly. The LaserWriter driver should be present as a
part of the Mac OS. Make sure that the
LaserWriter driver is in the Extensions folder
within the systems folder. If not, install the
LaserWriter driver from your Mac OS CD-ROM.
The interface cable might not be of high quality. Make sure that you are using a high-quality
interface cable.
An incorrect network might be selected. Make sure that the printer is on the correct
network. Select Network under Control Panels
in the Apple menu and then select the correct
network.
ENWW Resolving problems that did not generate messages 213

The printer name does not appear in the Select a PostScript Printer box in the Chooser.
Cause Solution
The printer might not be ready. Make sure that the cables are connected
correctly, the printer is on, and the Ready light is
on.
The correct printer driver might not be selected. Make sure that the correct printer driver has
been selected in the Chooser (for example,
LaserWriter).
An incorrect zone might be selected. If the printer resides on a network that has
multiple zones, make sure that the correct zone
is selected.
The PS driver might not be installed. Verify that the PS driver is installed.
The printer might not be selected in the Chooser. Print a Configuration page to make sure that the
printer has been selected in the Chooser.
[Simultaneously press (Go) and (Cancel
Job) on the printer.]
The printer driver does not automatically set up the selected printer even though you clicked
Auto Setup in the Chooser.
Cause Solution
The software was not installed correctly. Reinstall the printer software. See the HP Color
LaserJet 2550 Series Printer Getting Started
Guide.
Table 6-12. Printing Errors
A print job was not sent to the printer that you wanted.
Cause Solution
Another printer with the same or similar name
might have received your print job.
●Check the name of the printer that appears
on the Configuration page.
●Make sure that the cables are connected
correctly, the printer is on, and the Ready
light is on.
You cannot use the computer while the printer is printing.
Cause Solution
Background Printing has not been selected. For LaserWriter 8.6 and later: Turn Background
Printing on by selecting Print Desktop on the
File menu and then clicking Background
Printing.
Table 6-11. Problems in the Chooser (continued)
214 Chapter 6 Troubleshooting ENWW

An encapsulated PostScript (EPS) file does not print with the correct fonts.
Cause Solution
This problem occurs with some programs. ●Try downloading the fonts contained in the
EPS file to the printer before printing.
●Send the file in ASCII format instead of a
binary encoding.
Your document is not printing with New York, Geneva, or Monaco fonts.
Cause Solution
The printer might be substituting fonts. Select Options in the Page Setup dialog box to
clear the substituted fonts.
Table 6-13. USB Problems
You are unable to print from a third-party USB card.
Cause Solution
This error occurs when the software for USB
printers is not installed.
When adding a third-party USB card, you might
need the Apple USB Adapter Card Support
software. The most current version of this
software is available from the Apple Web site.
Table 6-12. Printing Errors (continued)
ENWW Resolving problems that did not generate messages 215

When connected using a USB cable, the printer does not appear in the Macintosh Chooser
after the driver is selected.
Cause Solution
This problem is caused by either a software or
hardware component.
Software troubleshooting
●Make sure that your Macintosh supports
USB.
●Verify that your Macintosh has Mac OS 9.1,
9.2, 9.3, or OS X, v. 10.1 or later.
●Make sure that your Macintosh has the
appropriate USB software from Apple.
Note
The iMac and Blue G3 desktop Macintosh
systems meet all of the requirements to connect
to a USB device.
Hardware troubleshooting
●Make sure that the printer is turned on.
●Make sure that the USB cable is properly
connected.
●Make sure that you are using the
appropriate high-speed USB cable.
●Make sure that not too many USB devices
are drawing power from the chain.
Disconnect all devices from the chain and
connect the cable directly to the USB port
on the host computer.
●Check to see if more than two non-powered
USB hubs are connected in a row on the
chain. Disconnect all devices from the chain
and connect the cable directly to the USB
port on the host computer.
Note
The iMac keyboard is a non-powered USB hub.
Manually rotating the print-cartridge carousel
CAUTION Before working on the carousel, turn off the printer.
Under normal conditions, pressing (Rotate Carousel) brings another print cartridge to
the top position. However, if the carousel does not rotate, then rotate the print-cartridge
carousel manually.
Note All models of the HP color LaserJet 2550 printer contain a guide that is designed for access
to the carousel brake.
Table 6-13. USB Problems (continued)
216 Chapter 6 Troubleshooting ENWW

To manually rotate the print-cartridge carousel
CAUTION Manually rotating the print-cartridge carousel when power is supplied to the printer can
damage the printer. Turn the printer off and disconnect the power cord before performing
this procedure.
1. Open the top cover.
2. Press the end of a paper clip into the guide (callout 1) to lift up the carousel brake.
3. Rotate the carousel manually.
1
Figure 6-2. Manually rotating the print-cartridge carousel
ENWW Resolving problems that did not generate messages 217

Functional checks
An engine test can help to identify printing problems, and a paper-path check can help to
identify problems in the paper path.
Engine test
The engine test is used to verify that the print engine is functioning correctly. The formatter is
bypassed during an engine test, so the engine test is useful for isolating printer problems.
Because the engine test prints horizontal lines along the entire printable area of a page, it is
also useful for checking and adjusting registration.
Note The type of engine test and the input tray depend on the last print job. During the engine
test, the printer pulls media from the input tray that was used for the last print job. The last
print job also defines the type of engine test. If the last print job was a color print job, then a
color engine test is performed. If the last print job was a black-only print job, then a black-
only engine test is performed.
Printing an engine test
The engine test switch is inside tray 1, on the left side, just below the front cover.
To print an engine test:
1. Turn off the printer.
2. Turn on the printer.
3. Open tray 1 and load paper.
4. Press the engine-test switch (shown below).
Note The formatter must be connected to the ECU to perform an engine test. Otherwise, the
printer does not print the engine test.
Figure 6-3. Location of the engine-test switch
Performing a continuous self-test
1. Turn the printer off.
2. Press and hold (Go).
218 Chapter 6 Troubleshooting ENWW

3. Turn the printer on and continue to hold (Go) for at least 20 seconds, but fewer than
30 seconds.
Note The Attention and Ready lights turn on during the continuous self-test.
4. Release (Go). The device lights begin cycling from front to back. The self-test
process runs until the printer is in the Ready state.
Note This test is similar to the NVRAM initializer; for more information see NVRAM initializer.
5. To terminate the continuous self-test, press (Cancel Job).
High-voltage power-supply check
The high-voltage power-supply PCA provides the necessary voltages for the
electrophotographic processes.
To check the print cartridge connection points
1. Turn the print cartridge over and visually inspect the two connection points on the ends
of the print cartridge. If they are dirty or corroded, clean the connections. If they are
damaged, replace the print cartridge.
Figure 6-4. Print cartridge high-voltage connection points
2. If the connection points are dirty or corroded, then clean the connections. If they are
damaged, then replace the print cartridge.
Note Use only isopropyl alcohol to clean the connections.
Paper-path check
If media is not being picked up or is not moving through the paper path, you might want to
observe all of the paper-motion activities. Override the door interlock (SW301) and the laser/
scanner switch to observe the following actions:
●Motor rotation
●Solenoid action
●Pickup-roller motion
●Drive-roller, transfer-roller, fuser-roller and gear, and delivery-roller motion
To override SW301
1. Push a piece of heavy paper into the slot in the top cover (callout 1) to override SW301.
ENWW Functional checks 219

To override the laser/scanner switch
1. Use a small flatblade screwdriver to override the laser/scanner switch (callout 2).
1
2
Figure 6-5. Overriding SW301 and the laser/scanner switch
220 Chapter 6 Troubleshooting ENWW

Service mode functions
Service mode functions that appear in this section should be performed by trained service
personnel.
Cold reset
A cold reset sets most, but not all, default variables stored in NVRAM back to factory default
values. It typically does not reset the page count, paper tray sizes, localization language, or
formatter number. To reset all variables, see NVRAM initializer.
To perform a cold reset
1. Turn the printer off.
2. Press and hold (Go).
3. Turn the printer on and continue to hold (Go) for at least 10 seconds, but for fewer
than 20 seconds.
Note The Attention light turns on during a cold reset.
4. Release (Go).
Note If either the Go or Ready light turned off or no lights turned off before releasing (Go),
then repeat steps 1 through 5.
5. The printer lights begin cycling from front to back. The cold-reset process runs until the
printer is in the Ready state.
NVRAM initializer
NVRAM initializer sets all default variables stored in NVRAM back to factory default values
or to a default ROM value, depending on the variable. It also performs a system reset.
NVRAM initializer resets the following:
●All menu settings to factory default values
●Factory settings such as formatter number, page counts, and factory paper settings
Note Jetdirect NVRAM is not reset by performing an NVRAM initialization.
To perform an NVRAM initialization
Note If possible, print a Configuration page before performing an NVRAM initialization. The
Configuration page contains the information needed to restore the printer data.
1. Turn the printer off.
2. Press and hold (Go).
ENWW Service mode functions 221

3. Turn the printer on and continue to hold (Go) for at least 30 seconds, but fewer than
40 seconds.
4. Release (Go).
Note The Attention, Ready, and Go lights are on during an NVRAM initialization.
5. The device lights will begin cycling from front to back. The NVRAM-initialization process
runs until the printer is in the Ready state.
Note This process is similar to a continuous self-test. For more information, see Functional checks.
After the initialization is complete, you can use PJL commands to restore some of your
printer settings (see Using PJL commands).
Error report
Use the following steps to print an error report:
1. Turn the printer off.
2. Press and hold (Go).
3. Turn the printer on and continue to hold (Go) for at least 40 seconds, but fewer than
50 seconds.
4. Release (Go).
Note The Attention light turns off during the error report process.
The printer prints an error report.
Super NVRAM initialization
Use the following steps to perform a super NVRAM initialization:
1. Turn off the printer.
2. Press and hold (Go).
3. Turn the printer on and continue to hold (Go) for at least 50 seconds.
4. Release (Go)
Note The Ready light turns on during a super NVRAM initialization.
Network card cold reset
Use the following steps to perform a network card cold reset.
1. Make sure that the printer is in the Ready state.
2. Press (Rotate Carousel) and (Cancel Job) simultaneously.
Note There is no visual feedback from a network card cold reset.
222 Chapter 6 Troubleshooting ENWW

Using PJL commands
PJL commands are useful when you have performed an NVRAM initialization or replaced
the formatter. After you perform an NVRAM initialization, restore the serial number, page
counts, color page counts, and formatter number.
Use the MS-DOS Editor to create a file (or files) to send directly to the printer to restore
printer data.
Note To send PJL commands directly to the printer, the printer must be directly connected to the
computer using an IEEE-1284-compliant parallel cable. PJL commands cannot be sent to
the printer by using a USB or a network connection.
Use the following PJL commands to restore the printer information to the new formatter:
ESC%-12345X@PJL SET SERVICEMODE=HPBOISEID
@PJL DEFAULT SERIALNUMBER=XXXXXXXXXXX
@PJL DEFAULT PAGES=XXX
@PJL DEFAULT COLORPAGES=XXX
@PJL SET SERVICEMODE=EXIT
ESC%-12345X
The X's in the serial number, formatter number, pages, and color pages fields are variables
that you must replace with your printer information. The Configuration page contains the
actual information for your printer.
Using the MS-DOS command prompt and the MS-DOS Editor
To enter the PJL commands, you must use the MS-DOS Command Prompt and MS-DOS
Editor.
To open an MS-DOS command prompt window in Windows 2000 and Windows XP:
1. Click Start and then click Run.
2. Type cmd and then click OK.
An MS-DOS command prompt window opens.
3. At the command prompt, type cd\ and then press Enter.
To open an MS-DOS command prompt window in Windows ME
1. Click Start, click Programs, click Accessories, and then click MS-DOS Prompt.
An MS-DOS command prompt window opens.
2. At the command prompt, type cd\, and then press Enter.
To open an MS-DOS command prompt window in Windows 98
1. Click Start, click Programs, and then click MS-DOS Prompt.
An MS-DOS command prompt window opens.
2. At the command prompt, type cd\, and then press Enter.
ENWW Service mode functions 223

To open a file in the MS-DOS Editor:
1. At the command prompt (C:\>), type EDIT PJLREST and then press Enter.
The MS-DOS Prompt Edit file window opens.
To create the escape (Esc) sequence in the MS-DOS Editor:
1. Press Ctrl+P and then release the keys.
2. Press and release the Esc key. The editor inserts an arrow symbol pointing to the left,
which indicates to the printer that the text following the symbol is a command, not text
that should be printed.
Note A left-arrow symbol should appear, which indicates to the printer that the text following the
symbol is a command. If the left-arrow symbol does not appear, or if another symbol
appears, then delete any characters or spaces and repeat steps 1 and 2 until the left-arrow
symbol appears.
3. Type, in uppercase letters, the remainder of the command after the symbol.
Hint Following is an example of the MS-DOS Editor window, when restoring the serial number.
[left-arrow]%-12345X@PJL SET SERVICEMODE=HPBOISEID
@PJL DEFAULT SERIALNUMBER=XXXXXXXXXX
@PJL DEFAULT SERVICEMODE=EXIT
[left-arrow]%-12345X
To save the PJLREST file:
1. Press Alt+F to open the File drop-down menu.
2. Use the cursor-down key to highlight Exit, and then press Enter.
3. If Save-File reads "C:\PJLREST," and a flashing cursor highlights Yes, then press Enter.
After pressing Enter, the command prompt (C:\>) appears.
To send the file to the printer:
1. Make sure that the printer is in the Ready state.
2. At the command prompt (C:\>), type copy PJLREST [printer port]. For example, copy
PJLREST LPT1.
3. Press Enter.
The data light on the printer should flash. When complete, the printer returns to Ready
and the MS-DOS window displays the command prompt.
4. To return to Windows, type exit and then press Enter.
5. Print a Configuration page to verify that the printer information is restored.
224 Chapter 6 Troubleshooting ENWW

Troubleshooting tools
Information pages, repetitive defect measurements, timing charts, and cable connection
diagrams are useful tools in solving printer problems.
Demo page
To print the Demo page, press (Go) when the printer is Ready (Ready light on) and is
not printing. You can also view this page from the HP LaserJet Toolbox.
Configuration page
The Configuration page lists current settings and properties of the printer. You can print a
Configuration page at the printer control panel or from the HP LaserJet Toolbox.
To print a configuration page
To print the Configuration page from the printer, press (Go) and (Cancel Job)
simultaneously. The Supplies Status page also prints. If you have an HP Jetdirect print
server card installed, the HP Jetdirect page listing the HP Jetdirect information also prints.
hp Color LaserJet
2550 series
1
2
3
4
5
6
7
8
1. Product Information. This section contains basic information about the printer, such as
the product name and serial number.
2. Memory. This section lists memory-related information, such as the total memory that is
installed.
3. Paper Settings. This section lists information about the media type for each tray and
about the type settings for all of the media that the printer supports.
4. Page Counts. This section lists the total number of pages printed, the number of color
pages printed, and information about jams.
ENWW Troubleshooting tools 225

5. Product Settings. This section lists information that is gathered during software
installation, including the language and the company name.
6. Installed personalities and options. This section contains information about optional
items that might be installed, such as DIMMs or an HP Jetdirect print server.
7. Print Settings. This section contains information about printer settings that are
configured in the printer driver or in the HP LaserJet Toolbox.
8. Status Log. This section contains information about printer errors.
Supplies Status page
The Supplies Status page lists the remaining life of HP print cartridges and HP imaging
drums. It also lists the estimated number of pages remaining, number of pages printed, and
other supplies information. You can print a Supplies Status page at the printer control panel
or from the HP LaserJet Toolbox.
To print at the printer, press (Go) and (Cancel Job) simultaneously. (The
Configuration page also prints, and, if you have an HP Jetdirect print server installed, the
HP Jetdirect page that lists the HP Jetdirect information also prints.)
Note Supplies information is also available through the HP LaserJet Toolbox.
50%
1%
1%
hp color LaserJet
2550 series
Supplies Status Page 1
94%
1
2
3
4
5
1. Print-cartridge area. This area contains a section for each of the print cartridges and
provides information about HP print cartridges. This information includes the part
number for each print cartridge, whether each print cartridge is low, and the life
remaining for each print cartridge expressed as a percentage, as a graphic, and as the
estimated number of pages remaining. This information is provided only for HP supplies.
If a non-HP supply is installed, you see an alert message instead.
2. Imaging-drum area. This area contains the same information for the imaging drum that
the print-cartridge area provides for the print cartridges.
226 Chapter 6 Troubleshooting ENWW

3. Warranty Note. This section contains information about how the printer warranty is
affected when you use non-HP supplies. It also requests that you call the HP fraud
hotline if a supply that is being detected as a non-HP supply was sold to you as a
genuine HP supply. (See the HP Color LaserJet 2550 Series Printer User Guide for
information about the HP fraud hotline.)
4. Ordering Information. This section contains basic information about how to order new
HP supplies.
5. Recycling Information. This section contains information about the Web site you can
visit for information about recycling.
Repetitive image defects
Use a ruler to measure occurrences of repetitive image defects to help solve image quality
problems. Place the ruler next to the first occurrence of the defect on the page. Find the
distance between identical defects and see Table 6-14. Repetitive image defects to identify
the component that is causing the defect.
Table 6-14. Repetitive image defects
Measurement Component
22.1 mm (.87 inch) Pre-ICL roller
33.9 mm (1.33 inches) Developer sleeve
37.9 mm (1.49 inches) ICL roller
38.1 mm (1.50 inches) Charge roller
41.9 mm (1.65 inches) RS roller
44.3 mm (1.74 inches) T1 transfer
56.9 mm (2.24 inches) T2 transfer
66.6 mm (2.62 inches) Pressure roller
75.6 mm (2.98 inches) Fuser film
89.0 mm (3.50 inches) Transfer belt drive roller
90.0 mm (3.54 inches) Transfer belt tension roller
148.3 mm (5.84 inches) Cartridge drum
ENWW Troubleshooting tools 227

General timing charts
Figure 6-6. General timing chart--WAIT period
228 Chapter 6 Troubleshooting ENWW

Figure 6-7. General timing chart--one page, full-color, normal speed
ENWW Troubleshooting tools 229

Locations of connectors
Figure 6-8. Locations of printer connectors (1 of 3)
230 Chapter 6 Troubleshooting ENWW

Figure 6-9. Locations of printer connectors (2 of 3)
Figure 6-10. Locations of printer connectors (3 of 3)
ENWW Troubleshooting tools 231

Figure 6-11. Locations of 250-sheet tray connectors
Figure 6-12. Locations of 500-sheet tray connectors
232 Chapter 6 Troubleshooting ENWW

Dc controller connections
Figure 6-13. Dc controller connections
ENWW Troubleshooting tools 233

Main wiring diagram
Figure 6-14. Main wiring (1 of 2)
234 Chapter 6 Troubleshooting ENWW

Figure 6-15. Main wiring (2 of 2)
ENWW Troubleshooting tools 235

HP LaserJet Toolbox
The HP LaserJet Toolbox is only supported for Windows 98, Me, 2000, and XP and in Mac
OS X, v. 10.2 or later. You must have performed a complete software installation to use the
HP LaserJet Toolbox.
You can view the HP LaserJet Toolbox when the printer is directly connected to your
computer or connected to the network. The HP LaserJet Toolbox is a Web page that opens
in a Web browser and provides access to the embedded Web server, printer documentation,
and printer management and troubleshooting tools.
You do not have to have Internet access to open and use the HP LaserJet Toolbox.
However, if you click a link in the Other Links area, you must have Internet access in order
to view the site associated with the link.
To use the HP LaserJet Toolbox, you must have one of the following browsers:
●For Windows: Microsoft Internet Explorer 5.5 or later, Netscape Navigator 6.2 or later, or
Opera Software ASA Opera 7 or later.
●For Macintosh (OS X only): Microsoft Internet Explorer 5.1 or later, Netscape Navigator
6.23 or later, or Safari 1.0.
All pages can be printed from the browser.
To view the HP LaserJet Toolbox
1. Open the HP LaserJet Toolbox in one of these ways:
●On the Windows desktop, double-click the HP LaserJet Toolbox icon.
●On the Windows Start menu, point to Programs, and then click the HP LaserJet
Toolbox.
●For Macintosh OS X, on the hard drive, click Applications, and then click the
Utilities folder. Double-click the HP LaserJet Toolbox icon.
Note Once you open the URL, you can bookmark it so that you can return to it quickly in the future.
2. The HP LaserJet Toolbox opens in a Web browser. The HP LaserJet Toolbox software
contains the following sections:
●Status tab. View printer status information and supplies status information, and print a
configuration page.
●Troubleshooting tab. Contains a control-panel lights simulator, troubleshooting tools,
such as the cleaning page and calibration, and maintenance and jam information.
●Alerts tab. Set up the printer to automatically notify you of printer alerts.
●Documentation tab. Contains the HP Color LaserJet 2550 Series Printer User Guide
and Late-Breaking Readme files.
●Device Settings window. Contains information about printer and supplies status,
printer configuration, and network.
●HP LaserJet Toolbox links. View other HP LaserJet Toolbox-enabled devices.
●Other links. Connects to the Internet, if Internet access is available, for product
registration and support.
236 Chapter 6 Troubleshooting ENWW
7
Parts and diagrams
Chapter contents
Chapter contents ...................................................................................................................237
Ordering parts and supplies ..................................................................................................238
Parts ...............................................................................................................................238
Related documentation and software .............................................................................238
Supplies ..........................................................................................................................238
Accessories ...........................................................................................................................239
Assembly locations (1 of 2).............................................................................................241
Assembly locations (2 of 2).............................................................................................242
Covers....................................................................................................................................244
Internal assemblies................................................................................................................246
PCA assemblies.....................................................................................................................268
ENWW Chapter contents 237

Ordering parts and supplies
Parts
Order replacement parts from the following Web sites:
h30074.www3.hp.com/csn-aux/srvcdlvry/epdo/default/ePDOLogin.asp (technicians)
h20141.www2.hp.com/hpparts (customers)
Related documentation and software
Order documentation and software from the companies listed in the following table; some
documentation and software is available at the following Web sites.
Table 7-1. Technical support Web sites
HP Customer Care Online
Software drivers, support documentation, and answers to
frequently asked questions
www.hp.com/support
HP Technical Training
(North America)
Classes and schedules
education.itrc.hp.com/TrainerII/en-US/index.jsp
Supplies
Printer supplies are listed in Table 3-1. Life expectancies of supplies. Consumables are
available directly from HP at the following numbers.
●US: 800-538-8787
●Canada: 800-387-3154 (in Toronto: 416-671-8383)
●United Kingdom: 0734-441212
●Germany: 0130-3322
Contact your local HP Parts Coordinator for other local phone numbers.
238 Chapter 7 Parts and diagrams ENWW

Accessories
Table 7-2. Accessories
Product name Description Product number Part number Exchange
number
Print cartridges
Print cartridge Black print
cartridge
Q3960A Q3960-67901
Q3960-67902
(EMEA)
n/a
Print cartridge Yellow print
cartridge, 2k
Q3972A Q3972-67901
Q3972-67902
(EMEA)
n/a
Print cartridge Yellow print
cartridge, 4k
Q3962A Q3962-67901
Q3962-67902
(EMEA)
n/a
Print cartridge Magenta print
cartridge, 2k
Q3973A Q3973-67901
Q3973-67902
(EMEA)
n/a
Print cartridge Magenta print
cartridge, 4k
Q3963A Q3963-67901
Q3963-67902
(EMEA)
n/a
Print cartridge Cyan print
cartridge, 2k
Q3971A Q3971-67901
Q3971-67902
(EMEA)
n/a
Print cartridge Cyan print
cartridge, 4k
Q3961A Q3961-67901
Q3961-67902
(EMEA)
n/a
Imaging drums
Imaging drum Imaging drum Q3964A Q3964-67901 n/a
Trays and tray accessories
Optional 250-
sheet tray
1 optional 250-
sheet tray
Q3709A Q3709-67901 n/a
Optional 500-
sheet tray
1 optional 500-
sheet tray
Q3710A Q3710-67901 n/a
Tray 1 kit 1 pickup roller
and 1 separation
pad
C9706-67901 C9706-67901 n/a
Tray 1 kit with
extra separation
pads
1 pickup roller
and 3 separation
pads
C9706-67902 C9706-67902 n/a
ENWW Accessories 239

Product name Description Product number Part number Exchange
number
Memory
SDRAM DIMM 128 MB SDRAM
DIMM
C9121A C9121A n/a
SDRAM DIMM 64 MB SDRAM
DIMM
Q1887A Q1887A n/a
SDRAM DIMM 32 MB SDRAM
DIMM
C7845A C7845A n/a
Cables
Parallel cable IEEE-1284 cable
(a-b), 2-meter
C2950A C2950A n/a
Parallel cable IEEE-1284 cable
(a-b), 3-meter
C2951A C2951A n/a
USB cable USB cable (a-b),
2-meter
C6518A C6518A n/a
External print servers
External print
server
HP Jetdirect 170x
Ethernet, parallel
connection
J3258B J3258B n/a
External print
server
HP Jetdirect 175x
Ethernet/Fast
Ethernet, USB
connection
J6035C J6035C n/a
External print
server
HP Jetdirect 300x
Ethernet/Fast
Ethernet, parallel
connection
J3263A J3263A n/a
External print
server
HP Jetdirect 500x
Ethernet/Fast
Ethernet, parallel
connection
J3265A J3265A n/a
External print
server
HP Jetdirect
en3700 Fast
Ethernet, Hi-
Speed USB 2.0
connection
J7942A J7942A n/a
External print
server
HP Jetdirect 380
x 802.11b
wireless, USB
connection
J6061A J6061A n/a
Table 7-2. Accessories (continued)
240 Chapter 7 Parts and diagrams ENWW

Assembly locations (2 of 2)
8
4
5
6
7
Ref. Description Part number
4Fuser, 110-127 V RG5-7572-000CN
4Fuser, 220-240 V RG4-7573-000CN
5Power-supply base assembly See Table 7-11. Power-supply
base assembly
6Rotary assembly RG5-7587-000CN
7Main drive assembly RG5-7579-000CN
8Rotary drive assembly RG5-7592-000CN
242 Chapter 7 Parts and diagrams ENWW
ENWW Accessories 243

Covers
6
5
3
7
8
12
9
4
5A
3B
7A
7C
7B
3A
8
Figure 7-1. Covers
244 Chapter 7 Parts and diagrams ENWW

Table 7-3. Covers
Ref Description Part number Qty
1Cover, rear RB9-0880-000CN 1
2Cover, interface RB3-1112-000CN 1
3Cover, top (assembly) RG5-7567-000CN 1
3A Cover, rack RB3-0089-000CN 1
3B Top door RF5-4069-000CN 1
4Cover, top output bin RB9-0881-000CN 1
5Cover, right side (assembly) RG5-7569-000CN 1
5A DIMM door RB9-0884-000CN 1
6Control panel assembly RG5-7570-000CN 1
7Cover, left side (assembly) RG5-7571-000CN 1
7A Spring, on/off switch RS6-2759-000CN 1
7B Rod, on/off switch RB3-0037-000CN 1
7C Cover, left RB9-0886-000CN 1
8Screw, RS, M3x8 XA9-1291-000CN 3
9Fuser, 110-127 V RG5-7572-000CN 1
9Fuser, 220-240 V RG5-7573-000CN 1
ENWW Covers 245

Internal assemblies
A
A
(SL92)
(J112)
(J128)
(PS718)
(J718)
(J108)
21
3238
501
8
25
28
24
10
1
23
27
1818
9
335
37
2
14
15
13
29
11
2
41
40
4
7
24
24
34
39
30
22
31
33
24
24
16
5
24
26
20
19
24
6
12
17
4
36
28A
Figure 7-2. Front frame assembly
246 Chapter 7 Parts and diagrams ENWW

Table 7-4. Front frame assembly
Ref Description Part number Qty
1Spring, tray 1 flag RB2-9952-000CN 1
2Hinge, left, tray 1 RB9-0889-000CN 1
3Hinge, right, tray 1 RB9-0890-000CN 1
4Bushing, left RB2-3043-000CN 1
5Bushing, right RB2-3044-000CN 1
6 Damper RB2-6248-000CN 1
7Front cover RB3-1108-000CN 1
8Front lower cover RB9-0897-000CN 1
9Roller cover RB3-0104-000CN 1
10 Flag, tray 1 sensor RB3-0111-000CN 1
11 Cable, waste toner sensor RG5-7624-000CN 1
12 Cover, solenoid (SL92) RB3-0120-000CN 1
13 Spring, right RB3-0121-000CN 1
14 Spring, left RB3-0122-000CN 1
15 Flag, switch RB3-0135-000CN 1
16 Solenoid (SL92) RH7-5338-000CN 1
17 Separation pad assembly RF5-4012-000CN 1
18 Spring, tray 1 guide RS6-2030-000CN 2
19 Gear, 26T RS7-0418-000CN 1
20 Gear, 20T/40T RS7-0424-000CN 1
21 Gear, 26T/50T RS7-0426-000CN 1
22 Gear, 26T RS7-0429-000CN 1
23 Sensor (PS718) WG8-5382-000CN 1
24 Screw, M4x10 XA9-1262-000CN 11
25 Tray 1 assembly RG5-7585-000CN 1
26 Gear assembly RG5-6938-000CN 1
27 Tray 1 guide assembly RG5-7584-000CN 1
28 Tray 1 pickup assembly RG5-6952-000CN 1
28A Pickup roller, tray 1 RB3-0160-000CN 1
29 Clamp, cable WT2-5700-000CN 2
30 E-label reader PCA RG5-6956-000CN 1
31 Clip, cable WT2-5056-000CN 1
ENWW Internal assemblies 247

Ref Description Part number Qty
32 Gear, 30T RS7-0425-000CN 1
33 Bushing, gear assembly RS5-1635-000CN 1
34 Pad, light-blocking RF5-4047-000CN 1
35 Guide, left, paper feed RB2-9954-000CN 1
36 Label, image cartridge RS6-8662-000CN 1
37 Guide, right, paper feed RB2-9955-000CN 1
38 Bushing RS5-1638-000CN 1
39 Sensor, top-of-page RG5-6966-000CN 1
40 Sensor, waste toner RG5-7607-000CN 1
41 Sensor, density RH7-7146-000CN 1
501 E-ring XD2-1100-502CN 2
Table 7-4. Front frame assembly (continued)
248 Chapter 7 Parts and diagrams ENWW
ENWW Internal assemblies 249

(J71)
(J81)
(J109)
(J110)
(J701)
(J718)
(FM712)
(J213)
(CL1)
(J113)
(J704)
(J220)
(J139)
(J702)
(J31)
(J116)
(J126)
(J124)
(J121)
(TH3)
(J137)
1
21
2218
15
13
19
20
3
8
2
10
25
501
12
6
4
11
16
17
5
9
24
24
24
23
7
14
7
7
Figure 7-3. Internal components (1 of 2)
250 Chapter 7 Parts and diagrams ENWW

Table 7-5. Internal components (1 of 2)
Ref Description Part number Qty
1Toner-catch tray RB3-0019-000CN 1
2RFI shield RB2-9932-000CN 1
3Air duct RB9-0901-000CN 1
4Gear, 18T RB3-0091-000CN 1
5Gear, 15T RB3-0092-000CN 1
6Screw, M3x8 XA9-1355-000CN 1
7Screw, M4x10 XA9-1262-000CN 31
8Plate, swing shaft, grounding RB3-1113-000CN 1
9Fan (FM712) RH7-1537-000CN 1
10 Clutch (CL1) RH7-5366-000CN 1
11 Screw, M3x10 XA9-1328-000CN 4
12 Thermistor (TH3) RH7-7149-000CN 1
13 Cable, upper RG5-7622-000CN 1
14 Cable, front RG5-7145-000CN 1
15 Roller assembly, upper, top output bin RG5-6897-000CN 1
16 Cable, fuser motor RG5-7620-000CN 1
17 Motor, dc, 24 V RH7-1613-000CN 1
18 Gear, 32T/37T RS7-0435-000CN 1
19 Gear, 37T/43T RS7-0436-000CN 1
20 Gear, 51T RS7-0437-000CN 1
21 Spring, torsion RB2-9905-000CN 2
22 Roller, small, top output bin RF5-4068-000CN 1
23 Label, caution RS6-8668-000CN 1
24 Screw, RS, M3x6 XA9-0849-000CN 5
25 Main drive assembly RG5-7579-000CN 1
501 E-ring XD2-1100-322CN 1
ENWW Internal assemblies 251

(SW2)
(J705)
(J106)
(J1001)
(J101)
(J712)
(J125)
3
5
9
2
4
1
6
6
10
7
6
6
12
13
14
8
11
15
Figure 7-4. Internal components (2 of 2)
252 Chapter 7 Parts and diagrams ENWW

Table 7-6. Internal components (2 of 2)
Ref Description Part number Qty
1Cable, flat, flexible, laser/scanner RH2-5524-000CN 1
2Holder, interlock switch RB3-0023-000CN 1
3Top plate RG5-6907-000CN 1
4Cable guide RB2-9903-000CN 1
5 Laser/scanner RG5-6880-000CN 1
6Screw, M3x6 XA9-0849-000CN 18
7Cable, motor RG5-7114-000CN 1
8Guide, rotary release RB2-9852-000CN 1
9Switch, interlock RH7-6051-000CN 1
10 Cartridge guide assembly RG5-6935-000CN 1
11 Cable, sensor RG5-7117-000CN 1
12 Rotary drive assembly RG5-7592-000CN 1
13 Dc Controller RG5-7605-000CN 1
14 Main drive assembly RG5-7579-000CN 1
15 Rotary assembly RG5-7587-000CN 1
ENWW Internal assemblies 253

(CL2)
(J701)
(DCM701)
(J714)
(PS714)
(J114)
A
A
(J115)
(J714)
2
3
1
6
5
10
4
8
9
7
11
Figure 7-5. Main drive assembly
254 Chapter 7 Parts and diagrams ENWW

Table 7-7. Main drive assembly
Ref Description Part number Qty
Main drive assembly RG5-7579-000CN 1
1Right side plate front assembly RG5-7581-000CN 1
2Gear train motor RF5-4063-000CN 1
3Clutch, main gear train (CL2) RH7-5335-000CN 1
4 Rack RB3-0090-000CN 1
5Cable, transfer sensor (2nd) RG5-7115-000CN 1
6Right side plate rear assembly RG5-7580-000CN 1
7Gear, 32T/123T RS7-0574-000CN 1
8Gear, 186T RS7-0573-000CN 1
9Gear, 31T/90T RS7-0572-000CN 1
10 Gear, 23T/54T RS7-0571-000CN 1
11 Gear, 81T RS7-0570-000CN 1
ENWW Internal assemblies 255

(PM704)
(J704)
1
3
5
2
4
6
7
8
Figure 7-6. Rear frame assembly
256 Chapter 7 Parts and diagrams ENWW

Table 7-8. Rear frame assembly
Ref Description Part number Qty
1Fuser duct RB2-9904-000CN 1
2Roller, lower, top output bin RG5-7595-000CN 1
3Spring, left RB3-1065-000CN 2
4Screw, M4x10 XA9-1262-000CN 3
5Roller, lower, top output bin, small RB2-9909-000CN 2
6Cover, fuser motor RB2-9916-000CN 1
7Motor, dc, 24 V RH7-1533-000CN 1
8Screw, RS, M3x6 XA9-0849-000CN 2
ENWW Internal assemblies 257

A
A
(J107)
(PS71 1)
(J230)
(J118)
(PS720)
(J720)
(J512M)
(J511F)
(J720)
(J711)
(J138)
(J107)
B
B
25
55
26
28
9
45
2
2
3
36
36
3
3
1
8
13 10
7
4
4
18
40
44
42
43 41
25
42
25
16
11
19
14
25 21
6
37
17
33
35
38
39
34
25
15
24
12
25
25
32
31
27 29
23
520
25
22
22
25
30
54
3
46
47
48
53
49
51
52
25
50
Figure 7-7. Middle frame assembly
258 Chapter 7 Parts and diagrams ENWW

Table 7-9. Middle frame assembly
Ref Description Part number Qty
1Timing belt RB1-8668-030CN 1
2 Pulley RB3-0061-000CN 2
3Feed belt RB3-0063-000CN 8
4Rubber foot RB2-6297-000CN 2
5Grounding plate RB3-0286-000CN 1
6Static charge eliminator plate RB3-0009-000CN 1
7Feed plate RB3-0010-000CN 1
8Shaft, feed drive RB3-0011-000CN 1
9Roller, belt RB3-0012-000CN 1
10 Shaft, idler gear RB3-0060-000CN 1
11 Spring RB3-0045-000CN 1
12 Spring RB3-0016-000CN 1
13 Gear, idler, 23T RB3-0022-000CN 1
14 Spring RB3-0042-000CN 1
15 Spring RB3-0043-000CN 1
16 Spring RB3-0044-000CN 1
17 Spring RB3-0046-000CN 1
18 Spring RB3-0047-000CN 1
19 Spring RB3-0048-000CN 1
20 Bushing RS5-1637-000CN 1
21 Insulating sheet RB3-1110-000CN 1
22 Transfer slide plate RB3-0057-000CN 2
23 Connector, optional trays RH2-5519-000CN 1
24 Gear, 30T RS7-0428-000CN 1
25 Screw, M4x10 XA9-1262-000CN 13
26 Registration roller assembly RG5-6939-000CN 1
27 Cable, grounding RG5-7123-000CN 1
28 Registration shutter assembly RG5-6940-000CN 1
29 Cable, interface RG5-7122-000CN 1
30 Cover, gear RB3-0052-000CN 1
31 Grounding spring RB3-0065-000CN 1
32 Grounding spring RB3-0066-000CN 1
ENWW Internal assemblies 259

Ref Description Part number Qty
33 Flag, transfer sensor RB2-9925-000CN 1
34 Holder, transfer sensor RB2-9924-000CN 1
35 Roller, transfer sensor RB2-7195-000CN 1
36 Pulley RB3-0067-000CN 2
37 Cable RG5-7128-000CN 1
38 Sensor, transfer (PS720) WG8-5382-000CN 1
39 Spring RS6-2766-000CN 1
40 Mount, terminal RB2-9850-000CN 1
41 Mount, antenna contact RB2-9851-000CN 1
42 Screw, RS, M3x6 XA9-0890-000CN 2
43 Cable, high-voltage transformer RG5-7130-000CN 1
44 Clamp, cable WT2-5700-000CN 1
45 Spring RB2-9999-000CN 1
46 Roller, transfer RF5-4067-000CN 1
47 Bushing RB3-1094-000CN 1
48 Spring RB3-1091-000CN 1
49 Spring RB3-1092-000CN 1
50 Spring RB3-0015-000CN 1
51 Resistor RH5-3115-000CN 1
52 Guide, transfer inlet RB3-1088-000CN 1
53 Entrance guide RF5-4065-000CN 1
54 Clip, cable WT2-5737-000CN 1
55 Registration sensor RG5-6967-000CN 1
Table 7-9. Middle frame assembly (continued)
260 Chapter 7 Parts and diagrams ENWW
ENWW Internal assemblies 261

A
(PS712)
A
(J220)
(J512F)
(J511M)
(J127)
2
7
3
4
1
6
5
Figure 7-8. Rotary (carousel) assembly
262 Chapter 7 Parts and diagrams ENWW

Table 7-10. Rotary assembly
Ref Description Part number Qty
Rotary (carousel) assembly RG5-7587-000CN 1
1Contact assembly, E-label reader RG5-6957-000CN 1
2Rotary plate assembly, left RG5-6942-000CN 1
3Cable, rotary assembly RG5-7129-000CN 1
4Rotary pressure assembly RG5-7589-000CN 1
5Carousel lock, left (white) RB2-9809-000CN 1
6Carousel lock, right (black) RB9-0879-000CN 1
7Toner-sensor PCA RG5-6964-000CN 1
ENWW Internal assemblies 263

A
B
B
A
(J401)
(J1003)
(J119)
(J201)
(J201)
(J302)
(J136)
(J135)
(J501)
(J502)
(J403)
(J133)
(J505)
(J503)
(J134)
(J402)
1
8
6
6
9
4
14
10
6
615
16
6
11
12
7
13
6
17
2
5
5
3
Figure 7-9. Power-supply base assembly
264 Chapter 7 Parts and diagrams ENWW

Table 7-11. Power-supply base assembly
Ref Description Part number Qty
1Holder, fuser connector RB3-0006-000CN 1
2Insulating sheet RB3-0007-000CN 1
3Support, high-voltage PCA VT2-0012-005CN 6
4Cable, high-voltage transformer RG5-7146-000CN 1
5Clip, cable WT2-5737-000CN 2
6Screw, M3x8 XA9-1355-000CN 9
7Cable, sub-high-voltage transformer RG5-7126-000CN 1
8Cable, fuser connector, dc controller RG5-7109-000CN 1
9Cable, fuser, power RG5-6971-000CN 1
10 Cable, formatter, power RG5-7106-000CN 1
11 Cable, power (1) RG5-7621-000CN 1
12 Cable, power (2) RG5-7108-000CN 1
13 Holder, high-voltage RB3-0062-000CN 1
14 Screw, M3x8 XA9-1291-000CN 4
15 Low-voltage PCA, 110-127 V RH3-2254-000CN 1
15 Low-voltage PCA, 220-240 V RH3-2255-000CN 1
16 High-voltage transformer PCA RG5-7606-000CN 1
17 Sub-high-voltage transformer PCA RG5-7124-000CN 1
ENWW Internal assemblies 265

(DCM703) (J105)
(PM705)
(J705)
(SL93)
(J104)
1
3
2
Figure 7-10. Rotary-drive assembly
266 Chapter 7 Parts and diagrams ENWW

Table 7-12. Rotary-drive assembly
Ref Description Part number Qty
Rotary drive assembly RG5-7592-000CN 1
1Motor (DCM703) RG5-7593-000CN 1
2Motor (PM705) RH7-1535-000CN 1
3Solenoid (SL93) RH7-5340-000CN 1
ENWW Internal assemblies 267

PCA assemblies
4
9
2
1
8
7
5
6
3
Figure 7-11. PCA assemblies
268 Chapter 7 Parts and diagrams ENWW

Table 7-13. PCA assemblies
Ref Description Part number Qty
1Top-of-page sensor PCA RG5-6966-000CN 1
2Dc controller RG5-7605-000CN 1
3Low-voltage PCA, 110-127 V RH3-2254-000CN 1
3Low-voltage PCA, 220-240 V RH3-2255-000CN 1
4High-voltage transformer PCA RG5-7606-000CN 1
5Waste-toner sensor PCA RG5-7607-000CN 1
6Registration-sensor PCA RG5-6967-000CN 1
7Density-sensor PCA RH7-7146-000CN 1
8Toner-sensor PCA RG5-6964-000CN 1
9Sub-high-voltage transformer PCA RG5-7124-000CN 1
Formatter, HP color LaserJet 2550L printer Q3702-67901
Formatter (includes network card), HP color
LaserJet 2550Ln printer and HP color
LaserJet 2550n printer
Q3703-67901
ENWW PCA assemblies 269

Alphabetical parts list
Table 7-14. Alphabetical parts list
Description Part number Table and page
Air duct RB9-0901-000CN Table 7-5 on page 251
Bushing RS5-1638-000CN Table 7-4 on page 248
Bushing RS5-1637-000CN Table 7-9 on page 259
Bushing RB3-1094-000CN Table 7-9 on page 260
Bushing, gear assembly RS5-1635-000CN Table 7-4 on page 248
Bushing, left RB2-3043-000CN Table 7-4 on page 247
Bushing, right RB2-3044-000CN Table 7-4 on page 247
Cable RG5-7128-000CN Table 7-9 on page 260
Cable guide RB2-9903-000CN Table 7-6 on page 253
Cable, flat, flexible, laser/scanner RH2-5524-000CN Table 7-6 on page 253
Cable, formatter, power RG5-7106-000CN Table 7-11 on page
265
Cable, front RG5-7145-000CN Table 7-5 on page 251
Cable, fuser connector, dc controller RG5-7109-000CN Table 7-11 on page
265
Cable, fuser motor RG5-7620-000CN Table 7-5 on page 251
Cable, fuser, power RG5-6971-000CN Table 7-11 on page
265
Cable, grounding RG5-7123-000CN Table 7-9 on page 259
Cable, high-voltage transformer RG5-7130-000CN Table 7-9 on page 260
Cable, high-voltage transformer RG5-7146-000CN Table 7-11 on page
265
Cable, interface RG5-7122-000CN Table 7-9 on page 259
Cable, motor RG5-7114-000CN Table 7-6 on page 253
Cable, power (1) RG5-7621-000CN Table 7-11 on page
265
Cable, power (2) RG5-7108-000CN Table 7-11 on page
265
Cable, rotary assembly RG5-7129-000CN Table 7-10 on page
263
Cable, sensor RG5-7117-000CN Table 7-6 on page 253
Cable, sub-high-voltage transformer RG5-7126-000CN Table 7-11 on page
265
270 Chapter 7 Parts and diagrams ENWW

Description Part number Table and page
Cable, transfer sensor (2nd) RG5-7115-000CN Table 7-7 on page 255
Cable, upper RG5-7622-000CN Table 7-5 on page 251
Cable, waste toner sensor RG5-7624-000CN Table 7-4 on page 247
Carousel lock, left (white) RB2-9809-000CN Table 7-10 on page
263
Carousel lock, right (black) RB9-0879-000CN Table 7-10 on page
263
Cartridge guide assembly RG5-6935-000CN Table 7-6 on page 253
Clamp, cable WT2-5700-000CN Table 7-4 on page 247
Clamp, cable WT2-5700-000CN Table 7-9 on page 260
Clip, cable WT2-5056-000CN Table 7-4 on page 247
Clip, cable WT2-5737-000CN Table 7-9 on page 260
Clip, cable WT2-5737-000CN Table 7-11 on page
265
Clutch (CL1) RH7-5366-000CN Table 7-5 on page 251
Clutch, main gear train (CL2) RH7-5335-000CN Table 7-7 on page 255
Connector, optional trays RH2-5519-000CN Table 7-9 on page 259
Contact assembly, E-label reader RG5-6957-000CN Table 7-10 on page
263
Control panel assembly RG5-7570-000CN Table 7-3 on page 245
Cover, fuser motor RB2-9916-000CN Table 7-8 on page 257
Cover, gear RB3-0052-000CN Table 7-9 on page 259
Cover, interface RB3-1112-000CN Table 7-3 on page 245
Cover, left RB9-0886-000CN Table 7-3 on page 245
Cover, left side (assembly) RG5-7571-000CN Table 7-3 on page 245
Cover, rack RB3-0089-000CN Table 7-3 on page 245
Cover, rear RB9-0880-000CN Table 7-3 on page 245
Cover, right side (assembly) RG5-7569-000CN Table 7-3 on page 245
Cover, solenoid (SL92) RB3-0120-000CN Table 7-4 on page 247
Cover, top (assembly) RG5-7567-000CN Table 7-3 on page 245
Cover, top output bin RB9-0881-000CN Table 7-3 on page 245
Damper RB2-6248-000CN Table 7-4 on page 247
Dc Controller RG5-7605-000CN Table 7-6 on page 253
Dc controller RG5-7605-000CN Table 7-13 on page
269
Table 7-14. Alphabetical parts list (continued)
ENWW Alphabetical parts list 271

Description Part number Table and page
Density-sensor PCA RH7-7146-000CN Table 7-13 on page
269
DIMM door RB9-0884-000CN Table 7-3 on page 245
E-label reader PCA RG5-6956-000CN Table 7-4 on page 247
E-ring XD2-1100-502CN Table 7-4 on page 248
E-ring XD2-1100-322CN Table 7-5 on page 251
Entrance guide RF5-4065-000CN Table 7-9 on page 260
Fan (FM712) RH7-1537-000CN Table 7-5 on page 251
Feed belt RB3-0063-000CN Table 7-9 on page 259
Feed plate RB3-0010-000CN Table 7-9 on page 259
Flag, switch RB3-0135-000CN Table 7-4 on page 247
Flag, transfer sensor RB2-9925-000CN Table 7-9 on page 260
Flag, tray 1 sensor RB3-0111-000CN Table 7-4 on page 247
Formatter (includes network card), HP color
LaserJet 2550Ln printer and HP color LaserJet
2550n printer
Q3703-67901 Table 7-13 on page
269
Formatter, HP color LaserJet 2550L printer Q3702-67901 Table 7-13 on page
269
Front cover RB3-1108-000CN Table 7-4 on page 247
Front lower cover RB9-0897-000CN Table 7-4 on page 247
Fuser duct RB2-9904-000CN Table 7-8 on page 257
Fuser, 110-127 V RG5-7572-000CN Table 7-3 on page 245
Fuser, 220-240 V RG5-7573-000CN Table 7-3 on page 245
Gear assembly RG5-6938-000CN Table 7-4 on page 247
Gear train motor RF5-4063-000CN Table 7-7 on page 255
Gear, 15T RB3-0092-000CN Table 7-5 on page 251
Gear, 186T RS7-0573-000CN Table 7-7 on page 255
Gear, 18T RB3-0091-000CN Table 7-5 on page 251
Gear, 20T/40T RS7-0424-000CN Table 7-4 on page 247
Gear, 23T/54T RS7-0571-000CN Table 7-7 on page 255
Gear, 26T RS7-0418-000CN Table 7-4 on page 247
Gear, 26T RS7-0429-000CN Table 7-4 on page 247
Gear, 26T/50T RS7-0426-000CN Table 7-4 on page 247
Gear, 30T RS7-0425-000CN Table 7-4 on page 248
Table 7-14. Alphabetical parts list (continued)
272 Chapter 7 Parts and diagrams ENWW

Description Part number Table and page
Gear, 30T RS7-0428-000CN Table 7-9 on page 259
Gear, 31T/90T RS7-0572-000CN Table 7-7 on page 255
Gear, 32T/123T RS7-0574-000CN Table 7-7 on page 255
Gear, 32T/37T RS7-0435-000CN Table 7-5 on page 251
Gear, 37T/43T RS7-0436-000CN Table 7-5 on page 251
Gear, 51T RS7-0437-000CN Table 7-5 on page 251
Gear, 81T RS7-0570-000CN Table 7-7 on page 255
Gear, idler, 23T RB3-0022-000CN Table 7-9 on page 259
Grounding plate RB3-0286-000CN Table 7-9 on page 259
Grounding spring RB3-0065-000CN Table 7-9 on page 259
Grounding spring RB3-0066-000CN Table 7-9 on page 259
Guide, left, paper feed RB2-9954-000CN Table 7-4 on page 248
Guide, right, paper feed RB2-9955-000CN Table 7-4 on page 248
Guide, rotary release RB2-9852-000CN Table 7-6 on page 253
Guide, transfer inlet RB3-1088-000CN Table 7-9 on page 260
High-voltage transformer PCA RG5-7606-000CN Table 7-11 on page
265
High-voltage transformer PCA RG5-7606-000CN Table 7-13 on page
269
Hinge, left, tray 1 RB9-0889-000CN Table 7-4 on page 247
Hinge, right, tray 1 RB9-0890-000CN Table 7-4 on page 247
Holder, fuser connector RB3-0006-000CN Table 7-11 on page
265
Holder, high-voltage RB3-0062-000CN Table 7-11 on page
265
Holder, interlock switch RB3-0023-000CN Table 7-6 on page 253
Holder, transfer sensor RB2-9924-000CN Table 7-9 on page 260
Insulating sheet RB3-1110-000CN Table 7-9 on page 259
Insulating sheet RB3-0007-000CN Table 7-11 on page
265
Label, caution RS6-8668-000CN Table 7-5 on page 251
Label, image cartridge RS6-8662-000CN Table 7-4 on page 248
Laser/scanner RG5-6880-000CN Table 7-6 on page 253
Low-voltage PCA, 110-127 V RH3-2254-000CN Table 7-11 on page
265
Table 7-14. Alphabetical parts list (continued)
ENWW Alphabetical parts list 273

Description Part number Table and page
Low-voltage PCA, 110-127 V RH3-2254-000CN Table 7-13 on page
269
Low-voltage PCA, 220-240 V RH3-2255-000CN Table 7-11 on page
265
Low-voltage PCA, 220-240 V RH3-2255-000CN Table 7-13 on page
269
Main drive assembly RG5-7579-000CN Table 7-5 on page 251
Main drive assembly RG5-7579-000CN Table 7-6 on page 253
Main drive assembly RG5-7579-000CN Table 7-7 on page 255
Motor (DCM703) RG5-7593-000CN Table 7-12 on page
267
Motor (PM705) RH7-1535-000CN Table 7-12 on page
267
Motor, dc, 24 V RH7-1613-000CN Table 7-5 on page 251
Motor, dc, 24 V RH7-1533-000CN Table 7-8 on page 257
Mount, antenna contact RB2-9851-000CN Table 7-9 on page 260
Mount, terminal RB2-9850-000CN Table 7-9 on page 260
Pad, light-blocking RF5-4047-000CN Table 7-4 on page 248
Pickup roller, tray 1 RB3-0160-000CN Table 7-4 on page 247
Plate, swing shaft, grounding RB3-1113-000CN Table 7-5 on page 251
Pulley RB3-0061-000CN Table 7-9 on page 259
Pulley RB3-0067-000CN Table 7-9 on page 260
Rack RB3-0090-000CN Table 7-7 on page 255
Registration roller assembly RG5-6939-000CN Table 7-9 on page 259
Registration sensor RG5-6967-000CN Table 7-9 on page 260
Registration shutter assembly RG5-6940-000CN Table 7-9 on page 259
Registration-sensor PCA RG5-6967-000CN Table 7-13 on page
269
Resistor RH5-3115-000CN Table 7-9 on page 260
RFI shield RB2-9932-000CN Table 7-5 on page 251
Right side plate front assembly RG5-7581-000CN Table 7-7 on page 255
Right side plate rear assembly RG5-7580-000CN Table 7-7 on page 255
Rod, on/off switch RB3-0037-000CN Table 7-3 on page 245
Roller assembly, upper, top output bin RG5-6897-000CN Table 7-5 on page 251
Roller cover RB3-0104-000CN Table 7-4 on page 247
Table 7-14. Alphabetical parts list (continued)
274 Chapter 7 Parts and diagrams ENWW

Description Part number Table and page
Roller, belt RB3-0012-000CN Table 7-9 on page 259
Roller, lower, top output bin RG5-7595-000CN Table 7-8 on page 257
Roller, lower, top output bin, small RB2-9909-000CN Table 7-8 on page 257
Roller, small, top output bin RF5-4068-000CN Table 7-5 on page 251
Roller, transfer RF5-4067-000CN Table 7-9 on page 260
Roller, transfer sensor RB2-7195-000CN Table 7-9 on page 260
Rotary (carousel) assembly RG5-7587-000CN Table 7-10 on page
263
Rotary assembly RG5-7587-000CN Table 7-6 on page 253
Rotary drive assembly RG5-7592-000CN Table 7-6 on page 253
Rotary drive assembly RG5-7592-000CN Table 7-12 on page
267
Rotary plate assembly, left RG5-6942-000CN Table 7-10 on page
263
Rotary pressure assembly RG5-7589-000CN Table 7-10 on page
263
Rubber foot RB2-6297-000CN Table 7-9 on page 259
Screw, M3x10 XA9-1328-000CN Table 7-5 on page 251
Screw, M3x6 XA9-0849-000CN Table 7-6 on page 253
Screw, M3x8 XA9-1355-000CN Table 7-5 on page 251
Screw, M3x8 XA9-1355-000CN Table 7-11 on page
265
Screw, M3x8 XA9-1291-000CN Table 7-11 on page
265
Screw, M4x10 XA9-1262-000CN Table 7-4 on page 247
Screw, M4x10 XA9-1262-000CN Table 7-5 on page 251
Screw, M4x10 XA9-1262-000CN Table 7-8 on page 257
Screw, M4x10 XA9-1262-000CN Table 7-9 on page 259
Screw, RS, M3x6 XA9-0849-000CN Table 7-5 on page 251
Screw, RS, M3x6 XA9-0849-000CN Table 7-8 on page 257
Screw, RS, M3x6 XA9-0890-000CN Table 7-9 on page 260
Screw, RS, M3x8 XA9-1291-000CN Table 7-3 on page 245
Sensor (PS718) WG8-5382-000CN Table 7-4 on page 247
Sensor, density RH7-7146-000CN Table 7-4 on page 248
Sensor, top-of-page RG5-6966-000CN Table 7-4 on page 248
Table 7-14. Alphabetical parts list (continued)
ENWW Alphabetical parts list 275

Description Part number Table and page
Sensor, transfer (PS720) WG8-5382-000CN Table 7-9 on page 260
Sensor, waste toner RG5-7607-000CN Table 7-4 on page 248
Separation pad assembly RF5-4012-000CN Table 7-4 on page 247
Shaft, feed drive RB3-0011-000CN Table 7-9 on page 259
Shaft, idler gear RB3-0060-000CN Table 7-9 on page 259
Solenoid (SL92) RH7-5338-000CN Table 7-4 on page 247
Solenoid (SL93) RH7-5340-000CN Table 7-12 on page
267
Spring RB3-0045-000CN Table 7-9 on page 259
Spring RB3-0016-000CN Table 7-9 on page 259
Spring RB3-0042-000CN Table 7-9 on page 259
Spring RB3-0043-000CN Table 7-9 on page 259
Spring RB3-0044-000CN Table 7-9 on page 259
Spring RB3-0046-000CN Table 7-9 on page 259
Spring RB3-0047-000CN Table 7-9 on page 259
Spring RB3-0048-000CN Table 7-9 on page 259
Spring RS6-2766-000CN Table 7-9 on page 260
Spring RB2-9999-000CN Table 7-9 on page 260
Spring RB3-1091-000CN Table 7-9 on page 260
Spring RB3-1092-000CN Table 7-9 on page 260
Spring RB3-0015-000CN Table 7-9 on page 260
Spring, left RB3-0122-000CN Table 7-4 on page 247
Spring, left RB3-1065-000CN Table 7-8 on page 257
Spring, on/off switch RS6-2759-000CN Table 7-3 on page 245
Spring, right RB3-0121-000CN Table 7-4 on page 247
Spring, torsion RB2-9905-000CN Table 7-5 on page 251
Spring, tray 1 flag RB2-9952-000CN Table 7-4 on page 247
Spring, tray 1 guide RS6-2030-000CN Table 7-4 on page 247
Static charge eliminator plate RB3-0009-000CN Table 7-9 on page 259
Sub-high-voltage transformer PCA RG5-7124-000CN Table 7-11 on page
265
Sub-high-voltage transformer PCA RG5-7124-000CN Table 7-13 on page
269
Table 7-14. Alphabetical parts list (continued)
276 Chapter 7 Parts and diagrams ENWW

Description Part number Table and page
Support, high-voltage PCA VT2-0012-005CN Table 7-11 on page
265
Switch, interlock RH7-6051-000CN Table 7-6 on page 253
Thermistor (TH3) RH7-7149-000CN Table 7-5 on page 251
Timing belt RB1-8668-030CN Table 7-9 on page 259
Toner-catch tray RB3-0019-000CN Table 7-5 on page 251
Toner-sensor PCA RG5-6964-000CN Table 7-10 on page
263
Toner-sensor PCA RG5-6964-000CN Table 7-13 on page
269
Top door RF5-4069-000CN Table 7-3 on page 245
Top plate RG5-6907-000CN Table 7-6 on page 253
Top-of-page sensor PCA RG5-6966-000CN Table 7-13 on page
269
Transfer slide plate RB3-0057-000CN Table 7-9 on page 259
Tray 1 assembly RG5-7585-000CN Table 7-4 on page 247
Tray 1 guide assembly RG5-7584-000CN Table 7-4 on page 247
Tray 1 pickup assembly RG5-6952-000CN Table 7-4 on page 247
Waste-toner sensor PCA RG5-7607-000CN Table 7-13 on page
269
Table 7-14. Alphabetical parts list (continued)
ENWW Alphabetical parts list 277

Numerical parts list
Table 7-15. Numerical parts list
Part number Description Table and page
Q3702-67901 Formatter, HP color LaserJet 2550L printer Table 7-13 on page 269
Q3703-67901 Formatter (includes network card), HP color
LaserJet 2550Ln printer and HP color LaserJet
2550n printer
Table 7-13 on page 269
RB1-8668-030CN Timing belt Table 7-9 on page 259
RB2-3043-000CN Bushing, left Table 7-4 on page 247
RB2-3044-000CN Bushing, right Table 7-4 on page 247
RB2-6248-000CN Damper Table 7-4 on page 247
RB2-6297-000CN Rubber foot Table 7-9 on page 259
RB2-7195-000CN Roller, transfer sensor Table 7-9 on page 260
RB2-9809-000CN Carousel lock, left (white) Table 7-10 on page 263
RB2-9850-000CN Mount, terminal Table 7-9 on page 260
RB2-9851-000CN Mount, antenna contact Table 7-9 on page 260
RB2-9852-000CN Guide, rotary release Table 7-6 on page 253
RB2-9903-000CN Cable guide Table 7-6 on page 253
RB2-9904-000CN Fuser duct Table 7-8 on page 257
RB2-9905-000CN Spring, torsion Table 7-5 on page 251
RB2-9909-000CN Roller, lower, top output bin, small Table 7-8 on page 257
RB2-9916-000CN Cover, fuser motor Table 7-8 on page 257
RB2-9924-000CN Holder, transfer sensor Table 7-9 on page 260
RB2-9925-000CN Flag, transfer sensor Table 7-9 on page 260
RB2-9932-000CN RFI shield Table 7-5 on page 251
RB2-9952-000CN Spring, tray 1 flag Table 7-4 on page 247
RB2-9954-000CN Guide, left, paper feed Table 7-4 on page 248
RB2-9955-000CN Guide, right, paper feed Table 7-4 on page 248
RB2-9999-000CN Spring Table 7-9 on page 260
RB3-0006-000CN Holder, fuser connector Table 7-11 on page 265
RB3-0007-000CN Insulating sheet Table 7-11 on page 265
RB3-0009-000CN Static charge eliminator plate Table 7-9 on page 259
RB3-0010-000CN Feed plate Table 7-9 on page 259
RB3-0011-000CN Shaft, feed drive Table 7-9 on page 259
278 Chapter 7 Parts and diagrams ENWW

Part number Description Table and page
RB3-0012-000CN Roller, belt Table 7-9 on page 259
RB3-0015-000CN Spring Table 7-9 on page 260
RB3-0016-000CN Spring Table 7-9 on page 259
RB3-0019-000CN Toner-catch tray Table 7-5 on page 251
RB3-0022-000CN Gear, idler, 23T Table 7-9 on page 259
RB3-0023-000CN Holder, interlock switch Table 7-6 on page 253
RB3-0037-000CN Rod, on/off switch Table 7-3 on page 245
RB3-0042-000CN Spring Table 7-9 on page 259
RB3-0043-000CN Spring Table 7-9 on page 259
RB3-0044-000CN Spring Table 7-9 on page 259
RB3-0045-000CN Spring Table 7-9 on page 259
RB3-0046-000CN Spring Table 7-9 on page 259
RB3-0047-000CN Spring Table 7-9 on page 259
RB3-0048-000CN Spring Table 7-9 on page 259
RB3-0052-000CN Cover, gear Table 7-9 on page 259
RB3-0057-000CN Transfer slide plate Table 7-9 on page 259
RB3-0060-000CN Shaft, idler gear Table 7-9 on page 259
RB3-0061-000CN Pulley Table 7-9 on page 259
RB3-0062-000CN Holder, high-voltage Table 7-11 on page 265
RB3-0063-000CN Feed belt Table 7-9 on page 259
RB3-0065-000CN Grounding spring Table 7-9 on page 259
RB3-0066-000CN Grounding spring Table 7-9 on page 259
RB3-0067-000CN Pulley Table 7-9 on page 260
RB3-0089-000CN Cover, rack Table 7-3 on page 245
RB3-0090-000CN Rack Table 7-7 on page 255
RB3-0091-000CN Gear, 18T Table 7-5 on page 251
RB3-0092-000CN Gear, 15T Table 7-5 on page 251
RB3-0104-000CN Roller cover Table 7-4 on page 247
RB3-0111-000CN Flag, tray 1 sensor Table 7-4 on page 247
RB3-0120-000CN Cover, solenoid (SL92) Table 7-4 on page 247
RB3-0121-000CN Spring, right Table 7-4 on page 247
RB3-0122-000CN Spring, left Table 7-4 on page 247
RB3-0135-000CN Flag, switch Table 7-4 on page 247
Table 7-15. Numerical parts list (continued)
ENWW Numerical parts list 279

Part number Description Table and page
RB3-0160-000CN Pickup roller, tray 1 Table 7-4 on page 247
RB3-0286-000CN Grounding plate Table 7-9 on page 259
RB3-1065-000CN Spring, left Table 7-8 on page 257
RB3-1088-000CN Guide, transfer inlet Table 7-9 on page 260
RB3-1091-000CN Spring Table 7-9 on page 260
RB3-1092-000CN Spring Table 7-9 on page 260
RB3-1094-000CN Bushing Table 7-9 on page 260
RB3-1108-000CN Front cover Table 7-4 on page 247
RB3-1110-000CN Insulating sheet Table 7-9 on page 259
RB3-1112-000CN Cover, interface Table 7-3 on page 245
RB3-1113-000CN Plate, swing shaft, grounding Table 7-5 on page 251
RB9-0879-000CN Carousel lock, right (black) Table 7-10 on page 263
RB9-0880-000CN Cover, rear Table 7-3 on page 245
RB9-0881-000CN Cover, top output bin Table 7-3 on page 245
RB9-0884-000CN DIMM door Table 7-3 on page 245
RB9-0886-000CN Cover, left Table 7-3 on page 245
RB9-0889-000CN Hinge, left, tray 1 Table 7-4 on page 247
RB9-0890-000CN Hinge, right, tray 1 Table 7-4 on page 247
RB9-0897-000CN Front lower cover Table 7-4 on page 247
RB9-0901-000CN Air duct Table 7-5 on page 251
RF5-4012-000CN Separation pad assembly Table 7-4 on page 247
RF5-4047-000CN Pad, light-blocking Table 7-4 on page 248
RF5-4063-000CN Gear train motor Table 7-7 on page 255
RF5-4065-000CN Entrance guide Table 7-9 on page 260
RF5-4067-000CN Roller, transfer Table 7-9 on page 260
RF5-4068-000CN Roller, small, top output bin Table 7-5 on page 251
RF5-4069-000CN Top door Table 7-3 on page 245
RG5-6880-000CN Laser/scanner Table 7-6 on page 253
RG5-6897-000CN Roller assembly, upper, top output bin Table 7-5 on page 251
RG5-6907-000CN Top plate Table 7-6 on page 253
RG5-6935-000CN Cartridge guide assembly Table 7-6 on page 253
RG5-6938-000CN Gear assembly Table 7-4 on page 247
RG5-6939-000CN Registration roller assembly Table 7-9 on page 259
Table 7-15. Numerical parts list (continued)
280 Chapter 7 Parts and diagrams ENWW

Part number Description Table and page
RG5-6940-000CN Registration shutter assembly Table 7-9 on page 259
RG5-6942-000CN Rotary plate assembly, left Table 7-10 on page 263
RG5-6952-000CN Tray 1 pickup assembly Table 7-4 on page 247
RG5-6956-000CN E-label reader PCA Table 7-4 on page 247
RG5-6957-000CN Contact assembly, E-label reader Table 7-10 on page 263
RG5-6964-000CN Toner-sensor PCA Table 7-10 on page 263
RG5-6964-000CN Toner-sensor PCA Table 7-13 on page 269
RG5-6966-000CN Sensor, top-of-page Table 7-4 on page 248
RG5-6966-000CN Top-of-page sensor PCA Table 7-13 on page 269
RG5-6967-000CN Registration sensor Table 7-9 on page 260
RG5-6967-000CN Registration-sensor PCA Table 7-13 on page 269
RG5-6971-000CN Cable, fuser, power Table 7-11 on page 265
RG5-7106-000CN Cable, formatter, power Table 7-11 on page 265
RG5-7108-000CN Cable, power (2) Table 7-11 on page 265
RG5-7109-000CN Cable, fuser connector, dc controller Table 7-11 on page 265
RG5-7114-000CN Cable, motor Table 7-6 on page 253
RG5-7115-000CN Cable, transfer sensor (2nd) Table 7-7 on page 255
RG5-7117-000CN Cable, sensor Table 7-6 on page 253
RG5-7122-000CN Cable, interface Table 7-9 on page 259
RG5-7123-000CN Cable, grounding Table 7-9 on page 259
RG5-7124-000CN Sub-high-voltage transformer PCA Table 7-11 on page 265
RG5-7124-000CN Sub-high-voltage transformer PCA Table 7-13 on page 269
RG5-7126-000CN Cable, sub-high-voltage transformer Table 7-11 on page 265
RG5-7128-000CN Cable Table 7-9 on page 260
RG5-7129-000CN Cable, rotary assembly Table 7-10 on page 263
RG5-7130-000CN Cable, high-voltage transformer Table 7-9 on page 260
RG5-7145-000CN Cable, front Table 7-5 on page 251
RG5-7146-000CN Cable, high-voltage transformer Table 7-11 on page 265
RG5-7567-000CN Cover, top (assembly) Table 7-3 on page 245
RG5-7569-000CN Cover, right side (assembly) Table 7-3 on page 245
RG5-7570-000CN Control panel assembly Table 7-3 on page 245
RG5-7571-000CN Cover, left side (assembly) Table 7-3 on page 245
RG5-7572-000CN Fuser, 110-127 V Table 7-3 on page 245
Table 7-15. Numerical parts list (continued)
ENWW Numerical parts list 281

Part number Description Table and page
RG5-7573-000CN Fuser, 220-240 V Table 7-3 on page 245
RG5-7579-000CN Main drive assembly Table 7-5 on page 251
RG5-7579-000CN Main drive assembly Table 7-6 on page 253
RG5-7579-000CN Main drive assembly Table 7-7 on page 255
RG5-7580-000CN Right side plate rear assembly Table 7-7 on page 255
RG5-7581-000CN Right side plate front assembly Table 7-7 on page 255
RG5-7584-000CN Tray 1 guide assembly Table 7-4 on page 247
RG5-7585-000CN Tray 1 assembly Table 7-4 on page 247
RG5-7587-000CN Rotary assembly Table 7-6 on page 253
RG5-7587-000CN Rotary (carousel) assembly Table 7-10 on page 263
RG5-7589-000CN Rotary pressure assembly Table 7-10 on page 263
RG5-7592-000CN Rotary drive assembly Table 7-6 on page 253
RG5-7592-000CN Rotary drive assembly Table 7-12 on page 267
RG5-7593-000CN Motor (DCM703) Table 7-12 on page 267
RG5-7595-000CN Roller, lower, top output bin Table 7-8 on page 257
RG5-7605-000CN Dc Controller Table 7-6 on page 253
RG5-7605-000CN Dc controller Table 7-13 on page 269
RG5-7606-000CN High-voltage transformer PCA Table 7-11 on page 265
RG5-7606-000CN High-voltage transformer PCA Table 7-13 on page 269
RG5-7607-000CN Sensor, waste toner Table 7-4 on page 248
RG5-7607-000CN Waste-toner sensor PCA Table 7-13 on page 269
RG5-7620-000CN Cable, fuser motor Table 7-5 on page 251
RG5-7621-000CN Cable, power (1) Table 7-11 on page 265
RG5-7622-000CN Cable, upper Table 7-5 on page 251
RG5-7624-000CN Cable, waste toner sensor Table 7-4 on page 247
RH2-5519-000CN Connector, optional trays Table 7-9 on page 259
RH2-5524-000CN Cable, flat, flexible, laser/scanner Table 7-6 on page 253
RH3-2254-000CN Low-voltage PCA, 110-127 V Table 7-11 on page 265
RH3-2254-000CN Low-voltage PCA, 110-127 V Table 7-13 on page 269
RH3-2255-000CN Low-voltage PCA, 220-240 V Table 7-11 on page 265
RH3-2255-000CN Low-voltage PCA, 220-240 V Table 7-13 on page 269
RH5-3115-000CN Resistor Table 7-9 on page 260
RH7-1533-000CN Motor, dc, 24 V Table 7-8 on page 257
Table 7-15. Numerical parts list (continued)
282 Chapter 7 Parts and diagrams ENWW

Part number Description Table and page
RH7-1535-000CN Motor (PM705) Table 7-12 on page 267
RH7-1537-000CN Fan (FM712) Table 7-5 on page 251
RH7-1613-000CN Motor, dc, 24 V Table 7-5 on page 251
RH7-5335-000CN Clutch, main gear train (CL2) Table 7-7 on page 255
RH7-5338-000CN Solenoid (SL92) Table 7-4 on page 247
RH7-5340-000CN Solenoid (SL93) Table 7-12 on page 267
RH7-5366-000CN Clutch (CL1) Table 7-5 on page 251
RH7-6051-000CN Switch, interlock Table 7-6 on page 253
RH7-7146-000CN Sensor, density Table 7-4 on page 248
RH7-7146-000CN Density-sensor PCA Table 7-13 on page 269
RH7-7149-000CN Thermistor (TH3) Table 7-5 on page 251
RS5-1635-000CN Bushing, gear assembly Table 7-4 on page 248
RS5-1637-000CN Bushing Table 7-9 on page 259
RS5-1638-000CN Bushing Table 7-4 on page 248
RS6-2030-000CN Spring, tray 1 guide Table 7-4 on page 247
RS6-2759-000CN Spring, on/off switch Table 7-3 on page 245
RS6-2766-000CN Spring Table 7-9 on page 260
RS6-8662-000CN Label, image cartridge Table 7-4 on page 248
RS6-8668-000CN Label, caution Table 7-5 on page 251
RS7-0418-000CN Gear, 26T Table 7-4 on page 247
RS7-0424-000CN Gear, 20T/40T Table 7-4 on page 247
RS7-0425-000CN Gear, 30T Table 7-4 on page 248
RS7-0426-000CN Gear, 26T/50T Table 7-4 on page 247
RS7-0428-000CN Gear, 30T Table 7-9 on page 259
RS7-0429-000CN Gear, 26T Table 7-4 on page 247
RS7-0435-000CN Gear, 32T/37T Table 7-5 on page 251
RS7-0436-000CN Gear, 37T/43T Table 7-5 on page 251
RS7-0437-000CN Gear, 51T Table 7-5 on page 251
RS7-0570-000CN Gear, 81T Table 7-7 on page 255
RS7-0571-000CN Gear, 23T/54T Table 7-7 on page 255
RS7-0572-000CN Gear, 31T/90T Table 7-7 on page 255
RS7-0573-000CN Gear, 186T Table 7-7 on page 255
RS7-0574-000CN Gear, 32T/123T Table 7-7 on page 255
Table 7-15. Numerical parts list (continued)
ENWW Numerical parts list 283

Part number Description Table and page
VT2-0012-005CN Support, high-voltage PCA Table 7-11 on page 265
WG8-5382-000CN Sensor (PS718) Table 7-4 on page 247
WG8-5382-000CN Sensor, transfer (PS720) Table 7-9 on page 260
WT2-5056-000CN Clip, cable Table 7-4 on page 247
WT2-5700-000CN Clamp, cable Table 7-4 on page 247
WT2-5700-000CN Clamp, cable Table 7-9 on page 260
WT2-5737-000CN Clip, cable Table 7-9 on page 260
WT2-5737-000CN Clip, cable Table 7-11 on page 265
XA9-0849-000CN Screw, RS, M3x6 Table 7-5 on page 251
XA9-0849-000CN Screw, M3x6 Table 7-6 on page 253
XA9-0849-000CN Screw, RS, M3x6 Table 7-8 on page 257
XA9-0890-000CN Screw, RS, M3x6 Table 7-9 on page 260
XA9-1262-000CN Screw, M4x10 Table 7-4 on page 247
XA9-1262-000CN Screw, M4x10 Table 7-5 on page 251
XA9-1262-000CN Screw, M4x10 Table 7-8 on page 257
XA9-1262-000CN Screw, M4x10 Table 7-9 on page 259
XA9-1291-000CN Screw, RS, M3x8 Table 7-3 on page 245
XA9-1291-000CN Screw, M3x8 Table 7-11 on page 265
XA9-1328-000CN Screw, M3x10 Table 7-5 on page 251
XA9-1355-000CN Screw, M3x8 Table 7-5 on page 251
XA9-1355-000CN Screw, M3x8 Table 7-11 on page 265
XD2-1100-322CN E-ring Table 7-5 on page 251
XD2-1100-502CN E-ring Table 7-4 on page 248
Table 7-15. Numerical parts list (continued)
284 Chapter 7 Parts and diagrams ENWW
Index
A
accessories
configuration page, printing 226
part numbers 239
adhesive labels
loading 39
output paths 38
specifications 17, 21
air duct, replacing 127
Alerts tab, HP LaserJet Toolbox 46
Apple LaserWriter 8 driver 12
applications, settings 10
Attention light
locating 35
printer status messages 183
supplies status messages 180, 181
B
back cover, replacing 122
background quality, troubleshooting 194
bins, output
features 5
locating 7
Black print-cartridge light
blinking 178, 180
locating 34
on 177
blank pages, troubleshooting 210
brake solenoid 139
browser requirements 44
buttons, control panel 34
C
cables
connecting 33
Macintosh 215
part numbers 239
troubleshooting 170
calibrating printer 63
Cancel Job button 35
cardstock 17
carousel
motor, replacing 120
replacing 145
rotating 216
cartridges
carousel, replacing 145
carousel, rotating 216
high-voltage connection points, checking 219
life expectancy 51
non-HP supplies policy 66
operations 93
part numbers 239
recycling 25, 65
refilled 25
replacing 103
status lights 34, 177
status page, printing 226
status, checking 64
storage specifications 16
storing 65
toner, washing off clothing 171
warranty 24
characters, troubleshooting 193, 196
checks
continuous self-test 218
engine 218
high-voltage power supply 219
paper path 219
Chooser, troubleshooting 213
classes 238
cleaning operations, image formation 90, 92
cleaning page 61
clutches 76, 80
cold reset 221
color, troubleshooting 200
commands, PJL 223
configuration page
printing 225
troubleshooting 169
configurations, printer 2
connecting cables 33
connectors, locating 230
consumables. See supplies
continuous self-test 218
control panel
lights and buttons, description 34
printer status lights 182
replacing 107
supplies status lights 177
supply status, checking 65
troubleshooting 169
ENWW Index 285
country/region of origin 7
Courier font, troubleshooting 212
coverage, printer 25
covers
back, replacing 122
front lower, replacing 121
front, replacing 130
fuser, replacing 104
interface, replacing 110
left-side, replacing 106
locating 7
open, detection operations 77
part numbers 245
right-side, replacing 106
top, replacing 123
covers, document 17
curl, troubleshooting 197
customer support 238
Cyan print-cartridge light
blinking 178, 180
locating 34
on 177
D
dc controller
connections 233
E-label operations 94
engine control system 70
jam detection operations 77
laser/scanner operations 74
pickup and feed operations 75
replacing 117
sequence of operations 70
tray operations 76
declaration of conformity 27
default settings, restoring 221
delay jams 77
delivery delay jams 77
delivery roller, testing 219
delivery stationary jams 77
demo page
printing 225
troubleshooting 169
density
sensor 130
troubleshooting 192
developer motor 93, 139
developing rotary detection PCA 94
developing system operations 84, 86
Device Settings, HP LaserJet Toolbox 47
dimensions, printer 15
DIMMs
configuration page, printing 225
part numbers 239
documentation 46
Documentation tab, HP LaserJet Toolbox 46
door open detection 77
door, replacing 125
DOS Command Prompt 223
dots per inch (dpi), specifications 4
downloading drivers 10
dpi (dots per inch), specifications 4
drive roller 219
drivers
downloading 10
Macintosh 12
operating systems supported 9
uninstalling 13
Windows, features 11
dropouts, troubleshooting 193
drum, imaging
cleaning operations 93
E-label 94, 132
life expectancy 51
non-HP supplies policy 66
operations 74, 84, 86
replacing 103
status light 35, 178
status page, printing 226
status, checking 64
storing 65
warranty 24
E
E-label
operations 93, 94
removing 132
ECU pan, replacing 154
electrical specifications 15
electrostatic discharge (ESD) 99
encoder motor 139
energy consumption 15
engine control system 70
engine test
performing 218
troubleshooting 169
envelopes
loading 39
output paths 38
specifications 17, 20
environmental specifications
paper 19
printer 16, 32
error messages
event log 226
Low cartridge 64, 177
Macintosh 204
printer status lights 182
supplies status lights 177
Windows 204
ESD (electrostatic discharge) 99
event log 226
Explorer, versions supported 44
286 Index ENWW
F
factory defaults, restoring 221
faded print, troubleshooting 192
fans
diagrams 73
replacing 127
features 2
feed-drive shaft, replacing 153
fonts
included 5
troubleshooting 212, 215
formatter
PJL commands 223
replacing 113
formatter cage, replacing 111
fraud hotline 66
front cover, replacing 130
front frame assembly, diagrams and part numbers 246
front lower cover, replacing 121
fuser
control circuit 70
diagram 84
life expectancy 51
operations 89
replacing 104
roller, testing 219
wrap sensor, replacing 161
fuser motor
diagrams 75
replacing 116
fusing delivery paper sensor (PS1) 75, 77
G
gear assembly, replacing 136
gear-train motor (DCM701) 76
Go light/button
locating 36
status 183
gray background, troubleshooting 194
H
heavy paper specifications 17
high-voltage power supply
locating 70
replacing 158
troubleshooting 219
HP Customer Care Online 238
HP fraud hotline 66
HP LaserJet Toolbox
accessing 236
calibrating printer 63
cleaning page, printing 61
device settings 47
operating systems supported 9
using 44
HP Technical Training 238
HP Web Jetadmin
operating systems supported 9
using 11
humidity specifications
paper, storing 19
printer environment 16
I
IBM OS/2 support 9
image formation
developing stage 86
engine control system 70
fusing stage 89
laser beam operations 86
primary charging stage 85
separation stage 89
stages 85
system components 84
transfer stage 87
image quality
color, troubleshooting 200
specifications 4
troubleshooting 190, 199
images, repeated 199
imaging drum
cleaning operations 93
E-label 94, 132
life expectancy 51
non-HP supplies policy 66
operations 74, 84, 86
replacing 103
status light 35, 178
status page, printing 226
status, checking 64
storing 65
warranty 24
information pages
printing 225
troubleshooting 169
input trays. See trays
installing printer 32
interface cover, replacing 110
interface ports
cables 239
connecting to 33
locating 7
Macintosh issues 215
troubleshooting 170
types included 5
internal components, diagrams and part numbers
printer 251
Internet Explorer, versions supported 44
INTR (initial rotation) sequence 71
ITB cleaning operations 84, 90, 92
ENWW Index 287
J
jams
causes of 171
detection operations 77
input, clearing 172
internal, clearing 171
locations 171
output, clearing 174
Jetadmin
operating systems supported 9
using 11
K
keys, control panel 34
L
labels
loading 39
output paths 38
specifications 17, 21
languages, printer 5
laser beam operations 86
laser safety statements 28
laser/scanner
engine control system 70
operations 74
replacing 128
LaserWriter 8 driver 12
latent image formation 74, 84
left-side cover, replacing 106
life expectancies
recycling used print cartridges 25
supplies 50
light print, troubleshooting 192
lights, control panel
locating 34
printer status 182
supplies status 177
troubleshooting 169
Limit Check Error 204
lines, troubleshooting 193
LINUX support 9
loading media
tray 1 39
tray 2 40
tray 3 42
loose toner, troubleshooting 195
Low cartridge message 64, 177
low-voltage power supply
locating 70
replacing 159
troubleshooting 206
LSTR (last rotation) sequence 71
M
Macintosh
error messages 204, 213
features supported 9
software features 12
uninstalling software 14
Magenta print-cartridge light
blinking 179, 181
locating 34
on 177
mailing labels
loading 39
output paths 38
specifications 17, 21
main motor 75
maintenance
cleaning 61
life expectancies of supplies 50
manual-feed errors 184
manuals 46
margins, envelopes 20
media
curl, troubleshooting 197
envelopes 20
labels 21
loading tray 1 39
loading tray 2 40
loading tray 3 42
output paths 38
path check 219
selecting 18
skew, troubleshooting 197
specifications 17, 19
transparencies 22
tray 1, types supported 17
troubleshooting 208
wrinkled, troubleshooting 198
media jams. See jams
memory
configuration page, printing 225
included 2
part numbers 239
resetting 221
messages
event log 226
Low cartridge 64, 177
Macintosh 204
printer status lights 182
supplies status lights 177
Windows 204
middle frame assembly, diagrams and part numbers
258
model number 7
models
trays included 37
models, features 2
288 Index ENWW
motors
carousel-engagement, replacing 120
diagrams 73
fuser, replacing 116
print cartridge 93
replacing 139
testing 219
tray 2 and 3 76
MS-DOS Command Prompt 223
N
Netscape Navigator, versions supported 44
networks
software for 11
troubleshooting 207
non-HP supplies 66
non-volatile memory
PJL commands 223
resetting 221
NVRAM
PJL commands 223
resetting 221
O
on/off switch 7
on/off switch, replacing 109
online support 238
operating environment specifications 32
operating environment, specifications 16
operating systems supported 9
operations
clutches 80
E-label 94
engine control system 70
fans 73
image formation process 85
image formation system 84
jam detection 77
motors 73
paper trays 76
pickup and feed system 75
power-on 72
print cartridges 93
printed circuit assemblies (PCAs) 82
sensors and switches 78
sequences 70
solenoids 80
timing chart 228
ordering
parts 238
supplies 65, 238
OS/2 support 9
output bins
features 5
jams, clearing 174
locating 7
troubleshooting 210
using 38
output quality
color, troubleshooting 200
specifications 4
troubleshooting 190, 199
P
page skew, troubleshooting 197
pages per minute 4
paper
curl, troubleshooting 197
loading tray 1 39
loading tray 2 40
loading tray 3 42
output paths 38
path check 219
selecting 18
skew, troubleshooting 197
specifications 17, 19
tray 1, types supported 17
troubleshooting 208
wrinkled, troubleshooting 198
paper input trays. See trays
paper jams. See jams
paper output bins
features 5
locating 7
paper-top sensor, replacing 160
parallel port
connecting to 33
locating 7
troubleshooting 170
type included 5
parts
ordering 238
removing and replacing 99, 101
paused printing 36
PCAs (printed circuit assemblies) 82, 268
PCL drivers
backward compatibility 11
features 5
operating systems supported 9
PDEs, Macintosh 12
personalities 5
phone numbers
fraud hotline 66
supplies ordering 238
photosensors
density, replacing 130
diagrams 78
fuser-wrap, replacing 161
jam detection 77
ENWW Index 289
paper-top, replacing 160
pickup and feed system 75
top-of-page, replacing 130
tray 2 and 3 76
waste toner, replacing 138
physical specifications 32
pickup and feed system
engine control system 70
operations 75
pickup delay jams 77
pickup rollers
life expectancies 51
testing 219
tray 1, replacing 52
tray 2, replacing 162
tray 3, replacing 163
pickup stationary jams 77
PJL commands 223
platforms supported 9
ports
cables 239
connecting to 33
locating 7
Macintosh issues 215
troubleshooting 170
types included 5
postscript emulator
features 5
operating systems supported 9
PostScript errors 212
power
requirements 15
switch 7
troubleshooting 169, 206
power supplies
base assembly, diagrams and part numbers 264
high-voltage, replacing 158
locating 70
low-voltage, replacing 159
operations 72
sub-high-voltage, replacing 157
power switch, replacing 109
PPDs, Macintosh 12
primary charging stage, image formation 85
primary transfer roller 88
print cartridges
carousel, replacing 145
carousel, rotating 216
high-voltage connection points, checking 219
life expectancy 51
non-HP supplies policy 66
operations 93
part numbers 239
recycling 25, 65
refilled 25
replacing 103
status lights 34, 177
status page, printing 226
status, checking 64
storage specifications 16
storing 65
toner, washing off clothing 171
warranty 24
print quality
color, troubleshooting 200
specifications 4
troubleshooting 190, 199
PRINT sequence 71
printed circuit assemblies (PCAs) 82, 268
printer drivers
downloading 10
Macintosh 12
operating systems supported 9
uninstalling 13
Windows, features 11
Printer Job Language (PJL) commands 223
printer languages 5
printer, cleaning 61
printing, troubleshooting 170, 209
production code 7
programs, settings 10
PS emulator
features 5
operating systems supported 9
PS errors 212
Q
quality
color, troubleshooting 200
specifications 4
troubleshooting 190, 199
R
Readme 46
Ready light
locating 36
status 182
rear frame assembly, diagrams and part numbers 256
rear output door
features 5
jams, clearing 174
locating 7
using 38
recycling
print cartridges 25
supplies 65
refilled print cartridges 25
registration clutch (CL1) 76
registration sensor (PS711) 75, 77
registration-roller assembly, replacing 150
regulatory statements 27
removing parts 99, 101
repetitive defects, troubleshooting 195, 199, 227
290 Index ENWW
replacement intervals
recycling used print cartridges 25
replacement intervals, supplies 51
replacing parts 99, 101
reports. See information pages
resetting NVRAM 221
residual paper jam detection 77
resolution, specifications 4
restoring factory defaults 221
resuming printing 36
revision level 7
right-side cover, replacing 106
roller engaging clutch (CL2) 76
rollers
life expectancies 51
pickup, replacing 52
primary charging 85
registration assembly, replacing 150
testing 219
transfer 87, 152
transfer belt cleaning 90
transfer plate, replacing 152
tray 2 pickup, replacing 162
tray 3 pickup, replacing 163
rotary assembly, diagrams and part numbers 262
rotary-drive assembly
diagrams and part numbers 266
replacing 139
Rotate Carousel button
locating 35, 36
using 216
S
screwdrivers 100
screws, replacing 99
secondary transfer roller 88
sensors
density, replacing 130
diagrams 78
fuser-wrap, replacing 161
jam detection 77
paper-top, replacing 160
pickup and feed system 75
top-of-page, replacing 130
tray 2 and 3 76
waste toner, replacing 138
separation pads
life expectancies 51
tray 1, replacing 52, 135
tray 2 or 3, replacing 57
tray 2, replacing 57
separation stage, image formation 89
serial number 7
setting up printer 32
settings
changing 10
configuration page, printing 225
restoring factory defaults 221
side covers 106
size, printer 15
skew, troubleshooting 197
slow printing, troubleshooting 207
smeared toner, troubleshooting 194
software
downloading 10
Macintosh, features 12
operating systems supported 9
Toolbox 44
troubleshooting 170
uninstalling 13
Windows, features 11
solenoids
diagrams 80
testing 219
tray 1 75
tray 2 and 3 76
space requirements 32
special media
envelopes 20
labels 21
loading 39
output paths 38
specifications 17
transparencies 22
specifications
envelopes 20
environmental 16, 32
labels 21
media 17
model and serial number 7
output paths 38
paper 19
printer 15
printer features 4
transparencies 22
trays, media supported 17
speed
specifications 4
troubleshooting 207
static precautions 99
stationary jams 77
status
non-HP supplies 66
page, printing 226
supplies, checking 64
viewing with HP LaserJet Toolbox 45
status lights
locating 34
printer 182
supplies 177
troubleshooting 169
ENWW Index 291
Status tab, HP LaserJet Toolbox 45
STBY (standby) sequence 70
storing
envelopes 20
paper 19
printer 16
supplies 65
sub-high-voltage transformer PCA, replacing 157
supplies
fraud hotline 66
life expectancies 50
non-HP 66
ordering 65, 238
recycling 65
specifications 15
status lights 34, 177
status page, printing 226
status, checking 64
storing 65
support 238
switches
diagrams 78
door interlock (SW301) 219
engine test 218
power 109
T
technical support 238
Technical Training, HP 238
telephone numbers
fraud hotline 66
supplies ordering 238
temperature specifications
paper, storing 19
printer environment 16
tests
continuous self 218
engine 218
high-voltage power supply 219
paper path 219
text, troubleshooting 193, 196, 211
timing chart 228
toner
developing stage operations 86
level detection PCA 94
scatter, troubleshooting 198
smear, troubleshooting 194
specks, troubleshooting 192
status lights 34
transfer operations 87
washing off clothing 171
waste cleaning operations 90, 92, 93
toner cartridges. See print cartridges
toner-catch tray, removing 151
Toolbox
using 44
Toolbox, HP
accessing 236
calibrating printer 63
cleaning page, printing 61
device settings 47
operating systems supported 9
using 44
tools, required 100
top cover
locating 7
open, detection operations 77
replacing 123
top door, replacing 125
top output bin
features 5
jams, clearing 174
locating 7
troubleshooting 210
using 38
top plate, replacing 142
top-of-page sensor, replacing 130
transfer belt cleaning operations 90
transfer belt operations
charging 88
cleaning 90, 92
separating 89
transfer operations, image formation 84, 87
transfer roller
life expectancy 51
replacing 152
testing 219
transfer roller plate, replacing 152
transparencies
loading 39
output paths 38
specifications 17, 22
tray 1
default selection 37
error messages 184
loading media 39
locating 7
replacing 133
sensors 75
separation pad, replacing 135
solenoids 75
troubleshooting 208
tray 2
default selection 37
error messages 184
jams, clearing 172
loading media 40
locating 7
models including 37
operations 76
pickup roller, replacing 162
292 Index ENWW
replacing 118
separation pad, replacing 51, 57
size specifications 15
troubleshooting 208
tray 3
default selection 37
error messages 184
jams, clearing 172
loading media 42
locating 7
models including 37
operations 76
pickup roller, replacing 163
separation pad, replacing 51, 57
size specifications 15
troubleshooting 208
trays
default selection 37
error messages 184
features 5
included 2
jams, clearing 172
locating 7
media supported 17
models including 37
operations 76
replacing 118, 133
specifications 17
toner-catch, removing 151
troubleshooting 208
troubleshooting
basic steps 169, 206
blank pages 210
color 200
control panel 169
curl 197
engine test 218
error messages 204
fonts 212, 215
gray background 194
high-voltage power supply 219
HP LaserJet Toolbox 236
image quality 190, 199
information pages 170, 225
light print 192
lines 193
Macintosh issues 213
networks 207
output bins 210
paper path check 219
PostScript (PS) errors 212
power 169, 206
printer status lights 182
printing 170, 209
repetitive defects 195, 199, 227
resetting NVRAM 221
skew 197
slow printing 207
software 170
supplies status lights 177
tests 218
text 193, 196, 211
toner specks or smear 192, 194, 198
wiring diagrams 234
wrinkled pages 198
Troubleshooting tab, HP LaserJet Toolbox 45
TrueType fonts, included 5
U
uninstalling software 13
UNIX support 9
USB port
connecting to 33
locating 7
Macintosh issues 215
troubleshooting 170
type included 5
user-replaceable parts
life expectancies 50
pickup roller and separation pad 52
tray 2 separation pad 57
V
voltage requirements 15
W
WAIT sequence 70
warranty
product 23
refilled cartridges, impact on 25
waste toner
cleaning operations 90, 92
drum cleaning 93
sensor, replacing 138
wave, troubleshooting 197
Web browser requirements 44
Web Jetadmin
operating systems supported 9
using 11
Web sites
HP Web Jetadmin 11
parts ordering 238
weight
paper specifications 17
printer 15
Windows
error messages 204
uninstalling software 13
versions supported 9
wire harnesses, replacing 99
wiring diagrams 234
wrap jam sensor (PS720) 75
wrinkled pages, troubleshooting 198
ENWW Index 293

© 2004 Copyright Hewlett-Packard Development Company, LP
www.hp.com
Q3702-90923
*Q3702-90923*
*Q3702-90923*


