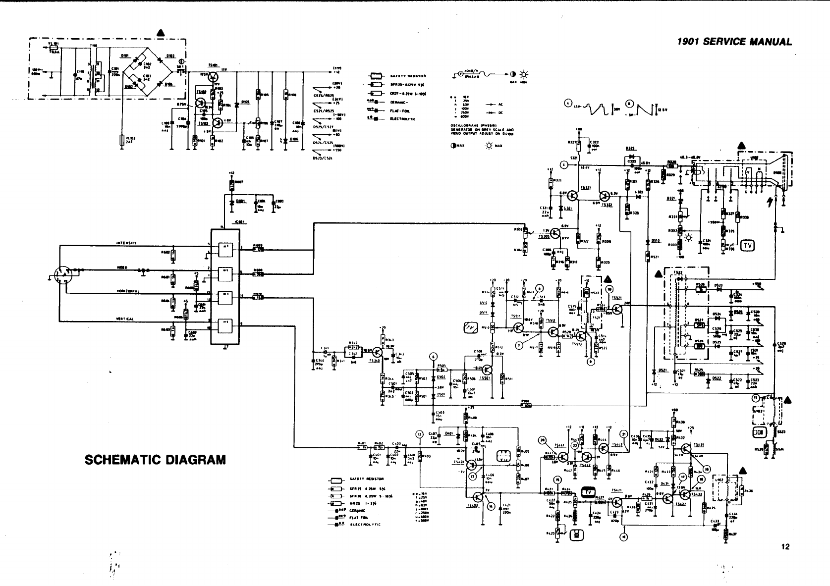
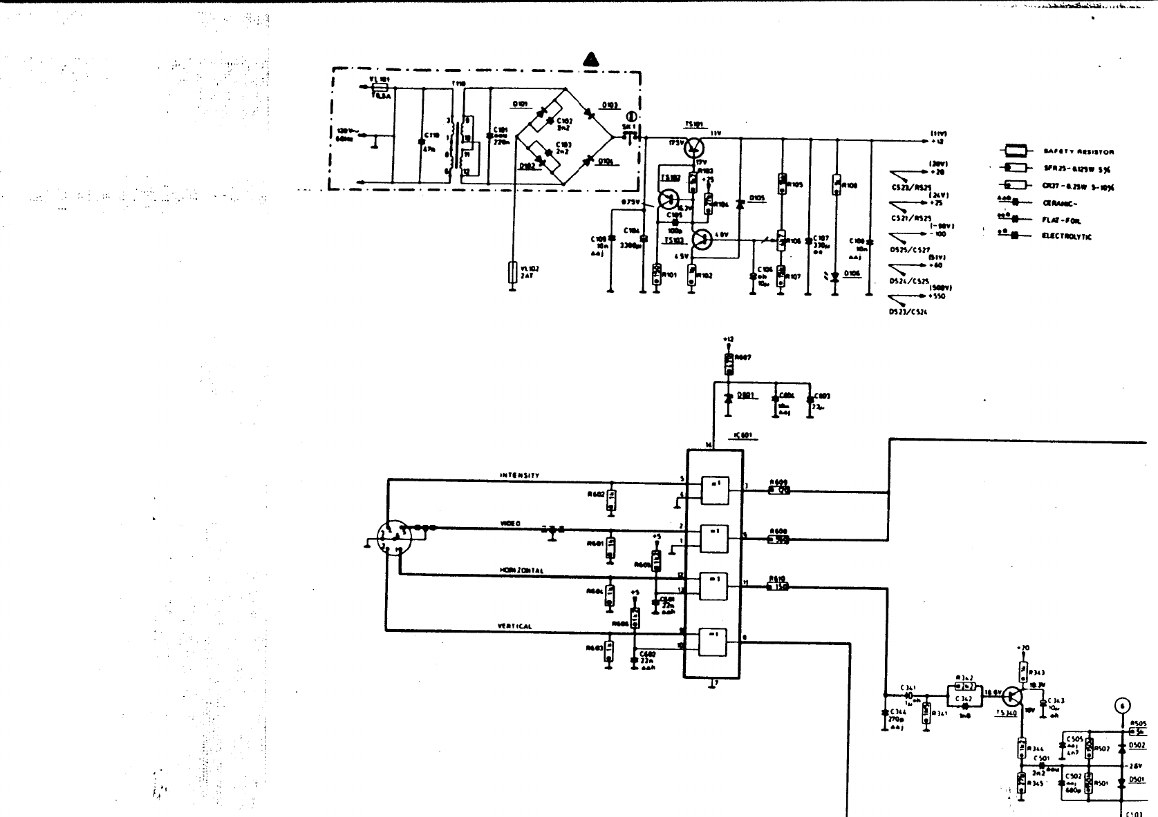
Commodore_1901_Mono_Monitor Commodore 1901 Mono Monitor

User Manual: Commodore_1901_Mono_Monitor

Open the PDF directly: View PDF PDF.
Page Count: 18

Navigation menu