FS 740 Compaq FS740
User Manual: FS 740
Open the PDF directly: View PDF
.
Page Count: 20

1. PICTURE TUBE
Size : 17 inch (ez Flat)
DefIection Angle : 90°
Neck Diameter : 29.1mm
Dot Pitch : 0.25mm
Diagonal Inch : 16.06”
Internal : Anti-Glare
2. SIGNAL
2-1. Horizontal & Vertical Sync
1) Input Voltage Level : Low=0~1.2V, High=2.5~5.5V
2) Sync Polarity : Positive or Negative
2-2. Video Input Signal
1) Voltage Level : 0 ~ 0.7 Vp-p
a) Color 0, 0 : 0 Vp-p
b) Color 7, 0 : 0.467 Vp-p
c) Color 15, 0 : 0.7 Vp-p
2) Input Impedance : 75Ω
3) Video Color : R, G, B Analog
4) Signal Format : Refer to the Timing Chart
2-3. Signal Connector
15-pin Attached Connector
2-4. Scanning Frequency
Horizontal : 30 ~ 70 kHz
Vertical : 50 ~ 120 Hz
3. POWER SUPPLY
3-1. Power Range
AC 100~240V, 50/60Hz, 2.0A
3-2. Power Consumption
4. DISPLAY AREA
4-1. Active Video Area
• Max Image Size - 325.4 x 244.1mm(12.81" x 9.61")
• Preset Image Size - 306 x 230 mm (12.04" x 9.06")
4-2. Display Color : Full Colors
4-3. Display Resolution : 1280 x 1024 / 60Hz
(Non-Interlace)
4-4. Video Bandwidth : 110MHz
5. ENVIRONMENT
5-1. Operating Temperature: 10°C ~ 40°C (Ambient)
5-2. Relative Humidity : 10% ~ 90%
(Non-condensing)
5-3. Altitude : 3658m
6. DIMENSIONS (with TILT/SWIVEL)
Width : 416 mm (16.38 inch)
Depth : 455 mm (17.91 inch)
Height : 449 mm (17.68 inch)
7. WEIGHT (with TILT/SWIVEL)
Net Weight : 19.0 kg (41.91 lbs.)
Gross Weight : 24.0 kg (52.94 lbs.)
MODE
NORMAL (ON)
OFF
H/V SYNC
ON/ON
OFF/OFF
POWER CONSUMPTION
less than 100W
less than 5W
LED COLOR
GREEN
AMBER
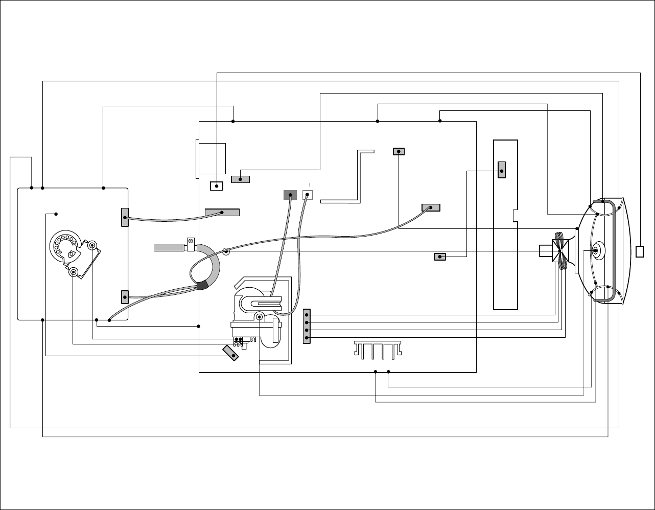
SPECIFICATIONS

EXPLODED VIEW
2
5
69
8
17
10
11
14
7
3
B
A
C
12
12
15
15
13
21
22
1
4
16
18
19 20
EXPLODED VIEW PARTS LIST
Ref. No.
1
2
3
4
5
6
7
8
9
10
11
12
13
14
15
16
17
18
19
20
21
22
A
B
C
Part No.
3091TKC068B
2423GC4E98A
3809TKC039B
3043TKK083B
339-002K
6140TC3004A
6871TST247B
6174Z-1048A
6200TJB001K
4810TKK176A
4810TKK177A
4930TKK031C
4950TKS185B
4810TKK175A
332-102F
6866TA9025J
332-122C
6401TZZ022A
6513TCA002A
4950TKK334A
6852TAZ006E
6852TDZ002A
6871TMT256B
6871TVT241B
3313T17239B
Description
CABINET ASSEMBLY, EQ770F COMPAQ 3090TKC064A LGESP,LOCAL
CDT SET, M41QEE903X 01RLAD
BACK COVER ASSEMBLY, EQ770F 3808TKC038A LGESP,LOCAL
TILT SWIVEL ASSEMBLY, EQ770F T059,B053,K024 LGESP,LOCAL
SCREW ASSEMBLY, TAPTITE P TYPE D5.0 L25.0 MSWR/FZMY
COIL,DEGAUSSING, 1410MM 16.0OHM 0.5MM 130T 17" WITH EARTH
PWB(PCB) ASSEMBLY,SUB, EQ770F CONTROL TOTAL COMPAQ CA-90
FBT (FLY BACK TRANSFORMER), FMMTC91 AM1048A (LIM SANG IL) T701
FILTER(CIRC), EMC 02MD4P DELTA BK CG773F
BRACKET, EQ770F SUPPORTER CDT(LEFT,COMPAQ17")
BRACKET, EQ770F SUPPORTER CDT(RIGHT,COMPAQ17")
HOLDER, PCB FIX , PC+ABS
METAL, SHIELD BOTTOM(COMPAQ,CKD,LGESP)
BRACKET, CQ550F HOLDER ,PCB
SCREW, PTP+4*20BP(MSWR/FZMY)
CABLE,D-SUB UL 2990-9C(7.5) AT 1560MM COMPAQ EQ770F DM
SCREW, TP1+M4*16(FZMW1)
SPEAKER ASSEMBLY, CQ550F/EQ770F COMPAQ(231112-001) SPK ASSY(L/R)
MICRO PHONE ASSEMBLY, CQ550F/EQ770F MWM DM1530-PD1 WITH CORE
METAL, FIX (MICROPHONE, COMPAQ)
CORD,A/V, AUDIO UL 2851 #28-2C 1500MM QUARTZ KSDPWB (MICRO-PHONE CABLE)
CORD,LINE, DH-20100D KSD 1000 QUARTZ COMPAQ (12V DC CABLE)
PWB(PCB) ASSEMBLY,MAIN, EQ770F KQCQMS COMPAQ CA-90 TOTAL
PWB(PCB) ASSEMBLY,VIDEO, EQ770F VIDEO TOTAL COMPAQ CA-90
MAIN TOTAL ASSEMBLY, EQ770F COMPAQ CA-90

WIRING DIAGRAM
- 8 -
P501
P205
P405
P301
P302
G2
P702
P202
P703
P701
T1
P402
P902
S+
S
Signal
Cable
AC
Socket
FBT
MIC

TIMING CHART
- 4 -
VIDEO
SYNC
CE
DF
AB
H + 31.468 31.778 25.418 6.360 3.823 1.909 0.638
V–70.090 14.268 11.122 3.147 0.064 1.111 0.381
H–31.469 31.778 25.422 6.356 3.813 1.907 0.636
V–59.940 16.683 15.253 1.430 0.064 1.048 0.318
H–43.269 23.112 17.778 5.334 1.556 2.222 1.556
V–85.008 11.764 11.093 0.670 0.069 0.578 0.023
H–31.470 31.780 25.420 6.360 3.810 1.910 0.640
V + 70.080 14.270 12.710 1.557 0.064 1.080 0.413
H + 37.879 26.400 20.000 6.400 3.200 2.200 1.000
V + 60.316 16.579 15.840 0.793 0.106 0.607 0.026
H + 46.880 21.330 16.160 5.170 1.620 3.230 0.320
V + 75.010 13.331 12.798 0.533 0.064 0.448 0.021
H + 53.674 18.631 14.222 4.409 1.138 2.702 0.569
V + 85.061 11.756 11.179 0.578 0.056 0.503 0.019
H–48.363 20.677 15.754 4.923 2.092 2.462 0.369
V–60.004 16.666 15.880 0.786 0.124 0.600 0.062
H + 60.023 16.660 13.003 3.657 1.219 2.235 0.203
V + 75.029 13.328 12.795 0.533 0.050 0.466 0.017
H + 68.677 14.561 10.836 3.725 1.016 2.201 0.508
V + 84.997 11.765 11.183 0.582 0.044 0.524 0.015
H + 67.500 14.815 10.667 4.148 1.185 2.370 0.593
V + 75.000 13.333 12.800 0.533 0.044 0.474 0.015
H + 63.98 15.63 11.85 3.78 1.04 2.30 0.44
V + 60.02 16.661 16.005 0.656 0.047 0.594 0.015
Mode H/V
Sort
1
2
3
4
5
6
7
8
9
10
11
12
640x350
70Hz
800x600
60Hz
640x480
85Hz
720x400
70Hz
640x480
60Hz
800x600
75Hz
800x600
85Hz
1024x768
60Hz
1024x768
75Hz
1024x768
85Hz
1152x864
75Hz
1280x1024
60Hz
<< Dot Clock (MHz), Horizontal Frequency (kHz), Vertical Frequency (Hz), Horizontal etc... (µs), Vertical etc... (ms) >>
Sync
Polarity
Frequency Total Period
(E) Video Active
Time (A) Sync Duration
(D)
Blanking Time
(B) Back Porch
(F) Front Porch
(C)
Resolution

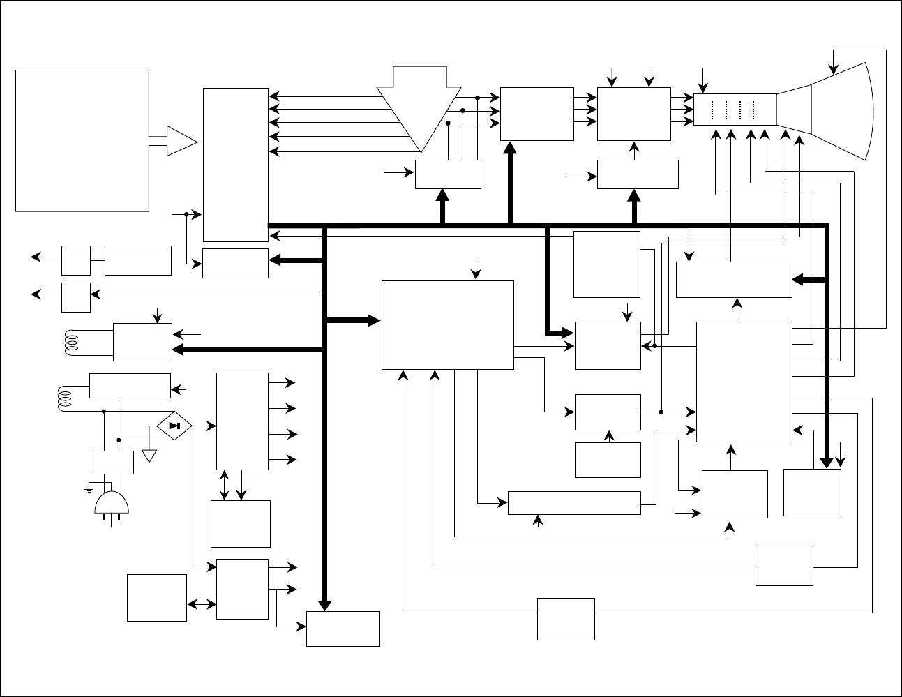
BLOCK DIAGRAM
- 12 -
[ OSD Control ]
TILT
Control
Circuit
6.3V
E2PROM
(IC402)
5V
OSD IC
(IC301)
H-Sync.
V-Sync
I2C DATA (SDA)
I2C CLOCK(SCL)
5V
VIDEO
Pre Amp
(IC302)
Input
Signal R
G
B
VIDEO
Main A mp
(IC303)
CUT OFF Circuit
(IC304)
80V
5V
H/V Sync P rocessor
( IC701 )
TDA4841 Vertical Output
( IC601)
TDA4866J
H Deflection
( Q706)
H-Linearity
Circuit
X-RAY
Protection
Circuit
Dynamic
FOCUS Cir cuit
Vertical Blanki ng
Bri ghtness Control
Circuit
- 150V
40V
15V
D/D
Feed Back
12V
MICOM
(IC401)
SCL / SDA
H/V Sync S ignal
PWM Control Signal
12V
15V
50V
DY CDT
Heater ( 6. 3V )
I2C
I2C
I2C
H/V Sync
Signal
H.V
R/G/B
Bias
R/G/B
Contrast
H Drive
B-Drive
B+
15V
I2C
CONTRAST
BRIGHTNESS
H / V POSITION
H / V SIZE
SPCC
TRAPEZOID
PIN BALA NCE
PA RALLELOGRA M
ROTA TION
DEGAUSS
Color Temp
RECALL
Exit
400V
15V
12V 80V
Dynamic Focus
Static Focus
TILT
Coil
G2 G1
Auto Beam
Limit Circuit
DC/DC Converter
FBT
( T701 )
Regulation
Circuit
Input Voltage
90~264VA C
(50/60Hz)
Line
Filter
Degaussing
Circuit
Main
Power
Control
(IC901)
15V
Energy Saving
Control Circuit
6.3V
Voltage
feedback
Voltage
feedback
Degaus sing
Coil
50V
80V
15V
Main
Trans
(T901)
Sub
Power
Control
Sub
Trans
(T902)
5.0V
12V
Voltage
feedback
Jack
PC
Microphone
Jack
Speaker 12V
DESCRIPTION OF BLOCK DIAGRAM
- 13 -
1. SMPS(Switching Mode Power Supply)
When you turn on the power switch, the operating
procedure is as follows:
1) The AC line voltage is rectified by the bridge diodes D900
and C908.
2)The control IC(IC901, IC902) starts switching and
generates switching pulses in the primary turns of the
SMPS transformer (T901, T902).
3) The switching pulses of the primary turns induce the
secondary pulse of the transformer by the turn ratio.
These pulses are rectified by each diode (D971, D961,
D962, D951, D941, D922 and D923).
4) Each rectified DC voltage (80V, 50V, 15V, 12V, 6.3V and
5V) is supplied to the main circuit.
2. Over Voltage Protection Circuit
When the input voltage of IC901 Vin(pin 7) is more than
Spec Voltage , all the secondary voltages of the SMPS
transformer (T901) down to low value.
3. Display Power Management Circuit
1) OFF mode
When no input of horizontal and vertical sync, Q903 is
turned on and all the secondary voltages of the SMPS
transformer (T901) down to low value. Then input power
consumption is below 5 watts.
4. X-ray Protection Circuit
If the high voltage of the FBT reaches up to 29KV IN an
abnormal case, Q807 operates and IC401 pin 41 came to
low level, then IC401 control IC701 to stop Horizontal
drive pulse and stop Horizontal deflection.
5. Microprocessor Control Circuit.
1) Horizontal and Vertical sync signals are supplied to the
microprocessor (IC401).
2) Microprocessor(IC401) discriminates the operating mode
from the sync. polarity and resolution.
3) After microprocessor reads these adjusted mode data
stored at EEPROM, it controls operating mode data
through IIC.
4)Users can control screen condition by the Select,
Backward, Forward buttons.
6. D/D Convert Circuit.
To obtain constant high voltage, this circuit supplies
controlled DC voltage for FBT and Horizontal deflection
circuit according to the horizontal sync frequency.
7. Horizontal and Vertical Sync Processor Circuit.
The horizontal and vertical sync processor IC (IC701) has
a sync detector, a saw-tooth generator, and drive function.
So output horizontal and vertical drive signal control
screen distortions.
8. Horizontal linearity Circuit.
This circuit corrects the horizontal linearity for each
horizontal sync frequency.
9. Horizontal drive and Output Circuit.
This circuit is a horizontal deflection amplifier for raster scan.
10. ABL Circuit.
This circuit limits the beam-current for the reliability of the CDT.
11. Vertical Output Circuit.
This circuit takes the vertical ramp wave from the
TDA4866J(IC601) and performs the vertical deflection by
supplying the saw-tooth wave current to the vertical
deflection yoke.
12. Blanking and Brightness Control Circuit.
Blanking circuit eliminates the retrace line by supplying a
negative pulse wave to the G1 of the CDT. Brightness
control circuit is used for control of the screen brightness
by changing the DC level of the G1.
13. Video Processor Circuit.
Video processor circuit consists of the video drive output
block. The video drive IC(IC302) receives the video signal
from PC. The gain of each channel is controlled by the
voltage of contrast pin. The cut-off circuit compensate
different voltage of each channel between the cathode
and the G1 of the CDT.
14. OSD (On-Screen-Display) Circuit.
This circuit displays on the screen information of the
monitor’s status.
15. Dynamic Focus Output Circuit.
This circuit takes the vertical parabola waves from the
TDA4841(IC701) and amplifies it to maintain constant
focus on center and corners in the screen.
16. Image Rotation (Tilt) Circuit.
This circuit corrects the tilt of the screen by supplying the
image rotation signal to the tilt coil which is attached near
the deflection yoke of the CRT.
17. Speaker
Speakers are attached the monitor sides.
DC power voltage(12V) is supplied to speakers.
18. Microphone
Microphone attached top of the monitor is commected to
PC.

CONTROL LOCATIONS
- 7 -
VR901: B Adjustment
(50V Line)
+

730V
600V
200V
45V
0V
V-Freq.
1200V
0V
8.7V
0V
1H-Freq.
V-Freq.
45V
10V
1H-Freq.
300V
37V
0V
1H-Freq.
80V
0V
1H-Freq.
4.5V
0V

ADJUSTMENT
- 14 -
GENERAL INFORMATION
All adjustment are thoroughly checked and corrected
when the monitor leaves the factory, but sometimes
several adjustments may be required.
Adjustment should be following procedure and after
warming up for a minimum of 30 minutes.
• Alignment appliances and tools.
- IBM compatible PC.
- Programmable Signal Generator.
(eg. VG-819 made by Astrodesign Co.)
- EPROM or EEPROM with saved each mode data.
- Alignment Adaptor and Software.
- Digital Voltmeter.
- White Balance Meter.
- Luminance Meter.
- High-voltage Meter.
AUTOMATIC AND MANUAL DEGAUSSING
The degaussing coil is mounted around the CDT so that
automatic degaussing when turn on the monitor. But a
monitor is moved or faced in a different direction, become
poor color purity cause of CDT magnetized, then press
DEGAUSS on the OSD menu.
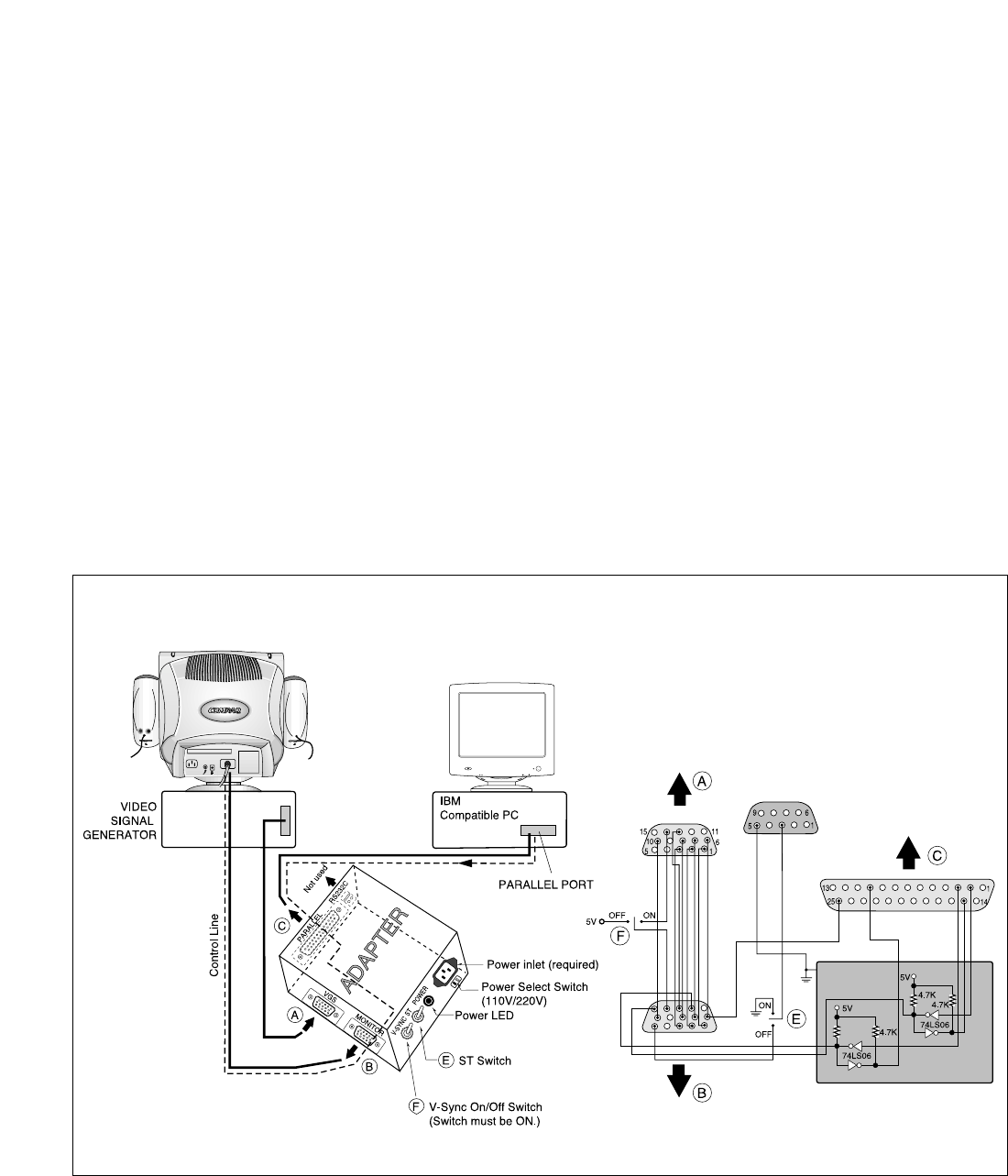
ADJUSTMENT PROCEDURE & METHOD
-Install the cable for adjustment such as Figure 1and run
the alignment program on the DOS for IBM compatible PC.
-Set external Brightness and Contrast volume to max position.
1. Adjustment for B+ Voltage.
1) Display cross hatch pattern at Mode 10.
2) Adjust C961 (+) voltage to 50± 0.5Vdc with VR901.
2. Adjustment for High-Voltage.
1) Display cross hatch pattern at Mode 10.
2) DIST.ADJ→CTRL PWM →High Voltage Command.
3) Adjust High Voltage to 25.5kV
±
0.1 kVdc.
4) Press Enter Key.
3. Adjustment for Factory Mode (Preset Mode).
1) Display cross hatch pattern at Mode 10.
2) Run alignment program for EQ770F on the IBM
compatible PC.
3) EEPROM → ALL CLEAR → Y(Yes) command.
<Caution> Do not run this procedure unless the
EEPROM is changed. All data in EEPROM (mode
data and color data) will be erased.
4) Power button of the monitor turn off →turn on.
5) COMMAND→PRESET START→Y(Yes) command.
6) DIST. ADJ. →CTRL PWM → TILT command.
7) Adjust tilt as arrow keys to be the best condition.
8) DIST. ADJ. →BALANCE command.
9) Adjust parallelogram as arrow keys to be the best
condition.
10)
Adjust balance of pin-balance as arrow keys to be
the best condition.
11)
DIST. ADJ. →FOS. ADJ command.
12)
Adjust V-SIZE as arrow keys to 230
±
4mm.
13)
Adjust V-POSITION as arrow keys to center of the
screen.
14)
Adjust H-SIZE as arrow keys to 306
±
4mm.
15)
Adjust H-POSITION as arrow keys to center of the
screen.
16)
Adjust S-PCC (Side-Pincushion) as arrow keys to be
the best condition.
17)
Adjust TRAPEZOID as arrow keys to be the best
condition.
18)
Save of the Mode 1.
19)
PRESET EXIT →Y (Yes) command.
20)
Display from Mode 2 to 12 and repeat above from
number 5) to 19)
4. Adjustment for White Balance and Luminance.
1) Set the White Balance Meter.
2) Press the DEGAUSS on the OSD menu for
demagnetization of the CDT.
3) COLOR ADJ. →LUMINANCE command of the
alignment program.
4) Set Brightness and Contrast to Max position, Sub-
Brightness to 80(50) position.
5) Display color 0,0 pattern at Mode 10.
6) COLOR ADJ.→BIAS ADJ.→ COLOR No. → 1
command of the alignment program.
7) Check whether green color or not at R-BIAS to 0
position, B-BIAS to min position and G-BIAS to
150(96) position. Adjust G2 (screen) command to
0.4
±
0.1FL of the raster luminance.
8) Adjust R-BIAS and B-BIAS command to x=0.281
±
0.005 and y=0.311
±
0.005 on the White Balance
Meter with PC arrow keys.
9)
Adjust SUB-Brightness command to 0.6
±
0.1FL of the
raster luminance.
10)
After push the “ENTER” key, and “COMMAND →
PRESET EXIT →Y(Yes)” command.
11)
Set external Brightness to cutoff (0.06FL ± 0.01).
12)
Display color 15,0 five Window pattern (50x50mm) at
Mode 10.
13)
DRIVE ADJ.→ No 1. command.

- 15 -
Figure 1. Cable Connection
Monitor to be
adjusted
14)
Set SUB-CONTRAST 110(6E) (decimal) position.
15)
Set G-DRIVE to 100(64) at DRIVE of the alignment
program.
16)
Adjust R-DRIVE and B-DRIVE command to white
balance x=0.281
±
0.003 and y=0.311
±
0.003 on the
White Balance Meter with PC arrow keys.
17)
Adjust SUB-CONTRAST command to 55
±
1FL of the
color 15,0 box pattern (50x50mm) luminance at
mode 10 and save in color 1.
18)
After push the “ENTER” key, and “COMMAND →
PRESET EXIT →Y(Yes)” command.
19)
Display color 15,0 full white patten at Mode 10.
20)
COLOR ADJ. →LUMINANCE →ABL command.
21)
Adjust ABL to 33
±
1FL of the luminance.
22)
Exit from the program.
5. Adjustment for Color Management.
1) Display color 15,0 Window pattern(70x70mm) at
Mode 8.
2) Measure color management data at backraster cut-
off, save it in EDID data.
6. Adjustment for Focus.
1) Display me pattern in full screen at Mode 10.
2) Adjust two Focus control on the FBT that focus
should be the best condition.

- 16 -
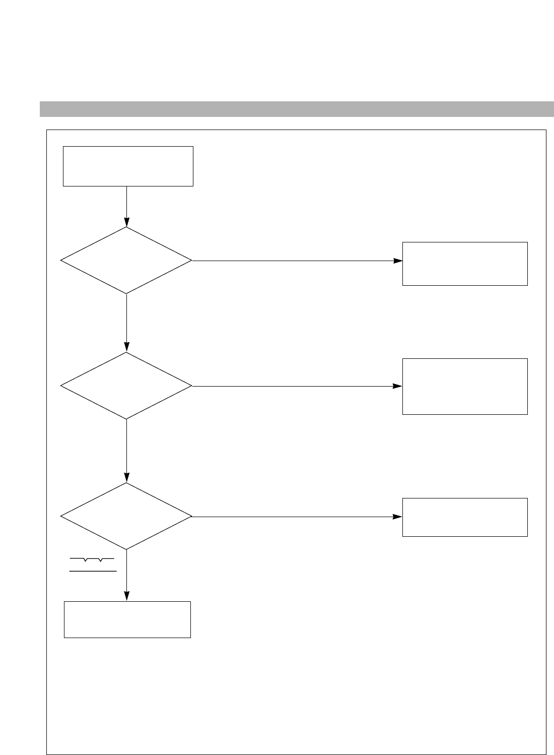
TROUBLESHOOTING GUIDE
NO POWER
(POWER INDICATOR OFF)
TROUBLE IN D900
TROUBLE IN FUSE
(F901)
TROUBLE IN
IC901
TROUBLE IN
D922, D923, D941,
D951, D961, D962, D971
TROUBLE IN Q903
CHECK
FUSE OK?
(F901)
CHECK
C908 VOLTAGE?
(AC120V: 160VDC,
AC220V: 304VDC)
NO
YES
YES
YES
YES
NO
NO
NO
CHECK
IC901 PIN 6
WAVEFORM
(SQUARE WAVE
COMES OUT?)
CHECK
D922, D923, D941, D951,
D961, D962, D971
VOLTAGE?
1. NO POWER

- 17 -
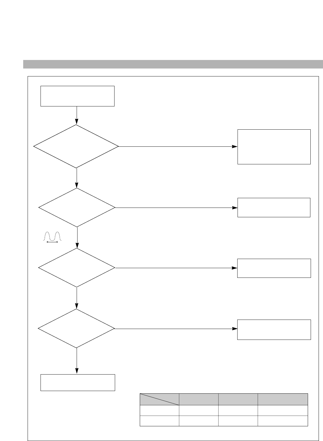
2. NO CHARACTER
NO CHARACTER
CHECK
IC302
PIN 9 (5V) ?
CHECK
IC302 PIN 5, 6, 7 ?
CHECK
IC302 PIN 18, 19, 20 ?
CHECK
IC303
PIN 1, 2, 3 ?
CHECK
IC303 PIN 4 (80V)
PIN 8 (12V) ?
TROUBLE IN
P302 5V LINE
TROUBLE IN
PC SIGNAL,
P301 SIGNAL CABLE
TROUBLE IN
IC302
TROUBLE IN
P303 12V LINE/
80V LINE
TROUBLE IN IC303
NO
YES
NO
NO
YES
YES
YES
YES
NO
NO
CHECK
R, G, B CATHODE
VOLTAGE?
TROUBLE IN
R331~R333,
L311~L313
D307~D312
TROUBLE IN
CRT SOCKET
YES
NO

- 18 -
NO VIDEO
(POWER INDICATOR ON)
CHECK
POWER INDICATOR
GREEN or ORANGE?
CHECK
D712 ANODE
(-157V)?
CHECK
G1 VOLTAGE?
(-55 ~ -15V)
TROUBLE IN
D712
TROUBLE IN
Q704
DPM MODE
(NO H and/or V SYNC)
ORANGE
NO
GREEN
YES
NO
3. NO RASTER
CHECK
CDT HEAT
VOLTAGE? (6.3V)
TROUBLE IN
D941
YES
NO
TROUBLE IN
CDT
YES

- 19 -
4. NO HORIZONTAL DEFLECTION
NO H-DEFLECTION
(ONE VERTICAL LINE)
CHECK
Q706?
CHECK
B+ VOLTAGE
(50V)?
CHECK
T701(FBT) PIN 2
(31KHZ, 60V
69KHZ, 140V ?
CHECK
Q705 COLLECTOR
WAVEFORM?
TROUBLE IN
Q706
TROUBLE IN
50V LINE
TROUBLE IN
Q719, Q720, D710
TROUBLE IN
Q705
TROUBLE IN
T701, P701
NO
NO
YES
YES
YES
YES
NO
NO
0V
T

- 20 -
5. TROUBLE IN H-LINEARITY
UNBALANCED OF H-LIN.
CHECK
IC401
PIN 22, 23, 24 ?
CHECK
Q711~Q716?
CHECK
L703?
TROUBLE IN
IC401 (MICOM)
TROUBLE IN
Q711 ~ Q716
TROUBLE IN
L703
TROUBLE IN
C722, C723, C726, C729
NO
NO
NO
YES
YES
YES Cs SIGNAL TABLE
30.0kHz ~ 33.9kHz
34.0kHz ~ 35.9kHz
36.0kHz ~ 41.9kHz
42.0kHz ~ 43.9kHz
44.0kHz ~ 48.9kHz
490.kHz ~ 60.9kHz
61.0kHz ~ 69.9kHz
Cs1
L
L
H
L
H
L
H
Cs3
L
L
L
H
H
H
H
Cs2
L
H
H
L
L
H
H
HORIZONTAL
FREQUENCY(fH)

- 21 -
6. NO VERTICAL DEFLECTION
NO V-DEFLECTION
(ONE HORIZONTAL LINE)
CHECK
IC601 PIN 3
(15V)?
CHECK
IC601 PIN 7
(40V)?
CHECK
IC701 PIN 12, 13?
TROUBLE IN
R603 15V LINE
TROUBLE IN
HIGH-VOLTAGE OUT
CIRCUIT(FBT),
D721, R606
TROUBLE IN
IC701
TROUBLE IN
IC601, V-CIRCUIT
NO
NO
YES
YES
YES
NO
3V

- 22 -
TROUBLE IN
OSD PERIPHERAL
CIRCUIT
NO OSD
TROUBLE IN
5V LINE
TROUBLE IN
IC601 PIN8 (V-FBP),
T701 40V LINE (H-FBP)
TROUBLE IN
IC302, IC301
TROUBLE IN
IC301, IC302
NO
YES
DC 5V
YES
YES
YES
NO
NO
NO
Pin 5
5V
Pin 10
5V
H+V
5V
H+V
CHECK
IC301 B+?
CHECK
IC301 PIN 12
WAVEFORM ?
(ENTER BUTTON MUST BE PRESSED.)
7. TROUBLE IN OSD
CHECK
IC301 PIN 5, 10
WAVEFORM?
CHECK
IC301 PIN 13, 14, 15 ?

- 23 -
CHECK
IC401 (MICOM)
PIN 1, 42 (H/V INPUT)
SIGNAL?
CHECK
IC401 PIN 6
WAVEFORM?
CHECK
IC401 (MICOM)
PIN 4 ?
CHECK
B+LINE
(6.3V,15V, 80V) ?
CHECK PC,
(PC IS NOT GOING INTO
DPM OFF MODE)
TROUBLE IN
X401
TROUBLE IN
IC401 (MICOM)
TROUBLE IN Q903
TROUBLE IN PC
OFF MODE FAILURE
INPUT H/V SYNC SIGNAL
H/V SYNC
(NO OFF MODE.)
NO
NO
NO
NO (DPMF: 0V)
DPM TABLE
Mode Item
NORMAL
OFF
DPMF
H
L
LED
GREEN
AMBER
DPMS
H
L
YES
YES
SEE DPM TABLE
YES
YES
8. TROUBLE IN DPM
5V
24MHz

- 24 -
CHECK
IC401 PIN 31
(0V)?
CHECK
Q953 COLLECTOR
VOLTAGE?
CHECK
P902 ?
CHECK
RL901?
TROUBLE IN
IC401 (MICOM)
TROUBLE IN
Q953
TROUBLE IN
P902
TROUBLE IN
RL901
TROUBLE IN
TH901,
DEGAUSSING COIL
NO DEGAUSSING
DC 15V
NO
NO
NO
NO
YES
YES
YES
YES
(DEGAUSS ON THE OSD MENU MUST BE PRESSED.)
9. NO DEGAUSSING

- 25 -
10. NO TILT (NO ROTATION)
NO TILT (NO ROTATION)
TROUBLE IN
IC401 (MICOM)
TROUBLE IN
15V LINE, 6.3V LINE
TROUBLE IN
Q501~Q503
TROUBLE IN
P501, TILT COIL, D501
NO
YES
YES
YES
CHECK
15V LINE
AND 6.3V LINE ?
CHECK
Q503 EMITTER
VOLTAGE ?
NO
NO
CHECK
Q504(COLLECTOR)
WAVE FORM ?
12V