Washer Extractor Parts Manual HC165 D0903
User Manual: HC165
Open the PDF directly: View PDF
.
Page Count: 120 [warning: Documents this large are best viewed by clicking the View PDF Link!]
- Cover
- Model Identification
- Table of Contents
- Parts Ordering Information
- Serial Plate Location
- Cabinet Freestanding Washer-Extractor Product Overview
- Frame
- Shock Absorber
- Shell and Basket - Models Through 3/31/07
- Shell and Basket - Models Starting 4/1/07
- Bearing Housing - Models Through 1/30/11
- Bearing Housing - Models Starting 1/31/11
- Basket, Pulley and Belt - Models Through 3/31/07
- Basket, Pulley and Belt - Models Starting 4/1/07
- Motor and Belt
- Drain Plumbing - Single Outlet Drain Piece with Water Level Detection on Drain Valve-Models Through 8/11/10
- Drain Plumbing - Single Outlet Drain Piece with Water Level Detection on Drain Hose-Models Starting 8/12/10
- Drain Plumbing - Dual Outlet Drain Piece with Water Level Detection on Drain Hose
- Drain Plumbing - Models with Pump Drain
- Drain Plumbing - Models with Pump Drain and Frontal Access
- Door Lock
- Door
- Control Panel - Cygnus Professional
- Control Panel - Cygnus Premium OPL
- Control Panel - Cygnus Premium OPL with Frontal Supply Dispenser
- Control Panel - Cygnus Premium Coin
- Control Panel - Cygnus Premium Coin with Frontal Supply Dispenser
- Control Panel - Cygnus Standard/Commercial OPL
- Control Panel - Cygnus Standard/Commercial OPL with Frontal Supply Dispenser
- Control Panel - Cygnus Standard/Commercial Coin
- Control Panel - Cygnus Standard/Commercial Coin with Frontal Supply Dispenser
- Control Panel - Micro-20 OPL
- Control Panel - Sigma OPL
- Control Panel - Micro-20 and Sigma Coin
- Control Panel - PS40F
- Coin Drop - Mechanical Coin Meter
- Coin Drop - Electronic Coin Meter
- Middle Front, Top, Lower Rear and Right Side Panels
- Left Side, Upper Rear and Lower Front Panels
- Upper Back Panel with Circular Ventilation - Models Through 12/31/05
- Upper Back Panel with Rectangular Ventilation - Models Through 12/31/05
- Upper Back Panel - Models Starting 1/1/06
- Inverter Drive - Models Through 9/30/08
- Inverter Drive - Models Starting 10/1/08
- Main Switch and Noise Filter
- Soap Injection Printboard, Network Connection Printboard and Noise Filter - Sigma, PS40F and Micro-20
- Central Operating Panel, Network Connection and Soap Injection Printboards - Cygnus Models
- Relay, Network Connection and Main Printboards - Cygnus Models
- Electrical Component Mounting Plate - Models Through 2/22/09
- Electrical Component Mounting Plate - Models Starting 2/23/09
- Balance Switch
- Supply Dispenser - Models with Frontal Supply Dispenser
- Supply Dispenser with Round Ventilation Opening
- Supply Dispenser with Rectangular Ventilation Opening
- Electric Heating Option
- Steam Heating Option - *HC35 and *HC165 Models
- Soap Pumps
- Parts Index

Parts
www.alliancelaundry.com
Washer-Extractor
Cabinet Freestanding
Refer to Page 5 for Model Numbers
CFD21C_D0903
Part No. D0903R11
August 2017

D0903 1
© Copyright, Alliance Laundry Systems LLC – DO NOT COPY or TRANSMIT
© Copyright 2017, Alliance Laundry Systems LLC
All rights reserved. No part of the contents of this book may be reproduced or transmitted in any form or by any
means without the expressed written consent of the publisher.
Table of Contents
Title Page
Parts Ordering Information........................................................................................................................................ 3
Serial Plate Location ................................................................................................................................................. 3
Model Identification ................................................................................................................................................... 5
Cabinet Freestanding Washer-Extractor Product Overview ..................................................................................... 6
Frame........................................................................................................................................................................ 8
Shock Absorber ...................................................................................................................................................... 10
Shell and Basket - Models Through 3/31/07 ........................................................................................................... 12
Shell and Basket - Models Starting 4/1/07 .............................................................................................................. 14
Bearing Housing - Models Through 1/30/11 ........................................................................................................... 16
Bearing Housing - Models Starting 1/31/11 ............................................................................................................ 18
Basket, Pulley and Belt - Models Through 3/31/07 ................................................................................................. 20
Basket, Pulley and Belt - Models Starting 4/1/07 .................................................................................................... 22
Motor and Belt......................................................................................................................................................... 24
Drain Plumbing - Single Outlet Drain Piece with Water Level Detection on Drain Valve-Models
Through 8/11/10...................................................................................................................................................... 26
Drain Plumbing - Single Outlet Drain Piece with Water Level Detection on Drain Hose-Models
Starting 8/12/10....................................................................................................................................................... 28
Drain Plumbing - Dual Outlet Drain Piece with Water Level Detection on Drain Hose ........................................... 30
Drain Plumbing - Models with Pump Drain ............................................................................................................. 32
Drain Plumbing - Models with Pump Drain and Frontal Access.............................................................................. 34
Door Lock................................................................................................................................................................ 36
Door ........................................................................................................................................................................ 38
Control Panel - Cygnus Professional ...................................................................................................................... 40
Control Panel - Cygnus Premium OPL ................................................................................................................... 42
Control Panel - Cygnus Premium OPL with Frontal Supply Dispenser...................................................................44
Control Panel - Cygnus Premium Coin ................................................................................................................... 46
Control Panel - Cygnus Premium Coin with Frontal Supply Dispenser ..................................................................48
Control Panel - Cygnus Standard/Commercial OPL............................................................................................... 50
Control Panel - Cygnus Standard/Commercial OPL with Frontal Supply Dispenser .............................................. 52
Control Panel - Cygnus Standard/Commercial Coin............................................................................................... 54
Control Panel - Cygnus Standard/Commercial Coin with Frontal Supply Dispenser .............................................. 56
Control Panel - Micro-20 OPL................................................................................................................................. 58
Control Panel - Sigma OPL..................................................................................................................................... 60
Control Panel - Micro-20 and Sigma Coin .............................................................................................................. 62
Control Panel - PS40F ............................................................................................................................................ 64
Coin Drop - Mechanical Coin Meter ........................................................................................................................ 66
Coin Drop - Electronic Coin Meter .......................................................................................................................... 68
Middle Front, Top, Lower Rear and Right Side Panels........................................................................................... 70
Left Side, Upper Rear and Lower Front Panels ...................................................................................................... 72
Upper Back Panel with Circular Ventilation - Models Through 12/31/05 ................................................................ 74
Upper Back Panel with Rectangular Ventilation - Models Through 12/31/05 ......................................................... 76
2D0903
© Copyright, Alliance Laundry Systems LLC – DO NOT COPY or TRANSMIT
Upper Back Panel - Models Starting 1/1/06 ............................................................................................................ 78
Inverter Drive - Models Through 9/30/08 ................................................................................................................ 80
Inverter Drive - Models Starting 10/1/08 ................................................................................................................. 82
Main Switch and Noise Filter .................................................................................................................................. 84
Soap Injection Printboard, Network Connection Printboard and Noise Filter - Sigma, PS40F and Micro-20 ......... 86
Central Operating Panel, Network Connection and Soap Injection Printboards - Cygnus Models ......................... 88
Relay, Network Connection and Main Printboards - Cygnus Models ..................................................................... 90
Electrical Component Mounting Plate - Models Through 2/22/09........................................................................... 92
Electrical Component Mounting Plate - Models Starting 2/23/09............................................................................ 94
Balance Switch ....................................................................................................................................................... 96
Supply Dispenser - Models with Frontal Supply Dispenser .................................................................................... 98
Supply Dispenser with Round Ventilation Opening .............................................................................................. 100
Supply Dispenser with Rectangular Ventilation Opening...................................................................................... 102
Electric Heating Option ......................................................................................................................................... 104
Steam Heating Option - *HC35 and *HC165 Models............................................................................................ 106
Soap Pumps ......................................................................................................................................................... 108
Parts Index ............................................................................................................................................................ 111

D0903 3
© Copyright, Alliance Laundry Systems LLC – DO NOT COPY or TRANSMIT
Parts Ordering Information
If literature or replacement parts are required, con-
tact the source from whom the machine was pur-
chased or contact Alliance Laundry Systems at
(920) 748-3950 for the name and address of the
nearest authorized parts distributor.
For technical assistance, call the number listed
below:
(920) 748-3121 Ripon, Wisconsin
Serial Plate Location
When calling or writing about your product, be
sure to mention model and serial numbers. Model
and serial numbers are located on serial plate(s)
as shown.
CFD21CA_D0903
Serial Plate

Notes
4D0903
© Copyright, Alliance Laundry Systems LLC – DO NOT COPY or TRANSMIT
D0903 5
© Copyright, Alliance Laundry Systems LLC – DO NOT COPY or TRANSMIT
Model Identification
Information in this manual is applicable to these washer-extractor models:
CHC030ANH
CHC030MNH
CHC035ANH
CHC035MNH
HC135_CYGNUS-COMM_COIN
HC135_CYGNUS-COMM_OPL
HC135_CYGNUS-PREM_COIN
HC135_CYGNUS-PREM_OPL
HC135_CYGNUS-PRO
HC135_CYGNUS-STANDARD_COIN
HC135_CYGNUS-STANDARD_OPL
HC135_MICRO-20_COIN
HC135_MICRO-20_OPL
HC135_PS40F
HC135_SIGMA_COIN
HC135_SIGMA_OPL
HC165_CYGNUS-COMM_COIN
HC165_CYGNUS-COMM_OPL
HC165_CYGNUS-PREM_COIN
HC165_CYGNUS-PREM_OPL
HC165_CYGNUS-PRO
HC165_CYGNUS-STANDARD_COIN
HC165_CYGNUS-STANDARD_OPL
HC165_MICRO-20_COIN
HC165_MICRO-20_OPL
HC165_PS40F
HC165_SIGMA_COIN
HC165_SIGMA_OPL
IHC030ANH
IHC030MCH
IHC030MDH
IHC030MEH
IHC030MLH
IHC030MNH
IHC030MXH
IHC030MYH
IHC030SCH
IHC030SDH
IHC030SEH
IHC030SLH
IHC030SRH
IHC030SXH
IHC030SYH
IHC035ANH
IHC035MCH
IHC035MDH
IHC035MEH
IHC035MLH
IHC035MNH
IHC035MXH
IHC035MYH
IHC035SCH
IHC035SDH
IHC035SEH
IHC035SLH
IHC035SRH
IHC035SXH
IHC035SYH
IHC135ANH
IHC135MCH
IHC135MDH
IHC135MEH
IHC135MLH
IHC135MNH
IHC135MRH
IHC135MXH
IHC135MYH
IHC135SCH
IHC135SDH
IHC135SEH
IHC135SLH
IHC135SRH
IHC135SXH
IHC135SYH
IHC135ZNH
IHC165ANH
IHC165MCH
IHC165MDH
IHC165MEH
IHC165MLH
IHC165MNH
IHC165MRH
IHC165MXH
IHC165MYH
IHC165SCH
IHC165SDH
IHC165SEH
IHC165SLH
IHC165SRH
IHC165SXH
IHC165SYH
IHC165ZNH

6D0903
© Copyright, Alliance Laundry Systems LLC – DO NOT COPY or TRANSMIT
Cabinet Freestanding Washer-Extractor Product Overview
CFD297P_D0903
Cygnus Professional
CYGNUS
PROFESSIONAL
Normal wash 40º-40ºC
Warm wash 40º-60ºC
Hot wash 40º-90ºC
Delicate 1 90ºC
Synthetic 1
1000
40ºC
1h03
Micro 20
Micro20 Controlled
1
2
3
4
5
6
7
8
9
SELECT
START
ECO.
P
I
E
Sigma
Sigma Controlled
SELECT
AB
D
C
START
ECO.
P
I
E
1
2
3
4
5
6
7
8
9
PS40
1 2 3
PS40
4 5 6O
7 8 9NO
PROG
+ 0 _
Alliance International BVBA
Nieuwstraat 146
8560 Wevelgem
Belgium
Tel: +32 56 41 20 54
Fax: +32 56 41 86 74
www.ipso.be
HC60C
3 ~ 400V 50Hz
0.55kW 2.5A
9kW 16A
9.55 kW
592 Nm
2007
Type:
Voltage:
Motor:
Heating:
Total:
Kinetic energy:
Manufactured in:
sfc 741837
Water Pressure: min. 2.07 max. 5.86 Kg/cm²
min. 20.7 max. 58.6 N/cm² IPX4
07110WD0339
181 kg
73 L
7,3 kg
530 mm
700 rpm
Nr:
Weight:
Capacity:
Dry Load:
Drum:
Speed:
Alliance International BVBA
Made in Belgium
TEL 1-920-748-3121
www.comlaundry.com
100740
CONFORMS TO ANSI/UL
STD 2157
CERTIFIED TO CAN/CSA
STD C22.2 NO.169-94
IPX4
Model No: IH C0 25 M N HX 10U03
Volts Hertz:
Phase:
Amps:
Recommended
Circuit Breaker:
Interrupt Current:
Motor:
Elec Heat:
Steam
heat:
Serial No: 0803440291
208-240 50/60
1 - 3
6 amps
15 amps
10 kA
1 hp
0,75 kW
N/A kW
N/A psi
N/A bar
Type:
Capacity:
Water
Pressure:
Max Speed:
Net
Weight:
WFF75
18/ 7 lbs/kg
30-85 psi
2.07-5.86 bar
700 rpm
400 lbs
181 kg

D0903 7
© Copyright, Alliance Laundry Systems LLC – DO NOT COPY or TRANSMIT
Cabinet Freestanding Washer-Extractor Product Overview
REF PART NO. DESCRIPTION COMMENTS
1- Product Family CHC
HC
IHC
2- Capacity 30
35
135
165
3- Control A (PS40F)
Cygnus-Comm
Cygnus-Prem
Cygnus-Standard
M (Micro-20)
S (Sigma)
Z (Cygnus-Pro)
4- Actuation C (Coin Drop Meter)
D (Dual Coin Drop )
E (Electonic Drop)
L (Prep for Remote or Central Pay)
N (Non-Coin)
R (Smart Card Ready)
X (Prep for Coin)
Y (Card Ready)
5- Speed H (High Speed)
6- Voltage N (440-480/50-60/3/3)
P (380-415/50-60/3/3)
Q (208-240/50-60/3/3)
X (200-240/50-60/1/3)
7-Design 1

8D0903
© Copyright, Alliance Laundry Systems LLC – DO NOT COPY or TRANSMIT
Frame
BE000654P_D0903

D0903 9
© Copyright, Alliance Laundry Systems LLC – DO NOT COPY or TRANSMIT
Frame
REF PART NO. DESCRIPTION COMMENTS
1201/00005/00 Washer
2206/00053/00 Screw
3204/00111/00 Nut
4152/00107/00 Tub Support *30 and *135 models
4152/00108/00 Tub Support *35 and *165 models
5152/00103/50 Frame *30 and *135 models
5152/00111/50 Frame *35 and *165 models
6206/00106/00 Nut
7252/00006/00 Leveling Leg

10 D0903
© Copyright, Alliance Laundry Systems LLC – DO NOT COPY or TRANSMIT
Shock Absorber
BE000626P_D0903

D0903 11
© Copyright, Alliance Laundry Systems LLC – DO NOT COPY or TRANSMIT
Shock Absorber
REF PART NO. DESCRIPTION COMMENTS
1247/00002/02 Shock Absorber
1247/00003/00 Shock Absorber *35 and *165 models; Includes items 1, 2, 4, 6, 8 and
247/00002/01 Suspension Spring
2247/00006/00 Fastening Rubber
3247/00007/00 Fastening Rubber
4201/00015/00 Washer
5204/00110/00 Nut
6247/00001/03 Spring Seat Bottom
7247/00002/01 Suspension Spring Blue; 5.5 mm diameter
7247/00001/01 Suspension Spring Black; 4.8 mm diameter
7247/00002/00 Shock Absorber Includes items 2, 4 and 247/00001/01 Suspension
Spring
8247/00001/04 Spring Holder Top

12 D0903
© Copyright, Alliance Laundry Systems LLC – DO NOT COPY or TRANSMIT
Shell and Basket - Models Through 3/31/07
BE000615P_D0903

D0903 13
© Copyright, Alliance Laundry Systems LLC – DO NOT COPY or TRANSMIT
Shell and Basket - Models Through 3/31/07
REF PART NO. DESCRIPTION COMMENTS
1111/01854/00 Tilt Detector Plate
2204/00110/00 Nut
3201/00010/00 Washer
4117/00203/00 Tub *30 and *135 models; Electric heat
4117/00203/50 Tub *30 and *135 models; Boiler fed
4B12329201 Tub *35 and *165 models; Electric heat
4B12329301 Tub *35 and *165 models; Boiler fed
5204/00009/00 Nut
6202/00003/00 Washer
7206/00011/00 Bolt
8217/00008/00 Tub Front Panel Clip
9238/00012/00 Boot Clamp
10 255/00123/00 Boot
11 119/00049/00 Tub Front Panel
12 B12351601 Tub Front Gasket
13 B12380101 Basket and Shaft Assembly *30 and *135 models
13 111/01810/00 Drum and Axle Assembly *35 and *165 models
14 219/00007/00 Tub Front Ring Clamp

14 D0903
© Copyright, Alliance Laundry Systems LLC – DO NOT COPY or TRANSMIT
Shell and Basket - Models Starting 4/1/07
BE000615AP_D0903

D0903 15
© Copyright, Alliance Laundry Systems LLC – DO NOT COPY or TRANSMIT
Shell and Basket - Models Starting 4/1/07
REF PART NO. DESCRIPTION COMMENTS
1111/01854/00 Tilt Detector Plate
2204/00110/00 Nut
3201/00010/00 Washer
4117/00203/00 Tub *30 and *135 models; Electric heat; Models through
6/21/09
4B12328901 Tub *30 and *135 models; Electric heat; Models starting
6/22/09
4117/00203/50 Tub *30 and *135 models; Boiler fed; Models through
6/21/09
4B12329001 Tub *30 and *135 models; Boiler fed; Models starting
6/22/09
4B12329301 Tub *35 and *165 models; Electric heat and boiler fed
4B12329201 Tub *35 and *165 models; Electric heat; Models starting
6/22/09
5204/00009/00 Nut
6201/00007/00 Washer
7206/00032/00 Bolt
8217/00008/00 Tub Front Panel Clip
9238/00012/00 Boot Clamp
10 238/00014/00 Spring
11 238/00013/00 Fastening Ring
12 255/00123/00 Boot
13 119/00049/00 Tub Front Panel
14 B12351601 Tub Front Gasket
15 B12326301 Drum and Axle *30 and *135 models through 1/30/11; Used with
119/00001/01 Seal Holder Assembly
15 B12542901 Basket Kit *30 and *135 models through 1/30/11; Includes
B12380101 Basket and Shaft Assembly and 3882P
Bearing Kit
15 B12380101 Basket and Shaft Assembly *30 and *135 models starting 1/31/11; 3 mm; Used with
B12333701 Seal Plate Assembly
15 B12380201 Basket and Shaft Assembly *30 and *135 models starting 1/31/11; 9 mm; Used with
B12333701 Seal Plate Assembly
15 B12326701 Drum and Axle *35 and *165 models through 1/30/11; Used with
119/00001/01 Seal Holder Assembly
15 B12543001 Basket Kit *35 and *165 models through 1/30/11; Includes
B12380501 Basket and Shaft Assembly and 3882P
Bearing Kit
15 B12380501 Basket and Shaft Assembly *35 and *165 models starting 1/31/11; 3 mm; Used with
B12333701 Seal Plate Assembly
15 B12380601 Basket and Shaft Assembly *35 and *165 models starting 1/31/11; 9 mm; Used with
B12333701 Seal Plate Assembly
16 219/00007/00 Tub Front Ring Clamp

16 D0903
© Copyright, Alliance Laundry Systems LLC – DO NOT COPY or TRANSMIT
Bearing Housing - Models Through 1/30/11
BE000616P_D0903

D0903 17
© Copyright, Alliance Laundry Systems LLC – DO NOT COPY or TRANSMIT
Bearing Housing - Models Through 1/30/11
REF PART NO. DESCRIPTION COMMENTS
NA 381P3 Bearing Replacement Tool Kit
NA 388P4 Bearing Replacement Kit Includes items 4, 5, 8, 11, 17, 219/00004/00 Counter
Ring, 223/00242/20 Tub Gasket and F8382001P
Deflector Inlet
1204/00111/00 Nut
2201/00012/00 Washer
3206/00057/00 Screw
4201/00201/00 Washer
5205/00102/00 Bolt
6224/00051/00 Caddy Bracket 4H58-4
6224/00052/00 Caddy Bracket 4H912
7217/00002/00 O-Ring
8119/00001/01 Seal Holder Assembly Used with 111/01922/00 Drum or 111/01923/00 Drum
9219/00003/00 Shaft Seal
10 212/00006/00 Retainer Ring
11 F100134 Bearing
12 203/00004/00 Washer
13 205/00104/00 Bolt
14 152/00055/00 Speed Detector Bracket
15 210/00074/00 Speed Detector With connector
15 209/00400/00 Speed Detector Without connector
16 152/10118/01 Bearing Housing Assembly

18 D0903
© Copyright, Alliance Laundry Systems LLC – DO NOT COPY or TRANSMIT
Bearing Housing - Models Starting 1/31/11
CFD647P_D0903

D0903 19
© Copyright, Alliance Laundry Systems LLC – DO NOT COPY or TRANSMIT
Bearing Housing - Models Starting 1/31/11
REF PART NO. DESCRIPTION COMMENTS
NA 381P3 Bearing Replacement Tool Kit
NA 3882P Bearing Kit Includes items 4, 7, 8, 10, 16, 219/00004/00 Counter
Ring and 223/00242/20 Tub Gasket
1204/00111/00 Nut
2201/00012/00 Washer
3206/00057/00 Screw
4201/00201/00 Washer
5205/00102/00 Bolt
6224/00051/00 Caddy Bracket 4H58-4
6224/00052/00 Caddy Bracket 4H912
7B12333701 Seal Plate Assembly Used with B12380101 Basket, B12380201 Basket,
B12380501 Basket or B12380601 Basket
8B12332301 Lip Seal
9212/00006/00 Retainer Ring
10 F100134 Bearing
11 203/00004/00 Washer
12 205/00104/00 Bolt
13 152/00055/00 Speed Detector Bracket
14 210/00074/00 Speed Detector With connector
14 209/00400/00 Speed Detector Without connector
15 152/10118/01 Bearing Housing Assembly

20 D0903
© Copyright, Alliance Laundry Systems LLC – DO NOT COPY or TRANSMIT
Basket, Pulley and Belt - Models Through 3/31/07
BE000617P_D0903

D0903 21
© Copyright, Alliance Laundry Systems LLC – DO NOT COPY or TRANSMIT
Basket, Pulley and Belt - Models Through 3/31/07
REF PART NO. DESCRIPTION COMMENTS
1B12326301 Drum and Axle *30 and *135 models; Used with 119/00001/01 Seal
Holder Assembly
1B12326701 Drum and Axle *35 and *165 models; Used with 119/00001/01 Seal
Holder Assembly
2217/00101/00 Bearing Spacer
3219/00004/00 Counter Ring
4215/00004/00 Tolerance Ring
5226/00121/00 Belt
6206/00005/00 Bolt
7203/00002/00 Washer
8201/00015/00 Washer
9255/00117/00 Pulley

22 D0903
© Copyright, Alliance Laundry Systems LLC – DO NOT COPY or TRANSMIT
Basket, Pulley and Belt - Models Starting 4/1/07
BE000839P_D0903

D0903 23
© Copyright, Alliance Laundry Systems LLC – DO NOT COPY or TRANSMIT
Basket, Pulley and Belt - Models Starting 4/1/07
REF PART NO. DESCRIPTION COMMENTS
1B12326301 Drum and Axle *30 and *135 models through 1/30/11; Used with
119/00001/01 Seal Holder Assembly
1B12542901 Basket Kit *30 and *135 models through 1/30/11; Includes
B12380101 Basket and Shaft Assembly and 3882P
Bearing Kit
1B12380101 Basket and Shaft Assembly *30 and *135 models starting 1/31/11; 3 mm; Used with
B12333701 Seal Plate Assembly
1B12380201 Basket and Shaft Assembly *30 and *135 models starting 1/31/11; 9 mm; Used with
B12333701 Seal Plate Assembly
1B12326701 Drum and Axle *35 and *165 models through 1/30/11; Used with
119/00001/01 Seal Holder Assembly
1B12543001 Basket Kit *35 and *165 models through 1/30/11; Includes
B12380501 Basket and Shaft Assembly and 3882P
Bearing Kit
1B12380501 Basket and Shaft Assembly *35 and *165 models starting 1/31/11; 3 mm; Used with
B12333701 Seal Plate Assembly
1B12380601 Basket and Shaft Assembly *35 and *165 models starting 1/31/11; 9 mm; Used with
B12333701 Seal Plate Assembly
2219/00004/00 Counter Ring
3215/00004/00 Tolerance Ring
4226/00121/00 Belt
5206/00005/00 Bolt
6203/00002/00 Washer
7201/00015/00 Washer
8255/00117/00 Pulley

24 D0903
© Copyright, Alliance Laundry Systems LLC – DO NOT COPY or TRANSMIT
Motor and Belt
BE000618AP_D0903

D0903 25
© Copyright, Alliance Laundry Systems LLC – DO NOT COPY or TRANSMIT
Motor and Belt
REF PART NO. DESCRIPTION COMMENTS
1226/00121/00 Belt
2206/00099/00 Bolt
3201/00006/00 Washer
4206/00056/00 Screw
5226/00123/00 Motor Pulley
6271/35945/00 Nut
7204/00115/00 Nut
8117/00042/00 Retaining Ring
9206/00054/00 Bolt
10 209/00465/00 Fan
11 152/00044/03 Fan Plate Assembly
12 207/00117/00 Screw
13 B12510601 Motor
14 204/00109/00 Nut

26 D0903
© Copyright, Alliance Laundry Systems LLC – DO NOT COPY or TRANSMIT
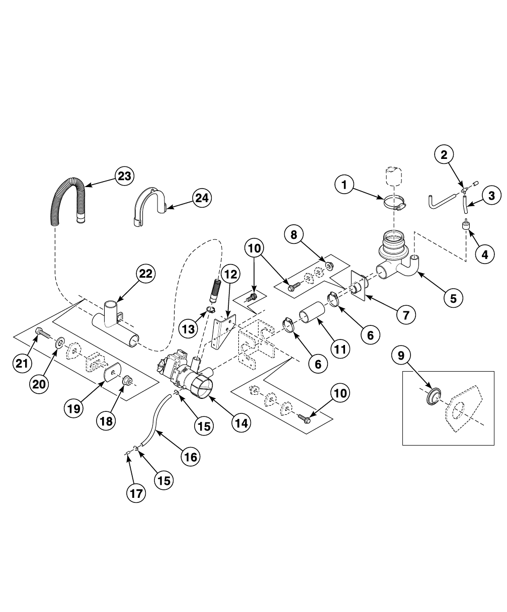
Drain Plumbing - Single Outlet Drain Piece with Water Level
Detection on Drain Valve-Models Through 8/11/10
BE000619CP_D0903

D0903 27
© Copyright, Alliance Laundry Systems LLC – DO NOT COPY or TRANSMIT
Drain Plumbing - Single Outlet Drain Piece with Water Level
Detection on Drain Valve-Models Through 8/11/10
REF PART NO. DESCRIPTION COMMENTS
1223/00014/00 Hose Clamp
2223/00173/10 Pressure Switch Hose Tee
3223/00316/00 Trap
4B12700018 Pressure Hose
5223/00016/00 Hose Barb
6223/00210/00 Pressure Switch Elbow
7223/00011/00 Hose Clamp
8209/00643/01 Drain Valve Coil Cover
9223/00013/00 Hose Clamp
10 209/00643/00 Drain Valve
11 223/00303/00 Drain Valve Hose
12 206/00101/00 Nut
13 101/00007/00 Outlet Pipe Plate Assembly
14 201/00007/00 Washer
15 206/00033/00 Bolt
16 223/00146/00 Drain Piece
17 223/00150/00 Overflow Hose
18 223/00001/04 Prewash and Mainwash Nozzle
19 201/00002/00 Washer
20 204/00201/00 Nut
21 223/00010/00 Hose Clamp
22 223/00044/00 Water Hose
23 209/00643/11 Motor

28 D0903
© Copyright, Alliance Laundry Systems LLC – DO NOT COPY or TRANSMIT
Drain Plumbing - Single Outlet Drain Piece with Water Level
Detection on Drain Hose-Models Starting 8/12/10
BE000619P_D0903

D0903 29
© Copyright, Alliance Laundry Systems LLC – DO NOT COPY or TRANSMIT
Drain Plumbing - Single Outlet Drain Piece with Water Level
Detection on Drain Hose-Models Starting 8/12/10
REF PART NO. DESCRIPTION COMMENTS
1223/00014/00 Hose Clamp
2223/00173/10 Pressure Switch Hose Tee
3B12700018 Pressure Hose
4223/00035/02 Pressure Switch Cap
5255/00010/00 Tub to Drain Valve Hose
6223/00013/00 Hose Clamp
7209/00463/00 Drain Valve
8223/00303/00 Drain Valve Hose
9223/00146/00 Drain Piece
10 206/00101/00 Nut
11 101/00007/00 Outlet Pipe Plate Assembly
12 201/00007/00 Washer
13 206/00033/00 Bolt
14 223/00150/00 Overflow Hose
15 223/00001/04 Prewash and Mainwash Nozzle
16 201/00002/00 Washer
17 204/00201/00 Nut
18 223/00010/00 Hose Clamp
19 223/00044/01 Water Hose

30 D0903
© Copyright, Alliance Laundry Systems LLC – DO NOT COPY or TRANSMIT
Drain Plumbing - Dual Outlet Drain Piece with
Water Level Detection on Drain Hose
BE000619AP_D0903

D0903 31
© Copyright, Alliance Laundry Systems LLC – DO NOT COPY or TRANSMIT
Drain Plumbing - Dual Outlet Drain Piece with
Water Level Detection on Drain Hose
REF PART NO. DESCRIPTION COMMENTS
1223/00014/00 Hose Clamp
2223/00173/10 Pressure Switch Hose Tee
3B12700018 Pressure Hose
4223/00035/02 Pressure Switch Cap
5255/00010/00 Tub to Drain Valve Hose
6223/00013/00 Hose Clamp
7209/00463/00 Drain Valve
8223/00303/00 Drain Valve Hose
9223/00297/00 Drain Pipe
10 206/00101/00 Nut
11 101/00007/00 Outlet Pipe Plate Assembly
12 201/00007/00 Washer
13 206/00033/00 Bolt
14 223/00294/00 Drain Pipe Cap
15 223/00150/00 Overflow Hose
16 223/00001/04 Prewash and Mainwash Nozzle
17 201/00002/00 Washer
18 204/00201/00 Nut
19 223/00010/00 Hose Clamp
20 223/00044/01 Water Hose

32 D0903
© Copyright, Alliance Laundry Systems LLC – DO NOT COPY or TRANSMIT
Drain Plumbing - Models with Pump Drain
BE000494CP_D0903

D0903 33
© Copyright, Alliance Laundry Systems LLC – DO NOT COPY or TRANSMIT
Drain Plumbing - Models with Pump Drain
REF PART NO. DESCRIPTION COMMENTS
1223/00014/00 Hose Clamp
2223/00173/10 Pressure Switch Hose Tee
3B12700018 Pressure Hose
4223/00035/02 Pressure Switch Cap
5255/00010/00 Tub to Drain Valve Hose
6223/00012/00 Hose Clamp
7155/00155/00 Drain Piece
8206/00105/00 Nut
9255/00019/00 Stopper
10 206/00099/00 Bolt
11 255/00017/00 Connecting Piece
12 155/00159/00 Pump Support
13 223/00011/00 Hose Clamp
14 209/00560/00 Hanging Drain Pump
15 223/00009/00 Clamp
16 223/00159/00 Pipe
17 223/00162/00 Stopper
18 206/00101/00 Nut
19 101/00007/00 Outlet Pipe Plate Assembly
20 201/00007/00 Washer
21 206/00033/00 Bolt
22 223/00146/00 Drain Piece
23 223/00157/01 Drain Pipe Kit
24 223/00157/02 Drain Pipe Kit

34 D0903
© Copyright, Alliance Laundry Systems LLC – DO NOT COPY or TRANSMIT
Drain Plumbing - Models with Pump Drain and Frontal Access
BE000662AP_D0903

D0903 35
© Copyright, Alliance Laundry Systems LLC – DO NOT COPY or TRANSMIT
Drain Plumbing - Models with Pump Drain and Frontal Access
REF PART NO. DESCRIPTION COMMENTS
1223/00014/00 Hose Clamp
2223/00173/10 Pressure Switch Hose Tee
3B12700018 Pressure Hose
4223/00035/02 Pressure Switch Cap
5255/00010/00 Tub to Drain Valve Hose
6223/00012/00 Hose Clamp
7155/00155/00 Drain Piece
8206/00105/00 Nut
9206/00099/00 Bolt
10 255/00019/00 Stopper
11 223/00307/00 Drain Hose
12 111/00288/10 Pump Support
13 209/00646/00 Pump 50 Hertz
13 209/00647/00 Pump 60 Hertz
14 223/00009/00 Clamp
15 223/00159/00 Pipe
16 223/00162/00 Stopper
17 206/00101/00 Nut
18 101/00007/00 Outlet Pipe Plate Assembly
19 201/00007/00 Washer
20 206/00033/00 Bolt
21 223/00146/00 Drain Piece
22 223/00011/00 Hose Clamp
23 223/00157/01 Drain Pipe Kit
24 223/00157/02 Drain Pipe Kit

36 D0903
© Copyright, Alliance Laundry Systems LLC – DO NOT COPY or TRANSMIT
Door Lock
BE000112BP_D0903

D0903 37
© Copyright, Alliance Laundry Systems LLC – DO NOT COPY or TRANSMIT
Door Lock
REF PART NO. DESCRIPTION COMMENTS
1B12517701 Door Lock Assembly Includes items 1-6, 10-12 and 15-26
2205/00115/00 Bolt
3202/00101/00 Washer
4217/00017/03 Lock Shaft
5207/00009/00 Screw
6201/00018/00 Washer
7B12625101 Microswitch
8203/00007/00 Washer
9207/00135/00 Screw
10 B12495102 Door Solenoid Assembly
11 224/00049/00 Door Lock Spring
12 201/00017/00 Washer
13 201/00006/00 Washer
14 204/00009/00 Nut
15 224/00043/00 Interlock Coil Spring
16 217/00052/07 Door Release Wire
17 217/00052/04 Interlock Lever
18 217/00052/03 Door Lock Spacer
19 202/00124/00 Washer
20 224/00040/00 Lever Spring
21 117/00052/08 Lock Protection Plate
22 210/10015/00 Ground Terminal
23 204/00008/00 Nut
24 205/00103/00 Bolt
25 209/00272/00 Door Lock Microswitch

38 D0903
© Copyright, Alliance Laundry Systems LLC – DO NOT COPY or TRANSMIT
Door
BE000033DP_D0903

D0903 39
© Copyright, Alliance Laundry Systems LLC – DO NOT COPY or TRANSMIT
Door
REF PART NO. DESCRIPTION COMMENTS
1217/00059/00 Door Handle HC and IHC models; Black
1217/00065/00 Door Handle CHC and HC models; Gray
2217/00016/00 Door Handle Stop
3B12500801 Screw
4204/00103/00 Nut
5202/00111/00 Washer
6211/00109/02 Door Lock Pin Kit
7217/00022/00 Door Glass
8217/00015/00 Door Glass Seal
9118/00046/10 Door Frame
10 204/00106/00 Nut
11 202/00108/00 Washer
12 217/00009/02 Door Hinge Assembly
13 202/00104/00 Washer
14 117/00010/00 Door Hinge Spacer
15 207/00126/00 Screw
16 221/00005/00 Door Hinge
17 118/00065/00 Door Hinge Plate Assembly
18 202/00101/00 Washer
19 205/00107/00 Bolt

40 D0903
© Copyright, Alliance Laundry Systems LLC – DO NOT COPY or TRANSMIT
Control Panel - Cygnus Professional
BE000804CP_D0903

D0903 41
© Copyright, Alliance Laundry Systems LLC – DO NOT COPY or TRANSMIT
Control Panel - Cygnus Professional
REF PART NO. DESCRIPTION COMMENTS
1229/00289/00 Circuit Board Cover
2209/02002/00 Display PC-Board
3204/00116/00 Nut
4223/00123/00 Washer
5211/00128/00 Printboard Separator
6211/00122/00 Standoff
7229/00268/00 Insulating Sticker
8111/01893/00 Printboard Support Card
9211/00145/00 Standoff
10 B12305201 Memory Card PC-Board Models prior to 4/5/11 require a firmware upgrade
10 B12538301 Data Card Ribbon Assembly
11 111/01845/00 Upper Front Panel
12 225/00321/00 Plexi Frame
13 209/02022/00 Datacard
14 210/00902/00 Infrared Cable
15 225/10313/00 Operating Sticker Without datacard opening
15 225/10426/00 Operating Sticker With datacard opening
16 223/00348/00 Datacard Cover
17 209/00099/20 Emergency Switch Pushbutton
18 209/00520/00 Telem Sticker
19 44018901 Contact Block
20 223/00374/00 Mounting Plate
21 209/02010/00 Door Lock PC-Board

42 D0903
© Copyright, Alliance Laundry Systems LLC – DO NOT COPY or TRANSMIT
Control Panel - Cygnus Premium OPL
BE000871AP_D0903

D0903 43
© Copyright, Alliance Laundry Systems LLC – DO NOT COPY or TRANSMIT
Control Panel - Cygnus Premium OPL
REF PART NO. DESCRIPTION COMMENTS
1229/00289/00 Circuit Board Cover
2209/02015/02 Printboard
3204/00116/00 Nut
4223/00123/00 Washer
5211/00128/00 Printboard Separator
6211/00122/00 Standoff
7229/00291/00 Insulating Sticker
8111/01893/00 Printboard Support Card
9211/00145/00 Standoff
10 B12305201 Memory Card PC-Board Models prior to 4/5/11 require a firmware upgrade
10 B12538301 Data Card Ribbon Assembly
11 111/01902/00 Operating Panel
12 225/00323/00 Plexi Frame
13 225/10404/00 Operating Sticker With datacard opening
13 225/10427/00 Operating Sticker Without datacard opening
14 210/00902/00 Infrared Cable
15 223/00348/00 Datacard Cover
16 209/02022/00 Datacard
17 209/00099/20 Emergency Switch Pushbutton
18 209/00520/00 Telem Sticker
19 44018901 Contact Block
20 223/00374/00 Mounting Plate
21 209/02010/00 Door Lock PC-Board

44 D0903
© Copyright, Alliance Laundry Systems LLC – DO NOT COPY or TRANSMIT
Control Panel - Cygnus Premium OPL
with Frontal Supply Dispenser
BE000870AP_D0903

D0903 45
© Copyright, Alliance Laundry Systems LLC – DO NOT COPY or TRANSMIT
Control Panel - Cygnus Premium OPL
with Frontal Supply Dispenser
REF PART NO. DESCRIPTION COMMENTS
1229/00289/00 Circuit Board Cover
2209/02015/02 Printboard
3204/00116/00 Nut
4223/00123/00 Washer
5211/00128/00 Printboard Separator
6211/00122/00 Standoff
7229/00291/00 Insulating Sticker
8111/01906/00 Operating Panel
9225/00323/00 Plexi Frame
10 225/10404/00 Operating Sticker With datacard opening
10 225/10427/00 Operating Sticker Without datacard opening
11 210/00902/00 Infrared Cable
12 209/00099/20 Emergency Switch Pushbutton
13 209/00520/00 Telem Sticker
14 44018901 Contact Block
15 209/02022/00 Datacard
16 B12305201 Memory Card PC-Board Models prior to 4/5/11 require a firmware upgrade
16 B12538301 Data Card Ribbon Assembly
17 209/02010/00 Door Lock PC-Board
18 223/00374/00 Mounting Plate

46 D0903
© Copyright, Alliance Laundry Systems LLC – DO NOT COPY or TRANSMIT
Control Panel - Cygnus Premium Coin
BE000872AP_D0903

D0903 47
© Copyright, Alliance Laundry Systems LLC – DO NOT COPY or TRANSMIT
Control Panel - Cygnus Premium Coin
REF PART NO. DESCRIPTION COMMENTS
1229/00289/00 Circuit Board Cover
2209/02015/02 Printboard
3204/00116/00 Nut
4223/00123/00 Washer
5211/00128/00 Printboard Separator
6211/00122/00 Standoff
7229/00291/00 Insulating Sticker
8111/01903/00 Operating Panel
9225/00323/00 Plexi Frame
10 225/10403/00 Operating Sticker
11 210/00902/00 Infrared Cable
12 209/02022/00 Datacard
13 B12305201 Memory Card PC-Board Models prior to 4/5/11 require a firmware upgrade
13 B12538301 Data Card Ribbon Assembly
14 209/02010/00 Door Lock PC-Board
15 223/00374/00 Mounting Plate

48 D0903
© Copyright, Alliance Laundry Systems LLC – DO NOT COPY or TRANSMIT
Control Panel - Cygnus Premium Coin
with Frontal Supply Dispenser
BE000873AP_D0903

D0903 49
© Copyright, Alliance Laundry Systems LLC – DO NOT COPY or TRANSMIT
Control Panel - Cygnus Premium Coin
with Frontal Supply Dispenser
REF PART NO. DESCRIPTION COMMENTS
1229/00289/00 Circuit Board Cover
2209/02015/02 Printboard
3204/00116/00 Nut
4223/00123/00 Washer
5211/00128/00 Printboard Separator
6211/00122/00 Standoff
7229/00291/00 Insulating Sticker
8111/01907/00 Operating Panel
9225/00323/00 Plexi Frame
10 225/10403/00 Operating Sticker
11 210/00902/00 Infrared Cable
12 209/02022/00 Datacard
13 B12305201 Memory Card PC-Board Models prior to 4/5/11 require a firmware upgrade
13 B12538301 Data Card Ribbon Assembly
14 209/02010/00 Door Lock PC-Board
15 223/00374/00 Mounting Plate

50 D0903
© Copyright, Alliance Laundry Systems LLC – DO NOT COPY or TRANSMIT
Control Panel - Cygnus Standard/Commercial OPL
BE000867AP_D0903

D0903 51
© Copyright, Alliance Laundry Systems LLC – DO NOT COPY or TRANSMIT
Control Panel - Cygnus Standard/Commercial OPL
REF PART NO. DESCRIPTION COMMENTS
1229/00289/00 Circuit Board Cover
2209/02001/02 Printboard
3204/00116/00 Nut
4223/00123/00 Washer
5223/00330/00 Protection LED
6111/01828/00 Operating Panel
7225/00322/00 Plexi Frame
8225/10307/00 Operating Sticker Models HC135_CYGNUS-STANDARD_OPL and
HC165_CYGNUS-STANDARD_OPL
8225/10308/00 Operating Sticker Models HC135_CYGNUS-COMM_OPL and
HC165_CYGNUS-COMM_COIN
9210/00902/00 Infrared Cable
10 44018801 Pushbutton
11 209/00520/00 Telem Sticker
12 44018901 Contact Block
13 209/02022/00 Datacard
14 B12305201 Memory Card PC-Board Models prior to 4/5/11 require a firmware upgrade
14 B12538301 Data Card Ribbon Assembly
15 211/00128/00 Printboard Separator
16 209/02010/00 Door Lock PC-Board
17 223/00374/00 Mounting Plate

52 D0903
© Copyright, Alliance Laundry Systems LLC – DO NOT COPY or TRANSMIT
Control Panel - Cygnus Standard/Commercial OPL
with Frontal Supply Dispenser
BE000868AP_D0903

D0903 53
© Copyright, Alliance Laundry Systems LLC – DO NOT COPY or TRANSMIT
Control Panel - Cygnus Standard/Commercial OPL
with Frontal Supply Dispenser
REF PART NO. DESCRIPTION COMMENTS
1229/00289/00 Circuit Board Cover
2209/02001/02 Printboard
3204/00116/00 Nut
4223/00123/00 Washer
5223/00330/00 Protection LED
6111/01829/00 Operating Panel
7225/00322/00 Plexi Frame
8225/10307/00 Operating Sticker Models HC135_CYGNUS-STANDARD_OPL and
HC165_CYGNUS-STANDARD_OPL
8225/10308/00 Operating Sticker Models HC135_CYGNUS-COMM_OPL and
HC165_CYGNUS-COMM_OPL
9210/00902/00 Infrared Cable
10 44018801 Pushbutton
11 209/00520/00 Telem Sticker
12 44018901 Contact Block
13 209/02022/00 Datacard
14 B12305201 Memory Card PC-Board Models prior to 4/5/11 require a firmware upgrade
14 B12538301 Data Card Ribbon Assembly
15 211/00128/00 Printboard Separator
16 209/02010/00 Door Lock PC-Board
17 223/00374/00 Mounting Plate

54 D0903
© Copyright, Alliance Laundry Systems LLC – DO NOT COPY or TRANSMIT
Control Panel - Cygnus Standard/Commercial Coin
BE000874AP_D0903

D0903 55
© Copyright, Alliance Laundry Systems LLC – DO NOT COPY or TRANSMIT
Control Panel - Cygnus Standard/Commercial Coin
REF PART NO. DESCRIPTION COMMENTS
1229/00289/00 Circuit Board Cover
2209/02001/02 Printboard
3204/00116/00 Nut
4223/00123/00 Washer
5223/00330/00 Protection LED
6111/01819/00 Operating Panel
7225/00322/00 Plexi Frame
8225/10305/00 Operating Sticker Models HC135_CYGNUS-STANDARD_COIN and
HC165_CYGNUS-STANDARD_COIN
8225/10306/00 Operating Sticker Models HC135_CYGNUS-COMM_COIN and
HC165_CYGNUS-COMM_COIN
9210/00902/00 Infrared Cable
10 209/02022/00 Datacard
11 B12305201 Memory Card PC-Board Models prior to 4/5/11 require a firmware upgrade
11 B12538301 Data Card Ribbon Assembly
12 211/00128/00 Printboard Separator
13 209/02010/00 Door Lock PC-Board
14 223/00374/00 Mounting Plate

56 D0903
© Copyright, Alliance Laundry Systems LLC – DO NOT COPY or TRANSMIT
Control Panel - Cygnus Standard/Commercial Coin
with Frontal Supply Dispenser
BE000869AP_D0903

D0903 57
© Copyright, Alliance Laundry Systems LLC – DO NOT COPY or TRANSMIT
Control Panel - Cygnus Standard/Commercial Coin
with Frontal Supply Dispenser
REF PART NO. DESCRIPTION COMMENTS
1229/00289/00 Circuit Board Cover
2209/02001/02 Printboard
3204/00116/00 Nut
4223/00123/00 Washer
5223/00330/00 Protection LED
6111/01829/00 Operating Panel
7225/00322/00 Plexi Frame
8225/10305/00 Operating Sticker Models HC135_CYGNUS-STANDARD_COIN and
HC165_CYGNUS-STANDARD_COIN
8225/10306/00 Operating Sticker Models HC135_CYGNUS-COMM_COIN and
HC165_CYGNUS-COMM_COIN
9210/00902/00 Infrared Cable
10 209/02022/00 Datacard
11 B12305201 Memory Card PC-Board Models prior to 4/5/11 require a firmware upgrade
11 B12538301 Data Card Ribbon Assembly
12 211/00128/00 Printboard Separator
13 209/02010/00 Door Lock PC-Board
14 223/00374/00 Mounting Plate

58 D0903
© Copyright, Alliance Laundry Systems LLC – DO NOT COPY or TRANSMIT
Control Panel - Micro-20 OPL
BE000620P_D0903

D0903 59
© Copyright, Alliance Laundry Systems LLC – DO NOT COPY or TRANSMIT
Control Panel - Micro-20 OPL
REF PART NO. DESCRIPTION COMMENTS
1229/00262/00 Circuit Board Cover
2209/00440/70 Printboard 220 Volt
2209/00440/80 Printboard 115 Volt
3204/00116/00 Nut
4211/00122/00 Standoff
5203/00006/00 Washer
6111/01816/00 Upper Front Panel
7225/00316/00 Plexi Frame
8225/00407/00 Keypad Sticker
944018801 Pushbutton
10 209/00520/00 Telem Sticker
11 44018901 Contact Block
12 209/00266/01 Eprom Standard software
13 209/00372/01 Fuse 125 mA; Used with 209/00552/02 Printboard
13 209/00439/00 Fuse 500 mA
14 229/00255/00 Insulating Sticker

60 D0903
© Copyright, Alliance Laundry Systems LLC – DO NOT COPY or TRANSMIT
Control Panel - Sigma OPL
BE000621P_D0903

D0903 61
© Copyright, Alliance Laundry Systems LLC – DO NOT COPY or TRANSMIT
Control Panel - Sigma OPL
REF PART NO. DESCRIPTION COMMENTS
1229/00262/00 Circuit Board Cover
2209/00547/00 Control Board
3204/00116/00 Nut
4211/00122/00 Standoff
5111/01816/00 Upper Front Panel
6225/00316/00 Plexi Frame
7225/00404/00 Operating Sticker
8210/00902/00 Infrared Cable
944018801 Pushbutton
10 209/00520/00 Telem Sticker
11 44018901 Contact Block
12 209/00372/01 Fuse 125 mA
13 229/00255/00 Insulating Sticker

62 D0903
© Copyright, Alliance Laundry Systems LLC – DO NOT COPY or TRANSMIT
Control Panel - Micro-20 and Sigma Coin
BE000629P_D0903

D0903 63
© Copyright, Alliance Laundry Systems LLC – DO NOT COPY or TRANSMIT
Control Panel - Micro-20 and Sigma Coin
REF PART NO. DESCRIPTION COMMENTS
1229/00262/00 Circuit Board Cover
2209/00547/00 Control Board
3204/00116/00 Nut
4211/00122/00 Standoff
5111/01811/01 Upper Front Panel
6225/00316/00 Plexi Frame
7225/00403/00 Decal Sigma models
7225/00406/00 Operating Label Micro-20 models
8210/00902/00 Infrared Cable
944018801 Pushbutton
10 209/00520/00 Telem Sticker
11 44018901 Contact Block
12 209/00372/01 Fuse 125 mA
13 229/00255/00 Insulating Sticker

64 D0903
© Copyright, Alliance Laundry Systems LLC – DO NOT COPY or TRANSMIT
Control Panel - PS40F
BE000622P_D0903

D0903 65
© Copyright, Alliance Laundry Systems LLC – DO NOT COPY or TRANSMIT
Control Panel - PS40F
REF PART NO. DESCRIPTION COMMENTS
1229/00262/00 Circuit Board Cover
2B12351701 Main Board
3229/00255/00 Insulating Sticker
444018901 Contact Block
5209/00099/25 Switch Base
6209/00099/29 Switch Knob
744018801 Pushbutton
8209/00520/00 Telem Sticker
9204/00116/00 Nut
10 211/00122/00 Standoff
11 111/01850/00 Facia Panel HC and IHC models
11 111/01912/00 Upper Front Panel CHC and HC models
12 209/00326/20 Programming Key Contact Switch
12 209/00326/21 Programming Key
13 225/00400/00 Operating Sticker
14 225/00397/00 Label
15 210/00902/00 Infrared Cable
16 223/00123/00 Washer
17 223/00051/10 Washer
18 204/00116/00 Nut
19 209/00372/01 Fuse 125 mA; Used with 209/00552/02 Printboard
19 209/00552/11 Fuse 80 mA; Used with B12351701 Main Board
20 209/00552/01 Keypad

66 D0903
© Copyright, Alliance Laundry Systems LLC – DO NOT COPY or TRANSMIT
Coin Drop - Mechanical Coin Meter
CFD512P_D0903

D0903 67
© Copyright, Alliance Laundry Systems LLC – DO NOT COPY or TRANSMIT
Coin Drop - Mechanical Coin Meter
REF PART NO. DESCRIPTION COMMENTS
NA B12388101 Single Drop Optical Sensor Kit Includes items 3 and 4
NA B12388102 Dual Drop Optical Sensor Kit Includes items 3 and 4
1254/00077/00 Coin Box
1254/00077/02 Key
2204/00008/00 Nut
3B12359901 Wire Assembly Micro-20 and Sigma models
4209/00781/00 Optical Switch Micro-20 and Sigma models
5B12311224 Coin Drop Mechanical; Jeton 5K
5B12311206 Coin Drop Mechanical; Jeton 7K
5B12311201 Coin Drop Mechanical; Jeton 10K
5B12311210 Coin Drop Mechanical; Jeton 12K
5B12311252 Coin Drop Mechanical; Jeton 10K and .5 euro
5B12311211 Coin Drop Mechanical; Jeton 7K and 1 euro
5B12323901 Coin Drop Mechanical; Jeton 15K and 7K
5B12311204 Coin Drop Mechanical; Jeton gettone
5B12311234 Coin Drop Mechanical; Jeton crouzet
5B12311247 Coin Drop Mechanical; Jeton 118-1
5B12311248 Coin Drop Mechanical; Jeton 118-5
5B12311222 Coin Drop Mechanical; 1 euro
5B12311214 Coin Drop Mechanical; .5 euro
5B12311202 Coin Drop Mechanical; .5 and 1 euro
5B12311239 Coin Drop Mechanical; .5 and 2 euro
5B12311205 Coin Drop Mechanical; .2 and 1 euro
5B11211209 Coin Drop Mechanical; .2 and .5 euro
5B12311218 Coin Drop Mechanical; 1 and 1 euro
5B12311219 Coin Drop Mechanical; 1 and 2 euro
5B12311203 Coin Drop Mechanical; 1 and 2 frank
5B12311207 Coin Drop Mechanical; 1 Deense kroon
5B12311225 Coin Drop Mechanical; 10 Deense kronen
5B12311235 Coin Drop Mechanical; 10 Tsjechische kronen
5B12311244 Coin Drop Mechanical; 10 Noorse kronen
5B12311208 Coin Drop Mechanical; 100 and 500 yen
5B12311212 Coin Drop Mechanical; 15K
5B12311215 Coin Drop Mechanical; 1 kro
5B12311226 Coin Drop Mechanical; Australia 1.00
5B12311216 Coin Drop Mechanical; Australia .2 and 1.00
5B12311220 Coin Drop Mechanical; New Zealand 1.00
5B12311221 Coin Drop Mechanical; .5 and 2 zwitsers
5B12311241 Coin Drop Mechanical; Hong Kong 1.00
5B12311249 Coin Drop Mechanical; Hong Kong 5.00
5B12311301 Coin Drop Mechanical; U.S. $0.25
5B12311302 Coin Drop Mechanical; U.S. $0.25 and $1.00
5B12311304 Coin Drop Mechanical; Canada 1.00 and .25
5B12323401 Coin Drop Mechanical; Singapore 1.00
6209/00600/01P Switch
7209/00396/00 Pushbutton
8152/00112/00 Mechanical Coin Meter Housing
9111/01001/00 Top Panel Gray
9111/01000/00 Front Plate Black
10 217/00060/00 Fastening Piece
11 111/01002/00 Backplate
12 204/00116/00 Nut

68 D0903
© Copyright, Alliance Laundry Systems LLC – DO NOT COPY or TRANSMIT
Coin Drop - Electronic Coin Meter
CFD511P_D0903

D0903 69
© Copyright, Alliance Laundry Systems LLC – DO NOT COPY or TRANSMIT
Coin Drop - Electronic Coin Meter
REF PART NO. DESCRIPTION COMMENTS
1254/00077/00 Coin Box
1254/00077/02 Key
2209/00682/00 Transformer
3209/00683/00 Input Block
4204/00008/00 Nut
5B12311401 Coin Drop Electronic; Cygnus models
6209/00396/00 Pushbutton
7152/00112/50 Electronic Coin Meter Housing
8208/00002/00 Nut
9208/00014/00 Screw
10 111/01001/00 Top Panel Gray
10 111/01000/00 Front Plate Black
11 217/00060/00 Fastening Piece
12 111/01002/00 Backplate
13 204/00116/00 Nut

70 D0903
© Copyright, Alliance Laundry Systems LLC – DO NOT COPY or TRANSMIT
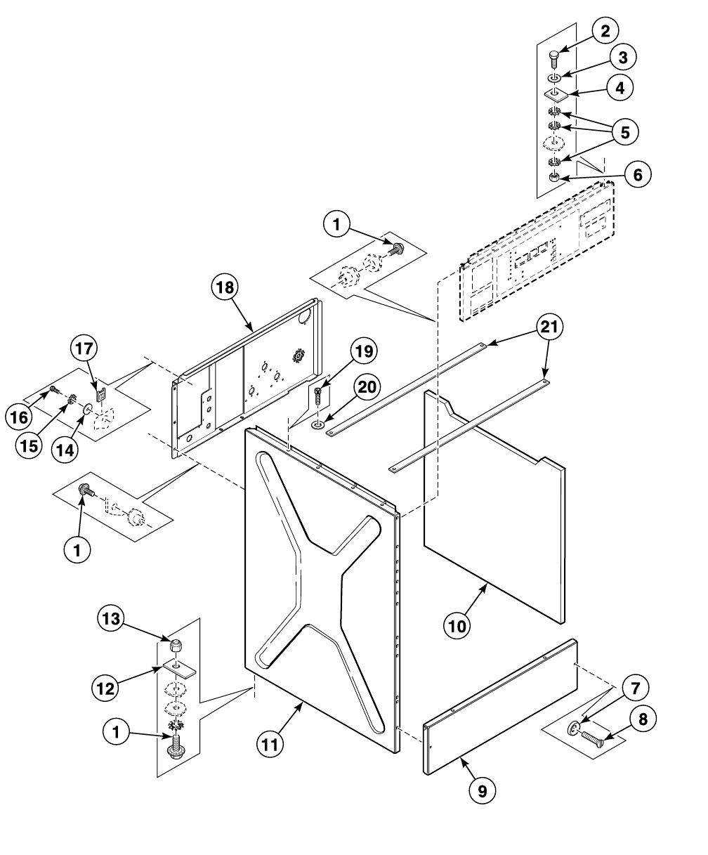
Middle Front, Top, Lower Rear and Right Side Panels
BE000660P_D0903

D0903 71
© Copyright, Alliance Laundry Systems LLC – DO NOT COPY or TRANSMIT
Middle Front, Top, Lower Rear and Right Side Panels
REF PART NO. DESCRIPTION COMMENTS
1207/00125/00 Bolt
2223/00103/03 Soap Dispenser Frame
3208/00104/00 Nut
4111/22723/10 Side Panel *30 and *135 models; Stainless steel
4111/22728/10 Side Panel *35 and *165 models; Stainless steel
4111/60035/00 Side Panel *30 and *135 models; Black
4111/60036/00 Side Panel *35 and *165 models; Black
5206/00099/00 Bolt
6111/01802/00 Front Panel
7204/00009/00 Nut
8155/00144/00 Reinforcing Triangle
9206/00114/00 Bolt
10 111/10089/01 Reinforcement Plate
11 246/00079/00 Side Panel Gasket
12 152/00053/02 Back Panel
13 111/22741/00 Top Panel *30 and *135 models
13 111/22743/00 Top Panel *35 and *165 models
14 223/00103/04 Soap Dispenser Cover Hinge Rod 2 required
15 223/00103/01 Soap Dispenser Cover

72 D0903
© Copyright, Alliance Laundry Systems LLC – DO NOT COPY or TRANSMIT
Left Side, Upper Rear and Lower Front Panels
CFD510P_D0903

D0903 73
© Copyright, Alliance Laundry Systems LLC – DO NOT COPY or TRANSMIT
Left Side, Upper Rear and Lower Front Panels
REF PART NO. DESCRIPTION COMMENTS
1206/00099/00 Bolt
2205/00106/00 Bolt
3202/00003/00 Washer
4117/00042/00 Retaining Ring
5203/00005/00 Washer
6204/00006/00 Nut
7208/00009/00 Washer
8207/00101/00 Screw
9111/01803/00 Lower Front Panel
10 246/00079/00 Side Panel Gasket
11 111/22723/10 Side Panel *30 and *135 models; Stainless steel
11 111/22728/10 Side Panel *35 and *165 models; Stainless steel
11 111/60035/00 Side Panel *30 and *135 models; Black
11 111/60036/00 Side Panel *35 and *165 models; Black
12 101/00007/00 Outlet Pipe Plate Assembly
13 204/00009/00 Nut
14 201/00006/00 Washer
15 203/00015/00 Washer
16 208/00014/00 Screw
17 208/00025/00 Nut
18 111/01833/00 Backbridge
19 206/00113/00 Screw
20 B12421401 Washer
21 111/00969/00 Crossbar

74 D0903
© Copyright, Alliance Laundry Systems LLC – DO NOT COPY or TRANSMIT
Upper Back Panel with Circular Ventilation -
Models Through 12/31/05
CFD333P_D0903

D0903 75
© Copyright, Alliance Laundry Systems LLC – DO NOT COPY or TRANSMIT
Upper Back Panel with Circular Ventilation -
Models Through 12/31/05
REF PART NO. DESCRIPTION COMMENTS
1111/00094/10 Electrical Connection Plate
2206/00014/00 Bolt
3202/00004/00 Washer
4F200164 Water Hose Standard thread
4F200166 Water Hose Metric thread
5203/00006/00 Washer
6204/00007/00 Nut
7206/00027/00 Bolt
8223/00102/07 Hose Vent
9208/00014/00 Screw
10 201/00006/00 Washer
11 208/00002/00 Nut
12 111/01822/00 Backbridge
13 223/00010/00 Hose Clamp
14 223/00044/00 Water Hose
15 209/00110/00 2-Way Inlet Valve Metric thread
15 B12519501 2-Way Inlet Valve Standard thread; G581P3 Repair Kit
16 211/00091/00 Plug
17 271/35945/00 Nut
18 111/00188/06 Electrical Connection Plate
19 208/00017/00 Rivet
20 204/00201/00 Nut
21 201/00002/00 Washer
22 206/00099/00 Bolt
23 223/00001/04 Prewash and Mainwash Nozzle
24 229/00068/02 Electrical Connection Sticker

76 D0903
© Copyright, Alliance Laundry Systems LLC – DO NOT COPY or TRANSMIT
Upper Back Panel with Rectangular Ventilation -
Models Through 12/31/05
CFD334P_D0903

D0903 77
© Copyright, Alliance Laundry Systems LLC – DO NOT COPY or TRANSMIT
Upper Back Panel with Rectangular Ventilation -
Models Through 12/31/05
REF PART NO. DESCRIPTION COMMENTS
1111/00094/10 Electrical Connection Plate
2206/00014/00 Bolt
3202/00004/00 Washer
4F200164 Water Hose Standard thread
4F200166 Water Hose Metric thread
5223/00179/10 Pressure Hose
6223/00226/00 Vent Tube
7111/01859/00 Backbridge
8208/00014/00 Screw
9201/00006/00 Washer
10 208/00025/00 Nut
11 223/00010/00 Hose Clamp
12 223/00044/00 Water Hose
13 208/00130/00 Screw
14 223/00250/00 Liquid Soap Manifold
15 206/00027/00 Bolt
16 211/00091/00 Plug
17 271/35945/00 Nut
18 209/00110/00 2-Way Inlet Valve Metric thread
18 B12519501 2-Way Inlet Valve Standard thread; G581P3 Repair Kit
19 111/00188/06 Electrical Connection Plate
20 208/00017/00 Rivet
21 223/00044/00 Water Hose
22 204/00201/00 Nut
23 201/00002/00 Washer
24 206/00099/00 Bolt
25 223/00001/04 Prewash and Mainwash Nozzle
26 229/00068/02 Electrical Connection Sticker

78 D0903
© Copyright, Alliance Laundry Systems LLC – DO NOT COPY or TRANSMIT
Upper Back Panel - Models Starting 1/1/06
CFD332P_D0903

D0903 79
© Copyright, Alliance Laundry Systems LLC – DO NOT COPY or TRANSMIT
Upper Back Panel - Models Starting 1/1/06
REF PART NO. DESCRIPTION COMMENTS
1204/00007/00 Nut
2202/00004/00 Washer
3203/00006/00 Washer
4206/00027/00 Bolt
5223/00102/07 Hose Vent
6208/00014/00 Screw
7201/00006/00 Washer
8208/00002/00 Nut
9111/01833/00 Backbridge Circular ventilation
10 223/00010/00 Hose Clamp
11 223/00044/00 Water Hose
12 223/00226/00 Vent Tube
13 111/01833/10 Backbridge Rectangular ventilation
14 209/00110/00 2-Way Inlet Valve Metric thread
14 B12519501 2-Way Inlet Valve Standard thread; G581P3 Repair Kit
15 204/00201/00 Nut
16 201/00002/00 Washer
17 206/00099/00 Bolt
18 223/00001/04 Prewash and Mainwash Nozzle
19 F200164 Water Hose Standard thread
19 F200166 Water Hose Metric thread

80 D0903
© Copyright, Alliance Laundry Systems LLC – DO NOT COPY or TRANSMIT
Inverter Drive - Models Through 9/30/08
BE000639P_D0903

D0903 81
© Copyright, Alliance Laundry Systems LLC – DO NOT COPY or TRANSMIT
Inverter Drive - Models Through 9/30/08
REF PART NO. DESCRIPTION COMMENTS
1209/00287/01 Fan Grill
2111/01174/01 Inverter Box Cover
3207/00121/00 Screw
4202/00004/00 Washer
5204/00114/00 Nut
6206/00099/00 Bolt
7208/00130/00 Screw
8111/01822/00 Backbridge
9223/00174/00 Grommet
10 206/00088/00 Bolt
11 203/00006/00 Washer
12 204/00007/00 Nut
13 N/A Inverter Drive FR-E520 series; 1x230 Volt
13 227/00168/00 Inverter Drive FR-E540 series; 3x400 Volt
14 223/00250/00 Liquid Soap Manifold
15 111/01174/00 Inverter Drive Box
16 209/00287/00 Cooling Fan
17 223/00179/10 Pressure Hose
N/A = Part no longer available

82 D0903
© Copyright, Alliance Laundry Systems LLC – DO NOT COPY or TRANSMIT
Inverter Drive - Models Starting 10/1/08
CFD507P_D0903

D0903 83
© Copyright, Alliance Laundry Systems LLC – DO NOT COPY or TRANSMIT
Inverter Drive - Models Starting 10/1/08
REF PART NO. DESCRIPTION COMMENTS
1111/01833/00 Backbridge
2223/00250/00 Liquid Soap Manifold
3227/00171/10 Parameter Unit Program Cable
4227/00171/00 Parameter Unit Assembly Hand held
4F8410901 Parameter Unit Assembly Inverter mounted; Used with 500 series inverter drives
5111/01174/00 Inverter Drive Box
6223/00174/00 Grommet
7271/35946/00 Nut
8271/35945/00 Nut
9209/00287/00 Cooling Fan
10 B12355001 Voltage Discharge Decal
11 206/00099/00 Bolt
12 209/00465/11 Fan Filter Includes filter and holder
12 209/00465/21 Filter Filter only
13 111/01174/01 Inverter Box Cover
14 207/00021/00 Screw
15 204/00114/00 Nut
16 223/00179/10 Pressure Hose
17 208/00130/00 Screw
18 206/00088/00 Bolt
19 203/00006/00 Washer
20 204/00007/00 Nut
21 N/A Inverter Drive FR-E520 series; 1x230 Volt
21 227/00168/00 Inverter Drive FR-E540 series; 3x400 Volt
21 227/00229/00 Inverter Drive FR-D720 series; 1x230 Volt; *135 and *165 models with
Cygnus controls
21 227/00237/00 Inverter Drive FR-D740 series; 3x400 Volt; *135 and *165 models with
Cygnus controls
21 F8420909 Inverter Drive 700 series; *030 and *135 models with Micro-20, PS40F and
Sigma controls; 200 Volt/1 Phase; Models with 1.5 kW motor
21 F8420910 Inverter Drive 700 series; *030 and *135 models with Micro-20, PS40F and
Sigma controls; 400 Volt/3 Phase; Models with 1.5 kW motor
21 F8420911 Inverter Drive 700 series; *035 and *165 models with Micro-20, PS40F and
Sigma controls; 200 Volt/1 Phase; Models with 1.5 kW motor
21 F8420912 Inverter Drive 700 series; *035 and *165 models with Micro-20, PS40F and
Sigma controls; 400 Volt/3 Phase; Models with 1.5 kW motor
21 F8420809 Inverter Drive Kit 700 series; *030 and *135 models with Micro-20, PS40F and
Sigma controls; 200 Volt/1 Phase; Models with 1.5 kW motor;
Includes F8420909 Drive, F8409501 Mounting Plate
Assembly and F430903 Screw
21 F8420810 Inverter Drive Kit 700 series; *030 and *135 models with Micro-20, PS40F and
Sigma controls; 400 Volt/3 Phase; Models with 1.5 kW motor;
Includes F8420910 Drive, F8409501 Mounting Plate
Assembly and F430903 Screw
21 F8420811 Inverter Drive Kit 700 series; *035 and *165 models with Micro-20, PS40F and
Sigma controls; 200 Volt/1 Phase; Models with 1.5 kW motor;
Includes F8420911 Drive, F8409501 Mounting Plate
Assembly and F430903 Screw
21 F8420812 Inverter Drive Kit 700 series; *035 and *165 models with Micro-20, PS40F and
Sigma controls; 400 Volt/3 Phase; Models with 1.5 kW motor;
Includes F8420912 Drive, F8409501 Mounting Plate
Assembly and F430903 Screw
22 209/00468/00 Fuse 3.15 A; Used with B12339401 Noise Filter
23 B12339401 Noise Filter
N/A = Part no longer available

84 D0903
© Copyright, Alliance Laundry Systems LLC – DO NOT COPY or TRANSMIT
Main Switch and Noise Filter
CFD504P_D0903

D0903 85
© Copyright, Alliance Laundry Systems LLC – DO NOT COPY or TRANSMIT
Main Switch and Noise Filter
REF PART NO. DESCRIPTION COMMENTS
1206/00027/00 Bolt
2203/00006/00 Washer
3209/00006/01 Ground Terminal
4111/01834/00 Main Switch Cover
5202/00004/00 Washer
6208/00017/00 Rivet
7209/00529/00 Main Switch 25A
7209/00672/00 Main Switch 40A
7209/00526/00 Main Switch 80A
8209/00530/00 Terminal Block 25A
8209/00527/00 Terminal Block 63/80A
9B12389501 Fuse 3.15 A, 500 Volt; Used with 227/00242/00 Filter
9209/00468/00 Fuse 3.15 A; Used with B12339301 Noise Filter and
B12339401 Noise Filter
10 B12339301 Noise Filter 16A1
10 B12339401 Noise Filter 30A1
10 227/00242/00 Noise Filter 8A3
10 227/00162/00 Noise Filter 15A3
10 227/00163/00 Noise Filter 27A3
10 B12331701 Filter 55A3
10 B12352301 Filter 64A3
11 111/01837/01 Filter Bracket

86 D0903
© Copyright, Alliance Laundry Systems LLC – DO NOT COPY or TRANSMIT
Soap Injection Printboard, Network Connection Printboard
and Noise Filter - Sigma, PS40F and Micro-20
CFD505P_D0903

D0903 87
© Copyright, Alliance Laundry Systems LLC – DO NOT COPY or TRANSMIT
Soap Injection Printboard, Network Connection Printboard
and Noise Filter - Sigma, PS40F and Micro-20
REF PART NO. DESCRIPTION COMMENTS
1211/00120/00 Standoff
2203/00006/00 Washer
3204/00007/00 Nut
4223/00203/00 Grommet
5207/00031/00 Screw
6209/00058/00 Terminal Block
7209/00438/50 Central Control Board
8209/00218/13 Soap Injection PCB with Fuse
9209/00468/00 Fuse 3 Amp
10 209/00202/00 Fuse Holder
10 209/00202/01 Fuse Holder Includes item 9
11 209/00540/01 Network Connection Printboard
12 206/00027/00 Bolt
13 B12339301 Noise Filter 16A1
13 B12339401 Noise Filter 30A1
13 227/00242/00 Noise Filter 8A3
13 227/00162/00 Noise Filter 15A3
13 227/00163/00 Noise Filter 27A3
13 B12331701 Filter 55A3
13 B12352301 Filter 64A3
14 B12389501 Fuse 3.15 A, 500 Volt; Used with 227/00242/00 Filter
14 209/00468/00 Fuse 3.15 A; Used with B12339301 Noise Filter and
B12339401 Noise Filter
15 111/00188/06 Electrical Connection Plate

88 D0903
© Copyright, Alliance Laundry Systems LLC – DO NOT COPY or TRANSMIT
Central Operating Panel, Network Connection
and Soap Injection Printboards - Cygnus Models
BE000800P_D0903

D0903 89
© Copyright, Alliance Laundry Systems LLC – DO NOT COPY or TRANSMIT
Central Operating Panel, Network Connection
and Soap Injection Printboards - Cygnus Models
REF PART NO. DESCRIPTION COMMENTS
1111/01838/10 Printboard Support
2208/00017/00 Rivet
3211/00146/00 Standoff
4209/00218/13 Soap Injection PCB with Fuse
5209/00540/01 Network Connection Printboard
6209/00438/50 Central Control Board
7209/00202/00 Fuse Holder
7209/00202/01 Fuse Holder Includes item 8
8209/00468/00 Fuse 3 Amp

90 D0903
© Copyright, Alliance Laundry Systems LLC – DO NOT COPY or TRANSMIT
Relay, Network Connection and Main Printboards - Cygnus Models
CFD502P_D0903

D0903 91
© Copyright, Alliance Laundry Systems LLC – DO NOT COPY or TRANSMIT
Relay, Network Connection and Main Printboards - Cygnus Models
REF PART NO. DESCRIPTION COMMENTS
1208/00017/00 Rivet
2211/00146/00 Standoff
3209/00202/00 Fuse Holder
3209/00202/01 Fuse Holder Includes item 4
4209/00468/00 Fuse 3 Amp
5209/02016/00 Relay PC-Board 1-1
6209/02005/00 Detergent PC-Board 1-5
7209/02014/00 Relay PC-Board 5-5
8209/02008/00 Detergent PC-Board 1-8
9209/02020/00 ID Chip
10 209/02006/00 Inverter PC-Board
11 209/00372/01 Fuse 125 mA; Used with 209/02000/25 Microprocessor
11 B12360001 Fuse 1.25 A; Used with 209/02025/00 Microprocessor
12 209/02025/00 Microprocessor
13 209/02007/00 Network Connection Printboard
14 204/00116/00 Nut
15 223/00123/00 Washer
16 211/00128/00 Printboard Separator
17 211/00122/00 Standoff

92 D0903
© Copyright, Alliance Laundry Systems LLC – DO NOT COPY or TRANSMIT
Electrical Component Mounting Plate - Models Through 2/22/09
BE000627P_D0903

D0903 93
© Copyright, Alliance Laundry Systems LLC – DO NOT COPY or TRANSMIT
Electrical Component Mounting Plate - Models Through 2/22/09
REF PART NO. DESCRIPTION COMMENTS
1111/10003/40 Electrical Component Mounting Plate
2210/01064/16 Thermostat
3225/10004/00 Thermostat Grommet
4206/00099/00 Bolt
5111/10003/30 Electrical Component Mounting Plate
5111/10003/10 Support Connector
6209/06148/02 Heating Contactor
7209/00641/04 Heating Contactor
8209/00619/00 Overload Contactor 2 pole; 6 mm; Gray; 2006-1201
8209/00620/00 Overload Contactor 2 pole; 6 mm; Blue; 2006-1204
8209/00621/00 Overload Contactor 3 pole; 6 mm; Blue; 2006-1304
8209/00622/00 Overload Contactor 3 pole; 6 mm; Gray; 2006-1301
8209/00623/00 Overload Contactor 2 pole; 10 mm; Gray; 2010-1201
8209/00624/00 Overload Contactor 2 pole; 10 mm; Blue; 2010-1204
8209/00625/00 Overload Contactor 3 pole; 10 mm; Gray; 2010-1301
9223/00035/02 Pressure Switch Cap
10 B12700018 Pressure Hose
11 223/00173/10 Pressure Switch Hose Tee
12 209/00027/10 Pressure Switch

94 D0903
© Copyright, Alliance Laundry Systems LLC – DO NOT COPY or TRANSMIT
Electrical Component Mounting Plate - Models Starting 2/23/09
BE000802AP_D0903

D0903 95
© Copyright, Alliance Laundry Systems LLC – DO NOT COPY or TRANSMIT
Electrical Component Mounting Plate - Models Starting 2/23/09
REF PART NO. DESCRIPTION COMMENTS
1111/10003/40 Electrical Component Mounting Plate
2206/00099/00 Bolt
3210/01064/16 Thermostat
4225/10004/00 Thermostat Grommet
5111/10003/50 Electrical Component Bridge
6209/06148/02 Heating Contactor LC1D18P7
7209/00641/04 Heating Contactor LC1D0901M7
8209/00027/10 Pressure Switch
9223/00035/02 Pressure Switch Cap
10 B12700018 Pressure Hose
11 223/00173/10 Pressure Switch Hose Tee

96 D0903
© Copyright, Alliance Laundry Systems LLC – DO NOT COPY or TRANSMIT
Balance Switch
BE000625AP_D0903

D0903 97
© Copyright, Alliance Laundry Systems LLC – DO NOT COPY or TRANSMIT
Balance Switch
REF PART NO. DESCRIPTION COMMENTS
1204/00110/00 Nut
2201/00010/00 Washer
3111/01854/00 Tilt Detector Plate
4223/00246/00 Out-of-Balance Switch Boot
5207/00018/00 Screw
6111/01856/00 Tilt Switch Support Left
7203/00006/00 Washer
8209/00255/00 Out-of-Balance Switch
9206/00099/00 Bolt
10 201/00006/00 Washer
11 111/01855/00 Tilt Switch Support Right
12 204/00005/00 Nut
13 204/00007/00 Nut

98 D0903
© Copyright, Alliance Laundry Systems LLC – DO NOT COPY or TRANSMIT
Supply Dispenser - Models with Frontal Supply Dispenser
BE000663AP_D0903

D0903 99
© Copyright, Alliance Laundry Systems LLC – DO NOT COPY or TRANSMIT
Supply Dispenser - Models with Frontal Supply Dispenser
REF PART NO. DESCRIPTION COMMENTS
1223/00286/00 Hose
2223/00044/00 Water Hose
3223/00010/00 Hose Clamp
4223/00280/00 Outer Soapbox
5223/00280/03 Front Soapbox Siphon
6223/00280/20 Inner Soapbox
7223/00280/07 Soapbox Handle
8223/00013/00 Hose Clamp
9223/00298/00 Hose
10 118/00118/03 Tube
11 206/00027/00 Bolt
12 203/00006/00 Washer
13 202/00004/00 Washer
14 204/00007/00 Nut
15 155/00161/00 Pump Support

100 D0903
© Copyright, Alliance Laundry Systems LLC – DO NOT COPY or TRANSMIT
Supply Dispenser with Round Ventilation Opening
CFD330P_D0903

D0903 101
© Copyright, Alliance Laundry Systems LLC – DO NOT COPY or TRANSMIT
Supply Dispenser with Round Ventilation Opening
REF PART NO. DESCRIPTION COMMENTS
1223/00014/00 Hose Clamp
2223/00107/00 Soap Dispenser Air Breather Hose 410 mm
2223/00107/01 Ventilating Hose 460 mm
2223/00107/03 Vent Hose
2223/00197/00 Vent Hose
2223/00107/02 Vent Hose
3223/00109/00 Soap Dispenser Gasket
4B12347501 Screw
5123/00107/00 Anti-Splash Plate Sigma control models
5123/00103/06 Soap Box Assembly Plate All other models
6223/00102/06 Soap Spray Nozzle
7223/00102/30 Soap Dispenser Assembly
8223/00195/00 Dispenser Drain Funnel
9B12350903 Screw
10 223/00102/50 Soap Dispenser Assembly
11 223/00013/00 Hose Clamp
12 223/00261/00 Soap Dispenser Hose
12 223/00262/00 Siphon Break Dispenser Hose *30 and *135 models; 495 mm
13 223/00266/00 Siphon Break Hose Models through 12/7/10
13 B12310302 Siphon Break Hose Models starting 12/8/10
14 223/00102/04 Soap Dispenser Rinse Siphon
15 223/00102/08 Liquid Soap Dispenser Insert
16 223/00102/03 Rinse Insert
17 223/00102/05 Softener Spray Nozzle
18 223/00250/00 Liquid Soap Manifold *35 and *165 models
19 223/00010/00 Hose Clamp
20 223/00044/00 Water Hose
21 223/00102/30 Soap Dispenser Assembly PB3

102 D0903
© Copyright, Alliance Laundry Systems LLC – DO NOT COPY or TRANSMIT
Supply Dispenser with Rectangular Ventilation Opening
CFD331P_D0903

D0903 103
© Copyright, Alliance Laundry Systems LLC – DO NOT COPY or TRANSMIT
Supply Dispenser with Rectangular Ventilation Opening
REF PART NO. DESCRIPTION COMMENTS
1223/00226/00 Vent Tube
2223/00229/00 Vent Tube
3223/00222/00 Soap Dispenser
4123/00107/00 Anti-Splash Plate Sigma control models
4123/00103/06 Soap Box Assembly Plate All other models
5223/00245/00 Shrink Fit
6B12347501 Screw
7223/00102/06 Soap Spray Nozzle
8223/00222/60 Outer and Inner Box Kit
9223/00109/00 Soap Dispenser Gasket
10 223/00044/00 Water Hose
11 223/00010/00 Hose Clamp
12 223/00195/00 Dispenser Drain Funnel
13 B12350903 Screw
14 223/00013/00 Hose Clamp
15 223/00266/00 Siphon Break Hose Models through 12/7/10
15 B12310302 Siphon Break Hose Models starting 12/8/10
16 223/00261/00 Soap Dispenser Hose *30 and *135 models
16 223/00262/00 Siphon Break Dispenser Hose *35 and *165 models
17 223/00013/00 Hose Clamp
18 223/00250/00 Liquid Soap Manifold
19 223/00222/05 Rinsing Box
20 223/00222/04 Siphon Break
21 223/00222/03 Softener Spray Nozzle
22 223/00222/60 Outer and Inner Box Kit

104 D0903
© Copyright, Alliance Laundry Systems LLC – DO NOT COPY or TRANSMIT
Electric Heating Option
CFD533P_D0903

D0903 105
© Copyright, Alliance Laundry Systems LLC – DO NOT COPY or TRANSMIT
Electric Heating Option
REF PART NO. DESCRIPTION COMMENTS
1209/00581/10 Heating Element 4000W
1209/00562/20 Heating Element 3000W
1209/00563/20 Heating Element 2000W
1209/00564/20 Heating Element 1000W
2F360202 Heating Element Plug

106 D0903
© Copyright, Alliance Laundry Systems LLC – DO NOT COPY or TRANSMIT
Steam Heating Option - *HC35 and *HC165 Models
CFD534P_D0903

D0903 107
© Copyright, Alliance Laundry Systems LLC – DO NOT COPY or TRANSMIT
Steam Heating Option - *HC35 and *HC165 Models
REF PART NO. DESCRIPTION COMMENTS
NA 924P3 Steam Heat Kit Includes items 1-8, 209/00737/00 Connector, F140329
Strain Relief Connector and F140609 DIN Connector
NA 209/00737/00 Connector
NA F140329 Strain Relief Connector
NA F140609 DIN Connector
1206/00101/00 Nut
2111/00155/00 Steam Bracket
3217/00063/00 Steam Hose
4111/00155/10 Bracket Support
5206/00099/00 Bolt
6900/00108/00 Safety Level Switch
7901/00217/00 Contactor and Wiring Assembly
8209/00477/00 Steam Valve

108 D0903
© Copyright, Alliance Laundry Systems LLC – DO NOT COPY or TRANSMIT
Soap Pumps
BE000527AP_D0903

D0903 109
© Copyright, Alliance Laundry Systems LLC – DO NOT COPY or TRANSMIT
Soap Pumps
REF PART NO. DESCRIPTION COMMENTS
1209/00554/01 Soap Pump Assembly 1 pump and 1 feeding pump
1209/00554/02 Soap Pump Assembly 2 pumps and 1 feeding pump
1209/00554/03 Soap Pump Assembly 3 pumps and 1 feeding pump
1209/00554/04 Soap Pump Assembly 4 pumps and 1 feeding pump
1209/00554/05 Soap Pump Assembly 5 pumps and 1 feeding pump
1209/00554/06 Soap Pump Assembly 6 pumps and 1 feeding pump
1209/00554/51 Feeding Liquid Soap Dosing Pump
2209/00554/52 Liquid Soap Dosing Pump O-Ring
3209/00554/53 Liquid Soap Dosing Pump Connection Piece
4209/00554/50 Pump
5209/00554/98 Hose
6209/00554/99 Hose Connector

Notes
110 D0903
© Copyright, Alliance Laundry Systems LLC – DO NOT COPY or TRANSMIT

D0903 111
© Copyright, Alliance Laundry Systems LLC – DO NOT COPY or TRANSMIT
N/A items do not appear in index.
Parts Index
A
Anti-Splash Plate
123/00107/00 ................................................ 101, 103
B
Back Panel
152/00053/02 .......................................................... 71
Backbridge
111/01822/00..................................................... 75, 81
111/01833/00............................................... 73, 79, 83
111/01833/10........................................................... 79
111/01859/00........................................................... 77
Backplate
111/01002/00..................................................... 67, 69
Basket and Shaft Assembly
B12380101.................................................. 13, 15, 23
B12380201........................................................ 15, 23
B12380501........................................................ 15, 23
B12380601........................................................ 15, 23
Basket Kit
B12542901........................................................ 15, 23
B12543001........................................................ 15, 23
Bearing
F100134............................................................ 17, 19
Bearing Housing Assembly
152/10118/01 .................................................... 17, 19
Bearing Kit
3882P...................................................................... 19
Bearing Replacement Kit
388P4...................................................................... 17
Bearing Replacement Tool Kit
381P3................................................................ 17, 19
Bearing Spacer
217/00101/00 .......................................................... 21
Belt
226/00121/00 .............................................. 21, 23, 25
Bolt
205/00102/00 .................................................... 17, 19
205/00103/00 .......................................................... 37
205/00104/00 .................................................... 17, 19
205/00106/00 .......................................................... 73
205/00107/00 .......................................................... 39
205/00115/00 .......................................................... 37
206/00005/00 .................................................... 21, 23
206/00011/00 .......................................................... 13
206/00014/00 .................................................... 75, 77
206/00027/00 ............................ 75, 77, 79, 85, 87, 99
206/00032/00 .......................................................... 15
206/00033/00 .................................. 27, 29, 31, 33, 35
206/00054/00 .......................................................... 25
206/00088/00 .................................................... 81, 83
206/00099/00 ..................... 25, 33, 35, 71, 73, 75, 77,
79, 81, 83, 93, 95, 97, 107
206/00114/00 .......................................................... 71
207/00125/00 .......................................................... 71
Boot
255/00123/00 .................................................... 13, 15
Boot Clamp
238/00012/00 ....................................................13, 15
Bracket Support
111/00155/10 .........................................................107
C
Caddy Bracket
224/00051/00 ....................................................17, 19
224/00052/00 ....................................................17, 19
Central Control Board
209/00438/50 ....................................................87, 89
Circuit Board Cover
229/00262/00 ........................................59, 61, 63, 65
229/00289/00 ..........41, 43, 45, 47, 49, 51, 53, 55, 57
Clamp
223/00009/00 ....................................................33, 35
Coin Box
254/00077/00 ....................................................67, 69
Coin Drop
B11211209...............................................................67
B12311201 ..............................................................67
B12311202 ..............................................................67
B12311203 ..............................................................67
B12311204 ..............................................................67
B12311205 ..............................................................67
B12311206 ..............................................................67
B12311207 ..............................................................67
B12311208 ..............................................................67
B12311210 ..............................................................67
B12311211...............................................................67
B12311212 ..............................................................67
B12311214 ..............................................................67
B12311215 ..............................................................67
B12311216 ..............................................................67
B12311218 ..............................................................67
B12311219 ..............................................................67
B12311220 ..............................................................67
B12311221 ..............................................................67
B12311222 ..............................................................67
B12311224 ..............................................................67
B12311225 ..............................................................67
B12311226 ..............................................................67
B12311234 ..............................................................67
B12311235 ..............................................................67
B12311239 ..............................................................67
B12311241 ..............................................................67
B12311244 ..............................................................67
B12311247 ..............................................................67
B12311248 ..............................................................67
B12311249 ..............................................................67
B12311252 ..............................................................67
B12311301 ..............................................................67
B12311302 ..............................................................67
B12311304 ..............................................................67
B12311401 ..............................................................69
B12323401 ..............................................................67
B12323901 ..............................................................67
Connecting Piece
255/00017/00 ..........................................................33
Connector
209/00737/00 ........................................................107

112 D0903
© Copyright, Alliance Laundry Systems LLC – DO NOT COPY or TRANSMIT
N/A items do not appear in index.
Contact Block
44018901 ................ 41, 43, 45, 51, 53, 59, 61, 63, 65
Contactor and Wiring Assembly
901/00217/00 ........................................................ 107
Control Board
209/00547/00 .................................................... 61, 63
Cooling Fan
209/00287/00 .................................................... 81, 83
Counter Ring
219/00004/00 .................................................... 21, 23
Crossbar
111/00969/00........................................................... 73
D
Data Card Ribbon Assembly
B12538301.............. 41, 43, 45, 47, 49, 51, 53, 55, 57
Datacard
209/02022/00 .......... 41, 43, 45, 47, 49, 51, 53, 55, 57
Datacard Cover
223/00348/00 .................................................... 41, 43
Decal
225/00403/00 .......................................................... 63
Detergent PC-Board
209/02005/00 .......................................................... 91
209/02008/00 .......................................................... 91
DIN Connector
F140609................................................................ 107
Dispenser Drain Funnel
223/00195/00 ................................................ 101, 103
Display PC-Board
209/02002/00 .......................................................... 41
Door Frame
118/00046/10 .......................................................... 39
Door Glass
217/00022/00 .......................................................... 39
Door Glass Seal
217/00015/00 .......................................................... 39
Door Handle
217/00059/00 .......................................................... 39
217/00065/00 .......................................................... 39
Door Handle Stop
217/00016/00 .......................................................... 39
Door Hinge
221/00005/00 .......................................................... 39
Door Hinge Assembly
217/00009/02 .......................................................... 39
Door Hinge Plate Assembly
118/00065/00 .......................................................... 39
Door Hinge Spacer
117/00010/00 .......................................................... 39
Door Lock Bracket
B12517701.............................................................. 37
Door Lock Microswitch
209/00272/00 .......................................................... 37
Door Lock PC-Board
209/02010/00 .......... 41, 43, 45, 47, 49, 51, 53, 55, 57
Door Lock Pin Kit
211/00109/02 .......................................................... 39
Door Lock Spacer
217/00052/03 .......................................................... 37
Door Lock Spring
224/00049/00 ..........................................................37
Door Release Wire
217/00052/07 ..........................................................37
Door Solenoid Assembly
B12495102 ..............................................................37
Drain Hose
223/00307/00 ..........................................................35
Drain Piece
155/00155/00 ....................................................33, 35
223/00146/00 ........................................27, 29, 33, 35
Drain Pipe
223/00297/00 ..........................................................31
Drain Pipe Cap
223/00294/00 ..........................................................31
Drain Pipe Kit
223/00157/01 ....................................................33, 35
223/00157/02 ....................................................33, 35
Drain Valve
209/00463/00 ....................................................29, 31
209/00643/00 ..........................................................27
Drain Valve Coil Cover
209/00643/01 ..........................................................27
Drain Valve Hose
223/00303/00 ..............................................27, 29, 31
Drum and Axle
B12326301 ..................................................15, 21, 23
B12326701 ..................................................15, 21, 23
Drum and Axle Assembly
111/01810/00 ...........................................................13
Dual Drop Optical Sensor Kit
B12388102 ..............................................................67
E
Electrical Component Bridge
111/10003/50 ...........................................................95
Electrical Component Mounting Plate
111/10003/30 ...........................................................93
111/10003/40 .....................................................93, 95
Electrical Connection Plate
111/00094/10 .....................................................75, 77
111/00188/06 ...............................................75, 77, 87
Electrical Connection Sticker
229/00068/02 ....................................................75, 77
Electronic Coin Meter Housing
152/00112/50...........................................................69
Emergency Switch Pushbutton
209/00099/20 ..............................................41, 43, 45
Eprom
209/00266/01 ..........................................................59
F
Facia Panel
111/01850/00 ...........................................................65
Fan
209/00465/00 ..........................................................25
Fan Filter
209/00465/11...........................................................83
Fan Grill
209/00287/01 ..........................................................81

D0903 113
© Copyright, Alliance Laundry Systems LLC – DO NOT COPY or TRANSMIT
N/A items do not appear in index.
Fan Plate Assembly
152/00044/03 .......................................................... 25
Fastening Piece
217/00060/00 .................................................... 67, 69
Fastening Ring
238/00013/00 .......................................................... 15
Fastening Rubber
247/00006/00 .......................................................... 11
247/00007/00 .......................................................... 11
Feeding Liquid Soap Dosing Pump
209/00554/51 ........................................................ 109
Filter
B12331701........................................................ 85, 87
B12352301........................................................ 85, 87
209/00465/21 .......................................................... 83
Filter Bracket
111/01837/01........................................................... 85
Frame
152/00103/50 ............................................................ 9
152/00111/50............................................................. 9
Front Panel
111/01802/00........................................................... 71
Front Plate
111/01000/00..................................................... 67, 69
Front Soapbox Siphon
223/00280/03 .......................................................... 99
Fuse
B12360001.............................................................. 91
B12389501........................................................ 85, 87
209/00372/01 .................................. 59, 61, 63, 65, 91
209/00439/00 .......................................................... 59
209/00468/00 .................................. 83, 85, 87, 89, 91
209/00552/11 .......................................................... 65
Fuse Holder
209/00202/00 .............................................. 87, 89, 91
209/00202/01 .............................................. 87, 89, 91
G
Grommet
223/00174/00 .................................................... 81, 83
223/00203/00 .......................................................... 87
Ground Terminal
209/00006/01 .......................................................... 85
210/10015/00 .......................................................... 37
H
Hanging Drain Pump
209/00560/00 .......................................................... 33
Heating Contactor
209/00641/04 .................................................... 93, 95
209/06148/02 .................................................... 93, 95
Heating Element
209/00562/20 ........................................................ 105
209/00563/20 ........................................................ 105
209/00564/20 ........................................................ 105
209/00581/10 ........................................................ 105
Heating Element Plug
F360202................................................................ 105
Hose
209/00554/98 ........................................................ 109
223/00286/00 ..........................................................99
223/00298/00 ..........................................................99
Hose Barb
223/00016/00 ..........................................................27
Hose Clamp
223/00010/00 ......27, 29, 31, 75, 77, 79, 99, 101, 103
223/00011/00...............................................27, 33, 35
223/00012/00 ....................................................33, 35
223/00013/00 ........................27, 29, 31, 99, 101, 103
223/00014/00 ..........................27, 29, 31, 33, 35, 101
Hose Connector
209/00554/99 ........................................................109
Hose Vent
223/00102/07 ....................................................75, 79
I
ID Chip
209/02020/00 ..........................................................91
Infrared Cable
210/00902/00 ...........................41, 43, 45, 47, 49, 51,
53, 55, 57, 61, 63, 65
Inlet Valve, 2-Way
B12519501 ..................................................75, 77, 79
209/00110/00...............................................75, 77, 79
Inner Soapbox
223/00280/20 ..........................................................99
Input Block
209/00683/00 ..........................................................69
Insulating Sticker
229/00255/00 ........................................59, 61, 63, 65
229/00268/00 ..........................................................41
229/00291/00 ........................................43, 45, 47, 49
Interlock Coil Spring
224/00043/00 ..........................................................37
Interlock Lever
217/00052/04 ..........................................................37
Inverter Box Cover
111/01174/01 .....................................................81, 83
Inverter Drive
F8420909 ................................................................83
F8420910 ................................................................83
F8420911.................................................................83
F8420912 ................................................................83
227/00168/00 ....................................................81, 83
227/00229/00 ..........................................................83
227/00237/00 ..........................................................83
Inverter Drive Box
111/01174/00 .....................................................81, 83
Inverter Drive Kit
F8420809 ................................................................83
F8420810 ................................................................83
F8420811.................................................................83
F8420812 ................................................................83
Inverter PC-Board
209/02006/00 ..........................................................91
K
Key
254/00077/02 ....................................................67, 69

114 D0903
© Copyright, Alliance Laundry Systems LLC – DO NOT COPY or TRANSMIT
N/A items do not appear in index.
Keypad
209/00552/01 .......................................................... 65
Keypad Sticker
225/00407/00 .......................................................... 59
L
Label
225/00397/00 .......................................................... 65
Leveling Leg
252/00006/00 ............................................................ 9
Lever Spring
224/00040/00 .......................................................... 37
Lip Seal
B12332301.............................................................. 19
Liquid Soap Dispenser Insert
223/00102/08 ........................................................ 101
Liquid Soap Dosing Pump Connection Piece
209/00554/53 ........................................................ 109
Liquid Soap Dosing Pump O-Ring
209/00554/52 ........................................................ 109
Liquid Soap Manifold
223/00250/00 .............................. 77, 81, 83, 101, 103
Lock Protection Plate
117/00052/08 .......................................................... 37
Lock Shaft
217/00017/03 .......................................................... 37
Lower Front Panel
111/01803/00........................................................... 73
M
Main Board
B12351701.............................................................. 65
Main Switch
209/00526/00 .......................................................... 85
209/00529/00 .......................................................... 85
209/00672/00 .......................................................... 85
Main Switch Cover
111/01834/00........................................................... 85
Mechanical Coin Meter Housing
152/00112/00 .......................................................... 67
Memory Card PC Board
B12305201.............................................................. 47
Memory Card PC-Board
B12305201.................... 41, 43, 45, 49, 51, 53, 55, 57
Microprocessor
209/02025/00 .......................................................... 91
Microswitch
B12625101.............................................................. 37
Motor
B12510601.............................................................. 25
209/00643/11 .......................................................... 27
Motor Pulley
226/00123/00 .......................................................... 25
Mounting Plate
223/00374/00 .......... 41, 43, 45, 47, 49, 51, 53, 55, 57
N
Network Connection Printboard
209/00540/01 ....................................................87, 89
209/02007/00 ..........................................................91
Noise Filter
B12339301 ........................................................85, 87
B12339401 ..................................................83, 85, 87
227/00162/00 ....................................................85, 87
227/00163/00 ....................................................85, 87
227/00242/00 ....................................................85, 87
Nut
204/00005/00 ..........................................................97
204/00006/00 ..........................................................73
204/00007/00 ......................75, 79, 81, 83, 87, 97, 99
204/00008/00 ..............................................37, 67, 69
204/00009/00 ..................................13, 15, 37, 71, 73
204/00103/00 ..........................................................39
204/00106/00 ..........................................................39
204/00109/00 ..........................................................25
204/00110/00.........................................11, 13, 15, 97
204/00111/00 .................................................9, 17, 19
204/00114/00.....................................................81, 83
204/00115/00...........................................................25
204/00116/00................41, 43, 45, 47, 49, 51, 53, 55,
57, 59, 61, 63, 65, 67, 69, 91
204/00201/00 ............................27, 29, 31, 75, 77, 79
206/00101/00 ..........................27, 29, 31, 33, 35, 107
206/00105/00 ....................................................33, 35
206/00106/00 ............................................................9
208/00002/00 ..............................................69, 75, 79
208/00025/00 ....................................................73, 77
208/00104/00 ..........................................................71
271/35945/00 ........................................25, 75, 77, 83
271/35946/00 ..........................................................83
O
Operating Label
225/00406/00 ..........................................................63
Operating Panel
111/01819/00 ...........................................................55
111/01828/00 ...........................................................51
111/01829/00 .....................................................53, 57
111/01902/00 ...........................................................43
111/01903/00 ...........................................................47
111/01906/00 ...........................................................45
111/01907/00 ...........................................................49
Operating Sticker
225/00400/00 ..........................................................65
225/00404/00 ..........................................................61
225/10305/00 ....................................................55, 57
225/10306/00 ....................................................55, 57
225/10307/00 ....................................................51, 53
225/10308/00 ....................................................51, 53
225/10313/00 ..........................................................41
225/10403/00 ....................................................47, 49
225/10404/00 ....................................................43, 45
225/10426/00 ..........................................................41
225/10427/00 ....................................................43, 45
Optical Switch
209/00781/00 ..........................................................67
O-Ring
217/00002/00 ..........................................................17

D0903 115
© Copyright, Alliance Laundry Systems LLC – DO NOT COPY or TRANSMIT
N/A items do not appear in index.
Outer and Inner Box Kit
223/00222/60 ........................................................ 103
Outer Soapbox
223/00280/00 .......................................................... 99
Outlet Pipe Plate Assembly
101/00007/00 ............................ 27, 29, 31, 33, 35, 73
Out-of-Balance Switch
209/00255/00 .......................................................... 97
Out-of-Balance Switch Boot
223/00246/00 .......................................................... 97
Overflow Hose
223/00150/00 .............................................. 27, 29, 31
Overload Contactor
209/00619/00 .......................................................... 93
209/00620/00 .......................................................... 93
209/00621/00 .......................................................... 93
209/00622/00 .......................................................... 93
209/00623/00 .......................................................... 93
209/00624/00 .......................................................... 93
209/00625/00 .......................................................... 93
P
Parameter Unit Assembly
F8410901................................................................ 83
227/00171/00 .......................................................... 83
Parameter Unit Program Cable
227/00171/10 .......................................................... 83
Pipe
223/00159/00 .................................................... 33, 35
Plexi Frame
225/00316/00 .............................................. 59, 61, 63
225/00321/00 .......................................................... 41
225/00322/00 ........................................ 51, 53, 55, 57
225/00323/00 ........................................ 43, 45, 47, 49
Plug
211/00091/00 .................................................... 75, 77
Pressure Hose
B12700018.......................... 27, 29, 31, 33, 35, 93, 95
223/00179/10 .............................................. 77, 81, 83
Pressure Switch
209/00027/10 .................................................... 93, 95
Pressure Switch Cap
223/00035/02 ............................ 29, 31, 33, 35, 93, 95
Pressure Switch Elbow
223/00210/00 .......................................................... 27
Pressure Switch Hose Tee
223/00173/10 ...................... 27, 29, 31, 33, 35, 93, 95
Prewash and Mainwash Nozzle
223/00001/04 ............................ 27, 29, 31, 75, 77, 79
Printboard
209/00440/70 .......................................................... 59
209/02001/02 ........................................ 51, 53, 55, 57
209/02015/02 ........................................ 43, 45, 47, 49
Printboard Micro-20
209/00440/80 .......................................................... 59
Printboard Separator
211/00128/00 .... 41, 43, 45, 47, 49, 51, 53, 55, 57, 91
Printboard Support
111/01838/10........................................................... 89
Printboard Support Card
111/01893/00..................................................... 41, 43
Programming Key
209/00326/21 ..........................................................65
Programming Key Contact Switch
209/00326/20 ..........................................................65
Protection LED
223/00330/00 ........................................51, 53, 55, 57
Pulley
255/00117/00.....................................................21, 23
Pump
209/00554/50 ........................................................109
209/00646/00 ..........................................................35
209/00647/00 ..........................................................35
Pump Support
111/00288/10 ...........................................................35
155/00159/00 ..........................................................33
155/00161/00 ..........................................................99
Pushbutton
209/00396/00 ....................................................67, 69
44018801 ..................................51, 53, 59, 61, 63, 65
R
Reinforcement Plate
111/10089/01 ...........................................................71
Reinforcing Triangle
155/00144/00 ..........................................................71
Relay PC-Board
209/02014/00 ..........................................................91
209/02016/00 ..........................................................91
Retainer Ring
212/00006/00 ....................................................17, 19
Retaining Ring
117/00042/00.....................................................25, 73
Rinse Insert
223/00102/03 ........................................................101
Rinsing Box
223/00222/05 ........................................................103
Rivet
208/00017/00 ..................................75, 77, 85, 89, 91
S
Safety Level Switch
900/00108/00 ........................................................107
Screw
B12347501 ....................................................101, 103
B12350903 ....................................................101, 103
B12500801 ..............................................................39
206/00053/00 ............................................................9
206/00056/00 ..........................................................25
206/00057/00 ....................................................17, 19
206/00113/00...........................................................73
207/00009/00 ..........................................................37
207/00018/00 ..........................................................97
207/00021/00 ..........................................................83
207/00031/00 ..........................................................87
207/00101/00 ..........................................................73
207/00117/00...........................................................25
207/00121/00 ..........................................................81
207/00126/00 ..........................................................39
207/00135/00 ..........................................................37
208/00014/00 ..................................69, 73, 75, 77, 79
208/00130/00 ..............................................77, 81, 83

116 D0903
© Copyright, Alliance Laundry Systems LLC – DO NOT COPY or TRANSMIT
N/A items do not appear in index.
Seal Holder Assembly
119/00001/01 .......................................................... 17
Seal Plate Assembly
B12333701.............................................................. 19
Shaft Seal
219/00003/00 .......................................................... 17
Shock Absorber
247/00002/00 .......................................................... 11
247/00002/02 .......................................................... 11
247/00003/00 .......................................................... 11
Shrink Fit
223/00245/00 ........................................................ 103
Side Panel
111/22723/10..................................................... 71, 73
111/22728/10..................................................... 71, 73
111/60035/00..................................................... 71, 73
111/60036/00..................................................... 71, 73
Side Panel Gasket
246/00079/00 .................................................... 71, 73
Single Drop Optical Sensor Kit
B12388101.............................................................. 67
Siphon Break
223/00222/04 ........................................................ 103
Siphon Break Dispenser Hose
223/00262/00 ................................................ 101, 103
Siphon Break Hose
B12310302.................................................... 101, 103
223/00266/00 ................................................ 101, 103
Soap Box Assembly Plate
123/00103/06 ................................................ 101, 103
Soap Dispenser
223/00222/00 ........................................................ 103
Soap Dispenser Air Breather Hose
223/00107/00 ........................................................ 101
Soap Dispenser Assembly
223/00102/30 ........................................................ 101
223/00102/50 ........................................................ 101
Soap Dispenser Cover
223/00103/01 .......................................................... 71
Soap Dispenser Cover Hinge Rod
223/00103/04 .......................................................... 71
Soap Dispenser Frame
223/00103/03 .......................................................... 71
Soap Dispenser Gasket
223/00109/00 ................................................ 101, 103
Soap Dispenser Hose
223/00261/00 ................................................ 101, 103
Soap Dispenser Rinse Siphon
223/00102/04 ........................................................ 101
Soap Injection PCB with Fuse
209/00218/13 .................................................... 87, 89
Soap Pump Assembly
209/00554/01 ........................................................ 109
209/00554/02 ........................................................ 109
209/00554/03 ........................................................ 109
209/00554/04 ........................................................ 109
209/00554/05 ........................................................ 109
209/00554/06 ........................................................ 109
Soap Spray Nozzle
223/00102/06 ................................................ 101, 103
Soapbox Handle
223/00280/07 .......................................................... 99
Softener Spray Nozzle
223/00102/05 ........................................................ 101
223/00222/03 ........................................................103
Speed Detector
209/00400/00 ....................................................17, 19
210/00074/00 ....................................................17, 19
Speed Detector Bracket
152/00055/00 ....................................................17, 19
Spring
238/00014/00 ..........................................................15
Spring Holder Top
247/00001/04 ..........................................................11
Spring Seat Bottom
247/00001/03 ..........................................................11
Standoff
211/00120/00...........................................................87
211/00122/00.....41, 43, 45, 47, 49, 59, 61, 63, 65, 91
211/00145/00.....................................................41, 43
211/00146/00.....................................................89, 91
Steam Bracket
111/00155/00 .........................................................107
Steam Heat Kit
924P3 ....................................................................107
Steam Hose
217/00063/00 ........................................................107
Steam Valve
209/00477/00 ........................................................107
Stopper
223/00162/00 ....................................................33, 35
255/00019/00 ....................................................33, 35
Strain Relief Connector
F140329 ................................................................107
Support Connector
111/10003/10 ...........................................................93
Suspension Spring
247/00001/01 ..........................................................11
247/00002/01 ..........................................................11
Switch
209/00600/01P ........................................................67
Switch Base
209/00099/25 ..........................................................65
Switch Knob
209/00099/29 ..........................................................65
T
Tel e m St ic ke r
209/00520/00 ..........41, 43, 45, 51, 53, 59, 61, 63, 65
Ter m i n al Blo c k
209/00058/00 ..........................................................87
209/00527/00 ..........................................................85
209/00530/00 ..........................................................85
Thermostat
210/01064/16 ....................................................93, 95
Thermostat Grommet
225/10004/00 ....................................................93, 95
Tilt Detector Plate
111/01854/00 ...............................................13, 15, 97
Tilt Switch Support
111/01855/00 ...........................................................97
111/01856/00 ...........................................................97
Tolerance Ring
215/00004/00 ....................................................21, 23
Top Panel
111/01001/00 .....................................................67, 69

D0903 117
© Copyright, Alliance Laundry Systems LLC – DO NOT COPY or TRANSMIT
N/A items do not appear in index.
111/22741/00........................................................... 71
111/22743/00........................................................... 71
Transformer
209/00682/00 .......................................................... 69
Trap
223/00316/00 .......................................................... 27
Tub
B12328901.............................................................. 15
B12329001.............................................................. 15
B12329201........................................................ 13, 15
B12329301........................................................ 13, 15
117/00203/00 .................................................... 13, 15
117/00203/50 .................................................... 13, 15
Tub Front Gasket
B12351601........................................................ 13, 15
Tub Front Panel
119/00049/00 .................................................... 13, 15
Tub Front Panel Clip
217/00008/00 .................................................... 13, 15
Tub Front Ring Clamp
219/00007/00 .................................................... 13, 15
Tub Support
152/00107/00 ............................................................ 9
152/00108/00 ............................................................ 9
Tub to Drain Valve Hose
255/00010/00 ........................................ 29, 31, 33, 35
Tube
118/00118/03........................................................... 99
U
Upper Front Panel
111/01811/01........................................................... 63
111/01816/00..................................................... 59, 61
111/01845/00........................................................... 41
111/01912/00........................................................... 65
V
Vent Hose
223/00107/02 ........................................................ 101
223/00107/03 ........................................................ 101
223/00197/00 ........................................................ 101
Vent Tube
223/00226/00 ............................................ 77, 79, 103
223/00229/00 ........................................................ 103
Ventilating Hose
223/00107/01 ........................................................ 101
Voltage Discharge Decal
B12355001.............................................................. 83
W
Washer
B12421401.............................................................. 73
201/00002/00 ............................ 27, 29, 31, 75, 77, 79
201/00005/00 ............................................................ 9
201/00006/00 ...................... 25, 37, 73, 75, 77, 79, 97
201/00007/00 ............................ 15, 27, 29, 31, 33, 35
201/00010/00 .............................................. 13, 15, 97
201/00012/00 .................................................... 17, 19
201/00015/00 ..............................................11, 21, 23
201/00017/00 ..........................................................37
201/00018/00 ..........................................................37
201/00201/00 ....................................................17, 19
202/00003/00 ....................................................13, 73
202/00004/00 ............................75, 77, 79, 81, 85, 99
202/00101/00 ....................................................37, 39
202/00104/00 ..........................................................39
202/00108/00 ..........................................................39
202/00111/00 ...........................................................39
202/00124/00 ..........................................................37
203/00002/00 ....................................................21, 23
203/00004/00 ....................................................17, 19
203/00005/00 ..........................................................73
203/00006/00 ..........59, 75, 79, 81, 83, 85, 87, 97, 99
203/00007/00 ..........................................................37
203/00015/00 ..........................................................73
208/00009/00 ..........................................................73
223/00051/10 ..........................................................65
223/00123/00 ...........................41, 43, 45, 47, 49, 51,
53, 55, 57, 65, 91
Water Hose
F200164 ......................................................75, 77, 79
F200166 ......................................................75, 77, 79
223/00044/00 ..................27, 75, 77, 79, 99, 101, 103
223/00044/01 ....................................................29, 31
Wire Assembly
B12359901 ..............................................................67

Notes
118 D0903
© Copyright, Alliance Laundry Systems LLC – DO NOT COPY or TRANSMIT