DBRH197S_COVER DBRH190
User Manual: DBRH190
Open the PDF directly: View PDF
.
Page Count: 125 [warning: Documents this large are best viewed by clicking the View PDF Link!]

MODELS : DBRH197/DBRH198/
DBRH199/D75/D77/DBRH190
MODELS : DBRH197/DBRH198/DBRH199/D75/D77/DBRH190SERVICE MANUAL
P/NO : AFN30347559 JUNE, 2006
CAUTION
BEFORE SERVICING THE UNIT, READ THE “SAFETY PRECAUTIONS”
IN THIS MANUAL.
DVB-T HDD/DVD
RECORDER
SERVICE MANUAL

CONTENTS
SECTION 1 . . . .SUMMARY
SECTION 2 . . . .CABINET & MAIN CHASSIS
SECTION 3 . . . .ELECTRICAL
SECTION 4 . . . .RS-01A LOADER PART
SECTION 5 . . . .REPLACEMENT PARTS LIST
1-2
SECTION 1
SUMMARY
CONTENTS
NEW FUNCTIONS OF HDD/DVD-RECORDER................................................................. 1-2
PRODUCT SAFETY SERVICING GUIDELINES FOR VIDEO PRODUCTS.............. 1-3
SERVICING PRECAUTIONS .................................................................................................. 1-4
• General Servicing Precautions
• Insulation Checking Prodedure
• Electrostatically Sensitive Devices
SERVICE INFORMATION FOR EEPROM IC SETTING ................................................. 1-5
SPECIFICATIONS ...................................................................................................................... 1-6
1-3
NEW FUNCTIONS OF HDD/DVD-RECORDER
• HDMI
HDMI IS THE SPECIFICATION FOR THE HIGH-DEFINITION MULTIMEDIA INTERFACE. HDMI IS PROVID-
ED FOR TRANSMITTING DIGITAL TELEVISION AUDIOVISUAL SIGNALS FROM HDD-DVD RECORDER TO
TELEVISION SETS, OTHER VIDEO DISPLAYS. HDMI CAN CARRY HIGH QUALITY MULTI-CHANNEL
AUDIO DATA AND CAN CARRY ALL STANDARD AND HIGH DEFINITION CONSUMER ELECTRONICS
VIDEO FORMATS. CONTENT PROTECTION TECHNOLOGY IS AVAILABLE. HDMI CAN ALSO CARRY
CONTROL AND STATUS INFORMATION IN BOTH DIRECTIONS.
<< OPERATING >>
AUDIO, VIDEO AND AUXILIARY DATA IS TRANSMITTED ACROSS THE THREE TMDS DATA CHANNELS.
THE VIDEO PIXEL CLOCK IS TRANSMITTED ON THE TMDS CLOCK CHANNEL AND IS USED BY THE
RECEIVER AS A FREQUENCY REFERENCE FOR DATA RECOVERY ON THE THREE TMDS DATA CHAN-
NELS.
VIDEO DATA IS CARRIED AS A SERIES OF 24-BIT PIXELS ON THE THREE TMDS DATA CHANNELS.
TMDS ENCODING CONVERTS THE 8BIT PER CHANNEL INTO THE 10BIT DC–BALANCED.
VIDEO PIXEL RATES CAN RANGE FROM 25MHZ TO 165MHZ. THE VIDEO PIXELS CAN BE ENCODED IN
EITHER RGB,YCBCR 4:4:4 OR YCBCR 4:2:2 FORMATS. IN ALL THREE CASES, UP TP 24 BITS PER
PIXEL CAN BE TRANSFERRED.
FAST DUBBING
DUBBING MEANS A COPYING FUNCTION BETWEEN HDD TO DVD DISCS.
COPYING BETWEEN HDD TO DVD IS A COMPLETELY DIGITAL PROCESS AND THEREFORE INVOLVES
NO LOSS OF QUALITY IN THE AUDIO OR VIDEO. SO THIS MEANS THAT COPYING CAN BE CARRIED
OUT AT THE MAXIMUM SPEED POSSIBLE.
<< DUBBING SPEED RATE >>
NORMAL DUBBING : SPEED RATE MAX X1
FAST DUBBING : SPEED RATE MAX X4
WHEN FAST DUBBING FROM HDD TO DVD , THE SPEED OF COPYING DEPENDS ON THE RECORDING
MODE AND THE KIND OF USING THE DVD DISC, AND THIS MODE IS NOT AVAILABLE FOR EDITED
VIDEO TITLE IN HDD.
WHEN FAST DUBBING FROM DVD TO HDD , ONLY AVAILABLE WHEN COPYING VR MODE DISC(DVD-
RW) TO HDD , AND ONLY NORMAL DUBBING AVAILABLE WHEN COPYING VIDEO MODE DISC
(DVD+R/RW, DVD-R) TO HDD

1-4
IMPORTANT SAFETY NOTICE
This manual was prepared for use only by properly trained audio-video service
technicians.
When servicing this product, under no circumstances should the original
design be modified or altered without permission from LG Electronics
Corporation. All components should be replaced only with types identical to
those in the original circuit and their physical location, wiring and lead dress
must conform to original layout upon completion of repairs.
Special components are also used to prevent x-radiation, shock and fire haz-
ard. These components are indicated by the letter “x” included in their compo-
nent designators and are required to maintain safe performance. No deviations
are allowed without prior approval by LG Electronics Corporation.
Circuit diagrams may occasionally differ from the actual circuit used. This way,
implementation of the latest safety and performance improvement changes
into the set is not delayed until the new service literature is printed.
CAUTION: Do not attempt to modify this product in any way. Never perform
customized installations without manufacturer’s approval. Unauthorized modi-
fications will not only void the warranty, but may lead to property damage or
user injury.
Service work should be performed only after you are thoroughly familiar with
these safety checks and servicing guidelines.
GRAPHIC SYMBOLS
The exclamation point within an equilateral triangle is intended to
alert the service personnel to important safety information in the
service literature.
The lightning flash with arrowhead symbol within an equilateral tri-
angle is intended to alert the service personnel to the presence of
noninsulated “dangerous voltage” that may be of sufficient magni-
tude to constitute a risk of electric shock.
The pictorial representation of a fuse and its rating within an equi-
lateral triangle is intended to convey to the service personnel the
following fuse replacement caution notice:
CAUTION: FOR CONTINUED PROTECTION AGAINST RISK
OF FIRE, REPLACE ALL FUSES WITH THE SAME TYPE AND
RATING AS MARKED NEAR EACH FUSE.
SERVICE INFORMATION
While servicing, use an isolation transformer for protection from AC line shock.
After the original service problem has been corrected, make a check of the fol-
lowing:
FIRE AND SHOCK HAZARD
1. Be sure that all components are positioned to avoid a possibility of adjacent
component shorts. This is especially important on items trans-ported to and
from the repair shop.
2. Verify that all protective devices such as insulators, barriers, covers, shields,
strain reliefs, power supply cords, and other hardware have been reinstalled
per the original design. Be sure that the safety purpose of the polarized line
plug has not been defeated.
3. Soldering must be inspected to discover possible cold solder joints, solder
splashes, or sharp solder points. Be certain to remove all loose foreign par-
ticles.
4. Check for physical evidence of damage or deterioration to parts and compo-
nents, for frayed leads or damaged insulation (including the AC cord), and
replace if necessary.
5. No lead or component should touch a high current device or a resistor rated
at 1 watt or more. Lead tension around protruding metal surfaces must be
avoided.
6. After reassembly of the set, always perform an AC leakage test on all
exposed metallic parts of the cabinet (the channel selector knobs, antenna
terminals, handle and screws) to be sure that set is safe to operate without
danger of electrical shock. DO NOT USE A LINE ISOLATION TRANS-
FORMER DURING THIS TEST. Use an AC voltmeter having 5000 ohms per
volt or more sensitivity in the following manner: Connect a 1500 ohm, 10
watt resistor, paralleled by a .15 mfd 150V AC type capacitor between a
known good earth ground water pipe, conduit, etc.) and the exposed metal-
lic parts, one at a time. Measure the AC voltage across the combination of
1500 ohm resistor and .15 mfd capacitor. Reverse the AC plug by using a
non-polarized adaptor and repeat AC voltage measurements for each
exposed metallic part. Voltage measured must not exceed 0.75 volts RMS.
This corresponds to 0.5 milliamp AC. Any value exceeding this limit consti-
tutes a potential shock hazard and must be corrected immediately.
TIPS ON PROPER INSTALLATION
1. Never install any receiver in a closed-in recess, cubbyhole, or closely fitting
shelf space over, or close to, a heat duct, or in the path of heated air flow.
2. Avoid conditions of high humidity such as: outdoor patio installations where
dew is a factor, near steam radiators where steam leakage is a factor, etc.
3. Avoid placement where draperies may obstruct venting. The customer
should also avoid the use of decorative scarves or other coverings that
might obstruct ventilation.
4. Wall- and shelf-mounted installations using a commercial mounting kit must
follow the factory-approved mounting instructions. A product mounted to a
shelf or platform must retain its original feet (or the equivalent thickness in
spacers) to provide adequate air flow across the bottom. Bolts or screws
used for fasteners must not touch any parts or wiring. Perform leakage tests
on customized installations.
5. Caution customers against mounting a product on a sloping shelf or in a tilt-
ed position, unless the receiver is properly secured.
6. A product on a roll-about cart should be stable in its mounting to the cart.
Caution the customer on the hazards of trying to roll a cart with small cast-
ers across thresholds or deep pile carpets.
7. Caution customers against using extension cords. Explain that a forest of
extensions, sprouting from a single outlet, can lead to disastrous conse-
quences to home and family.
A.C. Voltmeter
1500 OHM
10 WATT
Place this probe
on each exposed
metal part.
Good Earth Ground
such as the Water
Pipe, Conduit, etc.
0.15uF
PRODUCT SAFETY SERVICING GUIDELINES FOR VIDEO PRODUCTS
1-5
SERVICING PRECAUTIONS
CAUTION : Before servicing the DVB-T HDD/DVD Recorder
covered by this service data and its supplements and
addends, read and follow the SAFETY PRECAUTIONS.
NOTE : if unforeseen circumstances create conflict between
the following servicing precautions and any of the safety pre-
cautions in this publications, always follow the safety pre-
cautions.
Remembers Safety First:
General Servicing Precautions
1. Always unplug the DVB-T HDD/DVD Recorder AC power
cord from the AC power source before:
(1) Removing or reinstalling any component, circuit board,
module, or any other assembly.
(2) Disconnection or reconnecting any internal electrical
plug or other electrical connection.
(3) Connecting a test substitute in parallel with an elec-
trolytic capacitor.
Caution : A wrong part substitution or incorrect
polarity installation of electrolytic capacitors may result
in an explosion hazard.
2. Do not spray chemicals on or near this DVB-T HDD/DVD
Recorder or any of its assemblies.
3. Unless specified otherwise in this service data, clean
electrical contacts by applying an appropriate contact
cleaning solution to the contacts with a pipe cleaner,
cotton-tipped swab, or comparable soft applicator.
Unless specified otherwise in this service data, lubrication
of contacts is not required.
4. Do not defeat any plug/socket B+ voltage interlocks with
whitch instruments covered by this service manual might
be equipped.
5. Do not apply AC power to this DVB-T HDD/DVD Recorder
and/or any of its electrical assemblies unless all solid-state
device heat sinks are cerrectly installed.
6. Always connect test instrument ground lead to the
appropriate ground before connection the test instrument
positive lead. Always remove the test instrument ground
lead last.
Insulation Checking Procedure
Disconnect the attachment plug from the AC outlet and turn
the power on. Connect an insulation resistance meter(500V)
to the blades of the attachment plug. The insulation resis-
tance between each blade of the attachment plug and acces-
sible conductive parts (Note 1) should be more than 1M-
ohm.
Note 1 : Accessible Conductive Parts including Metal pan-
els, Input terminals, Earphone jacks, etc.
Electrostatically Sensitive (ES) Devices
Some semiconductor (solid state) devices can be damaged
easily by static electricity. Such components commonly are
called Electrostatically Sensitive (ES) Devices. Examples of
typical ES devices are integrated circuits and some field
effect transistors and semiconductor chip components.
The following techniques should be used to help reduce the
incidence of component damage caused by static electricity.
1. Immediately before handling any semiconductor compo-
nent or semiconductor-equipped assembly, drain off any
electrostatic charge on your body by touching a known
earth ground. Alternatively, obtain and wear a commer-
cially available discharging wrist strap device, which
should be removed for potential shock reasons prior to
applying power to the unit under test.
2. After removing an electrical assembly equipped with ES
devices, place the assembly on a conductive surface such
as aluminum foil, to prevent electrostatic charge buildup or
exposure of the assembly.
3. Use only a grouned-tip soldering iron to solder or unsolder
ES devices.
4. Use only an anti-static solder removal device. Some
solder removal devices not classified a “anti-static” can
generate electrical charges sufficient to damage ES
devices.
5. Do not use freon-propelled chemicals. These can
generate electrical charge sufficient to damage ES
devices.
6. Do not remove a replacement ES device from its protec
tive package until immediately before you are ready to
install it. (Most replacement ES devices are packaged with
leads electrically shorted together by conductive foam,
aluminum foil, or comparable conductive material).
7. Immediately before removing the protective material from
the leads of a replacement ES device, touch the protective
material to the chassis or circuit assembly into which the
device will be installed.
Caution : Be sure no power is applied to the chassis or
circuit, and observe all other safety precautions.
8. Minimize bodily motions when handling unpackaged
replacement ES devices. (Normally harmless motion such
as the brushing together of your clothes fabric or the lifting
of your foot from a carpeted floor can generate static elec-
tricity sufficient to damage an ES device.)

1-6
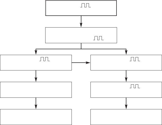
SERVICE INFORMATION FOR EEPROM IC SETTING
MICOM START
EEPROM ID CHECK
2 BYTE(B3,248,249) NAME HEX BINARY
OPT1 00 00000000
OPT2 00 00000000
OPT3 00 00000000
OPT4 00 00000000 (reserved)
OPT5 00 00000000 (reserved)
OPT6 00 00000000 (reserved)
OPT7 00 00000000 (reserved)
OPT8 00 00000000 (reserved)
WRITE:OK EXIT:MENU,MP
MOVE:< > EDIT : __
OPTION WRITE : OK (OK KEY IN)
MASK : R00 , EEP : R00 , (D10)
(Each mask ,eeprom, It shows a development
release version.)
DETECT NEW EEPROM (OPTION EDIT SCREEN)
*** EEPROM INITIAL ***
- SETUP is displayed in the field if pressing the Front ch- & ch+ Key with the Remocon number "clear"
key pressed in the status of powering on.
- AUTO SEARCH is done since the initial screen of ACMS is serviced if powering on.
OPTION DATA READ
5TIME & COMPARE
MICOM NORMAL
OPERATION START
Press the "CLEAR" key on the
Remote controller and the "CH - "
key one the Front Panel the same
time, then it goes in to Tracking
initial mode.
OPTION CONFIRMATION MODE
ID OK?
No
No
Yes
Yes
Yes
1-7
SPECIFICATIONS
• GENERAL
Power requirements AC 200-240V, 50/60 Hz
Power consumption 40W
Dimensions (approx.) 430 X 54 X 340 mm (w x h x d) without foot
Mass (approx.) 4.5 kg
Operating temperature 5°C to 35°C
Operating humidity 5 % to 90 %
Television system Analog: PAL I, B/G, I/I, SECAM D/K, K1 colour system
Digital: DVB-T Standard Compliant
Recording format PAL
Conditional Access Interface PCMCIA, 1 Slot Common Interface (DBRH198, DBRH197)
SMARTCARD, 2CARD, Conditional Access system (DBRH199)
• RECORDING
Recording format DVD Video Recording, DVD-VIDEO
Recordable media HDD (DBRH198: 160GB, DBRH190: 80GB), DVD-ReWritable,
DVD-Recordable, DVD+ReWritable, DVD+Recordable,
DVD+Recordable (Double Layer)
Recordable time DVD (4.7GB): Approx. 1 hour (XP mode), 2 hours (SP mode),
4 hours (LP mode), 6 hours (EP mode)
DVD+R DL (8.5GB): Approx. 3 hour (XP mode),
3 hours 40 minutes (SP mode),
7 hours 10 minutes (LP mode),
10 hours 30 minutes (EP mode)
HDD (80GB/160GB): Approx. 21/43 hours 30 minutes (XP mode),
41/84 hours (SP mode),
81/156 hours (LP mode),
114/233 hours (EP mode)
Video recording format
Sampling frequency 27MHz
Compression format MPEG 2 (VBR support)
Audio recording format
Sampling frequency 48kHz
Compression format Dolby Digital
• PLAYBACK
Frequency response DVD (PCM 48 kHz): 8 Hz to 22 kHz, CD: 8 Hz to 20 kHz
DVD (PCM 96 kHz): 8 Hz to 44 kHz
Signal-to-noise ratio More than 100 dB (AUDIO OUT connector)
Harmonic distortion Less than 0.008% (AUDIO OUT connector)
Dynamic range More than 95 dB (AUDIO OUT connector)
• INPUTS
AERIAL IN Aerial input (Digital and Analog), 75 ohms
VIDEO IN 1.0 Vp-p 75 ohms, sync negative, RCA jack x 2 / SCART x 2
AUDIO IN 2.0 Vrms more than 47 kohms, RCA jack (L, R) x 2 / SCART x 2
S-VIDEO IN (Y) 1.0 V (p-p), 75 Ω, sync negative, Mini DIN 4-pin x 1
(C) 0.3 V (p-p) 75 Ω
DV IN 4 pin (IEEE 1394 standard)
• OUTPUTS
VIDEO OUT 1 Vp-p 75 Ω, sync negative, RCA jack x 1 / SCART x 2
COMPONENT VIDEO OUT (Y) 1.0 V (p-p), 75 Ω, sync negative, RCA jack x 1
(Pb)/(Pr) 0.7 V (p-p), 75 Ω, RCA jack x 2
HDMI video/audio output 19 pin (HDMI standard, Type A)
(DBRH198 only)
Audio output (digital audio) 0.5 V (p-p), 75 Ω, RCA jack x 1
Audio output (optical audio) 3 V (p-p), 75 Ω, Optical connector x 1
Audio output (analog audio) 2.0 Vrms (1 KHz, 0 dB), 600 Ω, RCA jack (L, R) x 1 / SCART x 2
2-1
SECTION 2
CABINET & MAIN CHASSIS
CONTENTS
EXPLODED VIEWS ....................................................................................................................2-2
1. CABINET AND MAIN FRAME SECTION ................................................................................2-2
2. DECK MECHANISM SECTION(RS-01A) ................................................................................2-3
3. PACKING ACCESSORY SECTION .........................................................................................2-4

2-2
EXPLODED VIEWS
1. CABINET AND MAIN FRAME SECTION
A
A
C
B
BC
D
D
A54A
A54
A46
471
300
A47
104
101
468
468
410
103
A53
A60
A56
A50
280 275
275
275
452
452
452
A26
A43
A44
A52
253
462
462
475
255
250
475
256
OPTIONAL PART
HDMI MODEL ONLY
OPTIONAL PART
DBRH199 MODEL ONLY
OPTIONAL
PART
MEMORY
HDMI
BOARD
MAIN
BOARD
SMPS
I/O BOARD
CABLE3
CABLE11
CABLE10
CABLE5
CABLE2
CABLE1
A55
272
251
273
274
265
465
320
264
260
261
261
262
261
465
267
268
467
463
463
468
468
468
A57
278
468
251
OPTIONAL
PART
OPTIONAL PART
A58
DBRH198
DBRH198
ONLY
ONLY
DBRH198
ONLY
DBRH199
DBRH199
ONLY
ONLY((S
DBRH199
ONLY
A
5
4
3
2
1
BCD

2-3
2. DECK MECHANISM SECTION(RS-01A)
1034
1030
1025
1041
1432
1437
1434
1032
1033
1038
1011
1432
1020
1036
1432
Main C.B.A
1001
1431
1003
1002
1026
A001
A60
A002
1016
1433
1017
1013
1015
1012
1439
1047
1048
1046
1014
1018
1019 1043 1045
1044
1042
A005

2-4
808 Battery
Cable, Coaxial
Plug Ass'y, 1Way
Plug Ass'y, 2Way
Bag
Packing
Remote Control
Instruction Ass'y
Packing
Box
806
804
803
811
812
FLAT CABLE
822
801
900
802
803
810 CABLE ASS'Y
821 SCART CABLE
OPTIONAL PART
RJII CABLE
828
3. PACKING ACCESSORY SECTION
3-1
SECTION 3
ELECTRICAL
CONTENTS
HDR PART
ELECTRICAL TROUBLESHOOTING GUIDE.................3-2
1. POWER SUPPLY ON SMPS BOARD .....................3-2
2. POWER SUPPLY ON I/O BOARD...........................3-4
3. SYSTEM CIRCUIT PART.........................................3-6
4. DISC NOT RECOGNIZED .......................................3-6
5. WHEN PLAYING DISC, NO AUDIO OUTPUT.........3-7
6. NO OPTICAL / DIGITAL OUTPUT ...........................3-8
7. NO TUNER ANALOG AUDIO OUTPUT...................3-9
8. NO TUNER DVB_T AUDIO OUTPUT....................3-10
9. NO EXTERNAL AUDIO INPUT ..............................3-11
10. NO RGB / COMPONENT VIDEO
SIGNAL WHEN PLAY DISC.................................3-12
11. NO COMPOSITE /
S-VIDEO SIGNAL WHEN PLAY DISC ................3-12
12. NO TV, EXTERNAL INPUT VIDEO SIGNAL .......3-13
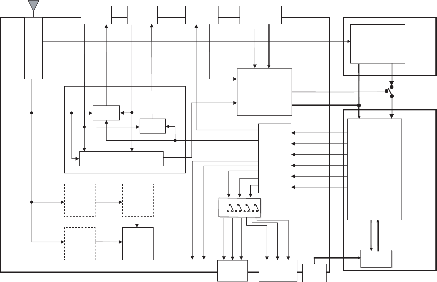
BLOCK DIAGRAMS......................................................3-16
1. OVERALL BLOCK DIAGRAM................................3-16
2. LAYOUT CONNECTION BLOCK DIAGRAM_1.....3-18
3. LAYOUT CONNECTION BLOCK DIAGRAM_2.....3-20
4. SMPS BLOCK DIAGRAM ......................................3-22
5. POWER : MAIN BOARD BLOCK DIAGRAM.........3-24
6. POWER : I/O BOARD BLOCK DIAGRAM.............3-26
7. IN/OUT BLOCK DIAGRAM
( SCART MODEL ONLY ).......................................3-28
8. VIDEO BLOCK DIAGRAM .....................................3-30
9. VIDEO S/W PATH BLOCK DIAGRAM ...................3-32
10. AUDIO BLOCK DIAGRAM ...................................3-34
11. AUDIO S/W PATH BLOCK DIAGRAM .................3-36
12. FLD / µ-COM / TUNER BLOCK DIAGRAM .........3-38
13. MAIN BLOCK DIAGRAM
( SCART MODEL ONLY ).....................................3-40
14. TIMER BLOCK DIAGRAM ...................................3-42
CIRCUIT DIAGRAMS ....................................................3-44
1. SMPS 1 CIRCUIT DIAGRAM.................................3-44
2. SMPS 2 CIRCUIT DIAGRAM.................................3-46
3. MPEG CIRCUIT DIAGRAM
(DBRH197’s, DBRH198’s ONLY)...........................3-48
4. MPEG CIRCUIT DIAGRAM(DBRH199’s ONLY)....3-50
5. FLASH/DDR CIRCUIT DIAGRAM
(DBRH197’s, DBRH198’s ONLY)...........................3-52
6. FLASH/DDR CIRCUIT DIAGRAM
(DBRH199’s ONLY)................................................3-54
7. RESET & 1394 & JEPG CIRCUIT DIAGRAM
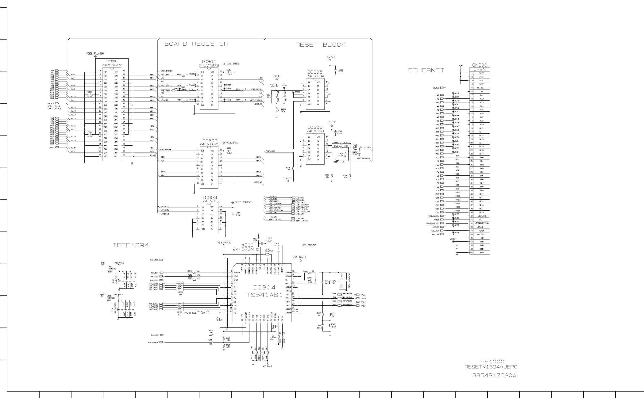
(DBRH197’s ONLY)................................................3-56
8. RESET & 1394 & JPEG CIRCUIT DIAGRAM
(DBRH198’s, DBRH199’s ONLY)...........................3-58
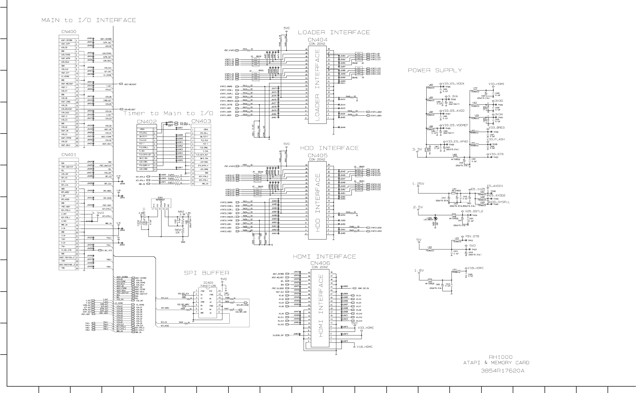
9. ATAPI & MEMORY CARD CIRCUIT DIAGRAM
(DBRH197’s, DBRH198’s ONLY)...........................3-60
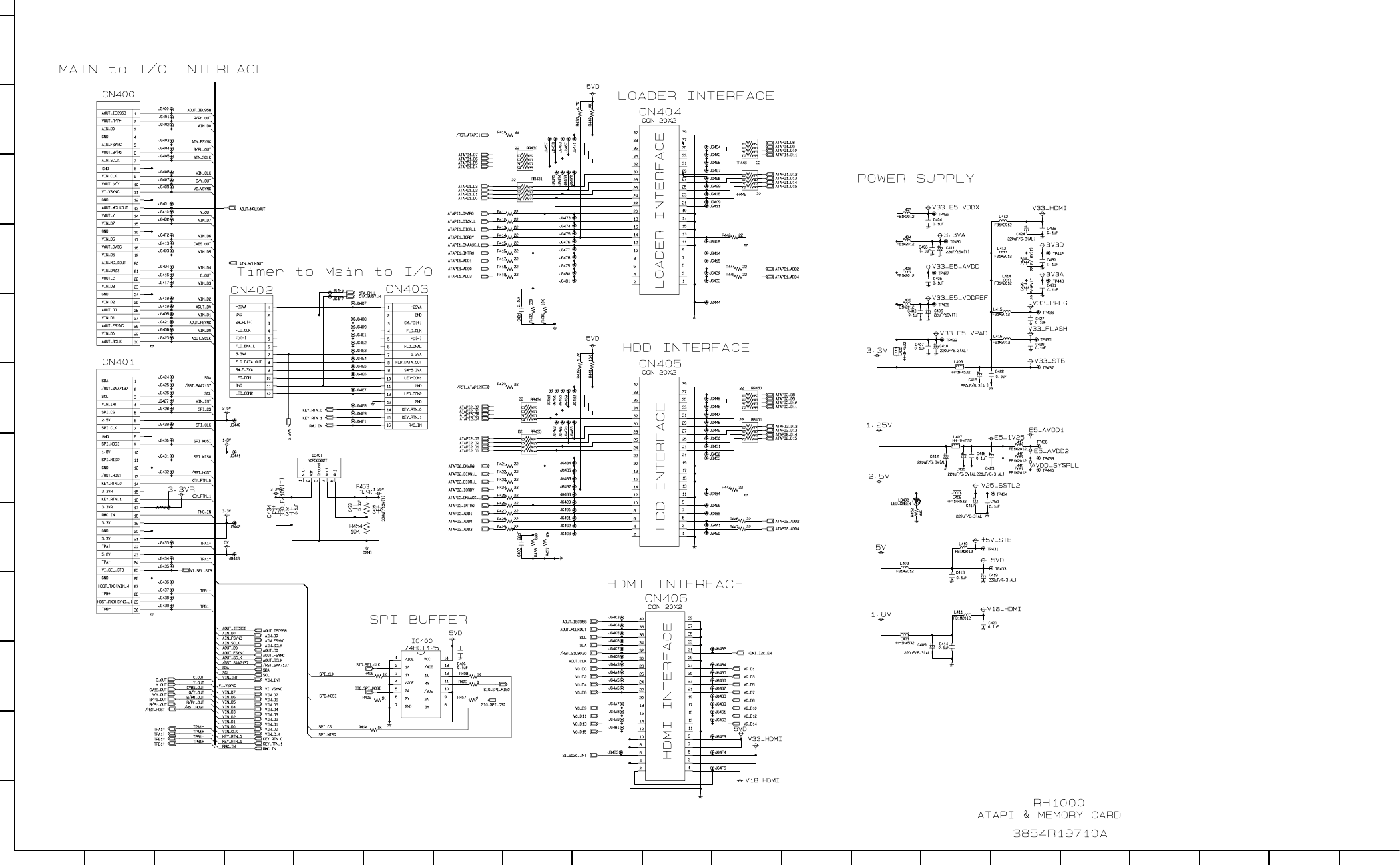
10. ATAPI & MEMORY CARD CIRCUIT DIAGRAM
(DBRH199’s ONLY)..............................................3-62
11. I/O, µ-COM CIRCUIT DIAGRAM.........................3-64
12. TUNER/MPX/ADC/DAC/JACK
CIRCUIT DIAGRAM .............................................3-66
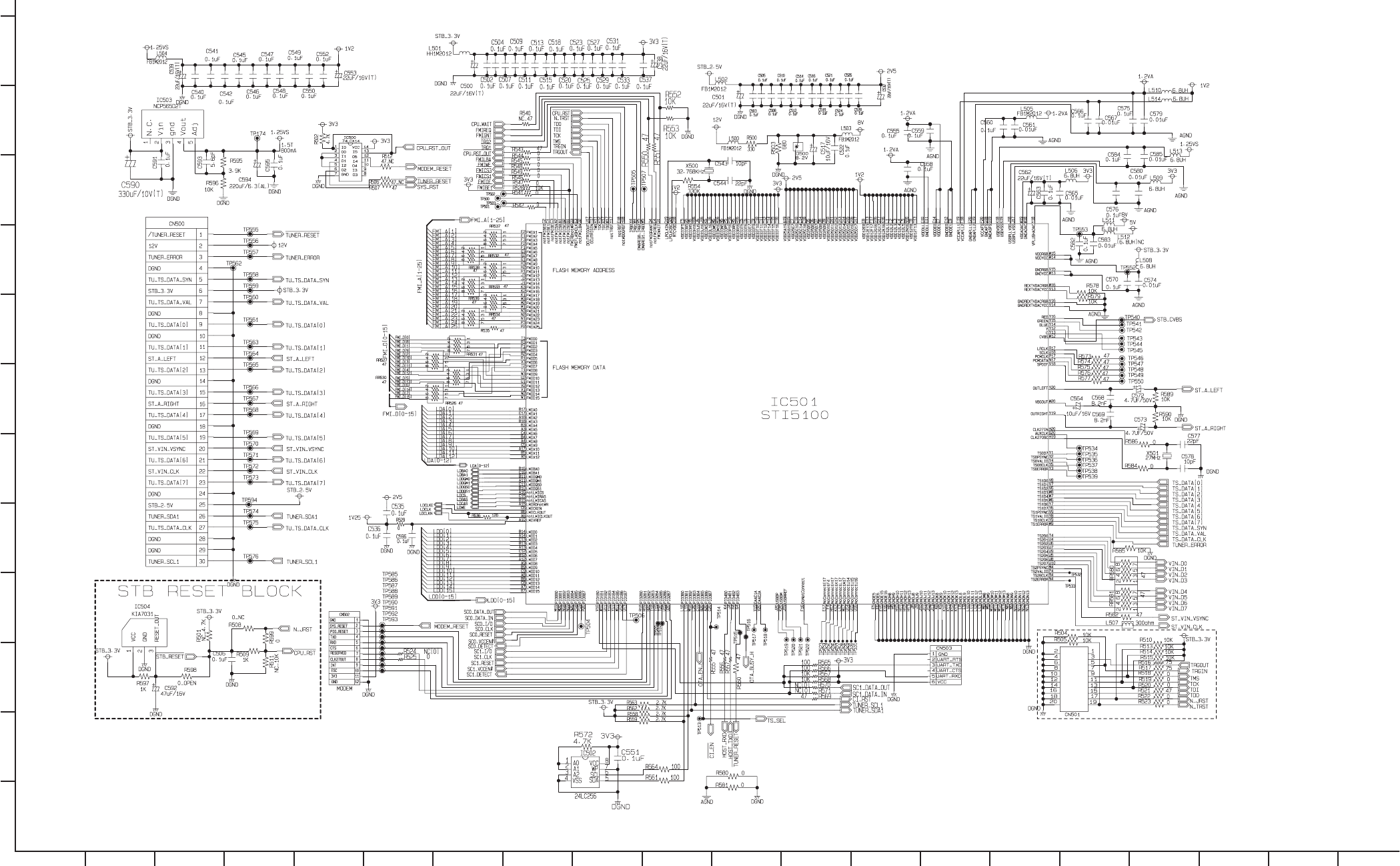
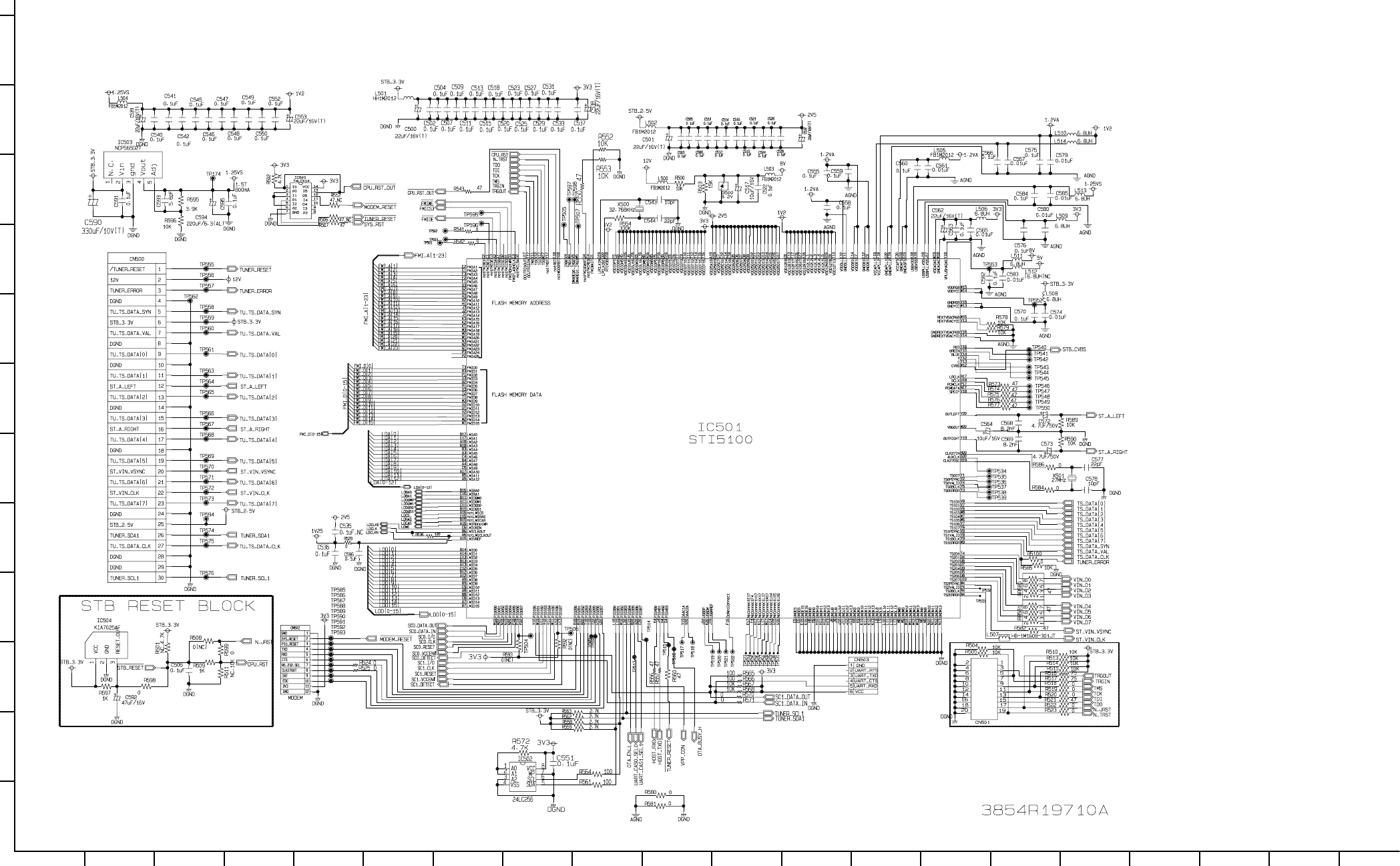
13. STB SYSTEM CIRCUIT DIAGRAM
(DBRH197’s, DBRH198’s ONLY).........................3-68
14. STB SYSTEM CIRCUIT DIAGRAM
(DBRH199’s ONLY)..............................................3-70
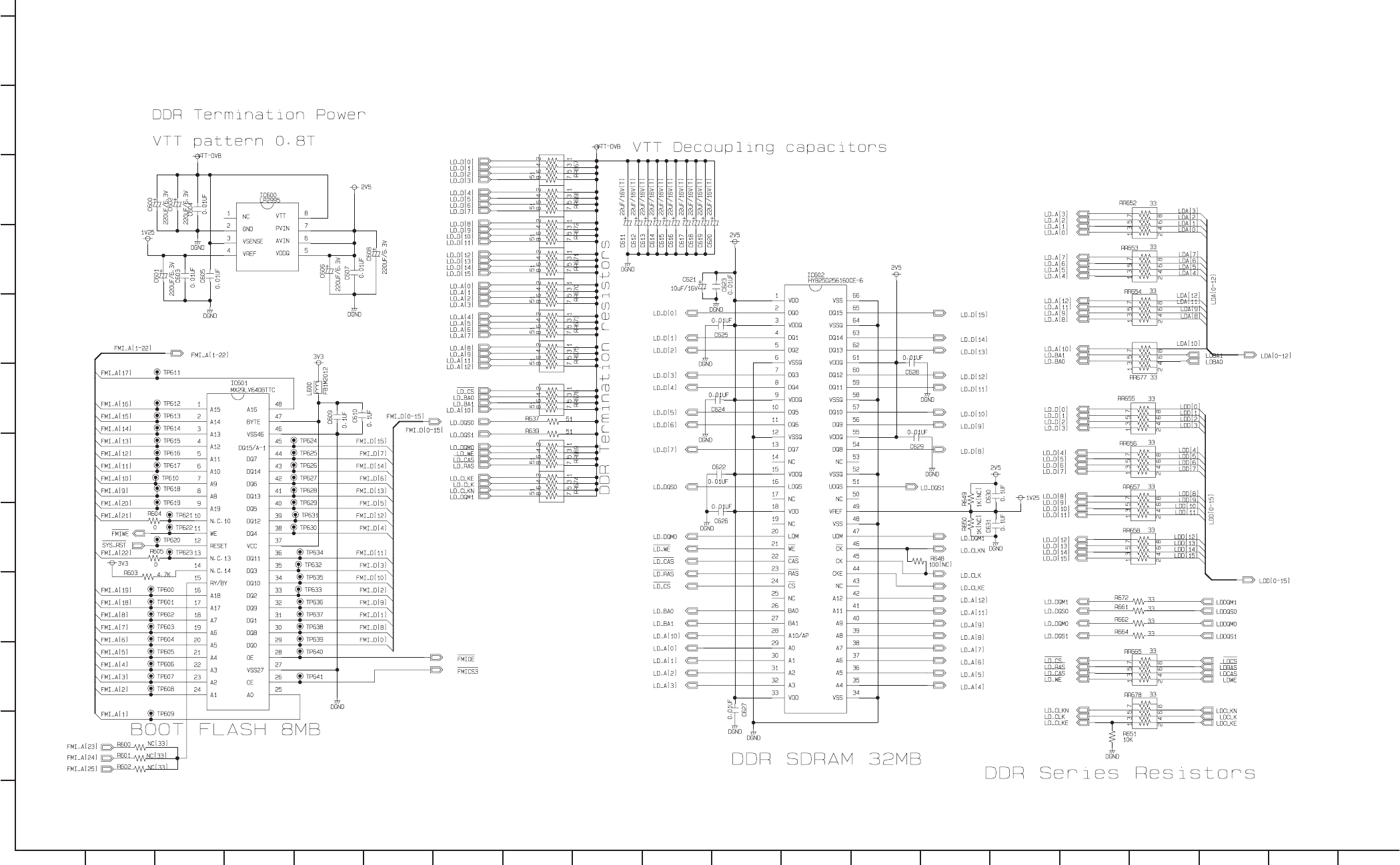
15. DDR SDRAM CIRCUIT DIAGRAM
(DBRH197’s, DBRH198’s ONLY).........................3-72
16. DDR SDRAM CIRCUIT DIAGRAM
(DBRH199’s ONLY)..............................................3-74
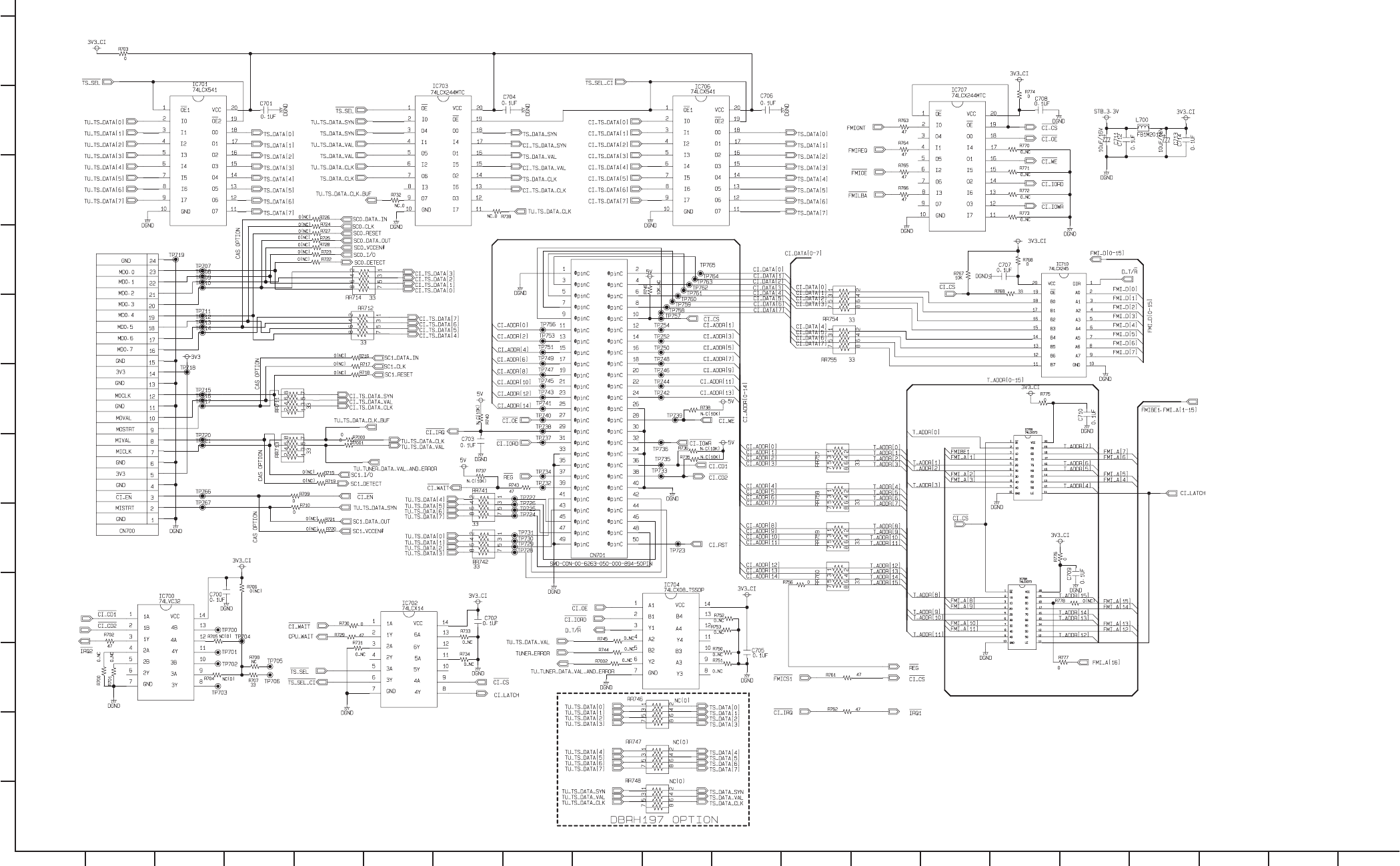
17. STB, CI INTERFACE CIRCUIT DIAGRAM
(DBRH197’s, DBRH198’s ONLY).........................3-76
18. SMART CARD CIRCUIT DIAGRAM
(DBRH199’s ONLY)..............................................3-78
19. CI CIRCUIT DIAGRAM(DBRH198’s ONLY).........3-80
20. MODEM CIRCUIT DIAGRAM
(DBRH199’s ONLY)..............................................3-82
21. SMART CARD TO MAIN INTERFACE
CIRCUIT DIAGRAM(DBRH199’s ONLY) .............3-84
22. KEY CIRCUIT DIAGRAM.....................................3-86
23. TIMER CIRCUIT DIAGRAM.................................3-88
• WAVEFORMS..............................................................3-90
• CIRCUIT VOLTAGE CHART.......................................3-92
PRINTED CIRCUIT DIAGRAMS .................................3-100
1. MAIN P.C.BOARD_DBRH197/DBRH198.............3-100
2. MAIN P.C.BOARD_DBRH199..............................3-101
3. I/O P.C.BOARD ( TOP VIEW ).............................3-102
4. I/O P.C.BOARD ( BOTTOM VIEW ).....................3-104
5. POWER P.C.BOARD ...........................................3-106
6. KEY P.C.BOARD .................................................3-108
7. TIMER P.C.BOARD..............................................3-108
8. JUNCTION P.C.BOARD.......................................3-109
9. HDMI P.C.BOARD ................................................3-110
10. CI P.C.BOARD (DBRH199’s ONLY)...................3-112
11. SUBBORD P.C.BOARD (DBRH198’s ONLY).....3-112
12. SMART CARD P.C.BOARD
(DBRH199’s ONLY)............................................3-114

3-2
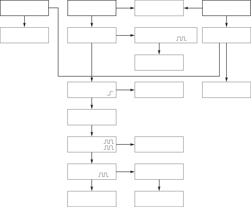
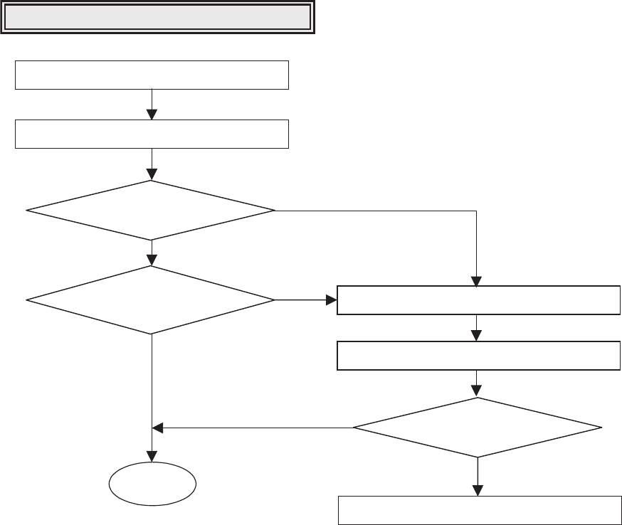
ELECTRICAL TROUBLESHOOTING GUIDE
HDR PART
Replace the BD101
Replace the F101
(Use the same Fuse)
No .5.3VA
Is the F101 Normal?
Is the R101 Normal?
Is Vcc (12V - 27V)
supplied to IC101 Pin2?
Is the BD101 Normal?
IS the D123 normal?
NO
NO
NO
NO
NO
YES
YES
YES
YES
YES
YES
YES
YES
YES
YES
YES
YES
YES
NO
YES
Replace the R101
Is the D102 normal?
Check or Replace the D102
Replace the D123
Is there about 2.5V at the
IC103 Pin1? NO Replace the IC103
Is the IC102 normal?
Is the D124 Normal?
Is the D125 Normal?
Is the D128Normal?
Is the D127 Normal?
Is the D121 Normal?
Is the D122 Normal?
Power Line of Main
PCB is short
NO
NO
NO
NO
NO
NO
NO
Replace the IC102
Replace the D124
Replace the D125
Replace the D128
Replace the D127
Replace the D121
Replace the D122
1. POWER SUPPLY ON SMPS BOARD

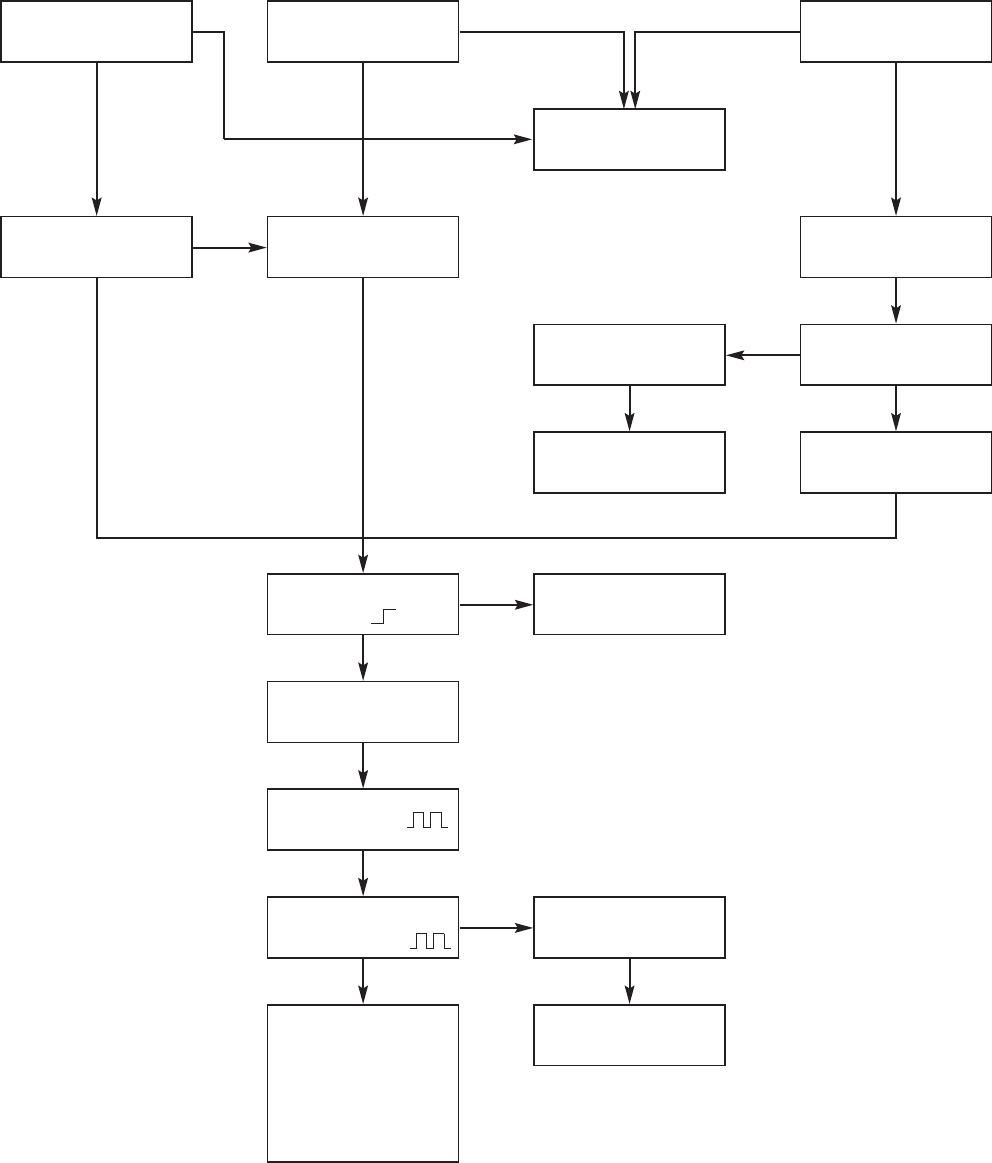
3-3
No 5VD
Check or Replace
the D123
Is the Vcc(5.3V) sup-
plied to IC157 pin 1?
Is the IC157 pin4
‘H’?
NO
NO
Check the PWR CTL
“H” signal from µ-com
YES
YES
Check or Replace
the IC157
YES
No 12VL
Check or Replace
the D127
Check the PWR CTL
“H” signal from µ-COM
Is the Vcc(14V) sup-
plied to IC 155 pin1?
Is the IC 155 pin4
‘H’?
Check or Replace
the IC 155
NO
NO
YES
YES
YES
No 5.0VL / 5.0V.CI
Check or Replace
the D128
Is the Vcc(5.6V) sup-
plied to IC156 pin1?
Is the IC156 pin4
‘H’?
NO
NO
Check the PWR CTL
“H” signal from µ-com
YES
YES
Check or Replace
the IC156
YES
No VF+
Replace the D121
Replace the ZD121
Is the D121
Normal?
Is the ZD121
Normal?
Check or Replace
FLD Key
NO
NO
YES
YES
YES

3-4
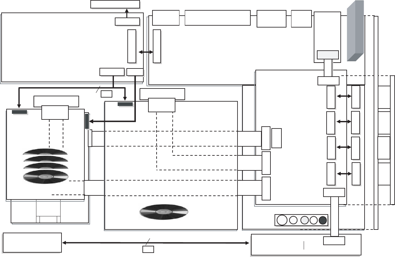
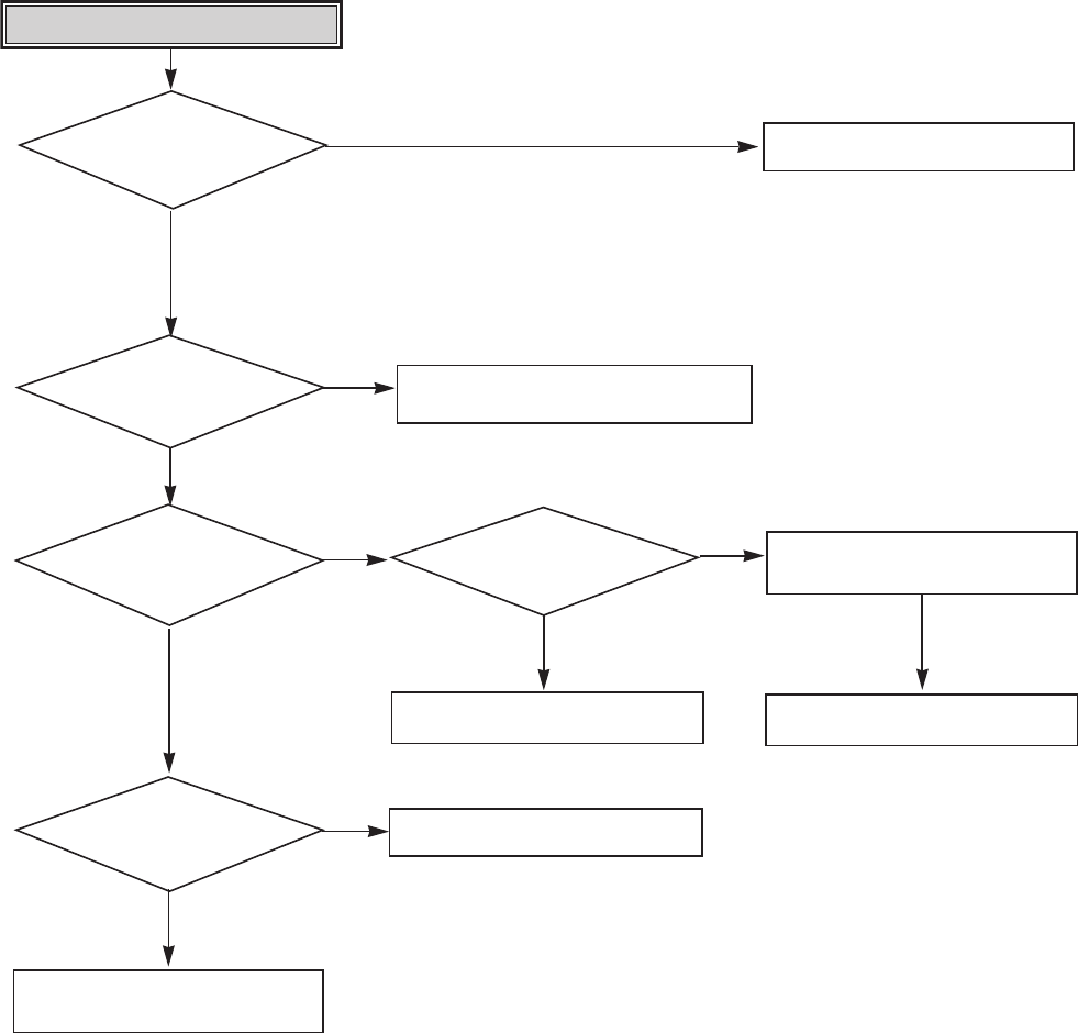
2. POWER SUPPLY ON I/O BOARD
No SW_5.3VA
Is the VCC (5.3V) sup-
plied to Q158 Emitor ?
Check 5.3VA on
SMPS Board
Is there about 0V
at R179 and R156?
Check the ‘STANBY
H’signal from µ-COM
Check Q158 and
Replace
YES
YES
YES
No 5VT
Check 5.3VA on
SMPS Board
Check the ‘TIMER H’
signal from µ-COM
Is the VCC (5.3V) sup-
plied to Q159 Emitor ?
Is there about 5V at R180
and 0.7V at Q157 Base ?
Check Q157 and
Replace
NO
NO
YES
YES
YES
No 12V
Check D124 on SMPS
Board and Replace
Check Q164 and
Replace
Check D126 on SMPS
Board and Replace
Check Q162 and
Replace
Check the ‘PWR CTL
H’signal from µ-COM
Is the VCC (14V) sup-
plied to Q164 Collector?
Is there about 12.5V at
ZD151 & Q164 Base?
Is the VCC (33V) sup-
plied to Q162 Emitor ?
NO
NO
NO
NO
NO
YES
YES
YES
Is there about 0V
at Q162 Base ?
YES
Is there about 5V at R171
and 0.7V at Q156 Base?
YES
Check Q156 and
Replace
YES
No 1.8V
Check 3.3V
power supply
Is the VCC (3.3V)
supplied IC101?
Is there 1.8V sup-
plied IC101 3 pin?
NO NO
Check IC101 and
Replace
NO NO
YES
YES

3-5
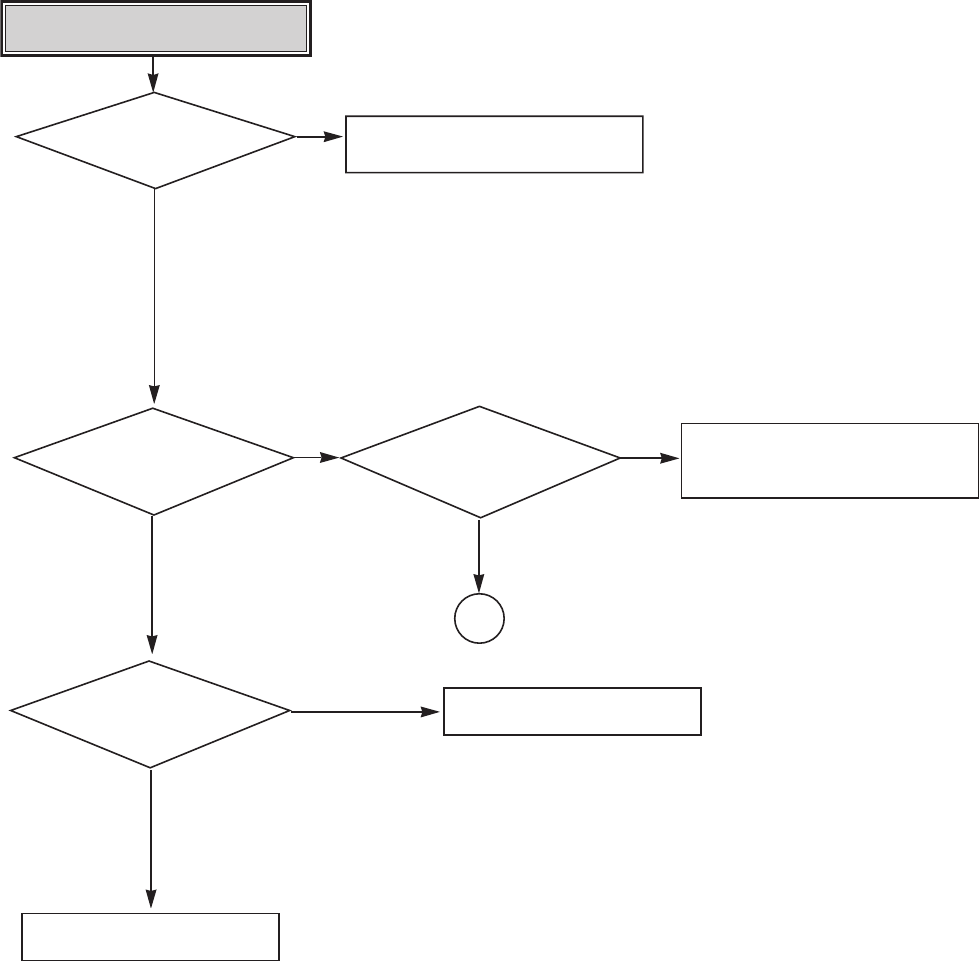
No SW_FD(+)
Check D121 on SMPS
Board and Replace
Check Q163 and
Replace
Is the VCC (FD+) sup-
plied to Q163 Collector?
Is there about 5.3V at
R184 and Q153 Collector?
Is the VCC (5.3V) sup-
plied to Q153 Emitor?
NO
NO
Check 5.3VA on
SMPS Board
NO
Check the ‘STANBY
H’signal from µ-COM
NO
YES
YES
YES
Is there about 0V at
Q153 Base ?
YES
Check Q153 and
Replace
YES
No SW_12VG
Check D124 on SMPS
Board and Replace
Check Q165 and
Replace
Is the VCC (14V) sup-
plied to Q165 Collector?
Is there about 12.5V at
ZD152 & Q165 Base ?
Is the VCC (33V) sup-
plied to Q160 Emitor?
NO
NO
Check D126 on SMPS
Board and Replace
NO
Check Q160 and
Replace
NO
Check SW_5.3VA
NO
YES
YES
YES
Is there about 0V
at Q160 Base?
YES
Is there about 5.3V
at Q166 Base ?
YES
Check Q166 and
Replace
YES

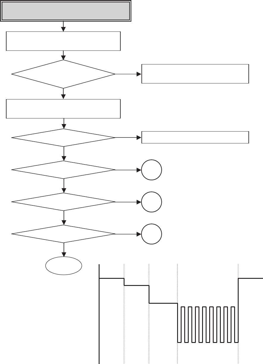
3-6
“Please wait” displayed
Continue at Power On
Check CN402 pin 13
IC701 pin 19 (R714)
IC306 pin 5 : ?
(/HOST-RESET)
X100 : Clock oscillated ?
(13.5MHz)
NO
Replace X100
NO
Check IC200
(Flash Memory) & IC100
NO
IC100 DEFECT
NO
YES
YES
R191 : ?
IC200 pin 32 : ?
YES
R167, R168 : ?
YES
3. SYSTEM CIRCUIT PART
Check Driver Power ?
5V,12V
Change MEDIA TEST
Check ATAPI Interface
CN404
Check SMPS
NO
NO
YES
4. DISC NOT RECOGNIZED

3-7
CHECK IC803 pin 2,4 (VCC) : 12V
Pin 32,33 (SCL/SDA) :
IC810 pin 14,19 (Z_mute_R/L) :
IC701 pin 58 (A_mute_L) :
CHECK
IC810 pin 1,2,3,4 :
Pin 10 (Reset “H”) :
Pin 7,8 (I2C) :
5. WHEN PLAYING DISC, NO AUDIO OUTPUT
CHECK
IC810 pin 17 (12V)
pin 5,11,20 (3.3V)
Replace IC810
YES
YES
IC810 pin 15,18(Audio_out
R/L): Is there a signal?
IC801 pin 1, 7
Is there a signal?
IC803 pin 21,22,25,26
: Is there a signal?
CHECK Q801, Q802, Q803,
Q805, Q804, Q807, Q808
CHECK IC801 pin 8
(12V)
Replace IC801
Replace IC803
IC100
DEFECT
NO
L822, L823 :
Is there a signal?
YES
YES
YES
YES
YES
YES
YES YES
Only “Without SCART model”
L806, L826, L825, L810
: Is there a signal?
CHECK Cable connec-
tions & TV Audio mute.
NO
NO
NO
NO

3-8
R113 :
Is there a signal ?
CHECK PVM01 pin 1
(SPDIF_OUT) :
C856 :
Is there a signal ?
L830 :
Is there a signal ?
CHECK JK802 & RCA
cable connection
NO
YES
YES
YES
YES
YES
YES
R852 :
Is there a signal ?
CHECK
JK803 pin 2 (5.2V)
CHECK JK803 & Optic
cable connection
6. NO OPTICAL / DIGITAL OUTPUT

3-9
7. NO TUNER ANALOG AUDIO OUTPUT
TU701 pin 10 (SIF) :
Is there a signal?
C928,C963 :
Is there a signal?
IC903, 904 pin 7 :
Is there a signal?
Replace IC803
CHECK
IC903, 904 pin 6 (12V)
YES
YES
IC803 pin 20, 24, 23, 27 :
Is there a signal?
YES
C901 pin 64 or R999
(reset”H”) :
YES
X901 (24.576MHz) clock
oscillated ?
R902, R913, R997 :
R962, R978 (I2C) :
YES
YES
C901 pin 173 & R903 :
Is there a signal ?
When playing DISC,
no Audio output
YES
YES YES
NO
CHECK
IC 803 pin 2,4 (VCC) : 12V
Pin 32,33 (SCL/SDA) :
NO
CHECK
IC301 Reset Circuit
NO
NO
NO
IC100 DEFECT
CHECK
IC901 power 3.3V & 1.8V
IC901 DEFECT
YES
A
B
A
B
Only “P Model”
Only “Without SCART Model”

8. NO TUNER DVB_T AUDIO OUTPUT
CHECK
IC811 pin 6 (12V)
CHECK Connector
connections &Input signal.
CHECK IC 808/809 pin 6 (VCC) : 12V
IC804 pin 8(VCC) :12V
CHECK
IC301 Reset Circuit
IC100 DEFECT
CHECK IC901
power 3.3V & 1.8V
CN101 pin 12,16 :
Is there a signal?
IC501 pin Y19,Y20:
Is there a signal?
IC811 pin1, 7 :
Is there a signal?
YES
YES
IC808/IC809 pin 7, IC804
pin 1, 7 :Is there a signal?
YES
IC901 pin 64 or R999
(reset“H”) :
YES
X901 (24.576MHz) clock
oscillated ?
YES
R902,R913,R997 :
R962,R978 (I2C) :
C901 pin 173 & R903 :
Is there a signal ?
When playing DISC,
no Audio output
YES
YES
YES
CHECK
1.IC501 Power 3V3,2V5,1V2,1.2VA,8V,STB_3.3V,1V25
2.X501 Oscillated?
3.TS_DATA[0~7]/SYN/CLK ?
NO
NO
NO
NO
NO
NO
NO IC901 DEFECT
YES
YES
3-10
Replace IC803

3-11
9. NO EXTERNAL AUDIO INPUT
CHECK IC 803 pin 2,4 (VCC) : 12V
Pin 32,33 (SCL/SDA) :
IC808,IC809 pin 7 :
Is there a signal?
Replace IC803
CHECK
IC301 Reset Circuit
YES
NO
IC808,IC809 DEFECT
Or VI_SET Signal check
YES
YES
IC803 pin 20,24,23,27
: Is there a signal?
CHECK Cable connec-
tions & Input signal.
C979,C980 :
Is there a signal? IC803 pin 10,16 :
Is there a signal? C8213,C8214 :
Is there a signal?
< AV3 > < AV1/AV2 > < AV4 >
NO
IC901 pin 64 or R999
(reset”H”) :
X901 (24.576MHz)
clock oscillated ?
NO
IC100 DEFECT
NO
CHECK IC901
power 3.3V & 1.8V
NO
IC901 DEFECT
NO YES
YES
YES
YES
R902,R913,R997 :
R962,R978 (I2C) :
YES
C901 pin 173
or R903 :
YES
When playing DISC,
no Audio output
YES
CHECK Cable connec-
tions & Input signal.
NONO NO

3-12
10. NO RGB / COMPONENT VIDEO SIGNAL WHEN PLAY DISC
11. NO COMPOSITE / S-VIDEO SIGNAL WHEN PLAY DISC
R119,120,121 :
Is there a signal?
PVM01 pin 14,18,22 :
Is there a signal ?
IC802 pin 27,30,32:
Is there a signal ?
IC803 pin 29,30 :
Is there a signal ?
CHECK RCA & S-Video
cable connection
NO CHECK IC802
pin 1,16 (5.2V)
NO
Replace IC802
YES
CHECK IC803 pin 2,4 (VCC) : 12V
Pin 32,33 (SCL/SDA) :
YES
YES
YES
CHECK SCART
cable connection
YES
Replace IC803
YES
A
B
A
B
S-Video & RCA
SCART
CHECK IC802
pin 1,16 (5.2V)
Replace IC802
R123,R124,R125 :
Is there a signal ?
YES
PVM01 pin 2, 6, 10 :
Is there a signal ?
IC802 pin 18, 21, 24 :
Is there a signal ?
CHECK SW801 status &
SW801 pin 2 (RGB_SEL”H”)
YES
YES YES
NO

3-13
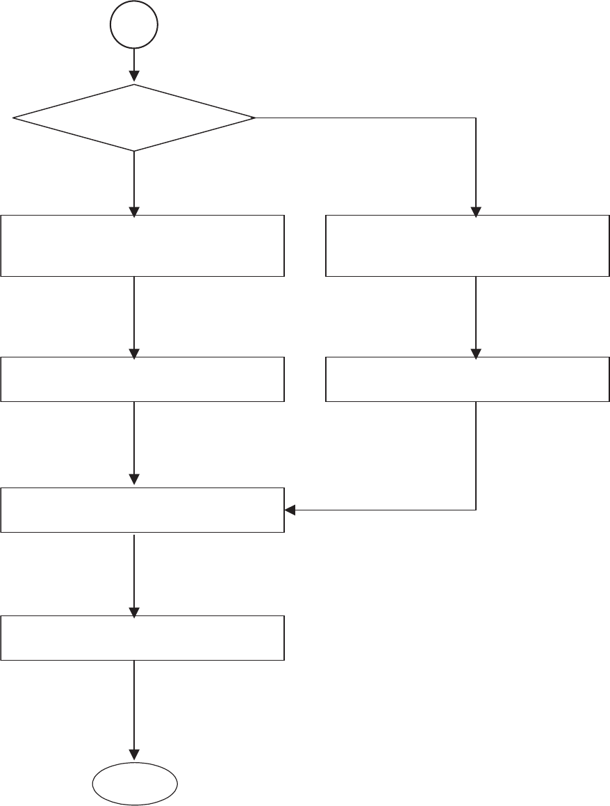
12. NO TV, EXTERNAL INPUT VIDEO SIGNAL
CHECK Cable con-
nection & Input signal
C859,C869,C871 :
Is there a signal?
IC 803 pin29.30.31 :
Is there a signal?
C926 :
Is there a signal?
CHECK IC 803 pin 2,4 (12V)
Pin 32,33 (SCL/SDA)
Replace IC803
CHECK
IC301 Reset Circuit
CHECK IC901 power
3.3V & 1.8V
IC901 DEFECT
C917,C923,C934 :
Is there a signal?
C618 : Is there a
signal ?
No video signal of external
input AV3 (Rear RCA input)
No video signal of external input
AV4 (Composite / S-Video)
When Cable connecting Tuner
and Rear SCART1,2 No TV
video signal (AV1/2)
NO
NO
NO NO NO
NO
NO
YES
YES
YES
YES
YES
YES
YESYES
YES
IC901 pin 34 or R999
(reset”H”) :
X901 (24.576MHz)
clock oscillated ?
YES
R962,R978 (I2C) :
IC901 pin 108 or
R930 (VI_CLK) :
CHECK
No RGB/
Component/
Composite/S-Video
Signal when play
DISC
YES
YES
YES YES

3-14
13. NO DVB_T VIDEO OUTPUT
C901 pin 709 & R755,R756 :
Is there a signal ? CHECK IC709 power 5.3VA
& TUNER_SEL Signal
CHECK
1. TU701 power5.3VA
TU5VA,1.8V&STB 3.3V &
2. TU701 & RESET
TU701pin 19~32 :
Is there a signal ?
YES
YES
CHECK Connector con-
nections &Input signal.
CHECK IC800 pin20
(12V)
CN101 pin20, 22 Is
there a signal?
IC501 TS DATA&CLK
Is there a signal?
Check CN402 pin 13
IC 701 pin 19 (R714)
Replace X100
YES
YES
IC800 pin1, 2, 4 :
Is there a signal?
IC306 pin 5 : ?
(/HOST-RESET)
X100 : Clock oscil-
lated ? (13.5MHz)
R191 : ?
IC200 pin 32 : ?
IC100 pin K2
Is there a Video signal?
No Composite / S-Video
Signal when play DISC
YES
YES
YES
YES
YES
YES
YES
Check IC200 (Flash
Memory) & IC100
YES
IC100 DEFECT
YES
CHECK 1. IC501 Power 3V3,2V5,1V2,1 .2VA,8V,STB_3.3V,1V25
2. X501 Oscillated?
NO
NO NO
NO NO
NO
NO
NO
NO

3-15
14. NO DV(IEEE 1394) INPUT (VIDEO/AUDIO) SIGNAL
Check DV_Jack connection
DV-mode switching ?
IC304 power 3.3V
IC304 pin 37 : “High”
& X300 (24.576MHz) oscillated ?
NO CHECK
power 3.3V on I/O board
NO Change to DV-mode.
Using Remote Control
NO
NO
NO
CHECK
IC301 Reset Circuit
YES
YES
YES
IC304 pin 15 : “High”
Is there a signal?
YES
IC304 pin 1, 27, 28, 29, 30 :
Is there a signal?
YES
IC304 pin 2, 3 :
Is there a signal?
YES
Replace IC304
YES
CHECK DV Cable
Replace IC304
NO IC101 DEFECT

3-16 3-17
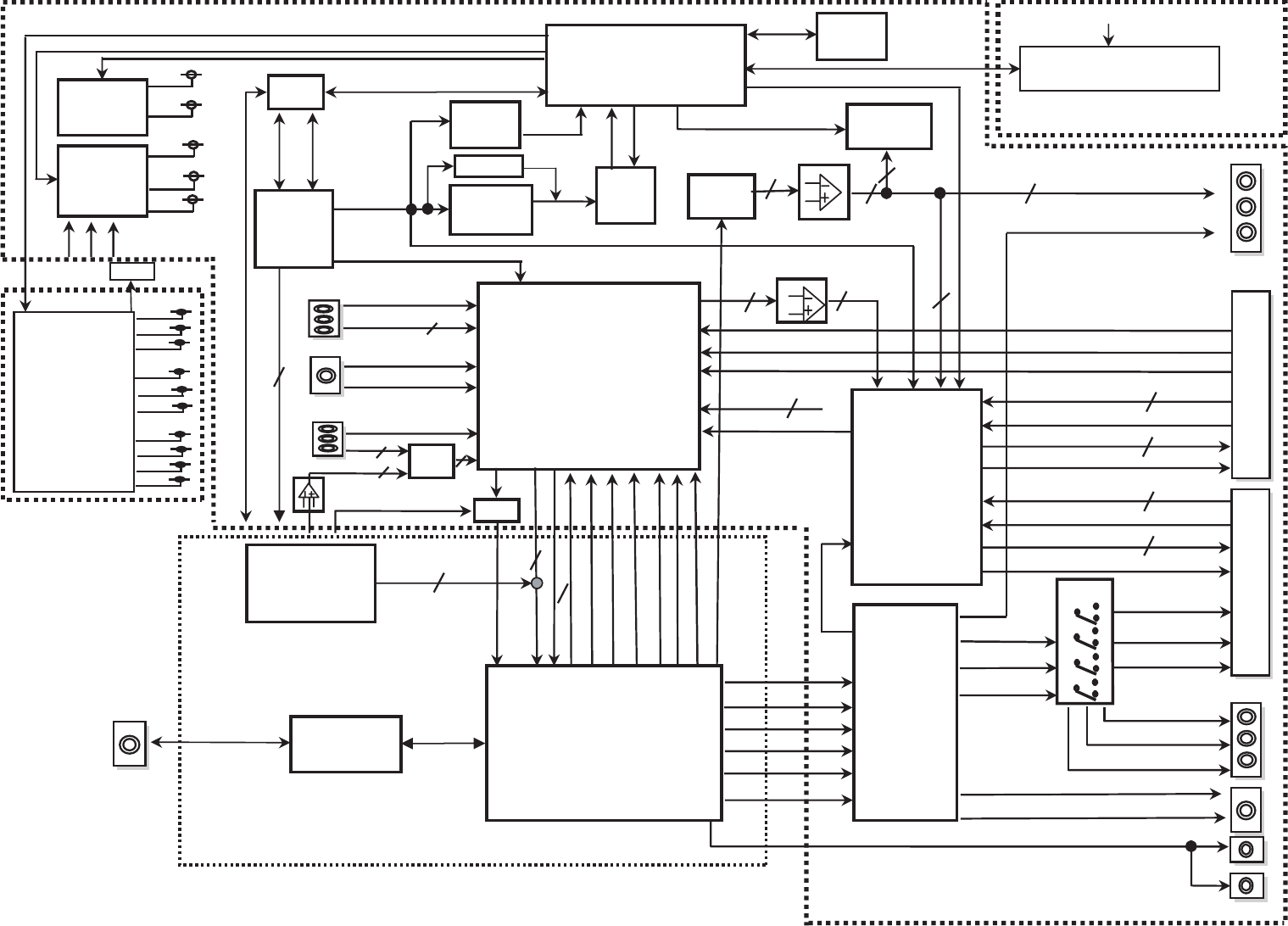
BLOCK DIAGRAMS
1. OVERALL BLOCK DIAGRAM
SIF
TU_V_OUT
IC703
MM1510
6dB Buffer
IC705
24LC16B
EEPROM
SCART 1
TU_A_L /R_OUT
SW_A_OUT_L/R
AIN_DO
AIN_FSYNC
AIN_SCLK
AOUT_FSYNC
AOUT_SCLK
AOUT_DO
VIN_D[9:0]
VIN_CLK
VIN_SYNC
VIN_CLK
I2C MAIN
SW_V_OUT
A_OUT_L/R
R_OUT
G_OUT
B_OUT
CVBS_OUT
Y_OUT
C_OUT
CVBS out
R(Pr)_OUT
G(Py)_OUT
B(Pb)_OUT
R_SCART_OUT
G_SCART_OUT
B_SCART_OUT
EU1_A_OUT_L/R
EU1_V_OUT
EU1_A_IN_L/R
EU1_V_IN
EU2_A_OUT_L/R
EU2_V_OUT
EU2_A_IN_L/R
EU2_V_IN
IC901
SAA7137D
AV DECODER
R_SCART_IN
G_SCART_IN
B_SCART_IN
Pr_RCA_OUT
Y_RCA_OUT
Pb_RCA_OUT
C_SEPA_OUT
Y_SEPA_OUT
SPDIF_OUT OPTICAL
COAXIAL
RCA_V_OUT
DAV
I2C I/O
I2C I/O
IC707
SDA5650
VPS
CV.IN2
I2C I/O
COMPONENT
S-VIDEO
(Option)
REAR.AV
S/W
BLOCK
(Q165/158/163)
STANBY_H
OTA_Control
POWER_CTL_H
SW_12VG
SW_5.3VA
SW_FD(+)
FD(+)
FD(-)
3.3V
2.7V
14VA
SMPS
BLOCK
-29VA
5.3VD
5.3VA
3.8VA
3.3V
IC801
IC903
IC904
14VA
5.3VA
FD(+)
SW801
MAIN BOARD
TU_V_OUT
SCART 2
IC803
MM1443
AV SWITCH
Built in 6 dB
IC802
BH7868FS
VIDEO
Buffer
IC_OUT
L/R
DAC_A
L/R_OUT
S-VIDEO IN
F_C_IN
F_Y_IN
IC304
TSB41AB1
TPA1+
TPA1-
TPB1+
TPB1-
DV IN
IC100
DMN8653
ENC/DEC
TUNER
TU701
(Analog/
Digital)
R (Option)
AUDIO Mute
Blo ck
A_MUTE_L
IC701
MN101DF10GAF
MICOM
FRONT.AV IN
F_CVBS_IN
F_A_L/R_IN
REAR.AV IN
R_A_L/R_IN
R_CVBS_IN
A_OUT_L/R
IC501
ST5100
DVB_T DEC
CI Board
SMART CARD
Board
DBRH198 ONLY
DBRH199 ONLY
IC708
MM1510
6dB Buffer
IC808
IC809
ST_A_L /R_IN
IC800
EX-VIN_CLK
EX_V_SYNC
ST-VIN_CLK
ST_V_SYNC
IC200
Flash
IC201/202
DDR
64Mbyte
IC202
REG
HDD
DVD-RW
DRIVE
HDMI
IC601
Flash
IC602
DDR
32Mbyte
IC600
REG
IC709
74HC4066
Micom_I2C_CLK/DATA
D_TUNER_CLK/DATA
A_TUNER_CLK
A_TUNER_DATA
D_TUNER_CLK
D_TUNER_DATA
IC810
CS4351
AOUT_DO
AOUT_MCLK
AOUT_FSYNK
AOUT_SCLK
IC811
Front VFD Driver IC
Front Timer Board
I/O BOARD
Key input
FAN
OTA
BLOCK
(IC104/IC102)
STB_3.3V
STB_2.5V
74CLX245
etc

3-18 3-19
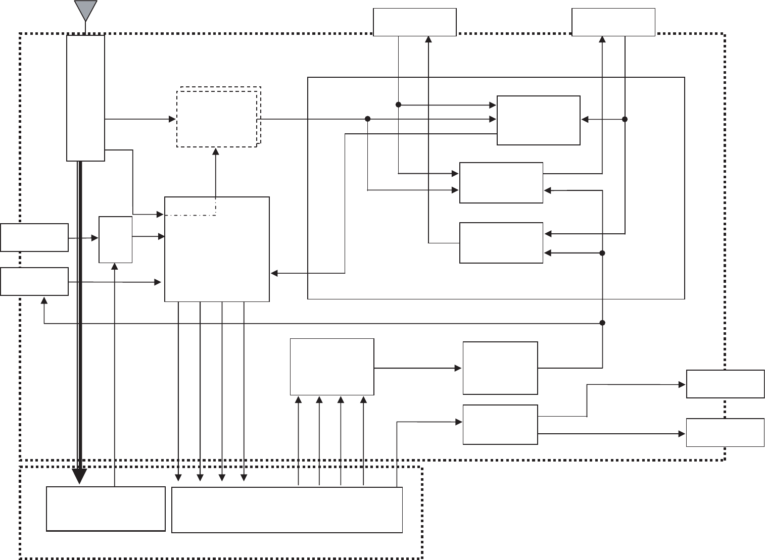
2. LAYOUT CONNECTION BLOCK DIAGRAM_1
INPUT / OUTPUT Board
HDD
40:250mm
MAIN Board
CN401 CN400
50pin
& 24pin
40pin
Junction B'd
FAN
V
SMPS Board
P101
30
8pin
Main Board
I/O Board
4pin
AA
S
CN402
P102
DV
16 pin
30
12
30 pin
HDMI
TIMER Board
Key Board
DVD RW DRIVE
40pin
P104
Junction B'd
ATAPI1
12V
5V
12V
5V
FD(+)
FD(-)
-28VA
PWR_CTL_
H
3.3V
3.8VA
3.3V
2.7V
14VA
CN404CN405 CN701
PMH10
CN403
PHM01
PVM01PVM02
PVM03
CN502
Scart 1/
Scart 2 S
Video
AV3/Comp/DigitalOptical
TUNER
HARD DISC DRIVE
ATAPI2
Front Jack
CI
P903
CN500
30
CN101
CN700
P103

3-20 3-21
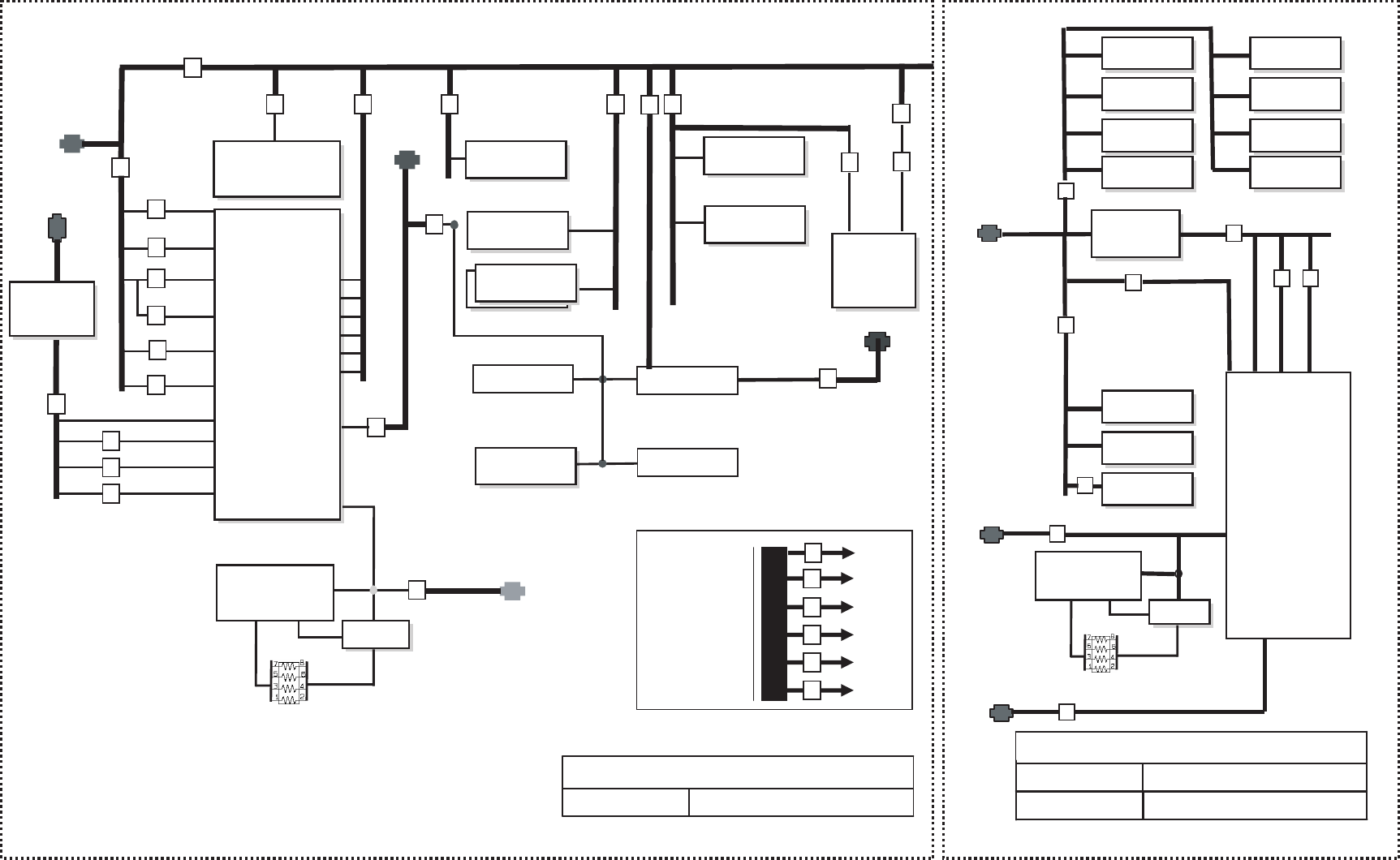
3. LAYOUT CONNECTION BLOCK DIAGRAM_2
I/O Board
CI Board
HDD
40:250mm
Main Board
30pin 30pin
40pin
Junction B'd
FAN
V
SMPS
12pin
30
8pin
Main B'd
I/O B'd
SMPS B'd I/O B'd
4pin
X pin
X pin
X pin
AA
S
320
430
12pin
4pin
DV
16 pin
30
12
30 pin
HDMI
Timer(FLD)
KeY B'd
DVD ± RW DRIVER
40pin
2pin
Junction B'd
30pin
30
50/24pin
2pin
: FFC
: B'd to B'd
: Harness
: B'd in

3-22 3-23
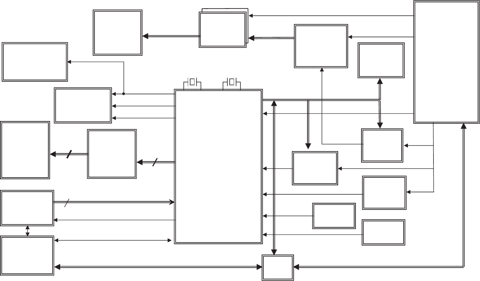
4. SMPS BLOCK DIAGRAM
RECTIFIER LINE FILTER
SWITCHING IC
TRANS
FEED B.
AC200~240V
PWR CTL
RECTIFIER(3.8VA) LPF
3.3V
RECTIFIER(5.3VA) LPF
5.3VA
3.3V
REG(3.3V)
REG(3.3V)
REG(3.3V)
3.3V
5VD
RECTIFIER(3.8VA) LPF
RECTIFIER(5.6V) LPF
REG(5V)
RECTIFIER(14VA)
REG(12V)
LPF
12VL
5VL
RECTIFIER(-29VA)
RECTIFIER(VF+) LPF
LPF -29VA
VF+
REG(2.7V) 2.7V
14VA
5.6VA
(Option)
3.8VA
REG(5V)
5V.CI
P101
17PIN
(I/O)
P103
2PIN
(CI)
P104
2PIN
(FAN)
P102
4PIN
(HDD..)
P105
2PIN
(Option)

3-24 3-25
5. POWER : MAIN BOARD BLOCK DIAGRAM
5V
3.3V
2.5V
1.8V
0.8T(700mA)
(180mA)
0.8T(400mA)
0.8T(500mA)
IC200
FLASH
IC300
74LVT16373
IC306
74LVC08
IC400
74HCT125
74LVT273
V33_BREG
3V3D
V33_FLASH V33_FLASH
IC305
74LVC04
V33_STB
5V
5VD
+5V_ST
B
3.3VA
DAC 3.3V
V33_E5_VPAD
V33_E5_VDDREF
E5_1V25
2.5V
V25_SSTL2
LP2955
VREF
VTT
E5_AVDD1
E5_AVDD2
AVDD_SYSPLL
1.25V
V33_PHY_A
V33_PHY_D
IC304
TSB41AB1
1.8V V18_HDMI
IC100
DMN8653
IC201/203
SDRAM
3.3V
HDD IF
LOADER IF
5VD HDMI IF
1.25V
2.0T(1.6A)
1.25V, 1.8V, 2.5V, 3.3V, 5VPWR_CTL_H
I/O U-COM PWR CTL
V33_E5_AVDD
V33_E5_VDDX
IC273
74LVT273
IC303
74LVC32
3V3A
V33_HDMI
IC401
NCP565D2T
3.3VR
3.3VR
HDD/DVD Part
IC501
ST5100
NCP565D2T
STB_3.3V 1.25VS 1V2
1.2VA
3V3
VDDRGB
IC500
74LCX14
IC502
24LC256
IC601
MX29LV64
IC701/706
74LCX541
IC703/707
74LCX244
IC710
74LCX245
IC708/709
74LCX373
IC704
74LCX08
IC702
74LCX14
IC700
74LVC32
IC504
KIA7025
STB_2.5V 2V5
LP2955
VREF
VTT
IC602
SDRAM
12V 8V
DVB_T Part
STB_3.3V,STB_2.5V,12VPWR_CTL_H
I/O U-COM PWR CTL
STB_3.3V,STB_2.5VOTA_CTL_H

3-26 3-27
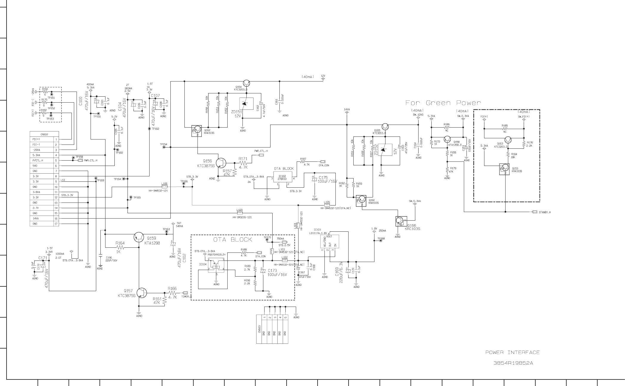
6. POWER : I/O BOARD BLOCK DIAGRAM
5
.3VA
IC704
PWR Fail
(KIA7042)
IC705
EEPROM
(24LC16B)
IC707
VPS/PDC
(SDA5650)
IC706
Reset IC
(KIA7031P)
IC701
U-COM
(MN101DF10GAF)
TU701
Tuner
5.2V
Optical D rive
IC802
Video S/W
(BH7868FS)
12V
IC801/811
IC903/904
Diff OP AMP
(NJM4580)
IC808/809
A.SW
(NJM2521)
5VT
IC701
U-COM
(MN101DF10GAF)
12VG(SW)
IC803
A/V.SW (C+)
(MM1443)
SYS_5.3VA
3.3V
IC703
V 6dB Amp
(MM1510)
IC901
A/V Decoder
(SAA7137)
1.8V
Etc Logi c
DAC
(CS4351)
12VG(SW)STANBY_H
5VTTIMER_H
5.2V, 12V, 3.3V, 1.8VPWR_CTL_H
I/O U-COM PWR CTL
IC711
278R05
3.8VA
IC710
LD1117A
IC709
74HC4066
IC800
(74LCX244)
IC710
LD1117A

3-283-29
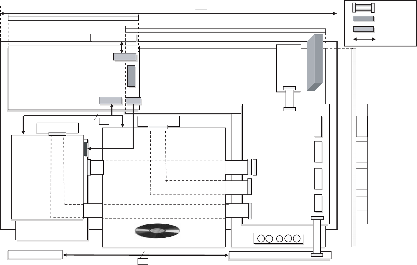
7. IN/OUT BLOCK DIAGRAM ( SCART MODEL ONLY )
SIF
TU_V_OUT
IC703
MM1510
6dB Buffer
IC705
24LC16B
EEPROM
SCART 1
TU_A_L /R_OUT
SW_A_OUT_L/R
AIN_DO
AIN_FSYNC
AIN_SCLK
AOUT_FSYNC
AOUT_SCLK
AOUT_DO
VIN_D[9:0]
VIN_CLK
VIN_SYNC
VIN_CLK
I2C MAIN
SW_V_OUT
A_OUT_L/R
R_OUT
G_OUT
B_OUT
CVBS_OUT
Y_OUT
C_OUT
CVBS out
R(Pr)_OUT
G(Py)_OUT
B(Pb)_OUT
R_SCART_OUT
G_SCART_OUT
B_SCART_OUT
EU1_A_OUT_L/R
EU1_V_OUT
EU1_A_IN_L/R
EU1_V_IN
EU2_A_OUT_L/R
EU2_V_OUT
EU2_A_IN_L/R
EU2_V_IN
IC901
SAA7137D
AV DECODER
R_SCART_IN
G_SCART_IN
B_SCART_IN
Pr_RCA_OUT
Y_RCA_OUT
Pb_RCA_OUT
C_SEPA_OUT
Y_SEPA_OUT
SPDIF_OUT OPTICAL
COAXIAL
RCA_V_OUT
DAV
I2C I/O
I2C I/O
IC707
SDA5650
VPS
CV.IN2
I2C I/O
COMPONENT
S-VIDEO
(Option)
REAR.AV
S/W
BLOCK
(Q165/158/163)
STANBY_H
OTA_Control
POWER_CTL_H
SW_12VG
SW_5.3VA
SW_FD(+)
FD(+)
FD(-)
3.3V
2.7V
14VA
SMPS
BLOCK
-29VA
5.3VD
5.3VA
3.8VA
3.3V
IC801
IC903
IC904
14VA
5.3VA
FD(+)
SW801
MAIN BOARD
TU_V_OUT
SCART 2
IC803
MM1443
AV SWITCH
Built in 6 dB
IC802
BH7868FS
VIDEO
Buffer
IC_OUT
L/R
DAC_A
L/R_OUT
S-VIDEO IN
F_C_IN
F_Y_IN
IC304
TSB41AB1
TPA1+
TPA1-
TPB1+
TPB1-
DV IN
IC100
DMN8653
ENC/DEC
TUNER
TU701
(Analog/
Digital)
R (Option)
AUDIO Mute
Blo ck
A_MUTE_L
IC701
MN101DF10GAF
MICOM
FRONT.AV IN
F_CVBS_IN
F_A_L/R_IN
REAR.AV IN
R_A_L/R_IN
R_CVBS_IN
A_OUT_L/R
IC501
ST5100
IC708
MM1510
6dB Buffer
IC808
IC809
ST_A_L /R_IN
IC800
EX-VIN_CLK
EX_V_SYNC
ST-VIN_CLK
ST_V_SYNC
IC709
74HC4066
Micom_I2C_CLK/DATA
D_TUNER_CLK/DATA
A_TUNER_CLK
A_TUNER_DATA
D_TUNER_CLK
D_TUNER_DATA
IC810
CS4351
AOUT_DO
AOUT_MCLK
AOUT_FSYNK
AOUT_SCLK
IC811
Front VFD Driver IC
Front Ti mer Board
I/O Board
Key input
FAN
OTA
BLOCK
(IC104/IC102)
STB_3.3V
STB_2.5V

3-30 3-31
8. VIDEO BLOCK DIAGRAM
IC803
MM1443
AV SWITCH
C_Y_IN
F_CVBS_IN FRONT IN
JACK
R_OUT
G_OUT
B_OUT
IC100
DMM8653
MPEG
ENC/DEC
EU2_V_OUT
IC802
BH7868FS
VIDEO
SWITCH
SCART2
SW_V_OUT
VIN_D[9:0]
RCA_V_OUT
IC901
SAA7137
AV
DECODER
VIN_CLK
T_V_OUT
EU2_V_IN
F_Y_IN
R_CVBS_IN REAR IN
JACK
TUNER
(Analog)
EU1_V_OUT
EU1_V_IN
SCART1
COMPONENT
OUT
CVBSout
R(Pr)_OUT
R/G/B_SCART_IN
S-VIDEO IN
JACK
SW801
R_SCART_OUT
G_SCART_OUT
B_SCART_OUT
Pr_RCA_OUT
Y_RCA_OUT
Pb_RCA_OUT
G(Py)_OUT
B(Pb)_OUT
Y_SEPA_OUT
C_SEPA_OUT
REAR OUT
JACK
S-VIDEO OUT
JACK
CVBS_OUT
Y_OUT
C_OUT
VIN_SYNC
IC501
ST5100
DVB_T
DEC
SW
TUNER
(Digital)

3-32 3-33
9. VIDEO S/W PATH BLOCK DIAGRAM
JK801
S2(AV2)
JK802
AV3
IC708
MM1510
(6dB,75 )
IC707
SDA5650
(VPS)
IC703
MM1510
(6dB,75 )
IC701
(u-COM)
IC901
SAA7137
AV. DEC
TU_V_OUT
SW_V_OUT
(TU/E1/E2)
SW1
SW3
SW2
28
330 1 29
5
31
JK801
S1(AV1)
CVBSOUT
JK802
Component
OUT
Y_OUT
C_OUT
CVBS_OUT
R_OUT
G_OUT
B_OUT
R_SCART_OUT
G_SCART_OUT
B_SCART_OUT
F_Y_IN
F_C_IN
F_CVBS
IN
RCA_V_OUT
R_CVBS
IN
SW801
JK801
SCART1
RGB OUT
Pr_RCA_OUT
Y_RCA_OUT
Pb_RCA_OUT
IC802
BH7868FS
(SW)
Y_SEPA_OUT
C_SEPA_OUT
JK808
DV
IC304
TSB41AB1
TPA+
TPA-
TPB+
TPB-
BIO_PHY_D[7:0]
BIO_LPS
BIO_PHY_CLK
BIO_LREQ ….
JK806 / JK807
AV4 / S-V
EU2_V_IN
EU2_V_OUT
EU1_V_IN
EU1_V_OUT
I/O BOARD MAIN BOARD
VIN_D[9:0]
VIN_VSYNC
VIN_CLK
IC803
MM1443
IC501
ST5100
DVB_T
DEC
TS DATA
MAIN BOARD
TU701
TU
IC100
DMM8652
MPEG
ENC/DEC

3-34 3-35
10. AUDIO BLOCK DIAGRAM
IC803
MM1443
AV SWITCH
IC903,904
AUDIO S/W
NJM2521
R_A_L_IN
R_A_R_IN
FRONT
JACK
A_OUT_R
AO_SCLK
AO_FSYNC
AO_MCLK
Audio Mute
TR Block
TU_L_OUT
TU_R_OUT
EU1_A_OUT_L
EU1_A_OUT_R
IC808
CS4351
AUDIO
CODEC
SCART2
SW_A_OUT_L
AIN_DO
AO_DO
Z_MUTE_L
Z_MUTE_R
A_MUTE_L
IC901
SAA7137
AV
DECODER
AIN_FSYNC
AIN_MCLK
AIN_SCLK
A_OUT_L
IC701
I/O MICOM
EU1_A_IN_L
EU1_A_IN_R
SW_A_OUT_R
IC_OUT_L
IC_OUT_R
F_A_L_IN
F_A_R_IN
SIF
SECAM_AM
REAR
JACK
TUNER
EU2_A_OUT_L
EU2_A_OUT_R
EU2_A_IN_L
EU2_A_IN_R
SCART1
A_OUT_R
A_OUT_L
REAR
JACK
IC801
BUFFER
NJM4580
DAC_A_L_OUT
DAC_A_R_OUT A_OUT_R
A_OUT_L
SPDIF_OUT
COAXIAL
OPTICAL
RC
Circ uit OPTICAL
JACK
IC100
DMM8653
MPEG
ENC/DEC
IC501
ST5100
DVB_T
DEC SW
IC808/809
ST_A_L_IN
ST_A_R_IN

3-36 3-37
11. AUDIO S/W PATH BLOCK DIAGRAM
24(20)
27(23)
10(16) 25(21) 26(22) 8(14)
6(12)
1(7)
7
AO_DO
18(15)
I/O BOARD
SW4(7)
SW5(8)
SW6(3)
IC801
NJM4580
(BUFFER)
AV3
AV4
S1(AV1) S2(AV2)
IC803
MM1443
AO_FSYNC
AO_SCLK
AO_MCLK
AO_DO
AO_FSYNC
AO_SCLK
AO_MCLK
IC901
SAA7137
(AV. DEC)
SIF
SECAM_AM
TU IC903,904
NJM2521
(AUDIO SW)
IC808
CS4351
(CODEC)
DMN8653
MPEG , ENC/DEC
MAIN BOARD
OPTICAL
COAXIAL
RC CIRCUIT
IC501 ST5100
DVB_T ,DEC
TS_DATA
SW
IC808
IC809
ST_A_L/R

3-38 3-39
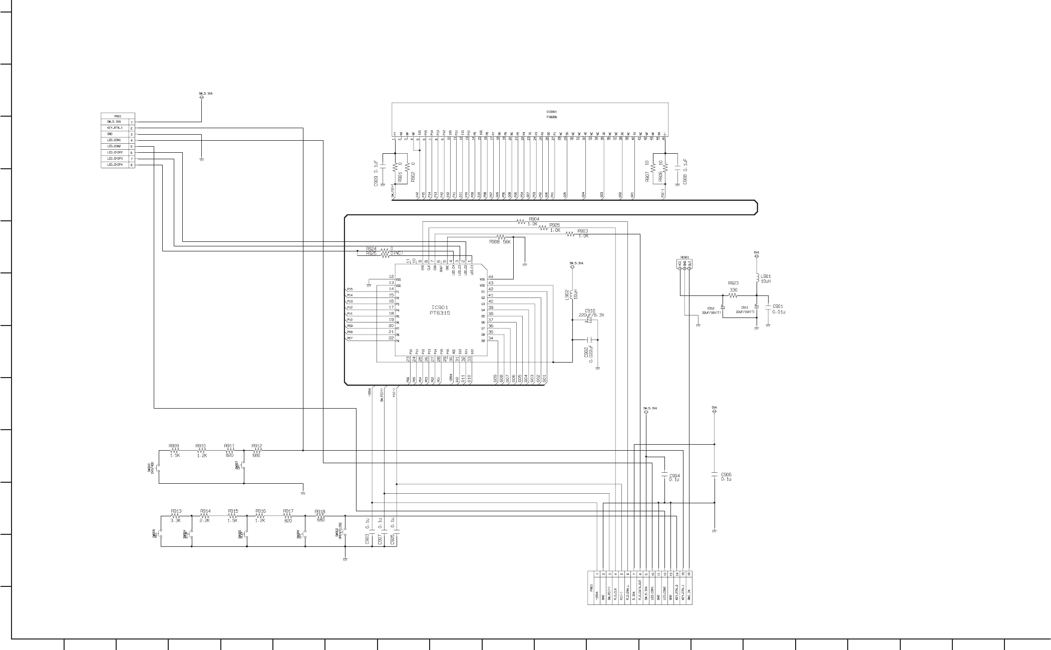
12. FLD / µ-COM / TUNER BLOCK DIAGRAM
TUNER
TU701
MICOM
IC701
MN101DF10GAF
6dB AMP
IC703
MM1510
EEPROM
IC705
24LC16B
I2C_DATA
I2C_CLK
SW_V_OUT
AV. DEC
IC901
SAA7 137
TU_V_OUT
X702
14.31818MHz X701
32.768KHz
SIF
AV S/W
IC803
MM1443
TU_L_OUT
TU_R_OUT
DRIVER
IC901
PT6315
DIG901
FV834ND
FLD_CLK
ENA_L
FLD_TXD
G[ 0:16]
SIO_SPI_CLK
SIO_SPI_MOSI
SIO_SPI_CS0
SIO_SPI_MISO
DMN8653
MPEG
ENC/DEC IC706
KIA7031
PWR_FAIL_L
PWR_CTL_H
SMPS
POWER BOARD
AV S/W
IC803
MM1443
VPS
IC801
SDA5650
DAV
TIMER_H
CV.IN2
AFT
IC704
KIA7042
RESET
SMPS Block
ON I/O BOARD STANBY_H
IC903,904
A S/W
NJM2521
IC_OUT_L
IC_OUT_R
SECAM_AM
IC501
ST5100
DVB_T
DEC
I2C_DATA/CLK IC707
SW
OTA_BUSY_H/OTA_EN_L
HOST_TXD/RXD

3-40 3-41
13. MAIN BLOCK DIAGRAM ( SCART MODEL ONLY )
SIO_SPI_CS0
SIO_SPI_MOSI
SIO_SPI_CLK
IC200
MX29LV640MT
TC-90
FLASH
MEMORY
IC201
IC203
HYB25D256
160CE-6
DDR
SDRAM
E5_SDRAM_DQS[1:0]
E5_SDRAM_DQM[1:0]
E5_SDRAM_CLK1
E5_SDRAM_CLK#1
E5_SDRAM_DQ[15:0]
E5_SDRAM_A[13:0]
E5_SDRAM_WE#
E5_SDRAM_CAS#
E5_SDRAM_RAS#
E5_SDRAM_CLKE
E5_SDRAM_BA[1:0]
ATAPI1_D[15:0]
ATAPI1_ADD[4:0]
/RST_ATAPI1
ATAPI1_DMARQ
ATAPI1_DIOW_L
ATAPI1_DIOR_L
ATAPI1_IORDY
ATAPI1_DMAACK_L
ATAPI1_INTRQ
ATAPI2_D[15:0]
ATAPI2_ADD[4:0]
/RST_ATAPI2
ATAPI2_DMARQ
ATAPI2_DIOW_L
ATAPI2_DIOR_L
ATAPI2_IORDY
ATAPI2_DMAACK_L
ATAPI2_INTRQ
HD[15:0]
HD[15:0]
E5_ALE
IC300
74LVT16373
Address
LATCH
HA[21:6]
HA[5:1][23:22]
/E5_OE
/E5_CS0
HD[15:0]
3.3V /RST_HOST
3.3V /RST_E5/FLASH
/RST_SYSTEM
IC306
74LVC08
IC304
TSB41AB1
VO_D[15:0]
SCL
SDA
AOUT_IEC958
AOUT_MCLKOUT
SiL9030_INT
VOUT_CLK
E5_ALE
/WAIT
/ETHERNET_IRQ
/E5_OE
/E5_LWEn
/E5_CS1
HD[15:0]
/RST_SYSTEM
/RST_SiL9030
HDMI_I2C_EN
1394_PD
/RST_PHY
PHY_LINKON
PHY_LPS
PHY_LREQ
PHY_CLK
PHY_CTL[1:0]
PHY_DATA[7:0]
DV
JACK
TPA+
TPA-
TPB+
TPB-
IC301
IC302
74LVT273
SIO_SPI_MISO
SPI_CLK
SPI_CS
SPI_MOSI
SPI_MISO
IC701
MN101DF10GAF
MICOM
LOADER
INTERFACE
CN404
HDD
INTERFACE
CN405
ETHERNET
INTERFACE
CN300
HDMI
INTERFACE
CN406
IC701 MICOM
/E5_LWEn
IC100
DMN8653
LSI
IC100
DMN8653
LSI
I/O BOARD
VREF
/RST_SAA7137
CN100
PC DEBUGGING
UART
UART2_CTS
UART2_RTS
UART2_TX
UART2_RX
HA[5:1][23:22]
/E5_OE
/E5_CS0
/E5_LWEn
HD[15:0]
E5_ALE
/RST_E5/FLASH
/E5_CS3
HA[5:1]
IC202
G2995
IC901
SAA7137
AV DECODER
/BERG_WE
IC305
74LVC04
HD[15:0]
HD[15:0]
/E5_LWEn
IC303
74LVC32
/STB_RESET
IC400
H74HCT125
IC501
ST5100
IC500
74LCX14
IC601
MX29LV64
IC600
LP2955
IC401
NCP565D2T
1.25V 3.3VR
IC503
NCP565D2T
1.25V STB_3.3V
HOST_TXD/RXD
/CPU-
RST_OUT
/SYS-RST
IC502
24LC256
IC504
KIA7025
/CPU-RST
IC602
DDRAM
IC701/706
74LCX541
IC703/707
74LCX244
IC710
74LCX245
IC708/709
74LCX373
IC704
74LCX08 IC702
74LCX14
IC700
74LVC32
CI Logic P art
TS_DATA[0~7]
RR746
RR747
RR748 TU701
FTA_PATH

14. TIMER BLOCK DIAGRAM
5.3VA(SW), FD+(SW)STANBY_H
I/O U-COM PWR CTL
F
D +(SW)
FLD( + )
FD( - )
FLD( - )
29VA
FLD Driv e IC
(PT6315)
5.3VA
Remote contr ol
Receiver
5.3VA(SW)
3-42 3-43

3-44 3-45
CIRCUIT DIAGRAMS
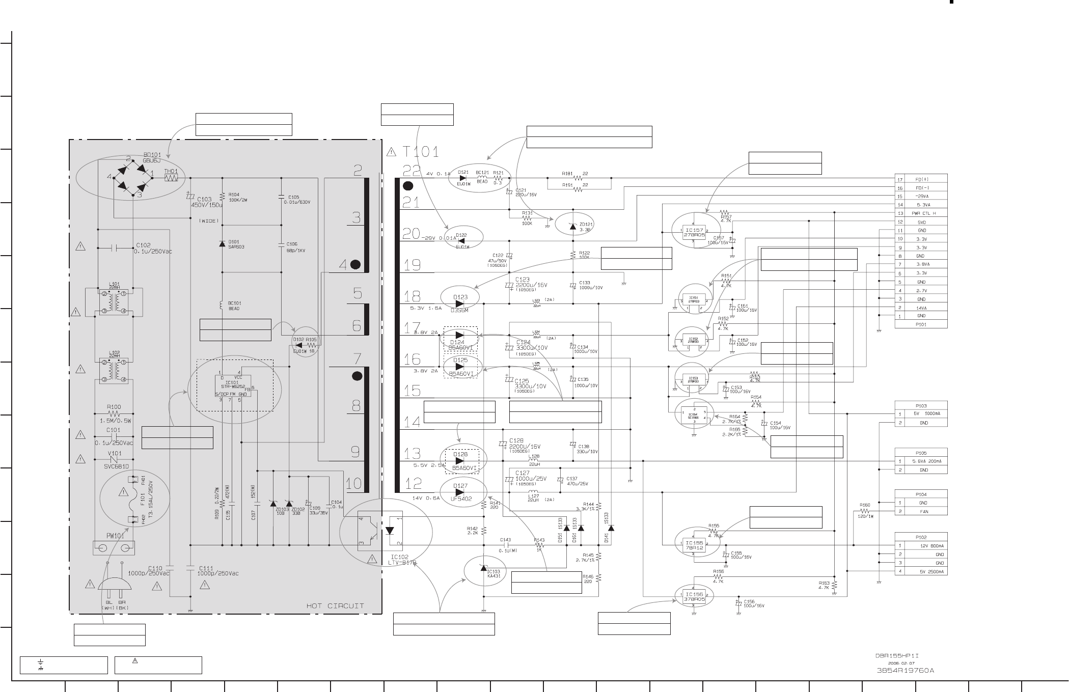
1. SMPS 1 CIRCUIT DIAGRAM
NOTES) Symbol denotes AC ground.
NOTES) Symbol denotes DC chassis ground.
NOTE) Warning
NOTE) Parts that are shaded are critical
NOTE) With respect to risk of fire or
NOTE) electricial shock.
S/W Error
IC101 is Defective
5V No Power
D128 is Defective
No Power
D102 is Defective
No Power
F101 is Defective
Switching Error
IC102,IC103 are Defective
14V No Power
D127 is Defective
3.8V No Power
D124,D125 is Defective
5.3VA No Power
D123 is Defective
No Digitron Displayed
D121,R121,ZD151 are Defective
5VD No Power
IC157 is Defective
3.3V No Power
IC151,IC152 is Defective
3.3V No Power
IC153 is Defective
2.7V No Power
IC154 is Defective
12VL No Power
IC155 is Defective
5VL No Power
IC156 is Defective
-29VA No Power
D122 is Defective
No Power
BD101,TH01 is Defective
A
1
2
3
4
5
6
7
8
9
10
11
12
B C D E F G H I J K L M N O P Q RST
IMPORTANT SAFETY NOTICE
WHEN SERVICING THIS CHASSIS, UNDER NO CIR-
CUMSTANCES SHOULD THE ORIGINAL DESIGN BE
MODIFIED OR ALTERED WITHOUT PERMISSION
FROM THE LG ELECTRONICS CORPORATION. ALL
COMPONENTS SHOULD BE REPLACED ONLY WITH
TYPES IDENTICAL TO THOSE IN THE ORIGINAL CIR-
CUIT. SPECIAL COMPONENTS ARE SHADED ON THE
SCHEMATIC FOR EASY IDENTIFICATION.
THIS CIRCUIT DIAGRAM MAY OCCASIONALLY DIF-
FER FROM THE ACTUAL CIRCUIT USED. THIS WAY,
IMPLEMENTATION OF THE LATEST SAFETY AND
PERFORMANCE IMPROVEMENT CHANGES INTO
THE SET IS NOT DELAYED UNTIL THE NEW SERVICE
LITERATURE IS PRINTED.
NOTE :
1. Shaded( ) parts are critical for safety. Replace only
with specified part number.
2. Voltages are DC-measured with a digital voltmeter
during Play mode.

3-46 3-47
2. SMPS 2 CIRCUIT DIAGRAM
A
1
2
3
4
5
6
7
8
9
10
11
12
B C D E F G H I J K L M N O P Q R ST

3-48 3-48
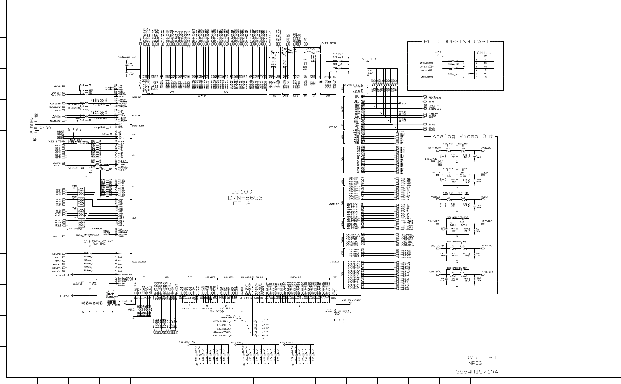
3. MPEG CIRCUIT DIAGRAM (DBRH197’s, DBRH198’s ONLY)
A
1
2
3
4
5
6
7
8
9
10
11
12
B C D E F G H I J K L M N O P Q R ST

3-50 3-51
4. MPEG CIRCUIT DIAGRAM(DBRH199’s ONLY)
A
1
2
3
4
5
6
7
8
9
10
11
12
B C D E F G H I J K L M N O P Q R ST

3-52 3-53
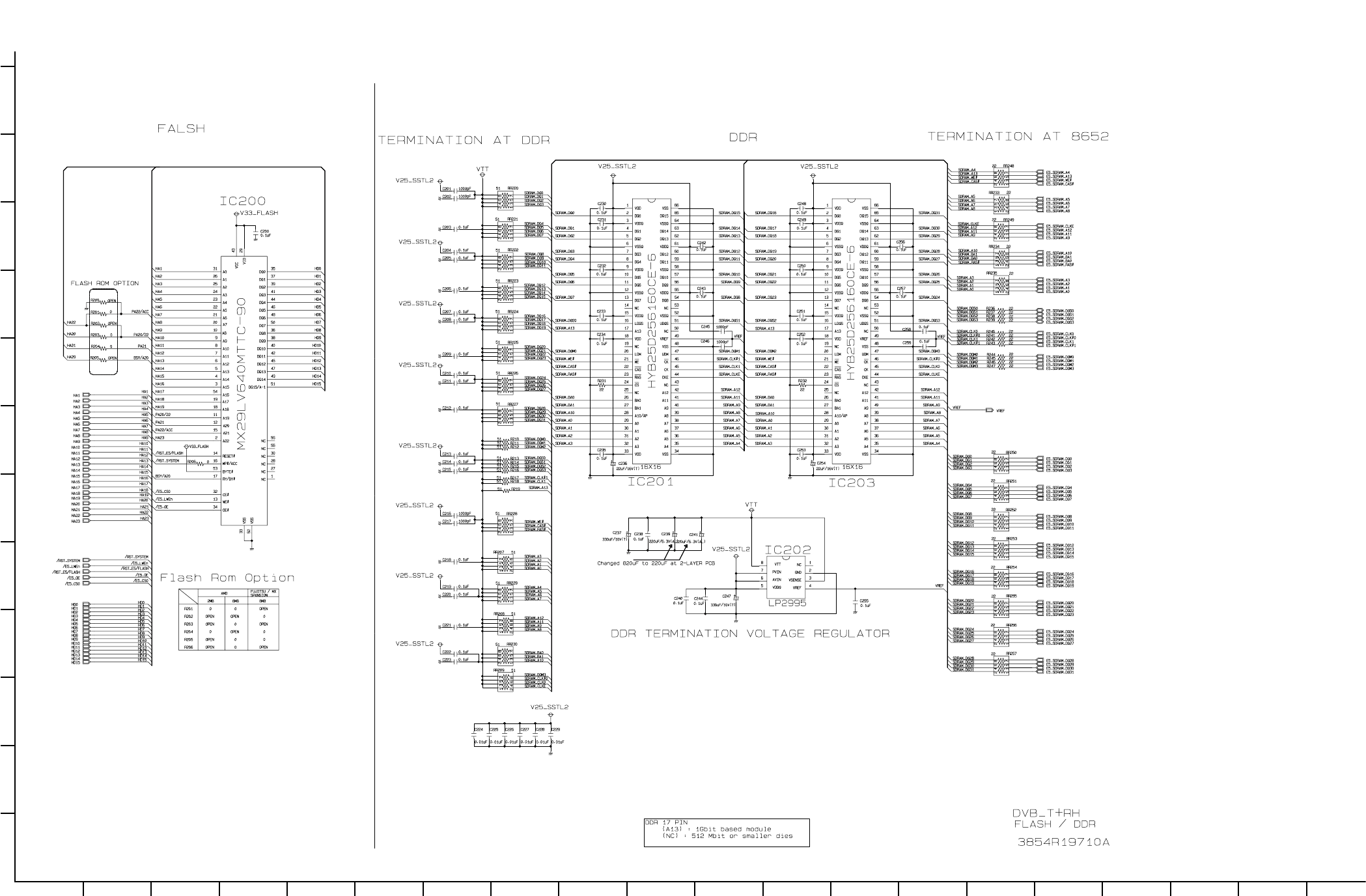
5. FLASH/DDR CIRCUIT DIAGRAM (DBRH197’s, DBRH198’s ONLY)
A
1
2
3
4
5
6
7
8
9
10
11
12
B C D E F G H I J K L M N O P Q R ST

3-54 3-55
A
1
2
3
4
5
6
7
8
9
10
11
12
B C D E F G H I J K L M N O P Q R ST
6. FLASH/DDR CIRCUIT DIAGRAM (DBRH199’s ONLY)

3-56 3-57
7. RESET & 1394 & JEPG CIRCUIT DIAGRAM (DBRH197’s ONLY)
A
1
2
3
4
5
6
7
8
9
10
11
12
B C D E F G H I J K L M N O P Q R ST

3-58 3-59
8. RESET & 1394 & JPEG CIRCUIT DIAGRAM(DBRH198’s, DBRH199’s ONLY)
A
1
2
3
4
5
6
7
8
9
10
11
12
B C D E F G H I J K L M N O P Q R ST

3-60 3-61
9. ATAPI & MEMORY CARD CIRCUIT DIAGRAM (DBRH197’s, DBRH198’s ONLY)
A
1
2
3
4
5
6
7
8
9
10
11
12
B C D E F G H I J K L M N O P Q R ST

3-62 3-63
10. ATAPI & MEMORY CARD CIRCUIT DIAGRAM(DBRH199’s ONLY)
A
1
2
3
4
5
6
7
8
9
10
11
12
B C D E F G H I J K L M N O P Q R ST

3-64 3-65
11. I/O, µ-COM CIRCUIT DIAGRAM
A
1
2
3
4
5
6
7
8
9
10
11
12
B C D E F G H I J K L M N O P Q R ST

3-66 3-67
12. TUNER/MPX/ADC/DAC/JACK CIRCUIT DIAGRAM
A
1
2
3
4
5
6
7
8
9
10
11
12
B C D E F G H I J K L M N O P Q R ST

3-68 3-69
13. STB SYSTEM CIRCUIT DIAGRAM (DBRH197’s, DBRH198’s ONLY)
A
1
2
3
4
5
6
7
8
9
10
11
12
B C D E F G H I J K L M N O P Q R ST

3-70 3-71
14. STB SYSTEM CIRCUIT DIAGRAM (DBRH199’s ONLY)
A
1
2
3
4
5
6
7
8
9
10
11
12
B C D E F G H I J K L M N O P Q R ST

3-72 3-73
15. DDR SDRAM CIRCUIT DIAGRAM (DBRH197’s, DBRH198’s ONLY)
A
1
2
3
4
5
6
7
8
9
10
11
12
B C D E F G H I J K L M N O P Q R ST

3-74 3-75
16. DDR SDRAM CIRCUIT DIAGRAM (DBRH199’s ONLY)
A
1
2
3
4
5
6
7
8
9
10
11
12
B C D E F G H I J K L M N O P Q R ST

3-76 3-77
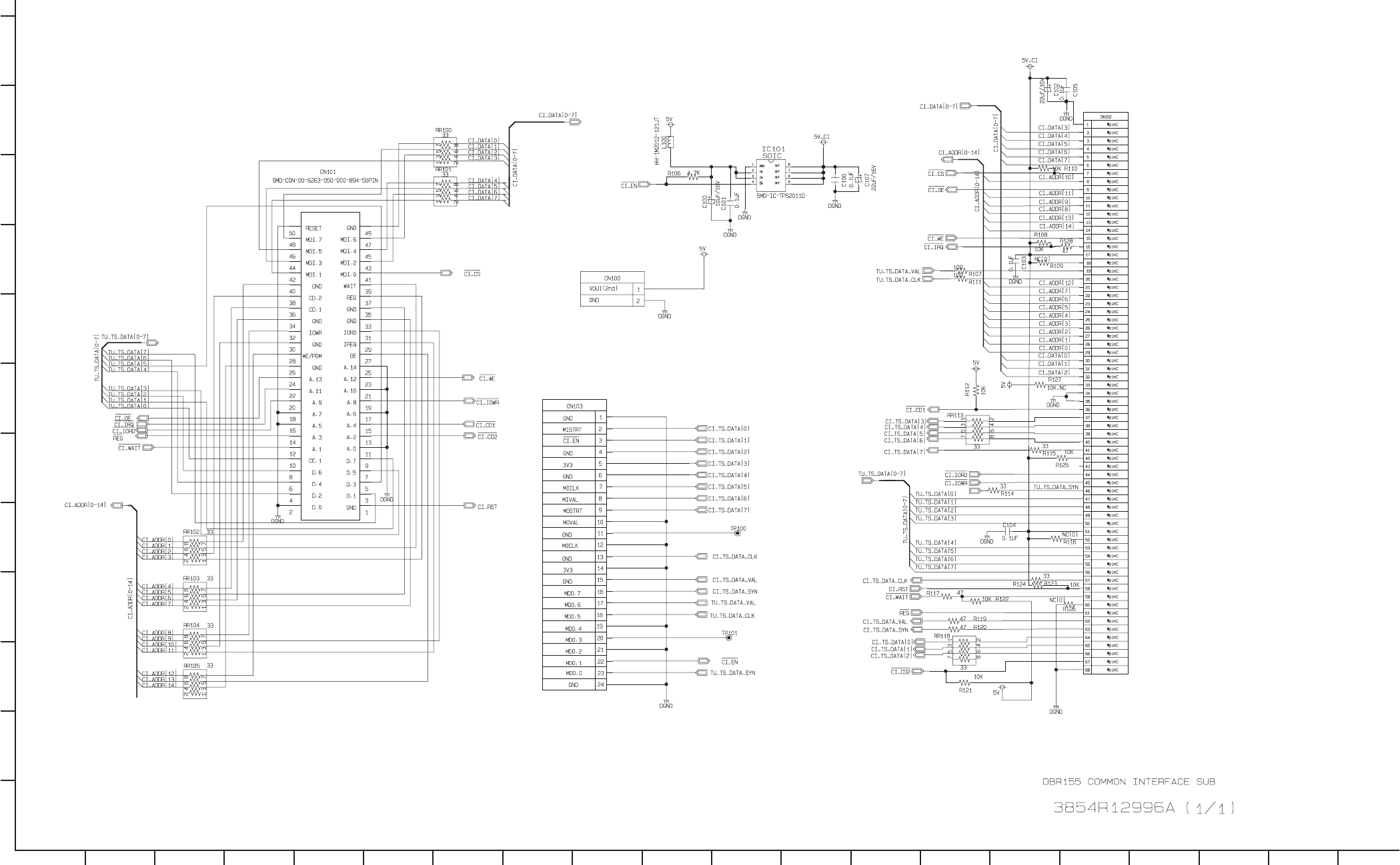
17. STB, CI INTERFACE CIRCUIT DIAGRAM (DBRH197’s, DBRH198’s ONLY)
A
1
2
3
4
5
6
7
8
9
10
11
12
B C D E F G H I J K L M N O P Q R ST

3-78 3-79
18. SMART CARD CIRCUIT DIAGRAM(DBRH199’s ONLY)
A
1
2
3
4
5
6
7
8
9
10
11
12
B C D E F G H I J K L M N O P Q RST

3-80 3-81
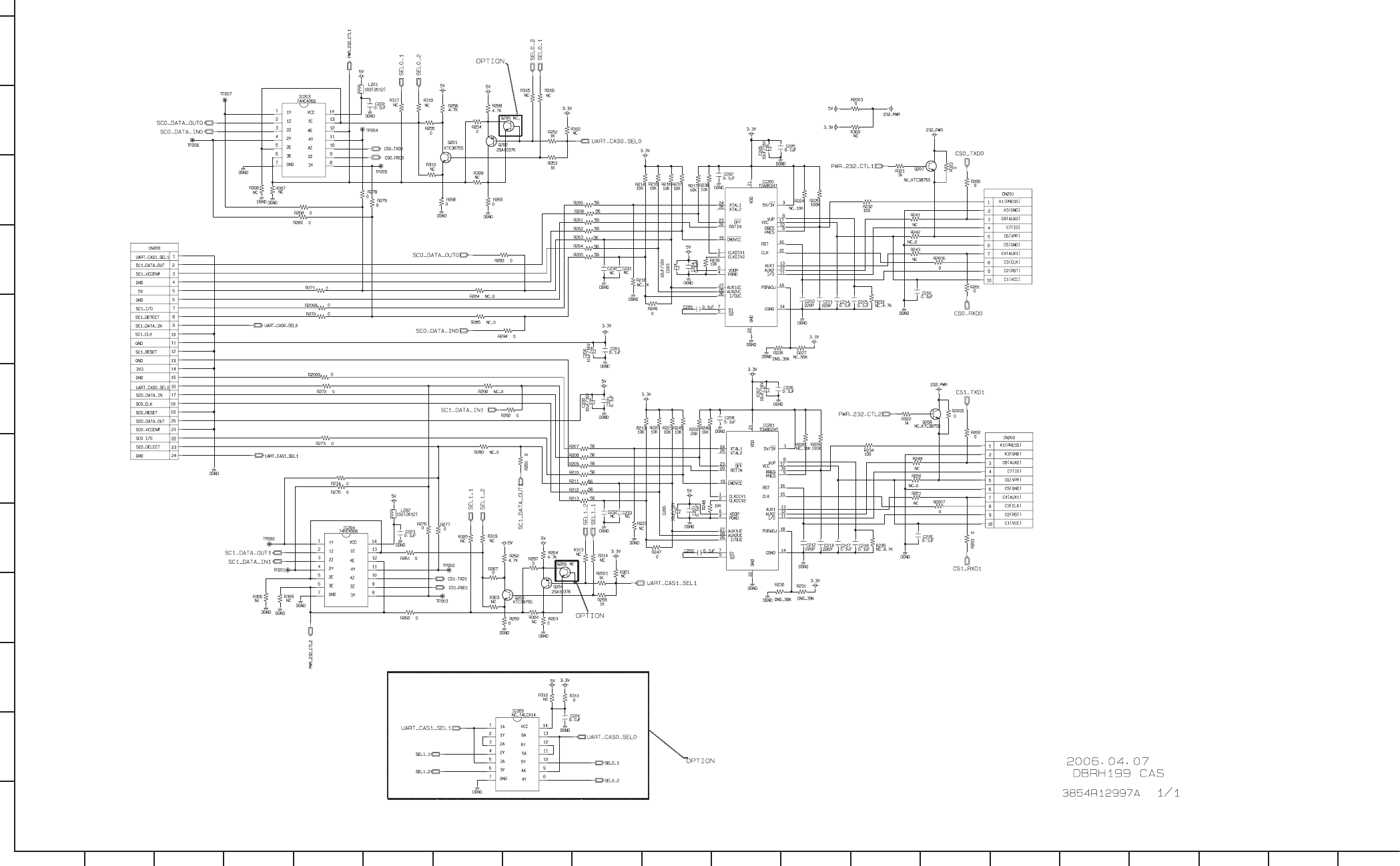
19. CI CIRCUIT DIAGRAM(DBRH198’s ONLY)
A
1
2
3
4
5
6
7
8
9
10
11
12
B C D E F G H I J K L M N O P Q R ST

3-82 3-83
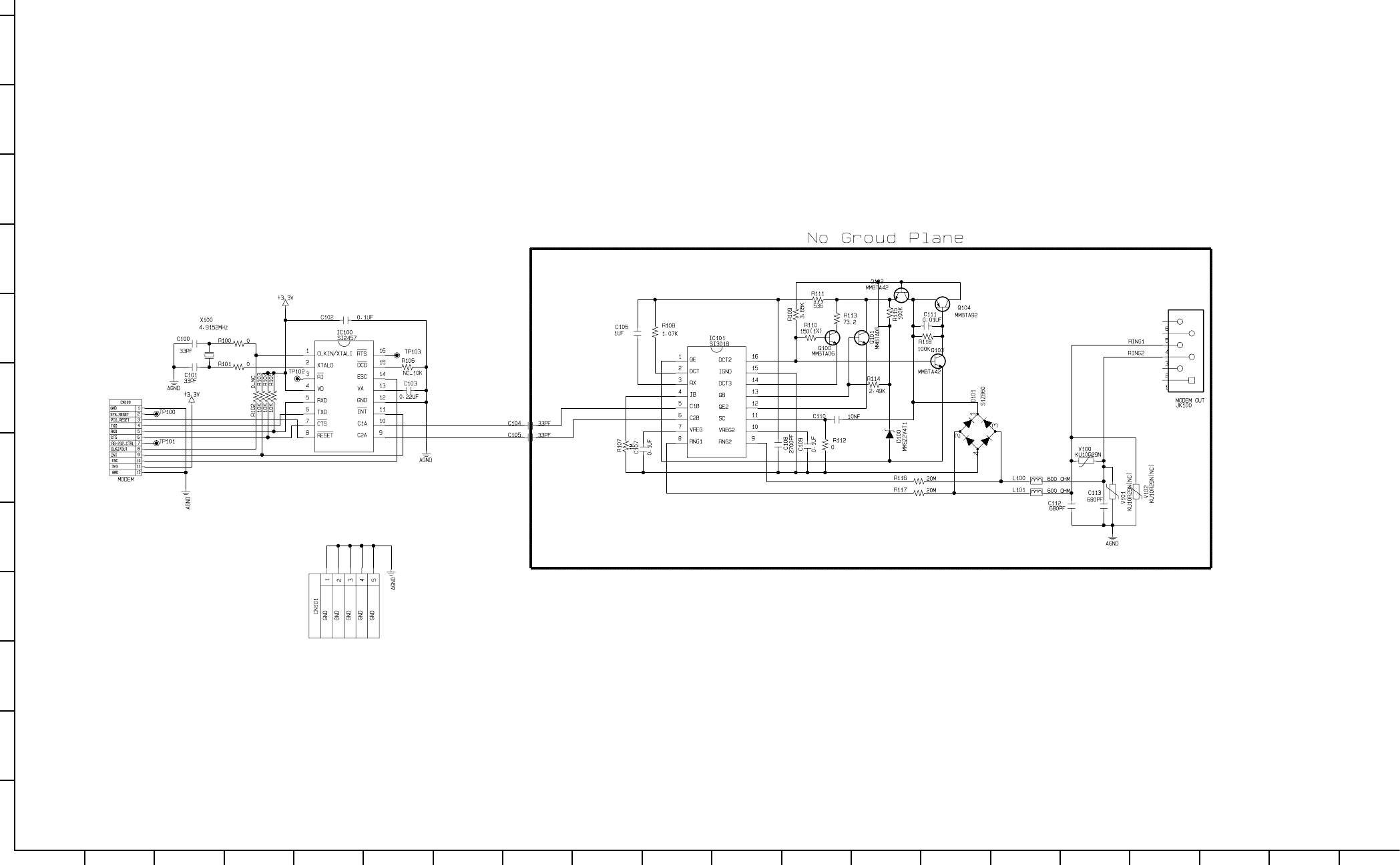
20. MODEM CIRCUIT DIAGRAM(DBRH199’s ONLY)
A
1
2
3
4
5
6
7
8
9
10
11
12
B C D E F G H I J K L M N O P Q R ST

3-84 3-85
21. SMART CARD TO MAIN INTERFACE CIRCUIT DIAGRAM(DBRH199’s ONLY)
A
1
2
3
4
5
6
7
8
9
10
11
12
B C D E F G H I J K L M N O P Q R ST

3-86 3-87
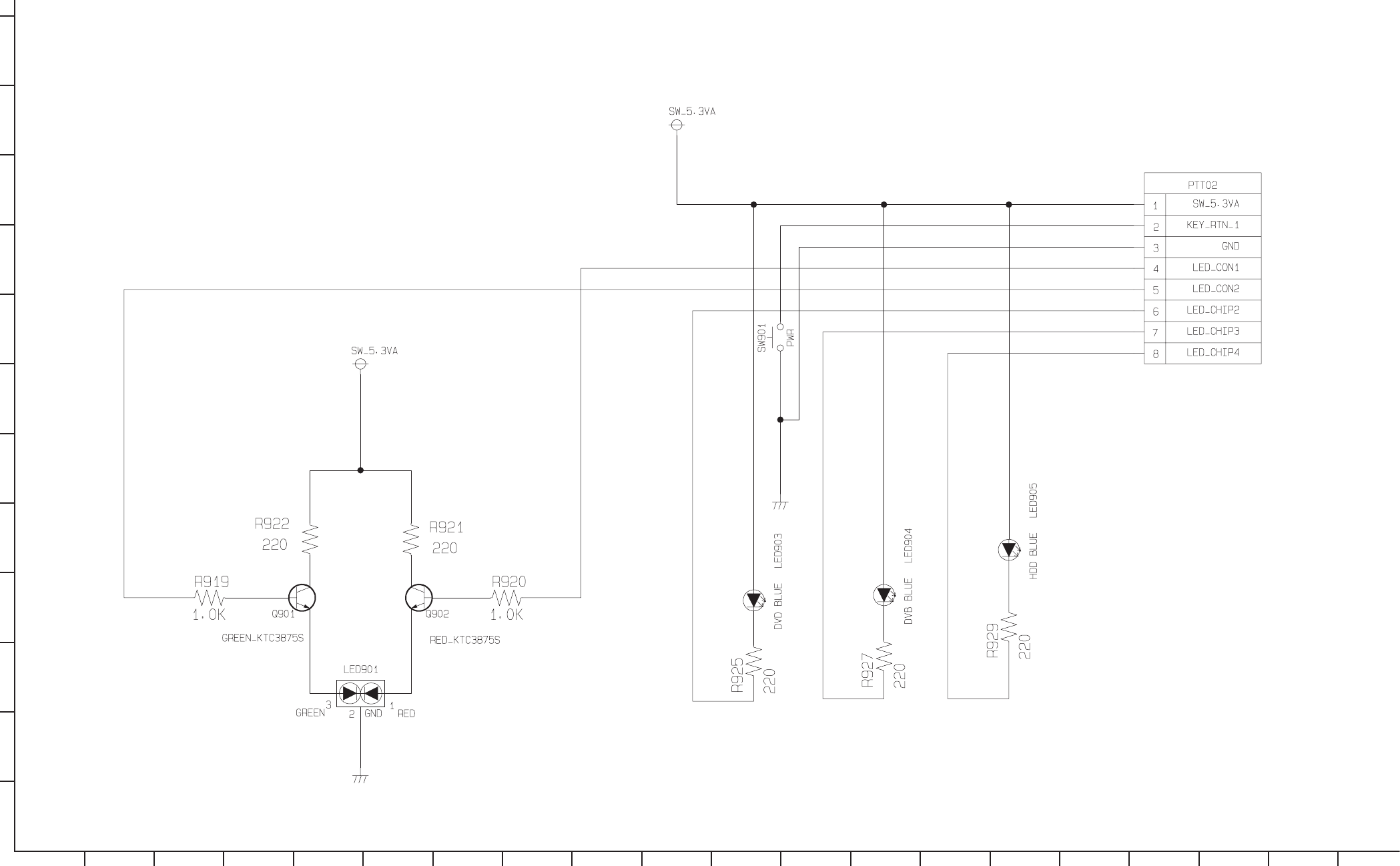
22. KEY CIRCUIT DIAGRAM
A
1
2
3
4
5
6
7
8
9
10
11
12
B C D E F G H I J K L M N O P Q R ST

3-88 3-89
23. TIMER CIRCUIT DIAGRAM
A
1
2
3
4
5
6
7
8
9
10
11
12
B C D E F G H I J K L M N O P Q R ST

3-90 3-91
• WAVEFORMS
X100
13.5MHZ CN401
PIN1:SDA CN401
PIN3:SCL
IC304
PIN1:PHY_CLK CN400
PIN9:VIN_CLK IC901
PIN67:24.576MHz
CN400
PIN10:VOUT_G/Y CN400
PIN6:VOUT_B/Pb CN901
PIN108:27MHz
CN400
PIN5:AIN_FSYNC CN400
PIN28:AOUT_FSYNC CN400
PIN26:AOUT_DO
CN401
PIN29:HOST-RXD CN401
PIN27:HOST-TXD IC201
PIN45:SDRAM_CLK1
CN400
PIN18:VOUT_CVBS CN400
PIN14:VOUT_Y CN400
PIN22:VOUT_C
CN400
PIN1:AOUT_ICE958 CN401
PIN20:AIN_MCLKOUT CN401
PIN7:AIN_SCLK
CN400
PIN29:VIN_DO
X300
PIN43:24.576MHz
CN400
PIN2:VOUT_R/Pr
CN401
PIN13:AOUT_MCLKOUT

3-92 3-93
EE PB REC
MODE
PIN NO.
C151 KIA78R25
1 3.25 3.24 3.23
2 2.52 2.52 2.52
3 0.00 0.00 0.00
4 4.88 4.88 4.88
IC152 KIA78R33
1 3.64 3.63 3.62
2 3.28 3.28 3.28
3 0.00 0.00 0.00
4 4.43 4.42 4.41
IC153 KIA78R05
1 5.28 5.28 5.28
2 4.97 4.97 4.97
3 0.00 0.00 0.00
4 4.88 4.88 4.88
IC154 IP1680
1 3.25 3.25 3.25
2 3.25 3.25 3.25
3 2.55 2.56 2.55
4 1.12 1.12 1.12
5 1.71 1.72 1.71
6 0.00 0.00 0.00
7 1.25 1.25 1.25
8 3.25 3.25 3.25
IC701 MN101DF10GAF
1 0.00 0.00 0.00
2 5.12 5.12 5.12
3 0.00 0.00 0.00
4 4.80 4.80 4.80
5 4.86 4.86 4.87
6 0.01 0.01 0.01
7 5.13 5.13 5.13
8 5.15 5.15 5.16
9 0.01 0.01 0.01
10 0.00 0.00 0.00
11 5.16 5.16 5.16
12 0.00 0.00 0.00
13 5.15 5.15 5.16
14 4.82 4.83 4.89
15 0.04 0.04 0.04
16 0.12 0.11 0.08
17 5.05 5.05 5.05
18 5.06 5.06 5.06
19 5.10 5.10 5.11
20 4.91 4.90 4.90
21 0.00 0.00 0.00
22 0.01 0.01 0.01
23 0.01 0.01 0.01
24 0.33 0.31 0.14
25 5.16 5.16 5.16
26 0.05 0.05 0.05
27 0.00 0.00 0.22
28 5.16 5.16 5.16
29 0.01 0.01 0.01
30 0.01 0.01 0.01
EE PB REC
MODE
PIN NO.
31 0.01 0.01 0.01
32 0.01 0.01 0.01
33 0.31 0.32 0.15
34 0.33 0.32 0.16
35 0.01 0.01 0.01
36 5.16 5.16 5.16
37 2.53 2.52 2.54
38 2.43 2.42 2.42
39 0.00 0.00 0.00
40 1.99 1.95 1.95
41 2.55 2.55 2.55
42 0.00 0.00 0.00
43 4.88 4.89 4.89
44 4.89 4.90 4.90
45 0.01 0.01 0.01
46 0.64 0.63 0.63
47 0.01 0.01 0.01
48 0.00 0.00 0.00
49 1.04 1.04 1.04
50 2.78 2.90 2.89
51 5.13 5.13 5.13
52 3.01 3.04 3.05
53 2.54 2.54 2.54
54 5.10 5.10 5.10
55 5.10 5.10 5.10
56 0.01 0.01 0.01
57 5.09 5.09 5.09
58 5.00 5.00 5.01
59 5.25 5.02 5.00
60 0.00 0.00 0.00
61 4.94 4.94 4.93
62 0.00 0.00 0.00
63 0.82 0.81 0.81
64 4.83 4.82 4.82
65 0.00 0.00 0.00
66 0.00 0.00 0.00
67 0.00 0.00 0.00
68 0.00 0.00 0.00
69 0.00 0.00 0.00
70 0.00 0.00 0.00
71 0.00 0.00 0.00
72 0.00 0.00 0.00
73 5.25 5.25 5.25
74 0.00 0.00 0.00
75 0.00 0.00 0.00
76 0.01 0.01 0.00
77 0.01 0.01 0.01
78 0.01 0.01 0.01
79 0.01 0.01 0.01
80 0.01 0.01 0.01
81 0.01 0.01 0.01
82 0.24 0.19 0.14
83 0.24 0.19 0.15
84 1.94 1.92 1.93
85 0.00 0.00 0.00
EE PB REC
MODE
PIN NO.
86 0.00 0.00 0.00
87 0.00 0.00 0.00
88 5.25 5.25 5.25
89 5.25 5.25 5.25
90 0.01 0.01 0.01
91 0.01 0.01 0.01
92 0.02 0.02 0.02
93 0.01 0.01 0.01
94 0.01 0.01 0.01
95 0.01 0.01 0.01
96 5.16 5.16 5.16
97 0.01 0.01 0.01
98 0.01 0.01 0.01
99 0.01 0.01 0.01
100 5.16 5.16 5.16
IC703 MM1510
1 2.24 2.24 2.24
2 2.37 2.37 2.38
3 5.13 5.13 5.13
4 1.87 1.87 1.87
5 0.00 0.00 0.00
6 5.13 5.13 5.13
IC704 KIA7042
1 5.21 5.21 5.21
2 0.00 0.00 0.00
3 4.80 4.80 4.80
IC705 24LC16B
1 0.00 0.00 0.00
2 0.00 0.00 0.00
3 0.00 0.00 0.00
4 0.00 0.00 0.00
5 5.05 5.05 5.06
6 5.06 5.06 5.06
7 0.00 0.00 0.00
8 5.25 5.25 5.25
IC706 KIA7031
1 5.17 5.17 5.17
2 0.00 0.00 0.00
3 5.17 5.16 5.16
IC707 SDA5650
1 0.00 0.00 0.00
2 0.00 0.00 0.00
3 0.00 0.00 0.00
4 5.06 5.06 5.06
5 5.05 5.05 5.06
6 0.00 0.00 0.00
7 0.42 0.42 0.42
8 0.00 0.00 0.00
9 5.25 5.01 5.00
10 2.80 2.79 2.81
11 0.00 0.00 0.00
12 2.47 2.48 2.48
13 0.00 0.00 0.00
14 2.49 2.48 2.49
15 2.47 2.48 2.49
EE PB REC
MODE
PIN NO.
16 1.57 1.56 1.57
17 1.48 1.54 1.54
18 0.00 0.00 0.00
19 5.25 5.25 5.25
20 5.25 5.25 5.25
IC801 NJM4580
1 6.06 6.06 6.07
2 6.06 6.06 6.07
3 6.05 6.05 6.05
4 0.00 0.00 0.00
5 6.05 6.05 6.05
6 6.06 6.06 6.06
7 6.06 6.06 6.06
8 12.12 12.12 12.12
IC802 BH7868FS
1 5.19 5.19 5.19
2 0.05 0.06 0.06
3 0.05 0.06 0.06
4 2.28 2.27 2.27
5 5.00 5.00 5.00
6 1.78 1.60 1.60
7 5.14 5.14 5.15
8 1.78 1.58 1.54
9 2.27 2.27 2.27
10 0.00 0.00 0.00
11 1.77 1.57 1.56
12 0.00 0.00 0.00
13 2.25 2.25 2.25
14 5.00 5.00 5.00
15 2.24 2.27 2.27
16 5.19 5.19 5.20
17 2.31 2.35 2.34
18 2.32 2.37 2.35
19 0.00 0.00 0.00
20 2.32 2.30 2.32
21 2.33 2.32 2.32
22 0.00 0.00 0.00
23 1.90 1.51 1.46
24 2.29 1.79 1.71
25 0.00 0.00 0.00
26 1.91 1.52 1.45
27 2.31 1.81 1.75
28 0.00 0.00 0.00
29 1.98 1.57 1.49
30 2.39 1.85 1.79
31 0.06 0.06 0.06
32 2.39 2.37 2.37
IC803 MM1443
1 2.74 2.74 2.74
2 12.15 12.15 12.15
3 2.74 2.74 2.74
4 12.15 12.15 12.15
5 3.06 3.22 3.18
6 5.75 5.75 5.75
7 5.76 5.76 5.76
EE PB REC
MODE
PIN NO.
8 5.70 5.70 5.70
9 0.01 0.01 0.01
10 5.70 5.70 5.70
11 11.55 11.55 11.55
12 5.75 5.75 5.75
13 0.01 0.01 0.01
14 5.70 5.70 5.70
15 0.01 0.01 0.01
16 5.70 5.70 5.70
17 0.00 0.00 0.00
18 0.00 0.00 0.00
19 0.00 0.00 0.00
20 5.70 5.70 5.70
21 5.81 5.81 5.81
22 5.81 5.80 5.80
23 5.74 5.74 5.73
24 5.70 5.70 5.70
25 5.80 5.80 5.80
26 5.80 5.80 5.80
27 5.73 5.73 5.73
28 3.31 3.26 3.33
29 2.47 2.62 2.35
30 2.47 2.62 2.35
31 1.88 1.88 1.80
32 5.05 5.05 5.05
33 5.07 5.07 5.07
34 0.00 0.00 0.00
IC810 CS4351
1 1.61 1.61 1.62
2 1.62 1.62 1.61
3 1.62 1.62 1.62
4 1.63 1.63 1.63
5 3.17 3.17 3.17
6 0.00 0.00 0.00
7 3.08 3.08 3.08
8 3.03 3.03 3.03
9 3.23 3.23 3.23
10 3.21 3.20 3.20
11 3.22 3.22 3.22
12 1.25 1.25 1.25
13 4.12 4.12 4.12
14 12.12 12.12 12.12
15 4.11 4.11 4.11
16 0.00 0.00 0.00
17 12.13 12.13 12.13
18 4.12 4.12 4.12
19 12.12 12.12 12.12
20 3.23 3.22 3.22
IC901 SAA7317
1 0.00 0.00 0.00
2 0.00 0.00 0.00
3 1.88 1.87 1.87
4 2.94 2.96 2.95
5 2.94 2.96 2.94
6 2.94 2.96 2.94
EE PB REC
MODE
PIN NO.
7 2.94 2.96 2.94
8 2.94 2.96 2.94
9 2.94 2.95 2.94
10 1.13 1.13 1.16
11 0.00 0.00 0.00
12 2.95 2.97 2.95
13 0.00 0.00 0.00
14 2.94 2.96 2.93
15 0.17 0.89 0.37
16 0.17 0.75 0.37
17 0.57 1.90 0.59
18 0.57 0.40 0.63
19 0.58 0.78 0.71
20 0.00 0.99 2.36
21 2.94 2.96 2.94
22 0.00 0.00 0.00
23 0.00 0.00 0.00
24 2.94 2.96 2.93
25 0.58 0.60 0.57
26 0.58 0.57 0.57
27 0.57 0.47 0.47
28 1.00 1.00 1.00
29 2.94 2.96 2.93
30 0.00 0.00 0.00
31 1.88 1.87 1.87
32 0.00 0.01 0.01
33 0.00 0.01 0.01
34 2.94 2.96 2.93
35 0.00 0.00 0.00
36 0.00 0.00 0.00
37 0.00 0.00 0.00
38 2.94 2.96 2.93
39 0.57 0.58 0.58
40 0.56 0.58 0.63
41 0.97 0.98 1.00
42 0.99 1.00 1.00
43 2.94 2.96 2.93
44 0.00 0.00 0.00
45 0.00 0.00 0.00
46 2.94 2.96 2.93
47 0.05 0.08 0.10
48 0.01 0.01 0.01
49 0.58 0.59 0.59
50 0.58 0.59 0.63
51 1.00 0.99 1.00
52 3.13 2.96 2.93
53 0.00 0.00 0.00
54 0.04 0.04 0.04
55 0.19 1.49 1.83
56 2.95 2.94 2.91
57 0.19 2.16 2.97
58 2.95 2.96 2.91
59 2.98 2.98 2.94
60 2.98 2.98 3.14
61 0.22 0.99 1.65
EE PB REC
MODE
PIN NO.
62 0.22 1.28 1.70
63 2.98 3.15 3.14
64 2.98 3.15 3.14
65 0.00 0.00 0.00
66 0.93 0.93 0.93
67 0.94 0.91 0.95
68 1.89 1.89 1.89
69 1.67 1.64 1.64
70 3.12 3.13 3.12
71 3.12 3.12 3.12
72 1.88 1.88 1.89
73 0.02 0.02 0.02
74 1.35 1.29 1.56
75 3.14 3.15 3.14
76 0.31 0.46 1.38
77 0.31 0.22 0.42
78 3.14 3.15 3.13
79 0.31 0.33 0.44
80 0.32 0.52 0.41
81 0.02 0.02 0.02
82 1.88 1.88 1.89
83 0.02 0.02 0.02
84 0.31 0.58 1.30
85 0.31 0.40 1.30
86 1.44 1.32 0.03
87 1.31 1.33 0.03
88 1.43 1.35 0.03
89 2.97 2.97 3.13
90 1.89 1.89 1.89
91 0.02 0.02 0.02
92 0.02 0.02 0.02
93 0.04 1.46 0.04
94 0.04 1.48 0.04
95 0.03 1.09 0.04
96 0.03 1.13 0.04
97 0.04 0.02 0.04
98 3.14 2.96 3.13
99 0.37 1.44 0.43
100 0.35 1.32 0.41
101 0.29 1.34 1.45
102 0.28 1.47 1.43
103 0.28 1.50 1.45
104 3.18 2.96 3.13
105 0.01 1.10 1.41
106 0.01 1.13 1.41
107 0.01 1.52 1.48
108 0.04 1.51 0.04
109 0.03 2.47 0.04
110 3.18 2.96 3.13
111 0.02 0.02 0.02
112 0.04 0.26 0.26
113 0.07 0.07 0.07
114 0.26 1.56 1.58
115 0.27 2.49 2.46
116 0.27 1.47 1.45
• CIRCUIT VOLTAGE CHART

3-94 3-95
EE PB REC
MODE
PIN NO.
117 3.19 2.96 2.93
118 0.21 0.33 1.37
119 0.22 0.32 1.35
120 0.27 0.33 1.37
121 0.22 0.34 1.38
122 0.27 0.37 1.37
123 1.88 1.85 1.85
124 0.02 0.02 0.02
125 2.98 2.96 2.93
126 0.43 0.45 1.35
127 0.42 0.44 1.36
128 0.43 0.44 1.38
129 0.43 0.43 1.36
130 0.43 0.44 1.36
131 2.96 2.96 2.93
132 0.51 0.44 1.33
133 0.52 0.35 1.31
134 0.52 0.50 1.33
135 0.41 0.53 1.42
136 1.44 1.44 1.43
137 2.96 2.96 2.93
138 0.02 0.02 0.02
139 1.31 1.31 1.30
140 1.33 1.32 1.36
141 1.48 1.48 1.49
142 1.49 1.52 1.43
143 1.10 1.11 1.10
144 1.85 1.85 1.88
145 0.02 0.02 0.02
146 2.96 2.96 3.20
147 1.13 1.12 0.37
148 1.51 1.53 0.37
149 0.22 0.20 0.23
150 0.49 0.50 0.37
151 0.49 0.45 0.37
152 3.13 2.96 3.20
153 0.52 0.54 0.37
154 0.53 0.38 0.37
155 0.53 0.41 0.35
156 0.53 0.40 1.44
157 0.59 0.52 1.42
158 3.13 2.97 2.93
159 0.51 0.52 1.53
160 0.51 0.52 1.43
161 0.55 0.52 1.40
162 0.59 0.52 1.45
163 0.62 0.52 1.34
164 3.13 2.97 2.93
165 0.02 0.02 0.02
166 0.60 0.54 1.34
167 0.02 0.02 0.02
168 1.88 1.87 1.05
169 0.02 0.02 0.02
170 1.85 1.85 1.87
171 1.50 1.56 1.88
EE PB REC
MODE
PIN NO.
EE PB REC
MODE
PIN NO.
IC200
1 0.00 0.00 0.00
2 0.00 0.00 0.00
3 0.00 0.00 0.00
4 0.00 0.00 0.00
5 0.00 0.00 0.00
6 0.00 0.00 0.00
7 0.00 0.00 0.00
8 0.00 0.00 0.00
9 0.00 0.00 0.00
10 0.00 0.00 0.00
11 3.21 3.22 3.21
12 0.00 0.00 0.00
13 3.23 3.24 3.22
14 3.12 3.13 3.11
15 0.00 0.00 0.00
16 3.22 3.23 3.21
17 0.00 0.00 0.00
18 0.00 0.00 0.00
19 3.21 3.21 3.21
20 0.00 0.00 0.00
21 0.00 0.00 0.00
22 0.00 0.00 0.00
23 0.00 0.00 0.00
24 0.00 0.00 0.00
25 0.00 0.00 0.00
26 0.00 0.00 0.00
27 0.00 0.00 0.00
28 0.00 0.00 0.00
29 3.23 3.23 3.22
30 0.00 0.00 0.00
31 0.00 0.00 0.00
32 3.23 3.24 3.22
33 0.00 0.00 0.00
34 3.23 3.24 3.22
35 0.00 0.00 0.00
36 2.87 2.89 2.87
37 0.00 0.00 0.00
38 0.00 0.00 0.00
39 0.00 0.00 0.00
40 0.00 0.00 0.00
41 0.00 0.00 0.00
42 0.00 0.00 0.00
43 3.23 3.23 3.22
44 0.00 0.00 0.00
45 0.00 0.00 0.00
46 0.00 0.00 0.00
47 0.00 0.00 0.00
48 0.00 0.00 0.00
49 2.87 2.89 2.88
50 0.00 0.00 0.00
51 0.00 0.00 0.00
52 0.00 0.00 0.00
53 3.23 3.24 3.22
54 3.21 3.21 3.21
EE PB REC
MODE
PIN NO.
55 0.00 0.00 0.00
56 0.00 0.00 0.00
IC201,203
1 2.39 2.36 2.36
2 1.13 1.05 1.13
3 2.39 2.36 2.36
4 1.13 1.06 1.11
5 1.15 1.06 1.15
6 0.00 0.00 0.00
7 1.14 1.09 1.14
8 1.14 1.12 1.12
9 2.39 2.35 2.34
10 1.14 1.09 1.10
11 1.14 1.09 1.10
12 0.00 0.00 0.00
13 1.14 1.13 1.13
14 0.00 0.00 0.00
15 2.39 2.35 2.35
16 1.18 1.16 1.16
17 1.14 1.11 1.14
18 2.39 2.37 2.36
19 0.00 0.00 0.00
20 0.60 0.60 0.60
21 1.78 1.76 1.75
22 1.78 1.71 1.71
23 1.78 1.75 1.75
24 0.00 0.00 0.00
25 0.00 0.00 0.00
26 1.19 1.19 1.19
27 1.19 1.19 1.19
28 1.15 1.11 1.12
29 1.16 1.12 1.12
30 1.16 1.13 1.13
31 1.16 1.13 1.13
32 1.18 1.17 1.17
33 2.39 2.36 2.36
34 0.00 0.00 0.00
35 1.18 1.17 1.17
36 1.18 1.17 1.17
37 1.17 1.17 1.17
38 1.18 1.17 1.17
39 1.19 1.17 1.17
40 1.18 1.16 1.16
41 1.15 1.11 1.11
42 1.16 1.12 1.14
43 0.00 0.00 0.00
44 1.82 1.80 1.80
45 1.21 1.20 1.20
46 1.18 1.17 1.17
47 0.60 0.59 0.60
48 0.00 0.00 0.00
49 1.19 1.18 1.18
50 0.00 0.00 0.00
51 1.18 1.16 1.16
52 0.00 0.00 0.00
EE PB REC
MODE
PIN NO.
EE PB REC
MODE
PIN NO.
32 0.00 0.00 0.00
33 0.00 0.00 0.00
34 0 (GND) 0 (GND) 0 (GND)
35 0.00 0.00 0.00
36 0.00 0.00 0.00
37 0.00 0.00 0.00
38 0.00 0.00 0.00
39 0 (GND) 0 (GND) 0 (GND)
40 0.00 0.00 0.00
41 0.00 0.00 0.00
42 3.24 3.24 3.22
43 0.00 0.00 0.00
44 0.00 0.00 0.00
45 0 (GND) 0 (GND) 0 (GND)
46 0.00 0.00 0.00
47 0.00 0.00 0.00
48 0.00 0.00 0.00
C301,302
1 3.21 3.24 3.23
2 3.21 3.24 3.23
3 0.00 0.00 0.00
4 0.00 0.00 0.00
5 3.22 3.25 3.23
6 0.00 0.00 0.00
7 0.00 0.00 0.00
8 0.00 0.00 0.00
9 0.00 0.00 0.00
10 0 (GND) 0 (GND) 0 (GND)
11 3.22 3.24 3.23
12 0.00 0.00 0.00
13 0.00 0.00 0.00
14 0.00 0.00 0.00
15 0.00 0.00 0.00
16 3.23 3.24 3.22
17 0.00 0.00 0.00
18 0.00 0.00 0.00
19 0.00 0.00 0.00
20 3.22 3.25 3.23
IC304
25 3.22 3.22 3.22
26 0.00 0.00 0.00
27 1.80 1.80 1.80
28 1.80 1.80 1.80
29 1.84 1.84 1.84
30 1.84 1.84 1.84
31 1.85 1.85 1.83
32 0.00 0.00 0.00
33 0.03 0.03 0.03
34 1.23 1.23 1.23
35 3.22 3.22 3.22
36 0.00 0.00 0.00
37 3.23 3.23 3.23
38 0.03 0.03 0.03
39 1.23 1.23 1.23
40 3.23 3.23 3.23
EE PB REC
MODE
PIN NO.
41 0.00 0.00 0.00
42 1.42 1.42 1.42
43 1.42 1.42 1.42
44 3.23 3.23 3.23
45 3.23 3.23 3.23
46 0.00 0.00 0.00
47 0.00 0.00 0.00
48 0.03 0.03 0.03
IC305
1 0.00 0.00 0.00
2 3.22 3.23 3.22
3 3.23 3.24 3.22
4 0.00 0.00 0.00
5 0.00 0.00 0.00
6 3.23 3.24 3.23
7 0 (GND) 0 (GND) 0 (GND)
8 0.00 0.00 0.00
9 3.22 3.23 3.22
10 0.00 0.00 0.00
11 3.22 3.23 3.23
12 3.23 3.24 3.23
13 0.09 0.09 0.10
14 3.23 3.24 3.23
IC306
1 0.00 0.00 0.00
2 0.00 0.00 0.00
3 0.00 0.00 0.00
4 3.23 3.24 3.23
5 4.86 4.86 4.85
6 3.24 3.24 3.23
7 0 (GND) 0 (GND) 0 (GND)
8 3.23 3.24 3.23
9 3.23 3.24 3.23
10 3.23 3.23 3.23
11 3.23 3.24 3.23
12 3.14 3.01 3.11
13 3.14 3.04 3.12
14 3.23 3.24 3.23
IC203
1 2.39 2.37 2.35
2 1.15 1.05 1.13
3 2.39 2.36 2.36
4 1.15 1.10 1.12
5 1.14 1.06 1.13
6 0.00 0.00 0.00
7 1.15 1.05 1.13
8 1.14 1.08 1.13
9 2.39 2.37 2.36
10 1.14 1.12 1.12
11 1.14 1.10 1.10
12 0.00 0.00 0.00
13 1.14 1.11 1.11
14 0.00 0.00 0.00
15 2.39 2.36 2.36
16 1.18 1.16 1.14
53 0.00 0.00 0.00
54 1.14 1.06 1.14
55 2.39 2.36 2.36
56 1.15 1.06 1.06
57 1.15 1.05 1.05
58 0.00 0.00 0.00
59 1.14 1.06 1.06
60 1.14 1.06 1.06
61 2.39 2.37 2.36
62 1.16 1.12 1.12
63 1.14 1.04 1.04
64 0.00 0.00 0.00
65 1.15 1.05 1.05
66 0.00 0.00 0.00
IC202
1 0.00 0.00 0.00
2 0.00 0.00 0.00
3 1.18 1.17 1.17
4 1.18 1.17 1.17
5 2.37 2.34 2.34
6 2.37 2.34 2.34
7 2.37 2.34 2.34
8 1.18 1.17 1.17
IC300
1 0 (GND) 0 (GND) 0 (GND)
2 0.09 0.09 0.09
3 0.09 0.09 0.09
4 0 (GND) 0 (GND) 0 (GND)
5 0.09 0.09 0.09
6 0.09 0.09 0.09
7 3.24 2.65 3.22
8 0.09 0.09 0.09
9 0.09 0.09 0.09
10 0 (GND) 0 (GND) 0 (GND)
11 0.09 0.09 0.09
12 0.09 0.09 0.09
13 0.09 0.09 0.09
14 0.09 0.09 0.09
15 0 (GND) 0 (GND) 0 (GND)
16 0.09 0.09 0.09
17 0.09 0.09 0.09
18 3.24 3.24 3.22
19 0.09 0.09 0.09
20 0.09 0.09 0.09
21 0 (GND) 0 (GND) 0 (GND)
22 0.09 0.09 0.09
23 0.09 0.09 0.09
24 0 (GND) 0 (GND) 0 (GND)
25 0.00 0.00 0.00
26 0.00 0.00 0.00
27 0.00 0.00 0.00
28 0 (GND) 0 (GND) 0 (GND)
29 0.00 0.00 0.00
30 0.00 0.00 0.00
31 3.24 3.24 3.22
172 1.35 1.37 1.68
173 1.27 1.32 1.10
174 1.49 1.49 1.49
175 1.51 1.51 1.49
176 2.98 2.99 2.95
177 2.95 2.95 2.92
178 2.96 2.97 2.93
179 1.50 1.50 1.48
180 1.50 1.51 1.49
181 1.52 1.50 1.48
182 0.02 0.02 0.02
183 0.01 0.01 0.01
184 1.45 1.46 1.46
185 1.45 1.46 1.45
186 2.96 2.97 2.93
187 1.46 1.46 1.45
188 1.46 1.46 1.46
189 0.02 0.02 0.02
190 1.85 1.82 1.85
191 0.00 0.00 0.00
192 0.00 0.00 0.00
193 1.45 1.47 1.44
194 2.96 2.97 2.93
195 0.00 0.00 0.00
196 2.96 2.97 2.93
197 0.00 0.00 0.00
198 1.44 1.44 1.43
199 1.44 1.45 1.43
200 1.44 1.44 1.42
201 1.44 1.45 1.43
202 1.48 1.48 1.46
203 1.44 1.44 1.43
204 1.44 1.44 1.43
205 0.56 1.46 1.16
206 0.57 1.45 1.25
207 0.57 1.46 1.24
208 0.57 1.64 1.12
IC903 NJM2521
1 7.10 7.09 7.08
2 0.01 0.01 0.01
3 7.22 7.20 7.18
4 0.01 0.01 0.01
5 7.22 7.21 7.19
6 10.70 10.69 10.69
7 7.46 7.45 7.43
8 0.00 0.00 0.00
IC904 NJM2521
1 7.10 7.09 7.07
2 0.01 0.01 0.01
3 7.22 7.21 7.19
4 0.01 0.01 0.01
5 7.22 7.21 7.19
6 10.70 10.69 10.67
7 7.46 7.45 7.43
8 0.00 0.00 0.00

3-96 3-97
EE PB REC
MODE
PIN NO.
17 1.14 1.11 1.11
18 2.39 2.37 2.36
19 0.00 0.00 0.00
20 0.61 0.59 0.59
21 1.78 1.75 1.75
22 1.78 1.71 1.71
23 1.78 1.75 1.75
24 0.00 0.00 0.00
25 0.00 0.00 0.00
26 1.19 1.19 1.19
27 1.19 1.19 1.19
28 1.15 1.11 1.11
29 1.16 1.13 1.13
30 1.16 1.12 1.12
31 1.16 1.13 1.13
32 1.18 1.17 1.17
33 2.39 2.37 2.36
34 0.00 0.00 0.00
35 1.18 1.17 1.17
36 1.18 1.17 1.17
37 1.18 1.16 1.16
38 1.18 1.17 1.17
39 1.19 1.17 1.17
40 1.18 1.16 1.16
41 1.15 1.11 1.11
42 1.16 1.13 1.13
43 0.00 0.00 0.00
44 1.82 1.80 1.80
45 1.21 1.20 1.20
46 1.18 1.17 1.17
47 0.60 0.59 0.59
48 0.00 0.00 0.00
49 1.19 1.18 1.18
50 0.00 0.00 0.00
51 1.18 1.06 1.06
52 0.00 0.00 0.00
53 0.00 0.00 0.00
54 1.12 1.03 1.03
55 2.39 2.37 2.36
56 1.13 1.06 1.06
57 1.14 1.05 1.05
58 0.00 0.00 0.00
59 1.13 1.05 1.05
60 1.18 1.12 1.12
61 2.39 2.37 2.36
62 1.12 1.05 1.05
63 1.13 1.06 1.06
64 0.00 0.00 0.00
65 1.15 1.12 1.12
66 0.00 0.00 0.00
IC100
A1 1.17 1.19 1.17
A2 0.00 0.00 0.00
A3 1.37 1.36 1.36
A4 0.00 0.00 0.00
EE PB REC
MODE
PIN NO.
A5 1.61 1.64 1.64
A6 1.60 1.62 1.62
A7 1.58 1.61 1.59
A8 3.20 3.23 3.21
A9 1.25 0.67 1.25
A10 1.58 1.62 1.60
A11 1.25 0.67 1.25
A12 1.08 0.94 1.06
A13 1.10 1.08 1.10
A14 NC NC NC
A15 3.22 3.23 3.20
A16 1.63 1.64 1.62
A17 1.63 1.64 1.98
A18 1.63 1.64 1.63
A19 0.00 0.00 0.00
A20 3.24 3.24 3.23
A21 0.00 0.00 0.00
A22 0.00 0.00 0.00
A23 0.00 0.00 0.00
A24 3.23 3.24 3.22
A25 2.31 2.32 2.30
A26 3.21 3.21 3.21
B1 3.21 3.22 3.21
B2 0.27 0.27 0.27
B3 1.39 1.39 1.39
B4 1.22 1.22 1.21
B5 0.00 0.00 0.00
B6 1.16 1.21 1.18
B7 1.01 1.07 1.01
B8 3.20 3.20 3.19
B9 1.18 1.22 1.18
B10 1.02 1.07 1.02
B11 1.19 1.22 1.18
B12 1.22 1.25 1.24
B13 2.17 2.14 2.17
B14 1.60 1.61 1.59
B15 1.61 1.62 1.60
B16 1.62 1.62 1.61
B17 0.00 0.00 0.00
B18 0.00 0.00 0.00
B19 4.91 4.91 4.91
B20 3.12 3.14 3.14
B21 2.75 2.80 2.84
B22 4.80 4.90 4.82
B23 3.08 3.11 3.10
B24 3.21 3.21 3.21
B25 3.20 3.23 3.21
B26 3.21 3.23 3.21
C1 2.24 2.25 2.25
C2 2.67 2.67 2.66
C3 1.32 1.32 1.32
C4 1.28 1.28 1.27
C5 0.00 0.00 0.00
C6 1.19 0.38 1.17
C7 1.10 1.08 1.10
EE PB REC
MODE
PIN NO.
C8 2.86 2.86 2.85
C9 1.18 0.38 1.18
C10 1.10 1.08 1.10
C11 1.19 0.38 1.17
C12 1.02 1.07 1.01
C13 1.62 1.63 1.61
C14 0.00 0.00 0.00
C15 1.62 1.63 1.61
C16 1.21 1.21 1.20
C17 0.00 0.00 0.00
C18 1.62 1.64 1.61
C19 0.00 0.00 0.00
C20 3.15 3.18 3.16
C21 1.08 1.05 1.05
C22 1.08 1.05 1.05
C23 2.35 2.29 2.30
C24 3.21 3.23 3.21
C25 1.14 1.10 1.10
C26 1.17 1.16 1.15
D1 2.25 2.25 2.25
D2 1.55 1.55 1.55
D3 1.50 1.50 1.49
D4 1.62 1.62 1.61
D5 1.25 0.66 1.25
D6 1.18 0.94 1.06
D7 1.80 1.77 1.80
D8 2.49 2.49 2.48
D9 1.08 0.94 1.07
D10 1.81 1.78 1.81
D11 1.08 1.05 1.05
D12 1.08 1.05 1.05
D13 3.22 3.24 3.22
D14 3.22 3.24 3.22
D15 3.22 3.24 3.22
D16 3.22 3.24 3.22
D17 0.00 0.00 0.00
D18 1.61 1.61 1.60
D19 4.91 4.91 4.91
D20 3.05 3.05 3.04
D21 1.08 1.05 1.05
D22 1.19 1.17 1.17
D23 2.35 2.29 2.30
D24 1.12 1.08 1.04
D25 1.14 1.09 1.03
D26 1.14 1.09 1.08
E1 0.89 0.40 0.85
E2 2.23 2.24 2.24
E3 2.25 2.26 2.25
E4 0.00 0.00 0.00
E23 0.00 0.00 0.00
E24 2.01 1.97 1.97
E25 1.21 1.18 1.18
E26 1.18 1.18 1.16
F1 0.00 0.00 0.00
F2 0.00 0.00 0.00
EE PB REC
MODE
PIN NO.
F3 0.00 0.00 0.00
F4 1.05 1.05 1.06
F23 1.19 1.16 1.15
F24 1.18 1.06 1.02
F25 2.03 1.98 1.98
F26 2.08 1.93 1.85
G1 1.48 1.49 1.49
G2 0.00 0.00 0.00
G3 1.05 1.05 1.06
G4 2.35 2.26 2.30
G23 1.17 1.16 1.15
G24 1.18 1.16 1.15
G25 1.17 1.16 1.15
G26 1.16 1.16 1.15
H1 1.69 1.72 1.73
H2 0.00 0.00 0.00
H3 3.23 3.24 3.22
H4 1.06 1.05 1.06
H23 2.10 2.05 2.05
H24 1.14 1.09 1.06
H25 1.12 1.08 1.05
H26 1.17 1.14 1.15
J1 0.00 0.00 0.00
J2 1.58 1.58 1.58
J3 1.58 1.58 1.58
J4 3.23 3.23 3.22
J23 1.18 1.18 1.18
J24 1.11 1.11 1.11
J25 1.11 1.11 1.11
J26 1.11 1.11 1.11
K1 0.63 0.61 0.64
K2 0.64 0.62 0.64
K3 3.21 3.22 3.20
K4 1.08 1.05 1.05
K23 1.11 1.11 1.11
K24 1.13 1.13 1.13
K25 1.12 1.12 1.12
K26 1.11 1.11 1.11
L1 0.72 0.72 0.72
L2 0.73 0.73 0.64
L3 3.21 3.22 3.20
L4 1.08 1.05 1.05
L11 0.00 0.00 0.00
L12 0.00 0.00 0.00
L13 0.00 0.00 0.00
L14 0.00 0.00 0.00
L15 0.00 0.00 0.00
L16 0.00 0.00 0.00
L23 2.35 2.29 2.30
L24 2.35 2.29 2.30
L25 0.35 0.32 0.30
L26 1.16 1.16 1.15
M1 0.72 0.72 0.73
M2 0.64 0.62 0.73
M3 3.21 3.22 3.20
EE PB REC
MODE
PIN NO.
M4 3.22 3.24 3.22
M11 0.00 0.00 0.00
M12 0.00 0.00 0.00
M13 0.00 0.00 0.00
M14 0.00 0.00 0.00
M15 0.00 0.00 0.00
M16 0.00 0.00 0.00
M23 1.22 1.20 1.20
M24 2.35 2.29 2.30
M25 0.35 0.32 0.30
M26 1.16 1.16 1.15
N1 0.00 0.00 0.00
N2 0.00 0.00 0.00
N3 0.00 0.00 0.00
N4 3.22 3.24 3.22
N11 0.00 0.00 0.00
N12 0.00 0.00 0.00
N13 0.00 0.00 0.00
N14 0.00 0.00 0.00
N15 0.00 0.00 0.00
N16 0.00 0.00 0.00
N23 1.20 1.17 1.16
N24 2.35 2.29 2.30
N25 1.13 1.13 1.13
N26 1.13 1.13 1.13
P1 1.18 1.18 1.18
P2 3.22 3.23 3.22
P3 NC NC NC
P4 3.22 3.24 3.22
P11 0.00 0.00 0.00
P12 0.00 0.00 0.00
P13 0.00 0.00 0.00
P14 0.00 0.00 0.00
P15 0.00 0.00 0.00
P16 0.00 0.00 0.00
P23 1.21 1.19 1.19
P24 2.35 2.29 2.30
P25 1.13 1.13 1.13
P26 1.14 1.14 1.14
R1 0.00 0.00 0.00
R2 0.00 0.00 0.00
R3 0.00 0.00 0.00
R4 3.22 3.24 3.22
R11 0.00 0.00 0.00
R12 0.00 0.00 0.00
R13 0.00 0.00 0.00
R14 0.00 0.00 0.00
R15 0.00 0.00 0.00
R16 0.00 0.00 0.00
R23 1.20 1.17 1.17
R24 2.35 2.29 2.30
R25 1.18 1.18 1.18
R26 1.18 1.18 1.18
T1 0.00 0.00 0.00
T2 0.00 0.00 0.00
EE PB REC
MODE
PIN NO.
T3 0.00 0.00 0.00
T4 0.00 0.00 0.00
T11 0.00 0.00 0.00
T12 0.00 0.00 0.00
T13 0.00 0.00 0.00
T14 0.00 0.00 0.00
T15 0.00 0.00 0.00
T16 0.00 0.00 0.00
T23 2.35 2.29 2.30
T24 2.35 2.29 2.30
T25 1.18 1.18 1.18
T26 1.18 1.18 1.18
U1 0.00 0.00 0.00
U2 NC NC NC
U3 0.00 0.00 0.00
U4 0.00 0.00 0.00
U23 1.18 1.18 1.18
U24 1.18 1.18 1.18
U25 1.18 1.18 1.18
U26 1.18 1.18 1.18
V1 NC NC NC
V2 NC NC NC
V3 NC NC NC
V4 NC NC NC
V23 1.18 1.18 1.18
V24 1.18 1.18 1.18
V25 1.18 1.18 1.18
V26 1.18 1.18 1.18
W1 0.00 0.00 0.00
W2 NC NC NC
W3 NC NC NC
W4 0.00 0.00 0.00
W23 1.18 1.18 1.18
W24 1.18 1.18 1.18
W25 0.35 0.32 0.30
W26 1.16 1.16 1.15
Y1 1.65 1.65 1.64
Y2 0.76 0.74 0.84
Y3 0.00 0.00 0.00
Y4 0.77 0.75 0.86
Y23 1.18 1.18 1.18
Y24 1.18 1.18 1.18
Y25 0.35 0.32 0.30
Y26 1.16 1.16 1.15
AA1 0.77 0.77 0.88
AA2 0.77 0.76 0.84
AA3 0.77 0.77 0.84
AA4 0.76 0.74 0.85
AA23 3.12 3.13 3.11
AA24 1.18 1.18 1.10
AA25 1.18 1.18 1.18
AA26 1.18 1.18 1.18
AB1 0.77 0.77 0.87
AB2 0.76 0.75 0.84
AB3 0.77 0.75 0.87
EE PB REC
MODE
PIN NO.
AB4 0.77 0.76 0.84
AB23 0.00 0.00 0.00
AB24 0.00 0.00 0.00
AB25 3.21 3.23 3.21
AB26 1.18 1.18 1.12
AC1 0.78 0.78 0.89
AC2 0.77 0.76 0.89
AC3 0.77 0.77 0.84
AC4 0.76 0.76 0.84
AC5 0.00 0.00 0.00
AC6 1.95 1.92 1.93
AC7 1.94 1.90 1.91
AC8 1.91 1.88 1.90
AC9 1.94 1.91 1.92
AC10 0.00 0.00 0.00
AC11 1.08 1.05 1.05
AC12 1.08 1.05 1.05
AC13 1.08 1.05 1.05
AC14 3.22 3.24 3.22
AC15 3.22 3.24 3.22
AC16 3.22 3.24 3.22
AC17 0.00 0.00 0.00
AC18 3.22 3.24 3.21
AC19 0.00 0.00 0.00
AC20 0.00 0.00 0.00
AC21 3.82 3.82 3.81
AC22 2.87 2.86 2.86
AC23 0.00 0.00 0.00
AC24 0.00 0.00 0.00
AC25 3.21 3.23 3.21
AC26 3.23 3.24 3.22
AD1 0.76 0.74 0.87
AD2 3.23 3.24 3.22
AD3 3.23 3.05 3.22
AD4 0.00 0.00 0.00
AD5 0.00 0.00 0.00
AD6 1.95 1.92 1.93
AD7 0.00 0.00 0.00
AD8 1.93 1.90 1.91
AD9 1.93 1.90 1.91
AD10 3.22 3.23 3.21
AD11 3.22 3.24 3.21
AD12 0.00 0.00 0.00
AD13 0.07 0.07 0.07
AD14 0.00 0.00 0.00
AD15 0.00 0.00 0.00
AD16 0.03 0.03 0.03
AD17 3.23 3.24 3.22
AD18 3.22 3.24 3.21
AD19 0.00 0.00 0.00
AD20 0.00 0.00 0.00
AD21 0.00 0.00 0.00
AD22 3.23 3.24 3.22
AD23 0.00 0.00 0.00
AD24 0.00 0.00 0.00

3-98 3-99
EE PB REC
MODE
PIN NO.
AD25 0.00 0.00 0.00
AD26 0.00 0.00 0.00
AE1 3.23 3.24 3.22
AE2 3.23 3.24 3.22
AE3 3.23 3.24 3.22
AE4 0.00 0.00 0.00
AE5 1.94 1.91 1.92
AE6 1.92 1.87 1.89
AE7 1.92 1.89 1.91
AE8 1.95 1.92 1.93
AE9 0.00 0.00 0.00
AE10 3.21 3.22 3.21
AE11 4.50 4.50 4.50
AE12 3.23 3.24 3.22
AE13 0.00 0.00 0.00
AE14 0.00 0.00 0.00
AE15 0.00 0.00 0.00
AE16 0.00 0.00 0.00
AE17 3.23 3.24 3.22
AE18 3.22 3.24 3.21
AE19 0.00 0.00 0.00
AE20 0.00 0.00 0.00
AE21 3.23 3.24 3.22
AE22 3.20 3.23 3.21
AE23 0.00 0.00 0.00
AE24 2.87 2.86 2.86
AE25 0.00 0.00 0.00
AE26 0.00 0.00 0.00
AF1 3.22 3.23 3.21
AF2 0.00 0.00 0.00
AF3 0.00 0.00 0.00
AF4 4.60 4.60 4.61
AF5 1.96 1.92 1.94
AF6 1.93 1.89 1.91
AF7 1.95 1.92 1.93
AF8 1.93 1.90 1.91
AF9 0.00 0.00 0.00
AF10 3.23 3.23 3.21
AF11 3.23 3.23 3.21
AF12 0.00 0.00 0.00
AF13 0.00 0.00 0.00
AF14 0.00 0.00 0.00
AF15 1.64 1.66 1.66
AF16 3.21 3.23 3.23
AF17 3.22 3.24 3.21
AF18 0.00 0.00 0.00
AF19 0.00 0.00 0.00
AF20 3.21 3.23 3.21
AF21 3.23 3.24 3.22
AF22 3.23 3.24 3.22
AF23 0.00 0.00 0.00
AF24 0.00 0.00 0.00
AF25 0.00 0.00 0.00
AF26 0.00 0.00 0.00

3-100 3-101
PRINTED CIRCUIT DIAGRAMS
1. MAIN P.C.BOARD_DBRH197/DBRH198’s 2. MAIN P.C.BOARD_DBRH199’s
( TOP VIEW )
( BOTTOM VIEW )
( TOP VIEW )
( BOTTOM VIEW )

3-102 3-103
3. I/O P.C.BOARD ( TOP VIEW )

3-104 3-105
4. I/O P.C.BOARD ( BOTTOM VIEW )

3-106 3-107
5. POWER P.C.BOARD

3-108 3-109
( BOTTOM VIEW ) ( BOTTOM VIEW )
6.KEY P.C.BOARD
( TOP VIEW )
( BOTTOM VIEW )
7. TIMER P.C.BOARD
( TOP VIEW )
8. JUNCTION P.C.BOARD
( TOP VIEW )

3-110 3-111
9. HDMI P.C.BOARD
( TOP VIEW ) ( BOTTOM VIEW )
10. MODEM P.C.BOARD (DBRH199’s ONLY)
( TOP VIEW ) ( BOTTOM VIEW )

3-112 3-113
11. CI P.C.BOARD (DBRH198’s ONLY)
( TOP VIEW ) ( BOTTOM VIEW )

3-114 3-115
12. SMART CARD P.C.BOARD (DBRH199’s ONLY)
( TOP VIEW ) ( BOTTOM VIEW )
CONTENTS
SECTION 4
RS-01A LOADER PART
ELECTRICAL TROUBLESHOOTING GUIDE ......................................................................................................4-2
THE DIFFERENCE OF DVD-R/RW, DVD+R/RW DISCS AND DVD-ROM ..............................................4-15
1. RECORDING LAYER .................................................................................................................................................4-15
2. DISC SPECIFICATION...............................................................................................................................................4-16
3. DISC MATERIALS......................................................................................................................................................4-16
4. ORGANIZATION OF THE INNER DRIVE AREA, OUTER DRIVE AREA, LEAD-IN ZONE AND
LEAD-OUT ZONE.......................................................................................................................................................4-20
HOW TO USE TEST TOOL.......................................................................................................................................4-24
1. ALPC MEASUREMENT SYSTEM..............................................................................................................................4-24
2. ALPC PROGRAM ......................................................................................................................................................4-24
3. EXECUTE ALPC PROGRAM.....................................................................................................................................4-25
4. OPTICAL POWER SETTING .....................................................................................................................................4-27
5. CONFIRM OPTICAL POWER SETTING PARAMETER............................................................................................4-28
6. OPTICAL POWER SETTING PARAMETER RANGE................................................................................................4-29
7. ATTACHMENT. OPTICAL POWER MEASUREMENT ...............................................................................................4-30
INTERNAL STRUCTURE OF THE PICK-UP......................................................................................................4-31
1. BLOCK DIAGRAM OF THE PICK-UP(LPC-812R) ...................................................................................................4-31
2. PICK UP PIN ASSIGNMENT .....................................................................................................................................4-32
3. SIGNAL DETECTION OF THE P/U ...........................................................................................................................4-33
DESCRIPTION OF CIRCUIT.....................................................................................................................................4-34
1. ALPC (AUTOMATIC LASER POWER CONTROL) CIRCUIT ....................................................................................4-34
2. FOCUS/TRACKING/SLED SERVO CIRCUIT............................................................................................................4-35
3. SPINDLE SERVO CIRCUIT.......................................................................................................................................4-37
MAJOR IC INTERNAL BLOCK DIAGRAM.........................................................................................................4-38
LIC121 (AN22113A) : FEP(RF) ANALOG SIGNAL PROCESSOR ................................................................................4-38
IC301 (BD7956FS) : CD-ROM/DVD-ROM 7CH POWER DRIVER ...............................................................................4-41
CIRCUIT DIAGRAMS ..................................................................................................................................................4-42
1. DSP CIRCUIT DIAGRAM...........................................................................................................................................4-42
2. RF CIRCUIT DIAGRAM .............................................................................................................................................4-44
3. DRIVE CIRCUIT DIAGRAM .......................................................................................................................................4-46
CIRCUIT VOLTAGE CHART.....................................................................................................................................4-48
PRINTED CIRCUIT DIAGRAMS..............................................................................................................................4-50
1. MAIN P.C.BOARD(TOP VIEW) .................................................................................................................................4-50
2. MAIN P.C.BOARD(BOTTOM VIEW) .........................................................................................................................4-52

4-2
ELECTRICAL TROUBLESHOOTING GUIDE
Are the pin 44 of
LPB271+5V, pin41 of LPB271+12V
respectively after the power cable
connecting?
Reset or Power Check.
Check the power(5V/12V) short.
Repair the SMPS Block
Check the LIC401(3.3V regulator IC).
Check the LIC201, LIC121.
Does the pin #1
(Reset) of LIC271 change 0V to 3.3V
at the power supply initial input
mode?
<Power>
Is the pin 5 of LIC401 3.3V?
<Reference>
1.65V(VREF) : Check pin113 of LIC121?
2.2V(HDVREF): Check pin78 of LIC121
NO
NO
YES
YES
YES
YES
Are the LX201 oscillating?
Check the LX201(16.9MHz).
Check the LIC201.
NO
Check the LIC401.
NO
Check the LIC121.
NO
Check it after connecting the power cable
only on interface cable for NO Reset or
Power ON.
YES
OK

4-3
System Check.
Go to “Tray operating is abnormal”
Load tray without inserting disc.
NO
Does Tray operate normally?
Does Pick-up move to inside?
Does Laser turn on?
After eject tray, Insert CD-ROM Disc
and check rotation.
Does Disc rotate
continuously and the drive recognize
the disc?
After eject the tray, Insert DVD Disc and
check rotation.
After eject the tray, Insert DVD+R/RW Disc
and check rotation.
Does Disc rotate
continuously and the drive recognize the
disc?
Does Disc rotate
continuously and the drive recognize the
disc?
Go to “Sled operating is abnormal”
Go to “Laser operating is
abnormal”
Go to “Recognition fail Case1
(CD-ROM Disc)”
Go to :Recognition fail Case2
(DVD Disc)”
Go to :Recognition fail Case3
(Blank DVD+R/RW)”
NO
NO
YES
YES
YES
NO
NO
NO
YES
YES
YES
YES
YES
YES
Does Pickup lens move
up/down?
Go to “Focus Actuator operating is
abnormal”
NO
YES
OK

4-4
Tray operating is abnormal.
WhenLPF303 is open, Is
there Tray drive signal
output?
Check the connctor (LPF303).
Replace the LIC301.
Check the connction of LIC201 pin 66.
Replace the LIC201.
Check the communication line
between LIC201.
NO
YES
YES
YES
NO
Is there Tray
drive voltage output?
(LIC301 pin 1,2)
Is there Tray
control signal input?
(LIC301 pin 46)
YES
Tray open doesn’t work.

4-5
Is there Sled
control signal output?
(LIC201 pin 68,69)
Sled operating i s abnormal.
Replace the LIC301. Replace the LIC121.
Replace the LIC201.
Is DRVMUTE2 signal ‘H’?
(LIC301 pin 35)
Check the LR316, LR317.
Check the connection of LIC121
pin 32.
Is there
Sled drive voltage output ?
(LPM302 pin 1,2,3,4) Replace the Sled Motor.
YES
NO
NO
YES
YES
Check the Connection LCN302.
NO
Is there
Sled drive voltage input?
(LIC301 pin 29,30)
YES
NO
Is there
Sled drive voltage output?
(LIC301 pin37,38,39,40)
YES
NO

4-6
Is there
Spindle control DSP output?
(LIC201 pin70)
Spindle operating is abnormal
Is there
Spindle drive voltage output?
(LIC301 pin 11, 13, 16)
Is there
Spindle drive voltage output?
(LIC301 pin 1, 2, 3)
Check the Connection LPM301.
Replace the Spindle Motor.
NO
NO
NO
YES
YES
Is there
FG signal input?
(LIC201 pin 71)
NO
YES
YES
Check the output of LIC301 pin 43.
Check the connector LPM301.
Replace the LIC301.
Replace the LIC201.
OK

4-7
Focus Servo is unstable
Is FE signal
output normal in Focusing
Up/Down?
(LIC121 pin25*)
Check Pickup Read Power
is 1.3~1.7mW?
YES
Replace the LIC121.
Replace the Pick up.
Go to “Focus Actuator
operating is abnormal”
NO NO
Is FDRV signal
output normal in Focusing
Up/Down?
(LIC201 pin 62)
Replace the LIC201.
NO
YES
Focus Actuator operating is
abnormal
Is there Focus
Search control signal input?
(LIC301 pin5)
Is DRVMUTE2 signal “H”?
(LIC301 pin 35)
Replace the LIC301.
Check the connection
LPM101 pin40, 41.
Check the connection of LIC121 pin 32.
Replace the LIC121.
NO
YES
Replace the Pick-Up.
Is there Focus
Search drive voltage output?
(LIC301 pin 51,52)
NO
• Check the connection of LIC201 pin 62.
• Check the communication line between
LIC121 and LIC201.
• Replace the LIC201.
YES
NO
YES
* LIC121 pin25 is MOUT2(FEP Monitor2).
After disc recognition action, Monitor port
is off. So, please check FE signal during
disc recognition.

4-8
Track Servo is unstable
Is TE signal
output normal in Focusing
ON and Tracking OFF?
(LIC121 pin 24*)
YES
Check the PICK UP FFC.
Replace the PICK UP.
Replace the LIC121.
NO
Replace the LIC201.
Check the Drive IC(LIC301) and
P/U referring to “Focus Actuator
operating is abnormal”.
Is there TDRV
signal output in Tracking ON?
(LIC201 pin66)
NO
Is PICK UP
(E, F, G, H) output normal?
(LPM101 pin 8, 5, 9, 4)
YES
YES
NO
* LIC121 pin24 is MOUT1(FEP Monitor1).
After disc recognition action, Monitor port
is off. So, please check TE signal during
disc recognition.

4-9
Recognition Fail Case 1:
CD-ROM Fail
Check Pickup Read Power
was 1.3 ~1.7mW?
Check the Pick-up FFC and LPM101.
Replace the Pick-up.
Go to “Focus Servo is unstable”.
NO
YES
Does Focus Servo
operate normally?
Check Pickup
RF signal LIC121(Pin81)
RFOUT was 2~2.5V?
NO
Go to “LD CHECK”.
YES
NO
Replace LIC121.
YES
Check EQOUTP
waveform (LIC121 Pin 74) was
1.75~2.3V?
NO
Go to “Tracking Servo is unstable”.
YES
YES
Check after replacing LIC201.
It is OK?
NO
OK

4-10
Check Pick-up Read Power
was 1.1~1.3mW.
Recognition Fail Case 2 :
DVD Disc
Go to ‘LD CHECK’.
YES
YES
NO
Is there WBL
(LIC121 pin63) Signal?
Recognition Fail Case 3 :
Blank DVD+R/RW
Replace LIC201.
Replace LIC121.
YES
NO
NO
Is there WBL
(LIC201 pin39) Signal?
YES
NO
Is there RF signal at LIC121
Pin81?
YES
Replace the Pickup.
NO
Replace the LIC121.
Is there
RF signal at LIC121 Pin95(RFP)
and Pin96 (RFN)?
YES
NO
Replace the LIC201.
Check again after the replace
LIC121 It is OK?
OK
Check the connection
between LIC121 and LIC201.

4-11
In case of writing fail.
Normal Case
Check disc label.
Eject disc.
Go to “Writing Part Check”.
Remove the dust,fingerprint and
if the disc has long width scratch,
change it.
Check the media
DVD ±R/RW?
Does the disc
have any dust,scratch,
fingerprint …?
Finalized Disc?
If DVD ±R disc,use new DVD ± R disc.
If DVD ±RW disc,erase the disc.
YES
YES
NO
YES
NO

4-12
Writing Part Check
Load tray with DVD ±R/RW disc.
Press the “REC” key.
Does writing finish
without any error?
Is the written file
read normally?
OK
Eject tray.
Go to “LD CHECK”.
Is the re-written file
read normally?
Check and replace LIC201, LIC121, LIC101.
YES
YES
YES
YES
NO
NO

4-13
LD CHECK
(Laser operating is abnormal)
Perform 6. Optical Power Setting parameter
YES
check from‘How to use Test tool’.
Execute “C.Laser Power Setup”of
“How to use Test Tool”
Check reference voltage.
E
F
G
FPD
W1SET
W2SET
W3SET
Is ALPC parameters
valid?
Perform 5. Optical Power Setting
OFF level
W1SET level &FPD
W2SET level &FPD
W3SET level &FPD
OK
N.G
OK
NO
OK
OK
OK
N.G
N.G
N.G

4-14
CD/DVD ? DVD
CD
Select Mode: CD, Test and perform
Test from 4. LD Test of ‘How to use
Test tool’
Select Mode: DVD, Test and perform
Test from 4. LD Test of ‘How to use
Test tool’
Check the input of CD/DVD.
(pin 10 of LPM 101)
Check the input of CD/DVD.
(pin 10 of LPM101)
Check the input of W1SET.
(pin 12 of LPM101)
Check the input of FPD.
(pin 126 of LIC121)
END
E

4-15
F
Select Mode: DVD, Test and perform
Test from 4. LD Test of ‘How to use
Test tool’
Check the input of CD/DVD.
(pin 10 of LPM101)
Check the input of W2SET.
(pin 13 of LPM101)
Check the input of recording pulse.
(pin 19, 20, 21, 22,23,24 of LPM101)
Check the input of FPD.
(pin 126 of LIC121)
END
G
Select Mode: DVD, Test and perform
Test from 4. LD Test of ‘How to use
Test tool’
Check the input of CD/DVD.
(pin 10 of LPM101)
Check the input of W3SET.
(pin 14 of LPM101)
Check the input of recording pulse.
(pin 19, 20, 21, 22, 23, 24 of LPM101)
Check the input of FPD.
(pin 126 of LIC121)
END

4-16
THE DIFFERENCE OF DVD-R/RW, DVD+R/RW DISCS AND DVD-ROM
1. RECORDING LAYER
0.74 um
3T
0.4 um
• DVD-ROM (Read Only Disc)
• DVD+R/RW Disc

4-17
2. DISC SPECIFICATION
3. DISC MATERIALS
1) DVD-ROM
< Single Layer >
< Dual Layer >

4-18
The format that records data through the creation of recorded marks by changing the organic dye material with a
laser beam.
[ Recording ]
Recording is done by changing the organic dye layer and the substrate with a laser When a strong laser is applied
to a disc, the temperature of the organic dye material goes up, the dye is decomposed and the substrate changes
at the same time. At this time, a durable bit is created as is the case with a CD-ROM.
[ Playback ]
Signals are read with the differences of the reflection of a laser from pits.
2) Recording format using organic dye material
( DVD-R / DVD+R )
Disc structure
Recording principles

4-19
• Data is recorded by changing the recording layer from the amorphous status to the crystalline status, and played
back by reading the difference of the reflection coefficient.
Amorphous: Non-crystalline.
[ Recording ]
When a high-power laser is applied to the recording material, it melts and then becomes amorphous with a low
reflection coefficient when it quickly cools off. When a mid-power laser is applied to heat gradually the recording
material and then gradually cools it off, it becomes crystal with a high reflection coefficient.
[ Playback ]
A low-power laser is used for playback. The amount of reflected light depends on the status (amorphous or crys-
talline) of the recording material. This is detected by an optical sensor.
3) Recording format using phase-change recording material
( DVD-RW / DVD+RW )
Disc structure
Recording principles

4-20
To make recordings, it is necessary to modulate the write pulse, which is called “Write Strategy”.
There can be many types in Write Strategy. Typically Write Strategy for DVD ±R has NMP(Non Multi-Pulse) type and
MP(Multi-Pulse) type. In NMP type each single mark is created by subsequent separated short pulses. In MP type each
single mark is created by one continuous pulse.
Write Strategy for DVD ±RW has Type 1 and Type2. In Type 1 the mark with nT width is created by one top pulse and (n-2)
multi-pulses. Thus mark 3T is made by one top pulse and one multi-pulse. In Type 2 the mark with nT width is created by
one top pulse and (n-3) multi-pulses. Thus mark 3T is made by one top pulse only.
RL-02A uses MP type Write Strategy for DVD ±R and Type 1 for DVD ±RW as shown below.
Po :Write Power (Peak Power)
Pe :Erase Power
Pb :Bias Power
Recording data Twd (3T )
Twd ( 8T )
Ttop
Tmp
Po
Ttop
Zero Level Pb
Write pulse
for DVD R
Ttop Ttop
Tmp
Po
Pb
Pe
Write pulse
for DVD RW Tmp
Zero Level
Tcl Tcl

4-21
Inner Disc Test Zone : fo r performing OPC procedures.
Inner Disc Count Zone : For counting the number of OPC algorithm performed in IDT Zone.
Outer Disc Test Zone : for performing OPC procedures.
Outer Disc Count Zone : For counting t he number of OPC algorithm performed in IDT Zone.
2) Layout of DVD+R disc
1) Layout of DVD-ROM disc
Information Zone
Center
holeClamping
Zone
Diameter 120 mm
Diameter 15mm
Data ZoneLead-in Zone Lead-out Zone
Read Only Disc
Disc Center
Diameter 16mm
Diameter 22mm
3th transition
area
Diameter 33mm
Diameter 44mm
1th transition area
2th transition areaRim
area
Data Zone
Lead-in
Zone
Inner Drive
Area
Unrecorded Disc
Outer Drive
Area
Inner Disc
Test Zone
in
27080H 28480H
Information Zone
Center
holeClamping
Zone
Diameter 120 mm
Diameter 15mm
Disc Center
Diameter 16mm
Diameter 22mm
3th transition
area
Diameter 33mm
Diameter 44mm
1th transition area
2th transition areaRim
area
Lead-out
Zone
23080H
PSN :
Inner Disc
Count Zone
27480H2A480H 30000H
out
Outer Disc
Test Zone
261940H 263940H
260540H
Outer Disc
Count Zone
262940H 267940H
4. ORGANIZATION OF THE INNER DRIVE AREA, OUTER DRIVE AREA,
LEAD-IN ZONE AND LEAD-OUT ZONE

4-22
Inner Disc Test Zone : fo r performing OPC procedures.
Inner Disc Count Zone : For counting the number of OPC algorithm performed in IDT Zone.
Outer Disc Test Zone : for performing OPC procedures.
Outer Disc Count Zone : For counting the number of OPC algorithm performed in IDT Zone.
3) Layout of DVD+RW disc
Data Zone
Lead-in Zone
Unrecorded Disc
Lead-out Zone
Inner Disc
Test Zone
in
2A7C80H 2DC80H
Information Zone
Center
holeClamping
Zone
Diameter 120 mm
Diameter 15mm
Disc Center
Diameter 16mm
Diameter 22mm
3th transition
area
Diameter 33mm
Diameter 44mm
1th transition area
2th transition areaRim
area
2A480H
PSN :
Inner Disc
Count Zone
30000H
out
Outer Disc
Test Zone
265940H
260540H
Outer Disc
Count Zone
262940H 266140H

4-23
4) Layout of DVD-R/RW disc
Data Recordable Area
Lead-in
Area
R-Information
Area
Information Area
PCA
(Power Calibration
Area)
in
203B0H 22F90H
Unrecorded Disc
Center
holeClamping
Area
Diameter 120 mm
Diameter 15mm
Disc Center
Diameter 16mm
Diameter 22mm
3th transition
area
Diameter 33mm
Diameter 44mm
1th transition area
2th transition areaRim
area
Lead-out
Area
1E800H
PSN :
RMA
(Recording
Management Area)
203C0H22FA0H 30000H

4-24
HOW TO USE TEST TOOL
1. ALPC MEASUREMENT SYSTEM
We need basically several measurement instrument to adjust Optical Power of CD and DVD Disc
• ESSENTIAL INSTRUMENT
1) Optical Power meter & Sensor (ADVANTEST, TQ8230/Q82014A)
2) Personal Computer
3) Adjustment Program (Dragon or ALPC) --> being recommended ALPC Program in case of SVC
• OPTIONAL INSTRUMENT
1) USB-ATAPI Interface (if you don’t have Notebook which has ATAPI Interface or use PC USB Port)
2) Connector-ATAPI Interface Board
2. ALPC PROGRAM
Use the ALPC program in Dragon tool for Optical power setting. It is consist of total 4 files.
Dragon_JW3P.exe
dragon.cfg
blue.dat
WNASPI32.DLL
Four files must exist in same Directory.
Personal Computer
(Desktop or Notebook)
Loader Ass’y
USB-ATAPI
Interface
Optical
Power Meter

4-25
3. EXECUTE ALPC PROGRAM
1) Execute Dragon_JW3P.exe file.
2) Enter the password. It is ‘qaz’.
When you enter the password, turn off the ‘Caps lock’in your keyboard.
3) Set up the target device.
Press ‘ATAPI’button on the main dialog of Dragon tool. And find the target device which is
GDA-4164L.

4-26
4) If the target device setting is completed, execute the ‘Setup Laser Power(Manual)’in the ‘Alpc/Opc’menu.
CD/DVD selection ‘WriteScribe’function
(don’t use it.)
Laser Read power on
Laser off
Erase power on
multi pulse power onNon multi pulse power on
‘WriteScribe’function
(don’t use it.) Set up the laset power
parameter after finishing power
measurement
Laser power setup
parameter

4-27
4. OPTICAL POWER SETTING
<Test for checking DVD LD and CD LD>
When you change the Travers ass°Øy(including pick-up) or loader PCB, you must do the laser power setting to match
pick-up and loader PCB.
1) DVD LD power setting
•Select the DVD in the ‘Select Laser Diode’
•Press (Read Power On, Strong Read light)
•Measure optical read Power.
•Write read power value.
•In case of ,
you are able to measure the power through same procedure.
(caution) Don’t watch light directly.
•When you finish optical power measurement,
press button(LD Off).
•Press button.(save to ERPROM)
2) CD LD Power Setting
•Select the CD in the ‘Select Laser Diode’
•Press .
•Measure optical read Power.
•Write Read Power value.
•Press button(save to ERPROM)
*** In case of CD power setting of RS-01A, loader don’t need to set up
write power.
Although NMP, MP,Erase and HC power is N.G when you press setup,
please ignore the N.G message.
Because of RS-01A only support reading function about CD-R/RW.
* Look at reference sheet to test Optical Power.
**Power value is ß— unit. Value is read power X 100.
VRDC
VRDC
NMP MP ERASE
LD Off
Setup
Setup

4-28
5. CONFIRM OPTICAL POWER SETTING PARAMETER
LD Test result is ok, but Loader performance is bad.
1. Check ALPC parameter value
1) Press button to open ‘Results Display’dialog.
2) Press button.
- We can see optical power setting value.
- Write optical Power Setting value to paper.
- Adjust power setting again.
- Compare original parameter to new parameter.
- if parameter value is different highly, original
value is wrong or optical power may change.
- But pick-up LD test is all ok , just adjust optical
power setting again.
Normal range of ALPC parameter
Optical power value which has been saved in the
EEPROM
++
ALPC Para
1)
2)

4-29
6. OPTICAL POWER SETTING PARAMETER RANGE
[VALID ALPC Parameters]
<DVD>
1) DVD-R READ Reference DAC : 40 ~145
2) DVD-RW READ Reference DAC : 40 ~145
3) VWDC1 : 30 ~ 100
4) VWDC1 Offset : 0 ~ 20
5) VWDC2 : 40 ~ 140
6) VWDC2 Offset : 0 ~ 20
< CD >
1) CD-R READ Reference DAC : 30 ~150
2) CD-RW READ Reference DAC : 80 ~ 250
3) VWDC1 : 10 ~ 39
4) VWDC1 Offset : 0 ~ 20
5) VWDC2 : 20 ~ 57
6) VWDC2 Offset : 0 ~ 20

4-30
7. ATTACHMENT. OPTICAL POWER MEASUREMENT
Optical Power measurement is to adjust LD power from Pick-up
To measure optical power, LD status is on. Other light affects to optical power.
Avoid other light to measure exact power
Generally headlight power is about 50µW, Sun power is about 100mW.
Optical Power measurement method
1. Fit optical Power Meter λ(wavelength) value to DVD.(generally 660nm)
2. DVD LD On.
3. Approach power sensor to Pick-up Lens about 3mm vertically. Fix Lens and Sensor mark position.
4. Read Monitor value. (move sensor read just a little and read max value.)
(caution) unit is mW.
5. Write monitoring value x 100. Only an integer.
6. Fit opticcal Power Meter λ(wavelength) value to CD.(generally 780nm)
7. CD LD On.
8. 3 ~ 5 recheck.
Display Part

4-31
INTERNAL STRUCTURE OF THE PICK-UP
1. BLOCK DIAGRAM OF THE PICK-UP(LPC-812R)
7
RF- SW
EF3
C
VC
VCC
D
GND
RF+
EF2
B
A
EF1
EF4
VREF VCC
GND
STB
SW
OUT
NC
CW
CW
CDO
DVDO
IN
ENA E3
VCC SEL DVD_LD CD_LD
VCC
OSC
NE4
E4
NE3
CXA2694N
PD4CI
CP0076AH
8
1VC(PDIC)
2VCC(PDIC)
3GND(PDIC)
4EF4
5EF1
6A
7B
8EF2
9EF3
10 C
11 D
12 SW(PDIC)
13 RF+
14 RF-
15 SW(FM)
16 VCC(FM)
17 GND(FM)
18 VREF(FM)
19 FM_OUT
20 TEMP
21 GND
Themester 22 W1DISN
23 W1DIS
24 W2DISN
25 W2DIS
26 W3DISN
27 W3DIS
28 OSCEN
29 GND
30 GND
31 VCC
32 W3SET
33 W2SET
34 W1SET
35 RSET
36 OUTSET
37 ENABLE
38 VCC
39 GND
40 F+
Focus
Actuator
TILT
TRACK
41 F-
42 TILT+
43 TILT-
44 T+
45 T-
9
10
11
12
13
14
6
5
4
3
2
1
10 1
2
3
4
5
9
8
7
6
13 6
NE2
5
E2
4
ER
3
RFA
2
RFB
1
OUTB
14
RSA
15
GND
16
RSB
17
OUTA
18
12
19
VCC
20
IR
21
I2
22
I3
I4
23
24
11
10
9
8
7

4-32
2. PICK UP PIN ASSIGNMENT
No. Pin Name Signal Description
45 T- Tracking Actuator drive signal-
44 T+ Tracking Actuator drive signal+
43 Tilt- Tilting Actuator drive signal-
42 Tilt+ Tilting Actuator drive signal+
41 F- Focusing Actuator drive signal-
40 F+ Focusing Actuator drive signal+
39 GND(LDD) Ground connection for LDD
38 VCC(LDD) Power supply for LDD
37 ENABLE Disables output current regardless of OUTEN(ENABLE Low:No lout)
36 OUTSEL High:selects DVD LD, Low:CD LD
35 RSET Input voltage for current amplifier
34 W1SET Input voltage for current amplifier
33 W2SET Input voltage for current amplifier
32 W3SET Input voltage for current amplifier
31 VCC(LDD) Power supply for LDD
30 GND(LDD) Ground connection for LDD
29 GND(LDD) Ground connection for LDD
28 OSCEN TTL control for Oscillator Enable (High Enable)
27 W3DIS LVDS control for output current (High Enable)
26 W3DISN LVDS control for output current (Low Enable)
25 W2DIS LVDS control for output current (High Enable)
24 W2DISN LVDS control for output current (Low Enable)
23 W1DIS LVDS control for output current (High Enable)
22 W1DISN LVDS control for output current (Low Enable)
21 GND(FPD) Ground connection for PDIC, FPD, TEMP
20 TEMP Output voltage for controlling temperature
19 FPD-OUT APC amplifier output
18 VREF(FPD) APC amplifier reference voltage output
17 GND(TEMP) Ground connection for PDIC, FPD, TEMP
16 VCC(FPD) Power supply for FPD
15 SW2(FPD) FPD output gain Select (High : CD, Low:DVD)
14 RF- Signal PDIC RF negative differential output
13 RF+ Signal PDIC RF positive differential output
12 SW1(PDIC) PDIC output gain Select (L/M/H)
11 D Signal PDIC output D
10 C Signal PDIC output C
9EF3
Signal PDIC output EF3
8EF2
Signal PDIC output EF2
7B
Signal PDIC output B
6A
Signal PDIC output A
5EF1
Signal PDIC output EF1
4EF4
Signal PDIC output EF4
3 GND(PDIC) Ground connection for PDIC, FPD, TEMP, LDD
2 VCC(PDIC) Power supply for PDIC(+5V)
1 VC(PDIC) Reference voltage input for PDIC)

4-33
1
) Focus Error Signal ==> (A+C)-(B+D)
This signal is generated in RF IC (LIC121 : AN22113A) and controls the pick-up’s up and down to focus on
Disc.
2
) Tracking Error Signal (DPP Method) ==> {(A+D)-(B+C)}- kx {(EF1+EF4)-(EF2+EF3)}
This signal is generated in RF IC (LIC121 : AN22113A) and controls the pick-up’s left and right shift to find
to track on Disc.
3
) RF Signal ==> (A+B+C+D)
This signal is converted to DATA signal in DSP IC (LIC201 : MN103SA6G).
Pick-Up module
Photo Diode Tracking
Focusing
Infrared Iaser
k[(F+H) - (E+G)]
(A+D) - (B+C)
(A+D) - (B+C) - k[(F+H) - (E+G)]
Offset
TE
Tp
Sub2
Main
Tp/2 Sub1
Track Center
F,E
D,C
A,B
H,G
3. SIGNAL DETECTION OF THE P/U

4-34
DESCRIPTION OF CIRCUIT
1. ALPC (AUTOMATIC LASER POWER CONTROL) CIRCUIT
1-1. BLOCK DIAGRAM
1-2. ALPC (AUTOMATIC LASER POWER CONTROL) CIRCUIT OPERATION
THE ALPC BLOCK DETECTS THE LASER OUTPUT POWER OF THE FRONT MONITOR. THE POWER SIG-
NAL DETECTED WITH THE PD FOR FRONT MONITOR
DETECTION IS INPUT THE VOLTAGE FROM THE VPD PIN(123PIN) OR THE FPDM PIN(127PIN), THE REF-
ERENCE SIGNAL OF THE INPUT SIGNAL IS
INPUT FROM THE VREFPD PIN(124PIN). THE ALPC BLOCK GENERATES THE SINGALS FROM THE INPUT
LASER POWER SIGNALS IN THE
FOLLOWING DETECTION SYSTEMS. THIS BLOCK HAS FOUR DETECTION PATHS:ALL AVERAGE VALUE
PATH, MULTI PULSE AVERAGE/PEAK VALUE
DETECTION PATH, ERASE/BOTTOM VALUE DETECTION PATH, SPACE/PLAYBACK POWER VALUE
DETECTION PATH.
MN103SA6G
Write
Strategy
LIC 201
LPM 101
Optical
Pick-up
LPC-812R
LD PD
LDD
Serial
I/F
D/A
D/A
D/A
D/A
D/A
D/A
M
P
X
LIC 121 AN22113A
APC
19 A/D
ADSC
S/H
Signal
FM 123
VPD
127 FPDM
124
VREFPD
40 41 42
SH1
SH2SH3
VGA
LPF
Ave
Erase
Space
VGA
S/H2
S/H3
S/H1

4-35
DESCRIPTION OF CIRCUIT
2. FOCUS/TRACKING/SLED SERVO CIRCUIT
2-1. FOCUS, TRACKING & SLED SERVO PROCESS
F
E
DC
AB
H
G
Pick-up
Focus Error
Detector
Focus Error
Detector
A,B,C,D
A,B,C,D
E,F,G,H
A,B,C,D
E,F,G,H
IC121 AN22113A
FE
TE
LIC201
Servo Control
MN103SA6G
TE FE
A/D
D
A
C
SLED
COMPENSATOR
A/D
PARALLEL
DIGITAL
COMPENSATOR
SDRV
60
64
66
67
STEP2
STEP1
LIC301 BD7956FS
29
30
M
Stepping Motor
Logic
A+
37 38 40 39
A- B- B+
Tracking Focusing
Actuator
T- T+ F- F+
5
4
LEVEL SHIFT
FDRV
TDRV
LEVEL SHIFT
53 54 51 52
Focus, Tracking, Sled Servo

4-36
DESCRIPTION OF CIRCUIT
2. FOCUS/TRACKING/SLED SERVO CIRCUIT
2-1. FOCUS, TRACKING & SLED SERVO PROCESS
OPU
PDIC
S-DPWM 10bit
100/50 MHz
S-DPWM 10bit
100/50 MHz
ADC
INT
R
On/Off BD7956
Drive IC
AN22113
FEP
R
On/Off
16 bit
Timer
RFOUT
Track
Focus
Internal u-P(F/W)
Need to change to 16bit
MN103SA6G MECHANISM

4-37
DESCRIPTION OF CIRCUIT
3. SPINDLE SERVO CIRCUIT
3-1. SPINDLE SERVO PROCESS
F
E
DC
AB
H
G
Pick-up
Wobble Signal
Generator
RF
LIC121 AN22113A
WBLIN
EFM
SRF
SERVO DSP
Phase Controller
Frequency
Controller
68
SPDRV
LIC201 MN103SA6G
LIC301 BD7956FS
M
Spindle Motor
Level Shift

4-38
MAJOR IC INTERNAL BLOCK DIAGRAM
LIC121 (AN22113A) : FEP(RF) ANALOG SIGNAL PROCESSOR
• PIN ASSIGNMENT
CDRFP 97
CDRFN 98
CDHPF 99
DLY1 100
DLY2 101
GND2 102
FO1 103
FO2 104
TR1 105
TR2 106
TR3 107
TR4 108
109
110
VCC1 111
GND6 112
VREF 113
SVREF 114
VCC3 115
AIN 116
BIN 117
118
119
EIN 120
FIN 121
122
123
DACOUT 124
VREF08 125
VPD 126
NC
NC
NC
NC
NC
NC
NC
VREFPD
127
GND3
128
1
ROPCIN 2
APCAAF1 3
APCAAF2 4
APCAAF3 5
CPCAPH 6
CPCABH 7
NC
NC
8
STMD 9
STMDN 10
11
CBDOF 12
CBDOS 13
CHPOFT 14
SEO1 21
SEO2 22
MOUT0 23
MOUT1 24
COFTR 15
VCC6 16
VHALF 17
CTC 18
CXDPH1 19
CXDPH2 20
MOUT2 25
GND1 26
PO0 27
PO1 28
PO2 29
PO3 30
PO4 31
PO5 32
PO6
33
STMOUT
39 TC
40
OFTR
41 BDO
42
VCC51
43 GND5
44 WTGT
45
PIO0
34
PIO1
35
PIO2
36 PIO3
37
FEPIDGT/SH6
46 NC
47
WIDGT/SH4
48 SH3
49 SH2
50
SH1
51
SH5
52
VCC4
53 SEN
54 SCK
55
SDAT
56
RSEN
57
RSDAT
58 VCC52
59
GND4
60
ASENV/LPPM
61 LPPS
62
WBL
63 CLUMPGT
64
PAD065
PAD1
66 PAD2
67
PAD3
65
PAD4
69 PAD5
70
PAD6
71 PAD7
72
CLPPPH
82 CLPPHPF
83
CBPFAGC
84 CWBLCMP
85
CRWAGC
87 CRWCMP
88
CWBLVGA2
89 CWBLVGA1
90
CWAGC2
91 CWAGC1
92
CWBLHPF2
93 CWBLHPF1
94
RFP
95 RFN
96
FLTAMP
75
RFIN2
76 RFIN1
77 HDVREF
78
CWBLBUF
79 VCC2
80
EQOUTP
74
RFOUT
81
AIDENV/WBLDIF
86
EQOUTN
73
PIO4
38
AN22113A
(Top View)
128Pin TQFP
TQFP-128-P-1414A

4-39
MAJOR IC INTERNAL BLOCK DIAGRAM
LIC121 (AN22113A) : FEP(RF) ANALOG SIGNAL PROCESSOR
• BLOCK DIAGRAM
Input Block
TEC Block
LPOS Block
WBL/LPP Block
OFTR Block
OPC&ASENV
Block
RFEQ Block JLINE Block LOGIC Block
APC Block
MPX Block
FIN
STMD STMDN STMOUT SE01 SE02 TC
WBLDIF
ASENV/
LPPM
LPPS
WBL
OFTR
VPD
FPDN
SDAT
SCK
SEN
RSDAT
RSEN
EIN
TR3
TR4
AIN/TR1
B
IN/TR2
HIN/Fo1
GIN/Fo2
VREF
CD/DVD
Switch
S/H
&
VGA
MPX MPX
MPX
MPX
MPX
MPX
MPX
DPD Block
TCTI Block
BDO Block
FOCUS
PPTE
Block
VREF
Block
RF Gene Block
GATE
Block
Operation Circuit
SMFEP
SDAAOUT
SDABOUT
SPLAOUT
SDACOUT
SDADOUT
SPLBOUT
SRFMA
SRFMD
SRFMB
SRFMC
SMTEP
SMTEN CHP0FT COFTR
SLP14
SLP23
SMFEPN
SSFEP
SSFEPN
SMTEP
SMTEN
SSTEP
SSTEN
SDAAOUT
SDABOUT
SDACOUT
SDADOUT
SDPDTEP
SRFMA
SRFMD
SRFMB
SRFMC
SDPDTEN
SPLAOUT
SPLBOUT SPOF
TCOP TCO
TCON
TIOP TIO
SBDOAS
TION
VGA
VGA COMP.
PK
ENV
PK
ENV
COMP.
VGA/
Bypass
VGA/
Bypass
M
P
X
M
P
X
DPD TE
Dtetction
TC/TI
Dtetction
HDVREF
VHALF
VREF08
RFP
CDRFP
RFN
CDRFN
BDO
RF OUT
RFIN1
RFIN2 EQOUTP EQOUTN
VREF
GATE
All
Sum
VG
A
Group delay
compensation
SW
To
Each Block PK
ENV
VGA COMP.
Lve1
Shift
LPF
MPX
TECENV
SLPOS2
SLP23
SLP14
LPF
SLPOS1
SSTEP
SSTEN
VGA S/H VGA VGA WBL
Detection
LPP
Detection
BAL
BAL
AGC/
Bypass
AGC/
Bypass
S/H VGA
Amp COMP.
VGA
VGA
VGA
VGA
S/H VGA
LPF
Bypass
+
-+
+
-
-
+
+
++
_
_
+
+
_
_
+
LPF
PK
ENV
BT
ENV
ATT
Amp EQ 0FST
To
Each Block To Each Block
To MPX
JLINE LOGIC
COMP.
CLMP.
-
VGA
VGA
VGA S/H
S/H
S/H LPF/
Bypass
ATT SEL

4-40
MAJOR IC INTERNAL BLOCK DIAGRAM
LIC121 (AN22113A) : FEP(RF) ANALOG SIGNAL PROCESSOR
• BLOCK DIAGRAM
FEP
LDD
F
EP
DRC
CD
SERVO
ADSC
CD
REC PERIPHERAL
32 bit CPU
ANALOG CPU BCU
FMT
HOST
16.9MHz
SDRAM
16 Mbit
64 Mbit
Falsh
ROM
2 Mbyte
ECC
HOST
I/F

4-41
IC301 (BD7956FS) : CD-ROM/DVD-ROM 7CH POWER DRIVER
• BLOCK DIAGRAM
LEVEL
SHIFT
LEVEL
SHIFT BOTTOM
HOLD
Current
Limit
FF
FF
TSD
Tjmonitor
LIMIT
LIMIT
HB
PWM Hall matrix
50k
100k
50k
50k
100k
100k
100k
LEVEL
SHIFT LEVEL
SHIFT PRE
LOGIC PRE
LOGIC
STBY/
BRAKE
CONTROL
FG
FG
fin
fin
OSC
50k
47k
33.6k
33.6k
154
LDO- ACO1+
53 ACO1-
52 ACO2+
51 ACO2-
50 ACO3+
49 ACO3-
48 AV
47 ACTIN3
46 LDIN
45 AGND
44 SPCNF
43 FG
42 V
41 fin
40 SLO1+
39 SLO1-
38 SLO2+
37 SLO2-
36 SLGND
35 CTL2
34 CTL1
33 SLRNF2
32 SLRNF1
31 SLVDD
C
M
30 SLIN2
29 SLIN1
28 DVcc
2
LDO+
3
Vcc
4
ACTIN1
5
ACTIN2
6
TJMON
7
BTHC
8
S
PVM_S
9
PGND1
10
PGND2
11
U
12
SPV 1
13
V
M
M
14
fin
15
PGND3
16
W
17
SPV 2
18
SPRNF
19
HB
20
HU+
21
HU-
22
HV+
23
HV-
24
HW+
25
HW-
26
SPIN
27
DGND


4-42 4-43
CIRCUIT DIAGRAMS
1. DSP CIRCUIT DIAGRAM
A B C D E F G H I J K L M N O P Q RST

4-44 4-45
2. RF CIRCUIT DIAGRAM
A B C D E F G H I J K L M N O P Q RST

4-46 4-47
3. DRIVE CIRCUIT DIAGRAM
A B C D E F G H I J K L M N O P Q RST

10 0.00
11 -
12 12.65
13 -
14 0.00
15 0.00
16 -
17 12.65
18 12.65
19 4.99
20 4.98
21 4.99
22 4.98
23 4.98
24 4.98
25 4.98
26 1.65
27 0.00
28 5.00
29 1.69
30 1.52
31 12.64
32 12.64
33 12.64
34 0.00
35 0.00
36 0.00
37 0.37
38 1.09
39 1.10
40 1.11
41 0.00
42 1.65
43 4.99
44 0.00
45 0.00
46 1.65
47 1.62
48 4.99
49 0.32
50 0.33
51 0.32
52 0.32
53 0.32
54 0.33
1 4.99
2 0.79
30
4 1.17
5 3.29
10
11
12
13
14
15
16 PULSE
17 PULSE
18 PULSE
19 PULSE
20 PULSE
21 PULSE
22 PULSE
23 PULSE
24 PULSE
25 PULSE
26 PULSE
27 0.00
28 PULSE
29 PULSE
30 PULSE
31 PULSE
32 PULSE
33 PULSE
34 PULSE
35 PULSE
36 PULSE
37
38 PULSE
39 PULSE
40 PULSE
41 PULSE
42 PULSE
43 PULSE
44 PULSE
45 PULSE
46 0.00
47
48 PULSE
1 3.28
2 4.99
3 0.00
4 0.00
5 3.00
1-
2-
3 12.65
4 1.65
5 1.65
6 0.58
7 11.80
8 12.64
9 0.00
6 PULSE
7 3.29
8 PULSE
9 PULSE
10 0.00
11 PULSE
12 PULSE
13 3.29
14 PULSE
15 PULSE
16 PULSE
17 PULSE
18 0.00
19 PULSE
20 PULSE
21 PULSE
22 PULSE
23 PULSE
24 PULSE
25 3.28
26 0.00
27 PULSE
28 PULSE
29 PULSE
30 PULSE
31 PULSE
32 PULSE
33 PULSE
34 PULSE
35 PULSE
36 PULSE
37 PULSE
38 3.29
39 PULSE
40 PULSE
41 0.00
42 PULSE
43 PULSE
44 3.29
45 PULSE
46 PULSE
47 0.00
48 PULSE
49 PULSE
50 0.00
1 PULSE
2 PULSE
3 PULSE
4 PULSE
5 PULSE
6 PULSE
7 PULSE
8 PULSE
9 PULSE
168 PULSE
169 PULSE
170 PULSE
171 PULSE
172 PULSE
173 PULSE
174 PULSE
175 0.00
176 3.29
177 PULSE
178 PULSE
179 PULSE
180 PULSE
181 PULSE
182 PULSE
183 PULSE
184 PULSE
185 PULSE
186 PULSE
187 PULSE
188 PULSE
189 PULSE
190 PULSE
191 PULSE
192 1.17
193 PULSE
194 PULSE
195 PULSE
196 PULSE
197 PULSE
198 PULSE
199 PULSE
200 PULSE
201 PULSE
202 PULSE
203 3.28
204 0.00
205 3.26
206 3.26
207 0.00
208 0.00
209 0.00
210 OSC
211 OSC
212 3.28
213 0.00
214 0.00
215 0.00
216 3.28
1 3.29
2 PULSE
3 PULSE
4 0.00
5 PULSE
77 2.19
78 2.19
79 2.16
80 4.98
81 2.18
82 2.96
83 2.14
84 2.79
85 2.21
86 2.49
87 2.85
88 2.20
89 2.16
90 2.19
91 2.19
92 2.19
93 1.68
94 1.67
95 2.37
96 2.37
97 2.19
98 2.19
99 1.62
100 1.49
101 1.44
102 0.00
103 1.65
104 1.65
105 1.65
106 1.65
107 1.65
108 1.65
109 0.00
110 0.00
111 4.96
112 0.00
113 1.65
114 1.65
115 4.96
116 1.65
117 1.65
118 0.00
119 0.00
120 1.65
121 1.66
122 0.00
123 0.00
124 2.51
125 0.81
126 2.50
127 0.00
128 2.50
1 1.65
2 1.19
4-48 4-49
CIRCUIT VOLTAGE CHART
STATE
MODE
PIN NO.
LIC101
LIC121
1 3.29
2 0.00
3 3.28
4 0.00
5 4.99
6 0.00
7 0.00
8 4.98
9 0.00
10 4.99
11 0.00
12 0.00
13 0.00
14 4.99
15 0.00
16 1.09
17 3.28
18 0.00
19 4.99
20 0.00
21 0.00
22 0.00
23 0.00
24 0.00
25 0.00
26 0.00
27 0.00
28 4.97
29 0.00
30 3.29
31 0.36
32 0.00
1 0.00
2 0.00
3 1.69
4 1.64
5 1.66
6 2.67
7 2.60
8 0.00
9 0.00
10 1.65
11 0.00
12 0.25
13 1.58
14 1.82
15 2.20
16 3.29
17 1.65
18 1.56
19 0.00
20 2.50
21 1.42
STATE
MODE
PIN NO.
22 1.57
23 1.33
24 1.10
25 1.33
26 0.00
27 0.00
28 3.30
29 0.00
30 0.00
31 0.00
32 0.00
33 0.00
34 0.00
35 3.20
36 3.29
37 0.00
38 0.00
39 0.00
40 0.00
41 1.61
42 3.29
43 3.30
44 0.00
45 0.00
46 0.00
47 0.00
48 0.00
49 0.00
50 0.00
51 0.00
52 0.00
53 4.96
54 1.23
55 1.65
56 1.62
57 1.65
58 0.61
59 3.29
60 0.00
61 0.00
62 0.00
63 2.95
64 3.29
65 1.21
66 1.34
67 1.16
68 1.34
69 1.35
70 0.50
71 0.70
72 0.00
73 2.03
74 2.03
75 2.14
76 0.30
STATE
MODE
PIN NO.
LIC201
STATE
MODE
PIN NO.
3 1.64
4 1.18
5 1.65
6 1.19
7 0.14
8 0.00
9 3.30
10 1.65
11 1.65
12 0.00
13 1.50
14 2.19
15 3.30
16 0.27
17 0.27
18 0.23
19 0.00
20 0.25
21 0.00
22 1.43
23 1.57
24 0.00
25 2.01
26 3.29
27 3.28
28 2.24
29 1.73
30 1.29
31 2.02
32 2.03
33 3.28
34 0.85
35 0.00
36 3.28
37 0.00
38 0.00
39 2.95
40 0.00
41 0.00
42 0.00
43 0.00
44 0.00
45 0.00
46 3.29
47 3.29
48 0.00
49 0.00
50 0.00
51 0.00
52 0.70
53 0.00
54 0.00
55 3.29
56 0.56
57 0.00
STATE
MODE
PIN NO.
58 1.17
59 0.00
60 3.27
61 1.65
62 1.65
63 1.06
64 0.00
65 0.20
66 1.65
67 0.00
68 1.69
69 1.52
70 1.65
71 5.00
72 1.23
73 1.63
74 1.60
75 1.50
76 0.61
77 3.28
78 0.00
79 3.26
80 2.80
81 2.14
82 2.67
83 0.00
84 1.17
85 3.27
86 2.82
87 2.20
88 2.40
89 2.70
90 2.20
91 2.70
92 2.20
93 2.20
94 2.20
95 0.00
96 3.28
97 2.20
98 2.18
99 2.18
100 2.17
101 0.00
102 3.27
103 2.15
104 0.00
105 3.27
106 0.00
107 4.96
108 0.00
109 4.96
110 0.00
111 1.66
112 0.00
STATE
MODE
PIN NO.
113 0.00
114 4.96
115 3.28
116 3.25
117 0.00
118 PULSE
119 PULSE
120 PULSE
121 PULSE
122 PULSE
123 PULSE
124 PULSE
125 PULSE
126 PULSE
127 PULSE
128 PULSE
129 PULSE
130 PULSE
131 PULSE
132 PULSE
133 PULSE
134 0.00
135 1.17
136 3.29
137 3.29
138 3.29
139 3.29
140 3.29
141 2.68
142 3.28
143 0.00
144 0.00
145 0.00
146 PULSE
147 PULSE
148 PULSE
149 PULSE
150 0.00
151 3.29
152 PULSE
153 PULSE
154 PULSE
155 PULSE
156 PULSE
157 PULSE
158 PULSE
159 PULSE
160 PULSE
161 PULSE
162 PULSE
163 PULSE
164 PULSE
165 PULSE
166 PULSE
167 PULSE
STATE
MODE
PIN NO.
LIC261
STATE
MODE
PIN NO.
LIC262
STATE
MODE
PIN NO.
LIC271
LIC301
STATE
MODE
PIN NO.
LIC401

4-50 4-51
PRINTED CIRCUIT DIAGRAMS
1. MAIN P.C.BOARD (TOP VIEW)

4-52 4-53
2. MAIN P.C.BOARD (BOTTOM VIEW)