DC TS760_UK,XE .\.._.... DCTS760
User Manual: DCTS760
Open the PDF directly: View PDF
.
Page Count: 50

FILE NO.
Service Manual
CONTENTS
DVD Home Theater System DC-TS760
PRODUCT CODE No.
129 656 03 UK
129 656 04 XE
REFERENCE No. SM5810382
Specification .......................................................................... 1
Laser beam safety precaution ............................................... 2
Mechanism replacement ....................................................... 2
Trouble shooting ................................................................... 5
Service mode ........................................................................ 9
How to load software for MPEG P.W.Board ......................... 12
Tuner Adjustment .................................................................. 13
Exploded View (Cabinet & Chassis) ..................................... 14
Parts List ............................................................................... 15
Exploded View (DVD Mechanism) ........................................ 20
Parts List ............................................................................... 20
IC Block Diagram & Description ............................................ 21
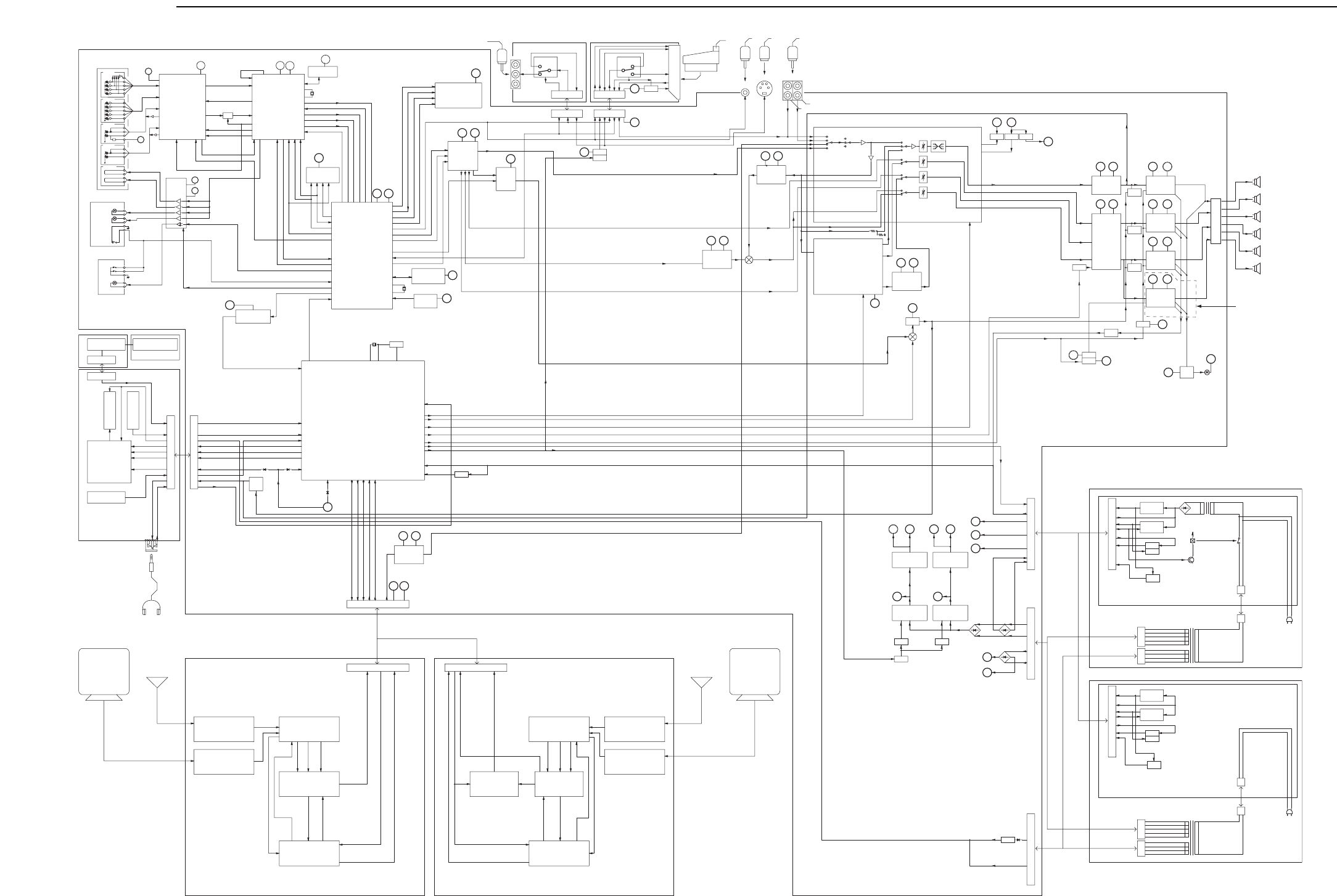
Block diagram ....................................................................... 36
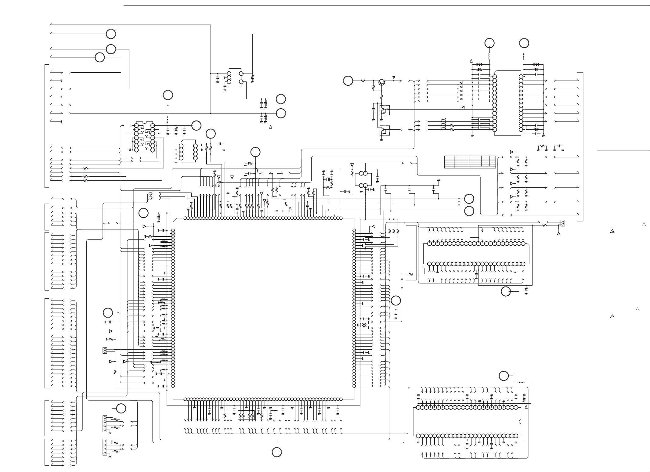
Schematic Diagram (DVD) .................................................... 38
(UK)
(XE)
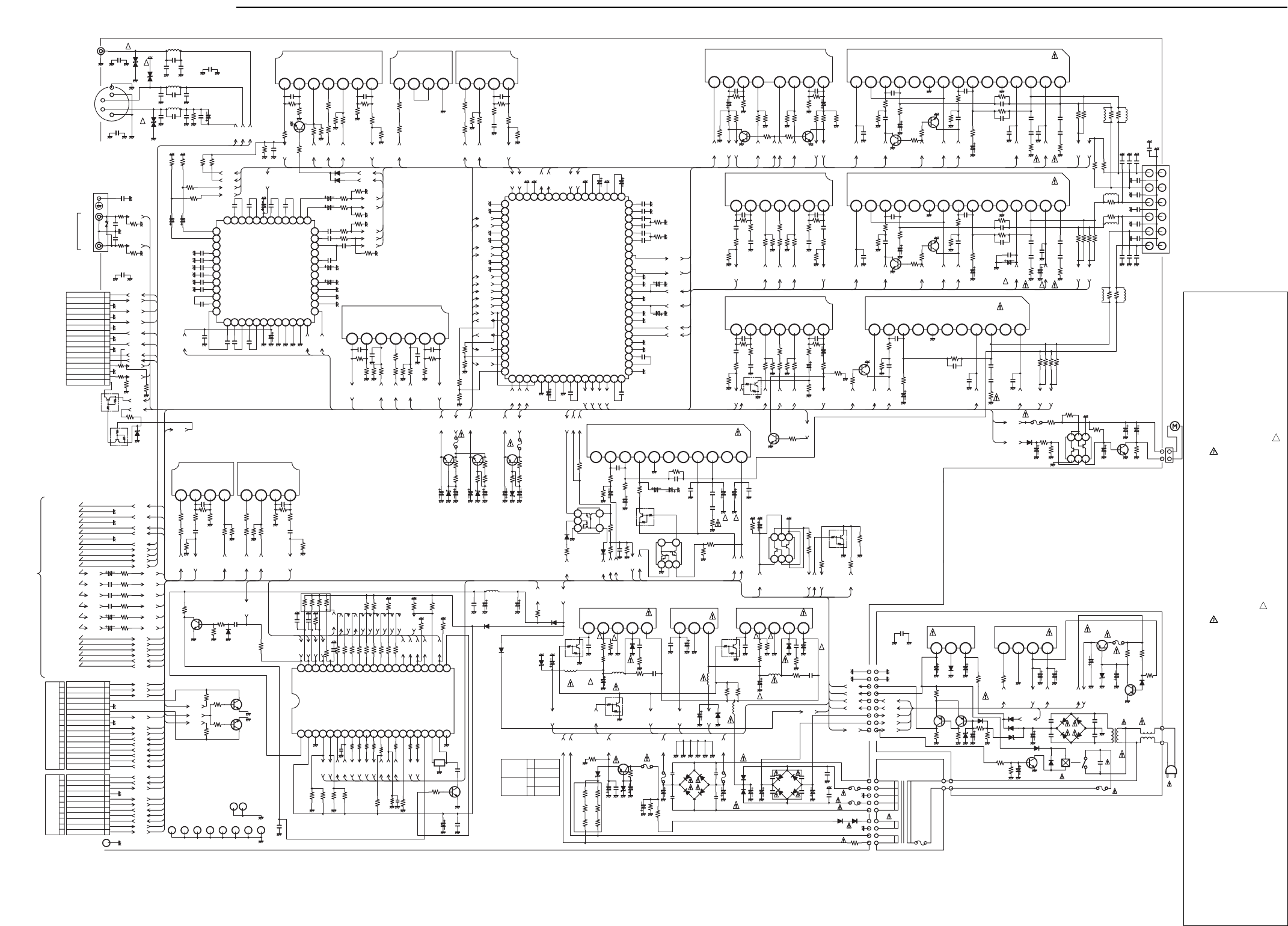
Schematic Diagram (MPEG) ................................................ 40
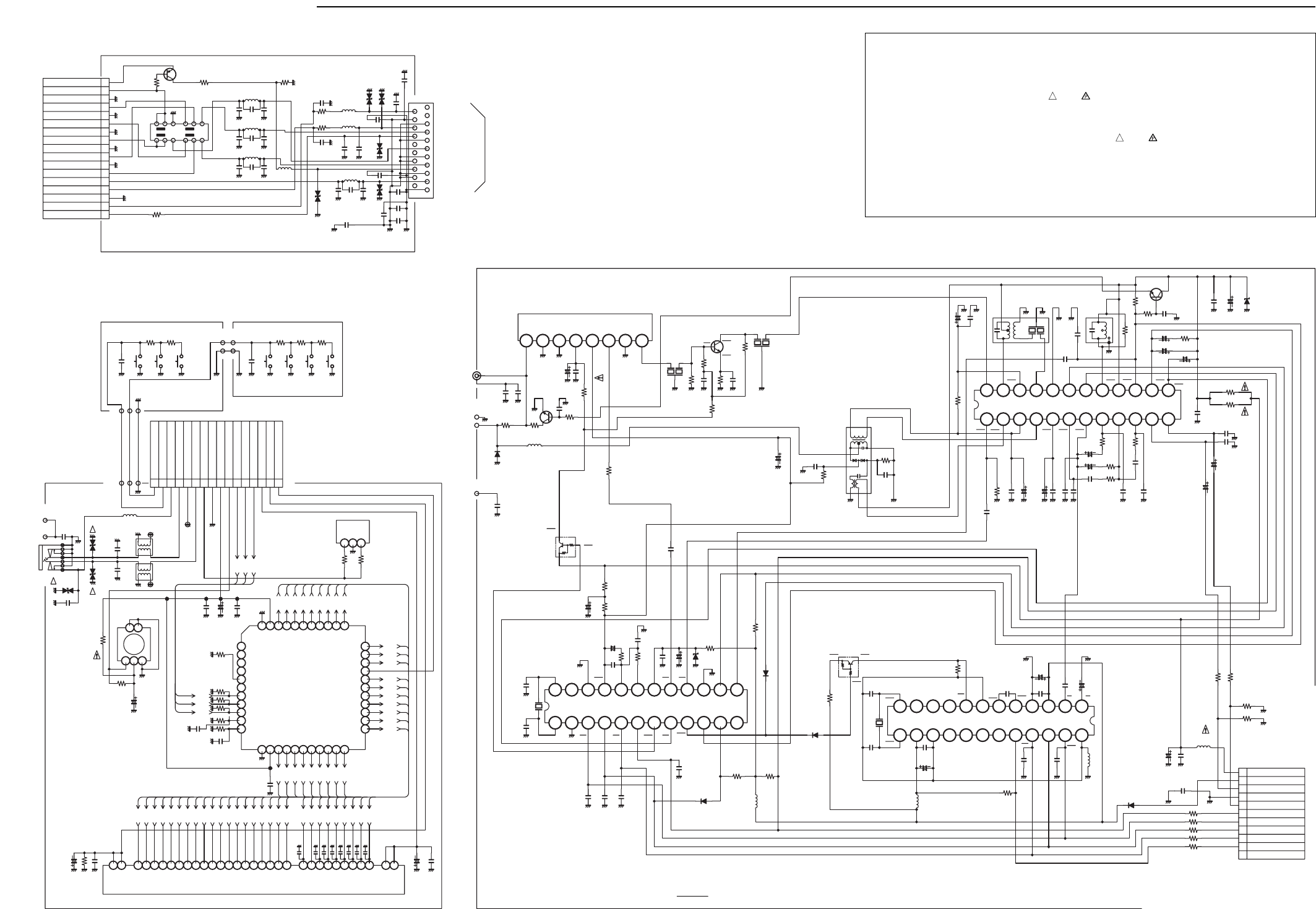
Schematic Diagram (AMP ).................................................. 42
Wiring Diagram (MAIN A side) ........................................... 44
(MAIN A side Top Left) ...................................................... 46
(MAIN A side Bottom Left) ................................................. 48
(MAIN A side Top Right) .................................................... 50
(MAIN A side Bottom Right) ............................................... 52
(B side) ............................................................................... 54
Schematic Diagram (FRONT , TUNER)............................... 56
Wiring Diagram (FRONT , SW1 BUTTON, SW2 BUTTON,
MECHA SW and MECHA IF) ............................................ 58
Wiring Diagram (TUNER and COMPONENT) ................... 60
Wiring Diagram (POWER SUPPLY) .................................. 62
Wiring Connection ................................................................ rear
REMOTE CONTROLLER RB-TS760ST

- 1 -
SPECIFICATIONS
Amplifier
Main amplifier
Stereo mode
33 W x 2 (at 8 ohms, 10% distortion)
Dolby Digital mode
33 W x 2 (at 8 ohms, 10% distortion, with Centre/Surround/
Subwoofer amplifier off)
Centre amplifier
33 W (at 8 ohms, 10% distortion, with Main/Surround/Subwoofer
amplifier off)
Surround amplifier
33 W x 2 (at 8 ohms, 10% distortion, with Main/Centre/Subwoofer
amplifier off)
Subwoofer amplifier
55 W (at 4 ohms, 10% distortion, with Main/Centre/Surround
amplifier off)
Input:
VIDEO (AUDIO) IN: 500 mV/50 kΩ
Input/Output:
AV EURO/TV (AUDIO) IN (RGB OUT): For Euro-AV/Scart lead
Outputs:
SPEAKERS:
FRONT (L/R): 8 Ω
CENTER: 8 Ω
SURROUND (L/R): 8 Ω
SUBWOOFER: 4 Ω
MONITOR OUT:
S-VIDEO:
Y: 1.0 Vp-p (75 Ω)
C: 0.3 Vp-p (75 Ω) PAL, 0.286 Vp-p (75 Ω) NTSC
VIDEO: 1.0 Vp-p (75 Ω)
DVD Player
Type:
DVD video player
Playback standard:
PAL or NTSC
Laser:
Semiconductor laser, wavelength: 650/790 nm
Laser output (Continuous wave max.):
1 mW (DVD)
0.5 mW (CD)
Signal to noise ratio:
More than 105 dB
Wow and flutter:
Below measurable level
Tuner
Reception frequency:
FM: 87.5 - 108 MHz
AM: 522 - 1611 kHz
General
Power requirements:
AC 230 V, 50 Hz
Power consumption:
120 W
1.5 W (standby mode)
Dimensions:
435(W) x 65(H) x 378(D) mm
Weight:
5.6 kg
Speaker system
Front left, Front right, Centre, Surround left and Surround right
speakers (SX-TS760S, magnetic shield)
Unit used:
8 cm cone type, full range
Maximum power handling capacity:
50 W (peak)
Nominal impedance:
8 Ω
Dimensions:
125(W) x 105(H) x 112(D) mm
Weight:
0.72 kg/speaker
Subwoofer (SX-TS760W)
Unit used:
13 cm cone type
Maximum power handling capacity:
80 W (peak)
Nominal impedance:
4 Ω
Dimensions:
160(W) x 395(H) x 305(D) mm
Weight:
4.6 kg
IMPORTANT INFORMATION
Because its products are subject to continuous improvement, SANYO
reserves the right to modify product designs and specifications without
notice and without incurring any obligation.

- 2 -
1. Cautionary instructions in handling the assy
(Safety instructions)
Optical pickup
The laser beam used in the pickup is classified as "class 2".
Exposing your eyes or skin to the beam is harmful. Take care
not to do so.
(Caution against static electricity and leakage voltage)
Ground securely the work tables, tools, fixtures, soldering irons
(including those made of ceramic) and measuring instruments
used in the production lines and inspection departments that
handle loaders. The workers shall also be grounded.
(Cautionary instructions in handling)
Do not touch the object lens when handling a loader, or the lens
will be stained, resulting in inadequate playability.
There is no power supply protection circuit provided for this
product or adjustment/inspection device. Short-circuiting may
lead to fire or damage.
Take care so as to protect from exposure to water, the entry of
metallic pieces or dew condensation.
In particular, a strong magnet adjacent to the pickup will not only
get inoperative but can damage the pickup if a small metallic
piece, such as a screw or swarm, enters.
The loader edge can cause injury if inadvertently handled.
Do not touch a rotating disk, or injury may result.
This product is a precision device. Handle carefully.
A shock or dropping will cause misalignment or destruction. If it
should occur, refer to clause 2.
This product is so designed as to endure an initial shock
equivalent to a drop from a height of approx. 90 cm under the
packed condition.
After the initial shock, the resistivity will still remain at a level of
50 to 60 G, but the mechanical robustness will weaken.
Do not place in a dusty location.
The entry and deposition of dirt into or on the pickup lens or
moving section will cause malfunction or degradation.
DVD MECHANISM REPLACEMENT
(Connectors)
Do not connect or disconnect while power is on.
Connecting or disconnecting signal wires or the main power cord
when the power is on may destruct the unit or fixture.
When connecting, push all the way in securely.
An insufficient insertion may cause a bad contact, leading to an
erroneous operation.
Do not connect or disconnect roughly by an excessively strong
force, or a broken wire or bad contact may result.
Semiconductors are connected. Do not touch connector terminals
directly.
If the worker is grounded, there is nothing to worry about static
electricity, but the rust on the connector terminal surface caused
by the touch may result in bad contact.
(Caution)
Before disconnecting FFC
cable, make it "SHORT" as
shown left.
After connecting FFC
cable,make it "OPEN" as
shownleft.
(Power source)
The power source need be good in quality (free from instantaneous
interruptions or noises).
A low quality power source may well cause malfunction.
(Storage)
Do not place or store in a dusty place or a place where dew
condensation is possible.
The entry and deposition of dirt or dust into or on the pickup lens or
moving section will cause malfunction or degradation.
Also, dew condensation causes rust; the rust penetrate into the
precision part of a pickup, causing malfunction, or degrading the
optical quality of the internal lens and reflector, which also leads to
malfunction.
(OPEN)(SHORT)
LASER BEAM SAFETY PRECAUTION
• Pick-up that emits a laser beam is used in this CD player section.
CAUTION :
USE OF CONTROLS OR ADJUSTMENTS
OR PERFORMANCE OF PROCEDURES
OTHER THAN THOSE SPECIFIED HEREIN
MAY RESULT IN HAZARDOUS RADIATION
EXPOSURE
LASER OUTPUT.......... 0.6 mW Max. (CW)
WAVELENGTH ............. 790 nm
RESET
Short
It is reset by short.
CAUTION – INVISIBLE LASER RADIATION WHEN OPEN AND
INTERLOCKS DEFEATED. AVOID EXPOSURE TO BEAM.
ADVARSEL – USYNLIG LASER STRÅLING VED ÅBNING, NÅR
SIKKERHEDSAFBRYDERE ER UDE AF FUNKTION, UNDGÅ UDS ÆTTELSE
FOR STRÅLING.
VARNING – OSYNLIG LASER STRÅLNING NÄR DENNA DEL ÄR ÖPPNAD
OCH SPÄRR ÄR URKOPPLAD. STRÅLEN ÄR FARLIG.
VORSICHT – UNSICHTBARE LASERSTRAHLUNG TRITT AUS, WENN
DECKEL GEÖFFNET UND WENN SICHERHEITSVERRIEGELUNG
ÜBERBRÜCKT IST. NICHT, DEM STRAHL AUSSETZEN.
VARO – AVATTAESSA JA SUOJALUKITUS OHITETTAESSA OLET ALTTIINA
NÄKYMÄTTÖMÄLLE LASERSÄTEILYLLE. ÄLÄ KATSO SÄTEESEEN.

- 3 -
1
2
MECHANISM REPLACEMENT
4. How to install the motor.
2. How to remove the tray.
3. How to insert the tray.
1
1
2
1
1
2
4
4
3
5
1
2
ROUND
HOLE
MOTOR
PULLEY
SHASSIS
HOLE
TRIANGLE
MARK
SOLDERING
MECHA
P.W.B
1
1
1
2
Escutcheon
3
Side of DVD mechanism
Front Rear
Cylindrical thing
1. How to Remove DVD Mechanism
First, it is necessary to remove Escutcheon.
Move both the right and left 1 tray pins to the ends.
Remove the 2 tray.
Rotate the 1 gear.
Move forward the 2 tray.
1 Adjust the motor terminal to boss in the chassis.
2 Adjust the round hole of the motor to the triangle mark of
P.W.B,and solder it.
Move the 1 slide to the left end.
Insert the 2 tray.
How to remove Escutcheon.
An eject button is pushed and a tray is taken out.
Please remove Escutcheon, as shown in the left figure 2 .
When an eject button 1 does not function. Above figure
Please insert a cylindrical thing with a diameter of 3mm or less
in the hole 3 in the side of a DVD mechanism.
A tray is pushed out.

- 4 -
Do not remove the pick-up from base mechanism because of
adjustment difficulty.
G-SANKOL CFD-409Z
or
G-HANARL SF-106B
G-SANKOL CFD-409Z
or
G-HANARL SF-106B
G-SANKOL CFD-409Z
or
G-HANARL SF-106B
A
: Clean the groove by alcohol well.
A
A
G-FLOIL GREASE SY-31S
or
G-FLOIL GREASE MEN-223R
G-FLOIL GREASE SY-31S
or
G-FLOIL GREASE MEN-223R
Apply screw lock
G-FLOIL GREASE SY-31S
or
G-FLOIL GREASE MEN-223R
G-FLOIL GREASE SY-31S
or
G-FLOIL GREASE MEN-223R
G-FLOIL GREASE SY-31S
or
G-FLOIL GREASE MEN-223R
G-FLOIL GREASE SY-31S
or
G-FLOIL GREASE MEN-223R
5. Base mechanism mounting parts.
6. Base mechanism parts. 7. Tray parts.
MECHANISM REPLACEMENT

- 5 -
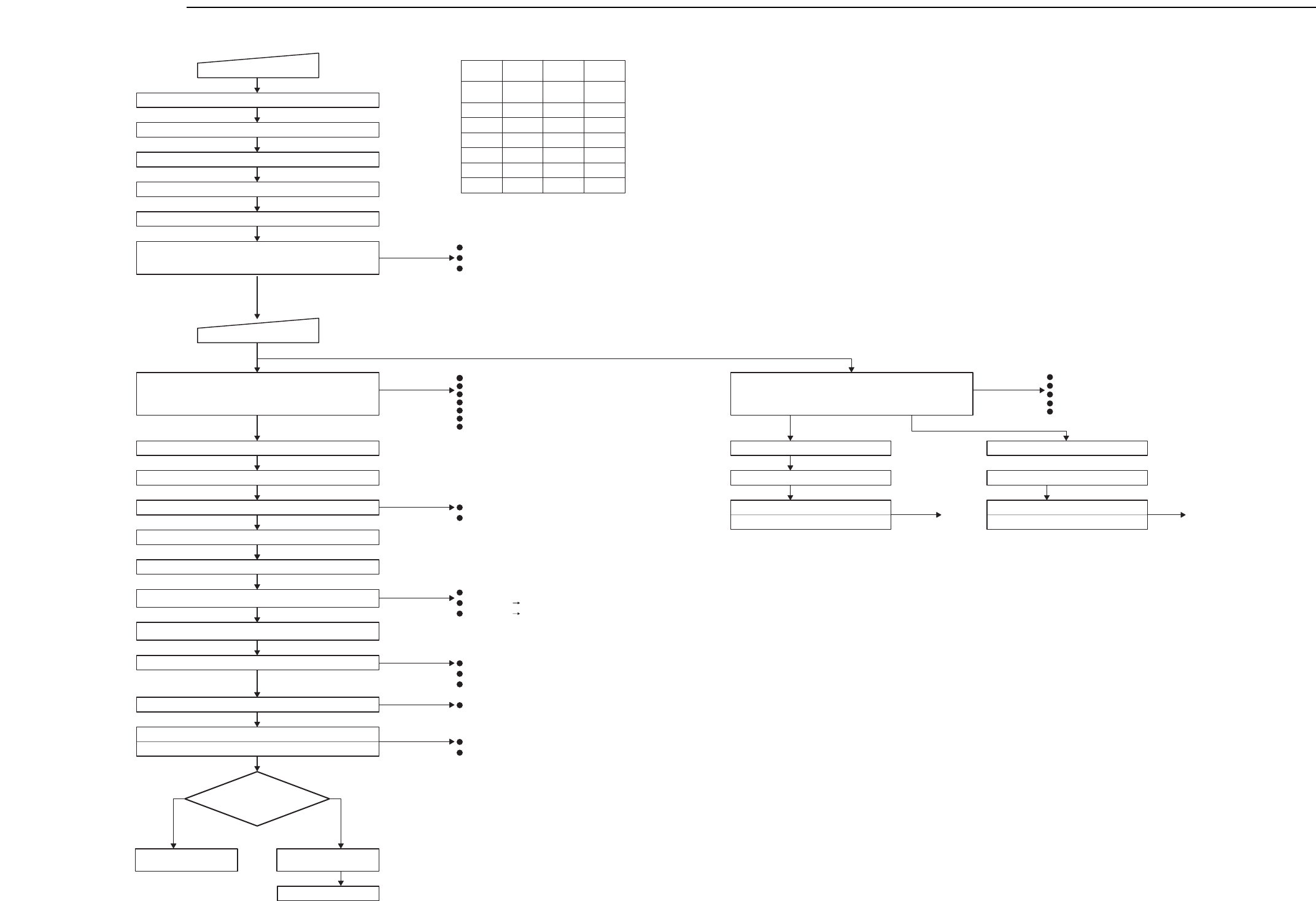
TROUBLE SHOOTING
DAC5V LINE CONFIRM
3.3V LINE CONFIRM
IC412 PERIPHERAL CIRCUIT
CONFIRM (IC411,IC410 etc)
LOADER CHANGE
MUTE CIRCUIT
Q8880 PERIPHERAL CIRCUIT
CONFIRM
DAC IC870 NG
DAC IC870 PERIPHFRAL CONFIRM
DAC IC870 NG
3.3V,DAC5V
CONFIRM
CN870 Pin1,15,18
LOADER CHANGE
OK?
IC800 AMCLK,ALRCLK,
AOUT0~2,ML,MC,MD1 CONFIRM
Pin2~7,12~14,47
IC820 Pin
FLOATING CONFIRM
IC820 NG
VIDEO COMPOSITE OUT ; OK
TUNER OUTPUT ; OK
VIDEO 1,2 OUTPUT ; OK
DVD/CD OUTPUT ; NG
IC870 Pin17,19,21,23,25,27
CONFIRM
N
Y
N
N
N
Y
Y
C,SL,SR,SW PERIPHERAL CONFIRM
(IC451,471,472,482,483,452,450,491
PERIPHERAL CONFIRM)
Q SURROUND , Volume CONFIRM
(IC452,451 PERIPHERAL CONFIRM)
IC460,451 CONFIRM
TUNER OUTPUT ; L,R OK / C,SL,SR,SW NG
VIDEO 1,2 OUTPUT ; L,R OK / C,SL,SR,SW NG
DVD/CD OUTPUT ; L,R OK / C,SL,SR,SW NG
TUNER OUTPUT ; L,R OK / C,SL,SR,SW NG
VIDEO 1,2 OUTPUT ; L,R OK / C,SL,SR,SW NG
DVD/CD OUTPUT ; L,R OK / C,SL,SR,SW OK
TUNER OUTPUT ; NG
VIDEO 1,2 OUTPUT ; OK
DVD/CD OUTPUT ; OK
Y

- 7 -
- 6 -
TROUBLE SHOOTING
IC430,IC601 +5V POWER ONLY
IC430 RESET
X4300 CLOCK
IC430 ACTIVE
IC601 COMMUNICATION
POWER SUPPLY ; STANDBY mode
IC430 ACTIVE / P-CON ; LOW
±12V,±7V,DVD-POWER ; OFF / FIL,-30V ; ON
AC CORD PLUG
P-COM ; HIGH
DVD-POWER ; HIGH
IC430 STANDBY DATA WAIT
±12V,±7V ; ON
IC451,IC452 COMMUNICATION
INITIALIZE ADAC (IC870)
RESET LOADER
READ,WRITE DATA IN EEPROM (IC801)
IC800 START COMMUNICATION WITH IC430
START CONTROL OF LOADER
PICK INITIALIZE SPINDLE ROTATE
IC601 VFD DATA RCVD
DISPLAY OPENNING
PLAYBACK MODE
FROM MPU STANDBY DATA SEND
IC430 STANDBY DATA RCVD
IC430 VFD DATA RCVD
IC430 VFD DATA SEND
POWER KEY PRESS
DISC Y/N
VFD INDICATE
"READING"
IVFD INDICATE
"NO DISC"
NG
NY
DVD FUNCTION
IC430 VDD,RESET,OSC CONFIRM
IC430 COMMUNICATION CONFIRM
P-CON,FIL,-30V CONFIRM
NG
NG *1
IC601 & IC430 PERIPHERAL CONFIRM
-30V FILAMENT VOLTAGE CONFIRM
COMMUNICATION LINE CONFIRM
VDD,CLOCK CONFIRM
IC800 PERIPHERAL CIRCUIT CONFIRM
POWER KEY CONFIRM
IC601 COMMUNICATION CONFIRM
PROTECT CIRCUIT CONFIRM
IC462,IC472,IC482,IC483 CONFIRM
P-CON
±12V,±7V,P-CON CONFIRM
DVD-POWER CONFIRM (IC410,IC411 etc)
FM,AM,VIDEO1,VIDEO2 (VIDEO,TV)
NG
NG
NG
IC800,IC818,IC822 BUS-LINE CONFIRM
NG
LOADER CONFIRM
COMMUNICATION LINE CONFIRM (FFC)
P-COM ; HIGH /
DVD-POWER ; LOW
IC430 STANDBY DATA WAIT
±12V,±7V ; ON
IC451,IC452 COMMUNICATION
IC430 VFD DATA SEND
IC601 VFD DATA RCVD
VFD INDICATE "VIDEO1" or "VIDEO2"
NG
NG
IC451,IC452,IC241 COMMUNICATION
IC430 VFD DATA SEND
IC601 VFD DATA RCVD
VFD INDICATE "FM" or "AM"____k(M)Hz
NG
POWER KEY CONFIRM
IC601 COMMUNICATION CONFIRM
PROTECT CIRCUIT CONFIRM
IC462,IC472,IC482,IC483 CONFIRM
±12V,±7V,P-CON CONFIRM
TUNERVIDEO1, VIDEO2 (VIDEO,TV)
*1 *1
COMMUNICATION LINE CONFIRM
REMOCON NG IC430 & DS601 PERIPHERAL CONFIRM
REMOCON OK IC430 PERIPHERAL CONFIRM
IC430
X4300
IC451
IC601
IC870
IC801
IC410
IC411
IC241
DS601
IC800
IC818
IC821
IC822
TU-PLL
IR
DVD-MPU
&
MPEG
FLASH
SDROM
SDRAM
SYSCON
SYS-CLK
FUNCTION
&
VOLUME
VFD-DRV
6CH-DAC
EEPROM
REG.
REG.

- 8 -
TROUBLE SHOOTING
IC402,IC401 PERIPHERAL
CONFIRM
IC211,IC231,IC241,(IC251)
PERIPHERAL CONFIRM
TUNER OUTPUT ; NG
VIDEO 1,2 OUTPUT ; OK
DVD/CD OUTPUT ; OK
CN241 Pin10,11
5.6V,12V OK?
Y
N
IC800 OUTPUT LINE CONFIRM
Pin 169~173 PERIPHERAL
CONFIRM
LPF CONFIRM
CRYSTAL RESONATOR
CHANGE
IC800
VIDEO OUTPUT
NORMAL OK?
IC800 NG
FLOATING CONFIRM
IC800 NG
NO COLOR or ABNORMAL
X8230
27MHz
OK?
Y
N
N
Y
LOADER CHANGE
IC800 OUTPUT LINE CONFIRM
Pin169~173
CONFIRM
LPF CONFIRM
LOADER CHANGE
OK?
IC800 Pin
FLOATING CONFIRM
IC800 NG
IC800
VIDEO OUTPUT
NORMAL OK?
N
N
Y
NO PICTURE
AUDIO OK
Y
IC211,231,IC241(IC251) NG
N
IC460,IC451 PERIPHERAL CONFIRM
N

- 9 -
SERVICE MODE
B. How to enter Service Mode.
You can enter Service Mode in any one of the following ways (1 to 3).
A. Market / Region SETUP
In the initial condition for this model, Market and Region
information are undefined.
In the following cases, be sure to set up Market/Region.
1. When updating the system using CD-R
(Part code : 0PRADF9655--AA).
2. When replacing a DVD substrate.
While Market/Region information are undefined, the message
"Region Undefined" is displayed on the screen.
NOTE: Even if the condition is not under 1 or 2 above, if the
message "Region Undefined" is displayed, be sure to set up
Market/Region.
1. Pushing the covered key located beneath Book Mark key on RB-
1500 or REM-S1500.
2. Simultaneously pushing both Shift key and ON SCREEN key on
REM-TS760MT(US),RB-TS760MT(CA) or RB-TS760ST(UK,XE).

- 10 -
SERVICE MODE
C. Setup Procedures
1. Displaying SERVICE MODE screen
Display Service Mode screen following the instructions "How to
enter Service Mode" above.
Region
0
Market
WM
BackendVersion
S21225A1
LoaderVersion
55 50 05
Value
2. Displaying Internal Setup screen
Push NEXT button within three seconds after operating the
Service Mode display.
On the Internal Setup screen shown on the right, set up Market
and Region.
Internal Setup
Markett W M
Region 1
Exit
00-WM 01-SFC 02-UK
03-XE
S18
05-SS 06-PA 07-AU 08-CN
09-JP
00
04-
3. Setting Market code
3.1. While a highlighted indicator is displayed on the right side
of the Market denotation, push ENT button on the remote
controller.
With each push the indicator will advance as shown
below.
Internal Setup
Markett W M
Region 1
Exit
00-WM 01-SFC 02-UK
03-XE
S18
05-SS 06-PA 07-AU 08-CN
09-JP
00
04-
3.2. Specify the code of the model in accordance with the
Market/Region Setup Table above.
3.3 Once the desired code is displayed, push p button to
move the highlighted indicator to the Region input area.
Market/Region setup table.
Model Market Region
DC-760/UK UK 2
DC-760/XE XE 2
(Reference figure)

- 11 -
SERVICE MODE
4. Setting REGION code
4.1 While a highlighted indicator is displayed on the right side
of the Region denotation, push ENT button on the remote
controller. With each push the indicator will advance as
shown below.
1 -> 2 -> 3 -> 4 -> 5 -> 6
4.2 Specify the number of the model in accordance with the
Market/Region Setup Table above.
4.3 Once the desired number is displayed, push p button to
move the highlighted indicator to Exit area.
00
1
1
Internal Setup
Market
Region
Exit
00-WM 01-SFC 02-UK 03-XE
S18
05-SS 06-PA 07-AU 08-CN 09-JP
04-
5. Saving settings
5.1 Make sure that the Market and Region settings are properly
set.
(If any of the settings are incorrect, you can make a change
by moving the indicator using p button, and following
procedures 3 and 4 above. )
5.2 After ensuring that the settings are all correct, push ENT
button while the indicator is on Exit area. The settings are
now saved.
Internal Setup00
Market 1
Region Exit
00-WM 01-SFC 02-UK 03-XE
S18
05-SS 06-PA 07-AU 08-CN 09-JP
04-
6. Finishing settings
6.1 After a few seconds, the Internal Setup screen disappears,
and then the Service Mode screen is displayed again for
three seconds as shown on the right.
You should check the settings.
Region
1
Market
WM
BackendVersion
S21225A1
LoaderVersion
55 50 05
Value
Backend version S 21225 A 1
Brand (S : SANYO , F : FISHER)
Version ( 2 0 0 2 , 12 , 25)
Sub Version (A,B,......Z)
Region ( 0 : Region undefined
1 ~ 6 : Region defined )
6.2 Power OFF.
(Reference figure)
(Reference figure)
(Reference figure)

- 12 -
SERVICE MODE
D. IMPORTANT NOTE
1. Once the "Market/Region" settings are written into EEPROM (IC818) on the DVD substrate, they cannot be reset.
(However, updating the system using CD-R enables you to make new settings.)
2. While the Internal Setup screen is displayed, pushing the Power button enables you to terminate the operations without
making any settings.
HOW TO LOAD SOFTWARE FOR MPEG P.W.BOARD
1. Power on, then open tray.
2. It take on CD-ROM for UPDATE software to the tray, and tray close.
3. Display " READING " in the TV screen.
4. For the time being, tray open and FL display remain "UP DATING".
5. When software loading finished, FL display "GOODBY".
6. Next, set up market code and region code by "SERVICE MODE"
CD-ROM part code is "0PRADF9655--AA".
CAUTION
After an MAIN board(614 326 0172) or IC ASSY(410 469 7906) exchange should carry out loading of the software by the
newest CD-R, and should check operation.

- 13 -
• Use a plastic screw driver for adjustments.
SG RF Level : 75Ω open Voltage dBµV
Antenna : 75Ω unbalanced Direct, Modulation : 1 kHz
Dev. : ±22.5kHz(MONO) , ±22.5kHz(STEREO) , ±6.75kHz(PILOT)
Output Level : about 100mV at TP13,TP14,TP15
TUNER ADJUSTMENTS
1AD4B10D1740B
T002 94V-0
1
1
1
TP11(VT)
(VT
VT)
T)
T)
TP11
T
T
T
TP12(GND)
)
2(G
GN
ND
ND)
TP12(G
D)
)
NC
RDS
TU-CLK
TU-DATA
TU-CE
TU-DO
TU-L
A-GND
TU-R
5.6V
+12V
E
E
J2203
J2003
2003
J2003
3
J
C2
C
C2122
2
C
D2151
D21
1
D21
D21
D
1
1
L215
1
R2101
101
R
210
R21
0
R
1
R
210
C2113
J2202
2202
J
J22
J2101
J
01
J2
0
J2007
200
7
J
7
J
J2005
200
J20
J
J
2102
D2102
21
D2101
D
10
D21
01
0
0
1
01
0
C2104
C
2104
C2
C
04
C
4
XF211
XF211
XF211
4
04
D210
04
4
04
IC211
211
IC
C
1
11
C2
2
C
C
2
C2
2
C
C
L2101
01
2
L
1
L2
2
L
L
2
L21
2
L
L
1
L2
21
L
L
21
L2103
103
L
1
3
L
L2
1
L
1
10
J2004
004
J
0
J
J2002
02
J200
2
2
J2
2
2001
J20
1
00
2
J
R2113
13
2
13
R
R
3
3
J2009
J2008
J2
2201
J
J2
CN203
CN203
CN20
C
C
03
CN2
CN201
CN
C
C
N2
J2204
4
22
220
204
04
J2
J220
J2
22
20
)
04
J
D2103
3
D210
D210
D
3
3
XF221
XF221
1
L2102
L21
10
02
L
S
SH201
1
B2101
B2101
210
B
CN202
CN202
N202
2
2
2
2
2
2
2
2
2
CN
J2064
064
64
J2
J
20
64
J
4
J2061
J2061
J206
61
J
D2451
J2261
261
J
2063
J2
06
3
J
3
J2161
CN241CN241
J2062
J2262
262
J
22
J2
J
2
62
C2311C2311
C
1
1
31
C2313
C2313
C2313
3
3
C
XF233
F23
23
XF2
3
33
X
3
2303
C2
3
0
03
3
C
30
3
0
0
3
XF222
J2026
J202
6
6
6
2302
2
23
2
3
2
02
2
C2
C
C
C
C2317
C2317
7
31
1
3
7
7
1
17
C2
2
2
C
17
7
1
1
C23
23
3
R2309
3
0
2
R
9
9
R2302
R230
02
R
R
2
2
2
R
30
23
02
02
23
30
23
02
2
2
C2301
C230
01
C2301
301
1
1
23
XF231
IC231
IC
3
C2
C2
1
3
1
3
C2
C
C2321
C
2
C
2
232
C
C2328
C
32
28
32
8
C
32
8
C2327
C2305
5
0
5
C23
C
RCH
RC
H
RCH
RC
H
LCH
LCH
LA1844
4
4
8
1
A
L
IC231
LA184
1
4
3
8
C2
1
C
A
C2307
C
2
C23
2307
C
0
0
0
J2124
J2124
4
4
4
4
4
4
4
4
J222
J2221
2121
J2121
J2121
1
1
12
J2222
J22
J2
222
J2
J
222
J
J
J
J
2022
J2
2
0
22
C
20
C
2
C
0
J2021
0
J20
2
J
J2226
26
2
6
2
J2227
27
2
7
22
J2126
6
6
21
2
J
2306
2306
2306
C2
C2
C2
J2228
J22
8
28
2
J
2
2
2
2
D230
D230
1
1
D
1
R2311
R2301
L2503
L25
503
3
L
50
J2225
25
2
5
2
J2224
J222
24
4
J
2
J2
J2024
J202
202
4
4
J
J2123
2
2
1
J
J2
2
3
J2027
J2028
J202
J2028
J2
J
J
J
J
J2223
22
22
23
J2
3
J2125
J
J
1
5
2
25
5
0VADJ
ADJ
0V
0V
VA
D
J
DJ
DJ
J
DJ
D
J
2023
023
02
23
J2
3
J
3
1
C
2
901
J2122
22
J
J2
J21
212
J2025
02
J
5
J
J
5
J2229
J2142
21
J2
J
1
2
4
J2243
J22
2
43
J
43
J2143
J
J21
J2
214
J2144
144
J214
4
44
J2
214
2145
21
J2
45
14
5
J
L2451
L
L2451
J2045
45
45
J
04
J20
5
J
204
D2452
D
2452
24
2
4
2
D
D2
D
24
D
24
D2
D
24
D
4
2
2
2
J20
0
J
20
J
J2047
047
J20
47
0
7
7
7
7
7
J20
0
J
0
J2046
6
204
J
J2
2
6
2
6
J2
6
046
6
0
0
46
046
6
20
2
6
245
2
4
C
2
2
2
C
2
C
C
C2
J2042
04
2
20
J
42
J
2
2
J
J2
C2457
24
45
7
C
5
2
C
7
7
X2451
X
X
X2
24
X24
245
51
51
451
X
IC241
C2
4
41
1
2
C
C
1
4
C2
C
C
C2451
5
45
C
51
24
2
1
LC72121
7
L
21
12
2
7
C
L
J2141
1
J214
J214
41
J214
21
J2041
J204
041
J
Q2451
Q2
Q24
45
45
J2244
244
224
J22
2
4
2043
4
04
J2
43
2
3
J2
C2465
4
2
C
C
6
5
C2
5
C2
J21
J2
2146
J
J21
J2044
J20
44
204
44
4
4
4
J
J2048
J
0
J
0
8
8
8
J224
J2
24
J
2
2
41
242
J22
24
24
2
42
R21
R2
R2
R
R
R
151
51
51
1
1
1
1
152
52
152
2
152
2
52
2
2
152
C2
C2
C2
C
C2
C2
C2
C
C2
2153
153
R2153
15
R2
5
5
R
5
R
R2153
2151
151
C2
15
C2
215
C2
5
C
7
7
7
C2117
17
C2
C
C
C
C2117
7
C
R2114
4
R
1
R211
R2
11
R211
R
1
C2123
C
123
C
2
21
C2
12
C2
12
C21
C2
12
C
2
R2106
210
R210
106
6
6
6
C
C
101
C2
C
0
21
10
C2
C2
10
1
C
21
10
C2
C
0
1
1
C
1
2
1
C2
1
C
2121
C2
21
C
2
212
C2
1
C2
12
212
C2
2
C
2
12
C
R2111
R2
1
111
I
1
I
1
C211
12
C2
2
C
211
C2102
C
02
C
0
C21
C
10
C2
10
C210
C
10
C
0
2105
C2
C
0
21
C2
0
C2
10
5
210
C2
0
C
0
5
R2
2104
R
R
0
R2
10
R
R2
10
R2
210
R
R
0
R2102
02
10
21
R21
21
R
01
R2
01
R2
R2103
0
R
0
R21
0
0
R2
10
R210
0
0
R
0
C2
106
C2
C
0
2
10
C2
C2
10
2
10
C2
C
0
C2107
C
07
C
0
C21
C
0
C2
10
C21
C
0
C
0
112
1
2
11
11
2
11
1
R
R
R
R
R
R
R
R
R
C2
C
126
C
2
C2
12
C2
12
C2
C
12
C
2
C2109
210
C
C2
9
09
9
9
C2108
C
2108
C
0
8
21
C2
210
C2
10
C2
C2
210
C
0
2111
1
C2
C
21
211
C2
C2
11
211
1
C2
C
1
2130
30
C2
0
3
C
213
C2
13
C2
213
3
C2
3
C
C
C
131
3
2
C2
13
C2
13
C
C
2
C2
13
3
C
C
C
C2132
2
C2
C
C2
1
C2
21
10
2
2
10
03
03
0
C2
1
C
10
0
C21
R2
R
R
2
R2
R2
81
81
81
812
81
2
R2
R2
R
81
81
1
8
R
R
R
R
2
R2
R2
24
4
246
6
61
61
6
1
R2
R
R
R
246
6
6
2
R2464
64
4
R
6
R246
R2
46
R246
R
6
R2462
62
R
6
R246
R2
46
R246
R
6
R2463
R
63
3
R
6
3
246
R2
R2
46
R246
R2
R
6
2903
903
C2
C
0
29
90
C2
C2
90
29
90
C2
C
0
R28
R
R
R281
R
R2
81
811
1
R281
R
R
1
R2
2712
R
R
R2
271
2
R2
71
R2
271
R
R
1
R2711
1
R
R
1
271
R2
R2
71
R271
R2
R
1
4
4
4
4
R230
04
R2
304
304
R2
R
R
R
3
4
R
304
4
R
C
C
C
C23
309
C2
C2
309
9
9
C2309
309
C2
C
9
R
R
R
R
R2307
R2
307
R2
7
7
7
R2307
R2
7
R
R
R
R2306
306
306
R2
6
6
R2
R
R
30
0
06
06
6
230
30
C2
2310
C2310
310
310
C2
1
2
0
2308
08
0
8
23
30
C
30
C2
C
C
C
230
0
0
C
C
C
C2
7
23
7
2
17
C2
C
1
C
1
C
R2308
0
8
0
R
R230
3
30
R2
8
R230
0
R
R23
8
C2315
5
23
C
15
C
C2312
2
C
31
C231
C
C
2
5
5
5
R
R
R
R
R2305
R
R2
305
R2
R2305
R
5
R
2318
C23
8
38
8
8
C
C2319
31
9
C23
C
C
23
30
C2
30
C2
4
4
4
4
23
30
C2
0
C
C2304
2330
3
30
33
C2
C
C
23
C
C
C
23
3
3
C2
C
0
23
C
C
320
C2
2
320
C2
0
0
320
C2
0
C
03
0
0
0
0
0
23
3
R2
R2
3
23
3
R2
23
3
R2
R
3
2316
C2
6
C
23
C2
31
C2
31
6
6
231
C2
1
C
1
C2316
C2314
4
14
1
C
C231
31
C2
C231
1
1
C
2
2
2
290
02
C2
C2
902
C
C
290
02
C2
C
2
R
R
R245
R2
4
R2
45
9
9
9
9
R245
4
R
5
R
R
R
R245
4
2
R2
45
8
8
R245
4
R
5
C2322
2
C
2
C232
3
C2
32
C232
C
2
R2455
R
55
55
R
5
R245
R
4
R2
45
R245
R
R
5
C246
62
246
62
J
2
J
2
1
1
46
C24
61
C2
461
C
C
46
C24
61
C
1
R2452
R24
52
R245
452
R2
4
2
R24
R
R
R2453
R
R2
53
24
453
6
6
6
5
5
5
5
5
5
5
5
C
C
24
45
C2
C
C2
45
C2
C
C
24
45
C
C
C
C
C
C
5
456
C
C2455
55
C245
C245
5
C
C
C
C245
C2
45
45
C2
4
4
4
4
C245
C2
45
5
C
4
3
3
3
C2453
453
453
C2
C
C
C
C2453
453
3
C
C
C
IC24
IC241
IC2
IC
C2463
3
2463
C
6
C2
246
C2
46
C246
246
C
6
2464
C2
C
6
246
6
C2
C2
46
246
6
C2
C
6
R2465
5
6
R
6
R246
6
R2
46
R246
6
R
6
2454
R2
4
24
45
4
54
4
54
4
45
R2460
60
R
6
R246
R2
46
R246
R
6
TP12
(GND)
L2151 TP11 TP12 TP25 XF231 IC231 XF233
L2101 L2102 TP15 TP13 TP14
TP24
1.FM
Step Adjusting Connection SG Set Adjustment Remark
Circuit Input Output Frequency Position
1IF Alignment FM ANT.
SG=66dBµV IC231 3,22pin
TP24, TP25 98.0MHz --- XF233 0.0 ± 0.05V
2 Cover --- Connect Digital DC voltmeter 87.5MHz Low L2102
Alignment voltage is
more than 0.8V.
voltage --- to TP11(H), TP12(E). 108.0MHz High Confirm voltage is less
than 9.0V.
3Tracking Connect FM SG to FM Antenna Connect to VTVM 90.0MHz Low L2101 Max.
(SG= about 8dBµV) TP13(L) or TP14(R), TP15(E) 106.0MHz High
2.AM
Step Adjusting Connection SG Set Adjustment Remark
Circuit Input Output Frequency Position
1IF Alignment Loop Ant. IC231 19pin(DCCUT)
TP26(GND) 522kHz XF231
2Cover --- Connect Digital DC voltmeter 522kHz Low --- more than 0.8V
voltage --- toTP11(H), TP12(E). 1611 kHz High --- less than 9.0V
3Tracking Connect AM SG to Connect to VTVM 603kHz Low L2151-a Max.
Test loop Ant.
(SG= About 80dBµV) TP13(L) or TP14(R), TP15(E). 1404kHz High

- 14 -
EXPLODED VIEW (CABINET & CHASSIS)
1
2
2
34
Y02
Y03
Y04
Y04
Y02
Y01
Y01
Y01
5
612
13
7
89
10
11
Y05
Y05 Y06
Y06
Y06
Y08
Y08
Y08
Y08
Y08
Y09
Y10
Y11
Y12 Y12
Y13
Y13
Y14
Y14
Y15 Y15
Y22
Y26
Y23
Y26 Y25
Y26
Y16 Y16
Y17
Y17
Y19
Y20
Y20
Y18
Y18
Y07
Y07 Y07
Y07
Y07
Y07
14
15
16
17
18
19
19 20
23
24
24
21
22
59
61
60
71
72
73
74 75
76
77
51
52
53
54
55
56
57
58
Y27
Y27 Y14
24
63
62
Y15
Y13

- 15 -
PARTS LIST
CAUTION :Regular type resistors and capacitors are not listed. To know those values, refer to the schematic diagram.
Regular type resistors are less than 1/4 W carbon type and chip resistors.
Regular type capacitors are less than 50 V and less than 1000 µF type of Ceramic type and Electrical type.
REF.NO. PART NO. DESCRIPTION
PRODUCT SAFETY NOTICE
EACH PRECAUTION IN THIS MANUAL SHOULD BE FOLLOWED DURING SERVICING. COMPONENTS IDENTIFIED WITH THE
IEC SYMBOL !
!! IN THE PARTS LIST AND THE SCHEMATIC DIAGRAM DESIGNATED COMPONENTS IN WHICH SAFETY AND
PERFORMANCE CAN BE OF SPECIAL SIGNIFICANCE. WHEN REPLACING A COMPONENT IDENTIFIED BY !
!! , USE ONLY THE
REPLACEMENT PARTS DESIGNATED, OR PARTS WITH THE SAME RATINGS OF RESISTANCE, WATTAGE OR VOLTAGE THAT
ARE DESIGNATED IN THE PARTS LIST IN THIS MANUAL. LEAKAGE-CURRENT OR RESISTANCE MEASUREMENTS MUST BE
MADE TO DETERMINE THAT EXPOSED PARTS ARE ACCEPTABLY INSULATED FROM THE SUPPLY CIRCUIT BEFORE
RETURNING THE PRODUCT TO THE CUSTOMER.
PACKING & ACCESSORIES
REF.NO. PART NO. DESCRIPTION
645 020 7020 ASSY,ANTENA,LOOP
645 041 1373 CABLE,VIDEO
614 326 6754 CARTON CASE,INNER(UK)
614 326 6761 CARTON CASE,INNER(XE)
614 325 9237 CUSHION,LEFT
614 325 9244 CUSHION,RIGHT
614 326 6778 INSTRUCTION MANUAL(UK)
614 326 6785 INSTRUCTION MANUAL(XE)
614 326 6792 INSTRUCTION MANUAL,GREEK(XE)
645 052 1621 POLY BAG,VIDEO/AUDIO(UK)
645 048 2182 POLY BAG,VIDEO/AUDIO(XE)
645 052 1416 POLY BAG,AC CORD(UK)
645 012 2958 POLY BAG,INST MANUAL(UK)
645 013 6535 POLY BAG,INST MANUAL(XE)
645 048 1994 POLY SHEET,SET(UK)
645 045 3540 POLY SHEET,SET(XE)
645 058 1113 REMOCON,RB-TS760ST
614 229 4635 ANT,FM ANT
or 614 308 5515 ANT,FM ANT
645 048 5053 BATTERY COVER,BATTERY COVER
or 645 043 9735 BATTERY COVER,SERVICE PART
23 614 326 6563 ASSY,BOX,SPEAKER,
SUB WOOFER,SX-TS760W/UK(UK)
23 614 326 6570 ASSY,BOX,SPEAKER,
SUB WOOFER,SX-TS760W/XE(XE)
24 614 326 6549 ASSY,BOX,SPEAKER,
SATELLITE,SX-TS760S/UK(UK)
24 614 326 6556 ASSY,BOX,SPEAKER,
SATELLITE,SX-TS760S/XE(XE)
CABINET & CHASSIS
REF.NO. PART NO. DESCRIPTION
1614 326 0271 ASSY,CABINET,FRONT
2614 325 8223 CAP,DVD TRAY
3614 327 1710 ASSY,DEC,
ESCUTCHEON TRAY(UK)
3614 326 3517 ASSY,DEC,
ESCUTCHEON TRAY(XE)
4 614 325 5680 DEC,DVD TRAY
5614 322 4839 KNOB,ROTARY,VOLUME
6614 325 5703 DEC,ESCUTCHEON VOL
7614 325 5628 BUTTON,FUNCTION,FUNCTION
8614 325 5765 MOUNTING,BUTTON FUNCTION
9614 325 5611 BUTTON,POWER,POWER /PLAY
10 614 325 5758 MOUNTING,BUTTON POWER
11 614 325 5635 CABINET,TOP/SIDE
12 614 316 1417 MOUNTING,IC,IC-HEAT SINK
13 614 291 6568 MOUNTING,PWB,IC-HEAT SINK
14 614 325 5666 COVER,FAN
or 645 001 0415 T-VINYL*223S,FAN COVER
15 614 325 5727 HEAT SINK
16 614 322 4815 HOLDER,REAR,HEAT SINK
17 614 322 4822 HOLDER,BOTTOM,HEAT SINK
18 614 322 5997 MOUNTING,FFC,MOUNTING
or 614 320 5852 MOUNTING,FFC,MOUNTING
19 614 313 6545 SPRING,PLATE,EARTH
20 614 325 5604 ASSY,CABINET,BOTTOM
21 614 129 1901 FIXER,AC CORD
or 614 284 1884 FIXER,AC CORD
or 614 129 4971 FIXER,AC CORD
22 614 326 0349 PANEL,REAR,INT(UK)
22 614 326 3913 PANEL,REAR,INT(XE)
FIXING PARTS
REF.NO. PART NO. DESCRIPTION
Y01 411 021 6405 SCR S-TPG BIN 3X8,
CABINET FRONT-BOTTOM
Y02 411 098 4700 SCR S-TPG BIN 2.3X8,
DEC ESC-TRAY
Y03 411 098 4700 SCR S-TPG BIN 2.3X8,
CABINET FRONT-ESC VOL
Y04 411 098 4700 SCR S-TPG BIN 2.3X8,
PWB-BUTTON FUNCTION
Y05 411 098 4700 SCR S-TPG BIN 2.3X8,
PWB-BUTTON POWER
Y06 411 098 4700 SCR S-TPG BIN 2.3X8,
CABINET FRONT-PWB FIX
Y07 411 098 4205 SCR S-TPG BIN 3X8,CABINET
Y08 411 021 6405 SCR S-TPG BIN 3X8,MAIN PWB
Y09 411 021 6405 SCR S-TPG BIN 3X8,
HOLDER H/S-HEAT SINK
Y10 411 020 9902 SCR S-TPG BRZ+FLG 3X8,
TUN PWB
Y11 411 021 6405 SCR S-TPG BIN 3X8,
HOLDER H/S-PWB
Y12 411 021 6405 SCR S-TPG BIN 3X8,POWER PWB
Y13 411 021 6405 SCR S-TPG BIN 3X8,
COVER FAN-HEAT SINK
Y14 411 021 6405 SCR S-TPG BIN 3X8,
HOLDER H/S-BOTTOM
Y15 411 021 6405 SCR S-TPG BIN 3X8,
HOLDER H/S-BOTTOM
Y16 411 001 3905 SCR S-TPG BIN 4X6,PT
Y17 614 130 0382 LUG,LEAD TREATMENT
Y18 411 020 9803 SCR S-TPG BRZ+FLG 3X6,
DVD MECHA
Y19 411 021 2704 SCR S-TPG BIN 2.6X6,MOUNTING
Y20 411 021 6405 SCR S-TPG BIN 3X8,
EARTH SPRING PLATE
Y22 411 021 3701 SCR S-TPG BIN 3X10,
REAR-VIDEO OUT PWB
Y23 411 182 7501 SCR S-TPG BIN 5X16,
FAN-PANEL REAR
Y25 411 021 3701 SCR S-TPG BIN 3X10,
BOTTOM-REAR
Y26 411 021 3701 SCR S-TPG BIN 3X10,
REAR-ELECT PART
Y27 412 011 5903 SPECIAL WASHER,
HOLDER HEAT SINK

- 16 -
PARTS LIST
ELECTRICAL-PARTS
REF.NO. PART NO. DESCRIPTION
51 614 325 7721 ASSY,WIRE,FRONT_SW1
52 614 325 7714 ASSY,WIRE,MAIN_FRONT
53 423 028 8405 FUSE 250V 1.6A
54 614 325 7707 ASSY,WIRE,MAIN_DG
55 645 057 9103 TRANS,POWER
56 645 058 3445 FLEXIBLE FLAT CABLE,PICK-FFC
or 645 053 8384 FLEXIBLE FLAT CABLE,PICK-FFC
57 645 058 3452 FLEXIBLE FLAT CABLE,IF-FFC
or 645 056 3010 FLEXIBLE FLAT CABLE,IF-FFC
58 614 323 3237 ASSY,WIRE,LOADING-DVD
59 645 054 0233 CORD,POWER-1.6MK(UK)
or 645 036 9797 CORD,POWER-1.6MK(UK)
or 645 036 9803 CORD,POWER-1.6MK(UK)
59 645 016 9939 CORD,POWER-1.74MK,FOR XE(XE)
or 614 255 2513 POWER CORD,FOR XE(XE)
60 645 058 3476 FLEXIBLE FLAT CABLE,
MAIN-SCART
or 645 054 3159 FLEXIBLE FLAT CABLE,
MAIN-SCART
61 645 053 3853 MOTOR,FAN DC 0.84W,FAN
62 645 051 0656 CORE,FERRITE
or 645 042 8999 CORE,FERRITE
63 645 051 0649 CORE,FERRITE
or 645 031 7637 CORE,FERRITE
SW2,BUTTON P.W.BOARD ASSY
REF.NO. PART NO. DESCRIPTION
71 614 325 6205 ASSY,PWB,SW2,BUTTON
(Only initial)
C6201 403 157 3601 CERAMIC 100P J 50V
CN621 614 035 4911 SOCKET,DIP 2P
S6201 645 037 2759 SWITCH,PUSH
or 645 006 5958 SWITCH,PUSH 1P-1T
or 614 220 5471 SWITCH,TACT
or 614 240 1002 SWITCH,TACT
S6202 645 037 2759 SWITCH,PUSH
or 645 006 5958 SWITCH,PUSH 1P-1T
or 614 220 5471 SWITCH,TACT
or 614 240 1002 SWITCH,TACT
S6203 645 037 2759 SWITCH,PUSH
or 645 006 5958 SWITCH,PUSH 1P-1T
or 614 220 5471 SWITCH,TACT
or 614 240 1002 SWITCH,TACT
S6204 645 037 2759 SWITCH,PUSH
or 645 006 5958 SWITCH,PUSH 1P-1T
or 614 220 5471 SWITCH,TACT
or 614 240 1002 SWITCH,TACT
SW1,BUTTON P.W.BOARD ASSY
REF.NO. PART NO. DESCRIPTION
72 614 325 6199 ASSY,PWB,SW1,BUTTON
(Only initial)
CN611 614 310 2595 PLUG,3P
or 645 005 8226 PLUG,3P
CN612 614 035 4911 SOCKET,DIP 2P
S6101 645 037 2759 SWITCH,PUSH
or 645 006 5958 SWITCH,PUSH 1P-1T
or 614 220 5471 SWITCH,TACT
or 614 240 1002 SWITCH,TACT
S6102 645 037 2759 SWITCH,PUSH
or 645 006 5958 SWITCH,PUSH 1P-1T
or 614 220 5471 SWITCH,TACT
or 614 240 1002 SWITCH,TACT
S6103 645 037 2759 SWITCH,PUSH
or 645 006 5958 SWITCH,PUSH 1P-1T
or 614 220 5471 SWITCH,TACT
or 614 240 1002 SWITCH,TACT
FRONT P.W.BOARD ASSY
REF.NO. PART NO. DESCRIPTION
73 614 325 6168 ASSY,PWB,FRONT(Only initial)
BR601 614 325 5734 HOLDER,FL
CN602 645 016 9809 PLUG,16P,FRONT-MAIN
CN603 614 310 2595 PLUG,3P
or 645 005 8226 PLUG,3P
CN605 645 012 0008 JACK,PHONE D3.6
DS601 407 205 1205 PHOTO DIODE SPS-440-1-E
or 407 232 4002 PHOTO DIODE SPS-440-1-VG
FL601 645 057 2043 FLOURESCENT TUBE
IC601 410 427 6507 IC MPD16315GB-3BS
or 409 519 6907 IC PT6315
L6051 645 001 4550 INDUCTOR,10U K
L6052 645 006 9864 INDUCTOR,80U
or 645 058 8839 INDUCTOR,80U
L6053 645 006 9864 INDUCTOR,80U
or 645 058 8839 INDUCTOR,80U
LG601 614 129 9082 LUG,FRONT-BOTTOM
R6031 401 019 9501 CARBON 47 JA 1/4W
S6001 645 048 1727 SWITCH,ROTARY(ENCODER)
SG601 645 055 3202 SURGE-ABSORBER
SG602 645 055 3202 SURGE-ABSORBER
SG603 645 055 3202 SURGE-ABSORBER
MAIN,AMP-DVD P.W.BOARD ASSY
REF.NO. PART NO. DESCRIPTION
74 614 326 0172 ASSY,PWB,MAIN,AMP_DVD
(Only initial)
C1900 403 373 7902 ELECT 150U M 6.3V
C1911 403 373 7902 ELECT 150U M 6.3V
C4102 403 325 0302 ELECT 2200U M 25V
C4103 403 325 0302 ELECT 2200U M 25V
C4108 403 325 9701 ELECT 4700U M 25V
C4109 403 325 2306 ELECT 4700U M 35V
C4110 403 325 2306 ELECT 4700U M 35V
C4120 403 370 7004 ELECT 330U M 6.3V
C4128 403 373 8404 ELECT 220U M 10V
C4130 P403 373 9302 ELECT 100U M 25V
C4199 403 359 3805 ELECT 2200U M 10V
or 403 359 3805 ELECT 2200U M 10V
or 403 330 2001 ELECT 2200U M 16V
C4300 403 369 2805 DL-ELECT 0.047F Z 5.5V
or 403 262 8607 DL-ELECT 0.047F Z 5.5V
or 403 304 4802 DL-ELECT 0.047F Z 5.5V
C4648 403 184 9805 MT-POLYEST 0.22U J 50V
C4649 403 184 9805 MT-POLYEST 0.22U J 50V
C4651 403 184 9805 MT-POLYEST 0.22U J 50V
C4652 403 184 9805 MT-POLYEST 0.22U J 50V
C4653 403 184 9300 MT-POLYEST 0.047U J 50V
C4654 403 184 9300 MT-POLYEST 0.047U J 50V
C4748 403 184 9805 MT-POLYEST 0.22U J 50V
C4749 403 184 9805 MT-POLYEST 0.22U J 50V
C4751 403 184 9805 MT-POLYEST 0.22U J 50V
C4752 403 184 9805 MT-POLYEST 0.22U J 50V
C4755 403 374 0001 ELECT 33U M 35V
C4756 403 374 0001 ELECT 33U M 35V
C4848 403 184 9805 MT-POLYEST 0.22U J 50V
C4849 403 184 9805 MT-POLYEST 0.22U J 50V
C4854 403 184 9300 MT-POLYEST 0.047U J 50V
C4867 403 374 0001 ELECT 33U M 35V
C4868 403 185 0108 MT-POLYEST 0.47U J 50V
C4869 403 185 0108 MT-POLYEST 0.47U J 50V
C4870 403 374 0001 ELECT 33U M 35V
C8211 403 373 7902 ELECT 150U M 6.3V
C8535 403 373 7902 ELECT 150U M 6.3V
CN100 645 057 2951 SOCKET,FPC 24P
or 645 037 6207 SOCKET,FFC 24P
CN160 614 310 2465 PLUG,5P
or 645 005 9292 PLUG,5P
CN162 645 057 2814 SOCKET,FPC 6P
or 645 057 4269 SOCKET,FPC 6P
CN410 645 006 1998 PLUG,5P
CN411 645 004 2904 PLUG,4P

- 17 -
PARTS LIST REF.NO. PART NO. DESCRIPTIONREF.NO. PART NO. DESCRIPTION
CN412 614 310 2502 PLUG,9P
or 645 005 8141 PLUG,9P
CN420 614 310 2434 PLUG,2P
or 645 005 7366 PLUG,2P
CN470 645 057 4399 TERMINAL,SPEAKER,6P,SP-6P
CN490 645 037 3831 JACK,RCA,VIDEO
CN491 645 044 9086 SOCKET,DIN 4P,S-VIDEO
CN492 645 057 4382 JACK,RCA-2,RCA-2P
CN495 645 059 1594 SOCKET,FPC 17P
CN496 614 310 2571 PLUG,16P
or 645 016 9809 PLUG,16P
CN497 645 033 7826 PLUG,11P
CN499 614 221 8273 TERMINAL
D1700 407 149 0807 DIODE 1SS355
D4100 407 196 5800 DIODE 1N5402BD82
D4101 407 196 5800 DIODE 1N5402BD82
D4102 407 196 5800 DIODE 1N5402BD82
D4103 407 196 5800 DIODE 1N5402BD82
D4104 407 196 5800 DIODE 1N5402BD82
D4105 407 196 5800 DIODE 1N5402BD82
D4106 407 097 8009 DIODE MPG06G
D4107 407 097 8009 DIODE MPG06G
D4108 407 097 8009 DIODE MPG06G
D4109 407 097 8009 DIODE MPG06G
D4110 407 097 8009 DIODE MPG06G
D4111 407 097 8009 DIODE MPG06G
D4112 407 099 5402 ZENER DIODE MTZJ6.2B
D4113 407 099 9103 ZENER DIODE MTZJ27B
D4114 408 044 6307 DIODE SB140L 19C2-004
D4115 408 044 6307 DIODE SB140L 19C2-004
D4198 407 099 6409 ZENER DIODE MTZJ11B
D4199 407 099 4603 ZENER DIODE MTZJ3.9B
D4201 407 012 4406 DIODE 1SS133
D4300 407 012 4406 DIODE 1SS133
D4301 407 012 4406 DIODE 1SS133
D4302 407 012 4406 DIODE 1SS133
D4303 407 012 4406 DIODE 1SS133
D4580 407 099 5303 ZENER DIODE MTZJ5.6B
D4581 407 063 9207 ZENER DIODE MTZJ7.5B
D4582 407 063 9207 ZENER DIODE MTZJ7.5B
D4800 407 012 4406 DIODE 1SS133
D4801 407 012 4406 DIODE 1SS133
D4804 407 012 4406 DIODE 1SS133
D4805 407 012 4406 DIODE 1SS133
D4950 407 153 7502 ZENER DIODE GZS3.0B
IC100 409 518 1507 IC LA9703WL-MPB
IC130 409 531 6107 IC LC78663NRW
or 409 514 5004 IC LC78663NW
IC131 410 433 0308 IC M11L416256SA-35T
or 410 431 3509 IC IS41LV16256-35T
IC160 409 532 0005 IC LA6560-A
IC161 409 168 9106 IC BA10358F
or 409 528 3805 IC NJM12904M
IC410 409 519 7201 IC PQ1CG21H2RZ,REG
IC411 409 519 7201 IC PQ1CG21H2RZ,REG
IC412 409 521 9804 IC KA7805R
IC430 410 472 4206 IC M38507M8-152FP,MICON
IC450 409 426 1903 IC KIA4558F
or 409 039 7804 IC NJM4558M
IC451 409 543 1107 IC BD3811K1,6CH-VOL
IC452 409 543 1008 IC QS7785CF
IC453 409 543 7208 IC KTC801U-Y
IC454 409 543 6409 IC KRX101U
IC455 409 543 7208 IC KTC801U-Y
IC460 409 426 1903 IC KIA4558F
or 409 039 7804 IC NJM4558M
IC461 409 357 2901 IC NJM4556AL
IC462 409 472 5306 IC LM1876TF
IC471 409 542 9609 IC NJM2058V
IC472 409 472 5306 IC LM1876TF
IC482 409 521 9200 IC LM4700TF
IC483 409 521 9101 IC LM3876TF
IC484 409 543 6409 IC KRX101U
IC491 409 542 9609 IC NJM2058V
IC800 409 546 2002 IC ZR36748
IC801 410 448 8405 IC S524A40X21-SCT0
or 410 448 8504 IC S524A40X21-SCB0
or 410 429 7908 IC AT24C02N-10SI-2.7
IC802 409 505 0803 IC PST3627U
IC806 410 430 9403 IC 74VHCT08AMTCX
IC818 410 469 7906 IC ASSY
(IC LE28DW8163T-70T-MPB,
SST39VF800-70-4C-EK)
IC822 410 453 9602 IC LC3816161ET-70-MPB
or 409 482 0209 IC K4S161622D-TC80
IC850 409 534 5800 IC PQ2L2182MS
IC870 409 540 1605 IC LC708746V
L1000 645 034 7887 INDUCTOR,1000 OHM
or 645 020 1813 INDUCTOR,1000 OHM
or 645 045 7869 IMPEDANCE,1000 OHM P
L1002 645 034 7887 INDUCTOR,1000 OHM
or 645 020 1813 INDUCTOR,1000 OHM
or 645 045 7869 IMPEDANCE,1000 OHM P
L1302 645 034 7887 INDUCTOR,1000 OHM
or 645 020 1813 INDUCTOR,1000 OHM
or 645 045 7869 IMPEDANCE,1000 OHM P
L4100 645 053 8544 INDUCTOR,210U
L4101 645 045 8613 INDUCTOR,10U
or 645 048 4469 INDUCTOR,22U
L4102 645 045 8613 INDUCTOR,10U
or 645 048 4469 INDUCTOR,22U
L4103 645 053 8544 INDUCTOR,210U
L4104 645 045 8613 INDUCTOR,10U
or 645 048 4469 INDUCTOR,22U
L4300 645 001 4550 INDUCTOR,10U K
L4650 645 057 4405 INDUCTOR,0.7U
or 645 053 7493 INDUCTOR,0.7U
L4651 645 057 4405 INDUCTOR,0.7U
or 645 053 7493 INDUCTOR,0.7U
L4750 645 057 4405 INDUCTOR,0.7U
or 645 053 7493 INDUCTOR,0.7U
L4751 645 057 4405 INDUCTOR,0.7U
or 645 053 7493 INDUCTOR,0.7U
L4850 645 057 4405 INDUCTOR,0.7U
or 645 053 7493 INDUCTOR,0.7U
L4851 645 057 7673 INDUCTOR,AIR 0.7U
or 645 045 6206 INDUCTOR,AIR 0.7U
L4960 645 058 3315 INDUCTOR,1U M
L4961 645 040 6430 INDUCTOR,2.2U M
L4962 645 040 6430 INDUCTOR,2.2U M
L8060 645 034 7887 INDUCTOR,1000 OHM
or 645 020 1813 INDUCTOR,1000 OHM
L8202 645 034 7887 INDUCTOR,1000 OHM
or 645 020 1813 INDUCTOR,1000 OHM
L8780 645 034 7887 INDUCTOR,1000 OHM
or 645 020 1813 INDUCTOR,1000 OHM
L8781 645 034 7887 INDUCTOR,1000 OHM
or 645 020 1813 INDUCTOR,1000 OHM
LUG01 645 023 8987 FIXER
LUG02 645 023 8987 FIXER
LUG03 645 023 8987 FIXER
LUG04 645 023 8987 FIXER
LUG05 645 023 8987 FIXER
LUG06 645 006 4425 FIXER
LUG07 645 023 8987 FIXER
PR410 645 042 2737 PROTECTOR,7A 125V
PR411 645 042 2737 PROTECTOR,7A 125V
PR412 645 042 2515 PROTECTOR,0.2A 125V
PR418 645 042 2652 PROTECTOR,10A 125V
PR419 645 042 2652 PROTECTOR,10A 125V
PR420 645 027 4169 PROTECTOR,0.125A 125V
PR450 645 042 2515 PROTECTOR,0.2A 125V
PR451 645 042 2515 PROTECTOR,0.2A 125V
Q1002 405 146 2107 TR KTC3875-Y
or 405 146 2206 TR KTC3875-GR
or 405 014 4509 TR 2SC2412K-R
or 405 011 1006 TR 2SC1623-L6
Q1003 405 146 2107 TR KTC3875-Y

- 18 -
PARTS LIST
REF.NO. PART NO. DESCRIPTION REF.NO. PART NO. DESCRIPTION
or 405 146 2206 TR KTC3875-GR
or 405 014 4509 TR 2SC2412K-R
or 405 011 1006 TR 2SC1623-L6
Q1004 405 146 2107 TR KTC3875-Y
or 405 146 2206 TR KTC3875-GR
or 405 014 4509 TR 2SC2412K-R
or 405 011 1006 TR 2SC1623-L6
Q1005 405 158 5905 TR KTA1505-Y
or 405 035 5509 TR 2SA1036K-R
Q1006 405 158 5905 TR KTA1505-Y
or 405 035 5509 TR 2SA1036K-R
Q1016 405 146 2107 TR KTC3875-Y
or 405 146 2206 TR KTC3875-GR
or 405 014 4509 TR 2SC2412K-R
or 405 011 1006 TR 2SC1623-L6
Q4100 405 141 3604 TR KTA1273-Y
Q4101 405 159 0503 TR KRC107S
or 405 141 5608 TR DTC114YKA
Q4102 405 159 0503 TR KRC107S
or 405 141 5608 TR DTC114YKA
Q4103 405 159 0503 TR KRC107S
or 405 141 5608 TR DTC114YKA
Q4206 405 159 0503 TR KRC107S
or 405 141 5608 TR DTC114YKA
Q4209 405 143 8706 TR KTC3199-GR
or 405 017 9600 TR 2SC3330-T
or 405 017 9709 TR 2SC3330-U
or 405 011 8500 TR 2SC1740S-R
or 405 011 8609 TR 2SC1740S-S
Q4302 405 146 2107 TR KTC3875-Y
or 405 146 2206 TR KTC3875-GR
or 405 014 4509 TR 2SC2412K-R
or 405 011 1006 TR 2SC1623-L6
Q4303 405 146 2107 TR KTC3875-Y
or 405 146 2206 TR KTC3875-GR
or 405 014 4509 TR 2SC2412K-R
or 405 011 1006 TR 2SC1623-L6
Q4580 405 146 2107 TR KTC3875-Y
or 405 146 2206 TR KTC3875-GR
or 405 014 4509 TR 2SC2412K-R
or 405 011 1006 TR 2SC1623-L6
Q4581 405 146 2107 TR KTC3875-Y
or 405 146 2206 TR KTC3875-GR
or 405 014 4509 TR 2SC2412K-R
or 405 011 1006 TR 2SC1623-L6
Q4582 405 146 1704 TR KTA1504-Y
or 405 146 9700 TR KTA1504-GR
or 405 134 5905 TR 2SA1037AK-R
or 405 002 0308 TR 2SA1037K-R
or 405 005 5508 TR 2SA812-M6
Q4620 405 166 7007 TR KTD1304
Q4621 405 166 7007 TR KTD1304
Q4622 405 166 7007 TR KTD1304
Q4623 405 166 7007 TR KTD1304
Q4640 405 166 7007 TR KTD1304
Q4641 405 166 7007 TR KTD1304
Q4740 405 166 7007 TR KTD1304
Q4741 405 166 7007 TR KTD1304
Q4840 405 166 7007 TR KTD1304
Q4841 405 166 7007 TR KTD1304
Q4844 405 159 0503 TR KRC107S
or 405 141 5608 TR DTC114YKA
Q4848 405 159 0503 TR KRC107S
or 405 141 5608 TR DTC114YKA
Q4852 405 166 7007 TR KTD1304
Q4950 405 151 6107 TR KRA107S
or 405 141 5707 TR DTA114YKA
Q4951 405 159 0503 TR KRC107S
or 405 141 5608 TR DTC114YKA
Q8880 405 146 1704 TR KTA1504-Y
or 405 146 9700 TR KTA1504-GR
or 405 134 5905 TR 2SA1037AK-R
or 405 002 0308 TR 2SA1037K-R
or 405 005 5508 TR 2SA812-M6
Q8881 405 159 0503 TR KRC107S
or 405 141 5608 TR DTC114YKA
Q8882 405 159 0503 TR KRC107S
or 405 141 5608 TR DTC114YKA
R4107 401 219 1008 MT-GLAZE 1.6K FA 1/16W
R4108 401 230 2503 MT-GLAZE 1K FA 1/16W
R4111 401 218 4604 MT-GLAZE 5.6K FA 1/16W
R4112 401 230 2503 MT-GLAZE 1K FA 1/16W
R4115 402 085 2205 RESISTOR 6.8 J- 2W
R4116 402 081 0106 FUSIBLE RES 2.2 JA 1/4W
R4650 402 082 1300 RESISTOR 4.7 J- 1W
R4651 402 082 1300 RESISTOR 4.7 J- 1W
R4658 402 082 2802 RESISTOR 10 J- 1W
R4659 402 082 2802 RESISTOR 10 J- 1W
R4750 402 082 1300 RESISTOR 4.7 J- 1W
R4751 402 082 1300 RESISTOR 4.7 J- 1W
R4758 402 082 2802 RESISTOR 10 J- 1W
R4759 402 082 2802 RESISTOR 10 J- 1W
R4851 402 082 1300 RESISTOR 4.7 J- 1W
R4858 402 082 2802 RESISTOR 10 J- 1W
R4859 402 082 2802 RESISTOR 10 J- 1W
R4867 402 082 8606 RESISTOR 2.2 J- 1W
RN100 645 057 4252 R-NETWORK 8.2KX4 1/16W
RN101 645 057 4290 R-NETWORK 47KX4 1/16W
RN410 645 058 5043 R-NETWORK 4.7KX4 1/16W
RN801 645 057 4238 R-NETWORK 33X4 1/16W
SG491 645 055 3202 SURGE-ABSORBER
SG492 645 055 3202 SURGE-ABSORBER
SG493 645 055 3202 SURGE-ABSORBER
SG871 645 055 3202 SURGE-ABSORBER
SG872 645 055 3202 SURGE-ABSORBER
SH401 614 322 4877 SHIELD,SP,SOCKET
X1500 645 017 0157 OSC,CERAMIC 16.93MHZ
or 645 059 7060 OSC,CERAMIC 16.93MHZ
X4300 645 053 4393 OSC,CERAMIC 8.00MHZ
X8230 645 053 4270 OSC,CRYSTAL 27.000MHZ
or 645 045 8293 OSC,CRYSTAL 27.000MHZ
TUNER P.W.BOARD ASSY
REF.NO. PART NO. DESCRIPTION
75 614 326 0196 ASSY,PWB,TUNER(Only initial)
B2101 645 006 3602 INDUCTOR,1.1UH
C2457 403 259 0508 NP-ELECT 1U M 50V
or 403 106 1603 NP-ELECT 1U Q 50V
CN201 645 057 1909 TERMINAL,TUNER
CN202 614 305 6317 CORD,1P CONNECTOR
CN203 614 310 2298 PLUG,2P
or 645 004 2683 PLUG,2P
CN241 645 033 7833 SOCKET,11P
D2151 407 012 4406 DIODE 1SS133
D2301 407 063 9108 ZENER DIODE MTZJ6.8B
D2451 407 012 4406 DIODE 1SS133
D2452 407 153 7502 ZENER DIODE GZS3.0B
D2453 407 012 4406 DIODE 1SS133
D2466 407 012 4406 DIODE 1SS133
D2467 407 012 4406 DIODE 1SS133
IC231 409 474 3201 IC LA1844ML
IC241 409 439 4502 IC LC72121M-D
IC251 409 447 3900 IC LC72722
L2151 645 023 0127 TUNER
L2451 645 001 4581 INDUCTOR,100U K
L2501 645 001 4581 INDUCTOR,100U K
L2502 645 001 4581 INDUCTOR,100U K
L2503 645 004 0511 INDUCTOR,270U J
Q2140 405 143 8706 TR KTC3199-GR
or 405 017 9600 TR 2SC3330-T
or 405 017 9709 TR 2SC3330-U
or 405 011 8500 TR 2SC1740S-R
or 405 011 8609 TR 2SC1740S-S
Q2201 405 151 4202 TR KTC3193-O
or 405 151 4103 TR KTC3193-Y
or 405 016 0806 TR 2SC2839-E
Q2310 405 143 8706 TR KTC3199-GR
or 405 017 9600 TR 2SC3330-T

- 19 -
PARTS LIST
or 405 017 9709 TR 2SC3330-U
or 405 011 8500 TR 2SC1740S-R
or 405 011 8609 TR 2SC1740S-S
Q2451 405 151 5209 TR KRA107M
or 405 000 0904 TR DTA114YS
Q2502 405 151 5209 TR KRA107M
or 405 000 0904 TR DTA114YS
R2101 401 012 4404 CARBON 100 JA 1/4W
R2301 401 017 0708 CARBON 270 JA 1/4W
R2311 401 017 0708 CARBON 270 JA 1/4W
U2101 645 033 5327 TUNER,FM
X2451 645 023 4965 OSC,CRYSTAL 7.2MHZ
X2501 645 035 8326 OSC,CRYSTAL 4.332MHZ
XF221 645 010 0079 CERAMIC FILTER 10.70MHZ
or 614 240 2917 FILTER,CERAM
or 614 254 3214 FILTER
XF222 645 010 0079 CERAMIC FILTER 10.70MHZ
or 614 240 2917 FILTER,CERAM
or 614 254 3214 FILTER
XF231 614 246 0849 FILTER
XF233 645 039 9923 TRANS,IF 10.7MHZ
POWER SUPPLY P.W.BOARD ASSY
REF.NO. PART NO. DESCRIPTION
76 614 326 0202 ASSY,PWB,DG(Only initial)
C4000 403 349 3303 CERAMIC 0.01U M 250V
or 403 366 7803 CERAMIC 0.01U M 250V
C4049 403 215 2201 CERAMIC 0.01U K 50V
CN401 614 310 2502 PLUG,9P
or 645 005 8141 PLUG,9P
CN402 645 005 9315 PLUG,2P
D4000 407 012 4406 DIODE 1SS133
D4001 407 097 8009 DIODE MPG06G
D4002 407 097 8009 DIODE MPG06G
D4003 407 097 8009 DIODE MPG06G
D4004 407 097 8009 DIODE MPG06G
D4005 407 099 5204 ZENER DIODE MTZJ5.1B
D4006 407 097 8009 DIODE MPG06G
D4007 407 097 8009 DIODE MPG06G
D4008 407 099 6102 ZENER DIODE MTZJ10B
D4009 407 012 4406 DIODE 1SS133
D4010 407 012 4406 DIODE 1SS133
D4012 407 099 6805 ZENER DIODE MTZJ13B
D4014 407 012 4406 DIODE 1SS133
D4015 407 012 4406 DIODE 1SS133
FPC41 645 031 7903 HOLDER,FUSE
or 645 006 4760 HOLDER,FUSE
FPC42 645 031 7903 HOLDER,FUSE
or 645 006 4760 HOLDER,FUSE
IC401 409 463 6701 IC KIA7805API
IC402 409 521 9705 IC KA78R12STU
L4000 645 038 7364 INDUCTOR,70U
or 645 059 0467 INDUCTOR,13U
PR400 645 042 2515 PROTECTOR,0.2A 125V
Q4000 405 143 8706 TR KTC3199-GR
or 405 017 9600 TR 2SC3330-T
or 405 017 9709 TR 2SC3330-U
or 405 011 8500 TR 2SC1740S-R
or 405 011 8609 TR 2SC1740S-S
Q4001 405 143 6504 TR KTA1267-GR
or 405 004 4601 TR 2SA608-F-SPA
or 405 004 5103 TR 2SA608-G-SPA
or 405 006 1806 TR 2SA933S-R
or 405 006 1905 TR 2SA933S-S
Q4002 405 143 6504 TR KTA1267-GR
or 405 004 4601 TR 2SA608-F-SPA
or 405 004 5103 TR 2SA608-G-SPA
or 405 006 1806 TR 2SA933S-R
or 405 006 1905 TR 2SA933S-S
Q4006 405 138 6502 TR KTB1366Y
Q4007 405 143 6504 TR KTA1267-GR
or 405 004 4601 TR 2SA608-F-SPA
or 405 004 5103 TR 2SA608-G-SPA
or 405 006 1806 TR 2SA933S-R
or 405 006 1905 TR 2SA933S-S
R4008 402 081 2605 FUSIBLE RES 4.7 J- 1/4W
R4013 402 083 7707 RESISTOR 1K J- 1W
RY401 645 059 0306 RELAY,PRIMARY
or 645 030 5597 RELAY,PRIMARY
or 645 035 6575 RELAY,PRIMARY
T4000 645 057 9110 TRANS,POWER
WR401 614 017 8203 TERMINAL BOARD
WR402 614 017 8203 TERMINAL BOARD
SCART P.W.BOARD ASSY
REF.NO. PART NO. DESCRIPTION
77 614 325 6229 ASSY,PWB,SCART(Only initial)
CN301 645 059 1044 SOCKET,FPC 17P
CN302 645 041 8433 SOCKET,RGB 21P,SCART
CN303 614 239 1839 TERMINAL
L3001 645 001 4550 INDUCTOR,10U K
L3002 645 001 4550 INDUCTOR,10U K
L3003 645 006 3886 INDUCTOR,1U K
L3301 645 001 4550 INDUCTOR,10U K
L3401 645 001 5441 INDUCTOR,2.2U K
L3402 645 001 5441 INDUCTOR,2.2U K
L3403 645 001 5441 INDUCTOR,2.2U K
Q3301 405 143 6504 TR KTA1267-GR
or 405 004 4601 TR 2SA608-F-SPA
or 405 004 5103 TR 2SA608-G-SPA
or 405 006 1806 TR 2SA933S-R
or 405 006 1905 TR 2SA933S-S
S3401 645 043 7250 SWITCH,SLIDE 2P-2TX4
SG301 645 055 3202 SURGE-ABSORBER
SG302 645 055 3202 SURGE-ABSORBER
SG303 645 055 3202 SURGE-ABSORBER
SG304 645 055 3202 SURGE-ABSORBER
SG331 645 055 3202 SURGE-ABSORBER
SH301 614 314 0733 SHIELD,SHIELD
REF.NO. PART NO. DESCRIPTION REF.NO. PART NO. DESCRIPTION

- 20 -
REF.NO. PART NO. DESCRIPTION
PARTS LIST
EXPLODED VIEW (DVD MECHANISM)
DM02
DM03
DM13
DM14
DM09
DM06
DM04
DM07
DM05
DM12
DM08
DM10
DM23
DM17
DM17
DM17
DM18
DM18
DM18
DM17
DM18
DM37
DM38
DM40
DM21
DM22
DM26
DM28
DM27
DM29
DM36
DM39
DM34
DM33
DM30
DM32
DM24
DM25
DM20
DM19
DM41
DM11
DM11
DVD MECHANISM CHASSIS
REF.NO. PART NO. DESCRIPTION
614 325 4393 ASSY,MECHA,780,
MECHANISM ASSY
DM02 614 325 0074 DISC,CHUCK DISC
DM03 614 320 2356 SLIDE,BASE UP/DOWN
DM04 614 323 3923 BELT,SQUARE,LOADING
DM05 614 320 2271 GEAR,LOADING GEAR
or 614 324 5230 GEAR,LOADING GEAR
DM06 412 061 7803 SPECIAL SCREW,HOLDER RAIL FIX
DM07 614 320 2349 PULLEY,LOADING RETARD PULLY
DM08 614 325 0067 CHASSIS,LOADING CHASSIS
DM09 614 320 2363 TRAY,TRAY
DM11 411 022 7807 SCR S-TPG PAN 2X6,
PWB MECHA IF FIX
DM12 645 032 4352 ASSY,MOTOR LOADING
DM13 645 051 4920 MAGNET(CHUCK),MAGNET CHUCK
or 645 054 0448 MAGNET(CHUCK),MAGNET CHUCK
DM14 614 325 0081 HOLDER,CHUCK HOLDER
DM17 411 021 1806 SCR S-TPG BIN 2.6X10,BASE FIX
DM18 411 092 0906 WASHER Z 2.6X10X0.5,BASE FIX
DM19 614 325 7936 ASSY,MECHA,700 BASE 6P,
BASE MECHA
DM20 411 184 0302 SCR S-TPG PAN PCS 1.7X4.5,
RACK FIX
DM21 614 310 2083 GEAR,RACK,MOVE PICKUP(FREE)
DM22 614 310 6159 SPRING,COMP,
FOR BACK RUSH(RACK)
DM23 614 310 2076 GEAR,RACK,MOVE PICKUP(FIX)
DM24 411 018 4704 SCR PAN PCS 1.7X5,LIMIT SW FIX
DM25 645 040 9899 SWITCH,MICRO 1P-2T,LIMIT SW
DM26 412 057 8304 SPECIAL WASHER,FOR GEAR 4 FIX
DM27 614 310 2069 GEAR,GEAR-5
DM28 614 310 6142 SPRING,COMP,FOR BACK RUSH
DM29 614 310 2052 GEAR.,GEAR-4
DM30 412 057 8304 SPECIAL WASHER,FOR GEAR 2 FIX
DM32 614 310 2038 GEAR.,GEAR-2
DM33 411 106 7709 SCR PAN PCS 1.7X2.5,
SLED MOTOR FIX
DM34 645 051 5194 ASSY,MOTOR,SLED MOTOR
DM36 614 310 2045 GEAR.,GEAR-3
DM37 614 325 0098 MOUNTING,
BASE MECHA MOUNTING
DM38 614 325 0104 SPACER,MECHA,
BASE MECHA FLOATING
DM39 614 323 6498 SPACER,MECHA,
BASE MECHA FLOATING
DM41 411 044 7502 SCR PAN+SW 2X5,
LOADING MOTOR FIX
MECHA SW P.W.BOARD ASSY
REF.NO. PART NO. DESCRIPTION
DM10 614 325 0012 ASSY,PWB,MECHA SW(Only Initial)
CN001 614 310 2618 PLUG,5P,
MOTOR&SW PWB SOCKET
or 645 006 0922 PLUG,5P,
MOTOR&SW PWB SOCKET
MECHA IF P.W.BOARD ASSY
REF.NO. PART NO. DESCRIPTION
DM40 614 325 7554 ASSY,PWB MECHA IF(Only Initial)
CN002 645 057 2821 SOCKET,FPC 6P,
MECHA IF FFC SOCKET
or 645 055 9211 SOCKET,FPC 6P,
MECHA IF FFC SOCKET

- 21 -
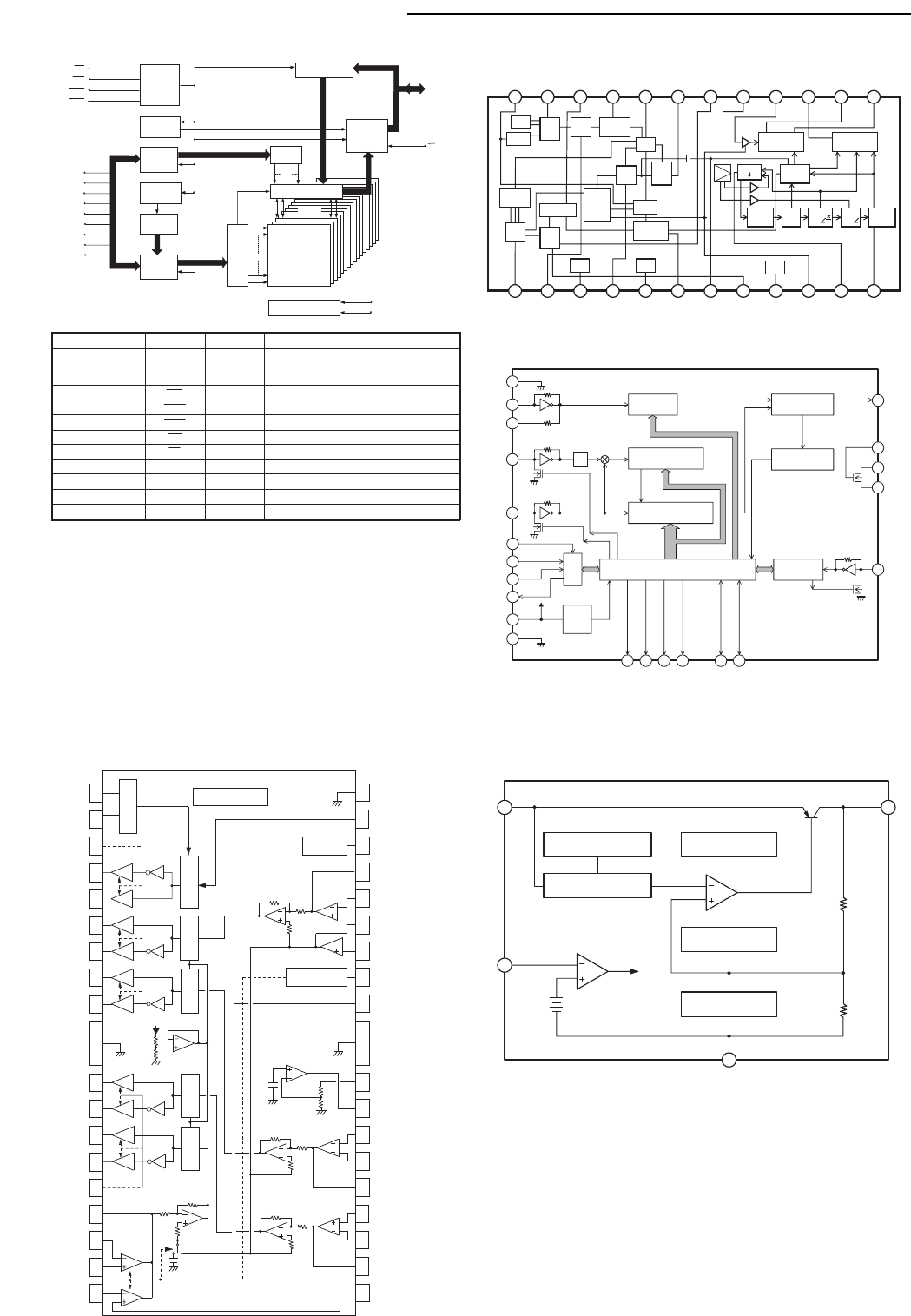
IC BLOCK DIAGRAM & DESCRIPTION
FL601 Fluorecent Tube
35
1G 2G 3G 4G 5G 6G 7G 8G 9G
1
a
fb
jkh
gm
nr
ec
Col
Dp
d
p
(2G ~ 9G)
PIN NO.
CONNECTION
P1
P2
P3
P4
P5
P6
P7
P8
P9
P10
P11
P12
P13
P14
P15
P16
P17
P18
P19
2G
a
b
f
h
j
k
Col
g
m
c
e
r
p
n
d
Dp
-
3G
a
b
f
h
j
k
Col
g
m
c
e
r
p
n
d
Dp
-
-
-
4G
a
b
f
h
j
k
Col
g
m
c
e
r
p
n
d
Dp
-
-
-
5G
a
b
f
h
j
k
Col
g
m
c
e
r
p
n
d
Dp
-
-
-
6G
a
b
f
h
j
k
Col
g
m
c
e
r
p
n
d
Dp
-
-
-
7G
a
b
f
h
j
k
Col
g
m
c
e
r
p
n
d
Dp
-
-
-
8G
a
b
f
h
j
k
Col
g
m
c
e
r
p
n
d
Dp
-
-
-
9G
a
b
f
h
j
k
g
m
c
e
r
p
n
d
1G
Note FN ; Filament pin
nG ; Grid pin
Pn ; Anode pin
NP ; No Pin
NX ; No Extended pin
F2 F2 NP P1 P2 P3 P4 P5 P6 P7 P8 P9 P10 P11 P12 P13 P14 P15 P16 P17 P18 P19 NX 9G 8G 7G 6G 5G 4G 3G 2G 1G NP F1 F1
35 34 33 32 31 30 29 28 27 26 25 24 23 22 21 20 19 18 17 16 15 14 13 12 11 10 9 8 7 6 5 4 3 2 1

- 22 -
IC BLOCK DIAGRAM & DESCRIPTION
IC100 LA9703WL-MPB (DVD Player Fronted Processor)
Functions
Customer OP amp. + input
Power supply (For DPD)
Pickup signal input
Pickup signal input
Pickup signal input
Pickup signal input
Pickup signal input
Ground (For DPD)
Pickup signal input
Pickup signal input
Pickup signal input
Pickup signal input
Pickup signal input
Pickup signal input
APC 1 output
APC 1 monitor input
APC 2 output
APC 2 monitor input
Ground (Servo system)
APC 1 threshold change
APC 1 laser ON
APC 2 laser ON
RFAGC OFF
PH discharge coeffcient change
RF, servo signal gain up
RF, EQL band change
TE output change
WO output change
Power supply (Servo system)
Tracking hold (H:hold)
Tracking bottom band change (High band)
Servo gain control (RREC, FE, PP, TE)
Terminal No.
1
2
3
4
5
6
7
8
9
10
11
12
13
14
15
16
17
18
19
20
21
22
23
24
25
26
27
28
29
30
31
32
Symbole
CAP
VCC
PDRF
PD1
PD2
PD3
PD4
GND
FIN1
FIN2
PIN1
PIN2
TIN1
TIN2
LDD1
LDS1
LDD2
LDS2
GND
LDTH
LDON1
LDON2
AGOF
BCA
GU
DVD/CD
DPD/TE
WO/PP
VCC
TH
XHTR
SGC
Terminal No Symbole Functions
33
34
35
36
37
38
39
40
41
42
43
44
45
46
47
48
49
50
51
52
53
54
55
56
57
58
59
60
61
62
63
64
BST
FC
FEBL
TEBL
CP
RREC
FE
TE
WO
PP
PPN
WOC
ISET
BH
PH
SREFI
BCAI
PHC
SREF
LPC
N/C
RFON
RFOP
GND
FSET
PREF
RFN
N/C
RFP
CAO
VCC
CAN
EQL boost adjusting
EQL I/O control
FE balance adjusting
TE balance adjusting
Charge pump gain setting resistor, condenser connect
Peflection output
Focus error output
Tracking error output
WO/push-pull output
Push/pull output
Push/pull gain setting resistor connect
DC cut capacity connect
BPF center frequency setting resistor connect
RF bottom detection output
RF peak detection output
SREF setting
Peak hold detection setting resistor connect (When SCA)
RF-AGC PH detection conderser connect
Servo signal voltage reference output
RE DC servo condenser connect
N/C
RF - output
RF + output
Ground (RF system)
EQL frequency setting resistor connect
Voltage refernce output (For pick)
RF signal - input
N/C
RF signal + input
Customer OP amp. output
Power supply (RF system)[
Customerm OP amp. - input
APC
LPF1
LPF2
LPF1
BPF
BH
PH
PH
DOOUT
LPF2
DPD
EQ
APC
TEBL
TEBL
LDTH
LDTH
LDON1
LDON1
LDON2
LDON2
AGOF
SREF
BCA GU
GU
GU
GU
GU
SGC
XHTR
SREF
SREF
SREF1
SREF
XHTR
XHTR
DPD/TE
WO/PP
SREF
SGC
SREF
SREF
FEBL
PREF
PREF
FEBL
DVD/CD DPD/TE WO/PP VCC TH
TH
XHTR SGC
SGC
SGC
BST
FC
FEBL
TEBL
BCA
BCA
BCA
FC BSTDVD/CD
VCC
VCC
PREF
AGOF
AGOF
GU
1
2
3
4
5
6
7
8
9
10
11
12
13
14
15
16
17 18 19 20 21 22 23 24 25 27 28 29 30 31 32
33
34
35
36
37
38
39
40
41
42
43
44
45
46
47
48
495051525354555657596061626364 58
26
SREF1
PH
BH
ISET
WOC
PPN
PP
WO
TE
FE
RREC
TEBL
CP
FEBL
FC
BST
SGC
XHTR
TH
VCC
WO/PP
DPD/TE
DVD/CD
GU
BCA
AGOF
LDON2
LDON1
LDTH
GND
LDS2
LDD2
LDS1
LDD1
TIN2
TIN1
PIN2
PIN1
FIN2
FIN1
GND
PD4
PD3
PD2
PD1
PDRF
VCC
CAP
BCAI
PHC
SREF
LPC
N/C
RFON
RFOP
GND
FSET
PREF
RFN
RFP
CAO
VCC
CAN
N/C

- 23 -
IC BLOCK DIAGRAM & DESCRIPTION
IC130 LC78663NRW (DVD/CD Signal Processing)
8
7
5
6
3
4
2
1
19
20
21
33
32
30
31
29
28
27
26
25
24
23
36
43
169~172
167
168
15
16
10
12
13
14
104
115
116
111
112
113
114
109
110
108
134
135
137
139
128
130
129
145~148,150~153,
156~159,161~164
62~65,
68~74
140
141
90
174
173
61
76
142
87
86
85
84
77
75
60
43,
46~52
53~59,
78~82
40
41
42
38
37
94
93
92
91
95
97~103
118
117
123
124
125
122
121
105
FE
TE
RF-PH
RF-BH
JV
RREC
AD0
AD1
BHC
WO
TEC
FG
EVENT
RFP[3:0]
DEFECTI
DEFECTO
EFMP
EFMN
SLCO1
SLCO2
SLCLPF0
SLCLPF1
EFMOUT
PISET
FISET
LF1
LF2
LF3
PCN
PPDO
FPDO
VCOCTL
DVDFR
CDFR
PCK
JVAO
JVAIN
JVRVO
JVCPC
JVCPI
XIN
XOUT
X16MIO
DVDCKIO
VPDO
VCOC
VRPFR
HDAT[7:0]
HADR[12:0]
HRDB
HWRB
HCSB
HWAITB
HWAITB
FDO
TDO
SLDO
SPDO
SGC
TBAL
FBAL
BST
FO
TSTDO
TSTDI
TESTO
HFLIO
EMPH
FSX
EFLG
DOUT
LRSY
ROMCK
ROMXA
C2F
MD[15:0]
MA[10:0]
MRASLB
MRASUB
MCASLB
MOEB
MWEB
AVACKO
AVREQI
AVDACK
AVSCTB
AVERRB
AVD[7:0]
A/D Block D/A BlockServo Block
SLC Block
8 bits
A/D 8 bits
D/A
Servo DSP
(16x16+32
¤
32)
MPX
RF I/F Block
FC Counter
TR Counter
EV Counter
FG Counter
FG Counter
(AD0)
(TEC)
(WO)
(RF BH)
(BHC)
CMP
CMP
CLV/CAV Block BCA Buff Block
SUBCODE I/F Block
EFM PLL Block
CD Frame Sync
DVD Frame Sync
JV Block
CLK GEN Block
SYS PLL Block
CPU I/F Block
DVD Dec Block AV Dec I/F Block
DRAM I/F Block
CD-ROM Dec Block
CIRC Dec Block
Audio OUT Block
EMF Block
Frame Synchronous
protection
Frame Synchronous
internal push
EMF demodulation
NO.
1
2
3
4
5
6
7
8
9
10
11
12
13
14
15
16
17
18
19
20
21
22
23
24
25
26
27
28
29
30
31
32
33
34
35
36
37
38
39
40
41
42
43
44
NO.
45
46
47
48
49
50
51
52
53
54
55
56
57
58
59
60
61
62
63
64
65
66
67
68
69
70
71
72
73
74
75
76
77
78
79
80
81
82
83
84
85
86
87
88
89
90
Block
A/D
TEST pin
SLC
TEST pin
Power
supply
CMP
D/A
Power
supply
RF I/F
Microcom-
puter I/F
Power
supply
Block
Microcom-
puter I/F
DRAM I/F
NC
DRAM I/F
Microcom-
puter I/F
CD data
CD data
Pin Name
AD1
AD0
JV
RREC
RF-PH
RF-RH
TE
FE
TEST0
EFMINP
TEST1
EFMINN
SLCLPF0
SLCLPF1
SLCO1
SLCO2
AVDDI
AVSS
BHC
WO
TEC
VREF
TSTD1
TSTD0
FO
BST
TBAL
FBAL
SGC
SLDO
SPDO
TDO
FDO
DVDDO
DVSS
FG
HIRQB
HWAITB
HRESB
HRDB
HWRB
HCSB
HDATO
DVDD1
Pin Name
DVSS
HDAT1
HDAT2
HADT3
HADT4
HDAT5
HDAT6
HADT7
HADR0
HADR1
HADR2
HADR3
HADR4
HADR5
HADR6
MWEB
MRASIB
MA0
MA1
MA2
MA3
NC
NC
MA4
MA5
MA6
MA7
MA8
MA9
MA10
MOEB
MCASUB
MCASLB
HADR7
HADR8
HADR9
HADR10
HADR11
HADR12
C2F
ROMXA
ROMCK
LRSY
DVDD1
DVSS
EMPH
Supplementation
Servo A/D AD1
Servo A/D AD0
Servo A/D JV
Servo A/D RREC
Servo A/D RF-PH
Servo A/D RF-BH
Servo A/D TE
Servo A/D FE
Test input 0
(Input "L" level)
EFM/EFM+ Input
Test input 1
(Input "L" Input)
EFM- Input
SLC
SLC
SLC
SLC
A/D D/A SLC Power source
[Analogue 3.3V]
Analogue GND
Comparator input
(RE-BH)
Comparator input
Comparator input
(TE)
Sarvo D/A Voltage reference
Sarvo D/A
Sarvo D/A TSTD0
Sarvo D/A FO
Sarvo D/A BST
Sarvo D/A TBAL
Sarvo D/A FBAL
Sarvo D/A SGC
Sarvo D/A SLDO
Sarvo D/A SPDO
Sarvo D/A TDO
Sarvo D/A FDO
Internal logic power source
[Digital 2.5V]
Digital GND
FG Counter input General-purpose port in/output
Interrupt signal output
Wait signal output
Servo reset input
Reag reset input
Write signsl input
Chip select signal input
DTA BUS 0
I/O Power source [Digital 3.3V]
Supplementation
Digital GND
Data bus 1
Data bus 2
Data bus 3
Data bus 4
Data bus 5
Data bus 6
Data bus 7
Address bus 0
Address bus 1
Address bus 2
Address bus 3
Address bus 4
Address bus 5
Address bus 6
WE Output
RAS Output I
DRAM Address bus 0
DRAM Address bus 1
DRAM Address bus 2
DRAM Address bus 3
NC pin which set,"H" or "L"
(662; DRAM Power ssupply [Digital 3.3V])
NC pin which set,"H" or "L"
(662;Digital GND)
DRAM Address bus 4
DRAM Address bus 5
DRAM Address bus 6
DRAM Address bus 7
DRAM Address bus 8
DRAM Address bus 9
DRAM Address bus 10
OE Output
CAS Output (Upper Byte)
CAS Output (Lower Byte)
Address bus 7
Address bus 8
Address bus 9
Address bus 10
Address bus 11
Address bus 12
Buffer memory access selector
C2 flag output Monitor pin 4
CD data output Monitor pin 3
CD dast output Monitor pin 2
shift clock output
CD data output L/R clock output Monitor pin 1
I/O power source
Digital GND
Deemphasis monitor pin Monitor pin 0
I/O
I
I
I
I
I
I
I
I
I
I
I
I
-
-
-
-
-
-
I
I
I
O
O
O
O
O
O
O
O
O
O
O
O
-
-
I/O
O
I
I
I
I
I
I/O
-
I/O
I/O
I/O
I/O
I/O
I/O
I/O
I/O
I
I
I
I
I
I
I
O
O
O
O
O
O
-
O
O
O
O
O
O
O
O
O
O
I
I
I
I
I
I
O
O
O
O
-
O

- 24 -
IC BLOCK DIAGRAM & DESCRIPTION
IC130 LC78663W-D(DVD/CD Signal Processing)
IC211 TA8176SN(Mixer)
MIXER Buffer
Amp Buffer Local
Buffer
BIAS
AGC DET
IF
5
1
2
3
7 8
9 4 610
11
12
AGC
BY-PASS
RF IN
OSC
OSC
BUFFER
OUT
RF OUT
MIX IN
MIX OUT
IF OUT
Vcc
Vcc Vcc
GND
FM/TV SW
IC401 KIA7805API(Regulator)
CURRENT
GENERATOR
REFERENCE
VOLTAGE
STARTING
CIRCUIT ERROR
AMPLIFIER
SOA
PROTECTION
THERMAL
PROTECTION
SERIES
PASS
ELEMENT
1INPUT 3 OUTPUT
2GND
NO.
91
92
93
94
95
96
97
98
99
100
101
102
103
104
105
106
107
108
109
110
111
112
113
114
115
116
117
118
119
120
121
122
123
124
125
126
127
128
129
130
131
132
133
134
135
136
I/O
I
O
O
O
O
O
O
O
O
O
O
O
O
O
O
-
-
-
-
-
-
-
-
-
-
-
-
-
-
-
-
-
O
-
-
-
-
-
-
-
-
-
-
I
O
-
I/O
I/O
I
I/O
O
O
O
-
-
I/O
I/O
I/O
I/O
I/O
I/O
I/O
I/O
-
-
I/O
I/O
I/O
I/O
-
I/O
I/O
I/O
I/O
I/O
O
I/O
I/O
I/O
I/O
I/O
I/O
NO.
137
138
139
140
141
142
143
144
145
146
147
148
149
150
151
152
153
154
155
156
157
158
159
160
161
162
163
164
165
166
167
168
169
170
171
172
173
174
175
176
Block
System
CLK
Moniter
CD data
Power
supply
DRAM I/F
NC
DRAM I/F
NC
DRAM I//F
NC
DRAM I/F
Power
supply
RF I/F
Power
supply
Block
AV data
I/F
RF I/F
Power
supply
EFM PLL
Power
supply
JV
Power
supply
System
CLK
Power
supply
Power supply
System
CLK
Power supply
Pin name
X16MIO
TEST2
DVDCKIO
FSX
EFLG
DOUT
DVDD1
DVSS
MD8
MD9
MD10
MD11
NC
MD12
MD13
MD14
MD15
NC
NC
MD0
MD1
MD2
MD3
NC
MD4
MD5
MD6
MD7
DVDD1
DVSS
DEFECTI
DEFECTO
RFP0
RFP1
RFP2
RFP3
TESIO
HFLIO
DVDD0
DVSS
@
Supplementation
External 16MHz output
Test input 2
(Input; "L" level set)
External DVD clock input
CD1 frame synchronization signal Monitor 6
Error correction C1,C2 correction Monitor 5
conditions monitor oins
Audio EIAJ data output Monitor 7
I/O power supply [Digital 3.3V]
Digital GND
Pin name
AVREQI
AVACKO
AVDACK
AVSCTB
AVERRB
AVD0
AVD1
AVD2
AVD3
AVD4
AVD5
AVD6
AVD7
EFMOUT
PCK
DVDD0
DVSS
VCOCTL
PPDO
FPDO
LF1
LF2
LF3
PCN
PISET
FISET
CDFR
DVDFR
AVDD2
AVSS
JVCPI
LVCPC
JVAO
JVAIN
JVRVO
AVDD3
AVSS
VPDO
VRPFR
VCOC
DVDD0
DVSS
DVDD2
XIN
XOUT
DVSS
Supplementation
AV data requirement flag input
AV data read strobe output
AV data read output
AV output selector synchronization outpun
AV data reliable flag output
AV data bus 0
AV data bus 1
AV data bus 2
AV data bus 3
AV data bus 4
AV data bus 5
AV data bus 6
AV data bus 7
EFM 2 value signal output
EFM playback shift clock output
Internel logic power source [Digital 2.5V]
Digital GND
VCO filter connect
Phase comparison filter connect
Frequency comparison filter connect
Filter connect 1
Filter connect 2
Filter connect 3
Voltage monitor pin(Phase comparson
charge pomp PCH control voltage)
Current setting pin for the constant current
phase comparison charge pomp
Current setting pin for the constant
frequcncy comparison charge pomp
EFM playback VCO oscillator range setting
pin [CD]
EFM playback VCO oscillator range setting
pin [DVD]
EFM PLL JV power supply [Analog 3.3V]
Analog GND
JV control
JV control
EFM playback PLL clock jitter output
JV control
JV control
SYSTEM PLL power supply [Analog 2.5V]
Analog GND
SYSTEM PLL filter connect
SYSTEM PLL VCO oscillator renge setting
SYSTEM PLL filter connect
Internal logic power source [Digital 2.5V]
Digital GND
Oscillation circuit power source [Digital 3.3V]
Oscillation circuit input
Oscillation circuit output
Digital GND
DRAM data bus 8
DRAM data bus 9
DRAM data bus 10
DRAM data bus 11
NC pin which set "H" or "L"
(662;Digital GND)
DRAM data bus 12
DRAM data bus 13
DRAM data bus 14
DRAM data bus 15
NC pin which set "H" or "L"
(662;Digital GND)
NC pin which set "H" or "L"
(662;DRAM power source [Digital 3.3V])
DRAM data bus 0
DRAM data bus 1
DRAM data bus 2
DRAM data bus 3
NC pin which set "H" or "L"
(662;DRAM power source [Digital 3.3V])
DRAM data bus 4
DRAM data bus 5
DRAM data bus 6
DRAM data bus 7
I/O power supply [Digital 3.3V]
Digital GND
Defect signal input General-purpose port
I/O 0
Defect signal output
RF general-ourpose port WRQ output
I/O 0
RF general-ourpose port
I/O 1
RF general-ourpose port HBUSYB output
I/O 2
RF general-ourpose port HFBUSYB output
I/O 3 EVENT counter input
Tracking margin signal I/O
Mirror detast signal I/O
Internal logic power supply [Digital 2.5V]
Digital GND

- 25 -
IC BLOCK DIAGRAM & DESCRIPTION
1
2
3
4
5
6
7
8
9
FR FR
10
11
12
13
14
15
16
17
18
36
35
34
33
32
31
30
29
28
FR
FR
27
26
25
24
23
22
21
20
19
VIN1+B
VIN2
VIN2–
VIN2+
VIN3
VIN3–
VIN3+
REG-IN
REG-OUT
VREF-OUT(CH1)
VIN1(VREF)-SW
VREF-IN
VIN4+
VIN4–
VIN4
MUTE
VCONT
S-GND
FWD
REV
VCC2
VL0–
VL0+
V04+
V04–
V03+
V03–
V02+
V02–
V01+
V01–
VCC1
VIN1
VIN1–A
VIN1+A
VIN1–B
SIGNAL SYSTEM GND
(LOAD OUTPUT Voltage Setting)
MUTE
BTL-AMP OUTPUT
ON/OFF
Thermal Shutdown
O
U
T
P
U
T
VIN1/VREF-SW
5VREG(PNP Ext.)
22k 11k
AMP-B
AMP-A
22k 11k
22k 11k
22k
11k
I
N
P
U
T
POWER
SYSTEM
GND
L
E
V
E
L
S
H
I
F
T
L
E
V
E
L
S
H
I
F
T
L
E
V
E
L
S
H
I
F
T
L
E
V
E
L
S
H
I
F
T
C
T
R
L
POWER
SYSTEM
GND
IC160 LA6560(Motor Driverl)
IC231 LA1844ML(AM/FM-IF/MPX)
FM
IF FM
DET
LEVEL
DET S-CURVE
AM/FM
IF
BUFF
REG GND
COMP
TUNING
DRIVE
AM
IF AM
DET
VCC
AGC PILOT
CANCEL
PILOT
DET
DECODER
ANTI-BIRDIE
STEREO
SW
FF
38k FF
19k
VCO
304kHz
AM
RF.AMP
AM
MIX
AM
OSC
ALC
BUFF
P-DET
FF
19k
2
123456789101112
24 23 22 21 20 19 18 17 16 15 14 13
IC241 LC72121M-D(PLL)
2
1
24
17
16
3
4
5
6
18
15
78910 11 14
19
20
21
22
13
Vssx
XIN
XOUT
FMIN
AMIN
CE
DI
CL
DO
V
DD
Vssd
PD
AIN
AOUT
Vssa
IFIN
IO1 IO2
BO1BO2 BO3 BO4
PHASE DETECTOR
CHARGE PUMP
UNLOCK
DETECTOR
UNIVERSAL
COUNTER
REFERENCE
DIVIDER
SWALLOW COUNTER
1/16, 1/17 4bits
12bits PROGRAMMABLE
DIVIDER
DATA SHIFT REGISTER LATCH
1/2
CCB
I / F
POWER
ON
RESET
IC402 KA78R12STU(Low Dropout Voltage Regulator)
OVERVOLTAGE
PROTECTION
SOA PROTECTION
THERMAL SHUTDOWN
BANDGAP REFERENCE
1Vin
4Vdis
2V
O
3
GND
OUTPUT
ON/OFF
SHORT-CIRCUIT
PROTECTION
HIGH/LOW
1.4V
R1
R2
Q1
IC131 M11L416256(256K x 16 DRAM)
PIN DESCRIPTIONS
PIN NO. PIN NAME TYPE DESCRIPTION
16~19,22~26 A0~A8 Input
Address Input
Row Address : A0~A8
Column Address : A0~A8
14
RAS Input Row Address Strobe
28 CASH Input Column Address Strobe / Upper Byte Control
29 CASL Input Column Address Strobe / Lower Byte Control
13 WE Input Write Enable
27 OE Input Output Enable
2~5,7~10,31~34,36~39 I/O0 ~ I/O15 Input / Output Data Input / Output
1,6,20 V
CC
Supply Power, 3.3V
21,35,40 V
SS
Ground Ground
11,12,15,30 NC - No Connect
CONTROL
LOGIC
DATA-IN BUFFER
CLOCK
GENERATOR DATA-OUT
BUFFER
COLUMN
ADDRESS
BUFFER
REFRESH
CONTROLER
REFRESH
COUNTER
ROW.
ADDRESS
BUFFERS(9)
9
A0
A1
A2
A3
A4
A5
A6
A7
COLUMN
DECODER
OE
16
ROW
DECODER
512 x 512 x 16
MEMORY
ARRAY
16
SENSE AMPLIFIERS
I/O GATING 8
512 x 16
V
CC
V
SS
IO0
:
IO15
RAS
CASH
512
512
9
9
99
9
CASL
V
BB
GENERATOR
WE
16
A8

- 26 -
IC BLOCK DIAGRAM & DESCRIPTION IC410,411 PQ1CG21H2RZ(Chopper Regulator)
+
-
+
-
1 2
5
4
3
Overcurrent
detection
circuit
Overheat
detection
circuit
COM
V
IN
V
OUT
ON/OFF
Oadj
OSC
ON/OFF
Circuit
Soft start
Constant-
voltage
circuit
QR
S
IC412 KA7805R(Voltage Regulator)
CURRENT
GENERATOR
REFERENCE
VOLTAGE
STARTING
CIRCUIT ERROR
AMPLIFIER
SOA
PROTECTION
THERMAL
PROTECTION
SERIES
PASS
ELEMENT
1INPUT 3 OUTPUT
2GND
IC450,460 NJM4558(Operational Amplifier)
1A: OUT
A: -IN
A: +IN
V
EE
2
3
4
8Vcc
B: OUT
B: -IN
B: +IN
7
6
5
BA
IC161 BA10358(Operational Amplifier)
4
3
2
1
5
6
7
8
+IN2
-IN2
OUT2
VCC
GND
+IN1
-IN1
OUT1
+
-
+
-
1
2
IC453,455 KTC801U-Y(Switching Transistor)
Q1
Q2
1
6
2
5
3
4

- 27 -
IC BLOCK DIAGRAM & DESCRIPTION
IC430 M38507M8(Micro Computer)
Ciock generating
circuit
Watchdog
timer
R A M R O N
A-D
converter
(10)
PWM
(8)
P4(5) P3(5) P2(8) P1(8) P0(8)
SI/O(8) I C
2
Prescaler 12(8)
Prescaler X(8)
Prescaler Y(8)
Timer 1(8)
Timer 2(8)
Timer X(8)
Timer Y(8)
C P U
A
X
Y
S
PC
L
PS
PC
H
INT
0
-
INT
3
Reset
Sub-
clock
input
X
CIN
Sub-
clock
output
X
OUT
CNTR
0
CNTR
1
XCOUT
XCIN
18 15
1
21
2019
234
5678910 11 12 13 14 16 17
38 39 40 41 42 22 23 24 25 27 29 30 31 32 33 34 35 36 37
2826
X
IN
X
OUT
V
SS
V
CC
CNV
SS
RESET
P4
4
/INT
3
/PWM
P4
3
/INT
2
P4
2
/INT
1
P4
1
/INT
0
P4
0
/CNTR
1
V
REF
AV
SS
P2
7
/CNTR
0
/S
RDY
P2
6
/S
CLK
P2
5
/SCL
2
/T
X
D
P2
4
/SDA
2
/R
X
D
P2
3
/SCL
1
P2
2
/SDA
1
P2
1
/X
CIN
P2
0
/X
COUT
P3
0
/AN
0
P3
1
/AN
1
P3
2
/AN
2
P3
3
/AN
3
P3
4
/AN
4
P0
0
P0
1
P0
2
P0
3
P0
4
P0
5
P0
6
P0
7
P1
0
P1
1
P1
2
P1
3
/(LED
0
)
P1
4
/(LED
1
)
P1
5
/(LED
2
)
P1
6
/(LED
3
)
P1
7
/(LED
4
)
1
2
3
4
8
7
6
512345678
A
B
AB
D,M,V Type
(Top View) L Type
V(+)
V(+)V(+)
V(-)
IC454, 484 KRX101U(Switching)
Q1
Q2
1
5
2 3
4
IC461 NJM4556(Operational Amplifier)

- 28 -
IC BLOCK DIAGRAM & DESCRIPTION
1
5
6
7
2
3
4
8
Vcc
GND
WP
SCL
SDA
A
2
A
1
A
0
START
STOP
LOGIC
LOAD
DEVICE
ADDRESS
COMPARATOR
COMP
LOAD INC
EN
SERIAL
CONTROL
LOGIC
DATA WORD
ADDR/COUNTER
Y DEC
H,V. PUMP/TIMING
E PROM
2
SERIAL MUX
DATA RECOVERY
X DEC
D
OUT
/ACK
LOGIC
D
IN
D
OUT
R/W
IC801 AT24C02N-10SI(EEPROM)
IC802 PTS3627U(Voltage Regulator)
OUT
GND
V
DD
C
D
2
1
GND 1
V
DD
OUT
C
D
2
4
3
3
4
R
D
Vref
PIN No.
1
2
3
4
PIN NAME
GND
V
DD
C
D
OUT
FUNCTIONS
GND Pin
V
DD
Pin / Voltage Detect Pin
Capacitor Connect Pin with Delay
Reset Signal Output Pin

- 29 -
IC BLOCK DIAGRAM & DESCRIPTION
IC471,491 KIA2058,NJM4558M(Operational Amplifier)
IC462,472 LM1876 (Dual 20W audio Power Amplifier)
1
2
3
411
12
13
14
A OUTPUT
A +INPUT
V+
C+INPUT
A INPUT
B INPUT
D+INPUT
V
D INPUT
D OUTPU
T
AD
5
6
78
9
10
B+INPUT
B OUTPUT
C INPUT
C OUTPUT
BC
15
14
13
12
11
10
9
8
7
6
5
4
3
2
1
Vcc B
Standby B
+ In B
- In B
Mute B
GND B
Standby A
+ In A
- In A
Mute A
GND A
VEE
Out A
VCC A
Out B
8
2
3
+In A
7-In A
Out
A
Amp A
4
VEE
5
GND
A
Vcc
A
LM1876
IC482 LM4700TF (30w audio Power Amplifier)
11
10
9
8
7
6
5
4
3
2
1
STANDBY
V
IN
+
V
IN
-
MUTE
GND
NC
NC
V
EE
OUTPUT
NC
V
CC
10
1
3
V
IN
+
9V
IN
-
OUTPUT
4
V
EE
7
GND
Vcc
LM4700
IC483 LM3876TF (56w audio Power Amplifier)
11
10
9
8
7
6
5
4
3
2
1
NC
V
IN
+
V
IN
-
MUTE
GND
NC
NC (+)
V-
OUTPUT
NC
V+
10
1
3
V
IN
+
9V
IN
-
OUTPUT
7
GND
4
V-
V+
LM3876
OSC
Serial
Data
Interface
14
15
16
17
18
19
20
21
22
23
24
25
26
27
28
30
31
32
33
34
35
36
37
38
42
41
40
39
1
2
3
4
7
6
8
9
5
30131110
Control
Display Memory
(24 bits x 17 Words)
Key Moter Memory
LED
Driver
Grid
Driver
Segment
Driver
Grid
Driver
Key Scan
Output
Driving Circuit
TI~inc Generator
SG1/KS1
SG2/KS2
SG3/KS3
SG4/KS4
SG5/KS5
SG6/KS6
SG7/KS7
SG8/KS8
SG9/KS9
SG10/KS10
SG11/KS11
SG12/KS12
SG13/KS13
SG14/KS14
SG15/KS15
SG16/KS16
SG17/GR12
SG18/GR11
SG19/GR10
SG20/GR9
SG21/GR8
SG22/GR7
SG23/GR6
SG24/GR5
GR1
GR2
GR3
GR4
LED1
LED2
LED3
LED4
DIN
DOUT
CLK
STB
OSC
VEEGNDVDDK2K1
Description
LED Output Pin
Oscillator Input Pin
A resistor is connected to this pin to
determinc the oscillation frequency
Data Output Pin (N-Channel, Open-Drain)
This pin outputs scrial data at the falling
cdge of the shift clock (starting from the lower bit)
Data Input Pin
This pin inputs serial data at the rising cdge
of the shift clock (starting from the lower bit)
Clock Input Pin
This pin reads serial data at the rising cdge
and outputs data at the falling cdge.
Serial Interface Strobe Pin
The data input after the STB has fallen is
processed as a command.
When this pin "HIGH",CLK is ignored,
Key Data Input Pins
The data inputted to these pins are fatched
at the end of the display cycle.
Logic Ground Pin
Logic Power Supply
High-Voltage Segment Output Pins
Also acts as the Key Source
Pull-Down Level
High Voltage Segment/Grid Output Pins
High-Voltage Grid Output Pins
Pin No.
1 to 4
5
6
7
8
9
10, 11
12, 44
13, 43
14 to 29
30
31 to 38
39 to 42
I/O
O
I
O
I
I
I
I
-
-
O
-
O
O
Pin Name
LED1 to LED4
OSC
DOUT
DIN
(Schmitt Trigger)
CLK
(Schmitt Trigger)
STB
(Schmitt Trigger)
K1 to K2
VSS
VDD
SG1/KS1 to SG16/KS16
VEE
SG17/GR12 to SG24/GR5
GR4 to GR1
IC601 PT6315 (VFD Driver/Controller)

- 30 -
IC BLOCK DIAGRAM & DESCRIPTION
IC800 ZR36748 (AV Decorder)
Pin No.
Boot selection, debug interface, GPIO pin, test mode (23pin)
40
208
2
41
42
43
44
45~47
49
51
8
7
5,6
4
197
196
195
177
3
206
PLL signal (4 pin)
157
161
160
194
Analog video port (5pin)
169
I/O
I#
I/O#
I
O
I
I/O
I/O#
I
I/O
I/O
I/O
I
I/O
O
I/O#
I
I/O#
O
I/O
I/O
I/O#
O
I/O#
O
I/O#
O
I/O#
O
I/O#
I
ID
ID
ID
AO
ID#
I/O
AO
Name
BOOTSEL1
GPCI/O[0]#
NMI
DUPTD
DUPRD
GPCI/O[1]
GPCI/O[2]#
SSCSRQ
GPCI/O[3]
GPCI/O[4]
GPCI/O[5-7]
GPCI/O[8]#
SSCRXD
GPCI/O[9]#
SSCTXD
GPCI/O[10]#
SSCCLK
GPCI/O[11]#
SSCRRQ
GPCI/O[12-13]
GPCI/O[14]
GPCI/O[15]#
HSYNC
GPCI/O[16]#
VSYNC
GPCI/O[17]#
VCLK x 2
GPCI/O[18]#
COSYNC
GPCI/O[19]#
BOOTSEL2
TESTMODE
RESET#
GCLK
XO
PLLCFGP#
GPCI/O[20]
CVBS/G/Y
(DAC A)
Function
CPU software starting basis select I. Low:starting by flash memory.
High : starting by down loaded program from UART.
Controled general I/O by microcomputer software.
MN1 interrupt I.
Debug UART data O.
Debug UART (or IrDA) data I.
Controled general I/O by microcomputer software.
USE general interrupt I.
Controled general I/O by microcomputer software.
Use general interrupt I.
SSC mode : synchronization communication requeat reception.
Controled general I/O by microcomputer software.
Use general interrupt I.
N/C
Controled general I/O by microcomputer software.
Use general interrupt I.
Controled general I/O by microcomputer software.
Use general interrupt I.
SSC mode : synchronization communication data reception.
Controled general I/O by microcomputer software.
SSC mode : synchronization communication data transmission.
Controled general I/O by microcomputer software.
SSC made : synchronization communication clock reception.
Controled general I/O by microcomputer software.
SSC mode : synchronization communication acknowledge transmission.
Controled general I/O by microcomputer software.
Controled general I/O by microcomputer software.
Controled general I/O by microcomputer software.
Horizontal synchronization O.
Controled general I/O by microcomputer software.
Vertical synchronization O.
Controled general I/O by microcomputer software.
VCLK x 2 O.
Controled general I/O by microcomputer software.
Cosync O.
Controled general I/O by microcomputer software.
Readed by BOOT ROM after hardware reset and used when select flash
ROM or flash ROM + SRAM set.
Direct connect to GNDP when usually operation.
Reset I (Active low).
Initialize process start RESET# signal deassert.
27.000MHz clock for main process generation or xtal I.
Connected xyal to GCLK O.
N/C when not use xtal.
Process clock PLL set I.
Can change when RESET# assert.
Usually operation : low, RESET assert term.
Controled general I/O by microcomputer software.
YC O : CVBS signal O.
RGB O : G signal O.
YUV O : Y signsl O.

- 31 -
IC BLOCK DIAGRAM & DESCRIPTION
IC800 ZR36748 (AV Decorder)
Function
YC O : Y signal O.
RGB O : R signal O.
YUV O : V signal O.
YC O : C signal O.
RGB O : B signal O.
YUV O : U sibnal O.
Which CVBS signal or C signal O.
Select be unrelated to YC / RGB / YUV mide.
DAC adjusting resistor connect.
ITU-R656 conform Y / C multiplex digital video O.
ADP ICE interface modo select I.
Controled general I / O by microcomputer software.
ITU-R656 conform Y / C multiplex digital video O.
ADP ICE interface data I.
Coutroled general I / O by microcomputer software.
ITU-R656 conform Y / C multiplex digital video O.
ADP ICE interface data O.
Controled general I / O by microcomputer software.
ITU-R656 conform Y / C multiplex digital video O.
ADP ICE interface clock I.
Controled general I / O by microcomputer software.
ITU-R656 conform Y / C multiplex digital video O.
CPU JTAG clock I.
Controled general I / O by microcomputer software.
ITU-R656 conform Y / C multiplex digital video O.
CPUJTAG tms I.
Controled general I / O by microcomputer software.
ITU-R656 conform Y / C multiplex digital video O.
CPUJTAG data I.
Probe UART data I.
ITU-R656 conform Y / C multiplex digital video O.
CPUJTAG data O.
Probe UART data O.
Audio master clock I / O.
128,192,256 or 384fs sampling frequency (Programable) use.
S / PDIF O.
N / C
Digital stereo audio serial data O.
Digital stereo audio serial data I.
Digital stereo audio bit clock O.
Palarity is programable.
Digital stereo audio LR clock O.
AOUT and AIN data output or latch, clock trailing edge or
last transition edge(programable).
Controled general I / O by ADP software.
27.000MHz clock I for audio master clock generating.
Connected to GCLK when usually operation.
Audio PLL set I.
Can change when RESET# signal assert.
Uqually operation : low RESET# signai assert term.
Controled general I / O by microcomputer softwaer.
Pin No.
172
173
170
175
Digital video port, CPU and ADP test (8 pin)
199
201
200
198
202
203
205
204
I/O
AO
AO
AO
AI
O#
I#
I/O
O#
I#
I/O
O#
O#
I/O
O#
I#
I/O
O#
I#
I/O
O#
I#
I/O
O#
I#
I
O#
O#
O
Name
Y/R/V
(DAC B)
C/B/U
(DAC C)
CVBS/C
(DAC D)
RSET
VID[7]#
ICETMS#
GPCI/O[22]
VID[6]#
ICETDI#
GPCI/O[23]
VID[5]#
ICETDO#
GPCI/O[24]
VID[4]#
ICETCK#
GPCI/O[25]
VID[3]
JTCK#
GPCI/O[46]
VID[2]#
JTMS#
GPCI/O[47]
VID[1]#
JTDI#
PUPRD
VID[0]#
JTDO#
PUPTD
Digital audio port (11 pin)
179
181
186,187
184
192
188
190
182
162
193
I/O
O
O
I
O
O
I/O
ID
ID#
I/O
AMCLK
S/PDIF
AOUT[2:1]
AOUT[0]
AIN
ALRCLK
ABCLK
GPAI/O
GCLK1
PLLCFGA#
GPCI/O[21]

- 32 -
IC BLOCK DIAGRAM & DESCRIPTION
IC800 ZR36748 (AV Decorder)
Function
ATAPI data I / O.
A / V data I.
ATAPI data I / O.
A / V data I.
ATAPI data I / O.
A / V data I.
ATAPI data I / O.
A / V data I.
ATAPI data I / O.
A / V data I.
Controled general I / O by microcomputer software.
ATAPI data I / O.
A / V data I.
Controled general I / O by microcomputer software.
ATAPI data I / O.
A / V data I.
Controled general I / O by microcomputer software.
ATAPI data I / O.
A / V data I.
Controled general I / O by microcomputer software.
ATAPI data I / O.
A / V data request O (Polarity is programable).
Controled general I/ O by microcomputer software.
ATAPI data I / O.
A / V data active I (Polarity is programable).
ATAPI data I / O.
A / V error I (Polarity is programable).
Controled general I / O by microcomputer software.
ATAPI data I / O.
A / V sector opening I (Polarity is programable).
ATAPI data I / O.
A / V data bit strobe (Clock) I (Polarity is Programable).
ATAPI data I / O.
Controled general I / O by microcomputer software.
General chip select O, from CPU to external device.
ATAPI interruptio requirement I.
Controled general I / O by microcomputer software.
ATAPI data I / O.
Controled general I / O by microcomputer software.
ATAPI PIO write signal O.
Controled general I / O by microcomputer software.
ATAPI PIO read signal O.
Controled general I / O by microcomputer software.
ATAPI PIO ready signal I.
Survo DSP ready signal I.
Controled general I / O by microcomputer software.
ATAPI data I / O.
Controled general I / O by microcomputer software.
ATAPI address signal O.
Controled general I / O by microcomputer software.
ATAPI address signal O.
CD-DSP error signal I.
Controled general I / O by microcomputer software.
ATAPI address signal O.
CD-DSP frame signal I.
Controled general I / O by microcomputer software.
Pin No.
Loader interface, AV bit stream interface (25pin)
18
16
14
13
11
9
10
12
19
20
21
22
23
24
32
26
27
29
31
25
34
36
37
I/O
I/O#
I
I/O#
I
I/O#
I
I/O#
I
I/O#
I#
I/O
I/O#
I#
I/O
I/O#
I#
I/O
I/O#
I#
I/O
I/O#
I#
I/O
I/O#
I
I/O#
I#
I/O
I/O#
I
I/O#
I
I/O#
I/O#
O
I#
I/O
I/O#
I/O
O#
I/O
O#
I/O
I#
I#
I/O
I/O#
I/O
O#
I/O
O#
I
I/O
O#
I#
I/O
Name
ATDD[11]#
DVDDAT[0]
ATDD[4]#
DVDDAT[1]
ATDD[10]#
DVDDAT[2]
ATDD[5]#
DVDDAT[3]
ATDD[6]#
DVDDAT[5]#
GPCI/O[26]
ATDD[7]#
DVDDAT[7]#
GPCI/O[27]
ATDD[8]#
DVDDA[6]#
GPCI/O[28]
ATDD[9]#
DVDDAT[4]#
GPCI/O[29]
ATDD[3]#
DVDREG#
GPCI/O[30]
ATDD[12]#
DVDVALID
ATDD[2]#
DVDERR#
GPCI/O[32]
ATDD[13]#
DVDSOS
ATDD[1]#
DVDSTRB
ATDD[14]#
GPCI/O[34]#
MEMCS[3]#
ATINTRQ#
GPCI/O[35]
ATDD[15]#
GPCI/O[36]
ATLOW#
GPCI/O[37]
ATIOR#
GPCI/O[38]
ATIORDY#
SERVDSPRDY#
GPCI/O[39]
ATDD[0]#
GPCI/O[40]
ATDA[2]#
GPCI/O[41]
ATDA[1]#
CDERR#
GPCI/O[42]
ATDA[0]#
CDFRM#
GPCI/O[43]

- 33 -
IC BLOCK DIAGRAM & DESCRIPTION
IC800 ZR36748 (AV Decorder)
ADC interface (3 pin)
164~166
SDRAM interface (36 pin)
80,82,84,86,
87,89,90,92,
93,95,96,98,
99,101,102,
104
53~55,57~60,
62~64,67,70
72
74
78
76
66,68
71
75
External memory interface (41 pin)
105~113,
117~122
131,133~138,
140,142~150,
152,154
155
129
128
124,126
123
Power supply (52 pin)
15,33,50,56,
65,73,79,88,
94,100,114,
125,139,151,
189,207
1,17,35,61,69,
77,85,91,97,
103,116,127,
141,153,191
48,159
178
180
30,81,132,183
28,83,130,185
158
156
171
168,174,176
163
167
I
I/O
O
O
O
O
O
O
O
O
I/O
O
O#
I/O
O
O
O
O#
I/O
S
S
S
S
S
S
S
S
S
S
S
S
S
SERADC[2:0]
RAMDAT[15:0]
RAMADD[11:0]
RAMRAS#
RAMCAS#
PCLK
RAMDQM
RAMBA[1:0]
RAMCS#
RAMWE#
MEMDA[15:0]
MEMAD[18:0]
MEMAD[19]#
GPCI/O[33]
MEMWR#
MEMRD#
MEMCS[1:0]#
MEMCS[2]#
GPCI/O[31]
GNDP
VDDP
VDDIP
GNDP2
VDDP2
GNDC
VDDC
GNDA
VDDA
VDDDAC
GNDDAC[D,B,P]
GNDADC
GNDADC
Function
ATAPI chip select signal O.
CD-DSP bit clock signal I.
Controled general I / O by microcomputer software.
ATAPI chip select signal O.
CD-DSP data I.
Controled general I / O by microcomputer software.
ADC analog I.
SDRAM data I / O.
SDRAM address O.
SDRAM low select O (Active low).
SDRAM column select O (Active low).
SDRAM clock O (Same internnal process clock).
SDRAM data mask O (Active high).
SDRAM bank select O.
SDRAM chip select O (Active low).
SDRAM write enable O (Active low).
External memory data I / O.
External memory address O.
Used MEMAD (18 : 16) for PLL debug.
Externaal address O.
Controled general I / O by microcomputer software.
External memory write enable O (Active low).
External memory read enable O (Active low).
External memory chip select O (Active low).
External memory chip select O (Active low).
Controled general I / O by microcomputer software.
3.3V digital peripheral power supply GND (16 pin).
3.3V digital peripheral power supply (16 pin).
3.3V peripheral reference voltage (2 pin).
Filtered 3.3V digital power supply GND for AMCLK.
Filtered 3.3V digital power supply for AMCLK.
1.8V digital core power supply GND (4 pin).
1.8V digital core power supply (4 pin)
Internal PLL oircuit GND.
1.8V internal PLL circuit power supply.
3.3V DAC analog power supply.
3.3V DAC analog power supply GND (3 pin).
3.3V ADC analog power supply.
3.3V ADC analog power supply GND.
Pin No.
38
39
I/O
O#
I#
I/O
O#
I#
I/O
Name
ATCS1#
CDCLK#
GPCI/O[44]
ATCS0#
CDDAT#
GPCI/O[45]

- 34 -
IC BLOCK DIAGRAM & DESCRIPTION
IC806 74VHCT08A (Quad 2-Input AND Gate)
114
A
0
2
B
0
3
O
0
4
A
1
5
B
1
6
O
1
7
GND
13 A
2
12 B
2
11 O
2
10 A
3
9B
3
8O
3
V
CC
A
L
L
H
H
B
L
H
L
H
Pin Names
A
n'
B
N
O
N
Description
Inputs
Outputs
O
L
L
L
H
CONTROL LOGIC
CE#
OE#
WE#
WP#
RY/BY#
RESET#
BYTE#
A18-A0,A-1
ADDRESS BUFFER
&
LATCH CIRCUIT
CHARGE PUMP
&
VOLTAGE
REFERENCE
CIRCUIT
IN/OUTPUT BUFFER
&
DATA LATCH
DQ15-DQ0
128Kx16
or
256Kx8
FLUSH
BANK2 384Kx16
or
788Kx8
FLUSH
BANK1
LOW DECODER
COLUMN DECODER
1
2
3
4
5
6
7
8
9
10
11
12
13
14
15
16
17
18
19
20
21
22
23
24
48
47
46
45
44
43
42
41
40
39
38
37
36
35
34
33
32
31
30
29
28
27
26
25
A16
BYTE#
VSS
DQ15/A-1
DQ7
DQ14
DQ6
DQ13
DQ5
DQ12
DQ4
VDD
DQ11
DQ3
DQ10
DQ2
DQ9
DQ1
DQ8
DQ0
OE#
VSS
CE#
AD
A15
A14
A13
A12
A11
A10
A9
A8
NC
NC
WE#
RESET#
NC
WP#
RY/BY#
A18
A17
A7
A6
A5
A4
A3
A2
A1
Symbols
A18,A17
A16-A0,A-1
A18-A15
A18-A10
DQ15-DQ0
CE#
OE#
WE#
BYTE#
RY/BY#
WP#
RESET#
VDD
VSS
Pin Name
Bank Selective Address
Flush Bank Address
Flush Bank Block Address
Flush Bank Sector Sddress
Data Input/Output
Chip Enable
Output Enable
Write Enable
Bait Pin
Ladey/Beje Output
Write Protect
Reset
Power Supply
Ground
Functions
Selects bank 1 when "L" and bank 2.
Sapply address for flush bank.
Select flush bank for erease.
Select flush bank sector for erease.
To activate the flush bank when CE# is "L".
To activate the data output buffer .
To control the write, erease and program.
Bait mode when "L" and word mode when "H".
Output "L" when write and ezcept "H".
To activate hardware write protect when "L".
To activate hardware reset when "L".
2.7V~3.6V supply.
To output data during read cycle and receive input data during write
cycles. Data is internaliy latched during a writecycle. The output are
high inpedance when OE#,CE# is "H".
IC818 LE28DW8163T (8Mbit Flash)
3
15
4
2
CONTROL
IC850 PQ2L2182MS (Regulator)

- 35 -
IC BLOCK DIAGRAM & DESCRIPTION
Input Function
Active on the positive going edge to sample all inputs.
Disables or enables device operation by masking or enabling all inputs except
CLK,CKE and L(U)DQM
Masks system clock to freeze operation from the next clock cycle.
CKE should be enabled at least one cycle prior to new command.
Disable input buffers for power down in standby.
Row/column addresses are multiplexed on the same pins.
Row address : RA
0
- RA
10
, Column address : CA
0
- CA
7
Selects bank to be activated during row address latch time.
Selects bank for read/write during column address latch time.
Latches row addresses on the positive going edge of the CLK with RAS low.
Enables row access & precharge.
Latchea column addresses on the positive going edge of the CLK with CAS low.
Enables column access.
Enables write operation and row precharge.
Latches data in starting from CAS, WE active.
Mskes data output Hi-Z, I
SHZ
sfter the clock and masks the output.
Blocks data input when L(U)DQM active.
Data inputs/outputs are multiplexed on the same pins.
Power and ground for the input buffers and the core logic.
Isolated power supply and ground for the output buffers to provide improved noise
immunity.
This pin is recommended to be left No Connection on the device.
Pin
CLK
CS
CKE
A
0
- A
10/
AP
BA
RAS
CAS
WE
L(U)DQM
DQ
0
-
15
V
DD
/V
SS
V
DDQ
/V
SSQ
N.C/RFU
NAME
System Clock
Chip Select
Clock Enable
Address
Bank Select Address
Row Address Strobe
Column Address Strobe
Write Enable
Data Input/Output Mask
Data Input/Output
Power Supply/Ground
Dsta Output Power/Ground
No Connection/
Reserved for Furure Use
Programming Register
Timing Register
Latency & Borst Length
Column Decoder
Data Input Register
Output Buffer
Row Decoder
LRAS
LCBR
Bank Select
LRAS LCAS LDQM
LWCBR
LCBR LWE
Row Buffer
Refresh Counter
Col. Buffer
Address Register
I/O Control
512K x 16
512K x 16
35
20~24,
27~32
2,3,5,6,7,8,9,11,
12,39,40,42,43,
45,46,48,49
35
34 18 17 16 15 36
14
Sense AMP
CLK
ADD
CLK CKE CS RAS CAS WE L(U)DQM
DQ1
LDQM
LWE
LCKE
IC822 K4S16162D
(512 X 16Bit X 2 Bank synchronous DRAM )
IC870 LC708746V (6 ch. DAC)
Pin No.
1
2
3
4
5
6
7
8
9
10
11
12
13
14
15
16
17
18
19
20
21
22
23
24
25
26
27
28
Name
DVDD
SCKI
BCKIN
LRCIN
DIN0
DIN1
DIN2
MODE
MUTE
LRCIN2
DGND
ML/I2S
MC/IWL
MD/DM
AVDD2
CAP
OUT2L
GR2
OUT2R
AGND1
OUT1L
GR1
OUT1R
AGND2
OUT0L
GR0
OUT0R
AVDD1
Type
Supply
Digital input
Digital input
Digital input
Digital input
Digital input
Digital inpiut
Digital input
Internal pull-up
Digital bidirectional
Digital input
Internal pull-down
Supply
Digital input
Internal pull-up
Digital input
Internal pull-up
Digital input
Supply
Analogue output
Analogue output
Analogue input
Analogue output
Supply
Analogue output
Analogue input
Analogue output
Supply
Analogue output
Analogue input
Analogue output
Supply
Function
Digital power source
System clock input
Audio data bit clock input
Sampling rate clock (LRCK) input
Channel 0 Serial audio data input
Channel 1 Serial audio data inout
Channel 2 Serial audio data input
Control mode select
Low= Software mode
High= Hardware mode
Mute control (PCM mode)
Input Output (Auto mute active)
Low; Not mute Low; Mute off
High; Mute High; Mute on
Z; Auto mute
192kHz/96kHz Mode active 2nd LRCIN input
Digital GND
Software mode; 3way serial control latch lag
Hardware mode; Input format selector
Software mode; 3way serial control clock input
Hardware mode; Input word length select
Software mode; 3way serial control data input
Hardware mode; Deepnhasis select
Analogue power source
Analogue power VREF de-coupling
Lch 2 Output
Ch 2 GND
Rch 2 Output
Analogue GND
Lch 1 Output
Ch 1 GND
Rch 1 Output
Analogue GND
Lch 0 Output
Ch 0 GND
Rch 0 Output
Analogue power source
3
4
10
BCKIN
PDWN
PDWN
PDWN
DEEMPH
UPDATE
RxA(23:0)
LxA(23:0)
PL(3:0)
IWL(1:0)
FMT(1:0)
ATC
PDWN
MUTE
BCP
LRP
LRCIN
LRCIN2
DIN0
DIN1
DIN2
5
6
7
25
26
27
OUT0L
GR0
OUT0R
21
22
23
OUT1L
GR1
OUT1R
17
18
19
OUT2L
GR2
OUT2R
2
SCKI
12
ML/I2S
13
MC/IWL
14
MD/DM
8
MODE
9
MUTE
LC708746V
11
DGND
1
DVDD
20
AGND1
24
AGND2
28
AVDD1
15
AVDD2
16
CAP
Digital
Filter
R0A(7:0)
L1A(7:0)
L0A(7:0)
R1A(7:0)
R2A(7:0)
L2A(7:0)
Stereo
DAC
Sigma
Delta
Modulator
Digital
Filter
AUDIO
INTERFACE
CONTROL
INTERFACE
Stereo
DAC
Sigma
Delta
Modulator
DAC
CHANNEL
CONTOL
Digital
Filter Stereo
DAC
Sigma
Delta
Modulator

- 37 -
- 36 -
BLOCK DIAGRAM
This is a basic block diagram.
16M SDRAM
MICRO PROCESSOR
6CH DAC
E2PROM 2K
RESET
MUTE
DSP
RF AMP
5CH
DRIVER
DRAM
FL DRIVER VFD
POWER,PLAY
STOP KEY
Y/C <-> YCbCr Y/C <-> RGB
LEVEL SHIFT
FLASH
AC-INPUT
5V REG.
12V REG.
12V REG.
5V REG.
AC-INPUT
9V REG.
5V REG.
5V REG.
1.8&2.5V REG
FRONT
POWER AMP
SURROUND
POWER AMP
CENTER
POWER AMP
SUBWOOFER
POWER AMP
BF AMP
BF AMP
Q-SURROUND
TONE
VOLUME
VOLUME
VOLUME
BF AMP
BF AMP
BF AMP
6ch VR,EQ,FUNCTION
SYSTEM MICON
SKIP,FUNC.
OPEN/CLOSE KEY
(FM,AM,FE) (FM,AM,FE)
BF AMP
VOLUME
IC822
IC800
IC870
IC801
IC802
Q8880
Q8882
IC100 IC130
IC160
IC130
X1300
X8230
CN100
CN602(16P)
IC601
DS601
IR SENSOR
CN302
CN160
IC806
CN162
IC818
CN402(2P)
Power Transformer
IC401
IC402
Q4007
Q4006
CN401(9P)
Q4006
Q4007
IC402
IC401
CN401(9P)
Power Transformer
CN402(2P)
RY401
RY401
Sub
Transformer
Q4000
AU,
US,CA
POWER
SUPPLY
JP,
UK,XE
POWER
SUPPLY
CN412(10P)CN410(5P)CN411(4P)
US,CA
UK,XE
UK,XE
US,CA
US,CA
UK
XE
CN470
Q4100
IC411
IC412
IC410
IC850
Q4101 Q4103
Q4102
IC462
IC472
IC482
IC483
IC471
IC461
IC452
IC480
Q4581Q4582 Q4580
Q4640
Q4641
Q4740
Q4741
Q4840
Q4841
Q4848
CN605
IC491(1/2)
IC491(2/2)
IC451
IC430
IC455
Q4209
Q4206
IC453
Q4844
IC484
IC454
S3501
CN351
CN352(11P)
CN498(11P)
S3501
CN301(17P)
CN495(17P)
Q3301
Q4950
Q4951
CN490
CN491 CN492
S6001
JOG VOLUME
CN496(16P)
X4300
Q4303
Q4001
Q4002
Q4001
Q4002
Q4302
CN497(11P)
CN241(11P) CN241(11P)
IC231
IC241
IC211(TA8176S):FM FECN201 CN201
U2101(TUNEPACK):FM FE
L2151:AM FE
IC241
IC231IC251
AU,JP
US,CA
UK,XE
CN203 CN203
CN611(3P)
CN603(3P)
IC460
Q4620
Q4621
Q4622
Q4623
Q8881
L2151:AM FE
LC3816161ET
ZR36748
PCM1602Y
AT24C02N
PST3627
LA9703W LC78663NW
M11L4146256SA
LA6560-A
16.934MHZ
27.000MHZ
PT6315
SCART
74VHCT08A
LE28DW8163T-70T
KIA7805API
KA78R12STU
KA78R12STU
KIA7805API
SPEAKER JACK
PQ1CG21H2RZ
KA7805R
PQ1CG21H2RZ
PQ2L2182MSP
LM1876TF
LM1876TF
LM4700TF
LM3876TF
NJM2058V
NJM4556AL
QS7785CF
KIA4558F
HEADPHONE JACK
NJM2058V
NJM2058V
BD3811K1
M38503M
FAN MOTOR
VIDEO SW
CONPONENT
VIDEO SW
HEADPHONE OUT
FRONT LCH
SPEAKER OUT
FRONT RCH
SPEAKER OUT
CENTER CH
SPEAKER OUT
SURROUND LCH
SPEAKER OUT
SURROUND RCH
SPEAKER OUT
SUBWOOFER CH
SPEAKER OUT
COMPOSITE
S VIDEO OUT VIDEO(AUDIO)IN
8MHz
LA1844ML
LC72121M
TO ANTENNA TO ANTENNA
LC72121M
LA1844MLLC72722
TO ANTENNA TO ANTENNA
KIA4558F
CS,MBA0,MCLK
DQML,DQMU
MC,MDI
AMCLK,ML
AMCLK,ML
MC,MDI
DWE,CAS,RAS
3.3V 5V
ZERO MUTE
*MUTEC
DAC_A,DAC_B
DAC_C,DAC_D
ABCLK,ALRCLK,ASDATA0
ASDATA1,ASDATA2
3.3V
3.3V
3.3V
RFP,RFN,ADPH,BHC,PHBCA
TEC,ADTE,ADFE,ADRREC
TOST,FOST,BST,VCA
TBAL,FBAL,SGC,FC
DEF
DEF_INH
DEFECTI
DEFECTO
XHTR
FE
FE
LDON1,LDON2
EQSCT,DPD_TE
FD
TD
SLD
*OPEN/*CLOSE
SPD
*DMUTE
HD[0;7]
HA[0;12]
*RD(HRDB),*WR(HWRB)
*RDY(HWAITB)
*DVDIRQ(HIRBQ),WRQ
*DACK
*DREQ
DCLK,*DBGN,*DERR
AVD[0;7]
AMCLK
JV JVAD
*LSI_RST,*DVDCS
C2F,LRCK,BCK,SDATA,EMPH,SPDIF
5Va
9V
2.5V3.3V
5Va
1.8V 3.3V
STB DIN
CLK
D5V
FL1,FL2
IR
DAC_A,DAC_B,DAC_C
CVBS
V_SW
DAC_D
3.3V
MD
MD
LD
LD
5Va
-30V
*OPN_SW,
*CLS_SW,*LSW
FD,TD,SLD,SPD
OPEN/CLOSE
*OPN_SW,*CLS_SW,*LSW
DMUTE
*CS_DVD,*WR,*RD,*RDY
*INT_DEC,WRQ
*RESET
FL1,FL2,-30V
STB
DIN
CLK
D5V
IR
DVD-DO,DVD-CLK
REQUEST
DVD-DI,READY
DVD-DO,DVD-CLK
REQUEST
FPSEL,FPDOUT,FPCLK
V_SW,SCART
*MUTEC
3.3V
D5V
SD_A[0;10]
SD_D[0;15]
HA[0;18]
HA[0;19]
HD[0;15]
HD[0;15]
*FLASHCS
*HWRH
*RD
+5.6V
+12V
SUB +B
SUB -B
P-CON
-12V
-12V
P-CON
SUB -B
SUB +B
+12V
+5.6V
+5V
CONTROL
SUB +B
SUB -B
25V
-25V
5.6V
12V
-12V
9V
5V
2.5V1.8V
CONTROL CONTROL
DVD POWER DVD POWER
DVD POWER
CONTROL
-12V
12V
12V
-12V
25V
-25V
-25V
25V
25V
-25V
-25V
25V
-12V
12V
-12V
12V
7V
-7V
MUTE
MUTE
MUTE
BASS SW
BASS
NORMAL/BOOST
HEADPHONE SIGNAL OUT
HEADPHONE IN
(SWITCH)
SDA,SCL
DVD SURROUND SIGNAL
DVD
SUBWOOFER
SIGNAL SUBWOOFER SIGNAL
DVD CENTER SIGNAL
CENTER SIGNAL
SURROUND
SIGNAL
FRONT
SIGNAL
A5V
5Va
DVD-DI,READY
12V
12V
25V
SPEAKER RELAY
PROTECT
-25V
25V
SPEAKER RELAY
STBY
ON/OFF
MUTE
ON/OFF
M5V
DVD/CD
AM/FM
VIDEO1(VIDEO)
VIDEO2(TV)
-12V
12V
-12V
12V
MIX
HEADPHONE SIGNAL OUT
HEADPHONE IN
(SWITCH)
Y,Cb,Cr
V_SW
DAC_A,DAC_B,DAC_C
Y,C
V_SW
3.3V
DAC_A,DAC_B,DAC_C
Y,C
TV IN
SW-V
SW-RGB
V_SW
12V
3.3V
CVBS
MIX
MAIN MUTE
DVD MUTE
OUT0R,OUT0L
OUT1R,OUT1L
OUT2L
OUT2R
DVD FRONT SIGNAL
SW-V
CVBS
Y,C
TV IN
DVD-POWER
DVD-PO
DVD-POWER
P-CON
SP-RY
BASS
VOL_SDA,VOL_SCL
A-MUTE
Q-SUR.-DA,-CL
HP-IN
P-CON
KEY0,KEY1
JOG
DRV-STB
DRV-DO
DRV-CLK
5.6V
Vcc
JOG
IR
KEY0,KEY1
STANDBY
MAIN CLOCK
SHIFT
V-CHECK
V-CHECK
V-CHECK
V-CHECK,PROTECT
RESET
-30V
FL1,FL2
FL1,FL2,-30V
5.6V
12V
TU_CE
TU_DATA
TU_CLK
TU_DO
RDS_IN
TUNER_L,TUNER_R
TUNER_L,TUNER_R
PLL_CS,PLL_DA,PLL_CLK
PLL_DI
SD,AM_IN
AOUT
FM_IN
AM_RF
FM_IF
AM_OSC
AM_RF
FM_IN
AOUT
SD,AM_IN
PLL_DI
PLL_CS,PLL_DA,PLL_CLK
TUNER_L,TUNER_R
RDS_DI
MPX_IN
3.3V
Vref
-12V
12V
MUTE
MUTE
SURROUND
SIGNAL
CENTER
SIGNAL
SUBWOOFER
SIGNAL
A5V
Q-SUR.-DA,-CL
FRONT
SIGNAL
3.3V
GUP
SCL,SDA
3.3V
FM,AM,MONO,SD
AM_OSC
FM_IF
FM,AM,MONO
DVD PD
FOCUS
TRACKING
SLED MOTOR
LIMIT SWITCH
SPINDLE
MOTOR
PICK UP : SF-HD6AVST2
A
B
C
D
F-
F+
T+
T-
MAIN PWB
FRONT PWB
SCART PWB
(UK,XE MODEL ONLY)
RF
CD PD A
B
C
E
F
DVD LD
CD LD
ACTUATOR
VR
VR
MD
MD
LD
LD
HFM
LOADING MOTOR
OPEN/CLOSE
SWITCH
(US,CA MODEL ONLY)
CONPONENT PWB
(US,CA MODEL ONLY)
(ALL MODELS)
MAIN PWB (DVD,AMP,SYSCON) POWER SUPPLY PWB
POWER SUPPLY PWB
AM LOOP ANT.
FM ANT. FM ANT.
AM LOOP ANT.
(UK,XE MODEL)(US,CA,AU,JP MODEL)
TUNER PWB TUNER PWB
Without 760 series

- 39 -
- 38 -
PRODUCT
SAFETY
NOTICE
EACH PRECAUTION
IN THIS MANUAL
SHOULD BE
FOLLOWED DURING
SERVICING.
COMPONENTS
IDENTIFIED WITH
THE IEC SYMBOL !
!!
AND MARK IN THE
PARTS LIST AND
THE SCHEMATIC
DIAGRAM
DESIGNATED
COMPONENTS IN
WHICH SAFETY AND
PERFORMANCE CAN
BE OF SPECIAL
SIGNIFICANCE.
WHEN REPLACING A
COMPONENT
IDENTIFIED BY !
!!
AND , USE ONLY
THE REPLACEMENT
PARTS DESIGNATED,
OR PARTS WITH
THE SAME RATINGS
OF RESISTANCE,
WATTAGE OR
VOLTAGE THAT ARE
DESIGNATED IN THE
PARTS LIST IN THIS
MANUAL.
LEAKAGE-CURRENT
OR RESISTANCE
MEASUREMENTS
MUST BE MADE TO
DETERMINE THAT
EXPOSED PARTS
ARE ACCEPTABLY
INSULATED FROM
THE SUPPLY
CIRCUIT BEFORE
RETURNING THE
PRODUCT TO THE
CUSTOMER.
SCHEMATIC DIAGRAM (DVD)
This is a basic schematic diagram.
*:no MOUNT(LOC No.=1800-1899)
(Loader BLOCK)
3.3V
9V
DGND
DGND
DGND
DGND
DGND
2
1
short
brake
(HI-imp)
OFF
LOADING
CLOSEOPEN
H
H
L
H
H
L
L
L
(REV)
(FWD)
*CLOSE
*OPEN
FWD
REV
VCC2
VLO+
VLO-
VO4-
VO4+
VO3+
VO3-
VO2+
VO2-
VO1+
VO1-
VCC1
VIN1+A
VIN1-A
VIN3
VIN4+
VIN4-
VIN4
VIN1-B VIN1+B
VIN1
VIN2-
VIN2+
VIN2
MUTE
S-GND
VREF-IN
VREF-OUT
VIN1-SW
REG-OUT
REG-IN
VIN3-
VIN3+
VCONT
DGND
DGND
DGND
DGND
LIMIT-SW
SLED-M
M
SPINDLE-M
M
M
OPEN_SW
GND_D
CLOSE_SW
MLD2
MLD1
54321
LOADING-M
M011
CN001
S0001
1AV4J11PY060M
1AV4J10AU050N
A.GND
MM
M
M
M
M001
M0001
008
A.GND
A.GND
A.GND
A.GND
A.GND
A.GND
A.GND
A.GND
A.GND
PICK-UP
A.GND
1
1
2
2
3
3
H;DVD
L;CD
1AV4J11YA240G
DGND
A.GND
DGND
A.GND
DGND
DGND
DGND
A.GND
DGND
DGND
A.GND
A.GND
DGND
DGND
DGND
DGND
A.GND
DGND
A.GND
A.GND
DGND
AVACKO
PREF
I/O15
I/O14
I/O13
I/O12
I/O11
I/O10
I/O9
I/O8I/O7
I/O6
I/O5
I/O4
I/O3
I/O2
I/O1
VCC
A3
VSS
A4
*OE
A8
A7
A6
A5
*CASH
*CASL
NC
VSS
VSS
*RAS
NC
A0
A1
A2
*WE
NC
NC
VCC
I/O0
VCC
N/C
RFP
CAN
VCC
(RF)
CA0
PREF
FSET
GND
(RF)
RFOP
RFON
N/C
LPC
SREF
PHC
BCAI
SREFI
PH
BH
ISET
WOC
PPN
PP
WO
TE
FE
RREC
CP
TEBL
FEBL
FC
BST
SGC
XHTR
TH
VCC
WO/*PP
DPD/*TE
DVD/*CD
GU
BCA
AGOF
LDON2
LDON1
LDTH
GND
LDS2
LDD2
LDS1
LDD1
TIN2
TIN1
PIN2
PIN1
FIN2
FIN1
GND
PD4
PD3
PD2
PD1
PDRF
VCC
CAP
DVSS
DVDD0
HFLIO
TESIO
LDON2(RFP3)
LDON1(RFP2)
XHTR(RFP1)
WRQ(RFP0)
DEFECTO
DVD_*CD(PP0)
DVSS
DVDD1
MD7
MD6
ND5
DVDD3
MD4
MD3
MD2
MD1
MD0
DVDD3
DVSS
MD15
MD14
MD13
MD12
DVSS
MD11
MD10
MD9
MD8
DVSS
DVDD1
DOUT
SYEQ(EFLG)
FSEQ(FSX)
DVDCKIO
TEST2
X16MIO
DVSS
XOUT
XIN
DVDD2
DVSS
DVDD0
VCOC
VRPFR
VPDO
AVSS
AVDD3
JVRVO
JVAIN
JVAO
JVCPC
JVCPI
AVSS
AVDD2
DVDFR
CDFR
FISET
PISET
PCN
LF3
LF2
LF1
FPDO
PPDO
VCOCTL
DVSS
DVDD0
PCK
EFMOUT
AVD7
AVD0
AVERRB
AVSCTB
AVDACK
AVREQI
EMPH
DVSS
DVDD1
LRSY
ROMCK
ROMXA
C2F
HADR12
HADR11
HADR10
HADR9
HADR8
HADR7
MCASLB
MCASUB
MOEB
MA10
MA9
MA8
MA7
MA6
DVSS
DVDD3
MA5
MA4
MA3
MA2
MA1
MA0
MRAS1B
MWEB
HADR6
HADR5
HADR4
HADR3
HADR2
HADR1
HADR0
HDAT7
HDAT6
HDAT5
HDAT4
HDAT3
HDAT2
HDAT1
DVSS
DVDD1
HDAT0
HWRB
HCSB
HRDB
HRESB
HIRQB
HWAITB
FG(PP1)
DVSS
DVDD0
FDO
TDO
SPDO
SLDO
SGC
FBAL
TBAL
BST
F0
TSTD0
TSTD1
VREF
TEC
WO
BHC
AVDD1
AVSS
SLCO2
SLCO1
TEST1
EFMINP
SLCLPFI
SLCLPFO
EFMINN
TEST0
FE
TE
RF_BH
RF_PH
RREC
JV
AD0
AD1
DGND
A.GND
DGND
B
A
D
C
E
F
DGND
KFG
AGOFF
BCA
WO_PP
A.GND
A.GND A.GND
A.GND
A.GND
A.GND
A.GND
A.GND
A.GND
A.GND
A.GND
A.GND A.GND
A.GND A.GND A.GND
A.GND
A.GND
A.GND
A.GND
DGND DGND DGND
RFN
LOGIC 2.5V
LOGIC 2.5V
LOGIC 2.5V
DRAM3.3V
I/O 3.3V
AD/DA 3.3V
I/O 3.3V
AVD6
AVD5
AVD4
AVD3
AVD2
AVD1
EFM/PLL 3.3V
SYS_PLL2.5V
OSC
I/O 3.3V
DRAM3.3V
I/O 3.3V
DRAM3.3V
LOGIC 2.5V
DGND DGND
2.5V
M
DGND
A2.5V
A.GND A.GND
A.GND
P
P
<SF-HD6AVST2>
CN002
A.GND
10K
10K
A.GND
WO/PP
PREF
LDON2
APC
LDTH
LDON1
SREF
SREF DPD/TE
LPF2
LPF2
LPF1
LPF1
XHTR
SREF
200KHZ
200KHZ
30KHZ
30KHZ
XHTR
SGC
SGC
SGC
SGCGU
GU
GU
GU
TEBL
TEBL
SREF
SREF
APC
FEBL
FEBL
SREF
TH
SREF
BPF
BH
PH
PH
XHTR
BCA
BCA
BST
DVD
/CD
GU
VCC
DPD
EQ
AGOF
PREF
FC
BCA
50K200K
DCCUT
37dB
47K
47K
47K
47K
47K
47K
6P
6P
1K
1K
1K
1K
4.3K
23K
23K
MLD1
MLD2
CLOSE_SW
GND_D
OPEN_SW
F-
F+
T+
T-
RF(NC)
B
A
E
GND-PD
VC
VCC
F
D
C
CD/DVD
MD(NC)
(LD-CD)
VR-CD
VR-DVD
MD
LD-CD
HFM
LD-DVD
GND-LD
SLED1
SLED2
SP+
SP-
GND
LMT_SW
SLED1
SLED2
SP+
SP-
GND
LMT_SW
EMPH
C2F
LRCK
BCK
CD_DATA
SPDIF
CD
AVD0
AVD1
AVD2
AVD3
AVD4
AVD5
AVD6
AVD7
*DERR
*DBGN
DCLK
*DACK
*DREQ
C1891C1892
R1601
C1658
R1603 R1605 R1607
C1650
C1600
R1606
IC160
R1604
SPD
R1600
R1602
C1893
TD
FD
SLD
*DMUTE
R1609 R1608
R1893
CN160
C1606
R1500
R1501
*OPN_SW
*CLS_SW
C1605
MLD1 MLD2
R1502
R1503
R1505
R1504
SLED2 SLED1
SP+ SP-
*CLOSE
*OPEN
C1890
LIMIT
R1891
Q1890
R1892
FG
C1894
SPD_FG
TR+
C1008 R1035
R1040
Q1005
C1009C1011
Q1006
R1038
C1010
MD
L1000
R1037
LDTP1
LDTP2
CN100
D1001
Q1016
R1034
R1032
R1031
Q1002
R1030
R1033
C1005
C1007 C1006
D1000
FO-
FO+
TR-
(B) (A)
(E)
VC
(F)
(D) (C)
CD/DVD
VR-CD
VR-DVD
LD-CD
HFM
LD-DVD
VCC
Q1003
Q1004
R1036R1039
C1044
R1850
R1822
R1821
R1824
R1823
C1340
R1321
R1300
R1330
R1865
RFNRFP
C1910
C1911
L1002
PHBCA ADPH
RREC
ADFE
BST
FC
FBAL
TBAL
C1870
C1871
C1874
C1873
C1872
DSP74
DSP73
C1903
C1902 C1900
C1901
L1302
C1306
C1307
C1308
C1317
C1341
C1321
C1342
C1862
C1303
C1304
R1070
C1041
C1040
C1045
R1071
R1810
C1020
R1051
R1090
C1021
R1053
R1056
C1023
R1055
C1022
R1057
C1024
C1025
R1059
C1026
R1060
C1027
R1064
R1062
C1028
C1030
C1029
R1066
R1065
C1861
C1860
C1859
C1858
C1857
C1856
C1855
C1854
C1853
C1852
SYEQ
FSEQ
AMCLK
R1331
C1331
C1330
C1319
C1318
R1320
R1319
R1860
R1864
C1316
ADJVR1317
C1315
R1316
C1313
C1314
R1313
R1312
R1314
R1315
PCN
C1310
C1311
C1880
R1310
R1861
R1311
R1862
R1863
PCK
EFMOUT
C1305
R1303
R1302 C1302
C1301
C1300
IC100
IC131
IC130
R1013
R1012
R1835
R1834 C1821R1833
R1832
C1820
R1009
R1008
R1017
R1830
R1831
CAP
R1073
C1047
R1018
R1019
R1016
C1042
C1043
C1822
C1048
R1072
R1076
C1046
R1074
C1000
C1001
C1002
C1003
R1800
R1801
C1004
R1014
R1015
R1704
R1700
R1701
R1702 R1703
R1705
D1700
C1701
C1700
C1750
C1550
C1012
BH
ADBH
WO
ADTE
TEC
SGC
TOST FOST
IC161
HFLIO
TESIO
LDON2
LDON1
XHTR
WRQ
DEFECTO
DVD_*CD
R1890
C1896
C1895
C1845
C1846 C1847
*INT_DEC
*RDY
*LSI_RST
*RD
*WR
*CS_DVD
GUP
C1090
R1091
X1500
C1320
CN162
RN101 RN100
R1886
Q1882
R1887
Q1881
R1885
R1883 R1882
R1884
R1881
Q1880
R1880
R1888
**
22K
47/25
27K 15K 10K
0.1
0.1
10K
LA6560
10K
10K
10K
*
10K 12K
*
000
0.1
4.7K
4.7K
0.1
100
100
100
4.7K
*
*
*
*
*
1000P 1K
18
KTA1505
10/5010/50
KTA1505
1K
1000P
1000
18
000
*
000
KTC3875
3.3K
4.7K
10K
KTC3875
10K
10K
0.1
0.1 0.1
000
*
000
KTC3875
KTC3875
1818
1
*
*
*
*
*
0.1
220
6.8K
330
*
0.1
150/6.3
000
*
*
*
*
*
0.1
100/10 150/6.3
0.1
1000
0.1
0.1
0.1
0.1
0.1
0.1
0.1
*
0.1
0.1
36K
0.1
47/25
47/25
8.2K
*
100P
5.6K
10K
560P
6.8K
33K
1000P
6.8K
4700P
33K
4700P
0.047
10K
1
62K
560P
33K
6.8K
4700P
56P
1500P
6.8K
6.8K
*
*
*
*
*
*
*
*
*
*
1M
10P
10P
0.1
0.1
5.6K
10K
*
*
560P
6.8K
0.01
10K
0.1
0.1
22K
22K
1.8K
1.2K
0.1
0.1
*
680
*
1.2K
*
*
0.1
4.7K
100K 0.1
470P
470P
LA9703W
M11L416256SA
LC78663NW/NRW
10K
10K
*
***
*
*
1.2M
2.2M
1.2M
*
*
1K
56P
820K
820K
2.2M
47/25
0.1
*
0.01
22K
3.3K
47P
330
56P
56P
56P
56P
*
*
470P
39K
39K
4.7K
5.6K
5.6K
4.7K 10K
18K
1SS355
0.01
1000P
0.1
0.1
100P
BA10358
*
*
*
*
**
1000P
39K
16.9344MHZ
0.1
000
47K 8.2K
*
*
*
*
*
**
*
*
*
*
*
28 29 30 31 32 33 34 35 3619 20 21 22 23 24 25 26 27
1
2
3
4
5
6
7
8
9
101112131415161718
1
2
3
4
5
1
2
3
4
5
6
7
8
9
10
11
12
13
14
15
16
17
18
19
20
21
22
23
24
33 34 35 36 37 38 39 40 41 42 43 44 45 46 47 48
49505152535455565758596061626364
16
15
14
13
12
11
10
9
8
7
6
5
4
3
2
1
2221201918171615141310987654321
44 43 42 41 40 39 38 37 36 35 32 31 30 29 28 27 26 25 24 23
45 46 47 48 49 50 51 52 53 54 55 56 57 58 59 60 61 62 63 64 65 66 67 68 69 70 71 72 73 74 75 76 77 78 79 80 81 82 83 84 85 86 87 88
176 175 174 173 172 171 170 169 168 167 166 165 164 163 162 161 160 159 158 157 156 155 154 153 152 151 150 149 148 147 146 145 144 143 142 141 140 139 138 137 136 135 134 133
89 90 91 92 93 94 95 96 97 98 99
100 101 102 103 104 105 106 107 108 109 110 111 112 113 114 115 116 117 118 119 120 121 122 123 124 125 126 127 128 129 130 131 132
44 43 42 41 40 39 38 37 36 35 34 33 32 31 30 29 28 27 26 25 24 23
22
21
20
19
18
17
16
15
14
13
12
11
10
9
8
7
6
5
4
3
2
1
17 18 19 20 21 22 23 24 25 26 27 28 29 30 31 32
1234
8765
6
5
4
3
2
1
6
5
4
3
2
1
*DREQ
HA1
HA2
HA3
HA4
HA5
HA6
HA7
HA8
HA9
HA10
HA11
HA12
HA0
HD0
HD1
HD2
HD3
HD4
HD5
HD6
HD7
*WR
*RD
*CS_DVD
*OPEN
*LSW
*INT_DEC
*DACK
DCLK
*DBGN
*DERR
AVD0
AVD1
AVD2
AVD3
AVD4
AVD5
AVD6
AVD7
*RDY
*LSI_RST
*CLOSE
*DMUTE
SPD_FG
*CLS_SW
*OPN_SW
5V
TR+
9V
FO+
FO-
TR- TDO
VR
5V
FDO
SLDO
SPDO
*DMUTE
*CLOSE
*OPEN
3.3V
*CLS_SW
*OPN_SW
3.3V
*LSW
SPD_FG
3.3V
FO+
FO-
TR+
TR-
PVR
RF5
RF5
RF5
RF5
WO
VR
WO
3.3V
RF5
ADJV
ADJV
TOST
3.3V
9V
5V
3.3V
3.3V
3.3V
VR
RF5
VR
FC
BST
FBAL
TBAL
WO
ADRREC
ADFE
ADTE
TEC
VR
ADBH
BHC
ADPH
PHBCA
3.3V
VR
RFN
RFP
LDON1
LDON2
GUP
DVD_*CD
DEFECTO
XHTR
SGC
XHTR
WRQ
DEFECTO
DR_D8
DR_D10
DR_D15
DR_D14
DR_D13
DR_D12
DR_D11
DR_D9
DR_D7
DR_D6
DR_D5
DR_D0
DR_D1
DR_D2
DR_D3
DR_D4
SPDIF
CD
3.3V
AVD7
AVD6
AVD5
AVD4
AVD3
AVD2
AVD1
AVD0
DCLK
*DERR
*DBGN
*DACK
*DREQ
EMPH
LRCK
BCK
CD_DATA
C2F
*MCASL
*MCASU
*MOE
DR_A8
DR_A7
DR_A6
DR_A5
DR_A4
DR_A3
DR_A2
DR_A1
DR_A0
*MRAS
*MWE
HA7
HA8
HA9
HA10
HA11
HA12
HA6
HA5
HA4
HA3
HA2
HA1
HA0
HD0
HD1
HD2
HD3
HD4
*CS_DVD
*WR
*RD
*LSI_RST
*RDY
*INT_DEC
SPD_FG
FDO
TDO
SPDO
SLDO
SGC
FBAL
TBAL
BST
FC
FOST
TEC
BHC
RFN
RFP
ADFE
ADTE
ADBH
ADPH
ADRREC
PHBCA
HD5
HD6
HD7
DR_D9
DR_D11
DR_D12
DR_D13
DR_D14
DR_D15
DR_D4
DR_D3
DR_D2
DR_D1
DR_D0
DR_D10
DR_D8
DR_D5
DR_D6
DR_D7
3.3V
DR_A3
DR_A2
DR_A1
DR_A0
*MRAS
*MWE
DR_A4
DR_A5
DR_A6
DR_A7
DR_A8
*MOE
*MCASU
*MCASL
RF5
VR
RF5
FOST
PVR
PVR
VR
9V
TOST
DVD_*CD
3.3V
LDON1
LDON2
DVD_*CD
AMCLK_DSP
GUP
WRQ
SPDIF
CD
EMPH
LRCK
BCK
CD_DATA
C2F
2.5V
2.5V
PVR
RF5
[MV-WX]
[MV-WX]
**
*
*
*
*
*
*
2500/US,765/US,CA,760/UK,XE

- 41 -
- 40 -
This is a basic schematic diagram.
PRODUCT
SAFETY
NOTICE
EACH PRECAUTION
IN THIS MANUAL
SHOULD BE
FOLLOWED DURING
SERVICING.
COMPONENTS
IDENTIFIED WITH
THE IEC SYMBOL !
!!
AND MARK IN THE
PARTS LIST AND
THE SCHEMATIC
DIAGRAM
DESIGNATED
COMPONENTS IN
WHICH SAFETY AND
PERFORMANCE CAN
BE OF SPECIAL
SIGNIFICANCE.
WHEN REPLACING A
COMPONENT
IDENTIFIED BY !
!!
AND , USE ONLY
THE REPLACEMENT
PARTS DESIGNATED,
OR PARTS WITH
THE SAME RATINGS
OF RESISTANCE,
WATTAGE OR
VOLTAGE THAT ARE
DESIGNATED IN THE
PARTS LIST IN THIS
MANUAL.
LEAKAGE-CURRENT
OR RESISTANCE
MEASUREMENTS
MUST BE MADE TO
DETERMINE THAT
EXPOSED PARTS
ARE ACCEPTABLY
INSULATED FROM
THE SUPPLY
CIRCUIT BEFORE
RETURNING THE
PRODUCT TO THE
CUSTOMER.
SDA
SCL
WP
VCC
GND
A2
A1
A0
DGND
DGND
CVBS/C
CVBS/G/Y
Y/R/V
C/B/U COMPOSITE
Y
C
YR
G
BU(Cb)
Y(Cr)
EEPROM(2K)
DAC A
DAC B
DAC C
DAC D
(COMPOSITE)
DGND
VGND
VGND
VGND
VGND
DGND
DGND
DGND
DGND
DGND DGND
VSW H L L
DGND
DGND
DGND
DGND
(ICX81)
(8M FLASH)
A15
A14
A13
A12
A11
A10
A9
A8
NC
NC
WE#
RESET#
NC
WP#
RY/BY#
A18
A17
A7
A6
A5
A4
A3
A2
A1A0
CE#
VSS
OE#
DQ0
DQ8
DQ1
DQ2
VDD
DQ3
DQ9
DQ10
DQ11
DQ4
DQ5
DQ6
DQ7
DQ12
DQ13
DQ14
DQ15
VSS
BYTE
A16
DGND
DGNDDGND
DGND DGND DGND DGND
DGNDDGND
DGNDDGND
DGND DGND
VSS
DQ15
DQ14
DQ13
DQ12
VSSQ
VDDQ
DQ11
DQ10
VSSQ
DQ9
DQ8
VDDQ
NC
UDQM
CLK
CKE
NC
A9
A8
A7
A6
A5
A4
VSS VDD
A3
A2
A1
A0
A10
BA
*CS
*RAS
*CAS
*WE
LDQM
VDDQ
DQ7
DQ6
VSSQ
DQ5
DQ4
VDDQ
DQ3
DQ2
VSSQ
DQ1
DQ0
VDD
(16M SDRAM)
DGND
DGND DGND DGND DGND DGND DGND DGND
DGND DGND DGND DGND DGND DGND
DGND
DGND
DGND
DGND DGND DGND
DGND DGND DGND DGND
DGND DGND DGND DGND
DGND DGND DGND
DGND
DGND
DGND
DGND
RESET
DGND
DGND DGND
DGND
DGND
DGND
DGND
DGND DGND
DGND
DGND
DGND
DGND
DGND
DGND
DGND
DGND
DGND
DGND
When SRAM PWB is connected,
this resister is not assembled.
GPIOC15 MARKET<SETUP> others others EUR
MONITOR
DEBUGGER
I/F
DEBUG
TERMINAL
I/F
DGND
DGND
DGND
DGND
DGNDDGND
DGND
DGND
DGND
DGNDDGND
a
GDACDGNDVGND
DVDD
SCKI
BCKIN
LRCLK
DIN0
DIN1
DIN2
MODE
MUTE
NC(LRCLK2)
DGND
ML/I2C
MC/IWL
MD/DM AVDD1
CAP
OUT2L
GR2
OUT2R
AGND1
OUT1L
GR1
OUT1R
AGND2
OUT0L
GR0
OUT0R
AVDD2
DGND GDAC
GDACGDAC
GDAC
DGND
VGND
VGND
VGND
VGND
VGND GDACDGND DGND
DGND
DGND
DGND
DGND
P
VDDP
DUPRD
BOOTSEL2/GPCIO19
GPCIO14
GPCIO13
GPCIO12
SSCRRQ/GPCIO11
SSCCLK/GPCIO10
ATDD7/DVDDAT7/GPCIO27
ATDD8/DVDDAT6/GPCIO28
ATDD6/DVDDAT5/GPCIO26
ATDD9/DVDDAT4/GPCIO29
ATDD5/DVDDAT3
ATDD10/DVDDAT12
GNDP
ATDD4/DVDDAT1
VDDP
ATDD11/DVDDAT0
ATDD3/DVDREQ/GPCIO30
ATDD12/DVDVALID
ATDD2/DVDERR/GPCIO32
ATDD13/DVDSOS
ATDD1/DVDSTRB
ATDD14/GPCIO34/MEMCS3
ATDD0/GPCIO40
ATDD15/GPCIO36
ATIOW/GPCIO37
VDDC
ATIOR/GPCIO38
GNDC
ATIORDY/SERVDSPRDY/GPCIO39
ATINTRQ/GPCIO35
GNDP
ATDA2/GPCIO41
VDDP
ATDA1/CDERR/GPCIO42
ATDA0/CDFRM/GPCIO43
ATCS1/CDCLK/GPCIO44
ATCS0/CDDAT/GPCIO45
BOOTSEL1/GPCIO0/NMI
GPCIO1/INT1
RAMADD4
RAMADD3
RAMADD5
GNDP
RAMADD2
RAMADD6
RAMADD1
RAMADD7
VDDP
RAMADD0
RAMADD8
RAMADD10
GNDP
RAMBA1/RAMCS0
RAMADD9
RAMBA0
VDDP
RAMADD11
SSCSRQ/GPCIO2/INT2
GPCIO3/INT4
GPCIO4(Reserved)
GPCIO5
GPCIO6
GPCIO7/INT5
VDDIP
SSCRXD/GPCIO8
GNDP
SSCTXD/GPCIO9
VDDP
GNDP
RAMDAT10
RAMDAT6
VDDP
RAMDAT9
VDDC
RAMDAT7
GNDC
RAMDAT8
GNDP
PCLK
VDDP
RAMDQM
RAMWE
RAMCAS
GNDP
RAMRAS
RAMCS
RAMDAT5
RAMDAT11
VDDP
RAMDAT4
RAMDAT12
GNDP
RAMDAT3
RAMDAT13
VDDP
RAMDAT2
RAMDAT14
GNDP
RAMDAT1
RAMDAT15
VDDP
RAMDAT0
VDDA
MEMAD19/GPCIO33
MEMAD18
VDDP
MEMAD17
GNDP
MEMAD16
MEMAD15
MAMAD14
MEMAD13
MEMAD12
MEMAD3
MEMAD4
MEMAD5
MEMAD6
GNDP
MEMAD7
VDDP
MEMAD8
MEMAD9
MEMAD10
MEMAD11
MEMAD2
MEMAD1
GNDC
MEMAD0
VDDC
MEMWR
MEMRD
VDDP
MEMCS0
GNDP
MEMCS1
MEMDA4
GNDP
MEMDA12
VDDP
MEMDA5
MEMDA13
MEMDA6
MEMDA14
MEMDA7
MEMDA15
MEMCS2/GPCIO31
MEMDA11
MEMDA3
MEMDA10
MEMDA2
MEMDA9
MEMDA1
MEMDA8
MEMDA0
RESET
GNDA
VDDIP
XO
GCLKP
GCLKA
VDDADC
SERADC2
SERADC1
SERADC0
GNDADC
GNDP2
GPCIO18
DACGNDP
RSET
DACGNDB
C/B/U
Y/R/V
DACVDD
CVBS/C
CVBS/G/Y
DACGNDD
AMCLK
VDDP2
SPDIF/AOUT3
GPAIO
GNDC
AOUT0
VDDC
AOUT1
AOUT2
ALRCLK
GNDP
ICETDO/GPCIO24
ICETMS/GPCIO22
ICETCK/GPCIO25
GPCIO15
GPCIO16
GPCIO17
PLLCFGP/GPCIO20
PLLCFGA/GPCIO21
AIN
VDDP
ABCLK
ICETDI/GPCIO23
JTCK/GPCIO46
GPCIO47
JIDO/PUPTD
JTDI/PUPRD
TESTMODE[
GNDP
DUPTD
SEL(L:PLAYER)
P
Y
P
R8057
R8058
IC801
C8051
R8493 R8492 R8491 R8490
DAC_A
DAC_C
DAC_B
DAC_D
ML
ZERO
MC
C8052
R8084
R8083
R8081
C8533
C8532C8534
C8535
SG872
IC806
R8021
R8026
C8102
C8101
IC818
C8211
C8217
C8216
C8215
C8214
C8213
IC822
C8212
L8202
C8011
C8012
C8013
C8015
C8016
C8017
C8018
C8021
C8022
C8024
C8025
C8007
C8005
C8003
C8002
C8001
*RESET
IC802
C8033
C8032
C8031
R8041
R8042
R8043
X8230
C8034
C8035
R8044
R8045
R8046
R8047
R8048
R8049
R8051
R8052
R8055
R8053
C8014
C8004
C8049
C8047
C8045
C8041
R8003
R8005
R8006
R8007
R8009
R8008
R8011
R8012
R8013
R8004
C8023
R8032
R8031
R8035
R8034
R8033
C8036
R8002
R8014
R8050
R8036
R8061
R8062
R8064
R8063
PICK
R8054
R8015
IC850
C8502
C8503
C8501
R8017
R8016
C8006
C8037
BOOT1
MDI
ALRCK
AOUT0
ABCK
BOOT2
V_SW
HA19
SPDV
AIN
GPAIO
R8000
R8020
R8019
GPCIO4
C8511
C8510
IC870
C8792
C8785
L8781
C8791
C8790
C8798
C8797
C8796
C8795
C8794
C8793
C8786 C8784
C8783
SG871
C8782
C8781
C8780
L8780
R8791
R8790
AOUT1
AOUT2
Q8882
Q8880
R8881
R8880C8882
R8885 D-MUTE
R8074
Q8881
R8075
R8076
R8040
R8028
R8029
L8060
R8494R8495R8496R8497
RN801
C8799
R8092
R8091
C8053
R8099
TP2
TP1
IC800
4.7K
4.7K
AT24C02N-10SI-2.7
0.1
150 150 150 150
0.1
100
100
100
100/16
0.10.1
150/6.3
1608SGX
74VHCT08A
33
33
0.1
47/25
LE28DW8163T-70T
150/6.3
0.1
0.1
0.1
0.1
0.1
LC3816161ET-70
0.1
1000
0.1
0.1
0.1
0.1
0.1
0.1
0.1
0.1
0.1
0.1
0.1
0.1
0.1
0.1
0.1
47/25
PST3627UR
0.01
0.1
100P
4.7K
120
*
27.000MHz
18P
18P
390
33
33
33
33 33
4.7K
4.7K
0
4.7K
0.1
0.1
0.1
0.1
0.1
0.1
4.7K
*
*
*
4.7K
4.7K
4.7K
4.7K
4.7K
4.7K
0.1
4.7K
4.7K
*
*
*
0.1
4.7K
4.7K
0
0
4.7K
4.7K
4.7K
4.7K
4.7K
4.7K
PQ2L2182MSP
0.01
47/25
0.1
1K
1K
0.1
0.1
4.7K
0
*
0.1
100/16
LC708746
22P
47/25
1000
22P
22P
22P
22P
22P
22P
22P
22P
0.1 0.1
47/25
1608SGX
10/50
0.1
0.1
1000
0
0
KRC107S
KTA1504
10K
100K0.01
0
4.7K
KRC107S
33
33
33
4.7K
*
1000
150150150150
33
0.01
4.7K
*
100/16
0
000
000
ZR36748
(VADDIS 5E)
000
000
000
000
4
3
2
1
8765
1234567
141312111098
123456789101112131415161718192021222324
484746454443424140393837363534333231302928272625
50494847464544434241403938373635343332
31
3029282726
12345678910111213141516171819202122232425
43
12
123
54
1234567891011121314
2827262524232221201918171615
156155154153152151150149148147146145144143142141140139138137136135134133132131
157158159160161162163164165166167168169170171172173174175176177178179180181182183184185186187188189190191192193194195196197198199200201202203204205206207208
1
2
3
4
5
6
7
8
9
10
11
12
13
14
15
16
17
18
19
20
21
22
23
24
25
26
2728293031323334353637383940414243444546474849505152
53 54 55 56 57 58 59 60 61 62 63 64 65 66 67 68 69 70 71 72 73 74 75 76 77 78 79 80 81 82 83 84 85 86 87 88 89 90 91 92 93 94 95 96 97 98 99
100 101 102 103 104
105 106 107 108 109 110 111 112 113 114 115 116 117 118 119 120 121 122 123 124 125 126 127 128 129 130
3.3V
ABCLK
AOUT0
ALRCLK
AMCLK_DAC
MDI
MC
ML
DAC_A
DAC_D
DAC_B
DAC_C
AMCLK_DSP
*LSW
*OPN_SW
*CLS_SW
SPD_FG
*DMUTE
*OPEN
*CLOSE
*LSI_RST
*INT_DEC
*RDY
HA9
HA10
HA11
HA12
*CS_DVD
HA8
HA7
HA6
HA5
HA4
HA3
HA2
HA1
HA0
HD7
HD6
HD5
HD4
HD3
HD2
HD1
HD0
*DREQ
*DACK
DCLK
*DBGN
*DERR
AVD7
AVD6
AVD5
AVD4
AVD3
AVD2
AVD1
AVD0
SPDIF
CD
CD_DATA
BCK
LRCK
C2F
READY
DVD-DI
FPDOUT
FPCLK
FPSEL
9V
D5V
3.3V
1.8V
*WR
*RD
SD_A4
SD_A3
SD_A5
SD_A2
SD_A6
SD_A1
SD_A7
SD_A0
SD_A8
SD_A10
*RAMCS0
SD_A9
SD_BA0
*RAMCS1
*RAMRAS
*RAMCAS
*RAMWE
RAMDQM
RAMCLK
SD_D0
SD_D15
SD_D1
SD_D14
SD_D2
SD_D13
SD_D3
SD_D12
SD_D4
SD_D11
SD_D5
SD_D10
SD_D6
SD_D9
SD_D7
SD_D8
HD0
HD8
HD1
HD9
HD2
HD10
HD3
HD11
HD4
HD12
HD5
HD13
HD6
HD14
HD7
HD15
*CS_DVD
*MEMCS1
*MEMCS0
*RD
*WR
HA0
HA1
HA2
HA3
HA4
HA5
HA6
HA7
HA8
HA9
HA10
HA11
HA12
HA13
HA14
HA15
HA16
HA17
HA18
HA19
3.3V
HA0
HA6
HA5
HA4
HA3
HA2
HA1
HA15
HD2
HD1
HD0
HA18
HA16
HA11
HA13
HA7
HA8
HD3
*WR
HA17
HA9
HA10
HA12
HA14
HD7
HD6
HD5
HD4
*RD
*FLASH
HD15
HD14
HD13
HD12
HD11
HD10
HD9
HD8
3.3V
RAMDQM
SD_D7
SD_D6
SD_D5
SD_D4
SD_D3
SD_D2
SD_D1
SD_D0
SD_A3
SD_A2
SD_A1
SD_A0
SD_A10
*RAMCS0
*RAMRAS
*RAMCAS
*RAMWE
RAMDQM
RAMCLK
SD_A9
SD_A8
SD_A7
SD_A6
SD_A5
SD_A4
SD_D15
SD_D14
SD_D13
SD_D12
SD_D11
SD_D10
SD_D9
SD_D8
1.8V
3.3V
DAC_A
DAC_D
DAC_B
DAC_C
AMCLK_DAC
SPDIF
DVD
AOUT0
ALRCLK
ABCLK
LRCK
BCK
CD_DATA
C2F
AVD7
AVD6
AVD5
AVD4
AVD3
*DBGN
*DERR
AVD0
AVD1
AVD2
DCLK
*DACK
*DREQ
WRQ
*RDY
*INT_DEC
SPD_FG
*CLS_SW
*OPN_SW
*LSW
*CLOSE
*OPEN
*DMUTE
*LSI_RST
FPSEL
FPCLK
GUP
*IRIRQ
DVD-DI
MDI
MC
ML
FPDOUT
GUP
SPDIF
SEL
V_SW
V_SW
1.8V
3.3V
1.8V
WRQ
1.8V
1.8V
BOOT2
*MEMCS0
SI2
SO2
SO1
SI1
SO1
SI1
SI2
SO2
D5V
SD_BA0
AMUTEC
READY
2.5V
BOOT2
RST
5V
5V
D-MUTE
REQUEST
DVD-CLK
DVD-DO
5V
9V
5V
3.3V
AOUT1
AOUT2
FR_L
FR_R
SR_R
SR_L
SUBW
CENT
DAC_D
DAC_A
DAC_C
DAC_B
3.3V
5V
D-MUTE
3.3V
I-P
ASPEC-A
ASPEC-B
I/P
ASPEC
AMUTEC
AOUT1
AOUT2
AMCLK_DSP
SPDIF
CD
(HIRQB)
(*LST_RST)
(HRDB)
(HWRB)
(HWAITB)
(HCSB)
CDDAT
CDCLK
CDFRM
CDERR
LOADER BLOCK
LOADER BLOCK
9V
3.3V
[MV-WX]
2.5V
1%
5Va
REQUEST
DVD-CLK
DVD-DI
DVD-DO
READY
D-MUTE
5Va
A_GND
9V
D_GND
DAC_5V
3.3V
V_GND
MAIN BLOCK
SDA/MDI
SCL/MC
SURROUND-L
SURROUND-R
FRONT-L
FRONT-R
SUBWOOFER
CENTER
COMP
C-Y
S-C/CB
S-Y/CR
V_SW
MAIN BLOCK
I/P
ASPEC
[MV-WX]
2500,765/US,CA,760/UK,XE
SCHEMATIC DIAGRAM (MPEG)

- 43 -
- 42 -
PRODUCT
SAFETY
NOTICE
EACH PRECAUTION
IN THIS MANUAL
SHOULD BE
FOLLOWED DURING
SERVICING.
COMPONENTS
IDENTIFIED WITH
THE IEC SYMBOL !
!!
AND MARK IN THE
PARTS LIST AND
THE SCHEMATIC
DIAGRAM
DESIGNATED
COMPONENTS IN
WHICH SAFETY AND
PERFORMANCE CAN
BE OF SPECIAL
SIGNIFICANCE.
WHEN REPLACING A
COMPONENT
IDENTIFIED BY !
!!
AND , USE ONLY
THE REPLACEMENT
PARTS DESIGNATED,
OR PARTS WITH
THE SAME RATINGS
OF RESISTANCE,
WATTAGE OR
VOLTAGE THAT ARE
DESIGNATED IN THE
PARTS LIST IN THIS
MANUAL.
LEAKAGE-CURRENT
OR RESISTANCE
MEASUREMENTS
MUST BE MADE TO
DETERMINE THAT
EXPOSED PARTS
ARE ACCEPTABLY
INSULATED FROM
THE SUPPLY
CIRCUIT BEFORE
RETURNING THE
PRODUCT TO THE
CUSTOMER.
SCHEMATIC DIAGRAM (AMP)
This is a basic schematic diagram.
DGND VGND A.GNDMDGNDGDAC
Y
Y
Y
PP
P
P
P
P
PP
P
PP
-30V
FL2
FL1
STB
CLK
DATA
IR
5V
D-GND
JOG
HP-L
A-GND
HP-R
HP-IN
KEY1
KEY0
RESET
+12V
5.6V
TU-R
A-GND
TU-L
TU_DO
TU_CE
TU_DATA
TU_CLK
RDS
3.3V
V-SW
D_GND
S-C
V_GND
S-Y
V_GND
C-Y
V_GND
S-C/CB
V_GND
S-Y/CR
COMPOSITE
TV_L_CH
A_GND
V_R_CH
SW-V
C4115
C4117
C4118
C4116
R4102
R4101
Q4100
D4110 D4111
Q4640
Q4641
R4200
C4200
C4203
C4108
D4105 D4104
C4101
C4100
C4107 C4106
C4105 C4104
D4107
D4108
D4109
D4106
C4103
C4102
C4204
IC462
R4651 C4652 C4651
C4648C4649R4650
R4649
C4646
R4648
C4645
R4647C4644
R4642C4642
C4647
C4650
C4640
R4641
R4646
R4640
R4645
R4644
R4643
R4743
R4744
R4745
R4740
R4746
R4741
C4740
C4750
C4747
C4742 R4742
C4744 R4747
C4745
R4748
C4746
R4749
R4750 C4749 C4748
C4751C4752R4751
IC472
Q4741
Q4740
Q4841
C4848C4849R4851
R4850
C4846
R4849C4844
C4850
C4840
R4848
R4847
R4846
R4633
R4625
R4624 R4635
C4853
C4754 C4753
C4653
C4654
R4623
R4622
R4636
R4637
R4627
R4628
R4632
R4631
R4728
R4729
R4726
R4725
R4733 R4732
R4721 R4722
R4731
R4723
R4724
R4730
R4833
R4832
R4831
R4830
R4834
R4835
PR410
PR411
CN411
D4101
D4100 D4102
D4103
R4115
D4113
Q4103Q4101
C4124
R4109
Q4102
L4101
L4103
L4100
C4125
IC412
C4130
D4115
IC411
C4128
R4114 C4129
R4113 C4131
C4122R4105
C4123R4106
C4120
IC410
D4114
L4104
L4102
C4119
R4111
R4112
R4107
R4108
R4110
D4112
R4103
R4104
Q4209
C4202
R4218
R4217
R4216
R4215
PR420
D4201
C4201
R4213
R4652
R4654
R4653
R4655
R4755
R4753
R4754
R4752
R4853
R4855
R4208
Q4206
R4810
R4809
R4814
R4813
R4807
C4961
CN490
R4961
C4971
C4970
C4969 C4964
C4965
C4968
L4961
L4962
C4963
C4967
CN491
C4980
C4984
C4985
CN420
R4804
Q4303
Q4302 D4300
C4310
C4760 C4761
C4661C4660
IC482
Q4848
C4842
CN410
IC461
D4801
D4800
X4300
R4313
C4306
R4307
R4306
D4301
C4304
R4305
L4300
C4303
C4311
C4309
R4314
C4622 C4623
C4720 C4721
C4831
R4659
R4658
L4650
L4651
R4758
R4759
L4750
L4751
L4850
R4858
C4121
C4127
PR412
R4330
R4805
R4806
R4802
R4803
R4801
SG493
SG492
SG491
C4302
R4808
R4300
C4722
C4723
C4832
R4870
R4506
C4972
C4973
R4505
R4508
R4507
R4150
C4755
C4756
C4670
C4671
C4770
C4771
C4872
C4977
C4978
C4976
R4116
R4122R4123
R4120R4121
R4219
C4315
C4314
C4199
D4199
IC451
IC452
C4550
C4551
C4552
C4575
C4574
C4573
C4572
C4571
C4570
C4569
C4566
C4565
C4563
C4562
C4561
C4560
C4559
C4558
C4556
C4555
C4525
C4524
C4523
C4522
C4521
C4520
R4514
R4513
C4515
C4516
C4511
C4526
C4527
R4556
R4554
R4552
R4550
R4553
R4551
R4557
R4555
R4811
R4812
C4803
R4562
C4801
C4804
IC471
IC430
C4312
R4310
R4311
IC491
C4805
R4821
R4828
R4826
R4827
R4823
R4824 R4825
R4822
R4600
R4608
C4601C4600
IC460
R4611
R4610
R4607
R4606
R4615
R4614
R4602 R4603
R4609
R4601
R4613R4604
R4605
R4612
CN496
CN412
CN497
D4302
D4303
R4319
R4320
Q4620 Q4621
R4626 R4634
C4724
C4725
C4741
C4743
C4843
C4830
C4981
C4982
C4983
C4554
C4553
R4533
R4530
R4531
R4534
R4535
IC450
R4532
C4564
R4331
C4316
IC453
D4198
R4638
R4639
R4980
R4982
R4984
R4986
R4988
R4990
R4351
R4202
R4322
R4323
IC454
R4117
IC455
R4203
RN410
R4324
R4325
Q4852
R4815
R4210
C4588
R4594
C4589
D4580
Q4580
R4597
R4581
R4580
R4599
R4598
PR450
PR451
D4582
R4596C4593
C4592 Q4582
Q4581
D4581
C4591 R4595
C4590
C4877
C4317
Q4622
R4896
C4599
R4617 R4616
Q4623
R4618
R4619
CN499
C4567
R4563
R4564
C4568
R4566
R4567
R4362
C4979
R4363
R4364
R4365
R4366
C4529C4528
R4539
R4538
R4537
R4536
C4557
R4542
R4543 R4540
R4541
C4641
C4643
R4565
R4800R4829
R4100
C4625
C4624
D4805
D4804
R4368
R4369
R4371
R4372
R4370
R4367
R4377
R4376
R4375
R4374
R4378
R4379
R4380
R4381
C4512
C4513
C4514
C4531
C4530
C4990
C4602
C4603
C4114 C4113
C4111C4112
R4854
R4852
C4854
R4859
L4851
R4862C4862
R4845
Q4840
R4860
C4860
R4861
C4861
IC483
C4863 C4864
R4865
Q4844
R4863
C4865
R4866
C4871
C4867
C4870
C4866
C4868C4869R4867
C4833
R4836
C4835
R4856
C4834
R4838
R4839
R4843
R4842
R4837
R4841
R4840
C4110
C4109
R4869
C4855
R4868
R4864
R4736 R4727
IC484
C4873
PR419
PR418
CN470
R4209
R4965
R4967
R4968
R4966
Q4950
C4300
D4950
CN495
R4954
Q4951
CN492
R4360
C4960
C4962
L4960
R4871
R4361
R4382
WR402
WR401
C4000
CN402
D4000
RY401
C4001C4002
D4004 D4003
C4005
C4006
R4001
Q4000R4002
L4000
D4001D4002
D4006
D4005
D4007
C4003C4004
D4015
T4000
PR400
R4009
IC402
C4010
R4007
R4003
D4009
R4004
D4008
C4007
R4005
Q4001
R4006
Q4002
IC401
R4008
C4009
C4008
D4010
Q4007
C4012
R4013
C4013
D4012 Q4006
R4014
R4015
C4011
CN401
D4014
C4049
220/50
0.022
47/50
47/50
1K
10K
KTA1273
MPG06GMPG06G
KTD1304
KTD1304
56K
470/6.3
10/50
4700/25
1N5402 1N5402
0.022 0.022
0.022 0.022
0.022 0.022
MPG06G
MPG06G
MPG06G
MPG06G
2200/25
2200/25
10/50
LM1876TF
4.7 0.22 0.22
0.220.224.7
22K
3P
22K
3P
1K4.7/50
1K4.7/50
0.022
0.022
0.022
1K
1K
1K
1K
100
100
100
100
10K
10K
1K
1K
0.022
0.022
0.022
47/25 1K
47/25 1K
3P
22K
3P
22K
4.7 0.22 0.22
0.220.224.7
LM1876TF
KTD1304
KTD1304
KTD1304
0.220.224.7
22K
3P
1K47/25
0.022
0.022
1K
10K
100
560
560
22K 22K
0.01
0.01 0.01
0.047
0.047
82
1K
82
1K
1.8K
12K
1.8K
12K
100K
1K
100K
1K
100K 3.9K
100K 3.9K
47K
47K
10K
10K
10K
47K
3.9K100K
1K
100K
7A
7A
04
1N5402
1N5402 1N5402
1N5402
6.8
MTZJ27B
KRC107SKRC107S
0.01
12K
KRC107S
10u
210u
210u
47/25
KA7805R
100/25
SB140
PQ1CG21H2RZ
220/10
10 100P
10 100P
100P10
100P10
330/6.3
PQ1CG21H2RZ
SB140
10u
10u
47/25
5.6K
1K
1.6K
1K
560
MTZJ6.2B
68
68
KTC3199
10/50
4.7K
47K
100K
1K
125
1SS133
100/16
18
56K
10K
56K
10K
10K
56K
10K
56K
56K
10K
27K
KRC107S
47K47K
10K
5.6K
10K
4.7K
22K
0
22P
4.7K
10/50
0.01
330P 330P
22P
22P
2.2U
2.2U
220P
220P
10/50
10/50
10/50
02
1K
KTC3875
KTC3875 1SS133
100/16
100P 100P
100P100P
LM4700TF
KRC107S
100P
05
NJM4556AL
1SS133
1SS133
8MHz
4.7K
0.1
47K
100K
1SS133
0.01
47K
10U
0.01
0.01
47P
10K
22P 22P
22P 22P
22P
10
10
0.7U
0.7U
10
10
0.7U
0.7U
0.7U
10
0.22
0.22
200
10K
1K
100K
10K
6.8K
4.7K
1608SGX 1608SGX
1608SGX
100/16
0
100
0.68
0.68
0.68
2.2K
33K
100P
100P
18K
33K
18K
33K
33/35
33/35
0.01
0.01
0.01
0.01
0.01
0.01
0.01
0.01
2.2
6868
6868
33
1000P
1000P
10K
10K
47K
47K
47K
47K
10K
10K
10K
2200/10
MTZJ3.9B
BD3811K1
QS7785CF
8200P
8200P
8200P
8200P
1000P
0.012
0.082
2700P
0.022
0.22
0.01
0.01
3300P
3300P
2.2;50
2.2;50
0.22
0.22
10;50
10;50
4700P
4700P
0.1
0.1
0.1
0.1
4.7K
4.7K
47/25
47/25
1;50
1;50
1;50
10K
10K
1K
1K
100K
100K
4.7K
4.7K
1.5K
22K
0.1
22K
0.047
6800P
NJM2058V 1/2
NJM2058V 2/2
M38507M
1000P
100K
100K
NJM2058V 1/2
NJM2058V 2/2
330P
470
4.7K
22K
5.6K
100K
1K 10K
470
470
470
47P47P
KIA4558F
3.9K
12K
3.9K
12K
22K
220
22K 220
470
470
22K22K
1K
1K
16
09
11
1SS133
1SS133
4.7K
4.7K
KTD1304 KTD1304
100 100
1
1
1
1
1
1
1
1
1
22/50
0.01
0
12K
12K
12K
12K
KIA4558F
0
47/25
100K
100P
KTC801U
MTZJ11B
6.8K
6.8K
0
0
0
0
0
0
100K
47K
10K
4.7K
KRX101U
18
KTC801U
27K
4.7K
4.7K
4.7K
KTD1304
4.7K
2.2K
47/25
470
100/16
MTZJ5.6B
KTC3875
470
100
100
470
470
200
200
MTZJ7.5B
47022/50
47/25 KTA1504
KTC3875
MTZJ7.5B
22/50 470
47/25
0.15
220P
KTD1304
2.2K
390P
68 68
KTD1304
100
100
000
4.7;50
1K
100K
4.7;50
1K
100K
1K
0.01
10K
100
100
10K
0.10.1
10K
10K
10K
10K
0.22
4.7K
4.7K
10K
10K
0.22
0.22
22K
470470
12K
220/10
220/10
1SS133
1SS133
100
100
100
100
100
100
100
100
100
100
100
100
100
100
0.68
0.68
0.68
0.22
0.22
0.1
1
1
0.1 0.1
0.10.1
10K
56K
0.047
10
0.7U
1K22/50
100
KTD1304
47K
10/50 1K
100P
LM3876TF
2.2/50 2.2/50
47K
KRC107S
12K
3P
47K
0.022
33/35
33/35
0.022
0.470.472.2
22/50
470
10/50
1K
0.068
100K
1K
100K
1K
470
10K
470
4700/35
4700/35
33K
1
100K
47K
470 470
KRX101U
0.01
10K
10K
10K
12K
12K
39K
39K
KRA107S
47000/5.5
10K
47K
MTZJ3.0B
17
270
KRC107S
4.7K
100P
120P
1.0U
0
4.7K
0
T250V L 1.6A
0.01/AC-CAP
02
1SS133
0.0220.022
MPG06GMPG06G
2200;25
1;50
82K
KTC31992.2K
1AV4L26B3380N
MPG06GMPG06G
MPG06G
MTZJ5.1B
MPG06G
0.0220.022
1SS133
200
100
KA78R12STU
47;25
1K
2.2K
1SS133
10K
MTZJ10B
22;50
100K
KTA1267
4.7K
KTA1267
KIA7805API
4.7
100;25
470;6.3
1SS133
KTA1267
10;25
1K
22;25
MTZJ13B
KTB1366
6.8K
2.7K
47;25
09
1SS133
0.01
123456789101112131415
15 14 13 12 11 10 987654321
1231234554321
11 10 9 8 7654321
56781234
DVD_RDY
DVD_CLK
DVD_D_OUT
DVD_D_IN
6315_STB
6315_CLK
6315_OUT
DVD_STB
IR
CNVss
RESET
Xin
Xout
Vss
P.CON
DVD_P_CON
SP_RY
MAIN_MUTE
EEPROM_DATA
TU_DO
HP_SW
TU_DI
TU_CE
V_CHK
SHIFT
Vcc
Vref
AVss
SEL_KARA
SEL_FUNC
H
L
H
L
SELECTION
TV
VIDEO2
W-KARAOKE
W/O-KARAOKE
1-1 1111
1
2
3
4
5
6
7
8
9
10
11
12
13
14
15
16
17
18
19
20
21
22
23
24
25 26 27 28 29 30 31 32 33 34 35 36 37 38 39 40
41 42 43 44 45 46 47 48 49 50 51 52 53 54 55 56 57 58 59 60 61 62 63 64
65666768697071727374757677787980
VIDEO1-L
VIDEO1-R
VIDEO2-L
VIDEO2-R
TUNER-L
TUNER-R
DVD-R
DVD-L
DVD-SL
DVD-SR
DVD-C
DVD-SW
OUTDSP-R+
OUTDSP-R-
OUTDSP-L-
OUTDSP-L+
INDSP-L
INDSP-MIXL
INDSP-MIXR
INDSP-R
AGND
INDSP-SW
INDSP-C
AGND
OUT-SW
OUT-C
OUT-SL
OUT-SR
AGND
AGND
DGND
DA
CL
MUTE
AGND
AGND
VCC
VEE
AGND
AGND
OUT-L
OUT-R
AGND
AGND
RECIN-R
RECIN-L
RECOUT-L
RECOUT-R
373839404142434445464748
123456789101112
13 14 15 16 17 18 19 20 21 22 23 24
252627282930313233343536
L-IN
FL-OUT
FR-OUT
SR-OUT
SL-OUT
C-OUT
R-IN
INDSP-SL
INDSP-SR
1234567
141312111098
123456789101112131415161718192021
222324252627282930313233343536373839404142
RDS_DI
3838_C
BASS
TU_CLK
9488_SDA
9488_CS
9488_SCL
7785_SDA
7785_SCL
VOL_JOG
MIC_SW
KEY1
KEY0
3838_B
1234567
891011 12 13 14
43218765
1
2
3
4
5
6
7
8
9
10
11
12
13
14
15
1616
15
14
13
12
11
10
9
8
7
6
5
4
3
2
1
1
2
3
4
5
6
7
8
9
10
1111
10
9
8
7
6
5
4
3
2
1
56781234
456
123
DC_IN
1
2
34
5
321
654
1
(3838_C)
(3838_B)
1
1
11
11 10 987654321
123
54
17
16
15
14
13
12
11
10
9
8
7
6
5
4
3
2
1
4321321
SUBWOOFER
C
SURR-L
SURR-R
FRONT-L
FRONT-R
REQUEST
DVD-CLK
DVD-DO
READY
DVD-DI
-30V
DRV-DO
DRV-STB
DRV-CLK
IR
DR-5V
VOL_JOG
TU-R
TU-L
+12V
+5.6V
TU_CLK
TU_DI
TU_CE
TU_DO
RDS_IN
+5.6V
PROTECT
DC
+VCC
-VCC
+VCC
POWER
L-CH
MUTE
R-CHSR-CH
MUTE
SL-CH
POWER
+VCC
-VCC
+VCC
-VCC
+VCC
POWER
C-CH
MUTE
L-CH
HP_R
VO-L
VO-R
-12V
+12V
R-CH
+12V
VO-SR
VO-SL
SR-CH
SL-CHC-CH
VO-C
-12V
+12V
V-CHK
9V
3.3V
DVD-PO
+VCC
-VCC
FL1
FL2
+12V
HP_L
DC
FANFAN
DC
DC
FAN
FAN
+VCC
POWER
BF-SW
+12V
SUBWOOFER
VRIN-SW
P-CON
3.3V
5V
9V
DAC_D
S-C
S-Y
DAC_D
D-MUTE
BF-SW
A-MUTE
MUTE
+5.6V
BASS
DRV-DO
TU_CE
KEY0
KEY1
V-CHK
+5.6V
RESET
SUBW
CENT
SR_R
SR_L
FR_R
FR_L
5V
DRV-CLK
5V
DR-5V
DRV-STB
-12V
AUX_L
AUX_R
SP-RY
A5V
7785_SDA
7785_CLK
VO-SR
VO-SL
VO-C
VO-SW
VF_ROUT
VF_LIN
VF_LOUT
VF_RIN
-7V
+7V
TUR-OUT
TUL-OUT
AUX_R
AUX_L
9488_CLK
9488_SDA
QS_SR
QS_SL
SUR-C
QS_FR
QS_FL
VRIN-SW
C
SURR-L
SURR-R
FRONT-R
FRONT-L
QS_FL
QS_SR
QS_SL
QS_C
QS_FR
BF_DSPR
BF_DSPL
VO-L
VO-R
TV_L
TV_R
3838_C
TU_DO
RDS_IN
IR
REQUEST
TU_DI
DVD-DI
READY
DVD-CLK
DVD-DO
7785_CLK
7785_SDA
9488_CS
9488_SDA
TU_CLK
BASS
EEROM_DA
A-MUTE
SP-RY
DVD-PO
P-CON
MIC_SW
3838_B
-30V
FL2
FL1
QS_C
-12V
+12V
-12V
TU-R
TU-L
TUR-OUT
TUL-OUT
KEY1
KEY0
RESET
HP_MUTE
OUT_DSPL
OUT_DSPR
BF_DSPL
BF_DSPR
OUT_DSPL
OUT_DSPR
-12V
+12V
HP-SW
PROTECT
HP-SW
DVD_PCON
DVD_PCON
A5V
-12V
+7V
-7V
+12V
SUR-C
HP_R
HP_L
HP_MUTE
HP_MUTE
VOL_JOG
OUT_DSPR
OUT_DSPL
9488_CLK
+12V
SW_MUT
SW_MUT
SW-CH
+VCC
SP-RY
-VCC
-12V
VO-SW
SW-CH
MUTE
+12V
DAC_D
+5.6V
TV_R
TV_L
DAC_B
DAC_C
DAC_A
V_SW
V_SW
S-C
S-Y
DAC_A
DAC_C
DAC_B
3.3V
DVD-PO
D-MUTE
-12V
+12V
-VL
+VL
P-CON
+VL
P-CON
+VL
-VL
-12V
+12V
JCX-TS760
AMP SECTION
FRONT PWB
MICON+5V
GND
GND
P-RELAY
SR-CH
SL-CH
C-CH
TUNER PWB
R-CH
L-CH
TO CN241 TO CN602
OUT-B
OUT-A
VCC-A
VCC-B
STB-B
STB-A
VEE
GND-A
MUTE-A
MUTE-B
-IN-A
+IN-A
GND-B
-IN-B
+IN-B
[SPR1W]
[SPR1W][SPR1W]
[SPR1W]
+IN-B
-IN-B
GND-B
+IN-A
-IN-A
MUTE-B
MUTE-A
GND-A
VEE
STB-A
STB-B
VCC-B
VCC-A
OUT-A
OUT-B
[SPR1W]
+VCC
-VCC
IN-A
IN-B
NF-A
NF-B
OUT-A
OUT-BOUT-B
OUT-A
NF-B
NF-A
IN-B
IN-A
+VCC-VCC
IN-A
IN-B
NF-A
NF-B
OUT-A
OUT-B
V-CHK
-12V
+12V
-VL
+VL
0
[MV-WX]
[MV-WX]
[MV-WX]
FAN
OUT-B
OUT-A
NF-B
NF-A
IN-B
IN-A
+VCC
MONITOR OUT
Y
C
[SPR2W]
[CARBON
1/4W]
[CARBON
1/4W]
[CARBON
1/4W]
MUTE
VIN+
VIN-
GND
NC
NC
OUT
VEE
NC
STNBY
+VCC
SW
L/R-BUFFER L/R-POWER
SL/SR-POWER
SL/SR-BUFFER
C/SW-BUFFER
C-POWER
[TF-CON][TF-CON]
[TF-CON]
[TF-CON]
[TF-CON]
[TF-CON]
[TF-CON][TF-CON]
[TF-CON]
[TF-CON]
V_GND
A_GND
D_GND
3.3V
DAC_5V
S-C/CB
S-Y/CR
COMPOSITE
SUBWOOFER
CENTER
SURROUND-R
SURROUND-L
FRONT-R
FRONT-L
REQUEST
DVD-MUTE
DVD-CLOCK
DVD-DATA-OUT
DVD-DATA-IN
READY
MPEG BLOCK
[SPR1W] [SPR1W]
[SPR1W]
[SPR1W]
[SPR1W]
MICON
9V REG3.3V REG DAC 5V
INININ OUTOUTOUTCONT CONTGND GNDREF REF
DVD_9V
5Va
1%
1%
1%
1%
[MV-WX]
[MV-WX]
SH_GND
SH_GND
[FUSE1/4W]
SH_GND
LUG02SH401 LUG03LUG01
SH_GND SH_GND SH_GND SH_GND
SH_GND
[CARBON
1/4W]
TUNER PWBTO CN202
LUG05SH401
6CH-VOLUME,FUNCTION
CENTER AMP
SW AMP
Q-SOUND
-VCC
IN-A
IN-B
NF-A
NF-B
OUT-A
OUT-B
TU AMP
OUT-B
OUT-A
NF-B
NF-A
IN-B
IN-A
-VCC
+VCC
+VCC
-VCC
IN-A
IN-B
NF-A
NF-B
OUT-A
OUT-B
L/R BUFFER
SW MIX
LUG04
[CARBON
1/4W] [CARBON
1/4W]
[CARBON 1/4W]
[CARBON
1/4W]
[CARBON
1/4W]
LUG07
[CARBON
1/4W]
JW1 JW1
SH_GND
[SPR1W]
SW-POWER
MUTE
VIN+
VIN-
GND
NC
NC
OUT
VEE
NC
NC
+VCC
[MV-WX]
[MV-WX]
[TF-CON]
[TF-CON][SPR1W]
SH_GND
SPEAKER
OUTPUT
SW-CH
C-Y
V_SW
[CARBON
1/4W]
SH_GND
VIDEO
L
R
PT401
AC 230V 50Hz
FU401
1AD0B10D1741C
[1/4W
CARBON]
[1/4W
CARBON]
[CARBON1/4W]
CONT GNDGNDOUT OUT ININ
[SPR1W]
[FUSE1/4W]
SH_GND
0/5.0 00
0/5.0
2.4/0 5.0/0 5.0/0 25.00 2.4/0 25.09.0/0
9.0/09.0/005.0/0
760/uk,xe

- 45 -
- 44 -
1AD4B10D1731A
94V-0 F01
DRAM
DRAM
DRAM
RAM
AM
M
DR
D
LOADING&OPN/CLS SW
PICK-UP
CN100
IC131
3
3
1
1
C
C
I
1
LA9703W
L
A9703W
LA9703W
LA9703W
03
A
L
A
3W
LA9
RF5
9V
MGND
D
M
G
D
M
G
9V
IC100
IC
C1
00
0
10
IC
AGND
IC160
C
IC160
IC160
IC160
IC160
IC160
LA6560-A
60
SW
SW
W
_
OPN
S
D
G
N
D
SW
W
CLS_S
MLD2
MLD1
RF5
5
RF
RF5
5
24
24
1
1
1
I/F
SLED1
S
SLED2
SLED1
SLED
SP+
SLE
SP
SP-
GND
LIMIT SW
FG
FG
F
1
1
1
1
16
6
20
2
20
20
30
0
30
3
32
2
3
30
32
0
2
3
3
33
33
33
33
40
4
40
40
0
48
4
8
8
49
49
4
4
4
4
4
64
64
6
6
1
1
30
30
3
0
40
40
4
0
4
44
4
44
44
44
80
80
8
80
88
88
88
89
89
89
90
90
90
90
9
9
9
9
110
110
10
0
11
1
120
1
20
20
20
20
132
1
32
32
2
132
140
0
140
140
1
150
0
50
150
15
0
0
0
0
170
170
170
170
1
4
5
5
8
8
1
1
10
10
2
22
3
23
40
40
44
A
A
B
B
C
C
D
D
E
E
F
F
K
F
G
3.3V
3
3.
.3
3V
V
V
DRAM
M_GND
D
_G
LC78
LC78663W
L
LC78
78
63
D
D
AGND
A
AG
AGND
D
D
AGND
AGN
AG
GND
A
ND
D
SPD_FG
G
PD_FG
SPD_FG
D_FG
_
*DM
*
D
D
M
MU
T
E
*LSW
LSW
*
*
*LS
L
LSW
LSW
*OPEN
*OPEN
OPEN
O
E
PEN
OP
N
OPE
OPE
*CL
*
*
C
C
LOSE
*CLS_SW
*CLS SW
W
CLS_SW
_
W
S
W
*OP
*O
P
N
_
SW
IC161
IC161
C
RN101
N101
R
RN101
RN101
RN100
RN10
0
0
DGND
VR
VR
VR
DGND
G
1
1
1
1
7
7
7
7
8
DG
N
D
VHCT
VHCT
V
VHCT
CT
V
VHCT
1
10
10
10
20
20
20
20
2
25
25
26
26
30
30
4
0
50
50
50
50
50
50
40
40
30
30
30
26
26
26
2
25
25
5
20
20
10
10
10
0
0
1
1
1
1
4
4
5
5
5
5
8
8
8
1
10
1
0
0
20
2
20
20
20
0
30
0
3
40
4
4
0
40
53
53
60
60
60
0
70
70
7
70
0
80
8
90
90
90
100
100
1
100
104
104
104
105
0
1
5
110
0
1
1
120
0
2
1
1
130
0
1
30
30
3
140
40
1
14
140
0
150
0
50
150
1
156
5
15
1
157
1
57
15
160160
0
60
170
170
170
170
180
180
180
190
190
190
200
20
200
0
2
208
8
20
208
08
2
2
33V
3.3V
33V
V
3
.
3V
V
IC800
C800
IC
0
C
C
IC800
IC822
IC
IC8
22
822
822
C822
C82
IC82
IC
I
IC821
C821
C821
IC821
IC821
IC821
IC821
26
26
21
22
22
2
IC822
IC818
8
8
8
1
81
C8
C8
IC
IC
IC
I
IC801
IC801
01
IC801
IC801
C8
R8036
R80
R803
6
36
036
036
803
R8
R
R
IC850
C850
.8V
8V
1.8
1
2.5V
AMCLK
MCLK
CLK
MCLK
LK
LK
AMC
AM
1
1
10
10
10
20
0
20
20
24
24
25
5
30
40
40
48
48
8
IC818
8
I
C
C
18
18
8
8
8
8
1
14
4
1
5
1
5
20
20
2
0
28
8
IC870
IC87
870
C870
IC
0
70
0
IC8
IC
C806
IC8
C80
806
06
6
8
8
8
8
5
5
42
42
42
42
40
40
4
40
0
0
22
2
2
22
21
1
20
20
10
1
0
0
0
0
1
1
1
1
1
00
0
7000
7000
00
4
4
1
1
G
N
D
FR
FR
FL
FL
SR
SR
R
SL
SL
SL
C
C
C
C
SUB
S
UBW
W
1
1
7
7
8
10
1
1
0
14
14
16
16
8
8
1
2
200
8
8
5
4
4
4
1
8
8
5
5
5
4
4
4
1
1
1
80
80
80
65
65
65
60
0
60
50
50
41
41
41
40
40
4
30
0
30
0
25
25
25
24
24
24
20
20
2
10
0
10
1
1
1
1
14
14
10
0
10
8
8
8
7
7
7
1
1
48
48
48
40
0
40
4
37
3
37
36
36
36
30
3
0
25
25
2424
24
20
20
20
20
1
3
12
12
1
1
1
1
PCON
PCON
PCON
+VL
+VL
+VL
+VL
-VL
+12V
-12V
1
5
V
VCHK
VCH
CHK
GND
GN
ND
GND
D
GND
O DG
TO D
DG
HP-IN
HP-R
A-GND
HP-L
VOL_JOG
D-GND
5V
IR
DATA
CLK
STB
FL2
FL1
-30V
KEY1
KEY0
RN41
N410
0
N41
1
0
RN
N4
R
4
0
DVD-DI
D
VD-
DI
I
D-D
V
FPDOUT
T
U
T
U
DO
P
D
F
T
T
READY
D
EA
RE
A
R
FPCLK
PCLK
CLK
FPC
F
FP
REQUEST
ST
T
EQU
QUE
REQ
R
RE
SEL_KARA
SEL_FUNC
SEL FUNC
SEL_FUNC
SEL FUNC
SEL FUNC
+1
+
2V
12
+1
5.6V
5
V
6V
5.6V
TU-R
U-R
-R
TU-
A-GND
D
ND
AGND
TU
-
L
TU_DO
E
E
TU CE
TU_DATA
A
TU_DATA
K
K
T
U
_
CL
K
RDS
RESET
125
CAUTION
E ON
REPLACE O
E ONLY WITH
H
YP
SAME TYP
YPE PROTECTOR
ATTENTION
AVEC LE MEME GENRE DE PROTECTION
AVEC LE MEME GENRE DE PROTECTION
AVEC LE MEME GENRE DE PROTECTION
O
NT REMPLACER
R
DOIT ETRE SEULEMENT REMPLACER
H
C-CH
H
L-
CH
R-CH
CH
CH
LM3876TF LM1876TF LM1
8
76T
F
LM4700TF
SR
SW
S
W
SL
V
-7V
+7V
7
+7V
+12V
+12
+12V
-12V
-
1
10
K
10K
10K
G
N
D
AGND
G
AGND
5V
2
00
200
AB
C
C
C
C
C
C
D
1
2
3
4
4
4
5
6
6
6
7
7
*OPN_SW
*CLS_SW
SPD_FG
F
D_
S
D
P
_F
_
S
G
P
LIM
LIMIT
L
LDTP1
L
P
1
1
1
1
LDTP2
L
TP2
DT
D
LDT
DTP2
2
2
DT
FO-
FO+
FO+
FO+
TR-
TR+
SLED2
LED2
SLED2
S
S
L
E
E
D
1
DMUTE
M
UTE
*
D
MLD1
MLD1
MLD1
MLD
D1
FG
G
F
FG
CN160
C 009
C
C1009
101
C1011
C
C1911
C1911
C
0
02
02
C
1
9
VR-DVD
DVD
V
V
D
CD/DVDCD/DVD
C
VR-CDVR-CD
VR
V
VCC
MD
MD
D
HFM
HFM
VC
C
C
V
VC
C
MLD2
LD2
M
MLD
M
G
2
*OPEN
*CLOSE
*CLOS
*CLOSE
SE
SE
E
DVD_ CD
DVD_ C
DVD_*CD
SP+
SP+
SP+
SP-
SP-
SP
S
S
CAP
CAP
42
C1042
C10
C1045
C1
C1040
C1040
C1040
C1658
58
PHBCA
H
P
A
BC
P
A
A
ADPH
A
A
DPH
DPH
BH
B
B
ADBH
A
H
B
ADB
WO
W
W
O
O
O
ADTE
A
ADT
E
ADTE
ADTE
TEC
TEC
TEC
TEC
T
RREC
RREC
RREC
RREC
REC
ADFE
FE
A
A
AD
DF
E
FE
DFE
LDON1
1
LDON
N
LDON2
LDON2
LD
2
DSP73
D
DSP73
DSP73
S3
DSP73
73
P
DSP74
S
DS
4
P
D
S
P
P7
74
4
P7
SLD
D
LD
S
L
S
SPD
D
P
S
D
P
S
FD
FD
F
D
D
TD
T
TD
TD
TD
HFLIO
O
H
HF
H
LI
FL
F
TESIO
O
T
E
T
SIO
ES
O
O
0
ES
0
E
0
S
0
E
PCK
K
P
K
PCN
PCN
PCN
PCN
P
ADJV
ADJV
ADJV
ADJV
A
FSEQ
Q
FSEQ
S
SYEQ
S
S
Y
Y
E
E
Q
Q
FP
FP
FP
RF
P
N
RFN
O
DEFECTO
O
CT
TR
XHT
R
R
XH
XH
TBAL
FC SGC
GUP
TOST
TOST
TOST
TOST
O
OST
O
FOST
FOST
FOST
FOST
FBAL
BST
AMCLK
AMCLK
AMCLK
AM
C
WRQ
WRQ
WRQ
*INT_DEC
NT DEC
*IN
EC
*I
NT
DE
DE
NT
*
RDY
*LSI_RST
*
R
_R
T
T
S
S
*LS
SI_
S
*RD
D
*RD
*RD
D
*WR
WR
R
WR
*WR
W
*
*W
*CS_DVD
*C
*CS
CS_
CS_D
_DV
DVD
VD
D
*
DV
D
DV
VD
DCLK
DC
DCLK
DCLK
CL
LK
*DACK
C
K
DAC
*DA
DA
*DBGN
GN
*DBGN
*DBGN
*DERR
*DREQ
Q
Q
*
EMPH
PH
MPH
EMP
EMP
E
H
AVD7
AVD7
VD7
AV
A
VD7
A
VD
A
A
AVD6
VD6
AVD6
AV
6
6
A
VD6
A
VD
A
A
6
AVD4
VD4
AVD4
AV
4
VD
A
4
A
VD4
A
4
A
AVD5
AVD5
VD5
AV
A
VD5
VD
A
A
A
AVD3
AVD3
VD3
AV
VD3
A
VD
A
A
A
AVD2
VD2
AVD2
AV
2
VD2
A
VD
A
2
A
2
A
AVD1
1
AVD
D
AV
A
VD
A
A
AVD0
0
AVD0
AVD0
A
VD0
A
A
LRCK
K
C
R
R
C
K
BCK
BCK
BCK
BCK
BCK
CD_DATA
CD_DA
_DA
A
A
A
A
SPDIF
SPD
SPDIF
CD
CD
D
D
CD
C2F
C
C2F
2F
F
C
C2
LD-DVD
LD-DVD
LD-DVD
LD-C
LD-CD
X1500
X1500
X1500
X1500
CN162
900
C1900
X8230
X8230
X8230
X8230
DAC_C
C_
DA
_C
AC
D
DAC_B
C_
D
B
AC
DAC_D
_D
DA
DAC_D
DAC_A
DA
_A
AC_A
C8101
1
01
101
810
C81
C8
C
ALRCK
CK
A
AL
AL
RCK
LRC
ALR
AOUT0
T0
0
AO
AO
UT0
AOUT
ABCK
B
A
K
CK
BCK
BC
ML
ML
ML
ML
ML
ML
C8211
C8211
C
C
8
0
0
01
VSW
VSW
VSW
V_SW
W
*RESET
PICK
PICK
A19
19
HA19
GPAIO
GPAIO
AIO
PAIO
GPAI
O
GP
SPDV
SPDV
SPDV
SPDV
33
3
C8533
SP_REV
SP_REV
GPCIO4
C
GPCIO4
O4
PCIO
PCIO
PCIO
C85
10
535
C8535
ASPEC
EC
PEC
I/P
/
/
C8782
C8782
C8782
C8782
8783
83
8783
C8785
AOUT1
O
UT
OU
AO
A
A
T1
T1
AOUT2
A
OU
AO
U
A
2
UT
UT
AIN
AIN
AI
INT/S
/SEL
I
N
L
D-MUTE
SUBW
SUBW
SUBW
W
S
S
C
C
C
SL
SL
SL
L
FR
FR
R
ZERO
ERO
RO
ERO
O
ZER
ZE
MC
MC
M
M
C
C
MDI
MDI
C
850
3
LUG06
JW1
J
JW1
3
C8053
TP2
TP
TP1
TP1
TP1
BOOT2
BOOT2
BOOT
BOOT1
BO
B
BOO
OOT
OT1
BO
1
R4616
R4616
66
R4636
R4623
R4617
CN496
R4300
R4300
D4300
D4300
D4300
D4300
L4300
L4300
L4300
L4300
C431
C
C
4
3
1
0
D4301
D4301
D4301
D4301
D
C30
C
4
30
2
D4302
D4
X
X4300
C6
IC
4
61
C4511
C4511
C4511
JW1
CN499
CN499
CN499
D4805
D4805
PR41
PR410
PR4
PR411
D4804
804
4
D
D4
D480
L
UG04
25
5
C4625
5
C
C4835
C4835
C4624
24
C
46
2
C4116
C4116
C4116
Q4100
D4113
D4113
3
R4102R4102
C4115
C4115
R412
2
PR
C4568
C4568
C4568
8
C4567
C4567
C4567
C4564
C4564
C4564
C4561
C4561
C4561
C4561
C4560
C45
60
C4560
ASPEC
I/P
C4984
C4980
C
C4980
980
C4
0
C
0
98
C4985
C
4
C4
4985
85
D4303
D4
3
C4527
527
C452
7
C4526
C
26
C452
C4
526
C4515
515
C4
C451
C451
4516
C45
6
C4555
5
C4
5
C
45
C4556
56
4556
C4554
C4554
C45
C4554
4
R4213
R
411
5
R4121
R4123
R4122
R4120
R411
6
D4112
D41
D4104
04
D
C4118
R4104
R4103
D4111
1
D4110
D4110
D4110
CN4
CN411
CN
D4800
48
0
D
80
D
80
D4801
0
C4200
0
D4201
420
C
4201
C
4202
PR420
3
C4203
42
C4
2
04
R4219
Q42
Q4209
Q4
C4971
C4971
1
LUG03
CN412
2
C
D4108
D
D4108
D41
D
0
9
D4106
D4107
D4105
CN497
CN497
CN497
C
N410
D4100
D4101
D4
D
4
1
02
3
D4103
CN491
CN491
CN490
CN490
CN490
C
N42
0
IC430
IC430
IC430
IC430
71
IC47
55
IC455
5
5
5
IC460
IC460
IC460
I
C
45
1
IC450
50
450
I
45
C
IC
4
9
1
IC452
IC
IC452
IC452
52
IC453
IC453
C4300
R4954
R
4
D4950
D495
D
0
5
492
2
92
CN492
CN495
C
CN
5
C
IC472
IC472
IC462
IC
IC462
IC
4
82
IC483
3
C
486
9
4868
48
C4
868
C4
C4863
4
C4870
C
474
2
C4744
C
484
4
C4644
C
4
C
4
C
464
2
R4758
R4758
R4750
0
R4659
R4650
R4851
R4858
R4651
R4658
C4649
C4648
C4651
C4652
C4849
C
C4848
C48
48
8
4
C4
C4749
C4748
C4864
C4593
C4592
D4581
81
D
45
5
D4582
4100
00
L410
0
L4750
L4
850
L4650
L4
651
C4110
C4103
C
C
N47
0
0
L4751
1
C4752
C4751
R4751
R4759
51
L4
85
R4859
4
C4854
R4867
C
C4654
C
C
465
C46
4653
C4
C
C
4
862
C4867
7
C4867
C
C
47
55
C4756
C4108
SH401
C4199
C4591
C4590
D4580
D
45
C4589
C4588
C4588
C
411
9
D4199
P
R41
8
PR419
PR419
D4198
L4104
L4103
C
412
5
C4128
8
C4128
L4102
C4130
C4130
C4130
C4130
L4101
L4101
L4101
D4114
D4114
C410
IC
1
0
I
I
D4
4
11
5
D
LUG01
R4210
R
R42
10
LUG02
LUG05 LUG07
PR450
PR451
C
C
C4
C410
C410
C410
C4860
1500
5
0
00
R
150
5
150
5
00
R
1501
50
01
R
15
50
150
01
R
1504
15
04
R
150
15
150
15
04
R
1503
0
03
R
150
03
R
1502
02
R
150
02
R
1505
15
05
R
150
15
150
15
05
R
0
1
0
L
0
02
L
0
1
0
L
0
02
L
18
890
89
90
R
18
89
18
89
90
R
8
835
1
35
R
8
83
1
8
83
1
35
R
1035
35
R
103
35
R
10
1
037
37
R
10
1
03
0
1
03
37
R
10
1
036
36
R
0
1
03
10
1
03
36
R
103
8
10
38
R
103
10
103
10
38
R
10
040
40
R
10
04
10
04
40
R
1008
08
C
100
C
1008
08
C
10
039
39
R
10
03
10
03
39
R
1010
10
C
C1010
101
10
C
Q1005
100
Q1
1
5
Q
Q
Q
5
Q
5
5
Q1006
100
Q1
6
Q
Q
Q
Q
6
Q
6
6
1605
05
C
160
05
C
16
650
1
50
C
0
16
65
1
16
650
1
50
C
1
550
1
0
50
C
1
55
1
1
550
1
50
C
103
2
03
10
32
R
10
03
103
10
32
R
1030
30
R
103
103
30
R
1031
0
31
R
103
0
103
0
31
R
Q1002
0
Q
Q100
02
2
Q
Q
Q
2
Q
2
2
1033
33
R
103
33
R
Q1016
0
Q1
6
Q
Q1016
Q
6
Q
6
6
10
10
L
0
00
L
10
10
L
0
00
L
1006
1
00
00
06
C
10
1
00
1006
C1
06
C
1012
12
R
101
12
R
1013
13
R
101
13
R
1004
00
04
C
10
00
1004
C
00
04
C
CN100
0
00
0
N1
CN
C
C
CN100
1014
0
14
R
101
0
101
0
14
R
1015
1
15
R
101
1
101
15
R
1887
8
88
87
R
188
8
8
18
8
88
87
R
881
Q1
81
8
1
Q1
Q
Q
Q
Q
Q
880
88
Q18
80
Q1
0
0
Q
0
Q
Q
Q
Q1882
2
88
82
1
Q1
Q1882
2
2
Q
Q
Q
Q
1886
8
86
R
188
8
188
8
86
R
1885
5
1
85
R
188
18
188
85
R
1884
8
8
84
R
188
8
8
188
8
84
R
1883
8
83
R
188
18
88
83
R
1882
8
82
R
188
8
188
8
82
R
1881
8
81
R
188
8
81
R
1880
80
R
188
80
R
D100
00
00
1
1
D1
D1
1
D1
D1
1
01
01
1
1
01
01
1
1
1034
34
R
103
34
R
004
004
Q100
04
Q1
Q
4
Q
Q
Q
Q
03
100
Q1
3
3
Q
3
Q
Q
Q
I
C
16
0
1609
09
1
09
R
160
1
160
60
1
09
R
160
606
06
C
16
60
160
06
C
1890
0
1
90
C
189
1
90
C
1608
08
R
160
08
R
1607
07
R
160
07
R
1891
89
91
C
1891
891
91
C
1606
06
R
160
06
R
6
16
600
00
C
16
1
60
6
16
600
00
C
1892
2
92
C
189
92
C
1893
9
93
C
189
9
1893
93
93
C
1605
1
05
R
60
1
160
05
R
1603
0
1
03
R
60
1
160
0
03
R
1604
60
1
04
R
160
1
160
60
04
R
1602
60
02
R
160
60
02
R
1601
01
R
160
01
R
1894
4
94
C
189
C
94
C
1600
0
00
R
160
00
R
1891
1
1
91
R
89
1
189
1
91
R
1890
890
90
Q1
Q1
0
0
0
Q
0
Q
Q
Q
189
93
93
R
189
9
189
9
93
R
1892
92
R
189
92
R
8
18
845
45
C
8
18
84
8
C18
845
45
C
10
005
05
C
10
00
10
005
C
05
C
00
10
07
07
C
00
10
0
00
10
07
07
C
IC100
C10
I
C
130
IC161
161
I
C
13
1
1002
02
C
1002
02
C
1000
0
00
C
1000
0
100
0
00
C
1001
00
01
C
1001
0
100
01
C
1003
03
C
1003
03
C
009
10
09
R
00
10
00
10
09
R
008
10
08
R
00
1
00
10
08
R
10
1
016
16
R
10
1
01
10
1
01
16
R
10
1
017
17
R
10
1
01
10
01
17
R
180
1
801
01
R
180
1
0
18
80
01
R
180
8
00
00
R
180
8
0
180
8
0
00
R
1076
07
76
R
107
07
76
R
10
1048
1
48
C
10
04
1
1
1048
48
C
182
2
22
C
182
22
C
1074
1
74
R
107
10
74
R
1046
1
46
C
104
1
1046
46
C
1820
82
20
C
18
82
1820
20
C
1073
10
73
R
107
10
73
R
1071
71
R
107
71
R
107
2
72
R
107
72
R
1047
0
47
C
104
0
1047
0
47
C
18
834
34
R
18
83
18
83
34
R
1833
8
33
R
183
8
183
8
33
R
04
4
1
44
C
04
1
04
1
44
C
1821
2
21
C
1821
2
21
C
1830
30
R
183
30
R
1832
32
R
183
32
R
183
83
31
R
18
8
183
31
R
1
1
3
1
31
1
3
1
31
10
041
1
41
C
10
04
1
10
041
1
41
C
104
0
3
43
C
104
0
104
0
43
C
1070
70
R
107
70
R
D1000
0
00
0
D1
D1
0
D1
D1
1000
0
00
1
1
00
00
1
1
1888
8
88
R
188
88
R
TP2
18
2
88
2
8
T
R
TP2
188
2
88
2
8
DT
R
19
1
903
03
C
19
1
90
19
C1
903
03
C
9
910
19
10
C
9
91
19
9
910
19
10
C
1810
81
10
R
181
81
10
R
1012
2
0
12
C
101
0
C101
0
12
C
1030
0
30
C
103
0
C1030
0
30
C
1823
82
1
23
R
18
82
182
23
R
1066
1
06
66
R
106
0
106
10
66
R
1065
0
65
R
106
0
106
0
65
R
1029
02
02
29
C
102
02
1029
0
C
29
C
1824
8
24
R
182
8
182
8
24
R
1060
06
1
60
R
106
1
106
06
1
60
R
1026
0
1
26
C
102
0
1
1026
0
C1
26
C
1821
21
R
182
1
21
R
1028
0
28
C
102
0
C1028
0
28
C
1062
06
62
R
106
0
62
R
1027
27
C
1027
C
27
C
106
4
0
64
R
106
0
106
0
64
R
1822
22
R
182
22
R
1025
1
25
C
C1025
1
25
C
1059
5
59
R
105
59
R
1024
24
C
1024
24
C
1057
05
57
R
105
0
57
R
1022
22
C
1022
22
C
1053
53
R
105
53
R
1056
0
56
R
105
0
105
0
56
R
1055
1
55
R
105
10
55
R
1023
23
C
C1023
23
C
1021
21
C
1021
21
C
1090
90
R
109
90
R
1020
0
20
C
1020
0
102
0
20
C
1051
1
05
51
R
105
1
105
05
51
R
1303
1
03
C
130
1
1303
03
C
1303
3
03
R
130
3
130
3
03
R
1301
30
01
C
1301
30
01
C
1302
1
30
02
R
130
13
13
30
02
R
1302
1
2
02
C
1302
13
130
02
C
1300
13
00
C
130
13
1300
13
00
C
1701
01
R
170
01
R
1700
0
17
00
R
170
17
00
R
1702
02
R
170
02
R
1700
70
00
C
170
7
1700
00
C
1703
17
03
R
170
17
03
R
1705
70
05
R
170
17
170
05
R
0
0
0
0
0
170
1
1
D
D
D
D
D
00
1701
01
C
170
C
170
01
C
1704
1
04
R
170
1
170
1
04
R
4
1850
50
R
185
50
R
1300
0
00
R
130
00
R
1331
33
31
R
13
33
133
31
R
1330
1
33
30
R
13
33
133
13
30
R
1
874
C
74
1
87
1
874
C
74
1
873
C
73
1
87
1
873
C
73
1
872
C
72
1
87
1
872
C
72
870
18
70
C
87
18
870
18
70
C
871
18
71
C
87
18
871
18
71
C
130
1
05
05
C
130
1
05
C
1310
1
10
C
1310
1
10
C
1860
8
60
R
186
8
186
8
60
R
1310
10
R
131
10
R
1314
4
13
14
C
131
13
131
13
14
C
13
3
313
13
C
13
3
313
13
3
31
13
C
131
3
312
12
R
1
3
31
131
12
R
1313
3
13
R
131
3
131
3
13
R
1316
1
16
R
131
1
131
1
16
R
185
3
1
53
C
185
1
C185
53
C
1852
85
52
C
1852
C
85
52
C
1854
85
54
C
1854
85
54
C
185
5
1
55
C
185
1
185
55
C
185
1
59
C
185
1
59
C
185
58
C
185
58
C
1860
860
60
C
1860
86
60
C
186
61
C
186
186
61
C
1862
86
62
C
C1862
86
62
C
307
13
07
C
30
13
307
13
07
C
130
6
3
06
C
130
3
130
3
06
C
1308
08
C
C1308
08
C
CAN11
CAN1
AN1
CA
CAN11
C
C
C
C
C
C
C
C
13
341
41
C
13
341
13
34
41
C
1342
34
42
C
1342
34
C
134
42
C
1861
18
61
R
186
18
186
61
R
1311
13
11
C
1311
13
131
13
11
C
1311
31
11
R
131
31
11
R
1862
86
62
R
186
86
186
62
R
1880
18
80
C
1880
18
188
18
80
C
1863
18
63
R
186
18
63
R
1315
3
1
15
R
131
3
1
131
3
1
15
R
1314
31
1
14
R
131
13
31
1
14
R
1317
1
17
R
131
1
131
1
1
17
R
3
16
13
16
C
3
1
13
13
16
1
16
C
186
4
64
R
186
1
64
R
1865
65
R
186
65
R
13
3
L
L
0
02
1302
3
L
L
0
02
1320
1
20
R
32
1
132
20
R
1319
3
19
R
131
3
131
3
19
R
1317
3
17
C
131
3
1317
3
17
C
13
1
318
18
C
13
1
31
13
318
18
C
319
13
19
C
319
13
31
13
19
C
1321
32
21
R
132
3
132
21
R
133
13
31
C
133
13
31
C
13
1
1
330
30
C
3
1
33
133
13
330
30
C
13
340
40
C
C13
340
13
34
40
C
1
1
6
C
1
1
6
C
30
13
04
04
C
30
13
30
13
04
04
C
1018
18
R
101
18
R
1019
19
19
R
101
19
R
895
18
95
C
89
18
895
C18
95
C
189
96
18
96
C
189
9
18
189
96
18
C
96
C
8
1
846
46
C
8
1
84
8
1
846
46
C
8
1
847
47
C
8
1
84
84
C18
847
47
C
1315
15
C
1315
15
C
1
321
1
21
C
1
32
1
1
321
1
21
C
90
1
01
C
90
1
90
C1
01
C
1090
9
90
C
1090
09
90
C
1091
09
91
R
109
09
91
R
7
17
750
50
C
7
17
75
7
17
750
50
C
8019
19
R
801
19
R
8020
20
R
802
8
802
20
R
1320
1
32
20
C
13
32
1320
1
32
20
C
RN101
RN10
01
0
RN
RN100
00
RN100
RN100
00
RN
IC806
IC
8
8052
805
C
52
8
805
C8
052
80
C
52
8083
80
R
83
808
80
808
80
R
83
8081
808
R
81
808
80
808
R
81
8084
80
R
84
808
80
808
80
R
84
C82
IC
82
2
8021
R
21
802
R
21
8026
R
26
802
R
26
8011
C
11
8011
C
C
11
8012
C
12
8012
C
12
8013
C
13
C8013
C
13
CA
CA
CA
C
CAN
AN
AN
AN
N
N
N
N
CAN
8014
C
14
C8014
C
14
8015
5
C
15
C801
C
15
8016
C
16
8016
C
16
8017
C
17
8017
C
17
8213
13
C
C8213
8
13
C
810
0
2
02
C
810
0
02
C
8021
21
C
8021
21
C
8022
02
22
C
C8022
02
22
C
8024
8
2
24
C
C8024
2
24
C
8025
25
C
8025
25
C
R849
8
8
92
R8
49
8
49
8
8
92
R8
R849
8
96
R8
49
8
49
8
96
R8
R849
8
97
R8
849
8
849
8
97
R8
R849
8
93
R8
849
8
849
8
93
R8
R849
8
90
R8
849
8
849
8
90
R8
R849
8
94
R8
849
8
849
8
94
R8
R849
8
95
R8
R8495
R8
5
8
95
R8
R849
8
91
R8
849
8
849
8
91
R8
8036
36
R
803
8
803
36
R
IC801
IC801
0
I
1
I
8042
42
R
804
42
R
8043
8
043
43
R
80
04
804
8
43
R
8034
34
C
8034
34
C
803
5
8
35
C
803
8
803
35
C
802
802
23
C
C802
23
C
3
3
30
3
3
30
3
8002
02
C
8002
C
02
C
8003
8
03
C
8003
8
03
C
8004
04
C
C8004
04
C
8005
05
C
C8005
05
C
8007
07
C
8007
07
C
8005
8
05
R
800
8
800
05
R
8003
80
03
R
800
80
03
R
8004
00
04
R
800
00
04
R
8006
80
06
R
800
80
800
80
06
R
8007
07
R
800
8
800
07
R
8008
08
R
800
8
800
08
R
8011
11
R
801
11
R
8009
80
09
R
800
80
800
80
09
R
8012
80
R
12
801
80
801
80
R
12
8014
14
R
801
1
801
14
R
8013
1
80
R
13
801
80
80
01
R
13
IC800
IC802
C
C
I
02
02
0
0
0
I
I
I
02
0
I
02
0
8041
C
41
C8041
C
41
8044
8
R
44
804
8
R
44
8045
C
45
804
C
45
8047
C
47
C8047
C
47
8045
80
R
45
804
80
804
80
R
45
8046
4
R
46
804
04
R
46
8047
80
R
47
804
80
804
80
R
47
8048
R
48
804
R
48
8051
R
51
805
R
51
8050
05
R
50
80
05
805
R
50
8049
C
49
8049
C
49
8036
80
C
36
803
80
8036
C
36
8037
80
C
37
803
80
8037
80
C
C
37
8049
R
49
804
R
49
8052
8
R
52
805
8
805
R
52
8053
8
R
53
805
8
805
R
53
8054
80
54
R
805
80
805
80
54
R
8055
05
55
R
80
05
805
55
R
8058
80
R
58
805
80
805
80
R
58
8057
805
R
57
805
80
R
57
8031
C
31
8031
C
31
8033
03
C
33
C8033
803
C
33
8032
2
8
C
32
803
8
C803
8
C
32
804
R
41
804
R
41
8006
06
C
8006
8
06
C
8015
80
R
15
801
80
801
80
R
15
806
2
8
62
R
806
62
R
806
8
61
R
806
61
R
R
8063
3
63
R
806
63
R
R
8064
806
64
R
806
80
806
64
R
R8017
80
17
R
R80
80
R80
80
17
R
8
002
R
02
8
00
8
00
R
02
8016
16
R
801
16
R
CA
A
N
C
CA
AN
N
C
820
8
L8
L
0
02
820
8
2
L8
L
0
02
8032
8
8
R
32
803
8
803
8
R
32
8214
21
14
C
C8214
21
821
14
C
8212
12
C
8212
C
821
12
C
8217
17
8
8
17
C
821
1
8
821
8
17
C
8216
8
8
16
C
821
8
8216
8
16
C
8051
51
C
8051
51
C
8033
33
R
803
33
R
8034
34
R
803
34
R
8035
03
35
R
803
03
35
R
8215
15
15
C
C8215
1
15
C
801
80
8
C
18
801
80
C8018
80
C
18
803
0
8
31
R
803
0
803
0
31
R
8000
R
00
800
R
00
I
C850
8502
02
C
850
850
02
C
85
501
01
C
85
50
85
C
501
01
C
853
2
8
32
C
853
8
853
8
32
C
IC818
81
18
8
C8
85
511
8
11
C
85
51
8
85
511
11
C
85
534
8
34
C
85
53
8
853
534
8
34
C
IC870
IC870
IC87
IC870
IC870
780
87
80
C
78
87
780
87
80
C
G8
G
871
871
SG
G8
G
8
G87
SG
871
871
SG
G
G872
872
SG
G
G8
SG
S
G872
872
SG
781
87
81
C
781
87
78
87
81
C
87
784
8
84
C
87
78
8
87
784
C8
84
C
8796
6
96
C
C8796
96
C
87
797
97
C
87
79
C87
797
97
C
8
8792
92
C
8
879
8
8792
92
C
87
798
98
C
87
79
C87
798
98
C
8790
0
90
C
C8790
90
C
8791
8
91
C
879
8
8791
91
C
8790
87
90
R
879
87
879
87
90
R
8791
87
91
R
879
87
879
87
91
R
Q8880
8
88
Q8
0
Q8880
Q
0
Q
Q
Q
Q8882
882
Q
Q8
Q8882
2
Q
Q
Q
Q
Q8881
881
Q8
Q
Q
Q
Q
Q
8885
85
R
888
85
R
8881
88
81
R
888
88
888
88
81
R
88
8882
88
82
C
8
88
88
C88
882
82
C
878
87
87
L8
L
8
81
878
87
L8
L
8
81
8880
0
80
R
888
80
R
8076
76
R
807
76
R
8075
7
75
R
807
75
R
8074
80
74
R
807
80
807
80
74
R
8040
80
40
R
804
80
804
80
40
R
8028
8
28
R
802
80
28
R
8029
29
R
802
29
R
806
L8
L
6
60
0
806
L8
L
6
60
RN801
RN
87
799
8
99
C
87
799
C8
87
79
8
99
C
8091
80
91
809
80
809
80
91
CIO
R
CIO
R
8092
2
80
R
92
809
80
809
80
R
92
4380
R
80
438
R
80
4378
8
R
78
437
R
78
8099
80
9
99
R
809
80
809
80
99
R
49
4
990
90
C
49
C4
990
49
4
99
90
C
4618
18
R
461
18
R
4634
34
R
463
34
R
Q4622
4622
Q
Q
22
Q
Q
2
2
2
Q
Q
Q4621
4621
Q
Q
21
Q
Q
2
2
2
Q
Q
4626
26
R
462
26
R
461
9
19
R
461
19
R
Q4620
4620
Q
Q
20
20
Q
Q
2
2
2
2
Q
Q
Q4623
4623
Q
3
23
Q
Q
2
2
2
Q
Q
4367
67
R
436
67
R
4370
70
R
437
70
R
437
71
R
437
71
R
4372
72
R
437
4
72
R
4368
68
R
436
68
R
4369
69
R
436
69
R
4375
43
75
R
437
43
437
43
75
R
4377
4
77
R
437
4
77
R
4376
76
R
437
76
R
4379
79
R
437
79
R
4381
81
R
438
81
R
4374
4
74
R
437
74
R
4366
43
6
66
R
36
43
436
4
66
R
4364
43
64
R
436
43
436
43
64
R
4365
65
R
436
65
R
0
R
0
R
363
43
63
R
36
43
36
43
63
R
4362
4
R
62
436
4
436
R
62
43
16
43
16
C
43
1
43
C431
16
43
16
C
7
7
7
4
431
4
1
C
4
431
C4
431
4
1
C
7
4324
R
24
432
R
24
4325
R
25
432
R
25
CAN
AN
CAN
CAN
C
RN410
RN
RN410
RN
311
43
11
C
31
43
311
43
11
C
1
3
1
3
4322
22
R
432
32
432
22
R
4323
23
R
432
23
R
4351
43
51
R
435
4
35
43
51
R
4331
43
31
R
433
43
31
R
43
314
4
14
R
43
31
43
1
4
14
R
4
4303
03
C
4
430
C4
4303
03
C
4320
4
0
R
20
432
4
432
4
R
20
4319
4
R
19
431
4
431
4
R
19
Q4302
02
4
30
Q
0
Q
Q
2
2
Q
Q
43
307
07
R
43
30
43
430
07
R
4306
06
R
430
06
R
4304
04
C
4304
04
C
430
5
4
05
R
430
4
430
05
R
4311
4
43
11
R
431
4
43
431
4
43
11
R
4310
4
10
R
431
43
10
R
4313
31
4
R
13
431
31
431
4
R
13
433
30
43
R
30
433
3
43
433
43
R
30
4309
43
C
09
4309
43
430
43
C
09
4314
43
14
C
431
43
4314
43
C
14
C
4315
3
43
15
C
43
43
43
43
15
C
43
43
312
12
C
43
43
31
C43
43
312
12
C
43
306
06
C
43
306
43
30
06
C
Q4303
43
3
43
Q4
3
Q
Q
3
3
3
Q
Q
IC
43
0
4603
4
03
C
C4603
4
03
C
4602
02
C
460
02
C
531
45
4
31
C
53
45
531
45
4
31
C
530
45
30
C
53
45
530
45
30
C
4512
4
12
C
4512
4
12
C
4513
45
13
C
4513
45
13
C
4514
4
1
14
C
4514
4
1
14
C
4540
45
40
R
454
45
40
R
454
4
45
42
R
454
4
45
42
R
454
45
43
43
R
454
45
43
R
4529
29
C
4529
52
29
C
4538
538
38
R
45
53
453
38
R
53
45
9
4
39
R
53
45
53
45
4
39
R
4528
28
C
4528
28
C
4536
53
36
R
453
53
36
R
453
45
37
37
R
453
45
453
45
3
37
R
49
4
979
79
C
49
4
979
79
C
41
4100
4
00
C
41
4100
4
00
C
CAN
AN
4877
87
48
77
C
4877
487
48
77
C
459
9
45
99
C
459
45
99
C
4815
1
81
15
R
481
81
15
R
Q4852
2
85
Q4
Q
Q
2
2
Q
Q
4896
96
R
489
96
R
IC453
453
IC45
3
3
53
3
IC455
C45
IC
5
IC
5
5
5
5
IC
IC
5
5
C
C
C
5
5
5
5
C
C
C
C
C
C
C
C
4830
30
C
4830
30
C
483
36
R
483
36
R
1
6
1
6
1
6
4731
4
31
R
473
4
473
31
R
4723
23
472
23
4720
47
20
72
47
472
20
4832
32
R
483
32
R
4831
83
31
C
4831
83
483
31
C
8
48
8
48
8
8
8
48
4730
30
R
473
30
R
4724
4
R
24
472
R
24
4729
4
29
R
472
29
R
4725
725
25
R
47
72
472
25
R
4726
47
26
R
472
4
72
47
26
R
4840
40
R
484
40
R
Q4848
Q4848
8
Q4
483
48
4
34
R
483
48
483
48
34
R
483
48
38
38
R
483
48
48
48
3
38
R
4727
47
7
27
R
472
47
472
47
27
R
4736
36
R
473
36
R
6
4724
4
24
C
472
4
C472
4
24
C
4
C
4
C
IC
IC471
4837
48
37
R
483
48
483
48
37
R
4832
48
32
C
483
48
4832
48
C
32
C
4833
33
R
483
33
R
4841
41
R
484
41
R
4834
4
34
C
C4834
4
483
34
C
48
835
35
R
48
83
48
83
35
R
4839
9
39
R
483
39
R
4625
62
4
25
R
46
62
4
462
4
25
R
46
4
628
28
R
46
62
46
46
62
28
R
4627
62
27
R
46
62
462
27
R
46
631
31
R
46
63
46
63
31
R
4632
32
R
463
32
R
4622
4
22
C
4622
46
22
C
4624
24
R
462
24
R
46
4
633
33
R
46
4
63
46
63
33
R
4623
62
23
C
46
62
4623
23
C
4635
63
35
R
463
63
35
R
C
A
N
4
150
50
R
4
15
4
15
50
R
41
4
101
01
R
41
4
10
41
4
10
01
R
4203
03
R
420
03
R
IC454
45
IC
IC4
IC4
C4
C4
4
C4
C4
C4
4
IC
C
IC
IC
C
C4
C4
C4
4
5
4
4980
80
R
498
80
R
4986
86
R
498
86
R
4984
84
R
498
84
R
4988
88
R
498
88
R
4990
90
R
499
90
R
4982
82
R
498
82
R
4
4978
4
78
C
4
4978
4
78
C
CAN
AN
C
N
C
C
N
N
N
N
N
N
N
N
N
498
81
C
C498
81
C
S
S
1
S
S
1
4983
83
C
4983
83
C
4603
03
R
460
03
R
461
3
13
R
461
13
R
4606
46
6
R
06
460
46
46
R
06
4605
46
05
R
460
46
05
R
4600
46
00
R
460
46
00
R
460
46
02
02
R
460
46
0
02
R
4607
4
4
R
07
460
4
4
R
07
4604
60
04
R
460
60
04
R
4601
R
01
460
R
01
4608
46
08
R
460
46
08
R
461
5
46
15
R
461
46
15
R
4614
46
R
14
461
46
R
14
612
46
R
12
61
46
R
12
4611
61
4
R
11
461
461
4
R
11
4610
46
R
10
461
46
R
10
4609
46
R
09
460
46
R
09
4600
00
C
C4600
00
C
4601
01
C
4601
01
C
IC
4
6
0
45
513
13
R
45
51
13
R
4514
45
4
4
14
R
451
45
451
45
4
14
R
4520
45
20
C
452
45
4520
45
20
C
4521
45
21
C
452
45
4521
45
21
C
4522
22
C
C452
22
C
4523
4
23
C
C452
23
C
45
524
24
C
45
524
24
C
45
525
25
C
45
525
25
C
4809
09
R
480
09
R
4
C
4
C
4553
45
53
C
C4553
5
53
C
C45
4805
48
05
R
480
48
05
R
4813
13
R
481
13
R
4802
2
02
R
480
02
R
4801
4
01
R
480
4
01
R
4808
48
08
R
480
48
08
R
48
4806
06
R
480
480
06
R
48
814
14
R
48
81
14
R
4810
4
48
10
R
481
4
481
4
48
10
R
4812
4
12
R
481
4
12
R
4804
4
480
04
R
480
4
48
04
R
4803
03
R
480
03
R
4811
4
48
11
R
481
4
481
4
48
11
R
4807
48
48
07
R
480
48
07
R
4804
04
C
480
04
C
4801
801
01
C
480
C
801
01
C
48
803
03
C
C48
803
03
C
4532
32
R
453
32
R
45
535
35
R
45
53
35
R
4534
45
34
R
453
45
453
45
34
R
4530
4
30
R
453
4
453
30
R
530
4533
3
33
R
453
53
33
R
45
4
531
31
R
45
4
45
53
31
R
4564
4
64
R
456
4
64
R
4565
45
65
R
456
45
456
65
R
4563
63
R
456
63
R
4567
4
67
R
456
4
67
R
4566
45
66
R
456
45
456
45
66
R
R4
4562
45
62
R
456
45
456
45
62
R
4829
48
R
29
482
48
R
29
4800
80
48
R
00
480
80
48
R
00
4828
4
R
28
482
4
R
28
4827
27
R
482
27
R
4826
R
26
482
R
26
4825
4
2
R
25
482
4
482
82
R
25
4805
C
05
C4805
C
05
482
R
21
482
R
21
4822
R
22
482
R
22
4824
R
24
482
R
24
48
823
4
R
23
48
82
4
R
23
IC450
450
555
45
55
R
55
45
55
R
4556
6
45
56
R
455
45
56
R
4557
45
57
R
455
45
57
R
4554
55
54
R
455
55
54
R
4551
45
51
R
455
45
51
R
4553
45
455
53
R
455
45
53
R
4557
57
C
4557
57
C
4558
58
C
C4558
58
C
4559
59
C
4559
59
C
4550
50
R
455
50
R
4552
4
52
C
4552
4
52
C
4550
50
C
4550
50
C
4551
51
C
C4551
51
C
4562
62
C
456
C
62
C
4563
63
C
C456
63
C
4565
45
65
C
4565
45
65
C
3
5
36
5
4566
66
C
C4566
66
C
4569
4
9
69
C
4569
C4
69
C
4570
4
0
70
C
4570
C4
70
C
4571
4
71
C
4571
C4
71
C
4572
4
72
C
4572
C4
72
C
4573
4
73
C
4573
4
73
C
4574
4
74
C
4574
4
74
C
4575
4
75
C
4575
4
75
C
4552
52
R
455
52
R
42
200
0
0
00
R
42
20
0
00
R
4202
02
R
420
02
R
G4
1
491
SG
SG4
S
491
SG
G4
3
G
493
SG
G49
SG
493
SG
G492
2
492
SG
SG49
S
S
492
SG
IC
4
51
IC491
491
IC452
IC
855
48
55
C
85
C48
55
C
49
976
4
76
C
49
976
4
76
C
497
7
4
77
C
497
C4
77
C
4870
48
70
R
487
48
70
R
4869
8
69
R
486
8
69
R
868
48
68
R
86
48
68
R
4
117
17
C
4
4117
4
11
17
C
421
6
4
16
R
421
4
16
R
4215
15
R
421
15
R
5
R
5
R
4217
17
R
421
17
R
4218
8
18
R
421
18
R
962
4
62
C
962
C4
62
C
496
61
C
C496
61
C
4960
0
60
C
496
60
C
4970
4
70
C
4970
4
70
C
41
10
4
01
C
1
41
10
4
41
10
4
01
C
1
104
41
41
04
C
C4104
41
41
04
C
4105
10
05
C
4105
10
05
C
4106
4
06
C
4106
41
06
C
4107
10
07
C
4107
10
07
C
49
96
61
R
49
96
61
R
4964
4
64
C
4964
C
64
C
496
5
65
C
496
65
C
963
4
63
C
963
4
63
C
49
969
9
69
C
49
96
69
C
49
967
67
C
496
967
67
C
4968
68
C
4968
6
68
C
496
6
0
L4
496
62
L
4
496
9
61
L
4
4113
1
13
C
4113
11
13
C
4112
4
12
C
4112
4
12
C
4111
11
11
C
C4111
11
11
C
411
4
14
C
11
4
14
C
4114
4
14
C
C4114
14
C
C4114
43
3
360
60
R
43
3
36
43
36
36
60
R
0
0
0
0
Q4950
495
0
Q
Q
Q
0
Q
0
0
Q4951
1
Q
Q
Q
CN49
CN495
5
N
4508
45
4
08
R
450
45
4
08
R
4507
45
07
R
450
45
07
R
4972
497
72
C
4972
49
C
72
C
4973
497
73
C
4973
49
73
C
506
45
06
R
50
45
06
R
4505
45
05
R
450
45
05
R
4967
4
67
R
496
4
67
R
4968
4
68
R
496
4
68
R
965
49
65
R
96
49
65
R
4966
66
R
496
66
R
4361
43
R
61
436
4
36
43
R
61
487
4
71
R
487
4
71
R
43
4
43
382
82
R
43
43
38
43
43
38
82
R
4862
862
62
R
486
86
62
R
4866
4
66
R
486
48
66
R
4865
65
C
486
65
C
486
4
61
C
486
C4
61
C
4760
76
4
60
C
C4760
76
4
60
C
486
48
0
60
R
486
48
60
R
4861
86
61
R
486
86
61
R
4742
47
42
R
474
47
42
R
4748
48
R
474
48
R
4745
45
C
474
C
45
C
4761
761
61
C
C476
761
61
C
4747
4
47
R
474
4
47
R
4749
49
R
474
49
R
4746
46
C
4746
C
46
C
48
4
871
71
C
48
C4
871
71
C
8
48
866
66
C
86
48
866
66
C
Q
4844
4863
48
63
R
486
48
63
R
486
5
48
65
R
486
48
65
R
4741
41
R
474
41
R
474
40
40
R
474
4
40
R
Q4741
74
Q
Q
1
Q
Q
Q
Q4740
Q47
0
Q
0
Q
Q
Q
0
4842
84
42
C
C4842
484
42
C
4849
4
49
R
484
4
49
R
4846
46
C
4846
46
C
4850
50
R
485
50
R
475
4
750
50
C
475
C47
750
50
C
484
4
848
48
R
484
4
484
48
R
4847
48
47
R
484
48
47
R
Q4641
Q4641
Q4640
Q464
40
0
Q
0
Q
Q
Q
0
464
640
40
R
464
4
40
R
4641
4
41
R
464
41
R
4646
46
46
C
4646
46
46
C
4649
9
46
49
R
464
46
49
R
4647
4
64
47
R
464
46
64
47
R
4661
66
61
C
C4661
661
61
C
645
45
64
45
648
8
48
64
48
642
64
42
64
6
42
660
66
60
660
66
60
47
4
747
47
C
474
C4
747
47
C
4843
48
43
R
484
48
43
R
4842
84
42
R
484
84
42
R
Q4841
841
Q
Q4
Q
Q
Q
Q
Q
7
740
47
40
C
74
740
47
40
C
48
4
850
50
C
48
4
850
50
C
48
4
840
40
C
48
C4
840
40
C
464
47
4
47
C
464
47
C4
47
C
465
50
4
50
C
465
50
C4
50
C
4746
47
46
R
474
47
46
R
4745
74
4
45
R
474
74
4
45
R
472
4
21
R
472
4
21
R
4743
43
R
474
4
43
R
4744
47
44
R
474
47
44
R
4722
47
22
R
472
47
22
R
4845
84
45
R
484
84
45
R
483
0
4
30
R
483
4
30
R
4831
48
31
R
483
48
31
R
4646
46
R
464
46
R
4645
45
R
464
45
R
4846
4
46
R
484
4
46
R
4
4637
37
R
4
463
37
R
4643
46
43
R
464
46
43
R
4622
62
22
R
462
62
22
R
4644
44
R
464
44
R
4752
47
52
R
475
47
52
R
4753
75
53
R
475
75
53
R
4852
48
52
R
485
48
52
R
4853
53
R
485
53
R
4855
85
55
R
485
485
55
R
465
46
3
53
R
465
46
53
R
4652
46
52
R
465
46
52
R
Q4582
Q458
2
Q
2
Q
Q
Q
2
4208
4
08
R
420
4
08
R
4209
0
4
09
R
420
0
4
09
R
Q4206
Q420
6
Q
6
Q
Q
Q
6
4599
99
R
459
99
R
4596
96
R
459
96
R
Q4581
Q4581
8
8
459
98
R
459
98
R
5
5
5
459
95
R
459
95
R
4101
10
1
Q
Q
Q
Q
Q
46
4
64
40
C
0
0
46
4
640
40
C
41
11
12
R
2
2
411
1
12
R
2
2
473
32
R
473
32
R
Q
Q
Q
4840
48
0
Q
Q
Q
0
0
473
4
33
R
3
3
473
4
33
R
85
48
5
53
C
3
3
85
48
53
53
C
4
4
487
72
C
2
2
4
4
4872
72
C
4
475
54
C
4
4
4
4754
54
C
4
477
4
71
C
1
4
4771
4
71
C
47
4
75
53
C
3
3
47
4
753
53
C
47
77
4
70
C
0
0
47
770
4
70
C
487
4
73
C
3
3
487
4
73
C
4
4
467
70
C
0
0
4
C4
4670
70
C
4
467
71
C
1
4
4671
C
71
C
458
4
80
R
0
0
458
4
80
R
1
458
81
R
458
81
R
5
5
475
5
55
R
475
75
55
R
4
75
54
R
4
4
4
475
54
R
485
54
R
4
4
485
54
R
465
55
R
5
5
465
55
R
46
65
54
R
4
4
46
65
54
R
4
4
486
48
86
64
R
486
48
86
64
R
3
3
484
43
C
C4843
43
C
474
4
43
C
3
3
3
4743
4
43
C
474
47
41
C
1
4741
47
41
C
3
3
3
411
11
13
R
411
1
13
R
1
413
31
C
4131
C
31
C
4
4
4
459
4
94
R
459
4
94
R
7
7
459
97
R
459
97
R
4580
458
0
Q
Q
0
Q
Q
Q
0
2
4
1
2
IC4
463
39
R
9
9
463
39
R
8
8
463
4
38
R
463
46
38
R
IC
IC
C
IC
IC
C
C484
C484
C
C
C
C
C
C
C
C
IC
IC
IC
C
C
C
C
48
Q
Q
Q
4102
102
41
4
Q
Q
2
2
Q
Q
4103
410
3
Q
Q
3
Q
Q
3
410
41
09
R
9
9
410
41
09
R
410
07
R
7
7
410
07
R
4
4
411
4
11
14
R
411
4
11
14
R
411
11
17
R
7
7
411
11
17
R
9
9
412
29
C
412
29
C
C4129
41
4
R
41
4
R
412
22
C
2
2
4122
22
C
5
5
410
05
R
410
05
R
4
4
C
4
4
C
412
41
2
412
41
2
12
1
2
3
3
3
C
C41
23
41
41
4
C
41
C41
41
C
2
21
1
21
21
1
7
7
412
2
27
C
4127
2
27
C
1
41
4
11
11
R
41
4
11
11
R
411
1
10
R
0
0
411
1
10
R
4
4
12
24
C
4
4
4
4
124
24
C
464
46
41
C
1
C4641
46
41
C
464
43
C
3
3
4643
43
C
410
41
00
R
0
0
410
41
00
R
760/UK
,
X
E
4
4
4
1
TU DO
E
TU_CE
C
33
33
4
8
3
C4
454
45
40
R
454
45
40
R
2
2
2
4541
4
54
41
R
454
4
45
54
41
R
454
45
4
43
R
454
45
4
43
R
4721
21
C
4721
21
C
4
R
4
R
4
4
C
4
4
C
C
473
73
30
R
47
73
30
R
472
47
723
23
C
47
72
472
47
23
23
C
47
722
C
22
C47
722
47
72
C
22
728
47
47
28
R
72
47
47
72
47
28
R
472
29
R
472
29
R
4
85
6
56
R
4
85
4
85
56
R
4725
25
4725
25
G
N
D
C
C
C
412
0
IC411
IC411
R
4
C
4
C
4
R
4
R
4
4
R
4
4
R
4
C
4
C
41
11
12
R
2
41
11
12
R
C
C
C
8
8
0
08
0
08
4
41
R
4
41
R
0
06
6
6
0
06
1
100
1
10
100
00
0
9
9
EFMOUT
EFMO
EFMOUT
EFMOUT
E
M
FM
PCK
PCK
PCK
PCK
OUT
U
OUT
OUT
C
C8
FL
L
FL
FL
L
SR
SR
R
SR
1856
85
56
C
1856
85
C
56
C
185
7
57
C
185
C185
57
C
185
9
59
C
C185
59
C
1858
85
58
C
1858
85
C
58
C
878
786
86
C
878
C
786
86
C
87
793
93
C
87
79
C87
793
93
C
8794
4
94
C
C8794
94
C
87
795
95
C
87
79
C87
795
95
C
87
78
8
L8
L
8
80
0
87
78
L8
L
8
80
4982
82
C
4982
82
C
C
4
102
9
9
9
WIRING DIAGRAM (MAIN A Side)

- 47 -
- 46 -
WIRING DIAGRAM (MAIN A Side Top Left)
1
CAUTION
E ON
REPLACE O
E ONLY WITH
H
YP
SAME TYP
YPE PROTECTOR
H
C-CH
H
L-
CH
R-CH
CH
CH
LM3876TF LM1876TF L
M
LM4700TF
SR
SW
S
W
SL
V
-7V
+7V
7
+7V
+12V
+12
+12V
-12V
-
1
10
K
10K
10K
G
N
D
2
00
200
C411
C411
C411
R
411
5
D4104
3
03
42
C4
2
04
IC472
IC472
IC
4
82
IC483
3
C
486
9
4868
48
C4
868
C4
C4863
4
C4870
C
474
2
C4744
C
484
4
R4758
R4758
R4750
0
R4659
R4650
R4851
R4858
R4651
R4658
C4649
C4648
C4651
C4652
C4849
C
C4848
C48
48
8
4
C4
C4749
C4748
C4864
C4593
C4592
D4581
81
D
45
5
D4582
4100
00
L410
0
L4750
L4
850
L4650
L4
651
C4110
C4103
C
C
N47
0
0
L4751
1
C4752
C4751
R4751
R4759
51
L4
85
R4859
4
C4854
R4867
C
C4654
C
C
465
C46
4653
C4
C
C
4
862
C4867
7
C4867
C
C
47
55
C4756
C4108
SH401
C4591
C4590
D4580
D
45
C4589
C4588
C4588
P
R41
8
PR419
PR419
L4103
C4130
C4130
C4130
C4130
L4101
L4101
L4101
D4114
D4114
C410
IC
1
0
I
I
D4
4
11
5
D
LUG01
R4210
R
R42
10
PR450
PR451
C
C
C4
4109
4109
4109
C4860
4862
862
62
R
486
86
62
R
4866
4
66
R
486
48
66
R
4865
65
C
486
65
C
486
4
61
C
486
C4
61
C
4760
76
4
60
C
C4760
76
4
60
C
486
48
0
60
R
486
48
60
R
4861
86
61
R
486
86
61
R
4742
47
42
R
474
47
42
R
4748
48
R
474
48
R
4745
45
C
474
C
45
C
4761
761
61
C
C476
761
61
C
4747
4
47
R
474
4
47
R
4749
49
R
474
49
R
4746
46
C
4746
C
46
C
48
4
871
71
C
48
C4
871
71
C
8
48
866
66
C
86
48
866
66
C
Q
4844
4863
48
63
R
486
48
63
R
486
5
48
65
R
486
48
65
R
4741
41
R
474
41
R
474
40
40
R
474
4
40
R
Q4741
74
Q
Q
1
Q
Q
Q
Q4740
Q47
0
Q
0
Q
Q
Q
0
4842
84
42
C
C4842
484
42
C
4849
4
49
R
484
4
49
R
4846
46
C
4846
46
C
4850
50
R
485
50
R
475
4
750
50
C
475
C47
750
50
C
484
4
848
48
R
484
4
484
48
R
4847
48
47
R
484
48
47
R
Q4640
Q464
40
0
Q
0
Q
Q
Q
0
46
R
46
R
4641
4
41
R
464
41
R
645
45
64
45
648
8
48
64
48
642
64
42
64
6
42
660
66
60
660
66
60
47
4
747
47
C
474
C4
747
47
C
4843
48
43
R
484
48
43
R
4842
84
42
R
484
84
42
R
Q4841
841
Q
Q4
Q
Q
Q
Q
Q
7
740
47
40
C
74
740
47
40
C
48
4
850
50
C
48
4
850
50
C
48
4
840
40
C
48
C4
840
40
C
4746
47
46
R
474
47
46
R
4745
74
4
45
R
474
74
4
45
R
472
4
21
R
472
4
21
R
4743
43
R
474
4
43
R
4744
47
44
R
474
47
44
R
4722
47
22
R
472
47
22
R
4845
84
45
R
484
84
45
R
483
0
4
30
R
483
4
30
R
4831
48
31
R
483
48
31
R
4846
4
46
R
484
4
46
R
4
4637
37
R
4
463
37
R
4643
46
43
R
464
46
43
R
46
R
46
R
4752
47
52
R
475
47
52
R
4753
75
53
R
475
75
53
R
4852
48
52
R
485
48
52
R
4853
53
R
485
53
R
4855
85
55
R
485
485
55
R
465
46
3
53
R
465
46
53
R
4652
46
52
R
465
46
52
R
Q4582
Q458
2
Q
2
Q
Q
Q
2
4208
4
08
R
420
4
08
R
4209
0
4
09
R
420
0
4
09
R
Q4206
Q420
6
Q
6
Q
Q
Q
6
4599
99
R
459
99
R
4596
96
R
459
96
R
Q4581
Q4581
8
8
459
98
R
459
98
R
5
5
5
459
95
R
459
95
R
4101
10
1
Q
Q
Q
Q
Q
46
4
64
40
C
0
0
46
4
640
40
C
41
11
12
R
2
2
411
1
12
R
2
2
473
32
R
473
32
R
Q
Q
Q
4840
48
0
Q
Q
Q
0
0
473
4
33
R
3
3
473
4
33
R
85
48
5
53
C
3
3
85
48
53
53
C
4
4
487
72
C
2
2
4
4
4872
72
C
4
475
54
C
4
4
4
4754
54
C
4
477
4
71
C
1
4
4771
4
71
C
47
4
75
53
C
3
3
47
4
753
53
C
47
77
4
70
C
0
0
47
770
4
70
C
487
4
73
C
3
3
487
4
73
C
4
4
467
70
C
0
0
4
C4
4670
70
C
4
467
71
C
1
4
4671
C
71
C
458
4
80
R
0
0
458
4
80
R
1
458
81
R
458
81
R
5
5
475
5
55
R
475
75
55
R
4
75
54
R
4
4
4
475
54
R
485
54
R
4
4
485
54
R
465
55
R
5
5
465
55
R
46
65
54
R
4
4
46
65
54
R
4
4
486
48
86
64
R
486
48
86
64
R
3
3
484
43
C
C4843
43
C
474
4
43
C
3
3
3
4743
4
43
C
474
47
41
C
1
4741
47
41
C
3
3
3
411
11
13
R
411
1
13
R
1
413
31
C
4131
C
31
C
4
4
4
459
4
94
R
459
4
94
R
7
7
459
97
R
459
97
R
4580
458
0
Q
Q
0
Q
Q
Q
0
463
39
R
9
9
463
39
R
IC
IC
C
IC
IC
C
C484
C484
C
C
C
C
C
C
C
C
IC
IC
IC
C
C
C
C
48
Q
Q
Q
4102
102
41
4
Q
Q
2
2
Q
Q
4103
410
3
Q
Q
3
Q
Q
3
410
41
09
R
9
9
410
41
09
R
410
07
R
7
7
410
07
R
41
4
R
41
4
R
411
17
R
7
7
411
17
R
9
9
412
29
C
412
29
C
C4129
41
4
R
41
4
R
412
22
C
2
2
4122
22
C
5
5
410
05
R
410
05
R
4
4
C
4
4
C
412
41
2
412
41
2
12
1
2
3
3
3
C
C41
23
41
41
4
C
41
C41
41
C
2
21
1
21
21
1
464
46
41
C
1
C4641
46
41
C
410
41
00
R
0
0
410
41
00
R
G
N
D
C
C
C
412
0
IC411
IC411
R
4
C
4
C
4
R
4
R
4
4
R
4
4
R
4
C
4
C
41
11
12
R
2
41
11
12
R
C
C
C
8
8
0
08
0
08
4
41
R
4
41
R
0
06
6
6
0
06
1
C
4
102
9
9
9

- 49 -
- 48 -
WIRING DIAGRAM (MAIN A Side Bottom Left)
00
0
7000
7000
00
4
4
1
1
G
N
D
FR
FR
FL
FL
SR
SR
R
1
8
8
5
5
5
4
4
4
1
1
1
80
80
80
65
65
65
60
0
60
50
50
41
41
41
40
40
4
30
0
30
0
25
25
25
24
24
24
20
20
2
10
0
10
1
1
1
1
14
14
10
0
10
8
8
8
7
7
7
1
1
48
48
48
40
0
40
4
37
3
37
36
36
36
30
3
0
25
25
2424
24
20
20
20
20
1
3
12
12
1
1
1
1
PCON
PCON
PCON
+VL
+VL
+VL
+VL
-VL
+12V
-12V
1
5
V
VCHK
VCH
CHK
GND
GN
ND
GND
D
GND
O DG
TO D
DG
TU L
TU_DO
E
E
TU CE
TU_DATA
A
TU_DATA
K
K
T
U
_
CL
K
RDS
RESET
125
ATTENTION
AVEC LE MEME GENRE DE PROTECTION
AVEC LE MEME GENRE DE PROTECTION
AVEC LE MEME GENRE DE PROTECTION
O
NT REMPLACER
R
DOIT ETRE SEULEMENT REMPLACER
C6
IC
4
61
C4511
C4511
C4511
JW1
CN499
CN499
CN499
D4805
D4805
PR41
PR410
PR4
PR411
D4804
804
4
D
D4
D480
L
UG04
25
5
C4625
5
C
C4624
24
C
46
2
C4568
C4568
C4568
8
C4567
C4567
C4567
C4564
C4564
C4564
C4561
C4561
C4561
C4561
C4560
C45
60
C4560
ASPEC
I/P
C4527
527
C452
7
C4526
C
26
C452
C4
526
C4515
515
C4
C451
C451
4516
C45
6
C4555
5
C4
5
C
45
C4556
56
4556
C4554
C4554
C45
C4554
4
R4213
D4104
04
D
D4800
48
0
D
80
D
80
D4801
0
C4200
0
D4201
420
C
4201
C
4202
PR420
3
C4203
42
C4
20
R4219
Q42
Q4209
Q4
C4971
C4971
1
LUG03
CN412
2
C
D4108
D
D4108
D41
D
0
9
D4106
D4107
D4105
C
N410
D4100
D4101
D4
D
4
1
02
3
D4103
CN491
CN491
CN490
CN490
CN490
C
N42
0
55
IC455
5
5
5
I
C
45
1
IC450
50
450
I
45
C
IC
4
9
1
IC452
IC
IC452
IC452
52
IC453
IC453
R4954
R
4
D4950
D495
D
0
5
492
2
92
CN492
CN495
C
CN
5
C
C
C
C4
C410
C410
C410
531
45
4
31
C
53
45
531
45
4
31
C
530
45
30
C
53
45
530
45
30
C
4512
4
12
C
4512
4
12
C
4513
45
13
C
4513
45
13
C
4514
4
1
14
C
4514
4
1
14
C
4540
45
40
R
454
45
40
R
454
4
45
42
R
454
4
45
42
R
454
45
43
43
R
454
45
43
R
4529
29
C
4529
52
29
C
4538
538
38
R
45
53
453
38
R
53
45
9
4
39
R
53
45
53
45
4
39
R
4528
28
C
4528
28
C
4536
53
36
R
453
53
36
R
453
45
37
37
R
453
45
453
45
3
37
R
49
4
979
79
C
49
4
979
79
C
41
4100
4
00
C
41
4100
4
00
C
CAN
AN
4877
87
48
77
C
4877
487
48
77
C
459
9
45
99
C
459
45
99
C
4815
1
81
15
R
481
81
15
R
Q4852
2
85
Q4
Q
Q
2
2
Q
Q
4896
96
R
489
96
R
IC453
453
IC45
3
3
53
3
IC455
C45
IC
5
IC
5
5
5
5
IC
IC
5
5
C
C
C
5
5
5
5
C
C
C
C
C
C
C
C
4731
4
31
R
473
4
473
31
R
472
23
472
23
472
47
20
72
47
472
20
4730
30
R
473
30
R
4724
4
R
24
472
R
24
4729
4
29
R
472
29
R
4
C
4
C
4625
62
4
25
R
46
62
4
462
4
25
R
46
4
628
28
R
46
62
46
46
62
28
R
4627
62
27
R
46
62
462
27
R
46
631
31
R
46
63
46
63
31
R
4632
32
R
463
32
R
4622
4
22
C
4622
46
22
C
4624
24
R
462
24
R
46
4
633
33
R
46
4
63
46
63
33
R
4623
62
23
C
46
62
4623
23
C
4635
63
35
R
463
63
35
R
4203
03
R
420
03
R
IC454
45
IC
IC4
IC4
C4
C4
4
C4
C4
C4
4
IC
C
IC
IC
C
C4
C4
C4
4
5
4
4
4978
4
78
C
4
4978
4
78
C
45
513
13
R
45
51
13
R
4514
45
4
4
14
R
451
45
451
45
4
14
R
4520
45
20
C
452
45
4520
45
20
C
4521
45
21
C
452
45
4521
45
21
C
4522
22
C
C452
22
C
4523
4
23
C
C452
23
C
45
524
24
C
45
524
24
C
45
525
25
C
45
525
25
C
4809
09
R
480
09
R
4
C
4
C
4553
45
53
C
C4553
5
53
C
C45
4805
48
05
R
480
48
05
R
4813
13
R
481
13
R
4802
2
02
R
480
02
R
4801
4
01
R
480
4
01
R
4808
48
08
R
480
48
08
R
48
4806
06
R
480
480
06
R
48
814
14
R
48
81
14
R
4810
4
48
10
R
481
4
481
4
48
10
R
4812
4
12
R
481
4
12
R
4804
4
480
04
R
480
4
48
04
R
4803
03
R
480
03
R
4811
4
48
11
R
481
4
481
4
48
11
R
4807
48
48
07
R
480
48
07
R
4804
04
C
480
04
C
4801
801
01
C
480
C
801
01
C
48
803
03
C
C48
803
03
C
4532
32
R
453
32
R
45
535
35
R
45
53
35
R
4534
45
34
R
453
45
453
45
34
R
4530
4
30
R
453
4
453
30
R
530
4533
3
33
R
453
53
33
R
45
4
531
31
R
45
4
45
53
31
R
4564
4
64
R
456
4
64
R
4565
45
65
R
456
45
456
65
R
4563
63
R
456
63
R
4567
4
67
R
456
4
67
R
4566
45
66
R
456
45
456
45
66
R
R4
4562
45
62
R
456
45
456
45
62
R
4829
48
R
29
482
48
R
29
4800
80
48
R
00
480
80
48
R
00
4828
4
R
28
482
4
R
28
4827
27
R
482
27
R
4826
R
26
482
R
26
4825
4
2
R
25
482
4
482
82
R
25
4805
C
05
C4805
C
05
482
R
21
482
R
21
4822
R
22
482
R
22
4824
R
24
482
R
24
48
823
4
R
23
48
82
4
R
23
IC450
450
555
45
55
R
55
45
55
R
4556
6
45
56
R
455
45
56
R
4557
45
57
R
455
45
57
R
4554
55
54
R
455
55
54
R
4551
45
51
R
455
45
51
R
4553
45
455
53
R
455
45
53
R
4557
57
C
4557
57
C
4558
58
C
C4558
58
C
4559
59
C
4559
59
C
4550
50
R
455
50
R
4552
4
52
C
4552
4
52
C
4550
50
C
4550
50
C
4551
51
C
C4551
51
C
4562
62
C
456
C
62
C
4563
63
C
C456
63
C
4565
45
65
C
4565
45
65
C
3
5
36
5
4566
66
C
C4566
66
C
4569
4
9
69
C
4569
C4
69
C
4570
4
0
70
C
4570
C4
70
C
4571
4
71
C
4571
C4
71
C
4572
4
72
C
4572
C4
72
C
4573
4
73
C
4573
4
73
C
4574
4
74
C
4574
4
74
C
4575
4
75
C
4575
4
75
C
4552
52
R
455
52
R
42
200
0
0
00
R
42
20
0
00
R
4202
02
R
420
02
R
G4
1
491
SG
SG4
S
491
SG
G4
3
G
493
SG
G49
SG
493
SG
G492
2
492
SG
SG49
S
S
492
SG
IC
4
51
IC491
491
IC452
IC
855
48
55
C
85
C48
55
C
49
976
4
76
C
49
976
4
76
C
497
7
4
77
C
497
C4
77
C
4870
48
70
R
487
48
70
R
4869
8
69
R
486
8
69
R
868
48
68
R
86
48
68
R
421
6
4
16
R
421
4
16
R
4215
15
R
421
15
R
5R
5R
4217
17
R
421
17
R
4218
8
18
R
421
18
R
962
4
62
C
962
C4
62
C
496
61
C
C496
61
C
4960
0
60
C
496
60
C
4970
4
70
C
4970
4
70
C
41
10
4
01
C
1
41
10
4
41
10
4
01
C
1
104
41
41
04
C
C4104
41
41
04
C
4105
10
05
C
4105
10
05
C
4106
4
06
C
4106
41
06
C
4107
10
07
C
4107
10
07
C
49
96
61
R
49
96
61
R
4964
4
64
C
4964
C
64
C
496
5
65
C
496
65
C
963
4
63
C
963
4
63
C
49
969
9
69
C
49
96
69
C
49
967
67
C
496
967
67
C
4968
68
C
4968
6
68
C
496
6
0
L4
496
62
L
4
496
9
61
L
4
4113
1
13
C
4113
11
13
C
4112
4
12
C
4112
4
12
C
4111
11
11
C
C4111
11
11
C
411
4
14
C
11
4
14
C
4114
4
14
C
C4114
14
C
C4114
Q4950
495
0
Q
Q
Q
0
Q
0
0
Q4951
1
Q
Q
Q
CN49
CN495
5
N
4508
45
4
08
R
450
45
4
08
R
4507
45
07
R
450
45
07
R
4972
497
72
C
4972
49
C
72
C
4973
497
73
C
4973
49
73
C
506
45
06
R
50
45
06
R
4505
45
05
R
450
45
05
R
4967
4
67
R
496
4
67
R
4968
4
68
R
496
4
68
R
965
49
65
R
96
49
65
R
4966
66
R
496
66
R
487
4
71
R
487
4
71
R
4
4
4
1
TU DO
E
TU_CE
C
33
33
4
8
3
C4
454
45
40
R
454
45
40
R
2
2
2
4541
4
54
41
R
454
4
45
54
41
R
454
45
4
43
R
454
45
4
43
R
4721
21
C
4721
21
C
4
R
4
R
4
4
C
4
4
C
C
473
73
30
R
47
73
30
R
472
47
723
23
C
47
72
472
47
23
23
C
47
722
C
22
C47
722
47
72
C
22
728
47
47
28
R
72
47
47
72
47
28
R
472
29
R
472
29
R
4
85
6
56
R
4
85
4
85
56
R
4725
25
4725
25
C
4
102
9
9
9

- 51 -
- 50 -
WIRING DIAGRAM (MAIN A Side Top Right)
DRAM
DRAM
DRAM
RAM
AM
M
DR
D
LOADING&OPN/CLS SW
PICK-UP
CN100
IC131
3
3
1
1
C
C
I
1
LA9703W
L
A9703W
LA9703W
LA9703W
03
A
L
A
3W
LA9
RF5
9V
MGND
D
M
G
D
M
G
9V
IC100
IC
C1
00
0
10
IC
AGND
IC160
C
IC160
IC160
IC160
IC160
IC160
LA6560-A
60
SW
SW
W
_
OPN
S
D
G
N
D
SW
W
CLS_S
MLD2
MLD1
RF5
5
RF
RF5
5
24
24
1
1
1
I/F
SLED1
S
SLED2
SLED1
SLED
SP+
SLE
SP
SP-
GND
LIMIT SW
FG
FG
F
1
1
1
1
16
6
20
2
20
20
30
0
30
3
32
2
3
30
32
0
2
3
3
33
33
33
33
40
4
40
40
0
48
4
8
8
49
49
4
4
4
4
4
64
64
6
6
1
1
30
30
3
0
110
110
10
0
11
1
120
1
20
20
20
20
132
1
32
32
2
132
140
0
140
140
1
150
0
50
150
15
0
0
0
0
170
170
170
170
1
4
5
5
8
8
1
1
10
10
2
22
3
23
40
40
44
A
A
B
B
C
C
D
D
E
E
F
F
K
F
G
3.3V
3
3.
.3
3V
V
V
DRAM
M_GND
D
_G
LC78
LC78663W
L
LC78
78
63
D
D
AGND
A
AG
AGND
D
D
AGND
AGN
AG
GND
A
ND
D
IC161
IC161
C
RN101
N101
R
RN101
RN101
RN100
RN10
0
0
DGND
VR
VR
VR
DGND
G
33V
3.3V
33V
IC850
C850
.8V
8V
1.8
1
2.5V
1
28
8
8
8
1
2
200
LM1
8
76T
F
AGND
G
AGND
5V
4
4
4
5
6
6
6
7
7
*OPN_SW
*CLS_SW
SPD_FG
F
D_
S
D
P
_F
_
S
G
P
LIM
LIMIT
L
LDTP1
L
P
1
1
1
1
LDTP2
L
TP2
DT
D
LDT
DTP2
2
2
DT
FO-
FO+
FO+
FO+
TR-
TR+
SLED2
LED2
SLED2
S
S
L
E
E
D
1
DMUTE
M
UTE
*
D
MLD1
MLD1
MLD1
MLD
D1
FG
G
F
FG
CN160
C 009
C
C1009
101
C1011
C
C1911
C1911
C
0
02
02
C
1
9
VR-DVD
DVD
V
V
D
CD/DVDCD/DVD
C
VR-CDVR-CD
VR
V
VCC
MD
MD
D
HFM
HFM
VC
C
C
V
VC
C
MLD2
LD2
M
MLD
M
G
2
*OPEN
*CLOSE
*CLOS
*CLOSE
SE
SE
E
DVD_ CD
DVD_ C
DVD_*CD
SP+
SP+
SP+
SP-
SP-
SP
S
S
CAP
CAP
42
C1042
C10
C1045
C1
C1040
C1040
C1040
C1658
58
PHBCA
H
P
A
BC
P
A
A
ADPH
A
A
DPH
DPH
BH
B
B
ADBH
A
H
B
ADB
WO
W
W
O
O
O
ADTE
A
ADT
E
ADTE
ADTE
TEC
TEC
TEC
TEC
T
RREC
RREC
RREC
RREC
REC
ADFE
FE
A
A
AD
DF
E
FE
DFE
LDON1
1
LDON
N
LDON2
LDON2
LD
2
SLD
D
LD
S
L
S
SPD
D
P
S
D
P
S
FD
FD
F
D
D
TD
T
TD
TD
TD
HFLIO
O
H
HF
H
LI
FL
F
TESIO
O
T
E
T
SIO
ES
O
O
0
ES
0
E
0
S
0
E
PCK
K
P
K
PCN
PCN
PCN
PCN
P
ADJV
ADJV
ADJV
ADJV
A
FSEQ
Q
FSEQ
S
SYEQ
S
S
Y
Y
E
E
Q
Q
FP
FP
FP
RF
P
N
RFN
O
DEFECTO
O
CT
TR
XHT
R
R
XH
XH
TBAL
FC SGC
GUP
TOST
TOST
TOST
TOST
O
OST
O
FOST
FOST
FOST
FOST
FBAL
BST
AMCLK
AMCLK
AMCLK
AM
C
SPDIF
SPD
SPDIF
CD
CD
D
D
CD
LD-DVD
LD-DVD
LD-DVD
LD-C
LD-CD
X1500
X1500
X1500
X1500
CN162
900
C1900
33
3
C8533
C85
10
535
C8535
8783
83
8783
C8785
FR
FR
R
C
850
3
C4116
C4116
C4116
Q4100
D4113
D4113
3
R4102R4102
C4115
C4115
R412
2
PR
C4984
C4985
C
4
C4
4985
85
R4121
R4123
R4122
R4120
R411
6
D4112
D41
C4118
R4104
R4103
D4111
1
D4110
D4110
D4110
CN4
CN411
CN
IC462
IC
IC462
C4644
C
4
C
4
C
464
2
C
C4199
C
411
9
D4199
D4198
L4104
C
412
5
C4128
8
C4128
L4102
I
I
LUG02
LUG05 LUG07
1500
5
0
00
R
150
5
150
5
00
R
1501
50
01
R
15
50
150
01
R
1504
15
04
R
150
15
150
15
04
R
1503
0
03
R
150
03
R
1502
02
R
150
02
R
1505
15
05
R
150
15
150
15
05
R
0
1
0
L
0
02
L
0
1
0
L
0
02
L
18
890
89
90
R
18
89
18
89
90
R
8
835
1
35
R
8
83
1
8
83
1
35
R
1035
35
R
103
35
R
10
1
037
37
R
10
1
03
0
1
03
37
R
10
1
036
36
R
0
1
03
10
1
03
36
R
103
8
10
38
R
103
10
103
10
38
R
10
040
40
R
10
04
10
04
40
R
1008
08
C
100
C
1008
08
C
10
039
39
R
10
03
10
03
39
R
1010
10
C
C1010
101
10
C
Q1005
100
Q1
1
5
Q
Q
Q
5
Q
5
5
Q1006
100
Q1
6
Q
Q
Q
Q
6
Q
6
6
1605
05
C
160
05
C
16
650
1
50
C
0
16
65
1
16
650
1
50
C
1
550
1
0
50
C
1
55
1
1
550
1
50
C
103
2
03
10
32
R
10
03
103
10
32
R
1030
30
R
103
103
30
R
1031
0
31
R
103
0
103
0
31
R
Q1002
0
Q
Q100
02
2
Q
Q
Q
2
Q
2
2
1033
33
R
103
33
R
Q1016
0
Q1
6
Q
Q1016
Q
6
Q
6
6
10
10
L
0
00
L
10
10
L
0
00
L
1006
1
00
00
06
C
10
1
00
1006
C1
06
C
1012
12
R
101
12
R
1013
13
R
101
13
R
1004
00
04
C
10
00
1004
C
00
04
C
CN100
0
00
0
N1
CN
C
C
CN100
1014
0
14
R
101
0
101
0
14
R
1015
1
15
R
101
1
101
15
R
1887
8
88
87
R
188
8
8
18
8
88
87
R
881
Q1
81
8
1
Q1
Q
Q
Q
Q
Q
880
88
Q18
80
Q1
0
0
Q
0
Q
Q
Q
Q1882
2
88
82
1
Q1
Q1882
2
2
Q
Q
Q
Q
1886
8
86
R
188
8
188
8
86
R
1885
5
1
85
R
188
18
188
85
R
1884
8
8
84
R
188
8
8
188
8
84
R
1883
8
83
R
188
18
88
83
R
1882
8
82
R
188
8
188
8
82
R
1881
8
81
R
188
8
81
R
1880
80
R
188
80
R
D100
00
00
1
1
D1
D1
1
D1
D1
1
01
01
1
1
01
01
1
1
1034
34
R
103
34
R
004
004
Q100
04
Q1
Q
4
Q
Q
Q
Q
03
100
Q1
3
3
Q
3
Q
Q
Q
I
C
16
0
1609
09
1
09
R
160
1
160
60
1
09
R
160
606
06
C
16
60
160
06
C
1890
0
1
90
C
189
1
90
C
1608
08
R
160
08
R
1607
07
R
160
07
R
1891
89
91
C
1891
891
91
C
1606
06
R
160
06
R
6
16
600
00
C
16
1
60
6
16
600
00
C
1892
2
92
C
189
92
C
1893
9
93
C
189
9
1893
93
93
C
1605
1
05
R
60
1
160
05
R
1603
0
1
03
R
60
1
160
0
03
R
1604
60
1
04
R
160
1
160
60
04
R
1602
60
02
R
160
60
02
R
1601
01
R
160
01
R
1894
4
94
C
189
C
94
C
1600
0
00
R
160
00
R
1891
1
1
91
R
89
1
189
1
91
R
1890
890
90
Q1
Q1
0
0
0
Q
0
Q
Q
Q
189
93
93
R
189
9
189
9
93
R
1892
92
R
189
92
R
8
18
845
45
C
8
18
84
8
C18
845
45
C
10
005
05
C
10
00
10
005
C
05
C
00
10
07
07
C
00
10
0
00
10
07
07
C
IC100
C10
I
C
130
IC161
161
I
C
13
1
1002
02
C
1002
02
C
1000
0
00
C
1000
0
100
0
00
C
1001
00
01
C
1001
0
100
01
C
1003
03
C
1003
03
C
009
10
09
R
00
10
00
10
09
R
008
10
08
R
00
1
00
10
08
R
10
1
016
16
R
10
1
01
10
1
01
16
R
10
1
017
17
R
10
1
01
10
01
17
R
180
1
801
01
R
180
1
0
18
80
01
R
180
8
00
00
R
180
8
0
180
8
0
00
R
1076
07
76
R
107
07
76
R
10
1048
1
48
C
10
04
1
1
1048
48
C
182
2
22
C
182
22
C
1074
1
74
R
107
10
74
R
1046
1
46
C
104
1
1046
46
C
1820
82
20
C
18
82
1820
20
C
1073
10
73
R
107
10
73
R
1071
71
R
107
71
R
107
2
72
R
107
72
R
1047
0
47
C
104
0
1047
0
47
C
18
834
34
R
18
83
18
83
34
R
1833
8
33
R
183
8
183
8
33
R
04
4
1
44
C
04
1
04
1
44
C
1821
2
21
C
1821
2
21
C
1830
30
R
183
30
R
1832
32
R
183
32
R
183
83
31
R
18
8
183
31
R
1
1
3
1
31
1
3
1
31
10
041
1
41
C
10
04
1
10
041
1
41
C
104
0
3
43
C
104
0
104
0
43
C
1070
70
R
107
70
R
D1000
0
00
0
D1
D1
0
D1
D1
1000
0
00
1
1
00
00
1
1
1888
8
88
R
188
88
R
TP2
18
2
88
2
8
T
R
TP2
188
2
88
2
8
DT
R
19
1
903
03
C
19
1
90
19
C1
903
03
C
9
910
19
10
C
9
91
19
9
910
19
10
C
1810
81
10
R
181
81
10
R
1012
2
0
12
C
101
0
C101
0
12
C
1030
0
30
C
103
0
C1030
0
30
C
1823
82
1
23
R
18
82
182
23
R
1066
1
06
66
R
106
0
106
10
66
R
1065
0
65
R
106
0
106
0
65
R
1029
02
02
29
C
102
02
1029
0
C
29
C
1824
8
24
R
182
8
182
8
24
R
1060
06
1
60
R
106
1
106
06
1
60
R
1026
0
1
26
C
102
0
1
1026
0
C1
26
C
1821
21
R
182
1
21
R
1028
0
28
C
102
0
C1028
0
28
C
1062
06
62
R
106
0
62
R
1027
27
C
1027
C
27
C
106
4
0
64
R
106
0
106
0
64
R
1822
22
R
182
22
R
1025
1
25
C
C1025
1
25
C
1059
5
59
R
105
59
R
1024
24
C
1024
24
C
1057
05
57
R
105
0
57
R
1022
22
C
1022
22
C
1053
53
R
105
53
R
1056
0
56
R
105
0
105
0
56
R
1055
1
55
R
105
10
55
R
1023
23
C
C1023
23
C
1021
21
C
1021
21
C
1090
90
R
109
90
R
1020
0
20
C
1020
0
102
0
20
C
1051
1
05
51
R
105
1
105
05
51
R
1303
1
03
C
130
1
1303
03
C
1303
3
03
R
130
3
130
3
03
R
1301
30
01
C
1301
30
01
C
1302
1
30
02
R
130
13
13
30
02
R
1302
1
2
02
C
1302
13
130
02
C
1300
13
00
C
130
13
1300
13
00
C
1701
01
R
170
01
R
1700
0
17
00
R
170
17
00
R
1702
02
R
170
02
R
1700
70
00
C
170
7
1700
00
C
1703
17
03
R
170
17
03
R
1705
70
05
R
170
17
170
05
R
0
0
0
0
0
170
1
1
D
D
D
D
D
00
1701
01
C
170
C
170
01
C
1704
1
04
R
170
1
170
1
04
R
4
1850
50
R
185
50
R
1300
0
00
R
130
00
R
1331
33
31
R
13
33
133
31
R
1330
1
33
30
R
13
33
133
13
30
R
1
874
C
74
1
87
1
874
C
74
1
873
C
73
1
87
1
873
C
73
1
872
C
72
1
87
1
872
C
72
870
18
70
C
87
18
870
18
70
C
871
18
71
C
87
18
871
18
71
C
1310
1
10
C
1310
1
10
C
1860
8
60
R
186
8
186
8
60
R
1310
10
R
131
10
R
1314
4
13
14
C
131
13
131
13
14
C
13
3
313
13
C
13
3
313
13
3
31
13
C
131
3
312
12
R
1
3
31
131
12
R
1313
3
13
R
131
3
131
3
13
R
1316
1
16
R
131
1
131
1
16
R
185
3
1
53
C
185
1
C185
53
C
1852
85
52
C
1852
C
85
52
C
1854
85
54
C
1854
85
54
C
185
5
1
55
C
185
1
185
55
C
CAN11
CAN1
AN1
CA
CAN11
C
C
C
C
C
C
C
C
13
341
41
C
13
341
13
34
41
C
1342
34
42
C
1342
34
C
134
42
C
1861
18
61
R
186
18
186
61
R
1311
13
11
C
1311
13
131
13
11
C
1311
31
11
R
131
31
11
R
1862
86
62
R
186
86
186
62
R
1880
18
80
C
1880
18
188
18
80
C
1863
18
63
R
186
18
63
R
1315
3
1
15
R
131
3
1
131
3
1
15
R
1314
31
1
14
R
131
13
31
1
14
R
1317
1
17
R
131
1
131
1
1
17
R
3
16
13
16
C
3
1
13
13
16
1
16
C
186
4
64
R
186
1
64
R
1865
65
R
186
65
R
13
3
L
L
0
02
1302
3
L
L
0
02
1320
1
20
R
32
1
132
20
R
1319
3
19
R
131
3
131
3
19
R
1317
3
17
C
131
3
1317
3
17
C
13
1
318
18
C
13
1
31
13
318
18
C
319
13
19
C
319
13
31
13
19
C
1321
32
21
R
132
3
132
21
R
133
13
31
C
133
13
31
C
13
1
1
330
30
C
3
1
33
133
13
330
30
C
13
340
40
C
C13
340
13
34
40
C
1
1
6
C
1
1
6
C
30
13
04
04
C
30
13
30
13
04
04
C
1018
18
R
101
18
R
1019
19
19
R
101
19
R
895
18
95
C
89
18
895
C18
95
C
189
96
18
96
C
189
9
18
189
96
18
C
96
C
8
1
846
46
C
8
1
84
8
1
846
46
C
8
1
847
47
C
8
1
84
84
C18
847
47
C
1315
15
C
1315
15
C
1
321
1
21
C
1
32
1
1
321
1
21
C
90
1
01
C
90
1
90
C1
01
C
1090
9
90
C
1090
09
90
C
1091
09
91
R
109
09
91
R
7
17
750
50
C
7
17
75
7
17
750
50
C
1320
1
32
20
C
13
32
1320
1
32
20
C
RN101
RN10
01
0
RN
RN100
00
RN100
RN100
00
RN
I
C850
8502
02
C
850
850
02
C
85
501
01
C
85
50
85
C
501
01
C
853
2
8
32
C
853
8
853
8
32
C
85
511
8
11
C
85
51
8
85
511
11
C
85
534
8
34
C
85
53
8
853
534
8
34
C
G8
G
871
871
SG
G8
G
8
G87
SG
871
871
SG
G
G872
872
SG
G
G8
SG
S
G872
872
SG
87
784
8
84
C
87
78
8
87
784
C8
84
C
878
87
87
L8
L
8
81
878
87
L8
L
8
81
806
L8
L
6
60
0
806
L8
L
6
60
87
799
8
99
C
87
799
C8
87
79
8
99
C
C
A
N
4
150
50
R
4
15
4
15
50
R
41
4
101
01
R
41
4
10
41
4
10
01
R
CAN
AN
C
N
C
C
N
N
N
N
N
N
N
N
N
4
117
17
C
4
4117
4
11
17
C
Q4641
Q4641
464
640
40
R
464
4
40
R
4641
4
41
R
464
41
R
4646
46
46
C
4646
46
46
C
4649
9
46
49
R
464
46
49
R
4647
4
64
47
R
464
46
64
47
R
4661
66
61
C
C4661
661
61
C
645
45
64
45
648
8
48
64
48
642
64
42
64
6
42
660
66
60
660
66
60
464
47
4
47
C
464
47
C4
47
C
465
50
4
50
C
465
50
C4
50
C
4646
46
R
464
46
R
4645
45
R
464
45
R
4622
62
22
R
462
62
22
R
4644
44
R
464
44
R
41
11
12
R
2
2
411
1
12
R
2
4
1
2
IC4
8
8
463
4
38
R
463
46
38
R
410
07
R
7
7
410
07
R
4
4
411
4
11
14
R
411
4
11
14
R
411
11
17
R
7
7
411
11
17
R
9
9
412
29
C
412
29
C
C4129
41
4
R
41
4
R
4
4
C
4
4
C
12
41
2
12
1
2
3
3
C
41
23
41
41
4
C
41
C41
41
C
2
21
1
21
21
1
7
7
412
2
27
C
4127
2
27
C
1
41
4
11
11
R
41
4
11
11
R
411
1
10
R
0
0
411
1
10
R
4
4
12
24
C
4
4
4
4
124
24
C
464
43
C
3
3
4643
43
C
G
N
D
C
C
C
412
0
IC411
IC411
R
4
C
4
C
4
R
4
R
4
4
R
4
4
R
4
C
4
C
41
11
12
R
2
41
11
12
R
C
C
C
8
8
0
08
0
08
4
41
R
4
41
R
0
06
6
6
0
06
1
100
1
10
100
00
0
EFMOUT
EFMO
T
E
M
FM
PCK
PCK
PCK
PCK
OUT
U
OUT
OUT
C
C8
FL
L
FL
FL
L
1856
85
56
C
1856
85
C
56
C
185
7
57
C
185
C185
57
C
878
786
86
C
878
C
786
86
C
87
793
93
C
87
79
C87
793
93
C
87
78
8
L8
L
8
80
0
87
78
L8
L
8
80

- 53 -
- 52 -
WIRING DIAGRAM (MAIN A Side Bottom Right)
1AD4B10D1731A
94V-0 F01
30
30
3
0
40
40
4
0
4
44
4
44
44
44
80
80
8
80
88
88
88
89
89
89
90
90
90
90
9
9
9
9
SPD_FG
G
PD_FG
SPD_FG
D_FG
_
*DM
*
D
D
M
MU
T
E
*LSW
LSW
*
*
*LS
L
LSW
LSW
*OPEN
*OPEN
OPEN
O
E
PEN
OP
N
OPE
OPE
*CL
*
*
C
C
LOSE
*CLS_SW
*CLS SW
W
CLS_SW
_
W
S
W
*OP
*O
P
N
_
SW
1
1
1
1
7
7
7
7
8
DG
N
D
VHCT
VHCT
V
VHCT
CT
V
VHCT
1
10
10
10
20
20
20
20
2
25
25
26
26
30
30
4
0
50
50
50
50
50
50
40
40
30
30
30
26
26
26
2
25
25
5
20
20
10
10
10
0
0
1
1
1
1
4
4
5
5
5
5
8
8
8
1
10
1
0
0
20
2
20
20
20
0
30
0
3
40
4
4
0
40
53
53
60
60
60
0
70
70
7
70
0
80
8
90
90
90
100
100
1
100
104
104
104
105
0
1
5
110
0
1
1
120
0
2
1
1
130
0
1
30
30
3
140
40
1
14
140
0
150
0
50
150
1
156
5
15
1
157
1
57
15
160160
0
60
170
170
170
170
180
180
180
190
190
190
200
20
200
0
2
208
8
20
208
08
2
2
V
3
.
3V
V
IC800
C800
IC
0
C
C
IC800
IC822
IC
IC8
22
822
822
C822
C82
IC82
IC
I
IC821
C821
C821
IC821
IC821
IC821
IC821
26
26
21
22
22
2
IC822
IC818
8
8
8
1
81
C8
C8
IC
IC
IC
I
IC801
IC801
01
IC801
IC801
C8
R8036
R80
R803
6
36
036
036
803
R8
R
R
AMCLK
MCLK
CLK
MCLK
LK
LK
AMC
AM
1
1
10
10
10
20
0
20
20
24
24
25
5
30
40
40
48
48
8
IC818
8
I
C
C
18
18
8
8
8
8
1
14
4
1
5
1
5
20
20
2
0
28
8
IC870
IC87
870
C870
IC
0
70
0
IC8
IC
C806
IC8
C80
806
06
6
8
8
8
8
5
5
42
42
42
42
40
40
4
40
0
0
22
2
2
22
21
1
20
20
10
1
0
0
0
0
1
1
1
1
1
R
R
R
SL
SL
SL
C
C
C
C
SUB
S
UBW
W
1
1
7
7
8
10
1
1
0
14
14
16
16
8
8
5
4
4
4
1
24
24
24
20
20
2
10
0
10
1
1
1
1
HP-IN
HP-R
A-GND
HP-L
VOL_JOG
D-GND
5V
IR
DATA
CLK
STB
FL2
FL1
-30V
KEY1
KEY0
RN41
N410
0
N41
1
0
RN
N4
R
4
0
DVD-DI
D
VD-
DI
I
D-D
V
FPDOUT
T
U
T
U
DO
P
D
F
T
T
READY
D
EA
RE
A
R
FPCLK
PCLK
CLK
FPC
F
FP
REQUEST
ST
T
EQU
QUE
REQ
R
RE
SEL_KARA
SEL_FUNC
SEL FUNC
SEL_FUNC
SEL FUNC
SEL FUNC
+1
+
2V
12
+1
5.6V
5
V
6V
5.6V
TU-R
U-R
-R
TU-
A-GND
D
ND
AGND
TU
-
L
TU_DO
E
E
TU CE
TU_DATA
A
TU_DATA
AB
C
C
C
C
C
C
D
1
2
3
DSP73
D
DSP73
DSP73
S3
DSP73
73
P
DSP74
S
DS
4
P
D
S
P
P7
74
4
P7
PCK
K
P
K
WRQ
WRQ
WRQ
*INT_DEC
NT DEC
*IN
EC
*I
NT
DE
DE
NT
*
RDY
*LSI_RST
*
R
_R
T
T
S
S
*LS
SI_
S
*RD
D
*RD
*RD
D
*WR
WR
R
WR
*WR
W
*
*W
*CS_DVD
*C
*CS
CS_
CS_D
_DV
DVD
VD
D
*
DV
D
DV
VD
DCLK
DC
DCLK
DCLK
CL
LK
*DACK
C
K
DAC
*DA
DA
*DBGN
GN
*DBGN
*DBGN
*DERR
*DREQ
Q
Q
*
EMPH
PH
MPH
EMP
EMP
E
H
AVD7
AVD7
VD7
AV
A
VD7
A
VD
A
A
AVD6
VD6
AVD6
AV
6
6
A
VD6
A
VD
A
A
6
AVD4
VD4
AVD4
AV
4
VD
A
4
A
VD4
A
4
A
AVD5
AVD5
VD5
AV
A
VD5
VD
A
A
A
AVD3
AVD3
VD3
AV
VD3
A
VD
A
A
A
AVD2
VD2
AVD2
AV
2
VD2
A
VD
A
2
A
2
A
AVD1
1
AVD
D
AV
A
VD
A
A
AVD0
0
AVD0
AVD0
A
VD0
A
A
LRCK
K
C
R
R
C
K
BCK
BCK
BCK
BCK
BCK
CD_DATA
CD_DA
_DA
A
A
A
A
C2F
C
C2F
2F
F
C
C2
X8230
X8230
X8230
X8230
DAC_C
C_
DA
_C
AC
D
DAC_B
C_
D
B
AC
DAC_D
_D
DA
DAC_D
DAC_A
DA
_A
AC_A
C8101
1
01
101
810
C81
C8
C
ALRCK
CK
A
AL
AL
RCK
LRC
ALR
AOUT0
T0
0
AO
AO
UT0
AOUT
ABCK
B
A
K
CK
BCK
BC
ML
ML
ML
ML
ML
ML
C8211
C8211
C
C
8
0
0
01
VSW
VSW
VSW
V_SW
W
*RESET
PICK
PICK
A19
19
HA19
GPAIO
GPAIO
AIO
PAIO
GPAI
O
GP
SPDV
SPDV
SPDV
SPDV
SP_REV
SP_REV
GPCIO4
C
GPCIO4
O4
PCIO
PCIO
PCIO
ASPEC
EC
PEC
I/P
/
/
C8782
C8782
C8782
C8782
8783
83
8783
AOUT1
O
UT
OU
AO
A
A
T1
T1
AOUT2
A
OU
AO
U
A
2
UT
UT
AIN
AIN
AI
INT/S
/SEL
I
N
L
D-MUTE
SUBW
SUBW
SUBW
W
S
S
C
C
C
SL
SL
SL
L
FR
FR
ZERO
ERO
RO
ERO
O
ZER
ZE
MC
MC
M
M
C
C
MDI
MDI
LUG06
JW1
J
JW1
3
C8053
TP2
TP
TP1
TP1
TP1
BOOT2
BOOT2
BOOT
BOOT1
BO
B
BOO
OOT
OT1
BO
1
R4616
R4616
66
R4636
R4623
R4617
CN496
R4300
R4300
D4300
D4300
D4300
D4300
L4300
L4300
L4300
L4300
C431
C
C
4
3
1
0
D4301
D4301
D4301
D4301
D
C30
C
4
30
2
D4302
D4
X
X4300
C4835
C4835
C4980
C
C4980
980
C4
0
C
0
98
C4985
C
C4
4985
85
D4303
D4
3
CN497
CN497
CN497
IC430
IC430
IC430
IC430
71
IC47
IC460
IC460
IC460
1
C4300
130
1
05
05
C
130
1
05
C
13
1
C
13
1
C
18
8
R
18
8
18
8
R
13
R
13
R
1854
85
54
C
1854
85
54
C
185
5
1
55
C
185
1
185
55
C
185
1
59
C
185
1
59
C
185
58
C
185
58
C
1860
860
60
C
1860
86
60
C
186
61
C
186
186
61
C
1862
86
62
C
C1862
86
62
C
307
13
07
C
30
13
307
13
07
C
130
6
3
06
C
130
3
130
3
06
C
1308
08
C
C1308
08
C
18
18
R
18
18
18
R
13
13
C
13
13
13
13
C
13
3
R
13
3
R
8019
19
R
801
19
R
8020
20
R
802
8
802
20
R
IC806
IC
8
8052
805
C
52
8
805
C8
052
80
C
52
8083
80
R
83
808
80
808
80
R
83
8081
808
R
81
808
80
808
R
81
8084
80
R
84
808
80
808
80
R
84
C82
IC
82
2
8021
R
21
802
R
21
8026
R
26
802
R
26
8011
C
11
8011
C
C
11
8012
C
12
8012
C
12
8013
C
13
C8013
C
13
CA
CA
CA
C
CAN
AN
AN
AN
N
N
N
N
CAN
8014
C
14
C8014
C
14
8015
5
C
15
C801
C
15
8016
C
16
8016
C
16
8017
C
17
8017
C
17
8213
13
C
C8213
8
13
C
810
0
2
02
C
810
0
02
C
8021
21
C
8021
21
C
8022
02
22
C
C8022
02
22
C
8024
8
2
24
C
C8024
2
24
C
8025
25
C
8025
25
C
R849
8
8
92
R8
49
8
49
8
8
92
R8
R849
8
96
R8
49
8
49
8
96
R8
R849
8
97
R8
849
8
849
8
97
R8
R849
8
93
R8
849
8
849
8
93
R8
R849
8
90
R8
849
8
849
8
90
R8
R849
8
94
R8
849
8
849
8
94
R8
R849
8
95
R8
R8495
R8
5
8
95
R8
R849
8
91
R8
849
8
849
8
91
R8
8036
36
R
803
8
803
36
R
IC801
IC801
0
I
1
I
8042
42
R
804
42
R
8043
8
043
43
R
80
04
804
8
43
R
8034
34
C
8034
34
C
803
5
8
35
C
803
8
803
35
C
802
802
23
C
C802
23
C
3
3
30
3
3
30
3
8002
02
C
8002
C
02
C
8003
8
03
C
8003
8
03
C
8004
04
C
C8004
04
C
8005
05
C
C8005
05
C
8007
07
C
8007
07
C
8005
8
05
R
800
8
800
05
R
8003
80
03
R
800
80
03
R
8004
00
04
R
800
00
04
R
8006
80
06
R
800
80
800
80
06
R
8007
07
R
800
8
800
07
R
8008
08
R
800
8
800
08
R
8011
11
R
801
11
R
8009
80
09
R
800
80
800
80
09
R
8012
80
R
12
801
80
801
80
R
12
8014
14
R
801
1
801
14
R
8013
1
80
R
13
801
80
80
01
R
13
IC800
IC802
C
C
I
02
02
0
0
0
I
I
I
02
0
I
02
0
8041
C
41
C8041
C
41
8044
8
R
44
804
8
R
44
8045
C
45
804
C
45
8047
C
47
C8047
C
47
8045
80
R
45
804
80
804
80
R
45
8046
4
R
46
804
04
R
46
8047
80
R
47
804
80
804
80
R
47
8048
R
48
804
R
48
8051
R
51
805
R
51
8050
05
R
50
80
05
805
R
50
8049
C
49
8049
C
49
8036
80
C
36
803
80
8036
C
36
8037
80
C
37
803
80
8037
80
C
C
37
8049
R
49
804
R
49
8052
8
R
52
805
8
805
R
52
8053
8
R
53
805
8
805
R
53
8054
80
54
R
805
80
805
80
54
R
8055
05
55
R
80
05
805
55
R
8058
80
R
58
805
80
805
80
R
58
8057
805
R
57
805
80
R
57
8031
C
31
8031
C
31
8033
03
C
33
C8033
803
C
33
8032
2
8
C
32
803
8
C803
8
C
32
804
R
41
804
R
41
8006
06
C
8006
8
06
C
8015
80
R
15
801
80
801
80
R
15
806
2
8
62
R
806
62
R
806
8
61
R
806
61
R
R
8063
3
63
R
806
63
R
R
8064
806
64
R
806
80
806
64
R
R8017
80
17
R
R80
80
R80
80
17
R
8
002
R
02
8
00
8
00
R
02
8016
16
R
801
16
R
CA
A
N
C
CA
AN
N
C
820
8
L8
L
0
02
820
8
2
L8
L
0
02
8032
8
8
R
32
803
8
803
8
R
32
8214
21
14
C
C8214
21
821
14
C
8212
12
C
8212
C
821
12
C
8217
17
8
8
17
C
821
1
8
821
8
17
C
8216
8
8
16
C
821
8
8216
8
16
C
8051
51
C
8051
51
C
8033
33
R
803
33
R
8034
34
R
803
34
R
8035
03
35
R
803
03
35
R
8215
15
15
C
C8215
1
15
C
801
80
8
C
18
801
80
C8018
80
C
18
803
0
8
31
R
803
0
803
0
31
R
8000
R
00
800
R
00
IC818
81
18
8
C8
IC870
IC870
IC87
IC870
IC870
780
87
80
C
78
87
780
87
80
C
G8
G
871
871
SG
G8
G
8
G87
SG
871
871
SG
G
G872
872
SG
G
G8
SG
S
G872
872
SG
781
87
81
C
781
87
78
87
81
C
87
784
8
84
C
87
78
8
87
784
C8
84
C
8796
6
96
C
C8796
96
C
87
797
97
C
87
79
C87
797
97
C
8
8792
92
C
8
879
8
8792
92
C
87
798
98
C
87
79
C87
798
98
C
8790
0
90
C
C8790
90
C
8791
8
91
C
879
8
8791
91
C
8790
87
90
R
879
87
879
87
90
R
8791
87
91
R
879
87
879
87
91
R
Q8880
8
88
Q8
0
Q8880
Q
0
Q
Q
Q
Q8882
882
Q
Q8
Q8882
2
Q
Q
Q
Q
Q8881
881
Q8
Q
Q
Q
Q
Q
8885
85
R
888
85
R
8881
88
81
R
888
88
888
88
81
R
88
8882
88
82
C
8
88
88
C88
882
82
C
8880
0
80
R
888
80
R
8076
76
R
807
76
R
8075
7
75
R
807
75
R
8074
80
74
R
807
80
807
80
74
R
8040
80
40
R
804
80
804
80
40
R
8028
8
28
R
802
80
28
R
8029
29
R
802
29
R
RN801
RN
8
8
C
8
C8
8
8
C
8091
80
91
809
80
809
80
91
CIO
R
CIO
R
8092
2
80
R
92
809
80
809
80
R
92
4380
R
80
438
R
80
4378
8
R
78
437
R
78
8099
80
9
99
R
809
80
809
80
99
R
49
4
990
90
C
49
C4
990
49
4
99
90
C
4618
18
R
461
18
R
4634
34
R
463
34
R
Q4622
4622
Q
Q
22
Q
Q
2
2
2
Q
Q
Q4621
4621
Q
Q
21
Q
Q
2
2
2
Q
Q
4626
26
R
462
26
R
461
9
19
R
461
19
R
Q4620
4620
Q
Q
20
20
Q
Q
2
2
2
2
Q
Q
Q4623
4623
Q
3
23
Q
Q
2
2
2
Q
Q
4367
67
R
436
67
R
4370
70
R
437
70
R
437
71
R
437
71
R
4372
72
R
437
4
72
R
4368
68
R
436
68
R
4369
69
R
436
69
R
4375
43
75
R
437
43
437
43
75
R
4377
4
77
R
437
4
77
R
4376
76
R
437
76
R
4379
79
R
437
79
R
4381
81
R
438
81
R
4374
4
74
R
437
74
R
4366
43
6
66
R
36
43
436
4
66
R
4364
43
64
R
436
43
436
43
64
R
4365
65
R
436
65
R
0
R
0
R
363
43
63
R
36
43
36
43
63
R
4362
4
R
62
436
4
436
R
62
43
16
43
16
C
43
1
43
C431
16
43
16
C
7
7
7
4
431
4
1
C
4
431
C4
431
4
1
C
7
4324
R
24
432
R
24
4325
R
25
432
R
25
CAN
AN
CAN
CAN
C
RN410
RN
RN410
RN
311
43
11
C
31
43
311
43
11
C
1
3
1
3
4322
22
R
432
32
432
22
R
4323
23
R
432
23
R
4351
43
51
R
435
4
35
43
51
R
4331
43
31
R
433
43
31
R
43
314
4
14
R
43
31
43
1
4
14
R
4
4303
03
C
4
430
C4
4303
03
C
4320
4
0
R
20
432
4
432
4
R
20
4319
4
R
19
431
4
431
4
R
19
Q4302
02
4
30
Q
0
Q
Q
2
2
Q
Q
43
307
07
R
43
30
43
430
07
R
4306
06
R
430
06
R
4304
04
C
4304
04
C
430
5
4
05
R
430
4
430
05
R
4311
4
43
11
R
431
4
43
431
4
43
11
R
4310
4
10
R
431
43
10
R
4313
31
4
R
13
431
31
431
4
R
13
433
30
43
R
30
433
3
43
433
43
R
30
4309
43
C
09
4309
43
430
43
C
09
4314
43
14
C
431
43
4314
43
C
14
C
4315
3
43
15
C
43
43
43
43
15
C
43
43
312
12
C
43
43
31
C43
43
312
12
C
43
306
06
C
43
306
43
30
06
C
Q4303
43
3
43
Q4
3
Q
Q
3
3
3
Q
Q
IC
43
0
4603
4
03
C
C4603
4
03
C
4602
02
C
460
02
C
4540
45
40
R
454
45
40
R
454
4
45
42
R
454
4
45
42
R4
454
45
43
43
R
454
45
43
R
4830
30
C
4830
30
C
483
36
R
483
36
R
1
6
1
6
1
6
4731
4
31
R
473
4
473
31
R
4723
23
472
23
4720
47
20
72
47
472
20
4832
32
R
483
32
R
4831
83
31
C
4831
83
483
31
C
8
48
8
48
8
8
8
48
4730
30
R
473
30
R
4724
4
R
24
472
R
24
4729
4
29
R
472
29
R
4725
725
25
R
47
72
472
25
R
4726
47
26
R
472
4
72
47
26
R
4840
40
R
484
40
R
Q4848
Q4848
8
Q4
483
48
4
34
R
483
48
483
48
34
R
483
48
38
38
R
483
48
48
48
3
38
R
4727
47
7
27
R
472
47
472
47
27
R
4736
36
R
473
36
R
6
4724
4
24
C
472
4
C472
4
24
C
4
C
4
C
IC
IC471
4837
48
37
R
483
48
483
48
37
R
4832
48
32
C
483
48
4832
48
C
32
C
4833
33
R
483
33
R
4841
41
R
484
41
R
4834
4
34
C
C4834
4
483
34
C
48
835
35
R
48
83
48
83
35
R
4839
9
39
R
483
39
R
CAN
4980
80
R
498
80
R
4986
86
R
498
86
R
4984
84
R
498
84
R
4988
88
R
498
88
R
4990
90
R
499
90
R
4982
82
R
498
82
R
498
81
C
C498
81
C
S
S
1
S
S
1
4983
83
C
4983
83
C
4603
03
R
460
03
R
461
3
13
R
461
13
R
4606
46
6
R
06
460
46
46
R
06
4605
46
05
R
460
46
05
R
4600
46
00
R
460
46
00
R
460
46
02
02
R
460
46
0
02
R
4607
4
4
R
07
460
4
4
R
07
4604
60
04
R
460
60
04
R
4601
R
01
460
R
01
4608
46
08
R
460
46
08
R
461
5
46
15
R
461
46
15
R
4614
46
R
14
461
46
R
14
612
46
R
12
61
46
R
12
4611
61
4
R
11
461
461
4
R
11
4610
46
R
10
461
46
R
10
4609
46
R
09
460
46
R
09
4600
00
C
C4600
00
C
4601
01
C
4601
01
C
IC
4
6
0
43
3
360
60
R
43
3
36
43
36
36
60
R
0
0
0
0
4361
43
R
61
436
4
36
43
R
61
43
4
43
382
82
R
43
43
38
43
43
38
82
R
760/UK
,
X
E
4
4
4
1
TU DO
E
TU_CE
C
33
33
4
8
3
C4
454
45
40
R
454
45
40
R
2
2
2
4541
4
54
41
R
454
4
45
54
41
R
454
45
4
43
R
454
45
4
43
R
4721
21
C
4721
21
C
4
R
4
R
4
4
C
4
4
C
C
473
73
30
R
47
73
30
R
472
47
723
23
C
47
72
472
47
23
23
C
47
722
C
22
C47
722
47
72
C
22
728
47
47
28
R
72
47
47
72
47
28
R
472
29
R
472
29
R
4
85
6
56
R
4
85
4
85
56
R
4725
25
4725
25
100
1
10
100
00
0
9
9
EFMOUT
EFMO
EFMOUT
EFMOUT
E
M
FM
PCK
PCK
PCK
PCK
OUTU
OUTOUT
C
C8
FL
L
FL
FL
L
SR
SR
R
SR
1856
85
56
C
1856
85
C
56
C
185
7
57
C
185
C185
57
C
185
9
59
C
C185
59
C
1858
85
58
C
1858
85
C
58
C
878
786
86
C
878
C
786
86
C
87
793
93
C
87
79
C87
793
93
C
8794
4
94
C
C8794
94
C
87
795
95
C
87
79
C87
795
95
C
87
78
8
L8
L
8
80
0
87
78
L8
L
8
80
4982
82
C
4982
82
C

- 55 -
- 54 -
WIRING DIAGRAM (MAIN B Side)
ABCD
1
2
3
4
5
6
7
A_GND
MGND
A_GND
A_GND
A_GND
8
1
GND
GND
V-CHK
5V
-12V
+12V
-VL
+VL
P-CON
KEY0
KEY1
-30V
FL1
FL2
STB
CLK
DATA
IR
5V
D-GND
VOL_JOG
HP-L
A-GND
HP-R
HP-IN
RESET
+12V
5.6V
TU-R
A-GND
TU-L
TU_DO
TU_CE
TU_DATA
TU_CLK
RDS
RESET
ABCD
1
2
3
4
5
6
7
(A)
(D)
(B)
(C)
(E)
(F)
760/UK,XE

- 57 -
- 56 -
PRODUCT SAFETY NOTICE
EACH PRECAUTION IN THIS MANUAL SHOULD BE FOLLOWED DURING SERVICING. COMPONENTS
IDENTIFIED WITH THE IEC SYMBOL !
!! AND MARK IN THE PARTS LIST AND THE SCHEMATIC
DIAGRAM DESIGNATED COMPONENTS IN WHICH SAFETY AND PERFORMANCE CAN BE OF
SPECIAL SIGNIFICANCE.
WHEN REPLACING A COMPONENT IDENTIFIED BY !
!! AND , USE ONLY THE REPLACEMENT
PARTS DESIGNATED, OR PARTS WITH THE SAME RATINGS OF RESISTANCE, WATTAGE OR
VOLTAGE THAT ARE DESIGNATED IN THE PARTS LIST IN THIS MANUAL.
LEAKAGE-CURRENT OR RESISTANCE MEASUREMENTS MUST BE MADE TO DETERMINE THAT
EXPOSED PARTS ARE ACCEPTABLY INSULATED FROM THE SUPPLY CIRCUIT BEFORE
RETURNING THE PRODUCT TO THE CUSTOMER.
TO MAIN PWB
VSS
LED1
LED2
LED3
LED4
OSC
VDD
G1
G2
G3
G4
S24/G5
S13/K13
S14/K14
S15/K15
S16/K16
S17/G12
S18/G11
VEE
S19/G10
S20/G9
S19/G8
S22/G7
S22/G6
S12/K12
S11/K11
S10/K10
S9/K9
S8/K8
S7/K7
S6/K6
S5/K5
S4/K4
S3/K3
S2/K2
S1/K1
VDD
KEY2
KEY1
STB
CLK
DIN
DOUT
VSS
Y
Y
Y
321654
10 11 12789
-30V
FL1
FL2
STB
CLK
DATA
IR
5V
D-GND
JOG
HP-L
A-GND
HP-R
HP-IN
KEY1
KEY0
(TO MAIN)
NC
RDS
TU-CLK
TU-DATA
TU-CE
TU-DO
TU-L
A-GND
TU-R
5.6V
+12V
SW-V
TV-R-CH
GND
TV-L-CH
COMPOSITE
S-Y/CR
GND
S-C/CB
GND
C-Y
GND
S-Y
GND
S-C
GND
V-SW
3.3V
R6001
R6032
R6006
R6005
R6004
R6003
C6002
C6001
C6004
C6031
R6031
DS601
R6007
C6003
IC601
C6008
C6009
C6010
C6011
FL601
C6021
C6020
R6009
R6021
R6022
S6001
C6051
SG601 SG602
SG603
C6054
L6051
CN605
C6053
C6052
CN602
CN603
C6048
C6047
C6046
C6045
C6044
C6043
C6042
C6041
L6053L6052
C2311
C2302
IC231
C2313
R2303
C2312
C2305
R2306
C2306
R2304
C2304
R2302
C2301
R2453
R2452
R2454
C2457
C2455
C2456
C2454C2453
X2451
Q2451
L2451
C2452
C2451
C2901
C2902
C2314
C2319
C2320
C2303
R2305
C2322
C2461
R2459
R2458
R2460
XF231
C2113
C2117
XF222
XF221
C2151
R2153
L2151
C2152
R2151
C2330
IC241
R2455
U2101
C2101
R2201
C2201 R2204
Q2201
R2205
C2203 R2203
R2202
R2141
R2140
C2140
Q2140
C2130
R2120
CN201
R2331 C2332
Q2310
C2327
C2328
R2301
R2307
C2310
R2519
L2501
C2521
L2502
R2503
Q2502
R2504
C2502
C2516
C2515C2513
C2512
IC251
C2505
C2506 C2504
C2503
R2463
R2462
R2461
R2520
D2451
C2462
C2463
D2452
R2111
D2151
C2102
R2101
R2712
R2812
C2522
R2464
C2464
C2321
C2316
C2309
R2308
C2317
R2309C2308
C2307
C2315
XF233
C2318
D2453
R2311
D2301
R2312
C2324
X2501
L2503
D2466
D2467
B2101
C2333
R2465
C2465
C2903
C2131
CN203
CN241
R2711
R2811
CN202
C2132
CN302
R3004
R3005
C3001
C3002
C3003
C3004
L3003
C3005
R3003
L3001
L3002
C3006
C3008
C3007
SG301
SG302
SG304
SG303
S3401
C3402
L3401
C3401
C3403C3406
C3404
L3402
C3405
C3408
L3403
C3407
C3409
CN301
Q3301
R3302
L3301
R3301
SG331
C3009
C3010
R3303
C3011
C3012
C3013
C3014
C3016
C3015
CN611
CN612
S6103
C6101
R6102R6101
S6102
S6101
CN621
S6204
R6203
S6203
S6202
R6202R6201
S6201
C6201
82K
4.7K
10K
100K
100K
100K
0.01
47;10
0.01
000
10;50
47
SPS-440-1E
10K
0.01
PT6315
22;50
1000P
22;50
1000P
1AV4T41B06400(SAMSUNG)
1000P
1000P
100K
8.2K
4.7K
1AV4S10B5440N
0.1
1608SGX 1608SGX
1608SGX
100P
10U
0.01
0.1
16
03
330P
330P
330P
330P
330P
330P
330P
330P
1AV4L26B0250N1AV4L26B0250N
10;50
0.022
LA1844ML
1;50
47K
0.022
0.47;50
2.7K
1;50
10K
0.047
3.3K
220;16
1.5K
2.2K
2.2K
1;50-P
0.01
0.01
12P12P
7.2M
KRA107M
100U
0.01
10;50
220;16
0.01
0.01
0.027
0.027
22;16
10K
1000P
100P
10K
10K
10K
0.47;50
100P
12P
100K
0.047
10K
20P
LC72121M
220
0.01
560
0.01 1.8K
KTC3193
1.5K
0.01 330
330
10K
27
1000P
KTC3199
0.01
3.3K
ANT. TERMINAL
47K 0.01
KTC3199
10;50
10;50
270
68K
0.047
10K
100U
100P
100U
10K
KRA107M
100K
100P
100;16
0.0122P
27P
LC72722
100;16
1000P 0.01
10;50
1K
1K
1K
1K
760/UK,XE
100P
100P
MTZJ3.0B
100
1SS133
10;50
100
100K
100K
100P
1K
100P
1;50
4700P
0.1
22K
4.7;50
39K0.018
10;50
330P
1000P
1SS133
270
MTZ6.8B
3.3K
100P
4.332MHZ
270U
1SS133
1SS133
0.01
8.2K
220;16
0.01
0.01
AM
TERMINAL
11
1K
1K
0.01
1K
1K
100P
100P
120P
100P
1U
22P
820
10U
10U
100P
100P
100P
1608SGX
1608SGX
1608SGX
1608SGX
22P
2.2U
220P
330P330P
220P
2.2U
22P
22P
2.2U
220P
330P
17
KTA1267
1K
10U
10K
1608SGX
0.01
0.01
33
0.01
0.01
0.01
0.01
0.01
0.01
03
02
STOP
100P
560470
PLAY
POWER
02
OPEN/CLOSE
680
FUNCTION
BACK/PRE-
560470
NEXT/PRE+
100P
54
132
1234567891011
12 13 14 15 16 17 18 19 20 21 22
23 24 25 26 27 28 29 30 31 32 33
3435363738394041424344
3435 21
123
1
2
3
4
5
6
7
8
9
10
11
12
13
14
15
16
45678910111214151617181920212223242526272829303132
123456789101112
24 23 22 21 20 19 18 17 16 15 14 13
123456789101112
24 23 22 21 20 19 18 17 16 15 14 13
87654321
242322212019181716151413
123456789101112
SH.GND
1
2
3
4
5
6
7
8
9
10
11
17
16
15
14
13
12
11
10
9
8
7
6
5
4
3
2
1
DIN
STB
CLK
DIN
STB
CLK
G1
G2
G3
G4
G5
S9
S1
S2
S3
S4
S5
S6
S7
S8
S11
S12
S13
S14
S15
S16
S9
G2
G3
G4
G5
G6
G7
G8
G9
S10
S19
S18
S17
S16
S15
S14
S13
S8
S7
S6
S5
S4
S3
S2
S1
G8
G7
G6
S10
G9
S19
HP.GND
HP.GND
HP.GND
HP.GND
HP.GND
HP.GND
G1
S12
S11
S17
S18
A.GND
A.GND
HP.GND
A.GND
HP.GND
HP.GND
VI.GND
VI.GND
VI.GND
SH.GND SH.GND
VI.GND
VI.GND
VI.GND SH.GND
SH.GND
SH.GND
VI.GNDVI.GND
VI.GND
VI.GNDVI.GND VI.GND
GND X
VI.GND GND X
VI.GND VI.GND
VI.GNDVI.GND
VI.GND VI.GND
SH.GND
VI.GND
SH.GND
SH.GND
1AD0B10D1740A
GND
KEY0
KEY1
HEAD
PHONE
JW601
JW602
TO
SH.GND
FM IF AM MIX AM IFREG GND SD ST FM DET VDD MUTE FM/AM MONO
LCHRCHMPX IN
PLL IN
FM
DET OUT
AM
DET OUT
AGCAM RFAFCAM OSCOSC BU
XIN CE DI CLK DO
XOUT NC AOUT AIN PD VDD FMIN AMIN IFIN
(FM+B)
SD
DISTIF_REQFM MONO AM NC
VSSDVSSA
VSSX
FM
75ohm
AM
LOOP
SYRCEDICLDORDS-INSYNCT7T6VssdVdddXIN
XOUT T5 T4 T3 T2 T1 CIN FLOUT Vssa Vdda MPXIN VREF
ANT NC GND +B VT OSC GND IF
PILOT
CLL OUT
1AD0B10D1741B
TO
CN499
R-OUT
L-OUT
R-IN
L-IN RGB-BL
SW-V
NC RGB-GR
NC
RGB-RE
SW-RGB
COMPOSITE-OUT
COMPOSITE-IN
GND
AGND
VGND
VGND
VGND
VGND
VGND
VGND
MONITOR-OUT
TO MAIN PWB
CN495
1AD0B10D1740G
1AD0B10D1740D 1AD0B10D1740E
2.3
4.4 2.3 2.3 4.2 2.0 2.9 2.3 2.2 3.2 3.2
4.8
5.8
4.7
0.70
5.8
6.84.30
02.32.3
5.8
6.8
0
0
0.1
11.9
12.0
11.7
0
AM 999KHZ
FM 98MHZ
VOLTAGE=
0
0
0
2.4 9.6
1.7
0
0
0
2.0
0.702.25.3
2.4
4.9
2.4
0
000
0
3.0
000
4.9 00
0
000
2.4 2.4
4.2
0.4
0.2 0.2 0.2
0
0
00
2.42.4
4.9
1.6
1.6
00
4.2
3.4 0.9 0.9 3.2
0
0.2 0.2 0.4
0.2
4.4 0.1
12.0
4.9
5.8
4.8
0.1
000.7
00
0
1.6
1.5
0
4.9
2.8 2.8
0
4.8
0.6
(UNIT:V)
0
0
6.1
6.8
5.8
6.8
5.8
SCHEMATIC DIAGRAM (FRONT , TUNER)
This is a basic schematic diagram.

- 59 -
- 58 -
MECHA-SW
55
1AD4B10D1032A
S003 94HB
CN002
MECHA-IF
WIRING DIAGRAM (FRONT , SW1 BUTTON, SW2 BUTTON, MECHA SW and MECH IF)
FRONT
SW1 BUTTON
SW2 BUTTON
POWER
P
POW
PLAY STOP
1AD4B10D1740D
T002 94V-0
CN612
CN611
S61
S
6101
S6102
S6103
02
0
0
R6102
6
61
61
R
6
R
6
6
R6102
R6101
10
10
R6
R
R
R610
10
0
6
R
0
6101
C6
01
10
C6
1
1
610
6
0
0
C6
C
6101
61
OPN/CLS
F
F
UNC
E-
-
PRE
PR
PR
RE+
AD4
A
1A
1AD4B10D1740E
1
T002 94
T
T002 94V-0
CN621
S6201
1
S620
S6202
S62
S62
S6203
S62
S6204
R6203
03
R6
20
R6
R620
R6
0
R
R6202
R6
2
202
R6
R620
R6
0
R
R6201
01
R6
20
R6
R620
R6
0
R
6201
C6
201
20
C6
620
C6
20
0
C
GND
OPEN
CLOSE
MLD1
MLD2
CLOSE_SW
GND
OPEN_SW
S003 94HB
1AD4B10D1540A
S0001
M011
CN001
KEY0
KE
EY
0
Y0
KEY1
KE
Y
Y1
KEY0
KEY1
KE
KE
Y
Y
Y0
Y1
CLK
HP-R
H
HP
P-
R
A-GND
A
A
-G
GN
D
N
HP R
A GND
H
A
HP
G
P
GN
R
N
HP-
H
HP
P-
L
AGN
HP
A
H
G
HP
GN
P
N
L
HP-IN
H
H
P
-I
N
KEY1
HP IN
KE
P
Y
I
Y1
N
HP R
HP IN
H
H
HP
P
PI
R
N
JOG
D-GND
5V
IR
DATA
FL2
FL1
V
-30V
V
STB
1AD4B10D1740A
T002 94V-0
30 20 10 1
601
601
DS60
1
0
S6001
CN602
C
C
N6
02
C
CN60
CN605
C
5
C
C
C
C6001
C6001
C6001
C6001
J6103
J
J
6
1
03
10
3
J6102
J6003
C6031
J6101
R6031
C6008
C6010
6008
008
J6
8
J
J
J6007
07
600
J6
7
J
J6002
02
2
J6
00
60
2
J
L6051
L6051
51
203
20
0
3
J
6
2
J6202
20
02
2
J
6
J6
J6201
FL601
CN603
J6001
005
J600
05
5
J
6009
09
0
9
J6
9
J
J62
J6
J6
6207
J
206
206
J62
6
205
20
J62
5
L6052
L6053
JW601
J6004
J6006
JW602
IC601
C601
3
3
3
3
R60
6
0
0
R6
R60
0
R
3
01
32
0
2
1
3
0
3
3
3
C6020
C60
C
020
20
2
R6021
60
21
R60
R6021
60
1
R
R6022
0
2
02
R6
R602
0
2
R
021
C60
21
21
2
6007
00
R6
07
07
0
0
R6006
60
6
R
006
R60
006
6
00
C60
004
C6
C6
00
C60
00
C6
C
0
4
C6
4
C6003
003
C6
00
C6
C60
00
C
0
C
C60
C6
002
00
C6
C60
C6
00
0
C
6009
009
C6
00
C6
60
00
C6
0
C
C60
C6
011
01
C6
C60
C6
01
1
C
SG6
603
SG
60
SG
3
SG
60
SG
0
S
SG
G602
S
60
SG
SG
G60
0
S
SG601
SG
G
G
G
G
S
S
S
S
S
SG
C6
054
5
C
C60
05
05
C6
C60
05
5
C
6051
C6
051
C
5
60
C6
05
C6
05
60
C6
05
C
5
C60
052
C
5
C
C60
05
C
05
C6
C60
05
C
5
C
52
5
60
05
C6
C
C
5
C
C6052
6009
09
R6
0
R
600
0
R6
00
R6
600
0
R6
0
R
R6004
04
0
R
4
R600
6
0
00
R6
R600
6
0
R
R6005
05
R6
0
R
R600
60
R
00
R6
R600
R
0
R
R6003
003
0
R
3
R60
00
00
R6
R60
00
0
R
053
C6
5
C
60
05
C6
05
C6
60
05
C6
5
C
C6
C
6043
4
C
C6
604
04
C6
C6
6
604
4
C
C6042
6042
C
4
C
C604
60
6
04
C6
C604
60
C
4
C
C6
C
6045
4
C
C6
604
04
C6
C6
C
6
604
4
C
C6044
C
4
4
C
C604
6
C
04
04
C6
C604
C
04
4
C
C6047
7
C
4
4
C
C604
6
0
0
04
C6
C604
C
60
4
C
C6046
6
604
4
C
C604
0
6
04
C6
C604
0
4
C
C6048
C
8
4
4
C
C604
C
0
04
C6
C604
C
4
C
C6041
C
041
4
C
C60
04
04
C6
C60
C
04
4
C
R6001
001
0
R
R60
6
00
00
R6
R60
00
0
R

- 61 -
- 60 -
SCART
V.GND
D
V
COMP-IN
N
COMP
C
OMP
MP
-IN
CO
CO
C
COMP
COMP
M
CO
P
OM
OM
CO
CO
CO
MP
CO
OM
-OUT
OUT
OUT
UT
O
O
UT
UT
O
O
O
V.GND
V.GND
ND
D
GN
G
T
V
T
V
V.
.
V
V
GN
G
ND
G
SW-RGB
SW-RG
SW-RG
GB
S
WR
B
R
W-R
WR
GN
SW
ND
W
RG
RG
R
GB
R
R
SW
RGB
SW
G
S
R
W
GB
W
GB
R
R
-R
RE
SW-R
W-RGB
S
SW-
GB
E
S
E
S
E
S
G
-GND
D
-G
V.
V
.
V
GND
ND
G
G
NC
N
NC
NC
C
N
D
N
RG
RG
G
R
GB
R
N
B
-GR
-G
GR
NC
NC
N
C
R
N
V.
V
.
V
GN
ND
G
G
SW-V
V
S
V
SW
W
ND
S
D
SW
RG
G
R
GB-
R
R
SW
GB
SW
B
BL
B
BL
L-IN
L-IN
LIN
LIN
LIN
LIN
L-IN
V
V
V
V
V
V
GN
G
ND
GN
G
G
A.GN
A.GND
AG
D
A.
G
D
A
D
A
L-
L
L
-
L
OU
O
UT
O
R-IN
R
I
RIN
R
UT
RI
T
RI
R-OUT
T
OUT
R-O
OU
O
U
O
OU
O
U
E
E
1AD4B10D1740G
G
D4B10D1740G
1AD
0
2
9
4V-
0
T
00
09 0
00
CN302
R3003
R3003
R
R
R3
03
R
3
L3003
L300
L
3
0
J3301
1
J3
J330
J3501
J
50
J35
01
1
J3
J
J
3
3
330
J3
02
3
3
J3
02
J
2
J3401
J
40
1
40
3
J3
J3
J3
3
L3402
02
3
L
L34
402
L
L
2
340
02
3
3
02
L3401
01
L
3
L34
401
L
1
340
0
3
3
0
4
L3403
L34
3
L34
403
L
3
403
34
3
03
4
L3002
300
L
L
2
0
L3001
001
L30
L
30
L
1
L3
30
30
0
J350
03
35
J
J
J
J
L3301
30
3
3
L
0
L
1
L
1
J35
504
J3
50
J
04
J
J
J3505
J3505
5
RGB
J33
J
33
3304
J3
J3
J
J
4
Q3301
Q330
Q3
Q
01
01
0
01
E
1
E
1
R3303
30
R33
3
3
330
3
3
330
CN303
SH301
SH3
G
S
J3511
511
J3
J
J3512
512
3
J3405
J3
5
J
05
40
34
J3507
07
507
J
J35
3305
J3
5
33
0
J
5
3303
3
J3
303
3
3
3
J3
J
3
S3401
S
J3402
CN301
J3518
J3404
4
40
0
0
J3
J3517
1
5
7
35
J3
J3403
403
34
3
J3
J3306
06
30
33
6
6
J
6
J3516
J3515
J3506
J3510
510
J35
0
J
0
35
510
0
J3
351
1
35
3
J3310J3309 J3519
J3513
513
3
513
J3514
3
514
J3308
J3508
J3509
J3502
J3307
01
S
SG30
P
S
P
S
SG30
SG
302
SG
302
G
SG
302
S
02
C30
C
00
C
300
C
0
C
L
C
L
C
V
30
V.
00
.
00
V
30
V
00
N
07
N
07
N
07
004
C3004
C3
0
04
C
C
C300
05
C3
05
C
5
C3003
03
C3
03
C
3
303
SG3
303
SG
303
3
SG3
303
SG3
303
S
03
SG3
304
S
SG
304
SG3
304
S
04
SG304
C3008
C
C
008
C3
08
C
8
300
C
6
C3
06
C
6
300
6
3
06
6
3006
404
C3
C3
404
C
4
J3
404
J3
04
3
4
C3405
C3405
C3405
C340
C34
C3
401
C
1
C3402
C3402
C3402
C34
407
C
C3
407
C
7
C3408
3
C3
08
C
8
R3004
R3
04
R
4
L30
3004
30
0
L
3
30
04
30
4
R3005
R3
005
R
5
C300
00
C3
01
C
1
C30
002
C3
002
C
2
3406
C34
6
C3
406
C
6
0
C
0
C
C34
C3403
C340
C3409
C3409
34
SG331
G
331
SG
331
SG33
G
SG3
G
33
S
3
R330
R3
01
R
1
30
009
C3C3
009
C
9
J
9
J
9
J
9
301
0
C30
C3
10
C
0
O
30
U
10
C
O
C3
U
10
C
U
0
R3302
33
R3302
33
1
2
C3014
3
C3
014
C
4
301
013
C30
3
3
C3
3
J
01
J
3
J
30
4
30
4
3
01
2
C30
C30
12
01
2
C30
C
C301
15
C3
C3
15
C
5
J
5
J
5
J
5
C301
016
C3
C3
16
C
6
C
C
30
3
01
C3
11
C
1
WIRING DIAGRAM (TUNER and SCART)
E
E
E
E
TP12(GND)
TP11(VT)
(VT
VT)
T)
T)
TP11
T
T
T
T002 94V-0
1AD4B10D1741B
E
1
1
1
13
12
24
24
4
24
10
10
10
10
20
20
20
20
2
20
20
LC72722N
LC72
2N
22
72
2N
27
2
27
27
LC7
27
2
2
72
2
2
L
NC
RDS
TU-CLK
TU-DATA
TU-CE
TU-DO
TU-L
A-GND
TU-R
5.6V
+12V
E
E
E
E
E
J2203
D2151
D215
D215
D21
D
L21
51
R2101
01
R2101
R
XF2
XF2
X
221
C2113
J220
201
J
J22
J2101
J2005
J
J
J2004
J2004
J
J20
J2007
007
J
J2006
CN203
CN203
C
C
N201
J2204
B2101B2101
101
B2
J2202
Q2140
Q2140
Q2140
2140
R2
140
R
R2120
R2120
20
R
Q2201
Q2
2201
U2101
J2002
200
2
J2
J2001
2003
J2
003
J2
C2102
2
210
C
210
R2202
R2202
2202
R
C
CN202
J2067
67
J
J2
J20
2063
J2
D2451
D2
451
2451
J2263
3
263
J2263
J
066
66
J20
J2
J2166
6
J
J21
216
6
CN241
CN241
J2065
J2065
65
J2
J2264
64
J
2
2
J
4
J2161
1
J
2
61
16
J216
1
J
2
62
J216
1
J
2
63
J2164
J21
4
J2
164
J2165
J
J2165
D2467
D24
67
Q2502
250
Q
02
250
2
Q2
Q25
J2262
J2
262
J2
C2503
3
C2
0
C2505
J2061
J2062
J2261
J2167
L2501
01
L250
L2
L
L2502
02
2
L2
L
02
C2516
C2
6
5
25
1
R252
520
25
R2
064
J20
J
64
06
4
4
J
IC251
I
1
251
X2501
C2311
C2311
C2
C2313
C2313
C2313
C
XF233
F23
33
XF2
3
X
303
C23
03
3
C
XF222
J2027
C2302
C
30
02
2
C
C2317
C2317
17
7
7
C231
31
R2309
09
3
R
R2302
R2302
R
R
R
C2301
C2301
C
1
30
XF231
IC2
IC231
C2328
C2327
C2305
5
C230
C
RCH
LCH
1844
LA1844
844
C2307
C
C230
307
C
J
J2124
J
J2221
2121
J2121
2
J2222
222
J2
J2
2
023
J20
3
2
J2
J2021
21
J202
1
J
J2226
J2227
J2126
C2306
J2228
J
22
8
D2301
R2311
R2301
503
3
L2503
L
J2225
J2224
224
J
22
J2
J20
025
J2
J2123
3
2
J
2
1
J2028
J2029
J2029
29
J2223
J2125
J
J
2
1
5
0V0V
VADJ
VAD
A
DJ
V
J2024
C2901
J2122
2
J
J21
212
22
Q2310
C232
C2
C
2321
C
J2022
J20
202
22
D2466
466
D
D
D
J2229
J2142
14
J21
J2
42
2
J2243
J2
22
J2143
J2
214
J21
43
144
44
J214
4
2145
14
J2
5
45
L2451
L
L2451
J2045
J
45
204
J
045
D24
452
45
D
4
2
J2047
J20
J
204
46
J20
0
J20
2452
52
C2
4
C
C
C2
C2
J2042
42
04
J
2
J
J
J2
C2457
45
7
C
24
C2
X2451
X
X
X2
451
245
51
X
IC241
24
1
1
24
C
C
1
24
C
245
1
C2
45
24
LC72121
21
LC
2
21
7
LC
J2141
1
J2141
J2141
14
J2041
J2041
J
Q2451
Q2
451
1
51
J2244
4
244
J22
2
043
3
43
J20
J2
C2465
65
4
C
C2
C2
C
J214
J2
146
J21
J2044
204
4
44
J2
J2048
4
4
J2
2
J2
J2241
2
41
J
24
22
242
J224
42
D2453
5
3
D
R2151
R2
R2
51
R
R
1
1
1
152
C21
2
C2
52
152
C21
C
2
C
C
2
C2152
2130
130
C2
C2
130
213
30
C2
C
0
R2153
153
R2
153
R2
3
3
R
3
R
R2153
C2151
51
C2
151
C2
2151
C2
1
C
C2117
C
7
17
C2
C2117
7
C
R2111
1
R2
111
R2111
R
1
R2201
R22
201
201
22
01
R214
41
R
R2
141
R214
41
R
R
1
C2140
0
C
C2
140
C2140
C
0
R2205
R220
5
R22
05
R
R2
2
5
C2203
C22
03
03
C22
C2
22
2
R2204
R220
4
20
204
20
2
2203
R
2
3
220
R
2
2
2
2201
01
C2
C2
201
2201
01
C2
C
1
C21
31
2
C2
C2
131
C
1
21
31
C2
C
1
C2131
C
0
C
C
0
C
0
C21
101
C2
C2
10
21
10
C2
C
0
C2101
21
C2
132
C2
132
21
C2
132
C
2
28
R2
R2
28
R2
R
812
12
812
812
1
2
8
2
R
R2
R2
R2
R
R2
R
46
46
46
61
1
61
61
1
6
24
R2464
4
4
R2
464
R2464
R
4
R246
R2462
2
R2
462
R2462
R
2
R2463
R2
3
R2
463
R2463
R2
R
3
2903
903
C2
C2
903
29
903
C2
C
3
R2811
R
R2
811
R2811
R
R
1
R27
712
R2R2
712
R27
712
R
R
2
2711
R2
R2
711
2711
R2
R
1
C2502
C
02
502
C2
C2502
C
02
2
C
R2519
519
9
R
R2
519
R2519
R
R
9
25
C2521
521
C2
521
C2521
52
C
1
5
52
2521
503
03
503
25
03
3
R25
R
R2
50
R
R
R250
C2504
50
2
C2
04
504
C2
250
0
2
C2
04
4
C
C2506
C
50
506
C2
C2506
C
506
6
C
R2504
R
5
50
504
R2
R2504
R
5
504
4
R
C2512
C
12
512
C2
C2512
12
2
C
2513
C2
13
513
C2
2513
C2
1
3
C
C251
C25
15
515
C2
C251
C25
5
5
C
722
2515
2
C
2
5
72
5
22
515
27
C2
2
5
2
C
C2522
522
C
C2
522
C25
522
C
C
2
0
2
4
C
4
C
4
C
R2304
4
R
04
04
R2
R
4
4
R
C2309
309
C2
C2
09
C2309
309
C
C
9
R2307
7
R
R23
07
R2
7
R
7
R
R2306
R
306
06
R2
R2306
R
6
R
30
30
C2310
C2
10
10
C2
C23
10
C
0
C
3
231
2308
08
2
C2
308
C2
2308
08
C
8
C
C2
R2308
308
308
R2
R2308
8
R
R23
C
C
C
C
C2315
15
C23
2
C23
C
C23
2
3
C
C2
C
C2
C
C2312
1
C
31
231
C
23
31
31
1
2
1
2
12
C2
2305
R
5
R2
05
R2
2305
R
5
R
C231
C
18
18
C2
C2
C
C
8
C
C2
231
31
18
23
18
C
2
C2
31
18
3
8
31
C23
C2
9
19
C2
C2
9
C
9
C
2319
C
23
304
C2
04
C2
304
C2
C
4
C
C2304
3
30
30
30
0
C233
C2
3
C2
C2
C
C
3
320
C23
20
20
C23
320
23
20
0
2
03
03
03
03
03
R230
30
R2
R2
30
R23
30
R2
R
0
231
C2
16
C2
316
2316
C2
16
C
6
C2316
C2314
4
314
C2
C2314
4
C
290
02
C2
C2
02
90
02
C2
C
C
2
2331
R2
331
R2
R
2331
R2
1
R
R
1
1
31
1
331
C2332
32
C
332
C2
C233
32
2
C
C2324
324
2
4
C2
324
C2324
23
C
4
R2312
3
R
312
R2
R231
R
R
21
12
21
12
2
12
21
2
C23
333
C
C2
333
C
3
23
333
C2
C2
333
23
333
C2
C
3
C2333
R2459
2
9
45
R2
59
R2459
R
9
R2458
45
R24
R2
58
R2458
R
8
C2322
3
C
C2
322
C2322
C
2
2455
R2
455
R2
455
24
R2
455
R
5
C2462
462
C2
462
C24
462
C
2
C24
2
461
C24
61
C2
61
C24
1
C
C
1
2452
452
R2
52
2
52
R2
R
2
2
R
R2453
3
R24
53
R2
R2453
3
R24
3
R
56
56
56
6
245
5
C24
C2
C2
5
5
5
C24
C
C
C
C
C
C
C
6
6
6
6
56
C
C2455
55
C2
C2
55
C2455
5
C
C
5
C2454
C24
54
54
C2
454
C24
C
C
4
C
C2453
453
C
53
C2
C24
453
C
3
C
C
C
IC24
IC241
IC2
IC
C2463
3
463
C2
463
C2463
463
C
3
2464
6
C2
C2
464
2464
64
C2
C
4
R2465
65
R2
465
R246
65
R
5
24
R2
R2
45
2
R2
R
454
54
54
454
4
54
54
4
245
R2460
0
R2
460
R2460
R
0
760/uk,xe
TUNER

- 62 -
WIRING DIAGRAM (POWER SUPPLY)
T1.6A L 250V
T002 94V-0
1AD4B10D1741C
BWBL
IN
OUT
P-CON
+VL
-VL
+12V
-12V
+5.6V
V-CHK
GND
GND
KIA7805API
IN
OUT
E
E
E
E
E
E
200
FU401
WR402WR401
CN402
L4000
T4000
C4000
RY401
J4251
C4012
D4012
D4007
07
D
D4
00
0
D4005
D
D4008
08
D40
C4007
7
C
C40
2
2
J4112
C4008
D4010
IC401
Q4006
C4013
J4102
C4009
D
D4001
D4004
D4
40
04
D
D4003
03
D4
400
J4107
7
J41
J4110
J4111
D4006
C4010
IC402
C4011
Q4007
J4108
J4106
J4203
Q400
Q40
1
1
40
Q
0
Q4002
002
400
Q
400
2
40
Q
0
J4104
Q4000
J4105
J4109
J4201
J4114
14
J4003
D4009
D400
40
9
09
09
0
0
D4000
R4008
R4009
R4014
14
R
4
PR400
R4015
4015
R40
R4013
J4002
D4
4002
CN401
J4101
J4103
06
C4006
C
C4005
C4005
40
D4015
D
D4015
D401
01
14
D
4
4007
7
R4
007
R4
7
R
40
R4
00
01
R4
1
R
1
01
R
R
R4003
R4
R
R4
R4
400
R
4
004
R4
4
R
R400
5
R
005
R4
5
R
40
002
R4
002
R4
2
R
400
R
6
006
R4
6
R
400
2
C
C4
002
C
2
400
C4
001
C4
1
C
400
4
C
3
003
C4
3
C
400
4
C
004
C4
4
C
40
049
C4
049
C4
9
C
9
760/uk,xe

Feb./ '03 BB Printed in Japan
SANYO Electric Co., Ltd.
OSAKA, JAPAN
WIRING CONNECTION
CN001
(5P)
CN002
PICK-UP
SPINDLE/SLED MOTOR
AND LIMIT SWITCH
LOADING MOTOR AND
OPEN/CLOSE SWITCH
DVD MECHANISM
SW2,BUTTON
P.W.B
FRONT P.W.B
SW1,BUTTON
P.W.B
CN411
(4P)
CN160
(5P)
BOARD
TO
BOARD
CN496
(16P)
CN602(16P) CN603
(3P)
FL601 JW602 JW601
CN621
(2P) CN612
(2P) CN611
(3P)
CN100
(24P)
CN162
(6P)
CN497
(11P) CN241
(11P)
CN420
(2P) CN498
(17P)
CN410
(5P)
CN412
(9P)
CN470
S-VIDEO
VIDEO
(AUDIO)
IN
VIDEO
COOLING
FAN MOTOR
MONITOR
OUT
CN301
(17P)
CN491
CN499
CN492
CN201
FM ANT.
75ohm
CN202
CN203
(2P)
CN490
MPEG P.W.B
SCART
P.W.B
TUNER
P.W.B
P.T
POWER SUPPLY
P.W.B
WR
402 WR
401
BW BL
CN401
(9P)
CN402
(2P)
FU401
T1.6A
250V
SUB
WOOFER
SURROUND
L R FRONT
L R
SPEAKERS
CENTER
AC IN
M
CN302 CN303
AM LOOP
ANT.
A/V EURO/TV(AUDIO) IN
This is a basic wiring connection.