CRT3848 DEHP5950
User Manual: DEHP5950
Open the PDF directly: View PDF
.
Page Count: 74
- SAFETY INFORMATION
- CONTENTS
- 1. SPECIFICATIONS
- 2. EXPLODED VIEWS AND PARTS LIST
- 2.1 PACKING
- 2.2 EXTERIOR
- 2.3 CD MECHANISM MODULE
- 3. BLOCK DIAGRAM AND SCHEMATIC DIAGRAM
- 3.1 BLOCK DIAGRAM
- 3.2 OVERALL CONNECTION DIAGRAM(GUIDE PAGE)
- 3.3 KEYBOARD UNIT
- 3.4 CD MECHANISM MODULE(GUIDE PAGE)
- 4. PCB CONNECTION DIAGRAM
- 4.1 TUNER AMP UNIT
- 4.2 KEYBOARD UNIT
- 4.3 PANEL UNIT
- 4.4 CD CORE UNIT(S10.5COMP2)
- 5. ELECTRICAL PARTS LIST
- 6. ADJUSTMENT
- 6.1 CD ADJUSTMENT
- 6.2 CHECKING THE GRATING AFTER CHANGING THE PICKUP UNIT
- 6.3 ERROR MODE
- 6.4 IPOD TEST MODE
- 6.5 SYSTEM MICROCOMPUTER TEST PROGRAM
- 7. GENERAL INFORMATION
- 7.1 DIAGNOSIS
- 7.1.1 DISASSEMBLY
- 7.1.2 CONNECTOR FUNCTION DESCRIPTION
- 7.2 IC
- 7.3 OPERATIONAL FLOW CHART
- 8. OPERATIONS

ORDER NO.
PIONEER CORPORATION 4-1, Meguro 1-chome, Meguro-ku, Tokyo 153-8654, Japan
PIONEER ELECTRONICS (USA) INC. P.O. Box 1760, Long Beach, CA 90801-1760, U.S.A.
PIONEER EUROPE NV Haven 1087, Keetberglaan 1, 9120 Melsele, Belgium
PIONEER ELECTRONICS ASIACENTRE PTE. LTD. 253 Alexandra Road, #04-01, Singapore 159936
PIONEER CORPORATION 2006
DEH-P5950IB/XN/ES
CRT3848
CD RECEIVER
DEH-P5950IB
/XN/ES
DEH-P5950IB
/XN/ES1
DEH-P5990IB
/XN/ID
This service manual should be used together with the following manual(s):
Model No. Order No. Mech.Module Remarks
CX-3195 CRT3815 S10.5COMP2 CD Mech. Module : Circuit Descriptions, Mech. Descriptions, Disassembly
For details, refer to "Important Check Points for Good Servicing".
K-ZZU. DEC. 2006 Printed in Japan

DEH-P5950IB/XN/ES
2
1234
1234
C
D
F
A
B
E
SAFETY INFORMATION
CAUTION
This service manual is intended for qualified service technicians; it is not meant for the casual do-it-yourselfer.
Qualified technicians have the necessary test equipment and tools, and have been trained to properly and safely repair
complex products such as those covered by this manual.
Improperly performed repairs can adversely affect the safety and reliability of the product and may void the warranty.
If you are not qualified to perform the repair of this product properly and safely, you should not risk trying to do so
and refer the repair to a qualified service technician.
WARNING
This product contains lead in solder and certain electrical parts contain chemicals which are known to the state of
California to cause cancer, birth defects or other reproductive harm.
Health & Safety Code Section 25249.6 - Proposition 65
- Service Precaution
1. You should conform to the regulations governing
the product (safety, radio and noise, and other
regulations), and should keep the safety during
servicing by following the safety instructions
described in this manual.
2. Before disassembling the unit, be sure to turn off
the power. Unplugging and plugging the connectors
during power-on mode may damage the ICs inside
the unit.
3. To protect the pickup unit from electrostatic discharge
during servicing, take an appropriate treatment
(shorting-solder) by referring to "the DISASSEMBLY".
4. After replacing the pickup unit, be sure to check the
grating.
5. Be careful in handling ICs. Some ICs such as MOS
type are so fragile that they can be damaged by
electrostatic induction.
- Safety Precautions for those who Service this Unit.
• When checking or adjusting the emitting power of the laser diode exercise caution in order to get safe, reliable
results.
Caution:
1. During repair or tests, minimum distance of 13 cm from the focus lens must be kept.
2. During repair or tests, do not view laser beam for 10 seconds or longer.
CAUTION
Danger of explosion if battery is incorrectly replaced.
Replaced only with the same or equivalent type recommended by the manufacture.
Discord used batteries according to the manufacture's instructions.

DEH-P5950IB/XN/ES 3
5678
5678
C
D
F
A
B
E
[Important Check Points for Good Servicing]
In this manual, procedures that must be performed during repairs are marked with the below symbol.
Please be sure to confirm and follow these procedures.
1. Product safety
Please conform to product regulations (such as safety and radiation regulations), and maintain a safe servicing environment by
following the safety instructions described in this manual.
1 Use specified parts for repair.
Use genuine parts. Be sure to use important parts for safety.
2 Do not perform modifications without proper instructions.
Please follow the specified safety methods when modification(addition/change of parts) is required due to interferences such as
radio/TV interference and foreign noise.
3 Make sure the soldering of repaired locations is properly performed.
When you solder while repairing, please be sure that there are no cold solder and other debris.
Soldering should be finished with the proper quantity. (Refer to the example)
4 Make sure the screws are tightly fastened.
Please be sure that all screws are fastened, and that there are no loose screws.
5 Make sure each connectors are correctly inserted.
Please be sure that all connectors are inserted, and that there are no imperfect insertion.
6 Make sure the wiring cables are set to their original state.
Please replace the wiring and cables to the original state after repairs.
In addition, be sure that there are no pinched wires, etc.
7 Make sure screws and soldering scraps do not remain inside the product.
Please check that neither solder debris nor screws remain inside the product.
8 There should be no semi-broken wires, scratches, melting, etc. on the coating of the power cord.
Damaged power cords may lead to fire accidents, so please be sure that there are no damages.
If you find a damaged power cord, please exchange it with a suitable one.
9 There should be no spark traces or similar marks on the power plug.
When spark traces or similar marks are found on the power supply plug, please check the connection and advise on secure
connections and suitable usage. Please exchange the power cord if necessary.
0 Safe environment should be secured during servicing.
When you perform repairs, please pay attention to static electricity, furniture, household articles, etc. in order to prevent injuries.
Please pay attention to your surroundings and repair safely.
2. Adjustments
To keep the original performance of the products, optimum adjustments and confirmation of characteristics within specification.
Adjustments should be performed in accordance with the procedures/instructions described in this manual.
4. Cleaning
For parts that require cleaning, such as optical pickups, tape deck heads, lenses and mirrors used in projection monitors, proper
cleaning should be performed to restore their performances.
3. Lubricants, Glues, and Replacement parts
Use grease and adhesives that are equal to the specified substance.
Make sure the proper amount is applied.
5. Shipping mode and Shipping screws
To protect products from damages or failures during transit, the shipping mode should be set or the shipping screws should be
installed before shipment. Please be sure to follow this method especially if it is specified in this manual.

DEH-P5950IB/XN/ES
4
1234
1234
C
D
F
A
B
E
CONTENTS
SAFETY INFORMATION..................................................................................................................................... 2
1. SPECIFICATIONS ............................................................................................................................................ 5
2. EXPLODED VIEWS AND PARTS LIST ............................................................................................................ 8
2.1 PACKING ................................................................................................................................................... 8
2.2 EXTERIOR............................................................................................................................................... 10
2.3 CD MECHANISM MODULE..................................................................................................................... 14
3. BLOCK DIAGRAM AND SCHEMATIC DIAGRAM..........................................................................................16
3.1 BLOCK DIAGRAM ................................................................................................................................... 16
3.2 OVERALL CONNECTION DIAGRAM(GUIDE PAGE).............................................................................. 18
3.3 KEYBOARD UNIT.................................................................................................................................... 24
3.4 CD MECHANISM MODULE(GUIDE PAGE) ............................................................................................ 26
4. PCB CONNECTION DIAGRAM ..................................................................................................................... 34
4.1 TUNER AMP UNIT................................................................................................................................... 34
4.2 KEYBOARD UNIT.................................................................................................................................... 38
4.3 PANEL UNIT ............................................................................................................................................ 39
4.4 CD CORE UNIT(S10.5COMP2)............................................................................................................... 40
5. ELECTRICAL PARTS LIST ............................................................................................................................ 42
6. ADJUSTMENT ............................................................................................................................................... 49
6.1 CD ADJUSTMENT................................................................................................................................... 49
6.2 CHECKING THE GRATING AFTER CHANGING THE PICKUP UNIT .................................................... 51
6.3 ERROR MODE ........................................................................................................................................ 53
6.4 IPOD TEST MODE .................................................................................................................................. 54
6.5 SYSTEM MICROCOMPUTER TEST PROGRAM ................................................................................... 55
7. GENERAL INFORMATION............................................................................................................................. 56
7.1 DIAGNOSIS ............................................................................................................................................. 56
7.1.1 DISASSEMBLY ..................................................................................................................................... 56
7.1.2 CONNECTOR FUNCTION DESCRIPTION.......................................................................................... 59
7.2 IC ............................................................................................................................................................. 60
7.3 OPERATIONAL FLOW CHART ............................................................................................................... 69
8. OPERATIONS ................................................................................................................................................ 70

DEH-P5950IB/XN/ES 5
5678
5678
C
D
F
A
B
E
1. SPECIFICATIONS
- DEH-P5950IB/XN/ES,ES1
Backup current .................... 5 mA or less

DEH-P5950IB/XN/ES
6
1234
1234
C
D
F
A
B
E
- DEH-P5990IB/XN/ID
Backup current .................... 5 mA or less

DEH-P5950IB/XN/ES 7
5678
5678
C
D
F
A
B
E

DEH-P5950IB/XN/ES
8
1234
1234
C
D
F
A
B
E
2. EXPLODED VIEWS AND PARTS LIST
2.1 PACKING
N
OTES : • Parts marked by " * " are generally unavailable because they are not in our Master Spare Parts List.
• The > mark found on some component parts indicates the importance of the safety factor of the part.
Therefore, when replacing, be sure to use parts of identical designation.
• Screw adjacent to mark on the product are used for disassembly.
• For the applying amount of lubricants or glue, follow the instructions in this manual.
(In the case of no amount instructions,apply as you think it appropriate.)
"
21
23
24
22
4
6
1
3
20
2
814 17
18
19
13
12
9
15

DEH-P5950IB/XN/ES 9
5678
5678
C
D
F
A
B
E
(1) PACKING SECTION PARTS LIST
(2) CONTRAST TABLE
DEH-P5950IB/XN/ES , DEH-P5950IB/XN/ES1 and DEH-P5990IB/XN/ID are constructed the same except for the
following:
Owner's Manual,Installation Manual
Mark No. Description Part No.
1 Polyethylene Bag CEG-162
* 2 Battery CEX1065
3-1 Caution Card CRP1310
3-2 Owner's Manual See Contrast table(2)
3-3 Owner's Manual See Contrast table(2)
3-4 Installation Manual See Contrast table(2)
* 3-5 Caution Card XRP7008
* 3-6 Warranty Card See Contrast table(2)
* 3-7 Service Network See Contrast table(2)
4 Remote Control Assy CXC5719
5 •••••
6 Cord Assy XDP7001
7 •••••
8 Accessory Assy CEA6708
9 Polyethylene Bag CEG1160
10 •••••
11 •••••
12 Handle CND3707
13 Bush CNV3930
14 Screw Assy CEA3849
* 15 Polyethylene Bag CEG-127
16 •••••
17 Screw CBA1650
18 Screw CRZ50P090FTC
19 Screw TRZ50P080FTC
20 Unit Box See Contrast table(2)
21 Contain Box See Contrast table(2)
22 Protector XHP7016
23 Protector XHP7017
24 Case Assy XXA7417
Mark No. Description Part No.
Mark No. Description DEH-P5950IB/XN/ES DEH-P5950IB/XN/ES1 DEH-P5990IB/XN/ID
3-2 Owner's Manual XRD7120 XRD7120 XRB7044
3-3 Owner's Manual XRD7121 XRD7121 Not used
3-4 Installation Manual XRD7122 XRD7122 XRB7045
* 3-6 Warranty Card Not used CRY1250 Not used
* 3-7 Service Network Not used CRY1251 Not used
20
Unit Box
XHG7128 XHG7144 XHG7143
21 Contain Box XHL7128 XHL7144 XHL7143
Part No. Language
XRD7120 English, Spanish, Portuguese(B)
XRD7121 Arabic, Traditional Chinese
XRD7122 English, Spanish, Portuguese(B), Arabic, Traditional Chinese
XRB7044,
XRB7045
English

DEH-P5950IB/XN/ES
10
1234
1234
C
D
F
A
B
E
2.2 EXTERIOR
A
B
C
D
B
A
C
D
81
6
57
75
66
73
60
65
59
77
79
80
58
58
58
58
78
76
71
72
70
56 62 63
69
67
74
68
4
4
4
1
1
82
64 36
86
29
28
27
22
23
34
26
85
33
84
83
8332
19
319
17
87
35 20
18
25
24
11
10
12
2
215
2
2
61
8
9
7
5
37
38
38
38
38
42
44
49
47
48
46
45
40
43
55
50
53 54
41
39
52
88
30
31
18
13
A
A
B
D
89
16

DEH-P5950IB/XN/ES 11
5678
5678
C
D
F
A
B
E
(1) EXTERIOR SECTION PARTS LIST
Mark No. Description Part No.
1 Screw BMZ30P040FTB
2 Screw BSZ26P060FTC
3 Screw BSZ30P060FTC
4 Screw BSZ30P200FTC
5 Earth Plate CNC8915
6 Holder CND3598
7 Cushion CNM8890
8 Remote Control Assy CXC5719
9 Cover CNS7068
10 CD Mechanism Module(S10.5) CXK5763
11 Cable XDE7022
12 Cord Assy XDE7026
13 Cord Assy XDP7001
14 •••••
15 Insulator XNM7106
16 Panel XNS7181
17 Tuner Amp Unit XWM7156
18 Screw BPZ26P070FTC
19 Screw BSZ26P060FTC
20 Screw BSZ26P200FTC
21 •••••
>
22 Fuse(10 A) CEK1208
23 Plug(CN901) CKM1376
24 Plug(CN801) CKS3537
25 Connector(CN651) CKS3829
26 Connector(CN101) CKS5271
27 Connector(CN701) CKS5691
28 Antenna Jack(CN401) CKX1056
29 Holder CND1054
30 Pin Jack(CN352) XKB7001
31 Holder XNC7026
32 Holder XNC7030
33 Insulator XNM7031
34 Jack(CN171) XKS7006
35 Heat Sink YNR5031
36 Chassis Unit XXA7474
37 Detachable Assy See Contrast table(2)
38 Screw BPZ20P080FTB
39 Button XAC7149
40 Button(BAND,DISP) XAC7146
41 Spring XBH7001
42 Cover XNS7180
43 Lighting Conductor XNV7033
44 Connector(CN1901) CKS5207
45 Button(UP,DOWN,L,R) XAC7147
46 Double side Tape CNM8673
47 OLED Unit MXS8233
48 Holder XNC7028
49 Holder XNV7034
50 Knob Assy XXA7472
51 •••••
52 Sub Grille Assy See Contrast table(2)
53 Plate XNS7184
54 Grille Unit See Contrast table(2)
55 Button Unit(AUDIO,FUNC) XXA7491
56 Button CAC7752
57 Screw(M2 x 4) CBA1649
58 Screw(M2 x 4.5) CBA1925
59 Washer CBF1038
60 Spring CBH2650
61 Spring CBH2651
62 Spring CBH2652
63 Spring CBH2653
64 Holder CND1254
65 Gear CNV5997
66 Arm CNV7400
67 Arm CNV7401
68 Arm CNV7402
69 Arm CNV7403
70 Panel Unit See Contrast table(2)
71 Connector(CN1951) CKS4806
72 Connector(CN1950) CKS5192
73 Holder Unit CXB9501
74 Holder Unit CXB9502
75 Damper Unit CXB9503
76 Sub Panel Assy XXA7511
77 Cover CNM6854
78 Lighting Conductor CNV6487
79 Spring CBL1512
80 Pin CNV6486
81 Case YNB5014
82 Insulator YNM5062
83 Transistor(Q650,911) 2SD2396
84 IC(IC901) NJM2388F84
85 Choke Coil(L901) CTH1280
86 FM/AM Tuner Unit CWE1952
87 IC(IC301) PAL007C
88 Button(1-6) XAC7148
89 Sub Spring Assy XXA7363
Mark No. Description Part No.

DEH-P5950IB/XN/ES
12
1234
1234
C
D
F
A
B
E
(2) CONTRAST TABLE
DEH-P5950IB/XN/ES , DEH-P5950IB/XN/ES1 and DEH-P5990IB/XN/ID are constructed the same except for the
following:
Mark No. Description DEH-P5950IB/XN/ES DEH-P5950IB/XN/ES DEH-P5990IB/XN/ID
37 Detachable Assy XXA7478 XXA7478 XXA7530
52 Sub Grille Assy XXA7485 XXA7485 XXA7531
54 Grille Unit XXA7466 XXA7466 * XXA7529
70 Panel Unit CWM8758 CWM8758 CWM9835

DEH-P5950IB/XN/ES 13
5678
5678
C
D
F
A
B
E

DEH-P5950IB/XN/ES
14
1234
1234
C
D
F
A
B
E
2.3 CD MECHANISM MODULE

DEH-P5950IB/XN/ES 15
5678
5678
C
D
F
A
B
E
CD MECHANISM MODULE SECTION PARTS LIST
Mark No. Description Part No.
1 CD Core Unit(S10.5COMP2) CWX3514
2 Connector(CN101) CKS4182
3 Connector(CN701) CKS4808
4 Screw BMZ20P025FTC
5 Screw BSZ20P040FTC
6 Screw(M2 x 3) CBA1511
7 Screw(M2 x 4) CBA1835
8 Washer CBF1038
9 •••••
10 Spring CBH2609
11 Spring CBH2612
12 Spring CBH2614
13 Spring CBH2616
14 Spring CBH2617
15 Spring CBH2620
16 Spring CBH2855
17 Spring CBH2937
18 Spring CBH2735
19 Spring CBH2854
20 Spring CBH2642
21 Spring CBH2856
22 Spring CBH2857
23 Spring CBH2860
24 Spring CBH2861
25 Spring CBL1686
26 Arm CND1909
27 Frame CND2582
28 Bracket CND2583
29 Arm CND2584
30 Lever CND2585
31 Arm CND2586
32 Bracket CND2587
33 Arm CND2588
34 Lever CND2589
35 Holder CNV7201
36 Gear CNV7207
37 Gear CNV7208
38 Gear CNV7209
39 Gear CNV7210
40 Gear CNV7211
41 Gear CNV7212
42 Rack CNV7214
43 Arm CNV7216
44 Roller CNV7218
45 Gear CNV7219
46 Guide CNV7361
47 Gear CNV7595
48 Guide CNV7799
49 Arm CNV7805
50 Rack CNV8342
51 Roller CNV8343
52 Holder CNV8344
53 Arm CNV8345
54 Guide CNV8347
55 Arm CNV8348
56 Arm CNV8349
57 Arm CNV8350
58 Clamper CNV8365
59 Arm CNV8386
60 Guide CNV8396
61 Arm CNV8413
62 Collar CNV8938
63 Motor Unit(M2) CXC4026
64 Arm Unit CXC4027
65 Chassis Unit CXC4028
66 Gear Unit CXC4029
67 Frame Unit CXC4031
68 Motor Unit(M1) CXC7134
69 Screw Unit CXC6359
70 Screw JFZ20P020FTC
71 Screw JGZ17P022FTC
72 Washer YE20FTC
73 Pickup Unit(P10.5)(Service) CXX1942
74 Screw IMS26P030FTC
Mark No. Description Part No.

DEH-P5950IB/XN/ES
16
1234
1234
C
D
F
A
B
E
3. BLOCK DIAGRAM AND SCHEMATIC DIAGRAM
3.1 BLOCK DIAGRAM
ASENBO 85
MUTE
XIN
XOUT
I
N
PEE 24
38
I
N
4
I
N
5
I
N
1
80
28
27
79
SYSTEM
CONTROLLER
IC 601(2/2)
PEG270A
CN401
1
2
BUS-
BUS+ TX
RX
IPPW
E
L
S
SWVDD
Q
8
Q832
TUNER AMP UNIT
13
X601
11
VST,VCK,VDT
TUNL
BUSL+
BUSL-
CDL
29
DPDT
30
KYDT
1
SYSPW
EJTIN 42
37
ILMPW
A
5
8
1
7
CN101
11
IC 101
HA12241FP
IP-BUS DRIVER
1
2
8
6
5
B.UP
Q101
VDD
ANTENNA
Q822
Q821
20
OELPW
B
B
U
35
ROT1
36
ROT0
VDD
B.UP
Q801
FLPILM 40
CN651
VDD
NJM2885DL1-33
IC420 13 AUDIO8V
3.3V REGULATOR
91
CSENS
B.
U
BUSL+
BUSL-
CDL
Q102
20.00MHz
CD 7.5V REGULATOR
VD
VDCONT
B.UP
Q650
Q651
BRST,BRXEN,BSRQ,BDATA,BSCK
7
3
14
IP BUS
8
TUNPDI
TUNPCK
TUNPDO
PSENSG
RESET
15
34
3I
N
2
SEL-L
IC171
NJM2794V 4
1
7
13 12 65
IC704
NJM2794V 7
IC703
TC4066BFT
3
2
8
851
52
10
5
4
AUXINL
AUXGND
10
AUDGND
AUXON
IPODON
AUDL
9
10
3
5
6
7
4
1
CN171
CN701
ACC ID
ACC PW
DOCK TX
DOCK RX
iPOD GND
F/W PWR
IC 702
TC7SH08FUS1
RX
3.3V 5.5V
TX
5.5V 3.3V
IC 701
TC7SET08FUS1
Q707
Q706
4
1
1
4
63
66
33
64
87
PID
IPTX
IPRX
PVSENS
2
IC641
NJM2885DL1-33
ILB CONTR
O
VDD 3.3V REGULATOR
31
CDRST
4
18
SWVDD CON
T
PSENS
S802
DETACH SENSE SW
39
DSENS
←
←
SL
CE1
CE2
B.UP
65 PPW
Q701 Q703
Q705
Q702
VDD
FMRF
ANT adj RF adj
FM ANT
T51 CF52
RFGND
OSCGND
DGND
AUDIOGND
NC
VCC
VDD_3.3
3.3V 2.5V
IC4
3.3V 2.5V
IC2
2.5V
CE2
ROM_VDD
SL
DI
CK
CE1
NC
DO
NC
NC
NC
NC
7 6 13 5 10 9 8 11 14 18 19 20 21
1
3
212 1522 16 4 17
IC1
3.3V
AM ANT FMRF
ATT
LPF
OSC
IC3 EEPROM
5.0V
IC5
5V 3.3V
ATT
MIXER, IF AMP DET, FM MPX,
23
Lch
←
←
NC
FM/AM TUNER UNIT
PICKUP UNIT
(P10.5)(SERVICE)
CD CORE UNIT(S10.5COMP2)
C
BRST,BRXEN,BSRQ
CN701
Q101
M
LASER
DIODE
MONITOR
DIODE
S903
DSCSNS
SPINDLE
MOTOR
M
CARRIAGE
MOTOR
LOAD/
LD-
MD
15
5
HOLOGRAM
UNIT
IC301
BA5839FP IC201
PE5547A
RF-AMP, CD DECODER,
MP3/WMA DECODER,
DIGITAL SERVO /
DATA PROCESSOR
CD
DRIVER
2
VD
VD
13
LOUT
9
CN101
16 SOP
15 SOM
18 LCOP
17 LCOM
21
CLCONT
55
LOUT
9
CONT
TD,FD
AC,BD,F,E
SD,MD
S901
HOME
S904
12EJ S905
8EJ
LD+ 14
141 LD
142 PD
12EJ
CONT
CLCONT
HOME
8
9
43
41
VDD
1
VDD
BDATA,BSCK
Q102
39
/PUEN
VDD
15
5
FOCUS ACT.
TRACKING ACT.
FOP
TOP 2
1TOP
FOP
11 FOP
14 TOP
2
1
14
8EJ
7
DSCSNS
6
VCC
16
/RESET 8
/RESET
88
VREF REFO 133 REFOUT
33
FOM FOM
12 FOM
44
TOM TOM
13 TOM
22
LOEJ LOEJ
5
52
50
X201
XTAL
/XTAL 16.93MHz
VDSENS 11
VD

DEH-P5950IB/XN/ES 17
5678
5678
C
D
F
A
B
E
10
1
BSENS
ASENS
VDD
B.UP
72
73
6
Front_L 7
Rear_L
85
MUTE
XIN
XOUT
IL+B
SW+5V
23
21
3
5
FL-
FL+
RL-
RL+
ACC
IN2_L
PEE 24
38
IN4+_L
4
IN4-_L
5
IN1_L
1FLin
14
RLin
12
22 4
RESET
POWER AMP
IC 601(1/2)
E
R
IC201
PML015B
IC602
S-80835CNMC-B8U
IC 301
PAL007C
RESET
VDD
Q911
Q931
SYSPW
ELECTRONIC VOLUME/
SOURCE SELECTOR
W
VDD
STBYMUTE
Q831
Q832
13
X601
11
2
VST,VCK,VDT
TUNL
BUSL+
BUSL-
CDL
DPDT
29
DPDT
30
KYDT KYDT
B.UP
1
YSPW
Q301
MUTE
SWL
FL
Q352
Pre/SW_L
EJTIN 42
7
2
11
14
7
2
11
14
CN1950
CN1951
4
2
10
8
PANEL UNIT
37
LMPW
MUTE
SYSTEM
CONTROLLER
25
B.REM
VDD REGULATOR
BACKUP SENSE
ACC SENSE
D
CN901
Q982
B.UP
SL
TUNPCE2
TUNPCE1
TUNPDI
TUNPDO
95
69
70
43
44
TUNPCK
45
CE2
CE1
TUNPDI
TUNPDO
TUNPCK
Q912
DALMON 67
B.UP
6,20
Q981
10 10 5
Q353
SWL
FL
Q941
ISENS 81
SML ILM SENSE
Q822
Q821
20
O
ELPW
B.UP Q852
Q851
IC851
NJM2360M
6,7 1
BZ621
BUZZER
13 13 9
12 12 7
ROT1
ROT0
35
ROT1
36
ROT0
VDD
CN801
88
S1970
EJECT
99
DGND
B.UP
5
6
5
6
Q801
F
LPILM 40
RL
Q351
2
CN352
RL
OEL+B
OEL+B
FL-
FL+
RL-
RL+
B.UP
GND
ACC
B.REM
ILM
SL
44 3
91
C
SENS
AUDIO8V B.UP
SYS +B REGULATOR
1
2NJM2388F84
IC 901
4
6
DC/DC CONVERTER
PEG270A
B.UP FILM+
FILM-
ILM
20.00MHz
B.UP
MUTE
VCC FL-
FL+
RL-
RL+
E-MUTE
B.REM
EJECT
3
9
11
12
10
1
6
2
5
3IN3_L
2
SEL-L
ILB CONTROL
CSENS
SWVDD CONTROL
12
4
S802
DETACH SENSE SW
39
D
SENS
2
IL+B
SW+5V
OEL+B
IC 1921
PEG268A
KEY/OEL CONTROLLER
9
11
8
VCC
7
CN1901
KEYBOARD UNIT
3
5
DPDT
KYDT
12
13
DPDT
KYDT 7
B
S1988
3
2
1
4
6ROT1
ROT0
KEY MATRIX
ILLUMINATION
Q2011
Q2012
ADKEY0
ADKEY1
14V
8.5V
ADKEY2
18
5.1V
5.1V
XIN
XOUT
6
X1921
10.000MHz
4
10
17 15
13,16 6
4
5
S1971-S1975
S1976-S1981
S1982-S1987
SOURCE (ENCODER)
8.5V
REGULATOR
CSENS
IC 1902
GP1UX51RK
REMOTE CONTROL
SENSOR
OPT IN
3
110 REM
VREF
16
OEL DATA
OLED UNIT
REGS
VDD
VAH
VKH

DEH-P5950IB/XN/ES
18
1234
1234
C
D
F
A
B
E
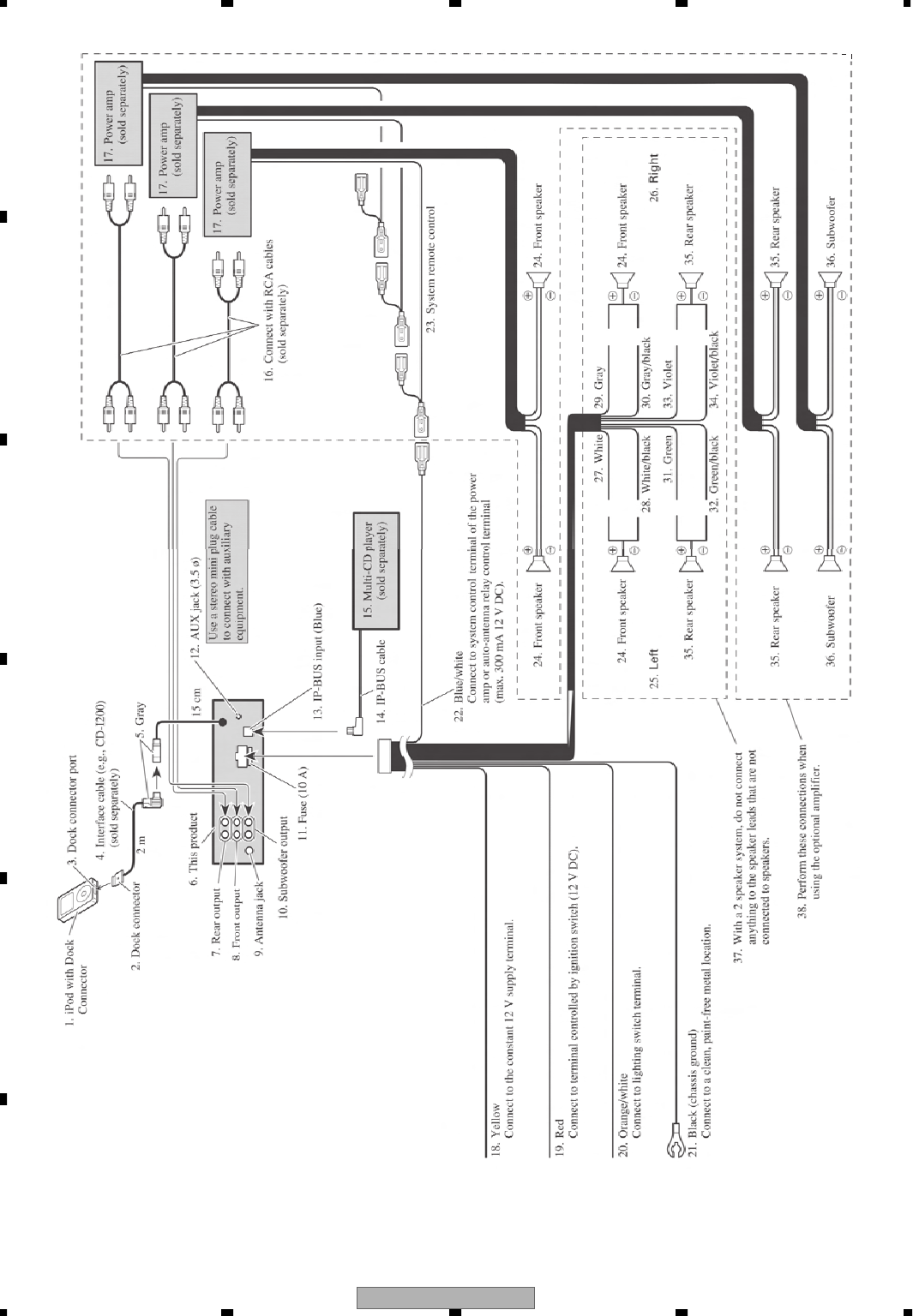
3.2 OVERALL CONNECTION DIAGRAM(GUIDE PAGE)
A-a
A D
A-a
A-a A-b
A-a A-b
A-b
A-a
Large size
SCH diagram
Guide page
Detailed page
Note: When ordering service parts, be sure to refer to " EXPLODED VIEWS AND PARTS LIST" or
"ELECTRICAL PARTS LIST".
DEH-P5990IB/XN/ID
DEH-P5950IB/XN/ES
DEH-P5950IB/XN/ES1
105
BCN1901
C
CN701
DPANEL UNIT
FM/AM TUNER UNIT
For resistors and capacitors in the circuit diagrams, their resistance values or
capacitance values are expressed in codes:
Ex. *Resistors
Code Practical value
123 12k ohms
103 10k ohms
*Capacitors
Code Practical value
103 0.01uF
101/10 100uF/10V
Symbol indicates a resistor.
No differentiation is made between chip resistors and
discrete resistors.
NOTE :
Symbol indicates a capacitor.
No differentiation is made between chip capacitors and
discrete capacitors.
IPBUS:2.2 dBs
FM,AM(400 Hz,30 %) : -24 dBs
AUX/IPOD : 2.2 dBs
CD:0 dBs

DEH-P5950IB/XN/ES 19
5678
5678
C
D
F
A
B
E
A-b
A
A-a A-b
A-a A-b
A-b
A-a
10A
600uH
3A
4R7/35
4R7/35
4R7/35
4R7/35
4R7/35
4R7/35
NC
NC
NC
NC
NC
NC
NC
NC
PPOWER
SUB
WOOFER
R CH
SUB
WOOFER
L CH
FRONT
L CH
FRONT
R CH
REAR
L CH
REAR
R CH
ATUNER AMP UNIT
The > mark found on some component parts indicates
the importance of the safety factor of the part.
Therefore, when replacing, be sure to use parts of
identical designation.
>
>
DETACH
SYSTEM CONTROLLER
FM,AM:21.1 dBs
IPBUS:36.3 dBs
CD:36.1 dBs
AUX/IPOD:35.3 dBs
FM,AM:-4.9 dBs
IPBUS:10.3 dBs
CD:10.1 dBs
AUX/IPOD:9.3 dBs

DEH-P5950IB/XN/ES
20
1234
1234
C
D
F
A
B
E
A-a A-b
A-b 12
600uH
3A
4R7/35
4R7/35
4R7/35
4R7/35
4R7/35
4R7/35
NC
NC
NC
NC
NC
NC
NC
NC
PPOWER
SUB
WOOFER
R CH
SUB
WOOFER
L CH
FRONT
L CH
FRONT
R CH
REAR
L CH
REAR
R CH
ATUNER AMP UNIT
>
>
SYSTEM CONTROLLER
FM,AM:-4.9 dBs
IPBUS:10.3 dBs
CD:10.1 dBs
AUX/IPOD:9.3 dBs

DEH-P5950IB/XN/ES 21
5678
5678
C
D
F
A
B
E
A-a A-b
A-b
345
10A
NC
NC
NC
The > mark found on some component parts indicates
the importance of the safety factor of the part.
Therefore, when replacing, be sure to use parts of
identical designation.
>
DETACH
FM,AM:21.1 dBs
IPBUS:36.3 dBs
CD:36.1 dBs
AUX/IPOD:35.3 dBs

DEH-P5950IB/XN/ES
22
1234
1234
C
D
F
A
B
E
A-bA-a
A-a
A-b 12
FM/AM TUNER UNIT
IPBUS:2.2 dBs
FM,AM(400 Hz,30 %) : -24 dBs
AUX/IPOD : 2.2 dBs

DEH-P5950IB/XN/ES 23
5678
5678
C
D
F
A
B
E
A-a
A-b
A-bA-a
D
345
DEH-P5990IB/XN/ID
DEH-P5950IB/XN/ES
DEH-P5950IB/XN/ES1
105
BCN1901
C
CN701
DPANEL UNIT
For resistors and capacitors in the circuit diagrams, their resistance values or
capacitance values are expressed in codes:
Ex. *Resistors
Code Practical value
123 12k ohms
103 10k ohms
*Capacitors
Code Practical value
103 0.01uF
101/10 100uF/10V
Symbol indicates a resistor.
No differentiation is made between chip resistors and
discrete resistors.
NOTE :
Symbol indicates a capacitor.
No differentiation is made between chip capacitors and
discrete capacitors.
CD:0 dBs

DEH-P5950IB/XN/ES
24
1234
1234
C
D
F
A
B
E
3.3 KEYBOARD UNIT
B
DEH-P5950IB/XN/ES
DEH-P5950IB/XN/ES1 DEH-P5990IB/XN/ID
FUNK
TION
DISP
LAY
CLOCK
D
CN1951

DEH-P5950IB/XN/ES 25
5678
5678
C
D
F
A
B
E
B
BKEYBOARD UNIT
OLED UNIT

DEH-P5950IB/XN/ES
26
1234
1234
C
D
F
A
B
E
3.4 CD MECHANISM MODULE(GUIDE PAGE)
C-a
C
M1 CXC7134
SPINDLE MOTOR
M2 CXC4026
LOADING/CARRIAGE MOTOR
PICKUP UNIT(P10.5)(SERVICE)
SWITCHES:
CD CORE UNIT(S10.5COMP2)
S901:HOME SWITCH..........ON-OFF
S903:DSCSNS SWITCH......ON-OFF
S904:12EJ SWITCH.............ON-OFF
S905:8EJ SWITCH...............ON-OFF
The underlined indicates the switch position.
CD DRIVER
F
F
T
T
F
F
T
T
F
F
T
T
F
F
T
T
F
T
S
C
C
S
S
C
3
2
1
9
04
8
7
$
5
@
#
%

DEH-P5950IB/XN/ES 27
5678
5678
C
D
F
A
B
E
C-b
C
CCD CORE UNIT(S10.5COMP2)
A
CN651
FSIGNAL LINE
FOCUS SERVO LINE
TRACKING SERVO LINE
CARRIAGE SERVO LINE
SPINDLE SERVO LINE
T
C
S
!
6
&^

DEH-P5950IB/XN/ES
28
1234
1234
C
D
F
A
B
E
C-a C-b
C-b 1
CCD CORE UNIT(S10.5COMP2)
F
SIGNAL LINE
FOCUS SERVO LINE
TRACKING SERVO LINE
CARRIAGE SERVO LINE
SPINDLE SERVO LINE
T
C
S
!

DEH-P5950IB/XN/ES 29
5678
5678
C
D
F
A
B
E
C-a C-b
C-b
2 3
A
CN651
6
&^

DEH-P5950IB/XN/ES
30
1234
1234
C
D
F
A
B
E
C-bC-a
C-a
C-b 1
PICKUP UNIT(P10.5)(SERVICE)
SWITCHES:
CD CORE UNIT(S10.5COMP2)
S901:HOME SWITCH..........ON-OFF
S903:DSCSNS SWITCH......ON-OFF
S904:12EJ SWITCH.............ON-OFF
S905:8EJ SWITCH ON-OFF
F
F
T
T
F
F
T
T
F
F
T
T
F
F
T
T
@
#
%

DEH-P5950IB/XN/ES 31
5678
5678
C
D
F
A
B
E
C-a
C-b
c-bC-a
2 3
M1 CXC7134
SPINDLE MOTOR
M2 CXC4026
LOADING/CARRIAGE MOTOR
SWITCHES:
CD CORE UNIT(S10.5COMP2)
S901:HOME SWITCH..........ON-OFF
S903:DSCSNS SWITCH......ON-OFF
S904:12EJ SWITCH.............ON-OFF
S905:8EJ SWITCH...............ON-OFF
The underlined indicates the switch position.
CD DRIVER
F
T
S
C
C
S
S
C
3
2
1
9
04
8
7
$
5

DEH-P5950IB/XN/ES
32
1234
1234
C
D
F
A
B
E
- Waveforms Note : 1. The encircled numbers denote measuring points in the circuit diagram.
2. Reference voltage REFO1(1.65 V)
500 ms/div5 V/div
5 V/div
5 V/div
10 V/div
1DSCSNS
5CLCONT
4LOEJ
6VD
5 V/div
5 V/div
5 V/div
5 V/div
1DSCSNS
28SNS
312SNS
4LOEJ
5 V/div
5 V/div
5 V/div
5 V/div
500 ms/div1DSCSNS
28SNS
312SNS
4LOEJ
500 mV/div
500 mV/div
200 ms/div@TE
#FE
200 mV/div
2 V/div
2 V/div
500 ms/div0FIN
!
RFOK(MONI_2)
7SIN
1 V/div
500 mV/div
1 V/div
1 s/div
500 ms/div
7SIN
8CIN
9TIN
2 V/div
500 mV/div
5 μs/div$MDX
7SIN
2 V/div
500 mV/div
200 ms/div$MDX
7SIN
500 mV/div
500 mV/div
500 mV/div
500 mV/div
20 ms/div#FE
0FIN
@TE
9TIN
1 V/div
500 mV/div
500 mV/div
500 μs/div%RFAGC
@TE
9TIN
500 mV/div
500 mV/div
2 ms/div@TE
%RFAGC
500 mV/div
500 mV/div
200 ms/div0FIN
#FE
Source On setup operation12 cm CD-DA Source On setup operation
CD-DA Play operation Spindle waveform during play operation Spindle waveform during play operation
(Wider)
Focus Search waveform Track Open waveform 1 Track Jump waveform
12 cm CD-DA setup operation after loading
12 cm CD Loading operation 12 cm CD Loading operation 8 cm CD Loading operation
Ref.:
GND
Mode:
Normal
Ref.:
GND
Mode:
Normal
Ref.:
GND
Mode:
Normal
Ref.:
REFO
Mode:
Normal
Ref.:
REFO
Mode:
Normal
Ref.:
REFO
Mode:
Normal
Ref.:
REFO
Mode:
TEST
Ref.:
REFO
Mode:
TEST
Ref.:
REFO
Mode:
TEST
Ref.:
REFO
Mode:
Normal
Ref.:
REFO
Mode:
Normal
Ref.:
REFO
Mode:
Normal

DEH-P5950IB/XN/ES 33
5678
5678
C
D
F
A
B
E
1 V/div
500 mV/div
500 mV/div
2 ms/div%RFAGC
@TE
9TIN
1 V/div
500 mV/div
500 mV/div
500 μs/div%RFAGC
@TE
9TIN
1 V/div
500 mV/div
500 mV/div
500 μs/div%RFAGC
@TE
9TIN
5 V/div
5 V/div
5 V/div
5 V/div
500 ms/div1DSCSNS
28SNS
312SNS
4LOEJ
1 V/div
1 V/div
200 μs/div^LOUT
&ROUT
1 V/div
1 V/div
1 V/div
2 V/div
200 ms/div%RFAGC
@TE
8CIN
7SIN
1 V/div
1 V/div
1 V/div
1 V/div
500 μs/div%RFAGC
9TIN
@TE
0FIN
5 V/div
5 V/div
5 V/div
5 V/div
500 ms/div1DSCSNS
28SNS
312SNS
4LOEJ
5 V/div
5 V/div
5 V/div
500 ms/div1DSCSNS
5CLCONT
4LOEJ
12 cm CD Eject operationAnalog audio waveform
12 cm CD Eject operation 8 cm CD Eject operation Black dot(800 μm) during play
Search operation(Outter to Inner)
4 Tracks Jump waveform 10 Tracks Jump waveform 32 Tracks Jump waveform
Ref.:
REFO
Mode:
TEST
Ref.:
REFO
Mode:
TEST
Ref.:
REFO
Mode:
TEST
Ref.:
GND
Mode:
Normal
Ref.:
REFO
Mode:
Normal
Ref.:
GND
Mode:
Normal
Ref.:
REFO
Mode:
Normal
Ref.:
GND
Mode:
Normal
Ref.:
AGND
Mode:
Normal

DEH-P5950IB/XN/ES
34
1234
1234
C
D
F
A
B
E
4. PCB CONNECTION DIAGRAM
4.1 TUNER AMP UNIT
A
ATUNER AMP UNIT
Capacitor
Connector
P.C.Board Chip Part SIDE B
SIDE A
NOTE FOR PCB DIAGRAMS
1.The parts mounted on this PCB
include all necessary parts for
several destination.
For further information for
respective destinations, be sure
to check with the schematic dia-
gram.
2.Viewpoint of PCB diagrams
C
CN701
CORD ASSY
IP-BUS
AUX INPUT
DETACH
1342
56

DEH-P5950IB/XN/ES 35
5678
5678
C
D
F
A
B
E
A
SIDE A
FRONT
D
CN1950
ANTENNA
FM/AM TUNER UNIT
iPOD
PCL
TESTIN
REAR OUTPUT
FRONT OUTPUT
SUBWOOFER OUTPUT
1
1
78
35
2
2
46

DEH-P5950IB/XN/ES
36
1234
1234
C
D
F
A
B
E
A
ATUNER AMP UNIT

DEH-P5950IB/XN/ES 37
5678
5678
C
D
F
A
B
E
A
SIDE B

DEH-P5950IB/XN/ES
38
1234
1234
C
D
F
A
B
E
4.2 KEYBOARD UNIT
B
SIDE BSIDE A
BKEYBOARD UNIT BKEYBOARD UNIT
FUNCTION
DISPLAY
OLED UNIT
CLOCK
D
CN1951

DEH-P5950IB/XN/ES 39
5678
5678
C
D
F
A
B
E
4.3 PANEL UNIT
D
DPANEL UNIT
DPANEL UNIT
SIDE A
SIDE B
BCN1901
ACN801
EJECT

DEH-P5950IB/XN/ES
40
1234
1234
C
D
F
A
B
E
4.4 CD CORE UNIT(S10.5COMP2)
C
SIDE A
CCD CORE UNIT(S10.5COMP2)
PICKUP UNIT(P10.5)(SERVICE)
ACN651
M2
LOADING
/CARRIAGE
MOTOR
M1
SPINDLE
MOTOR

DEH-P5950IB/XN/ES 41
5678
5678
C
D
F
A
B
E
C
SIDE B
CCD CORE UNIT(S10.5COMP2)

DEH-P5950IB/XN/ES
42
1234
1234
C
D
F
A
B
E
5. ELECTRICAL PARTS LIST
N
OTE:
• Parts whose parts numbers are omitted are subject to being not supplied.
• The part numbers shown below indicate chip components.
Chip Resistor
RS1/_S___J,RS1/__S___J
Chip Capacitor (except for CQS.....)
CKS....., CCS....., CSZS.....
• The > mark found on some component parts indicates the importance of the safety factor of the part.
Therefore, when replacing, be sure to use parts of identical designation.
• Meaning of the figures and others in the parentheses in the parts list.
Example) IC 301 is on the point (face A, 91 of x-axis, and 111 of y-axis) of the corresponding
PC board.
IC 301 (A, 91, 111) IC NJM2068V
Circuit Symbol and No. Part No.
Unit Number : XWM7156
Unit Name : Tuner Amp Unit
Unit Number : (ES)
Unit Name : Keyboard Unit
Unit Number : (ID)
Unit Name : Keyboard Unit
Unit Number : CWX3514
Unit Name : CD Core
Unit(S10.5COMP2)
Unit Number : CWM8758(ES)
Unit Number : CWM9835(ID)
Unit Name : Panel Unit
A
Unit Number : XWM7156
Unit Name : Tuner Amp Unit
MISCELLANEOUS
IC 101 (A,42,88) IC HA12241FP
IC 171 (A,102,84) IC NJM2794V
IC 201 (B,78,83) IC PML015B
IC 301 (A,91,133) IC PAL007C
IC 420 (A,150,26) IC NJM2885DL1-33
IC 601 (A,108,54) IC PEG270A
IC 602 (A,82,62) IC S-80835CNMC-B8U
IC 641 (A,52,33) IC NJM2885DL1-33
IC 701 (A,133,75) TC7SET08FUS1
IC 702 (A,132,85) IC TC7SH08FUS1
IC 703 (A,123,76) IC TC4066BFT
IC 704 (A,125,59) IC NJM2794V
IC 851 (B,38,18) IC NJM2360M
IC 901 (A,5,120) IC NJM2388F84
Q 101 (B,42,105) Transistor 2SA1576A
Q 102 (A,33,87) Transistor DTC114EUA
Q 301 (A,142,100) Transistor DTC124EUA
Q 351 (A,132,127) Transistor RT3C99M
Q 352 (B,137,126) Transistor RT3C99M
Q 353 (B,161,128) Transistor RT3C99M
Q 650 (A,5,67) Transistor 2SD2396
Q 651 (B,22,57) Transistor RT3T22M
Q 701 (A,120,118) Transistor 2SA2060
Q 702 (A,127,118) Transistor 2SA1162
Q 703 (A,120,126) Transistor 2SA2060
Q 705 (A,108,90) Transistor 2SC4081
Q 706 (A,132,93) Transistor DTC124EUA
Q 707 (B,128,118) Transistor DTC124EUA
Q 801 (A,101,27) Transistor RT1N431M
Q 821 (A,34,38) Transistor 2SA1366
Q 822 (B,71,17) Transistor DTC114EUA
Q 831 (B,96,27) Transistor 2SA1576A
Q 832 (B,91,20) Transistor DTC114EUA
Q 851 (A,16,32) Transistor 2SD1760F5
Q 852 (B,31,33) Transistor RT3T22M
Q 911 (A,5,101) Transistor 2SD2396
Q 912 (B,28,79) Transistor RT3T22M
Q 931 (B,49,98) Transistor RT3CLLM
Q 941 (A,115,68) Transistor DTC114EUA
Q 981 (B,24,91) Transistor 2SC4081
Q 982 (A,137,99) Transistor RT3T22M
D 171 (B,13,129) Diode HZM6R2ZMWA
D 172 (A,12,128) Diode HZM6R2ZMWA
D 301 (A,91,98) Diode MPG06G-6415G3
D 302 (A,94,98) Diode MPG06G-6415G3
D 602 (A,100,72) Diode MC2850-11
D 650 (A,16,69) Diode MTZJA8R2(B)
D 801 (B,102,30) Diode MC2850-11
D 802 (B,112,29) Diode MC2848-11
D 803 (B,124,32) Diode MC2846-11
D 804 (B,120,32) Diode MC2848-11
D 805 (B,108,29) Diode MC2846-11
D 852 (B,48,16) Diode RB411D
D 853 (A,22,27) Diode MTZJA10(B)
D 901 (A,71,110) Diode MPG06G-6415G3
D 902 (A,74,110) Diode MPG06G-6415G3
Circuit Symbol and No. Part No.

DEH-P5950IB/XN/ES 43
5678
5678
C
D
F
A
B
E
D 911 (A,13,86) Diode MPG06G-6415G3
D 912 (A,18,82) Diode HZS6L(B1)
D 931 (A,56,109) Diode HZS7L(A1)
D 932 (A,57,100) Diode HZS7L(C3)
D 942 (A,137,73) Diode 1SS133
D 981 (A,18,90) Diode HZS9L(A2)
D 982 (A,95,71) Diode MC2848-11
D 984 (A,137,76) Diode 1SS133
L 101 (A,13,78) Inductor LAU2R2K
L 201 (A,53,81) Ferri-Inductor LAU100K
L 241 (A,61,94) Ferri-Inductor LAU4R7K
L 401 (A,151,49) Inductor LAU1R0K
L 402 (A,147,91) Inductor LAU1R0K
L 403 (B,154,95) Chip Coil LCTAW4R7J2520
L 601 (A,77,54) Ferri-Inductor LAU100K
L 701 (A,132,78) Inductor CTF1382
L 831 (A,101,22) Ferri-Inductor LAU100K
L 851 (A,37,15) Inductor CTF1660
L 901 (A,30,107) Choke Coil 600 µH CTH1280
X 601 (A,92,56) Crystal 20 MHz VSS1167
S 802 (A,21,9) Switch(DETACH) CSN1039
>FU352 (B,126,134) Fuse 3 A CEK1286
TU401 (A,161,101) FM/AM Tuner Unit CWE1952
BZ621 (A,135,23) Buzzer CPV1062
AR401 (B,163,113) Surge Protector IMSA-6801-01Y901
>Fuse 10 A CEK1208
RESISTORS
R 101 (B,36,135) RS1/16S101J
R 102 (B,36,133) RS1/16S620J
R 103 (B,37,128) RS1/16S101J
R 104 (A,37,85) RS1/16S102J
R 105 (A,48,87) RS1/16S472J
R 106 (A,49,89) RS1/16S472J
R 107 (B,26,133) RS1/16S181J
R 108 (B,25,130) RS1/16S223J
R 109 (B,39,105) RS1/16S222J
R 110 (B,29,120) RS1/16S181J
R 111 (B,27,120) RS1/16S223J
R 112 (B,25,120) RS1/16S102J
R 113 (B,27,136) RS1/16S102J
R 114 (B,43,107) RS1/16S223J
R 115 (B,37,106) RS1/16S472J
R 165 (A,78,63) RS1/16S104J
R 166 (A,75,57) RS1/16S104J
R 172 (A,69,99) RS1/16S223J
R 175 (A,66,99) RS1/16S223J
R 201 (A,82,87) RS1/16S102J
R 202 (A,90,85) RS1/16S102J
R 203 (A,86,83) RS1/16S102J
R 204 (B,64,87) RS1/16S0R0J
R 213 (B,51,90) RS1/16S101J
R 214 (B,66,81) RS1/16S101J
R 215 (B,88,82) RS1/16S101J
R 216 (B,90,85) RS1/16S101J
R 217 (A,79,88) RS1/16S101J
R 218 (B,79,94) RS1/16S101J
R 301 (A,145,84) RS1/16S103J
R 302 (A,131,99) RS1/16S331J
Circuit Symbol and No. Part No.
R 303 (A,134,99) RS1/16S103J
R 304 (A,133,119) RS1/16S153J
R 305 (B,121,93) RS1/16S0R0J
R 306 (B,110,94) RS1/16S0R0J
R 307 (B,93,83) RS1/16S0R0J
R 308 (B,97,91) RS1/16S0R0J
R 350 (B,144,131) RS1/16S0R0J
R 351 (A,137,124) RS1/16S821J
R 352 (A,135,124) RS1/16S472J
R 353 (A,128,125) RS1/16S472J
R 354 (A,143,120) RS1/16S223J
R 355 (A,138,128) RS1/16S223J
R 358 (A,131,125) RS1/16S821J
R 359 (A,139,123) RS1/16S821J
R 360 (B,140,122) RS1/16S472J
R 361 (A,141,123) RS1/16S223J
R 362 (B,136,129) RS1/16S0R0J
R 363 (B,132,128) RS1/16S472J
R 364 (B,126,131) RS1/16S223J
R 366 (B,130,126) RS1/16S821J
R 367 (A,156,122) RS1/16S821J
R 368 (B,166,127) RS1/16S472J
R 369 (A,156,125) RS1/16S223J
R 371 (B,147,114) RS1/16S821J
R 372 (B,164,123) RS1/16S472J
R 373 (B,161,133) RS1/16S223J
R 401 (B,151,64) RS1/16S0R0J
R 403 (B,158,70) RS1/16S681J
R 404 (B,113,45) RS1/16S681J
R 406 (B,155,80) RS1/16S681J
R 407 (B,113,47) RS1/16S681J
R 408 (B,155,83) RS1/16S681J
R 409 (B,155,85) RS1/16S681J
R 411 (B,156,87) RS1/16S681J
R 413 (B,156,89) RS1/16S681J
R 424 (B,116,49) RS1/16S681J
R 601 (B,111,61) RS1/16S104J
R 604 (B,111,57) RS1/16S104J
R 605 (A,103,68) RS1/16S104J
R 606 (A,87,65) RS1/16S104J
R 607 (A,81,56) RS1/16S822J
R 608 (B,103,44) RS1/16S102J
R 609 (A,93,38) RS1/16S102J
R 610 (A,89,60) RS1/16S471J
R 611 (A,93,45) RS1/16S473J
R 613 (A,99,35) RS1/16S473J
R 616 (B,98,59) RS1/16S0R0J
R 621 (B,135,28) RS1/16S102J
R 631 (A,130,42) RS1/16S104J
R 640 (A,72,33) RS1/16S104J
R 642 (A,75,41) RS1/16S682J
R 643 (B,101,52) RS1/16S221J
R 645 (B,87,37) RS1/16S221J
R 646 (B,70,34) RS1/16S221J
R 647 (A,69,33) RS1/16S221J
R 649 (B,70,32) RS1/16S104J
R 651 (A,16,60) RD1/4PU561J
R 653 (A,70,28) RS1/16S221J
R 654 (A,72,30) RS1/16S104J
R 666 (B,81,39) RS1/16S104J
Circuit Symbol and No. Part No.

DEH-P5950IB/XN/ES
44
1234
1234
C
D
F
A
B
E
R 667 (B,81,24) RS1/16S102J
R 668 (B,84,29) RS1/16S102J
R 673 (B,83,38) RS1/16S682J
R 701 (B,109,41) RS1/16S102J
R 702 (A,133,87) RS1/16S102J
R 703 (A,134,80) RS1/16S123J
R 704 (A,135,85) RS1/16S223J
R 705 (A,124,120) RS1/16S103J
R 706 (A,124,117) RS1/16S102J
R 707 (A,125,106) RS2PMFR47J
R 708 (A,123,123) RS1/16S103J
R 709 (A,103,98) RD1/4PU271J
R 710 (A,106,103) RD1/4PU271J
R 711 (A,134,90) RS1/16S104J
R 712 (B,122,122) RS1/16S514J
R 713 (B,122,120) RS1/16S393J
R 714 (A,129,94) RS1/16S104J
R 716 (A,139,90) RS1/16S102J
R 717 (A,121,110) RS1/16S472J
R 718 (A,142,87) RS1/16S472J
R 720 (A,128,85) RS1/16S102J
R 721 (A,132,80) RS1/16S102J
R 722 (A,127,87) RS1/16S104J
R 723 (A,97,98) RD1/4PU271J
R 724 (A,114,128) RS1/16S103J
R 725 (A,100,103) RD1/4PU271J
R 726 (A,113,100) RS1/16S103J
R 728 (A,108,93) RS1/16S103J
R 731 (A,134,68) RS1/16S223J
R 732 (A,132,68) RS1/16S0R0J
R 734 (A,129,69) RS1/16S223J
R 735 (A,127,69) RS1/16S0R0J
R 736 (A,102,96) RS1/16S682J
R 737 (A,102,94) RS1/16S152J
R 802 (A,16,25) RS1/16S104J
R 803 (B,71,12) RS1/16S102J
R 804 (A,124,23) RD1/4PU222J
R 805 (A,127,23) RD1/4PU222J
R 806 (A,120,23) RD1/4PU222J
R 807 (A,117,23) RD1/4PU222J
R 808 (B,113,24) RS1/16S222J
R 809 (A,104,21) RD1/4PU222J
R 810 (B,129,26) RS1/16S102J
R 811 (B,112,33) RS1/16S102J
R 812 (B,107,32) RS1/16S102J
R 813 (A,77,15) RS1/16S1R0J
R 814 (B,109,24) RS1/16S222J
R 815 (B,97,38) RS1/16S473J
R 816 (B,111,24) RS1/16S473J
R 817 (B,102,28) RS1/16S473J
R 818 (B,131,25) RS1/16S104J
R 821 (A,40,44) RD1/4PU391J
R 822 (B,32,43) RS1/16S103J
R 823 (A,43,38) RD1/4PU222J
R 824 (A,81,16) RS1/16S472J
R 825 (A,112,20) RS1/16S0R0J
R 831 (B,93,27) RS1/16S473J
R 832 (B,94,24) RS1/16S102J
R 833 (B,100,20) RS1/16S222J
R 850 (A,26,35) RD1/4PU681J
Circuit Symbol and No. Part No.
R 852 (A,29,16) RS1/16S1R0J
R 854 (A,90,35) RS1/16S0R0J
R 857 (B,30,15) RS1/16S102J
R 858 (A,35,23) RD1/4PU472J
R 859 (B,32,15) RS1/16S821J
R 860 (B,32,21) RS1/16S391J
R 901 (A,33,82) RS1/16S102J
R 902 (A,32,85) RS1/16S103J
R 912 (B,33,79) RS1/16S222J
R 913 (B,11,82) RS1/16S223J
R 914 (B,47,94) RS1/16S104J
R 915 (B,46,99) RS1/16S104J
R 916 (A,109,69) RS1/16S104J
R 918 (B,9,105) RS1/16S391J
R 931 (A,51,112) RD1/4PU102J
R 932 (B,51,104) RS1/16S472J
R 933 (B,67,101) RS1/16S473J
R 934 (B,67,99) RS1/16S103J
R 935 (B,47,106) RS1/16S473J
R 936 (B,44,100) RS1/16S104J
R 941 (A,63,100) RD1/4PU102J
R 942 (B,132,75) RS1/16S103J
R 981 (B,24,93) RS1/16S683J
R 982 (B,21,91) RS1/16S683J
R 983 (B,23,87) RS1/16S223J
R 984 (A,145,103) RS1/16S102J
CAPACITORS
C 101 (B,32,137) CKSRYB104K16
C 102 (A,39,84) CKSRYB104K16
C 103 (A,40,93) CCSRCH101J50
C 104 (A,42,84) CCSRCH101J50
C 171 (A,69,101) CKSRYB472K50
C 172 (B,13,139) CKSRYB104K16
C 173 (A,66,101) CKSRYB472K50
C 181 (A,112,82) CEJQ2R2M50
C 182 (A,99,90) CKSRYB105K10
C 183 (A,90,91) CKSRYB105K10
C 184 (A,120,82) CEJQ330M10
C 185 (A,97,90) CKSRYB105K10
C 186 (A,94,91) CKSRYB105K10
C 201 (B,66,72) CKSRYB105K10
C 202 (A,73,73) CKSRYB105K10
C 203 (B,66,74) CKSRYB104K16
C 204 (A,85,81) CKSRYB104K16
C 205 (B,66,76) CKSRYB105K10
C 206 (A,89,94) CKSRYB105K10
C 207 (B,66,77) CKSRYB105K10
C 208 (B,88,77) CKSRYB105K10
C 209 (B,66,79) CKSRYB105K10
C 210 (B,88,79) CKSRYB105K10
C 211 (B,67,90) CKSRYB153K50
C 212 (B,88,92) CKSRYB153K50
C 217 (B,66,87) CKSRYB104K16
C 218 (A,76,94) CEJQ100M25
C 219 (A,83,94) CEJQ100M25
C 220 (A,56,90) CEJQ470M16
C 242 (B,66,95) CKSRYB104K16
C 243 (A,69,93) CEJQ470M16
Circuit Symbol and No. Part No.

DEH-P5950IB/XN/ES 45
5678
5678
C
D
F
A
B
E
C 309 (A,132,116) CEJQ330M10
C 311 (B,123,130) CKSQYB225K10
C 312 (B,124,126) CKSQYB225K10
C 313 (A,134,110) CEJQ100M25
C 314 (B,118,116) CKSRYB474K10
C 315 (B,115,115) CKSRYB474K10
C 316 (B,118,121) CKSQYB474K25
C 317 (B,115,120) CKSQYB474K25
C 318 (B,120,126) CKSRYB474K10
C 319 (B,113,114) CKSRYB474K10
C 320 (B,120,130) CKSQYB474K25
C 321 (B,113,119) CKSQYB474K25
C 359 (A,139,108) CEJQ4R7M35
C 360 (A,134,104) CEJQ4R7M35
C 361 (A,144,114) CEJQ4R7M35
C 362 (A,139,114) CEJQ4R7M35
C 363 (A,153,118) CEJQ4R7M35
C 364 (A,144,108) CEJQ4R7M35
C 402 (B,152,51) CKSRYB103K50
C 405 (B,146,94) CKSRYB103K50
C 406 (A,148,97) CEJQ101M16
C 408 (B,152,66) CKSRYB103K50
C 413 (B,112,50) CCSRCH470J50
C 415 (A,154,54) CEJQ470M6R3
C 420 (A,149,38) CEJQ470M6R3
C 422 (A,139,35) CEJQ1R0M50
C 601 (B,74,47) CKSRYB105K10
C 602 (A,86,51) CEJQ4R7M35
C 603 (B,93,60) CCSRCH101J50
C 604 (A,81,53) CEJQ2R2M50
C 605 (B,90,56) CCSRCH100D50
C 606 (B,94,52) CCSRCH100D50
C 607 (B,83,58) CKSRYB105K10
C 609 (B,83,50) CKSRYB105K10
C 618 (A,103,67) CKSRYB102K50
C 650 (B,13,66) CKSRYB473K50
C 651 (B,53,42) CKSRYB104K16
C 652 (B,85,25) CKSRYB152K50
C 653 (B,87,30) CKSRYB152K50
C 659 (A,48,41) CEJQ101M16
C 660 (B,67,45) CKSRYB105K10
C 661 (B,54,23) CKSRYB103K50
C 662 (A,48,25) CEJQ470M6R3
C 663 (A,70,44) CEJQ4R7M35
C 666 (B,55,67) CKSRYB105K10
C 701 (A,131,73) CKSRYB105K10
C 702 (A,130,87) CKSRYB104K16
C 703 (A,115,124) CKSYB475K16
C 705 (A,131,64) CKSRYB105K10
C 706 (A,132,64) CKSRYB105K10
C 708 (A,141,92) CKSRYB103K50
C 709 (A,129,64) CKSRYB105K10
C 710 (A,122,65) CKSRYB105K10
C 716 (A,120,72) CKSRYB473K50
C 717 (A,133,60) CEJQ2R2M50
C 718 (A,139,60) CEJQ330M10
C 822 (A,81,14) CKSRYB473K50
C 833 (B,99,25) CKSRYB105K10
C 852 (B,37,25) CKSRYB223K50
C 854 (B,45,12) CCSRCH331J50
Circuit Symbol and No. Part No.
C 855 (B,34,28) CKSRYB104K16
C 856 (B,19,32) CKSRYB104K16
C 858 (A,53,16) CEJQ470M25
C 859 (A,30,28) CEJQ101M16
C 860 (A,25,22) CEJQ470M16
C 901 (A,49,122) 3 300 µF/16 V CCH1486
C 902 (B,59,120) CKSRYB104K16
C 912 (B,22,82) CKSRYB472K50
C 913 (B,35,68) CKSRYB103K50
C 914 (A,37,66) CEJQ470M16
C 915 (A,27,74) CEAT102M16
C 922 (B,10,120) CKSRYB103K50
C 923 (A,13,96) CEJQ101M16
C 924 (B,19,101) CKSRYB103K50
C 925 (A,26,83) CEJQ221M16
C 931 (B,49,104) CKSRYB104K16
C 941 (A,138,69) CEJQ1R0M50
C 984 (A,139,80) CEJQ220M16
B
Unit Number : (ES)
Unit Name : Keyboard Unit
MISCELLANEOUS
IC 1902 (A,13,67) Remote IC GP1UX51RK
IC 1921 (B,23,91) IC PEG268A
Q 2011 (B,16,76) Transistor 2SC4617
Q 2012 (B,21,75) Transistor 2SC2411K
D 1901 (B,13,114) Diode MC2846-11
D 1902 (B,13,118) Diode MC2848-11
D 1921 (B,33,93) Diode 1SS355
D 1941 (A,8,10) LED CL-195PG-CD
D 1942 (A,11,19) LED CL-195PG-CD
D 1943 (A,34,10) LED CL-195PG-CD
D 1944 (A,31,19) LED CL-195PG-CD
D 1945 (A,40,67) LED CL-195PG-CD
D 1946 (A,40,78) LED CL-195PG-CD
D 1947 (A,40,89) LED CL-195PG-CD
D 1948 (A,40,100) LED CL-195PG-CD
D 1949 (A,40,110) LED CL-195PG-CD
D 1950 (A,40,121) LED CL-195PG-CD
D 1951 (A,40,132) LED CL-195PG-CD
D 1952 (A,40,146) LED CL-195PG-CD
D 1953 (A,6,158) LED CL-195PG-CD
D 1954 (A,40,154) LED CL-195PG-CD
D 1955 (A,4,45) LED SML412BC5T(NP)
D 1956 (A,21,62) LED SML412BC5T(NP)
D 1957 (A,21,27) LED SML412BC5T(NP)
D 1958 (A,38,45) LED SML412BC5T(NP)
L 1901 (B,21,70) Inductor CTF1617
TH2011 (B,17,82) Thermistor CCX1037
X 1921 (B,23,85) Radiator 10.0 MHz CSS1577
S 1971 (A,27,28) Push Switch CSG1155
S 1972 (A,27,61) Push Switch CSG1155
S 1973 (A,37,38) Push Switch CSG1155
S 1974 (A,5,38) Push Switch CSG1155
S 1975 (A,7,20) Push Switch CSG1155
S 1976 (A,40,71) Push Switch CSG1155
S 1977 (A,40,82) Push Switch CSG1155
Circuit Symbol and No. Part No.

DEH-P5950IB/XN/ES
46
1234
1234
C
D
F
A
B
E
S 1978 (A,40,103) Push Switch CSG1155
S 1979 (A,35,20) Push Switch CSG1155
S 1980 (A,37,9) Push Switch CSG1155
S 1981 (A,5,9) Push Switch CSG1155
S 1982 (A,40,92) Push Switch CSG1155
S 1983 (A,40,114) Push Switch CSG1155
S 1984 (A,40,125) Push Switch CSG1155
S 1985 (A,40,136) Push Switch CSG1155
S 1986 (A,40,142) Push Switch CSG1155
S 1987 (A,40,157) Push Switch CSG1155
S 1988 (A,21,45) Rotary Encoder YSD5009
RESISTORS
R 1902 (B,5,135) RS1/16S222J
R 1903 (B,6,135) RS1/16S222J
R 1905 (B,8,123) RS1/16S103J
R 1906 (B,21,63) RS1/16S101J
R 1907 (B,16,60) RS1/16S103J
R 1908 (B,14,81) RS1/16S2R2J
R 1910 (B,15,119) RS1/16S103J
R 1911 (B,33,126) RS1/16S473J
R 1922 (B,32,92) RS1/16S154J
R 1923 (B,10,87) RS1/16S473J
R 1925 (B,8,87) RS1/16S473J
R 1941 (B,32,19) RS1/16S181J
R 1942 (B,31,120) RS1/16S181J
R 1943 (B,36,127) RS1/16S181J
R 1944 (B,36,142) RS1/16S181J
R 1945 (B,25,158) RS1/16S151J
R 1946 (B,32,23) RS1/16S181J
R 1947 (B,31,123) RS1/16S181J
R 1948 (B,36,128) RS1/16S181J
R 1949 (B,36,139) RS1/16S181J
R 1950 (B,25,155) RS1/16S181J
R 1951 (B,30,24) RS1/16S181J
R 1952 (B,33,124) RS1/16S181J
R 1953 (B,36,131) RS1/16S181J
R 1954 (B,36,136) RS1/16S181J
R 1955 (B,27,154) RS1/16S181J
R 1957 (B,28,33) RS1/16S391J
R 1958 (B,32,33) RS1/16S391J
R 1960 (B,36,43) RS1/16S391J
R 1961 (B,33,35) RS1/16S391J
R 1962 (B,36,33) RS1/16S181J
R 1963 (B,36,45) RS1/16S181J
R 1965 (B,27,157) RS1/16S181J
R 1975 (B,9,36) RS1/16S822J
R 1976 (B,12,31) RS1/16S223J
R 1977 (B,32,62) RS1/16S821J
R 1978 (B,32,58) RS1/16S182J
R 1979 (B,32,54) RS1/16S332J
R 1980 (B,29,21) RS1/16S472J
R 1981 (B,26,19) RS1/16S822J
R 1982 (B,17,18) RS1/16S223J
R 1983 (B,33,116) RS1/16S821J
R 1984 (B,33,117) RS1/16S182J
R 1985 (B,33,120) RS1/16S332J
R 1986 (B,35,122) RS1/16S472J
R 1987 (B,32,135) RS1/16S822J
Circuit Symbol and No. Part No.
R 1988 (B,32,139) RS1/16S223J
R 1989 (B,29,99) RS1/16S103J
R 1990 (B,29,98) RS1/16S103J
R 1991 (B,29,96) RS1/16S103J
R 1992 (B,9,39) RS1/16S472J
R 1993 (B,10,35) RS1/16S332J
R 1994 (B,12,35) RS1/16S182J
R 1995 (B,14,37) RS1/16S821J
R 2011 (B,14,77) RS1/16S273J
R 2012 (B,26,80) RS1/16S473J
R 2013 (B,17,80) RS1/16S683J
R 2014 (B,26,78) RS1/16S392J
R 2015 (B,9,99) RS1/16S2202D
R 2016 (A,24,97) RS1/16S101J
R 2017 (A,27,103) RS1/16S102J
R 2018 (A,26,109) RAB4C101J
R 2019 (B,22,100) RS1/16S473J
R 2020 (B,30,92) RS1/16S473J
R 2022 (A,25,101) RS1/16S102J
R 2023 (B,10,103) RS1/16S3002D
CAPACITORS
C 1904 (B,18,61) CKSYF106Z10
C 1907 (B,31,127) CKSRYB104K16
C 1922 (B,26,85) CKSRYB104K16
C 1923 (B,30,103) CKSRYB103K50
C 1955 (A,6,45) CKSRYF104Z50
C 1956 (A,21,60) CKSRYF104Z50
C 1957 (A,21,29) CKSRYF104Z50
C 1958 (A,37,45) CKSRYF104Z50
C 2011 (A,24,84) CKSRYB104K16
C 2012 (B,13,94) CKSRYB105K10
C 2013 (A,24,88) CKSRYB224K16
C 2014 (A,24,93) CKSRYB104K16
B
Unit Number : (ID)
Unit Name : Keyboard Unit
MISCELLANEOUS
IC 1902 (A,13,67) Remote IC GP1UX51RK
IC 1921 (B,23,91) IC PEG268A
Q 2011 (B,16,76) Transistor 2SC4617
Q 2012 (B,21,75) Transistor 2SC2411K
D 1901 (B,13,114) Diode MC2846-11
D 1902 (B,13,118) Diode MC2848-11
D 1921 (B,33,93) Diode 1SS355
D 1941 (A,8,10) LED CL-195SR-CD
D 1942 (A,11,19) LED CL-195SR-CD
D 1943 (A,34,10) LED CL-195SR-CD
D 1944 (A,31,19) LED CL-195SR-CD
D 1945 (A,40,67) LED CL-195SR-CD
D 1946 (A,40,78) LED CL-195SR-CD
D 1947 (A,40,89) LED CL-195SR-CD
D 1948 (A,40,100) LED CL-195SR-CD
D 1949 (A,40,110) LED CL-195SR-CD
D 1950 (A,40,121) LED CL-195SR-CD
D 1951 (A,40,132) LED CL-195SR-CD
D 1952 (A,40,146) LED CL-195SR-CD
Circuit Symbol and No. Part No.

DEH-P5950IB/XN/ES 47
5678
5678
C
D
F
A
B
E
D 1953 (A,6,158) LED CL-195SR-CD
D 1954 (A,40,154) LED CL-195SR-CD
D 1955 (A,4,45) LED CL-195SR-CD
D 1956 (A,21,62) LED CL-195SR-CD
D 1957 (A,21,27) LED CL-195SR-CD
D 1958 (A,38,45) LED CL-195SR-CD
L 1901 (B,21,70) Inductor CTF1617
TH2011 (B,17,82) Thermistor CCX1037
X 1921 (B,23,85) Radiator 10.000 MHz CSS1577
S 1971 (A,27,28) Push Switch CSG1155
S 1972 (A,27,61) Push Switch CSG1155
S 1973 (A,37,38) Push Switch CSG1155
S 1974 (A,5,38) Push Switch CSG1155
S 1975 (A,7,20) Push Switch CSG1155
S 1976 (A,40,71) Push Switch CSG1155
S 1977 (A,40,82) Push Switch CSG1155
S 1978 (A,40,103) Push Switch CSG1155
S 1979 (A,35,20) Push Switch CSG1155
S 1980 (A,37,9) Push Switch CSG1155
S 1981 (A,5,9) Push Switch CSG1155
S 1982 (A,40,92) Push Switch CSG1155
S 1983 (A,40,114) Push Switch CSG1155
S 1984 (A,40,125) Push Switch CSG1155
S 1985 (A,40,136) Push Switch CSG1155
S 1986 (A,40,142) Push Switch CSG1155
S 1987 (A,40,157) Push Switch CSG1155
S 1988 (A,21,45) Rotary Encoder YSD5009
RESISTORS
R 1902 (B,5,135) RS1/16S222J
R 1903 (B,6,135) RS1/16S222J
R 1905 (B,8,123) RS1/16S103J
R 1906 (B,21,63) RS1/16S101J
R 1907 (B,16,60) RS1/16S103J
R 1908 (B,14,81) RS1/16S2R2J
R 1910 (B,15,119) RS1/16S103J
R 1911 (B,33,126) RS1/16S473J
R 1922 (B,32,92) RS1/16S154J
R 1923 (B,10,87) RS1/16S473J
R 1925 (B,8,87) RS1/16S473J
R 1941 (B,32,19) RS1/16S181J
R 1942 (B,31,120) RS1/16S181J
R 1943 (B,36,127) RS1/16S181J
R 1944 (B,36,142) RS1/16S181J
R 1945 (B,25,158) RS1/16S151J
R 1946 (B,32,23) RS1/16S181J
R 1947 (B,31,123) RS1/16S181J
R 1948 (B,36,128) RS1/16S181J
R 1949 (B,36,139) RS1/16S181J
R 1950 (B,25,155) RS1/16S181J
R 1951 (B,30,24) RS1/16S181J
R 1952 (B,33,124) RS1/16S181J
R 1953 (B,36,131) RS1/16S181J
R 1954 (B,36,136) RS1/16S181J
R 1955 (B,27,154) RS1/16S181J
R 1956 (B,30,35) RS1/16S101J
R 1959 (B,36,35) RS1/16S151J
R 1962 (B,36,33) RS1/16S151J
R 1965 (B,27,157) RS1/16S181J
Circuit Symbol and No. Part No.
R 1975 (B,9,36) RS1/16S822J
R 1976 (B,12,31) RS1/16S223J
R 1977 (B,32,62) RS1/16S821J
R 1978 (B,32,58) RS1/16S182J
R 1979 (B,32,54) RS1/16S332J
R 1980 (B,29,21) RS1/16S472J
R 1981 (B,26,19) RS1/16S822J
R 1982 (B,17,18) RS1/16S223J
R 1983 (B,33,116) RS1/16S821J
R 1984 (B,33,117) RS1/16S182J
R 1985 (B,33,120) RS1/16S332J
R 1986 (B,35,122) RS1/16S472J
R 1987 (B,32,135) RS1/16S822J
R 1988 (B,32,139) RS1/16S223J
R 1989 (B,29,99) RS1/16S103J
R 1990 (B,29,98) RS1/16S103J
R 1991 (B,29,96) RS1/16S103J
R 1992 (B,9,39) RS1/16S472J
R 1993 (B,10,35) RS1/16S332J
R 1994 (B,12,35) RS1/16S182J
R 1995 (B,14,37) RS1/16S821J
R 2011 (B,14,77) RS1/16S273J
R 2012 (B,26,80) RS1/16S473J
R 2013 (B,17,80) RS1/16S683J
R 2014 (B,26,78) RS1/16S392J
R 2015 (B,9,99) RS1/16S2202D
R 2016 (A,24,97) RS1/16S101J
R 2017 (A,27,103) RS1/16S102J
R 2018 (A,26,109) RAB4C101J
R 2019 (B,22,100) RS1/16S473J
R 2020 (B,30,92) RS1/16S473J
R 2022 (A,25,101) RS1/16S102J
R 2023 (B,10,103) RS1/16S3002D
CAPACITORS
C 1904 (B,18,61) CKSYF106Z10
C 1907 (B,31,127) CKSRYB104K16
C 1922 (B,26,85) CKSRYB104K16
C 1923 (B,30,103) CKSRYB103K50
C 2011 (A,24,84) CKSRYB104K16
C 2012 (B,13,94) CKSRYB105K10
C 2013 (A,24,88) CKSRYB224K16
C 2014 (A,24,93) CKSRYB104K16
C
Unit Number : CWX3514
Unit Name : CD Core
Unit(S10.5COMP2)
MISCELLANEOUS
IC 201 (A,34,46) IC PE5547A
IC 301 (A,27,14) IC BA5839FP
Q 101 (B,56,72) Transistor 2SA1577
Q 102 (B,47,57) Transistor 2SB1689
X 201 (A,23,35) Ceramic Resonator 16.934 MHz CSS1603
S 901 (A,53,37) Switch(HOME) CSN1067
S 903 (B,19,58) Switch(DSCSNS) CSN1067
S 904 (B,38,67) Switch(12EJ) CSN1068
Circuit Symbol and No. Part No.

DEH-P5950IB/XN/ES
48
1234
1234
C
D
F
A
B
E
S 905 (B,24,68) Switch(8EJ) CSN1068
RESISTORS
R 101 (B,60,73) RS1/10SR2R4J
R 102 (B,59,71) RS1/10SR2R4J
R 103 (B,60,71) RS1/10SR2R7J
R 104 (B,52,69) RS1/16SS222J
R 105 (B,41,57) RS1/16SS102J
R 107 (B,41,59) RS1/16SS105J
R 202 (B,32,62) RS1/16SS473J
R 203 (B,42,45) RS1/16S473J
R 204 (A,25,61) RS1/16SS221J
R 206 (B,26,53) RS1/16SS104J
R 210 (B,13,32) RS1/16SS102J
R 214 (B,36,34) RS1/16SS472J
R 216 (B,47,49) RS1/16SS472J
R 221 (B,36,32) RS1/16SS103J
R 222 (B,35,32) RS1/16SS103J
R 225 (A,49,49) RS1/16SS103J
R 226 (A,49,50) RS1/16SS393J
R 227 (B,45,51) RS1/16SS562J
R 228 (B,42,53) RS1/16SS122J
R 229 (B,44,53) RS1/16SS472J
R 230 (B,21,28) RS1/16SS0R0J
R 232 (B,43,51) RS1/16SS122J
R 233 (B,29,52) RS1/16SS103J
R 234 (B,30,61) RS1/16SS473J
R 235 (A,25,63) RS1/16SS473J
R 239 (B,26,48) RS1/16SS473J
R 240 (B,10,31) RS1/16SS473J
R 241 (B,9,32) RS1/16SS103J
R 244 (A,20,52) RS1/16SS473J
R 255 (A,27,63) RAB4CQ104J
R 307 (A,34,19) RS1/16SS183J
R 308 (A,38,20) RS1/16SS183J
R 309 (A,35,21) RS1/16SS183J
R 310 (A,38,21) RS1/16SS183J
R 601 (B,28,38) RS1/16SS0R0J
R 602 (B,27,41) RS1/16SS0R0J
R 606 (B,23,41) RS1/16SS0R0J
R 701 (B,16,35) RS1/16SS221J
R 702 (A,23,55) RS1/16SS221J
CAPACITORS
C 106 (B,56,69) CKSQYB475K6R3
C 202 (A,27,57) CKSSYB104K10
C 204 (A,24,63) CKSSYB103K16
C 205 (B,23,43) CKSQYB475K6R3
C 206 (A,22,39) CKSSYB104K10
C 207 (A,24,37) CKSRYB104K16
C 209 (B,33,40) CEVW220M6R3
C 210 (B,29,42) CKSSYB104K10
C 211 (A,27,34) CKSSYB104K10
C 212 (B,29,32) CKSRYB104K16
C 213 (A,44,37) CKSSYB104K10
C 214 (A,28,33) CKSSYB104K10
C 216 (A,50,51) CKSSYB332K50
C 217 (A,46,51) CKSSYB104K10
Circuit Symbol and No. Part No.
C 218 (A,49,51) CKSSYB473K10
C 219 (A,45,53) CKSSYB104K10
C 220 (A,46,53) CKSSYB182K50
C 221 (A,44,53) CKSSYB104K10
C 222 (B,43,53) CCSSCH560J50
C 223 (B,45,53) CCSSCH4R0C50
C 224 (A,43,55) CKSSYB104K10
C 226 (A,40,58) CCSSCH680J50
C 227 (A,40,60) CCSSCH470J50
C 228 (A,39,62) CKSSYB103K16
C 229 (B,49,59) CKSSYB104K10
C 236 (A,42,61) CKSSYB104K10
C 239 (B,44,51) CCSSCH220J50
C 240 (A,35,61) CKSSYB104K10
C 250 (B,36,30) CKSSYB102K50
C 251 (B,33,29) CKSSYB102K50
C 303 (A,35,19) CKSSYB472K25
C 304 (A,34,21) CKSSYB223K16
C 307 (B,25,9) CKSRYB104K16
C 308 (B,10,27) CKSRYB105K10
C 703 (B,11,37) CCSSCH101J50
C 704 (B,8,36) CKSSYB102K50
C 711 (A,25,26) CKSSYB104K10
D
Unit Number : CWM8758(ES)
Unit Number : CWM9835(ID)
Unit Name : Panel Unit
MISCELLANEOUS
D 1970 LED(ES) CL220PGC
LED(ID) CL220SRCTS
S 1970 Push Switch(ES) CSG1112
Push Switch(ID) CSG1135
RESISTORS
R 1970 RS1/16S101J
R 1971 RS1/16S101J
R 1972 RS1/16S0R0J
CAPACITORS
C 1970 CKSRYB104K16
Miscellaneous Parts List
Pickup Unit(P10.5)(Service) CXX1942
M 1 Motor Unit(SPINDLE) CXC7134
M 2 Motor Unit(LOADING/CARRIAGE) CXC4026
Circuit Symbol and No. Part No.

DEH-P5950IB/XN/ES 49
5678
5678
C
D
F
A
B
E
6. ADJUSTMENT
6.1 CD ADJUSTMENT
1) Cautions on adjustments
• In this product the single voltage (3.3 V) is used for the
regulator. The reference voltage is the REFO1 (1.65 V)
instead of the GND.
If you should mistakenly short the REFO1 with the GND
during adjustment, accurate voltage will not be obtained,
and the servo’s misoperation will apply excessive shock
to the pickup. To avoid such problems:
a. Do not mix up the REFO1 with the GND when
connecting the (-) probe of measuring instruments.
Especially on an oscilloscope, avoid connecting the (-)
probe for CH1 to the GND.
b. In many cases, measuring instruments have the same
potential as that for the (-) probe. Be sure to set the
measuring instruments to the floating state.
c. If you have mistakenly connected the REFO1 to the GND,
turn off the regulator or the power immediately.
• Before mounting and removing filters or leads for
adjustment, be sure to turn off the regulator.
• For stable circuit operation, keep the mechanism
operating for about one minute or more after the
regulator is turned on.
• In the test mode, any software protections will not
work. Avoid applying any mechanical or electrical
shock to the mechanism during adjustment.
• The RFI and RFO signals with a wide frequency range
are easy to oscillate. When observing the signals,
insert a resistor of 1 k ohms in series.
• The load and eject operation is not guarantied with the
mechanism upside down. If the mechanism is blocked
due to mistaken eject operation, reset the product or
turn off and on the ACC to restore it.
2) Test mode
This mode is used to adjust the CD mechanism module.
• To enter the test mode.
While pressing the 4 and 6 keys at the same time, reset.
• To exit from the test mode.
Turn off the ACC and back up.
Notes:
a. During ejection, do not press any other keys than the
EJECT key until the loaded disc is ejected.
b. If you have pressed the (→) key or (←) key during focus
search, turn off the power immediately to protect the
actuator from damage caused by the lens stuck.
c. For the TR jump modes except 100TR, the track jump
operation will continue even if the key is released.
d. For the CRG move and 100TR jump modes, the tracking
loop will be closed at the same time when the key is
released.
e. When the power is turned off and on, the jump mode
is reset to the single TR (91), the RF amp gain is set to 0 dB,
and the auto-adjustment values are reset to the default
settings.

DEH-P5950IB/XN/ES
50
1234
1234
C
D
F
A
B
E
[Key]
Contents
Display
[4] + [6] + Reset or
[4] + [6] + BU + ACC
Test Mode In
[CD] or [SOURCE]
Source On
TRK MIN SEC
[BAND]
Power On
(T.Offset is adjusted)
TRK MIN SEC
00 00 00
[3]
Power On
(T.Offset is not adjusted)
99 99 99
[2]
RF AMP
Gain switching
GG GG GG
*1
[4]
SPINDLE
Speed switching
SP SP SP
*9
[3]
Focus Close
S curve check
TRK MIN SEC
91 91 91
[6]
Focus Mode switching
0X 0X 0X
*2
[1]
Tracking Servo
Close
00 00 00
or 99 99 99
[>]
CRG +
[2]
Self-adjusting
switching
TRK MIN SEC
?? ?? ??
*3*8
[<]
CRG -
*8
[BAND]
Power Off
TRK MIN SEC
[BAND]
Power Off
TRK MIN SEC
[BAND]
Power Off
TRK MIN SEC
[BAND]
Power Off
TRK MIN SEC
[1]
T.Close & AGC
Applicable servomechanism
TRK MIN SEC
?tr ?min ?sec
[6] [3]
RF AGC /
RF AGC coefficient display
[>]
CRG +
8X 8X 8X
or 9X 9X 9X
[2]
T.Balance adjustment /
T.BAL coefficient display
TRK MIN SEC
?? ?? ??
[<]
CRG -
T.Close
Applicable servomechanism
?? ?? ??
[1]
F,T,RF AGC
F.Bias display switching
TRK MIN SEC
TRK MIN SEC
TRK MIN SEC
TRK MIN SEC
?tr ?min ?sec
TRK MIN SEC
[3] [6]
CRG/TR jump
value switching
[>]
CRG/TR Jump +
[2]
Tracking Open
[<]
CRG/TR Jump -
?tr ?min ?sec
TRK MIN SEC
TRK MIN SEC
TRK MIN SEC
?tr ?min ?sec
00 00 00
or 99 99 99
TRK MIN SEC
TRK MIN SEC
?tr ?min ?sec
8X 8X 8X
or 9X 9X 9X
8X 8X 8X
or 9X 9X 9X
00 00 00
or 99 99 99
TRK MIN SEC
?tr ?min ?sec?? ?? ??
*7 F,T AGC / F.Bias
RF AGC
8X 8X 8X
or 9X 9X 9X
[2]
Tracking Open
*6
*5
*4 *4
Operation
[Key] Test Mode
[BAND] Power On/Off
[>] CRG + / TR Jump +
(Direction of the external surface)
[<] CRG - / TR Jump -
(Direction of the internal surface)
[1] T. CLS & AGC & Applicable servomechanism /
AGC,AGC display setting
[2] RF Gain switching / Offset adjustment display /
T.Balance adjustment / T. Open
[3] F. Close,S Curve / Rough Servo and RF AGC /
F,T,RF AGC
[4] SPDL 1X/2X switching
As for the double speed(2x), audio output cannot be
supported.
[5] Error Rate measurement
ON : ERR 30Counts Start
BER display data[%]
[6] F. Mode switching / Tracking Close / CRG•TR
Jump Switching
*) • After the [Eject] key is pressed keys other than the [Eject] key should not be pressed, until disc ejection is complete.
• When the key [2] or [3] is pressed during the Focus Search, the power supply should be immediately turned off (otherwise the lens
sticks to Wall, causing the actuator to be damaged).
• In the case of TR jump other than to 100TR, the function shall continue to be processed even if the TR jump key is released. As for
the CRG Move and 100TR Jump, the mechanism shall be set to the Tracking Close mode when the key is released.
• When the power is turned on/off the jump mode is reset to the Single TR (91) while the gain of the RFAMP is reset to 0 dB. At the
same time all the self-adjusting values shall return to the default setting.
*10
TRK MIN SEC
[5]
Gop Mode
Gop Mode switching
OL OL OL
- Flow Chart
*1) TYP → + 6 dB → + 12 dB
TRK MIN SEC TRK06MIN06SEC06 TRK12MIN12SEC12
*2) Focus Close → S Curve check setting → F EQ measurement setting
TRK00MIN00SEC00 TRK01MIN01SEC01 TRK02MIN02SEC02
(
TRK99MIN99SEC99)
*3) F.Offset Display → RF.Offset → T.Offset Display → Switch to the
order of the original display
*4) 1TR/4TR/10TR/32TR/100TR
*5) Single → 4TR → 10TR → 32TR → 100TR → CRG Move
9x(8x):91(81) 92(82) 93(83) 94(84) 95(85) 96(86)
*6) Only at the time of CRG move, 100TR jump
*7) TRK/MIN/SEC → F.AGC → T.AGC Gain → F.Bias → RF AGC
*8) CRG motor voltage = 2 [V]
*9) TYP (1X)
→ 2X → 1X
TRK MIN SEC TRK22MIN22SEC22 TRK11MIN11SEC11
*10) OFF(TYP)
→ FORCUS → TRACKING
TRK MIN SEC TRK70MIN70SEC70 TRK71MIN71SEC71
• As for the double speed (2x), audio output cannot be supported

DEH-P5950IB/XN/ES 51
5678
5678
C
D
F
A
B
E
6.2 CHECKING THE GRATING AFTER CHANGING THE PICKUP UNIT
CD CORE UNIT(S10.5COMP2)
• Note :
The grating angle of the PU unit cannot be adjusted after the PU unit is changed. The PU unit in the CD mechanism
module is adjusted on the production line to match the CD mechanism module and is thus the best adjusted PU
unit for the CD mechanism module. Changing the PU unit is thus best considered as a last resort. However, if the
PU unit must be changed, the grating should be checked using the procedure below.
• Purpose :
To check that the grating is within an acceptable range when the PU unit is changed.
• Symptoms of Mal-adjustment :
If the grating is off by a large amount symptoms such as being unable to close tracking, being unable to perform
track search operations, or taking a long time for track searching.
• Method :
• Measuring Equipment
• Measuring Points
• Oscilloscope, Two L.P.F.
• E, F, REFO1
• Disc • TCD-782
• Mode • TEST MODE
• Checking Procedure
1. In test mode, load the disc and switch the 3 V regulator on.
2. Using the → and ← buttons, move the PU unit to the innermost track.
3. Press key 3 to close focus, the display should read "91". Press key 2 to implement the tracking balance
adjustment the display should now read "81". Press key 3. The display will change, returning to "81" on the
fourth press.
4. As shown in the diagram above, monitor the LPF outputs using the oscilloscope and check that the phase
difference is within 75° . Refer to the photographs supplied to determine the phase angle.
5. If the phase difference is determined to be greater than 75° try changing the PU unit to see if there is any
improvement. If, after trying this a number of times, the grating angle does not become less than 75° then the
mechanism should be judged to be at fault.
• Note
Because of eccentricity in the disc and a slight misalignment of the clamping center the grating waveform may be
seen to "wobble" ( the phase difference changes as the disc rotates). The angle specified above indicates the
average angle.
• Hint
Reloading the disc changes the clamp position and may decrease the "wobble".
100 kΩ
390 pF
100 kΩ
390 pF
E
VREF
F
VREF
Xch Ych
L.P.F.
L.P.F.
Oscilloscope
FE
REFO1

DEH-P5950IB/XN/ES
52
1234
1234
C
D
F
A
B
E
Grating waveform
45°
0°
75°
60°
30°
90°
Ech → Xch 20 mV/div, AC
Fch → Ych 20 mV/div, AC

DEH-P5950IB/XN/ES 53
5678
5678
C
D
F
A
B
E
6.3 ERROR MODE
- Error Messages
If a CD is not operative or stopped during operation due to an error, the error mode is turned on and cause(s) of
the error is indicated with a corresponding number. This arrangement is intended at reducing nonsense calls from
the users and also for facilitating trouble analysis and repair work in servicing.
(1) Basic Indication Method
1) When SERRORM is selected for the CSMOD (CD mode area for the system), error codes are written to DMIN
(minutes display area) and DSEC (seconds display area). The same data is written to DMIN and DSEC. DTNO
remains in blank as before.
2) Head unit display examples
Depending on display capability of LCD used, display will vary as shown below. xx contains the error number.
8-digit display 6-digit display 4-digit display
ERROR–xx ERR–xx E–xx
(2) Error Code List
Code Class Displayed error code Description of the code and potential cause(s)
10 Electricity Carriage Home NG CRG can't be moved to inner diameter.
SERVO LSI Com- CRG can't be moved from inner diameter.
munication Error → Failure on home switch or CRG move mechanism.
Communication error between microcomputer and SERVO LSI.
11 Electricity Focus Servo NG Focusing not available.
→ Stains on rear side of disc or excessive vibrations on REWRITABLE.
12 Electricity Spindle Lock NG Spindle not locked. Sub-code is strange (not readable).
Subcode NG → Failure on spindle, stains or damages on disc, or excessive vibrations.
A disc not containing CD-R data is found.
Turned over disc are found, though rarely.
CD signal error.
17 Electricity Setup NG AGC protection doesn't work. Focus can be easily lost.
→ Damages or stains on disc, or excessive vibrations on REWRITABLE.
30 Electricity Search Time Out Failed to reach target address.
→ CRG tracking error or damages on disc.
44 Electricity ALL Skip Skip setting for all track.
(CD-R/RW)
50 Mechanism CD On Mech Error Mechanical error during CD ON.
→ Defective loading motor, mechanical lock and mechanical sensor.
A0 System Power Supply NG Power (VD) is ground faulted.
→ Failure on SW transistor or power supply (failure on connector).
Remarks: Mechanical errors are not displayed (because a CD is turned off in these errors).
Unreadable TOC does not constitute an error. An intended operation continues in this case.
Upper digits of an error code are subdivided as shown below:
1x: Setup relevant errors, 3x: Search relevant errors, Ax: Other errors.

DEH-P5950IB/XN/ES
54
1234
1234
C
D
F
A
B
E
6.4 IPOD TEST MODE
[Built-in iPod Test Mode Specification (Test mode for service representatives)]
[Purpose of this test mode]
This is a specialized mode that aims to check malfunction condition of H/U and measure the product performance.
[Features of this test mode]
Enables switching at any time to the iPod source
Disables communication with iPod
Disables indication of logos (Pioneer) on iPod
Functions regardless of connection of the iPod body to H/U
[How to shift to test mode]
The following describes how to enter and display the test mode.
1 Disconnect the iPod body from H/U.
↓ [Background]
↓ If you try to start the test mode without disconnecting iPod, initial communication will start between iPod
↓ and H/U before you can enter the test mode. This will disable the iPod operation from the iPod body.
↓ To enable the iPod operation during the test mode from the iPod body, make sure to disconnect
↓ the iPod body from H/U.
↓
2 Press [4] and [6] together to reset and start the test mode.
↓
3 Press such as the [SOURCE] key to switch to the iPod source.
↓
4 Connect the iPod body to H/U as need.
[Cancellation of test mode]
The test mode is cancelled by executing any of the following.
ACC_OFF ∗This applies to the case that the test mode is set to be cancelled with ACC_OFF.
B. Up_OFF
Pressing the H/U reset button
[Operational specifications for test mode]
The following specifies the key allocation and the actions.
[On-screen image]
The following are the on-screen display images.
The following are displayed as title information.
Default
OFF
Remarks
Switches ON/OFF the charging circuit to iPod.
Key Action
ON/OFF state of charging circuit (1: ON, 0: OFF)
1

DEH-P5950IB/XN/ES 55
5678
5678
C
D
F
A
B
E
6.5 SYSTEM MICROCOMPUTER TEST PROGRAM
- PCL Output
In the normal operation mode (with the detachable panel installed, the ACC switched ON, the standby mode
cancelled), shift the TESTIN IC601(Pin 86) terminal to H.
The clock signal is output from the PCL terminal IC601(Pin 41).
The frequency of the clock signal is 625 kHz that is one 32th of the fundamental frequency(20 MHz/32).
The clock signal should be 625 kHz(±25 Hz).
If the clock signal is out of the range, the X'tal (X601) should be replaced with new one.

DEH-P5950IB/XN/ES
56
1234
1234
C
D
F
A
B
E
7. GENERAL INFORMATION
7.1 DIAGNOSIS
7.1.1 DISASSEMBLY
-
Removing the CD Mechanism Module (Fig.1)
1
Fig.1
-
Removing the Case (not shown
)
Grille Assy
-
Removing the Grille Assy (Fig.1
)
1. R
e
m
o
v
e
t
h
e
Case.
CD Mechanism Module
1
1
1
1
Fig.2
Tuner Amp Unit
-
Removing the Tuner Amp Unit (Fig.2
)
R
e
m
o
v
e
t
h
e
sc
r
e
w
.
1
R
e
m
o
v
e
t
h
e
f
ou
r
sc
r
e
w
s.
Di
sco
nn
ect
t
h
e
co
nn
ecto
r
a
n
d
t
h
e
n r
e
m
o
v
e
t
h
e
C
D M
ec
h
a
ni
s
m M
odu
l
e.
2
R
e
m
o
v
e
t
h
e
t
w
o
sc
r
e
w
s
a
n
d
t
h
e
n r
e
m
o
v
e
the Grille Ass
y.
2
2
1
22
2
33
3
3
R
e
m
o
v
e
t
h
e
t
hr
ee
sc
r
e
w
s.
2
Strai
g
hten the tabs at three locations
in
d
i
cated
a
n
d
t
h
e
n r
e
m
o
v
e
t
h
e
T
u
n
e
r
Am
p
Unit
.
3

DEH-P5950IB/XN/ES 57
5678
5678
C
D
F
A
B
E
A
A
B
B
Upper Frame
Lower Frame
B
B
B
B
a
Damper
Carriage Mechanism
Damper
Do not squeeze this area.
- How to hold the Mechanism Unit
- Removing the Upper and Lower Frames
1. With a disc inserted and clamped in the
mechanism, remove the two Springs (A),
the six Springs (B), and the four Screws.
2. Turn the Upper Frame using the part "a" as
a pivot, and remove the Upper Frame.
3. While lifting the Carriage Mechanism,
remove it from the three Dampers.
Caution: When assembling, be sure to apply
some alcohol to the Dampers and assemble
the mechanism in a clamped state.
1. Hold the Upper and Lower Frames.
2. Do not hold the front portion of the Upper
Frame, because it is not very solid.

DEH-P5950IB/XN/ES
58
1234
1234
C
D
F
A
B
E
Screw
Shorting Solder
CD Core Unit
Solder
Chassis
Pickup Rack
Pickup
Poly Washer Change Arm
Pickup Lock Arm
Feed Screw
Planet Gear
Inner Holder
- How to remove the CD Core Unit
1. Apply Shorting Solder to the flexible cable of
the Pickup, and disconnect it from the
connector.
2. Unsolder the four leads, and loosen the
Screw.
3. Remove the CD Core Unit.
Caution: When assembling the CD Core Unit,
assemble it with the SW in a clamped state
so as not to damage it.
- How to remove the Pickup Unit
1. Make the system in the carriage mechanism mode, and have it clamped.
2. Remove the CD Core Unit and remove the leads from the Inner Holder.
3. Remove the Poly Washer, Change Arm, and Pickup Lock Arm.
4. While releasing from the hook of the Inner Holder, lift the end of the Feed Screw.
Caution: When assembling, move the Planet Gear to the load/eject position before setting the Feed Screw in the Inner
Holder.
Assemble the sub unit side of the Pickup, taking the plate (Chassis) in-between. When treating the leads of the Load
Carriage Motor Assy, do not make them loose over the Feed Screw.

DEH-P5950IB/XN/ES 59
5678
5678
C
D
F
A
B
E
7.1.2 CONNECTOR FUNCTION DESCRIPTION
1. BUS+
2. GND
3. GND
4. NC
5. BUS-
6. GND
7. BUS L+
8. ASENB
9. BUS R+
10. BUS R-
11. BUS L-
111098
765
4321
1 B. UP
2 GROUND
3 ACC
4 NC
5 ILM
6 B. REM
7 NC
8 TEL MUTE
9 RL-
10 FL-
11 RL+
12 FL+
13 RR-
14 FR-
15 RR+
16 FR+
E SHIELD GND
13 AUDIO GND
12 NC
11 IPOD GND
10 ACC POWER
9 D GND
8 AUDIO R
7 NC
6 DOCK RX
5 AUDIO L
4 ACC ID
3 DOCK TX
2 F/W POWER
1 F/W GND
16
15
14
13
12
11
10
9
8
7
6
5
4
32
1
IP-BUS INPUT
REAR
OUTPUT
SUBWOOFER
OUTPUT
FRONT
OUTPUT
ANTENNA
AUX
iPod

DEH-P5950IB/XN/ES
60
1234
1234
C
D
F
A
B
E
7.2 IC
NJM2794V
OUT2
OUT1
IN1-
IN1+
IN2+
IN2-
Vref
GND
V+
14
13
12
11
10
9
8
1
2
3
4
5
6
7
IN1+
NC
IN1-
NC
IN2-
NC
IN2+
OUT1
NC
GND
VREF
V+
NC
OUT2

DEH-P5950IB/XN/ES 61
5678
5678
C
D
F
A
B
E
- Pin Layout
1
2
3
4
5
6
7
8
9
10
28
27
26
25
24
23
22
21
20
19
11
12
13
14
18
17
16
15
IN1_L
IN2_L
IN3_L
IN4+_L
IN4-_L
Front_L
Rear_L
Vcc
Vref
GND
IN1_R
IN2_R
IN3_R
IN4+_R
IN4-_R
Front_R
Rear_R
STB
CLK
DATA
FIE_L
Pre/SW_L
Vp
Pref
FIE_R
Pre/SW_R
LMout
PGND
- Block Diagram
Isolator
Isolator Auto
Zero
Gain
Adjuster
Input Selector
TRE BASS
LOUDNESS
Front_R
Rear_R
Front_L
Rear_L
Anti-Alias
Filter
Primary
Volume
IN1_L
IN2_L
IN3_L
IN4+_L
IN4-_L
IN4-_R
IN4+_R
IN3_R
IN2_R
IN1_R
STB
DATA
CLK
GND
Vcc
Vref
MID
Level Meter
LM_out
Secondary
Volume
Secondary
Volume
Pre/SW_L
Pre/SW_R
Anti-
Radiation
Filter
Supply
&
Reference
Anti-
Radiation
Filter
HPF
Digital
Block
Phase inv.LPF
FIE
FIE
FIE_L
FIE_R
Secondary
Volume
Vp
Pref
PGND
Soft step Blocks ( )
M.S.S.
M.S.
Secondary
Volume
Secondary
Volume
PML015B

DEH-P5950IB/XN/ES
62
1234
1234
C
D
F
A
B
E
PAL007C
1
TAB
2
P-GND2
3
OUT2-
4
STBY
5
OUT2+
6
VCC
7
OUT1-
8
P-GND1
9
OUT1+
10
SVR
11
IN1
12
IN2
13
S-GND
14
IN4
15
IN3
16
AC-GND
17
OUT3+
18
P-GND3
19
OUT3-
20
VCC
21
OUT4+
22
MUTE
23
OUT4-
24
P-GND4
SWITCH
25
+-+
-
Offset
Detection
+-+
-
Offset
Detection
+-+
-
Offset
Detection
+-+
-
Offset
Detection
Protector;
Over current limit
sw_vcc
stby
Protector;
Short circuit
Mute circuit
amp_vcc
Stand-by
Circuit
Protector;
Over voltage
sw_vcc
Protector;
Thermal
Reference
amp_vcc

DEH-P5950IB/XN/ES 63
5678
5678
C
D
F
A
B
E
Pin No. Pin Name I/O Format Function and Operation
1
2
3
4
5
6
7
8
9
10
11
12
13
14
15
16,17
18
19
20
21
22
23
24
25
26
27
28
29
30
31,32
33
34
35,36
37
38
39
40
41
42
43
44
45
46-50
51
52
53-59
60
61
62
63
64
65
66
67
68
SYSPW
KEYD
NC
cdrst
NC
BYTE
CNVSS
TELIN
NC
reset
XOUT
VSS
XIN
VCC
nmi
NC
VDCONT
NC
OELPW
NC
brxen
brst
PEE
NC
bsrq
RX
TX
DPDT
KYDT
NC
IPTX
IPRX
ROT1,0
ILMPW
SWVDD
dsens
FLPILM
PCL
ejtin
TUNPDI
TUNPDO
TUNPCK
NC
AUXON
IPODON
NC
VCC
NC
VSS
PID
psensg
PPOWER
psens
DALMON
NC
O
I
O
I
I
I
I
O
I
I
I
I
O
O
I/O
O
O
I
I
O
O
I
O
I
I
O
O
I
O
O
I
I
O
O
O
O
I
I
O
I
O
I
O
C
C
C
C
C
C
C
C
N
N
C
C
C
C
C
C
C
C
C
C
C
C
C
System power control output
Not used
Not used
CD mechanism reset output
Not used
External data bus width change input
Processor mode change input
Not used
Not used
Reset input
Main clock output
GND
Main clock input
Power supply input(+)
NMI input
Not used
VD power supply control
Not used
OEL power supply control
Not used
P-BUS : Reception enable input/output
P-BUS : Reset output
BEEP sound output
Not used
P-BUS : Service request input
IPBUS : Input
IPBUS : Output
OEL display microcomputer communication data output
OEL display microcomputer communication data input
Not used
iPod data output
iPod data input
Rotary encoder pulse input 1,0
Illumination power output
OEL display microcomputer chip enable output
Detach sense input
Flap illumination output
Output for clock adjustment
Eject key input
TUNER : Data input(PLL)
TUNER : Data output(PLL)
TUNER : Clock output(PLL)
Not used
EVOL : Source select(AUX)
EVOL : Source select(iPod)
Not used
Power supply input(+)
Not used
GND
Communication mode (UART) notification output
Connection sense input
Power supply control output
Connection sense input
For consumption current reduction output
Not used
- Pin Functions (PEG270A)

DEH-P5950IB/XN/ES
64
1234
1234
C
D
F
A
B
E
TC4066BFT
14 VDD
13 CONT1
12 CONT4
11 IN/OUT4
10 OUT/IN4
9 OUT/IN3
8 IN/OUT3
IN/OUT1 1
OUT/IN1 2
OUT/IN2 3
IN/OUT2 4
CONT2 5
CONT3 6
VSS 7
PEG270A
100 26
5076
25 51
751
Format Meaning
C CMOS
N Nch open drain
Pin No. Pin Name I/O Function and Operation
69
70
71
72
73
74
75
76
77
78
79
80
81
82,83
84
85
86
87
88
89
90
91
92,93
94
95
96
97
98
99
100
tunpce@
TUNPCE1
romcs
asens
bsens
ROMCK
ROMDATA
VST
VDT
VCK
IPPW
ASENBO
isens
MODEL1,0
NC
MUTE
TESTIN
PVSENS
NC
KEYAD
NC
CSENS
NC
AVSS
SL
VREF
AVCC
BSI
BSO
BSCK
O
O
O
I
I
O
I/O
O
O
O
O
O
I
I
O
I
I
I
I
I
I
I
I
O
O
Format
C
C
C
C
C
C
C
C
C
C
C
C
C
TUNER : Chip enable output(EEPROM)
TUNER : Chip enable output(PLL)
ROM correction chip select output
ACC sense input
Backup sense input
ROM correction clock output
ROM correction data input/output
EVOL : Strobe output
EVOL : Data output
EVOL : Clock output
IPBUS : Driver power supply control output
IPBUS : Slave ACC sense output
Illumination sense
Model select input 1,0
Not used
System mute output
Test program input
iPod short circuit sense
Not used
Not used
Not used
Flap opening-and-closing sense input
Not used
A/D converter GND(Connected to VSS)
Signal level input(Field intensity)
A/D converter reference voltage input
A/D converter power supply input terminal(Connected to VCC)
PBUS : Input
PBUS : Output
PBUS : Clock output

DEH-P5950IB/XN/ES 65
5678
5678
C
D
F
A
B
E
PEG268A 110
11 20
Pin No. Pin Name I/O Function and Operation
1
2
3
4
5
6
7
8
9
10
11
12
13
14
15
16
17,18
19
20
D_CLK
D_OUT
reset
XOUT
VSS
XIN
VCC
MODE
D_IN
rem
XRESET
DPDT
KYDT
MCLK
ADKEY2
VREF
ADKEY1,0
DIM
XCMD
O
O
I
O
I
I
I
I
I
I
O
I
O
O
I
I
I
O
O
OELD controller clock
OELD controller data output
MCU RESET
10 MHz crystal oscillator
GND
10 MHz crystal oscillator
Power supply input
Terminal for debug
OELD controller data input
Remote control input
Reset for OELD controller
DISP data input from sytem
KEY data output to system
OELD master clock output
AD KEY input 2
AD reference voltage input(VCC)
AD KEY input 1,0
General purpose port(DIMMER output)
Command select for OELD controller
- Pin Functions (PEG268A)
Format
C
C
C
C
C
C
C
PE5547A
144 37
72109
36 73
1081
Format Meaning
C CMOS
N Nch open drain
Format Meaning
C CMOS
- Pin Layout
vout GND VCC
123
- Block Diagram
Amp Limiter B.P.F Demodulato Integrator Comparator
GND VCC vout
1
32
RL
GP1UX51RK

DEH-P5950IB/XN/ES
66
1234
1234
C
D
F
A
B
E
Pin No. Pin Name I/O Format Function and Operation
1
2
3
4
5
6
7
8
9
10
11
12
13
14
15
16
17
18
19
20
21
22
23
24
25
26
27
28
29
30
31
32-36
37
38
39
40
41
42
43
44
45
46
47
48
49
50
51
52
53
54
55
56
57
58
59
ROMDATA
ROMCK
ROMCS
NC
LOEJ
DSCSNS
*sns
!@sns
home
TEMP
VDSENS
adena
ADC.VDD
ADC.GND
FLMD0
reset
PULLDOWN
NC
testin
NC
BSI
BSO
bsck
FTxD
FRxD
BRXEN
bsrq
NC
fmode
FLRQ
ROM
NC
MCKRQ
LRCKOK
puen
CD3VON
CONT
VDCONT
CLCONT
CDMUTE
TEST
brst
REGS
C.VDD
C.GND
XTAL
X.GND
xtal
X.VDD
DA.VDD
LOUT
DA.GND
REGC
DA.GND
ROUT
I/O
O
O
O
I
I
I
I
O
I
I
O
I
I
O
I/O
O
I
I/O
I/O
I
O
I
O
O
O
O
O
O
O
O
I
I
I
O
O
O
/C
C
C
C
C
C
N
N
N
N
/C
/C
C
N
N
C
C
C
C
C
C
E2PROM : Data input/output
E2PROM : Clock output
E2PROM : Chip select output
Not used
LOAD/EJECT direction switching output
Disc sense input
8 cm disc detection input
12 cm disc detection input
HOME SW sense input
Temperature information sense input
VD power supply short circuit/earth fault sense input
A/D reference voltage supply control output
Power supply for A/D converter
Ground for A/D converter
Flash writing control terminal
Internal microcomputer reset terminal
Pull-down
Not used
Chip check, test program start-up input
Not used
P-BUS : Serial data input
P-BUS : Serial data output
P-BUS : Serial clock input/output
Tx for flash rewriting
Rx for flash rewriting
P-BUS : Reception enable input/output
P-BUS : Service request input
Not used
Flash self-rewriting mode start-up input
Flash self-rewriting reset voltage control
Open(EMPH)
Not used
CLOCK request
LRCK reference enable
Pickup hologram power supply control output
CD + 3.3 V power supply control output
Servo driver power supply control output
VD power supply control output
CRG/LOAD-EJECT switching control output
CD mute control output
Test terminal
P-BUS : Communication reset input
Capacitor connection for standby
Power supply for internal microcomputer
Ground for internal microcomputer
Connected to the crystal oscillator
Ground for the crystal oscillator
Connected to the crystal oscillator
Power supply for the crystal oscillator
Power supply for DAC
Output of audio for the left channel
Ground for DAC
Connected to the capacitor for band gap
Ground for DAC
Output of audio for the right channel
- Pin Functions (PE5547A)

DEH-P5950IB/XN/ES 67
5678
5678
C
D
F
A
B
E
Pin No. Pin Name I/O Function and Operation
60
61
62
63
64
65
66
67-69
70
71
72
73
74
75
76
77
78
79-94
95
96
97-108
109
110
111
112
113
114
115
116
117
118
119
120
121
122
123,124
125
126
127
128
129
130
131
132
133
134
135
136
137
138
139
140
141
142
143
144
DA.VDD
D.GND
D.VDD
REG16
LRCK
SCKO
DOUT
SVMON0-2
SVMON3
C33M
(rcs)
(CKE)
ras
cas)(LDQM)
cas!(UDQM)
we
oe(cas)
RDB0-15
IO.GND
IO.VDD
RA0-11
FD
TD
SD
MD
EFM
ASY
ATEST
A.VDD
A.GND
RFI
AGCO
C3T
AGCI
RFO
EQ2,1
RF2-
RF-
A.GND
A.VDD
A
B
F
E
REFOUT
FE-
FEO
ADCIN
TE-
TEO
TE2
TEC
LD
PD
AD.VDD
AD.GND
O
O
O
I/O
I/O
O
O
O
O
O
O
O
O
I/O
O
O
O
O
O
O
I
O
I
O
I
O
I
I
I
I
I
I
I
O
I
O
I
I
O
O
I
O
I
Format
C
C
C
/C
/C
C
C
C
C
C
C
C
C
/C
C
C
C
C
C
Power supply for DAC
Ground for digital circuits
Power supply for digital circuits
Capacitor connection for 1.6 V regulator
3-wire audio LR clock output
3-wire audio serial I/F clock output
3-wire audio serial I/F data output
Servo monitor input/output 0-2
Servo monitor input/output 3(Ext MCK IN)
DRAM CLOCK
DRAM CS
DRAM CKE output
Output of DRAM RAS
DRAM Lower CAS(LDQM) output
DRAM Upper CAS(UDQM) output
Output of DRAM WE
DRAM OE(CAS) output
Input/output of DRAM data 0-15
Ground for I/O terminal
Power supply for I/O terminal
Output of DRAM address 0-11
Output of focus drive PWM
Output of tracking drive PWM
Output of thread drive PWM
Output of spindle drive PWM
Output of EFM signals
Asymmetry input
Analog tests
Power supply for the analog system
Ground for the analog system
Input of RF
Output of RF
Connection to the capacitor for detecting 3T
Input of AGC
Output of RF(AGC)
Equalizer 2, 1
Reversal input of RF2
Reversal input of RF
Ground for the analog system
Power supply for the analog system
Input of A
Input of B
Input of F
Input of E
Output of reference voltage
Reversal input of FE
Output of FE
FE,TE A/D converter input
Reversal input of TE
Output of TE
TE2
TEC
Output of LD
Input of PD
Power supply for servo ADC
Ground for servo ADC

DEH-P5950IB/XN/ES
68
1234
1234
C
D
F
A
B
E
No. Symbol I/O Explain
1 AMANT I AM antenna input AM antenna input high impedance AMANT pin is connected with
an all antenna by way of 4.7 μH. (LAU type inductor)A series circuit
including an inductor and a resistor is connected with RF ground for
the countermeasure against the hum of power transmission line.
2 RFGND RF ground Ground of antenna block
3 FMANT I FM antenna input Input of FM antenna 75 Ω Surge absorber(DSP-201M-S00B)is necessary.
4 VCC power supply The power supply for analog block. D.C 8.4 V ±0.3 V
5 SL O signal level Output of FM/AM signals level
6 CE2 I chip enable-2 Chip enable for EEPROM ”Low” active
7 NC non connection Not used
8 CE1 I chip enable-1 Chip enable for AF•RF ”High” active
9 CK I clock Clock
10 DI I data in Data input
11 NC non connection Not used
12 OSCGND osc ground Ground of oscillator block
13 ROM_VDD power supply Power supply for EEPROM pin 13 is connected with a power supply of
micro computer.
14 DO O data out Data output
15 DGND digital ground Ground of digital block
16 NC non connection Not used
17 VDD_3.3 power supply The power supply for digital block. 3.3 V ±0.2 V
18 NC non connection Not used
19 NC non connection Not used
20 NC non connection Not used
21 NC non connection Not used
22 AUDIOGND audio ground Ground of audio block
23 L ch O L channel output FM stereo “L-ch” signal output or AM audio output
24 R ch O R channel output FM stereo “R-ch” signal output or AM audio output
FMRF
ANT adj RF adj
FM ANT
T51 CF52
RFGND
OSCGND
DGND
AUDIOGND
NC
VCC
VDD_3.3
3.3 V 2.5 V
IC 4
3.3 V 2.5 V
←
IC 2
2.5 V
NC
CE2
ROM_VDD
SL
DI
CK
CE1
NC
DO
NC
NC
NC
NC
76 13 5 1098 11 14 18192021
1
3
212 1522 16 4 17
IC 1
3.3 V
AM ANT FMRF
ATT
LPF
OSC
IC 3 EEPROM
5.0 V
IC 5
5 V 3.3 V
←
ATT
MIXER, IF AMP DET, FM MPX
24
23
Rch
Lch
- FM/AM Tuner Unit

DEH-P5950IB/XN/ES 69
5678
5678
C
D
F
A
B
E
7.3 OPERATIONAL FLOW CHART
Vcc=5 V
Pin 14
Power ON
bsens=L
asens=L
bsens
Pin 73
asens
Pin 72
dsens=L
2 V < CSENS < 3 V
dsens
Pin 39
SWVDD←H
Pin 38
Source keys
operative
Completes power-on operation.
(After that, proceed to each source operation.)
SYSPW←H
Pin 1
Starts communication with Grille microcomputer.
Source ON
300 ms
300 ms
In case of the above signal, the communication
with Grille microcomputer may fail.
If the time interval is not 300 msec, the oscillator
may be defective.
CSENS
Pin 91
ASENBO←H
Pin 80
- 2 V < CSENS < 3 V
Last source returns.
CD loading functions are available.
Keys except for EJECT key are not available.

DEH-P5950IB/XN/ES
70
1234
1234
C
D
F
A
B
E
8. OPERATIONS
Press and hold to select bass boost setting
menu.

DEH-P5950IB/XN/ES 71
5678
5678
C
D
F
A
B
E
CXX1644
XXX7020
CXX1645

DEH-P5950IB/XN/ES
72
1234
1234
C
D
F
A
B
E
- Connection Diagram

DEH-P5950IB/XN/ES 73
5678
5678
C
D
F
A
B
E

DEH-P5950IB/XN/ES
74
1234
1234
C
D
F
A
B
E
Before shippin
g
out the product, be sure to clean the
f
ollowin
g
portions by usin
g
the prescribed cleanin
g
too
l
s
:
Portions to be cleaned Cleanin
g
tool
s
g
CD pickup lenses Cleaning liquid : GEM1004
Cleanin
g
p
a
p
er : GED-008
gp p
-
J
i
gs L
i
st
T
est
Di
sc
L
.
P
.
F.
TC
D-782
C
heckin
g
the
g
ratin
g
ggg
C
heckin
g
the
g
ratin
g
ggg
(
Two
p
ieces
)
(p )
N
ame J
ig
No
.
R
emarks
-
G
rease List
G
reas
e
G
reas
e
G
EM1
0
24
G
EM104
5
C
D Mechanism Modul
e
C
D Mechanism Modul
e
N
ame
G
rease No
.
R
emarks