Tmp.sgm DMREZ45VEB
User Manual: DMREZ45VEB
Open the PDF directly: View PDF
.
Page Count: 108 [warning: Documents this large are best viewed by clicking the View PDF Link!]

©2006 Matsushita Electric Industrial CO., Ltd. All
rights reserved. Unauthorized copying and
distribution is a violation of law.
DMR-EZ45VEB
Vol. 1
Colour
(S).......................Silver Type
DVD Recorder
ORDER NO.MAD0606019CE

1 SAFETY PRECAUTIONS 4
1.1. GENERAL GUIDELINES 4
2 WARNING 5
2.1. PREVENTION OF ELECTROSTATIC DISCHARGE (ESD)
TO ELECTROSTATIC SENSITIVE (ES) DEVICES 5
2.2. PRECAUTION OF LASER DIODE 6
2.3. SERVICE CAUTION BASED ON LEGAL RESTRICTIONS
7
3 SERVICE NAVIGATION 8
3.1. SERVICE INFORMATION 8
4 SPECIFICATION 9
5 LOCATION OF CONTROLS AND COMPONENTS 10
6 OPERATING INTRUCTIONS 11
6.1. (DVD) TAKING OUT THE DISC FROM RAM-DRIVE UNIT
WHEN THE DISC CANNOT BE EJECTED BY
OPEN/CLOSE BUTTON 11
6.2. (VHS) REMOVING OF CASSETTE TAPE 12
7 SERVICE MODE 14
7.1. (DVD) SELF-DIAGNOSIS AND SPECIAL MODE
SETTING 14
7.2. (VHS) SELF-DIAGNOSIS AND SPECIAL MODE
SETTING 24
8 SERVICE FIXTURE AND TOOLS 26
9 ASSEMBLING AND DISASSEMBLING 27
9.1. DISASSEMBLY FLOW CHART 27
9.2. P.C.B. POSITIONS 27
9.3. CAUTION WHILE INSERTING CASSETTE TAPE WHEN
DISASSEMBLING THE UNIT 27
9.4. TOP CASE 28
9.5. FRONT PANEL 28
9.6. FRONT JACK P.C.B. & FL DRIVE P.C.B. 29
9.7. REAR PANEL & FAN MOTOR 29
9.8. VCR MECHANISM UNIT 30
9.9. MAIN P.C.B. 31
9.10. TUNER 31
9.11. DVD-RAM DRIVE / DIGITAL P.C.B. MODULE 32
9.12. SD/DV IN P.C.B. 33
9.13. POWER & DIGITAL I/F P.C.B. 34
9.14. BACK END P.C.B. 35
9.15. HDMI P.C.B. 35
10 MEASUREMENTS AND ADJUSTMENTS 36
10.1. SERVICE POSITIONS 36
10.2. CAUTION FOR REPLACING PARTS 39
10.3. (DVD) STANDARD INSPECTION SPECIFICATION
AFTER MAKING REPAIRS 44
11 MISCELLANEOUS 45
11.1. ABBREVIATIONS 45
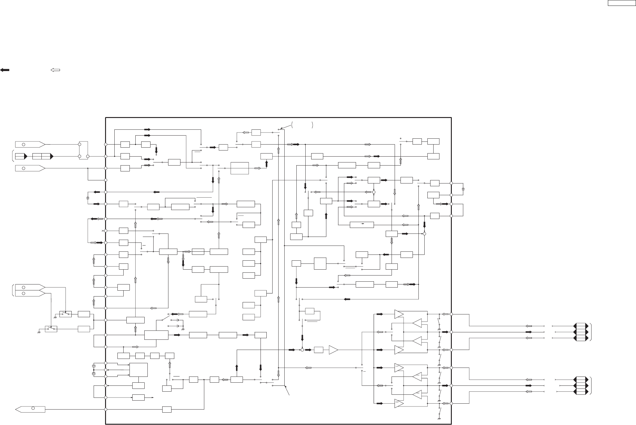
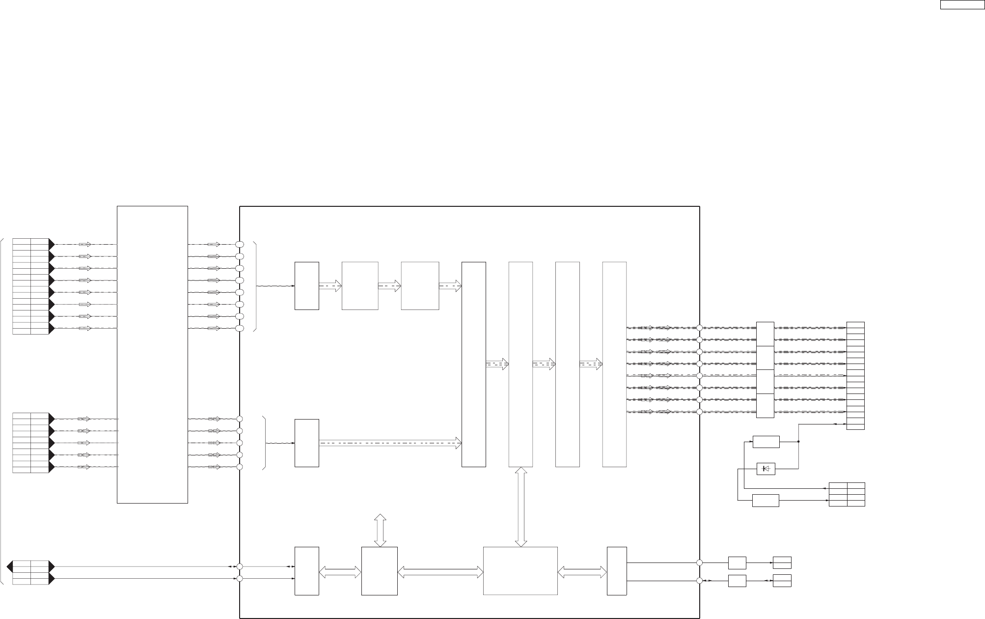
12 BLOCK DIAGRAM 51
12.1. POWER SUPPLY BLOCK DIAGRAM 51
12.2. SYSTEM CONTROL, SERVO & TIMER BLOCK
DIAGRAM 52
12.3. AUDIO BLOCK DIAGRAM 53
12.4. VIDEO BLOCK DIAGRAM 54
12.5. DIGITAL I/F P.C.B. BLOCK DIAGRAM 56
12.6. HDMI BLOCK DIAGRAM 57
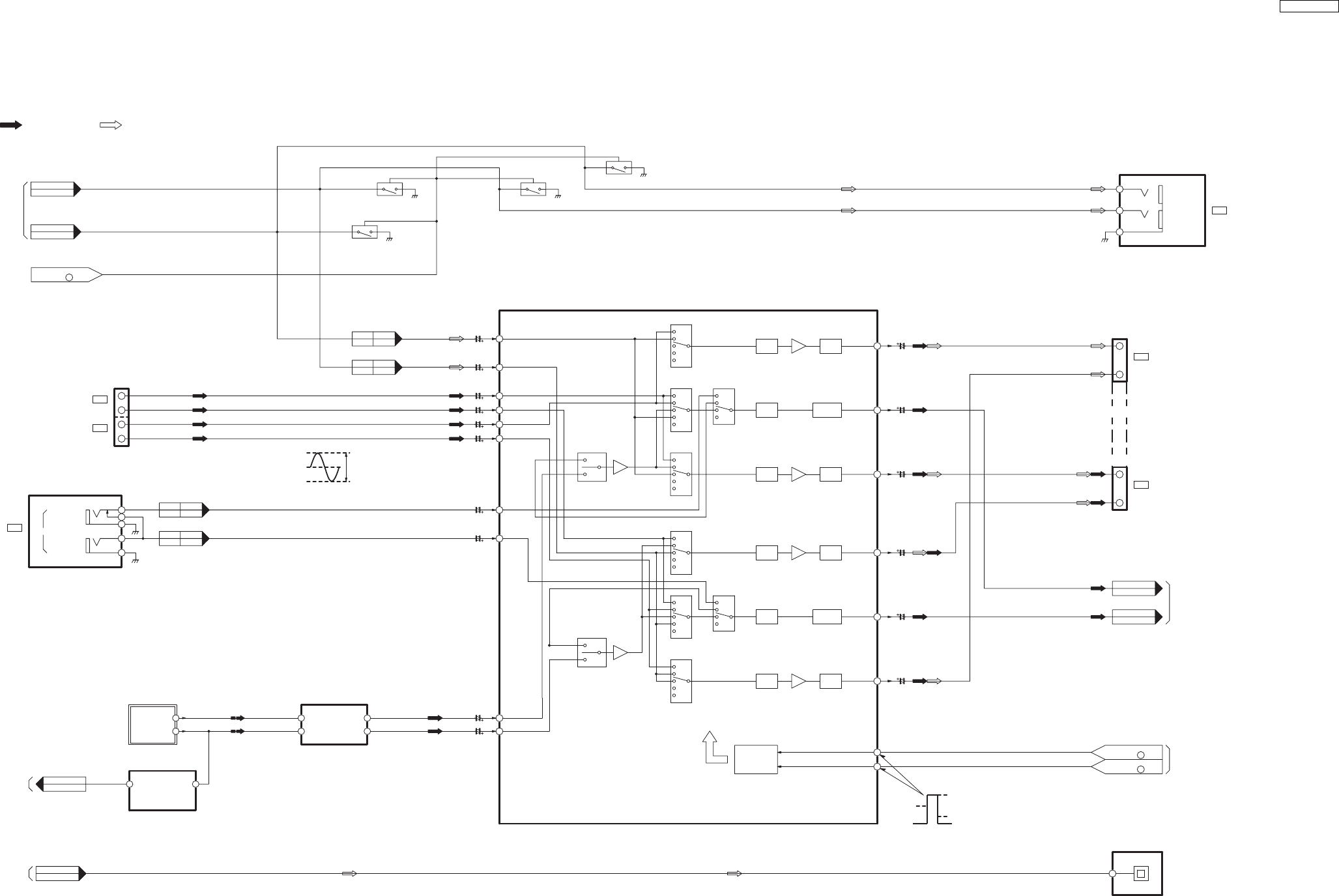
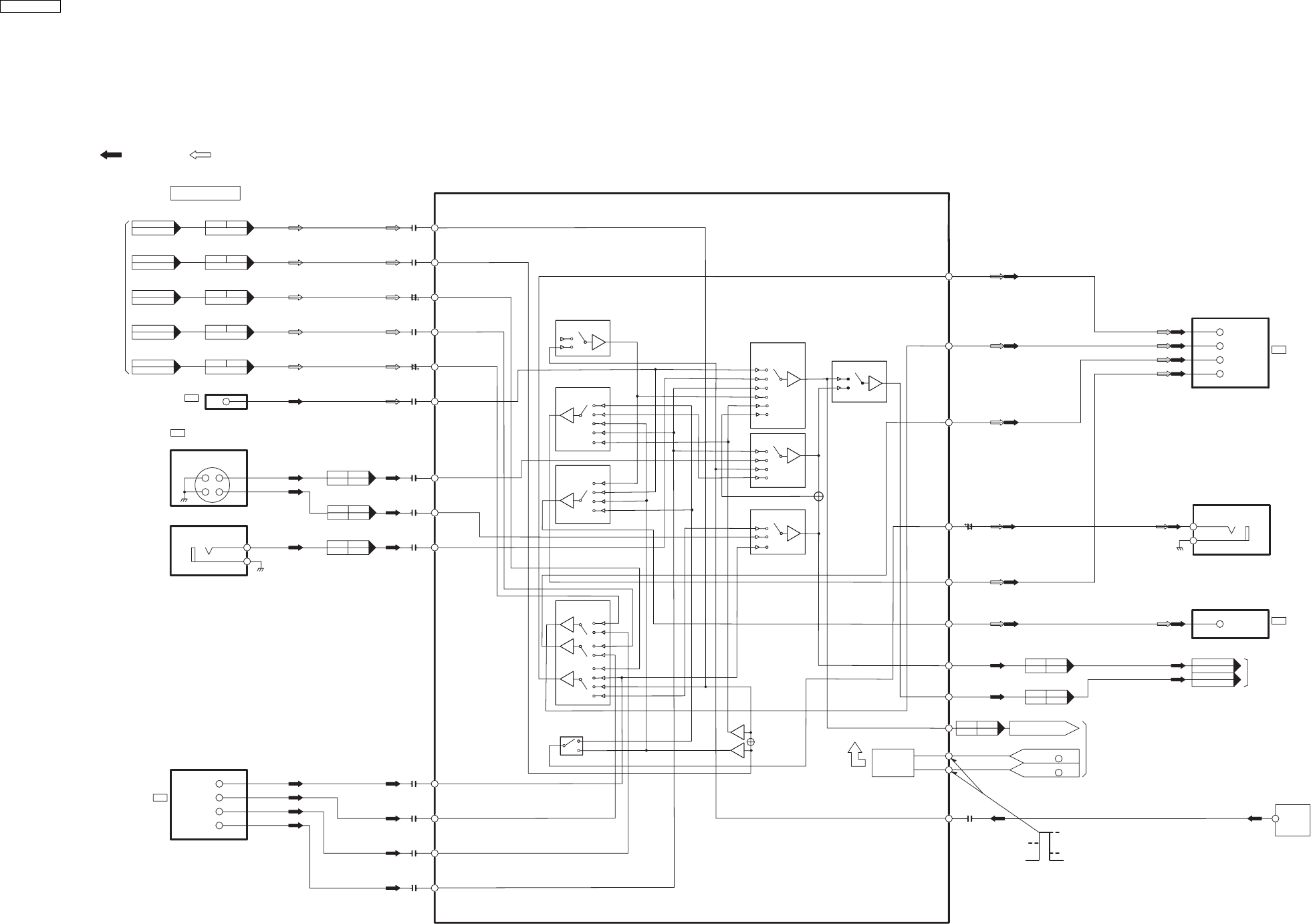
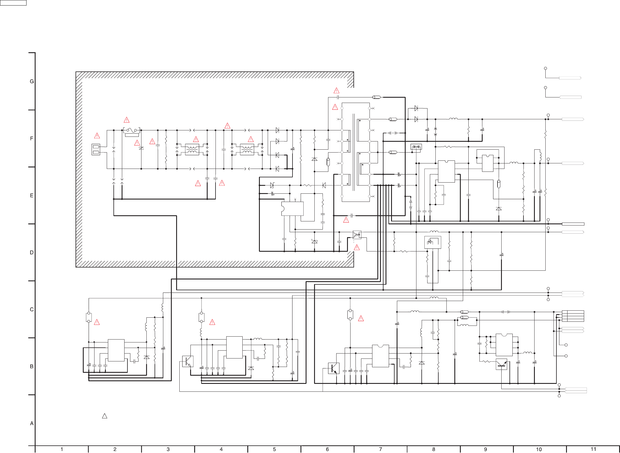
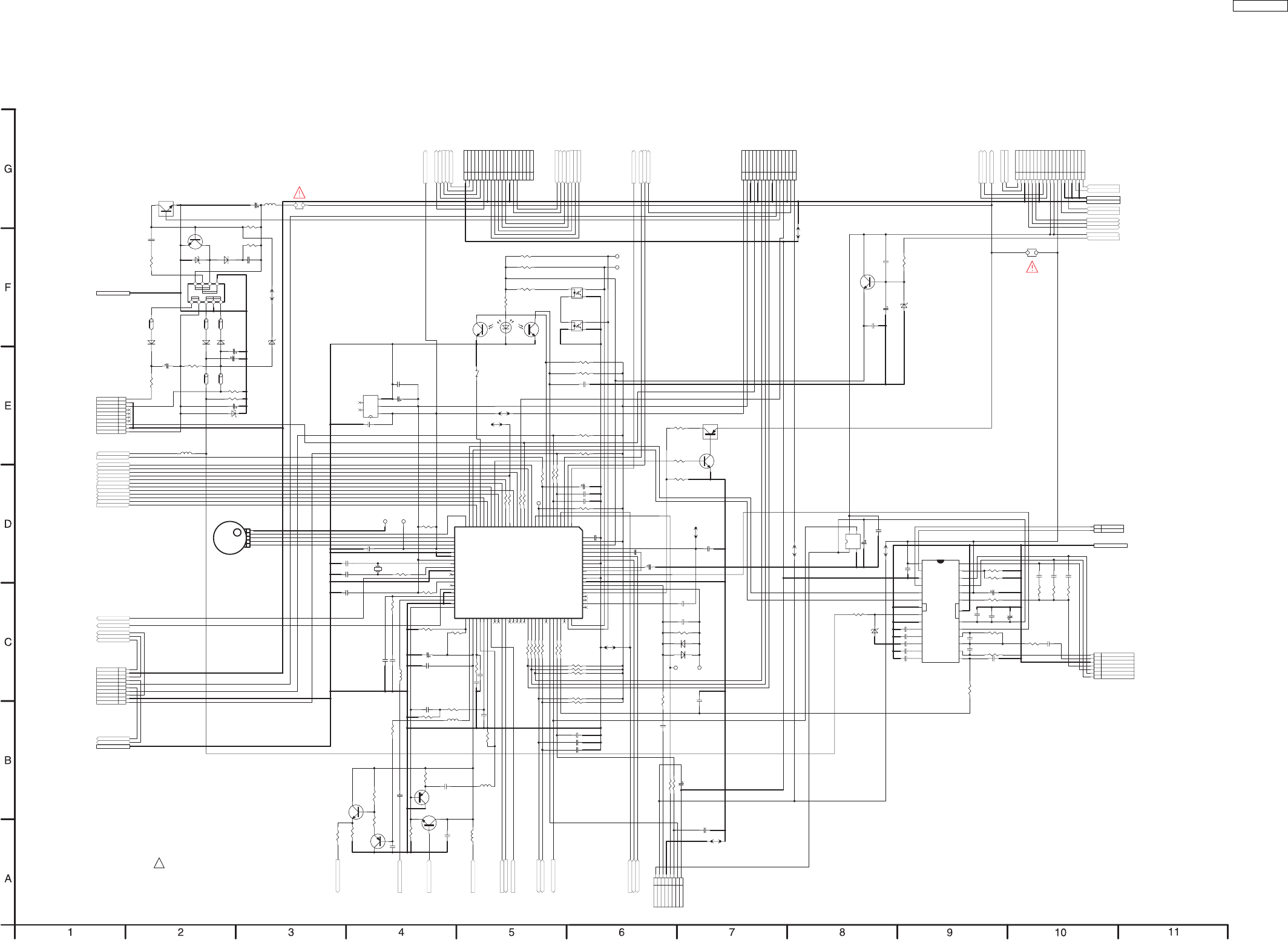
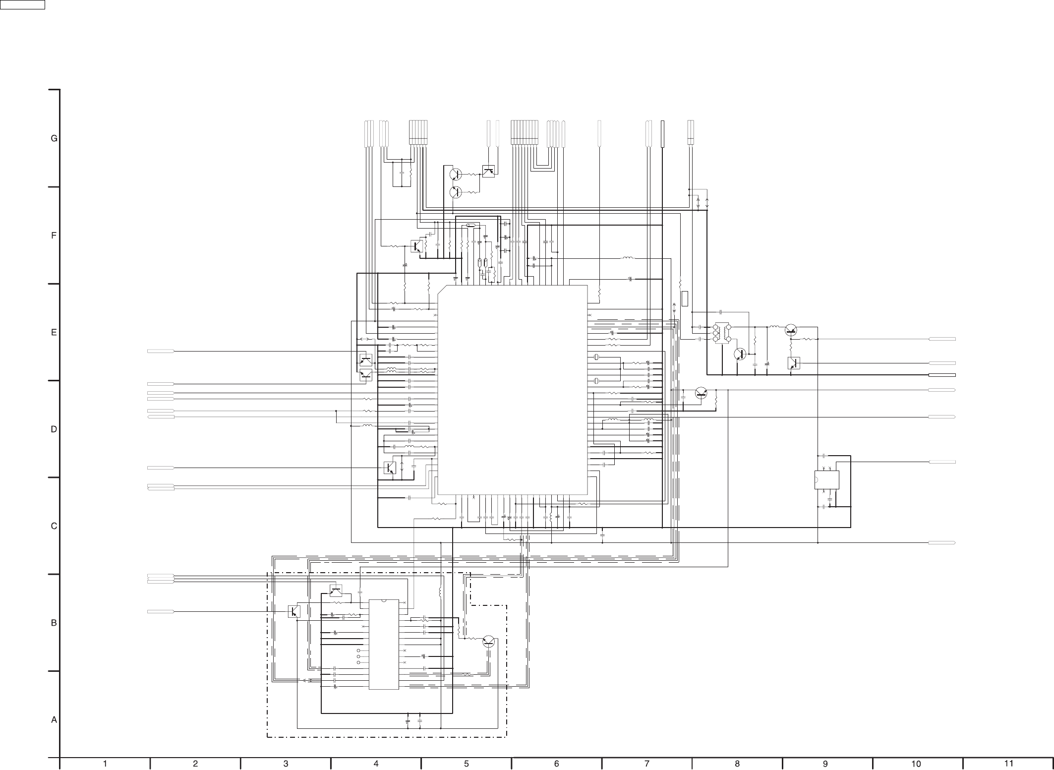
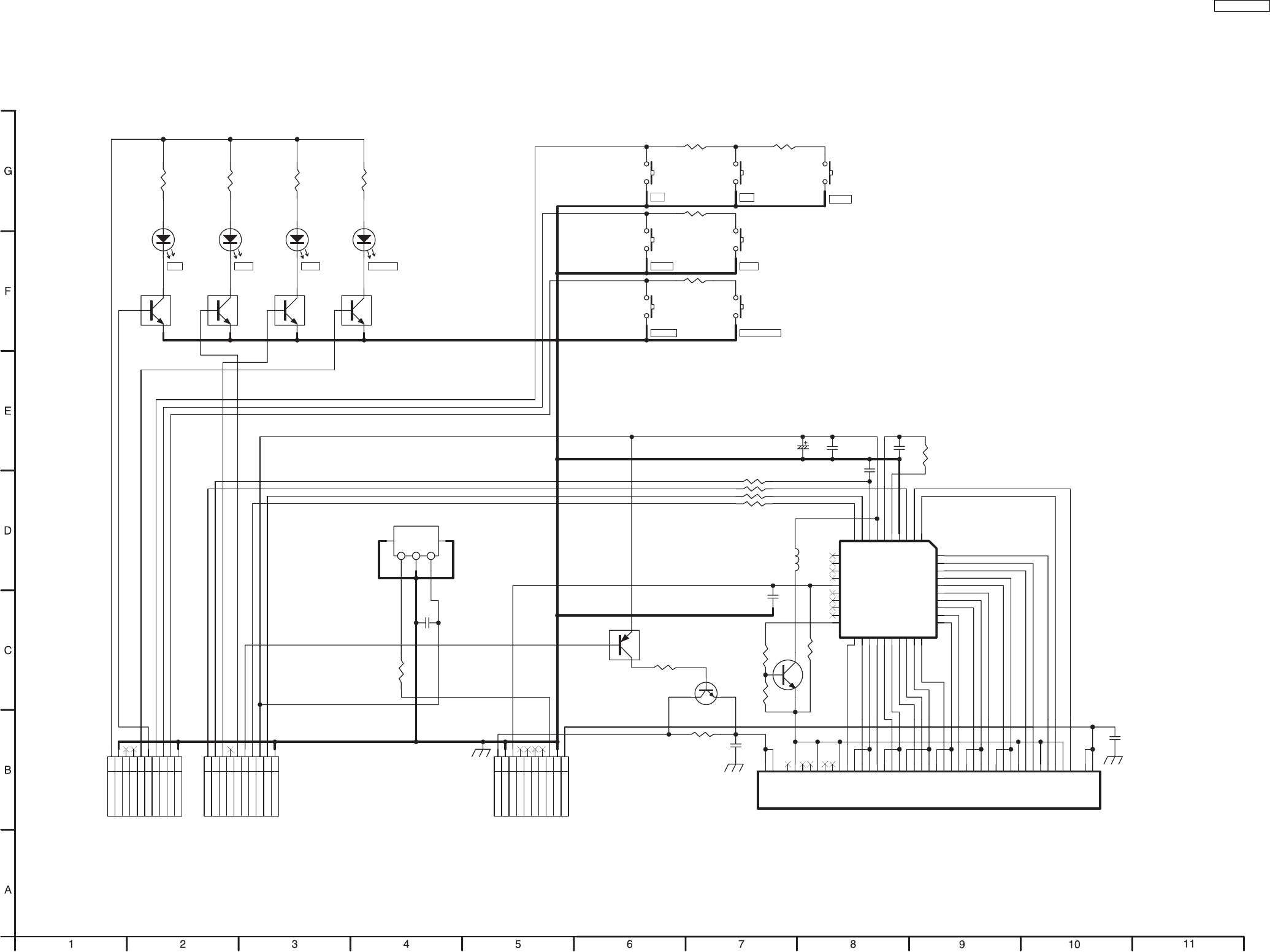
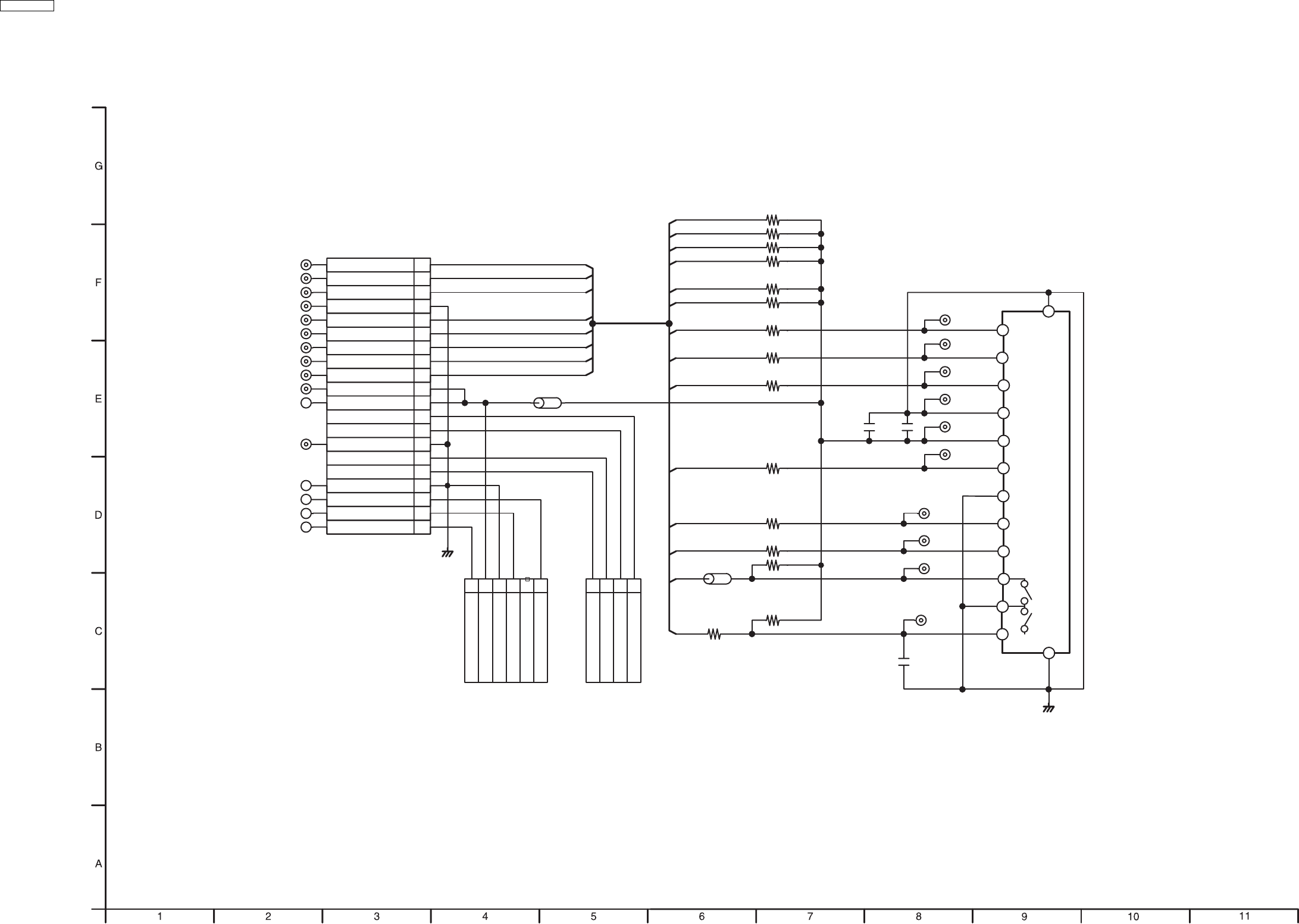
13 SCHEMATIC DIAGRAM 59
13.1. INTERCONNECTION DIAGRAM 59
13.2. POWER SUPPLY 60
13.3. DIGITAL I/F 61
13.4. IO / TUNER 62
13.5. SYSCON / SERVO / TIMER MAIN 63
13.6. VIDEO 64
13.7. AUDIO NICAM 65
13.8. FRONT JACK 66
13.9. FL DRIVE 67
13.10. SD/DV IN 68
13.11. HDMI 69
14 PRINTED CIRCUIT BOARD 71
14.1. POWER & DIGITAL I/F P.C.B. (COMPONENT SIDE) 71
14.2. POWER & DIGITAL I/F P.C.B. (SOLDER SIDE) 72
14.3. MAIN P.C.B. (COMPONENT SIDE) 73
14.4. MAIN P.C.B. (SOLDER SIDE) 74
14.5. FRONT JACK P.C.B. 75
14.6. FL DRIVE P.C.B. 76
14.7. SD/DV IN P.C.B. 77
14.8. HDMI P.C.B. 78
15 APPENDIX FOR SCHEMATIC DIAGRAM 79
15.1. VOLTAGE AND WAVEFORM CHART 79
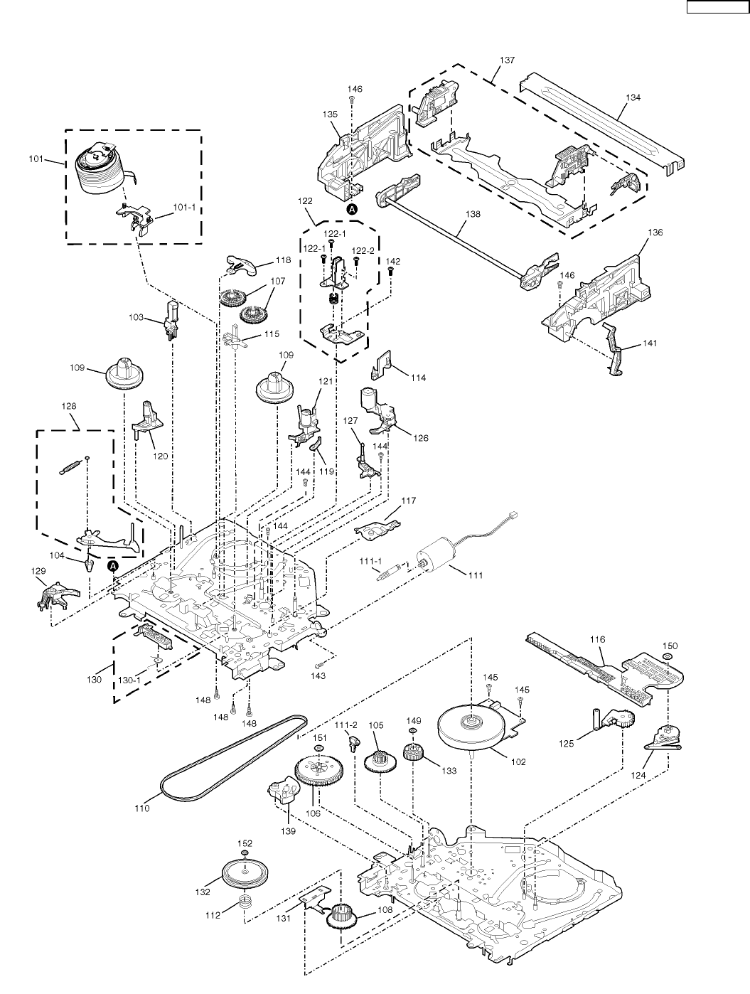
16 EXPLODED VIEWS 91
16.1. MECHANISM & CASING PARTS 91
16.2. FRONT PANEL PARTS 92
16.3. VHS MECHANISM PARTS 93
16.4. PACKING & ACCESSORIES 94
17 REPLACEMENT PARTS LIST 95
17.1. CASING PARTS & PRINTED CIRCUIT BOARDS 95
17.2. VHS MECHANISM PARTS 95
17.3. PACKING & ACCESSORIES PARTS 96
17.4. ELECTRICAL PARTS 96
17.5. SERVICE FIXTURE AND TOOLS 108
CONTENTS
Page Page
2
DMR-EZ45VEB

3
DMR-EZ45VEB

1 SAFETY PRECAUTIONS
1.1. GENERAL GUIDELINES
1. Be careful during removing metal parts, sharp edges.
2. When servicing, observe the original lead dress. If a short
circuit is found, replace all parts which have been
overheated or damaged by the short circuit.
3. After servicing, see to it that all the protective devices such
as insulation barriers, insulation papers shields are properly
installed.
4. After servicing, make the following leakage current checks
to prevent the customer from being exposed to shock
hazards.
1.1.1. LEAKAGE CURRENT COLD
CHECK
1. Unplug the AC cord and connect a jumper between the two
prongs on the plug.
2. Measure the resistance value, with an ohmmeter, between
the jumpered AC plug and each exposed metallic cabinet
part on the equipment such as screw heads, connectors,
control shafts, etc. When the exposed metallic part has a
return path to the chassis, the reading should be between
1MΩand 5.2MΩ.
When the exposed metal does not have a return path to
the chassis, the reading must be infinity.
Figure 1
1.1.2. LEAKAGE CURRENT HOT CHECK
1. Plug the AC cord directly into the AC outlet. Do not use an
isolation transformer for this check.
2. Connect a 1.5kΩ, 10 watts resistor, in parallel with a 0.15µF
capacitors, between each exposed metallic part on the set
and a good earth ground such as a water pipe, as shown in
Figure 1.
3. Use an AC voltmeter, with 1000 ohms/volt or more
sensitivity, to measure the potential across the resistor.
4. Check each exposed metallic part, and measure the
voltage at each point.
5. Reverse the AC plug in the AC outlet and repeat each of the
above measurements.
6. The potential at any point should not exceed 0.75 volts
RMS. A leakage current tester (Simpson Model 229 or
equivalent) may be used to make the hot checks, leakage
current must not exceed 1/2 milliampere. In case a
measurement is outside of the limits specified, there is a
possibility of a shock hazard, and the equipment should be
repaired and rechecked before it is returned to the
customer.
4
DMR-EZ45VEB

Some semiconductor (solid state) devices can be damaged
easily by static electricity. Such components commonly are
called Electrostatic Sensitive (ES) Devices. Examples of typical
ES devices are integrated circuits and some field-effect
transistor-sand semiconductor "chip" components. The
following techniques should be used to help reduce the
incidence of component damage caused by electrostatic
discharge (ESD).
1. Immediately before handling any semiconductor
component or semiconductor-equipped assembly, drain off
any ESD on your body by touching a known earth ground.
Alternatively, obtain and wear a commercially available
discharging ESD wrist strap, which should be removed for
potential shock reasons prior to applying power to the unit
under test.
2. After removing an electrical assembly equipped with ES
devices, place the assembly on a conductive surface such
as aluminum foil, to prevent electrostatic charge buildup or
exposure of the assembly.
3. Use only a grounded-tip soldering iron to solder
or unsolder ES devices.
4. Use only an anti-static solder removal device.
Some solder removal devices not classified
as "anti-static (ESD protected)" can generate electrical
charge sufficient to damage ES devices.
5. Do not use freon-propelled chemicals. These can generate
electrical charges sufficient to damage ES devices.
6. Do not remove a replacement ES device from its protective
package until immediately before you are ready to install it.
(Most replacement ES devices are packaged with leads
electrically shorted together by conductive foam, aluminum
foil or comparable conductive material).
7. Immediately before removing the protective material from
the leads of a replacement ES device, touch the protective
material to the chassis or circuit assembly into which the
device will be installed.
Caution
Be sure no power is applied to the chassis or circuit, and
observe all other safety precautions.
8. Minimize bodily motions when handling unpacked
replacement ES devices. (Otherwise harmless motion such
as the brushing together of your clothes fabric or the lifting
of your foot from a carpeted floor can generate static
electricity sufficient to damage an ES device).
2 WARNING
2.1. PREVENTION OF ELECTROSTATIC DISCHARGE (ESD) TO
ELECTROSTATIC SENSITIVE (ES) DEVICES
5
DMR-EZ45VEB

2.2. PRECAUTION OF LASER DIODE
CAUTION: ACHTUNG:
This product utilizes a laser diode with the unit turned “on”,
invisible laser radiation is emitted from the pickup lens.
Wave length: 662 nm/780 nm
Maximum output radiation power from pickup: 100µ W/VDE.
Laser radiation from the pickup lens is safety level, but be sure
the followings:
Dieses Produkt enthält eine Laserdiode.
Im eingeschalteten Zustand wird unsichtbare Laserstrahlung von der
Lasereinheit ausgestrahlt.
Wellenlänge: 662 nm/780 nm
Maximale Strahlungsleistung der Lasereinheit: 100µ W/VDE.
Die Strahlung der eingeschalteten Lasereinheit ist ungefährlich, wenn
folgende Punkte beachtet werden:
1. Do not disassemble the optical pickup unit, since radiation
from exposed laser diode is dangerous. 1. Die Lasereinheit nicht zerlegen, da die Strahlung an der freigelegten
Laserdiode gefährlich ist.
2. Do not adjust the variable resistor on the pickup unit.
It was already adjusted. 2. Den werksseitig justierten Einstellregler der Lasereinheit nicht
verstellen.
3. Do not look at the focus lens using optical instruments. 3. Nicht in die Fokussierlinse blicken.
4. Recommend not to look at pickup lens for a long time. 4. Auch nicht mit optischen Instrumenten in die Fokussierlinse blicken.
6
DMR-EZ45VEB

2.3. SERVICE CAUTION BASED ON LEGAL RESTRICTIONS
General description about lead free Solder (PbF)
· The lead free solder has been used in the mounting process of all electrical components on the printed circuit boards used
for this equipment in considering the globally environmental conservation.
· The normal solder is the alloy of tin (Sn) and lead (Pb). On the other hand, the lead free solder is the alloy mainly consists
of tin (Sn), silver (Ag) and Copper (Cu), and the melting point of the lead free solder is higher approx. 30 degrees C (86°F)
more than that of the normal solder.
Service caution for repair work using Lead Free Solder (PbF)
· The lead free solder has to be used when repairing the equipment for which the lead free solder is used.
· To put lead free solder, it should be well molten and mixed with the original lead free solder.
· Remove the remaining lead free solder on the PCB cleanly for soldering of the new IC.
· Since the melting point of the lead free solder is higher than that of the normal lead solder, it takes the longer time to melt
the lead free solder.
· Use the soldering iron (more than 70W) equipped with the temperature control after setting the temperature
at 350±30 degrees C (662±86°F). When soldering or unsoldering, please completely remove all of the solder
on the pins or solder area and be sure to heat the soldering points with the Pb free solder until it melts enough.
Definition of PCB Lead Free Solder being used
· The letter of “Pbf is printed either foil side or component side using the lead free solder.
Recommended Lead Free Solder (Service Parts Route.)
· The following 3 types of lead free solder are available through the service parts route.
RFKZ03D01K-----------(0.3mm 100g Reel)
RFKZ06D01K-----------(0.6mm 100g Reel)
RFKZ10D01K-----------(1.0mm 100g Reel)
Note
· Ingredient: tin (Sn), 96.5%, silver (Ag) 3.0%, Copper (Cu) 0.5%, Cobalt (Co) / Germanium (Ge) 0.1 to 0.3%
7
DMR-EZ45VEB

3 SERVICE NAVIGATION
3.1. SERVICE INFORMATION
This service manual contains technical information which will allow service personnel to understand and service these models.
Please place orders using the parts list and not the drawing reference numbers.
1. This service manual does not contain the following information, because of the impossibility of servicing at component level.
· Schematic Diagram, Block Diagram,
Exploded View, Parts List and P.C.B. layout of
RAM / Digital P.C.B. Module and Back End P.C.B. Unit
2. The following categories are recycling module part.
Please send them to Central Repair Center.
· RAM / Digital P.C.B. Module: RFKNEZ45VEB
· Back End P.C.B. Unit: REPD0031E
3. If the circuit is changed or modified, this information will be followed by supplement service manual to be filed with original
service manual.
4. Adjustment procedures, Disassembly Procedures and Assembly Procedures for VCR Mechanism Chassis are separate volume
from this service manual. Please refer to the service manual for R4 Mechanism Chassis for EURO model (MAD0403002C2).
8
DMR-EZ45VEB

Power supply: AC220-240 V, 50/60 Hz
Power consumption: 30 W ±1,3 W
Power save mode 2 W ±0,4 W
Dimensions and Mass: 430 (W) x 351 (D) x 84 (H) mm
excluding (protrusions) / 5.4 kg
Operating temperature range: +5 to +40 °C
Operating humility range: 35 to 80 % RH (no condensation)
Pickup Laser power: CLASS1
Pickup Wave length: DVD 662 nm / CD 780 nm
No hazardous radiation is emitted
with the safety protection
Recording format Heads VHS Video Cassette System
Standard with FM audio
NTSC (only from extern and DVD)
4 Helical Scan Heads for Video
2 Helical Scan Heads for FM audio
1 Fixed Head for Normal audio
Recording system: MPEG2 (Hybrid VBR)
Audio: Dolby Digital 2CH
Signal system: PAL 625/50, NTSC 525/60
DVD Region number: Region No. 2
DVD Recording /
Playable discs: DVD-RAM (12 cm 4.7 GB)
DVD-RAM (12 cm 9.4 GB)
DVD-RAM (8 cm 2.8 GB)
DVD-R (12 cm 4.7 GB)
DVD-R (8 cm 1.4 GB)
DVD-RW (12 cm 4.7GB)
DVD+R (12 cm 4.7 GB)
DVD+RW (12 cm 4.7 GB)
DVD-R DL (12 cm 8.5 GB)
DVD+R DL (12 cm 8.5 GB)
DVD approximate Recording
time: XP: 10 MBps (60 min)
SP: 5 MBps (120 min)
LP: 3 MBps (240 min)
EP: 1.7 / 1.2 MBps (360 - 480 min)
Additional playable discs: DVD-RAM (VR format)
DVD-RW (VR format)
DVD-R (MP3, JPG)
DVD-R DL, DVD+R DL
DVD-Video, DVD-Audio
CD-Audio (CD-DA), Video CD
SVCD (IEC62107)
CD-R, CD-RW
(CD-DA, MP3, JPG, VCD)
TV tuner system (PAL): UHF: CH21-CH68 (analog/DVB-T)
RF Converter Output: not provided
SD Card Slot: JPEG (Still Picture DCF Standard)
TIFF (uncompressed)
MPEG2 (rec. by Panasonic cam)
Campatible Cards: SD Card, Multimedia Card
miniSD™ Card (with adapter)
Card format: FAT12, FAT16
Card picture pixels: 34x34 to 6144x4096
Video input AV1 / AV2: 21 pin connector (1.0 Vp-p 75 Ω)
Video input AV3 / AV4: pin jack connector (1.0 Vp-p 75 Ω)
S-Video input AV1 / AV2: 21 pin connector
(Y: 1.0 Vp-p, C: 0.3 Vp-p 75 Ω)
S-Video input AV3 / AV4: pin jack connector
(Y: 1.0 Vp-p, C: 0.3 Vp-p 75 Ω)
RGB Video input AV3 (PAL): 21 pin connector (0.7 Vp-p 75 Ω)
DV input: IEEE 1394 Standard 4 pin
Video output AV1 / AV2: 21 pin connector (1.0 Vp-p 75 Ω)
FBAS Video output (composit): pin jack connector (1.0 Vp-p 75 Ω)
S-Video output AV1: 21 pin connector (1.0 Vp-p 75 Ω)
S-Video output (cinch): pin jack connector (1.0 Vp-p 75 Ω)
S-Video output: S connector (1.0 Vp-p 75 Ω)
RGB Video output AV1: 21 pin connector (0.7 Vp-p 75 Ω)
Component Video output: Y pin jack (1.0 Vp-p 75 Ω)
PB pin jack (0.7 Vp-p 75 Ω)
PR pin jack (0.7 Vp-p 75 Ω)
HDMI output (19 pin type A): Version 1.2a (EDID Vers. 1.3)
Audio input AV1 / AV2: 21 pin connector (-6 dBV 500 mV)
Audio input AV3 / AV4: pin jack (-6 dBV 500 mV)
Audio output (cinch): pin jack (-6 dBV 500 mV)
Optical output: PCM, Dolby Digital, DTS, MPEG
Videotape speed and Recording time (PAL/SECAM 240 min. tape):
SP: 23.39 mm/s, 240 min.
LP: 11.695 mm/s, 480 min.
EP: 7.796 mm/s, 720 min.
FF/REW time: 60 sec. (180 min. tape)
Videotape speed and Recording time (NTSC 240 min. tape):
SP: 33.35 mm/s, 168 min.
EP: 11.12 mm/s, 505 min.
Winding Speed
(180 min. tape): FF time approximate 60 sec.
REW time approximate 43 sec.
Note:
Specifications are subject to change without notice.
Mass and dimensions are approximate.
■Build-in decoders: You can play discs with following symbols
4 SPECIFICATION
9
DMR-EZ45VEB

5 LOCATION OF CONTROLS AND COMPONENTS
Remote Control
Stand-by/on switch
Press to switch the unit from on to stand-by mode
or vice versa. In stand-by mode, the unit is still consuming
a small amount of power.
Select the AV input on the television set.
Turn the television set on and off.
CH: Select the channel on the television set.
CH: Select the channel on the Recorder.
VOLUME: Volume control of the television set.
GUIDE: Launch the TV Guide menu.
Delete a title.
Check / Change a Timer recording.
FUNCTION selection menu.
TOP MENU: Main menu of DVD-video.
PAGE: Scroll in the electronic TV Guide.
TRACKING / V-LOCK: Optimise the VHS
playback picture.
DIRECT NAVIGATOR: title view
Display the programme information from
the TV GUIDE or the Banner.
Select groups or titles.
Launch DVD sub menus.
Return to the previous menu.
ENTER: Select or save a setting.
Direction buttons in the menu guide.
Still picture or slow motion playback.
Number buttons - direct input
REC MODE
EXT LINK
REC
Switch button of the AV input between AV1, AV2
AV3 (front), AV4 and DV in.
Record with external recording control.
Launch the MHEG Service.
Displays subtitles
Launch the disc menus.
Select the time frame.
Jet rewind to the beginning of the VHS tape.
Search or slow motion playback.
REW VHS Jet Rewind and Rewind Search:
FF: VHS Forward Search
Starts playback.
Cancel a function.
Reset the VHS tape counter.
SKIP: Skip chapters, titles, or pictures.
INDEX Find the beginning of a VHS recording.:
Stops recording, replay or forward / reverse action
Hold more than 3 seconds to eject the VHS tape.
Pause a recording or playback.
Hold more than 2 seconds for VHS slow-motion playback.
Start the recording.
Direct TV recording.
Record mode button XP, SP, LP, EP
Select the HDD, DVD or SD drive.
RAM - You can increase the playback speed
VHS - Playback or continuous playback
.
Hold PLAY during playback.
VIDEO Plus+ menu
CREATE CHAPTER: Deviding a recording into chapters.
MANUAL SKIP: Jump forwards 30 seconds.
Menu guide ed button(r ): Profile, GUIDE, MHEG, Manual Tuning
Menu guide button(green ): Profile, GUIDE, MHEG
Menu guide button(blue ): Profile, GUIDE
Menu guide button(yellow ): Profile, GUIDE, MHEG
CH
CH
AV
AV
TV
TV
DRIVE
SELECT
DRIVE
SELECT
VOLUME
VOLUME
REC
Panasonic
DVD/TV
DELETE
REC MODE
SLOW/SEARCH
SLOW/SEARCH
PROG/CHECK
PROG/CHECK
STOP
STOP
PAUSE
PAUSE
PLAY
PLAY
MANUAL SKIP
ENTER
OK
S
S
SUB MENU
SUB MENU
RETURN
RETURN
CREATE
CREATE
CHAPTER
CHAPTER
EXT LINK
DIRECT TV REC
MANUAL SKIP
DIRECT TV REC
DISPLAY
Switching this unit into standby mode does not
disconnect it from the mains.
1
1
2
2
3
3
5
5
4
4
6
6
7
7
8
8
9
9
INPUT
SELECT
INPUT
SELECT
0
0
5:
0
5
15:
5
1
0
5
0
5
1
0
0
5
0
5:
15:
15:
0
5
1
0
0
5:
VCD
MP3
JPEG
JPEG
DVD/VHS
DVD/VHS
VIDEO Plus+
VIDEO Plus+
DELETE
SKIP/INDEX
SKIP/INDEX
STTL
STTL
TEXT
TEXT
TIME SLIP
TIME SLIP
DISPLAY
ENTER
OK
REW
REW
RESET
RESET
FF
FF
JET REW
JET REW
CH
CH
TRACKING/V-LOCK/PAGE
TRACKING/V-LOCK/PAGE
+
+
-
-
10
DMR-EZ45VEB

6.1.1. (DVD) FORCIBLE DISC EJECT
6.1.1.1. (DVD) WHEN THE POWER CAN
BE TURNED OFF.
1. Turn off the power and press [STOP], [CH UP] keys on the
front panel simultaneously for 5 seconds.
6.1.1.2. (DVD) THE POWER CAN NOT BE
TURNED OFF.
1. Press [POWER] key on the front panel for over 10 seconds
to turn off the power forcibly and press [STOP] [CH UP]
keys on the front panel simultaneously for 5 seconds.
6.1.2. (DVD) WHEN THE FORCIBLE DISC
EJECT CAN NOT BE DONE.
1. Turn off the power and pull out AC cord.
2. Remove the Top Case.
3. Push in SLIDE CAM by Eject Pin (JZS0484) or minus screw
driver (small) to eject tray slightly.
4. Push out Tray by Eject Pin (JZS0484) or minus screw driver
(small).
6 OPERATING INTRUCTIONS
6.1. (DVD) TAKING OUT THE DISC FROM RAM-DRIVE UNIT WHEN THE
DISC CANNOT BE EJECTED BY OPEN/CLOSE BUTTON
11
DMR-EZ45VEB

6.2. (VHS) REMOVING OF
CASSETTE TAPE
When the cassette tape could not be removed after an
electrical malfunction, there are 2 ways to remove a cassette
tape.
6.2.1. (VHS) REMOVAL BY
COMPULSORY UNLOADING.
If Service Mode can be activated when the power can not be
turned on, this operation is able.
1. Press [STOP] and [EJECT] button simultaneously for more
than 3 seconds and set Drive to [VHS] and set the Service
Mode to 7.
2. Press [STOP] button in order to unload the mechanism.
(Pay attention to tape slack)
Service Mode Display:
7 ** ** (STOP) →7 0L ** (EJECT)
6.2.2. (VHS) REMOVAL BY MANUAL
OPERATION.
1. Disconnect the AC plug, and remove the Top Panel and the
Front Panel by referring to the Disassembly Procedures.
2. Connect a batterie (9V spec.) to the Loading Motor in series
for supplying 9V to rotate the Loading Motor.
3. Stop unloading just before unloading will be completed. The
tape becomes slack.
4. Rotate the S-Reel by a small minus screwdriver to remove
the slack tape.
5. Then unload again to remove the cassette tape.
12
DMR-EZ45VEB

6.2.3. (VHS) TAKE OUT CASSETTE TAPE
MANUALLY AFTER REMOVING
THE MECHANNISM
1. Disconnect the AC plug, and remove the Top Panel, Front
Panel and the Mechanism by referring assembling and
disassembling description.
2. Remove the Screw and remove the Loading Motor.
3. Rotate the Main Cam Gear counter-clockwise until just
before the unloading will be completed.
4. Rotate the Capstan Motor clockwise to remove the slack
tape.
5. Rotate the Main Cam Gear counter-clockwise again to
remove the cassette-tape.
6. Attach Loading Motor and tighten the screw.
7. Set the Position Switch to EJECT POSITION certainly and
attach the mechanism to chassis.
13
DMR-EZ45VEB

7 SERVICE MODE
7.1. (DVD) SELF-DIAGNOSIS AND SPECIAL MODE SETTING
7.1.1. (DVD) SELF-DIAGNOSIS FUNCTIONS
Self-Diagnosis Function provides information for errors to service personnel by “Self-Diagnosis Display” when any error has
occurred.
U**, H** and F** are stored in memory and held.
You can check latest error code by transmitting [0] [1] of Remote Controller in Service Mode.
Automatic Display on FL will be cancelled when the power is turned off or AC input is turned off during self-diagnosis display is ON.
Error Code Diagnosis contents Description Monitor Display Automatic FL display
U30 Remote control code error Display appears when main unit and remote
controller codes are not matched. No display
“*” is remote controller code of the
main unit.
Display for 5 seconds.
U59 Abnormal inner temperature
detected Display appears when the drive temperature
exceeds 70°C.
The power is turned off forcibly.
For 30 minutes after this, all key entries are
disabled. (Fan motor operates at the highest
speed for the first 5 minutes. For the
remaining 25 minutes, fan motor is also
stopped.) The event is saved in memory as
well.
No display
“U59” is displayed for 30 minutes.
U61 The unit is carrying out its
recovery process (with no
disc in the disc tray).
* The unit detected an error while recording
or playing with with no disc in the disc
tray.
The unit is carrying out its recovery process.
This process restores the unit to normal
operation. The unit is not broken. Wait until
the message disappears.
No display
U71 HDMI incompatible
error(HDCP incompatible) Display this error when the equipment
(compatible with DVI such as TV, amplifier
etc.) connected to the unit by HDMI is
incompatible with HDCP. *HDCP=High-
bandwidth Digital Content
Protection.
No display
U72 HDMI connection error
(communication error) This error is displayed when there are any
communication problems with the unit and
the equipments (TV, amplifier etc.)
connected to the unit by HDMI. (or when
there is a problem with the HDMI cable).
No display
“U72” display disappears when
error has been solved by
Power OFF/ON of connecting
equipment or by inserting/removing
of HDMI cable.
U73 HDMI connection error
(authentication error) When authentication error occurs while the
equipments (TV, amplifier etc.) are
connected by HDMI. (or when there is a
problem with the HDMI cable).
No display
“U73” display disappears when
error has been solved by Power
OFF/ON of connecting equipment
or by inserting/removing of HDMI
cable.
U80 ST Microprocessor
Communication Error on
Timer Bus
Displayed appears when ST Microprocessor
Communication Error on Timer Bus occurs. No display
“U80” is displayed till Power Key is
pressed.
U81 ST Microprocessor
Communication Error on
UART
Displayed appears when ST Microprocessor
Communication Error on UART occurs. No display
“U81” is displayed till Power Key is
pressed.
14
DMR-EZ45VEB

Error Code Diagnosis contents Description Monitor Display Automatic FL display
U88 The unit is carrying out its
recovery process (with no
disc in the disc tray).
* The unit detected an error while recording
or playing with with no disc in the disc
tray.
The unit is carrying out its recovery process.
This process restores the unit to normal
operation. The unit is not broken. Wait until
the message disappears.
No display
U99 Hang-up Displayed when communication error has
occurred between Main microprocessor and
Timer microprocessor.
No display
Displayed is left until the [POWER]
key is pressed.
F00 No error information Initial setting for error code in memory
(Error code Initialization is possible with error
code initialization and main unit
initialization.)
No display No display
F58 Drive hardware error When drive unit error is detected, the event
is saved in memory. No display No display
F34 Initialization error when main
microprocessor is started up
for program recording
When initialization error is detected after
starting up main microprocessor for program
recording, the power is turned off
automatically.
The event is saved in memory.
No display No display
UN-
SUPPORT Unsupported disc error *An unsupported format disc was played,
although the drive starts normally.
*The data format is not supported, although
the media type is supported.
*Exceptionally in case of the disc is dirty.
“This disc is
incompatible.”
Display for 5 seconds.
NO READ Disc read error *A disc is flawed or dirty.
*A poor quality failed to start.
*The track information could not be read.
“Cannot read.
Please check the
disc.”
HARD
ERR Drive error The drive detected a hard error. “DVD drive error.” Display for 5 seconds.
SELF
CHECK Restoration operation Since the power cord fell out during a power
failure or operation, it is under restoration
operation.
*It will OK, if a display disappears
automatically. If a display does not
disappear, there is the possibility that
defective Digital P.C.B. / RAM drive.
No display
PLEASE
WAIT Unit is in termination process Unit is in termination process now.
“BYE” is displayed and power will be turned
off.
In case “Quick Start” of setup menu is ON, it
is displayed in restoration operation for AC
off.
No display
15
DMR-EZ45VEB

Error Code Diagnosis contents Description Monitor Display Automatic FL display
UN-
FORMAT Unformatted disc error You have inserted an unformatted DVD-
RAM or DVD-RW that is unformatted or
recorded on other equipment.
Format:
This disc is not
formatted properly.
Format the disc in
DISK
MANAGEMENT?
IR ERR IR communication error [IR ERR] is display when communication
between Timer microprocessor and IR
microprocessor fails.
No display
No REC Recording is impossible [No REC] is displayed when recording is
impossible due to the defect, dirt or wound
of media.
No display
16
DMR-EZ45VEB

7.1.2. SPECIAL MODES SETTING
Item FL display Key operation
Mode name Description Front Key
TEST Mode *All the main unit´s parameters (include
tuner) are initialized. Press [VHS to DVD COPYING],
[REC] and [OPEN/CLOSE] keys
simultaneously for five seconds
when power is off.
Rating password The audiovisual level setting password is
initialized to “Level 8”. Open the tray, and press [REC]
and [PLAY] simultaneously for 5
seconds.
Service Mode Setting every kind of modes for servicing.
*Details are described in “Service Mode”. When the power is off, press
[STOP], [OPEN/CLOSE] and [VHS
to DVD COPYING] keys
simultaneously for 5 seconds.
Forced disc eject Removing a disc that cannot be ejected.
The tray will open and unit will shift to P-off
mode.
*When Timer REC is ON or EXT-LINK is
ON, execute " Forced disc eject " after
releasing Timer REC or EXT-LINK.
*This command is not effective during "Child
lock" is ON.
While Demonstration Lock is being set, this
Forced disc eject function is not accepted.
If this command was executed while
TIMER REC is being set, TIMER REC
setting will turn to OFF.
The display before execution
leaves. When the power is off, press
[STOP] and [CH UP] keys
simultaneously for 5 seconds.
Child lock/unlock Set or release “Child Lock”. Press [ENTER] and [RETURN] by
remote controller simultaneously
until [X-HOLD] is displayed.
NTSC/PAL system select To switch PAL/NTSC altemately. The display before execution
leaves. While the power is on (E-E mode),
press [STOP] and [OPEN/CLOSE]
simultaneously for 5 seconds.
Forced power-off When the power button is not effective while
power is ON, turn off the power forcibly.
*When Timer REC is ON or EXT-LINK is
ON, execute “Forced Power-off” after
releasing Timer REC or EXT-LINK.
Display in P-off mode. Press [Power] key over than 10
seconds.
Aging Perform sequence of modes as * Aging
Description shown below continually.
Caution:
All programs in DVD-RAM disc will be
deleted because Formatting is done once
in Aging process.
Display following the then mode. When the power is ON, press [CH
DOWN], [VHS to DVD COPYING]
and [OPEN/CLOSE]
simultaneously for over 5 seconds
and less than 10 seconds.
NOTE1:
If Unit has not turned into Aging
mode by operations shown above,
execute TEST MODE once and re-
execute operation shown above.
(*All the main unit’s parameters
include tuner are initialized by
TEST mode.)
NOTE2:
If the unit has hung-up because of
pressing keys for over 10 seconds,
once turn off the power, and re-
execute this command.
*When releasing Aging mode,
press [POWER] key.
17
DMR-EZ45VEB

Item FL display Key operation
Mode name Description Front Key
Aging Contents (Example):
Demonstration
lock/unlock Ejection of the disc is prohibited.
The lock setting is effective until unlocking
the tray and not released by “Main unit
initialization” of service mode.
*When lock the tray.
“LOCK” is displayed for 3 seconds.
When the power is on, press
[STOP] and [POWER] keys
simultaneously for 5 seconds.
*When unlock the tray.
“UNLOCK” is displayed for 3
seconds.
When the power is on, press
[STOP] and [POWER] keys
simultaneously for 5 seconds.
*When press OPEN/CLOSE key
while the tray being locked.
Display “LOCK” for 3 seconds.
Press [OPEN/CLOSE] key while
the tray being locked.
ATP re-execution Re-execute ATP. Display at ATP executing. When the power is on (E-E mode),
press [CH UP] and [CH DOWN]
simultaneously for 5 seconds.
Progressive initialization The progressive setting is initialized to
Interlace. The display before execution
leaves. When the power is on (E-E mode),
press [STOP] and [VHS to DVD
COPYING] simultaneously for 5
seconds.
18
DMR-EZ45VEB

7.1.3. (DVD) SERVICE MODES
Service mode setting: While the power is off, press [STOP], [VHS to DVD COPYING] and [OPEN/CLOSE] simultaneously for five
seconds.
Item FL display Key operation
Mode name Description (Remote controller key)
Release Items Item of Service Mode executing is cancelled. Press [0] [0] or [Return] in service
mode.
Error Code Display Last Error Code of U/H/F held by Timer is
displayed on FL.
*Details are described in “Self-Diagnosis
Functions”.
If any error history dose not exist,
[F00] is displayed.
Press [0] [1] in service mode
ROM Version Display 1. Region code
(displayed for 5 sec.)
2. Main firm version
(displayed for 5 sec.)
3. Timer firm version
(displayed for 5 sec.)
4. Drive firm version
(displayed for 5 sec.)
5. ROM correction version
(displayed for 5 sec.)
6. VHS Microprocessor version
(displayed for 5 sec.)
7. VHS ROM Correction version
(left displayed)
1.
2.
3.
4.
5.
6.
7.
‘’ ’’ are version displays.
Press [0] [2] in service mode
White Picture Output White picture is output as component Output
from AV Decoder.
*White picture
(Saturation rate : 100%)
*It is enable to switch Interlace/Progressive
by “I/P switch: [1] [4]”
*Initial mode is “Interlace”. Press [1] [1] in service mode.
Switch Interlace/Progressive Press [1] [4] in White Picture
Output mode.
*I/P are switched alternately.
19
DMR-EZ45VEB

Item FL display Key operation
Mode name Description (Remote controller key)
Magenta Picture Output Magenta picture is output with Component
Output from AV Decoder.
*Magenta picture
(Saturation rate: 100%)
*It is enable to switch Interlace/Progressive
by “I/P switch: [1] [4]”
*Initial mode is “Interlace”. Press [1] [2] in service mode.
Switch Interlace/Progressive Press [1] [4] in Magenta Picture
Output mode.
*I/P are switched alternately.
RTSC Return in XP
(A & V) AV1 input signal is encoded (XP), decoded
(XP) and output decoded signal to external
without DISC recording and DISC playback.
Initial mode: EE2/ Interlace/ XP/
Audio 48kHz Press [1] [3] in service mode.
Switch Interlace/Progressive Press [1] [4] in RTSC Return XP
mode.
*I/P are switched alternately.
Audio 44.1 kHz/ 48 kHz Switch Press [2] [4] in RTSC Return XP
mode.
*48 kHz / 44.1 kHz are switched
alternately.
I/P Switch Switch Interlace and Progressive in EE
mode.
*Initial setting is “Interlace”.
*This command is effective during executing
“White Picture Output”, “Magenta Picture
Output” and “RTSC Return in XP (A & V)”
modes.
Initial mode is Interlace
Switch Interlace/Progressive
Press [1] [4] in I/P Switch mode.
*I/P are switched alternately.
Audio Mute (XTMUTE) Check whether mute is applied normally by
the timer microprocessor. Press [2] [1] in service mode.
Audio Mute (XDMUTE) Check whether mute is applied normally by
the Digital P.C.B.. Press [2] [2] in service mode.
Audio Pattern Output The audio pattern stored in the internal
memory is output
(Lch: 1kHz/-18dB)
(Rch: 400Hz/-18dB)
*Audio sound clock switching operation of
DAC can be confirmed by sub command [2]
[4].
Initial mode (Audio 48kHz) Press [2] [3] in service mode.
Audio 44.1kHz/48kHz switching Press [2] [4] in Audio Pattern
Output mode.
*48 kHz / 44.1 kHz are switched
alternately.
Laser Used Time
Indiction Check laser used time (hours) of drive.
●(*****) is the used time display in
hour.
●Laser used time of DVD/ CD in
Playback/Recording mode is
counted.
Press [4] [1] in service mode.
Delete the Laser Used
Time Laser used time stored in the memory of the
unit is deleted. Press [9] [5] in service mode.
20
DMR-EZ45VEB

Item FL display Key operation
Mode name Description (Remote controller key)
RAM Drive Last Error RAM Drive error code display.
*For details about the drive error code, refer
to the Service Manual for the specific RAM
Drive.
1. Error Number is displayed for 5
seconds.
2. Time when the error has
occurred is displayed for 5
seconds.
DD: Day
hh: Hour
mm: Minute
3. Last Drive Error (1/2) is
displayed for 5 seconds.
4. Last Drive Error (2/2) is
displayed for 5 seconds.
5. Error occurring Disc type is
displayed for 5 seconds.
6. Disc Maker ID is displayed for 5
seconds.
Press [4] [2] in service mode.
When “INFO******” is being
displayed, past 19 error histories
can be displayed by pressing [0]
[1] - [1] [9]
7. Factor of Drive Error occurring is
left displayed
In case that the maker cannot be
identified, display is black out.
Delete the Last Drive
Error Delete the Last Drive Error information
stored on the DVD RAM-Drive. Press [9] [6] in service mode.
Laser power confirmation Drive state is judged based on difference
between laser power value at shipping and
present laser power value.
If DVD-RAM disc in not inserted,
[NO DISC] is displayed.
If power value study was filed,
[ERROR] is displayed.
1. Insert DVD-RAM disc
into RAM Drive in service
mode. (Other media are
assumed to be non-
correspondence.)
2. Press [4] [4].
Turn on all FL/LEDs All segments of FL and all LEDs are turned
on. All segments are turned on. Press [5] [1] in service mode.
PB HIGH Signal Output 8 pin of AV 1 Jack (PB HIGH terminal) is
High (approx. 11V DC). Press [5] [2] in service mode.
PB MIDDLE Signal
Output 8 pin of AV 1 Jack (PB HIGH terminal) is
Middle (approx. 5.5V DC) Press [5] [3] in service mode.
21
DMR-EZ45VEB

Item FL display Key operation
Mode name Description (Remote controller key)
Front connection
inspection Press all front keys and check the
connection between Main P.C.B. and Front
key Switches.
(1) Each time a key is pressed,
segment turned on increases one
by one.
(2) Total umber of keys that have
been pressed.
Press [5] [4] in service mode.
Production Date Display Display the date when the unit was produced.
YY: Year
MM: Month
DD: Day
Press [6] [1] in service mode.
Display the accumlated
working time Display the accumulated unit´s working time.
(Indicating unit: Second)
Press [6] [4] in service mode.
Display the Error History Display the Error History stored on the unit. Display reason of error for
5 seconds.
01:
Defect of Digital P.C.B.
(AV DEC / MAIN CPU)
02:
Defect of RAM Drive.
03:
Defect of Disc.
04:
Defect of Digital P.C.B. or
Communication Error.
05:
Defect of Digital P.C.B.
(AV DEC / MAIN CPU)
06:
Defect of HDD.
Display the time when the error
has occurred for 5 seconds.
DD: Day
hh: Hour
mm: Minute
Accumulated working time till
occuring of the error is left
displayed.
(Indicating unit: Second)
Press [6] [5] in service mode.
Then press [0] [1] ~ [1] [9], the
past 19 error histories are
displayed.
Delete the Error History Delete Error History information stored on
the unit. Press [9] [7] in service mode.
22
DMR-EZ45VEB

Item FL display Key operation
Mode name Description (Remote controller key)
SD card WRITE check Check SD card WRITE function with SD
slot. When the WRITE check is OK.
When the WRITE check is NG.
*Note:
The image stored in the SD
card will be erased.
Insert a SC card to SD card slot,
and press [7] [4] in service mode.
* Insert SD card while the power is
off.
* Check for [CARD SD] display on
the FL display and go on the
procedure.
AV4(V)/AV1(RGB) I/O
Setting Set input to AV4 (V) and set output to AV1
(RGB) for I/O checking Press [8] [0] in service mode.
AV2(Y/C)/AV1(V) I/O
Setting Set input to AV2 (Y/C) and set output to
AV1 (V) for I/O checking Press [8] [1] in service mode.
AV2(V)/AV1(Y/C) I/O
Setting Set input to AV2 (V) and set output to AV1
(Y/C) for I/O checking Press [8] [2] in service mode.
AV2(RGB)/AV1(V) I/O
Setting Set input to AV2 (RGB) and set output to
AV1 (V) for I/O checking Press [8] [3] in service mode.
P50(H) Output Timer Microprocessor IC7504-76 output
High signal for AV1-pin 10 passing through
inverter (approx. 0V DC at AV1-pin 10).
When OK.
When NG.
Press [8] [4] in service mode.
P50(L) Output Timer Microprocessor IC7504-76 output Low
signal for AV1-pin 10 passing through
inverter (approx. 4.4V DC at AV1-pin 10).
When OK.
When NG.
Press [8] [5] in service mode.
Tray OPEN/CLOSE Test The RAM drive tray is opened and closed
repeatedly.
“*” is number of open/close cycle
times.
Press [9] [1] in service mode
*When releasing this mode, press
the [POWER] button of Remote
Controller more than 10 seconds.
Error code initialization Initialization of the last error code held by
timer (Write in F00) Press [9] [8] in service mode.
Initialize Service Last Drive Error, Error history and Error
Codes stored on the unit are initialized to
factory setting.
Press [9] [9] in service mode.
Finishing service mode Release Service Mode. Display in STOP (E-E) mode. Press power button on the front
panel or Remote controller in
service mode.
23
DMR-EZ45VEB

7.2. (VHS) SELF-DIAGNOSIS AND SPECIAL MODE SETTING
7.2.1. (VHS) SPECIAL MODES SETTING
Item FL display Key operation
Mode name Description Front Key
Tracking Center Tape Tracking is adj usted to center
FIX position. No display. During PLAYBACK, press [VHS CH
UP] and [VHS CH DOWN] keys
simultaneously.
VHS Service Mode In order to make service easy, a part of
inside information of a microprocessor
is displayed on FIP.
*Details are described in
"VHS Service Mode".
Press [STOP], and [EJECT] keys
simultaneously for three seconds
when power is off.
Set Drive to VHS.
Releasing EXT LINK &
Timer Program Releasing Continuation EXT LINK &
Continuation Timer Program No display. While in EXT LINK or Timer REC
mode, press [VHS STOP] key for 3
seconds.
Eject Ejecting Cassette Tape No display. While in other than Timer REC
mode, press [STOP] key for 3
seconds or press [STOP] key of the
Remote Controller for 3 seconds in
VHS mode.
7.2.2. (VHS) SERVICE MODES
(Service Mode Setting)
1. When power is OFF, press [STOP] and [EJECT] keys simultaneously for 3 seconds to into Service Mode and
set Drive to VHS.
2. In Service Mode, press [STOP] and [EJECT] keys simultaneously to add Service Number.
Service Mode
Number Contents Contents of Indication on minute Contents of Indication on second Remarks
0Indication for the
inner data of
IC6001
VHS mode
(Real time) Process number of the mechanism
movement
(Real time)
1Indication for the
inner data of
IC6001
Tape beginning and ending
detection data (Real time) Key code
(Real time)
00: Both tape beginning and
ending have not been detected
01: Tape ending is detecting now
02: Tape beginning is detecting
now
03: Both tape beginning and
ending are detecting now
Indicate the receiving code when
the key of VCR or remote
controller being operated.
2Indication for the
inner data of
IC6001
Mechanism position (Real time) Ordering for the Motors (Real time) The following functions are
prohibited to operate the
mechanism without cassette tape.
●Tape beginning and ending
detection.
●Reel lock detection
●Tape detection and tape position
detection
Press the EJET key for over 3
seconds in this mode, and then the
VCR is shifted into the special
modes, such as PG Adjustment,
Model Code Setting, and so on.
The orders for the motors are
asfollows.
0L: EJECT position
02: DOWN position
03: RREW position
04: LOAD position
05: REV position
06: PLAY position
07: POFF position
08: STOP_R position
09: STOP_F position
0- : FF/REW position
0_ : Intermediate between each
positions
0*, 2*: CYL off,
CAP off
1*: CYL off,
CAP on (fwd)
3*: CYL off,
CAPon (rev)
8*, A*: CYL on,
CAP off
9*: CYL on,
CAPon (fwd)
B*: CYL on,
CAP on (rev)
*0: Motor off
*1:Loading
*2: Unloading
*3: Break (Load + Unload)
3Self-diagnosis
history (1st) 1st history of error number "- -" is displayed.
4Self-diagnosis
history (2nd) 2nd history of error number "- -" is displayed
5Self-diagnosis
history (3rd) 3rd history of error number "- -" is displayed
6Indication for the
inner data of
IC6001
Servo data (4 digits)
(Real time)
24
DMR-EZ45VEB

Service Mode
Number Contents Contents of Indication on minute Contents of Indication on second Remarks
7Manual mechanism
operation Mechanism position (Real time) Ordering for the Motors Press the following key;
PLAY key: Loading
STOP key: Unloading
0L: EJECT position
02: DOWN position
03: RREW position
04: LOAD position
05: REV position
06: PLAY position
07: POFF position
08: STOP_R position
09: STOP_F position
0- : FF/REW position
0 _: Intermediate between each
positions
0*, 2*: CYL off,
CAP off
1*:CYL off,
CAP on (fwd)
3*: CYL off,
CAPon (rev)
8*, A*: CYL on,
CAP off
9*: CYL on,
CAPon (fwd)
B*: CYL on,
CAP on (rev)
*0: Motor off
*1:Loading
*2: Unloading
*3: Break (Load + Unload)
7.2.3. (VHS) SELF-DIAGNOSIS FUNCTIONS
This model has a self-diagnosis. If the VHS section detects trouble during installation or during use, the power is automatically
turned off or become power-save mode and it is memorized into the EEPROM (IC9705) as error code of two-digit number. It’s
memorized error code can be displayed in "second" display portion (the last 2 digits of the FIP) by placing the unit is Service Mode
Number 2 when turning on the Service Information Display as for example "01" or "02" etc. as below. If a second error occurs, the
most recent error will be memorized and can be displayed in Service Mode Number 2. It can be memorized until 3 self-diagnosis
histories in maximum.
In order to erase the memorized error code, press STOP and EJECT buttons on the Front Panel simultaneously over 5 seconds
during turning on Service Information Display mode.
7.2.3.1. MEMORY OF THE SELF-DIAGNOSIS HISTORY
*This is effective only in Service Mode 3, 4, 5.
7.2.3.1.1. ERROR NUMBERS AT A GLANCE
Memory No. (Error Code) Reason
01 The cylinder could not be started. (Error of the cylinder or the cylinder driver.)
02 The CAP FG could not be detected.
03 Mechanism lock during without the unloading and the cassette-up.
04 Mechanism lock during unloading
05 S-reel pulse cannot be detected during unloading. (Error of the S-reel circuit or the Capstan circuit)
06 Mechanism lock during the Cassette-up.
09 Communication error between VHS Microprocessor (IC6001) and Timer Microprocessor (IC9704).
15 S-reel pulse cannot be detected when a cassette tape is inserted.
(Error of the S-reel circuit or the Capstan circuit)
16 Detection of the Cylinder lock during the constant rotation
17 Detection of S-reel lock during the constant tape running
18 Detection of T-reel lock during the constant tape running
2*
Refer to following table An error while the PG Automatic Adjustment
80 An exceptional ejection depends on a accidental error
Note:
2* is as follows.
20 NG1 in the PG Shifter Automatic Adjustment (The cylinder rotation is unstable during the automatic adjustment.)
21 NG2 in the PG Shifter Automatic Adjustment (The vertical sync signal is lacked while over 5 seconds on the alignment tape.)
22 NG3 in the PG Shifter Automatic Adjustment (The installing position of Heads to the cylinder is our of specification.
23 NG4 in the PG Shifter Automatic Adjustment (The servo is not locked to the cylinder for more than 10 sec.)
7.2.3.1.2. MEMORY FOR THE SELF-DIAGNOSIS HISTORY
3. The self-diagnosis result is memorized the state of the moment of detecting.
4. There are the histories from number 1 to number 3.
5. The latest error is memorized on history number 1, and then the old histories are shifted to the history number 2 and 3.
The error code memorized in the history number 2 and 3 is over-written by shift.
4. If the latest error is the same with the history number 1 (2nd-latest), it is not memorized.
(The same error code is not memorized in succession)
25
DMR-EZ45VEB

7.2.3.1.3. CLEAR FOR THE SELF-DIAGNOSIS HISTORY
1. Press STOP and EJECT buttons simultaneously over 5 seconds during turning on Service Information Display mode.
7.2.3.1.4. INDICATION OF THE SELF-DIAGNOSIS HISTORY
The self-diagnosis histories can be indicated on the FIP with Service Mode number 3 to 5.
The procedure of service mode setting and indication format are the same as usual.
8 SERVICE FIXTURE AND TOOLS
Part Number Description Pcs Compatibility
RFKZ03D01K Lead Free Solder (0.3 mm / 100 g Reel) 1 Same as ES15
RFKZ06D01K Lead Free Solder (O.6 mm / 100 g Reel) 1 Same as ES15
RFKZ010D01 Lead Free Solder (1.0 mm / 100 g Reel) 1 Same as ES15
RFKZ0316 Solder Remover (Lead free 10 W temperature Solder / 180 g) 1 Same as ES15
RFKZ0328 Flux 1 Same as ES15
RFKZ0329 Bottle of Flux 1 Same as ES15
JZS0484 Eject Pin 1 Same as ES15
Part Number Description Pcs Compatibility
RFKZ0240 Extension Cable (Main P.C.B. - Power & Digital I/F P.C.B. / 19 pin) 1 Same as E75V
RFKZ0327 Extension Cable (Main P.C.B. - Power & Digital I/F P.C.B. / 15 pin) 2New
RFKZ0260 Extension Cable (Power Digital I/F P.C.B. - Digital P.C.B. / 88 pin) 1Same as EH50 series
RFKZ0366 Extension Cable (HDMI P.C.B. - Digital P.C.B. / 40 pin / 500 mm) 1Same as EH55 / EH56 series
RFKZ0239 Extension Cable (to Front Jack P.C.B. and FL P.C.B. / 10 pin) 4 Same as E75V
(for VHS)
Part Number Description Pcs Compatibility
VFJ8125H3F PAL VHS Alignment Tape 1 Same as E75V
VFK0329 Post Adjustment Screwdriver 1 Same as E75V
VFK0330 Fine Adjustment Gear Driver 1 Same as E75V
26
DMR-EZ45VEB

9.2. P.C.B. POSITIONS 9.3. CAUTION WHILE INSERTING
CASSETTE TAPE WHEN
DISASSEMBLING THE UNIT
NOTE:
Video Cassette might not enter when a strong lighting is
applied to VHS Mechanism when Video Cassette is
inserted. Please weaken the lighting or cover with the top
panel etc.
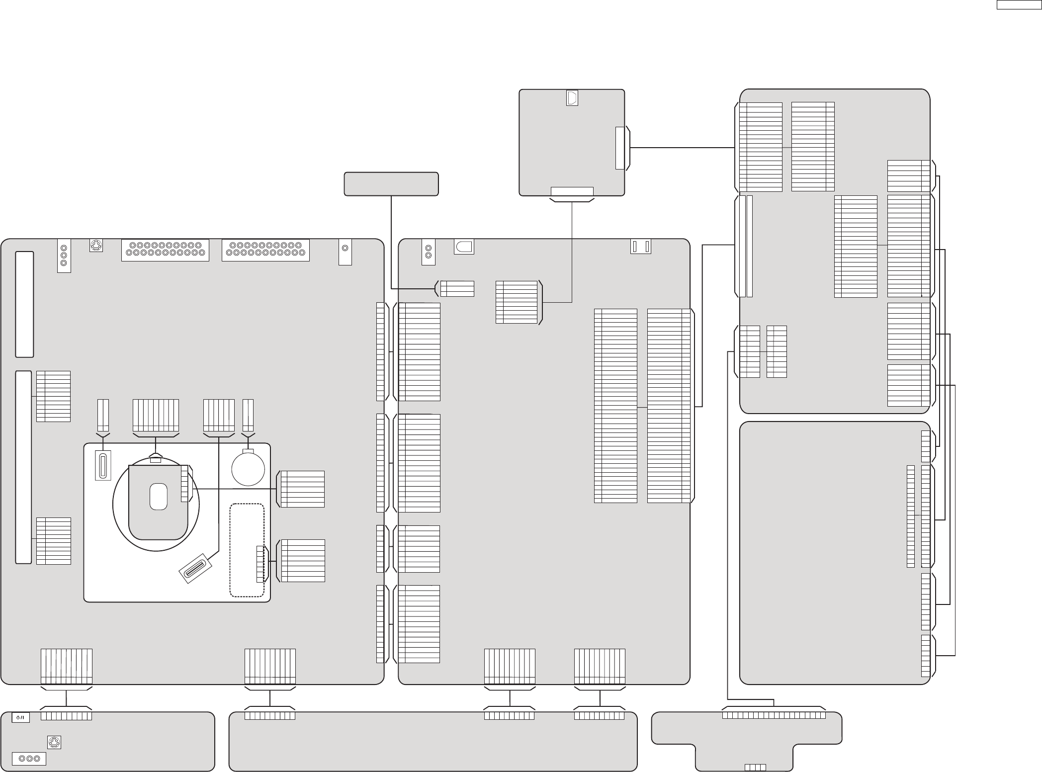
9 ASSEMBLING AND DISASSEMBLING
9.1. DISASSEMBLY FLOW CHART
The following chart is the procedure for disassembling the casing
and inside parts for internal inspection when carrying out the servicing.
To assemble the unit, reverse the steps shown in the chart below.
27
DMR-EZ45VEB

9.4. TOP CASE
1. Remove the 4 screws (A) and 3 screws (B).
2. Slide the Top Case for rear direction slightly, and open the
both ends at rear side of the Top Case a little and lift up the
Top Case for the direction of the arrows.
9.5. FRONT PANEL
1. Remove one screw (A).
2. Unlock tab (A) and tab (B) simultaneously.
3. Unlock tab (C) and tab (D) simultaneously.
4. Unlock 2 tabs (E) respectively and pull out Front Panel with
connector slightly.
28
DMR-EZ45VEB

Note:
When attaching Front Panel, in order to hook Cassette
Door Opener Lever to Cassette Door, push up cassette
door in the direction of arrow and insert a front panel.
9.6. FRONT JACK P.C.B. & FL
DRIVE P.C.B.
1. Remove one 6 screws (A) to remove FL Drive P.C.B.
2. Remove 3 screws (B) and unlock the Locking Tab (B) to
remove Front Jack P.C.B.
9.7. REAR PANEL & FAN MOTOR
1. Remove 10 Screws (A), Screw (B)
and Fan Connector.
2. Unlock 2 Locking Tabs to remove Rear Panel
with Fan Motor.
3. Attention when inserting Rear Panel:
Don’t shut the Fan Cable between Rear Panel
and Chassis.
Check that the Locking Tabs on both sides on
the Rear Panel snap into the holes of the Chassis.
9.7.1. ONLY FAN MOTOR
1. Remove 2 Screws and Fan Connector
to remove Fan Motor.
29
DMR-EZ45VEB

9.8. VCR MECHANISM UNIT
1. Disconnect 3 Connectors (P1531, P2501 and P4002).
2. Remove 3 black Screws (A), Screw (B), Screw (C)
and Screw D).
3. Lift up VCR Mechanism Unit perpendicularly so to
disconnect Connectors (P2571 and P3001).
Note:
When you lift up VCR Mechanism Unit, because
connections of P2501 and P3001 are tight,
pay attention to that.
9.8.1. CAUTION FOR ATTACHING VCR
MECHANISM UNIT
1. Because Position SW should be set to "Eject Position",
refer to fig.(A) and set the position switch so that the boss
and arrow mark come on a straight line.
2. Attach VCR Mechanism Unit so that Boss of Position SW is
put into long hole of Main Cam Gear, refer to Fig. (B).
30
DMR-EZ45VEB

9.9. MAIN P.C.B.
1. Disconnect 3 Connectors.
2. Remove 3 Screws and remove Main P.C.B.
9.10. TUNER
1. Remove the solders.
2. Pull out the Tuner from Main P.C.B.
31
DMR-EZ45VEB

9.11. DVD-RAM DRIVE / DIGITAL
P.C.B. MODULE
CAUTION:
The DVD-RAM Drive and the Digital P.C.B. have
to be replaced together as one Module.
If the Module is changed the DVD-RAM Drive has to
be re-aligned because the aligment data for the
DVD-RAM Drive is stored in the Digital P.C.B.
1. Remove 3 Screws.
2. Lift up DVD-RAM Drive slightly.
3. Disconnect FFC from Digital P.C.B.
4. Remove 4 Screws and DVD Angle.
5. Disconnect FFC.
6. Remove 4 Screws from Digital P.C.B.
7. Pay attention while pulling out Digital P.C.B.
to disconnect Connector (A).
32
DMR-EZ45VEB

CAUTION:
When replacing the Module, pay attention to inserting FFC,
and be careful to do not touch surface of CSP ICs.
If you have touched surface of CSP IC, clean up with
alcohol and so on to prevent oxidation.
NOTE:
When inserting Digital P.C.B. confirm correct position
of Guide Pins.
9.12. SD/DV IN P.C.B.
1. Remove 2 Screws.
2. Pull out the DV IN P.C.B. backwards.
33
DMR-EZ45VEB

9.13. POWER & DIGITAL I/F P.C.B.
1. Remove Rear Panel and disconnect 3 Connectors.
2. Remove the 6 Screws.
3. Remove DVD Angle (A) and DVD Angle (B).
4. Remove Power & Digital I/F P.C.B.
Note:
When inserting P.C.B. confirm correct positions
of Guide Pins.
Caution:
The earth springs has to contact the Metalchassis.
34
DMR-EZ45VEB

9.14. BACK END P.C.B.
1. Pull out the Back End P.C.B. in direction of the arrow.
9.15. HDMI P.C.B.
1. Remove Screw on backside of Rear Panel.
2. Pull out the HDMI P.C.B. in the direction of the arrow.
35
DMR-EZ45VEB

10 MEASUREMENTS AND ADJUSTMENTS
10.1. SERVICE POSITIONS
10.1.1. CHECKING AND REPAIRING OF POWER & DIGITAL I/F P.C.B.
CAUTION:
Before repairing of Power & Digital I/F P.C.B. read and observe “CAUTION FOR DIVX” (NEW FEATURE) first.
1. Top Case
· Remove 4 Screws (A) on side and 3 Screws (B) on rear side.
· Remove Top Case.
2. Front Panel
· Remove one Screw (A) on center.
· Unlock 2 Locking Tabs (A), (D) on Front Panel side and 2 Locking Tabs (B), (C) on Front Panel topside.
· Unlock 2 Locking Tabs (E) on Front Panel bottom side and remove Front Panel.
3. Rear Panel with Fan Motor
· Remove 10 Screws (A) and (B) on Rear Panel.
· Unlock 2 Locking Tabs on the sides and remove Rear Panel with Fan Motor.
4. Digital P.C.B.
· Remove 4 Screws and DVD Angle.
· Disconnect FFC and 4 Screws from Digital P.C.B.
5. DV P.C.B.
· Remove 2 Screws.
· Pull out the DV P.C.B. backwards.
6. Power & Digital I/F P.C.B.
· Disconnect 3 Connectors.
· Remove 4 Screws from DVD Angle (A) and DVD Angle (B).
· Remove 2 Screws from P.C.B.
· Remove DVD Angle (A) and DVD Angle (B).
· Lift up Power & Digital I/F P.C.B., put it upside-down.
· Connect Extension Cables:
− between Main P.C.B. and Power Digital I/F P.C.B. : RFKZ0327 (2x) and RFKZ0240
− between Main P.C.B. and Front Jack P.C.B.: RFKZ0239
− between Main P.C.B. and FL Drive P.C.B.: RFKZ0239
− between Power & Digital I/F P.C.B. and FL Drive P.C.B.: RFKZ0239 (2x)
36
DMR-EZ45VEB

10.1.2. CHECKING AND REPAIRING OF MAIN P.C.B.
1. Top Case
· Remove 4 Screws (A) on side and 3 Screws (B) on rear side and remove the Top Case.
2. Front Panel
· Remove on Screw (A) on center.
· Unlock 2 Locking Tabs (A), (D) on Front Panel side and unlock 2 Locking Tabs (B), (C) on Front Panel topside.
· Unlock 3 Locking Tabs (E) on Front Panel bottom side and remove Front Panel.
3. Rear Panel with Fan Motor
· Remove 10 Screws (A) and (B) on Rear Panel.
· Unlock 2 Locking Tabs on the sides and remove Rear Panel with Fan Motor.
4. VCR Mechanism Unit
· Disconnect 3 Connectors and remove 3 black Screws (A) and 3 Screws (B), (C), (D).
· Lift up VCR Mechanism Unit to remove it.
5. Main P.C.B.
· Disconnect 3 Connectors.
· Remove 3 Screws and remove Main P.C.B.
· Attach VTR Mechanism Unit on to Main P.C.B.
· Tighten Screw (C) with Earth Wire and tighten Screw (D).
· Insert Connectors and 2 FFCs.
· Hold Main P.C.B. with VTR Mechanism, put it upside-down.
· Connect Extension Cables:
− between Main P.C.B. and Power Digital I/F P.C.B.: RFKZ0327 (2x) and RFKZ0240
− between Main P.C.B. and Front Jack P.C.B.: RFKZ0239
− between Main P.C.B. and FL Drive P.C.B.: RFKZ0239
− between Power & Digital I/F P.C.B. and FL Drive P.C.B.: RFKZ0239 (2x)
37
DMR-EZ45VEB

10.1.3. CHECKING AND REPLACING OF DVD-RAM DRIVE / DIGITAL P.C.B. MODULE
1. Top Case
· Remove 4 Screws (A) on side and 3 Screws (B) on rear side.
· Remove Top Case.
2. Front Panel
· Remove one Screws (A) on center.
· Unlock 2 Locking Tabs (A), (D) on Front Panel side and 2 Locking Tabs (B), (C) on Front Panel topside.
· Unlock 2 Locking Tabs (E) on Front Panel bottom side and remove Front Panel.
3. DVD-RAM Drive / Digital P.C.B. Module
· Remove the 5 Screws.
· Lift up and hold the DVD-RAM Drive (together with DVD Angle) slightly.
· Remove FF Cable from SD/DV IN Card P.C.B.
· Remove 4 screws from Digital P.C.B. (pay attention while pulling out Digital P.C.B. to disconnect Connector).
· Remove the Digital P.C.B. together with the DVD-RAM Drive and put it beside chassis.
· Remove 2 Screws from SD/DV IN Card P.C.B., take P.C.B. out and attach FF Cable back to Digital P.C.B.
· Attach the Front Panel back to the Chassis.
· Connect Extension Cables:
− between Power & Digital I/F P.C.B. and Digital P.C.B. with RFKZ0260 (Red Wire = Pin 1)
− between Power & Digital I/F P.C.B. and HDMI P.C.B. with RFKZ0366
CAUTION:
The DVD-RAM Drive and the Digital P.C.B. have to be replaced together as one Module.
If the Module is changed the DVD-RAM Drive has to be re-aligned because the aligment data
for the DVD-RAM Drive is stored in the Digital P.C.B.
38
DMR-EZ45VEB

10.2. CAUTION FOR REPLACING PARTS
10.2.1. NOTICE AFTER REPLACING DVD-RAM/DIGITAL P.C.B. MODULE
TM AV1 is displayed after replacing DVD-RAM/Digital P.C.B. Module. Power-off and start-up again.
10.2.2. NOTICE FOR REPLACING PARTS OF VHS MECHANISM
10.2.2.1. REGARDING CHANGE OF PARTS OF VHS MECHANISM
The following parts are not compatible with past R4 Mechanism. Use parts of exclusive use.
Ref. No. Part Name Part Number Pcs
Current Previous
101 RDD CYLINDER ASS’Y VEG1699KIT VEG1648T/VEG1648-DT 1 *1
101-1 FPC HOLDER VMD5464 VMD4983 1
102 CAPSTAN MOTOR VEM0800T VEM0750T 1
105 INTERMEDIATE GEAR VDG1686 VDG1510 1
106 MAIN CAM GEAR VDG1685 VDG1511 1
114 OPENER PIECE VMD5466 VMD4252 1
116 MAIN LEVER VML3934 VML3624 1
117 PINCH CHARGE ARM VML3933 VML3626 1
122 AC HEAD ASS’Y L1AE00000044 L1AE00000036 1
130 T BRAKE ARM VXL3343 VXL3113 1
135 SIDE PLATE L VMD5468 VMD4255 1
136 SIDE PLATE R VMD5469 VMD4254 1
137 CASSETTE HOLDER UNIT VXA8265 VXA7110 1
139 SECTOR GEAR VXA8323 VXA7311 1
*1: Part Number off RDD CYLINDER ASS’Y is different depending on the model.
Capstan Motor (VEM0800T) used for current R4 Mechanism is not compatible with
Capstan Motor (VEM075oT) of previous R4 Mechanism.
Therefore, confirm part number by Service Manual of individual models and use part of exclusive use.
10.2.2.2. NOTICE FOR REPLACING CAPSTAN MOTOR
VEM0800-1A is printed on capstan motor of replacement part. VEM0800-1B is printed on capstan motor of product.
Thought printed part numbers differ between product and replacement part, VEM0800-1A and VEM800-1B have compatibility.
Replacement Part
“VEM0800-1A” or “VEM0800-1B” Product
“VEM0800-1B”
Bottom Bottom
Top Top
39
DMR-EZ45VEB

10.2.2.3. ITEMS THAT SHOULD BE DONE AFTER REPLACING PARTS
* Note 1:
Resetting object Condition of power Short Terminal
IC6001 POWER ON TL6004 (Reset_L) and TL6002 (GND)
IC9704 POWER ON IC9706-4 (Reset_L) and GND
40
DMR-EZ45VEB

* Note 2:
PG Shifter Automatic Adjustment Procedure
PROCEDURE F.I.P. DISPLAY
Turn on the Service Mode
1. Set Drive Select to VHS and press the [STOP] and [EJECT] key simultaneously for more than 3 seconds.
Activate the Service Mode 2 (Auto tracking will be turned off).
2. Pressing the [STOP] and [EJECT] key simultaneously twice.
Put it in PG adjustment mode.
3. Press the [EJECT] key for more than 3 seconds.
Set in adjustment No. 1.
4. Press the [CH UP] key once.
Insert the aligment cassette tape (VFM8125H3F)
5. The PG Shifter Adjustment starts automatically.
6. This value displays that PG Adjustment data is memorized in EEPROM for example
Result Success Cassette tape is ejected automatically.
Error NG1 in the PG Shifter Automatic Adjustment
(The cylinder rotation is unstable during the automatic
adjustment.)
NG2 in the PG Shifter Automatic Adjustment
(The vertical sync signal is lacked while over 5 seconds
on the alignment tape.)
NG3 in PG Shifter Automatic Adjustment
(The installing position of Heads to the cylinder is out of
specification.
NG4 in the PG Shifter Automatic Adjustment
(The servo is not locked to the cylinder for more than 10
sec.)
Exit from Service Mode.
7. Press STOP and EJECT keys simultaneously in 6 times.
* Then the FIP becomes normal indication.
(Normal Indication)
* Note 3:
X-VALUE & LINEARITY (P2 and P3 Posts) Adjustment Procedure
1. Set the Auto Tracking to off.
a. Set Drive Select to VHS and press the [STOP] and [EJECT] keys simultaneously for more than 3 seconds to enter
Service Mode.
b. Press [STOP] and [EJECT] keys simultaneously twice to activate Service Mode 2 and then Auto-Tracking is turned off.
2. Perform the X-VALUE ADJUSTMENT
X-VALUE ADJUSTMENT
1. After turning off the Auto tracking, playback the alignment Tape and press [VHS CH UP] and [VHS CH DOWN] keys
simultaneously to adjustment the tracking to FIX value.
2. Adjust A/C Head Base so that the envelope becomes maximum level. (It is described on “5-2. Tape Interchangeability
Adjustment” in “R4 Mechanism” that is separated volume.)
41
DMR-EZ45VEB

Alignment Tape VFM8125H3F
Test Point of Playback Envelope TW3001 (or TW4502)
LINEARITY ADJUSTMENT
1. After turning off the Auto tracking, playback the alignment Tape and press [VHS CH UP] and [VHS CH DOWN] keys
simultaneously to adjust the tracking to FIX value.
2. Adjust the LINEARITY so that the envelope is flat when moving tracking to (+) and (-) directions.
Alignment Tape VFM8125H3F
Test Point of Playback Envelope TW3001 (or TW4502)
●Main symptoms and Adjustment point
Envelope Post Name Adjustment Method
P2 Post Turn P2 Post counter-clockwise
(Approx. 1/2 revolution)
P2 Post Turn P2 Post clockwise
(Approx. 1/4 revolution)
P3 Post Turn P3 Post clockwise
(Approx. 1/2 revolution)
P3 Post Turn P3 Post counter-clockwise
(Approx. 1/4 revolution)
P2 Post P3 Post Turn P2 Post clockwise
(Less than 1 revolution)
Turn P3 Post counter-clockwise
(Less than 1revolution)
42
DMR-EZ45VEB

43
DMR-EZ45VEB

10.3. (DVD) STANDARD INSPECTION SPECIFICATION AFTER MAKING
REPAIRS
After making repairs, we recommend performing the following inspection, to check normal operation.
No. Procedure Item to Check
1Turn on the power, and confirm items pointed out. Items pointed out should reappear.
2Insert RAM disc. The Panasonic RAM disc should be recognized.
3Enter the EE (TU IN / AV IN - AV OUT) mode. No abnormality should be seen in the picture, sound or operation.
4Perform auto recording and playback for one minute using
the RAM disc. No abnormality should be seen in the picture, sound or operation.
*Panasonic DVD-RAM disc should be used when recording and
playback.
5If a problem is caused by a VCD, DVD-R, DVD-Video,
Audio-CD, or MP3, playback the test disc. No abnormality should be seen in the picture, sound or operation.
6Models with DV Input Jack: In case of that the trouble is
caused by DV terminal. Models with DV Input Jack;
1) DV terminal: Check to be able to record from DVC.
7After checking and making repairs, upgrade the firmware to
the latest version. Make sure that [UPDOK] appears in the FL displays.
8Transfer [9][9] in the service mode setting, and initialize the
service settings (return various settings and error
information to their default values. The laser time is not
included in this initialization).
Make sure that [CLR SERV] appears in the FL display.
After checking it, turn the power off.
Use the following checklist to establish the judgement criteria for the picture and sound.
Item Contents Check Item Contents Check
Picture
Block noise
Sound
Distorted sound
Crosscut noise Noise (static, background noise, etc.)
Dot noise The sound level is too low.
Picture disruption The sound level is too high.
Not bright enough The sound level changes.
Too bright
Flickering color
Color fading
44
DMR-EZ45VEB

11.1. ABBREVIATIONS
11.1.1. DVD
INITIAL/LOGO ABBREVIATIONS
A A0~UP
ACLK
AD0~UP
ADATA
ALE
AMUTE
AREQ
ARF
ASI
ASO
ASYNC
ADDRESS
AUDIO CLOCK
ADDRESS BUS
AUDIO PES PACKET DATA
ADDRESS LATCH ENABLE
AUDIO MUTE
AUDIO PES PACKET REQUEST
AUDIO RF
SERVO AMP INVERTED INPUT
SERVO AMPOUTPUT
AUDIO WORD DISTINCTION SYNC
B BCK
BCKIN
BDO
BLKCK
BOTTOM
BYP
BYTCK
BIT CLOCK (PCM)
BIT CLOCK INPUT
BLACK DROP OUT
SUB CODE BLOCK CLOCK
CAP. FOR BOTTOM HOLD
BYPATH
BYTE CLOCK
C CAV
CBDO
CD
CDSCK
CDSRDATA
CDRF
CDV
CHNDATA
CKSL
CLV
COFTR
CPA
CPCS
CPDT
CPUADR
CPUADT
CPUIRQ
CPRD
CPWR
CS
CSYNCIN
CSYNCOUT
CONSTANT ANGULAR VELOCITY
CAP. BLACK DROP OUT
COMPACT DISC
CD SERIAL DATA CLOCK
CD SERIAL DATA
CD RF (EFM) SIGNAL
COMPACT DISC-VIDEO
CHANNEL DATA
SYSTEM CLOCKSELECT
CONSTANT LINEAR VELOCITY
CAP. OFF TRACK
CPU ADDRESS
CPU CHIP SELECT
CPU DATA
CPU ADDRESS LATCH
CPU ADDRESS DATA BUS
CPU INTERRUPT REQUEST
CPU READ ENABLE
CPU WRITE ENABLE
CHIPSELECT
COMPOSITE SYNC IN
COMPOSITE SYNC OUT
D DACCK
DEEMP
DEMPH
DIG0~UP
DIN
DMSRCK
DMUTE
DO
DOUT0~UP
DRF
DRPOUT
DREQ
DRESP
DSC
DSLF
DVD
D/A CONVERTER CLOCK
DEEMPHASIS BIT ON/OFF
DEEMPHASIS SWITCHING
FL DIGIT OUTPUT
DATA INPUT
DM SERIAL DATA READ CLOCK
DIGITAL MUTE CONTROL
DROP OUT
DATAOUTPUT
DATA SLICE RF (BIAS)
DROP OUT SIGNAL
DATA REQUEST
DATA RESPONSE
DIGITAL SERVO CONTROLLER
DATA SLICE LOOP FILTER
DIGITAL VIDEO DISC
INITIAL/LOGO ABBREVIATIONS
E EC
ECR
ENCSEL
ETMCLK
ETSCLK
ERROR TORQUE CONTROL
ERROR TORQUE CONTROL
REFERENCE
ENCODER SELECT
EXTERNAL M CLOCK (81MHz/40.5MHz)
EXTERNAL S CLOCK (54MHz)
F FBAL
FCLK
FE
FFI
FEO
FG
FSC
FSCK
FOCUS BALANCE
FRAME CLOCK
FOCUS ERROR
FOCUS ERROR AMP INVERTED INPUT
FOCUS ERROR AMP OUTPUT
FREQUENCY GENERATOR
FREQUENCY SUB CARRIER
FS (384 OVER SAMPLING) CLOCK
INITIAL/LOGO ABBREVIATIONS
G GND COMMON GROUNDING (EARTH)
H HA0~UP
HD0~UP
HINT
HRXW
HOST ADDRESS
HOST DATA
HOST INTERRUPT
HOST READ/WRITE
IIECOUT
IPFRAG
IREF
ISEL
IEC958 FORMAT DATA OUTPUT
INTERPOLATION FLAG
I (CURRENT) REFERENCE
INTERFACE MODE SELECT
L LDON
LPC
LRCK
LASER DIODE CONTROL
LASER POWER CONTROL
L CH/R CH DISTINCTION CLOCK
M MA0~UP
MCK
MCKI
MCLK
MDATA
MDQ0~UP
MDQM
MLD
MPEG
MEMORY ADDRESS
MEMORY CLOCK
MEMORY CLOCK INPUT
MEMORY SERIAL COMMAND CLOCK
MEMORY SERIAL COMMAND DATA
MEMORY DATA INPUT/OUTPUT
MEMORY DATA I/O MASK
MEMORYSERIAL COMMAND LOAD
MOVING PICTURE EXPERTS GROUP
O ODC
OFTR
OSCI
OSCO
OSD
OPTICAL DISC CONTROLLER
OFF TRACKING
OSCILLATOR INPUT
OSCILLATOR OUTPUT
ON SCREEN DISPLAY
P P1~UP
PCD
PCK
PDVD
PEAK
PLLCLK
PLLOK
PWMCTL
PWMDA
PWMOA, B
PORT
CD TRACKING PHASE DIFFERENCE
PLL CLOCK
DVD TRACKING PHASE DIFFERENCE
CAP. FOR PEAK HOLD
CHANNEL PLL CLOCK
PLL LOCK
PWM OUTPUT CONTROL
PULSE WAVE MOTOR DRIVEA
PULSE WAVE MOTOR OUT A, B
INITIAL/LOGO ABBREVIATIONS
R RE
RFENV
RFO
RS
RSEL
RST
RSV
READ ENABLE
RF ENVELOPE
RF PHASE DIFFERENCE OUTPUT
(CD-ROM) REGISTER SELECT
RF POLARITY SELECT
RESET
RESERVE
11 MISCELLANEOUS
45
DMR-EZ45VEB

INITIAL/LOGO ABBREVIATIONS
S SBI0, 1
SBO0
SBT0, 1
SCK
SCKR
SCL
SCLK
SDA
SEG0~UP
SELCLK
SEN
SIN1, 2
SOUT1, 2
SPDI
SPDO
SPEN
SPRCLK
SPWCLK
SQCK
SQCX
SRDATA
SRMADR
SRMDT0~7
SS
STAT
STCLK
STD0~UP
STENABLE
STSEL
STVALID
SUBC
SBCK
SUBQ
SYSCLK
SERIAL DATA INPUT
SERIAL DATA OUTPUT
SERIAL CLOCK
SERIAL DATA CLOCK
AUDIO SERIAL CLOCK RECEIVER
SERIAL CLOCK
SERIAL CLOCK
SERIAL DATA
FL SEGMENT OUTPUT
SELECTCLOCK
SERIAL PORT ENABLE
SERIAL DATA IN
SERIAL DATA OUT
SERIAL PORT DATA INPUT
SERIAL PORT DATA OUTPUT
SERIAL PORT R/W ENABLE
SERIAL PORT READ CLOCK
SERIAL PORT WRITE CLOCK
SUB CODE Q CLOCK
SUBCODE Q DATA READ CLOCK
SERIAL DATA
SRAM ADDRESS BUS
SRAM DATA BUS 0~7
START/STOP
STATUS
STREAM DATA CLOCK
STREAM DATA
STREAM DATA INPUT ENABLE
STREAM DATA POLARITY SELECT
STREAM DATAVALIDITY
SUB CODE SERIAL
SUB CODE CLOCK
SUB CODE Q DATA
SYSTEM CLOCK
T TE
TIBAL
TID
TIN
TIP
TIS
TPSN
TPSO
TPSP
TRCRS
TRON
TRSON
TRACKING ERROR
BALANCE CONTROL
BALANCE OUTPUT 1
BALANCE INPUT
BALANCE INPUT
BALANCE OUTPUT 2
OP AMP INPUT
OP AMP OUTPUT
OP AMP INVERTED INPUT
TRACK CROSSSIGNAL
TRACKING ON
TRAVERSE SERVO ON
INITIAL/LOGO ABBREVIATIONS
V VBLANK
VCC
VCDCONT
VDD
VFB
VREF
VSS
V BLANKING
COLLECTOR POWER SUPPLY
VOLTAGE
VIDEO CD CONTROL (TRACKING
BALANCE)
DRAIN POWER SUPPLY VOLTAGE
VIDEO FEED BACK
VOLTAGE REFERENCE
SOURCE POWER SUPPLYVOLTAGE
WWAIT
WDCK
WEH
WSR
BUS CYCLE WAIT
WORD CLOCK
WRITE ENABLE HIGH
WORD SELECT RECEIVER
X X
XALE
XAREQ
XCDROM
XCS
XCSYNC
XDS
XHSYNCO
XHINT
XI
XINT
XMW
XO
XRE
XSRMCE
XSRMOE
XSRMWE
XVCS
XVDS
XVSYNCO
X´ TAL
X ADDRESS LATCH ENABLE
X AUDIO DATA REQUEST
X CD ROM CHIP SELECT
X CHIP SELECT
X COMPOSITE SYNC
X DATA STROBE
X HORIZONTAL SYNC OUTPUT
XH INTERRUPTREQUEST
X´ TAL OSCILLATOR INPUT
X INTERRUPT
X MEMORY WRITE ENABLE
X´ TAL OSCILLATOR OUTPUT
X READ ENABLE
X SRAM CHIP ENABLE
X SRAM OUTPUT ENABLE
X SRAM WRITE ENABLE
X V-DEC CHIPSELECT
X V-DEC CONTROL BUS STROBE
X VERTICAL SYNC OUTPUT
46
DMR-EZ45VEB

11.1.2. VHS
3-1. ABBREVIATIONS
443NT [L]
A. COMP
A. COMPO
A. D.P [L]
A. D/L [L]
A. DEF [S]
A. DEF [S] [L]
A. DUB P [L]
A. DUB [H]
A. ERASE
A. H. SW
A. HEAD [R]
A. HEAD [W]
A. IN [L]
A. IN [R]
A. MUT [H]
A. MUTE [H]
A. OUT [L]
A. OUT [R]
A. RF OUT
A/VS/S. DATA
AC ONLINE
AC. O/EE. H
AFC S C
AFC [S]
AFC. DEF
ARFC OUT
ART. V
ART. V. MM
ART. V/H/N
AT. V/H/N
ATSW/TEST/NOR/SE
AUDIO IN [L]
AUDIO IN [R]
AUDIO OUT [L]
AUDIO OUT [R]
AUDIO SELECT [H]
AUDIO. L
AUDIO. R
AV CNT
AV CTL
AV CTL/S. CLK
AV. C.M.
AVCNT/METER. R
AVSW/METER. L
B MODE. H
B.G.P
BACKUP 5V
BAND. U.E.
BANDVL. D
BI/MI [L]
4.43 NTSC L
AUDIO COMPONENT SIGNAL
AUDIO COMPONENT SIGNAL
AUDIO DUBBING PAUSE L
AUDIO DUBBING PAUSE L
AUDIO DEFEAT
AUDIO DEFEAT
AUDIO DUBBING PAUSE L
AUDIO DUBBING H
AUDIO ERASE
AUDIO HEAD SWITCHING PULSE
AUDIO HEAD (REC)
AUDIO HEAD (PLAY)
AUDIO INPUT (L)
AUDIO INPUT (R)
AUDIO MUTE H
AUDIO MUTE H
AUDIO OUTPUT (L)
AUDIO OUTPUT (R)
AUDIO RF SIGNAL OUTPUT
AV SW/SERIAL DATA
AC ONLINE
AC ONLINE/EE H
AFC S CURVE
AFC S CURVE
AFC DEFEAT
AUDIO RF SIGNAL OUTPUT
ARTIFICIAL VERTICAL SYNC SIGNAL
ARTIFICIAL VERTICAL SYNC
SIGNAL MONO MULTI
ARTIFICIAL VERTICAL SYNC
SIGNAL H/NORMAL
ARTIFICIAL VERTICAL SYNC SIGNAL
TEST/NORMAL/SERVICE
AUDIO INPUT (L)
AUDIO INPUT (R)
AUDIO OUTPUT (L)
AUDIO OUTPUT (R)
AUDIO SELECT H
AUDIO (L)
AUDIO (R)
AV CONTROL
AV CONTROL
AV CONTROL/SERIAL CLOCK
AV CONTROL MODE
AV CONTROL/LEVEL METER (R)
AV SW/LEVEL METER (L)
B MODE H
BURST GATE PULSE
BACK UP 5V
BAND U
BAND VL
BILINGUAL/MIX L
BIL
BIL [L]
BIL. [H]
BIL/M1 [L]
BS CLOCK
BS DATA
BS LCH IN
BS MIX [H]
BS MON [H]
BS MONI [H]
BS RCH IN
BS VIDEO
BS VIDEO/BS1
BS [H]
BS. LEVEL
BS. M [H]
BS/VTR [H]
BUS CLK
BUS LSN
BUS TLK
BUZZER
CAP EC
CAP M GND
CAP. ET
CAP. FG1
CAP. FG2
CAS. SW
CCN
CCP
CHM
CHP
CINEM [L]
CINEMA [L]
CINEMA/MIX
CKL
CKS
CL
CLK
CLK (C.G)
CLOCK. IN
CLP
COL/B/W/NOR
COLOR [H]
CONV
CS
CTL GND
CTL HEAD [
+
]
CTL HEAD [
−
]
CTL [
+
]
CTL [
−
]
CUE BIAS
CURRENT LIM
CYL ET
BILINGUAL
BILINGUAL L
BILINGUAL H
BILINGUAL L
BS CLOCK
BS DATA
BS L CHANNEL INPUT
BS MIX H
BS MONITOR H
BS MONITOR H
BS R CHANNEL INPUT
BS VIDEO SIGNAL
BS VIDEO SIGNAL
BS H
BS LEVEL
BS MONITOR H
BS/VTR H
BUS CLOCK
BUS LISTEN
BUS TALK
BUZZER
CAPSTAN TORQUE CONTROL
CAPSTAN MOTOR GND
CAPSTAN TORQUE CONTROL
CAPSTAN FG1 PULSE
CAPSTAN FG2 PULSE
CASSETTE SW
PLAYBACK CONTROL SIGNAL (−)
PLAYBACK CONTROL SIGNAL (+)
CONTROL SIGNAL (
+
)
CONTROL SIGNAL (
−
)
CINEMA L
CINEMA L
CINEMA/MIX
RATCH LOCK
SHIFT LOCK
CLOCK
CLOCK
CLOCK
CLOCK INPUT
CLAMP
COLOUR/BLACK & WHITE/NORMAL
COLOUR H
CONVERTOR
CHIP SELECT
CONTROL GND
CONTROL HEAD (
+
)
CONTROL HEAD (
−
)
CONTROL HEAD (
+
)
CONTROL HEAD (
−
)
CUE BIAS
CURRENT LIMMITER
CYLINDER TORQUE CONTROL
47
DMR-EZ45VEB

CYL GND
D.F.M. REC [H]
D. FM REC [L]
D. GND
D. REC [H]
D4/S. LED
D4/STILLED
DAC [CLK]
DAC/FSCS
DAREC [H]
DATA
DECODER [L]
DECODER [R]
DEW
DEW SNS
DFMRE [H]
E. REC 5V
EC
ECR
EDT TRIG [L]
EDIT [H]
EE [H]
EE [H]/INS [M]
EE. VV. TR
EJECT. PO
EJECT/VDET
ENV. SEL
ENVE. OUT
ENVE. SEL
ENV SELECT
EP [H]
EP/LP [H]
EP/LP/SP
EP/SS [H]
EPROMCS
EX. REC 5V
FF/REW [L]
FG1 IN
FG2 IN
FILTER ADJUSTMENT
FLY ERASE [H]
FLY ON [H]
FLY. E [H]
FM MUT [H]
FM MUTE [H]
FM OUT [L]
FM OUT [R]
FM PACK OUT [L]
FM PACK OUT [R]
FM/BS SEL [L]
FM/BS SEL [R]
FS. CLK
FUL. E [H]
FULL. E [H]
CYLINDER GND
DELAIED FM RECORDING H
DELAIED FM RECORDING L
DIGITAL GND
DELAYED RECORDING H
D4/STILL LED
D4/STILL LED
TUNER DAC (CLOCK)
TUNER DAC/FS CHIP SELECT
DELAYED AUDIO RECORDING
H
DATA
DECODER (L)
DECODER (R)
DEW
DEW SENSOR
DELAYED FM AUDIO RECORDING
H
EXCEPT RECORDING 5V
ERROR TORQUE CONTROL
ERROR TORQUE CONTROL
REFERENCE VOLTAGE
EDIT TRIGGER L
EDIT H
EE H
EE H/INSERT M
EE/VV/TRICK PLAY
EJECT POSITION
EJECT/REVERSE SLOW LOCK
ENVELOPE SELECT
ENVELOPE OUTPUT
ENVELOPE SELECT
ENVELOPE SELECT
LP H
LP H
LP/SP
LP/SLOW/STILL/STOP H
EPROM CHIP SELECT
EXCEPT RECORDING 5V
FIRST FORWARD/REWIND L
FG1 PULSE INPUT
FG2 PULSE INPUT
FILTER ADJUSTMENT
FLYING ERASE HEAD ON H
FLYING ERASE HEAD ON H
FLYING ERASE HEAD ON H
FM AUDIO MUTE H
FM AUDIO MUTE H
FM OUTPUT (L)
FM OUTPUT (R)
FM PACK OUTPUT (L)
FM PACK OUTPUT (R)
FM/BS SELECT (L)
FM/BS SELECT (R)
FS CLOCK
FULL ERASE HEAD ON H
FULL ERASE HEAD ON H
FULL. E. 12V
GND [A]
GND [TU]
GND/N. SW. 12V
H. SYNC
H. AMP. SW
H. P <R>
H. P <L>
H. P GND
H. P OUT [L]
H. P OUT [R]
H. SW
HEAD PHONE [L]
HEAD PHONE [R]
HEAD SW
HEATER [
+
]
HEATER [
−
]
HSS
HTR [
+
]
HTR [
−
]
I RFE
ICL
IF
IN SELA1
IN SELA2
IN SELA3
INS L/R [L]
INS. [H]
INSEL A1
INSEL A2
INSERT
INSERT [H]
IO CS
JOG1
JOG S3 LED/FOWRD
JOG/F. LED
JSB [H]
JST. CLCK
JST. CLK
JST. CLOCK
L. OUT
L. CH [H]
L. CH [L]
LED (MAIN)
LED (STEREO)
LED (SUB)
LED CKL
LED CKS
LED DATA
LINE IN 1 [L]
LINE IN 1 [R]
LINE IN 2 [L]
LINE IN 2 [R]
LINE IN V
LINE IN [L]
FULL ERASE 12V
GND (ANALOG)
GND (TUNER)
GND/NON SW 12V
HORIZONTAL SYNC
HEAD AMP SW PULSE
HEAD PHONE (R)
HEAD PHONE (L)
HEAD PHONE GND
HEAD PHONE OUTPUT (L)
HEAD PHONE OUTPUT (R)
HEAD SW PULSE
HEAD PHONE (L)
HEAD PHONE (R)
HEAD SW
HEATER (
+
)
HEATER (
−
)
HORIZONTAL SYNC SIGNAL
HEATER (
+
)
HEATER (
−
)
REFERENCE CURRENT
CONTROL AGC CIRCUIT
INTERMEDIATE FREQUENCY
INPUT SELECT A1 POSITION
INPUT SELECT A2 POSITION
INPUT SELECT A3 POSITION
INSERT Lch/Rch L
INSERT H
INPUT SELECT A1 POSITION
INPUT SELECT A2 POSITION
INSERT
INSERT H
INPUT/OUTPUT CHIP SELECT
JOG1
JOG LED/FORWARD LED
JOG LED/FORWARD LED
JSB H
JUST CLOCK
JUST CLOCK
JUST CLOCK
Lch OUTPUT
Lch H
Lch L
LED (MAIN)
LED (STEREO)
LED (SUB)
LED SERIAL CLOCK
LED SERIAL CLOCK
LED SERIAL DATA
LINE INPUT 1 (L)
LINE INPUT 1 (R)
LINE INPUT 2 (L)
LINE INPUT 2 (R)
LINE INPUT VIDEO
LINE INPUT (L)
48
DMR-EZ45VEB

LINE IN [R]
LINE OUT [L]
LINE OUT [R]
LP [H]
LPTRI [L]
Lch/A. DUB
M GND
M REG
MAIN OUT
MAIN [L]
MAIN/MONO
MAX IN
MES [H]
MESE [H]
MESE [L]
METER 5V
METER [L]
METER [R]
METER. L/AVS
METER. R/AVC
MI/BI [L]
MIC GND
MIC IN
MIC IN [L]
MIC IN [R]
MIC [H]
MIX [H]
MIX [H]/CINEMA [L]
MIX/CINE
MIX/CINEMA [L]
MN. H/M. L
MN. H/MAI. L
MN2/MES. L
MODE SEL
MODE SW
MODE. S. IN
MODE. S. OUT
MONO [H]
MONO [H]/MAIN [L]
MONO2 [L]
MONO2/MESE [FM(L)]
MOTOR GND
MUTE
N. A. REC [L]
N. SW 12V
N. SW. 5. DET
NICAM
NICAM [L]
NOL [H]
NOR/SOFT [H]
NORMAL [H]
NR BIAS
NTSC [L]
OCH
OUT
LINE INPUT (R)
LINE OUTPUT (L)
LINE OUTPUT (R)
LP H
LP TRICK PLAY L
Lch/AUDIO DUBBING
MOTOR GND
MOTOR REGULATOR
MAIN OUTPUT
MAIN L
MAIN/MONAURAL
MAXIMAM INPUT
MESECAM H
MESECAM H
MESECAM L
LEVEL METER 5V
LEVEL METER (L)
LEVEL METER (R)
LEVEL METER (L)
LEVEL METER (R)
MIX H/BILIGUAL
MIC GND
MIC INPUT
MIC INPUT (L)
MIC INPUT (R)
MIC H
MIX H
MIX H/CINEMA SOUND L
MIX H/CINEMA SOUND L
MIX H/CINEMA SOUND L
MONAURAL H/MAIN L
MONAURAL H/MAIN L
MONAURAL 2/MESECAM L
AUDIO MODE SELECT
AUDIO MODE SW
AUDIO MODE SELECT INPUT
AUDIO MODE SELECT OUTPUT
MONAURAL H
MONAURAL H/MAIN L
MONAURAL 2
MONAURAL 2/MESECAM (FM L)
MOTOR GND
MUTE
NORMAL AUDIO RECORDING
NON SW 12V
NON SW 5V DETECT
NICAM
NICAM L
PAL
H
/4.43 NTSC
M
/3.58 NTSC
L
NORMAL/SOFT TAPE PLAY H
NORMAL H
NR BIAS
NTSC L
CONTROL AGC CIRCUIT
OUTPUT
P-OFF [H]
P-OFF [L]
P. FAIL
P. OFF [H]
P. OFF [L]
PAL [H]
PAL [L]/NTSC [H]
PB ADJ OUT
PB OUT
PB. H
PFG
PHOTSN +B
PICT. CNT
PLAY LED/RVS LED
PLAY. PO
PLAY/R. LED
PLY/DEW
POWER OFF [L]
PREROLL [H]
PWRFAIL
R. CH [H]
R. CH [L]
R. ST
R/S/F
RCH [H]
REC 12V
REC CHROMA
REC H
REC IN
REC OUT [L]
REC START
REC VR [C]
REC VR [L]
REC VR [R]
REC Y
REC [H]
REC. C
REC. Y
REC/EE CTL
REEL-T
REEL-S
REGULATOR FILTER
RESET
REV M F/R
REV M V1
REV M V2
REV MOTOR F/R
REV MOTOR V1
REV MOTOR V2
REV MOTOR [
+
]
REV MOTOR [
−
]
REV. M. GND
RF. CHROMA
POWER OFF H
POWER OFF L
POWER FAILURE DETECT
POWER OFF H
POWER OFF L
PAL H
PAL L/NTSC H
PLAYBACK ADJUST OUTPUT
PLAYBACK OUTPUT
PLAYBACK H
PG/FG
PHOTO SENSOR +B
PICTURE CONTROL
PLAY LED/REVERSE LED
PLAY POSITION
PLAY LED/REVERSE LED
PLAY/DEW H
POWER OFF L
PREROLL H
POWER FAILURE DETECT
Rch H
Rch L
RESET
REVERSE
H
/STOP
M
/FORWARD
L
Rch H
RECORDING 12V
RECORDING CHROMINANCE SIGNAL
RECORDING H
RECORDING INPUT
RECORDING OUTPUT L
RECORDING START
RECORDING VOLUME (COMMON)
RECORDING VOLUME (L)
RECORDING VOLUME (R)
RECORDING LUMINANCE SIGNAL
RECORDING H
RECORDING CHROMINANCE SIGNAL
RECORDING LUMINANCE SIGNAL
RECORDING/EE CONTROL
REEL PULSE (TAKE-UP)
REEL PULSE (SUPPLY)
REGULATOR FILTER
RESET
REVIEW MOTOR
FORWARD/REVERSE
REVIEW MOTOR V1
REVIEW MOTOR V2
REVIEW MOTOR
FORWARD/REVERSE
REVIEW MOTOR V1
REVIEW MOTOR V2
REVIEW MOTOR (
+
)
REVIEW MOTOR (
+
)
REVIEW MOTOR GND
RF CHROMINANCE SIGNAL
49
DMR-EZ45VEB

RF OUT
RF Y
RF. Y. IN
RF. Y. OUT
ROTAR. SW
ROTARY
RST
RST [L]
Rch/INST
S IN
S OUT
S-PHOTO
S-RL. PLS
S. CLK
S. CLK/AV
S. DATA
S. DATA/A
S. PHOTO
S. TAB [L]
S/P/N
SC IN
SC OUT
SCK SELECT
SEL OUT [L]
SEL OUT [R]
SHUTTLE 1
SIF
SLMUT [H]
SLNID [
+
]
SLNID [
−
]
SLW TR. MM
SLW TR. REF
SNS. GND
SOFT [H]
SOFT [H]/NORMAL
SOLENOID ON [L]
SP [H]
SP/L/SLP
SSS [L]
STEREO LED
STEREO [H]
STEREO [L]
STOP. PO
STOP/5V
STOP1/TAPE SEL
STOP1/PAL:ST
STOP2. PO
STOP2/S-TAB
STREO [H]
SUB BIAS
SUB. SW
SVHS CAS [L]
SW. 5. DET
SYNC [L]
RF OUTPUT
RF LUMINANCE SIGNAL
RF LUMINANCE SIGNAL INPUT
RF LUMINANCE SIGNAL OUTPUT
ROTARY SW
ROTARY SW
RESET
RESET L
Rch/INSERT
SERIAL DATA INPUT
SERIAL DATA OUTPUT
SUPPLY PHOTO TRANSISTOR
SUPPLY REEL PULSE
SERIAL CLOCK
SERIAL CLOCK/AV
SERIAL DATA
SERIAL DATA
SUPPLY PHOTO TRANSISTOR
SAFETY TAB SW ON L
SECAM/PAL/NTSC
SERIAL CLOCK INPUT
SERIAL CLOCK OUTPUT
SERIAL CLOCK SELECT
SELECT OUTPUT (L)
SELECT OUTPUT (R)
SHUTTLE 1
SOUND INTERMEDIATE FREQUENCY
INPUT SELECT MUTE H
SOLENOID (
+
)
SOLENOID (
−
)
SLOW TRACKING MONO MULTI
SLOW TRACKING REFERENCE
VOLTAGE
SENSOR GND
SOFT TAPE PLAY H
SOFT TAPE PLAY H/NORMAL H
SOLENOID ON L
SP H
SP/LP
SLOW/STILL/STOP
STEREO LED
STEREO H
STEREO L
STOP POSITION
STOP POSITION/5V
STOP1 POSITION/TAPE SELECT
STOP1 POSITION/PAL
STOP 2 POSITION
STOP 2 POSITION/SAFETY TAB SW
STEREO H
SUB BIAS
SUB SW
S-VHS CASSETTE L
SW 5V DETECT
SYNC L
SYSCON 5V
SYSTEM
T-PHOTO
T-RL. PLS
T. BUSCLK
T. BUSLSN
T. BUSTLK
T. END [L]
T. PHOTO
TAPE END [L]
TAPE END [L]/CAM
TEST
TPZ
TRIC [L]
TRICK [L]
TRK. ENV
TU. AUDIO
TU. GND
TU. V. IN
TU. VIDEO
TUN NOR IN
TUN R
TUN. AUDIO IN
TUNER 12V
TUNER L
TUNER V IN
TUNER [L]
TUNER [N]
TUNER [R]
TUNER. 12
TUOFF [H]
TV. AUDIO
TV/VTR
TXTON [L]
U. REG45V
UNREG
UNREG19V
V. REF
V. EE [H]
V. EE [L]
VCO REF
VD. IN
VD. OUT
VIDEO EE [L]
VIDEO IN
VIDEO OUT
VM
VM DOWN [L]
VSS
VTR [H]
VTR. 12V
X IN
X OUT
SYSTEM CONTROL 5V
SYSTEM SW
TAKE-UP PHOTO TRANSISTOR
TAKE-UP REEL PULSE
TIMER BUS CLOCK
TIMER BUS LISTEN
TIMER BUS TALK
TAPE END L
TAKE-UP PHOTO TRANSISTOR
TAPE END L
TAPE END L/CAMERA PAUSE
TEST MODE
TRAPEZOIDAL WAVE CIRCUIT
TRIC PLAY L
TRIC PLAY L
AUTO TRACKING ENVELOPE DETECT
TUNER AUDIO
TUNER GND
TUNER VIDEO SIGNAL INPUT
TUNER VIDEO
TUNER NORMAL INPUT
TUNER AUDIO (R)
TUNER AUDIO INPUT
TUNER 12V
TUNER AUDIO (L)
TUNER VIDEO SIGNAL INPUT
TUNER AUDIO (L)
TUNER AUDIO (NORMAL)
TUNER AUDIO (R)
TUNER 12V
TUNER OFF H
TV AUDIO
TV/VTR
TEXT ON L
UNREGULATOR 45V
UNREGULATOR
UNREGULATOR 19V
REFERENCE VOLTAGE
VIDEO EE H
VIDEO EE L
REFERENCE OSCILLATER
VIDEO SIGNAL INPUT
VIDEO SIGNAL OUTPUT
VIDEO EE L
VIDEO SIGNAL INPUT
VIDEO SIGNAL OUTPUT
MOTOR VOLTAGE
MOTOR VOLTAGE DOWN L
VERTICAL SYNC SIGNAL
VTR H
VTR 12V
OSCILLATOR INPUT
OSCILLATOR OUTPUT
50
DMR-EZ45VEB

12 BLOCK DIAGRAM
12.1. POWER SUPPLY BLOCK DIAGRAM
DMR-EZ45VEB
POWER SUPPLY
BLOCK DIAGRAM
F1101
AC-Socket
P1101
SURGE
ABSORBER
D1101, L1101
D1102
D1103
D1104
D1105
L1102
RECTIFIER
4x
C1103
IC1101
SW IC
VCC
D1D2
8
T1101
SW TRANSFORMATOR
GND
FB
IC1201
Q1101
D1201
D1202
D1203
7
4
5
2
4
32
1
17
3
17
16
15
14
13
11
5
2
7
IC1203
QR1202
IC1204
IC1801
QR1201
QR1801
1
2
1
1
2
HOT COLD
X_SW12V
DR_12V
DR_5V
X_SW3R8V
DR_PON_H
DI_PON_H
BE1R8V
X_SW17V
X_SW5R8V
IC1202
321
Q1202
2
3
6
4
5
1
1
2
3
4DR_5V
DR_GND
DR_12V
DR_12V
P1201
8
8
8
250V T2AL
DMR-EZ45VEB
51

12.2. SYSTEM CONTROL, SERVO & TIMER BLOCK DIAGRAM
DMR-EZ45VEB
SYSTEM CONTROL / SERVO & TIMER
BLOCK DIAGRAM
TO
IC3002 , QR4501
5
N
L
H
L
L
H
H
H
P. C . B .
DIGITAL I/F
POWER &
TO/FROM
TL6002
+6V
CAP TL
CAP FG
+5V
PB CTL
VCC +5V
19
TL600434RESET
FRONT JACK P.C.B.
PG OUT
PG-
PG+
4
P9101P6001
11
44
33
PP4801
PP4801
PP7503
PS6002
PS6002
PS6001
6
7
8
12
P6001
P6001
P6001
P9101
P9101
P9101
P9101P6001
AD +5V3
IC7502
1IR
(REMOTE CTL.RECEIVER)
14REMOCON
VHS KEY 1 5
VHS KEY 2 6
CH-UPFFPOWER
S7803S7802S7801
S7804 S7805 S7806
EJECT REW CH DOWN
TIMER BUS CLK 70
TIMER BUS DATA IN 69
IIC CLK 71
TIMER BUS DATA OUT 68
15TIMER CS
POWER
FROM
(S-REEL SENSOR)
IC1502
CTL HEAD(+)
CTL HEAD(-)
COIL
PG
COILS
MOTOR
CYLINDER
5
IC6201
4 OUT
(RESET)
X SW+5.8V+5V
(SWITCHING REG.+5V)
IC6302
ON
INOUT 4
3
1
PON 75
AD 5V5V(D) 37
(12MHz)
X6001
12MHz OUT 39
12MHz IN 38
SENSOR
PHOTO
TAKE-UP
Q1501
LED
SENSOR
D1501
SENSOR
PHOTO
SUPPLY
Q1502
TAB S W
SAFETY
S1531
+5V
(T-REEL SENSOR)
IC1501
4
21
34
2
3
1
TL23
TL24
80 T.REEL
79 S.REEL
26 SAFETY TAB
7 S.PHOTO
8 T.PHOTO
SW
MODE
S1532
5
4
3
2
1
SW4
SW3
SW2
SW1
SW4
SW3
SW2
SW1
30 POSITION SW4
POSITION SW331
32 POSITION SW2
POSITION SW133
PB CTL OUT
EX.FF/REW
TW2002
97
82
6
5
P4002
P4002HEAD
CONTROL
95
94
COMPOSER
FG/PG
AMPLIFIRE
DIFFERENTIAL
17
16
15
PFG9018
CYL ET
CTL AMP REF96
OREF91
UNLOADING
LOADING
FG. AMP. IN
FG. AMP. OUT
7714
AMPLIFIRE
DIFFERENTIAL
COM
M3
M2
M1
20
-
+++
AMPLIFIRE
DIFFERENTIAL
SELECTOR
GENERATOR
SIGNAL
DRIVE
MOTOR
PRE-DRIVE
DRIVE
MOTOR
25
23
22
MOTOR
LOADING
M
+
-
2
1
P1531
P1531
4
2
OUT 2
OUT 1
AMP
AMP
PRE-DRIVE LOGIC
CONTROL
RIN
FIN
28
29
6
5
(LOADING MOTOR & CYLINDER MOTOR DRIVE)
IC2501
HEAD
FG
CAPSTAN
3
P0201 P2571
TL2515
87
86
(SYSTEM CONTROL/SERVO/TIMER)
IC6001
CAP R/F
CAP ET
CURRENT LIMIT
74
76
11
TL2502
7
6
5
2
P2571
P2571
P2571
P2571
P0201
P0201
P0201
P0201
+12V
XSW
11
10
9
19
ED/S
EC
TL
VM
POWER
HALL
SELECT
DIRECTION
TORQUE
PROCESS
SIGNAL
POSITION
AMP
DEF
AMP
EC
AMP
TL
CONTROL
TORQUE
AMPLIFIRE
DIFFERENTIAL
DRIVE
MOTOR
VH+
A3
A2
A1
H2+
H2-
H1+
H1-
H3+
H3-
HALL
HALL
HALL
COILS
MOTOR
CAPSTAN
(CAPSTAN MOTOR DRIVE)
IC0201
21
27
26
25
24
23
22
17
16
15
IIC DATA 72
TO IC4501
IC4501
IC3901
, IC3901
42
43
88
89
14
15
73
74
, TU7801
, TU7801
, IC3001
, IC3001
,
,
TO
DMR-EZ45VEB
52

12.3. AUDIO BLOCK DIAGRAM
DMR-EZ45VEB
AUDIO
BLOCK DIAGRAM
XT_MUTE
IC9704 64
FROM
DIGITAL
INTERFACE
Q9302
Q9304
Q9305
Q9303
56
64
IC3901
(SA1R)
a
b
c
d
e
(SA3R)
a
b
c
d
e
52
60
DAC Rch
DAC Lch
AV1 Rch
AV1 Lch
53 AV2 Rch
61 AV2 Lch
2
6
2
6
JK3901
JK3902
21 PIN JACK
21 PIN JACK
AUDIO IN ch2(R)
AUDIO IN ch1(L)
AUDIO IN ch2(R)
AUDIO IN ch1(L)
(SA2R)
a
b
c
d
e
BUFF.
AV4
TUN
(SA5R)
50 AV3 Rch
OUTPUT
SELECT SWITCH
(SA4R)
a
b
c
d
3
2
1
5
4
LINE
(Rch)
LINE
(Lch/MONO)
AUDIO
JK4801
FRONT INPUT JACK
AV3
(FRONT) AV3 Lch
58
(SA2L)
a
b
c
d
e
(SA3L)
a
b
c
d
e
(SA1L)
a
b
c
d
e
BUFF.
(SA5L)
TUN
AV4
TUN Rch
54
62 TUN Lch
5
17
7
5
17
7
PS6002
P6003
PS6002
PP4801
P9103
PP4801
AGC ADC Rch
AMP
LPF
BUFF.
MUTE
a
b
c
d
MUTE
BUFF.
LPF
MUTE
BUFF.
LPF
ADC Lch
AMP
AGC
MUTE
BUFF.
LPF
72
AV1 Rch
ADC Rch 79
AV2 Rch 74
AV2 Lch 73
ADC Lch 78
AV1 Lch 71
IIC CLK
IC9704 25
IIC DATA
IC9704 26
FROM
INTERFACE
SCL 88
89
SDA
IIC BUS
LOGIC
JK3901
JK3902
21 PIN JACK
21 PIN JACK
1
3
AV1
(TV)
3
1
AV2
(DECEODER/EXT)
29
P9106
31
P9106
TO
DIGITAL
P. C . B .
3
2
1
LINE OUT
(L)
LINE OUT
(R)
JK9301
REAR JACK
AUDIO OUT Ch1(L)
AUDIO OUT Ch2(R)
AUDIO OUT Ch2(R)
AUDIO OUT Ch1(L)
AADC R
AADC L
44
4
39
41
PP9703
P4002
P9703
P9703
FROM
TO
FROM
DIGITAL
AC HEAD
DIGITAL
P. C . B .
P. C . B .
IC9700
OPTICAL
(DIGITAL AUDIO OUT)
1
IEC OUT
MIX_LOUT_DM
MIX_ROUT_DM
:REC SIGNAL :PB SIGNAL
4.5V Max
5.6Vpp
2.3V
5V
1.0V
AV1
(TV)
(DECODER/EXT)
AV2
AUDIO SIGNAL
OUTPUT
SELECT SWITCH
(SA4L)
AV3
TUNER
TU7801
2
1
143
25
98
IC7301
IC3001
OUT R
MONO IN
SIF
OUT L
AUDIO
TUNER 17
18SIFOUT
19 19
P6003P9103
DMR-EZ45VEB
53

12.4. VIDEO BLOCK DIAGRAM
DMR-EZ45VEB
VIDEO 1/2
BLOCK DIAGRAM
P9103 P6003P9703
855
P6003P9103P9703
951
P6003P9103P9703
659
563
P9103 P6003P9703
P6003
467
P9103P9703
C OUT DM
Y OUT DM
RPROUT DM
GPYOUT DM
BPBOUT DM
FROM
DIGITAL
P. C . B .
JK3901
21 PIN JACK
20
AV1
(TV)
AV1 VIDEO
1
2
3
4
6
7
JK4802
JK4801
FRONT JACK
FRONT JACK
AV3
S-VIDEO IN
VIDEO IN
JK3902
21 PIN JACK
15
11
7
20
RED/C
GREEN
BLUE
VIDEO/Y
AV2
(DECODER/EXT)
AV3 Y
AV3 C
AV3 V
AV2 R/C
AV2 G
AV2 B
AV2 V/Y
SLICER
Q9701, Q9705
IIC CLK
IC9704 25
26
IC9704
IIC DATA
FROM/TO
INTERFACE
P9703
75
71
P9703
TO
DIGITAL
P. C . B .
10 10
PP4801 PS6002
33
PS6002PP4801
88
PS6002PP4801
11
P9103P6003
22
P9103P6003
88
P9102P6002
VIDEO
OUT
21
TU7801
U/V TUNER
JK3902
21PIN JACK
19 VIDEO AV2
(DECODER/EXT)
JK3901
21PIN JACK
7 BLUE AV1
(TV)
11 GREEN
19 VIDEO/Y
15 RED/C
REC SIGNAL PB SIGNAL
5V
2.3V
1.0V
MAIN P.C.B.
CPN_CIN_DM
V_Y_IN_DM
91
93
95
97
99
33
41
45
37
1
3
5
31
AV1 V IN
AV3 Y IN
AV3 C IN
AV3 V IN
AV2 R/C
AV2 G
AV2 B
AV2 V/Y
IC3901
9
AV1
R-C
OUT
12
AV1
B
OUT
17
AV1
G
OUT
23
AV4
V
OUT
26
AV1
V/Y/C
OUT
28
AV2
V
OUT
81
C-ADC
OUT
83
V/Y
ADC
OUT
85
SLICER
88
SCL
89
SDA
30
TUNER
V
OUT SEL
DEC SEL
TUN 1/2
YINSEL
VINSEL
DVD IN SEL
RGB SEL
DAC Y
AV2 Y
TUN
DVD/
VHS
CINSEL
ENC C IN
ENC Y IN
(coupled with Y switch)
TUN DVD/VHS
AV1
AV3
AV2
DVD
VCR Y
AV1
TUN DVD
AV2
DVD
AV3 Y
TUN DVD/VHS
VCR C
VCR V
VCR Y
VCR Y
VCR V
VCR V
DAC Y
DAC C
DAC V
AV3 C
AV2 C
SV18
SV1
SV2
SV13b/SV10
SV12b/SV9
SV11b/SV8
SV15b/
SV17C
SV7
SV6
SV5
SV3/SV4
0
1
000
001
100
010
011
000
010
011
001
000
010
011
001
000
010
011
0
1
10/10
01/10
11/10
xx/11
000/0x
00/10
xx/00
0/0
0/1
000/10
000/0x
000/10
000/0x
000/10
010/xx
011/xx
ENC B/B-Y IN
ENC G/Y IN
ENC R/R-Y IN
IIC BUS
LOGIC
1
2
JK4903
DMR-EZ45VEB
54

DMR-EZ45VEB
VIDEO 2/2
BLOCK DIAGRAM
61
PB SIGNALREC SIGNAL
C3056
L3008,
C3005
L3001,
QR3005
QR3001
42
24 IC6001
IC6001
83
81
IC3901
IC3901
CONTROL
PCB
SYSTEM
DIGITAL
FROM
FROM
FILTER
PEAKING
LPF
INT
EXT
P
R
(AUDIO/VIDEO SIGNAL PROCESSOR)
IC3001
LP/EP R
LP/EP COM
LP/EP L
SP R
SP COM
SP L
VIDEO HEAD
DD CYLINDER
TO/FROM
VIDEO HEAD
DD CYLINDER
TO/FROM
1
P5001
2
P5001
3
P5001
4
P5001
5
P5001
6
55 88
P5001
P9703 P6003P9103
PIN53
THES MODELS BY
FIXED TO INT IN
INT
EXT
R
P
P
R
ATP
R
SVHS
SVHS
CONTROL
SYSTEM
TO
SVHS_PB_H
IC6001-
X3001
X3002
FILTER
PEAKING
8
20
53
65
69
67
71
9
12
36
51
49
40
38
37
35
34
33
26
23
19
21
17
2
4
15
6
EMPHASIS
NON-LINEAR
DEH
COMPARATOR
PHASE
TRAP-NC
HP-NC
REDUCTION
Y-NOISE
DELAY
Y-CCD
LPF
GCL
GCL
GCL
R(SVHS)
R(SVHS)
DO
DO/REC
SQPB
SQPB
P
R
SVHS+L SECAM
SVHS+L SECAM
+SSEQ
SECAM DELAY
Y-LPF
R
P
GCL
(NOT USED IN THESE MODELS)
SIGNAL INPUT LINE
EXTERNAL PB LUMINANCE
TO C CCD
SQPB SQPB
EXT
INT
P
R
TRAP
629MHz
AGC
FM
DET
S-VHS
P-EQ
DL
SQPB
DRIVER
C CLOCK
2FSC
OSCILLATOR
VCO
X'TAL
G-EQDLIMDEMO
LPF
SUB
W.C/D.C
CARRIER OFFSET
MAIN EMPHASIS
DE-EMPHASIS
MAIN
ET LPF
PB AGC+APL
REC FBC+ALC
ADJUSTMENT
fo/DEVIATION MODULATION
FM FILTER
REC
ACC DET
CHROMA
ACC DET
ACC SW
REC APC
KILLER
PB APC
APC SW
EQ
SQPB
DE-EMPHASIS
NON-LINEAR
VIDEO ALC
CLAMP
FEED BACK
SYNC
CLEAR
ACC
LPF
2MHz
HPF
AGC
VIDEO
-10dB
ATT
-10dB
ATT
-4dB
ATT
-6dB
ATT
91
90
89
87
86
85
45
46
55
57
VCA
MUTE
REC
+
L SECAM
TRAP
FREC
NO
THROUGH
C-ACC:ON
L SECAM
L SECAM
L SECAM
FREC TRAP
DELAY
C-
R
P
Hi-Fi TRAP
REC TRAP/
ADJUST
LEVEL
MIX
B.E
ACC
CHROMA
CTL TRAP
fh HPF
KILLER
COLOUR
+
LPF
CCD
C CCD
VCA
C LPF2
V-AMP
SQUELCH
C-
AMP
6dB
C LPF1
CONV DELAY
4.43PAL MPAL
ERASE
PILOT
B.D
BPF
ADD
PILOT
PR
P
R
P
R
P
R
P
R
CONV 1
MAIN
+
CONV 2
MAIN
KILLER
COLOUR
CONVERTER
NTSC/PAL
SQUELCH
SP
SP
CH1
CH2
CH1
CH2
SP1
SP1
SP2
SP2
SP1
SP1
SP2
SP2
V_Y_IN
C_IN
IC3905
DMR-EZ45VEB
55

12.5. DIGITAL I/F P.C.B. BLOCK DIAGRAM
DMR-EZ45VEB
DIGITAL I/F PCB
BLOCK DIAGRAM
51 PS9702 PP7502
98FL RESET
9
10 SDAT A
SCK
RESET
PP7502
PP7502
PS9702
4
PS9702
2
X_SW5R8V
D7502
DVD
D7504
D7503
VHS
QR7502
QR7504
QR7503
4
PP7501
PS9701
PP7501PS9701
3
PS9701 PP7501
2
86
87
88
2
FL00
40
FL21
DP7501
P1−P16
2G−7G
1
2
45
44 NX
F+
NX
F−
PP7503
1
PP7503
10
PS6001
PS6001
DVD OPERATION KEY
FL DRIVE
FL_CLK
DVD_SEL_LED
7
71
6
68
5
69
FL_RXD
DUB_LED
FL_TXD
VHS_SEL_LED
KEY_IN1
KEY_IN2
KEY_IN3
73
PFAIL_L 12
3
AD +5V
IC 9704
IC 9703
SYS_PFAIL_H 74 INV.
QR9701
3
2
1
IC 9702
D3R3V
TO/FROM
SYSCON/SERVO/
TIMER MAIN
PP7502PS9702
6
PP7501
6
94
95
(LPF)
X9701
X9702
10
11
13
15
32KHZ IN
LP3
LP4
32KHZ OUT
XOUT10MHZ
XIN10MHZ
24 125HZ
TL9703
VHS_S_IN
73REMOCON
2
VHS_S_CLK
6
VHS_S_OUT
81VHS_S_OUT
P9101
43REMOCON
TO
VHS MAIN
12
4
2
5
IC9706
XRESET
+5V
22 FAN_PWM_OUT
X_SW12V
P9701
1
PS9701
10
M
39 FAN_LOCK
FAN MOTOR
IC7501
Q9703
Q9704
P9701
3
VHS_S_CLK
PS9701
PS9702 PP7502
8
DUB_LED
S7506
S7504
S7503
S7507
S7502
S7501
STOP
PLAY
REC
SELECT OPEN/CLOSE
V2D
S7505
D2V
R7507 1800
R7508 1800
R7510 5600
R7509 1800
DMR-EZ45VEB
56

12.6. HDMI BLOCK DIAGRAM
15
14
HSDA
HSCL
2
3
4
5
7
161
160
159
158
156
155
154
153
D0
D1
D2
D3
D4
D5
D6
D7
AMSDI0
AMSDI1
AMSDI2
AMSDI3
AMRX
Line Driver
(HDMI TRANSMITTER)
IC56103IC56101
IC56102
Video
I/F
Audio
I/F
AV Controller
IIC I/F
UP
Convertor
Configuration
Register
Authentication
Key Exchange DDC
I/F
Color Space
Converter
HDCP Cipher/Encryptor
TMDS Encoder
TMDS Serializer
81
68
80
77
76
73
72
69
45
46
8
6
5
3
2
12
11
9
33
35
36
38
39
29
30
32
FP56101P55002
FP56101P55002
FP56101P55002
FP56101P55002
FP56101P55002
39
31
29
27
25
2
10
12
14
16
FP56101P55002
FP56101P55002
FP56101P55002
FP56101P55002
FP56101P55002
20
19
21
22
FP56101P55002
FP56101P55002
FP56101P55002
FP56101P55002
FP56101P55002
7
6
4
3
1
12
13
10
9
P56102
L56101
L56102
L56103
L56104
P56102
P56102
P56102
P56102
P56102
P56102
P56102
P56102
TX2P
TX2M
TX1P
TX1M
TX0P
TX0M
TXCP
TXCM
16
15
P56102
3V-5V
Conv.
3V-5V
Conv. P56102 HDMI SCL
HDMI SDA
D2+
HDMI
CONNECTOR
D2-
D1+
D1-
D0+
D0-
CLK+
CLK-
CEC
Q56103
Q56102
SCL
SDA
7
P56101
7
P35001
BUFFER
SWITCHING
HDMI-MONI
HDMI-CONT
Q56001,2
Q56104
Q56105
6
P56101
6
P35001
FROM/TO
DIGITAL
BLOCK SECTION
DMR-EZ45VEB
HDMI
BLOCK DIAGRAM
DMR-EZ45VEB
57

DMR-EZ45VEB
58

13 SCHEMATIC DIAGRAM
13.1. INTERCONNECTION DIAGRAM
DMR-EZ45VEB
INTERCONNECTION DIAGRAM
MAIN P.C.B.
TU7801
TUNER
(SYSCON / SERVO / TIMER)
POWER & DIGITAL I/F P.C.B.
VCR MECHANISM
CYLINDER
STATOR PCB
CAPSTAN
PCB
01
P4001
02
FULL E
FULL E
P5001
06
04
02
07
01
A_COM
A_L
LP_EP_R
A_R
SP_COM
SP_R
SP_L
LP_EP_L
LP_EP_COM
03
05
08
09
05
06
04
02
03
P4002
01
CTL HEAD [+]
CTL HEAD [-]
A HEAD [R]
A HEAD [W]
N A GND
A E IN
02
P1531
01
M
LOADING M [-]
LOADING M [+]
P2901
PG+
5V
PG-
X_SW_12V
CYL_GND
FG1
COM
GND(FG)
M3
TL
M2
EC
M1
CAP_R/F
M_GND
01
02
03
04
05
06
07
07
01
06
02
05
03
04
04
03
05
02
06
01
07
08
P0201
01
02
03
04
05
06
07
P2501
P2571
DVD RAM DRIVE
SD/DV IN P.C.B.FRONT JACK P.C.B. FL DRIVE P.C.B.
05
06
07
08
09
10
04
02
03
PS6002
PP4801
01
JK4801
JK4802
P9703
02
02
02
56
01
01
01
55
04
04
04
58
03
03
03
57
06
06
06
60
05
05
05
59
08
08
08
62
07
07
07
61
10
10
10
64
09
09
09
63
12
12
12
11
11
11
14
14
14
13
13
13
16
16
16
15
15
15
18
18
18
17
17
17
20
20
20
19
19
19
22
22
22
21
21
21
24
24
24
23
23
23
26
26
26
25
25
25
28
28
28
27
27
27
30
30
30
29
29
29
32
32
32
31
31
31
34
34
34
33
33
33
36
36
36
38
38
38
35
35
35
37
37
37
40
40
40
39
39
39
42
42
42
41
41
41
44
44
44
43
43
43
46
45
45
45
48
47
50
49
52
51
54
53
CSYNC_IN
GND
P_OFF_L3
YOUT_DM
UARTM2P
DGND
UARTP2M
DGND
DGND
DGND
ACT_FOC1-
IECOUT
ACT_FOC1+
DGND
ACT_TRK-
X_SW_3R2/D3R3V
ACT_TRK+
MIX_ROUT_DM
ACT_FOC2+
IT_CK
ACT_FOC2-
MIX_LOUT_DM
GND
I2C5CK
SMOUT
AUGND
OEIC_HL
AUGND
OEIC_SW1
I2C5DT
OEIC_SW2
AUGND
OEIC_FJ
XFWE
OEIC_EI
AADC_L
OEIC_RF-
P_OFF_L
OEIC_B
XDMUTE
OEIC_C
ITA2M
OEIC_RF+
AU5V
FM/OEIC_VCC:5V
ITM2A
OEIC_D
XMPREQ
FM_VOUT-
DR5V
FM_VOUT+
ANA5V
SBMTP
OEIC_GND
CPNCIN_DM
DR5V
OEIC_VC
D1R2V
SBPTM
LDU_HFMN
DGND
DRGND
LDU_CD/DVD
D1R2V
XINTM
LDD_WN
V_YIN_DM
DRGND
LDU_HFM
D1R2V
SCLK
LDD_W2N
DGND
DR12V
LDD_W3
D1R2V
XINP
LDD_WIN
BPBOUT_DM
DR12V
LDD_W2
D1R2V
SC/ROHM
DGND
LDD_W1
LDD_IINW3
D1R2V
LDD_IINW2
GPYOUT_DM
LDD_IINW1
D3R8V
LDD_IINRD
DGND
LDD_GND2
D3R8V
LDD_ENABLE
RPROUT_DM
LDD_VSS
EPG_ON_H/BUSY
LDD_VSS
DGND
LDD_VCC1
ANA3R3V
LDD_VCC1
COUT_DM
D3R3V
OEIC_GK
AADC_R
OEIC_A
PS9701PS9702
05
05
06
06
07
07
08
08
09
09
10
10
04
04
02
02
03
03
PP7501PP7502
01
01
05
06
07
08
09
10
04
02
03
01
SPARE
GND
FL_6V
SD_LED
DUB_LED
SD_SEL_LED
KEYIN1
KEYIN2
KEYIN3
GND
05
06
07
08
09
10
04
02
03
01
VHS_SEL_LED
FL_RESET
FL_CS
HDD_SEL_LED
DVD_SEL_LED
FL_ON_L
FL_DATA
AD5V
FL_CLK
GND
05
06
07
08
09
10
04
02
03
PP7503
01
PS6001
FAN
05
05
06
06
07
07
08
11
08
11
09
12
09
12
10
13
14
15
10
13
14
15
04
04
02
02
03
03
P6001
01
01
GND
IO_P_SAVE_H
X_SW_17V
VTR_CS
P_SAVE_H
A3_SW_IN
GND
VHS_S_OUT
VHS_S_IN
VHS_S_CLK
GND
REMOCON
GND
5V_AD
P_FAIL
P9101
05
06
07
08
09
10
11
12
13
14
15
16
17
18
19
20
04
04
02
02
03
03
01
01
P66801
P66803
DIGITAL P.C.B.
63 64
02
01
05
05
06
06
05
05
05
05
06
06
07
07
08
08
06
06
07
07
08
08
09
09
10
10
11
11
04
04
04
04
04
04
02
02
02
02
02
02
03
03
03
03
03
03
01
01
01
01
01
01
FP50002
FP50002
P50001P59001
P50001
FP50004
FP50004
FP50003
FP50003
05 15
06 16
07 17
08 18
09 19
10 20
04 14
02 12
03 13
01 11
CLK TPB+
WP TPB-
CMD GND
DAT3 DIAG
DAT2 SBI0
3R3V SBO0
GND GND
DAT1 TPA+
DAT0 TPA-
CD 3R3V
P53501
GND
GND
A-
A+
B+
B-
H-
LM+
HW-
LM-
HW+
OPEN_SW
HV-
PHOTO_LED
HV+
CARTRIDGE
HU-
REC_INH
GND
CLOSE_SW
HU+
H+
COILU
COILV
COILW
05
05
06
06
07
07
08
11
08
11
09
12
09
12
10
13
14
15
16
17
18
19
10
13
14
15
16
17
18
19
04
04
02
02
03
03
P6002
01
01
GND
P50
AV2_BLANK
AV2_PB_H
SCART_MUTE
CSYNC_IO
SYNC_DET
SLICER_VIDEO
GND
I2C5_DATA
I2C5_CLOCK
AFC
SW2_TU
TU_P_ON_H
MGND
P9102
05
05
06
06
07
07
08
11
08
11
09
12
09
12
10
13
14
15
16
17
18
19
10
13
14
15
16
17
18
19
04
04
02
02
03
03
P6003
01
01
AADC_R
AU_GND
AADC_L
AU_GND
MIX_LOUT_DM
AU_GND
MIX_ROUT_DM
X_SW-12V
X_SW_5R8V
X_SW_5R8V
Y_OUT_DM
C_OUT_DM
GND
RPR_OUT_DM
GPY_OUT_DM
BPB_OUT_DM
GND
V_Y_IN_DM
CPN_C_IN_DM
P9103
JK3902JK3901
JK4902 JK4903JK4901
IC9700
JK9301 P1101
P9701
02
01
03
FAN_DC_OUT
GND
FAN_LOCK
05
06
07
08
09
10
04
02
03
01
VP
GND
F+
IR
GND
F-
BACK END P.C.B.
CN9003
CN9001
P7801
GND
GND
GND
GND
DEC_AUD_L
DEC_AUD_R
DEC_Y_OUT
DEC_C_OUT
IF_AGC
IF_OUT_[-]
IF_OUT_[+]
12
11
10
9
8
7
6
5
4
3
2
1BE_RESET
P7802
11
10
9
8
7
6
5
4
3
2
1
GND
GND
PS11R6V
BE_3R3V
BE1R8V
ASCO_TXD
ASCO_RXD
T_CS
T_DATA
T_CLK
?P_SAVE?
08
07
06
05
04
03
02
01
09
10
L2_V_IN2
KEY_GND
KEY1
KEY2
L2_L_IN
L2SW
L2_R_IN
CPN_C_IN2
GND
CPN_Y_IN2
05
05
06
06
07
07
08
08
09
09
04
04
02
02
03
03
P6004
01
01
BE1R8V
D3R8V
DI_PON_H
T_CLK
T_DATA
T_CS
ASCO_RXD
ASCO_TXD
GND
P9104
HDMI P.C.B.
P7501
P56101
HDMI_P5_ON_H
HDMI_CEC_MONI
X_SW_3R8V
HDMI_P3_ON_H
HOT_PLUG
HDMI_CEC_CONT
X_SW_3R8V
GND
X_SW_5R8V
10
10
40
9
8
7
6
5
4
3
2
1
1
1
GND
02
01
04
03
06
05
08
07
10
09
12
11
14
13
16
15
18
17
20
19
22
21
24
23
26
25
28
27
30
29
32
31
34
33
36
38
35
37
40
39 GND
R656_OUT0
R656_OUT1
R656_OUT3
GND
R656_OUT2
R656_OUT4
R656_OUT5
R656_OUT7 R656_OUT6
R656_CLK GND
HDMI_27CLK GND
HDMI_1_IRQ GND
I2C_SCL1 I2C_SDA1
GND HDMI_2_IRQ
GND RESET
GND DMIX
GND ADACOUT2
GND ADACOUT1
ADACOUT0
GND
DAC_LRCK
GND
DAC_BCK
GND
DAC_MCK
GND
IECOUT
GND
GND
GND
P55002
FP56101
P56102
DMR-EZ45VEB
59

13.2. POWER SUPPLY
!
Important Safety Notice:
Components identified with the mark have
the special characteristics for safety.
When replacing any of these components
use only the same type.
Note:
Marked $ (spare) parts are not assembled
* Optional Parts
DMR-EZ45VEB
POWER SUPPLY
SCHEMATIC DIAGRAM
X_SW17V
X_SW12V
X_SW5R8V
GND
DR_PON_H
DG1101
DISCHARGE GAP
DG1102
DISCHARGE GAP DG1103
DISCHARGE GAP
DG1110
DISCHARGE GAP
DG1111
DISCHARGE GAP
DG1112
DISCHARGE GAP
DG1113
DISCHARGE GAP
DG1109
DISCHARGE GAP
DG1108
DISCHARGE GAP
DG1107
DISCHARGE GAP
DG1106
DISCHARGE GAP
DR_12V
DR_5V
DR_GND
DR_GND
1
2
P1101
D1101
C1101
C1102
1
L1101
1
L1102
D1102
D1103
D1104
D1105
C1103
400V68
D1106
LB1201
$
C1110
C1111
C1109
1000P
34
12
Q1101
D1201
$
D1202
$
L1202
SoftS
1
FB
CS
Drain Drain
NC
Vcc
GND
IC1101
C
3
A
2
R
1
IC1202
R1216
2200
R1217
220 R1218
2200
C1212
0.033
Vin
1
R/C
OSC
S/S GND
AmpO
AMP-
Vout
IC1203
C1220
0.1
C1218 0.01
C1219 330P
R1225
100K
D1205
QR1202
R1228
1K
R1227
1200
L1209
1
D1203
C1203
16V1500
C1204
16V1500
C1209
10V680
C1217 16V120 1 2
IP1221
LB1203
LB1204
R1226
4300
R1201
$
L1204
C1108
35V33
D1108
LB1105
LB1102
C1106
1000V100P
C1105
1000V100P
R1104
R1105
C1107
0.47
D1107
R1107
R1108
R1106
R1202
$
L1205
R1219
$
R1221
680
R1222
2700
C1214
16V470
C1213
$
L1208
$
L1207
L1210
1
2
3
4
P1201
$ (LF)(SN)
C1223
10V680
C1104
R1103
C1225
1000P
R1203
$
C1112
C1205
0.1
C1216 0.1
R1101
R1102
C1222
0.22
DR_5V
DR_12V
X_SW3R8V
BE1R8V
DI_PON_H
TL1201
X_SW17V
TL1202
X_SW12V
TL1203
X_SW5R8V
TL1204
TL1205
X_SW3R8V
BE1R8V
TL1206
GND
TL1207
DI_PON_H
TL1208
P_SAVE_L
TL1209
HDD_PFAIL_L
TL1210
DR_5V
TL1211
DR_12V
TL1213
DR_PON_H
P_SAVE_L
HDD_PFAIL_L
C1201
25V470
C1202
*
K1205
QR1203
DR12V
S
1
S
2
S
3
G
4D5
D6
D7
D8
Q1201
12
R1220
10K
K1202
K1201
C1238
$C1239
$
VIN
1
PWON
VREF
CC FB
GND
EXT
CS
IC1201
C1207
0.1
C1206
0.1
R1207
51K
D
1
D
2
G
3S4
D5
D6
Q1202
C1211
0.01
C1208
180P
D1204
LB1207
R1213
12K
R1215
2K
R1214
560
F1101
FH1101 FH1102
C1221
$
D1109
LB1202
L1212
K1203
$
L1213
$
R1208
27M [0.5%][36]
C1237
10V1
R1236
22K
R1237
22K
C1210
16V470
2
3
4
5
6
7
8
10
11
12
13
14
15
16
17
18
T1101
C1113
250V T2AL
C1234
D3R8V
C1232
C1233
C1235
R1235
C1231
D1208
Vin
1
R/C
2
OSC
3
S/S
4GND 5
AmpO 6
AMP- 7
Vout 8
IC1204
L1211
R1233
C1236
R1231
R1232
C1804*
C1803*
C1802*
C1806*
R1801*
R1803*
R1804*
R1805
C1807
C1805*
D1R8V
C1809*
12
IP1801*
12
IP1231
C1808*
L1801*
C1801
D1801*
QR1801*
L1802*
Vin
1
R/C
2
OSC
3
S/S
4GND 5
AmpO 6
AMP- 7
Vout 8
IC1801*
L1214
R1802*
DMR-EZ45VEB
60

13.3. DIGITAL I/F
Note:
Marked $ (spare) parts are not assembled
* Optional Parts
DMR-EZ45VEB
DIGITAL I/F
SCHEMATIC DIAGRAM
R9770 *
R9771 *
TL9703
12
X9702
*
12
X9701
C9745
*
C9738
18P
C9739
18P
R9722 100 C9733
100P
C9724
0.1
R9769 100
R9766 100
R9702 10K
R9724 100
R9721 100
R9720 100
R9732 $
R9737 $
R9733 $
R9735
$
R9734
$
R9746
$
C9709
$10P
C9728
$ 10P
C9777
$ 10P
C9711
10P
C9712
10P C9710
10P
R9793
*(DVB)
R9791 *
R9745 100
TBUS_CLK
TBUS_RXD
TBUS_TXD
EPG_TXD
EPG_RXD
XMPREQ
XINTM
XINTP
VHS_CLK
VHS_OUT
VHS_IN
C9719
0.01
XRESET
DVB_OUT
DVB_CLK
DVB_CS
R9726 100
R9742 100
AD_5V
R9717
100K
TL9704
R9752
100
R9701 10K
C9726
0.1
R9730
100
3R3V
3R3V
R9754 43K
R9753 39K
R9756 8K2
R9758 8K2
R9757 8K2
LB9703
0
C9707
0.1
Backup_5V
LB9705 0
C9725
10V1C9748 0.1
C9753 47P R9774
2K
R9773
2K
C9747 0.1
C9752 47P
C9754
10V1
AADC_L
AADC_R
SYNC_DET
AU_GND
SCART_MUTE
AU_GND
AV2_PB_H
TU_P_ON_H
AFC
AU_GND
GND
MIX_ROUT_DM
MIX_LOUT_DM
I2C5_CLOCK
I2C5_DATA
SLICER_VIDEO
X_SW_12V
MGND
X_SW_5R8V
X_SW_5R8V
GND
RPR_OUT_DM
BPB_OUT_DM
GPY_OUT_DM
GND
GND
CPN_C_IN_DM
V_Y_IN_DM
C_OUT_DM
Y_OUT_DM
SW2_TU
OUTA
1
INA-
2
INA+
3
V-
4INB+ 5
INB- 6
OUTB 7
V+ 8
IC9305
OUTA 1
INA- 2
INA+ 3
V- 4
INB+
5
INB-
6
OUTB
7
V+
8
IC9302
R9301
0
R9302
0
C9318
$
C9317
$
R9316
220
R9317
220
C9316
1000P
C9315
1000P
QR9304
QR9305
QR9302
$
QR9303
$
R9312
470
R9315
470
C9310
150P
C9309 150P
C9305
16V10
R9311
47K
R9310
47K
C9337
6V22
R9313
0
R9314
0
NR 1
GND 2
ON(H) 3
Vin
4
Vout
5
IC9301
QR9301
AU_5V
MIX_L_OUT_DM
MIX_R_OUT_DM
C9301
50V0.1
C9302
50V0.1
C9336
0.1(50V)
C9306
1000P
C9311
16V47
C9312
16V47[2O]
C9303
10V1000
R9334
20K
R9333
2K2
R9332
2000
R9331
10K
Q9701
Q9705
Q9702
Q9706
R9704
1K
R9779
3900
R9780
1K
R9781
100K
R9739
100K
C9720
0.1
C9714
0.1
C9713
0.1
C9757
1
C9701
1
SLICER_V
CVIN1
SYNC_IN
C9702
$ 560P
C9734
$ 560P
QR6402
QR6403
Q6401
R6402
15K
R6403
10K
R6406
470K R6407
15K
R6405
22K
R6404
470
D6401
Q6402 R6408
100K
R6401
220
R6409
100K
R6410
220K
R6411
2R2M
R6413
47K
R6414
4700
C6401
220P
C6402
220P
D6402
P50OUT
P50IN
Q6403
Q6404
D3R8V
T_CS
T_DATA
T_CLK
ASCO_TXD
ASCO_RXD
GND
DI_PON_H
DVB_OUT
DVB_CLK
DVB_CS
VHS_IN
VHS_CLK
VHS_OUT
Q9704
Q9703
R9711
470K R9712
15K
R9708
1K
R9709
4700
C9741
0.1
1
2
3
P9701
FAN_ PWM_OUT
C9740
$
P50_HDMI
P50 ->H7
Vout
Vdd
GND
NC
NC
IC9703
C9735
0.01
C9736
0.01
OUT
VDD
GND
NC
NC
IC9702
C9715
0.01
C9704
0.01 R9731
10K
QR9701
R9736
47K
AD5V
1
2
3
4
5
C9749
0.1
R9760 4700
R9759 4700
C9737
*(ATU)
R9716
* (ATU)
C9706
6V100
DS
GND
NC
OUT
VDD
IC9706
*(ATU)
C9750
*(ATU)
1
2
34
5
IIC_CLKIIC_DAT
IIC_CLK
IIC_DAT
IIC_CLK
IIC_DAT
R9744 100
EPG_TXD
EPG_RXD
UARTP2M
UARTM2P
XINTP
R9703 0
R9700 0
R9714 0
R9713 0
R9707 0
XINP
SCLK
XINTM
SBPTM
SBMTP
XMPREQ
AU5V
XDMUTE
AADC_L
AADC_R
AGND
AGND
AGND
MIXLOUT_DM
MIXROUT_DM
GND
GND
GND
GND
GND
GND
GND
GND
GND
GND
D3R3V
GND
GND
GND
XINTM
R9772
100
XMPREQ
TBUS_CLK
TBUS_TXD
R9777 100
TBUS_RXD
Q9101
R9144
47K
R9145
22K
R9102
$
D9107
$
XD MUTE XT MUTE
MUTE
3.3V
YOUT_DM
COUT_DM
GPYOUT_DM
RPROUT_DM
BPBOUT_DM
R_IN
G_IN
B_IN
RGB_CPSVIN
DR12V
DR12V
DRGND
DRGND
DR5V
DR5V
ITM2A
ITA2M
I2C5DT
I2C5CK
XFWE
RXD
TXD
RXD
TXD
GND
GND
CPNCIN_DM
V_YIN_DM
GND
GND
GND
GND
GND
GND
ANA5V
X_SW_12V
X_SW_12V
X_SW_12V
X_SW_12V
X_SW_12V
X_SW_12V
X_SW3R8V
X_SW3R8V
EPG_VIDEO
ANA3R3V
CSYNC_IN
GND
GND
GND
GND
GND
GND
P_OFF_L3
GND
EPG_ON_H/BUSY
GND
BS_ON
IECOUT
XSW3R2/D3R3V
IT_CK
POFF_L
R9795
220
SW_UART
XRESET
MAX_RD
GND
D3R3V
MAX_TD
R9764 100
K9708
*(JIG)
R9719
*(JIG)
EPG_TXD
EPG_RXD
R9787
*(JIG)
R9723
$
Vin 1
Vcc 2
GND 3
IC9700
LB9700
0
C9723
L9700
12
IP9102
R9143
330 C9156
0.01
D9104 C9157
6V2.2
L9105
68U
3.3V to H7
D9105
Q9106
C9751
$
C9716
0.01
C9746
$
C9744
$
C9708 0.01
C9717 0.01
LB9707
C9116
6V2.2
C9138
330P
X_SW5R8V
C9111
10V1
C9721
10V1
C9705
0.01
C9703
10V1 R9715
560
X_SW3R8V
C9135
0.01
LB9701
C9755
$
LB9704
LB9708 C9718
0.01
P_SAVE_L
DR_12V
DR_5V
DR_GND
K9715
$
K9707
K9706
C9759
$
C9760
$
LB9702
0
R9763 *100(DVB)
R9761 *100(DVB)
R9755 *100(DVB)
HDMI_CEC_MONI
P50
AV2_BLANK
R9789 *
R9792 *
R9790 *
K9703
*(DVB)
15
14
13
12
11
10
9
8
7
6
5
4
3
2
1
P9102
*
19
18
17
16
15
14
13
12
11
10
9
8
7
6
5
4
3
2
1
P9103
15
14
13
12
11
10
9
8
7
6
5
4
3
2
1
P9101
1
2
3
4
5
6
7
8
9
P9104
* (DVB)
1
2
3
JK9301
X_SW12V
DR_PON_H
X_SW17V
X_SW12V
X_SW3R8V
DR_GND
DR_PON_H
HDD_ PFAIL_L
X_SW5R8V
R9725
10K
R9794 4K7
to HDMI board
to VHS Main to VHS main
AU_GND
5V-Reset
3.3V-Reset
SYS_P_FAIL[H]
DI_PON_H
DR_5V
DR_12V
R9799 $ 3900
P_SAVE_L
ANA3R3V
ANA5V
R9797
$
R9796
4700
BE1R8V
BE1R8V
R9146
1K
R9798
* (ex.JIG)
R9778
*(JIG)
R9783
100K
R9775
10K
C9764
$
R9802
$
R9803
* (ex.HDD)
R9718
*(HDD)
C9765
* (HDD)
6
5
4
3
2
1
P9704
*(JIG)
LB9706
1
23
45
67
89
10 11
12 13
14 15
16 17
18 19
20 21
22 23
24 25
26 27
28 29
30 31
32 33
34 35
36 37
38 39
40 41
42 43
44 45
46 47
48 49
50 51
52 53
54 55
56 57
58 59
60 61
62 63
64 65
66 67
68 69
70 71
72 73
74 75
76 77
78 79
80 81
82 83
84 85
86 87
88
12
34
56
78
9 10
11 12
13 14
15 16
17 18
19 20
21 22
23 24
25 26
27 28
29 30
31 32
33 34
35 36
37 38
39 40
41 42
43 44
45 46
47 48
49 50
51 52
53 54
55 56
57 58
59 60
61 62
63 64
P9703 *
R9800
100
R9801
100
CSYNC_IO
R9804
*
V0
1
NC
GND
CN
CONT
NC
NC
VIN
IC9102
V0
1
NC
GND
CN
CONT
NC
NC
VIN
IC9106
FAN_DC_OUT
GND
FAN_LOCK
GND
R9748 100
R9808 $
R9807 $
R9806 $
R9805 $
R9776 100
C9778 0.01
R9747 100
R9749 100
R9750 100
C9779 0.01
C9780 0.01
C9781 0.01
K9713
*(ATU)
AU_GND
M_GND
DCLI_GND
SYS_GND
R9710
X_SW_5R8V
GND
X_SW_3R8V
GND
X_SW_3R8V
HDMI_CEC_CONT
HOT_PLUG
HDMI_P5_ON_H
HDMI_P3_ON_H
HDMI_CEC_MONI
R9743 $4K7 R9810 4K7
R9811 4K7
R9814 *100(DVB)
HDMI_CEC_CONT
R9824 100
R9816 100
R9815 100
R9765
* (ATU)
R9132
$
QR9104
$
C9742
*
R9767 *
K9716
C9766
0.1
C9722
0.1
R9788 15K
R9827 0
R9828
$
QR9703
X_SW_17V
A3_SW_IN
GND
IO_P_SAVE_H
GND
5V_AD
VTR_CS
VHS_S_OUT
GND
VHS_S_CLK
VHS_S_IN
P_FAIL
GND
REMOCON
P_SAVE_H
D9702
*(DVB)
1
VHS_S_CLK
2
REMOCON
3
VSYNC
4
FL_TXD
5
FL_RXD
6
FL_CLK
7
START(GND)
8
CNVss
9
32kHz_IN
10
32kHz_OUT
11
XRESET
12
10MHz_OUT
13
DGND
14
10MHz_IN
15
V3R3
16
XNMI(5V)
17
XMPREQ[TBUS]
18
XINTM[TBUS]
19
CEC_INT
20
XINTP_OUT
21
FAN_PWM_OUT
22
XINTM_OUT
23
125Hz
24
NC/IIC_CLK
25
NC/IIC_DATA
26
NC/DIG_S_CS
27
NC/DIG_S_CLK
28
29
30
31
32
ONBOARD_GND
33
HDMI_3VREG 34
TBUS_TXD 35
TBUS_RXD 36
TBUS_CLK 37
EPG_TRIG 38
FAN_LOCK 39
HDD_PFAIL[L] 40
P_SAVE[L] 41
DR_P_ON[H] 42
TU_P_ON[H] 43
DI_P_ON[H] 44
FL_CS[L] 45
ONBOARD_5V 46
SYNC_DET 47
AV4_ S IN[L] 48
AV2_ P B_ L 49
WIDE[H] 50
FL_RESET
51
IR_CS 52
IR_BUSY 53
HDMI_5VREG 54
HDMI_HOTPLUG 55
TEST2[H] 56
SYS2 57
FL_100MM_H 58
RFC_A_MUTE 59
AV3_SIN[L] 60
P_SAVE[H] 61
V5V 62
FILAMENT_ON[L] 63
GND 64
XTMUTE[L] 65
NC 66
SD_LED 67
DUB_LED 68
VHS_SEL_LED 69
HDD_SEL_LED 70
DVD_SEL_LED 71
SD_SEL_LED 72
P_FAIL[L] 73
SYS_P_FAIL[H] 74
P50_CEC_INT 75
P50_CEC_OUT 76
SCART_MUTE_H 77
CEC_OUT 78
IO_P_SAVE[H] 79
VHS_S_CS
80
81
DC_L_CH
82
DC_R_CH
83
AFC
84
AV2_ P IN8
85
KEYIN1
86
KEYIN2
87
KEYIN3
88
CVIN
89
V5VA
90
3R3V_OFF_H
91
GNDA
92
TEST1
93
LP3
94
LP4
95
GND_AD
96
M1
97
SYNCIN
98
V5VA
99
VHS_S_IN
100
1 VHS_S_OUT 31 ONBOARD/EPG_TXD
32 ONBOARD/EPG_RXD
81 AV2BLANKING
30 IIC_DATA/DIG_S_OUT
29 IIC_CLK/DIG_S_IN
IC9704
*(DVB-T)
QR9704
*(JIG)
K9717
*(DVB)
1
2
3
4
5
6
7
8
9
10
PS9701
1
2
3
4
5
6
7
8
9
10
PS9702
KEYIN1
KEYIN2
KEYIN3
HDD_SEL_LED
VHS_SEL_LED
DVD_SEL_LED
AD5V
FL_RESET
GND
FL_CLK
FL_DATA
FL_CS
SD_SEL_LED
FL_ON_L
FL_6V
SD_LED
DUB_LED
SPARE
GND
GND
R9751 *1K(DVB)
F
A0
1
A1
2
A2
3
GND
4SDA 5
SCL 6
WP 7
Vcc 8
IC9705
*(DVB)
(ATU)
R9738
22K
C9112
0.1
R6412
27K
C9158
0.1
R9705
10K
R9706
4700
QR9705
*QR9706
*
R9782 100
R9784 100
R9785 100
R9786 100
R9825 100
TL9705
R9829
4K7
L9106
82u D9106
C9786
330P
C9787
330P
LB9709 0
C9758
10V1
C9118
16V47
C9117
10V1000
C9790
6V4R7
R9832 0
R9833 0
R9834 0
R9835 0
R9836 0
R9837 0
R9838 0
R9839 0
R9840 0
R9841 0
C9756
100P
R9809 1800
R9306
7500 [0.5%]
R9307
7500 [0.5%]
R9309
12K[0.5%]
R9308
12K[0.5%]
R9768 680
(ATU)
R9830
$
R9831
4K7
C9785
6V220
L9701
39U
L9702 C9788
$
8
7
6
5
4
3
2
1
9
10
P9700 *
DMR-EZ45VEB
61

13.4. IO / TUNER
Note:
Marked $ (spare) parts are not assembled
* Optional Parts
C7825 33P
C7828 33P
C7807 0.01
C7618
0.1
L7605 *2.2u(ATU)
L7602 *27u(ATU)
L7606* 39u(ATU)
C7605
0.01
C7603
6V100
C7606
0.01
C7604
6V100
C7810*10V1(ATU)
C4919
35V10
C4920
35V10
C4922
35V10
C4923
35V10
C4924
35V10
C4925
35V10
R3916
100
R3917
100
R3914
33
C3906
0.1
C3908
0.1
C3904
0.01
C3905
10V1
C4926
10V1
C3915
0.1
C3916
0.1
R39216800
R3922
$6800
C4945
16V220
C3920
0.01
C3922
0.01
C3923
*0.01
C3921
0.1
C3924
0.1
C3925
*0.1
C3926
0.1
C3947
0.1
C3946
0.1
C3948
0.1
C4942
0.1
AV1
AV2
C4105 100P
C4106 100P
C4111 100P
C4112 100P
R4105 220
R4106 220
R4116 220
R4117 220
R4101
1K R4102
1K
C4109 $ 47P
C4110 $ 47P
C4103 $ 47P
C4104 $ 47P
R4103
1K R4104
1K
C4107 470P
C4108 470P
C4101 470P
C4102 470P
R3910 75[0.5%]
R3911 75[0.5%]
R3912 75[0.5%]
R3913 75
R3903 75
R3904 75
R3905 75
R3906 75
LB4102
LB4103
LB4104
LB4105
LB4106
R3901 75
R3902 75
R3909 75
R3907 220
AV2_PB_H
AV2_BLANKING
P50
R4908 470
R4909 470
R4910 470
R4911 470
AU_GND
CPN_C_IN_DM
V_Y_IN_DM
SLICER_VIDEO
SYNC_DET
C_OUT_DM
Y_OUT_DM
R/PR_OUT_DM
G/PY_OUT_DM
B/PB_OUT_DM
I2C5_CLK
I2C5_DATA
VHS_OUT_L
VHS_OUT_R
VHS_V_Y_OUT
AV3_V_IN
AV3_Y_IN
AV3_C_IN
AV3_IN_L
AV3_IN_R
QR4906QR4905QR4903 QR4904
AV2_ V_IN
AV2_R_C_IN
AV2_ B_ I N
AV2_ G_IN
AADC_R
AADC_L
MIX_L_MUTE
MIX_R_MUTE
SCART_MUTE
GND
IO_GND
C_IN
C3910
10V1
C3914
10V1
C3936
6V470
C3937
6V470
C3938
6V100
C3939
6V22
C3950
6V22
C3918
6V22
C3949
6V100
C3917
6V100
R3926
$6800
C7410
10V1
C7411
10V1
C7403
10V1
C7404
10V1
C7402
0.1
C7401
0.1[KB]
C7409
0.1
C7408
0.1
GND 1
Vin
Vout
NC
On/Off
IC7804
*(ANT_P)
ANT_PON_H
R7802 *47K(ANT_P)
NSW_5V
PS_5V
TU_P_ON_H
IO_P_SAVE_H
D7801
*(ANT_P)
Q4901
R4925
4700
R4926
4700
R740110K X_SW12V
C3929
6V220
C3912
6V220
C3928 0.1
C3911
0.1
C4917 16V10
C4918 16V10
QR4911
QR4912
QR4913
FM_MUTE_H
1
2
3
4
JK4901
SIF
MONO_ FRO M_TU
RF_5V
DECODER_R
DECODER_L
MPEG_TU_ L
MPEG_TU_ R
RF_5V
C7815
*0.22 (DVB)
LB4101
R4912
75
R4913
75
R4916
75
R4917
75
R4918
75
R4919
75
X_SW_5R8V
SW_TU
AFC
C7806
*0.01(DVB)
C7617
*0.01(DVB)
C7809 * 0.01(DVB)
R7808 *100(DVB)
C7621
$470P
L7808
*10U(ANT_P)
C7808
*16V22(ANT_P)
GND
GND
PS11R6V
BE_3R3V
ASCO_TXD
ASCO_RXD
T_CS
T_DATA
T_CLK
?P_SAVE?
GND
GND
GND
GND
DEC_AUD_L
DEC_AUD_R
DEC_Y_OUT
DEC_C_OUT
IF_AGC
IF_OUT_[-]
IF_OUT_[+]
BE_RESET
Q7802
*(DVB)
R7844
*330 (DVB)
C7842
*0.01(DVB)
C7844
*6V100 (DVB)
C7843
*10V22 (DVB)
R7845
*10K(DVB)
X_SW3R8V
T_CS
T_DATA
T_CLK
ASCO_TXD
ASCO_RXD
C7405
10V1
C7407
10V1
C7406
10V1
QR4915
C7804
*0.1(ANT_P)
C7805
*0.1(ANT_P)
0.1(DVB)
27u (ATU)
R4901 $ 47K
R4902 $ 47K
R4915 $ 47K
R4914 $ 47K
C7824
$0.1
1
2
3
4
5
6
7
8
9
10
11
12
13
14
15
16
17
18
19
20
21 JK3901
1
2
3
4
5
6
7
8
9
10
11
12
13
14
15
16
17
18
19
20
21
JK3902
R3908 75
R4922 470
R4923 470
SW 1
OUT 2
VCC 3
IN2
4
GND
5
IN1
6IC3905
R7821
$0
R4903 0
C3934
0.1
C7620
16V47
IO_GND
AUX_GND
PS_5V
RF_5V
TU_5V
VIF_5V
C7613
*220P (ATU)
NSW_5V
11
10
9
8
7
6
5
4
3
2
1
P7802
*(DVB)
LB7601
*(DVB)
LB7602
*(DVB)
LB7603
*( DV B)
C4935
16V100
C4927
16V100
C4944
16V47
AV2_R/C in
1
REG2,5
2
AV2_G in
3
GND_VD
4
AV2_B in
5
Vcc5V_VD
6
R-Y out
7
Vcc5V_RGB
8
AV1_R/C out
9
SYNC_SEP_LPF
10
B-Y out
11
AV1_B out
12
EXT_CTL1
13
CPN_Y out
14
CPN_Y out_SAG
15
MUTE_FIL
16
AV1_G out
17
GND_RGB
18
Line_Y out
19
LINE_Y out_SAG
20
GND_VL
21
Line_C out
22
Line_V out
23
LINE_V out_SAG
24
Vcc5V_VL
25
AV1_V out
26
AV1_FS out
27
AV2_V out
28
GND_VC
29
TU1_V in
30
31
32
AV1_ V in 33
AV1_FB out 34
AV4_ V in 35
EXT_CTL3 36
AV3_ V in 37
EXT_CTL4 38
AV4_Y/TU2_V in 39
Vcc5V_VC 40
AV3_ Y in 41
Vcc_ALL_5V 42
AV4_ C in 43
GND 44
AV3_ C in 45
Vcc11.6V_A 46
VCR_Y in 47
48
49
50
AV4_R/TU2_AR in 51
AV1_R in 52
AV2_R in 53
TU1_R in 54
VCR_R in 55
ADAC_R in 56
REG_9V_AR 57
AV3_L in 58
AV4_L/TU2_AL in 59
AV1_L in 60
AV2_L in 61
TU1_L in 62
VCR_L in 63
ADAC_L in 64
REG_9V_AL 65
GND_REG 66
NC 67
Meter_L 68
Meter_R 69
NC 70
AV1_L out 71
AV1_R out 72
AV2_L out 73
AV2_R out 74
GND_AR 75
RF out 76
ALC_DET 77
AADC_L out 78
AADC_R out 79
GND_AL 80
81
82
Y/V_ADC
83
Vcc5V_VSW
84
Slicer
85
C_SYNC out
86
V_DET in
87
SCL in
88
SDA in
89
V_DET out
90
ENC_C in
91
V_DET_FIL
92
ENC_Y in
93
Vcc_Logic
94
ENC_R/R-Y in
95
GND_Logic
96
ENC_G/Y in
97
GND_VSW
98
99
100
49 REF_4.5V
50 AV3_R in
32 AV2_FB_in
31 AV2_V/Y in
99 ENC_B/B-Y_in
100 REG_2.5V
81 C_ADC
82 Y_SYNC_out 48 VCR_C in
IC3901
LB3901
LB7401
LB7801
*(DVB)
D3901
D7805
*(DVB)
9
8
7
6
5
4
3
2
1
P6004
*(DVB)
GND
DI_PON_H
scl
sda
agc
(5V<=ANT_PON)
audioout
sifout
aftout
videoout
(5V<=TU_PON)
(5V<=NSW)
BB: +5V ANT
1
NC
2
NC
3
BB: +5V Boost.
4
NC
5
NC
6
+B: +5V TNR
7
BTL+30V
8
RF AGC
10
SCL
11
SDA
12
AFT OUT
16
SIF OUT
14
NC
15
DIFOUT1
20
DIFOUT2
21
AUDI O OUT
13
VIDEO OUT
17
DIG AGC
19
+B: +5V VIF
18
COMBO
NC
NC
NC
NC(EE=SW)
SIF OUT
+5V TNR
RF AGC
MSCL
VIDEO IN
SDA
SCL
VIDEO OUT
+5V VIF
BTL 30V
AUDI O OUT
AFT OUT
+5V RFC
MSDA
AUDI O IN
+5V Booster
ANALOG
NC
9
NC
TU7801 *ENGF7503GF
C7838 0.1
C7819 0.01
R7818
470
R7819
470
C7839 50V1
UNREG_38V
D7807
btl30v
digagc
R7850 (ES35)
(ES35) *0(ATU)
R7849 *0(DVB)
R7851 *0(ATU)
R7854
*0(DVB)
(5V<=NSW)
agc
R7859 *0(DVB)
R7861 *0(DVB)
R7863
*0(DVB)
VIF_5V
TU_5V
K7809 * (ANT_P)
K7803
* (DVB)
K7805
*(ATU)
K7806 * (DVB)
K7807 *(ATU)
K7808
*(ATU)
Q7804
* (ANT_P)
Q7803
* (ANT_P)
R7869
*56K(ANT_P)
R7866
*47K(ANT_P)
R7865
*4700(ANT_P)
ANT_SHORT_L
QR4901
QR4902
QR7802
*
QR4914
QR7803
K7400
(only
ES35)
*
K7401*
QR7804
K7802
BE1R8V
CSYNC_IO
QR7801
*(DVB)
V0
1
NC
GND
CN
CONT
NC
NC
VIN
IC7402
V0 1
NC
GND
CN
CONT
NC
NC
VIN
IC7401
V0 1
NC
GND
CN
CONT
NC
NC
VIN
IC7403
BE1R8V
C4928
C4929
C4930
C4931
C4932
C4934
C4937
C4938
C4939
C4936
C4933
C4941
C4940
C4943
K3905
C3907
10V1
C3909
10V1
R4904
22K
LB4901
LB4902
LB4903
LB4904
LB4905
LB4906
C7811
*10V1(DVB)
R3915
0
R7867
*1.5M (ANT_P)
R7868
*330K(ANT_P)
1
4
5
2
3
YC
YC
JK4902
1
2
JK4903
K4901
K7853
*(ATU)
K7855
*(DVB)
K7858
*(ATU)
C3955
0.01
C3956
0.01
Q3901
K3906
C3957
$0.1
C3927
0.1
D7802
*(ANT_P)
R3931
100K
C3940
33P
R3930 $240
V_Y_IN
C3913
0.1
D4901
D7803 *
12
11
10
9
8
7
6
5
4
3
2
1
P7801
*(DVB)
Tu r n ed El k o
K7810 $
K7811 $
LB7802
LB7803
LB7804
DMR-EZ45VEB
IO / TUNER
SCHEMATIC DIAGRAM
(only ES35)
(only ES35)
(only ES35)
(only ES35)
DMR-EZ45VEB
62

13.5. SYSCON / SERVO / TIMER MAIN
!
Important Safety Notice:
Components identified with the mark have
the special characteristics for safety.
When replacing any of these components
use only the same type.
Note:
Marked $ (spare) parts are not assembled
* Optional Parts
DMR-EZ45VEB
SYSCON / SERVO / TIMER
SCHEMATIC DIAGRAM
C2519
0.01
C2518
0.01
R2552
10K
X_SW_12V
MGND
X_SW_5R8V
X_SW_5R8V
AADC_L
AADC_R
RPR_OUT_DM
BPB_OUT_DM
GPY_OUT_DM
GND
GND
SYNC_DET
CPN_C_IN_DM
V_Y_IN_DM
C_OUT_DM
Y_OUT_DM
R6201
10K
R2551 10K
R6026 10K
R6027 10K
R6028 10K
R6030 4700
R6029 4700
R6012 680
R6019 680
R6014
10K
C6014 0.01
C6009 0.01
C6115 0.01
R6109 1M
KEY_GND
CPN_Y_IN2
GND
CPN_C_IN2
L2_R_IN
L2_L_IN
L2SW
KEY2
L2_V_IN2
KEY1
F-
F+
VP
GND
IR
GND
AU_GND
SCART_MUTE
AU_GND
AV2_PB_H
P50
AV2_BLANK
TU_P_ON_H
AFC
AU_GND
GND
LOADING M(+)
LOADING M(-)
5V
X_SW_12V
FG1
GND(FG)
TL
EC
CAP_R/F
M_GND
C2001
33P
C2054
3900P
R2002
1M
R2001
3900
MIX_ROUT_DM
MIX_LOUT_DM
I2C5_CLOCK
I2C5_DATA
SW2_TU
L7902
R1511 27K
R1512 27K
R1503
150
R1513 120[22]
S1531
C6006
0.1
R1501
27K
R1502
27K
TW2001
12345
S1532
C6020 50V0.1
C6101 6V220
L6102
R6017
2200
C6015 0.033
C6016 1000P
C6111 560P
R6116
*1500 L6104
*33u
L6103
1.5u
C6116
0.1
L6105
68u
C2003
10V1
TW2002
C2053
16V10
N
C2051
6V22
C6005
16V10
TL6010
R6008 2200
C2504 0.022
C2505 0.022
C2506 0.22
C2508
1800P C2513
10V1
C2502
6V220
R2501 1R2
R2502 1R5
C2509 16V22
C2510
0.1
C2511
0.1
C2512
0.1
C2507 1000P
D2502
TL2515
CAP FG
TL2502
CAP TL
C6308
6V47
VM2
1
OUT1
2
LGND
3
OUT2
4
FIN
5
RIN
6
VG
7
GND
8
CST
9
CT1
10
CT2
11
PCI
12
CNF
13 EC 14
PG+ 15
PG- 16
PG OUT 17
PFG 18
VDC 19
COM 20
VM1 21
U22
V23
RNF 24
26
W25
27
IC2501
C6012
$0.01
R6801
*100K(ex.Mask)
Q6801
*(ex.Mask)
QR6801
*(ex.Mask)
R6803
*470K (ex.Mask)
R6802
*(ex.Mask)
TL6002 TL6004
C6201
$0.1
TL23
TL24
Q6305
D6306
C6302
0.01
R6309
2700
Q6103
R6120
1K
R6122
560
R6121
560
C6121
33P
X6001
2
1
P1531
MESECAMDET_H
SECAMDET_H
CTL_HEAD_M
CTL_HEAD_P
60HZ_H
OSD_5V
SVHS_PB_H
SECAM_L
IIC_CLK
IIC_DATA
VTR_PON_H
VHS_V_Y_OUT
FSC
OSD_V_IN
AV3_ I N_L
AV3_ I N_R
50HZ_H
HPNC_ H
AV3_ V_IN
AV3_ Y_IN
AV3_ C_IN
UNREG_38V
TRK_ENV
F_ADJ
ART_V_H_N
EE_L
HSW
A_HSW
D_REC_H
ABS_NORM_L
PAL_EP_H
BIAS_H
FM_ MUTE_H
IO_P_SAVE_H
AV2_PB_H
SCART_MUTE
BW_H
KILLER
AV2_BLANKING
AFC
TU_P_ON_H
SYNC_DET
SLICER_VIDEO
I2C5_DATA
I2C5_CLK
P50
MIX_L_MUTE
MIX_R_MUTE
AU_GND
GND
X_SW_5R8V
AADC_L
AADC_R
R/PR_OUT_DM
B/PB_OUT_DM
G/PY_OUT_DM
Y_OUT_DM
C_OUT_DM
V_Y_IN_DM
CPN_C_IN_DM
REG_12V
X_SW12V
1
2
3
4
5
6
7
8
9
10
11
12
13
14
15
16
17
18
19
P6003
SLICER_VIDEO
12
IP4901
SYS_GND
C6103
10V1
1
2
3
4
5
6
7
8
9
10
11
12
13
14
15
P6002
9
8
7
6
5
4
3
2
1
10
11
12
13
14
15
P6001
SW_TU
LB7902
QR7901
R7903
$ 330
R7905 47K
R7906
47K
R7907
LB7903
C7904
35V47
C7906
50V22
C7905
50V22
C7907
10V220
LB7901
R7902
47
L7901
39u
12
IP7901
C2501
0.1
C2515 0.01
C6114
*33P
R6001
1K
R6002 1K
C6001 18P
C6026
$0.1
C2055
0.1
R2563 1K
R6013 220
R6023 220
R6025 220
R2561 1K
R2514
220
R2515
220
R2516
220
R2521
1K
C6007 22P
C6010 22P
C6008 470P
C6110
10V1
ANT_PON_H
P_FAIL
D1501
Vo
1
Vss
2On 3
Vin 4
IC6302
R2562 47K
R6118
$
R2564 100
R2565 100
R6016
1K R6018
1K
R2520
18K
R6031
22K
R6006
27K
R6117
180
R6022 220
R6115
470
5V
X_SW_12V_1
SYS_GND
X_SW_5R8V
A5V_SYS
C6002 22P
C7903
$ 50V0.047
GND
AU_GND
M_GND
CYL_GND
FIP_GND
Q6101
*
Q6104
Q6102
Vout
Vdd
GND
NC
NC
IC6201
$
D7901 D7902
$
D7903
D7904
D2001
1SS133
D2002
1SS133 7
6
5
4
3
2
1
P2501
PG+
PG-
CYL_GND
COM
M3
M2
M1
ANT_SHORT_L
K6002
CSYNC_IO
CSYNC_IO
K2597
FIP_GND
CYL_GND
GND
R6005 1K
R6123
240
1
2
3
4
5
6
7
8
9
10
PS6001
1
2
3
4
5
6
7
8
9
10
PS6002
D7907
12
C2562 0.047
C2551
0.047
12
C2552 0.068
C2561
0.068
R6007
8200
R6011
8200
GND
IO_P_SAVE_H
GND
X_SW_17V
5V_AD
A3_SW_IN
VTR_CS
VTR_S_OUT
GND
VTR_S_CLK
VTR_S_IN
P_FAIL
GND
REMOCON
P_SAVE_H
8
7
6
5
4
3
2
1
P2571
R6131
0
K6004
K6001 *
LB7905
LB7904
R7904
270
C7901
35V220
D7906
R6024 1K
C7752
6V220
C6301
0.1
C6003
$0.01
C6004
$0.01
R6003 0
R6004 0
2
1
3
4
IC1501
2
1
3
4
IC1502
1
2
3
4
5
6
7
8
9
T7901
1
2
3
SECAM_ID 4
VHS_KEY1 5
VHS_KEY2 6
S-PHOTO 7
T-PHOTO 8
TRCK ENVE 9
N/S/T2 10
CURR_LIMIT 11
F_ADJUST 12
ART V/H/N 13
REMOCON 14
TIMER_CS 15
VV_H 16
SLP(H)/ 17
VIDEO.H.SW 18
AUDIO.H.SW 19
D.REC_H 20
BIAS_H 21
22
ABS_NORM 23
60Hz 24
FM_MUTE 25
S_TAB_L 26
MESECAM_DET_(H) 27
UNLOADING 28
29
30
POS.SW3
31
POS.SW2
32
POS.SW1
33
RESET(L)
34
32kHz IN
35
32kHz OUT
36
+5V(D)
37
12MHz IN
38
12MHz OUT
39
GND(OSC)
40
S_DUB_H
41
50Hz_(H)
42
X_SEL
43
EEP_WR
44
HPNC (H)
45
NUB(GND)
46
FSC_LPF
47
OSD.FSC.IN
48
OSD(GND)
49
CVIN
50
51
52
53
HLF
54
SECAM_MIX
55
CVIN2
56
NUA(GND)
57
ANT_SHORT_L
58
59
LP(H)
60
SVHS_PB(H)
61
ANT_PON_H
62
NC
63
FLD_CS
64
FLD_DATA_OUT
65
FLD_DATA_IN
66
FLD_CLK
67
T_BUS_DATA_OUT
68
T_BUS_DATA_IN
69
T_BUS_CLK
70
IIC CLK
71
IIC DATA
72
125Hz
73
CAP.R/F
74
PON(H)
75
CAP.ET
76
CYL.ET
77
78
79
80
NC 81
EX.FF/REW(L) 82
DUB_HDD 83
DUB_DVD 84
DAVN 85
FG.AMP.OUT 86
FG.AMP.IN 87
GND(A) 88
NC 89
CYL.PFG 90
OREF 91
IREF 92
NC 93
CTL HEAD(-) 94
CTL.HEAD(+) 95
CTL.AMP.REF 96
PB.CTL.OUT 97
+5V(A) 98
+5V(D) 99
AFCS 100
(53) +5V(OSD)
(52) CVOUT
(78) P.FAIL(L)
(51) LECHA
(30) POS_SW4
(79) S.REEL.PULSE
(1) SECAM/PAL(SYS2)
(2) CKILLER_L
(3) B/W_H
(80) T.REEL.PULSE
(29) LOADING
IC6001
*
Q1502
Q1501
K7901
R7901
5600
D7905
C7902
Q7901
R2503
10K
K2501 $
K2502
C6303
10V47
C2503
1
C2514
1
C2571
25V330
DMR-EZ45VEB
63

13.6. VIDEO
Note:
Marked $ (spare) parts are not assembled
* Optional Parts
DMR-EZ45VEB
VIDEO
SCHEMATIC DIAGRAM
SECAM
FULL_E_IN
FULL_E_OUT
(TO FE HEAD)
(TO CYLINDER)
AR
ACOM
AL
SP L
SP COM
SP R
LP EP L
LP EP COM
LP EP R
(TO AC HEAD)
AEIN
NA_GND
AHEAD(W)
AHEAD(R)
CTL HEAD (-)
CTL HEAD (+)
R4009
270
R4011
20K C4018
1800P
C4016
6V22
LB4203
C4015
6800P
R4012 470K
R4013
15K
R4008
15K
C4008
1800P
C4005
6V100
R4006
3300
R2099
6800
R4018
1K
R4019
1K
L5001
68U
C5002
0.01
C5001
0.01
C4025
0.01
C4012
0.01
C5003
0.01
C5004
0.01
C5007
0.1
C5005
0.1
R3010
15K
C3034
50V1
C3036 50V4.7
R3015
27K
C3038
25V0.022
C3037
50V0.47
X3002
C3039
16V0.033
R3016
470
C3040
50V2.2
C3041
25V0.022
R3017
3300 C3042 3.3
C3043 0.1
L3007
C3047 50V1
C3044 6V47
C3045 0.01
L3006 27U
R3018 $ 3300
C3048 0.01
C3049 0.01
R3019 $ 3300
R3008 10M
C3021 0.01
L3004
68U
C3033
0.1
C3028 0.1
C3029 0.1
C3030
0.1
C3025 *0.1
C3024 0.01
R3011 $ 15K
R4002
15K
R4004
4700
C4001
16V10
C4002
C4004
R3001
1500
R3002
6200
R3003
5600
R3024
$ 6800
C3001 150P
C3003 10V1
C3004 0.1
L3001
82U
L3008
$68U
C3005 27P
C3056 $ 10P
C3006 0.1
C3007 10V1
C3008 0.01
C3010 10V1
L3002
27U
C3011 10V1
C3015 0.1
C3014 $ 0.1
C3016
47P
L3003
39U
R3005
1200
C3080
$0.01
C3017
10V1
C3013 0.01
R4014
10K
R3021
1K
Q3002
R4017
2200
R4016
2200
R4015
3300
C4023
0.022
Q4004
QR4005
QR3001 $
QR3005
$
C3020 330P
C3026 10V1
R3006
R3009
QR4003
QR4004
Q4002
Q4001
C3053
0.1
50HZ_H
OSD_V_IN
ART_V_H_N
HPNC_ H
SVHS_PB_H
V_Y_IN
C_IN
F_ADJ
60HZ_H
MONO_FROM_TU
NOR_FROM_YC
NOR_TO_YC
PAL_EP_H
CTL_HEAD_M
CTL_HEAD_P
D_REC_H
A_5V
AR
A_COM
AL
TRK_ENV
MESECAMDET_H
HSW
IIC_DATA
IIC_CLK
HA_GND
BIAS_H
FSC
KILLER
X_SW_5R8V
VTR_PON_H
OSD_5V
9
8
7
6
5
4
3
2
1
P5001
6
5
4
3
2
1
P4002
LB4002
LB4003
QR3002
$
SECAM_L
EE_L
SECAMDET_H
BW_H
Q4003
C2099
680P
C3050
10V1
C3051
10V1
C3052
10V1
C4007
2200P
C4010
25V4.7
C3002 $0.1
R4001
*18K
R4003 *
C4202
$ 6V4R7
C4201
$0.1
R3007
*
R3014 100
R3013 100
C4014 50V4.7
C5006
6V47
C4017
50V3.3
C4011
6V47
C4009
6V22
C3023
50V3.3
C3022
$6V47
C3019
16V10
C3012 6V47
C3009 50V4.7
C3046 3P
R4007
100K
NA_GND
HA_GND
K3001
$
1
2
3
4
5
6
7
8
9
10
11
12
13
14
15
16
17
18
19
20
21
22
23
24
25
26
27
28
29
30
31
32
33
34
35
36
37
38
39
40
41
42
43
44
45
46
47
48
49
50
51
52
53
54
55
56
57
58
59
60
61
62
63
64
65
66
67
68
69
70
71
72
73
74
75
76
77
78
79
80
81
82
83
84
85
86
87
88
89
90
91
92
93
94
95
96
97
98
99
100
IC3001
V0
1
NC
GND
CN
CONT
NC
NC
VIN
IC3002
NA_GND
K3005
C3018 *0.1
Mode
1
CLK_IN
2
AFC_Filter
3
BEP_ Delay
4
NC
5
BAL
6
GND2
7
GND
8
TEST_Mode
9
TO_CTL
10
BELL 1
11
REC_OUT
12
REG
13
PB_IN
14
AGC_Filter
15 REC_IN 16
TEST 17
PB_OUT 18
LIM_EXC 19
BELL 4 20
S/H_C3 21
NC 22
VCC 23
VCC2 24
S/H C2 25
S/H C1 26
DET_C 27
SEC_DET 28
SYNC_IN 29
SEC_D_SENS 30
IC8801
*
C8801 *
C8803 *
C8810 *
C8812 *
C8813 *
C8816
*
C8809
*
C8804
*
C8807 *
C8815 *
C8808
*
C8811
*
C8802
*R8802 *
R8801 *
R8803 *
L8801
*
TL8801
TL8802
TL8803
C8805 *
C8806 *
K8802
*
R8807
*
R8805
*
R8804
*
R3025
$
VFMENV
QR8801
*
QR8802
*
Q8801
*
2
2
1
1
P4001
TMC-T-02X-C1
X3001
K4001
K4003
$
1
2
34
6
M
T4001
C4024
1800P
C4020
0.033
C4021
470P
C4022
6V100
L4001
TW3001
16V10
16V10
DMR-EZ45VEB
64

13.7. AUDIO NICAM
Note:
Marked $ (spare) parts are not assembled
* Optional Parts
DMR-EZ45VEB
AUDIO NICAM
SCHEMATIC DIAGRAM
R4518
4700
R4557 4700
R4530 4700
C4533 0.01
R4524 1K
R4527 1K
R4526 1K
R4522
4700
C4523
0.047
C4519
0.015
C4512 0.01
C4513 0.01
C4515 0.1
PB-FM ENV
FM-MIX OUT
C4544
0.1
L4503
100u
C4517
$
L4501
$
C4518
0.22
1
2
3
4
5
6
7
8
9
10
11
12
13
14
15
16
17
18
19
20
21
22
23
24
25
26
27
28
29
30
31
32
33
34
35
36
37
38
39
40
41
42
43
44
45
46
47
48
49
50
51
52
53
54
55
56
57
58
59
60
61
62
63
64
IC4501
TW4501
A_5V IIC_DATA
IIC_CLK
A_HSW
D_REC_H
ABS_NORM_L
AL
AR
A_COM
AADC_L
AADC_R
FM_MUTE_H
A_GND
FSC
GND
X_SW12V
VTR_PON_H
X_SW_5R8V
MIX_R_MUTE
VHS_OUT_R
NOR_TO_YC
NOR_FROM_YC
MIX_L_MUTE
REG_12V
DECODER_L
DECODER_R
R4519
4700
R4528
4700
C4527
$0.1 C4528
$0.1
C4534
0.1
L4502 1.2U C4524
6V100
C4526
16V10
C4531 16V47
C4520 16V22
C4521 16V10
C4522
6V33
C4516 0.1
C4511 0.033
C4510 0.015
C4508 16V10
C4509 6V22
C4505
6V33
C4504
0.047
C4502 16V10
C4501 16V10
C4503 16V10
C4506
16V10
C4545
10V22
R4525 33K
R4559 39K
R4521 120K
R4517
510
R4555
820
R4532
680
R4560 6800
QR4501
Q4501
R4513 56K
R4514 56K
R4523
510
TL4501
Q4502
A_GND
D4501
D4502
C7325 *
C7314 *
C7342 *
C7341 *
R7328 * R7329 *
R7316*
C7324 *
C7301 * C7323 *
C7316 *
C7311
0.01
C7328 *
C7305 *
C7306 *
C7303 *
C7319
10V1
C7320
10V1
C7343 *
C7331 *
C7335 0.1
L7302
*
L7301
1u
D7301 *
LB7303 *
LB7301 *
LB7302 *
K7302K7303
C7302
6V100
C7318
6V47
TL7303 TL7304
TL7301
K7307 *
OUT L 1
OUT R 2
VDDA1/CDE1 3
VSSA1/N.C. 4
VSSD1/N.C. 5
VDDD1/CDE2 6
VSSD2/AGND 7
VDEC2/AF1I 8
TP2/N.C. 9
NICAM/AF1O 10
TP1/N.C. 11
12
ADDR1/AFR 13
XTALO/LF1 14
XTALI/XTAL 15
TP3/N.C. 16
TEST2/N.C. 17
IREF/LF2 18
ADDR2/N.C. 19
VSSA2/N.C. 20
VDEC1/MAD 21
22
SIF2/N.C.
23
VREF1/CAF1
24
SIF1/IFINT
25
CRESET/CAF2
26
VSSA3/DGND
27
VDDA3/VCC
28
SCL
29
SDA
30
SDO/LPF
31
WS/AF2O
32
SCK/AF2I
33
34
VDDD3/CID
35
VSSD3/N.C.
36
P1
37
MONOIN/EXTM
38
EXTIR
39
EXTIL
40
VREF2/VREF
41
P2
42
OUT M
43
VSSA4/N.C.
44
IC7301
12 = PCLK/N.C.22 = TEST1/N.C.
34 = SYSCLK/CTRIG
C7313 *
C7322*
C7321 *
C7329 *
R7311 *
R7310
*
R7312
*
C7308 *680P[JC](GS) 8200(NI)
R7304 *
R7303 *
R7307 *
C7310 *
R7301 *
GND_NICAM
R7309
*
C7330 *
C7332
$
C7312 0.1
C7315
*
K7306 *
R7308
*
R7302 *
C7309 *
C7307 *
(only ES35)
(only ES35)
(only ES35)
(only ES35)
(only
ES35)
(only ES35)
(only ES35)
(only ES35)
(only ES35)
C7326 *
X7301 *
RF_5V
MPEG_TU_L
MPEG_TU_R
MONO_FROM_TU
SIF
P_FAIL
I2C5_CLK
I2C5_DATA
C7333
$(DVB)
C7334
$(DVB)
R7315
$ (DVB)
R7313
$ (DVB)
R7314 $ (DVB)
R7317 $ (DVB)
C7304
* (EF)
R7305 100
R7306 100
VHS_OUT_L
R7318 *
R7319 *
12
R4520
820
SYS_GND
R4516 68K
R4515 68K
R4512 4700
R4509 4700
R4510 4700
R4507 4700
R4506
4700
R4505
4700
C4546
10V1
C4547
10V1
R7330 *
R7331 *
R4508
9100
R4511 9100
TW4502
(only ES35)
(only ES35)
(only ES35)
(only ES35)
(only ES35)
(only ES35)
(only ES35)
(only ES35)
DMR-EZ45VEB
65

13.8. FRONT JACK
Note:
Marked $ (spare) parts are not assembled
* Optional Parts
DMR-EZ45VEB
FRONT JACK
SCHEMATIC DIAGRAM
C4802 $ 0.1
C4801 0.01
L2_R_IN
L2SW
L2_L_IN
KEY2
KEY1
C4805
1000P
C4806
1000P
C4803
100P
C4804
100P
EJECT REW CH DOWN
POWER FF CH UP
S7806
S7805
S7801 S7802 S7803
R4806
470
R4805
470
R4804
1K
R4803
75
R4802 75
R4801 75
LB4803
LB4801
LB4802
1
3
2
4
5
6
7
JK4801
KEY_GND
CPN_Y_IN2
GND
CPN_C_IN2
L2_V_IN2
1
2
3
4
5
6
7
8
9
10
PP4801
R7801
3300 R7802
18k
R7803
3300 R7804
18K
S7804
13
24
5
6
JK4802
K7801
0
K7802
0
DMR-EZ45VEB
66

13.9. FL DRIVE
Note:
Marked $ (spare) parts are not assembled
* Optional Parts
R7518 0
C7501
0.1
C7503
$ (0.1)
F-
F+
VP -20.5V
GND
GND
C7502
6V47
S7506
S7504
S7503
S7507
S7502
S7501
QR7501 * $ QR7502 QR7503
FL01 1
FL00 2
/CS 3
GND 4
XIN 5
XOUT 6
Vcc 7
/RESET 8
SCK 9
SDATA 10
11
12
FL28
13
FL27
14
Vp
15
FL26
16
FL25
17
FL24
18
FL23
19
20
FL21
21
FL20
22
FL19
23
FL18
24
FL17
25
FL16
26
FL15
27
FL14
28
FL13
29
FL12
30
31
FL10 32
FL09 33
FL08 34
FL07 35
FL06 36
FL05 37
FL04 38
FL03 39
40
[11]FL30[20]FL22
[40]FL02 [31]FL11
[12]FL29
IC7501
STOP
PLAY
REC
SELECT OPEN/CLOSE
SD DVD VHS
C7505
0.1
C7504
$ (0.1)
From SST
R7517
0
Q7501
R7516
$
R7519 100
R7520 100
R7521 100
R7525
27K
C7507
100P
C7506
0.1(50V)
D7501 * $
R7501 * $
D7502
R7502
390
D7503
R7503
390
QR7507
$
C7508
0.1
V2D
IR
R7515
220
QR7504
DUB_LED
R7504
270
1
2
3
4
5
6
7
8
9
10
PP7503
Q7502
R7523
0
R7524
10K
L7501
22U
R7522
47K
S7505
D2V
R7507 1800
R7508 1800
R7510 5600
GND
DVD_SEL_LED
HDD_SEL_LED
VHS_SEL_LED
AD5V
KEYIN3
KEYIN2
KEYIN1
FL_RESET
FL_DATA
FL_CLK
FL_CS
FL_ON_L
SD_LED
FL_6V
SD_SEL_LED
SPARE
DUB_LED
1
2
3
4
5
6
7
8
9
10
PP7501
1
2
3
4
5
6
7
8
9
10
PP7502
GND
GND
123
R OUT
GND
VCC
45
IC7502
R7509 1800
D7504
F- 1
NX 2
P16 4
1GB 5
P15 6
P14 7
1GB 8
P13 9
P12 10
1GB 11
7G 12
P11 13
7G 14
P10 15
6G 16
P9 17
6G 18
P8 19
5G 20
P7 21
5G 22
4G 23
P6 24
P5 25
4G 26
3G 27
P4 28
3G 29
P2 32
2G 31
P3 30
2G 33
P1 34
1GA 35
NC 36
NC 37
1GA 38
NC 39
NC 40
1GA 41
NC 42
NX 44
F+ 45
DP7501
DMR-EZ45VEB
FL DRIVE
SCHEMATIC DIAGRAM
DMR-EZ45VEB
67

13.10. SD/DV IN
Note:
Marked $ (spare) parts are not assembled
* Optional Parts
DMR-EZ45VEB
DV IN
SCHEMATIC DIAGRAM
P66802
CKF20
CKF19
CKF18
CKF17
CKF16
CKF15
CKF14
CKF13
CKF12
CKF11
CKF3
TL66801
TL66802
TL66803
TL66804
TL66805
CD
DAT1
DAT0
GND
CLK
WP
CMD
DAT3
DAT2
D3R3V
D3R3V
TPA+
TPA-
GND
TPB+
TPB-
GND
XDIAG
XSORX
XSOTX
20
19
18
17
16
15
14
13
12
11
10
9
8
7
6
5
4
3
2
1
CD
SDAT1
SDAT0
G_SCLK_B
SWP
SCMD
SDAT3
SDAT2
LB66801
*
SDAT2
SDAT3
SCMD
SDAT0
SDAT1
G_SCLK_B
SDAT2
SDAT3
SCMD
G_SCLK_B
SDAT0
SDAT1
SWP
LB66802
*
R66807
R66815
*
CD
R66806
R66805
R66804
R66802
R66801
R66803
R66809
R66810
R66811
R66812
R66813
R66814
R66808
C66801
*
CKE10
CDE12
CKE8
CKE7
C66803
$
C66802
*CKE5
CKE4
CKE3
CKE2
CKE1
CKE9
P66801
*13
9DAT2 FG
DAT3
1
2
3
4
5
6
7
CMD
GND
3R3V
CLK
GND
DAT0
DAT1
8
12 WP
COM
11
10 CD FG
14
P66804
XSOTX
D3R3V
GND
654321
XSORX
XRESET
XDIAG
P66803
*
1234
TBA-
TPB+
TPA-
TPA+
*
*
*
*
*
*
*
*
*
*
*
*
*
$
DMR-EZ45VEB
68

13.11. HDMI
FL56101
R56140
R56123
C56121
R56150
C56119
R56147
C56118
R56144
R56146
R56145
R56149
C56120
R56148
CKA8
CKA13
CKA9
CKA11
CKA12
CKA10
LB56104
CL56101
CKA6
CKA5
CKA2
CKA1
CKA4
CKA3
CKA7
4
3
1
2
L56102
4
3
1
2
L56104
4
3
1
2
L56103
C56103
G_R656_CK_C
C56104
C56114
C56116
C56113
C56109
C56111
4
3
1
2
L56101
VA56102
VA56106
VA56110
VA56113
VA56112
VA56108
VA56104
VA56101
C56117
LB56102
FL56103
LB56103
C56108
FL56102
VA56107
VA56105
VA56103
VA56109
VA56111
D56101
C56126
C56125
C56124
C56123
CKC4
CKC1
CKC2
CKA20
CL56104
R56138
R56137
C56130
FL56105
FL56106
FL56110
LB56110
C56135
LB56116
LB56109
C56115
RESET
G_SDA1_A
C56112
HDMI_1_IRQ
G_SCL1_A
G_HCLK_C
R56128
Q56104
R56131
C56133
C56134
3
12
4
5
IC56105
R56002
R56004
R56001
R56159
R56160
Q56001
R56158
Q56002
R56129
C56129
R56003
C56001
R56133
Q56105
Q56103
R56126 R56125
Q56102
R56161
R56130
CKC10
LB56112
R56135
R56132
C56128
C56132
LB56111
C56131
75
6
234
8
1
IC56104
CKC5
CKC9
R56124
CKC8
R56134
R56127
CKC7
CKC66
8
9
7
2
1
4
5
3
10
P56101
TO P35001
DIGITAL I/F P.C.B.
(DIGITAL I/F SECTION)
(HDMI CONNECTOR)
C56127
Q56101
RESET
G_SDA1_A
G_SCL1_A
R656_6
R656_5
R656_7
R656_3
R656_4
C56106
C56105
LB56115
G_LRCK_A
LB56101
LB56108
FL56104
G_DACOUT1_B
G_IECOUT_B
G_DMIX_B
G_DACMCK_B
G_DACOUT2_B
G_DACOUT0_B
C56110
R656_0
R656_2
R656_1
G_DACBCK_B
C56107
G_LRCK_A
C56122
CKA19
CKA18
LB56107
CKA16
CKA17
CKA15
6
7
5
9
12
10
11
18
19
16
17
21
20
13
15
14
8
1
3
4
2
23
22
P56102
LB56105
CL56102 LB56106
CL56103
163
161
156
158
157
154
152
150
148
146
144
142
140
138
136
134
132
130
128
126
124
125
127
129
131
133
135
137
139
141
143
145
147
149
151
153
155
160
159
162
81
62
63
49
50
51
52
53
54
55
56
57
58
59
60
61
71
64
65
66
67
68
69
70
72
73
74
75
76
77
78
79
80
82
122
97
98 9394 89
90 85 83
8487
88 86
92 91
96 9599
111 110
114
116 115 112
113 107
108 103104 100
102 101
106 105109
121 118
119 117
120
123
1
164
42
43
44
45
46
47
48
10
879 20
17
16 19
18 22
21
12 13
11 15
14
5
4638 39
34 35
30 31
25 27
26
23 24 29
28 33
32 37
36 41
4023
IC56103
HDMI_1_IRQ
R656_5
R56156
R656_4
R56157
G_R656_CK_C
R56139
R656_6
R56155
R656_0
R656_1
R56151
R656_3
R56154
R656_2
R56152
R56153
C56101
R56102
R56104
R56103
R56105
R56106
CKB14
CKB12
CKB16
CKB8
CKB11
CKB10
CKB6
R56101
CKB20
CKB32
CKB29
CKB27
CKB30
CKB33
CKB25
CKB22
CKB21
CKB23
CKB18
G_DACBCK_B
R56116
R56117
G_DACOUT0_B
CKB4
CKB1
CKB2
R56143
G_DACMCK_B
R56115
G_IECOUT_B
R56109
R56108
R56107
G_HCLK_A
14
12
3
7
6
5
20
1
8
2
417
18
19
15
16
13
10
9
11
19
18
16
12
3
7
6
5
20
1
8
2
417
15
13
14
10
9
11
IC56101
CKB35
CKB36
CKB40
CKB38
CKB39
8
6
4
2
RX56101
6
7
5
9
36
37
33
32
34
29
28
30
25
24
26
21
22
17
11
12
10
15
16
13
14
19
20
18
23
27
31
35
38
8
1
3
4
2
40
39
FP56101
TO P55002
DIGITAL P.C.B.
(DV3 SECTION)
8
6
4
2
1
5
7
1
3
5
7
3
RX56102
G_DMIX_BG_DMIX_B
G_DACOUT2_B
R656_7
R56142
G_HCLK_C
G_DACOUT1_B
3
1
2
4
5
IC56107
R56122
C56140
R56120
R56118
R56121
R56119
R56110
$
R56113
R56114
R56111
R56112
C56102
+5V
CECGND
FRAME
GND
GND
FRAME
FRAME
FRAME
D3R2V
D3R8V
HOTPLG
HDMISDA
HDMI_CONT
HOT_PLUG
HDMI_MONI
X_SW_5R8V
HDMI_P3_ON_H
HDMI_P5_ON_H
D0-
D1-
D0+
CLK+
CEC
CLK-
D0GND
D2-
D2+
D2GND
D1+
D1GND
CLKGND
RSV
HDMISCL
VO
GNDVIN
NC
CNT
1A2 2A4
2Y3 1Y2
2G
VCC
1Y1
2G
VCC
1Y4
1Y3
2A2
2A1
1Y2
2A4
2A3
D17
D19
D18
AMSDI2
VSS
AMSDI3
AMRX
VSS
D7
D4
D6
D5
D14
D13
D15
D11
D10
D12
D9
D8
AMSDI1
AMSDI0
AMDAM
D1
D3
D2
D0 [164]AMDACL
[163]AMDAWS
[162]VDD15
D16
VDD33
VDD33
VDD15
D22
D21
VSS
DO25
DO26
DO24
DO27
DO28
VSYNC
VSS
DE
PCLKOUT
VDD33
[125]RXSENSE
[124]DO29
D23
VSS
PCLKIN
VDD15
HSYNC
D20
1Y1
1G
GND
GND
GND
GND
GND
GND
GND
GND
GND
GND
GND
RESET
DMIX
GND
GND
DAC_MCK
DAC_BCK
ADACOUT0
ADACOUT2
I2C_SDA1
I2C_SCL1
R656_OUT7
R656_OUT6
R656_CLK
HDMI_2_IRQ
HDMI_27CLK
HDMI_1_IRQ
ADACOUT1
DAC_LRCK
IECOUT
1G
GND
GND
GND
R656_OUT4
R656_OUT2
R656_OUT0
R656_OUT1
R656_OUT3
R656_OUT5
1A3
1A2
2Y3
GND
1A1
1A4
2Y2
2Y1
1A1
2Y4
GND
2Y4
DO1
DO0
VSS
AVSS
FLT
PVSS
AVDD
AVSS
SCL
LON
VSS
TESTIN1
SDA
AVDD
VOUT
VOUT
VDD33
UPFLT
ENHON
VSS
TESTIN0
VDD33
VDD15
TX1M
TX1P
TX0M
TX0P
AVDD
AVDD
AVSS
AVDD
TX2M
AVSS
NC
NC
PVDD
TXCM
AVSS
TXCP
EXT_SWING
AVDD
AVSS
[81]TX2P
DO3
DO4
DO2
VDD33
[82]AVSS
DO6
DO8
DO9
DO7
VSS
VSS
VSS
DO5
DO16
DO15
DO17
DO11
DO12
DO10
DO14
DO13
DO23
DO21
DO18
DO20
DO19
DO22
VDD33
VDD33
VDD15
VDD33
VDD15
HSCL
SOM1
NRESET
MINTEST
VDD15
SOM0
ESCL
TCK
TMS
TDO
TDI
ESDA
VSS
HSDA
VSS
HCLK
TESTM1
TESTM2
HCLKDIV0
SCANTEST
HCLKDIV1
VDD33
NTEST
TESTM0
LPSA5
LPSA7
VDD15
LPSA6
PDWN
NIRQ
[43]VDD33
[44]HPD
TRST
[42]TESTIN2
2A21A4
1Y32Y2
2A1GND
1Y42Y1
OUT
GND
IN
VCC
NC
2A31A3
NC
V OUT
CN
GND
NC
ON[H]
NC
V IN
DMR-EZ45VEB
HDMI
SCHEMATIC DIAGRAM
DMR-EZ45VEB
69

DMR-EZ45VEB
70

14 PRINTED CIRCUIT BOARD
14.1. POWER & DIGITAL I/F P.C.B. (COMPONENT SIDE)
DMR-EZ45VEB
POWER & DIGITAL I/F PCB
COMPONENT SIDE
ADRESS INFORMATION
F1101 E2
IC1101 F4
IC1202 E4
IC9700 D1
P1101 F1
P1201 F5
P9101 C8
P9102 C5
P9103 C3
P9104 C5
P9700 D2
P9701 B3
P9703 F8
P9704 D8
PS9701 G11
PS9702 C11
Q9704 C3
T1101 T3
-
+
-
+
-
+
-
+
-
+
-
+
-
+
-
+
-
+
-
+
-
+
-
+
-
+
C9305
C9744
C9746
C9751
W97
W46
C9723
W177
-+
C9117
L1204
D1202
D1201
D1106
W16
L9701
D1108
D9107
D6401
D9106
D9105
D9702
P1201
L1102
L1101
L1802
L1209
L1211
W72
R1103
W54
W108
R1106
R1104
L1214
R1105
R1201
W193
+-
C1808
W217
W57
1
IC9700
W251
W248
W236
-
+
C9785
W58
P9701
Q9704
W275
W99
K9701
PS9701
W39
C9118
W45
LB9707
C9337
+-
C9768
+-
C1210
W184
L1213
W194
W237
D1101
W5
W61
W232
W250
L9702
W55
W29
W96
C1217
W59
+-
C1103
W171
-+
C9303
-
+
C1239
+-
C1236
+-
C1231
W15
W202
W63
C9706
C1110
W249
W17
ZJ9107
W48
P1101
R1101 R1102
X9701
L1205
L1207
L1202
L1210
L1801
L1208
L1212
X9702
-
+
C1108
C1104
C9312
C9311
F1101
C1101
C1102
L9105
L9106
C9302
C1105
C1106
-
+
C1238
+ -
C1202
R1107
R1108
-+
C1201
-+
C1223
-+
C1209
-+
C1204
-+
C1203
P9700
PS9702
W1
W258
W230
W136
W70
W200
W41
W116
W142
W229
W74
W231
W163
W186
W113
W14
L9700
W233
W260
W207
W206
W201
W199
W265
W215
W126
W198
W133
W261
W247
W95
W135
W263
W164
W44
W197
W267
W125
W160
W141
W162
W175
W154
W156
W147
W185
W253
W220
W172
W111
W114
W62
W174
W69
W182
W158
W161
W117
W252
W264
W203
W244
W68
W112
W83
W80
W81
W82
W155
W148
W192
W35
W12
W223
W138
W27
W205
W88
W190
W170
W188
W93
W166
W221
W204
W2
W109
W118
W121
W214
W42
W208
W222
W78
W38
W173
W92
W183
W71
W3
W40
W159
W169
W191
W257
W143
W255
W137
W75
W189
W219
W168
W79
W105
W34
W87
W256
W94
W51
W85
W101
W187
W254
W127
W73
W139
W218
W60
W28
W84
W77
W213
W153
W209
W165
W210
W212
W211
W262
W64
W266
W13
W86
W98
W107
W100
W123
W103
W102
W179
W104
W238
W181
W180
W37
W56
W89
W50
W91
W124
W140
W240
W228
W90
W36
W176
W178
W224
W131
W122
W115
W225
W119
W145
W144
W239
W120
W146
W43
W167
FH1101 FH1102
C1112
LB9704
D1203
LB9708
LB1105
LB1102
LB1202
C9737
D1102
D1104
D1105
D1103
IC1101
K9102
K9715
K9101
K9713
K1205
LB1201
K9105
K1203
K9708
K9717
K9106
K9702
K9716
K1201
K9103
K1202
K9104
K9706
K9707
K1207
D1107
D1109
D9104
IC1202
ZJ9103
ZJ9105
ZJ9101
ZJ9102
ZJ9104
P9704
P9104 P9101
P9103 P9102
P9703
JK9301
T1101
+-
C1801
+-
C1214 C1221
W47
C1113
C1111
15
2
15
1
10
10
9
14
9
87
18
1
2
2
1
T2AL 250V
2
19
2
1
1
28
1
1
19
88
2
1
4
10 9
2
1
1
18
DMR-EZ45VEB
71

14.2. POWER & DIGITAL I/F P.C.B. (SOLDER SIDE)
DMR-EZ45VEB
POWER & DIGITAL I/F PCB
SOLDER SIDE
ADRESS INFORMATION
IC1101 F8
IC1201 D10
IC1202 E8
IC1203 E6
IC1204 D8
IC15001 C8
IC15002 D8
IC15003 D9
IC15004 C10
IC1801 D8
IC31502 F6
IC31510 F6
IC34001 E5
IC35004 E9
IC35005 E10
IC9102 F6
IC9106 F6
IC9301 E6
IC9302 C10
IC9305 C9
IC9700 C11
IC9702 F2
IC9703 F2
IC9704 E2
IC9705 E4
IC9706 C4
IP1221 E7
IP1231 D8
IP1801 D8
IP9102 F2
P1101 F11
P1201 F7
P9101 C3
P9102 C7
P9103 C8
P9104 C6
P9700 D10
P9701 C9
P9703 F4
P9704 D4
PS9701 F1
PS9702 C1
Q1101 E8
Q1201 F6
Q1202 D10
Q6401 E5
Q6402 E2
Q6403 E2
Q6404 E2
Q9101 F6
Q9106 F2
Q9701 C2
Q9702 C2
Q9703 C9
Q9704 C9
Q9705 D2
Q9706 D3
QR1202 E6
QR1203 E7
QR1801 D8
QR6402 E4
QR6403 E5
QR9104 C3
QR9301 E6
QR9302 C10
QR9303 C10
QR9304 C10
QR9305 C10
QR9701 F2
QR9703 D2
QR9704 D3
QR9705 D4
QR9706 D4
T1101 E9
TL1201 E10
TL1202 E7
TL1203 D9
TL1204 C8
TL1205 C7
TL1206 E11
TL1207 E6
TL1208 E3
TL1209 E3
TL1210 F7
TL1211 F6
TL1213 E6
TL9703 D3
TL9704 E2
TL9705 E3
Q9704
ZJ9103
PS9701
910
12
P9703
P9703
87
85
1
3
11
8
8
ZJ9107
4
2
86
88
IC9106
IC9102
IC1101
18
Q1201
8
1
IC9301
1
5
IC9705
1
8
IC9702
IC9703
1
1
5
5
IC1203
1
8
IC9704
1
100
ZJ9102
IC1204
1
8
IC1201
1
8
1
IC9700
P9700
10
1
10
1
PS9702
ZJ9105
P9704
IC9305
1
8
IC9302
1
8
JK9301
ZJ9101
P9103
119
P9102
119
P9104
19
P9101
115
L9106
D9106
K9702
D9105
D9104
L9105
D9107 C9785
C9768
K9102 K9105
C9117
L1213
K1202
C1113
C1111
C1110
C1239
C1238
L1102
D1103
D1105
D1102
D1104
D1101
L1101
R1102 R1101
P1101
FH1101
FH1101
R1107 R1108
D1106
D1108
K1201
K1203
K9106
K1207
L9701
LB9704
K9715
L9702
K9706
K9707
L1212
TL1211
TL1210
P1201
C1112
T1101
28
18 10
C1108
D1107
Q1101
IC1202
D1109
C1214
L1207
TL1202
C1221
L1208
L1210
TL1207
C1217
TL1213
D6401
TL9705
TL1209
TL1208
TL9704
K9104
C1223
C1231
C1203
K1205
C1209 L1204 K9103
L1202
C1201
LB1201
D1201
D1202
TL1201
TL1206
6
1
C1210
C1236 L1205
L1802
C1808
L1209
D9702
TL9703
C9744
C9746 C9751
L1801
C1801
C1202
L1211
L1214
TL1203
C1204
C9723
C9311
C9303
L9700
C9337
TL1204
TL1205
K9101
ZJ9104
K9708
C9706
C9737
1
5
K9701
K9717
C9305
C9312
C1101
C1102
LB1105
C1103 R1103
R1104
C1105 C1104
LB1102
R1106
C1106
R1105
C9302
LB9707
LB9708
LB1202
D1203
X9702 X9701
K9713
R1201
D1208
D1205
C9118
P9701
1
3
4
1
K9716
C9157
C9156
R9143
R9840
R9839
R9841
R9836 C9135
R9809
R9807
R9805
R9808
R9714
R9713
R9707
R9703
R9700
R9806
C9705
C9703
R9715
C9138
C9116
C9111
C9721
C9158
Q9106
R9146
IP9102
C9758 C9790 C9788 C9718 C9767 C9766
R9795 C9755
LB9701
R9816 R9815
R9834
R9802
R9835
R9144
R9145
R9102
Q9101
C1109
C1107
QR1203
R1237
LB1203
R1236
C1237
QR9301
R9829
R9743 C9749
LB9709
R9811
R9810
C9759
C9760
C9704
R9731
R9736
QR9701
C9715
C9735
R9775
C9736
R9757
R9756
R9758
R9750
R9749
R9747
C9781
W130
C9780
C9779
R9786
R9785
R9784
R9782
W151
R6412
R9803
R9748
R9828
R9701
R9827
R9825
LB9705
R9717
C9765
R9738
C9710
R9746 W128
C9712
R9718
R9824 R9734
R9742
R9726
R9725
R9799
R9721
W7
W18 C9301
R1216
R1218 R1217
R1219 C1213
R1220 R1221
C1212
R1222
IP1221
C1216
C1219
C1218
QR1202
W66
W65
Q6401
R6403
R6402
R6406
QR6403
QR6402
W19
W20
W21 R6407
R6405
R6404
W4
R9777
R9720
R9744
C9711
R9735
R9794
R9745
C9717
W9
R6408
R6401
R6414 R6411
R6410
R6413
W10
W157
D6402
R6409
Q6403
Q6404
Q6402
C9708
C6401
C6402
R9754 R9752
R9730
R9764
C9726
R9793 R9789
R9792
R9791
K9703
R9790
R9770
R9771
R9737
C9728
C9754
W129
C9777
C9709
W6
W11 W235 C9787
C9786
R9797
R9796
C1220
R1228
C1222
R1225
C1225
R1226
R1202
R1203
R1802
C1807
R1803
R1805
R1801
IP1231
C1232
R1213 R1214
R1215
C1211
Q1202
R1208
C1233
C1234
C1806
R1804
IC1801
8
1
D1801
C1802
C1804
C1803
C1805
C1809
R1227
W226
R9760
QR9705
R9759
W150
QR9706
R9772
R9733
W149
R9732
W196
R9702
R9724 R9788
R9776R9753
C9778
W26
R9783 W22 W67
LB9706
C9725
C9716
C9745 C9742 C9719 C9739 C9738
R9767
R9768
LB9700
W23
R9830
W216
QR1801
C1235
R1235
R1233 R1232 R1231
W8
D1204
C1205 LB1207
C1206
C1207
C1208
R1207
R9814
R9755
R9751
IP1801
W234
R9831
R9833
R9832
R9787
R9723
C9724
W33
R9719
C9713
C9714
R9706
C9702
R9781
C9757
R9766
R9801
R9800
R9769
Q9706
C9753
C9748
C9707
C9764
W25 C9752
C9747
QR9703
W24
C9701
C9734
R9739
R9773
R9774
LB9703
R9779
W30
C9722
R9312
C9315
R9316
R9311
R9313
R9307
R9763
R9804
W152
W49
R9778
QR9704
R9798
C9733
R9722
QR9104
W132
R9132
C9720
Q9705
R9780
C9756
W110
W31
Q9702 Q9701
R9704
R9705
LB9702
W32
R9765
R9716
IC9706
C9750
W259
W195
R9761 R9306
W53
R9314
C9310
R9309
R9308
C9309
R9315
C9316
QR9304
C9318
R9301
K9302
R9302
C9317
K9301
QR9305
R9310
R9317
QR9302
QR9303
C9306
R9332
R9333
C9336
R9334
R9331
R9712
W106
R9711
W268
W269
W270
W271
W134
W227
C9112
W76
W274
W273
W272
W52
R9709
Q9703
R9708
C9741
R9710
C9740
LB1204
DMR-EZ45VEB
72

14.3. MAIN P.C.B. (COMPONENT SIDE)
IC1501
IC1502
P1531
P2501
P2571
P4001
P4002
P5001
P6001
P6002
P6003
P6004
P7801
P7802
PS6001
PS6002
Q1501
Q1502
Q4501
Q7901
E8
C8
F5
F5
F6
B6
E5
C5
G7
G4
G3
G5
A4
A6
D10
C9
G7
A7
E9
C9
T4001
T7901
TU7801
TW2001
TW2002
TW3001
TW4501
TW4502
A7
C8
A2
F4
F4
A6
D4
A6
ADRESS INFORMATION
DMR-EZ45VEB
MAIN PCB
COMPONENT SIDE
-
+
C2571
K3008
-
+
C4503
C7902
W177
R2503
L8801
D7906
Q7901
D7803
D7905
D7902
-
+
C7604
X3002
W337
W336
R3907
P4002
K4002
L4001
-
+
C4933
-
+
C4941
JK4903
W509
K4904
W9
R7819
W167
Q4501
R7818
W135
W525
K2501
S1531
P4001
P2571
K3003
IC1501
IC1502
R7844
W213
W250
W218
R7904
W373
-
+
C6005
-
+
C4526
-
+
C4918
C4523
X3001
X6001
-
+
C2053
L3001
-
+
C4917
L7901
L7606
L3003
L4503
L4502
-
+
C4508
L6103
C4504
C4510
C4519
C4020
C7903
L3006
-
+
C7844
-
+
C3917
-
+
C7302
L3002
L7602
L6104
L3008
L5001
L4501
L7808
D4501
D3901
D2001
D2002
D7904
D7903
D7301
D7801
L3004
L6105
L7301
-
+
C7603
-
+
C3949
-
+
C3938
-
+
C4928
-
+
C4940
-
+
C4929
-
+
C4936
-
+
C4932
-
+
C4930
-
+
C4937
-
+
C4938
-
+
C4934
-
+
C4931
-
+
C4939
TW4502
L7605
L7302
D2502
P6003
-
+
C4005
W283
D7807
D7805
-
+
C4502
-
+
C4002
-
+
C4001
D6306
-
+
C8811
-
+
C4524
-
+
C4924
-
+
C4925
-
+
C4920
-
+
C4506
-
+
C4521
-
+
C4943
D4502
L6102
R1503
R4555
R7907
R3009
R3006
-
+
C4919
-
+
C4923
-
+
C4922
-
+
C4531
-
+
C4944
-
+
C7906
-
+
C7905
C2051
X7301
-
+
C7620
-
+
C7904
-
+
C2502
-
+
C7343
-
+
C3912
-
+
C3929
-
+
C7752
-
+
C6101
-
+
C4935
-
+
C4927
W84
TW3001
W292
-
+
C3034
-
+
C3047
-
+
C7907
-
+
C4945
-+
C7901
-
+
C8807
-
+
C8802
-
+
C3937
-
+
C3936
W442
P2501
P5001
P6004
PS6002
PS6001
P6001
P6002
W20
W522
W181
W303
W45
W222
W239
W204
W43
W352
W591
W119
W187
W291
W302
W334
W488
W354
W272
W309
W142
W286
W148
W149
W397
W59
W347
W293
W112
W466
W491
W493
W508
W502
W34
W64
W29
W49
W55
W52
W124
W120
W371
W261
W106
W264
W138
W214
W27
W246
W30
W234
-
+
C7808
W240
W495
W276
W183
W54
W36
W166
W32
W182
W172
W8
W51
W130
W10
W290
W154
W157
W159
W305
W339
W294
W295
W298
W299
W11
W189
W241
W311
W490
W262
W178
W306
W266
W594
W53
W323
W116
W506
W416
W221
W117
W510
W370
W436
W13
W434
W481
W480
W104
W487
W492
W513
W22
W448
W544
W265
W205
W118
W360
W208
W274
W41
W333
W268
W324
W427
W593
W186
W331
W3
W185
W83
W454
W477
W473
W384
W7
W482
W453
W28
W123
W176
W131
W469
W429
W212
W17
W150
W162
W330
W301
W16
W280
W14
W349
W191
W174
W47
W356
W96
W441
W15
W243
W111
W37
W376
W270
W470
W394
W217
W50
W129
W103
W387
W141
W40
W462
W445
W173
W161
W446
W440
W206
W69
W71
W511
W87
W210
W134
W479
W6
W146
W327
W345
W375
W383
W328
W304
W195
W396
W484
W179
W197
W258
W19
W12
W489
W73
W1
W132
W340
W238
W455
W527
W165
W67
W140
W144
W199
W68
W145
W201
W127
W319
W267
W86
W85
W329
W288
W592
W202
W382
W381
W133
W443
W168
W501
W500
W483
W494
W447
W456
W271
W320
W65
W66
W42
W152
W200
W38
W374
W4
W232
W317
W190
W524
W109
W163
W81
W452
W209
W90
W95
W475
W444
W395
W263
W151
W164
W110
W465
W211
W259
W358
W338
W308
W126
W278
W307
W348
W92
W39
W257
W236
W256
W476
W526
W398
W46
W282
W24
W430
W26
W507
W459
W98
W91
W78
W273
W56
W5
W25
W486
W406
W128
W428
W255
W115
W23
W58
W275
W139
W242
W219
W114
W192
W198
W342
W503
W244
W460
W296
W431
W158
W82
W254
W35
W251
W245
W196
W107
W321
W125
W432
W121
W518
W433
W287
W325
W318
W471
W203
W113
W366
W437
W523
W277
W247
W505
W377
W18
W504
W105
W498
W497
W335
W2
W57
W379
W63
W94
W72
W380
W252
W216
W451
W458
W461
W378
W188
W233
W143
W70
W390
W457
W389
W31
W61
W160
W80
W60
W171
W297
W184
W147
W237
W463
W88
W499
W284
W62
W316
W312
W285
W289
W260
W194
W269
W359
W249
W344
W207
W215
W468
W496
W385
W464
W180
W391
W193
W248
W77
W314
W224
W223
W388
W225
LB7904
LB7905
K3004
K8802
K7806
K7809
K7803
K7805
K7807
K7802
K7858
W74
-
+
C7839
K6002
K3002
K4903
K7302
K7303
K6001
K7853 K7855
K2597
TW2001
TW2002
K7804
K7808
K2598
K3006
K2502
K3011
K4501
W44
TW4501
K7801
K4001
K6004
K7902
W279
K4902
K3903
K6098
K6099
K4901
D7802
D7907
D7901
Q1502
S1532
-
+
C2509
D1501
ZJ6001
P1531
P7802
P7801
TU7801
-
+
C4520
T7901
T4001
-
+
C3036
J1
-
+
C3009
-
+
C4014
-
+
C4501
W137
W136
-
+
C3019
-
+
C4004
-
+
C6303
-
+
C4022
-
+
C7318
-
+
C5006
-
+
C3012
-
+
C4011
-
+
C3022
-
+
C6308
-
+
C3044
-
+
C3023
-
+
C4017
-
+
C8808
-
+
C8815
-
+
C3037
-
+
C3040
-
+
C3939
-
+
C3950
-
+
C3918
-
+
C4509
-
+
C4009
-
+
C4016
-
+
C4010
-
+
C4545
-
+
C7843
-
+
C4505
-
+
C4522
W450
D7908
W528
J3
L7902
Q1501
JK4901
JK4902
JK3902
JK3901
2
FM ENV
MODE SW
T REEL
S REEL
AV1
SENSOR
AV2
SAFETY
TAB SW
FM MIX OUT
1
VIDEO
1
ENV
SPHOTO
8
4
HSW
1
1
15
2
AUDIO
PB CTL
9
3
10
2
14
18
1
5
1
4
3
2
1
7
19
2
TPHOTO
19
3
18
1
2
2
1
8
8
9
1
2
1
6
2
4
10
6
1
3
4
9
4
20
11
9
5
2
1
1
2
12
1
20
3
1
2
21
3
1
1
21
2
1
2
1
2
1
21
6
2
DMR-EZ45VEB
73

14.4. MAIN P.C.B. (SOLDER SIDE)
DMR-EZ45VEB
MAIN PCB
SOLDER SIDE
IC1501 E2
IC1502 C2
IC2501 G5
IC3001 D5
IC3002 F1
IC3901 E8
IC3905 F6
IC4501 B5
IC6001 E3
IC6201 F4
IC6302 F5
IC7301 B8
IC7401 D9
IC7402 G9
IC7403 C9
IC7804 C9
IC8801 B2
IP4901 F6
IP7901 C3
JK3901 D9
JK3902 F9
JK4901 B9
JK4902 C9
P1531 F6
P2501 F6
P2571 F5
P4001 B5
P4002 E6
P5001 C6
P6001 G3
P6002 G6
P6003 G7
P6004 G6
P7801 A7
P7802 A5
PS6001 D2
PS6002 C1
Q1501 G4
Q3002 C5
Q3901 F7
Q4001 D7
Q4002 D6
Q4003 A3
Q4004 B3
Q4501 E1
Q4502 C3
Q4901 F7
Q6101 F3
Q6102 F3
Q6103 F3
Q6104 F3
Q6305 G2
Q6801 D3
Q7802 F6
Q7803 B9
Q7804 B9
Q7901 C2
Q8801 B3
QR3001 D6
QR3002 E5
QR3005 E5
QR4003 D6
QR4004 D7
QR4005 B3
QR4501 C4
QR4901 G9
QR4902 G9
QR4903 F9
QR4904 F9
QR4905 D9
QR4906 E9
QR4911 D8
QR4912 D8
QR4913 D8
QR4914 F9
QR4915 G9
QR6801 D3
QR7801 G6
QR7802 G7
QR7803 A7
QR7804 A7
QR7901 C3
QR8801 B2
QR8802 B2
T4001 A3
T7901 C2
TL23 E2
TL24 C2
TL2502 F5
TL2515 E3
TL4501 B5
TL6002 G4
TL6004 F4
TL6010 F3
TL7301 C8
TL7301 B8
TL7303 C8
TL7303 C8
TL7304 C8
TL7304 B8
TL8801 A2
TL8802 B2
TL8803 B2
TU7801 A8
TW2001 F6
TW2002 F6
TW3001 A5
TW4501 D7
TW4502 A5
ADRESS INFORMATION
IC1502
1
3
Q7901
D7902
IC8801
111
P7802
C7844
112
P7801 K7802
QR7804
QR7803
R7818
R7819
D7807
C7839
K4905
K3007
R4003
R6024
R6023
W747
W748
W529
K4003
C7811
C7401
QR4501
K3908
QR7802
IC7804
R4507
C4518
C3926
W768
W737
C8810
LB7802
W702
LB7804
C2508
C7409
R7330
C4547
C2519
R6028
W531
K3907
R6004
C3017
R6120
C2561
C3053
R3909
C3905
R3915
R6011
R7906
R7303
C3007
R7901
R6012
W402
W449
W741
W435
W703
W735
W400
W401
R7845
W405
W485
W467
QR4902
QR4005
R4510
W414
W478
W521
R6013
R3013
W472
QR4004
Q3901
QR3002
Q7803
W412
W408
W409
W410
C3910
W407
W421
W474
W404
W512
W517
W519
W520
W711
W716
C7605
W732
C3003
R3001
W766
W515
W423
LB4905
C3080
C7303
C3021
W740
C2551
W530
R7314
C7334
R7318
R4520
R3901
R4102
C7304
R4004
R4105
C6020
R7867
C2510
R6122
C6121
K7401
C3925
R6018
LB4003
C7309
C7311
QR4912
Q8801
R6031
C3934
R4007
R4012
C7328
C8803
R7849
R6030
R4511
R6027
R4002
R6802
C3049
R3016
R4103
R4903
R3003
R7311
C8813
R3906
C4533
C2099
LB7902
R3926
R3921
C3020
Q4004
R3922
R7808
R2565
R4009
C2505
C3038
C3001
C7322
LB7803
LB4104
C7321
R4519
C5005
C4513
R2502
C4109
R3905
C3033
C4527
C7810
C7312
C3922
C4515
R8807
QR4905
LB4904
LB4105
R6006
R7869
C7828
R4918
R8801
R7331
C7819
R4516
C4021
C3005
QR7901
Q4901
R1512
C5001
R6001
R7328
C2511
LB4903
R2562
R7304
C6009
C2503
C7333
C6026
R3904
K4502
R4117
R8803
C5007
C6103
R7802
C2501
C2054
R4917
R3908 C4103
R6117
R4517
R4508
C4111
R3913
C2552
R3930
C3916
C6001
QR3005
C7618
LB7601
R4909
R6022
C3015
Q4001
R6017
C4528
R1501
R7306
R3912
K3906
C6201
LB7401
LB4902
LB7903
C7332
C2518
C8801
K4506
C3025
R7854
R6115
R2551
Q4002
LB7603
Q4502
QR4913
C3048
C8804
C5004
K3005
R3910
C3946
C3046
C6301
R3018
LB4106
R6007
R2561
C3030
C2504
Q7802
C7824
R7863
C4012
R4922
R4523
R3019
R7312
LB4203
C3011
C7809
C3010
C4106
R4911
C3045
R4101
R2521
K3001
R3011
C4025
LB4103
C3018
R4106
R2563
R3902
R4912
R2501
C7316
R3015
R8805
C7621
R7315
R6003
R4014
C3940
Q3002
C6014
R3014
R1511
C2512
W739
R6016
K3905
C3947
R4557
R3903
C3957
C5003
C4201
C7307
C3029
R4104
R6014
C4023
C7617
C3014
R7329
R6029
C7606
R4910
R7868
R4901
C3028
C3004
C4512
R4559
R6005
C7405
C7807
R6123
R4923
R4017
C3056
C7341
C3026
R7308
C7407
C5002
IP4901
R4925
C7324
R3916
R4926
R2552
C4517
C7342
R3914
C3956
R7401
IC7401
C3906
R7305
C3923
C2055
R3008
R2514
R2516
C7804
C3043
C3909
R6131
R3024
R4506
QR4906
Q7804
R6109
C3907
C6111
R6116
C3042
R3005
QR6801
C2001
C7806
K7306
R3002
R8804
QR4914
R4915
R1513
R7903
C4516
C3920
R7861
R7851
C3006
C3914
R6002
R4001
R3931
R7319
R4914
R3007
R2002
R4019
R4505
C2514
C7411
R4006
R7850
R7821
R4509
C4544
C7326
LB7801
C3002
C4110
R4512
R4916
C8809
C8806
R7310
R6121
C7320
C4108
C7406
R4515
C4104
C8805
C6008
C4112
R3911
R6803
R3017
C7805
C3911
C3913
R6801 C6002
LB4204
C2562
R7309
K7307
R4919
C6114
R4527
R4526
C4926
C7330
R3010
R4528
C3915
R6019
R3917
C7325
R4532
QR3001
R4904
C3008
C4101
LB4906
C6015
R4015
R4530
C3955
C4942
R7316
R7301
C6116
R1502
Q6104
C3016
R7865
LB4002
R3025
R4525
C3921
R4522
C7308
R4908
C7825
L3007
R2515
LB7602
C2506
C7323
LB7303
C4015
C7403
R4011
C7319
C4534
C7335
R4018
C7310
R4008
C3050
C7314
C7842
C7301
C2515
C7402
C7329
C6115
R4518
R6008
C4008
R4560
R7302
C4018
C4007
LB4101
R4913
R4902
C6302
C3908
C6006
R2099
R4514
R4513
C3013
C4024
R7902
R6309
C3924
C3041
C3927
R4116
C7410
C7315
R6025
R7905
R6118
C2507
R6026
C3928
LB7901
C2003
C3039
R4013
C6007
C4511
Q6101
QR4901
Q6305
QR4903
C6016
C4102
IC3002
R4521
R7307
R3021
Q6103
R4524
R7866
R7317
LB7302
Q6102
QR4003
R6201
R7859
LB4102
C6003
K7400
C6010
C8812
C4546
C6012
R7313
Q6801
C6110
C7305
C3052
C7404
LB7301
C7306
C3904
C4107
C8816
C3051
LB3901
QR7801
QR4904
C7331
C7408
IC3905
R8802
C6004
QR4915
R2001
R4016
IP7901
C7613
C7313
QR4911
C4202
C4105
C7815
C6018
R2520
LB4901
C3024
K7811
W766
K7810
C7838
C3948
K3907
D4901
W514
W529
W411
W422
W516
W710
W713
W720
W723
W724 W725
W726
W729 W730
W734
W744
W727
W731
W736
W738
W745
W746
IC6302
K3910
IC3001
IC6201
C2513
R2564
C6017
IC7301
IC3901
IC4501
IC6001
TL2502
TL6010
TL6004
TL24
TL23
TL2515
TL4501
TL7303
TL7301
TL6002
TL7304
TL8801
TL8803
TL8802
D6306
C6303
C6101
L6105
1
5
R4555
C4545
D4502 D2002
D2001
Q4501
R7907
D7905
C7907
D7907
C7906
C7904
PS6001
R7904
D7903
D7904
LB7904
PS6002
C7905
D7906
LB7905
K7902 D7901 D7908
TL24
C7902
D7908
T7901 C7901
C7903
L7902
C8808
10
9
1
10
9
12
C8802
C8807
ZJ6001 K3003 K4002
L4001
K8802
C8815
L8801
C8811
C6005
C2051
IC1501
3
C2053
R1503
K6001
P6001
2
K6099
C7752
L6104
IC2501
D2502
R2503
K2598
K6002
19
8
P6004 1P6002
D7803
1
2
19
P6003
QR8802
QR8801
Q4003
T4001
K7855
21
K7853
TU7801
K7809
K7803
K7805
C4022
C4020
K3006
L4503
TW3001
TW4502
C4531
P4001
K7804
D7301
K7302
L7302
K7808
K7807 K7806
K7858
C7620
LB7803
C7604
JK4901
JK4902
C7603
C7808
C7302 D7802
D7801
33
34
L7301
K7303
LB7301
C7318
L7606
L7808
L7602
L7605
2
31
42
5
1
3
C3950
C3949
C3938
C3939
21
20
R3907
D3901
14
5
JK3901
JK3902
C4940
K4902
K3903
AV1
K4903
C4939
C4938
C4944
50
31
30
51
81
100
1
C4932
C4933
C4927
C4937
C4934
C4930
C4929
C4935
C4922
C4924
C4925
C4931 1
2
AV2
IC7402
C4939
5
8
1
C4936
C4928
C4920
C4923
C4919
C4945
K4901
6
13
K3002
C2571
P2501
P2571 8
K6098
LB4903
R3006
K2597
C3022
C3023
C3019
R3009
L3002
C3012
L3008
K4003
P4002
C3009
C4506
C4004
C4002
K3008
L3003
C4001
C4017
C4010
C4009
100
L3001
K3005
C4005
K7811
TW4501
C4016
LB4203
C4014
C4011
C4505
LB4003 C3936
C3937
C3917
C3918
C4917
C4918
C3929
C4941
C3912
C7343
IC7403
TL7303
TL7301
44
TL7304
LB7302
K7306
11
1
X7301
22
S PHOTO
S1531 016
15
K4001
C4521
C4522
L4502
1
C4526
C4523
C4519
33 32
L4501 17
48 49
64
C4501
C4502
C4504
16
C4508
C4503
K7801
9
C4524
D4501
C45020
C3047
C3037
C3040
X3002
K3011 L5001
C4509
C4510
C3034
C3036
X3001
C3044
C5006
K3007
80
51 1
50
31 30
L3004
D1501
K3004
T REEL
L6102
30
31
80
51
X6001
C2509
K6004
L6103
S1532
Q1501
C7843
D7805
R7844
19
18
P1531
TW2002
TW2001
K2501
K2502
C6308
C2502
MODE SW
L7901
L3006
2
P5001
1
13
1
2
7
1
DMR-EZ45VEB
74

14.5. FRONT JACK P.C.B.
DMR-EZ45VEB
FRONT JACK PCB
REPD0035A
COMPONENT SIDE / SOLDER SIDE
FRONT JACK COMPONENT SIDE FRONT JACK SOLDER SIDE
W4818
W4812
JK4802
PP4801
W4813
W4801
W4802
W4803
W4804
W4805
W4806
POWER
S7801
FF
S7802 UP
S7803
EJECT
S7804
REW
S7805 DOWN
S7806
JK4801
2
9
1
CH
10
R7802
LB4801
W4819
R4802
W4820
W4821
R4806
W4807
K7802
R7801
W4817
LB4802
R7803
C4805
C4804
C4803
C4802
R4804
C4801
R7804
K7801
R4805
C4806
LB4803
R4801
R4803
PP4801
9
10 2
1
UP
S7803 DOWN
S7806
FF
S7802 REW
S7805
JK4801
JK4802
POWER
S7801
EJECT
S7804
CH
DMR-EZ45VEB
75

14.6. FL DRIVE P.C.B.
IC7502
Q7502
IC7501
QR7504
DP7501
Q7501
PP7501
QR7507
PP7502
QR7501
PP7503
QR7503
F6/C7 C7
C9 C8
F4/C8 D6
E10/C2 C6
E7/C6 C3
E2/C11 C8
ADRESS INFORMATION
DMR-EZ45VEB
FL DRIVE PCB
COMPONENT SIDE / SOLDER SIDE
FL DRIVE SOLDER SIDE
FL DRIVE COMPONENT SIDE
-
+
STOP
10
2
VHS
OPEN/CLOSE
29
D2V V2D
1
10
910
PLAY
9
2
1
DUB_LED
REC
SELECT
SD
DVD
11
45
S7501
C7502
W7501
IC7502
D7503
D7502
D7504
W7511
S7507
W7512
S7505
PP7501
S7504
W7508
S7506
L7501
D7501
PP7503 W7503 PP7502
W7502
W7505
S7503
W7513
S7502
DP7501
1
40
Q7502
Q7501
QR7507
QR7503
W7500
C7504
R7501
R7516
W4814
R7522
R7525
R7503
W4811
W7504
C7501
R7502
C7507
W4816
R7504
QR7502
R7509
C7508
L7501
C7502
R7517
C7506
W4815
C7505
R7524
C7503
R7515
FD100
R7510
R7508
R7507
R7518
R7519
R7520
R7521
R7523
QR7501
QR7504
W4810
W4809
W4808
IC7501
IC7502
DP7501
V2D
S7504 D2V
S7501 REC
S7505
PLAY
S7507
STOP
S7502 SELECT
S7503
DVD
D7502
OPEN/CLOSE
S7506
SD
D7501
VHS
D7503
DUB_LED
D7504
PP7501
9
10 2
1
PP7502
10 2
145 42 1PP7503
9
10 2
1
DMR-EZ45VEB
76

14.7. SD/DV IN P.C.B.
DMR-EZ45VEB
SD/DV IN PCB
COMPONENT SIDE / SOLDER SIDE
SOLDER SIDE
COMPONENT SIDE
PP66803
PP66802
20 1
P66804
6
1
P66803
1
23
4
DMR-EZ45VEB
77

14.8. HDMI P.C.B.
R56157
R56156R56155
R56139
LB56108
FL56104
P56101
C56134
IC56105
LB56112
C56133
P56102
VA56111
VA56109 LB56107
LB56106
LB56105
LB56104
VA56107
VA56105
VA56103
C56126
C56128
R56161
RX56102
C56108
C56103 C56104 C56105
C56106
C56107
R56119
MK2
IC56103
C56112 C56115
R56150
R56149
R56148
R56147
VA56101
VA56102
VA56104
VA56106
VA56108
VA56110
VA56113
VA56112
R56140
R56144
R56145
R56146
MK1
L56101
L56102
L56103
L56104
C56109
C56111
C56113
C56114
FL56103
LB56103
C56116
C56117
R56103
R56102
CKB18
R56111
R56110
R56112
CKB27
CKB16
CKB21
CKB22
R56142
CKB20
CKB39
CKB36
R56101
CKB33
R56159
R56158
CKC2
R56130
R56132
RX56101
R56107
R56106
R56105
R56104
CKB8 CKB12
CKB10
R56109
R56114
R56115
LB56109
LB56115
CKC8
R56134
FL56105
C56135
R56117
C56116
LB56111
SOLDER SIDECOMPONENT SIDE DMR-EZ45VEB
HDMI P.C.B.
VEP73137A
CKA19
CKA18
CKA12
CKA10
CKA9
CKA7
CKA6
CKA4
CKA3
CKA1
CKA17
CKA16
CKA15
CKA13
CKA11
CKA8
CKA5
CKA2
R56138
CKA20
R56137
CL56104
CL56103
CL56102
CL56101
R56128 R56129
Q56102
R56125 R56126
Q56126
C56125
C56127
R56124
R56127
Q56101
C56124 C56123
C56122
FL56110
R56123
LB56116
C56119
C56121C56120 C56118
R56122
R56121
R56120
IC56102
D56101
LB56101
FL56102
C56102
R56118
C56110
CKB1
R56108
MK3
FP56101
CKB2
CKB4
CKB8 CKB11
CKB14
CKB23
CKB25R56143
CKB29CKB30
CKB32
CKB38
CKB40
MK4
R56151
IC56101
R56154
R56153
R56152
C56101
FL56101
CKB35
LB56102
IC56107
C56140
FL56106
C56131
LB56110
C56132
IC56104
CKC10
R56135 C56130
R56003
C56001
R56002 R56004
CKC7
R56001
R56160
Q56001
Q56002
CKC1
Q56104
R56131
CKC5
CKC4
Q56105
CKC6
CKC9
R56133
C56129
DMR-EZ45VEB
78

15 APPENDIX FOR SCHEMATIC DIAGRAM
15.1. VOLTAGE AND WAVEFORM CHART
NOTE:
· Indicated voltage values are the standard values for the unit measured by the DC electronic circuit tester (high-impedance)
with the chassis taken as standard.
Therefore, there may exist some errors in the voltage values, depending on the internal impedance of the DC circuit tester.
15.1.1. VOLTAGE CHART (IC1201 - IC2501)
Ref.No.
Mode12345678
Stop 12,32 4,45 1,20 1,26 0,75 0,00 6,54 12,30
Play 12,31 4,45 1,20 1,26 0,75 0,00 6,54 12,30
Rec. 12,31 4,45 1,19 1,26 0,72 0,00 6,54 12,29
Ref.No.
Mode12345678
Stop 12,32 0,03 1,29 4,16 0,00 1,18 0,76 5,21
Play 12,32 0,03 1,29 4,16 0,00 1,25 0,76 5,21
Rec. 12,31 0,03 1,29 4,15 0,00 1,25 0,76 5,21
Ref.No.
Mode12345678
Stop 12,32 0,04 1,28 4,15 0,04 1,11 0,76 3,84
Play 12,31 0,04 1,28 4,14 0,04 1,11 0,75 3,84
Rec. 12,31 0,05 1,28 4,14 0,04 1,10 0,75 3,84
Ref.No.
Mode12345678910
Stop 12,32 0,00 0,00 0,00 0,00 0,00 16,08 0,00 0,00 1,02
Play 12,32 0,00 0,00 0,00 0,00 0,00 16,08 0,00 0,00 1,02
Rec. 12,32 0,00 0,00 0,00 0,00 0,00 16,08 0,00 0,00 1,02
Ref.No.
Mode 11 12 13 14 15 16 17 18 19 20
Stop 3,82 0,00 0,05 5,05 2,47 2,47 2,47 2,47 5,02 0,75
Play 3,82 0,00 0,00 5,05 2,47 2,47 2,47 2,47 5,02 0,75
Rec. 3,82 0,00 0,00 5,05 2,47 2,47 2,47 2,47 5,02 0,75
Ref.No.
Mode 21 22 23 24 25
Stop 12,32 0,74 0,74 0,00 0,74
Play 12,32 0,74 0,74 0,00 0,74
Rec. 12,32 0,74 0,74 0,00 0,74
IC1201
IC1203
IC1204
IC2501
IC2501
IC2501
79
DMR-EZ45VEB

15.1.2. VOLTAGE CHART (IC3001-IC9706, Q1201-Q6801, QR1202-QR7901, P6001-P9703)
Ref.No.
Mode 31 32 33 34 35 36 37 38 39 40
Stop 0,35 2,31 2,05 1,77 2,98 2,27 2,98 2,17 1,45 2,10
Play 0,35 2,31 2,05 1,77 2,98 2,27 2,98 2,17 1,45 2,10
Rec. 0,35 2,31 2,05 1,77 2,98 2,27 2,98 2,17 1,45 2,10
Ref.No.
Mode 41 42 43 44 45 46 47 48 49 50
Stop 2,72 1,97 2,12 0,00 3,13 3,13 5,07 0,14 3,12 5,07
Play 2,72 1,97 2,12 0,00 3,13 3,13 5,07 0,14 3,12 5,07
Rec. 2,72 1,97 2,12 0,00 3,13 3,13 5,07 0,14 3,12 5,07
Ref.No.
Mode 51 52 53 54 55 56 57 58 59 60
Stop 2,04 5,07 2,60 0,00 2,08 0,00 2,17 1,94 5,05 5,05
Play 2,04 5,07 2,60 0,00 2,08 0,00 2,17 1,94 5,05 5,05
Rec. 2,04 5,07 2,60 0,00 2,08 0,00 2,17 1,94 5,05 5,05
Ref.No.
Mode 61 62 63 64 65 66 67 68 69 70
Stop 4,12 2,29 2,20 2,26 2,20 2,26 0,28 1,27 2,01 2,70
Play 4,12 2,29 2,20 2,26 2,20 2,26 0,00 1,27 2,01 2,70
Rec. 4,12 2,29 2,20 2,26 2,20 2,26 0,00 1,27 2,01 2,70
Ref.No.
Mode 71 72 73 74 75 76 77 78 79 80
Stop 2,18 0,14 4,30 4,25 2,75 2,23 2,84 0,02 0,02 2,35
Play 2,18 0,14 4,30 4,25 2,75 2,23 2,84 0,02 0,02 2,35
Rec. 2,18 0,14 4,30 4,25 2,75 2,23 2,84 0,02 0,02 2,35
Ref.No.
Mode 81 82 83 84 85 86 87 88 89 90
Stop 4,67 0,00 2,97 5,03 2,28 2,28 2,28 0,00 2,28 2,28
Play 4,67 0,00 2,97 5,03 2,28 2,28 2,28 0,00 2,28 2,28
Rec. 4,67 0,00 2,97 5,03 2,28 2,28 2,28 0,00 2,28 2,28
Ref.No.
Mode 91 92 93 94 95 96 97 98 99 100
Stop 2,28 5,12 1,60 2,54 2,52 2,49 0,00 2,24 0,00 2,58
Play 2,28 5,12 1,60 2,54 2,52 2,49 0,00 2,24 0,00 2,58
Rec. 2,28 5,12 1,60 2,54 2,52 2,49 0,00 2,24 0,00 2,58
IC3001
IC3001
IC3001
IC3001
IC3001
IC3001
IC3001
Ref.No.
Mode 21 22 23 24 25 26 27 28 29 30
Stop 2,79 5,01 2,31 0,00 2,12 2,95 0,42 0,00 2,10 2,89
Play 2,79 5,01 2,31 0,00 2,12 2,95 0,42 0,00 2,10 2,89
Rec. 2,79 5,01 2,31 0,00 2,12 2,95 0,42 0,00 2,10 2,89
IC3001
Ref.No.
Mode12345678910
Stop 0,00 0,00 0,06 5,12 2,09 2,59 2,83 1,94 1,86 2,03
Play 0,00 0,00 0,06 5,12 2,09 2,59 2,83 1,94 1,86 2,03
Rec. 0,00 0,00 0,06 5,12 2,09 2,59 2,83 1,94 1,86 2,03
Ref.No
Mode 11 12 13 14 15 16 17 18 19 20
Stop 2,62 1,61 0,00 2,77 2,79 0,00 2,79 1,97 2,78 0,00
Play 2,62 1,61 0,00 2,77 2,79 0,00 2,79 1,97 2,78 0,00
Rec. 2,62 1,61 0,00 2,77 2,79 0,00 2,79 1,97 2,78 0,00
IC3001
IC3001
80
DMR-EZ45VEB

Ref.No
Mode 11 12 13 14 15 16 17 18 19 20
Stop 1,65 0,00 0,00 1,65 1,69 1,80 0,00 0,00 1,62 1,66
Play 1,65 0,00 0,00 1,65 1,69 1,80 0,00 0,00 1,62 1,66
Rec. 1,65 0,00 0,00 1,65 1,69 1,80 0,00 0,00 1,62 1,66
Ref.No.
Mode 21 22 23 24 25 26 27 28 29 30
Stop 0,00 1,74 1,67 1,70 4,90 1,49 0,00 1,49 0,00 2,01
Play 0,00 1,74 1,67 1,70 4,90 1,49 0,00 1,49 0,00 2,01
Rec. 0,00 1,74 1,67 1,70 4,90 1,49 0,00 1,49 0,00 2,01
Ref.No.
Mode 31 32 33 34 35 36 37 38 39 40
Stop 1,56 0,00 1,57 0,00 2,04 0,00 1,57 0,00 1,59 4,92
Play 1,56 0,00 1,57 0,00 2,04 0,00 1,57 0,00 1,59 4,92
Rec. 1,56 0,00 1,57 0,00 2,04 0,00 1,57 0,00 1,59 4,92
Ref.No.
Mode 41 42 43 44 45 46 47 48 49 50
Stop 1,55 4,92 2,00 0,00 2,00 11,78 2,02 2,00 4,48 4,48
Play 1,55 4,92 2,00 0,00 2,00 11,78 2,02 2,00 4,48 4,48
Rec. 1,55 4,92 2,00 0,00 2,00 11,78 2,02 2,00 4,48 4,48
Ref.No.
Mode 51 52 53 54 55 56 57 58 59 60
Stop 4,44 4,45 4,45 4,45 4,45 4,45 9,00 4,45 4,45 4,45
Play 4,44 4,45 4,45 4,45 4,45 4,45 9,00 4,45 4,45 4,45
Rec. 4,44 4,45 4,45 4,45 4,45 4,45 9,00 4,45 4,45 4,45
Ref.No.
Mode 61 62 63 64 65 66 67 68 69 70
Stop 4,45 4,45 4,45 4,45 9,01 0,00 0,00 0,00 0,00 0,00
Play 4,45 4,45 4,45 4,45 9,01 0,00 0,00 0,00 0,00 0,00
Rec. 4,45 4,45 4,45 4,45 9,01 0,00 0,00 0,00 0,00 0,00
Ref.No.
Mode 71 72 73 74 75 76 77 78 79 80
Stop 4,50 4,50 4,50 4,50 0,00 4,50 9,62 4,50 4,50 0,00
Play 4,50 4,50 4,50 4,50 0,00 4,50 9,62 4,50 4,50 0,00
Rec. 4,50 4,50 4,50 4,50 0,00 4,50 9,62 4,50 4,50 0,00
Ref.No.
Mode 81 82 83 84 85 86 87 88 89 90
Stop 2,08 4,87 1,44 4,92 2,02 4,46 4,52 4,66 4,52 4,92
Play 2,08 4,87 1,44 4,92 2,02 4,46 4,52 4,66 4,52 4,92
Rec. 2,08 4,87 1,44 4,92 2,02 4,46 4,52 4,66 4,52 4,92
IC3901
IC3901
IC3901
IC3901
IC3901
IC3901
IC3901
IC3901
Ref.No.
Mode12345678
Stop 5,14 0,00 1,28 0,00 4,87 0,00 0,00 5,65
Play 5,14 0,00 1,28 0,00 4,87 0,00 0,00 5,65
Rec. 5,14 0,00 1,28 0,00 4,87 0,00 0,00 5,65
Ref.No.
Mode12345678910
Stop 2,01 2,51 1,51 0,00 1,57 4,92 1,66 4,91 0,00 2,77
Play 2,01 2,51 1,51 0,00 1,57 4,92 1,66 4,91 0,00 2,77
Rec. 2,01 2,51 1,51 0,00 1,57 4,92 1,66 4,91 0,00 2,77
IC3002
IC3901
81
DMR-EZ45VEB

Ref.No.
Mode123456
Stop 0,04 2,06 4,92 2,83 0,00 2,81
Play 0,04 2,06 4,92 2,83 0,00 2,81
Rec. 0,04 2,06 4,92 2,83 0,00 2,81
Ref.No.
Mode12345678910
Stop 2,44 0,00 2,44 0,00 0,00 2,55 2,05 0,00 0,00 0,00
Play 2,44 0,00 2,44 0,00 0,00 2,55 2,05 0,00 0,00 0,00
Rec. 2,44 0,00 2,44 0,00 0,00 2,55 2,05 0,00 0,00 0,00
Ref.No
Mode 11 12 13 14 15 16 17 18 19 20
Stop 0,00 2,05 0,00 0,00 0,00 2,50 0,73 2,55 2,55 2,10
Play 0,00 2,05 0,00 0,00 0,00 2,52 0,73 2,55 2,55 2,10
Rec. 0,00 2,05 0,00 0,00 0,00 2,52 0,73 2,55 2,55 2,10
Ref.No.
Mode 21 22 23 24 25 26 27 28 29 30
Stop 2,10 2,10 0,00 2,10 5,11 2,13 0,00 4,33 1,86 1,79
Play 2,10 2,10 0,00 2,10 5,11 2,13 0,00 4,33 1,86 1,79
Rec. 2,10 2,10 0,00 2,10 5,11 2,13 0,00 4,33 1,86 1,79
Ref.No.
Mode 31 32 33 34 35 36 37 38 39 40
Stop 0,00 2,54 2,55 0,73 2,55 0,00 1,73 0,00 0,00 5,11
Play 0,00 2,54 2,55 0,73 2,55 0,00 1,73 0,00 0,00 5,11
Rec. 0,00 2,54 2,55 0,73 2,55 0,00 1,73 0,00 0,00 5,11
Ref.No.
Mode 41 42 43 44 45 46 47 48 49 50
Stop 0,00 4,30 4,25 3,26 1,57 4,97 2,54 2,55 0,24 0,24
Play 0,00 4,30 4,25 3,26 1,57 4,97 2,54 2,55 0,24 0,24
Rec. 0,00 4,30 4,25 3,26 1,57 4,97 2,54 2,55 0,24 0,24
Ref.No.
Mode 51 52 53 54 55 56 57 58 59 60
Stop 6,13 6,14 6,13 0,00 0,00 0,00 6,15 12,04 6,24 0,00
Play 6,13 6,14 6,13 0,00 0,00 0,00 6,15 12,04 6,24 0,00
Rec. 6,13 6,14 6,13 0,00 0,00 0,00 6,15 12,04 6,24 0,00
Ref.No.
Mode 61 62 63 64
Stop 2,54 2,47 0,00 0,00
Play 2,54 2,47 0,00 0,00
Rec. 2,54 2,47 0,00 0,00
Ref.No.
Mode12345678910
Stop 5,02 4,12 0,00 0,00 5,04 0,70 0,70 4,75 2,95 5,04
Play 5,02 4,12 0,00 0,00 5,04 5,02 0,70 0,60 2,95 5,04
Rec. 5,02 4,12 0,00 0,00 5,04 0,70 0,70 4,75 2,95 5,04
IC3905
IC4501
IC4501
IC4501
IC4501
IC4501
IC4501
IC4501
IC6001
Ref.No.
Mode 91 92 93 94 95 96 97 98 99 100
Stop 2,02 3,19 2,09 4,92 2,01 0,00 2,04 0,00 2,01 2,45
Play 2,02 3,19 2,09 4,92 2,01 0,00 2,04 0,00 2,01 2,45
Rec. 2,02 3,19 2,09 4,92 2,01 0,00 2,04 0,00 2,01 2,45
IC3901
82
DMR-EZ45VEB

Ref.No
Mode 11 12 13 14 15 16 17 18 19 20
Stop 0,00 0,00 0,00 5,03 3,91 0,00 0,00 0,00 0,00 0,03
Play 0,00 0,00 0,00 5,03 3,91 0,00 0,00 0,00 0,00 0,00
Rec. 0,00 0,00 0,00 5,03 3,91 0,00 0,00 0,00 0,00 0,03
Ref.No.
Mode 21 22 23 24 25 26 27 28 29 30
Stop 0,00 0,00 4,34 0,00 0,00 5,05 0,00 0,00 0,00 5,03
Play 0,00 0,00 4,34 0,00 0,00 5,05 0,00 0,00 0,00 5,03
Rec. 0,00 0,00 4,34 0,00 0,00 5,05 0,00 0,00 0,00 5,03
Ref.No.
Mode 31 32 33 34 35 36 37 38 39 40
Stop 5,03 5,02 0,00 4,57 0,00 0,00 5,03 2,17 2,09 0,00
Play 5,03 5,02 0,00 4,57 0,00 0,00 5,03 2,17 2,09 0,00
Rec. 5,03 0,00 0,00 0,00 0,00 0,00 5,03 2,17 2,09 0,00
Ref.No.
Mode 41 42 43 44 45 46 47 48 49 50
Stop 0,00 0,00 5,10 0,00 0,00 0,00 2,01 2,27 0,00 1,69
Play 0,00 0,00 5,10 0,00 0,00 0,00 2,01 2,27 0,00 1,69
Rec. 0,00 0,00 5,10 0,00 0,00 0,00 2,01 2,27 0,00 1,69
Ref.No.
Mode 51 52 53 54 55 56 57 58 59 60
Stop 2,52 1,70 5,03 2,23 0,47 1,94 0,00 0,40 0,00 0,00
Play 2,52 1,70 5,03 2,23 0,00 1,94 0,00 0,00 0,00 0,00
Rec. 2,52 1,70 5,03 2,23 0,00 1,94 0,00 0,00 0,00 0,00
Ref.No.
Mode 61 62 63 64 65 66 67 68 69 70
Stop 0,01 0,00 0,00 0,00 0,00 0,00 0,00 3,95 2,43 4,26
Play 0,01 0,00 0,00 0,00 0,00 0,00 0,00 3,95 2,43 4,26
Rec. 0,01 0,00 0,00 0,00 0,00 0,00 0,00 3,95 2,43 4,26
Ref.No.
Mode 71 72 73 74 75 76 77 78 79 80
Stop 4,26 4,22 0,00 0,00 4,81 0,00 5,04 0,00 0,14 5,07
Play 4,26 4,22 0,00 0,00 4,81 0,00 5,04 0,00 0,14 5,07
Rec. 4,26 4,22 0,00 0,00 4,81 0,00 5,04 0,00 0,14 5,07
Ref.No.
Mode 81 82 83 84 85 86 87 88 89 90
Stop 0,00 0,00 0,00 0,00 0,00 2,54 2,54 0,00 0,00 2,46
Play 0,00 0,00 0,00 0,00 0,00 2,54 2,54 0,00 0,00 2,46
Rec. 0,00 0,00 0,00 0,00 0,00 2,54 2,54 0,00 0,00 2,46
Ref.No.
Mode 91 92 93 94 95 96 97 98 99 100
Stop 2,54 2,54 0,00 2,50 2,50 2,53 2,53 5,08 5,04 0,00
Play 2,54 2,54 0,00 2,50 2,50 2,53 2,53 5,08 5,04 0,00
Rec. 2,54 2,54 0,00 2,50 2,50 2,53 2,53 5,08 5,04 0,00
IC6001
IC6001
IC6001
IC6001
IC6001
IC6001
IC6001
IC6001
IC6001
Ref.No
Mode1234
Stop 5,02 0,00 4,87 5,67
Play 5,02 0,00 4,87 5,67
Rec. 5,02 0,00 4,87 5,67
IC6302
83
DMR-EZ45VEB

Ref.No.
Mode12345678910
Stop 2,42 2,43 2,43 0,00 0,00 2,43 0,00 2,42 0,00 2,43
Play 2,42 2,43 2,43 0,00 0,00 2,43 0,00 2,42 0,00 2,43
Rec. 2,42 2,43 2,43 0,00 0,00 2,43 0,00 2,42 0,00 2,43
Ref.No
Mode 11 12 13 14 15 16 17 18 19 20
Stop 0,00 0,00 0,00 2,92 2,5 0,00 0,00 2,93 0,00 0,00
Play 0,00 0,00 0,00 2,92 2,5 0,00 0,00 2,93 0,00 0,00
Rec. 0,00 0,00 0,00 2,92 2,5 0,00 0,00 2,93 0,00 0,00
Ref.No.
Mode 21 22 23 24 25 26 27 28 29 30
Stop 0,63 0,00 0,00 1,40 2,39 1,41 0,00 4,97 4,66 4,52
Play 0,63 0,00 0,00 1,40 2,39 1,41 0,00 4,97 4,66 4,52
Rec. 0,63 0,00 0,00 1,40 2,39 1,41 0,00 4,97 4,66 4,52
Ref.No.
Mode 31 32 33 34 35 36 37 38 39 40
Stop 2,97 2,42 2,42 2,12 2,53 0,00 0,00 2,42 2,42 2,42
Play 2,97 2,42 2,42 2,12 2,53 0,00 0,00 2,42 2,42 2,42
Rec. 2,97 2,42 2,42 2,12 2,53 0,00 0,00 2,42 2,42 2,42
Ref.No.
Mode 41 42 43 44
Stop 2,43 0,00 2,43 0,00
Play 2,43 0,00 2,43 0,00
Rec. 2,43 0,00 2,43 0,00
Ref.No.
Mode12345678
Stop 4,92 0,00 1,26 0,00 5,66 0,00 0,00 5,66
Play 4,92 0,00 1,26 0,00 5,66 0,00 0,00 5,66
Rec. 4,92 0,00 1,26 0,00 5,66 0,00 0,00 5,66
Ref.No.
Mode12345678
Stop 4,93 0,00 1,26 0,00 4,66 0,00 0,00 5,66
Play 4,93 0,00 1,26 0,00 4,66 0,00 0,00 5,66
Rec. 4,93 0,00 1,26 0,00 4,66 0,00 0,00 5,66
Ref.No.
Mode12345678
Stop 4,98 0,00 1,28 0,00 4,81 0,00 0,00 5,66
Play 4,98 0,00 1,28 0,00 4,81 0,00 0,00 5,66
Rec. 4,98 0,00 1,28 0,00 4,81 0,00 0,00 5,66
IC7301
IC7301
IC7301
IC7301
IC7301
IC7401
IC7402
IC7403
Ref.No.
Mode12345678
Stop 4,98 0,00 1,27 0,00 4,78 0,00 0,00 5,68
Play 4,98 0,00 1,27 0,00 4,78 0,00 0,00 5,68
Rec. 4,98 0,00 1,27 0,00 4,77 0,00 0,00 5,68
Ref.No.
Mode12345678
Stop 3,27 0,00 1,26 0,00 4,78 0,00 0,00 3,74
Play 3,27 0,00 1,26 0,00 4,78 0,00 0,00 3,74
Rec. 3,28 0,00 1,27 0,00 4,78 0,00 0,00 3,72
IC9102
IC9106
84
DMR-EZ45VEB

Ref.No.
Mode123456
Stop 1,27 0,00 4,78 5,68 0,00 5,00
Play 1,27 0,00 4,78 5,68 0,00 5,00
Rec. 1,23 0,00 4,77 5,68 0,00 5,00
Ref.No.
Mode12345678
Stop 4,78 3,33 3,33 0,00 3,33 3,33 4,74 10,54
Play 4,78 3,33 3,33 0,00 3,33 3,33 4,74 10,54
Rec. 4,78 3,33 3,33 0,00 3,33 3,33 4,74 10,54
Ref.No.
Mode12345678
Stop 10,54 5,00 5,00 0,00 3,33 3,33 3,33 12,31
Play 10,54 5,00 5,00 0,00 3,33 3,33 3,33 12,31
Rec. 10,54 5,00 5,00 0,00 3,33 3,33 3,33 12,31
Ref.No.
Mode12345
Stop 2,35 3,27 0,00 0,00 0,00
Play 2,35 3,27 0,00 0,00 0,00
Rec. 2,35 3,27 0,00 0,00 0,00
Ref.No.
Mode12345
Stop 4,57 5,05 0,00 0,00 0,00
Play 4,57 5,05 0,00 0,00 0,00
Rec. 4,57 5,05 0,00 0,00 0,00
Ref.No.
Mode12345678910
Stop 2,35 4,28 5,01 4,46 0,13 0,15 4,29 0,00 0,00 0,85
Play 2,38 4,28 5,01 4,46 0,17 0,16 4,29 0,00 0,00 0,85
Rec. 2,42 4,28 5,01 4,46 0,16 0,17 4,29 0,00 0,00 0,85
Ref.No.
Mode 11 12 13 14 15 16 17 18 19 20
Stop 1,96 4,84 2,05 0,00 1,97 3,27 4,81 3,28 3,20 0,00
Play 1,20 4,84 2,05 0,00 1,97 3,27 4,81 3,28 3,22 0,00
Rec. 1,20 4,83 2,05 0,00 1,97 3,28 4,83 3,28 3,18 0,00
IC9301
IC9302
IC9305
IC9702
IC9703
IC9704
IC9704
Ref.No.
Mode 21 22 23 24 25 26 27 28 29 30
Stop 3,00 0,00 3,22 0,00 0,00 0,00 0,00 0,00 4,65 4,53
Play 3,00 1,31 3,22 0,00 0,00 0,00 0,00 0,00 4,65 4,53
Rec. 3,01 0,00 3,21 0,00 0,00 0,00 0,00 0,00 4,65 4,53
Ref.No.
Mode 31 32 33 34 35 36 37 38 39 40
Stop 3,28 3,28 0,00 0,00 0,66 3,19 3,26 3,28 2,60 5,03
Play 3,28 3,28 0,00 0,00 0,66 3,23 3,26 3,28 2,55 5,02
Rec. 0,00 3,25 0,00 0,00 0,66 3,20 3,26 3,28 2,56 5,01
Ref.No.
Mode 41 42 43 44 45 46 47 48 49 50
Stop 4,83 4,82 4,82 4,78 2,94 4,81 4,92 0,00 4,79 0,01
Play 4,83 4,82 4,82 4,77 2,93 4,83 4,92 0,00 0,00 0,01
Rec. 4,83 4,82 4,82 4,77 2,94 4,83 4,92 0,00 4,79 0,01
IC9704
IC9704
IC9704
85
DMR-EZ45VEB

Ref.No.
Mode 51 52 53 54 55 56 57 58 59 60
Stop 4,83 0,01 0,00 0,01 0,00 0,00 0,01 0,00 0,01 5,02
Play 4,83 0,01 0,00 0,01 0,00 0,00 0,01 0,00 0,01 5,03
Rec. 4,83 0,01 0,00 0,01 0,00 0,00 0,01 0,00 0,01 5,02
Ref.No.
Mode 61 62 63 64 65 66 67 68 69 70
Stop 0,00 4,84 0,01 0,00 4,83 4,83 0,01 0,01 0,01 0,01
Play 0,00 4,84 0,01 0,00 4,83 4,83 0,01 0,01 0,01 0,01
Rec. 0,00 4,84 0,01 0,00 4,83 4,83 0,01 0,01 0,01 0,01
Ref.No.
Mode 71 72 73 74 75 76 77 78 79 80
Stop 4,80 0,01 4,54 0,00 5,03 0,01 0,01 0,01 0,01 3,90
Play 4,80 0,01 4,54 0,00 5,02 0,01 0,01 0,01 0,01 3,89
Rec. 4,80 0,01 4,54 0,00 5,02 0,01 0,01 0,01 0,01 3,90
Ref.No.
Mode 81 82 83 84 85 86 87 88 89 90
Stop 0,00 0,00 0,00 1,96 0,00 5,04 5,04 5,02 1,96 4,83
Play 0,00 0,00 0,00 1,96 0,00 4,49 5,01 5,02 1,96 4,84
Rec. 0,00 0,00 0,00 1,96 0,00 5,03 5,02 5,02 2,05 4,83
Ref.No.
Mode 91 92 93 94 95 96 97 98 99 100
Stop 0,00 0,00 2,61 1,57 1,22 0,00 0,00 1,92 4,84 4,04
Play 0,00 0,00 2,61 1,57 1,22 0,00 0,00 2,13 4,84 4,00
Rec. 0,00 0,00 2,61 1,57 1,22 0,00 0,00 1,81 4,84 4,00
Ref.No.
Mode12345678
Stop 0,00 0,00 0,00 0,00 3,28 3,28 0,03 3,27
Play 0,00 0,00 0,00 0,00 3,28 3,28 0,03 3,27
Rec. 0,00 0,00 0,00 0,00 3,28 3,28 0,03 3,27
IC9704
IC9704
IC9704
IC9704
IC9704
IC9705
Ref.No.
Mode12345
Stop 0,00 0,00 0,00 4,84 4,84
Play 0,00 0,00 0,00 4,84 4,84
Rec. 0,00 0,00 0,00 4,84 4,84
Ref.No.
Mode12345678
Stop 12,32 12,32 12,32 6,12 12,32 12,32 12,32 12,32
Play 12,32 12,32 12,32 6,12 12,32 12,32 12,32 12,32
Rec. 12,32 12,32 12,30 6,12 12,32 12,32 12,30 12,3
Ref.No
Mode123456
Stop 5,77 5,77 6,54 12,03 5,77 5,77
Play 5,77 5,77 6,54 12,03 5,77 5,77
Rec. 5,77 5,77 6,54 12,03 5,77 5,77
Ref.No. Q6401 Q6402 Q6403
ModeEBCEBCEBC
Stop 0,00 0,00 12,32 0,00 0,00 4,34 0,00 0,56 0,02
Play 11,73 12,92 12,32 0,00 0,00 4,34 0,00 0,56 0,02
Rec. 0,00 0,00 12,32 0,00 0,00 4,34 0,00 0,56 0,02
IC9706
Q1201
Q1202
86
DMR-EZ45VEB

Ref.No. Q6404 Q9106 Q9701
ModeEBCEBCEBC
Stop 0,00 0,02 5,04 3,29 3,94 5,59 2,73 2,13 0,00
Play 0,00 0,02 5,04 3,29 3,94 5,59 2,73 2,13 0,00
Rec. 0,00 0,02 5,03 3,29 3,94 5,59 2,56 1,91 0,00
Ref.No. Q9702 Q9703 Q9705
ModeEBCEBCEBC
Stop 1,87 1,61 5,04 0,01 0,38 12,29 2,65 1,95 0,00
Play 1,87 1,61 5,04 1,07 1,64 11,63 2,65 1,95 0,00
Rec. 2,01 1,60 5,04 1,07 1,64 11,66 2,65 2,00 0,00
Ref.No. Q9706 Q3002 Q4001
Mode E B C E B C E B C
Stop 2,00 1,61 5,05 1,57 2,20 5,12 0,01 0,75 0,02
Play 2,00 1,61 5,05 1,57 2,20 5,12 0,01 0,75 0,02
Rec. 2,00 1,61 5,05 1,57 2,20 5,12 0,01 0,75 0,02
Ref.No Q4002 Q4003 Q4004
ModeEBCE BCEBC
Stop 0,01 0,75 0,00 0,00 0,16 0,16 5,65 5,65 0,16
Play 0,01 0,75 0,00 0,00 0,16 0,16 5,65 5,65 0,16
Rec. 0,01 0,75 0,00 0,00 0,16 0,16 5,65 5,65 0,16
Ref.No. Q4502 Q4901 Q6102
ModeEBCEBCEBC
Stop 12,05 11,42 12,10 12,16 11,43 12,1 1,49 2,14 5,03
Play 12,13 11,42 12,10 12,14 11,40 12,09 1,49 2,28 5,04
Rec. 12,13 11,42 12,10 12,13 11,40 12,07 1,49 2,25 5,04
Ref.No. Q6103 Q6104 Q6305
ModeEBCE BCEBC
Stop 2,98 3,60 5,04 2,3 1,60 0,00 5,09 5,85 5,66
Play 3,12 3,71 5,04 2,33 1,73 0,00 5,09 5,85 5,65
Rec. 3,04 3,66 5,03 2,32 1,54 0,00 5,09 5,85 5,65
Ref.No. Q6801 QR1202 QR1203
Mode E B C E B C E B C
Stop 0,00 0,00 12,05 0,03 4,78 0,00 0,00 4,82 0,01
Play 0,00 0,00 12,05 0,03 4,78 0,00 0,00 4,81 0,01
Rec. 0,00 0,00 12,05 0,04 4,78 0,00 0,00 4,81 0,02
Ref.No. QR9101 QR6402 QR6403
ModeEBCEBCEBC
Stop 3,29 3,28 5,38 0,00 0,00 0,00 0,00 4,80 0,00
Play 3,29 3,28 5,38 0,00 0,01 12,27 0,00 0,01 12,00
Rec. 3,29 3,28 5,38 0,00 0,00 0,00 0,00 4,79 0,00
Ref.No. QR9301 QR9305 QR9305
ModeEBCEBCEBC
Stop 5,68 5,38 0,06 0,00 0,00 0,01 0,02 0,00 0,01
Play 5,68 5,38 0,00 0,00 0,00 0,01 0,02 0,00 0,01
Rec. 5,68 5,38 0,00 0,00 0,00 0,01 0,00 0,00 0,01
Ref.No. QR9701 QR9703 QR4003
ModeEBCEBCEBC
Stop 0,00 2,35 0,00 0,00 4,57 0,00 0,00 0,00 0,00
Play 0,00 2,35 0,00 0,00 4,57 0,00 0,00 0,00 0,00
Rec. 0,00 2,35 0,00 0,00 4,57 0,00 0,00 0,00 0,00
87
DMR-EZ45VEB

Ref.No. QR4004 QR4005 QR4501
ModeEBCEBCEBC
Stop 5,13 0,03 5,04 0,00 0,01 5,65 0,00 4,87 0,02
Play 5,13 0,03 5,04 0,00 0,01 5,65 0,00 4,87 0,02
Rec. 5,13 0,03 5,04 0,00 0,01 5,65 0,00 4,87 0,02
Ref.No. QR4901 QR4902 QR4903
ModeEB C E BC EB C
Stop 0,00 0,01 4,92 4,93 4,92 0,00 0,00 0,05 0,19
Play 0,00 0,01 4,92 4,93 4,92 0,00 0,00 0,01 0,29
Rec. 0,00 0,01 4,92 4,93 4,92 0,00 0,00 0,01 0,32
Ref.No. QR4904 QR4905 QR4906
ModeEBCEBCEBC
Stop 0,00 0,00 1,80 0,00 0,00 0,00 0,00 0,33 0,45
Play 0,00 0,00 1,85 0,00 0,00 0,00 0,00 0,00 0,62
Rec. 0,00 0,00 1,93 0,00 0,00 0,00 0,00 0,00 0,62
Ref.No. QR4911 QR4912 QR4913
ModeEB C E BC EB C
Stop 0,00 0,00 0,00 0,00 0,00 0,33 0,00 0,00 0,17
Play 0,00 0,00 0,00 0,00 0,00 0,48 0,00 0,00 0,36
Rec. 0,00 0,00 0,00 0,00 0,00 0,46 0,00 0,00 0,36
Ref.No. QR4914 QR4915 QR6801
ModeEBCEBCEBC
Stop 0,00 4,66 0,04 0,00 0,01 4,66 12,15 12,04 0,00
Play 0,00 4,65 0,05 0,00 0,01 4,66 12,13 12,02 0,00
Rec. 0,00 4,65 0,04 0,00 0,01 4,66 12,13 12,02 0,00
Ref.No. QR7803 QR7804 QR7901
ModeEB C E BC EB C
Stop 0,00 4,82 0,04 33,78 0,04 33,75 0,00 0,01 0,06
Play 0,00 4,82 0,04 33,81 0,04 33,84 0,00 0,01 0,07
Rec. 0,00 4,82 0,04 33,83 0,04 33,8 0,00 0,01 0,07
Ref.No.
Mode12345678910
Stop 4,54 5,04 0,00 5,03 0,00 4,30 2,40 4,01 0,00 5,04
Play 4,54 5,04 0,00 5,03 0,00 4,30 2,40 4,01 0,00 5,04
Rec. 4,54 5,04 0,00 5,03 0,00 4,30 2,40 4,01 0,00 5,04
Ref.No.
Mode 11 12 13 14 15
Stop 0,00 3,90 0,00 0,00 12,33
Play 0,00 3,90 0,00 0,00 12,33
Rec. 0,00 3,90 0,00 0,00 12,33
Ref.No.
Mode12345678910
Stop 0,00 4,81 0,00 1,91 4,66 4,53 0,00 1,96 4,92 4,47
Play 0,00 4,81 0,00 1,91 4,66 4,53 0,00 1,96 4,92 4,47
Rec. 0,00 4,81 0,00 1,91 4,66 4,53 0,00 1,96 4,92 4,47
Ref.No.
Mode 11 12 13 14 15
Stop 0,00 0,00 0,00 4,34 0,00
Play 0,00 11,08 0,00 4,34 0,00
Rec. 0,00 0,00 0,00 4,34 0,00
P6001
P6001
P6002
P6002
88
DMR-EZ45VEB

Ref.No.
Mode12345678910
Stop 2,08 1,41 0,00 0,84 0,62 0,87 0,00 0,85 0,57 5,68
Play 2,08 1,41 0,00 0,84 0,62 0,87 0,00 0,85 0,57 5,68
Rec. 2,08 1,41 0,00 0,84 0,62 0,87 0,00 0,85 0,57 5,68
Ref.No
Mode 11 12 13 14 15 16 17 18 19
Stop 5,68 12,3 2,47 0,00 2,47 0,00 0,00 0,00 0,00
Play 5,68 12,3 2,47 0,00 2,47 0,00 0,00 0,00 0,00
Rec. 5,68 12,3 2,47 0,00 2,47 0,00 0,00 0,00 0,00
Ref.No.
Mode12345678910
Stop 2,95 12,28 3,26 12,28 3,21 0,00 0,14 0,00 3,23 5,18
Play 2,95 12,28 3,26 12,28 3,21 0,00 0,14 0,00 3,23 5,18
Rec. 2,95 12,28 3,26 12,28 3,21 0,00 0,14 0,00 3,23 5,18
P6003
P6003
P9703
Ref.No
Mode 11 12 13 14 15 16 17 18 19 20
Stop 3,28 5,18 5,01 3,29 5,01 2,88 2,47 4,77 2,47 3,25
Play 3,28 5,18 5,01 3,29 5,01 2,88 2,47 4,77 2,47 3,25
Rec. 3,28 5,18 5,01 3,29 5,01 2,88 2,47 4,77 2,47 3,25
Ref.No.
Mode 21 22 23 24 25 26 27 28 29 30
Stop 0,00 3,27 0,00 3,28 0,00 3,28 2,44 0,00 2,42 3,26
Play 0,00 3,27 0,00 3,28 0,00 3,28 2,44 0,00 2,42 3,26
Rec. 0,00 3,27 0,00 3,28 0,00 3,28 2,44 0,00 2,42 3,26
Ref.No.
Mode 31 32 33 34 35 36 37 38 39 40
Stop 0,00 1,62 0,00 0,00 0,00 3,28 0,00 3,28 0,55 0,00
Play 0,00 1,62 0,00 0,00 0,00 3,28 0,00 3,28 0,55 0,00
Rec. 0,00 1,62 0,00 0,00 0,00 3,28 0,00 3,28 0,55 0,00
Ref.No.
Mode 41 42 43 44 45 46 47 48 49 50
Stop 0,00 0,00 0,85 3,27 0,00 3,28 0,88 3,73 0,00 3,73
Play 0,00 0,00 0,85 3,27 0,00 3,28 0,88 3,73 0,00 3,73
Rec. 0,00 0,00 0,85 3,27 0,00 3,28 0,88 3,73 0,00 3,73
Ref.No.
Mode 51 52 53 54 55 56 57 58 59 60
Stop 0,58 12,09 0,00 12,09 0,86 12,09 0,00 12,01 1,43 12,08
Play 0,58 12,09 0,00 12,09 0,86 12,09 0,00 12,01 1,43 12,08
Rec. 0,58 12,09 0,00 12,09 0,86 12,09 0,00 12,01 1,43 12,08
Ref.No.
Mode 61 62 63 64
Stop 0,00 12,08 2,08 4,98
Play 0,00 12,08 2,08 4,98
Rec. 0,00 12,08 2,08 4,98
P9703
P9703
P9703
P9703
P9703
P9703
89
DMR-EZ45VEB

15.1.3. WAVEFORM CHART
NOTE:
The waveforms are measured with PAL colour bar signal.
IC6001-71 REC
5.0Vp-p (10msec.div.)
IC3001-98 REC
2.4Vp-p (1msec.div.)
IC3001-96 PLAY
5.0Vp-p (5msec.div.)
IC3001-86 REC
1.5Vp-p (5msec.div.)
IC3001-85 PLAY
1.5Vp-p (20µsec.div.)
IC6001-72 REC
5.0Vp-p (10msec.div.) IC6001-90 REC
5.0Vp-p (10msec.div.)
IC6001-94,95 REC
6.0Vp-p (10msec.div.)
IC6001-97 PLAY
4.5Vp-p (10msec.div.)
IC2501-2,4 REC
12Vp-p (5msec.div.)
IC6001-70 REC
5.0Vp-p (10msec.div.)
IC6001-68,69 REC
5.0Vp-p (10msec.div.)
IC6001-13 PAUSE
5.0Vp-p (10msec.div.)
IC6001-18 REC
5.0Vp-p (10msec.div.)
IC6001-19 REC
5.0Vp-p (10msec.div.)
IC6001-48 REC
0.5Vp-p (10msec.div.)
IC3001-87 PLAY
1.5Vp-p (20µsec.div.)
IC3001-73 REC/PLAY
5.0Vp-p (5msec.div.)
IC3001-74 REC/PLAY
5.0Vp-p (5msec.div.)
IC3001-15,17,19 REC
1.1Vp-p (20µsec.div.)
IC3001-80 REC/PLAY
0.6Vp-p (10msec.div.)
IC3001-45,46 PLAY
0.5Vp-p (20µsec.div.)
IC3001-6 REC/PLAY
0.9Vp-p (0.5msec.div.)
IC6001-79,80 FF/REW
5.0Vp-p (1msec.div.)
IC6001-52 REC
2.1Vp-p (20µsec.div.)
T1101-5 STOP
50Vp-p (5µsec.div)
T1101-6 STOP
0.2Vp-p (5µsec.div)
IC4501-9,14 REC
100mVp-p (1msec.div.)
IC4501-53,57 REC/PLAY
1.9Vp-p (0.2msec.div.)
IC4501-21(TW4501) REC
1.5Vp-p (20µsec.div.)
90
DMR-EZ45VEB

16 EXPLODED VIEWS
16.1. MECHANISM & CASING PARTS
91
DMR-EZ45VEB

16.2. FRONT PANEL PARTS
92
DMR-EZ45VEB

16.3. VHS MECHANISM PARTS
93
DMR-EZ45VEB

16.4. PACKING & ACCESSORIES
94
DMR-EZ45VEB

Notes:
*Important safety notice:
Components identified by mark have special
characteristics important for safety.
Furthermore, special parts which have purposes of fire-
retardant (resistors), high-quality sound (capacitors), low-
noise (resistors), etc. are used.
When replacing any of components, be sure to use only
manufactures specified parts shown in the parts list.
*Warning: This product uses a laser diode. Refer to caution
statements.
*Capacity values are in microfarads (µF) unless specified
otherwise, P=Pico-farads (pF), F=Farads (F).
*Resistance values are in ohms, unless specified otherwise,
1K=1,000 (OHM), 1M=1,000k (OHM).
*The marking (RTL) indicates the retention time is limited
for this item. After the discontinuation of this assembly in
production, it will no longer be available.
*All parts except parts mentioned [SPC] in the Remarks
column are supplied from PAVCG.
*Parts mentioned [SPC] are supplied from PAVC
17.1. CASING PARTS & PRINTED
CIRCUIT BOARDS
Ref.
No.
Part No. Part Name &
Description
PCS Remarks
1
&block
;
RFKNEZ45VEB RAM/DIGITAL PCB
MODULE
1 RTL
2
&block
;
REPD0026E MAIN PCB UNIT 1 RTL
3 RFKBD0033B DIGIT INTERF UNIT 1 RTL
4
&block
;
REPD0046B SD/DV PCB UNIT 1 RTL
6 VWJ1727-RW FFC 1
7 VWJ1728-RW FFC A/C HEAD 1
9 RKA0178-X LEG 2
10 VKA0382 LEG CUSHION 2
11 RGRD0009A-A1 REAR PANEL 1
12 RMQ1513 HEAT TRANSFER SHEET 1
13 RMC0672 PLATE SPRING 1
14 RMY0357 HEAT SINK 1
15 RMZD0003-2 DIGITAL PCB BARRIER 1
16 VKC0295 MINI CARD SPACER 2
18 RMX0354 MECHA SPACER (F) 1
19 RMX0355 MECHA SPACER (R) 1
20 VMZ3452 BARRIER 1
21 RMRD0003 CABLE CLAMPER 1
22 VKC0554 PCB SUPPORT 4(MECHA) 1
23 VKC0295 MINI CARD SPACER 1
24 RHD30111-3 SCREW 25
25 VHD0690-1 SCREW 15
26 VHD1770 SCREW 1
27 RHDC0023 SCREW 3
29 VHD1092-1 SCREW 1
31 XTV26+6FFJ SCREW 1
32 L6FAYYYE0001 FAN MOTOR 1
33
&block
;
REPD0035A FRONT JACK PCB 1 RTL
34
&block
;
REPD0036B FL DRIVE UNIT 1 RTL
35 RHD26045 SCREW (PANEL) 11
Ref.
No.
Part No. Part Name &
Description
PCS Remarks
36 RMCD0002 EARTH SPRING (FRONT) 1
37 RYP1336-S FRONT PANEL UNIT 1
37-1 RKF0757A-S BLINDER PANEL 1
37-2 RKF0758A-S1 TRAY DOOR 1
37-3 RKW0811A-Q FRONT WINDOW 1
37-4 RKW0810-Q FR WINDOW 1
37-5 RGU2475-S DUB BUTTON 1
38 RKMD0006-S TOP PANEL 1
39 RHD30113 SCREW TOP CASE SIDE 4
40 RMAD0006 DVD ANGLE (R) 1
41 RMAD0005 DVD ANGLE (F) 1
42 RMAD0009 DVD BRACKET 1
43 VHD1092-1 SCREW 1
44 RMC0632 EARTH SPRING (T) 1
46 XSN3+4FJK SCREW (TUNER) 2
47 REZD0023-1 SD/DV-DIGITAL FFC 1
48 RMCD0001 EARTH SPRING (ANGLE) 1
49 DV-IN UNIT RYQD0001 1
50
&block
;
REPD0031E BACKEND PCB UNIT 1 RTL
51
&block
;
VEP73137AB HDMI PCB UNIT 1 RTL
51-1 REED0002 FFC HDMI CABLE UNIT 1
17.2. VHS MECHANISM PARTS
Ref.
No.
Part No. Part Name &
Description
PCS Remarks
101 VEG1699KIT RDD CYLINDER 1
101-1 VMD5464 FPC HOLDER 1
102 VEM0800T CAPSTAN MOTOR 1
103 L1AZ00000004 FE HEAD 1
104 VDB1431 TENSION ARM BOSH 1
105 VDG1686 INTERMEDIATE GEAR 1
106 VDG1685 MAIN CAM GEAR 1
107 VDG1512-1 IDLER GEAR 2
108 VDG1514-3 CHANGE GEAR 1
109 VDR0372A REEL TABLE 2
110 VDV0391-2 CAPSTAN BELT 1
111 VEM0797 LOADING MOTOR 1
111-1 VDG1637 WORM GEAR 1
111-2 VMD4987 WORM BEARING 1
112 VMB3550A CHANGING GEAR SPRING 1
114 VMD5466 OPENER PIECE 1
115 VMD4253-1 LED PRISM 1
116 VML3934 MAIN LEVER 1
117 VML3933 PINCH CHARGE ARM 1
118 VML3632 IDLER ARM 1
119 VMX3092 P4 CAP 1
120 VXA7105-3 S SHAFT HOLDER 1
121 VXA7106-3 T SHAFT HOLDER 1
122 L1AE00000044 AC HEAD 1
122-1 VHD1066-2 SCREW 2
122-2 VHD1185 SCREW 1
124 VXL3107 S LOADING ARM 1
125 VXL3108 T LOADING ARM 1
126 VXL3109-7 PINCH ARM UNIT 1
127 VXL3110 P5 ARM 1
128 VXL3111-1 TENSION ARM 1
129 VXL3252 S BRAKE ARM 1
130 VXL3343 T BRAKE ARM 1
130-1 VMB3548-2A T BRAKE SPRING 1
131 VXL3124-2 CHANGING LEVER UNIT 1
132 VXP2133-2 CENTER CLUTH UNIT 1
133 VXP2168 TORQUE CLUTCH 1
134 VMA0L25 TOP PLATE 1
135 VMD5468 SIDE PLATE(L) 1
136 VMD5469 SIDE PLATE(R) 1
137 VXA8265 CASSETTE HOLDER UNIT 1
17 REPLACEMENT PARTS LIST
95
DMR-EZ45VEB

Ref.
No.
Part No. Part Name &
Description
PCS Remarks
138 VXL3160 MAIN SHAFT 1
139 VXA8323 SECTOR GEAR 1
141 VML3706-3 OPENER LEVER 1
142 VHD1044-1 SCREW 1
143 XYN3+C4FJ SCREW 1
144 XTN26+7JFJ SCREW 3
145 XTV26+5FFJ SCREW 2
146 XTV26+8FFJ SCREW 2
148 VHD1117-1 SCREW 3
149 VMX2208 WASHER 1
150 VMX3114 WASHER 1
151 VMX2699 WASHER 1
152 VMX3196 WASHER 1
17.3. PACKING & ACCESSORIES
PARTS
Ref.
No.
Part No. Part Name &
Description
PCS Remarks
A1 EUR7659YN0 REMOTE CONTROL 1
A2 UR76EC5903 BATTERY COVER 1
A3 K2CT3CA00004 POWERCORD 1
A4 K1TWACA00001 RF CABLE 1
A5 K1TWACC00001 RF CABLE 2
A6 K2KA6BA00003 AV CORD 1
A7 RPQFD0007 ACCESSORY BOX 1
A8 RPFD0007 PE-BAG,24cmx37cmx40 1
A9 RPQD0003 PAD (C) 1
A10 RQTD0201-2B O/I BOOK ENG UK 1
A10 RQCAD0029 QUICK START GUIDE 1
A10 RQCAD0035 REFERENCE GUIDE 1
A10 RQCB1364 CCP CARD FOR UK 1
A10 RQCC2704 DVD-MEDIA LEAFLET 1
PC1 RPG7929 CARTON BOX 1
PC2 RPFD0006 MIRAMAT BAG 1
PC3 RPN1860A CUSHION(LEFT) 1
PC4 RPN1860B CUSHION(RIGHT) 1
17.4. ELECTRICAL PARTS
Ref.
No.
Part No. Part Name &
Description
PCS Remarks
C1101 ECQU2A683MLC X2 CAPACITOR 1
C1102 ECQU2A683MLC X2 CAPACITOR 1
C1103 EEUED2G680E CAPACITOR 1
C1104 F0C2G473A022 CAPACITOR 1
C1105 ECKN3A101KBP CERAMIC CAPACITOR 1
C1106 ECKN3A101KBP CERAMIC CAPACITOR 1
C1107 ECJ1VB1C474K CHIP CAPACITOR 1
C1108 F2A1V3300027 ALU ELEC CAPACITOR 1
C1109 F1H1H1020005 CHIP CAPACITOR 1
C1110 ECKWNA101MBV CERAMIC CAPACITOR 1
C1111 ECKWNA101MBV CERAMIC CAPACITOR 1
C1112 F1BAF471A013 CERAMIC CAPACITOR 1
C1113 F1BAF221A013 CERAMIC CAPACITOR 1
C1201 EEUFM1E471B CAPACITOR 1
C1202 F2A1C221A019 ALU ELEC CAPACITOR 1
C1203 EEUFM1C152B CAPACITOR 1
C1204 EEUFM1C152B CAPACITOR 1
C1205 F1H1H104A731 CHIP CAPACITOR 1
C1206 F1H1C104A042 CHIP CAPACITOR 1
C1207 F1H1A2240004 CHIP CAPACITOR 1
C1208 ECJ1VC1H181J CHIP CAPACITOR 1
C1209 F2A1A681A540 ALU ELEC CAPACITOR 1
C1210 ECA1CHG471B ALU ELEC CAPACITOR 1
C1211 F1H1H1030007 CHIP CAPACITOR 1
C1212 F1H1C333A041 CHIP CAPACITOR 1
C1214 ECA1CHG471B ALU ELEC CAPACITOR 1
C1216 F1H1H104A731 CHIP CAPACITOR 1
C1217 EEUFM1C121B ALU ELEC CAPACITOR 1
C1218 F1H1H1030007 CHIP CAPACITOR 1
C1219 ECJ1VB1H331K CHIP CAPACITOR 1
Ref.
No.
Part No. Part Name &
Description
PCS Remarks
C1220 F1H1C104A042 CHIP CAPACITOR 1
C1222 F1H1C224A074 CHIP CAPACITOR 1
C1223 F2A1A681A540 ALU ELEC CAPACITOR 1
C1225 F1H1H1020005 CHIP CAPACITOR 1
C1231 EEUFM1E221B ALU ELEC CAPACITOR 1
C1232 F1H1E104A030 CHIP CAPACITOR 1
C1233 ECJ1VC1H391J CHIP CAPACITOR 1
C1234 F1H1C104A042 CHIP CAPACITOR 1
C1235 F1H1H1020005 CHIP CAPACITOR 1
C1236 F2A0J681A550 ALU ELEC CAPACITOR 1
C1237 ECJ1VB1A105K CHIP CAPACITOR 1
C1801 EEUFM1E221B ALU ELEC CAPACITOR 1
C1802 F1H1E104A030 CHIP CAPACITOR 1
C1803 F1H1H1030007 CHIP CAPACITOR 1
C1804 ECJ1VC1H391J CHIP CAPACITOR 1
C1805 F1H1C104A042 CHIP CAPACITOR 1
C1806 F1H1H1020005 CHIP CAPACITOR 1
C1808 F2A0J681A550 ALU ELEC CAPACITOR 1
C1809 ECJ1VB1A105K CHIP CAPACITOR 1
C2001 F1H1H330A736 CHIP CAPACITOR 1
C2003 F1H1A1050029 CHIP CAPACITOR 1
C2051 ECEA0JKN220B ALU ELEC CAPACITOR 1
C2053 ECEA1CKA100B ALU ELEC CAPACITOR 1
C2054 ECJ1VB1H392K CHIP CAPACITOR 1
C2055 F1H1E104A030 CHIP CAPACITOR 1
C2099 ECJ1VC1H681J CHIP CAPACITOR 1
C2501 F1H1E104A030 CHIP CAPACITOR 1
C2502 ECEA0JKA221B ALU ELEC CAPACITOR 1
C2503 ECJ1VB1A105K CHIP CAPACITOR 1
C2504 F1H1E223A029 CHIP CAPACITOR 1
C2505 F1H1E223A029 CHIP CAPACITOR 1
C2506 F1H1A2240004 CHIP CAPACITOR 1
C2507 F1H1H1020005 CHIP CAPACITOR 1
C2508 F1H1H182A219 CHIP CAPACITOR 1
C2509 ECEA1CKA220B ALU ELEC CAPACITOR 1
C2510 F1H1C104A042 CHIP CAPACITOR 1
C2511 F1H1C104A042 CHIP CAPACITOR 1
C2512 F1H1C104A042 CHIP CAPACITOR 1
C2513 F1H1A1050029 CHIP CAPACITOR 1
C2514 ECJ1VB1A105K CHIP CAPACITOR 1
C2515 F1H1H1030007 CHIP CAPACITOR 1
C2518 F1H1H1030007 CHIP CAPACITOR 1
C2519 F1H1H1030007 CHIP CAPACITOR 1
C2551 F1H1C473A071 CHIP CAPACITOR 1
C2552 ECJ1VB1C683K CHIP CAPACITOR 1
C2561 ECJ1VB1C683K CHIP CAPACITOR 1
C2562 F1H1C473A071 CHIP CAPACITOR 1
C2571 ECA1EM331B ALU ELEC CAPACITOR 1
C3001 F1H1H1510001 CHIP CAPACITOR 1
C3003 ECJ1VB1A105K CHIP CAPACITOR 1
C3004 F1H1C104A042 CHIP CAPACITOR 1
C3005 F1H1H2700003 CHIP CAPACITOR 1
C3006 F1H1C104A042 CHIP CAPACITOR 1
C3007 ECJ1VB1A105K CHIP CAPACITOR 1
C3008 F1H1H1030006 CHIP CAPACITOR 1
C3009 ECEA1HKA4R7B ALU ELEC CAPACITOR 1
C3010 ECJ1VB1A105K CHIP CAPACITOR 1
C3011 ECJ1VB1A105K CHIP CAPACITOR 1
C3012 ECEA0JKA470B ALU ELEC CAPACITOR 1
C3013 F1H1H1030007 CHIP CAPACITOR 1
C3015 F1H1C104A042 CHIP CAPACITOR 1
C3016 F1H1H4700004 CHIP CAPACITOR 1
C3017 ECJ1VB1A105K CHIP CAPACITOR 1
C3019 ECEA1CKA100B ALU ELEC CAPACITOR 1
C3020 ECJ1VC1H331J CHIP CAPACITOR 1
C3021 F1H1H1030007 CHIP CAPACITOR 1
C3023 ECEA1HKA3R3B ALU ELEC CAPACITOR 1
C3024 F1H1H1030006 CHIP CAPACITOR 1
C3026 ECJ1VB1A105K CHIP CAPACITOR 1
C3028 F1H1C104A042 CHIP CAPACITOR 1
C3029 F1H1C104A042 CHIP CAPACITOR 1
C3030 F1H1C104A042 CHIP CAPACITOR 1
C3033 F1H1C104A042 CHIP CAPACITOR 1
96
DMR-EZ45VEB

Ref.
No.
Part No. Part Name &
Description
PCS Remarks
C3034 ECEA1HKA010B ALU ELEC CAPACITOR 1
C3036 ECEA1HKA4R7B ALU ELEC CAPACITOR 1
C3037 ECEA1HKAR47B ALU ELEC CAPACITOR 1
C3038 F1H1E223A029 CHIP CAPACITOR 1
C3039 F1H1C333A041 CHIP CAPACITOR 1
C3040 ECEA1HKA2R2B ALU ELEC CAPACITOR 1
C3041 F1H1E223A029 CHIP CAPACITOR 1
C3042 ECJ2YB0J335K CHIP CAPACITOR 1
C3043 F1H1C104A042 CHIP CAPACITOR 1
C3044 ECEA0JKA470B ALU ELEC CAPACITOR 1
C3045 F1H1H1030007 CHIP CAPACITOR 1
C3046 ECJ1VC1H030C CHIP CAPACITOR 1
C3047 ECEA1HKA010B ALU ELEC CAPACITOR 1
C3048 F1H1H1030007 CHIP CAPACITOR 1
C3049 F1H1H1030007 CHIP CAPACITOR 1
C3050 F1H1A1050029 CHIP CAPACITOR 1
C3051 ECJ1VB1A105K CHIP CAPACITOR 1
C3052 ECJ1VB1A105K CHIP CAPACITOR 1
C3053 F1H1C104A042 CHIP CAPACITOR 1
C3904 F1H1H1030006 CHIP CAPACITOR 1
C3905 ECJ1VB1A105K CHIP CAPACITOR 1
C3906 F1H1C104A042 CHIP CAPACITOR 1
C3907 F1J1A105A003 CHIP CAPACITOR 1
C3908 F1H1C104A042 CHIP CAPACITOR 1
C3909 F1J1A105A003 CHIP CAPACITOR 1
C3910 ECJ1VB1A105K CHIP CAPACITOR 1
C3911 F1H1C104A042 CHIP CAPACITOR 1
C3912 ECEA0JKA221B ALU ELEC CAPACITOR 1
C3913 F1H1C104A042 CHIP CAPACITOR 1
C3914 ECJ1VB1A105K CHIP CAPACITOR 1
C3915 F1H1C104A042 CHIP CAPACITOR 1
C3916 F1H1C104A042 CHIP CAPACITOR 1
C3917 ECEA0JKA101B ALU ELEC CAPACITOR 1
C3918 ECEA0JKA220B ALU ELEC CAPACITOR 1
C3920 F1H1H1030006 CHIP CAPACITOR 1
C3921 F1H1C104A042 CHIP CAPACITOR 1
C3922 F1H1H1030006 CHIP CAPACITOR 1
C3923 F1H1H1030006 CHIP CAPACITOR 1
C3924 F1H1C104A042 CHIP CAPACITOR 1
C3925 F1H1C104A042 CHIP CAPACITOR 1
C3926 F1H1C104A042 CHIP CAPACITOR 1
C3927 F1H1C104A042 CHIP CAPACITOR 1
C3928 F1H1C104A042 CHIP CAPACITOR 1
C3929 ECEA0JKA221B ALU ELEC CAPACITOR 1
C3934 F1H1C104A042 CHIP CAPACITOR 1
C3936 F2A0J471A016 ALU ELEC CAPACITOR 1
C3937 F2A0J471A016 ALU ELEC CAPACITOR 1
C3938 ECEA0JKA101B ALU ELEC CAPACITOR 1
C3939 ECEA0JKA220B ALU ELEC CAPACITOR 1
C3940 F1H1H330A736 CHIP CAPACITOR 1
C3946 F1H1C104A042 CHIP CAPACITOR 1
C3947 F1H1C104A042 CHIP CAPACITOR 1
C3948 F1H1C104A042 CHIP CAPACITOR 1
C3949 ECEA0JKA101B ALU ELEC CAPACITOR 1
C3950 ECEA0JKA220B ALU ELEC CAPACITOR 1
C3955 F1H1H1030006 CHIP CAPACITOR 1
C3956 F1H1H1030006 CHIP CAPACITOR 1
C4001 ECEA1CKA100B ALU ELEC CAPACITOR 1
C4002 ECEA1CKA100B ALU ELEC CAPACITOR 1
C4004 ECEA1CKA100B ALU ELEC CAPACITOR 1
C4005 ECEA0JKA101B ALU ELEC CAPACITOR 1
C4007 F1H1H222A219 CHIP CAPACITOR 1
C4008 F1H1H182A219 CHIP CAPACITOR 1
C4009 ECEA0JKA220B ALU ELEC CAPACITOR 1
C4010 ECEA1EKA4R7B ALU ELEC CAPACITOR 1
C4011 ECEA0JKA470B ALU ELEC CAPACITOR 1
C4012 F1H1H1030007 CHIP CAPACITOR 1
C4014 ECEA1HKA4R7B ALU ELEC CAPACITOR 1
C4015 F1H1H682A219 CHIP CAPACITOR 1
C4016 ECEA0JKA220B ALU ELEC CAPACITOR 1
C4017 ECEA1HKA3R3B ALU ELEC CAPACITOR 1
C4018 F1H1H182A219 CHIP CAPACITOR 1
C4020 ECQB1H333JF3 PLAST FILM CAPACITOR 1
Ref.
No.
Part No. Part Name &
Description
PCS Remarks
C4021 ECJ1VC1H471J CHIP CAPACITOR 1
C4022 ECA0JM101B ALU ELEC CAPACITOR 1
C4023 F1H1E223A029 CHIP CAPACITOR 1
C4024 F1H1H182A219 CHIP CAPACITOR 1
C4025 ECJ2VF1H103Z CHIP CAPACITOR 1
C4101 ECJ1VB1H471K CHIP CAPACITOR 1
C4102 ECJ1VB1H471K CHIP CAPACITOR 1
C4105 F1H1H1010005 CHIP CAPACITOR 1
C4106 F1H1H1010005 CHIP CAPACITOR 1
C4107 ECJ1VB1H471K CHIP CAPACITOR 1
C4108 ECJ1VB1H471K CHIP CAPACITOR 1
C4111 F1H1H1010005 CHIP CAPACITOR 1
C4112 F1H1H1010005 CHIP CAPACITOR 1
C4501 ECEA1CKA100B ALU ELEC CAPACITOR 1
C4502 ECEA1CKA100B ALU ELEC CAPACITOR 1
C4503 ECEA1CKA100B ALU ELEC CAPACITOR 1
C4504 ECQB1H473JF3 PLAST FILM CAPACITOR 1
C4505 ECEA0JKA330B ALU ELEC CAPACITOR 1
C4506 ECEA1CKA100B ALU ELEC CAPACITOR 1
C4508 ECEA1CKA100B ALU ELEC CAPACITOR 1
C4509 ECEA0JKA220B ALU ELEC CAPACITOR 1
C4510 ECQB1H153JF3 PLAST FILM CAPACITOR 1
C4511 F1H1C333A041 CHIP CAPACITOR 1
C4512 F1H1H1030006 CHIP CAPACITOR 1
C4513 F1H1H1030006 CHIP CAPACITOR 1
C4515 F1H1E104A030 CHIP CAPACITOR 1
C4516 F1H1C104A042 CHIP CAPACITOR 1
C4518 F1H1A2240004 CHIP CAPACITOR 1
C4519 ECQB1H153JF3 PLAST FILM CAPACITOR 1
C4520 ECEA1CKA220B ALU ELEC CAPACITOR 1
C4521 ECEA1CKA100B ALU ELEC CAPACITOR 1
C4522 ECEA0JKA330B ALU ELEC CAPACITOR 1
C4523 ECQB1H473JF3 PLAST FILM CAPACITOR 1
C4524 ECEA0JKA101B ALU ELEC CAPACITOR 1
C4526 ECEA1CKA100B ALU ELEC CAPACITOR 1
C4531 ECEA1CKA470B ALU ELEC CAPACITOR 1
C4533 F1H1H1030007 CHIP CAPACITOR 1
C4534 F1H1C104A042 CHIP CAPACITOR 1
C4544 F1H1E104A030 CHIP CAPACITOR 1
C4545 ECEA1AKA220B ALU ELEC CAPACITOR 1
C4546 F1J1A105A003 CHIP CAPACITOR 1
C4547 F1J1A105A003 CHIP CAPACITOR 1
C4801 F1H1H1030007 CHIP CAPACITOR 1
C4803 F1H1H1010005 CHIP CAPACITOR 1
C4804 F1H1H1010005 CHIP CAPACITOR 1
C4805 F1H1H1020005 CHIP CAPACITOR 1
C4806 F1H1H1020005 CHIP CAPACITOR 1
C4917 ECEA1CKA100B ALU ELEC CAPACITOR 1
C4918 ECEA1CKA100B ALU ELEC CAPACITOR 1
C4919 ECEA1VKA100B ALU ELEC CAPACITOR 1
C4920 ECEA1VKA100B ALU ELEC CAPACITOR 1
C4922 ECEA1VKA100B ALU ELEC CAPACITOR 1
C4923 ECEA1VKA100B ALU ELEC CAPACITOR 1
C4924 ECEA1VKA100B ALU ELEC CAPACITOR 1
C4925 ECEA1VKA100B ALU ELEC CAPACITOR 1
C4926 ECJ1VB1A105K CHIP CAPACITOR 1
C4927 ECEA1CKA101B ALU ELEC CAPACITOR 1
C4928 F2A1H1R0A236 ALU ELEC CAPACITOR 1
C4929 F2A1H1R0A236 ALU ELEC CAPACITOR 1
C4930 F2A1H1R0A236 ALU ELEC CAPACITOR 1
C4931 F2A1H1R0A236 ALU ELEC CAPACITOR 1
C4932 F2A1H1R0A236 ALU ELEC CAPACITOR 1
C4933 F2A1H1R0A236 ALU ELEC CAPACITOR 1
C4934 F2A1H1R0A236 ALU ELEC CAPACITOR 1
C4935 ECEA1CKA101B ALU ELEC CAPACITOR 1
C4936 F2A1H1R0A236 ALU ELEC CAPACITOR 1
C4937 F2A1H1R0A236 ALU ELEC CAPACITOR 1
C4938 F2A1H1R0A236 ALU ELEC CAPACITOR 1
C4939 F2A1H1R0A236 ALU ELEC CAPACITOR 1
C4940 F2A1H1R0A236 ALU ELEC CAPACITOR 1
C4941 F2A1H1R0A236 ALU ELEC CAPACITOR 1
C4942 F1H1E104A030 CHIP CAPACITOR 1
C4943 F2A1H1R0A236 ALU ELEC CAPACITOR 1
97
DMR-EZ45VEB

Ref.
No.
Part No. Part Name &
Description
PCS Remarks
C4944 ECEA1CKA470B ALU ELEC CAPACITOR 1
C4945 F2A1C221A019 ALU ELEC CAPACITOR 1
C5001 F1H1H1030006 CHIP CAPACITOR 1
C5002 F1H1H1030006 CHIP CAPACITOR 1
C5003 F1H1H1030006 CHIP CAPACITOR 1
C5004 F1H1H1030006 CHIP CAPACITOR 1
C5005 F1H1E104A030 CHIP CAPACITOR 1
C5006 ECEA0JKA470B ALU ELEC CAPACITOR 1
C5007 F1H1C104A042 CHIP CAPACITOR 1
C56001 ECJ0EC1H221J CHIP CAPACITOR 1
C56101 ECJ0EB1A104K CHIP CAPACITOR 1
C56102 ECJ0EB1A104K CHIP CAPACITOR 1
C56103 ECJ0EB1A104K CHIP CAPACITOR 1
C56104 ECJ0EB1A104K CHIP CAPACITOR 1
C56105 ECJ0EB1A104K CHIP CAPACITOR 1
C56106 ECJ0EB1A104K CHIP CAPACITOR 1
C56107 ECJ0EB1A104K CHIP CAPACITOR 1
C56108 ECJ0EB1A104K CHIP CAPACITOR 1
C56109 ECJ0EB1A104K CHIP CAPACITOR 1
C56110 ECJ0EB1A104K CHIP CAPACITOR 1
C56111 ECJ0EB1A104K CHIP CAPACITOR 1
C56112 ECJ0EB1A104K CHIP CAPACITOR 1
C56113 ECJ0EB1A104K CHIP CAPACITOR 1
C56114 ECJ0EB1A104K CHIP CAPACITOR 1
C56115 ECJ0EB1A104K CHIP CAPACITOR 1
C56116 ECJ0EB1A104K CHIP CAPACITOR 1
C56117 ECJ0EB1A104K CHIP CAPACITOR 1
C56118 ECJ0EB1A104K CHIP CAPACITOR 1
C56119 ECJ0EB1A104K CHIP CAPACITOR 1
C56120 ECJ0EB1A104K CHIP CAPACITOR 1
C56121 ECJ0EB1A104K CHIP CAPACITOR 1
C56122 ECJ0EB1A104K CHIP CAPACITOR 1
C56123 ECJ0EB1A104K CHIP CAPACITOR 1
C56124 ECJ0EB1A104K CHIP CAPACITOR 1
C56125 ECJ0EB1A104K CHIP CAPACITOR 1
C56126 ECJ0EB1A104K CHIP CAPACITOR 1
C56127 ECJ0EB1A104K CHIP CAPACITOR 1
C56128 ECJ0EB1A104K CHIP CAPACITOR 1
C56129 ECJ0EC1H221J CHIP CAPACITOR 1
C56130 F1H0J1050012 CHIP CAPACITOR 1
C56131 F1J0J106A014 CHIP CAPACITOR 1
C56132 ECJ0EB1C103K CHIP CAPACITOR 1
C56133 ECJ1VB1A105K CHIP CAPACITOR 1
C56134 ECJ1VB1A105K CHIP CAPACITOR 1
C56135 ECJ0EB1A104K CHIP CAPACITOR 1
C56140 ECJ0EB1A104K CHIP CAPACITOR 1
C6001 ECJ1VC1H180J CHIP CAPACITOR 1
C6002 ECJ1VC1H220J CHIP CAPACITOR 1
C6005 ECEA1CKA100B ALU ELEC CAPACITOR 1
C6006 F1H1E104A030 CHIP CAPACITOR 1
C6007 ECJ1VC1H220J CHIP CAPACITOR 1
C6008 ECJ1VC1H471J CHIP CAPACITOR 1
C6009 F1H1H1030007 CHIP CAPACITOR 1
C6010 ECJ1VC1H220J CHIP CAPACITOR 1
C6014 F1H1H1030007 CHIP CAPACITOR 1
C6015 F1H1C333A041 CHIP CAPACITOR 1
C6016 F1H1H1020005 CHIP CAPACITOR 1
C6017 F1H1C104A042 CHIP CAPACITOR 1
C6018 F1H1C104A042 CHIP CAPACITOR 1
C6020 ECJ2VF1H104Z CHIP CAPACITOR 1
C6101 ECEA0JKA221B ALU ELEC CAPACITOR 1
C6103 F1H1A1050029 CHIP CAPACITOR 1
C6110 F1H1A1050029 CHIP CAPACITOR 1
C6111 ECJ1VB1H561K CHIP CAPACITOR 1
C6115 F1H1H1030007 CHIP CAPACITOR 1
C6116 F1H1C104A042 CHIP CAPACITOR 1
C6121 F1H1H330A736 CHIP CAPACITOR 1
C6301 F1H1E104A030 CHIP CAPACITOR 1
C6302 F1H1H1030007 CHIP CAPACITOR 1
C6303 ECEA1AKA470B ALU ELEC CAPACITOR 1
C6308 ECEA0JKA470B ALU ELEC CAPACITOR 1
C6401 ECJ1VC1H221J CHIP CAPACITOR 1
C6402 ECJ1VC1H221J CHIP CAPACITOR 1
Ref.
No.
Part No. Part Name &
Description
PCS Remarks
C66801 F1H1H1030006 CHIP CAPACITOR 1
C66802 F1H1A225A051 CHIP CAPACITOR 1
C7301 F1H1H1030007 CHIP CAPACITOR 1
C7302 ECEA0JKA101B ALU ELEC CAPACITOR 1
C7303 F1H1H1030007 CHIP CAPACITOR 1
C7305 F1H1H330A736 CHIP CAPACITOR 1
C7306 F1H1H330A736 CHIP CAPACITOR 1
C7308 D0GB822JA057 CHIP RESISTOR 1
C7311 F1H1H1030007 CHIP CAPACITOR 1
C7312 F1H1C104A042 CHIP CAPACITOR 1
C7314 F1H1C104A042 CHIP CAPACITOR 1
C7316 F1H1E104A030 CHIP CAPACITOR 1
C7318 ECEA0JKA470B ALU ELEC CAPACITOR 1
C7319 F1J1A105A003 CHIP CAPACITOR 1
C7320 F1J1A105A003 CHIP CAPACITOR 1
C7323 F1H1E104A030 CHIP CAPACITOR 1
C7325 F1H1C104A042 CHIP CAPACITOR 1
C7326 F1H1A1050029 CHIP CAPACITOR 1
C7328 F1H1E104A030 CHIP CAPACITOR 1
C7331 F1J1A105A003 CHIP CAPACITOR 1
C7335 F1H1E104A030 CHIP CAPACITOR 1
C7341 F1H1H472A219 CHIP CAPACITOR 1
C7342 F1H1H472A219 CHIP CAPACITOR 1
C7343 ECEA0JKA221B ALU ELEC CAPACITOR 1
C7401 F1H1C104A042 CHIP CAPACITOR 1
C7402 F1H1C104A042 CHIP CAPACITOR 1
C7403 ECJ1VB1A105K CHIP CAPACITOR 1
C7404 ECJ1VB1A105K CHIP CAPACITOR 1
C7405 ECJ1VB1A105K CHIP CAPACITOR 1
C7406 ECJ1VB1A105K CHIP CAPACITOR 1
C7407 ECJ1VB1A105K CHIP CAPACITOR 1
C7408 F1H1C104A042 CHIP CAPACITOR 1
C7409 F1H1C104A042 CHIP CAPACITOR 1
C7410 ECJ1VB1A105K CHIP CAPACITOR 1
C7411 ECJ1VB1A105K CHIP CAPACITOR 1
C7501 F1H1E104A030 CHIP CAPACITOR 1
C7502 ECEA0JKA470B ALU ELEC CAPACITOR 1
C7505 F1H1E104A030 CHIP CAPACITOR 1
C7506 F1H1H104A731 CHIP CAPACITOR 1
C7507 F1H1H1010005 CHIP CAPACITOR 1
C7508 F1H1E104A030 CHIP CAPACITOR 1
C7603 ECEA0JKA101B ALU ELEC CAPACITOR 1
C7604 ECEA0JKA101B ALU ELEC CAPACITOR 1
C7605 F1H1H1030007 CHIP CAPACITOR 1
C7606 F1H1H1030007 CHIP CAPACITOR 1
C7613 F1H1E104A030 CHIP CAPACITOR 1
C7617 F1H1H1030007 CHIP CAPACITOR 1
C7618 F1H1E104A030 CHIP CAPACITOR 1
C7620 ECEA1CKA470B ALU ELEC CAPACITOR 1
C7752 ECEA0JKA221B ALU ELEC CAPACITOR 1
C7806 F1H1H1030007 CHIP CAPACITOR 1
C7807 F1H1H1030007 CHIP CAPACITOR 1
C7809 F1H1H1030007 CHIP CAPACITOR 1
C7815 F1H1A2240004 CHIP CAPACITOR 1
C7819 F1H1H1030007 CHIP CAPACITOR 1
C7825 F1H1H330A736 CHIP CAPACITOR 1
C7828 F1H1H330A736 CHIP CAPACITOR 1
C7838 F1H1E104A030 CHIP CAPACITOR 1
C7839 ECEA1HKA010B ALU ELEC CAPACITOR 1
C7842 F1H1H1030007 CHIP CAPACITOR 1
C7843 ECEA1AKA220B ALU ELEC CAPACITOR 1
C7844 ECEA0JKA101B ALU ELEC CAPACITOR 1
C7901 F2A1V221A117 ALU ELEC CAPACITOR 1
C7902 ECQB1H392KF3 PLAST FILM CAPACITOR 1
C7904 F2A1V470A117 ALU ELEC CAPACITOR 1
C7905 F2A1H2200032 ALU ELEC CAPACITOR 1
C7906 F2A1H2200032 ALU ELEC CAPACITOR 1
C7907 F2A1A2210063 ALU ELEC CAPACITOR 1
C9001 F1H1H1030006 CHIP CAPACITOR 1
C9002 F1H1H1030006 CHIP CAPACITOR 1
C9003 F1H1C104A042 CHIP CAPACITOR 1
C9004 F1H1H1030006 CHIP CAPACITOR 1
C9005 F1H1H1030006 CHIP CAPACITOR 1
98
DMR-EZ45VEB

Ref.
No.
Part No. Part Name &
Description
PCS Remarks
C9006 ECJ1VC1H020C CHIP CAPACITOR 1
C9007 ECJ2FB1A225K CHIP CAPACITOR 1
C9008 F1H1C104A042 CHIP CAPACITOR 1
C9009 F1H1H1030006 CHIP CAPACITOR 1
C9010 F1H1H1030006 CHIP CAPACITOR 1
C9011 F1H1C104A042 CHIP CAPACITOR 1
C9012 ECJ1VC1H100C CHIP CAPACITOR 1
C9013 ECJ1VC1H100C CHIP CAPACITOR 1
C9014 F1H1C104A042 CHIP CAPACITOR 1
C9038 F1H1C104A042 CHIP CAPACITOR 1
C9039 ECJ1VB1H221K CHIP CAPACITOR 1
C9040 ECJ1VB1H221K CHIP CAPACITOR 1
C9042 F1H1C104A008 CHIP CAPACITOR 1
C9111 ECJ1VB1A105K CHIP CAPACITOR 1
C9112 F1H1E104A030 CHIP CAPACITOR 1
C9116 F1J0J2250003 CHIP CAPACITOR 1
C9117 ECA1AHG102B ALU ELEC CAPACITOR 1
C9118 ECEA1CKA470B ALU ELEC CAPACITOR 1
C9135 F1H1H1030007 CHIP CAPACITOR 1
C9138 ECJ1VB1H331K CHIP CAPACITOR 1
C9156 F1H1H1030007 CHIP CAPACITOR 1
C9157 F1J0J2250003 CHIP CAPACITOR 1
C9158 F1H1E104A030 CHIP CAPACITOR 1
C9201 ECJ1VF1C105Z CHIP CAPACITOR 1
C9202 ECJ1VC1H102J CHIP CAPACITOR 1
C9203 F1H1C104A042 CHIP CAPACITOR 1
C9204 ECJ1VF1C334Z CHIP CAPACITOR 1
C9205 F1H1H1500009 CHIP CAPACITOR 1
C9206 F1H1H1030007 CHIP CAPACITOR 1
C9207 ECJ1VF1C105Z CHIP CAPACITOR 1
C9208 F1H1H1500009 CHIP CAPACITOR 1
C9211 ECJ1VB1H152K CHIP CAPACITOR 1
C9212 ECJ1VC1H100C CHIP CAPACITOR 1
C9301 F1H1H104A731 CHIP CAPACITOR 1
C9302 ECQV1H104JL3 PLAST FILM CAPACITOR 1
C9303 F1H1H1030006 CHIP CAPACITOR 1
C9303 ECA1AM102B ALU ELEC CAPACITOR 1
C9305 F1H1H1030006 CHIP CAPACITOR 1
C9305 ECEA1CKA100B ALU ELEC CAPACITOR 1
C9306 F1H1H1030006 CHIP CAPACITOR 1
C9306 ECJ1VC1H102J CHIP CAPACITOR 1
C9307 ECJ1VF1C105Z CHIP CAPACITOR 1
C9308 F1H1C104A008 CHIP CAPACITOR 1
C9309 ECJ1VF1C105Z CHIP CAPACITOR 1
C9309 ECJ1VC1H121J CHIP CAPACITOR 1
C9310 ECJ1VF1C105Z CHIP CAPACITOR 1
C9310 ECJ1VC1H121J CHIP CAPACITOR 1
C9311 ECJ1VF1C105Z CHIP CAPACITOR 1
C9311 F2A1C470A637 ALU ELEC CAPACITOR 1
C9312 F1H1C104A008 CHIP CAPACITOR 1
C9312 F2A1C470A637 ALU ELEC CAPACITOR 1
C9313 ECJ1VF1C105Z CHIP CAPACITOR 1
C9315 F1H1H1020005 CHIP CAPACITOR 1
C9316 F1H1H1020005 CHIP CAPACITOR 1
C9336 F1H1H104A731 CHIP CAPACITOR 1
C9337 ECEA0JKA220B ALU ELEC CAPACITOR 1
C9501 ECJ1VF1C105Z CHIP CAPACITOR 1
C9502 ECJ1VF1C105Z CHIP CAPACITOR 1
C9503 F1H1H1030006 CHIP CAPACITOR 1
C9504 F1H1H1030006 CHIP CAPACITOR 1
C9505 F1H1C104A042 CHIP CAPACITOR 1
C9506 F1H1C104A042 CHIP CAPACITOR 1
C9507 F1H1H1030006 CHIP CAPACITOR 1
C9508 F1H1C104A042 CHIP CAPACITOR 1
C9509 ECJ1VF1C105Z CHIP CAPACITOR 1
C9510 ECJ1VF1C105Z CHIP CAPACITOR 1
C9511 F1H1H4700004 CHIP CAPACITOR 1
C9512 F1H1H4700004 CHIP CAPACITOR 1
C9513 F1H1H4700004 CHIP CAPACITOR 1
C9514 F1H1H4700004 CHIP CAPACITOR 1
C9701 ECJ1VB1A105K CHIP CAPACITOR 1
C9703 ECJ1VB1A105K CHIP CAPACITOR 1
C9704 F1H1H1030007 CHIP CAPACITOR 1
Ref.
No.
Part No. Part Name &
Description
PCS Remarks
C9705 F1H1H1030007 CHIP CAPACITOR 1
C9706 ECEA0JKA101B ALU ELEC CAPACITOR 1
C9707 F1H1E104A030 CHIP CAPACITOR 1
C9708 F1H1H1030007 CHIP CAPACITOR 1
C9710 ECJ1VC1H100D CHIP CAPACITOR 1
C9711 ECJ1VC1H100D CHIP CAPACITOR 1
C9712 ECJ1VC1H100D CHIP CAPACITOR 1
C9713 F1H1H104A748 CHIP CAPACITOR 1
C9714 F1H1H104A748 CHIP CAPACITOR 1
C9715 F1H1H1030007 CHIP CAPACITOR 1
C9716 F1H1H1030007 CHIP CAPACITOR 1
C9717 F1H1H1030007 CHIP CAPACITOR 1
C9718 F1H1H1030007 CHIP CAPACITOR 1
C9719 F1H1H1030007 CHIP CAPACITOR 1
C9720 F1H1H104A731 CHIP CAPACITOR 1
C9721 ECJ1VB1A105K CHIP CAPACITOR 1
C9722 F1H1C104A042 CHIP CAPACITOR 1
C9723 F2A0J470A599 ALU ELEC CAPACITOR 1
C9724 F1H1E104A030 CHIP CAPACITOR 1
C9725 F1H1A1050029 CHIP CAPACITOR 1
C9726 F1H1E104A030 CHIP CAPACITOR 1
C9733 F1H1H1010005 CHIP CAPACITOR 1
C9735 F1H1H1030007 CHIP CAPACITOR 1
C9736 F1H1H1030007 CHIP CAPACITOR 1
C9737 F4D55473A013 ALU ELEC CAPACITOR 1
C9738 ECJ1VC1H180J CHIP CAPACITOR 1
C9739 ECJ1VC1H180J CHIP CAPACITOR 1
C9741 F1H1H104A731 CHIP CAPACITOR 1
C9742 ECJ1VC1H220J CHIP CAPACITOR 1
C9744 ECEA0JKA221B ALU ELEC CAPACITOR 1
C9745 ECJ1VC1H180J CHIP CAPACITOR 1
C9746 ECEA0JKA221B ALU ELEC CAPACITOR 1
C9747 F1H1C104A042 CHIP CAPACITOR 1
C9748 F1H1C104A042 CHIP CAPACITOR 1
C9749 F1H1H104A731 CHIP CAPACITOR 1
C9750 F1H1H104A731 CHIP CAPACITOR 1
C9752 F1H1H4700004 CHIP CAPACITOR 1
C9753 F1H1H4700004 CHIP CAPACITOR 1
C9754 F1H1A1050029 CHIP CAPACITOR 1
C9756 F1H1H1010005 CHIP CAPACITOR 1
C9757 ECJ1VB1A105K CHIP CAPACITOR 1
C9758 ECJ1VB1A105K CHIP CAPACITOR 1
C9768 ECA1CM471B ALU ELEC CAPACITOR 1
C9778 F1H1H1030007 CHIP CAPACITOR 1
C9779 F1H1H1030007 CHIP CAPACITOR 1
C9780 F1H1H1030007 CHIP CAPACITOR 1
C9781 F1H1H1030007 CHIP CAPACITOR 1
C9785 ECEA0JKA221B ALU ELEC CAPACITOR 1
C9786 ECJ1VB1H331K CHIP CAPACITOR 1
C9787 ECJ1VB1H331K CHIP CAPACITOR 1
C9788 F1H1H1030007 CHIP CAPACITOR 1
C9790 F1J0J475A008 CHIP CAPACITOR 1
C9801 EEEHA0J101P CHIP CAPACITOR 1
C9802 EEEHA0J101P CHIP CAPACITOR 1
C9803 F1H1H1030006 CHIP CAPACITOR 1
C9804 ECJ1VB1C105K CHIP CAPACITOR 1
C9805 ECJ1VB1C105K CHIP CAPACITOR 1
C9806 ECJ1VB1C105K CHIP CAPACITOR 1
C9807 F1H1C104A042 CHIP CAPACITOR 1
C9808 ECJ1VB1C105K CHIP CAPACITOR 1
C9809 ECJ1VB1C105K CHIP CAPACITOR 1
C9810 ECJ1VB1C105K CHIP CAPACITOR 1
C9811 F1H1C104A042 CHIP CAPACITOR 1
C9812 ECJ1VB1C105K CHIP CAPACITOR 1
C9813 ECJ1VB1C105K CHIP CAPACITOR 1
C9814 ECJ1VB1C105K CHIP CAPACITOR 1
C9815 ECJ1VB1C105K CHIP CAPACITOR 1
C9816 ECJ1VB1C105K CHIP CAPACITOR 1
C9817 F1H1H1030006 CHIP CAPACITOR 1
C9818 F1H1H1030007 CHIP CAPACITOR 1
C9819 F1H1C104A042 CHIP CAPACITOR 1
C9820 F1H1H1030006 CHIP CAPACITOR 1
C9821 F1H1H1030007 CHIP CAPACITOR 1
99
DMR-EZ45VEB

Ref.
No.
Part No. Part Name &
Description
PCS Remarks
C9822 ECJ1VB1C105K CHIP CAPACITOR 1
C9823 ECJ1VB1C105K CHIP CAPACITOR 1
C9824 ECJ1VB1C105K CHIP CAPACITOR 1
C9825 ECJ1VB1C105K CHIP CAPACITOR 1
C9826 F1H1H1030006 CHIP CAPACITOR 1
C9827 ECJ1VB1C105K CHIP CAPACITOR 1
C9828 ECJ1VB1C105K CHIP CAPACITOR 1
C9829 ECJ1VB1C105K CHIP CAPACITOR 1
C9830 F1H1C104A042 CHIP CAPACITOR 1
C9831 ECJ1VB1C105K CHIP CAPACITOR 1
C9832 ECJ1VB1C105K CHIP CAPACITOR 1
C9833 ECJ1VB1C105K CHIP CAPACITOR 1
C9834 F1H1C104A042 CHIP CAPACITOR 1
C9835 ECJ1VB1C105K CHIP CAPACITOR 1
C9836 F1H1H1030006 CHIP CAPACITOR 1
C9839 ECJ1VC1H102J CHIP CAPACITOR 1
C9903 F2H1C100A013 CAPACITOR 1
C9904 F2H1H1R0A006 CAPACITOR 1
C9905 F2H1H1R0A006 CAPACITOR 1
C9906 F2H1C100A013 CAPACITOR 1
C9909 ECJ1VC1H070D CHIP CAPACITOR 1
C9910 ECJ1VC1H070D CHIP CAPACITOR 1
C9911 ECJ1VC1H070D CHIP CAPACITOR 1
C9912 ECJ1VC1H070D CHIP CAPACITOR 1
C9913 ECJ1VF1C105Z CHIP CAPACITOR 1
C9914 ECJ1VF1C105Z CHIP CAPACITOR 1
C9915 ECJ1VF1C105Z CHIP CAPACITOR 1
C9916 ECJ1VF1C105Z CHIP CAPACITOR 1
C9917 F1H1H1510001 CHIP CAPACITOR 1
C9918 F1H1H1510001 CHIP CAPACITOR 1
CN9001 K1KB11B00013 CONNECTOR 1
CN9003 K1KB12B00030 CONNECTOR 1
D1101 ERZVA5V471 SURGE ABSORBER 1
D1102 B0EALR000016 DIODE 1
D1103 B0EALR000016 DIODE 1
D1104 B0EALR000016 DIODE 1
D1105 B0EALR000016 DIODE 1
D1106 B0HADV000001 DIODE 1
D1107 MAZ42000MF DIODE 1
D1108 B0HAGM000008 DIODE 1
D1109 MAZ73000BF ZENER DIODE 1
D1203 B0JBSL000002 DIODE 1
D1204 B0JCPD000021 DIODE 1
D1205 B0JCPE000015 DIODE 1
D1208 B0JCPE000015 DIODE 1
D1501 B3EA00000072 DIODE 1
D1801 B0JCPE000015 DIODE 1
D2001 B0AACK000004 SWITCHING DIODE 1
D2002 B0AACK000004 SWITCHING DIODE 1
D2502 MAZ4160NMF DIODE 1
D3901 B0AACK000004 SWITCHING DIODE 1
D4501 B0AACK000004 SWITCHING DIODE 1
D4502 MAZ4056NHF DIODE 1
D4901 MA2J11200L DIODE 1
D56101 MA2J72800L DIODE 1
D6306 MAZ4056NHF DIODE 1
D6401 B0AACK000004 SWITCHING DIODE 1
D6402 B0ACCK000005 DIODE 1
D7301 MA2C165001VT DIODE 1
D7501 B3ABA0000595 LED 1
D7502 B3ACA0000273 DIODE 1
D7503 B3ADA0000173 DIODE 1
D7504 B3AAA0000752 DIODE 1
D7803 MA2C165001VT DIODE 1
D7805 MAZ40390HF DIODE 1
D7807 MAZ4300NMF DIODE 1
D7901 B0BA03600021 DIODE 1
D7903 B0AADM000003 DIODE 1
D7904 B0AADM000003 DIODE 1
D7905 B0JAMD000026 DIODE 1
D7906 MAZ4220NLF DIODE 1
D7907 MAZ4180NHF DIODE 1
D7908 MA2C165001VT DIODE 1
Ref.
No.
Part No. Part Name &
Description
PCS Remarks
D9104 MAZ40390HF DIODE 1
D9105 B0AACK000004 SWITCHING DIODE 1
D9106 B0JACE000001 DIODE 1
D9107 B0AACK000004 SWITCHING DIODE 1
D9201 B0CCAB000039 DIODE 1
D9702 MA2C72300F DIODE 1
DP7501 A2BD00000157 FL DISPLAY 1
F1101 K5D202BK0005 FUSE 250V / 2 AT 1
FH1101 EYF52BCY FUSE HOLDER 1
FH1102 EYF52BCY FUSE HOLDER 1
FL6101 F1H0J1050025 CERAMIC CAPACITOR 1
FL6102 F1H0J1050025 CERAMIC CAPACITOR 1
FL6103 F1H0J1050025 CERAMIC CAPACITOR 1
FL6104 F1H0J1050025 CERAMIC CAPACITOR 1
FL6105 F1H0J1050025 CERAMIC CAPACITOR 1
FL6106 F1H0J1050025 CERAMIC CAPACITOR 1
FL6110 F1H0J1050025 CERAMIC CAPACITOR 1
FP6101 K1MN40AA0082 CONNECTOR 1
IC1101 C0DACZZ00009 INTEGRATED CIRCUIT 1
IC1201 C0DBAKG00007 POWER SUPPLY IC 1
IC1202 C0DAEMZ00001 VOLTAGE REGULATOR 1
IC1203 C0DBAJG00011 POWER SUPPLY IC 1
IC1204 C0DBAJG00011 POWER SUPPLY IC 1
IC1501 B3NAA0000118 GAP SENSOR 1
IC1502 B3NAA0000118 GAP SENSOR 1
IC1801 C0DBAJG00011 POWER SUPPLY IC 1
IC2501 C1AB00001767 MOTOR DRIVE IC 1
IC3001 C1AB00002084 INTEGRATED CIRCUIT 1
IC3002 C0CBCDD00026 POWER SUPPLY IC 1
IC3901 C1AB00002379 INTEGRATED CIRCUIT 1
IC3905 C1AB00001340 INTEGRATED CIRCUIT 1
IC4501 AN3656NFBPBV INTEGRATED CIRCUIT 1
IC6001 C2CBHF000469 VHS MICON IC 1
IC6101 C0JBAZ002116 INTEGRATED CIRCUIT 1
IC6102 C0JBAZ002116 INTEGRATED CIRCUIT 1
IC6103 MN8647011 HDMI LSI IC 1
IC6104 C0CBCBD00048 POWER SUPPLY IC 1
IC6105 C0CBCDC00052 POWER SUPPLY IC 1
IC6107 C0JBAB000604 INTEGRATED CIRCUIT 1
IC6302 C0CBCDC00020 POWER SUPPLY IC 1
IC7301 C1AB00002225 INTEGRATED CIRCUIT 1
IC7401 C0CBCDD00025 POWER SUPPLY IC 1
IC7402 C0CBCDD00025 POWER SUPPLY IC 1
IC7403 C0CBCDD00025 POWER SUPPLY IC 1
IC7501 C0HBB0000044 DISPLAY DRIVER IC 1
IC7502 B3RAD0000073 IR RECEIVER 1
IC9001 C1AB00002208 INTEGRATED CIRCUIT 1
IC9102 C0CBCDD00025 POWER SUPPLY IC 1
IC9106 C0CBCBD00048 POWER SUPPLY IC 1
IC9201 C0JBAB000706 INTEGRATED CIRCUIT 1
IC9301 C3ABQG000083 SDRAM 1
IC9301 C0DBAHD00013 VOLTAGE REGULATOR 1
IC9302 C3FBMD000166 16 MBIT LOW VOLTAGE 1
IC9302 C0ABBB000216 AMPLIFIERS 1
IC9303 C0EBE0000504 INTEGRATED CIRCUIT 1
IC9305 C0ABBB000119 INTEGRATED CIRCUIT 1
IC9700 B3ZAZ0000017 OPTICAL LINK 1
IC9702 C0EBE0000194 VOLTAGE RESET IC 1
IC9703 C0EBJ0000336 RESET IC 1
IC9704 C2CBJG000733 MICON IC 1
IC9705 RFKFM6016K EEPROM IC 1 SPC
IC9706 C0EBE0000504 INTEGRATED CIRCUIT 1
IC9901 C0ABBB000216 AMPLIFIERS 1
IP1221 ERJ8GEY0R00V CHIP RESISTOR 1
IP1231 ERJ8GEY0R00V CHIP RESISTOR 1
IP1801 ERJ8GEY0R00V CHIP RESISTOR 1
IP4901 K5H5012A0010 FUSE 1
IP7901 D0YBR0000020 CHIP RESISTOR 1
IP9102 K5H5012A0010 FUSE 1
J1 VEE0U97 EARTH WIRE 1
JK3901 K1FB121B0018 CONNECTOR 1
JK3902 K1FB121B0018 CONNECTOR 1
JK4801 K2HA307A0009 CONNECTOR 1
100
DMR-EZ45VEB

Ref.
No.
Part No. Part Name &
Description
PCS Remarks
JK4802 K1CB104A0017 CONNECTOR 1
JK4901 K2HA304B0007 CONNECTOR 1
JK4902 K1CB105B0041 CONNECTOR 1
JK4903 K2HA1YYB0002 CONNECTOR 1
JK9301 K2HA204B0147 CONNECTOR 1
K3005 D0YBR0000020 CHIP RESISTOR 1
K3905 D0YBR0000020 CHIP RESISTOR 1
K3906 D0YBR0000020 CHIP RESISTOR 1
K3907 D0YBR0000020 CHIP RESISTOR 1
K3908 ERJ6GEY0R00Z CHIP RESISTOR 1
K3909 D0YBR0000020 CHIP RESISTOR 1
K3910 D0YBR0000020 CHIP RESISTOR 1
K4502 D0YBR0000020 CHIP RESISTOR 1
K4905 D0YBR0000020 CHIP RESISTOR 1
K7306 D0YBR0000020 CHIP RESISTOR 1
K7307 D0YBR0000020 CHIP RESISTOR 1
K7400 D0YBR0000020 CHIP RESISTOR 1
K7801 D0YBR0000020 CHIP RESISTOR 1
K7802 D0YBR0000020 CHIP RESISTOR 1
K9302 ERJ6GEY0R00Z CHIP RESISTOR 1
K9703 D0YBR0000020 CHIP RESISTOR 1
L1101 G0B233D00001 LINE FILTER 1
L1102 G0B233D00001 LINE FILTER 1
L1202 G0A220GA0026 CHOKE COIL RADIAL 1
L1204 G0A220ZA0042 CHOKE COIL 1
L1205 G0A100H00025 CHOKE COIL 1
L1207 G0A100H00025 CHOKE COIL 1
L1209 G0A470ZA0042 CHOKE COIL 1
L1210 G0A220GA0026 CHOKE COIL RADIAL 1
L1211 G0A330ZA0042 CHOKE COIL 1
L1214 G0A220GA0026 CHOKE COIL RADIAL 1
L1801 G0A220GA0026 CHOKE COIL RADIAL 1
L1802 G0A220ZA0042 CHOKE COIL 1
L3001 G0C820JA0019 CHOKE COIL AXIAL 1
L3002 G0C270JA0019 CHOKE COIL AXIAL 1
L3003 G0C390JA0019 CHOKE COIL AXIAL 1
L3004 G0C680JA0019 CHOKE COIL AXIAL 1
L3006 G0C270JA0019 CHOKE COIL AXIAL 1
L3007 ELJFA120KFB CHIP INDUCTOR 1
L4001 G0C221KA0073 FIXED INDUCTOR 1
L4502 G0C1R2J00004 CHOKE COIL AXIAL 1
L4503 G0C101JA0019 CHOKE COIL AXIAL 1
L4503 G0C101JA0019 CHOKE COIL AXIAL 1
L5001 G0C680JA0019 CHOKE COIL AXIAL 1
L56101 J0MAB0000170 BEAD CORE 1
L56102 J0MAB0000170 BEAD CORE 1
L56103 J0MAB0000170 BEAD CORE 1
L56104 J0MAB0000170 BEAD CORE 1
L6103 G0C1R5JA0019 CHOKE COIL 1
L6105 G0C680JA0019 CHOKE COIL AXIAL 1
L7301 G0C1R0JA0019 CHOKE COIL AXIAL 1
L7302 G0C2R2JA0019 CHOKE COIL AXIAL 1
L7501 G0C220JA0019 CHOKE COIL AXIAL 1
L7901 G0C390JA0019 CHOKE COIL AXIAL 1
L9005 J0JJC0000015 BEAD CORE 1
L9007 J0JJC0000015 BEAD CORE 1
L9008 G1CR15M00002 CHIP INDUCTOR 1
L9105 G0C680JA0019 CHOKE COIL AXIAL 1
L9106 G0C820JA0019 CHOKE COIL AXIAL 1
L9201 ELJNA2R7JFB CHIP INDUCTOR 1
L9501 ELJFA1R0MFB CHIP INDUCTOR 1
L9502 J0JJC0000015 BEAD CORE 1
L9503 ELJFA150KFB CHIP INDUCTOR 1
L9504 ELJFA100JFB CHIP INDUCTOR 1
L9505 ELJFA100JFB CHIP INDUCTOR 1
L9701 G0C390JA0019 CHOKE COIL AXIAL 1
L9702 G0A220GA0026 CHOKE COIL RADIAL 1
L9801 D0YBR0000020 CHIP RESISTOR 1
L9802 J0JDC0000002 BEAD CORE 1
L9803 J0JHC0000075 BEAD CORE 1
L9804 ELJPA270KFB CHIP INDUCTOR 1
L9903 ELJFA330KFB CHIP INDUCTOR 1
LB1102 EXCELDR35V BEAD CORES 1
Ref.
No.
Part No. Part Name &
Description
PCS Remarks
LB1105 EXCELDR35V BEAD CORES 1
LB1203 ERJ6GEY0R00Z CHIP RESISTOR 1
LB1204 ERJ6GEY0R00Z CHIP RESISTOR 1
LB1207 J0JHC0000048 BEAD CORE 1
LB3901 J0JGC0000020 BEAD CORE 1
LB4002 J0JBC0000070 CHIP INDUCTOR 1
LB4003 J0JBC0000070 CHIP INDUCTOR 1
LB4101 J0JBC0000041 BEAD CORE 1
LB4102 J0JHC0000021 BEAD CORE 1
LB4103 J0JBC0000041 BEAD CORE 1
LB4104 J0JBC0000041 BEAD CORE 1
LB4105 J0JBC0000041 BEAD CORE 1
LB4106 J0JBC0000041 BEAD CORE 1
LB4203 D0YBR0000020 CHIP RESISTOR 1
LB4801 D0YBR0000020 CHIP RESISTOR 1
LB4802 D0YBR0000020 CHIP RESISTOR 1
LB4803 D0YBR0000020 CHIP RESISTOR 1
LB4901 D0YBR0000020 CHIP RESISTOR 1
LB4902 D0YBR0000020 CHIP RESISTOR 1
LB4903 D0YBR0000020 CHIP RESISTOR 1
LB4904 D0YBR0000020 CHIP RESISTOR 1
LB4905 D0YBR0000020 CHIP RESISTOR 1
LB4906 D0YBR0000020 CHIP RESISTOR 1
LB6101 J0JHC0000032 BEAD CORE 1
LB6102 J0JHC0000032 BEAD CORE 1
LB6103 J0JHC0000032 BEAD CORE 1
LB6104 J0JCC0000119 FERRITE CORE 1
LB6105 J0JCC0000119 FERRITE CORE 1
LB6106 J0JCC0000119 FERRITE CORE 1
LB6107 J0JCC0000119 FERRITE CORE 1
LB6108 J0JHC0000032 BEAD CORE 1
LB6109 J0JHC0000032 BEAD CORE 1
LB6110 J0JHC0000032 BEAD CORE 1
LB6111 J0JHC0000032 BEAD CORE 1
LB6112 J0JHC0000032 BEAD CORE 1
LB6115 J0JHC0000032 BEAD CORE 1
LB6116 J0JHC0000032 BEAD CORE 1
LB6801 J0JHC0000032 BEAD CORE 1
LB6802 J0JHC0000045 BEAD CORE 1
LB7301 ERJ6GEY0R00Z CHIP RESISTOR 1
LB7302 J0JBC0000011 BEAD CORE 1
LB7303 ERJ6GEY0R00Z CHIP RESISTOR 1
LB7401 J0JHC0000032 BEAD CORE 1
LB7601 J0JHC0000032 BEAD CORE 1
LB7602 J0JHC0000032 BEAD CORE 1
LB7603 J0JHC0000032 BEAD CORE 1
LB7801 J0JGC0000020 BEAD CORE 1
LB7803 J0JBC0000011 BEAD CORE 1
LB7804 J0JBC0000011 BEAD CORE 1
LB7901 D0YBR0000020 CHIP RESISTOR 1
LB7902 D0YBR0000020 CHIP RESISTOR 1
LB7903 D0YBR0000020 CHIP RESISTOR 1
LB9700 D0YBR0000020 CHIP RESISTOR 1
LB9701 J0JHC0000032 BEAD CORE 1
LB9702 D0YBR0000020 CHIP RESISTOR 1
LB9703 D0YBR0000020 CHIP RESISTOR 1
LB9704 J0JKB0000012 BEAD CORE 1
LB9705 D0YBR0000020 CHIP RESISTOR 1
LB9706 J0JCC0000060 BEAD CORE 1
LB9707 J0JKB0000012 BEAD CORE 1
LB9708 J0JKB0000003 BEAD CORE 1
LB9709 D0YBR0000020 CHIP RESISTOR 1
LB9710 J0JHC0000021 BEAD CORE 1
LB9711 J0JHC0000021 BEAD CORE 1
P1101 K2AA2H000007 AC INLET 1
P1531 K1KA02A00375 CONNECTOR 1
P2501 K1MN07A00030 CONNECTOR 1
P2571 K1KA08A00355 CONNECTOR 1
P4001 K1KB02A00035 CONNECTOR 1
P4002 K1MN06A00042 CONNECTOR 1
P5001 K1MN09A00029 CONNECTOR 1
P56101 K1KY10BA0033 CONNECTOR 1
P56102 K1FA119E0002 CONNECTOR 1
101
DMR-EZ45VEB

Ref.
No.
Part No. Part Name &
Description
PCS Remarks
P6001 K1KB15AA0032 CONNECTOR 15POL. 1
P6002 K1KB19AA0032 CONNECTOR 19POL. 1
P6003 K1KB19AA0032 CONNECTOR 19POL. 1
P6004 K1KB09A00047 CONNECTOR 1
P66801 K1NA09E00075 CONNECTOR 1
P66802 K1MY20BA0049 CONNECTOR 1
P66803 K2HZ104B0016 CONNECTOR 1
P66804 K1KA06AA0104 CONNECTOR 1
P7801 K1KA12AA0288 CONNECTOR 1
P7802 K1KA11AA0288 CONNECTOR 1
P9101 K1KA15A00118 CONNECTOR 1
P9102 K1KA19A00007 CONNECTOR 1
P9103 K1KA19A00007 CONNECTOR 1
P9104 K1KA09A00210 CONNECTOR 1
P9700 K1KY10AA0107 CONNECTOR 1
P9701 K1KA03AA0180 CONNECTOR 1
P9703 K1KA88A00003 CONNECTOR 1
PP4801 K1KA10B00196 CONNECTOR 1
PP7501 K1KA10B00196 CONNECTOR 1
PP7502 K1KA10B00196 CONNECTOR 1
PP7503 K1KA10B00196 CONNECTOR 1
PS6001 K1KB10B00053 CONNECTOR 1
PS6002 K1KB10B00053 CONNECTOR 1
PS9701 K1KB10B00045 CONNECTOR 1
PS9702 K1KB10B00053 CONNECTOR 1
Q1101 B3PBA0000237 PHOTO COUPLER 1
Q1201 B1DHED000008 TRANSISTOR 1
Q1202 B1DHDD000022 TRANSISTOR 1
Q1501 PNB2303M01VT PHOTO TRANSISTOR 1
Q1502 PNB2303M01VT PHOTO TRANSISTOR 1
Q3002 2SD1819A0L TRANSISTOR 1
Q4001 2SD114900L TRANSISTOR 1
Q4002 2SD1819A0L TRANSISTOR 1
Q4003 2SD0602ARL TRANSISTOR 1
Q4004 2SB0710A0L TRANSISTOR 1
Q4501 B1AAGD000016 TRANSISTOR 1
Q4502 2SB0710A0L TRANSISTOR 1
Q4901 2SB0710A0L TRANSISTOR 1
Q56001 2SD1819A0L TRANSISTOR 1
Q56002 2SD1819A0L TRANSISTOR 1
Q56101 2SD1819A0L TRANSISTOR 1
Q56102 B1CFHA000002 TRANSISTOR 1
Q56103 B1CFHA000002 TRANSISTOR 1
Q56104 2SD1819A0L TRANSISTOR 1
Q56105 2SD1819A0L TRANSISTOR 1
Q6102 2SD1819A0L TRANSISTOR 1
Q6103 2SD1819A0L TRANSISTOR 1
Q6104 2SB1218A0L SS-TRANSISTOR 1
Q6305 2SD0601A0L TRANSISTOR 1
Q6305 2SD0601A0L TRANSISTOR 1
Q6401 2SD1819A0L TRANSISTOR 1
Q6402 2SD1819A0L TRANSISTOR 1
Q6403 2SD1819A0L TRANSISTOR 1
Q6404 2SD1819A0L TRANSISTOR 1
Q7502 2SD0601A0L TRANSISTOR 1
Q7502 2SD0601A0L TRANSISTOR 1
Q7802 2SD0602A0L TRANSISTOR 1
Q7901 B1BABK000001 POWER TRANSISTOR 1
Q9101 2SD1819A0L TRANSISTOR 1
Q9106 2SD0601A0L TRANSISTOR 1
Q9106 2SD0601A0L TRANSISTOR 1
Q9201 2SB0709A0L PNP TRANSISTOR 1
Q9701 2SB1218A0L SS-TRANSISTOR 1
Q9702 2SD1819A0L TRANSISTOR 1
Q9703 2SD1819A0L TRANSISTOR 1
Q9704 2SB1321A0A TRANSISTOR 1
Q9705 2SB1218A0L SS-TRANSISTOR 1
Q9706 2SD1819A0L TRANSISTOR 1
QR1202 B1GBCFNN0009 TRANSISTOR 1
QR1203 B1GBCFNN0009 TRANSISTOR 1
QR1801 B1GBCFNN0009 TRANSISTOR 1
QR4003 B1GBCFJJ0007 TRANSISTOR 1
QR4004 B1GDCFJJ0008 DIGITAL TRANSISTOR 1
Ref.
No.
Part No. Part Name &
Description
PCS Remarks
QR4005 B1GBCFNN0009 TRANSISTOR 1
QR4501 B1GBCFJJ0007 TRANSISTOR 1
QR4901 B1GBCFNN0009 TRANSISTOR 1
QR4902 B1GDCFJJ0008 DIGITAL TRANSISTOR 1
QR4903 UNR521600L TRANSISTOR 1
QR4904 UNR521600L TRANSISTOR 1
QR4905 UNR521600L TRANSISTOR 1
QR4906 UNR521600L TRANSISTOR 1
QR4911 B1GDCFNN0007 TRANSISTOR 1
QR4912 UNR521600L TRANSISTOR 1
QR4913 UNR521600L TRANSISTOR 1
QR4914 B1GBCFNN0009 TRANSISTOR 1
QR4915 B1GBCFJJ0007 TRANSISTOR 1
QR6402 B1GBCFJA0006 TRANSISTOR 1
QR6403 B1GBCFJA0006 TRANSISTOR 1
QR7501 B1GBCFJJ0007 TRANSISTOR 1
QR7502 B1GBCFJJ0007 TRANSISTOR 1
QR7503 B1GBCFJJ0007 TRANSISTOR 1
QR7504 B1GBCFJJ0007 TRANSISTOR 1
QR7801 B1GDCFNN0007 TRANSISTOR 1
QR7802 B1GBCFNN0009 TRANSISTOR 1
QR7803 B1GBCFNN0009 TRANSISTOR 1
QR7804 B1GDCFLL0012 TRANSISTOR 1
QR7901 B1GBCFJN0009 TRANSISTOR 1
QR9301 B1GDCFJJ0008 DIGITAL TRANSISTOR 1
QR9304 UNR521600L TRANSISTOR 1
QR9305 UNR521600L TRANSISTOR 1
QR9701 B1GBCFLL0012 TRANSISTOR 1
QR9703 B1GBCFNA0010 TRANSISTOR 1
QR9705 B1GBCFNN0009 TRANSISTOR 1
QR9706 B1GBCFNN0009 TRANSISTOR 1
R1101 ERDS2FJ105T CARBON RESISTOR 1
R1102 ERDS2FJ105T CARBON RESISTOR 1
R1103 ERG2SJ683E SOLID RESISTOR 1
R1104 ERG2SJ221E METAL OXIDE RESISTOR 1
R1105 ERX12SJR47E METAL RESISTOR 1
R1106 ERG12SJ180E METAL OXIDE RESISTOR 1
R1107 ERDS2TJ474T CARBON RESISTOR 1
R1108 ERDS2TJ474T CARBON RESISTOR 1
R1207 D0GB513JA057 CHIP RESISTOR 1
R1208 D1BFR0270001 RESISTOR ARRAY 1
R1213 D1BB12020002 CHIP RESISTOR 1
R1214 D1BB5600A010 CHIP RESISTOR 1
R1215 D1BB20010002 CHIP RESISTOR 1
R1216 D0GB222JA057 CHIP RESISTOR 1
R1217 D0GB221JA057 CHIP RESISTOR 1
R1218 D0GB222JA057 CHIP RESISTOR 1
R1220 D1BB10020004 CHIP RESISTOR 1
R1221 D1BB68000002 CHIP RESISTOR 1
R1222 D1BB2701A010 CHIP RESISTOR 1
R1225 D0GB104JA057 CHIP RESISTOR 1
R1226 D1BB4301A010 CHIP RESISTOR 1
R1227 D1BB1201A010 CHIP RESISTOR 1
R1228 D1BB1001A010 CHIP RESISTOR 1
R1231 ERJ3GEYF362V CHIP RESISTOR 1
R1232 ERJ3GEYF181V CHIP RESISTOR 1
R1233 D1BB1001A010 CHIP RESISTOR 1
R1235 D0GB104JA057 CHIP RESISTOR 1
R1236 D0GB223JA057 CHIP RESISTOR 1
R1237 D0GB223JA057 CHIP RESISTOR 1
R1501 D0GB273JA057 CHIP RESISTOR 1
R1502 D0GB273JA057 CHIP RESISTOR 1
R1503 ERDS2TJ151T CARBON RESISTOR 1
R1511 D0GB273JA057 CHIP RESISTOR 1
R1512 D0GB273JA057 CHIP RESISTOR 1
R1513 ERJ6GEYJ121V CHIP RESISTOR 1
R1801 D0GB104JA057 CHIP RESISTOR 1
R1802 ERJ3GEYF181V CHIP RESISTOR 1
R1803 D1BB15010002 CHIP RESISTOR 1
R1804 D1BB1201A010 CHIP RESISTOR 1
R2001 D0GB392JA057 CHIP RESISTOR 1
R2002 D0GB105JA057 CHIP RESISTOR 1
R2099 D0GB682JA057 CHIP RESISTOR 1
102
DMR-EZ45VEB

Ref.
No.
Part No. Part Name &
Description
PCS Remarks
R2501 ERJ6GEYJ1R2V CHIP RESISTOR 1
R2502 ERJ6GEYJ1R5V CHIP RESISTOR 1
R2503 ERDS2TJ103T CARBON RESISTOR 1
R2514 D0GB221JA057 CHIP RESISTOR 1
R2515 D0GB221JA057 CHIP RESISTOR 1
R2516 D0GB221JA057 CHIP RESISTOR 1
R2520 D0GB183JA057 CHIP RESISTOR 1
R2521 D0GB102JA057 CHIP RESISTOR 1
R2551 D0GB103JA057 CHIP RESISTOR 1
R2552 D0GB103JA057 CHIP RESISTOR 1
R2561 D0GB102JA057 CHIP RESISTOR 1
R2562 D0GB473JA057 CHIP RESISTOR 1
R2563 D0GB102JA057 CHIP RESISTOR 1
R2564 D0GB101JA057 CHIP RESISTOR 1
R2565 D0GB101JA057 CHIP RESISTOR 1
R3001 D0GB152JA057 CHIP RESISTOR 1
R3002 D0GB622JA057 CHIP RESISTOR 1
R3003 D0GB562JA057 CHIP RESISTOR 1
R3005 D0GB122JA057 CHIP RESISTOR 1
R3008 D0GB106JA057 CHIP RESISTOR 1
R3010 D0GB153JA057 CHIP RESISTOR 1
R3013 D0GB101JA057 CHIP RESISTOR 1
R3014 D0GB101JA057 CHIP RESISTOR 1
R3015 D0GB273JA057 CHIP RESISTOR 1
R3016 D0GB471JA057 CHIP RESISTOR 1
R3017 D0GB332JA057 CHIP RESISTOR 1
R3021 D0GB102JA057 CHIP RESISTOR 1
R3901 ERJ3GEYG750V CHIP RESISTOR 1
R3902 ERJ3GEYG750V CHIP RESISTOR 1
R3903 ERJ3GEYG750V CHIP RESISTOR 1
R3904 ERJ3GEYG750V CHIP RESISTOR 1
R3905 ERJ3GEYG750V CHIP RESISTOR 1
R3906 ERJ3GEYG750V CHIP RESISTOR 1
R3907 ERDS2TJ221T CARBON RESISTOR 1
R3908 D0GB750JA057 CHIP RESISTOR 1
R3909 ERJ3GEYG750V CHIP RESISTOR 1
R3910 ERJ3RED750V CHIP RESISTOR 1
R3911 ERJ3RED750V CHIP RESISTOR 1
R3912 ERJ3RED750V CHIP RESISTOR 1
R3913 ERJ3GEYG750V CHIP RESISTOR 1
R3914 D0GB330JA057 CHIP RESISTOR 1
R3915 D0YBR0000020 CHIP RESISTOR 1
R3916 D0GB101JA057 CHIP RESISTOR 1
R3917 D0GB101JA057 CHIP RESISTOR 1
R3921 D0GB682JA057 CHIP RESISTOR 1
R3931 D0GB104JA057 CHIP RESISTOR 1
R4001 D0GB332JA057 CHIP RESISTOR 1
R4002 D0GB153JA057 CHIP RESISTOR 1
R4003 D0GB682JA057 CHIP RESISTOR 1
R4004 D0GB472JA057 CHIP RESISTOR 1
R4006 D0GB332JA057 CHIP RESISTOR 1
R4007 D0GB104JA057 CHIP RESISTOR 1
R4008 D0GB153JA057 CHIP RESISTOR 1
R4009 D0GB271JA057 CHIP RESISTOR 1
R4011 D0GB203JA057 CHIP RESISTOR 1
R4012 D0GB474JA057 CHIP RESISTOR 1
R4013 D0GB153JA057 CHIP RESISTOR 1
R4014 D0GB103JA057 CHIP RESISTOR 1
R4015 D0GB332JA057 CHIP RESISTOR 1
R4016 D0GB222JA057 CHIP RESISTOR 1
R4017 D0GB222JA057 CHIP RESISTOR 1
R4018 ERJ6GEYJ102V CHIP RESISTOR 1
R4019 ERJ6GEYJ102V CHIP RESISTOR 1
R4101 D0GB102JA057 CHIP RESISTOR 1
R4102 D0GB102JA057 CHIP RESISTOR 1
R4103 D0GB102JA057 CHIP RESISTOR 1
R4104 D0GB102JA057 CHIP RESISTOR 1
R4105 D0GB221JA057 CHIP RESISTOR 1
R4106 D0GB221JA057 CHIP RESISTOR 1
R4116 D0GB221JA057 CHIP RESISTOR 1
R4117 D0GB221JA057 CHIP RESISTOR 1
R4505 D0GB472JA057 CHIP RESISTOR 1
R4506 D0GB472JA057 CHIP RESISTOR 1
Ref.
No.
Part No. Part Name &
Description
PCS Remarks
R4507 D0GB472JA057 CHIP RESISTOR 1
R4508 D0GB912JA057 CHIP RESISTOR 1
R4509 D0GB472JA057 CHIP RESISTOR 1
R4510 D0GB472JA057 CHIP RESISTOR 1
R4511 D0GB912JA057 CHIP RESISTOR 1
R4512 D0GB472JA057 CHIP RESISTOR 1
R4513 D0GB563JA057 CHIP RESISTOR 1
R4514 D0GB563JA057 CHIP RESISTOR 1
R4515 D0GB683JA057 CHIP RESISTOR 1
R4516 D0GB683JA057 CHIP RESISTOR 1
R4517 D0GB511JA057 CHIP RESISTOR 1
R4518 D0GB472JA057 CHIP RESISTOR 1
R4519 D0GB472JA057 CHIP RESISTOR 1
R4520 D0GB821JA057 CHIP RESISTOR 1
R4521 D0GB124JA057 CHIP RESISTOR 1
R4522 D0GB472JA057 CHIP RESISTOR 1
R4523 D0GB511JA057 CHIP RESISTOR 1
R4524 D0GB102JA057 CHIP RESISTOR 1
R4525 D0GB333JA057 CHIP RESISTOR 1
R4526 D0GB102JA057 CHIP RESISTOR 1
R4527 D0GB102JA057 CHIP RESISTOR 1
R4528 D0GB472JA057 CHIP RESISTOR 1
R4530 D0GB472JA057 CHIP RESISTOR 1
R4532 D0GB681JA057 CHIP RESISTOR 1
R4555 ERDS2TJ821T CARBON RESISTOR 1
R4557 D0GB472JA057 CHIP RESISTOR 1
R4559 D0GB393JA057 CHIP RESISTOR 1
R4560 D0GB682JA057 CHIP RESISTOR 1
R4801 D0GB750JA057 CHIP RESISTOR 1
R4802 D0GB750JA057 CHIP RESISTOR 1
R4803 D0GB750JA057 CHIP RESISTOR 1
R4804 D0GB102JA057 CHIP RESISTOR 1
R4805 D0GB471JA057 CHIP RESISTOR 1
R4806 D0GB471JA057 CHIP RESISTOR 1
R4903 D0YBR0000020 CHIP RESISTOR 1
R4904 D0GB223JA057 CHIP RESISTOR 1
R4908 D0GB471JA057 CHIP RESISTOR 1
R4909 D0GB471JA057 CHIP RESISTOR 1
R4910 D0GB471JA057 CHIP RESISTOR 1
R4911 D0GB471JA057 CHIP RESISTOR 1
R4912 D1BB75R0A010 CHIP RESISTOR 1
R4913 D1BB75R0A010 CHIP RESISTOR 1
R4916 D1BB75R0A010 CHIP RESISTOR 1
R4917 D1BB75R0A010 CHIP RESISTOR 1
R4918 D1BB75R0A010 CHIP RESISTOR 1
R4919 D1BB75R0A010 CHIP RESISTOR 1
R4922 D0GB471JA057 CHIP RESISTOR 1
R4923 D0GB471JA057 CHIP RESISTOR 1
R4925 D0GB472JA057 CHIP RESISTOR 1
R4926 D0GB472JA057 CHIP RESISTOR 1
R56001 ERJ2GEJ472X RESISTOR 1
R56002 ERJ2GEJ473X RESISTOR 1
R56003 ERJ2GEJ225X RESISTOR 1
R56004 ERJ2GEJ104X RESISTOR 1
R56101 ERJ2GEJ220X RESISTOR 1
R56102 ERJ2GEJ330X RESISTOR 1
R56103 ERJ2GEJ330X RESISTOR 1
R56104 ERJ2GEJ330X RESISTOR 1
R56105 ERJ2GEJ330X RESISTOR 1
R56106 ERJ2GEJ820X RESISTOR 1
R56107 ERJ2GEJ330X RESISTOR 1
R56108 ERJ2GEJ330X RESISTOR 1
R56109 ERJ2GEJ121X RESISTOR 1
R56110 ERJ2GEJ330X RESISTOR 1
R56111 ERJ2GEJ330X RESISTOR 1
R56112 ERJ2GEJ330X RESISTOR 1
R56114 ERJ2GEJ330X RESISTOR 1
R56115 ERJ2GEJ820X RESISTOR 1
R56116 ERJ2GEJ101X RESISTOR 1
R56117 ERJ2GEJ151X RESISTOR 1
R56118 ERJ2GEJ820X RESISTOR 1
R56119 ERJ2GEJ330X RESISTOR 1
R56120 ERJ2GEJ151X RESISTOR 1
103
DMR-EZ45VEB

Ref.
No.
Part No. Part Name &
Description
PCS Remarks
R56121 ERJ2GEJ151X RESISTOR 1
R56122 ERJ2GEJ151X RESISTOR 1
R56123 ERJ2GEJ511X RESISTOR 1
R56124 ERJ2GEJ103X RESISTOR 1
R56125 ERJ2GEJ202X RESISTOR 1
R56126 ERJ2GEJ202X RESISTOR 1
R56127 ERJ2GEJ103X RESISTOR 1
R56128 ERJ2GEJ202X RESISTOR 1
R56129 ERJ2GEJ202X RESISTOR 1
R56130 ERJ2GEJ273X RESISTOR 1
R56131 ERJ2GEJ221X RESISTOR 1
R56132 ERJ2GEJ224X RESISTOR 1
R56133 ERJ2GEJ104X RESISTOR 1
R56134 ERJ2GEJ470X RESISTOR 1
R56135 ERJ2GEJ470X RESISTOR 1
R56137 ERJ2GE0R00X RESISTOR 1
R56138 ERJ2GE0R00X RESISTOR 1
R56139 ERJ2GEJ820X RESISTOR 1
R56140 ERJ2GEJ8R2X RESISTOR 1
R56142 ERJ2GEJ330X RESISTOR 1
R56143 ERJ2GEJ330X RESISTOR 1
R56144 ERJ2GEJ8R2X RESISTOR 1
R56145 ERJ2GEJ8R2X RESISTOR 1
R56146 ERJ2GEJ8R2X RESISTOR 1
R56147 ERJ2GEJ8R2X RESISTOR 1
R56148 ERJ2GEJ8R2X RESISTOR 1
R56149 ERJ2GEJ8R2X RESISTOR 1
R56150 ERJ2GEJ8R2X RESISTOR 1
R56151 ERJ2GEJ820X RESISTOR 1
R56152 ERJ2GEJ820X RESISTOR 1
R56153 ERJ2GEJ820X RESISTOR 1
R56154 ERJ2GEJ820X RESISTOR 1
R56155 ERJ2GEJ820X RESISTOR 1
R56156 ERJ2GEJ820X RESISTOR 1
R56157 ERJ2GEJ820X RESISTOR 1
R56158 ERJ2GEJ152X RESISTOR 1
R56159 ERJ2GEJ332X RESISTOR 1
R56160 ERJ2GEJ223X RESISTOR 1
R56161 ERJ2GEJ470X RESISTOR 1
R6001 D0GB102JA057 CHIP RESISTOR 1
R6002 D0GB102JA057 CHIP RESISTOR 1
R6003 D0YBR0000020 CHIP RESISTOR 1
R6004 D0YBR0000020 CHIP RESISTOR 1
R6005 D0GB102JA057 CHIP RESISTOR 1
R6006 D0GB273JA057 CHIP RESISTOR 1
R6007 D0GB822JA057 CHIP RESISTOR 1
R6008 D0GB222JA057 CHIP RESISTOR 1
R6011 D0GB822JA057 CHIP RESISTOR 1
R6012 D0GB681JA057 CHIP RESISTOR 1
R6013 D0GB221JA057 CHIP RESISTOR 1
R6014 D0GB103JA057 CHIP RESISTOR 1
R6016 D0GB102JA057 CHIP RESISTOR 1
R6017 D0GB222JA057 CHIP RESISTOR 1
R6018 D0GB102JA057 CHIP RESISTOR 1
R6019 D0GB681JA057 CHIP RESISTOR 1
R6022 D0GB221JA057 CHIP RESISTOR 1
R6023 D0GB221JA057 CHIP RESISTOR 1
R6024 D0GB102JA057 CHIP RESISTOR 1
R6025 D0GB221JA057 CHIP RESISTOR 1
R6026 D0GB103JA057 CHIP RESISTOR 1
R6027 D0GB103JA057 CHIP RESISTOR 1
R6028 D0GB103JA057 CHIP RESISTOR 1
R6029 D0GB472JA057 CHIP RESISTOR 1
R6030 D0GB472JA057 CHIP RESISTOR 1
R6031 D0GB223JA057 CHIP RESISTOR 1
R6109 D0GB105JA057 CHIP RESISTOR 1
R6115 D0GB471JA057 CHIP RESISTOR 1
R6117 D0GB181JA057 CHIP RESISTOR 1
R6120 D0GB102JA057 CHIP RESISTOR 1
R6121 D0GB561JA057 CHIP RESISTOR 1
R6122 D0GB561JA057 CHIP RESISTOR 1
R6123 D0GB241JA057 CHIP RESISTOR 1
R6131 D0YBR0000020 CHIP RESISTOR 1
Ref.
No.
Part No. Part Name &
Description
PCS Remarks
R6201 D0GB103JA057 CHIP RESISTOR 1
R6309 D0GB272JA057 CHIP RESISTOR 1
R6401 D0GB221JA057 CHIP RESISTOR 1
R6402 D0GB153JA057 CHIP RESISTOR 1
R6403 D0GB103JA057 CHIP RESISTOR 1
R6404 D0GB471JA057 CHIP RESISTOR 1
R6405 D0GB223JA057 CHIP RESISTOR 1
R6406 D0GB474JA057 CHIP RESISTOR 1
R6407 D0GB153JA057 CHIP RESISTOR 1
R6408 D0GB104JA057 CHIP RESISTOR 1
R6409 D0GB104JA057 CHIP RESISTOR 1
R6410 D0GB224JA057 CHIP RESISTOR 1
R6411 D0GB225JA057 CHIP RESISTOR 1
R6412 D0GB273JA057 CHIP RESISTOR 1
R6413 D0GB473JA057 CHIP RESISTOR 1
R6414 D0GB472JA057 CHIP RESISTOR 1
R66801 D0GB123JA057 CHIP RESISTOR 1
R66802 D0GB123JA057 CHIP RESISTOR 1
R66804 D0GB123JA057 CHIP RESISTOR 1
R66805 D0GB123JA057 CHIP RESISTOR 1
R66806 D0GB123JA057 CHIP RESISTOR 1
R66807 D0GB223JA057 CHIP RESISTOR 1
R66808 D0GB223JA057 CHIP RESISTOR 1
R66809 D0GB750JA057 CHIP RESISTOR 1
R66810 D0GB750JA057 CHIP RESISTOR 1
R66811 D0GB750JA057 CHIP RESISTOR 1
R66812 D0GB750JA057 CHIP RESISTOR 1
R66813 D0GB750JA057 CHIP RESISTOR 1
R66814 D0GB750JA057 CHIP RESISTOR 1
R66815 D0GB101JA057 CHIP RESISTOR 1
R7302 D0YBR0000020 CHIP RESISTOR 1
R7304 D0YBR0000020 CHIP RESISTOR 1
R7305 D0GB101JA057 CHIP RESISTOR 1
R7306 D0GB101JA057 CHIP RESISTOR 1
R7308 D0GB221JA057 CHIP RESISTOR 1
R7310 D0YBR0000020 CHIP RESISTOR 1
R7312 D0YBR0000020 CHIP RESISTOR 1
R7316 D0GB103JA057 CHIP RESISTOR 1
R7328 D0GB221JA057 CHIP RESISTOR 1
R7329 D0GB221JA057 CHIP RESISTOR 1
R7401 D0GB103JA057 CHIP RESISTOR 1
R7501 D0GB681JA057 CHIP RESISTOR 1
R7502 D0GB391JA057 CHIP RESISTOR 1
R7503 D0GB391JA057 CHIP RESISTOR 1
R7504 D0GB271JA057 CHIP RESISTOR 1
R7507 D0GB182JA057 CHIP RESISTOR 1
R7508 D0GB182JA057 CHIP RESISTOR 1
R7509 D0GB182JA057 CHIP RESISTOR 1
R7510 D0GB562JA057 CHIP RESISTOR 1
R7515 D0GB221JA057 CHIP RESISTOR 1
R7517 D0YBR0000020 CHIP RESISTOR 1
R7518 D0YBR0000020 CHIP RESISTOR 1
R7519 D0GB101JA057 CHIP RESISTOR 1
R7520 D0GB101JA057 CHIP RESISTOR 1
R7521 D0GB101JA057 CHIP RESISTOR 1
R7522 D0GB473JA057 CHIP RESISTOR 1
R7523 D0YBR0000020 CHIP RESISTOR 1
R7524 D0GB103JA057 CHIP RESISTOR 1
R7525 D0GB273JA057 CHIP RESISTOR 1
R7801 D0GB332JA057 CHIP RESISTOR 1
R7802 D0GB183JA057 CHIP RESISTOR 1
R7803 D0GB332JA057 CHIP RESISTOR 1
R7804 D0GB183JA057 CHIP RESISTOR 1
R7808 D0GB101JA057 CHIP RESISTOR 1
R7818 ERDS2TJ471T CARBON RESISTOR 1
R7819 ERDS2TJ471T CARBON RESISTOR 1
R7844 ERDS2TJ331T CARBON RESISTOR 1
R7845 D0GB103JA057 CHIP RESISTOR 1
R7849 D0YBR0000020 CHIP RESISTOR 1
R7854 D0YBR0000020 CHIP RESISTOR 1
R7859 D0YBR0000020 CHIP RESISTOR 1
R7861 D0YBR0000020 CHIP RESISTOR 1
R7863 D0YBR0000020 CHIP RESISTOR 1
104
DMR-EZ45VEB

Ref.
No.
Part No. Part Name &
Description
PCS Remarks
R7901 D0GB562JA057 CHIP RESISTOR 1
R7902 D0GB470JA057 CHIP RESISTOR 1
R7904 ERDS2TJ271T CARBON RESISTOR 1
R7905 D0GB473JA057 CHIP RESISTOR 1
R7906 D0GB473JA057 CHIP RESISTOR 1
R9008 D0GB181JA057 CHIP RESISTOR 1
R9009 D0GB103JA057 CHIP RESISTOR 1
R9010 D0GB152JA057 CHIP RESISTOR 1
R9011 D0GB152JA057 CHIP RESISTOR 1
R9012 D0GB100JA057 CHIP RESISTOR 1
R9013 D0GB330JA057 CHIP RESISTOR 1
R9014 D0GB330JA057 CHIP RESISTOR 1
R9015 D0YBR0000020 CHIP RESISTOR 1
R9016 D0YBR0000020 CHIP RESISTOR 1
R9017 D1BB10020004 CHIP RESISTOR 1
R9028 D0YBR0000020 CHIP RESISTOR 1
R9029 D0GB103JA057 CHIP RESISTOR 1
R9030 D0GB474JA057 CHIP RESISTOR 1
R9031 D0GB103JA057 CHIP RESISTOR 1
R9032 D0GB103JA057 CHIP RESISTOR 1
R9033 D0GB103JA057 CHIP RESISTOR 1
R9037 D0YBR0000020 CHIP RESISTOR 1
R9038 D0YBR0000020 CHIP RESISTOR 1
R9102 D0GB103JA057 CHIP RESISTOR 1
R9143 D0GB331JA057 CHIP RESISTOR 1
R9144 D0GB473JA057 CHIP RESISTOR 1
R9145 D0GB223JA057 CHIP RESISTOR 1
R9146 D0GB102JA057 CHIP RESISTOR 1
R9200 D0GB101JA057 CHIP RESISTOR 1
R9201 D0GB104JA057 CHIP RESISTOR 1
R9202 D0GB104JA057 CHIP RESISTOR 1
R9203 D0YBR0000020 CHIP RESISTOR 1
R9204 D0GB332JA057 CHIP RESISTOR 1
R9205 D0GB104JA057 CHIP RESISTOR 1
R9206 D0GB105JA057 CHIP RESISTOR 1
R9207 D0GB101JA057 CHIP RESISTOR 1
R9208 D0GB101JA057 CHIP RESISTOR 1
R9209 D0GB101JA057 CHIP RESISTOR 1
R9210 D0GB181JA057 CHIP RESISTOR 1
R9211 D0GB101JA057 CHIP RESISTOR 1
R9212 D0GB103JA057 CHIP RESISTOR 1
R9213 D0GB750JA057 CHIP RESISTOR 1
R9214 D0GB103JA057 CHIP RESISTOR 1
R9215 D0GB103JA057 CHIP RESISTOR 1
R9216 D0GB103JA057 CHIP RESISTOR 1
R9218 D0GB472JA057 CHIP RESISTOR 1
R9220 D0GB103JA057 CHIP RESISTOR 1
R9221 D0GB750JA057 CHIP RESISTOR 1
R9223 D0GB103JA057 CHIP RESISTOR 1
R9224 D0GB103JA057 CHIP RESISTOR 1
R9226 D0GB393JA057 CHIP RESISTOR 1
R9227 D1HG5608A002 RESISTOR ARRAY 1
R9228 D1HG5608A002 RESISTOR ARRAY 1
R9229 D1HG5608A002 RESISTOR ARRAY 1
R9230 D1HG5608A002 RESISTOR ARRAY 1
R9231 D1HG5608A002 RESISTOR ARRAY 1
R9232 D1HG5608A002 RESISTOR ARRAY 1
R9233 D1HG5608A002 RESISTOR ARRAY 1
R9234 D1HG5608A002 RESISTOR ARRAY 1
R9235 D1HG5608A002 RESISTOR ARRAY 1
R9236 D0GB103JA057 CHIP RESISTOR 1
R9237 D0GB820JA057 CHIP RESISTOR 1
R9239 D0GB820JA057 CHIP RESISTOR 1
R9240 D0GB820JA057 CHIP RESISTOR 1
R9241 D0GB560JA057 CHIP RESISTOR 1
R9242 D0GB560JA057 CHIP RESISTOR 1
R9243 D0GB560JA057 CHIP RESISTOR 1
R9244 D0GB560JA057 CHIP RESISTOR 1
R9245 D0GB560JA057 CHIP RESISTOR 1
R9246 D0GB560JA057 CHIP RESISTOR 1
R9247 J0JDC0000026 BEAD CORE 1
R9249 D0GB103JA057 CHIP RESISTOR 1
R9250 D0GB103JA057 CHIP RESISTOR 1
Ref.
No.
Part No. Part Name &
Description
PCS Remarks
R9254 D0GB103JA057 CHIP RESISTOR 1
R9271 D0GB103JA057 CHIP RESISTOR 1
R9272 D0GB103JA057 CHIP RESISTOR 1
R9301 D0GB330JA057 CHIP RESISTOR 1
R9301 D0YBR0000020 CHIP RESISTOR 1
R9302 D0GB103JA057 CHIP RESISTOR 1
R9302 D0YBR0000020 CHIP RESISTOR 1
R9303 D0GB103JA057 CHIP RESISTOR 1
R9305 D0GB103JA057 CHIP RESISTOR 1
R9306 D0GB472JA057 CHIP RESISTOR 1
R9306 D0HB752ZA002 METAL FILM RESISTOR 1
R9307 D0GB103JA057 CHIP RESISTOR 1
R9307 D0HB752ZA002 METAL FILM RESISTOR 1
R9308 D0GB103JA057 CHIP RESISTOR 1
R9308 D0HB123ZA002 METAL FILM RESISTOR 1
R9309 D0HB123ZA002 METAL FILM RESISTOR 1
R9310 D0GB103JA057 CHIP RESISTOR 1
R9310 D0GB473JA057 CHIP RESISTOR 1
R9311 D0GB103JA057 CHIP RESISTOR 1
R9311 D0GB473JA057 CHIP RESISTOR 1
R9312 D0GB103JA057 CHIP RESISTOR 1
R9312 D0GB471JA057 CHIP RESISTOR 1
R9313 D0GB103JA057 CHIP RESISTOR 1
R9313 D0YBR0000020 CHIP RESISTOR 1
R9314 D0GB103JA057 CHIP RESISTOR 1
R9314 D0YBR0000020 CHIP RESISTOR 1
R9315 D0GB103JA057 CHIP RESISTOR 1
R9315 D0GB471JA057 CHIP RESISTOR 1
R9316 D0GB820JA057 CHIP RESISTOR 1
R9316 D0GB221JA057 CHIP RESISTOR 1
R9317 D0GB103JA057 CHIP RESISTOR 1
R9317 D0GB221JA057 CHIP RESISTOR 1
R9318 D0GB103JA057 CHIP RESISTOR 1
R9319 D0GB103JA057 CHIP RESISTOR 1
R9320 D0YBR0000020 CHIP RESISTOR 1
R9322 D0GB102JA057 CHIP RESISTOR 1
R9323 D0GB102JA057 CHIP RESISTOR 1
R9331 D1BB10020004 CHIP RESISTOR 1
R9332 D1BB20010002 CHIP RESISTOR 1
R9333 D1BB2201A010 CHIP RESISTOR 1
R9334 D1BB20020003 CHIP RESISTOR 1
R9501 D1BB10020004 CHIP RESISTOR 1
R9502 D0YBR0000020 CHIP RESISTOR 1
R9503 D0GB103JA057 CHIP RESISTOR 1
R9504 D0YBR0000020 CHIP RESISTOR 1
R9505 D1BB2000A010 CHIP RESISTOR 1
R9506 D1BB33000002 CHIP RESISTOR 1
R9507 D1BB33000002 CHIP RESISTOR 1
R9508 D1BB33000002 CHIP RESISTOR 1
R9509 D1BB33000002 CHIP RESISTOR 1
R9700 J0JCC0000103 BEAD CORE 1
R9701 D0GB103JA057 CHIP RESISTOR 1
R9702 D0GB103JA057 CHIP RESISTOR 1
R9703 J0JCC0000103 BEAD CORE 1
R9704 D0GB102JA057 CHIP RESISTOR 1
R9705 D1BB10020004 CHIP RESISTOR 1
R9706 D1BB4701A010 CHIP RESISTOR 1
R9707 J0JCC0000103 BEAD CORE 1
R9708 D0GB102JA057 CHIP RESISTOR 1
R9709 D0GB472JA057 CHIP RESISTOR 1
R9710 ERJ6GEY0R00Z CHIP RESISTOR 1
R9711 D0GB474JA057 CHIP RESISTOR 1
R9712 D0GB153JA057 CHIP RESISTOR 1
R9713 J0JCC0000103 BEAD CORE 1
R9714 J0JCC0000103 BEAD CORE 1
R9715 D0GB561JA057 CHIP RESISTOR 1
R9716 D0GB181JA057 CHIP RESISTOR 1
R9717 D0GB104JA057 CHIP RESISTOR 1
R9720 D0GB101JA057 CHIP RESISTOR 1
R9721 D0GB101JA057 CHIP RESISTOR 1
R9722 D0GB101JA057 CHIP RESISTOR 1
R9724 D0GB101JA057 CHIP RESISTOR 1
R9725 D0GB103JA057 CHIP RESISTOR 1
105
DMR-EZ45VEB

Ref.
No.
Part No. Part Name &
Description
PCS Remarks
R9726 D0GB101JA057 CHIP RESISTOR 1
R9730 D0GB101JA057 CHIP RESISTOR 1
R9731 D0GB103JA057 CHIP RESISTOR 1
R9736 D0GB473JA057 CHIP RESISTOR 1
R9738 D0GB223JA057 CHIP RESISTOR 1
R9739 D0GB104JA057 CHIP RESISTOR 1
R9742 D0GB101JA057 CHIP RESISTOR 1
R9744 D0GB101JA057 CHIP RESISTOR 1
R9745 D0GB101JA057 CHIP RESISTOR 1
R9747 D0GB101JA057 CHIP RESISTOR 1
R9748 D0GB101JA057 CHIP RESISTOR 1
R9749 D0GB101JA057 CHIP RESISTOR 1
R9750 D0GB101JA057 CHIP RESISTOR 1
R9751 D0GB102JA057 CHIP RESISTOR 1
R9752 D0GB101JA057 CHIP RESISTOR 1
R9753 D1BB3902A010 CHIP RESISTOR 1
R9754 D1BB4302A010 CHIP RESISTOR 1
R9755 D0GB101JA057 CHIP RESISTOR 1
R9756 D0GB822JA057 CHIP RESISTOR 1
R9757 D0GB822JA057 CHIP RESISTOR 1
R9758 D0GB822JA057 CHIP RESISTOR 1
R9759 D0GB472JA057 CHIP RESISTOR 1
R9760 D0GB472JA057 CHIP RESISTOR 1
R9761 D0GB101JA057 CHIP RESISTOR 1
R9763 D0GB101JA057 CHIP RESISTOR 1
R9764 D0GB101JA057 CHIP RESISTOR 1
R9765 D0GB332JA057 CHIP RESISTOR 1
R9766 D0GB101JA057 CHIP RESISTOR 1
R9767 D0GB104JA057 CHIP RESISTOR 1
R9768 D0GB681JA057 CHIP RESISTOR 1
R9769 D0GB101JA057 CHIP RESISTOR 1
R9770 D0GB221JA057 CHIP RESISTOR 1
R9771 D0GB221JA057 CHIP RESISTOR 1
R9772 D0GB101JA057 CHIP RESISTOR 1
R9773 D0GB202JA057 CHIP RESISTOR 1
R9774 D0GB202JA057 CHIP RESISTOR 1
R9775 D0GB103JA057 CHIP RESISTOR 1
R9776 D0GB101JA057 CHIP RESISTOR 1
R9777 D0GB101JA057 CHIP RESISTOR 1
R9779 D0GB392JA057 CHIP RESISTOR 1
R9780 D0GB102JA057 CHIP RESISTOR 1
R9781 D0GB104JA057 CHIP RESISTOR 1
R9782 D0GB101JA057 CHIP RESISTOR 1
R9783 D0GB104JA057 CHIP RESISTOR 1
R9784 D0GB101JA057 CHIP RESISTOR 1
R9785 D0GB101JA057 CHIP RESISTOR 1
R9786 D0GB101JA057 CHIP RESISTOR 1
R9788 D0GB153JA057 CHIP RESISTOR 1
R9789 D0GB101JA057 CHIP RESISTOR 1
R9790 D0GB101JA057 CHIP RESISTOR 1
R9793 D0GB101JA057 CHIP RESISTOR 1
R9794 D0GB473JA057 CHIP RESISTOR 1
R9795 D0GB221JA057 CHIP RESISTOR 1
R9796 D0GB472JA057 CHIP RESISTOR 1
R9798 D0GB472JA057 CHIP RESISTOR 1
R9800 D0GB101JA057 CHIP RESISTOR 1
R9801 D0GB101JA057 CHIP RESISTOR 1
R9801 D0GB101JA057 CHIP RESISTOR 1
R9802 D0GB101JA057 CHIP RESISTOR 1
R9803 D0GB101JA057 CHIP RESISTOR 1
R9803 D0GB223JA057 CHIP RESISTOR 1
R9804 D0GB101JA057 CHIP RESISTOR 1
R9804 D0GB220JA057 CHIP RESISTOR 1
R9805 D0GB101JA057 CHIP RESISTOR 1
R9805 ECJ1VC1H100D CHIP CAPACITOR 1
R9806 D0GB101JA057 CHIP RESISTOR 1
R9806 ECJ1VC1H100D CHIP CAPACITOR 1
R9807 ECJ1VC1H100D CHIP CAPACITOR 1
R9808 ECJ1VC1H100D CHIP CAPACITOR 1
R9809 ERJ3GEYJ911V CHIP RESISTOR 1
R9810 D0GB473JA057 CHIP RESISTOR 1
R9811 D0GB473JA057 CHIP RESISTOR 1
R9814 D0GB101JA057 CHIP RESISTOR 1
Ref.
No.
Part No. Part Name &
Description
PCS Remarks
R9815 D0GB101JA057 CHIP RESISTOR 1
R9816 D0GB101JA057 CHIP RESISTOR 1
R9824 D0GB101JA057 CHIP RESISTOR 1
R9825 D0GB101JA057 CHIP RESISTOR 1
R9827 D0YBR0000020 CHIP RESISTOR 1
R9829 D0GB472JA057 CHIP RESISTOR 1
R9831 D0GB472JA057 CHIP RESISTOR 1
R9832 D0YBR0000020 CHIP RESISTOR 1
R9833 D0YBR0000020 CHIP RESISTOR 1
R9834 D0YBR0000020 CHIP RESISTOR 1
R9835 D0YBR0000020 CHIP RESISTOR 1
R9836 D0YBR0000020 CHIP RESISTOR 1
R9837 D0YBR0000020 CHIP RESISTOR 1
R9838 D0YBR0000020 CHIP RESISTOR 1
R9839 D0YBR0000020 CHIP RESISTOR 1
R9840 D0YBR0000020 CHIP RESISTOR 1
R9841 D0YBR0000020 CHIP RESISTOR 1
R9903 D0GB240JA057 CHIP RESISTOR 1
R9904 D0GB240JA057 CHIP RESISTOR 1
R9905 D0GB240JA057 CHIP RESISTOR 1
R9906 D0GB240JA057 CHIP RESISTOR 1
R9907 ERJ3RBD103V CHIP RESISTOR 1
R9908 ERJ3RBD103V CHIP RESISTOR 1
R9909 ERJ3RBD103V CHIP RESISTOR 1
R9910 ERJ3RBD103V CHIP RESISTOR 1
R9911 ERJ3RED204V RESISTOR 1
R9912 ERJ3RED204V RESISTOR 1
R9915 ERJ3RED204V RESISTOR 1
R9916 ERJ3RED204V RESISTOR 1
R9917 D0GB103JA057 CHIP RESISTOR 1
R9918 D0GB103JA057 CHIP RESISTOR 1
R9919 D0GB471JA057 CHIP RESISTOR 1
R9920 D0GB471JA057 CHIP RESISTOR 1
RX6101 D1H83304A024 RESISTOR ARRAY 1
RX6102 D1H83304A024 RESISTOR ARRAY 1
S1531 K0C111A00006 SAFETY TAB SWITCH 1
S1532 K0ZZ00000598 MODE SWITCH 1
S7501 EVQ11G07K TOUCH SWITCH 1
S7502 EVQ11G07K TOUCH SWITCH 1
S7503 EVQ11G07K TOUCH SWITCH 1
S7504 EVQ11G07K TOUCH SWITCH 1
S7505 EVQ11G07K TOUCH SWITCH 1
S7506 EVQ11G07K TOUCH SWITCH 1
S7507 EVQ11G07K TOUCH SWITCH 1
S7801 EVQ11G07K TOUCH SWITCH 1
S7802 EVQ11G07K TOUCH SWITCH 1
S7803 EVQ11G07K TOUCH SWITCH 1
S7804 EVQ11G07K TOUCH SWITCH 1
S7805 EVQ11G07K TOUCH SWITCH 1
S7806 EVQ11G07K TOUCH SWITCH 1
SW1 K0L1BA000123 SWITCH 1
SW4 K0L1BA000078 SWITCH 1
T1101 ETS29AZ2M6AC TRANSFORMER 1
T4001 G2A472C00003 BIAS TRANSFORMER 1
T7901 G4D1A0000117 SWITCH. TRANSFORMER 1
TU7801 ENGF7507GF TUNER 1
VA6101 D4ED13900002 SURGE ABSORBER 1
VA6102 D4ED13900002 SURGE ABSORBER 1
VA6103 EZJZ0V800AA SURGE ABSORBER 1
VA6104 D4ED13900002 SURGE ABSORBER 1
VA6105 EZJZ0V800AA SURGE ABSORBER 1
VA6106 D4ED13900002 SURGE ABSORBER 1
VA6107 EZJZ0V800AA SURGE ABSORBER 1
VA6108 D4ED13900002 SURGE ABSORBER 1
VA6109 EZJZ0V800AA SURGE ABSORBER 1
VA6110 D4ED13900002 SURGE ABSORBER 1
VA6111 EZJZ0V800AA SURGE ABSORBER 1
VA6112 D4ED13900002 SURGE ABSORBER 1
VA6113 D4ED13900002 SURGE ABSORBER 1
W10 ERJ6GEY0R00Z CHIP RESISTOR 1
W106 D0YBR0000020 CHIP RESISTOR 1
W11 ERJ6GEY0R00Z CHIP RESISTOR 1
W110 D0YBR0000020 CHIP RESISTOR 1
106
DMR-EZ45VEB

Ref.
No.
Part No. Part Name &
Description
PCS Remarks
W128 D0YBR0000020 CHIP RESISTOR 1
W129 D0YBR0000020 CHIP RESISTOR 1
W130 D0YBR0000020 CHIP RESISTOR 1
W132 D0YBR0000020 CHIP RESISTOR 1
W134 D0YBR0000020 CHIP RESISTOR 1
W149 D0YBR0000020 CHIP RESISTOR 1
W150 ERJ6GEY0R00Z CHIP RESISTOR 1
W151 D0YBR0000020 CHIP RESISTOR 1
W152 D0YBR0000020 CHIP RESISTOR 1
W157 D0YBR0000020 CHIP RESISTOR 1
W18 ERJ6GEY0R00Z CHIP RESISTOR 1
W19 ERJ6GEY0R00Z CHIP RESISTOR 1
W195 D0YBR0000020 CHIP RESISTOR 1
W196 ERJ6GEY0R00Z CHIP RESISTOR 1
W20 ERJ6GEY0R00Z CHIP RESISTOR 1
W21 ERJ6GEY0R00Z CHIP RESISTOR 1
W216 D0YBR0000020 CHIP RESISTOR 1
W22 ERJ6GEY0R00Z CHIP RESISTOR 1
W226 ERJ6GEY0R00Z CHIP RESISTOR 1
W227 ERJ6GEY0R00Z CHIP RESISTOR 1
W23 ERJ6GEY0R00Z CHIP RESISTOR 1
W234 D0YBR0000020 CHIP RESISTOR 1
W235 D0YBR0000020 CHIP RESISTOR 1
W24 ERJ6GEY0R00Z CHIP RESISTOR 1
W25 ERJ6GEY0R00Z CHIP RESISTOR 1
W259 D0YBR0000020 CHIP RESISTOR 1
W26 ERJ6GEY0R00Z CHIP RESISTOR 1
W268 D0YBR0000020 CHIP RESISTOR 1
W269 D0YBR0000020 CHIP RESISTOR 1
W270 D0YBR0000020 CHIP RESISTOR 1
W271 D0YBR0000020 CHIP RESISTOR 1
W272 D0YBR0000020 CHIP RESISTOR 1
W273 D0YBR0000020 CHIP RESISTOR 1
W274 D0YBR0000020 CHIP RESISTOR 1
W30 ERJ6GEY0R00Z CHIP RESISTOR 1
W31 ERJ6GEY0R00Z CHIP RESISTOR 1
W32 ERJ6GEY0R00Z CHIP RESISTOR 1
W33 ERJ6GEY0R00Z CHIP RESISTOR 1
W4 ERJ6GEY0R00Z CHIP RESISTOR 1
W400 ERJ6GEY0R00Z CHIP RESISTOR 1
W401 ERJ6GEY0R00Z CHIP RESISTOR 1
W402 ERJ6GEY0R00Z CHIP RESISTOR 1
W404 D0YBR0000020 CHIP RESISTOR 1
W405 ERJ6GEY0R00Z CHIP RESISTOR 1
W407 D0YBR0000020 CHIP RESISTOR 1
W408 D0YBR0000020 CHIP RESISTOR 1
W409 D0YBR0000020 CHIP RESISTOR 1
W410 D0YBR0000020 CHIP RESISTOR 1
W411 D0YBR0000020 CHIP RESISTOR 1
W412 ERJ6GEY0R00Z CHIP RESISTOR 1
W414 ERJ6GEY0R00Z CHIP RESISTOR 1
W421 D0YBR0000020 CHIP RESISTOR 1
W422 D0YBR0000020 CHIP RESISTOR 1
W423 D0YBR0000020 CHIP RESISTOR 1
W435 ERJ6GEY0R00Z CHIP RESISTOR 1
W449 ERJ6GEY0R00Z CHIP RESISTOR 1
W467 ERJ6GEY0R00Z CHIP RESISTOR 1
W472 ERJ6GEY0R00Z CHIP RESISTOR 1
W474 D0YBR0000020 CHIP RESISTOR 1
W478 ERJ6GEY0R00Z CHIP RESISTOR 1
W4807 D0YBR0000020 CHIP RESISTOR 1
W4808 D0YBR0000020 CHIP RESISTOR 1
W4809 D0YBR0000020 CHIP RESISTOR 1
W4810 D0YBR0000020 CHIP RESISTOR 1
W4811 D0YBR0000020 CHIP RESISTOR 1
W4814 D0YBR0000020 CHIP RESISTOR 1
W4815 D0YBR0000020 CHIP RESISTOR 1
W4816 D0YBR0000020 CHIP RESISTOR 1
W4817 D0YBR0000020 CHIP RESISTOR 1
W4819 D0YBR0000020 CHIP RESISTOR 1
W4820 D0YBR0000020 CHIP RESISTOR 1
W4821 D0YBR0000020 CHIP RESISTOR 1
W485 ERJ6GEY0R00Z CHIP RESISTOR 1
Ref.
No.
Part No. Part Name &
Description
PCS Remarks
W49 ERJ6GEY0R00Z CHIP RESISTOR 1
W512 D0YBR0000020 CHIP RESISTOR 1
W514 D0YBR0000020 CHIP RESISTOR 1
W515 D0YBR0000020 CHIP RESISTOR 1
W516 D0YBR0000020 CHIP RESISTOR 1
W517 D0YBR0000020 CHIP RESISTOR 1
W519 D0YBR0000020 CHIP RESISTOR 1
W52 D0YBR0000020 CHIP RESISTOR 1
W520 D0YBR0000020 CHIP RESISTOR 1
W521 ERJ6GEY0R00Z CHIP RESISTOR 1
W529 D0YBR0000020 CHIP RESISTOR 1
W53 ERJ6GEY0R00Z CHIP RESISTOR 1
W530 D0YBR0000020 CHIP RESISTOR 1
W531 D0YBR0000020 CHIP RESISTOR 1
W532 D0YBR0000020 CHIP RESISTOR 1
W6 ERJ6GEY0R00Z CHIP RESISTOR 1
W65 D0YBR0000020 CHIP RESISTOR 1
W66 D0YBR0000020 CHIP RESISTOR 1
W67 D0YBR0000020 CHIP RESISTOR 1
W7 ERJ6GEY0R00Z CHIP RESISTOR 1
W702 D0YBR0000020 CHIP RESISTOR 1
W703 ERJ6GEY0R00Z CHIP RESISTOR 1
W710 D0YBR0000020 CHIP RESISTOR 1
W711 D0YBR0000020 CHIP RESISTOR 1
W713 D0YBR0000020 CHIP RESISTOR 1
W716 D0YBR0000020 CHIP RESISTOR 1
W720 D0YBR0000020 CHIP RESISTOR 1
W723 D0YBR0000020 CHIP RESISTOR 1
W724 D0YBR0000020 CHIP RESISTOR 1
W725 D0YBR0000020 CHIP RESISTOR 1
W726 D0YBR0000020 CHIP RESISTOR 1
W727 ERJ6GEY0R00Z CHIP RESISTOR 1
W729 D0YBR0000020 CHIP RESISTOR 1
W730 D0YBR0000020 CHIP RESISTOR 1
W731 ERJ6GEY0R00Z CHIP RESISTOR 1
W732 D0YBR0000020 CHIP RESISTOR 1
W734 D0YBR0000020 CHIP RESISTOR 1
W735 ERJ6GEY0R00Z CHIP RESISTOR 1
W736 ERJ6GEY0R00Z CHIP RESISTOR 1
W737 D0YBR0000020 CHIP RESISTOR 1
W738 ERJ6GEY0R00Z CHIP RESISTOR 1
W739 D0YBR0000020 CHIP RESISTOR 1
W740 D0YBR0000020 CHIP RESISTOR 1
W741 ERJ6GEY0R00Z CHIP RESISTOR 1
W744 D0YBR0000020 CHIP RESISTOR 1
W745 ERJ6GEY0R00Z CHIP RESISTOR 1
W746 ERJ6GEY0R00Z CHIP RESISTOR 1
W747 D0YBR0000020 CHIP RESISTOR 1
W748 D0YBR0000020 CHIP RESISTOR 1
W7500 ERJ6GEY0R00Z CHIP RESISTOR 1
W7504 ERJ6GEY0R00Z CHIP RESISTOR 1
W76 ERJ6GEY0R00Z CHIP RESISTOR 1
W766 D0YBR0000020 CHIP RESISTOR 1
W767 D0YBR0000020 CHIP RESISTOR 1
W768 D0YBR0000020 CHIP RESISTOR 1
W8 ERJ6GEY0R00Z CHIP RESISTOR 1
W9 ERJ6GEY0R00Z CHIP RESISTOR 1
X3001 H0D443400040 CRYSTAL OSCILLATOR 1
X3002 H0D357400067 CRYSTAL OSCILLATOR 1
X6001 H0D120500009 CRYSTAL OSCILLATOR 1
X7301 H0D245500016 CRYSTAL OSCILLATOR 1
X9002 H0J270500100 CRYSTAL OSCILLATOR 1
X9201 H0J270500098 CRYSTAL OSCILLATOR 1
X9701 H0D100500018 OSCILLATOR 1
X9702 H0A327200108 CRYSTAL OCSILLATOR 1
ZA1201 UBXPH512-02 HEATSINK 1
ZA1202 XTN3+8FFJ SCREW 1
ZJ6001 K9ZZ00001279 EARTH FITTING 1
ZJ9103 K9ZZ00001279 EARTH FITTING 1
ZJ9107 K9ZZ00001279 EARTH FITTING 1
107
DMR-EZ45VEB

17.5. SERVICE FIXTURE AND
TOOLS
Ref.
No.
Part No. Part Name & Description PCS Remarks
RFKZ03D01K Lead Free Solder (0.3 mm /
100 g Reel)
1 (SPC)
RFKZ06D01K Lead Free Solder (0.6 mm /
100 g Reel)
1 (SPC)
RFKZ010D01 Lead Free Solder (1.0 mm /
100 g Reel)
1 (SPC)
RFKZ0316 Solder Remover (Lead Free
10 W temperature Solder /
180 g
1 (SPC)
RFKZ0328 Flux 1 (SPC)
RFKZ0329 Bottle of Flux 1 (SPC)
RFKZ0240 Extension Cable (Main
P.C.B. - Power & Digital
I/F P.C.B. / 19 pin)
1 (SPC)
RFKZ0327 Extension Cable (Main
P.C.B. - Power & Digital
I/F P.C.B. / 15 pin)
2 (SPC)
RFKZ0260 Extension Cable (Power
Digital I/F P.C.B. -
Digital P.C.B. / 88 pin)
1 (SPC)
RFKZ0366 Extension Cable (HDMI
P.C.B. - Digital P.C.B. /
40 pin)
1 (SPC)
RFKZ0239 Extension Cable (to Front
Jack P.C.B. and FL P.C.B. /
10 pin)
4 (SPC)
JZS0484 Eject Pin 1 (SPC)
for VHS
VFJ8125H3F PAL VHS Alignment Tape 1 (SPC)
VFK0329 Post Adjustment Screwdriver 1 (SPC)
VFK0330 Fine Adjustment Gear Driver 1 (SPC)
108
DMR-EZ45VEB