DSW 3.1 DSW3.1
User Manual: DSW3.1
Open the PDF directly: View PDF
.
Page Count: 24

SERVICE MANUAL
MODEL
DSW-3.1
SUPER WOOFER
For Japan model
16-11, YUSHIMA 3-CHOME, BUNKYOU-KU, TOKYO 113-0034 JAPAN
S-1132V.01 DE/CDM 0307
注 意
サービスをおこなう前に、このサービスマニュアルを
必ずお読みください。本機は、火災、感電、けがなど
に対する安全性を確保するために、さまざまな配慮を
おこなっており、また法的には「電気用品安全法」に
もとづき、所定の許可を得て製造されております。
従ってサービスをおこなう際は、これらの安全性が維
持されるよう、このサービスマニュアルに記載されて
いる注意事項を必ずお守りください。
● 本機の仕様は性能改良のため、予告なく変更すること
があります。
● 補修用性能部品の保有期間は、製造打切後8年です。
Some illustrations using in this service manual are
slightly different from the actual set.
●
●
Please use this service manual with referring to
the operating instructions without fail.
●
修理の際は、必ず取扱説明書を参照の上、作業を行って
,
ください。
● 本文中に使用しているイラストは, 説明の都合上現物
と多少異なる場合があります。
For purposes of improvement, specifications and
design are subject to change without notice.
●
Ver. 1

2
2
DSW-3.1
SAFETY PRECAUTIONS
The following check should be performed for the continued protection of the customer and service technician.
LEAKAGE CURRENT CHECK
Before returning the unit to the customer, make sure you make either (1) a leakage current check or (2) a line to chassis
resistance check. If the leakage current exceeds 0.5 milliamps, or if the resistance from chassis to either side of the
power cord is less than 460 kohms, the unit is defective.
注 意
注意事項をお守りください!
サービスのとき特に注意を必要とする個所について
は、キャビネット、部品、シャーシなどにラベルや
捺印で、注意事項を表示しています。これらの注意
書きおよび取扱説明書などの注意事項を必ずお守り
ください。
感電に注意!
(1) このセットは、交流電圧が印加されていますの
で、通電時に内部金属部に触れると感電するこ
とがあります。従って通電サービス時には、絶
縁トランスの使用や手袋の着用、部品交換に
は、電源プラグを抜くなどして、感電にご注意
ください。
(2) 内部には、高電圧の部分がありますので、通電
時の取扱には、十分ご注意ください。
指定部品の使用!
セットの部品は難燃性や耐電圧など安全上の特性を
持ったものとなっています。従って交換部品は、使
用されていたものと同じ特性の部品を使用してくだ
さい。特に配線図、部品表に 印で指定されている
安全上重要な部品は必ず指定のものをご使用くださ
い。
部品の取付けや配線の引きまわしは、元どおりに!
安全上、テープやチューブなどの絶縁材料を使用し
たり、プリント基板から浮かして取付けた部品があ
ります。また内部配線は引きまわしやクランパーに
よって発熱部品や高圧部品に接近しないように配慮
されていますので、これらは必ず元どおりにしてく
ださい。
サービス後は安全点検を!
サービスのために取り外したねじ、部品、配線など
が元どおりになっているか、またサービスした個所
の周辺を劣化させてしまったところがないかなどを
点検し、外部金属端子部と、電源プラグの刃の間の
絶縁チェックをおこなうなど、安全性が確保されて
いることを確認してください。
サービス、点検時には次のことにご注意願います。
注 意
安全上重要な部品について
(絶縁チェックの方法)
電源コンセントから電源プラグを抜き、アンテナ
や、プラグなどを外し、電源スイッチを入れま
す。500V絶縁抵抗計を用いて、電源プラグのそれ
ぞれの端子と、外部露出金属部〔アンテナ端子、
ヘッドホン端子、マイク端子、入力端子など〕と
の間で、絶縁抵抗値が1MΩ以上であること、この
値以下のときは、セットの点検修理が必要です。
本機に使用している多くの電気部品、および機構部品
は安全上、特別な特性を持っています。この特性はほ
とんどの場合、外観では判別つきにくく、また、もと
の部品より高い定格(定格電力、耐圧)を持ったもの
を使用しても安全性が維持されるとは、限りません。
安全上の特性を持った部品は、このサービスマニュア
ルの配線図、部品表につぎのように表示していますの
で、必ず指定されている部品番号のものを使用願いま
す。
(1) 配線図…
(2) 部品表… マークで表示しています。
マークで表示しています。
指定された部品と異なるものを使用し
た場合には、感電、火災などの危険を
生じる恐れがあります。
注 意
安全上重要な部品について

3
3
DSW-3.1
各部のはずしかた
(組み立てるときは、逆の順序でおこなってください。)
1. リアパネルのはずしかた
(1) ①のねじ 6 本をはずし、ヒートシンクカバー
をはずします。
(2) ②のねじ 10 本をはずし、リアパネルをはず
します。
(3) コネクターをはずします。
2. インプット基板のはずしかた
(1) ③のねじ 12 本をはずし、上パネル、下パネ
ルをはずします。
(2) ④のねじ 3 本をはずし、インプット基板をは
ずします。

4
4
DSW-3.1
3. メイントランス基板、サブトランス基板の
はずしかた
(1) ⑤のねじ 4 本をはずし、メイントランス基板
をはずします。
(2) ⑥のねじ 4 本をはずし、サブトランス基板を
はずします。
4. スピーカーユニットのはずしかた
(1) ⑦のフット 4 個をはがします。
(2) ⑧のねじ4本をはずし、台座をはずします。
(3) ⑨のねじ4本をはずし、スピーカーユニット
をはずします。
(4) コネクターをはずします。
台座
スピーカーユニット

5
5
DSW-3.1
LEVEL DIAGRAM
HIGH CUT
LOW CUT P.AMP
INPUT SW
INPUT CENTER
INPUT SL
INPUT SR
-9.8dBv
C 0.5V(-5.9dBv)
SL/SR 0.4V(-7.8dBv) -6.3dBv
-4.3dBv
+0.1dBv
-1.8dBv
SWF 0.3V(-10.3dBv)
SW 4Ω 60W
CENTER 8Ω 30W
SL 8Ω 30W
SR 8Ω 30W
+23.8dBv(SP OUT)
15.5Vrms 4Ω60w/8Ω30W

6
6
DSW-3.1
BLOCK DIAGRAM
IC601
IC501 IC503 IC504 POWER SWF SP
SWF AMP
HPF LPF ALC
IC602 POWER AMP CENTER
CENTER OUT
IC502 IC505
SL SL OUT
SR SR OUT
IC401 AC Relay
Protection
Auto on/off Relay
Thermal DC Over Current
Protector Protector Protector
Multi-
vibrator
Standby
Trans
+12V -12V
For IC501,IC502,
IC401
Main Trans
+15V
-15V
+27V
-27V

7
7
DSW-3.1
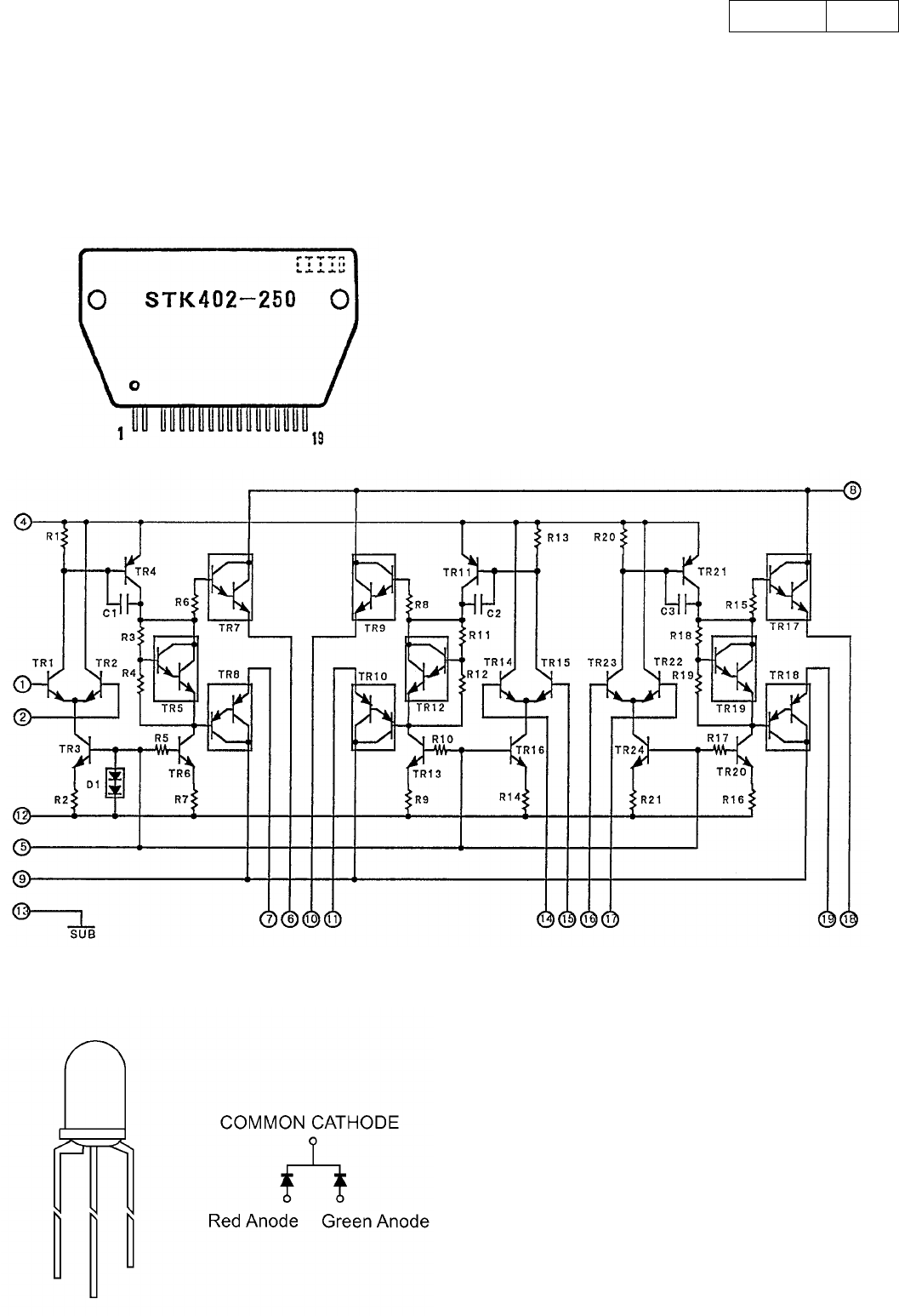
SEMICONDUCTORS
Only major IC's are shown,generai IC's etc. are omitted to list.
主な半導体を記載しています。汎用の半導体は記載を省略し
ています。
IC's
STK402-250 (IC602)
BL-BEG204 (LD401)

8
8
DSW-3.1
12 345678
A
B
C
D
E
PRINTED WIRING BOARD (1/2)
MAIN P.W.B. UNIT
SUB TRANS P.W.B. UNIT
Parts List
COMPONENT SIDE
MAIN TRANS P.W.B. UNIT
INPUT P.W.B. UNIT

9
9
DSW-3.1
12 345678
A
B
C
D
E
MAIN P.W.B. UNIT
SUB TRANS P.W.B. UNIT
Parts List
PRINTED WIRING BOARD (2/2)
FOIL SIDE
MAIN TRANS P.W.B. UNIT INPUT P.W.B. UNIT

10
10
DSW-3.1
NOTE FOR PARTS LIST
5% 1/4W
1/16W
s
s
s
s
ss
ss
s
s
s
s
RD : 2B : 1/8 W F : ±1% P :
RC : 2E : 1/4 W G : ±2% NL :
RS : 2H : 1/2 W J : ±5% NB :
RW : 3A : 1 W K : ±10% FR :
RN : 3D : 2 W M : ±20% F :
RK : 3F : 3 W
3H : 5 W
RN 14K 2E 182 G FR
∗18 2 Ö1800 =1.8k
0
2
1R 2 Ö1.2
1
2 R
CE 04W 1H 2R2 M BP
CE : 0J : 6.3 V F : ±1% HS :
CA : 1A : 10 V G : ±2% BP :
CS : 1C : 16 V J : ±5% HR :
CQ : 1E : 25 V K : ±10% DL :
CK : 1V : 35 V M : ±20% HF :
CC : 1H : 50 V Z : +80% U : UL
CP : 2A : 100 V −20% C : CSA
CM : 2B : 125 V P : +100% W : UL-CSA
CF : 2C : 160 V − 0% F :
CH : 2D : 200 V C : ±0.25pF
2E : 250 V D : ±0.5pF
2H : 500 V = :
2J : 630 V
∗
22 2 Ö2200µF
0
2
µF
22 2 Ö2200pF=0.0022µF
0
2
pFpF
22 1 Ö220pF
2
(0 2 )
0
(0 0 1 )
2R 2 Ö2.2µF
1
2 R
µF
AC
RD : Carbon 2B : 1/8W F : ±1% P : Pulse-resistant type
RC : Composition 2E : 1/4W G : ±2% NL : Low noise type
RS : Metal oxide film 2H : 1/2W J : ±5% NB : Non-burning type
RW : Winding 3A : 1W K : ±10% FR : Fuse-resistor
RN : Metal film 3D : 2W M : ±20% F : Lead wire forming
RK : Metal mixture 3F : 3W
3H : 5W
CE : Aluminum foil 0J : 6.3V F : ±1% HS : High stability type
electrolytic
CA : Aluminum solid 1A : 10V G : ±2% BP : Non-polar type
electrolytic
CS : Tantalum electrolytic 1C : 16V J : ±5% HR : Ripple-resistant type
CQ : Film 1E : 25V K : ±10% DL : For change and discharge
CK : Ceramic 1V : 35V M : ±20% HF : For assuring high
requency
CC : Ceramic 1H : 50V Z : +80% U : UL part
CP : Oil 2A : 100V –20% C : CSA part
CM : Mica 2B : 125V P : +100% W : UL-CSA type
CF : Metallized 2C : 160V –0% F : Lead wire forming
CH : Metallized 2D : 200V C : ±0.25pF
2E : 250V D : ±0.5pF
2H : 500V = : Others
2J : 630V
lPart indicated with the mark "" are not always in stock and possibly to
take a long period of time for supplying, or in some case supplying of
part may be refused.
lWhen ordering of part, clearly indicate "1" and "I" (i) to avoid mis-
supplying.
lOrdering part without stating its part number can not be supplied.
lPart indicated with the mark " " is not illustrated in the exploded view.
lNot including Carbon Film Resister ±5%, 1/4W Type in the P.W.Board
parts list. (Refer to the Schematic Diagram for those parts.)
lNot including Carbon Chip Resister 1/16W Type in the P.W.Board parts
list. (Refer to the Schematic Diagram for those parts.)
WARNING:
Parts marked with this symbol have critical characteristics.
Use ONLY replacement parts recommended by the manufacturer.
ll
ll
lResistors
Ex.:RN 14K 2E 182 GFR
Type Shape Power Resist- Allowable Others
and per- ance error
formance
]Resistance
1 8 2⇒1800 ohm = 1.8 kohm
Indicates number of zeros after effective number.
2-digit effective number.
• Units: ohm
1 R 2⇒1.2 ohm
1-digit effective number.
2-digit effective number, decimal point indicated by R.
• Units: ohm
ll
ll
lCapacitors
Ex.:CE 04W 1H 2R2 M BP
Type Shape Dielectric Capacity Allowable Others
and per- strength error
formance
]Capacity (electrolyte only)
2 2 2⇒2200µF
Indicates number of zeros after effective number.
2-digit effective number.
• Units: µF.
2 R 2⇒2.2µF
1-digit effective number.
2-digit effective number, decimal point indicated by R.
• Units: µF.
]Capacity (except electrolyte)
2 2 2⇒2200pF=0.0022µF
(More than 2) Indicates number of zeros after effective number.
2-digit effective number.
• Units: pF.
2 2 1⇒220pF
(0 or 1) Indicates number of zeros after effective number.
2-digit effective number.
• Units: pF.
• When the dielectric strength is indicated in AC, "AC" is included after the dieelectric
strength value.

11
11
DSW-3.1
PARTS LIST OF P.W.B. UNIT ASS'Y
*本表に記載されている部品は、補修用部品のため製品に使用してい
る部品とは一部、形状、寸法などが異なる場合があります。
Ref. No. Part No. Part Name Remarks Q'ty New
SEMICONDUCTORS GROUP
IC401 9H3 0001 047 IC NJM4558M TE1 070146 *
IC501 9H3 0001 047 IC NJM4558M TE1 070146 *
IC502 9H3 0001 047 IC NJM4558M TE1 070146 *
IC503 9H3 0001 047 IC NJM4558M TE1 070146 *
IC504 9H3 0001 047 IC NJM4558M TE1 070146 *
IC505 9H3 0001 047 IC NJM4558M TE1 070146 *
IC601 9H3 0001 047 IC NJM4558M TE1 070146 *
IC602 9H3 0001 068 IC STK402-250 380017 *
D401 9H3 0001 045 D 1SS355 TE-17 069444 *
D402 9H3 0001 045 D 1SS355 TE-17 069444 *
D403 9H3 0001 045 D 1SS355 TE-17 069444 *
D404 9H3 0001 045 D 1SS355 TE-17 069444 *
D405 9H3 0001 045 D 1SS355 TE-17 069444 *
D406 9H3 0001 045 D 1SS355 TE-17 069444 *
D407 9H3 0001 045 D 1SS355 TE-17 069444 *
D501 9H3 0001 045 D 1SS355 TE-17 069444 *
D502 9H3 0001 045 D 1SS355 TE-17 069444 *
D503 9H3 0001 045 D 1SS355 TE-17 069444 *
D504 9H3 0001 045 D 1SS355 TE-17 069444 *
D505 9H3 0001 045 D 1SS355 TE-17 069444 *
D506 9H3 0001 045 D 1SS355 TE-17 069444 *
D507 9H3 0001 045 D 1SS355 TE-17 069444 *
D508 9H3 0001 045 D 1SS355 TE-17 069444 *
D601 9H3 0001 045 D 1SS355 TE-17 069444 *
D602 9H3 0001 045 D 1SS355 TE-17 069444 *
D603 9H3 0001 045 D 1SS355 TE-17 069444 *
D604 9H3 0001 045 D 1SS355 TE-17 069444 *
D701 9H3 0001 045 D 1SS355 TE-17 069444 *
D702 9H3 0001 045 D 1SS355 TE-17 069444 *
D703 9H3 0001 045 D 1SS355 TE-17 069444 *
D704 9H3 0001 045 D 1SS355 TE-17 069444 *
D801 9H3 0000 876 D RBV602 069599 *
D802 9H3 0001 056 ZD UDZ15B TE-17 084686 *
D803 9H3 0001 056 ZD UDZ15B TE-17 084686 *
D804 9H3 0001 046 D 1SR139-400 T-32 069536 *
D805 9H3 0001 046 D 1SR139-400 T-32 069536 *
D806 9H3 0001 046 D 1SR139-400 T-32 069536 *
D807 9H3 0001 046 D 1SR139-400 T-32 069536 *
D809 9H3 0001 042 ZD UDZ12B TE-17 069032 *
D810 9H3 0001 042 ZD UDZ12B TE-17 069032 *
D811 9H3 0001 045 D 1SS355 TE-17 069444 *
LD401 9H3 0000 875 LED BL-BEG204 RED/GREEN 084696 *
Q401 9H3 0001 035 TR 2SA1037AK QRS T146 068590 *
Q402 9H3 0001 044 TR DTC124EKA T146 069317 *
Q403 9H3 0001 043 TR DTA124EKA T146 069264 *
Q404 9H3 0001 043 TR DTA124EKA T146 069264 *
Q405 9H3 0001 040 TR 2SC2412K QRS T146 068775 *
Q406 9H3 0001 040 TR 2SC2412K QRS T146 068775 *
Q407 9H3 0001 040 TR 2SC2412K QRS T146 068775 *
Q408 9H3 0001 035 TR 2SA1037AK QRS T146 068590 *

12
12
DSW-3.1
Q409 9H3 0001 035 TR 2SA1037AK QRS T146 068590 *
Q410 9H3 0001 044 TR DTC124EKA T146 069317 *
Q601 9H3 0001 035 TR 2SA1037AK QRS T146 068590 *
Q602 9H3 0001 040 TR 2SC2412K QRS T146 068775 *
Q603 9H3 0001 035 TR 2SA1037AK QRS T146 068590 *
Q604 9H3 0001 040 TR 2SC2412K QRS T146 068775 *
Q605 9H3 0001 035 TR 2SA1037AK QRS T146 068590 *
Q606 9H3 0001 036 TR 2SA1174 EU 068610 *
Q607 9H3 0001 041 TR 2SC2785 KEF T 068806 *
Q608 9H3 0000 872 TR 2SC2784 EF T 068804 *
Q609 9H3 0001 039 TR 2SC2003 LM 068754 *
Q610 9H3 0001 033 TR 2SA954 LM 068579 *
Q611 9H3 0000 873 TR 2SA1693 OPY 068663 *
Q612 9H3 0000 874 TR 2SC4466 OPY 068888 *
Q613 9H3 0001 040 TR 2SC2412K QRS T146 068775 *
Q614 9H3 0001 040 TR 2SC2412K QRS T146 068775 *
Q615 9H3 0001 040 TR 2SC2412K QRS T146 068775 *
Q616 9H3 0001 040 TR 2SC2412K QRS T146 068775 *
Q617 9H3 0001 040 TR 2SC2412K QRS T146 068775 *
Q618 9H3 0001 040 TR 2SC2412K QRS T146 068775 *
Q701 9H3 0001 035 TR 2SA1037AK QRS T146 068590 *
Q702 9H3 0001 040 TR 2SC2412K QRS T146 068775 *
Q703 9H3 0001 040 TR 2SC2412K QRS T146 068775 *
Q704 9H3 0001 044 TR DTC124EKA T146 069317 *
Q705 9H3 0001 044 TR DTC124EKA T146 069317 *
Q706 9H3 0001 035 TR 2SA1037AK QRS T146 068590 *
Q707 9H3 0001 040 TR 2SC2412K QRS T146 068775 *
Q708 9H3 0001 037 TR 2SC1815 GR T 068742 *
Q709 9H3 0001 040 TR 2SC2412K QRS T146 068775 *
Q710 9H3 0001 040 TR 2SC2412K QRS T146 068775 *
Q711 9H3 0001 044 TR DTC124EKA T146 069317 *
Q712 9H3 0001 040 TR 2SC2412K QRS T146 068775 *
Q801 9H3 0001 038 TR 2SC1815-Y T 068743 *
Q802 9H3 0001 034 TR 2SA1015 Y TPE2 068587 *
Q803 9H3 0001 038 TR 2SC1815-Y T 068743 *
Q804 9H3 0001 034 TR 2SA1015 Y TPE2 068587 *
RESISTORS GROUP
R401 RCHIP MCR03 681J T 067557
R402 RCHIP MCR03 225J T 067522
R403 RCHIP MCR03 223J T 067520
R404 RCHIP MCR03 105J T 067500
R405 RCHIP MCR03 224J T 067521
R406 RCHIP MCR03 104J T 067499
R407 RCHIP MCR03 104J T 067499
R408 RCHIP MCR03 103J T 067497
R409 RCHIP MCR03 103J T 067497
R410 RCHIP MCR03 105J T 067500
R411 RCHIP MCR03 222J T 067519
R412 RCHIP MCR03 152J T 067508
R413 RCHIP MCR03 222J T 067519
R414 RCHIP MCR03 103J T 067497
R415 RCHIP MCR03 103J T 067497
R416 RCHIP MCR03 103J T 067497
R417 RCHIP MCR03 152J T 067508
R418 RCHIP MCR03 152J T 067508
R419 RCHIP MCR03 471J T 067544
R420 RCHIP MCR03 223J T 067520
R421 RCHIP MCR03 471J T 067544
R422 RCHIP MCR03 223J T 067520
Ref. No. Part No. Part Name Remarks Q'ty New

13
13
DSW-3.1
R423 RCHIP MCR03 152J T 067508
R424 RCHIP MCR03 103J T 067497
R501 RCHIP MCR03 102J T 067495
R502 RCHIP MCR03 104J T 067499
R503 RCHIP MCR03 472J T 067545
R504 RCHIP MCR03 472J T 067545
R505 RCHIP MCR03 103J T 067497
R506 RCHIP MCR03 223J T 067520
R507 RCHIP MCR03 682J T 067558
R508 RCHIP MCR03 823J T 067564
R509 RCHIP MCR03 682J T 067558
R510 RCHIP MCR03 682J T 067558
R512 RCHIP MCR03 000J T 067491
R513 RCHIP MCR03 102J T 067495
R514 RCHIP MCR03 104J T 067499
R515 RCHIP MCR03 472J T 067545
R516 RCHIP MCR03 472J T 067545
R517 RCHIP MCR03 103J T 067497
R518 RCHIP MCR03 563J T 067554
R520 RCHIP MCR03 000J T 067491
R521 RCHIP MCR03 102J T 067495
R522 RCHIP MCR03 104J T 067499
R523 RCHIP MCR03 472J T 067545
R524 RCHIP MCR03 472J T 067545
R525 RCHIP MCR03 103J T 067497
R526 RCHIP MCR03 823J T 067564
R528 RCHIP MCR03 000J T 067491
R529 RCHIP MCR03 102J T 067495
R530 RCHIP MCR03 104J T 067499
R531 RCHIP MCR03 472J T 067545
R532 RCHIP MCR03 472J T 067545
R533 RCHIP MCR03 103J T 067497
R534 RCHIP MCR03 823J T 067564
R536 RCHIP MCR03 000J T 067491
R537 RCHIP MCR03 104J T 067499
R538 RCHIP MCR03 104J T 067499
R539 RCHIP MCR03 104J T 067499
R540 RCHIP MCR03 104J T 067499
R541 RCHIP MCR03 473J T 067546
R542 RCHIP MCR03 473J T 067546
R543 RCHIP MCR03 473J T 067546
R601 RCHIP MCR03 683J T 067559
R602 RCHIP MCR03 102J T 067495
R603 RCHIP MCR03 102J T 067495
R604 RCHIP MCR03 223J T 067520
R605 RCHIP MCR03 472J T 067545
R606 RCHIP MCR03 473J T 067546
R607 RCHIP MCR03 181J T 046974
R608 RCHIP MCR03 181J T 046974
R609 RCHIP MCR03 181J T 046974
R610 RCHIP MCR03 103J T 067497
R611 RCHIP MCR03 331J T 067530
R612 RCHIP MCR03 102J T 067495
R613 RCHIP MCR03 472J T 067545
R614 RCHIP MCR03 121J T 067502
R615 RCHIP MCR03 122J T 067503
R616 RCHIP MCR03 102J T 067495
R617 CARBON R RDF16S 151J T26A 045602
R618 CARBON R RDF16S 470J T26A 045599
R619 CARBON R RDF16S 100J T26A 045598
R620 CARBON R RDF16S 100J T26A 045598
Ref. No. Part No. Part Name Remarks Q'ty New

14
14
DSW-3.1
R621 CARBON R RDF16S 331J T26A 045601
R622 RCHIP MCR03 473J T 067546
R623 CARBON R RDF16S 331J T26A 045601
R624 9H3 0001 076 METAL R MOSX2CL15AR22J LF 380128 *
R625 9H3 0001 076 METAL R MOSX2CL15AR22J LF 380128 *
R626 RCHIP MCR03 822J T 067562
R627 RCHIP MCR03 222J T 067519
R628 RCHIP MCR03 103J T 067497
R629 CARBON R RDF16S 100J T26A 045598
R630 RCHIP MCR03 332J T 067531
R631 RCHIP MCR03 103J T 067497
R632 RCHIP MCR03 103J T 067497
R633 RCHIP MCR03 105J T 067500
R634 RCHIP MCR03 105J T 067500
R635 RCHIP MCR03 103J T 067497
R636 RCHIP MCR03 683J T 067559
R637 RCHIP MCR03 103J T 067497
R638 RCHIP MCR03 103J T 067497
R639 RCHIP MCR03 102J T 067495
R640 RCHIP MCR03 102J T 067495
R641 RCHIP MCR03 102J T 067495
R642 RCHIP MCR03 182J T 067514
R643 RCHIP MCR03 103J T 067497
R644 RCHIP MCR03 563J T 067554
R645 RCHIP MCR03 101J T 067493
R646 RCHIP MCR03 101J T 067493
R647 RCHIP MCR03 563J T 067554
R648 RCHIP MCR03 182J T 067514
R649 RCHIP MCR03 182J T 067514
R650 RCHIP MCR03 563J T 067554
R651 CARBON R RDF16S 100J T26A 045598
R652 CARBON R RDF16S 100J T26A 045598
R653 RCHIP MCR03 103J T 067497
R654 9H3 0001 032 METAL R MOSX3CUR22J 055474 *
R655 RCHIP MCR03 103J T 067497
R656 RCHIP MCR03 103J T 067497
R657 RCHIP MCR03 332J T 067531
R658 CARBON R RDF16S 100J T26A 045598
R659 CARBON R RDF16S 100J T26A 045598
R660 RCHIP MCR03 103J T 067497
R661 9H3 0001 032 METAL R MOSX3CUR22J 055474 *
R662 RCHIP MCR03 103J T 067497
R663 RCHIP MCR03 103J T 067497
R664 RCHIP MCR03 332J T 067531
R665 CARBON R RDF16S 100J T26A 045598
R666 CARBON R RDF16S 100J T26A 045598
R667 RCHIP MCR03 103J T 067497
R668 9H3 0001 032 METAL R MOSX3CUR22J 055474 *
R669 RCHIP MCR03 103J T 067497
R670 RCHIP MCR03 103J T 067497
R671 RCHIP MCR03 332J T 067531
R672 RCHIP MCR03 563J T 067554
R673 RCHIP MCR03 563J T 067554
R674 RCHIP MCR03 563J T 067554
R701 RCHIP MCR03 223J T 067520
R702 RCHIP MCR03 104J T 067499
R703 RCHIP MCR03 103J T 067497
R704 RCHIP MCR03 103J T 067497
R705 RCHIP MCR03 103J T 067497
R706 RCHIP MCR03 332J T 067531
R707 RCHIP MCR03 473J T 067546
Ref. No. Part No. Part Name Remarks Q'ty New

15
15
DSW-3.1
R708 RCHIP MCR03 104J T 067499
R709 RCHIP MCR03 221J T 067518
R710 RCHIP MCR03 223J T 067520
R711 RCHIP MCR03 222J T 067519
R712 RCHIP MCR03 223J T 067520
R713 RCHIP MCR03 473J T 067546
R714 RCHIP MCR03 103J T 067497
R715 9H3 0001 083 METAL R MOS3CU471J LF 385117 *
R716 9H3 0001 083 METAL R MOS3CU471J LF 385117 *
R717 RCHIP MCR03 562J T 067553
R718 RCHIP MCR03 103J T 067497
R719 RCHIP MCR03 103J T 067497
R720 RCHIP MCR03 103J T 067497
R721 RCHIP MCR03 103J T 067497
R722 RCHIP MCR03 332J T 067531
R723 RCHIP MCR03 332J T 067531
R801 RCHIP MCR03 222J T 067519
R802 RCHIP MCR03 222J T 067519
R803 RCHIP MCR03 333J T 067532
R804 RCHIP MCR03 333J T 067532
R805 RCHIP MCR03 222J T 067519
R806 RCHIP MCR03 222J T 067519
CAPACITORS GROUP
C402 ELECT S 35V 100M T 066288
C404 ELECT S 16V 221M T 066361
C405 ELECT S 16V 470M T 066424
C406 ELECT S 16V 470M T 066424
C501 ELECT S 35V 100M T 066288
C502 ELECT S 16V 470M T 066424
C503 CIPCERA CG10 50V 221J T 065484
C504 PEST M S 50V 684J T 064940
C505 PEST M S 50V 104J T 064908
C506 PEST M S 50V 104J T 064908
C507 PEST M S 50V 224J T 064921
C508 9H3 0000 786 PEST S 50V 333J T 065092 *
C510 ELECT S 50V 108M T 066329
C511 ELECT S 35V 100M T 066288
C512 CIPCERA CG10 50V 221J T 065484
C513 ELECT S 50V 108M T 066329
C515 ELECT S 50V 108M T 066329
C516 ELECT S 35V 100M T 066288
C517 CIPCERA CG10 50V 221J T 065484
C518 ELECT S 50V 108M T 066329
C520 ELECT S 50V 108M T 066329
C521 ELECT S 35V 100M T 066288
C522 CIPCERA CG10 50V 221J T 065484
C523 ELECT S 50V 108M T 066329
C525 PEST S 50V 103J T 065000
C526 PEST S 50V 103J T 065000
C527 CIPCERA R10 50V 103K T 368353
C601 ELECT S 35V 100M T 066288
C603 ELECT S 50V 478M T 066459
C604 PEST M S 50V 124J T 064911
C605 CIPCERA R10 50V 222K T 065506
C606 ELECT S 16V 470M T 066424
C607 CIPCERA R10 50V 102K T 065501
C608 CIPCERA CG10 50V 470J T 065490
C610 CIPCERA C10 50V 408C T 368362
C611 PEST M S 50V 473J T 064934
Ref. No. Part No. Part Name Remarks Q'ty New

16
16
DSW-3.1
C612 CIPCERA C10 50V 471J T LF 378052
C613 ELECT S 50V 108M T 066329
C614 CIPCERA CG10 50V 221J T 065484
C615 ELECT S 16V 470M T 066424
C616 CIPCERA C10 50V 471J T LF 378052
C617 ELECT S 50V 108M T 066329
C618 CIPCERA C10 50V 471J T LF 378052
C619 ELECT S 50V 108M T 066329
C620 CIPCERA C10 50V 308C T 368360
C621 ELECT S 50V 101M T 066311
C622 ELECT S 50V 101M T 066311
C623 ELECT S 50V 101M T 066311
C624 ELECT S 50V 101M T 066311
C625 CIPCERA C10 50V 308C T 368360
C626 ELECT S 16V 470M T 066424
C627 CIPCERA CG10 50V 221J T 065484
C628 CIPCERA CG10 50V 221J T 065484
C629 ELECT S 16V 470M T 066424
C630 CIPCERA C10 50V 308C T 368360
C631 PEST M S 50V 473J T 064934
C632 CIPCERA R10 50V 681K T 065518
C633 PEST M S 50V 473J T 064934
C634 CIPCERA R10 50V 681K T 065518
C635 PEST M S 50V 473J T 064934
C636 CIPCERA R10 50V 681K T 065518
C637 ELECT S 35V 100M T 066288
C638 ELECT S 35V 100M T 066288
C639 CIPCERA CG10 50V 101J T 065473
C643 CIPCERA R10 50V 103K T 368353
C701 ELECT S 50V 108M T 066329
C702 ELECT S 10V 221M T 066359
C703 ELECT S 35V 100M T 066288
C704 ELECT S 10V 471M T 066439
C705 ELECT S 50V 108M T 066329
C706 ELECT S 10V 221M T 066359
C801 9H3 0001 066 ELECT 35VSSN5600 M 22F DL 379700 *
C802 9H3 0001 066 ELECT 35VSSN5600 M 22F DL 379700 *
C803 ELECT S 35V 100M T 066288
C804 ELECT S 35V 100M T 066288
C805 ELECT S 35V 100M T 066288
C806 ELECT S 35V 100M T 066288
C807 ELECT S 25V 221M T 066364
C809 ELECT S 25V 221M T 066364
C810 ELECT S 35V 100M T 066288
C811 ELECT S 35V 100M T 066288
C812 ELECT S 35V 100M T 066288
C813 ELECT S 35V 100M T 066288
!C814 CERA DE2E3KH472MN3A T 085036
!C815 CERA DE2E3KH472MN3A T 085036
!C816 CERA DE2E3KH472MN3A T 085036
C817 PEST S 100V 473K T 065121
C818 PEST S 100V 473K T 065121
C819 CIPCERA R10 50V 103K T 368353
CN607 9H3 0001 072 CORD ASSY XH-SCN 4P*300 380065 *
CN608 9H3 0001 073 CORD ASSY EH-SCN 4P*220 380066 *
CN609 9H3 0001 074 CORD ASSY EH-SCN 6P*220 380067 *
CN610 9H3 0001 075 CORD ASSY VH-STO 2P*500 380068 *
CN611 9H3 0001 079 CORD ASSY XH-SCN 3P*200 S 383443 *
CN802 9H3 0001 069 CORD ASSY VH 2P*75 380060 *
CN803 9H3 0001 084 CORD ASSY VH-SDN 2P*90 385302 *
Ref. No. Part No. Part Name Remarks Q'ty New

17
17
DSW-3.1
CN804 9H3 0001 070 CORD ASSY EH-SCN 3P*240 380062 *
CN805 9H3 0001 071 CORD ASSY EH-SCN 2P*280 380063 *
CN806 9H3 0001 081 CORD ASSY VH-SDN 3P*150 383874 *
OTHER PARTS GROUP
BC504 9H3 0000 801 CONN B3B-EH 081465 *
BC505 9H3 0000 800 CONN B2B-EH 081439 *
BC507 9H3 0001 050 CONN B4B-XH-A 081491 *
BC508 9H3 0001 051 CONN B4B-EH 081493 *
BC509 9H3 0001 052 CONN B6B-EH 081522 *
BC511 9H3 0001 049 CONN B3B-XH-A 081461 *
BC606 9H3 0001 054 CONNECTOR B 3P-VH 081665 *
BC610 9H3 0000 798 CONNECTOR B 2P-VH 081661 *
BC801 9H3 0001 058 CONN 53265-0210 335587 *
BC802 9H3 0001 055 CONN B2P3-VH 081855 *
BC803 9H3 0001 053 CONN S2P3-VH 081663 *
!F801 9H3 0001 059 FUSE U/C/J 23402.5 250V 2.5A 355304 *
L601 9H3 0001 048 COIL CHK SPRING 1.5UH 074417 *
L602 9H3 0001 048 COIL CHK SPRING 1.5UH 074417 *
L603 9H3 0001 048 COIL CHK SPRING 1.5UH 074417 *
PJ501 9H3 0001 067 JACK RCA 4P 4COLOR HSP-244V-86 379701 *
PTH701 9H3 0000 776 TH PTH9M04 BD 471TS2F 068555 *
RLY601 9H3 0001 078 RELAY G5PA-28 DC12V 85 383435 *
RLY602 9H3 0001 078 RELAY G5PA-28 DC12V 85 383435 *
RLY801 9H3 0000 766 RELAY SDT-S-124LMR 046904 *
SW401 9H3 0001 031 SLIDE SW SSSF122-S06NI 049024 *
!T801 9H3 0001 080 TRANS POWER A1D2-2 383780 *
!T802 9H3 0001 065 TRANS SUB A1D2A0 379698 *
TM501 9H3 0001 060 TERMINAL SPEAKER CJ-9030-06-5200A-V0 355461 *
9H3 0000 731 MOLD BINDER SKB-1M 080558 1 *
9H3 0000 778 FUSE HOLDER EYF-52BCT 074277 2 *
9H3 0001 057 CUSHION BUSH A3J7A0 331850 1 *
9H3 0001 061 CUSHION 40*140 CALMFLEX F2 368781 1 *
9H3 0001 062 CUSHION 40*20*2 C4305 371464 1 *
9H3 0001 085 CUSHION 40*300 CALMFLEX F2 385545 1 *
9H3 0001 086 CUSHION 100*40*2 382301 1 *
9H3 0001 087 CUSHION 200*40*2 382302 2 *
9H3 0001 088 CUSHION 220*40*2 382303 1 *
9H3 0001 089 CUSHION 240*40*2 382305 1 *
9H3 0001 090 CUSHION 260*40*2 382306 1 *
9H3 0001 091 CUSHION 280*40*2 382307 1 *
Ref. No. Part No. Part Name Remarks Q'ty New

18
18
DSW-3.1
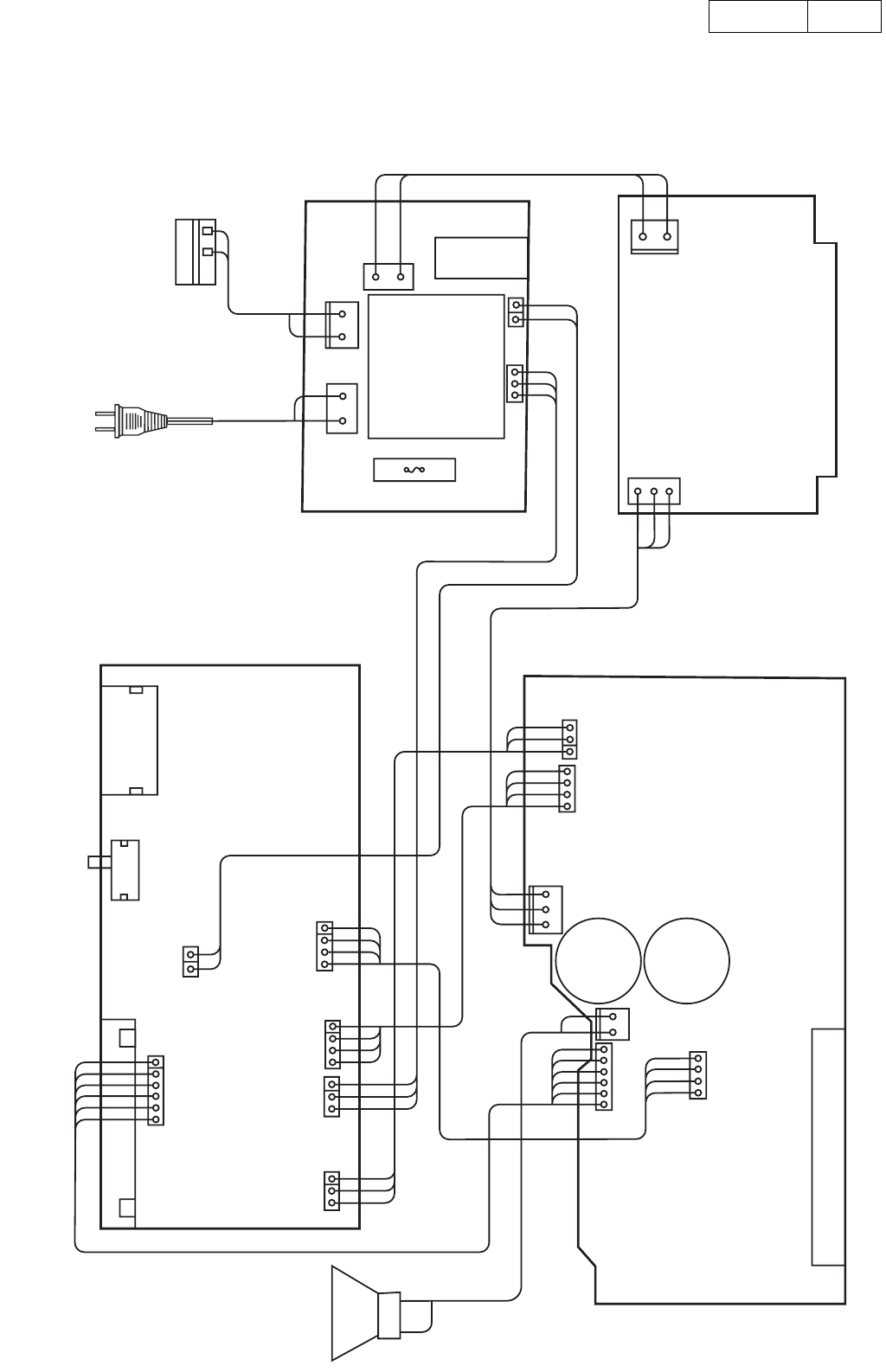
WIRING DIAGRAM
CN607
CN609
BC610
BC606
CN608 CN611
BC511 BC504 BC508 BC507
BC509 BC5005
CN804
CN805
BC801 BC802
CN803
SW801
CN806 BC803
INPUT P.W.B. UNIT
MAIN P.W.B. UNIT MAIN TRANS P.W.B. UNIT
SUB TRANS P.W.B. UNIT
黄
黄
黄
黄
赤
赤
赤
赤
赤
赤
赤
赤
赤赤
赤
赤
赤
黒
黒

19
19
DSW-3.1
12 345678
A
B
C
D
E
1
2
3
101
4
101
102
105
107
106
50-3
8
109
9
50-4 A
A
104
108
109 10
15
105
105
105
103
5
103
105
105
6
13
106
14
107
105 12
11
7
104
105
105
50-1
106
106
4
DSW-3.1 分解図
Parts marked with this symbol have critical
characteristics.
Use ONLY replacement parts recommended by the
manufacturer.
WARNING:
Parts List
EXPLODED VIEW

20
20
DSW-3.1
PARTS LIST OF EXPLODED VIEW
*本表に記載されている部品は、補修用部品のため製品に使用してい
る部品とは一部、形状、寸法などが異なる場合があります。
安全 Ref. No. Part No. Part Name Remarks Q'ty New
50 9H3 0001 024 メイン基板 Ass’y B061D2A0 379690 1 *
50-1 - インプット基板
50-2 - パワ - アンプ基板
50-3 - サブトランス基板
50-4 - メイントランス基板
1 9H3 0001 010 キャビネット Ass’y ENCLOSURE 380780 1 *
2 9H3 0001 011 スピ - カ - CONE SPEAKER 380418 1 *
3 9H3 0001 012 台座 BOTTOM BOARD ASS'Y 380421 1 *
4 9H3 0001 013 滑り止め(フット) FOOT 382222 4 *
5 9H3 0001 014 ヒ - トシンクカバ - COVER A1D2A0 379185 1 *
6 9H3 0001 015 ヒ - トシンク HEAT SINK A1D2A0-2 385125 1 *
7 9H3 0001 016 リアパネル(上) PANEL UPPER PRINT A1D2A0-3 385128 1 *
8 9H3 0001 017 リアパネル(下) PANEL LOWER PRINT A1D2A0 379685 1 *
! 9 9H3 0001 018 電源スイッチ SW801 058288 1 *
! 10 9H3 0001 019 電源コ - ド CORD AC J HVFF 0.75x2 3.0M 379699 1 *
11 9H3 0001 020 P.W.B. ブラケット(A) BRACKET(A) A1D2A0 379188 1 *
12 9H3 0001 021 P.W.B. ブラケット(B) BRACKET(B) A1D2A0 379189 1 *
13 9H3 0001 022 P.W.B. ブラケット(C) BRACKET(C) A1D2A0 379190 1 *
14 9H3 0001 023 P.W.B. ブラケット(D) BRACKET(D) A1D2A0 381189 1 *
15 9H3 0000 711 コードブッシュ CUSHION STOPPER SR-4K4 078519 1
★ 9H3 0001 082 ネームプレート LABEL NAMEPLATE A1D2A0-3 384893 1
★ 9H3 0001 077 カラーラベル LABEL COLOR A1D2A0 382442 1
Scrwe
101 9H3 0001 025 ねじ 4 × 45 黒 SCREW 380928 4 *
102 9H3 0000 854 ねじ 4 × 20 黒 SCREW 021385 4
103 9H3 0001 026 ねじ 3 × 14 SW W 黒 SC PN S-B M3*14 BL 359580 2 *
104 9H3 0001 027 ねじ 4 × 12 黒 SC BD T-P 4*12 BL 075196 10 *
105 9H3 0001 028 ねじ 3 × 10 黒 SC BD T-B 4*10 BL 075640 25 *
106 9H3 0001 029 ねじ 3 × 8 SC BD T-B 3*8 ZC 075636 12 *
107 9H3 0001 030 ねじ 3 × 20 SW W 黒 SC PN S-B M3*20 BL 055430 2 *
108 9H3 0000 736 ねじ 4 × 10 黒 SC BD T-B 4*10 BL 075659 4
109 9H3 0000 737 ねじ 3 × 12 黒 SC PN S-W M3*12 BL 075461 1

21
21
DSW-3.1
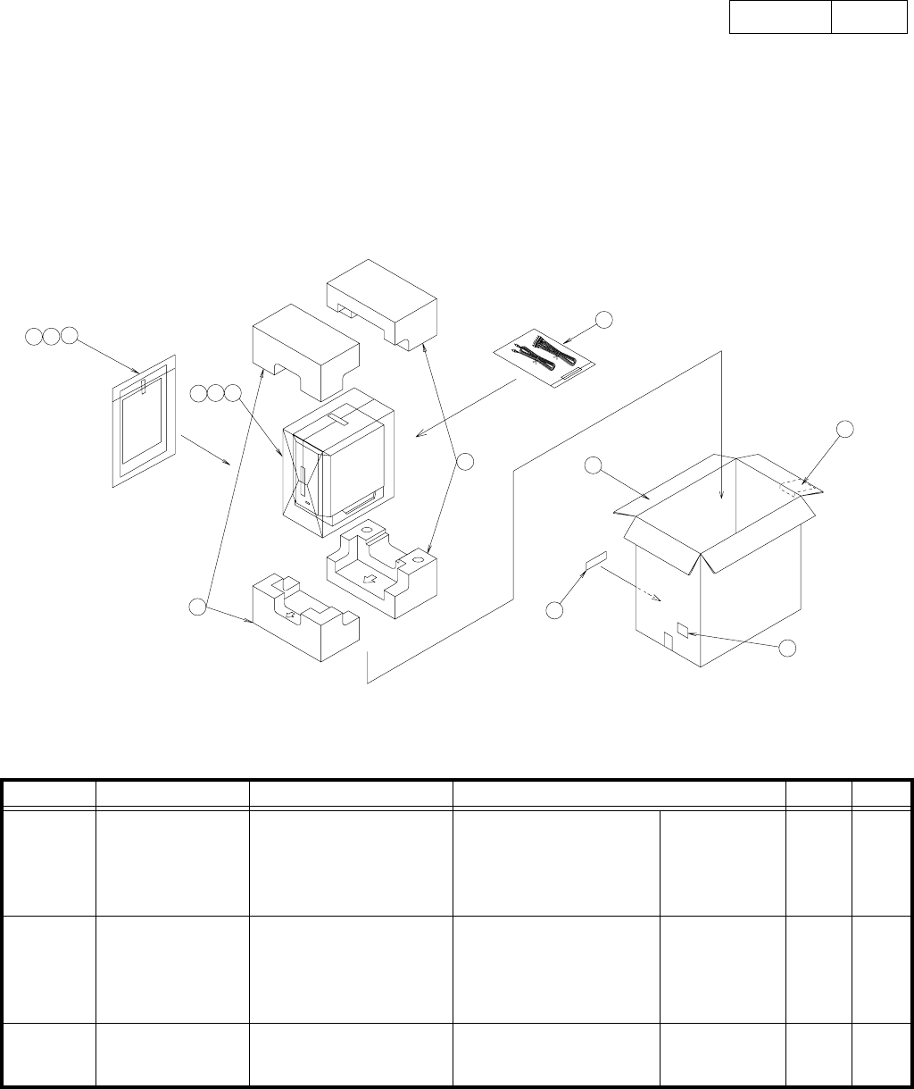
DSW-3.1 梱包図
*本表に記載されている部品は、補修用部品のため製品に使用してい
る部品とは一部、形状、寸法などが異なる場合があります。
DSW-3.1 PACKING VIEW
背面に入れる
側面に入れる
1
2
3
9
7
8
4
5
6
11
12
10
13
DSW-3.1 PARTS LIST OF PACKING & ACCESSORIES
Ref. No. Part No. Part Name Remarks Q'ty New
1 - 本体 SPEAKER S/S 1
2 9H3 0001 009 ミラ - マット ( 本体用 ) PROTECT SHEET 381471 1 *
3 9H3 0001 006 ミラ - マット (AC コ - ド用 ) PROTECT SHEET 382244 1 *
4 9H3 0001 007 エンベロ - プ POLY BAG 369874 1
5 9H3 0001 002 取扱説明書 OWNER'S MANUAL 386114 1 *
6 515 0918 102 サ - ビス網一覧表 SERVICE DIRECTORY 363293 1
7 9H3 0001 005 接続コ - ド ACCESSORY CORD 384508 1 *
8 9H3 0001 003 クッション ( 前 ) POLY FORM 381828 2 *
9 9H3 0001 004 クッション ( 後 ) POLY FORM 381829 2 *
10 9H3 0001 001 カ - トンケ - ス CARTON BOX 384512 1 *
11 9H3 0001 008 POS ラベル POS LABEL 385723 1 *
12 515 0919 004 保証書 WARRANTY CARD 385027 1 *
13 513 1642 002 シリアル No. シ - ト SERIAL NO. LABEL 385009 1 *

22
22
DSW-3.1
NOTE FOR SCHEMATIC DIAGRAM
WARNING:
Parts marked with this symbol have critical
characteristics.
Use ONLY replacement parts recommended by the
manufacturer.
CAUTION:
Before returning the unit to the customer, make sure you
make either (1) a leakage current check or (2) a line to
chassis resistance check. If the leakage current exceeds
0.5 milliamps, or if the resistance from chassis to either
side of the power cord is less than 460 kohms, the unit is
defective.
WARNING:
DO NOT return the unit to the customer until the problem
is located and corrected.
NOTICE
ALL RESISTANCE VALUES IN OHM. k=1,000 OHM
M=1,000,000 OHM
ALL CAPACITANCE VALUES IN MICRO FARAD.
P=MICRO-MICRO FARAD
EACH VOLTAGE AND CURRENT ARE MEASURED AT
NO SIGNAL INPUT CONDITION.
CIRCUIT AND PARTS ARE SUBJECT TO CHANGE
WITHOUT PRIOR NOTICE.
配線図について
印の部品は安全を維持するために重要な部品です。
従って交換時は必ず指定の部品を使用してください。
注) 1. 指定なき抵抗値は 、k は k Ω、 M は M Ωを示す。
2. 指定なきコンデンサーの値はμF、p は pF を示す。
3. 各部の電圧は無信号の値を示す。
4. この配線図は基本配線図です。改良等のため変更す
ることがありますのでご了承ください。

23
23
DSW-3.1
12 345678
A
B
C
D
E
11.2
(0)
OFF
ON
AUTO
11.4
-11.4
14.7
14.7
-11.4
-11.4
-16.9
-12.1
12.1
11.4 16.9
14.7
14.7
10.7
00
0
-14.7
14.7
14.7
-2.2
0
0
0
0
0
~
-
SIGNAL LINE
SCHEMATIC
DIAGRAMS (1/2)
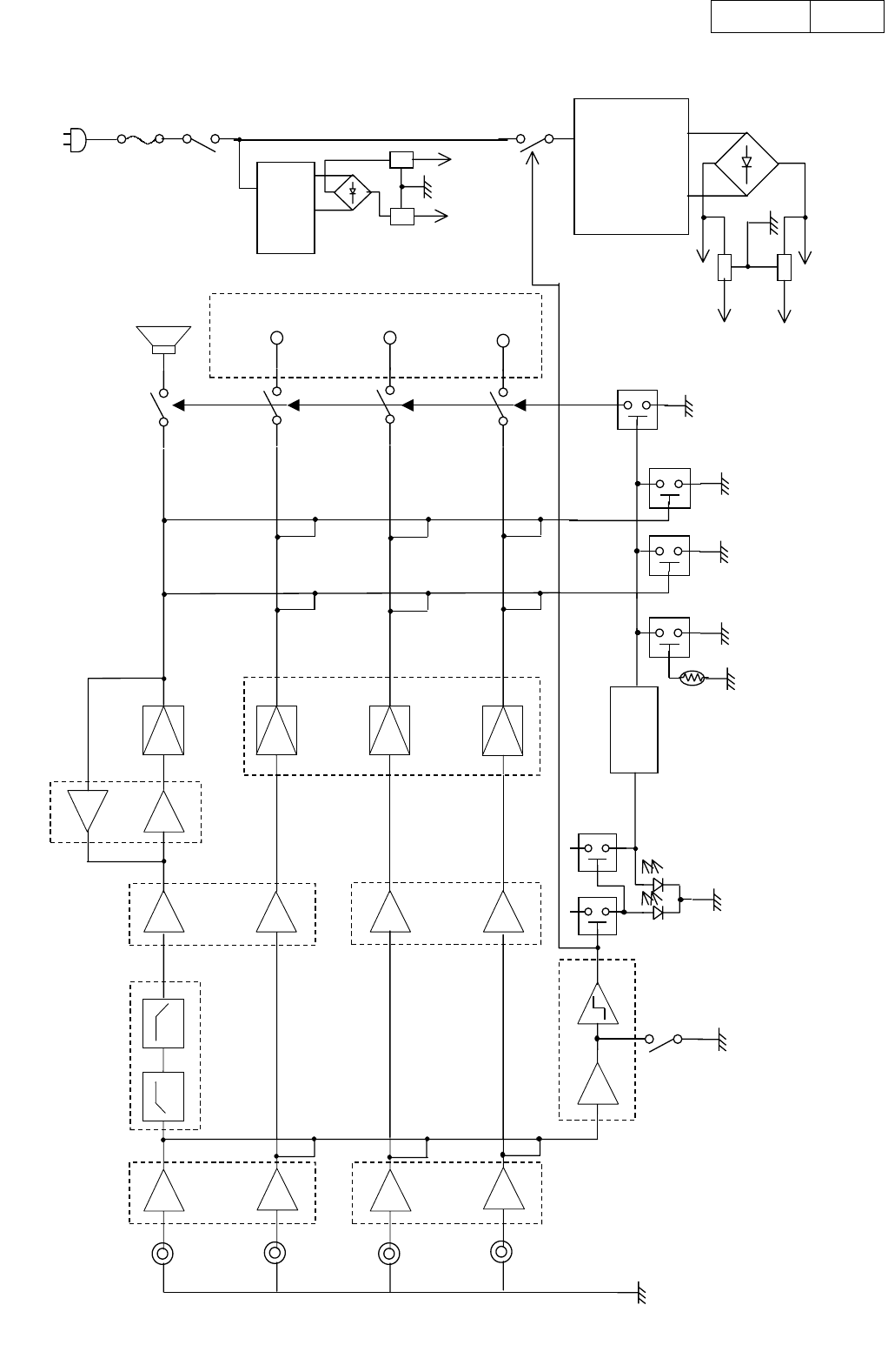
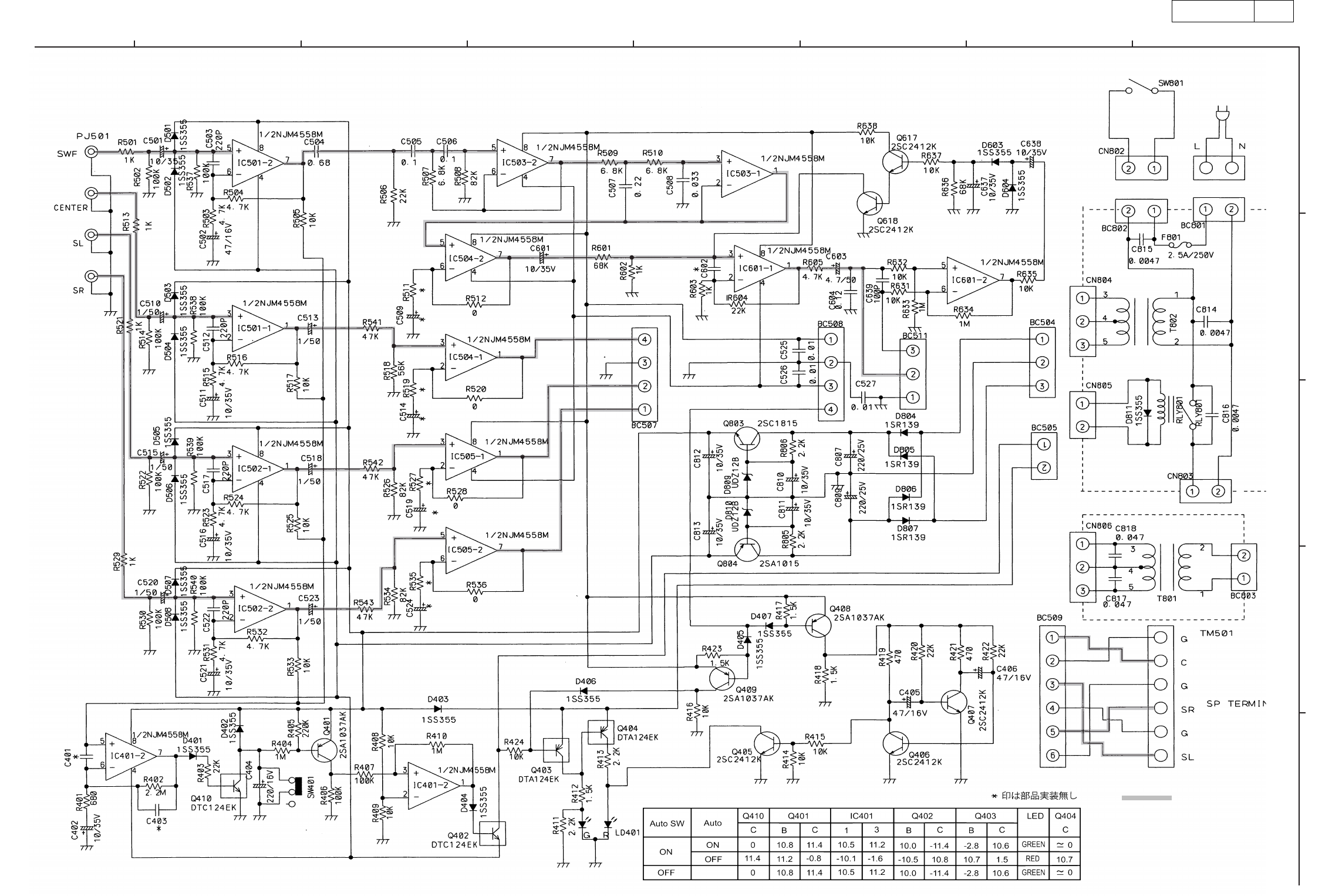
SCHEMATIC DIAGRAMS (1/2)

24
24
DSW-3.1
12 345678
A
B
C
D
E
0
0
2
5
.
8
-
2
4
.
5
0
0
2
7
.6 -27.6
0
0
-
2
8
.
5
0
0
0
0
0
0
0
0
00
0
0
0
0
0
0
0
0
0
0
0
0
0
0
14.7
14.7
14.7
14.7
14.7
14.7
14.7
1.0
0.6
2.0
-6.6
1
4
.7
1
4
.
7
14.7
1
4
.
7
12
12
-27.6
27.614.7
15.3
-15.3
-14.7
-27.3
-
2
7
.
3
-
2
7
.
0
-
0
.
6
~
0
~
0
0
.
6
26.8
2
7
.
0
2
6
.
2
2
1
.
3
-
2
6
.
8
~
0
0
.
7
~0
-26.8 ~0
-
-
-
-
-
SIGNAL LINE
SCHEMATIC DIAGRAMS (2/2)
SCHEMATIC DIAGRAMS (2/2)