RRV2089 DVL 919_RRV2089 EN_service_manual 919 EN Service Manual
User Manual: DVL-919_RRV2089-EN_service_manual
Open the PDF directly: View PDF
.
Page Count: 89

ORDER NO.
PIONEER ELECTRONIC CORPORATION 4-1, Meguro 1-Chome, Meguro-ku, Tokyo 153-8654, Japan
PIONEER ELECTRONICS SERVICE, INC. P.O. Box 1760, Long Beach, CA 90801-1760, U.S.A.
PIONEER ELECTRONIC (EUROPE) N.V. Haven 1087, Keetberglaan 1, 9120 Melsele, Belgium
PIONEER ELECTRONICS ASIACENTRE PTE. LTD. 253 Alexandra Road, #04-01, Singapore 159936
PIONEER ELECTRONIC CORPORATION 1999
c
DVL-919
RRV2089
1. SAFETY INFORMATION ...................................... 2
2. EXPLODED VIEWS AND PARTS LIST ................ 4
3. SCHEMATIC DIAGRAM ..................................... 16
4. PCB CONNECTION DIAGRAM .......................... 42
5. PCB PARTS LIST ............................................... 58
6. ADJUSTMENT .................................................... 65
CONTENTS 7. GENERAL INFORMATION ................................ 80
7.1 PARTS ......................................................... 80
7.1.1 IC ........................................................... 80
7.2 DISASSEMBLY/ASSEMBLY ....................... 82
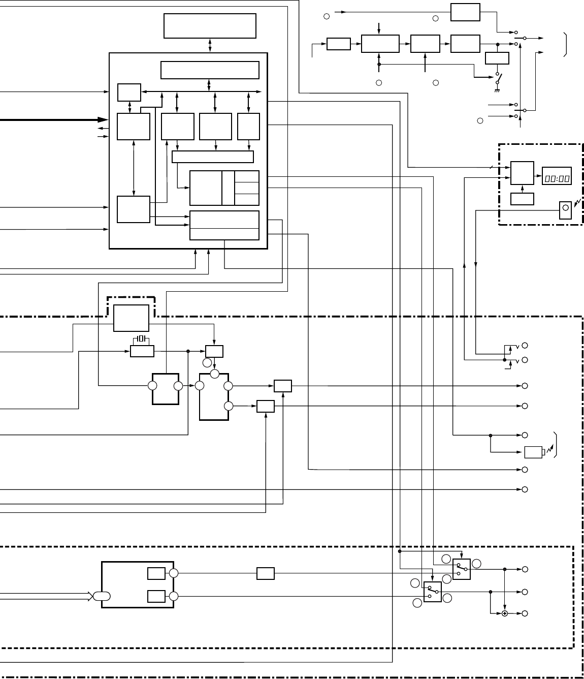
7.3 BLOCK DIAGRAM ....................................... 84
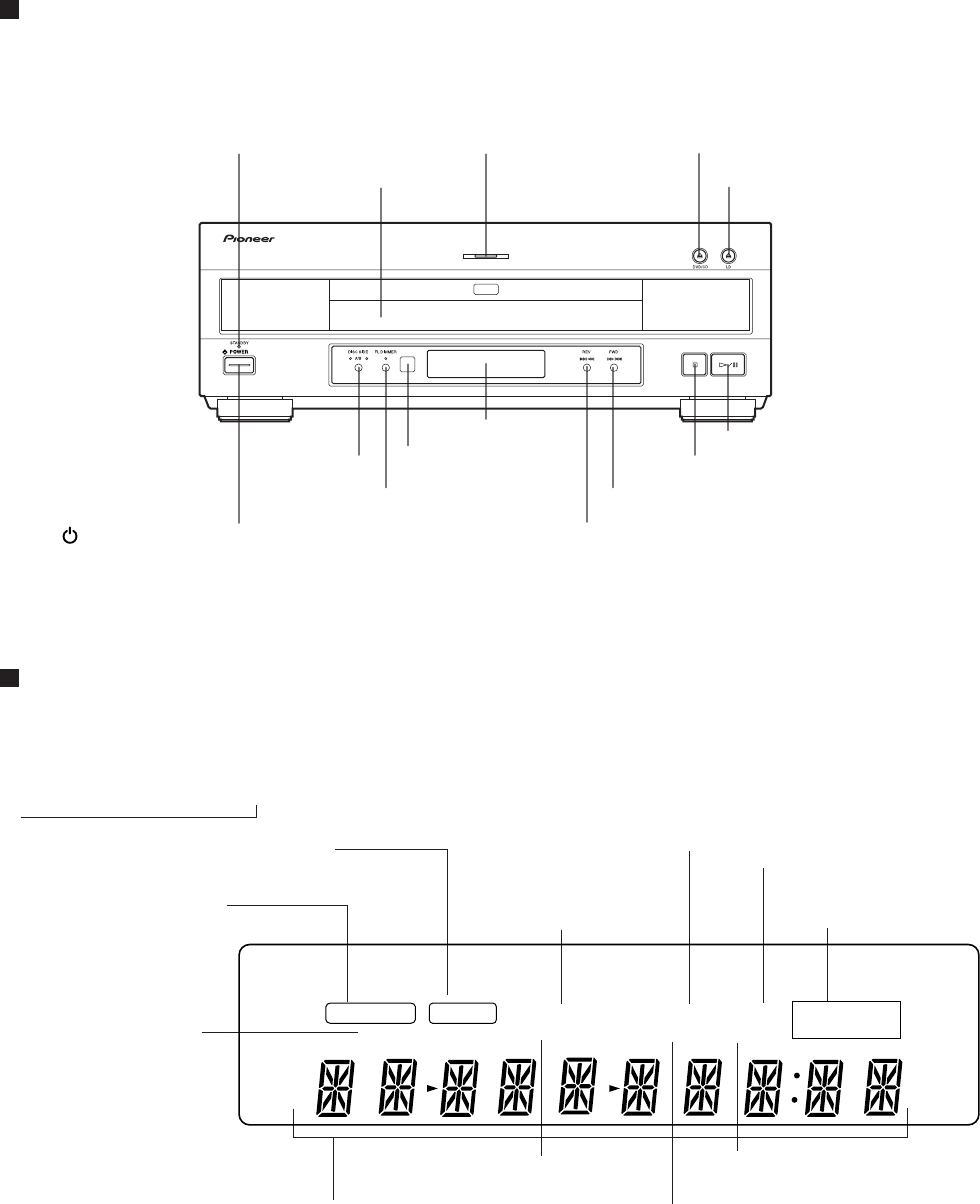
8. PANEL FACILITIES AND SPECIFICATIONS .... 86
T – IZE JAN. 1999 Printed in Japan
DVD LD PLAYER
Type Power Requirement The voltage can be converted by
the following method.
Model
DVL-919
THIS MANUAL IS APPLICABLE TO THE FOLLOWING MODEL(S) AND TYPE(S).
Region No.
KU/CA ‡AC120V 1
RD/RA ‡AC110-127/220-240V 1 Automatic select

2
DVL-919
1. SAFETY INFORMATION
This service manual is intended for qualified service technicians ; it is not meant for the casual do-it-
yourselfer. Qualified technicians have the necessary test equipment and tools, and have been trained
to properly and safely repair complex products such as those covered by this manual.
Improperly performed repairs can adversely affect the safety and reliability of the product and may
void the warranty. If you are not qualified to perform the repair of this product properly and safely, you
should not risk trying to do so and refer the repair to a qualified service technician.
WARNING
This product contains lead in solder and certain electrical parts contain chemicals which are known to the state of California to cause
cancer, birth defects or other reproductive harm. Health & Safety Code Section 25249.6 – Proposition 65
NOTICE
(FOR CANADIAN MODEL ONLY)
Fuse symbols (fast operating fuse) and/or (slow operating fuse) on PCB indicate that replacement parts must
be of identical designation.
REMARQUE
(POUR MODÈLE CANADIEN SEULEMENT)
Les symboles de fusible (fusible de type rapide) et/ou (fusible de type lent) sur CCI indiquent que les pièces
de remplacement doivent avoir la même désignation.
ANY MEASUREMENTS NOT WITHIN THE LIMITS
OUTLINED ABOVE ARE INDICATIVE OF A POTENTIAL
SHOCK HAZARD AND MUST BE CORRECTED BEFORE
RETURNING THE APPLIANCE TO THE CUSTOMER.
2. PRODUCT SAFETY NOTICE
Many electrical and mechanical parts in the appliance
have special safety related characteristics. These are
often not evident from visual inspection nor the protection
afforded by them necessarily can be obtained by using
replacement components rated for voltage, wattage, etc.
Replacement parts which have these special safety
characteristics are identified in this Service Manual.
Electrical components having such features are identified
by marking with a on the schematics and on the parts list
in this Service Manual.
The use of a substitute replacement component which does
not have the same safety characteristics as the PIONEER
recommended replacement one, shown in the parts list in
this Service Manual, may create shock, fire, or other hazards.
Product Safety is continuously under review and new
instructions are issued from time to time. For the latest
information, always consult the current PIONEER Service
Manual. A subscription to, or additional copies of, PIONEER
Service Manual may be obtained at a nominal charge from
PIONEER.
1. SAFETY PRECAUTIONS
The following check should be performed for the
continued protection of the customer and service
technician.
LEAKAGE CURRENT CHECK
Measure leakage current to a known earth ground (water
pipe, conduit, etc.) by connecting a leakage current tester
such as Simpson Model 229-2 or equivalent between the
earth ground and all exposed metal parts of the appliance
(input/output terminals, screwheads, metal overlays, control
shaft, etc.). Plug the AC line cord of the appliance directly
into a 120V AC 60Hz outlet and turn the AC power switch
on. Any current measured must not exceed 0.5mA.
(FOR USA MODEL ONLY)
Leakage
current
tester
Reading should
not be above
0.5mA
Device
under
test
Test all
exposed metal
surfaces
Also test with
plug reversed
(Using AC adapter
plug as required)
Earth
ground
AC Leakage Test

3
DVL-919
Additional Laser Caution
1. The ON/OFF statuses of the side-A/B detection switch
(Lever switch connecting to the TNMB assy), slider-position
detection switches (INNER and OUTER on the PKSB assy),
loading-status detection switches (SW1, 2 and 3 on the LMSB
assy), side B inside detection switch (S901 on the BISB assy)
and CLD pickup active detection switch (S903 on the LCSB
assy) are detected by the microprocessor (IC101 in the CLDM
assy). Also the DVD pickup active detection switch (S902
on the DCSB assy) is detected by the microprocessor (IC501
in the DVDM assy).
• To permit the laser diode of CLD pickup to oscillate, it is
required to set the CLD pickup active detection switch (S903 :
OFF) and the slider-position detection switches for the LD
ACTIVE status (INNER : OFF, OUTER: OFF), and to set the
loading-status detection switches for tilt neutral state (SW1 :
ON, SW2 : OFF, SW3 : ON). As long as these requirements
are not satisfied, the laser diode will not oscillate. When the
requirements are met in any way, the laser diode can oscillate.
The laser diode oscillation will continue if pin 13 of IC801 is
shorted to GND or the emitter and collector of Q834 are shorted
each other (fault condition) in the CLDM assy.
• To permit the laser diode of DVD pickup to oscillate, it is
required to set the DVD pickup active detection switch (S902
:OFF) and each switch and a state of laser diode are contents
same as state of CLD pickup mentioned above. The laser
diode oscillation will continue if pin 13 of IC101 is shorted to
+5V (fault condition) in the DVDM assy.
In the test mode ∗, the laser diode oscillates when the micro-
processor detects a PLAY signal, or when the PLAY key is
pressed (S104 ON in the FLKY assy), with the above require-
ments satisfied.
2. When the cover is open, close viewing through the objective
lens with the naked eye will cause exposure to a Class 1
laser beam.
∗ : Refer to page 68.
IMPORTANT
THIS PIONEER APPARATUS CONTAINS
LASER OF CLASS 1.
SERVICING OPERATION OF THE APPARATUS
SHOULD BE DONE BY A SPECIALLY
INSTRUCTED PERSON.
LASER DIODE CHARACTERISTICS
•FOR DVD
MAXIMUM OUTPUT POWER : 7 mW
WAVELENGTH : 650 nm
•FOR CD/LD
MAXIMUM OUTPUT POWER : 5 mW
WAVELENGTH : 780-785 nm

DVL-919
4
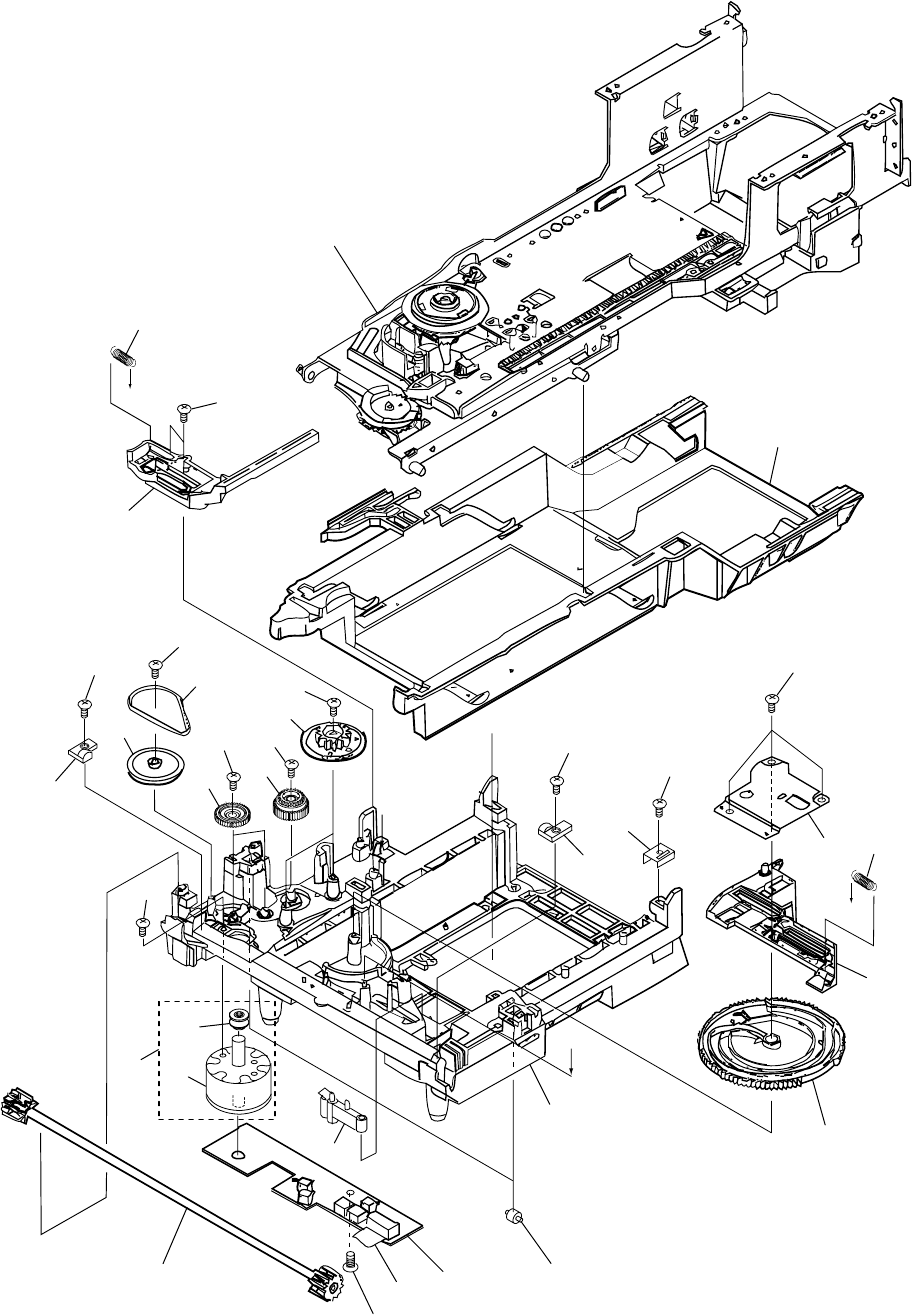
2. EXPLODED VIEWS AND PARTS LIST
Parts marked by "NSP" are generally unavailable because they are not in our Master Spare Parts List.
The mark found on some component parts indicates the importance of the safety factor of the part.
Therefore, when replacing, be sure to use parts of identical designation.
Screws adjacent to mark on product are used for disassembly.
NOTES:
2.1 PACKING
(2) CONTRAST TABLE
DVL-919/KU/CA and RD/RA are constructed the same except for the following :
7
1
2
3
4
5
8
9
10
11
13
14
15
5
12
17
17
6
(RD/RA Type Only)
(RD/RA
Type Only)
18
(RD/RA Type)
18
(RD/RA Type)
Mark
4 POWER CORD ADG7021 ADG7003
NSP 11 WARRANTY CARD ARY7023 ARY7025
15 PACKING CASE VHG1768 VHG1770
17 REGION LABEL P1 Not used VRW1708
18 RD/RA LABEL Not used VRW1711
Remarks
Part No.
KU/CA type RD/RA type
Symbol and Description
No.
Mark No. Description Part No.
NSP 1 DRY CELL BATTERY(R6P,AA) VEM-013
2 VIDEO CORD(L=1.5m) VDE1036
3 AUDIO CORD(L=1.5m) VDE1033
4 POWER CORD See Contrast table (2)
5 POLYETHYLENE BAG Z21-038
6 REMOTE CONTROL UNIT VXX2609
(CU-DV030)
7 BATTERRY COVER VNK3703
NSP 8 CAUTION VRM1063
9 OPERATING INSTRUCTIONS VRB1202
(English/French)
10 ERRATA VRX1031
NSP 11 WARRANTY CARD See Contrast table (2)
12 MIRROR MAT SHEET VHL1018
13 PAD F VHA1226
14 PAD R VHA1227
15 PACKING CASE See Contrast table (2)
16 • • • • •
17 REGION LABEL P1 See Contrast table (2)
18 RD/RA LABEL See Contrast table (2)
(1) PACKING PARTS LIST

DVL-919
5
1
8
7
5
9
10
14
13
19
19
19
15
12
18
11
19
20
21
KU/CA Type only
20
2x12
3
4
6
16
17
4
Mark No. Description Part No.
1 LD TRAY ASSY VXA2173
2 CUSHION VEC1682
NSP 3 CARRY LABEL VRW1289
4 DAMP CUSHION VEC1683
5 CD TRAY VNK3922
6 TRAY LABEL VRW1628
7 GUIDE PLATE (R) VNE1939
8 GUIDE PLATE (L) VNE1938
9 LOCK PLATE VNL1703
10 LOCK PLATE SPRING VBH1188
(1) EXTERIOR SECTION PARTS LIST
11 TRAY PANEL VNK4355
12 DVD DOOR VNK4356
13 DOOR SPRING VBH1248
14 DOOR HOLDER VNL1817
15 DAMPER ASSY VXA1999
16 DVD PLATE VAM1075
17 BONNET CASE S VXX2561
18 DOOR SHAFT VLL1506
19 SCREW BBZ30P080FMC
20 SCREW BCZ40P060FZK
21 65 LABEL See Contrast table (2)
Mark No. Description Part No.
2.2 EXTERIOR SECTION
(2) CONTRAST TABLE
DVL-919/KU/CA and RD/RA are constructed the same except for the following :
Mark
21 65 LABEL ARW7050 Not used
Remarks
Part No.
KU/CA type RD/RA type
Symbol and Description
No.

DVL-919
6
8
12 6
2
11 7
1
16
3
4
10
9
14(3/3)
15(1/2)
5
16
14(2/3)
14(1/3)
15(2/2)
16
13
2.3 FRONT PANEL SECTION
Mark No. Description Part No.
÷ FRONT PANEL SECTION PARTS LIST
Mark No. Description Part No.
1 FLKY ASSY VWG2005
NSP 2 PWSB ASSY VWG1994
NSP 3 DILB ASSY VWG1995
4 FLEXIBLE CABLE (14P) VDA1638
5 NAME PLATE PAM1776
6 LED LENS PNW2019
7 ILLUMINATION FILTER VEC1950
8 FL LENS VEC2015
9 POWER BUTTON VNK4101
10 ILLUMI HOLDER VNK4098
11 ILLUMINATION LENS VNK4168
12 FRONT PANEL VNK4352
13 SUB PANEL VNK4415
14 PLAY BUTTON VNK4354
15 OPERATION BUTTON VNK4349
16 SCREW BBZ30P080FMC

DVL-919
7
2.4 TOP VIEW SECTION
1
25
KU/CA
Type
only
6
2
3
4
7
15
24
24
16
24
19
12
22
22
20 26
18 24
5
x3
8
13
14
24
24
24
24
23
24
24
B
B
Refer to
"2.3 FRONT PANEL SECTION"
A
A
24
24
(2) CONTRAST TABLE
DVL-919/KU/CA and RD/RA are constructed the same except for the following :
Mark
25 FUSE CAUTION LABEL VRW1695 Not used
Remarks
Part No.
KU/CA type RD/RA type
Symbol and Description
No.
Mark No. Description Part No.
1 CENTER PLATE VNE2127
2 RUBBER MAT VEB1114
3 THRUST HOLDER VNL1663
4 CLAMPER VNL1648
5 CLAMPER SPRING VBH1192
6 CLAMPER HEAD VNL1649
7 CLAMPER HOLDER VNL1788
8 DVDM ASSY VWS1377
9 • • • • •
10 • • • • •
11 • • • • •
12 CORD CLAMPER RNH-184
13 CABLE HOLDER VEC1958
(1) TOP VIEW SECTION PARTS LIST
NSP 14 CORNER POST DEC1212
15 SHIPPING CAM VNL1729
NSP 16 CORD WITH PLUG DE007VF0
17 • • • • •
18 GYCB ASSY VWV1633
19 HOUSING ASSY(13P) VKP2196
NSP 20 PCB-HOLDER VNE2164
21 • • • • •
NSP 22 CENTER ANGLE VNE2126
23 SCREW IBZ30P080FMC
24 SCREW BBZ30P080FMC
25 FUSE CAUTION LABEL See Contrast table (2)
26 CUSHION VEC1982
Mark No. Description Part No.

DVL-919
8
1
17
6
2
8
8
5
4
10
9
32
19
32
7
34
3
11
32
32
13
32
32
23
23
25
15
16
32
22
32
32
32
32
32
32
32
29
32
27
26
28
28
21
20
33
18
32
32
32
32
Refer to
"2.6 LOADING MECHANISM SECTION"
35
36
RD/RA Type
only
2.5 BOTTOM VIEW SECTION

DVL-919
9
Mark No. Description Part No.
NSP 1 CHASSIS VNA1887
2 INSULATOR ASSY VXA2356
3 PCB HINGE VEC1174
NSP 4 PCB SPACER AEC1188
NSP 5 CIRCUIT BOARD SPACER VEC1957
6 POWER SUPPLY ASSY See Contrast table (2)
7 SHEET P VEC1874
8 CORD CLAMPER RNH-184
NSP 9 STOPPER VNE2088
10 SPACER VEC1939
11 SHELL CLIP DEC1184
12 • • • • •
13 CLDM ASSY VWS1358
14 • • • • •
15 HOUSING ASSY (14P) VKP2151
16 FLEXIBLE CABLE(15P) VDA1644
NSP 17 PANEL HOLDER VNA1686
NSP 18 MECHANISM ASSY VWT1149
NSP 19 CAM HOLDER L VNE2089
20 SHIPPING LEVER VNL1728
21 SHIPPING SPRING VBH1275
(1) BOTTOM VIEW SECTION PARTS LIST
Mark No. Description Part No.
NSP 22 CAM HOLDER R VNE2090
23 FLEXIBLE CABLE(22P) VDA1652
24 • • • • •
25 HOUSING ASSY (4P) VKP2195
26 REAR PANEL R VNA1892
27 REAR PANEL L VNA2027
28 TRAY STOPPER VNL1707
29 REAR COVER See Contrast table (2)
30 • • • • •
31 • • • • •
32 SCREW BBZ30P080FMC
33 SCREW BBZ30P100FMC
34 RIVET RBM-003
NSP 35 SPACER VEC1989
NSP 36 HOUSING ASSY See Contrast table (2)
(2) CONTRAST TABLE
DVL-919/KU/CA and RD/RA are constructed the same except for the following :
Mark
6 POWER SUPPLY ASSY VWR1286 VWR1287
29 REAR COVER VNA2028 VNA2056
NSP 36 HOUSING ASSY Not used VKP2189
Remarks
Part No.
KU/CA type RD/RA type
Symbol and Description
No.

DVL-919
10
2.6 LOADING MECHANISM SECTION
15
3
16 17 19
18
12
14
13
20
21
22
2324
25
3
3
3
26
1
3
3
3
3
3
8
9
10
5
6
7
11
4
3
B
B
A
A
2
Refer to
"2.7 SERVO MECHANISM SECTION (1/2)"

DVL-919
11
÷ LOADING MECHANISM SECTION PARTS LIST
1 Clamp Cam B VNL1765
2 CDP Spring VBH1191
3 Screw Z39-019
4 CD Plate VNL1685
5 Rubber Belt VEB1184
6 Gear Pulley VNL1662
7 Slider (L) VNL1665
8 Twin Gear VNL1626
9 Center Gear VNL1660
10 Double Gear VNL1661
11 Screw BMZ26P040FMC
12 Loading Motor Assy VXX2045
13 Carriage Motor VXM1033
NSP 14 Motor Pulley VNL1630
15 Synchro Gear Assy VXA2105
16 Flexible Cable (10P) VDA1645
NSP 17 LMSB Assy VWG1554
18 MB Switch Lever VNL1664
19 Roller VNL1042
20 Mechanism Base VNK3239
21 Cam Gear VNL1625
22 Cam Plate VNL1631
23 CAS Spring VBH1190
24 Shaft Holder VNE1942
25 CAM Holder VNE2032
26 Slider (R) VNL1666
Mark No. Description Part No. Mark No. Description Part No.

DVL-919
12
2.7 SERVO MECHANISM SECTION (1/2)
30
31
15
53
29
33
34
A
A
35
36
37
39
38
40
41
42
43
44
45
46
32
47
56
48
49
52 50
51
28 27
28
58
55
58
Refer to
"2.6 LOADING MECHANISM SECTION"
Refer to
"2.8 SERVO MECHANISM
SECTION (2/2)"
Refer to
"2.10 CLD CARRIAGE ASSY"
Refer to
"2.9 DVD CARRIAGE ASSY"
18
16
15
17
19
20
21
13
14
12
4
5
6
2
87
9
10
11
22
23
24
25
26
57
1

DVL-919
13
÷ SERVO MECHANISM SECTION (1/2) PARTS LIST
1 Mini Clamp VEC2030
2 Screw BBZ26P060FMC
3 • • • • •
4 Tilt Base (Upper) VNE2062
5 Housing Assy (2P) VKP2136
NSP 6 BISB Assy VWG1796
7 Screw BPZ20P040FZK
8 B Cam VNL1725
9 Support Spring VBH1273
10 SW Lever B VNL1723
11 Shaft Holder VNL1724
12 CA Shaft (Upper) VLL1486
13 CA Rack (Upper) VNL1722
14 Shaft Stay VNL1726
15 Screw BBZ30P080FMC
16 Screw PPZ20P060FMC
17 CA Shaft (Lower) VLL1496
18 TAN Guide VNE2061
19 FPC Holder A VNL1751
20 DVD Carriage Assy VWT1146
21 FPC Holder B VNL1801
22 CLD Carriage Assy VWT1141
23 CA Guide VNL1668
24 TAN Spring (B) VBH1264
25 TAN Lever (B) VNL1669
26 Screw PMZ20P060FZK
27 Tilt Base (Under) VNL1711
28 Tilt Rear Spring VBH1274
29 CA Rack (Lower) VNL1712
30 Flexible Cable (6P) VDA1642
31 Flexible Cable Cover VNL1727
32 Motor Base VNE1941
33 Screw IBZ26P060FMC
34 Tilt Spring VBH1263
35 Thrust Spring VBH1245
36 CA Switch Lever VNL1644
NSP 37 PKSB Assy VWG1555
38 Housing Assy (3P) VKP2045
39 Screw IBZ26P120FMC
40 Screw PMA30P050FMC
41 Tilt Spring B VBH1287
42 Housing Assy (3P) VKP2046
NSP 43 FG Assy VWG1556
44 FG Base VNL1781
45 Tilt Cam VNL1643
46 Tilt Cam Spring VBH1243
47 PRC Hub VNL1684
48 Centering Spring VBH1269
49 R Turn Table Assy VXA2354
NSP 50 Oil Stopper VBF1002
51 Screw ZMD30H030FBT
NSP 52 Spindle Motor VXM1057
53 Cover S VNL1780
54 • • • • •
55 Screw BBZ30P050FZK
56 Spindle Motor Assy VXX2579
57 FPC Holder VNL1789
58 Screw BCZ30P080FMC
Mark No. Description Part No. Mark No. Description Part No.

DVL-919
14
2.8 SERVO MECHANISM SECTION (2/2)
30
31
32
31
30
25 27 29
5
5
26
26
28 27
37
38
25 24
20
23
22
5
21
20
19
18
17
5
16
534
33
35
15
14
13
10
939
36
35
12
35
11
8
7
6
4
5
2
40
3
1

DVL-919
15
÷ SERVO MECHANISM SECTION (2/2) PARTS LIST
82
3
1
6
4
7
7
5
This part is no service part.
2.9 DVD CARRIAGE ASSY 2.10 CLD CARRIAGE ASSY
72
1
3
6
56
4
This part is no service part.
÷ CLD CARRIAGE ASSY PARTS LIST
÷ DVD CARRIAGE ASSY PARTS LIST
NSP 1 TNMB Assy VWG1793
2 Carriage Motor VXM1033
NSP 3 Motor Pulley VNL1630
4 Motor Holder VNL1717
5 Screw BBZ30P080FMC
6 Screw BMZ26P040FMC
7 Gear Pulley VNL1662
8 Rubber Belt VEB1184
9 Housing Assy (3P) VKP2137
10 Lever Switch DSK1003
11 Middle Gear VNL1720
12 Turn Panel Assy VXA2337
13 Gear S VNL1719
14 Turn Cam Gear VNL1718
15 Swing Plate Assy VXA2289
16 Turn Lever Assy VXA2292
17 Turn Plate Assy VXA2290
18 PU FPC-B VNP1583
19 Flexible Cable (26P) VDA1653
20 Connector Assy PG02KK-E10
NSP 21 CNNB Assy VWG1792
22 Flexible Cable (27P) VDA1643
23 PU FPC-A VNP1582
24 PCB Holder VNL1716
25 FC Guide VNE2059
26 PU Holder VNL1715
27 SW Lever C VNL1714
NSP 28 LCSB Assy VWG1795
NSP 29 DCSB Assy VWG1794
30 FC Arm Spring VBH1272
31 FC Arm VNL1713
32 Tilt Shaft VLL1175
33 E Ring YE30FUC
34 Washer WA42D080D050
35 Washer WT26D070D050
36 Screw PMA26P060FMC
37 Cushion VEC1917
38 Tube VEB1273
39 Binder Z09-056
40 Loading Motor Assy VXX2045
Mark No. Description Part No. Mark No. Description Part No.
1 CA Gear (A) VNL1782
2 CA Gear B Assy VXX2471
3 Slider Motor Assy VXX2472
4 Motor Holder VNL1779
5 Thrust Holder VBK1058
6 CA Guide B VNL1721
7 Screw BBZ20P050FZK
8 Screw PMA20P033FUC
1 CA Gear (A) VNL1782
2 CA Gear (B) VNL1639
3 Slider Motor Assy VXX2472
4 Motor Holder VNL1779
5 Thrust Holder VBK1058
6 Screw PBZ20P050FMC
7 Screw PMA20P033FUC
Mark No. Description Part No. Mark No. Description Part No.

DVL-919
17
A
B
C
D
5678
5678
Note : When ordering service parts, be sure to refer to "EXPLODED VIEWS and PARTS LIST" or "PCB PARTS LIST".
FOR 232C
S903 S902
(VWG1795)
LCSB ASSY
G
(VWG1794)
DCSB ASSY
(VWT1141)
CLD CARRIAGE ASSY
(VWT1146)
DVD CARRIAGE ASSY
F
(VWG1554)
LMSB ASSY
A
(VWG1793)
TNMB ASSY
E
(VWG1555)
PKSB ASSY
B
(VWR1286:KU/CA)
(VWR1287:RD/RA)
POWER SUPPLY ASSY
O
(VWG1792)
CNNB ASSY
D
(VWG1556)
FG ASSY
C
(VWG1995)
(VWG1994)
(VWG2005)
DILB ASSY
N
FLKY ASSY
L
PWSB ASSY
M
(VWG1796)
BISB ASSY
H
(VWS1377)
DVDM ASSY
I
I
1/3 –
I
3/3
( )
SLIDER MOTOR
ASSY
VXX2472
OE IC
OE IC
SLIDER MOTOR ASSY
VXX2472
LOADING MOTOR ASSY
VXX2045
AC POWER CORD
(ADG7021:KU/CA)
(ADG7003:RD/RA)
SPINDLE MOTOR ASSY
VXX2579
S901
D101
GP1S24
: RF SIGNAL ROUTE
: FOCUS SERVO LOOP LINE
: TRACKING SERVO LOOP LINE
: SLIDER SERVO LOOP LINE
(F)
(T)
(S)
(T)
(T)
(F)
(F)
(F)
(F)
(T)
(T)
(F)
(F)
(F)
(F)
(F)
(T)
(F)
(T)
(S)
(S)
(F)
(T)
(F)
(T)
(S)
(S)
(F)
(T)
(F)
(T)
(S)
(S)
(F)
(T)
(F)
(T)
(S)
(S)
H
GFEDCBA

DVL-919
18
A
B
C
D
1234
1234
3.2 DVDM ASSY (1/3)
(ROM)
(ROM)
(F)
(T)
(F)
(T)
(S)
(F)
(F)
(T)
(S)
(F)
(F)
(F)
(F)
(T)
(F)
(F)
(F)
(F)
(T)
(T)
(T)
(S)
(S)
(S)
(F)
(F)
(F) (F) (T)
(T)
(T)
(S)
(S)
5W
5W
LPF
5W
IC171
BA10393F
IC171
BA10393F
2/2
1/2
O
CN202
D
CN902
CN103
VKN1430
S14B-PH-SM3
CN101
VKF1001
TP400
VKF1001
TP100
VKF1001
TP300
CN201
VKN1324
2/2
1/2
VTL1074
L342
VTL1074
L335
VTL1074
L340 (6/6)
(5/6)
(1/6)
(4/6)
(3/6)
(2/6)
I
2/3
I
2/3
I
2/3
I
3/3
I
3/3
C416
R407 10k R409 12k
C417 100/16
47/10
1µ
2
Q403
IMX1
3
4
R177
22k
R178
22k
VCO Offset
adj.
L100
C100 YB
47µ
1µ
BA178M08FP
ADC1175CIJMX
(VWS1377)
DVDM ASSY
I
1/3
R1
33k
R2
22k
IC302(1/2):VLXO D
PRE SERVO
PROCESSOR
for DVD
RF SIGNAL
IC101:
IC171:
FOCS. EeTRK. DRIVE
CURRENT DETECTOR
IC151:TRK.,FOCS., SLD. and
LOADING DRIVER
+8V Reg.
LD
DRV.
BUFFER
BUFFER
1/3
I

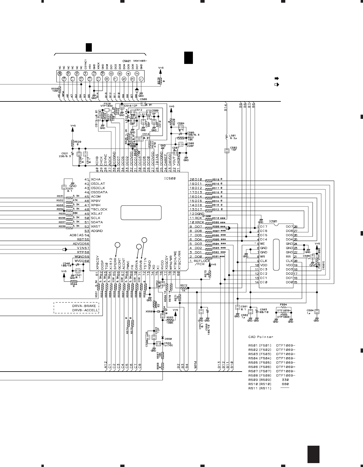
DVL-919
19
A
B
C
D
5678
5678
: RF SIGNAL ROUTE
: FOCUS SERVO LOOP LINE
: TRACKING SERVO LOOP LINE
: SLIDER SERVO LOOP LINE
(F)
(T)
(S)
(F)
(F)
(F)
(F)
(F)
(T) (T)
(T)
(T)(T)
(S)
(S)
AGCOFF
LD-ON
IC506
TC74VHCT245AFT
VKF1001
TP200
IC501
PD4889A
IC504
TC74VHC20FT
IC505(1/2)
TC74VHC139FT
IC505(2/2)
TC74VHC139FT
SRM2B256SLMX70
IC201
LC78650NE
C271 2200p R271 470k
R273 330k
R277
220k
R275
68k
R276
330k
2/2
1/2
I
2/3
I
2/3
I
2/3
I
3/3
I
3/3
XRESET,SBSY,PW,
SFSY,SBCK,MON,
C2F,FG
FSX,EFLG,SLDPOS,
DVDPRK,SHAKE,
SCKI,SSI1,SSO1,CLD
I
3/3
CLDFG
SPDO
IC501:MECHANISM CONTROL
MICROCOMPUTER for DVD
256K SRAM
IC201:Digital Signal Processor
(Servo Control for DVD)
1/3
I

DVL-919
20
A
B
C
D
1234
1234
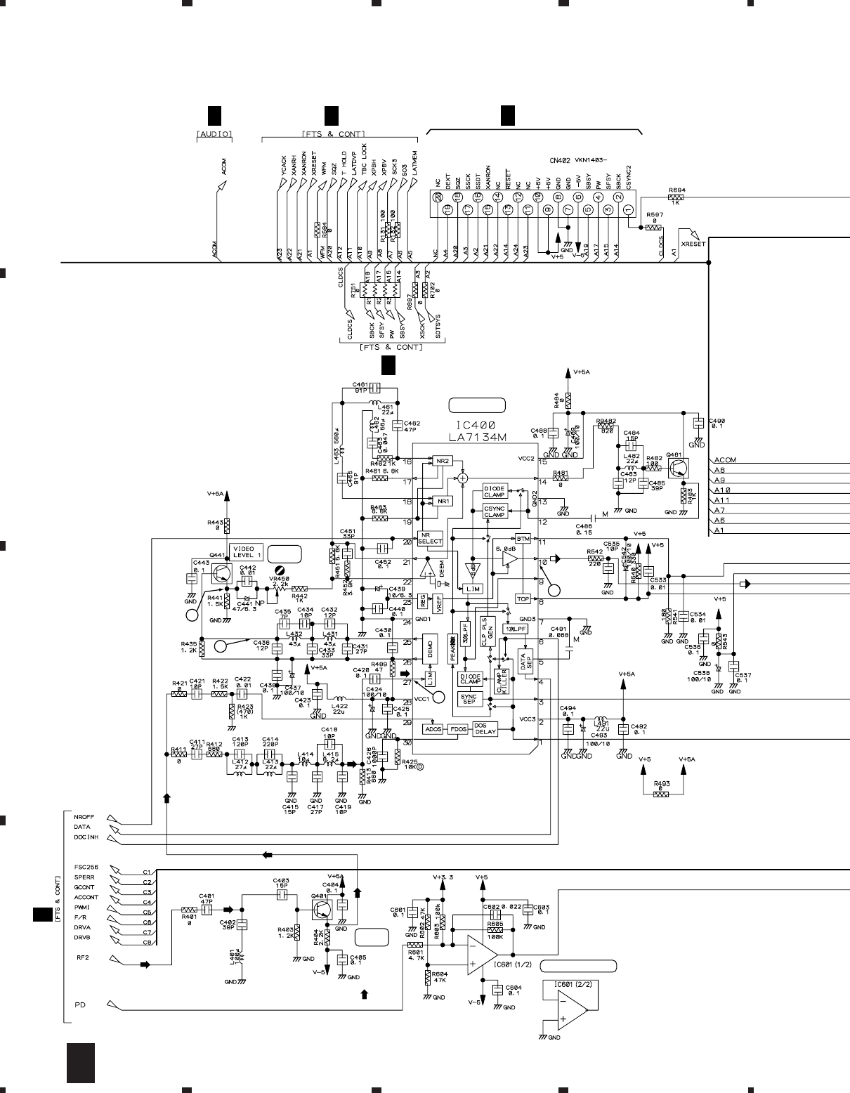
3.3 DVDM ASSY (2/3)
CN106
VKN1411
Q771,Q772:
PDTC114TK
X602
VSS1114
20MHz
IC605(2/2)
TC74VHC139FT
IC605(1/2)
TC74VHC139FT
ADDRESS
DATA
A2-A10
C2F,XRESET
I
3/3
I
3/3
I
1/3
XCSDOLV,DOLV-CD,XWRL,XWRH,
XRD,XLT3,XAMUTE,XDREQ1,CDGM,
HCPUCK,IR,SEL-IR,XDVRST1,
XAVIRQ0,48/X44,HIBSEL,XCS6,
XDACK1,NAP SW,C2F
I
3/3
I
1/3
5W
5W
VYW1612
PGM 4MFLASH MEMORY
MBM29F400TA-70PF
(VWS1377)
DVDM ASSY
I
2/3
5W
5W
5W
(1M)
SYSTEM CONTROL
MICROCOMPUTER
2/3
I

DVL-919
22
A
B
C
D
1234
1234
3.4 DVDM ASSY (3/3)
R845
4.7
C892
47/10
(1/4)
(3/4)
(4/4)
(4/4)
(3/4)
(3/3)
(1/3)
(2/3)
(1/4)
(2/4)
(2/4)
S4B-PH-SM3
CN801
F952
VTF1080
IC813
CY2081SL-611
(4/4)
(3/4)
(2/4)
(1/4)
J2/3
CN201
2/3
I
I
2/3
I
2/3
I
2/3
I
2/3
I
1/3
I
1/3
I
2/3
I
2/3
I
2/3
I
2/3
I
2/3
I
2/3
I
2/3
Video
Output
Level
Adj.
CLDCS
MB86371C
(VWS1377)
DVDM ASSY
I
3/3
(COM)
(Y)
(C)
(COM)
(Y)
(C)
(ROM)
(ROM)
AUDIO and VIDEO DECODE for
DVD(MPEG2)/VIDEO CD(MPEG)
CLOCK
GENERATOR
3/3
I

DVL-919
23
A
B
C
D
5678
5678
IC901
2/2
1/2
2/2
1/2
CN903
S13B-PH-SMB
CN901
VKN1426
R958
22
CN902
VKN1426
HIBSEL,48/X44,XRESET,XLT3
I
2/3
I
2/3
K2/2
CN601
J2/3
CN122
J1/3
CN111
I
1/3
I
2/3
I
2/3
I
1/3
L.P.F.
L.P.F.
L.P.F.
: AUDIO SIGNAL ROUTE
: COMPOSITE VIDEO SIGNAL ROUTE
: Y SIGNAL ROUTE
: C SIGNAL ROUTE
: ROM DATA SIGNAL ROUTE
(COM)
(Y)
(C)
(ROM)
(COM) (COM)
(COM)
(COM)
(Y)
(Y)
(Y)
(Y)
(C)
(C) (C) (C)
DATA SELECTOR SW
IC816,Q873:BUFFER
IC815,816(2/2):VIDEO AMP.
Q871,872,851,852,831,832:BUFFER
3/3
I

DVL-919
24
A
B
C
D
1234
1234
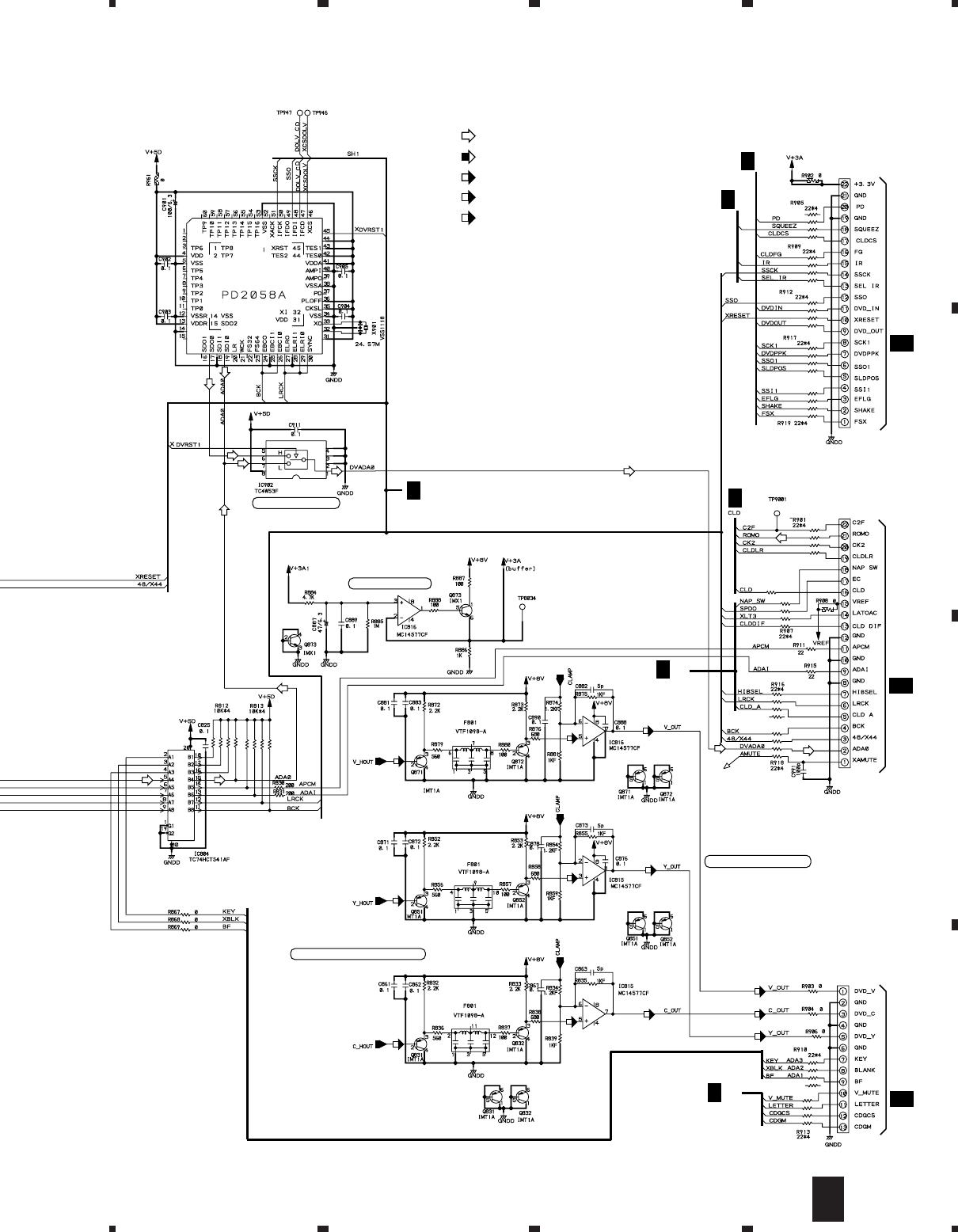
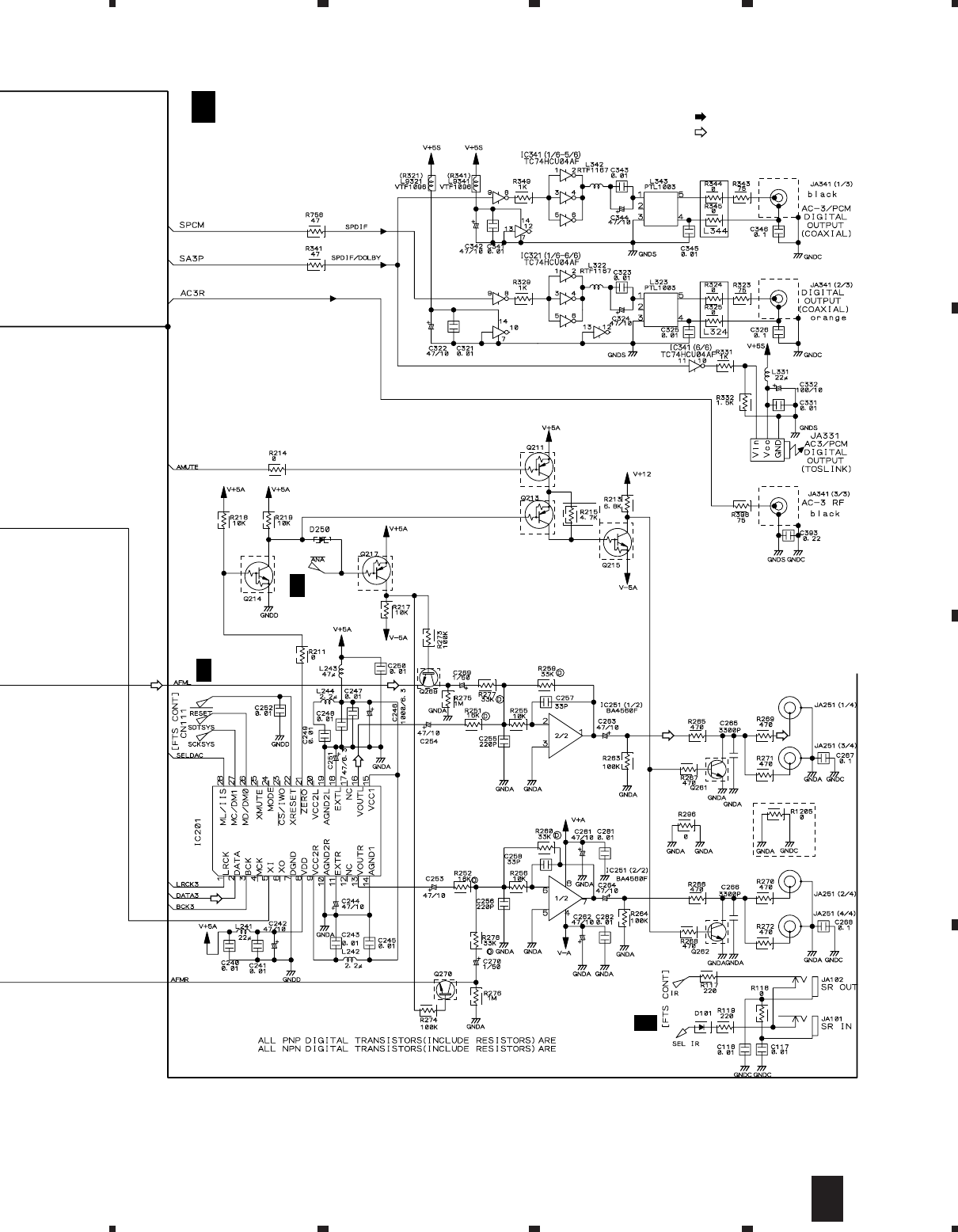
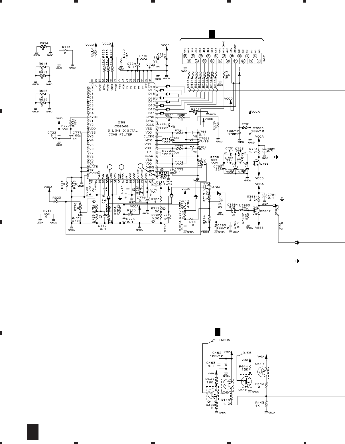
3.5 CLDM ASSY (1/3)
2/3
J
3/3
J
2/3
J
2/3,3/3
J
3/3
J
3/3
J
3/3
J
3/3
J
3/3
J
CN902
3/3
I
O
CN203
D
CN904
E
CN911
A
CN101
(VWS1358)
CLDM ASSY
J
1/3
PD0266A2
X101:9MHz
VSS1040
2PB709A
PDTC124EK
(F)
(F)
(F)
(F)
(T)
(T)
(T)
(F)
(F)
(F)
(F)
(F)
(T)
(T)
(F)
(F)
(T)
(T)
(F)
(F)
(T)
(T)
(T) (T)
(F)
(F) (F)
(T)
(T) (T)
(F)
(F)
(F)
(F)
(T)
(T)
(T)
7
10
11
12
1
9
20
22
9
TILT/LOARD DRIVE
SLDR.
DRIVE
Q121,122:FG SIGNAL WAVE FORMER
TURN
MECHANISM DRIVE
LD DRV.
FOCUS
DRIVE
1/3
J

DVL-919
25
A
B
C
D
5678
5678
2/3
J
2/3
J
2/3
J
3/3
J
2/3
J
3/3
J
3/3
J
1SS355
1SS355
Q981: PDTA124EK
PDTC124EK
2PD601A
2SC3082K
Q803,Q811:
2PD601A
Q905,Q906: 2PD601A
LA9430M
Q908: PDTC124EK
2PB709A
1SS355
Q181:
PDTC124EK
IC908
LC78625E
: RF SIGNAL ROUTE
: AUDIO SIGNAL ROUTE
: FOCUS SERVO LOOP LINE
: TRACKING SERVO LOOP LINE
(F)
(T)
(F)
(T)
(F)
(T)
(T)
(T)
(T)
(F)
(F)
(T)
(T)
(F)
(F)
1
16
60 48
40
38
37
14 13 11
Q152: RF AMP.
Q803: BUFFER
RF CORRECTION ON/OFF/SW
5W
5W
TRK.
DRIVE
(FCS.,TRK. and SPDL.)
Q903–906: LIMITER
IC905(2/2): BUFFER
IC905(1/2): SPDL. ERR.
Q908: SPDL. GAIN CONT.
TRK. ZERO.CROS
COMPARATOR
IC183:
BUFFER
BUFFER
1/3
J

DVL-919
31
A
B
C
D
5678
5678
CN402
J3/3
K2/2
K2/2
(VWV1633)
GYCB ASSY
K
1/2
2SC1740S
2PB709A
2PB709A
2PB709A
2PD601A 2PD601A
2PD601A
2PD601A
2SC1740S
2SC1740S
: VIDEO SIGNAL ROUTE
: Y SIGNAL ROUTE
: C SIGNAL ROUTE
(Y)
(C)
(C)
(C)
(Y)
(Y)
(C)
(Y)
(C)
(C)
(C)
(Y)
(Y)
(Y)
(Y)
(Y)
(Y)
(C)
(C)
(Y)
(C)
(Y)
(C)
(C)
(C)
(C)
(C)
2
2
3
3
1
1
Q407–408,410:
75Ω DRIVER
for Y and C VIDEO Q411–413:
VIDEO AMP.
Q414–416:
75Ω DRIVER for VIDEO
1/2
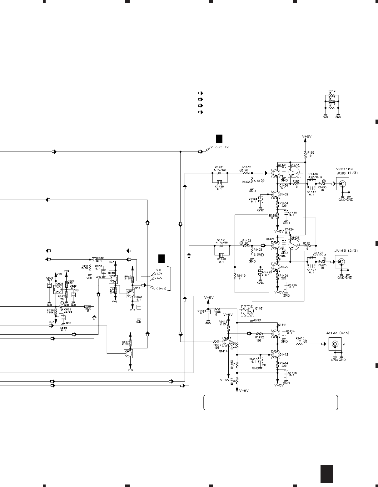
K

DVL-919
32
A
B
C
D
1234
1234
3.9 GYCB ASSY (2/2)
K1/2
K1/2
(VWV1633)
GYCB ASSY
K
2/2
CN903
I3/3
PDTA124EK
PDTC124EK
2PD601A
2PD601A
2PD601A
Q655-Q658:
2PD601A
Q661,Q662,Q671:
2PD601A Q672:
2PB709A
PDTA124EK
TC7W00F
PDTC124EK
PDTC124EK
MA111
MA111
MA111
C672
39p
(C)
(C)
(Y)
(Y)
(Y)
(Y)
(Y)
(Y)
(C)
(C)
(Y)
(Y)
(C)
(C)
(Y)
(C)
(Y)
(Y)
(Y)
(Y)
(Y)
(Y)
(Y)
(Y)
(Y) (Y) (Y)
(Y)
(Y)
(Y)
(C
R
)
(C
R
)
(C
B
) (C
B
)
YNR
2/2
K

DVL-919
33
A
B
C
D
5678
5678
K1/2
K1/2
C
R
C
B
Q626:
2PD601A
Q647:
2PB709A
2PD601A
2PB709A
2PB709A 2PD601A
2PD601A
2PD601A
2PD601A
2PD601A
2PD601A
PDTC124EK
Q1423:
PDTA124EK
PDTA124EK
: COMPONENT VIDEO SIGNAL ROUTE (C
B
)
: COMPONENT VIDEO SIGNAL ROUTE (C
R
)
: Y SIGNAL ROUTE
: C SIGNAL ROUTE
(C
R
)
(C
B
)
(Y)
(C)
(Y)
(C)
(C)
(C)
(C)
(Y)
(Y)
(C)
(Y) (Y)
(Y)
(Y)
(Y)
(Y)
(Y)
(Y)
(Y)
(Y)
(Y)
(C
R
)
(C
R
)
(C
R
)
(C
R
)
(C
R
)
(C
R
)
(C
B
) (C
B
)
(C
B
)
(C
B
)
(C
B
)
Q1411, Q1412, Q1421, Q1422, Q1431, Q1432
: 75Ω DRIVER for COMPONENT VIDEO OUT (Y, C
B
, C
R
)
2/2
K

DVL-919
37
A
B
C
D
5678
5678
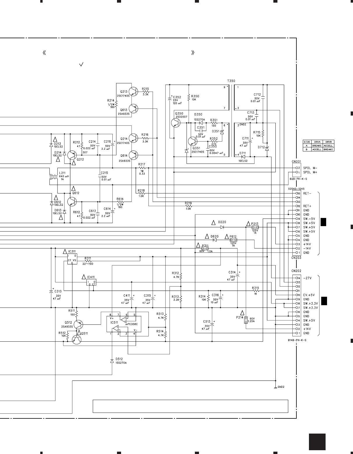
NOTE OF SPARE PARTS IN POWER SUPPLY (SYPS) ASSY
• In case of repairing, use the described parts only to prevent an accident.
• Please write the red mark on the board when the primary section of POWER SUPPLY (SYPS) Assy is repaired.
• Please take care to keep the space, not touching other parts when replacing the parts.
• NOTE FOR FUSE REPLACEMENT
FOR CONTINUED PROTECTION AGAINST RISK OF FIRE.
REPLACE ONLY WITH SAME TYPE AND RATINGS ONLY.
CAUTION -
CN101
J1/3
CN101
I1/3
Q212
T7F4T
Q612
T7F4S
VZF1047
VZF1048
2SD2395
D713
MTZJ30A
MTZJ2.7B
MTZJ8.2B
D220
VZF1045 P213
VEK1036
P612
VEK1036
P311
VEK1041
P214
VEK1045
D620
VZF1045
AC1
AC2
DRVA
DRVB
O

DVL-919
39
A
B
C
D
5678
5678
!
!
!
!
!
!
NOTE ON SPARE PARTS IN POWER SUPPLY ASSY
• In case of repairing, use the described parts only to prevent an accident.
• Write the red mark on the board when the primary section of POWER SUPPLY Assy is repaired.
• Take care to keep the space, not touching other parts when replacing the parts.
• NOTE FOR FUSE REPLACEMENT
FOR CONTINUED PROTECTION AGAINST RISK OF FIRE.
REPLACE ONLY WITH SAME TYPE AND RATINGS ONLY.
CAUTION -
2SD2395
VZF1048
VZF1047
T7F4T
T7F4S
D713
MTZJ30A
MTZJ2.7B
MTZJ8.2B
DRVB
DRVA
VEK1036
VEK1036
VZF1045
VZF1045
VEK1041
VEK1045
AC1
AC2
CN101
J1/3
CN101
I1/3
POW-ON
!
!!
!
!
!
!
!
!
O

DVL-919
40
22 5msec/div
IC801 (LA9425)
DC mode
200mVp-p
0V
20 5msec/div
DC mode
100mVp-p
0V
910msec/div
DC mode
0.2Vp-p
0V
16 5msec/div
IC901 (LA9430M)
DC mode
500mVp-p
0V
60 5msec/div
DC mode
1Vp-p
1.6Vp-p
5Vp-p
0V
0V
0V
0V
38
37
10µsec/div
DC mode
5Vp-p
0V
0V
75msec/div
CN802
DC mode
(F2)
(RF1)
(V1)
(T3)
(T1)
(F1)
(F3)
(T4)
(F4)
(RF2)
200mVp-p
0V
IC902 (TA8410AK) CN801
IC803 (LA6510)
IC908 (LC78625E)
13
14
DC mode
11
DC mode
40 10msec/div
DC mode
0.3Vp-p
0V
48 50µsec/div
DC mode
1Vp-p
0V
15msec/div
DC mode
2Vp-p
0V
95msec/div
DC mode
5Vp-p
0V
12msec/div
DC mode
1.8Vp-p
0V
210µsec/div
Q441 Emitter
AC mode
400mVp-p
10 5msec/div
DC mode
100mVp-p
0V
11 5msec/div
DC mode
0.2Vp-p
0V
12 2msec/div
AC mode
600mVp-p
0V
0V
1V
10 10µsec/div
IC400 (LA7134M)
DC mode
2Vp-p
27 2msec/div
AC mode
400mVp-p
25 10µsec/div
DC mode
1Vp-p
0.5µsec/div
50µsec/div
0V
IC500 (PD6159B)
0V
47 5msec/div
DC mode
5Vp-p
57
56
0V
10µsec/div
DC mode
5Vp-p
• WAVEFORMS AND VOLTAGES
Note : in the table correspond to the pin number.
Measurement condition : In case when (D.audio) is written, at time when disc that has digital audio recording is played.
No.
CLDM ASSY

DVL-919
41
380mVp-p
1Vp-p
GND
GND
10µsec/div
IC301 (CXD2046Q)
24 10µsec/div
DC mode
33
DC mode
DC mode
JA102 YOUT
3
DC mode
0V
110µsec/div
JA101 (VIDEO OUT)
DC mode
1Vp-p
(75Ω termination)
(75Ω termination)
2.2Vp-p
GND
2.2Vp-p
GND
10µsec/div
JA102 COUT
4
DC mode
(75Ω termination)
1Vp-p
GND
10µsec/div
10µsec/div
36
GYCB ASSY

DVL-919
42
A
B
C
D
1234
1234
A
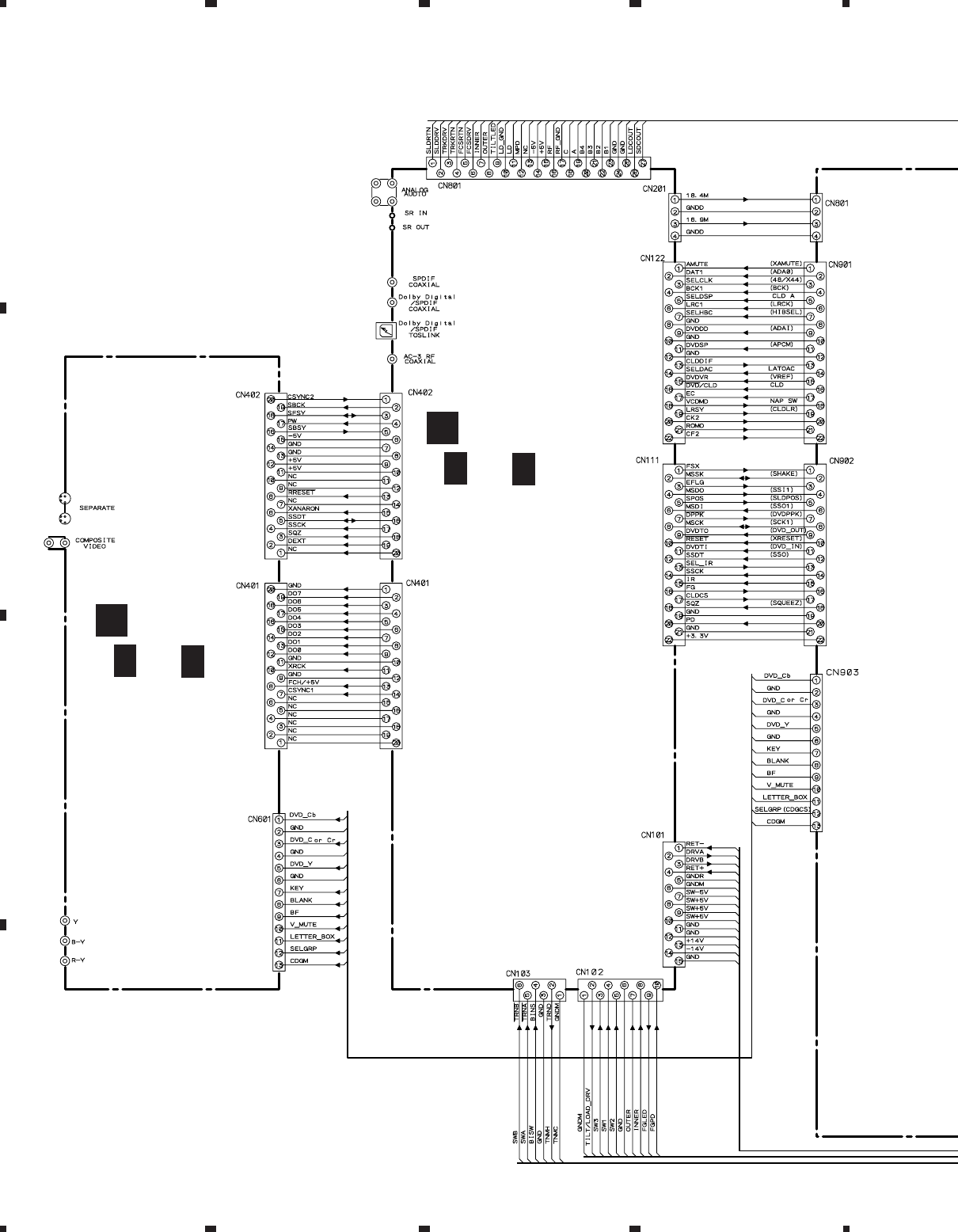
4. PCB CONNECTION DIAGRAM
LOADING
MOTOR
ASSY
M
(VNP1479-E)
CN102
J
FG ASSY
C
LMSB ASSY
A
PKSB ASSY
B
SIDE A
NOTE FOR PCB DIAGRAMS :
1. Part numbers in PCB diagrams match those in the schematic
diagrams.
2. A comparison between the main parts of PCB and schematic
diagrams is shown below.
3. The parts mounted on this PCB include all necessary parts for
several destinations.
For further information for respective destinations, be sure to
check with the schematic diagram.
4. View point of PCB diagrams.
Symbol In PCB
Diagrams Symbol In Schematic
Diagrams Part Name
BCE
D
D
G
G
S
S
BCE
BCE
DGS
BCEBCE
BCE
Transistor
Transistor
with resistor
Field effect
transistor
Resistor array
3-terminal
regulator
Capacitor
Connector
P.C.Board Chip Part
SIDE A
SIDE B
4.1 LMSB, PKSB and FG ASSEMBLIES
B C

DVL-919
43
A
B
C
D
1234
1234
4.2 CNNB, TNMB, DCSB, LCSB and BISB ASSEMBLIES
(VNP1599-B)
CN801
J
CN103
I
CN103
J
LCSB ASSY
G
TNMB ASSY
E
BISB ASSY
H
DCSB ASSY
F
CNNB ASSY
D
CNNB ASSY
D
DVD
CARRIAGE
ASSY
CN101
CLD CARRIAGE
ASSY CN101
SIDE B
SIDE A
FG H
D E

DVL-919
44
A
B
C
D
1234
1234
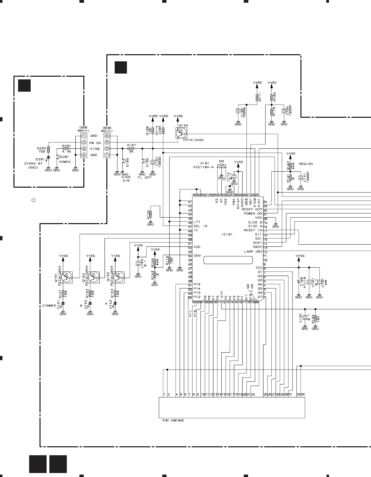
4.3 DVDM ASSY
• This PCB is a four-layered board. Middle layer is mainly connected to Vcc and GND.
CN201
J
CN122
JCN601
KCN902
D
CN202
O
CN101
LDVDM ASSY
I
VR891
VR801
VC301
IC601
IC506
IC401
IC302
IC303
IC701
IC203
IC202
IC806
IC204
IC161
IC271
IC824
IC902
IC813
IC818
|
IC820
IC814
IC810
IC811
IC815 IC816
Q802
Q105
Q102
Q873
Q455
Q801
Q891
IC206
IC171
IC151
Q291
Q301
IC807
IC801
IC501
Q401
|
Q403
CN111
J
(VNP1624-D)
SIDE A
I

DVL-919
45
A
B
C
D
1234
1234
DVDM ASSY
I
(VNP1624-D)
IC505
IC605
IC504
IC502
IC503
IC301
IC703 IC817
IC702
IC201
IC205
IC808
IC809
IC805
IC821
IC802
IC901
IC804
IC101
Q261
Q106
Q107
Q104
Q103
Q108
|
Q110
Q851
Q871
Q831
Q852
Q872
Q832
IC604
IC603
IC602
Q771
Q772
Q601
|
Q603
SIDE B
I

58
DVL-919
Mark No. Description Part No. Mark No. Description Part No.
5. PCB PARTS LIST
NOTES: •Parts marked by "NSP" are generally unavailable because they are not in our Master Spare Parts List.
•The mark found on some component parts indicates the importance of the safety factor of the part.
Therefore, when replacing, be sure to use parts of identical designation.
•When ordering resistors, first convert resistance values into code form as shown in the following examples.
Ex.1 When there are 2 effective digits (any digit apart from 0), such as 560 ohm and 47k ohm (tolerance is shown by J=5%,
and K=10%).
560 Ω→56 × 101→561 ........................................................ RD1/4PU 5 6
1
J
47k Ω→47 × 103→473 ........................................................ RD1/4PU
4
7
3 J
0.5 Ω→R50 ..................................................................................... RN2H R 5
0
K
1 Ω→1R0 ..................................................................................... RS1P
1
R 0 K
Ex.2 When there are 3 effective digits (such as in high precision metal film resistors).
5.62k Ω→ 562 × 101→5621 ...................................................... RN1/4PC 5 6
2
1 F
7 LIST OF WHOLE PCB ASSEMBLIES
NSP MACB ASSY VWM1507 VWM1507
NSP LMSB ASSY VWG1554 VWG1554
NSP PKSB ASSY VWG1555 VWG1555
NSP FG ASSY VWG1556 VWG1556
NSP MECHB ASSY VWM1721 VWM1721
NSP CNNB ASSY VWG1792 VWG1792
NSP TNMB ASSY VWG1793 VWG1793
NSP DCSB ASSY VWG1794 VWG1794
NSP LCSB ASSY VWG1795 VWG1795
NSP BISB ASSY VWG1796 VWG1796
NSP FLKB ASSY VWM1879 VWM1879
FLKY ASSY VWG2005 VWG2005
NSP PWSB ASSY VWG1994 VWG1994
NSP DILB ASSY VWG1995 VWG1995
CLDM ASSY VWS1358 VWS1358
DVDM ASSY VWS1377 VWS1377
GYCB ASSY VWV1633 VWV1633
POWER SUPPLY ASSY VWR1286 VWR1287
Mark Symbol and Description Part No.
KU/CA type RD/RA type Remarks

59
DVL-919
Mark No. Description Part No. Mark No. Description Part No.
LMSB ASSY
SWITCHES
S101-S103 VSG1006
OTHERS
CN101 10P CONNECTOR 52044-1045
PKSB ASSY
SWITCHES
S104,S105 VSG1006
FG ASSY
SEMICONDUCTOR
D101 GP1S24
CNNB ASSY
OTHERS
CN903 23P FFC CONNECTOR 52030-2310
CN901 26P FFC CONNECTOR 52030-2610
CN905,CN906 KR CONNECTOR S2B-PH-K-S
CN902 26P FFC CONNECTOR SLW26R-1C7
CN904 27P FFC CONNECTOR SLW27R-1C7
TNMB ASSY
OTHERS
CN911 6P FFC CONNECTOR 52044-0645
CN912 KR CONNECTOR B2B-PH-K-S
CN913 KR CONNECTOR B3B-PH-K-S
DCSB ASSY
SWITCH
S902 DSG1017
OTHERS
CN915 KR CONNECTOR S2B-PH-K-S
LCSB ASSY
SWITCH
S903 DSG1017
OTHERS
CN916 KR CONNECTOR S2B-PH-K-S
BISB ASSY
SWITCH
S901 DSG1017
OTHERS
CN914 KR CONNECTOR S2B-PH-K-S
DVDM ASSY
SEMICONDUCTORS
IC301 ADC1175CIJMX
IC171 BA10393F
IC401 BA178M08FP
IC151 BA6797FP
IC813 CY2081SL-611
IC702 HM514800CJ-7
IC101 LA9700M
IC201 LC78650NE
IC802
MB811171622A-100FN
IC801 MB86371C
IC815,IC816 MC14577CF
IC271,IC302 NJM2100M
IC203 NJM2107F
IC901 PD2058A
IC601 PD3381A
IC701 PD4833A
IC501 PD4889A
IC502 SRM2B256SLMX70
IC202,IC204,IC206,IC902 TC4W53F
IC604 TC551001BFL-85
IC503 TC74HC573AF
IC804 TC74HCT541AF
IC303 TC74HCU04AF
IC807,IC808 TC74LCX245FT
IC821 TC74VHC00FT
IC814,IC820 TC74VHC02FT
IC505,IC605 TC74VHC139FT
IC703 TC74VHC14FT
IC504 TC74VHC20FT
IC805,IC806,IC809 TC74VHC541FT
IC506 TC74VHCT245AFT
IC817 TC74VHCT541AFT
IC811,IC818,IC819 TC7SHU04F
IC810 TC7WU04F
IC603 VYW1612
Q401 2SB1260
Q108 HN1K03FU
Q455,Q831,Q832,Q851,Q852 IMT1A
Q871,Q872 IMT1A
Q103,Q402,Q403,Q873 IMX1
Q102,Q104,Q291,Q301 IMZ1A
Q106,Q603 PDTA114EK
Q107,Q109,Q602 PDTC114EK
Q601,Q771,Q772 PDTC114TK
D301 KV1410
D171,D172 MA152WK
D601 RB501V-40
COILS AND FILTERS
F771,F778,F779 CHIP BEAD DTF1067
F896 FERRITE CORE VTF1077
F952 FERRITE CORE VTF1080
F801 VIDEO FILTER VTF1098
F401-F406 CHIP EMI FILTER VTH1037
L301 (1.5µH) VTL1059
L101,L302 (10µH) VTL1061
L802,L803 (22µH) VTL1067
L335,L340,L342 CHIP BEAD VTL1074
L777,L780-L787,L895 CHIP BEADVTL1075
7 PCB PARTS LIST
AI
B
C
D
E
F
G
H

60
DVL-919
Mark No. Description Part No. Mark No. Description Part No.
L897-L899 CHIP BEAD VTL1075
L100 CHIP BEAD VTL1119
CAPACITORS
C623 CCSRCH100D50
C152,C208,C291,C612,C613 CCSRCH101J50
C700,C735,C737,C739 CCSRCH101J50
C897,C898,C991 CCSRCH101J50
C111,C139,C215,C231,C232 CCSRCH151J50
C248 CCSRCH151J50
C125,C148,C329 CCSRCH180J50
C112,C118 CCSRCH220J50
C121,C130,C199,C319,C324 CCSRCH330J50
C120 CCSRCH331J50
C310,C323,C327 CCSRCH470J50
C230 CCSRCH471J50
C126,C331,C838 CCSRCH560J50
C127,C330,C863,C873,C882 CCSRCH5R0C50
C160 CCSRCH680J50
C401,C417,C892 CEHV470M10
C101,C104,C201,C325,C601 CEV101M6R3
C701,C704,C706,C801 CEV101M6R3
C803,C804,C813-C815,C826 CEV101M6R3
C901 CEV101M6R3
C123,C158,C412,C414 CEV220M16
C835,C895 CEV221M4
C131,C135,C205,C206,C301 CEV470M6R3
C303,C404,C406,C408,C410 CEV470M6R3
C501,C504,C832,C836,C841 CEV470M6R3
C887 CEV470M6R3
C211 CKSQYB104K25
C100,C109,C124,C216,C220 CKSQYB105K10
C229,C234,C275,C308,C326 CKSQYB105K10
C332,C333,C730,C731 CKSQYB105K10
C416,C818,C823,C828 CKSQYF105Z16
C213,C292,C309,C321 CKSRYB102K50
C105,C106,C108,C146,C147 CKSRYB103K50
C151,C154-C157,C161,C207 CKSRYB103K50
C217,C221,C247,C276,C318 CKSRYB103K50
C320,C620,C705,C722,C772 CKSRYB103K50
C859 CKSRYB103K50
C143,C162-C165,C223,C224 CKSRYB104K16
C242,C273,C274,C311,C312 CKSRYB104K16
C315 CKSRYB104K16
C141,C271 CKSRYB222K50
C328 CKSRYB223K25
C122 CKSRYB473K16
C102,C103,C113,C129 CKSRYF104Z16
C132-C134,C136,C137,C159 CKSRYF104Z16
C166,C191,C202-C204,C209 CKSRYF104Z16
C214,C218,C219,C222 CKSRYF104Z16
C226-C228,C235,C237,C241 CKSRYF104Z16
C246,C302,C304,C305,C317 CKSRYF104Z16
C322,C402,C403,C405,C407 CKSRYF104Z16
C409,C411,C413,C415 CKSRYF104Z16
C502,C503,C505-C509 CKSRYF104Z16
C602-C611,C614,C615,C617 CKSRYF104Z16
C621,C622,C702,C703 CKSRYF104Z16
C707-C721,C723,C732-C734 CKSRYF104Z16
C736,C738,C740-C742,C771 CKSRYF104Z16
C791,C800,C802,C805-C812 CKSRYF104Z16
C816,C817,C819-C822 CKSRYF104Z16
C824,C825,C827,C829,C830 CKSRYF104Z16
C833,C834,C837,C839,C840 CKSRYF104Z16
C842-C848,C861,C862,C867 CKSRYF104Z16
C871,C872,C876,C878,C881 CKSRYF104Z16
C883,C888-C890,C902-C905 CKSRYF104Z16
C911 CKSRYF104Z16
C852,C855,C857,C858 (2.2µF) VCG1031
C922-C924 (2.2µF) VCG1031
VC301 (40pF) VCM1010
RESISTORS
R602,R603,R610 (47Ω) DCN1090
R613,R618 (47Ω) DCN1090
R507,R508,R624,R628 (10kΩ) DCN1094
R633,R703,R704,R717 (10kΩ) DCN1094
R718,R745,R746,R761 (10kΩ) DCN1094
R762,R792,R812,R813 (10kΩ) DCN1094
R137,R501,R502 (20Ω) DCN1104
R505,R506,R604-R607 (20Ω) DCN1104
R712,R713,R719 (20Ω) DCN1104
R724,R748,R749,R791 (20Ω) DCN1104
R802,R803,R808,R901 (20Ω) DCN1104
R905,R907,R909,R910 (20Ω) DCN1104
R912,R913,R916-R919 (20Ω) DCN1104
R101,R11-R14,R141 RS1/10S0R0J
R15-R17,R171,R18 RS1/10S0R0J
R201-R203,R300,R319,R333 RS1/10S0R0J
R411-R413,R701,R775,R776 RS1/10S0R0J
R891,R893,R902,R908,R961 RS1/10S0R0J
R205 RS1/10S101J
R835,R839,R855,R859,R875 RS1/16S1001F
R881 RS1/16S1001F
R834,R854,R874 RS1/16S1201F
R823-R825 RS1/16S1500F
R117,R118 RS1/16S1501F
R126 RS1/16S1502F
R241,R247 RS1/16S2202F
R110,R153,R155,R168,R169 RS1/16S2702F
R173,R174,R213,R228,R229 RS1/16S2702F
R248 RS1/16S2702F
R152,R156,R158-R164,R167 RS1/16S4702F
R170,R172,R175,R194,R227 RS1/16S4702F
R836,R856,R879 RS1/16S5600F
VR801 (1kΩ) VCP1125
Other Resistors RS1/16S J
OTHERS
CN903 PH CONNECTOR S13B-PH-SM3
CN101 PH CONNECTOR S14B-PH-SM3
CN801 PH CONNECTOR S4B-PH-SM3
FLEXIBLE CABLE VDA1681
TP100,TP200,TP300,TP400 VKF1001
CHECEK CHIP
CN201 CONNECTOR VKN1324
CN106 7P CONNECTOR VKN1411
CN105 14P CONNECTOR VKN1418
CN901,CN902 22P CONNECTOR VKN1426
CN103 26P CONNECTOR VKN1430
KN1-KN3
EARTH METAL FITTING
VNF1109
LABEL VRW1750
X602
CERAMIC RESONATOR(20MHz)
VSS1114
X501
CERAMIC RESONATOR(10MHz)
VSS1115
X901
CERAMIC RESONATOR(24MHz)
VSS1118

61
DVL-919
Mark No. Description Part No. Mark No. Description Part No.
CLDM ASSY
SEMICONDUCTORS
IC761 BA10393F
IC251,IC601,IC905,IC906 BA4560F
IC352 CA0002AM
IC203 CY2081SL-611
IC171,IC803 LA6510
IC400 LA7134M
IC801 LA9425
IC901 LA9430M
IC908 LC78625E
IC182,IC183 MM6558XF
IC501 MN4777AS
IC221 NJM78L08A
IC222 NJM79L08A
IC500 PD0234A
IC202 PD0236AM
IC101 PD0266A2
IC201 PE8001A
IC902 TA8410AK
IC181,IC184,IC762,IC907 TC4W53F
IC321,IC341 TC74HCU04AF
IC205-IC207 TC7S02F
IC102 TC7S32F
IC204,IC208 TC7WU04F
Q121,Q182 2PB709A
Q269,Q270,Q391-Q393,Q401 2PD601A
Q441,Q481,Q803,Q811 2PD601A
Q903-Q906 2PD601A
Q834 2SA854S
Q152 2SC3082K
Q261,Q262 2SD2114K
Q211,Q213,Q217,Q394,Q981 PDTA124EK
Q122,Q181,Q214,Q215,Q233 PDTC124EK
Q901,Q908 PDTC124EK
D101,D181,D250,D902,D981 1SS355
D221 EP10QY03
D311,D550 KV1851
D115 UDZS5.1B
COILS AND FILTERS
F501-F508 CHIP BEAD DTF1069
L9294,L9295 CHIP INPEDER DTL1028
L414 LAU100J
L401 LAU101J
L352,L821-L823 LAU181J
L209,L241,L311,L312,L331 LAU220J
L351,L413,L422,L461,L491 LAU220J
L831 LAU220J
L412,L482,L511 LAU270J
L242,L244 LAU2R2J
L431,L432,L512 LAU430J
L243 LAU470J
L462 LAU560J
L415,L501 LAU8R2J
L832 LFA220J
L463 LFA561J
L323,L343 COIL PTL1003
L322,L342 COIL RTF1167
F238-F240,F581,F664,F665 VTF1096
CHIP SOLID INDUCTOR
F9321,F9341 VTF1096
CHIP SOLID INDUCTOR
F520 14.3MHz FILTER VTF1099
L205,L224 CHIP BEAD VTL1098
L9242 CHIP BEAD VTL1101
CAPACITORS
C229,C418,C419,C421,C434 CCSQCH100D50
C513,C535 CCSQCH100D50
C353,C821,C837-C839,C843 CCSQCH101J50
C864,C865 CCSQCH101J50
C921,C943 CCSQCH102J50
C432,C436,C483,C516,C553 CCSQCH120J50
C413 CCSQCH121J50
C403,C415,C484,C502 CCSQCH150J50
C355,C823,C901 CCSQCH151J50
C313,C352 CCSQCH180J50
C205,C824,C973 CCSQCH220J50
C255,C256,C414,C506 CCSQCH221J50
C230,C354,C411,C417,C431 CCSQCH270J50
C830 CCSQCH270J50
C104,C105,C257,C258,C356 CCSQCH330J50
C433,C451,C510,C512 CCSQCH330J50
C351,C402,C485 CCSQCH390J50
C217,C222,C401,C462 CCSQCH470J50
C925 CCSQCH471J50
C941 CCSQCH561J50
C509 CCSQCH5R0C50
C358,C511,C806 CCSQCH680J50
C920 CCSQCH681J50
C435,C559,C822,C829 CCSQCH7R0D50
C357,C825 CCSQCH820J50
C461,C465 CCSQCH910J50
C123 CCSQSL102J50
C439 CEAL100M6R3
C489 CEAL101M6R3
C251 CEAL470M6R3
C383 CEALR47M50
C986 CEANP3R3M50
C187,C441,C856 CEANP470M6R3
C221,C394,C975 CEAT100M50
C332,C391,C424,C437,C493 CEAT101M10
C505,C538,C540,C542,C558 CEAT101M10
C583,C832,C834,C884 CEAT101M10
C246 CEAT102M6R3
C269,C270,C867,C929 CEAT1R0M50
C981,C982 CEAT220M25
C927,C928,C931 CEAT220M50
C521 CEAT221M6R3
C102,C209,C223,C224 CEAT470M10
C253,C254,C261-C264,C316 CEAT470M10
C318,C322,C324,C342,C344 CEAT470M10
C382,C390,C802,C804,C842 CEAT470M10
C852,C854,C859,C860 CEAT470M10
C984 CEAT4R7M50
C922 CEATR47M50
C936,C940 CEJA101M6R3
C902 CEJA220M50
C863,C934 CEJA2R2M50
C242,C244 CEJA470M6R3
C862 CEJA4R7M50
C486 CFTLA154J50
J

62
DVL-919
Mark No. Description Part No. Mark No. Description Part No.
C491 CFTLA683J50
C426,C910 CKSQYB102K50
C845,C881,C917,C942 CKSQYB104K25
C555,C933 CKSQYB105K10
C923 CKSQYB153K25
C911 CKSQYB154K16
C903 CKSQYB222K50
C379,C380 CKSQYB392K50
C373-C376,C388,C912,C932 CKSQYB472K50
C963 CKSQYB473K25
C763 CKSQYB682K50
C106-C112,C117,C118,C121 CKSQYF103Z50
C124,C153,C155,C173,C181 CKSQYF103Z50
C183,C184,C188,C189 CKSQYF103Z50
C191,C192,C208,C210 CKSQYF103Z50
C231-C237,C239-C241,C243 CKSQYF103Z50
C245,C247-C250,C252 CKSQYF103Z50
C281,C282,C311,C314,C315 CKSQYF103Z50
C317,C321,C323,C325,C331 CKSQYF103Z50
C341,C343,C345,C381,C386 CKSQYF103Z50
C389,C422,C442,C508 CKSQYF103Z50
C514,C515,C517,C533,C534 CKSQYF103Z50
C536,C552,C554,C761,C762 CKSQYF103Z50
C801,C803,C811,C831,C833 CKSQYF103Z50
C836,C841,C846,C851,C853 CKSQYF103Z50
C861,C882,C883,C885,C924 CKSQYF103Z50
C935,C937,C939,C945-C947 CKSQYF103Z50
C962,C974,C983 CKSQYF103Z50
C101,C103,C122,C151,C152 CKSQYF104Z25
C171,C172,C182,C199,C218 CKSQYF104Z25
C267,C268,C326,C346,C385 CKSQYF104Z25
C387,C392,C404,C405,C420 CKSQYF104Z25
C423,C425,C430,C438,C440 CKSQYF104Z25
C443,C452,C488,C492,C494 CKSQYF104Z25
C504,C507,C519,C520,C531 CKSQYF104Z25
C537,C541,C557,C601 CKSQYF104Z25
C603,C604,C764,C805,C847 CKSQYF104Z25
C857,C858,C866,C913,C914 CKSQYF104Z25
C919,C971,C972,C976 CKSQYF104Z25
C582,C584,C586 CKSQYF105Z16
C186,C602,C855,C926,C930 CKSQYF223Z50
C938 CKSQYF223Z50
C377,C378,C393,C908,C909 CKSQYF224Z25
C154,C156,C174,C312,C463 CKSQYF473Z50
C826,C828 CKSQYF473Z50
C265,C266 CQMBA332J50
VC301 (20pF) VCM-008
RESISTORS
R751 RA4C0R0J
R753 RA4C221J
R203,R752 RA4C471J
R425,R833,R834,R837,R839 RN1/10SE1002D
R891,R892 RN1/10SE1002D
R152,R156 RN1/10SE1003D
R251,R252 RN1/10SE1602D
R541 RN1/10SE1800D
R540 RN1/10SE3300D
R151,R259,R260,R277,R278 RN1/10SE3302D
R893,R894 RN1/10SE3302D
R153,R154 RN1/10SE4702D
VR450 (2.2kΩ) PCP1025
VR603 (4.7kΩ) PCP1028
VR604,VR607-VR609 (47kΩ) PCP1031
Other Resistors RS1/10S J
OTHERS
CN103 CONNECTOR 6P 52045-0645
CN102 CONNECTOR 52045-1045
CN101 CONNECTOR 52045-1545
CN802 CONNECTOR B11P-SHF-1AA
CN201 CONNECTOR B4B-PH-K-S
SCREW BBZ30P060FCC
JA101,JA102 JACK RKN1004
JA331 OPTICAL OUTPUT JACK TOTX178
PCB BINDER VEF1040
JA251 JACK VKB1070
JA341 JACK VKB1111
CN111,CN122
22P FFC CONNECTOR
VKN1253
CN801 27P FFC CONNECTOR VKN1258
CN401,CN402
B TO B CONNECTOR 20P
VKN1403
SCREW PLATE VNE1948
X101
CERAMIC RESONATOR(9MHz)
VSS1040
X311
CRYSTAL RESONATOR
VSS1081
(16MHz)
X312
CRYSTAL RESONATOR
VSS1116
(18.432MHz)
X550
CRYSTAL RESONATOR
VSS1131
(28MHz)
GYCB ASSY
SEMICONDUCTORS
IC701 CXD2046Q
IC801 TA7302P
IC620 TC74HC4053AF
IC650 TC7W00F
Q1414,Q3062,Q407,Q411,Q414 2PB709A
Q645,Q647,Q672,Q750 2PB709A
Q1411,Q1412,Q1421,Q1422 2PD601A
Q1431,Q1432,Q412,Q413 2PD601A
Q415,Q416,Q626,Q636,Q646 2PD601A
Q655-Q658,Q661,Q662,Q671 2PD601A
Q702,Q703,Q805,Q806 2PD601A
Q408-Q410 2SC1740S
Q1423,Q1433,Q417,Q420,Q651 PDTA124EK
Q803 PDTA124EK
Q1401,Q418,Q419,Q652,Q681 PDTC124EK
Q801 PDTC124EK
D650,D655,D699 MA111
COILS AND FILTERS
F701,F771-F773 CHIP BEAD DTF1069
F777,F778 CHIP BEAD DTF1069
L3003,L750,L751 LAU220J
L671 LAU4R7J
L801 LCTA470J2520
CAPACITORS
C433 CCSQCH100D50
C655,C771,C772,C777 CCSQCH101J50
C750,C753 CCSQCH220J50
C672,C805 CCSQCH390J50
C671 CCSQCH391J50
C754 CCSQCH470J50
K

63
DVL-919
Mark No. Description Part No. Mark No. Description Part No.
C752 CCSQCH560J50
C751 CCSQCH6R0D50
C3064 CCSQCH910J50
C424 CEAL101M6R3
C1421,C1431 CEAL4R7M16
C656 CEANP100M16
C629 CEANP220M10
C1401,C1402,C210,C216,C422 CEAT101M10
C601,C7001-C7003,C704 CEAT101M10
C431,C434 CEAT221M6R3
C1426,C1436 CEAT471M6R3
C426,C429,C436,C462,C603 CEJA101M6R3
C635,C793 CEJA101M6R3
C639 CEJANP220M10
C705 CKSQYB102K50
C1413,C620,C628,C632,C638 CKSQYB104K25
C706,C707,C722,C723,C804 CKSQYB104K25
C810,C850 CKSQYB104K25
C806,C807,C811 CKSQYF103Z50
C1414-C1416,C1423-C1425 CKSQYF104Z25
C1427,C1428,C1433-C1435 CKSQYF104Z25
C1437,C1438,C213,C215,C217 CKSQYF104Z25
C423,C425,C427,C428,C430 CKSQYF104Z25
C432,C435,C437,C439,C460 CKSQYF104Z25
C463,C602,C604,C622 CKSQYF104Z25
C626,C627,C630,C631 CKSQYF104Z25
C633,C634,C636,C660,C692 CKSQYF104Z25
C7004,C711,C713,C714 CKSQYF104Z25
C716,C717,C724,C770 CKSQYF104Z25
C773-C776,C791,C792,C802 CKSQYF104Z25
C808,C809,C812,C902 CKSQYF104Z25
RESISTORS
R424 RN1/10SE1801D
R422 RN1/10SE2201D
R700,R704,R705 RN1/10SE2700D
R425 RN1/10SE2702D
R420,R421,R707 RN1/10SE3301D
R426,R701,R708 RN1/10SE4701D
R653,R702,R706 RN1/10SE5601D
R1422,R1432 RS1/10S2001F
R717 RS1/10S3001F
R1423,R1433 RS1/10S3301F
R650 RS1/10S6800F
R814 RS1/10S68R0F
R1415,R1425,R1435,R436-R441 RS1/10S75R0F
R627 RS1/10S75R0F
Other Resistors RS1/10S J
OTHERS
JA102 SOCKET AKP7012
CN601 CONNECTOR B13B-PH-K-S
PCB BINDER VEF1040
JA103 JACK VKB1100
JA104 JACK VKB1101
CN401,CN402 VKN1390
B TO B CONNECTOR 20P
SCREW PLATE VNE1948
FLKY ASSY
SEMICONDUCTORS
IC101 PE5018B
IC102 S-806D
Q102 DTD113ES
Q151-Q154 PDTA124EK
D102 1SS355
D106 EP05Q04
D101 RB411D
D152,D153 SLP3118C51H
D151 SLP4118C51H
SWITCHES
S101-S106 RSG1030
CAPACITORS
C106,C108,C110 CEAT470M10
C101,C102,C104,C105,C111 CKSQYB102K50
C141 CKSQYB102K50
C103,C107,C109,C112,C192 CKSQYF104Z25
C195 CKSQYF104Z25
RESISTORS
Other Resistors RS1/10S J
OTHERS
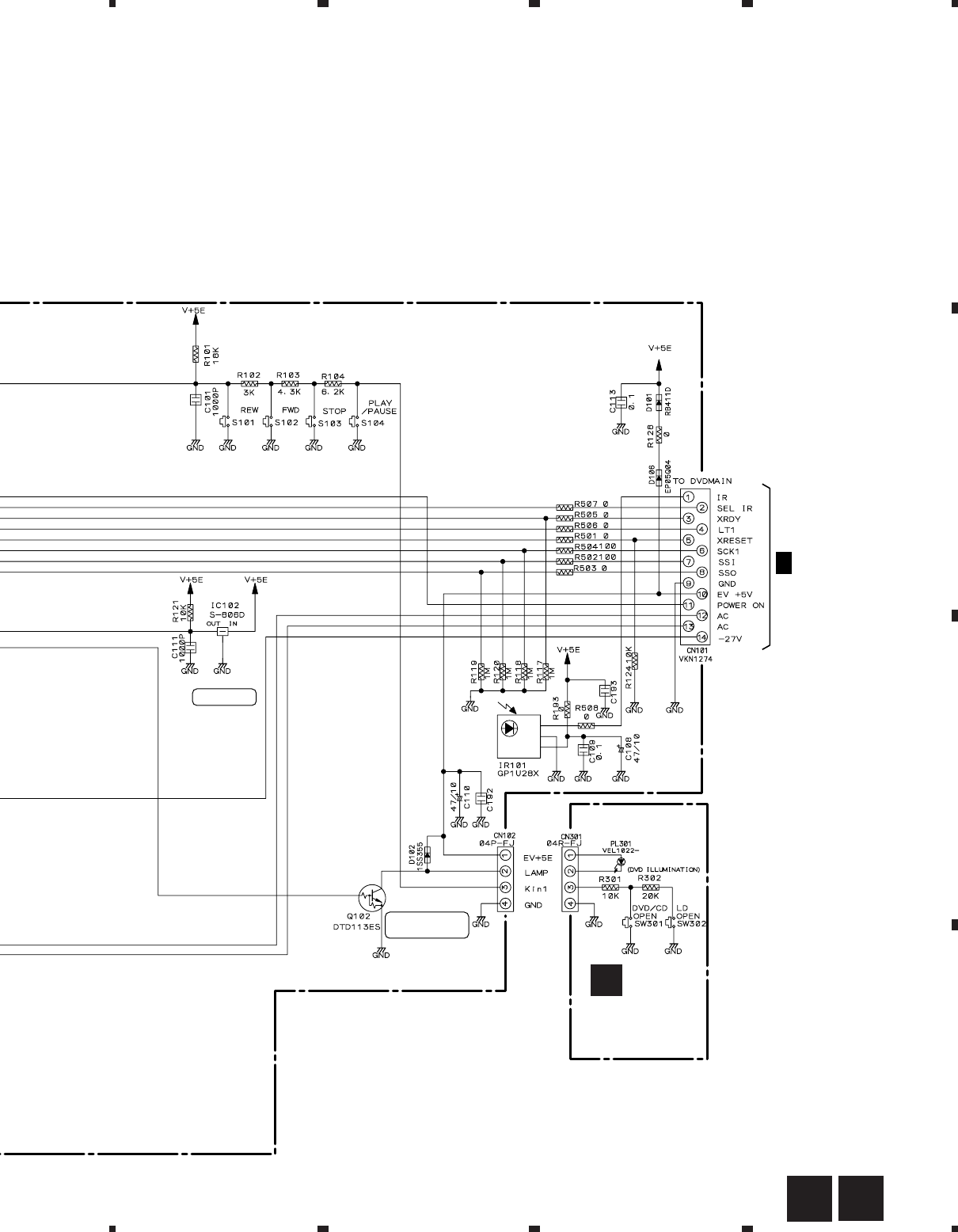
CN102,CN103 CONNECTOR 4P 04P-FJ
IR101 REMOTE RECEIVER UNIT GP1U28X
V101 FL TUBE VAW1046
SPACER VEC1599
CN101 14P CONNECTOR VKN1274
HOLDER VNF1087
X101
CERAMIC RESONATOR(5MHz)
VSS1104
PWSB ASSY
SEMICONDUCTOR
D201 SLP9118C51H
SWITCH
S201 RSG1030
RESISTORS
Other Resistors RS1/10S J
OTHERS
CN201 CONNECTOR 4P 04R-FJ
DILB ASSY
SWITCHES
S301,S302 RSG1030
RESISTORS
Other Resistors RS1/10S J
OTHERS
CN301 CONNECTOR 4P 04R-FJ
PL301 LAMP VEL1022
N
M
L

64
DVL-919
Mark No. Description Part No. Mark No. Description Part No.
POWER SUPPLY ASSY (VWR1286)
SEMICONDUCTORS
IC301 AN1431T
IC311 VZF1047
IC411 VZF1048
IC511 UPC358C
IC200 PC817
Q101 VZF1050
Q150 VZF1049
Q102 2SC3377
Q211, Q212 T7F4T
Q213, Q214, Q351 2SC1740S
Q350 2SD2007
Q511 2SD2395
Q512, Q613, Q614 2SA933S
Q611, Q612 T7F4S
D101 D2SB60F4004
D103 MTZJ2.7B
D104 1SS270A
D153, D220, D620 VZF1045
D211, D611 31DF2
D212 RD33FB2
D213, D214, D612, D613 10ELS2
D311 VZF1052
D350, D512 1SS270A
D351 MTZJ2.7B
D511 S2LA20
D711 10ELS2
D713 MTZJ30A
D712 MTZJ8.2B
D105 UK1V26
RESISTORS
R151 FUSIBLE R(RF25S8.2J) VZC1058
OTHERS
FU101 FUSE(3.15A/125V)VEK1044
FU211, FU611 FUSE(136°C) VEK1033
FU213, FU612 FUSE(1A/125V) VEK1036
P214, P511 FUSE(1.25A/60V) VEK1045
P311 FUSE(1A/60V) VEK1041
O POWER SUPPLY ASSY (VWR1287)
SEMICONDUCTORS
IC301 AN1431T
IC511 UPC358C
IC311 VZF1047
IC411 VZF1048
Q101,Q150,Q151 VZF1056
Q512,Q613,Q614 2SA933S
Q213,Q214,Q351 2SC1740S
Q102 2SC3377
Q350 2SD2007
Q511 2SD2395
Q611,Q612 T7F4S
Q211,Q212 T7F4T
D213,D214,D612,D613 10ELS2
D711 10ELS2
D104 1SS270A
D350,D512 1SS270A
D211,D611 31DF2
D101 D2SB60F4004
D103 MTZJ2.7B
D351 MTZJ2.7B
D713 MTZJ30A
D712 MTZJ8.2B
D200 PS2561L1-1VM
D106 RD18FB2
D212 RD33FB2
D511 S2LA20
D153,D220,D620 VZF1045
D311 VZF1052
RESISTRORS
R151 VZC1058
OTHERS
FU211,FU611 FUSE(136°C) VEK1033
FU213,FU612 FUSE(1A/125V) VEK1036
P311 FUSE(1A/60V) VEK1041
P214,P511 FUSE(1.25A/60V) VEK1045
F101 FUSE(3.15A/250V) VEK1050
O

65
DVL-919
6.1 ADJUSTMENT ITEMS AND LOCATION
Adjustment Points (PCB Part)
6. ADJUSTMENT
Adjustment Items
[Mechanical Part]
[Electricall Part]
Tilt Offset Adjustment
Tangential Direction Angle Adjustment for Side A
Spindle Motor Centering Adjustment for Side A
Crosstalk Check and Fine Tilt Offset Adjustment for Side A
Focus Servo Loop Gain Adjustment
Tracking Servo Loop Gain Adjustment
Tangential Direction Angle Adjustment for Side B
Spindle Motor Centering Adjustment for Side B
Crosstalk Check and Fine Tilt Offset Adjustment for Side B
RF MAX Adjustment
DVD Jitter Adjustment
Video Level Adjustment
18MHz Master Clock Adjustment
1
2
3
4
6
5
7
10
11
8
9
1
2
CLD
DVD
CLDM ASSY
VCO Offset Adjustment
Video Output Level Adjustment
1
2
DVDM ASSY
DVDM ASSY
1,2 : FE
3,4 : GNDS
5,6 : RFO
7,8 : GNDS
9,10 : TE
11,12 : VREF
13 : TDO
14 : FDO
1
1
2
14
113
VR801
VC301
1
1
2
IC701
IC801
IC302
IC813
IC501
IC601
SIDE A
CN101
CN201
CLDM ASSY
VR603
IC500
VR604
VR609
VR450
CN802
11
1
4
6
5
1
1
1
1
1
32 33
64
IC101
IC901
IC802
VR607
9
1
VR608
VC301
2
11

66
DVL-919
Adjustment Points (Mechanism Part)
[Side A]
[Side B]
Black screw
Loosen → Adjust → Tighten
(apply the lock-tight)
Note : Apply the lock-tight.
80°
Side A centering adjustment screw
Adjustment range
3
2Side A tangential adjustment screw
Carriage assy
Mechanism assy 80°
80°80°
Adjustment range
7
8
Carriage
assy
DVD Carriage assy
Tilt base
(upper)
± 2 turns
90°90°
Side B tangential adjustment screw
10 11
DVD tangential adjustment screw
Side B centering adjustment screw
Adjustment range
Adjustment range
CLD
DVD

67
DVL-919
CD test disc
(YEDS-7)
LD test disc
(NTSC :GGV1012)
(PAL :GGV1007) Screwdriver (medium)
Screwdriver (large)
Dual-trace oscilloscope
(with delay)
Frequency band 40MHz
Frequency counter
Display digit 8-digit
TV monitor
Test mode remote control
unit (GGF1067)
6.2 JIGS AND MEASURING INSTRUMENTS
Screwdriver (small) Precise screwdriver
DVD test disc (DVD-MJK1)
Precise screwdriver
DC power supply
Screwdriver (medium)
CH1 CH2
(X) (Y)
Jitter meter
LEVEL JITTER
V
–+
A
Equalizer unit
Plastic or Ceramic
Screwdriver(small)

68
DVL-919
6.3 TEST MODE
• With TRAY
TEST MODE: ON
TEST MODE: DISC SET
TILT-OFF(N)
TRK-OFF
• No TRAY
UP
STOP BEFORE
CLAMP
GGF1067
Test mode
remote control
unit
CHECK
DVD, LD: S-LD
CD: S-CD
ESC TEST
POWER
REPEAT A
ON
GGF1067
Test mode
remote control
unit
ESC
POWER
OFF
〈CLAMP〉
〈DISC SET〉
〈TRAY OPEN〉
〈TRKG OFF PLAY〉〈TRKG ON〉
〈TILT ON〉〈TILT OFF〉
+
+
REPEAT A
REPEAT A
〈TRAY CLOSE〉
TEST MODE: PLAY
TEST MODE: OFF
PLAY TILT- OFF
TRKG- OFF
TEST
TV/LDP
2
TEST
〈TRKG ON PLAY〉
5
SPEED
SPEED
TILT-OFF
TRK-OFF PLAY TILT- OFF(N)
TRKG- ON
TILT-OFF(N)
TRK-ON
PLAY TILT- ON
TRKG- ON
TILT-ON
TRK-ON
OR
〈TRKG OFF〉

69
DVL-919
6.4 NECESSARY ADJUSTMENT POINTS
When Adjustment Points
Mechanical
point
Electric
point
Exchange pickup (CLD)
Mechanical
point
Electric
point
Exchange spindle motor
Mechanical
point
Electric
point
Exchange board
CLDM ASSY
123456789
, , , , , , , ,
3 8
,
14569
, , , ,
EXCHANGE MECHANISM ASSY PARTS
EXCHANGE PCB ASSY
Note : and are adjusted already.
Mechanical
point
Electric
point
Exchange board
DVDM ASSY
Note : and are adjusted already.
Mechanical
point
Electric
point
Exchange pickup (DVD)
10 11
,
10 11
,
÷ When replacing the FLASH MEMORY (IC603) on the DVDM Assy, follow the "6.5 REGION SETTING".
Mechanical
point
Electric
point
Exchange board
GYCB ASSY

70
DVL-919
6.5 REGION SETTING
Perform this operation after confirming the region number of each destination on the cover.
Region number decided once can be changed never again.
Ask the Region.
Setting end
POWER
ON
2
OROR
1 2
3
[ Player's Region Setting ]
〈 2 〉 : Region 2
〈 4 〉 : Region 4
〈 2 〉
4
3
〈 4 〉
etc.
34
2
〈 etc. 〉
Pick out any one of these !
(Blinking)
Key input the number with the test mode remote control unit (GGF1067).
Note : Region is decided by destination of the player
automatically, and there is a case when it
doesn't ask on this screen. There is not need
of this setting at that occasion.
Indication of
disappears.

71
DVL-919
VR607
CLDM
ASSY
Center
Probe (10:1)
Oscilloscope
V: 20mV/div.
H: 0.5µsec/div.
AC mode
• Test mode
• Non disc
1
Tilt Offset Adjustment
Player
2
Tangential Direction Angle Adjustment for Side A
Side A Tangential
Adjustment Screw
∗
See “Adjustment
points”.
• Test mode
TILT → ON
TRKG → ON
• Play the CD test disc
at outer track.
3
RF
CN802
CLDM ASSY
6.6 MECHANICAL ADJUSTMENT
CLD Carriage
assy
VR609
Player
CH1 CH2
(X) (Y)
START
START
Max.
Note: Apply the lock-tight after Adjustment.

72
DVL-919
CH1 CH2
(X) (Y)
4Crosstalk Check and Fine Tilt Offset Adjustment for Side A
Oscilloscope
V: 50mV/div.
H: 10msec/div.
DC mode
3Spindle Motor Centering Adjustment for Side A
• Test mode
TILT
TRKG
• Play the CD test disc
at inner track.
(CD inside position
in program area)
Probe (10:1)
Side A Centering
Adjustment Screw
∗
See “Adjustment
points”.
Mechanism
assy
Player
VR607
TV monitor
VIDEO OUT VIDEO IN
• Test mode
TILT
TRKG
• Still the LD test disc at #115.
CLDM
ASSY
Player
START
→ ON
→ OFF
→ ON
→ ON
9
TRK ERR
CN802
CLDM ASSY
START
Max.
Note: Apply the lock-tight after Adjustment.

73
DVL-919
6Tracking Servo Loop Gain Adjustment
Oscilloscope
X-Y mode
X:
Y: 100mV/div.
DC mode
5Focus Servo Loop Gain Adjustment
• Test mode
• LD test disc
• Play standby
6
FOCUS
ERR
7
F IN
CN802
8
GND
• Test mode
TILT
TRKG
• Still the LD test disc at #115.
Oscilloscope
X-Y mode
X:
Y: 50mV/div.
DC mode
9
TRK ERR
CLDM
ASSY
Probe (10:1)
CN802
CLDM ASSY
Player
CH1 CH2
(X) (Y)
START
CLDM ASSY
VR604
Probe (10:1)
CN802
CLDM ASSY
Player
CH1 CH2
(X) (Y)
START
CLDM
ASSY
VR603
→ ON
→ ON
4.8Vp-p
± 0.5V
1.8Vp-p
± 0.2V

74
DVL-919
7
Tangential Direction Angle Adjustment for Side B
8
Spindle Motor Centering Adjustment for Side B
Probe (10:1)
Oscilloscope
V: 20mV/div.
H: 1µsec/div.
AC mode
Side B Tangential
Adjustment Screw
∗
See “Adjustment
points”.
• Test mode
TILT
TRKG
• Still the LD test disc
at #115.
3
RF
CN802
CLDM ASSY
CLD carriage
assy
Player
CH1 CH2
(X) (Y)
START
Oscilloscope
V: 50mV/div.
H: 10msec/div.
DC mode
• Test mode
TILT
TRKG
• Still the LD test disc
at #115.
9
TRK ERR Probe (10:1)
Side B Centering
Adjustment Screw
∗
See “Adjustment
points”.
CN802
CLDM ASSY
Mechanism
assy
Player
CH1 CH2
(X) (Y)
START
→ ON
→ ON
→ ON
→ OFF
Max.
Max.
Note: Apply the lock-tight after Adjustment.
Note: Apply the lock-tight after Adjustment.

75
DVL-919
9Crosstalk Check and Fine Tilt Offset Adjustment for Side B
VR608
TV monitor
VIDEO OUT VIDEO IN
• Test mode
TILT
TRKG
• Still the LD test disc at #115.
CLDM
ASSY
Player
START
→ ON
→ ON

76
DVL-919
RF Max Adjustment
• Test mode
TRKG
• Play the DVD test disc
at outer track.
Player
→ OFF
5
RFO
CN201
DVD MAIN ASSY
Tangential
Adjustment
Screw
DVD Jitter Best Adjustment
Probe (10:1)
Oscilloscope
V: 50mV/div.
H: 0.5µsec/div.
AC mode
∗
See “Adjustment
points”.
DVD Carriage
assy
CH1 CH2
(X) (Y)
Max.
START
RF
LEVEL JITTER
X1 27M
Jitter Meter
Probe (1:1)
EQ
UNIT
• Test mode
TRKG
• Play the DVD test disc
at outer track
(around #1F0000).
Player
→ ON
5
RFO
CN201
DVD MAIN ASSY
Tangential
Adjustment
Screw
∗
See “Adjustment
points”.
DVD Carriage
assy
START
TV monitor
VIDEO OUT VIDEO IN
•Jitter < 6.0 nS
CHECK
JT:Min.
JT:Min.
JT[0000] 0280
TEST DIG/ANA
TILT UP/DOWN
(4, ¢)
Ajustment at midium track
CLDM
ASSY
VR609
TILT- 7
TV monitor
TILT ERROR : 7
AGC : ON
BIT : 11T
• RF Level
= 0.8V~1.4V
10
11

77
DVL-919
1
Video Level Adjustment
6.7 ELECTRICAL ADJUSTMENT FOR CLDM ASSY
2
18MHz Master Clock Adjustment
• Normal mode
• Power ON
Frequency counter
Player
START
VC301
CLDM
ASSY
18.432000 MHz ± 25Hz
CLDM ASSY
1
CN201
18M
Player (Rear)
VIDEO
OUT
Oscilloscope
Probe (10:1)
CH1 CH2
(X) (Y)
VIDEO
IN
V: 20mV/div.
H: 10µsec/div.
AC mode
TV monitor
START
VR450
CLDM
ASSY
1Vp-p
• Normal mode
• Still the LD test disc
at #19900.
• Field Still : OFF

78
DVL-919
Player (Rear)
VIDEO
OUT
Oscilloscope
Probe (10:1)
CH1 CH2
(X) (Y)
1.9V
± 0.1V
1
VCO Offset Adjustment
• Normal mode
• Play the DVD test disc
Player
START
VC301
DVDM
ASSY
DVDM ASSY
1
IC302
GND
Oscilloscope
Probe (10:1)
CH1 CH2
(X) (Y)
2
Video Output Level Adjustment
VIDEO
IN
V: 20mV/div.
H: 10µsec/div.
AC mode
TV trigger
V: 50mV/div.
H: 10msec/div.
DC mode
TV trigger
TV monitor
START
• Normal mode
• Still the DVD test disc
at 100% white screen
part
VR801
DVDM
ASSY
1Vp-p
6.8 ELECTRICAL ADJUSTMENT FOR DVDM ASSY

79
DVL-919
TV Monitor Display
LASER
DISC
§
DIG/ANA DISP
TEST
MODE
ESC T T CX
REP.A REP.B STEREO P. N
A,MON TV/LDP
−+
A B SCAN
×3
CHAPTER
SKIP
PLAY 3
1 2 3 CLEAR
456
+10
78 90
FRM/TIM CHAP CHP/TIM SEARCH
SPEED
SIDE
STILL
STEP
PAUSE 8
PIONEER SERVICE
GGF1067
SR
Player status
Play
−
Test Mode Remote Control Unit (GGF1067)
6.9 OPERATIONS IN THE TEST MODE
Stop
Play Still
PAUSE 8
4
¢
Tray
open Tray= Move
Turntable= UP
Tray= Move
Turntable= DOWN
4
¢
Play TILT UP
Play TILT DOWN
Play Search to
input frame #
+10
REPEAT B
3
1
8
3
CHP/TM
Player status
Tilt, ON Tilt= Neutral
Tilt neutral Tilt= ON
Clamp Slider= Move
Clamp SPDL= ON,
TRK servo = OFF
TRK servo
=
ON
TRK
servo
OFF
TRK
servo
ON TRK servo
=
OFF
TEST 2
5
TEST
+
+
AGC-OFF AGC-ON
TEST 7
+
Clamp FOCUS SWEEP
(Up and Down)
TEST 3
Tray
open Disc
clamp
REPAET A
1
¡
1¡
×3
23e
e
E
E
4¢
+
# 3183
Character in bold : Item name
: Information display
Remote control code
Key code
Mechanical position value
Slider position
FL controller version
System controller revision
Flash ROM version
GUI-ROM number
FL controller version
First screen display
Note : Switch the first and second screen
by pressing the [DISPLAY] key on the
remote control unit.
Second screen display (at lower right portion of the screen)
Region setting for the player
Output video system
DVD mechanism controller revision
AV-1 chip version
Part No. of flash ROM and system controller
Part No. of DVD mechanism controller
Part No. of CLD mechanism controller
CLD mechanism controller revision
Address
Tilt error value, Tilt servo status
Tracking status
Spindle status
AGC setting
FTS servo IC information
C1 error value of CD and DVD
Internal operation mode of
the mechanism control
Disc judgment
Pickup

80
DVL-919
PD0266A2 (CLDM ASSY : IC101)
• Mechanism Control IC
• Pin Function
• The information shown in the list is basic information and may not correspond exactly to that shown in the schematic diagrams.
.oNemaNniPO/InoitcnuF
1CCVI V5ylppAnipylppusrewoP ±%01
2CWRO etirW="H"daeR="L"tuptuolangisdnammocetirw/daerPSD
3YALPXO srehtO="H"YALPCS="L"ovreseldnipsgnirudtuptuolangiS
4KCQCXO srehtO="H"PSD="L"hctiwskcolcPSD/PVD
5DCXO DL="H"DC=L"tuptuolangishctiwsDC/DL
6RRETLITI langissihttahtosrotomtlitehtlortnoC.tupnilortnocovrestlitehtsadetrevnocD/AsilangissihT•D/A .V5.2semoceb
7RRELABKRTI .tupnilortnoctesffognikcartehtsadetrevnocD/AsilangissihTtupnilangisrorreecnalabgnikcarT•D/A
8RREDLSI .tupnilortnocovresredilsehtsadetrevnocD/AsilangissihT•D/A .V5.2semoceblangissihttahtosrotomredilsehtlortnoC
9SOPDLSI tupnihctiwsnoitcetednoitisoppukciP•D/A .dedividecnatsisererasehctiwshcaehcihweulavtupniD/AgnidaerybnoitisopehttceteD
01QESFI ytimrifnoC="H"ytimrifnoctoN="L"tupnilangisnoitcetedytimrifnoc.cnysedocbuS
11TCETEDCXI lamroN="H"tnerrucrevO="L"tupnilangisnoitcetedtnerruc-revoeldnipS
21VRDLABKRTO .tesffognikcartotuarofesuneht,tuptuoMWPotlangistesffognikcartehttuptuO•MWP 019 µZ,L,Hlortnocetats-irt,doirepces
31EKAHSO/I CIlortnocmsinahcemDVDehthtiwnoitacinummocatadroflangisekahsdnaH .tuptuO/tupnIehtlortnocrossecorporcimhcaednaenilatadlaretalibehtsinipsihT
41NOITCERROCFRO erasrehto,puniagtiucricrenniVAC,woL:A-VDC,DCPUniaG="H"tuptuolangishctiwsnoitcerrocFR .hgiH
51TUOQSI QBUStuodaeRPSDmorftupniataddnammoC
61NIOCO tuptuoatad3laireS
71KCQC/3KCSO tuptuokcolc3laireS
81VRDDLSO 019POTS=V5.2,VER=V0,DWF=V5tuptuolangislortnocredilS•MWP µlortnocetats-irt,doirepces
911ISI CIlortnocmsinahcemDVDehtmorftupniatadlaireS
021OSO CIlortnocmsinahcemDVDehtottuptuoatadlaireS
121KCSO/I CIlortnocmsinahcemDVDehthtiwnoitacinummoclairesrofkcolC CIlortnocmsinahcemDVDehthtiwetacinummoctuohtiwedomtupnisemoceB
22SRC0KRTI tupnilangisssorcorezrorregnikcarT•TNI noitcetedpmalcssimehtnitnuockcartgnihcraesnehwlangissihtrotinoM
32YSBSI tupni.cnyskcolbedocbuS
42TUOTLITO/I tuptuolortnocTLIT/DAOL POTS:V5.2,PUtliT/TUOyarT:V5,NWODtliT/NIyarT:V0tuptuoMWP
52TUONRUTO tuptuolangisevirdnruT
62VBPXI .cnyslacitrevgniruD="L"VDC/DLfotupnilangis.cnyslacitrevkcabyalP
72VNCSSI noisrevnocD/ArofdnuorG
82TESERXI teseresaeleR="H"teseR="L"tupnilangisteseR
92NIXI tupninoitallicsokcolczHM9
03TUOXO tuptuonoitallicsokcolczHM9
7. GENERAL INFORMATION
7.1 PARTS
7.1.1 IC

81
DVL-919
.oNemaNniPO/InoitcnuF
13.C.NOdesutoN
23DNGIdnuorG
331WSM
InoitcetednoitisoptliT/gnidaoLroftupnihctiwS433WSM
532WSM
63KCOLCBTI kcoL="H"kcolnU="L"tupnilangiskcoleldnipS
73GFI tupnilangisGFrotomeldnipS
83ATADI rellortnocmsinahcemni-tliubhtiwredocededocspillihProftupnI
93HBPXI redocededocspillihProftupniCNYS-HkcabyalP
04VBPXI redocededocspillihProftupniCNYS-VkcabyalP
14TXEDO FFO="L"NO="H"noisnetxeegnarcimanydoedivfotuptuolangislortnoC
24MFWI yromemhtiw:MFW
34MEMTALO .egdegnillaftasehctaLA2123DPCIlortnocyromemfotuptuohctallortnoclaireS
44KCACYO tupniKCA8416DPCIbmoclatigidenil3
54HNICYXO tuptuohctiwsatadnoitacinummoC8416DPCIbmoclatigidenil3
64HRNAXOlevelRNgolanAhgih="H"wol="L"
74DLOHTI gnitareleced/gnitareleccagniruD="H"srehtO="L"tupnilangisgnitareleced/gnitareleccapmujkcarT
84PVDTALO .egdegnillaftasehctaLtuptuolangishctallaires4320DP
94CZTLESO noitanimircsidcsidDVD/DCta="L"lamronta="H"tuptuolangishctiwsCZT
05HNICODO eulavetats-irtybtiucricrellikpmalcdnaesluppmalcehtlortnoC
15NORNAXO RNgolanafotuptuolangislortnoCFFO="H"NO="L"
25FFORNO RNtoN="H"lamroN="L"MEDVybtuptuolortnocnoitcuderesioN
35TSXECSDI edom.U.PDVDehtnimustlitehtybtupnilangisgnitcetedtnesba/tneserpcsiD .U.PDLtatupniTCEFEDtneserP="L"tnesbA="H"
45BNRUTXI BediS="L"nrut/AediS="H"tupnihctiwsnruT
55ANRUTXI AediS="L"nrut/BediS="H"tupnihctiwsnruT
65OPLXI noitisoptuo.U.PDL="L"evitca.U.PDL="H"tupnihctiwsgnitcetednoitisoptuo.U.PDL
75TEDVI lamronbA="H"lamroN="L"troptupnilangislamronbarewoprofesU
85KOFXI ovressucoffonoitcetedkcolrofesUkcolnU="H"kcoL="L"tupnilangiskcolovressucoF
95QRWI KO="H"GN="L"tupnilangisKOgnidaerQedocbuS .kcehcCRCybdessapatadQedocbusnehwHeblliwnipsihT
06ETUM3CAO ETUM="H"ETUMesaeleR="L".kcabyalpgnirudETUMesaeleR3CAroftuptuolangislortnocetuM
161QSO NOhcleuqS="H"FFOhcleuqS="L"L/1tuptuolangisgnihctiwsoiduagolanA
262QSO NOhcleuqS="H"FFOhcleuqS="L"R/2tuptuolangisgnihctiwsoiduagolanA
36XCXO FFOXC="H"NOXC="L"tuptuolangisgnihctiwsnoitcuderesionXCoiduagolanA
46ANAXO latigiD="H"golanA="L"tuptuolangisgnihctiwsoiduagolanA/latigiD

82
DVL-919
7.2 DISASSEMBLY/ASSEMBLY
(1) DISC TRAY
(2) DVDM ASSY
• Disassembly :
• Assembly :
POWER
ON
LD
OPEN/CLOSE
1
1
2
2
5 1
3
3
4
4
5
• Disassembly :
• Assembly :
1 2 3 4
4
4
4 3
3
3
3
3
2 1
A
1
2
5
Cable Holder
Corner Post
DVDM ASSY
Corner Post
Flexible Cable

83
DVL-919
(3) CLDM ASSY
• Disassembly :
• Assembly :
1
1
1
1
1
1
2
2
3
3
4 5
5
6 7
7
8
8
4 3 2 1
8 7 6 5
Rear
panel (L)
Rear
panel (R)
Hook
CLDM ASSY
GYCB ASSY
Rear
panel (L)
× 4
7
Rear
panel (L)
4
∗∗
CLDM ASSY
PCB Spacer
Hook
Hook
6
Tray Stopper
Flexible Cable
Flexible
Cable
Half Pierce
Release
Release
Push Push
Half Pierce
A

84
DVL-919
Sync
Demod
HA
OEIC
TE
GEN Spindle
Control
DRAM I/F
(Bus Arbiter)
Sub-CPU
I/F
CPU
I/F
ROM RAM
GUI
ROM
DMA
ECC & ID Reg.
CD-ROM
Sync gene
Sub-code Buffer
4Mbit DRAM
VBR Buffer
LSI-11
IC702
HMS14800CJ-7
IC701
PD4833A
TA
FA
Slider
EFM Decoder
Servo DSP
CD DSP
IC201
IC78650E IC 501
PD4889A
Mechanism
Control
CPU
TA
FA
Slider
For CLD For DVD
SPDL
Motor
SLD POS
XRESET
IC101
PD0266A2
LD Mechanism Control
SI, SO, SCK,
SHAKE
SLD DRV
SLD ERR
LOAD/TILT DRV
TURN DRV
Sel TILT ERR
DVD TILT ERR
M
LOAD/TILT
MOTOR
M
TURN
MOTOR
IC901
LA9430M
Servo
Control IC
(ASP)
TRKG
FOCS
IC801
LA9425
PSP
VCXO ERR
IC908
LC78625E
DSP
EFM Decode
Mecha.
SW
56
Sel
LD DATA
IC352
Analog Audio
Analog L
Analog R
IC500
PD0234A
NTSC/PAL
DVP
SPDL
Cont
A/D
57
ACOM
14M VCXO
IC400
LA7134M
VDEM
1027
Phillips Code
VCXO ERR
IC501
MN477AS
MEMORY
IC 601
PD3381A
System CPU
(32bit RISC)
25
4
15
14
4
LD TILT ERR
16M
18M
16M
CD PCM
CD Digital Out
16M
IC208
TC7WU04F
IC 813
CY2081SL
-611
X312
384 × 48k
(18M)
A/D
Program Stream
27M
27M
36M
CA0002AM
Clock
Generator
14-21
7.3 BLOCK DIAGRAM

85
DVL-919
Y OUT
H
LD Y
H
KEY
L
L
to
GYCB
C OUT
TRAP
AMP Sync Tip
Clamp
Pedestal
Clamp
D-Extention
Circuit
Sync Tip
Clamp
DVD Y
(IC815 )
LD Y SIGNAL
(from GYCB)
1(from MECHA. CONT. )
D-EXT ON/OFF
41
BLANKING PLUSE
(from AV-1 )
48
BURST FLAG
(from AV-1 )
47
LD C SIGNAL
(from GYCB)
DVD C
(IC815 )
7
IC620
IC620
Memory Controller
CPU
I/F
System
Decoder
(DMUX)
AV Sync
Controller
MPEG 2
Video
Decoder
NTSC
/PAL
Encode
AC3/MPEG1
Audio Decoder
S/PDIF
DAC
DAC
DAC
Copy Gurd
Sub
Picture
Decoder GUI
16Mbit SDRAM
CODE Buffer
(Video, Audio, Sub-picture,GUI)
IC604
TC55100BFL-85
AC-3 RF
16M IC201
PE8001A
IC202
PD0236AM
D/A
Hi-Bit
2
5
16
14 8
13
Sel
CLK
IC207
TC7S02F
VCXO
X311
384 × 44.1k
(16M)
DATA
Hi-Bit
36M
Sel
Sel
L
R
PCM Digital
PD
Key
DVD C.
DVD Y.
IC620
TC74HC4053AF
AC-3/PCM Digital
IC701
CXD2046Q
Y/C SEP.
1-8
D/A
D/A
IC620
Y (DVD)
C (DVD)
Comp. OUT
C OUT
Y OUT
AC-3 RF OUT
PCM
Digital OUT
AC-3
/PCM
Digital
OUT
R OUT
L OUT
SR IN
SR OUT
SEL IR
IR
FL
Cont.
Key
A.B.
FL TUBE
REMOTE
SENSOR
Front Section
CLD Section
4
Y (LD)
C (LD)
33
36
24
1
15
3
5
MIX
IC 801
MB86371C
DVD/V-CD
AV Decoder
27M
36M
GYCB ASSY
IC203
CY2081SL
-611
YNR

86
DVL-919
8. PANEL FACILITIES AND SPECIFICATIONS
FRONT PANEL
DISPLAY WINDOW
The followiing illustration shows the Flat blade 2-pin AC plug
model.
Standby indicator (STANDBY)
Reverse 4 1 button
LD open/close 0 button
Disc illumination
Turned off when a disc other
than a DVD is played back.
STANDBY/ON switch
(Flat blade 2-pin AC plug model)
Power switch (POWER)
(Round blade 2-pin AC plug model)
Forward ¡ ¢ button
Disc Side A/B
button
DVD/LD/CD disc table
DVD/CD open/close 0 button
Display window
Remote sensor Play/Pause 6 button
Dimmer (FL DIMMER)
button
Use this button to
adjust the display
window's brightness or
to turn off the display.
Stop 7 button
This lights during play of a
disc with a sampling
frequency of 96 kHz.
Indicates that a title
is being displayed
Indicates Dolby Digital
playback
Indicates location for Last
Memory is being recorded
in memory.
Indicates that playback
settings (condition) have
been memorized.
Indicates GUI operation is
being performed.
Indicates Multi-Angle
playback is in progress.
Indicates remaining
playback time
Indicates total
playback time of side
Indicates the playback
mode, title, type of disc,
etc.
Indicates that a chapter/
track is being displayed
When you press the FL DIMMER button, the brightness of the
display window changes among the following settings.
Bright = Semi-dark = Dark =off
±
GUI
TITLE CHP/TRK REMAIN TOTAL
LAST MEMO CONDITION
96 kHz ANGLE DOLBY
DIGITAL

87
DVL-919
REAR PANEL
Digital output jacks (coaxial and optical)
These provide digital audio output. Select the digital output settings
that best suit your amplifier.
Coaxial digital output jacks
Use output jack 2 when connecting to an amplifier that supports
Dolby Digital, MPEG, or DTS. Use output jack 1 (PCM) for all
other amplifiers.
Dolby Digital (AC-3) RF output (for LDs)
Video output jacks*
Component video output jacks
S video output jacks*
Audio output jacks* Control output jack
Control input jack
Optical digital output jack
Audio optical digital output.
Power cord connection terminal
* There are two pairs of outputs, numbered 1 and 2, which can be
connected at the same time. Connect jack 1 to a TV and jack 2 to
an AV amplifier, for example.

88
DVL-919
REMOTE CONTROL
Power button (POWER)
Audio switching button (AUDIO)
Subtitle button (SUBTITLE)
Title button (TITLE)
Previous button (PREV 4)
Stop button (STOP 7)
Pause button (PAUSE 8)
Repeat A-B button (REPEAT A-B)
Repeat button (REPEAT)
Chapter/time button (CHP/TIME)
Program button (PROGRAM)
Number buttons (1-9, 0, +10)
Fast reverse button (REV 1)
Play button (PLAY 3)
Mode button (MODE)
Next button (NEXT¢)
Last Memory button (LAST MEMO)
Condition button (CONDITION)
Clear button (CLEAR)
Random button (RANDOM)
Step buttons (STEP e / E)
Forward button (FWD ¡)
Menu operation buttons
Menu button (MENU)
Direction buttons (2 • 3 • 5 • ∞ )
Enter button (ENTER)
Return button (RETURN )
Display button (DISPLAY)
Angle button (ANGLE)
Open/Close button (OPEN/CLOSE 0)
Disc side A/B button (DISC SIDE)
Buttons ilisted with mark are used for
menu operation.
Remote control operation
When operating the remote control, point it at the remote sensor
located on the player’s front panel. The remote control can be used
up to 23 feet (7 m) from the player and within a 30° angle from the
middle of the sensor.
¶Exposing the remote sensor to direct sunlight or strong light may
cause faulty operation.
¶If the CONTROL IN jack on the player’s rear panel is connected
to another component, point the remote control at that component
to operate the player. The remote control will not work in this case
when pointed at the player.

89
DVL-919
General
System ......................... DVD system, LaserVision Disc system and
Compact Disc digital audio system
Power requirements ............................................... AC 120 V, 60 Hz
Power consumption .................................................................. 48 W
Power consumption in standby mode ..................................... 5.1 W
Weight ................................................................. 8.4 kg (18 lb 9 oz)
Dimensions ................................... 420 (W) x 462 (D) x 146 (H) mm
(16 9/16 x 18 3/16 x 5 3/4 in.)
(Not including protruding cables, etc.)
Operating temperature .................. +5°C to +35°C (+36°F to +96°F)
Operating humidity ............................ 5% to 85% (no condensation)
S-Video Output (2 pairs)
Y (luminance) - Output level........................................ 1 Vp-p (75 Ω )
C (color) - Output level ........................................ 286 mVp-p (75 Ω)
Jacks .......................................................................... S-VIDEO jack
Video Output (2 pairs)
Output level .................................................................1 Vp-p (75 Ω)
Jacks ............................................................................... RCA jacks
Component Video Output
(Y, CB, CR)
Output level ..........................................................Y: 1.0 Vp-p (75 Ω)
..................................................................... CB, CR: 0.7 Vp-p (75 Ω)
Jacks ............................................................................... RCA jacks
Audio Output (2 pairs)
Output level
During audio output .............................. 200 mVrms (1 kHz, –20 dB)
Number of channels ....................................................................... 2
Jacks ............................................................................... RCA jacks
Digital audio characteristics (DVD fs=96kHz/24 bit)
Frequency response 4 Hz to 44 kHz (DVD fs: 96 kHz)
4 Hz to 20 kHz (LD, CD)
S/N ratio 115 dB
Dynamic range 103 dB
Total harmonic distortion
0.002 %
Wow and flutter Limit of measurement
(±0.001% W. PEAK) or lower
Other Terminals
Optical digital output (AC-3/PCM) ...................... Optical digital jack
Coaxial digital output (AC-3/PCM) .................................... RCA jack
Coaxial digital output (PCM) ............................................. RCA jack
AC-3 RF output (for LD) .................................................... RCA jack
CONTROL IN ............................................................Minijack (3.5ø)
CONTROL OUT ........................................................Minijack (3.5ø)
Accessories
Remote control unit ........................................................................ 1
AA (R6P) dry cell batteries ............................................................ 2
Audio cord ...................................................................................... 1
Video cord ...................................................................................... 1
Power cord ..................................................................................... 1
Operating Instructions .................................................................... 1
Warranty card................................................................................. 1
NOTE:
The specifications and design of this product are subject to change
without notice, due to improvement.
SPECIFICATIONS
ACCESSORIES
Remote control unit
VXX2609 (CU-DV030) Batteries(AA/R6P).....2
Other included items:
• Warranty card
• Operating instructions
Video cord
VDE1036 (L=1.5m)
Audio cord
VDE1033 (L=1.5m)
Power cord
ADG7021 (KU/CA type)
ADG7003 (RD/RA type)
White
Red
Yellow
Manufactured under licese from Dolby Laboratories. "Dolby", "AC–
3" and the double-D symbol are trademarks of Dolby Laboratories.
Confidential Unpublished Works, © 1992-1997 Dolby Laboratories,
Inc. All rights reserved.






















