E9GA1_3FD DVR50KF
User Manual: DVR50KF
Open the PDF directly: View PDF
.
Page Count: 127 [warning: Documents this large are best viewed by clicking the View PDF Link!]

SERVICE MANUAL
TOSHIBA CORPORATION 2007
The above models are classified as green products (*1), as indicated by the underlined serial
numbers. This Service Manual describes replacement parts for the green products. When
repairing these green product(s), use the part(s) described in this manual and lead-free solder (*2).
For (*1) and (*2), see the next page.
FILE NO. 810-200742GR
DVD Video Recorder
/Video Cassette Recorder
D-VR50KF
D-VR51KF
Published in Japan, May 2007 GREEN
SECAMPAL
VCR
REC DUBBING VCR / DVD
DVDVCR
PROGRAM
REC
DVD

(*1) GREEN PRODUCT PROCUREMENT
The EC is actively promoting the WEEE & RoHS Directives that define standards for recycling
and reuse of Waste Electrical and Electronic Equipment and for the Restriction of the use of
certain Hazardous Substances. From July 1, 2006, the RoHS Directive will prohibit any
marketing of new products containing the restricted substances.
Increasing attention is given to issues related to the global environmental. Toshiba Corporation
recognizes environmental protection as a key management tasks, and is doing its utmost to
enhance and improve the quality and scope of its environmental activities. In line with this,
Toshiba proactively promotes Green Procurement, and seeks to purchase and use products,
parts and materials that have low environmental impacts.
Green procurement of parts is not only confined to manufacture. The same green parts used in
manufacture must also be used as replacement parts.
(*2) LEAD-FREE SOLDER
This product is manufactured using lead-free solder as a part of a movement within the consumer
products industry at large to be environmentally responsible. Lead-free solder must be used in the
servicing and repair of this product.
WARNING
This product is manufactured using lead free solder.
DO NOT USE LEAD BASED SOLDER TO REPAIR THIS PRODUCT !
The melting temperature of lead-free solder is higher than that of leaded solder by 86°F to 104°F
(30°C to 40°C). Use of a soldering iron designed for lead-based solders to repair product made
with lead-free solder may result in damage to the component and or BOARD being soldered.
Great care should be made to ensure high-quality soldering when servicing this product —
especially when soldering large components, through-hole pins, and on BOARDs — as the level
of heat required to melt lead-free solder is high.

MAIN SECTION
DVD VIDEO RECORDER &
VIDEO CASSETTE RECORDER
D-VR50KF/D-VR51KF
TABLE OF CONTENTS
Specifications . . . . . . . . . . . . . . . . . . . . . . . . . . . . . . . . . . . . . . . . . . . . . . . . . . . . . . . . . . . . . . . . . . . . . . . . . . 1-1-1
Laser Beam Safety Precautions. . . . . . . . . . . . . . . . . . . . . . . . . . . . . . . . . . . . . . . . . . . . . . . . . . . . . . . . . . . . 1-2-1
Important Safety Precautions. . . . . . . . . . . . . . . . . . . . . . . . . . . . . . . . . . . . . . . . . . . . . . . . . . . . . . . . . . . . . . 1-3-1
Standard Notes for Servicing . . . . . . . . . . . . . . . . . . . . . . . . . . . . . . . . . . . . . . . . . . . . . . . . . . . . . . . . . . . . . . 1-4-1
Preparation for Servicing . . . . . . . . . . . . . . . . . . . . . . . . . . . . . . . . . . . . . . . . . . . . . . . . . . . . . . . . . . . . . . . . . 1-5-1
Cabinet Disassembly Instructions . . . . . . . . . . . . . . . . . . . . . . . . . . . . . . . . . . . . . . . . . . . . . . . . . . . . . . . . . . 1-6-1
Electrical Adjustment Instructions . . . . . . . . . . . . . . . . . . . . . . . . . . . . . . . . . . . . . . . . . . . . . . . . . . . . . . . . . . 1-7-1
How to Initialize the DVD Recorder & VCR . . . . . . . . . . . . . . . . . . . . . . . . . . . . . . . . . . . . . . . . . . . . . . . . . . . 1-8-1
Firmware Renewal Mode . . . . . . . . . . . . . . . . . . . . . . . . . . . . . . . . . . . . . . . . . . . . . . . . . . . . . . . . . . . . . . . . . 1-9-1
Troubleshooting . . . . . . . . . . . . . . . . . . . . . . . . . . . . . . . . . . . . . . . . . . . . . . . . . . . . . . . . . . . . . . . . . . . . . . . 1-10-1
Function Indicator Symbols . . . . . . . . . . . . . . . . . . . . . . . . . . . . . . . . . . . . . . . . . . . . . . . . . . . . . . . . . . . . . . 1-11-1
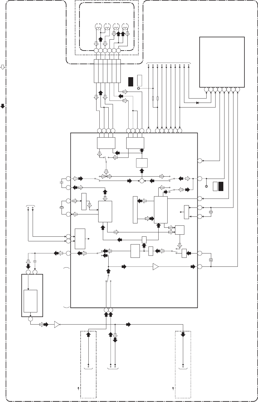
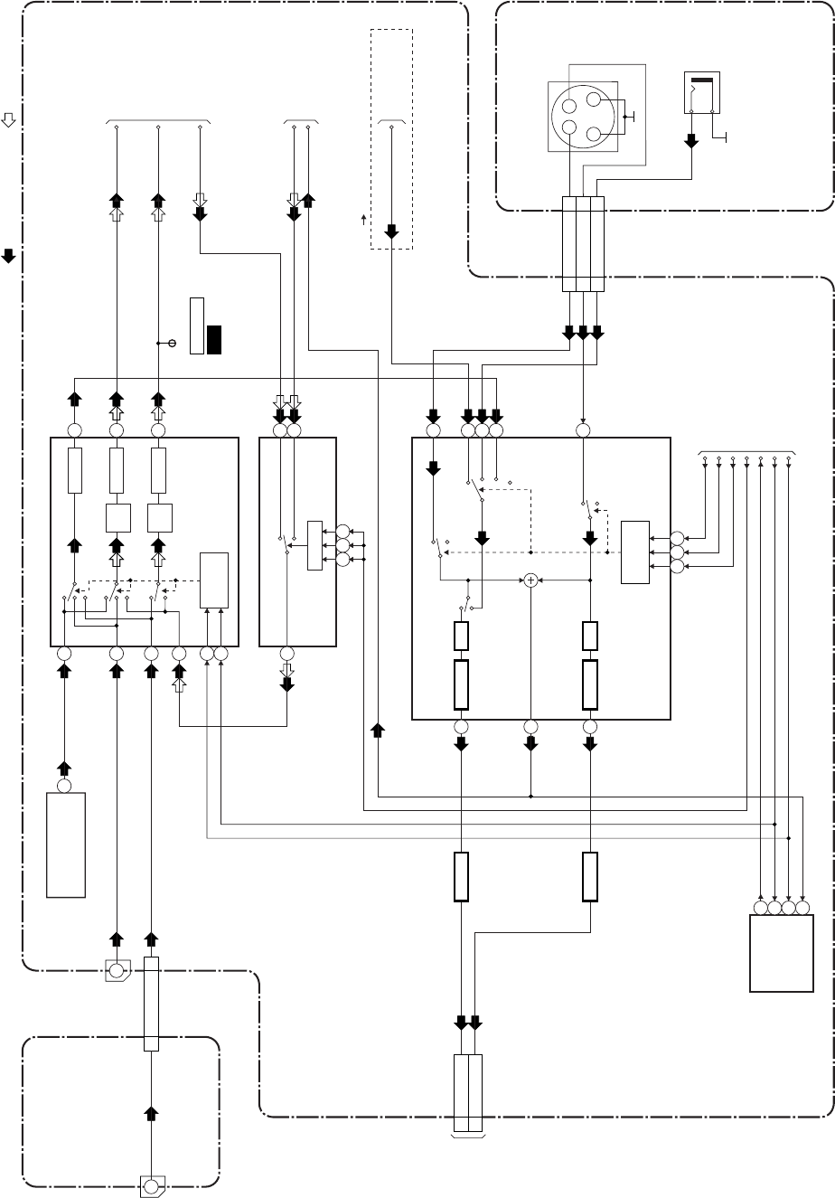
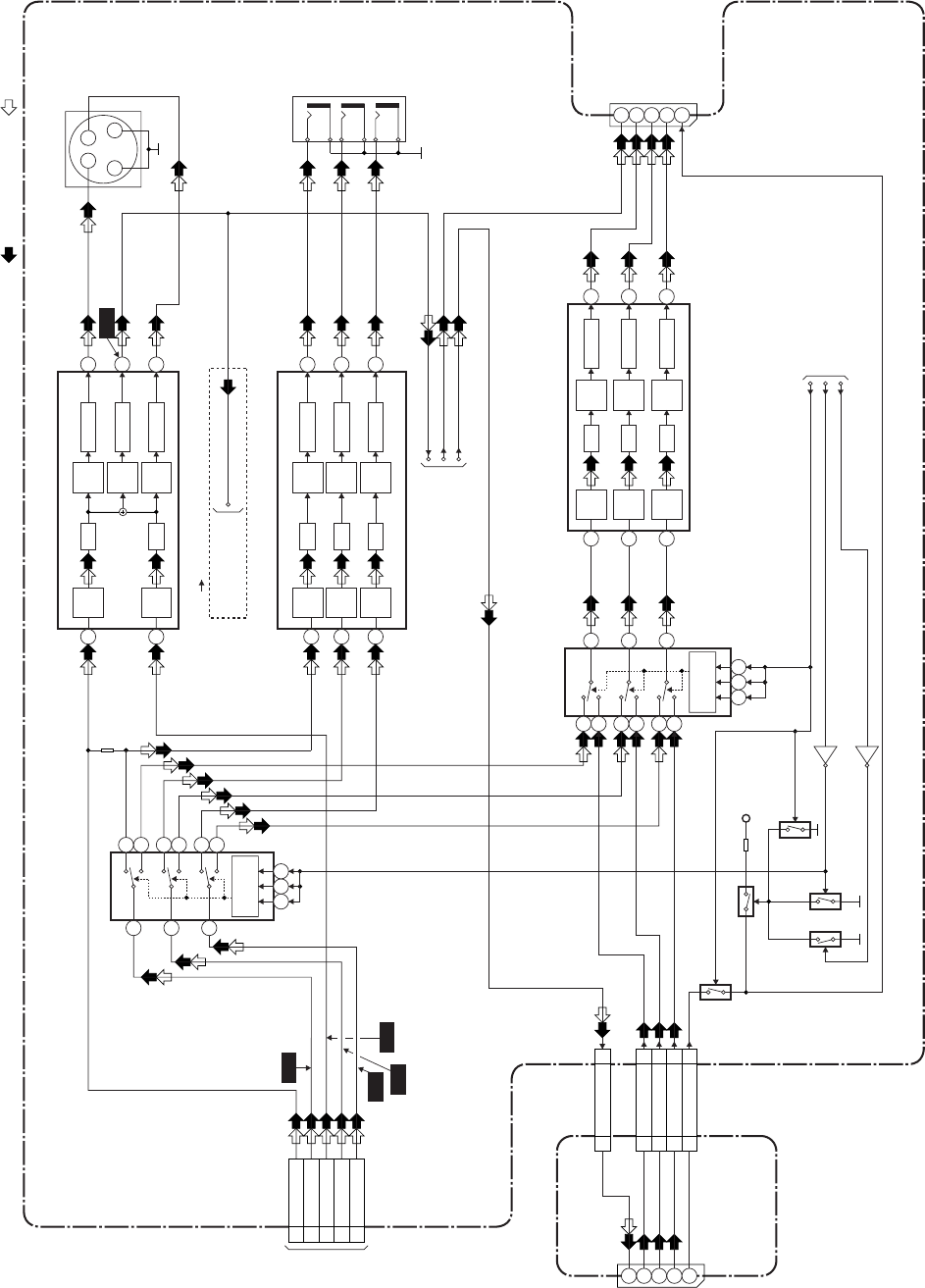
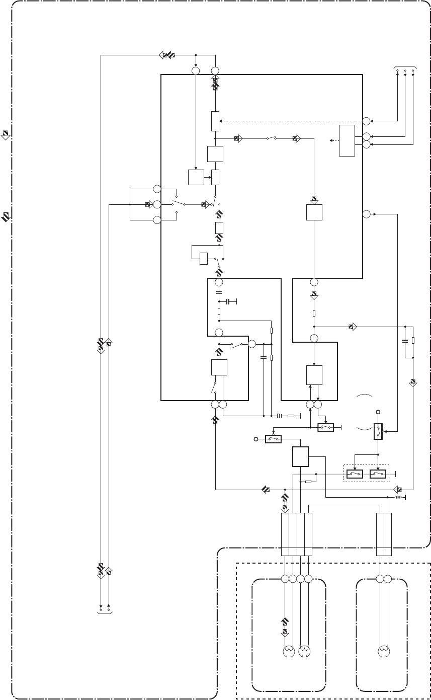
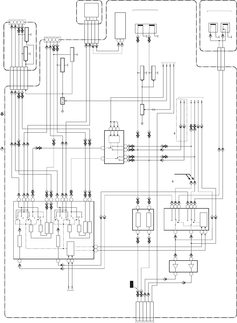
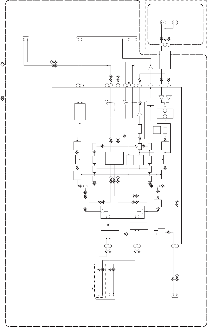
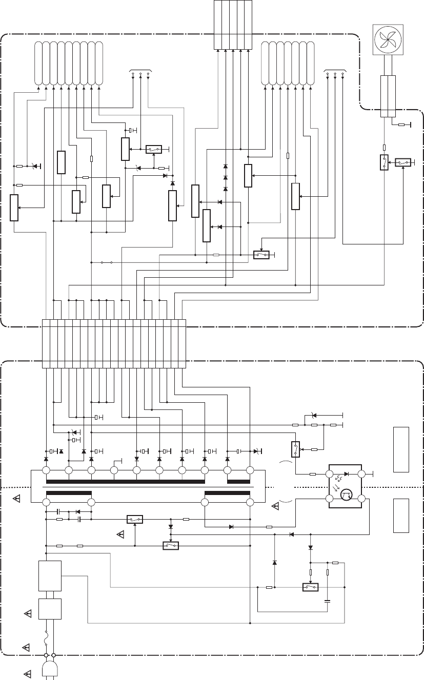
Block Diagrams . . . . . . . . . . . . . . . . . . . . . . . . . . . . . . . . . . . . . . . . . . . . . . . . . . . . . . . . . . . . . . . . . . . . . . . 1-12-1
Schematic Diagrams / BOARD’s and Test Points . . . . . . . . . . . . . . . . . . . . . . . . . . . . . . . . . . . . . . . . . . . . . 1-13-1
Waveforms . . . . . . . . . . . . . . . . . . . . . . . . . . . . . . . . . . . . . . . . . . . . . . . . . . . . . . . . . . . . . . . . . . . . . . . . . . . 1-14-1
Wiring Diagram < VCR Section >. . . . . . . . . . . . . . . . . . . . . . . . . . . . . . . . . . . . . . . . . . . . . . . . . . . . . . . . . . 1-15-1
Wiring Diagram < DVD Section >. . . . . . . . . . . . . . . . . . . . . . . . . . . . . . . . . . . . . . . . . . . . . . . . . . . . . . . . . . 1-15-2
IC Pin Function Descriptions . . . . . . . . . . . . . . . . . . . . . . . . . . . . . . . . . . . . . . . . . . . . . . . . . . . . . . . . . . . . . 1-16-1
Lead Identifications . . . . . . . . . . . . . . . . . . . . . . . . . . . . . . . . . . . . . . . . . . . . . . . . . . . . . . . . . . . . . . . . . . . . 1-17-1
Exploded Views . . . . . . . . . . . . . . . . . . . . . . . . . . . . . . . . . . . . . . . . . . . . . . . . . . . . . . . . . . . . . . . . . . . . . . . 1-18-1
Mechanical Parts List . . . . . . . . . . . . . . . . . . . . . . . . . . . . . . . . . . . . . . . . . . . . . . . . . . . . . . . . . . . . . . . . . . . 1-19-1
Electrical Parts List . . . . . . . . . . . . . . . . . . . . . . . . . . . . . . . . . . . . . . . . . . . . . . . . . . . . . . . . . . . . . . . . . . . . 1-20-1
Main Section
I Specifications
I Preparation for Servicing
I Adjustment Procedures
I Schematic Diagrams
I BOARD’s
I Exploded Views
I Parts List
Manufactured under license from Dolby Laboratories.
“Dolby” and the double-D symbol are trademarks of Dolby Laboratories.

1-1-1 E9GA1SP
SPECIFICATIONS
General
System
DVD-Video, DVD-RW/R, DVD+RW/R, CD-DA, CD-RW/R,
Video Cassette Tape
Power requirements
220–240V ± 10%, 50Hz ± 0.5%
Power consumption
35W (standby: 5.0W)
Weight
4.3kg
Dimensions (width x height x depth)
435 x 99.5 x 260mm
Operating temperature
5ºC to 40ºC
Operating humidity
Less than 80% (no condensation)
TV format
Recording
Recording format
Video Recording (VR)format (DVD-RW only),
Video format (DVD-RW, DVD-R)
+VR format (DVD+RW, DVD+R)
Recordable discs
DVD-Rewritable, DVD-Recordable
DVD+Rewritable, DVD+Recordable
Video recording format
Sampling frequency : 13.5MHz
Compression format : MPEG
Audio recording format
Sampling frequency : 48kHz
Compression format : Dolby Digital
Tuner
Receivable channels
Input/Output
Front Panel : (AV3)
Video input
One RCA connector
Input level : 1Vp-p (75 Ω)
S-Video input
One Mini DIN 4-pin jack
Input level : Y (Iuminance) 1Vp-p (75 Ω)
C (colour) 300mVp-p (75 Ω)
Audio input
Two RCA connectors
Input level : 2Vrms (Input impedance: more than
10kΩ)
Rear Panel :
VHF/UHF antenna input/output terminal
VHF/UHF set 75 Ω
Audio input /output
Two 21-pin scart jack (AV1, AV2)
Video input /output
Two 21-pin scart jack (AV1, AV2)
Input /output level : 1Vp-p (75 Ω) each
S-Video output
One Mini DIN 4-pin jacks
Input /output level :
Y (Iuminance) 1Vp-p (75 Ω)
C (colour) 300mVp-p (75 Ω)
Component video output
Three RCA connectors
Output level : Y: 1.0Vp-p (75 Ω)
P
B/CB, P R/CR: 0.7Vp-p (75Ω) each
Audio output
Two RCA connectors
Output level : 2Vrms (Output impedance: Ω)
Digital audio output
One Coaxial pin jack
Output level : 500mVp-p (75 Ω)
Note
The specifications and design of this product are subject to
change without notice.
VCR Video Heads
Four heads
680
SECAM LL’, B / G , D / K , PAL B / G
"L(SECAM L)" F1 - E69
"BG(PAL B / G )" E2 - E69

1-2-1 RL4NLSP
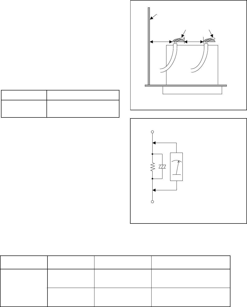
LASER BEAM SAFETY PRECAUTIONS
This DVD player uses a pickup that emits a laser beam.
The laser beam is emitted from the location shown in the figure. When checking the laser diode, be sure to keep
your eyes at least 30 cm away from the pickup lens when the diode is turned on. Do not look directly at the laser
beam.
CAUTION: Use of controls and adjustments, or doing procedures other than those specified herein, may result in
hazardous radiation exposure.
Location: Inside Top of DVD mechanism.
Do not look directly at the laser beam coming
from the pickup or allow it to strike against your
skin.
Drive Mechanism Assembly
Laser Beam Radiation
Laser Pickup
Turntable
1-3-1 DVD_SFNP
IMPORTANT SAFETY PRECAUTIONS
Product Safety Notice
Some electrical and mechanical parts have special
safety-related characteristics which are often not evi-
dent from visual inspection, nor can the protection
they give necessarily be obtained by replacing them
with components rated for higher voltage, wattage,
etc. Parts that have special safety characteristics are
identified by a ! on schematics and in parts lists. Use
of a substitute replacement that does not have the
same safety characteristics as the recommended
replacement part might create shock, fire, and/or other
hazards. The Product’s Safety is under review continu-
ously and new instructions are issued whenever
appropriate. Prior to shipment from the factory, our
products are carefully inspected to confirm with the
recognized product safety and electrical codes of the
countries in which they are to be sold. However, in
order to maintain such compliance, it is equally impor-
tant to implement the following precautions when a set
is being serviced.
Precautions during Servicing
A. Parts identified by the ! symbol are critical for
safety. Replace only with part number specified.
B. In addition to safety, other parts and assemblies
are specified for conformance with regulations
applying to spurious radiation. These must also be
replaced only with specified replacements.
Examples: RF converters, RF cables, noise block-
ing capacitors, and noise blocking filters, etc.
C. Use specified internal wiring. Note especially:
1)Wires covered with PVC tubing
2)Double insulated wires
3)High voltage leads
D. Use specified insulating materials for hazardous
live parts. Note especially:
1)Insulation tape
2)PVC tubing
3)Spacers
4)Insulators for transistors
E. When replacing AC primary side components
(transformers, power cord, etc.), wrap ends of
wires securely about the terminals before solder-
ing.
F. Observe that the wires do not contact heat produc-
ing parts (heatsinks, oxide metal film resistors, fus-
ible resistors, etc.).
G. Check that replaced wires do not contact sharp
edges or pointed parts.
H. When a power cord has been replaced, check that
5 - 6 kg of force in any direction will not loosen it.
I. Also check areas surrounding repaired locations.
J. Be careful that foreign objects (screws, solder
droplets, etc.) do not remain inside the set.
K. When connecting or disconnecting the internal
connectors, first, disconnect the AC plug from the
AC outlet.

1-3-2 DVD_SFNP
Fig. 1
Chassis or Secondary Conductor
Primary Circuit
d' d
AC Voltmeter
(High Impedance)
Exposed Accessible Part
BOne side of
Power Cord Plug Prongs
Z
Fig. 2
Safety Check after Servicing
Examine the area surrounding the repaired location
for damage or deterioration. Observe that screws,
parts, and wires have been returned to their original
positions. Afterwards, do the following tests and con-
firm the specified values to verify compliance with
safety standards.
1. Clearance Distance
When replacing primary circuit components, confirm
specified clearance distance (d) and (d’) between sol-
dered terminals, and between terminals and surround-
ing metallic parts. (See Fig. 1)
Table 1 : Ratings for selected area
Note: This table is unofficial and for reference only.
Be sure to confirm the precise values.
2. Leakage Current Test
Confirm the specified (or lower) leakage current
between B (earth ground, power cord plug prongs)
and externally exposed accessible parts (RF termi-
nals, antenna terminals, video and audio input and
output terminals, microphone jacks, earphone jacks,
etc.) is lower than or equal to the specified value in the
table below.
Measuring Method (Power ON) :
Insert load Z between B (earth ground, power cord
plug prongs) and exposed accessible parts. Use an
AC voltmeter to measure across the terminals of load
Z. See Fig. 2 and the following table.
AC Line Voltage Clearance Distance (d), (d’)
220 to 240 V ≥ 3 mm(d)
≥ 6 mm(d’)
Table 2: Leakage current ratings for selected areas
Note: This table is unofficial and for reference only. Be sure to confirm the precise values.
AC Line Voltage Load Z Leakage Current (i) One side of power cord plug
prongs (B) to:
220 to 240 V
2kΩ RES.
Connected in
parallel
i≤0.7mA AC Peak
i≤2mA DC
RF or
Antenna terminals
50kΩ RES.
Connected in
parallel
i≤0.7mA AC Peak
i≤2mA DC A/V Input, Output

1-4-1 DVDP_SN
STANDARD NOTES FOR SERVICING
Circuit Board Indications
1. The output pin of the 3 pin Regulator ICs is
indicated as shown.
2. For other ICs, pin 1 and every fifth pin are
indicated as shown.
3. The 1st pin of every male connector is indicated as
shown.
Instructions for Connectors
1. When you connect or disconnect the FFC (Flexible
Foil Connector) cable, be sure to first disconnect
the AC cord.
2. FFC (Flexible Foil Connector) cable should be
inserted parallel into the connector, not at an
angle.
Pb (Lead) Free Solder
When soldering, be sure to use the Pb free solder.
How to Remove / Install Flat Pack-IC
1. Removal
With Hot-Air Flat Pack-IC Desoldering Machine:
1. Prepare the hot-air flat pack-IC desoldering
machine, then apply hot air to the Flat Pack-IC
(about 5 to 6 seconds). (Fig. S-1-1)
2. Remove the flat pack-IC with tweezers while
applying the hot air.
3. Bottom of the flat pack-IC is fixed with glue to the
BOARD; when removing entire flat pack-IC, first
apply soldering iron to center of the flat pack-IC
and heat up. Then remove (glue will be melted).
(Fig. S-1-6)
4. Release the flat pack-IC from the BOARD using
tweezers. (Fig. S-1-6)
CAUTION:
1. The Flat Pack-IC shape may differ by models. Use
an appropriate hot-air flat pack-IC desoldering
machine, whose shape matches that of the Flat
Pack-IC.
2. Do not supply hot air to the chip parts around the
flat pack-IC for over 6 seconds because damage
to the chip parts may occur. Put masking tape
around the flat pack-IC to protect other parts from
damage. (Fig. S-1-2)
NOTE: BOARD MEANS PRINTED CIRCUIT BOARD.
Top View
Out In
Bottom View
Input
5
10
Pin 1
Pin 1
FFC Cable
Connector
BOARD
* Be careful to avoid a short circuit.
Fig. S-1-1

1-4-2 DVDP_SN
3. The flat pack-IC on the BOARD is affixed with
glue, so be careful not to break or damage the foil
of each pin or the solder lands under the IC when
removing it.
With Soldering Iron:
1. Using desoldering braid, remove the solder from
all pins of the flat pack-IC. When you use solder
flux which is applied to all pins of the flat pack-IC,
you can remove it easily. (Fig. S-1-3)
2. Lift each lead of the flat pack-IC upward one by
one, using a sharp pin or wire to which solder will
not adhere (iron wire). When heating the pins, use
a fine tip soldering iron or a hot air desoldering
machine. (Fig. S-1-4)
3. Bottom of the flat pack-IC is fixed with glue to the
BOARD; when removing entire flat pack-IC, first
apply soldering iron to center of the flat pack-IC
and heat up. Then remove (glue will be melted).
(Fig. S-1-6)
4. Release the flat pack-IC from the BOARD using
tweezers. (Fig. S-1-6)
Hot-air
Flat Pack-IC
Desoldering
Machine
BOARD
Flat Pack-IC
Tweezers
Masking
Tape
Fig. S-1-2
Flat Pack-IC Desoldering Braid
Soldering Iron
Fig. S-1-3
Fine Tip
Soldering Iron
Sharp
Pin
Fig. S-1-4

1-4-3 DVDP_SN
With Iron Wire:
1. Using desoldering braid, remove the solder from
all pins of the flat pack-IC. When you use solder
flux which is applied to all pins of the flat pack-IC,
you can remove it easily. (Fig. S-1-3)
2. Affix the wire to a workbench or solid mounting
point, as shown in Fig. S-1-5.
3. While heating the pins using a fine tip soldering
iron or hot air blower, pull up the wire as the solder
melts so as to lift the IC leads from the BOARD
contact pads as shown in Fig. S-1-5.
4. Bottom of the flat pack-IC is fixed with glue to the
BOARD; when removing entire flat pack-IC, first
apply soldering iron to center of the flat pack-IC
and heat up. Then remove (glue will be melted).
(Fig. S-1-6)
5. Release the flat pack-IC from the BOARD using
tweezers. (Fig. S-1-6)
Note: When using a soldering iron, care must be
taken to ensure that the flat pack-IC is not
being held by glue. When the flat pack-IC is
removed from the BOARD, handle it gently
because it may be damaged if force is applied.
2. Installation
1. Using desoldering braid, remove the solder from
the foil of each pin of the flat pack-IC on the
BOARD so you can install a replacement flat pack-
IC more easily.
2. The “●” mark on the flat pack-IC indicates pin 1.
(See Fig. S-1-7.) Be sure this mark matches the 1
on the BOARD when positioning for installation.
Then presolder the four corners of the flat pack-IC.
(See Fig. S-1-8.)
3. Solder all pins of the flat pack-IC. Be sure that
none of the pins have solder bridges.
To Solid
Mounting Point
Soldering Iron
Iron Wire
or
Hot Air Blower
Fig. S-1-5
Fine Tip
Soldering Iron
BOARD
Flat Pack-IC
Tweezers
Fig. S-1-6
Example :
Pin 1 of the Flat Pack-IC
is indicated by a " " mark. Fig. S-1-7
Presolder
BOARD
Flat Pack-IC
Fig. S-1-8

1-4-4 DVDP_SN
Instructions for Handling Semi-
conductors
Electrostatic breakdown of the semi-conductors may
occur due to a potential difference caused by
electrostatic charge during unpacking or repair work.
1. Ground for Human Body
Be sure to wear a grounding band (1 MΩ) that is
properly grounded to remove any static electricity that
may be charged on the body.
2. Ground for Workbench
Be sure to place a conductive sheet or copper plate
with proper grounding (1 MΩ) on the workbench or
other surface, where the semi-conductors are to be
placed. Because the static electricity charge on
clothing will not escape through the body grounding
band, be careful to avoid contacting semi-conductors
with your clothing.
<Incorrect>
BOARD
Grounding Band
Conductive Sheet or
Copper Plate
1MΩ
1MΩ
<Correct>
BOARD

1-5-1 E9GA0PFS
PREPARATION FOR SERVICING
How to Enter the Service Mode
About Optical Sensors
Caution:
An optical sensor system is used for the Tape Start
and End Sensors on this equipment. Carefully read
and follow the instructions below. Otherwise the unit
may operate erratically.
What to do for preparation
Insert a tape into the Deck Mechanism Assembly and
press the [ O ] (VCR) button. The tape will be loaded
into the Deck Mechanism Assembly. Make sure the
power is on, connect TP501 (S-INH) to GND. This will
stop the function of Tape Start Sensor, Tape End Sen-
sor and Reel Sensors. (If these TPs are connected
before plugging in the unit, the function of the sensors
will stay valid.) See Fig. 1.
Note: Because the Tape End Sensors are inactive, do
not run a tape all the way to the start or the end of the
tape to avoid tape damage.
Q504
Q503
TP501
S-INH
Fig. 1

1-6-1 E9GA0DC
CABINET DISASSEMBLY INSTRUCTIONS
1. Disassembly Flowchart
This flowchart indicates the disassembly steps to gain
access to item(s) to be serviced. When reassembling,
follow the steps in reverse order. Bend, route, and
dress the cables as they were originally.
2. Disassembly Method
Note:
(1): Identification (location) No. of parts in the figures
(2): Name of the part
(3): Figure Number for reference
(4): Identification of parts to be removed, unhooked,
unlocked, released, unplugged, unclamped, or
desoldered.
P=Spring, L=Locking Tab, S=Screw,
CN=Connector
*=Unhook, Unlock, Release, Unplug, or Desolder
e.g. 6(S-1) = six Screws (S-1),
5(L-1) = five Locking Tabs (L-1)
(5): Refer to “Reference Notes.”
NOTE: BOARD MEANS PRINTED CIRCUIT BOARD.
ID/
LOC.
No.
PART
REMOVAL
Fig.
No.
REMOVE/*UNHOOK/
UNLOCK/RELEASE/
UNPLUG/DESOLDER
Note
[1] Cover Top D1 7(S-1) ---
[2] Panel Front D2 *5(L-1), *3(L-2),
*CN1505
1
1-1
1-2
1-3
[3] Front
Bracket D2 2(S-2), 2(S-3) ---
[4] Jack
Bracket D3 2(S-4) ---
[5] BOARD
Front Jack D3 Jack Plate Earth ---
[6]
DVD
Mechanism
& DVD
Main
BOARD
Assembly
D4 4(S-5), *CN101,
*CN701 ---
[7] Dust Cover D4 ---------- ---
[8] Panel Rear
Unit D5 3(S-6A), 2(S-6B),
3(S-7), (S-8),*CN1503 ---
[1] Cover Top [2] Panel
Front
[3] Front
Bracket
[4] Jack
Bracket
[5] BOARD
Front Jack
[6] DVD
Mechanism
& DVD Main
BOARD
Assembly
[8] Panel
Rear Unit
[12] BOARD
Power Supply
[10] Motor
DC Fan
[13] BOARD
Holder
[11] Panel
Rear
[18] BOARD
Rear Jack
[9] Fan Holder
[15] Deck
Assembly
[20] Deck
Pedestal
[17] BOARD
Function
[14] VCR
Chassis Unit
[16] BOARD
Power Switch
[19] BOARD
Main (with
BOARD AFV)
[21] Front
Bracket R
[7]
Dust Cover
[9] Fan Holder D6 3(S-9) ---
[10] Motor DC
Fan D6 ---------- ---
[11] Panel Rear D6 ---------- ---
[12]
BOARD
Power
Supply
D7 4(S-10), *CN1504 ---
[13] BOARD
Holder D7 4(S-11) ---
[14]
VCR
Chassis
Unit
D8
5(S-12), (S-13A),
(S-13B), (S-13C),
3(S-14), (S-15),
(S-16), PCB Washer
---
[15] Deck
Assembly D9 (S-17), (S-18),
Desolder
2
3
[16]
BOARD
Power
Switch
D9 Desolder ---
[17] BOARD
Function D9 Desolder ---
[18] BOARD
Rear Jack D9 Desolder, Plate Earth ---
[19]
BOARD
Main (with
BOARD
AFV)
D9 ---------- ---
[20] Deck
Pedestal D10 7(S-19) ---
[21] Front
Bracket R D10 (S-20) ---
↓
(1)
↓
(2)
↓
(3)
↓
(4)
↓
(5)
ID/
LOC.
No.
PART
REMOVAL
Fig.
No.
REMOVE/*UNHOOK/
UNLOCK/RELEASE/
UNPLUG/DESOLDER
Note

1-6-2 E9GA0DC
Reference Notes
CAUTION 1: Locking Tabs (L-1) and (L-2) are fragile.
Be careful not to break them.
1-1. Release five Locking Tabs (L-1).
1-2. Release three Locking Tabs (L-2)
1-3. Disconnect Connector (CN1505), and remove
the Panel Front.
2. When reassembling, solder wire jumpers as shown
in Fig. D9.
3. Before installing the Deck Assembly, be sure to
place the pin of LD-SW on BOARD Main as shown
in Fig. D9. Then, install the Deck Assembly while
aligning the hole of Cam Gear with the pin of LD-
SW, the shaft of Cam Gear with the hole of LD-SW
as shown in Fig. D9.
(S-1)
(S-1)
(S-1)
[1] Cover Top
Fig. D1
(L-1)
(S-2)
(S-2)
(S-3)
(S-3)
(L-2)
(L-1)
(L-1)
[2] Panel
Front
[3] Front
Bracket
CN1505
Fig. D2
Fig. D3
(S-4)
Jack Plate Earth
[4] Jack Bracket
[5] BOARD
Front Jack
[6] DVD
Mechanism
&
DVD Main
BOARD
Assembly
Fig. D4
(S-5)
(S-5)
CN101
hook
CN701
(S-5)
[7] Dust
Cover

1-6-3 E9GA0DC
Fig. D5
(S-6A)
(S-6B)
(S-7)
(S-7)
(S-7)
CN1503
(S-8)
[8] Panel
Rear Unit
Fig. D6
(S-9)
[11] Panel Rear
[10] Motor DC Fan
[9] Fan Holder
CN1504
Fig. D7
(S-11)
(S-10)
[12] BOARD
Power Supply
[13] BOARD Holder
Fig. D8
(S-12)
(S-15)
(S-16)
(S-14)
(S-14)
(S-13C)
PCB
Washer
(S-13A)
(S-13B)
[14] VCR
Chassis
Unit

1-6-4 E9GA0DC
[19] BOARD
Main (with
BOARD AFV)
[15] Deck
Assembly
[16] BOARD
Power Switch
[17] BOARD Function
FE Head
Cylinder
Assembly
ACE Head
Assembly
Desolder
Lead with
blue stripe
[19] BOARD Main
[19] BOARD Main
SW507
LD-SW
From
FE Head
BOTTOM VIEW
Lead connections of Deck Assembly and BOARD Main
Desolder
From
Capstan
Motor
Assembly
Printing side
Desolder
From
Cylinder
Assembly
From
ACE Head
Assembly
Lead with
blue stripe
Lead with
blue stripe
Desolder
Lead with
gray stripe
(S-17)
(S-18)
Desolder
Lead
with
blue
stripe
Fig. D9
LD-SW Pin
Hole
Hole
Shaft
Cam Gear
[15] Deck Assembly
Pin
Desolder
from bottom
[18] BOARD
Rear Jack
Plate Earth

1-6-5 E9GA0DC
Fig. D10
[20] Deck
Pedestal
[21] Front
Bracket R
(S-19)
(S-19)
(S-19)
(S-19)
(S-20)

1-6-6 E9GA0DC
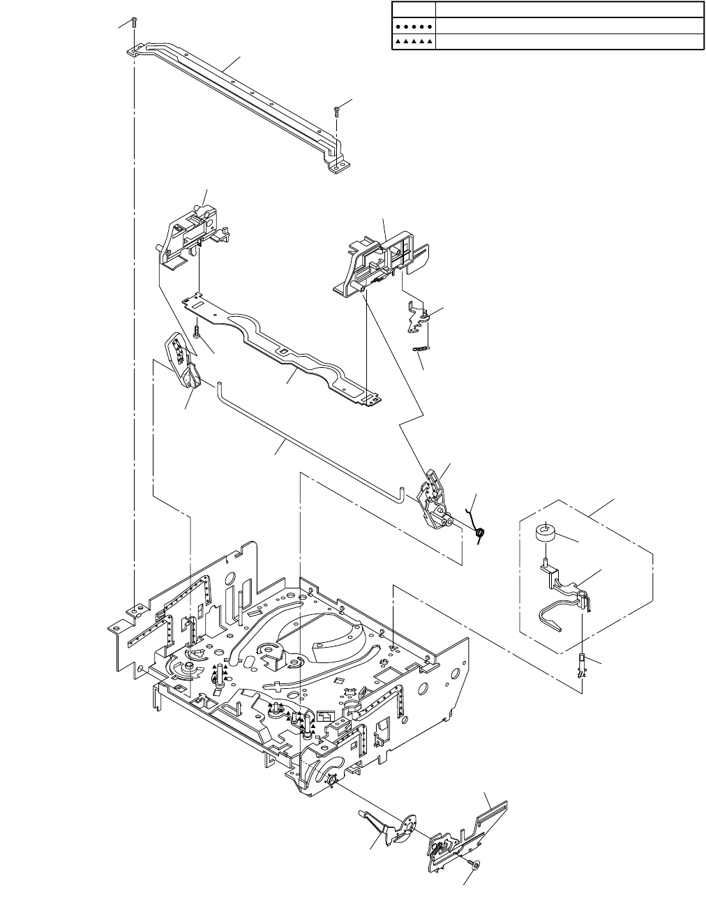
3. How to Eject Manually
Note: When rotating the gear, be careful not to damage the gear.
1. Remove the Cover Top.
2. Remove the Panel Front.
3. Remove the Front Bracket.
4. Remove the DVD Mechanism & DVD Main BOARD Assembly.
5. Unhook two places and detach the Dust Cover.
6. Rotate the gear in the direction of the arrow manually as shown below until the tray descends.
7. Pull the tray out manually and remove a disc.
View for A
Rotate this gear in
the direction of the arrow
hook
Front Bracket
Panel Front
Dust Cover
A

1-7-1 E9GA0EA
ELECTRICAL ADJUSTMENT INSTRUCTIONS
NOTE:
1.Electrical adjustments are required after replacing
circuit components and certain mechanical parts.
It is important to do these adjustments only after
all repairs and replacements have been com-
pleted. Also, do not attempt these adjustments
unless the proper equipment is available.
2.To perform these alignment / confirmation proce-
dures, make sure that the tracking control is set in
the center position: Press either [PROGRAM ]
or [PROGRAM ] button on the front panel first,
then the [ O ] (VCR) button on the front panel.
Test Equipment Required
1.Oscilloscope: Dual-trace with 10:1 probe,
V-Range: 0.001~50V/Div.,
F-Range: DC~AC-20MHz
2.Alignment Tape (FL6A)
Head Switching Position Adjustment
Purpose:
To determine the Head Switching position during
playback.
Symptom of Misadjustment:
May cause Head Switching noise or vertical jitter
in the picture.
Reference Notes:
Playback the Alignment tape and adjust VR501 so that
the V-sync front edge of the CH1 video output wave-
form is at the 6.5H±1H (416μs±64μs) delayed position
from the rising edge of the CH2 head switching pulse
waveform.
NOTE: BOARD MEANS PRINTED CIRCUIT BOARD.
Test point Adj.Point Mode Input
J236(JK1-V-OUT)
TP504(RF-SW)
GND
VR501
(Switching Point)
(BOARD MAIN)
PLAY
(SP) -----
Tape Measurement
Equipment Spec.
FL6A Oscilloscope 6.5H±1H
(416μs±64μs)
Connections of Measurement Equipment
Oscilloscope
BOARD
Main
J236
CH1 CH2
Trig. (+)
GND
TP504
Figure 1
EXT. Syncronize Trigger Point
CH1
CH2
1.0H 0.5H
V-Sync
Switching Pulse
6.5H±1H (416μs±64μs)

1-8-1 E9GA0INT
HOW TO INITIALIZE THE DVD RECORDER & VCR
To put the program back at the factory-default, initialize the DVD recorder & VCR as the following procedure.
< DVD Section >
1. Turn the DVD recorder on.
2. Confirm that no disc is loaded or that the disc tray
is open. To put the DVD recorder into the Version
display mode, press [DVD], [INSTANT SKIP], [1],
[2], and [3] buttons on the remote control in that
order.
Fig. a appears on the screen.
3. Press [ENTER] button, then the DVD recorder
starts initializing. When the initializing is
completed, the DVD recorder exits the Version
display mode and turns off the power
automatically.
* To move into the Normal mode from the
Version display mode, press [RETURN] button
on the remote control instead of [ENTER]
button.
* When [ ] button is pressed before [ENTER]
button is pressed, the DVD recorder exits the
Version display mode, then the power turns
off.
MODEL NAME :
*******
FE VERSION :
BE VERSION :
TT VERSION :
LD ADJUSTMENT :
DISC ADJUSTMENT :
DEFAULT SETTING : ENTER
EXIT : RETURN
OK
OK
R40_015_000
W4T34280Z2B
T40014GVP
*1: "*******" differs depending on the models.
*2: Firmware Version differs depending on the
models, and this indication is one example.
Fig. a Version Display Mode Screen
F/W VERSION DISP

1-9-1 E9GA0FW
FIRMWARE RENEWAL MODE
1. Turn the power on and remove the disc on the tray.
2. To put the DVD recorder into version up mode,
press [INSTANT SKIP], [6], [5], and [4] buttons on
the remote control unit in the order. Then the tray
will open automatically.
Fig. a appears on the screen and Fig. b appears
on the VFD.
3. Load the disc for version up.
Fig. c appears on the screen. The file on the top is
highlighted as the default.
When there is only one file to exist, Step 4 will
start automatically.
4. Select the firmware version pressing arrow
buttons, then press [ENTER].
Fig. d appears on the screen and Fig. e appears
on the VFD. The DVD recorder starts updating.
About VFD indication of Fig. e:
1) When Fig. d is displayed on the screen, “F-UP”
is displayed on the VFD.
2) When “Firmware Updating... XX% Complete.”
is displayed on the screen, “34280” is displayed
on the VFD.
The appearance shown in (*1) of Fig. d is
described as follows.
5. After updating is finished, the tray opens
automatically.
At this time, no button is available.
6. Pull out the AC code once, then insert it again.
Fig. a Version Up Mode Screen
* Firmware Version differs depending on the
models, and this indication is one example.
Current
F/W version
is displayed.
Firm Update Mode
Please insert a disc.
ver. W4T*****Z2B
Fig. b VFD in Version Up Mode
Fig. c Update Disc Screen
* Firmware Version differs depending on the
models, and this indication is one example.
Disc name
is displayed.
Firm Update Mode ver. W4T*****Z2B
VOL_200704130934
1 W4T34280Z2B
2 W4T34281Z2B
3 W4T34282Z2B
4 W4T34283Z2B
1 / 1
Files included
in the disc are
displayed.
No. Appearance State
1 File Loading... Sending files into the memory
2
Firmware
Updating...
XX% Complete.
Writing new version data
--- Firmware
Update Failure Failed in updating
Fig. d Programming Mode Screen
* Firmware Version differs depending on the
models, and this indication is one example.
Selected
F/W Version
is displayed.
Firm Update Mode ver. W4T*****Z2B
W4T34280Z2B
File Loading...
(*1)
Fig. e VFD in Programming Mode (Example)

1-10-1 E9GA0TR
TROUBLESHOOTING
1 Power Supply Section
NOTE: BOARD MEANS PRINTED CIRCUIT BOARD.
FLOW CHART NO.1
The power cannot be turned on.
Is the fuse normal?
Is normal state restored when once unplugged
power cord is plugged again after several seconds.
Is the AL+5V line voltage normal?
Check each rectifying circuit of secondary circuit
and service it if defective.
See FLOW CHART No.2 <The fuse blows out.>
Check for lead or short-circuiting of primary
circuit component and service it if defective.
(Q1001, Q1003, Q1008, T0011, D1001, D1002,
D1003, D1004, D1011, C1005, C2014)
Ye s
Ye s
Ye s
No
No
No
FLOW CHART NO.2
The fuse blows out.
After servicing, replace the fuse.
Check the presence that the primary component
is leaking or shorted and service it if defective.
Check the presence that the rectifying diode or circuit
is shorted in each rectifying circuit of secondary side
and service it if defective.
FLOW CHART NO.3
When the output voltage fluctuates.
No
Ye s
Does the secondary side photo coupler circuit
operate normally?
Check the circuit and service it if defective.
(IC1001, D1006, D1012, D1024)
Check the circuit and service it if defective.
(IC1001, Q1004, D015, D017, D1019)
FLOW CHART NO.4
When buzz sound can be heard in the vicinity of power circuit.
Check if there is short circuit on the rectifying diode and the circuit in each rectifying circuit of secondary side
and service it if defective. (D013, D014, D016, D018, D019, D1008, D1016, D1030, D1031, D1032, IC1504,
IC1505, Q1508, Q1510, Q1511, Q1513, Q1515, Q1516, Q1518, Q1542)
No
Ye s
FLOW CHART NO.5
-FL is not outputted.
Is the supply voltage of -30V fed to the anode of
D018?
Check D018 and their periphery, and service it if
defective.
Check for load circuit short-circuiting or leak, and
service it if defective.

1-10-2 E9GA0TR
No
Ye s
Check D1008, C1007, and their periphery, and
service it if defective.
FLOW CHART NO.10
P-ON+1.8V is not outputted.
Is 4V voltage supplied to Pin(1) of IC1504?
Replace IC1504.
No Check D015, D016, D1032, L013, C018 and their
periphery, and service it if defective.
FLOW CHART NO.9
TIMER+5V is not outputted.
Is 5V voltage supplied to the emitter of Q1513?
Is the "L" pulse (approximately 0V) inputted to
the base of Q1516?
Is the "H" pulse (approximately 5V) inputted to
the base of Q1517?
Is 5V voltage supplied to the
Pin(37,99) of IC501.
Replace Q1516. Replace
Q1517.
Ye s
FLOW CHART NO.8
P-ON+5V (AL+5V) is not outputted. (P-ON+9V is outputted normally)
Is 5V voltage supplied to the collector of Q1518?
Replace Q1518.
No
No
Ye s
Ye s
Is the "H" pulse inputted to the base of Q1518?
Check D015, D016, D1032, L013, C018, and their
periphery, and service it if defective.
Check R1523 and their periphery,
and service it if defective.
FLOW CHART NO.7
P-ON+9V is not outputted. (P-ON+44V is outputted normally)
Is 12V voltage supplied to the collector of Q1515?
Replace Q1515.
No
Ye s
Ye s
Check C014, D014, D017, L010, C015, and their
periphery, and service it if defective.
FLOW CHART NO.6
P-ON+44V is not outputted.
Is 44V voltage supplied to the emitter of Q1516? No
No
Is the "H" pulse (approximately 10V) inputted to
the base of Q1515?
Check D1511, R1568, R1569, R1570, and their
periphery, and service it if defective.
No
Ye s
Ye s
Replace IC501.
Ye s
Check AL+5V and
Timer+5V line, and
service it if defective.
No
No
Check D013, C013, and their periphery, and
service it if defective.
Is the "L" pulse outputted to the collector of Q1512?
Check Q1512, D1508 and their periphery, and
service it if defective.
Replace Q1513.
Ye s
No
Ye s

1-10-3 E9GA0TR
Ye s
Ye s
Ye s
Ye s
No
No
No
No
FLOW CHART NO.14
DVD-P-ON+12V is not outputted.
FLOW CHART NO.12
Replace Q1511.
No
Ye s
Is the "L" pulse outputted to the collector of
Q1514?
Check Q1514 and PWR-SW line, and service it if
defective.
FLOW CHART NO.13
DVD-P-ON+5V is not outputted. (AL+5V is outputted normally.)
Is the "H" pulse inputted to the base of Q1510?
Replace Q1510.
Check R1531, R1532 and their periphery, and
service it if defective.
Ye s
No
The fluorescent display tube does not light up.
Is 5V voltage supplied to Pin(13, 43) of IC612?
Is approximately -24V to -28V voltage supplied to
Pin(30) of IC612?
Is there approximately 500kHz oscillation to
Pin(5) of IC612?
Are the filament voltage applied between Pin(1)
and Pin(24) of the fluorescent display tube?
Also negative voltage applied between these pins
and GND?
Replace the fluorescent display tube (FL601).
Check the EV+5V line and service it if defective.
Check the -FL line and service it if defective.
Check R618, IC612 and their periphery, and
service it if defective.
Check the power circuit, D1016, D1017,
R1040, R1041, C1018 and their periphery, and
service it if defective.
No Check D1031, L1013, C1037, C1039 and their
periphery, and service it if defective.
Is 12V voltage supplied to the emitter of Q1511?
Ye s
No
Is 5V voltage supplied to Pin(1) of IC1505?
FLOW CHART NO.11
DVD-P-ON+3.3V is not outputted.
Replace IC1505.
Check D015, D016, D1032, L013, C018 and their
periphery, and service it if defective.
Ye s

1-10-4 E9GA0TR
2 DVD Section
Ye s
No
FLOW CHART NO.1
The key operation is not functioning.
Are the contact point and the installation state of
the key switches normal?
Is the control voltage normally inputted into Pin(8)
of IC501?
Check the key switches and their periphery, and
service it if defective.
No Re-install the key switches correctly or replace
the poor switch.
FLOW CHART NO.2
No DVD operation is possible from the remote control unit. (
Operation is possible from the unit.)
Replace the RM1501 (remote control receiver).
Replace remote control unit if needed.
Check the line between the RM1501 (remote
control receiver) and Pin(14) of IC501, and
service it if defective.
Is the "L" pulse sent out from Pin(1) terminal of the
RM1501 (remote control receiver) when the remote
control unit is activated?
Is the "L" pulse signal supplied to Pin(14) of
IC501?
Replace IC501 or DVD MECHANISM & DVD
MAIN BOARD ASSEMBLY.
Ye s
Ye s
Replace IC501 or DVD MECHANISM & DVD
MAIN BOARD ASSEMBLY.
Ye s
Is 5V voltage supplied to Pin(3) terminal of the
RM1501 (remote control receiver)?
Ye s No
Check AL+5V line, and service it if defective.
No
No
0.51
0.92
1.27
1.61
1.98
2.39
2.90
3.60
4.30 SENS-
INH
-----
REC
/OTR
OPEN/
CLOSE
DUBBING
PLAY
STOP
-----
-----
Terminal voltage of IC501-8 KEY-2
IC501-8
(V)
FLOW CHART NO.3
Replace the DVD MECHANISM & DVD MAIN
BOARD ASSEMBLY.
The [No Disc] indication.
Both picture and sound do not operate normally.

1-10-5 E9GA0TR
FLOW CHART NO.4
VIDEO E-E does not appear normally.
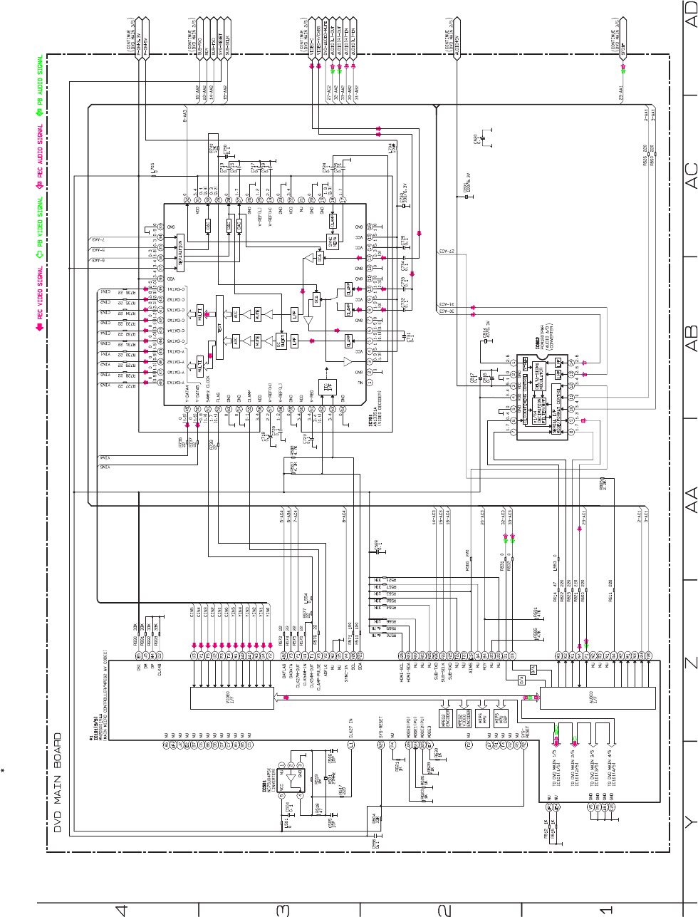
Are the video signals inputted to each pin of
IC1518?
Check the line between video input terminal and
each pin of IC1518.
IC1581 1PIN → JK1502 VIDEO-IN (AV1)
IC1581 3PIN → JK2001 VIDEO-IN2 (AV1)
IC1581 28PIN → TU1501 17PIN TUNER-VIDEO
Check the line between each pin of IC1507 and
Pin(31) of IC1518 and video input terminal.
IC1507 12PIN → IC1518 31PIN TUNER/LINE VIDEO
IC1507 15PIN → JK1204 FRONT-Y-IN
IC1507 4PIN → JK1204 FRONT-C-IN
IC1507 10PIN → JK1201 FRONT-VIDEO-IN
Are the video signals inputted to each pin of IC1507?
(S-VIDEO/Composite video out)
Continued to "A" on the FLOW CHART NO. 5.
< Picture does not appear normally. [In the
S-VIDEO/Composite video output (JK1502,
JK1506, JK2001)] >
(RGB/Component video out)
Continued to "B" on the FLOW CHART NO. 6.
< Picture does not appear normally. [In the RGB/
Component video output (JK1501, JK1502)] >
Ye s
Ye s
No
Is 12V voltage supplied to Pin(2,4) of IC1518?
No
No
IC1518 1PIN VIDEO-IN (AV1)
IC1518 3PIN VIDEO-IN2 (AV2)
IC1518 28PIN TUNER-VIDEO
IC1507 12PIN TUNER/LINE VIDEO
IC1507 15PIN FRONT-Y-IN
IC1507 4PIN FRONT-C-IN
IC1507 10PIN FRONT-VIDEO-IN
Check the line between each pin of IC1507 and
each pin of CN1502.
IC1507 19PIN → CN1502 10PIN VIDEO-Y/CVBS-IN
IC1507 21PIN → CN1502 8PIN VIDEO-C-IN
Are the video signals inputted to each pin of CN1502?
Ye s
No
CN1502 20PIN VIDEO-Y/CVBS-IN
CN1502 22PIN VIDEO-C-IN
Are the video signals outputted to each pin of IC1507?
Ye s
IC1507 19PIN VIDEO-Y/CVBS-IN
IC1507 21PIN VIDEO-C-IN
Are the video signals outputted to Pin(31) of IC1518?
Ye s
Replace IC1518.
No
Check AL+12V(1) line and
service it if defective.
Ye s
Is 5V voltage supplied to Pin(1) of IC1507?
No
Replace IC1507.
No
Check DVD-P-ON+5V line
and service it if defective.
Ye s

1-10-6 E9GA0TR
Replace DVD MECHANISM & DVD MAIN BOARD
ASSEMBLY.
Check the periphery of JK1502 from Pin (29) of
IC1518 and service it if defective.
Check the periphery of JK2001 from Pin (30) of
IC1518 and service it if defective.
Check the periphery of JK1506 from
Pin (5) of IC1515 and service it if defective.
Check the periphery of JK1506 from
Pin (7) of IC1515 and service it if defective.
Are the video signals outputted to the specific
output terminal?
Are the composite video signals outputted to the
VIDEO OUT (AV1) terminal (JK1502)?
Are the luminance signals outputted to the
S-VIDEO OUT terminal (JK1506)?
Are the chroma signals outputted to the
S-VIDEO OUT terminal (JK1506)?
No
No
No
No
Are the composite video signals outputted to the
VIDEO OUT (AV2) terminal (JK2001)?
Set the disc on the disc tray and playback.
No
"A"
FLOW CHART NO.5
Picture does not appear normally. [In the S-VIDEO/Composite video output (JK1502, JK1506, JK2001)]
Ye s
Ye s
Yes (VIDEO-OUT)
Yes (VIDEO-Y(I)-OUT,
VIDEO-C-OUT)
Ye s
Are the video signals inputted to each pin of CN1502?
No
CN1502 1PIN VIDEO-Y(I)-OUT
CN1502 9PIN VIDEO-C-OUT
Check the line between each pin of IC1515 and
each pin of CN1502, and service it if defective.
IC1515 3PIN → CN1502 1PIN VIDEO-Y(I)-OUT
IC1515 1PIN → CN1502 9PIN VIDEO-C-OUT
Are the video signals inputted to each pin of IC1515?
No
IC1515 3PIN VIDEO-Y(I)-OUT
IC1515 1PIN VIDEO-C-OUT
Are the video signals outputted to each pin of IC1515?
IC1515 5PIN VIDEO-Y(I)-OUT
IC1515 7PIN VIDEO-C-OUT
IC1515 6PIN VIDEO-OUT
Is 5V voltage supplied to Pin(4) of IC1515?
No
Replace IC1515.
No
Check DVD-P-ON+5V line
and service it if defective.
Ye s
Ye s
Are the video signals outputted to each pin of
IC1518?
IC1518 29PIN VIDEO-OUT1
IC1518 30PIN VIDEO-OUT2
Is 12V voltage supplied to Pin(2,4) of IC1518?
No
Replace IC1518.
Ye s
Check AL+12V(1) line
and service it if defective.
Ye s
Is 5V voltage supplied to Pin(16) of IC1508?
Is -5V voltage supplied to Pin(7) of IC1508?
Replace IC1508.
No
No
Check AL+5V(1) and AL-5V
line, and service it if defective.
Ye s
Check the line between Pin(3) of IC1508 and
Pin(6) of IC1515, and service it if defective.
Is the video signal inputted to Pin(3) of IC1508? No
Check the line between Pin(5) of IC1518 and
Pin(4) of IC1508, and service it if defective.
No
Is the video signal outputted to Pin(4) of IC1508?
Ye s
Is the video signal outputted to Pin(5) of IC1518?
No

1-10-7 E9GA0TR
Replace DVD MECHANISM & DVD MAIN BOARD
ASSEMBLY.
Set the disc on the disc tray and playback.
No
"B"
FLOW CHART NO.6
Picture does not appear normally. [In the RGB/Component video output (JK1501, JK1502)]
Ye s
Ye s
Yes (Output to JK1502)
Yes (Output to
JK1501)
Ye s
Are the video signals outputted to each pin of
CN1502?
No
CN1502 7PIN VIDEO-Y(I/P)-OUT
CN1502 5PIN VIDEO-Pr/Cr-OUT
CN1502 3PIN VIDEO-Pb/Cb-OUT
Check the line between each pin of IC1510 and
each pin of CN1502, and service it if defective.
IC1510 14PIN → CN1502 7PIN VIDEO-Y(I/P)-OUT
IC1510 4PIN → CN1502 5PIN VIDEO-Pr/Cr-OUT
IC1510 15PIN → CN1502 3PIN VIDEO-Pb/Cb-OUT
IC1509 2PIN → CN1510 12PIN VIDEO-Y(I/P)-OUT
IC1509 12PIN → CN1510 5PIN VIDEO-Pr/Cr-OUT
IC1509 5PIN → CN1510 2PIN VIDEO-Pb/Cb-OUT
Are the video signals inputted to each pin of
IC1510? No
IC1510 14PIN VIDEO-Y(I/P)-OUT
IC1510 4PIN VIDEO-Pr/Cr-OUT
IC1510 15PIN VIDEO-Pb/Cb-OUT
Are the video signals outputted to each pin of
IC1510?
(Output to JK1501)
IC1510 13PIN VIDEO-Y(I/P)-OUT
IC1510 3PIN VIDEO-Pr/Cr-OUT
IC1510 1PIN VIDEO-Pb/Cb-OUT
IC1509 2PIN VIDEO-Y(I/P)-OUT
IC1509 12PIN VIDEO-Pr/Cr-OUT
IC1509 5PIN VIDEO-Pb/Cb-OUT
IC1509 1PIN VIDEO-G-IN
IC1509 13PIN VIDEO-R-IN
IC1509 3PIN VIDEO-B-IN
(Output to JK1502)
IC1510 12PIN VIDEO-Y(I/P)-OUT
IC1510 5PIN VIDEO-Pr/Cr-OUT
IC1510 2PIN VIDEO-Pb/Cb-OUT
Is 5V voltage supplied to Pin(16) of IC1510?
Is -5V voltage supplied to Pin(7) of IC1510?
No
Replace IC1510.
NoYe s
Check the DVD-P-ON+5V and
AL-5V line, and service it if
defective.
Is 5V voltage supplied to Pin(16) of IC1509?
Is -5V voltage supplied to Pin(7) of IC1509?
No
Replace IC1509.
NoYe s
Check AL+5V(1) and AL-5V
line, and service it if defective.
Check the line between each pin of IC1509 and
each pin of IC1510, and service it if defective.
Are the video signal inputted to each pin of
IC1509?
Ye s
IC1509 15PIN VIDEO-Y(I/P)-OUT/VIDEO-G-IN
IC1509 14PIN VIDEO-Pr/Cr-OUT/VIDEO-R-IN
IC1509 4PIN VIDEO-Pb/Cb-OUT/VIDEO-B-IN
Are the video signal outputted to each pin of
IC1509?
No
Check the line between Pin(1,3,13) of IC1509 and
JK2001, and service it if defective.
No
Continued to "C1" on the next page.

1-10-8 E9GA0TR
Check the periphery of JK1501 from Pin (10,11,13)
of IC1516 and service it if defective.
Check the periphery of JK1502 from Pin (10,11,15)
of IC1514 and service it if defective.
Are the video signals outputted to the specific
output terminal?
Are the component video signals outputted to
COMPONENT OUT terminal (JK1501)?
No
No
Are the component video and RGB video signals
outputted to VIDEO OUT (AV1) terminal (JK1502)?
Are the video signals inputted to each pin of IC1516
and each pin of IC1514?
(Output to JK1501)
IC1516 13PIN VIDEO-Y(I/P)-OUT
IC1516 10PIN VIDEO-Pr/Cr-OUT
IC1516 11PIN VIDEO-Pb/Cb-OUT
(Output to JK1502)
IC1514 11PIN
VIDEO-Y(I/P)-OUT/VIDEO-G-IN
IC1514 10PIN
VIDEO-Pr/Cr-OUT/VIDEO-R-IN
IC1514 15PIN
VIDEO-Pb/Cb-OUT/VIDEO-B-IN
Ye s
Ye s
"C1"
IC1516 3PIN → IC1510 13PIN VIDEO-Y(I/P)-OUT
IC1516 8PIN → IC1510 3PIN VIDEO-Pr/Cr-OUT
IC1516 6PIN → IC1510 1PIN VIDEO-Pb/Cb-OUT
Are the video signals inputted to each pin of IC1516
and each pin of IC1514?
(Output to JK1501)
IC1516 3PIN VIDEO-Y(I/P)-OUT
IC1516 8PIN VIDEO-Pr/Cr-OUT
IC1516 6PIN VIDEO-Pb/Cb-OUT
(Output to JK1502)
IC1514 6PIN
VIDEO-Y(I/P)-OUT/VIDEO-G-IN
IC1514 8PIN
VIDEO-Pr/Cr-OUT/VIDEO-R-IN
IC1514 1PIN
VIDEO-Pb/Cb-OUT/VIDEO-B-IN
Check the line between each pin of IC1516 and
each pin of IC1510, and service it if defective.
IC1514 6PIN → IC1509 15PIN VIDEO-Y(I/P)-OUT/VIDEO-G-IN
IC1514 8PIN → IC1509 14PIN VIDEO-Pr/Cr-OUT/VIDEO-R-IN
IC1514 1PIN → IC1509 4PIN VIDEO-Pb/Cb-OUT/VIDEO-B-IN
Check the line between each pin of IC1514 and
each pin of IC1509, and service it if defective.
No
No
Ye s
Is 5V voltage supplied to Pin(4,12) of IC1516?
No
Replace IC1516.
No
Ye s No
Check the DVD-P-ON+5V line,
and service it if defective.
Is 5V voltage supplied to Pin(4,12) of IC1514?
No
Replace IC1514. Check the AL+5V(1) line,
and service it if defective.

1-10-9 E9GA0TR
Is SIF signal inputted to Pin(2) of IC1?
Are the audio signal outputted
to Pin(30,31) of IC1?
Replace TU1501.
Replace IC1.
Ye s
Check the line between
Pin(30,31) of IC1 and
Pin(20,24) of IC1518, and
service it if defective.
Ye s
No
No
Check the AL+12V(1) line
and service it if defective.
Replace IC1518.
Ye s N o
FLOW CHART NO.7
Audio E-E does not appear normally.
Are the audio signals inputted to each pin of
IC1518?
Check the line between audio input terminal and
each pin of IC1518, and service it if defective.
Check the line between Pin (1,12) of IC1501 and
Pin (23,27) of IC1518, and service it if defective.
Are the audio signals outputted to Pin(23,27) of
IC1518?
Ye s
Are the audio signals outputted to Pin(1,7) of
IC1506?
Ye s
Ye s
Ye s
Ye s
Ye s
No (Rear
input)
No (Tuner)
Replace IC1506.
No
No
No
Check the line between Pin (5,14) of IC1501 and
audio input terminal (JK1202, JK1203), and service
it if defective.
No
IC1518 AUDIO-IN1 (AV1)10,16PIN
IC1518 AUDIO-IN2 (AV2)8,14PIN
IC1518 TUNER-AUDIO20,24PIN
Are the audio signals inputted to each pin of
IC1501?
IC1501 TUNER-AUDIO/AUDIO-IN1,21,12PIN
IC1501 AUDIO-IN-F (FRONT)5,14PIN
IC1518
→
JK150210,16PIN
IC1518
→
JK20018,14PIN
AUDIO-IN1 (AV1)
AUDIO-IN2 (AV2)
Is 12V voltage supplied to Pin(2,4) of IC1518?
Check the AL+5V(1) and
AL-5V line, and service it if
defective.
Replace IC1501.
Ye s N o
Are the audio signals outputted to Pin(3,13) of
IC1501? Is 5V voltage supplied to Pin(16) of IC1501?
Is -5V voltage supplied to Pin(7) of IC1501?
Continued to "C" on the next page.
Are the analog audio signals outputted to each pin
of CN1502?
CN1502 17PIN AUDIO (L)-OUT
CN1502 15PIN AUDIO (R)-OUT
No Replace the DVD MECHANISM & DVD MAIN
BOARD ASSEMBLY.

1-10-10 E9GA0TR
IC1513 1PIN AUDIO (L)-OUT
IC1513 7PIN AUDIO (R)-OUT
IC1513 2PIN AUDIO (L)-OUT
IC1513 6PIN AUDIO (R)-OUT
Check the periphery between Pin(21,25) of IC1518
and the audio terminal (JK1502), and service it if
defective.
Check each line between each pin of CN1502
and each pin of IC1513, and service it if defective.
CN1502 17PIN → IC1513 2PIN AUDIO(L)-OUT
CN1502 15PIN → IC1513 6PIN AUDIO(R)-OUT
Are the analog audio signals inputted to each pin
of IC1513?
Are the analog audio signals outputted to each pin
of IC1513?
Are the audio signals outputted to the specific
output terminal?
Are the audio signals outputted to the audio
terminal (JK1502)?
Are the audio signals outputted to the audio
terminal (JK2001)?
Are the audio signals outputted to the audio
terminal (JK1505)?
Ye s
Ye s
Ye s
No
IC1508 1PIN AUDIO (L)-OUT
IC1508 13PIN AUDIO (R)-OUT
Check each line between each pin of IC1513
and each pin of IC1508, and service it if defective.
IC1513 1PIN → IC1508 1PIN AUDIO(L)-OUT
IC1513 7PIN → IC1508 13PIN AUDIO(R)-OUT
Are the analog audio signals inputted to each pin
of IC1508?
Ye s
No
Check each line between each pin of IC1508
and each pin of IC1518, and service it if defective.
IC1508 15PIN → IC1518 6PIN AUDIO(L)-OUT
IC1508 14PIN → IC1518 12PIN AUDIO(R)-OUT
No
IC1518 21,25PIN AUDIO-OUT 1 (AV1)
IC1518 22,26PIN AUDIO-OUT 2 (AV2)
Are the analog audio signals outputted to each pin
of IC1518?
Ye s
No
No
No
No
Check the periphery between Pin(22,26) of IC1518
and the audio terminal (JK2001), and service it if
defective.
No
Check the periphery between Pin(1,7) of IC1513
and the audio terminal (JK1505), and service it if
defective.
No
Do Pin(26,29) of IC501 become "H" level? If Pin(26) of IC501 become "L" level, replace
DVD MECHANISM & DVD MAIN BOARD
ASSEMBLY.
If Pin(29) of IC501 become "L" level, replace
IC501.
"C"
Check the AL+12V line and
service it if defective.
Replace IC1518.
Ye s N o
Is 12V voltage supplied to Pin(2,4) of IC1518?
Check the P-ON+10V line and
service it if defective.
Replace IC1513.
Ye s N o
Is 10V voltage supplied to Pin(8) of IC1513?
IC1508 15PIN AUDIO (L)-OUT
IC1508 14PIN AUDIO (R)-OUT
Are the analog audio signals outputted to each pin
of IC1508?
Ye s
IC1518 6PIN AUDIO (L)-OUT
IC1518 12PIN AUDIO (R)-OUT
Are the analog audio signals inputted to each pin
of IC1518?
Ye s
No
Check the AL+5V(1) and
AL-5V line, and service it if
defective.
Replace IC1508.
Ye s N o
Is 5V voltage supplied to Pin(16) of IC1508?
Is -5V voltage supplied to Pin(7) of IC1508?

1-10-11 E9GA0TR
FLOW CHART NO.8
Audio is not outputted during playback.
Set the disc on the disc tray, and playback.
Are the analog audio signals outputted to each pin
of CN1502?
CN1502 17PIN AUDIO (L)-OUT
CN1502 15PIN AUDIO (R)-OUT
IC1513 1PIN AUDIO (L)-OUT
IC1513 7PIN AUDIO (R)-OUT
IC1513 2PIN AUDIO (L)-OUT
IC1513 6PIN AUDIO (R)-OUT
Check each line between each pin of CN1502
and each pin of IC1513, and service it if defective.
CN1502 17PIN → IC1513 2PIN AUDIO(L)-OUT
CN1502 15PIN → IC1513 6PIN AUDIO(R)-OUT
Are the analog audio signals inputted to each pin
of IC1513?
Are the analog audio signals outputted to each pin
of IC1513?
Ye s
Ye s
Ye s
No
No
IC1508 1PIN AUDIO (L)-OUT
IC1508 13PIN AUDIO (R)-OUT
Check each line between each pin of IC1513
and each pin of IC1508, and service it if defective.
IC1513 1PIN → IC1508 1PIN AUDIO(L)-OUT
IC1513 7PIN → IC1508 13PIN AUDIO(R)-OUT
Are the analog audio signals inputted to each pin
of IC1508?
Ye s
No
Ye s
No
No
Do Pin(26,29) of IC501 become "H" level? If Pin(26) of IC501 become "L" level, replace
DVD MECHANISM & DVD MAIN BOARD
ASSEMBLY.
If Pin(29) of IC501 become "L" level, replace
IC501.
Replace the DVD MECHANISM & DVD MAIN
BOARD ASSEMBLY.
Check the P-ON+10V line and
service it if defective.
Replace IC1513.
Ye s N o
Is 10V voltage supplied to Pin(8) of IC1513?
IC1508 15PIN AUDIO (L)-OUT
IC1508 14PIN AUDIO (R)-OUT
Are the analog audio signals outputted to each pin
of IC1508?
Ye s
IC1518 6PIN AUDIO (L)-OUT
IC1518 12PIN AUDIO (R)-OUT
Are the analog audio signals inputted to each pin
of IC1518?
No
Check the AL+5V(1) and AL-5V
line, and service it if defective.
Replace IC1508.
Ye s N o
Is 5V voltage supplied to Pin(16) of IC1508?
Is -5V voltage supplied to Pin(7) of IC1508?
Ye s
Continued to "D" on the next page.
Check each line between each pin of IC1508
and each pin of IC1518, and service it if defective.
IC1508 15PIN → IC1518 6PIN AUDIO(L)-OUT
IC1508 14PIN → IC1518 12PIN AUDIO(R)-OUT
No

1-10-12 E9GA0TR
Check the periphery between Pin(21,25) of IC1518
and the audio terminal (JK1502), and service it if
defective.
Are the audio signals outputted to the specific
output terminal?
Are the audio signals outputted to the audio
terminal (JK1502)?
Are the audio signals outputted to the audio
terminal (JK2001)?
Are the audio signals outputted to the audio
terminal (JK1505)?
Ye s
IC1518 21,25PIN AUDIO-OUT 1 (AV1)
IC1518 22,26PIN AUDIO-OUT 2 (AV2)
Are the analog audio signals outputted to each pin
of IC1518? No
No
Check the periphery between Pin(22,26) of IC1518
and the audio terminal (JK2001), and service it if
defective.
No
Check the periphery between Pin(1,7) of IC1513
and the audio terminal (JK1505), and service it if
defective.
No
Check the AL+12V line and
service it if defective.
Replace IC1518.
Ye s N o
Is 12V voltage supplied to Pin(2,4) of IC1518?
"D"

1-10-13 E9GA0TR
3 VCR Section
Ye s
Ye s
No
No
FLOW CHART NO.1
FLOW CHART NO.2
The key operation is not functioning.
Are the contact point and the installation state of
the key switches normal?
Is the control voltage normally inputted into
Pin(7) of IC501?
Re-install some key switches correctly or
replace some key switches.
Check the key switches and their periphery, and
service it if defective.
Replace IC501.
0.51
0.92
1.27
1.61
1.98
2.39
2.90
3.60
4.30
OUTPUT
SELECT
FF
POWER
REC
/OTR
CH UP
REW
PLAY
CH
DOWN
STOP
/EJECT
Terminal voltage of IC501-7 KEY-1
IC501-7
(V)
Replace the RM1501 (remote control receiver).
Replace remote control unit if need.
Check the line between the RM1501 (remote
control receiver) and Pin(14) of IC501, and
service it if defective.
Replace IC501.
Is the "L" pulse sent out from Pin(1) terminal of
the RM1501 (remote control receiver) when the
remote control unit is activated?
Is the "L" pulse signal supplied to Pin(14) of IC501?
Ye s
Is 5V voltage supplied to the Pin(3) terminal of
the RM1501 (remote control receiver)?
Ye s
Ye s
No
Check AL+5V line and service it if defective.
No
No
No VCR operation is possible from the remote control unit. (
Operation is possible from the unit.)

1-10-14 E9GA0TR
FLOW CHART NO.3
FLOW CHART NO.4
Cassette tape can not be loaded.
Cassette tape is ejected right after the loading.
FLOW CHART NO.5
Cassette tape can not be ejected.
When loading a cassette tape, on Pin(10) of
IC501, does the "L" pulse switch to the "H" pulse?
When loading a cassette tape, on Pin(10) of IC501,
does the "L" pulse switch to the "H" pulse?
When loading a cassette tape, on Pin(4) of IC501,
does the "L" pulse switch to the "H" pulse?
When pressing the eject button, does the Capstan
Motor start rotating?
Refer to "FLOW CHART NO.6 " <The Capstan
Motor does not rotate>.
Check the Reel Disc or Clutch Assembly, and
service it if defective.
Replace IC501.
Replace the Capstan Motor unit.
Replace the Loading Motor unit.
While the Capstan Motor is rotating, is the Takeup
Reel rotating?
Is the Loading Motor rotating?
Check the Cam Gear or Rack Assembly, etc.,
and service it if defective.
While the Takeup Reel is rotating, is the reel pulse
signal inputted to Pin(80) of IC501?
While the reel pulse signal is inputting, is "L" pulse
outputted to Pin(81) of IC501?
Is the specified voltage (approximately 13V)
outputted to the terminal of the Lading Motor Unit?
When loading a cassette tape, does the LD-SW
operate normally?
When loading a cassette tape, is the specified
voltage (approximately 13V) outputted to the
terminal of the Loading Motor Unit?
Check the line between the start sensor and
Pin(10) of IC501, and service it if defective.
Replace the Capstan Motor Unit.
Replace the Loading Motor Unit.
Replace IC501.
Ye s
Ye s
Ye s
Ye s
Ye s
Ye s
Ye s
Ye s
Ye s
Ye s
Ye s
No
Check the line between the start sensor and
Pin(10) of IC501, and service it if defective.
Check the line between the end sensor and
Pin(4) of IC501, and service it if defective.
Check the line between the LD-SW(SW507) and
Pin(9) of IC501, and service it if defective.
Check the line between the Takeup Reel sensor
and Pin(80) of IC501, and service it if defective.
No
No
No
No
No
No
No
No
No
No

1-10-15 E9GA0TR
D-FG
D-PG
5Vp-p
2.5Vp-p
FLOW CHART NO.6
Capstan Motor does not rotate.
FLOW CHART NO.7
Drum Motor does not rotate.
FLOW CHART NO.8
Drum Motor rotates only for a few seconds.
FLOW CHART NO.9
RF-SW signal is not outputted.
Is the Drum Motor rotating?
Is 5V voltage supplied to Pin(2) of CN502?
Is 12V voltage supplied to Pin(1,11) of CN502?
Replace the Capstan Motor Unit.
Is over approximately 2.6V voltage supplied to
Pin(5) of CN502?
Check the P-ON+5V line and service it if defective.
Check the line between Pin(5) of CN502 and
Pin(76) of IC501, and service it if defective.
Check the AL+12V and AL+16V/+12V line, and
service it if defective.
Check the AL+12V and AL+16V/+12V line, and
service it if defective.
Check the AL+12V and AL+16V/+12V line, and
service it if defective.
Check the P-ON+5V line and service it if defective.
Check the line between Pin(8) of CN502 and
Pin(77) of IC501, and service it if defective.
Replace IC501.
No
No
No
No
No
No
No
No
No
No
No
Ye s
Ye s
Ye s
Is 5V voltage supplied to Pin(2) of CN502?
Is the drum PG/FG signal inputted to Pin(90) of IC501?
Is the drum PG/FG signal inputted to Pin(90) of IC501?
Is 12V voltage supplied at Pin(1,11) of CN502?
Is the RF-SW signal outputted to Pin(18) of IC501?
Is 12V voltage supplied Pin(1,11) of CN 502?
Replace the Capstan Motor Unit or Cylinder
Assembly.
Replace the Capstan Motor Unit or the Cylinder
Assembly.
Replace the Capstan Motor Unit or the Cylinder
Assembly.
Replace the Capstan Motor Unit or the Cylinder
Assembly.
Refer to "FLOW CHART NO.7" <Drum Motor does
not rotate> and "FLOW CHART NO.8" <Drum
Motor rotates only for a few seconds>.
Is over approximately 2.6V voltage supplied to
Pin(8) of CN502?
Ye s
Ye s
Ye s
Ye s
Replace IC501.
Ye s
Ye s
Ye s
Ye s

1-10-16 E9GA0TR
Are the video signals outputted to Pin(20) of IC1507?
No
Check the DVD-P-ON+5V line
and service it if defective.
Replace IC1507.
Ye s No
Is 5V voltage supplied to Pin(1) of IC1507?
Are the video signals inputted to each pin of
IC1518?
Check the line between video input terminal and
each pin of IC1518.
IC1581 1PIN → JK1502 VIDEO-IN (AV1)
IC1581 3PIN → JK2001 VIDEO-IN2 (AV1)
IC1581 28PIN → TU1501 17PIN TUNER-VIDEO
Check the line between each pin of IC1507 and
Pin(31) of IC1518 and video input terminal.
IC1507 12PIN → IC1518 31PIN TUNER/LINE VIDEO
IC1507 15PIN → JK1204 FRONT-Y-IN
IC1507 4PIN → JK1204 FRONT-C-IN
IC1507 10PIN → JK1201 FRONT-VIDEO-IN
Are the video signals inputted to each pin of IC1507?
Ye s
No
Is 12V voltage supplied to Pin(2,4) of IC1518?
No
No
IC1518 1PIN VIDEO-IN (AV1)
IC1518 3PIN VIDEO-IN2 (AV2)
IC1518 28PIN TUNER-VIDEO
IC1507 12PIN TUNER/LINE VIDEO
IC1507 15PIN FRONT-Y-IN
IC1507 4PIN FRONT-C-IN
IC1507 10PIN FRONT-VIDEO-IN
Ye s
Ye s
Are the video signals outputted to Pin(31) of IC1518?
Ye s
Replace IC1518.
No
Check AL+12V(1) line and
service it if defective.
Ye s
Check the AL+5V(1) and AL-5V
line, and service it if defective.
Replace IC1508.
Ye s N o
Is 5V voltage supplied to Pin(16) of IC1508?
Is -5V voltage supplied to Pin(7) of IC1508?
Ye s
Continued to "E" on the next page.
FLOW CHART NO.10
Video E-E does not appear.
Is the video signal inputted to Pins(48) of IC301?
Check the line between Pin(20) of IC1507 and
Pin(48) of IC301, and service it if defective.
Ye s
Ye s
Ye s
No
Ye s
Ye s
Ye s
No
Is the video signal inputted to Pin(5) of IC1518?
Check the line between Pin(4) of IC1508 and
Pin(5) of IC1518, and service it if defective.
No
Ye s N o
No
No
No
No
Is the C-SYNC signal outputted to Pin(67) of IC301?
Is the C-SYNC signal inputted to Pin(58) of IC501?
Is the video signal outputted to Pin(4) of IC1508?
Is 5V voltage supplied to Pins(18,24,42,55,72) of IC301?
Is the serial data and clock signal
supplied to Pins(68,69) of IC301?
Check the P-ON+5V line and AL+5V line,
and service it if defective.
Check the line between Pin(67)
of IC301 and Pin(58) of IC501,
and service it if defective.
Check the line between Pins(68,69) of IC301
and Pins(71, 72) of IC501, and service it if
defective.
Check the line between Pin(65) of IC301 and
Pin(5) of IC1508, and service it if defective.
Is the video signal inputted into Pin(5) of IC1508?
Replace IC301.

1-10-17 E9GA0TR
FLOW CHART NO.11
Hi-Fi E-E audio does not operate normally.
No
Check the periphery of JK1502 from Pin(29) of
IC1518 and service it if defective.
Are the video signals outputted to the specific
output terminal?
Are the composite video signals outputted to the
VIDEO-OUT terminal (JK1502)?
Are the composite video signals outputted to the
VIDEO-OUT terminal (JK2001)?
Ye s
IC1518 29PIN VIDEO-OUT 1 (AV1)
IC1518 30PIN VIDEO-OUT 2 (AV2)
Are the video signals outputted to each pin
of IC1518? No
No
Check the periphery of JK2001 from Pin(30) of
IC1518 and service it if defective.
No
Check the AL+12V(1) line
and service it if defective.
Replace IC1518.
Ye s N o
Is 12V voltage supplied to Pin(2,4) of IC1518?
"E"
Is SIF signal inputted to Pin(2) of IC1?
Are the audio signal outputted
to Pin(30,31) of IC1?
Replace TU1501.
Replace IC1.
Ye s
Check the line between
Pin(30,31) of IC1 and
Pin(20,24) of IC1518, and
service it if defective.
Ye s
No
No
Check the AL+12V(1) line
and service it if defective.
Replace IC1518.
Ye s N o
Are the audio signals inputted to each pin of
IC1518?
Check the line between audio input terminal and
each pin of IC1518, and service it if defective.
Check the line between Pin (1,12) of IC1501 and
Pin (23,27) of IC1518, and service it if defective.
Are the audio signals outputted to Pin(23,27) of
IC1518?
Ye s
Ye s
Ye s
Ye s
No (Rear
input)
No (Tuner)
No
No
Check the line between Pin (5,14) of IC1501 and
audio input terminal (JK1202, JK1203), and service
it if defective.
No
IC1518 AUDIO-IN1 (AV1)10,16PIN
IC1518 AUDIO-IN2 (AV2)8,14PIN
IC1518 TUNER-AUDIO20,24PIN
Are the audio signals inputted to each pin of
IC1501?
IC1501 TUNER-AUDIO/AUDIO-IN1,21,12PIN
IC1501 AUDIO-IN-F (FRONT)5,14PIN
IC1518
→
JK150210,16PIN
IC1518
→
JK20018,14PIN
AUDIO-IN1 (AV1)
AUDIO-IN2 (AV2)
Is 12V voltage supplied to Pin(2,4) of IC1518?
Check the AL+5V(1) and
AL-5V line, and service it if
defective.
Replace IC1501.
Ye s N o
Are the audio signals outputted to Pin(3,13) of
IC1501? Is 5V voltage supplied to Pin(16) of IC1501?
Is -5V voltage supplied to Pin(7) of IC1501?
Continued to "F" on the next page.

1-10-18 E9GA0TR
Ye s
"F"
Check the line between Pin(21,25) of IC1518 and
audio terminal (JK1502), and service it if defective.
Are the audio signals outputted to the specific
output terminal?
Are the audio signals outputted to the audio
terminal (JK1502)?
Are the audio signals outputted to the audio
terminal (JK2001)?
Ye s
IC1518 21,25PIN AUDIO-OUT 1 (AV1)
IC1518 22,26PIN AUDIO-OUT 2 (AV2)
Are the audio signals outputted to each pin
of IC1518? No
No
Check the line between Pin(22,26) of IC1518 and
audio terminal (JK2001), and service it if defective.
No
Check the AL+12V(1) line
and service it if defective.
Replace IC1518.
Ye s No
Is 12V voltage supplied to Pin(2,4) of IC1518?
Check the line between Pin(3,13) of IC1501 and
Pin(4,50) of IC451, and service it if defective.
Check the circuit of AL+5V, P-ON+5V and
P-ON+9V, and service it if defective.
Is the 5V voltage supplied to Pin(16,32,35,36,46,55) of
IC451, or the 9V voltage supplied to Pin(69) of IC451?
Is the serial data and the clock signal supplied to
Pin(37,38) of IC451?
Is the audio signal outputted to Pin(74,76)
of IC451?
Is the audio signal inputted into Pin(2,12) of
IC1508?
Is the audio signal outputted to Pin(14,15) of
IC1508?
Is the audio signal supplied to Pin(4,50) of IC451?
Ye s
Ye s
Ye s
Ye s
Ye s
Ye s
No
No
No
No
No
No
No
No
Check the line between Pin(37,38) of IC451 and
Pin(71,72) of IC501, and service it if defective.
Check the line between Pin(53) of IC451 and
Pin(28) of IC501, and service it if defective.
Check the line between Pin(74,76) of IC451 and
Pin(2,12) of IC1508, and service it if defective.
Is the audio signal inputted into Pin(6,12) of
IC1518?
Ye s
No Check the line between Pin(14,15) of IC1508 and
Pin(6,12) of IC1518, and service it if defective.
Is approximately 5V voltage supplied to Pin(16)
of IC1508, or approximately -5V voltage supplied to
Pin(7) of IC1508?
Check the AL+5V line and the AL-5V line, and
service it if defective.
Replace IC451.
Is the "L" pulse inputted into the Pin(53) of IC451?

1-10-19 E9GA0TR
FLOW CHART NO.13
Hi-Fi audio can not be playbacked normally. (Hi-Fi E-E mode is normal.)
FLOW CHART NO.14
Hi-Fi audio can not be recorded normally in the linear audio mode. (E-E mode is normal.)
Is the audio signal inputted into Pin(13,15,17) of IC301?
Does the Bias oscillation circuit operate normally?
Is the audio signal outputted to Pin(11) of IC301?
Is the Playback Envelope signal outputted to
Pin(33) of IC451?
Replace IC301.
Is CN504 and the connected cable normal?
Is the Hi-Fi-H-SW signal inputted into to Pin(39) of IC451?
Ye s
Ye s
Ye s
Is the audio signal outputted to Pin(100) of IC301?
Ye s
Ye s
Replace ACE head assembly.
Ye s
Ye s No
No
No
No
Check the Hi-Fi-H-SW line between
Pin(39) of IC451 and Pin(19) of
IC501, and service it if defective.
Check the line between Pin(78) of IC451 and
Pin(13,15,17) of IC301, and service it if defective.
Check the Bias oscillation circuit (Q401,Q403,
Q404,Q405,Q406) and service it if defective.
Replace
IC451.
Replace IC451.
No
Replace IC301.
No
Replace CN504 and the connected cable.
No
FLOW CHART NO.12
Hi-Fi audio can not be recorded normally. (E-E mode is normal.)
Is the REC FM signal outputted to Pin(26) of IC451?
Is the REC FM signal outputted to
Pin(8) of CN251?
Replace the Cylinder Assembly.
Ye s
Ye s
No Replace IC451.
No Check the line between Pin(8) of CN251 and
Pin(26) of IC451, and service it if defective.

1-10-20 E9GA0TR
FLOW CHART NO.15
Hi-Fi audio can not be playbacked normally in the linear audio mode. (E-E mode is normal.)
Are the CN504, the connected cable and the parts
on periphery of playback amplifier normal?
Is there no dirt on the surface of ACE head assembly?
Is the audio signal supplied to Pin(5) of IC301?
Replace
IC301.
Is the audio signal outputted to Pin(11) of IC301?
Check the line between Pin(11) of
IC301 and Pin(80) of IC451, and
service it if defective.
Service and replace poor parts.
Readjust the height of the ACE head assembly.
Clean the surface of ACE head assembly.
Ye s
Ye s
Is the height of ACE head assembly appropriate?
Ye s
Replace the ACE head assembly.
Ye s
NoYe s
No
No
No
No

1-11-1 E9GA1FIS
FUNCTION INDICATOR SYMBOLS
< VCR Section >
Note:
If a mechanical malfunction occurs, the power is turned off. When the power comes on again after that by
pressing [ ] button, an error message is displayed on the TV screen for 5 seconds.
TV screen
When reel or capstan mechanism is not functioning
correctly
When tape loading mechanism is not functioning cor-
rectly
When cassette loading mechanism is not functioning
correctly
When the drum is not working properly
P-ON Power safety detection
MODE INDICATOR ACTIVE
When reel or capstan mechanism is not
functioning correctly
“A R” is displayed on a TV screen. (Refer to Fig. 1.)
When tape loading mechanism is not func-
tioning correctly
“A T” is displayed on a TV screen. (Refer to Fig. 2.)
When cassette loading mechanism is not
functioning correctly
“A C” is displayed on a TV screen. (Refer to Fig. 3.)
When the drum is not working properly “A D” is displayed on a TV screen. (Refer to Fig. 4.)
P-ON Power safety detection “A P” is displayed on a TV screen. (Refer to Fig. 5.)
A R
SP 0 : 00 : 00
Recording mode Elapsed time Fig. 1
A T
SP 0 : 00 : 00
Recording mode Elapsed time Fig. 2
A C
SP 0 : 00 : 00
Recording mode Elapsed time Fig. 3
A D
SP 0 : 00 : 00
Recording mode Elapsed time Fig. 4
A P
SP 0 : 00 : 00
Recording mode Elapsed time Fig. 5

1-11-2 E9GA1FIS
< DVD Section >
Note: If an error occurs, a message with the error number appears on the screen.
Message Solution Error
No. Error Description Priority
Can not record on this disc.
Insert the recordable disc, and
ensure the disc status satisfies
the recording requirements.
1 An error occurs during data reading. -
2There is no reply for 15 seconds in Test
Unit Ready. -
3Cannot write the data after trying three
times. -
4 An error occurs with OPC. -
5 During recovery in a record. -
6An error occurs even if recovery has been
tried three times. -
7 An error occurs in a format. -
8 It cannot start an encode. -
9NV_PCK/RDI_PCK is not in encoded
data. -
10 Encode Pause condition continued for 10
minutes. -
11 Encode Pause condition continued in
normal REC condition for 10 minutes. -
12 Difference in the address and can not get
Stream ID of RDI/VIDEO. -
13 It is a reply that “ATAPI is not readable.” -
14 Cannot write the data after recovering
SMALL VMGI. -
15 Cannot write the data after DVD-R
Reverse Track. -
16 An error occurs in Finalize Close. -
17 An error occurs in Rec Stop Close. -
18 An error occurs in PCA Full (DVD_R). -
19 Safety Stop occurs during editing. -
20 High Speed Disc. 2
21 The disc is not formatted. 5
22 Disc Error has occurred. 3
23 The -R Disc of VR Mode. 6
24 The disc except DVD-R/RW or finalized
DVD-R. 1
This program is not allowed to
be recorded.
You cannot record copy
prohibited programs.
25 During the Macrovision picture input. 11
26 During the CGMS picture input. 12
This program is not recordable
in Video mode.
Set “DVD-RW Recording
Format” to “VR mode”. 27 During the CGMS picture (possible to
record once) input. (Video Format Disc) 12
This program is not allowed to
be recorded on this disc.
Insert a ver.1.1 CPRM
compatible DVD-RW disc. 28
During the CGMS picture (possible to
record once) input. (Disc which is not for
the correspondence to VR Format
CPRM)
12
Recording Error
You cannot record on this disc as
Power Calibration Area is full.
E35 Error No.
Error message

1-11-3 E9GA1FIS
If an error occurs during the timer recording, one of the following error numbers (40 to 42) or the above error
messages (error number: 1 to 39 and 43 to 46) is displayed on the recording menu after timer recording.
(Once the screen of the program line is exited, the program line for the error will be cleared.)
(No Error Message is displayed for the error No. 40 ~ 42.)
This disc is protected and not
recordable.
Release the disc protect
setting in the Disc Setting
menu.
29 Disc Protected Disc. 7
Disc is full.
(No area for new recording)
Insert the recordable disc with
enough recording space. 30 No available recording space. 5
You cannot record more than
99 titles on one disc.
(The maximum is 99.)
Delete unnecessary titles.
31 Its recording capacity has been reached.
(Video Format Disc) 7
32 Its recording capacity has been reached.
(VR Format Disc) 8
You cannot record more than
999 chapters on one disc.
(The maximum is 999.)
Delete unnecessary chapter
markers. 33 The 999 chapter has been reached. (VR
Format Disc) 9
You cannot record on this disc
as Control Information is full. Delete unnecessary titles. 34 There is not space to record field of
control information. 10
You cannot record on the disc
as Power Calibration Area is
full.
Insert a new disc. 35 PCA is Full. (in REC start) 4
This disc is already finalized. Release the finalizing for this
disc. 36 It is finalized. (Video Format Disc) 6
Can not record on this disc. Repeat the same operation.
37 Access to Memory Area range outside. -
38 Sector Address is wrong. -
39 BUP writing error of chapter editing. -
You cannot record more than
49 titles on one disc.(The
maximum is 49.)
Delete unnecessary titles. 43 The 49 titles has been reached. (+VR
Format) 9
You cannot record more than
254 chapters on one disc.(The
maximum is 254.)
Delete unnecessary chapter
marks. 44 The 254 chapter has been reached. (+VR
Format Disc) 10
This program is not recordable
in +VR mode.
Set “DVD-RW Recording
Format” to “VR mode”. 45 During the CGMS picture (possible to
record once) input. (+VR Format Disc) 12
The disc has no recording
compatibility. (Set “Make
Recording Compatible” to
“ON” to convert the disk.)
Please make the “Make
Recording Compatible“ setting
“ON“ when you want to add a
postscript.
46
A postscript tried to be added to + VR
Format Disc where different Title Menu
from this machine when the Make
Recording Compatible setting was turned
off was recorded.
7
Message Solution Error
No. Error Description Priority
Error message is not
displayed.
- Set the timer programming
correctly.
- Set the timer programming
before the start time.
- Insert a recordable videotape
with a record tab.
40
- Some portion has not been recorded
because of program overlapping.
- Recording did not start at the start time.
- No Videotape is inserted.
Videotape ran out during recording.
-
Turn the power on and set the
clock correctly then set timer
programming again.
41 Power failed -
Insert the recordable disc. 42 No disc when recording -
Message Solution Error
No. Error Description Priority
Timer Programming
2. ---
3. ---
4. ---
5. ---
6. ---
7. ---
8. ---
*
01/01 0:57 1:57 P08 DVD E40 ON
Date Start End CH Mode
DVD
VCR
VCR DVD
A program with the error number is grayed out
and asterisked on the timer programming list.
The speed mode changes to the error number.
VPS
PDC

1-12-1
BLOCK DIAGRAMS
MLOADING
MOTOR
CAPSTAN MOTOR
CONTROL
HEAD
5 CTL(+)
6 CTL(-)
CN504
ACE HEAD ASSEMBLY BOARD MAIN
KEY- 1
ST-S
T-REEL
CTL(+)
RESET
PG-DELAY
CTL(-)
D-V-SYNC
D-REC-H
RF-SW
H-A-SW
C-ROTA
END-S
94
95
10
4
80
34
2
7
REMOTE 14
(DECK ASSEMBLY)
T-REEL
Q515
RESET
Q506
S-REEL79
SW-POINT
AL+5V
VR501
TIMER+5V
S-REEL
PS502
KEY- 2 8
IIC-BUS SDA
IIC-BUS SDA
IIC-BUS SCL
AUDIO-MUTE-H
IIC-BUS SDA
IIC-BUS SCL
Hi-Fi-H-SW
A-MODE
VCR-AUDIO-MUTE
Hi-Fi-H-SW
A-MODE
H-A-COMP
V-ENV
VIDEO-SW1
OUTPUT-SELECT
IIC-BUS SCL
IIC-BUS SDA
OUTPUT-SELECT
22
82
23 VIDEO-SW2
VIDEO-SW1
24
VIDEO-SW2
VIDEO-SW3
DAVN-L
IIC-BUS SDA
IIC-BUS SCL
DVD-AUDIO-MUTE2
OUTPUT-SELECT
RGB-THROUGH
I/P-SW
OUTPUT-SELECT
VIDEO-SW3
56 DAVN-L
27 RGB-THROUGH
20 I/P-SW
29 DVD-AUDIO-MUTE2
DVD-SCART
-AUDIO-MUTE
TO VIDEO
BLOCK DIAGRAM
TO VIDEO
INPUT SELECT
BLOCK DIAGRAM
TO VIDEO
OUTPUT SELECT
BLOCK DIAGRAM
TO AUDIO
INPUT/OUTPUT
SELECT
BLOCK DIAGRAM
TO Hi-Fi AUDIO
BLOCK DIAGRAM
TO AUDIO
BLOCK DIAGRAM
22POWER-SW
33
POWER-LED
CN508
D673
CN671
AL+5V
AL+5V
BOARD POWER SWITCH
11
OPEN/CLOSE-SW
22
DUBBING-SW
CN510 CN681
BOARD FUNCTION
86
19
83
DRV-DATA
POWER-LED
DVD-LED
VCR-LED
1G
7G
a
i
68
DRV-CLK 70
DRV-STB
DRV-DIN
DRV-CLK
DRV-STB
69
7
1
3
2
8
9
IIC-BUS SCL
D-V-SYNC
D-REC-H
RF-SW
H-A-SW
C-ROTA
IIC-BUS SDA
H-A-COMP
V-ENV
DVD-AUDIO-MUTE
DVD-SCART-AUDIO-MUTE 30
C-SYNC C-SYNC
IIC-BUS SCL
LD-SW9
AL+5V
SW507
LD-SW
AL+5V
D555
S-LED
TP501
RM1501
SENS-INH
IC501
(SERVO/SYSTEM CONTROL)
IC612
(VFD DRIVER)
AUDIO-MUTE-2
AUDIO-MUTE-2 28
BOARD SENSOR
BOARD SENSOR
END-S
ST-S
Q504
Q503 REC-SAF-SW 31
SW506
AL+5V
REC-SAFETY
REMOTE
SENSOR
CTL
97
TP503
CTL
POWER
SW673 POWER
VCR
DVD
FL601
GRID
SEGMENT
VFD
D502
D503
SW681
SW682
OPEN/CLOSE
DUBBING
CN502
C-FG
C-CONT
D-PFG
C-F/R
90
76
87
2
1
78
DVD-POW-SAFETY
S-DATA-OUT
S-DATA-IN
65
89
66
READY/BUSY
S-CLOCK
64
67
LM-FWD/REV
81
26 DVD-AUDIO-MUTE
D-CONT77
SYSTEM-RESET
63
3C-FG
4C-F/R
5C-CONT
7
LM-FWD/REV
8D-CONT
9D-PFG
CN1502
58
6
17
16
13
15
18
33
71
72
KEY SWITCH
(VCR)
CYLINDER ASSEMBLY
DRUM
MOTOR
PG
SENSOR
M
M
CAPSTAN
MOTOR
MOTOR
DRIVE
CIRCUIT
Q517
Q516
Q518 Q519
42
36
20
28
IC101
(MAIN MICRO CONTROLLER)
DVD MAIN BOARD
V25
R25
R2
W26
R23
B4
SYS-RESET
SYS-RESET
SUB-RXD
SUB-TXD
SUB-SCLK
RDY
CN701
27 27SYS-RESET
30 30SUB-RXD
28 28SUB-TXD
26 26SUB-SCLK
29 29RDY
IC106
CN101 CN1501
25 REG-CONT2
11 FAN-CONT1
32 P-DOWN-H
41 PWR-SW
42 REG-CONT
75 P-ON-H
84 C-POW-SW
FAN-CONT1
P-DOWN-H
PWR-SW
REG-CONT
P-ON-H
C-POW-SW
AL+3VP-ON+1.2V
+1.8V
111V2CONT
+1.2V
REGULATOR
IC107 RESET
TO
POWER
SUPPLY
BLOCK
DIAGRAM
KEY SWITCH
(DVD)
TRICK-H
SECAM-H
TRICK-H
SECAM-H
61
62
NOTE: BOARD MEANS PRINTED CIRCUIT BOARD.
Servo/System Control Block Diagram
E9GA1BLS

1-12-2
Digital Signal Process Block Diagram
E9GA1BLD
IC101
FRONT-END
DIGITAL
SIGNAL
PROCESS
IC201
RF/
ERROR AMP
IC301
MOTOR
DRIVER
MOTOR
DRIVER
IC202
OP AMP
IC302
IC104 (FLASH MEMORY)
DVD MAIN BOARD
TO VIDEO
OUTPUT
SELECT
BLOCK
DIAGRAM
(CN1502)
TO VIDEO
INPUT
SELECT
BLOCK
DIAGRAM
(CN1502)
TO AUDIO
INPUT
/OUTPUT
SELECT
BLOCK
DIAGRAM
(CN1502)
P1
M5
F2
J3
K5
F1
D1
D3
R4
Y26
U24
K2
K1
N4
M3
E12
D/A
D/A
D/A
D/A
AUDIO
I/F
VIDEO
ENCODER
BACK-END
DIGITAL
SIGNAL
PROCESS
VIDEO
I/F
FLASH MEMORY
TRAY OPEN
IC102,IC103 (DDR SDRAM)
DDR SDRAM
CN201
DVD MECHANISM
TILT
TRACKING
FOCUS
PICK
-UP
SLED
MOTOR
M
REC VIDEO SIGNAL PB VIDEO SIGNAL REC AUDIO SIGNAL PB AUDIO SIGNAL
D/A
LPC
CN1001
CN701
SPINDLE
MOTOR
M
CN1002
BOARD RELAY
CN301
+3.3V
IC701 (VIDEO DECODER)
DECODER A/D45-50
U4,W1,W3,
Y2,AA1,AA2
DECODER A/D39-44
R3,T3,T5,
U2,U3,V1
10
8
13
VIDEO-Y(I/P)-OUT
7
VIDEO-Y(I)-OUT
1
VIDEO-C-OUT
9
VIDEO-C-IN 22
VIDEO-Pb/Cb-OUT
3
VIDEO-Pr/Cr-OUT
5
VIDEO-Y/CVBS-IN
20
IC802
(AUDIO A/D CONVERTER)
AUDIO A/D
CONVERTER
7
8
9
13
14
6
R-CH
L-CH
10
11
12
CN701
AUDIO(L)-OUT
17
AUDIO(R)-OUT
15
DVD-AUDIO-MUTE
18
AUDIO(L)-IN
11
AUDIO(R)-IN
13
33SPDIF
CN101 CN1501
DIGITAL
AUDIO OUT
(COAXIAL)
JK1504 (REAR)
BUFFER
Q1534
BOARD MAIN
CN701
WF10
D/A
D/A
NOTE: BOARD MEANS PRINTED CIRCUIT BOARD.

1-12-3
Video Block Diagram
E9GA1BLV
IIC-BUS SDA
IIC-BUS SCL
CYLINDER ASSEMBLY
VIDEO(R)-1
VIDEO-COM
VIDEO(L)-1
CN251
1
2
3
(DECK ASSEMBLY)
VIDEO (R)-1
HEAD
SP
HEAD
AMP
EP
HEAD
AMP
REC
FM
AGC
TO SERVO/SYSTEM
CONTROL BLOCK
DIAGRAM
TO SERVO/SYSTEM
CONTROL BLOCK
DIAGRAM
TO VIDEO
INPUT SELECT
BLOCK DIAGRAM
RF-SW
D-REC-H
C-ROTA
D-V-SYNC
H-A-SW
H-A-COMP
V-ENV
LUMINANCE
SIGNAL
PROCESS
CHROMINANCE
SIGNAL
PROCESS
V-ENV
H-A-COMP
H-A-SW
D-V-SYNC
RF-SW/C-ROTA
VIDEO (L)-1
HEAD
VIDEO (L)-2
HEAD
VIDEO (R)-2
HEAD
VIDEO(L)-2
VIDEO-COM
VIDEO(R)-2
4
5
6
IC301
VIDEO SIGNAL PROCESS
/HEAD AMP
IC501 (OSD)
VCR-VIDEO
VCR-VIDEO(DUB)
(VCR DVD DUBBING)
DVD-VIDEO(DUB)
PB/EE-VIDEO
REC-VIDEO SIGNAL
SERIAL
DECORDER
48
50
50
52
96
95
94
93
90
89
88
87
CHARA.
INS. CCD 1H DELAY
SP
BYPASS
DVD
VCR
AGC
PR
R
Y
C
P
RPRP
EP
Y. DELAY
Y/C
MIX
+
21
7978
AGC VXO
OSD
CHARACTER
MIX
FBC
1/2
58 59
65
2928
6968 46 43
84
83
71
62
70
D-REC-H 80
TP301
C-PB
WF2
BOARD MAIN
TP504
RF-SW
WF1
X301
4.43MHz
C-SYNC
C-SYNC 67
MODE: SP/RECPB-VIDEO SIGNAL
TO VIDEO
INPUT SELECT
BLOCK DIAGRAM
TO VIDEO
OUTPUT SELECT
BLOCK DIAGRAM
(DVD VCR DUBBING)
DVD PB
Q301
VCR PB
55COLOR
-IN
TRICK-H
SECAM-H
IC370 (PAL/SECAM DECTECTOR)
PAL/SECAM
DETECTOR
17
14
18
2
16
29
1
28
25
PB-H OUT
44
NOTE: BOARD MEANS PRINTED CIRCUIT BOARD.

1-12-4
Video Input Select Block Diagram
E9GA1BLVIS
NOTE: BOARD MEANS PRINTED CIRCUIT BOARD.
TO DIGITAL
SIGNAL PROCESS
BLOCK DIAGRAM
(CN701)
REC VIDEO SIGNAL PB VIDEO SIGNAL
BOARD MAIN
(VIDEO INPUT SELECT)
IC1507
VCR
VCR
DVD
VIDEO
TU/LINE
MUTE
MUTE
MUTE
S-VIDEO-Y
S-VIDEO-C
JK1204
S-VIDEO
IN
(FRONT)
VIDEO-IN
(FRONT)
JK1201
19
20
15
8
10
12
21 4
22 23 24
VIDEO-SW2
TO SERVO/SYSTEM CONTROL
BLOCK DIAGRAM
VIDEO-SW3
TU1501 (TUNER UNIT)
17
VIDEO OUT
CONTROL
LOGIC
OUTPUT-SELECT
LPF
LPF
CN1502
CN1505
22FRONT-Y-IN
11FRONT-C-IN
44
FRONT-VIDEO-IN
CN1201
Q1520
Q1521
BUFFER
VIDEO-SW1
IC1518 (VIDEO INPUT SELECT)
IC1508 (SW)
29
33
32
28
1
3
5
30
31
6dB
AMP
CONTROL
LOGIC
SW CTL
6dB
AMP DRIVER
BUFFER
DRIVER
JK1502
20
VIDEO IN 20
CL2001 CN1507
VIDEO-IN210 10
BOARD REAR JACK
BOARD FRONT JACK
JK2001
VIDEO-IN2
VIDEO-OUT2
VIDEO-OUT1
DVD-VIDEO
PB/EE-VIDEO
VCR-VIDEO
TO VIDEO
OUTPUT SELECT
BLOCK DIAGRAM
TO VIDEO
BLOCK DIAGRAM
TO VIDEO
BLOCK DIAGRAM
IC1511 (VPS)
VPS-V
SDA
DAVN-L DAVN-L
SCL
6
14
7
16
IIC-BUS SDA
IIC-BUS SCL
3
5
109 11
4
VCR-VIDEO(DUB)
(VCR DVD DUBBING)
J236
JK1-V-OUT
WF3
VIDEO-Y/CVBS-IN
20
VIDEO-C-IN22
VCR PB
BUFFER
BUFFER
BUFFER GG
YC

1-12-5
Video Output Select Block Diagram
E9GA1BLVOS
NOTE: BOARD MEANS PRINTED CIRCUIT BOARD.
BOARD REAR JACK
BOARD MAIN
CL2001
CL2002
JK1506
S-VIDEO
OUT
IC1516 (VIDEO DRIVER)
IC1514 (VIDEO DRIVER)
IC1510 (SW)
VIDEO-G IN
VIDEO-OUT2
VIDEO-B IN
VIDEO-R IN
16P
4dB
AMP
2dB
AMP
LPF DRIVER
11
4dB
AMP
2dB
AMP
LPF DRIVER
6
10
4dB
AMP
SW
CONTROL
2dB
AMP
LPF DRIVER
8
14 13
12
VIDEO-Cb/Pb
OUT
VIDEO-Y
OUT
VIDEO-Cr/Pr
OUT
JK1501
3
TO SERVO/SYSTEM CONTROL
BLOCK DIAGRAM
TO VIDEO INPUT SELECT
BLOCK DIAGRAM
TO VIDEO
BLOCK DIAGRAM
REC VIDEO SIGNAL PB VIDEO SIGNAL
WF6
WF7
WF9
WF5
WF4
JK1502
JK2001
IC1515 (VIDEO DRIVER)
5
4dB
AMP
2dB
AMP
LPF DRIVER
6
8dB
AMP
-6dB DRIVER
4dB
AMP
2dB
AMP
LPF DRIVER
3
17
13
4dB
AMP
2dB
AMP
LPF DRIVER 11
4dB
AMP
2dB
AMP
LPF DRIVER
6
10
4dB
AMP
2dB
AMP
LPF DRIVER
8
115
15 1
2
4
9 10 11
3
5
IC1509 (SW)
SW
CONTROL
Q1524
Q1528
Q1531
Q1530
Q1529
P-ON+3.3V
RGB-THROUGH
I/P-SW
Q1533
CN1507
CN1507
14
12
13
15
2
1
4
9 10 11
5
3
VIDEO-G-IN313
88
VIDEO-B-IN212
VIDEO-R-IN414
16P111
11
19
15
16
7
VIDEO-G OUT
VIDEO-B OUT
VIDEO-R OUT
16P
11
VIDEO-OUT119
15
16
7
Q1527
OUTPUT-SELECT
DVD-VIDEO
DVD-VIDEO(DUB)
(DVD VCR DUBBING)
VIDEO-OUT2
VIDEO-OUT1
VIDEO-OUT2
TO DIGITAL
SIGNAL PROCESS
BLOCK DIAGRAM
(CN701)
CN1502
1
7
9
3
5
VIDEO-Y(I/P)-OUT
VIDEO-C-OUT
VIDEO-Pb/Cb-OUT
VIDEO-Pr/Cr-OUT
VIDEO-Y(I)-OUT
DVD PB
GG
YC

1-12-6
Audio Block Diagram
E9GA1BLA
REC
AMP
100
3
AUTO
BIAS
2
1
+5V
+5V
Q404
Q406
BIAS
OSC
Q403
N-A-PB
TO Hi-Fi AUDIO
BLOCK DIGRAM N-A-REC
Q401
(PB=ON)
Q405
SWITCHING
D-REC-OFF
5EQ
AMP 98
7
LINE
AMP
REC-ON
AUDIO HD-SW
CONTROL
MUTE 11
6
PB-ON
SP/LP-ON
P
TUNER IN2
IN1
R
ALC
DET
ALC
IC301
(AUDIO SIGNAL PROCESS/HEAD AMP) 1513 17
4
AUDIO-PB/REC
CN504
3 A-COM
1 AE-H
2 AE-H/FE-H
AUDIO
HEAD
AUDIO
ERASE
HEAD
ACE HEAD ASSEMBLY
FE HEAD
2 FE-H
1 FE-H-GND
CN501
BOARD MAIN
PB-AUDIO SIGNAL REC-AUDIO SIGNAL
Mode : SP/REC
71
AUDIO-MUTE-H
IIC-BUS SCL
IIC-BUS SDA TO SERVO/SYSTEM
CONTROL BLOCK
DIAGRAM
FULL
ERASE
HEAD
68 69
SERIAL
DECODER
(DECK ASSEMBLY)
12
16
INV
AT T
NOTE: BOARD MEANS PRINTED CIRCUIT BOARD.

1-12-7
Audio Input/Output Select Block Diagram
E9GA1BLAS
NOTE: BOARD MEANS PRINTED CIRCUIT BOARD.
REC AUDIO SIGNAL PB AUDIO SIGNAL
DVD-AUDIO-MUTE2
DVD-SCART-AUDIO-MUTE
DVD-AUDIO(L)
DVD-AUDIO(R)
PB/EE-AUDIO(L)
PB/EE-AUDIO(R)
VCR-AUDIO(L)
VCR-AUDIO(R)
JK1505
REARQ1532 Q1539
AUDIO(L)
-OUT
BOARD MAIN
BOARD FRONT JACK
AUDIO(R)
-OUT
JK1202
AUDIO(L)
-IN
AUDIO(R)
-IN
JK1203
SIF OUT
44
TU-AUDIO(R)
22
AUDIO-MUTE2
22
SIF
55
TU-AUDIO(L)
33
AUDIO(L)-OUT2
66
AUDIO(L)-IN2
55
AUDIO(R)-IN2
11
AUDIO(R)-OUT2
(OP AMP)
IC1506
TU1501 (TUNER UNIT)
7
10
24
6
8
27
33
32
13 15
26
25
1
7
2
6
(AUDIO INPUT SELECT)
(VCR DVD DUBBING)
IC1501
3
13
4
5
11
1
12
14
MUTE-ONDRIVE
Q1540
MUTE-ON
9
10
VCR
FRONT
(L-CH)
VCR
TU/IN1/2
TU/IN1/2
FRONT
(R-CH)
SW CTL
SW
CTL
(OP AMP)IC1513
(SW)
IC1508
OP AMP
OP AMP
2
6
1
7
TO SERVO/SYSTEM
CONTROL
BLOCK DIAGRAM
TO Hi-Fi AUDIO
BLOCK DIAGRAM
WF8
Q1537Q1507
MUTE-ON
Q1538
MUTE-ON
Q2002
MUTE-ON
Q2003
MUTE-ON
IF SINAL
PROCESS
BOARD AFV
BOARD
REAR JACK
CN1506
CN1507 CL2001
CN1
6
6
6
AUDIO(L)-IN-F
88
AUDIO(R)-IN-F
CN1505 CN1201
JK2001
AUDIO(R)-IN2
AUDIO(L)-OUT2
AUDIO(R)-OUT2
2
AUDIO(L)-IN26
1
3
JK1502
AUDIO(R)-IN1
AUDIO(L)-OUT1
AUDIO(R)-OUT1
2
AUDIO(L)-IN16
1
3
IC1518 (INPUT/OUTPUT SELECT)
AMP
AMP
BUFFER
DRIVER
DRIVER
16
20
12
14
23
22
21
AMP
AMP
BUFFER
LOGIC
CONTROL
DRIVER
DRIVER
DVD-AUDIO-MUTE
IIC-BUS SCL
TO SERVO/SYSTEM
CONTROL BLOCK
DIAGRAM IIC-BUS SDA
OUTPUT-SELECT
14 15
13 12 1 2
9
10
11
+5V
+5V
(DVD VCR DUBBING)
FRONT
TO DIGITAL
SIGNAL PROCESS
BLOCK DIAGRAM
(CN701)
CN1502
17
15
11
13
AUDIO(R)-OUT
AUDIO(L)-IN
AUDIO(R)-IN
18
DVD-AUDIO-MUTE
AUDIO(L)-OUT
DVD PB
VCR PB
11
TU-AUDIO
AUDIO OUT
6

1-12-8
Hi-Fi Audio Block Diagram
E9GA1BLH
48
47
14
15
78
R-CH
INSEL
L-CH
INSEL
NOR
SW
SERIAL
DATA
DECODER
OUTPUT
SELECT
VCO LPF
L-CH
BPF
R-CH
PNR
L-CH
PNR
LIM DEV
COMP
SW
NOISE
VCO LPF
LIM DEV
COMP
COMP
SW
NOISE
MIX
R-CH
BPF
P
R
R
L
P
R
HOLD
PULSE
NOISE
DET
DO
DET
ENV
DET
34 33
76
77
74
37
38
39
75
73
26
21
53
24
27
N-A-REC
DVD-AUDIO(R)
(DVD VCR DUBBING)
VCR-AUDIO(R)
DVD-AUDIO(L)
VCR-AUDIO(L)
LIM
80
N-A-PB
Hi-Fi-H-SW
AUDIO-MUTE-2
A-MODE
TO AUDIO
BLOCK DIAGRAM
TO AUDIO
INPUT/OUTPUT
SELECT
BLOCK DIAGRAM
TO AUDIO
INPUT/OUTPUT
SELECT
BLOCK DIAGRAM
IIC-BUS SDA
PB/EE-AUDIO(L)
PB/EE-AUDIO(R)
IIC-BUS SCL
TO
SERVO/ SYSTEM
CONTROL BLOCK
DIAGRAM
BOARD MAIN
Hi-Fi-
AUDIO(R)
7
Hi-Fi-COM 8
Hi-Fi-
AUDIO(L)
9
CN251
IC451 ( Hi-Fi AUDIO PROCESS)
REC-AUDIO SIGNALPB-AUDIO SIGNAL Mode : SP/REC
Q451
MUTE-ON
MUTE-ON
50
52
6
4
Hi-Fi
AUDIO(R)
HEAD
Hi-Fi
AUDIO(L)
HEAD
CYLINDER ASSEMBLY
(DECK ASSEMBLY)
DVD PB
NOTE: BOARD MEANS PRINTED CIRCUIT BOARD.

1-12-9
Power Supply Block Diagram
E9GA1BLP
AC1001 F1001
T1.6A L 250V LINE
FILTER
L1003 D1001 - D1004
BRIDGE
RECTIFIER
2
4
Q1001
Q1003
Q1008
Q1004
7
8
1
23
4
IC1001
ERROR
VOLTAGE DET
T0011
BOARD MAINBOARD POWER SUPPLY
HOT CIRCUIT. BE CAREFUL.
20
19
18
17
16
15
14
13
12
11
6,7
P-ON+2.5V
15-17
DVD-P-ON+3.3V
20-22
DVD-P-ON+5V
1 FAN+12V
2
GND
25-27 EV+10.5V
C-POW-SW
TO DVD
MAIN BOAR
D
(CN101)
P-ON-H
P-DOWN-H
10-12 AL+3V
Q1516,Q1517
SW+44V
Q1511,Q1514
SW+12V
Q1515
SW+9V
Q1518
SW+5V
Q1508,Q1509
SW+16V
Q1542
SW+5V
CN051 CN1504
PWR-SW
REG-CONT
IC1505
+3.3V REG.
IC1504
+2.5V REG.
FAN-CONT1
Q1510
Q1519
Q1501
Q1502
CN1501
CN1503
SW+5V
Q1513
Q1512
SW+5V
HOT COLD
J911
FAN
11AL+44V
12 12AL+5V
13 13AL+5V
14 14AL+5V
15 15AL+5V
20 20AL+16V
21 21AL+16V
24 24AL-30V
25 25AL+3V
26 26AL+3V
31 31AL+4V
32 32AL+4V
34 34F1
33 33F2
22AL+12V
33AL+12V
66FAN-AL+12V
77FAN-AL+12V
88FAN-AL+12V
TO SERVO
/SYSTEM
CONTROL
BLOCK
DIAGRAM
TO SERVO
/SYSTEM
CONTROL
BLOCK
DIAGRAM
P-ON+44V
P-ON+15V
P-ON+9V
AL+12V
P-ON-DECK+5V
AL+5V
P-ON+5V
TIMER+5V
AL+16V/+12V
DVD-
P-ON+3.3V
DVD-P-ON+5V
EV+5V
-FL
DVD-P-ON+12V
F1
F2
NOTE: BOARD MEANS PRINTED CIRCUIT BOARD.
CAUTION !
Fixed voltage (or Auto voltage selectable) power supply circuit is used in this unit.
If Main Fuse (F1001) is blown , check to see that all components in the power supply
circuit are not defective before you connect the AC plug to the AC power supply.
Otherwise it may cause some components in the power supply circuit to fail.
NOTE:
The voltage for parts in hot circuit is measured using
hot GND as a common terminal.
CAUTION !
For continued protection against fire hazard,
replace only with the same type fuse.

1-13-1 W3P_SC
SCHEMATIC DIAGRAMS / BOARD’S AND TEST POINTS
Standard Notes
WARNING
Many electrical and mechanical parts in this chassis
have special characteristics. These characteristics
often pass unnoticed and the protection afforded by
them cannot necessarily be obtained by using
replacement components rated for higher voltage,
wattage, etc. Replacement parts that have these
special safety characteristics are identified in this
manual and its supplements; electrical components
having such features are identified by the mark " ! "
in the schematic diagram and the parts list. Before
replacing any of these components, read the parts list
in this manual carefully. The use of substitute
replacement parts that do not have the same safety
characteristics as specified in the parts list may create
shock, fire, or other hazards.
Notes:
1. Do not use the part number shown on these
drawings for ordering. The correct part number is
shown in the parts list, and may be slightly different
or amended since these drawings were prepared.
2. All resistance values are indicated in ohms
(K=103, M=106).
3. Resistor wattages are 1/4W or 1/6W unless
otherwise specified.
4. All capacitance values are indicated in μF
(P=10-6 μF).
5. All voltages are DC voltages unless otherwise
specified.
6. Electrical parts such as capacitors, connectors,
diodes, IC’s, transistors, resistors, switches, and
fuses are identified by four digits. The first two
digits are not shown for each component. In each
block of the diagram, there is a note such as shown
below to indicate these abbreviated two digits.
NOTE: BOARD MEANS PRINTED CIRCUIT BOARD.

1-13-2 W3P_SC
LIST OF CAUTION, NOTES, AND SYMBOLS USED IN THE SCHEMATIC DIAGRAMS ON
THE FOLLOWING PAGES:
1. CAUTION:
FOR CONTINUED PROTECTION AGAINST FIRE HAZARD, REPLACE ONLY WITH THE SAME TYPE FUSE.
2. CAUTION:
Fixed Voltage (or Auto voltage selectable) power supply circuit is used in this unit.
If Main Fuse (F1001) is blown, first check to see that all components in the power supply circuit are not
defective before you connect the AC plug to the AC power supply. Otherwise it may cause some components
in the power supply circuit to fail.
3. Note:
1. Do not use the part number shown on the drawings for ordering. The correct part number is shown in the
parts list, and may be slightly different or amended since the drawings were prepared.
2. To maintain original function and reliability of repaired units, use only original replacement parts which are
listed with their part numbers in the parts list section of the service manual.
4. Voltage indications for PLAY and REC modes on the schematics are as shown below:
5. How to read converged lines
6. Test Point Information
231
5.0
(2.5)
PLAY mode
STOP mode
5.0
The same voltage for
both PLAY & STOP modes Indicates that the voltage
is not consistent here.
< DVD Section >
231
5.0
(2.5)
< >
PLAY mode
REC mode
DVD mode
5.0
The same voltage for
both PLAY, REC & DVD
modes Indicates that the voltage
is not consistent here.
< VCR Section >
Unit: Volts
3
2
1
ABCD
1-B1
1-D3
AREA D3
AREA B1
1-D3
Distinction Area
Line Number
(1 to 3 digits)
Examples:
1. "1-D3" means that line number "1" goes to the line number
"1" of the area "D3".
2. "1-B1" means that line number "1" goes to the line number
"1" of the area "B1".
: Indicates a test point with a jumper wire across a hole in the BOARD.
: Used to indicate a test point with a component lead on foil side.
: Used to indicate a test point with no test pin.
: Used to indicate a test point with a test pin.

1-13-3 E9GA1SCM1
MAIN 1/10 Schematic Diagram < VCR Section > NOTE: BOARD MEANS PRINTED CIRCUIT BOARD.

1-13-4 E9GA1SCM2
7G 6G 5G 4G 3G 2G 1G
P1
P2
P3
P4
P5
P6
P7 d
P8 S1
P9
f
g
c
e
a
b
d
f
g
c
e
a
b
d
f
g
c
e
a
b
d
f
g
c
e
a
b
d
f
g
c
e
a
b
d
f
g
c
e
a
b
FL601 MATRIX CHART
PM BS CS DR
CD
VCR
DB
HDD
DVD
DTV
TC
PM
DTV BS CS
CD
VCR
HDD
DVD
DR
DB
T
C
5G 4G 3G 2G 1G
7G 6G
a
b
c
d
e
fg
MAIN 2/10, POWER SWITCH, FUNCTION & SENSOR Schematic Diagram < VCR Section > NOTE: BOARD MEANS PRINTED CIRCUIT BOARD.

1-13-5 E9GA1SCM3
MAIN 3/10 Schematic Diagram < VCR Section > NOTE: BOARD MEANS PRINTED CIRCUIT BOARD.

1-13-6 E9GA1SCM4
MAIN 4/10 Schematic Diagram < VCR Section > NOTE: BOARD MEANS PRINTED CIRCUIT BOARD.

1-13-7 E9GA1SCM5
MAIN 5/10 Schematic Diagram < VCR Section > NOTE: BOARD MEANS PRINTED CIRCUIT BOARD.

1-13-8 E9GA1SCM6
MAIN 6/10 & FRONT JACK Schematic Diagram < VCR Section >
NOTE: BOARD MEANS PRINTED CIRCUIT BOARD.

1-13-9 E9GA1SCM7
MAIN 7/10 Schematic Diagram < VCR Section > NOTE: BOARD MEANS PRINTED CIRCUIT BOARD.

1-13-10 E9GA1SCM8
MAIN 8/10 Schematic Diagram < VCR Section > NOTE: BOARD MEANS PRINTED CIRCUIT BOARD.

1-13-11 E9GA1SCM9
MAIN 9/10 Schematic Diagram < VCR Section > NOTE: BOARD MEANS PRINTED CIRCUIT BOARD.

1-13-12 E9GA1SCM10
MAIN 10/10 Schematic Diagram < VCR Section > NOTE: BOARD MEANS PRINTED CIRCUIT BOARD.

1-13-13
POWER SUPPLY Schematic Diagram < VCR Section >
E9GA1SCP
CAUTION !
Fixed voltage (or Auto voltage selectable) power supply circuit is used in this unit.
If Main Fuse (F1001) is blown , check to see that all components in the power supply
circuit are not defective before you connect the AC plug to the AC power supply.
Otherwise it may cause some components in the power supply circuit to fail.
NOTE:
The voltage for parts in hot circuit is measured using
hot GND as a common terminal.
CAUTION !
For continued protection against fire hazard,
replace only with the same type fuse.
NOTE: BOARD MEANS PRINTED CIRCUIT BOARD.

1-13-14 E9GA1SCRJ
REAR JACK Schematic Diagram < VCR Section > NOTE: BOARD MEANS PRINTED CIRCUIT BOARD.

1-13-15 E9GA1SCAFV
AFV Schematic Diagram < VCR Section > NOTE: BOARD MEANS PRINTED CIRCUIT BOARD.

1-13-16 E9GA1SCD1
DVD MAIN 1/5 Schematic Diagram < DVD Section >
The order of pins shown in this diagram is different from that of actual IC101.
IC101 is divided into five and shown as IC101 (1/5) ~ IC101 (5/5) in this DVD Main Schematic Diagram Section.
1 NOTE:
NOTE: BOARD MEANS PRINTED CIRCUIT BOARD.

1-13-17 E9GA1SCD2
DVD MAIN 2/5 Schematic Diagram < DVD Section > NOTE: BOARD MEANS PRINTED CIRCUIT BOARD.
The order of pins shown in this diagram is different from that of actual IC101.
IC101 is divided into five and shown as IC101 (1/5) ~ IC101 (5/5) in this DVD Main Schematic Diagram Section.
1 NOTE:

1-13-18 E9GA1SCD3
DVD MAIN 3/5 Schematic Diagram < DVD Section > NOTE: BOARD MEANS PRINTED CIRCUIT BOARD.
The order of pins shown in this diagram is different from that of actual IC101.
IC101 is divided into five and shown as IC101 (1/5) ~ IC101 (5/5) in this DVD Main Schematic Diagram Section.
1 NOTE:

1-13-19 E9GA1SCD4
DVD MAIN 4/5 Schematic Diagram < DVD Section > NOTE: BOARD MEANS PRINTED CIRCUIT BOARD.
The order of pins shown in this diagram is different from that of actual IC101.
IC101 is divided into five and shown as IC101 (1/5) ~ IC101 (5/5) in this DVD Main Schematic Diagram Section.
1 NOTE:

1-13-20 E9GA1SCD5
DVD MAIN 5/5 Schematic Diagram < DVD Section > NOTE: BOARD MEANS PRINTED CIRCUIT BOARD.
The order of pins shown in this diagram is different from that of actual IC101.
IC101 is divided into five and shown as IC101 (1/5) ~ IC101 (5/5) in this DVD Main Schematic Diagram Section.
1 NOTE:

1-13-21
BOARD MAIN Top View
BOARD SENSOR Top View
BHF300F01012B
BHF300F01012A
NOTE: BOARD MEANS PRINTED CIRCUIT BOARD.
SW-POINT
VR501
TP301
WF2
C-PB
CTL
TP503
TP504
RF-SW
JK1-V-OUT
J236
WF3
S-INH
TP501
WF1
BE9G00F01011A

1-13-22
PIN 5 OF
CN1502
WF5
PIN 3 OF
CN1502
WF6
PIN 7 OF
CN1502
WF8
PIN 17 OF
CN1502
WF7
PIN 9 OF
CN1502
WF4
WF10
PIN 3 OF
CN1501
WF9
PIN 6 OF
IC1515
BOARD MAIN Bottom View
BE9G00F01011A
NOTE: BOARD MEANS PRINTED CIRCUIT BOARD.

1-13-23
BE9G00F01011D
BE9G00F01011C
BE9G00F01011B
BOARD FUNCTION
Top View
BOARD FUNCTION
Bottom View
BOARD FRONT JACK
Top View
BOARD FRONT JACK
Bottom View
BOARD POWER SWITCH
Top View
BOARD POWER SWITCH
Bottom View
NOTE: BOARD MEANS PRINTED CIRCUIT BOARD.

1-13-24 BE9G00F01021A
BOARD POWER SUPPLY Top View
Because a hot chassis ground is present in the power
supply circut, an isolation transformer must be used.
Also, in order to have the ability to increase the input
slowly, when troubleshooting this type power supply
circuit, a variable isolation transformer is required.
CAUTION !
Fixed voltage (or Auto voltage selectable) power supply circuit is used in this unit.
If Main Fuse (F1001) is blown , check to see that all components in the power supply
circuit are not defective before you connect the AC plug to the AC power supply.
Otherwise it may cause some components in the power supply circuit to fail.
NOTE:
The voltage for parts in hot circuit is measured using
hot GND as a common terminal.
CAUTION !
For continued protection against fire hazard,
replace only with the same type fuse.
NOTE: BOARD MEANS PRINTED CIRCUIT BOARD.

1-13-25 BE9G00F01021A
BOARD POWER SUPPLY Bottom View
NOTE: BOARD MEANS PRINTED CIRCUIT BOARD.
Because a hot chassis ground is present in the power
supply circut, an isolation transformer must be used.
Also, in order to have the ability to increase the input
slowly, when troubleshooting this type power supply
circuit, a variable isolation transformer is required.
CAUTION !
Fixed voltage (or Auto voltage selectable) power supply circuit is used in this unit.
If Main Fuse (F1001) is blown , check to see that all components in the power supply
circuit are not defective before you connect the AC plug to the AC power supply.
Otherwise it may cause some components in the power supply circuit to fail.
NOTE:
The voltage for parts in hot circuit is measured using
hot GND as a common terminal.
CAUTION !
For continued protection against fire hazard,
replace only with the same type fuse.

1-13-26
BOARD REAR JACK Top View BOARD REAR JACK Bottom View
BE9G00F01021B
BOARD AFV Top View BOARD AFV Bottom View
BE6800F01091
NOTE: BOARD MEANS PRINTED CIRCUIT BOARD.

WAVEFORMS
1-14-1 W4PWF
WF8
AUDIO(L)-OUT
Pin 17 of CN1502
1V 0.5ms
WF5
VIDEO-Cb
Pin 3 of CN1502
0.2V 20
μ
s
WF4
VIDEO-Cr
Pin 5 of CN1502
0.2V 20
μ
s
SPDIF 1V 0.1
μ
s
WF10
Pin 3 of CN1501
WF6
Pin 7 of CN1502
VIDEO-Y 0.2V 20
μ
s
WF7
Pin 9 of CN1502
VIDEO-C 0.2V 20
μ
s
WF9
Pin 6 of IC1515
VIDEO-CVBS 0.5V 20
μ
s
WF2
WF3 UPPER
WF1
WF1
LOWER
J236
TP504
UPPER
LOWER TP504
TP301
V-OUT 0.5V
50
μs
RF-SW 5V
C-PB
RF-SW 5V 5m
s
0.2V
WF3
J236
V-OUT E-E 0.2V 20
μs
NOTE:
Input: COLOR BAR SIGNAL (WITH 1KHz AUDIO SIGNAL)

ACE HEAD
ASSEMBLY
AUDIO
ERASE
HEAD
CONTROL
HEAD
AUDIO
HEAD
CYLINDER
ASSEMBLY
CN501
CN502
CN504
CN251
CN510 JW002
JW001
JW2001
CN508
CN681
FULL
ERASE
HEAD
FE HEAD
VIDEO
(R)1
HEAD
VIDEO
(L)1
HEAD
VIDEO
-IN
S-VIDEO
IN
AUDIO(R)
-IN
AUDIO(L)
-IN
FRONT
VIDEO
(L)2
HEAD
VIDEO
(R)2
HEAD
Hi-Fi
AUDIO
(R) HEAD
Hi-Fi
AUDIO
(L) HEAD
BOARD MAIN
(DECK ASSEMBLY)
BOARD SENSOR
BOARD FUNCTION
CN671
BOARD
POWER SWITCH
BOARD
REAR JACK
BOARD SENSOR
TO WIRING
DIAGRAM
<DVD SECTION>
TO DVD
MAIN
BOARD
CN101
(JW101)
TO DVD
MAIN
BOARD
CN701
(JW102)
ANT-IN ANT-OUT
VIDEO-Y
OUT
VIDEO-
Pr/Cr
OUT
VIDEO-
Pb/Cb
OUT
AUDIO(R)
-OUT
AUDIO(L)
-OUT
S-VIDEO
OUT
REAR
DIGITAL
AUDIO OUT
(COAXIAL)
OPEN/CLOSE-SW
11
DUBBING-SW
22
BOARD
FRONT
JACK
JW103
CN1201 CN1505
FRONT-C-IN
11
FRONT-Y-IN
22
GND
33
FRONT-VIDEO-IN
44
GND
55
AUDIO(L)-IN-F
66
GND
77
AUDIO(R)-IN-F
88
AL+5V(1)
44
GND
33
POWER-SW
22
GND
11
POWER-LED
3 3
CN1503
2 GND
FAN
CN051 CN1504
1
2
3
4
5
6
7
8
9
1
1
2
2
3
4
5
6
1
2
3
4
5
6
7
8
9
10
11
12
BOARD
POWER SUPPLY
AC CORD
Hi-Fi-AUDIO(R)
Hi-Fi-COM
Hi-Fi-AUDIO(L)
VIDEO-COM
VIDEO(R)-2
VIDEO-COM
VIDEO(L)-2
VIDEO(L)-1
VIDEO(R)-1
AL+16V/+12V
P-ON+5V(DECK)
C-F/R
C-FG
C-CONT
GND
LM-FWD/REV
D-CONT
D-PFG
GND
AL+12V(2)
P-ON+15V
FE-H-GND
FE-H
AE-H
AE-H/FE-H
A-COM
AUDIO-PB/REC
CTL(+)
CTL(-)
CL2001CN1507
VIDEO-R-IN
14 14
VIDEO-G-IN
13 13
VIDEO-B-IN
12 12
16P
11 11
VIDEO-IN2
10 10
GND
9 9
VIDEO-OUT2
8 8
SC2-IN
7 7
AUDIO(L)-IN2
6 6
AUDIO(R)-IN2
5 5
GND
4 4
2
AUDIO-MUTE2
2
AUDIO(R)-OUT2
11
BOARD AFV
CN1506 CN1
IIC-BUS SDA9
IIC-BUS SCL8
P-ON+5V7
P-ON+5V6
TU-AUDIO(L)5
TU-AUDIO(R)4
GND3
2SIF
TU-AUDIO1
9
8
7
6
5
4
3
2
1
FAN+12V1
LOADING
MOTOR
CAPSTAN
MOTOR
M
DRUM
MOTOR
PG
SENSOR
M
CAPSTAN
MOTOR
MOTOR
DRIVE
CIRCUIT
M
CN1502
CN1501
1
2
3
4
5
6
7
8
9
10
11
12
13
14
15
16
17
18
19
20
21
1
2
3
4
5
6
7
8
9
10
11
12
13
14
15
16
17
18
19
20
21
JK2001
JK1502
AUDIO(L)-OUT2
33
VIDEO-Y(I)-OUT
1
GND 2
VIDEO-Pr/Cr-OUT
5
GND 10
VIDEO-C-OUT 9
GND 4
VIDEO-Pb/Cb-OUT
3
GND 6
VIDEO-Y(I/P)-OUT
7
GND 8
GND 16
AUDIO(R)-IN 13
GND 12
AUDIO(L)-IN 11
GND 14
AUDIO(R)-OUT
15
AUDIO(L)-OUT
17
DVD-AUDIO-MUTE
18
AUDIO+5V 19
VIDEO-Y/CVBS-IN
20
GND 21
VIDEO-C-IN 22
GND 23
GND 24
SUB-SCLK 26
GND 25
SUB-TXD
28
RDY 29
SUB-RXD
30
SYS-RESET 27
SPDIF 3
GND 2
EV+10.5V 27
EV+10.5V 26
EV+10.5V 25
GND 24
GND 23
GND 19
GND 18
DVD-P-ON+5V
22
DVD-P-ON+5V
21
DVD-P-ON+5V
20
AL+3V 12
AL+3V 11
AL+3V 10
GND 14
GND 13
1V2CONT 1
GND 8
P-ON+1.8V 7
P-ON+1.8V 6
GND 9
GND 5
GND 4
DVD-P-ON+3.3V
17
DVD-P-ON+3.3V
16
DVD-P-ON+3.3V
15
GND 28
GND 29
GND 30
GND 28
GND 29
GND 4
GND 5
FAN-AL+12V 6
FAN-AL+12V 7
FAN-AL+12V 8
AL+5V 12
AL+5V 13
GND 9
GND 10
GND 11
GND 19
AL+16V 20
AL+16V 21
GND 17
GND 18
GND 30
GND 23
AL-30V 24
AL+3V 25
GND 22
AL+3V 26
GND 27
AL+5V 14
AL+5V 15
GND 16
AL+12V 3
AL+12V 2
AL+44V 1
28
29
4
5
6
7
8
12
13
9
10
11
19
20
21
17
18
30
23
24
25
22
26
27
14
15
16
3
2
1
AL+4V 3131
AL+4V 3232
F2 3333
F1 3434
JW1001
WIRING DIAGRAM < VCR SECTION >
1-15-1 E9GA1WI
NOTE: BOARD MEANS PRINTED CIRCUIT BOARD.

WIRING DIAGRAM < DVD SECTION >
1-15-2 E9GA1WID
TO BOARD
MAIN CN1501
(JW101)
TO WIRING
DIAGRAM
<VCR SECTION>
TO BOARD
MAIN CN1502
(JW102)
DVD MECHANISM
CN701
CN101
DVD MAIN BOARD
DVD MECHANISM & DVD MAIN BOARD ASSEMBLY
VIDEO-Y(I)-OUT
1
GND 2
VIDEO-Pr/Cr-OUT
5
GND 10
VIDEO-C-OUT 9
GND 4
VIDEO-Pb/Cb-OUT
3
GND 6
VIDEO-Y(I/P)-OUT
7
GND 8
GND 16
AUDIO(R)-IN 13
GND 12
AUDIO(L)-IN 11
GND 14
AUDIO(R)-OUT
15
AUDIO(L)-OUT
17
DVD-AUDIO-MUTE
18
AUDIO+5V 19
VIDEO-Y/CVBS-IN
20
GND 21
VIDEO-C-IN 22
GND 23
GND 24
SUB-SCLK 26
GND 25
SUB-TXD
28
RDY 29
SUB-RXD
30
SYS-RESET 27
SPDIF 3
GND 2
EV+10.5V 27
EV+10.5V 26
EV+10.5V 25
GND 24
GND 23
GND 19
GND 18
DVD-P-ON+5V
22
DVD-P-ON+5V
21
DVD-P-ON+5V
20
AL+3V 12
AL+3V 11
AL+3V 10
GND 14
GND 13
1V2CONT 1
GND 8
P-ON+1.8V 7
P-ON+1.8V 6
GND 9
GND 5
GND 4
DVD-P-ON+3.3V
17
DVD-P-ON+3.3V
16
DVD-P-ON+3.3V
15
GND 28
GND 29
GND 30
PICKUP
BOARD
RELAY
CN201
CN1001
109 HW(-)
910 HW(+)
1FCS(+)
4TRK(-)
3TRK(+)
2 FCS(-)
6 TILT(-)
5 TILT(+)
7 LDD-IIN4
9 LDD-IIN2
10 LDD-IINR
11 NU
8LDD-IIN3
12
LDD-VDD
14 LDD-ENABLE
15 LDD-OSCEN
16 GND
17 LDD-WEN4
18 GND
19 LDD-WEN3
20 GND
21 LDD-WEN2
22 LDD-SEL1
23 PD-VC
24 PD-VSW
25 F
26 G
27 H
28 E
29 RF(+)
30 RF(-)
31 A
32 B
33 C
34 D
35
PD/FSPD-VCC
36 GND
37 GND
38 FSPD-VC
39 FSPD-VSW
40 FSPD-VOUT
13
LDD-VDD
FOCUS
ACTUATOR
TRACKING
ACTUATOR
TILT
ACTUATOR
SPINDLE
MOTOR M
CN301
172 SW1
163 SL(-)
154 SL(+)
145 GND
136 T-SCN2
127 T-SCN3
118 VH(-)
811 HV(-)
712 HV(+)
613 HU(-)
514 HU(+)
415 VCC
316 U
217 V
118 W
CN1002
M
SLED
MOTOR
1
11
~
CD-LD
DVD-LD
DVD/CD LASER DIODE DRIVE
PDIC
FPDIC
NOTE: BOARD MEANS PRINTED CIRCUIT BOARD.

1-16-1 E9GA1PIN
IC PIN FUNCTION DESCRIPTIONS
< VCR Section >
IC501( SERVO / SYSTEM CONTROL )
Pin
No.
IN/
OUT
Signal
Name Function
1IN
SC2-IN Input Signal from Pin 8 of
SCART2
2IN
PG-DELAY Video Head Switching Pulse
Signal Adjusted Voltage
3IN
DVD-POW-
SAFETY Abnormal Voltage Detection
4IN
END-S Tape End Position Detect
Signal
5IN
AFC Automatic Frequency Control
Signal
6IN
V-ENV Video Envelope Comparator
Signal
7IN
KEY-1 Key Data Input 1
8IN
KEY-2 Key Data Input 2
9IN
LD-SW Deck Mode Position Detector
Signal
10 IN ST-S Tape Start Position Detector
Signal
11 OUT FAN-
CONT1 Fan Motor Control Signal
12 - NU Not Used
13 OUT D-V- SYNC Dummy V-sync Output
14 IN REMOTE Remote Signal Input
15 OUT C-ROTA Color Phase Rotary
Changeover Signal
16 OUT H-A-SW Video Head Amp Switching
Pulse
17 IN H-A-COMP Head Amp Comparator
Signal
18 OUT RF-SW Video Head Switching Pulse
19 OUT Hi-Fi-H-SW HiFi Audio Head Switching
Pulse
20 OUT I/P-SW Progressive/Interlace Data
Output
21 - NU Not Used
22 OUT VIDEO-
SW1 Video Input Select Signal 1
23 OUT VIDEO-
SW2 Video Input Select Signal 2
24 OUT VIDEO-
SW3 Video Input Select Signal 3
25 OUT REG-
CONT2
Power Regulator Control
Signal
26 OUT
DVD-
AUDIO-
MUTE
DVD Audio Mute Control
Signal
27 OUT RGB-
THROUGH
SCART 2 RGB Through
Control Signal
28 OUT AUDIO-
MUTE-2 Audio Mute Control Signal
29 OUT
DVD-
AUDIO-
MUTE2
DVD Audio Mute Control
Signal
30 OUT
DVD-
SCART-
AUDIO-
MUTE
DVD SCART Audio Mute
Control Signal
31 IN REC-SAF-
SW
Recording Safety SW Detect
(With Record tab=”L”/ With out
Record tab=”H”)
32 IN P-DOWN -H Power Voltage Down Detector
Signal
33 OUT D-REC-H Delayed Record Signal
34 IN RESET System Reset Signal
(Reset=”L”)
35 IN Xcin Sub Clock Input
36 OUT Xcout Sub Clock Output
37 - Vcc +5V Power Supply (Timer)
38 IN Xin Main Clock Input
39 OUT Xout Main Clock Output
40 - Vss Ground
41 OUT PWR-SW DVD Power Supply Control
Signal
42 OUT
REG-CONT
Power Regulator Control
Signal
43 IN NU Ground
44 IN OSCin Clock Input for letter size
45 OUT OSCout Clock Output for letter size
46 - NU Ground
47 IN LP LP
48 IN FSC-IN
[4.43MHz]
4.43MHz Clock Input
49 - OSDVss OSDVss
50 IN OSD-V-IN OSD Video Signal Input
51 - NU Not Used
52 OUT OSD-V-
OUT OSD Video Signal Output
53 - OSDVcc +5V at Power On Signal
54 - HLF LPF Connected Terminal
(Slicer)
55 IN COLOR-IN
SECAM or MESECAM
Chroma Video Input Signal at
Super Impose
56 IN DAVN-L VPS/PDC Data Receive = “L”
57 - NU Not Used
58 IN C-SYNC Composite Synchronized
Pulse
Pin
No.
IN/
OUT
Signal
Name Function

1-16-2 E9GA1PIN
59 OUT 8POUT-1
Control SCART 1 8Pin Level
by using 8POUT-1 and
8POUT-2
60 OUT 8POUT-2
Control SCART 1 8Pin Level
by using 8POUT-1 and
8POUT-2
61 IN SECAM-H SECAM Mode at High
62 OUT TRICK-H Special playback = “H” in
SECAM Mode
63 OUT SYSTEM-
RESET System Reset Signal
64 IN READY/
BUSY
Ready/Busy communication
Control with Main Micro
Controller
65 OUT S-DATA-
OUT
Communication of Data from
VCR Micro Controller
66 IN S-DATA-IN Communication of Data to
VCR Micro Controller
67 OUT S-CLOCK Communication of Clock with
VCR Micro Controller
68 OUT DRV-DATA VFD Driver IC Control Data
69 OUT DRV-STB VFD Driver IC Chip Select
Signal
70 OUT DRV-CLK VFD Driver IC Control Clock
71 OUT IIC-BUS
SCL IIC BUS Serial Clock
72 IN/
OUT
IIC-BUS
SDA IIC BUS Serial Data
73 - NU Not Used
74 - NU Not Used
75 OUT P-ON-H Power On Signal to High
76 OUT C-CONT Capstan Motor Control Signal
77 OUT D-CONT Drum Motor Control Signal
78 OUT C-F/R
Capstan Motor FWD/REV
Control Signal (FWD=“L”/
REV=“H”)
79 IN S-REEL Supply Reel Rotation Signal
80 IN T-REEL Take Up Reel Rotation Signal
81 OUT LM-FWD/
REV Loading Motor Control Signal
82 OUT OUTPUT-
SELECT Output Select
83 OUT
VCR-
AUDIO-
MUTE
Audio Mute Control Signal
(Mute = “H”)
84 OUT C-POW-SW Capstan Power Switching
Signal
85 IN VCR-POW-
SAFETY
VCR Power Supply Safety
Signal
86 IN A-MODE Hi-Fi Tape Detection Signal
87 IN C-FG Capstan Motor Rotation
Detection Pulse
88 - AMPVss Ground
Pin
No.
IN/
OUT
Signal
Name Function
89 IN DVD-POW-
SAFETY
DVD Power Supply Safety
Signal
90 IN D-PFG Drum PG/FG Input Signal
91 - AMPVREF
out V-Ref for CTL AMP
92 - AMPVREF
in V-Ref for CTL AMP
93 - P80/C P80/C Terminal
94 IN/
OUT CTL (-) Playback/Record Control
Signal (-)
95 IN/
OUT CTL (+) Playback/Record Control
Signal (+)
96 - AMPC CTL AMP Connected
Te r m i n a l
97 - CTL To Monitor for CTL AMP
Output
98 - AMPVcc Always +5V with AC Plug
Connected
99 - AVcc Always +5V with AC Plug
Connected
100
IN AGC IF AGC Comparator Signal
Pin
No.
IN/
OUT
Signal
Name Function

1-16-3 E9GA1PIN
IC612 ( VFD DRIVER )
Pin
No.
IN/
OUT
Signal
Name Name Function
1 OUT POWER-
LED Power LED Control Signal
2 OUT DVD-LED DVD LED Control Signal
3 OUT VCR-LED VCR LED Control Signal
4 - NU Not Used
5 IN OSC
Oscillator Input
6 - NU Not Used
7 IN DRV-DIN
DRV-Serial Data
8 IN DRV-CLK DRV-Serial Clock
9 IN DRV-STB
DRV-Serial Interface
Strobe
10 - NU Not Used
11 - NU Not Used
12 - VSS
Ground
13 - VDD
+5V Power Supply
14 - NU Not Used
15 - NU Not Used
16 - NU Not Used
17 - NU Not Used
18 - NU Not Used
19 - NU Not Used
20
OUT
c
Segment Output
21 b
22 a
23 d
24 e
25 f
26 g
27 h
28 i
29 - NU Not Used
30 - VEE
Pull Down Level
31 - NU Not Used
32 - NU Not Used
33 - NU Not Used
34 - NU Not Used
35 - NU Not Used
36
OUT
7G
Grid Output
37 6G
38 5G
39 4G
40 3G
41 2G
42 1G
43 - VDD
+5V Power Supply
44 - VSS
Ground
Pin
No.
IN/
OUT
Signal
Name Name Function

1-17-1 E9GA1LE
LEAD IDENTIFICATIONS
33
12
22
23
11
1
44
34 81
80
31
100
50
30
1
51
60
21
40
41
20
1
80
61
85
4
1
34 18
17
1
1
2
4
3
GDS
16 9
8
1
16 9
8
1
24 13
12
1
B1EB2
C1 C2 C
BE
E
C
1234
14
85
E
CB E
CB
115
30 16
MSP3417G-QG-B8-V3
PT6315(L)
Note:
A: Anode
K: Cathode
E: Emitter
C: Collector
B: Base
R: Reference
S: Source
G: Gate
D: Drain
EL817A
2SK3566
M3776AMCH-AG1GP
LA71750EM-MPB-E
TC4053BF(EL N F)
CD4052BNSR
PT204-6B-12 RN1511(TE85R.F) KRC103S-RTK/P
KTC3875S-(GR,Y)-RTK/P
KTC3879-Y-RTK/P
LA72648M-MPB-E
MM1636XWRE MM1637XVBE
PQ070XF01SZH
LC74793NJM-TLM-E
MM1697AJBE
MM1443XJBE
KIA4558P/P
UTC4580
1: Anode
2: Cathode
3: Emitter
4: Collector
KRA103M-AT/P
KRA104M-AT/P
KRC103M-AT/P
KTA1267-Y-AT/P
KTA1273-Y-AT/P
KTA1281Y-AT/P
KTC3199-(BL,Y)-AT/P
2SC1815-Y(TE2 F T)
KTA-1266-GR-AT/P
KTC3198-Y-AT/P
KTC3203-Y-AT/P
KTC3205-Y-AT/P
LA70100M-TRM-E

1-18-1 E9GA0CEX
EXPLODED VIEWS
Cabinet
See Electrical Parts List
for parts with this mark.
2L011
2L011
2L011
1B1
2L071
2L071
2L071
2L071
2L081
2L075
2L081
2L081
2L062
2L083
2L082
2B2
2L013
2B31
2L066
2L045
2B60
2L045
2B77
2B76
A2
A22
2L066
2L066
2L066
C
2L022
2L021
2L054
2L052
JW001
2L017
2L017
2L017
2L017
2L017
2L017
2B1
A1X
JW002
JW103
F1001
RM1501
2B16
2B17
2B87
2B46
BOARD Main
BOARD Function
BOARD Front Jack
BOARD Rear Jack
BOARD Power Supply
BOARD
Power Switch
BOARD Sensor
BOARD Sensor
JW2001
A
D
B
2L030
BOARD AFV
( P2 )
DVD MECHANISM & DVD
MAIN BOARD ASSEMBLY
BOARD MCV
( P1 )
BOARD PSV
( P3 )
( P4 )
( P4 )
( P5 )
AC1001
TU1501
E'
E
2B84
FM1001
2L111
2L111
2L111
2L043
2L044
A34
2L014
2L061
2B59
2B13
A34
A3
2L078
2B45
2B10
2B4
2B3
2L043
2L044
2L111
JW1001
2B18
2L019
C'
JW102
JW101
B'
A'
D'

1-18-2 E9GA1CEX
(P1) BOARD MCV
(P4) BOARD SENSOR
(P5) BOARD AFV
JW001
JW002
JW103
RM1501
2B16
2B17
2B46
BOARD Main
BOARD Function
BOARD Front Jack
BOARD Power Switch
BOARD Sensor
BOARD MCV
( P1 )
( P4 )
JW102
TU1501
JW101
BOARD AFV
( P5 )

1-18-3 E9GA1CEX
(P2) DVD MECHANISM & DVD MAIN BOARD ASSEMBLY
(P3) BOARD PSV
( P2 )
DVD MECHANISM & DVD
MAIN BOARD ASSEMBLY
2B60
BOARD Rear Jack
BOARD Power Supply
JW2001
BOARD PSV
( P3 ) 2L019
2B18
AC1001
F1001
JW1001

1-18-4 E9GA1PEX
Packing
X1
X3 X20A X20B X20C
X22
Comparison Chart of
Models and Marks
Model Mark
D-VR50KF
D-VR51KF
A
B
[A]

20070420 1-19-1 E9GA1/3CA
MECHANICAL PARTS LIST
PRODUCT SAFETY NOTE: Products marked with a
! have special characteristics important to safety.
Before replacing any of these components, read
carefully the product safety notice in this service
manual. Don't degrade the safety of the product
through improper servicing.
Comparison Chart of Models and Marks
Model Mark
D-VR50-K-TF A
D-VR51-K-TF B
!Loca-
tion No. Mark TSB P/N Reference No. Description
A1X A P000490170 1VM222912 PANEL FRONT E9GA1FD
A1X B P000490260 1VM223053 PANEL FRONT E9GA3FD
A2 P000489940 1VM222942 COVER TOP E9GA0BD
A3 0VM101353H MAIN CHASSIS E9400UD
A22 A 1VM323880 TOPPER POP E9GA1FD
A22 B 1VM323933 TOPPER POP E9GA3FD
A34 0VM406940A FOOT H5100UD
1B1 N25E1FL DECK ASSEMBLY
CZD014/VM25E0
2B1 1VM120055G DECK PEDESTAL
E9600UD
2B2 0VM204534C FRONT BRACKET
E9400UD
2B3 0VM416269A FRONT BRACKET R
E9400UD
2B4 1VM425084 PLATE EARTH E9H10UD
2B10 1VM121066F BOARD HOLDER
E9H10UD
2B13 0VM416273 JACK BRACKET E9400UD
2B31 0VM413956 TAPE HIMELON H9206JD
2B45 1VM323812A DUST COVER(R4 PAL)
E9GA0BD
2B59 1VM322618A JACK PLATE EARTH
E9A80UD
2B76 1VM424744 RUBBER CUSHION(B)
E9B00ED
2B77 1VM424745 RUBBER CUSHION(C)
E9B00ED
2B84 1VM323512 FAN HOLDER E9H10UD
2B87 1VM425701 BOARD WASHER
E9H10UD
2L011 GBHC3050 SCREW TAP TIGHT M3X5
BIND HEAD+BLK NI
2L013 GBJS3060 SCREW S-TIGHT M3X6
BIND HEAD+
2L014 GBJS3060 SCREW S-TIGHT M3X6
BIND HEAD+
2L017 0VM413320A SCREW S-TIGHT 3X8
H9210UD
2L021 GBCP3080 SCREW P-TIGHT M3X8
BIND HEAD+
2L022 GBJS3060 SCREW S-TIGHT M3X6
BIND HEAD+
2L030 GBJP3080 SCREW P-TIGHT M3X8
BIND HEAD+
2L043 GBJP3080 SCREW P-TIGHT M3X8
BIND HEAD+
2L044 0VM413320A SCREW S-TIGHT 3X8
H9210UD
2L045 GBJP3080 SCREW P-TIGHT M3X8
BIND HEAD+
2L052 GBJP3060 SCREW P-TIGHT M3X6
BIND HEAD+
2L054 GBJP3060 SCREW P-TIGHT M3X6
BIND HEAD+
2L061 GBJP3060 SCREW P-TIGHT M3X6
BIND HEAD+
2L062 GBHB3080 SCREW B-TIGHT M3X8
BIND HEAD+
2L066 0VM412937A SCREW C-TIGHT M3X6
E5610UD
2L071 GCJP3100 SCREW P-TIGHT M3*10
WASHERHEAD+
2L075 GBHP3080 SCREW P-TIGHT M3X8
BIND HEAD+ BLK
2L078 GBJS3060 SCREW S-TIGHT M3X6
BIND HEAD+
2L081 GBHS3060 S-TIGHT SCREW M3X6
BIND HEAD+BLACK
2L082 GBHS3060 S-TIGHT SCREW M3X6
BIND HEAD+BLACK
2L083 GBHP3080 SCREW P-TIGHT M3X8
BIND HEAD+ BLK
2L111 GBJP3140 SCREW P-TIGHT 3X14
BIND HEAD +
FM1001 P000490010 MMEZR12XNR01 MOTOR DC FAN
2D65BK100100
ACCESSORIES
X1 P000490250 NB330ED REMOTE CONTROL UNIT
NB330ED
X3 P000460030 WPZ0122LG001 RF CORD PAL 1.2M
!X20A P000490180 1VMN23635 OWNERS MANUAL(FRE)
E9GA1FD
!X20B P000490190 1VMN23636 OWNERS MANUAL(ENG)
E9GA1FD
!X20C A P000490210 1VMN23647 OWNERS MANUAL(GER)
E9GA1FD
X22 P000490200 1VMN23637 QUICK GUIDE E9GA1FD
!Loca-
tion No. Mark TSB P/N Reference No. Description

20070420 1-20-1 E9GA1/3EL
ELECTRICAL PARTS LIST
PRODUCT SAFETY NOTE: Products marked with a
! have special characteristics important to safety.
Before replacing any of these components, read
carefully the product safety notice in this service
manual. Don't degrade the safety of the product
through improper servicing.
NOTES:
1. Parts that are not assigned part numbers (---------)
are not available.
2. Tolerance of Capacitors and Resistors are noted
with the following symbols.
DVD MECHANISM & DVD MAIN
BOARD ASSEMBLY
BOARD MCV
BOARD MAIN
C.....±0.25% D.....±0.5% F.....±1%
G.....±2% J......±5% K.....±10%
M.....±20% N.....±30% Z.....+80/-20%
!Location
No. TSB P/N Reference No. Description
!P2 P000490240 N78EBDFN DVD MECHANISM & DVD MAIN
BOARD ASSEMBLY
!Location
No. TSB P/N Reference No. Description
!P1 P000490230 1VSA15827 BOARD MCV
Consists of the following
---------- BOARD MAIN (MCV-A )
---------- BOARD POWER SWITCH
(MCV-B)
---------- BOARD FUNCTION (MCV-C)
---------- BOARD FRONT JACK (MCV-D)
P4 P000465450 1VSA11699 BOARD SENSOR
!Location
No. TSB P/N Reference No. Description
---------- BOARD MAIN (MCV-A )
Consists of the following:
CAPACITORS
C251 CE1CMAVSL100 ELECTROLYTIC CAP. 10μF/16V
M H7
C252 CHD1JZ30F104 CHIP CERAMIC CAP.(1608) F Z
0.1μF/50V
C253 CHD1JK30B102 CHIP CERAMIC CAP.(1608) B K
1000pF/50V
C254 CE1JMAVSL1R0 ELECTROLYTIC CAP. 1μF/50V
M H7
C301 CHD1JK30B223 CHIP CERAMIC CAP.(1608) B K
0.022μF/50V
C302 CE1JMAVSL1R0 ELECTROLYTIC CAP. 1μF/50V
M H7
C303 CHD1JZ30F104 CHIP CERAMIC CAP.(1608) F Z
0.1μF/50V
C305 CE1JMAVSL1R0 ELECTROLYTIC CAP. 1μF/50V
M H7
C306 CHD1JK30B473 CHIP CERAMIC CAP.(1608) B K
0.047μF/50V
C307 CHD1JK30B223 CHIP CERAMIC CAP.(1608) B K
0.022μF/50V
C308 CHD1JZ30F104 CHIP CERAMIC CAP.(1608) F Z
0.1μF/50V
C311 CHD1JZ30F104 CHIP CERAMIC CAP.(1608) F Z
0.1μF/50V
C312 CE1CMAVSL100 ELECTROLYTIC CAP. 10μF/16V
M H7
C313 CE1JMASSL1R0 ELECTROLYTIC CAP. 1μF/50V
M H7
C314 CHD1JK30B103 CHIP CERAMIC CAP.(1608) B K
0.01μF/50V
C315 CHD1JK30B473 CHIP CERAMIC CAP.(1608) B K
0.047μF/50V
C316 CE1JMAVSL1R0 ELECTROLYTIC CAP. 1μF/50V
M H7
C317 CHD1JZ30F104 CHIP CERAMIC CAP.(1608) F Z
0.1μF/50V
C318 CHD1JK30B223 CHIP CERAMIC CAP.(1608) B K
0.022μF/50V
C322 CHD1JZ30F104 CHIP CERAMIC CAP.(1608) F Z
0.1μF/50V
C324 CHD1JK30B103 CHIP CERAMIC CAP.(1608) B K
0.01μF/50V
C325 CHD1JK30B822 CHIP CERAMIC CAP. B K
8200pF/50V
C326 CHD1JZ30F104 CHIP CERAMIC CAP.(1608) F Z
0.1μF/50V
C328 CE0KMAVSL470 ELECTROLYTIC CAP. 47μF/6.3V
M H7
C329 CHD1JZ30F104 CHIP CERAMIC CAP.(1608) F Z
0.1μF/50V
C330 CE1CMASDL101 ELECTROLYTIC CAP. 100μF/
16V M
C331 CE0KMASDL221 ELECTROLYTIC CAP. 220μF/
6.3V M
C333 CHD1JZ30F104 CHIP CERAMIC CAP.(1608) F Z
0.1μF/50V
C334 CE1JMAVSL1R0 ELECTROLYTIC CAP. 1μF/50V
M H7
C335 CE0KMAVSL101 ELECTROLYTIC CAP. 100μF/
6.3V H7
C336 CHD1JJ3CH221 CHIP CERAMIC CAP. CH J
220pF/50V
C337 CHD1JZ30F104 CHIP CERAMIC CAP.(1608) F Z
0.1μF/50V
C339 CHD1JJ3CH121 CHIP CERAMIC CAP. CH J
120pF/50V
C340 CE1JMAVSL1R0 ELECTROLYTIC CAP. 1μF/50V
M H7
C341 CHD1JD3CH100 CHIP CERAMIC CAP.(1608) CH
D 10pF/50V
C342 CHD1JJ3CH102 CHIP CERAMIC CAP.(1608) CH
J 1000pF/50V
C343 CE1CMAVSL100 ELECTROLYTIC CAP. 10μF/16V
M H7
C344 CP1EMAVSB4R7 ELECTROLYTIC CAP. 4.7μF/25V
M NP H7
C345 CE1JMAVSLR47 ELECTROLYTIC CAP. 0.47μF/
50V M H7
C347 CHD1EK30B104 CHIP CERAMIC CAP.(1608) B K
0.1μF/25V
C349 CE1JMAVSLR47 ELECTROLYTIC CAP. 0.47μF/
50V M H7
C350 CCA1JZTFZ104 CERAMIC CAP.(AX) F Z 0.1μF/
50V
C370 CCA1CMT0Y103 CERAMIC CAP.(AX) Y M 0.01μF/
16V
C371 CHD1JK30B223 CHIP CERAMIC CAP.(1608) B K
0.022μF/50V
C372 CHD1JZ30F104 CHIP CERAMIC CAP.(1608) F Z
0.1μF/50V
C373 CHD1JZ30F104 CHIP CERAMIC CAP.(1608) F Z
0.1μF/50V
C374 CHD1JZ30F104 CHIP CERAMIC CAP.(1608) F Z
0.1μF/50V
C375 CHD1JK30B103 CHIP CERAMIC CAP.(1608) B K
0.01μF/50V
C376 CHD1JK30B223 CHIP CERAMIC CAP.(1608) B K
0.022μF/50V
C377 CHD1JK30B103 CHIP CERAMIC CAP.(1608) B K
0.01μF/50V
!Location
No. TSB P/N Reference No. Description

20070420 1-20-2 E9GA1/3EL
C378 CHD1JK30B103 CHIP CERAMIC CAP.(1608) B K
0.01μF/50V
C379 CE1JMAVSLR47 ELECTROLYTIC CAP. 0.47μF/
50V M H7
C381 CHD1JZ30F104 CHIP CERAMIC CAP.(1608) F Z
0.1μF/50V
C382 CHD1JK30B222 CHIP CERAMIC CAP. B K
2200pF/50V
C383 CHD1JK30B222 CHIP CERAMIC CAP. B K
2200pF/50V
C384 CE1JMAVSL2R2 ELECTROLYTIC CAP. 2.2μF/50V
M H7
C402 CA1J183MS029 FILM CAP.(P) 0.018μF/50V J
C403 CCD2AKS0B471 CERAMIC CAP. B K 470pF/100V
C404 CE0KMASSL221 ELECTROLYTIC CAP. 220μF/
6.3V M H7
C405 CE0KMAVSL470 ELECTROLYTIC CAP. 47μF/6.3V
M H7
C407 CHD1JK30B102 CHIP CERAMIC CAP.(1608) B K
1000pF/50V
C408 CHD1JK30B182 CHIP CERAMIC CAP. B K
1800pF/50V
C409 CHD1JJ3CH330 CHIP CERAMIC CAP.(1608) CH
J 33pF/50V
C410 CE1CMAVSL100 ELECTROLYTIC CAP. 10μF/16V
M H7
C411 CHD1JK30B103 CHIP CERAMIC CAP.(1608) B K
0.01μF/50V
C412 CE0KMAVSL330 ELECTROLYTIC CAP. 33μF/6.3V
M H7
C413 CHD1JZ30F104 CHIP CERAMIC CAP.(1608) F Z
0.1μF/50V
C414 CHD1JK30B223 CHIP CERAMIC CAP.(1608) B K
0.022μF/50V
C415 CE1EMAVSL4R7 ELECTROLYTIC CAP. 4.7μF/25V
M H7
C416 CHD1JK30B472 CHIP CERAMIC CAP.(1608) B K
4700pF/50V
C417 CE0KMAVSL220 ELECTROLYTIC CAP. 22μF/6.3V
M H7
C418 CHD1JZ30F104 CHIP CERAMIC CAP.(1608) F Z
0.1μF/50V
C419 CHD1JJ3CH221 CHIP CERAMIC CAP. CH J
220pF/50V
C421 CE0KMAVSL470 ELECTROLYTIC CAP. 47μF/6.3V
M H7
C451 CHD1JJ3CH220 CHIP CERAMIC CAP.(1608) CH
J 22pF/50V
C452 CE1CMAVSL100 ELECTROLYTIC CAP. 10μF/16V
M H7
C453 CE1AMAVSL220 ELECTROLYTIC CAP. 22μF/10V
M H7
C454 CHD1JZ30F104 CHIP CERAMIC CAP.(1608) F Z
0.1μF/50V
C455 CHD1JZ30F104 CHIP CERAMIC CAP.(1608) F Z
0.1μF/50V
C456 CE1CMAVSL100 ELECTROLYTIC CAP. 10μF/16V
M H7
C457 CE1EMAVSL4R7 ELECTROLYTIC CAP. 4.7μF/25V
M H7
C458 CHD1JK30B103 CHIP CERAMIC CAP.(1608) B K
0.01μF/50V
C461 CHD1JK30B103 CHIP CERAMIC CAP.(1608) B K
0.01μF/50V
C462 CHD1JK30B472 CHIP CERAMIC CAP.(1608) B K
4700pF/50V
C463 CE1AMAVSL220 ELECTROLYTIC CAP. 22μF/10V
M H7
C464 CHD1JK30B103 CHIP CERAMIC CAP.(1608) B K
0.01μF/50V
C465 CE1CMAVSL100 ELECTROLYTIC CAP. 10μF/16V
M H7
C466 CHD1JZ30F104 CHIP CERAMIC CAP.(1608) F Z
0.1μF/50V
C467 CHD1JZ30F104 CHIP CERAMIC CAP.(1608) F Z
0.1μF/50V
C468 CE0KMAVSL221 ELECTROLYTIC CAP. 220μF/
6.3V M H7
C469 CE1AMAVSL220 ELECTROLYTIC CAP. 22μF/10V
M H7
!Location
No. TSB P/N Reference No. Description
C470 CHD1JK30B472 CHIP CERAMIC CAP.(1608) B K
4700pF/50V
C471 CHD1JK30B103 CHIP CERAMIC CAP.(1608) B K
0.01μF/50V
C472 CE1EMAVSL4R7 ELECTROLYTIC CAP. 4.7μF/25V
M H7
C473 CE1CMAVSL100 ELECTROLYTIC CAP. 10μF/16V
M H7
C474 CHD1JZ30F104 CHIP CERAMIC CAP.(1608) F Z
0.1μF/50V
C475 CHD1JZ30F104 CHIP CERAMIC CAP.(1608) F Z
0.1μF/50V
C476 CE0KMAVSL220 ELECTROLYTIC CAP. 22μF/6.3V
M H7
C477 CHD1JJ3CH220 CHIP CERAMIC CAP.(1608) CH
J 22pF/50V
C478 CHD1JZ30F104 CHIP CERAMIC CAP.(1608) F Z
0.1μF/50V
C479 CE1CMAVSL100 ELECTROLYTIC CAP. 10μF/16V
M H7
C480 CE1CMAVSL100 ELECTROLYTIC CAP. 10μF/16V
M H7
C481 CE1CMAVSL100 ELECTROLYTIC CAP. 10μF/16V
M H7
C482 CHD1JZ30F104 CHIP CERAMIC CAP.(1608) F Z
0.1μF/50V
C483 CE1EMAVSL4R7 ELECTROLYTIC CAP. 4.7μF/25V
M H7
C484 CE1EMAVSL4R7 ELECTROLYTIC CAP. 4.7μF/25V
M H7
C485 CE1CMAVSL100 ELECTROLYTIC CAP. 10μF/16V
M H7
C486 CHD1JZ30F104 CHIP CERAMIC CAP.(1608) F Z
0.1μF/50V
C487 CE1CMAVSL470 ELECTROLYTIC CAP. 47μF/16V
M H7
C488 CHD1JZ30F104 CHIP CERAMIC CAP.(1608) F Z
0.1μF/50V
C502 CHD1JK30B223 CHIP CERAMIC CAP.(1608) B K
0.022μF/50V
C505 CHD1JK30B103 CHIP CERAMIC CAP.(1608) B K
0.01μF/50V
C506 CE1JMASDL1R0 ELECTROLYTIC CAP. 1μF/50V
M
C507 CHD1JK30B102 CHIP CERAMIC CAP.(1608) B K
1000pF/50V
C508 CHD1JZ30F104 CHIP CERAMIC CAP.(1608) F Z
0.1μF/50V
C509 CHD1JK30B102 CHIP CERAMIC CAP.(1608) B K
1000pF/50V
C510 CHD1JK30B472 CHIP CERAMIC CAP.(1608) B K
4700pF/50V
C511 CHD1JJ3CH101 CHIP CERAMIC CAP.(1608) CH
J 100pF/50V
C513 CHD1JK30B103 CHIP CERAMIC CAP.(1608) B K
0.01μF/50V
C514 CHD1JK30B331 CHIP CERAMIC CAP. B K 330pF/
50V
C515 CHD1JZ30F104 CHIP CERAMIC CAP.(1608) F Z
0.1μF/50V
C516 CE0KMAVSL220 ELECTROLYTIC CAP. 22μF/6.3V
M H7
C517 CCA1EZTFZ223 CERAMIC CAP.(AX) F Z
0.022μF/25V
C518 CE0KMAVSL220 ELECTROLYTIC CAP. 22μF/6.3V
M H7
C519 CHD1JJ3CH561 CHIP CERAMIC CAP. CH J
560pF/50V
C521 CE0KMAVSL220 ELECTROLYTIC CAP. 22μF/6.3V
M H7
C522 CHD1JK30B103 CHIP CERAMIC CAP.(1608) B K
0.01μF/50V
C524 CHD1JK30B103 CHIP CERAMIC CAP.(1608) B K
0.01μF/50V
C526 CHD1JZ30F104 CHIP CERAMIC CAP.(1608) F Z
0.1μF/50V
C527 CCA1JKT0B101 CERAMIC CAP.(AX) B K 100pF/
50V
C531 CHD1JK30B472 CHIP CERAMIC CAP.(1608) B K
4700pF/50V
!Location
No. TSB P/N Reference No. Description

20070420 1-20-3 E9GA1/3EL
C533 CHD1JK30B473 CHIP CERAMIC CAP.(1608) B K
0.047μF/50V
C534 CE0KMAVSL470 ELECTROLYTIC CAP. 47μF/6.3V
M H7
C535 CHD1JZ30F104 CHIP CERAMIC CAP.(1608) F Z
0.1μF/50V
C536 CHD1JJ3CH561 CHIP CERAMIC CAP. CH J
560pF/50V
C538 CHD1JJ3CH181 CHIP CERAMIC CAP. CH J
180pF/50V
C539 CHD1JK30B103 CHIP CERAMIC CAP.(1608) B K
0.01μF/50V
C540 CHD1JK30B472 CHIP CERAMIC CAP.(1608) B K
4700pF/50V
C541 CHD1JJ3CH180 CHIP CERAMIC CAP. CH J
18pF/50V
C542 CHD1JJ3CH180 CHIP CERAMIC CAP. CH J
18pF/50V
C543 CHD1JJ3CH220 CHIP CERAMIC CAP.(1608) CH
J 22pF/50V
C544 CHD1JJ3CH220 CHIP CERAMIC CAP.(1608) CH
J 22pF/50V
C545 CHD1JJ3CH220 CHIP CERAMIC CAP.(1608) CH
J 22pF/50V
C546 CHD1JJ3CH220 CHIP CERAMIC CAP.(1608) CH
J 22pF/50V
C547 CHD1JK30B103 CHIP CERAMIC CAP.(1608) B K
0.01μF/50V
C548 CHD1JZ30F104 CHIP CERAMIC CAP.(1608) F Z
0.1μF/50V
C549 CE1JMAVSL1R0 ELECTROLYTIC CAP. 1μF/50V
M H7
C550 CE0KMAVSL101 ELECTROLYTIC CAP. 100μF/
6.3V H7
C553 CE1AMAVSL220 ELECTROLYTIC CAP. 22μF/10V
M H7
C554 CE0KMAVSL101 ELECTROLYTIC CAP. 100μF/
6.3V H7
C555 CHD1EK30B104 CHIP CERAMIC CAP.(1608) B K
0.1μF/25V
C560 CHD1JZ30F104 CHIP CERAMIC CAP.(1608) F Z
0.1μF/50V
C611 CE1JMASSL220 ELECTROLYTIC CAP. 22μF/50V
M H7
C612 CHD1JK30B472 CHIP CERAMIC CAP.(1608) B K
4700pF/50V
C614 CHD1JZ30F104 CHIP CERAMIC CAP.(1608) F Z
0.1μF/50V
C615 CE0KMAVSL101 ELECTROLYTIC CAP. 100μF/
6.3V H7
C616 CHD1JK30B102 CHIP CERAMIC CAP.(1608) B K
1000pF/50V
C1500 CE1CMASDL470 ELECTROLYTIC CAP. 47μF/16V
M
C1501 CE0KMASDL470 ELECTROLYTIC CAP. 47μF/6.3V
M
C1502 CE0KMAVSL470 ELECTROLYTIC CAP. 47μF/6.3V
M H7
C1503 CHD1JK30B103 CHIP CERAMIC CAP.(1608) B K
0.01μF/50V
C1506 CE1CMASDL470 ELECTROLYTIC CAP. 47μF/16V
M
C1507 CE1CMASDL100 ELECTROLYTIC CAP. 10μF/16V
M
C1508 CCA1EKT0B104 CERAMIC CAP.(AX) B K 0.1μF/
25V
C1509 CE1CMASDL100 ELECTROLYTIC CAP. 10μF/16V
M
C1510 CE1CMASDL100 ELECTROLYTIC CAP. 10μF/16V
M
C1511 CE1CMASDL221 ELECTROLYTIC CAP. 220μF/
16V M
C1512 CE1CMAVSL100 ELECTROLYTIC CAP. 10μF/16V
M H7
C1513 CHD1JZ30F104 CHIP CERAMIC CAP.(1608) F Z
0.1μF/50V
C1517 CE1CMASDL470 ELECTROLYTIC CAP. 47μF/16V
M
C1518 CHD1JZ30F104 CHIP CERAMIC CAP.(1608) F Z
0.1μF/50V
!Location
No. TSB P/N Reference No. Description
C1519 CHD1AZ30F105 CHIP CERAMIC CAP. F Z 1μF/
10V
C1520 CHD1AZ30F105 CHIP CERAMIC CAP. F Z 1μF/
10V
C1521 CHD1AZ30F105 CHIP CERAMIC CAP. F Z 1μF/
10V
C1524 CHD1EK30B104 CHIP CERAMIC CAP.(1608) B K
0.1μF/25V
C1525 CHD1JK30B103 CHIP CERAMIC CAP.(1608) B K
0.01μF/50V
C1526 CHD1JZ30F104 CHIP CERAMIC CAP.(1608) F Z
0.1μF/50V
C1527 CE1EMASDL470 ELECTROLYTIC CAP. 47μF/25V
M
C1528 CE1CMASDL101 ELECTROLYTIC CAP. 100μF/
16V M
C1529 CE0KMASDL471 ELECTROLYTIC CAP. 470μF/
6.3V M
C1530 CE1CMASDL220 ELECTROLYTIC CAP. 22μF/16V
M
C1532 CE1CMASDL100 ELECTROLYTIC CAP. 10μF/16V
M
C1533 CE0KMASDL101 ELECTROLYTIC CAP. 100μF/
6.3V M
C1534 CE0KMAVSL101 ELECTROLYTIC CAP. 100μF/
6.3V H7
C1535 CE1CMASDL100 ELECTROLYTIC CAP. 10μF/16V
M
C1536 CE1CMASDL100 ELECTROLYTIC CAP. 10μF/16V
M
C1537 CE0KMASSL221 ELECTROLYTIC CAP. 220μF/
6.3V M H7
C1538 CHD1JZ30F104 CHIP CERAMIC CAP.(1608) F Z
0.1μF/50V
C1539 CHD1JZ30F104 CHIP CERAMIC CAP.(1608) F Z
0.1μF/50V
C1540 CHD1JZ30F104 CHIP CERAMIC CAP.(1608) F Z
0.1μF/50V
C1541 CE0KMASSL101 ELECTROLYTIC CAP. 100μF/
6.3V M H7
C1542 CE1CMASDL101 ELECTROLYTIC CAP. 100μF/
16V M
C1543 CHD1JZ30F104 CHIP CERAMIC CAP.(1608) F Z
0.1μF/50V
C1544 CE0KMAVSL470 ELECTROLYTIC CAP. 47μF/6.3V
M H7
C1546 CHD1JZ30F103 CHIP CERAMIC CAP. F Z
0.01μF/50V
C1547 CE1CMASDL470 ELECTROLYTIC CAP. 47μF/16V
M
C1548 CHD1JZ30F104 CHIP CERAMIC CAP.(1608) F Z
0.1μF/50V
C1549 CHD1JZ30F104 CHIP CERAMIC CAP.(1608) F Z
0.1μF/50V
C1550 CP0KMASNC101 ELECTROLYTIC CAP. 100μF/
6.3V M NP
C1551 CHD1JJ3CH330 CHIP CERAMIC CAP.(1608) CH
J 33pF/50V
C1552 CHD1JJ3CH330 CHIP CERAMIC CAP.(1608) CH
J 33pF/50V
C1553 CHD1JZ30F104 CHIP CERAMIC CAP.(1608) F Z
0.1μF/50V
C1554 CE1CMASDL100 ELECTROLYTIC CAP. 10μF/16V
M
C1555 CHD1JZ30F104 CHIP CERAMIC CAP.(1608) F Z
0.1μF/50V
C1556 CE1CMAVSL100 ELECTROLYTIC CAP. 10μF/16V
M H7
C1557 CE1CMASDL470 ELECTROLYTIC CAP. 47μF/16V
M
C1558 CHD1JJ3CH101 CHIP CERAMIC CAP.(1608) CH
J 100pF/50V
C1560 CHD1JZ30F104 CHIP CERAMIC CAP.(1608) F Z
0.1μF/50V
C1563 CE1CMASDL101 ELECTROLYTIC CAP. 100μF/
16V M
C1564 CHD1JZ30F104 CHIP CERAMIC CAP.(1608) F Z
0.1μF/50V
C1565 CE0KMASDL101 ELECTROLYTIC CAP. 100μF/
6.3V M
!Location
No. TSB P/N Reference No. Description

20070420 1-20-4 E9GA1/3EL
C1566 CE1CMASDL100 ELECTROLYTIC CAP. 10μF/16V
M
C1567 CE1CMASDL470 ELECTROLYTIC CAP. 47μF/16V
M
C1569 CE0KMASDL471 ELECTROLYTIC CAP. 470μF/
6.3V M
C1571 CE1EMAVSL4R7 ELECTROLYTIC CAP. 4.7μF/25V
M H7
C1572 CE1CMASDL100 ELECTROLYTIC CAP. 10μF/16V
M
C1573 CE1CMASDL100 ELECTROLYTIC CAP. 10μF/16V
M
C1574 CHD1JZ30F104 CHIP CERAMIC CAP.(1608) F Z
0.1μF/50V
C1575 CDA1EKP0X183 SEMICONDUCTOR CAP. SR K
0.018μF/25V
C1576 CHD1JJ3CH471 CHIP CERAMIC CAP.(1608) CH
J 470pF/50V
C1577 CHD1JJ3CH471 CHIP CERAMIC CAP.(1608) CH
J 470pF/50V
C1578 CHD1JK30B103 CHIP CERAMIC CAP.(1608) B K
0.01μF/50V
C1580 CE1CMASDL220 ELECTROLYTIC CAP. 22μF/16V
M
C1581 CE1JMASDL1R0 ELECTROLYTIC CAP. 1μF/50V
M
C1582 CE1JMASDL1R0 ELECTROLYTIC CAP. 1μF/50V
M
C1583 CE1JMASDL1R0 ELECTROLYTIC CAP. 1μF/50V
M
C1584 CE1JMASDL1R0 ELECTROLYTIC CAP. 1μF/50V
M
C1585 CE0KMASDL101 ELECTROLYTIC CAP. 100μF/
6.3V M
C1586 CHD1JJ3CH680 CHIP CERAMIC CAP.(1608) CH
J 68pF/50V
C1587 CE0KMASDL101 ELECTROLYTIC CAP. 100μF/
6.3V M
C1588 CHD1JJ3CH680 CHIP CERAMIC CAP.(1608) CH
J 68pF/50V
C1589 CHD1JZ30F104 CHIP CERAMIC CAP.(1608) F Z
0.1μF/50V
C1590 CE1JMASDL1R0 ELECTROLYTIC CAP. 1μF/50V
M
C1591 CE1JMASDL1R0 ELECTROLYTIC CAP. 1μF/50V
M
C1592 CHD1JK30B103 CHIP CERAMIC CAP.(1608) B K
0.01μF/50V
C1593 CHD1JK30B103 CHIP CERAMIC CAP.(1608) B K
0.01μF/50V
C1594 CHD1JZ30F104 CHIP CERAMIC CAP.(1608) F Z
0.1μF/50V
C1595 CE1CMAVSL220 ELECTROLYTIC CAP. 22μF/16V
M H7
C1596 CE1CMASDL220 ELECTROLYTIC CAP. 22μF/16V
M
C1597 CHD1JK30B103 CHIP CERAMIC CAP.(1608) B K
0.01μF/50V
C1598 CE1JMAVSL1R0 ELECTROLYTIC CAP. 1μF/50V
M H7
C1599 CHD1JZ30F104 CHIP CERAMIC CAP.(1608) F Z
0.1μF/50V
C1600 CHD1JZ30F104 CHIP CERAMIC CAP.(1608) F Z
0.1μF/50V
C1601 CE1CMAVSL100 ELECTROLYTIC CAP. 10μF/16V
M H7
C1602 CE1CMAVSL100 ELECTROLYTIC CAP. 10μF/16V
M H7
C1603 CE1JMAVSL1R0 ELECTROLYTIC CAP. 1μF/50V
M H7
C1604 CP1JMAVSB1R0 ELECTROLYTIC CAP. 1μF/50V
M H7 NP
C1605 CE0KMASDL471 ELECTROLYTIC CAP. 470μF/
6.3V M
C1606 CE0KMASDL471 ELECTROLYTIC CAP. 470μF/
6.3V M
C1607 CE0KMASDL471 ELECTROLYTIC CAP. 470μF/
6.3V M
C1608 CHD1JK30B103 CHIP CERAMIC CAP.(1608) B K
0.01μF/50V
!Location
No. TSB P/N Reference No. Description
C1609 CHD1JZ30F104 CHIP CERAMIC CAP.(1608) F Z
0.1μF/50V
C1610 CHD1JK30B103 CHIP CERAMIC CAP.(1608) B K
0.01μF/50V
C1611 CE0KMAVSL470 ELECTROLYTIC CAP. 47μF/6.3V
M H7
C1612 CE0KMAVSL101 ELECTROLYTIC CAP. 100μF/
6.3V H7
C1613 CHD1JJ3CH102 CHIP CERAMIC CAP.(1608) CH
J 1000pF/50V
C1614 CE0KMASDL471 ELECTROLYTIC CAP. 470μF/
6.3V M
C1615 CE0KMASDL471 ELECTROLYTIC CAP. 470μF/
6.3V M
C1616 CE0KMASDL471 ELECTROLYTIC CAP. 470μF/
6.3V M
C1617 CHD1EK30B104 CHIP CERAMIC CAP.(1608) B K
0.1μF/25V
C1618 CE0KMASDL471 ELECTROLYTIC CAP. 470μF/
6.3V M
C1619 CHD1JZ30F104 CHIP CERAMIC CAP.(1608) F Z
0.1μF/50V
C1620 CHD1JK30B103 CHIP CERAMIC CAP.(1608) B K
0.01μF/50V
C1621 CE1JMASDL100 ELECTROLYTIC CAP. 10μF/50V
M
C1623 CHD1JK30B103 CHIP CERAMIC CAP.(1608) B K
0.01μF/50V
C1626 CHD1CZ30F224 CHIP CERAMIC CAP. F Z
0.22μF/16V
C1627 CHD1CZ30F224 CHIP CERAMIC CAP. F Z
0.22μF/16V
C1628 CHD1JK30B222 CHIP CERAMIC CAP. B K
2200pF/50V
C1629 CHD1JZ30F104 CHIP CERAMIC CAP.(1608) F Z
0.1μF/50V
C1630 CHD1JK30B103 CHIP CERAMIC CAP.(1608) B K
0.01μF/50V
C1631 CHD1JK30B102 CHIP CERAMIC CAP.(1608) B K
1000pF/50V
C1632 CHD1JK30B222 CHIP CERAMIC CAP. B K
2200pF/50V
C1633 CHD1JZ30F104 CHIP CERAMIC CAP.(1608) F Z
0.1μF/50V
C1634 CHD1JZ30F104 CHIP CERAMIC CAP.(1608) F Z
0.1μF/50V
C1635 CE1JMASDLR33 ELECTROLYTIC CAP. 0.33μF/
50V M
C1636 CE0KMASDL101 ELECTROLYTIC CAP. 100μF/
6.3V M
C1637 CE1JMASDL1R0 ELECTROLYTIC CAP. 1μF/50V
M
C1639 CHD1JK30B222 CHIP CERAMIC CAP. B K
2200pF/50V
C1640 CHD1JK30B222 CHIP CERAMIC CAP. B K
2200pF/50V
C1643 CE0KMASDL470 ELECTROLYTIC CAP. 47μF/6.3V
M
C1645 CHD1JJ3CH680 CHIP CERAMIC CAP.(1608) CH
J 68pF/50V
C1648 CHD1JK30B222 CHIP CERAMIC CAP. B K
2200pF/50V
C1649 CHD1JK30B222 CHIP CERAMIC CAP. B K
2200pF/50V
C1651 CHD1JJ3CH680 CHIP CERAMIC CAP.(1608) CH
J 68pF/50V
C1655 CHD1JJ3CH120 CHIP CERAMIC CAP. CH J
12pF/50V
C1657 CE1JMASDL1R0 ELECTROLYTIC CAP. 1μF/50V
M
C1658 CHD1JK30B102 CHIP CERAMIC CAP.(1608) B K
1000pF/50V
C1659 CE1JMASDL1R0 ELECTROLYTIC CAP. 1μF/50V
M
C1660 CHD1JK30B102 CHIP CERAMIC CAP.(1608) B K
1000pF/50V
C1661 CE1JMASDL1R0 ELECTROLYTIC CAP. 1μF/50V
M
C1662 CE1JMASDL1R0 ELECTROLYTIC CAP. 1μF/50V
M
!Location
No. TSB P/N Reference No. Description

20070420 1-20-5 E9GA1/3EL
C1663 CHD1EK30B104 CHIP CERAMIC CAP.(1608) B K
0.1μF/25V
C1664 CE1JMASDL1R0 ELECTROLYTIC CAP. 1μF/50V
M
C1665 CHD1JK30B102 CHIP CERAMIC CAP.(1608) B K
1000pF/50V
C1671 CE1EMASDL4R7 ELECTROLYTIC CAP. 4.7μF/25V
M
C1672 CE1EMASDL4R7 ELECTROLYTIC CAP. 4.7μF/25V
M
C1673 CE1CMASDL470 ELECTROLYTIC CAP. 47μF/16V
M
C1675 CE1EMASDL470 ELECTROLYTIC CAP. 47μF/25V
M
C1677 CHD1JK30B102 CHIP CERAMIC CAP.(1608) B K
1000pF/50V
C1680 CHD1JK30B102 CHIP CERAMIC CAP.(1608) B K
1000pF/50V
C1681 CE1JMASDL1R0 ELECTROLYTIC CAP. 1μF/50V
M
C1684 CE1EMASDL4R7 ELECTROLYTIC CAP. 4.7μF/25V
M
C1685 CE1EMASDL4R7 ELECTROLYTIC CAP. 4.7μF/25V
M
C1686 CE1EMASDL4R7 ELECTROLYTIC CAP. 4.7μF/25V
M
C1687 CE1EMASDL4R7 ELECTROLYTIC CAP. 4.7μF/25V
M
C1688 CE1JMASDL1R0 ELECTROLYTIC CAP. 1μF/50V
M
C1689 CE1JMASDL1R0 ELECTROLYTIC CAP. 1μF/50V
M
C1691 CHD1JJ3CH470 CHIP CERAMIC CAP.(1608) CH
J 47pF/50V
C1692 CE0KMASDL471 ELECTROLYTIC CAP. 470μF/
6.3V M
C1693 CE0KMASDL471 ELECTROLYTIC CAP. 470μF/
6.3V M
C1694 CHD1AZ30F105 CHIP CERAMIC CAP. F Z 1μF/
10V
C1695 CE1JMASDL1R0 ELECTROLYTIC CAP. 1μF/50V
M
C1696 CE1JMASDL1R0 ELECTROLYTIC CAP. 1μF/50V
M
C1697 CE1EMASDL4R7 ELECTROLYTIC CAP. 4.7μF/25V
M
C1698 CE1EMASDL4R7 ELECTROLYTIC CAP. 4.7μF/25V
M
C1699 CHD1JJ3CH470 CHIP CERAMIC CAP.(1608) CH
J 47pF/50V
C1700 CHD1AZ30F105 CHIP CERAMIC CAP. F Z 1μF/
10V
C1701 CE1CMAVSL100 ELECTROLYTIC CAP. 10μF/16V
M H7
C1702 CE1CMAVSL100 ELECTROLYTIC CAP. 10μF/16V
M H7
CONNECTORS
CN1503 J3PHC02JG017 PH CONNECTOR (WHITE) TOP
2P B2B-PH-K-S(LF)
CN1504 JC96J34ER007 CONNECTOR FFC 34P IMSA-
9615S-34A-PP-A
CN1505 JCFEJ08JG001 FE CONNECTOR TOP 8P 08FE-
BT-VK-N
CN1506 E3B02AFV AFV BOARD ASSEMBLY
E3B02FD
DIODES
D301 QDTZ001SS133 SWITCHING DIODE 1SS133(T-
77)
D370 QDTZ001SS133 SWITCHING DIODE 1SS133(T-
77)
D371 QDTZ001SS133 SWITCHING DIODE 1SS133(T-
77)
D502 NPQZ10GDS957 LED(GREEN) 204-10GD/S957
D503 NPQZ10GDS957 LED(GREEN) 204-10GD/S957
D509 QDTZ001SS133 SWITCHING DIODE 1SS133(T-
77)
D510 QDTZ001SS133 SWITCHING DIODE 1SS133(T-
77)
D511 QDTA0MTZJ7R5 ZENER DIODE MTZJT-777.5A
!Location
No. TSB P/N Reference No. Description
D512 QDTZ001SS133 SWITCHING DIODE 1SS133(T-
77)
D555 QPQPS1R563ST LED SIR-563ST3F P
D1501 NDLZ001N5397 DIODE 1N5397-B
D1502 NDLZ001N5397 DIODE 1N5397-B
D1503 NDQZ001N4005 RECTIFIER DIODE 1N4005
D1506 NDQZ000SB140 SCHOTTKY BARRIER DIODE
SB140
D1507 NDQZ001N4005 RECTIFIER DIODE 1N4005
D1508 QDTC0MTZJ4R3 ZENER DIODE MTZJT-774.3C
D1511 QDTB00MTZJ10 ZENER DIODE MTZJT-7710B
D1512 QDTZ001SS133 SWITCHING DIODE 1SS133(T-
77)
D1513 QDTZ001SS133 SWITCHING DIODE 1SS133(T-
77)
D1516 QDTZ001SS133 SWITCHING DIODE 1SS133(T-
77)
D1517 QDTZ001SS133 SWITCHING DIODE 1SS133(T-
77)
D1518 QDTB00MTZJ18 ZENER DIODE MTZJT-7718B
D1519 QDTB00MTZJ11 ZENER DIODE MTZJT-7711B
D1521 QDTZ001SS133 SWITCHING DIODE 1SS133(T-
77)
D1523 QDTB0MTZJ5R6 ZENER DIODE MTZJT-775.6B
D1525 QDTA00MTZJ11 ZENER DIODE MTZJT-7711A
D1526 QDTA00MTZJ11 ZENER DIODE MTZJT-7711A
D1528 QDTA00MTZJ11 ZENER DIODE MTZJT-7711A
D1529 QDTA00MTZJ11 ZENER DIODE MTZJT-7711A
D1531 QDTA00MTZJ11 ZENER DIODE MTZJT-7711A
D1532 QDTA00MTZJ11 ZENER DIODE MTZJT-7711A
D1534 QDTB00MTZJ33 ZENER DIODE MTZJT-7733B
D1535 QDTA00MTZJ11 ZENER DIODE MTZJT-7711A
D1537 QDTA00MTZJ11 ZENER DIODE MTZJT-7711A
D1538 QDTA00MTZJ11 ZENER DIODE MTZJT-7711A
D1539 QDTA00MTZJ11 ZENER DIODE MTZJT-7711A
D1540 QDTA00MTZJ11 ZENER DIODE MTZJT-7711A
D1542 QDTA00MTZJ11 ZENER DIODE MTZJT-7711A
D1548 QDTA00MTZJ11 ZENER DIODE MTZJT-7711A
D1549 QDTA00MTZJ11 ZENER DIODE MTZJT-7711A
ICS
IC301 P000465590 QSZBA0RSY020 IC Y/C/A LA71750EM-MPB-E
IC370 P000465860 QSZBA0TSY019 IC SECAM LA70100M-TRM-E
IC451 P000465600 QSZBA0RSY033 IC HIFI LA72648M-MPB-E
IC501 P000490040 QSZAA0RHT150 IC SYSCON M3776AMCH-
AG1GP
IC612 P000465560 NSZBA0RG2009 VFD DRIVER IC PT6315(L)
IC1501 P000457200 NSZBA0TTY091 IC SWITCHING CD4052BNSR
IC1504 P000457260 QSZBA0SSH054 VOLTAGE REGULATOR
PQ070XF01SZH
IC1505 P000457260 QSZBA0SSH054 VOLTAGE REGULATOR
PQ070XF01SZH
IC1506 P000468640 NSZBA0S2H003 IC OP AMP UTC4580 DIP-8
8PIN
IC1507 P000457280 QSZBA0TMM150 VIDEO SWITCH MM1697AJBE
IC1508 P000465630 QSZBA0TTS163 IC SWITCH TC4053BF(EL N F)
IC1509 P000465630 QSZBA0TTS163 IC SWITCH TC4053BF(EL N F)
IC1510 P000465630 QSZBA0TTS163 IC SWITCH TC4053BF(EL N F)
IC1511 P000490050 QSZBA0TSY049 IC VPS/PDC SLICER
LC74793NJM-TLM-E
IC1513 P000459910 NSZBA0SJY035 IC OP AMP KIA4558P/P
IC1514 P000457270 QSZBA0TMM102 DRIVER FOR DVD
MM1637XVBE
IC1515 P000465610 QSZBA0TMM108 DRIVER FOR DVD
MM1636XWRE
IC1516 P000457270 QSZBA0TMM102 DRIVER FOR DVD
MM1637XVBE
IC1518 P000465620 QSZBA0TMM152 AV SWITCH MM1443XJBE
COILS
L251 LLAXKATTU5R6 INDUCTOR 5.6μH-K-26T
L302 LLAXKATTU101 INDUCTOR(100μH K)
LAP02TA101K
L370 JW5.0T BOARD JUMPER D0.6-P5.0
!Location
No. TSB P/N Reference No. Description

20070420 1-20-6 E9GA1/3EL
L402 LLARKBSTU470 INDUCTOR 47μH-K-5FT
L451 LLARKBSTU470 INDUCTOR 47μH-K-5FT
L452 JW5.0T BOARD JUMPER D0.6-P5.0
L501 LLAXKATTU101 INDUCTOR(100μH K)
LAP02TA101K
L502 JW5.0T BOARD JUMPER D0.6-P5.0
L503 LLAXKATTU1R8 INDUCTOR 1.8μH-K-26T
L1501 LLBD00PKV023 RADIAL TYPE CHOKE COIL
CW68-470K-841040NP
L1503 JW5.0T BOARD JUMPER D0.6-P5.0
L1504 JW5.0T BOARD JUMPER D0.6-P5.0
L1505 LLAXKATTU101 INDUCTOR(100μH K)
LAP02TA101K
L1506 JW5.0T BOARD JUMPER D0.6-P5.0
L1507 LLBD00PKV023 RADIAL TYPE CHOKE COIL
CW68-470K-841040NP
L1508 LLAXKATTU100 INDUCTOR 10μH-K-26T
L1509 LLAXKATTU101 INDUCTOR(100μH K)
LAP02TA101K
L1510 LLBD00PKV023 RADIAL TYPE CHOKE COIL
CW68-470K-841040NP
L1513 LLAXKATTUR47 INDUCTOR(0.47μH K)
LAP02TAR47K
L1515 ---------- BEAD CORE ASSEMBLY
E9GA0BD
L1515-1 JW35.0T BOARD JUMPER D0.6-P35.0
L1515-2 XL03010XM001 BEAD CORE B16 RH
3.5X10X1.3
L1517 JW5.0T BOARD JUMPER D0.6-P5.0
TRANSISTORS
Q301 NQS4KTA1266P TRANSISTOR KTA-1266-GR-AT/
P
Q302 NQSYKTC3199P TRANSISTOR KTC3199-Y-AT/P
Q401 QQ2Z0RN1511F CHIP TRANSISTOR
RN1511(TE85R.F)
Q403 NQSYKTC3203P TRANSISTOR KTC3203-Y-AT/P
Q404 NQS4KTA1266P TRANSISTOR KTA-1266-GR-AT/
P
Q405 NQSZ0KRA103M RES. BUILT-IN TRANSISTOR
KRA103M-AT/P
Q406 NQ1YKTC3875S CHIP TRANSISTOR KTC3875S-
Y- R T K / P
Q451 NQ1ZKRC103SP TRANSISTOR KRC103S-RTK/P
Q506 NPWZT2046B12 PHOTO TRANSISTOR PT204-
6B-12
Q513 NQSZKRC103MP NPN TRANSISTOR KRC103M-
AT / P
Q514 NQS5KTC3199P TRANSISTOR KTC3199-BL-AT/
P
Q515 NQS5KTC3199P TRANSISTOR KTC3199-BL-AT/
P
Q516 NQ14KTC3875S CHIP TRANSISTOR KTC3875S-
GR-RTK/P
Q517 NQ14KTC3875S CHIP TRANSISTOR KTC3875S-
GR-RTK/P
Q518 NQSZKRC103MP NPN TRANSISTOR KRC103M-
AT / P
Q519 NQSZKRC103MP NPN TRANSISTOR KRC103M-
AT / P
Q1501 NQSYKTA1267P TRANSISTOR KTA1267-Y-AT/P
Q1502 NQSZKRC103MP NPN TRANSISTOR KRC103M-
AT / P
Q1507 NQS4KTA1266P TRANSISTOR KTA-1266-GR-AT/
P
Q1508 NQVYKTA1281P TRANSISTOR KTA1281Y-AT/P
Q1509 NQSZKRC103MP NPN TRANSISTOR KRC103M-
AT / P
Q1510 NQSYKTC3205P TRANSISTOR KTC3205-Y-AT/P
Q1511 NQSYKTA1273P TRANSISTOR KTA1273-Y-AT/P
Q1512 NQSYKTC3199P TRANSISTOR KTC3199-Y-AT/P
Q1513 NQSYKTA1267P TRANSISTOR KTA1267-Y-AT/P
Q1514 NQSYKTC3199P TRANSISTOR KTC3199-Y-AT/P
Q1515 NQSYKTC3199P TRANSISTOR KTC3199-Y-AT/P
Q1516 NQSZ0KRA104M RES. BUILT-IN TRANSISTOR
KRA104M-AT/P
!Location
No. TSB P/N Reference No. Description
Q1517 NQSZKRC103MP NPN TRANSISTOR KRC103M-
AT / P
Q1518 NQSYKTC3205P TRANSISTOR KTC3205-Y-AT/P
Q1519 NQSZKRC103MP NPN TRANSISTOR KRC103M-
AT / P
Q1520 NQSYKTC3199P TRANSISTOR KTC3199-Y-AT/P
Q1521 NQSYKTC3199P TRANSISTOR KTC3199-Y-AT/P
Q1522 NQSYKTC3199P TRANSISTOR KTC3199-Y-AT/P
Q1524 NQ1ZKRC103SP TRANSISTOR KRC103S-RTK/P
Q1525 NQSYKTC3199P TRANSISTOR KTC3199-Y-AT/P
Q1527 NQ1ZKRC103SP TRANSISTOR KRC103S-RTK/P
Q1528 NQ1ZKRC103SP TRANSISTOR KRC103S-RTK/P
Q1529 NQ1ZKRC103SP TRANSISTOR KRC103S-RTK/P
Q1530 NQ1YKTC3875S CHIP TRANSISTOR KTC3875S-
Y- R T K / P
Q1531 NQ1ZKRC103SP TRANSISTOR KRC103S-RTK/P
Q1532 NQS4KTA1266P TRANSISTOR KTA-1266-GR-AT/
P
Q1533 NQ1YKTC3879P TRANSISTOR KTC3879-Y-RTK/
P
Q1534 NQSYKTC3199P TRANSISTOR KTC3199-Y-AT/P
Q1537 NQSYKTC3199P TRANSISTOR KTC3199-Y-AT/P
Q1538 NQSYKTC3199P TRANSISTOR KTC3199-Y-AT/P
Q1539 NQSYKTC3199P TRANSISTOR KTC3199-Y-AT/P
Q1540 NQSYKTC3199P TRANSISTOR KTC3199-Y-AT/P
Q1542 NQSYKTC3198P TRANSISTOR KTC3198-Y-AT/P
RESISTORS
R251 RRXAJR5Z0393 CHIP RES. 1/10W J 39k Ω
R252 RRXAJR5Z0222 CHIP RES. 1/10W J 2.2k Ω
R301 RRXAJR5Z0122 CHIP RES. 1/10W J 1.2k Ω
R303 RRXAJR5Z0562 CHIP RES. 1/10W J 5.6k Ω
R305 RRXAJR5Z0103 CHIP RES. 1/10W J 10k Ω
R308 RRXAJR5Z0392 CHIP RES. 1/10W J 3.9k Ω
R310 JW5.0T BOARD JUMPER D0.6-P5.0
R312 RRXAJR5Z0562 CHIP RES. 1/10W J 5.6k Ω
R314 RRXAJR5Z0392 CHIP RES. 1/10W J 3.9k Ω
R316 RRXAJR5Z0182 CHIP RES. 1/10W J 1.8k Ω
R319 RRXAJR5Z0102 CHIP RES. 1/10W J 1k Ω
R320 RRXAJR5Z0473 CHIP RES. 1/10W J 47k Ω
R321 RRXAJR5Z0151 CHIP RES. 1/10W J 150 Ω
R322 RRXAJR5Z0103 CHIP RES. 1/10W J 10k Ω
R323 RRXAJR5Z0222 CHIP RES. 1/10W J 2.2k Ω
R324 RRXAJR5Z0151 CHIP RES. 1/10W J 150 Ω
R325 RRXAJR5Z0122 CHIP RES. 1/10W J 1.2k Ω
R326 RRXAJR5Z0472 CHIP RES. 1/10W J 4.7k Ω
R327 RRXAJR5Z0682 CHIP RES. 1/10W J 6.8k Ω
R328 RRXAJR5Z0102 CHIP RES. 1/10W J 1k Ω
R330 RRXAJR5Z0222 CHIP RES. 1/10W J 2.2k Ω
R331 RRXAJR5Z0183 CHIP RES. 1/10W J 18k Ω
R332 RRXAJR5Z0103 CHIP RES. 1/10W J 10k Ω
R333 RRXAJR5Z0183 CHIP RES. 1/10W J 18k Ω
R334 RRXAJR5Z0103 CHIP RES. 1/10W J 10k Ω
R335 RRXAJR5Z0101 CHIP RES. 1/10W J 100 Ω
R336 RRXAJR5Z0472 CHIP RES. 1/10W J 4.7k Ω
R337 RRXAJR5Z0682 CHIP RES. 1/10W J 6.8k Ω
R345 RRXAJR5Z0221 CHIP RES. 1/10W J 220 Ω
R346 RCX4JATZ0681 CARBON RES. 1/4W J 680 Ω
R370 RRXAJR5Z0272 CHIP RES. 1/10W J 2.7k Ω
R371 RCX6JATZ0562 CARBON RES. 1/6W J 5.6k Ω
R372 RRXAJR5Z0392 CHIP RES. 1/10W J 3.9k Ω
R401 RCX4JATZ0821 CARBON RES. 1/4W J 820 Ω
R402 RCX6JATZ0101 CARBON RES. 1/6W J 100 Ω
R404 RRXAZR5Z0000 CHIP RES.(1608) 1/10W 0 Ω
R405 RRXAJR5Z0473 CHIP RES. 1/10W J 47k Ω
R406 RRXAJR5Z0223 CHIP RES. 1/10W J 22k Ω
R407 RRXAJR5Z0562 CHIP RES. 1/10W J 5.6k Ω
R408 RRXAJR5Z0123 CHIP RES. 1/10W J 12k Ω
R409 RRXAJR5Z0562 CHIP RES. 1/10W J 5.6k Ω
!Location
No. TSB P/N Reference No. Description

20070420 1-20-7 E9GA1/3EL
R410 RRXAJR5Z0102 CHIP RES. 1/10W J 1k Ω
R411 RRXAJR5Z0273 CHIP RES. 1/10W J 27k Ω
R412 RRXAJR5Z0121 CHIP RES. 1/10W J 120 Ω
R413 RRXAJR5Z0334 CHIP RES. 1/10W J 330k Ω
R414 RRXAJR5Z0123 CHIP RES. 1/10W J 12k Ω
R415 RRXAJR5Z0182 CHIP RES. 1/10W J 1.8k Ω
R416 RRXAJR5Z0561 CHIP RES. 1/10W J 560 Ω
R417 RRXAJR5Z0222 CHIP RES. 1/10W J 2.2k Ω
R418 RRXAJR5Z0123 CHIP RES. 1/10W J 12k Ω
R419 RRXAJR5Z0103 CHIP RES. 1/10W J 10k Ω
R420 RRXAJR5Z0472 CHIP RES. 1/10W J 4.7k Ω
R421 RRXAJR5Z0472 CHIP RES. 1/10W J 4.7k Ω
R451 RRXAJR5Z0223 CHIP RES. 1/10W J 22k Ω
R452 RRXAJR5Z0333 CHIP RES. 1/10W J 33k Ω
R453 RRXAJR5Z0562 CHIP RES. 1/10W J 5.6k Ω
R454 RRXAJR5Z0393 CHIP RES. 1/10W J 39k Ω
R462 RRXAJR5Z0103 CHIP RES. 1/10W J 10k Ω
R463 RRXAJR5Z0471 CHIP RES. 1/10W J 470 Ω
R464 RRXAJR5Z0332 CHIP RES. 1/10W J 3.3k Ω
R465 RRXAJR5Z0223 CHIP RES. 1/10W J 22k Ω
R466 RRXAJR5Z0822 CHIP RES. 1/10W J 8.2k Ω
R467 RRXAJR5Z0562 CHIP RES. 1/10W J 5.6k Ω
R469 RRXAJR5Z0333 CHIP RES. 1/10W J 33k Ω
R470 RRXAJR5Z0393 CHIP RES. 1/10W J 39k Ω
R479 RRXAJR5Z0330 CHIP RES. 1/10W J 33 Ω
R480 RCX6JATZ0101 CARBON RES. 1/6W J 100 Ω
R481 RRXAJR5Z0330 CHIP RES. 1/10W J 33 Ω
R482 RRXAJR5Z0101 CHIP RES. 1/10W J 100 Ω
R483 RRXAJR5Z0223 CHIP RES. 1/10W J 22k Ω
R484 RRXAJR5Z0682 CHIP RES. 1/10W J 6.8k Ω
R509 RRXAJR5Z0181 CHIP RES. 1/10W J 180 Ω
R510 RRXAJR5Z0473 CHIP RES. 1/10W J 47k Ω
R511 RCX6GATZ0362 CARBON RES. 1/6W G 3.6k Ω
R512 RRXAJR5Z0683 CHIP RES. 1/10W J 68k Ω
R513 RRXAJR5Z0333 CHIP RES. 1/10W J 33k Ω
R514 RCX6GATZ0103 CARBON RES. 1/6W G 10k Ω
R516 RCX6GATZ0471 CARBON RES. 1/6W G 470 Ω
R517 RCX4JATZ0271 CARBON RES. 1/4W J 270 Ω
R519 RCX6GATZ0223 CARBON RES. 1/6W G 22k Ω
R523 RCX6GATZ0152 CARBON RES. 1/6W G 1.5k Ω
R525 RRXAJR5Z0394 CHIP RES. 1/10W J 390k Ω
R526 RCX6JATZ0394 CARBON RES. 1/6W J 390k Ω
R528 RCX6GATZ0472 CARBON RES. 1/6W G 4.7k Ω
R536 RRXAJR5Z0182 CHIP RES. 1/10W J 1.8k Ω
R537 RRXAJR5Z0681 CHIP RES. 1/10W J 680 Ω
R539 RRXAJR5Z0103 CHIP RES. 1/10W J 10k Ω
R540 RRXAJR5Z0103 CHIP RES. 1/10W J 10k Ω
R541 RRXAJR5Z0183 CHIP RES. 1/10W J 18k Ω
R542 RRXAJR5Z0562 CHIP RES. 1/10W J 5.6k Ω
R543 RCX4JATZ0102 CARBON RES. 1/4W J 1k Ω
R544 RCX4JATZ0103 CARBON RES. 1/4W J 10k Ω
R545 RCX4JATZ0103 CARBON RES. 1/4W J 10k Ω
R546 RRXAJR5Z0102 CHIP RES. 1/10W J 1k Ω
R553 RRXAJR5Z0103 CHIP RES. 1/10W J 10k Ω
R555 RRXAJR5Z0102 CHIP RES. 1/10W J 1k Ω
R567 RRXAJR5Z0393 CHIP RES. 1/10W J 39k Ω
R568 RRXAJR5Z0224 CHIP RES. 1/10W J 220k Ω
R569 RRXAJR5Z0103 CHIP RES. 1/10W J 10k Ω
R570 RCX6JATZ0472 CARBON RES. 1/6W J 4.7k Ω
R572 RRXAJR5Z0102 CHIP RES. 1/10W J 1k Ω
R574 RRXAJR5Z0102 CHIP RES. 1/10W J 1k Ω
R575 RRXAJR5Z0334 CHIP RES. 1/10W J 330k Ω
R577 RRXAJR5Z0152 CHIP RES. 1/10W J 1.5k Ω
R578 RRXAJR5Z0102 CHIP RES. 1/10W J 1k Ω
R581 RRXAJR5Z0103 CHIP RES. 1/10W J 10k Ω
R582 RRXAJR5Z0104 CHIP RES. 1/10W J 100k Ω
!Location
No. TSB P/N Reference No. Description
R583 RCX4JATZ0821 CARBON RES. 1/4W J 820 Ω
R584 RRXAJR5Z0101 CHIP RES. 1/10W J 100 Ω
R585 RRXAJR5Z0222 CHIP RES. 1/10W J 2.2k Ω
R586 RRXAJR5Z0821 CHIP RES. 1/10W J 820 Ω
R588 RRXAJR5Z0471 CHIP RES. 1/10W J 470 Ω
R595 RCX4JATZ0103 CARBON RES. 1/4W J 10k Ω
R596 RCX6JATZ0151 CARBON RES. 1/6W J 150 Ω
R597 RCX4JATZ0221 CARBON RES. 1/4W J 220 Ω
R598 RCX4JATZ0221 CARBON RES. 1/4W J 220 Ω
R601 RRXAJR5Z0182 CHIP RES. 1/10W J 1.8k Ω
R602 RRXAJR5Z0102 CHIP RES. 1/10W J 1k Ω
R603 RRXAJR5Z0122 CHIP RES. 1/10W J 1.2k Ω
R604 RRXAJR5Z0152 CHIP RES. 1/10W J 1.5k Ω
R605 RRXAJR5Z0222 CHIP RES. 1/10W J 2.2k Ω
R606 RRXAJR5Z0392 CHIP RES. 1/10W J 3.9k Ω
R607 RRXAJR5Z0822 CHIP RES. 1/10W J 8.2k Ω
R608 RRXAJR5Z0223 CHIP RES. 1/10W J 22k Ω
R617 JW5.0T BOARD JUMPER D0.6-P5.0
R618 RRXAJR5Z0104 CHIP RES. 1/10W J 100k Ω
R621 RRXAZR5Z0000 CHIP RES.(1608) 1/10W 0 Ω
R622 RRXAZR5Z0000 CHIP RES.(1608) 1/10W 0 Ω
R623 RRXAZR5Z0000 CHIP RES.(1608) 1/10W 0 Ω
R624 RRXAJR5Z0103 CHIP RES. 1/10W J 10k Ω
R625 RRXAJR5Z0182 CHIP RES. 1/10W J 1.8k Ω
R626 RRXAJR5Z0102 CHIP RES. 1/10W J 1k Ω
R627 RRXAJR5Z0122 CHIP RES. 1/10W J 1.2k Ω
R628 RRXAJR5Z0152 CHIP RES. 1/10W J 1.5k Ω
R629 RCX4JATZ0222 CARBON RES. 1/4W J 2.2k Ω
R630 RRXAJR5Z0392 CHIP RES. 1/10W J 3.9k Ω
R631 RRXAJR5Z0822 CHIP RES. 1/10W J 8.2k Ω
R632 RRXAJR5Z0223 CHIP RES. 1/10W J 22k Ω
R643 RRXAJR5Z0101 CHIP RES. 1/10W J 100 Ω
R644 RRXAJR5Z0101 CHIP RES. 1/10W J 100 Ω
R645 RRXAJR5Z0332 CHIP RES. 1/10W J 3.3k Ω
R646 RRXAJR5Z0332 CHIP RES. 1/10W J 3.3k Ω
R647 RRXAJR5Z0561 CHIP RES. 1/10W J 560 Ω
R648 RCX4JATZ0102 CARBON RES. 1/4W J 1k Ω
R649 RRXAJR5Z0561 CHIP RES. 1/10W J 560 Ω
R650 RCX4JATZ0102 CARBON RES. 1/4W J 1k Ω
R651 RRXAJR5Z0103 CHIP RES. 1/10W J 10k Ω
R653 RCX6JATZ0272 CARBON RES. 1/6W J 2.7k Ω
R654 RRXAJR5Z0472 CHIP RES. 1/10W J 4.7k Ω
R655 RCX6JATZ0272 CARBON RES. 1/6W J 2.7k Ω
R656 RRXAJR5Z0472 CHIP RES. 1/10W J 4.7k Ω
R657 RRXAJR5Z0103 CHIP RES. 1/10W J 10k Ω
R1016 RCX4JATZ0103 CARBON RES. 1/4W J 10k Ω
R1500 RCX4JATZ0221 CARBON RES. 1/4W J 220 Ω
R1501 RCX4JATZ0102 CARBON RES. 1/4W J 1k Ω
R1502 JW5.0T BOARD JUMPER D0.6-P5.0
R1504 RCX4JATZ0221 CARBON RES. 1/4W J 220 Ω
R1505 RRXAJR5Z0562 CHIP RES. 1/10W J 5.6k Ω
R1507 RRXAJR5Z0473 CHIP RES. 1/10W J 47k Ω
R1510 RCX4JATZ0471 CARBON RES. 1/4W J 470 Ω
R1512 RCX4JATZ0471 CARBON RES. 1/4W J 470 Ω
R1513 RCX6JATZ0273 CARBON RES. 1/6W J 27k Ω
R1514 RRXAJR5Z0103 CHIP RES. 1/10W J 10k Ω
R1519 JW5.0T BOARD JUMPER D0.6-P5.0
R1522 RCX4JATZ0102 CARBON RES. 1/4W J 1k Ω
R1523 RCX4JATZ0391 CARBON RES. 1/4W J 390 Ω
R1524 RCX6JATZ0473 CARBON RES. 1/6W J 47k Ω
R1525 RCX6JATZ0821 CARBON RES. 1/6W J 820 Ω
R1526 RCX4JATZ0681 CARBON RES. 1/4W J 680 Ω
R1527 RCX4JATZ0681 CARBON RES. 1/4W J 680 Ω
R1528 RRXAJR5Z0473 CHIP RES. 1/10W J 47k Ω
R1529 RCX6JATZ0152 CARBON RES. 1/6W J 1.5k Ω
R1530 RRXAJR5Z0103 CHIP RES. 1/10W J 10k Ω
!Location
No. TSB P/N Reference No. Description

20070420 1-20-8 E9GA1/3EL
R1531 RCX4JATZ0821 CARBON RES. 1/4W J 820 Ω
R1532 RCX4JATZ0821 CARBON RES. 1/4W J 820 Ω
R1533 RRXAJR5Z0103 CHIP RES. 1/10W J 10k Ω
R1536 RCX4JATZ0152 CARBON RES. 1/4W J 1.5k Ω
R1537 RCX4JATZ0152 CARBON RES. 1/4W J 1.5k Ω
R1538 RCX4JATZ0331 CARBON RES. 1/4W J 330 Ω
R1539 RCX4JATZ0122 CARBON RES. 1/4W J 1.2k Ω
R1540 RRXAJR5Z0333 CHIP RES. 1/10W J 33k Ω
R1541 RRXAJR5Z0471 CHIP RES. 1/10W J 470 Ω
R1543 RRXAJR5Z0472 CHIP RES. 1/10W J 4.7k Ω
R1544 RRXAJR5Z0333 CHIP RES. 1/10W J 33k Ω
R1547 RRXAJR5Z0472 CHIP RES. 1/10W J 4.7k Ω
R1550 RCX6JATZ0472 CARBON RES. 1/6W J 4.7k Ω
R1551 RRXAFR5H1002 CHIP RES. 1/10W F 10k Ω
R1552 RRXAFR5H1002 CHIP RES. 1/10W F 10k Ω
R1553 RRXAJR5Z0473 CHIP RES. 1/10W J 47k Ω
R1554 RCX4JATZ0270 CARBON RES. 1/4W J 27 Ω
R1555 RRXAJR5Z0333 CHIP RES. 1/10W J 33k Ω
R1556 RRXAFR5H1502 CHIP RES. 1/10W F 15k Ω
R1557 RRXAJR5Z0103 CHIP RES. 1/10W J 10k Ω
R1558 RRXAFR5H4701 CHIP RES. 1/10W F 4.7k Ω
R1559 RRXAJR5Z0222 CHIP RES. 1/10W J 2.2k Ω
R1560 RRXAJR5Z0152 CHIP RES. 1/10W J 1.5k Ω
R1561 RRXAFR5H8200 CHIP RES. 1/10W F 820 Ω
R1562 RRXAFR5H1501 CHIP RES. 1/10W F 1.5k Ω
R1563 RRXAJR5Z0333 CHIP RES. 1/10W J 33k Ω
R1564 RCX6JATZ0223 CARBON RES. 1/6W J 22k Ω
R1565 RRXAJR5Z0222 CHIP RES. 1/10W J 2.2k Ω
R1566 RRXAJR5Z0682 CHIP RES. 1/10W J 6.8k Ω
R1567 RRXAJR5Z0682 CHIP RES. 1/10W J 6.8k Ω
R1568 RCX6JATZ0332 CARBON RES. 1/6W J 3.3k Ω
R1569 RCX6JATZ0332 CARBON RES. 1/6W J 3.3k Ω
R1570 RCX6JATZ0332 CARBON RES. 1/6W J 3.3k Ω
R1571 RRXAZR5Z0000 CHIP RES.(1608) 1/10W 0 Ω
R1572 RRXAJR5Z0472 CHIP RES. 1/10W J 4.7k Ω
R1573 RRXAJR5Z0472 CHIP RES. 1/10W J 4.7k Ω
R1574 JW5.0T BOARD JUMPER D0.6-P5.0
R1576 RRXAZR5Z0000 CHIP RES.(1608) 1/10W 0 Ω
R1578 RRXAJR5Z0103 CHIP RES. 1/10W J 10k Ω
R1579 RRXAJR5Z0103 CHIP RES. 1/10W J 10k Ω
R1581 RCX4JATZ0822 CARBON RES. 1/4W J 8.2k Ω
R1582 RCX4JATZ0822 CARBON RES. 1/4W J 8.2k Ω
R1587 RRXAJR5Z0104 CHIP RES. 1/10W J 100k Ω
R1589 RRXAJR5Z0471 CHIP RES. 1/10W J 470 Ω
R1590 RRXAJR5Z0104 CHIP RES. 1/10W J 100k Ω
R1591 RRXAJR5Z0302 CHIP RES. 1/10W J 3k Ω
R1592 RRXAJR5Z0102 CHIP RES. 1/10W J 1k Ω
R1593 RRXAJR5Z0123 CHIP RES. 1/10W J 12k Ω
R1594 RRXAJR5Z0302 CHIP RES. 1/10W J 3k Ω
R1595 RRXAJR5Z0123 CHIP RES. 1/10W J 12k Ω
R1596 RRXAJR5Z0682 CHIP RES. 1/10W J 6.8k Ω
R1597 RRXAJR5Z0151 CHIP RES. 1/10W J 150 Ω
R1598 RRXAJR5Z0151 CHIP RES. 1/10W J 150 Ω
R1599 RRXAFR5H2200 CHIP RES. 1/10W F 220 Ω
R1600 RRXAFR5H2700 CHIP RES. 1/10W F 270 Ω
R1603 RRXAFR5H1101 CHIP RES. 1/10W F 1.1k Ω
R1604 JW5.0T BOARD JUMPER D0.6-P5.0
R1605 RRXAFR5H2200 CHIP RES. 1/10W F 220 Ω
R1606 RRXAFR5H2200 CHIP RES. 1/10W F 220 Ω
R1607 RRXAJR5Z0332 CHIP RES. 1/10W J 3.3k Ω
R1608 RRXAJR5Z0151 CHIP RES. 1/10W J 150 Ω
R1609 RRXAJR5Z0151 CHIP RES. 1/10W J 150 Ω
R1610 RRXAJR5Z0471 CHIP RES. 1/10W J 470 Ω
R1611 RRXAJR5Z0471 CHIP RES. 1/10W J 470 Ω
R1612 RRXAJR5Z0472 CHIP RES. 1/10W J 4.7k Ω
R1613 RRXAZR5Z0000 CHIP RES.(1608) 1/10W 0 Ω
!Location
No. TSB P/N Reference No. Description
R1616 RRXAJR5Z0102 CHIP RES. 1/10W J 1k Ω
R1619 RCX4JATZ0750 CARBON RES. 1/4W J 75 Ω
R1620 RCX4JATZ0102 CARBON RES. 1/4W J 1k Ω
R1630 RRXAFR5H3601 CHIP RES. 1/10W F 3.6k Ω
R1631 RRXAFR5H3601 CHIP RES. 1/10W F 3.6k Ω
R1632 RRXAJR5Z0272 CHIP RES. 1/10W J 2.7k Ω
R1633 RRXAZR5Z0000 CHIP RES.(1608) 1/10W 0 Ω
R1634 RRXAZR5Z0000 CHIP RES.(1608) 1/10W 0 Ω
R1636 RRXAJR5Z0103 CHIP RES. 1/10W J 10k Ω
R1637 RRXAFR5H1102 CHIP RES. 1/10W F 11k Ω
R1638 RRXAFR5H1102 CHIP RES. 1/10W F 11k Ω
R1639 RRXAJR5Z0332 CHIP RES. 1/10W J 3.3k Ω
R1640 RRXAJR5Z0332 CHIP RES. 1/10W J 3.3k Ω
R1641 RRXAFR5H8200 CHIP RES. 1/10W F 820 Ω
R1642 RRXAJR5Z0103 CHIP RES. 1/10W J 10k Ω
R1643 RCX6JATZ0153 CARBON RES. 1/6W J 15k Ω
R1644 RRXAFR5H2700 CHIP RES. 1/10W F 270 Ω
R1647 RRXAJR5Z0222 CHIP RES. 1/10W J 2.2k Ω
R1648 RRXAJR5Z0223 CHIP RES. 1/10W J 22k Ω
R1650 RRXAJR5Z0104 CHIP RES. 1/10W J 100k Ω
R1651 RRXAJR5Z0104 CHIP RES. 1/10W J 100k Ω
R1652 RRXAJR5Z0103 CHIP RES. 1/10W J 10k Ω
R1653 RRXAJR5Z0562 CHIP RES. 1/10W J 5.6k Ω
R1654 RRXAJR5Z0471 CHIP RES. 1/10W J 470 Ω
R1655 RRXAZR5Z0000 CHIP RES.(1608) 1/10W 0 Ω
R1656 RRXAJR5Z0471 CHIP RES. 1/10W J 470 Ω
R1657 RRXAJR5Z0103 CHIP RES. 1/10W J 10k Ω
R1658 RRXAJR5Z0682 CHIP RES. 1/10W J 6.8k Ω
R1659 RCX4JATZ0750 CARBON RES. 1/4W J 75 Ω
R1660 RCX4JATZ0750 CARBON RES. 1/4W J 75 Ω
R1661 RCX4JATZ0750 CARBON RES. 1/4W J 75 Ω
R1662 RRXAJR5Z0101 CHIP RES. 1/10W J 100 Ω
R1663 RRXAJR5Z0331 CHIP RES. 1/10W J 330 Ω
R1664 RRXAJR5Z0331 CHIP RES. 1/10W J 330 Ω
R1665 JW5.0T BOARD JUMPER D0.6-P5.0
R1666 RCX4JATZ0102 CARBON RES. 1/4W J 1k Ω
R1669 RRXAJR5Z0182 CHIP RES. 1/10W J 1.8k Ω
R1670 RRXAJR5Z0222 CHIP RES. 1/10W J 2.2k Ω
R1671 RRXAJR5Z0102 CHIP RES. 1/10W J 1k Ω
R1672 RRXAJR5Z0102 CHIP RES. 1/10W J 1k Ω
R1673 RRXAJR5Z0222 CHIP RES. 1/10W J 2.2k Ω
R1676 RCX4JATZ0222 CARBON RES. 1/4W J 2.2k Ω
R1677 RCX4JATZ0102 CARBON RES. 1/4W J 1k Ω
R1678 RCX4JATZ0331 CARBON RES. 1/4W J 330 Ω
R1679 RRXAJR5Z0221 CHIP RES. 1/10W J 220 Ω
R1680 RCX4JATZ0750 CARBON RES. 1/4W J 75 Ω
R1681 RCX4JATZ0750 CARBON RES. 1/4W J 75 Ω
R1682 RRXAJR5Z0750 CHIP RES. 1/10W J 75 Ω
R1683 RRXAJR5Z0750 CHIP RES. 1/10W J 75 Ω
R1684 RRXAJR5Z0750 CHIP RES. 1/10W J 75 Ω
R1685 RCX4JATZ0750 CARBON RES. 1/4W J 75 Ω
R1686 RRXAJR5Z0750 CHIP RES. 1/10W J 75 Ω
R1688 RRXAJR5Z0750 CHIP RES. 1/10W J 75 Ω
R1689 RRXAJR5Z0102 CHIP RES. 1/10W J 1k Ω
R1690 RRXAJR5Z0102 CHIP RES. 1/10W J 1k Ω
R1691 RCX4JATZ0221 CARBON RES. 1/4W J 220 Ω
R1692 RCX4JATZ0221 CARBON RES. 1/4W J 220 Ω
R1693 RCX4JATZ0821 CARBON RES. 1/4W J 820 Ω
R1694 RRXAJR5Z0104 CHIP RES. 1/10W J 100k Ω
R1695 RCX4JATZ0821 CARBON RES. 1/4W J 820 Ω
R1697 RRXAJR5Z0221 CHIP RES. 1/10W J 220 Ω
R1698 RRXAJR5Z0221 CHIP RES. 1/10W J 220 Ω
R1699 RRXAJR5Z0222 CHIP RES. 1/10W J 2.2k Ω
R1700 RRXAZR5Z0000 CHIP RES.(1608) 1/10W 0 Ω
R1702 RRXAZR5Z0000 CHIP RES.(1608) 1/10W 0 Ω
R1703 RRXAJR5Z0471 CHIP RES. 1/10W J 470 Ω
!Location
No. TSB P/N Reference No. Description

20070420 1-20-9 E9GA1/3EL
BOARD POWER SWITCH
BOARD FUNCTION
BOARD FRONT JACK
BOARD SENSOR
R1704 RRXAJR5Z0223 CHIP RES. 1/10W J 22k Ω
R1705 RRXAJR5Z0471 CHIP RES. 1/10W J 470 Ω
R1706 RRXAJR5Z0102 CHIP RES. 1/10W J 1k Ω
R1708 RCX6JATZ0101 CARBON RES. 1/6W J 100 Ω
R1709 RCX6JATZ0101 CARBON RES. 1/6W J 100 Ω
R1712 RRXAJR5Z0122 CHIP RES. 1/10W J 1.2k Ω
R1713 RRXAJR5Z0333 CHIP RES. 1/10W J 33k Ω
R1714 RRXAJR5Z0471 CHIP RES. 1/10W J 470 Ω
R1718 RRXAJR5Z0163 CHIP RES. 1/10W J 16k Ω
R1719 RRXAJR5Z0163 CHIP RES. 1/10W J 16k Ω
R1720 RRXAJR5Z0333 CHIP RES. 1/10W J 33k Ω
R1721 RRXAJR5Z0333 CHIP RES. 1/10W J 33k Ω
R1722 RRXAJR5Z0183 CHIP RES. 1/10W J 18k Ω
R1723 RRXAJR5Z0273 CHIP RES. 1/10W J 27k Ω
R1724 RRXAJR5Z0153 CHIP RES. 1/10W J 15k Ω
R1725 RRXAJR5Z0333 CHIP RES. 1/10W J 33k Ω
R1726 RRXAJR5Z0183 CHIP RES. 1/10W J 18k Ω
R1727 RRXAJR5Z0273 CHIP RES. 1/10W J 27k Ω
R1728 RRXAJR5Z0153 CHIP RES. 1/10W J 15k Ω
R1729 RRXAJR5Z0333 CHIP RES. 1/10W J 33k Ω
SWITCHES
SW506 P000465640 SSC0101MCE03 LEAF SWITCH MXS01830MVP0
SW507 P000480780 SSR0106KB004 SWITCH ROTARY SSS-53MD-1
SW521 P000483300 SST0101AL041 TACT SWITCH SKQSAF001A
SW522 P000483300 SST0101AL041 TACT SWITCH SKQSAF001A
SW523 P000483300 SST0101AL041 TACT SWITCH SKQSAF001A
SW524 P000483300 SST0101AL041 TACT SWITCH SKQSAF001A
SW525 P000483300 SST0101AL041 TACT SWITCH SKQSAF001A
SW526 P000483300 SST0101AL041 TACT SWITCH SKQSAF001A
SW527 P000483300 SST0101AL041 TACT SWITCH SKQSAF001A
SW528 P000483300 SST0101AL041 TACT SWITCH SKQSAF001A
SW601 P000483300 SST0101AL041 TACT SWITCH SKQSAF001A
SW603 P000483300 SST0101AL041 TACT SWITCH SKQSAF001A
SW605 P000483300 SST0101AL041 TACT SWITCH SKQSAF001A
MISCELLANEOUS
2B16 0VM409508 BUSH LED(F) H3700UD
2B17 1VM425280 SHIELD ASSEMBLY(T3 PAL)
E3B90ED
2B46 0VM304573 ROHM HOLDER H7770JD
FL601 P000490060 TVFD1C0FT056 FL 7-BT-310N
JK1501 P000465540 JXRL030LY116 JACK RCA MSP-213V1-652-B NI
L
JK1502 P000459850 JXGL210LY008 RGB CONNECTOR MRC-021V-
05 ABS(B110
JK1504 P000465520 JXRL010LY140 JACK RCA MSP-281V41-
B(B110)
JK1505 P000465530 JXRL020LY120 JACK RCA MSP-382V-12 NILF
JK1506 P000457070 JXEL040LY003 JACK S TYPE MDC-050V-2.4
LF(B110
JW001 WX1E9B00-007 FLAT CABLE 4P AWG26#2651/
P2.0/100
JW101 WX1E9G00-002 FFC CABLE 30P FFC/P1.00/150
JW102 WX1E9G00-002 FFC CABLE 30P FFC/P1.00/150
PS502 QPWZP1302C70 PHOTO INTERRUPTER RPI-
302C70
RM1501 P000457340 USESJRSKK039 REMOTE RECEIVER PIC-
37043LU
TP301 JW17.0T BOARD JUMPER D0.6-P17.0
TP501 JW5.0T BOARD JUMPER D0.6-P5.0
TP503 JW7.0T BOARD JUMPER D0.6-P7.0
TP504 JW25.5T BOARD JUMPER D0.6-P25.5
!TU1501 P000484150 UTUNPSLAL007 TUNER UNIT TMFE2-405A
VR501 VRCB104HH014 CARBON P.O.T. VZ067TL1 B104
PB(F)
X301 P000468200 FXC445LLN004 XTAL 4.433619MHz
X501 P000468220 FXD126LCHE01 QUARTS CRYSTAL
12.000000MHz
X502 P000483780 FXC323LQUA03 RESONATOR XTAL 32.768kHz
QTF38-32.768K125P15L
!Location
No. TSB P/N Reference No. Description
!Location
No. TSB P/N Reference No. Description
---------- BOARD POWER SWITCH
(MCV-B)
Consists of the following:
DIODE
D673 NPQZ1CHJGTNN LED(GREEN) LTL1CHJGTNN
SWITCH
SW673 P000483300 SST0101AL041 TACT SWITCH SKQSAF001A
!Location
No. TSB P/N Reference No. Description
---------- BOARD FUNCTION (MCV-C)
Consists of the following:
SWITCHES
SW681 P000472800 SST0101HH013 TACT SWITCH KSM0614B
SW682 P000472800 SST0101HH013 TACT SWITCH KSM0614B
MISCELLANEOUS
JW002 WX1E9B00-004 FLAT CABLE 3P AWG26#2651/
P2.0/80
!Location
No. TSB P/N Reference No. Description
---------- BOARD FRONT JACK (MCV-D)
Consists of the following:
CAPACITORS
C1205 CHD1JK30B222 CHIP CERAMIC CAP. B K
2200pF/50V
C1206 CHD1JK30B222 CHIP CERAMIC CAP. B K
2200pF/50V
CONNECTOR
CN1201 JCFEJ08JG001 FE CONNECTOR TOP 8P 08FE-
BT-VK-N
DIODES
D1544 QDTA00MTZJ11 ZENER DIODE MTZJT-7711A
D1545 QDTA00MTZJ11 ZENER DIODE MTZJT-7711A
D1546 QDTA00MTZJ11 ZENER DIODE MTZJT-7711A
D1547 QDTA00MTZJ11 ZENER DIODE MTZJT-7711A
RESISTORS
R1201 RRXAJR5Z0750 CHIP RES. 1/10W J 75 Ω
R1202 RRXAJR5Z0750 CHIP RES. 1/10W J 75 Ω
R1203 RRXAJR5Z0221 CHIP RES. 1/10W J 220 Ω
R1204 RRXAJR5Z0221 CHIP RES. 1/10W J 220 Ω
R1205 RRXAJR5Z0750 CHIP RES. 1/10W J 75 Ω
MISCELLANEOUS
JK1201 P000465500 JXRL010LY101 JACK RCA(YELLOW) MTJ-032-
11B-40 FE01
JK1202 P000465510 JXRL010LY102 JACK RCA(WHITE) MTJ-032-
11B-41 FE01
JK1203 P000465490 JYRL010LY024 JACK RCA(RED) MTJ-032-11A-
31 FE01
JK1204 P000457070 JXEL040LY003 JACK S TYPE MDC-050V-2.4
LF(B110
JW103 WX1E9700-002 FFC CABLE 8P FFC/P1.25/120
!Location
No. TSB P/N Reference No. Description
P4 P000465450 1VSA11699 BOARD SENSOR
Consists of the following:
TRANSISTORS
Q503 NPWZT2046B12 PHOTO TRANSISTOR PT204-
6B-12
Q504 NPWZT2046B12 PHOTO TRANSISTOR PT204-
6B-12

20070420 1-20-10 E9GA1/3EL
BOARD PSV
BOARD POWER SUPPLY
!Location
No. TSB P/N Reference No. Description
!P3 P000490220 1VSA15826 BOARD PSV
Consists of the following
---------- BOARD POWER SUPPLY (PSV-
A)
---------- BOARD REAR JACK (PSV-B)
!Location
No. TSB P/N Reference No. Description
---------- BOARD POWER SUPPLY (PSV-
A)
Consists of the following:
CAPACITORS
C013 CE1JMASDL100 ELECTROLYTIC CAP. 10μF/50V
M
C014 CE1CMASDL471 ELECTROLYTIC CAP. 470μF/
16V M
C015 CE1CMASDL101 ELECTROLYTIC CAP. 100μF/
16V M
C016 CE0KMZADL222 ELECTROLYTIC CAP. 2200μF/
6.3V SL
C017 CE0KMZADL222 ELECTROLYTIC CAP. 2200μF/
6.3V SL
C018 CE0KMASDL471 ELECTROLYTIC CAP. 470μF/
6.3V M
C020 CE1JMASDL220 ELECTROLYTIC CAP. 22μF/50V
M
C022 CE1GMASDL471 ELECTROLYTIC CAP. 470μF/
35V M
!C1001 CT2E683DC016 ACROSS THE LINE CAP.
0.068μF/250V
C1004 CA2H101S6016 ELECTROLYTIC CAP. 100μF/
400V M
C1005 CCD3AKPSL560 CERAMIC CAP. SL K 56pF/1KV
!C1006 CCN2EMA0E222 SAFTY CAP. 2200pF/250V
C1007 CE0KMASDL102 ELECTROLYTIC CAP. 1000μF/
6.3V M
C1013 CCA1JJT0B102 CERAMIC CAP.(AX) B J 1000pF/
50V
C1018 CE1AMASDL101 ELECTROLYTIC CAP. 100μF/
10V M
C1021 CCA1CMT0Y103 CERAMIC CAP.(AX) Y M 0.01μF/
16V
C1025 CCA1JKT0B103 CERAMIC CAP.(AX) B K 0.01μF/
50V
C1029 CCA1CKT0X182 CERAMIC CAP.(AX) X K 1800pF/
16V
C1032 CE1CMASDL470 ELECTROLYTIC CAP. 47μF/16V
M
C1033 CCD1JZSYV223 CERAMIC CAP. YV Z 0.022μF/
50V
C1035 CE0KMZADL332 ELECTROLYTIC CAP. 3300μF/
6.3V SL
C1036 CCD2JKP0B471 CERAMIC CAP. B K 470pF/500V
C1037 CE1CMASDL102 ELECTROLYTIC CAP. 1000μF/
16V M
C1039 CE1CMASDL471 ELECTROLYTIC CAP. 470μF/
16V M
C1106 CE1GMASDL101 ELECTROLYTIC CAP. 100μF/
35V M
C2014 CCD2JKP0B103 CERAMIC CAP. B K 0.01μF/
500V
DIODES
D013 NDQZ000BA158 RECTIFIER DIODE BA158
D014 NDQZ000SB190 SCHOTTKY BARRIER DIODE
SB190
D015 QDTB0MTZJ6R8 ZENER DIODE MTZJT-776.8B
D016 NDQZ000SB340 SCHOTTKY BARRIER DIODE
SB340
D017 QDTC00MTZJ15 ZENER DIODE MTZJT-7715C
D018 NDQZ000BA158 RECTIFIER DIODE BA158
D019 NDQZ000FR203 RECTIFIER DIODE FR203-B/P
D1001 NDLZ001N5397 DIODE 1N5397-B
D1002 NDLZ001N5397 DIODE 1N5397-B
D1003 NDLZ001N5397 DIODE 1N5397-B
D1004 NDLZ001N5397 DIODE 1N5397-B
D1006 QDTZ001SS133 SWITCHING DIODE 1SS133(T-
77)
D1008 NDQZ000SB140 SCHOTTKY BARRIER DIODE
SB140
D1011 NDQZ000BA159 RECTIFIER DIODE BA159
D1012 QDTZ001SS133 SWITCHING DIODE 1SS133(T-
77)
D1016 NDQZ000SB140 SCHOTTKY BARRIER DIODE
SB140
D1017 QDTA00MTZJ20 ZENER DIODE MTZJT-7720A
D1018 QDTZ001SS133 SWITCHING DIODE 1SS133(T-
77)
D1019 QDTB0MTZJ6R8 ZENER DIODE MTZJT-776.8B
D1022 QDTZ001SS133 SWITCHING DIODE 1SS133(T-
77)
D1023 JW5.0T BOARD JUMPER D0.6-P5.0
D1024 QDTZ001SS133 SWITCHING DIODE 1SS133(T-
77)
D1025 QDTZ001SS133 SWITCHING DIODE 1SS133(T-
77)
D1030 NDQZ000SB240 SCHOTTKY BARRIER DIODE
SB240-B/P
D1031 NDQZ000SB390 SCHOTTKY BARRIER DIODE
SB390
D1032 NDQZ000SB340 SCHOTTKY BARRIER DIODE
SB340
IC
!IC1001 P000459900 NPEA000EL817 PHOTOCOUPLER EL817A
COILS
L010 LLBD00PKV023 RADIAL TYPE CHOKE COIL
CW68-470K-841040NP
L013 LLBD00PKV023 RADIAL TYPE CHOKE COIL
CW68-470K-841040NP
L1001 ---------- BEAD CORE ASSEMBLY
E9GA0BD
L1001-1 JW20.0T BOARD JUMPER D0.6-P20.0
L1001-2 XL03010XM001 BEAD CORE B16 RH
3.5X10X1.3
L1002 ---------- BEAD CORE ASSEMBLY
E9GA0BD
L1002-1 JW20.0T BOARD JUMPER D0.6-P20.0
L1002-2 XL03010XM001 BEAD CORE B16 RH
3.5X10X1.3
!L1003 LLBG00ZTU022 LINE FILTER 56MH
TLF14CB5630R2
L1004 XL03010XM001 BEAD CORE B16 RH
3.5X10X1.3
L1005 ---------- BEAD CORE ASSEMBLY
E9GA0BD
L1005-1 JW20.0T BOARD JUMPER D0.6-P20.0
L1005-2 XL03010XM001 BEAD CORE B16 RH
3.5X10X1.3
L1011 LLBD00PKV023 RADIAL TYPE CHOKE COIL
CW68-470K-841040NP
L1013 LLF1800KV002 POWER INDUCTORS
CWKBNP-180K
TRANSISTORS
!Q1001 QFWZ02SK3566 FET 2SK3566
Q1003 QQSY2SC1815F TRANSISTOR 2SC1815-Y(TE2
F T)
Q1004 NQSYKTA1267P TRANSISTOR KTA1267-Y-AT/P
Q1008 NQSYKTC3199P TRANSISTOR KTC3199-Y-AT/P
RESISTORS
R057 RCX6JATZ0224 CARBON RES. 1/6W J 220k Ω
!R1001 RCX2565FS001 CARBON RES. 1/2W K 5.6M Ω
R1002 RCX4JATZ0564 CARBON RES. 1/4W J 560k Ω
R1003 RCX4JATZ0684 CARBON RES. 1/4W J 680k Ω
R1004 RN02JZLZ0823 METAL OXIDE FILM RES. 2W J
82k Ω
R1005 RCX4JATZ0105 CARBON RES. 1/4W J 1M Ω
R1006 RCX4JATZ0105 CARBON RES. 1/4W J 1M Ω
R1007 RCX4JATZ0105 CARBON RES. 1/4W J 1M Ω
R1008 RCX4GATZ0821 CARBON RES. 1/4W G 820 Ω
!Location
No. TSB P/N Reference No. Description

20070420 1-20-11 E9GA1/3EL
BOARD REAR JACK
BOARD AFV
R1010 RCX6JATZ0223 CARBON RES. 1/6W J 22k Ω
R1011 RN01JZLZ01R3 METAL OXIDE FILM RES. 1W J
1.3 Ω
R1020 RCX6JATZ0182 CARBON RES. 1/6W J 1.8k Ω
R1021 RCX6JATZ0102 CARBON RES. 1/6W J 1k Ω
R1022 RCX6JATZ0472 CARBON RES. 1/6W J 4.7k Ω
R1023 RCX6GATZ0222 CARBON RES. 1/6W G 2.2k Ω
R1024 RCX6JATZ0683 CARBON RES. 1/6W J 68k Ω
R1025 RCX6GATZ0562 CARBON RES. 1/6W G 5.6k Ω
R1029 RCX6JATZ0104 CARBON RES. 1/6W J 100k Ω
R1032 RCX6JATZ0222 CARBON RES. 1/6W J 2.2k Ω
R1035 RCX6JATZ0102 CARBON RES. 1/6W J 1k Ω
R1036 RCX6JATZ0104 CARBON RES. 1/6W J 100k Ω
R1037 RCX6JATZ0103 CARBON RES. 1/6W J 10k Ω
R1038 RCX6JATZ0104 CARBON RES. 1/6W J 100k Ω
R1039 RCX6JATZ0474 CARBON RES. 1/6W J 470k Ω
R1040 RCX4JATZ0100 CARBON RES. 1/4W J 10 Ω
R1041 RCX4JATZ0100 CARBON RES. 1/4W J 10 Ω
R1043 RN012R7ZU001 METAL OXIDE FILM RES. 1W J
2.7 Ω
R1058 RCX4JATZ0102 CARBON RES. 1/4W J 1k Ω
R1059 RCX4JATZ0102 CARBON RES. 1/4W J 1k Ω
R1126 RCX6JATZ0333 CARBON RES. 1/6W J 33k Ω
MISCELLANEOUS
2B18 1VM420987 HEAT SINK E6800ED
2L019 GBJS3080 SCREW S-TIGHT M3X8 BIND
HEAD+
!AC1001 WAE0172LW014 POWER CORD W/O A GND
WIRE CEE / 1760MM /ANTITR
!F1001 P000459950 PAGC20BW3162 FUSE T1.6AL/250V
FH1001 XH01Z00LY002 FUSE HOLDER MSF-015 LF
(B110)
FH1002 XH01Z00LY002 FUSE HOLDER MSF-015 LF
(B110)
JW1001 WX1E9G00-001 FFC CABLE 34P FFC/P1.00/110
!SA1001 P000457210 NVQZ10D471KB SURGE ABSORBER 470V+-
10PER
!T0011 P000490000 LTT2PE0KT023 TRANS POWER 7717
!Location
No. TSB P/N Reference No. Description
---------- BOARD REAR JACK (PSV-B)
Consists of the following:
CAPACITORS
C2003 CA1J222TU011 CERAMIC CAP.(AX) B K 2200pF/
50V
C2004 CA1J222TU011 CERAMIC CAP.(AX) B K 2200pF/
50V
C2005 CA1J222TU011 CERAMIC CAP.(AX) B K 2200pF/
50V
C2006 CA1J222TU011 CERAMIC CAP.(AX) B K 2200pF/
50V
C2007 CA1J222TU011 CERAMIC CAP.(AX) B K 2200pF/
50V
C2008 CCA1JKT0B102 CERAMIC CAP.(AX) B K 1000pF/
50V
C2009 CE1JMASDL1R0 ELECTROLYTIC CAP. 1μF/50V
M
C2010 CE1JMASDL1R0 ELECTROLYTIC CAP. 1μF/50V
M
C2011 CCA1JKT0B102 CERAMIC CAP.(AX) B K 1000pF/
50V
C2012 CE1JMASDL1R0 ELECTROLYTIC CAP. 1μF/50V
M
C2013 CCA1JKT0B102 CERAMIC CAP.(AX) B K 1000pF/
50V
DIODES
D2001 QDTA00MTZJ11 ZENER DIODE MTZJT-7711A
D2002 QDTA00MTZJ11 ZENER DIODE MTZJT-7711A
D2003 QDTA00MTZJ11 ZENER DIODE MTZJT-7711A
D2004 QDTA00MTZJ11 ZENER DIODE MTZJT-7711A
D2005 QDTA00MTZJ11 ZENER DIODE MTZJT-7711A
!Location
No. TSB P/N Reference No. Description
D2006 QDTA00MTZJ11 ZENER DIODE MTZJT-7711A
D2007 QDTA00MTZJ11 ZENER DIODE MTZJT-7711A
D2008 QDTA00MTZJ11 ZENER DIODE MTZJT-7711A
D2009 QDTA00MTZJ11 ZENER DIODE MTZJT-7711A
D2010 QDTA00MTZJ11 ZENER DIODE MTZJT-7711A
COILS
L2001 ---------- BEAD CORE ASSEMBLY
E9GA0BD
L2001-1 JW35.0T BOARD JUMPER D0.6-P35.0
L2001-2 XL03010XM001 BEAD CORE B16 RH
3.5X10X1.3
TRANSISTORS
Q2002 NQSYKTC3199P TRANSISTOR KTC3199-Y-AT/P
Q2003 NQSYKTC3199P TRANSISTOR KTC3199-Y-AT/P
RESISTORS
R2003 RCX4JATZ0750 CARBON RES. 1/4W J 75 Ω
R2004 RCX4JATZ0750 CARBON RES. 1/4W J 75 Ω
R2005 RCX4JATZ0821 CARBON RES. 1/4W J 820 Ω
R2006 RCX4JATZ0221 CARBON RES. 1/4W J 220 Ω
R2007 RCX4JATZ0821 CARBON RES. 1/4W J 820 Ω
R2008 RCX4JATZ0221 CARBON RES. 1/4W J 220 Ω
R2009 RCX4JATZ0750 CARBON RES. 1/4W J 75 Ω
R2010 RCX4JATZ0750 CARBON RES. 1/4W J 75 Ω
R2011 RCX4JATZ0750 CARBON RES. 1/4W J 75 Ω
R2012 RCX6JATZ0102 CARBON RES. 1/6W J 1k Ω
R2013 RCX6JATZ0102 CARBON RES. 1/6W J 1k Ω
MISCELLANEOUS
2B60 1VM423185 21P PLATE EARTH E7B20ED
JK2001 P000459840 JXGL210LY006 RGB CONNECTOR MRC-021V-
03 ABS(B11
JW2001 WX1E9G00-003 FLAT CABLE 14P AWG26#2561/
P2.0/65
!Location
No. TSB P/N Reference No. Description
P5 P000484120 1VSA15657 BOARD AFV
Consists of the following:
CAPACITORS
C1 CHD1JZ30F104 CHIP CERAMIC CAP.(1608) F Z
0.1μF/50V
C4 CHD1JJ3CH560 CHIP CERAMIC CAP. CH J
56pF/50V
C5 CHD1JJ3CH220 CHIP CERAMIC CAP.(1608) CH
J 22pF/50V
C6 CHD1JJ3CH560 CHIP CERAMIC CAP. CH J
56pF/50V
C7 CHD1JC3CH3R0 CHIP CERAMIC CAP. CH C 3pF/
50V
C8 CHD1JC3CH3R0 CHIP CERAMIC CAP. CH C 3pF/
50V
C11 CHD1JK30B103 CHIP CERAMIC CAP.(1608) B K
0.01μF/50V
C12 CE1CMASSL100 ELECTROLYTIC CAP. 10μF/16V
M H7
C13 CHD1JK30B103 CHIP CERAMIC CAP.(1608) B K
0.01μF/50V
C14 CHD1JK30B103 CHIP CERAMIC CAP.(1608) B K
0.01μF/50V
C15 CE1CMASSL100 ELECTROLYTIC CAP. 10μF/16V
M H7
C16 CE1CMASSL100 ELECTROLYTIC CAP. 10μF/16V
M H7
C17 CHD1JZ30F104 CHIP CERAMIC CAP.(1608) F Z
0.1μF/50V
C19 CHD1JZ30F104 CHIP CERAMIC CAP.(1608) F Z
0.1μF/50V
C20 CE1JMASSL3R3 ELECTROLYTIC CAP. 3.3μF/50V
M H7
C21 CHD1JZ30F104 CHIP CERAMIC CAP.(1608) F Z
0.1μF/50V
C22 CE1CMASSL100 ELECTROLYTIC CAP. 10μF/16V
M H7
!Location
No. TSB P/N Reference No. Description

20070420 1-20-12 E9GA1/3EL
C23 CHD1AZ30F474 CHIP CERAMIC CAP. F Z
0.47μF/10V
C24 CE1JMASSLR22 ELECTROLYTIC CAP. 0.22μF/
50V M H7
C27 CCA1JZTFZ104 CERAMIC CAP.(AX) F Z 0.1μF/
50V
CONNECTOR
CN1 JTED009ER045 ANGLE PIN HEADER 9P IMSA-
6029B-1-09Z003-
DIODE
D2 QDTZ001SS133 SWITCHING DIODE 1SS133(T-
77)
IC
IC1 P000459920 NSZBA0SP3005 IC AUDIO PROCESSOR
MSP3417G-QG-B8-V3
COILS
L1 LLARKBSTU100 INDUCTOR 10μH-K-5FT
L2 JW5.0T BOARD JUMPER D0.6-P5.0
L3 LLAXKATTU180 INDUCTOR 18μH-K-26T
L4 LLARKBSTU100 INDUCTOR 10μH-K-5FT
RESISTORS
R1 RRXAJR5Z0102 CHIP RES. 1/10W J 1k Ω
R2 RRXAZR5Z0000 CHIP RES.(1608) 1/10W 0 Ω
R4 RRXAJR5Z0124 CHIP RES. 1/10W J 120k Ω
R5 RRXAZR5Z0000 CHIP RES.(1608) 1/10W 0 Ω
R6 RRXAZR5Z0000 CHIP RES.(1608) 1/10W 0 Ω
R7 RRXAJR5Z0122 CHIP RES. 1/10W J 1.2k Ω
MISCELLANEOUS
X1 P000468230 FXD186LLN001 XTAL 18.432MHz
!Location
No. TSB P/N Reference No. Description

DECK MECHANISM SECTION
DVD VIDEO RECORDER &
VIDEO CASSETTE RECORDER
D-VR50KF/D-VR51KF
TABLE OF CONTENTS
Standard Maintenance . . . . . . . . . . . . . . . . . . . . . . . . . . . . . . . . . . . . . . . . . . . . . . . . . . . . . . . . . . . . . . . . . . . 2-1-1
Service Fixture and Tools. . . . . . . . . . . . . . . . . . . . . . . . . . . . . . . . . . . . . . . . . . . . . . . . . . . . . . . . . . . . . . . . . 2-2-1
Mechanical Alignment Procedures. . . . . . . . . . . . . . . . . . . . . . . . . . . . . . . . . . . . . . . . . . . . . . . . . . . . . . . . . . 2-3-1
Disassembly / Assembly Procedures of Deck Mechanism . . . . . . . . . . . . . . . . . . . . . . . . . . . . . . . . . . . . . . . 2-4-1
Alignment Procedures of Mechanism . . . . . . . . . . . . . . . . . . . . . . . . . . . . . . . . . . . . . . . . . . . . . . . . . . . . . . . 2-5-1
Deck Exploded Views . . . . . . . . . . . . . . . . . . . . . . . . . . . . . . . . . . . . . . . . . . . . . . . . . . . . . . . . . . . . . . . . . . . 2-6-1
Deck Parts List . . . . . . . . . . . . . . . . . . . . . . . . . . . . . . . . . . . . . . . . . . . . . . . . . . . . . . . . . . . . . . . . . . . . . . . . . 2-7-1
Deck Mechanism Section
I Standard Maintenance
I Mechanism Alignment Procedures
I Disassembly / Assembly of Mechanism
I Deck Exploded Views
I Deck Parts List

2-1-1 U29PHSMEN
STANDARD
MAINTENANCE
Service Schedule of Components
This maintenance chart shows you the standard of replacement and cleaning time for each part.
Because those may replace depending on environment and purpose for use, use the chart for reference.
Notes:
1.Clean all parts for the tape transport (Upper Drum with Video Head / Pinch Roller / ACE Head / FE Head)
using 90% ethyl alcohol.
2.After cleaning the parts, do all DECK ADJUSTMENTS.
3.For the reference numbers listed above, refer to Deck Exploded Views.
* B73 ------ Recording model only
* B86 ------ Not used in 2 head model.
h: Hours : Cleaning I: Replace
Deck Periodic Service Schedule
Ref.No. Part Name 1,000 h 2,000 h 3,000 h 4,000 h
B2 Cylinder Assembly II
B3 Loading Motor Assembly I
B8 Pulley Assembly II
B587 Tension Lever Assembly II
B31 ACE Head Assembly I
B573, B574 Reel S, Reel T I
B37 Capstan Motor II
B52 Cap Belt II
*B73 FE Head I
*B86 F Brake Assembly (HI) II
B133 Idler Assembly (HI) II
B410 Pinch Arm Assembly II
B414 M Brake (SP) Assembly (HI) II
B416 M Brake (TU) Assembly (HI) II
B525 LDG Belt II

2-1-2 U29PHSMEN
Cleaning
Cleaning of Video Head
Clean the head with a head cleaning stick or chamois
cloth.
Procedure
1.Remove the top cabinet.
2.Put on a glove (thin type) to avoid touching the
upper and lower drum with your bare hand.
3.Put a few drops of 90% ethyl alcohol on the head
cleaning stick or on the chamois cloth and, by
slightly pressing it against the head tip, turn the
upper drum to the right and to the left.
Notes:
1.The video head surface is made of very hard
material, but since it is very thin, avoid cleaning it
vertically.
2.Wait for the cleaned part to dry thoroughly before
operating the unit.
3.Do not reuse a stained head cleaning stick or a
stained chamois cloth.
Cleaning of ACE Head
Clean the head with a cotton swab.
Procedure
1.Remove the top cabinet.
2.Dip the cotton swab in 90% ethyl alcohol and clean
the ACE Head. Be careful not to damage the
upper drum and other tape running parts.
Notes:
1.Avoid cleaning the ACE Head vertically.
2.Wait for the cleaned part to dry thoroughly before
operating the unit or damage may occur.
Do Not !
Cleaning Stick
Upper
Cylinder
Video Head
Do Not touch
with your bare
hand!
ACE Head

2-2-1 U29PFIX
SERVICE FIXTURE AND TOOLS
J-1-1, J-1-2 J-2
J-3 J-4
J-5
Ref. No. Name Part No. Adjustment
J-1-1 Alignment Tape FL6A Head Adjustment of ACE Head
J-1-2 Alignment Tape FL6N8
(2 Head model)
FL6NS8
(4 Head model)
Azimuth and X Value Adjustment of ACE Head /
Adjustment of Envelope Waveform
J-2 Guide Roller Adj. Screwdriver Available
Locally
Guide Roller
J-3 Mirror Available
Locally
Tape Transportation Check
J-4 Azimuth Adj. Screwdriver + Available
Locally
ACE Head Height
J-5 Flat Screwdriver - Available
Locally
X Value

2-3-1 E9GA0MA
MECHANICAL ALIGNMENT PROCEDURES
Explanation of alignment for the tape to correctly run
starts on the next page. Refer to the information below
on this page if a tape gets stuck, for example, in the
mechanism due to some electrical trouble of the unit.
Service Information
A. Method for Manual Tape Loading/Unloading
To load a cassette tape manually:
1. Disconnect the AC plug.
2. Remove the Top Case and Front Assembly.
3. Insert a cassette tape. Though the tape will not be
automatically loaded, make sure that the cassette
tape is all the way in at the inlet of the Cassette
Holder. To confirm this, lightly push the cassette
tape further in and see if the tape comes back out,
by a spring motion, just as much as you have
pushed in.
4. Turn the LDG Belt in the appropriate direction
shown in Fig. M1 for a minute or two to complete
this task.
To unload a cassette tape manually:
1. Disconnect the AC plug.
2. Remove the Top Case and Front Assembly.
3. Make sure that the Moving guide preparations are
in the Eject Position.
4. Turn the LDG Belt in the appropriate direction
shown in Fig. M1 until the Moving guide prepara-
tions come to the Eject Position. Stop turning when
the preparations begin clicking or can not be
moved further. However, the tape will be left wound
around the cylinder.
5. Turn the LDG Belt in the appropriate direction con-
tinuously, and the cassette tape will be ejected.
Allow a minute or two to complete this task.
B. Method to place the Cassette Holder in the tape-
loaded position without a cassette tape
1. Disconnect the AC Plug.
2. Remove the Top Case and Front Assembly.
3. Turn the LDG Belt in the appropriate direction
shown in Fig. M1. Release the locking tabs shown
in Fig. M1 and continue turning the LDG Belt until
the Cassette Holder comes to the tape-loaded
position. Allow a minute or two to complete this
task.
Moving guide T preparation
(Eject Position)
LDG Belt
Push the locking tab gently to unlock
when loading without a cassette.
Side View
Moving guide S preparation
(Eject Position)
Push the tape
to load it.
UNLOAD
/EJECT
LOAD
Fig. M1
Top View
Fig. M2
Bottom View
Cam Gear
LDG Belt (B)
UNLOAD
/EJECT

2-3-2 E9GA0MA
1. Tape Interchangeability Alignment
Note:
To do these alignment procedures, make sure that the
Tracking Control Circuit is set to the preset position
every time a tape is loaded or unloaded. (Refer to
page 2-3-4, procedure 1-C, step 2.)
Equipment required:
Dual Trace Oscilloscope
VHS Alignment Tape (FL6NS8)
Guide Roller Adj. Screwdriver
Flat Screwdriver (Purchase Locally)
Note: Before starting this Mechanical Alignment, do all
Electrical Adjustment procedures.
Adjust the X Value for maximum envelope.
(Page 2-3-3) (Use Alignment Tape.)
Check to see that the tape is not creasing
and that there is no slack on the supply
and take-up side Guide Rollers.
(Use a blank tape.)
Adjust the height of the Guide Rollers
(Supply side and take-up side).
(Use a blank tape.) (Page 2-3-3)
Loading (Use a blank tape.)
Adjust the envelope. (Page 2-3-4)
Check the envelope.
Adjust the Audio Section.
(Azimuth Alignment) (Page 2-3-5)
Check the audio output.
Check the following:
1. X Value (Page 2-3-3)
2. Envelope (Page 2-3-4)
Adjust the X value and envelope.
No good
Completion
No good
OK
OK
OK
No good
No good
Flowchart of Alignment for tape traveling
1-A
1-A
1-B
1-C
1-C
1-D
1-D
1-B, 1-C
1-B, 1-C
Do the final tape-traveling test to see that
the tape runs normally in play mode with-
out creasing or slacking.
OK
Check to see that the tape is not creasing
and that there is no slack on the REV Post.
(Use a blank tape.)
1-E
1-A

2-3-3 E9GA0MA
1-A. Preliminary/Final Checking and
Alignment of Tape Path
Purpose:
To make sure that the tape path is well stabilized.
Symptom of Misalignment:
If the tape path is unstable, the tape will be damaged.
Note: Do not use an Alignment Tape for this proce-
dure. If the unit is not correctly aligned, the tape may
be damaged.
1. Playback a blank cassette tape and check to see
that the tape runs without creasing at Guide Rollers
[2] and [3], and at points A and B on the lead sur-
face. (Refer to Fig. M3 and M4.)
2. If creasing is apparent, align the height of the guide
rollers by turning the top of Guide Rollers [2] and
[3] with a Guide Roller Adj. Screwdriver. (Refer to
Fig. M3 and M5.)
3. Check to see that the tape runs without creasing at
Take-up Guide Post [4] or without snaking between
Guide Roller [3] and ACE Head. (Fig. M3 and M5)
4. If creasing or snaking is apparent, adjust the Tilt
Adj. Screw of the ACE Head. (Fig. M6)
1-B. X Value Alignment
Purpose:
To obtain maximum PB FM envelope signal at the pre-
set position of the Tracking Control Circuit, align the
Horizontal Position of the ACE Head.
Symptom of Misalignment:
If the Horizontal Position of the ACE Head is not prop-
erly aligned, maximum PB FM envelope cannot be
obtained at the preset position of the Tracking Control
Circuit.
1. Connect the oscilloscope to TP301 (C-PB) and
TP503 (CTL) on the BOARD POWER. Use TP504
(RF-SW) as a trigger.
2. Playback the Gray Scale of the Alignment Tape
(FL6NS8) and confirm that the PB FM signal is
present.
3. Set the Tracking Control Circuit to the preset posi-
tion by pressing [PROGRAM ] button and then
[O ] (VCR) button on the unit. (Refer to note on
bottom of page 2-3-4.)
4. Use the Flat Screwdriver so that the PB FM signal
at TP301 (C-PB) is maximum. (Fig. M6)
Guide Roller [2] Guide Roller [3]
AB
Take-up Guide Post [4]
ACE Head
Fig. M3
Lead Surface of Cylinder Tape Fig. M4
Take-up Guide
Post [4]
Tape
Guide Roller
Tape
Correct Incorrect
Fig. M5
Azimuth Adj. Screw
Flat
Screwdriver
Tilt Adj. Screw
ACE Head
Fig. M6

2-3-4 E9GA0MA
5. To shift the CTL waveform, press [PROGRAM ]
or [PROGRAM ] button. Then make sure that
the maximum output position of PB FM envelope
signal becomes within ±2ms from preset position.
6. Set the Tracking Control Circuit to the preset posi-
tion by pressing [PROGRAM ] button and then
[O ] (VCR) button on the unit.
1-C. Checking/Adjustment of Envelope
Waveform
Purpose:
To achieve a satisfactory picture, adjust the Guide
Rollers so that the PB FM envelope becomes as flat
as possible.
Symptom of Misalignment:
If the envelope output is poor, noise will appear in the
picture. The tracking will then lose precision and the
playback picture will be distorted by any slight varia-
tion of the Tracking Control Circuit.
1. Connect the oscilloscope to TP301 (C-PB) on the
BOARD POWER. Use TP504 (RF-SW) as a trig-
ger.
2. Playback the Gray Scale on the Alignment Tape
(FL6NS8). Set the Tracking Control Circuit to the
preset position by pressing [PROGRAM ] button
and then [ O ] (VCR) button on the unit. Adjust the
height of Guide Rollers [2] and [3] (Fig. M3, Page
2-3-3) watching the oscilloscope display so that the
envelope becomes as flat as possible. To do this
adjustment, turn the top of the Guide Roller with
the Guide Roller Adj. Screwdriver.
3. If the envelope is as shown in Fig. M8, adjust the
height of Guide Roller [2] (Refer to Fig. M3) so that
the waveform looks like the one shown in Fig. M10.
4. If the envelope is as shown in Fig. M9, adjust the
height of Guide Roller [3] (Refer to Fig. M3) so that
the waveform looks like the one shown in Fig. M10.
5. When Guide Rollers [2] and [3] (Refer to Fig. M3)
are aligned properly, there is no envelope drop
either at the beginning or end of track as shown in
Fig. M10.
Note: Upon completion of the adjustment of Guide
Rollers [2] and [3] (Refer to Fig. M3), check the X
Value by pushing the [PROGRAM ] or [PROGRAM
] buttons on the unit alternately, to check the sym-
metry of the envelope. Check the number of pushes to
ensure preset position. The number of pushes of the
[PROGRAM ] button on the unit to achieve 1/2 level
of envelope should match the number of pushes of the
[PROGRAM ] button on the unit from center. If
required, redo the “X Value Alignment.”
No Good
Good
FM envelope output signal is low.
2ms
FM envelope signal
CTL signal
Center Position
FM envelope output signal
is adjusted at maximum.
Fig. M7
Dropping envelope level at the beginning of track.
Fig. M8
Dropping envelope level at the end of track.
Fig. M9
Envelope is adjusted properly. (No envelope drop)
Fig. M10

2-3-5 E9GA0MA
1-D. Azimuth Alignment of Audio/Con-
trol/ Erase Head
Purpose:
To correct the Azimuth alignment so that the Audio/
Control/Erase Head meets tape tracks properly.
Symptom of Misalignment:
If the position of the Audio/Control/Erase Head is not
properly aligned, the Audio S/N Ratio or Frequency
Response will be poor.
1. Connect the oscilloscope to the audio output jack
on the rear side of the deck.
2. Playback the alignment tape (FL6NS8) and confirm
that the audio signal output level is 8kHz.
3. Adjust Azimuth Adj. Screw so that the output level
on the AC Voltmeter or the waveform on the oscillo-
scope is at maximum. (Fig. M6)
Note: Upon completion of the adjustment of Azimuth
Adj. Screw, check the X Value by pushing the [PRO-
GRAM ] or [PROGRAM ] buttons on the unit
alternately, to check the symmetry of the envelope.
Check the number of pushes to ensure preset posi-
tion. The number of pushes of the [PROGRAM ]
button on the unit to achieve 1/2 level of envelope
should match the number of pushes of the [PRO-
GRAM ] button on the unit from center. If required,
redo the “X Value Alignment.”
1-E. Checking and Alignment of Tape
Path during reversing
Purpose:
To make sure that the tape path is well stabilized dur-
ing reversing.
Symptom of Misalignment:
If the tape path is unstable during reversing, the tape
will be damaged.
Note: Do not use an Alignment Tape for this proce-
dure. If the unit is not correctly aligned, the tape may
be damaged.
1. Insert a blank cassette tape into the tray and set
the unit to REV. Then confirm if the tape has been
curled up or bent at the Take-up Guide Post[4] or
REV Post[5]. (Refer to Fig. M11 and M12.)
2. When the tape has been curled up or bent, turn the
alignment screw to adjust the height of REV Post.
(Refer to Fig. M11 and M13.)
Take-up Guide Post [4]
REV Post [5]
Fig. M11
Take-up Guide
Post
Tape
REV Post
Tape
Correct Incorrect
Fig. M12
Fig. M13
Tape Guide
Assembly
Alignment
Screw

2-4-1 U29PHSDA
DISASSEMBLY/ASSEMBLY PROCEDURES
OF DECK MECHANISM
Before following the procedures described below, be sure to remove the deck assembly from the cabinet. (Refer
to CABINET DISASSEMBLY INSTRUCTIONS.)
All the following procedures, including those for adjustment and replacement of parts, should be done in Eject
mode; see the positions of [44] and [45] in Fig. DM1H on page 2-4-3. When reassembling, follow the steps in
reverse order.
STEP
/LOC.
No.
START-
ING
No.
PART
REMOVAL INSTALLATION
Fig. No.
REMOVE/*UNHOOK/
UNLOCK/RELEASE/
UNPLUG/DESOLDER
ADJUSTMENT
CONDITION
[1] [1] Guide Holder A T DM3H 2(S-1)
[2] [1] Cassette Holder
Assembly TDM4H
[3] [2] Slider (SP) T DM5H (S-1A), *(L-1)
[4] [2] Slider (TU) T DM5H *(L-2)
[5] [4] Lock Lever T DM5H *(L-3), *(P-1)
[6] [2] Cassette Plate T DM5H
[7] [7] Cylinder Assembly T DM1H, DM6H Desolder, 3(S-2)
[8] [8] Loading Motor
Assembly T DM1H, DM7H Desolder, LDG Belt,
2(S-3)
[9] [9] ACE Head Assembly T DM1H, DM7H (S-4)
[10] [2] Tape Guide Arm
Assembly T DM1H, DM8H-1 *(P-2)
[11] [10] C Door Opener T DM1H, DM8H-1 (S-4A), *(L-4)
[12] [11] Pinch Arm (B) T DM1H, DM8H-1,
DM8H-2 *(P-3)
[13] [12] Pinch Arm (A)
Assembly TDM1H, DM8H-1,
DM8H-2
[14] [14] FE Head T DM1H, DM9H (S-5)
[15] [15] Prism T DM1H, DM9H (S-6)
[16] [2] Slider Shaft T DM10H *(L-5)
[17] [16] C Drive Lever (SP) T DM10H
[18] [16] C Drive Lever (TU) T DM10H (S-7), *(P-4)
[19] [19] Capstan Motor B DM2H, DM11H 3(S-8), Cap Belt
[20] [20] Clutch Assembly (HI) B DM2H, DM12H (C-1)
[21] [20] Center Gear B DM12H
*[22] [22] F Brake Assembly (HI) B DM2H, DM12H *(L-6)
[23] [22] Worm Holder B DM2H, DM13H-1 (S-9), *(L-7), *(L-8)
[24] [22] Pulley Assembly (HI) B DM2H, DM13H-1
[25] [25] Mode Gear (LM) B DM2H, DM13H-1 (C-2)
[26] [20],[25] Mode Lever (HI) B DM2H, DM13H-1,
DM13H-2 (C-3)
[27]
[22],[23],
[26] Cam Gear (A) (HI) B DM2H, DM13H-1,
DM13H-2 (C-4) (+)Refer to Alignment
Sec.Page 2-5-1
[28] [26] TR Gear C B DM2H, DM13H-1 (C-5)
[29] [28] TR Gear Spring B DM13H-1
[30] [29] TR Gear A/B B DM13H-1
[31] [31] FF Arm (HI) B DM1H, DM14H
[32] [26] Idler Assembly (HI) B DM1H, DM14H *(L-9)
[33] [26] BT Arm B DM2H, DM14H *(P-5)

2-4-2 U29PHSDA
(1): Follow steps in sequence. When reassembling, follow the steps in reverse order.
These numbers are also used as identification (location) No. of parts in the figures.
(2): Indicates the part to start disassembling with in order to disassemble the part in column (1).
(3): Name of the part
(4): Location of the part: T=Top B=Bottom R=Right L=Left
(5): Figure Number
(6): Identification of parts to be removed, unhooked, unlocked, released, unplugged, unclamped, or desoldered.
P=Spring, W=Washer, C=Cut Washer, S=Screw, *=Unhook, Unlock, Release, Unplug, or Desolder
e.g., 2(L-2) = two Locking Tabs (L-2).
(7): Adjustment Information for Installation
(+):Refer to Deck Exploded Views for lubrication.
.
* [ 22 ] F Brake Assembly (HI) is not used in 2 head model.
[34] [26] Loading Arm (SP)
Assembly B DM2H, DM14H (+)Refer to Alignment
Sec.Page 2-5-1
[35] [34] Loading Arm (TU)
Assembly B DM2H, DM14H (+)Refer to Alignment
Sec.Page 2-5-1
[36] [16],[26] M Brake (TU)
Assembly (HI) T DM1H, DM15H
[37] [2],[26] M Brake (SP)
Assembly (HI) T DM1H, DM15H *(P-6)
[38] [37] Tension Lever
Assembly T DM1H, DM15H
[39] [38] T Lever Holder T DM15H *(L-10)
[40] [40] M Gear (HI) T DM1H, DM15H (C-6)
[41] [15],[40] Sensor Gear (HI) T DM1H, DM15H (C-7)
[42] [36],[40] Reel T T DM1H, DM15H
[43] [38] Reel S T DM1H, DM15H
[44] [34],[38] Moving Guide S
Preparation T DM1H, DM16H (S-11), Slide Plate
[45] [35] Moving Guide T
Preparation T DM1H, DM16H
[46] [19] TG Post Assembly T DM1H, DM16H *(L-11)
[47] [27] Rack Assembly R DM17H (+)Refer to Alignment
Sec.Page 2-5-1
[48] [47] F Door Opener R DM17H
[49] [49] Cleaner Assembly T DM1H, DM6H
[50] [49] CL Post T DM6H *(L-12)
↓
(1)
↓
(2)
↓
(3)
↓
(4)
↓
(5)
↓
(6)
↓
(7)
STEP
/LOC.
No.
START-
ING
No.
PART
REMOVAL INSTALLATION
Fig. No.
REMOVE/*UNHOOK/
UNLOCK/RELEASE/
UNPLUG/DESOLDER
ADJUSTMENT
CONDITION

2-4-3 U29PHSDA
[14]
[13]
[11]
[10]
[12]
[7] [49] [8]
[32][43] [41] [40][31] [42]
[45][44] [46][9]
[36]
[15]
[38]
[37]
Fig. DM1H
Top View
[34]
[19]
[35]
[25]
[26]
[24]
[23]
[27]
[33][20][28][22]
Fig. DM2H
Bottom View

2-4-4 U29PHSDA
[1]
(S-1)
(S-1)
Fig. DM3H
[2]
Locking tab View for A
First, while pushing the locking tab as
shown in the right, slide and pull up the right
side on [2] to release Pin A and Pin B from
the slots A.
Then, remove Pin C and Pin D on [2] from
the slots B as shown.
Pin A
Slots B
Pin C
Pin B
Pin D
Slot A
Slot A
Fig. DM4H
Pull up
Slide
1
2
A
[3]
[6]
[6]
(L-2)
Pin A
Hole A
Pin B
Hole B
(L-1)
First, insert [6] diagonally in [3] as shown below. Then,
install [6] in [3] while pushing (L-1) in the direction of
the arrow. After installing [6] in [3], confirm that pin A
of [3] enters hole A of [6] properly.
Installation of [3] and [6]
View for A 2
1
[4]
Install [6] in [4] while pulling (L-2) in the direction of
the arrow. After installing [6] in [4], confirm that pin B
of [4] enters hole B of [6] properly.
Installation of [4] and [6]
View for B
[3]
[4]
[5]
[6]
(L-1)
(L-2)
(P-1)
(L-3)
(S-1A)
A
B
Fig. DM5H

2-4-5 U29PHSDA
A
(S-2)
[7]
(L-12)
[49]
[50]
Fig. DM6H
View for A
Desolder
from bottom
Lead with
Red Stripe
[8]
[9]
(S-4)
(S-3)
LDG
Belt View for A
Desolder
from bottom
Lead with White Stripe
A
[8]
Fig. DM7H
[11]
[13]
[12]
[10]
(L-4)
(P-3)
(P-2)
Fig. DM8H-1
Pin of [12]
Pin of [10]
Groove of [27]
View for A
When reassembling [10] and
[12], confirm that pin of [10]
and pin of [12] are in the
groove of [27] as shown.
[27]
Removal of [11]
1) Remove screw (S-4A).
2) Unhook spring (P-2).
3) Release (L-4) while
holding [12] with a
finger.
4) Loosen a finger
holding [12] and
remove [11].
A
(S-4A)

2-4-6 U29PHSDA
Installation of [13] and [12]
Pin of [12]
Groove of [27]
Hook spring (P-3) up to [12]
and [13], then install them to
the specified position so that
[12] will be floated slightly
while holding [12] and [13].
(Refer to Fig. A.)
Fig. A
[13]
[12]
(P-3)
Fig. B (Top view)
Install pin of [12] in groove of [27].
(Refer to Fig. B.) [27]
Press both [12] and [13] till the
groove of chassis pin appears,
and adjust [13] to the notch of
chassis. Then turn [13] a little
in the direction of the arrow
while pressing [12].
(Refer to Fig. C.)
Fig. C
Groove of
pin of chassis
Notch of
chassis
turn
[13]
[12]
Install [11] and [10] while holding [12].
(Refer to Fig. DM8H-1.)
Fig. DM8H-2
[14]
[15]
(S-6)
(S-5)
Fig. DM9H
[17]
[16]
(L-5)
[18]
(P-4)
(S-7)
Fig. DM10H

2-4-7 U29PHSDA
[19]
Cap Belt
(S-8)
[19]
[20] Cap Belt
A
Installation position of Cap Belt
View for A
Fig. DM11H
(L-6)
[22]
[20]
(C-1)
[21]
[27]
Pin on [22]
Position of pin on [22]
turn
Fig. DM12H

2-4-8 U29PHSDA
[27]
[31]
(C-3)
[26]
(C-4)
[25]
(C-2)
[28]
[29]
[30]
(C-5)
(S-9)
[24]
[23]
(L-7)
(L-8)
Fig. DM13H-1
[27]
[27]
[26]
Top View
First tooth on [47]
First groove on [27]
Align [26] and [27] as shown.
Pin of [36]
Pin of [33]
Position of Mode Lever when installed
Pin of [37]
Bottom View
Installation of [26]
When reassembling [27],
meet the first groove on
[27] to the first tooth on
[47] as shown.
Fig. DM13H-2
[32]
(L-9)
(P-5)
[34]
[35]
Refer to the Alignment
Section, Page 2-5-1.
[33]
Fig. DM14H

2-4-9 U29PHSDA
[39]
(L-10)
[37]
(P-6)
[43]
[38]
[36]
[42]
[40]
[41] (C-6)
(C-7)
turn
turn
turn
Fig. DM15H
[44] [45]
[46]
(L-11)
Fig. DM16H
Slide Plate
(S-11)
[47]
[48]
Slide
Fig. DM17H

2-5-1 U29PHSAPM
ALIGNMENT PROCEDURES OF MECHANISM
The following procedures describe how to align the
individual gears and levers that make up the tape
loading/unloading mechanism. Since information
about the state of the mechanism is provided to the
System Control Circuit only through the Mode Switch,
it is essential that the correct relationship between
individual gears and levers be maintained.
All alignments are to be performed with the mech-
anism in Eject mode, in the sequence given. Each
procedure assumes that all previous procedures have
been completed.
IMPORTANT:
If any one of these alignments is not performed prop-
erly, even if off by only one tooth, the unit will unload or
stop and it may result in damage to the mechanical or
electrical parts.
Alignment points in Eject Position
Alignment 1
Loading Arm (SP) and (TU) Assembly
Install Loading Arm (SP) and (TU) Assembly so that
their triangle marks point to each other as shown in
Fig. AL2.
Alignment 2
Mode Gear
Keeping the two triangles pointing at each other, install
the Loading Arm (SP) Assembly so that the last tooth
of the gear meets the most inside teeth of the Mode
Gear. See Fig. AL2.
Alignment 3
Cam Gear (A) (HI), Rack Assembly
Install the Rack Assembly so that the first tooth on the
gear of the Rack Assembly meets the first groove on
the Cam Gear (A) (HI) as shown in Fig. AL3.
Alignment 3
Alignment 1
Top View
Fig. AL1
Bottom View
Alignment 2
Fig. AL2
Loading Arm
(TU) Assembly
Triangle Marks
Loading Arm
(SP) Assembly
Mode Gear
Last Tooth
Alignment 1
Alignment 2
Most inside teeth
of Mode Gear
Fig. AL3
Top View Cam Gear (A)(HI)
First tooth
Alignment 3
Gear on Rack Assembly
First groove
on the Cam Gear (A)(HI)

2-6-1 U29P4HSDEX
DECK EXPLODED VIEWS
Deck Mechanism View 1
Mark Description
Floil G-684G or Multemp MH-D (Blue grease)
SLIDUS OIL #150
Some Ref. Numbers are not in sequence.
B12
B492
B11
B571
B37
B126
B8
B121
L1450
L1450
B86
L1466
B501
Chassis Assembly
Top View (Lubricating Point)
Chassis Assembly
Bottom View (Lubricating Point)
L1051
B35
B410
B411
B494
B567
L1053
B74
L1467
B553
B10
L1191
B73
B9
B2
L1322
B5

2-6-2 U29P4HSDEX
Deck Mechanism View 2
Mark Description
Floil G-684G or Multemp MH-D
(Blue grease)
SLIDUS OIL #150
SANKOUL FG84M (Yellow grease)
B499
B596
B52
B507
L1470
B559
B516
B581
B583
B580
B582
A
View
for A
B578
B579
B579
B133 B551
Bottom Side (Grease point)
Some Ref. Numbers are not in sequence.
B488
B491
B513 Bottom Side
(Grease point)
L1151 B525
B31
L1406
B558
B557
B3
B592
B148
B522
B521
B590
B573
B574
B591
B416
B518
B564
B585
B487 B587
B508
B414
B572
B565
B568
B417

2-6-3 U29P4HSDEX
Deck Mechanism View 3
Mark Description
Floil G-684G or Multemp MH-D (Blue grease)
SLIDUS OIL #150
L1341
L1321
B347
L1321
B355
B354
B482
B483
B425
B303
B555
B563 B300
B562
B514
B313
Some Ref. Numbers are not in sequence.
B361
B359
B529
B360

20070420 2-7-1 E9GA1/3DL
DECK PARTS LIST
!Loca-
tion No. TSB P/N Reference No. Description
B2 P000468620 1VSA14761 CYLINDER ASSEMBLY(N236C)
MK14 PAL 6HD
B3 P000468180 1VSA12912 LOADING MOTOR ASSEMBLY
MK14
B5 P000467990 0VM416429 SLIDE PLATE MK12.5
B8 P000483640 0VSA13501 PULLEY ASSEMBLY(HI) MK12
B9 P000468130 1VSA12887 MOVING GUIDE S P.P MK12.5
B10 P000468120 1VSA12886 MOVING GUIDE T P.P MK12.5
B11 P000468100 1VSA12880 LOADING ARM(TU) ASSEMBLY
MK12
B12 P000468090 1VSA12879 LOADING ARM(SP) ASSEMBLY
MK12
B31 P000468140 1VSA12888 AC HEAD ASSEMBLY MK12.5
B35 P000468150 1VSA12889 TAPE GUIDE ARM ASSEMBLY
MK12.5
B37 P000468630 1VSA14833 CAPSTAN MOTOR HI(N9688)
288/VCZC1301
B52 P000467850 0VM411138 CAP BELT MK10
B73 P000468190 DHVEC01AL007 FE HEAD(MK12) HVFHP0047A
B74 P000467540 0VM202870 PRISM MK10
B86 P000468010 0VSA13447 F BRAKE ASSEMBLY(HI) MK12
B121 P000467900 0VM414091 WORM MK12
B126 P000467940 0VM414330B PULLEY MK12
B133 P000468170 1VSA12903 IDLER ASSEMBLY(HI) MK12
B148 P000467780 0VM407664C TG CAP MK6
B300 P000467610 0VM203773 C DRIVE LEVER(TU) MK12
B303 P000467570 0VM203751C F DOOR OPENER MK12
B313 P000467920 0VM414145 C DRIVE SPRING MK12
B347 P000467650 0VM304920 GUIDE HOLDER A MK10
B354 P000467500 0VM101172F SLIDER(TU) MK12
B355 P000480670 0VM101182Q SLIDER(SP) MK12
B359 P000467630 0VM304413 CLEANER LEVER MK10
B360 P000467800 0VM410032C CLEANER ROLLER MK9
B361 P000467840 0VM411114 CL POST MK10
B410 P000480760 1VSA15385 PINCH ARM(A) ASSEMBLY
MK12
B411 P000467950 0VM414644 PINCH SPRING MK12
B414 P000468030 0VSA13655 M BRAKE(SP) ASSEMBLY(HI)
MK12
B416 0VSA13449 M BRAKE(TU) ASSEMBLY(HI)
MK12
B417 P000480690 0VM414221H TENSION SPG(3002645) MK12.5
B425 P000467830 0VM411110 LOCK LEVER SPRING MK10
B482 P000468040 1VM220271 CASSETTE PLATE
B483 P000467910 0VM414095 LOCK LEVER MK12
B487 P000468050 1VM320582 BAND BRAKE(SP) MK12.5
B488 P000480680 0VM101352W MODE LEVER(HI) MK12.5
B491 P000467510 0VM101176G CAM GEAR(A)(HI) MK12
B492 P000467620 0VM204236 MODE GEAR(LM) MK12
B494 P000467670 0VM305719 C DOOR OPENER MK12
B499 P000467700 0VM305729C T LEVER HOLDER MK12
B501 P000467590 0VM203767 WORM HOLDER MK12
B507 P000467810 0VM410058 REEL WASHER MK9 5*2.1*0.5
B508 P000467970 0VM414899 S BRAKE SPRING(HI) MK12
B513 P000467770 0VM402629A P.S.W F 6*2.55*0.5
B514 0VM411535B SCREW RACK MK14
B516 P000467810 0VM410058 REEL WASHER MK9 5*2.1*0.5
B518 P000467790 0VM408485A P.S.W CUT 1.6X4.0X0.5T
B521 P000467980 0VM414943 REV BRAKE SPG(HI) MK12
B522 0VSA11012 TG POST ASSEMBLY MK10
B525 P000467880 0VM412804 LDG BELT MK11
B529 0VSA11161 CLEANER ASSEMBLY MK10
B551 P000467760 0VM306183 FF ARM(HI) MK12
B553 P000467870 0VM412555 REV SPRING MK11
B555 P000468070 1VSA11842 RACK ASSEMBLY MK14
B557 P000483630 0VM403205A MOTOR PULLEY U5
B558 P000483820 MMDZB12MF003 LOADING MOTOR RF-500TB-
12560
B559 P000468020 0VSA13450 CLUTCH ASSEMBLY(HI) MK12
B562 P000467600 0VM203772 C DRIVE LEVER(SP) MK12
B563 P000467740 0VM305762B SLIDER SHAFT MK12
B564 P000467720 0VM305755 M GEAR(HI) MK12
B565 P000467730 0VM305756 SENSOR GEAR(HI) MK12
B567 P000489970 1VSA12890B PINCH ARM(B) ASSEMBLY
MK12.5
B568 P000467690 0VM305728 BT ARM MK12
B571 P000467790 0VM408485A P.S.W CUT 1.6X4.0X0.5T
B572 P000467790 0VM408485A P.S.W CUT 1.6X4.0X0.5T
B573 P000467560 0VM203436 REEL S MK11
B574 P000467550 0VM202872C REEL T MK10
B578 P000467640 0VM304440 TR GEAR A MK10
B579 P000467750 0VM305900 TR GEAR B MK12
B580 P000467710 0VM305743A TR GEAR C MK12
B581 P000467660 0VM305081 CENTER GEAR MK11
B582 P000467860 0VM411187C TR GEAR SPRING MK10
B583 P000467960 0VM414741 CAM WASHER MK12
B585 P000467890 0VM413663 PSW(317505) MK11
B587 P000468080 1VSA12878 TENSION LEVER ASSEMBLY
MK12
B590 P000467580 0VM203752E BRAKE ARM(TU) MK12
B591 P000467680 0VM305724C BAND BRAKE(TU) MK12
B592 P000467820 0VM411108E TG POST MK10
B596 1VM424704 HOLDER ML SHARP HI-SPEED
L1051 GPJB9060 SCREW B-TIGHT M2.6X6 PAN
HEAD+
L1053 GCJS9080 SCREW S-TIGHT M2.6X8
WASHER HEAD+
L1151 CPJ39040 SCREW SEMS M2.6X4 PAN
HEAD+
L1191 GCJS9080 SCREW S-TIGHT M2.6X8
WASHER HEAD+
L1321 GBJS3060 SCREW S-TIGHT M3X6 BIND
HEAD+
L1322 GBJBY040 SCREW B-TIGHT M2.3X4 BIND
HEAD+
L1341 GPJP2060 SCREW P-TIGHT M2X6 PAN
HEAD+
L1406 0VM410964A AC HEAD SCREW MK14
L1450 CPJ39050 SCREW SEMS M2.6X5 PAN
HEAD+
L1466 GBJS9060 SCREW S-TIGHT M2.6X6 BIND
HEAD+
L1467 SCJ39050 SCREW M2.6X5 WASHER
HEAD+
L1470 GBJS9040 SCREW S-TIGHT M2.6X4 BIND
HEAD+
!Loca-
tion No. TSB P/N Reference No. Description
