Daqu Manual
User Manual: Daqu-Manual
Open the PDF directly: View PDF
.
Page Count: 48

Daqu Manual
Kanardia
August 2015
Kanardia d.o.o.
Revision 1.4

Daqu — Manual
2Kanardia 2013-2015

Daqu — Manual
Revision History
The following table shows the revision history of this document.
Rev. Date Description
1.0 Apr 2013 Initial release
1.1 May 2013 Added sensor connections
1.2 October 2013 Added documentation for Rotax 912iS
1.3 January 2015 Adjusted to Nesis III, minor clarifications.
1.4 August 2015 Making manual in sync with software version 2.12
The document can be downloaded from http://www.kanardia.eu/downloads/daqu
3Kanardia 2013-2015

Daqu — Manual
4Kanardia 2013-2015

Daqu — Manual CONTENTS
Contents
1 Introduction 7
1.1 GeneralDescription ................................ 7
1.2 TechnicalSpecification............................... 7
1.3 Icons Used Trough the Manual . . . . . . . . . . . . . . . . . . . . . . . . . . 7
2 DAQU Installation 8
2.1 Installation ..................................... 8
2.2 IntakeManifoldPressure.............................. 8
2.3 Configuration.................................... 9
2.3.1 Channels .................................. 10
2.3.2 Configuration With Nesis, Software up to 2.8 . . . . . . . . . . . . . . 10
2.3.3 Configuration With Nesis, Software 2.9 or Later . . . . . . . . . . . . 11
2.3.4 Configuration With Emsis . . . . . . . . . . . . . . . . . . . . . . . . . 12
3 Wiring in General 14
3.1 Ground ....................................... 14
3.2 ResistiveSensors .................................. 14
3.3 Thermocouples ................................... 14
3.4 ActiveSensors ................................... 15
3.5 Potentiometers ................................... 16
3.6 DigitalSensors ................................... 17
4 Installation of Sensors, Probes and Transducers 19
4.1 EGT – Exhaust Gas Temperature . . . . . . . . . . . . . . . . . . . . . . . . 19
4.1.1 Hose Clamp Type EGT Probe . . . . . . . . . . . . . . . . . . . . . . 20
4.1.2 Bayonet Type EGT Probe . . . . . . . . . . . . . . . . . . . . . . . . . 20
4.2 CHT – Cylinder Head Temperature . . . . . . . . . . . . . . . . . . . . . . . 21
4.2.1 Rotax .................................... 22
4.2.2 Jabiru.................................... 22
4.2.3 Lycoming And Continental . . . . . . . . . . . . . . . . . . . . . . . . 23
4.3 OilTemperature .................................. 23
4.4 Coolant (Water) Temperature . . . . . . . . . . . . . . . . . . . . . . . . . . . 23
4.5 Carburettor Temperature . . . . . . . . . . . . . . . . . . . . . . . . . . . . . 24
4.6 Airbox, Gearbox And Other Temperatures . . . . . . . . . . . . . . . . . . . . 25
4.7 OilPressure..................................... 26
4.7.1 Rotax .................................... 29
4.7.2 AllOtherEngines ............................. 29
4.8 FuelPressure .................................... 29
4.9 Hydraulic And Pneumatic Pressure . . . . . . . . . . . . . . . . . . . . . . . . 31
4.10FuelLevel...................................... 32
5Kanardia 2013-2015

Daqu — Manual CONTENTS
4.10.1 Tank Calibration With Nesis, Software up to 2.8 . . . . . . . . . . . . 34
4.10.2 Tank Calibration With Nesis, Software 2.9 or Later . . . . . . . . . . 36
4.10.3 Tank Calibration With Emsis . . . . . . . . . . . . . . . . . . . . . . . 39
4.11PositionControls.................................. 39
4.11.1 Position Calibration With Nesis Software 2.8 . . . . . . . . . . . . . . 40
4.11.2 Position Calibration With Nesis Software 2.9 or Later . . . . . . . . . 41
4.12 Engine RPM – Tachometer . . . . . . . . . . . . . . . . . . . . . . . . . . . . 41
4.13RotorRPM..................................... 42
4.14FuelFlow ...................................... 43
4.14.1 Differential Fuel Flow . . . . . . . . . . . . . . . . . . . . . . . . . . . 44
4.15Amperes–Current................................. 45
4.16Voltage ....................................... 45
5 Rotax 912 iS Engine – Daqu iS 47
5.1 Connection to Rotax iS CAN . . . . . . . . . . . . . . . . . . . . . . . . . . 48
6Kanardia 2013-2015

Daqu — Manual 1. Introduction
1 Introduction
First of all, we would like to thank you for purchasing our product. Daqu is data acquisition
unit, designed especially for monitoring engine parameters. Daqu reads various engine sen-
sors, processes the readings and transmits them to the CAN network, where other units can
make use of these readings.
We strongly recommend you to carefully read this manual, before you start connecting Daqu
unit with your engine sensors. The manual provides information about the installation of the
Daqu unit and connecting it with sensors, probes and transducers.
The introduction chapter contains some general information, later chapters reveal the details.
1.1 General Description
Device is enclosed in thin anodized aluminum case. It is connected with the Nesis or Emsis
system over single cable, which serves as power supply and data link. Daqu uses modified
CANaerospace protocol over CAN bus for communication. Daqu has four twelve pin con-
nectors to connect with sensors or probes, one five pin CAN connector and ϕ5 mm outer
diameter intake manifold pressure connector.
1.2 Technical Specification
Table 1 shows some basic technical specification of Daqu unit.
Description Value
Weight 142 g
Size 125x80x18 mm (LxWxH)
Operational voltage 7–32 V
Power consumption 720 mW
Current (sensors not connected) 60 mA at 12 V
30 mA at 24 V
Operating temperature –30 ◦Cto +85 ◦C
Table 1: Basic technical specifications.
1.3 Icons Used Trough the Manual
A few icons appear on the side of the manual, which have special meanings:
This icon denotes information that needs to be taken with special attention.
This icon denotes background information about the subject.
This icon denotes an installation tip.
7Kanardia 2013-2015

Daqu — Manual 2. DAQU Installation
2 DAQU Installation
This section instructs how to install and configure Daqu. However, this section does not tell
much about installation of sensors, probes and transducers, which installation is covered in
a separate section 4 starting on page 19.
2.1 Installation
Daqu shall be installed close to the engine in order to keep the sensor cables short. It can be
installed even on the engine side of the firewall, if it is protected from the direct engine heat.
The orientation or position of Daqu is not critical. Just make sure that Daqu connectors are
easily accessible and sensor cables are guided properly.
Daqu must not be mounted directly on the motor or on a place where significant vibrations
may occur. Daqu is not waterproof. When installing the unit in a location where it will be
exposed to fluids or moisture, install it in a waterproof enclosure.
Daqu gets the required electrical power from the CAN bus, which means, that the CAN cable
is the only cable that connects it with the Nesis or Emsis system.
Physical dimensions are given in the Appendix. Please allow additional 6 cm clearance for
the CAN connector on one side and about 8 cm (depends on the manifold pressure tube) for
the manifold pressure connector on the other, see figure 1 for details.
Figure 1: Daqu top view.
Daqu is not shipped with the mounting hardware. You may use any appropriate removable
fittings that suit the need – just do not use rivets.
2.2 Intake Manifold Pressure
Daqu has a built in MEMS sensor that is used to measure the intake manifold pressure.
Use a ϕ5 mm inner diameter tube to connect the manifold pressure engine source with the
Daqu manifold connector. Secure the tube on all connections using pipe clamps. Please,
consult your engine manual to locate the source of the manifold pressure on your engine. On
most engines you need to remove the protection cap and the protection nipple first.
We strongly recommend installing a restrictor with a small hole in the middle of the tube.
Install the restrictor as close to the manifold pressure source as possible. This is mostly due
to the safety reasons.
8Kanardia 2013-2015

Daqu — Manual 2.3 Configuration
2.3 Configuration
Daqu can be configured for myriad sensor configurations. Configuration is performed in two
steps. In the first step sensors are physically wired to individual pins. In the second step
sensor parameters are entered using the Nesis or Emsis unit. Daqu and Nesis/Emsis unit
must be both connected to the CAN bus, of course.
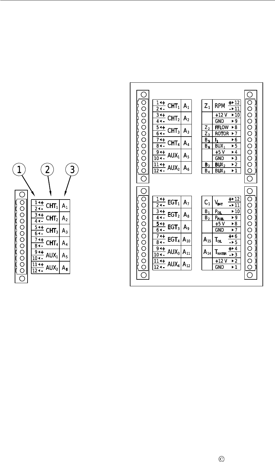
Figure 2 (right) shows Daqu top view, where all pins and channels are visible.
TB1
TB2 TB4
TB3
Figure 2: Daqu pins and channels A1 – A6 (left), Daqu all pins and channels (right).
Each channel has three labels. See figure 2 (left).
1. Connector pin number – when connector is disconnected, this number helps to find the
correct pin.
2. Default usage of the channel – it will suit most of the needs, but the channel is not
limited to the default use.
3. General channel label – this label tells the general channel meaning – which type of
channel it belongs to and the number of the channel.
Some pins are not connected to channels and they provide either ground (GND) or +5/+12 V
output, which is needed by active sensors.
In most cases you connect sensors to the default positions according to the labels. This
significantly simplifies the configuration process. However, Daqu is an extremely configurable
device and there may be occasions when non-standard connections may be necessary.
9Kanardia 2013-2015

Daqu — Manual 2.3 Configuration
After the sensors are physically connected to the Daqu, each sensor needs to be configured
with Nesis/Emsis unit.
2.3.1 Channels
Daqu has four type of channels. Some channels are using two pins and some only one. They
are designated using capital letters.
A– analog channels with –2.5 V to +2.5 V input, which are typically used to connect resis-
tive sensors and thermocouples. Typical resistive sensors are various VDO or Westach
pressure sensors, VDO or Westach temperature sensors, many fuel level sensors, etc.
Typical thermocouples used in aviation are J and K type.
B– analog channels with 0 to +5 V input, used to read active sensors. Active sensors
require power in order to operate properly. Hence, Daqu provides +5/+12 V source
and GND (ground) connection near B channel ports.
Do NOT connect any sensor with a signal output greater than +5 V to any input
B channel. Any voltage higher than +5 V will permanently damage Daqu unit.
Channel B1 is a bit special, as it works in a pair with special internal resistor, which
can be switched on or off. This comes handy, when the channel is used with sensors
giving current output.
C– analog channel with 0 to +30 V input, used to read higher voltage levels. Only one
such channel is available and is used to measure the system voltage.
Z– digital channels used to measure time between pulses, such as engine or rotor RPM
signals or fuel flow. Z2 and Z3 channels allow up to 24 V input signals, while Z1 is
special and allows input signals up to 150 V.
2.3.2 Configuration With Nesis, Software up to 2.8
This section only guides you through configuration process. For more information and de-
tails about configuring the sensors and handling with the Nesis software, download or print
Nesis User Manual from http://www.kanardia.eu/downloads/nesis.
Follow the next procedure to enter the Airplane Engine menu:
1. Select the Setup screen.
2. Enter the Service Mode1screen.
3. Open the Airplane Engine menu.
Nesis Airplane Engine menu opens, see figure 3 (left). Select the correct engine for your
aircraft by following next steps:
1. Select the Engine Type list.
2. Select the correct engine.
3. Save.
1You will need a valid service code for your Nesis unit. The service code (password) is written on the
warranty statement, that you received together with the instrument.
10 Kanardia 2013-2015

Daqu — Manual 2.3 Configuration
Figure 3: Nesis Airplane Engine menu (left), Nesis channel configuration dialogue (right).
Configure sensors by repeating the following steps:
1. Select a channel to open configuration dialogue, see figure 3 (right).
(a) Function – what is sensor function. Make sure that one function is not activated
twice – two channels can NOT share the same function.
(b) Sensor – type of sensor being used.
(c) Is sensor isolated – thermocouples only, otherwise ignored.
(d) Filter time constant – how quickly Daqu unit reacts to a sensor change. Large
value means slower reaction.
(e) Pulses per event – for example, Rotax engines require 1 pulse per engine revolution
and some fuel flow sensors require up to 8000 pulses per liter.
(f) Correction factor – needed by fuel flow sensors. A value larger than one increases
the fuel consumption indication, while a value smaller than one decreases fuel
consumption indication.
(g) Save to accept new parameters. This closes the dialogue.
(h) Reset to reset the channel (use this on unused channels).
(i) Close to close the channel editing without accepting new parameters.
2. Once all channels are set, you must again Save in order to transfer the new configu-
ration to Daqu. This also makes new configuration active. Close will not save new
configuration!
2.3.3 Configuration With Nesis, Software 2.9 or Later
A significant change in user interface was introduced with version 2.9 and later. Although
the principles are the same, we repeat the procedure and illustration in this section.
1. Push the knob to bring up the main menu.
2. Select the Options item.
3. Select the Service icon and enter service code.
4. Once you are in the Service Options, select the Engine icon. A list of channels appears.
An example is shown on figure 4
11 Kanardia 2013-2015

Daqu — Manual 2.3 Configuration
Figure 4: List of channels and sensors for Nesis software 2.9 or later.
Once the list is displayed, select the channel you want to set or edit. You have two choices:
The Reset option clears the channel and makes it inactive.
The Edit option opens a new window, which allows you to set the details for this
channel. Figure 5 shows an example for the engine RPM.
Figure 5: An example of channel details for Nesis software 2.9 or later.
There is no need to save the cofigurations. As soon as a window is closed, the configuration
is saved automatically.
Important: The software does not check if some other channel also has the same function
active. Please make sure that same function does not appear on more channels. This leads
to an error and Nesis may not fuction properly.
2.3.4 Configuration With Emsis
This section only guides you through configuration process. For more information and de-
tails about configuring the sensors and handling with the Emsis unit, download or print
Emsis User Manual from http://www.kanardia.eu/downloads/emsis.
Follow the next procedure to enter the Sensors menu:
1. Select the Settings screen.
2. Enter the Engine menu.
3. Enter Sensors menu.
12 Kanardia 2013-2015

Daqu — Manual 2.3 Configuration
Figure 6: Emsis Sensors menu (left), Emsis channel configuration dialogue (right).
Emsis Sensors menu opens, see figure 6 (left). Configure sensors by repeating the following
steps:
1. Select a channel to open configuration dialogue, see figure 6 (right).
(a) Function – what is sensor function. Make sure that one function is not activated
twice – two channels can NOT share the same function.
(b) Sensor – type of sensor being used.
(c) Is sensor isolated – thermocouples only, otherwise ignored.
(d) Filter time constant – how quickly Daqu unit reacts to a sensor change. Large
value means slower reaction.
(e) Divider – pulses per event – for example, Rotax engines require 1 pulse per engine
revolution and some fuel flow sensors require up to 8000 pulses per liter.
(f) Save with pressing the cross button. This closes the dialogue.
2. Once all channels are set, Emsis transfers the new configuration to Daqu. This also
makes new configuration active.
13 Kanardia 2013-2015

Daqu — Manual 3. Wiring in General
3 Wiring in General
This section guides you through various sensor type connection schemas. Not all options are
described, but just typical and most common ones. Use following schemas as general wiring
help. There are also other sensors Daqu can make use of and are not described here. When
you encounter a problem, contact Kanardia and we will try to provide you with a solution.
See your sensor manual and specifications before wiring and installing sensor. Follow the
sensor instructions. Make sure that the wires are secured and they will not get loose due to
vibrations.
3.1 Ground
NEVER connect Daqu ground pin (GND) directly to the aircraft or engine block common
ground. Routing ground through aircraft/engine block will not damage Daqu unit, but will
cause incorrect readings from the engine sensors.
Daqu ground pin should be used only when:
1. Active sensor is installed and GND pin is used for grounding. In this case also +5/+12 V
pin is used for sensor power and sensor signal is connected to B or Z channels.
2. Isolated resistive (two wire) sensor is installed and GND pin is used as a reference
ground for the sensor. In this case sensor is connected to some A channel.
Special caution should be applied when dealing with fuel sensors.
3.2 Resistive Sensors
Resistive sensors are generally used as various temperature probes. They can be also used as
pressure and fuel level probes. Two standard schemas are used.
Non-isolated Sensors
Non-isolated sensors have just one wire. Wire is connected to “+” pin of A channel.
Ground is provided through the engine block and must be connected to “–” pin of the
same A channel. See figure 7 (left).
Isolated Sensor
Isolated sensors have two wires. One wire is connected to “+” pin and the other wire
is connected to “–” pin of the same A channel. ”–“ pin must be also connected
with GND pin. See figure 7 (right).
3.3 Thermocouples
Thermocouples are commonly used as EGT or CHT probes, but they may be used for other
purposes as well.
Positive wire is connected to “+” pin and negative wire is connected to “–” pin of the same
A channel. See figure 8.
A thermocouple sensor may be constructed as an electrically isolated or non-isolated sensor.
If you do not know if your thermocouple is isolated or not, use a multimeter to do a continuity
test between the wire ends and the probe sheathing. If thermocouple is non-isolated you will
have a closed circuit; isolated will result in an open circuit.
14 Kanardia 2013-2015

Daqu — Manual 3.4 Active Sensors
Figure 7: Resistive sensor connection schema. Non-isolated sensor (left), isolated sensor
(right).
Figure 8: Thermocouples connection schema.
3.4 Active Sensors
Active sensors are generally used to measure pressure and fuel level.
Voltage output
Active sensors with voltage output have three wires. +5/+12 V input is connected to
appropriate +5/+12 V pin and ground is connected to GND pin. Signal is connected
to B channel. See figure 9.
Do not connect any sensor with an output signal greater than +5 V to B channels. It
will permanently damage Daqu unit.
Current output
Active sensors with current output may have two or three wires. +5/+12 V input
is connected to appropriate +5/+12 V pin. Signal is connected to B1 channel, see
figure 10 (left). When signal is connected to B2 – B6 channel, 220 Ω resistor must be
connected between B2 – B6 channel and GND pin, see figure 10 (right). GND wire
may be omitted and in this case GND is connected over the engine block. Channel B1
is special and it may be configured without external resistor. B1 has its own internal
15 Kanardia 2013-2015

Daqu — Manual 3.5 Potentiometers
Figure 9: Active sensor with voltage output connection schema.
Figure 10: Active sensor with current output connection schema. Connection to B1 channel
(left), connection to B2 – B6 channels (right).
resistor, which can be switch on or off. Other B channels do not have this option and
external resistor must be used.
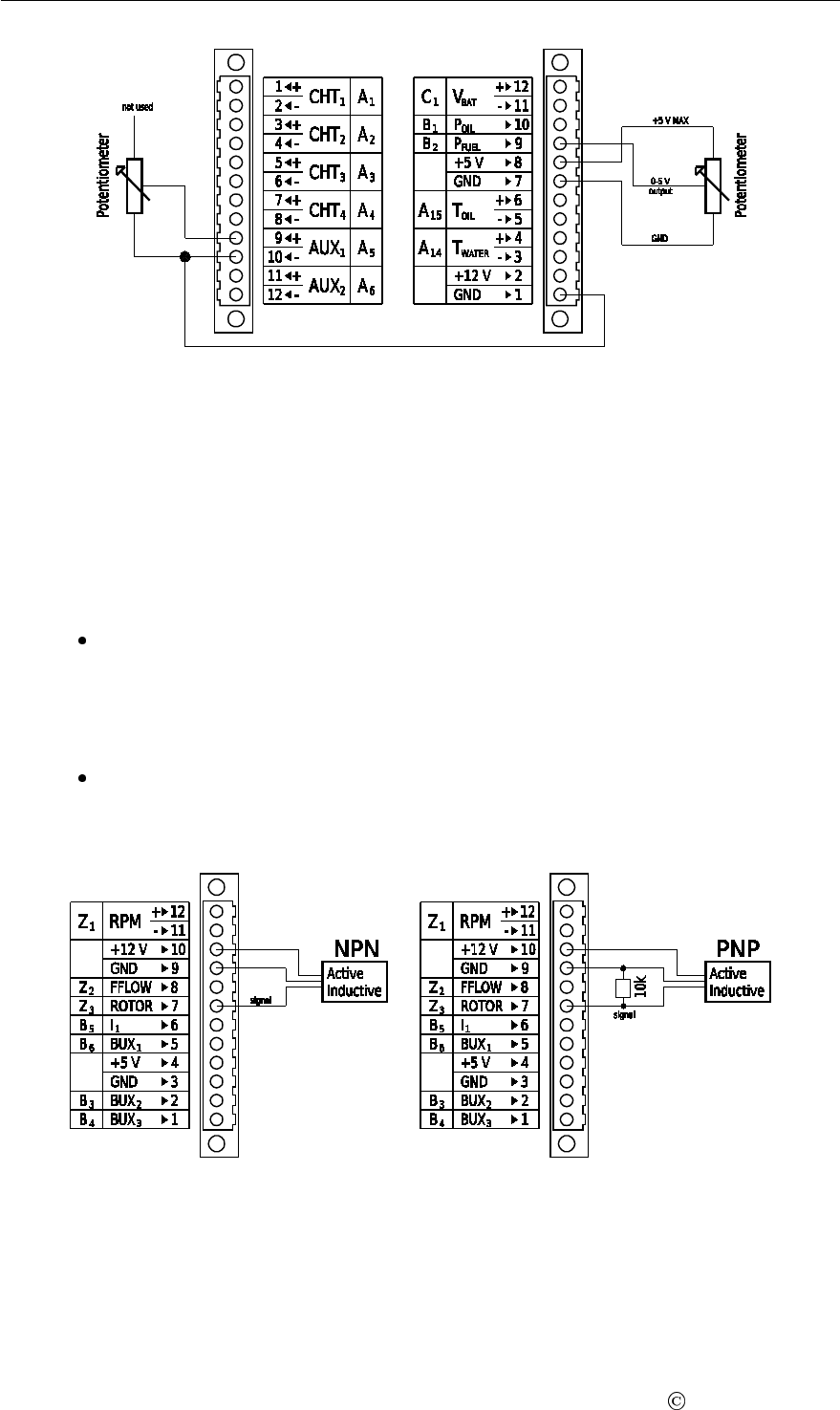
3.5 Potentiometers
Position sensors/potentiometers are mostly used to detect the change of trim or flap position.
They, however, may have other usages as well.
Measuring Resistance (recommended)
Connect potentiometer one end with ”+“ pin and potentiometer other end to ”–“ pin
of the same A channel. Also connect ”–“ pin with GND pin. See figure 11 (left).
Measuring Voltage
Connect potentiometer one end with +5 V pin (never connect to +12 V) and
potentiometer other end with GND pin. Connect sliding contact to B channel. See
figure 11 (right).
When measuring voltage, no matter which variable resistor is used, selected sensor on
Nesis/Emsis unit must be Linear 5V !
16 Kanardia 2013-2015

Daqu — Manual 3.6 Digital Sensors
Figure 11: Potentiometer connection schema. Measuring resistance (left), measuring voltage
(right).
3.6 Digital Sensors
Digital sensors measure time between pulses. They are used for measuring engine/rotor
RPMs and fuel flow.
Active Inductive RPM Sensors
NPN (Open Collector Output)
Connect sensor +5/+12 V input with appropriate +5/+12 V pin according to your
sensor specifications. Ground is connected to GND pin. Signal must be connected
to the correct channel (default is ”+“ pin on Z1, but Z2 or Z3 channels can also
be used. See figure 12 (left).
PNP (Open Drain Output)
Sensor wiring is the same as for NPN sensors, but you have to connect 10 kΩ
resistor between Z channel and GND pin. See figure 12 (right).
Figure 12: NPN – open collector output sensor connection schema (left), PNP – open drain
output sensor connection schema (right).
Digital pulses are typically accompanied with a divider value. This value varies in regards
to the sensor type and intended function. For RPM measurements, the divider equals to
number of digital pulses for one revolution.
17 Kanardia 2013-2015

Daqu — Manual 3.6 Digital Sensors
In the case of fuel flow, the divider equals to number of pulses required per one litre. As
fuel flow measurements tends to be inacurate, we added a correction factor, which allows
you to keep factory measured divider value and to apply the adjustment using a simple
multiplication factor.
18 Kanardia 2013-2015

Daqu — Manual 4. Installation of Sensors, Probes and Transducers
4 Installation of Sensors, Probes and Transducers
This section guides you through various sensor installation details that are commonly found
in practise.
In this section only connections to Daqu are described. For precise installation of sensors,
probes and transducers to your engine, please consult your engine manual.
4.1 EGT – Exhaust Gas Temperature
All standard EGT sensors (probes) are using K type thermocouples.
The thermocouples wires should not be extended using standard wires (copper or similar).
When extended, the same metal must be used for extension – otherwise Daqu unit will give
false readings. When shortened to length, ALL wires must be the same length.
K type thermocouples are made of chromel-alumel metals. Positive electrode wire is cromel
and negative electrode wire is alumel.
EGT labels (K type) correspond to different colours, see table 2.
Colour code + –
IEC (international) green white
BS (Great Britain) brown blue
ANSI (USA) yellow red
DIN (Germany) red green
NFC (France) yellow purple
Table 2: K type thermocouple – wire colours standards.
EGT probes are typically placed on the exhaust pipes. Correct placement is important to
get precise readings. The placement may vary between engine type and model. Consult your
engine manual for proper EGT probe placement.
Most appropriate position is 5 – 20 cm from the cylinder. For best results, mount all probes
at the same distance from each cylinder. Gases in the exhaust pipe are cooling very quickly
and installing probes at different distances may result in different temperatures. (Difference
between the temperatures are more important than the actual absolute temperatures.)
In most cases, each exhaust pipe gets its own probe. However, if you opt for less probes,
you should install them on the exhaust pipes that get less cooling air in cowling. These are
typically the rear exhaust pipes. We recommend installing at least two EGT probes on the
opposite sides for proper temperature comparison.
EGT probes come in two basic forms as seen on figure 13.
Figure 13: Hose clamp type EGT probe (left), bayonet type EGT probe (right).
19 Kanardia 2013-2015

Daqu — Manual 4.1 EGT – Exhaust Gas Temperature
A probe can come loose during the flight due to vibrations and can come in contact with
the propeller or engine parts. Use safety wire on each probe to prevent this and to keep the
probe in its place.
Any leak in the exhaust system can cause carbon monoxide to enter the cockpit (cabin),
which may cause severe (lethal) poisoning. We recommend a good inspection of the final
installation and purchase of the Nesis carbon monoxide sensor, which will give you early
visual and audio warning on carbon monoxide presence.
Channels A7 – A12 on Daqu are supposed to connect with EGT probes (channels A1 – A6,
A14 or A15 can also be used). Connect positive wire to “+“ pin and negative wire to ”–“ pin
of the same A channel. See figure 14 for proper connection schema.
Channel Function Sensor Isolated Filter
A1 – A12, A14 – A15 EGT 1, EGT 2 ... K type, J type refer to section 3.3 1000 ms
Figure 14: EGT probe connection schema.
4.1.1 Hose Clamp Type EGT Probe
Mark a spot on the exhaust pipe, where the probe will be installed. Make sure that the spot
is on the straight portion of the pipe to ensure better grip for the hose clamp. Make also sure
that the probe does not interfere with the cowl or any other obstacle or engine part.
Drill appropriate hole on the marked spot and carefully clean any chips and burrs.
Insert the probe and fasten it by tightening the clamp with a screwdriver. Check that the
clamp provides a firm grip and secure fit, but do not over-tighten it.
Example for hose clamp EGT probe can be seen on figure 13 (left).
4.1.2 Bayonet Type EGT Probe
Bayonet type EGT probe requires a nut welded on the exhaust pipe. Below the nut is a hole,
where a probe enters the tube. If there is no hole, measure the probe tip diameter and drill a
hole that matches the measured diameter. Typical diameter is 1/8"(10 mm). Some probes
have adjustable tip length.
Thread the probe into welded nut and adjust the tip so that the tip is in the middle of the
tube. Tighten all the nuts, one used to adjust the tip and the other which holds the probe
in the pipe.
20 Kanardia 2013-2015

Daqu — Manual 4.2 CHT – Cylinder Head Temperature
Example for bayonet EGT probe can be seen on figure 13 (right).
4.2 CHT – Cylinder Head Temperature
Standard CHT sensors (probes) are J type thermocouples, but several different sensor types
are also supported: K type thermocouples, VDO 120◦/150◦thermistor probe, PT 100/1000
and other thermistor type probes.
The thermocouples wires should not be extended using standard wires (copper or similar).
When extended, the same metal must be used for extension – otherwise Daqu unit will give
false readings. When shortened to length, ALL wires must be the same length.
J type thermocouples are made of iron-constantan metals. Positive electrode wire is iron and
negative electrode wire is constantan.
CHT labels (J type) correspond to different colours, see table 3.
Color code + –
IEC (international) black white
BS (Great Britain) yellow blue
ANSI (USA) white red
DIN (Germany) red blue
NFC (France) yellow black
Table 3: J type thermocouple – wire colours standards.
CHT probes come in very different forms and strongly depend on the engine type as seen on
figure 15.
Figure 15: From left to right: 12 mm ring-terminal type CHT thermocouple, bayonet spring
type CHT thermocouple with insert, bayonet type CHT thermocouple and VDO
150◦thermistor type CHT probe.
Channels A1 – A6 on Daqu are supposed to connect with CHT probes (channels A7 – A12,
A14 or A15 can also be used). Connect positive wire to ”+“ pin and negative wire to ”–“ pin
of the same A channel. See figure 16 for proper connection schema.
Channel Function Sensor Isolated Filter
A1 – A12, CHT 1, CHT 2 ... J type, K type, refer to section 3.3 1000 ms
A14 – A15 VDO 100/120/150/200,
PT100/1000,
NTC Flybox N1K
21 Kanardia 2013-2015

Daqu — Manual 4.2 CHT – Cylinder Head Temperature
Figure 16: CHT probe (thermocouple) connection schema.
4.2.1 Rotax
Rotax engines usually have thermistor CHT probes included with the engine (VDO 150◦C,
seen on figure 15). They are installed in diagonal cylinders (1, 3). You need to route the
connections from probes to Daqu.
Connect the wire to correct ”+“ pin. Ground is provided through the engine block and must
be connected to ”–“ pin of the same A channel. See figure 17 for proper connection schema.
Figure 17: Rotax engines CHT probe (thermistor type) connection schema.
4.2.2 Jabiru
Jabiru engines require a CHT probe to be installed under the spark plug on each cylinder.
To install the probe, remove the spark plug and remove the compression washer from the
spark plug. Slide the 12 mm ring-terminal type CHT probe on the spark plug, then slide the
compression washer back and reinstall the spark plug into the spark plug hole. Example for
12 mm ring-terminal type CHT probe can be seen on figure 15.
See also your Jabiru engine manual for more details.
22 Kanardia 2013-2015

Daqu — Manual 4.3 Oil Temperature
4.2.3 Lycoming And Continental
Lycoming and Continental engines have many different types and the best approach is to
study your engine manual or ask an experienced mechanics about mounting the CHT probes.
In most cases, there is a threaded hole near the bottom of the cylinder. A bayonet type CHT
probe with the adjustable tip can be used in this case. Example for the probe can be seen
on figure 15.
Install the adapter nut into the hole in the cylinder. Slide the tip so that it hits the bottom
of the cylinder hole. Tighten the nut to keep the tip in the position.
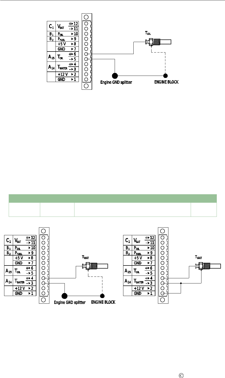
4.3 Oil Temperature
Refer to your engine manual for details on the oil temperature sensor installation. In many
cases, your engine will be already equipped with proper sensors. If this is not the case, we
provide two sensors that differ in thread size, see figure 18.
1/8 – 27 NPT thread is normally used on Rotax and Jabiru engines.
5/8 – 18 UNF thread is normally used on Lycoming and Continental engines.
Several different sensors are also supported. Please see section 4.2 for sensors, as the sensors
for the oil temperature are (in most cases) the same as for the CHT.
Figure 18: 1/8 – 27 NPT thread sensor (left), 5/8 – 18 UNF thread (right).
Sensor has just one wire. Connect the wire to correct ”+“ pin (default channel is A15,
channels A1 – A12 or A14 can also be used). Ground is provided through the engine block
and must be connected to ”–“ pin of the same A channel. See figure 19 for proper connection
schema.
Channel Function Sensor Filter
A1 – A12, Oil temp VDO 100/120/150/200, PT100/1000, LM335, 1000 ms
A14 – A15 NTC Flybox N1K, NTC Westach
4.4 Coolant (Water) Temperature
If your engine is not equipped with proper sensor, refer to your engine manual for installation
of the coolant temperature sensor.
Several different sensors are supported. Please see section 4.2 for sensors, as sensors for
coolant (water) temperature are (in most cases) the same as for the CHT or oil temperature.
23 Kanardia 2013-2015

Daqu — Manual 4.5 Carburettor Temperature
Figure 19: Oil temperature sensor (non-isolated) connection schema.
Non-isolated Sensor
Sensor has just one wire. Connect the wire to correct ”+“ pin (default channel is A14,
channels A1 – A12 or A15 can also be used). Ground is provided through the engine
block and must be connected to ”–“ pin of the same A channel. See figure 20 (left) for
proper connection schema.
Isolated Sensor
Sensor has two wires. One wire is connected to ”+“ pin (default channel is A14, channels
A1 – A12 or A15 can also be used) and the other wire is connected to ”–“ pin of the
same A channel. Also connect ”–“ pin with GND pin. See figure 20 (right) for
proper connection schema.
Channel Function Sensor Filter
A1 – A12, Water temp VDO 100/120/150/200, PT100/1000, LM335, 1000 ms
A14 – A15 NTC Flybox N1K, NTC Westach
Figure 20: Coolant (water) temperature sensor connection schema. Non-isolated sensor (left),
isolated sensor (right).
4.5 Carburettor Temperature
If your engine is not equipped with proper sensor, refer to your engine manual for installation
of the carburettor temperature sensor.
24 Kanardia 2013-2015

Daqu — Manual 4.6 Airbox, Gearbox And Other Temperatures
It is usually installed after the main nozzle, before the throttle valve. Remove the plug in the
carburettor housing below the throttle valve. In case carburettor is not pre-drilled for the
temperature sensor, you must remove carburettor from the engine and drill the correct-sized
hole and make thread yourself. Remove all chips and burrs before installing carburettor back
to the engine.
Non-isolated Sensor
Sensor has just one wire. Connect the wire to correct ”+“ pin (channels A1 – A12 or
A14 or A15 can be used). Ground is provided through the engine block and must be
connected to ”–“ pin of the same A channel. See figure 21 (left) for proper connection
schema.
Isolated Sensor
Sensor has two wires. One wire is connected to ”+“ pin (channels A1 – A12 or A14 or
A15 can be used) and the other wire is connected to ”–“ pin of the same A channel.
Also connect ”–“ pin with GND pin. See figure 21 (right) for proper connection
schema.
Channel Function Sensor Filter
A1 – A12, Carburetor temp VDO 100/120/150/200, PT100/1000, LM335, 1000 ms
A14 – A15 NTC Westach
Figure 21: Carburettor temperature sensor connection schema. Non-isolated sensor (left),
isolated sensor (right).
4.6 Airbox, Gearbox And Other Temperatures
If your engine is not equipped with proper sensor, refer to your engine manual for installation
of the temperature sensor.
Non-isolated Sensor
Sensor has just one wire. Connect the wire to correct ”+“ pin (channels A1 – A12 or
A14 or A15 can be used). Ground is provided through the engine block and must be
connected to ”–“ pin of the same A channel. See figure 22 (left) for proper connection
schema.
25 Kanardia 2013-2015

Daqu — Manual 4.7 Oil Pressure
Isolated Sensor
Sensor has two wires. One wire is connected to ”+“ pin (channels A1 – A12 or A14 or
A15 can be used) and the other wire is connected to ”–“ pin of the same A channel.
Also connect ”–“ pin with GND pin. See figure 22 (right) for proper connection
schema.
Channel Function Sensor Filter
A1 – A12, Airbox / Gearbox VDO 100/120/150/200, PT100/1000, LM335, 1000 ms
A14 – A15 NTC Flybox N1K, NTC Westach
Figure 22: Airbox/Gearbox temperature sensor connection schema. Non-isolated sensor
(left), isolated sensor (right).
4.7 Oil Pressure
In order to measure the engine oil pressure, sensor that operates in the 0 – 10 bar (0 – 150 psi)
range is typically used.
Kanardia provides two oil pressure sensors, see figure 23.
Active (MEMS based) oil pressure sensor with 1/8 – 27 NPT thread.
Passive VDO oil pressure sensor with 1/8 – 27 NPT thread.
Sensors normally fit directly to Rotax (after year 2008), Lycoming and Continental engines.
For other engines you may require either adapter or different sensor. We recommend that
sensor is not installed directly on the engine.
Kanardia recommends usage of active oil pressure sensor.
Passive – Resistive Sensors
Connect passive (non-isolated) oil pressure sensor to correct ”+“ pin (channels
A1 – 12 or A14 – A15 can be used). Ground is provided through the engine block
and must be connected to ”–“ pin of the same A channel. See figure 24 for proper
connection schema.
Active Sensors
26 Kanardia 2013-2015

Daqu — Manual 4.7 Oil Pressure
Figure 23: Active (MEMS based) oil pressure sensor (left), passive VDO oil pressure sensor
(right).
Channel Function Sensor Filter
A1 – A12, A14 – A15 Oil pressure VDO 5/6/8/10 bar 1500 ms
Figure 24: Passive (non-isolated) oil pressure sensor connection schema.
Voltage Output
Sensor has three wires. Connect +5/+12 V input to appropriate +5/+12 V pin
according to:
(a) Sensor operating voltage +5 V
These sensors require +5 V to operate and they provide 0.5 – 4.5 variable
voltage output indicating pressure.
(b) Sensor operating voltage +12 V
These sensors require +12 V to operate and they provide 0 – 5 variable voltage
output indicating pressure.
Ground is connected to GND pin and signal must be connected to the correct
channel (default channel is B1, channels B2 – B6 can also be used). See figure 25
for proper connection schema.
Do not connect any sensor with an output signal greater than +5 V to B channels.
It will permanently damage Daqu unit.
Channel Function Sensor Filter
B1 – B6 Oil pressure Act 5V 100/150/200/250/300/500 psi 1500 ms
Current Output (Rotax active oil pressure sensor)
Rotax active oil pressure sensor is designed to output variable current proportional
27 Kanardia 2013-2015

Daqu — Manual 4.7 Oil Pressure
Figure 25: Active oil pressure sensor with voltage output connection schema. Sensor operating
voltage +5 V (left), sensor operating voltage +12 V (right).
to the pressure being measured. Sensor output at 0 bar is 4 mA and at maximum
pressure is 20 mA. Daqu measures this current using built-in resistor on channel B1
only.
Rotax active oil pressure sensor has two wires (older versions have three). Red
wire provides power for the sensor operation and is connected to +12 V pin. White
wire provides signal and is connected to channel B1. Black wire, if exists, is not
used (the sensor is grounded via engine Block). See figure 26 (left) for proper
connection schema.
Channels B2 – B6 can also be used, but 220 Ω resistor must be connected between
B2 – B6 channel and GND pin. See figure 26 (right) for proper connection schema.
Channel Function Sensor Filter
B1 Oil pressure Rotax Int. Res. 1500 ms
B2 – B6 Rotax Active
Figure 26: Rotax active oil pressure sensor with current output connection schema. Connec-
tion to channel B1 (left), connection to channels B2 – B6 (right).
28 Kanardia 2013-2015

Daqu — Manual 4.8 Fuel Pressure
4.7.1 Rotax
Rotax engines usually come equipped with the oil pressure sensor. Models shipped before
2008 have a passive VDO 0 – 10 bar (0 – 150 psi) range sensor, see figure 24 for connection
schema. Rotax engines shipped after 2008 have installed Rotax active oil pressure sensor, see
figure 26 for connection schema.
4.7.2 All Other Engines
Lycoming, Continental and Jabiru engines usually come equipped with 1/8 – 27 NPT thread
passive oil pressure sensor. See figure 24 for connection schema.
On second installation Kanardia recommends usage of active pressure sensor.
4.8 Fuel Pressure
In order to measure fuel pressure, sensor that operates in the 0 – 2 bar (0 – 30 psi) range
shall be used for carbureted engines. Injected engines require fuel pressure sensor with higher
range. See your engine manual for specifications. Fuel pressure sensor must not be mounted
directly on the engine due to potential vibration problems.
Kanardia provides two fuel pressure sensors and fittings, see figure 27.
Active (MEMS based) fuel pressure sensor with 1/8 – 27 NPT thread.
Passive VDO fuel pressure sensor with 1/8 – 27 NPT thread.
Figure 27: Active (MEMS based) fuel pressure sensor (left), passive VDO fuel pressure sensor
(middle), fuel pressure sensor fitting ϕ6 or ϕ8 mm (right).
Passive – Resistive Sensors
Non-isolated Sensor
Sensor has just one wire. Connect the wire to correct ”+“ pin (default channel is
A14, channels A1 – A12 or A15 can also be used). Ground is provided through
the engine block and must be connected to ”–“ pin of the same A channel. See
figure 28 (left) for proper connection schema.
Isolated Sensor
Sensor has two wires. One wire is connected to ”+“ pin (default channel is A14,
channels A1 – A12 or A15 can also be used) and the other wire is connected to
”–“ pin of the same A channel. Also connect ”–“ pin with GND pin. See
figure 28 (right) for proper connection schema.
29 Kanardia 2013-2015

Daqu — Manual 4.8 Fuel Pressure
Channel Function Sensor Filter
A1 – A12, A14 – A15 Fuel pressure VDO 2/5 bar, Skytech 15 psi 1500 ms
Figure 28: Passive fuel pressure sensor connection schema. Non-isolated sensor (left), isolated
sensor (right).
Active Sensors
Voltage Output
Sensor has three wires. Connect +5/+12 V input to appropriate +5/+12 V pin
according to:
(a) Sensor operating voltage +5 V
These sensors require +5 V to operate and they provide 0.5 – 4.5 variable
voltage output indicating pressure.
(b) Sensor operating voltage +12 V
These sensors require +12 V to operate and they provide 0 – 5 variable voltage
output indicating pressure.
Ground is connected to GND pin and signal must be connected to the correct
channel (default channel is B1, channels B2 – B6 can also be used). See figure 29
for proper connection schema.
Do not connect any sensor with an output signal greater than +5 V to B channels.
It will permanently damage Daqu unit.
Channel Function Sensor Filter
B1 – B6 Fuel pressure Act 5V 15/30/50/100/150/200 psi 1500 ms
Current Output
Active fuel pressure sensor is designed to output variable current proportional to
the pressure being measured. Sensor output at 0 bar is 4 mA and at maximum
pressure is 20 mA. Daqu measures this current using built-in resistor on chan-
nel B1 only.
Active fuel pressure sensor has two wires (older versions have three). Connect
+5/+12 V input with appropriate +5/+12 V pin according to your sensor speci-
fications. Signal is connected to channel B1. Third wire, if exists, is not used. See
figure 30 (left) for proper connection schema.
Channels B2 – B6 can also be used, but 220 Ω resistor must be connected between
B2 – B6 channel and GND pin. See figure 30 (right) for proper connection schema.
30 Kanardia 2013-2015

Daqu — Manual 4.9 Hydraulic And Pneumatic Pressure
Figure 29: Active fuel pressure sensor with voltage output connection schema. Sensor oper-
ating voltage +5 V (left), sensor operating voltage +12 V (right).
Channel Function Sensor Filter
B1 Fuel pressure Rotax Int. Res. 1500 ms
B2 – B6 Rotax Active
Figure 30: Active fuel pressure sensor with current output connection schema. Connection to
channel B1 (left), connection to channels B2 – B6 (right).
4.9 Hydraulic And Pneumatic Pressure
Refer to your engine manual for details on the hydraulic or pneumatic pressure sensor instal-
lation.
Sensors used for hydraulic or pneumatic pressure are the same as for fuel or oil pressure.
Difference may only be in fitting to the existing ports – they may have a different thread and
they may have different operating range.
Refer to section 4.8 for proper connection of your sensor.
31 Kanardia 2013-2015

Daqu — Manual 4.10 Fuel Level
4.10 Fuel Level
Before installing fuel level sensor into fuel tank, ensure that the tank is completely empty.
Make sure to ventilate the tank – fuel vapours are highly explosive. Fuel level sensor must be
grounded at all time. Ground connection must never break to prevent any electrical sparks
near or inside the fuel tank. When removing fuel level sensor, make sure to disconnect other
wires before the ground wire. When (re)installing fuel level sensor, connect the ground wire
first.
You can connect up to two fuel tanks to the Daqu unit.
Passive – Resistive Sensors
Non-isolated Sensor
Sensor has just one wire. Connect the wire to correct ”+“ pin (channels A1 –
A12 or A14 – A15 can be used). Ground is provided through the engine block
and must be connected to ”–“ pin of the same A channel. See figure 31 (left) for
proper connection schema.
Isolated Sensor
Sensor has two wires. One wire is connected to ”+“ pin (channels A1 – A12 or
A14 – A15 can be used) and the other wire is connected to ”–“ pin of the same
A channel. Also connect ”–“ pin with GND pin. See figure 31 (right) for
proper connection schema.
Figure 31: Passive fuel level sensor connection schema. Non-isolated sensor (left), isolated
sensor (right).
Channel Function Sensor Filter
A1 – A12, Fuel level 1/2 Res 400 ohm, Res 5/10 kohm, Fuel Junior 2500 ms
A14 – A15
Connected via Voltage Converter (FLVV) interface
Sometimes it is advisable to connect resistive sensors that operate in low resistance
range (0-200 ohm) indirectly using voltage converter. This type of connection
forces larger electrical current to flow trough the sensors, which may solve some
contact problems within the sensor. Connecting via voltage converter we get
voltage output, which can be measured on any B channel. Figure 32 shows example
of connection schema.
32 Kanardia 2013-2015

Daqu — Manual 4.10 Fuel Level
It is advisable to connect FLVV power leads to external 12 V and not to Daqu
12 V output. The reason for this in limited max current that Daqu can supply.
Voltage input on channel C may be used for this case (this is a kind of trick) as
well as any other external 12 V source.
FLVV is using zener diode to control the voltage for the FLVV circuit. It is normal,
that this diode becomes hot.
Channel Function Sensor Filter
B1 – B6 Fuel level 1/2 Linear 5V 2500 ms
Figure 32: Passive fuel level sensor connected via voltage divider. Two fuel level channels are
shown.
Active and Capacitive Sensors
A capacitive2sensor is just a special case of an active sensor.
Sensor has three wires. Connect sensor +5/+12 V input to appropriate +5/+12 V
pin according to your sensor specifications. Ground is connected to GND pin and
signal must be connected to the correct channel. See figure 33 for proper connection
schema.
Channel Function Sensor Filter
B1 – B6 Fuel level 1/2 Linear 5V 2500 ms
2Capacitive sensors work on a principle which is strongly related to the fuel dielectric constant. Their
indication may change significantly with the various types of fuel. For example, a fuel made of pure petrol
without any additives (100 LL) has different dielectric constant than a fuel with various alcohols added.
The difference may be even 30% and such will be also the difference in the indication.
It is strongly recommended that you calibrate your sensors with the same type of fuel you will be using
for flying.
33 Kanardia 2013-2015

Daqu — Manual 4.10 Fuel Level
Do not connect any sensor with an output signal greater than +5 V to B channels.
It will permanently damage Daqu unit.
Figure 33: Active fuel level sensor connection schema.
4.10.1 Tank Calibration With Nesis, Software up to 2.8
Before tank calibration can be performed, fuel level sensor(s) must be configured. Refer to
section 2.3.2 on page 10.
Enter the Tank Calibration icon on Service Mode screen. Three options are displayed: Setup
tanks, Calibrate sensors min/max, Edit tank shapes.
1. Setup tanks
This option combines sensors, hardware units and tank names. It must be done first.
See figure 34.
Tank name
Give tank a name. Use very short names – just one letter when possible.
Shape
Choose a tank shape. Select your tank aircraft and tank model when available or
specify the user shape.
When non-user shape is selected, proceed to the min/max calibration. For the
user shape, you must proceed with the Edit tank shape option.
Unit
Select the serial number of the Daqu unit, to which the fuel level sensor is con-
nected. If you have more then one fuel level indicator, select from the list of
sensors starting with XXXX:0 for sensor 1, XXXX:2 for sensor two, etc. The
XXXX number represents Daqu serial number.
2. Calibrate sensors (min/max)
This option is used to calibrate a tank, which shape is already known – all non-user
shapes. See figure 35. For user specified shapes, this option is available only, if the tank
shape was already determined before. Here, only empty tank and full tank limits are
required.
Observe the sensor value. This value must be ”alive“ and must change as the tank
becomes full or empty. At the end, empty value and full value labels should be signifi-
cantly different. The actual values depend on the sensor type. It may happen that the
34 Kanardia 2013-2015

Daqu — Manual 4.10 Fuel Level
Figure 34: Tank setup dialogue. In the dialogue the tank C has User defined shape. The
tank is connected to the device with serial number ”1145“ – Daqu. Your Daqu
will have different serial number, of course.
Figure 35: Defining the sensor limits on a known tank shape.
sensor value for the empty tank is larger than the sensor value for the full tank. This
is not an error and it simply indicates that sensor is working in the opposite direction.
Follow the steps below:
(a) Empty the fuel tank completely. Once the tank is empty, select the Empty com-
mand.
(b) Now, fill up the tank completely and select the Full command.
(c) Finally, select the Save command to save the results.
Alternativelly, if you know the full and empty values of the sensor, you can enter these
values without messing with the fuel. This comes handy in the serial production.
The Close command closes the dialogue without saving changes.
3. Edit tank shapes
This option allows you to describe the shape of the tank manually taking several mea-
surements. After measurements are complete, min/max calibration is done automati-
cally. This option can be used for the User shape tank only.
Here we record a curve that connects sensor values with actual fuel quantity stored in
tank. Please note that most fuel level sensors are not able to detect a completely empty
tank – they stop indicating before the tank is truly empty. The same is true for the full
tank. Sensors stop indicating before the tank is completely full. See figure 36 for tank
shape dialogue.
In order to calibrate sensor against tank shape, please follow these steps.
(a) Make sure the tank is completely empty. Add the inaccessible amount of fuel into
the tank. You may also consider adding a few extra liters – for safety. This defines
the zero fuel level.
(b) Select the Add command and select the zero fuel from the dialogue. This adds a
line into the dialogue, which combines zero fuel level with the sensor reading.
35 Kanardia 2013-2015

Daqu — Manual 4.10 Fuel Level
Figure 36: Tank shape editor dialogue. The table always shows fuel in liters, even if gallons
were selected for the fuel units.
(c) Add a known quantity (say 10 liters) of fuel into the tank and observe the Sensor
value label. This value MUST change – must be different from the last recorded
value. If the value does not change or the difference is too small, add more fuel
into the tank. Note: We do not recommend steps smaller than 5 liters unless your
tank is really small.
(d) Select the Add command and tell how much fuel (in liters!) above the zero fuel
level has been entered so far. Press OK to add a line, a new fuel level – sensor
value pair.
(e) Repeat this process until the sensor reaches the full limit or tank is full (whatever
comes first). Do not select the Add command, if the sensor value is not different
from the previous value. Remember that most sensors stop indicating before the
tank is completely full.
(f) Select the Save command to save the measurements into the unit.
It is highly recommended that you takes notes on the paper. At each step write down
how many litres is already in the tank and what is the sensor value. When finished,
you may share these notes with us and we will add your tank shape into Nesis software.
This will simplify the tank calibration for the next time.
Select the Close command to exit the dialogue without saving.
The procedure above determines the tank shape and calibrates the sensor at the same
time, therefore min/max calibration is not necessary.
4.10.2 Tank Calibration With Nesis, Software 2.9 or Later
Nesis software version 2.9 has significant change in user interface. We think, the configuration
is much simpler. It is done in three major steps:
Connect sensors to the Daqu either directly or via some interface depending on the
sensor type.
Configure the channel parameters for each sensor.
Configure shape and empty/full values for each tank.
First two steps are already described trough this manual and this section reveals the details
for the third step.
36 Kanardia 2013-2015

Daqu — Manual 4.10 Fuel Level
1. Bring up the Service Options screen.
2. Select the Tank icon and when asked,
3. select the tank you want to work on. A window similar to one shown on figure 37
appears.
Figure 37: An example of tank configuration options. The light blue area shows the non-
linearity of the tank. A straight diagonal line indicates linear tank, while curved
line indicates non-linearity.
From this point on, there are several possibilities. The simplest one is with the linear tank
option.
Linear Tank
Select the Linear option for the shape and then set appropriate value for the Tank Capacity.
This defines the shape of the tank. The last think to do is to define min and max tank sensor
reading for the empty and full tank respectively.
Select the Empty/Full option to open a window shown on figure 38. The window is used
to define the sensor reading for empty tank and full tank. Note that sensor reading may be
opposite: when tank is full, sensor may show the largest value and when tank is empty it
may show the smallest value.
Figure 38: An example of tank configuration options.
Select the Empty option in order to enter the sensor reading for the empty tank. Do the same
for the full tank.
The Sensor option tells current sensor reading. It shows either the resistance or voltage,
depending on the sensor type. If you select the Sensor option, Nesis ask you to copy this
value to empty or to full.
Closing all windows also finishes the tank calibration.
37 Kanardia 2013-2015

Daqu — Manual 4.10 Fuel Level
Factory Shape
The procedure here is very similar to the procedure for the linear tank. The only difference
is that first you select one of the shapes that are already built in into Nesis.
1. Select Shape option and then select one of the shapes that match your aircraft form
the list. This defines the shape and you only have to do the min/max.
2. Perform the Empty/Full calibration exactly in the same way as it is described for the
linear tank.
User Shape
The user defined shape requires a little bit more work as tank shape must be defined in
several points.
1. Select Shape option and then select the User from the list.
2. Select Edit in order to open the user tank shape window. Figure 39 shows an example
of such window, where a few points were already added into the shape.
Figure 39: User specific shape with some points already added.
3. Make sure that the tank is empty.
4. Add the first point (empty tank) using the Add Point command. Select 0 for the first
point.
5. Pour know quantity of fuel into the tank. Observe the Sensor value numbers. They
should move as you pour in some fuel3. Once they stabilize use Add Point to add a
new point. Do not add points if the sensor value does not change as this leads to invalid
shape.
6. Repeat these steps until the tank is full. The steps should not be too small. 10 l (or 3
gal) steps seem appropriate.
3Most of the sensors do not react immediately and sometimes a significant quantity of fuel must be added,
before fuel reaches the sensor bottom point. Similar is true for the full tank – sensor may stop reacting
way before the tank is truly full.
38 Kanardia 2013-2015

Daqu — Manual 4.11 Position Controls
7. Closing the window also finishes the calibration and save the results. In this procedure
Empty/Full step is not necessary as it is implicitly included in the procedure.
During the process described above you can also use:
Clear command deletes all the points and prepares for a new start.
You can select individual point from Measurements and either delete this point or edit
its volume or sensor reading.
It is highly recommended that you also take the notes on paper. A simple table with two
columns: volume and sensor. If you make a mistake, it may help you to correct it. Write
down a new point on the paper first and then enter this into Nesis. Do not rush, it is easy
to make a mistake.
4.10.3 Tank Calibration With Emsis
Please refer to the Emsis User’s And Installation Manual for the details.
4.11 Position Controls
The following position sensors/potentiometers can be connected to the Daqu unit:
Pitch trim,
Roll trim,
Yaw trim,
Flap position,
Throttle position,
Air brake position,
Wheel brake position (left and right),
Position of the elevator control,
Position of the roll control,
Position of the yaw control.
Potentiometers (variable resistors) ranges of 400 Ω, 5 kΩ and 10 kΩ4are suitable for con-
nection with Daqu unit. Refer to the potentiometer datasheet for pin identification. Poten-
tiometers can be connected in two different ways:
Measuring Resistance (recommended)
Connect potentiometer one end with ”+“ pin and potentiometer other end to ”–“ pin
(channels A1 – A12 or A14 – A15 can be used). Also connect ”–“ pin with
GND pin. See figure 40 (left) for proper connection schema.
4If a different range of variable resistor is needed, please contact Kanardia and we will provide you with a
solution.
39 Kanardia 2013-2015

Daqu — Manual 4.11 Position Controls
Channel Function Sensor Filter
A1 – A12, Pitch/Roll/Yaw trim, Flap position Res 400 ohm, Res 5/10 kohm 50 ms
A14 – A15
Measuring Voltage
Connect one end of the potentiometer to +5 V pin (never connect to +12 V) and
other end to GND pin. Connect sliding contact to correct channel (channels B1 – B6
can be used). See figure 40 (right) for proper connection schema.
When measuring voltage, no matter which variable resistor is used, selected sensor on
Nesis/Emsis unit must be Linear 5V !
Channel Function Sensor Filter
B1 – B6 Pitch/Roll/Yaw trim, Flap position Linear 5V 50 ms
Figure 40: Potentiometer connection schema. Measuring resistance (left), measuring voltage
(right).
4.11.1 Position Calibration With Nesis Software 2.8
Once you have installed potentiometer and calibrated a channel for it, you need to set values
for min/max. This is done by selecting channel for the potentiometer in Airplane Engine
menu and selecting the Min/max command. Dialogue similar as the one on figure 41 opens.
Figure 41: Specify pitch trim min/max value (left), flap position min/max value (right).
Min
Set potentiometer position to minimum and select Set min command. In the Real
column you can insert a value you want to have on display, like 0 for Min.
40 Kanardia 2013-2015

Daqu — Manual 4.12 Engine RPM – Tachometer
Max
For maximum set potentiometer position to maximum and select Set max command.
In the Real column you can insert a value you want to have on display, like 100 for
Max.
Once you have configured your potentiometer position setting, select Save command. Also,
do not forget to select Save command in the Airplane Engine menu.
4.11.2 Position Calibration With Nesis Software 2.9 or Later
First configure the channel to which you have connected the sensor. Once this was completed,
you define the limiting positions of the sensor. Open the list of channels, see figure 4 on page
12. Select one of the position control channels and then choose the Min/Max option.
Values in the sensor item shall be alive and they show actual values detected by Daqu. These
values represent either resistance or voltage, depending on the sensor type.
Move the control to one extreme position and wait for the sensor value to stabilize. Then
press the sensor item and select where this value shall be copied. Move the control to oposite
extreme position and repeat the procedure.
Alternativelly, you can enter the limiting sensor values manually. Select one of the min/max
items and enter the limiting value.
Figure 42: Specify sensor values for min/max positions. Pitch trim example is shown, where
min corresponds to Nose and max to Tail.
4.12 Engine RPM – Tachometer
Your engine may already be equipped with engine RPM sensor. Refer to your engine manual
for wiring. If your engine is not equipped with RPM sensor, refer to your engine manual for
installation.
For correct readings, you need to know the divider3for your engine RPM sensor. To enter
the value with Nesis unit, please refer to section 2.3.2 and with Emsis unit to section 2.3.4,
on page 10.
ECU
ECU unit has a digital engine RPM output. Two wires are used, signal is connected to
”+“ pin on Z1 channel and ground is connected to ”–“ pin on Z1 channel. See figure 43
for proper connection schema.
Variable–Reluctance (Magnetic) Pickup
Two wires are used. One wire is connected to ”+“ pin on Z1 channel and the other
wire is connected to ”–“ pin on Z1 channel. See figure 43 for proper connection schema.
3Pulses per event – number of sensor output pulses per engine/rotor revolution or fuel flow readings.
41 Kanardia 2013-2015

Daqu — Manual 4.13 Rotor RPM
Trigger Coil
Rotax (912) engines usually come equipped with a trigger coil for monitoring RPM.
One wire is connected to ”+“ pin on Z1 channel and the other wire is connected to ”–“
pin on Z1 channel. See figure 43 for proper connection schema.
Figure 43: Engine RPM signal connection schema.
Channel Function Sensor Filter Pulses
Z1 Engine RPM Rotax, Rotax ECU, Digital Pulse 600 ms divider value
Jabiru, Simonini
Some Rotax engines have exceptionally strong signal, which in higher RPMs may cause
RPM indication running away. If you experience this problem, put 1.5 kΩ resistor
between Z1+ and Z1-. This reduces the signal strength and usually solves the problem.
You may also try other resistors from [1 kΩ- 4.7 kΩ ] range.
Active Inductive RPM Sensors
NPN (Open Collector Output)
Connect sensor +5/+12 V input with appropriate +5/+12 V pin according to your
sensor specifications. Ground is connected to GND pin. Signal must be connected
to the correct channel (default is ”+“ pin on Z1, but Z2 or Z3 channels can also
be used). See figure 44 (left) for proper connection schema.
PNP (Open Drain Output)
Sensor wiring is the same as for NPN sensors, but you have to connect 10 kΩ re-
sistor between Z channel and GND pin. See figure 44 (right) for proper connection
schema.
Channel Function Sensor Filter Pulses
Z1 – Z3 Engine RPM Digital Pulse 600 ms divider value
4.13 Rotor RPM
For rotor RPM indication, you need a sensor to measure rotor rotation. Sensor is usually
connected to Z3 channel.
Your aircraft may already be equipped with rotor RPM sensor. Refer to your aircraft manual
for wiring. If your rotor is not equipped with RPM sensor, refer to your sensor manual for
installation.
42 Kanardia 2013-2015

Daqu — Manual 4.14 Fuel Flow
Figure 44: Active inductive RPM sensor connection schema. NPN – Open collector output
(left), PNP – open drain output (right).
For correct readings, you need to know the divider for your rotor RPM sensor. To enter the
value with Nesis unit, please refer to section 2.3.2 and with Emsis unit, to section 2.3.4 on
page 10.
Active Inductive rotor RPM Sensors
NPN (Open Collector Output)
Connect sensor +5/+12 V input with appropriate +5/+12 V pin according to your
sensor specifications. Ground is connected to GND pin. Signal must be connected
to the correct channel (default channel is Z3, but Z1 and Z2 channels may be also
used). See figure 44 (left) for proper connection schema.
PNP (Open Drain Output)
Sensor wiring is the same as for NPN sensors, but you have to connect 10 kΩ re-
sistor between Z channel and GND pin. See figure 44 (right) for proper connection
schema.
Channel Function Sensor Filter Pulses
Z2 – Z3 Rotor RPM Digital pulse 600 ms divider value
4.14 Fuel Flow
Please use only high quality and heat resistant fuel flow sensors. Do not use plastic ones,
regardless of their attractive price. Temperatures in the engine compartment may become
high enough to significantly reduce the strength of the plastic material.
Install the fuel flow sensor per producer’s instructions and at an angle so that no bubbles
can be trapped in the impeller section. This could cause incorrect readings. Make also sure,
that no dirt or debris from fuel tank can lodge inside the fuel flow sensor. It may not block
fuel flow but could jam the impeller inside the sensor. For precaution install fuel filter first,
preferably with a small reservoir between the fuel pump, fuel flow sensor second and fuel
pump last. For best fuel flow readings, fuel tube should be placed a little uphill when leaving
the fuel flow sensor.
The same principle for NPN and PNP sensor types applies as described in Rotor RPM section
4.13 on page 42. PNP sensor requires a 10 kΩ resistor.
43 Kanardia 2013-2015

Daqu — Manual 4.14 Fuel Flow
Fuel flow sensor is not intended to be mounted on the engine!
Connect sensor +5/+12 V input to appropriate +5/+12 V pin according to your sensor
specifications. Ground is connected to GND pin and signal must be connected to the correct
channel (default channel is Z2, but Z3 can also be used). See figure 45 for proper connection
schema.
Channel Function Sensor Filter Pulses Correction
Z2 – Z3 Fuel flow 1/2 UL Power, Digital Pulse 500 ms divider value correction
For correct readings, you need to know the divider - pulses per liter for your fuel flow sensor.
To enter the value with Nesis unit, please refer to section 2.3.2 and with Emsis unit, to section
2.3.4, on page 10. These values are typically in 2000-10000 pulses per liter range. A good
sensor producer sells their sensors calibrated and each sensor is tagged with the pulses per
liter value. These values may vary in 5-10% per sensor.
Some sensor produces provide values in pulses per gallon. You need to convert this value
to pulses per litre by dividing with 3.785. Example: 31000 pulses per gallon converts to
31000 : 3.785 = 8190 pulses per litre.
The correction value should be set to 1.0, which means no correction. If you feel that fuel
flow indication is too small, you specify a correction factor >1.0 and vice versa.
Figure 45: Fuel flow sensor connection schema.
4.14.1 Differential Fuel Flow
In order to measure differential fuel flow you need to connect two fuel flow sensors to Daqu.
The first sensor is connected normally and measures fuel flow towards the engine. The second
sensor is connected as Fuel flow 2 and measures flow from the engine back into the tank.
When Fuel flow 2 is configured and sensor is connected, its reading will be automatically
subtracted from the reading of the Fuel flow 1 sensor. No other configuration is necessary.
In the differential case (two sensors connected), you should specify correction factor 1.0 for
each sensor. Also note that each sensor has its own pulses per liter value.
Channel Z2 is typically used for the first fuel flow sensor. For the second sensor you can
select any free Z channel (Z3 in most cases).
44 Kanardia 2013-2015

Daqu — Manual 4.15 Amperes – Current
Channel Function Sensor Filter Pulses Correction
Z2 – Z3 Fuel flow 1 Digital Pulse 500 ms divider 1.0
Z2 – Z3 Fuel flow 2 Digital Pulse 500 ms divider 1.0
4.15 Amperes – Current
Kanardia provides three current sensors rated as 30 A, 60 A and 160 A. Figure 46 illustrates
two of them. Standard shunts are not supported.
Figure 46: Kanardia current sensor ±30 A (left), Kanardia current sensor ±160 A (right).
Current ±30 A and ±60 A
Sensor uses two M6 screws for connection with power cable and sensor fitting.
Current ±160 A
Sensor can be fitted into place with four M3 screws. Power cable is guided ”through“
the sensor, hence power cable is not cut at any place.
Sensor has a label with illustrated arrow. Sensor will indicate positive readings, if the current
flows in direction of the arrow.
Sensor has three wires. Red wire provides power for the sensor operation and connects to
+5 V pin. Black wire provides sensor ground and connects to GND pin. White wire provides
signal and connects to the correct channel (default channel is B5, but B1 – B4 or B6 can also
be used). See figure 47 for proper connection schema.
Channel Function Sensor Filter
B1 – B6 El. current 1/2 Current 30/60/80/160 A 1500 ms
4.16 Voltage
Daqu can measure voltages from 0 to +30 V DC.
Choose the point where you want to monitor the voltage and guide the wires to Daqu.
Daqu default and only channel for measuring voltage is C1. Connect positive pole to ”+“ pin
and negative pole to ”–“ pin on C1 channel. See figure 48 for proper connection schema.
45 Kanardia 2013-2015

Daqu — Manual 4.16 Voltage
Figure 47: Kanardia current sensor connection schema.
Channel Function Sensor Filter
C1 Battery voltage Voltage 1000 ms
Figure 48: Voltage connection schema.
46 Kanardia 2013-2015

Daqu — Manual 5. Rotax 912 iS Engine – Daqu iS
5 Rotax 912 iS Engine – Daqu iS
When only limited additional channels are needed besides the information already provided
by Rotax 912 iS ECU, you may consider using mini Daqu, which was designed exactly for
this purpose.
When mini Daqu is not enough, a slightly modified Daqu version is required. Modifications
include removing manifold pressure sensor and installing an additional three pin connector.
This connector is used to connect to Rotax iS engine. See figure 49.
Figure 49: Daqu iS top view.
The Rotax iS engine comes with a complete set of sensors. ECU unit on the engine reads
the sensors and transmits the information on the outgoing CAN bus using CANaerospace
protocol. Daqu reads this CAN bus and retransmits the same information using Kanardia
protocol. See figure 50.
Figure 50: Illustration of the connection principle. Allmost all information comes from the
ECU. Rotor RPM and fuel tanks can be still connected directly to Daqu.
Rotax iS ECU unit transmits the following information: engine RPM, fuel flow rate, man-
ifold pressure, oil pressure, oil temperature, coolant temperature, EGT 1–4, manifold air
temperature, engine ambient temperature, throttle position, engine ambient pressure, ECU
bus voltage, engine status, engine hours, ECU hours, sensors status.
You can see that most of the information comes directly from the ECU and most of Daqu
connectors remain empty. But you can still use Daqu to connect rotor RPM, fuel level and
any other sensor that is not covered by ECU.
47 Kanardia 2013-2015

Daqu — Manual 5.1 Connection to Rotax iS CAN
5.1 Connection to Rotax iS CAN
The iS engine comes equiped with an ECU connector and from this connector you have
several long wires. Out of these you need to find wires labeled as:
Cockpit display CAN high,
Cockpit display CAN low,
Cockpit display GND.
The iS engine has two CAN bus lanes. Lane A and B. You can use any of these lanes to
connect to Daqu. The unused lane can be left unconnected or it may be connected to some
other instrument.
At the end of these three wires you need to fit our connector (comes with Daqu). If you open
the connector, you can see markings 1, 2 and 3. Figure 51 shows the back side connector
with pins. Solder the wires onto the connector as it is marked on the photo.
Figure 51: Photo of connector back side. Note the three small numbers, which define the pin
positions.
Once the connector is made, plug it into Daqu and the installation is ready. Do not forget
to set (or to verify) correct engine model in Nesis/Emsis.
48 Kanardia 2013-2015