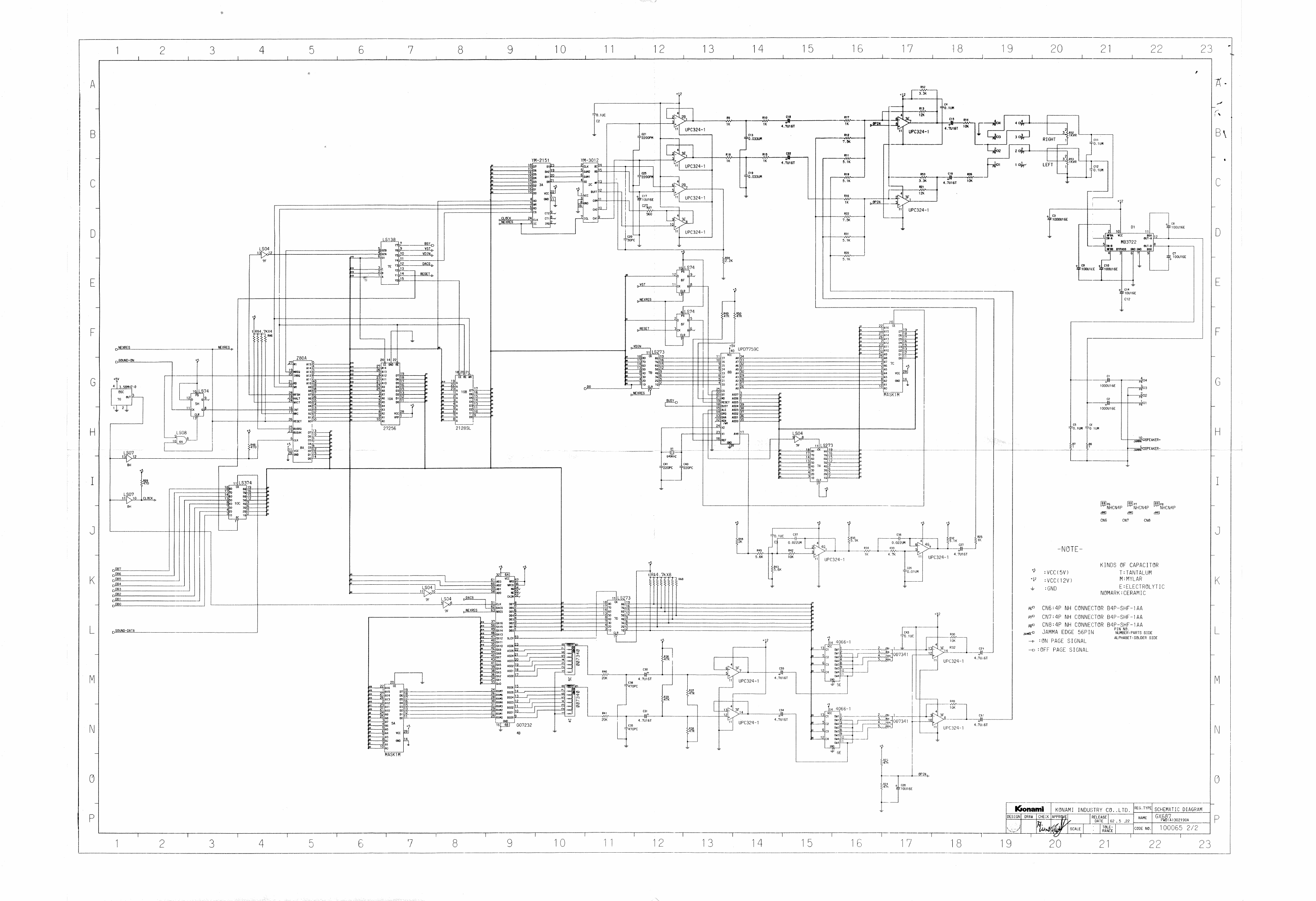
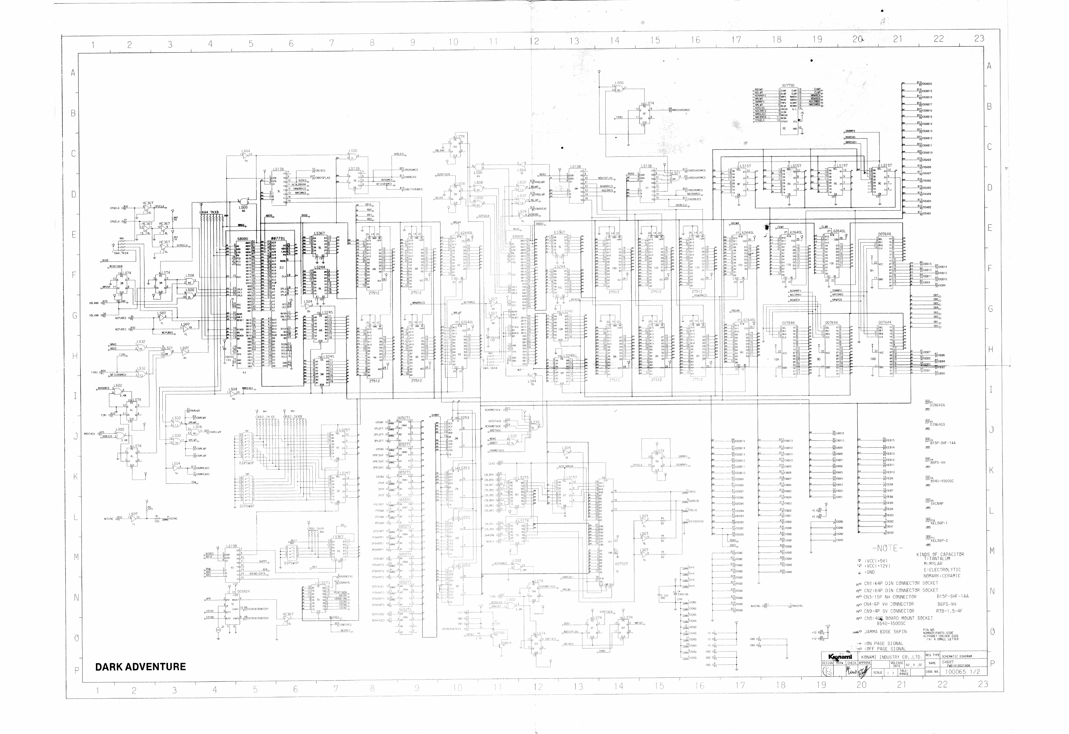
Dark_Adventure_Schematics Dark Adventure Schematics

User Manual: Dark_Adventure_Schematics

Open the PDF directly: View PDF PDF.
Page Count: 4

Navigation menu