OHV220 Miller W FE Rev 0905 EH64 Welder Parts Manual
EH65 Welder Parts Manual manual pdf -FilePursuit
User Manual: EH64 Welder Parts Manual
Open the PDF directly: View PDF
.
Page Count: 78

PARTS
MAN U AL
EH64, 20.5 hp Engine
EH65, 22.0 hp Engine
Welder Applications
Models
PUB-EP220W
Rev. 09/05
(Onan Performer OHV220)

© Copyright 2005 Robin America, Inc.
940 Lively Blvd. • Wood Dale, IL 60191 • Phone: 630-350-8200 • Fax: 630-350-8212
e-mail: sales@robinamerica.com • www.robinamerica.com

- 3 - EH64, EH65 Performer OHV220
- 4 -
EH64, EH65 Performer OHV220
DESCRIPTION ROBIN ONAN
Engine Specifi cation Engine Specifi cation
MILLER HOBART EH650DB2322 P220GIOHV-786A
MILLER BOBCAT EH650DB2341 P220GIOHV-2252A
MILLER TRAILBLAZER EH650DB2390 P220GIOHV-2711A
LINCOLN ELECTRIC EH650DB2332 P220GIOHV-1145A
MILLER BOBCAT EH650DC2405
MILLER TRAILBLAZER EH650DC2415
MILLER HOBART EH650DC2420
NOTE: Horsepower is as follows;
EH650DB - 20.5hp
EH650DC - 22hp
- 5 - EH64, EH65 Performer OHV220
GROUP INDEX
Group Name Page
CRANKCASE GROUP - EH64 ................................................................... 6
CRANKCASE GROUP - EH65 ................................................................. 10
CRANKSHAFT GROUP ........................................................................... 12
INTAKE and EXHAUST GROUP - EH64.................................................. 14
INTAKE and EXHAUST GROUP - EH65.................................................. 16
GOVERNOR GROUP .............................................................................. 18
BLOWER HOUSING GROUP ................................................................. 20
FUEL, LUBRICANT GROUP - EH64 ........................................................ 22
FUEL, LUBRICANT GROUP - EH65 ........................................................ 24
CARBURETOR - EH64 ............................................................................ 26
CARBURETOR - EH65 ............................................................................ 28
FLYWHEEL and STARTER GROUP - EH64 ............................................ 30
FLYWHEEL and STARTER GROUP - EH65 ............................................ 32
STARTER COMPONENTS ..................................................................... 34
APPENDIX A - Cylinder head & Valve guide change ............................... 36
APPENDIX B - Governor spring and rod positions................................... 37
V-TWIN SERVICE UPDATE WELDER APPLICATIONS ......................... 38
NO START
FUEL CUT-OFF SOLENOID .................................................................... 39
STOP DIODE ........................................................................................... 40
WIRING HARNESS - Welder Applications ............................................... 41
SHUTDOWN RELAY - Welder Applications ............................................. 41
HARD START
IGNITION COIL ........................................................................................ 44
HIGH ALTITUDE KITS .............................................................................. 45
FUEL PUMP ............................................................................................. 46
SPARK PLUG ........................................................................................... 47
REMOVAL & INSTALLATION PROCEDURES
Hobart Champion, Miller Bobcat 225 and 250.......................................... 48
Miller Trailblazer 301G.............................................................................. 66

- 6 -
EH64, EH65 Performer OHV220
SECTION 1 CRANKCASE GROUP - EH64, 20.5hp
FIG. 100
25
46 47
47 46
44
P220GIOHV-2711A
19
48

REF ROBIN PART NUMBER DESCRIPTION QTY REMARKS ONAN PN
- 7 -
EH64, EH65 Performer OHV220
SECTION 1 CRANKCASE GROUP - EH64, 20.5hp
1 263-10102-B1 CRANKCASE CP 1 187-6000
2 263-15802-03 MAIN BEARING 1 STD
263-15803-03 MAIN BEARING 1 0.25mm Undersized
263-15804-03 MAIN BEARING 1 0.50mm Undersized
3 X31-00800-80 DOWEL PIN 2
4 142-55601-03 PIPE 2 187-6003
5 263-15701-01 PIPE, PULSE 1
6 263-15911-A1 BLIND PLUG 1
7 044-00800-10 OIL SEAL 1 187-6006
8 263-15901-03 UNION 1 187-6007
9 045-01200-10 STEEL BALL 1 187-6008
10 263-76001-A1 OIL PRESSURE SWITCH 1 187-6170
11 263-11103-D1 MAIN BEARING COVER, AY 1
12 263-15802-03 MAIN BEARING 1 STD
263-15803-03 MAIN BEARING 1 0.25mm Undersized
263-15804-03 MAIN BEARING 1 0.50mm Undersized
13 044-04200-30 OIL SEAL 1 187-6172
14 263-45001-C1 GOVERNOR GEAR, CP 1
15 263-41901-03 GOVERNOR SLEEVE 1 187-6011
16 263-46214-A3 WASHER 2 187-6012
17 263-13001-21 CYLINDER HEAD 1, CP 1 187-6013
18 263-14211-03 VALVE GUIDE 4 187-6014
19 132-07AA0-50 INTAKE VALVE SEAL 2 187-6015
20 010-50802-90 STUD, intake/exhaust 8 187-6016
21 X45-00600-10 STEEL BALL 2 187-6017
22 263-16201-03 PLUG 1 187-6018
23 263-13101-21 CYLINDER HEAD 2, CP 1 187-6019
24 246-15501-01 ROCKER COVER, CP 2 187-6020
25 246-16002-13 ROCKER COVER GASKET 2 187-6021
26 263-15001-13 GASKET 1, CYLINDER HEAD 1 187-6022
27 263-15101-13 GASKET 2, CYLINDER HEAD 1 187-6023
28 263-16001-A3 MAIN BEARING COVER GASKET 1 187-6024
29 263-16006-03 BREATHER PLATE GASKET 2 187-6025
30 263-14301-03 BREATHER COVER 1 187-6026
31 263-14401-01 BREATHER PLATE 1 187-6027
32 263-18001-A3 RUBBER PIPE 1 187-6028
33 263-68511-03 HOSE CLAMP 2 187-6029
34 X31-00600-20 DOWEL PIN 4 187-6030
35 040-11400-30 PLUG 1 187-6031
36 021-11400-20 GASKET 1 187-6032
37 X11-01000-30 FLANGE BOLT 8 187-6033
38 X11-00802-20 FLANGE BOLT 10 187-6034
39 X11-00600-30 FLANGE BOLT 10 187-6035
40 263-46215-A3 THRUST BEARING 1 187-6036
41 263-19001-A3 LIFTING HOOK 2 187-6037

- 8 -
EH64, EH65 Performer OHV220
SECTION 1 CRANKCASE GROUP - EH64, 20.5hp
FIG. 100
25
46 47
47 46
44
P220GIOHV-2711A
19
48

REF ROBIN PART NUMBER DESCRIPTION QTY REMARKS ONAN PN
- 9 -
EH64, EH65 Performer OHV220
SECTION 1 CRANKCASE GROUP - EH64, 20.5hp
43 263-65005-A3 OIL DRAIN VALVE 1 504-0186
44 263-65006-A3 ADAPTER 1 P220GIOHV-2252A 187-6173
EH650DB2341
P220GIOHV-786A 187-6173
EH650DB2322
44 263-68101-B0 OIL DRAIN HOSE AY 1 P220GIOHV-2711A
EH650DB2390
46 056-51000-50 CLIP 2
47 263-35341-03 RETAINER PLATE 2 From S/N 1015769
48 X56-60800-40 CLAMP, choke control 1

- 10 -
EH64, EH65 Performer OHV220
SECTION 1 CRANKCASE GROUP - EH65, 22.0hp
FIG. 100
42
43
44
45
46 47
45
45
46
47
49
9
50
50
44
EH650DC2415

REF ROBIN PART NUMBER DESCRIPTION QTY REMARKS ONAN PN
- 11 - EH64, EH65 Performer OHV220
SECTION 1 CRANKCASE GROUP - EH65, 22.0hp
1 263-10112-A1 CRANKCASE 1
2 263-15802-03 MAIN BEARING 1 STD
3 X31-00800-80 DOWEL PIN 2
4 142-55601-03 PIPE 2 187-6003
5 263-15701-01 PIPE, PULSE 1
6 263-15911-A1 BLIND PLUG 1
7 044-00800-10 OIL SEAL 1 187-6006
9 263-76001-A1 OIL PRESSURE SWITCH 1 187-6170
10 263-11103-E1 MAIN BEARING COVER 1
11 263-15802-03 BALL BEARING 1
12 044-04200-30 OIL SEAL 1 187-6172
13 263-45001-C1 GOVERNOR GEAR 1
14 263-41901-03 GOVERNOR SLEEVE 1
15 263-46215-A3 THRUST BEARING 1 187-6011
16 263-46214-A3 WASHER 2 187-6012
17 263-13211-A1 CYLINDER HEAD 1 1
19 010-50802-90 STUD 8 187-6016
20 132-07AA0-50 SEAL, INTAKE VALVE 2 187-6015
22 263-13311-A1 CYLINDER HEAD 2 1
23 263-15502-A3 ROCKER COVER w/ oil fi ll 1
24 263-15501-A3 ROCKER COVER 1
25 263-16101-A3 GASKET, ROCKER COVER 2
26 263-15021-11 GASKET 1, CYLINDER HEAD 1
27 263-15121-01 GASKET 2, CYLINDER HEAD 1
28 263-16002-A3 GASKET, MAIN BEARING COVER 1 187-6024
29 263-16006-03 GASKET, BREATHER PLATE 2 187-6025
30 263-14301-03 BREATHER COVER 1 187-6026
31 280-14401-A1 BREATHER PLATE 1
32 280-19001-A3 HOOK 2
33 263-18003-03 RUBBER PIPE 1 187-6028
34 263-68511-03 HOSE CLAMP 2 187-6029
35 X31-00600-20 DOWEL PIN 4 187-6030
36 X40-11400-30 PLUG 1 187-6031
37 021-11400-20 GASKET 2 187-6032
38 X11-01000-70 FLANGE BOLT 8 187-6033
39 X11-00802-20 FLANGE BOLT 10 187-6034
40 X11-00600-30 FLANGE BOLT 2 187-6035
41 X11-00601-01 FLANGE BOLT 8
42 263-15901-03 UNION 1 187-6007
43 263-65005-A3 OIL DRAIN VALVE 1 504-0186
44 263-65006-A3 ADAPTER 1 EH650DC2405, DC2420 187-6173
44 263-68101-B1 OIL DRAIN HOSE 1 EH650DC2415
45 263-14211-03 VALVE GUIDE 4 187-6014
46 056-51000-50 CLIP 4
47 263-35341-03 RETAINER PLATE 4
49 280-63602-A1 OIL FILL CAP 1
50 X45-00600-10 STEEL BALL 2

- 12 -
EH64, EH65 Performer OHV220
SECTION 2 CRANKSHAFT GROUP - EH64, 20.5hp & EH65, 22.0hp
FIG. 200

REF ROBIN PART NUMBER DESCRIPTION QTY REMARKS ONAN PN
- 13 - EH64, EH65 Performer OHV220
SECTION 2 CRANKSHAFT GROUP- EH64, 20.5hp & EH65, 22.0hp
1 263-21301-21 CRANKSHAFT CP 1 Threaded, Miller - Hobart 187-6039
263-21501-C1 CRANKSHAFT CP 1 Taper, Lincoln
2 263-22501-00 CONNECTING ROD 2 STD - EH64 187-6040
263-22502-00 CONNECTING ROD 2 Undersized 0.25mm - EH64
2 263-22601-00 CONNECTING ROD 2 STD - EH65 - Miller Hobart
3 246-23001-13 CONNECTING ROD BOLT 4 STD- EH64 187-6041
3 001-05084-00 CONNECTING ROD BOLT 4 STD- EH65
4 263-23411-A3 PISTON 2 STD
263-23412-A3 PISTON 2 Oversized 0.25mm
263-23413-A3 PISTON 2 Oversized 0.50mm
5 263-23301-03 PISTON PIN 2 187-6043
6 263-23501-07 PISTON RING SET 2 STD 187-6044
263-23502-07 PISTON RING SET 2 Oversized 0.25mm
263-23503-07 PISTON RING SET 2 Oversized 0.50mm
7 056-52100-20 RETAINING CLIP 4
187-6045
8 263-25011-A3 SPACER 1 T=0.6
8 263-25012-A3 SPACER 1 T=0.8 187-6046
8 263-25013-A3 SPACER 1 T=1.0 187-6047
8 263-25014-A3 SPACER 1 T=1.2 187-6048
9 002-18180-00 NUT 1 187-6049
10 003-10180-00 WASHER 1 EH64 187-6050
11 003-20180-00 SPRING WASHER 1 EH64 187-6051
12 005-32054-01 WOODRUFF KEY 1 187-6052

- 14 -
EH64, EH65 Performer OHV220
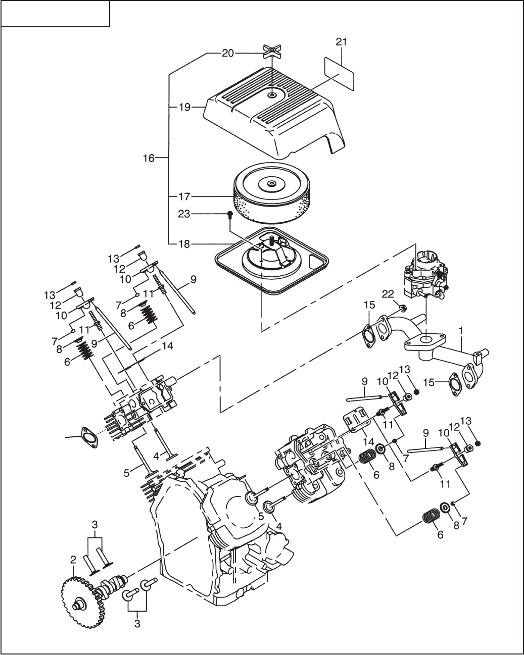
SECTION 3 INTAKE and EXHAUST GROUP - EH64, 20.5hp
FIG. 300
22
22
19

REF ROBIN PART NUMBER DESCRIPTION QTY REMARKS ONAN PN
- 15 - EH64, EH65 Performer OHV220
SECTION 3 INTAKE and EXHAUST GROUP - EH64, 20.5hp
1 263-33001-03 INTAKE MANIFOLD 1 187-6053
2 263-31701-13 CAMSHAFT 1
4 263-33301-A3 TAPPET 4 187-6055
5 263-33401-03 INTAKE VALVE 2
6 263-33502-13 EXHAUST VALVE 2 187-6057
7 246-33611-03 VALVE SPRING 4
8 246-35501-03 VALVE COLLET 8 2 Per Valve 187-6059
9 246-33711-13 SPRING RETAINER 4 187-6060
10 239-35001-03 ROCKER SHAFT 2 187-6061
11 263-35311-01 PUSH ROD 4 135.5mm
12 246-36101-10 ROCKER ARM AY 4 187-6063
13 014-90800-21 ADJUSTING SCREW 4 187-6064
14 017-00800-90 NUT 4 187-6065
15 263-35503-A3 MANIFOLD GASKET 2 187-6066
16 002-38080-00 FLANGE NUT 4 187-6067
17 263-32610-A1 CLEANER ELEMENT 1 187-6068
18 263-32620-01 CLEANER BASE 1 187-6069
19 263-32630-03 CLEANER COVER 1 187-6070
20 263-32640-01 WING NUT 1 187-6071
21 X10-10500-10 BOLT 3
22 263-35201-A1 GASKET, EXHAUST 2

- 16 -
EH64, EH65 Performer OHV220
SECTION 3 INTAKE and EXHAUST GROUP - EH65, 22.0hp
FIG. 300
24

REF ROBIN PART NUMBER DESCRIPTION QTY REMARKS ONAN PN
- 17 - EH64, EH65 Performer OHV220
SECTION 3 INTAKE and EXHAUST GROUP - EH65, 22.0hp
1 280-33001-C3 INTAKE MANIFOLD 1
2 280-31701-13 CAMSHAFT 1
3 263-33301-A3 TAPPET 4 187-6055
4 263-33401-03 INTAKE VALVE 2
5 263-33502-13 EXHAUST VALVE 2 187-6057
6 246-33611-03 VALVE SPRING 4
7 246-35501-03 COLLET VALVE 8 2 per valve 187-6059
8 246-33711-13 SPRING RETAINER 4 187-6060
9 263-35321-B1 PUSH ROD 4 138.5mm
10 267-36101-13 ROCKER ARM 4
11 261-35801-13 BOLT, PIVOT 4
12 267-35701-03 PIVOT 4
13 017-00601-10 NUT 4
14 263-37001-A3 GUIDE PLATE 2
15 263-35503-A3 GASKET, INTAKE MANIFOLD 2 187-6066
16 280-32601-A0 AIR CLEANER AY 1
17 263-32610-A1 CLEANER ELEMENT 1 187-6068
18 280-32620-A1 CLEANER BASE 1
19 263-32630-03 CLEANER COVER 1 187-6070
20 263-32640-01 WING NUT 1 187-6071
21 263-95111-A3 LABEL, ONAN BY ROBIN 1
22 002-38080-00 FLANGE NUT 4 187-6067
23 X11-00600-20 FLANGE BOLT 3
24 270-35201-01 GASKET 2

- 18 -
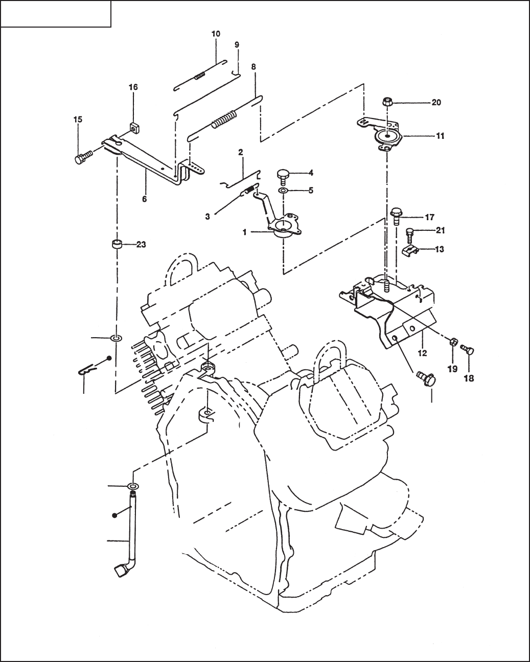
EH64, EH65 Performer OHV220
SECTION 4 GOVERNOR GROUP- EH64, 20.5hp & EH65, 22.0hp
FIG. 400
22
14
7
22
17

REF ROBIN PART NUMBER DESCRIPTION QTY REMARKS ONAN PN
- 19 - EH64, EH65 Performer OHV220
1 263-46021-B3 CHOKE LEVER 1
2 263-46011-A3 CHOKE CONTROL ROD 1 187-6075
3 261-45201-03 RETURN SPRING 1 187-6076
4 226-43101-01 LINK PIVOT 1 187-6077
6 263-42301-B3 GOVERNOR LEVER 1 187-6175
6 263-46021-B3 CHOKE LEVER 1 EH650DC2420
7 263-42201-A3 GOVERNOR SHAFT 1 187-6079
8 263-42507-03 GOVERNOR SPRING, black 1 P220GIOHV-786A
EH650DB2322
P220GIOHV-1145A 187-6081
EH650DB2332
8 263-42509-A3 GOVERNOR SPRING, blue 1 P220GIOHV-2252A
EH650DB2341
P220GIOHV-2711A
EH650DB2390
263-42509-A3 GOVERNOR SPRING, blue 1 EH65
9 263-42701-A3 GOVERNOR ROD 1 187-6082
10 263-42801-03 ROD SPRING 1 187-6083
11 263-43311-A3 SPEED CONTROL LEVER 1
12 263-45021-A2 SPEED CONTROL BRACKET 1
13 261-43901-03 CLAMP 1 187-6084
14 005-11060-01 SNAP PIN 1 187-6085
15 001-14063-00 BOLT and WASHER AY 1 187-6086
16 X18-60600-20 NUT 1 187-6087
17 X11-00600-20 FLANGE BOLT 2 187-6088
18 X11-50500-20 BOLT and WASHER AY 1 187-6089
19 002-27050-00 NUT 1 187-6090
20 002-38060-00 FLANGE NUT 1
21 001-17052-00 BOLT and WASHER AY 1 187-6091
22 003-10080-00 WASHER 2 187-6092
23 X23-00801-50 SPACER 1 187-6093
SECTION 4 GOVERNOR GROUP- EH64, 20.5hp & EH65, 22.0hp

- 20 -
EH64, EH65 Performer OHV220
SECTION 5 BLOWER HOUSING GROUP- EH64, 20.5hp & EH65, 22.0hp
FIG. 500
4
66
5
13
13
6
6
7
13
12
14
14
14

REF ROBIN PART NUMBER DESCRIPTION QTY REMARKS ONAN PN
- 21 - EH64, EH65 Performer OHV220
SECTION 5 BLOWER HOUSING GROUP- EH64, 20.5hp & EH65, 22.0hp
1 263-51101-B2 BLOWER HOUSING 1 EH64 187-6094
263-51121-B2 BLOWER HOUSING 1 EH65
2 263-52603-A1 CYLINDER BAFFLE 1 1 EH64
263-52612-A1 CYLINDER BAFFLE 1 1 EH65
3 263-52703-B1 CYLINDER BAFFLE 2 1 EH64
263-52704-A1 CYLINDER BAFFLE 2 1 EH65
4 263-52801-03 CYLINDER BAFFLE 3 1 187-6097
5 263-52911-B2 CYLINDER BAFFLE 4, UNIT 1 EH64
263-52912-A2 CYLINDER BAFFLE 4 1 EH65
6 X11-00600-20 FLANGE BOLT 5
7 X11-00601-40 FLANGE BOLT 2 EH64
8 001-14061-60 BOLT and WASHER AY 4 187-6099
9 263-92001-03 LABEL, warning 1 187-6100
11 263-54101-02 COOLING BLOWER UNIT 1 187-6102
12 263-95112-A3 LABEL, trademark 1 EH64 187-6073
13 X11-00600-30 FLANGE BOLT 4
14 X11-00600-10 FLANGE BOLT 2

- 22 -
EH64, EH65 Performer OHV220
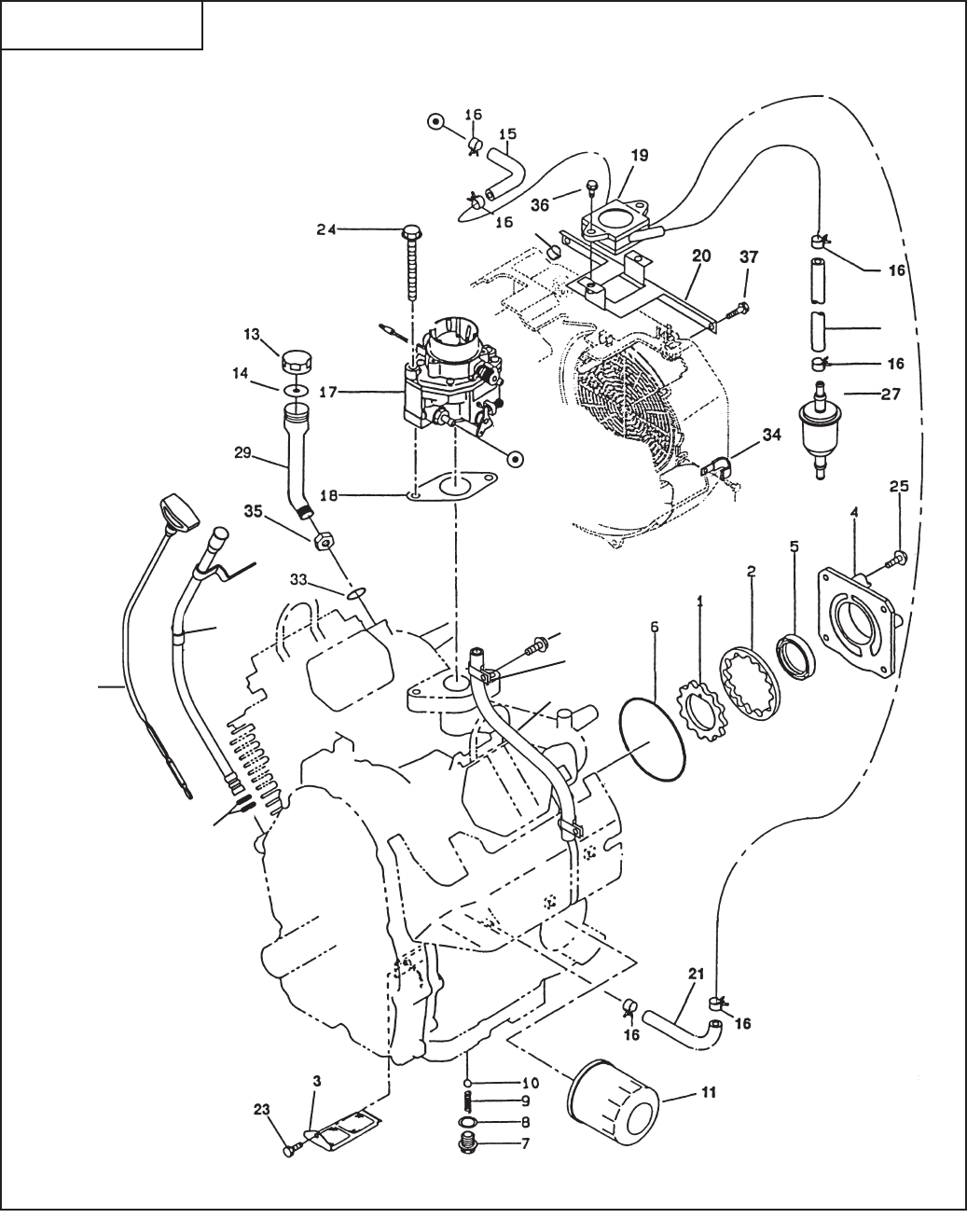
SECTION 6 FUEL and LUBRICANT GROUP- EH64, 20.5hp
FIG. 600
22
15
12
32 36
31
30
38

REF ROBIN PART NUMBER DESCRIPTION QTY REMARKS ONAN PN
- 23 - EH64, EH65 Performer OHV220
SECTION 6 FUEL and LUBRICANT GROUP - EH64, 20.5hp
1 263-63901-03 INNER ROTOR 1 187-6103
2 263-63902-03 OUTER ROTOR 1
187-6104
3 263-64302-02 OIL PUMP FILTER UNIT 1
4 263-64001-B1 OIL PUMP COVER, CP 1
5 044-03501-70 OIL SEAL 1
6 X24-89000-30 O RING 1 187-6108
7 263-65001-13 OIL RELIEF PLUG 1 187-6109
8 003-70140-00 ALUMINUM GASKET 1 187-6110
9 248-65601-03 RELIEF VALVE SPRING 1 187-6111
10 006-90308-00 STEEL BALL 1 187-6112
11 248-65801-00 OIL FILTER AY 1
12 263-63604-11 OIL GAUGE CP 1 187-6191
13 246-63606-09 OIL FILL CAP 1 187-6192
14 021-31800-10 GASKET 1
15 263-68006-B3 RUBBER PIPE 2
16 263-68501-03 HOSE CLAMP 6 187-6113
17 263-62431-00 CARBURETOR 1
18 263-66201-A3 CARBURETOR GASKET 1 187-6114
19 280-62201-00 FUEL PUMP 1 NEW - High performance 187-6115
20 263-65003-A1 FUEL PUMP BRACKET 1 187-6116
21 263-68009-B3 RUBBER PIPE 1 187-6196
22 024-01000-10 OIL GAUGE O RING 2 187-6194
23 263-65011-A3 BOLT 1
24 X11-00801-10 FLANGE BOLT 2 187-6117
25 X11-00601-40 FLANGE BOLT 4 187-6118
27 263-65012-A3 FUEL FILTER 1 187-6119
29 263-65102-A3 OIL FILL TUBE 1 187-6199
30 085-10301-10 RUBBER PIPE 1
31 206-75501-01 CLAMP CP 2 187-6121
32 263-63621-01 OIL GAUGE TUBE 1 187-6198
33 021-81800-10 OIL FILL TUBE GASKET 1 187-6200
34 056-60001-70 STRAP CLAMP 2 187-6201
35 002-18180-00 HEX NUT 1 187-6218
36 X11-00600-20 FLANGE BOLT 5 815-0753
37 X11-00600-90 FLANGE BOLT 2
38 263-67102-A3 SPACER 2

- 24 -
EH64, EH65 Performer OHV220
SECTION 6 FUEL and LUBRICANT GROUP- EH65, 22.0hp
FIG. 600
38

REF ROBIN PART NUMBER DESCRIPTION QTY REMARKS ONAN PN
- 25 - EH64, EH65 Performer OHV220
SECTION 6 FUEL and LUBRICANT GROUP - EH65, 22.0hp
1 263-63901-03 INNER ROTOR 1 187-6103
2 263-63902-03 OUTER ROTOR 1 187-6104
3 263-64302-02 OIL PUMP FILTER UNIT 1
4 263-64001-B1 OIL PUMP COVER 1
5 044-03501-70 OIL SEAL
6 X24-89003-30 O RING 1 187-6108
7 263-65001-13 OIL RELIEF PLUG 1 187-6109
8 003-70140-00 ALUMINUM GASKET 1 187-6110
9 248-65601-03 RELIEF VALVE SPRING 1 187-6111
10 006-90308-00 STEEL BALL 1 187-6112
12 263-63604-11 OIL GAUGE CP 1 187-6191
13 280-63602-A1 OIL FILL CAP 1
14 263-63622-01 GAUGE 1
15 024-01000-10 O RING 2 187-6194
16 263-62606-B1 FUEL PIPE 1
17 263-68006-B3 RUBBER PIPE 1
18 263-68501-03 HOSE CLAMP 2 187-6113
19 263-62391-00 CARBURETOR 1
20 085-10301-10 RUBBER PIPE 1
21 206-75501-01 CLAMP 2 187-6121
22 263-66201-A3 GASKET, CARBURETOR 1 187-6114
23 280-62201-00 FUEL PUMP 1 NEW- High Performance 187-6115
24 251-62251-08 DIAPHRAGM GASKET SET 1
25 251-62250-08 SCREW 4
26 263-65002-A3 BRACKET, FUEL PUMP 1
27 263-62653-B1 PULSE PIPE 1
28 263-68008-B3 RUBBER PIPE 1
29 263-68501-03 HOSE CLAMP 2
30 263-65012-A3 FUEL FILTER 1 187-6119
32 263-68007-B3 RUBBER PIPE 1
33 263-68501-03 HOSE CLAMP 2
34 263-65011-A3 FLANGE BOLT 1
35 X11-00801-10 FLANGE BOLT 2 187-6117
36 X11-00600-30 FLANGE BOLT 4
37 X11-00600-20 FLANGE BOLT 5 815-0753
38 248-65801-00 OIL FILTER AY 1

- 26 -
EH64, EH65 Performer OHV220
SECTION 6 FUEL and LUBRICANT GROUP - EH64, 20.5hp
FIG. 610
17

REF ROBIN PART NUMBER DESCRIPTION QTY REMARKS ONAN PN
- 27 - EH64, EH65 Performer OHV220
SECTION 6 FUEL and LUBRICANT GROUP - EH64, 20.5hp
17 263-62431-00 CARBURETOR AY 1
-1 280-62545-08 GASKET,AIR HORN 1
-4 263-62524-08 LEVER ASSY,CHOKE 1
-5 258-62551-08 RING,CHOKE LEVER 1
-6 263-62445-08 SPRING,CHOKE 1
-7 280-62550-08 COLLAR,CHOKE 1
-8 258-62554-08 FILTER,CHOKE SHAFT 1
-9 263-62520-08 SHAFT ASSY,CHOKE 1
-10 258-62525-08 VALVE,CHOKE 1
-11 258-62555-08 SCREW,VALVE SET 2
-12 258-62450-08 SCREW,AIR HORN SET 4
-13 226-62501-08 VALVE,FLOAT 1
-14 280-62505-08 FLOAT 1
-15 258-62515-08 PIN,FLOAT 1
-16 258-62556-08 SCREW,FLOAT PIN SET 1
-17 263-62400-08 JET,MAIN 1
-18 258-62557-18 SOLENOID VALVE ASSY 1
-19 258-62546-08 GASKET,SOLENOID 1
-20 258-62420-08 JET,SLOW 1
-21 258-62445-08 SPRING,ADJUST SCREW 1
-22 263-62451-08 SCREW,THRO.ADJUST 1
-23 261-62435-08 NEEDLE, idle adjust 1
-24 263-62531-08 SHAFT ASSY,THROTTLE 1
-25 226-62580-08 FILTER,AIR 1
-26 258-62570-08 COLLAR,THRO.SHAFT 1
-27 263-62535-08 VALVE,THROTTLE 1
-28 261-62352-08 SCREW,VALVE SET 2
-29 258-62560-08 PLUG,EXPANSION 1
-30 258-62566-08 CLAMP,SOLENOID 1
-31 263-62552-08 PLUG 1
-32 215-62353-08 SCREW,DRAIN 1
-33 215-62446-08 SPRING,DRAIN SCREW 1
-34 263-62560-08 “O”RING,AIR HORN 1
-35 263-62555-08 GASKET 1
-36 261-62358-08 PLUG, anti tamper 1

- 28 -
EH64, EH65 Performer OHV220
SECTION 6 FUEL and LUBRICANT GROUP - EH65, 22.0hp
FIG. 610
17

REF ROBIN PART NUMBER DESCRIPTION QTY REMARKS ONAN PN
- 29 - EH64, EH65 Performer OHV220
SECTION 6 FUEL and LUBRICANT GROUP - EH65, 22.0hp
17 263-62391-00 CARBURETOR AY 1
-1 280-62545-08 GASKET,AIR HORN 1
-4 263-62524-08 LEVER ASSY,CHOKE 1
-5 258-62551-08 RING,CHOKE LEVER 1
-6 263-62445-08 SPRING,CHOKE 1
-7 280-62550-08 COLLAR,CHOKE 1
-8 258-62554-08 FILTER,CHOKE SHAFT 1
-9 263-62520-08 SHAFT ASSY,CHOKE 1
-10 258-62525-08 VALVE,CHOKE 1
-11 258-62555-08 SCREW,VALVE SET 2
-12 258-62450-08 SCREW,AIR HORN SET 4
-13 226-62501-08 VALVE,FLOAT 1
-14 280-62505-08 FLOAT 1
-15 258-62515-08 PIN,FLOAT 1
-16 258-62556-08 SCREW,FLOAT PIN SET 1
-17 263-62400-08 JET,MAIN 1
-18 263-62556-08 SOLENOID VALVE ASSY 1
-19 258-62546-08 GASKET,SOLENOID 1
-20 258-62420-08 JET,SLOW 1
-21 258-62445-08 SPRING,ADJUST SCREW 1
-22 263-62451-08 SCREW,THRO.ADJUST 1
-23 261-62435-08 NEEDLE, idle adjust 1
-24 263-62531-08 SHAFT ASSY,THROTTLE 1
-25 226-62580-08 FILTER,AIR 1
-26 258-62570-08 COLLAR,THRO.SHAFT 1
-27 263-62535-08 VALVE,THROTTLE 1
-28 261-62352-08 SCREW,VALVE SET 2
-29 258-62560-08 PLUG,EXPANSION 1
-30 258-62566-08 CLAMP,SOLENOID 1
-31 263-62552-08 PLUG 1
-32 215-62353-08 SCREW,DRAIN 1
-33 215-62446-08 SPRING,DRAIN SCREW 1
-34 263-62560-08 “O”RING,AIR HORN 1
-35 263-62555-08 GASKET 1
-36 261-62358-08 PLUG, anti tamper 1

- 30 -
EH64, EH65 Performer OHV220
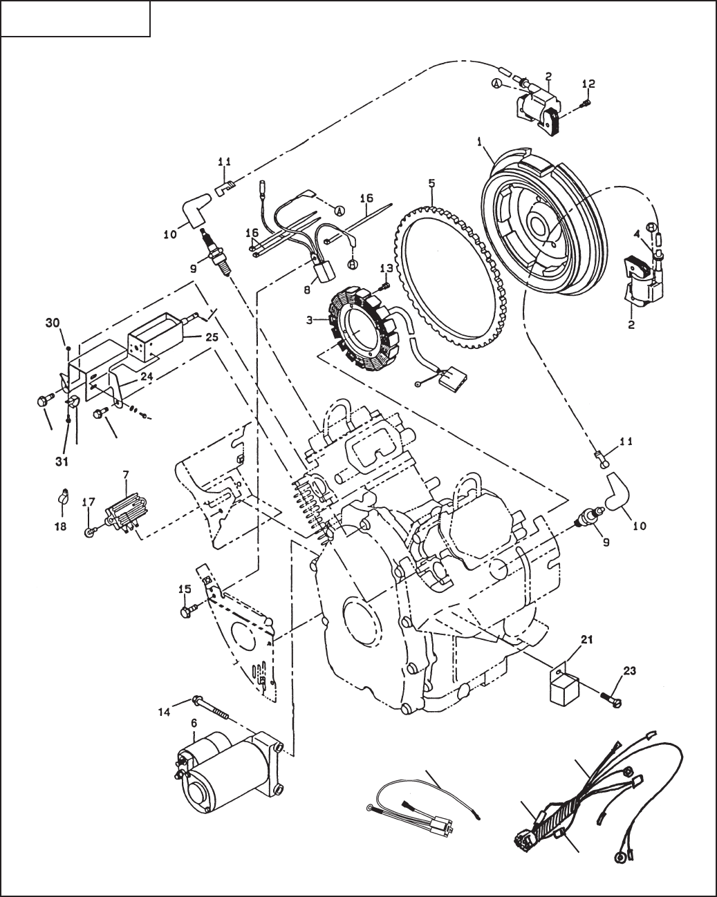
SECTION 7 FLYWHEEL and STARTER GROUP - EH64, 20.5hp
FIG. 700
33
26
20
22
20-1
20-2
26
32
28

REF ROBIN PART NUMBER DESCRIPTION QTY REMARKS ONAN PN
- 31 - EH64, EH65 Performer OHV220
1 263-77202-11 FLYWHEEL CP 1
2 263-78202-11 IGNITION COIL CP 2
3 263-79411-A1 CHARGE COIL 1 P220GIOHV-1145A
EH650DB2332
5 263-71001-03 RING GEAR 1 187-6159
6 263-70502-A0 STARTING MOTOR 1 187-6184
7 263-71901-01 REGULATOR 1 187-6160
8 KU3-11052-21 STOP DIODE 1
9 X65-01407-30 SPARK PLUG 2 NGK BPR4EY
10 X65-51000-10 SPARK PLUG CAP 2
11 X65-91000-10 PLUG TERMINAL 2 187-6163
12 001-14062-50 BOLT and WASHER 4
13 X13-10500-40 SCREW and WASHER 4
14 X11-00801-00 FLANGE BOLT 2 187-6166
15 X11-00600-10 FLANGE BOLT 1 187-6167
16 X56-30000-80 WIRE BAND 3
17 X11-00601-40 FLANGE BOLT 2 187-6118
18 206-75501-01 CLAMP 2 187-6169
20 263-73116-A1 HARNESS, ENGINE TO WELDER 1 Incl 20-1, 20-2 187-6187
20-1 WELDER FUSE FUSE 1 BUSS AGX 30amp
20-2 EH65A0256 DIODE AY 1
21 263-72003-A1 SHUTDOWN RELAY 1 187-6188
22 263-73117-A1 HARNESS, RELAY TO ENGINE 1 187-6189
23 010-00500-60 RELAY BOLT 1
24 263-75403-B1 SOLENOID BRACKET 1 187-6180
25 263-75302-A1 SOLENOID 1 187-6181
26 263-79902-A3 SCREW 2 187-6182
28 056-61500-20 CLAMP, HARNESS 1 P220GIOHV-2252A
EH650DB2341
30 002-38080-00 NUT 1
31 X11-00600-10 FLANGE BOLT 2
32 001-13082-00 BOLT and WASHER 1
33 X31-80300-20 ROLL PIN 1
SECTION 7 FLYWHEEL and STARTER GROUP - EH64, 20.5hp

- 32 -
EH64, EH65 Performer OHV220
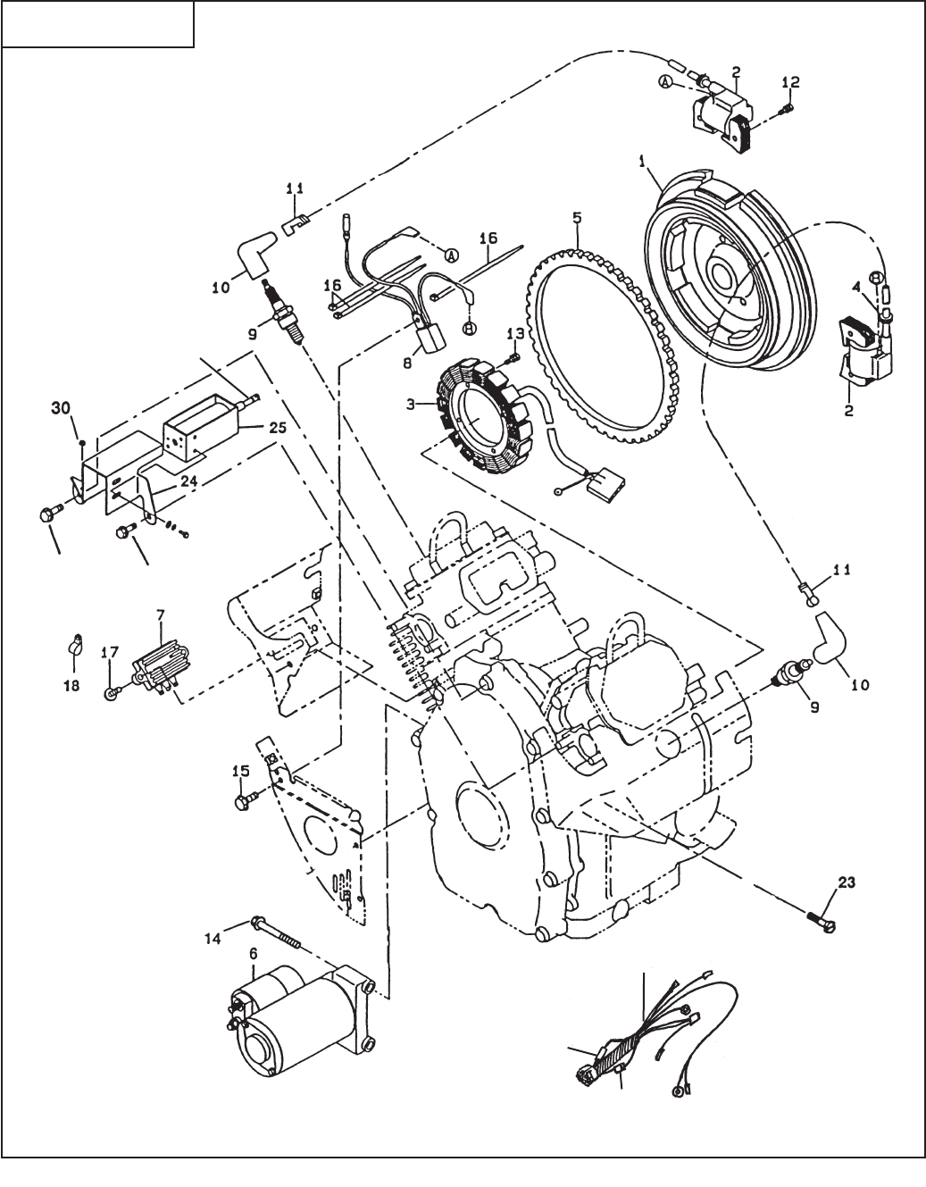
SECTION 7 FLYWHEEL and STARTER GROUP - EH65, 22.0hp
FIG. 700
20
20-2
20-1
26
26
33
32

REF ROBIN PART NUMBER DESCRIPTION QTY REMARKS ONAN PN
- 33 - EH64, EH65 Performer OHV220
SECTION 7 FLYWHEEL and STARTER GROUP - EH65, 22.0hp
1 263-77202-01 FLYWHEEL CP 1
2 263-78202-11 IGNITION COIL CP 2
3 263-79411-A1 CHARGE COIL 1 P220GIOHV-1145A
EH650DB2332
5 263-71001-03 RING GEAR 1 187-6159
6 263-70502-A0 STARTING MOTOR 1 187-6184
7 263-71901-01 REGULATOR 1 187-6160
8 KU3-11052-21 STOP DIODE 1
9 X65-01407-30 SPARK PLUG 2 NGK BPR4EY
10 X65-51000-10 SPARK PLUG CAP 2
11 X65-91000-10 PLUG TERMINAL 2 187-6163
12 001-14062-50 BOLT and WASHER 4
13 X13-10500-40 SCREW and WASHER 4
14 X11-00801-00 FLANGE BOLT 2 187-6166
15 X11-00600-10 FLANGE BOLT 1 187-6167
16 X56-30000-80 WIRE BAND 4
17 X11-00601-40 FLANGE BOLT 2 187-6118
18 206-75501-01 CLAMP 1 187-6169
20 263-73118-A1 HARNESS, ENGINE TO WELDER 1 Incl 20-1, 20-2 187-6187
20-1 FUSE 1 BUSS AGX 30amp
20-2 EH65A0256 DIODE AY 1
24 263-75404-A1 SOLENOID BRACKET 1
25 263-75302-A1 SOLENOID 1 187-6181
26 263-79902-A3 SCREW 2 187-6182
30 002-38080-00 NUT 1
32 001-13082-00 BOLT and WASHER 1
33 X31-80300-20 ROLL PIN 1

- 34 -
EH64, EH65 Performer OHV220
SECTION 8 STARTER COMPONENTS- EH64, 20.5hp & EH65, 22.0hp
FIG. 800

REF ROBIN PART NUMBER DESCRIPTION QTY REMARKS ONAN PN
- 35 - EH64, EH65 Performer OHV220
SECTION 8 STARTER COMPONENTS- EH64, 20.5hp & EH65, 22.0hp
1 263-70502-A0 STARTING MOTOR AY 1 187-6184
2 263-70550-08 THRUST WASHER KIT 1 187-6208
3 210-70534-08 PINION STOPPER SET 1 187-6202
4 263-70505-08 REAR COVER 1 187-6203
5 255-70531-08 BRUSH HOLDER 1 187-6204
6 255-70521-08 PINION STOPPER SET 1 187-6205
7 243-70525-08 SHIFT LEVER KIT 1 187-6206
8 263-70515-08 MAGNETIC SWITCH 1 187-6207

- 36 -
EH64, EH65 Performer OHV220
APPENDIX A

- 37 - EH64, EH65 Performer OHV220
APPENDIX B
- 38 -
EH64, EH65 Performer OHV220
Robin Subaru - V-Twin Service Update - Welder Applications
Forward
The following three conditions must be fulfi lled for satisfactory engine start
1. The cylinder fi lled with a proper fuel-air mixture.
2. Good compression in the cylinder.
3. Good spark, properly timed, to ignite the mixture.
The engine cannot be started unless these three conditions are met.
There are also other factors which make engine start diffi cult, e.g., a heavy load on the engine
when it is about to start at low speed, and a high back pressure due to a long exhaust pipe.
The most common causes of engine troubles and solutions are given throughout the following
pages.

- 39 - EH64, EH65 Performer OHV220
Robin Subaru - V-Twin Service Update - Welder Applications
2. Loosen the solenoid a few turns without remov-
ing the solenoid from the carburetor. This will extract
the plunger from the main jet. Re-tighten the sole-
noid and test.
If solenoid does not function, proceed to step 3.
3. Remove solenoid from carburetor. Spray car-
buretor cleaner into the plunger end, as well as in
the carburetor body. See Fig. 4. Gently manipulate
plunger to loosen gum deposits.
Test the solenoid operation by turning the start
switch to the “Start” position. The solenoid plunger
will retract when 12V DC power is applied. Note:
solenoid will need to be grounded when power is
applied. If solenoid does not function after cleaning,
proceed to step 4.
FUEL CUT-OFF SOLENOID
The fuel solenoid controls the fl ow of fuel from the
fl oat chamber into the main jet. When the engine is
not running, the plunger will remain extended. Dur-
ing starting and operation, 12 volts DC is applied
to the solenoid and the plunger is retracted. Fuel is
then allowed to fl ow to the main jet.
PROBLEM
No Start. Engine cranks but does not start.
Stale fuel can cause gum deposits around the plung-
er in the solenoid not allowing the plunger to retract
during starting. This stops the fuel supply to the
main jet causing the engine not to start.
Verify the following:
• Spark at the spark plug - if dry see remedies
• Oil - Check oil level
• Fuel - Check fuel supply
• Crank Speed
• Battery
CORRECTIVE ACTION
Please follow in this order as necessary.
1. Tapping lightly on the side of the solenoid.
This may free the plunger from any
gum build up.
Turn the start switch to the “Start” position to ener-
gize the solenoid. The solenoid will make a “clicking”
sound as the 12V DC power is applied. If no sound
is heard, proceed to step number two. See fi gure 2.
Fig. 3 - Clean the solenoid plunger
Fig. 1 - Carburetor cross section
Fig. 2 - Tap the solenoid

- 40 -
EH64, EH65 Performer OHV220
Robin Subaru - V-Twin Service Update - Welder Applications
STOP DIODE
The stop diode serves to isolate each ignition coil
while allowing one grounding lead to be used to
ground both coils to stop the engine. It is located
under the shroud, above the starter motor.
PROBLEM
Engine cranks but does not start. The condition
could be caused by a defective stop diode.
CORRECTIVE ACTION
• Measure the continuity between the wires.
• Replace the stop diode if the actual value
differs from the rated value.
4. If cleaning does not restore the solenoid opera-
tion, replace fuel solenoid (part no. 263-62556-08).
To replace the solenoid, cut red wire close to the
solenoid. Install the new solenoid and reconnect the
wires using a crimp connector.
Fig. 4 - Clean the carburetor solenoid hole and main jet
Fig. 5 - Cut the wire close to the solenoid when replacing
! WARNING !
Remove solenoid only on cold engine.
When solenoid is removed from carburetor,
any fuel in the fl oat chamber will drain out.
A
B
C
Fig. 4 - Stop diode mounted on engine
Black (-) needle
Red (+)
needle
ABC
A
B
CContinuity Continuity
8
88
8
(Continuity = Closed Circuit /
8
= Open Circuit)

- 41 - EH64, EH65 Performer OHV220
Robin Subaru - V-Twin Service Update - Welder Applications
SHUTDOWN RELAY
For Miller Electric and Hobart Welder Appli-
cations Only - EH64, 20.5hp
The relay contacts are wired between the Stop
Diode and Ground. The relay contacts are normally
closed and ground the ignition coils (stop the en-
gine). Please refer to the relay diagram and the
wiring diagram.
The relay has two functions. During engine running
the relay coil is energized by a 12V DC power signal
controlled by the oil pressure switch. This removes
the ignition ground and allows the engine to operate.
If the oil pressure drops below the minimum pres-
sure, the oil pressure switch will switch the power off
the relay coil and the ignition coils will be grounded
to turn off the engine.
The relay also has an important function during en-
gine startup. At startup, the oil pressure will initially
be low. During start-up the welder control system
will provide 12V DC to the relay coil to remove the
ignition coil ground and to by-pass the oil pressure
switch. This allows the engine to start quickly.
PROBLEM
1. The engine will crank, but will not start.
2. The engine does not shut down immediately when
the engine is turned off.
SYMPTOMS
1. Fuel to the spark plugs (plug wet) - OK
2. No spark
3. The Stop Diode tests good
WIRING HARNESS
For Miller Electric and Hobart Welder Appli-
cations Only
The wiring harness on the Onan/Robin OHV engines
for Miller Electric and Hobart, includes a diode and
a Buss AGX 30 amp fuse. The purpose of the fuse
is to protect the wiring harness should a short occur.
Note: it is important that the correct fuse length (15/
16 in.) be installed in the fuse holder.
The purpose of the bypass diode is to prevent feed-
back to the starter solenoid. If the diode is “shorted”,
the engine continues to crank after the start stop
switch is released from the start position. If the diode
is “open” the engine will crank, but will not start.
An open diode will not allow the shutdown relay to
energize and remove the ground from the ignition
coils. The harness is located on the oil fi lter side of
the engine.
PROBLEM
Engine will not crank or start.
Could be caused by either a blown fuse or faulty
diode.
CORRECTIVE ACTION
• Split the harness open with your hands to
reveal the diode and the fuse.
Replace the diode, part # EH65A0256.

- 42 -
EH64, EH65 Performer OHV220
Robin Subaru - V-Twin Service Update - Welder Applications
Step 3
Apply 9 - 12V DC across the relay coil on spade
connectors #85 and #86 (brass colored). Check
for continuity across the normally closed contacts,
spade connectors #30 and #87A. With the relay coil
energized, there should be no continuity (open cir-
cuit). If there is continuity while the coil is powered,
the relay should be replaced.
Note: If the engine wiring harness is discon-
nected from the welder, the engine will not start.
Among other functions, the welder control sys-
tem provides power to the relay during start-up
to remove the ignition coil ground.
TEST PROCEDURES
Step 1
Remove the relay and unplug the wire connector.
Check for continuity across the normally closed con-
tacts, spade connectors #30 and #87A. If there is no
continuity, the relay should be replaced.
Step 2
Apply 9 - 12V DC across the relay coil on spade
connectors #85 and #86 (brass colored). A “clicking”
sound should be heard as the power is applied and
removed. Proceed to step 3.
Engine Specifi cation Numbers: EH650DB2332
EH650DB2341
EH650DB2390
Wiring Diagram For Miller Electric and Hobart Welder Applications Only
Relay Diagram and Schematic

- 43 - EH64, EH65 Performer OHV220
Robin Subaru - V-Twin Service Update - Welder Applications
Engine Specifi cation Numbers: EH650DC2405
EH650DC2415
EH650DC2420
Wiring Diagram For Miller Electric and Hobart Welder Applications Only

- 44 -
EH64, EH65 Performer OHV220
Robin Subaru - V-Twin Service Update - Welder Applications
IGNITION COILS - EH64, 20.5hp
The ignition coils have gone through two changes.
The fi rst being a vendor change. The second, to
improve starting.
Figure 1 shows the original coil. These coils perform
well and only be replaced upon coil failure.
Figure 2 shows the coil after the vendor change. If
this coil is being used, we suggest that you update
the coil to the one shown in fi gure 3.
Figure 3 shows the newest coil. This last change
was made to improve startability. Please note the
White dot identifi es the current design from the pre-
vious coil (fi g. 2).
PROBLEM
Hard starting, hard starting in cold temperature.
CORRECTIVE ACTION
1. Check the ignition coil. If the coils match the coil
shown in fi gure 2, replace both coils and order (2)
plug terminals #X65-91000-10. File a warranty
claim.
2. Check the coil gap to the fl ywheel magnet.
The ignition coil air gap clearance is 0.3 mm or
(0.012 - 0.015 in). This measurement is done with
a thickness gauge between the ignition coils and
fl ywheel.
Tighten the left bolt fi rst, then the right bolt. Rotate
the fl ywheel and recheck the clearance.
Air Gap: 0.03mm (.012 -.015 in) Torque: 5.1 - 6.5 ft-lb.
Fig 1 - Original Ignition Coil - Do Not Replace
Bolt P/N 001-14063-00
Fig 3 - Revised New Design - White Paint Mark
Bolt P/N 001-14062-50
Fig 2 - New Design - After Vendor Change
Bolt P/N 001-14062-50

- 45 - EH64, EH65 Performer OHV220
Robin Subaru - V-Twin Service Update - Welder Applications
HIGH ALTITUDE KITS
Installation of a high altitude kit will help increase en-
gine performance and decrease exhaust emissions
at higher altitudes.
PROBLEM
For operation of engine above 5,000 ft (1,500 me-
ters), to avoid poor engine performance.
CORRECTIVE ACTION
Install a High Altitude kit. Please follow in this order.
1. Remove carburetor from engine. Unscrew the so-
lenoid valve from the carburetor with a 19mm metric
wrench.
2. Unscrew the standard jet from carburetor using a
fl at head screw driver.
3. Install the high altitude jet into the carburetor us-
ing a fl at head screw driver.
NOTE: DO NOT OVERTIGHTEN THE JET OR THE
HEAD WILL STRIP
4. Replace solenoid valve, and reinstall carburetor
on the engine.
Once the jets have been changed, the high altitude
label should be affi xed somewhere noticeable on the
engine (shroud or air cleaner cover) and the owner’s
manual addendum is required to be given to the
engine owner.
An engine which has been converted for high alti-
tude use, cannot be run at lower altitudes. A high
altitude converted engine running at lower altitude
will run lean causing the engine to overheat leading
to internal damage. The affi xed high altitude label
identifi es which engines have been converted, and
should be taken off when the engine is restored to
its original factory specifi cation.
Kit numbers:
92630024 - Used on EH64, 20.5hp
EH65, 22.0hp
92630025 - Used on EH72 25.0hp
Kits include the following:
1. Instructions and BOM
2. Warning label
3. Owner’s Manual addendum
4. High altitude jet:
263-62463-08 - for EH64, 20.5hp
EH65, 22.0hp
263-62640-08 - for EH72 25.0hp

- 46 -
EH64, EH65 Performer OHV220
Robin Subaru - V-Twin Service Update - Welder Applications
FUEL PUMP
A diaphragm type fuel pump is located either in
front of the engine below the aircleaner or on the oil
fi lter side of the engine. The pump utilizes pressure
changes in the crankcase to actuate a diaphragm to
pump the fuel.
PROBLEM
Hard starting. Can not get fuel to carburetor. This
condition could be cause by the following:
• Overfi lling crankcase with oil
• High Ambient Temperatures
• High Altitude
CORRECTIVE ACTION
1. Check the oil level. Overfi lling will block the fuel
pump breather port.
Note:
Oil capacity: 53 oz. (1.55 Liters)
Use SAE #20, #30 or 10W-30 class SE or
higher automobile engine oil.
Be certain it is not overfi lled.
2. Check hose and hose connections for leaks. If
cracked or damaged, replace.
3. Replace fuel pump using the new high lift pump.
Part number: 280-62201-00
The new High Lift fuel pump can be identifi ed by the
Blue dot, as shown below in fi gure 1.
Note:
If operating above 5,000 feet, you may need to
change the main jets when replacing the fuel
pump. See High altitude section.
Blue dot
Fig 1 - Revised New Design - Blue Paint Mark

- 47 - EH64, EH65 Performer OHV220
Robin Subaru - V-Twin Service Update - Welder Applications
SPARK PLUG
PROBLEM
Hard starting when the engine is cold. The engine
will run on one cylinder but is hard starting.
CORRECTIVE ACTION
Check for a fouled spark plug. The correct spark
plug is NGK BPR4EY, Pro V. This plug has a split
center electrode, called the V-Groove.
This forces the spark to the outer edge of the ground
electrode, placing it closer to the air/fuel mixture.
This allows the spark to more quickly ignite the mix-
ture, providing more complete combustion.
The gap is set at 0.025 inches or .6 to .7mm.
Part Number: X65-01407-30
ENGINE OPERATION WHILE DISCONECTED
FROM WELDER CONTROL BOARD
For Miller Electric and Hobart Welder Appli-
cations Only
Should you need to “hot-wire” the engine for testing
purposes on the Miller Welder, the following wires
need to be connected after the plug has been dis-
connected from the welder portion. This procedure
may be required to test the engine separate from the
welder start -stop circuit.
Note: plug is located behind side panel on the center
support bracket.
Run Condition-Connect Red and Blue Wire
(places power to the bypass relay and ungrounds
the magneto and puts power to the fuel solenoid).
The EH65, 20.0hp, does not use the bypass relay.
However, wiring connection will be the same.
Crank Condition-Connect Yellow and Red Wire
(cranks engine)
After engine starts, disconnect the Yellow and Red
crank wire circuit.
Note: See the wiring diagram in the “Shutdown
Relay” section.

Service Hobart Champion & Miller Bobcat 225 & 250 Welders
- 48 -

Service Hobart Champion & Miller Bobcat 225 & 250 Welders
- 49 -
Should it become necessary to remove and install the Onan by Robin Engine in the Miller Bobcat
225 & 250 series welder, as well as the Hobart Champion 10000, the steps on the following pages
should be followed.
Note: This information is intended for a service professional. Follow all safety and operating proce-
dures shown in the owners and service manuals.
Removal & Installation Procedures of the
Onan by Robin (OHV) V-Twin Engine on the
Miller Bobcat 225 & 250 Series Welders, as
well as the Hobart Champion 10,000
Onan by Robin 22hp (side view) Onan by Robin 22hp (back view) Onan by Robin 20.5 hp (side view)

Service Hobart Champion & Miller Bobcat 225 & 250 Welders
- 50 -
1. Remove the engine access doors and set aside.
N ote: These doors are lifted “up and out” from
the engine frame.
Note: Unless noted otherwise, the removal and
installation procedures are similar for all models .
2. Remove the 8 bolts on the rear engine panel
using a 3/8” wrench or socket.
3. Lift the ‘engine back panel’ away from the
engine & frame and set aside.
4. Disconnect the negative battery lead fi rst using a 1/2”
wrench.
Note: Always disconnect the spark plug wire before
working on any part of the welder. This will
prevent accidental starting of the unit.

Service Hobart Champion & Miller Bobcat 225 & 250 Welders
- 51 -
5. After disconnecting the battery positive terminal with
the 1/2” wrench, remove the battery hold down bracket
using a 7/16” wrench. Then remove the battery from
the unit and set aside.
6. Remove the gas cap, exhaust pipe, and the 8 bolts
that hold down the units top cover. Lift the cover
off and set aside.
7. Remove the 2 bolts from each side panel. Lift the side
panels out and set aside.
Note: After removing the bolts, be careful to lift the side
panels ‘up’ and ‘out’ of the welder frame, being
careful not to let the panel drop.
8. Remove the choke cable from the engine control
bracket after loosening the hold down clamp with
a Phillips screwdriver.
Note: Make sure to reinstall the bolt and top clamp
bracket back into the control lever housing for later
reinstallation.

Service Hobart Champion & Miller Bobcat 225 & 250 Welders
- 52 -
9. Remove the fuel line from the fuel pump.
Note: If the fuel level is higher than the gas line com-
ing out of the fuel tank, expect fuel to spill out of
the fuel line when it is removed from the fuel pump.
Be prepared to siphon or pump fuel out of
the tank until the level of fuel drops below the level
of the 90 degree fi tting coming from the
tank before removing the fuel line. Also, A small
amount of fuel will spill from the fuel pump until it
runs dry.
10. Mark and remove the two wires that go to the large
white resistor located above the stator housing.
11. Mark and disconnect the wires that go to the brush
block assembly.
Note: Just remove the two white wires at this time. The
brush block assembly will be removed in a later
step.
12. Mark and disconnect the 4 auxiliary power (generator
output leads) that go to terminal strip 1T. These leads
are white in color.
Bobcat 250---Leads-81A,90A,80A, & 82A
Bobcat 225---Leads-81A,90A,80A, & 82A
Champ 10K--Leads-51, 60, 52, & 53
Note: See Steps 19-a and 19-b for removal of generator
output leads on the Hobart Champion 10000

Service Hobart Champion & Miller Bobcat 225 & 250 Welders
- 53 -
14. Cut only the necessary cable ties from the wiring
harness.
15. Pull apart the 4-plug connector near the terminal strip.
16. Pull apart the 4 pin plug connector on the center
upright housing.
13. A number of cable ties are used to keep the wires from
interfering with the rotating components on the welder.
Take note of proper location and placement.
Note: To achieve original factory locations of wire ties, it
might help by marking locations of wire ties with
some type of marker pen. This will help in
identifying original locations during reassembly.

Service Hobart Champion & Miller Bobcat 225 & 250 Welders
- 54 -
18. Remove the two bolts that hold the component panel
from the center upright support, and set aside.
Note: Components and wiring do not need to be removed
from the panel.
20. Remove the 4 bolts that hold the center upright in
position. Before lifting straight up and away from the
unit, push the sides of the upright center mount
together to push the pins out of holes in the base
(these are locking pins).
Note: When reinstalling the center upright back into the
frame, make sure the bottom edge of upright fi ts
into the split tabs of the fuel tank cover.
19. Hobart Champion Only
Note: The Hobart Champion 10000 generator auxiliary
power output leads must be removed from the
terminal strip shown in the picture.
17. Remove the female plug connector from the center
upright housing.

Service Hobart Champion & Miller Bobcat 225 & 250 Welders
- 55 -
22. Remove the 4 bolts that hold the front control panel
to the frame. Pull the front panel back about 1 or 2
inches.
Note: This will improve access to the leads that go to the
rectifi er assembly.
21-a. Bobcat 250 Only
Remove the three thick black stator output leads that
are attached to the Course-Range Switch, as well as
the fourth thick black stator lead that goes through the
red donut to the rectifi er. Make sure to mark the wires
for proper reassembly.
Lead 10--through the donut to the rectifi er
Lead 11---to # 4 on Course Range Switch
Lead 12---to # 2 on Course Range Switch
Lead 13---to # 11 on Course Range Switch
Note: Make sure to torque to 9 ft lbs when reinstalling
the welder leads.
21-b. Bobcat 225 Only
Remove the two thick black stator output leads that
are attached to the Course-Range Switch as well
as the third thick black stator lead that goes through
the red donut to the rectifi er. Make sure to mark the
wires for proper reassembly.
Lead 10--through the donut to the rectifi er
Lead 11---to # 6 on Course Range Switch
Lead 12---to # 11 on Course Range Switch
Note: Make sure to torque to 9 ft lbs when reinstalling
the welder leads.
21 c. Hobart Champion 10000 Only
Remove the two thick black welder output leads
(#’s70 & 71) that go to the middle plate of the rectifi er
assembly.
Note: Lead 70 goes directly to the rectifi er from the
donut.
Note: Make sure to torque to 9 ft lbs when reinstalling
the welder leads.

Service Hobart Champion & Miller Bobcat 225 & 250 Welders
- 56 -
23. Using two wrenches, remove the nut that holds the
thick black stator wire bolted to the rectifi er on the
stabilizer reactor assembly.
See Step 21-c for Hobart Champion instructions.
Note: Leave the bolt & nut in hole for later re-installation.
24. Pull the last thick black stator wire through the red
donut.
25. Remove the ground strap from the frame near the
engine.
26. After removing the air cleaner cover, loosen, but do
not remove the 4 upper blower housing bolts that
holds the blower housing to the engine block. Next,
remove the 2 bottom blower housing bolts from the
engine block. After lifting the carburetor vacuum hose
from the blower housing, pull the blower housing
away from the engine and set aside.
Note: For the Champion 10000, the fuel pump and fuel
pump bracket must be removed before the blower
housing is removed. Take care not to loose the two
spacers located behind the bracket bolts.

Service Hobart Champion & Miller Bobcat 225 & 250 Welders
- 57 -
27. Should you have access to the Miller special tools that
mounts on the fl ywheel, install them at this point in the
disassembly.
Rotor Removal Tool-Miller Part # 147551
Rotor Removal Tool Spacer-Miller Part # 177126
Note: If you do not have the Miller special tools go to
step 29.
28. At this point it should be noted that the welder rotor
must fi rst be “broken loose” from the engine
crankshaft before any further disassembly. This
procedure entails holding the fl ywheel in a locked
position. It must be noted that quite a bit of force
will be needed to break the rotor loose. The rotor must
be turned in a counterclockwise position.
The threads on the engine crankshaft are threaded
similar to a standard bolt.
29. If you do not have the special Miller tools, then the
procedure shown will also work for holding the
fl ywheel.
First remove the 4 bolts & fan shroud that are attached
to the fl ywheel and set aside.
Next, drill a hole in the angle iron for the bolt to attach
the angle iron to the fl ywheel. Now, bolt the angle iron,
or suitable mounting device to the fl ywheel as shown.
30. Place some type of protection between the angle iron
and the welder frame to prevent scratching.

Service Hobart Champion & Miller Bobcat 225 & 250 Welders
- 58 -
33. It may become necessary to place a “cheater”
pipe over the end of the wrench to “encourage”
the loosening process. The pipe wrench will be
turned in a counterclockwise position. When
the rotor has begun to turn freely, turn a few
more revolutions on the wrench to make sure it
is loose.
31. A large pipe wrench must be placed over the
rotor extension to loosen the rotor. The rotor
extension has fl ats on each side of the shaft for
the pipe wrench to grip.
32. To break the rotor loose from the threaded
crankshaft, a fairly large pipe wrench must be
placed over the rotor extension. Make sure all
wires are out of the way before turning the
wrench.
34. Be prepared to use force (turning in a counter
clockwise position) to loosen the rotor from the
crankshaft.

Service Hobart Champion & Miller Bobcat 225 & 250 Welders
- 59 -
35. Loosen and remove the ground bolt from the
frame of the unit using a 3/8” socket.
36. Loosen and remove the (3 bolts for the Hobart
Champion), (5 bolts for the Bobcat)
that hold the stabilizer reactor assembly to
the base of the frame using a 1/2” socket and a
long extension. After these bolts are
removed, slide the entire assembly forward a
couple of inches.
Note: This allows access to the stator mounting
bolt shown in the next couple of steps.
Note: The stabilizer reactor bolts must be properly
torqued to 175 inch lbs for reassembly.
37. The stator mounting bolt is shown for identifi ca-
tion. Access to this bolt and nut is shown in
Step 38.
38. Reaching under the cross member of the welder
frame, loosen and remove the nut that is at-
tached to the bolt (shown in previous picture)
which protrudes from the stator housing through
the welder cross member frame.

Service Hobart Champion & Miller Bobcat 225 & 250 Welders
- 60 -
41. Place entire unit on a bench or cart for further
disassembly.
39. Loosen and remove the two engine mounting
bolts and nuts.
Note: The engine and stator are mounted to the frame
with rubber mounts (two mounts on the engine
side, one on the generator housing side).
Should these mounts ever need to be removed,
reinstallation is accomplished using water (or soapy
water) applied to the rubber surface before reinstal-
lation into the welder frame.
40. Placing a strap between the engine and the generator
assembly, lift upwards and away from the frame mak-
ing sure no wires are left attached.
42. Loosen and remove the brush block assembly from the
rear of the stator housing.
Note: Be careful when pulling the brush block assembly
away from the slip rings as to not damage the
brushes.

Service Hobart Champion & Miller Bobcat 225 & 250 Welders
- 61 -
43. Loosen and remove the four stator housing bolts using
a 9/16” socket.
Note: Make sure to torque these bolts to 35 ft lbs when
reassembly is done.
44. Using two pry bars, gently pry the stator assembly
away from the engine adapter housing.
Note: Be careful, stator assembly is heavy
(close to 100 lbs).
Note: Care must be taken not to damage the windings
when removing. After removal, set aside being
careful not damage stator windings when setting
down.
45. The rotor can now be turned off in a counter clockwise
position. Lift slightly while turning to relieve tension on
crankshaft.
Note: The rotor is also heavy. (50-60lbs)
46. After removal of the rotor from the crankshaft, carefully
set the rotor aside making sure not to damage the
rotor windings.

Service Hobart Champion & Miller Bobcat 225 & 250 Welders
- 62 -
47. Loosen and remove the 4 adapter housing bolts
using a 5/8” socket before removing the housing
from engine.
Note: Make sure to torque 40 ft lbs when reassem-
bly is done.
49. Before reassembly of rotor to crankshaft, make sure to
apply anti-sieze compound to the threaded crankshaft.
Note: Also apply a very small amount to the crankshaft
shoulder.
50. Reassemble generator parts in reverse order mak-
ing sure to torque bolts as noted. Torque adapter
housing bolts to 40 ft. lbs.
48. Should it become necessary for testing purposes
to run the engine after removal from welder, follow
the procedures on “hot-wiring” in the Robin/Onan
service tips.

Service Hobart Champion & Miller Bobcat 225 & 250 Welders
- 63 -
52. Carefully place the stator over the rotor, making sure
not to scratch or rub against each other.
Note: Torque to 35 ft lbs after placing stator bolts into
housing.
53. Always use cable ties when reassembling wiring har-
ness wires. This will prevent wires from moving or
rubbing against sharp objects.
Note: Try to place as close to the original positions that
came from the factory.
51. Turn the rotor on the crankshaft in a clockwise posi-
tion.
Note: Spin the rotor assembly hand tight on the crank-
shaft.
54. After adding oil and gas to the welder, make sure all
connections are secure. Start and run the welder until
operating temperature is achieved, checking for
engine leaks or other possible reassembly issues.

Service Hobart Champion & Miller Bobcat 225 & 250 Welders
- 64 -
Exploded View of Parts
Remove brush
assembly before
removing front
generator housing

Service Hobart Champion & Miller Bobcat 225 & 250 Welders
- 65 -
Torques:
Apply anti-seize compound
(Loctite 76732) to all con-
tacting surfaces between
rotor and engine.
A 40ft lb (54 N-m)
B 35ft lb (47 N-m)
C 25 in lb (3 N-m)
D 18 ft lb (24 N-m)
1.O-Ring
2.Front Generator Housing
3.Stator Windings
4.Rear Generator Housing
5.Generator Fan
6.Rotor
7.Slip Rings
8.Bearing
9.Brush Holder Assembly
Generator Parts Identifi cation

Service Miller Trailblazer 301G Welders
- 66 -

Service Miller Trailblazer 301G Welders
- 67 -
Removal & Installation Procedure for
the Onan Performer Engine (OHV) on
Miller Trailblazer 301 G Welders
Onan by Robin 22hp (side view) Onan by Robin 20.5 hp (side view)

Service Miller Trailblazer 301G Welders
- 68 -
1. Remove the 14 bolts from the top cover. Lift the cover
off and set aside.
Note: The gas cap will need to be removed before
lifting the cover off.
2. Next, remove the 4 bolts that hold the two side covers
in place. Lift the side covers straight up and set aside.
3. Remove the bolts from the welder engine cover. Lift
the cover off and set aside.
4. Loosen and remove the 4 battery bracket bolts from
the welder frame.

Service Miller Trailblazer 301G Welders
- 69 -
5. Loosen the battery connections. Always remove
negative side fi rst.
6. Slide the battery tray forward, and out of the frame,
grabbing the battery case strap and setting aside.
7. Remove the male engine wiring harness plug from the
female portion, that is mounted in the middle stator
support bracket.
8. Remove the clamp and fuel hose from the gas tank
male connection. Be aware that fuel will spill from fuel
line.
Note: Should the gas level be higher than the 90° elbow
shown in the picture, (fi lled into neck of tank)
gas will spill from the fi tting until the level is even
with the elbow. Be prepared to siphon or drain this
extra fuel out of the tank before working on unit.

Service Miller Trailblazer 301G Welders
- 70 -
9. Loosen and remove the choke cable bracket from its
seat. Un-hook and remove the cable from carburetor
linkage. Replace hold down clamp and tighten loosely
for later reassembly.
10. Loosen and remove the two bolts that hold the fuel
pump support from the front engine cover. Be sure
to save the two spacers over the bolts that are behind
the angle iron bracket for later reassembly.
11. Loosen but do not remove the four engine shroud
bolts that hold the cover to the engine. Loosen
and remove the two bottom shroud bolts from the
engine block.
12. Remove the engine shroud cover and set aside.

Service Miller Trailblazer 301G Welders
- 71 -
13. Loosen and remove the four fl ywheel fan blade bolts
and remove from fl ywheel.
14. At this point it should be noted that the welder
rotor must fi rst be broken loose from the engine
crankshaft before any further disassembly. This
procedure entails holding the fl ywheel in a locked
position. It must be noted that quite a bit of force will
be needed to break the rotor loose. Shown in the
picture is one way to hold the fl ywheel in position. It
is simply a piece of angle iron with a hole
drilled to mount a bolt to the fl ywheel. Special tools
are also available for purchase for holding the fl ywheel
from Miller Electric.
15. To break the rotor loose from the crankshaft, a fairly
large pipe wrench must be placed over the rotor exten-
sion. The area around the rotor extension is surround-
ed by quite a few wires. Some of these wires should
be moved aside for greater leverage. This is accom-
plished by removing wires from the circuit board and
setting aside.
16. After removing these wires from the circuit board, pull
them through the circuit board access hole and set
aside.

Service Miller Trailblazer 301G Welders
- 72 -
17. Shown to the right is a picture of the type of socket
used on these brush holder screws. The brush holders
might also use a Phillips type of screw head.
19. After removal of the screws, pull the brush holders out
of the way.
18. Loosen and remove the two special torx type head
screws from the brush holder. (Note: there are two
brush holders on each model)
20. Shown the right is the special D-type rotor shaft that
extends beyond the end of the end bracket hous
ing. This is where the large pipe wrench will be
attached to loosen the rotor from the engine.

Service Miller Trailblazer 301G Welders
- 73 -
21. Carefully place the wrench between the wires on
extended rotor shaft and turn counter clockwise to
loosen the rotor from the crankshaft. When the
rotor has begun to turn freely, turn a few more pulls on
the wrench to make sure it is loose.
22. It may become necessary to place a cheater pipe on
the end of the large pipe wrench to encourage the
loosening process.
23. Loosen and remove the four stator though bolts that
hold the end bracket housing to the stator shell.
24. Loosen and remove the two bolts that hold the engine
assembly to the engine frame bracket.

Service Miller Trailblazer 301G Welders
- 74 -
25. Loosen and remove the four engine cross member
bolts.
Note: Make sure the engine is supported by some type
of overhead lift.
26. Support engine with chain hoist and a 2 x4 before
beginning to move forward.
27. While supporting the engine with the 2 x 4, slowly pull
engine and rotor forward making sure not to let rotor
hit on the stator windings. It may be necessary to
support rotor with board as it comes out.
28. This is what the engine & rotor unit will look like when
removed. Be careful not to let rotor hit against other
objects.

Service Miller Trailblazer 301G Welders
- 75 -
29. With the engine supported, turn rotor counter clock
wise until un-threaded from crankshaft.
30. Remove the adapter plate and splash shield and set
aside. The engine is now ready for service.
31. Re-installation requires that the splash shield be
placed and the back of the engine.
32. Before turning the rotor on the crankshaft make sure
to wipe anti-sieze compound of the crankshaft threads.

Service Miller Trailblazer 301G Welders
- 76 -
33. When re-assembling the rotor to the engine
crankshaft, turn the rotor clockwise hand tight
until snug. The rotor will tighten itself completely
the fi rst time the engine is started.
34. Re-installation of the rotor and engine into the
stator shell must be done with care. Keep
supporting the rotor so as not to hit or scratch
the stator windings. If needed, use the four stator
bolt nuts to pull the engine and rotor into fi nal
position when the adapter bolts protrude through
the stator end bracket.
Re-install the remaining components, place gas
and oil into the welder and test for proper opera-
tion.
PRINTED IN THE USA