Ever Plex 4BQ EP8BQMA
User Manual: EverPlex 4BQ
Open the PDF directly: View PDF
.
Page Count: 12

Real time B/W quad processor
Selectable single or dual quad display
High resolution picture quality
8 Alarm input with buzzer
EverPlex 8BQ
USER'S MANUAL

Table of Content
Notice................................................................................................................. 1
Safety Warning.................................................................................................... 2
Introduction ........................................................................................................ 3
Specification ....................................................................................................... 4
Chapter I Front Panel Keypads................................................................ 5
1. Full Screen .......................................................................................................5
2. Page A/B Switch ..............................................................................................5
3. Auto ........................................................................................................5
4. Reset……….....................................................................................................5
5. Alarm ........................................................................................................5
Chapter II Back Panel Function................................................................. 6
1. Video in ........................................................................................................6
2. BNC Connectors .............................................................................................6
2.1 Monitor........................................................................................................6
2.2 Quad out ......................................................................................................6
3. Level ........................................................................................................6
4. Alarm Time.......................................................................................................6
5. Switch Time......................................................................................................6
6. Single/Dual Switch...........................................................................................7
7. A/B Quad ........................................................................................................7
8. Alarm Connectors (DB-15) ..............................................................................7
8.1 Alarm out.....................................................................................................8
8.1.1 Normally Open Connection ...............................................................8
8.1.2 Normally Closed Connection.............................................................8
8.2 Alarm in.......................................................................................................9

1
EverFocus Electronics Corp.
Notice
This manual is presented to the users of EverPlex 8BQ by EverFocus
Electronics Corp. With years of engineering researching, EverFocus has
spared no effort to provide the high quality products to the worldwide users.
For the policy of continual product improvement, EverFocus reserves the right
to make changes to the product specifications and documentation without
notice. All the components of the products, including accessories, components,
and outlook, are based on the agreements if each deals to satisfy all kinds of
users. Meanwhile, please be advised that every steps of operation must follow
the instruction of this manual to keep EverPlex 8BQ working under the best
condition. Please notice that EverFocus will not be charged any claims or
renewing cases resulted from inappropriate operation.

1. To prevent fire or shock hazard, do not expose this equipment to the
environment of high humidity and dust. Do not use it in an unprotected
outdoor installation or any area classified as a wet area.
2. Installation environment: The temperature should be kept between 0oC ~
+50oC
3. For safety sake, do not disseminate the unit or put it on an unstable base.
4. Ventilation: Openings in the enclosure are provided for ventilation and to
ensure reliable operation of the unit and to protect it from overheating. These
openings must not be blocked or covered. This unit should not be placed in a
built-in installation unless proper ventilation is provided.
5. Cleanse: Unplug the unit from the outlet before cleansing. Do not use liquid
cleaners or aerosol cleaners. Use a damp cloth to clean it.
6. Overload: Do not overload outlets and extension cords as this may result in a
risk of fire or electric shock.
7. Power-cord Protection: Power-supply cords should be routed so that they are
not likely to be walked on or pinched by items placed upon or against them,
paying particular attention to cords at plugs, convenience receptacles, and the
point where they exit from the appliance.
8. Object and Liquid Entry: Never push objects of any kind into this unit through
openings as they may touch dangerous voltage points or short-out parts that
could result in a fire or electric shock. Never spill liquid of any kind on the
unit.
9. Service: Do not attempt to service this unit yourself as opening or removing
covers may expose you to dangerous voltage of other hazards. Refer all
servicing to qualified service personnel.
EverFocus Electronics Corp.
2
Safety Warning

Simultaneously monitor up to 8 camera inputs
Real-time quad display
Option to watch full image, single page quad or dual page quad display
Superior high resolution:960 x 576 (CCIR) , 960 x 480 (EIA)
Independent brightness level adjustment for each channel
Auto sequential switching for 8 cameras, Quad A and Quad B (Dwelling time:
1~4 seconds)
Alarm time setting (1-20 seconds)
8 alarm inputs with built-in buzzer
Easy-handled desktop size
User-friendly front panel design
Low power consumption
Main Features:
Introduction
EverPlex 8BQ, a selectable single or two-page B/W Quad processor represents
the best choice for 4 or 8 cameras monitoring and recording. 4 or 8 channel auto
sequential switching with real time quad display, superior high resolution, and
the most practical features in one convenient unit. The most unbeatable B/W
Dual Quad processor for the security surveillance.
EverFocus Electronics Corp.
3

Specification
Video input: Up to 8 cameras inputs
Video output: 1 monitor output and 1 quad output for VCR
1Vp-p/75 ohm
Quad Display: Single page or dual page switch
Alarm input: 8 alarm inputs
Buzzer: Yes
Alarm output: 2 Alarm Out (1 Normally Open, 1 Normally Closed)
Dimension: 239 x 166 x 55 mm
Power source: AC 24V
Power consumption: 5W max.
Operating temperature: 0°C to +50 °C
EverFocus Electronics Corp.
4

Chapter I Front Panel Keypads
1.1 Full Screen
Press any key of corresponding quadrant, the required channel will be displayed as full
screen on the monitor. Press A or B to go back to quad display.
1.2 Page A/B Switch
Press A(B), the live pictures from Page A(B) will be displayed on the main monitor and
VCR output for recording.
1.3 Auto
Press Auto key will enter the auto sequential switching mode. It will display live quad & full
screen sequentially on the main monitor.
1.4 Reset
After the alarm situation is taken care of and controlled, press Reset key to default alarm and
get back to normal condition.
1.5 Alarm
Send alarm signals to the places to be advised without triggering the buzzer.
1. Front Panel Keypads
EverFocus Electronics Corp.
5

2. BNC Connectors
2.1 MONITOR
Connect this output port to the main monitor.
2.2 QUAD OUT
Connect this output port to the VIDEO IN of VCR. The quad video
output of current active page is obtained from this connector.
3. LEVEL
Adjust the brightness level for each camera individually.
4. ALARM TIME
Adjust the alarm holding time from 1 to 20 seconds.
5. SWITCH TIME
Adjust the auto sequential switching time from 1 to 4 seconds.
1. Video In
Connect camera video output to the corresponding video in connector
by a 75 ohm coaxial cable.
EverFocus Electronics Corp.
6
Chapter II Back Panel Function

7. A/B Quad
A/B Quad
ON OFF
ON: Only the quad pictures of the page A and page B will be sequentially switched when
the key of auto sequential in the front panel is on.
OFF: Not only the quad pictures of the page A and page B will be sequentially switched,
but the full pictures of the 8 cameras will also be displayed in turns when the key of
auto sequential in the front panel is on.
6. SINGLE / DUAL Switch
Select Single Page Quad or Dual Page Quad display. When there are only 4 or less
than 4 cameras connected to this quad processor, connect all the cameras to Single
Page (1,2,3 and 4) and push up to Single for Single Page Quad display only. When
there are 5 or more than 5 cameras connected, push down to Dual for Dual Page
Quad display.
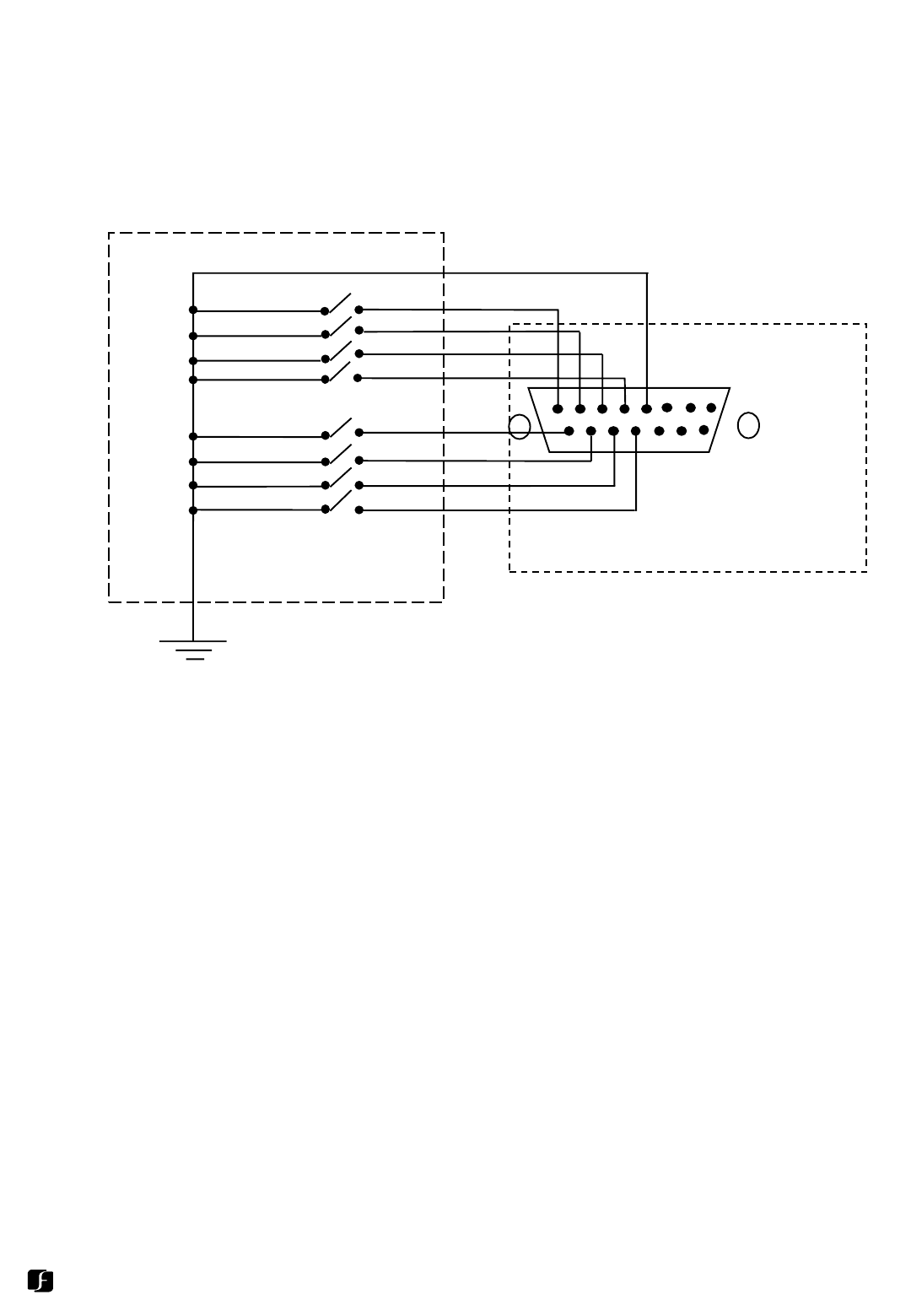
8. Alarm Connectors (DB-15)
PIN # NAME PIN # NAME
1 Alarm Out Common contact 9 Alarm Out Normally Open
2 Alarm Out Normally Closed 10
3 Alarm Reset 11
4 GROUND 12 ALARM IN 1
5 ALARM IN 5 13 ALARM IN 2
6 ALARM IN 6 14 ALARM IN 3
7 ALARM IN 7 15 ALARM IN 4
8 ALARM IN 8
1
8
9
15
7
EverFocus Electronics Corp.

8.1 Alarm out
There are two ways to do the alarm out connection:
8.1.1 Normally Open Connection (use pin # 1 and # 9)
82 1
15 9
COIL
EP100
Alarm out
RELAY
8.1.2 Normally Closed Connection (use pin # 1 and # 2)
82 1
15 9
COIL
EP100
Alarm out
RELAY
EverFocus Electronics Corp.
8

8.2 Alarm in
There are 8 alarm sensors in for 8 channels, all these alarm inputs are
Normally Open and shorted to ground means an alarm happens.
SENSOR 8
SENSOR 7
SENSOR 6
SENSOR 5
82 1
15 9
SENSOR 4
SENSOR 3
SENSOR 2
SENSOR 1
ALARM
CIRCUIT
There are eight alarm inputs, one for each camera of page A & B. Please connect the
alarm input in the same sequence as the cameras input BNC of page A & B.
When any alarm signal is input, 8BQ will do the following:
1. switch to the full screen display of the alarmed channel.
2. Light on the channel LED and Alarm LED .
3. turn on the buzzer.
When 2 or more alarms occur in the same page A or B, 8BQ will switch to quad display
of that page.
If alarms occur at the same time in different pages, 8BQ will switch to full screen of the
channel of Page A.
If alarms occur in different time in different pages, 8BQ will switch to full screen of the
channel that the last alarm belongs to.
When the alarm time is over, 8BQ will go back to the normal condition that alarm
occurred before.
EverFocus Electronics Corp.
9

EverFocus Electronics Corp.
Head Office:
12F, No.79 Sec. 1 Shin-Tai Wu Road,
Hsi-Chi, Taipei, Taiwan
TEL : 886-2-26982334
FAX : 886-2-26982380
USA Office:
2445 Huntington Drive, San Marino,
CA 91108, U.S.A.
TEL : 1-626-844-8888
FAX : 1-626-844-8838
Toll free : 1-888-383-6287 or
1-888-EV-FOCUS
Japan Office:
1809 WBG Marive East 18F,
2-6 Nakase.Mihama-ku.
Chiba city 261-7118, Japan
TEL : 81-43-212-8188
FAX :81-43-297-0081
Beijing Office:
Room 609, Technology Trade Building,
Shandgdi Information Industry Base,
Haidian District, Beijing,China
TEL : 86-10-62971096
FAX : 86-10-62971432
European Office:
Albert-Einstein-Strasse 1
D-46446 Emmerich, German
TEL : 49-2822-9394-0
FAX : 49-2822-939495
EverFocus®
P/N: MEP1G0010D