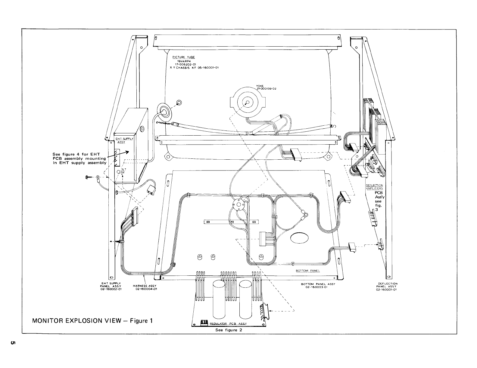
PDF Electrohome G05 801 Monochrome XY (Atari)(Issue 1 TM 146) [Ins. & Serv] [English]
Atari Monitor TM-146 Issue 1 Electrohome G05-801 Monochrome XY Atari Monitor TM-146 Issue 1 Electrohome G05-801 Monochrome XY
User Manual: PDF T E X T F I L E S
Open the PDF directly: View PDF
.
Page Count: 36



































