Elektor Formant Music Synthesiser
User Manual: ElektorFormantMusicSynthesiser
Open the PDF directly: View PDF
.
Page Count: 111 [warning: Documents this large are best viewed by clicking the View PDF Link!]



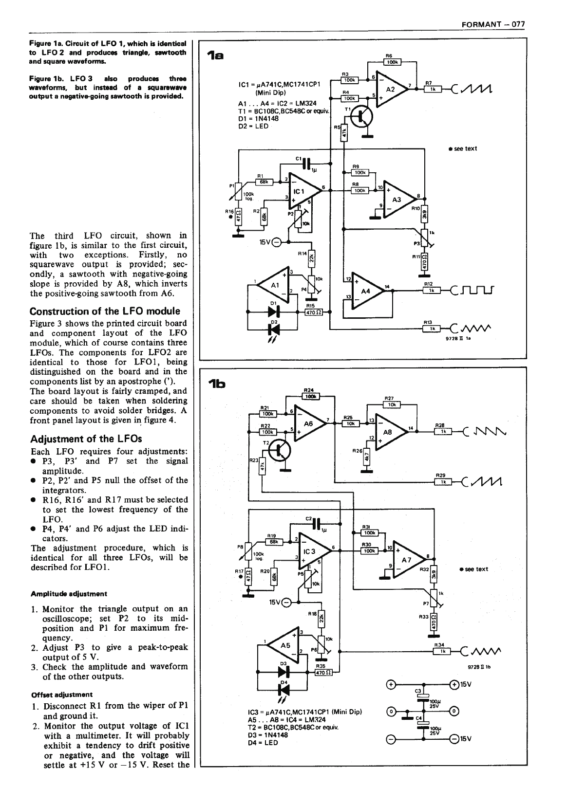
FORMANT- 003
Preface
In the May 1977 issue of Elektor there appeared the first of a series of articles
devoted to the Formant a sophisticated music synthesiser whose performance
was on a par with that of many commercial models but which was designed
for home construction and could be built for a fraction of their cost. It quickly
became apparent that there was tremendous interest in the project. Many
readers have since completed construction of the Formant, and their
experiences have been entirely positive. The basic modular design concept,
which allows the constructor to build as many (or as few~ modules as his
budget permits, has proven extremely successful, and despite their
complexity, an almost 100% reproducibility in the performance of the circuits
has been achieved.
In view of the continued popularity of the project, we have decided to gather
together and reproduce the original articles describing the design and
construction of the Formant. At the same time, we have taken this
opportunity to explore the musical capabilities of the Formant in somewhat
greater detail than was originally permitted. A synthesiser can be a difficult
instrument for the beginner to master. For this reason Part 2 of the book
consists of an introduction to the techniques of actually playing the Formant.
The characteristics of each module are discussed, and basic control settings
for the simulation of specific instruments are described.
A novel feature of the book is that it is accompanied by a demonstration
cassette, which allows the FQrmant enthusiast to hear for himself what the
results of certain control settings should sound like and which provides some
idea of the enormous musical scope of the instrument.
The availability of printed circuit boards and front panels for each of the
modules makesthe Formant atrue home construction project and ensures that
the enthusiast will have a finished instrument whose appearance he can be
proud of.
I











































































































