73100810 I SR8 Plus Operation Manual 9810 Extern QUINTA ANALYTICA Hanson SR8plus EN
User Manual: 9810
Open the PDF directly: View PDF
.
Page Count: 72
- Cover
- Table of Contents
- What's New
- Section 1 - Safety Considerations
- Section 2 - Introduction
- Section 3 - Specifications
- Section 4 - Installation
- 4.1 Location
- 4.2 Unpacking and Inspection
- Figure 4-1: Removing the Locking Hardware and Holding Collar
- 4.3 Identification
- Figure 4-2: System Parts
- Figure 4-3: Supply Kit
- Figure 4-4: Accessories
- 4.4 Installation Steps
- Figure 4-5: Raising the Drive Head
- Figure 4-6: Positioning the Controller
- Figure 4-7: Securing the SR8-Plus Controller
- 4.5 Start Up
- 4.6 Leveling
- Figure 4-8: Leveling
- 4.7 Bath Installation
- Figure 4-9: Positioning the Bath Support
- Figure 4-10: Positioning the Bath
- Figure 4-11: Positioning the Vessels
- Figure 4-12: Circulating Water Pump Connection
- Figure 4-13: Temperature Probe Installation
- 4.8 Printer Installation
- 4.9 System Check
- 4.10 Setting Adjustable Stops
- Figure 4-14: Setting Adjustable Stops
- 4.11 Installation of Paddles and Baskets
- Figure 4-15: Paddle/Basket Shaft Installation
- 4.12 Connecting the E-Probe
- 4.13 Adjusting Sample Probes
- 4.14 Adjusting Digital Temperature Probes
- Section 5 - Operation and Programming
- 5.1 Keypad Description
- 5.2 Indicator Lights
- 5.3 Screen Icons
- Figure 5-1: Screen Icons
- 5.4 Main Screen
- Figure 5-2: Main Screen
- 5.5 Use of Scrolls
- Figure 5-3: Example Scroll
- 5.6 Input of Alphabetical Characters
- Figure 5-4: Header Screen
- 5.7 Manual/Quick Operation
- 5.8 Print Options
- Figure 5-5: Print Options Screen
- 5.9 System Options
- 5.10 Adjusting the Contrast
- 5.11 Heater Shutdown
- 5.12 Validation
- 5.13 Calibration
- 5.14 Security
- 5.15 Adding, Changing or Removing Users
- 5.16 Diagnostics
- 5.17 System Configuration Parameters
- Figure 5-6: System Configuration Screen
- 5.18 Timer/Alarm Operation
- 5.19 Selecting, Creating and Viewing Protocol Parameters
- Figure 5-7: Edit Protocol Screen
- 5.20 Entering Protocol Parameters
- 5.21 Editing a Protocol
- 5.22 Viewing Protocol Parameters
- 5.23 Running a Test
- 5.24 Starting a Protocol
- Figure 5-8: Select Protocol Screen
- Figure 5-9: Select Protocol Screen
- Figure 5-10: Set Point Screen
- Figure 5-11: Header Screen
- 5.25 Starting the Manual Timer
- 5.26 System Shutdown and Start Up
- 5.27 Stand By Mode
- 5.28 Serial Number Log
- 5.29 Software Flow Chart
- Section 6 - Running A Test
- Section 7 - Troubleshooting
- Section 8 - Maintenance and Calibration
- 8.1 Maintenance Schedule
- 8.2 Clean Up Procedure
- 8.3 Circulating Water Pump
- 8.4 Bath Water
- 8.5 Temperature Check and Calibration
- 8.7 Temperature Probe Calibration
- Figure 8-1: Temperature Calibration Screen
- 8.8 Bath Temperature Calibration
- 8.9 Guide Rods
- Figure 8-2: Disengaging the Clutch
- 8-11 Belts
- Figure 8-3: Cover Removal
- Figure 8-4: Belt Adjustment
- Figure 8-5: Motor Bottom Closure Removal
- Figure 8-6: Belt Configuration and Adjustment
- 8.12 Idler Pulleys
- 8.13 Fuse Replacement
- 8.14 Maintenance Log
- 8.15 Tablet Calibration
- Section 9 - Moving and Storage
- Section 10 - Service Parts
- Section 11 - Sales and Support
- Section 12 - General Warranty

SR8-Plus
Operation Manual
73-100-810 Rev. I, 05JUL2005
ECO 1747
Hanson Research Corporation
9810 Variel Avenue • Chatsworth, CA 91311 USA
(800) 821-8165 • (818) 882-7266 • FAX (818) 882-9470
www.hansonresearch.com
©2005 Hanson Research Corporation.
This product is covered under one or more of the following US Patents: 3,572,648 4,108,602 4,274,286 5,198,109 5,296,139 5,639,953 5,639,974
5,682,001 6,006,777 6,076,410 6,422,098 6,821,419 B2 Des.377,152 Des.424,458 & Other Patents Pending.

SR8-Plus Operation Manual 73-100-810-I
Table of Contents i
Table of Contents
What’s New _______________________________________________________ iv
1 Safety Considerations ____________________________________________1
1.1 General_________________________________________________________________ 1
1.2 Safety Markings_________________________________________________________ 1
1.3 Canadian Emissions Notice______________________________________________ 2
2 Introduction ____________________________________________________3
2.1 General_________________________________________________________________ 3
2.2 Firmware Revisions _____________________________________________________ 4
3 Specifications___________________________________________________6
4 Installation _____________________________________________________7
4.1 Location________________________________________________________________ 7
4.2 Unpacking and Inspection _______________________________________________ 8
4.3 Identification____________________________________________________________ 9
4.4 Installation Steps ______________________________________________________ 10
4.5 Start Up _______________________________________________________________ 13
4.6 Leveling _______________________________________________________________ 13
4.7 Bath Installation _______________________________________________________ 14
4.8 Printer Installation _____________________________________________________ 18
4.9 System Check _________________________________________________________ 19
4.10 Setting Adjustable Stops _______________________________________________ 20
4.11 Installation of Paddles and Baskets______________________________________ 21
4.12 Connecting the E-Probe ________________________________________________ 22
4.13 Adjusting Sample Probes _______________________________________________ 22
4.14 Adjusting Digital Temperature Probes ___________________________________ 23
5 Operation and Programming______________________________________24
5.1 Keypad Description ____________________________________________________ 24
5.2 Indicator Lights ________________________________________________________ 25
5.3 Screen Icons___________________________________________________________ 25
5.4 Main Screen ___________________________________________________________ 26
5.5 Use of Scrolls__________________________________________________________ 26
5.6 Input of Alphabetical Characters ________________________________________ 27
5.7 Manual / Quick Operation _______________________________________________ 29

SR8-Plus Operation Manual 73-100-810-I
Table of Contents ii
5.8 Print Options __________________________________________________________ 29
5.9 System Options________________________________________________________ 30
5.10 Adjusting the Contrast _________________________________________________ 30
5.11 Heater Shutdown_______________________________________________________ 30
5.12 Validation _____________________________________________________________ 30
5.13 Calibration_____________________________________________________________ 31
5.14 Security _______________________________________________________________ 31
5.15 Adding, Changing or Removing Users ___________________________________ 32
5.16 Diagnostics____________________________________________________________ 32
5.17 System Configuration Parameters _______________________________________ 32
5.18 Timer / Alarm Operation ________________________________________________ 35
5.19 Selecting Creating and Viewing Protocol Parameters _____________________ 38
5.20 Entering Protocol Parameters ___________________________________________ 38
5.21 Editing a Protocol ______________________________________________________ 40
5.22 Viewing Protocol Parameters ___________________________________________ 40
5.23 Running A Test ________________________________________________________ 40
5.24 Starting a Protocol _____________________________________________________ 41
5.25 Starting the Manual Timer ______________________________________________ 43
5.26 System Shutdown and Start Up _________________________________________ 44
5.27 Stand By Mode_________________________________________________________ 44
5.28 Serial Number Log _____________________________________________________ 45
5.29 Software Flow Chart____________________________________________________ 46
6 Running A Test_________________________________________________47
6.1 Setting Up _____________________________________________________________ 47
6.2 Starting and Running a Test (no Digital Temperature Probes) _____________ 47
6.3 Vessel Temperature Log (no Digital Temperature Probes) _________________ 48
6.4 Starting and Running a Test (with Digital Temperature Probes / E-Probes)__ 48
6.5 During the Test ________________________________________________________ 49
6.6 After the Test __________________________________________________________ 49
7 Troubleshooting________________________________________________50
7.1 Contacting Hanson Research Corporation for Technical Support __________ 50
7.2 Troubleshooting Table _________________________________________________ 50
7.3 Diagnostic Tests _______________________________________________________ 52

SR8-Plus Operation Manual 73-100-810-I
Table of Contents iii
8 Maintenance and Calibration _____________________________________53
8.1 Maintenance Schedule _________________________________________________ 53
8.2 Clean Up Procedure ____________________________________________________ 53
8.3 Circulating Water Pump ________________________________________________ 53
8.4 Bath Water ____________________________________________________________ 53
8.5 Temperature Check and Calibration _____________________________________ 54
8.6 Temperature Probe Offset Adjustment ___________________________________ 54
8.7 Temperature Probe Calibration__________________________________________ 54
8.8 Bath Temperature Calibration ___________________________________________ 56
8.9 Guide Rods____________________________________________________________ 57
8.10 Spindle Bearings_______________________________________________________ 57
8.11 Belts __________________________________________________________________ 58
8.12 Idler Pulleys ___________________________________________________________ 62
8.13 Fuse Replacement _____________________________________________________ 62
8.14 Maintenance Log_______________________________________________________ 63
8.15 Tablet Calibration ______________________________________________________ 63
9 Moving and Storage_____________________________________________64
9.1 Storage________________________________________________________________ 64
9.2 Moving ________________________________________________________________ 64
10 Service Parts _________________________________________________65
11 Sales and Support_____________________________________________66
12 General Warranty _____________________________________________67

SR8-Plus Operation Manual 73-100-810-I
What’s New iv
What’s New
Revision I
¾ Circulating Water Pump (P/N 64-710-410/411) replaces Circulating Air Pump (64-705-
058/059) throughout operation manual.
¾ Section 6—Service Parts updated.
¾ Section 8—Maintenance and Calibration: Temperature Probe (8.7) and Bath Temperature
Calibration (8.8) updated.

SR8-Plus Operation Manual 73-100-810-I
Section 1 Safety Considerations
– 1 –
1 Safety Considerations
1.1 General
1. The installation category (overvoltage category) for this instrument is Level II. The Level
II category pertains to equipment that receives its electrical power from a local level,
such as an electrical wall outlet.
2. This instrument must be connected to a grounded electrical outlet.
3. Never work on the electrical components in the system while there is power to the unit.
Disconnect power before servicing the instrument.
4. Review all safety and environmental precautions pertaining to any chemicals that are to
be used in conjunction with this equipment.
1.2 Safety Markings
For your own safety, you must observe the following safety warning markings. The safety
warning markings indicate a possible source of danger. At the same time they contain
information on how correct action can avert danger. You will always find safety warning
markings attached to points of possible danger.
Sign Location Safety Warning
Control Danger! Supply voltage and supply frequency must be of the
value specified for the control unit on the serial number tag
located on the rear panel of the SR8-Plus control. All
electrical outlets must be properly grounded.
Control
Printer
Motor
Heater
Caution: No operator accessible parts inside. Refer servicing
to qualified personnel only. Risk of electrical shock. Do not
open.
Achtung: Es gibt keine vorn Benutzer zo wanenden Teile.
Oberlassen Sie Reparaturen dem qualifizierten Service-
fachmann. Hochspannung. Nicht öffnen.
Attention: Aucune pièce remplaçable par l’utilisateur. Toute
réparation doit être effectuée par un technicien qualifié.
Risque d’ electrocution. Ne pas ouvrir.
Precaución: No lo abra. Peligro de alto voltaje. El servicio
debe ser implementado por personal calificado.
Control Caution! Turn unit off and remove power cord before
replacing fuses. Fuses must be replaced with the same
current rating and type described next to the fuse holder.

SR8-Plus Operation Manual 73-100-810-I
Section 1 Safety Considerations
– 2 –
Sign Location Safety Warning
Motor Caution! Motor armature is hot; do not touch.
Drive Head Caution! Pinch point on both ends of bearing housing (both
guide rods). Keep hands clear when raising or lowering drive
head.
Control Caution! Communication ports must not be connected to a
telephone line.
Control Note! Line and Neutral fused separately.
Control Note! Chassis terminal. Cable assembly must be properly
grounded to this location.
Inside
Control
Note! Protective conductor terminal.
1.3 Canadian Emissions Notice
This digital apparatus does not exceed the Class A limits for radio noise emissions from
digital apparatus set forth in the Radio Interference Regulations of the Canadian Department
of Communications.
Le présent appareil numérique n’émet pas de bruits radioélectriques dépassant les limites
applicables aux appareils numériques de la classe A prescrites dans les réglements sur le
brouillage radioélectrique édictés par le Ministére des Communications du Canada.

SR8-Plus Operation Manual 73-100-810-I
Section 2 Introduction
– 3 –
2 Introduction
2.1 General
The Hanson SR8-Plus™ Dissolution Test Station provides an entirely new approach to
dissolution testing by incorporating a user interface with built-in virtual instrument
technologies. These technologies provide a "smart" system that anticipates and reacts to the
needs of dissolution testing. The SR8-Plus incorporates the Hanson SR "Sustained Release"
precision drive system and a high-performance maintenance free SR motor.
The system can be configured with 6 or 8 vessels and can use both paddles and baskets.
Many accessories are available for special sampling conditions, including small volume
testing with 150mL vessels, Transdermal Sandwich™ testing and ointment cells. Electronic
sample probes (E-Probes™) may be added to automate sample probe movement, and E-
Probes may be connected to many types of autosamplers.
By adding Hanson’s new digital temperature probes, the SR8-Plus can also monitor vessel
temperature by allowing automatic vessel temperature readings at programmed intervals.
The digital temperature probes connect to the sampling probe and if accompanied by the E-
Probe will move in and out of the vessel media and gather temperature data. (This data is
printable on the Hanson validation printer.)
The SR8-Plus control panel includes Easy-Icon™ program controls and a LCD display with
pop-up menus and convenient help screens. The control panel also provides five status
lights, quickly providing the user with instrument status information.
To simplify dissolution testing and instill confidence that the test is performed correctly, the
SR8-Plus allows the user to store 25 test protocols. These protocols contain test parameters
including but not limited to the speed, temperature, sampling intervals, drug name, and
dosage of the dissolution test. During testing, the SR8-Plus sends information to the optional
printer (recommended). The subsequent printout includes a header with specific information
about the operator, lab, sample, and a status report which provides a record of the motor
speed and waterbath temperature at designated intervals, as well as the high, low, and
average at the end of the test. The SR8-Plus also includes programs for calibration,
validation and diagnostics.
The SR8-Plus has a built-in system of alerts and alarms, which are signaled by a soft chime,
a pop-up window on the display, and status lights. These are programmed by the user and
have several functions: they can be used to remind the user to take a sample or change the
pH; they alert the user to any error condition; and they remind the user to perform
maintenance, such as changing the bath water, and calibration.
Understanding that many labs work a single shift, the SR8-Plus can be programmed to turn
off the heater when the last test for the day is complete, then "wake-up" the next morning and
turn the heater back on so that the waterbath is ready for the first test of the day. The SR8-
Plus can also be controlled by an external computer. For a list of external commands,
contact your local distributor or Hanson Research Corporation directly.

SR8-Plus Operation Manual 73-100-810-I
Section 2 Introduction
– 4 –
2.2 Firmware Revisions
Hanson Research Corporation is constantly working to improve our products and to help our
customers comply with regulatory requirements. The information below is a history of
software (firmware) changes for the SR8-Plus Dissolution Test Station.
Version 3.10
• Digital Temperature Probes— Incorporates updated operational menus to support use
and control of the new Digital Temperature Probes that are now available for the SR8-Plus.
These probes are designed to take temperatures in each vessel (up to 8), ensuring
temperatures are and remain within the required USP tolerances.
• Sample Interval Printing— Printing intervals may be set to correspond to the sampling
interval.
• Programmable Infinity Speed— The infinity speed now may be programmed to a different
speed than 250. This feature allows for special 2-speed tests, such as one run for 4 hours
at 50RPM and then 2 hours at 75RPM.
• Improved Analog Probe Calibration— Probe offset calibration has been modified to
make the process easier, with each probe having its own revision information.
Version 3.00
• Security— This feature allows up to 25 names to be added to a list which contains users
with Manager or Operator privileges. Managers can change system parameters and
protocols. Operators can only view the system parameters and view/run the protocols.
• Password Protection— When password protection is enabled from the security menu,
the system requires that a valid user log into the system, and that the correct password
associated with that user be entered before any system function is allowed. Password
protection helps the user comply with the 21CFR regulations.
• System Setup Traceability— Whenever any of the system setup parameters are
changed or a maintenance routine is performed, the action is stamped with the date,
time, and username.
• Protocol Traceability— When protocols are created or edited, they are stamped with
the date, time, and username.
• Inactivity Log Out— The system will automatically log out the current user after a period
of inactivity. This period is programmable.
• Print Last Test Feature— Everything that is sent to the printer during the test is now
stored in memory. It may be reprinted if a printer problem occurs (paper, ribbon,
mechanical). This feature is accessible until the next test is run.
• Configurable Header Titles— Titles printed at the beginning of a report have been
expanded to 8 and can be edited by the system manager.
• Configurable Protocol Titles— Information items in protocols can now be edited by the
system manager to customize protocols.
• International Date Formats— The system allows the manager to select one of four date
formats for printing, displaying, and stamping dates.
• Screen Icons— New screen icons graphically show password protection status, printing
options, availability of revision logs, and multiple screens.
• Protocol Navigation Improved— The number of screens required to view/edit a
protocol has been reduced for easier navigation.
• Improved Diagnostics— Diagnostics has been improved so that readiness of all
peripherals connected to the system is assured.
• Improved Help— The help system has been revised so that virtually every screen has a
help window associated with it.
• Added Zymark MultiDose G3 interface.

SR8-Plus Operation Manual 73-100-810-I
Section 2 Introduction
– 5 –
Version 2.10
• Added E-Probe operation for Waters Transfer Module.
Version 2.00
• Increased protocols from 10 to 25.
• Added high/low/average printout at end of test.
• Added E-Probe operation for AutoPlus.
Version 0.98
• Added alarm recurrence.
• Added temperature probe offset adjustment.
Version 0.65
• Added serial commands.

SR8-Plus Operation Manual 73-100-810-I
Section 3 Specifications
– 6 –
3 Specifications
Weight: (complete system, dry) .......................................................................68 kg (150 lbs.) - 115V
.............................................................................................................................70 kg (155 lbs.) - 230V
Weight: (complete system filled with water) ...................................................106 kg (233 lbs.) - 115V
...........................................................................................................................108 kg (238 lbs.) - 230V
Size:
Height: .......................................................................................................................100 cm (39 in.)
Width: ..........................................................................................................................76 cm (30 in.)
Depth:..........................................................................................................................59 cm (23 in.)
Electrical:
Voltage: ................................................................................................115V ± 10% or 230V ± 10%
Frequency: ......................................................................................................................... 50/60 Hz
Current: ...................................................................... 12 amps (115V) or 6 amps (230V), 1700 W
4 Fuses (TT Type): 115 VAC Units 230 VAC Units
One 2 Amp, 250 VAC,
One 5 Amp, 250 VAC,
Two 15 Amp.
One 2 Amp, 250 VAC,
One 5 Amp, 250 VAC,
Two 8 Amp, 250 VAC.
Ambient Temperature Range:.....................................................≥ 5°C below operating temperature
Humidity: ......................................................................................................................................< 85%
Spindle Speed:
Range:.......................................................................................................................25 to 250 RPM
Accuracy: .............................................................................................................................±1 RPM
Displayed To: ......................................................................................................................0.1 RPM
Vessel Temperature:
Programmable Temperature Range: ........................................................................30.0 to 40.0°C
Accuracy: ...............................................................................................................................±0.5°C
Temperature Probes T1 & T2 (anolog):
Range:........................................................................................................................20.0 to 40.0°C
Accuracy: ........................................................................................................±0.1°C from 30-40°C
Displayed Resolution: .............................................................................................................. 0.1°C
Minimum Submersion Depth: ................................................................................................. 45mm
Response Time:.......................................................................................................... < 45 seconds
Maximum Number of Probes: ........................................................................................................ 2
Digital Temperature Probes:
Range:..............................................................................................................................10 to 60°C
Accuracy: ........................................................................................................±0.1°C from 30-40°C
Displayed Resolution: ............................................................................................................0.01°C
Minimum Submersion Depth: ................................................................................................. 25mm
Response Time:............................................................................< 45 seconds (normally 30 sec.)
Maximum Number of Probes: ........................................................................................................ 8
Bath Capacity:
Without vessels:............................................................................................... 38 liters (10 gallons)
With 6 to 8 vessels:............................................................................................ 30 liters (8 gallons)

SR8-Plus Operation Manual 73-100-810-I
Section 4 Installation
– 7 –
4 Installation
4.1 Location
Environmental Requirements
The waterbath temperature must exceed ambient temperature by at least 5°C for maximum
performance of the waterbath control system. Therefore, for the best results the ambient
temperature should not be allowed to exceed 31°C (88°F) for the 37°C tests, or 26°C (79°F)
for 32°C tests.
A stable ambient room temperature is required. The system should not be placed close to an
open window, an uninsulated window, or a heating radiator, which would cause temperature
fluctuations of more than 2°C per hour. Relative humidity should be 85% or less.
Easy access to a water source and waste disposal for filling and emptying the waterbath is
convenient, although not necessary.
Dissolution rates are profoundly affected by vibration. Therefore, the system should not be
placed near a centrifuge, fan, compressor or any other source of vibration. The room should
not be subject to vibration from adjacent production equipment, such as single head tablet
machines.
Space Requirements
The SR8-Plus Dissolution Test Station is designed to be placed on a standard laboratory
bench that is at least 60cm (24 inches) deep. The system is 76cm (30 inches) wide and
requires access to the back on both sides. The laboratory bench should be level and flat,
although the system has adjustments for self-leveling. The laboratory bench must also be
capable of supporting the weight of the Dissolution Test Station, including the water in the
waterbath and media in the vessels. This weight is 108kg (238lbs).
Electrical Requirements
The SR8-Plus Dissolution Test Station requires a single, grounded electrical outlet, within 2.5
meters (8 feet) of the location of the system. The system has two outlets on its side panel,
providing a power source for the circulating water pump and the optional printer.
The system is available in two configurations, 115V and 230V. The voltages are set at the
factory and cannot be changed (see model number label on back of control to determine
voltage requirements for that unit).

SR8-Plus Operation Manual 73-100-810-I
Section 4 Installation
– 8 –
4.2 Unpacking and Inspection
The SR8-Plus Dissolution Test Station is shipped in two boxes. The larger box, which is held
together with two straps, holds the basic system assembly. The smaller box contains a
number of components that must be installed on the basic system assembly, spare parts, and
optional accessories.
NOTE: Shortages or damages must be reported immediately to the freight carrier and to
Hanson Research. Notify Hanson Research Customer Service by telephone (800)
821-8165 or by FAX (818) 882-9470.
To unpack the system:
1. Place the larger box on the floor. Remove the waterbath and packing materials. The
packing materials can be discarded. Save the packing materials only if the system will
be shipped to another location in the future.
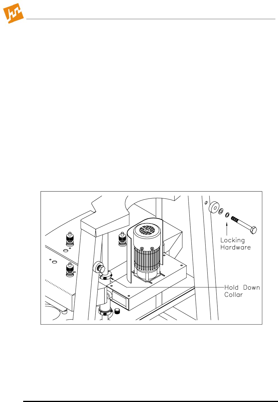
2. Locate the locking hardware and hold down the collar on the back of the system, as
shown in Figure 4-1. Remove the locking hardware on the left and ride sides. Also
remove the hold down collar on each guide rod using the hex wrench supplied in the
supply kit. Save the locking hardware and the hold down collars only if the system will
be shipped to another location in the future.
Figure 4-1: Removing the Locking Hardware and Holding Collar
3. Place the basic system assembly on the lab bench.
Open the smaller box. The smaller box contains (1) unassembled parts, (2) supply kit,
and (3) accessories. Unpack and identify each of these parts.

SR8-Plus Operation Manual 73-100-810-I
Section 4 Installation
– 9 –
4.3 Identification
1. Bath Support
2. SR8-Plus Controller
3. Circulating Water Pump
4. Power Cord
5. Waterbath
6. Vessel Centering Rings
7. Vessels
8. Drain Hose
9. SR8-Plus Easi-Lift™ Frame
Figure 4-2: System Parts
Open End Wrench
Hex Wrench
Paddle Spacer
(with Paddle order)
Basket Spacer
(with Basket order)
Figure 4-3: Supply Kit

SR8-Plus Operation Manual 73-100-810-I
Section 4 Installation
– 10 –
Paddle
Printer
Basket & Basket Shaft
Figure 4-4: Accessories
4.4 Installation Steps
Caution: Unit should not be plugged in until installed as per instructions below.
Achtung: Das Gerät darf nicht an das Netz angeschlossen werden, bevor es nicht nach den
untenstehenden Instruktionen installiert worden ist.
Attention: Ne pas brancher l’appareil avant installation complète comme démontréci-
dessous.
Precaución: La unidad no debe ser conectada al toma corriente hasta que sea instalada de
acuerdo a las instrucciones descritas abajo.
1. Raise the drive head by holding in the lever with the left hand, while pushing up on the
handle. (see Figure 4-5)

SR8-Plus Operation Manual 73-100-810-I
Section 4 Installation
– 11 –
Figure 4-5: Raising the Drive Head
2. Lower and raise the drive head to verify that it moves smoothly over the full range of
motion. Position the drive head at its highest location. Release lever to activate the
brake.
3. Position the SR8-Plus Controller on the back rail of the basic system assembly. (see
Figure 4-6)
Figure 4-6: Positioning the Controller

SR8-Plus Operation Manual 73-100-810-I
Section 4 Installation
– 12 –
4. Notice that there are a series of connectors on the right-hand side of the SR8-Plus
controller. (see Figure 4-6)
a) Connect ground strap to ground connector.
b) Plug the motor cable into the connector labeled “MOTOR”. Make sure to line up the
keyways in the plug with the slot in the socket, push plug in and then turn the ring on
the plug to secure.
c) Plug the user interface cable into the connector labeled “DRIVE”. Evenly tighten the
screws that secure the plug to the controller.
NOTE: If the E-Probe has been supplied with the system, the E-Probe power cord is the
smaller of the two power cords supplied. Do not switch these two power cords;
always use the heavier main power cord for the control.
d) Connect the power cord into the connector labeled “AC-INPUT”.
5. Secure the SR8-Plus Controller to the Easi-Lift Frame by pulling the “S-Hook” and
inserting it into the metal loop in the frame. (see Figure 4-7)
Figure 4-7: Securing the SR8-Plus Controller

SR8-Plus Operation Manual 73-100-810-I
Section 4 Installation
– 13 –
4.5 Start Up
Caution: The voltage indicated on the SR8-Plus Dissolution Test Station must be the same
as the power source. If the incorrect voltage is indicated, do not plug in the instrument.
Contact Hanson Research.
Achtung: Die angezeigte Spannung am SR8-Plus Dissolutionstester muβ die gleiche sein,
wie die Netzpannung. Wird nicht die korrekte Netzspannung angezeigt, darf das Gerät nicht
an das Netz angeschlossen werden, Wenden Sie sich bitte diesbezûglich sofort an die Firma
Hanson Research.
Attention: Le voltage indiqué sur le Système de Dissolution SR8-Plus doit être identique à
celui de la source de courant. Si le voltage diffère, ne pas brancher l’appareil avant de
consulter Hanson Research.
Precaución: El Voltaje indicado en la Unidad de Disolución SR8-Plus debe ser el mismo
voltaje del toma corriente. Por lo tanto si el voltaje es diferente, no conecte la unidad y
notifique a Hanson Research.
1. Verify that the voltage indicated on the back of the controller is the same as the power
source.
2. Plug the other end of the power cord into the grounded three-prong power outlet.
NOTE: Power cord plug may need to be replaced for some countries’ power outlet
configurations. Ensure replacement plug is approved and properly rated for voltage
and amperage.
3. Turn on the power switch, located on the right hand side of the SR8-Plus Controller.
4. The “Power On” status light on the front panel should illuminate. A title screen appears
for 5 seconds and then the main screen is displayed.
5. Turn the power switch off and un-plug the power cord from the grounded three-prong
power outlet.
4.6 Leveling
Tools required: Level (not supplied) and small open end wrench (supplied in tool kit).
For proper operation, the SR8-Plus Dissolution Test Station must be level. Most laboratory
benches are level, so minimal adjustment may be necessary.
Each of the four feet on the SR8-Plus is adjustable. Place the level on the base plate as
shown in Figure 4-8. Check the level, both left to right and front to back. If necessary, raise
any of the feet, using the open-end wrench, turning in a clockwise direction. Make sure all
feet are contacting the bench when finished.

SR8-Plus Operation Manual 73-100-810-I
Section 4 Installation
– 14 –
Figure 4-8: Leveling
4.7 Bath Installation
1. Position the bath support on the lab bench so that it is touching the back of the SR8-Plus
frame and is centered left to right. The open gap should be towards the front. (see
Figure 4-9)
Figure 4-9: Positioning the Bath Support
2. With the heater toward the back, slide in the bath on top of the bath support. (see
Figure 4-10)

SR8-Plus Operation Manual 73-100-810-I
Section 4 Installation
– 15 –
Figure 4-10: Positioning the Bath
3. Plug the heater cable into the connector labeled “Heater” on the right-hand side of the
SR8-Plus Controller. (see Figure 4-9)
4. Position the bath so that it is touching the back of the SR8-Plus frame and is centered in
the frame from left to right.
5. Route the cable from the bath level sensor under the frame on the left-hand side of the
system.
6. Plug the bath level sensor into the connector labeled “LEVEL SENSOR”, located on the
left hand side of the SR8-Plus Controller.
7. Fill the bath half full (approximately 5 gallons) of water (DI or better).
NOTE: Do not use copper sulfate as an algaeecide.
8. Install the vessel centering rings in each of the vessel openings in the base plate. Push
rings down into each hole until it snaps in. (Use of these rings ensures that the vessels
are centered so that they meet regulatory requirements). (see Figure 4-11)
9. The vessel positions are on the base plate. Insert the number of vessels normally used
in the vessel centering rings, starting with Position 1. Turn the clamp knobs over the lip
of the vessel to hold each vessel in place. (see Figure 4-11)

SR8-Plus Operation Manual 73-100-810-I
Section 4 Installation
– 16 –
Figure 4-11: Positioning the Vessels
10. Use DI (or better) water to fill the bath to the desired level. (This level is usually at least
to the 900 mL mark on the vessels.)
11. Install the Circulating Water Pump. (see Figure 4-12)
a) Install the circulating water pump into the bath through the Vessel #1 hole. Place it
as low in the bath as possible without the case of the pump touching the bath wall.
b) Center the circulating water pump between Vessels 1 & 2 and press the pump’s feet
to the inside of the bath wall. The outlet of the pump should be pointing towards the
heater and the power cord should be pointing up.
c) Pull the bath out away from the dissolution station enough to where the end of the
power cord can be routed out and over the top back portion of the bath. When
finished, the cord should be coming out over the back right corner of the bath within
the groove.
d) Make sure the power cord is not in anyway pinched or pressed by the bath or the
frame.
e) Plug the circulating water pump into the power outlet labeled “AIR PUMP” on the
right hand side of the SR8-Plus Controller.
f) The only maintenance for the circulating water pump is to ensure that the waterbath
is reasonably clean.
NOTE: The circulating water pump is 115V and must be plugged into the “AIR PUMP” power
outlet on the SR8-Plus Controller.

SR8-Plus Operation Manual 73-100-810-I
Section 4 Installation
– 17 –
Figure 4-12: Circulating Water Pump Connection
12. Install the temperature probes(s). (see Figure 4-13)
NOTE: The system is designed to operate with either one or two temperature probes. One is
supplied with the system, the other is optional. Probe 1 is designed to be placed in
the bath. Probe 2 can be placed in Vessel 7 or 8 if they are not used for testing, or at
the opposite end of the bath.
a) Plug the temperature probe(s) into the connector(s) labeled “TEMP PROBES” on
the left hand side of the SR8-Plus Controller. The first probe must be plugged into
connector “1”, and the optional second probe must be plugged into connector “2”.
b) For Probe 1, route the cable around the side of the bath and place the temperature
probe into the bath, using one of the two holes indicated in Figure 13. Push the
temperature probe into the bath as far as it will go.
c) For Probe 2, route the cable behind the bath and place the temperature probe into
either Vessel 7 or 8. Secure the probe so that it remains in the vessel.

SR8-Plus Operation Manual 73-100-810-I
Section 4 Installation
– 18 –
Figure 4-13: Temperature Probe Installation
4.8 Printer Installation
The printer may be installed in one of two configurations: Standard or Daisy-chained.
Standard is the more common configuration where each SR8-Plus installed is connected to
its own printer. In the Daisy-chained configuration, several SR8-Plus Dissolution Test
Stations are connected to a single printer.
NOTE: Refer to the operating instructions provided with the printer for information on paper
and ribbon installation.
Standard Configuration
1. Plug the printer into the power outlet labeled “PRINTER” on the right hand side of the
SR8-Plus Controller.
NOTE: The printer is 115V and must be plugged into the printer power outlet on the SR8-
Plus Controller. The printer should be placed away from the test area to keep it from
being damaged by liquid.
2. Plug the cable connected to the printer into the port connector labeled “COMM PORT 3”
on the left hand side of the SR8-Plus Controller.

SR8-Plus Operation Manual 73-100-810-I
Section 4 Installation
– 19 –
Daisychained Configuration
1. Plug the printer into the power outlet labeled “PRINTER” on the right hand side of the
last SR8-Plus in the chain.
NOTE: The Printer is 115V and must be plugged into the printer power outlet on the SR8-
Plus Controller.
2. Plug a communications cable from “COMM PORT 2” of the first unit in the chain to
“COMM PORT 1” of the next unit and repeat this procedure for the number of units
daisy-chained. At the last unit in the chain plug the cable connected to the printer into
the port connector labeled “COMM PORT 3” on the left hand side of the SR8-Plus
Controller.
3. On the last unit in the chain (the one connected to the printer), press [Preferences],
select [1] DEVICE SETUP, and use [1] to select the “PRINTER: Yes” option. On all
other units in the chain select the “PRINTER: Remote” option.
4. The units in the chain that have their printers set to “Remote” will send the data out of
their “COMM PORT 2” and into “COMM PORT 1” of the next unit. The printer at the end
of the chain with printer option set to “Yes” will send the data into “COMM PORT 3” and
into the printer.
4.9 System Check
Caution: Plug the power cord into the grounded three prong power outlet.
Achtung: Stecken Sie den Stecker in die Dreier-Basis-Steckdose.
Attention: Brancher le fil conducteur de courant à la prise de terre.
Precaución: La unidad debe conectarse a un toma corriente que tenga conexión de tierra (
de tres terminales ).
1. Turn on the power switch, located on the right hand side of the SR8-Plus Controller.
2. The “Power On” status on the front panel should illuminate. A title screen appears for 5
seconds and then the Main screen is displayed.

SR8-Plus Operation Manual 73-100-810-I
Section 4 Installation
– 20 –
3. Verify that the heater is working properly. Press [SET TEMPERATURE].
Use the [↑] and [↓] arrow keys to highlight 37.0, and press [ENTER]. The “Heater On”
status light should illuminate.
4. The heater should raise the bath temperature to close to 37°C within 30 minutes and
equilibrate at 37° in one hour. The temperature can be monitored on the status screen.
5. Run a diagnostics test and verify that all the tests pass.
NOTE: If any test fails or if the bath does not heat, contact Hanson Research Technical
Support at (800) 821-8165 or (818) 882-7266.
4.10 Setting Adjustable Stops
1. Raise the drive head to its highest position.
2. Use a hex wrench (supplied in the supply kit) to loosen the Adjustable Stops. Set the
stops to where there is 38mm (1.5”) of distance between the Adjustable Stop and the
support that is on top of the base. The width of all height spacers is 38mm; an easy way
to set this distance is to use the height spacer on its side and place it between the stop
and the support. Set one of the Adjustable Stops this way. Tighten this stop to lock in
position. Lower drive head so that it touches this stop and then lift the second
Adjustable Stop so that it touches the drive and lock into place.
Figure 4-14: Setting Adjustable Stops

SR8-Plus Operation Manual 73-100-810-I
Section 4 Installation
– 21 –
4.11 Installation of Paddles and Baskets
1. Verify that the drive head is at its highest position.
3. If the spindles are turning, press [SET SPEED], highlight “0” or input “0”, and press
[ENTER]. The spindles will stop turning.
4. Reach under the drive head and loosen the chuck which secures the shaft of each
paddle or basket. Insert each shaft through the chuck, so that it is protruding out the top
of the drive head. (see Figure 4-15)
Figure 4-15: Paddle/Basket Shaft Installation
5. Verify that each of the vessels is empty.
6. Verify that there are no spacers installed on the guide rods. (see Figure 4-14)
7. Lower the drive head to its lowest position.
NOTE: If a different operating position is desired, see 4.10 Setting Adjustable Stops.
8. Push each shaft down until the paddle or basket touches the bottom of the vessel.
Tighten the chuck to secure the shaft in place.
9. Raise the drive head.
10. Clip the height setting spacers above the stops on the guide rods. If using paddles, use
the spacer labeled “P”. If using baskets, use the spacer labeled “B”. This meets the
USP specification for spacing.

SR8-Plus Operation Manual 73-100-810-I
Section 4 Installation
– 22 –
4.12 Connecting the E-Probe
NOTE: The E-Probe power cord is the smaller of the two power cords supplied. Do not
switch these two power cords; always use the heavier, main power cord for control.
1. Connect the power supply (black rectangular box, with plug) into the round connector
coming out with tubing and the other connectors on the right side of the SR8-Plus.
2. Loop cable around and clamp with cable tie. The power supply may become unplugged
if this is not done.
3. Connect the power cord into the side of the power supply. Connect the other end of the
power cord into a grounded outlet.
4.13 Adjusting Sample Probes
The tip of the sampling probe should be midway between the top of the media and the top of
the paddle or basket.
To adjust E-Probe sampling probes:
1. Make sure probe is at the top of the stroke. If you are not sure, home probes. (see
Section 5.17--System Configuration Parameters: E-Probe Setup)
2. Have the SR8-Plus mechanical settings adjusted and ready to start the test.
3. Select the Protocol to run and with the “Drop Dose and Press Run” window shown,
press the down arrow to lower the probe by the stroke amount for that protocol.
4. Loosen the thumb-screw on the upper coupler and slide the sampling tube up or down to
achieve the correct sampling position and tighten the thumb-screw to lock the sampling
probe in place.

SR8-Plus Operation Manual 73-100-810-I
Section 4 Installation
– 23 –
5. Press the up arrow to return the sampling probes to the home position.
NOTE: The probe will only move if a stroke value has been entered into the protocol. Always
set the stroke to 45mm unless there is a requirement to stroke a different amount.
4.14 Adjusting Digital Temperature Probes
The tip of the Digital Temperature Probes should be adjusted to the tip of the sampling probe
or its filter.
To adjust Digital Temperature Probes:
1. Make sure that the E-Probes are at the top of their stroke. If you are not sure, home
probes. (see Section 5.17--System Configuration Parameters: E-Probe Setup)
2. Have the SR8-Plus mechanical settings adjusted and ready to start the test.
3. The Digital Temperature Probe is designed to clip onto the sampling probe. Move the
Digital Temperature Probes up or down so that the tip of the Digital Temperature Probe
is at the same level as the tip of the sampling probe or sampling filter.

SR8-Plus Operation Manual 73-100-810-I
Section 5 Operation and Programming
– 24 –
5 Operation and Programming
5.1 Keypad Description
Key Key Name Use
Run The first press of this key allows the user to select a stored
protocol. The second press of this key starts the selected
protocol.
Speed This key allows the user to manually set the speed. This
key is not functional when a protocol is running.
Temperature This key allows the user to manually set the temperature
and to view the Digital Temperature Probe screen (when
Digital Temperature Probes are installed).
Edit/View Protocol This key is used to select the parameters for a new protocol.
This key is also used to edit/view the parameters of a stored
protocol. A password may be required to change
parameters.
Preferences This key is used to access a series of options that are
secondary to the normal operation of the system. These
include: contrast adjustment for the LCD display, heater
shutdown option at the end of a test, validation and
calibration options, security and user options, diagnostics,
and system configuration.
Print Options This key is used to access print options. These include:
print status, print protocol, print header and print last test.
Stop This key is used to abort a test in progress. Press twice to
abort test. If this key is pressed when there is no test in
progress, the system is placed in the standby mode.
Clock This key is used to access the clock and alarm options.
These include: clock options, preheat wakeup alarm,
sampling alarm, user alarms, calibration alarm, alarm
acknowledgment and start manual timer. This key is also
used to access revision information when available.
Help This key is used to access the help screens for the system.

SR8-Plus Operation Manual 73-100-810-I
Section 5 Operation and Programming
– 25 –
5.2 Indicator Lights
Power On This light indicates power is supplied to the system.
Heater On This light indicates the system is heating the waterbath. Whenever the
waterbath target temperature is increased, this light remains illuminated. As
the bath nears target temperature, the light begins turning on and off, with the
on time diminishing to only a few seconds per minute to maintain temperature
once the target temperature is reached.
Stand By This light indicates the system is in stand-by mode. This light blinks whenever
the wakeup alarm has been activated in the stand-by mode.
Diagnostics An energized light indicates the system detects a fault, which is fatal to its use.
Timer Alert An energized light indicates an alarm has been activated. This light turns off
automatically whenever the alarm is acknowledged.
5.3 Screen Icons
These icons are located on many system screens. Their purposes are:
Clock Press to view the current revision for that setting.
Printer Press to print the current screen information.
Lock Open Indicates that the security system is enabled and that a manager is logged on.
Lock Closed Indicates that the security system is enabled and that an operator is logged on.
NOTE: If no locks appear on any of the screens, this is an indication that the security system
is turned off.
Figure 5-1: Screen Icons

SR8-Plus Operation Manual 73-100-810-I
Section 5 Operation and Programming
– 26 –
5.4 Main Screen
Whenever the system is powered up, a Title screen is displayed for a few seconds and then
the Main screen is displayed, as shown in Figure 5-2.
0:00
0:00
0:00
0:00
Figure 5-2: Main Screen
Notice that there are three tabs on the Main screen: Status, Set Point, and Header. These
are the three screens that comprise the Main screen. In the Figure, the Status screen is
displayed. Press [→] and/or [←] to display the other screens. The Status screen is normally
displayed when the system is operating. In most cases, if one of the Main screens is not
displayed, it can be displayed by pressing [ESC] one or more times.
5.5 Use of Scrolls
The user selects the desired input to operating parameters using a scroll. An example of a
scroll is shown in Figure 5-3. This can be displayed by pressing [SET SPEED]
Figure 5-3: Example Scroll
If the desired input for the parameter is displayed in the scroll, press [↑] and/or [↓] to highlight
it and press [ENTER]. The scroll holds 5 inputs. Each time an input is selected, it is placed
at the top of the scroll. Pressing [ENTER] again will set or implement this value. In the case
above the speed will go to 50RPM.

SR8-Plus Operation Manual 73-100-810-I
Section 5 Operation and Programming
– 27 –
If the desired input is not displayed, key in the input and press [ENTER]. The input is placed
at the top of the scroll and highlighted. If the scroll had been full with 5 inputs, the input at the
bottom of the scroll is deleted and the new input is placed at the top of the scroll. Press
[ENTER] to accept the highlighted input.
Press [CLR] to delete the highlighted input, if necessary.
Some parameters, such as the drive speed, require numeric input. Other parameters, such
as the operator's name, require alphabetic input. Input of alphabetical characters is
described later in this section.
5.6 Input of Alphabetical Characters
An example of a screen which requires an input of alphabetical characters is shown in Figure
5-4. To display this screen, with the Status screen displayed, press [→], [→] to display the
Header screen. Then press [0] to display the "Operator Name" input screen. If the desired
operator's name is highlighted on the scroll, it can be selected as described above.
Figure 5-4: Header Screen
To input a new operator's name:
1. Note that the operating keys also include the letters of the alphabet. For example,
[RUN] has "abc" attached.
2. Successive presses of the key display the letters sequentially. For example, pressing
[RUN] one time displays an "a". Pressing it a second time displays a "b".
Pressing it a third time displays a "c". Continuing to press [RUN] will take letters to the
uppercase format and then back to lowercase.
3. When the desired letter is displayed, press [→] to move to the next character. Pressing
[→] again leaves a space. Pressing [←] allows any character to be overwritten.
Pressing [ESC] or [CLR] deletes the entire input.
NOTE: It is not necessary to press [→] to move to the next character, unless the next letter
uses the same key. This is more clearly explained in the following example.

SR8-Plus Operation Manual 73-100-810-I
Section 5 Operation and Programming
– 28 –
4. The third character on [HELP] allows a choice of 22 special characters to be
input. These characters are displayed in the pop-up window. Use [→] or [←] to highlight
the desired character, then press [ENTER] to place the character in the input string.
As an example, input the operator's name "Bill Smith".
1. Press [RUN] five times to display a "B".
2. Press [SET TEMPERATURE] three times to display an "i".
3. Press [EDIT/VIEW PROTOCOL] three times to display an "l".
4. Press [→] to move to the next space.
5. Press [EDIT/VIEW PROTOCOL] three times to display an "l".
6. Press [→] twice to leave a space.
7. Press [STOP] four times to display an "S".
8. Press [PREFERENCES] to display an "m".
9. Press [SET TEMPERATURE] three times to display an "i".
10. Press [STOP] two times to display a "t".
11. Press [SET TEMPERATURE] two times to display an "h".
12. Press [ENTER] to place “Bill Smith” at the top of the scroll.
13. Press [ENTER] to accept the highlighted input.

SR8-Plus Operation Manual 73-100-810-I
Section 5 Operation and Programming
– 29 –
5.7 Manual / Quick Operation
The SR8-Plus is designed to perform dissolution testing using a series of dissolution
parameters stored in a protocol. Under certain conditions, it is desirable to have manual
control of the speed and temperature. Use [SET SPEED] and [SET
TEMPERATURE] to manually adjust these parameters when a protocol is not running, or
before starting the manual timer.
5.8 Print Options
The Print Options Menu provides the user with the four choices described below. The menu
also shows the status of the system printer.
Figure 5-5: Print Options Screen
Print Status
Pressing [1] allows the user to print the current status (speed, temperature and elapsed time)
at any time.
Print Protocol
1. Press [2] to select “Print Protocol”. The Select Protocol screen is displayed.
2. Highlight the desired protocol and press [ENTER]. The protocol parameters are printed.
3. When printing is complete, press [ESC].
Print Header
Press [3] to select “Print Header”. The title is printed.
Print Last Test
Press [4] to select “Print Last Test”. The test that was last completed is stored in the system
buffer; each time a test is started this buffer is over-written.

SR8-Plus Operation Manual 73-100-810-I
Section 5 Operation and Programming
– 30 –
5.9 System Options
The SR8-Plus System has a number of parameters that can be input by the user as part of
the installation procedure. Under normal operating conditions, these parameters are not
changed, although they can be at any time.
5.10 Adjusting the Contrast
To adjust the contrast on the LCD display:
1. With the Main screen displayed, press [PREFERENCES] to display the System
Options screen.
2. Press [1] to select "Adjust Contrast". The Adjust Contrast screen is displayed. Press
[←] to make the display darker; press [→] to make the display brighter.
3. When the contrast is set to the desirable contrast, press [ENTER] to return to the
System Options screen.
5.11 Heater Shutdown
1. With the Main screen displayed, press
[PREFERENCES] to display the System
Options screen.
2. Press [2] to change "Heater Stays On" to "Heater Shutdown".
3. Press [ESC] to return to the System Options screen.
NOTE: The heater will shutdown after this test only. If the test is stopped, the “Heater
Shutdown” will return to “Heater Stays On”. This feature may be changed during a
test.
5.12 Validation
With the System Options screen displayed, press [3] to display the System Validation Menu
screen.
1. Press [1] to log vessel temperatures with probe T1. Follow the directions on the screen
to record or print each vessel temperature. It is best to wait at least 30 seconds
between readings.
2. Press [2] to log serial numbers. There are multiple screens to enter serial numbers for
vessels, paddles, basket shafts, baskets and the SR8-Plus system components. If the
system is equipped with Digital Temperature Probes, a screen with their serial numbers
will be displayed. The Digital Temperature Probe serial numbers are not changeable.

SR8-Plus Operation Manual 73-100-810-I
Section 5 Operation and Programming
– 31 –
3. Press [3] to view the maintenance log. The information on this screen tells the user or
service person when the components of the system were calibrated and the operating
time of the belt, motor, and heater. This information should only be modified if service
has been done to the unit. If the system is equipped with Digital Temperature Probes, a
screen with their calibration information will be displayed.
5.13 Calibration
With the System Options screen displayed, press [4] to display the System Calibration Menu
screen. Calibration of the system is explained in Section 8—Maintenance and Calibration.
5.14 Security
When the security system is enabled, only personnel previously entered into the system by a
manager may log on and access operational functions. This feature is highly recommended
and, once in place, all personnel are required to log on to operate the unit. There may be up
to 25 users programmed into the unit, and there are two levels of users:
Manager (open lock) Complete access to all functions settings and operation of the unit.
Operator (closed lock) Limited access and may not modify settings or protocols, but can
start pre-programmed protocols. The operator may also view and
print protocols and system settings.
When changes are made by a manager, a revision log is kept indicating when the change
was made, and by whom. The revision log may be displayed by pressing the clock key when
the small clock icon appears at the bottom of the screen.
NOTE: The security system may be disabled, although there will be no protection of
important system settings and protocols.
Setting Up and Starting the Security System
1. With the Main screen displayed, press
[PREFERENCES] to display the System
Options screen.
2. Press [5] "Security".
3. Highlight “Manager” and press [ENTER].
4. Follow the directions at the bottom of the screen to enter a password.
5. Highlight “Manager” again and press [ENTER].
6. Re-enter your password and press [ENTER] and again [ENTER]. You are now at the
Manager Menu.
7. Press [1] to enable the password protection. Press [4] to change the password timeout
(default is 5 minutes).

SR8-Plus Operation Manual 73-100-810-I
Section 5 Operation and Programming
– 32 –
8. Press [2] to add a user, press [1] to add a manager, enter your name and press
[ENTER]. Press [ESC] and again [ESC] to get to the Password screen. Highlight your
name (or the name you just entered) and follow the instructions to input your password.
[ESC] to return to the Main Menu.
9. Press [STOP] and again [STOP] to log off. Press [PREFERENCES], and you are now
required to log on. Highlight your name (or the name you entered in Step 8 and press
[ENTER]; enter your password and press [ENTER]. You have now logged on.
NOTE: Enable password and set time and date (see more in this section) before changing
any system settings or creating protocols; this will ensure that the revision dates for
these areas are correct.
5.15 Adding, Changing or Removing Users
1. When you are classified as a manager you may add managers or operators, and you
may change an operator to a manager or a manager to an operator. To log into the
Manager Menu from the Main Menu, press [PREFERENCES], [5] “Security”, and then
highlight your name and enter your password and press [ENTER] and again [ENTER] to
view the Manager Menu.
2. At the Manager Menu select “Add A New User” to add a manager or operator.
3. At the Manager Menu select “Modify/Delete A User” to remove or change someone in
the list of users.
5.16 Diagnostics
It is recommended to run diagnostics at the beginning of each day’s work or if there has been
a change or a problem with the equipment. Diagnostics is explained in more detail in Section
7—Troubleshooting.
5.17 System Configuration Parameters
With the Main screen displayed, press
[PREFERENCES] to display the System
Options screen. To set the system configuration parameters, press [7] to display the System
Configuration screen.
Figure 5-6: System Configuration Screen

SR8-Plus Operation Manual 73-100-810-I
Section 5 Operation and Programming
– 33 –
Device Setup
1. At the System Configuration screen press [1] to select "Device Setup". The Device
Setup screen is displayed.
2. Press the number for each of the accessories to display the installation status of each
accessory. The system checks for these accessories when the Diagnostic tests are
performed and at the beginning of each test. A failure is indicated if any of the indicated
accessories are not found. Make sure the display shows only the accessories that are
connected to the system.
3. Press [2] to select “USP Tolerances On” or “USP Tolerances Off”.
NOTE: When USP tolerances are on, the user can only start a test when all USP-specified
parameters are within USP tolerances. Parameters that fall out of these tolerances
during a test are printed stating nature of error and time error occurred. When USP
tolerances are off, tests can be started with the temperature not up to the setting.
System ID
1. At the System Configuration screen press [2] to select "System ID". The System ID
screen is displayed.
2. Input the System ID. This is printed with the status information. It can be used to
identify which dissolution system is being used, if the laboratory has more than one
system. This is also used for identification when the system is operated remotely.
Edit Titles
Press [3] to select "Edit Titles". The Title Configuration screen is displayed, showing the
choices that are available. To configure these titles;
1. Select the type of title that is to be changed--company, header or protocol. The
company name includes two lines of information which are printed at the start of each
test. These two lines are suggested to be the company and department names. The
Header Titles will appear and be printed at the start of a test. The Protocol Titles are
located in protocols and printed at the start of each test.
2. Select the corresponding number associated with the title(s) that are to be changed.
Enter in the new title.
NOTE: Blank title areas are not printed.
Language Selection
Press [4] to select “Languages".
NOTE: English is the default language. Consult the factory for a list of currently available
language choices.

SR8-Plus Operation Manual 73-100-810-I
Section 5 Operation and Programming
– 34 –
RS-232 Setup
Press [5] to select and view the “RS232 Setup” screen.
The RS232 parameters are the following:
1. Baud Rate— Determines the transmission/reception speed of data between the SR8-
Plus and the external computer. The available baud rates are 1200, 2400, 4800 and
9600∗.
2. Data Bits— An integer indicating the number of data bits to be used in transmitting each
single character. The available options are 7 or 8∗ characters.
3. Parity— Indicates the type of parity checking that is used during communications. The
available options are ODD, EVEN and NONE∗.
4. Command Echo— When this parameter is ON∗, the SR8-Plus returns (or echoes back)
the System ID of the unit (truncated to 6 characters) followed by the command number
once it is successfully implemented. When the parameter is OFF, no response is sent
back to the external device whether command implementation was successful or not.
NOTE: The parameters selected here are for external computer handshakes and do not
affect SR8 Plus communications with the system printer which always remain at the
factory default settings∗ of 9600 (Baud Rate), None (Parity), 8 (Data Bits), 1 (Stop
Bits) and On (Command Echo).
E-Probe Setup
The E-Probe Setup allows the user to operate the probes. If it has not been selected from
the accessories screen, it will not show up in the System Configuration screen. Pressing [1]
will home the probes. Always make sure to select the correct stroke value. Press the up or
down arrows to check probe operation and to make probe adjustments.

SR8-Plus Operation Manual 73-100-810-I
Section 5 Operation and Programming
– 35 –
5.18 Timer / Alarm Operation
Date and Time
To set the system time and date:
1. With the Main screen displayed, press [CLOCK] to display the System
Alarm/Timers screen.
2. Press [5] to display the "Clock Options".
[1] to change the time format from 12 to 24 and back.
[2] to allow change to the displayed time.
[3] to change the date format, continue to press to review all date formats.
[4] to allow change to the displayed date.
Preheat Wakeup Time
The preheat wakeup time option allows the user to program the SR8-Plus to turn on the
heater to a designated temperature at a designated time on a designated day, so that the
bath temperature is equilibrated when the user is ready to use the system. The most typical
use of this option is for the heater to be turned on approximately 1 hour before starting time in
the morning. To set the preheat wakeup time:
1. With the Main screen displayed, press [CLOCK] to display the System
Alarm/Timers screen.
2. Press [1] to select "Preheat Wakeup". The Preheat Wakeup Time screen is displayed.
3. Input the time, date, recurrence and temperature. Follow each input with [ENTER].
NOTE: Past date and time cannot be entered for any alarm.

SR8-Plus Operation Manual 73-100-810-I
Section 5 Operation and Programming
– 36 –
Sampling Alarm
This alarm is used to alert the user when a sample is to be taken from the vessels, as
determined by the sampling interval set in the protocol. To set the parameters for the
sampling alarm:
1. With the Main screen displayed, press [CLOCK] to display the System
Alarm/Timers screen.
2. Press [2] to select "Sampling Alarm". The Sampling Alarm screen is displayed.
3. Press [1] to turn the alarm on or off. The alarm is both audible and is indicated by the
"Timer Alert" status light on the display.
4. Set the pre-notification time. This sets the amount of time that the user is alerted, before
the sample needs to be taken. The range is 0-9:59 (Hours:Minutes)
User Alarms
The system includes three undesignated alarms that the user can set to be alerted for an
important event. Examples of user alarms include: change the bath water, add algaeecide,
change the pH, or change the media. To set the user alarms:
1. With the Main screen displayed, press [CLOCK] to display the System
Alarm/Timers screen.
2. Press [3] to select "User Alarms". The User Alarm screen is displayed.
3. Press [1] to display the desired alarm number (three alarms are available).
4. Input the date, time, recurrence and a reminder of what the alarm is. Follow each input
with [ENTER].
When the date and time are reached, the user is alerted of the alarm by an audible sound, a
pop-up window on the screen, and illumination of the "Timer Alert" status light on the display.
Recurrence
After setting alarms or preheat wakeup as previously described, the user may incorporate a
recurrence. Follow the instructions on the display to disable (which will only do the alarm
once), or Mon-Fri, Mon-Sat, Everyday, or with Everyday showing, the user can program the
number of days for the recurrence to take place, (range 1-1827 days).

SR8-Plus Operation Manual 73-100-810-I
Section 5 Operation and Programming
– 37 –
Calibration Alarm
The calibration alarm is used to alert the user when the calibration must be done to validate
the system. To set the calibration alarm:
1. With the Main screen displayed, press [CLOCK] to display the System
Alarm/Timers screen.
2. Press [4] to select "Calibration Alarm". The Calibration Alarm screen is displayed.
3. Input the date, time and recurrence for the next calibration. Follow each input with
[ENTER].
When the date and time are reached, the user is alerted of the alarm by an audible sound, a
pop-up window on the screen, and illumination of the "Timer Alert" status light on the display.
Canceling an Alarm
An alarm that has been set, but has not become due, can be canceled by displaying the input
screen and pressing [CLR].
Acknowledging an Alarm
When an alarm is triggered, the "Timer Alert" status light is illuminated and a warning window
is displayed momentarily. The window is displayed again every few seconds and the audible
beep is sounded until the alarm is acknowledged. To acknowledge the alarm:
1. Press [CLOCK]. The alarm pop-up window is displayed one last time.
2. Press any key to acknowledge the alarm and turn the "Timer Alert" light off.
3. Press [ESC] to return to the Main screen.
NOTE: This does not apply to Sampling Alarms.

SR8-Plus Operation Manual 73-100-810-I
Section 5 Operation and Programming
– 38 –
5.19 Selecting Creating and Viewing Protocol Parameters
NOTE: Password access may be required to modify protocol parameters.
To create a new protocol:
1. With the Main screen displayed, press [EDIT/VIEW PROTOCOL] to display the
Edit Protocol screen. (see Figure 5-7)
Figure 5-7: Edit Protocol Screen
2. Input a protocol number which is not displayed on the scroll and press [ENTER]. The
Operation Parameters screen is displayed. Notice that the selected protocol number is
displayed in the folder on the left-hand corner of the screen, along with an open or
closed lock if the password protection is enabled.
A series of input screens are displayed. Select the number on each screen to input the
desired parameters and move to the next screen by pressing [ENTER].
NOTE: You can move between parameter input screens by pressing [→] and [←].
5.20 Entering Protocol Parameters
The parameters are input in the following order:
1. Drive Speed - Input the drive speed. Range: 0, 25-250RPM
2. Bath Temperature - Input the bath temperature. Range: 0, 30-40°C
3. Test Length - Input the total time for the test, but not including the optional infinity test.
Range: 0-999:59 (Hours:Minutes)
4. Print Interval - This allows the status conditions (elapsed time, system I.D., speed, and
temperature) to be printed at the designated interval during the test. Range: 0-99:59
(Hours:Minutes) or at sample time. If the SR8-Plus has Digital Temperature Probes,
these probes will take the temperature of each vessel, which will then be printed.

SR8-Plus Operation Manual 73-100-810-I
Section 5 Operation and Programming
– 39 –
5. Stagger Extension Time - This parameter extends the total test length (Parameter 3,
above) by the value specified to accommodate staggered sampling. It reflects the total
time required to accomplish sampling of the group of vessels and not the offset time
between the individual vessels.
6. Infinity Test Length - If an infinity test is required, input the amount of time for running
the infinity portion of the test. If an infinity time is programmed, a speed selection will
become available. The speed selection allows the user to program a speed at which the
infinity test is to be run. If an infinity test is not required, input the time as 0:00. Range:
0:00 to 9:59 (Hours:Minutes)
7. # Sampling Events - This sets the number of times that the system will alert the user to
collect samples. Range: 0-40 sampling points. This is also the time used by the print
interval when the printing is set to “at sample time”.
8. Sampling times - This screen is used to specify the time when each of the samplings is
to be taken. The input is different on this screen. Notice that the screen displays all
sample times with the current sample time highlighted. Input the time for the first
reading and press [ENTER]. Repeat for each time point. Range: 00:00 to 999:59
(Hours:Minutes)
9. Protocol Labels - These 20-character inputs are displayed on the Protocol Labels
screen. Select the corresponding number to edit, enter, or change any of these protocol
labels.
NOTE: Protocol titles may be changed to the desired topic. (see more in this section)
10. E-Probe Usage – This sets how the E-Probe will operate during a test. If this feature
has not been selected from the accessories screen, it will not show up in the protocol.
Press [1] to toggle between the different settings. Always make sure to select the
correct stroke value.
Disabled = No operation
Default = External control (AutoPlus will operate)
Custom = Customize the operation of the E-Probe
NOTE: The protocol must have inputs greater than zero for speed, temperature, and test
length, or it cannot be stored and run by the system. The input to the other
parameters is optional.
11. Digital Probe Options –
Enable / Disable sets the SR8-Plus to use or not use the Digital Temperature Probes.
Probe may remain mounted if not in use.
Vessel Goal Temp is the temperature value that will be used to determine that the
actual temperature is within the USP specifications of +/- 0.5°C. This feature will only
report a fault if USP tolerances are turned on. If USP tolerances are turned on, all
vessel temperatures must be within specification before a test can be started. The
vessel goal temperature is evaluated at the start of a test, at the print interval, and at the
end of the test.

SR8-Plus Operation Manual 73-100-810-I
Section 5 Operation and Programming
– 40 –
5.21 Editing a Protocol
NOTE: Password access may be required to modify protocol parameters (open lock). If
changes are made to a protocol with password protection enabled, the revision of
that protocol will be updated.
To edit the parameters of an existing protocol:
1. With the Main screen displayed, press [EDIT/VIEW PROTOCOL] to display the
Edit Protocol screen.
2. Use [↑] and/or [↓] to highlight the desired protocol and press [ENTER].
3. As you step through the protocol screens, select the number on each screen to change
the desired parameters and move to the next screen by pressing [ENTER].
4. When the desired parameter(s) have been changed, press [ESC] and again [ESC] to
return to the Main screen.
5.22 Viewing Protocol Parameters
To view protocol parameters:
1. With the Main screen displayed, press [EDIT/VIEW PROTOCOLS] to display the
Edit Protocol screen.
2. Use [↑] and/or [↓] to highlight the desired protocol and press [ENTER].
3. The Operation Parameters screen is displayed. Press [ENTER] to step through each of
the Protocol screens to view each entry.
5.23 Running A Test
The user may run a test either by simply starting a protocol stored in memory, or using the
manual timer. The first option is an automated approach that should be used to start
frequently used procedures. Starting a protocol has the following advantages:
1. Ensures that the critical test parameters are selected correctly every time and cannot be
changed by the operator (when Security is enabled);
2. Enables the user to monitor USP tolerances during the test;
3. Automatically prints pertinent test data at the beginning of the test;
4. Automatically prints Hi/Low/Avg speed and temperature at the end of the test;
5. Allows the user to program sampling alarms;

SR8-Plus Operation Manual 73-100-810-I
Section 5 Operation and Programming
– 41 –
6. Allows easy programming for staggered sampling; infinity test(s), and automatic heater
shutdown after the test ends.
The second function is a manual approach better suited for R&D investigations or protocol
development. Using the Manual Timer has the following advantages:
1. A quick test can be run without programming any protocol parameters;
2. Speed and temperature parameters can be changed at any time during the test and can
be performed by either a manager or user;
3. The user retains the use of an elapsed timer and automatic print intervals.
5.24 Starting a Protocol
The SR8-Plus is designed to perform dissolution tests using a set of parameters stored in a
protocol.
1. Press [RUN]. The Select Protocol screen is displayed. (see Figure 5-8)
Figure 5-8: Select Protocol Screen
2. Highlight the desired protocol or enter the protocol number and press [ENTER]. The
Header screen is displayed, as shown in Figure 5-9. Select the number of the title to
which you wish to add a label. Enter, or select from the scroll, the label information
required. Use the arrow keys to move to the next page of Header information, and press
[ENTER] when done. The Header information is printed at the start of the test.
Figure 5-9: Select Protocol Screen

SR8-Plus Operation Manual 73-100-810-I
Section 5 Operation and Programming
– 42 –
The system is now in the setup mode. The system adjusts temperature as determined by the
protocol. The bath temperature can be monitored on the Status screen; notice that the probe
number is displayed adjacent to the temperature. Press [1] or [2] to display the temperature
from that temperature probe, if installed.
3. Press [→] to display the Set Point screen, as shown.
Figure 5-10: Set Point Screen
The Set Point screen displays the target speed and allowed tolerance, the target temperature
and allowed tolerance, the timing interval for Auto Print, and the time and speed for the
infinity test. The Set Point screen also indicates which of the alarms has been set.
If any parameter is incorrect, press [STOP] and again [STOP] to abort test. Correct
parameter(s) and run protocol. (see Step 1)
4. Press [→] to display the Header screen, as shown.
Figure 5-11: Header Screen
5. This header information, along with the two lines input for company and department, is
printed with the protocol parameters at the start of the test.
6. Press [→] to display the Status screen. When the temperature is within tolerance, a
pop-up screen appears displaying “Drop Dosage and Press [RUN] “ to start test. If the
USP tolerance has been set to on and Digital Temperature Probes are used, all vessel
temperatures must be within tolerance before the test can be started. The E-Probes will
automatically drop the Digital Temperature Probes into the vessel to check each
vessel’s temperature.

SR8-Plus Operation Manual 73-100-810-I
Section 5 Operation and Programming
– 43 –
Press [RUN].
If Auto Print was selected, the status conditions are printed at the interval specified in the
protocol.
The number of samples, and the remaining time until the next sampling, is displayed on the
Status screen. If the sampling alarm is turned on, when each sampling interval is reached,
an audible alarm will sound, a warning window will display momentarily, and the "Timer Alert"
will illuminate.
When the test is complete, the system checks for an infinity test. If an infinity test is selected
in the protocol, the infinity test is performed.
When the protocol is complete, the drive motor is stopped automatically. Temperature control
remains on, unless "Heater Shutdown" was selected in the System Configuration Menu.
5.25 Starting the Manual Timer
1. Press [SET TEMPERATURE], and input the desired temperature. Wait until
vessel temperature is within the required tolerance of the set temperature.
2. Press [SET SPEED], and input the desired drive speed. This step may be
delayed until the start of the timer, if so desired.
3. When ready to start the manual test, press [CLOCK].
4. Select option [6] “Start Timer”, and the Manual Timer Setup Screen appears.
5. Select an automatic print interval. Either OFF, 5, 15, 30, or 60 minutes can be selected.
Make sure that the printer is on-line and has enough paper.
6. When ready to start the timer, press [CLOCK]. The test will run uninterrupted.
7. Press [STOP] to reset the manual timer and stop the test.

SR8-Plus Operation Manual 73-100-810-I
Section 5 Operation and Programming
– 44 –
5.26 System Shutdown and Start Up
When a protocol is complete, the drive motor is stopped automatically and temperature
control remains on the waterbath. This allows the waterbath to remain at a constant
temperature, so the system is ready to start the next test.
If the dissolution test will not be completed until everyone has gone home for the day, the
user can have the heater turn off automatically at the end of the test by selecting "Heater
Shutdown" on the Preferences screen.
The user can program the heater to turn on at a designated time so that the waterbath is
equilibrated to the desired temperature when the user is ready to start testing. (see 5.18
Timer/Alarm Operation: Preheat Wakeup Time)
5.27 Stand By Mode
The user can place the system in the stand by mode by pressing [STOP]. Pressing
any key brings the system out of the stand by mode. When the system is in stand by, the
motor is turned off, the heater is turned off, and the display is darkened. Placing the system
in stand by when not in use will increase the life of the motor components, heater and
display.

SR8-Plus Operation Manual 73-100-810-I
Section 5 Operation and Programming
– 45 –
5.28 Serial Number Log
The Serial Number Log is used to keep track of the serial numbers of the Vessels, Paddles,
Basket Shafts and Baskets, as well as a System Serial Number Log. The function can be
used to input the serial number data or simply to view and/or print a reference of the position
of the accessories. To perform this function:
1. With the Main screen displayed, press [PREFERENCES] to display the System
Options screen.
2. Press [3] to select "Validation".
3. Press [2], the “Serial Number Log” screen is displayed.
Figure 5-12: Serial Number Log Screen
4. Use the [←] [→] and [↓][↑] keys to navigate through the Vessels, Paddles, Basket
Shafts, Baskets and System Serial Number input pages. Pressing the corresponding
numeric keys gets you into the edit mode; this allows you to input data into the current
field. Digital Temperature Probe serial numbers are automatically placed into their
corresponding fields and are not editable.
5. Press [PRINT OPTION] to print the serial numbers and shaft positions currently
on the screen.
6. Press [ENTER] to accept the changes and exit the edit mode. Press [ESC] to undo
current entry and exit edit mode. Press [ESC] again to return to the Validation Menu.

SR8-Plus Operation Manual 73-100-810-I
Section 5 Operation and Programming
– 46 –
5.29 Software Flow Chart
1 ANALOG PROBE OFFSET ADJUST
1 LOG VESSEL TEMPERATURE
2 LOG SERIAL NUMBERS
3 MAINTENANCE LOG
5 DIGITAL PROBE OFFSET ADJUST
3 BATH TEMPERATURE CALIBRATION
4 MOTOR CALIBRATION
2 ANALOG PROBE CALIBRATION
1 HOME PROBES
2 STROKE: 1L FLASK (45 mm) / 2L FLASK (90mm) / SMALL VOL (45mm)
RAISE PROBES LOWER PROBES
2 STROKE: XXXmm
5 DELAY: XXXX SEC.
4 RAISE: ON EXTERNAL SIGNAL / AFTER DELAY
3 LOWER: AT SAMPLE TIME / ON EXTERNAL SIGNAL
1 SETTING: CUSTOM
1 DEVICE SETUP
jkl
def
3. PRINT HEADER
yz()
3. CALIB. TIPS
4. PRINT LAST TEST
2. USP DISSO. SPEC
1. UNIT OPERATION
pqr
ghi
SET BATH TEMPERATURE
2. PRINT PROTOCOL
1. PRINT STATUS
SET DRIVE SPEED
2 DOSAGE:
E-PROBE USAGE:
3 PROTOCOL ID:
4 APPARATUS:
6 MEDIA VOLUME:
7 SAMPLE VOLUME:
8 COMMENTS:
5 MEDIA TYPE:
2 STAGGER EXTENSION:
3 TEST LENGTH:
1 SAMPLING EVENTS:
4 PRINT STATUS:
3 INFINITY TEST LEN:
4 INFINITY TEST SPD:
SAMPLING TIMES:
1 DRUG NAME:
2 BATH TEMPERATURE:
1 DRIVE SPEED:
EDIT PROTOCOL 1-25
4 LANGUAGE [ENG]
6 E-PROBE SETUP
5 RS-232 SETUP
2 SYSTEM ID
3 EDIT TITLES
abc
vwx
1 PREHEAT WAKEUP
2 SAMPLING ALARM
3 USER ALARMS
4 CALIB. ALARM
5 CLOCK OPTIONS
6 START TIMER
RUN PROTOCOL 1-25
stu
STOP PROTOCOL / STAND BY
2 HEATER STAYS ON / HEATER SHUTDOWN
1. ADJUST CONTRAST
6 DIAGNOSTICS
3 VALIDATION
4 CALIBRATION
5 SECURITY
7 SYSTEM CONFIG
mno
HEATER TIME
4 SAMPLER: AUTOPLUS / DISSOETTE II / TRANSFER MODULE / MULTI-DOSE / NONE
2 VESSEL GOAL TEMP
1 DIGITAL PROBES
1 BAUD: 9600 / 1200 / 2400 / 4800
3 PARITY: NONE / ODD / EVEN
5 SAMPLING PROBE: AUTOPROBE / E-PROBES / NONE
4 ECHO: ON / OFF
2 BITS: 8 / 7
1 PRINTER: YES / NO
2 TOLERANCE: USP/OFF
3 TEMP PROBES: 1 / 2
MOTOR CONTROL
HEATER CONTROL
SYSTEM
TEMP PROBE(S)
MOTOR TIME
BELT TIME
CONTROL
CIRCULATOR
BATH
HEATER
MOTOR
PROBE 2
PROBE 1
SYSTEM COMPONENTS
DIGITAL PROBES
BASKET SHAFTS
PADDLES
BASKETS
VESSELS

SR8-Plus Operation Manual 73-100-810-I
Section 6 Running A Test
– 47 –
6 Running A Test
6.1 Setting Up
1. SR8-Plus
a) Verify that all liquid and communications connections are connected per the
installation requirements. (see Section 4—Installation)
b) Run Diagnostics to ensure all connections and setup are complete and ready to go.
This will also ensure printer is operating correctly.
c) Install vessels and lock down with clamp knobs.
d) Install paddles or baskets. Make depth adjustments to meet specifications. (see
Section 4—Installation)
e) Fill vessels with desired media and cover.
f) Select a protocol to run. (see Section 5—Operation and Programming).
2. Sampling Probes
Verify that all liquid connections are connected per the installation requirements (see
Section 4—Installation). Verify that the probes are adjusted to the correct sampling
depth and that the correct number is placed in the correct position. Verify that the
specified filter is correctly installed.
3. Printer
Verify that the communications connections are connected per the installation
requirements (see Section 4—Installation). Verify that there is adequate paper supply
and that the power is on. Both lights should be on and not blinking.
6.2 Starting and Running a Test (no Digital Temperature Probes)
NOTE: See Section 5 for programming and operational capabilities.
1. Press [RUN] on the SR8-Plus and select a pre-programmed protocol and press
[ENTER]. If the SR8-Plus is connected to an AutoPlus, the AutoPlus will start the same
protocol number as the SR8-Plus(s) automatically.
2. Ensure drive is in the proper operating position.
3. When all parameters are ready, drop the dosage into dissolution vessels.
4. Press [RUN] to start the test.
5. Cover vessels if desired.

SR8-Plus Operation Manual 73-100-810-I
Section 6 Running A Test
– 48 –
6.3 Vessel Temperature Log (no Digital Temperature Probes)
The vessel temperature log is used to verify the accuracy of the temperature inside of the
vessels. This validation is always performed with Temperature Probe 1. This procedure is
not required when the SR8-Plus is equipped with Digital Temperature Probes. To perform
this function:
1. With the Main screen displayed, press [PREFERENCES] to display the System
Options screen.
2. Press [3] to select "Validation".
3. Press [1] to display the “Vessel Temperature Log” screen.
4. Use arrows to display the desired vessel. To log bath temperature use the arrow key to
move between the first and eighth vessel.
5. Place Temperature Probe 1 into the indicated vessel or the bath. Watch the display until
the temperature reading is stable, approximately 20 to 30 seconds.
6. Press [PRINT OPTIONS]. The date, time, vessel number and the actual vessel
temperature is printed.
7. Repeat Step 6 for each of the vessels and the bath.
6.4 Starting and Running a Test (with Digital Temperature Probes and E-
Probes)
NOTE: See Section 5 for programming and operational capabilities.
1. Press [RUN] on the SR8-Plus and select a pre-programmed protocol and press
[ENTER]. If the SR8-Plus is connected to an AutoPlus, the AutoPlus will start the same
protocol number as the SR8-Plus(s) automatically.
2. If USP tolerance is on, the E-Probes will lower allowing the Digital Temperature Probes
to verify that the vessel temperature is within the required operating temperature. The
Digital Temperature Probes will stay in this position until that requirement is met or the
test is aborted.
3. When all parameters are ready, the probes will raise and the screen will say “drop dose
and press run”.
4. Drop the dosage or lower baskets and press [RUN] to start the test. At the start of the
test the Digital Temperature Probes will be lowered by the E-Probes and print the
starting temperature.
5. Cover vessels.

SR8-Plus Operation Manual 73-100-810-I
Section 6 Running A Test
– 49 –
6.5 During the Test
1. The SR8-Plus will count down to each sampling time point. The display will show
elapsed time, the bath temperature, and spindle speed.
2. The SR8-Plus will also send important information to the validation printer for a hard-
copy test report of the process if a printer is available and programmed to do so.
6.6 After the Test
When the test is complete the SR8-Plus will print (if a printer is available) the performance
summary which includes: Minimum, Maximum and Average for the speed and
temperature(s).
The SR8-Plus will automatically stop the spindles.
The heater will shutdown if programmed to do so.

SR8-Plus Operation Manual 73-100-810-I
Section 7 Troubleshooting
– 50 –
7 Troubleshooting
7.1 Contacting Hanson Research Corporation for Technical Support
To expedite your request for Technical Support, please supply the following information:
1. Model and serial numbers of the instrument(s).
2. System configuration.
3. How long the equipment had worked before the problem occurred and how old the
equipment is.
4. Any background information, recent repairs, or parts replaced to date.
5. How the system is being used, what the application is.
6. Detailed information about the problem (what is working and what is not).
7. Detailed troubleshooting steps that have been taken to date.
7.2 Troubleshooting Table
Problem Possible Causes Recommended Action
The display is dark. The system is in stand by.
(Both the “Power On” and
“Stand By” status lights are
illuminated)
Press any key to exit the stand
by mode.
The system is not plugged in
or turned on. (The "Power
On" light is off and the CPU
light is off.)
Verify that the power cord is
attached to the back of the
controller and that the power
switch is turned on.
The controller cable is
disconnected from the drive
head. (The "Power On" light
is off and the CPU light is on
or blinking.)
Connect the controller cable to
the back of the drive head.
The controller is not
operational. (The "Power On"
light is illuminated and the
CPU light is not on or
blinking).
Change the fuses in the
controller, as directed in Section
8.13. If the CPU light still does
not come on, contact Hanson
service representative.
Excessive vibration in
the system.
The belts are damaged.
Change belts as directed in
Section 8.11.
The belts are not adjusted
properly.
Not all feet on bench.
Adjust belts as directed in Section
8.11.
Adjust feet so that all are on the
bench and unit is level.

SR8-Plus Operation Manual 73-100-810-I
Section 7 Troubleshooting
– 51 –
7.2 Troubleshooting Table (continued)
Problem Possible Causes Recommended Action
System protocols and
settings are lost or
become corrupt.
NOTE: this may also
happen when
upgrading software.
Lithium battery needs
replacement.
Replace main board assembly
p/n 73-100-310.
CPU or RAM/ROM
Diagnostic tests failed.
Component failure.
Contact Hanson service
representative for repairs.
Motor Diagnostic test
failed.
Motor plug not properly
connected to controller.
Check motor plug connection.
Motor calibration required. Run calibration test.
Heater Diagnostic test
failed.
Heater plug not properly
connected to controller.
Check heater plug connection.
Bath water level low. Check bath water level
Bad fuse/fuse holder. Check and replace fuse/fuse
holder.
Defective heater. Check and replace heater.
Printer not working. Printer RS232 cable
connection.
Check that cable is connected to
bottom of printer and to COMM
PORT 3 on controller.
Printer is off-line. Press [SEL] on printer. Check
printer paper.
Printer is disabled. Go to System Accessories and
enable printer.
No power. Make sure printer is turned ON
and plugged into outlet on
controller.
Printer is bad. Contact HRC service
representative for repairs.
Printer Settings and Test Pattern
Hold SEL/LF buttons, turn power on, wait for printing to start and release buttons. Printer will
print its settings.
Hold LF button, turn power on, wait for printing to start and release button. Printer will print its
test pattern.

SR8-Plus Operation Manual 73-100-810-I
Section 7 Troubleshooting
– 52 –
7.2 Troubleshooting Table (continued)
Problem Possible Causes Recommended Action
T1 or T2 temperature
probe not working or
probe error.
Probe disconnected.
Check probe connection to
controller.
System accessories set to
two probes and only one
hooked up.
Connect second probe or change
system accessories setup.
Bath temperature below
18°C.
Wait for temperature to rise
above 18°C.
Temperature displays
approximately 40.3 and
does not change.
Probe connector is partially
inserted into controller.
Check probe connection to
controller.
One or more Digital
Temperature Probes do
not appear in the
temperature screen.
Probe disconnected.
Check probe connection to
controller.
System configuration set to
less a number of probes than
are being used.
Check Device Setup and select
the correct number of probes.
Bad probe. Replace probe.
Digital Temperature
Probe screen does not
show up.
System not configured
correctly.
Check Device Setup and select
Digital Temperature Probes.
7.3 Diagnostic Tests
The system diagnostic tests include: the microprocessor RAM/ROM test, the motor/encoder
test, the floppy disk drive test, the U/I controller test, the clock test, the heater test and the
bath water level test. These tests can be performed at any time using the following
procedure:
1. With the Main screen displayed, press [PREFERENCES] to display the System
Options screen.
2. Press [6] to perform the system diagnostic tests. The test name is displayed as it is
performed. The completion status is added when the test is complete.
3. When all of the tests are completed, the Performing System Diagnostics screen is
displayed. If “All Tests Pass” is displayed, press [ESC] to display the Main screen. If
there is a “Failre”, investigate and correct the problem and repeat diagnostics.

SR8-Plus Operation Manual 73-100-810-I
Section 8 Maintenance and Calibration
– 53 –
8 Maintenance and Calibration
8.1 Maintenance Schedule
The SR8-Plus should be maintained using the following schedule:
Frequency Procedure
After each test Clean up system.
Weekly Inspect circulating water pump.
Inspect bath water.
Monthly Replace bath water.
Every 6 months
Check temperature calibration.
Calibrate the system.
Inspect guide rods.
Inspect spindle bearings.
Annually Inspect belts.
Inspect idler pulleys.
Every 2 years Replace belts.
8.2 Clean Up Procedure
Clean up dissolution media whenever it is spilled on the system. At the completion of each
test, clean the system with a damp cloth. Do not allow dissolution media to sit on the system.
8.3 Circulating Water Pump
The only maintenance for the Circulating Water Pump is to ensure the water in the bath is
reasonably clean. Visually Inspect the Circulating Water Pump for build-up of algae or other
foreign materials. If necessary, remove circulating water pump and clean with running water.
8.4 Bath Water
Visually inspect the bath water weekly for algae or other foreign material. If algae formation
has occurred, change the bath water. To change the bath water:
1. Turn unit off.
2. Ensure there is a drainage system (or suitable container) within 4 feet of the bath.
3. Insert drain hose fitting into bath drain located underneath the bath.
4. After bath has drained, remove drain hose and clean around bath drain if minor water
spillage has occurred.
5. Clean bath and fill with clean water (DI or better).
NOTE: Do not fill bath through the drain hose. The system may not handle the water
pressure. Do not use copper sulfate as an algaecide.

SR8-Plus Operation Manual 73-100-810-I
Section 8 Maintenance and Calibration
– 54 –
8.5 Temperature Check and Calibration
Temperature Probe Accuracy Check
1. Place temperature probe T1 and T2 adjacent to a certified thermometer in a waterbath
of stable temperature at or close to standard test temperature. The SR8-Plus waterbath
can, but does not need to be used.
2. Read the temperature for probe T1 displayed on the Status screen. The probe number
is displayed on the upper right-hand side of the temperature. Press [1] or [2] to select
probe T1 or T2.
3. The temperature on the screen should be within ±0.1°C of the thermometer temperature.
If the temperature is outside this range, adjust the temperature probe(s). (see Section
8.6—Temperature Probe Offset Adjustment)
8.6 Temperature Probe Offset Adjustment
If the temperature probe(s) are not reading within ±0.1°C of the thermometer, the probe
reading may be adjusted. To adjust the temperature probe reading:
1. Display Main screen, press [PREFERENCES] to display the System Options
screen.
2. Press [4] to display the Calibration menu.
3. Press [1] to select “Temperature Probe Offset Adjust.
4. At the information screen Press [ENTER].
5. Press [←] and [→] keys to select the probe T-1 or T-2. Press [↑] and [↓] keys to
increase or decrease the probe reading; adjust the reading to be the same as a
calibrated thermometer. Press [CLR] to reset the displayed probe.
8.7 Temperature Probe Calibration
This calibration procedure is generally not necessary unless components of the SR8-Plus
have been replaced or the firmware has been upgraded. The only time this calibration is
required is when the temperature probe is not reading within 0.1°C of a certified thermometer
at both 32°C and 37°C. It is important to evaluate this condition correctly before performing
this calibration.
The purpose of temperature probe calibration is to change the readout of the T1 and T2
probes to match a certified thermometer as closely as possible. If the temperature probe is
not reading within 0.1°C of a certified thermometer, perform the following steps using a
calibrated thermometer that reads to 0.00°C (if possible). It is important that a stable
temperature is used at both the 32°C and 37°C calibration points. Remember to enter the
value of the certified thermometer into the SR8-Plus program--not the temperature probe
value.

SR8-Plus Operation Manual 73-100-810-I
Section 8 Maintenance and Calibration
– 55 –
To calibrate the temperature probe(s):
1. Display Main screen, press [PREFERENCES] to display the System Options
screen.
1. Press [4] to display the Calibration menu.
2. Press [2] to select “Temperature Probe Calibration”.
3. After reading the warning screen, Press [ENTER].
4. Press [SET TEMPERATURE] to display Temperature Calibration screen. (see
Figure 8-1) The bath will heat to about 32°C (approximately 30 minutes).
Figure 8-1: Temperature Calibration Screen
5. Place a certified thermometer and all temperature probe(s) adjacent to each other in the
waterbath. When the reading has stabilized (approximately 30 minutes), input
thermometer temperature reading and press [ENTER].
6. The bath will then go to 37°C (approximately 30 minutes). When the reading has
stabilized, input thermometer temperature reading and press [ENTER].
7. Check temperature probe accuracy. (see Section 8.5—Temperature Probe Accuracy
Check)
NOTE: If the temperature probes have been calibrated and still do not match the
thermometer reading within 0.1°C, see Section 8.6—Temperature Probe Offset
Adjust.

SR8-Plus Operation Manual 73-100-810-I
Section 8 Maintenance and Calibration
– 56 –
8.8 Bath Temperature Calibration
This calibration procedure is generally not necessary unless components of the SR8-Plus
have been replaced or the firmware has been upgraded. The only time this calibration is
required is when the bath temperature operates more than 0.2°C from the set temperature. It
is important to evaluate this condition correctly before performing this calibration.
The purpose of bath temperature calibration is to align the bath temperature to the actual
temperature using the T1 temperature probe as the reference temperature. This calibration
procedure will ensure that when a temperature is requested (programmed), the bath will go to
that temperature. Again bath calibration should only be done if the bath set point and the
actual bath temperature have a difference of more than 0.2°C.
Before performing this calibration, perform the Temperature Probe Accuracy Check (see
Section 8.5). Next, evaluate the circulating water pump (see Section 8.3). Poor bath
circulation may cause the bath set temperature and actual temperature to be different; in this
case, replacing the circulating water pump will often solve the problem—not calibrating the
bath.
The easiest way to determine if conditions are acceptable to implement bath calibration is to
set a temperature (37°C) and then monitor the actual bath temperature. The requirement is
that the bath remains at a stable temperature +/- 0.1°C for one hour, regardless of what the
actual temperature is.
This procedure automatically calibrates the bath temperature at 32°C and 37°C. It requires
two hours to complete bath temperature calibration.
NOTE: SR8-Plus waterbath must be used for this calibration. Calibrated temperature probes
must be used for this calibration.
8. Bath temperature must be ≤31°C.
9. Display Main screen, press [PREFERENCES] to display System Options
screen.
10. Press [4] to display the Calibration menu.
11. Press [3] to select “Bath Temperature Calibration”.
12. Read instructions on screen, press [SET TEMP] to start.
13. When calibration is complete, calibration verification is printed.
14. Press [ESC] to display Main screen.

SR8-Plus Operation Manual 73-100-810-I
Section 8 Maintenance and Calibration
– 57 –
8.9 Guide Rods
The drive head should move smoothly whenever raising or lowering it. Lubricate the guide
rods with silicone grease whenever smooth movement is not observed.
8.10 Spindle Bearings
Free rotation of the spindle bearings should be checked every 6 months.
To check the spindle bearings:
1. Turn the motor off by placing the system in stand by or by turning the entire system off.
2. Disengage the clutch by lifting it off the belt pulley and turning 90º. Turn each spindle by
hand, as shown in Figure 8-2 and check for irregular rotation or sticking.
Figure 8-2: Disengaging the Clutch
3. Each spindle should turn freely with no binding or tight spots. If there is a problem,
contact Hanson Research.
NOTE: Only use lithium grease to lubricate the spindle bearings.
4. After checking each spindle bearing, engage the clutch and turn the system back on.

SR8-Plus Operation Manual 73-100-810-I
Section 8 Maintenance and Calibration
– 58 –
8.11 Belts
The SR8-Plus has 3 belts which should be checked every 6 months for proper adjustment
and excessive wear. An incorrectly adjusted belt can cause the system to vibrate. Excessive
belt wear can be caused by a faulty spindle or idler bearings.
As a preventative measure, the belts should be changed at least every 6 months.
To check the belts:
1. Manually adjust the motor speed to 0.0RPM (stopped) and turn power off.
2. Remove cover. (see Figure 8-3)
3. Visually inspect each of the belts for wear. If any of the belts show signs of excessive
wear, the belt should be replaced. Free movement of the spindles and idler pulleys
should be verified using the instructions in this section.
4. Manually adjust the motor speed to 100RPM.
5. Visually verify that each of the belts move smoothly and without vibration. If vibration is
observed, the belt should be adjusted or replaced to remove the vibration.
6. Replace the cover.
To remove drive head cover, see Figure 8-3.
1. Verify that the drive head is at its highest position.
2. Reach under the drive head and remove the 5 white caps. Locate and remove the
screws under these caps.
3. Carefully lift the cover. Disconnect the cable routed to connector J1 of the display
board. Remove the screw securing the system ground wires and remove wires.
4. To replace the cover, follow the above instructions in reverse order.

SR8-Plus Operation Manual 73-100-810-I
Section 8 Maintenance and Calibration
– 59 –
Figure 8-3: Cover Removal
To adjust the belts, see Figure 8-4:
1. Program the motor speed to 0.0RPM (stopped) and turn power switch to the off position.
2. Remove cover. (see Figure 8-3)
3. For motor belt adjustment; loosen motor idler pulley and slide forward to tighten belt.
Tighten idler pulley. Push against motor belt with a finger at point marked “A” to check
adjustment (belt should move from 2 to 5mm).
4. For drive belt adjustment; loosen drive idler pulley and slide forward to tighten belt.
Tighten idler pulley. Push against drive belt with a finger at point marked “B” to check
adjustment (belt should move from 6 to 10mm). Repeat for second drive belt.
5. Replace cover.

SR8-Plus Operation Manual 73-100-810-I
Section 8 Maintenance and Calibration
– 60 –
Figure 8-4: Belt Adjustment
To replace belts:
1. Manually adjust the motor speed to 0.0RPM (stopped).
2. Remove cover. (see Figure 8-3)
3. Loosen the 3 idler pulleys and remove both the drive belts. (see Figure 8-4)
4. Go to the back of the unit. Loosen the 4 screws that mount the motor bottom closure.
Remove the closure by sliding it down and out. (see Figure 8-5)
5. Reach under motor mount plate and loosen the 4 motor mounting screws.
6. Slide motor forward and remove motor belt.
7. Replace motor belt first and adjust. Then Replace drive belts and adjust. See Figure 8-
6 for routing configuration.
8. Replace cover.

SR8-Plus Operation Manual 73-100-810-I
Section 8 Maintenance and Calibration
– 61 –
Figure 8-5: Motor Bottom Closure Removal
Figure 8-6: Belt Configuration and Adjustment

SR8-Plus Operation Manual 73-100-810-I
Section 8 Maintenance and Calibration
– 62 –
8.12 Idler Pulleys
The SR8-Plus has 6 idler pulleys, which should be checked when replacing belts for smooth
rotation.
To inspect the idler pulleys (use previous instructions in this section for more detail):
1. Manually adjust the motor speed to 0.0RPM (stopped).
2. Remove cover.
3. Remove the 3 belts.
4. Turn each of the idler pulleys indicated by hand to verify that each moves freely and
smoothly. If any of the idler pulleys do not rotate smoothly, remove grip ring, inspect
bearings and shaft for wear. If bearings are dry, lubricate with grease. If you need help,
contact your local service engineer or Hanson Research.
5. Replace the belts.
6. Replace cover.
8.13 Fuse Replacement
The fuses are located below the power switch on the right-hand side of the controller. Each
system has four fuses. The amperage is labeled next to the fuse. Notice that the amperage
of the fuses is dependent upon the voltage of the system.
NOTE: For continued protection against risk of fire, replace the fuse(s) with same type and
current rating. Do not over-tighten the fuse holder.
To check the fuses and replace a defective fuse,
1. For fuse holders with finger grip knobs, push in and slightly turn counter-clockwise to
remove the holder.
2. Visual inspection of the fuse is not conclusive; always use an ohm meter to confirm if a
fuse is defective.

SR8-Plus Operation Manual 73-100-810-I
Section 8 Maintenance and Calibration
– 63 –
8.14 Maintenance Log
The Maintenance Log is used to know the last time the Heater, Temperature Probes or Motor
were calibrated. As well, the Maintenance Log will tell the user or service person the amount
of run time associated with the Belts, Motor, and Heater. The Maintenance Log is for
reference information only; the log should only be cleared or changed by a service technician
after service has been conducted or one of these components has been replaced.
1. With the Main screen displayed, press [PREFERENCES] to display the System
Options screen.
2. Press [3] to select "Validation".
3. Press [3] to display the “Maintenance Log” screen.
The Maintenance Log may be printed.
Only belt, motor, and heater time may be reset.
8.15 Tablet Calibration
Tablet calibration of the SR8-Plus is accomplished by following the guidelines listed in the
USP-NF under Dissolution. This test should be performed after the installation is complete.
It is normal to do tablet calibration every 6 months. Use the following checklist when
calibration is due.
Check List Recommended Tolerance
Temperature ±0.5°C
Speed <4%
Vibration <0.1 mils displacement at vessel
Shaft Centering to Vessel <1 mm
Shaft Wobble <1 mm TIR
Paddle Condition no coating missing, no major dents,
rotates <1 mm TIR
Basket Shaft Condition holds basket correctly, rotates <1 mm TIR
Basket Condition no major dents, rotates <1 mm TIR
Vessel Condition very clean, no internal irregularities
Level within 1° over length of vessel base
NOTE: There are many reasons that a tablet calibration test may fail. The items in the
checklist may or may not be the reason for a failed test. Deaeration and vibration are
two of the largest contributors to failure.

SR8-Plus Operation Manual 73-100-810-I
Section 9 Moving and Storage
– 64 –
9 Moving and Storage
9.1 Storage
If the SR8-Plus Dissolution Test Station will not be used for an extended period of time (3
months or more) the power should be turned off and the bath water should be emptied.
9.2 Moving
Before moving the SR8-Plus Dissolution Test Station, it is necessary to empty the water from
the waterbath. If the SR8-Plus is being relocated within the same laboratory or building, the
system can be moved without any additional packing procedures. If the system is being
transported to another location, the locking screws and clamps (removed in Section 4 of this
manual) should be replaced. The locking screws and clamps keep the counterweights and
drive head from moving. If the packing materials that the system was shipped in were saved,
the system should be repackaged to avoid damage in shipment.

SR8-Plus Operation Manual 73-100-810-I
Section 10 Service Parts
– 65 –
10 Service Parts
Below is a list of service parts needed for proper maintenance of the Hanson SR8-Plus.
Belt for Drive Spindles (2 required).......................................................... 91-434-012
Belt for Motor ............................................................................................ 91-434-013
Chuck Retrofit Kit (1 each), with Collet .................................................... 72-800-712
Chuck Retrofit Kit (set of 6), with Collet ................................................... 72-800-713
Drive Spindle Retrofit Kit .......................................................................... 73-100-700
Fitting, Drain Hose.................................................................................... 91-601-211
Vessel Ring............................................................................................... 73-100-550
Vessel Hole Cover.................................................................................... 72-800-526
Motor Encoder Disk Sensor ..................................................................... 91-214-008
Motor Encoder Disk.................................................................................. 72-600-546
Water Level Sensor .................................................................................. 64-705-062
For a full list of SR8-Plus Accessories and Spare Parts, please consult our current catalog.

SR8-Plus Operation Manual 73-100-810-I
Section 11 Sales and Support
– 66 –
11 Sales and Support
The SR8-Plus is sold and serviced by a worldwide network of dealers and distributors. If you
need additional accessories, replacement parts, or require service information, you may either
contact your local agent, or you can contact Hanson Research Corporation at our worldwide
headquarters:
Hanson Research Corporation
Corporate
Headquarters
9810 Variel Avenue
Chatsworth, CA 91311 USA
P: 818.882.7266 or 800.821.8165 (toll free)
F: 818.882.9470
Web Site
www.hansonresearch.com
Sales Support
For quotes, literature, and sales assistance in the USA
and worldwide, please email:
sales@hansonresearch.com.
Customer Support
To place an order, obtain an order’s status, or request a
return authorization, please email:
orders@hansonresearch.com.
Technical Support
For assistance with applications and other technical
support and service questions, please email:
techsupport@hansonresearch.com.
When contacting Hanson Research, please help us eliminate duplication of effort amongst personnel and
departments by directing your inquiry to one department or representative.

SR8-Plus Operation Manual 73-100-810-I
Section 12 General Warranty
– 67 –
12 General Warranty
Hanson Research Corporation (HRC) products are warrantied for one full year including parts
and labor. Service contracts and Preventative Maintenance contracts are available for post-
warranty support. International dealer warranties may vary. HRC makes no warranty, expressed
or implied, for glassware, consumables or products not manufactured by HRC, as evidenced by
nameplate on the item or other designation. HRC will give responsible assistance to buyer in
obtaining from the respective manufacturer whatever adjustment is reasonable in light of
manufacturer’s own warranty. HRC shall be released from any and all obligations under any
warranty, either expressed or implied, if the product covered is repaired or modified by other than
its own personnel, or made without written authorization of HRC. There are no other warranties,
expressed or implied, and HRC shall not be liable under any circumstances for consequential
damages.