Washer Extractor Parts Manual UW60P3 F232166
User Manual: UW60P3
Open the PDF directly: View PDF
.
Page Count: 76
- Cover
- Model Identification
- Table of Contents
- Parts Ordering Information
- Serial Plate Location
- Pocket Hardmount Washer-Extractor Product Overview
- Decals
- Control Module - Model UW60B2 (Drawing 1 of 3)
- Control Module - Model UW60B2 (Drawing 2 of 3)
- Control Module - Model UW60B2 (Drawing 3 of 3)
- Control Module - Models UW60P2 and UW60P3 (Drawing 1 of 4)
- Control Module - Models UW60P2 and UW60P3 (Drawing 2 of 4)
- Control Module - Models UW60P2 and UW60P3 (Drawing 3 of 4)
- Control Module - Models UW60P2 and UW60P3 (Drawing 4 of 4)
- Balance Switch, Temperature Probe and Rotation Sensor
- Supply Dispenser
- Water Supply Valve and Hoses to Supply Dispenser
- Spray Plumbing - Design 5 UW60P2 and UW60P3 Models
- Spray Plumbing - Design 7 and 8 UW60P2 and UW60P3 Models
- Fill Plumbing - Design 5 UW60P2 and UW60P3 Models Through 2/29/02
- Fill Plumbing - Design 5 UW60P2 and UW60P3 Models Starting 3/1/02 (Drawing 1 of 2)
- Fill Plumbing - Design 5 UW60P2 and UW60P3 Models Starting 3/1/02 (Drawing 2 of 2)
- Fill Hoses and U-Bolt - Design 5 UW60P2 and UW60P3 Models Starting 3/1/02
- Fill Plumbing - Design 7 and 8 UW60P2 and UW60P3 Models
- Fill Plumbing - Model UW60B2
- Drain System, Overflow and Vent Pipes
- Basket, Shell and Frame
- Door and Spray Tube
- Door Lock
- Front, Side and Rear Panels
- Motor and Pulley - Models UW60B2 and UW60P2
- Motor and Pulley - Model UW60P3
- Electric Heat Option
- Steam Heat Option and Transformers
- Security Fasteners
- Special Tools
- Parts Index

Parts
www.alliancelaundry.com
Washer-Extractor
Pocket Hardmount
Refer to Page 3 for Model Numbers
PHM1411C_F232166
Models UW60P2 and UW60P3
Model UW60B2
Part No. F232166R16
August 2017

F232166 1
© Copyright, Alliance Laundry Systems LLC – DO NOT COPY or TRANSMIT
© Copyright 2017, Alliance Laundry Systems LLC
All rights reserved. No part of the contents of this book may be reproduced or transmitted in any form or by any
means without the expressed written consent of the publisher.
Table of Contents
Title Page
Parts Ordering Information........................................................................................................................................ 2
Serial Plate Location ................................................................................................................................................. 2
Model Identification ................................................................................................................................................... 3
Pocket Hardmount Washer-Extractor Product Overview .......................................................................................... 4
Decals ....................................................................................................................................................................... 6
Control Module - Model UW60B2 (Drawing 1 of 3)................................................................................................... 8
Control Module - Model UW60B2 (Drawing 2 of 3)................................................................................................. 10
Control Module - Model UW60B2 (Drawing 3 of 3)................................................................................................. 12
Control Module - Models UW60P2 and UW60P3 (Drawing 1 of 4)......................................................................... 14
Control Module - Models UW60P2 and UW60P3 (Drawing 2 of 4)......................................................................... 16
Control Module - Models UW60P2 and UW60P3 (Drawing 3 of 4)......................................................................... 18
Control Module - Models UW60P2 and UW60P3 (Drawing 4 of 4)......................................................................... 20
Balance Switch, Temperature Probe and Rotation Sensor .................................................................................... 22
Supply Dispenser.................................................................................................................................................... 24
Water Supply Valve and Hoses to Supply Dispenser ............................................................................................. 26
Spray Plumbing - Design 5 UW60P2 and UW60P3 Models................................................................................... 28
Spray Plumbing - Design 7 and 8 UW60P2 and UW60P3 Models ......................................................................... 30
Fill Plumbing - Design 5 UW60P2 and UW60P3 Models Through 2/29/02 ............................................................ 32
Fill Plumbing - Design 5 UW60P2 and UW60P3 Models Starting 3/1/02 (Drawing 1 of 2)..................................... 34
Fill Plumbing - Design 5 UW60P2 and UW60P3 Models Starting 3/1/02 (Drawing 2 of 2)..................................... 36
Fill Hoses and U-Bolt - Design 5 UW60P2 and UW60P3 Models Starting 3/1/02 .................................................. 38
Fill Plumbing - Design 7 and 8 UW60P2 and UW60P3 Models.............................................................................. 40
Fill Plumbing - Model UW60B2 ............................................................................................................................... 42
Drain System, Overflow and Vent Pipes ................................................................................................................. 44
Basket, Shell and Frame......................................................................................................................................... 46
Door and Spray Tube.............................................................................................................................................. 48
Door Lock................................................................................................................................................................ 50
Front, Side and Rear Panels................................................................................................................................... 52
Motor and Pulley - Models UW60B2 and UW60P2................................................................................................. 54
Motor and Pulley - Model UW60P3......................................................................................................................... 56
Electric Heat Option ................................................................................................................................................ 58
Steam Heat Option and Transformers .................................................................................................................... 60
Security Fasteners .................................................................................................................................................. 62
Special Tools .......................................................................................................................................................... 64
Parts Index .............................................................................................................................................................. 67

2F232166
© Copyright, Alliance Laundry Systems LLC – DO NOT COPY or TRANSMIT
Parts Ordering Information
If literature or replacement parts are required, con-
tact the source from whom the machine was pur-
chased or contact Alliance Laundry Systems at
(920) 748-3950 for the name and address of the
nearest authorized parts distributor.
For technical assistance, call the number listed
below:
(920) 748-3121 Ripon, Wisconsin
Serial Plate Location
When calling or writing about your product, be
sure to mention model and serial numbers. Model
and serial numbers are located on serial plate(s)
as shown.
PHM2382P_F232166
Model No.
Serial No.
Voltage Amps
Required Circuit Breaker Amps.
Hz Wire Phase
Max. Load KG Max. Speed RPMLB
Elec. Heating
Product No. Date Code
KW Steam Press PSI BAR
P
U
S
H

F232166 3
© Copyright, Alliance Laundry Systems LLC – DO NOT COPY or TRANSMIT
Model Identification
Information in this manual is applicable to these washer-extractor models:
UW60B2
UW60P2
UW60P3
NOTE: Models with 5, 7 or 8 in the 9th position in the model number (e.g. UW60P2OU50001).

4F232166
© Copyright, Alliance Laundry Systems LLC – DO NOT COPY or TRANSMIT
Pocket Hardmount Washer-Extractor Product Overview
<
<
12
34
56
A-Control
NORMAL
LIGHT SOIL
UNIFORMS
HEAVY SOIL
STAINED
DELICATE
HOT
HOT
HOT HOT
HOT
HOT
WARM
COLD
START
PERM PRESS
VISA
TM
WASH
ADD
BLEACH
RINSE
SPIN
DOOR
B-Control (Domestic)
60C 60C
40C 40C
95C 95C
<
<
30C
B-Control (International)
Mechanical Timer S-Computer
V-Computer UniLinc Control
WE-6 Control
PHM2979P_F232166
UW60AVXU80001
00000000000
200 – 240
50 – 60 2/3 S 3
15
60 27 594
N/A N/A 0.0
10
ETL Listed
Conforms To ANSI/UL Std. 1206, 3rd Ed
Certified To CAN/CSA Std. C22.2 No.53-1968
Drawings:

F232166 5
© Copyright, Alliance Laundry Systems LLC – DO NOT COPY or TRANSMIT
Pocket Hardmount Washer-Extractor Product Overview
REF PART NO. DESCRIPTION COMMENTS
1-Product Family UW
2- Capacity (Pounds) 35
60
80
100
125
150
3- Control A (A-Control)
B (B-Control)
M (Mechanical Timer)
P (WE-6 Control)
S (S-Computer)
V (V-Computer)
T (UniLinc Control)
4- Speed 2 (2-Speed)
3 (3-Speed)
4 (4-Speed)
V (Variable-Speed)
5- Voltage F (440-480/60/3/3)
N (440-480/50-60/3/3)
O (208-240/60/3/3)
P (380-415/60-60/3/3)
Q (200-208/220-240/50/60/3ph)
R (380-415/440-480/50/60/3ph)
X (200-220/220-240/50/60/1-3)
Y (208-240/60/1/2)
6- OEM U (Standard Specs)
7- Design Series 1-8

6F232166
© Copyright, Alliance Laundry Systems LLC – DO NOT COPY or TRANSMIT
Decals
PHM2894P_F232166
CONDUCTORS ONLY
COPPER
P/N 231146

F232166 7
© Copyright, Alliance Laundry Systems LLC – DO NOT COPY or TRANSMIT
Decals
REF PART NO. DESCRIPTION COMMENTS
1D505281 Disconnect Power Warning Label
2F230301 This Machine Must Be Protected Decal
3F231146 Conductor Decal
4F231345-4 External Supply Caution Decal
5F231380 Hot Surface Warning Decal
6F231368 Cold Water Valve Decal
7F231367 Hot Water Valve Decal
8F230302 Do Not Push Decal
9F231436 Supply Dispenser Hazard Caution Decal
10 F230501 Before Power Is Connected Tag
11 F230652 Clockwise Spin Rotation Decal
12 F200085000 Hot Surface Warning Decal
13 F231065 Personal Injury Warning Decal

8F232166
© Copyright, Alliance Laundry Systems LLC – DO NOT COPY or TRANSMIT
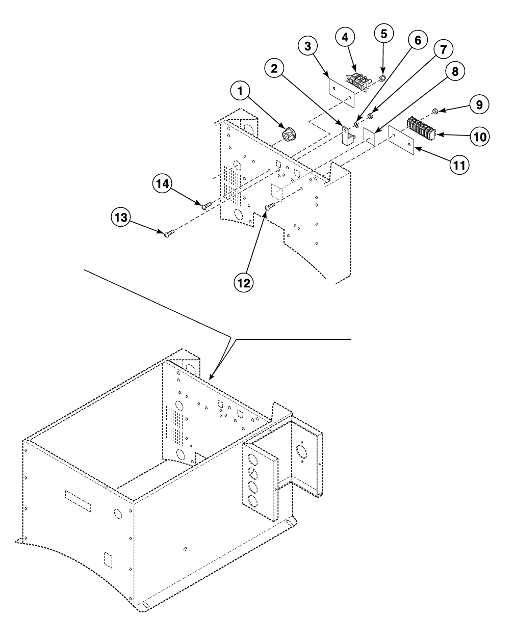
Control Module - Model UW60B2 (Drawing 1 of 3)
PHM2433P_F232166
Models With
Electric Heat
Standard
Models

F232166 9
© Copyright, Alliance Laundry Systems LLC – DO NOT COPY or TRANSMIT
Control Module - Model UW60B2 (Drawing 1 of 3)
REF PART NO. DESCRIPTION COMMENTS
1F340445 Contact Block Switch 800E-series; Includes F200299500 Contact Block
Switch
1F200299500 Contact Block Switch 800E-series
1F200233700P Emergency Stop Button Kit Used to convert from 800E-series to 800F-series;
Includes F200233401 Contact Block Switch and
F200233500 Emergency Stop Pushbutton
1F200233401 Contact Block Switch 800F-series; Models starting 10/1/07; Includes
F8069501 Contact Switch and F8538101 Contact Base
1F8069501 Contact Switch Models starting 10/1/07
1F8538101 Contact Base Models starting 10/1/07
1F0636339-00P E-Stop Harness
270240301 Screw
3N/A Control Mounting Panel Assembly
4D505281 Disconnect Power Warning Label
5F635456 Control Module Cover
6F431026 Nut
7F635476 Cable Tray Cover
8F431113 Washer
9F430917 Screw
10 N/A Cable Tray Assembly
11 F635468 External Supply Box
12 F635365 External Supply Box Cover
13 F020014200 Air Trap Hose
14 F422500 Connector
15 F422404P Tubing
16 F0340347-10P Water Level Switch
17 F200215 Hose Clamp No. 28
18 F422806 Tee
19 F8223001P Water Pressure Switch 1 level
20 F381723P 4-Way Valve
20 G582P3 Diaphragm and Guide Kit
21 F140938 Snap Bushing
22 F430928 Screw
23 F431000 Nut
24 F140247 Ribbon Cable 26 pin; 8 inch
25 F0370455-20P Computer
26 F0636887-00 Control Cover
27 F8136401 Screw
28 F431108 Washer
29 F431123 Washer
30 F340412 Momentary Switch Models through 5/26/04
30 F200120100 Momentary Switch Models starting 5/27/04
31 N/A Emergency Stop Pushbutton 800E-series; Order F200233700P Emergency Stop
Button Kit
31 F200233500 Emergency Stop Pushbutton 800F-series; Models starting 10/1/07
32 F0231582-01P Keypad
33 F0231565-00 Control Module Decal
N/A = Part no longer available

10 F232166
© Copyright, Alliance Laundry Systems LLC – DO NOT COPY or TRANSMIT
Control Module - Model UW60B2 (Drawing 2 of 3)
PHM2128P_F232166

F232166 11
© Copyright, Alliance Laundry Systems LLC – DO NOT COPY or TRANSMIT
Control Module - Model UW60B2 (Drawing 2 of 3)
REF PART NO. DESCRIPTION COMMENTS
NA F200295900 Main Harness
1F431702 Screw
2F0170427-00 Output Board Cover
3F431806 Nut
4F037044860-2 Output CCA
5F140247 Ribbon Cable 26 pin; 8 inch
6F350110 Fuse 1 Amp; Slo blo
6F350109 Fuse 1/2 Amp; Fast blo
6F350108 Fuse 1/8 Amp; Slo blo
7F330177P Contactor
8F330186P Interlock Contactor
9F602595-5 DIN Contactor Mounting Rail
10 F430903 Screw
11 F350217 Circuit Breaker C and F-voltage
12 F330230 Flange Relay 220 Volt
13 F430928 Screw
14 F180501 Standoff

12 F232166
© Copyright, Alliance Laundry Systems LLC – DO NOT COPY or TRANSMIT
Control Module - Model UW60B2 (Drawing 3 of 3)
PHM1934P_F232166

F232166 13
© Copyright, Alliance Laundry Systems LLC – DO NOT COPY or TRANSMIT
Control Module - Model UW60B2 (Drawing 3 of 3)
REF PART NO. DESCRIPTION COMMENTS
1F140909 Insulator Bushing
2F140734 Ground Terminal Lug
3F231437 Input Power Decal
4F140794-1 Input Power Block
5F430231 Nut
6F431106 Washer
7F431000 Nut
8F230630 Ground Decal
9F430231 Nut
10 F140776 Terminal Block
11 F230764-11 External Supply Connection Decal O-voltage
11 F230764-12 External Supply Connection Decal F-voltage
12 F430910 Screw
13 F430995 Screw
14 F430920 Screw

14 F232166
© Copyright, Alliance Laundry Systems LLC – DO NOT COPY or TRANSMIT
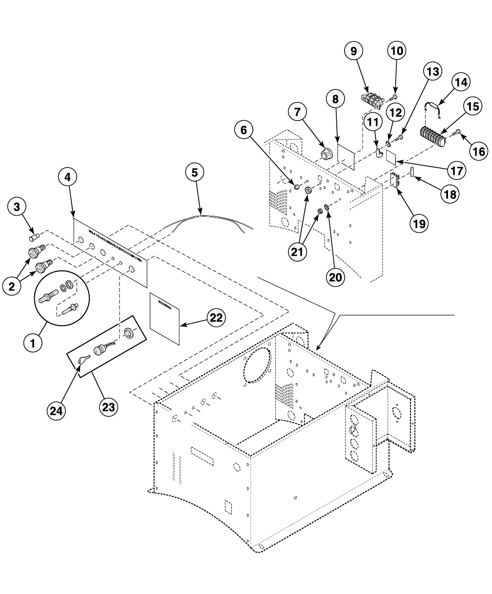
Control Module - Models UW60P2 and UW60P3 (Drawing 1 of 4)
PHM2343P_F232166

F232166 15
© Copyright, Alliance Laundry Systems LLC – DO NOT COPY or TRANSMIT
Control Module - Models UW60P2 and UW60P3 (Drawing 1 of 4)
REF PART NO. DESCRIPTION COMMENTS
NA F0635734-01 Main Harness
1N/A Control Mounting Panel Assembly
270240301 Screw
3F635456 Control Module Cover
4D505281 Disconnect Power Warning Label
5F635478 Cable Tray Cover
6F431026 Nut
7F430917 Screw
8F635448 Electrical Access Panel Design 5 models
8F0637549-00 Electrical Access Panel Design 7 and 8 models
9F431113 Washer
10 N/A Cable Tray Assembly
11 F635468 External Supply Box
12 F633435 External Supply Box Cover
13 F430174 Screw
14 F430928 Screw
15 F431000 Nut
16 F606826 Computer Cover
17 F140606 Cable Tie 15 inch
18 F140605 Cable Tie 6 inch
19 F140602 Tie Wrap Mounting Clamp
20 F140219P Ribbon Cable 26-pin; 15 inch; Connects computer to output cca
21 F0141930-00 Computer Input Harness
22 F191101 Battery 9 Volt; Backup
23 F430231 Nut
24 F431125 Washer
25 F370534-00P WE-6 Computer
26 F340412 Momentary Switch Models through 5/26/04
26 F200120100 Momentary Switch Models starting 5/27/04
27 F431123 Washer
28 F431108 Washer
29 F8136401 Screw
30 N/A Emergency Stop Pushbutton 800E-series; Order F200233700P Emergency Stop
Button Kit
30 F200233500 Emergency Stop Pushbutton 800F-series; Models starting 10/1/07
31 F230724P Keypad Decal
32 F231562 Control Module Decal
33 F340445 Contact Block Switch 800E-series; Includes F200299500 Contact Block
Switch
33 F200299500 Contact Block Switch 800E-series
33 F200233700P Emergency Stop Button Kit Used to convert from 800E-series to 800F-series;
Includes F200233401 Contact Block Switch and
F200233500 Emergency Stop Pushbutton
33 F200233401 Contact Block Switch 800F-series; Models starting 10/1/07; Includes
F8069501 Contact Switch and F8538101 Contact Base
33 F8069501 Contact Switch Models starting 10/1/07
33 F8538101 Contact Base Models starting 10/1/07
N/A = Part no longer available

16 F232166
© Copyright, Alliance Laundry Systems LLC – DO NOT COPY or TRANSMIT
Control Module - Models UW60P2 and UW60P3 (Drawing 2 of 4)
PHM2650P_F232166

F232166 17
© Copyright, Alliance Laundry Systems LLC – DO NOT COPY or TRANSMIT
Control Module - Models UW60P2 and UW60P3 (Drawing 2 of 4)
REF PART NO. DESCRIPTION COMMENTS
1F180506 Standoff
2F140219P Ribbon Cable 26-pin; 15 inch; Connects computer to output cca
3F8321901P Output CCA
4F330177P Contactor
5F330186P Interlock Contactor
6F350110 Fuse 1 Amp; Slo blo
6F350109 Fuse 1/2 Amp; Fast blo
6F350108 Fuse 1/8 Amp; Slo blo
7F602595-5 DIN Contactor Mounting Rail
8F430928 Screw
9F330230 Flange Relay 220 Volt
10 F430903 Screw
11 F8303001P Circuit Breaker F-voltage
12 F430231 Nut
13 F430910 Screw
14 F220900 Filter Retainer Guard
15 F300206 Buzzer 220 Volt

18 F232166
© Copyright, Alliance Laundry Systems LLC – DO NOT COPY or TRANSMIT
Control Module - Models UW60P2 and UW60P3 (Drawing 3 of 4)
PHM2548P_F232166

F232166 19
© Copyright, Alliance Laundry Systems LLC – DO NOT COPY or TRANSMIT
Control Module - Models UW60P2 and UW60P3 (Drawing 3 of 4)
REF PART NO. DESCRIPTION COMMENTS
1F140575P Connector Gray
1F140576P Connector Blue
2F350218 Circuit Breaker 1 Amp; Models through 5/11/03
2F0350313-00P Fuse Holder Models starting 5/12/03
2F350142 Fuse 2 Amp; Slo blo; Models starting 5/12/03
3F350404 Signal Light Red; 220 Volt
4F231581 Switch Mode Decal Models through 5/11/03
4F0231632-01 Switch Mode Decal Models starting 5/12/03
5F604713 Cable Assembly
6F431022 Nut
7F140909 Insulator Bushing
8F0231636-00 Input Block Decal
9F140794-1 Input Power Block
10 F430938 Screw
11 F140734 Ground Terminal Lug
12 F431106 Washer
13 F430903 Screw
14 F370116 Resistor 12k, 5w
15 F140776 Terminal Block 8 place
16 F430910 Screw
17 F230630 Ground Decal
18 F350115 Fuse 3 Amp; Fast blo
19 F0350312-10 Fuse Holder
20 F431108 Washer
21 F431000 Nut
22 F231065 Personal Injury Warning Decal
23 F340800P Keymode Run/Program Switch Includes item 24
24 F370709 Program Key A153

20 F232166
© Copyright, Alliance Laundry Systems LLC – DO NOT COPY or TRANSMIT
Control Module - Models UW60P2 and UW60P3 (Drawing 4 of 4)
PHM2061P_F232166

F232166 21
© Copyright, Alliance Laundry Systems LLC – DO NOT COPY or TRANSMIT
Control Module - Models UW60P2 and UW60P3 (Drawing 4 of 4)
REF PART NO. DESCRIPTION COMMENTS
1F0340347-10P Water Level Switch
2F422404P Tubing
3F422500 Connector
4F020014200 Air Trap Hose
5F200215 Hose Clamp No. 28
6F381723P 4-Way Valve 220 Volt
6G582P3 Diaphragm and Guide Kit 220 Volt
7F140938 Snap Bushing

22 F232166
© Copyright, Alliance Laundry Systems LLC – DO NOT COPY or TRANSMIT
Balance Switch, Temperature Probe and Rotation Sensor
PHM2499P_F232166

F232166 23
© Copyright, Alliance Laundry Systems LLC – DO NOT COPY or TRANSMIT
Balance Switch, Temperature Probe and Rotation Sensor
REF PART NO. DESCRIPTION COMMENTS
1H88412101 Nut Models UW60P2 and UW60P3; Models through 10/14/07
144087301 Nut Models UW60P2 and UW60P3; Models starting 10/15/07
2F0430539-00 Bolt Models UW60P2 and UW60P3; Models through 10/14/07
2F8111101 Screw Models UW60P2 and UW60P3; Models starting 10/15/07
3M400081 Washer Models UW60P2 and UW60P3
4M400014 Washer Models UW60P2 and UW60P3
520274 Nut Models UW60P2 and UW60P3; Models through 10/14/07
544087301 Nut Models UW60P2 and UW60P3; Models starting 10/15/07
6800461 Screw Models UW60P2 and UW60P3; Models through 10/14/07
6F8122701 Screw Models UW60P2 and UW60P3; Models starting 10/15/07
7F200101300P Rotation Sensor PCB Models UW60P2 and UW60P3
8F180501 Standoff Models UW60P2 and UW60P3
9F370606P Temperature Probe
10 F430218 Nut Models UW60P2 and UW60P3
11 F430927 Screw Models UW60P2 and UW60P3
12 F8066401 Rotation Sensor Harness Models UW60P2 and UW60P3
13 F200126200P Rotation Sensor Assembly Models UW60P2 and UW60P3
13 F079900800 Rotation Sensor Retrofit Kit Includes items 7, 8, 10-12 and 14; Models UW60P2 and
UW60P3
14 F200122502 Rotation Sensor Bracket Models UW60P2 and UW60P3
15 F340900 Interlock Switch Models UW60P2 and UW60P3
16 F601750 Balance Switch Bracket Models UW60P2 and UW60P3; Models through 10/14/07
16 F8124301 Balance Switch Bracket Models UW60P2 and UW60P3; Models starting 10/15/07

24 F232166
© Copyright, Alliance Laundry Systems LLC – DO NOT COPY or TRANSMIT
Supply Dispenser
PHM3237P_F232166

F232166 25
© Copyright, Alliance Laundry Systems LLC – DO NOT COPY or TRANSMIT
Supply Dispenser
REF PART NO. DESCRIPTION COMMENTS
1F430917 Screw
2F8195301 Washer
3F0150514-00 Dispenser Lid
4F190304 Plug Cap
5F749802 Strain Relief Adapter Kit Includes items 6 and 7
6F140340P Strain Relief Connector
7F170215 O-Ring
8F150386 Chemical Supply Cup 32 ounce; 2 used
9F0150525-00 Supply Dispenser Spacer
10 F200213 Hose Clamp No. 40
11 F150469 Chemical Supply Hose
12 F431042 Nut
13 F431147 Washer
14 F231436 Supply Dispenser Hazard Caution Decal
15 F8024301 Soap Dispenser Shroud Weldment
16 F170158P Gasket
17 F170400RP Trim
18 F150385 Chemical Supply Cup 20 ounce; 3 used
19 F0150512-00P Dispenser Assembly Includes items 3, 8, 9 and 18
20 F8322001 Injection Nozzle
21 F170208 O-Ring
22 802292 Nut
23 F730168 Injection Nozzle Kit Includes items 20-22

26 F232166
© Copyright, Alliance Laundry Systems LLC – DO NOT COPY or TRANSMIT
Water Supply Valve and Hoses to Supply Dispenser
PHM2618P_F232166

F232166 27
© Copyright, Alliance Laundry Systems LLC – DO NOT COPY or TRANSMIT
Water Supply Valve and Hoses to Supply Dispenser
REF PART NO. DESCRIPTION COMMENTS
1F430948 Screw
2N/A Flow Restrictor
3F270200 Strainer
4F381724P 4-Way Valve 120 Volt
4F381723P 4-Way Valve 220 Volt
4G582P3 Diaphragm and Guide Kit
5F200302 Hose Connector
636801 Hose Clamp No. 6
7F200110P Water Hose
8F422816 Y Connector
N/A = Part no longer available

28 F232166
© Copyright, Alliance Laundry Systems LLC – DO NOT COPY or TRANSMIT
Spray Plumbing - Design 5 UW60P2 and UW60P3 Models
PHM1930P_F232166

F232166 29
© Copyright, Alliance Laundry Systems LLC – DO NOT COPY or TRANSMIT
Spray Plumbing - Design 5 UW60P2 and UW60P3 Models
REF PART NO. DESCRIPTION COMMENTS
NA F8382301 DIN Valve Adapter Kit Use with F8322803 Valve
NA F8456201 Valve Transition Kit Use with F8322803 Valve
1F633150-1 Spray Plumbing Assembly 220 Volt; Standard thread; Includes items 2-10, 15 and
16
1F6331 50-5 Spray Plumbing Assembly 220 Volt; Metric thread; Includes items 2-10, 15 and 16
2F420502 Street Elbow
3F420105 Nipple
4F422106 Tube Connector
5F380800P Vacuum Breaker Valve 3/4 inch; F380965 Repair Kit
5F0637547-00 Vacuum Breaker Replacement Kit Includes F830800P Vacuum Breaker Valve,
F0170221-00 O-Ring, F8380808-00 Vacuum Breaker
Cap, F0380809-00 Containment Device and F430938
Screw
6F420401 Tee
7F420101 Nipple
8F381703P Valve 220 Volt; With DIN; 1/2 inch; F380993 Valve Repair Kit;
Parker
8F8322803P Valve 220 Volt; Replaces F381703P Valve; Includes F8514601
Coil
8F141901P DIN Harness Assembly
9F380987P DIN Coil 220 Volt
9F8514601 Coil 220 Volt; Use with F8322803 Valve
10 F421908 Hose Adapter Standard thread
10 F421949 Nipple Metric thread
11 803615 Washer
12 20290 Washer
13 F200164 Water Hose Standard thread
13 F200166 Water Hose Metric thread
14 F200401P U-Bolt Clamp Includes hardware
15 F420103 Nipple
16 F420500 Street Elbow

30 F232166
© Copyright, Alliance Laundry Systems LLC – DO NOT COPY or TRANSMIT
Spray Plumbing - Design 7 and 8 UW60P2 and UW60P3 Models
PHM2062P_F232166

F232166 31
© Copyright, Alliance Laundry Systems LLC – DO NOT COPY or TRANSMIT
Spray Plumbing - Design 7 and 8 UW60P2 and UW60P3 Models
REF PART NO. DESCRIPTION COMMENTS
NA F8382301 DIN Valve Adapter Kit Use with F8322803 Valve
NA F8456201 Valve Transition Kit Use with F8322803 Valve
1F0637633-01 Spray Plumbing Assembly 220 Volt; Standard thread; Includes items 2-5, 11-16, 20
and 21
1F0637633-03 Spray Plumbing Assembly 220 Volt; Metric thread; Includes items 2-5, 11-16, 20
and 21
2F0422918-00 Elbow
3F420105 Nipple
4F422106 Tube Connector
5F063754701P Vacuum Breaker Valve 3/4 inch; Includes item 10; F380965 Repair Kit
6F0170221-00 O-Ring
7F0380809-00 Containment Device
8F0380808-00 Vacuum Breaker Cap
9F430938 Screw
10 F0798922-00 Vacuum Breaker Kit Includes items 6-9 and installation instructions
11 F420101 Nipple
12 F420400 Tee
13 F381703P Valve 220 Volt; 1/2 inch; F380993 Valve Repair Kit; Parker
13 F8322803P Valve 220 Volt; Replaces F381703P Valve; Includes
F8514601 Coil
13 F141901P DIN Harness Assembly
14 F380987P DIN Coil 220 Volt
14 F8514601 Coil 220 Volt; Use with F8322803 Valve
15 F421908 Hose Adapter Standard thread
15 F421949 Nipple Metric thread
16 803615 Washer
17 20290 Washer
18 F200164 Water Hose Standard thread
18 F200166 Water Hose Metric thread
19 F200401P U-Bolt Clamp Includes hardware
20 F420103 Nipple
21 F420500 Street Elbow

32 F232166
© Copyright, Alliance Laundry Systems LLC – DO NOT COPY or TRANSMIT
Fill Plumbing - Design 5 UW60P2 and UW60P3
Models Through 2/29/02
PHM1931P_F232166

F232166 33
© Copyright, Alliance Laundry Systems LLC – DO NOT COPY or TRANSMIT
Fill Plumbing - Design 5 UW60P2 and UW60P3
Models Through 2/29/02
REF PART NO. DESCRIPTION COMMENTS
NA F8382301 DIN Valve Adapter Kit Use with F8322905 Valve
NA F8379502 Valve Rebuild Kit Use with F8322905 Valve
1F420502 Street Elbow
2F420105 Nipple
3F381701P Valve 220 Volt; With DIN; 3/4 inch; F380991 Valve Repair Kit; Parker
3F8322905 Valve 220 Volt; Replaces F381701P Valve; Includes F8514601 Coil; For
models that have been upgraded with F8521801 DIN Valve Kit
3F8521801 DIN Valve Kit 220 Volt; Replaces F381701P Valve; Includes F8322905 Valve,
F8382301 DIN Valve Adapter Kit and F8514601 Coil
3F141901P DIN Harness Assembly
4F380987P DIN Coil 220 Volt
4F8514601 Coil 220 Volt; Use with F8322905 Valve
5F420400 Tee
6F420408 Plug
7F421909 Hose Adapter Standard thread
7F8265701 Adapter Metric thread
8803615 Washer
920290 Washer
10 F200164 Water Hose Standard thread
10 F200166 Water Hose Metric thread
11 F420500 Street Elbow
12 F421951 Hose Barb
13 F380500 Gate Valve
14 F420101 Nipple
15 F420103 Nipple
16 F200509 Water Hose
17 F200206 Hose Clamp No. 4
18 F200401P U-Bolt Clamp
19 F200222 Hose Clamp No. 12
20 F200104P Hose
21 F420509 Elbow
22 F421964 Hose Barb
23 F380800P Vacuum Breaker Valve 3/4 inch; F380965 Repair Kit
23 F0637547-00 Vacuum Breaker
Replacement Kit
Includes F830800P Vacuum Breaker Valve, F0170221-00 O-Ring,
F8380808-00 Vacuum Breaker Cap, F0380809-00 Containment
Device and F430938 Screw
24 F633146-1 Fill Plumbing Assembly Standard thread; Includes items 1-7, 11-15 and 21-23
24 F633419-1 Fill Plumbing Assembly Standard thread; Starch; Includes items 1-7, 11-15 and 21-23
24 F633146-3 Fill Plumbing Assembly 220 Volt; Brass option; Includes items 1-7, 11-15 and 21-23
24 F633146-5 Fill Plumbing Assembly Metric thread; Includes items 1-7, 11-15 and 21-23
24 F633146-6 Fill Plumbing Assembly 120 Volt; Metric thread and brass option; Includes items 1-7, 11-15
and 21-23
24 F633146-7 Fill Plumbing Assembly 220 Volt; Metric thread and brass option; Includes items 1-7, 11-15
and 21-23
24 F633419-5 Fill Plumbing Assembly Metric thread; Starch; Includes items 1-7, 11-15 and 21-23

34 F232166
© Copyright, Alliance Laundry Systems LLC – DO NOT COPY or TRANSMIT
Fill Plumbing - Design 5 UW60P2 and UW60P3
Models Starting 3/1/02 (Drawing 1 of 2)
PHM1775P_F232166

F232166 35
© Copyright, Alliance Laundry Systems LLC – DO NOT COPY or TRANSMIT
Fill Plumbing - Design 5 UW60P2 and UW60P3
Models Starting 3/1/02 (Drawing 1 of 2)
REF PART NO. DESCRIPTION COMMENTS
NA F633146-1 Fill Plumbing Assembly 220 Volt; Standard thread; Includes items 1, 2, 3, 5-9, 11,
12, F421951 Hose Barb, F420408 Plug, F063754701
Vacuum Breaker and F420107 Nipple
NA F633146-3 Fill Plumbing Assembly 220 Volt; Brass option; Includes items 1, 2, 3, 5-9, 11, 12,
F421951 Hose Barb, F420408 Plug, F063754701
Vacuum Breaker and F420107 Nipple
NA F633146-5 Fill Plumbing Assembly 220 Volt; Metric thread; Includes items 1, 2, 3, 5-9, 11,
12, F421951 Hose Barb, F420408 Plug, F063754701
Vacuum Breaker and F420107 Nipple
NA F633146-6 Fill Plumbing Assembly 120 Volt; Metric thread and brass option; Includes items
1, 2, 3, 5-9, 11, 12, F421951 Hose Barb, F420408 Plug,
F063754701 Vacuum Breaker and F420107 Nipple
NA F633146-7 Fill Plumbing Assembly 220 Volt; Metric thread and brass option; Includes items
1, 2, 3, 5-9, 11, 12, F421951 Hose Barb, F420408 Plug,
F063754701 Vacuum Breaker and F420107 Nipple
NA F8382301 DIN Valve Adapter Kit Use with F8322803 and F8322905 Valve
NA F8379502 Valve Rebuild Kit Use with F8322905 Valve
1F421964 Hose Barb 2 for starch
2F420500 Street Elbow 2 for starch
3F380500 Gate Valve 2 for starch
4803615 Washer
5F421909 Hose Adapter Standard thread
5F8265701 Adapter Metric thread
6F420402 Tee 2 for starch
7F420105 Nipple 4 for starch
8F420502 Street Elbow
9F381701P Valve 220 Volt; 3/4 inch
9F8322905 Valve 220 Volt; Replaces F381701P Valve; Includes F8514601
Coil; For models that have been upgraded with
F8521801 DIN Valve Kit
9F8521801 DIN Valve Kit 220 Volt; Replaces F381701P Valve; Includes F8322905
Valve, F8382301 DIN Valve Adapter Kit and F8514601
Coil
9F141901P DIN Harness Assembly
9F380991P Water Valve Repair Kit 3/4 inch
10 F380987P DIN Coil 220 Volt; 3 for starch
10 F8514601 Coil 220 Volt; Use with F8322803 and F8322905 Valve
11 F420101 Nipple
12 F420509 Elbow

36 F232166
© Copyright, Alliance Laundry Systems LLC – DO NOT COPY or TRANSMIT
Fill Plumbing - Design 5 UW60P2 and UW60P3
Models Starting 3/1/02 (Drawing 2 of 2)
PHM1775PA_F232166

F232166 37
© Copyright, Alliance Laundry Systems LLC – DO NOT COPY or TRANSMIT
Fill Plumbing - Design 5 UW60P2 and UW60P3
Models Starting 3/1/02 (Drawing 2 of 2)
REF PART NO. DESCRIPTION COMMENTS
NA F633419-1 Fill Plumbing Assembly 220 Volt; Standard thread; Starch; Includes items 2-5,
7-17 and F063754701 Vacuum Breaker
NA F633419-5 Fill Plumbing Assembly 220 Volt; Metric thread; Starch; Includes items 2-5, 7-17,
and F063754701 Vacuum Breaker
NA F8456201 Valve Transition Kit Use with F8322803 Valve
NA F8382301 DIN Valve Adapter Kit Use with F8322803 and F8322905 Valve
NA F8379502 Valve Rebuild Kit Use with F8322905 Valve
1F380987P DIN Coil 220 Volt; 3 for starch
1F8514601 Coil 220 Volt; Use with F8322803 and F8322905 Valve
2F420103 Nipple Starch
3F380500 Gate Valve 2 for starch
4F420500 Street Elbow 2 for starch
5F820104 Nipple Starch
6803615 Washer
7F421909 Hose Adapter Standard thread
7F8265701 Adapter Metric thread
8F420402 Tee 2 for starch
9F420105 Nipple 4 for starch
10 F381701P Valve 220 Volt; 3/4 inch
10 F8322905 Valve 220 Volt; Replaces F381701P Valve; Includes F8514601
Coil; For models that have been upgraded with
F8521801 DIN Valve Kit
10 F8521801 DIN Valve Kit 220 Volt; Replaces F381701P Valve; Includes F8322905
Valve, F8382301 DIN Valve Adapter Kit and F8514601
Coil
10 F141901P DIN Harness Assembly
10 F380991P Water Valve Repair Kit 3/4 inch
11 F420107 Nipple
12 F381703P Valve 220 Volt; Starch; 1/2 inch; Parker
12 F8322803P Valve 220 Volt; Replaces F381703P Valve; Includes F8514601
Coil
12 F141901P DIN Harness Assembly
12 F380993P Valve Repair Kit Starch; 1/2 inch
13 F421951 Hose Barb
14 F420502 Street Elbow
15 F421964 Hose Barb 2 for starch
16 F420509 Elbow
17 F380800P Vacuum Breaker Valve 3/4 inch
17 F380965P Repair Kit 3/4 inch
17 F0637547-00 Vacuum Breaker Replacement Kit Includes F830800P Vacuum Breaker Valve,
F0170221-00 O-Ring, F8380808-00 Vacuum Breaker
Cap, F0380809-00 Containment Device and F430938
Screw

38 F232166
© Copyright, Alliance Laundry Systems LLC – DO NOT COPY or TRANSMIT
Fill Hoses and U-Bolt - Design 5 UW60P2 and UW60P3
Models Starting 3/1/02
PHM1775PB_F232166

F232166 39
© Copyright, Alliance Laundry Systems LLC – DO NOT COPY or TRANSMIT
Fill Hoses and U-Bolt - Design 5 UW60P2 and UW60P3
Models Starting 3/1/02
REF PART NO. DESCRIPTION COMMENTS
120290 Washer
2F200164 Water Hose Standard thread
2F200166 Water Hose Metric thread
3F200206 Hose Clamp No. 4
4F200509 Water Hose
5F200401P U-Bolt Clamp
6F200222 Hose Clamp No. 12
7F200104P Hose

40 F232166
© Copyright, Alliance Laundry Systems LLC – DO NOT COPY or TRANSMIT
Fill Plumbing - Design 7 and 8 UW60P2 and UW60P3 Models
PHM2069P_F232166

F232166 41
© Copyright, Alliance Laundry Systems LLC – DO NOT COPY or TRANSMIT
Fill Plumbing - Design 7 and 8 UW60P2 and UW60P3 Models
REF PART NO. DESCRIPTION COMMENTS
NA F0637637-01 Fill Plumbing Assembly 220 Volt; Standard thread; Includes items 3, 8-17, 19-22 and
26-29
NA N/A Fill Plumbing Assembly 220 Volt; Metric thread; Includes items 3, 8-17, 19-22 and 26-29
NA N/A Fill Plumbing Assembly 220 Volt; Standard thread; Starch; Includes items 3-17, 19-22 and
26-29
NA N/A Fill Plumbing Assembly 220 Volt; Metric thread; Starch; Includes items 3-17, 19-22 and
26-29
NA F8514601 Coil 220 Volt; Use with F8322803 and F8322905 Valve
NA F8382301 DIN Valve Adapter Kit Use with F8322803 and F8322905 Valve
NA F8456201 Valve Transition Kit Use with F8322803 Valve
NA F8379502 Valve Rebuild Kit Use with F8322905 Valve
120290 Washer
2F200164 Water Hose Standard thread
2F200166 Water Hose Metric thread
3F380987P DIN Coil 220 Volt; 3 for starch
4F380500 Gate Valve Starch
5F420500 Street Elbow Starch
6F420103 Nipple Starch
7F381703P Valve 220 Volt; Starch; 1/2 inch; Parker
7F8322803P Valve 220 Volt; Replaces F381703P Valve; Includes F8514601 Coil
7F141901P DIN Harness Assembly
7F380990P Valve Repair Kit Starch; 1/2 inch
8F421964 Hose Barb 2 for starch
9F430938 Screw
10 F0380808-00 Vacuum Breaker Cap
11 F0380809-00 Containment Device
12 F0170221-00 O-Ring
13 F063754701P Vacuum Breaker Valve 3/4 inch; Includes items 10-13; F380965 Repair Kit
14 F0798922-00 Vacuum Breaker Kit Includes items 10-13 and installation instructions
15 F420105 Nipple
16 F420502 Street Elbow
17 F421951 Hose Barb
18 803615 Washer
19 F421909 Hose Adapter Standard thread
19 F8265701 Adapter Metric thread
20 F420402 Tee
21 F381701P Valve 220 Volt; 3/4 inch; Parker
21 F8322905 Valve 220 Volt; Replaces F381701P Valve; Includes F8514601 Coil; For
models that have been upgraded with F8521801 DIN Valve Kit
21 F8521801 DIN Valve Kit 220 Volt; Replaces F381701P Valve; Includes F8322905 Valve,
F8382301 DIN Valve Adapter Kit and F8514601 Coil
21 F141901P DIN Harness Assembly
21 F380988 Valve Repair Kit 3/4 inch
22 F420107 Nipple
23 F200401P U-Bolt Clamp
24 F200222 Hose Clamp No. 12
25 F200104P Hose
26 F420509 Elbow
27 F200509 Water Hose
28 F200206 Hose Clamp No. 4
29 F420101 Nipple
N/A = Part no longer available

42 F232166
© Copyright, Alliance Laundry Systems LLC – DO NOT COPY or TRANSMIT
Fill Plumbing - Model UW60B2
PHM2045P_F232166

F232166 43
© Copyright, Alliance Laundry Systems LLC – DO NOT COPY or TRANSMIT
Fill Plumbing - Model UW60B2
REF PART NO. DESCRIPTION COMMENTS
NA F8382301 DIN Valve Adapter Kit Use with F8322905 Valve
NA F8379502 Valve Rebuild Kit Use with F8322905 Valve
120290 Washer
2F200164 Water Hose Standard thread
2F200166 Water Hose Metric thread
3F380987P DIN Coil 220 Volt; F141901P DIN Harness
4F420502 Street Elbow
5F421951 Hose Barb
6803615 Washer
7F421909 Hose Adapter Standard thread
7F8265701 Adapter Metric thread
8F381701P Valve 220 Volt; 3/4 inch; Parker
8F8322905 Valve 220 Volt; Replaces F381701P Valve; Includes F8514601
Coil; For models that have been upgraded with
F8521801 DIN Valve Kit
8F8521801 DIN Valve Kit 220 Volt; Replaces F381701P Valve; Includes F8322905
Valve, F8382301 DIN Valve Adapter Kit and F8514601
Coil
8F380991P Water Valve Repair Kit 3/4 inch
9F420107 Nipple
10 F200401P U-Bolt Clamp
11 F200222 Hose Clamp No. 12
12 F200104P Hose
13 F420509 Elbow
14 F420105 Nipple
15 F063754701P Vacuum Breaker Valve 3/4 inch; Includes item 20; F380965 Repair Kit
16 F0170221-00 O-Ring
17 F0380809-00 Containment Device
18 F0380808-00 Vacuum Breaker Cap
19 F430938 Screw
20 F0798922-00 Vacuum Breaker Kit Includes items 16-19
21 F420402 Tee
22 F200509 Water Hose
23 F200206 Hose Clamp No. 4
24 F421964 Hose Barb
25 F420500 Street Elbow
26 F380500 Gate Valve
27 F420101 Nipple
28 F0637637-01 Fill Plumbing Assembly 220 Volt; Standard thread; Includes items 3-5, 7-9,
13-19, 21 and 24-27
28 N/A Fill Plumbing Assembly 220 Volt; Metric thread; Includes items 3-5, 7-9, 13-19,
21 and 24-27
3 ? F8514601 Coil 220 Volt; Use with F8322905 Valve
N/A = Part no longer available

44 F232166
© Copyright, Alliance Laundry Systems LLC – DO NOT COPY or TRANSMIT
Drain System, Overflow and Vent Pipes
PHM2630P_F232166

F232166 45
© Copyright, Alliance Laundry Systems LLC – DO NOT COPY or TRANSMIT
Drain System, Overflow and Vent Pipes
REF PART NO. DESCRIPTION COMMENTS
1F200166402 Drain Valve Kit Includes item 5
2F150352 Overflow Plug Model UW60B2
3F200215 Hose Clamp Model UW60B2; No. 28
4F380933P Drain Valve Motor Model UW60B2; 220 Volt
5F200133600 Drain Valve Cover
6F380117 Vacuum Breaker
7F422508 Adapter
8F422801 Tee
9F0602364-10 Pipe
10 F200213 Hose Clamp No. 40
11 F150309 Soap Dispenser Hose
12 F0602364-25 Pipe
13 F8084201 Shell Reinforcement Plate Assembly Includes item 15
14 F431210 Pop Rivet
15 F150389 Scupper
16 F200107P Water Hose
17 36801 Hose Clamp No. 6
18 F421929 Hose Barb
19 F200165100 Drain Hose
20 F200201 Hose Clamp No. 56
21 F422602 Reducer Bushing
22 F0602365-01 Pipe
23 F422803 Tee
24 F0602365-22 Pipe
25 F150438 Drain Hose Rear
26 F150442 Drain Hose Front
27 F380918 Main Drive Kit

46 F232166
© Copyright, Alliance Laundry Systems LLC – DO NOT COPY or TRANSMIT
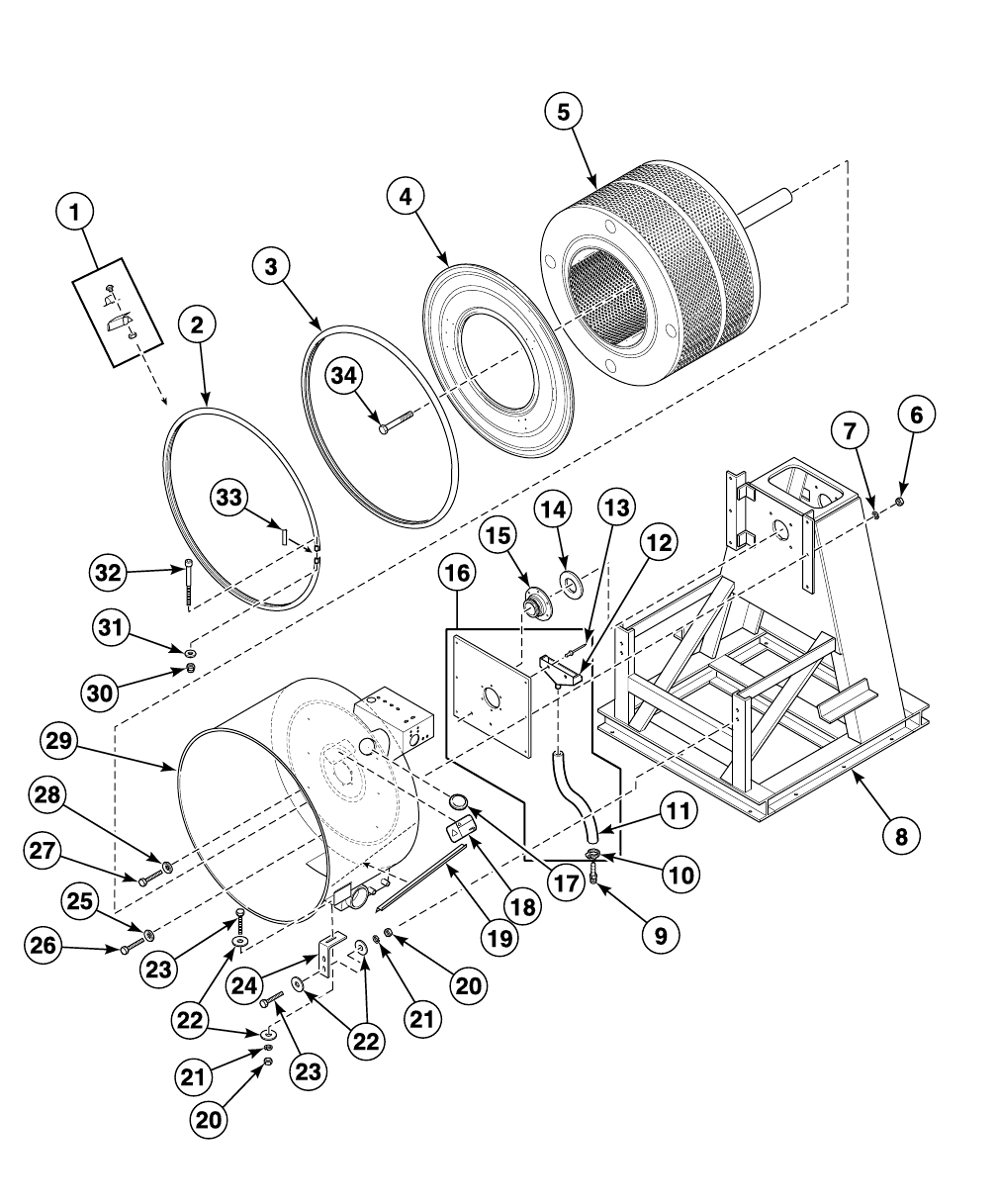
Basket, Shell and Frame
PHM2926P_F232166

F232166 47
© Copyright, Alliance Laundry Systems LLC – DO NOT COPY or TRANSMIT
Basket, Shell and Frame
REF PART NO. DESCRIPTION COMMENTS
1F602901P Spray Rinse Bracket Assembly Models UW60P2 and UW60P3
2F603344P Shell Band Assembly
3F170120RP Shell Band Gasket
4F609200P Shell Front Weldment
4F200119900P Shell Front Assembly Includes item 4, top latch bracket casting, lower door
latch bracket casting, door butt, bushing, door latch
shim, door butt shim and door bumper moulding
5F632015 Basket Assembly
670142 Nut
7M400013 Washer
8F633378 Frame Assembly Models UW60B2 and UW60P2
8F633378-2 Frame Assembly Models UW60B2 and UW60P2; Close mount
8F633376 Frame Assembly Model UW60P3
8F633376-2 Frame Assembly Model UW60P3; Close mount
9F421929 Hose Barb
10 36801 Hose Clamp No. 6
11 F200107P Water Hose
12 F150389 Scupper
13 F431210 Pop Rivet
14 F100203 Slinger
15 F8162101 Face Seal Standard
15 F798819-00 Seal Kit Standard; Includes items 3, 14, 27, 28 and 30-32,
sealant and installation instructions
15 F8162201 Face Seal Viton
16 F8084201 Shell Reinforcement Plate Assembly Includes items 10-13
17 F0200237-00 Plug
18 F0230112-00 Plug Removal Warning Decal
19 F150364 Drip Rail Attach with silicone
20 F430205 Nut
21 M400014 Washer
22 M400081 Washer
23 800461 Screw
24 F601806 Shell Mounting Bracket
25 F431116 Washer
26 F430924 Screw
27 F430935 Screw
28 F431112 Washer
29 F0634436-02 Shell Weldment Standard
29 F0634436-03 Shell Weldment Standard with starch
29 F0633208-05 Shell Weldment Electric heat
29 N/A Shell Weldment Electric heat with starch
30 F430215 Nut
31 F430317 Washer
32 F430518 Screw
32 F791001 Shell Band Fastener Kit Includes items 30 and 31
33 F601216 Shell Gasket Shield
34 N/A Screw
N/A = Part no longer available

48 F232166
© Copyright, Alliance Laundry Systems LLC – DO NOT COPY or TRANSMIT
Door and Spray Tube
PHM2943P_F232166

F232166 49
© Copyright, Alliance Laundry Systems LLC – DO NOT COPY or TRANSMIT
Door and Spray Tube
REF PART NO. DESCRIPTION COMMENTS
1F430917 Screw Models UW60P2 and UW60P3
2F602880 Spray Rinse Strap Models UW60P2 and UW60P3
3F603696-9 Spray Rinse Tube Assembly Models UW60P2 and UW60P3
4F170145 Door Gasket Black
4F017014501 Door Gasket Gray
5F730307 Door Kit Includes studs
6F431026 Nut
7F431100 Washer
8F170117 Door Glass Gasket
9F290201P Glass Model UW60B2; Without hole
9F290200P Door Glass Kit Models UW60P2 and UW60P3; With hole
10 F230607 Rotation Decal
11 F601239 Door Glass Retainer
12 F940P3 Door Kit Model UW60B2; Inlcudes items 4-11, 25, 28, F230303
Push Decal, F410102 Clear Sealant, F340703
Magnetic Position Magnet, F430231 Nut, F430916
Screw, F431108 Washer, F431125 Washer, F431217
Rivet and F609427 Push Handle Weldment
12 F730539 Door Kit Models UW60P2 and UW60P3; Includes items 4-11,
25, 28, magnet, door push handle and door push brace
13 F422109 No-Swivel Coupling Models UW60P2 and UW60P3
14 F730077 Spray Rinse Nozzle Kit Models UW60P2 and UW60P3
15 F422319 Elbow Models UW60P2 and UW60P3
16 F730026 Spray Rinse Hose Assembly Includes items 13 and 17; Models UW60P2 and
UW60P3
17 F422108 Swivel Coupling Models UW60P2 and UW60P3
18 F170200 O-Ring Models UW60P2 and UW60P3
19 F310206 Ring Retainer Models UW60P2 and UW60P3
20 F430103 Screw
21 F602901P Spray Rinse Bracket Assembly Models UW60P2 and UW60P3
22 F431022 Nut Models UW60P2 and UW60P3
23 F150366 Door Bumper Moulding
24 F430416 Door Bumper Bushing
25 F200030600P Door Hinge Strap Kit
26 F601815 Door Hinge Pin
27 F0610695-00 Door Butt Shim
28 F430502 Screw
29 20274 Nut

50 F232166
© Copyright, Alliance Laundry Systems LLC – DO NOT COPY or TRANSMIT
Door Lock
PHM2157P_F232166

F232166 51
© Copyright, Alliance Laundry Systems LLC – DO NOT COPY or TRANSMIT
Door Lock
REF PART NO. DESCRIPTION COMMENTS
1F430168 Screw
2F150203 Door Handle Casting
3F150201P Top Latch Bracket Casting
4F602058 Door Latch Bracket Shim
5F431100 Washer
6F431026 Nut
7F431002 Nut
8F150204 Lower Door Latch Casting
9F150202 Lower Door Latch Bracket Casting
10 F430215 Nut
11 F431142 Washer
12 F605525 Door Box Mounting Plate Assembly
13 F230303 Push Decal
14 F609427 Handle Weldment
14 F746201-1 Push Handle Kit Includes items 15-17 and 21
15 F609822 Handle Spacer Use as needed
16 F8390801 Magnet
17 F430231 Nut
18 F430232 Nut
19 F200321200 Magnetic Switch Assembly
20 F430917 Screw
21 F430909 Screw
22 F431210 Pop Rivet
23 F601055 Interlock Switch Spacer
24 F340900 Interlock Switch
25 F330217P RC Network Filter
26 F430956 Screw
27 F300129P Door Lock Solenoid 220 Volt
28 F609728 Solenoid Spacer
29 F606630 Door Box
29 F603666P Door Box Assembly Includes items 17, 19-20, 27 and 30
30 F430995 Screw
31 F430996 Screw
32 F430927 Screw
33 F431118 Washer
34 F601639 Extension Arm Tab
35 F430916 Screw
36 F746803 Extension Arm Kit Includes items 7, 17, 32-35 and 37
37 F431108 Washer

52 F232166
© Copyright, Alliance Laundry Systems LLC – DO NOT COPY or TRANSMIT
Front, Side and Rear Panels
P
U
S
H
PHM2489P_F232166

F232166 53
© Copyright, Alliance Laundry Systems LLC – DO NOT COPY or TRANSMIT
Front, Side and Rear Panels
REF PART NO. DESCRIPTION COMMENTS
1F430956 Screw
2F170400 Trim Order 2 feet
3F170400RP Trim
4F635610 Cage Wrap Weldment
5F605324 Hose Strap
6F0431807-00 Nut Plastic insert
7F180511 Cap Plug
8F430264 Nut Tinnerman
970240301 Screw
10 F200188300 Belt Inspection Port Cover
11 F200187900P Rear Panel
12 F230302 Do Not Push Decal
13 F432234 Screw
14 F601982 Side Panel Bracket
15 F430215 Nut
16 F430317 Washer
17 F635648P Side Panel Reversible
18 F430415 Pin
19 F430211 Nut
20 F431100 Washer
21 F430921 Screw
22 F150397 Extrusion Insert Order 3 feet
23 F150408 Rub Rail
24 F635649P Front Panel
25 F170110 Sponge
26 F606667 Side Panel Cover

54 F232166
© Copyright, Alliance Laundry Systems LLC – DO NOT COPY or TRANSMIT
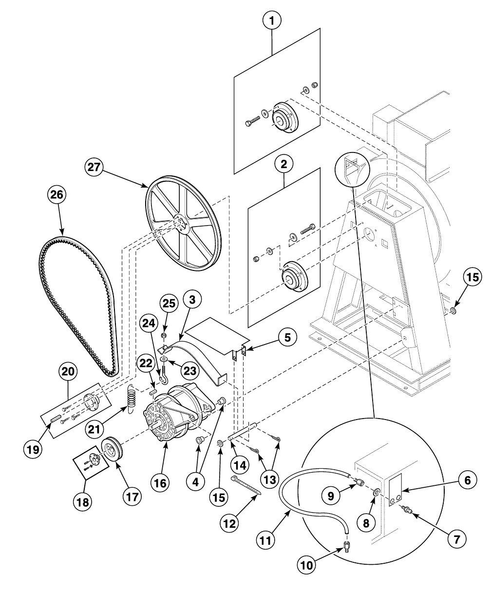
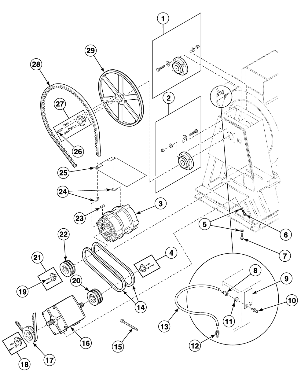
Motor and Pulley - Models UW60B2 and UW60P2
PHM2511P_F232166

F232166 55
© Copyright, Alliance Laundry Systems LLC – DO NOT COPY or TRANSMIT
Motor and Pulley - Models UW60B2 and UW60P2
REF PART NO. DESCRIPTION COMMENTS
1F798824-00 Front Bearing Kit Includes seal and hardware
2F745010 Rear Bearing Kit Includes hardware
3F602166 Motor Adjustment Strap
4F200186100 Motor Support Bushing 2 required; Used with F220303P Motor
5F200280700 Motor Drip Shield
6F231563 Grease Instruction Decal Lubrication
7F190701 Grease Fitting
8F430332 Washer
9F422114 Air Coupling
10 J1408004 Connector
11 C000628P Tubing
12 F140605 Cable Tie 6 inch
13 F430401 Cotter Pin
14 F730076 Motor Support Rod Kit Includes items 13 and 15
15 901690 Washer
16 F8330501P Motor 208 or 240 Volt/3 Phase
16 F8597805P Motor Replaces F8330501P Motor; 208 or 240 Volt/3 Phase
16 F8353801P Motor 380 or 415 Volt/50 Hertz/3 Phase; 440 or 480 Volt/60
Hertz/3 Phase; Includes item 4
17 F280146P Pulley BK34H
18 F280214 Motor Bushing H-78
19 F430801 Key
20 F280409P Bushing 2-7/16; Includes item 19
21 F310127 Spring
22 F430802 Key
23 F430153 Bolt
24 M400080 Washer
25 F430233 Nut
26 F280309 Belt BX100
27 F280410 Pulley 1B255K

56 F232166
© Copyright, Alliance Laundry Systems LLC – DO NOT COPY or TRANSMIT
Motor and Pulley - Model UW60P3
PHM2944P_F232166

F232166 57
© Copyright, Alliance Laundry Systems LLC – DO NOT COPY or TRANSMIT
Motor and Pulley - Model UW60P3
REF PART NO. DESCRIPTION COMMENTS
1F798824-00 Front Bearing Kit Includes seal and hardware
2F745010 Rear Bearing Kit Includes hardware
3F8354601P Motor 208 or 240 Volt; Wash
3F8598101P Motor Replaces F8354601P Motor; 208 or 240 Volt; Wash
3F220425P Motor 380, 415, 440 or 480 Volt; Wash
4F280297 Pulley Bushing SH; 1-1/8; Extract; Inside
5M400014 Washer
6F430116 Screw
7800461 Screw
8F422114 Air Coupling
9F231563 Grease Instruction Decal Lubrication
10 F190701 Grease Fitting
11 F430332 Washer
12 J1408004 Connector
13 C000628P Tubing
14 F280351 Belt 60 Hertz; 3V355; 2 required
14 F280349 Belt 50 Hertz; 3V375; 2 required
15 F140605 Cable Tie 6 inch
16 F220413P Motor 208 or 240 Volt; Extract
16 F220427P Motor 380 or 415 Volt/50 Hertz; 440 or 480 Volt/60 Hertz; Extract
17 F280132P Pulley BK45H; Extract; Outside; 60 Hertz applications only
18 F280211P Motor Pulley Bushing H-1-1/8; Extract; Outside; Includes hardware and key
19 F430802 Key
20 F280408 Pulley 2GR3V6SH; Extract; Inside; 2 groove; 6 inch OD
21 F280298P Pulley Bushing JA 7/8; Includes item 19 and hardware; Wash
22 F280299 Pulley 2G3V28JA; Wash; 2 groove; 2.8 inch OD
23 F430803 Key
24 F140605 Cable Tie
25 F200216900 Motor Drip Shield
26 F430801 Key
27 F280409P Bushing 2-7/16; Includes item 26 and hardware
28 F280309 Belt BX100
29 F280410 Pulley 1B255K

58 F232166
© Copyright, Alliance Laundry Systems LLC – DO NOT COPY or TRANSMIT
Electric Heat Option
PHM2074P_F232166

F232166 59
© Copyright, Alliance Laundry Systems LLC – DO NOT COPY or TRANSMIT
Electric Heat Option
REF PART NO. DESCRIPTION COMMENTS
1F360203P Heating Element 6 required
2F370606P Temperature Probe
3F430215 Nut
4F430231 Nut
5F430938 Screw
6F140413 Box
7M413865 Terminal Block O and Q-voltage
7F140747 Input Power Block F, N and P-voltage
8F430910 Screw
9F330188P Contactor 220 Volt
10 F430311 Washer

60 F232166
© Copyright, Alliance Laundry Systems LLC – DO NOT COPY or TRANSMIT
Steam Heat Option and Transformers
PHM2075P_F232166

F232166 61
© Copyright, Alliance Laundry Systems LLC – DO NOT COPY or TRANSMIT
Steam Heat Option and Transformers
REF PART NO. DESCRIPTION COMMENTS
NA F410300 Pipe Insulation
NA F8382301 DIN Valve Adapter Kit Use with F8322801 Valve
NA F8379501 Valve Kit Use with F8322801 Valve
1F200202600 Plug
2F603131 Steam Injector Tube Assembly
3F421703 Street Elbow
4F200517 Steam Hose
5F420708 Nipple
6F420409 Plug
7H86070034 Street Elbow
8F380787P Steam Valve 1/2 inch; 220 Volt; F380984 Steam Valve Repair Kit;
Parker
8F8322801 Valve 220 Volt; Replaces F380787P Steam Valve; Includes
F8514601 Coil; For models that have been upgraded
with F8521801 DIN Valve Kit
8F8521801 DIN Valve Kit 220 Volt; Replaces F380787P Steam Valve; Includes
F8322801 Valve, F8382301 DIN Vavle Adapter Kit and
F8514601 Coil
9F380987P DIN Coil 220 Volt
9F8514601 Coil 220 Volt; Use with F8322801 Valve
10 F140425 Control Transformer Cover
11 F360156P Transformer F-voltage
12 F430935 Screw
13 N/A Nipple
14 70079601 Elbow
15 F420710 Nipple
16 F200401P U-Bolt Clamp Includes washers and nuts
17 F270307 Steam Filter
18 F635634 Steam Bracket Weldment
19 F635653P Steam Plumbing Assembly 220 Volt; Includes items 2-9, 13-15, 17 and pipe
insulation
N/A = Part no longer available

62 F232166
© Copyright, Alliance Laundry Systems LLC – DO NOT COPY or TRANSMIT
Security Fasteners
PHM2181P_F232166
Option One
Option Two

F232166 63
© Copyright, Alliance Laundry Systems LLC – DO NOT COPY or TRANSMIT
Security Fasteners
REF PART NO. DESCRIPTION COMMENTS
1F0430275-00 Screw No. 8; 32 x 1/2 inch; Used in place of F430956 Screw;
Typical location is the side panels and module cover
1F430960 Screw No. 10; 32 x 3/8 inch; Used in place of F430904 Screw;
Typical location is the module to the shell
1F704906 Hex Bit
2F0430273-00 Screw 1/4 inch; 20 x 2-1/2 inch; Used in place of F430996
Screw; Typical location is the door box to the bracket
2F0430272-00 Screw 1/4 inch; 20 x 1-1/2 inch; Used in place of F430921
Screw; Typical location is the side panel to the bracket
2F0430274-00 Screw 1/4 inch; 20 x 1/2 inch; Used in place of F430925 Screw;
Typical location is the drive box or the cover
2F704907 Spanner Bit
3F432260 Screw 1/4 inch; 20 x 2-1/2 inch; Used in place of F430996
Screw; Typical location is the door box to the bracket
3N/A Phillips Bit
4N/A Screw 1/4 inch; 20 x 1/2 inch; Used in place of F430925 Screw;
Typical location is the drive box or cover
4N/A Hex Bit
5F432259 Screw No. 8; 32 x 1/2 inch; Used in place of F430956 Screw;
Typical location is the side panels and module cover
5281P4 Torx Bit
N/A = Part no longer available

64 F232166
© Copyright, Alliance Laundry Systems LLC – DO NOT COPY or TRANSMIT
Special Tools
PHM2981P_F232166

F232166 65
© Copyright, Alliance Laundry Systems LLC – DO NOT COPY or TRANSMIT
Special Tools
REF PART NO. DESCRIPTION COMMENTS
NA F730055-1 Mounting Bolt Kit
NA 1113P Concrete Hardware Kit
1F798700 Grease Gun Kit Includes items 2 and 3
2F210206P Bearing Grease
3F210207P Grease Gun
4F633426 Alignment Shaft Assembly
5F0100312-00 Shaft Seal Alignment Fixture
6F602941 Rebar Frame Template

Notes
66 F232166
© Copyright, Alliance Laundry Systems LLC – DO NOT COPY or TRANSMIT

F232166 67
© Copyright, Alliance Laundry Systems LLC – DO NOT COPY or TRANSMIT
N/A items do not appear in index.
Parts Index
A
Adapter
F422508.................................................................. 45
F8265701........................................ 33, 35, 37, 41, 43
Air Coupling
F422114 ............................................................ 55, 57
Air Trap Hose
F020014200........................................................ 9, 21
Alignment Shaft Assembly
F633426.................................................................. 65
B
Balance Switch Bracket
F601750.................................................................. 23
F8124301................................................................ 23
Basket Assembly
F632015.................................................................. 47
Battery
F191101 .................................................................. 15
Bearing Grease
F210206P ............................................................... 65
Before Power Is Connected Tag
F230501.................................................................... 7
Belt
F280309............................................................ 55, 57
F280349.................................................................. 57
F280351.................................................................. 57
Belt Inspection Port Cover
F200188300............................................................ 53
Bolt
F0430539-00........................................................... 23
F430153.................................................................. 55
Box
F140413.................................................................. 59
Bushing
F280409P ......................................................... 55, 57
Buzzer
F300206.................................................................. 17
C
Cable Assembly
F604713.................................................................. 19
Cable Tie
F140605...................................................... 15, 55, 57
F140606.................................................................. 15
Cable Tray Cover
F635476.................................................................... 9
F635478.................................................................. 15
Cage Wrap Weldment
F635610.................................................................. 53
Cap Plug
F180511 .................................................................. 53
Chemical Supply Cup
F150385.................................................................. 25
F150386.................................................................. 25
Chemical Supply Hose
F150469 ..................................................................25
Circuit Breaker
F350217 ..................................................................11
F350218 ..................................................................19
F8303001P..............................................................17
Clockwise Spin Rotation Decal
F230652 ....................................................................7
Coil
F8514601 ......................29, 31, 33, 35, 37, 41, 43, 61
Cold Water Valve Decal
F231368 ....................................................................7
Computer
F0370455-20P...........................................................9
Computer Cover
F606826 ..................................................................15
Computer Input Harness
F0141930-00 ...........................................................15
Concrete Hardware Kit
1113P.......................................................................65
Conductor Decal
F231146.....................................................................7
Connector
F140575P................................................................19
F140576P................................................................19
F422500 ..............................................................9, 21
J1408004...........................................................55, 57
Contact Base
F8538101 ............................................................9, 15
Contact Block Switch
F200233401 ........................................................9, 15
F200299500 ........................................................9, 15
F340445 ..............................................................9, 15
Contact Switch
F8069501 ............................................................9, 15
Contactor
F330177P..........................................................11, 17
F330188P................................................................59
Containment Device
F0380809-00 ...............................................31, 41, 43
Control Cover
F0636887-00 .............................................................9
Control Module Cover
F635456 ..............................................................9, 15
Control Module Decal
F0231565-00 .............................................................9
F231562 ..................................................................15
Control Transformer Cover
F140425 ..................................................................61
Cotter Pin
F430401 ..................................................................55
D
Diaphragm and Guide Kit
G582P3 .........................................................9, 21, 27
DIN Coil
F380987P......................29, 31, 33, 35, 37, 41, 43, 61
DIN Contactor Mounting Rail
F602595-5 .........................................................11, 17

68 F232166
© Copyright, Alliance Laundry Systems LLC – DO NOT COPY or TRANSMIT
N/A items do not appear in index.
DIN Harness Assembly
F141901P ................................. 29, 31, 33, 35, 37, 41
DIN Valve Adapter Kit
F8382301...................... 29, 31, 33, 35, 37, 41, 43, 61
DIN Valve Kit
F8521801.................................. 33, 35, 37, 41, 43, 61
Disconnect Power Warning Label
D505281 ......................................................... 7, 9, 15
Dispenser Assembly
F0150512-00P ........................................................ 25
Dispenser Lid
F0150514-00........................................................... 25
Do Not Push Decal
F230302.............................................................. 7, 53
Door Box
F606630.................................................................. 51
Door Box Assembly
F603666P ............................................................... 51
Door Box Mounting Plate Assembly
F605525.................................................................. 51
Door Bumper Bushing
F430416.................................................................. 49
Door Bumper Moulding
F150366.................................................................. 49
Door Butt Shim
F0610695-00........................................................... 49
Door Gasket
F017014501............................................................ 49
F170145.................................................................. 49
Door Glass Gasket
F170117 .................................................................. 49
Door Glass Kit
F290200P ............................................................... 49
Door Glass Retainer
F601239.................................................................. 49
Door Handle Casting
F150203.................................................................. 51
Door Hinge Pin
F601815.................................................................. 49
Door Hinge Strap Kit
F200030600P ......................................................... 49
Door Kit
F730307.................................................................. 49
F730539.................................................................. 49
F940P3 ................................................................... 49
Door Latch Bracket Shim
F602058.................................................................. 51
Door Lock Solenoid
F300129P ............................................................... 51
Drain Hose
F150438.................................................................. 45
F150442.................................................................. 45
F200165100............................................................ 45
Drain Valve Cover
F200133600............................................................ 45
Drain Valve Kit
F200166402............................................................ 45
Drain Valve Motor
F380933P ............................................................... 45
Drip Rail
F150364.................................................................. 47
E
Elbow
F0422918-00 ...........................................................31
F420509 ..........................................33, 35, 37, 41, 43
F422319 ..................................................................49
70079601 ................................................................61
Electrical Access Panel
F0637549-00 ...........................................................15
F635448 ..................................................................15
Emergency Stop Button Kit
F200233700P......................................................9, 15
Emergency Stop Pushbutton
F200233500 ........................................................9, 15
E-Stop Harness
F0636339-00P...........................................................9
Extension Arm Kit
F746803 ..................................................................51
Extension Arm Tab
F601639 ..................................................................51
External Supply Box
F635468 ..............................................................9, 15
External Supply Box Cover
F633435 ..................................................................15
F635365 ....................................................................9
External Supply Caution Decal
F231345-4 .................................................................7
External Supply Connection Decal
F230764-11 .............................................................13
F230764-12 .............................................................13
Extrusion Insert
F150397 ..................................................................53
F
Face Seal
F8162101 ................................................................47
F8162201 ................................................................47
Fill Plumbing Assembly
F0637637-01 .....................................................41, 43
F633146-1 .........................................................33, 35
F633146-3 .........................................................33, 35
F633146-5 .........................................................33, 35
F633146-6 .........................................................33, 35
F633146-7 .........................................................33, 35
F633419-1 .........................................................33, 37
F633419-5 .........................................................33, 37
Filter Retainer Guard
F220900 ..................................................................17
Flange Relay
F330230 ............................................................11, 17
Frame Assembly
F633376 ..................................................................47
F633376-2 ...............................................................47
F633378 ..................................................................47
F633378-2 ...............................................................47
Front Bearing Kit
F798824-00 .......................................................55, 57
Front Panel
F635649P................................................................53
Fuse
F350108 ............................................................11, 17
F350109 ............................................................11, 17

F232166 69
© Copyright, Alliance Laundry Systems LLC – DO NOT COPY or TRANSMIT
N/A items do not appear in index.
F350110 ............................................................ 11, 17
F350115 .................................................................. 19
F350142.................................................................. 19
Fuse Holder
F0350312-10........................................................... 19
F0350313-00P ........................................................ 19
G
Gasket
F170158P ............................................................... 25
Gate Valve
F380500.......................................... 33, 35, 37, 41, 43
Glass
F290201P ............................................................... 49
Grease Fitting
F190701............................................................ 55, 57
Grease Gun
F210207P ............................................................... 65
Grease Gun Kit
F798700.................................................................. 65
Grease Instruction Decal
F231563............................................................ 55, 57
Ground Decal
F230630............................................................ 13, 19
Ground Terminal Lug
F140734............................................................ 13, 19
H
Handle Spacer
F609822.................................................................. 51
Handle Weldment
F609427.................................................................. 51
Heating Element
F360203P ............................................................... 59
Hex Bit
F704906.................................................................. 63
Hose
F200104P ............................................. 33, 39, 41, 43
Hose Adapter
F421908............................................................ 29, 31
F421909.......................................... 33, 35, 37, 41, 43
Hose Barb
F421929............................................................ 45, 47
F421951................................................ 33, 37, 41, 43
F421964.......................................... 33, 35, 37, 41, 43
Hose Clamp
F200201.................................................................. 45
F200206................................................ 33, 39, 41, 43
F200213............................................................ 25, 45
F200215........................................................ 9, 21, 45
F200222................................................ 33, 39, 41, 43
36801 .......................................................... 27, 45, 47
Hose Connector
F200302.................................................................. 27
Hose Strap
F605324.................................................................. 53
Hot Surface Warning Decal
F200085000.............................................................. 7
F231380.................................................................... 7
Hot Water Valve Decal
F231367 ....................................................................7
I
Injection Nozzle
F8322001 ................................................................25
Injection Nozzle Kit
F730168 ..................................................................25
Input Block Decal
F0231636-00 ...........................................................19
Input Power Block
F140747 ..................................................................59
F140794-1 .........................................................13, 19
Input Power Decal
F231437 ..................................................................13
Insulator Bushing
F140909 ............................................................13, 19
Interlock Contactor
F330186P..........................................................11, 17
Interlock Switch
F340900 ............................................................23, 51
Interlock Switch Spacer
F601055 ..................................................................51
K
Key
F430801 ............................................................55, 57
F430802 ............................................................55, 57
F430803 ..................................................................57
Keymode Run/Program Switch
F340800P................................................................19
Keypad
F0231582-01P...........................................................9
Keypad Decal
F230724P................................................................15
L
Lower Door Latch Bracket Casting
F150202 ..................................................................51
Lower Door Latch Casting
F150204 ..................................................................51
M
Magnet
F8390801 ................................................................51
Magnetic Switch Assembly
F200321200 ............................................................51
Main Drive Kit
F380918 ..................................................................45
Main Harness
F0635734-01 ...........................................................15
F200295900 ............................................................11
Momentary Switch
F200120100 ........................................................9, 15
F340412 ..............................................................9, 15

70 F232166
© Copyright, Alliance Laundry Systems LLC – DO NOT COPY or TRANSMIT
N/A items do not appear in index.
Motor
F220413P ............................................................... 57
F220425P ............................................................... 57
F220427P ............................................................... 57
F8330501P ............................................................. 55
F8353801P ............................................................. 55
F8354601P ............................................................. 57
F8597805P ............................................................. 55
F8598101P ............................................................. 57
Motor Adjustment Strap
F602166.................................................................. 55
Motor Bushing
F280214.................................................................. 55
Motor Drip Shield
F200216900............................................................ 57
F200280700............................................................ 55
Motor Pulley Bushing
F280211P................................................................ 57
Motor Support Bushing
F200186100............................................................ 55
Motor Support Rod Kit
F730076.................................................................. 55
Mounting Bolt Kit
F730055-1............................................................... 65
N
Nipple
F420101.................................... 29, 31, 33, 35, 41, 43
F420103.......................................... 29, 31, 33, 37, 41
F420105.............................. 29, 31, 33, 35, 37, 41, 43
F420107...................................................... 37, 41, 43
F420708.................................................................. 61
F420710.................................................................. 61
F421949............................................................ 29, 31
F820104.................................................................. 37
No-Swivel Coupling
F422109.................................................................. 49
Nut
F0431807-00........................................................... 53
F430205.................................................................. 47
F430211 .................................................................. 53
F430215................................................ 47, 51, 53, 59
F430218.................................................................. 23
F430231.......................................... 13, 15, 17, 51, 59
F430232.................................................................. 51
F430233.................................................................. 55
F430264.................................................................. 53
F431000.................................................. 9, 13, 15, 19
F431002.................................................................. 51
F431022............................................................ 19, 49
F431026.................................................. 9, 15, 49, 51
F431042.................................................................. 25
F431806.................................................................. 11
H88412101 ............................................................. 23
20274 ................................................................ 23, 49
44087301 ................................................................ 23
70142 ...................................................................... 47
802292 .................................................................... 25
O
O-Ring
F0170221-00............................................... 31, 41, 43
F170200 ..................................................................49
F170208 ..................................................................25
F170215 ..................................................................25
Output Board Cover
F0170427-00 ...........................................................11
Output CCA
F037044860-2 .........................................................11
F8321901P..............................................................17
Overflow Plug
F150352 ..................................................................45
P
Personal Injury Warning Decal
F231065 ..............................................................7, 19
Pin
F430415 ..................................................................53
Pipe
F0602364-10 ...........................................................45
F0602364-25 ...........................................................45
F0602365-01 ...........................................................45
F0602365-22 ...........................................................45
Pipe Insulation
F410300 ..................................................................61
Plug
F0200237-00 ...........................................................47
F200202600 ............................................................61
F420408 ..................................................................33
F420409 ..................................................................61
Plug Cap
F190304 ..................................................................25
Plug Removal Warning Decal
F0230112-00 ...........................................................47
Pop Rivet
F431210 ......................................................45, 47, 51
Program Key
F370709 ..................................................................19
Pulley
F280132P................................................................57
F280146P................................................................55
F280299 ..................................................................57
F280408 ..................................................................57
F280410 ............................................................55, 57
Pulley Bushing
F280297 ..................................................................57
F280298P................................................................57
Push Decal
F230303 ..................................................................51
Push Handle Kit
F746201-1 ...............................................................51
R
RC Network Filter
F330217P................................................................51
Rear Bearing Kit
F745010 ............................................................55, 57
Rear Panel
F200187900P..........................................................53
Rebar Frame Template
F602941 ..................................................................65

F232166 71
© Copyright, Alliance Laundry Systems LLC – DO NOT COPY or TRANSMIT
N/A items do not appear in index.
Reducer Bushing
F422602.................................................................. 45
Repair Kit
F380965P ............................................................... 37
Resistor
F370116 .................................................................. 19
Ribbon Cable
F140219P ......................................................... 15, 17
F140247.............................................................. 9, 11
Ring Retainer
F310206.................................................................. 49
Rotation Decal
F230607.................................................................. 49
Rotation Sensor Assembly
F200126200P ......................................................... 23
Rotation Sensor Bracket
F200122502............................................................ 23
Rotation Sensor Harness
F8066401................................................................ 23
Rotation Sensor PCB
F200101300P ......................................................... 23
Rotation Sensor Retrofit Kit
F079900800............................................................ 23
Rub Rail
F150408.................................................................. 53
S
Screw
F0430272-00........................................................... 63
F0430273-00........................................................... 63
F0430274-00........................................................... 63
F0430275-00........................................................... 63
F430103.................................................................. 49
F430116 .................................................................. 57
F430168.................................................................. 51
F430174.................................................................. 15
F430502.................................................................. 49
F430518.................................................................. 47
F430903...................................................... 11, 17, 19
F430909.................................................................. 51
F430910................................................ 13, 17, 19, 59
F430916.................................................................. 51
F430917............................................ 9, 15, 25, 49, 51
F430920.................................................................. 13
F430921.................................................................. 53
F430924.................................................................. 47
F430927............................................................ 23, 51
F430928.................................................. 9, 11, 15, 17
F430935............................................................ 47, 61
F430938.......................................... 19, 31, 41, 43, 59
F430948.................................................................. 27
F430956............................................................ 51, 53
F430960.................................................................. 63
F430995............................................................ 13, 51
F430996.................................................................. 51
F431702.................................................................. 11
F432234.................................................................. 53
F432259.................................................................. 63
F432260.................................................................. 63
F8111101................................................................. 23
F8122701................................................................ 23
F8136401............................................................ 9, 15
70240301 ...................................................... 9, 15, 53
800461 ........................................................ 23, 47, 57
Scupper
F150389 ............................................................45, 47
Seal Kit
F798819-00 .............................................................47
Shaft Seal Alignment Fixture
F0100312-00 ...........................................................65
Shell Band Assembly
F603344P................................................................47
Shell Band Fastener Kit
F791001 ..................................................................47
Shell Band Gasket
F170120RP .............................................................47
Shell Front Assembly
F200119900P ..........................................................47
Shell Front Weldment
F609200P................................................................47
Shell Gasket Shield
F601216 ..................................................................47
Shell Mounting Bracket
F601806 ..................................................................47
Shell Reinforcement Plate Assembly
F8084201 ..........................................................45, 47
Shell Weldment
F0633208-05 ...........................................................47
F0634436-02 ...........................................................47
F0634436-03 ...........................................................47
Side Panel
F635648P................................................................53
Side Panel Bracket
F601982 ..................................................................53
Side Panel Cover
F606667 ..................................................................53
Signal Light
F350404 ..................................................................19
Slinger
F100203 ..................................................................47
Snap Bushing
F140938 ..............................................................9, 21
Soap Dispenser Hose
F150309 ..................................................................45
Soap Dispenser Shroud Weldment
F8024301 ................................................................25
Solenoid Spacer
F609728 ..................................................................51
Spanner Bit
F704907 ..................................................................63
Sponge
F170110...................................................................53
Spray Plumbing Assembly
F0637633-01 ...........................................................31
F0637633-03 ...........................................................31
F633150-1 ...............................................................29
F633150-5 ...............................................................29
Spray Rinse Bracket Assembly
F602901P..........................................................47, 49
Spray Rinse Hose Assembly
F730026 ..................................................................49
Spray Rinse Nozzle Kit
F730077 ..................................................................49
Spray Rinse Strap
F602880 ..................................................................49
Spray Rinse Tube Assembly
F603696-9 ...............................................................49

72 F232166
© Copyright, Alliance Laundry Systems LLC – DO NOT COPY or TRANSMIT
N/A items do not appear in index.
Spring
F310127.................................................................. 55
Standoff
F180501............................................................ 11, 23
F180506.................................................................. 17
Steam Bracket Weldment
F635634.................................................................. 61
Steam Filter
F270307.................................................................. 61
Steam Hose
F200517.................................................................. 61
Steam Injector Tube Assembly
F603131.................................................................. 61
Steam Plumbing Assembly
F635653P ............................................................... 61
Steam Valve
F380787P ............................................................... 61
Strain Relief Adapter Kit
F749802.................................................................. 25
Strain Relief Connector
F140340P ............................................................... 25
Strainer
F270200.................................................................. 27
Street Elbow
F420500.............................. 29, 31, 33, 35, 37, 41, 43
F420502.................................... 29, 33, 35, 37, 41, 43
F421703.................................................................. 61
H86070034 ............................................................. 61
Supply Dispenser Hazard Caution Decal
F231436.............................................................. 7, 25
Supply Dispenser Spacer
F0150525-00........................................................... 25
Switch Mode Decal
F0231632-01........................................................... 19
F231581.................................................................. 19
Swivel Coupling
F422108.................................................................. 49
T
Te e
F420400............................................................ 31, 33
F420401.................................................................. 29
F420402................................................ 35, 37, 41, 43
F422801.................................................................. 45
F422803.................................................................. 45
F422806.................................................................... 9
Temperature Probe
F370606P ......................................................... 23, 59
Terminal Block
F140776............................................................ 13, 19
M413865 ................................................................. 59
This Machine Must Be Protected Decal
F230301.................................................................... 7
Tie Wrap Mounting Clamp
F140602.................................................................. 15
Top Latch Bracket Casting
F150201P ............................................................... 51
To r x Bi t
281P4...................................................................... 63
Transformer
F360156P ............................................................... 61
Trim
F170400 ..................................................................53
F170400RP .......................................................25, 53
Tube Connector
F422106 ............................................................29, 31
Tubing
C000628P .........................................................55, 57
F422404P............................................................9, 21
U
U-Bolt Clamp
F200401P............................29, 31, 33, 39, 41, 43, 61
V
Vacuum Breaker
F380117...................................................................45
Vacuum Breaker Cap
F0380808-00 ...............................................31, 41, 43
Vacuum Breaker Kit
F0798922-00 ...............................................31, 41, 43
Vacuum Breaker Replacement Kit
F0637547-00 ...............................................29, 33, 37
Vacuum Breaker Valve
F063754701P..............................................31, 41, 43
F380800P....................................................29, 33, 37
Valve
F381701P........................................33, 35, 37, 41, 43
F381703P..............................................29, 31, 37, 41
F8322801 ................................................................61
F8322803P............................................29, 31, 37, 41
F8322905 ........................................33, 35, 37, 41, 43
Valve Kit
F8379501 ................................................................61
Valve Rebuild Kit
F8379502 ........................................33, 35, 37, 41, 43
Valve Repair Kit
F380988 ..................................................................41
F380990P................................................................41
F380993P................................................................37
Valve Transition Kit
F8456201 ..............................................29, 31, 37, 41
Valve, 4-Way
F381723P......................................................9, 21, 27
F381724P................................................................27
W
Washer
F430311...................................................................59
F430317 ............................................................47, 53
F430332 ............................................................55, 57
F431100.......................................................49, 51, 53
F431106.............................................................13, 19
F431108...................................................9, 15, 19, 51
F431112...................................................................47
F431113...............................................................9, 15
F431116...................................................................47
F431118...................................................................51
F431123...............................................................9, 15
F431125...................................................................15

F232166 73
© Copyright, Alliance Laundry Systems LLC – DO NOT COPY or TRANSMIT
N/A items do not appear in index.
F431142 .................................................................. 51
F431147 .................................................................. 25
F8195301................................................................ 25
M400013 ................................................................. 47
M400014 ..................................................... 23, 47, 57
M400080 ................................................................. 55
M400081 ........................................................... 23, 47
20290 ........................................ 29, 31, 33, 39, 41, 43
803615 ................................ 29, 31, 33, 35, 37, 41, 43
901690 .................................................................... 55
Water Hose
F200107P ......................................................... 45, 47
F200110P................................................................ 27
F200164.................................... 29, 31, 33, 39, 41, 43
F200166.................................... 29, 31, 33, 39, 41, 43
F200509................................................ 33, 39, 41, 43
Water Level Switch
F0340347-10P .................................................... 9, 21
Water Pressure Switch
F8223001P ............................................................... 9
Water Valve Repair Kit
F380991P ................................................... 35, 37, 43
WE-6 Computer
F370534-00P .......................................................... 15
Y
Y Connector
F422816.................................................................. 27

Notes
74 F232166
© Copyright, Alliance Laundry Systems LLC – DO NOT COPY or TRANSMIT