FB Series Mower Parts Manual
User Manual: FB Series Mower Parts Manual
Open the PDF directly: View PDF 
.
Page Count: 12

01 
0 
SiNVd MAWS 
Z2 
[Z096 
Le 
'p
oo 

0 
0 
ci 
0 
co 
1\) 
01 
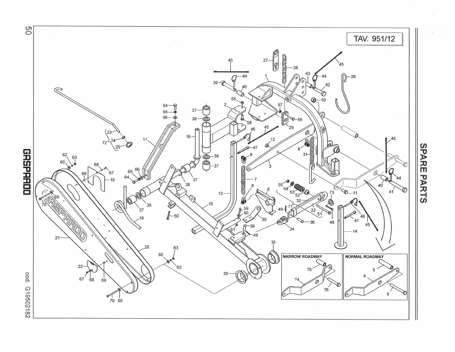
Pos. 
FRAME 
Cod. 
Description 
Pos. 
Cod. 
Description 
TAV. 951/12 
1 
G12217591 
FBR FRAME 
39 
F20100047 
PIN 
2 
012217821 
JOINT 
40 
G21010042 
BUSHING 1.-2. POINT 
3 
G12217600 
LONG ARM 
41 
F20100115 
GASPARDO PIN 22X144 ZN 
4 
G12217610 
SHORTARM 
42 
F20100035 
PIN 
5 
G12217620 
ARM SPACER 
43 
012217660 
THIRD POINT BUSH 
6 
G21120006 
LIFTER ROCKER 
44 
F02200507 
SNAP PIN D 9 B/83 
7 
G12210460 
ARM SIDE CHAIN L.600 
45 
013812311 
CHAIN WITH SPRING CATCH 
8 
F02250667 
CLEVIS- 3/8- GALVANISED-ART. 
46 
F02200562  SPLIT PIN D.8X70 
ZB 
9 
F01020323 
SCREW M20X200 U5737 8.8 ZB 
47 
F02200272 
SPLIT PIN 10 X60 1336 GALVAN. 
10 
F01220092 
SELF LOCKING NUT M20X2,5 980V 
48 
F02200259 
SPLIT PIN 8X45 1336 
11 
F01020566 
BOLT M16X2X40 
49  F02200195 
SPLIT PIN 4 X25 1336 GALVAN. 
12 
F01220266 
NUT M16X 2 
D980 8 ZG 
50 
F02200260 
SPLIT PIN 8 X60 1336 GALVAN. 
13 
G12217810 
PROP TUBE 
51 
F01020176 
BOLT M 12X130 
14 
G12217650 
FRONT PROP 
52 
G21120301 
CONE DISCONNECT FB940 
15 
G12217800 
HINGE BEARING ARM 
53 
F02400013 
SPRING G 38X75 SPECIAL SPRINGS 
16 
G21030010 
ARM ARTICULATION 
54 
G22310047 
REAR ARM BUSHING DP 
17 
G21120212 
JOINT ELEMENT FB/S 
55 
F01230058 
SELF LOCKING NUT M12X1,25 
18 
G21120319 
HINGE ARM SPRING FB940 
56 
F01020476 
BOLT M 10X30 
19 
G12236470 
DRIVEN AXLE PULLY PROTECTION 
57 
F01220033 
NUT M1OX 1,5 
D980 8 ZB 
20 
021120215 
INNERPROTECTION CASE FB/S 
58 
F01020512 
SCREW M 12X35 
21 
G21120216 
OUTERPROTECTION CASE FB/S 
59 
F01020072 
BOLT M 8X1,25X50 U5737 8.8 ZG 
22 
021120217 
INSPECTION OPENING COVER-GUARD 
60 
020970140 
WASHER 20X2X8,5 
23 
012216400 
TIE ROD 
61 
F01230034 
SELF LOCKING NUT M8X1,25 
24 
F01200306 
NUT M14X2 
62 
F01430059 
WASHER D8 DIN 6798 D.INT.ZN 
25 
F06220011 
6-LOBE HANDWHEEL M14 
63 
F01200244 
NUT M8 
26 
F20120400 
SHAFT HOOK 
64 
F01020510 
BOLT M 12X30 
27 
021030007 
TRACTOR COUPLING PLATE 
65  F01430071  WASHER D12 DIN 6798 D.INT.ZN 
28 
021030035 
CHAIN L.900 
66 
020970035 
WASHER 32X4X13 
29 
021030034 
FRAME COUPLING 
67 
F01020403 
BOLT M 6X16 
30 
021120308 
SAFETY HOOK COUPLING FB940 
68 
F01410037 
PLANE WASHER D.6 
31 
G12217710 
SAFETY CHAIN HOOK 
69 
F02250680 
THREADED INSERT M6X13 ZN 
32 
G12217680 
SLIDING ROD 
70 
F01020092 
BOLT 8 X110 5737 8.G GALVANIZ. 
33 
G12217761 
SNAP TIE ROD GUIDE 
71 
012217691 
TRIP TIE-ROD 
34 
G12217950 
FORK FOR TRIP TIE-ROD 
72 
G21120211 
CUTTER BAR TIE ROD FB/S 
35 
G66248064 
HINGE ARM BUSHING FB. 
73 
F01410124 
PLANE WASHER D20 UNI 6592 ZN 
36 
F20100504 
U BOLT PIN 
D.16X45 
74 
012217970 
NARROW ROADWAYARM 
37 
021030027 
RUBBER BLOCKS 
75 
012217980 
ARM SPACER 
38 
G20970067 
WASHER 54X5X32 
76 
F01020317 
BOLT M20X2,5X150 
SI
N Vd 3
1:
I 
Vd S 

SPARE PARTS 
52 
GRSPRROO 
cod. G19502182 

TRANSMISSION 
TAV. 951/21 
Pos. 
Cod. 
Description 
Pos. 
Cod. 
Description 
1 
021120117 
3 GROOVE DRIVING PULLEY 
2 
G20970129 
WASHER 48X3X30-5 
3 
G21030015 
PTO SUPPORT 
4 
F01200306 
NUT M14X2 
5 
021120318 
BELT REGISTER ASSY. FB940 
6 
G21120013 
INTERM. TRANSM. SUPP. PIN 
7 
F02200227 
SPLIT PIN 5 X30 1336 GALVAN. 
8 
F05150403 
POWER TAKE-OFF PROTECTION HOUS 
9 
F01430059 
WASHER D8 DIN 6798 D.INT.ZN 
10 
F01020432 
BOLT M 8X16 
11 
F04010174 
BEARING 6206 2RS 
12 
021030020 
SPACER 
13 
021120152 
POWER TAKE-OFF FB 
14 
F02050392 
SEEGER RING E. 62X 2 U7437 C70 
15 
F08011755 
UNIVERSAL JOINT B3 1000 AM 
16 
F01200244 
NUT M8 
17 
F01060043 
BOLT 8 X35 5732 4.6 GALVANIZED 
18 
F01020440 
BOLT M8 X25 5739 8.8 ZN 
19 
020970140 
WASHER 20X2X8,5 
20 
021120226 
BELT TIGHTENER ROLLERS SUPPORT 
21 
F02050056 
SEEGER RING E. 17X 1 U7435 C70 
22 
F04010161 
BEARING 6203 
23 
021120119 
3 GROOVE P.TIGHTEN. 
PIN 
24 
G66248107 
BELT TIGHTENER L.70 FB 
25 
021120121 
TIGHTENER ROLLER 3G. CP 
26 
F06010240 
BELT- B 93 
27 
F01410088 
WAS.M14 15X 28X2,5 U6592 ZB 
28 
G66248227 
POWER TAKE-OFF PROTECTION HOUS 
29 
F08011124 
SAFETY GUARD AM 
S
I
N Vd 3
1:
I
VdS 

G1 
0 
0 
0 
0 
N.) 
NJ 
S
1NVd BNVdS 

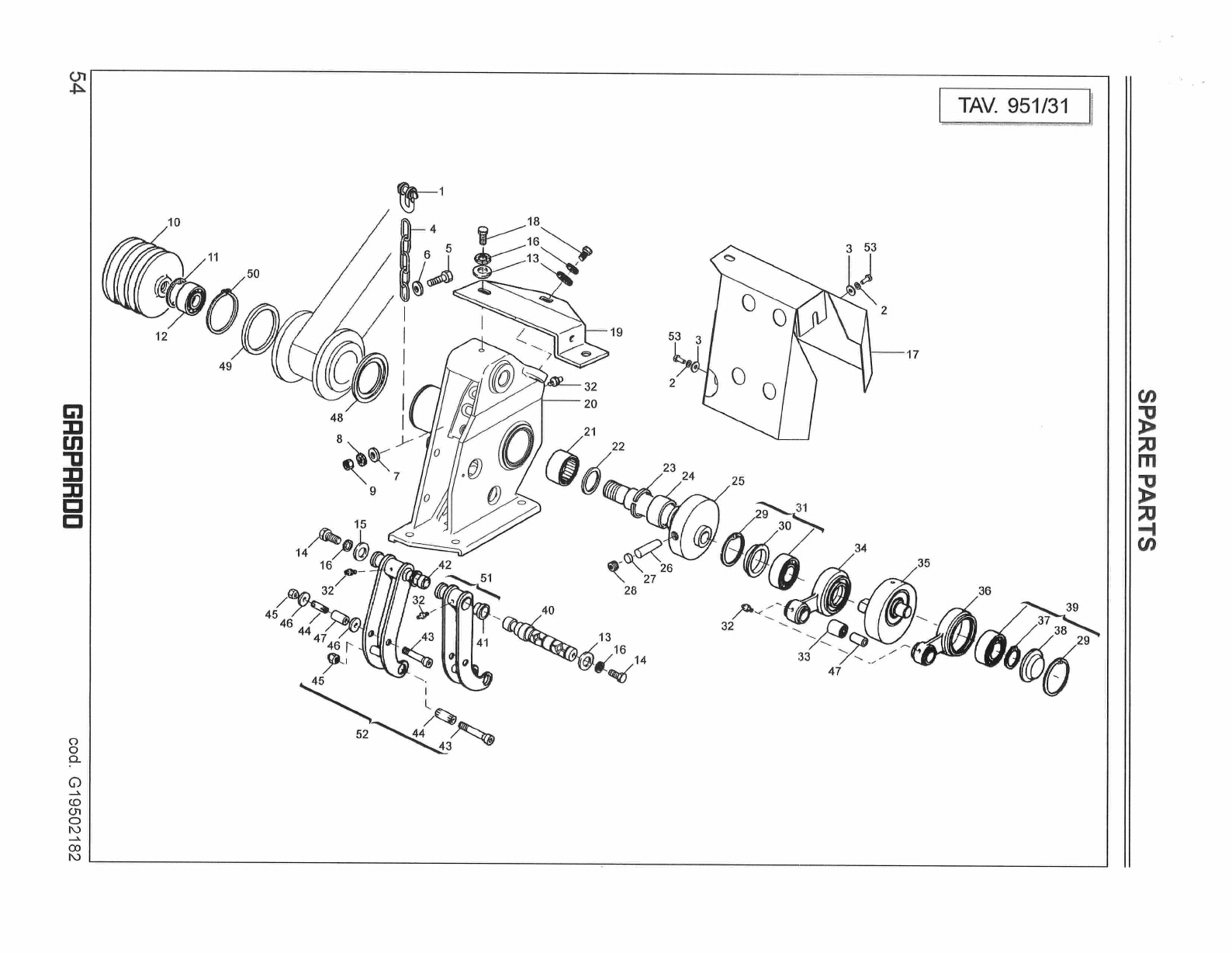
HINGE 
TAV. 951/31 
Pos. 
Cod. 
Description 
Pos. 
Cod. 
Description 
1 
F02250667 
CLEVIS- 3/8- GALVANISED-ART. 
39 
G21120154 
KIT- EXT. CONN. ROD BEARING FB 
2 
F01430047 
WASHER D6 DIN 6798 D.INT.GALV. 
40 
G21120224 
HINGE BLADE SHAFT-ASSY. 
3 
F01420036 
FLAT WASHER 6-6X 18X2 6593 ZN 
41 
G21120067 
BRONZE BUSHING 
4 
G12210460 
ARM SIDE CHAIN L.600 
42 
G21120225 
BLADES SPACER FINS 
5 
F01020514 
BOLT M12X1,75X40 
43 
G21120071 
PIN FASTENING BOLT 
6 
G20970007 
WASHER 35X8X13 
44 
G21120069 
EXPANSION PIN FB 
7 
G20970035 
WASHER 32X4X13 
45 
G21120068 
CONICAL NUT 
8 
F01430071  WASHER D12 DIN 6798 D.INT.ZN 
46 
G20970519 
BOTTOMED WASHER 39X20-25X5X1 
9 
F01200293 
NUT M12 
47 
G21120137 
INTERNAL RING FB 
10 
G21120118 
3-GROOVE DRIVEN PULLEY 
48 
G21120018 
ANTERIOR WASHER 
11 
F02050392 
SEEGER RING E. 62X 2 U7437 C70 
49  G20970023 
WASHER 102X2X75-2 
12 
F04010171 
BEARING 6206 Z 
50 
F02050642 
STOP RING 75 UNI 7435-75 
13 
F01420060 
WASHER 10,5X30 
51 
G21120070 
BLADE W/ BUSHINGS 
14 
F01020479 
BOLT M 10X35 
52 
G21120156 
KIT- BLADE FASTENING PIN FB 
15 
G18701140 
WASHER 11 X 35 X 5 
53 
F01020403 
BOLT M 6X16 
16 
F01430023 
WASHER D10 DIN 6798 D.INT.ZN 
17 
G12236490 
CONNECTING-ROD SYSTEM GUARD 
18 
F01020472 
BOLT 10X25 5739 8.G GALVANIZED 
19 
G21120221  BLADE SHAFT SUPPORT FB/S 
20 
G12236500 
HINGE 
21 
F04010363 
BEARING DHK 5025 
22 
F03011069 
SEALING RING DH 50X58X4 
23 
F04010409 
SHOULDER RING WR 45 
24 
F04100131 
INTERNAL IR. RING 45X50X35 
25 
G21120223 
HINGE SPINDLE FB/S 
26 
G21120126 
CONIC PIN FB 
27 
G21120136 
PIN SPACER FB 
28 
G21120127 
PIN GRUB-SCREW FB 
29 
F02050403 
SEEGER RING E.72X2,5 U7437 C70 
30 
G66248111 
DUST COVER HINGE FB 
31 
G21120153 
KIT- INT. CONN. ROD BEARING FB 
32 
F01100011 
SPHERE NIPPLE M6X1/A 
33 
F04010362 
BEARING DHK 2538 
34 
G21120128 
PIN HINGE CONNECTING ROD FB 
35 
G21170020 
HINGE ECCENTRIC 
36 
G21170021 
OUTER CONNECTING ROD 
37 
F02050112  SEEGER RING 30X 1,5 U7435 C70 
38 
G21120028 
PROTECTION PLUG 
S
1N
Vd 
3N
VdS 

t-Z-L 
. 
 mo) 
Z
9LZ
0961.
0 
S1
1Vd 31:
IVdS 
22 
—10 
52 
55 
58 
54 
IT— 
46 
4-37 
47 
6 
42 41 40 
- L. 130 
- L. 145 
79 - L. 175 
80 - L. 205 
15— 
16 
18 
17 
21 
24 
66 
4 45 43 
27 
26 
—35 
67 - L. 130 
68 - L. 145 
69 - L. 175 
70 - L. 205 
- L. 130 
- L. 145 
73 - L. 175 
74 - L. 205 
50 
48 
49 
- L. 130 
() - L. 45 
77 - L. 175 
78 - L. 205 
(1 - L. 130 
(') - L. 145 
75 - L. 175 
76 - L 205 
50 
49 
57 
27 
23 
14 
—
ep 
39 27—* 
38 = (64+66+38) 
26 
25 
7
--- 
(1 - 
L. 130 
36 
46 
37
•
81 - L. 175 
82 - L. 205 
12 
1 
32 
62 
- L. 130 
() - L. 145 
83 - L. 175 
34 - L. 205 
56 
65< 
52 
53 
61 
(*) - L.130 ed L.145 non disponibili, riclnedere L.175 
0- 
L.130 and L.145 not are available, order L.175 
- L. 130 
(1 - L. 145 
71 - L. 175 
72 - L. 205 
TAV. 951/55 

Z
S Z09
6 
S 
•oo 
Pos. 
CUTTING BLADE 
Cod. 
(REPLACEABLE TOOTH) 
Description 
Pos. 
Cod. 
Description 
, 
TAV. 951/55 
1 
G21120321 
INNER SLIDE SPACER FB940 
43 
F01060045 
BOLT 8X40 5732 4.6 GALVANIZED 
2 
F01200270 
NUT M10 
44 
F01230034 
SELF LOCKING NUT M8X1,25 
3 
F01430023 
WASHER D10 DIN 6798 D.INT.ZN 
45  G20800061 
SWATHBOARD RODASSY. 
4 
F01410064 
WASHER 10,5X21 
46 
F01020011 
SCREW 4X35 5737 8.G ZN 
5 
F01020472 
BOLT 10X25 5739 8.G GALVANIZED 
47 
G13011660 
INDICATIN BAR 
6 
F01060077 
BOLT 10X45 5732 4.8 GALVANIZED 
48 
G13013190 
COMPL. BLADE HEAD SECTIONS 
7 
G21120322 
HINGE PROTECTION FB940 
49 
G21120048 
BUSHING- BLADE HEAD 28X20X24 
8 
F01020472 
BOLT 10X25 5739 8.G GALVANIZED 
50 
F01100011 
SPHERE NIPPLE M6X1/A 
9 
G21120323  INTERNAL RUNNER FB940 
51 
F02250520 
PACK BLAD.MOUNT.TSC 6 X19-8 KG 
10 
G21120324 
RUNNER WIDE 
INT. 
SLIDE FB940 
52 
F02250519 
PACK BLAD.MOUNT.TSC 6 X13-8 
11 
F01020154 
BOL. M12X1,75X 45 5737 8.8 ZB 
53 
G21120243 
CUT SECTION FB/S 
12 
F01430071  WASHER D12 DIN 6798 D.INT.ZN 
54 
G13013550 
LOWER DOUBLE POINT SECTION 
13 
F01200293 
NUT M12 
55 
G13013540 
UPPER DOUBLE POINT SECTION 
14 
F01220033 
NUT M1OX 1,5 
D980 8 ZB 
56 
G13013230 
COMPL. BLADE HEAD w/ REMV. TEE 
15 
F01020114 
BOLT 10X50 5737 8.G GALVANIZED 
57 
F02250520 
PACK BLAD.MOUNT.TSC 6 X19-8 KG 
16 
G21120312 
UPPER INNER BLADE GUIDE FB940 
58 
G13013830 
SPECIAL REMOVABLE TEETH 
17 
G13011600 
INT. BLADE GUIDE SUPPORT 
59 
F01010222 
SCREW 8X1X12 5740 10.9 
18 
G21120044 
SHIMS- LOWER INT. GUIDE 
60 
F01460138 
CONTACT ELAST. WASHER D8 
19 
G21120045 
INNER LOWER BLADE GUIDE 
61 
G65337002 
TRACTION SPRING GUARD FS 
20 
G13013151  LOWER DOUBLE BLADE GUIDE 
62 
F01030501 
SCREW TSQST 10X45 8.8 
21 
G19203311 
UPPER BLADE INT. GUIDE REMOVAB 
63 
G13013120 
COMPLETE SPACER 
22 
G19203301 
UPPER BLADE GUIDE REMOVABLE TI 
64 
G21120133 
SWATHBOARD BOLTASSY. FB 
23 
G13011501 
UPPER BLADE GUIDE EXT. REMOVAB 
65 
G21120134 
SWATHBOARD -ASSY. FB 
24 
G13011510 
SHIM FOR UPPER BLADE GUIDE 
66 
G20800061 
SWATHBOARD RODASSY. 
25 
G13011520 
UPPER EXT. BLADE GUIDE SHIM 
67 
G13013390 
REMV. TOOTH-HOLDING BAR 1.30 
26 
F01020480 
SCREW 10X35 5739 8.G 
68 
G13013410 
REMV. TOOTH-HOLDING BAR 1.45 
27 
F01410064 
WASHER 10,5X21 
69  G13013431 
REMV. TOOTH-HOLDING BAR 1.75 
28 
G21120040 
SHIMS MM.1 UPPER EXT. GUIDE 
70 
G13013471 
REMV. TOOTH-HOLDING BAR 2.05 
29 
G21120039 
UPPER OUT. BLADE GUIDE 
71 
G13013340 
BLADE HEAD-TOOTH-HOLDING BAR 1 
30 
G13013511  LOWER SINGLE BLADE GUIDE 
72 
G13013350 
BLADE HEAD-TOOTH-HOLDING BAR 2 
31 
G19200903 
OUTER BAR SUPPORT FBR 
73 
G13013580 
COMPL. SECTION-HOLDING BAR 1.7 
32 
G21120038 
EXT. RUNNER SLIDE 
74 
013013590 
COMPL. SECTION-HOLDING BAR 2.0 
33 
F01020512 
SCREW 12X35 
75 
013013300 
REMV. TOOTH-HOLDING BAR 1.75 
34 
G21120112 
COMPLETE PROTECTION MT 2,05 
76 
G13013310 
REMV. TOOTH-HOLDING BAR 2.05 
35 
G13011640 
INDICATION BAR 
77 
G21120246 
ROD SECTIONS MT. 1.75 FB/S 
36 
G13011650 
INDICATION BAR SUPPORT 
78 
G21120247 
ROD SECTIONS MT. 2.05 FB/S 
37 
F01230016 
NORM.SELF-LOCKING NUT 4 GALVAN 
79 
G13013771 
COMPL. REMV.-TOOTHED BLADE FBR 
38 
G21120134 
SWATHBOARD -ASSY. FB 
80 
G13013781 
COMPL. REMV.-TOOTHED BLADE FBR 
39 
F01060105 
BOLT 12X80 5732 4.6 GALVANIZED 
81 
013013670 
DOUBLE-TIP SECTION BLADE R.T 1 
40 
065338001 
ZN SWATHBOARD COMP. SPRING . F 
82 
G13013680 
DOUBLE SECTION BLADE GUIDE P.D 
41 
F01410076 
PLANE WASHER D12 UNI 6592 ZN 
83 
G21120054 
GUARD - PROTECTION MT.1-75 
42 
F01230058 
SELF LOCKING NUT M12X1,25 
SiN
Vd 
3
NIM
S 
Au- 
5 
 A A Vz_s- 

0) 
0 
SIIIVd 3N
VdS 

HYDRAULIC LIFTING SYSTEM 
TAV. 951/63 
Pos. 
Cod. 
Description 
Pos. 
Cod. 
Description 
1 
G12217880 
LIFTING ROD 
39 
F01230072 
SELF LOCKING NUT M14X1,5 
2 
G12218070 
CYLINDER LINKAGE DEVICE 
40 
020970070 
WASHER 40X2X26 
3 
012217860 
LIFTING PLATE 
41 
F02200228 
SPLIT PIN 5 X35 1336 GALVAN. 
4 
012217910 
LIFTING ARTICULATION BAR 
42 
F01020152 
BOLT M12X1,75X 40 5737 8.8 ZB 
5 
012217900 
FORK LEVER CONNECTION 
43 
F01020260 
BOLT M16X2X70 U5737 8.8 ZG 
6 
012216820 
CYLINDER COUPLING 
44  G12218030 
TIE-ROD BUSH 
7 
012217920 
LIFTING BAR EDGE 
45  G12210460 
ARM SIDE CHAIN L.600 
8 
G18903780 
UPPER HOOK TORSION SPRING 
46 
F02250667 
CLEVIS- 3/8- GALVANISED-ART. 
9 
012217930 
CHAIN D.5 L.194 
10 
014911000 
CYLINDER D.40-D.20-380 
11 
F03151238 
1/4 COPPER WASHER 
12 
016011690 
UPRIGHT 1/4" NIPPLE WITH GRUB 
13 
023440517 
PIPE 1/4R2 C-F 1/4 L2000 HUID 
14 
F03150211 
NIPLE 1/4-1/2 
15 
F03151237 
1/2 COPPER WASHER 
16 
F05150325 
COVER 1/2 
17 
F03150935 
QUICK CONNECT MALE CONE 1/2 CO 
18 
G20970111 
WASHER 29,8X2X16,5 
19 
F01230084 
SELF LOCKING NUT M16X1,5 
20 
F01020166 
BOLT 12X80 5737 8.G GALVANIZED 
21 
G18802150 
BOSHING 12,3X25X42 
22 
020970085 
WASHER 40X4X13 
23 
F01230058 
SELF LOCKING NUT M12X1,25 
24 
G12217450 
BLADE TIE ROD ZN 
25 
F01200306 
NUT M14X2 
26 
F06220011 
6-LOBE HANDWHEEL M14 
27 
F01060040 
BOLT 8 X20 5732 4.6 GALVANIZED 
28 
020970104 
WASHER 21X4X8-5 
29 
F01220022 
SELF LOCKING NUT M8X1,25 980V 
30 
F01020441 
SCREW 8 X25 5739 8.0 
31 
F01200244 
NUT M8 
32 
F01420048 
PLANE WASHER D.8 
33 
F01020162 
BOLT M12X1,75X65 U5737 8.8 ZG 
34 
F02100141 
PIN EL. 8 X36 DIN 1481 
35 
F02100089 
PIN EL. 5 X36 DIN 1481 
36 
F01060041 
BOLT 8 X25 5732 4.6 GALVANIZED 
37 
F01020207 
BOLT M 14X70 
38 
F01410088 
WAS.M14 15X 28X2,5 U6592 ZB 
SD:
I 
Vd 3
N 
Vd S 

WARRANTY 
WARRANTY 
MASCHEO GASPARDO warrants this product to be free from defect in material and workmanship. Except as otherwise set forth 
below, the duration of this Warranty shall be for TWELVE (12) MONTHS COMMENCING ON THE DATE OF DELIVERY OF 
THE PRODUCT TO THE ORIGINAL PURCHASER. 
Under no circumstances wil I this Warranty apply in the event that the product, in the good faith opinion of MASCHIO 
GASPARDO, has been 
subjected to improper operation, improper maintenance, misuse, or an accident. This Warranty does not apply in the event that 
the product has been materially modified or repaired by someone other than MASCHIO GASPARDO, a MASCHIO GASPARDO 
authorized dealer or distributor, and/or a MASCHIO GASPARDO authorized service center. This Warranty does not cover 
normal wear or tean or normal maintenance items. This Warranty also does not cover repairs made with parts other than those 
obtainable through MASCHIO GA S PARDO. 
This Warranty is extended solely to the original purchaser of the product. Should the original purchaser sell or othem ise 
transfer this product to a third party. this Warranty does not transfer to the third party purchaser in any way. There are no third 
party beneficiaries of this Warranty. 
MASCHIO GAS PARDO makes no warranty, express or implied, with respect to engines, batteries, tires or other parts or accessories 
not manufactured by FRONTIER. Warranties for these items, if any, are provided separately by their respective manufacturers. 
MASCI-310 GASPARDO' obligation under this Warranty is limited to, at MASCRIO GASPARDO' option. the repair or replacement, 
free of charge, of the 
product if MASCHIO GASPARDO, in its sole discretion, deems it to be defective or in noncompliance with this Warranty. The 
product must be returned to MASCHIO GASPARDO S.p.A. with proof of purchase within thirty (30) days after such defect or 
noncompliance is discovered or should have been discovered, routed through the dealer and distributor from whom the 
purchase was made, transportation charges prepaid. MA GASPARDO shall complete such repair or replacement within 
a reasonable time after MASCI-HO GA SPARDO receives the product. 
THERE ARE NO OTHER REMEDIES UNDER THIS WARRANTY. THE REMEDY OF REPAIR OR REPLACEMENT IS THE 
SOLE AND EXCLUSIVE REMEDY UNDER THIS WARRANTY. 
THERE ARE NO WARRANTIES WHICH EXTEND BEYOND THE DESCRIPTION ON THE FACE OF THIS WARRANTY. 
MASCHIO GASPARDO MAKES NO OTHER WARRANTY, EXPRESS OR IMPLIED, AND MASCHIO GASPARDO 
SPECIFICALLY DISCLAIMS ANY IMPLIED WARRANTY OF MERCHANTABILITY AND/ORANY IMPLIED WARRANTY 
OF FITNESS FORA PARTICULAR PURPOSE. 
MASCHIO GASPARDO shall not be liable for any incidental or consequential losses, damages or expenses, arising directly 
or indirectly from the product, whether such claim is based upon breach of contract, breach of warranty, negligence, strict 
liability in tort or any other legal theory. Without limiting the generality of the foregoing. MASCHI 0 GA SPARDO specifically 
disclaims any damages relating to (i ) lost profits. business, revenues or goody, ill: (ii ) loss of crops: (iii) loss because of delay in 
harvesting; (iv) any expense or loss incurred for labor, supplies, substitute machinery or rental: or (v ) any other type of damage 
to property or economic loss. 
This Warranty is subject to any existing conditions of supply which may directly affect MASCHIO GASPARDO' ability to 
obtain materials or manufacture replacement parts. 
No agent, representative, dealer, distributor, serviceperson, salesperson, or employee of any company, including without limitation, 
MASCHIO GASPARDO, its authorized dealers, disuibutors, and service centers, is authorized to alter. modity. or enlarge this Warranty. 
This Warranty is effective only if the warranty registration is returned within ten (10) days. 
For warranty services contact your selling dealer. 
62 
GASPRROO 
cod G19502182 

WARRANTY 
WARRANTY FOR REPLACEMENT PARTS 
MASCHIO GASPARDO warrants this product to be free from defect in material and workmanship for a period of ninety (90) days 
from the date of delivery of the product to the original purchaser. 
Under no circumstances will this Warranty apply in the event that the product, in the good faith opinion of MASCHIO 
GA SPARDO. has been subjected to improper operation. improper maintenance, misuse, or an accident. This Warranty does not 
cover normal wear or tear, or normal maintenance items. 
This Warranty is extended solely to the original purchaser of the product. Should the original purchaser sell or otherwise 
transfer this product to a third party, this Warranty does not transfer to the third party purchaser in any way. There are no third 
party beneficiaries of this Warranty. 
MASCHIO GASPARDO' obligation under this Warranty is limited to. at MASCHIO GASPARDO option. the repair or replacement. 
free of charge. of the 
product if MASCHIO GASPARDO. in its sole discretion, deems it to be defective or in noncompliance with this Warranty.  The 
product must be returned to MASCHIO GASPARDO with proof of purchase within thirty (30) days after such defect or 
noncompliance is discovered or should have been discovered, routed through the dealer and distributor from whom the 
purchase was made, transportation 
charges 
prepaid. 
MASCHIO GASPARDO shall complete such repair or replacement within 
a reasonable time after MASCHIO GA SPA RDO receives the product. THERE ARE NO OTHER REMEDIES UNDER THIS 
WARRANTY THE REMEDY OF REPAIR OR REPLACEMENT IS 
THE SOLE AND EXCLUSIVE REMEDYUNDER THIS WARRANTY 
THERE ARE NO WARRANTIES WHICH EXTEND BEYOND THE DESCRIPTION ON THE FACE OF THIS WARRANTY. 
MASCHIO GASPARDO MAKES NO OTHER WARRANTY. EXPRESS OR IMPLIED, AND MASCHIO G ASPARDO 
SPECIFICALLY DISCLAIMS ANY IMPLIED WARRANTY OF MERCHANTABILITY AND/OR ANY IMPLIED WARRANTY 
OF FITNESS FORA PARTICULAR PURPOSE. 
MASCHIO GASPARDO shall not be liable for any incidental or consequential losses, damages or expenses, arising directly 
or 
indirectly 
from the product, whether such claim is based upon breach of contract, breach of warranty, negligence, strict 
liability in tort or any other legal theory. 
Without limiting the generality ofthe foregoing. MASCHIO GASPARDO specifically 
disclaims any damages relating to (i ) lost profits, business, revenues or goodwill; (ii) loss of crops; (iii) loss because of delay in 
harvesting; (iv) any expense or loss 
incurred for laboi. supplies, substitute machinery or rental; or (v ) an) other type of damage to property or economic loss. 
This Warranty is subject to any existing conditions of supply which may directly affect MASCHIO GASPARDO' ability to 
obtain materials or manufacture replacement parts. 
No agent. representative, dealer. distributor, service person. salesperson. or employee of any company, including without 
limitation, MASCHIO GASPARDO. its authorized dealers, distributors, and service centers, is authorized to alter. modify. or 
enlarge this Warranty. 
For warranty services contact your selling dealer. 
cod G 19502182 
GRSPRROO 
63