FishElite 642C IGPS & SeaCharter Owner's Manual Sea Charter DF FE642ci GPS SC642c DFi 0152 151 121205
642c iGPS FE642ciGPS_SC642cDFiGPS_0152-151_121205
642cDF to the manual a4919572-9ea5-b904-b1df-12a2d69a711f
User Manual: SeaCharter 642cDF
Open the PDF directly: View PDF
.
Page Count: 196 [warning: Documents this large are best viewed by clicking the View PDF Link!]

Pub. 988-0152-151
www.eaglesonar.com
FishElite 642c iGPS &
SeaCharter 642cDF iGPS
Fish-finding Sonars & Mapping GPS
Installation and Operation
Instructions
®
®

Copyright © 2005 LEI-Eagle
All rights reserved.
No part of this manual may be copied, reproduced, republished,
transmitted or distributed for any purpose, without prior written
consent of Eagle Electronics. Any unauthorized commercial
distribution of this manual is strictly prohibited.
Eagle® is a registered trademark of LEI. MapCreate, FreedomMaps
and NauticPath are trademarks of LEI. Fishing Hot Spots is a
registered trademark of Fishing Hot Spots Inc. LakeMaster and
ProMaps are trademarks or registered trademarks of Waypoint
Technologies, Inc. Navionics is a registered trademark of Navionics,
Inc.
eXitSource Database, copyright 2001-2005 Zenrin Co.
Ltd. Exit Authority and eXitSource are trademarks of
Zenrin Co. Ltd.
Eagle Electronics may find it necessary to change or end our policies,
regulations and special offers at any time. We reserve the right to do so
without notice. All features and specifications subject to change without
notice. All screens in this manual are simulated. On the cover:
SeaCharter 642cDF iGPS shown. Other models covered in the manual
are similar.
For free owner's manuals and the most current information on
this product, its operation and accessories,
visit our web site:
www.eaglesonar.com
Eagle Electronics
P.O. Box 669
Catoosa, OK USA 74015
Printed in USA.
i
Table of Contents
Section 1: Read Me First!......................................................... 1
Capabilities and Specifications: .................................................... 3
How Eagle Sonar Works............................................................... 5
How GPS Works............................................................................ 6
Introduction to GPS and WAAS................................................... 7
Free Training Aids Available ..................................................... 10
How to use this manual: typographical conventions ................ 11
Arrow Keys.............................................................................. 11
Keyboard ................................................................................. 11
Menu Commands .................................................................... 11
Instructions = Menu Sequences ............................................. 11
Section 2: Installation & Accessories.................................. 13
Preparations................................................................................ 13
Transducer Installation.............................................................. 13
Recommended Tools and Supplies ......................................... 14
Single-frequency transom installations ............................. 14
Dual-frequency transom installations ............................... 14
Single-frequency trolling motor installations.................... 14
Shoot-through hull installations ........................................ 14
Selecting a Transducer Location............................................ 14
How low should you go?.......................................................... 16
Shoot-Thru-Hull vs. Transom Mounting ............................... 16
Transom Transducer Assembly and Mounting ..................... 17
Trolling Motor Bracket Installation (single-frequency only) 22
Transducer Orientation and Fish Arches .............................. 23
Shoot-Thru-Hull Preparation................................................. 24
Hulls With Flotation Materials .......................................... 24
Testing Determines Best Location......................................... 24
Shoot-Thru-Hull Installation ................................................. 26
Speed/Temperature Sensors....................................................... 28
Optional Speed Sensor Installation ........................................... 29
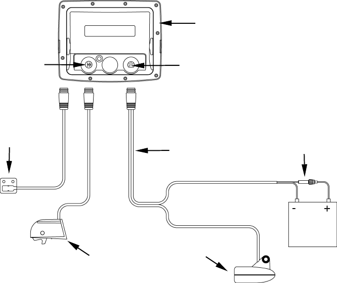
Power Connections...................................................................... 31
GPS Internal Antenna................................................................ 32
NMEA Cable Connections .......................................................... 32
NMEA Wiring ......................................................................... 32
Mounting the Unit: Bracket or Portable.................................... 33
MMC or SD Card Memory Card Installation ............................ 36
Other Accessories........................................................................ 37
Section 3: Basic Sonar Operation ........................................ 39
Keyboard ..................................................................................... 39
Power/lights on and off ............................................................... 40
Main Menu .................................................................................. 40
ii
Pages ........................................................................................... 42
Satellite Status Page .............................................................. 42
Navigation Page...................................................................... 43
Map Page................................................................................. 43
Sonar Page .............................................................................. 44
Basic Sonar Quick Reference ..................................................... 47
Sonar Operations ........................................................................ 48
Fish Symbols vs. Full Sonar Chart ........................................ 50
Section 4: Sonar Options & Features.................................. 51
ASP (Advanced Signal Processing) ..................................... 51
Alarms ......................................................................................... 52
Depth Alarms .......................................................................... 52
Zone Alarm .............................................................................. 53
Fish Alarm............................................................................... 54
Calibrate Speed........................................................................... 54
Chart Speed................................................................................. 55
ColorLine.................................................................................. 55
Customize Page Displays ........................................................... 57
Depth Cursor............................................................................... 58
Depth Range - Automatic ........................................................... 59
Depth Range - Manual................................................................ 59
FasTrack.................................................................................. 60
Fish I.D.................................................................................... 60
FishTrack................................................................................. 61
Frequency (SeaCharter only) ..................................................... 62
HyperScroll.............................................................................. 63
Log Sonar Chart Data ................................................................ 63
Noise Rejection............................................................................ 64
Overlay Data ............................................................................... 64
Ping Speed & HyperScroll....................................................... 67
Reset Options .............................................................................. 69
Reset Water Distance ................................................................. 69
Set Keel Offset ............................................................................ 70
Sensitivity & Auto Sensitivity.................................................... 71
Automatic Sensitivity ............................................................. 71
Sonar Chart Mode....................................................................... 72
Sonar Page & Sonar Chart Display Options ............................. 73
Full Sonar Chart ..................................................................... 73
Split Zoom Sonar Chart.......................................................... 74
Digital Data............................................................................. 74
Customizing the Digital Data Page.................................... 74
Map With Sonar...................................................................... 76
Sonar Simulator.......................................................................... 76
iii
Stop Chart ................................................................................... 78
Surface Clarity............................................................................ 78
Zoom & Zoom Bar ....................................................................... 79
Zoom Pan..................................................................................... 80
Section 5: Sonar Troubleshooting ....................................... 81
Section 6: Basic GPS Operations ......................................... 85
Keyboard ..................................................................................... 85
Power/lights on and off ............................................................... 86
Main Menu .................................................................................. 86
Pages ........................................................................................... 88
Sonar Page .............................................................................. 88
Satellite Status Page .............................................................. 88
Navigation Page...................................................................... 90
Map Page................................................................................. 92
Background map vs. MapCreate map content ...................... 94
Resize Window command ....................................................... 96
Basic GPS Quick Reference........................................................ 98
Moving Around the Map: Zoom & Cursor Arrow Keys ............. 99
Selecting Any Map Item With the Cursor ............................... 100
Searching................................................................................... 100
Set a Waypoint.......................................................................... 102
Create Waypoint at Current Position .............................. 103
Create Waypoint on Map .................................................. 104
Create Waypoint by Entering a Position ......................... 104
Navigate To a Waypoint ........................................................... 105
Set Man Overboard (MOB) Waypoint...................................... 106
Navigate Back to MOB Waypoint ............................................ 106
Navigate to Cursor Position on Map........................................ 107
Navigate to a Point of Interest................................................. 108
Creating and Saving a Trail..................................................... 108
Displaying a Saved Trail .......................................................... 110
Navigating Trails...................................................................... 110
Visual Trailing ...................................................................... 111
Navigate a Trail .................................................................... 111
Navigate a Back Trail........................................................... 113
Transfer Custom Maps and GPS Data Files ........................... 114
Custom Maps:........................................................................ 114
GPS Data files:...................................................................... 114
Cancel Navigation..................................................................... 116
Section 7: Advanced GPS Operations ............................... 117
Find Distance Current Position to Another Location ............. 117
Find Distance From Point to Point .......................................... 117
Icons........................................................................................... 118
iv
Create Icon on Map............................................................... 118
Create Icon at Current Position ........................................... 118
Delete an Icon ....................................................................... 118
Navigate to an Icon............................................................... 119
Routes........................................................................................ 119
Create and Save a Route ...................................................... 120
PC-created Routes............................................................. 120
Routes Created in the Unit............................................... 120
Delete a Route ....................................................................... 122
Edit a Route Name................................................................ 123
Edit Route Waypoints........................................................... 123
Navigate a Route................................................................... 123
Navigate a Route in Reverse ................................................ 124
Trails ......................................................................................... 125
Delete a Trail ........................................................................ 125
Edit a Trail Name ................................................................. 125
Edit a Trail Color .................................................................. 125
Edit a Trail Pattern .............................................................. 126
Utilities...................................................................................... 126
Alarm Clock........................................................................... 126
Sun/Moon Rise & Set Calculator.......................................... 126
Trip Calculator...................................................................... 126
Trip Down Timer................................................................... 126
Trip Up Timer ....................................................................... 126
Waypoints.................................................................................. 127
Delete a Waypoint................................................................. 127
Edit a Waypoint .................................................................... 127
Selecting a Waypoint ............................................................ 128
Set a Waypoint by Average Position .................................... 128
Set a Waypoint by Projecting a Position.............................. 128
Section 8: System & GPS Setup.......................................... 131
Alarms ....................................................................................... 131
Check MMC Files and Storage Space...................................... 132
Communications Port Configuration ....................................... 132
Configure NMEA ...................................................................... 133
Coordinate System Selection.................................................... 134
Map Fix ..................................................................................... 135
Customize Page Displays ......................................................... 137
GPS Simulator .......................................................................... 138
Hide GPS Features ................................................................... 140
Initialize GPS............................................................................ 140
Map Auto Zoom......................................................................... 141
Map Data................................................................................... 141
v
Earth Map Detail .................................................................. 141
Pop-up Map Information ...................................................... 142
Draw Map Boundaries.......................................................... 142
Fill Water With White .......................................................... 142
Map Overlays (Range Rings; Lat/Long Grid) ...................... 142
Map Datum Selection ............................................................... 142
Map Detail Category Drawn .................................................... 143
Map Orientation ....................................................................... 144
NauticPath USA Marine Charts........................................... 145
Nautical Chart Notes............................................................ 145
Port Information ................................................................... 146
Tidal Current Information ................................................... 147
Tide Information ................................................................... 149
Navionics Charts..................................................................... 150
Pop-up Help............................................................................... 151
Reset Options ............................................................................ 152
Require WAAS .......................................................................... 152
Screen Contrast and Brightness .............................................. 153
Set Language ............................................................................ 154
Set Local Time .......................................................................... 154
Show WAAS Alarm................................................................... 154
Software Version Information.................................................. 155
Sounds Menu............................................................................. 156
Track Smoothing....................................................................... 156
Trail Options ............................................................................. 157
General Trail Options ....................................................... 157
Specific Trail Options........................................................ 159
Trail Visibility and Other Trail Options.............................. 159
Transparency ............................................................................ 159
To adjust Transparency level: .............................................. 160
Units of Measure....................................................................... 160
Section 9: Searching .............................................................161
Find Addresses.......................................................................... 162
Find Any Item Selected by Map Cursor .................................. 164
Find Interstate Highway Exits ................................................ 165
Find Map Places or Points of Interest (POI) ........................... 167
Find Streets or Intersections.................................................... 169
Find a Street ......................................................................... 169
Find an Intersection ............................................................. 170
Find Waypoints......................................................................... 172
Section 10: Supplemental Material ................................... 175
vi
WARNING!
A CAREFUL NAVIGATOR NEVER RELIES ON ONLY ONE METHOD
TO OBTAIN POSITION INFORMATION.
CAUTION
When showing navigation data to a position (waypoint), a GPS unit will show
the shortest, most direct path to the waypoint. It provides navigation data to the
waypoint regardless of obstructions. Therefore, the prudent navigator will not
only take advantage of all available navigation tools when traveling to a way-
point, but will also visually check to make sure a clear, safe path to the waypoint
is always available.
WARNING!
When a GPS unit is used in a vehicle, the vehicle operator is solely re-
sponsible for operating the vehicle in a safe manner. Vehicle operators
must maintain full surveillance of all pertinent driving, boating or fly-
ing conditions at all times. An accident or collision resulting in damage
to property, personal injury or death could occur if the operator of a
GPS-equipped vehicle fails to pay full attention to travel conditions and
vehicle operation while the vehicle is in motion.
1
Section 1: Read Me First!
How this manual can get you out on the road, fast!
Welcome to the exciting world of digital sonar and GPS! We know you
are anxious to begin navigating and finding fish, but we have a favor to
ask. Before you grab the unit and begin installing it, please give us a
moment or two to explain how our manual can help you get the best
performance from your compact, color display, combination fish finder
and mapping GPS receiver.
First, we want to thank you for buying a Eagle sonar/GPS unit.
Whether you are a first time user or a professional fisherman, you'll
discover that your unit is easy to use, yet capable of handling demand-
ing navigation and sonar tasks. When you team your unit with our cus-
tom mapping software MapCreate 6, you have an incredible combina-
tion. You will not find another combination GPS and sonar unit with
this much power and this many features for this price!
Our goal for this book is to get you on the water fast, with a minimum
of fuss. Like you, we would rather spend more time boating or fishing
and less time reading the manual!
So, we designed our book so that you don't have to read the whole thing
from front to back for the information you want. At the start (or end) of
each segment, we'll tell you what content is coming up next. If it's a
concept you're already familiar with, we'll show you how and where to
skip ahead for the next important topic. We've also made it easy to look
up any tips you may need from time to time. Here's how:
The manual is organized into 10 sections. This first section is an intro-
duction to the FishElite 642c iGPS and SeaCharter 642cDF iGPS. It
tells you the basics you need to know before you can make the unit look
around and tell you where you are or look below the surface to find
some fish.
Section 2 will help you install your unit and the transducer . We'll show
you how to get the MultiMedia Card (MMC) correctly installed inside
the unit. We'll also tell you about some of the available accessories.
Section 3 covers Basic Sonar Operation. It will show you how easy it is
to run your unit, right out of the box. This section features a one-page
Sonar Quick Reference. (If you've already jumped ahead and fig-
ured out how to install the unit yourself, and you just can't wait
any longer, turn to the Quick Reference on page 47 and head
for the water with your unit!)
®®
2
After you have gained some experience with your sonar, you will want
to check out Section 4, which discusses more advanced Sonar Options
and Other Features.
When you come to a sonar menu command on the unit's screen, you can
look it up in the manual by skimming over the table of contents, just flip-
ping through Section 3 or scanning through the sonar options in Section 4.
If you're having difficulty with your sonar, you can find an answer to
the most common problems in Section 5, Sonar Troubleshooting.
The manual switches from sonar to navigation in Section 6, which in-
troduces you to Basic GPS Operations. This section features a one-
page GPS Quick Reference on page 98.
Section 6 contains short, easy-to-scan GPS lessons that follow one an-
other in chronological order. They're all you'll need to know to find your
way on the water quickly.
After you've learned the basics (or if you already have some GPS expe-
rience), you may want to try out some of the unit's many advanced
navigation features. That brings us to Section 7, Advanced GPS Opera-
tions. This section contains the rest of the unit's GPS command func-
tions, organized in alphabetical order.
When you come to a GPS menu command on the screen, you can look it
up in the manual by skimming over the table of contents, just flipping
through Section 6 or scanning through the command portion of Section 7.
This unit is ready to use right out of the box, but you can fine tune and
customize it's operation with dozens of options. Since sonar is the unit's
key feature, we put the main sonar options in Section 4. Some options,
such as screen brightness settings, affect both sonar and GPS opera-
tions. We describe how to use those common options along with GPS
options in Section 8, System Setup and GPS Setup Options. Section 8 is
organized in alphabetical order.
In Section 9, we go into more detail on one of the unit's most remarkable
GPS capabilities — Searching. We'll introduce a search example in the Ba-
sic GPS Operation section, but there are so many map items you can
search for, we had to give this function it's own section in the manual! For
example, did you know this unit can look up business phone numbers,
functioning as a virtual Yellow Pages? We’ll show you how in Section 9.
Finally, in Section 10, we offer Supplemental Material, including a list
of the GPS datums used, warranties and customer service information.
Now, if you're into the fine details, glance over the next segment on
specifications to see how much sonar and GPS power your unit contains.
3
It's important to us and our power users, but if you don't care how many
watts of power the unit has or how many waypoints it can store, skip
ahead to important information on how sonar works on page 5. Back-
ground on GPS begins on page 6.
Capabilities and Specifications:
General
Display:............................ 5.0" (12.7 cm) diagonal 256-color enhanced
TFT LCD; programmable to viewing prefer-
ence.
Resolution:...................... 640 pixel x 480 pixel resolution; 307,200 total
pixels.
Backlighting................... Backlit screen and keypad with multiple
lighting levels for night use.
Input power.................... 10 to 15 volts DC.
Case size:......................... 5.4" H x 6.9" W x 3.4" D (13.8 x 17.6 x 8.6
cm); sealed and waterproof; suitable for
saltwater use.
Back-up memory: .......... Built-in memory stores sonar records for
decades.
Languages....................... 10; menu languages selectable by user.
MMC slots: ...................... One with waterproof door (SD card
compatible).
Sonar
Frequency....................... 50/200 kHz for SeaCharter 642cDF iGPS;
200 kHz for FishElite 642c iGPS.
Recording:........................ MMC & SD cards for recording sonar chart
logs.
Transducers: .................. A dual-frequency Skimmer transducer with
built-in temperature sensor is packed with
the SeaCharter 642cDF iGPS. It has 35°/12°
cone angles. A single-frequency Skimmer
transducer with built-in temperature sensor
is packed with the FishElite 642c iGPS. It
has a 20° cone angle. Transducers operate at
speeds up to 70 mph (61 kts)
Watts: ............................... SeaCharter 642cDF iGPS: 4,000 watts
peak-to-peak/500watts RMS. FishElite 642c
iGPS: 1,500 watts peak-to-peak/188 watt
RMS.
4
Sonar Sounding
Depth capability:........... SeaCharter 642cDF iGPS: 1,500 feet (457
meters). FishElite 642c iGPS: 800 feet (244
meters). Actual capability depends on trans-
ducer configuration and installation, bottom
composition and water conditions. All sonar
units typically read deeper in fresh water
than in salt water.
Depth display:................ Continuous display .
Audible alarms: ............. Deep/shallow/fish/zone.
Automatic ranging:....... Yes, with instant screen updates.
Auto bottom track:........ Yes.
Zoom bottom track: ...... Yes.
Split-screen zoom:......... Yes.
Surface water temp: ..... Yes.
Speed/distance log: ...... Optional (requires optional speed sensor).
GPS
Recording:........................ MMC & SD cards for recording GPS trip de-
tails and displaying charts or custom maps.
Receiver/antenna: ......... Internal; Built-in 12 parallel channel
GPS/WAAS.
Background map:.......... Built-in custom, detailed Eagle map. Con-
tains: enhanced detail of continental U.S.
and Hawaii. Includes more than 60,000 nav
aids and 10,000 wrecks/obstructions in
coastal and Great Lakes waters. Metro
areas, selected major streets/highways and
interstate exit services details included.
Custom mapping: .......... MapCreate 6 software optional; optional
plug and play LEI FreedomMaps offer the
same high-detail without the computer work
of MapCreate. Other plug and play mapping
options include FreedomMaps, Fishing Hot
Spots Elite, LEI NauticPath charts,
LakeMaster ProMaps and Navionics
charts.
Mapping memory: ......... Up to 1 gigabyte on one MMC (or SD) card.
Position updates: .......... Every second.

5
Position points: ............. 1,000 waypoints; 1,000 event marker icons.
Audible alarms: ............. Arrival/off-course/anchor.
Graphic symbols for
waypoints or event
marker icons: ................. 42.
Routes:............................. 100, up to 100 waypoints per route.
Plot Trails: ...................... 10 savable; up to 10,000 points per trail.
Zoom range:.................... 40 ranges; 0.02 to 4,000 miles.
NOTE:
The above memory capacities refer only to the unit’s on-board mem-
ory. The amount of GPS or sonar data you can record and save for
recall later is limited only by the number and size of the MMC cards
you have.
NOTICE!
The storage temperature range for your FishElite 642c iGPS and
SeaCharter 642cDF iGPS is from -4 degrees to +167 degrees Fahr-
enheit (-20 degrees to +75 degrees Celsius). Extended storage in
temperatures higher or lower than specified will damage the liquid
crystal display in your unit. This type of damage is not covered by
the warranty. For more information, contact the factory's Customer
Service Department. Customer service numbers are listed on the
last page of this manual.
How Eagle Sonar Works
Sonar has been around since the 1940s, so if you already know how it
works, skip down to read about the relatively new technology of GPS.
But, if you've never owned a sonar fish finder, this segment will tell you
the under water basics.
Sonar is an abbreviation for SOund NAvigation and Ranging, a technol-
ogy developed during World War II for tracking enemy submarines. A
sonar consists of a transmitter, transducer, receiver and display. Here's
how it locates the bottom and finds fish.
The transmitter emits an electrical impulse, which the transducer con-
verts into a sound wave and sends into the water. (The sound frequency
can't be heard by humans or fish.) The sound wave strikes an object
(fish, structure, bottom) and bounces back to the transducer, which
converts the sound back into an electrical signal.
The receiver amplifies this return signal, or echo, and sends it to the
display, where an image of the object appears on the scrolling sonar
6
chart. The sonar's microprocessor calculates the time lapse between the
transmitted signal and echo return to determine the distance to the
object. The whole process repeats itself several times each second.
Your unit can record a log of the sonar signals that scroll across the
screen and save them to the MMC memory card. (These recordings are
also called sonar charts or sonar graphs.) You can replay this sonar log
in the unit using the Sonar Simulator function, or play it back on a per-
sonal computer using our free Sonar Viewer or product emulator. The
viewer and emulator are available for download from the Eagle web
site, www.eaglesonar.com.
You can save several different sonar log files, erase 'em and record new
ones, over and over again. The size of your sonar recordings is only
limited by the free space available on your MMC.
How GPS Works
You'll navigate faster and easier if you understand how the unit scans
the sky to tell you where you are on the earth – and where you're going.
(But if you already have a working understanding of GPS receivers and
the GPS navigation system, skip on ahead to Section 2, Installation &
Accessories on page 13. If you're new to GPS, read on.
Think of your unit as a small but powerful computer. The unit includes
a keypad and a screen with menus so you can tell it what to do. The
screen also lets the unit show your location on a moving map, as well as
point the way to your destination.
This gimbal-mounted unit uses an internal antenna and receiver,
which makes the system work like your car radio. But instead of your
favorite dance tunes, this receiver tunes in to a couple of dozen GPS
satellites circling the earth. (It will also listen to WAAS satellites in
orbit, but we will delve into that in the segment introducing you to GPS
and WAAS.)
Your unit listens to signals from as many satellites as it can see above
the horizon, eliminates the weakest signals, then computes its location
in relation to those satellites. Once the unit figures its latitude and lon-
gitude, it plots that position on the moving map shown on the screen.
The whole process takes place several times a second!
The performance doesn't stop there. Stored in the permanent memory
of each unit is a basic background map of the entire world. We lock it in
here at the factory — you can not change or erase this map.
The background map is suitable for many navigation chores, but for
maximum accuracy and much more detail, you need our optional map-
7
making software, MapCreate 6 or one of our special plug-and-play
mapping cards. Some unit features — such as searching for businesses
and addresses — won't work without a custom MapCreate map. There
is so much detail in our background map (and even more in MapCreate)
that we'll describe their contents and differences in Section 3, Basic
GPS Operations, on page 94.
Another portion of the unit’s onboard memory is devoted to recording GPS
navigation information, which includes waypoints, event marker icons,
trails and routes. This lets you look back the way you came. Think of this
data storage like the hard drive memory in a computer or a tape in a cas-
sette tape recorder. You can save several different GPS data files, erase
'em and record new ones, over and over again. Like any computer file,
these GPS Data Files (file format *.usr) can be shared between Eagle
GPS or sonar/GPS units or even personal computers.
This unit has one more thing in common with a personal computer. Just
as computers have a floppy disk drive for storing and exchanging files,
the unit has a slot for an MMC (MultiMedia Card) or SD card (Secure
Digital card) flash memory card. These solid-state memory devices are
about the size of a postage stamp, but can hold data ranging from 8 MB
to 1 GB in size. (Compare that to a floppy disk's 1.44 MB capacity!) This
unit uses all that MMC space for two key GPS purposes.
You can backup your onboard GPS Data Files by copying them to the
MMC. Since the MMC is removable (like a floppy disk or a cassette tape),
you can store these GPS Data Files on a personal computer equipped with
an MMC card reader. (Or store them on a pocketful of MMCs, if you don't
have a computer.) Our MapCreate mapping software can save, edit or
create its own GPS Data Files, which can be copied to the MMC and then
loaded from the MMC into the unit's memory. (NOTE: No matter where
they come from, GPS Data Files must be loaded from the MMC into mem-
ory before the unit can use them.)
The other key GPS use for MMCs is storage of special high-detail, cus-
tom maps, which you can produce on your computer with our MapCre-
ate software. These MapCreate custom maps contain much greater de-
tail than the basic background map. These Custom Map Files (file
format *.lcm) can also be shared between Eagle GPS or sonar/GPS
units and personal computers. This unit automatically reads Custom
Map Files directly from the MMC or SD card. To use a custom map, all
you need to do is slide an MMC containing a map into the unit.
Introduction to GPS and WAAS
Well, now you know the basics of how your unit does its work. You
might be ready to jump ahead to Section 2, Installation & Accessories,

8
so you can mount your unit and plug in the power. Or you might want
to see how our text formatting makes the manual tutorials easy to
skim. If that's the case, move on to How to Use This Manual on page
11. But, if you want to understand the current state of satellite naviga-
tion, look over this segment describing how GPS and its new companion
WAAS work together to get you where you're going.
The Global Positioning System (GPS) was launched July 17, 1995 by
the United States Department of Defense. It was designed as a 24-
hour-a-day, 365-days-a-year, all weather global navigation system for
the armed forces of the U.S. and its allies. Civilian use was also avail-
able at first, but it was less accurate because the military scrambled
the signal somewhat, using a process called Selective Availability (SA).
GPS proved so useful for civilian navigation that the federal govern-
ment discontinued SA on May 2, 2000, after the military developed
other methods to deny GPS service to enemy forces. Reliable accuracy
for civilian users jumped from 100 meters (330 feet) under SA to the
present level of 10 to 20 meters (about 30 to 60 feet.)
Twenty-four satellites orbit 10,900 nautical miles above the Earth, passing
overhead twice daily. A series of ground stations (with precisely surveyed
locations) controls the satellites and monitors their exact locations in the
sky. Each satellite broadcasts a low-power signal that identifies the satel-
lite and its position above the earth. Three of these satellites are spares,
unused until needed. The rest virtually guarantee that at least four satel-
lites are in view nearly anywhere on Earth at all times.
A minimum of three satellites are required to determine a 2D fix.
The system requires signal reception from three satellites in order to
determine a position. This is called a 2D fix. It takes four satellites to
determine both position and elevation (your height above sea level —
also called altitude). This is called a 3D fix.
9
Remember, the unit must have a clear view of the satellites in order to
receive their signals. Unlike radio or television signals, GPS works at
very high frequencies. These signals can be easily blocked by trees,
buildings, an automobile roof, even your body.
Like most GPS receivers, this unit does not have a compass or any
other navigation aid built inside. It relies solely on the signals from the
satellites to calculate a position. Speed, direction of travel and distance
are all calculated from position information. Therefore, in order for unit
to determine direction of travel, you must be moving and the faster, the
better. This is not to say that it won’t work at walking or trolling
speeds — it will. There will be more wandering of the data shown on
the display.
GPS alone is accurate for route navigation, but the U.S. Federal Avia-
tion Administration has special aircraft navigation needs that go be-
yond basic GPS. Consequently, the FAA has developed a program to
boost GPS performance with its Wide Area Augmentation System
(WAAS). The FAA commissioned the system on July 11, 2003.
WAAS is designed to increase GPS accuracy to within 7.6 meters verti-
cally and horizontally, but according to the FAA, it consistently comes
within 1-2 meters horizontally and 2-3 meters vertically. It does this by
broadcasting correction signals on GPS frequencies. Your unit auto-
matically receives both GPS and WAAS signals.
There are, however, some fringe areas of the U.S., including parts of
Alaska, that do not yet receive robust WAAS coverage. Continued
WAAS development is planned to extend WAAS coverage in the years
to come.
WAAS boosts the accuracy of land GPS navigation, but the system is
designed for aircraft. The satellites are in a fixed orbit around the
Equator, so they appear very low in the sky to someone on the ground
in North America. Aircraft and vessels on open water can get consis-
tently good WAAS reception, but terrain, foliage or even large man-
made structures can sometimes block the WAAS signal from ground
receivers.
You'll find that using your GPS receiver is both easy and amazingly
accurate. It’s easily the most accurate method of electronic navigation
available to the general public today. Remember that this receiver is
only a tool. Always have another method of navigation available, such
as a map or chart and a compass.
Also remember that this unit will always show navigation information
in the shortest line from your present position to a waypoint, regardless
10
of terrain! It only calculates position, it can’t know what’s between you
and your destination, for example. It’s up to you to safely navigate
around obstacles, no matter how you’re using this product.
Free Training Aids Available
Now that you know something about the technology that makes this
unit possible, you are ready to start learning how to use that technol-
ogy! This manual will guide you through the process of setting up and
running your unit, but that is only one of many resources available.
If you or a friend has Internet access, visit our web site! Find us at
WWW.EAGLESONAR.COM. The site is packed with additional informa-
tion on using our products. For instance, you can learn more about in-
terpreting what you see on your sonar screen with our free Sonar Tuto-
rial. The tutorial includes animated illustrations and more pictures of
actual sonar returns, all described in detail. There's even a printer
friendly version of the tutorial available on our web. It makes a great
supplement to this manual.
Sonar Viewer
You can also download a free copy of our Sonar Viewer software. This
PC-based software application plays back any sonar chart log recorded
with a Eagle sonar product. Features include:
• Adjustable range, zoom, sensitivity, ColorLine, noise rejection,
surface clarity, etc.
• Color interpretation of sonar signals can be user defined.
• Operates like a Windows Multimedia Player with forward, re-
verse, pause, fast forward, fast reverse, and scroll buttons.
• Adjustments update the entire record displayed.
• Can print in full color.
• Window can dynamically be sized on your monitor.
• Mouse cursor shows GPS position, depth and sounding number
anywhere on the visible record.
Emulator
For the ultimate training aid, be sure to download the free emulator
software for your unit. This program can help you learn both basic and
advanced operations without burning boat fuel!
This PC application simulates the actual sonar/GPS unit on your com-
puter. You can run it from your computer keyboard or use your mouse
to press the virtual keys. Easy download and installation instructions
are available on our web site.
11
The emulator works exactly like your real sonar/GPS unit. When using
the Sonar and GPS Simulators you can play back sonar logs, run GPS
routes and trails, even create real waypoints you can use in the field.
You can take snapshots of the Sonar Chart and print them or e-mail
them to friends.
And that is just some of the material available on our web site. To find
out what we have available, go to WWW.EAGLESONAR.COM and look
around. For now, we'll get back to how to use this particular unit.
How to use this manual: typographical conventions
Many instructions are listed as numbered steps. The keypad and arrow
"keystrokes" appear as boldface type. So, if you're in a real hurry (or
just need a reminder), you can skim the instructions and pick out what
menu command to use by finding the boldface command text. The fol-
lowing paragraphs explain how to interpret the text formatting for
those commands and other instructions:
Arrow Keys
The arrow keys control the movement of dotted cross-hair lines on your
mapping screen called the cursor. The arrow keys also control a hori-
zontal line depth cursor on the sonar screen. The arrow keys help you
move around the menus so you can execute different commands. They
are represented by symbols like these, which denote the down arrow
key, the up arrow, the left arrow and the right arrow: ↓ ↑ ← →.
Keyboard
The other keys perform a variety of functions. When the text refers to a
key to press, the key is shown in bold, sans serif type. For example, the
"Enter/Icons" key is shown as ENT and the "Menu" key is shown as MENU.
Menu Commands
A menu command or a menu option will appear in small capital letters, in
a bold sans serif type like this: ROUTE PLANNING. These indicate that you are
to select this command or option from a menu or take an action of some
kind with the menu item. Text that you may need to enter or file names
you need to select are show in italic type, such as trail name.
Instructions = Menu Sequences
Most functions you perform with the unit are described as a sequence of
key strokes and selecting menu commands. We've written them in a
condensed manner for quick and easy reading.
12
For example, instructions for navigating a trail would look like this:
1. From the Map Page, press MENU|MENU|↓ to MY TRAILS|ENT.
2. Press ↓ to Trail 1|ENT|→ to NAVIGATE|ENT.
3. You are asked to wait while it converts the trail into a route.
4. The wait message disappears and the unit begins showing
navigation information along the trail. Now, begin moving and
follow your unit's directions.
Translated into complete English, step 1 above would mean: "Start on
the Map Page. Press the Menu key twice. Next, repeatedly press (or
press and hold) the down arrow key to scroll down the menu and select
(highlight) the My Trails menu command. Finally, press the Enter key."
Step 2 would mean: "Press the down arrow key repeatedly to scroll to
the trail named Trail 1, and press Enter. Next, press the right arrow
key to highlight the Navigate command, then press Enter."
13
Section 2: Installation & Accessories
Preparations
You can install the unit in some other order if you prefer, but we rec-
ommend this installation sequence:
Caution:
You should read over this entire installation section before drill-
ing any holes in your vessel!
1. Determine the approximate location for the unit, so you can plan how
and where to route the cables for the transducer, any sensor and power.
This will help you make sure you have enough cable length for the de-
sired configuration.
NOTE:
The GPS antenna is inside the unit, so you must mount the unit in
a location with an unobstructed view of the sky.
2. Determine the approximate location for the transducer, any sensor
and their cable routes.
3. Determine the location of your battery or other power connection,
along with the power cable route.
4. Install the transducer and route the transducer cable to the sonar
unit. Install the speed or temp sensor, if applicable, and route the cable
to the unit.
5. Route the power cable from the unit's location to an appropriate
power source and connect it there.
6. Connect the transducer/power cable (and any sensor cables) to the
unit and mount the unit on the bracket.
Transducer Installation
These instructions will help you install your Skimmer transducer on a
transom, on a trolling motor or inside a hull. These instructions cover
both single- and dual-frequency Skimmer transducers. Please read all
instructions before proceeding with any installation.
Your Skimmer transducer typically comes packaged with a one-piece
stainless steel bracket for mounting it to the transom of your boat. The
optional trolling motor mount uses a one-piece plastic bracket with an
adjustable strap. These are kick-up mounting brackets. They help pre-
vent damage if the transducer strikes an object while the boat is mov-
ing. If the transducer does kick-up, the bracket can easily be pushed
back into place without tools.
14
Read these instructions carefully before attempting the installation.
Determine which of the installation methods is right for your boat.
Remember, transducer location is the most critical part of a so-
nar installation.
Recommended Tools and Supplies
If you prefer the option of routing the cable through the transom, you
will need a 5/8" drill bit. (If you intend to install an additional speed or
temp sensor and route its cable through the same hole in the transom,
you will need a 1" (25.4 mm) drill bit to accommodate all the cables.)
NOTE:
The following installation types also call for these recommended
tools and required supplies that you must provide (supplies listed
here are not included):
Single-frequency transom installations
Tools include: two adjustable wrenches, drill, #29 (0.136") drill bit, flat-
head screwdriver. Supplies: none.
Dual-frequency transom installations
Tools: two adjustable wrenches, drill, #20 (0.161") drill bit, flat-head
screwdriver. Supplies: four, 1" long, #12 stainless steel slotted wood
screws.
Single-frequency trolling motor installations
Tools: two adjustable wrenches, flat-head screwdriver. Supplies: plastic
cable ties.
Shoot-through hull installations
Tools: these will vary depending on your hull's composition. Consult
your boat dealer or manufacturer. Other tools are a wooden craft stick
or similar tool for stirring and applying epoxy, and a paper plate or
piece of cardboard to mix the epoxy on. Supplies: rubbing alcohol, 100
grit sandpaper, specially formulated epoxy adhesive available from LEI
(see ordering information on the inside portion of the back cover). A
sandwich hull also requires polyester resin.
Selecting a Transducer Location
1. The location must be in the water at all times, at all operating speeds.
2. The transducer must be placed in a location that has a smooth flow of
water at all times. If the transducer is not placed in a smooth flow of
water, interference caused by bubbles and turbulence will show on the
sonar's display in the form of random lines or dots whenever the boat is
moving.

15
NOTE:
Some aluminum boats with strakes or ribs on the outside of the
hull create large amounts of turbulence at high speed. These boats
typically have large outboard motors capable of propelling the boat
at speeds faster than 35 mph. Typically, a good transom location on
aluminum boats is between the ribs closest to the engine.
3. The transducer should be installed with its face pointing straight
down, if possible. For shoot-thru applications: Many popular fishing
boat hulls have a flat keel pad that offers a good mounting surface. On
vee hulls, try to place the transducer where the deadrise is 10° or less.
Vee pad hull (left); Vee hull (right). A pod style transducer is shown
here, but the principle is the same for Skimmers inside a hull.
4. If the transducer is mounted on the transom, make sure it doesn't
interfere with the trailer or hauling of the boat. Also, don't mount it
closer than approximately one foot from the engine's lower unit. This
will prevent cavitation (bubble) interference with propeller operation.
5. If possible, route the transducer cable away from other wiring on the
boat. Electrical noise from engine wiring, bilge pumps and aerators can
be displayed on the sonar's screen. Use caution when routing the trans-
ducer cable around these wires.
Good and poor transducer locations.
CAUTION: Clamp the trans-
ducer cable to transom near
the transducer. This will help
prevent the transducer from
entering the boat if it is
knocked off at high speed. Good location
Good location
Poor angle
Poor location
Good
loc
a
tion
Deadrise less than 10
°
Pad Strakes

16
Align transducer centerline with hull bottom. A dual frequency
transducer (left) and a single frequency transducer (right).
How low should you go?
For most situations, you should install your Skimmer transducer so
that its centerline is level with the bottom of the boat hull.
This will usually give you the best combination of smooth water flow
and protection from bangs and bumps.There, however, are times when
you may need to adjust the transducer slightly higher or lower. (The
slots in the mounting brackets allow you to loosen the screws and slide
the transducer up or down.) If you frequently lose bottom signal lock
while running at high speed, the transducer may be coming out of the
water as you cross waves or wakes. Move the transducer a little lower
to help prevent this.
If you cruise or fish around lots of structure and cover, your transducer
may be frequently kicking up from object strikes. If you wish, you may
move the transducer a little higher for more protection.
There are two extremes you should avoid. Never let the edge of the
mounting bracket extend below the bottom of the hull. Never let the
bottom – the face – of the transducer rise above the bottom of the hull.
Shoot-Thru-Hull vs. Transom Mounting
In a shoot-thru-hull installation, the transducer is bonded to the inside
of the hull with epoxy. The sonar "ping" signal passes through the hull
and into the water. This differs from a bolt-thru-hull installation (often
called "thru-hull"). In that case, a hole is cut in the hull and a specially
designed transducer is mounted through the hull with a threaded shaft
and nut. This puts the transducer in contact with the water.
Typically, shoot-thru-hull installations give excellent high speed opera-
tion and good to excellent depth capability. There is no possibility of
transducer damage from floating objects, as there is with a transom-
mounted transducer. A transducer mounted inside the hull can't be
knocked off when docking or loading on a trailer.
Transom
Tra
n
som
Hull bottom
Hull bottom
Transducer
centerline
17
The shoot-thru-hull installation does have its drawbacks. First, some
loss of sensitivity does occur, even on the best hulls. This varies from
hull to hull, even from different installations on the same hull. This is
caused by differences in hull lay-up and construction.
Second, the transducer angle cannot be adjusted for the best fish arches
on your sonar display. (This is not an issue for flasher-style sonars.)
Lack of angle adjustment can be particularly troublesome on hulls that
sit with the bow high when at rest or at slow trolling speeds.
Third, a transducer CAN NOT shoot through wood and metal hulls.
Those hulls require either a transom mount or a thru-hull installation.
Fourth, if your Skimmer transducer has a built in temp sensor, it will
only show the temperature of the bilge, not the water surface temp.
Follow the testing procedures listed in the shoot-thru-hull installation
section at the end of this instruction booklet to determine if you can
satisfactorily shoot through the hull.
Transom Transducer Assembly and Mounting
The best way to install these transducers is to loosely assemble all of
the parts first, place the transducer's bracket against the transom and
see if you can move the transducer so that it's parallel with the ground.
The following instructions sometimes vary depending on the mounting
bracket that came with your transducer. Single frequency Skimmers
come with a one-piece stainless steel bracket, while dual frequency
Skimmers come with a two-piece plastic mounting bracket. Use the set
of instructions that fits your model.
1. Assembling the bracket.
A. One-piece bracket: Press the two small plastic ratchets into the sides
of the metal bracket as shown in the following illustration. Notice there are
letters molded into each ratchet. Place each ratchet into the bracket with
the letter "A" aligned with the dot stamped into the metal bracket. This
position sets the transducer's coarse angle adjustment for a 14° transom.
Most outboard and stern-drive transoms have a 14° angle.

18
Align plastic ratchets in bracket.
B. Two-piece bracket: Locate the four plastic ratchets in the trans-
ducer's hardware package. Press two ratchets into the sides of the plastic
bracket and two on either side of the transducer as shown in the follow-
ing illustrations. Notice there are letters molded into each ratchet. Place
the ratchets into the bracket with the letter "A" aligned with the align-
ment mark molded into the bracket. Place the ratchets onto the trans-
ducer with the letter "A" aligned with the 12 o'clock position on the
transducer stem. These positions set the transducer's coarse angle ad-
justment for a 14° transom. Most outboard and stern-drive transoms
have a 14° angle.
Insert and align ratchets.
Add ratchets to bracket and transducer.
Dot
Alignment letters
Alignment
positions
Transducer bracket
Transducer
Transducer
bracket
Ratchet Ratchet
Transducer

19
2. Aligning the transducer on the transom.
A. One-piece bracket: Slide the transducer between the two ratch-
ets. Temporarily slide the bolt though the transducer assembly and
hold it against the transom. Looking at the transducer from the side,
check to see if it will adjust so that its face is parallel to the ground.
If it does, then the "A" position is correct for your hull.
If the transducer's face isn't parallel with the ground, remove the
transducer and ratchets from the bracket. Place the ratchets into the
holes in the bracket with the letter "B" aligned with the dot stamped
in the bracket.
Reassemble the transducer and bracket and place them against the
transom. Again, check to see if you can move the transducer so it's par-
allel with the ground. If you can, then go to step 3A. If it doesn't, repeat
step 2A, but use a different alignment letter until you can place the
transducer on the transom correctly.
Insert bolt and check transducer position on transom.
B. Two-piece bracket: Assemble the transducer and bracket as
shown in the following figure. Temporarily slide the bolt though the
transducer assembly but don't tighten the nut at this time. Hold the
assembled transducer and bracket against the transom. Looking at the
transducer from the side, check to see if it will adjust so that its face is
parallel to the ground. If it does, then the "A" positions are correct for
your hull.
Assemble transducer and bracket.
Ratchets
Flat washer
Lock washer
Flat washer
Nut
Bolt

20
If the transducer's face isn't parallel with the ground, remove and
disassemble the transducer and ratchets. Place the ratchets into the
bracket holes with the letter "B" aligned with the bracket alignment
mark. Place them on the transducer aligned with the 12 o'clock posi-
tion on the transducer stem.
Reassemble the transducer and bracket and place them against the
transom. Again, check to see if you can move the transducer so it's par-
allel with the ground. If you can, then go to step 3B. If it doesn't, repeat
step 2B, but use a different alignment letter until you can place the
transducer on the transom correctly.
3. Assembling the transducer.
A. One-piece bracket: Once you determine the correct position for the
ratchets, assemble the transducer as shown in the following figure.
Don't tighten the lock nut at this time.
Assemble transducer and bracket.
B. Two-piece bracket: Once you determine the correct position for the
ratchets, assemble the transducer as shown in the figure in step 2B.
Don't tighten the lock nut at this time.
4. Drilling mounting holes.
Hold the transducer and bracket assembly against the transom. The
transducer should be roughly parallel to the ground. The trans-
ducer's centerline should be in line with the bottom of the hull. Don't
let the bracket extend below the hull!
Mark the center of each slot for the mounting screw pilot holes. You
will drill one hole in the center of each slot.
Drill the holes. For the one-piece bracket, use the #29 bit (for the #10
screws). For the two-piece bracket, use the #20 bit (for the #12
screws).
Nut
Metal
washer
Metal washer
Bolt
Rubber
washers

21
Position transducer mount on transom and mark mounting holes.
Side view shown (left) and seen from above (right).
5. Attaching transducer to transom.
A. One-piece bracket: Remove the transducer from the bracket and re-
assemble it with the cable passing through the bracket over the bolt as
shown in the following figures.
For single-frequency Skimmer, route cable over bolt and through
bracket. Side view shown (left) and seen from above (right).
Both bracket types: Attach the transducer to the transom. Slide the
transducer up or down until it's aligned properly with the bottom of the
hull as shown in the preceding and following figures. Tighten the
bracket's mounting screws, sealing them with the sealant.
Adjust the transducer so that it's parallel to the ground and tighten the
nut until it touches the outer washer, then add 1/4 turn. Don't over
tighten the lock nut! If you do, the transducer won't "kick-up" if it
strikes an object in the water.
Align transducer centerline with hull bottom and attach transducer to
transom. Rear view of dual-frequency Skimmer shown.
Transom
Transom
Flat-bottom hull
Deep-"vee" hull
Bottom
of
hull

22
6. Route the transducer cable through or over the transom to the sonar
unit. Make sure to leave some slack in the cable at the transducer. If
possible, route the transducer cable away from other wiring on the boat.
Electrical noise from the engine's wiring, bilge pumps, VHF radio wires
and cables, and aerators can be picked up by the sonar. Use caution
when routing the transducer cable around these wires.
WARNING:
Clamp the transducer cable to the transom close to the
transducer. This can prevent the transducer from enter-
ing the boat if it is knocked off at high speed.
If you need to drill a hole in the transom to pass the connector through,
the required hole size will be 5/8".
Caution:
If you drill a hole in the transom for the cable, make sure it is lo-
cated above the waterline. After installation, be sure to seal the
hole with the same marine grade above- or below-waterline seal-
ant used for the mounting screws.
7. Make a test run to determine the results. If the bottom is lost at
high speed, or if noise appears on the display, try sliding the transducer
bracket down. This puts the transducer deeper into the water, hope-
fully below the turbulence causing the noise. Don't allow the transducer
bracket to go below the bottom of the hull!
Trolling Motor Bracket Installation
(single-frequency only)
1. Attach the optional TMB-S bracket to the transducer as shown in the
following figure, using the hardware supplied with the transducer.
(Note: The internal tooth washer is supplied with the TMB-S.)
Attach motor mounting bracket to transducer.
2. Slide the adjustable strap supplied with the TMB-S through the slot
in the transducer bracket and wrap it around the trolling motor. Posi-
tion the transducer to aim straight down when the motor is in the wa-
ter. Tighten the strap securely.
TMB-S bracket
Bolt Internal tooth washer
Nut
Flat washer

23
3. Route the transducer cable alongside the trolling motor shaft. Use
plastic ties (not included) to attach the transducer cable to the trolling
motor shaft. Make sure there is enough slack in the cable for the motor
to turn freely. Route the cable to the sonar unit and the transducer is
ready for use.
Transducer mounted on trolling motor, side view.
Transducer Orientation and Fish Arches
If you do not get good fish arches on your display, it could be because
the transducer is not parallel with the ground when the boat is at rest
in the water or at slow trolling speeds. If the arch slopes up – but not
back down – then the front of the transducer is too high and needs to be
lowered. If only the back half of the arch is printed, then the nose of the
transducer is angled too far down and needs to be raised.
Transducer angles and their effects on fish arches.
Transducer aimed
too far back
Transducer aimed
too far forward
Proper transducer angle
Partial fish arches
Full fish arch

24
NOTE:
Periodically wash the transducer's face with soap and water to re-
move any oil film. Oil and dirt on the face will reduce the sensitivity
or may even prevent operation.
Shoot-Thru-Hull Preparation
Hulls With Flotation Materials
The transducer installation inside a fiberglass hull must be in an area
that does not have air bubbles in the resin or separated fiberglass lay-
ers. The sonar signal must pass through solid fiberglass. A successful
transducer installation can be made on hulls with flotation materials
(such as plywood, balsa wood or foam) between layers of fiberglass if
the material is removed from the chosen area. See the figure below.
WARNING:
Do not remove any material from your inner hull unless
you know the hull's composition. Careless grinding or
cutting on your hull can result in damage that could sink
your boat. Contact your boat dealer or manufacturer to
confirm your hull specifications.
Epoxy the transducer to a solid portion of the hull.
For example, some (but not all) manufacturers use a layer of fiberglass,
then a core of balsa wood, finishing with an outer layer of fiberglass.
Removing the inner layer of fiberglass and the balsa wood core exposes
the outer layer of fiberglass. The transducer can then be epoxied directly
to the outer layer of fiberglass. After the epoxy cures for 24 hours, fill the
remaining space with polyester resin. When the job is finished, the hull
is watertight and structurally sound. Remember, the sonar signal must
pass through solid fiberglass. Any air bubbles in the fiberglass or the
epoxy will reduce or eliminate the sonar signals.
Testing Determines Best Location
Ideally, the shoot-thru transducer should be installed as close to the
transom as possible, close to the centerline. This will give you the best
performance during high speed maneuvers.
Fill with resin
Inner hull
Epoxy to hull first Outer hull
Flotation material
Fill with resin

25
Shoot-thru-hull transducer locations for
high speed or trolling speed operation.
To choose the proper location for shoot-thru-hull mounting, follow these
testing procedures: (You may need a helper to complete these steps.)
1. Anchor the boat in about 30 feet of water. Add a little water to the
sump of the boat. Plug the transducer into the sonar unit, turn it on, then
hold the transducer over the side of the boat in the water. Adjust the sen-
sitivity and range controls until a second bottom echo is seen on the dis-
play. (You'll need to turn off Auto Sensitivity, Auto Depth Range and
ASP. Try a range setting that is two to three times the water depth. The
harder (more rocky) the bottom, the easier it will be to get a second bot-
tom signal.) Don't touch the controls once they've been set.
Example of a second bottom signal. Unit is in 30 feet of water with
range set at 80 feet and sensitivity set at 87 percent.
2. Next, take the transducer out of the water and place it in the water
in the sump of the boat, face down. (The transducer face is shown in the
figure on the following page.) Notice how the signal strength decreases.
Transducer location
(trolling speed)
Transducer location
(high speed)
Second bottom
True bottom
Manual range setting
26
The second bottom signal will probably disappear and the bottom signal
intensity will likely decrease.
3. Now move the transducer around to find the best location with the
strongest possible bottom signal. If you find a spot with an acceptable
bottom signal, mark the location and move on to step 4.
If you can't get an acceptable bottom signal, try turning up the sensitivity
by three or five keystrokes and then move the transducer around once
more. If you find a spot that works, mark it and move on to step 4.
If you have to turn up sensitivity by more than five keystrokes to get a
good signal, the transducer should be mounted on the outside of the
hull. This is especially true if you have to turn sensitivity all the way
up to get a decent bottom signal.
4. Most people can get good results by following steps 1 through 3, so this
step is optional. If you want to make an extra effort to be absolutely sure
that your selected location will work under all conditions, make a test run
with the boat on plane and observe the bottom signal.
You'll need to figure some way to prop the transducer into position while
you make your test run. (A brick or two might be sufficient to hold it in
place.)
5. When you're satisfied with a location, mark it and proceed with the
installation.
Shoot-Thru-Hull Installation
If you are installing the transducer on a hull with floatation material
sandwiched within the hull, refer to the text "Hulls With Flotation Ma-
terials" beginning on page 24.
1. Make sure the area is clean, dry and free of oil or grease, then sand
both the inside surface of the hull and the face of the transducer with
100 grit sandpaper. The sanded hull area should be about 1-1/2 times
the diameter of the transducer. The surface of the hull must be flat so
the entire transducer face is in contact with the hull prior to bonding.
After sanding, clean the hull and transducer with rubbing alcohol to
remove any sanding debris.

27
Epoxy transducer to hull.
WARNING:
Use only the epoxy available from LEI. It has been for-
mulated to work with these installation procedures.
Other epoxy types may be too thin or may not cure to the
right consistency for optimum transducer performance.
2. The epoxy consists of the epoxy itself and a hardener. Remove the
two compounds from the package and place them on the paper plate.
Thoroughly stir the two compounds together until the mixture has a
uniform color and consistency. Do not mix too fast or bubbles will form
in the epoxy. After mixing, you have 20 minutes to complete the in-
stallation before the epoxy becomes unworkable.
Spread a thin layer of epoxy (about 1/16" or 1.5 mm thick) on the face of
the transducer as shown in the previous figure. Make sure there are no
air pockets in the epoxy layer! Then, apply the remaining epoxy to the
sanded area on the hull.
3. Press the transducer into the epoxy, twisting and turning it to force
any air bubbles out from under the transducer face. Stop pressing when
you bottom out on the hull. When you're finished, the face of the trans-
ducer should be parallel with the hull, with a minimum amount of ep-
oxy between the hull and transducer.
4. Apply a weight, such as a brick, to hold the transducer in place while
the epoxy cures. Be careful not to bump the transducer while the epoxy
is wet.
Spread epoxy here
Sand this surface
(unit's face)
Orient the Skimmer
with the nose facing
the bow of the boat.
To bow
28
Leave the weight in place for a minimum of three hours. Allow the ep-
oxy to cure for 24 hours before moving the boat.
5. After the epoxy has cured, route the cable to the sonar unit and it's
ready to use.
Speed/Temperature Sensors
This unit can accept as many as two temperature sensors, which can be
used to monitor the temperature of surface water, a live well or some
other location. These units can also accept an optional speed sensor for
showing speed and distance traveled. However, you can only use one ac-
cessory at a time. If you would like to use a speed sensor and a second
temperature sensor at the same time, you will need a combination device.
NOTE:
This unit is packed with a transducer containing a built-in temp sensor.
The SeaCharter package also includes a speed sensor. If you have a
FishElite 642c and want a speed sensor or additional temp sensor, see
the Accessory Ordering Information in the back of this manual.
If a second temp sensor is used, it must be the model TS-2U. This
model has a fixed electronic address which designates it as the second
of two temp sensors. Dual temperatures are only displayed on the Full
Chart page. The Large Digital page will only display the primary tem-
perature sensor. See the following wiring diagram for temperature and
speed sensor combinations.

29
Sonar unit with external temp sensor, external speed sensor or combo
speed/temp sensor. The primary temperature sensor is built
into the transducer.
Optional Speed Sensor Installation
All the units in this series can display speed and distance traveled, but
only the SeaCharter 642cDF iGPS comes packed with a speed sensor. If
you wish to purchase an optional additional sensor for your unit, refer
to the accessory ordering information inside the back cover of this
manual. The following instructions describe how to install the speed
sensor.
Recommended tools for this job include: drill, 5/8" drill bit, 1/8" drill bit for
pilot holes, screwdriver. Required supplies for this job include: four #8
stainless steel wood screws (3/4" long), high quality, marine grade above-
or below-waterline sealant.
First find a location on the boat's transom where the water flow is smooth-
est. Don't mount the sensor behind strakes or ribs. These will disturb the
water flow to the speed sensor. Make sure the sensor will remain in the
water when the boat is on plane.
Speed or combo
speed/temp sensor
Sonar unit rear view
Temp
sensor
Temp sensor built
into transducer
Power/transducer
cable 3-amp fuse
Power/transducer socket
Accessory
socket

30
Make sure the location does not interfere with the boat's trailer. Usually,
the sensor is mounted about one foot to the side of the transom's center-
line.
Once you have determined the proper location for the unit, place the
sensor on the transom. The bottom of the bracket should be flush with
the hull's bottom. Using the sensor as a template, mark the hull for the
screw's pilot holes. Drill four 1/8" holes, one in each end of the slots.
Mount the sensor to the hull using #8 stainless steel wood screws (not
included). Use a high quality, marine grade above- or below-waterline
sealant to seal the screws. Make sure the sensor is flush with the bot-
tom of the hull and tighten the screws.
Stern view showing good location for mounting sensor on transom.
If the base of the transom has a radius, fill the gap between the tran-
som and the sensor with the sealant. This will help ensure smooth wa-
ter flow.
Speed sensor mounting configuration:
side view (left) and rear view (right.)
Route the sensor's cable through or over the transom to the sonar unit.
If you need to drill a hole in the transom to pass the connector through,
the required hole size is 5/8".
Caution:
If you drill a hole in the transom for the cable, make sure it is lo-
cated above the waterline. After installation, be sure to seal the
hole with the same marine grade above- or below-waterline seal-
ant used for the screws.
Good location
Transom
Bottom of hull
Bottom of hull

31
The sensor is now ready for use. Connect the sensor to the accessory
socket on the back of your unit. If you have any questions concerning
the installation of the sensor, please contact your local boat dealer.
Power Connections
The unit works from a 12-volt battery system. For the best results, at-
tach the power cable directly to the battery. You can attach the power
cable to an accessory or power buss, however you may have problems
with electrical interference. Therefore, it's safer to go ahead and attach
the power cable directly to the battery.
Caution:
When using the unit in a saltwater environment, we strongly rec-
ommend that you shut off the power supply to the power cable when
the unit is not in use. When the unit is turned off but still connected
to a power supply, electrolysis can occur in the power cable plug.
This may result in corrosion of the plug body along with the electri-
cal contacts in the cable and the unit's power socket.
In saltwater environments we recommend you connect the power
cable to the auxiliary power switch included in most boat designs.
If that results in electrical interference, or if such a switch is not
available, we recommend connecting direct to the battery and in-
stalling an inline switch. This will let you shut off power to the
power cable when the unit is not in use. When you are not using
the unit, you should always shut off power to the power cable, es-
pecially when the power cable is disconnected from the unit.
If possible, keep the power cable away from other boat wiring, espe-
cially the engine's wires. This will provide the best isolation from elec-
trical noise. If the cable is not long enough, splice #18 gauge wire onto
it. The power cable has two wires, red and black. Red is the positive
lead, black is negative or ground. Make sure to attach the in-line fuse
holder to the red lead as close to the power source as possible.
For example, if you have to extend the power cable to the battery or
power buss, attach one end of the fuse holder directly to the battery or
power buss. This will protect both the unit and the power cable in the
event of a short. It uses a 3-amp fuse.

32
Power connections for the sonar unit.
WARNING:
This product must be independently fused with the en-
closed 3-amp fuse (or equivalent), even if you connect to
a fused accessory or power buss.
If a malfunction happens inside the unit, extensive dam-
age can occur if the enclosed fuse is not used. As with all
electrical devices, this unit could be damaged to a point
that it is unrepairable and could even cause harm to the
user when not properly fused.
CAUTION:
Failure to use the enclosed 3-amp fuse will void your warranty! For
a replacement, use a type 3AG 3-amp fuse.
This unit has reverse polarity protection. No damage will occur if the
power wires are reversed. However, the unit will not work until the
wires are attached correctly.
GPS Internal Antenna
The unit has a built-in 12-parallel channel GPS + WAAS antenna.
NMEA Cable Connections
NMEAis a standard communications format for marine electronic
equipment. For example, an autopilot can connect to the NMEA inter-
face on the unit and receive positioning information. The unit is capable
of exchanging information with any device that transmits or receives
NMEA 0183 data, however, a communications cable is not available for
the unit at this time. If you need to create a NMEA 0183 connection,
consult customer service. Service contact information is located in the
back of this manual.
NMEA Wiring
To exchange NMEA data, the unit has one NMEA 0183 version 2.0
communication port. Com port one (Com-1) can be used to receive
12 volt
battery
Black wire Red wire with
3 amp fuse
To unit Optional power off switch for
saltwater installations

33
NMEA format GPS data. The com port can also transmit NMEA format
GPS data to another device.
A data cable should contain three wires. Com-1 uses the yellow wire to
transmit, the orange wire to receive and the shield wire for signal
ground.
Com-1 wiring to receive NMEA position information
from some other GPS receiver.
Com-1 wiring to transmit NMEA position information
to another NMEA-compatible device.
Read your other product’s owner’s manual for more wiring information.
Mounting the Unit: Bracket or Portable
You can install the sonar unit on the top of a dash with the supplied
gimbal bracket. It can also be mounted on a portable power supply.
If you use the supplied bracket, you may be interested in the optional
R-A-M bracket mounting system. This converts the unit's gimbal
bracket to a swivel mount.
Ground To Other
Device
Orange (Receive) NMEA Transmit
Shield (Ground) Ground
Com-1 to
unit
To Other
GPS Receiver
Com-1 to
unit
Yellow (Transmit)
NMEA Receive
Shield (Ground)

34
Optional R-A-M mounting system.
Bracket Installation
Mount the unit in any convenient location, provided there is clearance
behind the unit when it's tilted for the best viewing angle. This must
be a location with a clear view of the sky, so the internal GPS
antenna can lock-on to the satellite signals. You should also make
sure there is enough room behind the unit to attach the power and
transducer cables.
Holes in the bracket's base allow wood screw or through-bolt mounting.
You may need to place a piece of plywood on the back side of thin fiber-
glass panels to reinforce the panel and secure the mounting hardware.
Install the gimbal bracket. Position the bracket so the arms slope to-
ward the front of your unit.
Front

35
Drill a 1-inch (25.4 mm) hole in the dash for the power and transducer
cables. The best location for this hole is immediately under the gimbal
bracket location. This way, the bracket can be installed so that it covers
the hole, holds the cables in position and results in a neat installation.
Some customers prefer to mount the bracket to the side of the cable
hole. It's a matter of personal preference.
Front view (left) and side view (right) showing dimensions of the unit
when mounted on gimbal bracket.
Pass the power cable's bare-wire end down though the hole from the
top. If you want, you can fill in the hole around the cables with a good
marine sealant. (Some marine dealers stock cable hole covers to conceal
the opening.) No matter what type of installation you prefer, be sure to
leave enough slack in the cables to allow tilting or swiveling the unit. If
you choose to fill in the hole, be sure to position the cables against the
rear edge of the hole as you apply the fill material.
Before positioning the bracket, be sure to hold the cables against the
rear edge of the hole. Then, slide the bracket over the hole and butt the
rear of the bracket base firmly against the cables, pinning them in
place against the side of the hole. Finally, fasten the bracket to the
dash. Attach the unit to the gimbal bracket using the supplied gimbal
knobs and washers.
Millimeter
[Inch]
27.6
[1.09]
77.1
[3.03]
137.9
[5.43]
56.9
[2.24]
157.9
[6.22]
173.9
[6.85]

36
Portable Installation
Like many Eagle products, this unit is capable of portable operation by
using an optional portable power pack (PPP). The power pack and an
optional portable transducer expand the uses for your sonar unit. The
PPP makes it easy to use the unit on your boat or take it to the dock, on
a float tube, on an ice fishing trip or use it as a second sonar in a
friend's boat.
Most LEI portable power packs can be used with eight "D" cell alkaline
batteries. Some use an optional sealed, rechargeable battery. For in-
formation on the PPP for your unit, see the accessory ordering informa-
tion inside the back cover of this manual.
Install batteries in typical portable power pack.
MMC or SD Card Memory Card Installation
Your unit uses a MultiMedia Card to store information, such as sonar
logs, custom maps, waypoints, trails and other GPS data. The unit can
also use Secure Digital Cards (SD card) to store data.
NOTE:
Throughout this manual, we will use the term MMC, but just re-
member your unit can use an MMC or SD card to store data.
Both of these solid-state flash memory devices are about the size of a
postage stamp. An SD card is slightly thicker than an MMC. As this
manual went to press, MMCs were available in storage capacities of 8
MB, 16 MB, 32 MB, 64 MB and 128 MB. SD cards were available in
capacities of 8 MB, 16 MB, 32 MB, 64 MB, 128 MB, 256 MB and 1 GB.
Additional MMC cards are available from LEI Extras. See ordering in-
formation inside the back cover of this manual. MMCs and SD cards
are also available at many camera and consumer electronics stores.
"D" cell battery

37
The MMC slot is located in a compartment on the front of the case. The
compartment door is located at the lower right corner. The following
figure shows a close-up with the door opened.
Memory card compartment with a 16 MB MMC card installed.
To remove an MMC
1. Open the card compartment door by unscrewing the thumb screw.
The screw should only be finger tight. If it was over-tightened, use a
thumbnail, a coin or a screwdriver to open the door.
2. Just press a finger against the label of the MMC and drag it from the slot.
3. Close the compartment door and fasten the thumb screw finger tight.
To add an MMC or SD Card
1. Open the card compartment door.
2. Grasp the bottom of the MMC and push the top of the card into the
slot. Once the card is started, use your fingernails to slide it the rest of
the way to the left, until it is firmly seated in the slot.
3. Close the compartment door and fasten the thumb screw finger tight.
Other Accessories
Other accessories include MMC cards, MMC card readers and MapCre-
ate™ 6 custom mapping software for your computer. MMC card readers
are available in USB and parallel port versions.
Insert card face up,
this way
Thumb
screw

38
MapCreate™ 6 CD-ROM (left). MMC card reader for USB ports (right).
NOTE:
When you first turn on the unit, the Map Page appears. If you
would rather start learning about GPS operation, jump to Sec. 6,
Basic GPS Operations. Remember: you don't need to read this
manual from cover-to-cover to get going. We designed it so you can
skip around to the section you want to read.

39
Section 3: Basic Sonar Operation
This section addresses the unit's most basic sonar operations. The in-
structions presented in Sec. 3 follow a chronological order. Sec. 4, Sonar
Options & Other Features, will discuss other more advanced functions
and utilities. Material in Sec. 4 is arranged in alphabetical order.
Before you turn on the sonar unit, it is a good idea to learn about the
different keys, the Main Menu, the four Page screens and how they all
work together. BUT, if you just can't wait to get on the water, turn to
the one-page Quick Reference on page 47.
Keyboard
SeaCharter 642cDF iGPS unit showing map with sonar page, key-
board and access door for MMC cards.
1. PWR/LIGHT – The PWR key turns the unit on and off and activates
the backlight.
2. PAGES – Pressing the Pages key and the ← → arrow keys switches
the unit between the four different page screens: Satellite Status Page,
Navigation Page, Map Page and Sonar Page.
3. MENU – Press the Menu key to show menus and submenus. This
also accesses search functions for streets, intersections, addresses and
highway exits.
5
4
2
8
7
9
6
3
1
MMC slot access door
40
4. ARROW KEYS – These keys are used to navigate through menus,
make menu selections, move the map and sonar chart cursors and enter
data.
5. ENT/ICONS – The Enter key allows you to save data, accept values
and execute menu commands. It is also used to create event marker
icons.
6. EXIT – The Exit key lets you return to the previous screen, clear
data or close a menu.
7. WPT – The Waypoint key is used to save and recall waypoints,
search for waypoints and access the waypoint list. It also launches
Point-of-Interest (POI) search menus and is involved in some naviga-
tion functions.
8. ZOUT – The Zoom Out key lets you zoom out the screen. On the So-
nar Page, it returns you to a full sonar chart display, showing the en-
tire water column from surface to bottom. On the Map Page, it lets you
see a larger geographic area with less detail.
9. ZIN – The Zoom In key lets you zoom in the screen. On the Sonar
Page, it enlarges fish signals and bottom detail. On the Map Page, it
lets you see greater detail in a smaller geographic area.
Power/lights on and off
To turn on the unit, press PWR. As the unit powers up, the Map Page is
displayed first. To switch to the Sonar Page, press PAGES|→ TO
SONAR|EXIT.
To turn on the backlight, press PWR. The unit has three backlight lev-
els to select from. Repeatedly pressing PWR will cycle through the
backlight settings.
Turn off the unit by pressing the PWR key for 3 seconds.
Main Menu
The unit has a Main Menu, which contains function and setup com-
mands. The instructions in this section will deal only with sonar func-
tions — the basic commands that make the unit show sonar signals on
your screen. This sonar unit will work fine right out of the box with the
default settings. But, if you want to learn about the various sonar op-
tions, see Sec. 4, Sonar Options & Other Features. (For general system
setup and GPS options, see Sec. 8, System Setup and GPS Setup Op-
tions.)

41
You can access the Main Menu from any of the four Page screens by
pressing MENU|MENU. To clear the menu screen and return to the page
display, press EXIT. Remember: our text style for "MENU|MENU" means
"press the Menu key twice." See a full explanation of our instruction
text formatting on page 11, How to use this manual.
Main Menu.
The Main Menu commands and their functions are:
Screen: changes the contrast or brightness of the display screen.
Sounds: enables or disables the sounds for key strokes and alarms and
sets the alarm style.
Transparency: adjusts the level of transparency for menus.
Alarms: turns sonar and GPS alarms on or off and changes alarm
thresholds.
Route Planning: used to plan, view or navigate a route.
My Trails: shows, creates and deletes plot trails. Also used to navigate
or backtrack a trail.
Cancel Navigation: turns off the various navigation commands. Used
to stop navigating after you have reached your destination.
Sonar Setup: sets various sonar options.
GPS Setup: sets various GPS receiver options.
System Setup: sets general configuration options.
Sun/Moon Calculations: finds the rising and setting time of the sun
and the moon.
Trip Calculator: shows trip status and statistics.

42
Timers: controls the up timer, down timer and alarm clock settings.
Browse MMC Files: allows you to view the installed MMC card and
the files it contains.
Pages
The unit has four Page displays. They are the Satellite Status Page,
Navigation Page, Map Page and Sonar Page. They are accessed by press-
ing the PAGES key, then using ← → to select a Page. Clear the Pages
Menu by pressing EXIT.
Pages Menu showing Sonar display options.
Satellite Status Page
The Satellite Status Page provides detailed information on the status of
the unit's satellite lock-on and position acquisition. To get to the Satel-
lite Status Page press the PAGES key, then use ← → to select STATUS.
Clear the Pages Menu by pressing EXIT.
This page represents a GPS function, so it is discussed in much greater
detail in Sec. 6.
No matter what Page you are on, a flashing current position indica-
tor/question mark symbol and flashing GPS data displays indicate sat-
ellite lock has been lost and there is no position confirmed.
WARNING:
Do not begin navigating with this unit until the numbers
have stopped flashing!

43
Satellite Status Page showing satellite lock-on with a 3D position
acquired (latitude, longitude and altitude) with WAAS reception.
Navigation Page
This screen has a compass rose that shows your direction of travel and
direction to a recalled waypoint. To get to the Navigation Page press
PAGES| ← → to NAVIGATION|EXIT.
This page represents a GPS function, so it is discussed in much greater
detail in Sec. 6.
Navigation Page recording a trail, traveling northeast.
Map Page
The Map Page screens show your course and track from a bird's-eye
view. By default, this unit shows the map with north always at the top
of the screen. The arrow in the center of the screen is your present posi-
tion. It points in the direction you are traveling.

44
Map Page showing position on Bull Shoals Lake, Arkansas. The full
map option (left). Map with sonar option (right).
Map Page is also the default screen that appears when you turn on the
unit. To get to the Map Page from another page press PAGES| ← → to
MAP|EXIT.
You can display a split screen showing both the Map and Sonar pages
at the same time. This feature is discussed in Sec. 4, Sonar Options &
Other Features.
The Map Page represents a GPS function, so it is discussed in much
greater detail in Sec. 6.
Sonar Page
The Sonar Page displays the sonar chart. This is a cross-section view of
the water column beneath the boat. The chart moves across the screen,
displaying sonar signal echoes that represent fish, structure and the
bottom.
To get to the Sonar Page press the PAGES key, then use ← → to select
SONAR. The Sonar Pages Menu offers four chart display options: Full So-
nar Chart, Split Zoom Sonar Chart, Split Frequency Sonar Chart and
Digital Data. From the Sonar Page menu you can select one of the chart
options by pressing ↓ to the desired display|EXIT.
The Sonar Page also has its own menu, which is used for some advanced
functions and for setting various options. Sonar Options and other fea-
tures are discussed in Sec. 4. To Access the Sonar Page menu, from the
Sonar Page press MENU.

45
The four Sonar Page display modes: Full Sonar Chart (left).
Split Zoom display mode (right).
Split Frequency mode (left) and Digital Data mode (right).
Full sonar chart mode.
Surface clutter
Structure
Bottom signal
Fish arches
Depth scale
Digital data
overlay
(depth &
temperature)
Surface signal
Zoom bar
FasTrack
bar graph
46
You can customize how the Sonar Page displays its pictures and other
data in many ways. Your unit also includes several special sonar features
and options that can help you better interpret the underwater scene.
We will discuss all of those features and options in Sec. 4, but to show
you how easy this unit is to operate, the following page contains a, 10-
step quick reference that will cover most fish finding situations. The
quick reference describes how your unit will operate with all sonar fea-
tures set to default settings.
47
Basic Sonar Quick Reference
1. Mount the unit and transducer. Connect the unit to electric power
and the transducer. Make sure the MMC is installed. See complete in-
stallation details beginning on page 13.
2. Launch your boat.
3. To turn on the unit, press and release PWR key.
4. Opening screen displays Map Page. Rotate through the four main
Page screens (Map Page, Satellite Status Page, Navigation Page, Sonar
Page) by pressing PAGES|← → to select Page Name|EXIT. Switch
Pages to display Sonar Page.
5. If GPS data is desired, wait while unit locates satellites and calculates
current position. When the unit acquires position, a tone sounds and a posi-
tion acquired message appears.
6. With position acquired, head for your fishing grounds. Your unit will
automatically display digital depth and surface water temperature in
the top left corner of the screen.
The auto settings will track the bottom, displaying it in the lower por-
tion of the screen. The full sonar chart will scroll from right to left,
showing you what's under the boat as you cruise across the water. You
can change the display by:
Zoom in to enlarge the chart for more detail: press ZIN.
Zoom out to return to full chart mode: press ZOUT.
7. Watch the display for the appearance of fish symbols (or arches, if
Fish I.D. is turned off). When you see fish symbols or arches, you've
found fish! Stop the boat and get your lure or bait into the water at the
depth indicated on the sonar chart.
8. Gauge the fish depth by visually comparing the fish symbols or
arches with the depth scale on the right side of the screen, or get a
more accurate measure with the Depth Cursor. Press MENU|↓ to DEPTH
CURSOR|ENT. Press ↓ ↑ to align the cursor line with the fish arch. The
exact depth appears in a box at the right end of the cursor line. To clear
the cursor, press EXIT.
9. If you are drifting at a very low speed or anchored, you are not mov-
ing fast enough for a fish to return the tell-tale fish arch signal. As you
drift over a fish, or as a fish swims through the transducer's signal
cone, the fish echo will appear as a straight line suspended between the
surface and the bottom when Fish I.D. is turned off.
10. To turn off the unit, press and hold PWR key for three seconds.

48
Sonar Operations
As you can see from the quick reference, basic operation is pretty easy, right
out of the box. If you are a sonar novice, try operating the unit with the de-
fault settings until you get a feel for how it is working.
As you are learning the basics, there is one setting you might want to
tinker with from time to time — Sensitivity.
Sensitivity controls the unit's ability to pick up echoes. If you want to see
more detail, try increasing the sensitivity, a little at a time. There are situa-
tions when too much clutter appears on the screen. Decreasing the sensitivity
can reduce the clutter and show the strongest fish echoes, if fish are present.
As you change the sensitivity setting, you can see the difference on the chart
as it scrolls.
These figures show results of different sensitivity levels on the same lo-
cation. Fig. 1: Sensitivity at 88 percent, determined by Auto Sensitivity.
Typical of full auto mode. Fig. 2: Sensitivity set at 75 percent. Fig. 3: Sen-
sitivity set at 50 percent. Fig. 4: Sensitivity set at 100 percent.
You can change the sensitivity level whether you are in Auto Sensitivity
mode or Manual Sensitivity mode. The adjustment method works the
same in both modes, but it gives you slightly different results.
Fig. 1 Fig. 2
Fig. 3 Fig. 4

49
Adjusting sensitivity in Auto Sensitivity Mode is similar to manually ad-
justing a car's speed with the accelerator pedal while cruise control is on.
You can tell the car to run faster, but when you let off the gas the cruise
control automatically keeps you from running slower than the minimum
speed setting. In the unit, auto mode will let you increase sensitivity to 100
percent, but the unit will limit your minimum setting. This prevents you
from turning sensitivity down too low to allow automatic bottom tracking.
When you change the setting with auto turned on, the unit will continue to
track the bottom and make minor adjustments to the sensitivity level, with
a bias toward the setting you selected.
Adjusting sensitivity in Manual Sensitivity Mode is similar to driving a
car without cruise control — you have complete manual control of the
car's speed. In the unit, manual mode allows you to set sensitivity at
100 percent (maximum) or zero percent (minimum.) Depending on wa-
ter conditions, the bottom signal may completely disappear from the
screen when you reduce sensitivity to about 50 percent or less.
Try adjusting sensitivity in both auto and manual modes to see how
they work.
To adjust sensitivity:
1. Press MENU|ENT.
2. The Sensitivity Control Bar appears. Press ↓ to decrease sensitivity.
Press ↑ to increase sensitivity. When it is set at the desired level, press
EXIT. When you reach the maximum or minimum limit, a tone sounds.
Sonar Menu with Sensitivity command selected (left).
The Sensitivity Control Bar (right).
NOTE:
If you want to change the sensitivity in Manual Mode, first turn off
Auto Sensitivity. From the Sonar Page, press MENU|↓ to AUTO

50
SENSITIVITY|ENT|↑ to SENSITIVITY|ENT. Press ↓ ↑ to pick a different
sensitivity setting. When it is set at the desired level, press EXIT.
Tip:
While you are experimenting and learning, it is possible to scramble
the settings so the sonar picture disappears from your screen. If that
happens, remember it is easy to switch back to full automatic opera-
tion by restoring the default settings.
To Restore Default Settings:
1. Press MENU|MENU|↓ to SYSTEM SETUP|ENT|↓ to RESET OPTIONS|ENT.
2. A confirmation message will appear. Press ← to YES|ENT. All options
are reset and the unit reverts back to the Map Page at the 4000-mile
zoom range. Recorded sonar logs or GPS data will be unchanged.
Fish Symbols vs. Full Sonar Chart
You may have noticed in the quick reference we used fish arches in full
sonar chart mode for our example and not the popular Fish I.D. fish
symbol feature. Here's why.
Fish I.D. is an easier way for a sonar novice to recognize a fishy signal
return when he sees it. However, locating fish by symbol only has some
limitations.
Your sonar unit's microprocessor is remarkably powerful, but it can be
fooled. Some of the echoes calculated to be fish could be tree limbs or tur-
tles! To see what's under your boat in maximum detail, we recommend
you turn off Fish I.D. and begin learning to interpret fish arches.
Fish I.D. is most handy when you are in another part of the boat or per-
forming some task that prevents you from watching the sonar screen.
Then, you can turn on Fish I.D. and the audible fish alarm. When that
lunker swims under your boat, you will hear it!
Fish I.D. can also be useful when you want to screen out some of the
sonar detail gathered by your unit. For example, in one case fisherman
in San Francisco Bay saw clouds of clutter in the water but no fish
arches. When a down rigger was pulled up, it brought up several small
jellyfish. The fisherman switched their sonar to Fish I.D., which
screened out the schools of jellyfish and clearly showed the game fish
there as fish symbols.
The sonar options section discusses Fish I.D., fish alarms and other
features in greater detail.

51
Section 4: Sonar Options & Features
ASP (Advanced Signal Processing)
The ASP feature is a noise rejection system built into the sonar unit
that constantly evaluates the effects of boat speed, water conditions
and interference. This automatic feature gives you the best display pos-
sible under most conditions.
The ASP feature is an effective tool in combating noise. In sonar terms,
noise is any undesired signal. It is caused by electrical and mechanical
sources such as bilge pumps, engine ignition systems and wiring, air
bubbles passing over the face of the transducer, even vibration from the
engine. In all cases, noise can produce unwanted marks on the display.
The ASP feature has four settings — Off, Low, Medium and High. If
you have high noise levels, try using the "High" ASP setting. However,
if you are having trouble with noise, we suggest that you take steps to
find the interference source and fix it, rather than continually using the
unit with the high ASP setting.
There are times when you may want to turn the ASP feature off. This
allows you to view all incoming echoes before they are processed by the
ASP feature.
To change the ASP level:
1. From the Sonar Page, press MENU|↓ to SONAR FEATURES|ENT.
2. Press ↓ to NOISE REJECTION|ENT.
3. Press ↓ ↑ to select a setting, then press ENT.
4. To return to the main page display, press EXIT|EXIT.
Sonar Menu with Sonar Features selected (left).
In the Sonar Features menu, Noise Rejection is selected
with ASP in the default low setting (right).

52
Alarms
This unit has three types of sonar alarms. The first is the Fish Alarm.
It sounds when the Fish I.D. feature determines that an echo is a
fish.
Another alarm is the Zone Alarm, which consists of a bar on the side of
the screen. Any echo on the chart that appears inside this bar triggers
this alarm.
The last alarm is the Depth Alarm, which has both a Shallow and a
Deep setting. Only the bottom signal will trigger this alarm. This is
useful as an anchor watch, a shallow water alert or for navigation.
Depth Alarms
The depth alarms sound a tone when the bottom signal goes shallower
than the shallow alarm's setting or deeper than the deep alarm's set-
ting. For example, if you set the shallow alarm to 10 feet, the alarm will
sound a tone if the bottom signal is less than 10 feet. It will continue to
sound until the bottom goes deeper than 10 feet.
The deep alarm works just the opposite. It sounds a warning tone if the
bottom depth goes deeper than the alarm's setting. Both depth alarms
work only off the digital bottom depth signals. No other targets will trip
the alarms. The Shallow and Deep alarms can be used at the same time
or individually.
Main Menu and Sonar Alarms command (left).
The Sonar Alarms menu (right).
To adjust and turn on the shallow alarm:
1. Press MENU|MENU|↓ to ALARMS|ENT|↓ to SONAR ALARMS|ENT.
2. Press → to SHALLOW ALARM DEPTH|ENT.

53
3. Press ↑ ↓ to change the first number, then press → to move the cur-
sor to the next number and repeat until the depth is correct. Press ENT.
4. Press ← to SHALLOW ALARM ENABLED|ENT. To turn on the alarm, high-
light the SHALLOW ALARM ENABLED box and press ENT.
To adjust and turn on the deep alarm:
1. From the Sonar Alarms menu, press ↓ to DEEP ALARM ENABLED|→ to
DEEP ALARM DEPTH|ENT.
2. Press ↑ ↓ to change the first number, then press → to move the cur-
sor to the next number and repeat until the depth is correct. Press ENT.
3. Press ← to DEEP ALARM ENABLED|ENT. To turn on the alarm, highlight
the DEEP ALARM ENABLED box and press ENT.
Zone Alarm
The zone alarm is triggered when any echo passes inside the zone
alarm bar, shown on the right side of the screen.
To adjust and turn on the zone alarm:
1. From the Sonar Alarms menu, press ↓ to ZONE ALARM ENABLED|→ to
ADJUST ZONE|ENT.
Sonar Alarms menu with Adjust Zone command selected (left).
Adjust Zone Alarm selection box with Upper selected (right).
2. To set the upper boundary for the Zone Alarm, use ← → to select
UPPER, then press ↑ ↓ to move the top of the bar to the desired depth.
3. To set the lower boundary for the Zone Alarm, use ← → to select LOWER,
then press ↑ ↓ to move the bottom of the bar to the desired depth.
4. Press EXIT|← to ZONE ALARM ENABLED|ENT. Now, any echo — fish, bot-
tom, structure — within the zone alarm's depth range will trigger the
zone alarm. To turn off the alarm, highlight the ZONE ALARM ENABLED box
and press ENT.

54
Fish Alarm
Use the fish alarm for a distinctive audible alarm when fish or other
suspended objects are detected by the Fish I.D. feature. Fish I.D.
must be turned on for the Fish Alarm to work. A different tone sounds
for each fish symbol size shown on the display.
Sonar Alarms menu with Fish Alarm selected. The check box to the left
is blank, indicating the alarm is turned off.
To turn on the fish alarm:
2. From the Sonar Alarms, press ↓ to FISH ALARM|ENT.
3. To turn off the alarm, highlight FISH ALARM and press ENT.
Press EXIT repeatedly to get back to the main page display.
Calibrate Speed
The speed sensor can be calibrated to compensate for inaccuracies. Be-
fore you change the setting, calculate the percentage the speed is off.
You will enter this percentage in a moment.
If you figure the sensor is reading 10 percent faster than actual speed,
you will enter -10 in the calibration window. If the sensor is reading 5
percent slower than true speed, you will enter + 5 in the window.
A good way to gauge your speed sensor's performance is to compare its
reading with the ground speed measured the GPS function. When you
make a run to compare GPS ground speed to speed sensor speed, per-
form your test in relatively calm water free of current, if possible.
1. Press MENU|MENU|↓ to SONAR SETUP|ENT|↓ to CALIBRATE WATER
SPEED|ENT.
2. Enter the number you calculated earlier. Press ↑ ↓ to change the
first character (+ or –), then press → to move the cursor to the next
number and repeat until the percentage is correct. Press EXIT.

55
Chart Speed
The rate echoes scroll across the screen is called chart speed. The de-
fault is maximum. We recommend you keep the default setting for most
all fishing conditions.
You may consider experimenting with chart speed when you are sta-
tionary or drifting slowly. Sometimes the unit will display better im-
ages when chart speed is adjusted to match the speed of your boat.
If you are at anchor, ice fishing or fishing from a dock, experiment with
a chart speed around 50 percent. If you are drifting slowly, try a chart
speed around 75 percent. When you are stationary and a fish swims
through the sonar signal cone, the image appears on the screen as a
long line instead of a fish arch. Reducing the chart speed may result in
a shorter line that more closely resembles a regular fish return.
Sonar Page menu with Chart Speed command selected (left).
Chart Speed Control Bar (right).
If you experiment with chart speed, remember to reset it to maximum
when you resume trolling or moving across the water at higher speed.
To change chart speed:
1. From the Sonar Page, press MENU|↓ to CHART SPEED|ENT.
2. The Chart Speed Control Bar appears. Press ↓ to decrease chart
speed. Press ↑ to increase chart speed.
3. When it is set at the desired level, press EXIT.
ColorLine
ColorLine lets you distinguish between strong and weak echoes. It
paints a brighter color on targets that are stronger than a preset value.
This allows you to tell the difference between a hard and soft bottom.

56
For example, a soft, muddy or weedy bottom returns a weaker signal
which is shown with a narrow, colored line (dark blue tinged with red
or a little yellow.) Since fish are among the weakest echoes, they show
up mostly as blue arches. A hard bottom or other relatively hard target
returns a strong signal which causes a wider brightly colored line (red-
dish yellow to bright yellow.)
If you have two signals of equal size, one with red to yellow color and
the other without, then the target with brighter color (yellow) is the
stronger signal. This helps distinguish weeds from trees on the bottom,
or fish from structure.
ColorLine is adjustable. Experiment with your unit to find the Color-
Line setting best for you.
Sonar Page menu with ColorLine command selected (left).
The ColorLine control bar (right).
To adjust the ColorLine level:
1. From the Sonar Page, press MENU|↓ to COLORLINE|ENT.
2. The ColorLine Control Bar appears. Press ↓ to decrease ColorLine.
Press ↑ to increase ColorLine.
3. When it is set at the desired level, press EXIT.

57
A little ColorLine (left) indicates a soft bottom, probably sand or mud.
Wider ColorLine (right) indicates a harder, rocky bottom.
Customize Page Displays
Every Page display with digital data boxes may be customized to pro-
vide on-screen information.
The data is divided into categories in the Customize menu. These cate-
gories include GPS Data, Navigation, Trip Calculator, Time, Sonar
Data and Sensor Data. You can select items from any of these catego-
ries for display on any page.
To change the information displayed on your screen:
While on the Page display you want to customize, press MENU|↓ to
CUSTOMIZE|ENT. This will highlight one of the digital data boxes on the
screen. To change the data contained in the box press ENT or press ↓ or
↑ to select a different box to customize. Upon making a selection, you
will see a list of the data categories with "+" or "-" symbols next to each
category. A category with a "+" next to it is expandable, meaning its
contents are hidden.
Wider
ColorLine
Thin or no ColorLine

58
Digital Data box containing Water Temp is highlighed (left). Data
Viewer with GPS Data and Navigation categories expanded (right).
Selecting the category name and pressing ENT will bring up the cate-
gory's contents.. An expanded category (one with a "-" next to its name)
can be collapsed to hide its contents and make more room on your
screen. Just select the category name and press ENT.
Expand any categories that may contain information you want to dis-
play. Then press ↓ ↑ to select a display option. With the option high-
lighted, press ENT to turn it on (check) and turn it off (uncheck). After
all options are set press EXIT|EXIT.
Depth Cursor
The depth cursor consists of a horizontal line with a digital depth box on
the right side. The numbers inside the box show the depth of the cursor.
Sonar Page menu with Depth Cursor command selected (left). Sonar
chart with the depth cursor active (right).
Cursor line Depth box

59
The cursor can be moved to any location on the screen, letting you pin-
point the depth of a target.
1. From the Sonar Page, press MENU|↓ to DEPTH CURSOR|ENT.
2. The depth cursor appears. Press ↓ to lower the cursor line. Press ↑ to
raise the cursor line.
3. To clear the depth cursor, press EXIT.
Depth Range - Automatic
When turned on for the first time, the bottom signal is placed in the
lower half of the screen. This is called Auto Ranging, an automatic
function. Depending on the bottom depth and the current range, you
can change the range to a different depth.
Sonar Page menu with Depth Range command selected (left). The
Depth Range Control Scale (right).
1. From the Sonar Page, press MENU|↓ to DEPTH RANGE|ENT.
2. The Depth Range Control Scale appears. Press ↑ ↓ to select a differ-
ent depth range. A blue bar highlights the selected range. Range num-
bers in light blue cannot be selected.
3. When the new range is selected, press EXIT to clear the menu.
Depth Range - Manual
You have complete control over the range when the unit is in the man-
ual mode. There are 16 depth ranges, from 5 feet to 4,000 feet.
To switch to Manual Depth Range:
1. Turn off automatic depth range. From the Sonar Page, press MENU|↓
to AUTO DEPTH RANGE|ENT.
2. Press ↑ to DEPTH RANGE|ENT and the Depth Range Scale appears.

60
3. Press ↓ ↑ to select a different depth range. A horizontal blue bar
highlights the selected range.
4. When the new range is selected, press EXIT to close the menu.
NOTE:
The sonar's depth capability depends on the transducer installa-
tion, water and bottom conditions and other factors.
FasTrack
This feature automatically converts all echoes to short horizontal lines
on the right side of the display. The graph on the rest of the screen con-
tinues to operate normally. FasTrack gives you a rapid update of condi-
tions directly under the boat. This makes it useful for ice fishing or
when your are fishing at anchor. When the boat is not moving, fish sig-
nals are long, drawn out lines on a normal chart display. FasTrack con-
verts the graph to a vertical bar graph that with practice, makes a use-
ful addition to fishing at a stationary location.
Sonar Page showing FasTrack.
Fish I.D.
The Fish I.D. feature identifies targets that meet certain conditions as
fish. The microcomputer analyzes all echoes and eliminates surface
clutter, thermoclines and other undesirable signals. In most instances,
remaining targets are fish. The Fish I.D. feature displays fish symbols
on the screen in place of actual fish echoes.
There are several fish symbol sizes. These are used to designate the
relative size between targets. Fish I.D. displays a small fish symbol
when it thinks a target is a small fish and a medium fish symbol on a
larger target and so on.
Structure
Bottom signal
Fish arches
In FasTrack, fish
arches show as
horizontal bars.
FasTrack
bar graph
ColorLine
Surface clutter

61
The sonar's microcomputer is sophisticated, but it can be fooled. It can
not distinguish between fish and other suspended objects such as trot-
lines, turtles, submerged floats, air bubbles, etc. Individual tree limbs
extending outwards from a group of limbs is the hardest object for the
Fish I.D. feature to distinguish from fish.
You may see fish symbols on the screen when actually, there are no
fish. The reverse is also true. The images on the next page show how
Fish I.D. can actually miss fish that are present.
Does that mean Fish I.D. is broken? No. The feature is interpreting so-
nar returns in a specific way to help take some of the work out of read-
ing the screen. Remember: Fish I.D. is one of the many tools we provide
so you can analyze your sonar returns for maximum fish finding infor-
mation. This and other features can help you successfully see beneath
the boat under varied water and fishing conditions. So, practice with
the unit in both the Fish I.D. mode and without to become more famil-
iar with the feature. The default setting for Fish I.D. is off.
Sonar Features menu with Fish I.D. Symbols turned on.
To turn on the Fish I.D. feature:
1. From the Sonar Page, press MENU|↓ to SONAR FEATURES|ENT.
2. Press → to FISH SYMBOLS|ENT|EXIT|EXIT.
To turn off Fish I.D., repeat these instructions.
FishTrack
The FishTrack feature shows the depth of a fish symbol when it ap-
pears on the display. This lets you accurately gauge the depth of tar-
gets. This feature is available only when the Fish I.D. feature is on. The
default setting for FishTrack is off.

62
To turn on FishTrack:
NOTE:
These steps turn on FishTrack and Fish I.D. at the same time.
1. From the Sonar Page, press MENU|↓ to SONAR FEATURES|ENT.
2. Press → ↓ to FISH DEPTHS|ENT|EXIT|EXIT.
To turn off FishTrack, repeat the instructions in step 1. Turning off
FishTrack in this manner will not turn off Fish I.D. symbols.
Sonar Features menu with Fish ID Depths selected (left). Sonar Page
showing Fish I.D. symbols and FishTrack depths turned on (right).
Frequency (SeaCharter only)
The SeaCharter 642cDF iGPS transducer operates with both 200 kHz
and 50 kHz. The 200 kHz frequency has a 12° cone angle and the 50
kHz frequency has a 35° cone angle.
The default frequency is 200 kHz, best for use in shallow water (about
300 feet or less). This frequency is the best choice for about 80 percent
of the fresh and salt water sport fishing applications. When you get into
deep salt water — 300 to 500 feet or deeper — the 50 kHz frequency
will perform better.
The 200 kHz transducer will give you better detail and definition, but
less depth penetration. The 50 kHz transducer will give you greater
depth penetration, but a little less detail and less definition.
Remember: all sonar units typically read deeper in fresh water than in
salt water.
There is a common exception to these rules. Some fishermen on fresh-
water lakes (or the ocean) using downriggers like to see them on the
Fish Symbols
with FishTrack
depths

63
sonar. In many of those cases, you will see a 50 kHz transducer fre-
quency in use because the wider cone angle lets them watch the bait.
Sonar Features menu with 50 kHz frequency selected (left).
200 kHz frequency selected (right).
To change the frequency setting to 50 kHz:
1. From the Sonar Page, press MENU|↓ to SONAR FEATURES|ENT.
2. Press ↓ → to TRANSDUCER FREQUENCY, select 50 KHZ and press ENT.
3. Press EXIT|EXIT to clear the menu.
To change the frequency setting to 200 kHz:
1. From the Sonar Page, press MENU|↓ to SONAR FEATURES|ENT.
2. Press ↓ → to TRANSDUCER FREQUENCY, select 200 KHZ and press ENT.
3. Press EXIT|EXIT to clear the menu.
HyperScroll
See the entry on Ping Speed, which controls the HyperScroll feature.
Log Sonar Chart Data
If you have an MMC installed in the unit, the sonar data shown on the
screen can be saved to the MMC. This can be played back at any time
(to play a recorded sonar chart log, see the entry in this section for So-
nar Simulator). If you have a personal computer and Internet access,
visit our web site, www.eaglesonar.com, and download the free So-
nar Viewer and the emulator for your unit. These programs will allow
you to replay sonar logs on your personal computer.

64
Sonar Page menu with Log Sonar Chart Data selected (left). Sonar
Chart Logging menu with Start Logging command selected (right).
To record or log chart data:
1. Press MENU|↓ to LOG SONAR CHART DATA|ENT.
2. To record data using the default settings, press ENT. The menu clears
and the Sonar Page title bar shows the name of the file you are record-
ing. Warning messages will appear as recording time begins to run out.
NOTE:
You can change any of the settings by using the cursor arrows to
highlight different commands. Select FILE NAME and press ENT if you
want to change the name. Select CHART QUALITY if you want to lower
the file quality and record for a longer period of time. After you
have changed the settings, select START LOGGING and press ENT.
Noise Rejection
See the entry on Advanced Signal Processing in this section.
Overlay Data
On any Page display except Satellite Status, you can float or overlay
additional GPS or navigation data on the screen with the Overlay Data
command. For example, if you left your watch at home, you could dis-
play the local time on top of the map. Or if you wanted to see details
about your route and trip, you could show your bearing, course, average
speed and trip distance.
The various data available from your unit are divided into categories in
the Overlay Data menu. These categories include GPS Data, Naviga-
tion, Trip Calculator,Time, Sonar Data and Sensor Data.

65
You can select items from any of these categories for display, in any
combination. The category divisions are there only to help you sort
through the information.
Overlay Data menu with Press Ent to add highlighted (left). Data viewer
with Navigation, Trip Calculator and Time categories expanded (right).
To overlay information on your screen:
1. While on the Map or Sonar Page, press MENU|↓ to OVERLAY DATA|ENT.
2. You will see a list of the overlay data currently shown. Select ENTER
TO ADD and press ENT. The data viewer shows information categories
with "+" or "–" symbols next to each category name. A category with a
"+" next to it is expandable, meaning its contents are hidden.
Selecting the category name and pressing ENT will show the category's
contents. An expanded category — one with a "–" next to its name —
can be collapsed to hide its contents.
3. Expand categories that may contain data you want to display. Then
press ↓ ↑ to select a data option.
4. With the data option highlighted, press ENT to turn it on (check) and
turn it off (uncheck). As you turn it on, the data will appear on top of
the screen. Every Page display has a maximum number of items you
can show using the Overlay Data command.
5. After the desired changes are made, press EXIT|EXIT to return to the
page display.

66
From Overlay Data Shown (left) press ENT to see Data Viewer (center).
Select a category and press ENT, then choose a data option to display
and press ENT to turn it on (right).
To remove overlaid data:
1. While on the Page that shows the data you want to remove, press
MENU|↓ to OVERLAY DATA|ENT.
2. You will see a list of the overlay data currently displayed. Select the
item you want to remove from the display and press ENT|ENT to re-
move the data. To remove another item, repeat Step 2.
3. When you have finished removing all the items you want from the
screen, press EXIT to return to the main page display.
Overlay Data Shown menu with Local Time option selected (left). Data
information window with Remove highlighted (right).
To move overlaid data:
You may find it useful to move data floating on your display.
1. From one of the Map Pages, press MENU|↓ to OVERLAY DATA|ENT.
2. You will see a list of the overlay data currently displayed. Select the
item you want to move and press ENT|→ to MOVE|ENT.

67
3. The data begins to flash on your screen. Use ↓ ↑ ← → to move the
data to a new location on the display.
4. When have the data in the desired position, press EXIT|EXIT.
NOTE:
The Customize and Overlay Data commands use the same informa-
tion categories. The difference between the two commands is Cus-
tomize changes only the data in digital data boxes and Overlay
Data changes information floating on the screen.
To change displayed data font size:
1. From the Map or Sonar page, press MENU|↓ to OVERLAY DATA|ENT.
2. Press ↓ ↑ to select a data type to resize, then press ← → scroll
through five data size options: Off, Small, Medium, Large and Enor-
mous. Press EXIT. The selected data type will be displayed in the new
size.
The Map Page (left) shows Depth, Ground Speed and the Steering Ar-
row. The Sonar Page (right) shows Depth, Ground Speed and Track.
NOTE:
Some data types can be displayed in only one font size. If that is the
case, the Data Size box will not be displayed for that data type.
Ping Speed & HyperScroll
Ping Speed controls the rate at which the transmitter and transducer
broadcast sonar sound waves — pings — into the water. The unit has a
default ping speed of 50 percent. At normal boating speeds, this auto-
matically provides echoes to refresh the screen and scroll the chart at
maximum chart speed.
When you are running at high speeds or just want the fastest possible
screen update, you may want to use the HyperScroll feature. When
Steering
arrow

68
you change the Ping Speed to any setting greater than 50 percent, the
unit automatically enters HyperScroll mode.
These faster ping rates allow you to maintain a high-detail picture on
the screen. The ping rate helps the screen refresh rate and chart scroll
speed keep pace with the speed of the boat.
When using HyperScroll, you may also need to manually decrease the
sensitivity for optimum performance. Depending on water depth and
other conditions, HyperScroll may cause a second bottom echo to return
to the transducer during the next ping cycle. This can result in a large
amount of clutter appearing on the screen. If this occurs, decrease the
sensitivity to a level that eliminates the clutter. When you turn Hyper-
Scroll off, you can return to your original sensitivity level.
Sonar Menu with Ping Speed command selected (left).
Ping Speed Control Bar (right).
To change Ping Speed:
1. From the Sonar Page, press MENU|↓ to PING SPEED|ENT.
2. The Ping Speed Control Bar appears. Press ↑ to increase ping speed.
Press ↓ to decrease speed. When it is set at the desired level, press EXIT.
To turn off HyperScroll:
1. From the Sonar Page, press MENU|↓ to PING SPEED|ENT.
2. The Ping Speed Control Bar appears. Press ↓ to decrease ping speed
to 50 percent, then press EXIT.
When you boost ping speed and switch into HyperScroll, the width of
the FasTrack bar graph display doubles in width at the right side of the

69
screen. This allows you to better see sonar returns, just as you would on
a flasher sonar unit. For more information on FasTrack, see its entry in
this section.
Reset Options
This command is used to reset all features, options and settings to their
factory defaults. This is useful when you have changed several settings
and want to return the unit to the settings it had right out of the box.
1. Press MENU|MENU|↓ to SYSTEM SETUP|ENT|↓ to RESET OPTIONS|ENT.
2. Press ← to YES|ENT.
3. All the menus are cleared and the unit reverts to the Map Page at
the 4000 mile zoom range, just as if you had turned it on for the first
time. All options have been returned to the factory settings.
System Setup menu with Reset Options command selected (left). The
Reset Options dialog box (right).
NOTE:
Reset Options does not erase any waypoints, routes, plot trails or
sonar logs.
Reset Water Distance
The sonar chart's Digital Data display option includes a box that shows
Water Distance. This information is calculated from an optional water
speed sensor, not the GPS. The Water Distance window can be reset to
zero using the Reset Water Distance command.
Press MENU|MENU|↓ to SONAR SETUP|ENT|↓ to RESET WATER DIS-
TANCE|ENT. The menus are cleared and the water distance is reset to 0.00.
70
Set Keel Offset
This unit measures water depth from the face of the transducer. Since
the transducer is installed below the water surface, the distance dis-
played by the digital depth, chart depth scale, chart cursor or fish sym-
bols is not the exact water depth. If the transducer is 1 foot below the
surface, and the screen shows the water depth as 30 feet, then the ac-
tual depth is 31 feet.
On sailboats or other large vessels with deep drafts, the distance be-
tween the transducer installation and the keel or lower engine unit can
be several feet. In those cases, an inexact depth reading could result in
grounding or striking underwater structure. The Keel Offset feature
eliminates the need for the navigator to mentally calculate how much
water is under his keel.
Keel Offset lets you calibrate the digital depth, chart depth scale, chart
cursor depth and fish symbol depth displayed on the screen. To calibrate
the depth indicators, first measure the distance from the face of the
transducer to the lowest part of the boat. In this example, we will use 3.5
feet. This will entered as a negative 3.5 feet, which makes the depth indi-
cators perform as if the transducer's lower in the water than it really is.
1. Press MENU|MENU|↓ to SONAR SETUP|ENT|↓ to SET KEEL OFFSET|ENT.
2. The Keel Offset dialog box appears. Press ↓ to change the plus (+)
sign to a minus (–) sign.
3. Press → to the first number, then press ↑ to change the number to 3.
4. Press → to the second number, then press ↑ to change the number to
5 and press EXIT. The depth indicators now accurately show the depth
of water beneath the keel.
NOTE:
If knowing the exact depth of water beneath the keel is less important,
you can calibrate the depth indicators so that they show the actual wa-
ter depth from surface to bottom. To do this, measure the distance
from the face of the transducer up to the surface (the water line on the
boat). In this example, we will use 1.5 feet. This will be entered as a
positive 1.5 feet, which makes the depth indicators perform as if the
transducer's higher in the water than it really is.
1. Press MENU|MENU|↓ to SONAR SETUP|ENT|↓ to SET KEEL OFF-
SET|ENT.
2. The Keel Offset dialog box appears with a plus (+) sign at the
front of the box.
71
3. Press → to the first number, then press ↑ to change the number to 1.
4. Press → to the second number, them press ↑ to change the num-
ber to 5 and press EXIT. The depth indicators now accurately show
the water depth from surface to bottom.
Sensitivity & Auto Sensitivity
The sensitivity controls the ability of the unit to pick up echoes. Sensi-
tivity can be adjusted, because water conditions vary greatly. A low
sensitivity level — from zero to 50 percent — excludes much of the bot-
tom information, fish signals and other target information.
High sensitivity levels let you see this detail, but it can also clutter the
screen with many undesired signals. Typically, the best sensitivity level
shows a good solid bottom signal with Colorline and some surface clutter.
Automatic Sensitivity
The default sensitivity mode is automatic. The unit bases the sensitiv-
ity level on water depth and conditions. When the unit is in the auto-
matic mode, sensitivity is automatically adjusted to keep a solid bottom
signal displayed, plus a little more power. This gives it the capability to
show fish and other detail.
Situations occur when an increase or decrease in sensitivity is needed.
An increase in sensitivity is necessary when you want to see more de-
tail. A decrease in sensitivity will clear up the screen when it becomes
cluttered by tiny air bubbles caused by boat wakes or wave action.
The control bar used to adjust sensitivity up or down is the same
whether the unit is in the automatic or manual mode. In automatic you
can adjust sensitivity up to 100 percent, but the unit will limit your
minimum setting. In auto, the unit will continue to make small ad-
justments, allowing for the setting you selected.
In manual mode, you have complete control over sensitivity with the
ability to set it anywhere from zero to 100 percent. Once you select a
level in manual, the unit will continue to use that exact sensitivity set-
ting until you change it or revert to auto mode.
To adjust sensitivity in auto mode:
1. Press MENU|ENT.
2. The Sensitivity Control Bar appears. Press ↓ to decrease sensitivity.
Press ↑ to increase sensitivity. When it is set at the desired level, press
EXIT.

72
Sonar Menu with Sensitivity command selected (left).
The Sensitivity Control Bar (right).
To adjust sensitivity in manual mode:
1. First, turn off Auto Sensitivity: from the Sonar Page, press MENU|↓
to AUTO SENSITIVITY|ENT.
2. Press ↑ to SENSITIVITY|ENT and the Sensitivity Control Bar appears.
Press ↓ ↑ to pick a different sensitivity setting. When it is set at the
desired level, press EXIT.
To turn Auto Sensitivity back on:
From the Sonar Page, press MENU|↓ to AUTO SENSITIVITY|ENT|EXIT.
Tip:
For quicker sensitivity adjustments, leave the Sensitivity Control
Bar on the screen as the chart scrolls. You can see the changes on
the screen as you press the up and down arrows. This is handy
when there is a lot of clutter in the water and you are matching the
sensitivity to rapidly changing water conditions.
Sonar Chart Mode
The default color scheme for the sonar chart is White Background, but
we offer other variations to suit your viewing preferences. You can se-
lect the chart to be displayed in Grayscale, Reverse Grayscale, Blue
Background, Nightview, IceView or Bottom Color Tracking.
To change the chart mode color scheme:
1. From the Sonar Page, press MENU|↓ to SONAR FEATURES|ENT.
2. Press ↓ → to SONAR CHART MODE|ENT.
3. Press ↓ ↑ to Mode Name|ENT.
4. Press EXIT|EXIT to return to the Sonar Page.

73
Sonar Page & Sonar Chart Display Options
The Sonar Page Menu offers four chart display options. To access them,
press PAGES|→ to SONAR|↓ to Option Name|EXIT.
Pages Menu, showing sonar chart display options.
Full Sonar Chart
This is the default mode used when the unit is turned on for the first
time or when it is reset to the factory defaults.
The bottom signal scrolls across the screen from right to left. Depth
scales on the right side of the screen aid in determining the depth of
targets. The line at the top of the screen represents the surface. The
bottom depth and surface temperature (if equipped with a temperature
sensor or a transducer with a temp sensor built in) show at the top left
corner of the screen.
The FasTrack™ display shows just to the right of the scale. This
changes all echoes into short horizontal bars, replicating a flasher so-
nar. The zoom bar on the far right shows the area that is zoomed when
the zoom is in use.

74
Full Sonar Chart (left). Split Zoom Sonar Chart (center) with left win-
dow zoomed to 2X. Split Zoom chart (right) zoomed to 4X.
Split Zoom Sonar Chart
A split chart shows the underwater world from the surface to the bot-
tom on the right side of the screen. The left side shows an enlarged ver-
sion of the right side. The zoom range shows at the bottom left corner of
the screen.
Digital Data
This mode shows the chart on the right side of the screen. The left side
has five digital data boxes containing Water Depth, Water Tempera-
ture, Water Speed (from an optional speed sensor), Water Distance
(also requires a speed sensor) and an air temperature sensor. The
Depth box also shows settings for the Shallow and Deep alarms.
Digital Data.
Customizing the Digital Data Page
Data boxes on the Digital Data page can be customized to show differ-
ent data. To customize this screen:

75
Sonar Page Menu showing Customize command highlighted (left).
The first data box (Water Temp) is flashing (right).
1. From the Digital Sonar Page, press MENU|↓ to CUSTOMIZE|ENT.
2. The title bar begins flashing on the second box from the top, indicat-
ing its contests can be changed. Press ENT, which will launch the Data
Viewer menu with the following Data Categories: GPS Data, Naviga-
tion, Trip Calculator, Time, Sonar Data and Sensor Data. Each cate-
gory will have a "+" or "−" symbol next to it. A category with a "+" next
to it is expandable, meaning its contents are hidden.
Options List for customizing Digital Data boxes. The list first appears
with Water Temperature selected (left). Maximum Speed has been
picked to replace Water Temperature (right).
Selecting the category name and pressing ENT will bring up the cate-
gory's contents. An expanded category (one with a "−" next to its name)
can be collapsed to hide its contents and make more room on your
screen. Expand any categories that may contain information you want
to display by highlighting them and pressing ENT. Then press ↓ ↑ to

76
select a display option. With the option highlighted, press ENT to turn it
on (check) and turn it off (uncheck). When you have selected a data op-
tion, press ENT|EXIT. The data you chose is now displayed in the se-
lected digital data box. To change other boxes on the Sonar Digital
Page, use ↑ ↓ to select another digital data box and repeat the steps
above. If you are satisfied with the displayed data, press EXIT. The big
data box at the top of the page can not be customized.
Map With Sonar
The Map with Sonar mode splits the screen in half, with the map on the
left and the sonar chart on the right. This screen option can be found on
the Pages Menu under the Map Page category.
Full Map Page (left). The Pages Menu with the Map option
list (center). Map With Sonar split screen (right).
When using the Map with Sonar page, you can switch between the two
pages by pressing PAGES|PAGES. You will not be able to zoom in on one
page if the other page is active. You will have to switch to the desired page
to make adjustments to it.
Sonar Simulator
This unit has a built-in simulator that lets you use it as if you were on
the water. All sonar features and functions are useable. To use the
simulator:
1. From the Sonar Page, press MENU|MENU|↓ to SONAR SETUP|ENT|↓ to
SONAR SIMULATOR|ENT|EXIT. Repeat these steps to turn it off.

77
Main Menu with Sonar Setup command selected (left). Submenu with
Sonar Simulator command selected (center). Sonar Simulator menu
(right), with simulator turned off (box is unchecked).
NOTE:
With Simulate Position checked, the simulator will automatically run
the GPS simulator, if GPS data was recorded with the sonar log.
2. To use the default sonar chart log stored in the unit, press ENT|EXIT.
The recorded chart begins scrolling across the screen, just as if you
were on the water. To turn off the simulator, repeat Step 1.
Sonar Page playing a recorded sonar chart in Sonar Simulator mode.
Tip:
The Sonar Simulator can use sonar charts recorded on an MMC
card. To play back a sonar chart, install the MMC containing the
chart.
1. Press MENU|MENU|↓ to SONAR SETUP|ENT|↓ to SONAR SIMULATOR|ENT.
2. Press ↓ to CHART USED|ENT.
Play symbol
flashing
Title bar with chart file name

78
3. Press ↓ or ↑ to select chart name|ENT|↑ to SONAR SIMULATOR
ON|ENT|EXIT.
While you are in the Sonar Simulator menu, do not forget to check
Simulate Position if you want to run the sonar and GPS simulators
simultaneously. As you review sonar logs, you can create waypoints
at sites you want to revisit.
While the simulator is running, you can switch from one chart log
to another by opening the Sonar Simulator menu and using the in-
structions in steps 2 and 3 to select a different chart.
NOTE:
If you turn on your unit before attaching a transducer, it may enter
demo mode, which will scroll a sonar chart across the screen. The
words demo mode flash on the bottom of the display. Demo mode will
stop when you turn on the unit with a transducer attached.
Stop Chart
If you are running multiple units on a boat or using this unit in a car,
there are times when you may want to turn off the sonar. The Stop
Chart command stops the chart from scrolling. The sonar chart will
restart each time you turn on your unit.
From the Sonar Page press MENU|↓ to STOP CHART|ENT|EXIT.
To turn get the sonar chart scrolling again, repeat the step above.
Sonar Menu with Stop Chart command selected.
Surface Clarity
The markings extending downward from the zero line on the chart are
called surface clutter. They are caused by wave action, boat wakes,
temperature inversion and more. The surface clarity control reduces or
eliminates surface clutter signals from the display. It does this by

79
changing the sensitivity of the receiver, decreasing it near the surface
and gradually increasing it as the depth increases.
There are three levels of surface clarity available: off, low, medium and
high. The default level is off.
To adjust the Surface Clarity level:
1. From the Sonar Page, press MENU|↓ to SONAR FEATURES|ENT|↓ to
SURFACE CLARITY | ENT.
Sonar Features menu with Surface Clarity selected (left). Surface Clar-
ity turned off (center). Surface Clarity set at high level (right).
2. Use ↓ ↑ to select clarity level and press EXIT repeatedly.
Zoom & Zoom Bar
Zooming in the display is the easiest way to enlarge small detail, fish
signals and the bottom. This unit lets you zoom in the display by
pressing the Zoom In key, ZIN.
Pressing ZIN once doubles the size (2X) of all echoes on the screen.
Pressing it again quadruples the size of the echoes (4X). When turned
on, the zoom bar on the far right side of the screen shows which echoes
will be displayed on the screen when the ZIN key is pressed.
To turn on the zoom bar, press MENU|↓ to SONAR FEATURES|ENT. Press ↓
to ZOOM BAR|ENT|EXIT|EXIT. Repeat these steps to turn it off.
For example, pressing the ZIN key once will enable a 2X zoom which
will show all echoes between the top and bottom of the 2X zoom bar.
Pressing the key again will give a 4X zoom and only the echoes between
the top and bottom of the 4X bar will show on the screen.
Press ZOUT (Zoom out) to return the display to the normal mode.
Surface clutter

80
Sonar Page (left). Sonar Page zoomed 2X (center).
Sonar Page zoomed 4X (right).
Zoom Pan
Your unit has the handy ability to quickly zoom in on any portion of the
water column. Zoom Pan lets you rapidly move the zoomed area up and
down the display. By pointing your zoom at different portions of the
chart as it scrolls, you can get a close-up look at structure or cover below
you.
To use Zoom Pan, you will have to turn off Auto Depth Range. To do
this, press MENU and select Auto Depth Range. Press ENT to uncheck
the box next to it, then press EXIT|ZIN and use ↑ ↓ to pan up and down
the water column. Press ZOUT to return the display to the normal Zoom
range.
81
Section 5: Sonar Troubleshooting
If your unit is not working, or if you need technical help, please use the
following troubleshooting section before contacting the factory customer
service department. It may save you the trouble of returning your unit
for repair. For contact information, refer to the last page, just inside the
back cover of this manual.
Unit won't turn on:
1. Check the power cable's connection at the unit. Also check the wiring.
2. Make sure the power cable is wired properly. The red wire connects
to the positive battery terminal, black to negative or ground.
3. Check the fuse.
4. Measure the battery voltage at the unit's power connector. It should
be at least 10 volts. If it isn't, the wiring to the unit is defective, the
battery terminals or wiring on the terminals are corroded, or the bat-
tery needs charging.
Unit freezes, locks up, or operates erratically:
1. Electrical noise from the boat's motor, trolling motor, or an accessory
may be interfering with the sonar unit. Rerouting the power and trans-
ducer cables away from other electrical wiring on the boat may help.
Route the sonar unit's power cable directly to the battery instead of
through a fuse block or ignition switch.
2. Inspect the transducer cable for breaks, cuts, or pinched wires.
3. Check the transducer and power connector. Make sure it's securely
plugged in to the unit.
Weak bottom echo, digital readings erratic, or no fish signals:
1. Make sure the transducer is pointing straight down. Clean the face of
the transducer. Oil, dirt and fuel can cause a film to form on the trans-
ducer, reducing its effectiveness. If the transducer is mounted inside the
hull, be sure it is shooting through only one layer of fiberglass and that it
is securely bonded to the hull. When attaching a transducer to the inside
of a hull, ONLY use the epoxy available from LEI (order information is
inside the back cover). Do NOT use RTV silicone rubber adhesive or any
other type of epoxy. The LEI epoxy is specially formulated so that it will
cure properly for shoot-through applications.
2. Electrical noise from the boat's motor can interfere with the sonar.
This causes the sonar to automatically increase its discrimination or
noise rejection feature. This can cause the unit to eliminate weaker
signals such as fish or even structure from the display.
82
3. The water may be deeper than the sonar's ability to find the bottom.
If the sonar can't find the bottom signal while it's in the automatic
mode, the digital sonar display will flash continuously. It may change
the range to limits far greater than the water you are in. If this hap-
pens, place the unit in the manual mode, then change the range to a
realistic one, (for example, 0-100 feet) and increase the sensitivity. As
you move into shallower water, a bottom signal should appear.
4. Check the battery voltage. If the voltage drops, the unit's transmitter
power also drops, reducing its ability to find the bottom or targets.
Bottom echo disappears at high speeds or erratic digital read-
ing or weak bottom echo while boat is moving:
1. The transducer may be in turbulent water. It must be mounted in a
smooth flow of water in order for the sonar to work at all boat speeds. Air
bubbles in the water disrupt the sonar signals, interfering with its ability
to find the bottom or other targets. The technical term for this is cavitation.
2. Electrical noise from the boat's motor can interfere with the sonar.
This causes the sonar to automatically increase its discrimination or
noise rejection feature. This can cause the unit to eliminate weaker
signals such as fish or even structure from the display. Try using resis-
tor spark plugs or routing the sonar unit's power and transducer cables
away from other electrical wiring on the boat.
No fish arches when the Fish I.D. feature is off:
1. Make sure the transducer is pointing straight down. This is the most
common problem if a partial arch is displayed.
2. The sensitivity may not be high enough. In order for the unit to dis-
play a fish arch, it has to be able to receive the fish's echo from the time
it enters the cone until it leaves. If the sensitivity is not high enough,
the unit shows the fish only when it is in the center of the cone.
3. Use the Zoom feature. It is much easier to display fish arches when
zoomed in on a small range of water than a large one. For example, you
will have much better luck seeing fish arches with a 30 to 60 foot range
than a 0 to 60 foot range. This enlarges the targets, allowing the dis-
play to show much more detail.
4. The boat must be moving at a slow trolling speed to see fish arches.
If the boat is motionless, fish stay in the cone, showing on the screen as
straight horizontal lines.
NOISE
A major cause of sonar problems is electrical noise. This usually ap-
pears on the sonar's display as random patterns of dots or lines. In se-
vere cases, it can completely cover the screen with black dots, or cause
the unit to operate erratically, or not at all.
83
To eliminate or minimize the effects of electrical noise, first try to de-
termine the cause. With the boat at rest in the water, the first thing
you should do is turn all electrical equipment on the boat off. Make sure
the engine is also off. Turn your sonar on, then turn off Noise Reject
[also known as the ASP feature (Advanced Signal Processing)]. Sensi-
tivity should be set at 90-95 percent. There should be a steady bottom
signal on the display. Now turn on each piece of electrical equipment on
the boat and view the effect on the sonar's display. For example, turn
on the bilge pump and view the sonar display for noise. If no noise is
present, turn the pump off, then turn on the VHF radio and transmit.
Keep doing this until all electrical equipment has been turned on, their
effect on the sonar display noted, then turned off.
If you find noise interference from an electrical instrument, trolling mo-
tor, pump, or radio, try to isolate the problem. You can usually reroute
the sonar unit's power cable and transducer cable away from the wiring
that is causing the interference. VHF radio antenna cables radiate
noise when transmitting, so be sure to keep the sonar's wires away
from it. You may need to route the sonar unit's power cable directly to
the battery to isolate it from other wiring on the boat.
If no noise displays on the sonar unit from electrical equipment, then
make sure everything except the sonar unit is turned off, then start the
engine. Increase the RPM with the gearshift in neutral. If noise ap-
pears on the display, the problem could be one of three things; spark
plugs, alternator, or tachometer wiring. Try using resistor spark plugs,
alternator filters, or routing the sonar unit's power cable away from
engine wiring. Again, routing the power cable directly to the battery
helps eliminate noise problems. Make sure to use the in-line fuse sup-
plied with the unit when wiring the power cable to the battery.
When no noise appears on the sonar unit after all of the above tests,
then the noise source is probably cavitation. Many novices or persons
with limited experience make hasty sonar installations which function
perfectly in shallow water, or when the boat is at rest. In nearly all
cases, the cause of the malfunction will be the location and/or angle of
the transducer. The face of the transducer must be placed in a location
that has a smooth flow of water at all boat speeds. Read your trans-
ducer owner's manual or the Installation instructions (Sec. 2) in this
manual for the best mounting position.
84
Notes

85
Section 6: Basic GPS Operations
This section addresses the unit's most basic GPS operations. The tuto-
rials presented in Sec. 6 follow a chronological order. Sec. 7, Advanced
GPS Operations, will discuss other more advanced functions and utili-
ties. Material in Sec. 7 is arranged in alphabetical order.
Before you turn on the unit and find where you are, it's a good idea to
learn about the different keys, the four Page screens and how they all
work together. BUT, if you just can't wait to get outside, turn to the
one-page Quick Reference on page 98.
Keyboard
SeaCharter 642cDF iGPS unit showing Map with Sonar page,
keyboard and access door for the MMC slot.
1. PWR/LIGHT – turns the unit on and off and activates the backlight.
2. PAGES – Pressing this and the ← → arrow keys (4) switches the
unit between the four different page screens: Satellite Status Page,
Navigation Page, Map Page and Sonar Page.
3. MENU – The Menu key to show menus and submenus, which allow
you to select a command or adjust a feature. This also accesses search
functions for streets, intersections and highway exits.
5
4
2
8
7
9
6
3
1
MMC slot access door
86
4. ARROW KEYS – The arrow keys are used to navigate through
menus, enter data, make menu selections, move the map cursor and
sonar chart cursor.
5. ENT/ICONS – The Enter key allows you to save data, accept values
or execute menu commands. It is also used to create event marker
icons.
6. EXIT – The Exit key lets you return to the previous screen, clear
data or close a menu.
7. WPT – The Waypoint key is used to save and recall waypoints,
search for waypoints and access the waypoint list. It also launches the
Point-of-Interest (POI) search menus and is involved in some naviga-
tion functions.
8. ZOUT – The Zoom Out key lets you zoom out the screen. On the So-
nar Page, it returns you to a full sonar chart display, showing the en-
tire water column from surface to bottom. On the Map Page, this lets
you see a larger geographic area on the map with less detail.
9. ZIN – The Zoom In key lets you zoom in the screen. On the Sonar
Page, it enlarges fish signals and bottom detail. On the Map Page,
zooming in lets you see more detail in a smaller geographic area.
Power/lights on and off
To turn on the unit, press PWR. As the unit powers up, the Map Page is
displayed first. To turn on the backlight, press PWR again. The unit has
three backlight levels. Repeatedly pressing PWR will cycle through the
backlight settings and turn off the backlight.
Turn off the unit by depressing the PWR key for 3 seconds.
Main Menu
The unit has a Main Menu, which contains function and setup com-
mands. The lessons in this section will deal only with functions, the basic
commands that make the unit do something. The GPS will work fine for
this right out of the box with the default settings. If you want to learn
about the various options, see Sec. 8, System Setup and GPS Setup Op-
tions.
You can access the Main Menu from any of the four Page screens by
pressing MENU|MENU. To clear the menu screen and return to the page
display, press EXIT.

87
Main Menu.
The Main Menu commands and their functions are:
Screen: changes the contrast or brightness of the display screen.
Sounds: enables or disables the sounds for key strokes and alarms and
sets the alarm style.
Transparency: adjusts the level of transparency for menus.
Alarms: turns GPS or sonar alarms on or off and changes alarm
thresholds.
Route Planning: used to plan, view or navigate a route.
My Trails: shows, hides, creates and deletes plot trails. Also used to
navigate or backtrack a trail.
Cancel Navigation: turns off the various navigation commands. Used
to stop navigating after you have reached your destination.
Sonar Setup: sets various sonar options.
GPS Setup: sets various GPS receiver options.
System Setup: sets general configuration options.
Sun/Moon Calculations: finds the rising and setting time of the sun
and the moon.
Trip Calculator: shows trip status and statistics.
Timers: controls the up timer, down timer and alarm clock settings.
Browse Files: this allows you to view the installed MMC card and the
files it contains.

88
Pages
The unit has four Page displays: Satellite Status Page, Navigation Page,
Map Page and Sonar Page. They are accessed by pressing the PAGES key,
then using ← → to select a Page. Clear the Pages Menu by pressing EXIT.
Map Page display options.
Sonar Page
The Sonar Page displays the sonar chart, a view of the water column
from the surface to the bottom. The chart scrolls across the screen from
right to left, displaying echoes that represent fish, structure and the
bottom. The Sonar Page is discussed in detail in Sec. 3. To get to the
Sonar Page press the PAGES key, then use ← → to select SONAR.
Satellite Status Page
The Satellite Status Page, shown in the following images, provides de-
tailed information on the status of the unit's satellite lock-on and posi-
tion acquisition. To get to the Satellite Status Page press the PAGES
key, then use ← → to select STATUS.
No matter what Page you are on, a flashing current position indica-
tor/question mark symbol and flashing GPS data displays indicate sat-
ellite lock has been lost and no position is confirmed. The Satellite
Status Page shows you the quality and accuracy of the current satellite
lock-on and position calculation.
WARNING:
Do not begin navigating with this unit until the numbers
have stopped flashing!

89
Satellite Status Page. The first figure (left) indicates unit has not locked
on to any satellites and does not have a fix on its position. The second
figure (right) shows satellite lock-on with a 3D position acquired (lati-
tude, longitude and altitude), and WAAS reception.
This screen shows a graphical view of the satellites in view. Each satellite is
shown on the circular chart relative to your position. The point in the center
of the chart is directly overhead. The small inner ring represents 45° above
the horizon and the large ring represents the horizon. North is at the top of
the screen. If your unit is facing north, you can use this to see which satel-
lites are obstructed by obstacles in your immediate area.
The GPS receiver is tracking satellites that are in bold type. The re-
ceiver hasn't locked onto a satellite if the number is grayed out, there-
fore it isn't being used to solve the position.
Beneath the circular graph are the bar graphs, one for each satellite in
view. Since the unit has twelve channels, it can dedicate one channel
per visible satellite. The taller the bar on the graph, the better the unit
is receiving the signals from the satellite.
NOTE:
One of the data display options for the Satellite Status page is Posi-
tion Error (horizontal position error), which when selected, will ap-
pear in one of the page's digital data boxes. Position Error will show
the expected error from a benchmark location. If the Position Error
is 50 feet, then the position shown by the unit is estimated to be
within 50 feet of the actual location.
It also gives you an indicator of the fix quality the unit currently has.
The smaller the position error number, the more accurate the fix is.
If the position error flashes dashes, the unit has not locked onto the
satellites and the number shown isn't valid.

90
The Satellite Status Page has its own menu, which is used for setting
various options. To access the Satellite Status Page Menu, from the
Status Page, press MENU.
Navigation Page
This screen has a compass rose that not only shows your direction of
travel, but also the direction to a recalled waypoint. To get to the Navi-
gation Page press PAGES|← → to NAVIGATION|EXIT.
The navigation screen looks like the one below when you are not navi-
gating to a waypoint or following a route or trail. Your position is
shown by an arrow in the center of the screen. Your trail history is il-
lustrated by the line extending from the arrow. The arrow pointing
down at the top of the compass rose indicates the current direction of
travel (track).
Traveling north and recording a trail on the Navigation page. The
page looks like this when the unit is not navigating to a waypoint, fol-
lowing a route or backtracking a trail.
When navigating to a waypoint, the Navigation screen looks like the
following figure. Your ground speed, track, distance, bearing to way-
point and course are shown digitally on the screen.
NOTE:
Remember: when Speed, Track and Position information displays
are flashing, satellite lock has not been achieved and no position fix
has been determined. A question mark will flash on the present po-
sition arrow in the center of the compass rose.
Compass
rose
Navigation
information
displays in
customizable
data boxes
Present
position
arrow
Trail line
Track or compass heading indicator, showing direction of travel

91
Speed is the velocity you are making over the ground. If you want, you
can customize the Speed data box to display Closing Speed instead.
Closing Speed is also known as velocity made good. It is the speed you
are making toward the waypoint. For instructions, see the Customize
Page Displays entry in Sec. 8.
Track is the heading or the current direction you are traveling. Bearing
is the line-of-sight direction from your present position to the destina-
tion. No matter what direction you are steering, the Bearing window
shows the compass direction straight to the destination from your cur-
rent location. Distance shows how far it is to your destination.
The Off Course window shows the current cross track error. This shows
the distance you are off-course to the side of the desired course line. The
course line is an imaginary line drawn from your position when you
started navigating to the destination. The course line is shown on the
Navigation screen and Map Page screens as a red line.
Navigation Page, going to a waypoint while creating a new trail.
The cross track error range is shown on the compass rose as a white,
corridor flanking the course line. The outer edges of this white corridor
represent lines that show the current cross track error range. The de-
fault for the cross track error range is 0.20 miles.
If the present position symbol touches the right cross track error line,
then you are 0.20 miles to the right of the desired course. You need to
steer left to return to the desired course. You can use the ZIN or ZOUT
keys to change the cross track error range.
Destination
name
Navigation
information
displays
in data boxes
Bearing
arrow
Cross track
error range
(off course
indicator)
Magenta
trail line
Red course line Heading arrow
92
Travel Time is the time it will take to reach your destination at your
present closing speed. You can also customize the time data box to show
Arrival Time instead. Arrival Time is the local time it will be when you
arrive at the destination, based upon your present closing speed and
track.
In the preceding figure, the driver is headed northwest (a 307º track)
toward a waypoint 307º (bearing) away. The cross track error range
(white corridor) is 0.20 miles either side of the course. The driver is
headed toward trail waypoint 002, which is 5.65 miles away. Traveling
at a speed of 70 mph, the driver will arrive at the waypoint in 3 min-
utes, 24 seconds.
The Navigation Page has its own menu, which is used for some ad-
vanced functions and for setting various options. To access the Naviga-
tion Page Menu, press MENU while on the Navigation Page.
Map Page
The Map Page screens show your course and track from a bird's-eye
view. By default, this unit shows the map with north always at the top
of the screen. (This can be changed. See the topic Map Orientation, in
Sec. 8.) If you are navigating to a waypoint, the map shows your start-
ing location, present position, course line and destination. You don't
have to navigate to a waypoint to use the map.
Map Page is the default screen that appears when you turn on the unit.
To get to the Map Page from another page press PAGES|← → to
MAP|EXIT. When the Map Page is displayed, a screen similar to the fol-
lowing figures appears.
The arrow in the center of the screen is your present position. It points
in the direction you are traveling. The magenta line extending from the
back of the arrow is your plot trail or path you've taken.
The map zoom range is the distance across the screen. This number
shows in the lower left corner of the screen. In the first of the following
example figures, the range is 4,000 miles from the left edge of the map
to the right edge of the map.
The Zoom In and Zoom Out keys zoom the map to enlarge or reduce its
coverage area and the amount of mapping detail shown. There are 40
available map zoom ranges, from 0.02 miles to 4,000 miles.

93
Map Page opening screen (left). Map zoomed to 100 miles (center). Map
zoomed to 10 miles (right). Over Zoomed, listed at the top of the map
screen (right) means you have reached the detail limits in an area cov-
ered only by the basic background map. Zooming in any closer will
reveal no more map details because a high-detail custom map has not
been loaded on the MMC for this area.
If you are using only the factory-loaded background map, the maximum
zoom range for showing additional map detail is 15 miles. You can con-
tinue to zoom in closer, but the map will be enlarged without revealing
more map content, except for a few major city streets. Load your own
high-detail custom map made with MapCreate or a pre-made Free-
domMap from LEI and you can zoom in to 0.02 miles with massive
amounts of map detail.
Map Pages with high-detail MapCreate map of an urban area loaded on
the MMC. Arterial streets are visible at the 4-mile zoom range (left).
Numerous dots representing Points of Interest are visible at the 2-mile
range (center). Map zoomed into 0.4-mile range (right) .You can see an
interstate highway with an exit, major and minor streets as well as
Point of Interest icons.
94
Background map vs. MapCreate map content
The background map includes, low-detail maps of the whole world (con-
taining cities, major lakes, major rivers, political boundaries) and me-
dium-detail maps of the United States.
The medium-detail U.S. maps contain all incorporated cities, shaded
metropolitan areas, county boundaries; shaded public lands (such as
national forests and parks), some major city streets, Interstate, U.S.
and state highways, Interstate highway exits and exit services informa-
tion, large- and medium-sized lakes and streams and more than 60,000
navigation aids and 10,000 wrecks and obstructions in U.S. coastal and
Great Lakes waters
MapCreate custom maps include massive amounts of information not
found in the background map. MapCreate maps contain the searchable
Points of Interest database, all the minor roads and streets, all the
landmark features (summits, schools, radio towers, etc.) and smaller
lakes, rivers, streams and ponds.
What is more important is the large scale map detail that allows your
GPS unit to show a higher level of position accuracy. For example, the
background map would show you the general outline and approximate
shape of a coastline or body of water, but the higher detail in MapCre-
ate shows the shoreline completely and accurately. Many smaller is-
lands would not be included in the background map, but are in Map-
Create.
NOTE:
Available through LEI Extras — look inside back cover for acces-
sory ordering information — FreedomMaps are pre-made maps that
contain all of the same information available in a custom MapCre-
ate map.

95
When the map is zoomed out far enough, most POIs appear as square
dots (left). As you zoom in closer, the symbols become readable icons.
In the 0.2-mile zoom example (right), the cursor has selected the Cupps
Café POI, which triggers a pop-up box with the POI name
Tip:
In some urban areas, businesses are so close to one another their
POI icons crowd each other on the screen. You can reduce screen
clutter and make streets and other map features easier to see by
turning off the display of certain POIs. (To see how, check the text
on Map Detail Category Selection, page 143. It shows how to use
the Map Categories Drawn menu to turn individual POI displays
off and on.) Even though they are not set for display, you can still
search for POIs. The icons will pop-up when they are found.
The Map Page has its own menu, which is used for several functions
and various options. To access the Map Page Menu, from the Map Page,
press MENU.
The Pages Menu also offers several map display options under the Map
Page category. To access them, press PAGES|← → to MAP|↓ to desired
the Map Page display option|EXIT.
School POI
POI
Pop-up
Restaurant
POI
POI
Marker
Position, distance
and bearing data
Cursor line
Interstate Major Street
Minor
Streets
Zoom Range

96
Two Position Format map page option.
In pages that have two major windows you can toggle back and forth
between the two windows by pressing PAGES|PAGES. This allows you
to change the active map. Only when a map is active are you able to
make adjustments to it.
Pages Menu with Two Map option selected (left).
Map Page with two map windows (right).
Resize Window command
Resize Window is a feature for pages that have two major windows. You
can change the relative size of the windows as well as the layout, switching
between horizontal and vertical.
1. From any two-window display, press MENU|↓ to RESIZE WINDOW|ENT.
2. Four flashing arrows appear along the centerline dividing the two
windows. Press an arrow key perpendicular to the centerline to adjust
the window widths. Press an arrow key parallel to the centerline to
switch between horizontal and vertical layout.

97
On the Map with Sonar page, you can only change size, not switch lay-
out. It is always two vertical windows. Press EXIT to clear the four
flashing arrows.
(From left to right) Fig. 1. Resize Window command on the GPS Page
menu. Fig. 2. Two Maps page display with four flashing arrows on the
dividing centerline. Fig. 3. The centerline has been moved down to en-
large the top map, which is now zoomed in to 40 miles. Fig. 4. Pressing
→ has switched the page layout from horizontal to vertical.
3. To change the window size again or revert back to the original dis-
play, just follow the steps above. Most dual-window displays use half
the screen for each window by default.
The following page contains a 12-step quick reference for the most basic
GPS operations. If you don't want to carry the manual with you as you
practice with the unit, you might consider photocopying this quick ref-
erence page and tucking it into your pocket.
Fig. 1. Fig. 3.
Fig. 2. Fig. 4.
98
Basic GPS Quick Reference
Start outdoors, with a clear view of the open sky. As you practice, try
navigating to a location at least a few blocks away. While you're learning,
navigation in too small an area will constantly trigger arrival alarms.
1. Connect the unit to electric power. Make sure the MMC is in. (See
complete installation details beginning on page 13.)
2. To turn on the unit, press and release PWR key.
3. Opening screen displays map of North America at the 4,000-mile
zoom range. Rotate through the four main Page screens (Map, Satellite
Status, Navigation and Sonar) by pressing PAGES|← → to select Page
Name|EXIT. Switch Pages to display Satellite Status Page.
4. Wait while unit locates satellites and calculates current position. Process
is visible on Satellite Page. This takes an average of 1 minute or less under
clear sky conditions (unobstructed by terrain or structures.) When the unit
acquires position, a tone sounds and a position acquired message appears.
5. With position acquired, press PAGES to display Map Page, which
shows bird's eye view of the earth. You can move around the map by:
Zoom in closer to see greater detail: press ZIN (zoom in key.)
Zoom out to see more area, less detail: press ZOUT (zoom out key.)
Scroll map north, south, east or west using arrow keys ↑ ↓ → ← .
To stop scrolling and return to current position on map, press EXIT key.
6. Set a waypoint (Wpt 001) at your current position so you can navigate
back here: press WPT|WPT. Waypoint symbol and "001" appears.
7. Zoom/scroll map to find a nearby object or location to go to. Use ar-
row keys to center cursor crosshairs over map object or location.
8. Navigate to the selected destination: press MENU|ENT|EXIT. Follow red
course line on Map Page or compass bearing arrow on Navigation Page.
9. At destination, Arrival Alarm goes off. To clear it, press EXIT. Cancel
navigation: press MENU|MENU|↓ to CANCEL NAVIGATION|ENT|← to YES|ENT.
10. Return to Wpt 1 by Navigate To Waypoint or Backtrack Trail. To
Waypoint: press WPT|ENT|ENT|ENT. Use ↑ or ↓ to select Wpt 001,
press ENT|ENT; follow navigation displays. Trail: press MENU|MENU|↓
to MY TRAILS|ENT. Press ↓ to Trail 1|ENT|→ ↓ to NAVIGATE|ENT. Press ↓
→ to REVERSE ROUTE|ENT|← to NAVIGATE|ENT. (If arrival alarm sounds,
press EXIT.) Follow navigation displays.
11. Back home, Arrival Alarm goes off; press EXIT. Cancel navigation:
press MENU|MENU|↓ to CANCEL NAVIGATION|ENT|← to YES|ENT.
12. To turn off the unit, press and hold PWR key for three seconds.
99
Find Your Current Position
Finding your current position is as simple as turning on the unit. Un-
der clear sky conditions, the unit automatically searches for satellites
and calculates its position in approximately one minute or less.
NOTE:
Clear sky conditions means open sky, unobstructed by terrain,
dense foliage or structures. Clouds do not restrict GPS reception.
If for some reason satellite acquisition takes longer, you may be inside
a structure or vehicle or in terrain that is blocking signal reception. To
correct this, be sure you are positioned so that the unit has as clear a
view of the sky as possible, then turn the unit off and back on again.
Moving Around the Map: Zoom & Cursor Arrow Keys
The map is presented from a bird's eye view perspective. The current
zoom range shows in the lower left corner of the screen.
1. Press the ZIN key (zoom in) to move in closer and see greater detail in
a smaller geographic area.
2. Press the ZOUT key (zoom out) to move farther away and see less map
detail, but a larger geographic area.
When you are traveling, the map will automatically move as you move.
This keeps your current location roughly centered on the screen.
You can manually pan or scroll the map northward, southward, east-
ward or westward by using the arrow keys, which launch the cross-hair
map cursor. This allows you to look at map places other than your cur-
rent position. To clear the cursor, press EXIT, which jumps the map
back to the current position or the last known position.
Tip:
Use the cursor to determine the distance from your current position
(or last known position, when working indoors) to any map object or
location. Use the arrow keys to position the cursor over the object or
place. The distance, measured in a straight line, appears in the
popup data box. Press EXIT to clear the cursor.

100
The selected wreck (the Empress) to the southeast is 12.81 miles away.
Selecting Any Map Item With the Cursor
1. Use the zoom keys and the arrow keys to move around the map and
find the item you wish to select.
2. Use the arrow keys and center the cursor cross-hair on the desired ob-
ject. On most items, a pop-up box will give the name of the selected item.
Tip:
This unit has a Cursor Undo feature that lets you instantly return
to the previous location without scrolling. Use the cursor to scroll
across the map to some far away location or waypoint. Press EXIT to
clear the cursor and jump back to your current position on the map.
When you want to take another peek at that distant place, just
press EXIT again. You can use this trick to toggle between your cur-
rent position and your destination.
Searching
Now that you have seen how the unit can find your current location,
let's search for something else. Searching is one of the most powerful
features in the Eagle GPS product line.
In this example, we will look for the nearest fast-food restaurant. For
information on different types of searches, refer to Sec. 9, Searching.
NOTE:
This example requires the Point of Interest (POI) database included
with a high-detail MapCreate 6 custom map.
Pop-up
name box
Cursor
line Cursor
line
Selected
wreck
Distance
measured
by cursor

101
1. After the unit has acquired a position, press WPT|↓ to POI-
RESTAURANTS.
2. You could search the entire restaurant category, but in this example
we will narrow our search. Press → ↓ to FAST FOOD CHAINS|ENT|↓ to
NEAREST|ENT.
3. A list of restaurants will appear with the closest at the top of the list,
and the one furthest from you at the bottom of the list. The nearest is
highlighted.
Find Waypoint Menu (left). Category Selection menu (center). List of
the nearest restaurants (right).
4. If you want, you could scroll ↑ ↓ here to select another restaurant,
but for now we will just accept the nearest one, so press ENT.
POI information screen on fast food restaurant nearest this position.
Screen shows name, street address, phone number, latitude/longitude,
distance to restaurant and its compass bearing. Go To command high-
lighted (left). Find On Map command highlighted (right).
5. The POI information screen appears. (This is how you can use this
unit as a business phone directory!) If you wanted to navigate there,

102
you could by pressing Enter. The Go To waypoint command is already
highlighted. But we just want to see it on the map, so press ↓ to FIND ON
MAP|ENT.
6. The unit's map appears, with the cursor crosshairs highlighting the
restaurant' s POI symbol. A pop-up data box shows the POI's name. A
data box at the bottom of the screen displays the location's latitude,
longitude, distance and bearing.
Finding Waypoint screen showing
the result of a restaurant search.
7. To clear the search and return to the last page displayed, press EXIT
repeatedly. Before you exited out of the Search menus, you could have
gone looking for another place.
NOTE:
Search works from mapping and POI data loaded in the unit. If you do
not have a high-detailed custom map for the area you are searching, you
may not find anything.
Set a Waypoint
A waypoint is an electronic address based on the latitude and longitude
of a position on the earth. It represents a location, spot or destination
that can be stored in memory, then recalled and used later on for navi-
gation purposes.
You can create a waypoint at the cursor position on the map or at your
current position while navigating. You can create a waypoint at any
location by manually entering the position's latitude and longitude. You
can copy waypoints from your unit to your personal computer with
MapCreate software. When you want to repeat a trip, these archived
waypoints can be reloaded into your GPS unit.
103
To create and save a Waypoint:
These first two techniques use the Quick Save method, the fastest and
easiest way to create a waypoint.
Create Waypoint at Current Position
While you are traveling, press WPT|WPT. The waypoint is saved and
automatically given a name with a sequential number, such as way-
point 003. The waypoint symbol and number appear on the map.
NOTE:
The Quick Save method uses the default waypoint symbol until you
edit an existing waypoint and change its symbol. (Edit Waypoint
Symbol is described in Sec. 7.) After you have changed a waypoint
symbol, the unit will remember the one you chose and use it the
next time you quick save a waypoint. To revert back to the default
symbol, edit a waypoint and choose the original symbol, or use the
Reset Options command (described in Sec. 8).

104
Sequence for setting a waypoint. Step 1: while traveling, press WPT to
call up Find Waypoint screen (seen in Step 2) and set a point. Step 3: a
message says the waypoint has been saved. Step 4: vehicle continues
on its way; number waypoint symbol is visible on map.
Create Waypoint on Map
1. Use the arrow keys to move the cursor to the place where you want
to make a waypoint.
2. Press WPT|WPT. The waypoint is saved and automatically given a
name with a sequential number, such as waypoint 001. The waypoint
symbol and number appear on the map.
Create Waypoint by Entering a Position
1. Press WPT|↑ to MY WAYPOINTS|→ to NEW|ENT.
2. Press ↓ to ENTERED POSITION|ENT|→ to CREATE|ENT.
3. Press → to LATITUDE|ENT. Enter the latitude by pressing ↑ ↓ to
change the first character, then press → to the next character and re-
peat until the latitude is correct. Press ENT.
Step 3. Step 4.
Step 1. Step 2.

105
4. Press ↓ to LONGITUDE|ENT. Enter the longitude by pressing ↑ ↓ to
change the first character, then press → to the next character and repeat
until the longitude is correct. Press ENT, then EXIT|EXIT to return to the
previous page display. The waypoint is saved and automatically given a
name with a sequential number, such as waypoint 001. The waypoint
symbol and number appear on the map and in the waypoint list.
Navigate To a Waypoint
You can select any waypoint on the Map Page with the cursor, then use
the Navigate to Cursor command (we will describe how later in this
section.) You, however, can avoid scrolling the map to pick your way-
point if you use the Find Waypoint commands.
1. Press WPT|↑ to MY WAYPOINTS|ENT. To look up the nearest waypoint,
press ↓ to NEAREST|ENT. To look by name — and scroll through the en-
tire waypoint list — press ↓|ENT. For this example, let's look by name.
2. If your waypoint list is a long one, you can spell out the waypoint name
in the FIND BY NAME box. Press ↑ ↓ to change the first character, then press
→ to move the cursor to the next character and repeat until the name is
correct, then press ENT to jump to the list below.
3. If the list is short, you can jump directly to the FIND IN LIST box by
pressing ENT. Use ↑ ↓ to select the waypoint name, press ENT and the
waypoint information screen appears with the GO TO command selected.
4. To begin navigating to the waypoint, press ENT.
Navigating to waypoint 002 and leaving a trail.
Destination
name
Trail line
(magenta)
Course line
(red)
Off course
range, set at
0.20 mile

106
Set Man Overboard (MOB) Waypoint
One of boating's most terrifying events is having a friend or family
member fall overboard. This unit has a man overboard feature that
shows navigation data to the location where the feature was activated.
To activate it, press the ZOUT and ZIN keys at the same time. Your posi-
tion at the time these keys are pressed is used as the man overboard
position.
Caution:
Saving a new Man Overboard waypoint will overwrite and erase
the previous Man Overboard waypoint.
Navigate Back to MOB Waypoint
Find your way back to the accident position with the Navigation Page
or Map Page. When MOB is activated, the Navigation Page automati-
cally shows the compass rose with its bearing arrow pointing toward
the man overboard position, and the destination name says Going To
Man Overboard. The Map Page displays a Man Overboard waypoint,
represented by a human figure, and the steering arrow points where to
steer to reach that position.
Navigating to Man Overboard: Man Overboard activated message
(left). The Navigation Page is shown (center). Going to Man Overboard
position on Map Page (right).
The man overboard position is also stored in the waypoint list for future
reference. It can be edited the same as any other waypoint. This pre-
vents the inadvertent loss of the current Man Overboard position.
To cancel navigation to MOB, press MENU|MENU|↓ to CANCEL NAVIGA-
TION|ENT|← to YES|ENT. The unit stops showing navigation information.

107
Navigate to Cursor Position on Map
The GO TO CURSOR command navigates to the current cursor position on
the map. It is a quick way to navigate to anything you can see on the
map display.
1. Use the cursor with the zoom in and zoom out keys to move around
the map until you find a location you want to go to.
2. Center the cursor over the location to select it. See the example in
the following figure. Map items like waypoints, Points of Interest and
towns among others, can be selected and appear highlighted with a
pop-up box. Other features, such as a river or a street intersection will
not appear highlighted, but the cursor will take you to those locations
just the same.
The cursor crosshairs are centered on Oologah, Oklahoma.
3. Press MENU|ENT and the unit will begin navigating to the cursor lo-
cation.
The Map Page will display a red line from your current position to the cur-
sor position. The Navigation Page displays a compass rose showing naviga-
tion information to your destination. See the following examples.

108
The 60-mile zoom figure (left) shows the red course line connecting the
current position to the destination. The Navigation Page (right) will also
show navigation information.
To stop navigating to the cursor, use the Cancel Navigation command.
Press MENU|MENU|↓ to CANCEL NAVIGATION|ENT|← to YES|ENT. The unit
stops showing navigation information.
Navigate to a Point of Interest
You can use the Navigate to Cursor command for POIs in view on the
map, just use the cursor to select the POI.
The other method involves searching for POIs with the Find Waypoint
command, launched with the WPT key. (See the searching example ear-
lier in this section or turn to Sec. 9, Searching, for more instructions.)
After you have looked up an item with the Find Waypoint command,
use ← → to make sure the GO TO command is highlighted at the bottom
of the screen, then press ENT. The unit begins showing navigation in-
formation to the item.
To cancel navigation, press MENU|MENU|↓ to CANCEL NAVIGATION|ENT|←
to YES|ENT. The unit stops showing navigation information.
Creating and Saving a Trail
A trail or plot trail, is a string of position points plotted by the unit as you
travel. It is a travel history, a record of the path you have taken. Trails
are useful for repeating a journey along the same track. They are par-
ticularly handy when you are trying to retrace your trip and go back the
way you came. On the screen, trails are represented by a solid line ex-
tending from the back of the current position arrow. The default color is
light magenta.

109
The unit is set to automatically create and record a trail when it is
turned on. The unit will continue recording the trail until the length
reaches the maximum trail point setting. The default is 2,000 points,
but the unit can record trails 9,999 points long. When the point limit is
reached, the unit begins recording the trail over itself.
With the default auto setting, this unit creates a trail by placing a dot on
the screen every time you change directions. The methods used for creat-
ing a trail and the trail update rate can be adjusted or even turned off.
See Sec. 8 for Trail Options.
To preserve a trail from point A to point B, you must turn off the trail
by making it inactive before heading to point C or even back to point A.
When the current trail is set inactive, the unit automatically begins
recording a new trail.
To Save a Trail
1. Press MENU|MENU|↓ to MY TRAILS|ENT.
Sequence for saving a trail and beginning a new one. My Trails com-
mand (left). The Trails Menu (center). The arrow to the right of Trail 3
indicates the trail is active and the check to the left indicates the trail
is visible on the map display. The third figure (right) shows the Edit
Trail menu, with the Name command selected.
2. Press ↓ to the Active Trail Name|ENT.
3. Press ↓ → to ACTIVE|ENT. This unchecks the Active option.
4. To return to the previous page, press EXIT repeatedly. As you leave
the Edit Trail menu, a new trail starts with a new sequential number.
You can save and recall up to 10 different plot trails, which can be cop-
ied to your MMC for archiving or for transfer to your MapCreate soft-
ware.
Active
symbol
Visible
symbol
110
Tip:
Another quick way to stop recording one trail and begin a new one
is to use the New Trail command. Press MENU|MENU|↓ to MY
TRAILS|ENT|ENT.
Caution:
You also have the option of completely turning off trail record-
ing, under the trail Options command. If, however, the Update
Active Trail option is left turned off, it will cancel the automatic
trail creation feature.
Displaying a Saved Trail
The active trail is automatically displayed on the with the default set-
tings. You can selectively turn trail display off and on for any saved or
active trail. In the Saved Trails List, visible trails have a check mark in
front of the trail name.
To turn off trail display:
1. Press MENU|MENU|↓ to MY TRAILS|ENT.
2. Press ↓ to enter the Saved Trail list, then use ↑ ↓ to select the de-
sired Trail Name|ENT.
3. Press ↓ → to VISIBLE|ENT. To return to the previous page, press EXIT
repeatedly. Repeat the steps above to the turn on the trail display.
Navigating Trails
There are three methods for following a trail: visual trailing, navigating
a trail and backtracking a trail. Try each method to see which you pre-
fer.
Visual trailing is the simplest method. It uses only the Map Page and
requires no menu commands at all. The technique works the same if
you are running a trail forward (from start to end) or backward (from
end to start.) Visual trailing, however, provides no navigation informa-
tion during the trip, like time to your destination.
The other two methods provide a full range of navigation data and work
with both the Map Page and Navigation Page. The only difference be-
tween them is navigating a trail follows a trail forward while back-
tracking follows a trail in reverse.
When hiking at walking speed with a hand-held GPS, we often just use
visual back trailing because it is a bit better at following each turn on a
foot path. At faster speeds, like on the highway or on the water, the
Navigate Trail and Backtrack Trail commands are handy.
111
Visual Trailing
1. On the Map Page, zoom (ZIN or ZOUT) so your trail is visible.
2. Begin moving and watch the Map Page. Walk or steer so your cur-
rent position arrow traces along the trail you have just made.
Tip:
Generally, when using this method, the smaller the zoom range, the
more accurately you will be able to steer along the trail.
Navigate a Trail
The following figures illustrate the menu sequence for navigating a trail.
1. Press MENU|MENU|↓ to MY TRAILS|ENT.
2. Press ↓ to enter the Saved Trail list, then use ↑ ↓ to select the de-
sired Trail Name|ENT.
3. Press ↓ → to NAVIGATE|ENT. Press ↓|NAVIGATE| ENT.
The unit begins showing navigation information along the trail.
NOTE:
If you are already located at or near the beginning of your trail, the
arrival alarm will go off as soon as you hit Enter. Just press EXIT to
clear the alarm and proceed.
5. Now, begin moving and let your unit guide you.
6. When you reach your destination, be sure to cancel your navigation.
Press MENU|MENU|↓ to CANCEL NAVIGATION|ENT. A confirmation message
will appear. Press ←|ENT.

112
Navigate a trail menu sequence: Fig. 1, My Trails command. Fig. 2,
Trails Menu. Fig. 3, Edit Trail Menu. Fig. 4, Edit Route Menu with
Navigate Route command highlighted for Trail 2. A trail is always con-
verted to a route when you navigate the trail.
On the Map Page, the trail you are navigating is represented by a ma-
genta line when the visible trail option is on. The course you are follow-
ing is represented by a red line. The magenta trail line overlays the red
course line. To see the red course line, you must turn off the visible trail
option. The Navigation Page will show only the red course line, unless
you are recording a new trail. The bearing arrow on the compass rose
points to the next waypoint on the trail.
As you travel, the arrival alarm will go off when you near a trail way-
point and the bearing arrow on the compass rose will swing around to-
ward the next trail waypoint. Press EXIT to clear the alarm.
Figure 3. Figure 4.
Figure 1. Figure 2.

113
Navigate trail: Driver is heading southeast straight toward trail point
3 (left). Driver has reached point 3 and has turned southwest to follow
the trail (right).
Navigate trail, navigation page (compass rose) views: Driver is heading
north straight toward trail point 3 (left). Bearing arrow shows the
bearing to the trail point is 355 degrees. Driver has reached trail point
3 (right), causing the Arrival alarm to go off. The unit now shows
navigation information to point 4, which is 1.42 miles away.
Navigate a Back Trail
1. Press MENU|MENU|↓ to MY TRAILS|ENT.
2. Press ↓ to enter the Saved Trail list, then use ↑ ↓ to select the de-
sired Trail Name|ENT.
3. Press ↓ → to NAVIGATE|ENT.
4. Press ↓ → to REVERSE ROUTE|ENT|← to NAVIGATE|ENT. The unit shows
navigation information along the trail, in reverse.
Magenta
trail line
Trail point
Present
position
arrow
North
Trail
waypoint
symbol
Track or compass heading indicator
Arrival
alarm
Red course
line made
from trail
Cross track
error range
(off course
indicator)
Bearing arrow
Magenta new
trail

114
NOTE:
If you are already located at or near the end of your trail, the arri-
val alarm will go off as soon as you hit Enter. Just press EXIT to
clear the alarm and proceed.
5. Now, begin moving and let your unit guide you.
6. When you reach your destination, be sure to cancel your navigation.
Press MENU|MENU|↓ to CANCEL NAVIGATION|ENT. A confirmation message
will appear. Press ←|ENT.
Transfer Custom Maps and GPS Data Files
Custom Maps:
Custom maps work only from the MMC card or SD card. When a card
containing a Custom Map File is loaded into the unit, the unit auto-
matically loads the map into memory when the unit is turned on.
Instructions for copying Custom Map Files to an MMC are contained in
the instruction manual for your MMC card reader and MapCreate 6
software. For instructions on inserting an MMC into the unit, see Sec.
2, Installation/Accessories.
GPS Data files:
GPS Data Files contain waypoints, routes, trails and event marker
icons. Instructions for copying GPS Data Files between your computer
and an MMC are contained in the instruction manual for your MMC
card reader and MapCreate 6 software.
You must enter which way you want to transfer data, from an MMC
card to the unit (load) or from the unit to an MMC card (save).
GPS data automatically recorded in the unit's internal memory must be
saved to the MMC (as a GPS Data File) in order to store it on your per-
sonal computer. GPS Data Files stored on an MMC must be copied from
the card to the unit's internal memory before the unit can read them.

115
1. Insert the MMC into your unit. Press MENU|MENU|↓ to SYSTEM
SETUP|ENT|↓ to TRANSFER MY DATA|ENT.
2. The Transfer My Data menu includes a message which tells you if an
MMC is present or not. If no MMC is present, you must insert a card
into the unit to activate the Load or Save commands.
To transfer data from the unit to the MMC: press ENT (for SAVE.)
To transfer data from the MMC to the unit: press → to LOAD|ENT.
3. Saving to MMC: To accept the default name "Data" for the GPS
Data File, press ↓ to SAVE DATA|ENT. If you want to rename the file (as
shown in the following figures), press ENT to activate the selection box.
Press ↑ ↓ to change the first character, then press → to the next char-
acter and repeat until the name is correct. Then press ENT|↓ to SAVE
DATA|ENT.
The unit will display first a progress then a completion message when
the data transfer is finished. To return to the Page view, repeatedly
press EXIT.
These figures (from left to right) show the menu sequence for naming
and saving a GPS Data File from the unit's memory to an MMC.
4. Loading to unit memory: There may be more than one GPS Data
File (*.USR) on the card. To select a file, press ENT to activate the selec-
tion box, use ↓ ↑ to highlight the file, then press ENT to accept the se-
lection. Next, press ↓ to LOAD DATA|ENT. The unit will display a comple-
tion message when the data transfer is finished. To return to the main
page display, press EXIT repeatedly.

116
These figures show the menu sequence for loading a GPS Data File
from an MMC into the unit's memory.
Cancel Navigation
You can turn off any of the navigation commands after you reach your
destination or at any other time by using the Cancel Navigation com-
mand. Press MENU|MENU|↓ to CANCEL NAVIGATION|ENT|← to YES|ENT.
Figure 3.
Figure 2.
Figure 1.
Figure 4.

117
Section 7:
Advanced GPS Operations
Find Distance Current Position to Another Location
1. While on the Map Page press MENU|↓ to FIND DISTANCE|ENT.
2. Center the cursor crosshairs on the position you want to find the dis-
tance to. A rubber band line appears, connecting your current position
to the cursor's location. The distance along that line will appear in a
pop-up box. The box also shows the bearing to the point selected by the
cursor.
3. Press EXIT|EXIT to return to regular operation.
The distance from the boat's current position to the cove is 5.78 miles
(left). The distance from Houston to New Orleans is 316.9 miles (right).
Find Distance From Point to Point
You can also measure distance between two other points on the map.
1. While on the Map Page press MENU|↓ to FIND DISTANCE|ENT.
2. Center the cursor crosshairs on the first position. A rubber band line
appears, connecting your current position to the cursor's location. Press
ENT to set the first point and the rubber band line disappears.
3. Move the cursor to the second position. The rubber band line reap-
pears, connecting the first point you set to the cursor. The distance
along that line will appear in the pop-up box.
4. Press EXIT|EXIT to return to regular operation.

118
Icons
Icons are graphic symbols used to mark some location, personal point of
interest or event. They can be placed on the map screen, saved and re-
called later for navigation purposes. These are sometimes referred to as
event marker icons. This unit has 42 different symbols to choose from
when creating an icon.
Icons are similar to waypoints, but they do not store as much informa-
tion (like names) as waypoints do. You can not use a menu to navigate
to icons as you can with waypoints. But, you can use the map cursor
and navigate to any icon on the map.
You can create an icon at the cursor position on the map or at your cur-
rent position while navigating.
Create Icon on Map
1. Use the arrow keys to move the cursor to the place where you want
to make an icon.
2. Press ENT and the screen shows the Select Icon Symbol menu.
3. Select the desired icon symbol and press ENT. The icon appears on
the map. Press EXIT to clear the cursor.
Cursor selects icon location (left). Select Icon Symbol menu (center).
Boat Ramp icon on map (right). (Cursor has been moved for clarity.)
Create Icon at Current Position
1. While you are traveling, press ENT and the screen shows the Select
Icon Symbol menu.
2. Select the desired icon symbol and press ENT. The icon appears on
the map.
Delete an Icon
You can delete all the icons at one time, all icons represented by a par-
ticular symbol or use the cursor to delete a selected icon from the map.

119
Delete icons menu.
1. Press MENU|↓ to DELETE MY ICONS|ENT.
2. Press ↓ to DELETE ALL ICONS, DELETE BY SYMBOL or DELETE FROM MAP and
press ENT.
3. The Delete All Icons confirmation message will appear. Press ← to
YES|ENT. All icons will be deleted from the map.
The Delete by Symbol command will launch the Select Symbol menu.
Select the desired icon symbol to delete and press ENT. A message ap-
pears saying all icons with the selected symbol have been deleted.
The Delete From Map command will prompt you to move the cursor
over an icon to select it. After selecting the icon, press ENT and it disap-
pears from the map.
Navigate to an Icon
To execute the Navigate to Cursor command, use the cursor to select
the desired icon on the map.
1. Center cursor crosshairs on an icon.
2. To navigate to the icon press MENU|ENT|EXIT. Follow the course line
on the Map Page or the compass bearing arrow on the Navigation Page.
Routes
A route is a series of waypoints, linked together in an ordered sequence
used to mark a course of travel. You can visualize a route as a string of
beads. The beads represent waypoints and the string represents the
course of travel connecting waypoint to waypoint. The course from one
waypoint to the next is a leg. Routes are composed of one or more legs.
The legs of all GPS routes are based on straight lines between way-
points.

120
A route allows you to navigate through several waypoints without
having to reprogram the unit after arriving at each waypoint. Once
programmed into the GPS unit, a route provides the option of navigat-
ing forward through the route waypoints or in reverse order. You can
even begin navigating in the middle of a route.
Create and Save a Route
You have the option of creating and editing a route in the unit or you
can make a route on your computer with our MapCreate 6 software.
PC-created Routes
MapCreate is the easiest method for preparing a route, because your
PC's larger screen, keyboard and mouse are easier to manipulate than
the unit.
To load a MapCreate route into the unit, follow instructions in MapCre-
ate's manual for creating a route and saving it as part of a GPS Data File
(file format *.usr). Copy the GPS Data File to an MMC and insert the
MMC in the unit. (See Sec. 2 for instructions on installing MMCs. To
load the GPS Data File into the unit's memory, see the entry on Transfer
Custom Maps & GPS Data Files in Sec. 6, Basic GPS Operations.)
Routes Created in the Unit
You can create a route by selecting existing waypoints from the way-
point list or you can set a series of route waypoints on the map with
cursor arrows and the Enter key. In this example, we will create a
route from the map.
1. From the NAVIGATION PAGE, press MENU|ENT or from the MAP PAGE,
press MENU|MENU|↓ to ROUTE PLANNING|ENT.
Route Planning command on Main Menu (left).
Route List menu (right).

121
Edit Route menu (left). Edit Route Waypoints menu (right)
with Add From Map command selected.
2. Press ↑ to NEW ROUTE, then press ENT. (To add to an existing route,
press ↓ ↑ to route name|ENT.)
3. Press ↓ to END OF ROUTE|ENT|↓ to ADD FROM MAP|ENT. The Map Page
appears with the cursor showing.
4. Use the Zoom and arrow keys to move the map and cursor until the
cursor is centered on the spot where you want your route to begin.
5. To set the first route waypoint press ENT. In the example below, we
moved to the entrance of the cove where our boat was docked.
Route creation sequence (from left to right): Fig. 1. Set route waypoint
(1) at the cove entrance. Fig. 2. Move cursor northeast to set point (2)
at channel entrance. Fig. 3. With point (2) set, move cursor southeast to
mark channel exit with waypoint (3). In figures 2 and 3, notice the
rubber band line extending from the previously set waypoint to the
cursor. This line will become the course for the route.
2. 3.
1.

122
Route creation sequence, continued: Fig. 4. Point (3) set at channel mouth.
Fig. 5. Waypoint (4) set further south along the beach, at a recognizable
landmark. The route will end with waypoint 5 at an oil platform. Fig. 6.
Press EXIT to save the route and you return to this screen.
6. Move the cursor to the next point in the route, a spot where you need
to turn or change direction and press ENT to set the next waypoint.
7. Repeat step six until the route reaches your destination.
8. To save your route, press EXIT. The unit reverts to the Edit Route
screen, with the route automatically named "Route 1" and stored in the
unit's internal memory.
You can edit the route and run other commands, but if you are finished
with the route for now, return to the main page display by
pressing EXIT repeatedly.
NOTE:
When adding waypoints to an existing route, the inserted way-
points will appear in the route in front of the waypoint you have
selected in the Edit Route menu. To insert waypoints at the end of
the route, make sure to select (END OF ROUTE) before adding them.
Delete a Route
1. From the NAVIGATION PAGE, press MENU|ENT or from the MAP PAGE
press MENU|MENU|↓ to ROUTE PLANNING|ENT.
2. Press ↓ to saved route name|ENT.
3. Highlight DELETE |ENT|← to YES|ENT.
To Delete All Routes at Once:
1. From the NAVIGATION PAGE, press MENU|ENT or from the MAP PAGE
press MENU|MENU|↓ to ROUTE PLANNING|ENT.
2. Highlight DELETE ALL|ENT|← to YES|ENT.
5. 6.
4.

123
Edit a Route Name
1. From the NAVIGATION PAGE, press MENU|ENT or from the MAP PAGE
press MENU|MENU|↓ to ROUTE PLANNING|ENT.
2. Highlight Saved Route Name|ENT|↑ to Name|ENT.
3. Press ↑ ↓ to change the first character, then press → to move to the
next character and repeat until the name is correct. Press ENT. To re-
turn to the main page display press EXIT repeatedly.
Edit Route Waypoints
You can edit the route by adding and removing waypoints.
1. From the NAVIGATION PAGE, press MENU|ENT or from the MAP PAGE
press MENU|MENU|↓ to ROUTE PLANNING|ENT.
2. Press ↓ to saved route name|ENT|↓ to Route Waypoints List. Use ↓ ↑
to select a waypoint and press ENT.
Edit Route Waypoints menu.
3. Use ↓ ↑ to select a command from the Edit Route Waypoints menu
and press ENT. Add From Map lets you insert a waypoint in the route.
Add Waypoint calls up the Waypoint List so you can insert a waypoint
from the list. Remove Waypoint will delete the waypoint from the route.
View Waypoint will show you where the waypoint is on the map.
NOTE:
When adding waypoints to a route, the inserted waypoints will ap-
pear in front of the waypoint you have selected. To insert waypoints
at the end of the route, select (ROUTE END) before adding them.
Navigate a Route
1. From the NAVIGATION PAGE, press MENU|ENT or from the MAP PAGE,
press MENU|MENU|↓ to ROUTE PLANNING|ENT.

124
Route Planning command on Main Menu (left). Routes menu (center).
Edit Route menu (right) with Navigate Route command is selected.
2. Press ↓ to select saved route name|ENT. Highlight NAVIGATE and press
ENT.
3. Upon arrival at your destination, cancel navigation.
Press MENU|MENU|↓ to CANCEL NAVIGATION|ENT|← to YES|ENT.
Navigate a Route in Reverse
Here's how you run a route backward, from the end waypoint to the
beginning waypoint:
1. From the NAVIGATION PAGE, press MENU|ENT or from the MAP PAGE,
press MENU|MENU|↓ to ROUTE PLANNING|ENT.
2. Press ↓ to saved route name|ENT. Highlight REVERSE|ENT|← to
NAVIGATE |ENT.
3. Upon arrival at your destination, cancel navigation:
press MENU|MENU|↓ to CANCEL NAVIGATION|ENT|← to YES|ENT.
Edit Route screen showing Route 1 with waypoints set to normal navi-
gation (left). Reverse command has been executed (center) reversing the
order of waypoints on the route. Pressing Navigate (right) will allow
you to navigate the route from the end to the beginning.

125
Trails
Delete a Trail
This is the command used to erase or delete a trail.
Press MENU|MENU|↓ to MY TRAILS|ENT|↓ to trail name|ENT|→ to
DELETE TRAIL|ENT|← to YES|ENT.
To Delete all trails at once:
1. Press MENU|MENU|↓ to MY TRAILS|ENT.
2. Press → to DELETE ALL|ENT|← to YES|ENT.
Edit a Trail Name
To edit a trail name press MENU|MENU|↓ to MY TRAILS|ENT|↓ to trail
name|ENT|ENT. Press ↑ ↓ to change the first character, then press →
to the next character and repeat until the name is correct. Press ENT
then EXIT repeatedly to get back to the main page display.
Tip:
You can quickly call up the Edit Trail menu by selecting a trail on
the map with the cursor. Move the cursor over a trail and a pop-up
box appears. Press WPT and the Edit Trail menu opens.
Trail selected with map cursor (left). The box at the bottom of the
screen shows distance and bearing from current position to the se-
lected point on the trail. The Edit Trail menu (right).
Edit a Trail Color
To edit a trail color press MENU|MENU|↓ to MY TRAILS|ENT|↓ to trail
name|ENT|↓ to COLOR|ENT. Press ↑ ↓ to select a color style, then press
ENT. Press EXIT repeatedly to return to the main page display.

126
Edit a Trail Pattern
To edit a trail pattern press MENU|MENU|↓ to MY TRAILS|ENT|↓ to trail
name|ENT|↓ to PATTERN|ENT. Press ↑ ↓ to change the first character,
then press → to the next character and repeat until the pattern is cor-
rect. Press ENT. To get back to the main page press EXIT repeatedly.
Edit Trail Menu with Pattern option selected (left). Edited trail with
dotted line pattern (right).
Utilities
Utilities are useful tools for traveling or for outdoor activities.
Alarm Clock
To get to the alarm clock menu press MENU|MENU|↓ to TIMERS|ENT|↓
to ALARM CLOCK|ENT.
Sun/Moon Rise & Set Calculator
To get to the Sun/Moon menu press MENU|MENU|↓ to SUN/MOON
CALCULATIONS|ENT.
Trip Calculator
To get to the Calculator menu press MENU|MENU|↓ to TRIP CALCU-
LATOR|ENT.
Trip Down Timer
To get to the Down Timer menu press MENU|MENU|↓ to TIMERS|ENT|↓
to DOWN TIMER|ENT.
Trip Up Timer
To get to the Up Timer menu press MENU|MENU|↓ to TIMERS|ENT|ENT.
127
Waypoints
Delete a Waypoint
To delete a waypoint from the waypoint list press WPT|↑ to MY WAY-
POINTS|ENT|↓ to Name|ENT. Press ↑ ↓ to select the desired character
then press → to choose the next character. After the desired waypoint
is highlighted in the list, press ENT|ENT. Use ↓ to select DELETE WAYPOINT
then press |ENT|← to YES|ENT. To return to the main page display,
press EXIT repeatedly.
To delete a waypoint from the map:
1. Use the arrow keys to select a waypoint with the cursor.
2. Press WPT to view the WAYPOINT INFORMANTION screen, then ↓ to DELETE
WAYPOINT|ENT|← to YES|ENT. To return to the main page display, press
EXIT repeatedly.
To delete all waypoints at one time, press MENU|MENU|↓ to SYSTEM
SETUP|ENT|↓ to DELETE ALL MY WAYPOINTS|ENT|← to YES|ENT. To return
to the previous page, press EXIT|EXIT.
Edit a Waypoint
To edit waypoint name:
1. Press WPT|↑ to MY WAYPOINTS|ENT|↓| to name|ENT. Choose desired
waypoint from the list by using ↑ ↓ to select first character, then press
→ to choose the next character. After the desired waypoint is high-
lighted in the list, press ENT|ENT to access waypoint information
screen.
2. Use ↓ to select EDIT WAYPOINT, then press ENT|ENT. Press ↑ ↓ to
change the first character, then press → to the next character and re-
peat until the name is correct. Press ENT. To get back to the main page
display, press EXIT repeatedly.
To edit waypoint symbol:
1. Press WPT|↑ to MY WAYPOINTS|ENT|↓ to name|ENT. Select waypoint
from the list then press ENT|ENT. Use ↓ to select EDIT WAYPOINT.
Press|ENT|↓ to CHOOSE SYMBOL|ENT.
2. Select the desired symbol and press ENT. To get back to the main
page display, press EXIT repeatedly.
To edit waypoint position:
1. Press WPT|↑ to MY WAYPOINTS|ENT|↓ to name|ENT. Select the desired
waypoint and press ENT|ENT. Press ↓ to EDIT WAYPOINT|ENT.
128
2. Latitude: press → to LATITUDE|ENT. Press ↑ ↓ to change the first char-
acter, then press → to the next character and repeat until the latitude
is correct. Press EXIT.
3. Longitude: press ↓ to LONGITUDE|ENT. Press ↑ ↓ to change the first
character, then press → to the next character and repeat until the lon-
gitude is correct. Press EXIT. To return to the main page display, press
EXIT repeatedly.
Selecting a Waypoint
To select a waypoint on the map center the cursor crosshairs on the
waypoint. A red border will appear around the waypoint.
Set a Waypoint by Average Position
A waypoint set by average position is created after several position
readings have been averaged. This boosts waypoint position accuracy
by helping to eliminate errors caused by atmospheric conditions and
other factors.
1. Press WPT|↑ to MY WAYPOINTS|→ to NEW|ENT.
2. Press ↓ ↑ to AVERAGE POSITION|ENT|press → to CREATE|ENT.
3. Wait while the unit takes points to get an average for the position. The
greater the number of points, the greater the accuracy. When the desired
number of points accumulates, press ENT to create the waypoint.
4. The Edit Waypoint menu appears. Press EXIT repeatedly to get back
to the main page display.
Set a Waypoint by Projecting a Position
This feature creates a waypoint at a location a specific distance and
bearing from a reference position. The reference position can be a way-
point, map feature or Point of Interest.
1. Press WPT|↑ to MY WAYPOINTS|→ to NEW|ENT.
2. Press ↓ to PROJECTED POSITION|ENT|→ to CREATE|ENT.
3. Select CHOOSE REFERENCE|ENT. Use ↑ ↓ to select a waypoint, map fea-
ture or Point of Interest. When a selection has been made press ENT.
Press →, ↑ ↓ to choose a subcategory, then press ENT. Highlight
NAME|ENT. Spell out the name of the desired reference point in the Find
By Name box or press ENT to the find the point in the list below. After
you have selected a point, press ENT. That will launch the waypoint
information window. Highlight SET REFERENCE and press ENT.
129
4. Press ← ↓ to DISTANCE|ENT. Press ↑ ↓ to change the first character,
then press → to the next character and repeat until the distance is cor-
rect. Press ENT.
5. Press ↓ to BEARING|ENT. Press ↑ ↓ to change the first character, then
press → to the next character and repeat until the bearing is correct.
Press ENT.
6. Press ↑ to PROJECT|ENT. The Edit Waypoint menu appears. Press
EXIT|EXIT to get back to the main page display or press EXIT|ENT to
navigate to the new waypoint.
130
Notes

131
Section 8: System & GPS Setup
Alarms
This unit has three GPS alarms: Arrival Alarm, Off Course Alarm and
Anchor Alarm — the only one of the three set to Off by default.
You can set an arrival alarm to flash a warning message and sound a
tone when you cross a preset distance from a waypoint. For example, if
you have the arrival alarm set to .1 mile, the alarm will flash a mes-
sage when you come within .1 mile of your destination.
The off course alarm warns you when your track drifts too far to the
right or left of the course line to your destination. For example, if the
alarm is set to .1 mile, then the alarm flashes a message if you drift .1
miles or more to the right or left of the course line.
The anchor alarm is triggered when you drift outside of a preset radius.
If you are anchored and your boat moves more than .1 miles, the alarm
will flash a message and sound a tone.
Alarms command (left). Alarm menu (right).
To change alarm settings:
1. Press MENU|MENU|↓ to ALARMS|ENT|ENT.
2. Scroll ↓ ↑ to select the desired category, then press ENT to turn on
(check) or turn off (uncheck) the desired alarm.
3. To change distance settings, select the desired alarm, then press
→|ENT to activate the distance dialog box. Press ↑ ↓ to change the first
character, then press → to the next character and repeat until you are
satisfied with the distance setting. If you want to enable the other
alarms, repeat steps 2 and 3.
4. Press EXIT repeatedly to get back to the main page display.

132
IMPORTANT ALARM NOTES:
Anchor Alarm - The anchor alarm may be triggered even when you
are sitting still. This usually happens when using small — less than
.05 mile — anchor alarm ranges.
Arrival Alarm - If the arrival alarm distance is set to a small num-
ber, the unit may not show navigation data to the next waypoint af-
ter you arrive at the first one. That occurs when you are not able to
come close enough to the first waypoint to trip the arrival alarm.
Check MMC Files and Storage Space
To check MMC Files:
Press MENU|MENU|↓ to BROWSE MMC FILES|ENT. Press ↓ to MMC CARD
INFO|ENT to see the free space on the card.
Main Menu (left). MMC File Browser (right).
Communications Port Configuration
This unit has one NMEA 0183 version 2.0 compatible communication
port. The Com Port Menu, accessed from the System Setup Menu, al-
lows you to configure the communications port to send or receive data
to another electronic device. The com port can be used for NMEA or
SiRF Binary data transfer.
To set Com Port Configuration:
1. Press MENU|MENU|↓ to SYSTEM SETUP|ENT.
2. Press ↓ to COMMUNICATIONS PORT|ENT.

133
Menus for changing Com Port settings.
For assistance in configuring the unit to communicate with another
device, consult the factory. Customer service phone numbers are in the
back of this manual. Also see the entry below for Configure NMEA.
Configure NMEA
You can configure the unit to use specific NMEA sentences.
1. Press MENU|MENU|↓ to SYSTEM SETUP|ENT.
2. Press ↓ to COMMUNICATIONS PORT|ENT|↓ to CONFIGURE NMEA 0183|ENT.
3. A menu appears showing the prefixes of the available NMEA sen-
tences. A check mark next to a prefix means the prefix is in use. Use ↑
↓, ← → to select a prefix, then press ENT to turn it on or off.
NOTE:
The names of the NMEA sentences are abbreviated in this menu.
These are the functions of the various selectable prefixes:
• GLL transmits latitude and longitude of present position, time
of position fix, and status.
• RMC and RMB transmits navigation information messages.
• APB transmits autopilot information.
• GGA transmits time, position, and fix related data.
• GSA and GSV transmits fix mode, DOP values, and satellites in
view information.
• DBT transmits the depth below the transducer.
• DPT transmits the depth
• MTW transmits the water temperature.

134
• VLW transmits the distance traveled through water as meas-
ured by the paddle wheel.
• VHW transmits the water speed as measured by the paddle
wheel.
4. When the desired prefixes are turned on, press EXIT repeatedly to get
back to the main page display.
Coordinate System Selection
The Coordinate System Menu lets you select the coordinate system to
use when displaying and entering position coordinates.
Menus used for changing coordinate system.
To get to Coordinate System Selection:
1. Press MENU|MENU|↓ to GPS SETUP|ENT.
2. Press ↓ to COORDINATE SYSTEM|ENT.
This unit can show a position in degrees (36.14952°); degrees, minutes
and thousandths of a minute (36° 28.700'); or degrees, minutes, seconds
and tenths of a second (36° 28' 40.9"). It can also show position in: UTM
(Universal Transverse Mercator) projection; MGRS (Standard); MGRS
(Standard + 10); Map Fix; Loran TD; British, Irish, Finnish, German,
New Zealand, Swedish, Swiss, Taiwan and Greek grid systems.
UTM's are marked on USGS topographic charts. This system divides
the Earth into 60 zones, each 6 degrees wide in longitude.
British, Irish, Finnish, German, New Zealand, Swedish, Swiss, Taiwan,
and Greek grid systems are the national coordinate system used only in
their respective countries. In order to use these grid systems, you must
be in the respective country. This unit will pick the matching datum for
you when you select the grid. See the entry on Map Datum Selection for
more information.

135
The Military Grid Reference System (MGRS) uses two grid lettering
schemes, referred to as standard and standard + 10 MGRS on this unit.
Your position and datum in use determines which one to use. If you use
standard and your position is off significantly, then try the alternate.
NOTE:
When the position format is changed, it affects the way all positions
are shown on all screens, including waypoints.
To change the coordinate system, press ENT while COORDINATE SYSTEM is
highlighted. Use ↑ ↓ to highlight the desired format. Press ENT to select
it.
To setup Loran TD:
NOTE:
If the Loran TD conversion is chosen, you must enter the local Lo-
ran chain identification for the master and slaves. Do this by se-
lecting Setup Loran TD at the bottom of the Coordinate System
menu, then selecting the desired ID. Press EXIT to close this menu.
Configure Loran TD menu.
Map Fix
Map Fix is used with charts or maps. This system asks for a reference
position in latitude/longitude, which you take from a marked location
on the map. It then shows the present position as distance on the map
from that reference point.
For example, if it shows a distance of UP 4.00" and LEFT 0.50", you
then measure up four inches and to the left a half-inch from the refer-
ence point on the map to find your location.

136
To configure a map fix:
To use this format, you need to follow these steps in order. Take a map
of the area and determine a reference latitude/longitude.
NOTE:
In order for this system to work, the latitude/longitude lines must
be parallel with the edge of the map. USGS maps are parallel, oth-
ers may not be. Also, this works better with smaller scale maps,
such as 1:24000.
The reference position can be anywhere on the map, but the closer it is
to your location, the smaller the numbers you will be working with.
Once you have decided on a reference position, you can save it as a way-
point. See the waypoint section for information on saving a waypoint.
Save the reference position as a waypoint. Exit the waypoint screens.
1. Press MENU|MENU|↓ to GPS SETUP|ENT.
2. Press ↓ to COORDINATE SYSTEM|ENT.
3. Press ↓ to SETUP MAP FIX|ENT.
The screen below appears, and MAP SCALE is highlighted. Press ENT and
enter the map's scale. This is generally at the bottom of the paper map.
It's shown as a ratio, like 1:24000. Press EXIT and the unit returns to
the Configure Map Fix screen.
Configure a map fix so the unit can find your position
on a printed chart or topographical map.
Press → to SELECT ORIGIN|ENT to bring up the waypoint and POI list.
Select the waypoint (or a landmark of POI) you saved the reference
point under and press ENT|ENT. Spell out the name of the waypoint,
landmark or POI in the Find By Name box or press ENT to select the
item from the list below. Highlight the waypoint, landmark or POI and
press ENT. The unit displays a waypoint information screen with the

137
command SET AS ORIGIN selected. Press ENT and the unit returns to the
Configure Map Fix menu. Finally, press EXIT to close this menu. Now
press ↑ to COORD SYSTEM|ENT, select MAP FIX from the list and press ENT.
Press EXIT repeatedly to get back to the main page display where all
position information now is shown as a distance from the reference
point you chose.
Customize Page Displays
The Satellite Status, Navigation, Map and Sonar pages all have custom-
izable options. These options control what information is viewable on each
page.
Customize Satellite Status Page
While on the Satellite Status Page, press MENU|↓ to CUSTOMIZE|ENT.
The digital data box at the top of the screen will begin to flash.
1. Press ENT if you want to change the data in that box or use ↓ ↑ to
select a different data box to customize.
2. With the desired data box highlighted and flashing, press ENT to ac-
cess the Data Viewer menu. It has five Data Categories: GPS Data,
Navigation, Trip Calculator, Time and Sonar Data.
Customize selected on the Satellite Status Page menu (left). After
choosing a digital data box to customize, the Data Viewer menu will
appear (center). Notice none of the data category internal menus are
visible, denoted by the "+" next to each category. Position Error has
been selected from the GPS Data category (right).
3. Use ↑ ↓ to select a data category, which will have either a "+" or "-" in
front of it. If the desired category is flanked by a "+", a list of data op-
tions will appear when you highlight the category and press ENT.
4. After opening the category, use ↑ ↓ to select the desired data option
and press ENT to turn it on (check) or turn it off (uncheck) and press
EXIT.
138
5. Use ↑ ↓ to change the data in another digital data box or press EXIT
to return to normal operation.
Customize Navigation Page
While on the Navigation Page, press MENU|↓ to CUSTOMIZE|ENT. The
digital data box at the top of the screen will begin to flash.
1. Press ENT if you want to change the data in that box or use ↓ ↑ to
select a different data box to customize.
2. With the desired data box highlighted and flashing, press ENT to ac-
cess the Data Viewer menu.
3. Use ↑ ↓ to select a data category, which will have either a "+" or "-" in
front of it. If the desired category is flanked by a "+", a list of data op-
tions will appear when you highlight the category and press ENT.
4. After opening the category, use ↑ ↓ to select the desired data option
and press ENT to turn it on (check) or turn it off (uncheck) and press
EXIT.
5. Use ↑ ↓ to change the data in another digital data box or press EXIT
to return to normal operation.
Customize Map Page
While on the Map Page, press PAGES, select TWO POSITION FORMAT and
press EXIT. Press MENU, select CUSTOMIZE and press ENT. The digital data
box at the top of the screen will begin to flash.
1. Press ENT if you want to change the data in that box or use ↓ ↑ to
select a different data box to customize.
2. With the desired data box highlighted and flashing, press ENT to ac-
cess the Data Viewer menu.
3. Use ↑ ↓ to select a data category, which will have either a "+" or "-" in
front of it. If the desired category is flanked by a "+", a list of data op-
tions will appear when you highlight the category and press ENT.
4. After opening the category, use ↑ ↓ to select the desired data option
and press ENT to turn it on (check) or turn it off (uncheck) and press
EXIT.
5. Use ↑ ↓ to change the data in another digital data box or press EXIT
to return to normal operation.
GPS Simulator
The GPS simulator simulates real world navigation. It is a great way to
practice using your unit. You can set the starting location by entering
latitude/longitude or from a stored waypoint, map place or POI location.
You can steer the position arrow and change speed on the map by using

139
the arrow keys — STEER WITH ARROWS command — or by setting the track
and speed in the dialog boxes provided on the simulator menu screen.
To get to the GPS Simulator:
1. Press MENU|MENU|↓ to GPS SETUP|ENT.
2. Press ↓ to GPS SIMULATOR|ENT. The GPS Simulator Menu appears.
GPS Setup Menu (left). GPS Simulator menu (center).
Map Page showing Steer with Arrows dialog boxes (right). The trav-
eler is following a track of 144º at a speed of 71 miles per hour.
Choose the desired settings, then turn on the simulator by highlighting
the GPS SIMULATOR ON box and pressing ENT. Press EXIT repeatedly to get
back to the main page display. A message and tone appear periodically
to remind you the simulator is on. To turn off the simulator, repeat the
steps above or turn off the unit.
If you selected the Steer with Arrows command and want to remove the
dialog boxes from the screen, press EXIT. That will clear the track and
speed boxes without disrupting the simulation and allow you to use the
map cursor.
Simulating Trail or Route Navigation
In Simulator mode, your unit can automatically follow a trail or route
without manual steering if you use these steps:
1. From the Map Page, go to the simulator menu. Pick a STARTING PO-
SITION at or near the beginning of your trail/route. Enter an approximate
TRACK (shown in compass degrees) that will point you toward the start
of the trail/route.
2. Set SPEED to zero. Select STEER WITH ARROWS command and press ENT,
which turns on the simulator and returns you to the Map Page.
3. Begin navigating along the trail/route. (If you are close enough to the
first waypoint, the arrival alarm will usually go off as soon as naviga-
140
tion begins. Press EXIT to clear the alarm.) When navigation starts,
press ↑ to increase speed to the desired setting.
4. Press EXIT to turn off the steering and speed boxes. The unit will now
automatically steer along the trail or route. When you arrive at your
destination, cancel navigation.
Tip:
You can pick any spot on the map to begin a simulation by using
the Initialize GPS command. It allows you to move the position ar-
row to any location on the map. The command is detailed below.
Hide GPS Features
If you want to use only the sonar features of this unit, you can turn off
its GPS features via the Hide GPS Features command. That will hide
all GPS pages and menus.
To hide GPS features:
Press MENU|MENU|↓ to SYSTEM SETUP|ENT|↓ to HIDE GPS FEATURES|ENT.
The GPS menus and pages are now hidden.
To restore GPS Features, press MENU|MENU|↓ to SHOW GPS FEA-
TURES|ENT. The GPS menus and pages are now accessible.
Initialize GPS
In simulator mode, the Initialize GPS command makes the unit operate
as if it is sitting someplace other than its actual location. So you and
your unit could be located in Kansas City, but practice navigating in the
ocean off Islamorada, Florida.
NOTE:
Remember: if you want to run a simulation in a place other than
your current location, you first must Initialize the GPS, then turn
on the GPS Simulator.
1. Press MENU|MENU|↓ to GPS SETUP|ENT|ENT.
2. A message appears, telling you to move the cursor near the desired
location and press ENT. When the message automatically clears, follow
the message instructions.
3. In a moment, your present position marker arrow appears on the
map in the location you selected with the cursor. The unit will consider
that spot as its last known position until changed by either a live satel-
lite lock-on or a new simulator location.

141
Map Auto Zoom
This receiver has an auto zoom feature that eliminates a lot of the but-
ton pushing common with other brands of GPS receivers. It works in
conjunction with the navigation features.
Start navigating to a waypoint. Then, with the auto zoom mode on, the
unit zooms out until the entire course shows, from the present position
to the destination waypoint. As you travel toward the destination, the
unit automatically zooms in — one zoom range at a time — keeping
your current position and the destination on the screen.
To turn this feature on from the MAP PAGE, press MENU|↓ to AUTO
ZOOM|ENT|EXIT. Repeat these steps to turn it off.
Map Data
From the Map Data menu, you can turn off the map — which will turn
the map into a GPS plotter — turn on or off pop-up map info boxes,
draw map boundaries and fill water areas with white. You also can
turn on or off Map Overlays, like range rings and latitude and longi-
tude grid lines.
From the Map Page, you can access the Map Data menu by pressing
MENU|↓ to MAP DATA|ENT.
Map menu (left). Map Data menu (right).
Earth Map Detail
From the Map Data menu, highlight EARTH MAP DETAIL and press ENT.
Select the desired level of map detail from four options: Off, Low, Me-
dium or High. After the option is set, press EXIT.
142
Pop-up Map Information
From the Map Data menu, highlight POPUP MAP INFORMATION and press
ENT to turn it on (check) or turn it off (uncheck). After the option is set,
press EXIT.
Draw Map Boundaries
From the Map Data menu, highlight DRAW MAP BOUNDARIES and press ENT
to turn it on (check) or turn it off (uncheck). After the option is set,
press EXIT.
Fill Water With White
From the Map Data menu, highlight FILL WATER WITH WHITE and press
ENT to turn it on (check) or turn it off (uncheck). After the option is set,
press EXIT.
Map Overlays (Range Rings; Lat/Long Grid)
The map screen can be customized with four range rings and/or grids
that divide the map into equal segments of latitude and longitude.
Range rings are handy for visually estimating distances on the map. The
ring diameters are based on the current zoom range. At a 100-mile zoom,
the screen will show two rings with your current position in the center.
The large ring touching the left and right sides of the screen is 100 miles
in diameter (same as the zoom range). The second smaller ring is 50
miles in diameter (always 1/2 the zoom range).
The distance from your current position to the smaller ring (the ring's
radius) is 25 miles (always 1/4 the zoom range). With the map cursor,
you can scroll over to see the third and fourth rings. In this example,
the distance to the third ring is 75 miles and distance to the fourth ring
is 100 miles from your current position.
To set range rings: From the Map Data menu, highlight RANGE RINGS
and press ENT to turn them on (check) or turn them off (uncheck). After
the option is set, press EXIT.
To set Lat/Long Grid: From the Map Data menu, highlight LAT/LON
GRID LINES and press ENT to turn them on (check) or turn them off (un-
check). After the option is set, press EXIT repeatedly to get back to the
main page display.
Map Datum Selection
Maps and charts are based on a survey of an area covered by a map or
chart. These surveys are called Datums. Maps created using different
datums will show the same latitude/longitude in slightly different loca-
tions.

143
All datums have a name. The GPS system is based on the WGS-84 da-
tum, which covers the entire world. Other datums may cover the entire
world or just a small portion of it. By default, your position is shown
with the WGS-84 datum. It, however, can show your position using any
of 191 different datums.
To change the Datum:
1. Press MENU|MENU|↓ to GPS SETUP|ENT|↓ to DATUM SELECTION|ENT.
2. Select the desired datum and press ENT.
3. To return to the main page display, press EXIT|EXIT.
A list of the datums used by this unit is in the back of this manual.
GPS Setup Menu (left). Map Datum Menu (right).
Map Detail Category Drawn
This menu determines what mapping features are shown on the screen.
This includes, waypoints, trails, icons, cities and highways, etc. You can
turn on or off any of these items, customizing the map to your needs.

144
Map Menu (left). Map Categories Drawn Menu (right).
To get to Map Categories Drawn:
1. From the Map Page, press MENU|↓ to MAP CATEGORIES DRAWN|ENT.
2. Scroll through the list of categories. Press ENT to turn on (check) or
turn off (uncheck) a category. When a category is on, press → to jump to
the subcategory window. Press ENT to turn on or off subcategories.
3. Press EXIT|EXIT to get back to the main page display.
Map Orientation
By default, this receiver shows the map with north always at the top of
the screen. This is the way most maps and charts are printed on paper.
Map orientation shown in north up (left) and track up (right).
This is fine if you are always traveling north. What you see to your left
and right corresponds with the left and ride sides of the map. But if you
travel any other direction, the map does not line up with your view.
In Track Up mode, map shows "N" show which direction is north.

145
To correct this problem track-up mode rotates the map as you turn. So
what you see on the left side of the screen should always be to your left
and so on.
Another option is course-up mode, which keeps the map at the same
orientation as the initial bearing to the waypoint. When either track-up
or course-up modes are on, an "N" shows on the map screen to keep you
aware of which direction is north.
To change map orientation from the Map Page, press MENU|↓ to MAP
ORIENTATION|ENT. Use ↑ ↓ to select the desired mode, then press ENT.
Press EXIT|EXIT to return to the page display.
Map Menu (left). Map Orientation menu with
the North Up selected (right).
NOTE:
In North Up and Course Up, the present position arrow appears in
the center of the map page. In Track Up, the position arrow appears
centered in the lower third of the page.
NauticPath USA Marine Charts
Your unit can display NauticPath electronic charts on MMCs. They
work just like a MapCreate custom map on a MMC.
Nautical Chart Notes
NauticPath charts contain notes or chart information, represented by cir-
cle-i Chart Note icons on the map display. An example is shown in the
following figure.

146
NauticPath chart showing Chart Note icon selected by cursor (left).
Note information screen (right).
To view Chart Note information:
1. Use the arrow keys to move the cursor over a Chart Note icon. When
it's selected, a pop-up name box appears.
2. Press WPT to display the Note Information screen.
3. To scroll through the Chart Note screen, use ↑ ↓ arrow keys to read
the information. To return to the main page display, press EXIT repeat-
edly.
Entrance to Aransas Pass on a NauticPath chart with 8-nautical mile
zoom (left). Remaining images (left to right): same position at 4-
nautical mile, 1-nautical mile and 0.3- nautical mile zoom ranges.
Port Information
NauticPath charts contain Port Services information, represented by
anchor icons on the map display. These icons will appear when you are
zoomed in to a 4-nautical mile range. An example is displayed in the
following figures.

147
To view Port Services information:
1. Use the arrow keys to move the cursor over a Port Services icon.
When it is selected, a pop-up name box appears.
2. Press WPT to display the Port Services Information screen.
NauticPath chart showing Port Services icon selected by cursor. When
first highlighted, the Pop-Up name box appears.
The Port Services information screen for a NauticPath chart contains
all the service information in one window.
3. To scroll through the service information window, use ↑ ↓ to see the
types of services available. To return to the main page display, press
EXIT repeatedly.
Port Services information screens.
Tidal Current Information
NauticPath charts contain Tidal Current information,
represented at large zoom ranges by a box icon with
the letter "C." These icons will appear when you are
Port Services
icon
Pop-up
name box

148
zoomed in to a 6-mile range. The icon stands for a Tidal Current Sta-
tion location. An example is displayed on the right.
When you zoom in to a sufficiently small zoom range (0.8 nautical
mile), the icon becomes an animated arrow showing tidal current ve-
locity and direction for the selected tidal station at the present time. At
larger zoom ranges, you can select the boxed "C" icon and it becomes an
animated arrow with a pop-up name box (the name box disappears af-
ter a few seconds). Examples are displayed in the following figures.
To view Tidal Current information:
1. Use the arrow keys to move the cursor over a Tidal Current Station
icon. When it is selected, a pop-up name box appears.
2. Press WPT to display the Tidal Current Information screen.
NauticPath chart showing Tidal Current Station icon selected by cur-
sor (left). Icon animates automatically at .08-mile zoom range (right).
Current Information screen.
Cursor
lines
Tidal Current
Station icon in
animated mode
Slack Water Line
Current Time Line
Velocity
Scale
Tide Tables

149
The Tidal Current Information screen displays daily tidal current data
for this station on this date at the present time. The graph at the top of
the screen is an approximate view of the flood and ebb pattern for the
day, from midnight (MN), to noon (NN) to midnight (MN). The velocity
scale at the top left side of the graph changes dynamically based upon
the maximum velocity of the current for that day.
Slack water, the period of little or no current, is represented by the
Slack Water Line (SWL). The flood appears above the SWL and the ebb
appears below the SWL. You can look up tidal current data for other
dates by changing the month, day and year selection boxes.
To select another date:
1. Use ← → to highlight month, day or year, then press ENT.
2. Use ↑ ↓ to select the desired month, day or year and press ENT.
To clear the information screen, press EXIT.
Tide Information
NauticPath charts contain Tidal Information, repre-
sented at large zoom ranges by a box icon with the
letter "T." These icons will appear when you are
zoomed in to a 6-mile range. The icon stands for a
Tidal Station location. An example is displayed at right.
When you zoom in to a sufficiently small zoom range (0.8 nautical
mile), the icon becomes an animated gauge showing a rising or falling
tidal height for the selected station at the present time. At larger zoom
ranges, you can select the boxed "T" icon and it becomes an animated
gauge with a pop-up name box. The name box disappears seconds.
NauticPath chart showing Tide Station icon selected by cursor (left).
Icon animates automatically without selection at the 0.8-mile zoom
range (right). In the example above, the tide is at 0.9 feet and falling,
as shown by the down arrow at the top of the icon.
Tide Station
icon in ani-
mated mode
Cursor
lines

150
To view tide information:
1. Use the arrow keys to move the cursor over a tide station icon. When
it is selected, a pop-up name box appears.
2. Press WPT to display the Tide Information screen.
Tide Information screen.
The Tide Information screen displays daily tidal data for this station on
this date at the present time. The graph at the top of the screen is an
approximate view of the tidal range pattern for the day, from midnight
(MN) to noon (NN) to midnight (MN). The dotted line across the graph
is the Mean Lower Low Water line (MLLW).
The height scale on the top right side of the graph changes, based upon
the maximum range of the tide for that day. The MLLW line also ad-
justs its position as the height scale changes.
You can look up tidal data for other dates by changing the month, day
and year selection boxes. To select another date:
1. Use ← → to highlight month, day or year, then press ENT.
2. Use ↑ ↓ to select the desired month, day or year and press ENT.
To clear the information screen, press EXIT.
Navionics Charts
Your unit can also display Navionics electronic charts on MMCs. Like
NauticPath, Navionics charts contain tide and port service information.
NOTE:
The primary operational difference between a NauticPath chart
and a Navionics chart is the way the chart data is set up for dis-
play. NauticPath charts are ready for display as soon as they are
Height
Scale
MLLW
Line
Tide
Table
Current Time Line

151
inserted into the unit. Navionics charts must be inserted into the
unit, then selected as a Map Choice option in the Map Data menu.
To display a Navionics chart:
1. Install the Navionics MMC in the memory card compartment and
turn on the unit. (For full card install instructions, see Sec. 2.)
2. From the Map Page, press MENU|↓ to MAP DATA|ENT|↓ to MAP
CHOICE|ENT. Select the Map Name, then press ENT|EXIT|EXIT.
South Chesapeake Navionics selected from Map Choice menu (right).
WARNING:
You should never format the MMC containing your
Navionics chart. Formatting the MMC will permanently
erase the chart from the card.
Pop-up Help
Help is available for most all menu items on this unit. By highlighting
a menu item and leaving it highlighted for a few seconds, a pop-up
message appears that describes the function of the menu item. This
feature is on by default.
To turn on Popup Help press MENU|MENU|↓ to SYSTEM SETUP|ENT|↓
to POPUP HELP. Press ENT to turn it on (check) or turn it off (uncheck).
Press EXIT repeatedly to get back to the main page display.

152
System Setup Menu (left) with Pop-up Help highlighted.
Pop-up Help message for the Map Data (right).
Reset Options
To reset unit to factory defaults:
1. Press MENU|MENU|↓ to SYSTEM SETUP|ENT|↓ to RESET OPTIONS|ENT|←
to YES|ENT.
NOTE:
Reset Options does not erase any waypoints, routes, icons, plot trails or
sonar logs.
System Menu with Reset Options selected (left).
Reset Options confirmation message (right).
Require WAAS
You can choose to have WAAS signals automatically factored into every
position reading. The default setting, Off, uses WAAS automatically,
but does not require it to yield a position.

153
To Require WAAS:
1. Press MENU|MENU|↓ to GPS SETUP|ENT|↓ to REQUIRE WAAS|ENT.
2. To return to the main page display, press EXIT|EXIT.
3. Repeat Step 1 to turn off WAAS requirement.
Require WAAS command on GPS Setup Menu.
Screen Contrast and Brightness
To access the Screen menu, press MENU|MENU|ENT.
The CONTRAST slider bar is already selected. Press ← → to adjust the
contrast.
To adjust the display's brightness:
Press ↓ to BRIGHTNESS. Use ← → to adjust the brightness of the display.
Screen Command (left). Screen menu with Contrast selected (center).
Normal highlighted on Display Mode menu (right).
To adjust the screen's display mode:
Press ↓ to DISPLAY MODE|ENT. Press ↑ ↓ to select mode|EXIT.
154
Set Language
This unit's menus are available in 10 languages: English, French, Ger-
man, Spanish, Italian, Danish, Swedish, Russian, Dutch and Finnish.
To select a different language:
1. Press MENU|MENU|↓ to SYSTEM SETUP|ENT.
2. Press ↓ to SET LANGUAGE|ENT.
3. Use ↓ ↑ to select a different language and press ENT. Menus now ap-
pear in the language you selected.
Set Local Time
To access the Set Local Time menu, you must first acquire your posi-
tion, then press MENU|MENU|↓ to SYSTEM SETUP|ENT|↓ to SET LOCAL
TIME|ENT.
To set Local Time: Press ENT. Use ↑ ↓ to change the first character,
then press → to move the cursor to the next character. Repeat until the
time is correct and press ENT.
To set the Month: Press ↓ to MONTH|ENT. Use ↑ ↓ to select the month
and press ENT.
To set the Day: Press ↓ → to DAY|ENT. Press ↑ ↓ to select the day and
press ENT.
To set the Year: Press ↓ → to YEAR|ENT. Press ↑ ↓ to select the year
and press ENT.
To set Time Format: Press ↓ to TIME FORMAT, highlight an option and
press ENT to turn it on or off.
To set Date Format: Press ↓ → to DATE FORMAT, highlight an option
and press ENT to turn it on or off.
The last field in this menu is CONFIG DST. This feature sets up the unit
to automatically adjust with the time change resulting from Daylight
Saving Time. You may select which set of rules matches DST in your
region or just accept the default. You should only have to configure DST
once.
Once you have each field set the way you want, press EXIT repeatedly to
get back to the main page display.
Show WAAS Alarm
When the signal is available, your unit will automatically use WAAS to
boost the accuracy of a position fix. When the WAAS signal is lost or
acquired, a message appears. Since the U.S. government is still devel-

155
oping the WAAS system, it is not unusual for a GPS/WAAS receiver to
frequently lose and reacquire its lock on a WAAS satellite. That can
result in the alarm repeatedly going off. If you want, turn off the WAAS
Acquired/Lost alarm without affecting how the unit uses WAAS.
To turn off WAAS alarm:
1. Press MENU|MENU|↓ to GPS SETUP|ENT|↓ to SHOW WAAS ALARM.
2. Press ENT to turn it on (check) or turn it off (uncheck). After the op-
tion is set, press EXIT|EXIT to return to the page display.
3. To turn the alarm on again, repeat Steps 1 and 2.
Software Version Information
From time to time, Eagle updates the operating system software in
some of its products. These software upgrades usually are offered to
customers as free downloads from our web site, www.eaglesonar.com.
The upgrades make the unit perform better or introduce new features
and functions. Use the software information command to see what
software version is running in your unit.
Main Menu with Software Information selected (left).
The Software Information screen (right).
Press MENU|MENU|↓ to SYSTEM SETUP|ENT|↓ to SOFTWARE INFORMA-
TION|ENT. To return to the main page display, press EXIT repeatedly.

156
Sounds highlighted on main menu (left). Sounds menu (right).
Sounds Menu
To adjust Sounds and Alarm Styles:
Press MENU|MENU|↓ to SOUNDS|ENT.
To set Key Press Sounds: Press ENT to turn them on (check) or turn
them off (uncheck).
To set Alarm Sounds: Press ↓ to ALARM SOUNDS. With the option high-
lighted, press ENT to turn them on (check) or turn them off (uncheck).
To set Volume: Press ↓ to VOLUME. Use ← → to adjust the volume.
To set Alarm Style: Press ↓ to ALARM STYLE|ENT. Press ↑ ↓ to change
the style and press ENT. After the option is set, press EXIT|EXIT to re-
turn to the main page display.
Track Smoothing
This is a factory setting on the GPS Setup menu that should always be
on. When stopped or traveling at slow speeds, like walking or trolling,
Track Smoothing prevents trails from wandering. It benefits the steer-
ing arrow, compass rose and map in track-up mode in the same man-
ner.

157
Track Smoothing option, turned on.
Trail Options
There are several options you can use with trails. Some affect all trails,
others can be applied to a particular trail. You can change the way
trails are updated, display or hide trails, create a new trail, delete a
trail, etc.
Main Menu (left). Trails Menu (center). Trail Options (right).
General Trail Options
To access the Trails Menu press MENU|MENU|↓ to MY TRAILS|ENT.
Delete All Trails
From the Trails Menu, press → to DELETE ALL|ENT|← to YES|ENT.
Update Trail Option
This menu lets you change the way the trail updates occur.
From the Trails Menu, press → to TRAIL OPTIONS|ENT. With UPDATE ACTIVE
TRAIL highlighted, press ENT to turn it on (check) or turn it off (uncheck).

158
WARNING:
If you uncheck the Update Trail option, automatic trail
creation and recording will be turned off. You must turn
it on to record trails. The default setting is on.
Update Trail Criteria
The options are automatic, time or distance. When it is in the default
mode, the unit does not update the plot trail while you are traveling in
a straight line. Once you deviate from a straight line, the unit drops a
plot point onto the trail. This conserves plot trail points. If a plot trail
uses all the available points allotted to it, the beginning points are
taken away and placed at the end of the trail.
From the Trails Menu, press → to OPTIONS|ENT. Select one of the three
Update Criteria options — Auto, Time or Distance — and press ENT.
Trail Update Rate
A trail updated by time has a range of 1 to 9999 seconds. The default is
3 seconds. The range for updating a trail by distance is 0.01
mile/nm/km to 9.99 mile/nm/km. The default is 0.10 mi.
When time or distance are chosen as the update criteria for a trail, a
dialog box will appear, allowing you to input the desired update rate or
distance. Select the dialog box and press ENT. Use ↑ ↓ to change the
first character, then press → to the next character and repeat until the
entry is correct. Press EXIT to return to the Trail Options Menu.
Update Rate setting (left) and Update Distance setting (right).

159
Trail Name highlighted (left). Edit Trail menu (center). Trails menu
with New Trail highlighted (right).
Specific Trail Options
Delete Trail
From the Trails Menu, press ↓ to trail name|ENT. The Edit Trail menu
appears. Press → to DELETE TRAIL|ENT|← to YES|ENT.
New Trail
To manually start a new trail, in the Trails Menu, highlight NEW TRAIL is
highlighted and press ENT.
Trail Visibility and Other Trail Options
The name, maximum number of points in the trail, activity and visibil-
ity are all changed on the Edit Trail menu screen. The Active setting
determines whether the unit is recording new points for a trail. Related
trail functions are discussed in further detail under the Trails topic in
Sec. 7, Advanced GPS Operations.
Transparency set to 0 percent (left), 50 percent (center)
and 100 percent (right).
Transparency
Use the transparency menu to adjust the transparency of menu win-
dows. A high transparency setting allows you to continue monitoring

160
the screen's display while working with a menu. A low transparency
usually will make menu text easier to read, at the cost of watching your
display.
To adjust Transparency level:
Press MENU|MENU|↓ to TRANSPARENCY|ENT. The TRANSPARENCY slider bar
appears. Press ↑ ↓ to adjust the level of transparency. Press EXIT when
it is set at the desired level.
Units of Measure selected on System Setup menu (left).
Units of Measure Menu (right).
Units of Measure
This menu sets the speed, distance, depth, temperature and heading
units.
To change the units:
Press MENU|MENU|↓ to SYSTEM SETUP|ENT|ENT.
To set Units of Measure: Select a category you would like to change.
Highlight the desired unit of measure option under the category and
press ENT. Repeat those steps for each category that has a unit of
measure option you would like to change. After all options are set, press
EXIT repeatedly to return to the main page display.

161
Section 9: Searching
NOTE:
The background map loaded in your unit lets you search for U.S.
Interstate Highway exits and exit services, as well as some land
features, including cities and lakes. For a full set of searchable land
features, including landmarks, streets, addresses and Points of In-
terest, you must load your own high-detail custom map produced
with our MapCreate 6 software. For a complete description of the
detail is found in the background map and custom MapCreate
maps, see page 94. Remember, our pre-made FreedomMaps contain
all the same detail found in custom-made MapCreate maps.
This unit's search functions all begin with either the Find Waypoint
menu or the Map Page menu. Press WPT and the Find Waypoint menu
appears for waypoints and Points of Interest (POI). From the Map
Page, press MENU and the Map Page menu appears for streets, ad-
dresses and highway exits.
Find Waypoint menu (left). Map Page menu (right).
IMPORTANT NOTES:
Our search commands let you look up items by name or search for
the item nearest to you. When you search, the unit looks for items
in the vicinity of your current position. If you are using the unit in-
doors, in simulator mode or otherwise have not locked on to satel-
lites, the unit looks near the last known position.
To search somewhere else, use the arrow keys to center the cursor
crosshairs on the desired location. When the cursor is active, the
unit always begins searching at the cursor location.

162
In search results, the distance and bearing to the selected item will be
calculated from the current position. In the case of a cursor search, the
search results show distance and bearing from the cursor.
Find Addresses
1. From the Map Page, press MENU|↓ to FIND ADDRESS|ENT.
2. Press ENT to search in the Address field.
3. To enter an address, press ↑ ↓ to change the first number, then press
→ to move the cursor to the next number and repeat until the address
has been entered correctly, then press ENT.
Figure 1: Find Address Menu (from left to right). Figure 2: Address en-
try is complete. Figure 3: The Find Street menu with Find By Name
field active. Figure 4: Street name entry complete.
4. To enter a street name, press ↓ to STREET|ENT. There are two options:
A. You can spell out the name in the top selection box. Press ↑ ↓ to
change the first letter, then press → to move the cursor to the next let-
ter and repeat until the name is correct, then press ENT|ENT. B. Jump
down to the lower selection list by pressing ENT, then use ↓ ↑ to select a
street name from the list, then press ENT. The street name you selected
is now in the street field.
5. To enter a city name, press ↓ to CITY|ENT. You will be asked if you
want to find addresses within a particular city. This option is designed
so you can limit an address search to a single city if necessary.
If you select yes, there are two options: A. You can spell out the city
name in the top selection box. Use ↑ ↓ to change the first letter, then
press → to move the cursor to the next letter and repeat until the name
is correct, then press ENT|ENT. B. Jump down to the lower selection list
by pressing ENT, then press ↓ ↑ to select a city name from the list, then
press ENT. The city name you selected is now in the city field.

163
NOTE:
We recommend you do not enter a city name unless the list you are
given is too large when searching without it. This unit can actually
search quicker without a city and you save time by not entering a
city name.
Find City field (left). Search in particular city only option (center).
Find City by name (right).
6. When the necessary search fields are filled in, press ↓ to FIND AD-
DRESS|ENT. Your unit asks you to wait while it searches for the address.
If an address is not in the database, a message appears saying the ad-
dress could not be found.
7. The unit will display a list of addresses. If the address you are look-
ing for is highlighted at the top of the list, press ENT. If not, use ↓ ↑ to
select the correct address from the list, then press ENT. The Map Page
will appear with the location selected by the cursor. In the following
example, we are looking for 12303 East 11th Street in Tulsa, not 11th
Court, so we scrolled down the list to select the correct address.
Address search result list (left). Map Page showing location of the ad-
dress on the map, highlighted by cursor (center). After the address is
located (right), you can navigate to it ("D" symbol for destination).

164
8. To navigate to the address, press MENU select GO TO and press ENT.
The unit will begin showing navigation information to the address. If
you are only looking up an address, highlight FIND and press ENT. The
map page will appear with the cursor crosshairs centered on the ad-
dress.
Tip:
If the address happens to be an item in the Point of Interest data-
base, you can look up the item's phone number in the Waypoint In-
formation list. With the address selected by the cursor on the map,
press WPT. The POI's Waypoint Information window appears, with
the Go To Waypoint command highlighted. If you want to go ahead
and navigate to the POI address, just press ENT|EXIT.
Map Page showing location of the address on the map, highlighted by
cursor (left). This address is a business in the POI database, so you can
display the POI information window, then navigate to it (center). This
address (right) is not in the POI database, so the Waypoint key will not
display any information for it.
Find Any Item Selected by Map Cursor
On the Map Page with a POI or map feature selected by the cursor
press WPT. To return to the main page display, press EXIT.

165
A POI selected by the cursor (left). POI information screen (right).
NOTE:
Since the Go To waypoint command is highlighted, you can navi-
gate to the selected POI by pressing ENT|EXIT while in the POI
Waypoint Information screen.
Find Interstate Highway Exits
1. From the Map Page, press MENU|↓ to HIGHWAY EXITS|ENT, which will
launch the Find Exit menu.
Find Highway Exits command (left) and Find Exit menu (right).
2. First, select a highway name by pressing ENT, which calls up the
Find By Name menu. There are two highway search options: A. You
can spell out the highway name in the top selection box. Press ↑ ↓ to
change the first letter, then press → to move the cursor to the next let-
ter and repeat until the name is correct, then press ENT|ENT. B. Jump
down to the lower selection list by pressing ENT, then press ↓ ↑ to select
a highway from the list, then press ENT.

166
Find By Name menu (left). Find Exit menu with exit selected (right).
3. Once you have selected a highway name you can select an exit. Press
↓ to switch to the Exit List, then press ↓ ↑ until you highlight the exit,
then press ENT.
4. In the Exit Information screen you have two choices. A. Press
ENT|ENT to navigate or go to the exit. B. Press ENT|→|ENT to find the
exit on the map.
Go To Exit option (left). Find On Map option (right).
Tip:
You can also look up some additional information on the Exit Serv-
ices located near this exit. Press ↓ to SERVICES|↓ ↑ to select Service
Name|ENT.

167
Exit Information screen (left). General location
and amenities information (right).
Find Map Places or Points of Interest (POI)
1. Press WPT, use ↓ ↑ to select a map place or POI category, then press
ENT. (To narrow your search, press → to select a subcategory before
pressing ENT.) You will be given two options: search by Name or by
Nearest.
Find Waypoint menu with Services POI category selected (left)
and RV Service subcategory selected (right).
2. Search by nearest POI. Highlight NEAREST|ENT. A list of the near-
est POI's will appear. Press ↓ ↑ to the selected POI and press ENT to
launch the POI's Waypoint Information screen.

168
Find by nearest option (left) with resulting POI list (right).
3. Search by name of POI. Highlight NAME and press ENT. There are
two options: A. You can spell out the POI name in the top selection box.
Press ↑ ↓ to change the first letter, then press → to move the cursor to
the next letter and repeat until the name is correct, then press
ENT|ENT. B. Jump down to the lower selection list by pressing ENT,
then press ↓ ↑ to select a POI from the list, then press ENT to call up
the POI's Waypoint Information screen.
Find by Name option (left). Find by Name menu (right).
4. When the POI's Waypoint Information screen is displayed, you can
choose to Go To the POI waypoint by pressing ENT or find it on the map
by pressing ↓|ENT.

169
Go To POI option (left). Find on Map POI option (right).
Find Streets or Intersections
Find a Street
1. From the Map Page, press MENU|↓ to FIND STREETS|ENT and the Find
Streets Menu appears.
Find Streets command (left). Find Streets menu (right).
2. You must enter a street name in the First Street dialog box. Press
ENT to display the Find By Name menu. There are two options: A. You
can spell out the street in the top selection box. Press ↑ ↓ to change the
first letter, then press → to move the cursor to the next letter and re-
peat until the name is correct, then press ENT|ENT. B. Or you can jump
down to the lower box and pick a street from the selection list. Press
ENT, then press ↓ ↑ to select a street from the list and press ENT.

170
The Find Streets menu with the Find First Street command high-
lighted (left). Streets Found list (center). Map Page showing results of
a street search (right). The cursor points to the located street.
3. The Find Streets menu reappears with the street you are searching for
in the First Street box. To search for that street, press ↓ to FIND FIRST
STREET|ENT. When the Streets Found list appears, press ↑ ↓ to select the
street you are searching for and press ENT.
4. The Map Page appears, with the cursor pointing to the found street.
If you want to navigate to the found street at the cursor location, just
press MENU|ENT|EXIT.
Find an Intersection
You must enter one street in the First Street dialog box and enter the
next street in the Second Street dialog box.
1. From the Map Page, press MENU|↓ to FIND STREETS|ENT and the Find
Streets Menu appears.
2. You must fill in a street name in the First Street dialog box. Press ENT
to display the Find By Name menu. There are two options: A. You can
spell out the street in the top selection box. Press ↑ ↓ to change the first
letter, then press → to move the cursor to the next letter and repeat until
the name is correct and press ENT|ENT. B. Or you can jump down to the
lower box and pick a street from the selection list. Press ENT, then use
↓ ↑ to select a street from the list and press ENT.
3. The Find Streets menu reappears with the street you are searching
for in the First Street box.
4. Now fill in the second street. Press ↓ to SECOND STREET|ENT and the
Find By Name menu appears again. Just like before, there are two op-
tions: A. You can spell out the second street in the top selection box.
Press ↑ ↓ to change the first letter, then press → to move the cursor to
the next letter and repeat until the name is correct, then press

171
ENT|ENT. B. Or you can jump down to the lower box and pick the sec-
ond street from the selection list. Press ENT, then press ↓ ↑ to select a
street from the list and press ENT.
5. The Find Streets menu reappears with the first and second street
dialog boxes filled in. You could now use similar techniques to select a
city or Zip code, but your search will probably be faster if you leave
those boxes blank. You can specify a city and/or Zip code later on to
narrow the search, if the resulting list is too long.
Find Intersection command highlighted (left).
Intersections Found list (right).
6. To search for the intersection of the two streets, press ↓ to FIND
INTERSECTION|ENT. When the Intersections Found list appears, press ↑ ↓
to select the intersection you are searching for and press ENT.
7. The Map Page appears, with the cursor crosshairs centered on the
intersection.
Map Page showing results of an intersection search.

172
If you want to navigate to the found intersection, just press
MENU|ENT|EXIT.
Find Waypoints
1. Press WPT|↑ to MY WAYPOINTS|ENT.
2. If searching for the nearest waypoint, select NEAREST and press ENT. If
searching by name, highlight NAME and press ENT. (To search by name,
jump to step 5.)
Find By Nearest command (left). Find by Name command (center).
List of the nearest waypoints (right).
3. When you are searching for the nearest waypoint, a list of waypoints
appears with the closest location highlighted at the top of the list and
the one furthest from you at the bottom of the list.
4. To see location information on the closest waypoint, press ENT and the
Waypoint Information screen appears.
A. To navigate to the waypoint, press ENT. The Go To Waypoint
command is already highlighted. The unit will show navigation in-
formation to the waypoint.
B. To find the waypoint, press ↓ to FIND ON MAP|ENT. The Map Page
appears with the cursor highlighting the found waypoint.
To clear these menus and return to the main page display, press EXIT
repeatedly.
5. If you are looking by name, there are two options: A. You can spell
out the name in the top selection box. Press ↑ ↓ to change the first let-
ter, then press → to move the cursor to the next letter and repeat until
the name is correct, then press ENT|ENT. B. Or you can jump down to
the lower selection list by pressing ENT, then press ↓ ↑ to select a way-
point from the list, then press ENT. The waypoint information screen
appears.

173
Find By Name menu (left). Waypoint Information screen (center). The
cursor crosshairs are centered on the desired waypoint (right).
A. To navigate to the waypoint, press ENT. The Go To Waypoint
command is already highlighted. The unit will show navigation in-
formation to the waypoint.
B. To find the waypoint, press ↓ to FIND ON MAP|ENT. The Map Page
appears with the cursor crosshairs centered on the found waypoint.
174
Notes
175
Section 10: Supplemental Material
Datums Used by This Unit
WGS 1984
Default
Adindan
Mean for Ethiopia,
Sudan
Adindan
Burkina Faso
Adindan
Cameroon
Adindan
Ethiopia
Adindan
Mali
Adindan
Senegal
Adindan
Sudan
Afgooye
Somalia
Ain el Abd 1970
Bahrain
Ain el Abd 1970
Saudi Arabia
Anna 1 Astro 1965
Cocos Islands
Antigua Island Astro
1943; Antigua (Lee-
ward Islands)
Arc 1950; Mean for
Botswana, Lesotho,
Malawi, Swaziland,
Zaire, Zambia and
Zimbabwe
Arc 1950 - Botswana
Arc 1950 - Burundi
Arc 1950 - Lesotho
Arc 1950 - Malawi
Arc 1950 - Swaziland
Arc 1950 - Zaire
Arc 1950 - Zambia
Arc 1950 - Zimbabwe
Arc 1960 - Mean for
Kenya, Tanzania
Ascension Island
1958 - Ascension
Island
Astro Beacon E 1945
- Iwo Jima
Astro DOS 71/4 - St.
Helena Island
Astro Tern Island
(FRIG) 1961 - Tern
Island
Astronomical Station
1952 - Marcus Island
Australian Geodetic
1966 - Australia &
Tasmania
Australian Geodetic
1984 - Australia &
Tasmania
Ayabelle Lighthouse -
Djibouti
Bellevue (IGN) -
Efate & Erromango
Islands
Bermuda 1957 -
Bermuda
Bissau - Guinea-
Bissau
Bogota Observatory -
Colombia
Bukit Rimpah - Indo-
nesia (Bangka & Be-
litung Islands)
Camp Area Astro -
Antarctica (McMurdo
Camp Area)
Campo Inchauspe -
Argentina
Canton Astro 1966 -
Phoenix Islands
Cape - South Africa
Cape Canaveral -
Bahamas, Florida
Carthage - Tunisia
Switzerland
Chatham Island Astro
1971; New Zealand
(Chatham Island)
176
Chua Astro
Paraguay
Corrego Alegre
Brazil
Dabola
Guinea
Djakarta (Batavia)
Indonesia (Sumatra)
DOS 1968
New Georgia Islands
(Gizo Island)
Easter Island 1967
Easter Island
European 1950
Mean for Austria,
Belgium, Denmark,
Finland, France,
West Germany, Gi-
braltar, Greece, Italy,
Luxembourg, Neth-
erlands, Norway,
Portugal, Spain,
Sweden, Switzerland
European 1950
Mean for Austria,
Denmark, France,
West Germany,
Netherlands, Swit-
zerland
European 1950
Mean for Iraq, Israel,
Jordan, Lebanon,
Kuwait, Saudi Arabia,
Syria
European 1950
Cyprus
European 1950
Egypt
European 1950
England, Channel
Islands, Ireland,
Scotland, Shetland
Islands
European 1950
Finland, Norway
European 1950
Greece
European 1950
Iran
European 1950
Italy (Sardinia)
European 1950
(Sicily)
European 1950
Malta
Ireland 1965
Ireland
ISTS 061 Astro 1968
South Georgia Is-
lands
ISTS 073 Astro 1969
Diego Garcia
Johnston Island 1961
Johnston Island
Kandawala
Sri Lanka
Kerguelen Island
1949
Kerguelen Island
Kertau 1948
West Malaysia &
Singapore
Kusaie Astro 1951
Caroline Islands
L.C. 5 Astro 1961
Cayman Brac Island
Leigon
Ghana
Liberia 1964
Liberia
Luzon
Philippines (Exclud-
ing Mindanao)
Luzon
Philippines (Min-
danao)
Mahe 1971
Mahe Island
Massawa
Ethiopia (Eritrea)
Merchich
Morocco
Midway Astro 1961
Midway Islands
Minna
Cameroon
Minna
Nigeria
Montserrat Island
Astro 1958; Montser-
rat (Leeward Islands)
M’Poraloko
Gabon, Nahrwan,
Oman (Masirah Is-
land)
Nahrwan
Saudi Arabia
Nahrwan
United Arab Emirates
177
Naparima BWI
Trinidad & Tobago
North American 1927
Mean for Antigua,
Barbados, Barbuda,
Caicos Islands,
Cuba, Dominican
Republic, Grand
Cayman, Jamaica,
Turks Islands
North American 1927
Mean for Belize,
Costa Rica, El Sal-
vador, Guatemala,
Honduras, Nicaragua
North American 1927
Mean for Canada
North American 1927
Mean for CONUS
(Continental United
States)
North American 1927
Mean for CONUS
(East of Mississippi
River) including Lou-
isiana, Missouri, Min-
nesota
North American 1927
Mean for CONUS
(West of Mississippi
River)
North American 1927
Alaska
North American 1927
Bahamas (Except
San Salvador Island)
North American 1927
Bahamas (San Sal-
vador Island)
North American 1927
Canada (Alberta,
British Columbia)
North American 1927
Canada (Manitoba,
Ontario)
North American 1927
Canada (New
Brunswick, New-
foundland, Nova
Scotia, Quebec)
North American 1927
Canada (Northwest
Territories, Sas-
katchewan)
North American 1927
Canada (Yukon)
North American 1927
Canal Zone
North American 1927
Cuba
North American 1927
Greenland (Hayes
Peninsula)
North American 1927
Mexico
North American 1983
Alaska, Canada,
CONUS
North American 1983
Central America,
Mexico
Observaorio Metereo
1939; Azores (Corvo
& Flores Islands)
Old Egyptian 1907
Egypt
Old Hawaiian
Mean for Hawaii,
Kauai, Maui, Oahu
Old Hawaiian
Hawaii
Old Hawaiian
Kauai
Old Hawaiian
Maui
Old Hawaiian
Oahu
Oman
Oman
Ordinance Survey
Great Britain 1936 -
Mean for England,
Isle of Man, Scotland,
Shetland Islands,
Wales
Ordinance Survey
Great Britain 1936 -
England
Ordinance Survey
Great Britain 1936 -
England, Isle of Man,
Wales
Ordinance Survey
Great Britain 1936 -
Scotland, Shetland
Islands
Ordinance Survey
Great Britain 1936 -
Wales
Pico de las Nieves
Canary Islands
Pitcairn Astro 1967
Pitcairn Island
178
Point 58
Sweden
Santo (DOS)
1965 Espirito Santo
Island
Sao Braz
Azores (Sao Miguel,
Santa Maria Islands)
Sapper Hill 1943
East Falkland Island
Schwarzeck
Nambia
Selvagem Grande
Salvage Islands
SGS 85
Soviet Geodetic
System 1985
South American 1969
Mean for Argentina,
Bolivia, Brazil, Chile,
Colombia, Ecuador,
Guyana, Paraguay,
Peru, Trinidad & To-
bago, and Venezuela
South American 1969
Argentina
South American 1969
Bolivia
South American 1969
Brazil
South American 1969
Chile
South American 1969
Colombia
South American 1969
Ecuador
South American 1969
Ecuador (Baltra, Ga-
lapagos)
South American 1969
Guyana
South American 1969
Paraguay
South American 1969
Peru
South American 1969
Trinidad & Tobago
South American 1969
Venezuela
South Asia
Singapore
Tananarive Obser-
vatory 1925; Mada-
gascar
Timbalai 1948
Brunei, East Malay-
sia (Sabah, Sarawak)
Tokyo
Mean for Japan, Ko-
rea, Okinawa
Tokyo
Japan
Tokyo
Korea
Tokyo
Okinawa
Tristan Astro 1968
Tristan da Cunha
Viti Levu 1916
Fiji (Viti Levu Island)
Wake
Eniwetok 1960
Marshall Islands
Wake Island Astro
1952
Wake Atoll
WGS 1972
Global Definition
Yacare
Uruguay
Zanderij
Suriname
179
FCC Compliance
This device complies with Part 15 of the U.S. Federal Communi-
cations Commission (FCC) Rules. Operation is subject to the fol-
lowing two conditions: (1) this device may not cause harmful in-
terference, and (2) this device must accept any interference re-
ceived, including interference that may cause undesired opera-
tion.
Changes or modifications not expressly approved by the manu-
facturer could void the user's authority to operate the equip-
ment.
Note:
This equipment has been tested and found to comply with the
limits for a Class B digital device, pursuant to Part 15 of the
FCC Rules. These limits are designed to provide reasonable pro-
tection against harmful interference in a residential installation.
This equipment generates, uses and can radiate radio frequency
energy and, if not installed and used in accordance with the in-
structions, may cause harmful interference to radio communica-
tions. However, there is no guarantee that interference will not
occur in a particular installation. If this equipment does cause
harmful interference to radio or television reception, which can
be determined by turning the equipment off and on, the user is
encouraged to try to correct the interference by one or more of
the following measures:
• Increase the separation between the equipment and receiver.
• Connect the equipment into an outlet on a circuit different
from that to which the receiver is connected.
• Consult the factory customer service department for help.
180
Notes
181
Notes
182
Notes
183
EAGLE DATABASES LICENSE AGREEMENT
THIS IS A LEGAL AGREEMENT BETWEEN THE END-USER WHO FIRST
PURCHASES THIS PRODUCT AS A CONSUMER ITEM FOR PERSONAL,
FAMILY, OR HOUSEHOLD USE ("YOU") AND EAGLE ELECTRONICS,
INC., THE MANUFACTURER OF THIS PRODUCT ("WE", "OUR", OR "US").
USING THE PRODUCT ACCOMPANIED BY THIS LICENSE AGREEMENT
CONSTITUTES ACCEPTANCE OF THESE TERMS AND CONDITIONS. IF
YOU DO NOT ACCEPT ALL TERMS AND CONDITIONS, PROMPTLY RE-
TURN THE PRODUCT WITHIN 30 DAYS OF PURCHASE. PLEASE RE-
TURN USING THE ENCLOSED UPS SHIPPING LABEL AND INCLUDE:
PROOF OF PURCHASE, NAME, ADDRESS, AND PHONE NUMBER. YOUR
PURCHASE PRICE AND ANY APPLICABLE TAXES WILL BE REFUNDED.
PLEASE ALLOW 4-6 WEEKS TO PROCESS YOUR REFUND.
1. This License Agreement applies to the one or more databases that
your product may contain. We refer to these singly as a "Database"
and together as the "Databases." Your product may thus include the
"WBS Database" which contains worldwide background surface
mapping data, the "SmartMap Database" which contains inland
mapping data, or other Databases.
2. The Databases that your product may contain are licensed, not sold.
We grant to you the nonexclusive, nonassignable right to use these
Databases for supplemental navigation reference purposes, but only
as long as you comply with the terms and conditions of this License
Agreement. We reserve the right to terminate this license if you
violate any aspect of this License Agreement. You are responsible for
using official government charts and prudent navigation for safe
travel.
3. The Databases housed in your product are protected by the copy-
right notices appearing on the product or its screen(s). You may
NOT modify, adapt, translate, reverse engineer, decompile, disas-
semble, rent, lease, or resell any Database, and you may NOT create
derivative works based upon any Database or its contents. Any un-
authorized reproduction, use, or transfer of a Database may be a
crime and may subject you to damages and attorney fees.
4. This License Agreement will terminate immediately without prior
notice from us if you fail to comply with or violate any of the provi-
sions of this Agreement. Upon termination, you will promptly return
all products containing one or more Databases to us.
5. Prices and programs are subject to change without notice.
6. This License Agreement shall be governed by the laws of the State of
Oklahoma and comprises the complete and exclusive understanding
between you and us concerning the above subject matter.
184
DATABASES LIMITED WARRANTY
"We", "our", or "us" refers to Eagle Electronics, Inc., the manufacturer of this
product. "You" or "your" refers to the first person who purchases the product as
a consumer item for personal, family, or household use. The Databases Limited
Warranty applies to the one or more databases that your product may contain.
We refer to each of these as a "Database" or together as the "Databases." Your
product may thus include the "WBS Database" which contains worldwide back-
ground surface mapping data, the "SmartMap Database" which contains inland
mapping data, or other Databases.
We warrant to you that we have accurately compiled, processed, and repro-
duced the portions of the source material on which the Databases are based.
However, we are under no obligation to provide updates to the Databases, and
the data contained in the Databases may be incomplete when compared to the
source material. WE MAKE NO EXPRESS OR IMPLIED WARRANTY OF
ANY KIND ABOUT THE ACCURACY OF THE SOURCE MATERIAL ITSELF,
INCLUDING BUT NOT LIMITED TO IMPLIED WARRANTIES OF MER-
CHANTABILITY OR FITNESS FOR A PARTICULAR PURPOSE.
If there is a defect in any Database, your exclusive remedy shall be, at our op-
tion, either a refund of the price you paid for the product containing the defec-
tive Database or a replacement of such product. WE WILL NOT UNDER ANY
CIRCUMSTANCES BE LIABLE TO ANYONE FOR ANY SPECIAL, CONSE-
QUENTIAL, INCIDENTAL, OR OTHER INDIRECT DAMAGE OF ANY KIND.
Some states do not allow the exclusion or limitation of incidental or consequen-
tial damages, so the above limitations or exclusions may not apply to you.
This warranty does NOT apply in the following circumstances: (1) when the
product has been serviced or repaired by anyone other than us; (2) when the
product has been connected, installed, combined, altered, adjusted, or handled
in a manner other than according to the instructions furnished with the prod-
uct; (3) when any serial number has been effaced, altered, or removed; or (4)
when any defect, problem, loss, or damage has resulted from any accident, mis-
use, negligence, or carelessness, or from any failure to provide reasonable and
necessary maintenance in accordance with the instructions of the owner’s man-
ual for the product.
We reserve the right to make changes or improvements in our products from
time to time without incurring the obligation to install such improvements or
changes on equipment or items previously manufactured.
This warranty gives you specific legal rights and you may also have other rights
which may vary from state to state.
Your remedies under this warranty will be available so long as you can show in
a reasonable manner that the defect occurred within one (1) year from the date
of your original purchase, and we must receive your warranty claim no later
than 30 days after such 1-year period expires. Your claim must be substanti-
ated by a dated sales receipt or sales slip.
185
EAGLE ELECTRONICS
FULL ONE-YEAR WARRANTY
"We," "our," or "us" refers to EAGLE ELECTRONICS, INC., the manufacturer of this
product. "You" or "your" refers to the first person who purchases this product as a con-
sumer item for personal, family or household use.
We warrant this product against defects or malfunctions in materials and workmanship,
and against failure to conform to this product's written specifications, all for one (1) year
from the date of original purchase by you. WE MAKE NO OTHER EXPRESS WAR-
RANTY OR REPRESENTATION OF ANY KIND WHATSOEVER CONCERNING THIS
PRODUCT. Your remedies under this warranty will be available so long as you can show
in a reasonable manner that any defect or malfunction in materials or workmanship, or
any non-conformity with the product's written specifications, occurred within one year
from the date of your original purchase, which must be substantiated by a dated sales
receipt or sales slip. Any such defect, malfunction, or non-conformity which occurs within
one year from your original purchase date will either be repaired without charge or be
replaced with a new product identical or reasonably equivalent to this product, at our
option, within a reasonable time after our receipt of the product. If such defect, malfunc-
tion, or non-conformity remains after a reasonable number of attempts to repair by us,
you may elect to obtain without charge a replacement of the product or a refund for the
product. THIS REPAIR, OR REPLACEMENT OR REFUND (AS JUST DESCRIBED) IS
THE EXCLUSIVE REMEDY AVAILABLE TO YOU AGAINST US FOR ANY DEFECT,
MALFUNCTION, OR NON-CONFORMITY CONCERNING THE PRODUCT OR FOR
ANY LOSS OR DAMAGE RESULTING FROM ANY OTHER CAUSE WHATSOEVER.
WE WILL NOT UNDER ANY CIRCUMSTANCES BE LIABLE TO ANYONE FOR ANY
SPECIAL, CONSEQUENTIAL, INCIDENTAL, OR OTHER INDIRECT DAMAGE OF
ANY KIND.
Some states do not allow the exclusion or limitation of incidental or consequential dam-
ages, so the above limitations or exclusions may not apply to you.
This warranty does NOT apply in the following circumstances: (1) when the product has
been serviced or repaired by anyone other than us; (2) when the product has been con-
nected, installed, combined, altered, adjusted, or handled in a manner other than ac-
cording to the instructions furnished with the product; (3) when any serial number has
been effaced, altered, or removed; or (4) when any defect, problem, loss, or damage has
resulted from any accident, misuse, negligence, or carelessness, or from any failure to
provide reasonable and necessary maintenance in accordance with the instructions of the
owner's manual for the product.
We reserve the right to make changes or improvements in our products from time to time
without incurring the obligation to install such improvements or changes on equipment
or items previously manufactured.
This warranty gives you specific legal rights and you may also have other rights which
may vary from state to state.
REMINDER: You must retain the sales slip or sales receipt proving the date of your
original purchase in case warranty service is ever required.
EAGLE ELECTRONICS
12000 E. SKELLY DRIVE, TULSA, OK 74128
(800) 324-1356
186
How to Obtain Service…
…in the USA:
We back your investment in quality products with quick, expert service
and genuine Eagle parts. If you're in the United States and you have
technical, return or repair questions, please contact the Factory Cus-
tomer Service Department. Before any product can be returned, you
must call customer service to determine if a return is necessary. Many
times, customer service can resolve your problem over the phone with-
out sending your product to the factory. To call us, use the following
toll-free number:
800-324-1356
8 a.m. to 5 p.m. Central Standard Time, M-F
Eagle Electronics may find it necessary to change or end our shipping
policies, regulations, and special offers at any time. We reserve the right
to do so without notice.
…in Canada:
If you're in Canada and you have technical, return or repair questions,
please contact the Factory Customer Service Department. Before any
product can be returned, you must call customer service to determine if
a return is necessary. Many times, customer service can resolve your
problem over the phone without sending your product to the factory. To
call us, use the following toll-free number:
800-661-3983
905-629-1614 (not toll-free)
8 a.m. to 5 p.m. Eastern Standard Time, M-F
…outside Canada and the USA:
If you have technical, return or repair questions, contact the dealer in
the country where you purchased your unit. To locate a dealer near
you, visit our web site, www.eaglesonar.com and look for the Dealer Lo-
cator.
Accessory Ordering Information
for all countries
To order Eagle accessories such as power cables or transducers,
please contact:
1) Your local marine dealer or consumer electronics store. Most quality
dealers that handle marine electronic equipment or other consumer
electronics should be able to assist you with these items.
To locate an Eagle dealer near you, visit our web site,
www.eaglesonar.com and look for the Dealer Locator. Or, you can
consult your telephone directory for listings.
2) U.S. customers: LEI Extras Inc., PO Box 129, Catoosa, OK 74015-0129
Call 1-800-324-0045 or visit our web site www.lei-extras.com.
3) Canadian customers can write:
Lowrance/Eagle Canada, 919 Matheson Blvd. E. Mississauga, Ontario
L4W2R7 or fax 905-629-3118.
Shipping Information
If it becomes necessary to send a product for repair or replacement, you
must first receive a return authorization number from Customer
Service. Products shipped without a return authorization will not be
accepted. When shipping, we recommend you do the following:
1. Please do not ship the knobs or mounting bracket with your unit.
2. If you are sending a check for repair, please place your check in an
envelope and tape it to the unit.
3. For proper testing, include a brief note with the product describing
the problem. Be sure to include your name, return shipping address
and a daytime telephone number. An e-mail address is optional but
useful.
4. Pack the unit in a suitable size box with packing material to prevent
any damage during shipping.
5. Write the Return Authorization (RA) number on the outside of the
box underneath your return address.
6. For your security, you may want to insure the package through your
shipping courier. Eagle does not assume responsibility for goods lost or
damaged in transit.

Visit our web site:
www.eaglesonar.com
Eagle Pub. 988-0152-151 © Copyright 2005
All Rights Reserved
Printed in USA 121205 LEI-Eagle