!! FH601D FH641D FH680D FH721D KAWASAKI SERVICE REPAIR MANUAL 99924206002
Preview ! FH601D-FH641D-FH680D-FH721D-KAWASAKI-SERVICE-REPAIR-MANUAL-99924206002 Global Machinery Company Lawn Mower Manuals - Lawn Mower Manuals – The Best Lawn Mower Manuals Collection
User Manual: !! Global Machinery Company Lawn Mower Manuals - Lawn Mower Manuals – The Best Lawn Mower Manuals Collection
Open the PDF directly: View PDF
.
Page Count: 114 [warning: Documents this large are best viewed by clicking the View PDF Link!]

FH601D FH641D
FH680D FH721D
4–stroke air-cooled v-twin gasoline engine
Service Manual
All rights reserved. No parts of this publication may be reproduced, stored in a retrieval system, or transmitted in any
form or by any means, electronic mechanical photocopying, recording or otherwise, without the prior written permission of
Quality Assurance Department/Consumer Products & Machinery Company/Kawasaki Heavy Industries, Ltd., Japan.
No liability can be accepted for any inaccuracies or omissions in this publication, although every possible care has been
taken to make it as complete and accurate as possible.
The right is reserved to make changes at any time without prior notice and without incurring an obligation to make such
changes to products manufactured previously.
All information contained in this publication is based on the latest product information available at the time of publication.
Illustrations and photographs in this publication are intended for reference use only and may not depict actual model
component parts.
© Kawasaki Heavy Industries, Ltd. 2000, 2001 Third Edition (1) : Jul. 11, 2001 (K)
For Kawasaki Discount Parts Call 606-678-9623 or 606-561-4983
www.mymowerparts.com

LIST OF ABBREVIATIONS
A ampere(s) lb pound(s)
ABDC after bottom dead center m meter(s)
AC alternating current min minute(s)
ATDC after top dead center N newton(s)
BBDC before bottom dead center Pa pascal(s)
BDC bottom dead center PS horsepower
BTDC before top dead center psi pound(s) per square inch
Cdegree(s) Celsius r revolution
DC direct current rpm revolution(s) per minute
F farad(s) TDC top dead center
F degree(s) Fahrenheit TIR total indicator reading
ft foot, feet V volt(s)
g gram(s) W watt(s)
h hour(s) ohm(s)
L liter(s)
Read OWNER’S MANUAL before operating.
For Kawasaki Discount Parts Call 606-678-9623 or 606-561-4983
www.mymowerparts.com

EMISSION CONTROL INFORMATION
To protect the environment in which we all live, Kawasaki has incorporated crankcase emission (1) and exhaust emission
(2) control systems (EM) in compliance with applicable regulations of the United States Environmental Protection Agency
and California Air Resources Board.
1. Crankcase Emission Control System
A sealed-type crankcase emission control system is used to eliminate blow-by gasses. The blow-by
gasses are led to a breather chamber through the crankcase and from there to the air cleaner.
Oil is separated from the gasses while passing through the inside of the breather chamber from the
crankcase, and then returned to the bottom of crankcase.
2. Exhaust Emission Control System
The exhaust emission control system applied to this engine consists of a carburetor and an ignition
system having optimum ignition timing characteristics.
The carburetor has been calibrated to provide lean air/fuel mixture characteristics and optimum fuel
economy with a suitable air cleaner and exhaust system.
TAMPERING WITH EMISSION CONTROL SYSTEM PROHIBITED
Federal law and California State law prohibits the following acts or the causing thereof: (1) the removal or rendering
inoperative by any person other than for purposes of maintenance, repair, or replacement, of any device or element of
design incorporated into any new engine for the purpose of emission control prior to its sale or delivery to the ultimate
purchaser or while it is in use, or (2) the use of the engine after such device or element of design has been removed or
rendered inoperative by any person.
Among those acts presumed to constitute tampering are the acts listed below:
Do not tamper with the original emission related part:
•Carburetor and internal parts
•Spark plugs
•Magneto or electronic ignition system
•Fuel filter element
•Air cleaner elements
•Crankcase
•Cylinder heads
•Breather chamber and internal parts
•Intake pipe and tube
For Kawasaki Discount Parts Call 606-678-9623 or 606-561-4983
www.mymowerparts.com

Foreword
This manual is designed primarily for use by trained
mechanics in a properly equipped shop. However, it
contains enough detail and basic information to make
it useful to the owner who desires to perform his own
basic maintenance and repair work. A basic knowledge
of mechanics, the proper use of tools, and workshop
procedures must be understood in order to carry out
maintenance and repair satisfactorily. Whenever the
owner has insufficient experience or doubts as to his
ability to do the work, all adjustments, maintenance, and
repair should be carried out only by qualified mechanics.
In order to perform the work efficiently and to avoid
costly mistakes, read the text, thoroughly familiarize
yourself with the procedures before starting work, and
then do the work carefully in a clean area. Whenever
special tools or equipment are specified, do not use
makeshift tools or equipment. Precision measurements
can only be made if the proper instruments are used,
and the use of substitute tools may adversely affect safe
operation.
To get the longest life out of your engine:
•Follow the Periodic Maintenance Chart in the Service
Manual.
•Be alert for problems and non-scheduled maintenance.
•Use proper tools and genuine Kawasaki engine parts.
Genuine parts provided as spare parts are listed in the
Parts Catalog.
•Follow the procedures in this manual carefully. Don’t
take shortcuts.
•Remember to keep complete records of maintenance
and repair with dates and any new parts installed.
How to Use This Manual
In preparing this manual, we divided the product into
its major systems. These systems became the manual’s
chapters. All information for a particular system from
adjustment through disassembly and inspection is located
in a single chapter.
The Quick Reference Guide shows you all of the
product’s system and assists in locating their chapters.
Each chapter in turn has its own comprehensive Table of
Contents.
The Periodic Maintenance Chart is located in the
General Information chapter. The chart gives a time
schedule for required maintenance operations.
If you want spark plug information, for example, go to
the Periodic Maintenance Chart first. The chart tells you
how frequently to clean and gap the plug. Next, use the
Quick Reference Guide to locate the Electrical System
chapter. Then, use the Table of Contents on the first page
of the chapter to find the Spark Plug section.
Whenever you see these WARNING and CAUTION
symbols, heed their instructions! Always follow safe
operating and maintenance practices.
This warning symbol identifies special instruc-
tions or procedures which, if not correctly fol-
lowed, could result in personal injury, or loss of
life.
CAUTION
This caution symbol identifies special instruc-
tions or procedures which, if not strictly ob-
served, could result in damage to or destruction
of equipment.
This manual contains four more symbols (in addition to
WARNING and CAUTION) which will help you distinguish
different types of information.
NOTE
This note symbol indicates points of particular in-
terest for more efficient and convenient operation.
•Indicates a procedural step or work to be done.
Indicates a procedural sub-step or how to do the work
of the procedural step it follows. It also precedes the
text of a WARNING, CAUTION, or NOTE.
Indicates a conditional step or what action to take based
on the results of the test or inspection in the procedural
step or sub-step it follows.
In most chapters an exploded view illustration of the
system components follows the Table of Contents. In
these illustrations you will find the instructions indicating
which parts require specified tightening torque, oil, grease
or a locking agent during assembly.
For Kawasaki Discount Parts Call 606-678-9623 or 606-561-4983
www.mymowerparts.com

GENERAL INFORMATION 1-1
General Information
Table of Contents
1
Before Servicing................................................................................................................................................................1-2
Model Identification...........................................................................................................................................................1-4
General Specifications......................................................................................................................................................1-5
Periodic Maintenance Chart..............................................................................................................................................1-6
Torque and Locking Agent................................................................................................................................................1-7
Special Tools.....................................................................................................................................................................1-9
For Kawasaki Discount Parts Call 606-678-9623 or 606-561-4983
www.mymowerparts.com

1-2 GENERAL INFORMATION
Before Servicing
Before starting to service the engine, carefully read the applicable section to eliminate unnecessary work. Photographs,
diagrams, notes, cautions, warnings, and detailed descriptions have been included wherever necessary. Nevertheless,
even a detailed account has limitations, a certain amount of basic knowledge is required for successful work.
Especially note the following:
(1) Dirt
Before removal and disassembly, clean the engine. Any dirt entering the engine, carburetor, or other parts, will
work as an abrasive and shorten the life of engine. For the same reason, before installing a new part, clean off any
dust or metal filings.
(2) Battery Ground
Remove the ground (—) lead from the battery before performing any disassembly operations on the equipment.
This prevents:
(a) the possibility of accidentally turning the engine over while partially disassembled.
(b) sparks at electrical connections which will occur when they are disconnected.
(c) damage to electrical parts.
(3) Tightening Sequence
Generally, when installing a part with several bolts, nuts, or screws, start them all in their holes and tighten them to
a snug fit. Then tighten them evenly, in a staggered sequence. This is to avoid distortion of the part and/or causing
gas or oil leakage. Conversely when loosening the bolts, nuts, or screws, first loosen all of them by about a quarter
of a turn and then remove them. Where there is a tightening sequence indication in this Service Manual, the bolts,
nuts, or screws must be tightened in the order and method indicated.
(4) Torque
When torque values are given in this Service Manual, use them. Either too little or too much torque may lead to
serious damage. Use a good quality, reliable torque wrench.
(5) Force
Common sense should dictate how much force is necessary in assembly and disassembly. If a part seems especially
difficult to remove or install, stop and examine what may be causing the problem. Whenever tapping is necessary, tap
lightly using a wooden or plastic-faced mallet. Use an impact driver for screws (particularly for the removal of screws
held by a locking agent) in order to avoid damaging the heads.
(6) Edges
Watch for sharp edges, especially during major engine disassembly and assembly. Protect your hands with gloves
or a piece of thick cloth when lifting the engine or turning it over.
(7) High-Flash Point Solvent
A high-flash point solvent is recommended to reduce fire danger. A commercial solvent commonly available in North
America is Standard solvent (generic name). Always follow manufacturer and container directions regarding the use
of any solvent.
(8) Gasket, O-Ring
Do not reuse a gasket or O-ring once it has been in service. The mating surfaces around the gasket should be
free of foreign matter and perfectly smooth to avoid oil or compression leaks.
(9) Liquid Gasket, Non-Permanent Locking Agent
Follow manufacturer’s directions for cleaning and preparing surfaces where these compounds will be used. Apply
sparingly. Excessive amounts may block engine oil passages and cause serious damage. An example of a non-
permanent locking agent commonly available in North America is Loctite Lock’n Seal (Blue).
(10) Press
A part installed using a press or driver, such as a journal, should first be coated with oil on its outer or inner
circumference so that it will go into place smoothly.
(11) Ball Bearing
When installing a ball bearing, the bearing race which is affected by friction should be pushed by a suitable driver.
This prevents severe stress on the balls and races, and prevents races and balls from being dented. Press a ball
bearing until it stops at the stop in the hole or on the shaft.
(12) Oil Seal and Grease Seal
Replace any oil or grease seals that were removed with new ones, as removal generally damages seals.
When pressing in a seal which has manufacturer’s marks, press it in with the marks facing out. Seals should be
pressed into place using a suitable driver, which contacts evenly with the side of seal, until the face of the seal is even
with the end of the hole.
(13) Seal Guide
A seal guide is required for certain oil or grease seals during installation to avoid damage to the seal lips. Before
a shaft passes through a seal, apply a little oil, preferably high temperature grease on the lips to reduce rubber to
metal friction.
(14) Circlip, Retaining Ring
Replace any circlips and retaining rings that were removed with new ones, as removal weakens and deforms them.
When installing circlips and retaining rings, take care to compress or expand them only enough to install them and
no more.
For Kawasaki Discount Parts Call 606-678-9623 or 606-561-4983
www.mymowerparts.com

GENERAL INFORMATION 1-3
Before Servicing
(15) Cotter Pin
Replace any cotter pins that were removed with new ones, as removal deforms and breaks them.
(16) Lubrication
Engine wear is generally at its maximum while the engine is warming up and before all the rubbing surfaces have
an adequate lubricative film. During assembly, oil or grease (whichever is more suitable) should be applied to any
rubbing surface which has lost its lubricative film. Old grease and dirty oil should be cleaned off. Deteriorated grease
has lost its lubricative quality and may contain abrasive foreign particles.
Don’t use just any oil or grease. Some oils and greases in particular should be used only in certain applications and
may be harmful if used in an application for which they are not intended. This manual makes reference to molybdenum
disulfide grease (MoS2) in the assembly of certain engine parts. Always check manufacturer recommendations before
using such special lubricants.
(17) Electrical Wires
All the electrical wires are either single-color or two-color and, with only a few exceptions, must be connected to
wires of the same color. On any of the two-color wires there is a greater amount of one color and a lesser amount of
a second color, so a two-color wire is identified by first the primary color and then the secondary color. For example,
a yellow wire with thin red stripes is referred to as a "yellow/red" wire; it would be a "red/yellow" wire if the colors were
reversed to make red the main color.
(18) Replacement Parts
When there is a replacement instruction, replace these parts with new ones every time they are removed. There
replacement parts will be damaged or lose their original function once removed.
(19) Inspection
When parts have been disassembled, visually inspect these parts for the following conditions or other damage. If
there is any doubt as to the condition of them, replace them with new ones.
Abrasion Crack Hardening Warp
Bent Dent Scratch Wear
Color change Deterioration Seizure
(20) Specifications
Specification terms are defined as follows:
"Standards" show dimensions or performances which brand-new parts or systems have.
"Service Limits" indicate the usable limits. If the measurement shows excessive wear or deteriorated performance,
replace the damaged parts.
For Kawasaki Discount Parts Call 606-678-9623 or 606-561-4983
www.mymowerparts.com

1-4 GENERAL INFORMATION
Model Identification
Cylinder Number Designation:
No.1 Cylinder is on the electric starter side.
No.2 Cylinder is on the oil fileter side.
For Kawasaki Discount Parts Call 606-678-9623 or 606-561-4983
www.mymowerparts.com

GENERAL INFORMATION 1-5
General Specifications
Items FH601D, FH641D, FH680D, FH721D
Type of engine Forced air-cooled, horizontal shaft, OHV, 4-stroke gasoline engine.
Cylinder layout 90 V-Twin
Bore x Stroke 75.2 mm x 76 mm (2.96 in x 2.99 in)
Piston displacement 675 mL (41.19 cu. in)
Direction of rotation Counterclockwise facing the PTO shaft
Compression release Automatic compression release
Low idle speed 1550 rpm
Fast idle speed 3600 rpm
Ignition system Transistorized-fly wheel magneto
RFI Per Canada and U.S.A. requirements
Starting system Electric starter
Charging system 12 V - 13 amps with regulator
Spark plug NGK BPR4ES
Carburetor Float type, fixed main jet, two barrel
Fuel pump Diaphragm type pulse pump
Air cleaner Dual stage element, dry type
Governor Flyweight all speed governor
Lubrication system Pressure feed by positive displacement pump
Oil filter Cartridge type full flow filter
Oil pressuer switch ON-OFF switch
Oil capacity 1.6 L (1.7 US qt)…(when engine is completely dry)
Cooling system Forced air cooling by fan
Dimensions (L x W x H ): without muffler 442 mm x 430 mm x 491 mm (17.4 in x 16.9 in x 19.3 in)
Dry weight: without muffler 44.5 kg (98.1 lb)
Specifications subject to change without notice.
For Kawasaki Discount Parts Call 606-678-9623 or 606-561-4983
www.mymowerparts.com

1-6 GENERAL INFORMATION
Periodic Maintenance Chart
To ensure satisfactory operation over an extended period of time, any engine requires normal maintenance regular
intervals. The Periodic Maintenance Chart below shows periodic inspection and maintenance items and suitable intervals.
The bullet mark (•) designates that the corresponding item should be performed at that interval.
Some adjustments require the use of special tools or other equipment. An electronic tachometer will facilitate setting
idle and running speeds.
OPERATION INTERVAL
Daily First
8hr.
Every
25 hr.
Every
50 hr.
Every
100 hr.
Every
200 hr.
Every
300 hr.
Check or clean air intake screen •
Check and add engine oil •
Check for fuel and oil leakage •
Check for loose or lost nut and screw •
Check battery electrolyte level •
Clean air cleaner foam element (1) •
Clean air cleaner paper element (1) •
Clean dust and dirt from cylinder and •
cylinder head fins (1)
Tighten nut and screws •
Change engine oil • •
Clean and re-gap spark plugs •
Check and clean oil cooler fins •
(FH721D engines).
Change Oil filter •
Change air cleaner paper element (1) •
♦Check and adjust vlave clearance •
♦Clean and lap valve seating surface •
♦Clean combustion chamber •
(1): Service more frequently under dusty conditions.
♦: These items must be performed with the proper tools. See your authorized Kawasaki Engine Dealer for service,
unless you have the proper equipment and mechanical proficiency.
For Kawasaki Discount Parts Call 606-678-9623 or 606-561-4983
www.mymowerparts.com

GENERAL INFORMATION 1-7
Torque and Locking Agent
The following tables lists the tightening torque for the major fasteners, and the parts requiring use of a non-permanent
locking agent or liquid gasket.
Letters used in the "Remarks" column mean:
L:Apply a non-permanent locking agent to the threads.
M:Apply a molybdenum disulfide lubricant (grease or oil) to the threads, seated surface, or washer.
O:Apply an oil to the threads, seated surface, or washer.
S:Tighten the fasteners following the specified sequence.
SS : Apply silicone sealant.
Fastener Torque Remarks
Nmkgf m ft lb
Fuel System:
Choke Valve Screw ♦0.95 ♦0.097 ♦8.4 in lb ♦=L
Throttle Valve Screws ♦0.95 ♦0.097 ♦8.4 in lb ♦=L
Plug, Main Jet 18 1.8 13
Drain Screw (Carburetor) 2.0 0.2 18 in lb
Fuel Shut Off Solenoid Valve (Carburetor) 19 1.9 14
Float Chamber Mounting Screw (Carburetor) 4.0 0.4 35 in lb
Governor Arm Clamp Nut 7.8 0.8 69 in lb
Governor Shaft Plate Screws 2.0 0.2 17 in lb
Carburetor and Intake Pipe Mounting Bolts and Nuts 5.9 0.6 52 in lb
Intake Manifold Mounting Bolts 5.9 0.6 52 in lb
Air Cleaner Body Mounting Bolts 5.9 0.6 52 in lb
Control Panel Mounting Bolts 5.9 0.6 52 in lb
Cooling System:
Screen Bolts 5.9 0.6 52 in lb
Engine-shroud Bolt (M8: on Cylinder Head) 6.9 0.7 61 in lb
Engine-shroud Bolts (M6) 5.9 0.6 52 in lb
Engine Top End:
Cylinder Head Bolts ♦28 ♦2.8 ♦21 ♦=S
Valve Clearance Lock Screws 6.9 0.7 61 in lb
Connecting Rod Big End Cap Bolts ♦9.8 ♦1.0 ♦87 in lb ♦=O
Rocker Arm Bolts 28 2.8 21
Rocker Cover Mounting Bolts 6.9 0.7 61 in lb
Muffler Flange Nuts 15 1.5 11
Spark Plugs 22 2.2 16
For Kawasaki Discount Parts Call 606-678-9623 or 606-561-4983
www.mymowerparts.com

1-8 GENERAL INFORMATION
Torque and Locking Agent
Fastener Torque Remarks
N m kgf m ft lb
Lubrication System:
Engine Drain Plugs (Plastic) 6.9 0.7 61 in lb
Engine Drain Plug (Metal) 20 2.0 14.5
Engine Drain Plug Joint (Plastic) 17 1.7 12
Engine Drain Plug Joint (Metal) 39 4.0 29
Oil Pressure Switch ♦9.8 ♦1.0 ♦87 in lb ♦=SS
Oil Pump Cover Plate Mounting Bolts 5.9 0.6 52 in lb
Oil Filter (see Page 5-6) in the text
Camshaft/Crankshaft:
Crankcase Cover Bolts ♦25 ♦2.6 ♦19 ♦=S
Breather Chamber Cover Bolts 5.9 0.6 52 in lb
Electrical System:
Stator Coil Screws 3.4 0.35 30 in lb
Flywheel Bolt 56 5.7 41
Fan Housing Bolts (M8) 6.9 0.70 61 in lb
Fan Housing Bolts (M6) 5.9 0.6 52 in lb
Screen Bolts 5.9 0.6 52 in lb
Regulator Screws 3.4 0.35 30 in lb
Ignition Coil Bolts 5.9 0.6 52 in lb
Starter Motor Mounting Bolts 15 1.5 11
Spark Plugs 22 2.2 16
The table below, relating tightening torque to thread diameter, lists the basic torque for the bolts and nuts. Use this
table for only the bolts and nuts which do not require a specific torque value. All of the values are for use with dry
solvent-cleaned threads.
Basic Torque for General Fasteners
Threads dia Torque
(mm) N m kg m ft lb
4 2.0 0.2 17 in lb
5 3.4 0.35 30 in lb
6 5.9 0.6 52 in lb
8 15 1.5 11
For Kawasaki Discount Parts Call 606-678-9623 or 606-561-4983
www.mymowerparts.com

GENERAL INFORMATION 1-9
Special Tools
Compression Gauge: 57001–221
Piston Ring Pliers: 57001–115
Piston Ring Compression Grip: 57001–1095
Piston Ring Compression Belt, Ø67 -Ø79: 57001–1097
Valve Seat Cutter Holder Bar: 57001–1128
Valve Seat Cutter Holder Ø6: 57001–1360
Valve Seat Cutter, 45 –35.0 : 57001–1116
Valve Seat Cutter, 32 – 33.0 : 57001–1199
Compression Gauge Adapter M14 x 1.25: 57001–1159
Valve Seat Cutter, 32 – 30 : 57001–1120
For Kawasaki Discount Parts Call 606-678-9623 or 606-561-4983
www.mymowerparts.com

1-10 GENERAL INFORMATION
Special Tools
Oil Filter Wrench : 57001–1249
Hand Tester: 57001–1394
Kawasaki Bond (Silicone Sealant) : 56019–120
For Kawasaki Discount Parts Call 606-678-9623 or 606-561-4983
www.mymowerparts.com

FUEL SYSTEM 2-1
Fuel System
Table of Contents
2
Exploded View...................................................................................................................................................................2-2
Specifications....................................................................................................................................................................2-4
Governor Link Mechanism................................................................................................................................................2-5
Control Panel Assembly Removal..............................................................................................................................2-5
Control Panel Assembly Installation...........................................................................................................................2-5
Governor Arm Removal..............................................................................................................................................2-5
Governor Arm Installation..........................................................................................................................................2-6
Governor Assembly Removal.....................................................................................................................................2-6
Governor Assembly Installation..................................................................................................................................2-6
Governor Assembly Inspection..................................................................................................................................2-7
Governor Shaft Removal............................................................................................................................................2-7
Governor Shaft Installation.........................................................................................................................................2-7
Carburetor.........................................................................................................................................................................2-8
Fuel and Air Flow.......................................................................................................................................................2-8
Fuel Shut Off Solenoid Valve (Electric Starter Model).............................................................................................. 2-9
Low Idle Speed Adjustment.......................................................................................................................................2-9
High Idle Speed Adjustment .................................................................................................................................... 2-10
High Altitude Operation............................................................................................................................................2-11
Main Jet Replacement.............................................................................................................................................2-11
Fuel System Cleanliness Inspection........................................................................................................................2-11
Carburetor Removal.................................................................................................................................................2-11
Carburetor Installation..............................................................................................................................................2-12
Carburetor Disassembly/Assembly...........................................................................................................................2-13
Carburetor Cleaning.................................................................................................................................................2-14
Carburetor Inspection...............................................................................................................................................2-14
Fuel Shut-Off Solenoid Valve Test...........................................................................................................................2-15
Intake Manifold................................................................................................................................................................2-16
Intake Manifold Removal..........................................................................................................................................2-16
Intake Manifold Installation.......................................................................................................................................2-16
Intake Manifold Inspection........................................................................................................................................2-17
Fuel Pump, Fuel Filter.....................................................................................................................................................2-18
Fuel Pump Inspection.............................................................................................................................................. 2-18
Fuel Filter Inspection................................................................................................................................................2-18
Air Cleaner......................................................................................................................................................................2-19
Element Removal.....................................................................................................................................................2-19
Element Installation..................................................................................................................................................2-19
Element Cleaning and Inspection............................................................................................................................2-19
Cleaner Body Removal ............................................................................................................................................2-20
Cleaner Body Installation.........................................................................................................................................2-20
Housing (Cover and Body) Inspection.....................................................................................................................2-20
For Kawasaki Discount Parts Call 606-678-9623 or 606-561-4983
www.mymowerparts.com

2-2 FUEL SYSTEM
Exploded View
1. Pilot Screw
2. Pilot Air Jet
3. Main Air Jet
4. Main Jet
5. Pilot Jet
6. Solenoid Valve
T1: 0.95 N m (0.097 kgf m, 8.4 in lb)
T2: 0.98 N m (0.1 kgf m, 8.7 in lb)
T3: 2.0 N m (0.2 kgf m, 18 in lb)
T4: 3.4 N m (0.35 kgf m, 30 in lb)
T5: 5.9 N m (0.6 kgf m, 52 in lb)
T6: 19 N m (1.9 kgf m, 14 ft lb)
For Kawasaki Discount Parts Call 606-678-9623 or 606-561-4983
www.mymowerparts.com

FUEL SYSTEM 2-3
Exploded View
O: Apply engine oil.
T1: 2.0 N m (0.2 kgf m, 17 in lb)
T2: 5.9 N m (0.6 kgf m, 52 in lb)
T3: 7.8 N m (0.8 kgf m, 69 in lb)
For Kawasaki Discount Parts Call 606-678-9623 or 606-561-4983
www.mymowerparts.com

2-4 FUEL SYSTEM
Specifications
Item Standard
FH601D, FH641D FH680D, FH721D
Caburetors Specifications:
Make/ type Nikki 13Y244 Nikki 621266
Throttle bore diameter 24 mm (0.94 in.) 26 mm (1.02 in)
Venturi diameter 18 mm (0.71 in.) 21 mm (0.83 in)
Main Jet (MJ) L: #92, R: #95 #108 (L and R)
Pilot jet (PJ) #54 (L and R) #56 (L and R)
Main air jet (MAJ) ø1.4 ø1.4
Pilot air jet (PAJ) ø1.1 ø1.1
Pilot air screw turns out (PS) 1 5/8 1 1/4
(Idle mixture screw turns out)
Float level Float parallel to carburetor body
Idle Speed: (1)
Low idle speed 1550 r/min (rpm)
High idle speed 3600 r/min (rpm)
Air Cleaner:
Type Dual stage filtration system
Pre-cleaner Foam element
Second-stage cleaner Paper element
Fuel:
Fuel requirement Unleaded regular grade gasoline
Fuel Pump:
Type Pulse-diaphragm pump
Governor:
Type Flyweight all speed governor
(1) Idle speeds may vary depending on each equipment. Refer to the equipment specification.
For Kawasaki Discount Parts Call 606-678-9623 or 606-561-4983
www.mymowerparts.com

FUEL SYSTEM 2-5
Governor Link Mechanism
Control Panel Assembly Removal
•Remove:
Air Cleaner (see Cleaner Body Removal)
Air Cleaner Mount Bracket Bolts [A]
Air Cleaner Mount Bracket [B]
Control Panel Mounting Bolts [C]
•Remove the control panel assembly [A] while unhooking the governor
spring [B] end loop at the panel bracket.
•Clear the choke link rod end from the choke lever [C].
Control Panel Assembly Installation
•Before installing the control panel assembly, check to see that the
choke lever [A] and engine speed control lever [B] move smoothly in
all directions.
If any part is worn or damaged, replace the control panel assembly.
•After installation, adjust the low idle speeds and high idle speeds
to the specifications (see Low Idle Speed and High Idle Speed
adjustment).
Governor Arm Removal
•Remove:
Control Panel Assembly
•Loosen the clamp nut [A] and take off the governor arm [B].
•Unhooking the throttle link rod spring [C] end loop and clear the
throttle link rod end [D].
For Kawasaki Discount Parts Call 606-678-9623 or 606-561-4983
www.mymowerparts.com

2-6 FUEL SYSTEM
Governor Link Mechanism
Governor Arm Installation
•Insert the jig pin (2 mm dia) [I] through the jig pin hole of governor
shaft [B].
•Install the governor arm [A] onto the governor shaft [B] temporarily.
•Be sure the link spring [C] around the throttle link rod [D] is inplace
and that it pulls the governor arm and throttle lever [E] each other.
•Loosen the clamp nut [F] on the governor arm enough to move the
governor shaft.
•Turn the top end of the governor arm counterclockwise to fully open
the carburetor [G] throttle valve and hold it there.
•Using the jig pin [I], turn the governor shaft counterclockwise, fully
turn the shaft to end of its travel.
•Tighten the clamp nut.
Torque - Governor Arm Clamp Nut: 7.8 N m (0.80 kgf m, 69 in lb)
•Be sure the governor shaft extend from the governor arm is approxi-
mately 6.5 mm (0.26 in) [H] as shown.
•Remove the jig pin [I].
•Install the control panel assembly, and connect the governor arm with
the governor spring.
Governor Assembly Removal
•Remove the crankcase cover (see Camshaft/Crankshaft chapter).
•Remove the push rod. (see Engine Top End chapter)
•Upside down the engine.
•Remove the camshaft [A].
•Remove:
Washer [A]
Snap Ring [B]
Sleeve [C]
Governor Plate [D]
Snap Ring [B]
Steel balls [E]
Ball Guide [F]
Ball Plate [G]
Governor Assembly Installation
•Fit the snap rings [A] into the grooves securely.
•Spin the governor plate by hand and check that the steel balls and
governor plate operate freely.
For Kawasaki Discount Parts Call 606-678-9623 or 606-561-4983
www.mymowerparts.com

FUEL SYSTEM 2-7
Governor Link Mechanism
Governor Assembly Inspection
Visually check all governor parts for wear and damage.
If any parts are worm or damaged, replace them.
Governor Shaft Removal
•Split the crankcase (see Camshaft/Crankcase chapter).
•Unscrew the governor shaft plate screws [A], and pull out the governor
shaft [B] outside.
NOTE
It is not necessary to remove the governor shaft unless it is being
replaced.
•Replace the oil seal only if the lip shows signs of leakage or it has
been damaged.
•When replacing the oil seal [A] of the governor shaft, note the
following.
Install the oil seal into the crankcase cover [B] after the governor shaft
is inserted in the cover, and so that the marks [C] face out.
The depth [D] is 0 2mm(0 0.08 in.).
Governor Shaft Installation
•Apply engine oil to the governor shaft.
•Insert the governor shaft into the crankcase.
•Install the governor shaft plate [A] to the shaft [B] as shown.
Torque - Governor Shaft Plate Screws: 2.0 N m (0.20 kgf m, 17 in lb)
•Check that the governor shaft moves freely in its operating range.
NOTE
If the oil seal is removed, oil seal is put on after shaft is installed.
For Kawasaki Discount Parts Call 606-678-9623 or 606-561-4983
www.mymowerparts.com

2-8 FUEL SYSTEM
Carburetor
Fuel and Air Flow
The main system of the carburetor consists of the main jet [A], Valve
seat [B] main nozzle [C], and the main air passage [D] (main air jet
[E]). The main system meters fuel to the engine during moderate to
heavy load conditions. Fuel flows through the main jet and into the
main nozzle, where it is joined by air from the main air passage (main
air jet). The resulting mixture flows out the end of the main nozzle into
the carburetor bore, where it is atomized by the high speed air flow, and
carried into the engine.
The pilot system includes the pilot jet [F], pilot air screw [G] (Idle
mixture screw), pilot air jet [H], pilot outlet [I], and the bypass holes [J].
The pilot system meters the fuel/air mixture while the engine is idling
and running under a light load. Under these conditions there is very
little air flow through the carburetor bore; so little that it is not enough
to draw fuel through the main system of the carburetor and atomize
it. Instead, the fuel is drawn through the pilot system, since the nearly
closed throttle valve [K] causes high speed air flow past the pilot outlet
and bypass holes (even at low engine speed).
Fuel flow in the pilot system is metered by the pilot jet. Air for better
atomization is admitted via the pilot air jet in the mouth of the carburetor.
The fuel/air mixture passes into the bore of the carburetor side stream
of the throttle valve through the bypass holes and pilot outlet. While
the throttle valve is almost closed, it covers the small bypass holes
opening into the bore from the pilot system. As the throttle valve begins
to open, it uncovers the bypass holes, allowing more fuel/air mixture to
flow. The extra flow is needed because the engine starts to run faster
as the throttle is opened. The pilot screw controls the amount of fuel/air
mixture allowed through the pilot outlet, but does not meter the bypass
holes. A moderate amount of air comes in around the throttle valve at
an idle, so adjusting the pilot screw changes the fuel/air ratio. Turning
the pilot screw (Idle mixture screw) out (Counterclockwise) enrichens
the mixture; turning it in (clockwise) leans the mixture.
Main Fuel Flow
Pilot Fuel Flow ⇒
For Kawasaki Discount Parts Call 606-678-9623 or 606-561-4983
www.mymowerparts.com

FUEL SYSTEM 2-9
Carburetor
Fuel Shut Off Solenoid Valve (Electric Starter Model)
To avoid after firing when stopping the engine, a solenoid actuated
fuel shut off solenoid valve [A] is installed in the carburetor bowl. The
valve shuts off the fuel supply to the valve seat [B] simultaneously when
the switch key turned to the “OFF” position.
The valve opens automatically when the switch key is turned to the
“Run” position.
Low Idle Speed Adjustment
•Disconnect all possible external loads from the engine.
•Start the engine and warm it up thoroughly.
Always keep your hands clear of the moving parts.
•Move the throttle lever on dash to the idle position, and hold the
throttle lever on the carburetor in closed position (turn the governer
arm clockwise all the way) and adjust the low idle speed screw [A]
until the engine idles at specified speed.
Idle Speed (Carburetor idle rpm)
1450 rpm
•Release the throttle lever and adjust the low idle speed set screw [B]
on the control plate to obtain the specified governed low idle speed.
Low Idle Speed (Governed idle rpm)
1550 rpm
For Kawasaki Discount Parts Call 606-678-9623 or 606-561-4983
www.mymowerparts.com

2-10 FUEL SYSTEM
Carburetor
High Idle Speed Adjustment
NOTE
High idle speed adjustment should be made after the idle speed
adjustment is performed.
CAUTION
Do not adjust high idle speed with the air cleaner removed.
•Start and warm up the engine thoroughly.
Always keep your hands clear of the moving parts.
•Move the throttle lever at a dash to the high idle position and match
the lever hole position with the panel hole by inserting 6 mm dia., pin
or bolt [A].
•Loosen two M6 control panel mounting bolts [B] enough to move the
control panel assembly.
•Carefully move the control panel assembly right side [C] up or down
to obtain the specified high idle speed.
High Idle Speed
3600 rpm
•Tighten the M6 mounting bolts.
Torque - Control Panel Mounting Bolts: 5.9 N m (0.60 kgf m, 52 in lb)
•Remove the 6 mm dia., pin or bolt.
•Check the idle speed, and readjust the idle speed if necessary.
CAUTION
Be sure to make the idle and high idle speeds respectively
correspond to those of the equipment.
For Kawasaki Discount Parts Call 606-678-9623 or 606-561-4983
www.mymowerparts.com

FUEL SYSTEM 2-11
Carburetor
High Altitude Operation
At high altitude, the standard carburetor air-fuel mixture will be
excessively rich. Performance will decrease, and fuel consumption will
increase. High altitude performance can be improved by installing a
smaller diameter main-jet in the carburetor and correct idle speed.
NOTE
The main jet high altitude kits are available if the equipment is to
be used in the high altitudes. The main jet numbers are stamped
on ends of the main jets.
High Altitude Main Jet
Main Jet No.
Altitude FH601D, FH641D FH680D, FH721D
0 ~ 1000 m (0 ~ 3000 ft) L:#92 R: #95 #108: L and R
1000 ~ 2000 m (3000 ~
6000 ft)
L: #89 R: #92 #105: L and R
2000 m (6000 ft) and higher L: #86 R: #89 #102: L and R
Main Jet Replacement
•Place the engine (equipment) on a level surface.
•Close the fuel shut off valve in the equipment.
•Drain the fuel in the carburetor completely by unscrewing the drain
screw at the bottom of the float chamber.
•Remove the carburetor (see Carburetor Removal).
•Unscrew the main jet plugs [C] and take off the main jet plugs and
gaskets.
•Make sure that “L” [L] or “R” [R] mark on the float chamber is shown
the main jet position.
•Using a proper blade screw driver, carefully replace the main jet [D]
with a new one for altitude expected.
•Tighten the main jet to the specification (see Carburetor Disassembly/
Assembly).
•Install the gasket and the main jet plug.
Torque - Main Jet Plug: 19 N m (1.9 kgf m, 14 ft lb)
Fuel System Cleanliness Inspection
Gasoline is extremely flammable and can be explosive under
certain conditions. Turn the ignition switch OFF. Do not
smoke. Make sure the area is well-ventilated and free from
any source of flame or sparks; this includes any appliance
with a pilot light.
•Remove the air cleaner. (see Cleaner Body Removal)
•Connect a plastic tube [A] to the carburetor drain hole and place a
suitable container under the plastic tube other end.
•Turn out the drain screw [B] a few turns to drain the carburetor and
check to see if water or dirt has accumulated in the carburetor.
•Tighten the drain screw.
Torque - Drain Screw: 2.0 N m (0.2 kgf m, 18 in lb)
•If any water or dirt is found, clean the carburetor (see Carburetor
Cleaning), and fuel tank, and check the fuel filter.
Carburetor Removal
Gasoline is extremely flammable and can be explosive under
certain conditions. Turn the ignition switch OFF. Do not
smoke. Make sure the area is well- ventilated and free from
any source of flame or sparks; this includes any appliance with
a pilot light.
For Kawasaki Discount Parts Call 606-678-9623 or 606-561-4983
www.mymowerparts.com

2-12 FUEL SYSTEM
Carburetor
•Remove:
Air Cleaner and Related Parts (see Cleaner Body).
•Turn the fuel shut off valve to the OFF position.
•Drain the carburetor.
•Disconnect the fuel tube at the fuel inlet joint [A] of the carburetor.
•Remove the carburetor mounting bolts [B] and nuts [C].
•Disconnect the solenoid valve lead terminal and remove the earth
terminal.
•Unhook the throttle link spring [B] at the throttle shaft lever [C] clip
end with a long nose plier.
•Unhook the throttle [D] and choke link rods [E] at the top ends of their
arms while pull off the carburetor.
Carburetor Installation
•Clean the mating surfaces of the carburetor and intake manifold, and
fit the new gaskets.
•Take care not to bend the throttle and choke link rods during
installation. Make sure the link spring around the throttle link rod
is inplace and that it pulls the governor arm and carburetor throttle
shaft lever toward each other.
•Install the intake manifold [A], new gaskets [B], insulator [C], carbu-
retor [D] and intake pipe [E] sequence as shown.
•Tighten the carburetor mounting bolts and nuts.
Torque - Bolts and Nuts: 5.9 N m (0.6 kgf m, 52 in lb)
•Adjust:
Carburetor Pilot Screw
Idle Speed
For Kawasaki Discount Parts Call 606-678-9623 or 606-561-4983
www.mymowerparts.com

FUEL SYSTEM 2-13
Carburetor
Carburetor Disassembly/Assembly
•Refer to the illustration shown for disassembly and assembly.
•There are several passage plugs (Ball plugs) in the carburetor body.
Do not remove.
•Before disassembly, mark the outside of choke valve and throttle
valves for assembling them.
•Replace the pilot screw in accordance with the following procedure if
necessary.
Carefully mark the position of the pilot screw limiter on the carburetor
body so that it can be installed and set to its original position later.
Remove the limiter. Be careful not to turn pilot screw at this point.
Turn the pilot screw clockwise and count the number of turns until
screw is gently seated in the pilot passage. Record the number of
turns needed to closed the screw.
Turn out the pilot screw to replace it with anew one.
Install the new pilot screw until the screw is gently seated. Then open
the screw the same number of turns as recorded prior to removal.
Align the limiter with the mark on the carburetor body to install, taking
care not to turn the pilot screw.
•Install the choke valve and throttle valve on the shaft as the out side
mark of them facing outside, and apply a small amount of a bondng
agent to the valve screw threads.
CAUTION
Do not apply too much bonding aent to the valve screws itself
may be fixed.
•Drive the float pin so that it’s big diameter side faces the throttle shaft
lever.
•The fuel inlet valve seat is pressed into the carburetor body and is
not replaceable.
•Assemble carburetor parts which recommended tightening torque.
(see Exploded View)
1. Limiter 16. Gasket
2. Pilot Screw 17. Pilot Jet
3. Spring 18. Pilot Jet
4. Screw 19. Plug, Main Jet
5. Choke Valve 20. Gasket
6. Choke Shaft 21. Main Jet (L)
7. Seal 22. Main Jet (R)
8. Screw 23. Gasket
9. Throttle Valve 24. Solenoid Valve
10. Throttle Shaft 25. Screws
11. Collar 26. Spring
12. Seal 27. Drain Screw
13. Float Valve
14. Pin
15. Float
For Kawasaki Discount Parts Call 606-678-9623 or 606-561-4983
www.mymowerparts.com

2-14 FUEL SYSTEM
Carburetor
Carburetor Cleaning
Clean the carburetor in a well-ventilated area, and take care
that there is no sparks or flame anywhere near the working
area; this includes any appliance with a pilot light. Because
of the danger of highly flammable liquids, do not use gasoline
or low flash-point solvents to clean the carburetors.
CAUTION
Do not use compressed air on an assembled carburetor, or the
floats may be crushed by the pressure.
Remove as many rubber or plastic parts from the carburetor
as possible before cleaning the carburetor with a cleaning
solution. This will prevent damage to or deterioration of the
parts.
The carburetor body has plastic parts that cannot be removed.
Do not use a strong carburetor cleaning solution which could
attack these parts; instead, use a mild high flash-point clean-
ing solution safe for plastic parts.
Do not use wire or any other hard instrument to clean carbu-
retor parts, especially jets, as they may be damaged.
•Disassemble the carburetor.
•Immerse all the metal parts in a carburetor cleaning solution.
•Rinse the parts in water and dry them with compressed air.
•Do not use rags or paper to dry parts. Lint may plug the holes or
passages.
•Blow air through the holes and fuel passages with the compressed
air. All holes must be open.
•Assemble the carburetor.
Carburetor Inspection
Gasoline is extremely flammable and can be explosive under
certain. Turn the ignition switch OFF. Do not smoke. Make
sure the area is well ventilated and free from any source of
flame or sparks; this includes any appliance with a pilot light.
•Inspect the carburetor body for damage. Flange sealing surfaces
should be smooth and free of burns and nicks. Replace the gasket if
necessary.
•Turn the throttle and choke shafts to check that the throttle and choke
butterfly valves move smoothly.
If the valves do not move smoothly, replace the carburetor body and/
or throttle shaft and choke shaft assembly.
•Check the gasket on the carburetor body.
If the gasket is not in good condition, replace it.
•Check the other parts of the carburetor for wear or damage. Replace
the part if necessary.
•Clean and check the float level as follows.
CAUTION
Do not push down on the float during float level checking.
For Kawasaki Discount Parts Call 606-678-9623 or 606-561-4983
www.mymowerparts.com

FUEL SYSTEM 2-15
Carburetor
•With the float [A] assembly installed onto the carburetor body [B], hold
the carburetor upside down at eye level. Gently support the float with
a finger and bring it down slowly so that the float arm tab [C] just
touches the float valve needle [D]. The float lower surface [E] should
be parallel with the carburetor body mating surfaces [F].
If the float position is not correct, replace it.
•Inspect the inlet needle valve for excessive wear or damage. The tip
should be smooth, without any grooves, scratches, or tears. The rod
at the other end of the needle should move smoothly when push in
and released.
If either the needle or the seat is worn or damaged, replace the float
assembly and carburetor body as a set.
•Inspect the tapered portion [A] of the pilot screw [B] for wear or
damage.
If the pilot screw is worn or damaged on the taper portion, replace it.
•Check the spring for weakened condition, replace it, if necessary.
Fuel Shut-Off Solenoid Valve Test
•Unscrew the fuel shut off valve and remove the valve.
•Connect a 12 VDC source to the solenoid as shown.
If the actuate solenoid plunger (Needle Valve) does not pop in when
the Test Voltage is applied, replace it.
NOTE
If may be necessary to push the plunger slightly for the plunger to
withdraw.
For Kawasaki Discount Parts Call 606-678-9623 or 606-561-4983
www.mymowerparts.com

2-16 FUEL SYSTEM
Intake Manifold
Intake Manifold Removal
•Remove:
Air Cleaner (see Cleaner Body Removal)
Fan Housing
Carburetor (see Carburetor Removal)
•Cut off the band [A] and harness and/or wire lead are released from
intake manifold.
•Remove the manifold mounting bolts [B] and the intake manifold [C].
Intake Manifold Installation
•Replace the intake manifold gasket with new ones.
•Clean the mating surfaces of the cylinders and intake manifolds and
fit a new gaskets [A] direction as shown.
[B]. 12mm
•Install the intake manifold [B].
•Tighten the mounting bolts [C].
Torque - Intake Manifold Mounting Bolts: 5.9 N m (0.6 kgf m, 52 in lb)
•Install and tighten the band [A] around the manifold [B] and wirelead
[C] and/or harness [D].
Position the wire and/or harness on top of the manifold as shown.
•Cut excess the band off.
•Install the other removed parts.
For Kawasaki Discount Parts Call 606-678-9623 or 606-561-4983
www.mymowerparts.com

FUEL SYSTEM 2-17
Intake Manifold
Intake Manifold Inspection
•Inspect the intake manifold for cracks or porous casting.
•Cracks not visible to the eye may be detected by coating the
suspected area with mixture of 25% kerosene and 75% light engine
oil.
•Wipe the area dry and immediately apply a coating of zinc oxide
dissolved in wood alcohol. If a cracks is present, the coating will
become discolored at the defective area.
If a crack is present in the intake manifold, replace it.
•Inspect the gasket surfaces for burns and nicks.
For Kawasaki Discount Parts Call 606-678-9623 or 606-561-4983
www.mymowerparts.com

2-18 FUEL SYSTEM
Fuel Pump, Fuel Filter
The fuel pump cannot be disassembled, if any damage for the pump
is noticed replace it with a new one.
Fuel Pump Inspection
•Check the vent hole [A] and filter [B] for plugging or clogging.
If vent hole and filter are plugged or clogged, remove the foreign
matter from them.
Fuel Flow Test:
Gasoline is extremely flammable and can be explosive under
certain conditions. Turn the ignition switch OFF. Do not
smoke. Make sure the area is well-ventilated and free from
any source of flame or sparks; this includes any appliance
with a pilot light.
•Disconnect the fuel pump outlet nozzle from the tube.
•Connect a suitable hose [A] to the outlet nozzle.
•Run the lower end of the hose into a container.
•Start the engine, Check the fuel flow.
If fuel flow is none or little, replace the fuel pump.
Check for clogged or damaged tubes and fuel filter. Replace the faulty
parts.
Fuel Filter Inspection
•Visually inspect the fuel filter [A].
If the filter is clear with no signs of dirt or other contamination, it is
OK and need not be replaced.
If the filter is dark or looks dirty, replace with a new one. Also check
the rest of the fuel system for contamination.
For Kawasaki Discount Parts Call 606-678-9623 or 606-561-4983
www.mymowerparts.com

FUEL SYSTEM 2-19
Air Cleaner
Element Removal
•Remove the air cleaner cover nut [A] and the air cleaner cover [B].
•Remove:
Foam Element [A]
Paper Element [B]
Element Installation
•Install the element correctly on the air cleaner body.
•Be sure the paper element is in-place in the air cleaner body.
•Be sure the foam element is in-place on the paper element body.
Element Cleaning and Inspection
NOTE
In dusty areas, the elements should be cleaned more frequently
than the recommended intervals.
Because of the danger of highly flammable liquids, do not use
gasoline or a low flash-point solvent to clean the element.
•Remove the foam element and the paper element.
•Clean the foam element [A] in a bath of detergent and water, and let
the element air-dry throughly before install it.
For Kawasaki Discount Parts Call 606-678-9623 or 606-561-4983
www.mymowerparts.com

2-20 FUEL SYSTEM
Air Cleaner
•Clean the paper element [A] by tapping it gently on a flat surface to
remove dust. If the element is very dirty, replace it with a new one.
CAUTION
Do not use compressed air to clean the paper element. Do not
oil the paper or foam element.
Cleaner Body Removal
•Remove the elements. (see Element Removal)
•Remove the cleaner body mounting bolts [A], nuts [B], screws [C],
and holder bracket [D].
•Do not miss rubber seal [E].
•Pull the breather tube [A] off the hole of the cleaner body [B].
Cleaner Body Installation
•Insert the breather tube [A] from the crankcase into the hole [B] of
the cleaner body.
•Install the cleaner body on the intake pipe and bracket with mounting
bolts, nuts and screws.
Torque - Cleaner Body Mounting Bolts and Nuts: 5.9 N m (0.6 kgf m,
52 in lb)
Housing (Cover and Body) Inspection
•Clean the housing with detergent and water and dry thoroughly.
•Check the housing for deformation or other damage. The housing
must seal well and permit only filtered air to reach the carburetor.
If the housing is damaged, it must be replaced.
•Check that no foreign material is obstructing the air passage.
For Kawasaki Discount Parts Call 606-678-9623 or 606-561-4983
www.mymowerparts.com

COOLING SYSTEM 3-1
Cooling System
Table of Contents 3
Exploded View...................................................................................................................................................................3-2
Cooling Fan.......................................................................................................................................................................3-3
Cooling Fan Removal.................................................................................................................................................3-3
Cooling Fan Installation..............................................................................................................................................3-3
Cooling Fan Inspection...............................................................................................................................................3-3
Screen Clearance Adjustment....................................................................................................................................3-3
For Kawasaki Discount Parts Call 606-678-9623 or 606-561-4983
www.mymowerparts.com

3-2 COOLING SYSTEM
Exploded View
T1: 2.0 N m (0.2 kgf m, 18 in lb)
T2: 5.9 N m (0.6 kgf m, 52 in lb)
T3: 6.9 N m (0.7 kgf m, 61 in lb)
For Kawasaki Discount Parts Call 606-678-9623 or 606-561-4983
www.mymowerparts.com

COOLING SYSTEM 3-3
Cooling Fan
Cooling Fan Removal
•Refer to Flywheel Removal in Electrical System chapter.
Cooling Fan Installation
•Refer to Flywheel Installation in Electrical System chapter.
Cooling Fan Inspection
•Visually inspect the blades [A] in the cooling fan [B].
If they are any cracks, warps or damaged, replace the cooling fan.
If any mud or dust have stuck to the cooling fan, clean it.
•Cooling fan is cleaned by washing in detergent and water.
CAUTION
Do not clean the cooling fan in oil solvent. It may be damage
by oil solvent.
Screen Clearance Adjustment
•Check clearance between screen [A] and fan housing [B]. If clearance
is less than 1 mm, add proper number of spacer [C] between screen
and bracket comp [D] to adjust clearance [G] 1 3 mm.
F: Screws
G: Clearance 1 3mm
For Kawasaki Discount Parts Call 606-678-9623 or 606-561-4983
www.mymowerparts.com
For Kawasaki Discount Parts Call 606-678-9623 or 606-561-4983
www.mymowerparts.com

ENGINE TOP END 4-1
Engine Top End
Table of Contents 4
Exploded View...................................................................................................................................................................4-2
Specifications....................................................................................................................................................................4-5
Cylinder Head....................................................................................................................................................................4-6
Compression Measurement.......................................................................................................................................4-6
Cylinder Head Assembly Removal.............................................................................................................................4-7
Cylinder Head Assembly Installation..........................................................................................................................4-7
Push Rod Removal....................................................................................................................................................4-8
Push Rod Installation.................................................................................................................................................4-8
Push Rod Inspection..................................................................................................................................................4-9
Valve Mechanism Removal/Installation......................................................................................................................4-9
Cleaning and Inspection...........................................................................................................................................4-10
Valves..............................................................................................................................................................................4-11
Valve Clearance Inspection......................................................................................................................................4-11
Valve Clearance Adjustment....................................................................................................................................4-11
Valve Seat Inspection...............................................................................................................................................4-12
Valve Seat Repair.....................................................................................................................................................4-12
Valve Head Thickness..............................................................................................................................................4-14
Valve Stem Runout...................................................................................................................................................4-15
Valve Stem Diameter................................................................................................................................................4-15
Valve Guide Inside Diameter....................................................................................................................................4-15
Valve Spring Inspection............................................................................................................................................4-15
Cylinder, Piston...............................................................................................................................................................4-16
Piston Removal ........................................................................................................................................................4-16
Piston Installation.....................................................................................................................................................4-17
Piston/Cylinder Seizure............................................................................................................................................4-18
Piston Cleaning........................................................................................................................................................4-19
Piston Ring and Ring Groove Wear.........................................................................................................................4-19
Piston Ring End Gap ...............................................................................................................................................4-20
Piston Pin, Piston Pin Hole, and Connecting Rod Wear.........................................................................................4-20
Piston Diameter........................................................................................................................................................4-21
Cylinder Inside Diameter..........................................................................................................................................4-21
Cylinder Boring and Honing.....................................................................................................................................4-21
Muffler............................................................................................................................................................................. 4-23
Muffler Removal.......................................................................................................................................................4-23
Muffler Installation....................................................................................................................................................4-23
Inspection.................................................................................................................................................................4-23
For Kawasaki Discount Parts Call 606-678-9623 or 606-561-4983
www.mymowerparts.com

4-2 ENGINE TOP END
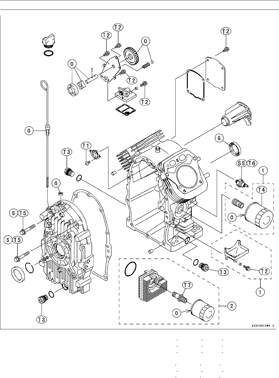
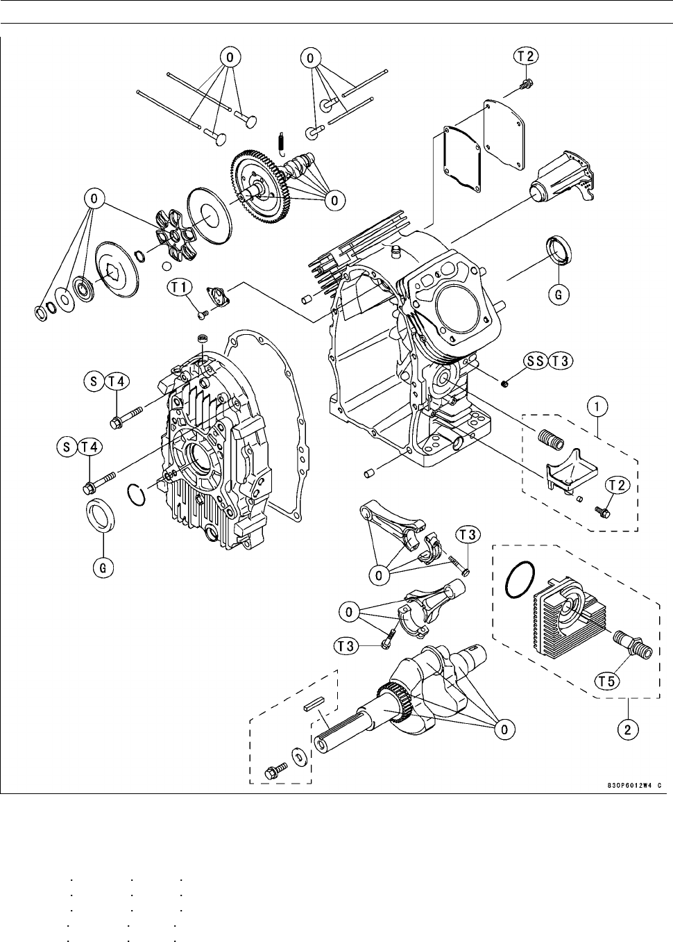
Exploded View
O: Apply engine oil.
T1: 6.9 N m (0.7 kgf m, 61 in lb)
T2: 9.8 N m (1.0 kgf m, 87 in lb)
T3: 28 N m (2.8 kgf m, 21 ft lb)
For Kawasaki Discount Parts Call 606-678-9623 or 606-561-4983
www.mymowerparts.com

ENGINE TOP END 4-3
Exploded View
G: Apply grease.
S: Follow the specific tightening sequence.
T1: 2.0 N m (0.2 kgf m, 18 in lb)
T2: 5.9 N m (0.6 kgf m, 52 in lb)
T3: 6.9 N m (0.7 kgf m, 61 in lb)
T4: 28 N m (2.8 kgf m, 21 ft lb)
T5: 22 N m (2.2 kgf m, 16 ft lb)
T6: 44 N m (4.5 kgf m, 33 ft lb)
1. FH721D Engine
For Kawasaki Discount Parts Call 606-678-9623 or 606-561-4983
www.mymowerparts.com

4-4 ENGINE TOP END
Exploded View
T1: 15 N m (1.5 kgf m, 11.0 ft lb)
For Kawasaki Discount Parts Call 606-678-9623 or 606-561-4983
www.mymowerparts.com

ENGINE TOP END 4-5
Specifications
Item Service Limit
Cylinder Head:
Cylinder compression (MIN) [390 kPa (57 psi)] (MIN)
Cylinder head warp 0.05 mm (0.002 in.)
Valves:
Valve head thickness Intake, Exhaust 0.35 mm (0.014 in.)
Valve stem runout Intake, Exhaust 0.05 mm (0.002 in.)
Valve stem diameter Intake 5.95 mm (0.0234 in.)
Exhaust 5.93 mm (0.0233 in.)
Valve guide inside diameter Intake, Exhaust 6.08 mm (0.239 in.)
Valve spring free length Intake, Exhaust 31.0 in (1.22 in.)
Rocker arm push rod rounout Intake, Exhaust 0.5 mm (0.02 in.)
Cylinder, Piston
Piston diameter 74.99 mm (2.952 in.)
Piston ring/groove clearance Top 0.18 mm (0.007 in.)
Second 0.16 mm (0.006 in.)
Piston ring thickness Top, Second 1.40 mm (0.055 in.)
Piston ring end gap Top 0.65 mm (0.026 in.)
Second 0.78 mm (0.031 in.)
Oil 1.05 mm (0.041 in.)
Piston pin outside diameter 15.96 mm (0.628 in.)
Piston pin hole inside diameter 16.08 mm (0.633 in.)
Connecting rod small end inside diameter 16.05 mm (0.632 in.)
Cylinder inside diameter: Standard Cylinder 75.28 mm (2.964 in.)
0.50 mm Oversize 75.78 mm (2.983 in.)
Cylinder bore out of round 0.056 mm (0.0022 in.)
Item Standard
Valve clearance Intake, Exhaust 0.1 to 0.15 mm (0.004 to 0.006 in.)
Valve seating surface angle Intake, Exhaust 45
Valve seating surface width Intake 0.8 to 1.4 mm (0.03 to 0.06 in.)
Exhaust 1.1 to 1.6 mm (0.04 to 0.06 in.)
Valves guide inside diameter Intake, Exhaust 6.00 to 6.012 mm
(0.2362 to 0.2367 in.)
Cylinder bore diamter standard cylinder
Standard cylinder 75.18 to 75.20 mm
(2.960 to 2.961 in.)
0.50 mm Over size 75.68 to 75.70 mm
(2.979 to 2.980 in.)
Special Tools - Compression Gauge : 57001 - 221
Compression Gauge Adapter M14 x 1.25: 57001–1159
Piston Ring Pliers: 57001 - 115
Piston Ring Compression Grip: 57001 - 1095
Piston Ring Compression Belt, 67 - 79: 57001–1097
Valve Seat Cutter Holder Bar: 57001–1128
Valve Seat Cutter Holder, 6: 57001–1360
Valve Seat Cutter, 45 - 35.0 : 57001-1116
Valve Seat Cutter, 32 - 33.0 : 57001-1199
Valve Seat Cutter, 32 - 30.0 : 57001-1120
Valve Seat Cutter, 45 - 30.0 : 57001-1187
For Kawasaki Discount Parts Call 606-678-9623 or 606-561-4983
www.mymowerparts.com

4-6 ENGINE TOP END
Cylinder Head
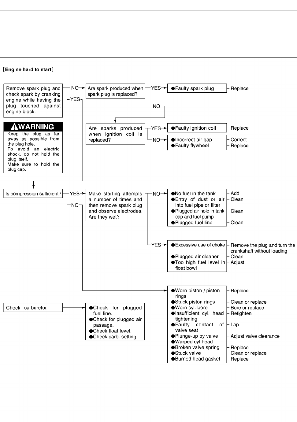
Compression Measurement
•Before measuring compression, do the following.
Be sure the battery is fully charged.
Thoroughly warm up the engine so that engine oil between the piston
and cylinder wall will help seal compression as it does during normal
running.
Stop the engine.
•Disconnect the spark plug caps of each cylinder and remove the spark
plugs.
•Attach the compression gauge assembly firmly into one plug hole.
Special Tool - Compression Gauge: 57001–221 [A]
Compression Gauge Adapter: 57001–1159 [B]
•Ground the spark plugs to the engine.
To avoid fire, do not ground the spark plugs in proximity to the
plug holes. Keep the plugs as far away as possible from the
plug holes.
•Using the starter motor, turn the engine over with the throttle fully
open until the compression gauge stops rising; the compression is
the highest reading obtainable.
Cylinder Compression (MIN) 390 kPa (57 psi)
•Repeat the measurement to the other cylinder.
If the compression is higher than the specified value, the piston rings,
cylinder and valves are probably in good condition.
If the compression is too high, check the following.
1. Carbon build-up on the piston crown and cylinder head - clean off
any carbon on the piston crown and cylinder head.
2. Cylinder head gasket - use only the proper gasket. The use of a
gasket of incorrect thickness will change the compression.
3. Valve guides and piston rings - rapid carbon accumulation in the
combustion chamber may be caused by worn valve guides and/
or worn piston oil rings. This may be indicated by white exhaust
smoke.
If cylinder compression is lower than the (MIN), check the following:
1. Gas leakage around the cylinder head - replace the damaged
gasket and check the cylinder head warp.
2. Condition of the valve seating.
3. Valve clearance.
4. Piston/cylinder wear, piston seizure.
5. Piston ring, piston ring groove.
For Kawasaki Discount Parts Call 606-678-9623 or 606-561-4983
www.mymowerparts.com

ENGINE TOP END 4-7
Cylinder Head
Cylinder Head Assembly Removal
•Remove:
Air Cleaner (see Fuel System chapter)
Fan Housing (see Electrical System chpater)
Muffler (see Muffler Exhaust Pipe Removal)
Carburetor (see Fuel System chapter)
Intake Manifold (see Fuel System chapter)
Spark Plug
•Unscrew the rocker cover mounting bolts [A], and remove the cover
[B] and gasket.
•When removing the #1, #2 cylinder head, set each cylinder at T.D.C
[A] of power stroke in.
•Loosen the cylinder head bolts 1/4 turn in the sequence shown.
CAUTION
If the above procedure is not followed, the cylinder head may
be warped during removal.
•Repeat the sequence until all bolts are removed and lift off the cylinder
head assembly.
NOTE
Mark the push-rods so they can be installed in their original position
during assembly.
Cylinder Head Assembly Installation
•Clean the mating surfaces of the cylinder heads and cylinder.
•Install the push rods in their original positions on each cylinder. (see
Push Rod Installation).
•Install the knock pins.
•Set each cylinder at T.D.C [A] of power stroke in.
•Put a new gaskets and the cylinder head assemblies on each cylinder,
then let the cylinder heads with push rods aligned under the rocker
arms.
NOTE
As the head gaskets are coated with sealing agents, be careful not
to damage the surfaces.
For Kawasaki Discount Parts Call 606-678-9623 or 606-561-4983
www.mymowerparts.com

4-8 ENGINE TOP END
Cylinder Head
•Tighten the cylinder head bolts following the tightening sequence.
Torque - Cylinder Head Bolts: 25 N m (2.6 kgf m, 19.0 ft lb)
CAUTION
A torque wrench must be used to assure proper torque.
Improper tightening of the head bolts can result in warping
of the cylinder head.
•Check and adjust the valve clearance (see Valve Clearance Inspec-
tion, Valve Clearance Adjustment).
•Install the gasket and rocker cover.
Torque - Rocker Cover Mounting Bolts: 6.9 N m (0.70 kgf m, 61 in lb)
•Install the other removed parts.
Push Rod Removal
•Set each cylinder at T.D.C of power stroke.
•Remove the rocker covers. (see Cylinder Head Assembly Removal)
•Loosen the valve clearance adjusting nuts [A].
•Move the rocker arms [B] to clear the push rod [C] upper ends.
•Pull out the push rods.
NOTE
Mark the push rods so they can be installed in their original position
during assembly.
Push Rod Installation
•Set each cylinder at T.D.C of power stroke.
•Install the push rods [A] in their original positions on each cylinder.
To Install the push rod in a correct position on the tappet [B], insert
the push rod so end of the push rod is sliding down [C] along inside
wall [D] of the crankcase and position the push rod end on to the
tappet.
•Check that both intake and exhaust push rods on each cylinder are at
lowest position on the cam lobes [E], if not turn the flywheel clockwise
one turn (360 ) and reset each cylinder at T.D.C of power stroke in.
•Be sure the end of the push rods are correctly seated on the tappets.
•Tighten the valve clearance adjusting nuts.
•Check and adjust the valve clearance.
For Kawasaki Discount Parts Call 606-678-9623 or 606-561-4983
www.mymowerparts.com

ENGINE TOP END 4-9
Cylinder Head
Push Rod Inspection
•Place the rocker arm push rod in V blocks that are as far apart as
possible, and set a dial gauge on the rod at a point halfway between
the blocks. Turn the rod to measure the runout. The difference
between highest and the lowest dial readings is the amount of runout.
If the runout exceeds the service limit, replace the rod.
Rocker Arm Push Rod Runout
Service Limit: 0.5 mm (0.02 in.)
Valve Mechanism Removal/Installation
•Remove the cylinder head assembly. (see Cylinder Head Assembly
Removal)
NOTE
When removing the valve mechanism parts, note their position
so that they may be reinstalled in their original position during
assembly.
•Remove:
Valve Clearance Adjusting Nuts [A]
Rocker Arms [B]
•Support the valve head in the combustion chamber with a suitable
block.
•To remove the spring retainer [A], push down the spring retainer with
thumbs and remove the collets [B].
•Remove the spring [C] and valve [D] .
•Remove the stem seals [A].
NOTE
It is not necessary to remove the stem seal unless it is being
replaced.
Valve guide [B] is not replaceable, do no remove it.
For Kawasaki Discount Parts Call 606-678-9623 or 606-561-4983
www.mymowerparts.com

4-10 ENGINE TOP END
Cylinder Head
•Valve Installation.
Apply engine oil to the valve stem to avoid damaging the stem seal.
Check to see that the valve moves smoothly up and down in the
guide.
Check to see that the valve seats properly in the valve seat. If it does
not, repair the valve seat.
•Rocker Arm Installation
Apply engine oil to the spherical pivot seat area on the rocker arm.
Apply engine oil to the rocker arm where it touches the push rod and
valve stem end.
Install the rocker arm on the stud bolt, and screw in the pivot and
locknut on the stud bolt temporarily.
NOTE
Correct installation must be performed when adjusting the valve
clearance (see Valve Clearance Adjustment).
Cleaning and Inspection
•Scrape the carbon deposits from the head and exhaust port with a
suitable tool [A].
To avoid gouging, use scrapers that are made of a material that will
not cause damage.
•Clean the head in a bath of high flash-point solvent and dry it with
compressed air.
Clean the cylinder head in a well-ventilated area, and take care
that there are no sparks or flame anywhere near the working
area; this includes any appliance with a pilot light. Do not
use gasoline or a low flash-point solvent to clean the cylinder
head. A fire or explosion could result.
•Lay a straightedge [A] across the mating surface of the head at several
different points, and measure warp by inserting a thickness gauge [B]
between the straightedge and head.
If warp exceeds the service limit, repair the mating surface. Replace
the cylinder head if the mating surface is badly damaged.
Cylinder Head Warp
Service Limit: 0.05 mm (0.002 in.)
•Check the cylinder head for cracks or other damage.
•Cracks not visible to the eye may be detected by coating the
suspected area with mixture of 25% kerosene and 75% light engine
oil.
•Wipe the area dry and immediately apply a coating of zinc oxide
dissolved in wood alcohol. If a cracks is present, the coating will
become discolored at the defective area.
•If a cracks is present in the cylinder head, replace it.
•Inspect the mating surface for burrs and nicks.
•Clean and inspect the rocker arm where it touches the push rod and
valve stem.
If the contact points [A] are worn or damaged, replace the rocker arm.
For Kawasaki Discount Parts Call 606-678-9623 or 606-561-4983
www.mymowerparts.com

ENGINE TOP END 4-11
Valves
Valve Clearance Inspection
NOTE
Valve clearance must be checked when the engine is cold (at room
temperature).
•Remove the rocker cover (see Cylinder Head Removal).
•Place the piston at top dead center (TDC) of the compression stroke
turning the crankshaft clockwise facing the flywheel.
No.1 Cylinder:
The left projection [A] on the flywheel is faced with the right leg [B]
on the #1 ignition coil [C] as shown.
Check the intake and exhaust valves are closed completely, if not turn
the flywheel one turn (360 ) clockwise and face the left projection with
the right leg again.
No.2 Cylinder:
The left projection [A] on the flywheel is faced with the right leg [B]
on the #2 ignition coil [C] as shown. Follow No.1 Cylinder alignment.
•Then check the valve clearance.
Using a thickness gauge [A], measure the valve clearance between
the rocker arm [B] and the valve stem end.
If the valve clearance is incorrect, adjust it.
Valve Clearance (when cold)
Intake, Exhaust 0.1 0.15 mm (0.004 0.006 in.)
Valve Clearance Adjustment
•Since valve repairs change the valve clearance, adjust the valve
clearance to the specification.
•Assemble the cylinder head and install the cylinder head assembly
on the block (see Cylinder Head Installation).
•Turn the crankshaft proper direction until the piston is at TDC of the
compression stroke (described above).
•Loosen the lock screws [A] and valve clearance adjusting nuts [B].
•Insert a 0.10 mm (0.004 in.) thickness gauge [C] between the rocker
arm and valve stem, and tighten the adjusting nut until the thickness
gauge begin to bind between the rocker arm and valve stem end.
Use a sweeping motion with the thickness gauge while making this
adjustment.
Valve Clearance (when cold)
Intake, Exhaust: 0.1 0.15 mm (0.004 0.006 in.)
•Holding the adjusting Nut with a spanner, tighten the lock screw to
the specified torque.
Torque - Valve Clearance Lock Screws: 6.9 N m (0.70 kgf m, 61 in lb)
•Do not overtighten.
•Remeasure any clearance that was adjusted. Readjust if necessary.
For Kawasaki Discount Parts Call 606-678-9623 or 606-561-4983
www.mymowerparts.com

4-12 ENGINE TOP END
Valves
Valve Seat Inspection
•Remove the valve. (see Valve Mechanism Removal/Installation)
•Inspect the valve seats for damage.
If the seats are warped or distorted beyond reconditioning, replace
the cylinder head.
•Pitted or worn valve seats can be refaced. Lap the valves to the seats
after refacing.
•Coat the valve seat with machinist’s dye.
•Push the valve into the guide.
•Rotate the valve against the seat with a lapping tool.
•Pull the valve out, and check the seating pattern on the valve head.
It must be the correct width [A] and even all the way around.
NOTE
The valve stem and guide must be in good condition or this check
will not be valid.
If the valve seating pattern is not correct, repair the seat.
Valve Seating Surface Width (STD)
Inlet 0.8 1.4 mm (0.03 0.05 in.)
Exhaust 1.1 1.6 mm (0.04 0.06 in.)
Valve Seat Repair
•Follow the manufacture’s instructions for use of valve seat cutters
Special Tools
Intake Valve:
Seat Cutter 45 - ø35.0 57001-1116
Outside Cutter 32 - ø33.0 57001-1199
Exhaust Valve:
Seat Cutter 45 - ø30.0 57001-1187
Outside Cutter 32 - ø30.0 57001-1120
Valve Seat Cutter Holder-ø6.0: 57001-1360
Valve Seat Cutter Holder Bar: 57001-1128
If the manufacture’s instructions are not available, use the following
procedure.
Seat Cutter Operating Cares:
1. This valve seat cutter is designed only for valve seat repair.
Therefore the cutter must not be used for other purposes.
2. Do not drop or hit the valve seat cutter, or the diamond particles
may fall off.
3. Do not fail to apply engine oil to the valve seat cutter before
grinding the seat surface. Also wash off ground particles sticking
to the cutter with washing oil.
NOTE
Do not use a wire brush to remove the metal particles from the
cutter. It will take off the diamond particles.
4. Setting the valve seat cutter holder [A] in position, operate the
cutter [B] with one hand [C]. Do not apply too much force to the
diamond portion.
NOTE
Prior to grinding, apply oil to the cutter, and during the operation
wash off any ground particles sticking to the cutter with washing
oil.
5. After use wash the cutter with washing oil and apply a thin layer
of engine oil before storing.
For Kawasaki Discount Parts Call 606-678-9623 or 606-561-4983
www.mymowerparts.com

ENGINE TOP END 4-13
Valves
Marks Stamped on the Cutter:
The marks stamped on the back of the cutter represent the following.
1 Cutter number, selected from 1 to 12
30 Cutter angle [A]
37.5 Outer diameter of cutter [B]
KS8B Manufactured lot number
Operating Procedures:
•Clean the seat area carefully.
•Recondition the valve seats with the valve seat cutters (45 ,30) and
lap the valves.
•Check the seats for good contact all the way around with machinist’s
dye.
•Measure the seat width [A]. If it is more than the STD width, the
seating surface should be refaced.
•If the valve seating pattern is not correct, repair the seat.
•Coat the seat with machinist’s dye.
•Fit a 45 cutter [A] to the holder and slide it into the valve guide.
Resurface the valve seat with a 45 cutter, removing only enough
material to produce a smooth and concentric seat.
CAUTION
Do not grind the seat too much. Overgrinding will reduce
valve clearance by sinking the valve into the head. If the valve
sinks too far into the head, it will be impossible to adjust the
clearance, and the cylinder head must be replaced. Do not
turn the cutter counterclockwise or drop it against the seat, or
it will be dulled.
•Use a 30 seat cutter [A] to narrow the seat width to the STD width.
Turn the seat cutter one turn at a time while pressing down very lightly.
Check the seat width after each turn.
CAUTION
The 30 cutter removes material very quickly. Check the seat
width frequently to prevent over grinding.
NOTE
Keep the seat width as closely as possible to the STD width.
•Make a light pass with the 45 cutter to remove any possible burrs at
the edge of the seat.
•After resurfacing the seat, inspect for even valve seating.
Apply a machinist’s dye to the valve face, insert the valve, and snap it
closed against the seat several times. The valve surface should show
good contact all the way around. Be sure the valve seat is centered
on the valve face. The position of the valve in the seat is evident after
lapping the valve.
If the seat does not make proper contact, lap the valve into seat with
a vacuum cap tool.
For Kawasaki Discount Parts Call 606-678-9623 or 606-561-4983
www.mymowerparts.com

4-14 ENGINE TOP END
Valves
•Coat the face of valve sparingly with a fine lapping compound.
•Use the vacuum cup tool [A], to grip top of the valve [B]. Rotate the
valve in a circular motion to lap the valve to the seat.
•Lift the valve slightly from the seat every 8 to 10 strokes, continue
lapping operation until a uniform ring appears around entire surface
of the valve face.
•When lapping is completed, wash all parts in solvent to remove
lapping compound. Dry the parts thoroughly.
•Note the position of the lapping mark on the valve face. The lapping
mark should appear on or near the center of the valve face.
•When the engine is assembled, be sure to adjust the valve clear-
ances. (see Valve Clearance Adjustment)
Valve Head Thickness
•Remove the valve (see Valve Mechanism Removal/Installation).
•Measure the thickness of the valve head.
If the valve head thickness (valve margin) [A] is less than the service
limit, replace the valve.
Valve Head Thickness
Service Limit (IN, EX): 0.35 mm (0.014 in)
For Kawasaki Discount Parts Call 606-678-9623 or 606-561-4983
www.mymowerparts.com

ENGINE TOP END 4-15
Valves
Valve Stem Runout
•Support the valve in V blocks at each end of the stem.
•Position a dial gauge perpendicular to the stem.
•Turn the valve and read the variation on the dial gauge.
If the stem runout is greater than service limit, replace the valve.
Valve Stem Runout
Service Limit (IN, EX): 0.05 mm (0.002 in.)
Valve Stem Diameter
•Measure the diameter of the valve stem [A] in two directions at right
angles, at four different positions on the stem.
If any single measurement is less than the service limit, replace the
valve.
Valve Stem Diameter
Service Limit:
Intake: 5.95 mm (0.234 in.)
Exhaust: 5.93 mm (0.233 in.)
Valve Guide Inside Diameter
•Use a small bore gauge or a micrometer to measure the inside
diameter [A] of the valve guide [B] a three places down the length
of the guide.
If the measurement is more than the service limit, replace the cylinder
head with a new one.
Valve Guide Inside Diameter
Service Limit:
Intake, Exhaust 6.08 mm (0.239 in.)
Valve Spring Inspection
•Inspect the valve spring for pitting, cracks, rusting, and burns.
Replace the spring if necessary.
•Measure the free length [A] of the spring.
If the measurement is less than the service limit, replace the spring.
Valve Spring Free Length
Service Limit: 31.0 mm (1.22 in.)
For Kawasaki Discount Parts Call 606-678-9623 or 606-561-4983
www.mymowerparts.com

4-16 ENGINE TOP END
Cylinder, Piston
Piston Removal
•Split the crankcase (see Camshaft/Crankshaft chapter).
•Remove the camshaft (see Camshaft/Crankshaft chapter).
•Turn the crankshaft to expose the connecting rod cap bolts [A].
•Remove the bolts and take off the connecting rod caps [B].
NOTE
Note the position of the connecting rod caps for reinstalling the
caps.
•Push the connecting rod end into the cylinder, and pull the piston and
connecting rod out of the cylinder.
CAUTION
Note a location of the arrow match mark [A] on the piston head
in relation to K Mark [B] on the connecting rod.
No.1 cyl. K mark on the connecting rod is face to face with
No.2 cyl. K Mark on the connecting rod.
Keep parts together as a set.
•Remove one of the piston pin snap rings [A] with needle nose pliers
[B].
•Remove the piston by pushing the piston pin [A] out the side from
which the snap ring was removed.
•Remove the top and second rings with piston ring pliers.
Special Tool - Piston Ring Pliers: 57001–115
•If the special tool is not available, carefully spread the ring opening
with your thumbs and then push up on the opposite side of the ring
[A] to remove it.
•Remove the 3-piece oil ring with your thumbs in the same manner.
For Kawasaki Discount Parts Call 606-678-9623 or 606-561-4983
www.mymowerparts.com

ENGINE TOP END 4-17
Cylinder, Piston
Piston Installation
•Install the expander [A] in the piston oil ring groove so that the
expander ends [B] touch together, never overlap.
•Install the upper and lower steel rails. There is no UP or Down to the
rails. They can be installed either way.
•Do not mix up the top and second rings.
•Install the second and top rings as shown.
The rings should turn freely in the grooves.
[A] Piston Head
[B] Top Ring
[C] Second Ring
•Align the piston and rings with the piston ring end gap as shown.
[A]. Arrow Match Marks
[B]. Top ring End Gap, Upper Steel Rail End Gap
[C]. 30 45
[D]. Second Ring End Gap, Lower Steel Rail End Gap
•Apply engine oil to the piston pins.
Assemble the pistons onto the connecting rods as follow:
No.1 cyl. Piston, align the arrow match mark on the piston head with
opposite the raised letters (K Mark) on the connecting rod.
No.2 cyl. piston, align the arrow match mark on the piston head with
K Mark on the connecting rod.
[A]. No.1 Cyl. Piston
[B]. No.2 Cyl. Piston
[C]. Arrow Match Marks
[D]. K Mark
[E]. Opposite K Mark
•When installing a piston pin snap ring, compress it only enough to
install it and no more.
Fit a new piston pin snap ring into the side of the piston so that the
ring opening [A] does not coincide with the notch [B] in the edge of the
piston pin hole.
CAUTION
Do not reuse the snap rings, as removal weakens and deforms
them. They could fall out and score the cylinder wall.
For Kawasaki Discount Parts Call 606-678-9623 or 606-561-4983
www.mymowerparts.com

4-18 ENGINE TOP END
Cylinder, Piston
•Apply engine oil to the piston skirt and the cylinder bore.
Using the piston ring compressor grip [A] and the belt [B], lightly tap
the top of the piston with a plastic mallet [C] to insert the piston and
connecting rod into the cylinder.
Special Tool - Piston Ring Compressor Grip: 57001–1095
Piston Ring Compressor Belt: 57001–1097
•Insert the piston and connecting rod so that the arrow match mark
[A] on the top of the piston is facing the flywheel side [B].
CAUTION
The connecting rod and the connecting rod big end cap are
machined at the factory in the assembled state, so they must
be replaced together as a set.
•Apply engine oil to the inner surface [A] of the connecting rod big end
[B] and caps [C].
•Install the connecting rod big end caps on their original position on
each connecting rod big ends.
•Apply a small amount of engine oil to the thread [D] and seating
surface [E] of the cap bolts.
•Tighten the cap bolts.
Torque - Connecting Rod Big End Cap Bolts: 9.8 N m (1.0 kgf m, 87
in lb)
•Install:
•Camshaft (see Camshaft/Crankshaft chapter)
•Crankcase Cover (see Camshaft/Crankshaft chapter)
Piston/Cylinder Seizure
•In case of seizure, remove the piston.
•Visually inspect the cylinder and piston damage.
If there is only light damage, smooth the position with #400 emery
cloth. Remove the small aluminum deposits from the cylinder with
#400 emery cloth or light honing.
If the damage is severe, the both cylinders must be bored oversize
and oversized pistons installed.
For Kawasaki Discount Parts Call 606-678-9623 or 606-561-4983
www.mymowerparts.com

ENGINE TOP END 4-19
Cylinder, Piston
Piston Cleaning
•Remove the piston and piston rings (see Piston Removal).
CAUTION
Never clean the piston head with the engine assembled.
Carbon particles will fall between the piston and cylinder, and
damage the crankshaft bearings.
•Scrape the carbon off [A] the piston head.
•Use the scraping tools carefully. Do not gouge the piston head. To
avoid gouging, use scrapers that are made of a material that will not
cause damage.
•Clean the piston ring grooves [A] with a broken piston ring or other
suitable tools.
CAUTION
Be careful not to widen the ring grooves. Damaged ring
grooves will require piston replacement.
Piston Ring and Ring Groove Wear
•Clean the piston (see Piston Cleaning).
•Visually inspect the piston rings and ring grooves.
If the piston rings are worn unevenly or damaged, replace them.
If the ring grooves are worn unevenly or damaged, replace both the
piston and piston rings.
•Check ring grooves for wear by inserting a new ring in the proper
groove at several points around the piston.
•Measure the clearance between the top and second rings and their
grooves using a thickness gauge [A].
If the piston ring/groove clearance is greater than the specified value,
replace the piston.
Piston Ring/Groove Clearance
Service Limit
Top 0.18 mm (0.007 in.)
Second 0.16 mm (0.006 in.)
NOTE
The oil ring is a three piece assembled ring. Difficult to measure
the ring groove clearance and thickness, visually inspect only.
•Measure the piston ring thickness [A].
Use a micrometer to measure at several points around the rings.
If any of the measurement are less than the service limit, replace the
entire set of rings.
Piston Ring Thickness
Service Limit
Top, Second 1.40 mm (0.055 in.)
NOTE
When using new rings in a used piston, check for uneven groove
wear. The rings should fit perfectly parallel to the groove sides. If
not, replace the piston.
For Kawasaki Discount Parts Call 606-678-9623 or 606-561-4983
www.mymowerparts.com

4-20 ENGINE TOP END
Cylinder, Piston
Piston Ring End Gap
•Remove the piston rings.
•Push each ring (one at a time) in the cylinder bore to a point close
to the bottom of the cylinder bore.
Use the piston to push it in to be sure it is square.
•Measure the gap [A] between the ends of the ring [B] with a thickness
gauge.
If the end gap of any ring is greater than the service limit, replace the
entire set of rings.
Piston Ring End Gap
Service Limit
Top 0.65 mm (0.026 in.)
Second 0.78 mm (0.031 in.)
Oil 1.05 mm (0.041 in.)
Piston Pin, Piston Pin Hole, and Connecting Rod Wear
•Remove the piston pin.
•Measure the diameter of the piston pin with a micrometer at several
points.
If the outside diameter is less than service limit, replace the piston
pin.
Piston Pin Outside Diameter
Service Limit: 15.96 mm (0.628 in.)
•Measure the inside diameter [A] of the piston pin hole at several points
on both side. Use a dial bore gauge.
If the inside diameter is more than the service limit, replace the piston.
Piston Pin Hole Inside Diameter
Service Limit: 16.08 mm (0.633 in.)
•Measure the inside diameter [A] of the small end of the connecting
rod at several points. Use a dial bore gauge.
If the inside diameter is more than the service limit, replace the
connecting rod.
Connecting Rod Small End Inside Diameter
Service Limit: 16.05 mm (0.632 in.)
For Kawasaki Discount Parts Call 606-678-9623 or 606-561-4983
www.mymowerparts.com

ENGINE TOP END 4-21
Cylinder, Piston
Piston Diameter
•Measure the outside diameter of the piston 12.5 mm (0.9 in.) up from
the bottom of the piston at a right angle to the direction of the piston
pin hole.
If the measurement is less than the service limit, replace the piston.
Piston Diameter
Service Limit: 74.99 mm (2.952 in.)
Cylinder Inside Diameter
•Clean and measure the cylinder inside diameter.
Use a dial bore gauge to measure front-to-back and side-to-side at
the points shown figure.
If any of the cylinder bore measurements is greater than the service
limit, the cylinder must be bored to the next oversize and then honed
(see Cylinder Boring and Honing).
Cylinder Inside Diameter
Standard: 75.18 mm 75.20 mm
(2.960 2.961 in.)
Service Limit: 75.28 mm (2.964 in.)
0.5 mm Oversize: 75.68 75.70 mm
(2.979 2.980 in.)
Service Limit: 75.78 mm (2.983 in.)
Cylinder Bore Out-of-Round
Standard: 0.01 mm (0.0004 in.)
Service Limit: 0.056 mm (0.0022 in.)
Cylinder Boring and Honing
Always resize to exactly 0.5 mm (0.02 in.) over the standard bore
size.
If this is done accurately, the stock oversize rings and piston will fit
perfectly and proper clearance will be maintained.
Resizing the cylinder bore can be done by reliable repair shop or by
using a drill press and honing tool.
Use the stone recommended by the hone manufactures to produce
correct cylinder wall finish.
Machine-bore first, the bore diameters should be shown in the table.
Fine Boring Bore Diameter
Oversize Bore Diameter
0.50 mm 75.65 to 75.68 mm
(2.978 to 2.979 in.)
Final Bore Diameter
Oversize Bore Diameter
0.50 mm 75.68 to 75.70 mm
(2.979 to 2.980 in.)
For Kawasaki Discount Parts Call 606-678-9623 or 606-561-4983
www.mymowerparts.com

4-22 ENGINE TOP END
Cylinder, Piston
Change to a honing stone for finishing, the final bore diameter should
be as shown in the table.
Be sure the correct stone is used and the stone is not worn.
•Clean the cylinder at the top and bottom of the cylinder to remove
burns and pieces of the base and head gasket.
•Anchor the cylinder (block) on the drill press table before honing.
•Align the center of the cylinder bore to the press center. Set the press
to operate from 200 to 250 rpm.
•Connect the drive shaft to the hone and set the stop on the drill press
so the hone can only extend 20 to 25 mm (3/4 to 1.0 in.) above the
top or below the bottom of the cylinder liner.
•Rotate the adjusting nut (knob) on the hone until the stones contact
snugly against the cylinder wall at the narrowest point. “Do not Force”.
•Turn the stone by hand. If you cannot turn it, the stone is too tight.
Loosen the hone until it can be turned by hand.
•Be sure that the cylinder and hone are centered and aligned with the
drive shaft and drill spindle.
•Pour honing oil inside of the cylinder during the honing operation.
Start the drill press. Move the hone up and down in the cylinder
approximately 20 cycles-per-minute.
•Check the diameter of the cylinder bore regularly during honing, using
an inside micrometer.
CAUTION
Stop the drill press before measuring and remove the hone
from the cylinder.
NOTE
The finish should not be smooth, but have a 40 to 60 degree
crosshatch pattern.
•Hone the cylinder until it is about 0.007 to 0.009 mm (0.0003 to 0.0004
in) large to allow for shrinkage when the cylinder cools.
NOTE
Do not use gasoline, kerosene, or commercial solvent to clean the
cylinder bore. These fluids only wash all the oil from the cylinder
wall. They do not remove the metal particles produced during
honing.
•Clean the cylinder thoroughly. Use soap warm water and clean rags.
Clean the cylinder wall for “white glove” inspection. A clean white rag
should not show soil from the cylinder wall.
•Dry the cylinder and coat with a engine oil.
CAUTION
The cylinder must be thoroughly cleaned after honing to
eliminate all grit.
For Kawasaki Discount Parts Call 606-678-9623 or 606-561-4983
www.mymowerparts.com

ENGINE TOP END 4-23
Muffler
Muffler Removal
•Remove the bolt [B] on the muffler bracket.
•Unscrew the flange nuts [A], and remove the muffler. Use a
penetrating oil if necessary to break threads loose.
•Do not use unnecessary force when removing the muffler assembly,
or they could become damaged or distored.
•Remove the gaskets.
Muffler Installation
•Clean the muffler flanges to the exhaust port gasket surfaces and
install a new gaskets each time the muffler installed.
•Install the gasket.
•Install the muffler.
•To prevent mis-threading, finger tight the flange nuts first. Next tighten
the nuts.
•Tighten the nuts.
Torque - Muffler Flange Nuts: 15 N m (1.5 kgf m, 11 ft lb)
•After installation, thoroughly warm up the engine, wait until the engine
cools down and retighten the bolts and nuts.
Inspection
•Inspect the muffler for dents, cracks, rust and holes.
If the muffler is damaged, it should be replaced for best performance
and least noise.
•Check the muffler for distortion and/or loose internal components.
Loss of power could develop if the muffler loose the internal compo-
nents restricting the exhaust flow.
•Check for breaks in the seams and check weld at the junction of the
exhaust pipes and muffler.
•Tap the muffler with a plastic hammer to decarbonize.
For Kawasaki Discount Parts Call 606-678-9623 or 606-561-4983
www.mymowerparts.com
For Kawasaki Discount Parts Call 606-678-9623 or 606-561-4983
www.mymowerparts.com

LUBRICATION SYSTEM 5-1
Lubrication System
Table of Contents
5
Exploded View...................................................................................................................................................................5-2
Engine Oil Flow Chart.......................................................................................................................................................5-3
Specifications....................................................................................................................................................................5-4
Engine Oil, Oil Filter and Oil Cooler.................................................................................................................................5-5
Oil Level Inspection....................................................................................................................................................5-5
Oil Change.................................................................................................................................................................5-5
Oil Filter Removal.......................................................................................................................................................5-6
Oil Filter Installation....................................................................................................................................................5-6
Oil Cooler Removal-FH721D......................................................................................................................................5-6
Oil Cooler Installation–FH721D..................................................................................................................................5-6
Oil Cooler Cleaning–FH721D.....................................................................................................................................5-7
Pressurized Lubrication System.......................................................................................................................................5-8
Oil Pressure Measurement .......................................................................................................................................5-8
Oil Pressure Switch Inspection..................................................................................................................................5-8
Oil Pump, Relief Valve......................................................................................................................................................5-9
Oil Pump, Relief Valve Removal................................................................................................................................5-9
Oil Pump, Relief Valve Installation.............................................................................................................................5-9
Oil Pump, Relief Valve Inspection..............................................................................................................................5-9
Oil Screen....................................................................................................................................................................... 5-12
Oil Screen Removal.................................................................................................................................................5-12
Oil Screen Installation..............................................................................................................................................5-12
Cleaning and Inspection...........................................................................................................................................5-12
For Kawasaki Discount Parts Call 606-678-9623 or 606-561-4983
www.mymowerparts.com

5-2 LUBRICATION SYSTEM
Exploded View
O: Apply engine oil.
G: Apply grease.
S: Follow the specific tighening sequence.
SS: Apply silicone sealant.
1. Other than FH721D Engine
2. FH721D Engine
T1: 2.0 N m (0.2 kgf m, 18 in lb)
T2: 5.9 N m (0.6 kgf m, 52 in lb)
T3: 6.9 N m (0.7 kgf m, 61 in lb)
T4: See page 5–6.
T5: 25 N m (2.6 kgf m, 19 ft lb)
T6: 9.8 N m (1.0 kgf m, 87 in lb)
T7: 44 N m (4.5 kgf m, 33 ft lb)
For Kawasaki Discount Parts Call 606-678-9623 or 606-561-4983
www.mymowerparts.com

LUBRICATION SYSTEM 5-3
Engine Oil Flow Chart
For Kawasaki Discount Parts Call 606-678-9623 or 606-561-4983
www.mymowerparts.com

5-4 LUBRICATION SYSTEM
Specifications
Item Standard
Engine Oil:
Grade API Service Classification: SF, SG, SH, or SJ class
Viscosity SAE40, SAE30, SAE10W-30 / SAE10W-40, or SAE5W-20
Capacity 1.4 L (1.5 US qt) [When oil filter is not removed]
1.6 L (1.7 US qt) [When oil filter is removed]
Level Between "H" and "L" marks on oil gauge
Oil Pressure 241 to 310 kPa (35 to 45 psi)
Oil Pressure Switch:
Detect pressure 98 kPa (14.2 psi)
Screw PT 1/8 pipe thread
Oil Filter By-pass Valve Openning
Pressure 78.5 to 117.5 kPa (11.4 to 17.1 psi)
Item Service Limit
Oil Pump:
Inner and outer rotor clearance 0.2 mm (0.008 in.)
Outer rotor outside diameter 40.470 mm (1.5933 in.)
Outer rotor thickness 9.830 mm (0.3870 in.)
Pump housing inside diameter 40.801 mm (1.6063 in.)
Pump housing depth 10.230 mm (0.4028 in.)
Pump shaft outside diameter 10.923 mm (0.4300 in.)
Pump shaft bearing inside diameter 11.072 mm (0.4359 in.)
Relief valve spring free length 19.50 mm (0.77 in.)
Special Tool - Oil Filter Wrench : 57001–1249
Sealant - Kawasaki Bond (Silicone Sealant) : 56019–120
For Kawasaki Discount Parts Call 606-678-9623 or 606-561-4983
www.mymowerparts.com

LUBRICATION SYSTEM 5-5
Engine Oil, Oil Filter and Oil Cooler
CAUTION
Engine operation with insufficient, deteriorated, or contami-
nated engine oil will cause accelerated wear and may result in
engine seizure and accident.
Before starting the engine for the first time, add oil: The engine
is shipped dry. Preoil the engine to force all air from the
internal oil passages and the oil filter.
•Fill fresh engine oil to the specified level (see Oil Level Inspection).
•Run the engine at slow speed 2 minutes.
•Stop the engine and check the oil level.
Oil Level Inspection
•Place the engine on a level surface and check the oil level.
•Clean area around oil gauge [A] before removing it.
•Remove the oil gauge and wipe it with a clean cloth.
•Insert the oil gauge into gauge hole [B] and let its plug firmly fit into
the gauge hole, then check the oil level.
•The oil level should be the operating range (between “H” line and “L”
line) on the oil gauge.
If the oil level is near or below the “L” line, remove the oil filler cap
[C] and add enough engine oil to bring oil level to the “H” line.
CAUTION
Do not fill above the “H” line. Excess oil will cause a smoking
condition.
Use the same type and make of oil that is already in the engine.
NOTE
If the engine oil type and make are unknown, use any brand of the
specified oil to top up the level in preference to running the engine
with the oil level low. Then at your earliest convenience, change
the oil completely.
If the oil level is too high, remove the excess oil by loosening the drain
plug [D].
Oil Change
•Change the oil after first 8 hours of operation. Thereafter change oil
every 100 hours.
•Start and warm up the engine so the oil will drain easily. Stop the
engine.
•Place the engine on a level surface.
•Place a suitable container under the engine.
•Remove the drain plug [A] and drain the oil.
Be careful of hot oil when drained. It may be hot enough to
burn you severely.
•Check the O-ring [B] at the drain plug for damage. Replace the O-
ring with a new one if it is damaged.
If the oil drain plug joint is removed, tighten it.
Torque - Oil Drain Plug Joint (Plastic) :17 N m (1.7 kgf m, 12.0 ft lb)
Oil Drain Plug Joint (Metal) :39 N m (4.0 kgf m, 29 ft lb)
•Install the drain plug with the O-ring and tighten it.
Torque - Oil Drain Plug (Plastic) :6.9 N m (0.70 kgf m, 61 in lb)
Oil Drain Plug (Metal) :20 N m (2.0 kgf m, 14.5 ft lb)
For Kawasaki Discount Parts Call 606-678-9623 or 606-561-4983
www.mymowerparts.com

5-6 LUBRICATION SYSTEM
Engine Oil, Oil Filter and Oil Cooler
•Remove the oil filler cap and pour in the specified type and amount
of oil.
Engine Oil :
Grade: API Service Classification:
SF, SG, SH or SJ Class
Viscosity: SAE40, SAE30, SAE10W-30/SAE10W-40, or
SAE5W-20
Capacity: 1.4 L (1.5 US qt)
[When oil filter is not removed]
1.6 L (1.7 US qt)
[When oil filter is removed]
Level: Between "H" and "L" marks on oil gauge
NOTE
Some increase in oil consumption may be expected when a multi
grade engine oil (10W-30/10W-40, 5W-20) is used. Check the oil
level frequently.
Oil Filter Removal
•Using a strap wrench or oil filter wrench [A], remove the oil filter [B].
Special Tool - Oil Filter Wrench : 57001–1249
When unscrewing the oil filter, place a suitable container beneath the
oil drip tray to receive oil from the oil filter and oil passages in the
engine. Turn the filter counterclockwise to remove it
Oil Filter Installation
•Apply light film of engine oil to the seal [A].
•Install new filter.
Turn the filter until the seal contacts mounting surface [B] of the
engine. Then turn the filter BY HAND (S) 3/4 turn more.
•Run the engine at slow idle speed 2 minutes. Check for leaks around
the engine.
•Stop the engine. Check the oil level (see Oil Level Inspection).
Oil Cooler Removal-FH721D
•Remove the oil filter (see Oil Filter Removal).
•Unscrew the moutng joing [A] and remove the oil cooler [B].
•Check the O-ring [C] in groove of the oil cooler for damage.
Replace the O-ring with a new one, if necessary.
Oil Cooler Installation–FH721D
•Instal the oil cooler with the mounting joint and tighten it.
Torque - Oil Cooler Mounting Joint: 44 N m (4.5 kgf m, 33 ft lb)
•Install the oil filter (see Oil Filter Installation).
For Kawasaki Discount Parts Call 606-678-9623 or 606-561-4983
www.mymowerparts.com

LUBRICATION SYSTEM 5-7
Engine Oil, Oil Filter and Oil Cooler
Oil Cooler Cleaning–FH721D
•Clean dirt off the outside fins [A] with brush or with compressed air.
For Kawasaki Discount Parts Call 606-678-9623 or 606-561-4983
www.mymowerparts.com

5-8 LUBRICATION SYSTEM
Pressurized Lubrication System
The engine lubrication circuit is a pressurized system consisting
of a positive displacement pump which picks up oil through a filter
screen from the crankcase. The oil is pumped to a replaceable oil
filter cartridge, through the engine’s oil passages to lubricate internal
components, and return to the crankcase. A pressure relief valve is
used between the oil pump and oil filter to relieve excessive oil pressure
by returning excess oil to the crankcase (see Oil Flow Chart).
Oil Pressure Measurement
•Remove the oil pressure switch or oil passage plug from the
crankcase.
•Install an appropriately sized oil pressure gauge adapter [A] and oil
pressure gauge [B].
•Run the engine and allow warm up completely.
•Run the engine at fast idle speed and read the oil pressure gauge.
•Stop the engine.
•Remove the oil pressure gauge and adapter.
•Apply silicone sealant to the threads of the pressure switch and
tighten it, or tighten the plug.
Sealant - Kawasaki Bond (Silicone Sealant) : 56019–120
Torque - Oil Pressure Switch : 9.8 N m (1.0 kgf m, 87 in lb)
Oil Passage Plug : 3.9 N m (0.40 kgf m, 35 in lb)
If the oil pressure is below the specification, inspect the oil pump and
relief valve.
If the oil pump and relief valve are not at fault, inspect the rest of the
lubrication system.
Oil Pressure
241 to 310 kPa (35 to 45 psi)
Oil Pressure Switch
PT 1/8 (Taper Pipe Threads)
Oil Pressure Switch Inspection
When the oil pressure falls below 98 kPa (14.2 psi), the oil pressure
switch activates the oil warning lamp to alert the operator or lubricating
problem.
•To check the oil warning system, insert the switch key into the “OFF”
position of the engine switch, then turn it to the “RUN” position. The
warning light must be illuminated.
•When the engine is running be sure the warning light is “OFF”.
If the warning light comes on, stop the engine immediately and check
the oil level.
•When starting the engine, note the warning light on dash carefully.
If the warning light is on in the started engine in spite of adequate oil
level, check the lead from the pressure switch to the warning light for
short circuit and/or check the pressure switch and replace damaged
part.
If the light is not on at the moment of the engine switch operation,
check all leads of the warning light circuit or bulb and replace
damaged parts.
For Kawasaki Discount Parts Call 606-678-9623 or 606-561-4983
www.mymowerparts.com

LUBRICATION SYSTEM 5-9
Oil Pump, Relief Valve
Oil Pump, Relief Valve Removal
•Remove the crankcase cover (see Camshaft/Crankshaft chapter).
•Unscrew the mounting bolts and remove the oil pump parts assembly
(pump gear, pump cover plate, pump shaft, pins and rotors).
•Take off the relief valve spring and ball.
•Disassemble the pump parts assembly.
[A] Pin
[B] Pump Gear
[C] Mounting Bolts
[D] Outer Rotor
[E] Inner Rotor
[F] Pump Shaft
[G] Relief Valve Ball
[H] Spring
[I] Pump Cover Plate
[J] 6 mm DIA Hole
Oil Pump, Relief Valve Installation
•Fill the rotor housing with engine oil for initial lubrication.
•Install the relief valve ball and spring in position, then install the pump
parts assembly in the crankcase cover.
NOTE
When Installing the pump parts assembly, align the 6 mm DIA hole
[A] on the cover plate with center of the relief valve.
•Install the mounting bolts and tighten them.
Torque - Oil Pump Cover Plate Mounting Bolts : 5.9 N m (0.60 kgf m,
52 in lb)
Oil Pump, Relief Valve Inspection
•Remove the oil pump (see Oil Pump, Relief Valve Removal).
•Visually inspect the pump gear, outer and inner rotor, and cover plate.
If there is any damage or uneven wear, replace them.
Check the clearance [A] between the inner and outer rotor with a
feeler gauge. Measure the clearance between the high point of the
inner rotor and the high point of the outer rotor.
If the measurement exceed the service limit, replace the rotors as a
set.
Inner and Outer Rotor Clearance
Service Limit: 0.2 mm(0.008 in.)
•Measure the outside diameter [A] of the outer rotor with a micrometer
at several points.
If the rotor diameter is less than the service limit, replace both the
inner and outer rotor.
Outer Rotor Outside Diameter
Service Limit: 40.470 mm(1.5933 in.)
•Measure the thickness [B] of the outer rotor with a micrometer at
several points
If the rotor thickness is less than the service limit, replace both the
inner and outer rotor.
Outer Rotor Thickness
Service Limit: 9.830 mm(0.3870 in.)
For Kawasaki Discount Parts Call 606-678-9623 or 606-561-4983
www.mymowerparts.com

5-10 LUBRICATION SYSTEM
Oil Pump, Relief Valve
•Measure the inside diameter [A] of the pump housing with a inside
micrometer at several points.
If the inside diameter is more than the service limit, replace the
crankcase cover.
Pump Housing Inside Diameter
Service Limit: 40.801 mm(1.6063 in.)
•Measure the depth [B] of the pump housing with a depth micrometer
at several points.
If any of measurement is more than the service limit, replace the
crankcase cover.
Pump Housing Depth
Service Limit: 10.230 mm(0.4028 in.)
•Measure the outside [A] diameter of the pump shaft with a micrometer
at several points.
If the diameter is less than the service limit, replace the pump shaft.
Pump Shaft Outside Diameter
Service Limit: 10.923 mm(0.4300 in.)
•Measurer the inside diameter [A] of the pump shaft bearing in the
crankcase cover with a inside micrometer at several points.
If the inside diameter is more than the service limit replace the
crankcase cover.
Pump Shaft Bearing Inside Diameter
Service Limit: 11.072 mm(0.4359 in.)
•Visually inspect the relief valve spring, steel ball and valve seat in the
crankcase cover.
If any rough spots are found during above inspection, wash the valve
clean with a high flash-point solvent and blow out any foreign particles
that may be in the valve with compressed air.
Clean the parts in a well ventilated area, and take care that
there is no spark or flame anywhere near the working areas.
Because of the danger of highly flammable liquids, do not use
gasoline or low flash-point solvents.
For Kawasaki Discount Parts Call 606-678-9623 or 606-561-4983
www.mymowerparts.com

LUBRICATION SYSTEM 5-11
Oil Pump, Relief Valve
If cleaning does not solve the problem, replace the relief valve parts.
If necessary, put the ball in position and lightly tap the ball with a
suitable tools to form a perfect seat.
•Measure free length [A] of the spring with a vernier caliper.
If the free length of the spring is less than the service limit, replace
the spring.
Relief Valve Spring Free Length
Service Limit: 19.50 mm(0.77 in.)
For Kawasaki Discount Parts Call 606-678-9623 or 606-561-4983
www.mymowerparts.com

5-12 LUBRICATION SYSTEM
Oil Screen
Oil Screen Removal
•Remove the crankcase cover (see Camshaft/Crankcase chapter).
•Unscrew the mounting bolts [A] and remove the spacers [B] and pipe
[C].
•Push [D] the oil screen with thumbs and remove it.
Oil Screen Installation
•Clean the oil screen thoroughly whenever it is removed for any reason.
•Insert the oil screen [A] into slots [B] in the pipe [C], and install the
pipe on the crankcase cover with the mounting bolts and spacers.
Torque - Oil Screen Mounting Bolts: 5.9 N m (0.60 kgf m, 52 in lb)
Cleaning and Inspection
•Clean the oil screen with high flash-point solvent and remove any
particles stuck to it.
Clean the screen in a well-ventilated area, and take care that
there is no spark or flame anywhere near the working area.
Because of the danger of highly flammable liquids, do not use
gasoline or low flash-point solvents.
NOTE
While cleaning the screen, check for any metal particles that might
indicate internal engine damage.
•Check the screen carefully for any damage: holes and broken wire.
If the screen is damaged, replace it.
For Kawasaki Discount Parts Call 606-678-9623 or 606-561-4983
www.mymowerparts.com

CAMSHAFT/CRANKSHAFT 6-1
Camshaft/Crankshaft
Table of Contents
6
Exploded View...................................................................................................................................................................6-2
Specifications....................................................................................................................................................................6-3
Crankcase.........................................................................................................................................................................6-4
Crankcase Cover Removal.........................................................................................................................................6-4
Crankcase Cover Installation.....................................................................................................................................6-4
Inspection...................................................................................................................................................................6-5
Cleaning.....................................................................................................................................................................6-6
Breather.............................................................................................................................................................................6-7
Breather Valve Removal.............................................................................................................................................6-8
Breather Valve Inspection..........................................................................................................................................6-8
Breather Valve Installation..........................................................................................................................................6-9
Camshaft, Tappet............................................................................................................................................................6-10
Camshaft, Tappet Removal......................................................................................................................................6-10
Camshaft, Tappet Installation...................................................................................................................................6-10
Camshaft Disassembly.............................................................................................................................................6-11
Camshaft Assembly..................................................................................................................................................6-11
Camshaft Inspection.................................................................................................................................................6-11
Camshaft Bearing/Journal Wear..............................................................................................................................6-11
Crankshaft, Connecting Rod...........................................................................................................................................6-13
Connecting Rod Removal........................................................................................................................................6-13
Connecting Rod Installation.....................................................................................................................................6-13
Crankshaft Removal.................................................................................................................................................6-13
Crankshaft Installation..............................................................................................................................................6-13
Cleaning/Inspection .................................................................................................................................................6-13
Connecting Rod Bend/Twist.....................................................................................................................................6-13
Connecting Rod Big End/Crankpin Width Wear......................................................................................................6-14
Connecting Rod Big End Bearing/Crankpin Wear...................................................................................................6-14
Crankshaft Runout....................................................................................................................................................6-15
Crankshaft Main Journal/Wear.................................................................................................................................6-15
Crankpin Resizing....................................................................................................................................................6-15
For Kawasaki Discount Parts Call 606-678-9623 or 606-561-4983
www.mymowerparts.com

6-2 CAMSHAFT/CRANKSHAFT
Exploded View
O: Apply engine oil.
G: Apply grease.
S: Follow the specific tightening sequence.
SS: Apply silicone sealant.
T1: 2.0 N m (0.2 kgf m, 18 in lb)
T2: 5.9 N m (0.6 kgf m, 52 in lb)
T3: 9.8 N m (1.0 kgf m, 87 in lb)
T4: 25 N m (2.6 kgf m, 19 ft lb)
T5: 44 N m (4.5 kgf m, 33 ft lb)
1. Other than FH721D Engine
2. FH721D Engine
For Kawasaki Discount Parts Call 606-678-9623 or 606-561-4983
www.mymowerparts.com

CAMSHAFT/CRANKSHAFT 6-3
Specifications
Item Service Limit
Camshaft, Tappet:
Cam lobe height Intake 29.621 mm (1.166 in.)
Exhaust 29.621 mm (1.166 in.)
Camshaft journal diameter PTO side 15.985 mm (0.6293 in.)
Flywheel side 15.985 mm (0.6293 in.)
Camshaft bearing inside diameter Crankcase 16.136 mm (0.6352 in.)
Crankcase cover 16.136 mm (0.6352 in.)
Crankshaft, Connecting Rod:
Connecting rod bend 0.15/100 mm (0.006/3.94 in.)
Connecting rod twist 0.15/100 mm (0.006/3.94 in.)
Connecting rod big end width 20.45 mm (0.805 in.)
Crankpin width 43.1 mm (1.697 in.)
Connecting rod big end inside diameter 40.044 mm (1.5765 in.)
Crankpin Outside diameter 39.940 mm (1.5724 in.)
Crankshaft runout 0.05 mm (0.002 in.) TIR
Crankshaft journal diameter PTO side 39.896 mm (1.571 in.)
Flywheel side 39.896 mm (1.571 in.)
Crankcase:
PTO shaft bearing inside diameter Crankcase cover 40.15 mm (1.581 in.)
Crankshaft journal bearing inside diameter Crankcase 40.15 mm (1.581 in.)
Sealant - Kawasaki Bond (Silicone Sealant): 56019–120
For Kawasaki Discount Parts Call 606-678-9623 or 606-561-4983
www.mymowerparts.com

6-4 CAMSHAFT/CRANKSHAFT
Crankcase
Crankcase Cover Removal
•Set the engine on a clean surface while parts are being removed.
•Drain the oil (see Lubrication System chapter).
•Remove:
Exhaust Pipe and Muffler (see Engine Top End chapter)
Control Panel (see Fuel System chapter)
Governor Arm (see Fuel System chapter)
•Unscrew the mounting bolts [A] and remove the crankcase cover [B]
from the crankcase.
There are two knock pins on the crankcase mating surface. A wooden
or plastic mallet may be used to gently tap loose the crankcase cover.
Crankcase Cover Installation
•Chip off the old gasket from the mating surfaces of the crankcase and
cover.
•Using compressed air, blow out the oil passage in the crankcase
cover.
•With a high flash-point solvent, clean off the mating surfaces of the
crankcase and cover, and wipe dry.
Clean the crankcase and cover in a well-ventilated area, and
take care that there are no sparks or flame anywhere near the
working area; this includes any appliance with a pilot light. Do
not use gasoline or a low flash-point solvent to clean parts. A
fire or explosion could result.
•Be sure to replace any oil seal removed with a new one.
Install the oil seal so that the marks [A] face out.
Pack some amount of a high temperature grease [B] into the space
between the seal lip [C] and dust lip [D]. Press in the new oil seal
using a press or suitable tools until it is flush with flange surface [E].
Do not damage the seal lips.
•When replacing the oil seal [A] of the governor shaft, note the
following.
Install the oil seal into the crankcase cover [B] after the governor shaft
is inserted in the cover, and so that the marks [C] face out.
The depth [D] is 0 2mm(0 0.08 in.).
•When installing the governor shaft and plate in the crankcase cover,
see Fuel System chapter.
For Kawasaki Discount Parts Call 606-678-9623 or 606-561-4983
www.mymowerparts.com

CAMSHAFT/CRANKSHAFT 6-5
Crankcase
•Check to see that the crankcase dowel pins [A] are in place on the
crankcase.
•Install the gasket [B] on the crankcase.
•Install the crankcase cover and tighten the crankcase cover bolts
following the tightening sequence shown.
Torque - Crankcase Cover Bolts: 25 N m (2.6 kgf m, 19.0 ft lb)
Do not turn one screw down completely before the others, as it may
cause the crankcase cover to warp.
Inspection
•Measure the inside diameter [A] of the PTO shaft bearing on the
crankcase cover at several points. This bearing is not replaceable.
Replace the crankcase cover if the inside diameter is more than the
service limit.
PTO Shaft Bearing Inside Diameter
Service Limit: 40.15 mm (1.581 in.)
•Measure the inside diameter [A] of the crankshaft journal bearing
on the crankcase at several points. This bearing is not replaceable.
Replace the crankcase if the inside diameter is more than the service
limit.
Crankshaft Journal Bearing Inside Diameter
Service Limit: 40.15 mm (1.581 in.)
For Kawasaki Discount Parts Call 606-678-9623 or 606-561-4983
www.mymowerparts.com

6-6 CAMSHAFT/CRANKSHAFT
Crankcase
Cleaning
•Remove:
Camshaft and Tappets (see Camshaft, Tappet Removal)
Crankshaft (see Crankshaft Removal)
•Clean up the crankcase and cover with a high flash-point solvent, and
blow out any foreign particles that may be in the pockets inside of the
crankcase with compressed air.
Clean the crankcase and cover in a well-ventilated area, and
take care that there is no spark or flame anywhere near the
working area. Because of the danger of highly flammable
liquids, do not use gasoline or low flash-point solvents.
For Kawasaki Discount Parts Call 606-678-9623 or 606-561-4983
www.mymowerparts.com

CAMSHAFT/CRANKSHAFT 6-7
Breather
The function of the breather is to create a vacuum in the crankcase which prevents oil from being forced out of the
engine through the piston rings, oil seals or gaskets. A sealed-type crankcase emission control system is used to eliminate
blow-by gases. The blow-by gases are led to the breather chamber through the crankcase and the camshaft. Then, it is
drawn into the clean side of the air cleaner through the cylinder head and the hose and mixed with the clean air flow, and
subsequently coming into the combustion chamber through the carburetor and the intake manifold.
Oil is primarily separated from the gases while passing through the inside of the rocker chamber from the crankcase,
and secondly separated from the gases in the breather chamber, and then returned back to the crankcase cover.
For Kawasaki Discount Parts Call 606-678-9623 or 606-561-4983
www.mymowerparts.com

6-8 CAMSHAFT/CRANKSHAFT
Breather
Breather Valve Removal
•Remove the bolts [A] and breather chamber cover [B].
•Remove the pipe [A].
•Remove the breather valve [B] unscrewing the mounting screws [A] at
the cam gear side of the crankcase (see Camshaft, Tappet Removal).
Breather Valve Inspection
•Visually inspect the reed valve [A] for breakage, hair cracks or
distortion, replace it if necessary.
•Visually inspect the back plate [B] for damage or rough contact
surface, replace it if necessary.
•Inspect the valve seating surface [C]. The surface should be free of
nicks or burrs.
For Kawasaki Discount Parts Call 606-678-9623 or 606-561-4983
www.mymowerparts.com

CAMSHAFT/CRANKSHAFT 6-9
Breather
Breather Valve Installation
•Be sure the drain hole [A] on the breather chamber does not
accumulate with slugs.
•Install the breather valve on the cam gear side of the crankcase (see
Camshaft, Tappet Removal).
Torque - Breather Valve Screws: 2.0 N m (0.2 kgf m, 18 in lb)
•Install a new gasket so the silicone bead side faces the crankcase
and the breather chamber cover, and tighten the bolts.
Torque - Breather Chamber Cover Bolts: 5.9 N m (0.6 kgf m, 52 in lb)
For Kawasaki Discount Parts Call 606-678-9623 or 606-561-4983
www.mymowerparts.com

6-10 CAMSHAFT/CRANKSHAFT
Camshaft, Tappet
Camshaft, Tappet Removal
•Set the engine on a clean surface while parts are being removed.
•Drain the oil (see Lubrication System chapter).
•Remove:
Muffler (see Engine Top End chapter)
Throttle Control Panel (see Fuel System chapter)
Carburetor (see Fuel System chapter)
Intake Manifold (see Fuel System chapter)
Crankcase Cover (see Crankcase Cover Removal)
Rocker Covers [A]
•Position the piston TDC at the end of the compression stroke.
•Push down [A] the spring side of the rocker arm [B] and move it to
clear the push rod [C].
•Remove the push rods and mark them so they can be installed in
their original positions during assembly.
•Turn the crankcase up side down so that the tappets will fall away
from the cam lobes.
•Pull the camshaft [A] out of the crankcase.
•Remove the tappets [A] and mark them so they can be installed in
their original positions during assembly.
Camshaft, Tappet Installation
•Apply engine oil to the following.
Tappet Journal
Camshaft Journal
Cam Lobe Surface
Camshaft Gear
•Align the punch marks [A] on the crankshaft gear and camshaft gear.
•Install the washer [B] on the camshaft.
For Kawasaki Discount Parts Call 606-678-9623 or 606-561-4983
www.mymowerparts.com

CAMSHAFT/CRANKSHAFT 6-11
Camshaft, Tappet
Camshaft Disassembly
•Remove the governor assembly (see Fuel System chapter).
•Remove:
Spring [A]
Do not remove the ACR (automatic compression release) weight [B].
Camshaft Assembly
•Install the governor assembly (see Fuel System chapter).
•After assembling the camshaft, check the following items.
The governor plate [A] must move freely.
While shaking the camshaft, ACR weight [B] swings smoothly.
Camshaft Inspection
•Check the camshaft gear [A] for pitting, fatigue cracks, burrs or an
evidence of improper tooth contact.
Replace the shaft if necessary.
•Check the top of the cam lobes [B] for wear, burrs or uneven contact.
Replace the shaft if necessary.
Camshaft Bearing/Journal Wear
•Measure the height of each cam lobe.
If the cam height is less than the service limit for either lobe, replace
the camshaft.
Cam Lobe Height
Service Limit: IN. 29.621 mm (1.166 in.)
EX. 29.621 mm (1.166 in.)
For Kawasaki Discount Parts Call 606-678-9623 or 606-561-4983
www.mymowerparts.com

6-12 CAMSHAFT/CRANKSHAFT
Camshaft, Tappet
•Measure both camshaft journals at several points around the journal
circumference.
If the journal diameter is less than the service limit, replace the
camshaft.
PTO Side Camshaft Journal Diameter
Service Limit: 15.985 mm (0.6293 in.)
Flywheel Side Camshaft Journal Diameter
Service Limit: 15.985 mm (0.6293 in.)
•Measure the inside diameter [A] of the camshaft bearing on the
crankcase at several points. This bearing is not replaceable.
Replace the crankcase if the inside diameter is more than the service
limit.
Camshaft Bearing Inside Diameter (Crankcase)
Service Limit: 16.136 mm (0.6352 in.)
•Measure the inside diameter [A] of the camshaft bearing on the
crankcase cover at several points. This bearing is not replaceable.
Replace the crankcase cover if the inside diameter is more than the
service limit.
Camshaft Bearing Inside Diameter (Crankcase Cover)
Service Limit: 16.136 mm (0.6352 in.)
For Kawasaki Discount Parts Call 606-678-9623 or 606-561-4983
www.mymowerparts.com

CAMSHAFT/CRANKSHAFT 6-13
Crankshaft, Connecting Rod
Connecting Rod Removal
•Remove:
Piston (see Engine Top End Chapter)
Connecting Rod Installation
•Install:
Piston (see Engine Top End chapter)
Crankshaft Removal
•Set the engine on a clean surface while parts are being removed.
•Drain the oil (see Lubrication System chapter).
•Remove:
Flywheel (see Electrical System chapter)
Camshaft (see Camshaft, Tappet Removal)
Connecting Rod and Piston Assembly (see Engine Top End chapter)
•Pull the crankshaft [A] out of the crankcase. Tap gently with a wooden
or plastic mallet if necessary to loosen the crankshaft.
Crankshaft Installation
•Clean up the crankshaft and crankcase thoroughly, especially at the
bearing contact surfaces.
•Pack some amount of high temperature grease into the oil seal on
the crankcase.
•Apply engine oil to the journal and bearing.
•Carefully insert the crankshaft flywheel end into the main bearing and
oil seal in the crankcase.
Cleaning/Inspection
•After removing, clean the crankshaft and connecting rods with a high
flash-point solvent and dry them with compressed air.
•Inspect the teeth of the crankshaft gear for pitting, fatigue cracks,
burrs and evidence of improper tooth contact.
Replace the gear if necessary.
•Inspect the crankshaft and connecting rods especially at the bearing
surfaces for wear, scratches, evidence of improper contact or other
damages.
Replace them if necessary.
Connecting Rod Bend/Twist
•Measure connecting rod bend.
Select an arbor of the same diameter as the connecting rod big end,
and insert the arbor through the connecting rod big end.
Select an arbor of the same diameter as the piston pin and at least
100 mm long, and insert the arbor through the connecting rod small
end.
On a surface plate, set the big-end arbor on V blocks.
With the connecting rod held vertically, use a height gauge to measure
the difference in the height of the small end arbor above the surface
plate over a 100 mm length to determine the amount of connecting
rod bend.
If connecting rod bend exceeds the service limit, the connecting rod
must be replaced.
Connecting Rod Bend
Service Limit: 0.15/100 mm (0.006/3.94 in.)
For Kawasaki Discount Parts Call 606-678-9623 or 606-561-4983
www.mymowerparts.com

6-14 CAMSHAFT/CRANKSHAFT
Crankshaft, Connecting Rod
•Measure connection rod twist.
With the big-end arbor still on the V blocks, hold the connection rod
horizontally and measure the amount that the small end arbor varies
from being parallel with the surface plate over a 100 mm length of
the arbor to determine the amount of connecting rod twist.
If connection rod twist exceeds the service limit, the connecting rod
must be replaced.
Connecting Rod Twist
Service Limit: 0.15/100 mm (0.006/3.94 in.)
Connecting Rod Big End/Crankpin Width Wear
•Measure the connecting rod big end width [A] with a micrometer or
dial caliper.
If the measurement is less than the service limit, replace the
connecting rod.
Connecting Rod Big End Width
Service Limit: 20.45 mm (0.805 in.)
•Measure the crankpin width [A] with a dial caliper.
If the crankpin width is more than the service limit, replace the
crankshaft.
Crankpin Width
Service Limit: 43.10 mm (1.697 in.)
Connecting Rod Big End Bearing/Crankpin Wear
•Apply a light film of oil on the thread of the cap bolts.
•Install the cap bolts and tighten the bolts to the specified torque (see
Piston Installation in Engine Top End chapter).
•Measure the inside diameter [A] of big end at several points with a
telescoping gauge or inside micrometer.
If the inside diameter is more than the service limit, replace the
connecting rod with a new one.
Connecting Rod Big End Inside Diameter
Service Limit: 40.044 mm (1.5765 in.)
•Measure the crankpin outside diameter [A].
Use a micrometer to measure several points around the crankpin
circumference.
If the crankpin diameter is less than the service limit, replace the
crankshaft with a new one.
Crankpin Outside Diameter
Service Limit: 39.940 mm (1.5724 in.)
For Kawasaki Discount Parts Call 606-678-9623 or 606-561-4983
www.mymowerparts.com

CAMSHAFT/CRANKSHAFT 6-15
Crankshaft, Connecting Rod
Crankshaft Runout
•Measure the crankshaft runout.
Set the crankshaft in a flywheel alignment jig or on V blocks gauge.
Set a dial gauge against both bearing journals.
Turn the crankshaft slowly to measure the runout. The difference
between the highest and lowest dial gauge readings (TIR) is the
amount of runout.
If the measurement exceeds the service limit, replace the crankshaft.
Crankshaft Runout
Service Limit: 0.05 mm (0.002 in.) TIR
Crankshaft Main Journal/Wear
•Measure both main journals at several points around the journal
circumference.
If the journal diameter is less than the service limit, replace the
crankshaft with a new one.
PTO Side Crankshaft Journal Diameter [A]
Service Limit: 39.896 mm (1.571 in.)
Flywheel Side Crankshaft Journal Diameter [B]
Service Limit: 39.896 mm (1.571 in.)
Crankpin Resizing
Crankpin can be resized to accept 39.5 mm (1.5551 in.) dia under
size connecting rod. The crankpin should be reground if the crankpin
is so much undersize and so much scored that a lapping operation will
prove unsatisfactory. Reground can be done by a reliable repair shop.
•Before sending the crankshaft, inspect the crankpin for cracks.
If any cracks, no matter how small, are found, the crankshaft must be
rejected.
•The final finishing dimensions should be shown in the table.
Finishing Dimensional Specifications
[A] 39.457 39.470 mm (1.5534 1.5539 in.)
[B] R 2.3 2.7 mm
[C] 43.0 mm MAX (1.693 in. MAX)
[D] 37.95 38.05 mm (1.4941 1.4980 in.)
•The crankpin surface should be concentric and parallel to each other
within 0.006 mm (0.0002 in.) full indicator reading.
•Finish the crankpin surface with a super finishing stone.
For Kawasaki Discount Parts Call 606-678-9623 or 606-561-4983
www.mymowerparts.com
For Kawasaki Discount Parts Call 606-678-9623 or 606-561-4983
www.mymowerparts.com

ELECTRICAL SYSTEM 7-1
Electrical System
Table of Contents
7
Exploded View...................................................................................................................................................................7-2
Specifications....................................................................................................................................................................7-3
Wiring Diagram..................................................................................................................................................................7-4
Precautions....................................................................................................................................................................... 7-5
Charging, Ignition System.................................................................................................................................................7-6
Flywheel, Stator Coil Removal...................................................................................................................................7-6
Flywheel, Stator Coil Installation................................................................................................................................7-7
Charging System Operational Inspection...................................................................................................................7-9
Stator Coil Resistance................................................................................................................................................7-9
Unregulated Stator Output.........................................................................................................................................7-9
Regulator Removal...................................................................................................................................................7-10
Regulator Installation................................................................................................................................................7-10
Regulator Resistance...............................................................................................................................................7-10
Ignition Coil Removal...............................................................................................................................................7-13
Ignition Coil Installation............................................................................................................................................7-13
Ignition Coil Inspection.............................................................................................................................................7-14
Spark Plug Cleaning and Inspection........................................................................................................................7-14
Spark Plug Gap Inspection......................................................................................................................................7-14
Starter System................................................................................................................................................................7-15
Starter Motor Removal.............................................................................................................................................7-15
Starter Motor Installation..........................................................................................................................................7-15
Starter Motor Disassembly.......................................................................................................................................7-15
Starter Motor Assembly ..........................................................................................................................................7-16
Starter Motor Brush Inspection................................................................................................................................7-16
Brush Spring Inspection...........................................................................................................................................7-16
Armature Inspection.................................................................................................................................................7-16
Yoke Assembly Inspection........................................................................................................................................7-18
Pinion Clutch Inspection...........................................................................................................................................7-18
For Kawasaki Discount Parts Call 606-678-9623 or 606-561-4983
www.mymowerparts.com

7-2 ELECTRICAL SYSTEM
Exploded View
G: Apply grease.
SS: Apply silicone sealant.
T1: 3.4 N m (0.35 kgf m, 30 in lb)
T2: 5.9 N m (0.6 kgf m, 52 in lb)
T3: 9.8 N m (1.0 kgf m, 87 in lb)
T4: 15 N m (1.5 kgf m, 11 ft lb)
T5: 19 N m (1.9 kgf m, 14 ft lb)
T6: 22 N m (2.2 kgf m, 16 ft lb)
T7: 56 N m (5.7 kgf m, 41 ft lb)
For Kawasaki Discount Parts Call 606-678-9623 or 606-561-4983
www.mymowerparts.com

ELECTRICAL SYSTEM 7-3
Specifications
Item Standard Service Limit
Charging System:
Regulated output voltage 14.1 V DC 15 V DC
Alternator stator coil resistance in the text –––
Unregulated stator output 28.4 V AC/3000 rpm 26V AC/3000 rpm
Regulator resistance in the text
Ignition System:
Ignition coil:
Primary winding resistance in the text –––
Secondary winding resistance 8to11k –––
Spark Plug CHAMPION RCJ8Y –––
Plug gap 1.0 mm (0.040 in.) –––
Electric Starter System:
Starter motor:
Carbon brush length (with spring boss) 12.7 mm (0.500 in.) 6.4 mm (0.250 in.)
Commutator groove depth (approx) 2.0 mm (0.078 in.) 0.9 mm (0.035 in.)
Commutator diameter 31.7 mm (1.250 in.) 31.1 mm (1.225 in.)
Commutator runout ––– 0.4 mm (0.016 in.)
Special Tool - Hand Tester: 57001–1394
For Kawasaki Discount Parts Call 606-678-9623 or 606-561-4983
www.mymowerparts.com

7-4 ELECTRICAL SYSTEM
Wiring Diagram
For Kawasaki Discount Parts Call 606-678-9623 or 606-561-4983
www.mymowerparts.com

ELECTRICAL SYSTEM 7-5
Precautions
There are a number of important precautions that are musts when
servicing electrical systems. Learn and observe all the rules below.
Do not reverse the battery lead connections. This will burn out the
diodes in the electrical parts.
Always check battery condition before condemning other parts of an
electrical system. A fully charged battery is a must for conducting
accurate electrical system tests.
The electrical parts should never be struck sharply, as with a hammer,
or allowed to fall on a hard surface. Such a shock to the parts can
damage them.
To prevent damage to electrical parts, do not disconnect the battery
leads or any other electrical connections when the engine switch is
on, or while the engine is running.
Because of the large amount of current, never keep the engine switch
turned to the start position when the starter motor will not turn over,
or the current may burn out the starter motor windings.
Take care not to short the leads that the directly connected to the
battery positive (−) terminal to the chassis ground.
Troubles may involve one or in some cases all items. Never replace
a defective part without determining what CAUSED the failure. If the
failure was brought on by some other item or items, they too must be
repaired or replaced, or the replacement part will soon fail again.
Make sure all connectors in the circuit are clean and tight, and
examine wires for signs of burning, fraying, etc. Poor wires and bad
connections will affect electrical system operation.
Measure coil and winding resistance when the part is cold (at room
temperature).
Electrical Connectors:
Female Connectors [A]
Male Connectors [B]
For Kawasaki Discount Parts Call 606-678-9623 or 606-561-4983
www.mymowerparts.com

7-6 ELECTRICAL SYSTEM
Charging, Ignition System
Flywheel, Stator Coil Removal
•Remove:
Screws [B] and Screen [A]
•Loosen the fan housing bolts [A] and remove the fan housing [B].
•Remove:
Bolts [A]
Ignition Coils [B] (see Ignition Coil Removal)
•Hold the flywheel with a suitable tool [C], remove the flywheel bolt
[B], washer, and bracket [A].
•Remove the bolts [A], plate [B] and fan [C].
For Kawasaki Discount Parts Call 606-678-9623 or 606-561-4983
www.mymowerparts.com

ELECTRICAL SYSTEM 7-7
Charging, Ignition System
•Using a suitable flywheel puller [A], remove the flywheel [B].
CAUTION
Always use flywheel puller.
•Remove:
Woodruff Key [A]
Screws [B]
Stator Coil [C]
Flywheel, Stator Coil Installation
•Install the stator coil and tighten the screws.
Torque - Stator Coil Screws: 3.4 N m (0.35 kgf m, 30 in lb)
•Using a cleaning fluid, clean off any oil or dirt on the following portions
and dry them with a clean cloth.
[A] Crankshaft Tapered Portion
[B] Flywheel Tapered Portion
•Fit the woodruff key [C] securely in the slot in the crankshaft before
installing the flywheel.
•Install the flywheel onto the crankshaft taper so that the woodruff key
fits in the key way in the hub of the flywheel.
•Install the fan [A] so that two positioning bosses [B] fit around flywheel
ignition magnet [C].
•Install the plate [D] so that the bosses [E] of the fan fit in the holes of
the plate with bolts [F].
•Install the bracket [A] so that the notch [B] inserts into the slot [C] in
the flywheel.
For Kawasaki Discount Parts Call 606-678-9623 or 606-561-4983
www.mymowerparts.com

7-8 ELECTRICAL SYSTEM
Charging, Ignition System
•Fit the conical washer [A] onto the flywheel bolt [B], and tighten the
flywheel bolt.
CAUTION
Make sure the direction of conical washer [A] for flywheel bolt
[B]. Direction is as illustration.
Torque - Flywheel Bolt: 56 N m (5.7 kgf m, 41 ft lb)
[C] Bracket
[D] Flywheel
[E] Crankshaft
•Install the fan housing [A] and tighten the bolts [B] [C].
Torque - Fan Housing Bolts [B] (M8): 6.9 N m (0.70 kgf m, 61 in lb)
Fan Housing Bolts [C] (M6): 5.9 N m (0.60 kgf m, 52 in lb)
•Install the screen [A] and tighten the screen bolts [B].
Torque - Screen Bolt: 5.9 N m (0.60 kgf m, 52 in lb)
For Kawasaki Discount Parts Call 606-678-9623 or 606-561-4983
www.mymowerparts.com

ELECTRICAL SYSTEM 7-9
Charging, Ignition System
Charging System Operational Inspection
•Check battery condition.
NOTE
Always check battery condition before condemning other parts of
the charging system. The battery must be fully charged in order to
conduct accurate charging system tests.
•Warm up the engine to bring the components up to their normal
operating temperatures.
•Measure regulated output voltage at various engine speeds.
Connect a voltmeter across the battery terminals.
The readings should show nearly battery voltage when the engine
speed is low, and as the engine speed rises, the readings should
also rise. But they must stay within the specified range.
If the output voltage is much higher than the specification, the
regulator is defective, or the regulator leads are loose or open.
If the output voltage dose not rise as the engine speed increase, the
regulator is defective or the alternator output is insufficient for the
loads.
Regulated Output Voltage
Battery Voltage to 15 VDC
Stator Coil Resistance
•Disconnect the connector [A].
•Measure the stator coil resistance.
(Electric Starter Model)
Connect an ohmmeter between stator pins [B].
Stator Coil Resistance (Electric Starter Model)
0.01 to 0.1
If the meter does not read as specified, replace the stator coil.
If the coil has normal resistance, but the voltage inspection showed
the alternator to be defective; the flywheel magnets have probably
weakened, and the flywheel must be replaced.
•Check for continuity between each stator pin and ground. There
should be no continuity (infinite ohm).
If the stator coil fails any of these tests, replace the coil with a new
one.
Unregulated Stator Output
•Disconnect the connector [A].
•Connect AC voltmeter to the stator pins [B].
•Start the engine. Run the engine at the 3 000 rpm speed.
•Voltage reading should be minimum 26 VAC/3 000 rpm.
If the AC voltage reading is less than the specification, replace the
stator.
Unregulated Stator Output (MIN)
26 VAC/3 000 rpm
For Kawasaki Discount Parts Call 606-678-9623 or 606-561-4983
www.mymowerparts.com

7-10 ELECTRICAL SYSTEM
Charging, Ignition System
Regulator Removal
•Remove:
Stator Coil Lead Connector [A]
Regulator Screw [B]
Regulator [C]
Regulator Installation
•Install the regulator and tighten the screws.
Torque - Regulator Screw: 3.4 N m (0.35 kgf m, 30 in lb)
Regulator Resistance
•Set the KAWASAKI Hand Tester selector switch to the R 100
position.
•Connect the test leads to the points shown on the chart and read the
resistance.
There are two(2) types of Regulator on FH engines as follows:
(with out Charging Monitor Type …3 Blades)
NOTE
Resistance value may vary with individual meters.
For Kawasaki Discount Parts Call 606-678-9623 or 606-561-4983
www.mymowerparts.com

ELECTRICAL SYSTEM 7-11
Charging, Ignition System
(With Charging Monitor type … 5 Blades)
If the resistance is not as specified replace the regulator.
For Kawasaki Discount Parts Call 606-678-9623 or 606-561-4983
www.mymowerparts.com

7-12 ELECTRICAL SYSTEM
Charging, Ignition System
This engine ignition is controlled by a solid state ignition assembly and requires no periodic maintenance except for the
spark plugs.
The system consists of the following:
Inductive Ignition Assemblies
Permanent Magnet Flywheel
Spark Plugs
Stop Switch
Ignition Theory of Operation
Mounted to the periphery of a flywheel are a pair of magnetic poles (south leading in clockwise rotation), generated by
a permanent magnet.
By rotating the flywheel (magnetic poles) clockwise past the ignition module on a laminated core group, a voltage is
generated in the primary winding (L1).
This generates a small bias current to flow through the control resistor (R1) to the base of (Q1). This base drive causes
the transistor to conduct (turns on) completing the primary circuit. Current flows from the high side of the primary winding
through the transistor (collector to emitter) to ground.
The trigger sensor (TS1) senses the optimum time (peak current) to remove the base drive from the transistor (Q1).
This abrupt “turning off” of the transistor causes an interruption in current flow which allows its associated flux collapse,
and several hundred volts is induced through the primary winding (L1) inducing a very large voltage in the secondary
winding (L2). When the secondary voltage reaches several thousand volts the spark plug (SP) gap is ionized and ignition
occurs. The placement of the trigger sensor internal to the ignition insures constant timing over speed and temperature
and prevents counterclockwise operation.
The diode (D1) in the ignition shut off circuit blocks inadvertent application of battery voltage, protecting the internal
components of the ignition. With the stop switch (SW) in the closed position primary voltage is routed to ground, preventing
ignition operation.
For Kawasaki Discount Parts Call 606-678-9623 or 606-561-4983
www.mymowerparts.com

ELECTRICAL SYSTEM 7-13
Charging, Ignition System
Ignition Coil Removal
•Remove:
Fan Housing (see Flywheel, Stator Coil Removal)
Spark Plug Cap [A]
Stop Switch Lead Connector [B]
Bolts [C]
Ignition Coil [D]
Ignition Coil Installation
•Install ignition coil on crankcase so that the stop switch lead connector
[B] face the screen, and tighten bolt (1) first, then bolt (2). While
tightening bolts, adjust the ignition coil air gap [A] between the three
legs of ignition coil and the two pole-plates to the specified value.
Ignition Coil Air Gap
Standard: 0.2 0.4 mm (0.008 0.016 in.)
Torque - Ignition Coil Bolts: 5.9 N m (0.6 kgf m, 52 in lb)
NOTE
Above procedure must be used to insure proper coil air gap is not
too large.
[A] Thickness Gauge
[B] Bolts
For Kawasaki Discount Parts Call 606-678-9623 or 606-561-4983
www.mymowerparts.com

7-14 ELECTRICAL SYSTEM
Charging, Ignition System
Ignition Coil Inspection
•Remove the ignition coils (see Ignition Coil Removal).
•Measure the primary winding resistance as follows:
Set the hand tester to the R 1k range.
Special Tool - Hand Tester: 57001–1394
Make the measurements shown in the table.
Ignition Coil Primary Winding Resistance
CAUTION
Use only Tester 57001–1394 for this test. A tester other than
the Kawasaki Hand Tester may show different readings.
If a megger or a meter with a large-capacity battery is used,
the ignition coil will be damaged.
•Measure the secondary winding resistance as follows:
Set the hand tester to the 1k range.
Connect the tester between the iron core [A] and plug cap terminal
[C].
Ignition Coil Secondary Winding Resistance:
811 k
If the tester does not read as specified, replace the coil.
Spark Plug Cleaning and Inspection
•Carefully pull the plug cap from the spark plug, and remove the spark
plug.
If the plug is oily or has carbon built up on it, clean the plug using a
high flash-point solvent and a wire brush or other suitable tool.
If the spark plug electrodes are corroded or damaged, or if the
insulator is cracked replace the plug. Use the standard spark plug or
its equivalent.
[A] Insulator
[B] Center Electrode
[C] Plug Gap
[D] Side Electrode
Spark Plug Gap Inspection
•Measure the gap with a wire-type thickness gauge.
If the gap is incorrect, carefully bend the side electrode with a suitable
tool to obtain the correct gap.
Spark Plug Gap
Standard: 0.75 mm (0.030 in.)
For Kawasaki Discount Parts Call 606-678-9623 or 606-561-4983
www.mymowerparts.com

ELECTRICAL SYSTEM 7-15
Starter System
Starter Motor Removal
•Remove the mounting bolts [A] and pull the starter motor [B] from the
engine.
Starter Motor Installation
•Clean the starter motor and engine mounting flanges to ensure good
electrical contact and tighten the mounting bolts.
Torque - Starter Motor Mounting Bolts: 15 N m (1.5 kgf m, 11.0 ft lb)
Starter Motor Disassembly
•Remove:
Through Bolts and Nuts [A]
Brush Plate [B]
York [C]
Cap [D]
•While the collar [A] is pushing, remove the snap ring [B].
•Remove:
Spring [A]
Pinion Assembly [B]
Washer [C]
Bracket [D]
Armature [E]
For Kawasaki Discount Parts Call 606-678-9623 or 606-561-4983
www.mymowerparts.com

7-16 ELECTRICAL SYSTEM
Starter System
Starter Motor Assembly
•Assembly is the reverse of disassembly.
•Apply a small amount of grease [A] to the armature shaft.
•Do not reuse the snap ring [B]. Replace it with a new one.
•Check the cap and replace it with a new one if damaged.
•Fit the projection [A] on the bracket into the notch [B] in the yoke.
•Press the springs and holding the brush leads with suitable clips.
•Put the washer [C] among the brushes.
•Fit the projection [D] on the brush plate into the notch [E] in the yoke.
Starter Motor Brush Inspection
•Measure the overall length of each brush [A].
If the brushes are shorter than the service limit, replace them.
Brush Length
Service Limit: 6.4 mm (0.25 in.)
Brush Spring Inspection
•Inspect the brush springs for pitting, cracks, rusting and burrs.
Replace the spring if necessary.
•Inspect the springs for weakened conditions and distortion.
Replace the springs if necessary.
If the brush springs are able to press the brushes firmly into place,
they may be considered serviceable. If they cannot, replace them.
Armature Inspection
•Inspect the surface of the commutator [A].
If it is scratched or dirty, polish it with a piece of very fine emery cloth
[B], and clean out the grooves.
For Kawasaki Discount Parts Call 606-678-9623 or 606-561-4983
www.mymowerparts.com

ELECTRICAL SYSTEM 7-17
Starter System
•Measure the depth of the grooves between the commutator segments.
If the grooves are shallower than the specified limit, replace the
armature with a new one.
If the grooves are only dirty, clean them carefully.
Commutator Groove Depth Limit
Less than 0.9 mm (0.035 in.)
[A] Bad
[B] Segment
[C] Good
[D] 0.9 mm (0.035 in.) limit
[E] Mica
•Measure the commutator outside diameter [A] at several points.
If the diameter is less than the service limit, replace the armature with
a new one.
Commutator Outside Diameter
Service Limit: 31.1 mm (1.225 in.)
•Support the armature in an alignment jig at each end of the shaft as
shown. Position a dial indicator perpendicular to the commutator.
•Rotate the armature slowly and read the commutator runout.
If runout is more than the service limit, turn down the commutator or
replace the armature with a new one.
Commutator Runout
Service Limit: 0.4 mm (0.016 in.)
•Measure the armature winding resistance.
Set the hand tester to the R 1 range and measure the resistance
between each segment [A] and all the others.
If the resistance it too high or even infinite, the armature winding has
an open circuit. Replace the starter motor.
Armature Winding Resistance
Close to 0
•Set the hand tester to the R 1k range and measure the resistance
between the commutator and the armature shaft [B].
If the resistance is less than infinite, the armature is shorted. Replace
the starter motor.
Commutator to Shaft Resistance
(∞)
For Kawasaki Discount Parts Call 606-678-9623 or 606-561-4983
www.mymowerparts.com

7-18 ELECTRICAL SYSTEM
Starter System
•Test the armature winding for shorts.
Place the armature on a growler [A].
Hold a thin metal strip (e.g., hack saw blade) on top of the armature.
Turn on the growler and rotate the armature one complete turn.
If the metal strip vibrates, the windings are internally shorted to each
other and the starter motor must be replaced.
Yoke Assembly Inspection
•Set the hand tester to the R 1k range and measure the resistance
between the positive brush (es) [A] and brush plate [B].
If the resistance is less than infinite, the positive brush is shorted to
ground. Replace the brush plate assembly.
Positive Brush to Ground Resistance
(∞)
•Set the hand tester to the R 1 range and measure the resistance
between the negative brush (es) [A] and brush plate [B].
If the meter does not read close to 0 , the brush plate is faulty.
Replace the brush plate assembly.
Negative Brush to Ground Resistance
Close to 0
Pinion Clutch Inspection
•Turn the pinion gear by hand. The pinion gear should turn clockwise
freely.
If the pinion clutch does not operate as it should, or if it makes noise,
replace the pinion clutch.
For Kawasaki Discount Parts Call 606-678-9623 or 606-561-4983
www.mymowerparts.com

TROUBLESHOOTING 8-1
Troubleshooting
Table of Contents
8
Engine Troubleshooting Guide..........................................................................................................................................8-2
Starter Motor Troubleshooting Guide................................................................................................................................8-6
For Kawasaki Discount Parts Call 606-678-9623 or 606-561-4983
www.mymowerparts.com

8-2 TROUBLESHOOTING
Engine Troubleshooting Guide
If the engine malfunctions, check if the way the engine is used is correct. If engine malfunctions even if engine is used
correctly, systematically carry out troubleshooting starting with simple points.
This chart describes typical troubleshooting procedures.
Do not unnecessarily disassemble carburetor, magneto or engine unless it has been found to be the cause of
malfunctioning.
For Kawasaki Discount Parts Call 606-678-9623 or 606-561-4983
www.mymowerparts.com

TROUBLESHOOTING 8-3
Engine Troubleshooting Guide
For Kawasaki Discount Parts Call 606-678-9623 or 606-561-4983
www.mymowerparts.com

8-4 TROUBLESHOOTING
Engine Troubleshooting Guide
For Kawasaki Discount Parts Call 606-678-9623 or 606-561-4983
www.mymowerparts.com

TROUBLESHOOTING 8-5
Engine Troubleshooting Guide
For Kawasaki Discount Parts Call 606-678-9623 or 606-561-4983
www.mymowerparts.com

8-6 TROUBLESHOOTING
Starter Motor Troubleshooting Guide
1. Disconnect spark plug caps from the spark plugs.
2. Turn engine switch to “START” position and check condition.
Engine may be cranked in this test. Do not touch any rotating
parts of engine and equipment during test.
CAUTION
If starter does not stop by engine switch “OFF”, disconnect
negative (−) lead from battery as soon as possible.
For Kawasaki Discount Parts Call 606-678-9623 or 606-561-4983
www.mymowerparts.com