FM1100 Manual FM1100User V1.31
User Manual:
Open the PDF directly: View PDF
.
Page Count: 82

FM1100 User Manual
v1.31

2
Table of contents
1 INTRODUCTION ..................................................................................................................... 6
1.1 ATTENTION ............................................................................................................................ 6
1.2 INSTRUCTIONS OF SAFETY ......................................................................................................... 6
1.3 LEGAL NOTICE ........................................................................................................................ 7
1.4 ABOUT DOCUMENT ................................................................................................................. 7
2 BASIC DESCRIPTION ............................................................................................................... 7
2.1 PACKAGE CONTENTS ................................................................................................................ 7
2.2 BASIC CHARACTERISTICS ........................................................................................................... 8
2.3 TECHNICAL FEATURES............................................................................................................... 9
2.4 ELECTRICAL CHARACTERISTICS .................................................................................................. 11
2.5 ABSOLUTE MAXIMUM RATINGS ............................................................................................... 12
3 CONNECTION, PINOUT, ACCESSORIES .................................................................................. 12
3.1 HOW TO INSERT SIM CARD INTO FM1100 DEVICE: .................................................................... 12
3.2 INSTALLING FM1100 DRIVERS ................................................................................................ 14
3.3 NAVIGATE LED ..................................................................................................................... 15
3.4 STATUS LED ........................................................................................................................ 15
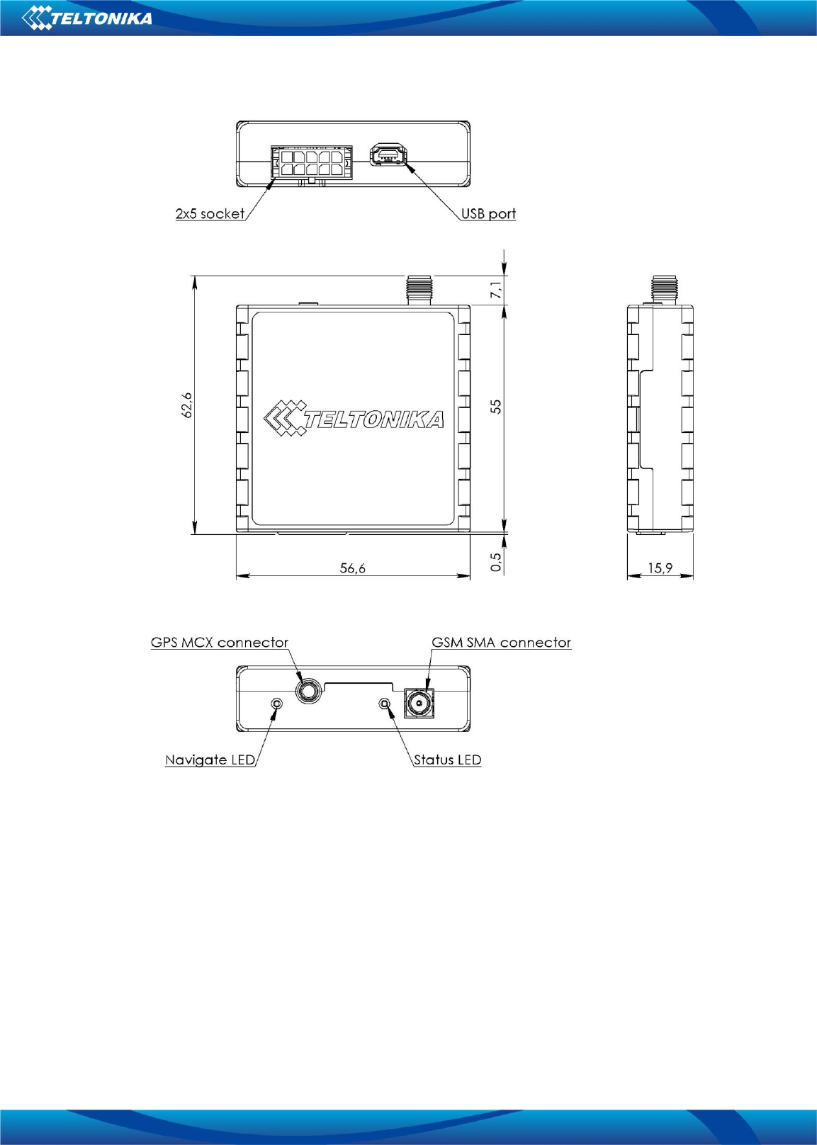
3.5 SOCKET 25 ........................................................................................................................ 15
3.6 USB ................................................................................................................................... 16
3.7 ACCESSORIES........................................................................................................................ 17
4 FIRMWARE .......................................................................................................................... 19
4.1 UPDATING FIRMWARE USING USB CABLE .................................................................................. 19
4.2 UPDATING FIRMWARE VIA GPRS ............................................................................................. 21
5 OPERATIONAL BASICS .......................................................................................................... 21
5.1 OPERATIONAL PRINCIPALS....................................................................................................... 21
5.2 SLEEP MODES ....................................................................................................................... 22
5.2.1 Sleep mode ............................................................................................................. 22
5.2.2 Deep Sleep mode .................................................................................................... 22
5.3 VIRTUAL ODOMETER .............................................................................................................. 23
5.4 FEATURES ............................................................................................................................ 23
5.4.1 Scenarios ................................................................................................................ 23
5.4.2 Trip.......................................................................................................................... 24
5.4.3 Geofencing.............................................................................................................. 24
5.4.4 iButton list .............................................................................................................. 25
5.5 CONFIGURATION.............................................................................................................. 26
5.6 CONFIGURATOR .................................................................................................................... 26
5.7 READ RECORDS* ................................................................................................................... 27
5.8 TWO SIM CARDS* ................................................................................................................ 28
5.8.1 Operator List ........................................................................................................... 30
5.8.2 Preferred Roaming Operator List ............................................................................ 30
5.8.3 Unknown Operator ................................................................................................. 30
5.8.4 Dual SIM algorithm................................................................................................. 30
5.9 SYSTEM SETTINGS.................................................................................................................. 32
5.10 RECORDS SETTINGS................................................................................................................ 32
5.11 GSM SETTINGS, GPRS PART ................................................................................................... 33
5.12 GSM SETTINGS, SMS PART .................................................................................................... 33
5.13 GSM SETTINGS, OPERATOR LIST* ............................................................................................ 34
5.14 DATA ACQUISITION MODE SETTINGS ........................................................................................ 35
5.15 FEATURES SETTINGS ............................................................................................................... 39
5.15.1 Scenarios settings ................................................................................................... 39
5.15.2 Trip settings ............................................................................................................ 40
5.15.3 Geofencing settings ................................................................................................ 41

3
5.15.4 SMS events ............................................................................................................. 43
5.15.4.1 SMS events configuration ................................................................................................. 45
5.16 I/O SETTINGS ....................................................................................................................... 47
5.16.1 Monitoring .............................................................................................................. 50
5.16.2 Event Generating .................................................................................................... 50
5.16.3 Hysteresis ............................................................................................................... 51
6 SMS COMMAND LIST ........................................................................................................... 51
6.1 SMS COMMAND LIST ............................................................................................................. 51
6.1.1 getstatus ................................................................................................................. 52
6.1.2 getweektime ........................................................................................................... 53
6.1.3 getops ..................................................................................................................... 53
6.1.4 getcfgtime .............................................................................................................. 53
6.1.5 getgps ..................................................................................................................... 53
6.1.6 getver ..................................................................................................................... 54
6.1.7 getinfo .................................................................................................................... 54
6.1.8 getio ........................................................................................................................ 54
6.1.9 readio # ................................................................................................................... 55
6.1.10 setdigout ## Y1 Y2 .................................................................................................. 55
6.1.11 getparam #### ....................................................................................................... 55
6.1.12 setparam #### ........................................................................................................ 55
6.1.13. getparam 1271 X/212 X ......................................................................................... 55
6.1.14. setparam 1271 X/212 X .......................................................................................... 55
6.1.15 readops # ................................................................................................................ 55
6.1.16 flush #,#,#,#,#,#,# ................................................................................................... 56
6.1.17 sn # ......................................................................................................................... 56
6.1.18 banlist ..................................................................................................................... 56
6.1.19 crashlog .................................................................................................................. 56
6.1.20 setsimslot ................................................................................................................ 56
6.1.21 getsimslot ............................................................................................................... 57
7 DEBUG MODE ...................................................................................................................... 57
8 PARAMETER LIST ................................................................................................................. 57
8.1 PARAMETERS VALUE TYPES ...................................................................................................... 57
8.2 SYSTEM PARAMETERS ............................................................................................................ 58
8.2.1 Sleep Mode (ID=1000) ............................................................................................ 58
8.2.2 Sleep timeout (ID=200) ........................................................................................... 58
8.2.3 Analog Input value range (ID=1001) ...................................................................... 58
8.2.4 Stop Detection Source (ID=1002) ............................................................................ 58
8.2.5 Static Navigation (ID=1003) ................................................................................... 58
8.2.6 Saving/Sending without time synchronization (ID=201) ........................................ 59
8.3 RECORDS PARAMETERS .......................................................................................................... 59
8.3.1 Sorting (ID=1010) ................................................................................................... 59
8.3.2 Active Data Link Timeout (ID=1011) ....................................................................... 59
8.3.3 Server Response Timeout (ID=1012) ....................................................................... 59
8.4 GSM PARAMETERS ............................................................................................................... 60
8.4.1 GPRS content activation SIM1 (ID=1240) ............................................................... 60
8.4.2 APN Name SIM1 (ID=1242) .................................................................................... 60
8.4.3 APN username SIM1 (ID=1243) .............................................................................. 60
8.4.4 APN Password SIM1 (ID=1244) ............................................................................... 60
8.4.5 Domain (ID=1245) .................................................................................................. 60
8.4.6 Target Server Port (ID=1246) .................................................................................. 61
8.4.7 Protocol SIM1 (ID=1247) ........................................................................................ 61
8.4.8 Protocol SIM2 (ID=209) .......................................................................................... 61
8.4.9 GPRS content activation SIM2 (ID=202) ................................................................. 61
8.4.10 APN Name SIM2 (ID=204) ...................................................................................... 61
8.4.11 APN username SIM2 (ID=205) ................................................................................ 62

4
8.4.12 APN Password SIM2 (ID=206) ................................................................................. 62
8.4.13 SMS Login (ID=1252) .............................................................................................. 62
8.4.14 SMS Password (ID=1253) ........................................................................................ 62
8.4.15 SMS data sending settings (ID=1250) ..................................................................... 62
8.4.16 SMS Data send week time schedule (ID=1273) ...................................................... 63
8.4.17 Authorized phone numbers (ID=1260-1269) .......................................................... 63
8.4.18 SMS Event PreDefined Numbers (ID=150-159) ....................................................... 63
8.4.19 Operator List for SIM1 (ID=1271 X) ........................................................................ 63
8.4.20 Operator list for SIM2 (ID=212 X) ........................................................................... 63
8.5 DATA ACQUISITION MODES PARAMETERS .................................................................................. 64
8.5.1 Home Network GSM operator code “Vehicle on STOP” parameters ...................... 64
8.5.1.1 Min Period (ID=1540).......................................................................................................... 64
8.5.1.2 Min Saved Records (ID=1543) ............................................................................................. 64
8.5.1.3 Send Period (ID=1544) ........................................................................................................ 64
8.5.1.4 GPRS Week Time (ID=1545) ................................................................................................ 64
8.5.2 Home Network GSM operator code “Vehicle MOVING” parameters ..................... 65
8.5.2.1 Min Period (ID=1550).......................................................................................................... 65
8.5.2.2 Min Distance (ID=1551) ...................................................................................................... 65
8.5.2.3 Min Angle (ID=1552) ........................................................................................................... 65
8.5.2.4 Min Saved Records (ID=1553) ............................................................................................. 66
8.5.2.5 Send Period (ID=1554) ........................................................................................................ 66
8.5.2.6 GPRS Week Time (ID=1555) ................................................................................................ 66
8.5.3 Roaming Network GSM operator code “Vehicle on STOP” parameters ................. 66
8.5.3.1 Min Period (ID=1560).......................................................................................................... 66
8.5.3.2 Min Saved Records (ID=1563) ............................................................................................. 66
8.5.3.3 Send Period (ID=1564) ........................................................................................................ 66
8.5.3.4 GPRS Week Time (ID=1565) ................................................................................................ 66
8.5.4 Roaming Network GSM operator code “Vehicle MOVING” parameters ................ 67
8.5.4.1 Min Period (ID=1570).......................................................................................................... 67
8.5.4.2 Min Distance (ID=1571) ...................................................................................................... 67
8.5.4.3 Min Angle (ID=1572) ........................................................................................................... 67
8.5.4.4 Min Saved Records (ID=1573) ............................................................................................. 67
8.5.4.5 Send Period (ID=1574) ........................................................................................................ 67
8.5.4.6 GPRS Week Time (ID=1575) ................................................................................................ 68
8.5.5 Unknown Network GSM operator code “Vehicle on STOP” parameters ................ 68
8.5.5.1 Min Period (ID=1580).......................................................................................................... 68
8.5.5.2 Min Saved Records (ID=1583) ............................................................................................. 68
8.5.5.3 Send Period (ID=1584) ........................................................................................................ 68
8.5.5.4 GPRS Week Time (ID=1585) ................................................................................................ 68
8.5.6 Unknown Network GSM operator code “Vehicle MOVING” parameters ............... 68
8.5.6.1 Min Period (ID=1590).......................................................................................................... 68
8.5.6.2 Min Distance (ID=1591) ...................................................................................................... 69
8.5.6.3 Min Angle (ID=1592) ........................................................................................................... 69
8.5.6.4 Min Saved Records (ID=1593) ............................................................................................. 69
8.5.6.5 Send Period (ID=1594) ........................................................................................................ 69
8.5.6.6 GPRS Week Time (ID=1595) ................................................................................................ 69
8.6 FEATURES PARAMETERS ......................................................................................................... 70
8.6.1 Digital Output No.1 usage scenarios (ID=1600) ..................................................... 70
8.6.1 Max Acceleration Force (ID=1602) ......................................................................... 70
8.6.2 Max Braking Force (ID=1603) ................................................................................. 70
8.6.3 Max Angular Velocity (ID=1604)............................................................................. 70
8.6.4 Max allowed Speed (ID=1605) ................................................................................ 70
8.6.5 Digital Output No.2 usage scenarios (ID=1601) ..................................................... 70
8.6.6 Trip (ID=1280) ......................................................................................................... 71
8.6.7 Start Speed (ID=1281) ............................................................................................. 71
8.6.8 Ignition Off Timeout (ID=1282) ............................................................................... 71
8.6.9 Trip Continuous distance counting (ID=1283) ........................................................ 71
8.6.10 Geofencing.............................................................................................................. 71
8.6.10.1 Frame border (ID=1020) ................................................................................................... 71
8.6.10.2 Geofence Zone #1 Shape (ID=1030) ................................................................................. 72
8.6.10.3 Geofence Zone #1 Priority (ID=1031) ............................................................................... 72

5
8.6.10.4 Geofence Zone #1 Generate Event (ID=1032) .................................................................. 72
8.6.10.5 Geofence Zone #1 Longitude (X1) (ID=1033) .................................................................... 72
8.6.10.6 Geofence Zone #1 Latitude (Y1) (ID=1034) ....................................................................... 72
8.6.10.7 Geofence Zone #1 Longitude (X2) (ID=1035) .................................................................... 73
8.6.10.8 Geofence Zone #1 Latitude (Y2) (ID=1036) ....................................................................... 73
8.6.11 AutoGeofencing ...................................................................................................... 73
8.6.11.1 Enable/Disable (ID=1101) ................................................................................................. 73
8.6.11.2 Activation Timeout (ID=1102) ........................................................................................... 73
8.6.11.3 Deactivate by (ID=1100) ................................................................................................... 73
8.6.11.4 AutoGeofence event Priority (ID=1103) ........................................................................... 74
8.6.11.5 AutoGeofence event generating (ID=1104) ...................................................................... 74
8.6.11.6 Radius (ID=1105) ............................................................................................................... 74
8.6.12 iButton List (ID=1610-1659).................................................................................... 74
8.7 I/O PARAMETERS .................................................................................................................. 74
8.7.1 I/O#1 property parameter (ID=1300) ..................................................................... 74
8.7.2 I/O#1 priority (ID=1301) ......................................................................................... 75
8.7.3 I/O#1 High level (ID=1302) ..................................................................................... 75
8.7.4 I/O#1 Low level (ID=1303) ...................................................................................... 75
8.7.5 I/O#1 logic operand (ID=1304) ............................................................................... 75
8.7.6 I/O#1 averaging length (ID=1305) .......................................................................... 76
8.8 SMS EVENT CONFIGURATION .................................................................................................. 77
8.8.1 I/O#1 element SMS event configuration (ID=100) .................................................. 77
9 MOUNTING RECOMMENDATIONS ....................................................................................... 79
9.1 CONNECTING WIRES.............................................................................................................. 79
9.2 CONNECTING POWER SOURCE ................................................................................................. 79
9.3 CONNECTING IGNITION WIRE .................................................................................................. 79
9.4 CONNECTING GROUND WIRE .................................................................................................. 79
9.5 CONNECTING ANTENNAS ........................................................................................................ 80
9.6 MODULE INSTALLATION ......................................................................................................... 80
10 CHANGE LOG ................................................................................................................... 81

6
1 INTRODUCTION
1.1 Attention
Do not disassemble the device. If the device is
damaged, the power supply cables are not isolated or
the isolation is damaged, before unplugging the power
supply, do not touch the device.
All wireless data transferring devices produce
interference that may affect other devices which are
placed nearby.
The device must be connected only by qualified
personnel.
The device must be firmly fastened in the predefined
location.
The programming must be performed using a second
class PC (with autonomic power supply).
The device is susceptible to water and humidity.
Any installation and/or handling during a lightning
storm are prohibited.
FM1100 has USB interface;
Please use cables provided with FM1100 device.
Teltonika is not responsible for any harm caused by
using wrong cables for PC <-> FM1100 connection.
1.2 Instructions of safety
This chapter contains information on how to operate FM1100 safely. By following these
requirements and recommendations, you will avoid dangerous situations. You must read these
instructions carefully and follow them strictly before operating the device!
The device uses a 10 V...30 V DC power supply. The nominal voltage is 12 V DC. The
allowed range of voltage is 10 V...30 V DC.
To avoid mechanical damage, it is advised to transport the FM1100 device in an impact-
proof package. Before usage, the device should be placed so that its LED indicators are visible,
which show the status of operation the device is in.
When connecting the connection (2x5) cables to the vehicle, the appropriate jumpers of
the power supply of the vehicle should be disconnected.
Before dismounting the device from the vehicle, the 2x5 connection must be disconnected.

7
The device is designed to be mounted in a zone of limited access, which is inaccessible for
the operator. All related devices must meet the requirements of standard EN 60950-1.
The device FM1100 is not designed as a navigational device for boats.
1.3 Legal Notice
Copyright © 2012 Teltonika. All rights reserved. Reproduction, transfer, distribution or
storage of part or all of the contents in this document in any form without the prior written
permission of Teltonika is prohibited.
Other products and company names mentioned here may be trademarks or trade names
of their respective owners.
The manufacturer reserves the right to make changes and/or improvements at any time in
design, functionality, parameters and electrical characteristics without any prior notice and
without incurring obligations.
1.4 About document
This document contains information about the architecture, possibilities, mechanical
characteristics, and configuration of the FM1100 device.
Acronyms and terms used in document
PC – Personal Computer.
GPRS – General Packet Radio Service
GPS – Global Positioning System
GSM – Global System for Mobile Communications
SMS – Short Message Service
AC/DC – Alternating Current/Direct Current
I/O – Input/Output
Record – AVL data stored in FM1100 memory. AVL data contains GPS and I/O information
AVL packet - data packet that is being sent to server during data transmission. AVL packet
contains from 1 to 50 records.
2 BASIC DESCRIPTION
FM1100 is a terminal with GPS and GSM connectivity, which is able to determine the
object’s coordinates and transfer them via the GSM network. This device is perfectly suitable for
applications, which need location acquirement of remote objects. It is important to mention that
FM1100 has additional inputs and outputs, which let you control and monitor other devices on
remote objects. FM1100 also has a USB port for device status log output and entering
configurations.
2.1 Package contents
1
The FM1100 device is supplied to the customer in a cardboard box containing all the
equipment that is necessary for operation. The package contains:
FM1100 device;
Input and output power supply cable with a 2x5 connection pins;
GPS antenna;
GSM antenna;
1
Package content depends on Order Code, and can be customized by customer needs.

8
USB cable;
A card containing URL to download FM1100 device drivers and Configurator software.
2.2 Basic characteristics
GSM / GPRS features:
Teltonika TM11Q quad band module (GSM 850 / 900 / 1800 / 1900 MHz);
GPRS class 10;
SMS (text, data).
GPS features (3 possible GPS modules):
Skytraq (Venus634LPx chipset) 65 channel receiver; Up to -161 dBm sensitivity.
uBlox NEO-6 50 channel receiver; Up to -160 dBm sensitivity.
GGG303 32 channel receiver; Up to -160 dBm sensitivity.
Hardware features:
Cortex®-M3 processor;
1 MB internal Flash memory (16 MB optional);
Built-in movement sensor.
Interface features:
Power supply: 10 ÷ 30V;
USB port;
3 digital inputs;
1 analog input;
2 open collector digital outputs;
1Wire® temperature sensor
1Wire® iButton
LEDs indicating device status.
Special features:
Any element event triggers (external sensor, input, speed, temperature, etc.);
Highly configurable data acquisition and sending;
Multiple Geo-fence areas;
Sleep mode;
Deep sleep mode;
Configurable scenarios available;
Real-time process monitoring;
Authorized number list for remote access;
Firmware update over GPRS or USB port;
Configuration update over GPRS, SMS or USB port;
TCP/IP or UDP/IP protocol support;
8000 record storing.

9
Optional features (enable with FM1100M):
The memory can save up to 100,350 records;
Offline working mode;
Records exporting using USB;
Optional feature (enable with FM1100M+2SIM):
• 2SIM cards features (slot 1 for SIM 1 is default);
• Including all FM1100M features.
2.3 Technical features
Part name
Physical specification
Technical details
Navigation LED
LED
Power supply 10...30 V DC
2W Max
Energy consumption:
GPRS: 150 mA r.m.s Max.,
Nominal: average 65 mA r.m.s,
GPS Sleep: average 28 mA,
Deep Sleep: average less than
2 mA2
Operation temperature:
-25⁰C ... +55⁰C
Storage temperature:
-40⁰C ... +70⁰C
Storage relative humidity 5 ... 95 % (no
condensation)
Modem LED
LED
GPS
GPS antenna connector MCX
GSM
GSM antenna connector SMA
female outer shell, female inner
pin
Socket 2x5
Tyco Micro MATE-N-LOK™
4-794628-0 or similar
USB
Mini USB socket
Table 1. FM1100 specifications
2
When in Deep Sleep mode no data storing and sending is activated.

10
Figure 1 FM1100 view & dimensions (tolerance ±2mm)

11
2.4 Electrical characteristics
VALUE
CHARACTERISTIC DESCRIPTION
Min.
Typ.
Max.
Unit
Supply Voltage:
Supply Voltage (Recommended Operating Conditions)
10
30
V
Digital Output (Open Drain grade):
Drain current (Digital Output OFF)
120
uA
Drain current (Digital Output ON,
Recommended Operating Conditions)
300
mA
Static Drain-Source resistance (Digital
Output ON)
300
mOhm
Digital Input:
Input resistance (DIN1, DIN2, DIN3)
15
kOhm
Input Voltage (Recommended Operating
Conditions)
0
Supply
voltage
V
Input Voltage threshold (DIN1)
7,5
V
Input Voltage threshold (DIN2, DIN3)
2,5
V
Analog Input:
Input Voltage (Recommended Operating
Conditions), Range1
0
10
V
Input resistance, Range1
120
kOhm
Measurement error
1,43
%
Additional error
±12
mV
Input Voltage (Recommended Operating
Conditions) Range2
0
30
V
Input resistance, Range2
146,7
kOhm
Measurement error
1,75
%
Additional error
±36
mV
Output Supply Voltage 1-Wire:3
Supply Voltage
3,3
3,6
V
Output inner resistance
7
Ohm
Output current (Uout > 3.0V)
30
mA
Short circuit current (Uout = 0)
130
mA
3
1-wire Supply voltage PIN is dedicated for 1-wire devices ONLY, do not use it for any other purpose.

12
Note: Analog Input error margin can increase if temperature varies. If Analog
input is not connected FM1100 will still measure certain numbers and it
cannot be 0. This measurement is influenced by hardware components.
2.5 Absolute Maximum Ratings
VALUE
CHARACTERISTIC DESCRIPTION
Min.
Typ.
Max.
Unit
Supply Voltage (Absolute Maximum Ratings)
-32
32
V
Drain-Source clamp threshold voltage (Absolute
Maximum Ratings), (Idrain = 2mA)
36
V
Digital Input Voltage (Absolute Maximum Ratings)
-32
32
V
Analog Input Voltage (Absolute Maximum Ratings)
-32
32
V
3 CONNECTION, PINOUT, ACCESSORIES
3.1 How to insert SIM card into FM1100 device:
Gently open FM1100 case using screwdrivers

13
Remove FM1100 case
Insert SIM card as shown
Step for FM1100M+2SIM version:
Insert SIM cards as shown. Lower slot is for
SIM 1, upper slot is for SIM2.
Attach top housing cover
Device is ready

14
3.2 Installing FM1100 drivers
Software requirements:
• Operating system 32-bit and 64-bit: Windows XP with SP3 or later, Windows Vista,
Windows 7.
• MS .NET Framework V3.5 or later (http://www.microsoft.com or
http://avl1.teltonika.lt/downloads/tavl/Framework/dotnetfx35setupSP1.zip).
Drivers:
Please download Virtual COM Port drivers from Teltonika website:
http://avl1.teltonika.lt/downloads/FM11/vcpdriver_v1.3.1_setup.zip
Installing drivers:
Extract and run VCPDriver_V1.3.1_Setup.exe. This driver is used to detect FM1100 device
connected to the computer. Click 'Next' in driver installation window (figures below):
Figure 2 Driver installation window
This will launch device driver installation wizard. In the following window click ‘Next’
button again:
Figure 3 Driver installation window
Setup will continue installing drivers and will display a window about successful process at
the end. Click 'Finish' to complete setup:

15
Figure 4 Driver installation window
You have now installed drivers for FM1100 device successfully.
3.3 Navigate LED
Behaviour
Meaning
Permanently switched on
GPS signal is not received
Blinking every second
Normal mode, GPS is working
Off
GPS is turned off because:
Deep sleep mode
Or
GPS antenna short circuited
3.4 Status LED
Behaviour
Meaning
Blinking every second
Normal mode
Blinking every 2 seconds
Deep sleep mode
Blinking fast for a short time
Modem activity
Blinking fast constantly
Boot mode
Off
Device is not working
Or
Device firmware being flashed
3.5 Socket 2
5
DIN 1 (IGNITION)
5
10
Ucc_DALLAS
DIN 2
4
9
DIN 3
OUT 1
3
8
DATA_DALLAS
OUT 2
2
7
AIN 1
VCC (1030)V DC(+)
1
6
GND(VCC(1030)V DC)(-)
Figure 5 2x5 socket pinout

16
Pin
Nr.
Pin Name
Description
1
2
3
1
VCC (1030)V DC (+)
Power supply for module. Power supply range (10...30) V DC
2
OUT 2
Digital output. Channel 2. Open collector output. Max. 300mA.
3
OUT 1
Digital output. Channel 1. Open collector output. Max. 300mA.
4
DIN 2
Digital input, channel 2
5
DIN 1
Digital input, channel 1 DEDICATED FOR IGNITION INPUT
6
GND(VCC(1030)V DC)(-)
Ground pin. (1030)V DC ( ― )
7
AIN 1
Analog input, channel 1. Input range: 0-30V/0-10V DC
8
DATA_DALLAS
Data channel for Dallas 1-Wire® devices
9
DIN 3
Digital input, channel 3
10
Ucc_DALLAS
+ 3,8 V output for Dallas 1-Wire® devices. (max 20mA)
Table 2. Socket 2x5 pinout description
3.6 USB
Mini USB connector
Figure 6 Mini USB type B connector
FM1100 connected to PC creates an STM Virtual COM Port, which can be used as a system
port (to flash firmware and configure the device):
Figure 7 COM-Ports

17
3.7 Accessories
Note: Teltonika does not provide any additional equipment like panic buttons,
door sensors or others.
1 – Wire devices
One of the realized features FM1100 is 1-Wire® data protocol, which enables connection
of thermometer (DS1820, DS18S20 and DS18B20) and I-Button type: DS1990A (Figures 8 and 9
show FM1100 and 1-wire® device connection schemes).
Left row of pins
1
3
4
1
2
2
J1
J2
J3
U1
Right row of pins
1W. PWR
(FM1100 – pin10)
1
1W. Data
(FM1100 – pin8)
2
1
Vpp (+5 Volts DC) –
power source for
external digital
sensor
GND
(FM1100 – pin6)
3
2
Output from external
digital sensor
Digital Input
4
Figure 8 Digital thermometer DS1820 and TTJ100 connection scheme

18
Figure 9 I-Button DS1990A connection scheme
Fuel Tank sensors
A fuel tank level sensor exists in most cars, which shows the
approximate fuel level in the driver’s indicator panel. It is possible
to connect FM1100 Analog input to it (if sensor returns analogue
signal proportional to fuel level). Figure shows the connection
scheme to the FM1100 and fuel tank sensor. After the connection
to the tank fuel level sensor, calibration is needed. Calibration is
needed because most fuel tank sensors are not linear. Calibration
is performed by measuring voltage dependence on volume of fuel
in tank.
Alarm buttons, door sensors, etc.
Alarm buttons, door sensors, ignition, etc. return two states: high or low voltage. Digital
inputs are used to read this information. Figure below shows how to connect alarm button, door
sensor, etc.
Figure 11 Panic button connection
In cases when sensor output signal is negative, an additional relay has to be installed to
convert negative signal to positive.
Figure 10 Fuel sensor scheme

19
Figure 12 Inverting relay connection
Immobilizer relay
When connected as shown below, FM1100 disables engine starter when output is OFF.
More details about relays can be found below.
Figure 13 Immobilizer relay connection
Relays
An ordinary automotive relay is used to invert input signal or to immobilize engine starter.
Note, that they are available as 12 V or 24 V.
Figure 14 Automotive relay pinout
4 FIRMWARE
4.1 Updating firmware using USB cable
FM1100 functionality is always improving, new firmware versions are developed. Current
module firmware version can be retrieved from Configurator. See configuration description for
details.
Contact sales manager to get the latest firmware.
Updater is needed to update the firmware. It can be downloaded from:

20
http://avl1.teltonika.lt/downloads/FM11/
Firmware must to be copied to “Firmware updater” folder. Only one firmware must be in
folder.
Connect FM1100 to PC with the USB cable. Launch “Firmware Updater”, select COM port
to which device is connected, click connect, and when IMEI and Firmware version fields are filled,
start the update. Device needs some time to send IMEI and Firmware version, so do not be afraid
if IMEI will not show up immediately, disconnect and after 1-2 minutes try to connect again.
Update process may take up to several minutes.
Figure 15 FM1100 firmware updater screen
Figure 16 FM1100 firmware updating finished
When you see a table like in Figure 15, it means that the firmware is flashed to FM1100
successfully. You may now close the update window and start using your FM1100 device.

21
4.2 Updating firmware via GPRS
Firmware can also be updated over GPRS using RILS system.
RILS stands for Remote Imlet Loading System, which is used to update FM1100 processor
firmware. In order to update firmware, server sends a SMS to the FM1100 and directs it to
connect to the server and download new firmware. The special web interface is used for this
operation. Address of the web application is: http://212.47.99.62:5002/RILS-web/.
For RILS login and password please contact your sales manager.
Figure 17 Remote Imlet Loading
After logging in click on ‘Upload FM4’, click Browse, select FM1100 firmware file from hard
disk, click OK and then Upload. Select uploaded firmware from the list (last one) and click next.
Enter necessary parameters in the fields:
Server IP: 212.47.99.62 – always the same! Always use this IP.
Server port: 5009 – always the same! Always use this port
Module number is GSM number of SIM card in worldwide standard, for example:
+37069912345.
Enter your APN, APN (chap) login and password. After entering all parameters, click ‘Add
Module’. To operate multiple devices, enter new IMEI and GSM number and click ‘Add Module’
again. Otherwise click ‘Next’ and if all data is correct, in next window click ‘Upload’.
5 OPERATIONAL BASICS
5.1 Operational principals
FM1100 module is designed to acquire records and send them to the server. Records
contain GPS data and I/O information. Module uses GPS receiver to acquire GPS data and is
powered with three data acquire methods: time-based, distance-based and angle-based method.
Note, that if FM1100 loses connection to GPS satellites, it continues to make records, however
coordinate in these records remains the same (last known coordinate). Method’s details are
described in section 5.14. All data is stored in flash memory and later can be sent via GPRS or

22
SMS. GPRS mode is the most preferred data sending mode. SMS mode is mostly used in areas
without GPRS coverage or GPRS usage is too expensive.
GPRS and SMS settings are described in later sections. FM1100 communicates with server
using special data protocol. Data protocol is described in “FMXXXX Protocols” document.
FM1100 can be managed by SMS commands. SMS Command list is described in SMS
COMMAND LIST section. Module configuration can be performed over TCP or via SMS.
Configuration parameters and modes are described in “FMXXXX Protocols” document.
5.2 Sleep modes
5.2.1 Sleep mode
FM1100 is able to go to Sleep mode after configurable Sleep timeout. This timeout
(defined period) starts counting when device is in STOP mode. After timeout is reached and all
conditions for sleep mode are met, device goes to sleep mode. While in sleep mode, FM1100
turns GPS module off and it is not making new periodic records. Only event records is being
recorded with last known coordinate and sent to AVL server. As a result power usage decreases
allowing saving vehicle battery.
FM1100 can enter sleep mode if ALL of these conditions are met:
FM1100 has to be configured to work in Sleep mode and Sleep timeout is reached;
Device must be synchronized time with GPS satellites;
No movement by movement sensor is detected;
Ignition (DIN1) is off;
FM1100 exits sleep mode when if ONE of following conditions are true:
Movement by movement sensor is detected;
Ignition (DIN1) is turned on;
5.2.2 Deep Sleep mode
While in deep sleep mode, FM1100 sets GPS receiver to sleep mode and turns off
GSM/GPRS module (it is not possible to wake up device via SMS). Despite records with last
known coordinate are being saved and send to AVL server (GSM/GPRS module is turned on to
send data and after that it is turned off again), power usage is decreased to save vehicle’s
battery. Note, that power saving depends on two configurable parameters: send period and min.
record saving period.
FM1100 can enter deep sleep mode if ALL of these conditions are met:
FM1100 has to be configured to work in Deep Sleep mode and Sleep timeout set;
Device must be synchronized time with GPS satellites;
No movement by movement sensor is detected;
Ignition (DIN1) is off;
Min. Record Saving Period (Data Acquisition Mode settings) must be bigger than
Active Data Link Timeout parameter, that FM1100 could close GPRS link.
Send period (Data Acquisition Mode settings) minus Active Data Link Timeout must
be more than 90 sec., that FM1100 could close GPRS link for at least 90 sec.
USB cable is not connected.

23
FM1100 exits deep sleep mode when if ONE of following conditions are true:
Movement by movement sensor is detected;
Ignition (DIN1) is turned on;
USB cable is connected;
Note: In order to save GPRS traffic records saved in deep sleep mode do not
contain below listed I/O elements information:
PDOP, HDOP, Odometer, Speedometer, iButton ID, Cell ID, Area Code,
Temperature and GPS power
5.3 Virtual odometer
Virtual odometer is used to calculate traveled distance in FM1100 as a separate I/O
element. When FM1100 detects movement, it starts counting distance using GPS signal: every
second it checks current location and calculates distance between current and previous point. It
keeps adding these intervals until it is time to make a record, then FM1100 records its location
and adds odometer value, which is equal to the sum of all distances, measured every second.
When record is made, odometer resets to zero and distance calculation starts all over again.
Virtual odometer as an I/O element can be also used with Trip feature, read chapters 5.4.2
and 5.15.2 for more details.
5.4 Features
Using available features can greatly increase FM1100 usability options.
5.4.1 Scenarios
Four scenarios are available on FM1100 device.
Digital Output No.1 is used by scenarios - Green Driving or Over Speeding;
Digital Output No.2 is used by scenarios - Authorized Driving or Immobilizer.
Green Driving Scenario. Helps to prevent and inspect driver about harsh driving. Scenario
continuously monitors: accelerating force, braking force and cornering angles. Warns driver if
needed. DOUT1 is controlled by scenario for user needs, for example buzzer or LED.
To save GPRS traffic Green Driving event will be generated (included into sent records)
only when FM1100 measured values are higher than those set in configuration, without
additional I/O settings.
To prevent generating false events, harsh acceleration and harsh braking is monitored only
when following conditions are fulfilled:
Ignition is ON (DIN1 = 1)
Vehicle speed is equal or higher than 10km/h
Harsh cornering is monitored only when following conditions are fulfilled:
Ignition is ON (DIN1 = 1)
Vehicle speed is equal or higher than 30km/h

24
Note: Green Driving Scenario is a factor on various cars and various drivers
testing phase and can be subject to changes. Teltonika is constantly working
on improvement of the functionality of the devices, and strongly recommends
using the latest version of the firmware.
Over Speeding Scenario. Helps to prevent from exceeding fixed speed and inspects driver if
needed. DOUT1 is controlled by scenario for user needs, to manage buzzer, LED, etc.
Authorized Driving Scenario. Gives ability to use vehicle only for 50 specific iButton owners
(specified in iButton list). DOUT2 is controlled by scenario for user needs, to manage buzzer, LED,
etc.
Note: In order for Authorized driving to work properly, at least 1 iButton ID
must be written to the iButton list.
Immobilizer Scenario. Vehicle can be used only if iButton is connected. In this scenario
iButton list is not used; connect any iButton to pass Immobilizer security. DOUT2 is controlled by
scenario for user needs, to manage buzzer, LED, etc.
5.4.2 Trip
Trip customizable feature enables user extended monitoring of performed trips (from
engine start at present location to engine stop at arrived location), log their start and stop points,
view driven total distance
4
. Event will be generated (included into send records) only when trip
starts and finishes.
Note: Scenarios and Trip features are activated (DOUTs are activated) only if
DIN1=1 (ignition is on).
5.4.3 Geofencing
Geofencing is another feature which is highly customizable and can detect wherever car
enters or leaves customized areas. More about Geofencing can be read in 5.15.3 chapter.
Auto Geofencing feature if enabled is activated automatically by turning off car ignition.
Next time before driving user has to disable Auto Geofencing with iButton or by turning on car
ignition. In case of theft car leaves Auto Geofencing zone without authorization FM1100 device
automatically sends high priority record to AVL application.
4
Continuous odometer – total driven distance, works only in TRIP mode. Continues distance is counted only
for ONE trip. If trip is finnished (stop point is detected), odometer resets to 0 (zero). Next trip will start counting
from the begining.

25
5.4.4 iButton list
iButton list is used to enter authorized iButton ID codes, which are used to authenticate
driver in Authorized driving and Auto Geofencing options.

26
5.5 CONFIGURATION
5.6 Configurator
New FM1100 module has default factory settings. Settings should be changed according to
your application and your GSM operator information.
FM1100 configuration is performed via FM1100 Configurator program. FM1100
Configurator version can be downloaded from http://avl1.teltonika.lt/downloads/FM11/.
Contact sales manager to get the latest FM1100 Configurator version. FM1100 configurator
operates on Microsoft Windows OS and uses MS .Net Framework 3.5 or higher. Please ensure
that MS .Net Framework 3.5 or later is installed on your PC before starting configurator. Latest
MS .Net Framework version can be downloaded from official Microsoft web page.
Module configuration is performed over USB cable. Configuration process starts from
starting FM1100 Configurator program and then connecting to FM1100 device via Connect
button located on the top left corner of configurator. If connected successfully IMEI, Version
fields which were empty, now are filled with certain numbers depending on Modem IMEI and
firmware version of your device (figure below).
FM1100 has one user editable profile, which can be loaded from device, and saved. User
can also revert to default settings, by pressing Load Defaults button. After any modification of
configuration settings it has to be saved to FM1100 device, otherwise it will not be written to
device.
Figure 18 Configurator window
FM1100 Configurator is divided into 4 main areas: 1 – main button area, 2 – information
area, 3 –settings menu, 4 – parameters and values menu.
Main Buttons description:
‘Connect’ – connects device
‘Load’ – reads configuration parameters from FM1100 Flash memory.
‘Save’ – saves configuration parameters to FM1100 Flash memory.

27
‘Load Defaults’ – loads default FM1100 settings that later can be modified. This procedure
must be performed before entering new parameters.
‘Save to File…’ – allows user to save currently entered settings to .XML file, for later usage.
‘Load from File…’ – allows user to load configuration saved in .XML extension file.
‘Reset device’ – reboots FM1100 and displays processor firmware version.
Additional Buttons description:
‘SIM PIN’ - allows to enter PIN code if inserted SIM card has activated PIN code security.
Note that PIN code can be entered 2 times.
‘Add Keyword’ / ‘Change Keyword’ / ‘Switch Security Off’– buttons are used to protect
configurator from unauthorized access to configuration.
Keyword is 4 – 10 symbol length. If keyword is set, every time user reconnects FM1100 to
USB port, user will be asked to provide valid keyword when connecting FM1100 to configurator.
User is given 5 attempts to enter keyword. After entering valid keyword, counter resets to 5.
If user disconnects FM1100 using ‘Disconnect’ button and does not disconnect from USB
port, after reconnecting using ‘Connect’ button, configurator does not ask for keyword.
ATTENTION! If you have entered a keyword, disconnected from the
configurator and then later connected again, you will need to enter the
keyword that you have entered previously. If you have forgotten it, please
contact your local sales manager.
5.7 Read records*
5
When the FM1100M is working in offline mode, it can save up to 100,000 records. Since
these records are not sent to the server, they can be downloaded directly to connected
computer using USB connection. When you connect FM1100M device, FM11XX Configurator
appears with additional option "Read Records” (Fig. 19).
Figure 19 FM11XX Configurator window with FM1100M connected
5
Functionality available only with FM1100M version!

28
After device is switched on, you have to wait 3 minutes for device to startup. Only then it is
possible to download records. If the memory is fully filled, the records reading may take several
minutes. After reading records, all records are deleted from the device memory. Data records are
stored in a binary file on your PC. You can upload these records from file to TAVL server and
access all the data from TAVL.
ATTENTION! New functionality is available only with FM1100M version. Check
for correct version on your FM1100M sticker as it is shown below. In the upper
right corner there has to be M symbol indicating FM1100M version.
TAVL client application lets user to use the
following features:
• Import data file saved from the
device to the TAVL;
• Preview track of the imported data;
• Generate reports of the imported
data.
More details on how to use TAVL
application please refer to “TAVL3 application
user manual v1.4” documentation or its later
versions.
FM1100M version can be still used as a
standard FM1100. It can be configured to acquire and send data to server. It will be possible to
store up to 100’000 data records if GSM is not available at the moment. It will send data later
when GPRS is available again. Note that FM1100M can have memory full of records. In such a
case it will start deleting oldest records in order to save new ones. Sending all the data records to
server may take some time. Sending 100’000 records for FM1100M may take for about 21 hour
(exact time may differ depending on GPRS/server load).
5.8 Two SIM cards*
6
FM1100M+2SIM version is able to operate with two SIM cards, with two GSM operators.
Check for correct version on your FM1100M sticker as it is shown below (Figure 21). In the upper
right corner has to be M and 2S symbols indicating FM1100M+2SIM version.
6
Functionality available only with FM1100M+2SIM version!
Figure 20 FM1100M sticker

29
Figure 21 FM1100M+2SIM sticker
FM1100M+2SIM can also be used with one SIM. SIM1 card has higher priority than SIM2.
For one SIM card using it must be placed in SIM1 slot (default lower slot in SIMholder, it is closer
to PCB).
When FM1100 connected to configurator select in GSM → Operator List section as shown
on the Figure 22 FM11XX Configurator window 2SIM mode setup. There is Operator List for SIM1
and SIM2 and Preferred Roaming Operator List for SIM1 and SIM2.
Figure 22 FM11XX Configurator window 2SIM mode setup

30
5.8.1 Operator List
Operator Code for SIM 1 and for SIM 2 can be set separately (Figure 22 FM11XX
Configurator window 2SIM mode setup). These Home Operators have the highest priority.
FM1100 every 15 min. checks a possibility to Home network connection.
5.8.2 Preferred Roaming Operator List
The Preferred Roaming Operators List for SIM1 and SIM2 can be filled up to 50 operators
(Figure 22 FM11XX Configurator window 2SIM mode setup).
Priority:
Home Operator;
Prefered Roaming Operator;
Unknown Operator.
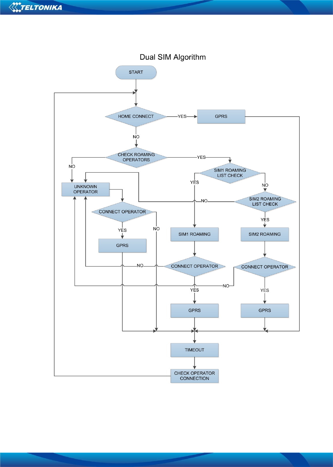
At first, FM1100 tries to connect to SIM1 Home Operator, if operator is unreachable the
device switches to SIM2 slot and tries to connect to SIM2 Home Operator. If none of the Home
operators could be connected with, FM100 starts comparison of roaming operator priorities
from both SIM Roaming Operator Lists. Higher placed operator in the operators list has higher
priority. If there are no available operators from SIM1 or SIM2 Operator lists or the lists are
empty, FM1100 scans the network and tries to connect Unknown operator. If the connection is
lost, FM1100 will return to Home and try to connect to Home operators as it has the highest
priority.
FM1100 every 15 min. checks a possibility to main Operator List connection and further
goes by the priority.
5.8.3 Unknown Operator
If FM1100 doesn’t find any connection in SIM1, SIM2 Home network, and Preferred
Roaming Operator Lists by the priority it is connecting to an unknown operator.
FM1100 every 15 min. checks a possibility to SIM Home Operator List connection and
further, if it is necessary, operates by the priority (for example: SIM Home Operator is better
than Roaming Operator, Roaming operator is better than Unknown operator).
5.8.4 Dual SIM algorithm
Two SIM cards use algorithm is shown in the diagram (Figure 23).

31
Figure 23 Dual SIM connection algorithm

32
5.9 System settings
System settings have 4 configurable parameters:
Deep sleep settings, where user can turn deep sleep on or off
Analog Input Settings, where user can choose analog input range 10 V or 30 V,
depending on needed accuracy (lower range gives higher accuracy of
measurements), and input voltage
Object Motion Detection Settings, where user can configure 3 ways how FM1100
will detect stopped movement, and change its working mode (for working modes,
read section 5.14)
Static navigation settings, where user can turn static navigation on or off
Stop Detection
Source
Vehicle on Stop mode
Vehicle Moving mode
Ignition
(recommended)
If ignition (DIN1) is logic low
If ignition (DIN1) is logic high
Msensor (movement
sensor)
Internal movement sensor does
not detect movement
Internal movement sensor detects
movement
GPS
GPS fix is available and vehicle
speed is lower than 5 km/h
GPS fix is available and vehicle
speed is higher than 5 km/h
While GPS fix is unavailable, Object Motion Detection Settings are
working like in Msensor mode
Static Navigation Mode is a filter, which filters out track jumps when the object is
stationary. If Static navigation filter is disabled, it will apply no changes on GPS data. If Static
navigation filter is enabled, it will filter changes in GPS position if no movement is detected
(depends on Object Motion Detection Settings). It allows filtering GPS jumps when object is
parked (is not moving) and GPS position is still traced.
Figure 24 System settings configuration
5.10 Records settings
Here user can modify if FM1100 device will send newest records first, meaning, that the
most important thing is to know recent position of car, older records are being sent right after
newest records arrive to AVL application.

33
Activate Data Link Timeout is used to set timeout of link between FM1100 and AVL
application termination. If FM1100 has already sent all records it waits for new records before
closing link. If new records are generated in the period of this timeout, and minimum count to
send is reached, they are sent to AVL application. This option is useful when GSM operator
charge for link activation.
Server Response Timeout is used to set time period waiting for response from server side.
Figure 25 Records settings configuration
5.11 GSM settings, GPRS part
‘GPRS’ defines main parameters for FM1100: GSM operator APN and GPRS username and
password (optional – depending on operator), destination server IP and port, and allows to set
protocol used for data transfers – TCP or UDP
Some operators use specific authentication for GPRS session – CHAP or PAP. If any of these
is used, APN should be entered as ‘chap:<APN>’ or ‘pap:<APN>’. I.e. if operator is using APN
‘internet’ with CHAP authentication, it should be entered as ‘chap:internet’. Information
about APN and authentication type should be provided by your GSM operator.
Figure 26 GPRS configuration
5.12 GSM settings, SMS part
Essential fields in ‘SMS’ part are ‘Login’ and ‘Password’. The login and password are used
with every SMS sent to FM1100. If login and password are not set, in every SMS sent to FM1100
device two spaces before command have to be used (<space><space><command>).
Command structure with set login and password:
<login><space><password><space><command>, example: “asd 123 getgps”
Phone numbers have to be written in international standard, without using “+” or “00”
signs in prefix. If no numbers are entered, configuration and sending commands over SMS are
allowed from all GSM numbers.

34
SMS data sending settings – enable or disable periodic data and event SMS usage. This
setting does not affect replies to SMS request messages – answers are always sent back to
sender telephone number.
FM1100 can send binary SMS with 24-coordinates-in-one-SMS. It is used in areas where no
GPRS coverage is available. Module collects data and sends to server binary SMS containing
information about last 24 collected points. SMS sending schedule is set in SMS Week Time tab.
24-Coordinates SMS decoding is described in “FMXXXX Protocols” document.
Figure 27 SMS configuration
Note: A mobile phone will not understand and SMS with binary code, so sending
it to a mobile phone is useless. When sending a binary SMS to a phone number,
which is a server phone number, the server can interpret and understand binary
code, so the data can be read and you can view it on the server.
SMS login and password and authorized number list are used to protect FM1100
module from unauthorized access. Module accepts messages only from a list of
authorized numbers and with proper module login and password. Numbers must
be without “+” or “00” prefix. If no authorized numbers are entered, module
accepts messages from all numbers.
5.13 GSM settings, Operator list*
7
Operators list – FM11 can work in different modes (use different settings) according to the
operator list defined. Operator list is used for Data Acquisition Mode switching (see chapter
5.14 Data Acquisition Mode settings for more details). Modes are changed based on GSM
operator FM11 is connected to.
7
Functionality available only with FM1100 with one SIM version!

35
Figure 28 Operator list configuration
If operator list is left empty, it will allow using GPRS to any GSM operator. Please note that
FM1100 will work in Unknown mode only (make sure it is configured to allow data sending –
GPRS context is enabled).
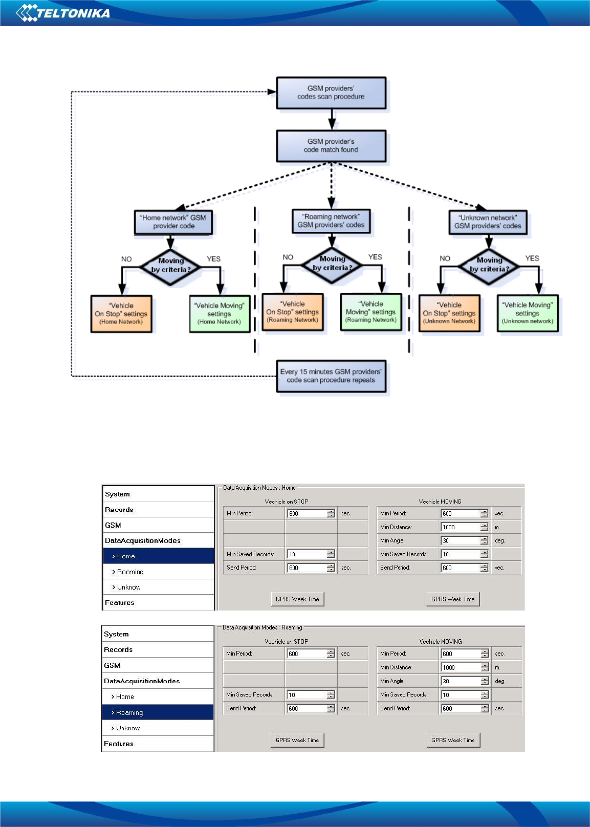
5.14 Data Acquisition Mode settings
Data Acquisition Modes are an essential part of FM1100 device, it is also highly
configurable.
By configuration user defines how records will be saved and sent. There are three different
modes: Home, Roaming and Unknown. All these modes with configured data acquisition and
send frequencies depend on current GSM Operator defined in Operator list (see section 5.13)
and are switched when GSM operator changes (e.g. vehicle passes through country boarder).
If current GSM operator is defined as Home Operator, device will work in Home Data
Acquisition mode, if current operator is defined as Roaming Operator, device will work in
Roaming Data Acquisition mode, and if current operator code is not written in Operator list (but
there is at least one operator code in the operator list), device will work in Unknown Acquisition
mode.
This functionality allows having different AVL records acquire and send parameters values
when object is moving or stands still. Vehicle moving or stop state is defined by Stop Detection
Source parameter. There are 3 ways for FM1100 to switch between Vehicle on Stop and Vehicle
Moving modes see section 5.7.
FM1100 allows having 6 different modes. Operational logic is shown in Error! Reference
source not found.22.
If there are no operator codes entered into operator list, FM1100 will work in
Unknown network mode ONLY.

36
Figure 29 Data Acquisition Mode configuration
Operator search is performed every 15 minutes. Depending on current GSM operator,
Home, Roaming or Unknown mode can be changed faster than every 15 minutes. This process is
separate from operator search. Movement criteria are checked every second.
Figure 30 Data Acquisition Mode configuration

37
Figure 31 Data Acquisition Mode configuration
‘Min Saved Records’ defines minimum number of coordinates and I/O data that should be
transferred with one connection to server. If FM1100 does not have enough coordinates to send
to server, it will check again after time interval defined in ‘Sending Period’
Send period – GPRS data sending to server period. Module makes attempts to send
collected data to server every defined period. If it does not have enough records (depends on
parameter Min. Saved Records described above), it tries again after defined time interval.
GPRS Week Time tab – most GSM billing systems charge number of bytes (kilobytes)
transmitted per session. During the session, FM1100 makes connection and transmits data to a
server. FM1100 tries to handle the session as much as possible; it never closes session by itself.
Session can last for hours, days, weeks or session can be closed after every connection in certain
GSM networks – this depends on GSM network provider. GPRS Context Week Time defines
session re-establish schedule if session was closed by network. New GPRS context is opened if
time is 10 minutes till time checked in table. Therefore if all boxes are checked, FM1100 is able to
open new connection anytime. At scheduled time match FM1100 checks for GPRS session
activity. If GPRS session is alive, FM1100 sends data to server according to Send period
parameter. If it is not, FM1100 checks if it is able to re-establish the session.
Figure 32 GPRS Week Time configuration

38
Device checks if the time between last saved record and current time is equal or higher
than Time based acquire interval. If so, FM1100 saves record to memory. If not, FM1100 checks
if the distance from last record to current record is equal or higher than Distance based acquire
interval. If so, saves the record to memory. If not and speed is higher than 10km/h, then FM1100
checks if angle difference between last record and current record is equal or higher than Angle
based acquire value. If so, saves the record to memory. These checks are performed every
second.
Note: Keep in mind that FM1100 operates in GMT:0 time zone, without
daylight saving.
FM1100 is able to collect records using three methods at the same time: time, distance and angle
based data acquisition:
Time based data acquiring (Min. period) – records are being acquired every time when defined
interval of time passes. Entering zero disables data acquisition depending on time.
Min. time period
Distance based data acquiring (Min. distance) – records are being acquired when the distance
between previous coordinate and current position is greater than defined parameter value.
Entering zero disables data acquisition depending on distance.
Min. distance
Angle based data acquiring (Min. angle) – records are being acquired when angle difference
between last recorded coordinate and current position is greater than defined value. Entering
zero disables data acquisition depending on angle.
Min. angle

39
5.15 Features settings
For more information about available Scenarios, Trip, Geofencing and iButton list, refer to
5.4 chapter.
5.15.1 Scenarios settings
In Scenarios window four different scenarios are available, two per each Digital Output
(DOUT). Only one per digital output can be active at a same time, e.g. DOUT1 can have either
Green driving or Over Speeding enabled, DOUT2 can have either Authorized Driving or
Immobilizer enabled.
Figure 33 Scenarios configuration
Digital Output (open drain grade) usage in scenarios:
Green Driving
DOUT1 is ON for:
3sec. if detected value is over (0; 30] % from preconfigured allowed value
5sec. if detected value is over (30; 50] % from preconfigured allowed value
7sec. if detected value is over (50; -] % from preconfigured allowed value
After period of time DOUT1 is turned OFF.
Over Speeding
DOUT1 is ON, while vehicle speed exceeds parameter value. DOUT1 is activated until
current speed decreases below parameter value.
Authorized driving
DOUT2 is continuously OFF. Dout2 turns ON if Ignition turns ON (Din1=1). After authorizing
iButton (iButton ID is read and it matches the ID from the iButton list), DOUT2 turns OFF. After
successful authorization DIN1 (ignition) can be turned OFF (Din1=0) for no longer than 30
seconds, otherwise authorization must be repeated.
Immobilizer
DOUT2 is continuously OFF. Dout2 turns ON if Ignition turns ON (Din1=1). After iButton ID
is read (any iButton is attached), DOUT2 turns OFF. After iButton identification DIN1 (ignition)
can be turned OFF (Din1=0) for no longer than 30 seconds, otherwise immobilizer must be
repeated.

40
5.15.2 Trip settings
Trip window offers user to configure Trip feature. If Trip is enabled configuration of
parameters are enabled.
Start Speed – GPS speed has to be greater than the specified Start Speed in order to detect
Trip Start.
Ignition Off Timeout – timeout to wait if ignition was off, to detect Trip stop.
Continuous distance counting – Not or Continuous can be chosen. For this feature I/O
Odometer must be enabled (see Error! Reference source not found.26).
If I/O Odometer is enabled and Continuous distance counting variable is set to Continuous,
Trip distance is going to be counted continuously (from Trip start to Trip stop). This value is
written to I/O Odometer value field. When Trip is over and next Trip begins, Odometer value is
reset to zero. When the next trip starts counting continuously starts from the beginning again.
If I/O Odometer is enabled and Continuous Distance Counting variable is set “Not”, then
the distance is going to be counted only between every record made. This value is written to I/O
Odometer value field and reset to zero every new record until Trip stops. If later all Odometer
values are summed up manually, the user gets the distance driven during the whole period of the
Trip.
Figure 34 Trip configuration
Figure 35 Trip continuous distance counting parameter example

41
5.15.3 Geofencing settings
FM1100 has 5 configurable Geofence zones and it can generate an event when defined
Geofence zone border is crossed.
Frame border – frame border is an additional border around Geofence zone. It is additional
area around defined zone used to prevent false event recording when object stops on the border
of the area and because of GPS errors some records are made inside area and some – outside.
Event is generated only when both borders are crossed. See figure 28 for details: track 1 is
considered to have entered the area while track 2 is not.
Track Nr. 1
Track Nr. 2
Figure 36 Geofence border
Shape – can be rectangle or circle
Priority – priority of Geofence event: low, high or panic. These levels define priority of
event information sending to server. See I/O element description for more details about
priorities.
Generate event (On entrance, On exit, On Both) – choose when record will be generated;
X1 – geofence zone left bottom corner X coordinate (longitude);
Y1 – geofence zone left bottom corner Y coordinate (latitude);
X2 or R – geofence zone upper right corner X coordinate (longitude) or radius of circle
when Circular zone is used (radius in meters);
Y2 – geofence zone upper right corner Y coordinate (latitude);

42
Figure 37 Geofence configuration
AutoGeofencing settings
AutoGeofence – the last known position after movement = off. If your car’s being
taken away – you can be notified. The shape and size of the geofence zones are
parameters. It is possibility to state whether entering in or out of the geofence triggers an
asynchronous message.
AutoGeofencing option can be configured by following parameters visible in figure 30
below.
Activate – Enable or Disable AutoGeofence functionality.
Activation TMO – Time period before Geofence is activated after vehicle stops.
Deactivate By:
Ignition – If ignition becomes high it will disable AutoGeofenze Zone.
iButton – if iButton is attached it will disable AutoGeofence Zone.
Edit iButton List – if list is not empty, attached iButton is tested against an iButton list, if
match is found AutoGeofence zone is disabled.
Priority – Priority of generated event, which will be applied to saved record.
Enter Event – Event generation on Geofence entrance.
Exit Event – Event generation on Geofence exit.
On Both - Event generation on Geofence entrance Or exit
Note that AutoGeofencing does not require entering coordinates, instead it requires GPS
visibility. If vehicle stopped and activation timeout has passed, an AutoGeofence will be created
around vehicle’s last position with set Radius value. AutoGeofence event generation works the
same as Geofencing mentioned above.

43
Figure 38 Geofence configuration
Note: FM1100 operates GMT:0 time without daylight saving.
5.15.4 SMS events
SMS events functionality allows FM1100 to send a configured SMS when an event is
triggered. This event can be triggered by:
Green Driving
OverSpeeding
Authorized Driving
Immobilizer
Trip start/stop
Geofence
AutoGeofence
I/O event
When any of the above events is triggered, FM1100 sends a configured SMS message to a
defined phone number. If SMS events is activated, but there are no numbers defined in SMS
events PreDefined Numbers list (figure 1), then the device will not send any messages.

44
Figure 39 SMS Events PreDefined Numbers list
The sent SMS messages format is according to:
“Date Time EventText”
For example, if FM1100 is configured to send an SMS, when Digital Input 1 reaches High level,
with priority High and configured to generate event on both range enter and exit (figure 2), then
the sent SMS is:
“2012/6/7 12:00:00 Digital Input 1”
Figure 40 Configured Digital Input 1 SMS event
The SMS Text field can be altered and any text can be entered. Maximum message length is 90
symbols (numbers, letters and symbols in ASCII, except for comma “,”).

45
ATTENTION!
If FM1100 is in Deep Sleep mode and SMS event occurs with LOW priority
(which does not wake up FM1100), then the device does not send the message.
It is saved in device memory until it wakes up from Deep Sleep mode and GSM
modem starts working normally. After it wakes up, all the messages that are
saved in memory will be sent, but keep in mind that only 10 messages can be
saved in memory – all other messages will not be saved, until there is room in
device memory.
5.15.4.1 SMS events configuration
Scenarios
To configure SMS events for scenarios click scenarios window. Enabled scenarios will
automatically appear near the SMS event window (figure 3). Note, that Green Driving can’t work
together with Over Speeding and Authorized Driving can’t work together with Immobilizer
scenario– only one of them could be enabled. After enabling SMS events, different message texts
can be written for different scenarios.
Figure 41 Scenarios SMS event configuration
When any of the scenarios events occurs, a text message will be sent to the predefined number.
Trip
In order to configure Trip SMS events click on Trip window. After enabling SMS Events (figure 4),
trip event will be triggered and message sent, when Trip starts (GPS speed exceeds the speed in
Start Speed (ex. 5 km/h) and when Trip stops, that is ignition is turned off longer then the time
written in Ignition Off Timeout (ex. 60 seconds).

46
Figure 42 Trip Start/Stop SMS event configuration
Geofence
Geofence SMS event is triggered and message sent when the device exits and/or enters a
configured Geofence zone. The Geofence zone must be configured to generate an event On Exit,
On Enter or On Both (figure 5). If No Event is selected, then it is not possible to turn on SMS
events. If several zones are created then SMS events can be turned on separately for each zone
entering different text message.
Figure 43 Geofence SMS event configuration
AutoGeofence
SMS events for AutoGeofence are configured the same as in Geofence. AutoGeofence and its
SMS event configuration is next to Geofence configuration (figure 6).

47
Figure 44 AutoGeofence SMS event configuration
I/O events
FM1100 sends SMS event message when a configured I/O property enters and/or exits its
configured High/Low boundaries or Hysteresis event generation is chosen (Monitoring does not
generate event, so SMS event could not be configured). Every IO element SMS event can be
configured to send individual message to different numbers.
Figure 45 I/O SMS event configuration
5.16 I/O settings
When no I/O element is enabled, AVL packet comes with GPS information only. After
enabling I/O element(s) AVL packet along with GPS information contains current value(s) of
enabled I/O element.

48
Permanent I/O elements
(are always sent to server if enabled)
Nr.
Property Name
Bytes
Description
1
Digital Input Status 1
1
Logic: 0 / 1
2
Digital Input Status 2
1
Logic: 0 / 1
3
Digital Input Status 3
1
Logic: 0 / 1
4
Analog Input 1
2
Voltage: mV, 0 – 30 V
5
GSM level
1
GSM signal level value in scale 1 – 5
6
Speed
2
Value in km/h, 0 – xxx km/h
7
External Power Voltage
2
Voltage: mV, 0 – 30 V
8
GPS Power
2
States: 0 – short circ., 1 – connected.
9
Dallas Temperature
4
10 * Degrees ( °C ), -55 - +115, if 3000 –
Dallas error
10
iButton ID
8
iButton ID number
11
Data Mode
1
0 – home on stop, 1 – home on move, 2 –
roaming on stop, 3 – roaming on move, 4 –
unknown on stop, 5 – unknown on move
12
Digital output 1 state
1
Logic: 0 / 1
13
Digital output 2 state
1
Logic: 0 / 1
14
PDOP
2
Probability * 10; 0-500
15
HDOP
2
Probability * 10; 0-500
16
Odometer Value (Virtual
Odometer)
4
Distance between two records: m
17
Sleep mode
1
0 – not deep sleep mode, 1 – GPS sleep
mode, 2 – deep sleep mode
18
Cell ID
2
GSM base station ID
19
Area Code
2
Location Area code (LAC), it depends on
GSM operator. It provides unique number
which assigned to a set of base GSM
stations. Max value: 65536
20
Movement Sensor
1
0 – not moving, 1 – moving.
21
GSM operator Code
4
Currently used GSM Operator code
Eventual I/O elements
(generate and send record to server only if appropriate conditions are met)
Nr.
Property Name
Bytes
Description
22
Geofence zone 01
1
Event: 0 – target left zone, 1 – target
entered zone
23
Geofence zone 02
1
Event: 0 – target left zone, 1 – target
entered zone
24
Geofence zone 03
1
Event: 0 – target left zone, 1 – target
entered zone
25
Geofence zone 04
1
Event: 0 – target left zone, 1 – target
entered zone
26
Geofence zone 05
1
Event: 0 – target left zone, 1 – target
entered zone

49
27
Auto Geofence
1
Event: 0 – target left zone, 1 – target
entered zone
28
Trip
1
1 – trip start, 0 – trip stop
29
Immobilizer
1
1 – iButton connected
30
Authorized driving
1
1 – authorized iButton connected
31
Green driving type
1
1 – harsh acceleration, 2 – harsh braking, 3
- harsh cornering
32
Green driving value
1
Depending on green driving type: if harsh
acceleration or braking – g*100 (value
123 -> 1.23g), if harsh cornering – degrees
(value in radians)
33
Over Speeding
2
At over speeding start km/h, at over
speeding end km/h
There are two types of operations with Permanent I/O elements: simple
monitoring and event generating. Monitoring method is used when current I/O
information needed with regular GPS coordinates. Event generating method is
used when additional AVL packet is needed when current value of I/O exceeds
predefined High and Low levels. I/O settings allow defining I/O event criteria.
Figure 46 I/O settings
Enabled or disabled field – allows enabling I/O element so it is added to the data packet
and is sent to the server. By default all I/O element are disabled and FM1100 records only GPS
coordinates.
Priority (AVL packet priority) can be low, high or panic. Regular packets are sent as Low
priority records. When low priority event is triggered, FM1100 makes additional record with
indication that the reason for that was I/O element change. When High priority is selected,
module makes additional record with high priority flag and sends event packet immediately to
the server by GPRS. Panic priority triggers same actions as high priority, but if GPRS fails, it sends
AVL packet using SMS mode if SMS is enabled in SMS settings.
High and Low levels – define I/O value range. If I/O value enters or exits this range, FM1100
generates event. “Generate event” parameter defines when to generate event – when value
enters defined range, exits it or both.
Averaging constant – it is an I/O event delay parameter. In some applications there is no
need to generate events on every I/O range enter/exit immediately. Sometimes it is necessary to
wait some time interval before event generating. Averaging constant allows setting I/O event
delay (averaging). If I/O value is entering or leaving predefined range, it must have same value
for Averaging constant time. 1 Averaging constant value equals about 30 miliseconds. In Deep
Sleep mode there is no Averaging.

50
Note: I/O element’s “Movement sensor” Averaging constant is interpreted as
Start Move Timeout in seconds (from 1 to 59).
Start Move Timeout – is a time interval required for movement sensor to be in
the moving state, to consider vehicle as moving.
5.16.1 Monitoring
I/O monitoring starts after enabling I/O element and setting up I/O parameters as it is
shown below:
Figure 47 I/O settings
5.16.2 Event Generating
Events happen when the value of enabled I/O intersects thresholds (enter, exit or on both)
predefined by High and Low level thresholds. Table below defines all available values of I/O
settings.
Setting
Value
Priority
low, high
High level
maximum threshold
Low level
minimum threshold
Generate event
on interval enter, on interval exit, on both enter and exit
Average constant
1 – 232 (4 Bytes)
Figure 48 Digital Input event generation example

51
5.16.3 Hysteresis
Figure 49 Hysteresis parameter configuration
I/O elements can generate events according to hysteresis algorithm. If I/O event operand
“Hysteresis” is selected, events will be generated as it is shown in the illustration below (I/O
speed is taken as I/O value example):
Figure 50 Event generation according hysteresis algorithm
6 SMS COMMAND LIST
Read chapter 5.12 to know how to construct a proper SMS message and send it to FM1100
device. All commands are case sensitive. While FM1100 operates in Deep Sleep mode and user
tries to send SMS message it cannot arrive to FM1100 device, because GSM/GPRS module is
disabled most of the time (wake up depends on Send Period parameter). FM1100 will receive
the SMS when it wakes up (exits deep sleep mode).
6.1 SMS command list
Command
Description
Response
getstatus
Modem Status information
Yes
getweektime
Current device time, Day of Week and amount of minutes
passed since start of week
Yes
getops
List of currently available GSM operator
Yes
getcfgtime
Date and Time of last successful configuration
Yes
getgps
Current GPS data and time
Yes
cpureset
Reset CPU
No
resetprof
Reset all FLASH1 profile configuration to default profile
No
getver
Device / Modem / Code version information
Yes

52
getinfo
Device runtime system information
Yes
deleterecords
Delete all records saved on FLASH
No
getio
Readout digital inputs and outputs
Yes
readio #
Readout input value according entered ID, # - ID value
Yes
setdigout ## Y1 Y2
set digital outputs
0 – OFF, 1 – ON
Y1 – timeout for DO1
Y2 – timeout for DO2
Yes
getparam #
Readout parameter value according entered ID.
# - ID value.
Yes
setparam # #
Set parameter value according entered ID and Value.
1.# - ID value.
2.# - New Parameter Value
Yes
getparam 1271 X
X values can be 1,2,3. SIM1
Yes
getparam 212 X
X values can be 1,2,3. SIM2
Yes
flush #,#,#,#,#,#,#
Initiates all data sending to specified target server
1.# - IMEI
2.# - APN
3.# - LOGIN
4.# - PASS
5.# - IP
6.# - PORT
7.# - MODE (0-TCP/1-UDP)
No
readops #
1 – send first 20 operator codes, 2 – send from 21st to 40th
operator codes, 3 – send all other operator codes
sn #
Static navigation, 1 – enable, 0 – disable
Yes
banlist
Banned operators information
Yes
crashlog
Device last information before unexpected reset
Yes
delete_all_sms
Deletes all SMS
No
setsimslot
SMS forced SIM switching, 0 – SIM 1, 1 – SIM 2
No
getsimslot
SIM 1, SIM 2 info
Yes
6.1.1 getstatus
Response details
Description
Data Link
Indicate module connection to server at the moment: 0 – Not
connected, 1 – connected
GPRS
Indicate if GPRS is available at the moment
Phone
Voice Call status: 0 – ready, 1 – unavailable, 2 – unknown, 3 –
ringing, 4 – call in progress, 5 – asleep
SIM
SIM Status: 0-ready, 1-pin, 2-puk, 3-pin2, 4-puk2
OP
Connected to GSM Operator: numerical id of operator
Signal
GSM Signal Quality [0-5]
NewSMS
Indicate if new message received
Roaming
0 – Home Network, 1 – roaming
SMSFull
SMS storage is full? 0 – ok, 1 – SMS storage full

53
LAC
GSM Tower Location Area Code
Cell ID
GSM Tower Cell ID Code
Example: Data Link: 0 GPRS: 1 Phone: 0 SIM: 0 OP: 24602 Signal: 5 NewSMS: 0 Roaming: 0
SMSFull: 0 LAC: 1 Cell ID: 864
6.1.2 getweektime
Response details
Description
Clock Sync
Indicates system clock synchronization status. 0 – System is not
synchronized, 1 – System synchronized
DOW
Day Of Week – indicates current day of week starting from 0 –
Monday, 1 – Tuesday, etc.
Time
Indicates current GMT time
WeekTime
Indicates time in minutes starting from Monday 00:00 GMT
Example: Clock Sync: 1 DOW: 4 Time 12:58 Weektime: 6538
6.1.3 getops
Response details
Description
LIST
Returns list of current available allowed operators.
Example: GSM OP LIST: 0. 24602
6.1.4 getcfgtime
Response details
Description
Date/Time
Returns last performed configuration date and time.
Example: Last Configuration was performed on: 2010.4.15 5:45:19
6.1.5 getgps
Response details
Description
GPS
Indicates valid (1) or invalid (0) GPS data
Sat
Count of currently available satellites
Lat
Latitude (Last good Latitude)
Long
Longitude (Last good Longitude)
Alt
Altitude
Speed
Ground speed, km/h
Dir
Ground direction, degrees
Date
Current date
Time
Current GMT time
Example: GPS:1 Sat:7 Lat:54.71473 Long:25.30304 Alt:147 Speed:0 Dir:77 Date: 2007/8/24
Time: 13:4:36

54
6.1.6 getver
Response details
Description
Code Ver
Firmware version
Device IMEI
IMEI
Device ID
Device ID is used to detect by server which type of configuration
to load
Bootloader Ver
Bootloader Version
Modem App Ver
Version of modem application (veiks: nuo 00.05.14)
Revision
Firmware revision
Example: Code Ver:01.06.15 Rev:1 Device IMEI:353976010139156 Device ID:000001
Bootloader Ver: 01.09 Modem APP Ver:TM11Q_R_01.00.03.03_002
6.1.7 getinfo
Response details
Description
INI
Device Initialization Time
RTC
RTC Time
RST
Restart Counter
ERR
Error Counter
SR
Number of Sent Records
BR
Number of broken records
CF
Profile CRC Fail counter
FG
Failed GPRS counter
FL
Failed link counter
UT
UPD Timeout counter
SMS
Sent SMS Counter
NOGPS
No GPS Timer
GPS
GPS receiver state. 0 – OFF, 1 – restarting, 2 – ON but no fix, 3 –
ON and operational, 4 – sleep mode
SAT
Average satellites
RS
Reset Source Identification
1 – Low Power, 2 – W Watchdog, 3 – I Watchdog, 4 – Software
reset, 5 – Power On, 6 - Pin Reset
MD
Data Mode state. 0 – Home and Stop, 1 – Home and Moving, 2 –
Roaming and Stop, 3 – Roaming and Moving, 4 – Unknown and
Stop, 5 – Unknown and Moving
Example: INI:2007/8/24 10:15 RTC:2007/8/24 12:43 RST:2 ERR:11 SR:182 BR:0 CF:0 FG:0
FL:0 UT:0 SMS:2 NOGPS:0:0 GPS:3 SAT:7 RS:5 MD:0
6.1.8 getio
Response details
Description
DI#
Digital Input state
DO#
Digital Output state

55
Example: DI1:0 DI2:0 DO1:0 DO2:0
6.1.9 readio #
Response details
Description
ID
I/O element ID
Value
I/O Element value
Example: I/O ID:3 Value:0
6.1.10 setdigout ## Y1 Y2
Sets digital outputs to ON or OFF state (for some time if needed). Value is written as a row
for OUT1 and OUT2 values.
Example: ‘setdigout 01 0 5’ will set OUT2 to high level for 5 seconds, while OUT1 to low
level.
6.1.11 getparam ####
Read parameter value. ID consists of 3 or 4 digits. Detailed list of parameters and IDs can
be found in chapter number 8 “Parameter List”
Example: ‘getparam 1245’ command will request server IP address.
6.1.12 setparam ####
Sets new value for parameter. ID consists of 3 or 4 digits. Detailed list of parameters and
IDs can be found in chapter number 8 “Parameter List”
Example: ‘setparam 1245 127.0.0.1’ will change configured IP address.
6.1.13. getparam 1271 X/212 X
X values can be 1,2,3.
If X = 1, Operator codes from 0-19 are read from configuration and sent via SMS.
If X = 2, Operator codes from 20-39 are read from configuration and sent via SMS.
If X = 3, Operator codes from 40-49 are read from configuration and sent via SMS.
If X = any other, Operator codes from 0-19 are read from configuration and sent via SMS.
6.1.14. setparam 1271 X/212 X
If X is from 0 to 49, X means index of operator code which has to be configured. Up to 20
operator codes may be configured in 1 SMS. Example: Setparam 1271 16 24602,24603,24605
,here 16th, 17th and 18th operator codes are set. Note! Other operator codes are left unchanged
in the configuration.
6.1.15 readops #
Send from device Operator List.
1 – send first 20 operator codes, 2 – send from 21st to 40th operator codes, 3 – send all
other operator codes.

56
6.1.16 flush #,#,#,#,#,#,#
Initiates all data sending by GPRS to specified target server. Comma separated parameters
go as numbered:
1.# - IMEI
2.# - APN
3.# - GPRS LOGIN
4.# - GPRS PASSWORD
5.# - IP
6.# - PORT
7.# - MODE (0-TCP/1-UDP)
Parameters are separated by comma (no spaces needed). In case you don’t need to enter
parameter (Login/Pass) – do not put space, simply put comma and write next parameter.
Example: opa opa flush 353976012555151,banga,,,212.47.99.62,12050,0
Response details
Description
FLUSH SMS Accepted
FLUSH SMS Accepted
# records found on FLASH
Number of records found on FLASH
Minimum Records to Send: #
Number of minimum saved records to send
GPRS Enabled: #
State of the GPRS connection, 0 – disabled; 1 – enabled
Time Sync: #
Indicates time synchronization on the device, 0 – not
synchronized; 1 – synchronized
Example: FLUSH SMS Accepted. 11 records found on FLASH. Minimum Records to Send: 1.
GPRS Enabled: 1. Time Sync: 1.
6.1.17 sn #
Enables or disables Static navigation. 1 – enable, 0 – disable.
6.1.18 banlist
Gives a list of all banned operators.
Example when no operators are banned: 0000.00s.0.000
6.1.19 crashlog
Gives the last information before the device has crashed for unexpected reasons. It is
useful when the device acts unexpectedly or restars for unexplained reasons.
Example if no unexpected reset: “Crash: “
Example if unexpected reset was detected: “Crash: 3051,3052,3053”.
6.1.20 setsimslot
SMS forced SIM slot switching
setsimslot <val> ,
<val> 0 – SIM1, 1 – SIM2

57
6.1.21 getsimslot
Returns SIM1, SIM2 info:
getsimslot - SIM1, SIM2 info
7 Debug mode
FM1100 is able to transmit its current state when connected to PC using USB cable. It is
used to detect errors and provide information to possible solutions when operating as
unexpected. Download Terminal from:
http://avl1.teltonika.lt/Downloads/Software/Terminal.zip.
After launching terminal choose baud rate 115200 and hardware control – none. Select
COM port which is assigned to “Virtual COM Port”. Click on ‘Start Log’ button and save a new file.
Then click ‘Connect’ to start receiving messages from FM1100.
Also you can log NMEA data directly. To get NMEA data, simply enter the following
command into the command field: .log_nmea:1$0a.
F
8 Parameter List
8.1 Parameters value types
S8 – Signed Char
S8[n] – String of n Char
U8 – Unsigned Char
U16 – Unsigned Short
S32 – Signed Integer
U32 – Unsigned Integer
U64 – Unsigned Long Long Integer
Figure 51 Terminal window for logging

58
8.2 System parameters
8.2.1 Sleep Mode (ID=1000)
Device has two sleep modes: sleep and deep sleep mode. While sleep is disabled (value 0)
module will never enter sleep mode, in sleep mode (value 1) module reduces level of power
usage by turning GPS module to sleep, in deep sleep mode (value 2) module turns GPS module to
sleep and switch GSM module off (note, that FM1100 do not receive SMS while in deep sleep).
Minimum
value
Maximum
value
Recommended
value
Goes with (depends on)
parameters
Value
type
0
2
-
U8
8.2.2 Sleep timeout (ID=200)
Sleep timeout is time after which FM1100 goes to sleep or deep sleep if other
requirements are met. It is measured in minutes.
Minimum
value
Maximum
value
Recommended
value
Goes with (depends on)
parameters
Value
type
1
3600
-
U8
8.2.3 Analog Input value range (ID=1001)
Analog input measuring resolution and range can be defined as 0…10V (value 0) or 1…30V
(value 1).
Minimum
value
Maximum
value
Recommended
value
Goes with (depends on)
parameters
Value
type
0
1
-
U8
8.2.4 Stop Detection Source (ID=1002)
Device can operate and change its working mode according to motion detection source:
ignition (value 0), movement sensor (value 1), GPS (value 2).
Minimum
value
Maximum
value
Recommended
value
Goes with (depends on)
parameters
Value
type
0
2
-
U8
8.2.5 Static Navigation (ID=1003)
When static navigation is enabled, FM1100 filters out GPS jumps, when it is not moving.
When it is disabled, it does not make any changes to collected GPS data.
Minimum
value
Maximum
value
Recommended
value
Goes with (depends on)
parameters
Value
type
0
1
1
U8

59
8.2.6 Saving/Sending without time synchronization (ID=201)
When this feature is enabled (value = 1), then records can be saved and sent to server
without time synchronization.
Minimum
value
Maximum
value
Recommended
value
Goes with (depends on)
parameters
Value
type
0
1
1
U8
8.3 Records parameters
8.3.1 Sorting (ID=1010)
Record sorting parameter is responsible for record sorting order. Value of 0 arranging data
starting from newest, while value of 1 arranging data starting from oldest.
Minimum
value
Maximum
value
Recommended
value
Goes with (depends on)
parameters
Value
type
0
1
-
U8
8.3.2 Active Data Link Timeout (ID=1011)
Defines for how many seconds device will keep connection to the server after successful
data transfer while waiting for a new record.
Minimum
value
Maximum
value
Recommended
value
Goes with (depends on)
parameters
Value
type
0
259200
-
U32
8.3.3 Server Response Timeout (ID=1012)
Defines time period (in seconds) for server response to sent records.
Minimum
value
Maximum
value
Recommended
value
Goes with (depends on)
parameters
Value
type
1
300
-
U8
ATTENTION! Some GSM operators may disconnect the device from an
active data link if the device doesn’t send any data for a very long time, even if
active data link timeout is set to maximum value. The amount of time that an
operator keeps the link open depends solely on the operator. For example, if
active data link timeout is set to maximum, 259200 seconds (72 hours), and the
device sends data to server every 86400 seconds (24 hours), the operator might
disconnect the link earlier and the device will have to connect to the server anew.
This may cost extra, depending on the operator GPRS data charge. It is strongly
recommended, when using active data link timeout, that data sending to the
server should not be very rare (24 hours or more). If data sending is more
frequent, then the operator will not disconnect the device form the server.

60
8.4 GSM parameters
8.4.1 GPRS content activation SIM1 (ID=1240)
Parameter allows or does not allow GPRS usage. If GPRS is not allowed value is 0, if GPRS is
allowed value is 1.
Minimum
value
Maximum
value
Recommended
value
Goes with (depends on)
parameters
Value
type
0
1
-
APN Name SIM1 (ID=1242)
APN username SIM1 (ID=1243)
APN Password SIM1 (ID=1244)
S8
8.4.2 APN Name SIM1 (ID=1242)
Parameter defines GPRS Access Point Name.
Minimum
value
Maximum
value
Recommended
value
Goes with (depends on)
parameters
Value
type
Empty
32 char
string
-
GPRS content activation SIM1
(ID=1240)
APN username SIM1 (ID=1243)
APN Password SIM1 (ID=1244)
S8[32]
8.4.3 APN username SIM1 (ID=1243)
Parameter defines APN username. In case operator does not use username for login,
value should be empty.
Minimum
value
Maximum
value
Recommended
value
Goes with (depends on)
parameters
Value
type
Empty
30 char
string
-
GPRS content activation SIM1
(ID=1240)
APN Name SIM1 (ID=1242)
APN Password SIM1 (ID=1244)
S8[30]
8.4.4 APN Password SIM1 (ID=1244)
Parameter defines APN password. In case operator does not use password for login, value
should be empty.
Minimum
value
Maximum
value
Recommended
value
Goes with (depends on)
parameters
Value
type
Empty
30 char
string
-
GPRS content activation SIM1
(ID=1240)
APN Name SIM1 (ID=1242)
APN username SIM1 (ID=1243)
S8[30]
8.4.5 Domain (ID=1245)
Parameter defines AVL data destination server IP address. Example: 212.47.99.62
Minimum
value
Maximum
value
Recommended
value
Goes with (depends on)
parameters
Value
type

61
0
50 char
string
-
GPRS content activation SIM1
(ID=1240)Domain (ID=1245)
S8[16]
8.4.6 Target Server Port (ID=1246)
Parameter defines AVL data destination server port number. Example: 12050
Minimum
value
Maximum
value
Recommended
value
Goes with (depends on)
parameters
Value
type
Empty
65535
-
GPRS content activation SIM1
(ID=1240)
Target Server Port (ID=1246)
U16
8.4.7 Protocol SIM1 (ID=1247)
Parameter defines GPRS data transport protocol. Module can use TCP or UDP transport
protocol to send data to server. For TCP protocol value is 0, for UDP protocol value is 1.
Minimum
value
Maximum
value
Recommended
value
Goes with (depends on)
parameters
Value
type
0
1
-
GPRS content activation SIM1
(ID=1240)
U8
8.4.8 Protocol SIM2 (ID=209)
Parameter defines GPRS data transport protocol. Module can use TCP or UDP transport
protocol to send data to server. For TCP protocol value is 0, for UDP protocol value is 1.
Minimum
value
Maximum
value
Recommended
value
Goes with (depends on)
parameters
Value
type
0
1
-
GPRS content activation SIM1
(ID=1240)
U8
8.4.9 GPRS content activation SIM2 (ID=202)
Parameter allows or does not allow GPRS usage. If GPRS is not allowed value is 0, if GPRS is
allowed value is 1.
Minimum
value
Maximum
value
Recommended
value
Goes with (depends on)
parameters
Value
type
0
1
-
APN Name SIM1 (ID=1242)
APN username SIM1 (ID=1243)
APN Password SIM1 (ID=1244)
S8
8.4.10 APN Name SIM2 (ID=204)
Parameter defines GPRS Access Point Name.
Minimum
value
Maximum
value
Recommended
value
Goes with (depends on)
parameters
Value
type
Empty
32 char
string
-
GPRS content activation SIM1
(ID=1240)
APN username SIM1 (ID=1243)
APN Password SIM1 (ID=1244)
S8[32]

62
8.4.11 APN username SIM2 (ID=205)
Parameter defines APN username. In case operator does not use username for login,
value should be empty.
Minimum
value
Maximum
value
Recommended
value
Goes with (depends on)
parameters
Value
type
Empty
30 char
string
-
GPRS content activation SIM1
(ID=1240)
APN Name SIM1 (ID=1242)
APN Password SIM1 (ID=1244)
S8[30]
8.4.12 APN Password SIM2 (ID=206)
Parameter defines APN password. In case operator does not use password for login, value
should be empty.
Minimum
value
Maximum
value
Recommended
value
Goes with (depends on)
parameters
Value
type
Empty
30 char
string
-
GPRS content activation SIM1
(ID=1240)
APN Name SIM1 (ID=1242)
APN username SIM1 (ID=1243)
S8[30]
8.4.13 SMS Login (ID=1252)
User login is used to ensure module security. Used in every SMS that is sent to device.
Example: ba321
Minimum
value
Maximum
value
Recommended
value
Goes with (depends on)
parameters
Value
type
Empty
5 char
-
SMS Password (ID=1253)
S8[5]
8.4.14 SMS Password (ID=1253)
User password is used to ensure module security. Used in every SMS that is sent to device.
Example: ab123
Minimum
value
Maximum
value
Recommended
value
Goes with (depends on)
parameters
Value
type
Empty
5 char
-
S8[5]
8.4.15 SMS data sending settings (ID=1250)
Parameter allows or does not allow sending AVL data using binary SMS. If SMS use is not
allowed value is 0 and 1 if SMS use is allowed.
Minimum
value
Maximum
value
Recommended
value
Goes with (depends on)
parameters
Value
type
0
1
-
SMS Data send week time
schedule (ID=1273)
S8

63
8.4.16 SMS Data send week time schedule (ID=1273)
Parameter defines SMS data sending according to week time schedule. This parameter is
used to set data sending on selected week days and hours. Minimum time step is 10 minutes.
Example value: 7F,FF,FF,FF,FF,FF,FF,FF,FF,FF,FF,FF,FF,FF,FF,FF,FF,FF,FF
For more information read 8.5.1.4 “Schedule parameter format”.
8.4.17 Authorized phone numbers (ID=1260-1269)
If at least one number is entered then only those number can send messages to device.
Number must be entered without “+” or “00”.
Example: 37060012346
Minimum
value
Maximum
value
Recommended
value
Goes with (depends on)
parameters
Value
type
1 digit
16 digits
-
S8[17]
If SMS data sending is enabled (ID=1250) first value in a list is server GSM number. The SMS with
24 coordinates is sent to this number.
8.4.18 SMS Event PreDefined Numbers (ID=150-159)
In this field are written GSM numbers, to which will be sent “Event SMS” text message.
Number must be entered without “+” or “00”.
Example: 37060012346
Minimum
value
Maximum
value
Recommended
value
Goes with (depends on)
parameters
Value
type
1 digit
16 digits
-
S8[17]
8.4.19 Operator List for SIM1 (ID=1271 X)
Parameter defines operator list. According to this list module selects operating profile.
GSM operator codes are comma separated. First in a list is Home Operator Code, then Preferred
Roaming Operator Codes are written.
X defines starting position that is changed: If X is from 0 to 49, X means index of operator
code which has to be configured. Up to 20 operator codes may be configured in 1 SMS. Example:
setparam 1271 16 24602,24603,24605
Here 16th, 17th and 18th operator codes are set. Note! Other operator codes are left
unchanged in the configuration.
Minimum
value
Maximum
value
Recommended
value
Goes with (depends on)
parameters
Value
type
Empty
7 digits
-
U32
8.4.20 Operator list for SIM2 (ID=212 X)
Parameter defines operator list. According to this list module selects operating profile.
GSM operator codes are comma separated. First in a list is Home Operator Code, then Preferred
Roaming Operator Codes are written.

64
X defines starting position that is changed: If X is from 0 to 49, X means index of operator
code which has to be configured. Up to 20 operator codes may be configured in 1 SMS. Example:
setparam 212 16 24602,24603,24605
Here 16th, 17th and 18th operator codes are set. Note! Other operator codes are left
unchanged in the configuration.
Minimum
value
Maximum
value
Recommended
value
Goes with (depends on)
parameters
Value
type
Empty
7 digits
-
U32
8.5 Data Acquisition Modes parameters
8.5.1 Home Network GSM operator code “Vehicle on STOP” parameters
8.5.1.1 Min Period (ID=1540)
This parameter indicates time interval in seconds in order to acquire new record. If value is
0 it means no records by min period will be saved.
Minimum
value
Maximum
value
Recommended
value
Goes with (depends on)
parameters
Value
type
0
2592000
-
U32
8.5.1.2 Min Saved Records (ID=1543)
This parameter defines minimum number of records in one data packet that can be sent to
server. It has higher priority than Data Send Period (ID=1544).
Minimum
value
Maximum
value
Recommended
value
Goes with (depends on)
parameters
Value
type
1
255
1
GPRS Week Time (ID=1545)
U8
8.5.1.3 Send Period (ID=1544)
This parameter indicates frequency (time interval in seconds) of sending data to server.
Minimum
value
Maximum
value
Recommended
value
Goes with (depends on)
parameters
Value
type
0
2592000
-
Min Saved Records (ID=1543)
GPRS Week Time (ID=1545)
U32
8.5.1.4 GPRS Week Time (ID=1545)
This parameter manages when it is allowed to open GPRS context. When module starts it is
prohibited to open the context. When modem’s GPRS context is closing (for example changing
network) it is allowed to open it only at a defined time. It is possible to allow connections every
10 minutes up to once per day.
Example value: 7F,FF,FF,FF,FF,FF,FF,FF,FF,FF,FF,FF,FF,FF,FF,FF,FF,FF,FF
Schedule parameter format:
Time is defined as 19 byte array. First byte of array defines week days; the rest 18 bytes
define timestamps with 10 minute interval. In first byte, first bit (LSB) defines if module should
connect to GPRS (send SMS) on Monday, second bit – on Tuesday and so on up to seventh bit –
which means Sunday. Eighth bit (MSB) is not used. If bits value is 0 then device is not allowed to

65
open GPRS context, but if it is already open – does not close it. If value is 1 it will work as day
minutes are defined in rest of the bytes. Day’s minutes are defined by 18 bytes (144 bits). Every
nth bit (beginning from the first bit (LSB) and ending 18 bytes 8th bit (MSB)) indicates every 10th
minute of the day (day has 1440 minutes).
Sample: GPRS will be allowed on Monday to Friday at 8:00 and 16:00 GMT. The following
value should be configured:
00011111 00000000 00000000 00000000 000000000 00000000 00000000 00000001 00000000 00000000
00000000 00000000 00000000 000000001 00000000 00000000 00000000 00000000 00000000
Red bits indicate that GPRS will be allowed every day except Saturdays and Sundays. Blue
bits indicate 480 and 720 minutes (480min = 8h and 720min = 16h). So the parameter value
should be: 1F,00,00,00,00,00,00,01,00,00,00,00,00,01,00,00,00,00,00
It should be sent as UTF8 encoded string.
8.5.2 Home Network GSM operator code “Vehicle MOVING” parameters
8.5.2.1 Min Period (ID=1550)
This parameter indicates time interval in seconds in order to acquire new record. If value is
0 it means no records by min period will be saved.
Minimum
value
Maximum
value
Recommended
value
Goes with (depends on)
parameters
Value
type
0
2592000
-
Min Distance (ID=1551)
Min Angle (ID=1552)
GPRS Week Time (ID=1555)
U32
8.5.2.2 Min Distance (ID=1551)
This parameter indicates distance in meters in order to acquire new record. Record is
stored when the distance between previous records is greater than parameters value. If value is
0 it means no records by min distance will be saved.
Minimum
value
Maximum
value
Recommended
value
Goes with (depends on)
parameters
Value
type
0
65535
-
Min Period (ID=1550)
Min Angle (ID=1552)
GPRS Week Time (ID=1555)
U32
8.5.2.3 Min Angle (ID=1552)
This parameter indicates angle in degrees in order to acquire new record. If angle
difference between last recorded coordinate and current position is greater than defined value,
new record is stored. This parameter is operational, when speed is higher than 10km/h. If value
is 0 it means no records by min angle will be saved.
Minimum
value
Maximum
value
Recommended
value
Goes with (depends on)
parameters
Value
type
0
180
-
Min Period (ID=1550)
Min Distance (ID=1551)
GPRS Week Time (ID=1555)
U16

66
8.5.2.4 Min Saved Records (ID=1553)
This parameter defines minimum number of records in one data packet that can be sent to
server. It has higher priority than Data Send Period (ID=1554).
Minimum
value
Maximum
value
Recommended
value
Goes with (depends on)
parameters
Value
type
1
255
1
Min Period (ID=1550)
Min Distance (ID=1551)
Min Angle (ID=1552)
GPRS Week Time (ID=1555)
U8
8.5.2.5 Send Period (ID=1554)
This parameter indicates frequency (time interval in seconds) of sending data to server.
Minimum
value
Maximum
value
Recommended
value
Goes with (depends on)
parameters
Value
type
0
2592000
-
GPRS Week Time (ID=1545)
U32
8.5.2.6 GPRS Week Time (ID=1555)
Read 8.5.1.4.
8.5.3 Roaming Network GSM operator code “Vehicle on STOP” parameters
8.5.3.1 Min Period (ID=1560)
This parameter indicates time interval in seconds in order to acquire new record. If value is
0 it means no records by min period will be saved.
Minimum
value
Maximum
value
Recommended
value
Goes with (depends on)
parameters
Value
type
0
2592000
-
U32
8.5.3.2 Min Saved Records (ID=1563)
This parameter defines minimum number of records in one data packet that can be sent to
server. It has higher priority than Data Send Period (ID=1564).
Minimum
value
Maximum
value
Recommended
value
Goes with (depends on)
parameters
Value
type
1
255
1
GPRS Week Time (ID=1565)
U8
8.5.3.3 Send Period (ID=1564)
This parameter indicates frequency (time interval in seconds) of sending data to server.
Minimum
value
Maximum
value
Recommended
value
Goes with (depends on)
parameters
Value
type
0
2592000
-
Min Saved Records (ID=1563)
GPRS Week Time (ID=1565)
U32
8.5.3.4 GPRS Week Time (ID=1565)
Read chapter 8.5.1.4.

67
8.5.4 Roaming Network GSM operator code “Vehicle MOVING” parameters
8.5.4.1 Min Period (ID=1570)
This parameter indicates time interval in seconds in order to acquire new record. If value is
0 it means no records by min period will be saved.
Minimum
value
Maximum
value
Recommended
value
Goes with (depends on)
parameters
Value
type
0
2592000
-
Min Distance (ID=1571)
Min Angle (ID=1572)
GPRS Week Time (ID=1575)
U32
8.5.4.2 Min Distance (ID=1571)
This parameter indicates distance in meters in order to acquire new record. Record is
stored when the distance between previous records is greater than parameter’s value. If value is
0 it means no records by min distance will be saved.
Minimum
value
Maximum
value
Recommended
value
Goes with (depends on)
parameters
Value
type
0
65535
-
Min Period (ID=1570)
Min Angle (ID=1572)
GPRS Week Time (ID=1575)
U32
8.5.4.3 Min Angle (ID=1572)
This parameter indicates angle in degrees in order to acquire new record. If angle
difference between last recorded coordinate and current position is greater than defined value,
new record is stored. This parameter is operational, when speed is higher than 10km/h. If value
is 0 it means no records by min angle will be saved.
Minimum
value
Maximum
value
Recommended
value
Goes with (depends on)
parameters
Value
type
0
180
-
Min Period (ID=1570)
Min Angle (ID=1572)
GPRS Week Time (ID=1575)
U16
8.5.4.4 Min Saved Records (ID=1573)
This parameter defines minimum number of records in one data packet that can be sent to
server. It has higher priority than Data Send Period (ID=1574).
Minimum
value
Maximum
value
Recommended
value
Goes with (depends on)
parameters
Value
type
1
255
1
Min Period (ID=1570)
Min Distance (ID=1571)
Min Angle (ID=1572)
GPRS Week Time (ID=1575)
U8
8.5.4.5 Send Period (ID=1574)
This parameter indicates frequency (time interval in seconds) of sending data to server.

68
Minimum
value
Maximum
value
Recommended
value
Goes with (depends on)
parameters
Value
type
0
2592000
-
Min Saved Records (ID=1573)
GPRS Week Time (ID=1575)
U32
8.5.4.6 GPRS Week Time (ID=1575)
Read chapter 8.5.1.4.
8.5.5 Unknown Network GSM operator code “Vehicle on STOP” parameters
8.5.5.1 Min Period (ID=1580)
This parameter indicates time interval in seconds in order to acquire new record. If value is
0 it means no records by min period will be saved.
Minimum
value
Maximum
value
Recommended
value
Goes with (depends on)
parameters
Value
type
0
2592000
-
U32
8.5.5.2 Min Saved Records (ID=1583)
This parameter defines minimum number of records in one data packet that can be sent to
server. It has higher priority than Data Send Period (ID=1584).
Minimum
value
Maximum
value
Recommended
value
Goes with (depends on)
parameters
Value
type
1
255
1
GPRS Week Time (ID=1585)
U8
8.5.5.3 Send Period (ID=1584)
This parameter indicates frequency (time interval in seconds) of sending data to server.
Minimum
value
Maximum
value
Recommended
value
Goes with (depends on)
parameters
Value
type
0
2592000
-
Min Saved Records (ID=1583)
GPRS Week Time (ID=1585)
U32
8.5.5.4 GPRS Week Time (ID=1585)
Read chapter 8.5.1.4.
8.5.6 Unknown Network GSM operator code “Vehicle MOVING” parameters
8.5.6.1 Min Period (ID=1590)
This parameter indicates time interval in seconds in order to acquire new record. If value is
0 it means no records by min period will be saved.
Minimum
value
Maximum
value
Recommended
value
Goes with (depends on)
parameters
Value
type
0
2592000
-
Min Distance (ID=1571)
Min Angle (ID=1572)
GPRS Week Time (ID=1575)
U32

69
8.5.6.2 Min Distance (ID=1591)
This parameter indicates distance in meters in order to acquire new record. Record is
stored when the distance between previous records is greater than parameter’s value. If value is
0 it means no records by min distance will be saved.
Minimum
value
Maximum
value
Recommended
value
Goes with (depends on)
parameters
Value
type
0
65535
-
Min Period (ID=1570)
Min Angle (ID=1572)
GPRS Week Time (ID=1575)
U32
8.5.6.3 Min Angle (ID=1592)
This parameter indicates angle in degrees in order to acquire new record. If angle
difference between last recorded coordinate and current position is greater than defined value,
new record is stored. This parameter is operational, when speed is higher than 10km/h. If value
is 0 it means no records by min angle will be saved.
Minimum
value
Maximum
value
Recommended
value
Goes with (depends on)
parameters
Value
type
0
180
-
Min Period (ID=1570)
Min Angle (ID=1572)
GPRS Week Time (ID=1575)
U16
8.5.6.4 Min Saved Records (ID=1593)
This parameter defines minimum number of records in one data packet that can be sent to
server. It has higher priority than Data Send Period (ID=1594).
Minimum
value
Maximum
value
Recommended
value
Goes with (depends on)
parameters
Value
type
1
255
1
Min Period (ID=1590)
Min Distance (ID=1591)
Min Angle (ID=1592)
GPRS Week Time (ID=1595)
U8
8.5.6.5 Send Period (ID=1594)
This parameter indicates frequency (time interval in seconds) of sending data to server. In
order to send data to server GPRS parameters must be enabled
Minimum
value
Maximum
value
Recommended
value
Goes with (depends on)
parameters
Value
type
0
2592000
-
Min Saved Records (ID=1593)
GPRS Week Time (ID=1595)
U32
8.5.6.6 GPRS Week Time (ID=1595)
Read chapter 8.5.1.4.

70
8.6 Features Parameters
8.6.1 Digital Output No.1 usage scenarios (ID=1600)
Device can operate in its scenario according to selected value: No Scenario for Digital No.1
selected (value 0); Green Driving selected (value 1), Overspeeding selected (value 2).
Minimum
value
Maximum
value
Recommended
value
Goes with (depends on)
parameters
Value
type
0
2
-
U8
8.6.1 Max Acceleration Force (ID=1602)
It is max allowed acceleration force which can be reached while accelerating without
triggering harsh acceleration event.
Minimum
value
Maximum
value
Recommended
value
Goes with (depends on)
parameters
Value
type
0.25
0.85
0.25
Digital Output No.1 usage
scenarios (ID=1600)
Float
8.6.2 Max Braking Force (ID=1603)
It is max allowed braking force which can be reached while braking without triggering
harsh braking event.
Minimum
value
Maximum
value
Recommended
value
Goes with (depends on)
parameters
Value
type
0.25
0.85
0.35
Digital Output No.1 usage
scenarios (ID=1600)
Float
8.6.3 Max Angular Velocity (ID=1604)
It is max allowed cornering angle which can be reached while cornering without triggering
harsh cornering event.
Minimum
value
Maximum
value
Recommended
value
Goes with (depends on)
parameters
Value
type
0.1
1.0
-
Digital Output No.1 usage
scenarios (ID=1600)
U16
8.6.4 Max allowed Speed (ID=1605)
It is max allowed speed which can be reached. If this value exceeded Over speeding event
will occur.
Minimum
value
Maximum
value
Recommended
value
Goes with (depends on)
parameters
Value
type
0
260
-
Digital Output No.1 usage
scenarios (ID=1600)
U16
8.6.5 Digital Output No.2 usage scenarios (ID=1601)
Device can operate in its scenario according to selected value: No Scenario for Digital No.2
selected (value 0); Authorized Driving (value 1), Immobilizer (value 2).

71
Minimum
value
Maximum
value
Recommended
value
Goes with (depends on)
parameters
Value
type
0
2
-
iButton List (ID=1610-1659)
U8
8.6.6 Trip (ID=1280)
This parameter enables ability to detect START and STOP of the trip.
Minimum
value
Maximum
value
Recommended
value
Goes with (depends on)
parameters
Value
type
0
1
-
U8
8.6.7 Start Speed (ID=1281)
This parameter represents speed, which is detected as minimum speed to indicate TRIP
START and generate event.
Minimum
value
Maximum
value
Recommended
value
Goes with (depends on)
parameters
Value
type
0
255
-
Trip (ID=1280)
U8
8.6.8 Ignition Off Timeout (ID=1282)
This parameter represents timeout to wait if ignition is off in order to detect TRIP STOP and
generate event.
Minimum
value
Maximum
value
Recommended
value
Goes with (depends on)
parameters
Value
type
0
65535
-
Trip (ID=1280)
U16
8.6.9 Trip Continuous distance counting (ID=1283)
For this feature I/O#11 ODOMETER must be enabled. If I/O ODOMETER is enabled, and
Continuous distance counting variable is set to Continuous (value 1), TRIP distance is going to be
counted continuously (from TRIP start to TRIP stop) and shown as I/O ODOMETER value.
Minimum
value
Maximum
value
Recommended
value
Goes with (depends on)
parameters
Value
type
0
1
-
Trip (ID=1280)
I/O#11 – Odometer (ID = 1410-
1415)
U8
8.6.10 Geofencing
In this chapter it is explained how to get all parameters for the first Geofence zone (all ID
numbers are for the 1st zone). And at the end of the chapter (part 8.6.10) is presented a table
with the IDs of all the rest Geofence zones.
8.6.10.1 Frame border (ID=1020)
Geofence border thickness, measured in meters.

72
Minimum
value
Maximum
value
Recommended
value
Goes with (depends on)
parameters
Value
type
0
1000000
1000
All Geofencing parameters
U32
8.6.10.2 Geofence Zone #1 Shape (ID=1030)
Geofence shape parameter can be: circle – value 0; rectangle – value 1.
Minimum
value
Maximum
value
Recommended
value
Goes with (depends on)
parameters
Value
type
0
1
-
All Geofencing parameters
U8
8.6.10.3 Geofence Zone #1 Priority (ID=1031)
Parameter defines Geofence priority: 0 is low, 1 – high, 2 – panic;
Minimum
value
Maximum
value
Recommended
value
Goes with (depends on)
parameters
Value
type
0
2
-
All Geofencing parameters
U8
8.6.10.4 Geofence Zone #1 Generate Event (ID=1032)
Generate event on:
a) No event – value 0
b) On entering zone – value 1;
c) On exiting zone – value 2;
d) On both – value 3;
Minimum
value
Maximum
value
Recommended
value
Goes with (depends on)
parameters
Value
type
0
3
-
All Geofencing parameters
U8
8.6.10.5 Geofence Zone #1 Longitude (X1) (ID=1033)
Parameter has two meanings dependent on zone shape. If shape is a rectangle, then
ID=10333 is left down corner X coordinate. If shape is a circle, then ID=1033 is center of that
circle X coordinate.
Sample value: 25.30528
Minimum
value
Maximum
value
Recommended
value
Goes with (depends on)
parameters
Value
type
-180
180
-
All Geofencing parameters
Float
8.6.10.6 Geofence Zone #1 Latitude (Y1) (ID=1034)
Parameter has two meanings dependent on zone shape. If shape is a rectangle, then
ID=1034 is left down corner Y coordinate. If shape is a circle, then ID=1034 is center of that circle
Y coordinate.
Minimum
value
Maximum
value
Recommended
value
Goes with (depends on)
parameters
Value
type
-90
90
-
All Geofencing parameters
Float

73
8.6.10.7 Geofence Zone #1 Longitude (X2) (ID=1035)
Parameter has two meanings depending on zone shape. If shape is a rectangle, then
ID=1035 is right upper corner X coordinate. If shape is a circle, then ID=1035 is radius of circle
with center of ID=1033 and ID=1034.
For rectangle:
Minimum
value
Maximum
value
Recommended
value
Goes with (depends on)
parameters
Value
type
-180
180
-
All Geofencing parameters
Float
For circle:
Minimum
value
Maximum
value
Recommend
ed value
Goes with (depends on)
parameters
Value
type
0
1000000
1000
All Geofencing parameters
Float
8.6.10.8 Geofence Zone #1 Latitude (Y2) (ID=1036)
If shape is rectangular, then ID=1036 is right upper corner Y coordinate. If shape circle,
ID=1036 is not used.
Minimum
value
Maximum
value
Recommended
value
Goes with (depends on)
parameters
Value
type
-90
90
-
All Geofencing parameters
Float
Other 4 GeoFence zone’s parameters have the same logic as shown in GeoFence Zone #1.
GeoFence
Zone
Number
Geofence
Zone’s
parameters
1
1030-1036
2
1040-1046
3
1050-1056
4
1060-1066
5
1070-1076
8.6.11 AutoGeofencing
8.6.11.1 Enable/Disable (ID=1101)
Enable – value 1; disable – value 0;
Minimum
value
Maximum
value
Recommended
value
Goes with (depends on)
parameters
Value
type
0
1
1
U8
8.6.11.2 Activation Timeout (ID=1102)
Parameter represents AutoGeofencing activation timeout in seconds.
Minimum
value
Maximum
value
Recommended
value
Goes with (depends on)
parameters
Value
type
0
65535
60
Enable/Disable (ID=1101)
U16
8.6.11.3 Deactivate by (ID=1100)
Parameter defines Autogeofence deactivation source. Value 1 is dedicated for attached
iButton, value 0 – for Ignition.

74
Minimum
value
Maximum
value
Recommended
value
Goes with (depends on)
parameters
Value
type
0
1
-
Enable/Disable (ID=1101)
iButton List (ID=1610-1659)
U8
8.6.11.4 AutoGeofence event Priority (ID=1103)
Parameter defines AutoGeofence event priority: 0 is low, 1 – high;
Minimum
value
Maximum
value
Recommended
value
Goes with (depends on)
parameters
Value
type
0
1
1
Enable/Disable (ID=1101)
AutoGeofence event generating
(ID=1104)
U8
8.6.11.5 AutoGeofence event generating (ID=1104)
Generate event: 0 – no event, 1 - on entering zone; 2 – on exiting zone; 3 – on both;
Minimum
value
Maximum
value
Recommended
value
Goes with (depends on)
parameters
Value
type
0
3
2
Enable/Disable (ID=1101)
AutoGeofence event Priority
(ID=1103)
U8
8.6.11.6 Radius (ID=1105)
Parameter represents radius of circle with center device coordinates after activating
AutoGeofence feature.
Minimum
value
Maximum
value
Recommended
value
Goes with (depends on)
parameters
Value
type
0
1000000
100
Enable/Disable (ID=1101)
Deactivate by (ID=1100)
U32
8.6.12 iButton List (ID=1610-1659)
Read 5.4.4.
Minimum
value
Maximum
value
Recommended
value
Goes with (depends on)
parameters
Value
type
0
FFFFFFFF
FFFFFFFF
-
Digital Output No.2 usage
scenarios (ID=1601)
Deactivate by (ID=1100)
U64
8.7 I/O parameters
I/O properties are additional data sources which are recorded along with usual GPS data.
8.7.1 I/O#1 property parameter (ID=1300)
Parameter defines I/O property value. Possible values: enabled (1), disabled (0).
Minimum
value
Maximum
value
Recommended
value
Goes with (depends on)
parameters
Value
type
0
1
-
I/O#1 priority (ID=1301)
I/O#1 High level (ID=1302)
S8

75
I/O#1 Low level (ID=1303)
I/O#1 logic operand (ID=1304)
I/O#1 averaging length (ID=1305)
8.7.2 I/O#1 priority (ID=1301)
Parameter defines I/O property type of priority: 0 is low, 1 – high, 2 – panic.
Minimum
value
Maximum
value
Recommended
value
Goes with (depends on)
parameters
Value
type
0
2
0
I/O#1 property parameter
(ID=1300)
I/O#1 High level (ID=1302)
I/O#1 Low level (ID=1303)
I/O#1 logic operand (ID=1304)
I/O#1 averaging length (ID=1305)
S8
8.7.3 I/O#1 High level (ID=1302)
Parameter defines high value of triggered I/O property. This parameter is used to set
thresholds for I/O properties to generate events.
Minimum
value
Maximum
value
Recommended
value
Goes with (depends on)
parameters
Value
type
-2147483648
2147483647
1
I/O#1 property parameter (ID=1300)
I/O#1 priority (ID=1301)
I/O#1 Low level (ID=1303)
I/O#1 logic operand (ID=1304)
I/O#1 averaging length (ID=1305)
S32
8.7.4 I/O#1 Low level (ID=1303)
Parameter defines low value of triggered I/O property. This parameter is used to set
thresholds for I/O properties to generate events.
Minimum
value
Maximum
value
Recommended
value
Goes with (depends on)
parameters
Value
type
-2147483648
2147483647
0
I/O#1 property parameter (ID=1300)
I/O#1 priority (ID=1301)
I/O#1 High level (ID=1302)
I/O#1 logic operand (ID=1304)
I/O#1 averaging length (ID=1305)
S32
8.7.5 I/O#1 logic operand (ID=1304)
Parameter defines when event is sent: 0 – on range exit, 1 – on range entrance, 2 – both,
3 – monitoring, 4 – hysteresis.

76
Minimal
value
Maximum
value
Recommended
value
Goes with (depends on)
parameters
Value
type
0
4
3
I/O#1 property parameter
(ID=1300)
I/O#1 priority (ID=1301)
I/O#1 High level (ID=1302)
I/O#1 Low level (ID=1303)
I/O#1 averaging length (ID=1305)
S8
8.7.6 I/O#1 averaging length (ID=1305)
Parameter defines I/O property sample length to average. If no averaging needed default
value is 1.
Minimum
value
Maximum
value
Recommended
value
Goes with (depends on)
parameters
Value
type
0
2592000
1
I/O#1 property parameter
(ID=1300)
I/O#1 priority (ID=1301)
I/O#1 High level (ID=1302)
I/O#1 Low level (ID=1303)
I/O#1 logic operand (ID=1304)
S32
Other I/O property elements can be configured in same logic. All I/O element parameters
are listed in the next table.
I/O Element Number
I/O element
parameters
I/O#0 – Digital input 1
1300 – 1305
I/O#1 – Digital input 2
1310 – 1315
I/O#2 – Digital input 3
1320 – 1325
I/O#3 – Analog input
1330 – 1335
I/O#4 – Digital output 1
1340 – 1345
I/O#5 – Digital output 2
1350 – 1355
I/O#6 – PDOP
1360 – 1365
I/O#7 – HDOP
1370 – 1375
I/O#8 – Power voltage
1380 – 1385
I/O#9 – GPS power
1390 – 1395
I/O#10 – Movement sensor
1400 – 1405
I/O#11 – Odometer
1410 – 1415
I/O#12 – Actual operator Code
1420 – 1425
I/O#13 – Speedometer
1430 – 1435
I/O#14 – iButton ID
1440 – 1445
I/O#15 – Operating Mode
1450 – 1455
I/O#16 – GSM Signal
1460 – 1465
I/O#17 – Deep Sleep
1470 – 1475
I/O#18 – Cell ID
1480 – 1485
I/O#19 – Area Code
1490 – 1495
I/O#20 – Temperature
1500 – 1505

77
8.8 SMS event configuration
8.8.1 I/O#1 element SMS event configuration (ID=100)
Command sets SMS warning on I/O#1 element.
SMS Format: setparam X,Y,W,Z
X – ID
Y – Enable/Disable (0/1)
W – Telephone number INDEX (See 8.4.13 SMS Event Predefined Numbers paragraph, ID
150 – INDEX 1; ID151 – INDEX 2, …)
Z – SMS Text
Example: “setparam 100 1,5,Digital Input 1 Event!”
Other I/O element SMS events can be configured in same logic. All I/O element SMS event
IDs are listed in the next table.
Element name (default
SMS Event Text)
ID
Digital Input 1
100
Digital Input 2
101
Digital Input 3
102
Analog Input
103
Digital Output 1
104
Digital Output 2
105
GPS PDOP
106
GPS HDOP
107
External Voltage
108
GPS Power
109
Movement Sensor
110
Odometer Value
111
GSM Operator
112
Speed
113
iButton ID
114
Data Mode
115
GSM Signal
116
Deep Sleep
117
Cell ID
118
Area Code
119
Dallas Temperature
120
Reserved
121
Reserved
122
Reserved
123

78
Reserved
124
Green Driving
125
OverSpeeding
126
Authorized Driving
127
Immobilizer
128
Trip
129
Geo Zone 1
130
Geo Zone 2
131
Geo Zone 3
132
Geo Zone 4
133
Geo Zone 5
134
Auto Geofence
135
Reserved
136
Reserved
137
Reserved
138
Reserved
139

79
9 MOUNTING RECOMMENDATIONS
9.1 Connecting Wires
Wires should be connected while module is not plugged in.
Wires should be fastened to the other wires or non-moving parts. Try to avoid heat
emitting and moving objects near the wires.
The connections should not be seen very clearly. If factory isolation was removed while
connecting wires, it should be applied again.
If the wires are placed in the exterior or in places where they can be damaged or exposed
to heat, humidity, dirt, etc., additional isolation should be applied.
Wires cannot be connected to the board computers or control units.
9.2 Connecting Power Source
Be sure that after the car computer falls asleep, power is still available on chosen wire.
Depending on car, this may happen in 5 to 30 minutes period.
When module is connected, be sure to measure voltage again if it did not decrease.
It is recommended to connect to the main power cable in the fuse box.
9.3 Connecting Ignition Wire
Be sure to check if it is a real ignition wire – power does not disappear while starting the
engine.
Check if this is not an ACC wire (when key is in the first position, most electronics of the
vehicle are available).
Check if power is still available when you turn off any of vehicles devices.
Ignition is connected to the ignition relay output. As alternative, any other relay, which
has power output, when ignition is on, may be chosen.
9.4 Connecting Ground Wire
Ground wire is connected to the vehicle frame or metal parts that are fixed to the frame.
If the wire is fixed with the bolt, the loop must be connected to the end of the wire.
For better contact scrub paint from the place where loop is connected.
PAY ATTENTION! Connecting the power supply must be carried out in a
very low impedance point on-board vehicle network. These points in the car
are the battery terminals. Therefore, we recommend connecting the power of
FM1100 (wire GND and POWER) directly to the battery terminals. Another valid
option is to connect the wires to the main POWER cable inside the fuse box (if
there is none, then to the power supply where the fuses of vehicle’s computer
are), wire GND must be connected in a special point, designed to connect GND
vehicle computer. Connecting the GND at an arbitrary point to the mass of the
car is unacceptable, as static and dynamic potentials on the line GND will be
unpredictable, which can lead to unstable FM1100 and even its failure.

80
9.5 Connecting Antennas
When placing antennas avoid easily reached places.
Avoid GPS antenna placement under metal surfaces.
Avoid placing FM1100 device near car radio, speakers or alarm systems.
GPS antenna must be placed so its state is as horizontal as possible (if antenna is leant
more than 30 degrees, it is considered incorrect mounting).
GPS antenna cable cannot be bent more than 80 degrees.
GPS antenna must be placed sticker facing down
Figure 52 Correct GPS antenna mounting
It is recommended to place GPS antenna behind dashboard as close to the window as
possible. A good example of GPS antenna placement is displayed in a picture below (area colored
green).
Figure 53 Correct placement of FM1100
9.6 Module Installation
Module should not be seen or easily reached.
Module should be firmly fixed to the surface or cables.
Module cannot be fixed to heat emitting or moving parts.
SIM card should be inserted in the module while the connector is plugged off (while
module has no power).

81
10 CHANGE LOG
Nr.
Date
Version
Comments
1
2011-04-15
0.3
Preliminary draft release.
2
2011-04-20
0.4
Preliminary draft release update.
3
2011-04-21
0.5
Preliminary draft release update.
4
2011-04-26
0.6
Preliminary draft release update.
5
2011-04-27
0.7
Preliminary draft release update.
6
2011-05-12
0.8
Preliminary draft release update.
7
2011-05-27
0.9
Preliminary draft release update.
8
2011-06-02
0.10
Preliminary draft release update.
9
2011-06-21
0.11
Preliminary draft release update.
10
2011-07-28
0.12
Preliminary draft release update.
11
2011-08-18
0.13
Preliminary draft release update.
12
2011-10-19
0.14
TTJ connection scheme update.
13
2011-11-02
0.15
Static Navigation mode added.
14
2011-12-19
0.16
Geofence zone #1 event configuration values corrected
15
2012-01-12
0.17
-Immobilizer relay description change (3.7)
-“GPS Power” I/O element added on I/O elements list (5.14)
-“Green Driving value” in bytes changed (5.14)
-Other minor changes
16
2012-02-02
0.18
Corrections in “Terminal” screen.
17
2012-02-03
0.19
Corrected Min Max Values of (Active Data Timeout, APN,
APN Username, Operator list, Min Period, Min send period,
start speed, max cornering velocity, frame border, For Circle
X2, High level, Low level, Average), name from Max Conering
Angle to Max Angular Velocity, enable/disable,
autogeofencing parameters values. Added new SMS
command readops #,
18
2012.03.16
1.0
Release. Changes in style. Minor changes in description.
Numeration of tables and figures corrected. Added “PAY
ATTENTION” box for Connecting Power Source and Ground
Wire. Screenshot changes. Updated “GPS features”. Updated
SMS command list.
19
2012.06.13
1.1
Fixed errors on pages 50-62
20
2012.06.14
1.2
SMS Event functionality added
21
2012.07.03
1.21
Detailed description of SMS Event functionality
22
2012.09.24
1.22
Minor changes
23
2012.09.27
1.23
ID value fixed
24
2012.10.02
1.24
Minor changes
25
2012.10.17
1.25
SMS Event configuration over SMS added
26
2012.10.18
1.26
Operational principals, Sleep modes paragraphs modified.
Sleep mode parameter ID edited.
27
2012.10.26
1.27
Chapter 6.1.7 SMS command “getinfo” description update

82
Fixed parameters IDs in chapters 8.5.6.1, 8.5.6.2 and 8.5.6.3.
28
2013.01.17
1.28
FM1100M and FM1100M+2SIM versions support added
29
2013.03.13
1.29
AIN measurement error and additional error values added
30
2013.07.18
1.31
Updated I/O settings