FO780
User Manual: FO780
Open the PDF directly: View PDF
.
Page Count: 102 [warning: Documents this large are best viewed by clicking the View PDF Link!]

1 - 1
FO-780A
No. 00ZFO780A/SME
CHAPTER 1. GENERAL DESCRIPTION
[1] Specifications ............................................ 1-1
[2] Operation panel......................................... 1-2
[3] Transmittable documents .......................... 1-3
[4] Installation ................................................. 1-4
[5] Quick reference guide ............................... 1-9
[6] Option imaging film specifications............1-10
CHAPTER 2. ADJUSTMENTS
[1] Adjustments............................................... 2-1
[2] Diagnostics and service soft switch .......... 2-2
[3] Troubleshooting...................................... 2-17
[4] Error code table....................................... 2-18
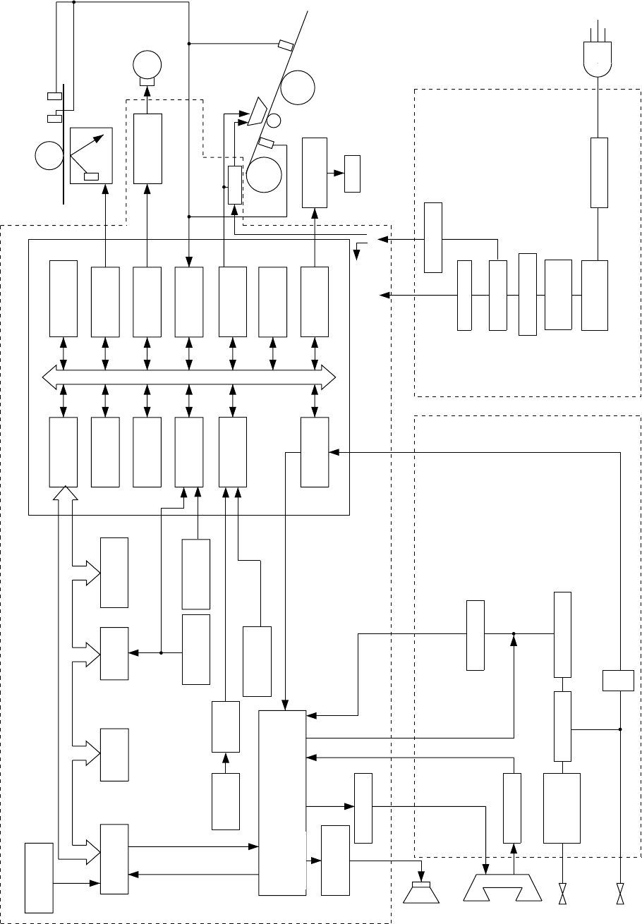
CHAPTER 3. MECHANISM BLOCKS
[1] General description .................................. 3-1
[2] Disassembly and assembly
procedures ....................................... 3-3
CHAPTER 4. DIAGRAMS
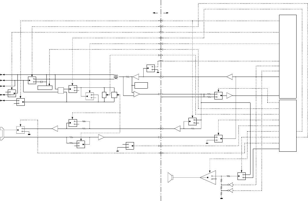
[1] Block diagram ............................................4-1
[2] Wiring diagram .......................................... 4-2
[3] Point-to-point diagram ............................... 4-3
CHAPTER 5. CIRCUIT DESCRIPTION
[1] Circuit description...................................... 5-1
[2] Circuit description of control PWB..............5-2
[3] Circuit description of TEL/LIU PWB .......... 5-8
[4] Circuit description of
power supply PWB ............................ 5-11
[5] Circuit description of CIS unit ................... 5-11
CHAPTER 6. CIRCUIT SCHEMATICS AND
PARTS LAYOUT
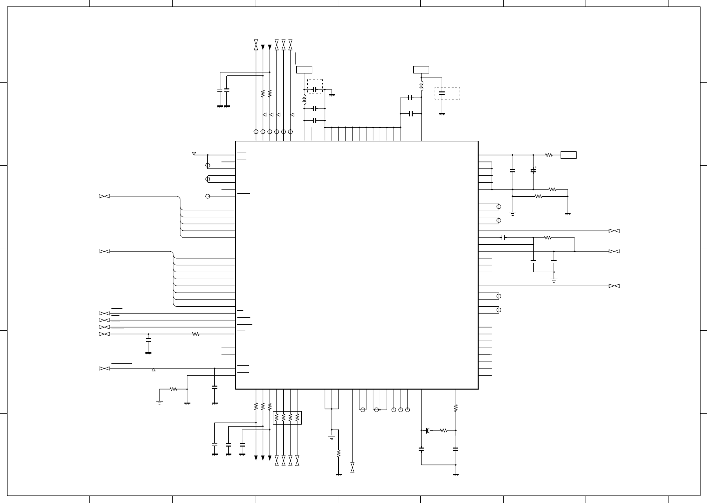
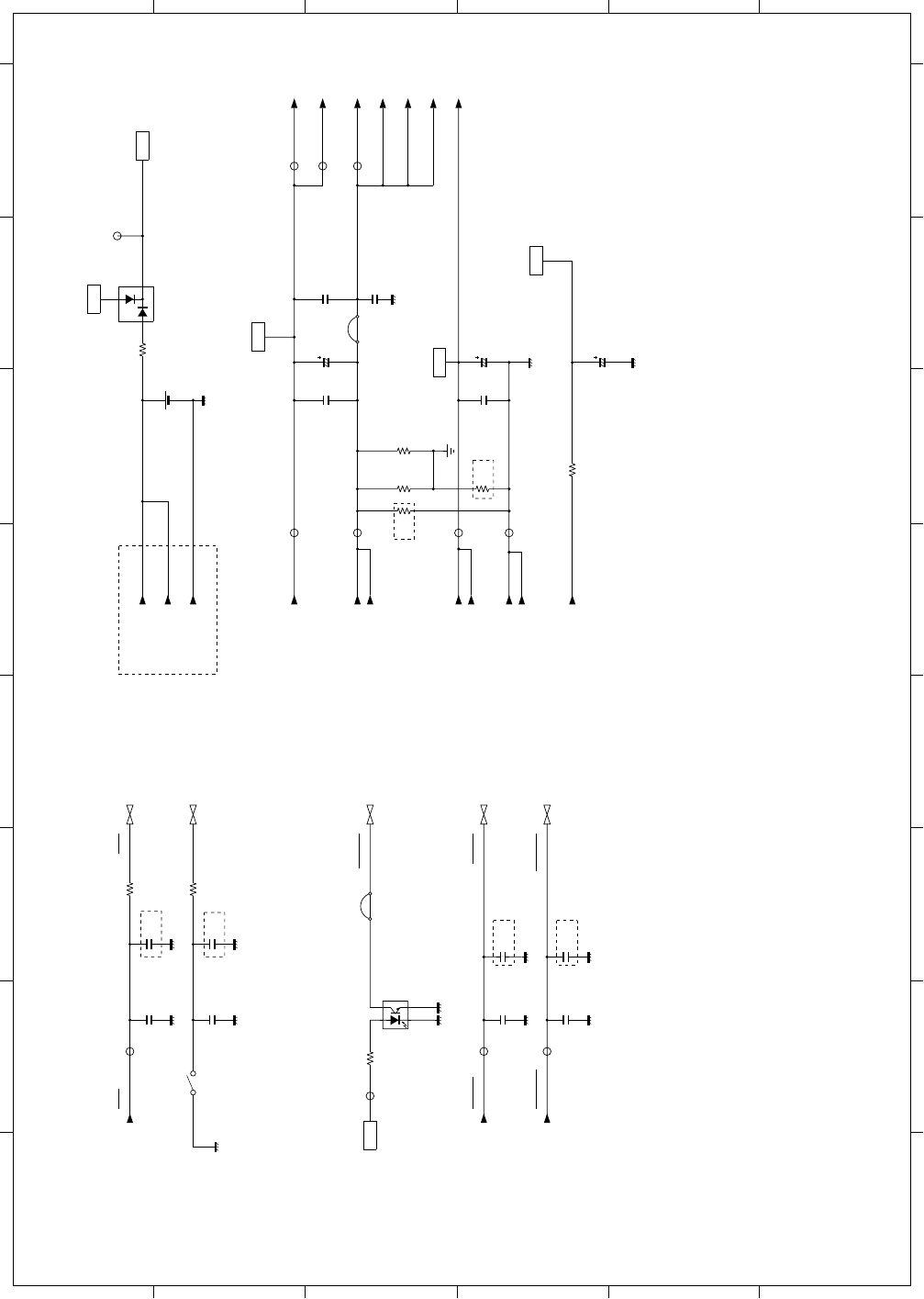
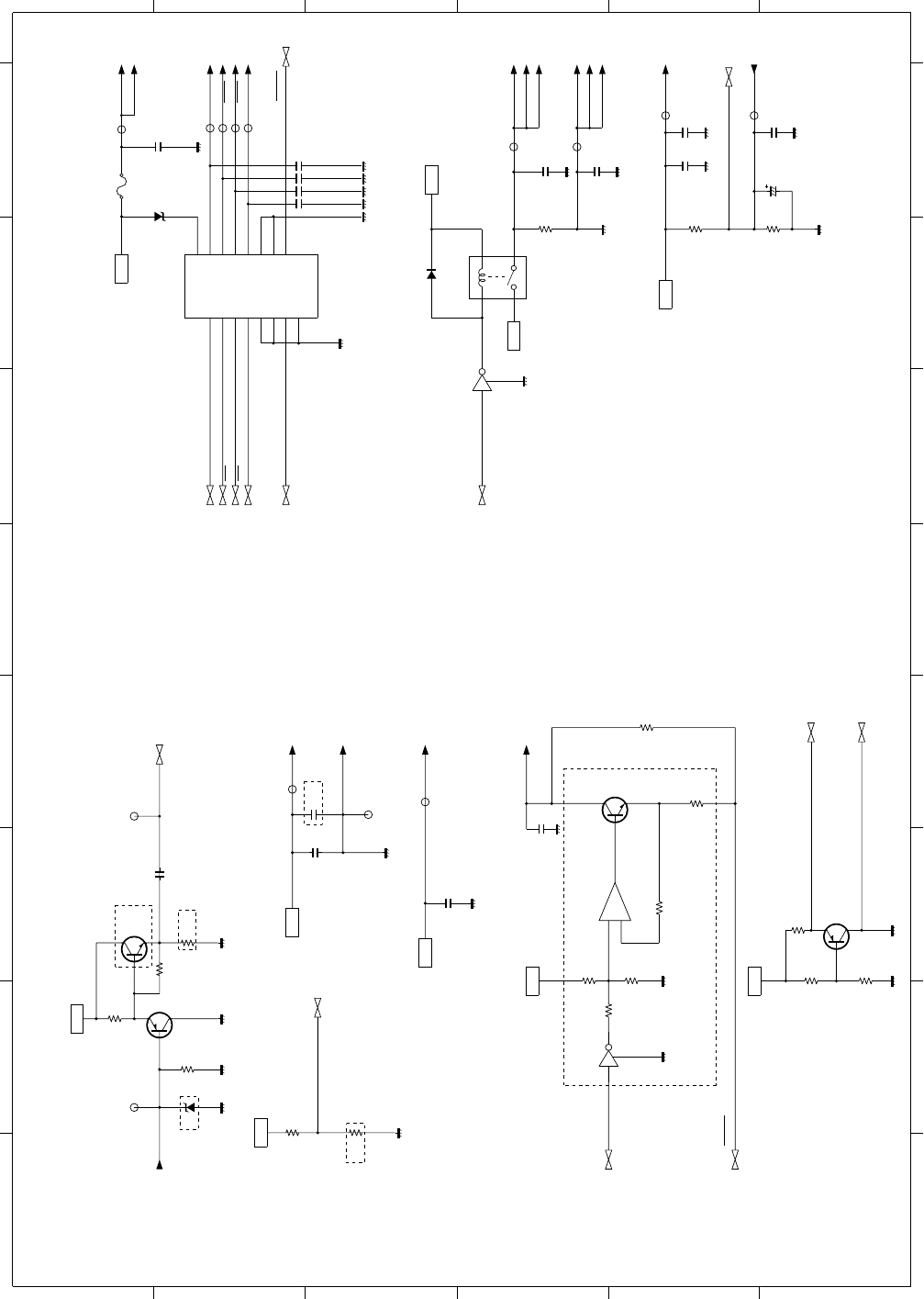
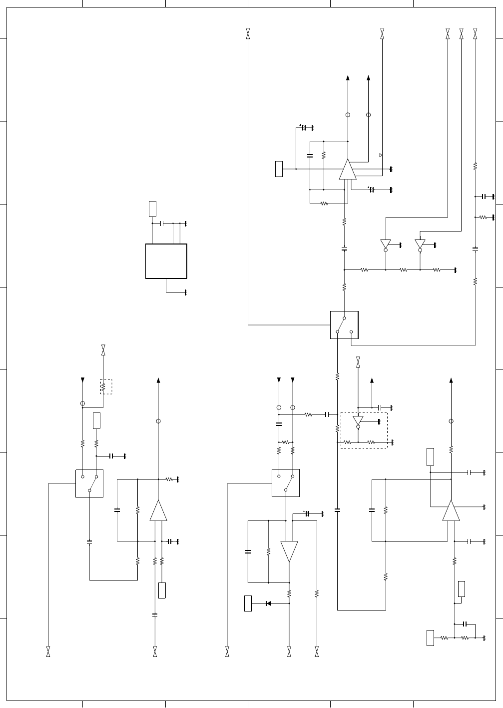
[1] Control PWB circuit ................................... 6-1
[2] TEL/LIU PWB circuit ................................. 6-9
[3] Power supply PWB circuit ....................... 6-11
[4] Operation panel PWB circuit ................... 6-13
CHAPTER 7. OPERATION FLOWCHART
[1] Protocol ..................................................... 7-1
[2] Power on sequence .................................. 7-2
CHAPTER 8. OTHERS
[1] Service tools.............................................. 8-1
[2] IC signal name .......................................... 8-4
PARTS GUIDE
CONTENTS
FACSIMILE
UX-300
MODEL FO-780
Parts marked with " " is important for maintaining the safety of the set. Be sure to replace these parts with specified ones for
maintaining the safety and performance of the set.
This document has been published to be used
for after sales service only.
The contents are subject to change without notice.
SHARP CORPORATION
SERVICE MANUAL

1 – 2
FO-780A
(Danish) ADVARSEL !
Lithiumbatteri-Eksplosionsfare ved fejlagtig håndtering.
Udskiftning må kun ske med batteri af samme fabrikat og type.
Levér det brugte batteri tilbage til leverandoren.
(English) Caution !
Danger of explosion if battery is incorrectly replaced.
Replace only with the same or equivalent type
recommended by the equipment manufacturer.
Discard used batteries according to manufacturer’s
instructions.
(Finnish) VAROITUS
Paristo voi räjähtää, jos se on virheellisesti asennettu.
Vaihda paristo ainoastaan laitevalmistajan suosittelemaan
tyyppiin. Hävitä käytetty paristo valmistajan ohjeiden
mukaisesti.
(French) ATTENTION
Il y a danger d’explosion s’ il y a remplacement incorrect
de la batterie. Remplacer uniquement avec une batterie du
même type ou d’un type recommandé par le constructeur.
Mettre au rébut les batteries usagées conformément aux
instructions du fabricant.
(Swedish) VARNING
Explosionsfare vid felaktigt batteribyte.
Använd samma batterityp eller en ekvivalent
typ som rekommenderas av apparattillverkaren.
Kassera använt batteri enligt fabrikantens
instruktion.
(German) Achtung
Explosionsgefahr bei Verwendung inkorrekter Batterien.
Als Ersatzbatterien dürfen nur Batterien vom gleichen Typ oder
vom Hersteller empfohlene Batterien verwendet werden.
Entsorgung der gebrauchten Batterien nur nach den vom
Hersteller angegebenen Anweisungen.
CAUTION FOR BATTERY REPLACEMENT

1 – 1
FO-780A
CHAPTER 1. GENERAL DESCRIPTION
[1] Specifications
Automatic dialing: Rapid Key Dialing: 8 numbers
Speed Dialing: 80 numbers
Imaging film: Initial starter roll (included with fax
machine): 10 m roll (approx. 30 A4
pages)
Replacement roll:
FO-3CR 30 m roll (two rolls in
package, one roll yields approx.
95 A4 pages)
Automatic document feeder: 10 sheets max.
Memory size* : 512 MB (approx. 30 average pages)
Modem speed: 9600 bps with automatic fallback to
7200, 4800, or 2400 bps
Transmission time* : Approx. 15 seconds (Sharp special mode)
Reception modes: FAX, TEL, TEL/FAX, A.M.
Resolution: Horizontal:
8 dots/mm
Vertical:
Standard: 3.85 lines/mm
Fine/Halftone: 7.7 lines/mm
Super fine: 15.4 lines/mm
Display: 16-digit LCD display
Recording system: Thermal transfer recording
Halftone (grayscale): 64 levels
Applicable telephone line: Public switched telephone network
Compatibility: ITU-T (CCITT) G3 mode
Compression scheme: MH, MR, Sharp
Scanning method: Sheet-feeder CIS (Contact Image Sensor)
Effective recording width: 204 max.
Input document size: Automatic feeding:
Width 148 to 210 mm
Length 140 to 297 mm
Manual feeding:
Width 148 to 210 mm
Length 140 to 600 mm
Effective scanning width: 210 mm max.
Contrast control: Automatic/Dark selectable
Copy function: Standard
Telephone function: Standard
(cannot be used for incoming/
outgoing if power fails)
Power requirements: 230-240 V AC, 50 Hz
Operating temperature: 5 to 35°C
Humidity: Maximum: 85 %
Power consumption: Stand-by: 2.3 W
Maximum: 115 W
Dimensions: Width: 343 mm
Depth: 313 mm
Height: 312 mm
Weight: Approx. 3.4 kg
* Based on ITU-T (CCITT) Test Chart #1 at standard resolution in Sharp
special mode, excluding time for protocol signals (i.e., ITU-T phase C
time only).
Note: The facsimile machine is Year 2000 compliant.
As a part of our policy of continuous improvement, SHARP reserves the right to make design and specification changes for procduct
improvement without prior notice. The performance specifications figures indicated are nominal values of production units. There may be some
deviation from these values in individual units.

1 – 2
FO-780A
[2] Operation panel
11 12 13 14
10
8
9
1 4 5 62 3
15
7
1. SPEED DIAL key
Press this key to dial a 2-digit Speed Dial number.
2. REDIAL key
Press this key to automatically redial the last number dialed.
3. Display
This displays messages and prompts during operation and
programming.
4. RECEPTION MODE key
Press this key to select the reception mode. An arrow in the
display will point to the currently selected reception mode.
5. RESOLUTION key
Press this key to adjust the resolution and contrast before
sending or copying a document.
6. VOLUME keys
Press these keys to adjust the volume of the speaker when the
SPEAKER key has been pressed, or the volume of the ringer
at all other times.
7. FUNCTION key
Press this key to select various special function.
8. Panel release
Grasp this finger hold and pull toward you to open the operation
panel.
9. Number keys
Use these keys to dial numbers, and enter numbers and letters
during number/name storing procedures.
10. HOLD/SEARCH key
Press this key to search for an automatic dialing number,
or, during a phone conversation, press this key to put the
other party on hold.
11. SPEAKER key
Press this key to hear the line and fax tones through the
speaker before sending a document, or dialing a voice
number.
Note: This is not a speakerphone. You must pick up the
handset to talk with the other party.
12. Rapid Dial keys
Press one of these keys to dial a fax or voice number
automatically. (Note that you must attach the Rapid Key
labels.)
13. STOP key
Press this key to cancel operations before they are
completed.
14. START/MEMORY key
Press this key to send or receive a document, or to scan a
document into memory before sending it.
15. COPY/HELP key
When a document is in the feeder, press this key to make
a copy. At any other time, press this key to print out the
Help List, a quick refernce guide to the opeation of your
fax.
JKL
SPEED
DIAL
REDIAL
SPEAKER
HOLD/
SEARCH
STOP
COPY/HELP
START
/
MEMORY
VOLUME
DOWN UP
RECEPTION
MODE
RESOLUTION FUNCTION
TEL FAX
A.M.
ABC
2
1
DEF
3
WXYZ
9
GHI
45
MNO
6
PQRS
7
TUV
8
0
TEL/FAX
08/POLL07060504
03
0201

1 – 3
FO-780A
[3] Transmittable documents
1. Document Sizes
* With special sizes, only one sheet can be fed into the machine at a
time. Insert next page into feeder as current page is being scanned.
2. Paper Thickness & Weight
Normal size width 148 – 216 mm
length 128 – 297 mm
5. Automatic Document Feeder Capacity
Number of pages that can be placed into the feeder at anytime is as
follows:
Normal size: max. ADF 10 sheets
Special size: single sheet only (manual feed)
NOTES: •When you need to send or copy more pages than the feeder
limit, place additional pages in feeder when last page in
feeder is being scanned.
•Place additional pages carefully and gently in feeder.
If force is used, double-feeding or a document jam may
result.
6. Readable Width & Length
The readable width and length of a document are slightly smaller than
the actual document size.
Note that characters or graphics outside the effective document scan-
ning range will not be read.
•Readable width
210mm, max.
•Readable length
This is the length of the document sent minus 5mm from the top and
bottom edges.
Use document carrier sheet for smaller documents.
Normal size ADF 10
sheets
2.4×10–3–3.4×10–3inch
(0.06–0.09 mm)
Thickness
Weight 0.15×10–3lbs/inch2
(52–80g/m2)
(14–20lbs)
Special size
Thickness 2.4×10–3–7.9×10–3inch
(0.06–0.20 mm)
0.15×10–3–0.20×10–3lbs/inch2
(52–157g/m2)
Weight
Readable width
3. Document Types
• Normal paper
Documents handwritten in pencil (No. 2 lead or softer), fountain
pen, ball-point pen, or felt-tipped pen can be transmitted.
Documents of normal contrast duplicated by a copying machine
can also be transmitted.
• Diazo copy (blue print)
Diazo copy documents of a normal contrast may be transmitted.
• Carbon copy
A carbon copy may be transmitted if its contrast is normal.
4. Cautions on Transmitting Documents
• Documents written in yellow, greenish yellow, or light blue ink cannot
be transmitted.
• Ink, glue, and correcting fluid on documents must be dry before
the documents can be transmitted.
• All clips, staples and pins must be removed from documents be-
fore transmission.
• Patched (taped) documents should be copied first on a copier and
then the copies used for transmission.
• All documents should be fanned before insertion into the feeder to
prevent possible double feeds.
5mm
5mm
Readable length
(Min.)
(Max.)
A4 size
(Max.)
128mm
297mm
1000mm
148mm 210mm
[
Normal size
]
210mm
[
Special size
]

1 – 4
FO-780A
7. Use of Document Carrier Sheet
A document carrier sheet must be used for the following documents.
• Those with tears.
•Those smaller than size 148mm (W) x 128mm (L) .
•Carbon-backed documents
NOTE: To transmit a carbon-backed document, insert a white sheet of
paper between the carbon back of the document and the docu-
ment carrier.
•Those containing an easily separable writing substance (e.g., trac-
ing paper written on with a soft, heavy lead pencil).
NOTES: •When using the document carrier, carefully read the in-
structions written on the back.
•If the document carrier is dirty, clean it with a soft, moist
cloth, and then dry it before using for transmission.
•Do not place more than one document in the carrier at a
time.
[4] Installation
1. Site selection
Take the following points into consideration when selecting a site for this
model.
ENVIRONMENT
•The machine must be installed on a level surface.
•Keep the machine away from air conditioners, heaters, direct sun-
light, and dust.
•Provide easy access to the front, back, and sides of the machine. In
particular, keep the area in front of the machine clear, or the original
document may jam as it comes out after scanning.
•The temperature should be between 5° and 35°C.
•The humidity should be between 30% and 85% (without conden-
sation).
ELECTRICITY
AC 230-240V, 50Hz, earthed (3-prong) AC outlet is required.
Caution!
•Connection to a power source other than that specified will cause
damage to the equipment and is not covered under the warranty.
•If your area experiences a high incidence of lightning or power surges,
we recommend that you install a surge protector for the power and
telephone lines. Surge protectors can be purchased at most telephone
specialty stores.
If the machine is moved from a cold to a warm place...
If the machine is moved from a cold to a warm place, it is possible that
the reading glass may fog up, preventing proper scanning of documents
for transmission. To remove the fog, turn on the power and wait approxi-
mately 2 hours before using the machine.
TELEPHONE JACK
A standard telephone jack must be located near the machine.
This is the telephone jack commonly used in most homes and offices.
•Plugging the fax machine into a jack which is not an jack may result
in damage to the machine or your telephone system. If you do not
know what kind of jack you have, or needed to have one installed,
contact the telephone company.
2. Loading the imaging film (FO-3CR)
Your fax uses a roll of imaging film to create printed text and images.
The print head in the fax applies heat to the imaging film to transfer ink
to the paper. Follow the steps below to load or replace the film.
•The initial starter roll of imaging film included with your fax can print
about 30 A4 pages.
•When replacing the film, use a roll of Sharp FO-3CR imaging film.
One roll can print about 95 A4 pages.
Note: If there is paper in the paper tray, pull the paper release plate
forward and remove the paper before loading the imaging film.
Open the operation panel by grasping the finger hold and pulling up.
Direction of insertion
Make print straight
across paper
E.G.
Place the document
carrier in the document
feeder with the clear film
side down
If you are installing the imaging film for the first
time, go to Step 6.
Pull the green release on the right side of the machine forward, and
open the print compartment cover.
Remove the imaging film cartridge from the print compartment (grasp
the handle at the front of the cartridge) and turn it over.

1 – 5
FO-780A
Remove the used film from the cartridge.
Remove the four green gears from the used film.
DO NOT DISCARD THE FOUR GREEN GEARS!
Remove the new roll of imaging film from its packaging.
• Do not yet remove the band that holds the rolls together.
Insert the large gear into the green end of the empty spool. Make
sure the two protrusions on the large gear fit firmly into the slots in
the end of the spool.
Insert the remaining three gears into the spools, making sure the
protrusion on each gear fits firmly into one of the slots in the end of
each spool.
• If needed, pull the spools apart slightly to allow the gears to fit
(the band will stretch).
Cut the band that holds the two spools together. Unroll the film slightly
and insert the small gears into their holders.
Turn the cartridge over, grasp the handle, and insert the cartridge
into the print compartment.
Slot
Protrusion
Large gear
Insert the large gear into the large holder on the imaging film cartridge
(make sure it clicks into place), and then insert the small gear on the
other end of the spool into its holder.
Rotate the large gear toward you until the film is taut.
Close the print compartment cover (press down on both sides to make
sure it clicks into place), and then close the operation panel.
Load paper in the paper tray and then press the following keys to
initialize the film.
Note: Paper must be loaded before the film can be initialized. To
load paper, see the following section,
Loading the Printing Paper.
FUNCTION
6
START/MEMORY
INITIALIZE FILM
Display shows:
When to replace the imaging film.
Replace the imaging film when the display shows:
Use the following imaging film, which is available from your dealer
or retailer: Sharp FO-3CR Imaging Film
FILM END
Clik!

1 – 6
FO-780A
3. Assembly and connections
Plug the power Lead into a 230-240 V, 50 Hz, earthed (3-prong) AC
outlet.
•Caution: When disconnecting the fax, unplug the telephone line
cord before unplugging the power lead.
•Caution: The mains outlet (socket outlet) should be installed near
the equipment and be easily accessable.
• The machine does not have a power on/off switch, so the power
is turned on and off by simply plugging in or unplugging the power
lead.
Connect the handset as shown and place it on the handset rest.
♦ The ends of the handset cord are identical, so they will go into
either jack.
Insert one end of the telephone line cord into the adapter. Insert the
other end of the line cord into the socket on the back of the fax marked
TEL.LINE. Plug the adapter into the telephone socket on the wall.
Be sure to insert the telephone line cord into the TEL.LINE socket.
Do not Insert into the TEL.SET socket.
Attach the original document support.
Note: The original document support has a top side and a bottom
side. If you cannot insert the tabs on the support into the holes,
turn the support over.
Make sure the handset cord
goes into the socket marked
with a handset symbol on the
side of the machine!
Use the handset to make ordinary
phone calls, or to transmit and receive
documents manually.
Attach the paper tray extension.
• Pull the paper release plate forward. Insert the paper tray extension
horizontally into the notches in the paper tray. Rotate the paper
tray extension up until it snaps into place.
4. Loading printing paper
You can load A4 size paper in the paper tray. The maximum number of
sheets is:
♦60 for paper from 60 to 75 g/m2
♦50 for paper from 75 to 90 g/m2
Fan the paper, and then tap the edge against a flat surface to even
the stack.
TEL.
SET
TEL.
LINE
For Australia
For New Zealand
Pull the paper release plate toward you.

1 – 7
FO-780A
Insert the stack of paper into the tray, print side down.
• If paper remains in the tray, take it out and combine it into a single
stack with the new paper before adding the new paper.
• Be sure to load the paper so that printing takes place on the print
side of the paper. Printing on the reverse side may result in poor
print quality.
Push the paper release plate back down.
• If the paper release plate is not pushed down, paper feed errors will
result.
Note: When receiving faxes or copying documents, do not allow a
large number of pages to accumulate in the output tray. This may
obstruct the outlet and cause paper jams.
Your fax has been set at the factory to print at normal contrast.
Depending on the type of paper you have loaded, you may find that
you obtain better print quality by changing the setting to LIGHT.
Press these keys:
5. Clearing a jammed document
If the original document doesn’t feed properly during transmission or
copying, or DOCUMENT JAMMED appears in the display, first try
pressing the START/MEMORY key. If it doesn’t feed out, remove it as
follows:
Important:
Do not try to remove a document without opening the operation panel.
This may damage the feeder mechanism.
Open the operation panel by grasping the finger hold and pulling up.
Remove the document.
Close the operation panel, making sure it clicks into place.
FUNCTION
6
The display will show: PRINT CONTRAST
Press 1 to select NORMAL or 2 to select LIGHT.
The display will show: COPY CUT-OFF
Press the STOP key to return to the date and time display.
1
or
2
NORMAL LIGHT
STOP
Click!

1 – 8
FO-780A
6. Clearing jammed printing paper
Pull the paper release plate forward and remove the paper.
Open the operation panel (grasp the finger hold and pull up), and
then pull the release on the right side of the machine forward to open
the print compartment cover.
Close the print compartment cover (press down on both sides to make
sure it clicks into place), and then close the operation panel.
Gently pull the jammed paper out of the machine, making sure no
torn pieces of paper remain in the print compartment or rollers.
Reinsert the paper in the paper tray and push the paper release plate
back down.
Clik!

1 – 9
FO-780A
[5] Quick reference guide
INSTALLATION
1. Connect the handset as shown.
2. Plug the power cord into a grounded, 230-240 V outlet.
3. Plug one end of the telephone line into the TEL. LINE socket on the rear of the
fax and the other end into the adapter. Plug the adapter into a telephone wall
socket.
CONNECTING AN ANSWERING MACHINE AND/OR EXTENSION TELEPHONE
SETTING THE DATE AND TIME
Note: Imaging film and paper must be loaded to perform the following operation.
Press:
Display shows: DATE & TIME SET
Press the START/MEMORY key:
Enter two digits for the Day (01 through 31).
Enter two digits for the Month (01 through 12).
Enter four digits for the Year (Ex: 1999).
Enter two digits for the Hour (01 through 23).
Enter two digits for the Minute (00 through 59).
When finished, press:
STORING AND CLEARING NUMBERS FOR AUTOMATIC DIALING
Note: Imaging film and paper must be loaded to perform the following operation.
1. Press:
Display shows: FAX/TEL # MODE
2. Press 1 to store a number or 2 to clear a number.
3. Enter a 2-digit Speed Dial number (from 01 to 08 for Rapid Key Dialing, or 09
to 88 for Speed Dialing). (If you are clearing a number, go to Step 7.)
4. Enter the full telephone/fax number.
5. Press:
6. Enter the name of the location by pressing number keys (max. of 20 charac-
ters). (Refer to the letter entry table in ENTERING YOUR NAME AND
NUMBER.)
7. Press:
SENDING DOCUMENTS
Place your document (up to 10 pages)
face down in the document feeder.
Normal Dialing
1. Lift the handset or press
2. Dial the fax number.
3. Wait for the reception tone (if a person answers, ask them to press their Start
key).
4. Press:
Rapid Key Dialing
Press the appropriate Rapid Key. Transmission will begin automatically.
Speed Dialing
1. Press:
2. Enter 2-digit Speed Dial number.
3. Press:
RECEIVING DOCUMENTS
Press:
FAX mode: The fax automatically answers on four rings and receives the incoming
document.
TEL mode:
TEL/FAX mode: The fax machine automatically answers on two rings and receives
faxes. Voice calls (including manually dialed fax transmissions) are signalled by a
special ringing sound.
A.M. mode: Select this mode when an answering machine is connected to the fax
and the answering machine is turned on.
1. Remove the seal covering the TEL. SET socket on the rear of the fax. Connect
an extension telephone or answering machine to the TEL. SET socket.
2. If desired, connect an extension phone to the answering machine.
ENTERING YOUR NAME AND NUMBER
Note: Imaging film and paper must be loaded to perform the following operation.
1. Press:
FUNCTION
3
Display shows: OWN NUMBER SET
2. Press:
3. Enter your fax number (max. of 20 digits) by pressing the number keys.
♦If you make a mistake, press the HOLD/SEARCH key to move the cursor
back to the mistake, then enter the correct number or letter.
4. Press:
5. Enter your name by pressing the appropriate number keys as shown below.
♦To enter two letters in succession that require the same key, press the SPEAKER
key after entering the first letter.
6. When finished, press:
START/MEMORY
A =
B =
C =
D =
E =
F =
G =
H =
I =
J =
K =
L =
M =
N =
O =
P =
Q =
R =
S =
T =
U =
V =
W =
X =
Y =
Z =
SPACE =
START/MEMORY
STOP
FUNCTION
3
SPEAKER
SPEED DIAL
START/MEMORY
START/MEMORY
START/MEMORY
STOP
START/MEMORY
START/MEMORY
STOP
START/MEMORY
START/MEMORY
TEL.
SET TEL.
LINE
1
2
3
TEL.
SET TEL.
LINE
FUNCTION
3
FAX
TEL
A.M.
14 FEB 10:30
TEL/FAX
FAX
TEL
A.M.
14 FEB 10:30
TEL/FAX
FAX
TEL
A.M.
14 FEB 10:30
TEL/FAX
FAX
TEL
14 FEB 10:30
A.M.TEL/FAX
RECEPTION
MODE
Fax
tone
RECEIVING
START/MEMORY
SPEED
DIAL
REDIAL
HOLD/
SEARCH
SPEAKER
ABC DEF
JKL MNO
GHI
TUV WXYZ
PQRS
Deletes high-
lighted letter
Upper/lower
case shift key
Moves cursor
to the left
Moves cursor
to the right
Press either key one or more times to select
and enter a symbol.

1 – 10
FO-780A
[6] Option imaging film specifications
(FO-3CR)
1. Structure
This article is composed of polyester film coated with heat-resistant layer,
matt layer and hot melt ink layer, leader film and paper core. Ink film
specification is "DNP standard ink film HC".
Heading Requirements Measuring method
Material Polyethylene-
terephthalate –
Heading Requirements Measuring method
Grade HR Mixer P-5 –
Heading Requirements Measuring method
Grade ML Sumi –
Heading Requirements Measuring method
Grade #507W –
2. Details of compositions
2-1. Base film
2-2. Heat resistant layer
2-3. Matt layer
2-4. Hot melt ink layer
1
2
3
4
1
2
3
4
Heat Resistant Layer
Base Film
Matt Layer
Hot melt Ink Layer

FO-780A
CHAPTER 2. ADJUSTMENTS
[1] Adjustments
General
Since the following adjustments and settings are provided for this model,
make adjustments and/or setup as necessary.
1. Adjustments
Adjustments of output voltage (FACTORY ONLY)
1. Install the power supply unit in the machine.
2. Set the recording paper and document.
3. When the document is loaded, power is supplied to the output lines.
Confirm that outputs are within the limits below.
Output voltage settings
(1)FU100 (ICP-S07) is installed in order to protect IC’s from an over-
current generated in the motor drive circuit. If FU100 is open, replace
it with a new one.
3. Settings
(1) Dial mode selector
DIAL mode (Soft Switch No. SWB4 DATA No. 3)
Output Voltage limits
+5V 4.75V ∼ 5.25V
+24V 23.3V ∼ 24.7V
2. IC protectors replacement
ICPs (IC Protectors) are installed to protect the motor driver circuit.
ICPs protect various ICs and electronic circuits from an overcurrent con-
dition.
The location of ICPs are shown below:
1MG
2MG
3 +24V
4 +24V
5 +24V
6DG
7 +5V
8DG
9 PSAVE
Connector
No. CNPW
Pin No.
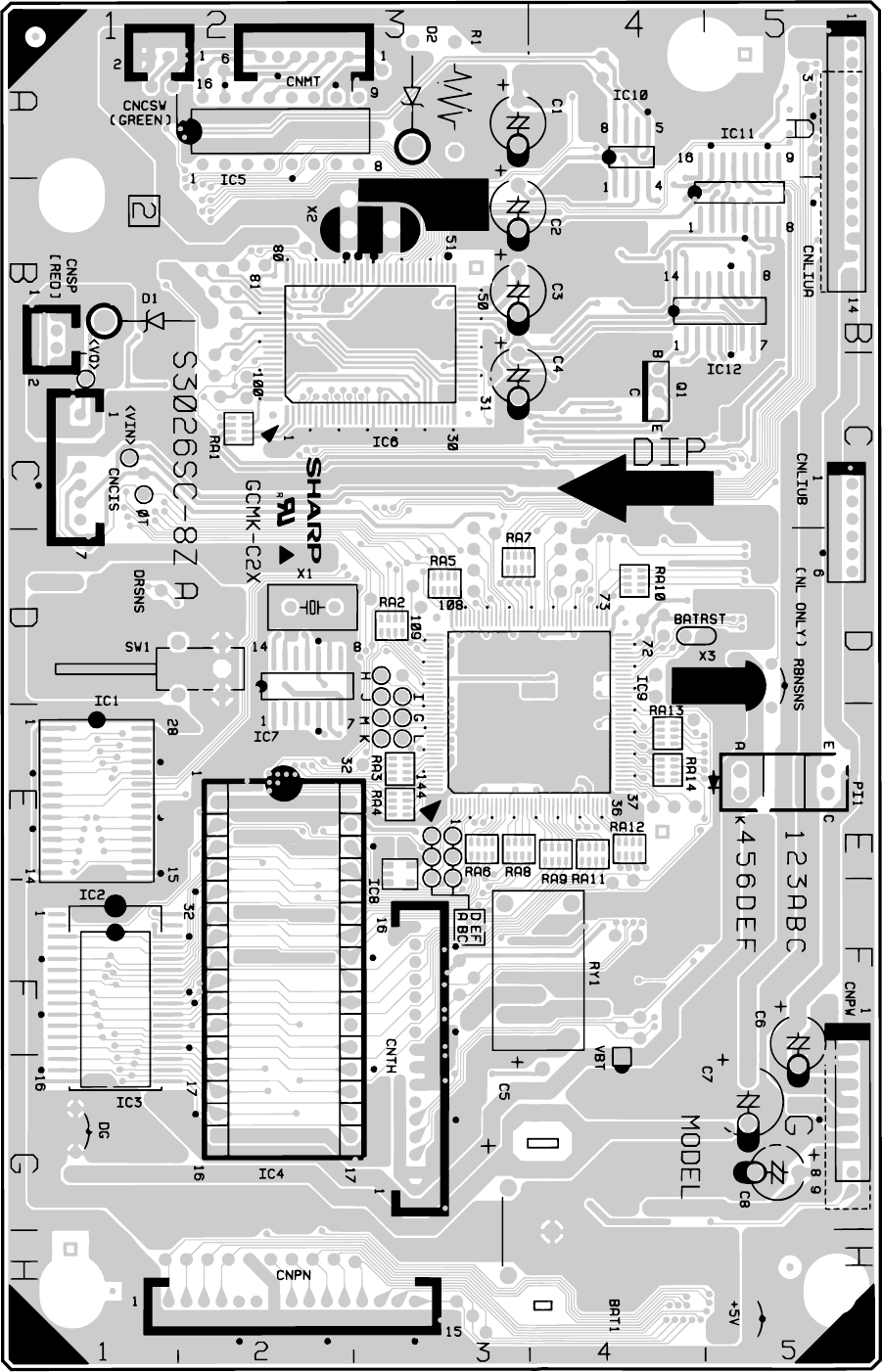
2 – 1
TEL/LIU PWB
POWER
SUPPLY
PWB
CONTROL
PWB
CNLIUA
CNLIUA CN1
CNPW
CNTH
CNPN
CNCIS
CNSP
CNMT
CNCSW
CNLIUB
CNLIUB
CONTROL PWB
(BOTTOM SIDE)
CNPW CNLIUA
FU100
CNLIUB
(step 1) Select "OPTION SETTING".
KEY : FUNCTION 4
DISPLAY: OPTION SETTING PRESS OR #
(step 2) Select "DIAL MODE".
KEY: Push # until " DAIL MODE " is
indicated because the number of
# s changes by the model.
DISPLAY: DIAL MODE
(step 3) Select, using "1" or "2".
KEY: 1
DISPLAY: TONE SELECTED
KEY: 2
DISPLAY: PULSE SELECTED
(step 4) End, using the "STOP" key.
KEY:
Cursor
When initially registering,
the mode shows 1=TONE.
When registering again, the
mode which was registered
formerly is shown.
STOP
1=TONE, 2=PULSE

FO-780A
[2] Diagnostics and service soft switch
1. Operating procedure
(1) Entering the diagnostic mode
Press FUNC → 9 → → 8 → # → 7 , and the following display will appear.
ROM Ver. FMU0 After 2 sec: DIAG MODE
FMU0
Then press the START key. Select the desired item with the key or the # key or select with the rapid key. Enter the mode with the START key.
(Diag•specifications)
If the diag mode cannot be set, repeat the diag mode operation, per-
forming the following operation.
After the power is turned on and "WAIT A MOMENT" is indicated, press
the STOP key.
2 – 2
In relation with the process response (request from Production
Engineering) "WAIT A MOMENT" clock indication may appear depending
on STOP key timing. If the STOP key is held down, "MEMORY CLEAR?"
appears.
2. Diagnostic items
ITEM DIRECT
No. key
1 1 SOFT SWITCH MODE Soft switches are displayed and changed. List can be output.
2 2 ROM & RAM CHECK ROM is sum-checked, and RAM is matched. Result list is output.
3 3 AGING MODE 10 sheets of check patterns are output every 5 minutes per sheet.
4 4 PANEL KEY TEST Panel keys are tested. Result list is output.
5 5 CHECK PATTERN Check pattern is output.
6 6 SIGNAL SEND MODE Various signals of FAX communication are output.
7 7 MEMORY CLEAR Back-up memory is cleared, and is set at delivery.
8 8 SHADING MODE Shading compensation is performed in this mode.
9 — ALL BLACK PRINT To check the print head, whole dots are printed over the interval of 2 m.
10 — AUTO FEEDER MODE Insertion and discharge of document are tested.
11 — ENTRY DATA SEND Registered content is sent.
12 — ENTRY DATA RECEIVE Registered content is received, and its list is output.
Contents Function
FUNC DIAG MODE
9 8 7
START 1Soft switch mode
START 2ROM & RAM check
START 3Aging mode
START 4Panel key test
START 5Check pattern
START 6Signal send mode
Shading mode
START
START
All black mode
START Auto feeder mode
START
Entry data send
Entry data receive
START
START8
START
KEY
STOP
KEY
+
+
"Power ON"
Memory clear
(Work + Backup)
FMU0
Memory clear
START
7

FO-780A
3. Diagnostic items description
3. 1. Soft switch mode
Used to change the soft switch settings.
The soft switch which is stored internally is set by using the keys.
The available soft switches are SW-A1 to SW-M2.
The content of soft switches is shown in page 2-5 to 2-16.
The contents are set to factory default settings.
3. 2. ROM & RAM check
ROM executes the sum check, and RAM executes the matching test.
The result will be notified with the number of short sounds of the buzzer
as well as by printing the ROM & RAM check list.
Number of short sounds of buzzer 0 → No error
1 → ROM error
2 → RAM error (32Kbyte)
3. 3. Aging mode
If any document is first present, copying will be executed sheet by sheet.
If no document is present, the check pattern will be printed sheet by
sheet. This operation will be executed at a rate of one sheet per 5min-
utes, and will be ended at a total of 10 sheets.
3. 4. Panel key test
This mode is used to check whether each key operates properly or not.
Press the key on the operation panel, and the key will be displayed on
the display. Therefore, press all keys. At this time,finally press the STOP
key.
When the STOP key is pressed, the keys which are not judged as
"pressed" will be printed on the result list.
• LED port of the contact image sensor (CIS) is kept on during the term
from when start of the panel test mode to end with the STOP key.
3. 5. Check pattern
This mode is used to check the state of the printing head. It is ended
with the following pattern printed on one printing sheet.
Longitudinal stripe 2 Approx. 30 mm
2 black dots and 2 white dots are repeatedly progressed on one
line.
Full black Approx. 30 mm
3. 6. Signal send mode
This mode is used to send various signals to the circuit during FAX com-
munication. Every push of START key sends a signal in the following
sequence. Moreover, the signal sound is also output to the speaker when
the line monitor of the soft switch is on.
[1] No signal (CML signal turned on)
[2] 9600bps
[3] 7200bps
[4] 4800bps
[5] 2400bps
[6] 300bps (FLAG)
[7] 2100Hz (CED)
[8] 1100Hz (CNG)
[9] END
3. 7. Memory clear
This mode is used to clear the backup memory and reset to the default
settings.
3. 8. Shading mode
The mode is used for the shooting compensation. For reading, set up
the special original paper.
The shooting compensation memorizes the reference data of white and
black for reading.
Moreover, the memorized data is not erased even if memory clear mode
is executed.
3. 9. All black print
This mode is used to check the state of the printing head and inten-
tionally overheat it. Whole dots are printed over the interval of 2 m. If it is
overheated or the printing sheet is jammed, press STOP key for the end.
3. 10. Auto feeder mode
In this mode, a document is inserted and discharged to check the auto
feed function.
After this mode is started, set a document, and the document feed will
be automatically tested.
3. 11. Entry data send
This mode is used to send the registered data to the other machine and
make the other machine copy the registered content.
Before sending in this mode, it is necessary to set the other machine at
the entry data receive mode.
The following, information will be sent to the remote machine:
1. Telephone list data
2. Sender register data
3. Optional setting content
4. Soft switch content
5. Junk fax number list
6. Timer reservation data (only on the model which timer reserva-
tion is possible)
7. Recording setting list data
2 – 3
1
2

FO-780A
3. 12. Entry data receive
In this mode, the registered data sent from the other machine is receiv-
ed and the received data is registered in the machine. When this mode
is used for receiving, the other machine must be in the entry data send
mode.
After receiving is completed, the following lists are printed.
1. Telephone list data
2. Sender register data (The passcode No. is also printed if the poling
function is provided.)
3. Optional setting list
4. Soft switch content
5. Junk fax number list
6. Timer reservation list (only model which timer communication is
possible)
7. Recording setting list data
4. How to make soft switch setting
To enter the soft switch mode, make the following key entries in se-
quence.
2 – 4
Press FUNCTION 9 8 7 START START
Press FUNCTION key.
Press key.
Press key.
Bit1 - 8 are set.
Soft SW-A2 - SW-M2 are set.
S F T SW-A1 = 1 0 0 0 0 0 0 0
S F T SW-A1 = 1 0 0 0 0 0 0 0
S F T SW-A1 = 1 0 0 0 0 0 0 0
S F T SW-A1 = 1 0 0 0 0 0 0 0
S F T SW-A2 = 0 0 0 0 0 0 0 0
S F T SW-M2 = 0 0 0 0 0 0 0 0
Press key during setting.
To finish the settings halfway between
SW-A1 and SW-M2, press the STOP
key. In this case, the setting being done
to the SW No. on display will be nullified
while settings done to the preceding
SW Nos. remain in effect.
The soft switch mode is terminated.
S F T SW-A1 = 0 0 0 0 0 0 0 0
START
DATA No. 1 2 3 4 5 6 7 8
When the COPY key is pressed, the
contents of soft switches are printed.

FO-780A
1 Protect from echo No Yes 0
2 Forced 4800 BPS reception Yes No 0
3 Footer print Yes No 0
4 Length limitation of copy/send/receive No limit Copy/send: 1m 0
Receive: 1.5m
5 CSI transmission No transmitted Transmitted 0
6 DIS receive acknowledgement during G3 Twice NSF: Once 0
transmission DIS: Twice
7 Non-modulated carrier for V29 transmission Yes No 0
modem
8 EOL detect timer 25 s 13 s 0
Modem speed V.29 V.27 ter
9600bps 7200bps 4800bps 2400bps
1 No. 1 0 0 0 0 0
2 No. 2 0 0 0 0 0
3 No. 3 0 1 1 0 0
4 No. 4 1 1 0 0 1
5 Sender’s information transmit No Yes 0
6 H2 mode No Yes 0
7 Communication error treatment in RTN No communication error Communication error 0
sending mode (reception)
8 CNG transmission No Yes 0
CED tone signal interval 1000ms 750ms 500ms 75ms
1 No. 1 1 1 0 0 0
2 No. 2 1 0 1 0 0
3 MR coding No Yes 0
4 Reserved 0
5 Reserved 0
6 Reserved 0
7 Reserved 0
8 Reserved 0
1 Signal transmission level Binary input 0
2 No. = 16 8 4 2 1 1
3 1 2 3 4 5 1
4 0 1 1 1 1 1
5 1
6 Protocol monitor (error print) Printed at com. err Not printed 0
7 Protocol monitor Yes No 0
8 Line monitor Yes No 0
Digital line equalization setting (Reception) 7.2km 0km
1 No. 1 1 0 1
2 No. 2 1 0 1
3 Reserved 0
4 Reserved 0
Digital cable equalizer setting (Reception 7.2km 0km
5 for Caller ID) No. 5 1 0 0
6 No. 6 1 0 0
7 Error criterion 10 ~ 20 % 5 ~ 10 % 0
8 Anti junk fax check Yes No 0 OPTION
5. Soft switch description
• Soft switch
SW
NO. DATA
NO. ITEM Switch setting and function
10
Remarks
Initial
setting
SW
l
A1
SW
l
A2
SW
l
A3
SW
l
A5
SW
l
A4
2 – 5

FO-780A
1 Auto gain control (MODEM) Enable Disable 1
2 End Buzzer Yes No 1
3 Disconnect the line when DIS is received in No Yes 1
RX mode
4 Equalizer freeze control (MODEM) On Off 0
5 Equalizer freeze control 7200 BPS only No Yes 0
6 CNG transmission in manual TX mode Yes No 1
7 Initial compression scheme for sharp fax in MR mode H2 mode 0
TX mode
8 Reserved 0
1 Recall interval Binary input 0
2 No. = 8 4 2 1 1
3 1 2 3 4 0
4 0 1 0 1 1
5 Recall times Binary input 0
6 No. = 8 4 2 1 0
7 5 6 7 8 1
8 0 0 1 0 0
1 Dial pausing (sec/pause) 4 sec 2 sec 0
2 Reserved 0
3 Reserved 0
4 Reserved 0
5 Waiting time after dialing 90 sec 45 sec 0
6 Reserved 0
7 Reserved 0
8 Reserved 0
1 Reserved 0
2 Reserved 0
3 Reserved 0
4 Reserved 0
5 Reserved 0
6 Reserved 0
7 Reserved 0
8 Reserved 0
1 Auto Dial Mode Delay timer of before line 3 sec 0 sec 1
connect
2 Auto Dial Mode Delay timer of after line 3.6 sec 3 sec 0
connect
3 Dial mode Tone Pulse 1 OPTION
4 Pulse → Tone change function by key Enable Disable 1
5 Dial pulse make/break ratio(%) 40/60 33/67 0
6 Reserved 0
7 Reserved 0
8 Reserved 0
1 DTMF signal transmission level (Low) Binary input 1
2 No. = 16 8 4 2 1 0
3 1 2 3 4 5 1
4 1 0 1 0 1 0
5 1
6 Reserved 0
7 Reserved 0
8 Reserved 0
SW
NO. DATA
NO. ITEM Switch setting and function
10Remarks
Initial
setting
SW
l
B5
SW
l
B4
SW
l
B3
SW
l
B2
SW
l
B1
SW
l
A6
2 – 6

FO-780A
1 DTMF signal transmission level (High) Binary input 1
2 No. = 16 8 4 2 1 0
3 1 2 3 4 5 0
4 1 0 0 1 0 1
5 0
6 Reserved 0
7 Reserved 0
8 Reserved 0
Reading slice (Binary) Factory Light Dark Darker in
setting dark mode
1 No. 1 0 1 0 1 0
2 No. 2 0 0 1 1 0
Reading slice (Half tone) Factory Light Dark Darker in
setting dark mode
3 No. 3 0 1 0 1 0
4 No. 4 0 0 1 1 0
5 Line density selection Fine Standard 0 OPTION
6 Reserved 0
7 MTF correction in half tone mode No Yes 0
8 Reserved 0
1 Number of rings for auto receive Binary input 0 OPTION
2 No. = 8 4 2 1 0
3 1 2 3 4 1
4 0 0 1 0 0
5 Automatic switching manual to auto receive Reception after 4 rings No reception 0 OPTION
mode
6 Reserved 0
7 Reserved 0
8 Reserved 0
1 Reserved 0
2 Reserved 0
3 Reserved 0
4 Distinctive ringing detection Yes No 0 OPTION
5 Caller ID function Yes No 0 OPTION
CI off detection timer (Distinctive ring 1200ms 1000ms 700ms 350ms
6 setting off only) No. 6 0 1 0 1 0
7 No. 7 0 0 1 1 1
8 Caller ID detect during CI off All times Only first 1
1 Tel/Fax Automatic switching mode Tel/Fax auto switch Switch to Fax 1
Pseudo ringing time at phone/fax 15sec 60sec 30sec 120sec OPTION
2 automatic switching mode No. 2 0 0 1 1 0
3 No. 3 0 1 0 1 0
4 Number of CNG signal detection at the Twice Once 1
tel/fax automatic switching mode
5 CNG detection when TEL/FAX mode 3sec 5sec 0
6 Reserved 0
7 Post answer tone (transmit in Tel/Fax mode) No Yes 0
8 Country select for Caller ID New Zealand Australia 0 OPTION
2 – 7
SW
NO. DATA
NO. ITEM Switch setting and function
10Remarks
Initial
setting
SW
l
B6
SW
l
C1
SW
l
D2
SW
l
D1
SW
l
E1

FO-780A
1 Pseudo ringer sound volume Binary input 0
2 No. = 8 4 2 1 1
3 1 2 3 4 0
4 0 1 0 1 1
5 Reserved 0
6 Reserved 0
7 Reserved 0
8 Reserved 0
DTMF detection time 50ms 80ms 100ms 120ms
1 No. 1 0 0 1 1 0
2 No. 2 0 1 0 1 0
3 Protection of remote reception (5 ) detect Yes No 0 OPTION
4 Remote reception with GE telephone Compatible Not compatible 1
5 Remote operation code figure by external Binary input 0 OPTION
6 TEL (0~9) No. = 8 4 2 1 1
7 5 6 7 8 0
8 0 1 0 1 1
1 CNG detection in STAND-BY mode Yes No 1 OPTION
Number of CNG detect (AM mode) 1pulse 2pulses 3pulses 4pulses
2 No. 2 0 0 1 1 0
3 No. 3 0 1 0 1 1
Number of CNG (STAND-BY mode) 1pulse 2pulses 3pulses 4pulses
4 No. 4 0 0 1 1 0
5 No. 5 0 1 0 1 1
6 Reserved 0
7 Reserved 0
8 Reserved 0
1 Quiet detect time Binary input 0 OPTION
2 No. = 8 4 2 1 1
3 1 2 3 4 0
4 0 1 0 0 0
5 Quiet detect start timing Binary input 0
6 No. = 8 4 2 1 1
7 5 6 7 8 0
8 0 1 0 1 1
1 Reserved 0
2 Reserved 0
3 Reserved 0
4 Reserved 0
5 Reserved 0
6 Reserved 0
7 Reserved 0
8 Reserved 0
OGM detect timer Not 100ms 200ms 300ms
Work
1 No. 1 0 0 1 1 0
2 No. 2 0 1 0 1 1
3 Reserved 0
4 Reserved 0
Section time of quiet detection 30s 40s 50s 60s
5 No. 5 0 0 1 1 0
6 No. 6 0 1 0 1 1
7 Reserved 0
8 Reserved 0
SW
l
F1
SW
l
E2
SW
l
F2
SW
l
G1
SW
l
G2
SW
l
G3
SW
NO. DATA
NO. ITEM Switch setting and function
10Remarks
Initial
setting
2 – 8

FO-780A
1 Busy tone detection ON/OFF time (Lower 350ms 200ms 0
duration)
2 Busy tone detection ON/OFF time (Upper 650ms 900ms 0
duration)
3 Reserved 0
4 Busy tone continuous sound detect time 5s 10s 1
5 Reserved 0
6 Busy tone detect continuation sound detect No Yes 0
(during ICM: for internal A.M.)
7 Reserved 0
8 Busy tone detect intermittent sound detect No Yes 0
(during ICM: for internal A.M.)
Busy tone detection pulse number 2pulses 4pulses 6pulses 10pulses
1 No. 1 0 0 1 1 0
2 No. 2 0 1 0 1 1
3 Fax switching when A.M. full Yes No 0 OPTION
4 Reserved 0
5 Reserved 0
6 Reserved 0
7 Reserved 0
8 Reserved 0
1 Reserved 0
2 Reserved 0
3 Reserved 0
4 Reserved 0
5 Reserved 0
6 Reserved 0
7 Reserved 0
8 Reserved 0
1 Reserved 0
2 Reserved 0
3 Reserved 0
4 Reserved 0
5 Reserved 0
6 Reserved 0
7 Reserved 0
8 Reserved 0
1 Reserved 0
2 Reserved 0
3 Reserved 0
4 Reserved 0
5 Reserved 0
6 Reserved 0
7 Reserved 0
8 Reserved 0
1 Reserved 0
2 Reserved 0
3 Reserved 0
4 Reserved 0
5 Reserved 0
6 Reserved 0
7 Reserved 0
8 Reserved 0
SW
l
H1
SW
NO. DATA
NO. ITEM Switch setting and function
10Remarks
Initial
setting
SW
l
H2
SW
l
I1
SW
l
I2
SW
l
I3
SW
l
I4
2 – 9

FO-780A
1 Reserved 0
2 Reserved 0
3 Reserved 0
4 Reserved 0
5 Reserved 0
6 Reserved 0
7 Reserved 0
8 Reserved 0
1 Reserved 0
2 Reserved 0
3 Reserved 0
4 Reserved 0
5 Reserved 0
6 Reserved 0
7 Reserved 0
8 Reserved 0
1 Reserved 0
2 Reserved 0
3 Reserved 0
4 Reserved 0
5 Reserved 0
6 Reserved 0
7 Reserved 0
8 Reserved 0
1 Activity report print Automatic printout No printout when memory full 0 OPTION
2 Total communication hours and pages print No Yes 0
3 Sender’s phone number setting Cannot change Change allowed 0
4 Reserved 0
5 Reserved 0
6 Reserved 0
Ringer volume Off Low Middle High OPTION
7 No. 7 0 0 1 1 1
8 No. 8 0 1 0 1 0
Speaker volume (3 stages) Low Low Middle High OPTION
1 No. 1 0 0 1 1 1
2 No. 2 0 1 0 1 0
3 Polling key Yes No 0 OPTION
4 Reserved 0
5 Reserved 0
6 Reserved 0
7 Reserved 0
8 Reserved 0
1 Automatic cover sheet Yes No 0 OPTION
Communication results printout E/T/M
Send only
Always No print Err only OPTION
2(Transaction report) No. 2 0 0 0 0 1 1
3 No. 3 0 0 1 1 0 0
4 No. 4 0 1 0 1 0 0
5 Reserved 0
6 Reserved 0
7 Reserved 0
8 Reserved 0
SW
l
I5
SW
l
I6
SW
l
I7
SW
l
J1
SW
l
J2
SW
l
J3
SW
NO. DATA
NO. ITEM Switch setting and function
10Remarks
Initial
setting
2 – 10

FO-780A
1 Entering DIAG mode by pressing SPEED Yes No 0
key
2 Reserved 0
3 Reserved 0
4 Reserved 0
5 Reserved 0
6 Reserved 0
7 Reserved 0
8 Reserved 0
1 Reserved 0
2 Reserved 0
3 Reserved 0
4 Reserved 0
5 Cut off mode (COPY mode) Yes No 1 OPTION
6 A4 paper enable Enable Disable 1
7 LEGAL & LETTER paper enable Enable Disable 0
8 2 IN 1 Mode Yes No 0 OPTION
Paper set size LETTER LEGAL A4
1 No. 1 0 0 1 1
2 No. 2 0 1 0 0
3 Automatic reduce of receive Auto 100 % 1 OPTION
4 Print contrast Light Normal 0 OPTION
5
Reception reduction ratio in case of memory full
100 % 93 % 0 OPTION
6 Reserved 0
7 Reserved 0
8 Reserved 0
1 Reserved 0
2 Reserved 0
3 Reserved 0
4 Reserved 0
5 Reserved 0
6 Reserved 0
7 Reserved 0
8 Reserved 0
1 Reserved 0
2 Reserved 0
3 Reserved 0
4 Reserved 0
5 Power save mode No Yes 0
6 Reserved 0
7 Reserved 0
8 Reserved 0
SW
l
K1
SW
l
L1
SW
l
L2
SW
l
M1
SW
l
M2
SW
NO. DATA
NO. ITEM Switch setting and function
10Remarks
Initial
setting
2 – 11

FO-780A
• Soft switch function description
SW-A1 No. 1 Protect from echo
Used to protect from echo in reception.
SW-A1 No. 2 Forced 4800BPS reception
When line conditions warrant that receptions take place at 4800 BPS
repeatedly.
It may improve the success of receptions by setting at 4800BPS.
This improve the receiving document quality and reduces handshake
time due to fallback during training.
SW-A1 No. 3 Footer print
When set to "1", the date of reception, the sender machine No., and the
page No. are automatically recorded at the end of reception.
SW-A1 No. 4 Length limitation of copy/send/receive
Used to set the maximum page length.
To avoid possible paper jam, the page length is normally limited to 1
meter for copy or transmit, and 1.5 meters for receive.
It is possible to set it to "No limit" to transmit a long document, such as a
computer print form, etc. (In this case, the receiver must also be set to
no limit.)
SW-A1 No. 5 CSI transmission
(CSI TRANSMISSION) is a switch to set whether the machine sends or
does not send the signal (CSI signal) informing its own telephone No. to
the remote fax. machine when information is received. When
"nonsending" is set, the telephone No. is not output on the remote trans-
mitting machine if the remote transmitting machine has the function to
display or print the telephone No. of receiving machine, using this CSI
signal.
SW-A1 No. 6 DIS receive acknowledgment during G3 transmission
Used to make a choice of whether reception of DIS (NSF) is acknowl-
edged after receiving two DISs (NSFs) or receiving one DIS (two NSFs).
It may be useful for overseas communication to avoid an echo sup-
pression problem, if set to 1.
SW-A1 No. 7 Non-modulated carrier for V29 transmission modem
Though transmission of a non-modulated carrier is not required for trans-
mission by the V29 modem according to the CCITT recommendation, it
may be permitted to a send non-modulated carrier before the image
signal to avoid and echo suppression problem. It may be useful for over-
seas communication to avoid an echo suppression problem, if set to 1.
SW-A1 No. 8 EOL (End Of Line) detect timer
Used to make a choice of whether to use the 25-second or 13-second
timer for detection of EOL.
This is effective to override communication failures with some facsimile
models that have longer EOL detection.
SW-A2 No. 1 ~ No. 4 Modem speed
Used to set determine the initial modem speed. The default is 9600BPS.
It may be necessary to program it to a slower speed when frequent line
fallback is encountered, in order to save the time required for fallback
procedure.
SW-A2 No. 5 Sender’s information transmit
(SENDER’S INFORMATION TRANSMISSION) is a switch to set the
function to print the content of HEADER PRINT described in the passcode
list at the front end of receiver’s original when original is sent to the
remote machine.
If this switch is set to "NO", the HEADER PRINT is not output at the
receiving machine.
SW-A2 No. 6 H2 mode
Used to determine reception of H2 mode (15 sec transmission mode).
When set to OFF, H2 mode reception is inhibited even though the
transmitting machine has H2 mode function.
SW-A2 No. 7 Communication error treatment in RTN sending mode
(Reception)
Used to determine communication error treatment when RTN is sent by
occurrence of a received image error in G3 reception. When it is set to
"1", communication error is judged as no error.
SW-A2 No. 8 CNG transmission
When set to "0" , this model allows CNG transmission by pressing the
Start key in the key pad dialing mode. When set to "1", CNG transmis-
sion in the key pad dialing mode cannot be performed. In either case.
CNG transmission can be performed in the auto dial mode.
SW-A3 No. 1, No. 2 CED tone signal interval
For international communication, the 2100Hz CED tone may act as an
echo suppression switch, causing a communication problem.
Though SW-A3 No. 1 and No. 2 are normally set to 0, it should be changed
this time between the CED tone signal to eliminate the communication
problem caused by echo.
SW-A3 No. 3 MR Coding
MR Coding is enable.
SW-A3 No. 4 ~ No. 8 Reserved
Set to "0".
SW-A4 No. 1 ~ No. 5 Signal transmission level
Used to control the signal transmission level in the range of-0dB to-
31dB.
SW-A4 No. 6 Protocol monitor (Error print)
If set to "1", protocol is printed at communication error.
SW-A4 No. 7 Protocol monitor
Normally set to "0". If set to "1", communication can be checked, in case
of troubles, without using a G3 tester or other tools.
When communication FSK data transmission or reception is made, the
data is taken into the buffer. When communication is finished, the data is
analyzed and printed out. When data is received with the line monitor
(SW-A4 No. 8) set to "1" the reception level is also printed out.
SW-A4 No. 8 Line monitor
Normally set to "0". If set to "1", the transmission speed and the recep-
tion level are displayed on the LCD. Used for line tests.
SW-A5 No. 1, No. 2 Digital line equalization setting (Reception)
Line equalization when reception is to be set according to the line char-
acteristics.
Setting should be made according to distance between the telephone
and the telephone company central switching station.
SW-A5 No. 3, No. 4 Reserved
Set to "0".
SW-A5 No. 5, No. 6 Digital cable equalizer setting
(Reception for Caller ID)
Line equalization when reception for CALLER ID is to be set according
to the line characteristics.
Setting should be made according to distance between the telephone
and the telephone company central switching station.
2 – 12
TX RX
CED
DIS
T

FO-780A
SW-A5 No. 7 Error criterion
Used to select error criterion for sending back RTN when receiving im-
age data.
SW-A5 No. 8 Anti junk fax check
When use the Anti junk fax function, set to "1".
SW-A6 No. 1 Auto gain control (MODEM)
When this mode is enabled, if the reception signal level is under 31dBm.
The modem itself controls the signal gain automatically.
SW-A6 No. 2 End buzzer
Setting this bit to 0 will disable the end buzzer (including the error buzzer/
on-hook buzzer).
SW-A6 No. 3 Disconnect the line when DIS is received in RX mode
Bit1= 0: When DIS signal is received during RX mode, the line is discon-
nected immediately.
Bit1= 1: When DIS signal is received during RX mode, the line is discon-
nected on the next tone.
SW-A6 No. 4 Equalizer freeze control (MODEM)
This switch is used to perform reception operation by fixing the equal-
izer control of modem for the line which is always in an unfavorable state
and picture cannot be received.
* Usually, the control is executed according to the state of line where
the equalizer setting is changed always.
SW-A6 No. 5 Equalizer freeze control 7200BPS only
Setting which specifies SW-A3 No. 6 control only in the condition of
7200BPS modem speed.
SW-A6 No. 6 CNG transmission in manual TX mode
When set to "1", fax transmit the CNG signal in case of manual
transmission mode (User press the START key after waiting the fax
answering signal from handset or speaker).
SW-A6 No. 7 Initial compression scheme for sharp fax in TX mode
When set to "0", if the other fax is Sharp model, fax transmit the document
by H2 mode. When set to "1", even if the other fax is Sharp model, fax
transmit the document by MR mode.
SW-A6 No. 8 Reserved
Set to "0".
SW-B1 No. 1 ~ No. 4 Recall interval
Choice is made for a redial interval for speed and rapid dial calls.
Used a binary number to program this. If set to 0 accidentally, 1 will be
assumed.
SW-B1 No. 5 ~ No. 8 Recall times
Choice is made as to how many redials should be.
SW-B2 No. 1 Dialing pause (sec/pause)
Pauses can be inserted between telephone numbers of direct dial con-
nection. Selection of 4 sec or 2 sec pause is available.
SW-B2 No. 2 ~ No. 4 Reserved
Set to "0".
SW-B2 No. 5 Waiting time after dialing
This is time waiting for the opponent’s signals after dialing.
For the Switzerland version, the time is fixed to 90 seconds regardless
of this switch setting.
SW-B2 No. 6 ~ No. 8 Reserved
Set to "0".
SW-B3 No. 1 ~ No. 8 Reserved
Set to "0".
SW-B4 No. 1 Auto dial mode Delay timer of before line connect
Delay time between the dial key input and line connection under the
auto dial mode.
SW-B4 No. 2 Auto dial mode Delay timer of after line connect
Delay time between the line connection and dial data output under the
auto dial mode.
2 – 13
RAPID01 CML RELAY ON
DIALLING
0 : 0sec
1 : 3sec
SW-B4 No. 3 Dial mode
When using the pulse dial, set to 1. When using the tone dial, set to 0.
SW-B4 No. 4 Pulse → Tone change function by key
When setting to 1, the mode is changed by pressing the key from the
pulse dial mode to the tone dial mode.
SW-B4 No. 5 Dial pulse make/break ratio (%)
When using the 33 % make ratio pulse dial, set to "0".
When using the 40 % make ratio pulse dial, set to "1".
SW-B4 No. 6 ~ No. 8 Reserved
Set to "0".
SW-B5 No. 1 ~ No. 5 DTMF signal transmission level (Low)
The transmission level of DTMF signal is adjusted. (lower frequency)
00000: 0dBm
↓
11111: -15.5dBm (-0.5dBm x 31)
SW-B5 No. 6 ~ No. 8 Reserved
Set to "0".
SW-B6 No. 1 ~ No. 5 DTMF signal transmission level (High)
The transmission level of DTMF signal is adjusted. (higher frequency)
00000: 0dBm
↓
11111: -15.5 dBm (-0.5dBm x 31)
SW-B6 No. 6 ~ No. 8 Reserved
Set to "0".
SW-C1 No. 1, No. 2 Reading slice (Binary)
Used to determine the set value of reading density in standard/fine mode.
The standard setting is "00" (Factory setting is "00")
SW-C1 No. 3, No. 4 Reading slice (Half tone)
Used to determine the set value of reading density in half tone mode.
The standard setting is "00" (Factory setting is "00")
SW-C1 No. 5 Line density selection
Used to set the transmission mode which is automatically selected when
the Resolution key is not pressed. In the copy mode, however, the fine
mode is automatically selected unless the Resolution key is manually
set to another mode.
SW-C1 No. 6 Reserved
Set to "0".
RAPID01 CML RELAY ON
0 : 3sec
1 : 3.6sec
DIAL DATA

FO-780A
SW-C1 No. 7 MTF correction in half tone mode
This allows selection of MTF correction (dimness correction) in the half
tone mode.
When "NO" (=1) is selected, the whole image becomes soft and mild.
On the contrary, however, clearness of characters will be reduced.
Normally set to "YES" (=0).
SW-C1 No. 8 Reserved
Set to "0".
SW-D1 No. 1 ~ No. 4 Number of rings for auto receive
When the machine is set in the auto receive mode, the number of rings
before answering can be selected. It may be set from one to four rings
using a binary number. Since the facsimile telephone could be used as
an ordinary telephone if the handset is taken off the hook, it should be
programmed to the user’s choice. If the soft switch was set to 1, direct
connection is made to the facsimile. If a facsimile calling beep was heard
when the handset is taken off the hook, press the START key and put
the handset on the hook to have the facsimile start receiving. If it was
set to 0 accidentally, receive ring is set to 1.
NOTE: If the machine is set to answer after a large number of rings, it
may not be able to receive faxes successfully. If you have diffi-
culty receiving faxes, reduce the number of rings to a maximum
of 6.
SW-D1 No. 5 Automatic switching manual to auto receive mode
This soft switch is used to select whether the machine should switch to
the auto receive mode after 5 rings in the manual receive mode or re-
main in the same way as SW-D1 No. 1, No. 2, No. 3 and No. 4 "0"1"0"1"(5
rings).
SW-D1 No. 6 ~ No. 8 Reserved
Set to "0".
SW-D2 No. 1 ~ No. 3 Reserved
Set to "0".
SW-D2 No. 4 Distinctive ringing detection
When set to "1", machine recognize the CI signal FAX ringing or TEL
ringing automatically.
SW-D2 No. 5 Caller ID function
Used for Caller ID function.
SW-D2 No. 6, No. 7 CI off detection timer (Distinctive ring setting
off only)
Set the minimum time period of CI signal interruption which affords to be
judged as a CI OFF section.
2 – 14
AB
400msec 2000msec
SW-D2 No. 8 Caller ID detect during CI off
Detection of caller ID signal is performed as follows:
0: First CI OFF only
1: All of CI OFF
SW-E1 No. 1 Tel/Fax Automatic switching mode
Used to set auto TEL/FAX switching mode or to set the normal fax mode.
SW-E1 No. 2, No.3 Pseudo ringing time at the phone/fax automatic
switching mode
Choice is made as to how long to rumble the dummy ringer on TEL/FAX
automatic switching mode.
SW-E1 No.4 Number of CNG signal detection at the phone/fax
automatic switching mode
Used for detection of CNG in one tone or two tones in the TEL/FAX
automatic switching mode.
SW-E1 No.5 CNG detect time at TEL/FAX mode
The switch which sets the time from the start of CNG detection to the
end of detection.
SW-E1 No. 6 Reserved
Set to "0".
SW-E1 No.7 Post answer tone transmit in TEL/FAX mode
When set to "0", machine send the 3 tones (880Hz/988Hz/1046Hz) in
TEL/FAX auto changeover mode.
SW-E1 No.8 Country select for Caller ID
When machine using in Australia, set to "0".
When machine using in New Zealand, set to "1".
SW-E2 No.1 ~ No. 4 Pseudo ringer sound volume
Used to adjust sound volume of pseudo ringer to the line (ringer back
tone) generated on selecting TEL/FAX. Setting is the reduce level from
-5dBm output level.
SW-E2 No. 5 ~ No. 8 Reserved
Set to "0".
SW-F1 No. 1, No. 2 DTMF detect time
Used to set detect time of DTMF (Dual Tone Multi Frequency) used in
remote reception (5 ).
The longer the detect time is, the less the error detection is caused by
noises.
SW-F1 No. 3 Protection of remote reception (5 ) detect
Used to set the function of remote reception (5 ). When set to "1",
the remote reception function is disabled.
SW-F1 No. 4 Remote reception with GE telephone
(Corresponding to TEL made by GE) P. B. X.
"1": Compatible with TEL mode by GE
"0": Not compatible
•When sending (5 ) for remote reception with a GE manufactured
telephone remote reception may not take place because of special
specifications in their DTMF.
To overcome this, a soft SW is provided to change the modem set-
ting to allow for remote reception.
•If this soft SW is set to "1", other telephone sets may be adversely
affected.
SW-F1 No. 5 ~ No. 8 Remote operation code figure by external TEL
(0 ~ 9)
Remote operation codes can be changes from 0 through 9. If set to
greater than 9, it defaults to 9. The "5 " is not changed.
Ex-7 (Default: 5 )
SW-F2 No. 1 CNG detection in STAND-BY mode
When setting to "1", the CNG signal detection function during standby
stops.
SW-F2 No. 2, No. 3 Number of CNG detect (AM mode)
Used for detection of CNG in 1 to 4 pulses.
SW-F2 No. 4, No. 5 Number of CNG (STAND-BY mode)
Used for detection of CNG in 1 to 4 pulses.
SW-F2 No. 6 ~ No. 8 Reserved
Set to "0".
SW-G1 No. 1 ~ No. 4 Quiet detect time
When an answering machine is connected, if a no sound state is de-
tected for a certain period of time, the machine judges it as a transmis-
sion from a facsimile machine and automatically switches to the FAX
mode.
SW-G1 No. 5 ~ No. 8 Quiet detect start timing
Inserts a pause before commencing quiet detection.

FO-780A
SW-G2 No. 1 ~ No. 8 Reserved
Set to "0".
SW-G3 No. 1, No. 2 OGM detect timer
This is used to change the OGM detection time for answering machine
hook up detection.
SW-G3 No. 3, No. 4 Reserved
Set to "0".
SW-G3 No. 5, No. 6 Section time of quiet detection
The switch which sets the time from the start of detection function to the
end of the function.
SW-G3 No. 7, No. 8 Reserved
Set to "0".
SW-H1 No. 1 Busy tone detection ON/OFF time (Lower duration)
The initial value of detection is set according to electric condition.
The set value is changed according to the local switch board. (Erro-
neous detection of sound is reduced.)
Normally the upper limit is set to 900msec, and the lower limit to 200msec.
If erroneous detection is caused by sound, etc., adjust the detection
range.
The lower limit can be set in the range of 350msec to 200msec.
SW-H1 No. 2 Busy tone detection ON/OFF time (Upper duration)
Similarly to SW-H1 No. 1, the set value can be varied.
The upper limit can be set in the range of 650msec to 900msec.
SW-H1 No. 1 SW-H1 No. 2 Detection range
0 0 200msec ~ 900msec
0 1 200msec ~ 650msec
1 0 350msec ~ 900msec
1 1 350msec ~ 650msec
SW-I3 No. 1 ~ No. 8 Reserved
Set to "0".
SW-I4 No. 1 ~ No. 8 Reserved
Set to "0".
SW-I5 No. 1 ~ No. 8 Reserved
Set to "0".
SW-I6 No. 1 ~ No. 8 Reserved
Set to "0".
SW-I7 No. 1 ~ No. 8 Reserved
Set to "0".
SW-J1 No. 1 Activity report print
This soft switch is used to select: whether or not to print out the activity
report when the memory is full. An activity report can be printed when
the following key entry command is made.
"FUNCTION", "2", "#", "START"
After producing the activity report, all the data in the memory will be
cleared.
When the switch function is set to "0" (no), the data in the memory will
be deleted from the oldest as it reaches the maximum memory capacity.
SW-J1 No. 2 Total communication hours and pages print
Used to make a choice of whether the total communication time and
pages are recorded in the activity report.
SW-J1 No. 3 Sender’s phone number setting
Used to make a choice of whether the registered sender’s phone number
can be changed or not. If the switch is set to "1", new registration of the
sender’s phone number is disabled to prevent accidental wrong input.
SW-J1 No. 4 ~ No. 6 Reserved
Set to "0".
SW-J1 No. 7, No. 8 Ringer volume
Used to adjust ringing volume.
SW-J2 No. 1, No. 2 Speaker volume (3 stages)
Used to adjust sound volume from a speaker.
SW-J2 No. 3 Polling key
If this switch is set to 1, the last of Rapid key works as polling key.
SW-J2 No. 4 ~ No. 8 Reserved
Set to "0".
SW-J3 No. 1 Automatic cover sheet
The machine automatically generates a cover sheet and sends it as the
last page of each transmission.
SW-J3 No. 2 ~ No. 4 Communication result printout (Transaction
report)
Every communication, the result can be output. As usual, it is set to print
the timer sending communication error alone. If No. 2: 0 No. 3: 1 No. 4:
0 are set, printing is always on (printed even if it is normally ended).
000: Error, timer and memory sending/receiving
001: Sending
010: Continuous printing
011: Not printed
100: Communication error
SW-J3 No. 5 ~ No. 8 Reserved
Set to "0".
SW-K1 No. 1 Entering DIAG mode by pressing SPEED key
A bit which is used in the production process only. When the SPEED
key is pressed, the switch is changed from the stand-by state to the
DIAG mode.
2 – 15
SW-H1 No. 3 Reserved
Set to "0".
SW-H1 No. 4 Busy tone continuous sound detect time
Set detecting time busy tone for 5 seconds or as is PTT.
SW-H1 No. 5 Reserved
Set to "0".
SW-H1 No. 6 Busy tone detect continuation sound detect
(during ICM: for internal A.M.)
Used to select detection of the continuous sound of certain frequency.
SW-H1 No. 7 Reserved
Set to "0".
SW-H1 No. 8 Busy tone detect intermittent sound detect
(during ICM: for internal A.M.)
Used to select detection of the intermittent sound of certain frequency.
SW-H2 No. 1, No. 2 Busy tone detection pulse number
Used to set detection of Busy tone intermittent sounds.
SW-H2 No. 3 Fax switching when A.M. full
If the answering machine’s memory (tape) is full and there is no re-
sponse, the machine automatically switches to Fax reception.
SW-H2 No. 4 ~ No. 8 Reserved
Set to "0".
SW-I1 No. 1 ~ No. 8 Reserved
Set to "0".
SW-I2 No. 1 ~ No. 8 Reserved
Set to "0".
FO-780A
SW-K1 No. 2 ~ No. 8 Reserved
Set to "0".
SW-L1 No. 1 ~ No. 4 Reserved
Set to "0".
SW-L1 No. 5 Cut off mode (COPY mode)
Whether the excessive part is printed on the next recording paper or
discarded is selected to copy a document which is longer than the re-
cording paper.
SW-L1 No. 6 A4 Paper enable
The use of recording paper of A4 is enabled.
SW-L1 No. 7 LEGAL and LETTER paper enable
The use of recording paper of LEGAL and LETTER is enabled.
SW-L1 No. 8 2 IN 1 mode
A function to print transmitted data of two pages on one sheet.
SW-L2 No. 1, No. 2 Paper set size
At present size of the recording paper.
SW-L2 No. 3 Automatic reduce of receive
If set to 1, it is reduced automatically when receiving.
SW-L2 No. 4 Print contrast
0: Normal
1: Light
SW-L2 No. 5 Reception reduction ratio in case of memory full
This model is designed so that the print is started according to the setting
of SW-L2 No.3 when reception of one page is completed. However, if
the memory is filled with data before completion of reception of one
page, the print is started with the reduction ratio which is set with this
switch.
SW-L2 No. 6 ~ No. 8 Reserved
Set to "0".
SW-M1 No. 1 ~ No. 8 Reserved
Set to "0".
SW-M2 No. 1 ~ No. 4 Reserved
Set to "0".
SW-M2 No. 5 Power save mode
It is the function which controls the consumption electric power of the
standing by condition.
SW-M2 No. 6 ~ No. 8 Reserved
Set to "0".
2 – 16

FO-780A
[3] Troubleshooting
Refer to the following actions to troubleshoot any of problems mentioned
in 1-4.
[1] A communication error occurs.
[2] Image distortion produced.
[3] Unable to do overseas communication.
[4] Communication speed slow due to FALLBACK.
•Increase the transmission level SOFT SWITCH A4-1, 2, 3, 4, 5.
May be used in case [1] [2] [3].
•Decrease the transmission level SOFT SWITCH A4-1, 2, 3, 4,
5. May be used in case [3].
•Apply line equalization SOFT SWITCH A5-1, 2.
May be used in case [1] [2] [3] [4].
•Slow down the transmission speed SOFT SWITCH A2-1, 2, 3,
4. May be used in case [2] [3].
•Replace the TEL/LIU PWB.
May be used in all cases.
•Replace the control PWB.
May be used in all cases.
* If transmission problems still exist on the machine, use the following
format and check the related matters.
TO: ATT: Ref.No. :
CC: ATT: Date :
FM: Dept :
Sign :
2 – 17
* Please complete this report before calling the “TAC” hotline if problem still occurs.
***** Facsimile communication problem ***** Ref.No.:
Date:
From: Mr. Fax Tel No.:
Our customer Name Tel No.
Address Fax No.
Contact person Model name
Other party Name Tel No.
Address Fax No.
Contact person Model name
Problem mode Line: Domestic / international Model: G3 Phase: A, B, C, D.
Reception / Transmission Automatic reception / Manual reception
Automatic dialing / Manual dialing / Others
Frequency: % ROM version:
Confirmation
item
Please mark problem with an X.
No problem is: 0.
A1 A2 B1 B2 C1 C2 D1 D2 E1 E2
Transmission level setting is ( ) dB at our
customer
Transmission level ( ) dBm
Reception level ( ) dBm
By level meter at B1 and B2
Comment
**** Please attach the G3 data and activity report on problem. ****
Countermeasure
Our customer
Our service
A1 A2 C1 D2
B1
B2
E1
E2
C2 D1
Other party
Other part
y
's service

FO-780A
[4] Error code table
1. Communication error code table
G3 Transmission
Code Final received signal Error Condition (Receiver side)
0 Incomplete signal frame Cannot recognize bit stream after flag
1 NSF, DIS Cannot recognize DCS signal by echo etc.
Cannot recognize NSS signal (FIF code etc)
2 CFR Disconnects line during reception (carrier missing etc)
3 FTT Disconnects line by fall back
4 MCF Disconnects line during reception of multi page
Cannot recognize NSS, DCS signal in the case of mode change
5 PIP or PIN The line is hung up without replying to telephone request from the receiving party.
6 RTN or RTP Cannot recognize NSS, DCS signal after transmit RTN or RTP signal.
7 No signal or DCN No response in receiver side or DCN signal received* (transmitter side)
8−Owing to error in some page the error could not be corrected although the specified number of
error retransmission was at tempted.
11 −Error occurred after or while reception by the remote (receiving) machine was revealed to be
impossible.
12 −Error occurred just after fallback.
13 −Error occurred after a response to retransmission end command was received.
G3 Reception
Code Final received signal Error Condition (Receiver side)
0 Incomplete signal frame Cannot recognize bit stream after flag
1 NSS, DCS Cannot recognize CFR or FTT signal
Disconnects line during transmission (line error)
2 NSC, DTC Cannot recognize NSS signal (FIF code etc)
3 EOP Cannot recognize MCF, PIP, PIN, RTN, RTP signal
4 EOM Cannot recognize MCF, PIP, PIN, RTN, RTP signal in the case of mode change
5 MPS The line is hung up without replying to communication request.
6 PR1-Q Cannot recognize PIP, PIN signal in the case of TALK request
7 No signal or DCN No response in transmitter (cannot recognize DIS signal) or DCN signal received* (receiver side)
8−Error occurred upon completion of reception of all pages.
9−Error occurred when mode was changed or Transmission/Reception switching was performed.
10 −Error occurred during partial page or physical page reception.
11 −Error occurred after or during inquiry from the remote (transmitting) machine as to whether
reception is possible or not.
12 −Error occurred during or just after fallback.
13 −Error occurred after the retransmission end command was received.
2 – 18

FO-780A
CHAPTER 3. MECHANISM BLOCKS
[1] General description
1. Document feed block and diagram
Fig. 1
2. Document feed operation
1) The original, which is set in the document hopper, feeds automati-
cally when the front sensor is activated. This in turn activates the
pulse motor which drives the document supply roller. The document
stops when the lead edge is detected by the document sensor.
2) The lead edge of the original is fed a specified number of pulses after
the lead edge of the document is detected for the reading process to
begin.
3) The trailing edge of the original is fed a specific number of pulses
after the trailing edge of the document deactivates the document
sensor. The read process then stops and the original is discharged.
4) When the front sensor is in the OFF state (any document is not set
up in the hopper guide), the drive will be stopped when the docu-
ment is discharged.
3. Hopper mechanism
3-1. General view
Fig. 2
The hopper section contains document guides that are used to adjust
the hopper to the width of the original document. This ensures that the
original feeds straight into the fax machine for scanning.
Document width: 148 mm to 216 mm (A5 longitudinal size to Letter
longitudinal size)
NOTE: Adjust the document guide after setting up the document.
3-2. Automatic document feed
1) Use of the paper feed roller and separation rubber plate ensures er-
ror-free transport and separation of documents. The plate spring
presses the document to the paper feed roller to assure smooth feed-
ing of the document.
2) Document separation method: Separation rubber plate
Fig. 3
3-3. Documents applicable for automatic feed
NOTE: Double-side coated documents and documents on facsimile re-
cording paper should be inserted manually. The document feed
quantity may be changed according to the document thickness.
Documents corresponding to a paper weight heavier than 64.3kg (74.3g/
m2 ) and lighter than 135kg (157g/m2 ) are acceptable for manual feed.
Documents heavier than 135kg in terms of the paper weight must be
duplicated on a copier to make it operative in the facsimile.
3-4. Loading the documents
1) Make sure that the documents are of suitable size and thickness, and
free from creases, folds, curls, wet glue, wet ink, clips, staples and
pins.
2) Place documents face down in the hopper.
i) Adjust the document guides to the document size.
ii) Align the top edge of documents and gently place them into the
hopper. The first page under the stack will be taken up by the feed
roller to get ready for transmission.
NOTES: 1) Curled edge of documents, if any, must be straighten
out.
2) Do not load the documents of different sizes and/or
thicknesses together.
3 – 1
Paper size B6 (128mm x 182mm) ~
A4 (210mm x 297mm), Letter (216mm x 279mm)
4x6 series
(788mm x 1091mm x
1000mm sheets)
Square
meter series
Minimum Maximum Minimum Maximum
Feeder capacity 10 sheets, max.
Paper thickness (ref.)
0.06mm 0.09mm 0.06mm 0.09mm
Paper weight 45kg 64.3kg 52g/m274.3g/m2
CIS
Paper feed roller
Guide roller
Feed roller
Pinch roller
Back roller
Document
Sensor
Front
sensor
Document
guide upper
Document
Separation rubber
Paper feed spring
Document
Paper feed roller

FO-780A
Fig. 4
3-5. Documents requiring use of document carrier
1) Documents smaller than B6 (128mm x 182mm).
2) Documents thinner than the thickness of 0.06mm.
3) Documents containing creases, folds, or curls, especially those whose
surface is curled (maximum allowable curl is 5mm).
4) Documents containing tears.
5) Carbon-backed documents. (Insert a white sheet of paper between
the carbon back and the document carrier to avoid transfer of carbon
to the carrier.)
6) Documents containing an easily separable writing material (e.g., those
written with a lead pencil).
7) Transparent documents.
8) Folded or glued documents.
Document in document carrier should be inserted manually into the
feeder.
4. Document release
4-1. General
To correct a jammed document or to clean the document running sur-
face, pull the insertion side of document center of the operation panel.
To open the upper document guide, the operation panel must be opened
first.
4-2. Cross section view
5. Recording block
(1) General view
3 – 2
Separation rubber
Paper feed roller
First page of document
Paper feed spring
Back of document
Last page of document
Operation panel unit
Lower cabinet
Fig. 5
Fig. 6
5-1. Driving
In the drive mechanism, the rotating force of the pulse motor for both
transmission and reception is transmitted to the paper supply roller, the
recording paper feed roller and imaging film drive gear through the pulse
motor axle gear, reduction gear and planetary gear.
5-2. Recording
This equipment employs the thermal transcription system which used
the thermal head imaging film.
1) Thermal head
The thermal head is composed of 2,016 heating elements in traverse
line, and the resolution power is 8 dots/mm. The maximum speed is 10
ms/line.
2) Structure of recording mechanism
Recording is achieved by applying a suitable pressure to the thermal
head through the imaging film of the recording paper feed roller and the
recording paper.
The main scanning is electronically done, and the sub-scanning is me
chanically done (by sending the recording paper with the recording pa-
per feed roller).
3) Recording paper transfer sequence
a) The recording paper stored in the RP hopper is fed with the PU roller,
and the recording paper is stopped when the P-IN sensor is turned
on by sensing its lead edge.
b) Hereafter, the imaging film and recording paper are transferred with
the recording paper feed roller, and thermal transcription is done on
the recording paper.
c) After thermal transcription, the imaging film is taken up by the roller
on the take-up side, and the recording paper is discharged by the PO
roller.
As basic, the density unevenness mainly results from the longitu-
dinal misalignment of the thermal head to the heater line. Otherwise,
the head is in uneven contact with the recording paper feed roller, or
the imaging film is wrinkled.
The following items are described as the simplified checking method.
Are the power and signal cables of the thermal head suitably treated?
Does the same symptom appear even if the thermal head pres-sure
spring is replaced?
Is the feed roller of the recording paper concentric? (Density is un-
even at intervals.)
Does the same symptom appear even if the thermal head is replaced?
Is the imaging film stained or wrinkled?
RP release plate
Rotation
plate
RP
hopper
Supply
side
Imaging film
Film sensor
lever
Take-up
side
Thermal Haad
Film cartridge
PO gude
Pinch roller
PO roller
Platen roller
PU roller

FO-780A
[2] Disassembly and assembly procedures
•This chapter mainly describes the disassembly procedures. For the assembly procedures, reverse the disassembly procedures.
•Easy and simple disassembly/assembly procedures of some parts and units are omitted. For disassembly and assembly of such parts and units,
refer to the Parts List.
•The numbers in the illustration, the parts list and the flowchart in a same section are common to each other.
•To assure reliability of the product, the disassembly and the assembly procedures should be performed carefully and deliberately.
Bottom plate
1Parts list (Fig. 1)
Fig. 1
4 Head earth cable 1
5 Screw (3×6) 1
6 Shield sheet 1
7 Bottom plate 1
No. Part name Q’ty No. Part name Q’ty
1 Mechanism unit 1
2 Screw (3×10) 9
3 Screw (3×5) 1
3 – 3
2
2
2
2
22
2
2
3
3
4
4
7
5
6
6
1
5
2
2
1
7

FO-780A
7 Screw (4×6) 1
8 AC cord ass’y 1
9 Screw (3×10) 2
10 Drive unit 1
11 Speaker hold spring 1
12 Speaker 1
Fig. 2
PWB’s, drive unit, AC cord ass’y and
speaker
2Parts list (Fig. 2)
No. Part name Q’ty No. Part name Q’ty
1 Mechanism unit 1
2 Connector 3
3 Cable 6
4 Control PWB unit 1
5 TEL/Liu PWB unit 1
6 Power supply PWB unit 1
3 – 4
4
6
6
7
8
8
5
11
11
12
12
10
10
9
9
1
9
2
2
3
3
3
3
4
Control PWB
(Top view)
3
AC cord earth cable
AC cord
earth cable
2
3
4
5
6
1
7
6
Note) Keep the power
supply PWB unit to
under the rib like a picture.
Rib
Position of AC cord
8
The number direction
keep on top side
3
2

FO-780A
Paper roller etc. and sensor lever
3
Fig. 3
3 – 5
8 Platen lock bracket 1
9 Platen lock lever, left 1
10 Platen lock lever, right 1
11 Platen lock lever spring 1
12 PO roller 1
13 Transfer bearing 2
14 Back roller gear 1
Parts list (Fig. 3)
No. Part name Q’ty No. Part name Q’ty
1 Mechanism unit 1
2 Sheet A 1
3 P-IN sensor lever B 1
4 PE sensor lever B 1
5
PE sensor lever spring B
1
6 Screw (3×10) 1
7 BT gear ass’y 1
12
13
13
14
14
1
1
2
2
3
3
4
4
5
5
6
7
7
1
13
Fix size
271.8±0.4mm
An attachment rib is
attached in cccordance
with hole, right and left.
10
10
10
11
11
6
8
8
8
9
9
9
13
Rib
12
Applying position for SHEET A
Clean apply area by Alcohol.
APPLYING STANDARD
APPLYING STANDARD
2

FO-780A
17 Reduction gear, 4 1
18
Planet gear lever C ass’y
1
19
Planet gear lever B ass’y
1
20 Reduction gear, 1 1
21 Cam hold spring 1
22 Cam A 1
23 Cam B 1
24 Cam switch 1
25 Drive frame 1
9 Idler gear, 52Z 1
10 Reduction gear, 3 1
11 Reduction gear, 2 1
12 Reduction gear, 5 1
13 Reduction gear C 1
14 Link lever 1
15
Planet gear lever A ass’y
1
16 Idler gear, 30Z 3
1 Screw (3×10) 2
2 Motor 1
3 Motor plate 1
4 Take up gear 1
5 Slip gear ass’y 1
6 Reduction gear, 6 1
7
Planet gear lever D ass’y
1
8 Idler gear B 1
Drive frame
4
Fig. 4
3 – 6
Parts list (Fig. 4)
No. Part name Q’ty No. Part name Q’ty No. Part name Q’ty
2
1
2
3
3
4
4
4
5
5
1
7
7
7
7
9
8
6
6
12
11
13
12
14
13
15
14
11
10
15
17
16
16
16
10
9
9
16
15
15
18
20
19
19
19
18
18
21
21
22
22
22
23
23
23
18
17
26
25
25
24
24
CAUTION :
Do not apply FLOIL to this gear.
Please wipe off when FLOIL
sticks to this gear.
Grease
Grease
, ,
Nail be doing lock.
, ,
To be the switch linked by hooks.
Boss
Boss
Nail
Nail
GEAR attachment boss
NOTE) Apply certainly to a part of a nail at
the time of GREASE application.
Nail be doing lock
Nail be doing lock.
Grease
Grease
CAUTION: To prevent the hook from breaking
Two hooks must
be in the hole.
(2)
(1)
[side angle]
Please do in order in the above
figure when you assemble this gear.
[top angle]
OK NG
When the gear is assembled, it is
necessary to see two hooks.
MARK MARK
CAM B
CAM A
Joint of mark and mark.
Fix position of CAM A and B
9
22
25
25
24
19
24
21
20

FO-780A
Fig. 5
3 – 7
8 CIS unit 1
9 CIS spring 2
10 Cover switch spring 1
11 Cover switch lever 1
12 Feed roller shaft 1
13 Feed roller 1
14 Orignal paper guide 1
Parts list (Fig. 5)
No. Part name Q’ty No. Part name Q’ty
1 Mechanism unit 1
2 Hook switch lever 1
3 Sub frame unit 1
4 Screw (3×10) 2
5
Original paper guide unit
1
6 Operation panel unit 1
7 Film guide shaft 1
Sub frame unit, original paper guide,
operation panel unit and CIS unit
5
2
2
1
3
3
44
4
55
7
7
8
8
9
9
9
66
11
13
12
12
14
13
14
10
11
10
1
1
2
3
1
4
5
6
Operation panel unit disassembly
Close insignificantly the operation panel unit from the FULL OPEN position.
2
Shift the operation panel unit to the left side, and remove the left-side fulcrum.
3
Shift the operation panel unit to the right side, and remove the right-side fulcrum.
4
Sub frame unit disassembly
Fully open the sub frame unit.
5
Shift the sub frame unit to the left side, and remove the left-side fulcrum.
6
Shift the sub frame unit to the left side, and remove the right-side fulcrum.

FO-780A
Upper cabinet and document guide
upper unit
Fig. 6
3 – 8
Parts list (Fig. 6)
No. Part name Q’ty No. Part name Q’ty
1 Screw (3×8) 2
2 Document guide upper 1
unit
3 Operation panel unit 1
4 Screw (2×6) 5
5 Cable 1
6 Operation panel PWB 1
7 Direct key 1
8 Mode key 1
9 Stop key 1
10 Start key 1
11 12 key 1
12 Upper cabinet 1
6
2
2
1
1
3
3
4
4
4
4
4
4
6
5
5
7
7
8
8
9
9
6
12
12
11
11
10
10
2
3Note) Keep the document
guide upper unit in the rib
of operation panel unit
like a picture.
Note) Keep the operation
panel PWB to under the
rib like a picture.
Rib
6
LCD PWB
LCD PWB
Rib Rib
LCD CABLE
Note) The LCD PWB should
be securely locked by the
click of the panel case.
6
Rib
6
Note) Keep the operation
panel PWB to under the
rib like a picture.
1
Note) Keep the document
guide upper unit to under
the rib like a picture.
Rib
23

FO-780A
Fig. 7
3 – 9
7 Separate spring 1
8 Separator plate 1
9 Paper feed spring 1
10 Separator rubber 1
11 Guide roller 1
12 Document guide upper 1
Parts list (Fig. 7)
No. Part name Q’ty No. Part name Q’ty
1 Back roller gear 1
2 Transfer bearing 1
3 Back roller 1
4 Pinch roller spring 2
5
Pinch roller
2
6 Pinch roller shaft 1
Document guide upper
7
Confirm
hook is locked.
Confirm
Thing which does not
run aground.
2
2
1
1
3
3
4
4
4
4
4
5
5
5
5
7
7
7
8
8
8
9
9
9
6
6
6
12 12
12
12
12
11
11
10
10
1
1
2
12

FO-780A
19 Platen bearing, right 1
20 Platen roller 1
21 PU shaft 1
22 PU roller ass’y 1
23
P-IN sensor lever spring
1
24
P-IN sensor lever
1
25 Sub frame 1
26 PO roller rubber 2
27 PO roller shaft 1
10 PO pinch roller spring 2
11 PO pinch roller 2
12 PO guide 1
13 PE sensor lever 1
14 PO gear 1
15 PO roller ass’y 1
16 Film guide shaft 1
17 Platen gear 1
18 Platen bearing, left 1
1 Top cover unit 1
2 Screw (3×10) 2
3 Sub frame unit 1
4 RP hopper unit 1
5 Sub frame ass’y 1
6 Screw (3×10) 1
7 Tension gear 1
8 Tension spring 1
9 PO guide ass’y 1
Fig. 8
Sub frame, top cover unit RP hopper
unit
8
3 – 10
Parts list (Fig. 8)
No. Part name Q’ty No. Part name Q’ty No. Part name Q’ty
2
2
2
1
3
3
4
4
4
5
5
5
7
8
9
9
6
78
6
12
13
13
13
14
14
15 26 27
15
15
11
11
17
17
18
19
9
12
11
10
10
10
16
16
22
23
24
25
21
20
18
18 19
20
19
22
23
24
26
26
25
25
24
23
25
27
21
25
Both right and left
are confirmed.
Confirm
hook to locked.
Both right and left
are confirmed.
Confirm to locked.
Confirm to locked.
Confirm to locked.
,
20
1
Installation condition
figure right and left.

FO-780A
Top cover and RP hopper
9
Fig. 9
3 – 11
9 RP release plate 1
10 Rotation plate 1
11 RP pad 1
12 C-spring 1
13 Separate plate 1
14 Separate plate sheet 1
15 Separate spring 1
16 A4 paper guide 1
17 RP hopper 1
Parts list (Fig. 9)
No. Part name Q’ty No. Part name Q’ty
1 Release knob 1
2 Screw 1
3 Pinion gear 1
4 Hopper spring 1
5
Hopper guide, right
1
6
Hopper guide, left
1
7 TC sheet 1
8 Top cover 1
R
L
GAP 0
GAP 0
HOPPER
GUIDE(L)
HOPPER
GUIDE(R)
30°
Fix position
boss
Rib
Rib
[Cross section]
[Upper figure]
Do not run aground
in the rib.
0mm
0mm
0mm
0mm
Applying standard
Applying standard
Note) Hopper guides move smoothly.
Operation load is 450 g range from 80 g.
Confirm of HOPPER GUIDE position.
2
2
10
1
1
3
3
4
4
5
4
5
7
8
8
9
9
10
6
6
12
13
13
14
14
15
15
17
13
11
14
11
12
10
11
16
The pointed end
to be Upper
7
16
17

FO-780A
Thermal head
10
Fig. 10
3 – 12
Parts list (Fig. 10)
No. Part name Q’ty No. Part name Q’ty
1 Mechanism unit 1
2 Screw (3×10) 1
3 Head cover 1
4 Screw (3×10) 2
5 Head earth cable 1
6 Head unit 1
7
Film sensor lever spring
1
8 Film sensor lever 1
9 Screw (3×10) 2
10 Panel lock lever spring 2
11 Head spring D 2
12 Thermal head ass’y 1
13 Head spring E 2
14 Head spring B 2
15 Head spring F 1
16 Head cushion 2
17 Head frame 1
18 Head cable 1
19 Screw (3×6) 1
20 Head guide, right 1
21 Screw (3×6) 1
22 Head guide, left 1
23 Thermal head 1
Tightening torque
6.0±0.5kg.cm
Put the earth cable in parallel to the head frame.
Install the spring
on the ditch of the rib.
The head and head earth cable
pass to the core 2 times.
2
2
1
3
3
4
4
4
4
5
5
7
7
7
8
8
8
9
9
9
6
6
6
12
12
13
13
13
14
14
14
15
15
11
11
11
17
18
19
10
10
10
16
17
22
21
20
18
19
20
23
22
21
View A
View A
1
Rib
23
16
16

FO-780A
Fig. 11
Wire treatment
11
3 – 13
Parts list (Fig. 11)
1 Screw (3×10) 1
2 Screw (4×6) 1
3 Core (F2064) 1
4 Core (F2063) 1
5 Screw (3×5) 1
6 Core (F2103) 1
No. Part name Q’ty
2
1
3
4
AC cord earth cable
AC cord
earth cable
Power supply PWB
AC cord
Head earth
cable
Head unit
Head
frame
The Head cable and
Head earth cable pass to the core 2 times
The panel cable pass
to the core 2 times.
panel cable
Operation
panel
PWB
Panel cable
Operation panel unit
Operation
panel unit
Document
guide
upper unit
Panel cable
Document
guide upper
unit
Control PWB Head cable
Head earth cable
Panel
cable
Motor
cable
Cam switch cable
Rib
Rib
Rib
Rib Speaker cable
Lower
cabinet
Drive
unit
5
CIS cable
Speaker cable
The CIS cable and
Speaker cable pass to the
core 2 times.
6
6

FO-780A
4 – 1
[1] Block diagram
CHAPTER 4. DIAGRAMS
MODEM
R96DFXL-CID
CLOCK
24MHz
SRAM
256kbit ROM
2Mbit
CPU
CPU I/F
TIMER
RTC
PIO
WATCHDOG
TIMER
CLOCK
32kHz
INTERRUPT
CONTROLLER
CIS I/F
MOTOR I/F
SENSOR I/F
SIO
THERMAL
HEAD I/F
PANEL I/F
PM
OPERATION
PANEL
CONTROL PWB UNIT 1CHIP FAX ENGINE (FC200-M)
HANDSET
SPEAKER
+5V +24V
OPERATION
PANEL
TEL/LIU
PWB UNIT
DRIVER
THERMAL
HEAD
PM
CONTACT
IMAGE
SENSOR
DOCUMENT
SENSOR
POWER SUPPLY
PWB UNIT
DRAM
4Mbit
REGULATOR
SELECT
SPEAKER
AMPLIFIER
AMPLIFIER
AMPLIFIER
SURGE
PROTECT/
FILTER CML TRANSFORMER
CI
VBT
STABILIZER
RECTIFIER
TRANSFORMER
RECTIFIER
DIODE
TRANS
SURGE
ABSORBER FILTER
LINE
EXT.TEL
P-IN
SENSOR
RESET IC
AMPLIFIER
BZ
CLOCK
19.66MHz
BLOCK
AMPLIFIER/
SIGNAL
FRONT SENSOR
LCD
PE
SENSOR
FILM SENSOR
INV RELAY

FO-780A
[2] Wiring diagram
4 – 2
CAM SW
26
THERMAL HEAD
CONTACT IMAGE SENSOR
LCD UNIT
CNLCD
OPERATION
PANEL PWB
NUIT
14
CNPN
16
7
15
CNCSWCNMT
CNTH
CNCIS
CNPN CNSP
SPEAKER
CNLIUA
CNPW
14
9
CONTROL PWB UNIT
TEL/LIU
PWB UNIT
POWER SUPPLY
PWB UNIT
CNLIUA
CN1
EXTERNAL LINE
TEL LINE
MJ1/2
MJTEL
AC CORD
TX/RX MOTOR
2
HANDSET
FG
FG
FG
ARG
6
CNLIUB CNLIUB

FO-780A
[3] Point- to-point diagram
4 – 3
TX/RX
MOTOR
TPBD
TPAD
TPBD
TPAD
VMT
VMT
1
2
3
4
5
6
1
2
3
4
5
6
7
8
9
10
11
12
13
14
15
16
1
2
3
4
5
6
7
8
9
10
11
12
13
14
15
16
1
2
3
4
5
6
7
8
9
10
11
12
13
14
15
1
2
3
4
5
6
7
8
9
10
11
12
13
14
15
1
2
3
4
5
6
OPERATION
PANEL
PWB
TPBD
TPAD
TPBD
TPAD
VMT
VMT
THERMAL
HEAD
VTH
VTH
STRB1
STRB2
THI
N.C.
MG
MG
MG
+5V
STRB3
STRB4
LATCH
PCLK
DATA
VTH
VTH
VTH
STRB1
STRB2
THI
N.C.
MG
MG
MG
+5V
STRB3
STRB4
LATCH
PCLK
DATA
VTH
1
2
3
4
5
6
7
1
2
3
4
5
6
7
VO
DG
+5V
PHIT
CISCLK
GLED
+24V
VO
DG
+5V
PHIT
CISCLK
GLED
+24V
KEN4A
KEN3A
KEN2A
KEN1A
DG
DG
+5V
ORGSNS
FRSNS
E
SEN4
SEN0
SEN1
SEN2
SEN3
KEN4A
KEN3A
KEN2A
KEN1A
DG
DG
+5V
ORGSNS
FRSNS
E
SEN4
SEN0
SEN1
SEN2
SEN3
CNPN CNPN
CNCIS
1
2
3
4
5
6
7
8
9
10
11
12
13
14
1
2
3
4
5
6
7
8
9
10
11
12
13
14
TEL/LIU
PWB
TELOUT
TELIN
TELMUTE
CI/CIDIN1
CIDIN2/HS
PE
PIN
RHS
RXIN
TXOUT
CML
+5V
DG
+24V
TELOUT
TELIN
TELMUTE
CI/CIDIN1
CIDIN2/HS
PE
PIN
RHS
RXIN
TXOUT
CML
+5V
DG
+24V
CNLIUACNLIUA
CNMT
CNTH
1
2
3
4
5
6
7
8
9
1
2
3
4
5
6
7
8
9
POWER
SUPPLY
PWB
MG
MG
+24V
+24V
+24VA
DG
+5V
DG
PSAVE
MG
MG
+24V
+24V
+24VA
DG
+5V
DG
PSAVE
CN1
CNPW
CNCSW
CNSP
CIS
1
2CSW
DG
CAM
SWITCH
1
2
1
2
1
2SP+
SP-
CSW
DG
SP+
SP- SPEAKER
CONTROL
PWB
1
2
3
4
5
6
1
2
3
4
5
6
EXTSIG
RLYCNT
SIGMUTE/
TXMUTE
DPON
DPMUTE
RCVOL
EXTSIG
RLYCNT
SIGMUTE/
TXMUTE
DPON
DPMUTE
RCVOL
CNLIUB
CNLIUB

FO-780A
CHAPTER 5. CIRCUIT DESCRIPTION
[1] Circuit description
1. General description
The compact design of the control PWB is obtained by using ROCK-
WELL fax engine in the main control section and high density printing of
surface mounting parts. Each PWB is independent according to its func-
tion as shown in Fig. 1.
2. PWB configuration
Fig. 1
1) Control PWB
The control PWB controls peripheral PWBs, mechanical parts, trans-
mission, and performs overall control of the unit.
This machine employs a 1-chip modem (R96DFXL-CID) which is in-
stalled on the control PWB.
2) TEL/LIU PWB
This PWB controls connection of the telephone line to the unit.
3) Power supply PWB
This PWB provides voltages of +5V and +24V to the other PWBs.
4) Panel PWB
The panel PWB allows input of the operation keys.
5) LCD PWB
This PWB controls the LCD display.
3. Operational description
Operational descriptions are given below:
•Transmission operation
When a document is loaded in standby mode, the state of the docu-
ment sensor is sensed via the 1 chip fax engine (FC200M). If the
sensor signal was on, the motor is started to bring the document into
the standby position. With depression of the START key in the off-
hook state, transmission takes place.
Then, the procedure is sent out from the modem and the motor is
rotated to move the document down to the scan line. In the scan
processor, the signal scanned by the CIS is sent to the internal im-
age processor and the AD converter to convert the analog signal into
binary data. This binary data is transferred from the scan processor
to the image buffer within the RAM and encoded and stored in the
transmit buffer of the RAM. The data is then con-verted from parallel
to serial form by the modem where the serial data is modulated and
sent onto the line.
•Receive operation
There are two ways of starting reception, manual and automatic.
Depression of the START key in the off-hook mode in the case of
manual receive mode, or CI signal detection by the LIU in the auto-
matic receive mode.
First, the FC200M controls the procedure signals from the modem to
be ready to receive data. When the program goes into phase C, the
serial data from the modem is converted to parallel form in the mo-
dem interface of the 1 chip fax engine (FC200M) which is stored in
the receive buffer of the RAM. The data in the receive buffer is de-
coded software-wise to reproduce it as binary image data in the im-
age buffer. The data is DMA transferred to the recording processor
within the FC200M which is then converted from parallel to serial
form to be sent to the thermal head. The data is printed line by line by
the FC200M which is assigned to control the motor rotation and strobe
signal.
•Copy operation
To make a copy on this facsimile, the COPY key is pressed when the
machine is in stand-by with a document on the document table and
the telephone set is in the on-hook state.
First, depression of the COPY key advances the document to the
scan line. Similar to the transmitting operation, the image signal from
the CIS is converted to a binary signal in the DMA mode via the 1
chip fax engine (FC200M) which is then sent to the image buffer of
the RAM. Next, the data is transferred to the recording processor in
the DMA mode to send the image data to the thermal head which is
printed line by line. The copying takes place as the operation is re-
peated.
5 – 1
LCD
PWB
PANEL
PWB
CONTROL
PWB
TEL/LIU
PWB
POWER
SUPPLY
PWB
TX/RX
MOTOR
AC CORD
CIS

FO-780A
[2] Circuit description of control PWB
1. General description
Fig. 2 shows the functional blocks of the control PWB, which is com-
posed of 5 blocks.
Fig. 2 Control PWB functional block diagram
2. Description of each block
(1) Main control block
The main control block is composed of ROCKWELL 1 chip fax engine
(FC200M), ROM (2Mbit), SRAM (256Kbit), DRAM (4Mbit) and Modem
(R96DFXL-CID).
Devices are connected to the bus to control the whole unit.
1) FC200M (IC9) : pin-144 QFP (FAX CONTROLLER)
2) R96DFXL-CID (IC6) : pin-100 QFP (MODEM)
The FAXENGINE Integrated Facsimile Controllers.
FC200M, contains an internal 8 bit microprocessor with an external 2
Mbyte address space and dedicated circuitry optimized for facsimile
image processing and facsimile machine control and monitoring.
3) 27C2000 (IC4): pin-32 DIP (ROM)
EPROM of 2Mbit equipped with software for the main CPU.
4) W24258S-70LE (IC3): pin-28 SOP (SRAM)
Line memory for the main CPU system RAM area and coding/decoding
process. Used as the transmission buffer.
Memory of recorded data such as daily report and auto dials. When the
power is turned off, this memory is backed up by the lithium battery.
5) M514800C-70J (IC1): pin-28 SOJ (DRAM)
Image memory for recording process.
• Memory for recording pixel data at without paper.
Fig. 3
5 – 2
MC24 CPU CONTROL IF
MC24 MEGACELL(8BIT DATA,24BIT ADDRESS)
WATCHDOG TIMER
REAL TIME CLOCK
CRYSTAL OSCILLATOR
BATTERY BACK-UP CIRCUIT
INTERRUPT CONTROLLER
BUS INTERFACE
DRAM CONTROL
INTERNAL & EXTERNAL BUS CONTROL
INTERNAL & EXTERNAL DECODE
DMA CONTROLLER
OPERATOR PANEL IF
32 KEYS
8 LEDS
LCD MODULE
MOTOR POWER
CONTROL RINGER
SYNC SERIF 1
THERMAL PRINTER IF
5 ms LINE TIME
A4/B4 LINES
TPH ADC
4 STROBE TPH
LATCHLESS TPH
EXTEMAL DMA I/F
T.4/T.6 CODEC
MH,MR,MMR
HARDWARE,ALTERNATE
COMPRESSION &
DECOMPRESSION
BI-LEVEL RESOLUTION
CONVERSION
PROGRAMMABLE
REDUCTION &
EXPANSION
2.6kBYTE VIDEO RAM
SCANNER CONTROL & VIDEO PROCESSING
8-BIT PADC
CCD/CIS SCANNER
5 ms,A4/B4 LINES
SHADING CORRECTION(1:1,1:8)
DITHERING
MULTILEVEL B4-A4 REDUCTION
ERROR DIFFUSION
MTF
GENERAL I/O
TONE/ALTTONE
GPIO
CALLING PARTY
CONTROL
AUTOBAUD
SYNC-ASYNC SASIF
SYNC SERIF 2
FLASH MEMORY IF
AUTOBAUD
CPU BUS
INTERNAL CPU BUS
EXTERNAL CPU BUS
DMA BUS
WRPROTN
TSTCLK
DEBUGN
RESETN
XIN
XOUT
PWRDWNN
BATRSTN
SYSCLK
SEE
"OPIF
OUTPUTS"
BELOW
SEE
"OPIF
INPUTS"
BELOW
THADIN
PDAT
PLAT
STRB[3:0]
STRBPOL
PCLK
PWR/GND TEST
OPIF INPUTS
OPI[0]/GPIO[21]/SSRXD1
OPI[1]/GPIO[22]/SSSTAT1
OPI[2]/GPIO[23]/SSCLK1
OPI[3]/GPIO[24]
OPIF OUTPUTS
LEDCTL/GPO[16]
LCDCS/GPO[17]
OPO[0]/GPO[8]/SINPWR CTRL
OPO[1]/GPO[9]/PMPWR CTRL
OPO[2]/GPO[10]/RINGER
OPO[3]/GPO[11]
OPO[4]/GPO[12]/SSTXD1
OPO[5]/GPO[13]
OPO[6]/GPO[14]
OPO[7]/GPO[15]
ROMCSN
MCSN
SYNC
REGDMA
WAITN
RASN
CASN[1:0]
DWRN
CSN[1:0]
WRN
RDN
D[7:0]
A[23:0]
MIRQN
TONE
VIN
CLK1
CLK1N
CLK2
VIDCTL0/FCS1N
VIDCTL1/FCS2N
START –VREF
+VREF
GPIO[0]
GPIO[1]/SASTXD
GPIO[2]/SASRXD
GPIO[3]/SASCLK
GPIO[4]/CPCIN
GPIO[5]/SSCLK2
GPIO[6]/SSTXD2
GPIO[7]/SSRXD2
GPIO[8]/FWRN
GPIO[9]/FRDN
GPIO[10]/SSSTAT2
GPIO[11]/BE/SERINP
GPIO[12]/CS2N
GPIO[13]/CS3N
GPIO[14]/CS4N
GPIO[15]/CS5N
GPIO[16]/IRQ8
GPIO[17]/IRQ5N
GPIO[18]/IRQ9N
GPIO[19]/RDY/SEROUT
GPIO[20]/ALTTONE
SM[3:0]/GPO[7:4]
PM[3:0]/GPO[3:0]
(1) FC200M
(3) ROM
(2) MODEM
(4) SRAM
MAIN CONTROL BLOCK
MODEM BLOCK
(5) DRAM

FO-780A
CPU Control Interface
MIRQn 135 I HU −Modem interrupt, active low. (Hysteresis In, Internal Pullup.)
SYSCLK 133 I H −System clock. (Hysteresis In.)
TSTCLK 130 O −123XT Test clock.
Bus Control Interface
A[23:0] [1:6][8:13] O TU 123XT Address bus (24-bit).
[15:20][22:27]
D[7:0] [136:139] I/O TU 123XT Data bus (8-bit).
[141:144]
RDn 128 O −123XT Read strobe.
WRn 127 O −123XT Write strobe.
ROMCSn 120 O −123XT ROM chip select.
CS1n 122 O −123XT I/O chip select.
CS0n 57 O −123XT SRAM chip select. (Battery powered.)
MCSn 121 O −123XT Modem chip select.
SYNC 126 O −123XT Indicates CPU op code fetch cycle (active high).
REGDMA 124 O −123XT Indicates REGSEL cycle and DMA cycle.
WAITn 125 O −123XT Indicates current TSTCLK cycle is a wait state or a halt state.
RASn 113 O −123XT DRAM row address select. (Battery powered.)
CAS[1:0]n [111:112] O −123XT DRAM column address select. (Battery powered.)
DWRn 109 O −123XT DRAM write. (Battery powered.)
Prime Power Reset Logic and Test
DEBUGn 129 I HU −External non-maskable input (NMI).
RESETn 131 I/O HU 2XO FC100/FC200 Reset.
TEST 58 I C −Sets Test mode (Battery powered).
Battery Power Control and Reset Logic
XIN 59 I OSC −Crystal oscillator input pin.
XOUT 60 O −OSC Crystal oscillator output pin.
PWRDWNn 62 I H −
Used by external system to indicate -to FC100/FC200 - loss of prime power.
(Results in NMI)
BATRSTn 61 I H −Battery power reset input.
WRPROTn 110 O −1XC
(Battery powered.) Write protect during loss of VDD power.
NOTE:The functional logic is powered by battery power, but the output drive
is powered by DRAM battery power.
Scanner Interface
START 101 O −2XS Scanner shift gate control.
CLK1 100 O −2XS Scanner clock.
CLK1n 99 O −2XS Scanner clock-inverted.
CLK2 98 O −2XS Scanner reset gate control (or clock for CIS scanner).
FCS1n/VIDCTL0 96 O −2XT Flash memory chip select or Video Control signal.
FCS2n/VIDCTL1 97 O −2XT Flash memory chip select or Video Control signal.
Printer Interface
PCLK/DMAACK 29 O −3XC Thermal Print Head (TPH) clock, or external DMAACK.
PDAT 30 O −2XP Serial printing data (to TPH).
PLAT 31 O −3XP TPH data latch.
STRB[3:0] [33:36] O −1XP Strobe signals for the TPH.
STRBPOL/DMAREQ
37 I C −Sets strobe polarity, active high/low or external DMA request.
Operator Panel Interface
OPO[0]/GPO[8]/ 47 O −2XL Keyboard/LED strobe [0] or GPO[8] or Scan Motor Power Control
SMPWRCTRL
OPO[1]/GPO[9]/ 46 O −2XL Keyboard/LED strobe [1] or GPO[9] or Print Motor Power Control
PMPWRCTRL
OPO[2]/GPO[10]/ 44 O −2XCT Keyboard/LED strobe [2] or GPO[10] or RINGER
RINGER
OPO[3]/GPO[11] 43 O −2XL Keyboard/LED strobe [3] or GPO[11]
OPO[4]/GPO[12]/ 42 O −2XL Keyboard/LED strobe [4] or GPO[12] or SSTXD1 (for SSIF1)
SSTXD1
OPO[5]/GPO[13] 40 O −2XL Keyboard/LED strobe [5] or GPO[13]
OPO[6]/GPO[14] 39 O −2XL Keyboard/LED strobe [6] or GPO[14]
OPO[7]/GPO[15] 38 O −2XL Keyboard/LED strobe [7] or GPO[15]
OPI[0]/GPIO[21]/ 52 I/O HU 2XC (Pullup, Hysteresis In) Keyboard return [0] or GPIO[21] or SSRXD1
SSRXD1 (for SSIF1)
OPI[1]/GPIO[22]/ 51 I/O HU 2XC (Pullup, Hysteresis In) Keyboard return [1] or GPIO[22] or SSSTAT1
SSSTAT1 (for SSIF1)
FC200M (IC9) Terminal descriptions
Pin Name Pin No. I/O Input Output Pin Description
Type Type (Note: Active low signals have an "n" pin name ending.)
5 – 3

FO-780A
Operator Panel Interface
OPI[2]/GPIO[23]/ 50 I/O HU 2XC (Pullup, Hysteresis In) Keyboard return [2] or GPIO[23] or SSCLK1
SSCLK1 (for SSIF1)
OPI[3]/GPIO[24] 49 I/O HU 2XC (Pullup, Hysteresis In) Keyboard return [3] or GPIO[24]
LEDCTL 55 O −4XC Indicates outputs OPO[7:0] are for LEDs.
LCDCS 54 O −1XC LCD chip select.
General Purpose I/O
GPIO[0] 94 I/O H 2XC (Hysteresis In) GPIO[0].
GPIO[1]/SASTXD 93 I/O H 2XC (Hysteresis In) GPIO[1] or SASTXD (for SERIF).
GPIO[2]/SASRXD 92 I/O H 2XC (Hysteresis In) GPIO[2] or SASRXD (for SERIF).
GPIO[3]/SASCLK 91 I/O H 2XC (Hysteresis In) GPIO[3] or SASCLK (for SERIF).
GPIO[4]/CPCIN 90 I/O H 2XC (Hysteresis In) GPIO[4] or Calling Party Control Input.
GPIO[5]/SSCLK2 89 I/O H 2XC (Hysteresis In) GPIO[5] or SSCLK2 (for SSIF2).
GPIO[6]/SSTXD2 87 I/O H 2XC (Hysteresis In) GPIO[6] or SSTXD2 (for SSIF2).
GPIO[7]/SSRXD2 86 I/O H 2XC (Hysteresis In) GPIO[7] or SSRXD2 (for SSIF2).
GPIO[8]/FWRn 85 I/O H 2XC (Hysteresis In) GPIO[8] or flash write enable signal for NAND-type flash
memory.
GPIO[9]/FRDn 84 I/O H 2XC (Hysteresis In) GPIO[9] or flash read enable signal for NAND-type flash
memory.
GPIO[10]/SSSTAT2
83 I/O H 2XC (Hysteresis In) GPIO[10] or SSSTAT2 (for SSIF2).
GPIO[11]/BE/ 82 I/O H 1XC (Hysteresis In) GPIO[11] or bus enable or serial port data input for
SERINP autobaud detection.
GPIO[12]/CS[2]n 80 I/O H 2XC (Hysteresis In) GPIO[12] or I/O chip select [2].
GPIO[13]/CS[3]n 79 I/O H 2XC (Hysteresis In) GPIO[13] or I/O chip select [3].
GPIO[14]/CS[4]n 78 I/O H 2XC (Hysteresis In) GPIO[14] or I/O chip select [4].
GPIO[15]/CS[5]n 77 I/O H 2XC (Hysteresis In) GPIO[15] or I/O chip select [5].
GPIO[16]/IRQ[8] 76 I/O H 1XC (Hysteresis In) GPIO[16] or external interrupt 8.
GPIO[17]/IRQ[5]n 75 I/O H 1XC (Hysteresis In) GPIO[17] or external interrupt 5.
GPIO[18]/IRQ[9]n 74 I/O H 1XC (Hysteresis In) GPIO[18] or external interrupt 9.
GPIO[19]/RDY/ 73 I/O H 1XC (Hysteresis In) GPIO[19] or ready signal or Serial port data output for
SEROUT autobaud detection.
GPIO[20]/ALTTONE
107 I/O H 1XC (Hysteresis In) GPIO[20] or ALTTONE.
Miscellaneous
SM[3:0]/GPO[7:4] [103:106] O −1XC Programmable: scan motor control pins or GPO pins.
PM[3:0]/GPO[3:0] [115:118] O −1XC Programmable: print motor control pins or GPO pins.
TONE 119 O −1XC Tone output signal.
Power, Reference Voltages, Ground
-Vref/CLREF 66 I -VR −Negative Reference Voltage for Video A/D or Reference Voltage for the
Clamp Circuit.
ADXG 68 I VXG −A/D Internal GND. (NOTE: This pin requires an external 0.22µF decoupling
capacitor to ADGA.)
ADGA 69 VADG A/D Analog Ground
ADVA 70 VADV A/D Analog Power
ADGD 72 VADG A/D Digital Ground
+Vref 71 I +VR Positive Reference Voltage for Video A/D.
VIN 67 I VA −Analog Video A/D input.
THADI 65 I TA −Analog Thermal A/D input.
Power and Ground
VSS(12) 7,21,28,45, Digital Ground
53,56,64,88,
95,108,132,
134
VDD(8) 14,32,41,48, Digital Power
81,102,123,
140
VBAT 63 Battery Power
VDRAM 114 DRAM Battery Power
FC200M (IC9) Terminal descriptions
Pin Name Pin No. I/O Input Output Pin Description
Type Type
5 – 4

FO-780A
(2) Panel control block
The following controls are performed by the FC200M.
•Operation panel key scanning
•Operation panel LCD display
(3) Mechanism/recording control block
•Recording control block diagram (1)
Fig. 4
5 – 5
OPERATOR
PANEL,
KEYPAD,
LEDS & LCD
PANEL/LCD PWB
PRINTER DATA
CONTROI &
SENSORS
THERMAL HEAD
OPO[7:0]*
OPI[3:0]*
LEDCTL*
LCDCS*
TEST
BATRSTN
RESETN
STRB[3:0]
STRBPOL
THADI
PDAT
PCLK
PLAT
TONE/ALTTONE
TSTCLK
REGDMA
WAITN
SYNC
PWRDWNN
PRINTER &
SCANNER
MOTOR DRIVERS
MOTOR
PM[3:0]*
SM[3:0]*
RTC
CRYSTAL
SCANNER
CONTROLS &
SENSORS
START
CLK2
CLK1
CLK1N
VIDCTL[1:0]
XIN
XOUT
MIRON
MCSN
SYSCLK
D[7:0]
RDN
A[4:0]
WRN
MONOFAX
FACSIMILE
MODEM
ANALOG
SWITCH
LINE
INTERFACE
SPEAKER
MICROPHONE
CIRCUIT
TELEPHONE
LINE
RXA
TXA
SPKR
MIC RIN
SPKRLO
SPKRHI
SPKR
RIN
TXA2
TXA1
TXOUT
RXIN
XIA
GPIO
DRAM
(OPTION)
SCANNER
VIDEO
PREPROCESSING
SYNC PORTS (2)
(SSIF)
VIN
+VREF
–VREF
SSCLK[2:1]*
SSTXD[2:1]*
SSRXD[2:1]*
SSSTAT[2:1]*
SYNC/ASYNC
SERIAL
PORT
SASCLK
SASTXD
SASRXD
GPIOGENERAL
PURPOSE I/O
CIS
DEBUGN
VDD
VDRAM
VBAT
VSS
FLASH MEMORY
WRPROTN
FRDN*
FRWN*
FCLE*
FCS[0:2]
D[7:0]
RDN
A[23:0]
WRN
ROMSCN
CS[5:0]N*
TXDAT
RMODE
RXDAT
TMODE
CLKIN
SLEEPN
GPIO
CAS[0,1]N,RASN,DWRN
NOTES:*ALTERNATIVE GPO,GPI OR GPIO LINES
SPEAKERPHONE ONLY
VOICE OR SPEAKERPHONE
EXTENDED
FACSIMILE
CONTROLLER
FC200M
EXTERNAL BUS
FO-780A
(4) Modem (R96DFXL-CID) block
INTRODUCTION
The Rockwell R96DFXL-CID MONOFAX modem is a synchronous 9600
bits per second (bps) half-duplex modem with error detection and DTMF
reception. It has low power consumption and requires only a single +5V
DC power supply. The modem is housed in a single VLSI device pack-
age.
The modem can operate over the public switched telephone network
(PSTN) through line terminations provided by a data access arrange-
ment (DAA).
The R96DFXL-CID is designed for use in Group 3 facsimile ma-chines.
The modem satisfies the requirements specified in CCITT recommen-
dations V.29, V.27 ter, V.21 Channel 2 and T.4, and meets the binary
signaling requirements of T.30.
The modem can operate at 9600, 7200, 4800, 2400, or 300 bps, and
also includes the V.27 ter short training sequence option.
The modem can also perform HDLC framing according to T.30 at 9600,
7200, 4800, 2400, or 300 bps.
The modem features a programmable DTMF receiver and three pro-
grammable tone detectors which operate concurrently with the V.21
channel 2 receiver.
The voice mode allows the host computer to efficiently transmit and
receive audio signals and messages.
The modem is available in either a 100-pin plastic quad flat pack (PQFP)
or a 64-pin quad in-line package (QUIP).
General purpose input/output (GPIO) pins are available for host as
signment in the 100-pin PQFP.
The modem’s small size, single voltage supply, and low power con-
sumption allow the design of compact system enclosures for use in both
office and home environments.
MONOFAX is a registered trademark of Rockwell International.
FEATURES
•Group 3 facsimile transmission/reception
– ITU-TS V.29, V.27 ter, T.30, V.21 Channel 2, T.4
– HDLC Framing at all speeds
•V.27 ter short train
•Concurrent DTMF, FSK, and tone reception
•Voice mode transmission/reception
•Half-duplex (2-wire)
•Programmable maximum transmit level:
0 dBm to –15 dBm
•Programmable transmit analog attenuation:
0 dB to 14 dB in 2 dB steps
•Receive dynamic range: 0 dBm to –43 dBm
•Programmable dual tone generation
•Programmable tone detection
•Programmable turn-on and turn-off thresholds
•Programmable interface memory interrupt
•Diagnostic capability
– Allows telephone line quality monitoring
•Equalization
– Automatic adaptive equalizer
– Fixed digital compromise equalizer
•DTE interface: two alternate ports
– Selectable microprocessor bus (6500 or 8085)
– CCITT V.24 (EIA-232-D compatible) interface
•TTL and CMOS compatible
•Low power consumption: 275 mW (typical)
•Single Package
– 100-pin PQFP
– 64-pin QUIP
•Single +5VDC power supply
•Software compatible with R96MFX, R96EFX, R96SHF, and R96VFX
modems
5 – 6

FO-780A
R96DFXL-CID (IC6) Hardware Interface Signals
Pin Signals – 100-Pin PQFP
Pin No. Signal Name I/O Type
1 GP03 IA/OB
2 GP04 IA/OB
3 GP05 IA/OB
4 GP06 IA/OB
5 GP07 IA/OB
6 0VD2 GND
7 0VD2 GND
8 D7 IA/OB
9 D6 IA/OB
10 D5 IA/OB
11 D4 IA/OB
12 D3 IA/OB
13 D2 IA/OB
14 D1 IA/OB
15 D0 IA/OB
16 0VD2 GND
17 0VA GND
18 RAMPIN R
19 NC
20 NC
21 0VA GND
22 +5VD2 PWR
23 0VD1 GND
24 SWGAINI R
25 ECLKIN1 R
26 SYNCIN1 R
27 NC
28 NC
29 NC
30 0VA GND
31 NC
32 NC
33 NC
34 DAIN R
35 ADOUT R
36 BYPASS IC
37 RCVI R
38 TXLOSS3 IC
39 TXLOSS2 IC
40 TXLOSS1 IC
41 NC
42 NC
43 0VA GND
44 TXOUT AA
45 RXIN AB
46 +5VA PWR
47 0VA GND
48 AGD R
49 AOUT R
50 0VD1 GND
51 NC
52 IRQ OC
53 WRITE-R/W IA
54 CS IA
55 READ-φ2IA
56 RS4 IA
57 RS3 IA
58 RS2 IA
59 RS1 IA
Pin No. Signal Name I/O Type
60 RS0 IA
61 GP13 IA/OB
62 NC
63 GP11 IA/OB
64 RTS IA
65 EN85 R
66 0VD2 GND
67 PORI ID
68 XTLI R
69 XTLO R
70 XCLK OD
71 YCLK OD
72 +5VD1 PWR
73 DCLK1 R
74 SYNCIN2 R
75 GP16 IA/OB
76 GP17 IA/OB
77 0VD2 GND
78 CTS OA
79 TXD IA
80 0VD2 GND
81 0VD2 GND
82 DCLK OA
83 EYESYNC OA
84 EYECLKX OA
85 EYECLK OA
86 EYEX OA
87 ADIN R
88 DAOUT R
89 0VD2 GND
90 EYEY OA
91 GP21 IA/OB
92 0VD2 GND
93 GP20 IA/OB
94 GP19 IA/OB
95 RXD OA
96 RLSD OA
97 0VD2 GND
98 RCVO R
99 SWGAINO R
100 GP02 IA/OB
Notes:
1. NC = No connection; leave pin disconnected (open).
2. I/O Type: = Digital signals: see Table 9;
Analog signals: see Table 10.
3. R = Required modem inter-connection; no connection
to host equipment.
5 – 7

FO-780A
[3] Circuit description of TEL/LIU PWB
(1) TEL/LIU block operational description
1) Block diagram
5 – 8
H
L
H
L
CML
CI DETECT
LINE
EXT.
HI GAIN
TXOUT
TXMUTE
L
H
MODEM
(R96DFXL-CID)
CONTROL PWBTEL/LIU PWB
TEL
TEL
H
L
EARTH H
L
~
~
+
–
HS AGC
SIDETONE
CANCELER
TXOUT
HS
CI
DPMUTE
DPON
RCVOL2
CML
RCVOL
HS
CI
DPMUTE
DPON
RLYCONT
CML
E-RLY
RXIN RXIN
EXTING
H
L
RCVOL
TEL IN
RX
TX
HANDSET L
H
TELMUTE
L
H
L
H
DPON
(MPXB)
DPMUTE
(MPXC)
L
H
L
H
L
H
GAINC
CI
HS
TXCONT
RHS
SPMUTE
BZCONT
TEL MUTE
PE9
TEL OUTTEL OUT
TEL IN
VREF
DG
H
L
ON
HOOK
OFF
HOOK
HOOK SW
RHSRHS
TEL MUTETEL MUTE
SPMUTE
L
H
DG
VOL B
VOL A
BZCONT
DPON
CML
FC200M
TXOUT
VOL A
VOL B
TXMUTE
DPMUTE
RCVOL2
RCVOL
RXIN
E-RLY
(RCVOL)
DG
SPEAKER
L
H
BZOUT
TXCONT
GAINC
SIGMUTE
Fig. 5
2) Circuit description
The TEL/LIU PWB is composed of the following 10 blocks.
1. Surge protection circuit
2. Noise filter
3. Dial pulse generation circuit
4. CML relay
5. Matching transformer
6. Hybrid circuit
7. Signal selection
8. Sensor circuit
9. Cl detection circuit
10. Power supply and bias circuit
3) Block description
1. Surge Protection circuit
This circuit protects the circuit from the surge voltage occurring on the
telephone line.
•The AR1, AR2 protects the circuit from the 425V or higher line
surge voltages.

FO-780A
5 – 9
2. Noise filter
The noise filter comprises the RF choke coil, L6, L7 and L8.
3. Dial pulse generation circuit
The pulse dial generation circuit comprises the photo-coupler PC2,
PC3, polarity guard REC1, and resistor R1.
The photo-coupler PC3 shunts the line current using the DP signal
before transmitting the dial signal, then turns off the CML relay.
After the pulse dial signal is transmitted by turning on/off the DP sig-
nal, the CML relay is turned on again.
4. CML relay
The CML relay switches over connection to the matching transformer
T1 while the FAX or built-in telephone is being used.
5. Matching transformer
The matching transformer performs electrical insulation from the tel-
ephone line and impedance matching for transmitting the TEL/FAX
signal.
6. Hybrid circuit
The hybrid circuit performs 2-wire-to-4-wire conversion using the IC102
of operational amplifier, transmits the voice transmission signal to the
line, and feeds back the voice signal to the voice reception circuit as
the side tone.
7. Signal selection
The following signals are used to control the transmission line of TEL/
LIU signal. For details, refer to the signal selector matrix table.
8. Sensor circuit
For the recording paper sensor (PE), when there is recording paper,
the photo transistor in the light receiving side is ON and the detection
level is LOW. When there is no recording paper, the photo transistor
in the light receiving side is OFF and the detection level is HIGH.
9. CI detection circuit
The CI detection circuit detects the CI signals. A CI signal, which is
provided to the photo-coupler PC6 through the C3 (0.56 µF), R3 (22
K), and ZD2 when the ring signal is inputted from the telephone line.
10. Power supply and bias circuits
The voltages of +5V and +24VA are supplied from the control PWB
unit.
Signal Name Description
CML Line connecting relay and DP generating relay
(The circuit is located H: Line make
in the TEL/LIU PWB.) L: Line break
Speaker tone mute control signal
SP MUTE H: Muting (Power down mode)
L: Muting cancel (Normal operation)
Handset reception mute control signal
TEL MUTE H: Muting
L: Muting cancel
Speaker volume control signal,
VOL A VOL A VOL B matrix
VOL B
(The circuit is located
in the control PWB.)
TXCONT Handset transfer mute control signal
(The circuit is located H: Signal sending, when transmitting
in the control PWB.) L: During reception, transmission mute,
(during standby)
GAIN-C Reception gain switching signal
(The circuit is located H: When connected to line, 1: 1 gain
in the control PWB.) L: When not connected to line, HIGH gain
BZCONT Speaker output signal switching
(The circuit is located H: Buzzer signal output (during stand by)
in the control PWB.) L: When monitoring line signal
[Control signals from output port]
VOL A VOL B
RING.
Buzzer DTMF
Receiving
HH———
LH
Low —Low
H L Middle Fixed Middle
LL
High —High

FO-780A
5 – 10
(Example: TEL speaking)
NO Signal Name (CNLIUA)
1 TELOUT
2 TELIN
3 TELMUTE
4 CI/CIDIN1
5 CIDIN2/HS
6 P-E
7 P-IN
Fig. 6
Signal Name Function
RHS H:The handset is in the on-hook state.
L: The handset is in the off-hook state.
CI Incoming call (CI) detection signal
HS
H:The handset or external telephone is in the
on-hook state.
L: The handset or external telephone is in the
off-hook state.
H:Recording paper does not exist.
P-E L: Recording paper is set (exists).
(Detection of recording paper in printing state)
H:Recording paper does not exist in case of
printing.
P-IN L: Recording paper exists in case of printing.
(Detection of recording paper in printing state)
[Signals for status recognition according to input signals]
Signal Name Function
TEL IN Receiving signal from line or modem
TEL OUT Transfer signal to line
TXOUT Transmission (DTMF) analog signal output
from modem
RXIN Reception (DTMF, others) analog signal input
into modem
[Other signals]
NO Signal Name (CNLIUA)
8 RHS
9 RXIN
10 TXOUT
11 CML
12 +5V
13 DG
14 +24VA
NO Signal Name (CNLIUB)
1 EXTSIG
2 RLYCNT
3 SIGMUTE/TXMUTE
NO Signal Name (CNLIUB)
4 DPON
5 DPMUTE
6 RCVOL
H
L
H
L
CML
CI DETECT
LINE
EXT.
HI GAIN
TXOUT
TXMUTE
L
H
MODEM
(R96DFXL-CID)
CONTROL PWBTEL/LIU PWB
TEL
TEL
H
L
EARTH H
L
~
~
+
–
HS AGC
SIDETONE
CANCELER
TXOUT
HS
CI
DPMUTE
DPON
RCVOL2
CML
RCVOL
HS
CI
DPMUTE
DPON
RLYCONT
CML
E-RLY
RXIN RXIN
EXTING
H
L
RCVOL
TEL IN
RX
TX
HANDSET L
H
TELMUTE
L
H
L
H
DPON
(MPXB)
DPMUTE
(MPXC)
L
H
L
H
L
H
GAINC
CI
HS
TXCONT
RHS
SPMUTE
BZCONT
TEL MUTE
PE9
TEL OUTTEL OUT
TEL IN
VREF
DG
H
L
ON
HOOK
OFF
HOOK
HOOK SW
RHSRHS
TEL MUTETEL MUTE
SPMUTE
L
H
DG
VOL B
VOL A
BZCONT
DPON
CML
FC200M
TXOUT
VOL A
VOL B
TXMUTE
DPMUTE
RCVOL2
RCVOL
RXIN
E-RLY
(RCVOL)
DG
SPEAKER
L
H
BZOUT
TXCONT
GAINC
SIGMUTE

FO-780A
[4] Circuit description of power supply PWB
1. Block diagram
[5] Circuit description of CIS unit
1. CIS
Cis is an image sensor which puts the original paper in close contact
with the full-size sensor for scanning, being a monochromatic type
with the pixel number of 1,728 dots and the main scanning density of
8 dots/mm.
It is composed of sensor, rod lens, LED light source, light-conductive
plate, control circuit and so on, and the reading line and focus are
previously adjusted as the unit.
Due to the full-size sensor, the focus distance is so short that the set
is changed from the light weight type to the compact type.
Fig. 8
Fig. 7
5ms
1.6µs0V
2V(TYP)
(White original paper)
Approx.5V
øT
CISCLK
VO
5 – 11
2. Waveforms
The following clock is supplied from FC200M of the control board,
and VO is output.
2-1. Noise filter circuit
The input noise filter section is composed of L1, C1 and C15 that reduces
normal mode noise from the AC line and common mode noise to the AC
line.
2-2. Rectifying/smoothing circuit
The AC input voltage is rectified by diode D1, 2, 3, 4 and smoothed by
capacitor C2 to supply DC voltage to switching circuit section.
Power thermistor TH1 suppresses inrush current at power switch-on.
2-3. Switching circuit
This circuit employs the self excited ringing choke convertor (RCC) sys-
tem. In this system, the DC voltage supplied from the rectifying/smooth-
ing section is converted to be the high frequency pulses by ON/OFF
repetition of MOS FET Q1.
Energy is charged in the primary winding of T1 during ON period of Q1,
and discharged to the secondary winding during OFF period of Q1.
The output voltage is controlled by adjusting ON period of Q1 which
changes charge time of C8 through operation of photo-coupler PC1 from
+24V output.
The overcurrent protection is performed by bringing Q1 to OFF state
through detection of voltage increase in the auxiliary winding of T1 by
ZD2, R5 and R6.
The overvoltage protection is performed by operating the overcurrent
protection circuit through destruction of zener diode ZD4 and short-
circuiting of load.
2-4. +5V circuit
Each DC voltage supplied by rectifying the output of transformer T1 with
diode D8 is stabilized by 3-terminal regulator IC1.
Noise
Filter
Circuit
Rectifying
Smoothing
Circuit Switching
Circuit
(RCC system)
Regulater
Circuit +5V
+24V
AC IN
Photo Coupler
F1
2.5A/125V
FUSE
4A/72V

FO-780A
CHAPTER 6. CIRCUIT SCHEMATICS AND PARTS LAYOUT
[1] Control PWB circuit 1/6
Main control block
6 – 1
1
2
6
4
3
5
BDEFG
I
HCA
BDEFG
I
HCA
1
2
6
4
3
5
A17
R152
R151
R146
R184 470
100
100
270
270
C189
RA10
270x3
R231 270
R185 470
C190
C193
C195
C197
R144 150
R130 150
R129 150
C214
68P C215
68P
RA6
270x4
RA9
270x4
RA11
270x4
RA8
270x4
(3-2B)
(4-5D)
(4-4C)
(4-4C)
R232 10K
(6-2I)
C199
100P C237
N.M.
R158 470
CML
107
73
74
75
77
78
79
80
83
84
85
86
87
89
91
92
94
96
97
99
98
101
33
34
35
36
29
31
37
GPIO20
GPIO19
GPIO18
GPIO17
GPIO15
GPIO14
GPIO13
GPIO12
GPIO10
GPIO9
GPIO8
GPIO7
GPIO6
GPIO5
VIDCTL0
VIDCTL1
CLK1
CLK2
START
STRB3
STRB2
STRB1
STRB0
PCLK
PLAT
STRBPOL
ADGD
72 ADGA
68 ADXG
102
81
48
14
21
28
45
53,56
64,88
95,108
132
7,134
58
VSS
129
131
TEST
RESET
130
DEBUG
135
133
MIRQ
136
137
138
139
141
142
143
1
2
3
4
5
6
8
9
10
11
12
13
15
16
19
20
22
23
25
26
27
128
127
120
122
121
126
124
125
113
112
111
109
110
61
62
60
59
118
117
116
114
106
105
104
103
52
51
50
49
54
47
44
A23
A22
A21
A20
A19
A18
A17
A16
A15
A14
A13
A12
A11
A10
BATRST
PWRDWN
XOUT
XIN
GPO0
GPO1
GPO2
GPO3
OPI2
OPO2
SM0
SM1
SM2
SM3
OPI0
OPI1
OPI3
LCDCS
OPO0
CNPN-13
SEN2
IC9
FC200-M
70 ADVA
41
SYSCLK
144
+5V
76 GPIO16
(5-3E) VTHON
CNLIUB-4 DPON
82 GPIO11
CNLIUA-4 93
CNLIUA-3
CNCIS-5
CNCIS-4
CNTH-12
CNTH-11
OPO3
OPO4
43
42
OPO1 46
CNPN-12
SEN3
CNPN-11
SEN4
CNPN-14
SEN1 CNPN-15
SEN0 CNPN-10
KEN4A
KEN3A
KEN2A
KEN1A
RA14
100x 4
TONE 119
(5-5F)
TPB (5-5F)
TPA
BZOUT (6-1I)
63
VBAT
RESET
VBT
R211
10M
X3
32.768kHz
C165
1
R210
220K
C185
1
17
18
A9
A8
A7
A6
A5
A4
A2
A1
A0
RD
WR
ROMCS
CS1
MCS
SYNC
REGDMA
WAIT
RAS
CAS0
CAS1
DWR
WRPROT
A16
A15
A14
A13
A12
A11
A10
A9
A8
A7
A6
A5
A4
A3
A2
A1
A0
32
C162
0.1
+5V
RA5
270x4
90 GPIO4
100 CLK1
30 PDAT
24
A3
57
CS0
GPIO3
GPIO2
GPIO1
GPIO0
R227
CNPW-9 PSAVE
CNLIUA-11
100Px5
CNLIUA-8 RHS
CNLIUA-5 HS
CI
TELMUTE
BYPASS
R183 470
R161 470
R160 30K
STRB3
CNTH-4 STRB2
CNTH-3 PCLK
DATA
CNTH-14
CNTH-15
CNTH-13 LATCH
R143
470
R142
150
RA12
100x4
R163
100 R190 100
R191 100
STRB4
CISCLK
STRB1
R189
10K
C172 68P
C173 68P
C187 68P
C171 68P
C188 68P
C154 68P
C170 68P
OPO5 40
OPO6 39
OPO7 38
55
LEDCTL
CNPN-1
CNPN-2
CNPN-3
CNPN-4
R188 100
L106
HM601
RA13
470x4
(2-1I)
C166 2200P
C167 22P
C186 22P
66
67
65
–VREF/CLREF
VIN
THADI
+VREF 71
VDRAM
(5-1H)
THADI (5-5D)
VIN (5-1D)
–VREF (5-1D)
+VREF
(5-5F)
TPB (5-5F)
TPA
(6-4A)
GAINC (6-3I)
BZCONT
(6-6A)
TXCONT
RA2
470x4
115
C142
0.1
+5V
(2-3A)(3-3C)
(2-4D)(3-2B)
(2-4A)
(2-4D)
(3-3D)
RD
WR
ROMCS
A[16~0]
69
C163
1
140
123
C211
1000P
C145
1
SYSCLK
(3-2A)
RA4
270 x 4
D7
D6
D5
D4
D3
D2
D1
D0
RA3
270 x 4 D7
D6
D5
D4
D3
D2
D1
D0
D[7~0]
MIRQ
(3-2A) R149
30K
R132
10K
TSTCLK
VSS
VSS
VSS
VSS
VSS
VSS
VSS
VDD
VDD
VDD
VDD
VDD
VDD
VDD
VDD
R145
C203 68P
C134 68P
C147 68P
C148 68P
C133 68P
C202
N.M.
C121 2200P
C112 2200P
C111 2200P
C110 2200P
(2-6A)(3-4B)
+5V
C212
1000P
R162
10K
R148
10K
C146
1000P
C143
1
C210
1000P
C151
1
C209
1000P
C150
1
C208
1000P
C168
1
C207
1000P
C169
1
C206
1000P
C205
1000P
C204
1000P
C153
1
C152
1
DG DG DG
DG DG DG DG DG
DG
ORGSNS
FRSNS
RBNSNS
MDMRST
N.M.
R225 30K
R186 30K
R187 30K
SPMUTE
DG
RA7
470x4 R157 30K
R159 30K
R156 3.3K
C232
C102
DG
C139
N.M.
L105
HM601
L107
0
+5V
C118
1
C120
0.1
L100
120
L101
0
14
7
1,3,9,13
IC7
HCU04
DGDGDGDGDGDG
R212
120
DGDGDGDG
DG
C129 1000P
C140 1000P
C141 1000P
C138 1000P
C164
1
DG
BATRST
DGDG
DGDG
DG
SYSCLK
R122
1M
R133
150
IC7
HCU04
X1
19.66MHz
C117
15P C130
15P
DGDG
IC7
HCU04
L104
Z2104
R147
470
C144
68P
DG
(2-4F)
DWR
(2-4F)
CAS (2-4F)
RAS
CE1
MCS
DGDG
DG
DG
R131
68
DG
(1-6F)

FO-780A
Memory block 2/6
6 – 2
1
2
6
4
3
5
BDEFG
I
HCA
1
2
6
4
3
5
BDEFG
I
HCA
VSS
VSS
19
18
A14
217
A13
23 16
A12
15
A11
24 13
A10
25 12
A9
311
A8
4
A7
A6
28
A5
A4
A3
A2
10
A1
14
A0
27
22
9IO8 27
20 IO7 26
19
A9
IO6 25
18
A8
IO5 24
17
A7
IO4 5
16
A6
IO3 4
13
A5
IO2 3
A9
12
A4
IO1 2
A8
11
A3
A7
10
A2
A6
A1
A5
A0 VDD 1
A4
NC 21
A3
A2
6
A1
A0
23
N.C.
7WE
22 OE
A[17~0]
(1-5I)
D[7~0]
(1-6H)
(1-3H)
RD
(1-3I)
VBT
C109
0.1
D7
D6
D5
D4
D3
D2
D1
D0
IC3
W24258S-70LE
1IO8
26 IO7
A14
IO6
A13
IO5
21
A12
IO4
A11
IO3
A10
IO2
A9
IO1
A8
5
A7
6
A6
VDD
7
A5
8
A4
9
A3
A2
A1
VSS
A0
WE
CS2/OE
IC1
M514800C-70J
CAS
D7
D6
D5
D4
D3
D2
D1
D0
+5V
C103
0.1
CAS
(1-2I) DWR
(1-2I)
RAS
(1-2I)
WR
A16
21
A15
20
A14 29
19
A13 28
18
A12
17
A11 25
15
A10 23
14
A9 26
13
A8 27
A7
A6
31
A5
32
A4
1
A3
A2 10
A1 11
16
A0 12
+5V
C107
0.1
D7
D6
D5
D4
D3
D2
D1
D0
IC4
27C020
2A16
D7
3A15
D6
A14
D5
A13
D4
4A12
D3
A11
D2
A10
D1
A9
D0
A8
5A7
6A6 VCC
7A5
PGM
8A4
VPP
9A3
A2
A1
GND
A0
A17 30 A17
DG DG
C234 N.M.
CE
OE
22
24
ROMCS
(1-3H)
C216
0.1
R106
0
DG
20
CE1
CE2
(1-3H)
(2-2I)
CS1
1
21
A14 3 20
A13 28 19
A12 18
A11 25 17
A10 23 15
A9 26 14
A8 27
A7
A6 32
A5
A4
A3
A2 10
A1 16
A0
22
30
VBT
C108
D7
D6
D5
D4
D3
D2
D1
D0
IC2
2
IO8
31
IO7A14
IO6A13
IO5
4A12
IO4A11
IO3A10
IO2A9
IO1A8
5A7
6A6 VDD
7A5
8A4
9A3
A2
A1 VSS
A0
WE
OE
DG
12
WR
(1-3H)
CS2
11
A15
A16
VBT
R109
0
13
N.C.
29
24
A15
A16
CS1
8
15
28
RAS
14
DG
Q103
(2-4D)
(1-1F)
CE2
RESET
R123
DG
R150
R153
1K
C131
1
+5V
1
2
5
4
3
VCC
GND
MRST
SUB OUT
IC8
PST596CNR
L108
0
R110
22K
R108
R107
VDD
DG
1
2
3
N.M.
N.M.
N.M.
N.M.

FO-780A
Modem block 3/6
6 – 3
1
2
6
4
3
5
BDEFG
I
HCA
BDEFG
I
HCA
1
2
6
4
3
5
R120
270
C213
68P
R128
270
+5V
D7
A0
C125
0.01
R136
270
D6
D5
D4
D3
D2
D1
D0
A1
A2
A3
A4 56
57
58
59
60
RS4
RS3
RS2
RS1
RS0
8D7
9D6
10 D5
11 D4
12 D3
13 D2
14 D1
15 D0
54 CS
55 READ
53 WRITE
52 IRQ
70 XCLK(12M)
71 YCLK(6M)
64 RTS
78 CTS
79
DCLK
82
DCLKI
73
RXD
95
TXD
96 RLSD
67 PORI
65 EN85
DG
61
75
76
94
93
91
72
23
50
6
7
16
66
77
80
81
89
92
97
22
L102
HM601 C124
1
GP13
GP16
GP17
GP19
GP20
GP21
+5VD1
0VD1
0VD1
0VD2
0VD2
0VD2
0VD2
0VD2
0VD2
0VD2
0VD2
0VD2
0VD2
C218
0.1
+5VD2
+5V
L103
HM601
+5VA
0VA
0VA
0VA
0VA
0VA
46
ADOUT
ADIN
RCVO
RCVI
RAMPIN
AGD
SWGAIN0
SWGAIN1
N.C.
N.C.
N.C.
17
21
30
43
47
C149
0.1
35
87
98
37
45
49
18
48
42
44
88
99
24
19
27
29
31
32
C3
47/25
R155
3+5V
R137
0
MAG
N.C. 33
SIGRX
5
4
3
2
1
100
63
38
39
40
85
25
83
26
74
84
86
90
68
GP07
GP06
GP05
GP04
GP03
GP02
GP11
TXLOSS2
TXLOSS1
EYECLK
ECLKIN1
EYESYNC
SYNCIN1
SYNCIN2
EYECLKX
EYEX
EYEY
XTLI
DPMUTE
RCVOL
VREFCONT (5-5F)
(6-1I)
(5-1A)
(6-2E)
R141
1000P
MAG
X2
24.00014MHz
C113
15P
R126
120
C123
18P
R125
200
69
XTLO
IC6
R96DFXL-CID N.C.
N.C.
N.C.
DG
(6-3A)
VOLB
LEDON
D[7~0]
RD
WR
(1-6I)
(1-3H)
(1-3I)
(1-3I)
DG
C114
R138
1000P
(6-1I)
DG
62 N.C.
VOLA
DG
C127
51
RXIN
41
DAIN 34
AOUT
N.C. 28
20
N.C.
N.C.
N.C.
DAOUT
TXOUT MAG
C136
1
C126
390P
C135
0.1 R139
47.5K AGD (6-3A)
SIGTX (6-5A)
36
BYBASS
DG
R121
270
CNLIUB-3
TXMUTE
MIRQ
(1-6F)
A[4~0]
(1-5I)
MDMRST
(1-5A)
MCS
MAG
R127
33K
TXLOSS3
(1-3A)
BYPASS
R113
10K
R112
270
DG
CNLIUB-5
C115
68P
DG
R230
0
C137
1N.M.
C217
0.1
N.M.
PIN
PE
DRSNS
CISCHK
CSWI
CNLIUA-7
CNLIUA-6
(4-5D)
(5-4B)
(4-6D) R117
R118
R114
30K
100K
39K
R115 39K
C191
68P
R192
68P
R111
270
RCVOL2 CNLIUB-2
C116
68P
C128
68P
RA1
270x4
(6-5E)

FO-780A
Sensor/Reset/Power supply block 4/6
6 – 4
1
2
6
4
3
5
BDEFG
I
HCA
1
2
6
4
3
5
BDEFG
I
HCA
C235
0.1
R229
100
C236
0.1
(3-6D)
DRSNS
(3-6D)
(1-5A)
(1-5A)
CNCSW-1 CSW
CNPN-9 FRSNS
CNPN-8 ORGSNS
C106
2200P
C104
2200P
C132
2200P
C122
2200P
CSWI
FRSNSI
ORGSNSI
SW1
DOOR SW
(1-5A)
RBNSNS
+5V
R221
220
13
24
PI1
SG206
DG
HOLBAT-1 BT+
R134
5.6K
CNPW-7 +5V
HOLBAT-2
HOLBAT-3 DG
BAT1
CR2032
DG
D102
RB705D
+5V
<VBT>
VBT
+5V
CNPW-6 DG
CNLIUA-12
+5V
CNLIUA-13
CNPN-5
DG
CNPN-6
CNCSW-2
DG
C201
0.1 C8
47/25 DG
CNPW-3 +24V
CNPW-1
CNPW-2
C200
0.1 C6
22/50
R222
+24V
MG
N.M.
+24VA
DG
C7
100/50
DG
CNPW-8
CNLIUA-14
+24V
CNPW-4 +24V
CNPW-5
R223
N.M.
C222
C221
C219
R102
270
C220 N.M.
N.M.
DG
DG
DG DG
DG
R105
270
RBNSNS
DG
N.M.
N.M.
DG
DG
DG
DG
BT+
N.M.
DG DG
DG
CNPN-7
+5V
R228
0
R224
0
FG
MG
MG
+24VA

FO-780A
Video processing/Motor drive / Thermal block 5/6
6 – 5
1
2
6
4
3
5
BDEFG
I
HCA
1
2
6
4
3
5
BDEFG
I
HCA
–
+
C224
1000P
C155
1000P
C175
1000P
R154
22K C229
1000P
C231
1000P
C230
1000P
DG
DG
C223
1000P
DG
DG
C225 100P
C226 100P
C227 100P
C228 100P
+5V
R103
5.1K
Q102
Q101
2SA1037
R101
R100
10K
CNCIS-1 VO (1-1F)
VIN
C105
1000P
+5V
R119
30K
R116
(3-6D)
CISCHK
+5V
+24V
+5V
CNCIS-3
+5V
CNCIS-2
VG
CNCIS-7
+24V
CNCIS-6
GLED
C100
1
R202
IC12
2904
2
31
R206
R205
R204
R1
R182
0
Q1
Q110
E
BC
(3-1D) VREFCONT
(5-5H) LEDON
COM 9
11B 1C 16
22B 2C 15
33B 3C 14
44B 4C 13
55B 5C 12
66B 6C 11
77B 7C 10
8E
TPA
TPB
(1-1E)
TPA
(1-1E)
TPB
(1-1E)
(1-1E)
(3-1D) LEDON
IC5
ULN2003A
CNMT-5
CNMT-6
CNMT-4
CNMT-3
CNMT-2
CNMT-1
LEDON (5-2B)
+24V
D2
1N4748A
FU100
ICPS07
MG
MG
VTH CNTH-1
CNTH-2
CNTH-16
MG CNTH-7
CNTH-8
CNTH-9
MG
+5V CNTH-10
THADI (1-1F)
THI CNTH-5
MG
MG
C174
1
R164
20K
C5
10/50
R165
470K
+5V
<VIN>
<VO>
<DG>
VTH
MG
VTH
MG
D1
N.M.
DG DG DG
R104
0
N.M.
N.M.
DG
C101
N.M.
DG DG
+5V
R208
20K
R209
33K
(1-1F)
VREF+
R207
5.1K
DG DG
Q111
2SA1037
VREF– (1-1F)
DG
DG
+24V
VTHON
(1-5A) CB
E
DG
Q109
DTD114
+24V
RY1
OJE-SH-124M
D104
1SS355
TPBD
TPAD
TPBD
TPAD
VMT
VMT
DG
N.M.
DG
DG
N.M.

FO-780A
Analog signal block 6/6
6 – 6
1
2
6
4
3
5
BDEFG
I
HCA
BDEFG
I
HCA
1
2
6
4
3
5
–
+
–
+
–
+
–
+
12
14
13
TELOUT CNLIUA-1
R217
86.6K
C181
680P
C178
1
IC11
4053
VREF
TXCONT
(1-1D)
0
1
8
9
10
IC12
2902
R200
13K
+5V R218
3.3K
C198
1
+5V
16
7
8
IC11
4053
C176
0.1
SIGTX (3-3H)
R197
1K R193
R194
1K
C179
1N.M.
R199
17.4K
R219
10K
C177
1
TXOUT CNLIUA-10
SIGTX
(3-3H)
R203
86.6K
C183
1000P
76
5
IC12
2902
SIGRX
(3-3H)
+5V
D105
1SS355
R220
3K
MAG
AGD
(3-4H)
R140
0
C4
10/50
5
4
3
9
IC11
4053
0
1
GAINC
(1-1D)
RXIN CNLIUA-9
R213
3.9K
R195
118K
R214
0EXSIG CNLIUB-1
C194
0
R198
47K
14
13
12
+24VA
R196
1.5K
C182
1
R177
47K
R201
10K
TELIN CNLIUA-2
C180
1000P
C184
0.1
11
4
VREF
+5V
C160
0.1
R181
33K
IC12
2902
R180
33K C161
1
1
15
2
10
IC11
4053
1
R174
1K C158
4700P
R166
100K
R168
1K
C159
0.01
R173
20K
R192
1K
R175
20K
R170
3K
C2
1/50
5
IC10
NJM2113
871
3
2
4
6
R167
30K
+5V
R171
100K R172
220K
C157
220P
SP+ CNSP-1
SP– CNSP-2
SPMUTE (1-4A)
BZCONT (1-1E)
VOLB (3-1D)
VOLA (3-6D)
BZOUT (1-1E)
VCC
GND
VEE
ENABLE
6
11
R216
20K
R215
20K
R169
470
DG
DG DG
C196
0.1
R176
0
DGDGDGDG
RCVOL
(3-1D)
RCVOL CNLIUB-6
C233
100P
R179
R178
DG
DG
N.M.
DG DG
DG
DG
DG
DG DG
DG
DGDG
Q106
DG
C1
47/25
C156
0.1
0
Q105
RNC1402
Q104
RNC1402

FO-780A
Control PWB parts layout (Top side)
6 – 7

FO-780A
Control PWB parts layout (Bottom side)
6 – 8

FO-780A
[2] TEL/LIU PWB circuit 1/2
6 – 9
1
2
6
4
3
5
BDEFG
I
HCA
1
2
6
4
3
5
BDEFG
I
HCA
N.M.
JP3
JP104
0
JP101
JP105
0
JP4
JP5
~
~
+
–
–
+
–
+
+5V
–
+
–
+
–
+
+5V
–
+
+24VA+24VA
+5V
+24VA
IC102
2904
IC103
2904
C127
0.1
C122
0.1
C14
47/25
VREF
VREF-A
C8
100/25
C5
10/50
C7
10/50
R124
51K
R123
51K
C6
10/50
IC101
2904
PC5
R130
R161
C123
N.M.
CNLIUA-2
TEL IN
VREF
R157
SD
G
C124
N.M.
R158
15K
R136
8.2K
C9
2.2/50
IC103
2904
R160
24K
C121
1000P
R159
3.3K
R153
2.2K
R134
150
DG DG
C15
4.7/50
D4
1SS133
D5
1SS133
L6
R-5C
L7
R-5C
DG
DG
Q106
RNC1402
L8
R-5C
C105
2200P
C106
2200P
R121
1K
R137
1.5K
C10
47/50
DG
C104
4700P
R120
10K
VREF
C107
1000P
R122
20K
IC101
2904 IC103
2904
R139
1.6K
R138 C111
DS
G
N.M.
ZD10
MTZJ2R4B
ZD11
MTZJ2R4B
C119
1000P
R154
56K
C110
220P
C118
1000P C13
10/50
C120
1000P
VREF-A R144
22K
R143
22K
R145
22K
IC102
2904
1
2
3
C113
0.1
R167
68K
C128
560P
ZD9
HZ2A1
ZD8
HZ2A1
VREF-A
C117
0.1
R152
620
C116
0.1
R151
1K
R150
100
C129
R147
470
R142
470
C115
2200P
R149
30K
IC102
2904
R127
20K C131
0.1 TXOUT
VREF-A
CNLIUA-10
PC4
PC5
R117
R105
N.M.
D
S
G
R109
15
ZD4
MTZJ6R8B
R107
15
C1
4.7/50
R119
10K
R108
13K
PC2
TLP521
ZD5
MTZJ30B
PC3
TLP627
REC1
S1ZB60
R1
4.7mH
ZD6
HZ2A1
ZD7
HZ2A1
C108
N.M.
T1
I2142
C103
0.047
C2
1.0
C4
0.33
R103
300
R102
43K
C3
0.56
ZD3
0D3
1SS131
PC6
TLP521
ZD2
MTZJ20B
98
10
CML
AR1
RA-501P
AR2
RA-501P
ARG
VA1
TNR7G181
L2
C102
L3
C101
JP2
L1
N.M.
JP1
JP106
0
JP103
0
6
5
7
6
5
8
4
7
75
6
1
2
3
TLJ-2
CNLNJ-2
CNLNJ-3
CNLNJ-4
CNLNJ-5
TLJ-1
CNLNJ-6
CNHJ-4
CNHJ-1
CNLIUA-3
CNHJ-2
CNHJ-3 RX–
RX+
TELMUTE
TX–
TX+
JP102
PC1
TLP627
VREF-A
RXIN
CNLIUA-7
4
8
DG
DG
4
8
DG
VREF
DGDGDGDGDGDG
+24VA
TELOUT
CNLIUA-1
Q105
VREF
2
31
DG
DG
Q1
BS108
Q104
Q103
2SC2412K
DG DGDG
N.M.
JP107
0
R116
N.M.
A
R166 N.M.
DG
R146 N.M.
SP3
2
3
1
SP2 3
2
1
R118
N.M.
123
R101
N.M.
R112
R111
8
10 9 R110
R113
SP1
R106
ZD1
0
R128
R125
0
R156
0
R135
20K
R155
30K
DG
N.M.
C130
0.068
C132
0
R148
0
C114
0.1
R114
R104
5
3
4
R115
R2
N.M.
R3
22K(1/2W)
JP108
0
S-RLY
L5A
R-5C
L5B
R-5C
S-RLY
L4
N.M.
N.M.
N.M.
N.M.
N.M.
NOTE:
These marks are all safety-cirtical parts.
N.M.

FO-780A
6 – 10
2/2
1
2
6
4
3
5
BDEFG
I
HCA
1
2
6
4
3
5
BDEFG
I
HCA
+5V
+24VA
R141
10
C126
0.1
C125
0.1
C12
47/25
SW1
HOOK SW
+5V
DG
+24VA
CNLIUA-12
CNLIUA-13
CNLIUA-14
DG
CNLIUA-8
RHS
DG
CNLIUA-11
CML
+24VA 112
CML
D1
1SS131
CNLIUB-6
E-RLY
Q110
DG
PC1
R132
CNLIUB-5
DPMUTE
Q109
RNC1402
DG
PC2
TLP521
R133
470
CNLIUB-4
DPON
Q108
RNC1402
DG
PC3
TLP627
R131
470
CNLIUA-4
CI
+5V
R140
100K
C112
0.1
DGDG
PC6
TLP521
CNLIUA-5
HS
R129
C109
DGDG
PC4
+5V
N.M.
C11
22/50
Q102
RNC1402
DG
R168
10
CNLIUA-6
CNLIUA-7
P-E
P-IN
R126
130
P-IN
SG-206
PE
SG-206
DG
DG
CNLIUB-2
RLYCNT
112
S-RLY
D2
Q101
DG
R165
R164
N.M.
CNLIUB-3
SIGMUTE
DG
Q107
RNC1402
R162
R163
DG
A
N.M.
SHORT
NOTE:
These marks are all safety-cirtical parts.
N.M.

FO-780A
6 – 11
TEL/LIU PWB parts layout (Top side)

FO-780A
TEL/LIU PWB parts layout (Bottom side)
6 – 12

FO-780A
[3] Power supply PWB circuit
6 – 13
1
2
6
4
3
5
BDEFG
I
HCA
1
2
6
4
3
5
BDEFG
I
HCA
C2
39/400
D8
SR140
D1
ERA15-06
L1
43mH
R1
3.3M(1/2W)
V1
470V
F1
1.6A/250V
CN2
R2
820K(1/8W)
R3
820K(1/8W)
T1
PTTP121
D7
S3L20U
C13
100P
ZD4
RD30FB
1
2
GND
6GND
GND
+5V
GND
7
8
PSAVE
9
CN1
1
C1
0.22
C16
100/10
3+24V
4+24V
5+24V
F3
CCP2E100(4A)
R22
2.2K
(1/2W)
R21
2.2K
(1/2W)
IC1
NJM2391FO5
C8
330/35
C11
0.1
C10
2200/16
R11
39(1/8W)
ZD3
RD20ESAB
PC1
PC-123YS
R12
330K
(1/8W)
Q5
2SC1710
Q6
2SC1710 R20
4.7K
(1/8W)
C9
0.47
R19
47K
(1/8W)
R13
270(1/8W)
R18
3.9K(1/8W)
PC2
PC-123YS
R14
N.M.
Q4
2SC1710
ZD5
RD6.2ESAB
VR1
500
R17
2.4K(1/8W)
R16
6.8K(1/8W)
D2
ERA15-06
D3
ERA15-06 D4
ERA15-06
C15
0.1
TH1
8.2
F2
1.6A/250V
C3
470P
Q1
FS5KM-18
ZD1
RD27ESAB
Q3
2SC1740S
R9
470(1/8W)
R10
0.33(1W)
R8
47K
(1/8W)
C7
3300P
C4
4700P R4
100(1/2W)
PC2
PC-123YS
Q2
2SC1741AS
ZD2
RD2.0ESAB
R5
680(1/8W)
R6
10K(1/8W) D5
1SS254
R7
33(1/8W)
PC1
PC-123YS
C17
1000P
C5
0.01
2
L2
RS208

FO-780A
Power supply PWB parts layout
6 – 14

FO-780A
[4] Operation panel PWB circuit
6 – 15
1
2
6
4
3
5
BDEFG
I
HCA
1
2
6
4
3
5
BDEFGIHCA
Note: Since the parts of PWB can not be supplied, change it as a unit.
CNPN-12
CNPN-13
CNPN-14
CNPN-15
SEN0
SEN1
SEN2
SEN3
KEN 1A
CNPN-3 KEN 2A
CNPN-2 KEN 3A
CNPN-1 KEN 4A
CNPN-11 SEN4
CNPN-7 +5V
CNPN-6 DG
CNPN-5
FUNC
RECEPTION
REC UP
COPY 8
0
2
D1
D2
D3
D4
D5
D6
D7
D8
D9
11
12
13
1
2
3
4
5
10
A0
A1
A2
A3
9
7
6
14
IC1
HC147
CNLCD-4
CNLCD-6
CNLCD-3
CNLCD-2
CNLCD-1
C2
22/50 C1
2200P
CNLCD-11 LD4
CNPN-4
CNLCD
GND
1
2
3
4
5
6
7
8
9
10
11
12
13
14
+5V
VO
RS
R/W
E
N.C.
N.C.
N.C.
N.C.
LD4
LD5
LD6
LD7
CNPN
KEN4
KEN3
KEN2
KEN1
+5V
DG
DG
ORGSNS
FRSNS
E
SEN4
SEN0
DOWN
RESOLUTION
PLAY
DELETE
STOP
START
5
9
#
3
6
HOLD
SPEAKER
SPEED
REDAIAL
05
07
01
03
06
08
02
04
7
1
4
D1
1SS270
D2
1SS270
D4
1SS270
D3
1SS270
CNLCD-12 LD5
CNLCD-13 LD6
CNLCD-14 LD7
15 N.C.
+5V
VCC
GND
8
16
R1
6.2K
R2
1K VO
CNPN-8
CNPN-9
FRSNS
ORGSNS
SEN1
SEN2
SEN3
FRSNS
1
2
3
4
5
6
7
8
9
10
11
12
13
14
15
R8 100K
R7 100K
R9 100K
R5 100K
R4 100K
R3 100K
R10 100K
R6 100K
R11 100K
REPEAT
DG
ORGSNS
DG
CNPN-10 E
DG
CNLCD-5
RS
E
+5V
DG
R/W
N.M.
N.M.
N.M.
N.M.

FO-780A
7 – 1
CHAPTER 7. OPERATION FLOWCHART
[1] Protocol
NSF
DIS
NSS
TCF
CED
NSF
DIS
NSS
TCF
RTC
MPS
CFR
RTC
MPS
MCF
RTC
EOP
MCF
MCF
DCN
CFR
TSI
CSI
CSI
TSI
RTC
EOP
MCF
DCN
IMAGE
SIGNAL
Document ejectedRecording papor ejected
Receive side
G3 communication
CED
Transmitter side
(Document inserted into
document sensor during
standby)
To recording
position
(DCS)
Cut line printed
IMAGE
SIGNAL
Cut line printed
IMAGE
SIGNAL
IMAGE
SIGNAL
Next page insert
command
1st page
Document inserted to
the reading position
(DCS)

FO-780A
7 – 2
[2] Power on sequence
2
1
YES
YES
CPU initialized
MODEM initialized
STOP key ?
“WAIT A MOMENT” display
START
NO
YES
STAND-BY
3 sec ? NO
“MEMORY CLEAR ?” display
NO
YES
STAND-BY
3 sec ? NO
NO
START key ?
COPY key ?
STOP key ?
NO
Memory clear
STAND-BY
21
“MEMORY CLEARED” display
Memory clear
PROCESS CHECK MODE
“MEMORY CLEARED” display
YES

FO-780A
8 – 1
CHAPTER 8. OTHERS
[1] Service tools
1. List
Extension board unit
NO. PARTS CODE DESCRIPTION Q’TY PRICE
RANK
1 C P W B S 3 0 0 2 S C S 1 Extension board unit (Control PWB) 1BK
2 C P W B F 3 0 0 3 S C S 1 Extension board unit (TEL/LIU PWB) 1BP
3 P S H E Z 3 3 5 4 S C Z Z Shading wave memory standard paper 1AD
1 C C N W – 4 7 5 6 S C 0 1 SPEAKER RELAY CABLE 1AK
2 C C N W – 4 7 5 7 S C 0 1 PANEL RELAY CABLE 1AW
3 C C N W – 4 7 5 8 S C 0 1 CIS RELAY CABLE 1AQ
4 C C N W – 4 7 5 9 S C 0 1 HEAD RELAY CABLE 1AX
5 C C N W – 4 7 6 0 S C 0 1 CAM SWITCH RELAY CABLE 1AK
6 C C N W – 4 7 6 3 S C 0 1 MOTOR RELAY CABLE 1AP
7 Q C N W – 4 9 6 9 S C Z Z PAPER SENSOR RELAY CABLE 1BF
8 V R S – T S 2 A D 2 2 1 J RESISTOR (1/10W 220Ω ±5%)[R221]1AA
9 V H P S G 2 0 6 S / / –1 PHOTO TRANSISTOR [PI1]1AG
10 Q S W – M 2 2 5 9 X H Z Z COVER SWITCH [SW1]1AF
11 Q C N C M 2 5 7 5 S C 1 D CONNECTOR (14PIN)[CNLIUA]1AC
12 V R D – H T 2 E Y 1 0 1 J RESISTOR (1/4W 100Ω ±5%)[R20]1AA
13 V H P S G 2 0 6 S / / –1 PHOTO TRANSISTOR [P-IN]1AG
14 V H P S G 2 0 6 S / / –1 PHOTO TRANSISTOR [P-E]1AG
15 Q C N C W 2 5 0 9 S C 1 D CONNECTOR (14PIN)[14PIN]1AF
NO. PARTS CODE DESCRIPTION Q’TY PRICE
RANK
P-IN
P-E
114
CNLIU
J5
(GND)
TP2
P-E TP3
P-IN
J13
(+5V)
R20
J6
C
EK
A
C
EK
A
CNLIUA RBNSNS
DRSNS
PI1
114
K
C
E
A
R221
(BOTTOM SIDE)
TEL/LIU PWB
CONTROL PWB

FO-780A
8 – 2
2. Description
2-1. Relay board unit
1. Remove the TEL/LIU PWB, control PWB and Power Supply PWB
from this unit, and mount the relay board unit instead.
•Before connecting the wiring to the relay board unit, set the test
PWB switches to the fixed position.
2. The setting is as follows.
The recording paper sensor (P-E) and the hook switch are operated by
OR of the mechanical unit switch and the test PWB switch. When
performing installation in the machine unit, set the test PWB switches to
the fixed position.
Mechanical unit PWB to be tested
Actual operation with mechanical unit
Recording paper
sensor ON/OFF operation OFF (Photo interrupter
is interrupted.)
PWB sensor check
Recording paper
sensor ON/OFF operation
OFF
POWER
SUPPLY
PWB
CHECK
TEL/LIU
PWB
CHECK
CONTROL
PWB
RELAY CABLE
DON'T SEPARATE
UNIT
NOTE
PAPER SNSOR RELAY CABLE (QCNW-4969SCZZ)
TO
CHECK
PWB
TO
EXTENSION
PWB
+5V(J13)
DG(J5)
P-E(TP2)
P-IN(TP3)
RBNSNS
DRSNS
(TEL/LIU)
(TEL/LIU)
(TEL/LIU)
(TEL/LIU)
(CONTROL)
(CONTROL)
WHITE
BLACK
BROWN
RED
ORANGE
YELLOW
ON/OFF operation ON-HOOK
ON/OFF operation
Hook SW ON-HOOK
* Recording paper: ON
No recording paper: OFF
Hook SW
Relay
cable
CNLIUA
CHECK
CONTROL
PWB
CHECK
TEL/LIU
PWB
1
14
CNPW
CNLIUA
POWER
SUPPLY
PWB
• The relay cables are used as one pair.
• The cover swich and hook switch are manually operated.
CN1
CNLIUB CNLIUB
1
6

FO-780A
8 – 3
3. Shading paper
The white and black basis is applied to remember the shading wave-
form. Be sure to perform this operation when replacing the battery or
replacing the control PWB. Execute in the shading mode of DIAG mode.
UX-300 SERIES SHADING WAVE MEMORY STANDARD PAPER (PSHEZ3354SCZZ)

FO-780A
8 – 4
[2] IC signal name
CONTROL PWB UNIT
IC5: VHiULN2003AN/ (ULN2003ANS)
IC7: VHiTC74HCU04F(TC74HCU04F)
IC3: VHiW24258S7LE (W24258S-70LE)
IC11: VHiHCF4053M1T (HCF4053B)
16 15 14 13 12 11 10 9
12345678
1B 2B 3B 4B 5B 6B 7B E
1C 2C 3C 4C 5C 6C 7C COM
14 13 12 11 10 9
123456
1A 1Y 2A 2Y 3A 3Y
VCC 6A 6Y 5A 5Y 4A
8
4Y
7
GND
Signal
A0~A14
CS1/CS2
WE
OE
I/O1~I/O8
VDD
VSS
Address input
Chip enable
Write enable
Write enable
Data I/O
Power source
Ground
1
2
3
4
5
6
7
8
9
10
11
12
13
14
A14
A12
A7
A6
A5
A4
A3
A2
A1
A0
IO1
IO2
IO3
VSS
28
27
26
25
24
23
22
21
20
19
18
17
IO5
IO6
IO7
IO8
CS1
A10
CS2/OE
A11
A9
A8
A13
WE
VDD
(TOP VIEW)
16
15 IO4
Pin name
6
11
10
9
12
13
2
1
Inhibit
Controls
14
15 Common
Out/In
5
Switches
In/Out
4
3
A
B
C
X0
X1
Y0
Y1
Z0
Z1
X
Y
Z
VDD: Pin 16
VSS: Pin 8
VEE: Pin7

FO-780A
8 – 5
IC12: VHiNJM2902M-1 (NJM2902M)
IC8: VHiPST596CMT1 (PST596CNR)
IC4: VHi27C20012MX (27C020)
EP-ROM
IC10: VHiNJM2113M-1 (NJM2113M)
+
–
1
A+–
D
2
3
4
14
13
12
11
5
6
7
10
9
8
+
–B+–
C
D OUTPUT
D-INPUT
D+INPUT
GND
C+INPUT
C-INPUT
C OUTPUT
B OUTPUT
B-INPUT
B+INPUT
V+
A+INPUT
A-INPUT
A OUTPUT
1
2
M/R
SUB
5 VCC
(TOP VIEW)
3GND 4 VOUT
1
2
3
4
CD
FC2
FC1
VIN
8
7
6
5 VO1
VCC
GND
VO2
(TOP VIEW)
1
2
3
4
5
6
7
8
9
10
11
12
13
VPP
A16
A15
A12
A7
A6
A5
A4
A3
A2
A1
A0
D0
32
31
30
29
28
27
26
25
24
23
22
21
20
VCC
PGM
A17
A14
A13
A8
A9
A11
OE
A10
E
D7
D6
14
15
16
D1
D2
GND
D5
D4
D3
19
18
17
(TOP VIEW)
Pin name
A0~A17
E
OE
GND
PGM
D0~D7
VCC
VPP
Signal
Address input
Chip enable
Output enable
Ground
Program
Data output (Program input)
+5V power
+12.5V power(*)
(*) Only in the program mode

FO-780A
8 – 6
IC6: VHiR96CiDFC2M (R96DFXL-CID)
SWGAINI
0VD1
+5VD2
0VA
NC
NC
RAMPIN
0VA
0VD2
D0
D1
D2
D3
D4
D5
D6
GP02
SWGAINO
RCVO
0VD2
RLSDn
RXD
GP19
GP20
0VD2
GP21
EYEY
0VD2
DAOUT
ADIN
EYEX
EYECLK
NC
NC
NC
DAIN
ADOUT
BYPASS
RCVI
TXLOSS3
TXLOSS2
TXLOSS1
NC
NC
0VA
TXOUT
RXIN
+5VA
RS3
RS2
RS1
RS0
GP13
SEE NOTE 1
GP11
RTSn
EN85n
0VD2
PORin
XTLI
XTLO
XCLK
YCLK
+5VD1
24
100
99
98
97
96
95
94
93
92
91
90
89
88
87
86
85
31
32
33
34
35
36
37
38
39
40
41
42
43
44
45
46
57
58
59
60
61
62
63
64
65
66
67
68
69
70
71
72
23
22
21
20
19
18
17
16
15
14
13
12
11
10
9
8
7
6
5
4
3
2
1
D7
0VD2
0VD2
GP07
GP06
GP05
GP04
GP03
DCLKI(IRQ2n)
73
SYNCIN2(G2XCLK)
74
GP1675
GP17
76
0VD2
77
CTSn
78
TXD
79
0VD2
80
ECLKIN1 25
SYNCIN1 26
NC 27
NC 28
NC 29
0VA 30
0VA 47
AGD 48
AOUT 49
0VD1 50
RS4
56
READn55
CSn
54
WRITEn
53
IRQn
52
NC
51
EYECLKX
84
EYESYNC
83
DCLK
82
0VD2
81

FO-780A
8 – 7
IC9: VHiR96CiDFC2M (FC200M)
36
A3
A4
A5
VSS
A6
A7
A8
A9
A10
A11
VDD
A12
A13
A14
A15
A16
D0
D1
D2
D3
VDD
D4
D5
D6
D7
MIRQN
VSS
SYSCLK
VSS
RESETN
TSTCLK
DEBUGN
STRBPOL/DMARQ
OPO7
OPO6
OPO5
VDD
OPO4
OPO3
OPO2
VSS
OPO1
24
37
38
39
40
41
42
43
44
45
46
23
22
21
20
19
18
17
16
15
14
13
12
11
10
9
8
7
6
5
4
3
2
1
A17
VSS
A18
A19
A20
A21
A22
A23
GPIO19/RDY/SEROUT73
GPIO18/IRQ10N74
GPIO17/IRQ5N75
GPIO16/IRQ876
GPIO15/CS5N77
GPIO14/CS4N/RXD78
GPIO13/CS3N/TXD79
GPIO12/CS2N/SCLK80
A2 25
A1 26
A0 27
VSS 28
PCLK/DMAACK 29
PDAT 30
OPO0 47
VDD 48
OPI3 49
OPI2 50
RDN
WRN
SYNC
WAITN
PLAT 31
VDD 32
STRB3 33
STRB2 34
STRB1 35
STRB0
OPI1 51
OPI0 52
VSS 53
VCDCS 54
LEDCTL 55
VSS 56
CS0N 57
TEST 58
XIN 59
XOUT 60
BATRSTN 61
PWRDWNN 62
VBAT 63
VSS 64
THADI 65
–VREF 66
VIN 67
+VREF 68
ADGA 69
ADVA 70
ADVD 71
ADGD 72
VDD
81
GPIO [11]/BE/SERINP
82
GPIO10/VDC2
83
GPIO9/VDC1
84
GPIO8/VDC0
85
GPIO7/VID7
86
GPIO6/VID6
87
VSS
88
GPIO5/VID5
89
GPIO4/VID4
90
GPIO3/VID3
91
GPIO2/VID2
92
GPIO1/VID1
93
GPIO0/VID0
94
VSS
95
VIDCTL0
96
VIDCTL1
97
CLK2
98
CLK1N
99
CLK1
100
START
101
VDD
102
SM3/GPO7
103
SM2/GPO6
104
SM1/GPO5
105
SM0/GPO4
106
NC
107
VSS
108
REGDMA
VDD
CS1N
MCSN
ROMCSN
TONE
PM0/GPO0
PM1/GPO1
PM2/GPO2
PM3/GPO3
VDRAM
RASN
CAS0N
CAS1N
CAS2N
DWRN
109
144
143
142
141
140
139
138
137
136
135
134
133
132
131
130
129
128
127
126
125
124
123
122
121
120
119
118
117
116
115
114
113
112
111
110

FO-780A
8 – 8
IC1: RH-IX2129SCZZ (M514800C-70J)
VCC 1
I/O0 2
I/O1 3
I/O2 4
I/O3 5
NC 6
WE 7
RAS 8
A9 9
A0 10
A1 11
A2 12
A3 13
VCC 14
28 VSS
27 I/O7
26 I/O6
25 I/O5
24 I/O4
23 CAS
22 OE
21 NC
20 A8
19 A7
18 A6
17 A5
16 A4
15 VSS
PIN DESCRIPTION
PIN
A0~A9
I/O0~I/O7
RAS
PIN NAME
ADDRESS INPUT
(LOW/REFRESH A0~A3
COLUMN A0~A3)
DATA I/O
LOW ADDRESS STROBE
PIN
CAS
PIN NAME
COLUMN ADDRESS STROBE
WE READ/WRITE INPUT
OE OUTPUT ENABLE
VCC POWER (+5V)
VSS CONNECTION
P-CH SENSE AMP
256K MEMORY CELL ARRAY
N-CH SENSE AMP
I/O BUS & COLUMN DETECTOR
N-CH SENSE AMP
256K MEMORY CELL ARRAY
P-CH SENSE AMP
256K MEMORY CELL ARRAY
N-CH SENSE AMP
I/O BUS & COLUMN DETECTOR
N-CH SENSE AMP
256K MEMORY CELL ARRAY
P-CH SENSE AMP
PERIPHERAL CIRCUIT
IO3
I/O2 BUFFER
IO2
I/O1 BUFFER
IO1
I/O0 BUFFER
IO0
P-CH SENSE AMP
256K MEMORY CELL ARRAY
N-CH SENSE AMP
I/O BUS & COLUMN DETECTOR
N-CH SENSE AMP
256K MEMORY CELL ARRAY
P-CH SENSE AMP
256K MEMORY CELL ARRAY
N-CH SENSE AMP
I/O BUS & COLUMN DETECTOR
N-CH SENSE AMP
256K MEMORY CELL ARRAY
P-CH SENSE AMP
I/O7 BUFFER
IO7
I/O6 BUFFER
IO6
I/O5 BUFFER
IO5
I/O4 BUFFER
IO4
P-CH SENSE AMP
COLUMN DETECTOR
P-CH SENSE AMP
PERIPHERAL CIRCUIT
P-CH SENSE AMP
P-CH SENSE AMP
ROW ADDRESS BUFFER COLUMN ADDRESS BUFFER
ADDRESS A0~A9
A0~A9 A0~A8
RAS
CONTROL CIRCUIT
RAS
CAS
CONTROL CIRCUIT
CAS
WE
CONTROL CIRCUIT
WE
OE
CONTROL CIRCUIT
OE
ROW DETECTOR & PERIPHERAL CIRCUIT
BLOCK DIAGRAM
I/O3 BUFFER

1 - 1
FO-780A
CONTENTS
PARTS GUIDE
UX-300
MODEL FO-780
Because parts marked with " " is indispensable for the machine safety maintenance and operation, it must be
replaced with the parts specifi to the product specification.
1Cabinet, etc.
2Top cover and sub frame
3Upper cabinet
4Document guide upper
5Drive unit
6Packing material & Accessories
7Control PWB unit
8TEL-Liu PWB unit
9Power supply PWB unit
Index

FO-780A
[1] Cabinet, etc.
– 1 –
24
28
24
14
10
25
22
21
23
18
19
DRIVE
UNIT
27 16
16
26
20
29
35
15
87
B2x2
56
4
7
8
B2x2
B2
B8
B2
B2
85
3
2
1
DOCUMENT
GUIDE UPPER
B7
9
34
34
33
33
32
84
50
89
89
48
90
B2
B2x2 17
92
31
37
B3
36
39
38
51
B3
TOP COVER/
SUB FRAME
40 43
47 41
42
35
B7
96
86
86 46
44
45
88
97
49
50
B2x9
B4
B5
95
98
101
99
100

NO. PARTS CODE PRICE
RANK NEW
MARK PART
RANK DESCRIPTION
FO-780A
– 2 –
[1] Cabinet,etc.
1 DCEKP440BXH23 BG N E Operation panel unit
2 QCNW-4935XHZZ AN N C Panel cable
!3 RCORF2063XHZZ AF B Core
4 MLEVP2297XHZZ AC N C Cover switch lever
5 MSPRT3069XHFJ AB N C Cover switch spring
6 NROLR2375XHZZ AL C Feed roller
7 NSFTP2302XHZZ AD N C Feed roller shaft
8 PGIDM2538XHZZ AM N C Original paper guide
9 CCNW-202AXH01 AB N C Speaker ass’y
10 CGERH2444XHY1 AF N C BT gear ass’y
14 GCABB2325XHSE AZ N D Lower cabinet
15 LANGF2817XHFW AF N C Platen lock bracket
16 LBSHP2088AXZZ AC C Transfer bearing
17 MLEVP2290XHZZ AC N C Film sensor lever
18 MLEVP2292XHZZ AD N C PE sensor lever B
19 MLEVP2294XHZZ AD N C P-IN sensor lever B
20 MLEVP2295XHZZ AD N C Platen lock lever,left
21 MLEVP2296XHZZ AD N C Platen lock lever,right
22 MSPRD3082XHFJ AC N C Platen lock spring
23 MSPRD3073XHFJ AB N C Sensor spring B
24 MSPRP3054XHFJ AD N C Panel lock lever spring
25 MSPRP3055XHFJ AD N C Speaker holder plate spring
26 NGERH2445XHZZ AB N C Back roller gear
27 NROLR2410XHZZ AP N C PO roller
28 NSFTM2311XHZZ AG N C Film guide shaft
29 PSHEZ3428XHZZ AE N C Sheet A
31 LFRM-2198XHZZ AK N C Head frame
32 MSPRC3103XHFJ AC N C Head spring F
33 MSPRC3059XHFJ AC N C Head spring B
34 MSPRC3102XHFJ AC N C Head spring E
35 MSPRC3061XHFJ AB N C Head spring D
36 PGIDM2531XHZZ AD N C Head guide,left
37 PGIDM2532XHZZ AD N C Head guide,right
38 QCNW-4936XHZZ AN N C Head cable
39 RHEDZ2058XHZZ BR N B Thermal head
40 PGIDM2529XHZZ AD N C CIS guide,left
41 PGIDM2530XHZZ AD N C CIS guide,right
42 QCNW-4850XHZZ AG N C CIS cable
43 RUNTZ2037XHZZ BL N B CIS unit
44 DCEKC681LXHZZ BU N E Control PWB unit(Within ROM)
45 DCEKL457BXH05 BD N E TEL-Liu PWB unit
46 LPLTM2995XHFW AS N C Bottom plate
47 MSPRC3057XHFJ AC N C CIS spring
48 PCOVP2122XHZZ AK N C Head cover
!49 QACCL762AXHZZ AY B AC cord ass’y
50 QCNW-4971XHZZ AD N C Head earth cable
!51 RCORF2064XHZZ AF B Core
84 MLEVP2302XHZZ AC N C Hook swith lever
85 HPNLH2389XHST BC N D Decoration panel
86 GLEGG2063XHZZ AC C Rubber leg
87 PSHEZ3410XHZZ AB N C Jack sheet
!88 RDENT2137XHZZ BL N E Power supply PWB unit
89 PCUSS2120XHZZ AB N C Head cushion
90 PSHEZ3429XHZZ AD N C Head guide sheet
92 MSPRD3104XHFJ AC N C Film sensor lever spring
95 PSHEZ3432XHZZ AE N C Bottom plate sheet
96 PSHEZ3436XHZZ AC N C CIS protect sheet
97 PSHEZ3425XHZZ AL N C Shield sheet
!98 RCORF2103XHZZ AF B Core
99 TLABS4335XHZZ AD D AUSSIE label
100 TLABS4969XHZZ AV N D New Zealand label
101 TLABZ3418XHZZ AA D Telephone set label
B2 XEBSD30P10000 AA C Screw(3x10)
B3 XBBSD30P06000 AA C Screw(3x6)
B4 XBPSN40P06K00 AA C Screw(4x6)
B5 XHBSD30P05000 AA N C Screw(3x5)
B7 XEBSD30P08000 AA N C Screw(3x8)
B8 XBPSD30P06K00 AA C Screw(3x6)

NO. PARTS CODE PRICE
RANK NEW
MARK PART
RANK DESCRIPTION
FO-780A
[2] Top cover and sub frame
– 3 –
10
27
26
30
5
3
4
6
32
1
2
31
25
28
29
33
35
12 11
87
24
21
18
17 15
23
12
87
22
14
20 13
34
9
16
19
B6
B2
B2
B2
[2] Top cover and sub frame
1 GCOVA2403XHSA AL N C Top cover
2 JKNBP2091XHZZ AC N C Release knob
3 MSPRC2832XHZZ AC C Hopper spring
4 NGERP2318XHZZ AD C Pinion gear
5 PGIDM2533XHSA AD N C Hopper guide,left
6 PGIDM2534XHSA AD N C Hopper guide,right
7 MSPRD3065XHFJ AB N C PO pinch roller spring
8 NROLP2332XHZZ AD C PO pinch roller
9 PGIDM2537XHZZ AF N C PO guide
10 CROLR2407XH01 AN N C PU roller ass’y
11 NROLR2408XHZZ AD N C PO roller
12 PGUMR2160XHZZ AE N C PO roller rubber
13 LBSHP2104XHZZ AC N C Platen bearing,left
14 LBSHP2105XHZZ AC N C Platen bearing,right
15 LFRM-2199XHZZ AK N C Sub frame
16 MLEVP2291XHZZ AD N C PE sensor lever
17 MLEVP2293XHZZ AD N C P-IN sensor lever
18 MSPRC3064XHFJ AC N C Tension spring
19 NGERH2441XHZZ AC N C PO gear
20 NGERH2442XHZZ AC N C Platen gear
21 NGERH2460XHZZ AC N C Tension gear
22 NROLR2409XHZZ AW N C Platen roller
23 NSFTM2311XHZZ AG N C Film guide shaft
24 NSFTP2304XHZZ AD N C PU shaft
25 LPLTP2997XHZZ AD N C Separate plate
26 LPLTP2998XHZZ AF N C Rotation plate
27 LPLTP3001XHSA AH N C RP release plate
28 MSPRC3062XHFJ AB N C Separate spring
29 MSPRC3063XHFJ AC N C C-spring
30 PSEL-2015SCZZ AB C RP pad
31 PSHEZ3293XHZZ AH N C Separate plate sheet
32 PSHEZ3431XHZZ AC N C TC sheet
33 PHOP-2101XHSA AK N C RP hopper
34 MSPRD3105XHFJ AC N C P-IN sensor lever spring
35 PGIDM2535XHSA AC N C A4 paper guide
B2 XEBSD30P10000 AA C Screw(3x10)
B6 LX-BZ2138XHZZ AB C Screw

NO. PARTS CODE PRICE
RANK NEW
MARK PART
RANK DESCRIPTION
FO-780A
– 4 –
[3] Upper cabinet
2
3
54
6
B1x5
8
7
1
[3] Upper cabinet
1 GCABA2324XHZF AM N D Upper cabinet
2 JBTN-2242XHSA AG N C 12 key
3 JBTN-2252XHSA AE N C Direct key
4 JBTN-2244XHSA AD N C Start key
5 JBTN-2245XHSA AD N C Stop key
6 JBTN-2246XHSA AD N C Mode key
7 DCEKP450BXH02 BD N E Operation panel PWB unit
8 QCNW-4935XHZZ AN N C Panel cable
B1 XEBSD20P06000 AA C Screw(2x6)
(Unit)
901 DCEKP440BXH23 BG N E Operation panel unit

NO. PARTS CODE PRICE
RANK NEW
MARK PART
RANK DESCRIPTION
FO-780A
– 5 –
[4] Document guide upper
2
15
10
13
8
7
4
4
9
12 9
11
6
[4] Document guide upper
1 LPLTG2911XHZZ AE C Separator rubber
2 LPLTP2908XHZZ AE C Separator plate
4 MSPRC3071XHFJ AB N C Pinch roller spring
5 MSPRP3079XHFJ AE N C Paper feed spring
6 MSPRT2951XHZZ AC C Separate spring
7 NBRGP2141XHZZ AH C Transfer bearing
8 NGERH2445XHZZ AB N C Back roller gear
9 NROLP2334XHZA AC C Pinch roller
10 NROLP2406XHZZ AD N C Guide roller
11 NROLR2411XHZZ AV N C Back roller
12 NSFTZ2257XHZZ AG C Pinch roller shaft
13 PGIDM2536XHZZ AK N C Document guide upper

NO. PARTS CODE PRICE
RANK NEW
MARK PART
RANK DESCRIPTION
FO-780A
– 6 –
[5] Drive unit
1
2
6
7
9
11
12
13
14
15
16
17
18
19
20
21 22
23 24
24
24
25
26
27
28
29
30
B2
[5] Drive unit
1 CGERH2459XH01 AM N C Slip gear ass’y
2 CLEVP2298XH01 AC N C Planet gear lever A ass’y
6 CLEVP2299XH01 AC N C Planet gear lever B ass’y
7 CLEVP2300XH01 AC N C Planet gear lever C ass’y
9 CLEVP2303XH01 AC N C Planet gear lever D ass’y
11 LFRM-2200XHZZ AB N C Drive unit frame
12 LPLTM2994XHFW AE N C Motor plate
13 MCAMP2025XHZZ AB N C Cam A
14 MCAMP2026XHZZ AB N C Cam B
15 MLEVP2301XHZZ AB N C Link lever
16 MSPRD3070XHFJ AB N C Cam hold spring
17 NGERH2280XHZZ AC C Idler gear B
18 NGERH2311XHZZ AD C Reduction gear C
19 NGERH2446XHZZ AB N C Reduction gear,1
20 NGERH2447XHZZ AB N C Reduction gear,2
21 NGERH2448XHZZ AB N C Reduction gear,3
22 NGERH2449XHZZ AB N C Reduction gear,4
23 NGERH2450XHZZ AB N C Reduction gear,5
24 NGERH2451XHZZ AB N C Idler gear,30Z
25 NGERH2452XHZZ AB N C Idler gear,52Z
26 NGERH2454XHZZ AB N C Take up gear
27 NGERH2461XHZZ AB N C Reduction gear,6
28 QCNW-4933XHZZ AC N C Cam switch cable
29 QSW-F2224SCZZ AE B Cam switch
30 RMOTZ2145XHZZ BA N B Motor
B2 XEBSD30P10000 AA C Screw(3x10)

NO. PARTS CODE PRICE
RANK NEW
MARK PART
RANK DESCRIPTION
FO-780A
– 7 –
[6] Packing material & Accessories
1
2
TAPE
TAPE
TAPE
25
TAPE
R
R
(1)
(2)
(3)
(4)
1
2
34
5
7
8
9
10
11
12
13
14
15
16
16 16
18
19
AC CORD
6
23
24
17
22
21
[6] Packing material & Accessories
1 SPAKC064BXHZZ AM N D Packing case
2 TLABM4981XHZZ AB N D Box label
3 TINSE3988XHZZ AB N D Operation manual
4 TLABH4811XHZZ AD N D Rapid key labels
5 CPLTP3002XHB1 AK N E Imaging film cartridge and label ass’y
6 TLABH4752XHZZ AB N D Film set label
7 LPLTP3003XHSA AH N C Paper tray extension
8 PHOP-2102XHZZ AE N C Original document support
9 SPAKA490AXHZZ AC N D Pad B
10 SPAKA489AXHZZ AC N D Pad A
11 SPAKA481AXHZZ AF N D Packing add.,right
12 SPAKA480AXHZZ AF N D Packing add.,left
13 QCNWG0376AFZZ AM C Telephone line cord
14 QCNW-3976XHOW AK C Handset cord
15 NGERH2455XHZZ AD N C Imaging film gear A
16 NGERH2456XHZZ AC N C Imaging film gear B
17 TLABM213AXHZZ AB N D Pop label
18 SPAKP3385SCZZ AG D Vinyl cover
19 DUNTK425BXHWH AQ N E Handset
21 TLABV4995XHZZ AB N D Bar cord label
22 TCADZ2264XHZZ AD D Installation card
23 QCNWG0381AFZZ AM C New Zealand cable
24 QPLGZ9065AFZZ AP C Australia plug
25 PRBNN2015SCZZ AQ N S Imaging film(Initial starter film 10m)

NO. PARTS CODE PRICE
RANK NEW
MARK PART
RANK DESCRIPTION
FO-780A
– 8 –
[7] Control PWB unit
1 UBATL2049SCZZ AF B Battery(CR2032T23) [BAT1]
2 VCEAGA1EW476M AA C Capacitor(25WV 47µF) [C1]
3 VCEAGA1HW105M AB C Capacitor(50WV 1µF) [C2]
4 VCEAGA1EW476M AA C Capacitor(25WV 47µF) [C3]
5 VCEAGA1HW106M AA C Capacitor(50WV 10µF) [C4]
6 VCEAGA1HW106M AA C Capacitor(50WV 10µF) [C5]
7 VCEAGA1HW226M AB C Capacitor(50WV 22µF) [C6]
8 VCEAGA1HW107M AA C Capacitor(50WV 100µF) [C7]
9 VCEAGA1EW476M AA C Capacitor(25WV 47µF) [C8]
10 VCKYTV1CF105Z AB C Capacitor(16WV 1µF) [C100]
11 VCKYTV1EF104Z AA C Capacitor(25WV 0.1µF) [C103]
12 VCKYTV1HB222K AA C Capacitor(50WV 2200PF) [C104]
13 VCKYTV1HB102K AA C Capacitor(50WV 1000PF) [C105]
14 VCKYTV1HB222K AA C Capacitor(50WV 2200PF) [C106]
15 VCKYTV1EF104Z AA C Capacitor(25WV 0.1µF) [C107]
16 VCKYTV1EF104Z AA C Capacitor(25WV 0.1µF) [C109]
17 VCKYTV1HB222K AA C Capacitor(50WV 2200PF) [C110]
18 VCKYTV1HB222K AA C Capacitor(50WV 2200PF) [C111]
19 VCKYTV1HB222K AA C Capacitor(50WV 2200PF) [C112]
20 VCCCTV1HH150J AA C Capacitor(50WV 15PF) [C113]
21 VCCCTV1HH680J AA C Capacitor(50WV 68PF) [C115]
22 VCCCTV1HH680J AA C Capacitor(50WV 68PF) [C116]
23 VCCCTV1HH150J AA C Capacitor(50WV 15PF) [C117]
24 VCKYTV1CF105Z AB C Capacitor(16WV 1µF) [C118]
25 VCKYTV1EF104Z AA C Capacitor(25WV 0.1µF) [C120]
26 VCKYTV1HB222K AA C Capacitor(50WV 2200PF) [C121]
27 VCKYTV1HB222K AA C Capacitor(50WV 2200PF) [C122]
28 VCCCTV1HH180J AA C Capacitor(50WV 18PF) [C123]
29 VCKYTV1CF105Z AB C Capacitor(16WV 1µF) [C124]
30 VCKYTV1HB103K AB C Capacitor(50WV 0.01µF) [C125]
31 VCCSTV1HL391J AA C Capacitor(50WV 390PF) [C126]
32 VCCCTV1HH680J AA C Capacitor(50WV 68PF) [C128]
33 VCKYTV1HB102K AA C Capacitor(50WV 1000PF) [C129]
34 VCCCTV1HH150J AA C Capacitor(50WV 15PF) [C130]
35 VCKYTV1CF105Z AB C Capacitor(16WV 1µF) [C131]
36 VCKYTV1HB222K AA C Capacitor(50WV 2200PF) [C132]
37 VCCCTV1HH680J AA C Capacitor(50WV 68PF) [C133]
38 VCCCTV1HH680J AA C Capacitor(50WV 68PF) [C134]
39 VCKYTV1EB104K AA C Capacitor(25WV 0.1µF) [C135]
40 VCKYTV1CF105Z AB C Capacitor(16WV 1µF) [C136]
41 VCKYTV1CF105Z AB C Capacitor(16WV 1µF) [C137]
42 VCKYTV1HB102K AA C Capacitor(50WV 1000PF) [C138]
43 VCKYTV1HB102K AA C Capacitor(50WV 1000PF) [C140]
44 VCKYTV1HB102K AA C Capacitor(50WV 1000PF) [C141]
45 VCKYTV1EF104Z AA C Capacitor(25WV 0.1µF) [C142]
46 VCKYTV1CF105Z AB C Capacitor(16WV 1µF) [C143]
47 VCCCTV1HH680J AA C Capacitor(50WV 68PF) [C144]
48 VCKYTV1CF105Z AB C Capacitor(16WV 1µF) [C145]
49 VCKYTV1HB102K AA C Capacitor(50WV 1000PF) [C146]
50 VCCCTV1HH680J AA C Capacitor(50WV 68PF) [C147]
51 VCCCTV1HH680J AA C Capacitor(50WV 68PF) [C148]
52 VCKYTV1EF104Z AA C Capacitor(25WV 0.1µF) [C149]
53 VCKYTV1CF105Z AB C Capacitor(16WV 1µF) [C150]
54 VCKYTV1CF105Z AB C Capacitor(16WV 1µF) [C151]
55 VCKYTV1CF105Z AB C Capacitor(16WV 1µF) [C152]
56 VCKYTV1CF105Z AB C Capacitor(16WV 1µF) [C153]
57 VCCCTV1HH680J AA C Capacitor(50WV 68PF) [C154]
58 VCKYTV1HB102K AA C Capacitor(50WV 1000PF) [C155]
59 VCKYTV1EB104K AA C Capacitor(25WV 0.1µF) [C156]
60 VCKYTV1HB221K AA C Capacitor(50WV 220PF) [C157]
61 VCKYTV1HB472K AA C Capacitor(50WV 4700PF) [C158]
62 VCKYTV1HB103K AB C Capacitor(50WV 0.01µF) [C159]
63 VCKYTV1EB104K AA C Capacitor(25WV 0.1µF) [C160]
64 VCKYTV1CF105Z AB C Capacitor(16WV 1µF) [C161]
65 VCKYTV1EF104Z AA C Capacitor(25WV 0.1µF) [C162]
66 VCKYTV1CF105Z AB C Capacitor(16WV 1µF) [C163]
67 VCKYTV1CF105Z AB C Capacitor(16WV 1µF) [C164]
68 VCKYTV1CF105Z AB C Capacitor(16WV 1µF) [C165]
69 VCKYTV1HB222K AA C Capacitor(50WV 2200PF) [C166]
70 VCCCTV1HH220J AA C Capacitor(50WV 22PF) [C167]
71 VCKYTV1CF105Z AB C Capacitor(16WV 1µF) [C168]
72 VCKYTV1CF105Z AB C Capacitor(16WV 1µF) [C169]
73 VCCCTV1HH680J AA C Capacitor(50WV 68PF) [C170]
74 VCCCTV1HH680J AA C Capacitor(50WV 68PF) [C171]
75 VCCCTV1HH680J AA C Capacitor(50WV 68PF) [C172]
76 VCCCTV1HH680J AA C Capacitor(50WV 68PF) [C173]
77 VCKYTV1CF105Z AB C Capacitor(16WV 1µF) [C174]
78 VCKYTV1HB102K AA C Capacitor(50WV 1000PF) [C175]
79 VCKYTV1EF104Z AA C Capacitor(25WV 0.1µF) [C176]
80 VCKYTV1CF105Z AB C Capacitor(16WV 1µF) [C177]

NO. PARTS CODE PRICE
RANK NEW
MARK PART
RANK DESCRIPTION
FO-780A
– 9 –
[7] Control PWB unit
81 VCKYTV1CF105Z AB C Capacitor(16WV 1µF) [C178]
82 VCKYTV1CF105Z AB C Capacitor(16WV 1µF) [C179]
83 VCCSTV1HL102J AA C Capacitor(50WV 1000PF) [C180]
84 VCKYTV1HB681K AA C Capacitor(50WV 680PF) [C181]
85 VCKYTV1CF105Z AB C Capacitor(16WV 1µF) [C182]
86 VCCSTV1HL102J AA C Capacitor(50WV 1000PF) [C183]
87 VCKYTQ1HF104Z AA C Capacitor(50WV 0.1µF) [C184]
88 VCKYTV1CF105Z AB C Capacitor(16WV 1µF) [C185]
89 VCCCTV1HH220J AA C Capacitor(50WV 22PF) [C186]
90 VCCCTV1HH680J AA C Capacitor(50WV 68PF) [C187]
91 VCCCTV1HH680J AA C Capacitor(50WV 68PF) [C188]
92 VCCCTV1HH101J AA C Capacitor(50WV 100PF) [C189]
93 VCCCTV1HH101J AA C Capacitor(50WV 100PF) [C190]
94 VCCCTV1HH680J AA C Capacitor(50WV 68PF) [C191]
95 VCCCTV1HH680J AA C Capacitor(50WV 68PF) [C192]
96 VCCCTV1HH101J AA C Capacitor(50WV 100PF) [C193]
97 VRS-TS2AD000J AA C Resistor(1/10W 0Ω ±5%) [C194]
98 VCCCTV1HH101J AA C Capacitor(50WV 100PF) [C195]
99 VCKYTV1EB104K AA C Capacitor(25WV 0.1µF) [C196]
100 VCCCTV1HH101J AA C Capacitor(50WV 100PF) [C197]
101 VCKYTV1CF105Z AB C Capacitor(16WV 1µF) [C198]
102 VCCCTV1HH101J AA C Capacitor(50WV 100PF) [C199]
103 VCKYTQ1HF104Z AA C Capacitor(50WV 0.1µF) [C200]
104 VCKYTV1EF104Z AA C Capacitor(25WV 0.1µF) [C201]
105 VCCCTV1HH680J AA C Capacitor(50WV 68PF) [C203]
106 VCKYTV1HB102K AA C Capacitor(50WV 1000PF) [C204]
107 VCKYTV1HB102K AA C Capacitor(50WV 1000PF) [C205]
108 VCKYTV1HB102K AA C Capacitor(50WV 1000PF) [C206]
109 VCKYTV1HB102K AA C Capacitor(50WV 1000PF) [C207]
110 VCKYTV1HB102K AA C Capacitor(50WV 1000PF) [C208]
111 VCKYTV1HB102K AA C Capacitor(50WV 1000PF) [C209]
112 VCKYTV1HB102K AA C Capacitor(50WV 1000PF) [C210]
113 VCKYTV1HB102K AA C Capacitor(50WV 1000PF) [C211]
114 VCKYTV1HB102K AA C Capacitor(50WV 1000PF) [C212]
115 VCCCTV1HH680J AA C Capacitor(50WV 68PF) [C213]
116 VCCCTV1HH680J AA C Capacitor(50WV 68PF) [C214]
117 VCCCTV1HH680J AA C Capacitor(50WV 68PF) [C215]
118 VCKYTV1EF104Z AA C Capacitor(25WV 0.1µF) [C216]
119 VCKYTV1EF104Z AA C Capacitor(25WV 0.1µF) [C217]
120 VCKYTV1EF104Z AA C Capacitor(25WV 0.1µF) [C218]
121 VCKYTV1HB102K AA C Capacitor(50WV 1000PF) [C223]
122 VCKYTV1HB102K AA C Capacitor(50WV 1000PF) [C224]
123 VCCCTV1HH101J AA C Capacitor(50WV 100PF) [C225]
124 VCCCTV1HH101J AA C Capacitor(50WV 100PF) [C226]
125 VCCCTV1HH101J AA C Capacitor(50WV 100PF) [C227]
126 VCCCTV1HH101J AA C Capacitor(50WV 100PF) [C228]
127 VCKYTV1HB102K AA C Capacitor(50WV 1000PF) [C229]
128 VCKYTV1HB102K AA C Capacitor(50WV 1000PF) [C230]
129 VCKYTV1HB102K AA C Capacitor(50WV 1000PF) [C231]
130 VCCCTV1HH101J AA C Capacitor(50WV 100PF) [C233]
131 VCKYTV1EF104Z AA C Capacitor(25WV 0.1µF) [C235]
132 VCKYTV1EF104Z AA C Capacitor(25WV 0.1µF) [C236]
133 QCNCM7014SC0G AB C Connector(7pin) [CNCIS]
134 QCNCM2442SC0B AB C Conector(2pin) [CNCSW]
135 QCNCM2575SC1D AC N C Connector(14pin) [CNLIUA]
136 QCNCM2575SC0F AE N C Connector(6pin) [CNLIUB]
137 QCNCM7014SC0F AB C Connector(6pin) [CNMT]
138 QCNCM7014SC1E AC C Connector(15pin) [CNPN]
139 QCNCM2575SC0I AF N C Connector(9pin) [CNPW]
140 QCNCM2401SC0B AA C Connector(2pin) [CNSP]
141 QCNCM7014SC1F AD C Connector(16pin) [CNTH]
142 VHEMPZP4748A1 AA B Diode(1N4748A) [D2]
143 VHDRB705D//-1 AD B Diode(RB705D) [D102]
144 VHD1SS355//-1 AB B Diode(1SS355) [D104]
145 VHD1SS355//-1 AB B Diode(1SS355) [D105]
146 VHVICPS07//-1 AA B IC protector(ICP-S07) [FU100]
147 RH-IX2129SCZZ AY B IC(M514800C-70J) [IC1]
148 VHIW24258S7LE AQ N B IC(W24258S-70LE) [IC3]
149 QSOCZ2051SC32 AC C IC socket(32pin) [IC4]
VHI27020FMU0D BN N B IC,EPROM(2MB) [IC4]
151 VHIULN2003AN/ AE B IC(ULN2003ANS) [IC5]
152 VHIR96CIDFC2M BN N B IC(R96DFXL-CID)(Within IC6 and IC9 pair) [IC6]
153 VHITC74HCU04F AE N B IC(HCU04) [IC7]
154 VHIPST596CMT1 AF B IC(PST596CNR) [IC8]
155 VHIR96CIDFC2M BN N B IC(FC200M)(Within IC6 and IC9 pair) [IC9]
156 VHINJM2113M-1 AG B IC(NJM2113M) [IC10]
157 VHIHCF4053M1T AG B IC(HCF4053B) [IC11]
158 VHINJM2902M-1 AF B IC(NJM2902M) [IC12]
159 VRS-TS2AD121J AA C Resistor(1/10W 120Ω ±5%) [L100]
160 VRS-TS2AD000J AA C Resistor(1/10W 0Ω ±5%) [L101]

NO. PARTS CODE PRICE
RANK NEW
MARK PART
RANK DESCRIPTION
FO-780A
– 10 –
[7] Control PWB unit
161 RCILZ2145XHZZ AF C Coil(Z2145) [L102]
162 RCILZ2145XHZZ AF C Coil(Z2145) [L103]
163 RCILZ2104SCZZ AK C Coil(Z2104) [L104]
164 RCILZ2145XHZZ AF C Coil(Z2145) [L105]
165 RCILZ2145XHZZ AF C Coil(Z2145) [L106]
166 VRS-TS2AD000J AA C Resistor(1/10W 0Ω ±5%) [L107]
167 VRS-TS2AD000J AA C Resistor(1/10W 0Ω ±5%) [L108]
168 VHPSG206S//-1 AG B Photo transistor(SG206S) [PI1]
169 VS2SA1037KS-1 AB B Transistor(2SA1037KS) [Q101]
170 VSRNC1402//-1 AC B Transistor(RNC1402) [Q104]
171 VSRNC1402//-1 AC B Transistor(RNC1402) [Q105]
172 VSDTD114EK/-1 AC B Transistor(DTD114EK) [Q109]
173 VS2SA1037KS-1 AB B Transistor(2SA1037KS) [Q111]
174 VRS-TS2AD103J AA C Resistor(1/10W 10KΩ ±5%) [R100]
175 VRS-TS2AD271J AA C Resistor(1/10W 270Ω ±5%) [R102]
176 VRS-TS2AD512J AA C Resistor(1/10W 5.1KΩ ±5%) [R103]
177 VRS-TS2AD000J AA C Resistor(1/10W 0Ω ±5%) [R104]
178 VRS-TS2AD271J AA C Resistor(1/10W 270Ω ±5%) [R105]
179 VRS-TS2AD000J AA C Resistor(1/10W 0Ω ±5%) [R106]
180 VRS-TS2AD000J AA C Resistor(1/10W 0Ω ±5%) [R109]
181 VRS-TS2AD223J AA C Resistor(1/10W 22KΩ ±5%) [R110]
182 VRS-TS2AD271J AA C Resistor(1/10W 270Ω ±5%) [R111]
183 VRS-TS2AD271J AA C Resistor(1/10W 270Ω ±5%) [R112]
184 VRS-TS2AD103J AA C Resistor(1/10W 10KΩ ±5%) [R113]
185 VRS-TS2AD393J AA C Resistor(1/10W 39KΩ ±5%) [R114]
186 VRS-TS2AD393J AA C Resistor(1/10W 39KΩ ±5%) [R115]
187 VRS-TS2AD303J AA C Resistor(1/10W 30KΩ ±5%) [R117]
188 VRS-TS2AD104J AA C Resistor(1/10W 100KΩ ±5%) [R118]
189 VRS-TS2AD303J AA C Resistor(1/10W 30KΩ ±5%) [R119]
190 VRS-TS2AD271J AA C Resistor(1/10W 270Ω ±5%) [R120]
191 VRS-TS2AD271J AA C Resistor(1/10W 270Ω ±5%) [R121]
192 VRS-TS2AD105J AA C Resistor(1/10W 1.0MΩ ±5%) [R122]
193 VRS-TS2AD201J AG C Resistor(1/10W 200Ω ±5%) [R125]
194 VRS-TS2AD121J AA C Resistor(1/10W 120Ω ±5%) [R126]
195 VRS-TS2AD333J AA C Resistor(1/10W 33KΩ ±5%) [R127]
196 VRS-TS2AD271J AA C Resistor(1/10W 270Ω ±5%) [R128]
197 VRS-TS2AD151J AA C Resistor(1/10W 150Ω ±5%) [R129]
198 VRS-TS2AD151J AA C Resistor(1/10W 150Ω ±5%) [R130]
199 VRS-TS2AD680J AA C Resistor(1/10W 68Ω ±5%) [R131]
200 VRS-TS2AD103J AA C Resistor(1/10W 10KΩ ±5%) [R132]
201 VRS-TS2AD151J AA C Resistor(1/10W 150Ω ±5%) [R133]
202 VRS-TS2AD562J AA C Resistor(1/10W 5.6KΩ ±5%) [R134]
203 VRS-TS2AD271J AA C Resistor(1/10W 270Ω ±5%) [R136]
204 VRS-TS2AD000J AA C Resistor(1/10W 0Ω ±5%) [R137]
205 VCKYTV1HB102K AA C Capacitor(50WV 1000PF) [R138]
206 VRSTS2AD4752F AA C Resistor(1/10W 47.5KΩ ±1%) [R139]
207 VRS-TS2AD000J AA C Resistor(1/10W 0Ω ±5%) [R140]
208 VCKYTV1HB102K AA C Capacitor(50WV 1000PF) [R141]
209 VRS-TS2AD151J AA C Resistor(1/10W 150Ω ±5%) [R142]
210 VRS-TS2AD471J AA C Resistor(1/10W 470Ω ±5%) [R143]
211 VRS-TS2AD151J AA C Resistor(1/10W 150Ω ±5%) [R144]
212 VRS-TS2AD101J AA C Resistor(1/10W 100Ω ±5%) [R145]
213 VRS-TS2AD101J AA C Resistor(1/10W 100Ω ±5%) [R146]
214 VRS-TS2AD471J AA C Resistor(1/10W 470Ω ±5%) [R147]
215 VRS-TS2AD103J AA C Resistor(1/10W 10KΩ ±5%) [R148]
216 VRS-TS2AD303J AA C Resistor(1/10W 30KΩ ±5%) [R149]
217 VRS-TS2AD271J AA C Resistor(1/10W 270Ω ±5%) [R151]
218 VRS-TS2AD271J AA C Resistor(1/10W 270Ω ±5%) [R152]
219 VRS-TS2AD102J AA C Resistor(1/10W 1KΩ ±5%) [R153]
220 VRS-TS2AD223J AA C Resistor(1/10W 22KΩ ±5%) [R154]
221 VRS-TS2AD3R0J AA C Resistor(1/10W 3.0Ω ±5%) [R155]
222 VRS-TS2AD332J AA C Resistor(1/10W 3.3KΩ ±5%) [R156]
223 VRS-TS2AD303J AA C Resistor(1/10W 30KΩ ±5%) [R157]
224 VRS-TS2AD471J AA C Resistor(1/10W 470Ω ±5%) [R158]
225 VRS-TS2AD303J AA C Resistor(1/10W 30KΩ ±5%) [R159]
226 VRS-TS2AD303J AA C Resistor(1/10W 30KΩ ±5%) [R160]
227 VRS-TS2AD471J AA C Resistor(1/10W 470Ω ±5%) [R161]
228 VRS-TS2AD103J AA C Resistor(1/10W 10KΩ ±5%) [R162]
229 VRS-TS2AD101J AA C Resistor(1/10W 100Ω ±5%) [R163]
230 VRS-TS2AD203J AA C Resistor(1/10W 20KΩ ±5%) [R164]
231 VRS-TS2AD474J AA C Resistor(1/10W 470KΩ ±5%) [R165]
232 VRS-TS2AD104J AA C Resistor(1/10W 100KΩ ±5%) [R166]
233 VRS-TS2AD303J AA C Resistor(1/10W 30KΩ ±5%) [R167]
234 VRS-TS2AD102J AA C Resistor(1/10W 1KΩ ±5%) [R168]
235 VRS-TS2AD471J AA C Resistor(1/10W 470Ω ±5%) [R169]
236 VRS-TS2AD302J AA C Resistor(1/10W 3KΩ ±5%) [R170]
237 VRS-TS2AD104J AA C Resistor(1/10W 100KΩ ±5%) [R171]
238 VRS-TS2AD224J AA C Resistor(1/10W 220KΩ ±5%) [R172]
239 VRS-TS2AD203J AA C Resistor(1/10W 20KΩ ±5%) [R173]
240 VRS-TS2AD102J AA C Resistor(1/10W 1KΩ ±5%) [R174]

NO. PARTS CODE PRICE
RANK NEW
MARK PART
RANK DESCRIPTION
FO-780A
[7] Control PWB unit
241 VRS-TS2AD203J AA C Resistor(1/10W 20KΩ ±5%) [R175]
242 VRS-TS2AD000J AA C Resistor(1/10W 0Ω ±5%) [R176]
243 VRS-TS2AD473J AA C Resistor(1/10W 47KΩ ±5%) [R177]
244 VRS-TS2AD333J AA C Resistor(1/10W 33KΩ ±5%) [R180]
245 VRS-TS2AD333J AA C Resistor(1/10W 33KΩ ±5%) [R181]
246 VRS-TS2AD000J AA C Resistor(1/10W 0Ω ±5%) [R182]
247 VRS-TS2AD471J AA C Resistor(1/10W 470Ω ±5%) [R183]
248 VRS-TS2AD471J AA C Resistor(1/10W 470Ω ±5%) [R184]
249 VRS-TS2AD471J AA C Resistor(1/10W 470Ω ±5%) [R185]
250 VRS-TS2AD303J AA C Resistor(1/10W 30KΩ ±5%) [R186]
251 VRS-TS2AD303J AA C Resistor(1/10W 30KΩ ±5%) [R187]
252 VRS-TS2AD101J AA C Resistor(1/10W 100Ω ±5%) [R188]
253 VRS-TS2AD103J AA C Resistor(1/10W 10KΩ ±5%) [R189]
254 VRS-TS2AD101J AA C Resistor(1/10W 100Ω ±5%) [R190]
255 VRS-TS2AD101J AA C Resistor(1/10W 100Ω ±5%) [R191]
256 VRS-TS2AD102J AA C Resistor(1/10W 1KΩ ±5%) [R192]
257 VRS-TS2AD102J AA C Resistor(1/10W 1KΩ ±5%) [R194]
258 VRSTS2AD1183F AA C Resistor(1/10W 118KΩ ±1%) [R195]
259 VRS-TS2AD152J AA C Resistor(1/10W 1.5KΩ ±5%) [R196]
260 VRS-TS2AD102J AA C Resistor(1/10W 1KΩ ±5%) [R197]
261 VRS-TS2AD473J AA C Resistor(1/10W 47KΩ ±5%) [R198]
262 VRSTS2AD1742F AA C Resistor(1/10W 17.4KΩ ±1%) [R199]
263 VRS-TS2AD133J AA C Resistor(1/10W 13KΩ ±5%) [R200]
264 VRS-TS2AD103J AA C Resistor(1/10W 10KΩ ±5%) [R201]
265 VRSTS2AD8662F AA C Resistor(1/10W 86.6KΩ ±1%) [R203]
266 VRS-TS2AD512J AA C Resistor(1/10W 5.1KΩ ±5%) [R207]
267 VRS-TS2AD203J AA C Resistor(1/10W 20KΩ ±5%) [R208]
268 VRS-TS2AD333J AA C Resistor(1/10W 33KΩ ±5%) [R209]
269 VRS-TS2AD224J AA C Resistor(1/10W 220KΩ ±5%) [R210]
270 VRS-TS2AD106J AA C Resistor(1/10W 10MΩ ±5%) [R211]
271 VRS-TS2AD121J AA C Resistor(1/10W 120Ω ±5%) [R212]
272 VRS-TS2AD392J AA C Resistor(1/10W 3.9KΩ ±5%) [R213]
273 VRS-TS2AD000J AA C Resistor(1/10W 0Ω ±5%) [R214]
274 VRS-TS2AD203J AA C Resistor(1/10W 20KΩ ±5%) [R215]
275 VRS-TS2AD203J AA C Resistor(1/10W 20KΩ ±5%) [R216]
276 VRSTS2AD8662F AA C Resistor(1/10W 86.6KΩ ±1%) [R217]
277 VRS-TS2AD332J AA C Resistor(1/10W 3.3KΩ ±5%) [R218]
278 VRS-TS2AD103J AA C Resistor(1/10W 10KΩ ±5%) [R219]
279 VRS-TS2AD302J AA C Resistor(1/10W 3KΩ ±5%) [R220]
280 VRS-TS2AD221J AA C Resistor(1/10W 220Ω ±5%) [R221]
281 VRS-TS2AD000J AA C Resistor(1/10W 0Ω ±5%) [R224]
282 VRS-TS2AD303J AA C Resistor(1/10W 30KΩ ±5%) [R225]
283 VRS-TS2AD000J AA C Resistor(1/10W 0Ω ±5%) [R228]
284 VRS-TS2AD101J AA C Resistor(1/10W 100Ω ±5%) [R229]
285 VRS-TS2AD000J AA C Resistor(1/10W 0Ω ±5%) [R230]
286 VRS-TS2AD271J AA C Resistor(1/10W 270Ω ±5%) [R231]
287 VRS-TS2AD103J AA C Resistor(1/10W 10KΩ ±5%) [R232]
288 RR-TZ3017SCZZ AC N C Block resistor(270Ωx4) [RA1]
289 RR-TZ3018SCZZ AC N C Block resistor(470Ωx4) [RA2]
290 RR-TZ3017SCZZ AC N C Block resistor(270Ωx4) [RA3]
291 RR-TZ3017SCZZ AC N C Block resistor(270Ωx4) [RA4]
292 RR-TZ3017SCZZ AC N C Block resistor(270Ωx4) [RA5]
293 RR-TZ3017SCZZ AC N C Block resistor(270Ωx4) [RA6]
294 RR-TZ3018SCZZ AC N C Block resistor(470Ωx4) [RA7]
295 RR-TZ3017SCZZ AC N C Block resistor(270Ωx4) [RA8]
296 RR-TZ3017SCZZ AC N C Block resistor(270Ωx4) [RA9]
297 RR-TZ3017SCZZ AC N C Block resistor(270Ωx4) [RA10]
298 RR-TZ3017SCZZ AC N C Block resistor(270Ωx4) [RA11]
299 RR-TZ3012SCJ0 AB N C Block resistor(100Ωx4) [RA12]
300 RR-TZ3018SCZZ AC N C Block resistor(470Ωx4) [RA13]
301 RR-TZ3012SCJ0 AB N C Block resistor(100Ωx4) [RA14]
302 RRLYD3130SCZZ AN B Relay [RY1]
303 QSW-M2259XHZZ AF B Cover switch [SW1]
304 RCRSQ1005LCZZ AE B Crystal(19.66MHz) [X1]
305 RCRSB2122SCZZ AH B Crystal(24.00014MHz) [X2]
306 RCRSB0297AFZZ AD B Crystal(32.768kHz) [X3]
307 TLABP3078SCZZ AA D Shading label(for EP-ROM)
(Unit)
901 DCEKC681LXHZZ BU N E Control PWB unit(Within ROM)
[8] TEL-Liu PWB unit
1 VHVRA501PV6-1 AE B Varistor(RA-501P-V6-2) [AR1]
2 VHVRA501PV6-1 AE B Varistor(RA-501P-V6-2) [AR2]
3 VCEAGA1HW475M AA C Capacitor(50WV 4.7µF) [C1]
4 RC-FZ2020SCZZ AE C Capacitor(250WV 1µF) [C2]
5 RC-FZ3028SCZZ AG C Capacitor(250WV 0.56µF) [C3]
– 11 –

NO. PARTS CODE PRICE
RANK NEW
MARK PART
RANK DESCRIPTION
FO-780A
[8] TEL-Liu PWB unit
6 VCQYNA1HM334K AD C Capacitor(50WV 0.33µF) [C4]
7 VCEAGA1HW106M AA C Capacitor(50WV 10µF) [C5]
8 VCEAGA1HW106M AA C Capacitor(50WV 10µF) [C6]
9 VCEAGA1HW106M AA C Capacitor(50WV 10µF) [C7]
10 VCEAGA1EW107M AB C Capacitor(25WV 100µF) [C8]
11 VCEAGA1HW225M AA C Capacitor(50WV 2.2µF) [C9]
12 VCEAGA1EW476M AA C Capacitor(25WV 46µF) [C10]
13 VCEAGA1HW226M AB C Capacitor(50WV 22µF) [C11]
14 VCEAGA1EW476M AA C Capacitor(25WV 47µF) [C12]
15 VCEAGA1HW106M AA C Capacitor(50WV 10µF) [C13]
16 VCEAGA1EW476M AA C Capacitor(25WV 47µF) [C14]
17 VCEAGA1HW475M AA C Capacitor(50WV 4.7µF) [C15]
18 VCKYTQ1HB473K AA C Capacitor(50WV 0.047µF) [C103]
19 VCKYTV1HB472K AA C Capacitor(50WV 4700PF) [C104]
20 VCKYTV1HB222K AA C Capacitor(50WV 2200PF) [C105]
21 VCKYTV1HB222K AA C Capacitor(50WV 2200PF) [C106]
22 VCKYTV1HB102K AA C Capacitor(50WV 1000PF) [C107]
23 VCKYTV1HB221K AA C Capacitor(50WV 220PF) [C110]
24 VCKYTV1EF104Z AA C Capacitor(25WV 0.1µF) [C112]
25 VCKYTV1EB104K AA C Capacitor(25WV 0.1µ) [C113]
26 VCKYTV1EB104K AA C Capacitor(25WV 0.1µ) [C114]
27 VCKYTV1HB222K AA C Capacitor(50WV 2200PF) [C115]
28 VCKYTQ1HB104K AB C Capacitor(50WV 0.1µF) [C116]
29 VCKYTQ1HB104K AB C Capacitor(50WV 0.1µF) [C117]
30 VCKYTV1HB102K AA C Capacitor(50WV 1000PF) [C118]
31 VCKYTV1HB102K AA C Capacitor(50WV 1000PF) [C119]
32 VCKYTV1HB102K AA C Capacitor(50WV 1000PF) [C120]
33 VCKYTV1HB102K AA C Capacitor(50WV 1000PF) [C121]
34 VCKYTV1EF104Z AA C Capacitor(25WV 0.1µF) [C122]
35 VCKYTV1EF104Z AA C Capacitor(25WV 0.1µF) [C125]
36 VCKYTV1EF104Z AA C Capacitor(25WV 0.1µF) [C126]
37 VCKYTV1EF104Z AA C Capacitor(25WV 0.1µF) [C127]
38 VCKYTV1HB561K AA C Capacitor(50WV 560PF) [C128]
39 VCKYTQ1HB683K AB C Capacitor(50WV 0.068µF) [C130]
40 VCKYTV1EB104K AA C Capacitor(25WV 0.1µF) [C131]
41 VRS-TP2BD000J AA C Resistor(1/8W 0Ω ±5%) [C132]
!42 RRLYZ3427SCZZ AN B Relay [CML]
43 QJAKZ2070SC0D AF C Jack [CNHJ]
44 QCNCW2509SC1D AF N C Connector(14pin) [CNLIUA]
45 QCNCW2509SC0F AD N C Connector(6pin) [CNLIUB]
46 QJAKZ2069SCDB AG N C Jack [CNLNJ]
47 VHDDSS131//-1 AA B Diode(1SS131) [D1]
48 VHDDSS131//-1 AA B Diode(1SS131) [D3]
49 VHDDSS133//-1 AA B Diode(1SS133) [D4]
50 VHDDSS133//-1 AA B Diode(1SS133) [D5]
51 VHINJM2904M-2 AG B IC(NJM2904M) [IC101]
52 VHINJM2904M-2 AG B IC(NJM2904M) [IC102]
53 VHINJM2904M-2 AG B IC(NJM2904M) [IC103]
54 VRS-TP2BD000J AA C Resistor(1/8W 0Ω ±5%) [JP103]
55 VRS-TS2AD000J AA C Resistor(1/10W 0Ω ±5%) [JP104]
56 VRS-TP2BD000J AA C Resistor(1/8W 0Ω ±5%) [JP105]
57 VRS-TS2AD000J AA C Resistor(1/10W 0Ω ±5%) [JP106]
58 VRS-TS2AD000J AA C Resistor(1/10W 0Ω ±5%) [JP107]
59 VRS-TS2AD000J AA C Resistor(1/10W 0Ω ±5%) [JP108]
!60 RFILN2027XHZZ AC C Coil(R-5C) [L6]
!61 RFILN2027XHZZ AC C Coil(R-5C) [L7]
!62 RFILN2027XHZZ AC C Coil(R-5C) [L8]
!63 VHPTLP521-1BL AE B Photo coupler(TLP521) [PC2]
!64 VHPTLP627//-1 AH B Photo coupler(TLP627) [PC3]
!65 VHPTLP521-1BL AE B Photo coupler(TLP521) [PC6]
66 VHPSG206S//-1 AG B Photo transistor(SG206S) [PE]
67 VHPSG206S//-1 AG B Photo transistor(SG206S) [PIN]
68 VSBS108////-1 AE B FET(BS108) [Q1]
69 VSRNC1402//-1 AC B Transistor(RNC1402) [Q102]
70 VS2SC2412KR-1 AD B Transistor(2SC2412K) [Q103]
71 VSRNC1402//-1 AC B Transistor(RNC1402) [Q106]
72 VSRNC1402//-1 AC B Transistor(RNC1402) [Q107]
73 VSRNC1402//-1 AC B Transistor(RNC1402) [Q108]
74 VSRNC1402//-1 AC B Transistor(RNC1402) [Q109]
75 RCILZ2120SCZZ AD C Coil(4.7mH) [R1]
76 VRD-HT2HY223J AA C Resistor(1/2W 22KΩ ±5%) [R3]
77 VRS-TS2AD433J AA C Resistor(1/10W 43KΩ ±5%) [R102]
78 VRS-TS2AD301J AA C Resistor(1/10W 300Ω ±5%) [R103]
79 VRS-TP2BD150J AA C Resistor(1/8W 15Ω ±5%) [R107]
80 VRS-TS2AD133J AA C Resistor(1/10W 13KΩ ±5%) [R108]
81 VRS-TP2BD150J AA C Resistor(1/8W 15Ω ±5%) [R109]
82 VRS-TS2AD103J AA C Resistor(1/10W 10KΩ ±5%) [R119]
83 VRS-TS2AD103J AA C Resistor(1/10W 10KΩ ±5%) [R120]
84 VRS-TS2AD102J AA C Resistor(1/10W 1KΩ ±5%) [R121]
85 VRS-TS2AD203J AA C Resistor(1/10W 20KΩ ±5%) [R122]
– 12 –

NO. PARTS CODE PRICE
RANK NEW
MARK PART
RANK DESCRIPTION
FO-780A
[8] TEL-Liu PWB unit
86 VRS-TS2AD513J AA C Resistor(1/10W 51KΩ ±5%) [R123]
87 VRS-TS2AD513J AA C Resistor(1/10W 51KΩ ±5%) [R124]
88 VRS-TS2AD000J AA C Resistor(1/10W 0Ω ±5%) [R125]
89 VRS-TS2AD131J AA C Resistor(1/10W 130Ω ±5%) [R126]
90 VRS-TS2AD203J AA C Resistor(1/10W 20KΩ ±5%) [R127]
91 VRS-TS2AD471J AA C Resistor(1/10W 470Ω ±5%) [R131]
92 VRS-TS2AD471J AA C Resistor(1/10W 470Ω ±5%) [R133]
93 VRS-TS2AD151J AA C Resistor(1/10W 150Ω ±5%) [R134]
94 VRS-TS2AD203J AA C Resistor(1/10W 20KΩ ±5%) [R135]
95 VRS-TS2AD822J AA C Resistor(1/10W 8.2KΩ ±5%) [R136]
96 VRS-TS2AD152J AA C Resistor(1/10W 1.5KΩ ±5%) [R137]
97 VRS-TS2AD162J AA C Resistor(1/10W 1.6KΩ ±5%) [R139]
98 VRS-TS2AD104J AA C Resistor(1/10W 100KΩ ±5%) [R140]
99 VRS-TS2AD100J AA C Resistor(1/10W 10.0Ω ±5%) [R141]
100 VRS-TS2AD471J AA C Resistor(1/10W 470Ω ±5%) [R142]
101 VRS-TS2AD223J AA C Resistor(1/10W 22KΩ ±5%) [R143]
102 VRS-TS2AD223J AA C Resistor(1/10W 22KΩ ±5%) [R144]
103 VRS-TS2AD223J AA C Resistor(1/10W 22KΩ ±5%) [R145]
104 VRS-TS2AD471J AA C Resistor(1/10W 470Ω ±5%) [R147]
105 VRS-TS2AD000J AA C Resistor(1/10W 0Ω ±5%) [R148]
106 VRS-TS2AD303J AA C Resistor(1/10W 30KΩ ±5%) [R149]
107 VRS-TS2AD101J AA C Resistor(1/10W 100Ω ±5%) [R150]
108 VRS-TS2AD102J AA C Resistor(1/10W 1.0KΩ ±5%) [R151]
109 VRS-TS2AD621J AA C Resistor(1/10W 620Ω ±5%) [R152]
110 VRS-TS2AD222J AA C Resistor(1/10W 2.2KΩ ±5%) [R153]
111 VRS-TS2AD563J AA C Resistor(1/10W 56KΩ ±5%) [R154]
112 VRS-TS2AD303J AA C Resistor(1/10W 30KΩ ±5%) [R155]
113 VRS-TS2AD000J AA C Resistor(1/10W 0Ω ±5%) [R156]
114 VRS-TS2AD153J AA C Resistor(1/10W 15KΩ ±5%) [R158]
115 VRS-TS2AD332J AA C Resistor(1/10W 3.3KΩ ±5%) [R159]
116 VRS-TS2AD243J AA C Resistor(1/10W 24KΩ ±5%) [R160]
117 VRS-TS2AD683J AA C Resistor(1/10W 68KΩ ±5%) [R167]
118 VRS-TS2AD100J AA C Resistor(1/10W 10.0Ω ±5%) [R168]
119 RH-DX2007SCZZ AC B Diode bridge(S1ZB60) [REC1]
120 QSW-Z2263XHZZ AG B Hook switch [SW1]
!
121 RTRNI2142XHZZ AR B Transformer(I2142) [T1]
122 VHVTN07G181-1 AC B Varistor(TNR7G181) [VA1]
123 VHEMTZJ200B-1 AC B Zener diode(MTZJ20B) [ZD2]
124 VHEMTZJ6R8B-1 AC B Zener diode(MTZJ6R8B) [ZD4]
125 VHEMTZJ300B-1 AA B Zener diode(MTZJ30B) [ZD5]
126 VHEHZ2A1///-1 AC B Zener diode(HZ2A1) [ZD6]
127 VHEHZ2A1///-1 AC B Zener diode(HZ2A1) [ZD7]
128 VHEHZ2A1///-1 AC B Zener diode(HZ2A1) [ZD8]
129 VHEHZ2A1///-1 AC B Zener diode(HZ2A1) [ZD9]
130 VHEMTZJ2R4B-1 AB B Zener diode(MTZJ2R4B) [ZD10]
131 VHEMTZJ2R4B-1 AB B Zener diode(MTZJ2R4B) [ZD11]
(Unit)
901 DCEKL457BXH05 BD N E TEL-Liu PWB unit
[9] Power supply PWB unit
1 0CBUGFM224KR/ AF N C Capacitor(RE224-C) [C1]
2 0CBUGZ1186ZZ/ AL N C Capacitor(KMF400VB-39M 18x20) [C2]
3 0CBUGZ1187ZZ/ AD N C Capacitor(DE1407-477SL471J2K) [C3]
4 0CBUGFF472BQ/ AC N C Capacitor(AMZ-472K50) [C4]
5 0CBUGFF223JS/ AC N C Capacitor(ECQB1H223KM3) [C5]
6 0CBUGCM332BJ/ AF N C Capacitor(DE1410-1E332M-KX) [C7]
7 0CBUGAE331TS/ AH N C Capacitor(LXJ35VB330(M)) [C8]
8 0CBUGFF474JA/ AF N C Capacitor(ECQV1H474JL3) [C9]
9 0CBUGZ1188ZZ/ AK N C Capacitor(16YXG2200M(10X28L)) [C10]
10 0CBUGCF104CQ/ AD N C Capacitor(UP050F104Z-B) [C11]
11 0CBUGCS101AA/ AD N C Capacitor(DD05-989B101K500) [C13]
12 0CBUGFM104KD/ AF N C Capacitor(PA104-ZC) [C15]
13 0CBUGAB101RV/ AF N C Capacitor(KME10VB100(M)) [C16]
14 0CBUGFF102BQ/ AD N C Capacitor(AMZ-102K50) [C17]
15 0CBPZZ0931ZZ/ AH N C Connector(IMSA-9110S-09L) [CN1]
16 0CBPKZ0194ZZ/ AC C Base post assy(B 2P3-VH) [CN2]
17 0CBUBC0125DK/ AD N B Diode(ERA15-06) [D1]
18 0CBUBC0125DK/ AD N B Diode(ERA15-06) [D2]
19 0CBUBC0125DK/ AD N B Diode(ERA15-06) [D3]
20 0CBUBC0125DK/ AD N B Diode(ERA15-06) [D4]
21 0CBUBA0011AL/ AD N B Diode(1SS133) [D5]
22 0CBUBC0336AZ/ AL B Diode(S3L20U-4004P15) [D7]
23 0CBUBC0302BZ/ AE B Diode(SR140) [D8]
24 0CBPJCEJ1601/ AH N A Current fuse(21501.6 ME600) [F1]
25 0CBPJCEJ1601/ AH N A Current fuse(21501.6 ME600) [F2]
26 0CBPZZ0906ZZ/ AH A Circuit protect chip(CCP2E100) [F3]
– 13 –

NO. PARTS CODE PRICE
RANK NEW
MARK PART
RANK DESCRIPTION
FO-780A
[9] Power supply PWB unit
27 0CBUCB0167AZ/ AR B IC(UPC29M05HF) [IC1]
28 0CBUKZ0826ZZ/ AK C Filter(ELF15N003A) [L1]
29 0CBUZZ0156ZZ/ AN N C Coil(RS208) [L2]
30 0CBLRZ6581ZN/ AQ N C Heat sink [MT1]
31 0CBLRZ6562ZN/ AQ N C Heat sink [MT2]
32 0CBUDC0163CZ/ AG N B Photo coupler(PC123YS) [PC1]
33 0CBUDC0163CZ/ AG N B Photo coupler(PC123YS) [PC2]
34 0CBUAG0161AC/ AQ N B FET(FS5KM-18A AN) [Q1]
35 0CBUAC0264AZ/ AD B Transistor(2SC1741AS QR) [Q2]
36 0CBUAC0034EZ/ AE B Transistor(2SC1740S) [Q3]
37 0CBUAC0034EZ/ AE B Transistor(2SC1740S) [Q4]
38 0CBUAC0284BK/ AF N B Transistor(2SC2710) [Q5]
39 0CBUAC0284BK/ AF N B Transistor(2SC2710) [Q6]
40 0CBUEEC335CF/ AC N C Resistor(RD50SS-335J) [R1]
41 0CBUEEB824CF/ AC N C Resistor(RD50SS-824J) [R2]
42 0CBUEEB824CF/ AC N C Resistor(RD50SS-824J) [R3]
43 0CBUEEB101CT/ AC C Resistor(RD16S 101J) [R4]
44 0CBUEEB152CT/ AC N C Resistor(RD16S 152J) [R5]
45 0CBUEEB223CT/ AC C Resistor(RD16S 223J) [R6]
46 0CBUEEB330CT/ AC N C Resistor(RD16S 330J) [R7]
47 0CBUEEB473CT/ AC N C Resistor(RD16S 473J) [R8]
48 0CBUEEB471CT/ AC C Resistor(RD16S 471J) [R9]
49 0CBUEFDR33DB/ AE N C Resistor(RSMF1TBR33G) [R10]
50 0CBUEEB390CT/ AC N C Resistor(RD16S 390J) [R11]
51 0CBUEEB334CT/ AC C Resistor(RD16S 334J) [R12]
52 0CBUEEB472CT/ AC C Resistor(RD16S 472J) [R13]
53 0CBUEEB682CT/ AC C Resistor(RD16S 682J) [R16]
54 0CBUEEB242CT/ AC C Resistor(RD16S 242J) [R17]
55 0CBUEEB392CT/ AC C Resistor(RD16S-392J) [R18]
56 0CBUEEB472CT/ AC C Resistor(RD16S 472J) [R19]
57 0CBUEEB472CT/ AC C Resistor(RD16S 472J) [R20]
58 0CBUEEC272CF/ AC N C Resistor(RD50SS 272J) [R21]
59 0CBUEEC272CF/ AC N C Resistor(RD50SS 272J) [R22]
60 0CB829585032/ BE N B Transformer(PTTN121-KTT) [T1]
61 0CBUDC0232AK/ AF N B Thermistor(KL07L8R2TB) [TH1]
62 0CBUEZ0507ZZ/ AD B Varistor(ERZV07D471-CS) [V1]
63 0CBUFBA471DB/ AD B Variable resistor(EVNDJAA03BQ2(471)) [VR1]
64 0CBUBDBE270D/ AD N B Zener diode(RD27ESAB3) [ZD1]
65 0CBUBDBE2R0C/ AD N B Zener diode(RD2.0ESAB2) [ZD2]
66 0CBUBDBE200D/ AD N B Zener diode(RD20ESAB3) [ZD3]
67 0CBUBDBM300D/ AC B Zener diode(RD30FB3) [ZD4]
68 0CBUBDBE6R2C/ AC B Zener diode(RD6.2ESAB2) [ZD5]
(Unit)
!901 RDENT2137XHZZ BL N E Power supply PWB unit
– 14 –

No.
NEW
MARK PART
RANK
PRICE
RANK
PARTS CODE No.
NEW
MARK PART
RANK
PRICE
RANK
PARTS CODE
No.
NEW
MARK PART
RANK
PRICE
RANK
PARTS CODE
FO-780A
– 15 –
I n d e x
[C]
CCNW-202AXH01 1-9 AB N C
CGERH2444XHY1 1-10 AF N C
CGERH2459XH01 5-1 AM N C
CLEVP2298XH01 5-2 AC N C
CLEVP2299XH01 5-6 AC N C
CLEVP2300XH01 5-7 AC N C
CLEVP2303XH01 5-9 AC N C
CPLTP3002XHB1 6-5 AK N E
CROLR2407XH01 2-10 AN N C
[D]
DCEKC681LXHZZ 1-44 BU N E
″ 7-901 BU N E
DCEKL457BXH05 1-45 BD N E
″ 8-901 BD N E
DCEKP440BXH23 1-1 BG N E
″ 3-901 BG N E
DCEKP450BXH02 3-7 BD N E
DUNTK425BXHWH 6-19 AQ N E
[G]
GCABA2324XHZF 3-1 AM N D
GCABB2325XHSE 1-14 AZ N D
GCOVA2403XHSA 2-1 AL N C
GLEGG2063XHZZ 1-86 AC C
[H]
HPNLH2389XHST 1-85 BC N D
[J]
JBTN-2242XHSA 3-2 AG N C
JBTN-2244XHSA 3-4 AD N C
JBTN-2245XHSA 3-5 AD N C
JBTN-2246XHSA 3-6 AD N C
JBTN-2252XHSA 3-3 AE N C
JKNBP2091XHZZ 2-2 AC N C
[L]
LANGF2817XHFW 1-15 AF N C
LBSHP2088AXZZ 1-16 AC C
LBSHP2104XHZZ 2-13 AC N C
LBSHP2105XHZZ 2-14 AC N C
LFRM-2198XHZZ 1-31 AK N C
LFRM-2199XHZZ 2-15 AK N C
LFRM-2200XHZZ 5-11 AB N C
LPLTG2911XHZZ 4-1 AE C
LPLTM2994XHFW 5-12 AE N C
LPLTM2995XHFW 1-46 AS N C
LPLTP2908XHZZ 4-2 AE C
LPLTP2997XHZZ 2-25 AD N C
LPLTP2998XHZZ 2-26 AF N C
LPLTP3001XHSA 2-27 AH N C
LPLTP3003XHSA 6-7 AH N C
LX-BZ2138XHZZ 2-B6 AB C
[M]
MCAMP2025XHZZ 5-13 AB N C
MCAMP2026XHZZ 5-14 AB N C
MLEVP2290XHZZ 1-17 AC N C
MLEVP2291XHZZ 2-16 AD N C
MLEVP2292XHZZ 1-18 AD N C
MLEVP2293XHZZ 2-17 AD N C
MLEVP2294XHZZ 1-19 AD N C
MLEVP2295XHZZ 1-20 AD N C
MLEVP2296XHZZ 1-21 AD N C
MLEVP2297XHZZ 1-4 AC N C
MLEVP2301XHZZ 5-15 AB N C
MLEVP2302XHZZ 1-84 AC N C
MSPRC2832XHZZ 2-3 AC C
MSPRC3057XHFJ 1-47 AC N C
MSPRC3059XHFJ 1-33 AC N C
MSPRC3061XHFJ 1-35 AB N C
MSPRC3062XHFJ 2-28 AB N C
MSPRC3063XHFJ 2-29 AC N C
MSPRC3064XHFJ 2-18 AC N C
MSPRC3071XHFJ 4-4 AB N C
MSPRC3102XHFJ 1-34 AC N C
MSPRC3103XHFJ 1-32 AC N C
MSPRD3065XHFJ 2-7 AB N C
MSPRD3070XHFJ 5-16 AB N C
MSPRD3073XHFJ 1-23 AB N C
MSPRD3082XHFJ 1-22 AC N C
MSPRD3104XHFJ 1-92 AC N C
MSPRD3105XHFJ 2-34 AC N C
MSPRP3054XHFJ 1-24 AD N C
MSPRP3055XHFJ 1-25 AD N C
MSPRP3079XHFJ 4-5 AE N C
MSPRT2951XHZZ 4-6 AC C
MSPRT3069XHFJ 1-5 AB N C
[N]
NBRGP2141XHZZ 4-7 AH C
NGERH2280XHZZ 5-17 AC C
NGERH2311XHZZ 5-18 AD C
NGERH2441XHZZ 2-19 AC N C
NGERH2442XHZZ 2-20 AC N C
NGERH2445XHZZ 1-26 AB N C
″ 4-8 AB N C
NGERH2446XHZZ 5-19 AB N C
NGERH2447XHZZ 5-20 AB N C
NGERH2448XHZZ 5-21 AB N C
NGERH2449XHZZ 5-22 AB N C
NGERH2450XHZZ 5-23 AB N C
NGERH2451XHZZ 5-24 AB N C
NGERH2452XHZZ 5-25 AB N C
NGERH2454XHZZ 5-26 AB N C
NGERH2455XHZZ 6-15 AD N C
NGERH2456XHZZ 6-16 AC N C
NGERH2460XHZZ 2-21 AC N C
NGERH2461XHZZ 5-27 AB N C
NGERP2318XHZZ 2-4 AD C
NROLP2332XHZZ 2-8 AD C
NROLP2334XHZA 4-9 AC C
NROLP2406XHZZ 4-10 AD N C
NROLR2375XHZZ 1-6 AL C
NROLR2408XHZZ 2-11 AD N C
NROLR2409XHZZ 2-22 AW N C
NROLR2410XHZZ 1-27 AP N C
NROLR2411XHZZ 4-11 AV N C
NSFTM2311XHZZ 1-28 AG N C
″ 2-23 AG N C
NSFTP2302XHZZ 1-7 AD N C
NSFTP2304XHZZ 2-24 AD N C
NSFTZ2257XHZZ 4-12 AG C
[P]
PCOVP2122XHZZ 1-48 AK N C
PCUSS2120XHZZ 1-89 AB N C
PGIDM2529XHZZ 1-40 AD N C
PGIDM2530XHZZ 1-41 AD N C
PGIDM2531XHZZ 1-36 AD N C
PGIDM2532XHZZ 1-37 AD N C
PGIDM2533XHSA 2-5 AD N C
PGIDM2534XHSA 2-6 AD N C
PGIDM2535XHSA 2-35 AC N C
PGIDM2536XHZZ 4-13 AK N C
PGIDM2537XHZZ 2-9 AF N C
PGIDM2538XHZZ 1-8 AM N C
PGUMR2160XHZZ 2-12 AE N C
PHOP-2101XHSA 2-33 AK N C
PHOP-2102XHZZ 6-8 AE N C
PRBNN2015SCZZ 6-25 AQ N S
PSEL-2015SCZZ 2-30 AB C
PSHEZ3293XHZZ 2-31 AH N C
PSHEZ3410XHZZ 1-87 AB N C
PSHEZ3425XHZZ 1-97 AL N C
PSHEZ3428XHZZ 1-29 AE N C
PSHEZ3429XHZZ 1-90 AD N C
PSHEZ3431XHZZ 2-32 AC N C
PSHEZ3432XHZZ 1-95 AE N C
PSHEZ3436XHZZ 1-96 AC N C
[Q]
QACCL762AXHZZ 1-49 AY B
QCNCM2401SC0B 7-140 AA C
QCNCM2442SC0B 7-134 AB C
QCNCM2575SC0F 7-136 AE N C
QCNCM2575SC0I 7-139 AF N C
QCNCM2575SC1D 7-135 AC N C
QCNCM7014SC0F 7-137 AB C
QCNCM7014SC0G 7-133 AB C
QCNCM7014SC1E 7-138 AC C
QCNCM7014SC1F 7-141 AD C
QCNCW2509SC0F 8-45 AD N C
QCNCW2509SC1D 8-44 AF N C
QCNW-3976XHOW 6-14 AK C
QCNW-4850XHZZ 1-42 AG N C
QCNW-4933XHZZ 5-28 AC N C
QCNW-4935XHZZ 1-2 AN N C
″ 3-8 AN N C
QCNW-4936XHZZ 1-38 AN N C
QCNW-4971XHZZ 1-50 AD N C
QCNWG0376AFZZ 6-13 AM C
QCNWG0381AFZZ 6-23 AM C
QJAKZ2069SCDB 8-46 AG N C
QJAKZ2070SC0D 8-43 AF C
QPLGZ9065AFZZ 6-24 AP C
QSOCZ2051SC32 7-149 AC C
QSW-F2224SCZZ 5-29 AE B
QSW-M2259XHZZ 7-303 AF B
QSW-Z2263XHZZ 8-120 AG B
[R]
RC-FZ2020SCZZ 8-4 AE C
RC-FZ3028SCZZ 8-5 AG C
RCILZ2104SCZZ 7-163 AK C
RCILZ2120SCZZ 8-75 AD C
RCILZ2145XHZZ 7-161 AF C
″ 7-162 AF C
″ 7-164 AF C
″ 7-165 AF C
RCORF2063XHZZ 1-3 AF B
RCORF2064XHZZ 1-51 AF B
RCORF2103XHZZ 1-98 AF B
RCRSB0297AFZZ 7-306 AD B
RCRSB2122SCZZ 7-305 AH B
RCRSQ1005LCZZ 7-304 AE B
RDENT2137XHZZ 1-88 BL N E
″ 9-901 BL N E
RFILN2027XHZZ 8-60 AC C
″ 8-61 AC C
″ 8-62 AC C
RH-DX2007SCZZ 8-119 AC B
RH-IX2129SCZZ 7-147 AY B
RHEDZ2058XHZZ 1-39 BR N B
RMOTZ2145XHZZ 5-30 BA N B
RR-TZ3012SCJ0 7-299 AB N C
″ 7-301 AB N C
RR-TZ3017SCZZ 7-288 AC N C
″ 7-290 AC N C
″ 7-291 AC N C
″ 7-292 AC N C
″ 7-293 AC N C
″ 7-295 AC N C
″ 7-296 AC N C
″ 7-297 AC N C
″ 7-298 AC N C
RR-TZ3018SCZZ 7-289 AC N C
″ 7-294 AC N C
″ 7-300 AC N C
RRLYD3130SCZZ 7-302 AN B
RRLYZ3427SCZZ 8-42 AN B
RTRNI2142XHZZ 8-121 AR B
RUNTZ2037XHZZ 1-43 BL N B
[S]
SPAKA480AXHZZ 6-12 AF N D
SPAKA481AXHZZ 6-11 AF N D
SPAKA489AXHZZ 6-10 AC N D
SPAKA490AXHZZ 6-9 AC N D
SPAKC064BXHZZ 6-1 AM N D
SPAKP3385SCZZ 6-18 AG D
[T]
TCADZ2264XHZZ 6-22 AD D
TINSE3988XHZZ 6-3 AB N D
TLABH4752XHZZ 6-6 AB N D
TLABH4811XHZZ 6-4 AD N D
TLABM213AXHZZ 6-17 AB N D
TLABM4981XHZZ 6-2 AB N D
TLABP3078SCZZ 7-307 AA D
TLABS4335XHZZ 1-99 AD D
TLABS4969XHZZ 1-100 AV N D
TLABV4995XHZZ 6-21 AB N D
TLABZ3418XHZZ 1-101 AA D
[U]
UBATL2049SCZZ 7-1 AF B
[V]
VCCCTV1HH101J 7-92 AA C
″ 7-93 AA C
″ 7-96 AA C

No.
NEW
MARK PART
RANK
PRICE
RANK
PARTS CODE No.
NEW
MARK PART
RANK
PRICE
RANK
PARTS CODE No.
NEW
MARK PART
RANK
PRICE
RANK
PARTS CODE
FO-780A
– 16 –
VCCCTV1HH101J 7-98 AA C
″ 7-100 AA C
″ 7-102 AA C
″ 7-123 AA C
″ 7-124 AA C
″ 7-125 AA C
″ 7-126 AA C
″ 7-130 AA C
VCCCTV1HH150J 7-20 AA C
″ 7-23 AA C
″ 7-34 AA C
VCCCTV1HH180J 7-28 AA C
VCCCTV1HH220J 7-70 AA C
″ 7-89 AA C
VCCCTV1HH680J 7-21 AA C
″ 7-22 AA C
″ 7-32 AA C
″ 7-37 AA C
″ 7-38 AA C
″ 7-47 AA C
″ 7-50 AA C
″ 7-51 AA C
″ 7-57 AA C
″ 7-73 AA C
″ 7-74 AA C
″ 7-75 AA C
″ 7-76 AA C
″ 7-90 AA C
″ 7-91 AA C
″ 7-94 AA C
″ 7-95 AA C
″ 7-105 AA C
″ 7-115 AA C
″ 7-116 AA C
″ 7-117 AA C
VCCSTV1HL102J 7-83 AA C
″ 7-86 AA C
VCCSTV1HL391J 7-31 AA C
VCEAGA1EW107M 8-10 AB C
VCEAGA1EW476M 7-2 AA C
″ 7-4 AA C
″ 7-9 AA C
″ 8-12 AA C
″ 8-14 AA C
″ 8-16 AA C
VCEAGA1HW105M 7-3 AB C
VCEAGA1HW106M 7-5 AA C
″ 7-6 AA C
″ 8-7 AA C
″ 8-8 AA C
″ 8-9 AA C
″ 8-15 AA C
VCEAGA1HW107M 7-8 AA C
VCEAGA1HW225M 8-11 AA C
VCEAGA1HW226M 7-7 AB C
″ 8-13 AB C
VCEAGA1HW475M 8-3 AA C
″ 8-17 AA C
VCKYTQ1HB104K 8-28 AB C
″ 8-29 AB C
VCKYTQ1HB473K 8-18 AA C
VCKYTQ1HB683K 8-39 AB C
VCKYTQ1HF104Z 7-87 AA C
″ 7-103 AA C
VCKYTV1CF105Z 7-10 AB C
″ 7-24 AB C
″ 7-29 AB C
″ 7-35 AB C
″ 7-40 AB C
″ 7-41 AB C
″ 7-46 AB C
″ 7-48 AB C
″ 7-53 AB C
″ 7-54 AB C
″ 7-55 AB C
″ 7-56 AB C
″ 7-64 AB C
″ 7-66 AB C
″ 7-67 AB C
″ 7-68 AB C
VCKYTV1CF105Z 7-71 AB C
″ 7-72 AB C
″ 7-77 AB C
″ 7-80 AB C
″ 7-81 AB C
″ 7-82 AB C
″ 7-85 AB C
″ 7-88 AB C
″ 7-101 AB C
VCKYTV1EB104K 7-39 AA C
″ 7-59 AA C
″ 7-63 AA C
″ 7-99 AA C
″ 8-25 AA C
″ 8-26 AA C
″ 8-40 AA C
VCKYTV1EF104Z 7-11 AA C
″ 7-15 AA C
″ 7-16 AA C
″ 7-25 AA C
″ 7-45 AA C
″ 7-52 AA C
″ 7-65 AA C
″ 7-79 AA C
″ 7-104 AA C
″ 7-118 AA C
″ 7-119 AA C
″ 7-120 AA C
″ 7-131 AA C
″ 7-132 AA C
″ 8-24 AA C
″ 8-34 AA C
″ 8-35 AA C
″ 8-36 AA C
″ 8-37 AA C
VCKYTV1HB102K 7-13 AA C
″ 7-33 AA C
″ 7-42 AA C
″ 7-43 AA C
″ 7-44 AA C
″ 7-49 AA C
″ 7-58 AA C
″ 7-78 AA C
″ 7-106 AA C
″ 7-107 AA C
″ 7-108 AA C
″ 7-109 AA C
″ 7-110 AA C
″ 7-111 AA C
″ 7-112 AA C
″ 7-113 AA C
″ 7-114 AA C
″ 7-121 AA C
″ 7-122 AA C
″ 7-127 AA C
″ 7-128 AA C
″ 7-129 AA C
″ 7-205 AA C
″ 7-208 AA C
″ 8-22 AA C
″ 8-30 AA C
″ 8-31 AA C
″ 8-32 AA C
″ 8-33 AA C
VCKYTV1HB103K 7-30 AB C
″ 7-62 AB C
VCKYTV1HB221K 7-60 AA C
″ 8-23 AA C
VCKYTV1HB222K 7-12 AA C
″ 7-14 AA C
″ 7-17 AA C
″ 7-18 AA C
″ 7-19 AA C
″ 7-26 AA C
″ 7-27 AA C
″ 7-36 AA C
″ 7-69 AA C
″ 8-20 AA C
″ 8-21 AA C
″ 8-27 AA C
VCKYTV1HB472K 7-61 AA C
″ 8-19 AA C
VCKYTV1HB561K 8-38 AA C
VCKYTV1HB681K 7-84 AA C
VCQYNA1HM334K 8-6 AD C
VHDDSS131//-1 8-47 AA B
″ 8-48 AA B
VHDDSS133//-1 8-49 AA B
″ 8-50 AA B
VHDRB705D//-1 7-143 AD B
VHD1SS355//-1 7-144 AB B
″ 7-145 AB B
VHEHZ2A1///-1 8-126 AC B
″ 8-127 AC B
″ 8-128 AC B
″ 8-129 AC B
VHEMPZP4748A1 7-142 AA B
VHEMTZJ2R4B-1 8-130 AB B
″ 8-131 AB B
VHEMTZJ200B-1 8-123 AC B
VHEMTZJ300B-1 8-125 AA B
VHEMTZJ6R8B-1 8-124 AC B
VHIHCF4053M1T 7-157 AG B
VHINJM2113M-1 7-156 AG B
VHINJM2902M-1 7-158 AF B
VHINJM2904M-2 8-51 AG B
″ 8-52 AG B
″ 8-53 AG B
VHIPST596CMT1 7-154 AF B
VHIR96CIDFC2M 7-152 BN N B
″ 7-155 BN N B
VHITC74HCU04F 7-153 AE N B
VHIULN2003AN/ 7-151 AE B
VHIW24258S7LE 7-148 AQ N B
VHI27020FMU0D 7-149 BN N B
VHPSG206S//-1 7-168 AG B
″ 8-66 AG B
″ 8-67 AG B
VHPTLP521-1BL 8-63 AE B
″ 8-65 AE B
VHPTLP627//-1 8-64 AH B
VHVICPS07//-1 7-146 AA B
VHVRA501PV6-1 8-1 AE B
″ 8-2 AE B
VHVTN07G181-1 8-122 AC B
VRD-HT2HY223J 8-76 AA C
VRS-TP2BD000J 8-41 AA C
″ 8-54 AA C
″ 8-56 AA C
VRS-TP2BD150J 8-79 AA C
″ 8-81 AA C
VRS-TS2AD000J 7-97 AA C
″ 7-160 AA C
″ 7-166 AA C
″ 7-167 AA C
″ 7-177 AA C
″ 7-179 AA C
″ 7-180 AA C
″ 7-204 AA C
″ 7-207 AA C
″ 7-242 AA C
″ 7-246 AA C
″ 7-273 AA C
″ 7-281 AA C
″ 7-283 AA C
″ 7-285 AA C
″ 8-55 AA C
″ 8-57 AA C
″ 8-58 AA C
″ 8-59 AA C
″ 8-88 AA C
″ 8-105 AA C
″ 8-113 AA C
VRS-TS2AD100J 8-99 AA C
″ 8-118 AA C
VRS-TS2AD101J 7-212 AA C
″ 7-213 AA C
″ 7-229 AA C
″ 7-252 AA C
″ 7-254 AA C

No.
NEW
MARK PART
RANK
PRICE
RANK
PARTS CODE No.
NEW
MARK PART
RANK
PRICE
RANK
PARTS CODE
No.
NEW
MARK PART
RANK
PRICE
RANK
PARTS CODE
FO-780A
VRS-TS2AD101J 7-255 AA C
″ 7-284 AA C
″ 8-107 AA C
VRS-TS2AD102J 7-219 AA C
″ 7-234 AA C
″ 7-240 AA C
″ 7-256 AA C
″ 7-257 AA C
″ 7-260 AA C
″ 8-84 AA C
″ 8-108 AA C
VRS-TS2AD103J 7-174 AA C
″ 7-184 AA C
″ 7-200 AA C
″ 7-215 AA C
″ 7-228 AA C
″ 7-253 AA C
″ 7-264 AA C
″ 7-278 AA C
″ 7-287 AA C
″ 8-82 AA C
″ 8-83 AA C
VRS-TS2AD104J 7-188 AA C
″ 7-232 AA C
″ 7-237 AA C
″ 8-98 AA C
VRS-TS2AD105J 7-192 AA C
VRS-TS2AD106J 7-270 AA C
VRS-TS2AD121J 7-159 AA C
″ 7-194 AA C
″ 7-271 AA C
VRS-TS2AD131J 8-89 AA C
VRS-TS2AD133J 7-263 AA C
″ 8-80 AA C
VRS-TS2AD151J 7-197 AA C
″ 7-198 AA C
″ 7-201 AA C
″ 7-209 AA C
″ 7-211 AA C
″ 8-93 AA C
VRS-TS2AD152J 7-259 AA C
″ 8-96 AA C
VRS-TS2AD153J 8-114 AA C
VRS-TS2AD162J 8-97 AA C
VRS-TS2AD201J 7-193 AG C
VRS-TS2AD203J 7-230 AA C
″ 7-239 AA C
″ 7-241 AA C
″ 7-267 AA C
″ 7-274 AA C
″ 7-275 AA C
″ 8-85 AA C
″ 8-90 AA C
″ 8-94 AA C
VRS-TS2AD221J 7-280 AA C
VRS-TS2AD222J 8-110 AA C
VRS-TS2AD223J 7-181 AA C
″ 7-220 AA C
″ 8-101 AA C
″ 8-102 AA C
″ 8-103 AA C
VRS-TS2AD224J 7-238 AA C
″ 7-269 AA C
VRS-TS2AD243J 8-116 AA C
VRS-TS2AD271J 7-175 AA C
″ 7-178 AA C
″ 7-182 AA C
″ 7-183 AA C
″ 7-190 AA C
″ 7-191 AA C
″ 7-196 AA C
″ 7-203 AA C
″ 7-217 AA C
″ 7-218 AA C
″ 7-286 AA C
VRS-TS2AD3R0J 7-221 AA C
VRS-TS2AD301J 8-78 AA C
VRS-TS2AD302J 7-236 AA C
″ 7-279 AA C
VRS-TS2AD303J 7-187 AA C
VRS-TS2AD303J 7-189 AA C
″ 7-216 AA C
″ 7-223 AA C
″ 7-225 AA C
″ 7-226 AA C
″ 7-233 AA C
″ 7-250 AA C
″ 7-251 AA C
″ 7-282 AA C
″ 8-106 AA C
″ 8-112 AA C
VRS-TS2AD332J 7-222 AA C
″ 7-277 AA C
″ 8-115 AA C
VRS-TS2AD333J 7-195 AA C
″ 7-244 AA C
″ 7-245 AA C
″ 7-268 AA C
VRS-TS2AD392J 7-272 AA C
VRS-TS2AD393J 7-185 AA C
″ 7-186 AA C
VRS-TS2AD433J 8-77 AA C
VRS-TS2AD471J 7-210 AA C
″ 7-214 AA C
″ 7-224 AA C
″ 7-227 AA C
″ 7-235 AA C
″ 7-247 AA C
″ 7-248 AA C
″ 7-249 AA C
″ 8-91 AA C
″ 8-92 AA C
″ 8-100 AA C
″ 8-104 AA C
VRS-TS2AD473J 7-243 AA C
″ 7-261 AA C
VRS-TS2AD474J 7-231 AA C
VRS-TS2AD512J 7-176 AA C
″ 7-266 AA C
VRS-TS2AD513J 8-86 AA C
″ 8-87 AA C
VRS-TS2AD562J 7-202 AA C
VRS-TS2AD563J 8-111 AA C
VRS-TS2AD621J 8-109 AA C
VRS-TS2AD680J 7-199 AA C
VRS-TS2AD683J 8-117 AA C
VRS-TS2AD822J 8-95 AA C
VRSTS2AD1183F 7-258 AA C
VRSTS2AD1742F 7-262 AA C
VRSTS2AD4752F 7-206 AA C
VRSTS2AD8662F 7-265 AA C
″ 7-276 AA C
VSBS108////-1 8-68 AE B
VSDTD114EK/-1 7-172 AC B
VSRNC1402//-1 7-170 AC B
″ 7-171 AC B
″ 8-69 AC B
″ 8-71 AC B
″ 8-72 AC B
″ 8-73 AC B
″ 8-74 AC B
VS2SA1037KS-1 7-169 AB B
″ 7-173 AB B
VS2SC2412KR-1 8-70 AD B
[X]
XBBSD30P06000 1-B3 AA C
XBPSD30P06K00 1-B8 AA C
XBPSN40P06K00 1-B4 AA C
XEBSD20P06000 3-B1 AA C
XEBSD30P08000 1-B7 AA N C
XEBSD30P10000 1-B2 AA C
″ 2-B2 AA C
″ 5-B2 AA C
XHBSD30P05000 1-B5 AA N C
[0]
0CBLRZ6562ZN/ 9-31 AQ N C
0CBLRZ6581ZN/ 9-30 AQ N C
0CBPJCEJ1601/ 9-24 AH N A
″ 9-25 AH N A
0CBPKZ0194ZZ/ 9-16 AC C
0CBPZZ0906ZZ/ 9-26 AH A
0CBPZZ0931ZZ/ 9-15 AH N C
0CBUAC0034EZ/ 9-36 AE B
″ 9-37 AE B
0CBUAC0264AZ/ 9-35 AD B
0CBUAC0284BK/ 9-38 AF N B
″ 9-39 AF N B
0CBUAG0161AC/ 9-34 AQ N B
0CBUBA0011AL/ 9-21 AD N B
0CBUBC0125DK/ 9-17 AD N B
″ 9-18 AD N B
″ 9-19 AD N B
″ 9-20 AD N B
0CBUBC0302BZ/ 9-23 AE B
0CBUBC0336AZ/ 9-22 AL B
0CBUBDBE2R0C/ 9-65 AD N B
0CBUBDBE200D/ 9-66 AD N B
0CBUBDBE270D/ 9-64 AD N B
0CBUBDBE6R2C/ 9-68 AC B
0CBUBDBM300D/ 9-67 AC B
0CBUCB0167AZ/ 9-27 AR B
0CBUDC0163CZ/ 9-32 AG N B
″ 9-33 AG N B
0CBUDC0232AK/ 9-61 AF N B
0CBUEEB101CT/ 9-43 AC C
0CBUEEB152CT/ 9-44 AC N C
0CBUEEB223CT/ 9-45 AC C
0CBUEEB242CT/ 9-54 AC C
0CBUEEB330CT/ 9-46 AC N C
0CBUEEB334CT/ 9-51 AC C
0CBUEEB390CT/ 9-50 AC N C
0CBUEEB392CT/ 9-55 AC C
0CBUEEB471CT/ 9-48 AC C
0CBUEEB472CT/ 9-52 AC C
″ 9-56 AC C
″ 9-57 AC C
0CBUEEB473CT/ 9-47 AC N C
0CBUEEB682CT/ 9-53 AC C
0CBUEEB824CF/ 9-41 AC N C
″ 9-42 AC N C
0CBUEEC272CF/ 9-58 AC N C
″ 9-59 AC N C
0CBUEEC335CF/ 9-40 AC N C
0CBUEFDR33DB/ 9-49 AE N C
0CBUEZ0507ZZ/ 9-62 AD B
0CBUFBA471DB/ 9-63 AD B
0CBUGAB101RV/ 9-13 AF N C
0CBUGAE331TS/ 9-7 AH N C
0CBUGCF104CQ/ 9-10 AD N C
0CBUGCM332BJ/ 9-6 AF N C
0CBUGCS101AA/ 9-11 AD N C
0CBUGFF102BQ/ 9-14 AD N C
0CBUGFF223JS/ 9-5 AC N C
0CBUGFF472BQ/ 9-4 AC N C
0CBUGFF474JA/ 9-8 AF N C
0CBUGFM104KD/ 9-12 AF N C
0CBUGFM224KR/ 9-1 AF N C
0CBUGZ1186ZZ/ 9-2 AL N C
0CBUGZ1187ZZ/ 9-3 AD N C
0CBUGZ1188ZZ/ 9-9 AK N C
0CBUKZ0826ZZ/ 9-28 AK C
0CBUZZ0156ZZ/ 9-29 AN N C
0CB829585032/ 9-60 BE N B
– 17 –

FO-780A
M E M O
– 18 –

No.
NEW
MARK PART
RANK
PRICE
RANK
PARTS CODE No.
NEW
MARK PART
RANK
PRICE
RANK
PARTS CODE
No.
NEW
MARK PART
RANK
PRICE
RANK
PARTS CODE
FO-780A
SHARP CORPORATION
Communication Systems Group
Quality & Reliability Control Center
Higashihiroshima, Hiroshima 739-0192, Japan
Printed in Australia
9905-533NS•IS•T
No part of this publication may be reproduced,
stored in a retrieval system, or transmitted in
any form or by any means, electronic, mechanical,
photocopying, recording, or otherwise, without
prior written permission of the publisher.
COPYRIGHT © 1999 BY SHARP CORPORATION
ALL RIGHTS RESERVED.