GDVD601
User Manual: GDVD601
Open the PDF directly: View PDF
.
Page Count: 13

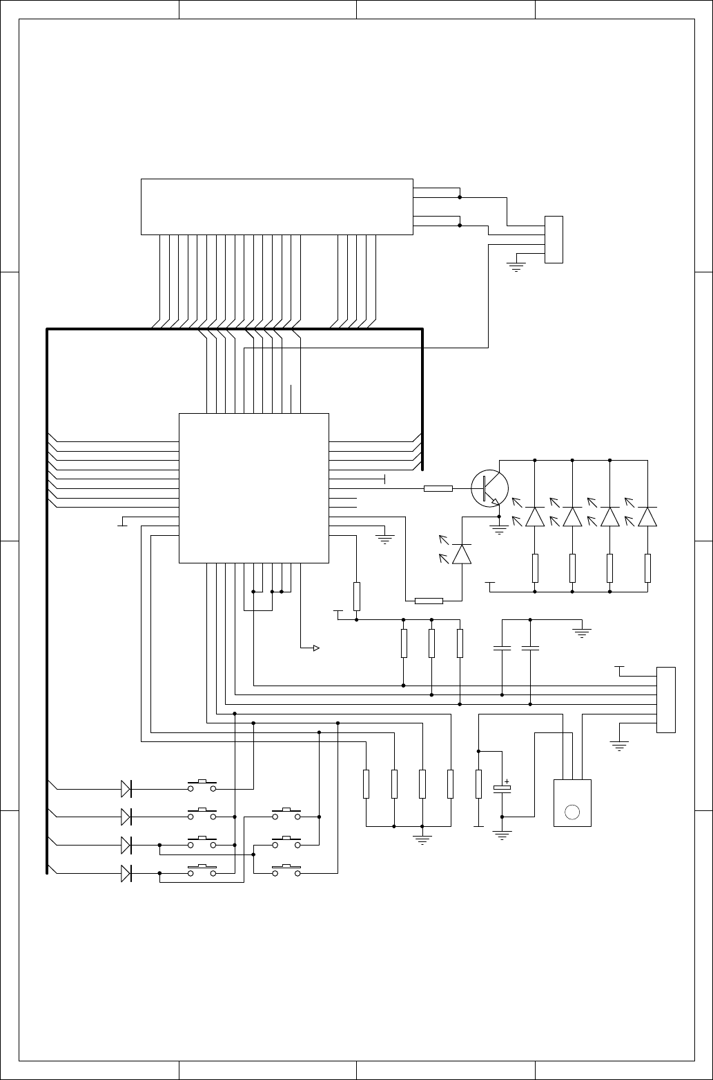
Service Manual - GDVD601
GDVD601
Service Manual - GDVD601

12345678
A
B
C
D
87654321
D
C
B
A
R981K
R971K
R961K
R951K
R8110K
R8010K
R7910K
R7810K
E334U7/25VR1210K
R1310K
R1410K
R1510K
R1610K
R1710K
R1810K
R1910K E344U7/25V
E354U7/25V
E364U7/25V
E374U7/25V
E384U7/25V
E394U7/25V
E404U7/25V
E14U7/25V
E24U7/25V
E34U7/25V
E44U7/25V
1
2
3
4
5
6
7
J2
TJC3-7A
1
2
3
4
5
J11
TJC3-5A
1
2
3
4
J4
TJC3-4A
R881K
R891K
R901K
R911K
R921K
R931K
SWIN
SRIN
SLIN
CIN
IN1L
IN1R
IN2L
IN2R
IN3L
IN3R
IN4L
IN4R
+12
R99
56/0.5W
C19
221
C18
221
C17
221
C16
221
C15
221
C14
221
R26 10K
R25 10K
R24 10K
R23 10K
R22 10K
R21 10K
R20100
R11100
R10100
R9100
R8100
R7100
E102.2U/25V
E92.2U/25V
E82.2U/25V
E72.2U/25V
E62.2U/25V
E52.2U/25V
C13
104
E27
100U/16V
R386K2
R373K3
C12
104C11
104
C10
103
C9
103
C8
222
R363K3
R356K2C7
104
C6
104
C5
103
C4
103
C3
222
E26
10U/16V
C2
273
C1
683
R3424K
R33
24K
E17
10U/16V
R6270
R5270
R4270
R3270
R2270
R1270
RCMID2
1
RCMID1
2
CTREFR
3
INFR
4
INSR
5
INSUB
6
VREF
7
GND
8
INCT
9
INSL
10
INFL
11
CTREFL
12
RCMID1
13
RCMID2
14 RCBAS1 15
RCBAS2 16
OUTFL 17
OUTSL 18
OUTCT 19
VCC 20
OUTSUB 21
OUTSR 22
OUTFR 23
SCL 24
SDA 25
GND 26
RCBAS2 27
RCBAS1 28
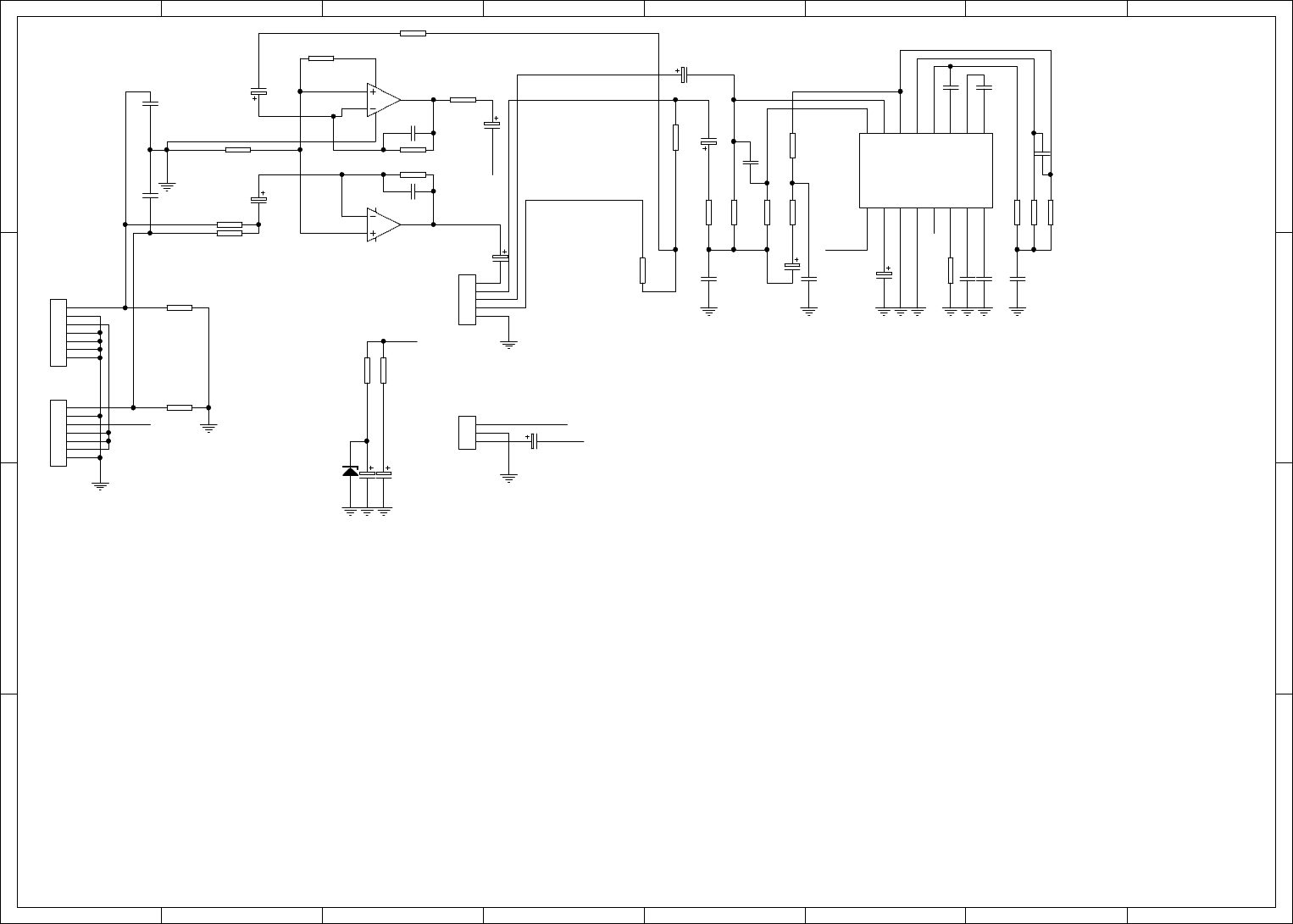
IC2
PT2322
L1
1
L2
2
L3
3
L4
4
FLI
5
FRI
6
CTI
7
SUBI
8
SLI
9
SRI
10
MIXO
11
VCC
12
REF
13
GND
14 SDA 15
SCL 16
SRO 17
SLO 18
SUBO 19
CTO 20
FRO 21
FLO 22
LPFO 23
LPFI 24
R4 25
R3 26
R2 27
R1 28
IC1
PT2323
1
2
3
J12
3PIN
VLOUT
VSROUT
VSLOUT
VSWOUT
VCOUT
VROUT
SCL
SDA
SDA
SCL
IN4R
IN4L
IN3RIN3L
IN2RIN2L
IN1RIN1L
CIN
SLIN
SRIN
SWIN
+12
IN4LIN4R
-VS
1
OUT1
2
+VS
3
OUT2
4
MUTE
5
-VS
6
IN+2
7
IN-2
8
GND
9
IN-1
10
IN+1
11
IC3
TDA7269A
R28 18K
R29 560
R31
10K R32
10K
R39 560
R40 560
R41 18K
R42 18K
-VS
1
OUT1
2
+VS
3
OUT2
4
MUTE
5
-VS
6
IN+2
7
IN-2
8
GND
9
IN-1
10
IN+1
11
IC4
TDA7269A
R43
10K
R44 300
R45 300
R46 36K
R47 36K
-VS
1
OUT1
2
+VS
3
OUT2
4
MUTE
5
-VS
6
IN+2
7
IN-2
8
GND
9
IN-1
10
IN+1
11
IC5
TDA7269A
R48
10K
R49 560
R50 560
R51 18K
R52 18K
-VS
1
OUT1
2
+VS
3
OUT2
4
MUTE
5
-VS
6
IN+2
7
IN-2
8
GND
9
IN-1
10
IN+1
11
IC6
TDA7269A
C20
562
R53
10K C21
102P
-V
+V
+V
-V
+V
-V
+V
-V
VROUTVCOUT
VSWOUTVSLOUTVSROUT
VLOUT
COUT
ROUT
LOUT
SWOUT1
SWOUT2
SROUT
SLOUT
R67
10K
R66
10K
N48050
N38050
E18
100U/35V
Z1
5V6
R65
2K2
R642K2
E16
470U/16V
1
2
3
4
5
6
7
8
9
10
J8
TJC3-10A
E15
470U/10V
E14
470U/10V
C40
104 R63
1K
R62
10K
R61
10K
IC7
TL431C
N2
9014
N1
TIP41C
C39
104
E11
4700U/16V
1
2
3
4
5
6
7
J3
TJC3-7A
1
2
3
4
J5
TJC3-4A
1
2
J6
TJC3-2A
1
2
J7
TJC3-2A
D1IN5392 D21N5392
D3IN5392 D41N5392
D5
1N5392
D6
1N5392
D111N4007
D121N4007
C29104
C30104 C31104
C32104
C33104
C34104
+5
FAN
+12
-12
F2T5A
F1T5A
P1
8550
R76
560
Z3
12V6
E25
470U/16V
E31
470U/16V
Z2
12V6
R75
560
N7
8050
E13
4700U/25V
E12
4700U/25V
1
2
3
J9
TJC6-3A
D71N5408
D81N5408
D91N5408
D101N5408
C35104
C36104
C37104
C38104
R82 3K3
Z4 3V6
N8
9014
E41
10U/25V
R83 15K
R84 22K
Z5
5V1
R85 100K
E42
100U/16V
N9
C1815
E43
1U/50V
D141N4148
R8610K
C41
104
R94
47K -V
+V
-12
+12
+V
1
2
3
4
5
6
7
8
9
10
11
12
J10
WP12-1
R27 4R7/0.5W
R30 4R7/0.5W
R54 4R7/0.5W
R55 4R7/0.5W
R56 4R7/0.5W
R57 4R7/0.5W
R58 4R7/0.5W
C22
104 C23
104 C24
104 C25
104
C26
104
C27
104
C28
104
SWOUT1
SWOUT2
COUT
SLOUT
SROUT
LOUT
ROUT
1
2
3
4
5
6
7
J1
TJC3-7A
MUTE
FAN
TEMDET1
TEMDET0
SCL
SDA
N6
9014
R73
10K
R72
1K
R71
47K
R70
47K
R69
1K
R68
10K
N5
9014
+5
TEMDET0TEMDET1
ADVD-2023B

1234
A
B
C
D
4321
D
C
B
A
SW1
1SW2
2SW3
3SW4
4DO
5DI
6VSS
7CLK
8STB
9K1
10 K2
11
K3
12 K4
13 VDD
14 SG1/KS1
15 SG2/KS2
16 SG3/KS3
17 SG4/KS4
18 SG5/KS5
19 SG6/KS6
20 SG7
21 SG8
22
SG9 23
SG10 24
SG11 25
SG12/GR11 26
SG13/GR10 28
GR4 34
SG14/GR9 29
SG15/GR8 30
SG16/GR7 31
GR6 32
GR5 33
VEE 27
GR3 35
GR2 36
GR1 37
VDD 38
LED4 39
LED3 40
LED2 41
LED1 42
VSS 43
OSC 44
*
IC1
PT6312
REM 1
GND 2
VCC 3
REM
1
2
3
4
5
6
CN2
1
2
3
4
CN34PIN
R6
33K
R5
10K R4
10K R3
10K
+5V
F2
F1
VEE
GND
+5V
STB
CLK
DTA
REM
GND
R1
47 C1
100/10
+5
R12
10K
R10
10K
R11
10K
R7
10K
D1
4148
D2
4148
D3
4148
D4
4148
+5V
OPEN/CLOSE
PLAY/PAUSE
STOP REV
FWD
PREV
NEXT
P16
P15
P14
P13
P12
P11
P10
P9
P8
P7
P6
P5
P1
P2
P3
P4
G5
G4
G3
G2
G1
G1
G2
G3
G4
G5
P1
P2
P3
P4
P5
P6
P7
P8
P9
P10
P11
P12
P13
P14
P15
P16
P12
P11
P14
P13
+5V
C3
101
C2
101 +5V
TO CN105
14
15
16
17
18
19
20
21
22
23
24
25
26
27
28
29
8
7
6
5
4
31
1
2
32
VFD
HNV-05SS44T
Q1
9014
LED1
R15
4.7K
R8
120
R9
120 R13
120 R14
120
+5V
R2
120
LED2 LED3
LD
LED4
LD
LED5
LD
DV2023CTRL

12345678
A
B
C
D
87654321
D
C
B
A
E10
2U2/25V
Z1 5V1
E8
220U/16V
R22 470
R23 100
E9
100U/16V
1
2
3
4
5
6
7
MIC1
7PIN
1
2
3
4
5
6
7
MIC2
7PIN
R2
10K
E2
4U7/25V
R3
10K
C1
221
C2
221
C3 102C4 102
R4
1K
R6
10K
R7
22K
470
470
3
21
84
IC1A
MC4558
5
67
IC1B
MC4558
R13
4K7
VCC
1
REF
2
AGND
3
DGND
4
CLK
5
VCO
6
CC1
7
CC0
8OP1-O 9
OP1-I 10
OP2-I 11
OP2-O 12
LF2-I 13
LF2-O 14
LF1-O 15
LF1-I 16
IC2
PT2399
E3
100U/16V
R14 12K
C5 104
C6 104 C7
104
C8104
R15 10K
R16 10K
R17 15K
C9 332 C10 561
E4
R18 47KC11 102
R19 18K
R20 10K
C12 561
R21 9K1
C13 392
E5
2U2/25V
E7
2U2/25V
1
2
3
4
5
J2
TJC3-5A
R1
4K7
R11
4K7
E1
2U2/25V
E6
2U2/25V
R10
10K
R12
10K
1
2
3
J1
TJC3-3A
R53K3
E11
10U/25V
+5A
+V1
+12
OKX
+V1
+5A
OKX
+12
OKX

17
M3X4
1
S3
TRANSFORMER
RUBBER WASHER
COVER
WASHER
SCREW,M8
6
3
2
1
5
4
12
9
7
8
11
10
13
14
15
16
4
1
1
1
1
2
1
1
1
1
1
BT3x8
S5
1
1
2
5
S4
MOTHERBOARD
FOOT PIECE
Mechanism Ass'y
Item Description Qty
29
23
20
19
18
21
22
26
24
25
28
27
30
1
M3X6
1
1
S1
M3x8
1
S2
1
4
1
Item Description Qty
1
2
3
4
5
6
22 23
24
25
26
27
28
29
30
3132
33
NUT,M8
PANEL BRACKET
DISPLAY PCB
BACKBOARD
SPEAKER OUT PCB
RADIATOR
1
INPUT ASS'Y 1
RCA 1
1
COVER 1
PLASTIC NIP
POWER LINE
31 1
SCART
32 1
RECEIVER
33 1
S5
S2
ST4X10
S4
S3
S1
S1
S1
21
MIC PCB
MIC BRACKET
MIC SOCKET
MIC KNOB
LENS(1)
DISK DOOR
PANEL
LENS(2)
FUNCTION KEY
POWER KEY
POWER SWITCH
1
7
ABS BRACE
1
11
17
16
14 15
13
12
20
19
S1
18
S4
S4
10
9
8

Item Part No. Material Description Material Specification Qty Position Remarks
7.01.2.D302V341 Parts for control panel
1 1.01.1.47R0J031 carbon resistor 47Ω,1/8W,±5% 1 R8
2 1.01.1.1002J031 carbon resistor 10K,1/8W,±5% 7 R1,R2,R3,R4,905,R906,R907
3 1.01.1.5602J031 carbon resistor 56K,1/8W,±5% 1 R908
4 1.04.1.101M0601 ceramic capacitor 100pF,50V,±20% 3 C902,C903,C904
5 1.04.1.104M0601 ceramic capacitor 0.1uF,50V,±20% 1 C905
6 1.04.6.107M0201 Elec 100uF,10V,±20% 1 C901
7 1.06.1.03560001 magnetic ball Φ3.5×6mm 2 L902,L904
8 1.09.1.01N41481 diode 1N4148 3 D1,D2,D3
9 1.15.3.06060501 touch switch 6×6,H=5mm 5 OPEN/CLOSE1,PLAY/PAUSE1,STOP1,PREV1,NEXT1
10 1.31.2.00GP1U51 infrared receiving tube GP1U5 1 REM1
11 1.17.2.0PT63111 integrated PT6311,QFP52 1 IC901
12 1.18.1.C08SS471 VFD display display ,HNVC08SS47 1
13 1.23.1.44012101 wire length120mm,P/N:161-440-001121 1 CN1
14 1.23.1.66030199 wire length300mm,P/N:161-660-099301 1 J902
15 1.30.2.D302V341 PCB control panel,08SS47RDS.PCB 1 128×38.5mm
7.01.4.D302V341 Parts for MIC board
16 5.01.1.10000001 jumper 10mm 1 S1
17 1.01.1.1000J031 carbon resistor 100Ω,1/8W,±5% 1 R15
18 1.01.1.4700J031 carbon resistor 470Ω,1/8W,±5% 2 R8,R9
19 1.01.1.1001J031 carbon resistor 1K,1/8W,±5% 3 R4,R5,R14
20 1.01.1.4701J031 carbon resistor 4.7K,1/8W,±5% 2 R1,R11
21 1.01.1.1002J031 carbon resistor 10K,1/8W,±5% 4 R2,R3,R10,R12
22 1.01.1.1502J031 carbon resistor 15K,1/8W,±5% 1 R13
23 1.01.1.2202J031 carbon resistor 22K,1/8W,±5% 2 R6,R7
24 1.04.1.221M0601 ceramic capacitor 220pF,50V,±20% 3 C1,C2,C5
25 1.04.2.102M0601 polyster capacitor 1000pF,50V,±20% 2 C3,C4
26 1.04.6.106Z0401 Elec 10uF,25V,+80%/-20% 8 E1-E9
27 1.04.6.107Z0301 Elec 100uF,16V,+80%/-20% 1 E9
28 1.17.1.00045581 integrated MC4558,DIP8 2 IC1,IC2
29 1.20.2.0TJC35A1 jack TJC3-5A 1 J2
30 1.23.1.33322102 wire length220mm,shielded line,P/N:161-333-002221 1 J1 to decoder board, CN12
31 1.21.2.635037BB MIC jack CK6.35-03-7B,silver 2 MIC1,MIC2
32 1.30.4.D302V341 PCB MIC board,K18OK.PCB NO.DV2023-14 1 72×60mm
7.01.3.D303V501 Parts for MIC volume board
33 1.02.B.10306302 adjustable resistor IR,R1212N120F,B10K, F axis,20mm 2 VR1,VR2
34 1.23.1.55580006 wire length80mm,shielded line,P/N:161-555-006800 1 MIC jackJ2 to MIC jack volume board J1
35 1.30.3.D303V501 PCB MIC volume board,DV2023VOL.PCB,181-D303-553 1 38.5×32.5mm,NO.DV2023-13
7.01.7.D302V171 Parts for power switch board
36 1.15.2.00A101D1 key switch power switch,KDC-A10-1D 1 VDE ,VDE
37 5.10.1.D303V011 insulated protection set power switch insulated protection set 1 power switch
38 1.30.7.D302V011 PCB power switch board,D302POWER.PCB,181-D302-060 1 20.5×17mm,
7.01.G.D303V501 Parts for audio board
39 1.21.5.AV484132 AV jack AV4-8.4-13, up red and down white 1
40 1.23.1.55010101 wire length100mm,P/N:161-550-001101 1 connected to amplifier board, J11
41 1.30.G.D303V501 PCB audio board, DV2023AUDIO.PCB,181-D303-544 1 25×19mm,NO.DV2023-4
7.01.D.D303V502 Parts for SCART board
42 1.21.4.0RC21021 SCART jack RC2102 1
43 1.23.1.55080001 wire length80mm,P/N:161-550-001800 1 to decoder board, CN13
44 1.23.1.76080002 wire length80mm,P/N:161-760-002800 1 connected to decoder board CN14()
45 1.30.D.D303V501 PCB SCART BOARD,DV2023SCART.PCB,181-D303-545 1 48.5×15.5mm,NO.DV2023-5
7.01.D.D303V501 Amplifer board (B board)
46 5.01.1.05000001 jumper 5mm 23 S1~S16,S18~S20,S22,S34,S68,S73
47 5.01.1.07500001 jumper 7.5mm 17 S21,S23~S33,S36,S37,S71,S72,Z2
48 5.01.1.10000001 jumper 10mm 14 S38~S49,S74,S75
49 5.01.1.12500001 jumper 12.5mm 8 S35,S57-S63
50 5.01.1.15000001 jumper 15mm 8 S51~S56,S69,S70
51 5.01.1.17500001 jumper 17.5mm 4 S64~S67

52 1.32.3.50013301 fuse F5.0A/250V, 2 F1,F2
53 1.01.1.1002F031 carbon resistor 10K,1/8W,±1% 2 R61,R62
54 1.01.1.04R7J061 carbon resistor 4.7Ω,1/2W,±5% 7 R27,R30,R54~R58
55 1.01.1.56R0J061 carbon resistor 56Ω,1/2W,±5% 1 R99
56 1.01.1.1000J031 carbon resistor 100Ω,1/8W,±5% 7 S17,R7~R11,R20
57 1.01.1.2700J051 carbon resistor 270Ω,1/4W,±5% 6 R1~R6
58 1.01.1.5600J031 carbon resistor 560Ω,1/8W,±5% 8 R29,R39,R40,R44,R45,R49,R50,R76
59 1.01.1.1001J031 carbon resistor 1K,1/8W,±5% 11 R88~R93,R95~R98,R63
60 1.01.1.2201J031 carbon resistor 2.2K,1/8W,±5% 2 R64,R65
61 1.01.1.3301J031 carbon resistor 3.3K,1/8W,±5% 2 R36,R37
62 1.01.1.4701J031 carbon resistor 4.7K,1/8W,±5% 1 R82
63 1.01.1.6201J031 carbon resistor 6.2K,1/8W,±5% 2 R35,R38
64 1.01.1.1002J031 carbon resistor 10K,1/8W,±5% 24 R12~R19,R21~R26,R31,R32,R43,R48,R53,R78~R81,R86
65 1.01.1.1502J031 carbon resistor 15K,1/8W,±5% 1 R83
66 1.01.1.1802J031 carbon resistor 18K,1/8W,±5% 5 R28,R41,R42,R51,R52
67 1.01.1.2202J031 carbon resistor 22K,1/8W,±5% 1 R84
68 1.01.1.2402J031 carbon resistor 24K,1/8W,±5% 2 R33,R34
69 1.01.1.3602J031 carbon resistor 36K,1/8W,±5% 3 R46,R47,R*
70 1.01.1.4702J031 carbon resistor 47K,1/8W,±5% 1 R94
71 1.01.1.1003J031 carbon resistor 100K,1/8W,±5% 1 R85
72 1.01.1.1803J031 carbon resistor 180K,1/8W,±5% 1 R69
73 1.04.1.104M0601 ceramic capacitor 0.1uF,50V,±20% 12 C6,C12,C13,C22~C28,C39,C40
74 1.04.1.102M0601 ceramic capacitor 1000pF,50V,±20% 1 C21
75 1.04.1.221M0601 ceramic capacitor 220pF,50V,±20% 6 C14~C19
76 1.04.2.683M0601 polyster capacitor 0.068uF,50V,±20% 1 C1
77 1.04.2.273M0601 polyster capacitor 0.027uF,50V,±20% 1 C2
78 1.04.2.104M0601 polyster capacitor 0.1uF,50V,±20% 2 C7,C11
79 1.04.2.222M0601 polyster capacitor 2200pF,50V,±20% 2 C3,C8
80 1.04.2.103M0601 polyster capacitor 0.01uF,50V,±20% 4 C4,C5,C9,C10
81 1.04.2.562M0601 polyster capacitor 5600pF,50V,±20% 1 C20
82 1.04.6.105Z0601 Elec 1uF,50V,+80%/-20% 1 E43
83 1.04.6.225Z0601 Elec 2.2uF,50V,+80%/-20% 6 E5~E10
84 1.04.6.475Z0401 Elec 4.7uF,25V,+80%/-20% 12 E33~E40,E1~E4
85 1.04.6.106Z0301 Elec 10uF,16V,+80%/-20% 2 E17,E26
86 1.04.6.106Z0401 Elec 10uF,25V,+80%/-20% 1 E41
87 1.04.6.107Z0301 Elec 100uF,16V,+80%/-20% 2 E27,E42
88 1.04.6.107Z0501 Elec 100uF,35V,+80%/-20% 1 E18
89 1.04.6.477Z0201 Elec 470uF,10V,+80%/-20% 2 E14,E15
90 1.04.6.477Z0301 Elec 470uF,16V,+80%/-20% 3 E16,E25,E31
91 1.04.6.478Z0301 Elec 4700uF,16V,+80%/-20% 1 E11
92 1.04.6.478Z0401 Elec 4700uF,25V,+80%/-20% 2 E12,E13
93 1.10.1.01200051 regulated diode 12V,1/2W 1 Z3
94 1.10.1.00510051 regulated diode 5.1V,1/2W 1 Z5
95 1.10.1.00360051 regulated diode 3.6V,1/2W 1 Z4
96 1.10.1.00560051 regulated diode 5.6V,1/2W 1 Z1
97 1.09.1.01N40071 diode 1N4007 2 D11,D12
98 1.09.1.01N41481 diode 1N4148 1 D14
99 1.09.1.01N53921 diode 1N5392 2 D5,D6
100 1.09.1.01N54081 diode 1N5408 8 D1~D4,D7~D10
101 1.13.1.00090141 audion 9014,TO-92 1 N8
102 1.13.1.00080501 audion 8050,TO-92 1 N2
103 1.13.1.00085501 audion 8550,TO-92 1 P1
104 1.13.1.00C18151 audion C1815,TO-92 1 N9
105 1.13.1.0TIP41C1 audion TIP41C,TO-220 1 N1
106 1.17.1.00078121 integrated LM7812,TO-220 1 N7
107 1.17.2.0PT23231 integrated PT2323,SOP28 1 IC1
108 1.17.2.0PT23221 integrated PT2322,SOP28 1 IC2
109 1.17.1.0TL431C1 integrated TL431C,TO-220 1 IC7
110 1.17.1.007269A1 integrated TDA7269A,11 foot 3 IC3,IC4,IC6
111 1.17.1.TDA72651 integrated TDA7265,11 foot 1 IC5
112 1.20.2.0TJC63A1 jack TJC6-3A 1 J9, connected to the transformer 1

151 4.12.6.000T25A1 sticker T2.5A 1
113 1.20.2.0TJC37A1 jack TJC3-7A 1 J3, connected to the transformer 2
114 1.20.2.0TJC34A1 jack TJC3-4A 1 J5
115 1.20.2.0TJC35A1 jack TJC3-5A 1 J11
116 1.20.2.0TJC33A1 jack TJC3-3A 1 J12
117 1.23.1.77710104 wire length100mm,shielded line,P/N:161-777-004101 1 connect to J2 decoder
118 1.23.1.54428102 wire length280mm,shielded line,P/N:161-544-002281 1
119 1.23.1.AAA15198 wire length150mm,P/N:161-AAA-098151 1
120 1.24.1.18010101 single line length100mm,1007,18#,black,P/N:166-100718-0101 1
121 1.23.1.93310101 wire length100mm,P/N:161-933-001101 1
122 1.22.2.00WP1211 clip WP12-1, 1 J10
123 5.02.1.02502401 isinglass insulated slice 25×24mm 4
124 5.02.1.02502001 isinglass insulated slice 25×20mm 1
125 5.03.1.03R00301 insulated washer Φ3×6×3mm,PVC washer 5
126 silicon 0.5g white
127 1.30.A.D303V501 PCB amplifier, DV-2023B,NO.DV2023-1,181-D303-541 1 250×90.5mm
128 2.08.5.D3030050 heat dispensor demension drawing:D303V50SH.DWG, 1 D303V50SH.DWG
129 2.20.1.30081221 screw M3×8,white, 5 amplifier (5)
130 2.20.2.30061222 screw ST3×6,black, 1 heat dispensor(1)
decoder
131 1.23.1.55512193 wire length120mm,P/N:161-555-093121 1 CN7 to the main parts
132 1.23.1.55528107 wire length280mm,P/N:161-555-007281 1 CN3(PIN space , 2.0mm)
133 1.23.2.66618199 soft wire length180mm,P/N:161-666-099181 1 CN4(PIN 2.0mm)
134 1.23.3.SSS26101 flat soft film wire length260mm,26P/0.5 space,P/N:161-SSS-001261 1 CN2 connect to the loader.
135 7.05.2.00CBD2B1 loader stand CBD- B 1
136 7.05.1.SONY2801 laser SONY 280 1
137 7.01.1.M1379010 decoder board MTK1379,702-M1379-010 1 without VGA, with RDS
138 7.02.1.YST939D1 radio parts YST939-D 1 with FM/AM antenna
Assebling
139 1.25.2.15012752 power cable flat 2 VDE ,length 1.5M, conductor 2×0.75mm21
140 5.09.1.D303V011 power cable clip big power cable clip 1
141 1.07.3.08003503 transformer 230V,50Hz,80W, 1
142 2.20.1.80409021 screw M8×40, six angles 1
143 2.21.1.08R00101 nut M8, six angles 1
144 2.22.1.08R20801 flat washer outside demension Φ17, inside Φ8.2, thickness 0.8mm 1
145 2.22.2.08R21501 spring washer insideΦ8.2,thickness 1.5mm 1
146 2.18.1.00020231 transformer cover 2023 transformer cover 1
147 5.15.1.00020231 transformer mat 2023 transformer mat 2
148 5.06.1.03005001 pyrodensation Φ3×50mm 0.1m
149 1.32.1.25013201 fuse T2.5A,250V, time extending type 1 VDE standard ,with VDEcertificate
150 1.33.3.10000001 fuse tube set fuse tube set, with 100mm 1
152
153
7.03.5.D302V341
2.02.5.D3025017
front panel set
bottom
GOODMANS GDVD601, front panel set
demension drawing:D302V17BC.DWG,spraying grey
1 serigraphic:D302V34FP_GDVD601.cdr
1
154
2.03.5.D3026034 back panel demension drawing:D302V25RC.DWG, spraying black
1 serigraphic:D302V34RS_GDVD601.cdr
155 2.04.5.D3024017 top cover demension drawing:D302V17TC.DWG,spraying silver 1
156 2.06.1.D3020001 front panel stand demension drawing:D302V1FS.DWG,Elec 1
157 2.06.3.D3020017 MIC washer demension drawing:D302V17MS.DWG,Elec 1
158 2.20.1.30047221 screw M3×4,white, 4 machine foot2), front panel (2)
159 2.20.1.30042221 screw M3×4,white, 3 back cover (3)
160 2.20.1.30061221 screw M3×6,white, 2 decoder board(2)
161 2.20.1.30062221 screw M3×6,white, 13 bottom(1),loader(4),cover(8)
162 2.20.2.30061222 screw ST3×6,black,, 2 MIC jack(2)
163 2.20.2.40101222 screw ST4×10,black,, 4 heat dispensor (4)
164 2.20.2.30081231 screw BT3×8,white,Φ5.2 , 14 control panel(5),IR board(3),power switch(2),
165 2.20.2.30081232 screw ST3×8,black,, 11
front
p
anel stand
(
4
)
decoder board(4),input jack(1),output jack(2),
radio head(2),SCART board(2)
166 3.17.1.05000101 holder H=5mm,downΦ10 Φ4 2 amplifier board

167 5.04.1.03080001 nylon string 3×80mm 6
168 5.05.1.20080401 square sponge mat 20×8×4mm 3 fixing display and loader stand
169 5.05.2.15R00501 round sponge mat Φ15×5mm, machine foot 4
170 5.03.2.03R00081 wooden washer inside Φ3, outside Φ8, red, thickness 0.8mm 2 used for control panel(2)
171 8.05.1.D302V341 DVD single player GOODMANS GDVD601 1
Packing material
172 speaker set GDVD601 with speaker set 1
173 1.26.1.12010002 three cable 1.2m, 1 packed in the plastic bag
174 1.26.4.15010001 SCART cable 1.5m 1
175 4.05.1.002023H1 packing foam ADVD-2023-H 1set
176 4.06.1.18513080 foam board 185×130×110mm 1
177 4.06.1.29014012 foam board 470×260×12mm 1
178 4.02.1.D302V341 color box GOODMANS GDVD601,485×285×450mm 1
179 4.07.3.26018001 sealed bag 260×180mm 2
180 4.07.2.32023001 plastic bag 330×230mm, 1 packing the intructions manual
181 4.07.2.41060001 transparent bag 410×600mm, 1
182 4.10.M.D302V341 instructions manual GDVD601,six languages 1
183 wanrantee bag warantee card with multi-language 1
184 sequence sticker 45×10, as per purchase contract 2 stick to the back of the machine
185 date sticker 1
186 speaker sticker 5
187 weight warning sticker 1
188 remote controller sticker 1
189 laser sticker 1
190 sticker 1 sticker near the bar code
191 loader stand sticker 1 stick to the loader stand ,
192 six languages
warnin
g
sticker 1 inside the player, near to the laser,
193 Croatia order sticker 1 as per requirement of the purchase contract
194 Czech order sticker 1 as per requirement of the purchase contract
195 AM antenna 1 packed in the plastic bag
196 FM 75Ω antenna 1 packed in the plastic bag
200 4.07.9.0603102C semi-transparent 2C×60×310mm 1
197 5.11.1.AAA00001 battery 7# 1
198 8.50.1.00R30231 remote controller R302E, trade mark "GOODMANS" 1 packed in the plastic bag
199 9.05.1.D302V341 DVD amplifier ADVD player,GDVD601 1
ENDING
Item description: I=parts to insert S=parts to weld C=parts to assemble P=parts for packing
Material grade is classified by the effect of the finished product quality as A, B and C.
AVery important Bimportant Ccommon The supplier of A grade shall be certified with ISO.



