CRT2530 GEXT9006
User Manual: GEXT9006
Open the PDF directly: View PDF
.
Page Count: 74

ORDER NO.
CRT2530
PUB. NO. CRT2530
AUDIO SYSTEM
TUNER ASSY
Manufactured for TOYOTA
by PIONEER CORPORATION
VEHICLE DESTINATION PRODUCED AFTER TOYOTA PART No. ID No. PIONEER MODEL No.
LEXUS LS430 NORTH AMERICA August 2000 86180-50040 – GEX-T9006ZT/UC
LEXUS LS430 NORTH AMERICA August 2000 86180-50110 – GEX-T9006ZT-91/UC
LEXUS LS430 EUROPE August 2000 86180-50050 – GEX-T9006ZT/EW
LEXUS LS430 EUROPE August 2000 86180-50120 – GEX-T9006ZT-91/EW
LEXUS LS430 OVERSEAS August 2000 86180-50080 – GEX-T9006ZT/ES
LEXUS LS430 OVERSEAS August 2000 86180-50150 – GEX-T9006ZT-91/ES
LEXUS LS430 MIDDLE EAST August 2000 86180-50060 – GEX-T9106ZT/ES
LEXUS LS430 MIDDLE EAST August 2000 86180-50130 – GEX-T9106ZT-91/ES
LS430
Service
Manual

2
GEX-T9006ZT,T9006ZT-91,T9106ZT,T9106ZT-91
CONTENTS
1. SAFETY INFORMATION ............................................3
2. EXPLODED VIEWS AND PARTS LIST .......................4
3. BLOCK DIAGRAM AND SCHEMATIC DIAGRAM .....6
4. PCB CONNECTION DIAGRAM ................................28
5. ELECTRICAL PARTS LIST ........................................38
6. ADJUSTMENT..........................................................57
7. GENERAL INFORMATION .......................................67
7.1 DIAGNOSIS ........................................................67
7.1.1 DISASSEMBLY .........................................67
7.1.2 CONNECTOR FUNCTION DESCRIPTION .......68
7.2 IC .........................................................................69
7.3 EXPLANATION ...................................................71
7.3.1 OPERATIONAL FLOW CHART .................71
7.3.2 SYSTEM BLOCK DIAGRAM.....................72
8. SPECIFICATIONS......................................................74
-GEX-T9006ZT/UC, EW, ES and GEX-T9106ZT/ES have adopted AVC-LAN.
GEX-T9006ZT/UC GEX-T9006ZT/EW, ES, GEX-T9106ZT/ES
-Supplementary model is identical to the original except for the addition of following items.
Part No.
Mark Symbol and Description GEX-T9006ZT-91/UC GEX-T9006ZT-91/EW GEX-T9006ZT-91/ES GEX-T9106ZT-91/ES
* Cover CEG1088 CEG1088 CEG1088 CEG1088
Carton CHA3068 CHA3068 CHA3068 CHA3068
Contain Box CHL4132 CHL4133 CHL4135 CHL4136
Protector(×2) CHP2321 CHP2321 CHP2321 CHP2321
Part No.
GEX-T9006ZT/EW GEX-T9006ZT-91/EW
GEX-T9006ZT/ES GEX-T9006ZT-91/ES
Mark Symbol and Description GEX-T9006ZT/UC GEX-T9106ZT/ES GEX-T9006ZT-91/UC GEX-T9106ZT-91/ES
Screw(×2) BMZ40P060FMC Not used Not used Not used
Screw(×4) BMZ50P060FMC BMZ50P060FMC Not used Not used
86285-50100 CNC8960 CNC8960 Not used Not used
86286-50030 CNC8961 CNC8961 Not used Not used
86729-50150 CNC9126 Not used Not used Not used

3
GEX-T9006ZT,T9006ZT-91,T9106ZT,T9106ZT-91
1. SAFETY INFORMATION
This service manual is intended for qualified service technicians; it is not meant for the casual do-it-yourselfer.
Qualified technicians have the necessary test equipment and tools, and have been trained to properly and safely repair
complex products such as those covered by this manual.
Improperly performed repairs can adversely affect the safety and reliability of the product and may void the warranty.
If you are not qualified to perform the repair of this product properly and safely; you should not risk trying to do so
and refer the repair to a qualified service technician.
-Service Precautions
1. The top case must have the ground sheet metal.
2. The ground sheet metal of the top case must surely
touch the top of the tuner unit holder.
3. The bottom chassis pawl bend portion and the PC
board must surely be soldered.
4. The tuner unit holder metal sheet and the PC board
must surely be soldered.

4
GEX-T9006ZT,T9006ZT-91,T9106ZT,T9106ZT-91
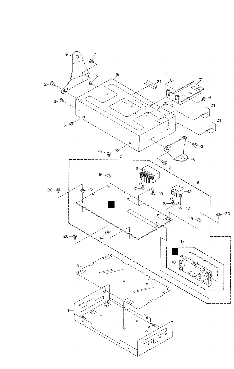
2. EXPLODED VIEWS AND PARTS LIST
2.1 EXTERIOR
A
B

5
GEX-T9006ZT,T9006ZT-91,T9106ZT,T9106ZT-91
(2) CONTRAST TABLE
GEX-T9006ZT/UC, EW, ES and GEX-T9106ZT/ES are constructed the same except for the following:
Part No.
Mark No. Symbol and Description GEX-T9006ZT/UC GEX-T9006ZT/EW GEX-T9006ZT/ES GEX-T9106ZT/ES
1 Screw BMZ40P060FMC Not used Not used Not used
7 86729-50150 CNC9126 Not used Not used Not used
9 Control Unit CWM6591 CWM6592 CWM6594 CWM6595
17 FM/AM Tuner Unit CWE1543 CWE1542 CWE1546 CWE1544
18 Holder CNC6774 CNC6122 CNC6122 CNC6122
19 Case Unit CXB6737 CXB5851 CXB5851 CXB5851
1 Screw See Contrast table(2)
2 Screw BMZ50P060FMC
3 Screw BSZ30P060FMC
4 Chassis CNA2141
5 86285-50100 CNC8960
6 86286-50030 CNC8961
7 86729-50150 See Contrast table(2)
8 Insulator CNM6144
9 Control Unit See Contrast table(2)
10 Screw BPZ30P060FSN
11 Connector(CN801) CKM1308
12 Connector(CN501) CKS4123
13 Holder(CN802) CNC2218
14 Holder(CN803) CNC2218
15 Holder(CN804) CNC2218
16 Holder(CN805) CNC2218
17 FM/AM Tuner Unit See Contrast table(2)
18 Holder See Contrast table(2)
19 Case Unit See Contrast table(2)
20 Screw ISS30P050FMC
* 21 Seal CNM5714
(1) EXTERIOR SECTION PARTS LIST
Mark No. Description Part No. Mark No. Description Part No.
NOTE:
-Parts marked by “*” are generally unavailable because they are not in our Master Spare Parts List.
-Screws adjacent to ∇mark on the product are used for disassembly.

6
GEX-T9006ZT,T9006ZT-91,T9106ZT,T9106ZT-91
1234
1234
D
C
B
A
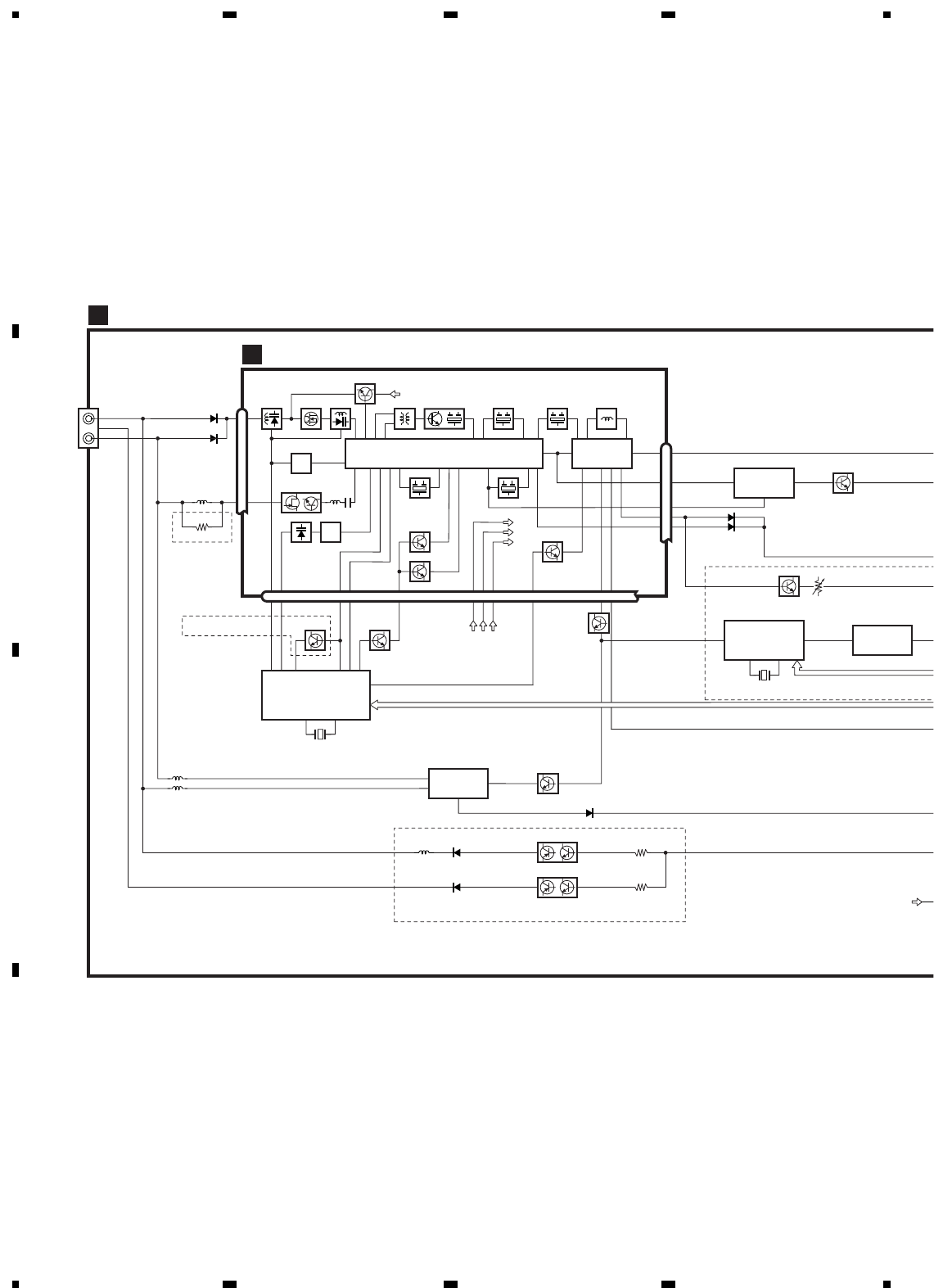
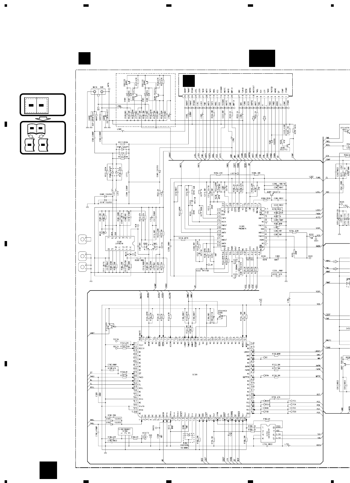
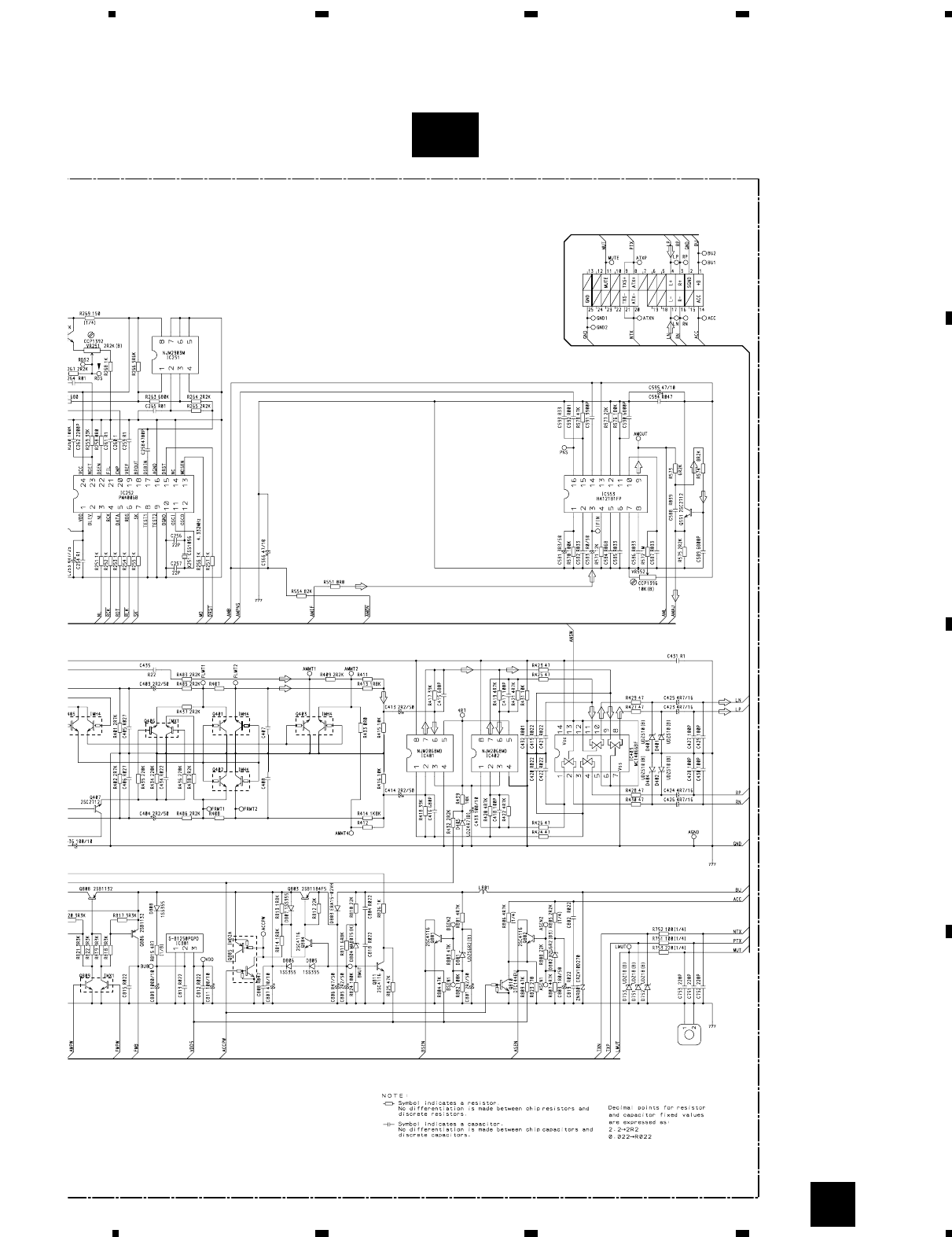
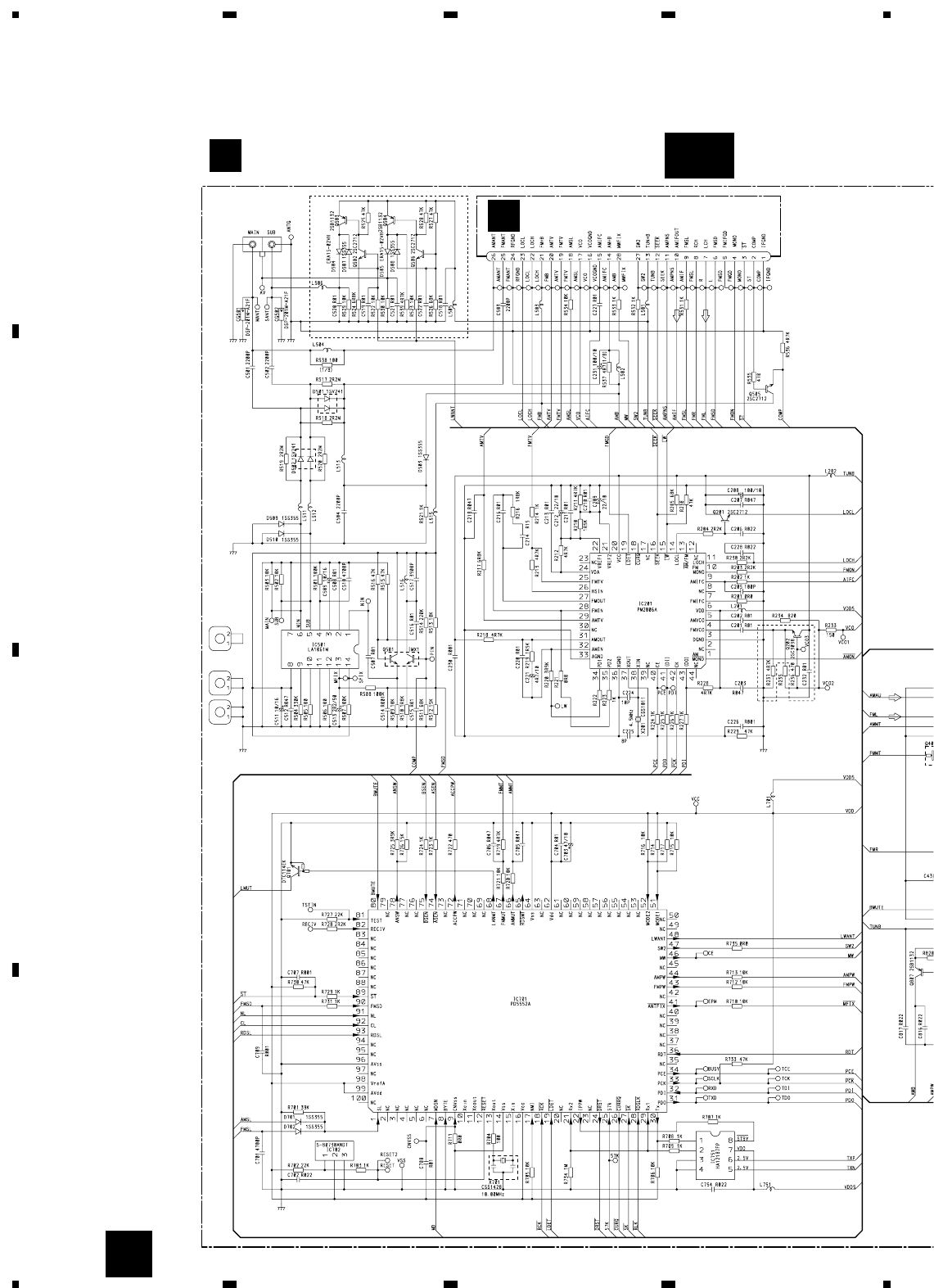
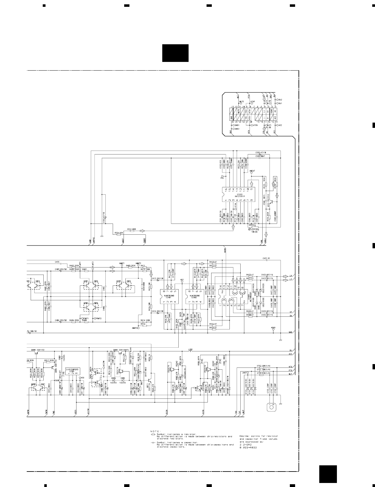
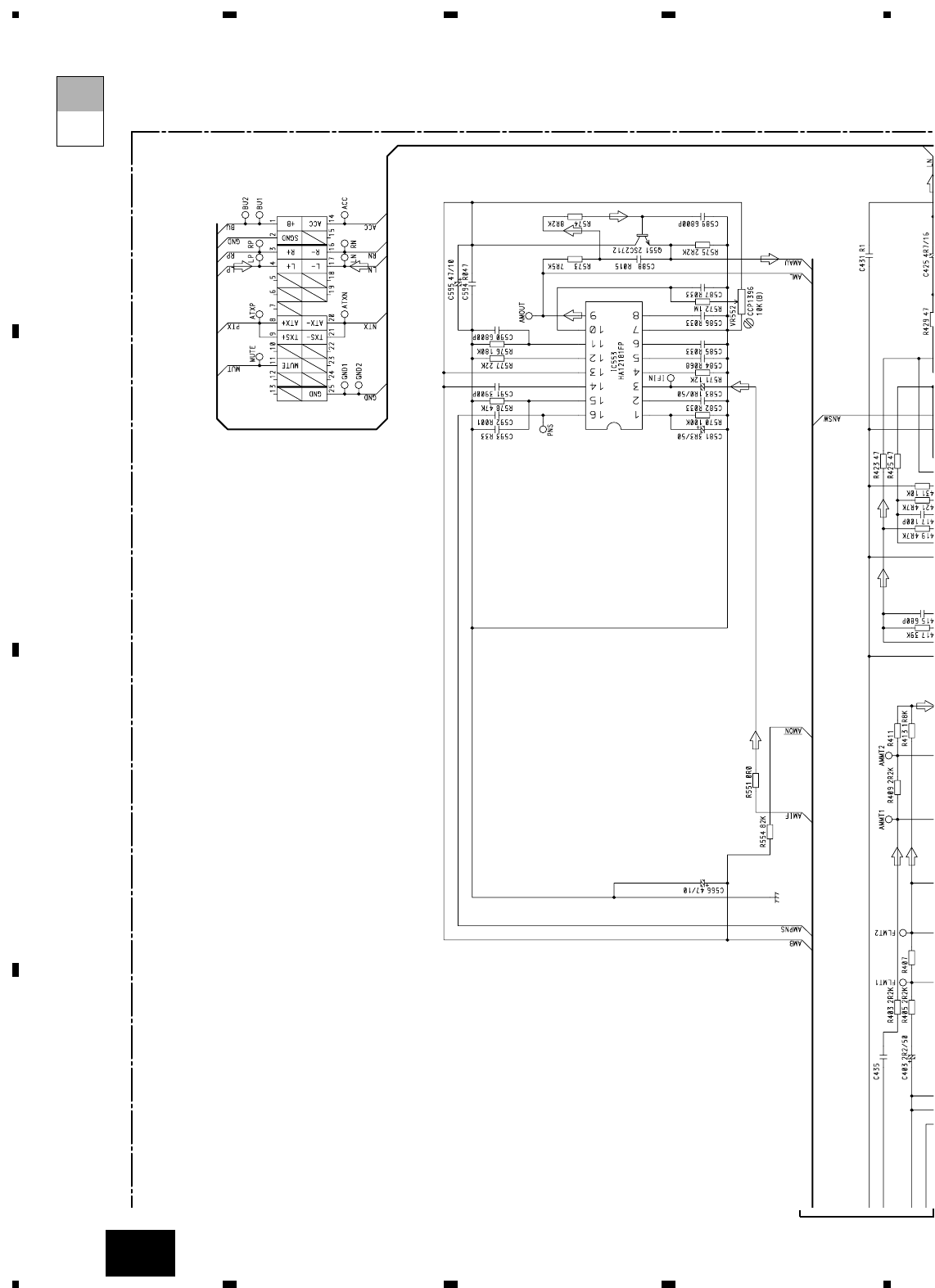
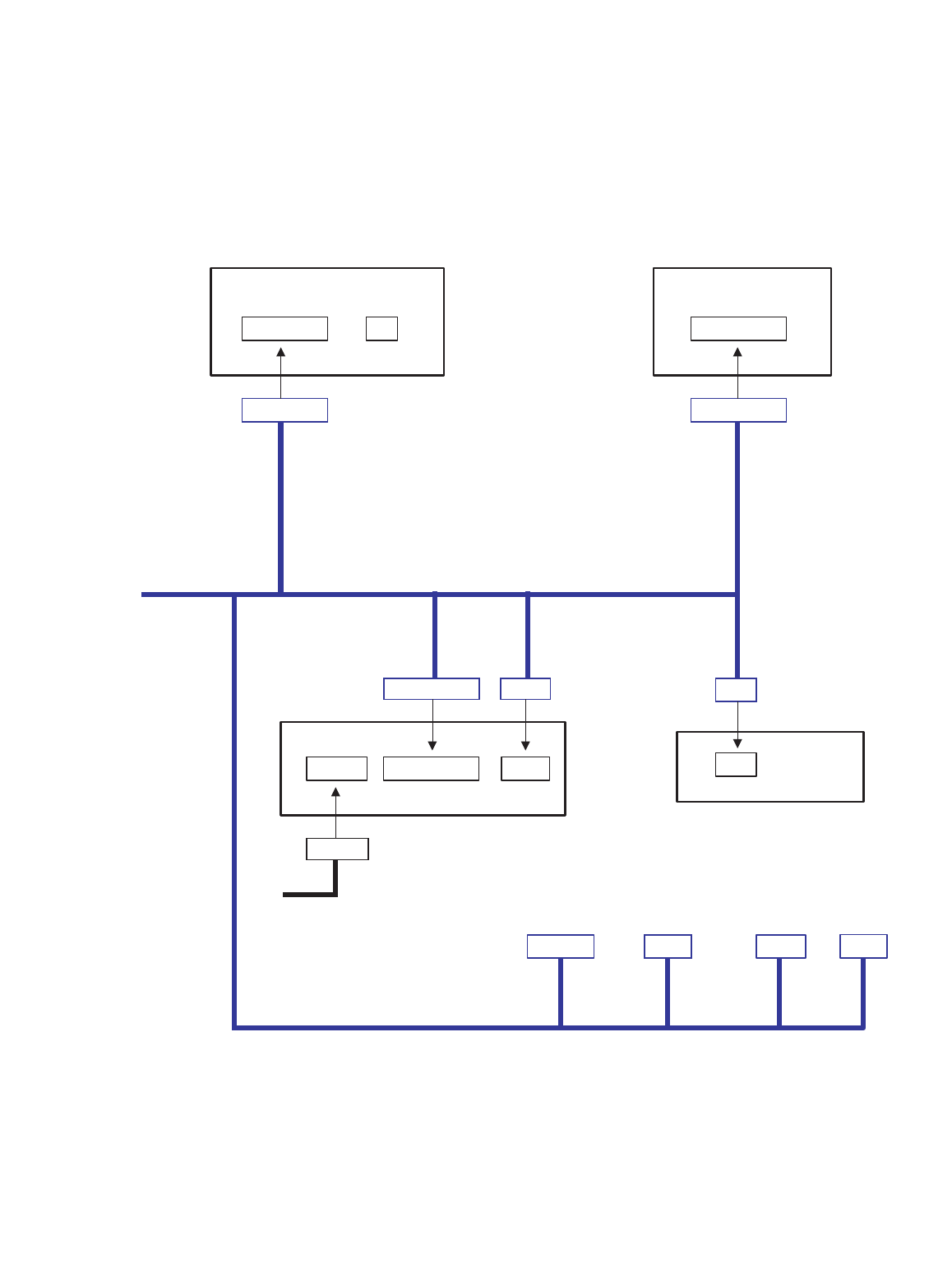
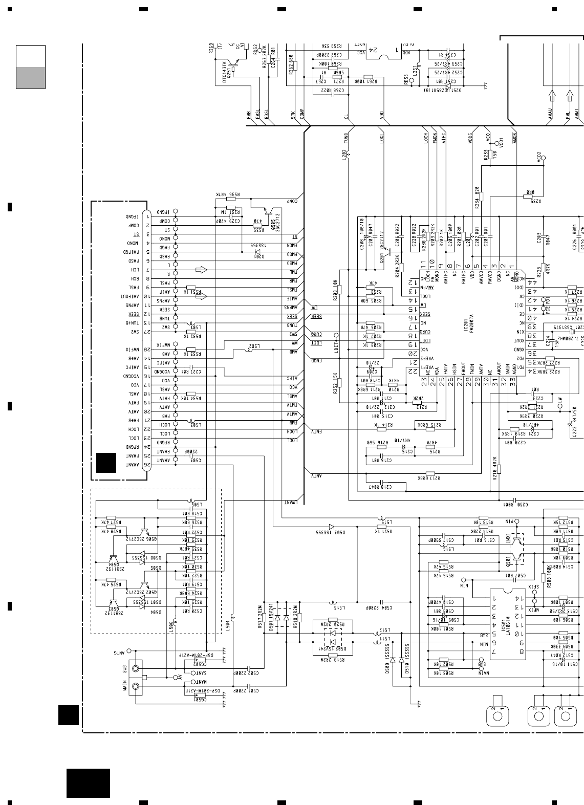
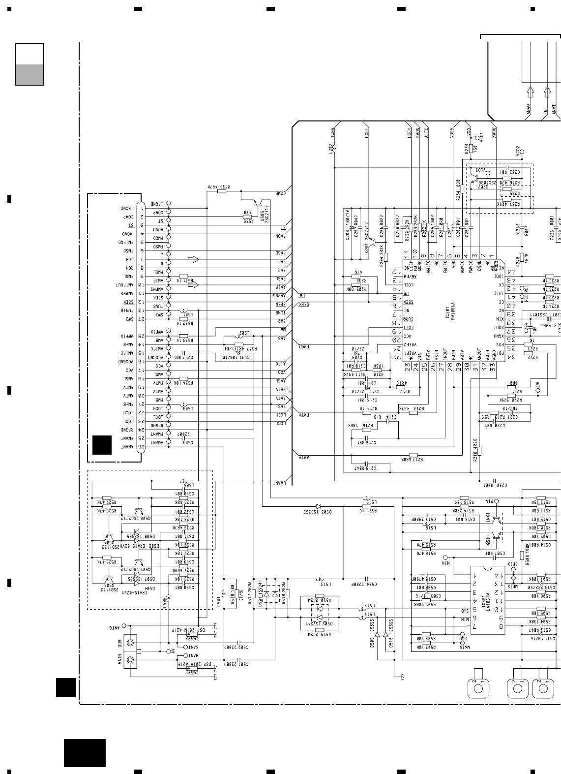
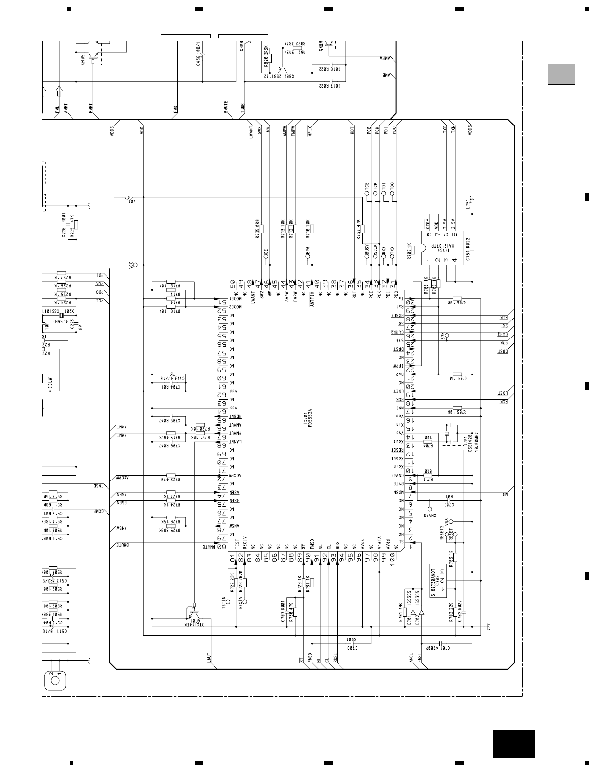
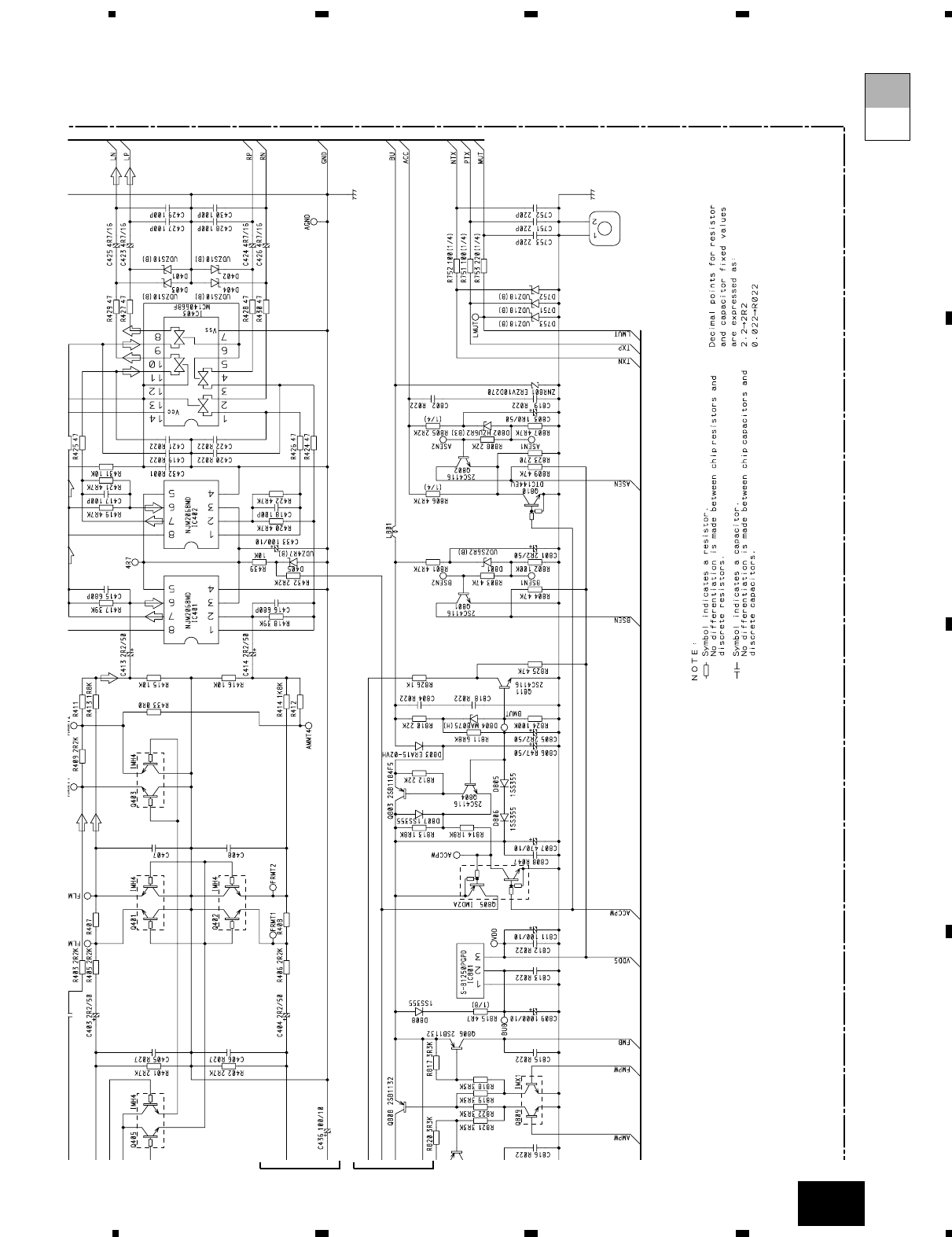
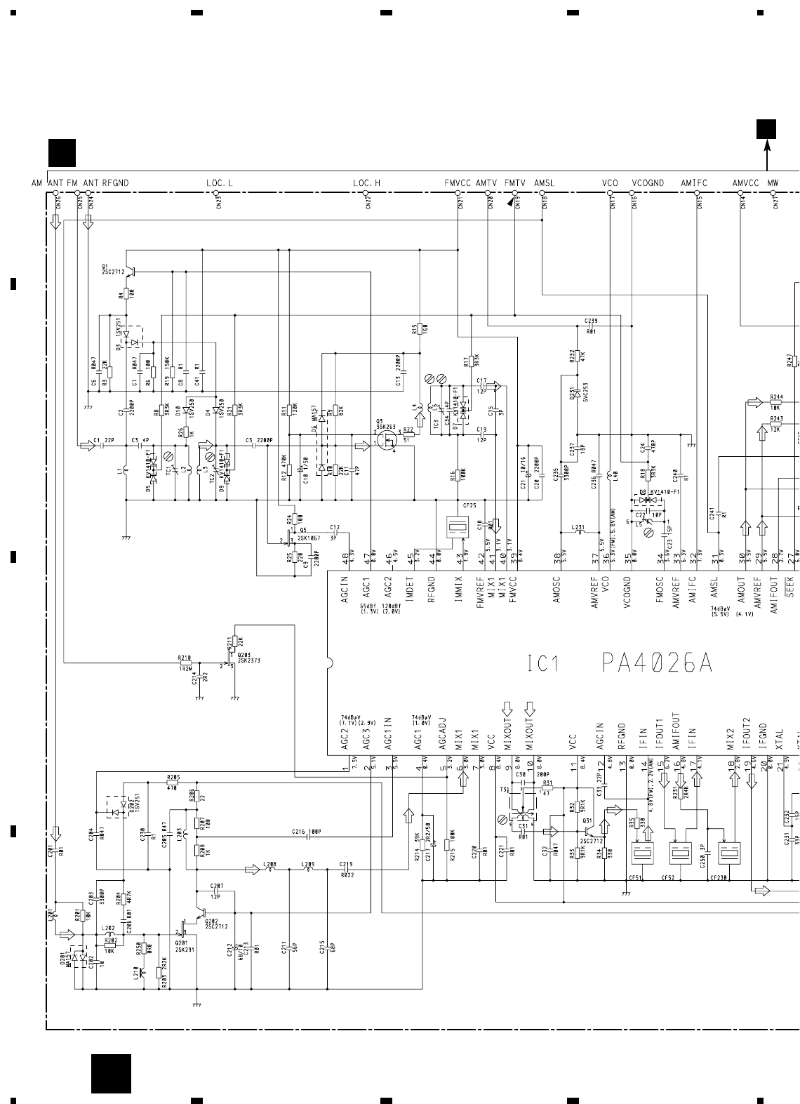
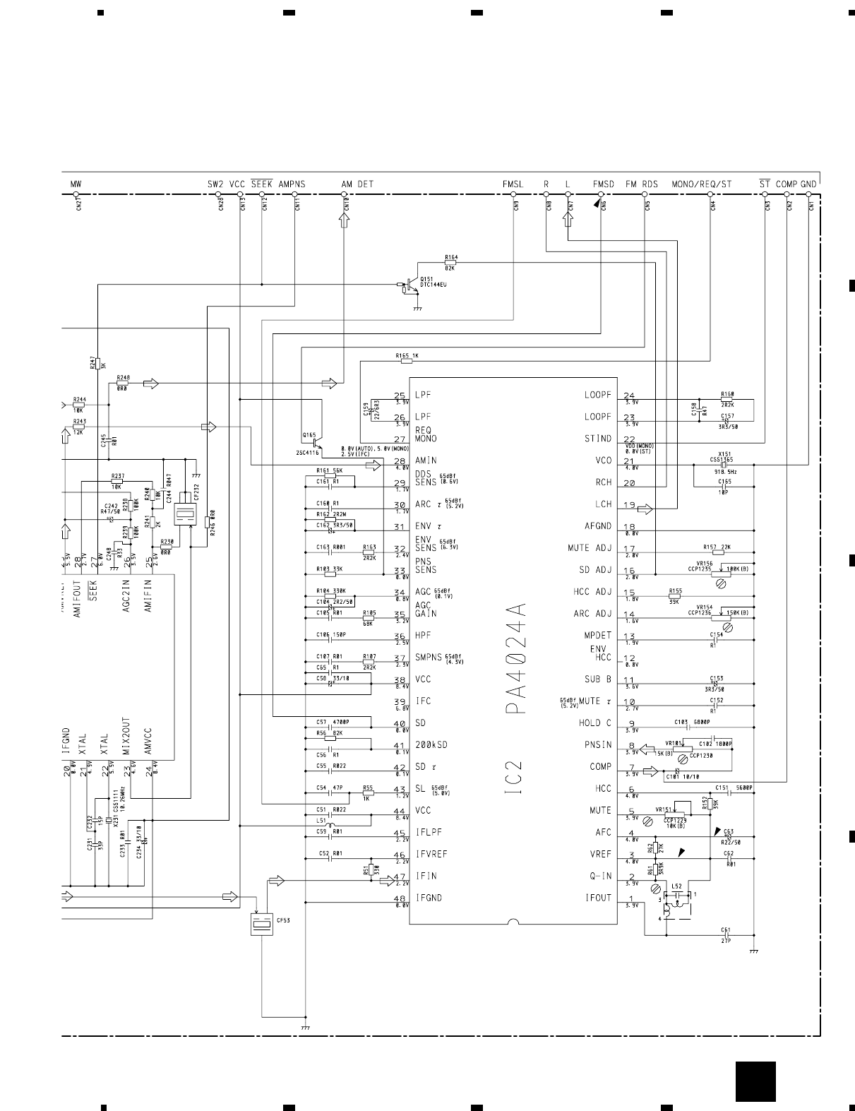
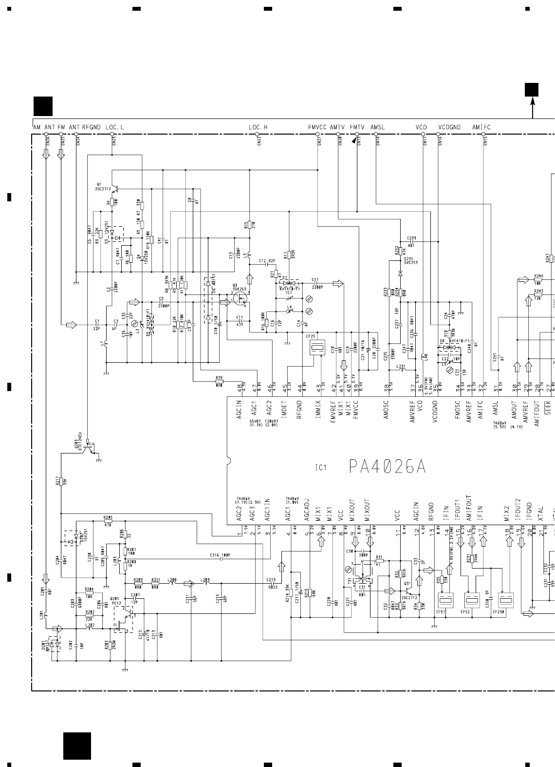
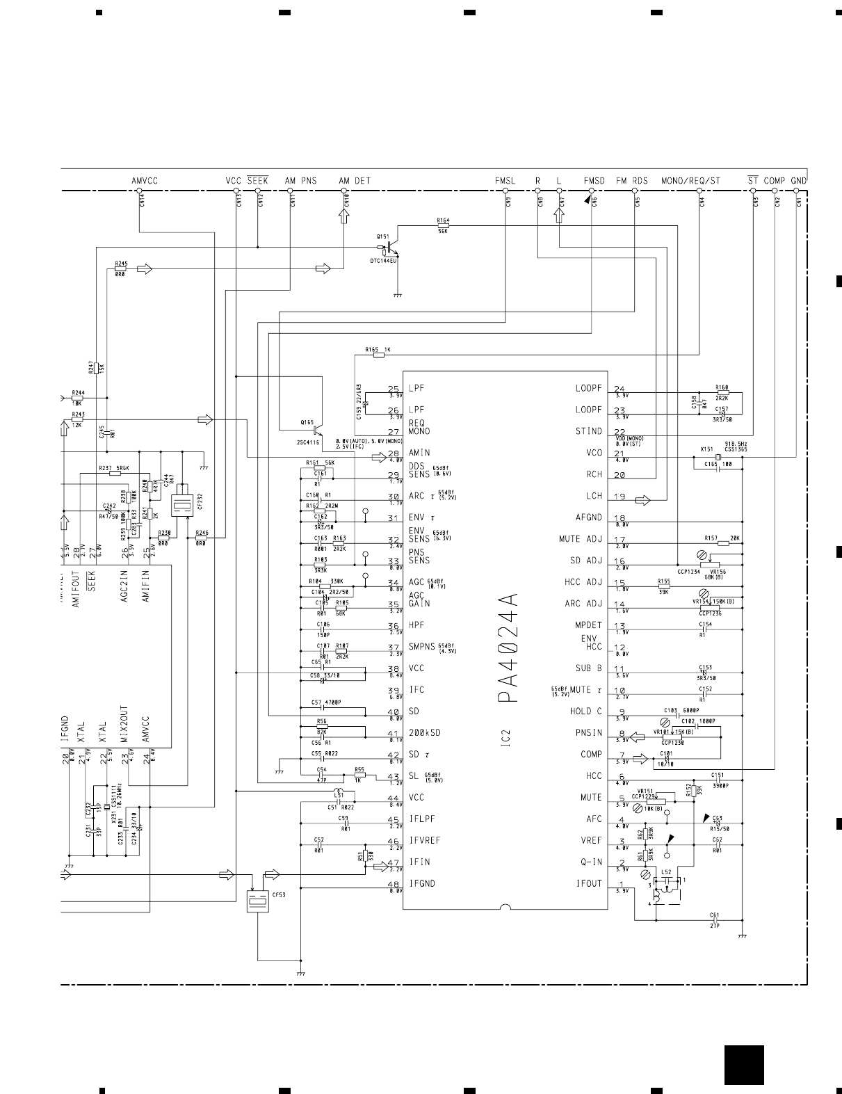
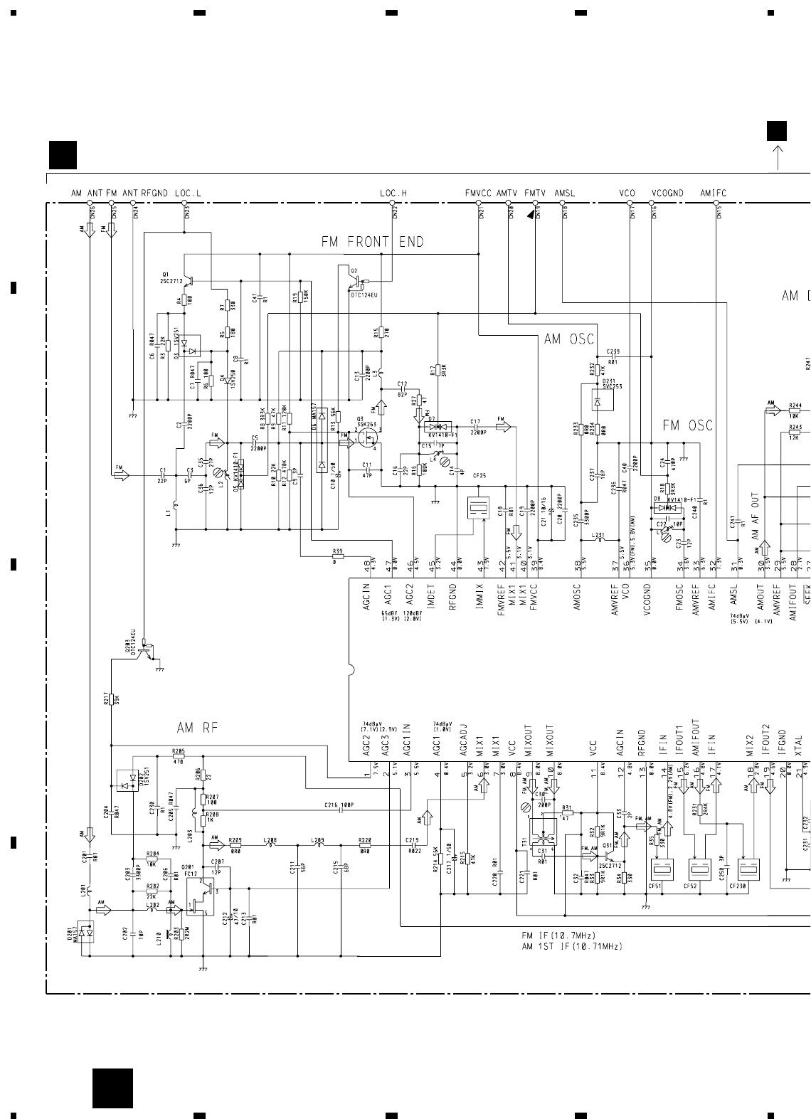
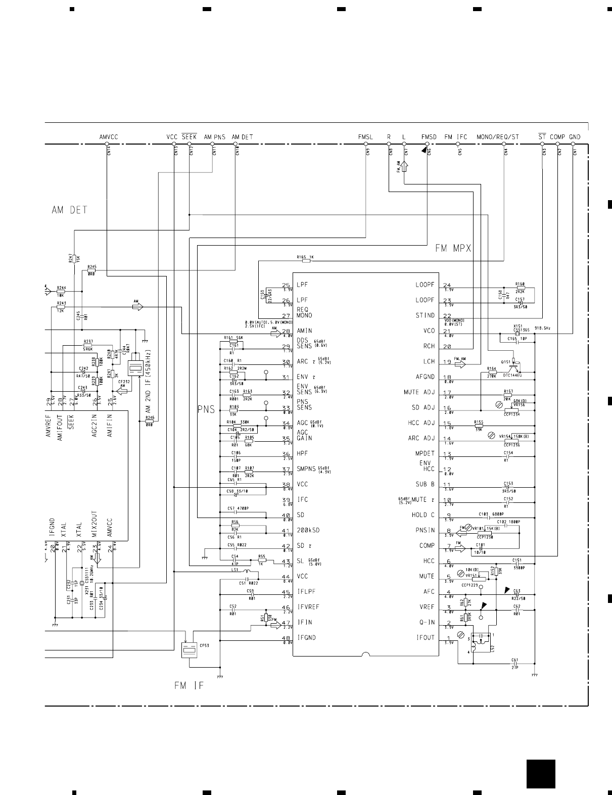
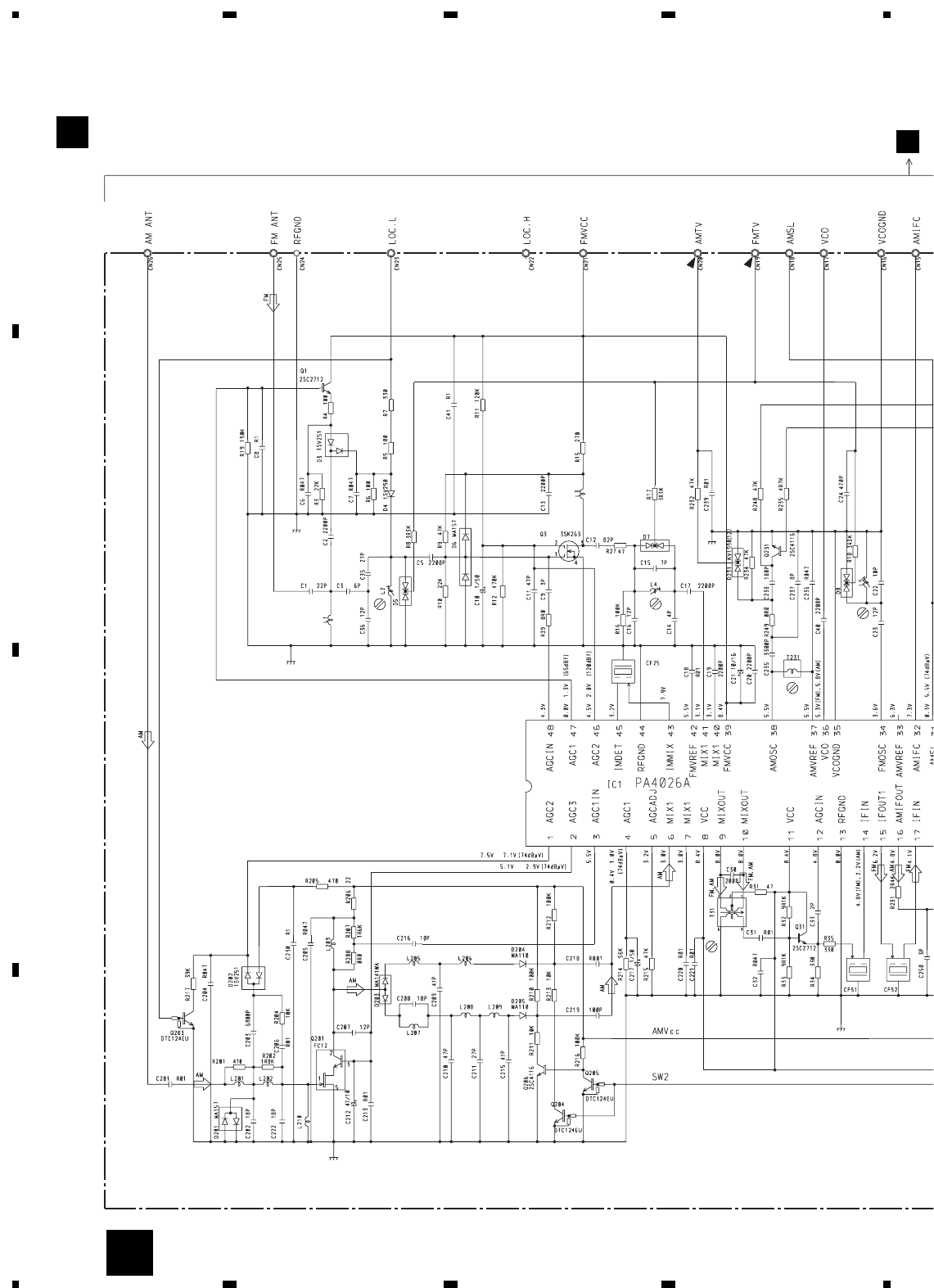
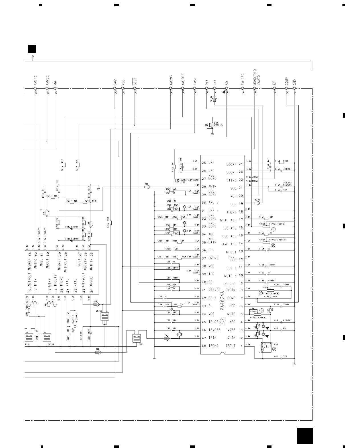
3. BLOCK DIAGRAM AND SCHEMATIC DIAGRAM
3.1 BLOCK DIAGRAM
ACONTROL UNIT
23 25 3146116743
16
39
IC 1
PA4026A
Q201
AM RF
IC 2
PA4024A
CF52
CF232
1638618
CF230
D231
CF51Q31T31L4 D7Q3L2 D5
MAIN
SUB
1514941 47
34
17
CF53 T51
Q154
19 47 1 2
2830 19
10
FM
OSC
AM
OSC
IC 553
HA12181FP
AM NOISE CANCELLER
RDS DECODER RDS 57K DETECTOR
18
2
9
11
10
7
LCH
AMIFOUT
AMPNS
FMSL
AMSL
COMP
40
6
FMSD
12
seek
17
VCO
15
AMIFC
23
LOCL
13
VCC
21
FMVCC
14
AMVCC
20
25
26
AMTV
19
FMTV
36 32
Q501
Q505
38 37
2925 4513 8
7
IC 201
PLL PDO/PDI/PCK/PCE
X201
7.2MHz
4.5MHz
IC 501
LA1061M
DIVERSITY CONTROL
6
5
13
1
CN501
AM+B
FM+B
TUN+B
TUN+B
FM+B
AM+B
Q203
Q2
Q201
Q2
FM+B
VDD
BFM/AM TUNER UNIT
Q551
GEX-T9106ZT/ES
GEX-T9106ZT/ES Q202
Q506Q504
Q502Q503
Q251 VR251
20 18
IC 252 31
IC 251
NJM2903M
11 12
X251
4.332MHz GEX-T9006ZT/UC,EW
GEX-T9006ZT/EW,
GEX-T9106ZT/ES

7
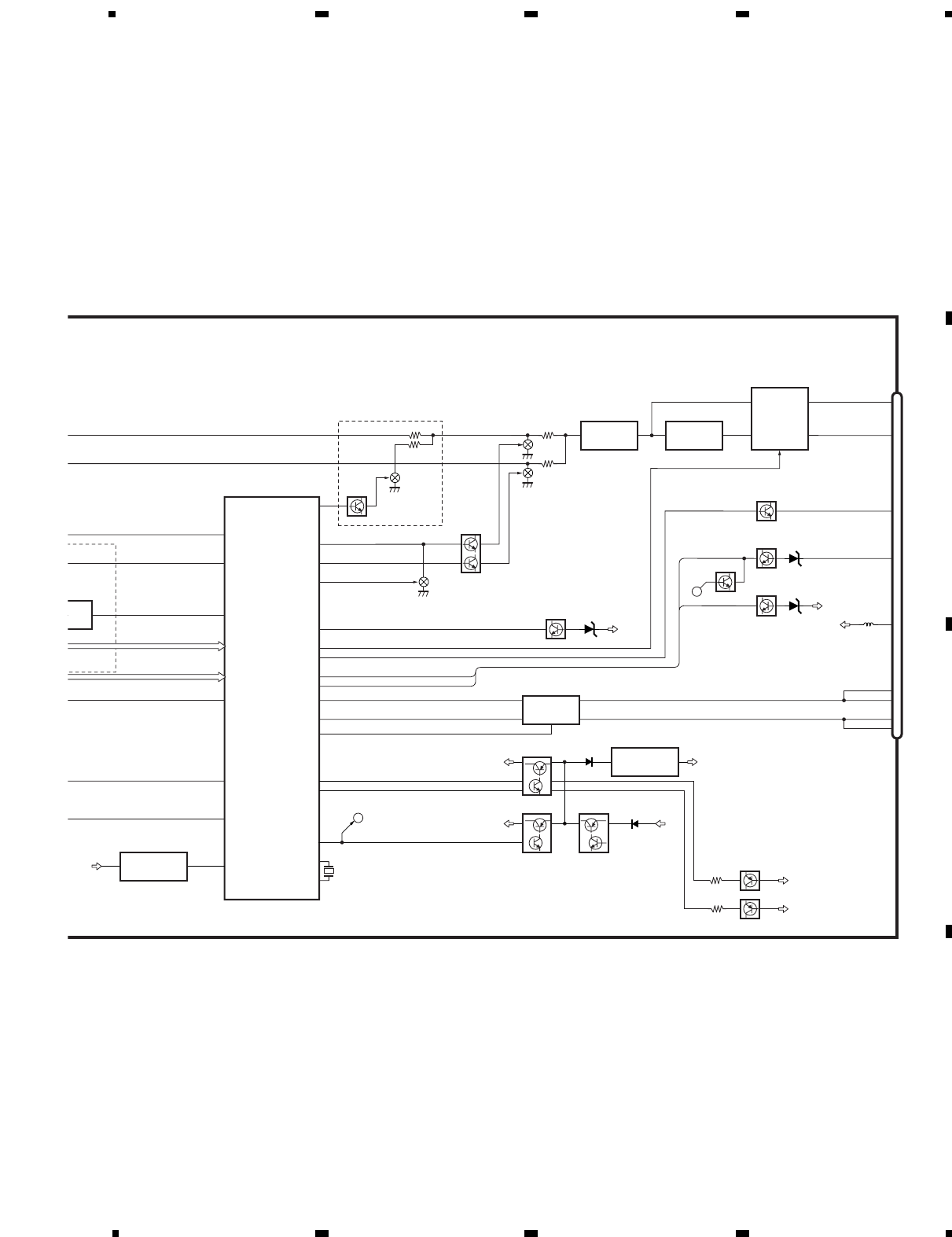
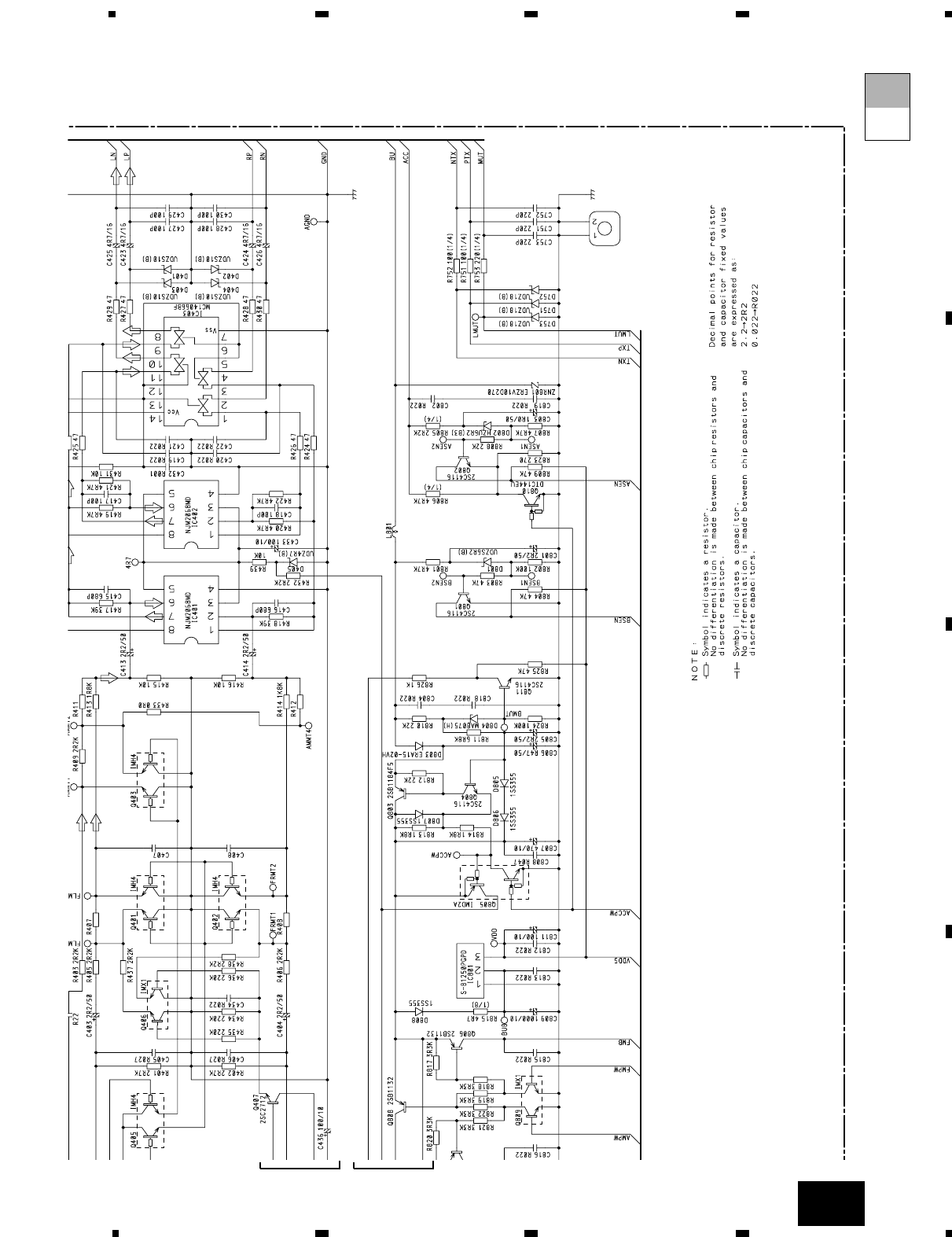
GEX-T9006ZT,T9006ZT-91,T9106ZT,T9106ZT-91
5678
5678
D
C
B
A
ETECTOR
UNBAL / BAL CONVERTER
67
IC 401
NJM2068MD
67
IC 402
NJM2068MD
11
6, 12
10
98
IC 403
MC14066BF
ANALOG SWITCH
Q401
Q403
Q406
1SL
93 RDSL
25 57K
90 FMSD
48 LWANT
41 antfix
12 reset
67
IC 701
SYSTEM
CONTROL
MICRO
COMPUTER
FM MUTE
AM MUTE
L+ 4
CN801
L- 17
ACC 14
MUTE 11
TXS- 21
ATX+ 8
+B 1
TXS+ 9
ATX- 20
ASENS
Q802
LAN MUTE
Q701
BSENS
Q801
B.U
B.U
16
IC 751
HA12187FP
BUS DRIVER
5V REGULATOR
25
8
FMMUT
19
ldet
66
AMMUT
65
rdsmt
80
BMUTE
ANSW 78
ASENS
BSENS
68
LANMT
74
asen 75
bsen
30
TX1
29
RX1
22
IPPW
43
FMPW
72
ACCPW
Xin
Xout
Q810
A
ASENS
BSENS
RESET
IC 702
S-80730ANDT
21
VDD
15
13
X701
10.0MHz VCC REGULATOR
Q809
Q808
VDD
B.U
TUN+B
44
AMPW
Q805
VCC
Q804
Q803
IC 801
S-81250PGPD
23
A
B MUTE
Q811
B.U
Q405
LDET
Q407
Q702
RDS MUTE
AM+B
FM+B
Q807
Q806
GEX-T9006ZT/UC,EW
1
51
903M
T/UC,EW

8
GEX-T9006ZT,T9006ZT-91,T9106ZT,T9106ZT-91
1234
1234
D
C
B
A
ERA15-02VH
ERA15-02VH
PD5551A(UC)
PD5552A(EW)
7.5V
7.5V
5V
8.2V
8.2V
8.2V
AM 400Hz 30%
FM 400Hz 30%
: -16dBs
: -28dBs(GEX-T9006ZT/UC
: -30dBs(GEX-T9006ZT/EW
CN803
CN802
CN804
CN501
ANTENNA SWITCH
DIVERSITY CONTROL
PLL
SYSTEM CONTROL MICROCOMPUTER
RESET
BUS DRIVER
RDS DE
EW
EW
UC
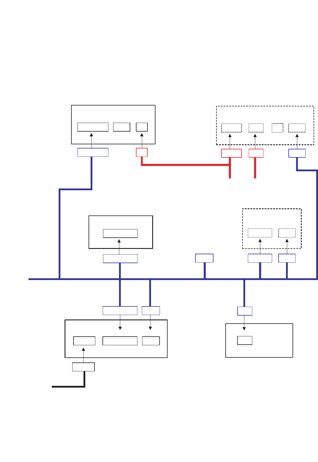
3.2 OVERALL CONNECTION DIAGRAM(GUIDE PAGE)(GEX-T9006ZT/UC, EW)
Note: When ordering service parts, be sure to refer to “EXPLODED VIEWS AND PARTS LIST” or “ELECTRICAL PARTS
LIST”.
A-a A-b
A-a
A-a
A-b
A-b
A-b
A-b
A-a
A-a
Large size
SCH diagram
Guide page
Detailed page
A
A-a
CONTROL UNIT
A
FM/AM TUNER UNIT
B

9
GEX-T9006ZT,T9006ZT-91,T9106ZT,T9106ZT-91
5678
5678
D
C
B
A
10K(UC)
1R8K(EW)
10K(UC)
1R8K(EW) 47K(UC)
18K(EW)
3900P(UC)
R056(EW)
3900P(UC)
R056(EW)
47K(UC)
18K(EW)
8.2V
8.2V
4.4V
UC)
W)
AM
MW, LW
: -18.8dBs(GEX-T9006ZT/UC)
: -13.8dBs(GEX-T9006ZT/EW)
FM : -18.8dBs(GEX-T9006ZT/UC)
: -13.8dBs(GEX-T9006ZT/EW)
AM : -16dBs
CN801
CN805
DECODER
AM NOISE CANCELER
ANALOG SWITCHUNBALANCE/BALANCE CONVERTERMUTE
8V CONTROL 5V REGULATOR 8V REGULATOR B SENSE A SENSE
A-b
A

12
GEX-T9006ZT,T9006ZT-91,T9106ZT,T9106ZT-91
1234
1234
D
C
B
A
10K(UC)
1R8K(EW)
47K(UC)
18K(EW)
V
.2V
4.4V
ZT/UC)
ZT/EW)
AM
MW, LW
: -18.8dBs(GEX-T9006ZT/UC)
: -13.8dBs(GEX-T9006ZT/EW)
FM : -18.8dBs(GEX-T9006ZT/UC)
: -13.8dBs(GEX-T9006ZT/EW)
AM : -16dBs
CN801
DS DECODER
AM NOISE CANCELER
ANALOG SWITCHUNBALANCE/BALANCE CONVERTERMUTE
A-a A-b
A-b
1

14
GEX-T9006ZT,T9006ZT-91,T9106ZT,T9106ZT-91
1234
1234
D
C
B
A
3R9K(90)
0R0(91)
0R0
10K
10K
7.5V
7.5V
8.2V
8.2V
8.2V
AM 400Hz 30%
FM 400Hz 30%
: -16dBs
: -28dBs(GEX-T9006ZT/ES
: -30dBs(GEX-T9106ZT/ES
CN803
CN802
CN804
CN501
ANTENNA SWITCH
DIVERSITY CONTROL
PLL
SYSTEM CONTROL MICROCOMPUTER
RESET
BUS DRIVER
91
91
91
90
91
91
91
90
90
91
90
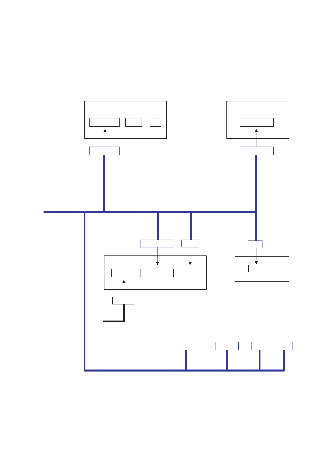
3.3 OVERALL CONNECTION DIAGRAM(GUIDE PAGE)
(GEX-T9006ZT/ES, GEX-T9106ZT/ES)
A
A-a
CONTROL UNIT
A
FM/AM TUNER UNIT
B

15
GEX-T9006ZT,T9006ZT-91,T9106ZT,T9106ZT-91
5678
5678
D
C
B
A
10K(90)
1R8K(91)
R039(90)
R068(91)
39K(90)
15K(91)
39K(90)
15K(91)
10K(90)
1R8K(91)
R018(90)
R027(91)
R018(90)
R027(91)
8.2V
8.2V
4.4V
S)
S)
AM
AM, SW
: -18.8dBs(GEX-T9006ZT/ES)
: -13.8dBs(GEX-T9106ZT/ES)
FM : -18.8dBs(GEX-T9006ZT/ES)
: -13.8dBs(GEX-T9106ZT/ES)
AM : -16dBs
CN801
CN805
AM NOISE CANCELER
ANALOG SWITCHUNBALANCE/BALANCE CONVERTERMUTE
8V CONTROL 5V REGULATOR 8V REGULATOR B SENSE A SENSE
90 : GEX-T9006ZT/ES
91 : GEX-T9106ZT/ES
A-b
A

18
GEX-T9006ZT,T9006ZT-91,T9106ZT,T9106ZT-91
1234
1234
D
C
B
A
10K(90)
1R8K(91)
R039(90)
R068(91)
39K(90)
15K(91)
.2V
4.4V
ZT/ES)
ZT/ES)
AM
AM, SW
: -18.8dBs(GEX-T9006ZT/ES)
: -13.8dBs(GEX-T9106ZT/ES)
FM : -18.8dBs(GEX-T9006ZT/ES)
: -13.8dBs(GEX-T9106ZT/ES)
AM : -16dBs
CN801
AM NOISE CANCELER
ANALOG SWITCHUNBALANCE/BALANCE CONVERTERMUTE
A-a A-b
A-b
1

28
GEX-T9006ZT,T9006ZT-91,T9106ZT,T9106ZT-91
1234
1234
D
C
B
A
4. PCB CONNECTION DIAGRAM
4.1 TUNER AMP UNIT
NOTE FOR PCB DIAGRAMS
1. The parts mounted on this PCB
include all necessary parts for
several destination.
For further information for
respective destinations, be sure
to check with the schematic dia-
gram.
2. Viewpoint of PCB diagrams
A
Capacitor
Connector
P.C.Board Chip Part
SIDE A
SIDE B
CONTROL UNIT
A
B

32
GEX-T9006ZT,T9006ZT-91,T9106ZT,T9106ZT-91
1234
1234
D
C
B
A
4.2 FM/AM TUNER UNIT(GEX-T9006ZT/UC)
B
SIDE A
FM/AM TUNER UNIT
B
A

33
GEX-T9006ZT,T9006ZT-91,T9106ZT,T9106ZT-91
1234
1234
D
C
B
A
B
SIDE B
FM/AM TUNER UNIT
B

34
GEX-T9006ZT,T9006ZT-91,T9106ZT,T9106ZT-91
1234
1234
D
C
B
A
4.3 FM/AM TUNER UNIT(GEX-T9006ZT/EW)
B
SIDE A
L52
T31
L2
L5 L4
A
FM/AM TUNER UNIT
B

35
GEX-T9006ZT,T9006ZT-91,T9106ZT,T9106ZT-91
1234
1234
D
C
B
A
B
SIDE B
FM/AM TUNER UNIT
B

36
GEX-T9006ZT,T9006ZT-91,T9106ZT,T9106ZT-91
1234
1234
D
C
B
A
4.4 FM/AM TUNER UNIT(GEX-T9006ZT/ES, GEX-T9106ZT/ES)
B
SIDE A
FM/AM TUNER UNIT
B
A

37
GEX-T9006ZT,T9006ZT-91,T9106ZT,T9106ZT-91
1234
1234
D
C
B
A
B
SIDE B
FM/AM TUNER UNIT
B

38
GEX-T9006ZT,T9006ZT-91,T9106ZT,T9106ZT-91
5. ELECTRICAL PARTS LIST
NOTES:
- Parts whose parts numbers are omitted are subject to being not supplied.
- The part numbers shown below indicate chip components.
Chip Resistor
RS1/_S___J,RS1/__S___J
Chip Capacitor (except for CQS.....)
CKS....., CCS....., CSZS.....
=====Circuit Symbol and No.===Part Name Part No.
--- ------ ------------------------------------------ -------------------------
Unit Number : CWM6591(GEX-T9006ZT/UC)
Unit Name : Control Unit
MISCELLANEOUS
IC 201 IC PM2007A
IC 251 IC NJM2903M
IC 252 IC PM4006B
IC 401 IC NJM2068MD
IC 402 IC NJM2068MD
IC 403 IC MC14066BF
IC 501 IC LA1061M
IC 553 IC HA12181FP
IC 701 IC PD5551A
IC 702 IC S-80730ANDT
IC 751 IC HA12187FP
IC 801 IC S-81250PGPD
Q 201 Chip Transistor 2SC2712
Q 251 Transistor DTC143TK
Q 401 Transistor IMH4
Q 402 Transistor IMH4
Q 403 Transistor IMH4
Q 405 Transistor IMH4
Q 406 Transistor IMX1
Q 407 Chip Transistor 2SC2712
Q 501 Transistor IMX1
Q 505 Chip Transistor 2SC2712
Q 551 Chip Transistor 2SC2712
Q 701 Transistor DTC114EK
Q 702 Transistor DTA144EK
Q 801 Transistor 2SC4116
Q 802 Transistor 2SC4116
Q 803 Transistor 2SB1184F5
Q 804 Transistor 2SC4116
Q 805 Transistor IMD2A
Q 806 Transistor 2SB1132
Q 807 Transistor 2SB1132
Q 808 Transistor 2SB1132
Q 809 Transistor IMX1
Q 810 Transistor DTC144EU
Q 811 Transistor 2SC4116
D 201 Diode 1SS355
D 251 Diode UDZS5R1(B)
D 401 Diode UDZS10(B)
D 402 Diode UDZS10(B)
D 403 Diode UDZS10(B)
D 404 Diode UDZS10(B)
D 405 Diode UDZ4R7(B)
D 501 Diode 1SV241
D 502 Diode 1SV241
D 503 Diode 1SS355
D 509 Diode 1SS355
D 510 Diode 1SS355
D 701 Diode 1SS355
D 702 Diode 1SS355
D 751 Diode UDZ18(B)
D 752 Diode UDZ18(B)
D 753 Diode UDZ18(B)
D 801 Diode UDZS6R2(B)
D 802 Diode HZU6R2(B3)
D 803 Diode ERA15-02VH
D 804 Diode MA8075(H)
D 805 Diode 1SS355
D 806 Diode 1SS355
D 807 Diode 1SS355
D 808 Diode 1SS355
ZNR 801 Surge Absorber ERZV10D270
L 201 Chip-Inductor LCTA2R2J3225
L 202 Inductor LCTA4R7J3225
L 251 Inductor LCTA101J3225
L 501 Inductor LCTA4R7J3225
L 502 Inductor LCTA4R7J3225
L 503 Inductor LCTA4R7J3225
L 504 Inductor LCTB4R7K3216
L 511 Inductor LCTB6R8K3216
L 512 Inductor LCTB6R8K3216
L 513 Inductor LCTB6R8K3216
L 515 Inductor LCTA4R7J3225
L 516 Inductor LCTA561J4532
L 701 Inductor LCTA4R7J3225
L 751 Inductor LCTA101J3225
L 801 Inductor CTF1250
CG 501 Surge Protector DSP-201M-A21F
CG 502 Surge Protector DSP-201M-A21F
X 201 Crystal Resonator 7.200MHz CSS1379
X 251 Crystal Resonator 4.332MHz CSS1056
X 701 Radiator 10.00MHz CSS1428
VR 251 Semifixed Resistor 2.2kΩ(B) CCP1392
VR 552 Semifixed Resistor 10kΩ(B) CCP1396
FM/AM Tuner Unit CWE1543
RESISTORS
R 201 RS1/10S0R0J
R 202 RS1/10S102J
R 203 RS1/10S222J
R 204 RS1/10S222J
R 205 RS1/10S683J
R 206 RS1/10S473J
R 207 RS1/10S102J
R 208 RS1/10S102J
R 209 RS1/10S103J
R 210 RS1/10S472J
R 211 RS1/10S682J
R 212 RS1/10S222J
R 213 RS1/10S682J
R 214 RS1/10S102J
R 215 RS1/10S472J
=====Circuit Symbol and No.===Part Name Part No.
--- ------ ------------------------------------------ -------------------------
A

39
GEX-T9006ZT,T9006ZT-91,T9106ZT,T9106ZT-91
R 216 RS1/10S561J
R 217 RS1/10S682J
R 218 RS1/10S472J
R 219 RS1/10S152J
R 220 RS1/10S392J
R 221 RS1/10S222J
R 222 RS1/10S392J
R 223 RS1/10S272J
R 224 RS1/10S102J
R 225 RS1/10S102J
R 226 RS1/10S102J
R 227 RS1/10S102J
R 228 RS1/10S472J
R 229 RS1/10S473J
R 230 RS1/10S222J
R 231 RS1/10S105J
R 232 RS1/10S153J
R 233 RS1/16S151J
R 234 RS1/16S821J
R 235 RS1/16S0R0J
R 238 RS1/10S473J
R 251 RS1/10S102J
R 252 RS1/10S102J
R 253 RS1/10S102J
R 254 RS1/10S102J
R 255 RS1/10S102J
R 256 RS1/10S102J
R 257 RS1/10S102J
R 258 RS1/10S0R0J
R 259 RS1/10S333J
R 260 RS1/10S104J
R 261 RS1/10S104J
R 262 RS1/10S681J
R 263 RS1/10S684J
R 264 RS1/10S222J
R 265 RS1/10S222J
R 266 RS1/10S562J
R 267 RS1/10S222J
R 268 RS1/10S102J
R 269 RS1/4S151J
R 271 RS1/10S562J
R 401 RS1/10S272J
R 402 RS1/10S272J
R 403 RS1/10S222J
R 405 RS1/10S222J
R 406 RS1/10S222J
R 407 RS1/10S103J
R 408 RS1/10S103J
R 409 RS1/10S222J
R 411 RS1/10S473J
R 412 RS1/10S473J
R 413 RS1/10S182J
R 414 RS1/10S182J
R 415 RS1/10S103J
R 416 RS1/10S103J
R 417 RS1/10S393J
R 418 RS1/10S393J
R 419 RS1/10S472J
R 420 RS1/10S472J
R 421 RS1/10S472J
R 422 RS1/10S472J
R 423 RS1/10S470J
R 424 RS1/10S470J
R 425 RS1/10S470J
R 426 RS1/10S470J
R 427 RS1/10S470J
R 428 RS1/10S470J
R 429 RS1/10S470J
R 430 RS1/10S470J
R 431 RS1/10S103J
R 432 RS1/10S222J
R 433 RS1/10S0R0J
R 434 RS1/10S224J
R 435 RS1/10S224J
R 436 RS1/10S224J
R 437 RS1/10S222J
R 438 RS1/10S222J
R 439 RS1/10S103J
R 501 RS1/10S104J
R 502 RS1/10S103J
R 503 RS1/10S103J
R 504 RS1/10S334J
R 505 RS1/10S101J
R 506 RS1/10S101J
R 507 RS1/10S104J
R 508 RS1/10S104J
R 509 RS1/10S103J
R 510 RS1/10S182J
R 511 RS1/10S683J
R 512 RS1/10S153J
R 513 RS1/10S103J
R 514 RS1/10S224J
R 515 RS1/10S473J
R 516 RS1/10S473J
R 517 RS1/10S225J
R 518 RS1/10S225J
R 519 RS1/10S225J
R 520 RS1/10S225J
R 521 RS1/10S102J
R 531 RS1/10S102J
R 532 RS1/10S102J
R 533 RS1/10S102J
R 534 RS1/10S103J
R 535 RS1/10S471J
R 536 RS1/10S472J
R 551 RS1/10S0R0J
R 554 RS1/10S823J
R 570 RS1/10S104J
R 571 RS1/10S123J
R 572 RS1/10S105J
R 573 RS1/10S622J
R 574 RS1/10S822J
R 575 RS1/10S222J
R 576 RS1/10S184J
R 577 RS1/10S223J
R 578 RS1/10S473J
R 701 RS1/10S393J
R 702 RS1/10S223J
R 703 RS1/10S102J
R 704 RS1/10S101J
R 705 RS1/10S103J
R 706 RS1/10S103J
R 707 RS1/10S102J
R 708 RS1/10S102J
R 709 RS1/10S102J
R 710 RS1/10S103J
R 711 RS1/10S0R0J
R 712 RS1/10S103J
R 713 RS1/10S103J
R 714 RS1/10S103J
=====Circuit Symbol and No.===Part Name Part No.
--- ------ ------------------------------------------ -------------------------
=====Circuit Symbol and No.===Part Name Part No.
--- ------ ------------------------------------------ -------------------------

40
GEX-T9006ZT,T9006ZT-91,T9106ZT,T9106ZT-91
R 716 RS1/10S103J
R 719 RS1/10S472J
R 720 RS1/10S103J
R 721 RS1/10S103J
R 722 RS1/10S471J
R 723 RS1/10S102J
R 724 RS1/10S102J
R 725 RS1/10S392J
R 726 RS1/10S153J
R 727 RS1/10S223J
R 728 RS1/10S222J
R 729 RS1/10S102J
R 730 RS1/10S473J
R 731 RS1/10S102J
R 733 RS1/10S473J
R 734 RS1/10S105J
R 735 RS1/10S0R0J
R 751 RS1/4S101J
R 752 RS1/4S101J
R 753 RS1/4S221J
R 801 RS1/10S472J
R 802 RS1/10S104J
R 803 RS1/10S473J
R 804 RS1/10S473J
R 805 RS1/4S222J
R 806 RS1/4S472J
R 807 RS1/10S472J
R 808 RS1/10S223J
R 809 RS1/10S473J
R 810 RS1/10S223J
R 811 RS1/10S682J
R 812 RS1/10S223J
R 813 RS1/10S182J
R 814 RS1/10S182J
R 815 RS1/8S4R7J
R 817 RS1/10S332J
R 818 RS1/10S332J
R 819 RS1/10S332J
R 820 RS1/10S332J
R 821 RS1/10S332J
R 822 RS1/10S332J
R 823 RS1/10S271J
R 824 RS1/10S104J
R 825 RS1/10S473J
R 826 RS1/10S102J
CAPACITORS
C 201 CKSQYB103K50
C 202 CKSQYB103K50
C 203 CKSYB473K50
C 205 CCSQCH101J50
C 206 CKSQYB223K50
C 207 CKSQYB473K50
C 208 CEAS101M10
C 209 CEAS220M10
C 210 CKSQYB103K50
C 211 CKSQYB103K50
C 212 CEAS220M10
C 213 CKSQYB103K50
C 215 4.7µF/10V CCH1280
C 216 CKSQYB103K50
C 218 CGCYX473K25
C 220 CKSQYB103K50
C 221 4.7µF/10V CCH1280
C 223 CKSQYB103K50
C 224 CCSQCH150J50
C 225 CCSQCH120J50
C 226 CKSQYB102K50
C 227 CKSQYB103K50
C 228 CKSQYB223K50
C 229 CKSQYB471K50
C 230 CKSQYB102K50
C 251 CKSQYB103K50
C 252 CEJA4R7M25
C 253 CEJA4R7M25
C 254 CKSQYB104K50
C 256 CCSQCH220J50
C 257 CCSQCH220J50
C 258 CKSQYB472K50
C 259 CKSQYB104K50
C 260 CKSQYB105K16
C 261 CKSQYB104K50
C 262 CKSQYB222K50
C 264 CKSQYB103K50
C 265 CKSQYB103K50
C 266 CKSQYB223K50
C 267 CKSQYB104K50
C 403 CEANL2R2M50
C 404 CEANL2R2M50
C 405 CKSQYB273K50
C 406 CKSQYB273K50
C 407 CKSQYB392K50
C 408 CKSQYB392K50
C 413 CEANL2R2M50
C 414 CEANL2R2M50
C 415 CKSQYB681K50
C 416 CKSQYB681K50
C 417 CCSQCH101J50
C 418 CCSQCH101J50
C 419 CKSQYB223K50
C 420 CKSQYB223K50
C 421 CKSQYB223K50
C 422 CKSQYB223K50
C 423 CEJANP4R7M16
C 424 CEJANP4R7M16
C 425 CEJANP4R7M16
C 426 CEJANP4R7M16
C 427 CCSQCH101J50
C 428 CCSQCH101J50
C 429 CCSQCH101J50
C 430 CCSQCH101J50
C 431 CKSQYB104K50
C 432 CKSQYB102K50
C 433 CEAS101M10
C 434 CKSQYB223K50
C 435 CKSQYB224K16
C 436 CEAS101M10
C 501 CKSQYB222K50
C 502 CKSQYB222K50
C 503 CKSQYB222K50
C 504 CKSQYB222K50
C 507 CKSQYB103K50
C 508 CKSQYB103K50
C 509 CEJA100M16
C 510 CKSQYB472K50
C 511 CEJA100M16
C 512 CKSQYB473K50
C 513 CEJA2R2M50
C 514 CKSQYB102K50
C 515 CKSQYB103K50
C 516 CKSQYB103K50
C 517 CKSQYB392K50
=====Circuit Symbol and No.===Part Name Part No.
--- ------ ------------------------------------------ -------------------------
=====Circuit Symbol and No.===Part Name Part No.
--- ------ ------------------------------------------ -------------------------

41
GEX-T9006ZT,T9006ZT-91,T9106ZT,T9106ZT-91
C 566 CEAS470M10
C 581 CEJA3R3M50
C 582 CKSQYB333K50
C 583 CEJANP1R0M50
C 584 CQMA683J50
C 585 CQMA333J50
C 586 CQMA333J50
C 587 CQMA333J50
C 588 CKSQYB393K50
C 589 CKSQYB682K50
C 590 CKSQYB682K50
C 591 CKSQYB392K50
C 592 CKSQYB102K50
C 593 CKSQYB334K16
C 594 CKSQYB473K50
C 595 CEAS470M10
C 701 CKSQYB472K50
C 702 CKSQYB223K50
C 703 CEAS470M10
C 704 CKSQYB103K50
C 705 CKSQYB473K50
C 706 CKSQYB473K50
C 707 CKSQYB102K50
C 708 CKSQYB103K50
C 709 CKSQYB102K50
C 751 CKSQYB221K50
C 752 CKSQYB221K50
C 753 CKSQYB221K50
C 754 CKSQYB223K50
C 801 CEJA2R2M50
C 802 CKSQYB223K50
C 803 CEJA1R0M50
C 804 CKSQYB223K50
C 805 CEJA2R2M50
C 806 CEJAR47M50
C 807 CEAS471M10
C 808 CKSQYB473K50
C 809 CEAS102M10
C 811 CEAS101M10
C 812 CKSQYB223K50
C 813 CKSQYB223K50
C 815 CKSQYB223K50
C 816 CKSQYB223K50
C 817 CKSQYB223K50
C 818 CKSQYB223K50
C 819 CKSQYB223K50
Unit Number : CWM6592(GEX-T9006ZT/EW)
Unit Name : Control Unit
MISCELLANEOUS
IC 201 IC PM2007A
IC 251 IC NJM2903M
IC 252 IC PM4006B
IC 401 IC NJM2068MD
IC 402 IC NJM2068MD
IC 403 IC MC14066BF
IC 501 IC LA1061M
IC 553 IC HA12181FP
IC 701 IC PD5552A
IC 702 IC S-80730ANDT
IC 751 IC HA12187FP
IC 801 IC S-81250PGPD
Q 201 Chip Transistor 2SC2712
Q 251 Transistor DTC143TK
Q 401 Transistor IMH4
Q 402 Transistor IMH4
Q 403 Transistor IMH4
Q 405 Transistor IMH4
Q 406 Transistor IMX1
Q 407 Chip Transistor 2SC2712
Q 501 Transistor IMX1
Q 502 Chip Transistor 2SC2712
Q 503 Transistor 2SB1132
Q 504 Transistor 2SB1132
Q 505 Chip Transistor 2SC2712
Q 506 Chip Transistor 2SC2712
Q 551 Chip Transistor 2SC2712
Q 701 Transistor DTC114EK
Q 702 Transistor DTA144EK
Q 801 Transistor 2SC4116
Q 802 Transistor 2SC4116
Q 803 Transistor 2SB1184F5
Q 804 Transistor 2SC4116
Q 805 Transistor IMD2A
Q 806 Transistor 2SB1132
Q 807 Transistor 2SB1132
Q 808 Transistor 2SB1132
Q 809 Transistor IMX1
Q 810 Transistor DTC144EU
Q 811 Transistor 2SC4116
D 201 Diode 1SS355
D 251 Diode UDZS5R1(B)
D 401 Diode UDZS10(B)
D 402 Diode UDZS10(B)
D 403 Diode UDZS10(B)
D 404 Diode UDZS10(B)
D 405 Diode UDZ4R7(B)
D 501 Diode 1SV241
D 502 Diode 1SV241
D 503 Diode 1SS355
D 504 Diode ERA15-02VH
D 505 Diode ERA15-02VH
D 507 Diode 1SS355
D 508 Diode 1SS355
D 509 Diode 1SS355
D 510 Diode 1SS355
D 701 Diode 1SS355
D 702 Diode 1SS355
D 751 Diode UDZ18(B)
D 752 Diode UDZ18(B)
D 753 Diode UDZ18(B)
D 801 Diode UDZS6R2(B)
D 802 Diode HZU6R2(B3)
D 803 Diode ERA15-02VH
D 804 Diode MA8075(H)
D 805 Diode 1SS355
D 806 Diode 1SS355
D 807 Diode 1SS355
D 808 Diode 1SS355
ZNR 801 Surge Absorber ERZV10D270
L 201 Chip-Inductor LCTA2R2J3225
L 202 Inductor LCTA4R7J3225
L 251 Inductor LCTA101J3225
L 501 Inductor LCTA4R7J3225
L 502 Inductor LCTA4R7J3225
L 503 Inductor LCTA4R7J3225
L 504 Inductor LCTB4R7K3216
L 505 Chip-Inductor LCTA2R2J3225
L 506 Inductor LCTB2R2K3216
L 511 Inductor LCTB6R8K3216
=====Circuit Symbol and No.===Part Name Part No.
--- ------ ------------------------------------------ -------------------------
=====Circuit Symbol and No.===Part Name Part No.
--- ------ ------------------------------------------ -------------------------
A

42
GEX-T9006ZT,T9006ZT-91,T9106ZT,T9106ZT-91
L 512 Inductor LCTB6R8K3216
L 513 Inductor LCTB6R8K3216
L 515 Inductor LCTA4R7J3225
L 516 Inductor LCTA561J4532
L 701 Inductor LCTA4R7J3225
L 751 Inductor LCTA101J3225
L 801 Inductor CTF1250
CG 501 Surge Protector DSP-201M-A21F
CG 502 Surge Protector DSP-201M-A21F
X 201 Crystal Resonator 7.200MHz CSS1379
X 251 Crystal Resonator 4.332MHz CSS1056
X 701 Radiator 10.00MHz CSS1428
VR 251 Semifixed Resistor 2.2kΩ(B) CCP1392
VR 552 Semifixed Resistor 10kΩ(B) CCP1396
FM/AM Tuner Unit CWE1542
RESISTORS
R 201 RS1/10S0R0J
R 202 RS1/10S102J
R 203 RS1/10S222J
R 204 RS1/10S222J
R 205 RS1/10S683J
R 206 RS1/10S473J
R 207 RS1/10S102J
R 208 RS1/10S102J
R 209 RS1/10S103J
R 210 RS1/10S472J
R 211 RS1/10S682J
R 212 RS1/10S222J
R 213 RS1/10S682J
R 214 RS1/10S102J
R 215 RS1/10S472J
R 216 RS1/10S561J
R 217 RS1/10S682J
R 218 RS1/10S472J
R 219 RS1/10S152J
R 220 RS1/10S392J
R 221 RS1/10S222J
R 222 RS1/10S392J
R 223 RS1/10S272J
R 224 RS1/10S102J
R 225 RS1/10S102J
R 226 RS1/10S102J
R 227 RS1/10S102J
R 228 RS1/10S472J
R 229 RS1/10S473J
R 230 RS1/10S222J
R 231 RS1/10S105J
R 232 RS1/10S153J
R 233 RS1/16S151J
R 234 RS1/16S821J
R 235 RS1/16S0R0J
R 251 RS1/10S102J
R 252 RS1/10S102J
R 253 RS1/10S102J
R 254 RS1/10S102J
R 255 RS1/10S102J
R 256 RS1/10S102J
R 257 RS1/10S102J
R 258 RS1/10S0R0J
R 259 RS1/10S333J
R 260 RS1/10S104J
R 261 RS1/10S104J
R 262 RS1/10S681J
R 263 RS1/10S684J
R 264 RS1/10S222J
R 265 RS1/10S222J
R 266 RS1/10S562J
R 267 RS1/10S222J
R 268 RS1/10S102J
R 269 RS1/4S151J
R 271 RS1/10S562J
R 401 RS1/10S272J
R 402 RS1/10S272J
R 403 RS1/10S222J
R 405 RS1/10S222J
R 406 RS1/10S222J
R 407 RS1/10S182J
R 408 RS1/10S182J
R 409 RS1/10S222J
R 411 RS1/10S183J
R 412 RS1/10S183J
R 413 RS1/10S182J
R 414 RS1/10S182J
R 415 RS1/10S103J
R 416 RS1/10S103J
R 417 RS1/10S393J
R 418 RS1/10S393J
R 419 RS1/10S472J
R 420 RS1/10S472J
R 421 RS1/10S472J
R 422 RS1/10S472J
R 423 RS1/10S470J
R 424 RS1/10S470J
R 425 RS1/10S470J
R 426 RS1/10S470J
R 427 RS1/10S470J
R 428 RS1/10S470J
R 429 RS1/10S470J
R 430 RS1/10S470J
R 431 RS1/10S103J
R 432 RS1/10S222J
R 433 RS1/10S0R0J
R 434 RS1/10S224J
R 435 RS1/10S224J
R 436 RS1/10S224J
R 437 RS1/10S222J
R 438 RS1/10S222J
R 439 RS1/10S103J
R 501 RS1/10S104J
R 502 RS1/10S103J
R 503 RS1/10S103J
R 504 RS1/10S334J
R 505 RS1/10S101J
R 506 RS1/10S101J
R 507 RS1/10S104J
R 508 RS1/10S104J
R 509 RS1/10S103J
R 510 RS1/10S182J
R 511 RS1/10S683J
R 512 RS1/10S153J
R 513 RS1/10S103J
R 514 RS1/10S224J
R 515 RS1/10S473J
R 516 RS1/10S473J
R 517 RS1/10S225J
R 518 RS1/10S225J
R 519 RS1/10S225J
R 520 RS1/10S225J
R 521 RS1/10S102J
R 522 RS1/10S103J
R 523 RS1/10S103J
=====Circuit Symbol and No.===Part Name Part No.
--- ------ ------------------------------------------ -------------------------
=====Circuit Symbol and No.===Part Name Part No.
--- ------ ------------------------------------------ -------------------------

43
GEX-T9006ZT,T9006ZT-91,T9106ZT,T9106ZT-91
R 524 RS1/10S682J
R 525 RS1/10S473J
R 526 RS1/10S683J
R 527 RS1/10S473J
R 528 RS1/10S473J
R 529 RS1/10S103J
R 530 RS1/10S103J
R 531 RS1/10S102J
R 532 RS1/10S102J
R 533 RS1/10S102J
R 534 RS1/10S103J
R 535 RS1/10S471J
R 536 RS1/10S472J
R 539 RS1/10S472J
R 551 RS1/10S0R0J
R 554 RS1/10S823J
R 570 RS1/10S104J
R 571 RS1/10S123J
R 572 RS1/10S105J
R 573 RS1/10S622J
R 574 RS1/10S822J
R 575 RS1/10S222J
R 576 RS1/10S184J
R 577 RS1/10S223J
R 578 RS1/10S473J
R 701 RS1/10S393J
R 702 RS1/10S223J
R 703 RS1/10S102J
R 704 RS1/10S101J
R 705 RS1/10S103J
R 706 RS1/10S103J
R 707 RS1/10S102J
R 708 RS1/10S102J
R 709 RS1/10S102J
R 710 RS1/10S103J
R 711 RS1/10S0R0J
R 712 RS1/10S103J
R 713 RS1/10S103J
R 714 RS1/10S103J
R 716 RS1/10S103J
R 719 RS1/10S472J
R 720 RS1/10S103J
R 721 RS1/10S103J
R 722 RS1/10S471J
R 723 RS1/10S102J
R 724 RS1/10S102J
R 725 RS1/10S392J
R 726 RS1/10S153J
R 727 RS1/10S223J
R 728 RS1/10S222J
R 729 RS1/10S102J
R 730 RS1/10S473J
R 731 RS1/10S102J
R 733 RS1/10S473J
R 734 RS1/10S105J
R 735 RS1/10S0R0J
R 751 RS1/4S101J
R 752 RS1/4S101J
R 753 RS1/4S221J
R 801 RS1/10S472J
R 802 RS1/10S104J
R 803 RS1/10S473J
R 804 RS1/10S473J
R 805 RS1/4S222J
R 806 RS1/4S472J
R 807 RS1/10S472J
R 808 RS1/10S223J
R 809 RS1/10S473J
R 810 RS1/10S223J
R 811 RS1/10S682J
R 812 RS1/10S223J
R 813 RS1/10S182J
R 814 RS1/10S182J
R 815 RS1/8S4R7J
R 817 RS1/10S332J
R 818 RS1/10S332J
R 819 RS1/10S332J
R 820 RS1/10S332J
R 821 RS1/10S332J
R 822 RS1/10S332J
R 823 RS1/10S271J
R 824 RS1/10S104J
R 825 RS1/10S473J
R 826 RS1/10S102J
CAPACITORS
C 201 CKSQYB103K50
C 202 CKSQYB103K50
C 203 CKSYB473K50
C 205 CCSQCH101J50
C 206 CKSQYB223K50
C 207 CKSQYB473K50
C 208 CEAS101M10
C 209 CEAS220M10
C 210 CKSQYB103K50
C 211 CKSQYB103K50
C 212 CEAS220M10
C 213 CKSQYB103K50
C 215 4.7µF/10V CCH1280
C 216 CKSQYB103K50
C 218 CGCYX473K25
C 220 CKSQYB103K50
C 221 4.7µF/10V CCH1280
C 222 CEJAR47M50
C 223 CKSQYB103K50
C 224 CCSQCH150J50
C 225 CCSQCH120J50
C 226 CKSQYB102K50
C 227 CKSQYB103K50
C 228 CKSQYB223K50
C 229 CKSQYB471K50
C 230 CKSQYB102K50
C 251 CKSQYB103K50
C 252 CEJA4R7M25
C 253 CEJA4R7M25
C 254 CKSQYB104K50
C 256 CCSQCH220J50
C 257 CCSQCH220J50
C 258 CKSQYB472K50
C 259 CKSQYB104K50
C 260 CKSQYB105K16
C 261 CKSQYB104K50
C 262 CKSQYB222K50
C 264 CKSQYB103K50
C 265 CKSQYB103K50
C 266 CKSQYB223K50
C 267 CKSQYB104K50
C 403 CEANL2R2M50
C 404 CEANL2R2M50
C 405 CKSQYB273K50
C 406 CKSQYB273K50
=====Circuit Symbol and No.===Part Name Part No.
--- ------ ------------------------------------------ -------------------------
=====Circuit Symbol and No.===Part Name Part No.
--- ------ ------------------------------------------ -------------------------

44
GEX-T9006ZT,T9006ZT-91,T9106ZT,T9106ZT-91
C 407 CKSQYB563K25
C 408 CKSQYB563K25
C 413 CEANL2R2M50
C 414 CEANL2R2M50
C 415 CKSQYB681K50
C 416 CKSQYB681K50
C 417 CCSQCH101J50
C 418 CCSQCH101J50
C 419 CKSQYB223K50
C 420 CKSQYB223K50
C 421 CKSQYB223K50
C 422 CKSQYB223K50
C 423 CEJANP4R7M16
C 424 CEJANP4R7M16
C 425 CEJANP4R7M16
C 426 CEJANP4R7M16
C 427 CCSQCH101J50
C 428 CCSQCH101J50
C 429 CCSQCH101J50
C 430 CCSQCH101J50
C 431 CKSQYB104K50
C 432 CKSQYB102K50
C 433 CEAS101M10
C 434 CKSQYB223K50
C 435 CKSQYB224K16
C 436 CEAS101M10
C 501 CKSQYB222K50
C 502 CKSQYB222K50
C 503 CKSQYB222K50
C 504 CKSQYB222K50
C 507 CKSQYB103K50
C 508 CKSQYB103K50
C 509 CEJA100M16
C 510 CKSQYB472K50
C 511 CEJA100M16
C 512 CKSQYB473K50
C 513 CEJA2R2M50
C 514 CKSQYB102K50
C 515 CKSQYB103K50
C 516 CKSQYB103K50
C 517 CKSQYB392K50
C 518 CKSQYB103K50
C 519 CKSQYB103K50
C 520 CKSQYB103K50
C 521 CKSQYB103K50
C 522 CKSQYB103K50
C 566 CEAS470M10
C 581 CEJA3R3M50
C 582 CKSQYB333K50
C 583 CEJANP1R0M50
C 584 CQMA683J50
C 585 CQMA333J50
C 586 CQMA333J50
C 587 CQMA333J50
C 588 CKSQYB393K50
C 589 CKSQYB682K50
C 590 CKSQYB682K50
C 591 CKSQYB392K50
C 592 CKSQYB102K50
C 593 CKSQYB334K16
C 594 CKSQYB473K50
C 595 CEAS470M10
C 701 CKSQYB472K50
C 702 CKSQYB223K50
C 703 CEAS470M10
C 704 CKSQYB103K50
C 705 CKSQYB473K50
C 706 CKSQYB473K50
C 707 CKSQYB102K50
C 708 CKSQYB103K50
C 709 CKSQYB102K50
C 751 CKSQYB221K50
C 752 CKSQYB221K50
C 753 CKSQYB221K50
C 754 CKSQYB223K50
C 801 CEJA2R2M50
C 802 CKSQYB223K50
C 803 CEJA1R0M50
C 804 CKSQYB223K50
C 805 CEJA2R2M50
C 806 CEJAR47M50
C 807 CEAS471M10
C 808 CKSQYB473K50
C 809 CEAS102M10
C 811 CEAS101M10
C 812 CKSQYB223K50
C 813 CKSQYB223K50
C 815 CKSQYB223K50
C 816 CKSQYB223K50
C 817 CKSQYB223K50
C 818 CKSQYB223K50
C 819 CKSQYB223K50
Unit Number : CWM6594(GEX-T9006ZT/ES)
Unit Name : Control Unit
MISCELLANEOUS
IC 201 IC PM2006A
IC 401 IC NJM2068MD
IC 402 IC NJM2068MD
IC 403 IC MC14066BF
IC 501 IC LA1061M
IC 553 IC HA12181FP
IC 701 IC PD5552A
IC 702 IC S-80730ANDT
IC 751 IC HA12187FP
IC 801 IC S-81250PGPD
Q 201 Chip Transistor 2SC2712
Q 401 Transistor IMH4
Q 402 Transistor IMH4
Q 403 Transistor IMH4
Q 405 Transistor IMH4
Q 501 Transistor IMX1
Q 505 Chip Transistor 2SC2712
Q 551 Chip Transistor 2SC2712
Q 701 Transistor DTC114EK
Q 801 Transistor 2SC4116
Q 802 Transistor 2SC4116
Q 803 Transistor 2SB1184F5
Q 804 Transistor 2SC4116
Q 805 Transistor IMD2A
Q 806 Transistor 2SB1132
Q 807 Transistor 2SB1132
Q 808 Transistor 2SB1132
Q 809 Transistor IMX1
Q 810 Transistor DTC144EU
Q 811 Transistor 2SC4116
D 401 Diode UDZS10(B)
D 402 Diode UDZS10(B)
D 403 Diode UDZS10(B)
D 404 Diode UDZS10(B)
D 405 Diode UDZ4R7(B)
=====Circuit Symbol and No.===Part Name Part No.
--- ------ ------------------------------------------ -------------------------
=====Circuit Symbol and No.===Part Name Part No.
--- ------ ------------------------------------------ -------------------------
A

45
GEX-T9006ZT,T9006ZT-91,T9106ZT,T9106ZT-91
D 501 Diode 1SV241
D 502 Diode 1SV241
D 503 Diode 1SS355
D 509 Diode 1SS355
D 510 Diode 1SS355
D 701 Diode 1SS355
D 702 Diode 1SS355
D 751 Diode UDZ18(B)
D 752 Diode UDZ18(B)
D 753 Diode UDZ18(B)
D 801 Diode UDZS6R2(B)
D 802 Diode HZU6R2(B3)
D 803 Diode ERA15-02VH
D 804 Diode MA8075(H)
D 805 Diode 1SS355
D 806 Diode 1SS355
D 807 Diode 1SS355
D 808 Diode 1SS355
ZNR 801 Surge Absorber ERZV10D270
L 201 Chip-Inductor LCTA2R2J3225
L 202 Inductor LCTA4R7J3225
L 501 Inductor LCTA4R7J3225
L 502 Inductor LCTA4R7J3225
L 503 Inductor LCTA4R7J3225
L 504 Inductor LCTB4R7K3216
L 511 Inductor LCTB6R8K3216
L 512 Inductor LCTB6R8K3216
L 513 Inductor LCTB6R8K3216
L 515 Inductor LCTA4R7J3225
L 516 Inductor LCTA561J4532
L 701 Inductor LCTA4R7J3225
L 751 Inductor LCTA101J3225
L 801 Inductor CTF1250
CG 501 Surge Protector DSP-201M-A21F
CG 502 Surge Protector DSP-201M-A21F
X 201 Crystal Resonator 4.5MHz CSS1011
X 701 Radiator 10.00MHz CSS1428
VR 552 Semifixed Resistor 10kΩ(B) CCP1396
FM/AM Tuner Unit CWE1546
RESISTORS
R 201 RS1/10S0R0J
R 202 RS1/10S102J
R 203 RS1/10S222J
R 204 RS1/10S222J
R 205 RS1/10S683J
R 210 RS1/10S152J
R 211 RS1/10S472J
R 212 RS1/10S472J
R 213 RS1/10S472J
R 214 RS1/10S102J
R 216 RS1/10S182J
R 217 RS1/10S682J
R 218 RS1/10S472J
R 219 RS1/10S152J
R 220 RS1/10S392J
R 221 RS1/10S0R0J
R 222 RS1/10S392J
R 223 RS1/10S102J
R 224 RS1/10S102J
R 225 RS1/10S102J
R 226 RS1/10S102J
R 227 RS1/10S102J
R 228 RS1/10S472J
R 229 RS1/10S473J
R 230 RS1/10S222J
R 233 RS1/16S151J
R 234 RS1/16S821J
R 235 RS1/16S0R0J
R 238 RS1/10S473J
R 401 RS1/10S272J
R 402 RS1/10S272J
R 403 RS1/10S222J
R 405 RS1/10S222J
R 406 RS1/10S222J
R 407 RS1/10S103J
R 408 RS1/10S103J
R 409 RS1/10S222J
R 411 RS1/10S393J
R 412 RS1/10S393J
R 413 RS1/10S182J
R 414 RS1/10S182J
R 415 RS1/10S103J
R 416 RS1/10S103J
R 417 RS1/10S393J
R 418 RS1/10S393J
R 419 RS1/10S472J
R 420 RS1/10S472J
R 421 RS1/10S472J
R 422 RS1/10S472J
R 423 RS1/10S470J
R 424 RS1/10S470J
R 425 RS1/10S470J
R 426 RS1/10S470J
R 427 RS1/10S470J
R 428 RS1/10S470J
R 429 RS1/10S470J
R 430 RS1/10S470J
R 431 RS1/10S103J
R 432 RS1/10S222J
R 433 RS1/10S0R0J
R 439 RS1/10S103J
R 501 RS1/10S104J
R 502 RS1/10S103J
R 503 RS1/10S103J
R 504 RS1/10S334J
R 505 RS1/10S101J
R 506 RS1/10S101J
R 507 RS1/10S104J
R 508 RS1/10S104J
R 509 RS1/10S103J
R 510 RS1/10S182J
R 511 RS1/10S683J
R 512 RS1/10S153J
R 513 RS1/10S103J
R 514 RS1/10S224J
R 515 RS1/10S473J
R 516 RS1/10S473J
R 517 RS1/10S225J
R 518 RS1/10S225J
R 519 RS1/10S225J
R 520 RS1/10S225J
R 521 RS1/10S102J
R 531 RS1/10S102J
R 532 RS1/10S102J
R 533 RS1/10S102J
R 534 RS1/10S103J
R 535 RS1/10S471J
R 536 RS1/10S472J
R 551 RS1/10S0R0J
R 554 RS1/10S823J
=====Circuit Symbol and No.===Part Name Part No.
--- ------ ------------------------------------------ -------------------------
=====Circuit Symbol and No.===Part Name Part No.
--- ------ ------------------------------------------ -------------------------

46
GEX-T9006ZT,T9006ZT-91,T9106ZT,T9106ZT-91
R 570 RS1/10S104J
R 571 RS1/10S123J
R 572 RS1/10S105J
R 573 RS1/10S752J
R 574 RS1/10S822J
R 575 RS1/10S222J
R 576 RS1/10S184J
R 577 RS1/10S223J
R 578 RS1/10S473J
R 701 RS1/10S393J
R 702 RS1/10S223J
R 703 RS1/10S102J
R 704 RS1/10S101J
R 705 RS1/10S103J
R 706 RS1/10S103J
R 707 RS1/10S102J
R 708 RS1/10S102J
R 709 RS1/10S102J
R 710 RS1/10S103J
R 711 RS1/10S0R0J
R 712 RS1/10S103J
R 713 RS1/10S103J
R 714 RS1/10S103J
R 717 RS1/10S103J
R 719 RS1/10S472J
R 720 RS1/10S103J
R 721 RS1/10S103J
R 722 RS1/10S471J
R 723 RS1/10S102J
R 724 RS1/10S102J
R 725 RS1/10S392J
R 726 RS1/10S153J
R 727 RS1/10S223J
R 728 RS1/10S222J
R 729 RS1/10S102J
R 730 RS1/10S473J
R 731 RS1/10S102J
R 733 RS1/10S473J
R 734 RS1/10S105J
R 735 RS1/10S0R0J
R 751 RS1/4S101J
R 752 RS1/4S101J
R 753 RS1/4S221J
R 801 RS1/10S472J
R 802 RS1/10S104J
R 803 RS1/10S473J
R 804 RS1/10S473J
R 805 RS1/4S222J
R 806 RS1/4S472J
R 807 RS1/10S472J
R 808 RS1/10S223J
R 809 RS1/10S473J
R 810 RS1/10S223J
R 811 RS1/10S682J
R 812 RS1/10S223J
R 813 RS1/10S182J
R 814 RS1/10S182J
R 815 RS1/8S4R7J
R 817 RS1/10S332J
R 818 RS1/10S332J
R 819 RS1/10S332J
R 820 RS1/10S332J
R 821 RS1/10S332J
R 822 RS1/10S332J
R 823 RS1/10S271J
R 824 RS1/10S104J
R 825 RS1/10S473J
R 826 RS1/10S102J
CAPACITORS
C 201 CKSQYB103K50
C 202 CKSQYB103K50
C 203 CKSYB473K50
C 205 CCSQCH101J50
C 206 CKSQYB223K50
C 207 CKSQYB473K50
C 208 CEAS101M10
C 209 CEAS220M10
C 210 CKSQYB103K50
C 211 CKSQYB103K50
C 212 CEAS220M10
C 213 CKSQYB103K50
C 214 CKSQYB154K16
C 216 CKSQYB103K50
C 218 CGCYX473K25
C 220 CKSQYB103K50
C 221 4.7µF/10V CCH1280
C 224 CCSQCH100J50
C 225 CCSQCH8R0D50
C 226 CKSQYB102K50
C 227 CKSQYB103K50
C 228 CKSQYB223K50
C 230 CKSQYB102K50
C 403 CEANL2R2M50
C 404 CEANL2R2M50
C 405 CKSQYB273K50
C 406 CKSQYB273K50
C 407 CKSQYB183K50
C 408 CKSQYB183K50
C 413 CEANL2R2M50
C 414 CEANL2R2M50
C 415 CKSQYB681K50
C 416 CKSQYB681K50
C 417 CCSQCH101J50
C 418 CCSQCH101J50
C 419 CKSQYB223K50
C 420 CKSQYB223K50
C 421 CKSQYB223K50
C 422 CKSQYB223K50
C 423 CEJANP4R7M16
C 424 CEJANP4R7M16
C 425 CEJANP4R7M16
C 426 CEJANP4R7M16
C 427 CCSQCH101J50
C 428 CCSQCH101J50
C 429 CCSQCH101J50
C 430 CCSQCH101J50
C 431 CKSQYB104K50
C 432 CKSQYB102K50
C 433 CEAS101M10
C 435 CKSQYB393K50
C 436 CEAS101M10
C 501 CKSQYB222K50
C 502 CKSQYB222K50
C 503 CKSQYB222K50
C 504 CKSQYB222K50
C 507 CKSQYB103K50
C 508 CKSQYB103K50
C 509 CEJA100M16
C 510 CKSQYB472K50
=====Circuit Symbol and No.===Part Name Part No.
--- ------ ------------------------------------------ -------------------------
=====Circuit Symbol and No.===Part Name Part No.
--- ------ ------------------------------------------ -------------------------

47
GEX-T9006ZT,T9006ZT-91,T9106ZT,T9106ZT-91
C 511 CEJA100M16
C 512 CKSQYB473K50
C 513 CEJA2R2M50
C 514 CKSQYB102K50
C 515 CKSQYB103K50
C 516 CKSQYB103K50
C 517 CKSQYB392K50
C 566 CEAS470M10
C 581 CEJA3R3M50
C 582 CKSQYB333K50
C 583 CEJANP1R0M50
C 584 CQMA683J50
C 585 CQMA333J50
C 586 CQMA333J50
C 587 CQMA333J50
C 588 CKSQYB153K50
C 589 CKSQYB682K50
C 590 CKSQYB682K50
C 591 CKSQYB392K50
C 592 CKSQYB102K50
C 593 CKSQYB334K16
C 594 CKSQYB473K50
C 595 CEAS470M10
C 701 CKSQYB472K50
C 702 CKSQYB223K50
C 703 CEAS470M10
C 704 CKSQYB103K50
C 705 CKSQYB473K50
C 706 CKSQYB473K50
C 707 CKSQYB102K50
C 708 CKSQYB103K50
C 709 CKSQYB102K50
C 751 CKSQYB221K50
C 752 CKSQYB221K50
C 753 CKSQYB221K50
C 754 CKSQYB223K50
C 801 CEJA2R2M50
C 802 CKSQYB223K50
C 803 CEJA1R0M50
C 804 CKSQYB223K50
C 805 CEJA2R2M50
C 806 CEJAR47M50
C 807 CEAS471M10
C 808 CKSQYB473K50
C 809 CEAS102M10
C 811 CEAS101M10
C 812 CKSQYB223K50
C 813 CKSQYB223K50
C 815 CKSQYB223K50
C 816 CKSQYB223K50
C 817 CKSQYB223K50
C 818 CKSQYB223K50
C 819 CKSQYB223K50
Unit Number : CWM6595(GEX-T9106ZT/ES)
Unit Name : Control Unit
MISCELLANEOUS
IC 201 IC PM2006A
IC 401 IC NJM2068MD
IC 402 IC NJM2068MD
IC 403 IC MC14066BF
IC 501 IC LA1061M
IC 553 IC HA12181FP
IC 701 IC PD5552A
IC 702 IC S-80730ANDT
IC 751 IC HA12187FP
IC 801 IC S-81250PGPD
Q 201 Chip Transistor 2SC2712
Q 202 Transistor 2SC3098
Q 401 Transistor IMH4
Q 402 Transistor IMH4
Q 403 Transistor IMH4
Q 405 Transistor IMH4
Q 501 Transistor IMX1
Q 502 Chip Transistor 2SC2712
Q 503 Transistor 2SB1132
Q 504 Transistor 2SB1132
Q 505 Chip Transistor 2SC2712
Q 506 Chip Transistor 2SC2712
Q 551 Chip Transistor 2SC2712
Q 701 Transistor DTC114EK
Q 801 Transistor 2SC4116
Q 802 Transistor 2SC4116
Q 803 Transistor 2SB1184F5
Q 804 Transistor 2SC4116
Q 805 Transistor IMD2A
Q 806 Transistor 2SB1132
Q 807 Transistor 2SB1132
Q 808 Transistor 2SB1132
Q 809 Transistor IMX1
Q 810 Transistor DTC144EU
Q 811 Transistor 2SC4116
D 401 Diode UDZS10(B)
D 402 Diode UDZS10(B)
D 403 Diode UDZS10(B)
D 404 Diode UDZS10(B)
D 405 Diode UDZ4R7(B)
D 501 Diode 1SV241
D 502 Diode 1SV241
D 503 Diode 1SS355
D 504 Diode ERA15-02VH
D 505 Diode ERA15-02VH
D 507 Diode 1SS355
D 508 Diode 1SS355
D 509 Diode 1SS355
D 510 Diode 1SS355
D 701 Diode 1SS355
D 702 Diode 1SS355
D 751 Diode UDZ18(B)
D 752 Diode UDZ18(B)
D 753 Diode UDZ18(B)
D 801 Diode UDZS6R2(B)
D 802 Diode HZU6R2(B3)
D 803 Diode ERA15-02VH
D 804 Diode MA8075(H)
D 805 Diode 1SS355
D 806 Diode 1SS355
D 807 Diode 1SS355
D 808 Diode 1SS355
ZNR 801 Surge Absorber ERZV10D270
L 201 Chip-Inductor LCTA2R2J3225
L 202 Inductor LCTA4R7J3225
L 501 Inductor LCTA4R7J3225
L 503 Inductor LCTA4R7J3225
L 504 Inductor LCTB4R7K3216
L 505 Chip-Inductor LCTA2R2J3225
L 506 Inductor LCTB2R2K3216
L 511 Inductor LCTB6R8K3216
L 512 Inductor LCTB6R8K3216
L 513 Inductor LCTB6R8K3216
L 515 Inductor LCTA4R7J3225
L 516 Inductor LCTA561J4532
=====Circuit Symbol and No.===Part Name Part No.
--- ------ ------------------------------------------ -------------------------
=====Circuit Symbol and No.===Part Name Part No.
--- ------ ------------------------------------------ -------------------------
A

48
GEX-T9006ZT,T9006ZT-91,T9106ZT,T9106ZT-91
L 701 Inductor LCTA4R7J3225
L 751 Inductor LCTA101J3225
L 801 Inductor CTF1250
CG 501 Surge Protector DSP-201M-A21F
CG 502 Surge Protector DSP-201M-A21F
X 201 Crystal Resonator 4.5MHz CSS1011
X 701 Radiator 10.00MHz CSS1428
VR 552 Semifixed Resistor 10kΩ(B) CCP1396
FM/AM Tuner Unit CWE1544
RESISTORS
R 201 RS1/10S0R0J
R 202 RS1/10S102J
R 203 RS1/10S222J
R 204 RS1/10S222J
R 205 RS1/10S683J
R 210 RS1/10S152J
R 211 RS1/10S472J
R 212 RS1/10S472J
R 213 RS1/10S472J
R 214 RS1/10S102J
R 216 RS1/10S182J
R 217 RS1/10S682J
R 218 RS1/10S472J
R 219 RS1/10S152J
R 220 RS1/10S392J
R 221 RS1/10S0R0J
R 222 RS1/10S0R0J
R 223 RS1/10S102J
R 224 RS1/10S102J
R 225 RS1/10S102J
R 226 RS1/10S102J
R 227 RS1/10S102J
R 228 RS1/10S472J
R 229 RS1/10S473J
R 230 RS1/10S222J
R 233 RS1/16S151J
R 234 RS1/16S821J
R 236 RS1/16S471J
R 237 RS1/16S472J
R 238 RS1/10S473J
R 401 RS1/10S272J
R 402 RS1/10S272J
R 403 RS1/10S222J
R 405 RS1/10S222J
R 406 RS1/10S222J
R 407 RS1/10S182J
R 408 RS1/10S182J
R 409 RS1/10S222J
R 411 RS1/10S153J
R 412 RS1/10S153J
R 413 RS1/10S182J
R 414 RS1/10S182J
R 415 RS1/10S103J
R 416 RS1/10S103J
R 417 RS1/10S393J
R 418 RS1/10S393J
R 419 RS1/10S472J
R 420 RS1/10S472J
R 421 RS1/10S472J
R 422 RS1/10S472J
R 423 RS1/10S470J
R 424 RS1/10S470J
R 425 RS1/10S470J
R 426 RS1/10S470J
R 427 RS1/10S470J
R 428 RS1/10S470J
R 429 RS1/10S470J
R 430 RS1/10S470J
R 431 RS1/10S103J
R 432 RS1/10S222J
R 433 RS1/10S0R0J
R 439 RS1/10S103J
R 501 RS1/10S104J
R 502 RS1/10S103J
R 503 RS1/10S103J
R 504 RS1/10S334J
R 505 RS1/10S101J
R 506 RS1/10S101J
R 507 RS1/10S104J
R 508 RS1/10S104J
R 509 RS1/10S103J
R 510 RS1/10S182J
R 511 RS1/10S683J
R 512 RS1/10S153J
R 513 RS1/10S103J
R 514 RS1/10S224J
R 515 RS1/10S473J
R 516 RS1/10S473J
R 517 RS1/10S225J
R 518 RS1/10S225J
R 519 RS1/10S225J
R 520 RS1/10S225J
R 521 RS1/10S102J
R 522 RS1/10S103J
R 523 RS1/10S103J
R 524 RS1/10S682J
R 525 RS1/10S473J
R 526 RS1/10S683J
R 527 RS1/10S473J
R 528 RS1/10S473J
R 529 RS1/10S103J
R 530 RS1/10S103J
R 531 RS1/10S102J
R 532 RS1/10S102J
R 533 RS1/10S102J
R 534 RS1/10S103J
R 535 RS1/10S471J
R 536 RS1/10S472J
R 537 RS1/8S4R7J
R 538 RS1/8S101J
R 539 RS1/10S472J
R 551 RS1/10S0R0J
R 554 RS1/10S823J
R 570 RS1/10S104J
R 571 RS1/10S123J
R 572 RS1/10S105J
R 573 RS1/10S752J
R 574 RS1/10S822J
R 575 RS1/10S222J
R 576 RS1/10S184J
R 577 RS1/10S223J
R 578 RS1/10S473J
R 701 RS1/10S393J
R 702 RS1/10S223J
R 703 RS1/10S102J
R 704 RS1/10S101J
R 705 RS1/10S103J
R 706 RS1/10S103J
R 707 RS1/10S102J
R 708 RS1/10S102J
=====Circuit Symbol and No.===Part Name Part No.
--- ------ ------------------------------------------ -------------------------
=====Circuit Symbol and No.===Part Name Part No.
--- ------ ------------------------------------------ -------------------------

49
GEX-T9006ZT,T9006ZT-91,T9106ZT,T9106ZT-91
R 709 RS1/10S102J
R 710 RS1/10S103J
R 711 RS1/10S0R0J
R 712 RS1/10S103J
R 713 RS1/10S103J
R 715 RS1/10S103J
R 716 RS1/10S103J
R 719 RS1/10S472J
R 720 RS1/10S103J
R 721 RS1/10S103J
R 722 RS1/10S471J
R 723 RS1/10S102J
R 724 RS1/10S102J
R 725 RS1/10S392J
R 726 RS1/10S153J
R 727 RS1/10S223J
R 728 RS1/10S222J
R 729 RS1/10S102J
R 730 RS1/10S473J
R 731 RS1/10S102J
R 733 RS1/10S473J
R 734 RS1/10S105J
R 735 RS1/10S0R0J
R 751 RS1/4S101J
R 752 RS1/4S101J
R 753 RS1/4S221J
R 801 RS1/10S472J
R 802 RS1/10S104J
R 803 RS1/10S473J
R 804 RS1/10S473J
R 805 RS1/4S222J
R 806 RS1/4S472J
R 807 RS1/10S472J
R 808 RS1/10S223J
R 809 RS1/10S473J
R 810 RS1/10S223J
R 811 RS1/10S682J
R 812 RS1/10S223J
R 813 RS1/10S182J
R 814 RS1/10S182J
R 815 RS1/8S4R7J
R 817 RS1/10S332J
R 818 RS1/10S332J
R 819 RS1/10S332J
R 820 RS1/10S332J
R 821 RS1/10S332J
R 822 RS1/10S332J
R 823 RS1/10S271J
R 824 RS1/10S104J
R 825 RS1/10S473J
R 826 RS1/10S102J
CAPACITORS
C 201 CKSQYB103K50
C 202 CKSQYB103K50
C 203 CKSYB473K50
C 205 CCSQCH101J50
C 206 CKSQYB223K50
C 207 CKSQYB473K50
C 208 CEAS101M10
C 209 CEAS220M10
C 210 CKSQYB103K50
C 211 CKSQYB103K50
C 212 CEAS220M10
C 213 CKSQYB103K50
C 214 CKSQYB154K16
C 216 CKSQYB103K50
C 218 CGCYX473K25
C 220 CKSQYB103K50
C 221 4.7µF/10V CCH1280
C 224 CCSQCH100J50
C 225 CCSQCH8R0D50
C 226 CKSQYB102K50
C 227 CKSQYB103K50
C 228 CKSQYB223K50
C 230 CKSQYB102K50
C 231 CEAS101M10
C 232 CKSQYB103K50
C 403 CEANL2R2M50
C 404 CEANL2R2M50
C 405 CKSQYB273K50
C 406 CKSQYB273K50
C 407 CKSQYB273K50
C 408 CKSQYB273K50
C 413 CEANL2R2M50
C 414 CEANL2R2M50
C 415 CKSQYB681K50
C 416 CKSQYB681K50
C 417 CCSQCH101J50
C 418 CCSQCH101J50
C 419 CKSQYB223K50
C 420 CKSQYB223K50
C 421 CKSQYB223K50
C 422 CKSQYB223K50
C 423 CEJANP4R7M16
C 424 CEJANP4R7M16
C 425 CEJANP4R7M16
C 426 CEJANP4R7M16
C 427 CCSQCH101J50
C 428 CCSQCH101J50
C 429 CCSQCH101J50
C 430 CCSQCH101J50
C 431 CKSQYB104K50
C 432 CKSQYB102K50
C 433 CEAS101M10
C 435 CKSQYB683K25
C 436 CEAS101M10
C 501 CKSQYB222K50
C 502 CKSQYB222K50
C 503 CKSQYB222K50
C 504 CKSQYB222K50
C 507 CKSQYB103K50
C 508 CKSQYB103K50
C 509 CEJA100M16
C 510 CKSQYB472K50
C 511 CEJA100M16
C 512 CKSQYB473K50
C 513 CEJA2R2M50
C 514 CKSQYB102K50
C 515 CKSQYB103K50
C 516 CKSQYB103K50
C 517 CKSQYB392K50
C 518 CKSQYB103K50
C 519 CKSQYB103K50
C 520 CKSQYB103K50
C 521 CKSQYB103K50
C 522 CKSQYB103K50
C 566 CEAS470M10
C 581 CEJA3R3M50
C 582 CKSQYB333K50
C 583 CEJANP1R0M50
C 584 CQMA683J50
C 585 CQMA333J50
=====Circuit Symbol and No.===Part Name Part No.
--- ------ ------------------------------------------ -------------------------
=====Circuit Symbol and No.===Part Name Part No.
--- ------ ------------------------------------------ -------------------------

50
GEX-T9006ZT,T9006ZT-91,T9106ZT,T9106ZT-91
C 586 CQMA333J50
C 587 CQMA333J50
C 588 CKSQYB153K50
C 589 CKSQYB682K50
C 590 CKSQYB682K50
C 591 CKSQYB392K50
C 592 CKSQYB102K50
C 593 CKSQYB334K16
C 594 CKSQYB473K50
C 595 CEAS470M10
C 701 CKSQYB472K50
C 702 CKSQYB223K50
C 703 CEAS470M10
C 704 CKSQYB103K50
C 705 CKSQYB473K50
C 706 CKSQYB473K50
C 707 CKSQYB102K50
C 708 CKSQYB103K50
C 709 CKSQYB102K50
C 751 CKSQYB221K50
C 752 CKSQYB221K50
C 753 CKSQYB221K50
C 754 CKSQYB223K50
C 801 CEJA2R2M50
C 802 CKSQYB223K50
C 803 CEJA1R0M50
C 804 CKSQYB223K50
C 805 CEJA2R2M50
C 806 CEJAR47M50
C 807 CEAS471M10
C 808 CKSQYB473K50
C 809 CEAS102M10
C 811 CEAS101M10
C 812 CKSQYB223K50
C 813 CKSQYB223K50
C 815 CKSQYB223K50
C 816 CKSQYB223K50
C 817 CKSQYB223K50
C 818 CKSQYB223K50
C 819 CKSQYB223K50
Unit Number : CWE1543(GEX-T9006ZT/UC)
Unit Name : FM/AM Tuner Unit
MISCELLANEOUS
IC 1 IC PA4026A
IC 2 IC PA4024A
Q 1 Chip Transistor 2SC2712
Q 3 FET 3SK263
Q 5 Transistor 2SK1067
Q 31 Chip Transistor 2SC2712
Q 151 Transistor DTC144EU
Q 165 Transistor 2SC4116
Q 201 FET 2SK291
Q 202 Chip Transistor 2SC2712
Q 203 FET 2SK2373
D 3 Diode 1SV251
D 4 Diode 1SV250
D 5 Diode KV1410-F1
D 6 Diode MA157
D 7 Diode KV1410-F1
D 8 Diode KV1410-F1
D 9 Diode KV1410-F1
D 10 Diode 1SV250
D 201 Diode MA157
D 202 Diode 1SV251
D 231 Diode SVC253
L 1 Inductor LCTBR12K2125
L 2 Air-core Coil CTC1152
L 3 Air-core Coil CTC1152
L 4 Air-core Coil CTC1151
L 5 Coil CTC1147
L 6 Air-core Coil CTC1153
L 40 Inductor LCTBR15K1608
L 51 Ferri-Inductor LAU150K
L 52 Coil CTC1136
L 201 Ferri-Inductor LAU4R7K
L 202 Ferri-Inductor LAU330K
L 203 Inductor CTF1371
L 208 Inductor LAU390K
L 209 Inductor LCTA680J3225
L 210 Coil CTB1103
L 231 Inductor LAU3R3J
T 31 Coil CTE1116
TC 1 Trimmer CCL1019
TC 2 Trimmer CCL1019
TC 3 Trimmer CCL1019
CF 25 Ceramic Filter CTF1292
CF 51 Ceramic Filter CTF1292
CF 52 Ceramic Filter CTF1292
CF 53 Ceramic Filter CTF1292
CF 230 Crystal Filter CTF1262
CF 232 Ceramic Filter CTF1348
X 151 Radiator 918.5Hz CSS1365
X 231 Crystal Resonator 10.26MHz CSS1111
VR 101 Semi-fixed 15kΩ(B) CCP1230
VR 151 Semi-fixed 10kΩ(B) CCP1229
VR 154 Semi-fixed 150kΩ(B) CCP1236
VR 156 Semi-fixed 100kΩ(B) CCP1235
RESISTORS
R 3 RS1/16S223J
R 4 RS1/16S101J
R 6 RS1/16S101J
R 8 RS1/16S332J
R 9 RS1/16S823J
R 10 RS1/16S223J
R 11 RS1/16S124J
R 12 RS1/16S474J
R 15 RS1/16S161J
R 16 RS1/16S104J
R 17 RS1/16S332J
R 18 RS1/16S332J
R 19 RS1/16S154J
R 21 RS1/16S332J
R 22 RS1/16S510J
R 24 RS1/16S101J
R 25 RS1/16S221J
R 26 RS1/16S102J
R 31 RS1/16S470J
R 32 RS1/16S912J
R 33 RS1/16S912J
R 34 RS1/16S331J
R 35 RS1/16S331J
R 51 RS1/16S331J
R 55 RS1/16S102J
R 56 RS1/16S823J
R 61 RS1/16S392J
R 62 RS1/16S273J
R 103 RS1/16S333J
R 104 RS1/16S334J
=====Circuit Symbol and No.===Part Name Part No.
--- ------ ------------------------------------------ -------------------------
=====Circuit Symbol and No.===Part Name Part No.
--- ------ ------------------------------------------ -------------------------
B

51
GEX-T9006ZT,T9006ZT-91,T9106ZT,T9106ZT-91
R 105 RS1/16S683J
R 107 RS1/16S222J
R 152 RS1/16S393J
R 155 RS1/16S393J
R 157 RS1/10S223J
R 160 RS1/16S222J
R 161 RS1/16S563J
R 162 RS1/16S225J
R 163 RS1/16S222J
R 164 RS1/16S823J
R 165 RS1/16S102J
R 201 RS1/16S103J
R 202 RS1/16S103J
R 203 RS1/16S225J
R 204 RS1/16S472J
R 205 RS1/16S471J
R 206 RS1/16S220J
R 207 RS1/16S101J
R 208 RS1/16S102J
R 210 RS1/16S125J
R 211 RS1/16S223J
R 214 RS1/16S393J
R 215 RS1/16S104J
R 230 RS1/16S0R0J
R 231 RS1/16S242J
R 232 RS1/16S473J
R 237 RS1/16S103J
R 238 RS1/16S104J
R 239 RS1/16S104J
R 240 RS1/16S103J
R 241 RS1/16S202J
R 243 RS1/16S123J
R 244 RS1/16S103J
R 246 RS1/16S0R0J
R 247 RS1/10S303J
R 248 RS1/16S0R0J
R 250 RS1/16S0R0J
CAPACITORS
C 1 CCSRCH220J50
C 2 CKSRYB222K50
C 3 CCSRCH4R0D50
C 5 CKSRYB222K50
C 6 CKSQYB473K16
C 7 CKSQYB473K16
C 8 CKSQYB104K16
C 9 CKSRYB222K50
C 10 CEAL1R0M50
C 11 CCSRCH470J50
C 12 CCSRCJ3R0C50
C 13 CKSRYB222K50
C 15 CCSRCJ3R0D50
C 17 CCSRCH120J50
C 18 CKSRYB103K25
C 19 CCSRCH120J50
C 20 CKSRYB222K50
C 21 CEAL100M16
C 22 CCSRRH100D50
C 23 CCSRRH150J50
C 24 CCSRCH471J50
C 30 CCSRRH201J50
C 31 CKSRYB103K25
C 32 CKSQYB473K16
C 33 CCSRCH220J50
C 34 CCSRCH4R0D50
C 41 CKSQYB104K16
C 51 CKSRYB223K25
C 52 CKSRYB103K25
C 54 CCSRCH470J50
C 55 CKSQYB223K25
C 56 CKSQYB104K16
C 57 CKSRYB472K50
C 58 CEJA330M10
C 59 CKSRYB103K25
C 61 CCSRCH270J50
C 62 CKSRYB103K25
C 63 CEALR22M50
C 65 CKSQYB104K16
C 101 CEALNP100M10
C 102 CKSRYB182K50
C 103 CKSQYB682K50
C 104 CEAL2R2M50
C 105 CKSRYB103K25
C 106 CCSRCH151J50
C 107 CKSRYB103K25
C 151 CKSRYB562K25
C 152 CKSQYB104K16
C 153 CEAL3R3M50
C 154 CKSQYB104K16
C 157 CEAL3R3M50
C 158 CKSYB474K16
C 159 CEAL220M6R3
C 160 CKSQYB104K16
C 161 CKSQYB104K16
C 162 CEAL3R3M50
C 163 CKSRYB102K50
C 165 CCSRCH100D50
C 201 CKSRYB103K25
C 202 CCSRCH100D50
C 203 CKSRYB332K50
C 204 CKSQYB473K16
C 205 CKSQYB473K16
C 206 CKSRYB103K25
C 207 CCSRCH120J50
C 211 CCSRCH560J50
C 212 CEAL680M10
C 213 CKSRYB103K25
C 214 CKSQYB225K10
C 215 CCSRCH680J50
C 216 CCSRCH101J50
C 217 CEAL2R2M50
C 219 CKSRYB223K25
C 220 CKSRYB103K25
C 221 CKSRYB103K25
C 230 CKSQYB104K16
C 231 CCSRCH330J50
C 232 CCSRCH150J50
C 233 CKSRYB103K25
C 234 CEJA330M10
C 235 CKSRYB332K50
C 236 CKSQYB473K16
C 237 CCSRTH180J50
C 239 CKSRYB103K25
C 240 CKSYB104K16
C 241 CKSQYB104K16
C 242 CEALR47M50
C 244 CKSQYB473K16
C 245 CKSQYB103K25
C 248 CKSQYB334K16
=====Circuit Symbol and No.===Part Name Part No.
--- ------ ------------------------------------------ -------------------------
=====Circuit Symbol and No.===Part Name Part No.
--- ------ ------------------------------------------ -------------------------

52
GEX-T9006ZT,T9006ZT-91,T9106ZT,T9106ZT-91
C 250 CCSRCJ3R0C50
Unit Number : CWE1542(GEX-T9006ZT/EW)
Unit Name : FM/AM Tuner Unit
MISCELLANEOUS
IC 1 IC PA4026A
IC 2 IC PA4024A
Q 1 Chip Transistor 2SC2712
Q 3 FET 3SK263
Q 31 Chip Transistor 2SC2712
Q 151 Transistor DTC144EU
Q 165 Transistor 2SC4116
Q 201 Transistor FC12
Q 203 Transistor DTC124EU
D 3 Diode 1SV251
D 4 Diode 1SV250
D 5 Diode KV1410-F1
D 6 Diode MA157
D 7 Diode KV1410-F1
D 8 Diode KV1410-F1
D 201 Diode MA157
D 202 Diode 1SV251
D 231 Diode SVC253
L 1 Inductor LCTBR12K2125
L 2 Coil CTC1145
L 3 Inductor LCTB4R7K2125
L 4 Coil CTC1131
L 5 Coil CTC1147
L 40 Inductor LCTBR15K1608
L 51 Ferri-Inductor LAU150K
L 52 Coil CTC1136
L 201 Ferri-Inductor LAU4R7K
L 202 Ferri-Inductor LAU330K
L 203 Inductor CTF1371
L 208 Inductor LCTA390J4532
L 209 Inductor LCTA680J4532
L 231 Inductor LAU3R3J
T 31 Coil CTE1116
TC 1 CCL1046
CF 25 Ceramic Filter CTF1292
CF 51 Ceramic Filter CTF1292
CF 52 Ceramic Filter CTF1292
CF 53 Ceramic Filter CTF1292
CF 230 Crystal Filter CTF1262
CF 232 Ceramic Filter CTF1348
X 151 Radiator 918.5Hz CSS1365
X 231 Crystal Resonator 10.26MHz CSS1111
VR 101 Semi-fixed 15kΩ(B) CCP1230
VR 151 Semi-fixed 10kΩ(B) CCP1229
VR 154 Semi-fixed 150kΩ(B) CCP1236
VR 156 Semi-fixed 68kΩ(B) CCP1234
RESISTORS
R 3 RS1/16S223J
R 4 RS1/16S101J
R 5 RS1/16S151J
R 6 RS1/16S101J
R 7 RS1/10S331J
R 8 RS1/16S332J
R 9 RS1/16S473J
R 10 RS1/16S223J
R 11 RS1/16S124J
R 12 RS1/16S474J
R 15 RS1/16S271J
R 16 RS1/16S104J
R 17 RS1/16S332J
R 18 RS1/16S332J
R 19 RS1/16S154J
R 27 RS1/16S470J
R 31 RS1/16S470J
R 32 RS1/16S912J
R 33 RS1/16S912J
R 34 RS1/16S331J
R 35 RS1/16S331J
R 39 RS1/16S0R0J
R 51 RS1/16S331J
R 55 RS1/16S102J
R 56 RS1/16S823J
R 61 RS1/16S392J
R 62 RS1/16S393J
R 103 RS1/16S333J
R 104 RS1/16S334J
R 105 RS1/16S683J
R 107 RS1/16S222J
R 152 RS1/16S393J
R 155 RS1/16S393J
R 157 RS1/10S203J
R 160 RS1/16S222J
R 161 RS1/16S563J
R 162 RS1/16S225J
R 163 RS1/16S222J
R 164 RS1/16S563J
R 165 RS1/16S102J
R 202 RS1/16S223J
R 203 RS1/16S225J
R 204 RS1/16S103J
R 205 RS1/16S471J
R 206 RS1/16S220J
R 207 RS1/16S101J
R 208 RS1/16S102J
R 209 RS1/16S0R0J
R 214 RS1/16S393J
R 215 RS1/16S683J
R 217 RS1/16S393J
R 230 RS1/16S0R0J
R 231 RS1/16S242J
R 232 RS1/16S473J
R 233 RS1/16S0R0J
R 234 RS1/16S0R0J
R 237 RS1/16S562J
R 238 RS1/16S104J
R 239 RS1/16S104J
R 240 RS1/16S472J
R 241 RS1/16S202J
R 243 RS1/16S123J
R 244 RS1/16S103J
R 245 RS1/16S0R0J
R 246 RS1/16S0R0J
R 247 RS1/10S153J
R 251 RS1/16S0R0J
CAPACITORS
C 1 CCSRCH220J50
C 2 CKSRYB222K50
C 3 CCSRCH6R0D50
C 5 CKSRYB222K50
C 6 CKSQYB473K16
=====Circuit Symbol and No.===Part Name Part No.
--- ------ ------------------------------------------ -------------------------
=====Circuit Symbol and No.===Part Name Part No.
--- ------ ------------------------------------------ -------------------------
B

53
GEX-T9006ZT,T9006ZT-91,T9106ZT,T9106ZT-91
C 7 CKSQYB473K16
C 8 CKSQYB104K16
C 9 CCSRCJ3R0C50
C 10 CEAL1R0M50
C 11 CCSRCH470J50
C 12 CCSRCH820J50
C 13 CKSRYB222K50
C 14 CCSRCH4R0D50
C 16 CCSRCH120J50
C 17 CKSRYB222K50
C 18 CKSRYB103K25
C 19 CKSRYB222K50
C 20 CKSRYB222K50
C 21 CEAL100M16
C 22 CCSRRH100D50
C 23 CCSRRH150J50
C 24 CCSRCH471J50
C 30 CCSRRH201J50
C 31 CKSRYB103K25
C 32 CKSQYB473K16
C 33 CCSRCK2R0C50
C 35 CCSRCH220J50
C 36 CCSRCH100D50
C 41 CKSQYB104K16
C 51 CKSRYB223K25
C 52 CKSRYB103K25
C 54 CCSRCH470J50
C 55 CKSQYB223K25
C 56 CKSQYB104K16
C 57 CKSRYB472K50
C 58 CEJA330M10
C 59 CKSRYB103K25
C 61 CCSRCH270J50
C 62 CKSRYB103K25
C 63 CEALR15M50
C 65 CKSQYB104K16
C 101 CEALNP100M10
C 102 CKSRYB182K50
C 103 CKSQYB682K50
C 104 CEAL2R2M50
C 105 CKSRYB103K25
C 106 CCSRCH151J50
C 107 CKSRYB103K25
C 151 CKSRYB392K50
C 152 CKSQYB104K16
C 153 CEAL3R3M50
C 154 CKSQYB104K16
C 157 CEAL3R3M50
C 158 CKSYB474K16
C 159 CEAL220M6R3
C 160 CKSQYB104K16
C 161 CKSQYB104K16
C 162 CEAL3R3M50
C 163 CKSRYB102K50
C 165 CCSRCH100D50
C 201 CKSRYB103K25
C 202 CCSRCH100D50
C 203 CKSRYB682K50
C 204 CKSQYB473K16
C 205 CKSQYB473K16
C 206 CKSQYB103K25
C 207 CCSRCH120J50
C 211 CCSRCH560J50
C 212 CEJA470M10
C 213 CKSRYB103K25
C 215 CCSRCH680J50
C 216 CCSRCH101J50
C 217 CEAL1R0M50
C 219 CKSRYB223K25
C 220 CKSRYB103K25
C 221 CKSRYB103K25
C 230 CKSQYB104K16
C 231 CCSRCH330J50
C 232 CCSRCH150J50
C 233 CKSRYB103K25
C 234 CEJA330M10
C 235 CKSRYB332K50
C 236 CKSQYB473K16
C 237 CCSRTH180J50
C 239 CKSRYB103K25
C 240 CKSYB104K16
C 241 CKSQYB104K16
C 242 CEALR47M50
C 244 CKSQYB473K16
C 245 CKSQYB103K25
C 247 CKSQYB473K16
C 250 CCSRCJ3R0C50
C 283 CKSQYB334K16
Unit Number : CWE1546(GEX-T9006ZT/ES)
Unit Name : FM/AM Tuner Unit
MISCELLANEOUS
IC 1 IC PA4026A
IC 2 IC PA4024A
Q 1 Chip Transistor 2SC2712
Q 2 Transistor DTC124EU
Q 3 FET 3SK263
Q 31 Chip Transistor 2SC2712
Q 151 Transistor DTC144EU
Q 201 Transistor FC12
Q 203 Transistor DTC124EU
D 3 Diode 1SV251
D 4 Diode 1SV250
D 5 Diode KV1410-F1
D 6 Diode MA157
D 7 Diode KV1410-F1
D 8 Diode KV1410-F1
D 201 Diode MA157
D 202 Diode 1SV251
D 231 Diode SVC253
L 1 Inductor LCTBR12K2125
L 2 Coil CTC1145
L 3 Inductor LCTB4R7K2125
L 4 Coil CTC1131
L 5 Coil CTC1147
L 51 Ferri-Inductor LAU150K
L 52 Coil CTC1136
L 201 Ferri-Inductor LAU4R7K
L 202 Ferri-Inductor LAU330K
L 203 Inductor CTF1371
L 208 Inductor LAU390K
L 209 Ferri-Inductor LAU680K
L 210 Coil CTB1103
L 231 Inductor LAU3R3J
T 31 Coil CTE1116
CF 25 Ceramic Filter CTF1290
CF 51 Ceramic Filter CTF1290
CF 52 Ceramic Filter CTF1290
CF 53 Ceramic Filter CTF1290
CF 230 Crystal Filter CTF1262
CF 232 Ceramic Filter CTF1348
X 151 Radiator 918.5Hz CSS1365
=====Circuit Symbol and No.===Part Name Part No.
--- ------ ------------------------------------------ -------------------------
=====Circuit Symbol and No.===Part Name Part No.
--- ------ ------------------------------------------ -------------------------
B

54
GEX-T9006ZT,T9006ZT-91,T9106ZT,T9106ZT-91
X 231 Crystal Resonator 10.26MHz CSS1111
VR 101 Semi-fixed 15kΩ(B) CCP1230
VR 151 Semi-fixed 10kΩ(B) CCP1229
VR 154 Semi-fixed 150kΩ(B) CCP1236
VR 156 Semi-fixed 68kΩ(B) CCP1234
RESISTORS
R 3 RS1/16S223J
R 4 RS1/16S101J
R 5 RS1/16S181J
R 6 RS1/16S101J
R 7 RS1/10S331J
R 8 RS1/16S332J
R 9 RS1/16S473J
R 10 RS1/16S223J
R 11 RS1/16S124J
R 12 RS1/16S474J
R 13 RS1/16S563J
R 15 RS1/16S271J
R 16 RS1/16S104J
R 17 RS1/16S332J
R 18 RS1/16S332J
R 19 RS1/16S154J
R 27 RS1/16S470J
R 31 RS1/16S470J
R 32 RS1/16S912J
R 33 RS1/16S912J
R 34 RS1/16S331J
R 35 RS1/16S331J
R 39 RS1/16S0R0J
R 51 RS1/16S331J
R 55 RS1/16S102J
R 56 RS1/16S823J
R 61 RS1/16S392J
R 62 RS1/16S273J
R 103 RS1/16S333J
R 104 RS1/16S334J
R 105 RS1/16S683J
R 107 RS1/16S222J
R 152 RS1/16S393J
R 155 RS1/16S393J
R 157 RS1/10S203J
R 160 RS1/16S222J
R 161 RS1/16S563J
R 162 RS1/16S225J
R 163 RS1/16S222J
R 164 RS1/16S274J
R 165 RS1/16S102J
R 202 RS1/16S223J
R 203 RS1/16S225J
R 204 RS1/16S103J
R 205 RS1/16S471J
R 206 RS1/16S220J
R 207 RS1/16S101J
R 208 RS1/16S102J
R 209 RS1/16S0R0J
R 214 RS1/16S563J
R 215 RS1/16S473J
R 217 RS1/16S393J
R 220 RS1/10S0R0J
R 231 RS1/16S242J
R 232 RS1/16S473J
R 233 RS1/16S0R0J
R 234 RS1/16S0R0J
R 237 RS1/16S562J
R 238 RS1/16S104J
R 239 RS1/16S104J
R 240 RS1/16S472J
R 241 RS1/16S202J
R 243 RS1/16S123J
R 244 RS1/16S103J
R 245 RS1/16S0R0J
R 246 RS1/16S0R0J
R 247 RS1/10S153J
CAPACITORS
C 1 CCSRCH220J50
C 2 CKSRYB222K50
C 3 CCSRCH6R0D50
C 5 CKSRYB222K50
C 6 CKSQYB473K16
C 7 CKSQYB473K16
C 8 CKSQYB104K16
C 9 CCSRCJ3R0C50
C 10 CEAL1R0M50
C 11 CCSRCH470J50
C 12 CCSRCH820J50
C 13 CKSRYB222K50
C 14 CCSRCH4R0D50
C 15 CCSRCH7R0D50
C 16 CCSRCH120J50
C 17 CKSRYB222K50
C 18 CKSRYB103K25
C 19 CKSRYB222K50
C 20 CKSRYB222K50
C 21 CEAL100M16
C 22 CCSRRH100D50
C 23 CCSRRH120J50
C 24 CCSRCH471J50
C 30 CCSRRH201J50
C 31 CKSRYB103K25
C 32 CKSQYB473K16
C 33 CCSRCK2R0C50
C 35 CCSRCH270J50
C 36 CCSRCH120J50
C 40 CKSRYB222K50
C 41 CKSQYB104K16
C 51 CKSRYB223K25
C 52 CKSRYB103K25
C 54 CCSRCH470J50
C 55 CKSQYB223K25
C 56 CKSQYB104K16
C 57 CKSRYB472K50
C 58 CEJA330M10
C 59 CKSRYB103K25
C 61 CCSRCH270J50
C 62 CKSRYB103K25
C 63 CEALR22M50
C 65 CKSQYB104K16
C 101 CEALNP100M10
C 102 CKSRYB182K50
C 103 CKSQYB682K50
C 104 CEAL2R2M50
C 105 CKSRYB103K25
C 106 CCSRCH151J50
C 107 CKSRYB103K25
C 151 CKSRYB392K50
C 152 CKSQYB104K16
C 153 CEAL3R3M50
C 154 CKSQYB104K16
C 157 CEAL3R3M50
=====Circuit Symbol and No.===Part Name Part No.
--- ------ ------------------------------------------ -------------------------
=====Circuit Symbol and No.===Part Name Part No.
--- ------ ------------------------------------------ -------------------------

55
GEX-T9006ZT,T9006ZT-91,T9106ZT,T9106ZT-91
C 158 CKSYB474K16
C 159 CEAL220M6R3
C 160 CKSQYB104K16
C 161 CKSQYB104K16
C 162 CEAL3R3M50
C 163 CKSRYB102K50
C 165 CCSRCH100D50
C 201 CKSRYB103K25
C 202 CCSRCH100D50
C 203 CKSRYB332K50
C 204 CKSQYB473K16
C 205 CKSQYB473K16
C 206 CKSQYB103K25
C 207 CCSRCH120J50
C 211 CCSRCH560J50
C 212 CEJA470M10
C 213 CKSRYB103K25
C 215 CCSRCH680J50
C 216 CCSRCH101J50
C 217 CEAL1R0M50
C 219 CKSRYB223K25
C 220 CKSRYB103K25
C 221 CKSRYB103K25
C 230 CKSQYB104K16
C 231 CCSRCH330J50
C 232 CCSRCH150J50
C 233 CKSRYB103K25
C 234 CEJA330M10
C 235 CKSRYB332K50
C 236 CKSQYB473K16
C 237 CCSRTH180J50
C 239 CKSRYB103K25
C 240 CKSYB104K16
C 241 CKSQYB104K16
C 242 CEALR47M50
C 243 CEALR33M50
C 244 CKSQYB473K16
C 245 CKSQYB103K25
C 250 CCSRCJ3R0C50
Unit Number : CWE1544(GEX-T9106ZT/ES)
Unit Name : FM/AM Tuner Unit
MISCELLANEOUS
IC 1 IC PA4026A
IC 2 IC PA4024A
Q 1 Chip Transistor 2SC2712
Q 3 FET 3SK263
Q 31 Chip Transistor 2SC2712
Q 151 Transistor DTC124EU
Q 201 Transistor FC12
Q 203 Transistor DTC124EU
Q 204 Transistor DTC124EU
Q 205 Transistor DTC124EU
Q 206 Transistor 2SC4116
Q 231 Transistor 2SC4116
D 3 Diode 1SV251
D 4 Diode 1SV250
D 5 Diode KV1410-F1
D 6 Diode MA157
D 7 Diode KV1410-F1
D 8 Diode KV1410-F1
D 201 Diode MA157
D 202 Diode 1SV251
D 203 Diode MA141WA
D 204 Diode MA110
D 205 Diode MA110
D 231 Diode KV1590(12)
L 1 Inductor LCTBR12K2125
L 2 Coil CTC1145
L 3 Inductor LCTB4R7K2125
L 4 Coil CTC1131
L 5 Coil CTC1147
L 40 Inductor LCTBR15K1608
L 51 Ferri-Inductor LAU150K
L 52 Coil CTC1136
L 201 Inductor LAU3R3K
L 202 Ferri-Inductor LAU4R7K
L 203 Inductor CTF1371
L 205 Inductor LCTB3R3K2125
L 206 Inductor LCTB4R7K2125
L 207 Inductor LCTB120K2125
L 208 Inductor LAU180K
L 209 Inductor LAU120K
L 210 Coil CTB1103
T 31 Coil CTE1116
T 231 Coil CTB1106
CF 25 Ceramic Filter CTF1290
CF 51 Ceramic Filter CTF1290
CF 52 Ceramic Filter CTF1290
CF 53 Ceramic Filter CTF1290
CF 230 Crystal Filter CTF1262
CF 232 Ceramic Filter CTF1348
X 151 Radiator 918.5Hz CSS1365
X 231 Crystal Resonator 10.26MHz CSS1111
VR 101 Semi-fixed 15kΩ(B) CCP1230
VR 151 Semi-fixed 10kΩ(B) CCP1229
VR 154 Semi-fixed 150kΩ(B) CCP1236
VR 156 Semi-fixed 68kΩ(B) CCP1234
RESISTORS
R 3 RS1/16S223J
R 4 RS1/16S101J
R 5 RS1/16S181J
R 6 RS1/16S101J
R 7 RS1/10S331J
R 8 RS1/16S332J
R 9 RS1/16S473J
R 10 RS1/16S223J
R 11 RS1/16S124J
R 12 RS1/16S474J
R 15 RS1/16S271J
R 16 RS1/16S104J
R 17 RS1/16S332J
R 18 RS1/16S332J
R 19 RS1/16S154J
R 27 RS1/16S470J
R 31 RS1/16S470J
R 32 RS1/16S912J
R 33 RS1/16S912J
R 34 RS1/16S331J
R 35 RS1/16S331J
R 39 RS1/16S0R0J
R 51 RS1/16S331J
R 55 RS1/16S102J
R 56 RS1/16S823J
R 61 RS1/16S392J
R 62 RS1/16S273J
R 103 RS1/16S333J
R 104 RS1/16S334J
R 105 RS1/16S683J
R 107 RS1/16S222J
R 152 RS1/16S393J
R 155 RS1/16S393J
R 157 RS1/10S203J
R 160 RS1/16S222J
=====Circuit Symbol and No.===Part Name Part No.
--- ------ ------------------------------------------ -------------------------
=====Circuit Symbol and No.===Part Name Part No.
--- ------ ------------------------------------------ -------------------------
B

56
GEX-T9006ZT,T9006ZT-91,T9106ZT,T9106ZT-91
R 161 RS1/16S563J
R 162 RS1/16S225J
R 163 RS1/16S222J
R 165 RS1/16S102J
R 201 RS1/16S471J
R 202 RS1/16S182J
R 204 RS1/16S103J
R 205 RS1/16S471J
R 206 RS1/16S220J
R 207 RS1/16S162J
R 208 RS1/16S0R0J
R 210 RS1/16S104J
R 211 RS1/16S103J
R 212 RS1/16S104J
R 213 RS1/16S103J
R 214 RS1/16S563J
R 215 RS1/16S473J
R 216 RS1/16S104J
R 217 RS1/16S393J
R 231 RS1/16S242J
R 232 RS1/16S473J
R 234 RS1/16S473J
R 235 RS1/16S472J
R 237 RS1/16S103J
R 238 RS1/16S104J
R 239 RS1/16S104J
R 240 RS1/16S472J
R 241 RS1/16S202J
R 243 RS1/16S123J
R 244 RS1/16S103J
R 245 RS1/16S0R0J
R 246 RS1/16S0R0J
R 247 RS1/10S153J
R 248 RS1/16S473J
R 249 RS1/16S0R0J
CAPACITORS
C 1 CCSRCH220J50
C 2 CKSRYB222K50
C 3 CCSRCH6R0D50
C 5 CKSRYB222K50
C 6 CKSQYB473K16
C 7 CKSQYB473K16
C 8 CKSQYB104K16
C 9 CCSRCJ3R0C50
C 10 CEAL1R0M50
C 11 CCSRCH470J50
C 12 CCSRCH820J50
C 13 CKSRYB222K50
C 14 CCSRCH4R0D50
C 15 CCSRCH7R0D50
C 16 CCSRCH120J50
C 17 CKSRYB222K50
C 18 CKSRYB103K25
C 19 CKSRYB222K50
C 20 CKSRYB222K50
C 21 CEAL100M16
C 22 CCSRRH100D50
C 23 CCSRRH120J50
C 24 CCSRCH471J50
C 30 CCSRRH201J50
C 31 CKSRYB103K25
C 32 CKSQYB473K16
C 33 CCSRCK2R0C50
C 35 CCSRCH270J50
C 36 CCSRCH120J50
C 41 CKSQYB104K16
C 51 CKSRYB223K25
C 52 CKSRYB103K25
C 54 CCSRCH470J50
C 55 CKSQYB223K25
C 56 CKSQYB104K16
C 57 CKSRYB472K50
C 58 CEJA330M10
C 59 CKSRYB103K25
C 61 CCSRCH270J50
C 62 CKSRYB103K25
C 63 CEALR22M50
C 65 CKSQYB104K16
C 101 CEALNP100M10
C 102 CKSRYB182K50
C 103 CKSQYB682K50
C 104 CEAL2R2M50
C 105 CKSRYB103K25
C 106 CCSRCH151J50
C 107 CKSRYB103K25
C 151 CKSRYB392K50
C 152 CKSQYB104K16
C 153 CEAL3R3M50
C 154 CKSQYB104K16
C 157 CEAL3R3M50
C 158 CKSYB474K16
C 159 CEAL220M6R3
C 160 CKSQYB104K16
C 161 CKSQYB104K16
C 162 CEAL3R3M50
C 163 CKSRYB102K50
C 165 CCSRCH100D50
C 201 CKSRYB103K25
C 202 CCSRCH180J50
C 203 CKSRYB682K50
C 204 CKSQYB473K16
C 205 CKSQYB473K16
C 206 CKSQYB103K25
C 207 CCSRCH120J50
C 208 CCSRCH180J50
C 209 CCSRCH470J50
C 210 CCSRCH470J50
C 211 CCSRCH270J50
C 212 CEJA470M10
C 213 CKSRYB103K25
C 215 CCSRCH470J50
C 216 CCSRCH100D50
C 217 CEAL1R0M50
C 218 CKSRYB102K50
C 219 CCSRCH101J50
C 220 CKSRYB103K25
C 221 CKSRYB103K25
C 222 CCSRCH180J50
C 230 CKSQYB104K16
C 231 CCSRCH330J50
C 232 CCSRCH150J50
C 233 CKSRYB103K25
C 234 CEJA330M10
C 235 CKSRYB332K50
C 236 CKSQYB473K16
C 237 CCSRCH8R0D50
C 238 CCSRCH181J50
C 239 CKSRYB103K25
C 240 CKLSR104K16
C 241 CKSQYB104K16
C 242 CEALR47M50
C 243 CEALR33M50
C 244 CKSQYB473K16
C 245 CKSQYB103K25
C 250 CCSRCJ3R0C50
=====Circuit Symbol and No.===Part Name Part No.
--- ------ ------------------------------------------ -------------------------
=====Circuit Symbol and No.===Part Name Part No.
--- ------ ------------------------------------------ -------------------------

57
GEX-T9006ZT,T9006ZT-91,T9106ZT,T9106ZT-91
H/U
FX-MG9006ZT/UC
Hide Away TUNER
GEX-T9006ZT/UC
DSP AMP
GM-9006ZT/E
Rear Controller
CD-R1976ZT/E
25P6P20P
20P 25P
16P
BULLET
CONNECTOR
BULLET
CONNECTOR
12P16P 25P
12P25P
8P
8P
10P18P 10P12P
GGD1169
GGD1232
6. ADJUSTMENT
-Connection Diagram(GEX-T9006ZT/UC)

58
GEX-T9006ZT,T9006ZT-91,T9106ZT,T9106ZT-91
H/U
FX-MG8006ZT/UC
Hide Away TUNER
GEX-T9006ZT/UC
DSP AMP
GM-9006ZT/E Rear Controller
CD-R1976ZT/E
Electro Multi Vision
Navi ECU
25P 10P18P
14P 10P8P 6P
16P
12P 10P18P
25P
20P 10P
8P
6P 14P 8P
BULLET
CONNECTOR
BULLET
CONNECTOR
BULLET
CONNECTOR
6P20P
12P16P 25P
BULLET
CONNECTOR
12P25P 8P
GGD1169
GGD1232
GGD1234
GGD1239
-Connection Diagram(GEX-T9006ZT/UC)

59
GEX-T9006ZT,T9006ZT-91,T9106ZT,T9106ZT-91
H/U
FX-MG9006ZT/EW,ES(LHD)
FX-MG9106ZT/EW,ES(RHD)
Hide Away TUNER
GEX-T9006ZT/EW,ES
DSP AMP
GM-9006ZT/E
Rear Controller
CD-R1976ZT/E
6P20P 12P 25P
20P 25P
16P
BULLET
CONNECTOR
BULLET
CONNECTOR
10P18P 10P12P
12P16P 25P
12P25P
8P
8P
GGD1169
GGD1232
GEX-T9106ZT/ES
-Connection Diagram(GEX-T9006ZT/EW, ES, GEX-T9106ZT/ES)

60
GEX-T9006ZT,T9006ZT-91,T9106ZT,T9106ZT-91
H/U
FX-MG8506ZT/EW(LHD)
FX-MG8606ZT/EW(RHD)
Hide Away TUNER
GEX-T9006ZT/EW
DSP AMP
GM-9006ZT/E
Rear Controller
CD-R1976ZT/E
Electro Multi Vision
Navi ECU
25P 10P18P
14P 10P8P 6P
16P
12P
8P
10P18P
25P
20P 10P
8P
6P 14P 8P
6P20P
12P16P 25P
12P
BULLET
CONNECTOR
BULLET
CONNECTOR
BULLET
CONNECTOR
BULLET
CONNECTOR
12P25P
GGD1169
GGD1232
GGD1234
GGD1239
-Connection Diagram(GEX-T9006ZT/EW)

61
GEX-T9006ZT,T9006ZT-91,T9106ZT,T9106ZT-91
6.1 TUNER SECTION(GEX-T9006ZT/UC)
Center
Meter
C63
L52
FM/AM TUNER UNIT(SIDE B)
DC V
Meter(1)
Pin 1
Pin 14
Pin 13
Pin26
FM/AM TUNER UNIT (SIDE A)
DC V
Meter(2)
L5
L52
VR151
VR101
VR154
VR156
T31
L6
Pin 6(FMSD)
Pin 19(FMTV)
Pin 27
Pin 28
TC3
TC2
TC1
FM ADJUSTMENT
Modulation M:MONO MOD., 400Hz 30%(22.5kHz Dev.)
S1:STEREO MOD., 1kHz, L or R=30%(20.25kHz+7.5kHz Dev.)
NOTE:Before proceeding to further adjustments after switching power ON, let the tuner run for ten minutes to allow
the circuits to stabilize.
FM SSG Displayed Adjustment Adjustment Method
No. Frequency(MHz) Level(dBf) Frequency(MHz) Point (Switch Position)
TUN Volt 1 ••••• ••••• 108.0 L5 DC V Meter(1) : 6.0V
Center 1 98.1 M 65-85 98.1 L52 Center Meter : 0
Meter
IFT 1 98.1 M 5-15 98.1 T31 mV Meter(1) : Maximum
RF Trimmer 1 106.1 M 5-15 106.1 TC3 mV Meter(1) : Maximum
ANT 1 98.1 M 5-15 98.1 TC1,TC2 mV Meter(1) : Maximum
Trimmer
RF Coil 1 89.9 M 5-15 89.9 L6 mV Meter(1) : Maximum
RF Trimmer 1 106.1 M 5-15 106.1 TC3 mV Meter(1) : Maximum
RF Coil 1 89.9 M 5-15 89.9 L6 mV Meter(1) : Maximum
RF Trimmer 1 106.1 M 5-15 106.1 TC3 mV Meter(1) : Maximum
Separation 1 98.1 S 65 98.1 VR101 mV Meter(1) : Maximum
ARC 1 98.1 S 38 98.1 VR154 mV Meter(1) : Separation 5dB
Separation
Interstation 1 98.1 M 65 98.1 ••••• mV Meter(1) : AdB
Noise 2 98.1 M -∞98.1 VR151 mV Meter(1) : A-20dB
Search 1 98.1 M 33 98.1 VR156 DC V Meter(2) : more than 3.5V
Sensitivity 2 98.1 M 32 98.1 VR156 DC V Meter(2) : 0V
3 Repeat steps 1 and 2 until the adjustment standards are satisfied.
mV Meter (1) Oscilloscope
4Ω
Lch +
Lch -
Rch +
Rch -
AMPLIFIER
4Ω

62
GEX-T9006ZT,T9006ZT-91,T9106ZT,T9106ZT-91
6.2 TUNER SECTION(GEX-T9006ZT/EW)
DC V
Meter(1)
Pin 1
Pin 14
Pin 13
Pin26
FM/AM TUNER UNIT (SIDE A)
DC V
Meter(2)
L5
L52
VR151
VR101
VR154
VR156
T31
L4
Pin 6(FMSD)
Pin 19(FMTV)
Pin 27
Pin 28
L2
TC1
Center
Meter
C63
L52
FM/AM TUNER UNIT(SIDE B)
FM ADJUSTMENT
Modulation M:MONO MOD., 400Hz 30%(22.5kHz Dev.)
S1:STEREO MOD., 1kHz, L or R=30%(20.25kHz+7.5kHz Dev.)
NOTE:Before proceeding to further adjustments after switching power ON, let the tuner run for ten minutes to allow
the circuits to stabilize.
FM SSG Displayed Adjustment Adjustment Method
No. Frequency(MHz) Level(dBf) Frequency(MHz) Point (Switch Position)
TUN Volt 1••••• ••••• 108.0 L5 DC V Meter(1) : 6.0V
Center 1 98.1 M 65-85 98.1 L52 Center Meter : 0
Meter
IFT 1 98.1 M 5-15 98.1 T31 mV Meter(1) : Maximum
ANT 1 89.9 M 5-15 89.9 L2 mV Meter(1) : Maximum
Coil
RF Coil 1 89.9 M 5-15 89.9 L4 mV Meter(1) : Maximum
RF Trimmer 1 129.3 M 60-80 107.9 TC1 mV Meter(1) : Minimum
Separation 1 98.1 S 65 98.1 VR101 mV Meter(1) : Maximum
ARC 1 98.1 S 40 98.1 VR154 mV Meter(1) : Separation 5dB
Separation
Interstation 1 98.1 M 65 98.1 ••••• mV Meter(1) : AdB
Noise 2 98.1 M -∞98.1 VR151 mV Meter(1) : A-20dB
Search 1 98.1 M 27 98.1 VR156 DC V Meter(2) : more than 3.5V
Sensitivity 2 98.1 M 26 98.1 VR156 DC V Meter(2) : 0V
3 Repeat steps 1 and 2 until the adjustment standards are satisfied.
mV Meter (1) Oscilloscope
4Ω
Lch +
Lch -
Rch +
Rch -
AMPLIFIER
4Ω

63
GEX-T9006ZT,T9006ZT-91,T9106ZT,T9106ZT-91
6.3 TUNER SECTION(GEX-T9006ZT/ES)
DC V
Meter(1)
Pin 1
Pin 14
Pin 13
Pin26
FM/AM TUNER UNIT (SIDE A)
DC V
Meter(2)
L5
L52
VR151
VR101
VR154
VR156
T31
L4
Pin 6(FMSD)
Pin 19(FMTV)
Pin 27
Pin 28
L2
Center
Meter
C63
L52
FM/AM TUNER UNIT(SIDE B)
FM ADJUSTMENT
Modulation M:MONO MOD., 400Hz 30%(22.5kHz Dev.)
S1:STEREO MOD., 1kHz, L or R=30%(20.25kHz+7.5kHz Dev.)
NOTE:Before proceeding to further adjustments after switching power ON, let the tuner run for ten minutes to allow
the circuits to stabilize.
FM SSG Displayed Adjustment Adjustment Method
No. Frequency(MHz) Level(dBf) Frequency(MHz) Point (Switch Position)
TUN Volt 1••••• ••••• 108.0 L5 DC V Meter(1) : 6.5V
Center 1 98.1 M 65-85 98.1 L52 Center Meter : 0
Meter
IFT 1 98.1 M 5-15 98.1 T31 mV Meter(1) : Maximum
ANT 1 89.9 M 5-15 89.9 L2 mV Meter(1) : Maximum
Coil
RF Coil 1 89.9 M 5-15 89.9 L4 mV Meter(1) : Maximum
Separation 1 98.1 S 65 98.1 VR101 mV Meter(1) : Maximum
ARC 1 98.1 S 40 98.1 VR154 mV Meter(1) : Separation 5dB
Separation
Interstation 1 98.1 M 65 98.1 ••••• mV Meter(1) : AdB
Noise 2 98.1 M -∞98.1 VR151 mV Meter(1) : A-20dB
Search 1 98.1 M 27 98.1 VR156 DC V Meter(2) : more than 3.5V
Sensitivity 2 98.1 M 26 98.1 VR156 DC V Meter(2) : 0V
3 Repeat steps 1 and 2 until the adjustment standards are satisfied.
mV Meter (1) Oscilloscope
4Ω
Lch +
Lch -
Rch +
Rch -
AMPLIFIER
4Ω

64
GEX-T9006ZT,T9006ZT-91,T9106ZT,T9106ZT-91
6.4 TUNER SECTION(GEX-T9106ZT/ES)
DC V
Meter(1)
Pin 1
Pin 14
Pin 13
Pin26
FM/AM TUNER UNIT (SIDE A)
DC V
Meter(2)
L5
L52
VR151
VR101
VR154
VR156
T31
L4
Pin 6(FMSD)
Pin 19(FMTV)
Pin 27
Pin 28
DC V
Meter(3)
Pin 18(AMTV)
L2
T231
TC1
Center
Meter
C63
L52
FM/AM TUNER UNIT(SIDE B)
FM ADJUSTMENT
Modulation M:MONO MOD., 400Hz 30%(22.5kHz Dev.)
S1:STEREO MOD., 1kHz, L or R=30%(20.25kHz+7.5kHz Dev.)
NOTE:Before proceeding to further adjustments after switching power ON, let the tuner run for ten minutes to allow
the circuits to stabilize.
FM SSG Displayed Adjustment Adjustment Method
No. Frequency(MHz) Level(dBf) Frequency(MHz) Point (Switch Position)
TUN Volt 1••••• ••••• 108.0 L5 DC V Meter(1) : 6.5V
Center 1 98.1 M 65-85 98.1 L52 Center Meter : 0
Meter
IFT 1 98.1 M 5-15 98.1 T31 mV Meter(1) : Maximum
ANT 1 89.9 M 5-15 89.9 L2 mV Meter(1) : Maximum
Coil
RF Coil 1 89.9 M 5-15 89.9 L4 mV Meter(1) : Maximum
Separation 1 98.1 S 65 98.1 VR101 mV Meter(1) : Maximum
ARC 1 98.1 S 40 98.1 VR154 mV Meter(1) : Separation 5dB
Separation
Interstation 1 98.1 M 65 98.1 ••••• mV Meter(1) : AdB
Noise 2 98.1 M -∞98.1 VR151 mV Meter(1) : A-20dB
Search 1 98.1 M 27 98.1 VR156 DC V Meter(2) : more than 3.5V
Sensitivity 2 98.1 M 26 98.1 VR156 DC V Meter(2) : 0
3 Repeat steps 1 and 2 until the adjustment standards are satisfied.
SW2 ADJUSTMENT
AM SSG Displayed Adjustment Adjustment Method
No. Frequency(MHz) Level(dBµ) Frequency(MHz) Point (Switch Position)
TUN Volt 1••••• ••••• 21.975 T231 DC V Meter(3) : 6.0V
mV Meter (1) Oscilloscope
4Ω
Lch +
Lch -
Rch +
Rch -
AMPLIFIER
4Ω

65
GEX-T9006ZT,T9006ZT-91,T9106ZT,T9106ZT-91
6.5 AM NOISE CANCELER ADJUSTMENT
Connection:
Setting of the pulse generator (setting of superim-
posed pulse)
Adjustment:
1. Setting of SSG
Receiving frequency : 1000 kHz
(GEX-T9006ZT/UC)
: 999 kHz
(GEX-T9006ZT/EW, ES,
GEX-T9106ZT/ES)
Percentage modulation : 30%
Modulation frequency : 400 Hz
Antenna input : 74 dBµV (EMF)
2. Set the system as shown in 1., then tune to a
radio station.
3. Superimpose the pulse over signal to set mod-
ulation of SSG to OFF.
4. Use a noise meter to monitor output. Adjust
VR552 to minimize the noise level.
Pulse generator
(equivalent to HP8011A)
SSG
2-signal pad AM dummy
Output
Noise meter
Pulse width :50usec
Pulse intervals :5msec
Pulse voltage :4Vp-p
4Vp-p(EMF)
50us
5ms
GEX-T9006ZT/UC, EW, ES
GEX-T9106ZT/ES
CONTROL UNIT

66
GEX-T9006ZT,T9006ZT-91,T9106ZT,T9106ZT-91
6.6 ADJUST THE S METER FOR RDS OR RBDS(GEX-T9006ZT/UC, EW)
RDS
CONTROL UNIT
Input Output Adjustment
Adjustment Adjustment
Point Method
MAIN 400Hz Lch 54%(40.5kHz) Connect a voltmeter to the test VR251 1.75V+0.05V
PILOT 19kHz 10%(7.5kHz) point (RDS) -0.35V
RDS 57kHz 1.6%(1.2kHz)
104MHz
Input a signal of 30 dBµ

67
GEX-T9006ZT,T9006ZT-91,T9106ZT,T9106ZT-91
7. GENERAL INFORMATION
7.1 DIAGNOSIS
7.1.1 DISASSEMBLY
Case Unit
Fig.1
-Removing the Case Unit (Fig.1)
Remove the five screws and then remove the
Case Unit.
-Removing the Bracket (Not shown)
Remove the six screws and then remove the three
Brackets.(GEX-T9006ZT/UC)
Remove the four screws and then remove the two
Brackets.(GEX-T9006ZT/EW, ES, GEX-T9106ZT/ES)
Fig.2
-Removing the Control Unit (Fig.2)
Straighten the tabs at two locations indicated.
Remove the four screws and then remove the
Control Unit.
Control Unit

68
GEX-T9006ZT,T9006ZT-91,T9106ZT,T9106ZT-91
7.1.2 CONNECTOR FUNCTION DESCRIPTION
L+
SUB
MAIN
SG
B
R-
ATX-
ACC
GND
MUTE
TXS-
L-
TXS+ ATX+
R+
GEX-T9006ZT/UC ONLY
GEX-T9006ZT/UC, ES
SUB
MAIN CTRL
GEX-T9006ZT/EW, GEX-T9106ZT/ES

69
GEX-T9006ZT,T9006ZT-91,T9106ZT,T9106ZT-91
7.2 IC
-Pin Functions (PD5551A, PD5552A)
Pin No. Pin Name I/O Function and Operation
1 SL I Signal level
2-6 NC Not used
7 MDSN I Modulation
8 BYTE I VSS connection(single chip)
9 CNVSS I Processor mode switch input(VSS:single chip)
10, 11 NC Not used
12 RESET Reset input
13 XOUT Main clock output
14 VSS GND
15 XIN Main clock input
16 VCC Power supply(2.7-5.5V)
17 NMI I VDD connection
18 rck I RDS data clock
19 ldet I PLL lock signal
20 NC Not used
21 RX2 I Bus data input 2
22 IPPW O Bus power supply output
23 NC Not used
24 drst O RDS decoder IC reset
25 RDS57K I 57kHzBP-OUT sense input
26 currq O RDS tuner voltage FIX output
27 sk I SK station receive signal
28 rdslk I RDS station receive signal
29 RX1 I Bus data input 1
30 TX O Bus data output
31 PDO O PLL IC communication data output
32 PDI I PLL IC communication data input
33 PCK O PLL IC communication clock output
34 PCE O PLL IC communication chip enable
35 NC Not used
36 RDT I RDS data input
37-40 NC Not used
41 antfix O Antenna fix output
42 NC Not used
43 FMPW O FM power output
44 AMPW O AM power output
45 NC Not used
46 MW O MW/LW band switch
47 SW2 O SW2/SW1 band switch
48 LWANT O Antenna power/LOW band
49, 50 NC Not used
51 MODE1 I Model sense input 1
52 MODE2 I Model sense input 2
53-61 NC Not used
62 VDD Power supply(2.7-5.5V)
63 NC Not used
64 VSS GND
65 rdsmt O RDS mute
66 AMMUT O AM mute output
67 FMMUT O FM mute output
68 LANMUT O Bus mute output
69-71 NC Not used
72 ACCPW O ACC power output
73 NC Not used

70
GEX-T9006ZT,T9006ZT-91,T9106ZT,T9106ZT-91
Pin No. Pin Name I/O Function and Operation
74 asens I ACC sense input
75 bsens I Back up sense input
76, 77 NC Not used
78 ANSW O Analog switch output
79 NC Not used
80 MUTE_IN I Mute sense
81 TEST I Test mode input
82 RECIV I RDS data receive
83-88 NC Not used
89 st I Stereo indicator input
90 FMSD I FM SD input
91 NL I RDS noise level
92 CL I RDS tune off sense input
93 RDSL I RDS signal level
94, 95 NC Not used
96 AVSS A/D converter GND
97 NC Not used
98 VREFA A/D reference voltage input
99 AVDD A/D converter power supply
100 NC Not used
* PD5551A, PD5552A
30
31
50
51
80
81
100
1
IC's marked by* are MOS type.
Be careful in handling them because they are very
liable to be damaged by electrostatic induction.

71
GEX-T9006ZT,T9006ZT-91,T9106ZT,T9106ZT-91
VDD=5V
62pin
Vcc=5V
16pin
BSENS
75pin
74pin
ACCPW←H
72pin
ANSW←H
78pin
BUS communication enable
Power ON
500ms
ACCPW=H → ANSW=H(500ms)
ANSW
ASENS
Completes power-on operation. (After that, proceed to each source operation.)
7.3 EXPLANATION
7.3.1 OPERATIONAL FLOW CHART

72
GEX-T9006ZT,T9006ZT-91,T9106ZT,T9106ZT-91
H/U PWR
AMP
RADIO
TUNER
+B, ACC
- (7SP+REAR CONTROLLER)
REAR
CONTROLLER
CD-R1976ZT/E
FX-MG9006ZT/UC
FX-MG9006ZT/EW
FX-MG9106ZT/EW
FX-MG9006ZT/ES
FX-MG9106ZT/ES
FX-MG9506ZT/UC
GM-9006ZT/E
GEX-T9006ZT/UC
GEX-T9006ZT/EW
GEX-T9006ZT/ES
GEX-T9106ZT/ES
POWER SUPPLY(+B, ACC)
BUS
SIGNAL(SOUND, VISION)
H/U
PWR
AMP
EMV
NAVIGATION
ECU
(OTHER MAKERS)
(OTHER MAKERS)
+B, ACC
- NAVIGATION SYSTEM
FX-MG8506ZT/EW
FX-MG8606ZT/EW
FX-MG8006ZT/UC
FX-MG8506ZT/UC
GM-9006ZT/E
POWER SUPPLY(+B, ACC)
BUS
SIGNAL(SOUND, VISION)
RADIO
TUNER
GEX-T9006ZT/UC
GEX-T9006ZT/EW
REAR
CONTROLLER
CD-R1976ZT/E
SOUND
7.3.2 SYSTEM BLOCK DIAGRAM

73
GEX-T9006ZT,T9006ZT-91,T9106ZT,T9106ZT-91
H/U PWR
AMP
RADIO
TUNER
+B, ACC
- (7SP)
FX-MG9006ZT/UC
FX-MG9006ZT/EW
FX-MG9106ZT/EW
FX-MG9006ZT/ES
FX-MG9106ZT/ES
FX-MG9506ZT/UC
GM-9006ZT/E
GEX-T9006ZT/UC
GEX-T9006ZT/EW
GEX-T9006ZT/ES
GEX-T9106ZT/ES
POWER SUPPLY(+B, ACC)
BUS
SIGNAL(SOUND, VISION)

GEX-T9006ZT,T9006ZT-91,T9106ZT,T9106ZT-91
PIONEER CORPORATION 4-1, Meguro 1-Chome, Meguro-ku, Tokyo 153-8654, Japan
PIONEER ELECTRONICS SERVICE INC. P.O.Box 1760, Long Beach, CA 90801-1760 U.S.A.
PIONEER EUROPE NV Haven 1087 Keetberglaan 1, 9120 Melsele, Belgium
PIONEER ELECTRONICS ASIACENTRE PTE.LTD. 253 Alexandra Road, #04-01, Singapore 159936
C PIONEER CORPORATION 2000 K-ZZA. JULY 2000 Printed in Japan
General
Power source...................13.2 V(10.5V—16.0V allowable)
Electrode dark current ..........................less than 1 mA
Grounding system...............................Negative type
Weight....................0.821 (±0.044) kg (GEX-T9006ZT/UC)
0.818 (±0.044) kg (GEX-T9006ZT/EW)
0.815 (±0.044) kg (GEX-T9006ZT/ES)
0.817 (±0.044) kg (GEX-T9106ZT/ES)
FM tuner
Frequency range ...........................87.75 — 107.9 MHz
(GEX-T9006ZT/UC)
Frequency range.............................87.5 — 108.0 MHz
(GEX-T9006ZT/EW, ES, GEX-T9106ZT/ES)
Usable sensitivity .....................7 dBµ±6dB (S/N: 30 dB)
(GEX-T9006ZT/UC)
Usable sensitivity .....................6 dBµ±6dB (S/N: 30 dB)
(GEX-T9006ZT/EW, ES, GEX-T9106ZT/ES)
Signal-to-noise ratio...................more than 48 dB(stereo)
Distortion .......................................less than 1.5%
Stereo separation...........more than 25 dB (35 ±10 dB, 1 kHz)
MW tuner
Frequency range ..............................530 — 1,710 kHz
(GEX-T9006ZT/UC)
Frequency range ..............................522 — 1,611 kHz
(GEX-T9006ZT/EW)
Frequency range ..............................531 — 1,602 kHz
(GEX-T9006ZT/ES, GEX-T9106ZT/ES)
Usable sensitivity ..............28 dBµ+ 5dB, - 8dB (S/N: 20 dB)
(GEX-T9006ZT/UC)
Usable sensitivity ..............30 dBµ+ 4dB, - 8dB (S/N: 20 dB)
(GEX-T9006ZT/EW, ES)
Usable sensitivity ..............30 dBµ+ 5dB, - 8dB (S/N: 20 dB)
(GEX-T9106ZT/ES)
Selectivity...........................more than 50 dB (±10 kHz)
(GEX-T9006ZT/UC)
Selectivity ............................more than 50 dB (±9 kHz)
(GEX-T9006ZT/EW, ES, GEX-T9106ZT/ES)
Signal-to-noise ratio...................more than 44 dB(74dBµ)
Distortion .......................................less than 1.0%
LW tuner(GEX-T9006ZT/EW)
Frequency range ................................153 — 279 kHz
Usable sensitivity ..............31 dBµ+ 5dB, - 8dB (S/N: 20 dB)
Selectivity ............................more than 50 dB (±9 kHz)
Signal-to-noise ratio...................more than 40 dB(74dBµ)
Distortion .......................................less than 1.5%
SW tuner(GEX-T9106ZT/ES)
Frequency range......................2,940 — 7,735 kHz (SW1)
9,500 — 21,975 kHz (SW2)
Usable sensitivity .......29 dBµ+ 6dB, - 9dB (S/N: 20 dB) (SW1)
30 dBµ+ 6dB, - 9dB (S/N: 20 dB) (SW2)
Signal-to-noise ratio...................more than 38 dB(74dBµ)
Distortion .......................................less than 1.0%
8. SPECIFICATIONS
















