4110J64_DetailedBook GP Series/GP328plus GP338plus GP338XLS Detailed Service Manual 6804112J28 G GP328plus
User Manual: -GP Series/GP328plus GP338plus GP338XLS Detailed service manual 6804112J28-G
Open the PDF directly: View PDF
.
Page Count: 206 [warning: Documents this large are best viewed by clicking the View PDF Link!]
- Document History
- Safety Information
- Document History i
- Safety Information iii
- Section 1 Introduction
- Section 2 Service Aids
- Section 3 Power Up Self-Test
- Section 4 Controller Information
- Section 5A Model Chart and Test Specifications (136-174 Mhz)
- Section 5B Model Chart and Test Specifications (403-470 Mhz)
- Section 5C Model Chart and Test Specifications (450-527 Mhz)
- Section 5D Model Chart and Test Specifications (330-400 Mhz)
- Section 6 Flex Layout/Schematic Diagrams and Parts Lists
- Introduction
- Service Aids
- Power Up Self-Test
- Controller Information
- 1.0 Overview
- 2.0 Radio Power Distribution
- 3.0 Controller Board
- 3.1 General
- 3.2 Digital Architecture
- 3.3 Keypad
- 3.4 Troubleshooting Chart
- 3.5 Controller Board Diagrams
- Controller Board Top View (PCB No. 8404051G09)
- Controller Board Bottom View (PCB No.8404051G09)
- Controller Board Top View (PCB No. 8404051G07/G08)
- Controller Board Top View (PCB No. 8404051G07/G08)
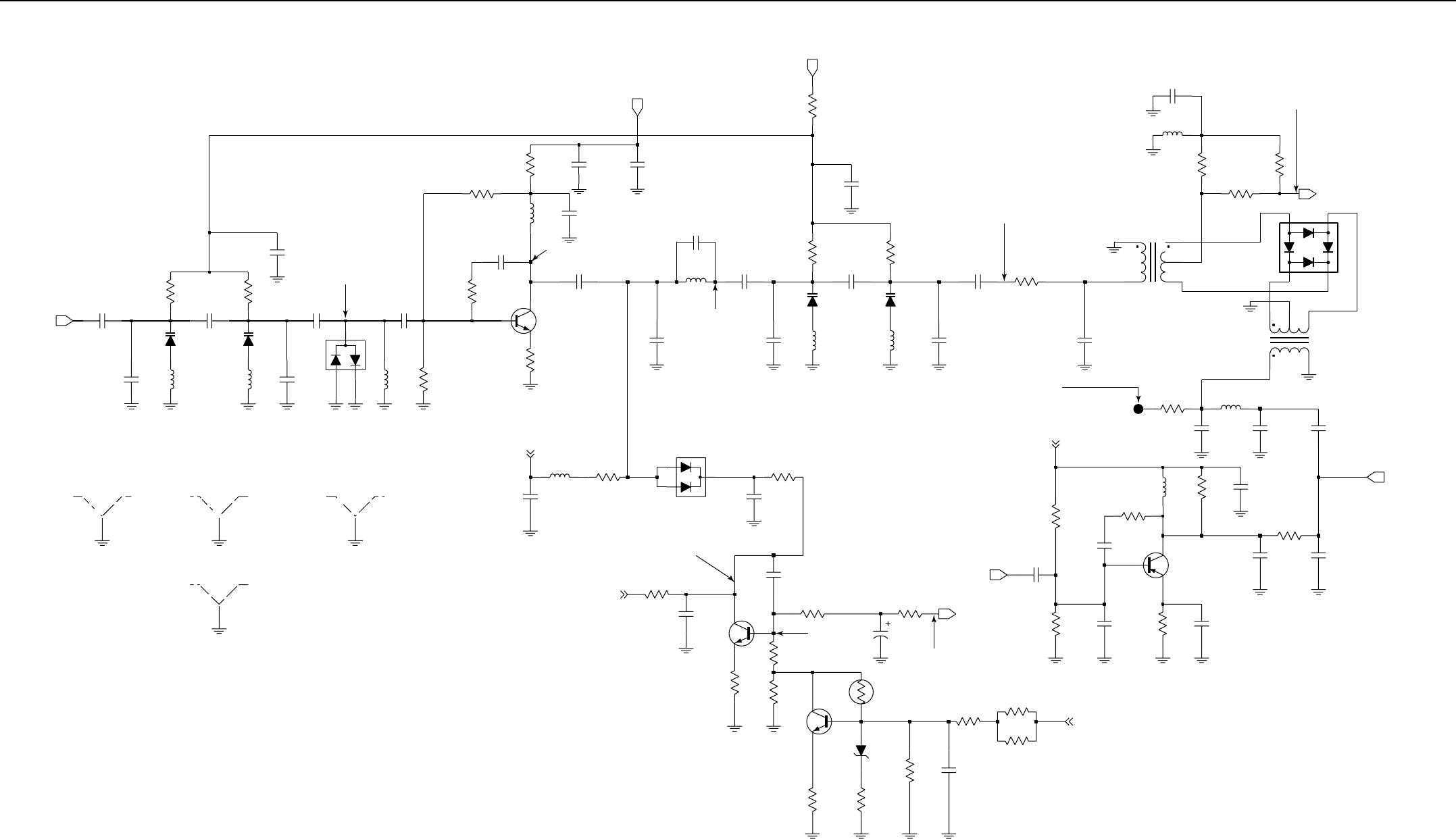
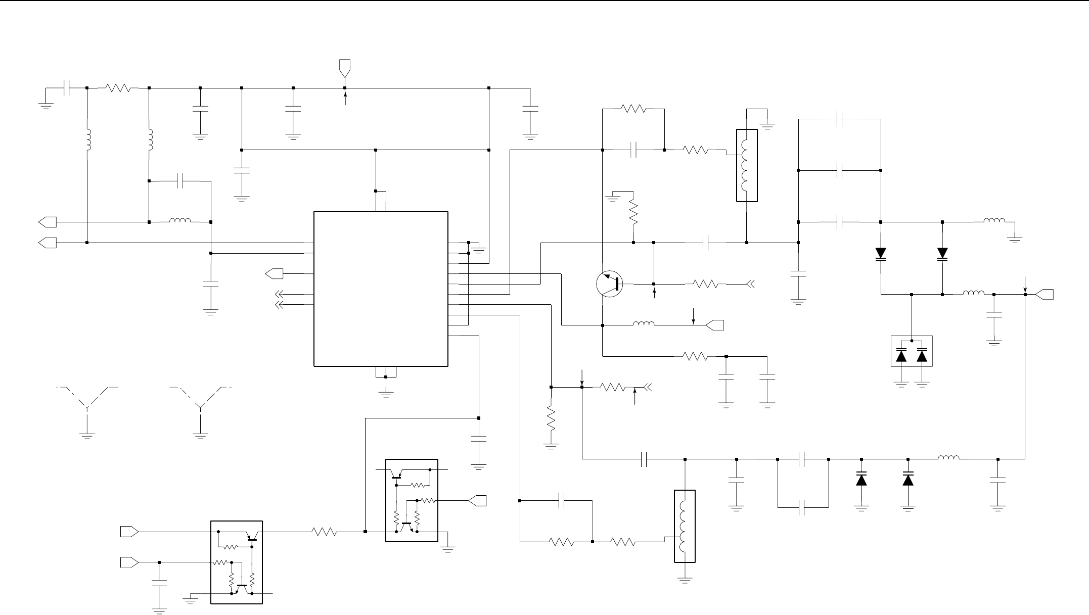
- 3.6 Controller Schematics
- Controller ASFIC/ON_OFF Schematic Diagram
- Complete Controller Schematic Diagram
- Controller Micro Processor Schematic Diagram
- Controller Memory Schematic Diagram
- Controller Audio Power Amplifier Schematic Diagram
- Controller Parts List for VHF (for 8404051G07/G08 and 8404051G09)
- Controller Parts List for UHF 1, UHF 2 and 330MHz (for 8404051G07/G08 and 8404051G09)
- 3.7 Controller Board Diagrams
- Controller Board Bottom View (PCB No.8404056G01)
- Controller Board Top View (PCB No. 8404056G02)
- Controller Board Bottom View (PCB No. 8404056G02)
- Controller Board Top View (PCB No. 8404056G01)
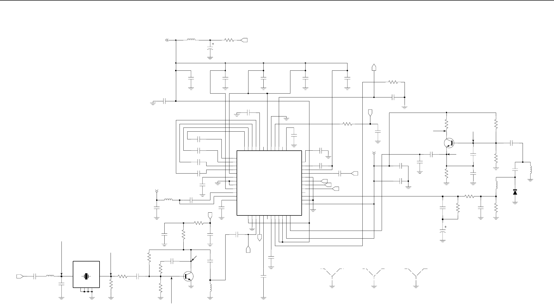
- 3.8 Controller Schematics
- Complete Controller Schematic Diagram
- Controller ASFIC/ON_OFF Schematic Diagram
- Controller Micro Processor Schematic Diagram
- Controller Memory Schematic Diagram
- Controller Audio Power Amplifier Schematic Diagram
- Controller Interface Schematic Diagram (for 8404056G01)
- Controller Interface Schematic Diagram (for 8404056G02)
- Controller Parts List for VHF (for 8404056G01/G02)
- Controller Parts List for UHF 1, UHF 2 and 330MHz (for 8404056G01/G02)
- Model Chart and Test Specifications (136-174 Mhz)
- 1.0 Model Chart
- 2.0 Specifications (for GP328 Plus)
- 3.0 Specifications (for GP338 Plus/GP338 XLS)
- 4.0 Transmitter
- 5.0 Receiver
- 6.0 Frequency Generation Circuitry
- 7.0 Notes For All Schematics and Circuit Boards
- 8.0 Circuit Board/Schematic Diagrams and Parts List
- VHF Radio Parts List (RF Board)
- VHF (136-174MHz) Main Board Top Side PCB No. 8404055G05/G06/G07
- VHF (136-174MHz) Main Board Bottom Side PCB No. 8404055G05/G06/G07
- VHF (136-174MHz) Main Board Top Side PCB No. 8404055G09
- VHF (136-174MHz) Main Board Bottom Side PCB No. 8404055G09
- VHF Controls And Switches Schematic Diagram (sheet 1 of 2)
- VHF Controls And Switches Schematic Diagram (sheet 2 of 2)
- VHF Controls And Switches Schematic Diagram (sheet 2 of 2 for 8404055G09 PCB)
- VHF Receiver Front End Schematic Diagram
- VHF Receiver Back End Schematic Diagram
- VHF Synthesizer Schematic Diagram
- VHF Voltage Controlled Oscillator Schematic Diagram
- VHF Transmitter Schematic Diagram
- 9.0 Troubleshooting Charts
- Model Chart and Test Specifications (403-470 Mhz)
- 1.0 Model Chart
- 2.0 Specifications (for GP328 Plus)
- 3.0 Specifications (for GP338 Plus/GP338 XLS)
- 4.0 Transmitter
- 5.0 Receiver
- 6.0 Frequency Generation Circuitry
- 7.0 Notes For All Schematics and Circuit Boards
- 8.0 Circuit Board/Schematic Diagrams and Parts List
- UHF Band 1 Radio Parts List (RF Board)
- UHF (403-470MHz) Main Board Top Side PCB No. 8404077G05/G06/G07
- UHF (403-470MHz) Main Board Bottom Side PCB No. 8404077G05/G06/G07
- UHF (403-470MHz) Main Board Top Side PCB No. 8404077G09
- UHF (403-470MHz) Main Board Bottom Side PCB No. 8404077G09
- UHF Controls And Switches Schematic Diagram (sheet 1 of 2)
- UHF Controls And Switches Schematic Diagram (sheet 2 of 2 for 8404077G09 PCB)
- UHF Receiver Front End Schematic Diagram
- UHF Receiver Back End Schematic Diagram
- UHF Synthesizer Schematic Diagram
- UHF Voltage Controlled Oscillator Schematic Diagram
- UHF Transmitter Schematic Diagram
- 9.0 Troubleshooting charts
- Model Chart and Test Specifications (450-527 Mhz)
- 1.0 Model Chart
- 2.0 Specifications (for GP328 Plus)
- 3.0 Specifications (for GP338 Plus/GP338 XLS)
- 4.0 Transmitter
- 5.0 Receiver
- 6.0 Frequency Generation Circuitry
- 7.0 Notes For All Schematics and Circuit Boards
- 8.0 Circuit Board/Schematic Diagrams and Parts List
- UHF Band 2 Radio Parts List (RF Board)
- UHF Band 2 (450-527MHz) Main Board Top Side PCB No. 8404102G03/G04/G05
- UHF Band 2 (450-527MHz) Main Board Bottom Side PCB No. 8404102G03/G04/G05
- UHF Band 2 (450-527MHz) Main Board Top Side PCB No. 8404102G07
- UHF Band 2 (450-527MHz) Main Board Bottom Side PCB No. 8404102G07
- UHF Band 2 Controls And Switches Schematic Diagram (sheet 1 of 2) UHF Band 2 Controls And Switches Schematic Diagram (sheet 2 of 2)
- UHF Band 2 Controls And Switches Schematic Diagram (sheet 2 of 2 for 8404102G07 PCB)
- UHF Band 2 Receiver Front End Schematic Diagram
- UHF Band 2 Receiver Back End Schematic Diagram
- UHF Band 2 Synthesizer Schematic Diagram
- UHF Band 2 Voltage Controlled Oscillator Schematic Diagram
- UHF Band 2 Transmitter Schematic Diagram
- 9.0 Troubleshooting charts
- Model Chart and Test Specifications (330-400 Mhz)
- 1.0 Model Chart
- 2.0 Specifications (for GP328 Plus)
- 3.0 Specifications (for GP338 Plus)
- 4.0 Transmitter
- 5.0 Receiver
- 6.0 Frequency Generation Circuitry
- 7.0 Notes For All Schematics and Circuit Boards
- 8.0 Circuit Board/Schematic Diagrams and Parts List
- 330-400MHz Radio Parts List (RF Board)
- 330-400MHz Main Board Top Side PCB No. 8404101G02/G03/G04
- 330-400MHz Main Board Bottom Side PCB No. 8404101G02/G03/G04
- 330-400MHz Main Board Top Side PCB No. 8404101G06
- 330-400MHz Main Board Bottom Side PCB No. 8404101G06
- 330-400MHz Controls And Switches Schematic Diagram (sheet 1 of 2)
- 330-400MHz Controls And Switches Schematic Diagram (sheet 2 of 2)
- 330-400MHz Controls And Switches Schematic Diagram (sheet 2 of 2 for 8404101G06 PCB)
- 330-400MHz Receiver Front End Schematic Diagram
- 330-400MHz Receiver Back End Schematic Diagram
- 330-400MHz Synthesizer Schematic Diagram
- 330-400MHz Voltage Controlled Oscillator Schematic Diagram
- 330-400MHz Transmitter Schematic Diagram
- 9.0 Troubleshooting charts
- Flex Layout/Schematic Diagrams and Parts Lists

GP328 Plus/GP338 Plus/GP338 XLS
Portable Radios
Detailed Service Manual
6804112J28-G
December, 2004

Computer Software Copyrights
The Motorola products described in this manual may include copyrighted Motorola computer programs stored in semi-
conductor memories or other media. Laws in the United States and other countries preserve for Motorola certain exclu-
sive rights for copyrighted computer programs, including the exclusive right to copy or reproduce in any form, the
copyrighted computer program. Accordingly, any copyrighted Motorola computer programs contained in the Motorola
products described in this manual may not be copied or reproduced in any manner without the express written permission
of Motorola. Furthermore, the purchase of Motorola products shall not be deemed to grant, either directly or by implica-
tion, estoppel or otherwise, any license under the copyrights, patents or patent applications of Motorola, except for the
normal non-exclusive royalty-free license to use that arises by operation of law in the sale of a product.

2000, 2001, 2002, 2003, 2004 by Motorola, Inc.
Motorola Technology Sdn. Bhd. (Co. No. 455657-H)
Plot 2, Bayan Lepas Technoplex Industrial Park,
Mukim 12, S.W.D.,
11900 Penang, Malaysia
Printed in Malaysia
December, 2004


i
DOCUMENT HISTORY
The following major changes have been implemented in this manual since the previous edition:
Edition Description Date
6804112J28-O Initial edition Sept. 2000
6804112J28-A Updated Safety Information (June 2001).
Updated controller board for VHF and UHF Band 1.
Updated RF board for VHF and UHF Band 2.
Aug. 2001
6804112J28-B Added Display Model (GP338 Plus) information. Sept, 2001
6804112J28-C Section 5A, 5B, 5C and 5D:
Added new board diagrams, schematics and parts
lists to VHF, UHF Band 1, UHF Band 2 and
330MHz sections.
Mar, 2002
6804112J28-D Document History Section added. June, 2003
Changed to Safety Information (Feb. 2002).
Section 1: Introduction
Updated CGISS Indirect Business Customer Help
Desk information.
Section 5A, 5B and 5C: Model Chart & Test Specs
Added 4 Channel information to VHF Band, UHF
Band 1 and UHF Band 2 sections.
6804112J28-E Added GP338 XLS model.
Changed to latest Safety Information (Feb. 2002)
Corrected flex diagrams of GP328 Plus and GP338
Plus.
May, 2004
6804112J28-F Updated Safety Information (Feb. 2002)
Updated controller board (PCB no.8404051G07/
G08) to 8404051G09 rev H.
Sept, 2004
6804112J28-G Added controller board (PCB no.8404051G07/G08) Dec, 2004

ii
THIS PAGE INTENTIONALLY LEFT BLANK

iii
Safety Information
Product Safety and RF Energy Exposure for Portable Two-Way Radios
The information provided in this document supersedes the general safety information published
prior to February 2002.
RF Energy Exposure Awareness and Control Information and
Operational Instructions for Occupational Use
NOTICE: This radio is intended for use in occupational/controlled conditions where users
have full knowledge of their exposure and can exercise control over their exposure
to meet the occupational limits in FCC and International standards. This radio
device is NOT authorized for general population or consumer use.
This two-way radio uses electromagnetic energy in the radio frequency (RF) spectrum to provide
communications between two or more users over a distance. It uses radio frequency (RF) energy or
radio waves to send and receive calls. RF energy is one form of electromagnetic energy. Other
forms include, but are not limited to, sunlight and x-rays. RF energy, however, should not be
confused with these other forms of electromagnetic energy, which when used improperly, can cause
biological damage. Very high levels of x-rays, for example, can damage tissues and genetic
material.
Experts in science, engineering, medicine, health, and industry work with organizations to develop
standards for safe exposure to RF energy. These standards provide recommended levels of RF
exposure for both workers and the general public. These recommended RF exposure levels include
substantial margins of protection.
All Motorola two-way radios are designed, manufactured, and tested to ensure they meet
government-established RF exposure levels. In addition, manufacturers also recommend specific
operating instructions to users of two-way radios. These instructions are important because they
inform users about RF energy exposure and provide simple procedures on how to control it.
Please refer to the following websites for more information on what RF energy exposure is and how
to control your exposure to assure compliance with established RF exposure limits:
http://www.fcc.gov/oet/rfsafety/rf-faqs.html
http://www.osha.gov/SLTC/radiofrequencyradiation/index.html
Federal Communication Commission (FCC) Regulations
The FCC rules require manufacturers to comply with the FCC RF energy exposure limits for portable
two-way radios before they can be marketed in the U.S. When two-way radios are used as a
consequence of employment, the FCC requires users to be fully aware of and able to control their
exposure to meet occupational requirements. Exposure awareness can be facilitated by the use of a
product label directing users to specific user awareness information. Your Motorola two-way radio
BEFORE USING THIS RADIO, READ THE FOLLOWING INFORMATION WHICH CONTAINS
IMPORTANT OPERATING INSTRUCTIONS FOR SAFE USAGE AND RF ENERGY AWARENESS
AND CONTROL INFORMATION AND OPERATIONAL INSTRUCTIONS FOR COMPLIANCE WITH
RF ENERGY EXPOSURE LIMITS IN APPLICABLE NATIONAL AND INTERNATIONAL
STANDARDS. ALSO READ THE OPERATIONAL INSTRUCTIONS FOR SAFE USAGE. FOR
RADIOS THAT HAVE BEEN APPROVED AS INTRINSICALLY SAFE, READ THE INSTRUCTIONS
AND INFORMATION ON INTRISINIC SAFETY ON PAGE vii.

iv
has a RF exposure product label. Also, your Motorola user manual, or separate safety booklet
includes information and operating instructions required to control your RF exposure and to satisfy
compliance requirements.
Compliance with RF Exposure Standards
Your Motorola two-way radio is designed and tested to comply with a number of national and
International standards and guidelines (listed below) for human exposure to radio frequency
electromagnetic energy. This radio complies with the IEEE (FCC) and ICNIRP exposure limits for
occupational/controlled RF exposure environments at operating duty factors of up to 50% talk-50%
listen and is authorized by the FCC for occupational use only.
In terms of measuring RF energy for compliance with these exposure guidelines, your radio
generates measurable RF energy only while it is transmitting (during talking), not when it is receiving
(listening) or in standby mode.
NOTE:The approved batteries, supplied with this radio, are rated for a 5-5-90 duty factor (5% talk-
5% listen-90% standby) even though this radio complies with FCC occupational exposure
limits and may operate at duty factors of up to 50% talk.
Your Motorola two-way radio complies with the following RF energy exposure standards and
guidelines:
• United States Federal Communications Commission, Code of Federal Regulations; 47CFR part
2 sub-part J
• American National Standards Institute (ANSI) / Institute of Electrical and Electronic Engineers
(IEEE) C95. 1-1992
• Institute of Electrical and Electronic Engineers (IEEE) C95.1-1999 Edition
• International Commission on Non-Ionizing Radiation Protection (ICNIRP) 1998
• Ministry of Health (Canada) Safety Code 6. Limits of Human Exposure to Radiofrequency Elec-
tromagnetic Fields in the Frequency Range from 3 kHz to 300 GHz, 1999
• Australian Communications Authority Radiocommunications (Electromagnetic Radiation -
Human Exposure) Standard, 2003
• ANATEL ANNEX to Resolution No. 303 of July 2, 2002 "Regulation of limitation of exposure to
electrical, magnetic and electromagnetic fields in the radio frequency range between 9 KHz and
300 GHz" and "Attachment to resolution # 303 from July 2, 2002"
"Additional Requirements for SMR, Cellular and PCS Product Certification"
RF Exposure Compliance and Control Guidelines and Operating
Instructions
To control your exposure and ensure compliance with the occupational/controlled environment
exposure limits, always adhere to the following procedures.
Guidelines:
• Do not remove the RF Exposure Label from the device.
• User awareness instructions should accompany device when transferred to other users.
• Do not use this device if the operational requirements described herein are not met.
Operating Instructions
• Transmit no more than the rated duty factor of 50% of the time. To transmit (talk), push the Push-
To-Talk (PTT) button. To receive calls, release the PTT button. Transmitting 50% of the time, or
less, is important because this radio generates measurable RF energy exposure only when
transmitting (in terms of measuring for standards compliance).

v
•Hold the radio in a vertical position in front of the face with the microphone (and
other parts of the radio including the antenna) at least one inch (2.5 centimeters)
away from the nose or lips.
• Antenna should be kept away from the eye. Keeping the radio at a proper distance
is important since RF exposures decrease with increasing distance from the
antenna.
• When worn on the body, always place the radio in a Motorola-approved clip, holder, holster,
case, or body harness for this product. Using approved body-worn accessories is important
because the use of non-Motorola-approved accessories may result in exposure levels, which
exceed the FCC occupational/controlled environment RF exposure limits.
• If you are not using a body-worn accessory and are not using the radio in the intended use posi-
tion in front of the face, ensure the antenna and the radio are kept at least one inch (2.5 centime-
ters) from the body when transmitting. Keeping the radio at a proper distance is important
because RF exposures decrease with increasing distance from the antenna.
Approved Accessories
• Use only Motorola-approved supplied or replacement antennas, batteries, and accessories. Use
of Non-Motorola approved antennas, batteries, and accessories may exceed the FCC (IEEE)
and ICNIRP RF exposure guidelines.
• For a list of Motorola-approved accessories, visit the following website, which lists approved
accessories for your radio model: http://ap.cgiss.motorola.com/AAD/index.html.
Additional Information
For additional information on exposure requirements or other training information, visit
http://www.motorola.com/rfhealth.
Electromagnetic Interference/Compatibility
NOTE:Nearly every electronic device is susceptible to electromagnetic interference (EMI) if
inadequately shielded, designed, or otherwise configured for electromagnetic compatibility.
Facilities
To avoid electromagnetic interference and/or compatibility conflicts, turn off your radio in any facility
where posted notices instruct you to do so. Hospitals or health care facilities may be using
equipment that is sensitive to external RF energy.
Aircraft
When instructed to do so, turn off your radio when on board an aircraft. Any use of a radio must be
in accordance with applicable regulations per airline crew instructions.
Medical Devices
Pacemakers
The Advanced Medical Technology Association (AdvaMed) recommends that a minimum separation
of 6 inches (15 centimeters) be maintained between a handheld wireless radio and a pacemaker.
These recommendations are consistent with those of the U.S. Food and Drug Administration.
Persons with pacemakers should:
• ALWAYS keep the radio more than 6 inches (15 centimeters) from their pacemaker when the
radio is turned ON.

vi
• Not carry the radio in the breast pocket.
• Use the ear opposite the pacemaker to minimize the potential for interference.
• Turn the radio OFF immediately if there is any reason to suspect that interference is taking place.
Hearing Aids
Some digital wireless radios may interfere with some hearing aids. In the event of such interference,
you may want to consult your hearing aid manufacturer to discuss alternatives.
Other Medical Devices
If you use any other personal medical device, consult the manufacturer of your device to determine
if it is adequately shielded from RF energy. Your physician may be able to assist you in obtaining this
information.
Use of communication devices while driving
Always check the laws and regulations on the use of radios in the areas where you drive.
• Give full attention to driving and to the road.
• Use hands-free operation, if available.
• Pull off the road and park before making or answering a call, if driving conditions or regulations
so require.
Operational Warnings
For vehicle with air bags
Refer to vehicle manufacturer's manual prior to installation of electronic equipment to avoid
interference with air bag wiring.
Do not place a portable radio in the area over an air bag or in the air bag deployment area.
Air bags inflate with great force. If a portable radio is placed in the air bag deployment area
and the air bag inflates, the radio may be propelled with great force and cause serious injury
to occupants of the vehicle.
Potentially Explosive Atmospheres
(Explosive atmospheres refers to hazard classified locations that may contain hazardous
gas, vapors, or dusts.)
Turn off your radio prior to entering any area with a potentially explosive atmosphere unless
it is a portable radio type especially qualified for use in such areas as Intrinsically Safe (for
example, Factory Mutual, CSA, UL, or CENELEC).
Do not remove, install, or charge batteries in such areas. Sparks in a potentially explosive
atmosphere can cause an explosion or fire resulting in bodily injury or even death.
The areas with potentially explosive atmospheres referred to above include fueling areas
such as below decks on boats, fuel or chemical transfer or storage facilities, and areas
where the air contains chemicals or particles such as grain, dust or metal powders. Areas
with potentially explosive atmospheres are often, but not always, posted.
Blasting Caps And Blasting Areas
To avoid possible interference with blasting operations, turn off your radio when you are
near electrical blasting caps, in a blasting area, or in areas posted: "Turn off two-way radio."
Obey all signs and instructions.

vii
Operational Cautions
Intrinsically Safe Radio Information
The Intrinsically safe approval unit refers to a product that has been approved as intrinsically safe by
an approval agency (for example FM Approvals, CSA, UL, or Cenelec) and certifies that a particular
product meets the Agency's applicable intrinsic safety standards for specific types of hazardous
classified locations. A portable radio that has been approved for intrinsic safety will have Approval
label attached to the radio to identify the unit as being Approved for specified hazardous
atmospheres. This label specifies the hazardous Class/Division/Group along with the part number of
the battery that must be used. The intrinsically safe approval label will be located on the portable
radio unit.
Operational Cautions for Intrinsic Safe Equipment
Warnings for Radios Approved as Intrinsically Safe
Radios must ship from the Motorola manufacturing facility with the hazardous atmosphere capability
and the intrinsic safety approval labelling (FM, UL, CSA, CENELEC). Radios will not be upgraded to
this capability and labeled once they have been shipped to the field.
Antennas
Do not use any portable radio that has a damaged antenna. If a damaged antenna comes into contact
with your skin, a minor burn can result.
Batteries
All batteries can cause property damage and/or bodily injury, such as burns, if a conductive material
such as jewelry, keys, or beaded chains touches exposed terminals. The conductive material may
complete an electrical circuit (short circuit) and become quite hot. Exercise care in handling any
charged battery, particularly when placing it inside a pocket, purse, or other container with metal
objects.
• Do not operate radio communications equipment in a hazardous atmosphere unless it is a type
especially qualified (for example, FM, UL, CSA, or CENELEC approved). An explosion or fire may
result.
• Do not operate a radio unit that has been approved as intrinsically safe product in a hazardous
atmosphere if it has been physically damaged (for example, cracked housing). An explosion or fire
may result.
• Do not replace or charge batteries in a hazardous atmosphere. Contact sparking may occur while
installing or removing batteries and cause an explosion or fire.

viii
A modification changes the unit's hardware from its original design configuration. Modifications can
only be made by the original product manufacturer.
Repair
A repair constitutes something done internally to the unit that would bring it back to its original
condition.
Items not considered as repairs are those in which an action is performed on a unit which does not
require the outer casing of the unit to be opened in a manner that exposes the internal electrical
circuits of the unit.
Do Not Substitute Options or Accessories
The Motorola communications equipment certified as intrinsically safe by the approving agency,
(FM, UL, CSA, CENELEC) is tested as a complete system which consists of the listed agency
Approved portable, Approved battery, and Approved accessories or options, or both. This Approved
portable and battery combination must be strictly observed. There must be no substitution of items,
even if the substitute has been previously Approved with a different Motorola communications
equipment unit. Approved configurations are listed by the Approving Agency (FM, UL, CSA,
CENELEC).
The intrinsically safe Approval label affixed to radio refers to the intrinsically safe classification of
that radio product, and the approved batteries that can be used with that system.
The manual PN referenced on the intrinsically safe approval label identifies the approved
Accessories and or options that can be used with that portable radio unit.
Using a non Motorola intrinsically safe battery and or accessory with the Motorola approved radio
unit will void the intrinsically safe approval of that radio unit.
• Do not replace or change accessories in a hazardous atmosphere. Contact sparking may
occur while installing or removing accessories and cause an explosion or fire.
• Turn the radio off before removing or installing a battery or accessory.
• Do not disassemble an intrinsically safe product in any way that exposes the internal
circuits of the unit.
• Failure to use an intrinsically safe approved battery or Approved accessories specifically
approved for the radio unit may result in the dangerously unsafe condition of an
unapproved radio combination being used in a hazardous location.
• Unauthorized or incorrect modification of the intrinsically safe approved Product will
negate the approval rating of the product.
• Incorrect repair or relabeling of any intrinsically safe Agency approved radio could
adversely affect the Approval rating of the unit.
• Use of a radio that is not intrinsically safe in a hazardous atmosphere could result in
serious injury or death.
REPAIRS FOR MOTOROLA PRODUCTS WITH INTRINSICALLY SAFE APPROVAL ARE THE
RESPONSIBILITY OF THE USER.
• Repairs to a Motorola FM approved radio product should only be done at a location that
has been FM audited under the FM 3605 repairs and service standard.
• Contact Motorola for assistance regarding repairs and service of Motorola intrinsically
safe equipment.

ix
Table of Contents
Document History .............................................................................................i
Safety Information .......................................................................................... iii
Section 1 Introduction
1.0 Scope of Manual.................................................................................................. 1-1
2.0 Warranty and Service Support............................................................................. 1-1
2.1 Warranty Period ............................................................................................. 1-1
2.2 After Warranty Period..................................................................................... 1-1
2.3 Piece Parts ..................................................................................................... 1-2
2.4 Technical Support .......................................................................................... 1-2
2.5 Further Assistance From Motorola ................................................................. 1-2
Section 2 Service Aids
1.0 Recommended Test Tools................................................................................... 2-1
Section 3 Power Up Self-Test
1.0 Error Codes ......................................................................................................... 3-1
Section 4 Controller Information
1.0 Overview.............................................................................................................. 4-1
2.0 Radio Power Distribution ..................................................................................... 4-1
3.0 Controller Board................................................................................................... 4-2
3.1 General........................................................................................................... 4-2
3.2 Digital Architecture ......................................................................................... 4-3
3.3 Keypad ........................................................................................................... 4-5
3.4 Troubleshooting Chart.................................................................................... 4-6
3.5 Controller Board Diagrams............................................................................. 4-7
Controller Board Top View (PCB No. 8404051G07/G08) ..................................... 4-7
Controller Board Top View (PCB No. 8404051G07/G08) ..................................... 4-8
Controller Board Top View (PCB No. 8404051G09) ............................................. 4-9
Controller Board Bottom View (PCB No.8404051G09)........................................ 4-10
3.6 Controller Schematics .................................................................................. 4-11
Complete Controller Schematic Diagram ............................................................. 4-11
Controller ASFIC/ON_OFF Schematic Diagram .................................................. 4-12
Controller Micro Processor Schematic Diagram .................................................. 4-13
Controller Memory Schematic Diagram ............................................................... 4-14

x
Controller Audio Power Amplifier Schematic Diagram..........................................4-15
Controller Parts List for VHF (for 8404051G07/G08 and 8404051G09) ...............4-16
Controller Parts List for UHF 1, UHF 2 and 330MHz (for 8404051G07/G08 and
8404051G09)................................................................................................4-17
3.7 Controller Board Diagrams ...........................................................................4-18
Controller Board Top View (PCB No. 8404056G01).............................................4-18
Controller Board Bottom View (PCB No.8404056G01) ........................................4-19
Controller Board Top View (PCB No. 8404056G02).............................................4-20
Controller Board Bottom View (PCB No. 8404056G02) .......................................4-21
3.8 Controller Schematics...................................................................................4-22
Complete Controller Schematic Diagram..............................................................4-22
Controller ASFIC/ON_OFF Schematic Diagram...................................................4-23
Controller Micro Processor Schematic Diagram ...................................................4-24
Controller Memory Schematic Diagram ................................................................4-25
Controller Audio Power Amplifier Schematic Diagram..........................................4-26
Controller Interface Schematic Diagram (for 8404056G01)..................................4-27
Controller Interface Schematic Diagram (for 8404056G02)..................................4-28
Controller Parts List for VHF (for 8404056G01/G02)............................................4-29
Controller Parts List for UHF 1, UHF 2 and 330MHz (for 8404056G01/G02).......4-31
Section 5A Model Chart and Test Specifications (136-174 Mhz)
1.0 Model Chart....................................................................................................... 5A-1
2.0 Specifications (for GP328 Plus) ........................................................................ 5A-2
3.0 Specifications (for GP338 Plus/GP338 XLS) .................................................... 5A-3
4.0 Transmitter ........................................................................................................ 5A-4
4.1 General ........................................................................................................ 5A-4
5.0 Receiver ............................................................................................................ 5A-6
5.1 Receiver Front-End...................................................................................... 5A-6
5.2 Receiver Back-End ...................................................................................... 5A-7
5.3 Automatic Gain Control Circuit .................................................................... 5A-8
6.0 Frequency Generation Circuitry ........................................................................ 5A-9
6.1 Synthesizer ................................................................................................ 5A-10
6.2 VCO - Voltage Controlled Oscillator .......................................................... 5A-11
7.0 Notes For All Schematics and Circuit Boards ................................................. 5A-13
8.0 Circuit Board/Schematic Diagrams and Parts List .......................................... 5A-15
VHF (136-174MHz) Main Board Top Side PCB No. 8404055G05/G06/G07..... 5A-15
VHF (136-174MHz) Main Board Bottom Side
PCB No. 8404055G05/G06/G07 ............................................................... 5A-16
VHF (136-174MHz) Main Board Top Side PCB No. 8404055G09 .................... 5A-17
VHF (136-174MHz) Main Board Bottom Side PCB No. 8404055G09 ............... 5A-18
VHF Controls And Switches Schematic Diagram (sheet 1 of 2) ........................ 5A-19
VHF Controls And Switches Schematic Diagram (sheet 2 of 2) ........................ 5A-20
VHF Controls And Switches Schematic Diagram
(sheet 2 of 2 for 8404055G09 PCB) .......................................................... 5A-21

xi
VHF Receiver Front End Schematic Diagram....................................................5A-22
VHF Receiver Back End Schematic Diagram ....................................................5A-23
VHF Synthesizer Schematic Diagram ................................................................5A-24
VHF Voltage Controlled Oscillator Schematic Diagram .....................................5A-25
VHF Transmitter Schematic Diagram.................................................................5A-26
VHF Radio Parts List (RF Board) .......................................................................5A-27
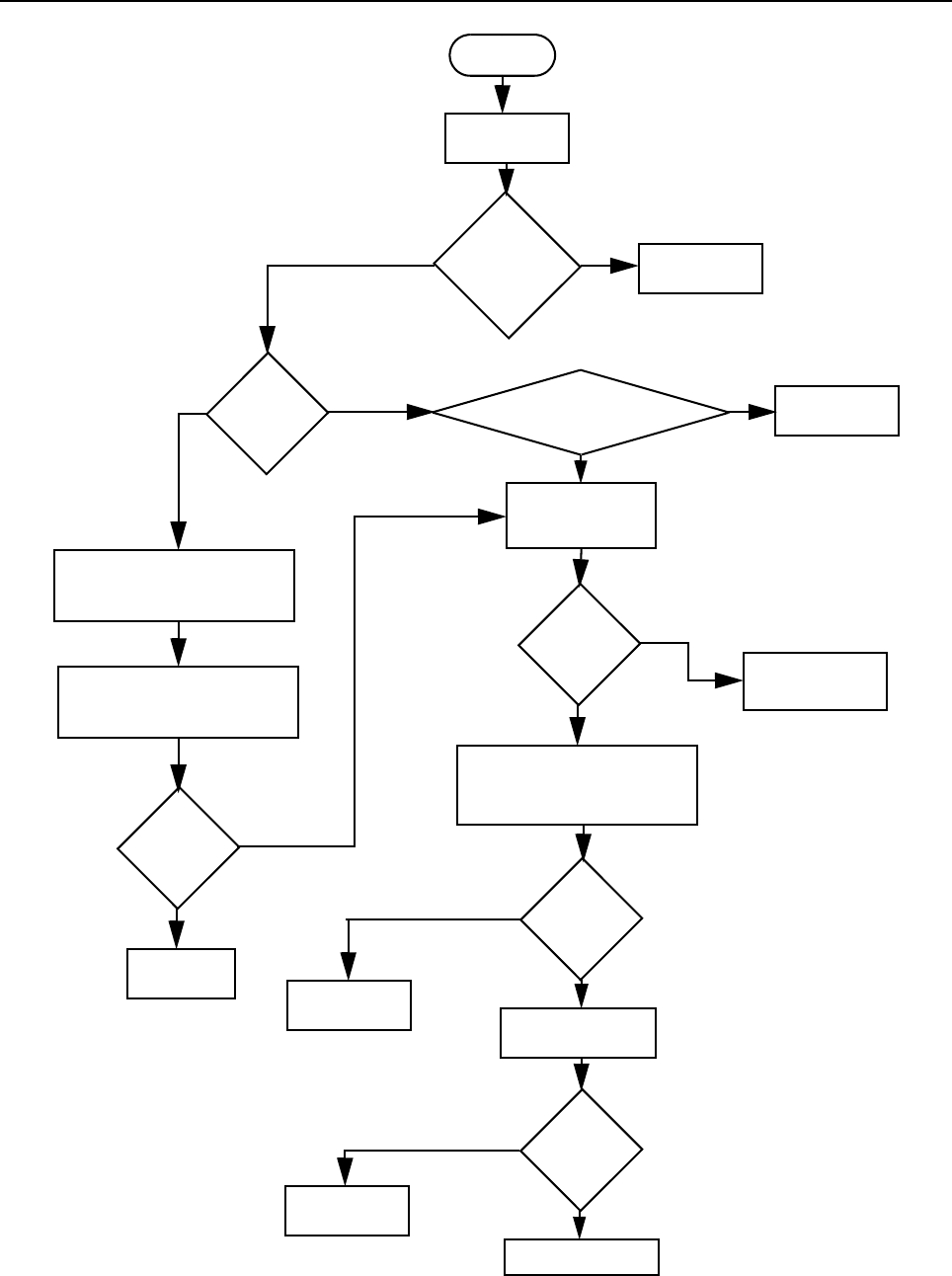
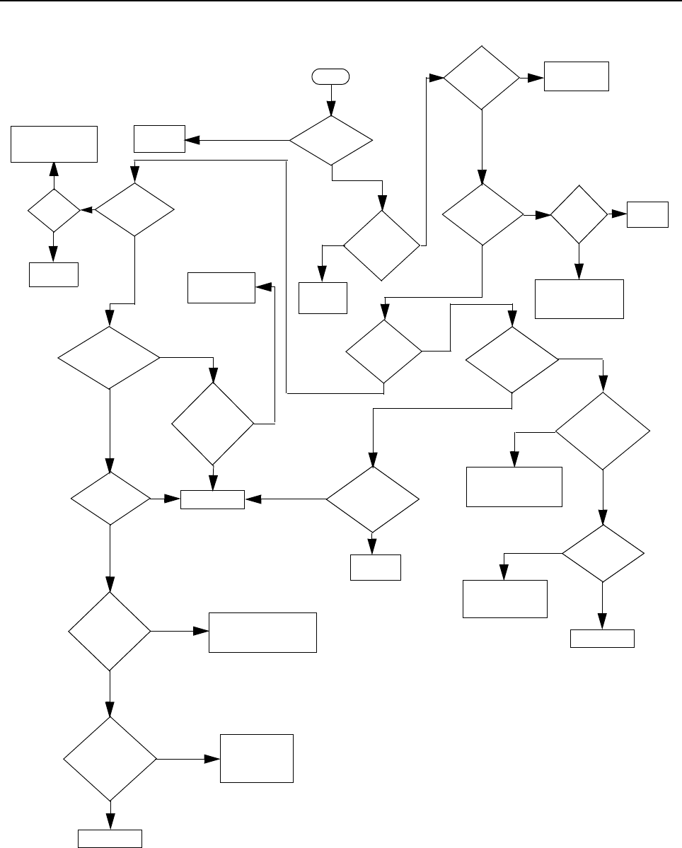
9.0 Troubleshooting Charts ...................................................................................5A-31
Troubleshooting Flow Chart for Controller .........................................................5A-31
Troubleshooting Flow Chart for Receiver (Sheet 1 of 2) ....................................5A-32
Troubleshooting Flow Chart for Receiver (Sheet 2 of 2) ....................................5A-33
Troubleshooting Flow Chart for Transmitter.......................................................5A-34
Troubleshooting Flow Chart for Synthesizer ......................................................5A-35
Troubleshooting Flow Chart for VCO .................................................................5A-36
Section 5B Model Chart and Test Specifications (403-470 Mhz)
1.0 Model Chart .......................................................................................................5B-1
2.0 Specifications (for GP328 Plus).........................................................................5B-2
3.0 Specifications (for GP338 Plus/GP338 XLS).....................................................5B-3
4.0 Transmitter.........................................................................................................5B-4
4.1 General.........................................................................................................5B-4
5.0 Receiver.............................................................................................................5B-6
5.1 Receiver Front-End ......................................................................................5B-6
5.2 Receiver Back-End.......................................................................................5B-7
5.3 Automatic Gain Control Circuit .....................................................................5B-8
6.0 Frequency Generation Circuitry.........................................................................5B-9
6.1 Synthesizer.................................................................................................5B-10
6.2 VCO - Voltage Controlled Oscillator...........................................................5B-11
7.0 Notes For All Schematics and Circuit Boards..................................................5B-13
8.0 Circuit Board/Schematic Diagrams and Parts List...........................................5B-15
UHF (403-470MHz) Main Board Top Side PCB No. 8404077G05/G06/G07.....5B-15
UHF (403-470MHz) Main Board Bottom Side
PCB No. 8404077G05/G06/G07 ................................................................5B-16
UHF (403-470MHz) Main Board Top Side PCB No. 8404077G09 ....................5B-17
UHF (403-470MHz) Main Board Bottom Side PCB No. 8404077G09 ...............5B-18
UHF Controls And Switches Schematic Diagram (sheet 1 of 2) ........................5B-19
UHF Controls And Switches Schematic Diagram
(sheet 2 of 2 for 8404077G09 PCB)...........................................................5B-20
UHF Receiver Front End Schematic Diagram....................................................5B-21
UHF Receiver Back End Schematic Diagram ....................................................5B-22
UHF Synthesizer Schematic Diagram................................................................5B-23
UHF Voltage Controlled Oscillator Schematic Diagram .....................................5B-24
UHF Transmitter Schematic Diagram ................................................................5B-25
UHF Band 1 Radio Parts List (RF Board) ..........................................................5B-26
9.0 Troubleshooting charts ....................................................................................5B-29

xii
Troubleshooting Flow Chart for Controller ......................................................... 5B-29
Troubleshooting Flow Chart for Receiver (Sheet 1 of 2).................................... 5B-30
Troubleshooting Flow Chart for Receiver (Sheet 2 of 2).................................... 5B-31
Troubleshooting Flow Chart for Transmitter ...................................................... 5B-32
Troubleshooting Flow Chart for Synthesizer...................................................... 5B-33
Troubleshooting Flow Chart for VCO................................................................. 5B-34
Section 5C Model Chart and Test Specifications (450-527 Mhz)
1.0 Model Chart....................................................................................................... 5C-1
2.0 Specifications (for GP328 Plus) ........................................................................ 5C-2
3.0 Specifications (for GP338 Plus/GP338 XLS) .................................................... 5C-3
4.0 Transmitter ........................................................................................................ 5C-4
4.1 General ........................................................................................................ 5C-4
5.0 Receiver ............................................................................................................ 5C-6
5.1 Receiver Front-End...................................................................................... 5C-6
5.2 Receiver Back-End ...................................................................................... 5C-7
5.3 Automatic Gain Control Circuit .................................................................... 5C-8
6.0 Frequency Generation Circuitry ........................................................................ 5C-9
6.1 Synthesizer ................................................................................................ 5C-10
6.2 VCO - Voltage Controlled Oscillator ..........................................................5C-11
7.0 Notes For All Schematics and Circuit Boards ................................................. 5C-13
8.0 Circuit Board/Schematic Diagrams and Parts List .......................................... 5C-15
UHF Band 2 (450-527MHz) Main Board Top Side
PCB No. 8404102G03/G04/G05 ............................................................... 5C-15
UHF Band 2 (450-527MHz) Main Board Bottom Side
PCB No. 8404102G03/G04/G05 ............................................................... 5C-16
UHF Band 2 (450-527MHz) Main Board Top Side PCB No. 8404102G07........ 5C-17
UHF Band 2 (450-527MHz) Main Board Bottom Side PCB No. 8404102G07 .. 5C-18
UHF Band 2 Controls And Switches Schematic Diagram (sheet 1 of 2)
UHF Band 2 Controls And Switches Schematic Diagram (sheet 2 of 2) ... 5C-19
UHF Band 2 Controls And Switches Schematic Diagram
(sheet 2 of 2 for 8404102G07 PCB) ..........................................................5C-21
UHF Band 2 Receiver Front End Schematic Diagram....................................... 5C-22
UHF Band 2 Receiver Back End Schematic Diagram ....................................... 5C-23
UHF Band 2 Synthesizer Schematic Diagram ...................................................5C-24
UHF Band 2 Voltage Controlled Oscillator Schematic Diagram ........................ 5C-25
UHF Band 2 Transmitter Schematic Diagram.................................................... 5C-26
UHF Band 2 Radio Parts List (RF Board) ..........................................................5C-27
9.0 Troubleshooting charts.................................................................................... 5C-31
Troubleshooting Flow Chart for Controller ......................................................... 5C-31
Troubleshooting Flow Chart for Receiver (Sheet 1 of 2).................................... 5C-32
Troubleshooting Flow Chart for Receiver (Sheet 2 of 2).................................... 5C-33
Troubleshooting Flow Chart for Transmitter ...................................................... 5C-34
Troubleshooting Flow Chart for Synthesizer...................................................... 5C-35

xiii
Troubleshooting Flow Chart for VCO ............................................................... 5C-36
Section 5D Model Chart and Test Specifications (330-400 Mhz)
1.0 Model Chart ...................................................................................................... 5D-1
2.0 Specifications (for GP328 Plus)........................................................................ 5D-2
3.0 Specifications (for GP338 Plus)........................................................................ 5D-3
4.0 Transmitter........................................................................................................ 5D-4
4.1 General........................................................................................................ 5D-4
5.0 Receiver............................................................................................................ 5D-6
5.1 Receiver Front-End ..................................................................................... 5D-6
5.2 Receiver Back-End...................................................................................... 5D-7
5.3 Automatic Gain Control Circuit .................................................................... 5D-8
6.0 Frequency Generation Circuitry........................................................................ 5D-9
6.1 Synthesizer................................................................................................ 5D-10
6.2 VCO - Voltage Controlled Oscillator.......................................................... 5D-11
7.0 Notes For All Schematics and Circuit Boards................................................. 5D-13
8.0 Circuit Board/Schematic Diagrams and Parts List.......................................... 5D-15
330-400MHz Main Board Top Side PCB No. 8404101G02/G03/G04............... 5D-15
330-400MHz Main Board Bottom Side PCB No. 8404101G02/G03/G04 ......... 5D-16
330-400MHz Main Board Top Side PCB No. 8404101G06 .............................. 5D-17
330-400MHz Main Board Bottom Side PCB No. 8404101G06 ......................... 5D-18
330-400MHz Controls And Switches Schematic Diagram (sheet 1 of 2) .......... 5D-19
330-400MHz Controls And Switches Schematic Diagram (sheet 2 of 2) .......... 5D-20
330-400MHz Controls And Switches Schematic Diagram
(sheet 2 of 2 for 8404101G06 PCB).......................................................... 5D-21
330-400MHz Receiver Front End Schematic Diagram ..................................... 5D-22
330-400MHz Receiver Back End Schematic Diagram...................................... 5D-23
330-400MHz Synthesizer Schematic Diagram.................................................. 5D-24
330-400MHz Voltage Controlled Oscillator Schematic Diagram ....................... 5D-25
330-400MHz Transmitter Schematic Diagram .................................................. 5D-26
330-400MHz Radio Parts List (RF Board)......................................................... 5D-27
9.0 Troubleshooting charts ................................................................................... 5D-31
Troubleshooting Flow Chart for Controller ........................................................ 5D-31
Troubleshooting Flow Chart for Receiver (Sheet 1 of 2) ................................... 5D-32
Troubleshooting Flow Chart for Receiver (Sheet 2 of 2) ................................... 5D-33
Troubleshooting Flow Chart for Transmitter...................................................... 5D-34
Troubleshooting Flow Chart for Synthesizer ..................................................... 5D-35
Troubleshooting Flow Chart for VCO ................................................................ 5D-36
Section 6 Flex Layout/Schematic Diagrams and Parts Lists
1.0 RF-Controller Interconnect Flex........................................................................... 6-1
1.1 Rev A.............................................................................................................. 6-1
1.2 Rev B ............................................................................................................. 6-1

xiv
2.0 Schematic for RF-Controller Interconnect Flex ....................................................6-2
3.0 Universal Connector Flex.....................................................................................6-3
3.1 GP328 Plus.....................................................................................................6-3
3.2 GP338 Plus/GP338 XLS.................................................................................6-4
4.0 Schematic for Universal Connector Flex..............................................................6-5
4.1 GP328 Plus.....................................................................................................6-5
4.2 GP338 Plus/GP338 XLS.................................................................................6-5
5.0 Parts List for Universal Connector Flex................................................................6-6
5.1 GP328 Plus.....................................................................................................6-6
5.2 GP338 Plus/GP338 XLS.................................................................................6-6

1-1
Section 1
INTRODUCTION
1.0 Scope of Manual
This manual is intended for use by service technicians familiar with similar types of equipment. It
contains service information required for the equipment described and is current as of the printing
date. Changes which occur after the printing date may be incorporated by a complete Manual revision
or alternatively as additions.
2.0 Warranty and Service Support
Motorola offers long term support for its products. This support includes full exchange and/or repair of
the product during the warranty period, and service/repair or spare parts support out of warranty. Any
"return for exchange" or "return for repair" by an authorised Motorola Dealer must be accompanied by
a Warranty Claim Form. Warranty Claim Forms are obtained by contacting an Authorised Motorola
Dealer.
2.1 Warranty Period
The terms and conditions of warranty are defined fully in the Motorola Dealer or Distributor or Reseller
contract. These conditions may change from time to time and the following notes are for guidance
purposes only.
In instances where the product is covered under a "return for replacement" or "return for repair"
warranty, a check of the product should be performed prior to shipping the unit back to Motorola. This
is to ensure that the product has been correctly programmed or has not been subjected to damage
outside the terms of the warranty.
Prior to shipping any radio back to the appropriate Motorola warranty depot, please contact Customer
Services. All returns must be accompanied by a Warranty Claim Form, available from your Customer
Services representative. Products should be shipped back in the original packaging, or correctly
packaged to ensure no damage occurs in transit.
2.2 After Warranty Period
After the Warranty period, Motorola continues to support its products in two ways.
1. Motorola's Accessories and Aftermarket Division (AAD) offers a repair service to both end
users and dealers at competitive prices.
2. AAD supplies individual parts and modules that can be purchased by dealers who are techni-
cally capable of performing fault analysis and repair.
NOTE Before operating or testing these units, please read the Safety Information Section in the
front of this manual.

1-2 Warranty and Service Support
2.3 Piece Parts
Some replacement parts, spare parts, and/or product information can be ordered directly. If a
complete Motorola part number is assigned to the part, it is available from Motorola’s Accessories and
Aftermarket Division (AAD). If no part number is assigned, the part is not normally available from
Motorola. If the part number is appended with an asterisk, the part is serviceable by Motorola Depot
only. If a parts list is not included, this generally means that no user-serviceable parts are available for
that kit or assembly.
All orders for parts/information should include the complete Motorola identification number. All part
orders should be directed to your local AAD office. Please refer to your latest price pages.
2.4 Technical Support
Technical support is available to assist the dealer/distributor in resolving any malfunction which may
be encountered. Initial contact should be by telephone wherever possible. When contacting Motorola
Technical Support, be prepared to provide the product model number and the unit’s serial number.
2.5 Further Assistance From Motorola
You can also call the CGISS Indirect Business Customer Help Desk number, (604)-6302525 or send
an email to customercare.asia@motorola.com.

2-1
Section 2
SERVICE AIDS
1.0 Recommended Test Tools
Table 2-1 lists the tools recommended for working on this family of radios. These tools are also
available from Motorola.
Table 2-1: Recommended Test Tools
Motorola Part No. Description Application
6680387A59
6680387A64
6680387A65
0180382A31
Extractor, 2-contact
Heat controller with safety
stand or
Safety stand only
Portable desoldering unit
Removal of discrete surface-mounted devices
6680375A74
0180386A81
0180386A78
0.025 replacement tip, 5/pk
Miniature digital readout
soldering station (incl. 1/64”
micropoint tip)
Illuminated magnifying
glass with lens attachment.
For 0180382A31 portable desoldering unit.
0180386A82
6684253C72
6680384A98
1010041A86
1080370B43
Anti-static grounding kit
Straight prober
Brush
Solder (RMA type),
63/37, 0.020” diameter
1 lb. spool
RMA liquid flux
Used during all radio assembly and disassem-
bly procedures
R-1070A
or R-1319A
Shields and surface-
mounted component - IC
removal/rework station
(order all heat-focus heads
separately)
Shields and surface-
mounted component - IC
removal/rework station
SMD10000 M.A.P.E.
Removal and assembly of surface-mounted
integrated circuits and shields
Removal and assembly of surface-mounted
integrated circuits and shields

2-2 Recommended Test Tools
THIS PAGE INTENTIONALLY LEFT BLANK

3-1
Section 3
POWER UP SELF-TEST
1.0 Error Codes
Turning on the radio using the ON/OFF volume control starts a self-test routine which checks the
RAM, ROM checksum, EEPROM hardware and EEPROM checksum. If these checks are
successfully completed, the radio will generate the Self-Test Pass Tone. Radio emits only “bonk” (300
Hz) tone if it fails the self-test.
Error Code Explanation Corrective Action
“RAM TST ERROR” RAM Test Failure Retest radio by turning it off and turning it on again. If
message reoccurs, replace RAM (U405).
“ROM CS ERROR” ROM Checksum is
wrong.
Reprogram FLASH Memory, then retest. If message
reoccurs, replace ROM (U406).
“EEPRM HW ERROR” Codeplug structure
mismatch, non
existence of
codeplug.
Reprogram codeplug with correct version and retest
radio. If message reoccurs, replace EEPROM
(U407).
“EEPRM CS ERROR” Codeplug check-
sum is wrong.
Reprogram codeplug.
No Display Display module is
not connected
properly.
Display module is
damaged.
Check connection between main board and display
module.
Replace with new display module.

3-2 Error Codes
THIS PAGE INTENTIONALLY LEFT BLANK

4-1
Section 4
CONTROLLER INFORMATION
1.0 Overview
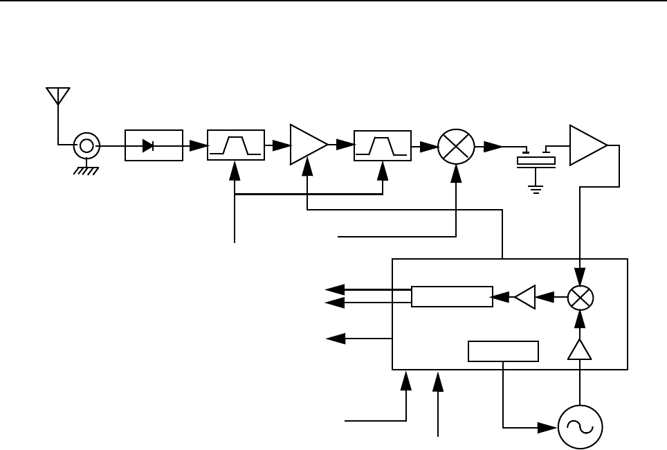
This section provides a detailed theory of operation for the radio and its components.
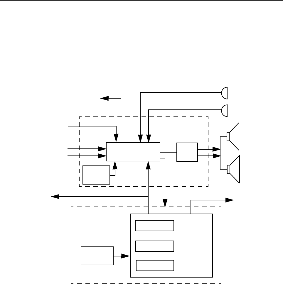
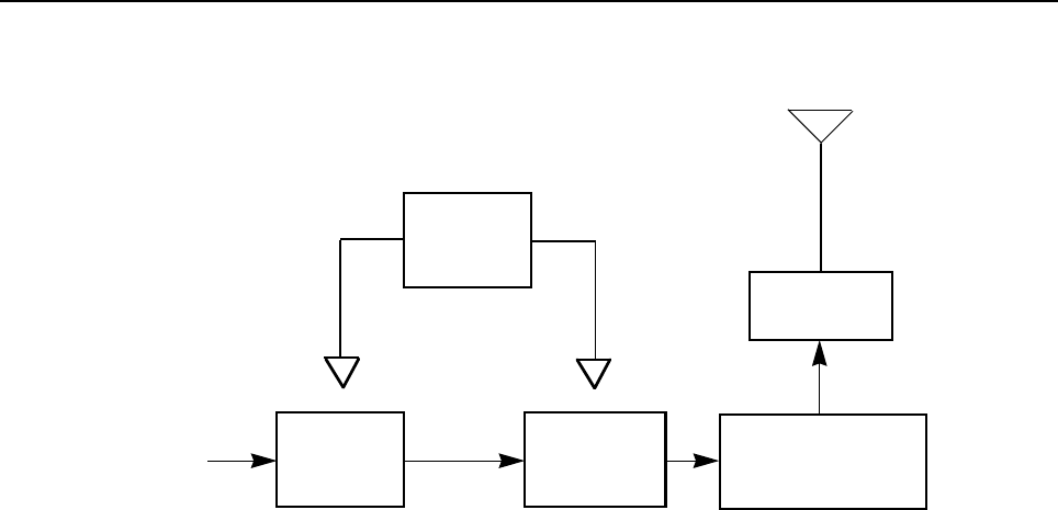
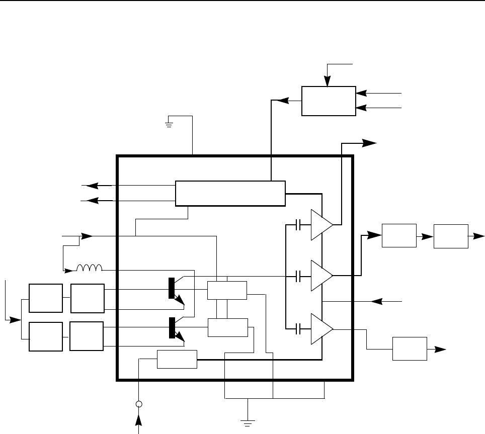
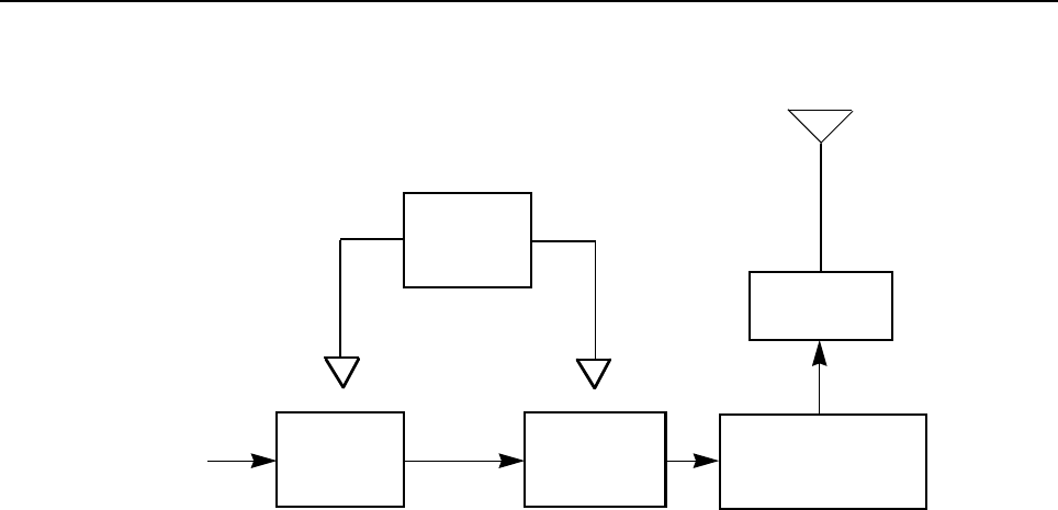
2.0 Radio Power Distribution
Figure 4-1 illustrates the DC distribution throughout the radio board. A 7.5V battery (BATT 7.5V)
supplies power directly to the electronic ON/OFFcontrol as UNSWB+. When the radio is turned on,
MECH_SWB+ (ON/OFF volume control) will trigger the electronic ON/OFFcontrol(momentary-on
path), then SWB+ is distributed as shown in Figure 4-1. Vdda from 3.3V Vdda regulator will then
supply the microprocessor. Data is then sent to ASFIC_CMP to turn on GCB4(DAC). GCB4 will take
over the momentary-on path within 12ms. SWB+ will continue to support the whole board until the
radio is turned off.
Radio will be turned-off on two conditions;
1. MECH_SWB+ turned off
2. Low battery
Figure 4-1: DC Power Distribution Block Diagram
Control
On/Off Switch
SWB+
Fuse
Low Battery
Detect
Ant. SW
PCIC(ALC)
PA, Driver
LI Ion
3.5V
Reg.
7.5V
Audio PA
Vddd
Reg.
5V
ASFIC_CMP VCOBIC
FRACTN LVZIF
* LCD
Driver
5V
RF. AMP, IF AMP
Ext. RX.
MECH.
SWB+
UNSWB+
TX.
Vdda
Reg.
R1
R5 R2 R3
Vdda
Vddd
Battery
Reg.
MCU Micro P, ROM
& EEPROM
Buffer (NU)
Led
Jumpers
Dual Vdd
Regulator
Scheme
Single Vdd
Regulator
Scheme
R1 Y Y
R2 N N
R3 N Y
R4 N N
R5 Y N
Vdda Y N
SW. Reg. N N
*Not applicable to GP328 Plus

4-2 Controller Board
When low battery level is detected by the microprocessor through both conditions above, it will store
the radio personality data to EEPROM before turning off.
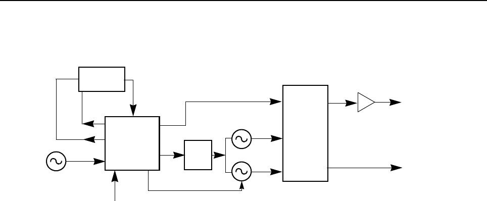
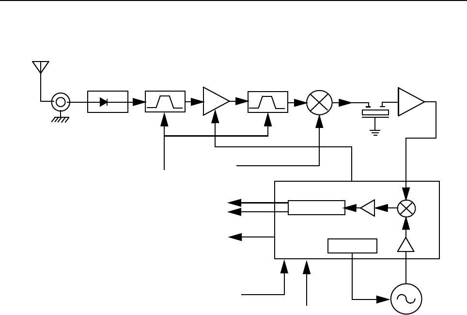
3.0 Controller Board
3.1 General
The controller board is the central interface between the various subsytems of the radio. It is
separated into digital and audio architectures. The digital portion consists of a special Motorola
microcontroller (HC11FL0). The audio power amplifier (Audio PA) and audio/signalling/filter/
companding IC (ASFIC_CMP) form the backbone of the audio/signalling architecture.
Figure 4-2: Controller Block Diagram
External
Microphone
Internal
Microphone
External
Speaker
Internal
Speaker
SCI to Side
Connector
Audio
PA
Audio/Signalling
Architecture
To Synthesizer
Mod
Out
16.8 MHz
Reference Clock
from Synthesizer
Recovered Audio
Squelch
To RF Board SPI
Digital
Architecture
µP Clock
3.3V
Regulator
(Vddd)
RAM
EEPROM
ROM
HC11FL0
ASFIC_CMP
3.3V
Regulator
(Vdda)

Controller Board 4-3
3.2 Digital Architecture
MCU configuration
There is one common MCU architecture for low-tier as well as for the high-tier products. It covers the
Conventional and Trunking portables. An open architecture system with the new HC11FL0 as the
processor is used. Combinations of different size RAM, ROM and EEPROM are available for various
application software.
Real Time Clock (RTC)
This radio supports Real Time Clock (RTC) module for purposes of Message Time Stamping and
Time Keeping. The RTC module resides in the micro-processor HC11FL0. It is kept alive by a back-
up Lithium Ion battery when the primary battery is removed.
Circuit Description
The RTC module which resides in the HC11FL0 is powered by the ModB/Vstby pin and PI6/PI7 form
the crystal oscillator circuit. Clock frequency of 38.4kHz from a crystal oscillator provides the
reference signal. In the processor, the frequency is divided down to 1Hz.
As the RTC module is powered separately from the processor Vdd, the RTC is kept alive through the
ModB / Vstby pin when the radio is switched off. A small button Lithium Ion battery continues to feed
the RTC when the primary battery is removed.
A MOSFET Q416 switches in the Li (Lithium) Ion supply when Vdd is removed. Q416 also provides
isolation from BOOT_CTRL function in the event of radio program flashing. A small 3.3V regulator is
used to charge the Li (Lithium) Ion battery.
Figure 4-3: RTC Circuit
LI_ION
R462
R419
3
4
2
15
CR411
1
2
3
Q416
C434
U410 3.3V
3
2
1
VIN VOUT
VSS
UNSWB+
R460
C435
R461
Vddd
HC11FL0
MODA
MODB
R420
R426
FL401 C436
C437
PI6
PI7
OUT
IN
GND
38.4kHz
UNSWB+ SWB+
6
4
1
3
2
3
51
2
4
CR413
R463
300
Q417
TEST_POINT
TP405
1
BOOT_CTRL

4-4 Controller Board
ModB/Vstby Supply
Under various conditions, the supply to the ModB/Vstby would vary. Table 4-1 shows these
conditions and circuits in operation.
Table 4-1: ModB/Vstby Supply Modes
Condition Circuit Operation
Radio On Vdd supply voltage via CR411
Radio Off • Vdd turned off
• Q416 gate is pulled low by R462
• Q416 is switched on
• U410 supplies 3.2V to ModB/Vstby
Primary battery removed • Vdd turned off
• Q416 gate is pulled low by R462
• Q416 is switched on
• Li Ion battery provides 3.2V to ModB/Vstby
Flash Mode • Boot_Ctrl line pull low
• ModA & ModB goes low
• Processor in boot-strap mode
• Flashing enabled

Controller Board 4-5
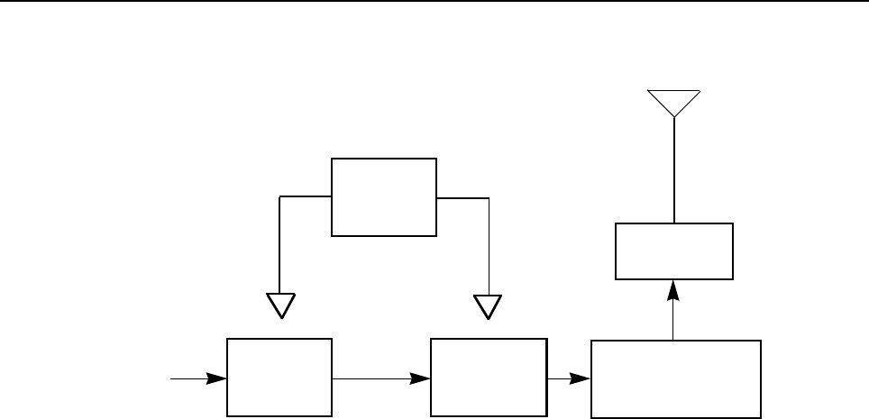
3.3 Keypad
The LED_EN setting is set by the codeplug. When the value is set to high, the LED will not light up
during power up and vice versa.
U602 is a comparator that will compare the voltage when any one of the keypad row or keypad
column keys is being pressed. Therefore when a key is being pressed, it will send a message to the
microprocessor through the output (KEY_INT) telling it that a key has been pressed. The
microprocessor will then sample the Analog to Digital voltages at the keypad row and keypad column
and map it with the table so that the key being pressed can be identified. Once the key has been
identified, the message that corresponds to the key will show up at the display.
Figure 4-4: Keypad Block Diagram
Micro Processor
Comparator
Keypad
Button
LED
Display
18 pin connector
Key_Int
Keypad Column
Keypad
Data
Row

4-6 Controller Board
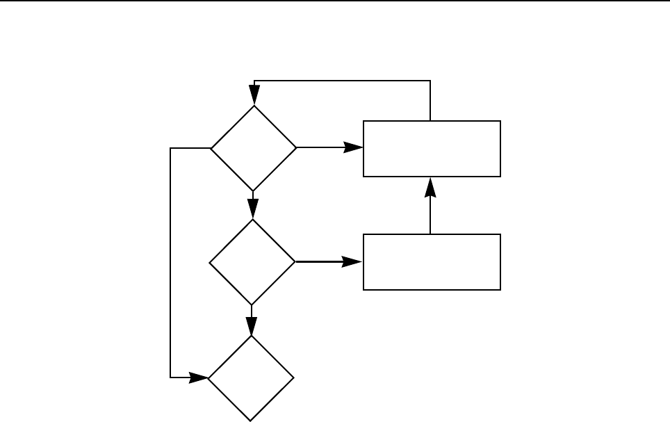
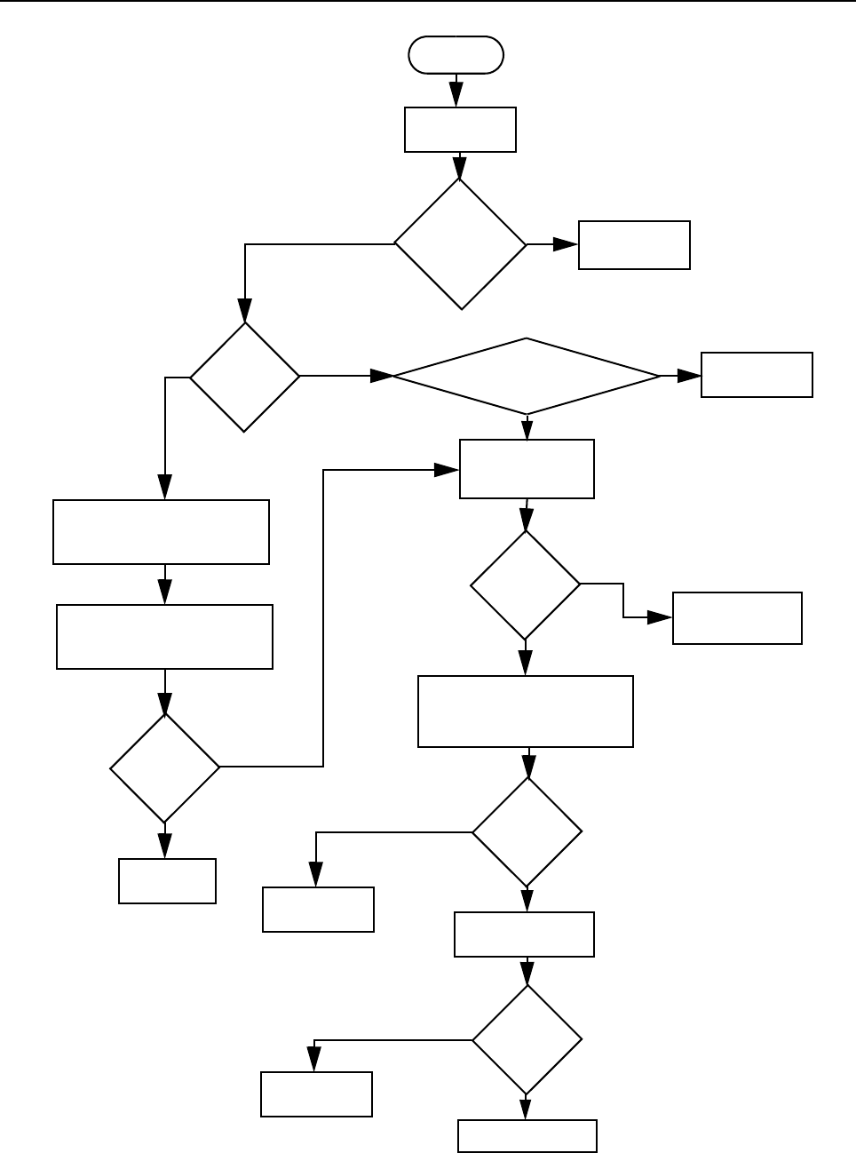
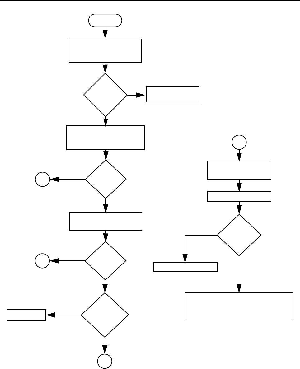
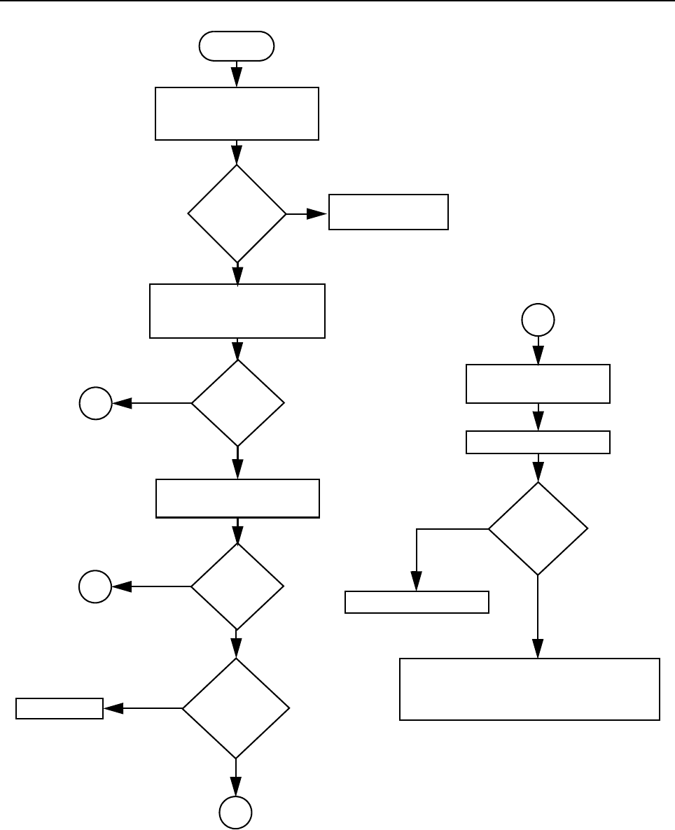
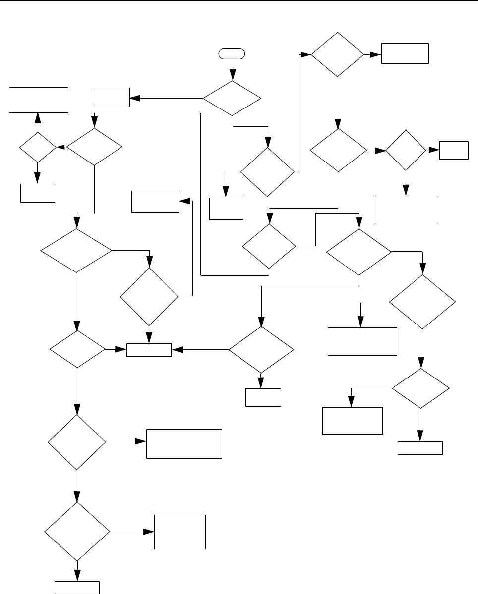
3.4 Troubleshooting Chart
Figure 4-5: Keypad Board Troubleshooting Chart
Display
Keypad
LED
End
Disconnect and
reconnect 18-pin
flex
Disconnect and
reconnect 40-pin
flex
ON
OFF
OFF
ON
IF STILL OFF

4-7
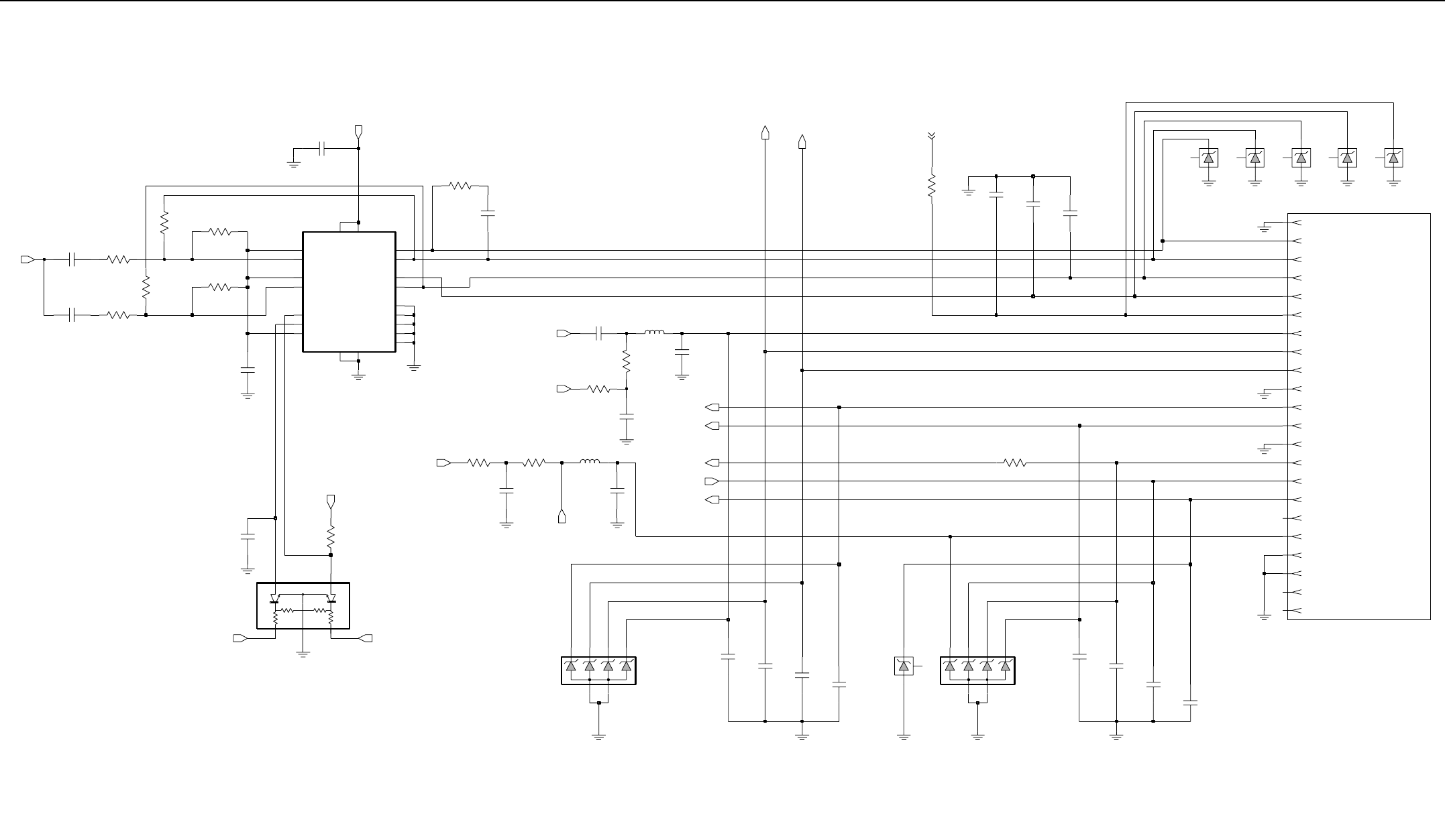
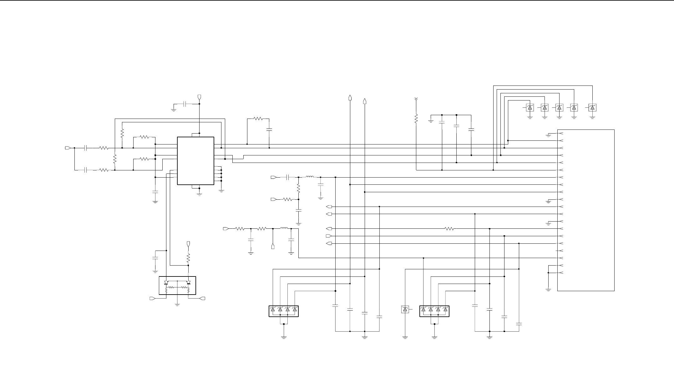
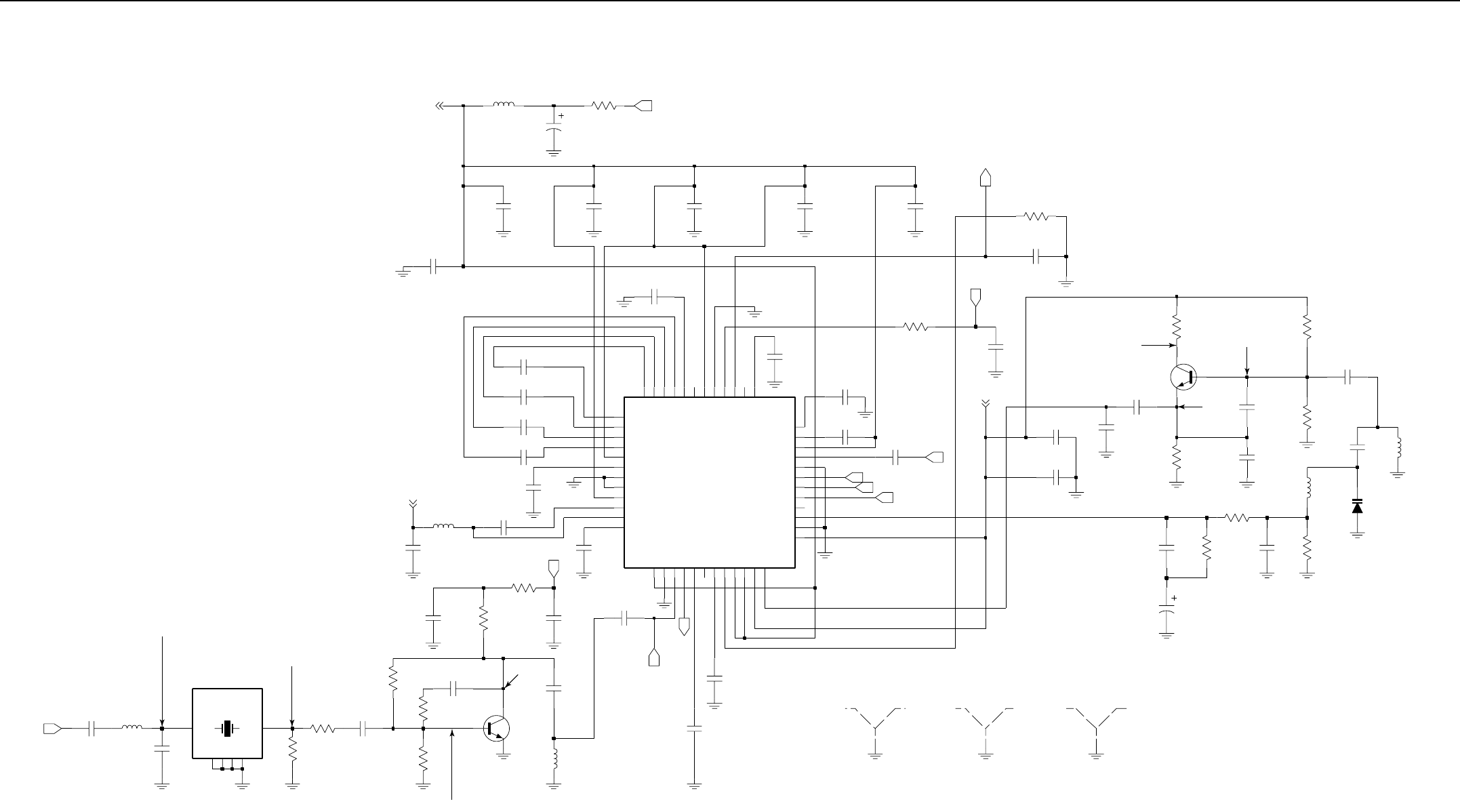
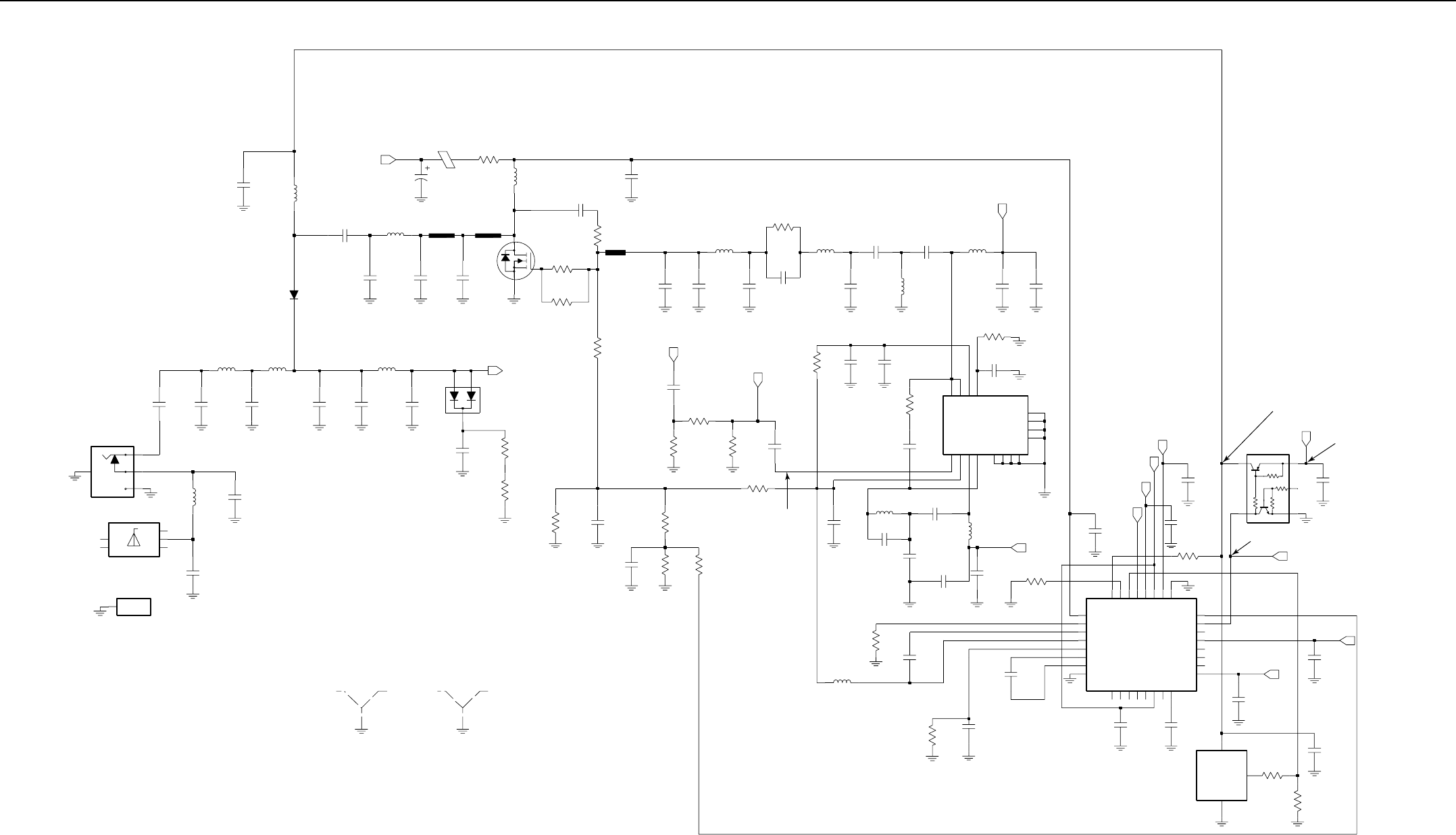
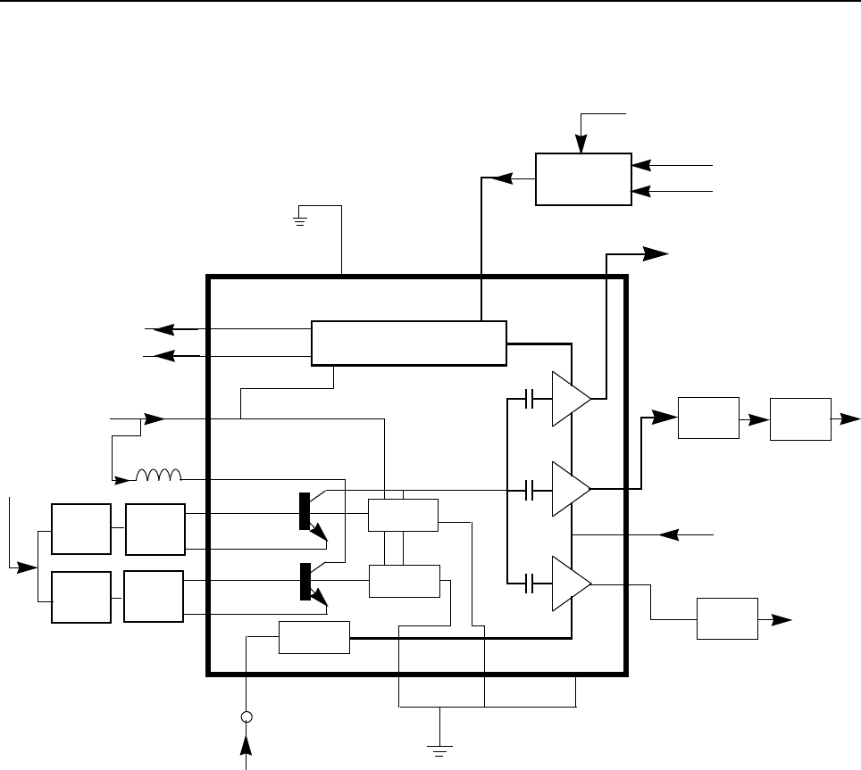
3.5 Controller Board Diagrams
ZMY0130794-O
C431
C433
C730
R414
R415
R418
R437
C453 C456 R411
C449
R409
R457
R410
22
21
87
1
U405
C435
R460
R463
C400
C401
C402
C713
R476
R406
R427
R416
C427
C428
R429
R447
R448
R451
R452
R453
R454
R455
R456
C701
C704
C706
C708
C710
C711
C714
C715
C720
C723
C726
C729
C702
C703
C705
C707
C709
C712
C717
C719
C724
C408
C409
C410
C411
C414
C422
C430
C451
C479
R421
R425
R436
R445
R471
R475
C416
C419
C420
C421 C444
R400
R413 R434
R435
VR445 VR446
VR447 VR448
VR449
VR450 VR432 VR433
C716
C718
C721
C722
C725
C727
C728
L400
C441
C443
C445
C471
C472
C473
C490
C491
C492
C493
C494
C495
C496
C497
L401
R477
TP401TP402 TP405TP406 TP410 TP415
C423
R428
R432
R450
C429
R408
R478
R492
R701
R702
C425C426
C481
R449
R481
C450
R423
R424
R431
R473
C447
C448
R472
Controller Board Top View (PCB No. 8404051G07/G08)

4-9
C400
C401
C402
C408
C409
C410
C411
C414
C416
C419
C420
C421
C422
C423
C425
C426
C427
C428
C429
C430
C431
C433
C435
C441
C443
C444
C445
C447
C448
C449
C450
C451
C453 C456
C471 C472
C473
C479
C481
C490
C491 C492
C493 C494
C495
C496 C497
C701
C702
C703 C704
C705 C706
C707 C708
C709 C710
C711
C712
C713
C714
C715
C716
C717
C718
C719
C720
C721
C722
C723
C724
C725
C726
C727
C728
C729
C730
L400
L401
R400
R406
R408
R409
R410
R411
R413
R414
R415
R416
R418
R421
R423
R424
R425
R427
R428
R429
R431
R432
R434
R435
R436
R437
R445
R447
R448
R449
R450
R451 R452
R453R454
R455
R456
R457
R460
R463
R471
R472
R473
R475
R476
R477
R478
R481
R492
R701
R702
TP401TP402 TP405TP406 TP410 TP415
22
21
8
7
1
U405
VR432 VR433
VR445 VR446
VR447 VR448
VR449
VR450
Controller Board Top View (PCB No. 8404051G09)

4-11
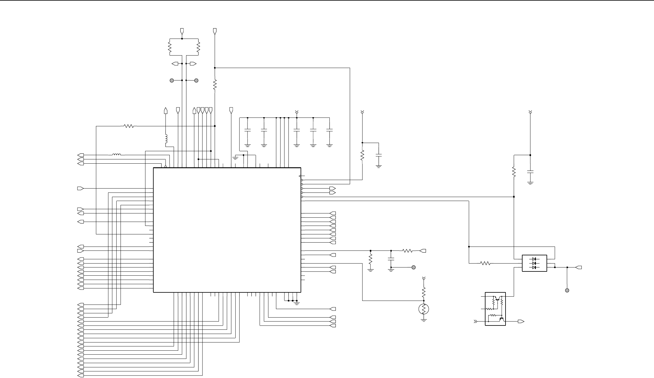
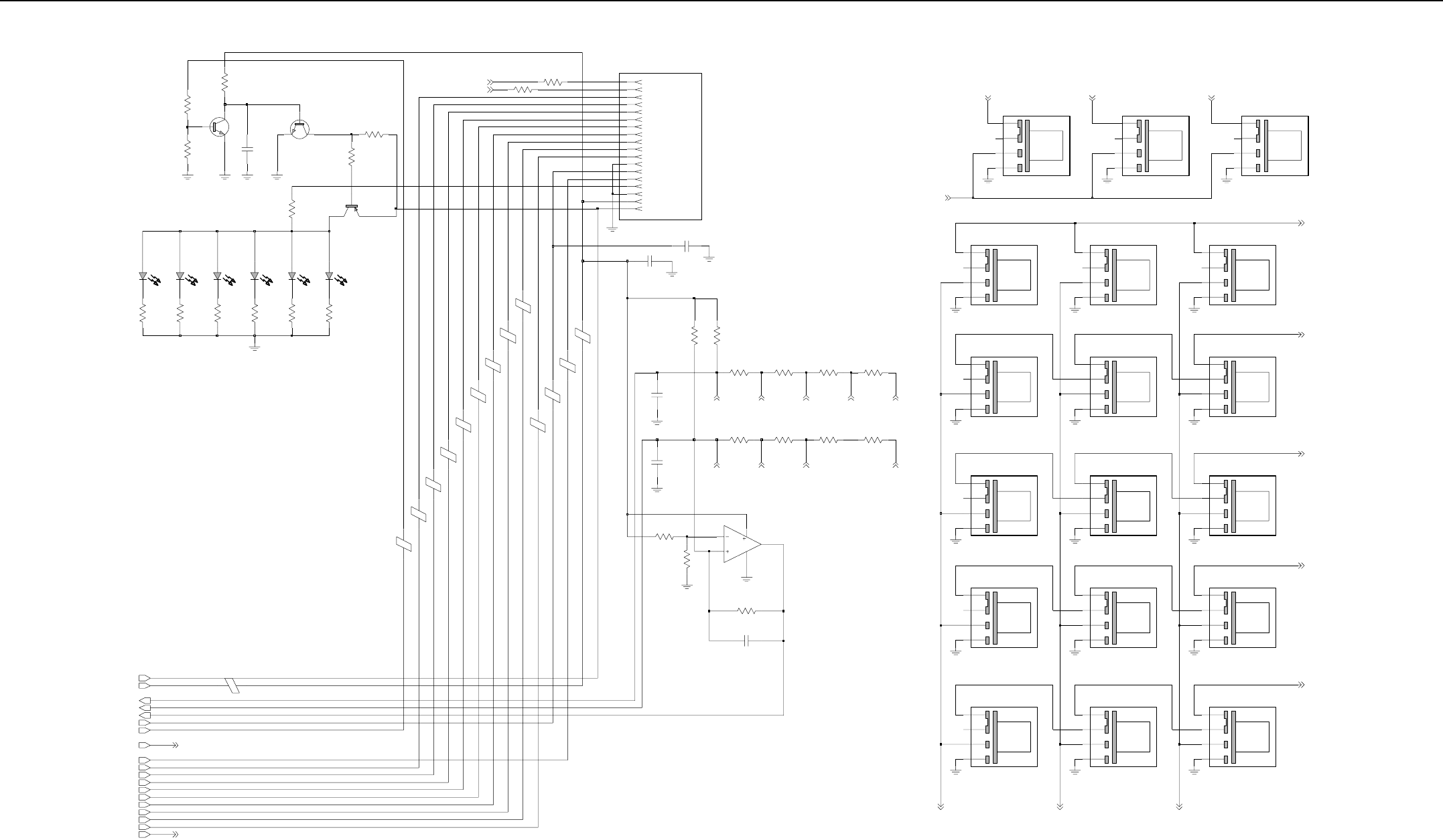
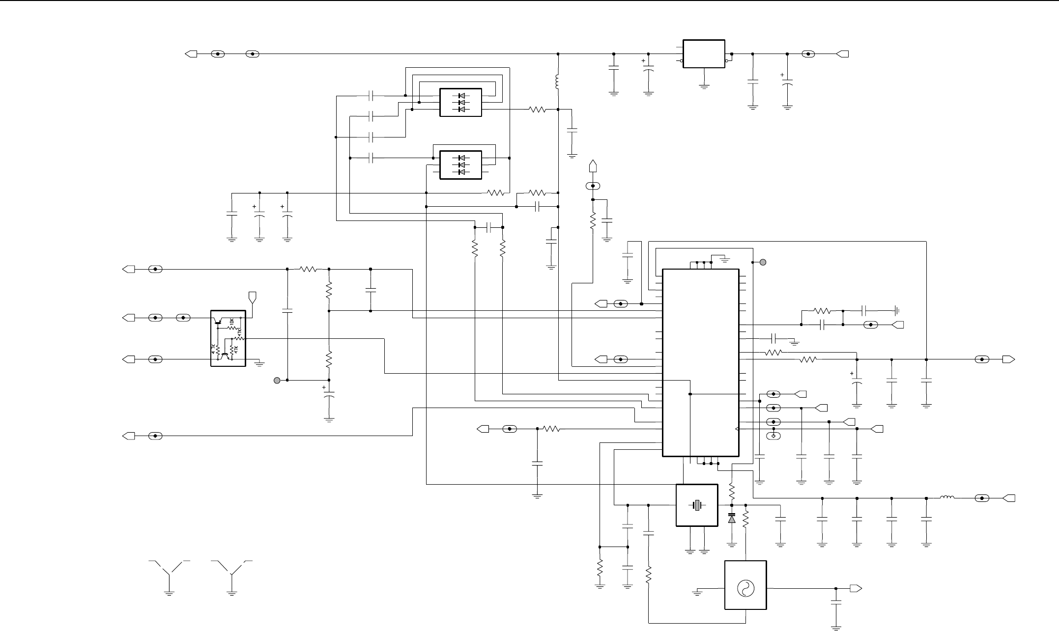
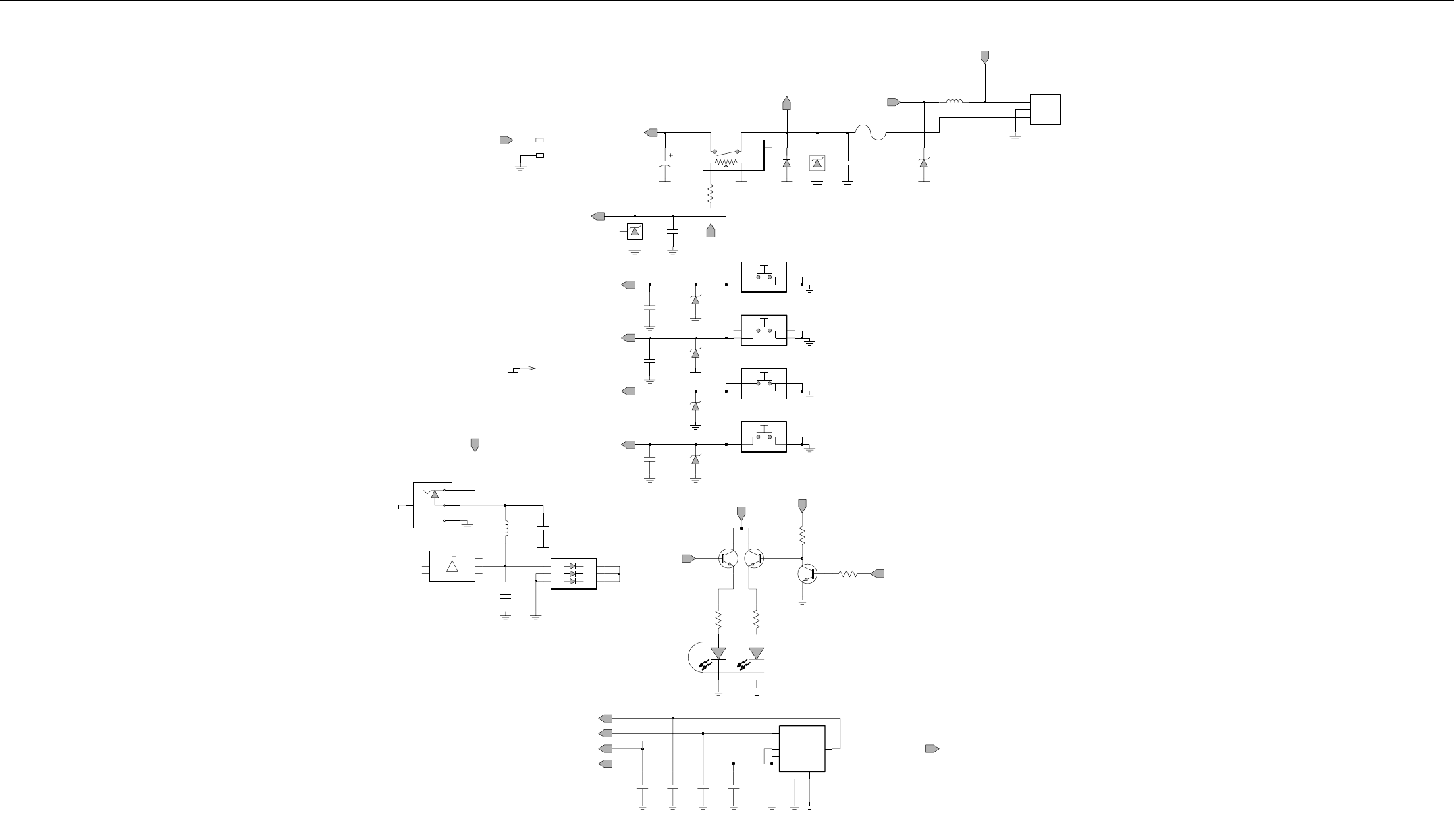
3.6 Controller Schematics
ZMY0130783-O
470pF
C705
470pF
C709
470pF
470pF
C702C706
470pF470pF
470pF
C713
470pF
C708
C711
470pF 470pF
C701
C710
470pF
C703
470pF
C714
470pF
C712
470pF
470pF
C715
C704
C707
RTA0
RTA2
MECH_SWB+
PTT
SWB+
RED_LED
SB2
EMER
RTA1
RTA3
VOL
LVZIF_SEL
SB1
SB3
RESET
5V
RSSI
UNSWB+
CLK
MODIN
GREEN_LED
BATT_CODE
Vdda
16.8MHz
DEMOD
LOCK
DATA
CSX
DACRx
RTA2
PTT
RTA3
MECH_SWB+
SB3
LVZIF_SEL
RED_LED
GREEN_LED
EMER
RTA0
RTA1
SWB+
TO/FROM RF
J400
MODIN
SB2
SB1
DATA
CLK
0902042P03
VOL
CSX
DACRx
SWB+
J400-10
J400-24
J400-34
J400-36
J400-22
J400-37
J400-30
J400-29
J400-28
J400-17
J400-35
J400-33
J400-32
J400-27
J400-31
J400-2
J400-38
J400-16
J400-39
J400-23
J400-25
LOCK
UNSWB+
GND
RESET
N.U.
N.U.
RSSI
DEMOD
Vdda
16.8MHz
GND
LI_ION
BATT_CODE
GND
5V
UNSWB+
UNSWB+
GND
GND
GND
GND
J400-18
J400-3
J400-9
J400-12
J400-26
J400-7
J400-8
J400-20
J400-11
J400-14
J400-19
J400-6
J400-13
J400-41
J400-5
J400-21
J400-15
J400-42
J400-40
J400-4
J400-1
N.U.
C728
470pF
C725
NU
470pF
C727C729
470pF
470pF
NU
C720
C722
470pF
C717
470pFNU
C719
470pF
C716
C726
470pF
470pF
C723 470pF
470pF
C724
C721
C718
N.U.
N.U.
N.U.
N.U.
N.U.
N.U.
N.U.
N.U.
N.U.
N.U.
TX_AUD_RTN
TX_AUD_SND
UNSWB+
URX_SND
VOX
VS_AUDSEL
VS_GAINSEL
Vdda
Vddd
GREEN_LED
HSIO
INT_EXT_Vdd
INT_MIC
LEDBL
LSIO
MECH_SWB+
MISO
MODIN
OFF_BATT_DATA_OUT
RED_LED
RESET
RX_AUD_RTN
SQ_DET
SWB+
SYN
AUDIO
AUDIO_PA_ENA
BATT_CODE
BATT_DATA_IN
CHACT
CLK
CSX
DACRX
DATA
DEMOD
EE_CS
EXT_MIC
EXT_SPKR_SEL
F1200
FLAT_RX_SND
FLAT_TX_RTN
16.8MHz
4V_3.3V
5V
16.8MHz
BATT_CODE
DACRX
DEMOD
GREEN_LED
RED_LED
MODIN
ASFIC
UNSWB+
CLK
CSX
DATA
SWB+
RESET
N.U.
N.U.
LVZIF_SEL
VS_CS
Vddd
XA18
RAM_CS
R_W
FLASH_EN
FLASH_OE
LCD_SEL
LVZIF_SEL
D0
D1
D2
D3
D4
D5
D6
D7
A10
A2
A3
A4
A5
A6
A7
A8
A9
A0
A1
SCI_TX
VOL
VS_RAC
OPT_SEL1
OPT_SEL2
RDY
RSSI
RTA0
RTA1
RTA2
RTA3
SB1
SB2
SB3
SCI_RX
KEYPAD_COL
LI_ION
MECH_SWB+
OFF_BATT_DATA_OUT
OPT_ENA
BOOT_CTRL
SQ_DET
SWB+
SYN
UNSWB+
VOX
RESET
F1200
HSIO
LSIO
MISO
BATT_DATA_IN
CHACT
CLK
CSX
DATA
EE_CS
N.U.
N.U.
N.U.
N.U.
N.U.
SB1
RTA3
SB3
SB2
VOL
RTA1
RTA0
RTA2
MICRO_P
A11
A12
A13
A14
A15
A16
A17
KEYPAD_ROW
N.U.
N.U. VS_INT
PTT
KEY_INT
LOCK
EMER
N.U.
PTT
EMER
LOCK
EXT_MIC
EXT_SPKR_SEL
FLAT_RX_SND
INT_MIC
OPT_SEL1
OPT_SEL2
RSSI
SCI_RX
SCI_TX
SWB+
UNSWB+
Vdda
5V
AUDIO
AUDIO_PA_ENA
BOOT_CTRL
Vdda
5V
AUDIO_PA
MECH_SWB+
2602001P16
SH400
SHIELD
1
RSSI
D2
D3
D4
D5
D6
D7
FLASH_EN
FLASH_OE
RAM_CS
RESET
R_W
Vddd
XA18
A12
A13
A14
A15
A16
A17
A2
A3
A4
A5
A6
A7
A8
A9
D0
D1
A0
A1
A10
A11
MEMORY
470pF N.U.
800MHz TRUNKING
VHF
BOARD ID
UHF
C733
C731 C734
C732
N.U. N.U.
470pF 100pF 33pF 33pF
Note: The capacitor values for VHF, UHF1, UHF2 and
Please refer to the appropriate
330MHz bands differ.
controller parts lists for the correct values.
Complete Controller Schematic Diagram

4-12
ZMY0130781-O
FLAT_RX_SND
(3.3V)
Vdda
DEMOD
VOX
DACRx
0.1uF
C479
R445
24K
R449
24K
30K
R425
0.1uF
C430
0.1uF
C411
.022uF
C451
C414
0.1uF C415
0.1uF
C452
1uF
11
7
9
10
1
8
3
4
2
6
5
12
N.U.
N.U.
VDDRC 45
TXSND 44
URXOUT 39
MICEXT 48
MICINT 46
MOD 40
GCB4 37
GCB5 38
GNDRC 47
AUXRX 43
AUXTX 42
AUDIO 41
VDDDAC
VOX
SQIN
UIO
VDDA
PLCAP
GNDA
DACU
DISC
DACG
DACR
AGCCAP
5185130C53
ASFIC CMP
VDDCP
VDDD
VDDSYN
SYN
NC
GNDD
GNDD0
F1200
CLK168
30C53
U404
TXRTN 36
GCB3 35
34
SQDET
17
LCAP
24
LSIO
18
GNDSYN
23
HSIO
19
DATA
22
GCB0
15 GCB1
14 GCB2
13
CHACT
16
CLK
21 CSX
20
32
33
27
28
26
PLCAP2 25
31
30
29
N.U.
N.U.
MODIN
AUDIO
R481 0.1uF
24K
C481
R475
00.1uF
C410
Vdda
470pF
C408 C409
0.1uF
TP410
1
INT_MIC
EXT_MIC
16.8MHz
RED_LED
NU
C419
SYN
F1200
0.1uF
C416
(3.3V)
Vdda
0.1uF
C422
C421
0.1uF
C420
.01uF
0
47K
R400
R413
5V
DATA
CLK
CSX
CHACT
SQ_DET
LSIO
HSIO
EXT_SPKR_SEL
AUDIO_PA_ENA
GREEN_LED
EEPROM
8K x 8 EEPROM
10K
R429
8
VCC
4VSS
3WP
X25650-2.7
U407
1CS
7HOLD
6SCK
5SI
2
SO
0.1uF
C428
C427
470pF
EE_CS
MISO
Vddd
0.1uF
C401
1
TP406
SWB+
.01uF
C400
ERROR
5
FEEDBACK
7
GND
4
INPUT
8
OUTPUT
1
SENSE
2
SHUTDOWN
3
VTAP
6
U400
LP2951ACMM-3.3
24K
R476
RESET
0.1uF
C402
10uF
C403
(3.3V)
Vddd
4809579E18
BCX71KL
Q400
R406
75K
BATT_CODE
UNSWB+
1
2
3
UMG5
4802245J54
2
4Q405
R416
10K
3
1
OFF_BATT_DATA_OUT
MMBD6100LT1
4813833C02
1
2
3
CR440
MMBT3906L
4813824A17
10K
R448
NU
NU
R455
R453
NU
R454
15K
R451
1
3
2
Q403
R452
100K
0
R456
C480
10uF
2.7K
R427
BATT_DATA_IN
Vddd
RB731U
4802245J62
A2
A3
K1
K2
K3
CR412
A1
100K
R447
MECH_SWB+
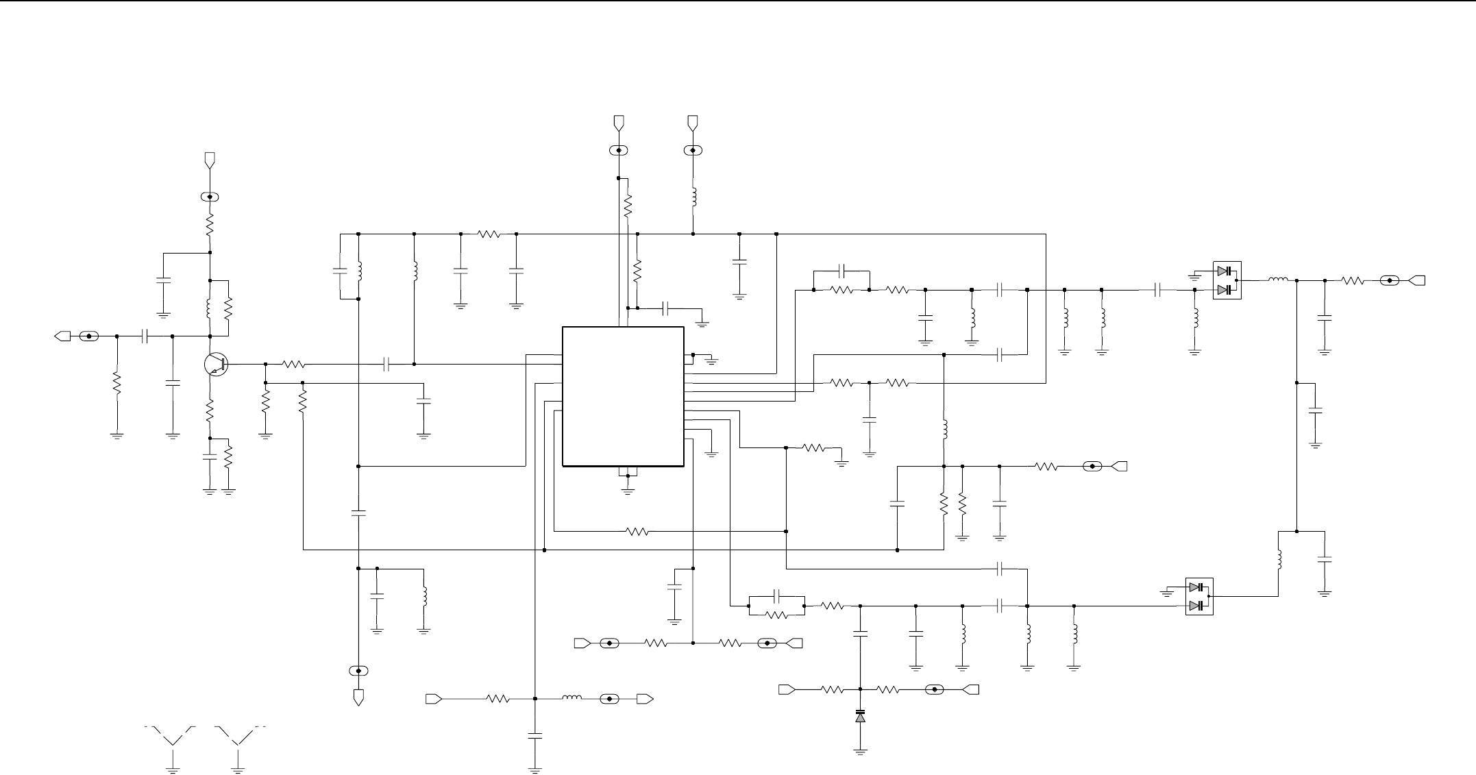
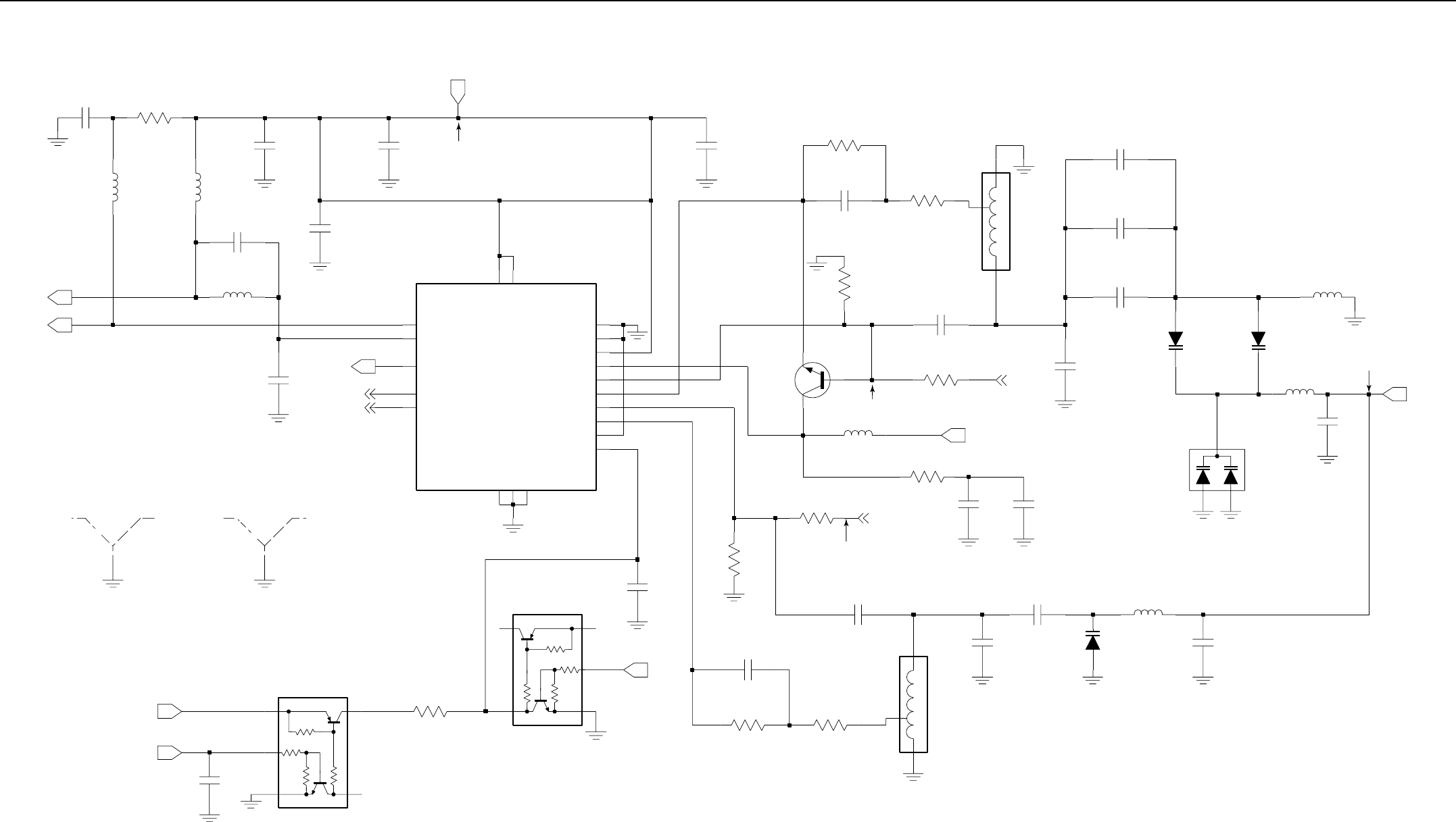
Controller ASFIC/ON_OFF Schematic Diagram

4-13
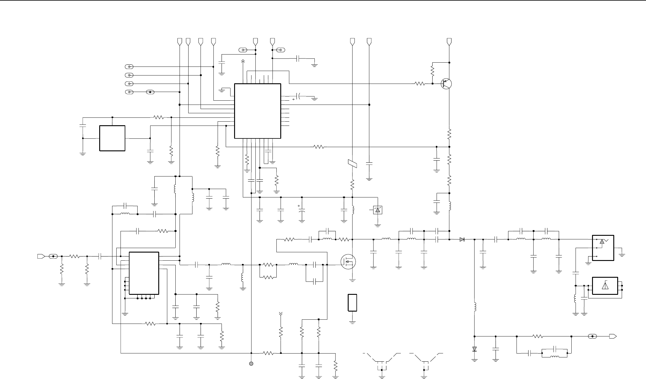
ZMY0130785-O
D4
D5
D6
D7
A12
A11
A10
A9
A8
A7
A6
A5
A4
A3
A2
A1
D0
D1
D2
D3
CLK
LVZIF_SEL
A17
A16
A15
A14
A13
CSX
EE_CS
A0
XA18
BATT_DATA_IN
OPT_SEL2
RAM_CS
FLASH_EN
F1200
Vddd
HSIO
FLASH_OE
DATA
SYN
LSIO
SQ_DET
CHACT
MISO
R409
10K
10K
R457
TP401
TEST_POINT
1
1
TP402
TEST_POINT
SCI_RXSCI_TX
0
R418
390nH
L411
L410
390nH
R437
NU
470pF
C449
470pF
C423
C431
470pF
C453
470pF
C730
470pF
Vddd
N.U.
CSGP4
CSGP3
N.U.
N.U.
N.U.
N.U.
N.U.
VST
N.U.
N.U.
5102226J56
N.U.
VSSR
87
93
XFC
XIRQ 48
91
XTAL
VDD 12
VDDL 39
VDDR 88
VDDSYN 92
VRH 69
VRL 68
VSS
13
VSSL
40
PJ1_CSGP4 72
PJ2 73
PJ3 74
PJ4 75
PJ5 76
PJ6 77
PJ7 78
RESET 94
PI1
55 PI2
54 PI3
53 PI4
52 PI5
51 PI6
50 PI7
49
PJ0_CSGP3 71
PH1_PW2
46
PH2_PW3
45
PH3_PW4
44
PH4_CSIO
43
PH5_CSGP1
42
PH6_CSGP2
41
PH7_CSPROG
38
PI0
56
PG1_XA14
16
PG2_XA15
20
PG3_XA16
19
PG4_XA17
17
PG5_XA18
18
PG6_AS
5
PG7_R_W 4
PH0_PW1
47
PF2_ADDR2
27 PF3_ADDR3
26 PF4_ADDR4
25 PF5_ADDR5
24 PF6_ADDR6
23 PF7_ADDR7
22
PFO_ADDR0
29
PG0_XA13
6
66
PE1_AN1 65
PE2_AN2 64
PE3_AN3 63
PE4_AN4 62
PE5_AN5 61
PE6_AN6 60
PE7_AN7
PF1_ADDR1
28
PD0_RXD 97
PD1_TXD 98
PD2_MISO 99
PD3_MOSI 100
PD4_SCK 1
PD5_SS 2
3
PD6_LVIN
67
PE0_AN0
PC0_DATA0
30
PC1_DATA1
31
PC2_DATA2
32
PC3_DATA3
33
PC4_DATA4
34
PC5_DATA5
35
PC6_DATA6
36
PC7_DATA7
37
PB1_ADDR9
10 PB2_ADDR10
11 PB3_ADDR11
9PB4_ADDR12
21 PB5_ADDR13
15 PB6_ADDR14
8PB7_ADDR15
7
PBO_ADDR8
14
PA0_IC3 79
PA1_IC2 80
PA2_IC1 81
PA3_IC4_OC5_OC1 82
PA4_OC4_OC1 83
PA5_OC3_OC1 84
85
PA6_OC2_OC1
PA7_PA1_OC1 86
AVDD 59
AVSS
70
ECLK 89
EXTAL 90
IRQ 96
95
LVOUT
58
MODA_LIR
MODB_VSTBY 57
MC68HC11FL0
U409
N.U.
OFF_BATT_DATA_OUT
RESET
RTA1
VOL
RSSI
VOX
OPT_SEL1
EMER
LOCK
PTT
R_W
RTA0
RTA2
RTA3
SB1
SB2
SB3
THERM
1%
LOW BATT
0680590Z01
1%
180K
R414
91K
R415
TEST_POINT
TP415
1
RT400
33.0K
51K
R432
.01uF
C433
Mech_SWB+
Vddd
470pF
C456
R411
10K
Vddd
0.1uF
C435
R460
4.7K
Vddd
4802245J50
UMC5N
1
3
Q417
2
6
4
UNSWB+ SWB+
4802245J62
RB731U
1
TEST_POINT
TP405
300
R463
A1
A2
A3
K1
K2
K3
CR413
BOOT_CTRL
47K
47K
4.7K
10K
Controller Micro Processor Schematic Diagram

4-14
ZMY0130784-O
A11
A10
A1
A0
A9
A8
A7
A6
A5
A4
A3
A2
A17
A16
A15
A14
A13
A12
470pF
C426 0.1uF
C425
Vddd
Used for Trunking only.
CY62256VLL
U405
Not_placed_SRAM
Static RAM
WE
27
D4 15
D5 16
D6 17
D7 18
D8 19
OE
22
VDD 28
VSS
14
A6
4
A7
3
A8
25
A9
24
CS
20
D1 11
D2 12
D3 13
A11
23
A12
2
A13
26
A14
1
A2
8
A3
7
A4
6
A5
5
A0
10
A1
9
A10
21
0.1uF
C429
R410
100K
FLASH_OE
0
R492
R408
NU
XA18
FLASH_EN
2311049A59
/6V
R428
2.2
10uF
C424
Vddd
10K
R478
AT49HLV010
U406
0
R702
FLASH ROM
GND
24 VCC 8
D3 25
D4 26
D5 27
D6 28
D7 29
EN_CE
30
EN_OE
32
EN_WE
7
A5
15
A6
14
A7
13
A8
3
A9
2
D0 21
D1 22
D2 23
A14
5
A15
11
A16
10
A17
6
9A18
A2
18
A3
17
A4
16
A0
20
A1
19
A10
31
A11
1
A12
12
A13
4
XA18
NU
RESET
R701
D0
D1
D2
D4
D6
D3
D5
D7
R_W
RAM_CS
Controller Memory Schematic Diagram

4-15
ZMY0130782-O
0.1uF
C447
470K
R431
36K
R424
36K
R472
C448
0.1uF
D
IO
470K
R423 R499
10K
10K
R498
6SELECT
5SVR
20
VCC1
11
VCC2
NC2 7
NC3 9
NC4 12
NC5 19
18
OUT1NEG
3
OUT1POS
13
OUT2NEG
8
OUT2POS
1GND1
10 GND2
17 IN1NEG
16 IN1POS
14 IN2NEG
15 IN2POS
4MODE
NC1 2
TDA8547
U420
C476
10uF
C442
0.1uF
R473
10
C475
10uF
UNSWB+
SWB+
UMG5
4802245J54
C450
NU
2
Q410
R471
20K
AUDIO_PA_ENA
EXT_SPKR_SEL
64
13
L401
390nH
0.1uF
C443
330
R434
R435
2K
470pF
C444
5V
EXT_MIC
470pF
C445
(3.3V)
R436
0
C440
4.7uF
R421
2K
Vdda
C441
470pF
390nH
L400
INT_MIC
FLAT_RX_SND
BOOT_CTRL
SCI_RX
SCI_TX
RSSI
MMQA5V6T1
4805656W08
VR432
5.6V
1W
68
R450
C471
470pF
470pF
C473
470pF
C472
OPT_SEL2 SWB+
OPT_SEL1
MMBZ5240B 4880140L15 x 5pcs.
10V
VR447 10V
VR449
10V
VR445
VR446
10V VR448
10V
0909059E04
20 PIN CONN
J403
4880140L15
MMBZ5240B
470pF
C495 10V
VR450
C496
470pF
C494
470pF
470pF
C497
4805656W08
MMQA5V6T1
VR433
5.6V 470pF
C490
C492
470pF
C493
470pF
470pF
C491
1K
R477
EXT_SPK-
INT_SPK+
NC
BOOT_CTRL
GND
GND
INT_SPK-
EXT_SPK+
OPT_B+
EXT_MIC
OPT_SEL_2
OPT_SEL_1
GND
NC
NC
RX_DATA
TX_DATA
GND
RSSI
RX_AUDIO/TX_AUDIO
GND
MIC
J403-6
J403-19
J403-7
J403-14
J403-15
J403-16
J403-22
J403-17
J403-21
J403-8
J403-3
J403-18
J403-13
J403-12
J403-2
J403-20
J403-10
J403-11
J403-5
J403-4
J403-1
J403-9
Controller Audio Power Amplifier Schematic Diagram

4-16
Controller Parts List for VHF (for
8404051G07/G08 and 8404051G09)
* Motorola Depot Servicing only
Circuit
Ref
Motorola
Part No. Description
C400 2113743L41 10000 pF, 10%
C401 2113743M24 100000 pF, +80% / -20%
C402 2113743M24 100000 pF, +80% / -20%
C403 2113928D08 10.0 uF
C408 2113743L09 470 pF, 10%
C409 2113743M24 100000 pF, +80% / -20%
C410 2113928N01 0.1 uF, 10%
C411 2113743M24 100000 pF, +80% / -20%
C414 2113743M24 100000 pF, +80% / -20%
C415 2185895Z01 0.01 uF
C416 2113928N01 0.1 uF, 10%
C419 NOT PLACED
C420 2113743L41 10000 pF, 10%
C421 2113928N01 0.1 uF, 10%
C422 2113743M24 100000 pF, +80% / -20%
C423 2113743L09 470 pF, 10%
C424 2311049A59 10 uF, 10%
C425 2113743M24 100000 pF, +80% / -20%
C426 2113743L09 470 pF, 10%
C427 2113743L09 470 pF, 10%
C428 2113743M24 100000 pF, +80% / -20%
C429 2113743M24 100000 pF, +80% / -20%
C430 2113928N01 0.1 uF, 10%
C431 2113743L09 470 pF, 10%
C433 2113743L41 10000 pF, 10%
C435 2113743M24 100000 pF, +80% / -20%
C440 2113743G26 4.7 uF, +80% / -20%
C441 2113743L09 470 pF, 10%
C442 2113743E20 0.10 uF, 10%
C443 2113928N01 0.1 uF, 10%
C444 2113743L09 470 pF, 10%
C445 2113743L09 470 pF, 10%
C447 2113928N01 0.1 uF, 10%
C448 2113928N01 0.1 uF, 10%
C449 2113743L09 470 pF, 10%
C450 NOT PLACED
C451 2113743M08 22000 pF, +80% / -20%
C452 2113743B29 1.00 uF, 10%
C453 2113743L09 470 pF, 10%
C456 2113743L09 470 pF, 10%
C471 2113743L09 470 pF, 10%
C472 2113743L09 470 pF, 10%
C473 2113743L09 470 pF, 10%
C475 2113743H14 10.0 uF, +80% / -20%
C476 2113928D08 10.0 uF
C479 2113928N01 0.1 uF, 10%
C480 2113928D08 10.0 uF
C481 2113928N01 0.1 uF, 10%
C490 2113743L09 470 pF, 10%
C491 2113743L09 470 pF, 10%
C492 2113743L09 470 pF, 10%
C493 2113743L09 470 pF, 10%
C494 2113743L09 470 pF, 10%
C495 2113743L09 470 pF, 10%
C496 2113743L09 470 pF, 10%
C497 2113743L09 470 pF, 10%
C701 2113743L09 470 pF, 10%
C702 2113743L09 470 pF, 10%
C703 2113743L09 470 pF, 10%
C704 2113743L09 470 pF, 10%
C705 2113743L09 470 pF, 10%
C706 2113743L09 470 pF, 10%
C707 2113743L09 470 pF, 10%
C708 2113743L09 470 pF, 10%
C709 2113743L09 470 pF, 10%
C710 2113743L09 470 pF, 10%
C711 2113743L09 470 pF, 10%
C712 2113743L09 470 pF, 10%
C713 2113743L09 470 pF, 10%
C714 2113743L09 470 pF, 10%
C715 2113743L09 470 pF, 10%
C716 2113743L09 470 pF, 10%
C717 2113743L09 470 pF, 10%
C718 2113743L09 470 pF, 10%
C719 NOT PLACED
C720 NOT PLACED
C721 2113743L09 470 pF, 10%
C722 2113743L09 470 pF, 10%
C723 2113743L09 470 pF, 10%
C724 2113743L09 470 pF, 10%
C725 NOT PLACED
C726 2113743L09 470 pF, 10%
C727 2113743L09 470 pF, 10%
C728 2113743L09 470 pF, 10%
C729 2113743L09 470 pF, 10%
C730 2113743L09 470 pF, 10%
C731 2113743L09 470 pF, 10%
C732 NOT PLACED
C733 NOT PLACED
C734 NOT PLACED
CR412 4802245J62 Diode Schottky
CR413 4802245J62 Diode Schottky
CR440 4813833C02 Dual Diode, Common Cath-
ode
J400 0902042P03 40 Pins Connector
J403 0909059E04 20 Pins Connector
L400 2462587Q42 390 nH, 10%
L401 2462587Q42 390 nH, 10%
Circuit
Ref
Motorola
Part No. Description
L410 2462587Q42 390 nH, 10%
L411 2462587Q42 390 nH, 10%
Q400 4809579E18 TSTR MOSFET
Q403 4813824A17 XSTR PNP 40V
Q405 4802245J54 Digital Transistor
Q410 4802245J54 Digital Transistor
Q417 4809939C05 Transistor Dual NPN / PNP
R400 0662057N15 47 k, 5%
R406 0662057N20 75 k, 5%
R408 NOT PLACED
R409 0662057M98 10 k, 5%
R410 0662057N23 100 k, 5%
R411 0662057M98 10 k, 5%
R413 0662057M01 0, 5%
R414 0662057V34 180 k, 1%
R415 0662057V26 91 k, 1%
R416 0662057M98 10 k, 5%
R418 0662057M01 0, 5%
R421 0662057M81 2000, 5%
R423 0662057N39 470 k, 5%
R424 0662057N12 36 k, 5%
R425 0662057N10 30 k, 5%
R427 0662057M84 2700, 5%
R428 0662057M10 2.2, 5%
R429 0662057N20 75 k, 5%
R431 0662057N39 470 k, 5%
R432 0662057N16 51 k, 5%
R434 0662057M62 330, 5%
R435 0662057M81 2000, 5%
R436 0662057M01 0, 5%
R437 NOT PLACED
R445 0662057N08 24 k, 5%
R447 0662057N23 100 k, 5%
R448 0662057M98 10 k, 5%
R449 0662057N08 24 k, 5%
R450 0683962T45 68
R451 0662057N03 15 k, 5%
R452 0662057N23 100 k, 5%
R453 NOT PLACED
R454 NOT PLACED
R455 NOT PLACED
R456 0662057M01 0, 5%
R457 0662057M98 10 k, 5%
R460 0662057M90 4700, 5%
R463 0662057M61 300, 5%
R471 0662057N06 20 k, 5%
R472 0662057N12 36 k, 5%
R473 0662057M26 10, 5%
R475 0662057M01 0, 5%
R476 0662057N08 24 k, 5%
R477 0662057M74 1000, 5%
Circuit
Ref
Motorola
Part No. Description
R478 0662057M98 10 k, 5%
R481 0662057N08 24 k, 5%
R492 0662057M01 0, 5%
R498 0662057M98 10 k, 5%
R499 0662057M98 10 k, 5%
R701 NOT PLACED
R702 0662057M01 0, 5%
RT400 0680590Z01 Thermistor 33k
SH400 2602001P16 Shield, Controller
TP401 NOT PLACED
TP402 NOT PLACED
TP405 NOT PLACED
TP406 NOT PLACED
TP410 NOT PLACED
TP415 NOT PLACED
U400 5102463J40 3.3V Regulator
U404 5185130C53 ASFIC CMP
U405 NOT PLACED
U406 *5102463J60 Flash ROM 512K x 8
U407 *5102463J64 EEPROM 16K x 8
U409 5102226J56 uP HC11FLO
U420 5102463J44 Audio Amplifier
VR432 4805656W08 Quad Zener Diode
VR433 4805656W08 Quad Zener Diode
VR445 4880140L15 10V Zener
VR446 4880140L15 10V Zener
VR447 4880140L15 10V Zener
VR448 4880140L15 10V Zener
VR449 4880140L15 10V Zener
VR450 4880140L15 10V Zener
Circuit
Ref
Motorola
Part No. Description

4-17
Controller Parts List for UHF 1, UHF 2
and 330MHz (for 8404051G07/G08 and
8404051G09)
* Motorola Depot Servicing only
Circuit
Ref
Motorola
Part No. Description
C400 2113743L41 0.01uF
C400 2113743L41 10000 pF, 10%
C401 2113743M24 100000 pF, +80% / -20%
C402 2113743M24 100000 pF, +80% / -20%
C403 2113928D08 10.0 uF
C408 2113743N50 100 pF, 5%
C409 2113743M24 100000 pF, +80% / -20%
C410 2113928N01 0.1 uF, 10%
C411 2113743M24 100000 pF, +80% / -20%
C414 2113743M24 100000 pF, +80% / -20%
C415 2185895Z01 0.01 uF
C416 2113928N01 0.1 uF, 10%
C419 NOT PLACED
C420 2113743L41 10000 pF, 10%
C421 2113928N01 0.1 uF, 10%
C422 2113743M24 100000 pF, +80% / -20%
C423 2113743N50 100 pF, 5%
C424 2311049A59 10 uF, 10%
C425 2113743M24 100000 pF, +80% / -20%
C426 2113743N50 100 pF, 5%
C427 2113743N50 100 pF, 5%
C428 2113743M24 100000 pF, +80% / -20%
C429 2113743M24 100000 pF, +80% / -20%
C430 2113928N01 0.1 uF, 10%
C431 2113743N50 100 pF, 5%
C433 2113743L41 10000 pF, 10%
C435 2113743M24 100000 pF, +80% / -20%
C440 2113743G26 4.7 uF, +80% / -20%
C441 2113743N50 100 pF, 5%
C442 2113743E20 0.10 uF, 10%
C443 2113928N01 0.1 uF, 10%
C444 2113743N50 100 pF, 5%
C445 2113743N50 100 pF, 5%
C447 2113928N01 0.1 uF, 10%
C448 2113928N01 0.1 uF, 10%
C449 2113743N50 100 pF, 5%
C450 NOT PLACED
C451 2113743M08 22000 pF, +80% / -20%
C452 2113743B29 1.00 uF, 10%
C453 2113743N50 100 pF, 5%
C456 2113743N50 100 pF, 5%
C471 2113743N50 100 pF, 5%
C472 2113743N50 100 pF, 5%
C473 2113743N50 100 pF, 5%
C475 2113743H14 10.0 uF, +80% / -20%
C476 2113928D08 10.0 uF
C479 2113928N01 0.1 uF, 10%
C480 2113928D08 10.0 uF
C481 2113928N01 0.1 uF, 10%
C490 2113743N50 100 pF, 5%
C491 2113743N50 100 pF, 5%
C492 2113743N50 100 pF, 5%
C493 2113743N50 100 pF, 5%
C494 2113743N50 100 pF, 5%
C495 2113743N50 100 pF, 5%
C496 2113743N50 100 pF, 5%
C497 2113743N50 100 pF, 5%
C701 2113743N50 100 pF, 5%
C702 2113743N50 100 pF, 5%
C703 2113743N50 100 pF, 5%
C704 2113743N50 100 pF, 5%
C705 2113743N50 100 pF, 5%
C706 2113743N50 100 pF, 5%
C707 2113743N50 100 pF, 5%
C708 2113743N50 100 pF, 5%
C709 2113743N50 100 pF, 5%
C710 2113743N50 100 pF, 5%
C711 2113743N50 100 pF, 5%
C712 2113743N50 100 pF, 5%
C713 2113743N50 100 pF, 5%
C714 2113743N50 100 pF, 5%
C715 2113743N50 100 pF, 5%
C716 2113743N50 100 pF, 5%
C717 2113743N50 100 pF, 5%
C718 2113743N50 100 pF, 5%
C719 NOT PLACED
C720 NOT PLACED
C721 2113743N50 100 pF, 5%
C722 2113743N50 100 pF, 5%
C723 2113743N50 100 pF, 5%
C724 2113743N50 100 pF, 5%
C725 NOT PLACED
C726 2113743N50 100 pF, 5%
C727 2113743N50 100 pF, 5%
C728 2113743N50 100 pF, 5%
C729 2113743N50 100 pF, 5%
C730 2113743N50 100 pF, 5%
C731 NOT PLACED
C732 2113743N50 100 pF, 5%
C733 NOT PLACED
C734 NOT PLACED
CR412 4802245J62 Diode Schottky
CR413 4802245J62 Diode Schottky
CR440 4813833C02 Dual Diode, Common Cath-
ode
J400 0902042P03 40 Pins Connector
J403 0909059E04 20 Pins Connector
Circuit
Ref
Motorola
Part No. Description
L400 2462587Q42 390 nH, 10%
L401 2462587Q42 390 nH, 10%
L410 2462587Q42 390 nH, 10%
L411 2462587Q42 390 nH, 10%
Q400 4809579E18 TSTR MOSFET
Q403 4813824A17 XSTR PNP 40V
Q405 4802245J54 Digital Transistor
Q410 4802245J54 Digital Transistor
Q417 4809939C05 Transistor Dual NPN / PNP
R400 0662057N15 47 k, 5%
R406 0662057N20 75 k, 5%
R408 NOT PLACED
R409 0662057M98 10 k, 5%
R410 0662057N23 100 k, 5%
R411 0662057M98 10 k, 5%
R413 0662057M01 0 , 5%
R414 0662057V34 180 k, 1%
R415 0662057V26 91 k, 1%
R416 0662057M98 10 k, 5%
R418 0662057M01 0 , 5%
R421 0662057M81 2000 , 5%
R423 0662057N39 470 k, 5%
R424 0662057N12 36 k, 5%
R425 0662057N10 30 k, 5%
R427 0662057M84 2700 , 5%
R428 0662057M10 2.2 , 5%
R429 0662057N20 75 k, 5%
R431 0662057N39 470 k, 5%
R432 0662057N16 51 k, 5%
R434 0662057M62 330 , 5%
R435 0662057M81 2000 , 5%
R436 0662057M01 0 , 5%
R437 NOT PLACED
R445 0662057N08 24 k, 5%
R447 0662057N23 100 k, 5%
R448 0662057M98 10 k, 5%
R449 0662057N08 24 k, 5%
R450 0683962T45 68
R451 0662057N03 15 k, 5%
R452 0662057N23 100 k, 5%
R453 NOT PLACED
R454 NOT PLACED
R455 NOT PLACED
R456 0662057M01 0 , 5%
R457 0662057M98 10 k, 5%
R460 0662057M90 4700 , 5%
R463 0662057M61 300 , 5%
R471 0662057N06 20 k, 5%
R472 0662057N12 36 k, 5%
R473 0662057M26 10 , 5%
R475 0662057M01 0 , 5%
Circuit
Ref
Motorola
Part No. Description
R476 0662057N08 24 k, 5%
R477 0662057M74 1000 , 5%
R478 0662057M98 10 k, 5%
R481 0662057N08 24 k, 5%
R492 0662057M01 0 , 5%
R498 0662057M98 10 k, 5%
R499 0662057M98 10 k, 5%
R701 NOT PLACED
R702 0662057M01 0 , 5%
RT400 0680590Z01 Thermistor 33k
SH400 2602001P16 Shield, Controller
U400 5102463J40 3.3V Regulator
U404 5185130C53 ASFIC CMP
U405 NOT PLACED
U406 *5102463J60 Flash ROM 512K x 8
U407 *5102463J64 EEPROM 16K x 8
U409 5102226J56 Microprocessor IC
U420 5102463J44 Audio Amplifier
VR432 4805656W08 Quad Zener Diode
VR433 4805656W08 Quad Zener Diode
VR445 4880140L15 10V Zener
VR446 4880140L15 10V Zener
VR447 4880140L15 10V Zener
VR448 4880140L15 10V Zener
VR449 4880140L15 10V Zener
VR450 4880140L15 10V Zener
Circuit
Ref
Motorola
Part No. Description

4-19
ZMY0130801-O
C429
C750
C424
C751
R408
R478
R492
R428
1
E400
E634
E637
E638 E639 E640
E641 E642
E643 E644
E645
E702
E703
R410 R632
R463
C613
J702
18
1
C616
E704
Q601
Q602
R649
R633
R646
R648
R411
R647
CR413
Q603
C431
R409
R457
C456
C611
C612
R437 R418
R601
R602
R603 R607
R604 R608
R605 R609
R606 R610
C433
C453
C609
C610
R414
R415
R432
R611
R612
R613
RT400
U602
L410 L411
R721
R722
U406
16
17
32
C428 C427
R429
85
4
1
U407
U405 1
7
8
21 22
C447
C448
3
4
R498
R499
R423 R431
R424
R472
U420
10
20 1
11
C420
C422
C419
C450
C472
C416
C481
Q410
R400
R413
R471
R481
C409 C479
C408 R425
13
25
37
1
U404
C411
C414
C476
C405
C410
C443
C440
C442
C452
C475
R475
R473
VR446VR448VR449
VR450
C444
C445
C430
C415
C451
L400
L401
Q417
34
R447
R454
R455
R436
R456
R421
R435
R434
C425
C426
C449
C421
U409
26 51
76
1
C434
C435
C480
C423
C730
C436
C437
3
FL401
Q400
Q416
Q405
3
4
R416
R462
R420
R426
R460
R461
C400
C401
C402
C403
C406
CR411 CR412
CR440
Q403
R406
R452
R453
R448
R419 R427
R451
R476
85
4
U400
U410
R450
C471
C701
C702
C703
C704
C705
C706
C707
C708
C709
C710
C711
C712
C713
C714
C715
C716
C717
C718
C721
C722
C723
C724
C726
C727
C728
C729
C731
1
J400
C441
C473
C490
C491
C492
C493
C494
C495
C496
C497
R477
g2 g1
1
J403
20
VR432VR433
VR445 VR447
40
Controller Board Bottom View (PCB No.8404056G01)

4-21
C424
C429
R408
R428
R478
R492
C750
C751
E401
C613
E400
E402 E403
E404 E405
E406 E407
E408 E409 E634
E637
E638 E639 E640
E641 E642
E643 E644
E645
E702
E703
R410
R463
R632
1
18
J702
C610
C611
E701
C609
R611
R612
R613
C612
R418
R601
R607
R608
R609
R610
U602
C433
R414
R415
R432
RT400
C456
R437
R602
R603
R604
R605
R606
C616
E704
Q601 Q602
R411
R633
R646
R647
R648
R649
C431
CR413 Q603
R409
R457
32
17
16
1
U406
L410 L411
R721
R722
C427
C428
R429
1
4
58
U407
21
8
U405
22
7
1
C425
C426
C449
1
U409
C453
76
C423
C437
R426
51
C434
C436
3
FL401
Q400
4
3
Q405
R416
R420
C435R460
R461
R462
C480
C730
Q416
26
C415
C430
C451
4
3
Q417
R421
R434
R436
R455
25
13
U404
C416
C419
C420
C421
C422
R400
R413
C408
C409
C450
C472
C479
C481
4
3
Q410
R425
R471
R481
1
37
C447
C448
C475
C476
R423
R424
R431
R472
R498
R499
11
1
20
10
U420
C405
C410
C411
C414
C442
C443
R473
R475
VR446VR448VR449
VR432
VR433
VR445
VR450
C440
C444
C452
L400
L401
R435
R450
VR447
C445
CR440
Q403
R447
R448R451
R452
R453
R454
R456
C401
C403
C406
CR411
CR412
R406
R419 R427
U410
C400
C402
R476
4
58
U400
C471
C701
C702
C703
C704
C705
C706
C707
C708
C709
C710
C711
C712
C713
C714
C715
C716
C717
C718
C721
C722
C723
C724
C726
C727
C728
C729
C731
C473
C441
C490
C491
C492
C493
C494
C495
C496
C497
R477
20
g2 J403
1
g1
1
J400
40
Controller Board Bottom View (PCB No. 8404056G02)

4-22
3.8 Controller Schematics
ZMY0130816-O
SB2
UNSWB+
RTA1
RTA0
EMER
GREEN_LED
5V
GND
GND
LOCK
CLK
N.U.
RTA2
UNSWB+
UNSWB+
GND
CSX
MECH_SWB+
RTA3
SB3
SB1
GND
0902042P03
RSSI
DACRx
SWB+
GND
LVZIF_SEL
RED_LED
N.U.
VOL
N.U.
DATA
MODIN
LI_ION
GND
RESET
J400
GND
SWB+
PTT
16.8MHz
TO/FROM RF
N.U.
BATT_CODE
Vdda
DEMOD
J400-2
C706
100pF 100pF
C704
100pF
C703
J400-42
J400-24
J400-3
J400-11
J400-21
C712
J400-5
100pF100pF
C710
100pF
C718
J400-16
100pF
C729
J400-6
100pF
J400-4
J400-19
C705
J400-23
J400-12
J400-26
J400-28
J400-27
J400-30
J400-29
J400-15
100pF
C707
VOX
VS_AUDSEL
VS_GAINSEL
Vdda
Vddd
LEDBL
LSIO
MECH_SWB+
MISO
MODIN
OFF_BATT_DATA_OUT
RED_LED
RESET
RX_AUD_RTN
SQ_DET
SWB+
SYN
TX_AUD_RTN
TX_AUD_SND
UNSWB+
URX_SND
CHACT
CLK
CSX
DACRX
DATA
DEMOD
EE_CS
EXT_MIC
EXT_SPKR_SEL
F1200
FLAT_RX_SND
FLAT_TX_RTN
GREEN_LED
HSIO
INT_EXT_Vdd
INT_MIC
VOL
VOX
VS_CS
VS_INT
VS_RAC
Vddd
XA18
16.8MHz
4V_3.3V
5V
AUDIO
AUDIO_PA_ENA
BATT_CODE
BATT_DATA_IN
RESET
RSSI
RTA0
RTA1
RTA2
RTA3
R_W
SB1
SB2
SB3
SCI_RX
SCI_TX
SQ_DET
SWB+
SYN
UNSWB+
KEYPAD_ROW
KEY_INT
LCD_SEL
LI_ION
LOCK
LSIO
LVZIF_SEL
MECH_SWB+
MISO
OFF_BATT_DATA_OUT
OPT_ENA
OPT_SEL1
OPT_SEL2
PTT
RAM_CS
RDY
D0
D1
D2
D3
D4
D5
D6
D7
DATA
EE_CS
EMER
F1200
FLASH_EN
FLASH_OE
HSIO
KEYPAD_COL
A15
A16
A17
A2
A3
A4
A5
A6
A7
A8
A9
BATT_DATA_IN
BOOT_CTRL
CHACT
CLK
CSX
SCI_RX
SCI_TX
SWB+
UNSWB+
Vdda
A0
A1
A10
A11
A12
A13
A14
5V
AUDIO
AUDIO_PA_ENA
BOOT_CTRL
EXT_MIC
EXT_SPKR_SEL
FLAT_RX_SND
INT_MIC
OPT_SEL1
OPT_SEL2
RSSI
J400-38
J400-9
C727
100pF
100pF
C708
C724
100pF
J400-14
J400-39
J400-41
J400-1
J400-25
C716
100pF
100pF
C711 C709
100pF
C721
J400-34
J400-35
100pF
J400-36
J400-13
C723
100pF
100pF
C722
D3
D4
D5
D6
D7
FLASH_EN
FLASH_OE
RAM_CS
RESET
R_W
Vddd
XA18
J400-37
A13
A14
A15
A16
A17
A2
A3
A4
A5
A6
A7
A8
A9
D0
D1
D2
J400-20
A0
A1
A10
A11
A12
J400-17
J400-8
J400-40
C728
100pF
100pF
J400-18
C702
C715
J400-7
100pF
100pF
C731
J400-32
C713
100pF
J400-33
J400-22
J400-10
J400-31
VS_INT
VS_RAC
Vddd
C701
100pF
LEDBL
MISO
OFF_BATT_DATA_OUT
OPT_ENA
PTT
RDY
RESET
RX_AUD_RTN
R_W
SWB+
TX_AUD_RTN
TX_AUD_SND
URX_SND
ON
VS_AUDSEL
VS_CS
VS_GAINSEL
D1
D2
D3
D4
D5
D6
D7
DATA
EXT_MIC
FLAT_RX_SND
FLAT_TX_RTN
INT_EXT_Vdd
KEYPAD_COL
KEYPAD_ROW
KEY_INT
LCD_SEL
C717
A0
CLK
D0
C726
100pF
100pF
100pF
DATA
KEY_INT
RESET
LCD_SEL
LEDBL
C714
RESET
SWB+
Vddd
KEYPAD_ROW
KEYPAD_COL
CLK
Vddd
BATT_CODE
LI_ION
RTA2
VOL
SB1
SB3
RTA0
RTA3
5V
Vdda
RESET
EMER
CSX
DACRx
DATA
MODIN
SWB+
LVZIF_SEL
PTT
GREEN_LED
RED_LED
RTA1
RTA2
RTA3
SB1
SB2
SB3
VOL
16.8MHz
DEMOD
LOCK
MECH_SWB+
RSSI
SB2
UNSWB+
CLK DACRX
DEMOD
16.8MHz
BATT_CODE
GREEN_LED
LEDBL
MODIN
RED_LED
5V
RSSI
SWB+
UNSWB+
Vdda
CLK
CSX
DATA
EMER
KEYPAD_COL
KEYPAD_ROW
KEY_INT
LI_ION
LOCK
MECH_SWB+
PTT
RTA0
RTA1
LVZIF_SEL
LCD_SEL
MICRO_P
MEMORY
ASFIC
AUDIO_PA
INTERFACE
MARKER
UHF
(470pF) (100pF)
VHF
C751
100pF
C750
470pF
Note: The capacitor values for VHF, UHF1, UHF2 and
Please refer to the appropriate
330MHz bands differ.
controller parts lists for the correct values.
Complete Controller Schematic Diagram

4-23
ZMY0130817-O
(3.3V)
NU
NU
ASFIC CMP
5185130C53
UMG5
RB731U
4802245J62
MMBT3906L
4813824A17
NU
EEPROM
NU
4809579E18
(3.3V)
(3.3V)
MMBD6100LT1
4813833C02
4802245J54
BCX71KL
R451
15K
K2
K3
R448
10K
CR412
A1
A2
A3
K1
100K
R447
0.1uF
C421
100K
R454C480
10uF
R452
100K
47K
R400
0.1uF
C479
1
2
3
CR440
R453
100K
R416
10K
R429
10K
0.1uF
C416
R413
0
TP406
1
C414
0.1uF
3
1
2
10uF
C403
Q400
0.1uF
C401
.01uF
0.01uF
C420
3WP
C415
1CS
7HOLD
6SCK
5SI
2
SO
8
VCC
4VSS
C409
0.1uF
X25128-2.7
U407
0.1uF
C422
R425
30K
0.1uF
C402
1
.022uF
C451
0
TP410
R475
C400
100K
R455
0.1uF
.01uF
C411
0.1uF
100pF
C410
C427
C406
0.1uF
R427
2.7K
C408
100pF
C452
1uF
13
Q405
2
4
0.1uF
R481
24K
C481
24K
R476
VDDA
1
VDDCP 32
VDDD 33
VDDDAC
11
VDDRC 45
VDDSYN 27
VOX
7
39
RXSND
12 SQCAP
SQDET
17
SQIN
9SYN 28
TXRTN 36
TXSND 44
UIO
10
LSIO
18
MICEXT 48
MICINT 46
MOD 40
NC 26
PLCAP
8
PLCAP2 25
43
RXRTN
GCB5 38
GNDA
3
GNDD 31
30
GNDDO
GNDRC 47
GNDSYN
23
HSIO
19
LCAP
24
DATA
22
DISC
2
F1200 29
GCB0
15 GCB1
14 GCB2
13
GCB3 35
GCB4 37
42
AUXTN
CHACT
16
CLK
21
CLK168 34
CSX
20
DACG
6DACR
5DACU
4
Q403
30C53
U404
AUDIO 41
SENSE 2
SHUTDOWN
3
VTAP 6
U400
LP2951ACMM-3.3
ERROR 5
FEEDBACK
7
GND
4
INPUT
8OUTPUT 1
C405
100pF
R456
0
75K
0.1uF
C430
R406
FN1
,
C419
100pF
C428
0.1uF
OFF_BATT_DATA_OUT
DEMOD
MISO
Vddd
Vddd
MECH_SWB+
Vdda
Vdda
CSX
CHACT
SQ_DET
LSIO
HSIO
5V
Vdda
BATT_DATA_IN
BATT_CODE Vddd
SYN
F1200
DATA
CLK
EE_CS
VOX
RESET
MODIN
Vdda
AUDIO
16.8MHz
DACRx
EXT_SPKR_SEL
AUDIO_PA_ENA
GREEN_LED
RED_LED
LEDBL
EXT_MIC
FLAT_RX_SND
SWB+
INT_MIC
UNSWB+
8K x 8 EEPROM
Controller ASFIC/ON_OFF Schematic Diagram

4-24
ZMY0130818-O
,
F1200
UNSWB+
SWB+
LI_ION
BOOT_CTRL
CR413
TEST_POINT
TP402
0680590Z01
THERM
UMC5N
5102226J56
CSGP3
CSGP4
RB731U
4802245J62
RB731U
4870368G02
38.4kHz
4802245J50
4809579E18
1%
NU
1%
3.3V
4802245J62
BCX71KL
LOW BATT
VST
R426
330K
R461
180 R460
100pF
C453
4.7K
A1
A2
A3
K1
K2
K3
CR411
C456
100pF
Q417
2
6
4
1
3
C423
100pF
93
48
XIRQ
XTAL 91
VDDL
88
VDDR
92
VDDSYN
69
VRH
68
VRL
13 VSS
40 VSSL
87 VSSR
XFC
PJ2
74
PJ3
75
PJ4
76
PJ5
77
PJ6
78
PJ7
94
RESET
12
VDD
39
PI2
53 PI3
52 PI4
51 PI5
50 PI6
49 PI7
71
PJ0_CSGP3
72
PJ1_CSGP4
73
PH2_PW3
44 PH3_PW4
43 PH4_CSIO
42 PH5_CSGP1
41 PH6_CSGP2
38 PH7_CSPROG
56 PI0
55 PI1
54
PG2_XA15
19 PG3_XA16
17 PG4_XA17
18 PG5_XA18
5PG6_AS
4
PG7_R_W
47 PH0_PW1
46 PH1_PW2
45
PF3_ADDR3
25 PF4_ADDR4
24 PF5_ADDR5
23 PF6_ADDR6
22 PF7_ADDR7
29 PFO_ADDR0
6PG0_XA13
16 PG1_XA14
20
65
PE3_AN3 64
PE4_AN4 63
PE5_AN5 62
PE6_AN6 61
PE7_AN7 60
28 PF1_ADDR1
27 PF2_ADDR2
26
PD1_TXD
99
PD2_MISO
100
PD3_MOSI
1
PD4_SCK
2
PD5_SS
PD6_LVIN 3
PE0_AN0 67
PE1_AN1 66
PE2_AN2
PC1_DATA1
32 PC2_DATA2
33 PC3_DATA3
34 PC4_DATA4
35 PC5_DATA5
36 PC6_DATA6
37 PC7_DATA7
97
PD0_RXD
98
PB2_ADDR10
9PB3_ADDR11
21 PB4_ADDR12
15 PB5_ADDR13
8PB6_ADDR14
7PB7_ADDR15
14 PBO_ADDR8
30 PC0_DATA0
31
PA1_IC2
81
PA2_IC1
82
PA3_IC4_OC5_OC1
83
PA4_OC4_OC1
84
PA5_OC3_OC1
PA6_OC2_OC1 85
86
PA7_PA1_OC1
10 PB1_ADDR9
11
AVSS
89
ECLK
90
EXTAL
96
IRQ
LVOUT 95
MODA_LIR 58
57
MODB_VSTBY
79
PA0_IC3
80
U409
MC68HC11FL0
59
AVDD
70
C434
0.1uF
0.1uF
C435
33.0K
RT400
R419
R462
510
R457
10K
R409
10K 10K
U410
ILC7062CM-33
VIN
2VOUT3
VSS
1
22pF
C436
GND
2
IN 1
OUT
3
R432
51K
XTAL
FL401
R463
300
C437
22pF
L411
390nH
10MEG
C433
R420
.01uF
10K
R411
TEST_POINT
TP401
1
L410
390nH
100pF
C431
R414
180K
R415
91K TP415
TEST_POINT
1
TP405
TEST_POINT
1
100K
R437
R418
FN1
100pF
0
Q416
3
1
2
C449
1
100pF
C730
A1
A2
A3
K1
K2
K3
A1
D0
D1
D2
D3
D4
D5
D6
D7
HSIO
Vddd
DATA
Vddd
A17
A16
A15
A14
A13
A12
A11
A10
A9
A8
A7
A6
A5
A4
A3
A2
RTA2
RTA3
SB1
SB2
SB3
OFF_BATT_DATA_OUT
RESET
Vddd
Mech_SWB+
RTA1
VOL
RSSI
VOX
KEYPAD_COL
KEYPAD_ROW
OPT_SEL1
CLK
Vddd
FLASH_OE
EMER
LVZIF_SEL
LCD_SEL
Vddd
UNSWB+
SYN
KEY_INT
LOCK
PTT
LSIO
SQ_DET
CHACT
SCI_RXSCI_TX
MISO
CSX
EE_CS
A0
XA18
BATT_DATA_IN
R_W
OPT_SEL2
RAM_CS
FLASH_EN
RTA0
47K
4.7K
10K
47K
Controller Micro Processor Schematic Diagram

4-25
ZMY0130819-O
Vddd
0.1uF
C425
C426
100pF
CY62256VLL
Used for Trunking only.
NU
11
U405
5102463J36
Static RAM
D4 15
D5 16
D6 17
D7 18
D8 19
VDD 28
A6
4
A7
3
A8
25
A9
24
D1
D2 12
D3 13
A11
23
A12
2
A13
26
A14
1
A2
8
A3
7
A4
6
A5
5
A0
10
A1
9
A10
21
WE
27 OE
22
VSS
14
CS
20
FLASH_OE
R428
2.2
/6V
2311049A59
C424
10uF
0.1uF
C429
R478
10K
Vddd
A10
A0
A1
A11
A13
A3
A5
A7
A9
A8
A6
A4
A2
A17
A16
A15
A14
A12
R_W
RAM_CS
NU
0
R492
R408
100K
XA18
FLASH_EN
5102463J59
AT49HLV010
U406
VCC 8
EN_CE
30
EN_OE
32
EN_WE
7
20
FLASH ROM
D7 29
A9
2
D0 21
D1 22
D2 23
D3 25
D4 26
D5 27
D6 28
A2
18
A3
17
A4
16
A5
15
A6
14
A7
13
A8
3
A10
31
1
A0
A1
19
9A18
A11
A12
12
A13
4
A14
5
A15
11
A16
10
A17
6
GND
24
XA18
R410
100K
D0
D2
D4
D6
D7
D5
D3
D1
Controller Memory Schematic Diagram

4-26
ZMY0130820-O
AUDIO
R424
36K
470K
R431
0.1uF
C448
C447
0.1uF 36K
R472
R499
10K
470K
R423
R498
10K
5
6
17
16
14
15
4
5102463J44
TDA8547
U420
SVR
VCC1
VCC2
NC3 9
NC4 12
NC5 19
18
OUT1NEG
3
OUT1POS
13
OUT2NEG
8
OUT2POS
SELECT
10 GND2
IN1NEG
IN1POS
IN2NEG
IN2POS
MODE
NC1 2
NC2 7
1GND1
20 11
C476
10uF
C475
10uF
UNSWB+
NU
20K
R471
100pF
C450
SWB+
UMG5
4802245J54
Q410
2
AUDIO_PA_ENA EXT_SPKR_SEL
64
13
MMQA5V6T1
4805656W08
VR432
5.6V
(3.3V)
100pF
C441
R436
0390nH
L400
C440
4.7uF
R421
2K
Vdda
INT_MIC
5V
EXT_MIC
R435
2K
330
R434
0.1uF
C443 L401
390nH
100pF
C444
C445
100pF
BOOT_CTRL
FLAT_RX_SND
SCI_RX
SCI_TX
RSSI
R473
10
C442
0.1uF
OPT_SEL2
OPT_SEL1
1W
100pF
C473
68
R450
100pF
C471
100pF
C472
SWB+
100pF
C496
C497
100pF
100pF
C495
C494
100pF
10V
VR450
MMQA5V6T1
4805656W08
VR433
5.6V
4880140L15
MMBZ5240B
C491
100pF
C493
100pF
100pF
C492
C490
100pF
VR445
10V
VR448
10V
10V
VR447 10V
VR449
VR446
10V
20 PIN CONN
J403
4880140L15 x 5pcs.
0909059E04
GND
RSSI
GND
INT_SPK-
EXT_SPK+
OPT_SEL_1
RX_DATA
TX_DATA
RX_AUDIO/TX_AUDIO
BOOT_CTRL
GND
GND
INT_SPK+
NC
GND
MIC
EXT_SPK-
OPT_B+
EXT_MIC
OPT_SEL_2
J403-5
J403-4
J403-8
J403-15
J403-14
J403-18
J403-9
J403-6
J403-16
J403-19
J403-10
J403-3
J403-1
J403-13
J403-7
J403-12
J403-2
J403-17
J403-20
J403-11
1K
R477
MMBZ5240B
Controller Audio Power Amplifier Schematic Diagram

4-27
ZMY0130821-O
,
>
MMBT3906L
3
D0
5102463J49
4813824A10
A0
SW_B+
#
5
Gnd
,1%
4813824A17
-
MMBT3904L
6
4813824A10
2
,1%
RST*
,1% ,1%
CS*
,1%
J702
MMBT3904L
LED for backlight.
LED_EN
R/W*
4880479U01 x 6pcs.
D2
D5
D6
D7
SCK
KEYPAD 3 x 6
P1
Vdd
P/N.0905505Y03
1
MOSI
NU
NU
-+
,1%,1%
16 PINS CONNECTOR
D4
For LCD module
,1%
D1
,1%
4
87
0
,1%
P3
P2
NU
9
D3
R646
100K
51K
R602
FN0
3GND
4IN
1OUT1
2OUT2
4IN
1OUT1
2OUT2
SWITCH
M610
SWITCH
M618
FN0
3GND
1K
R622
13K
R603
FN0
3GND
4IN
1OUT1
2OUT2
M611
SWITCH
R611
51K
E634BK1005HM471
E637
BK1005HM471 E702
BK1005HM471 E638
BK1005HM471
100K
R633
R606
130K
R632
100K
FN0
3GND
4IN
1OUT1
2OUT2
SWITCH
M612
E703BK1005HM471
R623
1K1K
Q603
R620
NPN
E643BK1005HM471
BK1005HM471 E644
J702-4
47K
100K
R648
R649
J702-5
R621
1K
R601
51K
SWITCH
GND
3
IN
4
OUT1
1
OUT2
2
3GND
4IN
1OUT1
2OUT2
M605
IN
1OUT1
2OUT2
SWITCH
M604
M621
SWITCH
FN0
3GND
4
J702-12
J702-3
4IN
1OUT1
2OUT2
R604
22K
M613
SWITCH
FN0
3GND
C610
100pF
M609
SWITCH
FN0
3GND
4IN
1OUT1
2OUT2
BK1005HM471 E640
R609
43K
J702-7
R613
1MEG
BK1005HM471 E642
100pF
C616
79U01
D606
1K
R618
1K
R619
100K
R722
2OUT2
100K
R721
SWITCH
M606
3GND
4IN
1OUT1
R647
3K
J702-2
J702-9
J702-15
79U01
D604
Q601
PNP
D601
79U01
D605
79U01 79U01
D602
J702-1
J702-11
D603
79U01
J702-10
J702-13
4
3
1
2
5
OUT1
2OUT2
LMC7211
U602
M615
SWITCH
FN0
3GND
4IN
1
E400
C613
100pF
FN0
3GND
4IN
OUT1
2OUT2
FN0
3GND
4IN
1OUT1
2OUT2
SWITCH
M608
1OUT1
2OUT2
M607
SWITCH
M619
SWITCH
FN0
3GND
4IN
R610
130K
100pF
J702-8
J702-17
C612
E641BK1005HM471
22K
R608
J702-16
E645BK1005HM471
1OUT1
2OUT2
SWITCH
M614
FN0
3 GND
4IN
4IN
1OUT1
2OUT2
SWITCH
M616
FN0
3GND
R607
13K
M617
SWITCH
FN0
3GND
4IN
1OUT1
2OUT2
J702-18
BK1005HM471 E704
4IN
1OUT1
2OUT2
560K
R612
SWITCH
M620
FN0
3GND
E639BK1005HM471
Q602
NPN
43K
R605
,
FN0
J702-14
C609
100pF
100pF
C611
D7
D6
J702-6
CLK
CLK
LCD_SEL
KEYPAD_ROW
KEYPAD_ROW
KEYPAD_COL
KEYPAD_COL
KEY_INT
SWB+
D2
D4
D0
D1
D3
D5
A0
LEDBL
ROW3
ROW2
DATA
CLK
DATA
DATA
COL5
COL5
ROW5ROW4
Vddd
RESET
ROW2
COL2
ROW3 ROW4 ROW5
ROW5
COL3
KEYPAD_ROW
ROW3
ROW4
COL2KEYPAD_COL
COL3
1
*
Controller Interface Schematic Diagram (for 8404056G01)

4-28
Q603
NPN
130K
LEDBL
RESET
ROW2
A0
Vddd
ROW3
47K
R649
OUT1
1
OUT2
2
R648
E403
GND
3
IN
4
OUT1
1
OUT2
2
D606
79U01
DATA
CLK
DATA
DATA
KEYPAD_ROW
KEYPAD_COL
KEYPAD_ROW
KEYPAD_COL
LCD_SEL
CLK
CLK
BK1005HM471 E634
KEY_INT
SWB+
E404
E405
Q601
PNP
FN0
,
J702-9
#
5
4
87
D3
D2
D5
D6
D7
SCK
KEYPAD 3 x 6
MOSI
NU
NU
-+
,1%
5102463J49
A0
SW_B+
Gnd
,1%
D1
,1%
4880479U01 x 6pcs.
*0
,1%
P3
P2
NU
9
P1
Vdd
P/N.0905505Y03
12
,1%
RST*
,1% ,1%
CS*
,1%
,1%
16 PINS CONNECTOR
D4
For LCD module
MMBT3904L
LED for backlight.
LED_EN
R/W*
MMBT3906L
3
D0
,1%
4813824A17
>
-
6
4813824A10
J702
GND
3
IN
4
OUT1
1
OUT2
2
E644BK1005HM471
FN0
,
SWITCH
M611
BK1005HM471 E643
J702-4
1K
R621
J702-5
J702-3
E409
R601
3GND
4IN
1OUT1
2OUT2
51K
M604
SWITCH
GND
3
IN
4
OUT1
1
OUT2
2
SWITCH
M605
GND
3
IN
4
OUT1
1
OUT2
2
FN0
,
SWITCH
M621
E408
J702-12
22K
R604
IN
4
OUT1
1
OUT2
2
FN0
,
SWITCH
M613
GND
3
100pF
C610
GND
3
IN
4
OUT1
1
OUT2
2
FN0
,
SWITCH
M609
4
OUT1
1
OUT2
2
R602
51K
,
M610
SWITCH
GND
3
IN
M618
SWITCH
GND
3
IN
4
OUT1
1
OUT2
2
FN0
1K
FN0
,
R622
R603
13K
FN0
,
M614
SWITCH
51K
R611
E637BK1005HM471
E702BK1005HM471
E638BK1005HM471
E407
130K
R606
1
OUT2
2
M612
SWITCH
GND
3
IN
4
OUT1
BK1005HM471 E703
E704BK1005HM471
J702-18
OUT2
2
R612
560K
M620
SWITCH
GND
3
IN
4
OUT1
1
BK1005HM471 E639
FN0
,
43K
R605
J702-14
100pF
C609
100pF
FN0
,
C611
J702-8
J702-6
100pF
C612
J702-17
43K
R609
M606
SWITCH
GND
3
IN
4
OUT1
1
OUT2
2
3K
R647
U602
LMC7211
1
2
5
GND
3
IN
4
OUT1
1
OUT2
2
FN0
,
SWITCH
M615
E400
GND
3
IN
4
OUT1
1
OUT2
2
100pF
C613
OUT1
1
OUT2
2
FN0
,
M608
SWITCHSWITCH
M607
GND
3
IN
4
GND
3
IN
4
OUT1
1
OUT2
2
FN0
,
R610
FN0
,
SWITCH
M619
E640BK1005HM471
BK1005HM471 E701
J702-7
1MEG
R613
E642BK1005HM471
J702-16
BK1005HM471 E641
R608
22K
BK1005HM471 E645
1K
R618
1K
R619
100K
M616
SWITCH
GND
3
IN
4
FN0
,
13K
R607
79U01
D605
79U01
D601 D602
79U01
1
OUT2
2
SWITCH
M617
GND
3
IN
4
OUT1
J702-13
FN0
,
100K
J702-10
100K
R722
R721
J702-2
J702-1
D604
79U01
J702-15
E401
1K
R623
1K
R620
E402
E406
79U01
D603
J702-11
COL5
COL5
ROW5ROW4
D0
D1
D2
D6
D3
D5
D4
D7
ROW2
COL2
ROW3 ROW4 ROW5
ROW5
COL3
KEYPAD_ROW
ROW3
ROW4
COL2
KEYPAD_COL
COL3
4
3
4813824A10
MMBT3904L
100K
R646
R633
100K
100K
R632
NPN
Q602
C616
100pF
Controller Interface Schematic Diagram (for 8404056G02)

4-29
Controller Parts List for VHF
(for
8404056G01/G02)
Circuit
Ref
Motorola
Part No. Description
C400 2113743L41 10000 pF, 10%
C401 2113743M24 100000 pF, +80% / -20%
C402 2113743M24 100000 pF, +80% / -20%
C403 2113928D08 10.0 uF
C405 2113743L09 470 pF, 10%
C406 2113928N01 0.1uF, 10%
C408 2113743L09 470 pF, 10%
C409 2113743M24 100000 pF, +80% / -20%
C410 2113928N01 0.1uF, 10%
C411 2113743M24 100000 pF, +80% / -20%
C414 2113743M24 100000 pF, +80% / -20%
C415 2185895Z01 0.01 uF
C416 2113928N01 0.1uF, 10%
C419 NOT PLACED
C420 2113743L41 10000 pF, 10%
C421 2113928N01 0.1uF, 10%
C422 2113743M24 100000 pF, +80% / -20%
C423 2113743L09 470 pF, 10%
C424 2311049A59 10 uF, 10%, 6V
C425 2113743M24 100000 pF, +80% / -20%
C426 2113743L09 470 pF, 10%
C427 2113743L09 470 pF, 10%
C428 2113743M24 100000 pF, +80% / -20%
C429 2113743M24 100000 pF, +80% / -20%
C430 2113928N01 0.1uF, 10%
C431 2113743L09 470 pF, 10%
C433 2113743L41 10000 pF, 10%
C434 2113743M24 100000 pF, +80% / -20%
C435 2113743M24 100000 pF, +80% / -20%
C436 2113743N34 22.0 pF, 5%
C437 2113743N34 22.0 pF, 5%
C440 2113743G26 4.7 uF, +80% / -20%
C441 2113743L09 470 pF, 10%
C442 2113743E20 0.10 uF, 10%
C443 2113928N01 0.1uF, 10%
C444 2113743L09 470 pF, 10%
C445 2113743L09 470 pF, 10%
C447 2113928N01 0.1uF, 10%
C448 2113928N01 0.1uF, 10%
C449 2113743L09 470 pF, 10%
C450 NOT PLACED
C451 2113743M08 22000 pF, +80% / -20%
C452 2113743B29 1.00 uF, 10%
C453 2113743L09 470 pF, 10%
C456 2113743L09 470 pF, 10%
C471 2113743L09 470 pF, 10%
C472 2113743L09 470 pF, 10%
C473 2113743L09 470 pF, 10%
C475 2113743H14 10.0 uF, +80% / -20%
C476 2113928D08 10.0 uF
C479 2113743M24 100000 pF, +80% / -20%
C480 2113928D08 10.0 uF
C481 2113928N01 0.1uF, 10%
C490 2113743L09 470 pF, 10%
C491 2113743L09 470 pF, 10%
C492 2113743L09 470 pF, 10%
C493 2113743L09 470 pF, 10%
C494 2113743L09 470 pF, 10%
C495 2113743L09 470 pF, 10%
C496 2113743L09 470 pF, 10%
C497 2113743L09 470 pF, 10%
C609 NOT PLACED
C610 2113743L09 470 pF, 10%
C611 2113743L09 470 pF, 10%
C612 2113743L09 470 pF, 10%
C613 2113743L09 470 pF, 10%
C616 2113743L09 470 pF, 10%
C701 2113743L09 470 pF, 10%
C702 2113743L09 470 pF, 10%
C703 2113743L09 470 pF, 10%
C704 2113743L09 470 pF, 10%
C705 2113743L09 470 pF, 10%
C706 2113743L09 470 pF, 10%
C707 2113743L09 470 pF, 10%
C708 2113743L09 470 pF, 10%
C709 2113743L09 470 pF, 10%
C710 2113743L09 470 pF, 10%
C711 2113743L09 470 pF, 10%
C712 2113743L09 470 pF, 10%
C713 2113743L09 470 pF, 10%
C714 2113743L09 470 pF, 10%
C715 2113743L09 470 pF, 10%
C716 2113743L09 470 pF, 10%
C717 2113743L09 470 pF, 10%
C718 2113743L09 470 pF, 10%
C721 2113743L09 470 pF, 10%
C722 2113743L09 470 pF, 10%
C723 2113743L09 470 pF, 10%
C724 2113743L09 470 pF, 10%
C726 2113743L09 470 pF, 10%
C727 2113743L09 470 pF, 10%
C728 2113743L09 470 pF, 10%
C729 2113743L09 470 pF, 10%
C730 2113743L09 470 pF, 10%
C731 2113743L09 470 pF, 10%
C751 2113743L09 470 pF, 10%
CR411 4802245J62 Diode Schottky
CR412 4802245J62 Diode Schottky
Circuit
Ref
Motorola
Part No. Description
CR413 4802245J62 Diode Schottky
CR440 4813833C02 Dual Diode, Common Cath-
ode
D601 4880479U01 LED
D602 4880479U01 LED
D603 4880479U01 LED
D604 4880479U01 LED
D605 4880479U01 LED
D606 4880479U01 LED
E400 2480640Z01 Bead
E401 2480640Z01 Bead
E402 2480640Z01 Bead
E403 2480640Z01 Bead
E404 2480640Z01 Bead
E405 2480640Z01 Bead
E406 2480640Z01 Bead
E407 2480640Z01 Bead
E408 2480640Z01 Bead
E409 2480640Z01 Bead
E634 2480640Z01 Bead
E637 2480640Z01 Bead
E638 2480640Z01 Bead
E639 2480640Z01 Bead
E640 2480640Z01 Bead
E641 2480640Z01 Bead
E642 2480640Z01 Bead
E643 2480640Z01 Bead
E644 2480640Z01 Bead
E645 2480640Z01 Bead
E701 2480640Z01 Bead
E702 2480640Z01 Bead
E703 2480640Z01 Bead
E704 2480640Z01 Bead
FL401 4870368G02 Reflowable Clock Osc X’tal
J400 0902042P03 40 Pins Connector
J403 0909059E04 20 Pins Connector
J702 0905505Y03 Conn ZIF Horizontal
L400 2462587Q42 390 nH, 10%
L401 2462587Q42 390 nH, 10%
L410 2462587Q42 390 nH, 10%
L411 2462587Q42 390 nH, 10%
M604 NOT PLACED
M605 NOT PLACED
M606 NOT PLACED
M607 NOT PLACED
M608 NOT PLACED
M609 NOT PLACED
M610 NOT PLACED
M611 NOT PLACED
M612 NOT PLACED
M613 NOT PLACED
Circuit
Ref
Motorola
Part No. Description
M614 NOT PLACED
M615 NOT PLACED
M616 NOT PLACED
M617 NOT PLACED
M618 NOT PLACED
M619 NOT PLACED
M620 NOT PLACED
M621 NOT PLACED
Q400 4809579E18 TSTR MOSFET
Q403 4813824A17 XSTR PNP 40V
Q405 4802245J54 Digital Transistor
Q410 4802245J54 Digital Transistor
Q416 4809579E18 TSTR MOSFET
Q417 4809939C05 Transistor Dual NPN / PNP
Q601 4813824A17 XSTR PNP 40V
Q602 4813824A10 Transistor NPN
Q603 4813824A10 Transistor NPN
R400 0662057N15 47 k, 5%
R406 0662057N20 75 k, 5%
R408 NOT PLACED
R409 0662057M98 10 k, 5%
R410 0662057N23 100 k, 5%
R411 0662057M98 10 k, 5%
R413 0662057M01 0, 5%
R414 0662057V34 180 k, 1%
R415 0662057V26 91 k, 1%
R416 0662057M98 10 k, 5%
R418 0662057M01 0, 5%
R419 0662057M67 510, 5%
R420 0662057B46 10.0 M, 5%
R421 0662057M81 2000, 5%
R423 0662057N39 470 k, 5%
R424 0662057N12 36 k, 5%
R425 0662057N10 30 k, 5%
R426 0662057N35 330 k, 5%
R427 0662057M84 2700, 5%
R428 0662057M10 2.2, 5%
R429 0662057N20 75 k, 5%
R431 0662057N39 470 k, 5%
R432 0662057N16 51 k, 5%
R434 0662057M62 330, 5%
R435 0662057M81 2000, 5%
R436 0662057M01 0, 5%
R437 NOT PLACED
R447 0662057N23 100 k, 5%
R448 0662057M98 10 k, 5%
R450 0683962T45 68
R451 0662057N03 15 k, 5%
R452 0662057N23 100 k, 5%
R453 NOT PLACED
R454 NOT PLACED
Circuit
Ref
Motorola
Part No. Description

4-30
Note: E401 through E409 are NOT PLACED in
84D04056G01.
* Motorola Depot Servicing only
R455 NOT PLACED
R456 0662057M01 0, 5%
R457 0662057M98 10 k, 5%
R460 0662057M90 4700, 5%
R461 0662057M56 180, 5%
R462 0662057M98 10 k, 5%
R463 0662057M61 300, 5%
R471 0662057N06 20 k, 5%
R472 0662057N12 36 k, 5%
R473 0662057M26 10, 5%
R475 0662057M01 0, 5%
R476 0662057N08 24 k, 5%
R477 0662057M74 1000, 5%
R478 0662057M98 10 k, 5%
R481 0662057N08 24 k, 5%
R492 0662057M01 0, 5%
R498 0662057M98 10 k, 5%
R499 0662057M98 10 k, 5%
R601 0662057V20 51 k, 1%
R602 0662057V20 51 k, 1%
R603 0662057V05 13 k, 1%
R604 0662057V11 22 k, 1%
R605 0662057V18 43 k, 1%
R606 0662057V30 130 k, 1%
R607 0662057V05 13 k, 1%
R608 0662057V11 22 k, 1%
R609 0662057V18 43 k, 1%
R610 0662057V30 130 k, 1%
R611 0662057N16 51 k, 5%
R612 0662057N41 560 k, 5%
R613 0662057N47 1.0 M, 5%
R618 0662057M74 1000, 5%
R619 0662057M74 1000, 5%
R620 0662057M74 1000, 5%
R621 0662057M74 1000, 5%
R622 0662057M74 1000, 5%
R623 0662057M74 1000, 5%
R632 0662057N23 100 k, 5%
R633 0662057N23 100 k, 5%
R646 0662057N23 100 k, 5%
R647 0662057M85 3000, 5%
R648 0662057N23 100 k, 5%
R649 0662057N15 47 k, 5%
R721 NOT PLACED
R722 NOT PLACED
RT400 0680590Z01 Thermistor 33k
TP401 NOT PLACED
TP402 NOT PLACED
TP405 NOT PLACED
TP406 NOT PLACED
TP410 NOT PLACED
Circuit
Ref
Motorola
Part No. Description
TP415 NOT PLACED
U400 5102463J40 3.3V Regulator
U404 5185130C53 ASFIC CMP
U405 NOT PLACED
U406 *5102463J60 Flash ROM 512K x 8
U407 *5102463J64 EEPROM 16K x 8
U409 5102226J56 uP HC11FLO
U410 5102463J57 3.3V Regulator
U420 5102463J44 Audio Amplifier
U602 5102463J49 Comparator CMOS
VR432 4805656W08 Quad Zener Diode
VR433 4805656W08 Quad Zener Diode
VR445 4880140L15 10V Zener
VR446 4880140L15 10V Zener
VR447 4880140L15 10V Zener
VR448 4880140L15 10V Zener
VR449 4880140L15 10V Zener
VR450 4880140L15 10V Zener
Circuit
Ref
Motorola
Part No. Description

4-31
Controller Parts List for UHF 1, UHF 2
and 330MHz
(for 8404056G01/G02)
Circuit
Ref
Motorola
Part No. Description
C400 2113743L41 10000 pF, 10%
C401 2113743M24 100000 pF, +80% / -20%
C402 2113743M24 100000 pF, +80% / -20%
C403 2113928D08 10.0 uF
C405 2113743N50 100 pF, 5%
C406 2113928N01 0.1 uF, 10%
C408 2113743N50 100 pF, 5%
C409 2113743M24 100000 pF, +80% / -20%
C410 2113928N01 0.1 uF, 10%
C411 2113743M24 100000 pF, +80% / -20%
C414 2113743M24 100000 pF, +80% / -20%
C415 2185895Z01 0.01 uF
C416 2113928N01 0.1 uF, 10%
C419 NOT PLACED
C420 2113743L41 10000 pF, 10%
C421 2113928N01 0.1 uF, 10%
C422 2113743M24 100000 pF, +80% / -20%
C423 2113743N50 100 pF, 5%
C424 2311049A59 10 uF, 10%
C425 2113743M24 100000 pF, +80% / -20%
C426 2113743N50 100 pF, 5%
C427 2113743N50 100 pF, 5%
C428 2113743M24 100000 pF, +80% / -20%
C429 2113743M24 100000 pF, +80% / -20%
C430 2113928N01 0.1 uF, 10%
C431 2113743N50 100 pF, 5%
C433 2113743L41 10000 pF, 10%
C434 2113743M24 100000 pF, +80% / -20%
C435 2113743M24 100000 pF, +80% / -20%
C436 2113743N34 22.0 pF, 5%
C437 2113743N34 22.0 pF, 5%
C440 2113743G26 4.7 uF, +80% / -20%
C441 2113743N50 100 pF, 5%
C442 2113743E20 0.10 uF, 10%
C443 2113928N01 0.1 uF, 10%
C444 2113743N50 100 pF, 5%
C445 2113743N50 100 pF, 5%
C447 2113928N01 0.1 uF, 10%
C448 2113928N01 0.1 uF, 10%
C449 2113743N50 100 pF, 5%
C450 NOT PLACED
C451 2113743M08 22000 pF, +80% / -20%
C452 2113743B29 1.00 uF, 10%
C453 2113743N50 100 pF, 5%
C456 2113743N50 100 pF, 5%
C471 2113743N50 100 pF, 5%
C472 2113743N50 100 pF, 5%
C473 2113743N50 100 pF, 5%
C475 2113743H14 10.0 uF, +80% / -20%
C476 2113928D08 10.0 uF
C479 2113743M24 100000 pF, +80% / -20%
C480 2113928D08 10.0 uF
C481 2113928N01 0.1 uF, 10%
C490 2113743N50 100 pF, 5%
C491 2113743N50 100 pF, 5%
C492 2113743N50 100 pF, 5%
C493 2113743N50 100 pF, 5%
C494 2113743N50 100 pF, 5%
C495 2113743N50 100 pF, 5%
C496 2113743N50 100 pF, 5%
C497 2113743N50 100 pF, 5%
C609 NOT PLACED
C610 2113743N50 100 pF, 5%
C611 2113743N50 100 pF, 5%
C612 2113743N50 100 pF, 5%
C613 2113743N50 100 pF, 5%
C616 2113743N50 100 pF, 5%
C701 2113743N50 100 pF, 5%
C702 2113743N50 100 pF, 5%
C703 2113743N50 100 pF, 5%
C704 2113743N50 100 pF, 5%
C705 2113743N50 100 pF, 5%
C706 2113743N50 100 pF, 5%
C707 2113743N50 100 pF, 5%
C708 2113743N50 100 pF, 5%
C709 2113743N50 100 pF, 5%
C710 2113743N50 100 pF, 5%
C711 2113743N50 100 pF, 5%
C712 2113743N50 100 pF, 5%
C713 2113743N50 100 pF, 5%
C714 2113743N50 100 pF, 5%
C715 2113743N50 100 pF, 5%
C716 2113743N50 100 pF, 5%
C717 2113743N50 100 pF, 5%
C718 2113743N50 100 pF, 5%
C721 2113743N50 100 pF, 5%
C722 2113743N50 100 pF, 5%
C723 2113743N50 100 pF, 5%
C724 2113743N50 100 pF, 5%
C726 2113743N50 100 pF, 5%
C727 2113743N50 100 pF, 5%
C728 2113743N50 100 pF, 5%
C729 2113743N50 100 pF, 5%
C730 2113743N50 100 pF, 5%
C731 2113743N50 100 pF, 5%
C750 2113743N50 100 pF, 5%
CR411 4802245J62 Diode Schottky
CR412 4802245J62 Diode Schottky
Circuit
Ref
Motorola
Part No. Description
CR413 4802245J62 Diode Schottky
CR440 4813833C02 Dual Diode, Common Cath-
ode
D601 4880479U01 LED
D602 4880479U01 LED
D603 4880479U01 LED
D604 4880479U01 LED
D605 4880479U01 LED
D606 4880479U01 LED
E400 2480640Z01 Bead
E401 2480640Z01 Bead
E402 2480640Z01 Bead
E403 2480640Z01 Bead
E404 2480640Z01 Bead
E405 2480640Z01 Bead
E406 2480640Z01 Bead
E407 2480640Z01 Bead
E408 2480640Z01 Bead
E409 2480640Z01 Bead
E634 2480640Z01 Bead
E637 2480640Z01 Bead
E638 2480640Z01 Bead
E639 2480640Z01 Bead
E640 2480640Z01 Bead
E641 2480640Z01 Bead
E642 2480640Z01 Bead
E643 2480640Z01 Bead
E644 2480640Z01 Bead
E645 2480640Z01 Bead
E701 2480640Z01 Bead
E702 2480640Z01 Bead
E703 2480640Z01 Bead
E704 2480640Z01 Bead
FL401 4870368G02 Reflowable Clock Osc X'tal
J400 0902042P03 40 Pins Connector
J403 0909059E04 20 Pins Connector
J702 0905505Y03 Conn ZIF Horizontal
L400 2462587Q42 390 nH, 10%
L401 2462587Q42 390 nH, 10%
L410 2462587Q42 390 nH, 10%
L411 2462587Q42 390 nH, 10%
M604 NOT PLACED
M605 NOT PLACED
M606 NOT PLACED
M607 NOT PLACED
M608 NOT PLACED
M609 NOT PLACED
M610 NOT PLACED
M611 NOT PLACED
M612 NOT PLACED
M613 NOT PLACED
Circuit
Ref
Motorola
Part No. Description
M614 NOT PLACED
M615 NOT PLACED
M616 NOT PLACED
M617 NOT PLACED
M618 NOT PLACED
M619 NOT PLACED
M620 NOT PLACED
M621 NOT PLACED
Q400 4809579E18 TSTR MOSFET
Q403 4813824A17 XSTR PNP 40V
Q405 4802245J54 Digital Transistor
Q410 4802245J54 Digital Transistor
Q416 4809579E18 TSTR MOSFET
Q417 4809939C05 Transistor Dual NPN / PNP
Q601 4813824A17 XSTR PNP 40V
Q602 4813824A10 Transistor NPN
Q603 4813824A10 Transistor NPN
R400 0662057N15 47 k, 5%
R406 0662057N20 75 k, 5%
R408 NOT PLACED
R409 0662057M98 10 k, 5%
R410 0662057N23 100 k, 5%
R411 0662057M98 10 k, 5%
R413 0662057M01 0 , 5%
R414 0662057V34 180 k, 1%
R415 0662057V26 91 k, 1%
R416 0662057M98 10 k, 5%
R418 0662057M01 0 , 5%
R419 0662057M67 510 , 5%
R420 0662057B46 10.0 M, 5%
R421 0662057M81 2000 , 5%
R423 0662057N39 470 k, 5%
R424 0662057N12 36 k, 5%
R425 0662057N10 30 k, 5%
R426 0662057N35 330 k, 5%
R427 0662057M84 2700 , 5%
R428 0662057M10 2.2 , 5%
R429 0662057N20 75 k, 5%
R431 0662057N39 470 k, 5%
R432 0662057N16 51 k, 5%
R434 0662057M62 330 , 5%
R435 0662057M81 2000 , 5%
R436 0662057M01 0 , 5%
R437 NOT PLACED
R447 0662057N23 100 k, 5%
R448 0662057M98 10 k, 5%
R450 0683962T45 68
R451 0662057N03 15 k, 5%
R452 0662057N23 100 k, 5%
R453 NOT PLACED
R454 NOT PLACED
Circuit
Ref
Motorola
Part No. Description

4-32
Note: E401 through E409 are NOT PLACED in
8404056G01
* Motorola Depot Servicing only
R455 NOT PLACED
R456 0662057M01 0 , 5%
R457 0662057M98 10 k, 5%
R460 0662057M90 4700 , 5%
R461 0662057M56 180 , 5%
R462 0662057M98 10 k, 5%
R463 0662057M61 300 , 5%
R471 0662057N06 20 k, 5%
R472 0662057N12 36 k, 5%
R473 0662057M26 10 , 5%
R475 0662057M01 0 , 5%
R476 0662057N08 24 k, 5%
R477 0662057M74 1000 , 5%
R478 0662057M98 10 k, 5%
R481 0662057N08 24 k, 5%
R492 0662057M01 0 , 5%
R498 0662057M98 10 k, 5%
R499 0662057M98 10 k, 5%
R601 0662057V20 51 k, 1%
R602 0662057V20 51 k, 1%
R603 0662057V05 13 k, 1%
R604 0662057V11 22 k, 1%
R605 0662057V18 43 k, 1%
R606 0662057V30 130 k, 1%
R607 0662057V05 13 k, 1%
R608 0662057V11 22 k, 1%
R609 0662057V18 43 k, 1%
R610 0662057V30 130 k, 1%
R611 0662057N16 51 k, 5%
R612 0662057N41 560 k, 5%
R613 0662057N47 1.0 M, 5%
R618 0662057M74 1000 , 5%
R619 0662057M74 1000 , 5%
R620 0662057M74 1000 , 5%
R621 0662057M74 1000 , 5%
R622 0662057M74 1000 , 5%
R623 0662057M74 1000 , 5%
R632 0662057N23 100 k, 5%
R633 0662057N23 100 k, 5%
R646 0662057N23 100 k, 5%
R647 0662057M85 3000 , 5%
R648 0662057N23 100 k, 5%
R649 0662057N15 47 k, 5%
R721 NOT PLACED
R722 NOT PLACED
RT400 0680590Z01 Thermistor 33k
TP401 NOT PLACED
TP402 NOT PLACED
TP405 NOT PLACED
TP406 NOT PLACED
TP410 NOT PLACED
Circuit
Ref
Motorola
Part No. Description
TP415 NOT PLACED
U400 5102463J40 3.3V Regulator
U404 5185130C53 ASFIC CMP
U405 NOT PLACED
U406 *5102463J60 Flash ROM 512K x 8
U407 *5102463J64 EEPROM 16K x 8
U409 5102226J56 Microprocessor IC
U410 5102463J57 3.3V Regulator
U420 5102463J44 Audio Amplifier
U602 5102463J49 Comparator CMOS
VR432 4805656W08 Quad Zener Diode
VR433 4805656W08 Quad Zener Diode
VR445 4880140L15 10V Zener
VR446 4880140L15 10V Zener
VR447 4880140L15 10V Zener
VR448 4880140L15 10V Zener
VR449 4880140L15 10V Zener
VR450 4880140L15 10V Zener
Circuit
Ref
Motorola
Part No. Description

5A-1
Section 5A
MODEL CHART AND TEST SPECIFICATIONS (136-174
MHZ)
1.0 Model Chart
GP Series, VHF, 136-174 MHz
Model Description
AZH38KDC9AA2 GP328 Plus 136-174 MHz 5W 4CH
AZH38KDC9AA3 GP328 Plus 136-174 MHz 5W 16 CH
AZH38KDH9AA6 GP338 Plus 136-174 MHz 5W 128 CH
AZH38KDH9DU6 GP338 XLS 136-174 MHz 5W 160 CH
Item Description
XPMUD1892_ GP328 Plus Super Tanapa 136-174 MHz 5W 4CH
XPMUD1673_ GP328 Plus Super Tanapa 136-174 MHz 5W 16CH
XPMUD1674_ GP338 Plus Super Tanapa 136-174 MHz 5W 128CH
XPMUD1770_ GP338 XLS Super Tanapa 136-174 MHz 5W 160CH
XPMUD1893_ GP328 Plus Tanapa 136-174 MHz 5W 4CH
XPMUD1677_ GP328 Plus Tanapa 136-174 MHz 5W 16CH
XPMUD1678_ GP338 Plus Tanapa 136-174 MHz 5W 128CH
XPMUD1771_ GP338 XLS Tanapa 136-174 MHz 5W 160CH
XPMHD4021_ GP328 Plus B/C Kit 136-174 MHz 5W 4CH
XJMHD4005_ GP328 Plus B/C Kit 136-174 MHz 5W 16CH
XPMHD4006_ GP338 Plus B/C Kit 136-174 MHz 5W 128CH
XPMHD4014_ GP338 XLS B/C Kit 136-174 MHz 5W 160CH
XPMHD4020_ GP328 Plus Front Housing Kit 4CH
XPMHD4000_ GP328 Plus Front Housing Kit 16CH
XPMHD4001_ GP338 Plus Front Housing Kit 128CH
XPMHD4013_ GP338 XLS Front Housing Kit 160CH
XXXXPMAD4012_ Antenna, 136-155 MHz Stubby
XXXXPMAD4013_ Antenna,155-174 MHz Stubby
XXXXPMAD4014_ Antenna, 136-155 MHz 14 cm
XXXXPMAD4015_ Antenna, 155-174 MHz 14 cm
XXXXPMAD4023_ Antenna, 150-161 MHz 14 cm
XXXXPMAD4025_ Antenna 150-161 MHz Stubby
X X 6804022G48 GP328 Plus User Guide
X6804112J64 GP338 Plus User Guide
X6804114J01 GP338 XLS User Guide
x = Indicates one of each is required.

5A-2 Specifications (for GP328 Plus)
2.0 Specifications (for GP328
Plus)
General
Transmitter
Receiver
All specifications are subject to change without notice.
VHF
Frequency: 136-174 MHz
Channel Capacity: GP328 Plus : 4/16 Chan-
nels
Power Supply: 7.5 Volts ±20%
Dimensions
with Standard
High Capacity
Lithium Battery:
with Ultra High
Capacity Lithium
Battery:
101.5mm x 55.5mm x
30.5mm
101.5mm x 55.5mm x
35.5mm
Weight:
with Standard
High Capacity
Lithium Battery:
with Ultra High
Capacity Lithium
Battery
250 g
270 g
Average Battery
Life @ (5-5-90 Duty
Cycle)
Standard High
Capacity Lithium
Battery:
Ultra High Capac-
ity Lithium Battery
Low
Power
>10 hrs
>14 hrs
High
Power
>7 hrs
>10 hrs
Sealing: Meets MIL-STD-810-
C,D & E and IPX4
Shock: Meets MIL-STD-810-
C,D & E and TIA/EIA 603
Vibration: Meets MIL-STD-810-
C,D & E and TIA/EIA 603
Dust: Meets MIL-STD-810-
C,D & E and IP5X
Humidity: Meets MIL-STD-810-
C,D & E and TIA/EIA 603
FCC ID AZ489FT3801
VHF
RF Output
Li Ion @ 7.5V:
Low
1W
High
5W
Frequency 136-174 MHz
Channel Spacing 12.5/20/25 kHz
Freq. Stability
(-30°C to +60°C)
0.00025%
Spurs/Harmonics: -36 dBm < 1 GHz
-30 dBm > 1 GHz
Audio Response:
(from 6 dB/oct. Pre-
Emphasis, 300 to
3000Hz)
+1, -3 dB
Audio Distortion:
@ 1000 Hz, 60%
Rated Max. Dev.
<5%
FM Noise: -40 dB
VHF
12.5kHz
VHF 20/
25kHz
Frequency: 136-
174MHz
136-
174MHz
Sensitivity
12dB EIA SINAD:
0.35 µV0.35 µV
Adjacent Channel
Selectivity ETS
-60 dB -70 dB
Intermodulation
ETS
-65 dB -65 dB
Freq. Stability
(-30°C to +60°C):
0.00025% 0.00025%
Spur Rejection: -70 dB -70 dB
Image Rejection: -70 dB -70 dB
Audio Output
@ <5% Distortion
500 mW 500 mW

Specifications (for GP338 Plus/GP338 XLS) 5A-3
3.0 Specifications (for GP338
Plus/GP338 XLS)
General
Transmitter
Receiver
All specifications are subject to change without notice.
VHF
Frequency: 136-174 MHz
Channel Capacity: GP338 Plus 128 Chan-
nels/GP338 XLS 160
Channels
Power Supply: 7.5 Volts ±20%
Dimensions
with Standard
High Capacity
Lithium Battery:
with Ultra High
Capacity Lithium
Battery:
101.5mm x 55.5mm x
33.0mm
101.5mm x 55.5mm x
38.0mm
Weight:
with Standard
High Capacity
Lithium Battery:
with Ultra High
Capacity Lithium
Battery:
265 g
285 g
Average Battery
Life @ (5-5-90 Duty
Cycle)
Standard High
Capacity Lithium
Battery:
Ultra High Capac-
ity Lithium Battery
Low
Power
>10 hrs
>14 hrs
High
Power
>7 hrs
>10 hrs
Sealing: Meets MIL-STD-810-C,
D & E and IPX4
Shock: Meets MIL-STD-810-
C,D & E and TIA/EIA 603
Vibration: Meets MIL-STD-810-
C,D & E and TIA/EIA 603
Dust: Meets MIL-STD-810-
C,D & E and IP5X
Humidity: Meets MIL-STD-810-
C,D & E and TIA/EIA 603
FCC ID AZ489FT3801
VHF
RF Output
Li Ion @ 7.5V:
Low
1W
High
5W
Frequency 136-174 MHz
Channel Spacing 12.5/20/25 kHz
Freq. Stability
(-30°C to +60°C)
0.00025%
Spurs/Harmonics: -36 dBm < 1 GHz
-30 dBm > 1 GHz
Audio Response:
(from 6 dB/oct. Pre-
Emphasis, 300 to
3000Hz)
+1, -3 dB
Audio Distortion:
@ 1000 Hz, 60%
Rated Max. Dev.
<5%
FM Noise: -40 dB
VHF
12.5kHz
VHF 20/
25kHz
Frequency: 136-
174MHz
136-
174MHz
Sensitivity
12dB EIA SINAD:
0.35 µV0.35 µV
Adjacent Channel
Selectivity ETS
-60 dB -70 dB
Intermodulation
ETS
-65 dB -65 dB
Freq. Stability
(-30°C to +60°C):
0.00025% 0.00025%
Spur Rejection: -70 dB -70 dB
Image Rejection: -70 dB -70 dB
Audio Output
@ <5% Distortion
500 mW 500 mW

5A-4 Transmitter
4.0 Transmitter
4.1 General
(Refer to Figure 5-1)
The VHF transmitter contains five basic circuits:
1. Power Amplifier
2. Antenna Switch
3. Harmonic Filter
4. Antenna Matching Network
5. Power Control Integrated Circuit (PCIC).
4.1.1 Power Amplifier
The power amplifier consists of two devices:
1. 9Z67 LDMOS driver IC (U3501) and
2. PRF1507 LDMOS PA (Q3501).
The 9Z67 LDMOS driver IC contains a 2 stage amplification with a supply voltage of 7.3V.
This RF power amplifier is capable of supplying an output power of 0.3W (pin 6 and 7) with an input
signal of 2mW (3dBm) (pin16). The current drain would typically be 130mA while operating in the
frequency range of 136-174MHz.
The PRF1507 LDMOS PA is capable of supplying an output power of 7W with an input signal of 0.3W.
The current drain would typically be 1800mA while operating in the frequency range of 136-174MHz.
The power output can be varied by changing the biasing voltage.
Figure 5-1: Transmitter Block Diagram
PCIC
Antenna
PA
Driver
Vcontrol Vcontrol
From VCO
Jack
PA - F i n a l
Stage
Antenna Switch/
Harmonic Filter/
Matching Network

Transmitter 5A-5
4.1.2 Antenna Switch
The antenna switch circuit consists of two PIN diodes (D3521 and D3551), a pi network (C3531,
L3551 and C3550), and two current limiting resistors (R3571, R3572, R3573 ). In the transmit mode,
B+ at PCIC (U3502) pin 23 will go low and turn on Q3561 where a B+ bias is applied to the antenna
switch circuit to bias the diodes "on". The shunt diode (D3551) shorts out the receiver port, and the pi
network, which operates as a quarter wave transmission line, transforms the low impedance of the
shunt diode to a high impedance at the input of the harmonic filter. In the receive mode, the diodes
are both off, and hence, there exists a low attenuation path between the antenna and receiver ports.
4.1.3 Harmonic Filter
The harmonic filter consists of C3532 to C3536, L3531 and L3532. This network forms a low-pass
filter to attenuate harmonic energy of the transmitter to specifications level. The harmonic filter
insertion loss should be less than 1.2dB.
4.1.4 Antenna Matching Network
A matching network which is made up of L3538 and C3537 is used to match the antenna's
impedance to the harmonic filter. This will optimize the performance of the transmitter and receiver
into an antenna.
4.1.5 Power Control Integrated Circuit (PCIC)
The transmitter uses the Power Control IC (PCIC), U3502 to control the power output of the radio by
maintaining the radio current drain. The current to the final stage of the power module is supplied
through R3519 (0.1ohms), which provides a voltage proportional to the current drain. This voltage is
then fedback to the Automatic Level Control (ALC) within the PCIC to keep the whole loop stable.
The PCIC has internal digital to analog converters (DACs) which provide the reference voltage of the
control loop. The voltage level is controlled by the microprocessor through the data line of the PCIC.
There are resistors and integrators within the PCIC, and external capacitors (C3562, C3563 and
C3565) in controlling the transmitter rising and falling time. These are necessary in reducing the
power splatter into adjacent channels.
U3503 and its associated circuitry acts as a temperature cut back circuitry. This circuitry provides the
necessary voltage to the PCIC to cut the transmitter power when the radio temperature gets too high.

5A-6 Receiver
5.0 Receiver
5.1 Receiver Front-End
(Refer to VHF Receiver Front End Schematic Diagram on page 5A-22, VHF Receiver Back End
Schematic Diagram on page 5A-23, and VHF Transmitter Schematic Diagram on page 5A-26)
The RF signal is received by the antenna and applied to a low-pass filter. For VHF, the filter consists
of L3531, L3532, C3532 to C3563. The filtered RF signal is passed through the antenna switch. The
antenna switch circuit consists of two PIN diodes(D3521 and D3551) and a pi network (C3531, L3551
and C3550).The signal is then applied to a varactor tuned bandpass filter. The VHF bandpass filter
comprises of L3301, L3303, C3301 to C3304 and D3301. The bandpass filter is tuned by applying a
control voltage to the varactor diode (D3301) in the filter.
The bandpass filter is electronically tuned by the DACRx from IC404 which is controlled by the
microprocessor. Depending on the carrier frequency, the DACRx will supply the tuned voltage to the
varactor diodes in the filter. Wideband operation of the filter is achieved by shifting the bandpass filter
across the band.
The output of the bandpass filter is coupled to the RF amplifier transistor Q3302 via C3306. After
being amplified by the RF amplifier, the RF signal is further filtered by a second varactor tuned
bandpass filter, consisting of L3305, L3306, C3311 to C3314 and D3302.
Both the pre and post-RF amplifier varactor tuned filters have similar responses. The 3 dB bandwidth
of the filter is about 12 MHz. This enables the filters to be electronically controlled by using a single
control voltage which is DACRx .
Figure 5-2: VHF Receiver Block Diagram
Demodulator
Synthesizer
Crystal
Filter
Mixer
Varactor
Tuned Filter
RF Amp
Va ra ct or
Tuned Filter
Pin Diode
Antenna
Switch
RF Jack
Antenna
AGC
Control Voltage
from ASFIC
First LO
from FGU
Recovered Audio
Squelch
RSSI
IF IC
SPI Bus
16.8 MHz
Reference Clock
Second
LO VCO
IF Amp
U3220

Receiver 5A-7
The output of the post-RF amplifier filter is connected to the passive double balanced mixer which
consists of T3301, T3302 and CR3301. Matching of the filter to the mixer is provided by C3317,
C3318 and L3308. After mixing with the first LO signal from the voltage controlled oscillator (VCO)
using high side injection, the RF signal is down-converted to the 45.1 MHz IF signal.
The IF signal coming out of the mixer is transfered to the crystal filter (Y3200) through a resistor pad
(R3321 - R3323) and a diplexer (C3320 and L3309). Matching to the input of the crystal filter is
provided by C3200 and L3200. The crystal filter provides the necessary selectivity and
intermodulation protection.
5.2 Receiver Back-End
(Refer to VHF Receiver Back End Schematic Diagram on page 5A-23)
The output of crystal filter Y3200 is matched to the input of IF amplifier transistor Q3200 by capacitor
C3203. Voltage supply to the IF amplifier is taken from the receive 5 volts (R5). The gain controlled IF
amplifer provides a maximum gain of about 10dB. The amplified IF signal is then coupled into
U3220(pin 3) via L3202, C3207, and C3230 which provides the matching for the IF amplifier and
U3220.
The IF signal applied to pin 3 of U3220 is amplified, down-converted, filtered, and demodulated, to
produce the recovered audio at pin 27 of U3220. This IF IC is electronically programmable, and the
amount of filtering (which is dependent on the radio channel spacing) is controlled by the
microprocessor. Additional filtering, once externally provided by the conventional ceramic filters, is
replaced by internal filters in the IF module (U3220).
The IF IC uses a type of direct conversion process, whereby the externally generated second LO
frequency is divided by two in U3220 so that it is very close to the first IF frequency. The IF IC (U3220)
synthesizes the second LO and phase-locks the VCO to track the first IF frequency. The second LO
is designed to oscillate at twice the first IF frequency because of the divide-by-two function in the IF
IC.
In the absence of an IF signal, the VCO will “search” for a frequency, or its frequency will vary close to
twice the IF frequency. When an IF signal is received, the VCO will lock onto the IF signal. The
second LO/VCO is a Colpitts oscillator built around transistor Q3270. The VCO has a varactor diode,
D3270, to adjust the VCO frequency. The control signal for the varactor is derived from a loop filter
consisting of C3278 to C3280, R3274 and R3275.
The IF IC (U3220) also performs several other functions. It provides a received signal-strength
indicator (RSSI) and a squelch output. The RSSI is a dc voltage monitored by the microprocessor,
and used as a peak indicator during the bench tuning of the receiver front-end varactor filter. The
RSSI voltage is also used to control the automatic gain control (AGC) circuit at the front-end.
The demodulated signal on pin 27 of U3220 is also used for squelch control. The signal is routed to
U404 (ASFIC) where squelch signal shaping and detection takes place. The demodulated audio
signal is also routed to U404 for processing before going to the audio amplifier for amplification.

5A-8 Receiver
5.3 Automatic Gain Control Circuit
(Refer to VHF Receiver Front End Schematic Diagram on page 5A-22 and VHF Receiver Back End
Schematic Diagram on page 5A-23)
The front end automatic gain control circuit provides automatic reduction of gain, of the front end RF
amplifier via feedback. This action is necessary to prevent overloading of back end circuits. This is
achieved by drawing some of the output power from the RF amplifier output. At high radio
frequencies, capacitor C3327 provides the low impedance path to ground for this purpose. CR3302 is
a PIN diode used for switching the path on or off. A certain amount of forward biasing current is
needed to turn the PIN diode on. Transistor Q3301 provides this current.
Radio signal strength indicator, RSSI, a voltage signal, is used to drive Q3301 to saturation i.e.
turned on. RSSI is produced by U3220 and is proportional to the gain of the RF amplifier and the input
power to the radio.
Resistors R3304 and R3305 are voltage dividers designed to turn on Q3301 at certain RSSI levels. In
order to turn on Q3301 the voltage across R3305 must be greater or equal to the voltage across
R3324, plus the base-emitter voltage (Vbe) present at Q3301. Capacitor C3209 is used to dampen
any instability while the AGC is turning on. The current flowing into the collector of Q3301, a high
current gain NPN transistor, will be drawn through the PIN diode to turn it on. Maximum current
flowing through the PIN is limited by the resistors R3316, R3313, R3306 and R3324. C3326 is a
feedback capacitor used to provide some stability to this high gain stage.
An additional gain control circuit is formed by Q3201 and its associated circuitry. Resistors R3206 and
R3207 are voltage dividers designed to turn on Q3201 at a significantly higher RSSI level than the
level required to turn on PIN diode control transistor Q3301. In order to turn on Q3201 the voltage
across R3207 must be greater or equal to the voltage across R3208, plus the base-emitter voltage
(Vbe) present at Q3201. As current starts flowing into the collector of Q3201, it reduces the bias
voltage at the base of IF amplifier transistor Q3200 and in turn, the gain of the IF amplifier. The gain
can be controlled in a range of -30dB up to +10dB.

Frequency Generation Circuitry 5A-9
6.0 Frequency Generation Circuitry
The Frequency Generation Circuitry is composed of two main ICs, the Fractional-N synthesizer
(U3701), and the VCO/Buffer IC (U3801). Designed in conjunction to maximize compatibility, the two
ICs provide many of the functions that normally would require additional circuitry. The synthesizer
block diagram illustrates the interconnect and support circuitry used in the region. Refer to the
relevant schematics for the reference designators.
The synthesizer is powered by regulated 5V and 3.3V which come from U3711 and U3201
respectively. The synthesizer in turn generates a superfiltered 4.5V which powers U3801.
In addition to the VCO, the synthesizer must interface with the logic and ASFIC circuitry.
Programming for the synthesizer is accomplished through the data , clock and chip select lines from
the microprocessor. A 3.3V dc signal from synthesizer lock detect line indicates to the microprocessor
that the synthesizer is locked.
Transmit modulation from the ASFIC is supplied to pin10 of U3701. Internally the audio is digitized by
the Fractional-N and applied to the loop divider to provide the low-port modulation. The audio runs
through an internal attenuator for modulation balancing purposes before going out to the VCO.
Figure 5-3: Frequency Generation Unit Block Diagram
Vo l t a g e
Multiplier
Synthesizer
U3701 Loop
Filter
VCOBIC
U3801
To
Mixer
To
PA D river
VCP
Vmult1
Aux3
MOD Out
Modulating
Signal
Vmult2
Rx VCO Circuit
Tx VCO
TRB
16.8 MHz
Ref. Osc.
Rx Out
Tx Out
Circuit

5A-10 Frequency Generation Circuitry
6.1 Synthesizer
(Refer toVHF Synthesizer Schematic Diagram on page 5A-24)
The Fractional-N Synthesizer uses a 16.8MHz crystal (Y3761) to provide a reference for the system.
The LVFractN IC (U3701) further divides this to 2.1MHz, 2.225MHz, and 2.4MHz as reference
frequencies. Together with C3761, C3762, C3763, R3761 and D3761 , they build up the reference
oscillator which is capable of 2.5ppm stability over temperatures of -30 to 85°C. It also provides
16.8MHz at pin 19 of U3701 to be used by ASFIC and LVZIF.
The loop filter which consist of C3721, C3722, R3721, R3722 and R3723 provides the necessary dc
steering voltage for the VCO and determines the amount of noise and spur passing through .
In achieving fast locking for the synthesizer, an internal adapt charge pump provides higher current at
pin 45 of U3701 to put synthesizer within the lock range. The required frequency is then locked by
normal mode charge pump at pin 43 .
Both the normal and adapt charge pumps get their supply from the capacitive voltage multiplier which
is made up of C3701 to C3704 and triple diodes D3701, D3702. Two 3.3V square waves ( 180 deg
out of phase) are first multiplied by four and then shifted, along with regulated 5V, to build up 13.5V at
pin 47 of U3701.
Figure 5-4: Synthesizer Block Diagram
DATA
CLK
CEX
MODIN
VCC, DC5V
XTAL1
XTAL2
WARP
PREIN
VCP
REFERENCE
OSCILLATOR
VOLTAGE
MULTIPLIER
VOLTAGE
CONTROLLED
OSCILLATOR
2-POLE
LOOP
FILTER
DATA (U409 PIN 100)
CLOCK (U409 PIN 1)
CSX (U409 PIN 2)
MOD IN (U404 PIN 40)
+5V (U3711 PIN 4)
7
8
9
10
13, 30
23
24
25
32
47
VMULT2 VMULT1
BIAS1
SFOUT
AUX3
AUX4
IADAPT
IOUT
GND
FREFOUT
LOCK 4
19
6, 22, 23, 24
43
45
3
2
28
14 15
40
FILTERED 5V
STEERING
LINE
LOCK (U409 PIN 56)
PRESCALER IN
LO RF INJECTION
TX RF INJECTION
(1ST STAGE OF PA)
FREF (U3220 PIN 21 & U404 PIN 34)
39
BIAS2
41
DUAL
TSTRS
48
5V
R5
5, 20, 34, 36
(U3201 PIN 5)
AUX1
VDD, 3.3V MODOUT
U3701
LOW VOLTAGE
FRACTIONAL-N
SYNTHESIZER

Frequency Generation Circuitry 5A-11
6.2 VCO - Voltage Controlled Oscillator
(Refer toVHF Voltage Controlled Oscillator Schematic Diagram on page 5A-25)
The VCOBIC (U3801) in conjunction with the Fractional-N synthesizer (U3701) generates RF in both
the receive and the transmit modes of operation. The TRB line (U3801 pin 19) determines which
oscillator and buffer will be enabled. A sample of the RF signal from the enabled oscillator is routed
from U3801 pin 12, through a low pass filter, to the prescaler input (U3701 pin 32). After frequency
comparison in the synthesizer, a resultant CONTROL VOLTAGE is received at the VCO. This voltage
is a DC voltage typically between 3.5V and 9.5V when the PLL is locked on frequency.
Figure 5-5: VCO Block Diagram
Presc
RX
TX
Matching
Network Low Pass
Filter
Attenuator
Pin8
Pin14
Pin10
(3701 Pin28)
VCC Buffers
TX RF Injection
U3701 Pin 32
AUX3 (U3701 Pin2)
Prescaler Out
Pin 12Pin 19
Pin 20
TX/RX/BS
Switching Network
U3801
VCOBIC
Rx
Active Bias
Tx
Active Bias
Pin2
Rx-I adjust
Pin1
Tx-I adjust
Pins 9,11,17
Pin18
Vsens
Circuit
Pin15
Pin16
RX VCO
Circuit
TX VCO
Circuit
RX Tank
TX Tank
Pin7
Vcc-Superfilter
Collector/RF in
Pin4
Pin5
Pin6
RX
TX
(U3701 Pin28)
Rx-SW
Tx-SW
Vcc-Logic
(U3701 Pin28)
Steer Line
Voltage
(VCTRL)
Pin13
Pin3
TRB_IN
LO RF INJECTION
VSF
VSF
VSF

5A-12 Frequency Generation Circuitry
The RF section of the VCOBIC(U3801) is operated at 4.54 V (VSF), while the control section of the
VCOBIC and Fractional-N synthesizer (U3701) is operated at 3.3V. The operation logic is shown in
Tab le 5-1.
In the receive mode, U3801 pin 19 is low or grounded. This activates the receive VCO by enabling the
receive oscillator and the receive buffer of U3801. The RF signal at U3801 pin 8 is run through a
matching network. The resulting RF signal is the LO RF INJECTION and it is applied to the mixer at
T3302.
During the transmit condition, when PTT is depressed, 3.2 volts is applied to U3801 pin 19. This
activates the transmit VCO by enabling the transmit oscillator and the transmit buffer of U3801. The
RF signal at U3801 pin 10 is injected into the input of the PA module (U3501 pin16). This RF signal is
the TX RF INJECTION. Also in transmit mode, the audio signal to be frequency modulated onto the
carrier is received through U3701 pin 41.
When a high impedance is applied to U3801 pin19, the VCO is operating in BATTERY SAVER mode.
In this case, both the receive and transmit oscillators as well as the receive transmit and prescaler
buffer are turned off.
Table 5-1: VCO Control Logic
Desired
Mode AUX 4 AUX 3 TRB
Tx n.u. High (@3.2V) High (@3.2V)
Rx n.u. Low Low
Battery Saver n.u. Hi-Z/Float
(@1.6V)
Hi-Z/Float (@1.6V)

Notes For All Schematics and Circuit Boards 5A-13
7.0 Notes For All Schematics and Circuit Boards
* Component is frequency sensitive. Refer to the Electrical Parts List for value and usage.
1. Unless otherwise stated, resistances are in Ohms (k = 1000), and capacitances are in picofarads
(pF) or microfarads (µF).
2. DC voltages are measured from point indicated to chassis ground using a Motorola DC multime-
ter or equivalent. Transmitter measurements should be made with a 1.2 µH choke in series with
the voltage probe to prevent circuit loading.
3. Reference Designators are assigned in the following manner:
400/500 Series = Controller
600 Series = Keypad Board
3200 Series = IF Circuitry
3300 Series = Receiver
3500 Series = Transmitter
3700 and
3800 Series = Frequency Generation
4. Interconnect Tie Point Legend:
UNSWB+ = Unswitch Battery Voltage (7.5V)
SWB+ = Switch Battery Voltage (7.5V)
R5 = Receiver Five Volts
CLK = Clock
Vdda = Regulated 3.3 Volts (for analog)
Vddd = Regulated 3.3 Volts (for digital)
CSX = Chip Select Line (not for LVZIF)
SYN = Synthesizer
DACRX = Digital to Analog Voltage (For Receiver Front End Filter)
VSF = Voltage Super Filtered (5 volts)
VR = Voltage Regulator
6-LAYER CIRCUIT BOARD DETAIL VIEWING
COPPER STEPS IN PROPER LAYER SEQUENCE
LAYER 1 (L1)
LAYER 2 (L2)
LAYER 3 (L3)
LAYER 4 (L4)
LAYER 5 (L5)
LAYER 6 (L6)
INNER LAYERS
SIDE 1
SIDE 2

Circuit Board/Schematic Diagrams and Parts List 5A-15
8.0 Circuit Board/Schematic Diagrams and Parts List
ZMY0130792-O
1
40
J200
B503
TP3702
64
3
1
Y3761 B504
C522
TP3701
C3205
R3200
C521
PB501PB502
C3200C3201
C3202
C3203
C3204
C3206
C3207
C3208
C3210
L3200
L3201 L3202
Q3200
Q3201
R3201
R3202
R3203
R3204
R3205
R3206
R3207R3208
R3209
R3210
R3211
R3212
SH3203
Y3200
C3209
C3212 C3213
C3214
C3215
C3225
C3270
C3271
C3272
C3273
C3274
C3275
C3276
C3277
C3278
C3279
C3280
D3270
L3270
L3271
PB504
Q3202
Q3270
R3213
R3214
R3218
R3225
R3226
R3270
R3271
R3272
R3273
R3274
R3275
R3276
SH3201
U3201
VR444
C502
C505
C512 C513 Q502
Q505
R505
R506
VR501
C511
C514
C520
C3539
4
3
2
CR503
L3538
PB505
R501
R502
C3306
C3307
C3308
C3309
C3310
C3311
C3312C3313C3314
C3327
C3330
C3331
C3332
C3338
CR3303
D3302
L3304
L3305
L3306
Q3302
R3308
R3309 R3310
R3311
R3312
R3313
R3316
SH3303
C3318
C3319
C3320
C3329
C3334
C3335
L3309
L3312
R3317
R3318
R3321
R3322
R3323
SH3302
6
4
3
T3301
6
43
T3302
TP3301
C3706
C3710
C3711
C3712
C3713
C3714
C3715
C3721
C3722
C3724
C3741
C3742
C3743
C3744
C3745
C3746
C3752
C3753
C3754
4
3
Q3721
R3701
R3721
R3722
R3723
R3741
R3751
R3752
SH3701
U3711
C3842
C3822
C3824
C3825
C3826
C3828
C3829
C3830
C3832 C3833
C3834
C3835
C3836
D3821
D3831
D3832
L3821
L3822
L3823
L3824
L3825
L3831
L3832 L3833
L3834
R3821
R3822
R3823
R3828
R3833 R3834
R3835
R3836
SH3801
C3501
C3502
C3503
C3504
C3505 C3518
C3519
C3541
C3542
C3543
C3544
C3546
C3547
L3501
L3503
L3518
1
23
Q3501
R3501
R3502 R3503
R3505
R3512
R3513
R3541
R3542
R3543
R3544
R3545
R3546
R3547
R3548
1
16
8
9
U3501
C3512
C3513
C3514
C3517
L3504
L3511 L3512
L3513
L3515
R3506
R3507
SH3502
C3521 C3523
C3527
L3521
L3522
C3524
C3525
C3528
C3531
C3532
C3533
C3534
C3535
C3536
C3550
C3551
C3552
D3521
D3551
L3531
L3532
L3551
L3552
R3551
SH3501
C3537
VHF (136-174MHz) Main Board Top Side PCB No. 8404055G05/G06/G07

5A-16 Circuit Board/Schematic Diagrams and Parts List
ZMY0130793-O
4
5
3
2
S502
2
C
8
C
4
S501
C3304
C3305
C3315
C3316
C3317
C3321 C3323
C3324
C3325
C3326
C3337
C3339
CR3301
CR3302
L3303
L3308
Q3301
R3301
R3303
R3304
R3305
R3306
R3307
R3314
R3315
R3319
R3320
R3324
RT3301
C3301
C3302 C3303
C3322
D3301
L3301
SH3301
C3224
C3235
C3236
C3237
C3240
C3241
C3242
R3223
R3224
C3231
C3232
C3233
C3234
C3211
C3218
C3219
C3220
C3221
C3222
C3223
C3227
C3228
C3230
C3238
C3243
C3244
L3221
R3219
R3220
R3221
R3222
C3226
C3229
C3239
SH3202
1
37
25 13
U3220
1
2
3
4
J3501
J3502
C525
C526
C527
C528
C529
C530
C531 C532
C533
C534
C535
C536
C537
C538
C539 C540
C541
C542
C543
C544
C545
C546
C547
C548
C549
C550
C551 C552
C553
C555
R509
C3751
C3763
D3761
R3760
R3761
C3735
CR501
L505
R3763
VR439
VR441
VR506
2
34
Y3762
3
2
1
B501
VR440
C503
C523
C3336
F501
C3701
C3702
C3703
C3704
C3705
C3707
C3708
C3709
C3725
C3726
C3727
C3731
C3732
C3733
C3734
C3755
C3761
C3762
D3701
D3702
L3701
L3731
R3702
R3703
R3704
R3705
R3726
R3727
R3762
SH3702
1
37
25 13
U3701
C3526 C3569
L3523
R3566
R3571
R3572
R3573
TP3502
C3508
C3509
C3515
C3516
C3560
C3561
C3562
C3563
C3564
C3565
C3566
C3567
C3568
C3570
C3571
H3501
Q3561
R3519
R3561
R3562
R3563
R3564
R3565
R3569 R3570
1
17
9
25
U3502
U3503
VR3501
L3519
C3801
C3802
C3803
C3804
C3805
C3806
C3808
C3809
C3810
C3811
C3812 C3813
C3815
C3816
C3818
C3821
C3823
C3827
L3801
L3809
L3811
L3812 L3813
L3816
L3826
Q3801
R3801
R3802
R3803
R3804
R3805
R3806
R3807
R3808
R3811
R3812
R3816
R3817
R3818
R3824 R3825
R3826
R3829
R3830
R3831
R3832
SH3802
11
1
20
10
U3801
VHF (136-174MHz) Main Board Bottom Side
PCB No. 8404055G05/G06/G07

Circuit Board/Schematic Diagrams and Parts List 5A-17
ZMY0130792-A
C3752
C3715
C3741
C3712
C3754
C3753
C3724
C3742
C3743
C3744
C3745
C3746
C3721
C3722
C3706
C3714
C3710
C3711
C3713
Q3721
3
4R3722
R3701
R3723
R3741
R3751
R3721
R3752
SH3701
U3711
40
J200
1
TP3702
Y3761
13
4
6
B503
B504
C522
C3205
R3200
TP3701
TP3301
C3203
C3204
C3206
C3210
C3201
C3202
C3208
C3200
C3207
L3200
L3202
L3201
Q3201
Q3200
R3203
R3201
R3210
R3211
R3202
R3212
R3204
R3205
R3209
R3206
R3207R3208
SH3203
Y3200
C521
PB501
PB502
C3214
C3209
C3215
Q3202
R3218
R3213
R3225
R3214
U3201
C3280
C3225
C3273
C3270
C3278
C3271
C3272
C3274
C3275
C3276
C3277
C3279
D3270
L3270
L3271
Q3270
R3272
R3273
R3226
R3270
R3275
R3271
R3274
R3276
SH3201
C3212 C3213
PB504
VR444
C502
C505
C512 C513 Q502
Q505
R505
R506
VR501
C511
C514
C520
CR503
2
34
R501
R502
C3307
C3330
C3331
C3338
C3310
C3314
C3319
C3312
C3306
C3309
C3308
C3327
C3329
C3311
C3313
C3332
C3318
CR3303
D3302
L3305
L3306
L3304
Q3302
R3310
R3321
R3311
R3317 R3313
R3308
R3309
R3312
R3316
R3322
R3323
T3301
34
6
C3320
C3334
C3335
L3309
L3312
R3318
SH3302
T3302
3
4
6
C3832
C3842
C3826
C3833
C3834 C3825
C3836 C3830
C3835
C3828
C3829
D3832
D3821
D3831
L3824
L3834
L3832 L3825
L3831
L3833 L3822
L3823
R3836
R3835
R3822
R3834
R3823
R3833
C3822
C3824
L3821
R3828
R3821
SH3801
SH3502
C3542
C3544
C3541
C3543
C3512
C3513
C3514
C3517
L3504
L3511 L3512
L3513
R3541
R3543
R3506
R3507
81
C3501
C3505
C3504
R3505
R3502
R3501
R3503
U3501
916
C3546
C3502
C3503
C3547
C3518
L3503
R3547
R3542
R3512
R3544
R3545
R3546
R3548
L3501
C3519
C3527
L3518
L3522
R3513
C3521
L3515
3
2
Q3501
1
C3523
L3521
C3552
C3532
C3524
C3531
C3525
C3528
C3533
C3534
C3535
C3536
C3550
C3551
D3521
D3551
L3552
L3531
L3532
L3551
R3551
SH3501
C3537
C3539
L3538
PB505
SH3303
VHF (136-174MHz) Main Board Top Side PCB No. 8404055G09

5A-18 Circuit Board/Schematic Diagrams and Parts List
ZMY0130793-A
2
S502
35
4
C3236
C3237 C3224
C3231
C3232
C3233
C3234
C3235
C3240
C3241
C3242
R3223
R3224
C3229
C3221
C3227
C3228
C3244
C3219
C3222
C3223
C3226
C3211
C3218
C3220
C3230
C3238
C3239
C3243
L3221
R3222
R3220
R3219
R3221
SH3202
13
25
37 1
U3220
SH3301
1
2
3
B501
VR440
C3735
CR501
L505
R3763
VR439
VR441
VR506
4
3
2
Y3762
C3751
C3763
D3761
R3761
R3760
C525 C526
C527 C528
C529 C530
C531 C532
C533 C534
C535 C536
C537 C538
C544
C545
C546 C547
C549
C550
C555
C539 C540
C541 C542
C543
C548
R509
C551 C552
C553
C3727
C3701
C3702
C3703
C3704
C3731
C3732
C3734
C3725
C3708
C3709
C3761
C3707
C3705
C3733
C3755
C3726
C3762
D3701
D3702
L3701
L3731
R3702
R3726
R3762
R3703
R3704
R3727
R3705
SH3702
13
25
37 1
U3701
C3806
C3813
C3821 C3823
C3803
C3815
C3802
C3810
C3811
C3812
C3818
C3827
C3801
C3805
C3808
C3804
C3809
C3816
L3826
L3801
L3811
L3812
L3816
L3809
L3813
Q3801
R3804
R3831
R3801
R3807 R3812
R3818
R3830
R3808
R3816
R3802
R3811
R3806 R3825
R3803
R3826
R3832
R3824
R3805
R3817
R3829
SH3802
U3801
10
20
1
11
4
C
8
C
S501
2
C3325
C3326
C3315
C3339
C3316
CR3302
Q3301
R3301
R3306
R3314
R3304
R3305
R3307
R3315
R3324
RT3301
C3322
C3323
C3305
C3321 C3324
C3302 C3304
C3303
D3301
L3301 L3303
R3303
C3301
C3317
C3337
CR3301
L3308
R3319
R3320
C503
C523
C3336
F501
J3501
4
3
21
J3502
C3526 C3569
C3515
C3516
C3564
H3501
L3523
R3566
R3519
R3571
R3572
R3573
TP3502
VR3501
C3566
C3571
C3560
C3565
C3509
C3567
C3570
C3508
C3561
C3562
C3563
C3568
L3519
Q3561
R3570
R3565
R3562
R3569
R3561
R3563
R3564 25
917
U3502
1
U3503
VHF (136-174MHz) Main Board Bottom Side PCB No. 8404055G09

Circuit Board/Schematic Diagrams and Parts List 5A-19
ZMY0130788-O
J200-40
J200-39
J200-10
J200-11
J200-8
J200-9
J200-6
J200-7
J200-4
J200-5
J200-3
J200-1
J200-2
J200-37
J200-35
J200-38
J200-34
J200-33
J200-36
J200-32
J200-31
J200-30
J200-28
J200-29
J200-26
J200-27
J200-24
J200-25
J200-22
J200-23
J200-21
J200-19
J200-20
J200-17
J200-18
J200-15
J200-16
J200-13
J200-14
J200-12
EMER
VOL
GREEN_LED
MODIN
16.8MHz
UNSWB+
LOCK
RESET
DACRX
CSX
BATT_CODE
LI_ION
DEMOD
SWB+
5V
Vdda
RTA2
RTA3
RSSI
CLK
DATA
LVZIF_SEL
MECH_SWB+
RTA0
RTA1
RED_LED
SB2
SB1
PTT
SB3
470pF
C555
NU
R509
470pF
C525
470pF
C527
470pF
C526
470pF
C528
470pF
470pF
C537 C538
470pF
C535
470pF
C534
470pF
C533
C529
470pF
C530
470pF 470pF 470pF
C531
470pF
C532 C536
470pF470pF
C550 C551C549
470pF
C548
NU
C547
470pF470pF
C546
470pF
C545C544
470pF
C543
NU
C541 C542
NU
C540
NUNU
C539
NU 470pF470pF
C552 C553
16.8MHz
5V
DEMOD
RSSI
LVZIF_SEL
RESET
CLK
CSX
DACRx
DATA
DACRx_1_SW
5V_1_SW
16_8MHz_1_SW
CLK_4_SW
16_8MHz_2_SW
DATA_5_SW
DATA_4_SW
5V_5_SW
CSX_2_SW
5V_2_SW
CLK_1_SW
DATA_2_SW
CSX_1_SW
5V_6_SW
5V_4_SW
CLK_5_SW
CLK_3_SW
DACRX_2_SW
DATA_1_SW
CLK_2_SW
5V_3_SW
DATA_3_SW
DEMOD_2_SW
RESET_1_SW
LVZIF_SEL_1_SW
DEMOD_1_SW
RESET_2_SW
LVZIF_SEL_2_SW
RSSI_2_SW
RSSI_1_SW
SWB+
LI_ION
BATT_CODE
Vdda
RED_LED
GREEN_LED
Vdda_3_SW
Vdda_2_SW
SWB+_1_SW
GREEN_LED_1_SW
SWB+_3_SW
RED_LED_1_SW
BATT_CODE_1_SW
SWB+_2_SW
LI_ION_1_SW
Vdda_1_SW
LI_ION
RED_LED
SWB+
Vdda
BATT_CODE
GREEN_LED
MECH_SWB+
PTT
RTA0
RTA1
RTA2
RTA3
SB1
SB2
SB3
UNSWB+
VOL
EMER
MECHSWB+_1_SW
RTA3_1_SW
VOL_1_SW
SB1_1_SW
SB2_1_SW
RTA2_1_SW
EMER_1_SW
PTT_1_SW
RTA1_1_SW
RTA0_1_SW
UNSW+_1_SW
SB3_1_SW
UNSWB+_2_SW
PTT
VOL
MECH_SWB+
UNSWB+
RTA2
SB2
RTA3
SB1
EMER
SB3
RTA1
RTA0
DUMMY
VHF Controls And Switches Schematic Diagram (sheet 1 of 2)

5A-20 Circuit Board/Schematic Diagrams and Parts List
B501
DATA
NEG
POS
Q502
100pF
C505
6.8V
VR506
100pF
6.8V
10K
R505
10K
PB505
SWITCH
1A1
3A2
2
B1
4
B2
SWITCH
C0
C1 C1
7GND
9GND1
1PC0
2PC1
4PC2 8
PC3
S501
SWITCH
C0
NU
6.8V
VR440
1
LOW
5
3HIGH
TAB1 6
TAB2 7
2
S502
SWITCH
mgc_comps
4
6.8V
VR441
NU
NU
VR444
6.8V
SWITCH
PB502
1A1
3A2
2
B1
4
B2
SWITCH
CR503
24
13
4
B2
SWITCH
1A1
3A2
2
B1
SWITCH
PB504
1000pF
C523
1000pF
100pF
100pF
C503
Q505
0.47uF
C502
100pF
0.47uF
100pF
C511
VR501
C513
6.8V
6.8V
100pF
100pF
R506
47K
2
4
3
47K
L505
390nH
390nH
5
1
6
IMX1
IMX1
10V
VR439
12V
CR501
R502
180
180
.01uF
C522
.01uF
B503
1A1
3A2
2
B1
4
B2
21
SWITCH
PB501
SWITCH
24V
F501
24V
B504
C514
100pF
C512
100pF
100pF
100pF
R501
680
680
.01uF
C520
.01uF
.01uF
Vdda
UNSWB+
MECH_SWB+
EMER
.01uF
C521
SB1
PTT
SB2
RTA3
RTA2
RTA0
RTA1
VOL LI_ION
BATT_CODE
GREEN_LED
SWB+
RED_LED
Vdda
VHF Controls And Switches Schematic Diagram (sheet 2 of 2)

Circuit Board/Schematic Diagrams and Parts List 5A-21
PC1
2
PC2
4
PC3
8
Q502
SWITCH
S501
C0
C0
C1
C1
GND
7
GND1
9
PC0
1
VR440
8V
R501
680
.01uF
C520
C521
.01uF
HIGH
3
6
TAB1
7
TAB2
2
mgc_comps
S502
4
LOW
15
VR441
8V
8V
VR444
SWITCH
A1
1
A2
3
B1 2
B2 4
PB502
Q505
C502
0.47uF
C511
VR501
6.8V
100pF
C513
47K
R506
47K
DATA
NEG
POS
B501
C505
100pF
6.8V
VR506
R505
10K
SWITCH
A1
1
A2
3
B1 2
B2 4
24V
F501
21
PB505
3
B1 2
B2 4
PB504
SWITCH
A1
1
A2
C523
1000pF
C503
100pF
2
4
3
390nH
IMX1
5
1
6
L505
10V
12V
VR439
CR501
R502
180
C522
B503
01uF
A1
1
A2
3
B1 2
B2 4
PB501
SWITCH
24
13
B504
CR503
100pF
100pF
C514
MECH_SWB+
EMER
UNSWB+
100pF
C512
Vdda
SB1
PTT
SB2
RTA3
RTA2
RTA0
RTA1
VOL
Vdda
LI_ION
BATT_CODE
GREEN_LED
SWB+
RED_LED
VHF Controls And Switches Schematic Diagram
(sheet 2 of 2 for 8404055G09 PCB)

5A-22 Circuit Board/Schematic Diagrams and Parts List
ZMY0130786-O
UNSWB+
C3336
10uF
UNSWB_PLUS_1_RX UNSWB_PLUS_2_RX
.022uF
C3337 0.1uF
C3309
R5_2_FE R5_3_FE
470
R3316
RX_IN
RX_IN_1_FE
12nH
L3301
150pF
C3302
C3301
5.6pF NU
C3305
12nH
L3303
C3303
15pF
C3304
150pF
CR3303
330pF
C3308 470nH
L3304
100pF
C3307
Q3302
R3311
10
C3306
0.1uF
R3309
5.6K
33
R3312
R3310
10K
R3308
1.5K
22
R3313
R3315
330
150pF
C3311 C3312
16pF
10
R3314
D3302
12nH
L3305
C3310
NU
Stripline
RSSI
RSSI_1_FE
C3324
33pF
DACRx_1_FE
R3303
100K
C3321
330pF
C3322
100pF
DACRx
100pF
C3323
RX_INJ_1_FE
RX_INJ
DUMMY
D3301
100K
R3304
NU
C3326
33K
R3307
470pF
C3338
Q3301 1000pF
C3325
220
R3324
NU
R3301
68K
R3305
C3327
330pF
2.2K
R3306
SMBV1032
CR3302
NU
RT3301 C3330
100pF
330pF
C3329 C3331
100pF
R3317
100K
Stripline
NU
C3314
10pF
C3315
150pF
C3313
L3306
12nH
C3316
3.3pF
Stripline
C3332
39pF
39pF
C3317
C3339
10pF
.022uF
C3318
L3308
10nH
150nH
L3309
150
R3321 220
R3322
C3320
82pF
R3323
18 IF_1_FE
IF
C3319
NU
6
3
1
2
RF BALUN
T3301
4
R3320
NU
2
34
1
CR3301
NU
R3319
33nH
L3312
22pF
C3335
20pF
C3334
T3302
4
6
3
1
2
IF BALUN
SHIELD
1
SHIELD
1
SH3302
SH3301
470
R3318
1
TP3301
VHF Receiver Front End Schematic Diagram

Circuit Board/Schematic Diagrams and Parts List 5A-23
ZMY0130787-O
R3206
100K
100
R3208
R3209
1K
C3208
NU
39K
R3207
Q3201
RSSI
Y3200
XTAL
NU
C3201
1GND
GND1
2
4GND2
5GND3
3
OUT
6IN
2.2K
R3211
L3201
NU NU
C3202
L3200
1uH
16pF
C3200
IF
IF_1_ZIF
RSSI_2_ZIF
RSSI
R3213
2.2K
RSSI_1_ZIF
1uF
C3209
RSSI
VSF
VSF_3_ZIF
C3214
R3225
0.1uF
1K
Q3202
5V
5V
(SOURCE)
Vdd_FILTERED
5V
5V_3_ZIF
SWB_PLUS_3_ZIF
SWB+ 22
R3214
C3212
1uF 10pF
C3215
4.7uF
C3213
Vdda_3_ZIF
LP2980
2GND
NC 43 ON_OFF*
1VIN 5
VOUT
U3201
Vdda
4.7uF
C3211
R3218
NU
.01uF
C3204
0.1uF
C3205
R5
2.2K
R3201
R5_3_ZIF
R3200
150
C3203
100pF
4.7K
R3202
1uH
L3202
2.2K
R3210
1000pF
C3210
4.7K
R3212
MMBR941
Q3200
R3204
10
10K
R3203 4.7uF
C3218
C3206
.01uF
C3207
2.2pF
1K
R3205
10
R3226
.022uF
C3270 C3271
330pF
Vdd_FILTERED
Vdd_FILTEREDVdd_FILTERED
R3220
4.7K
10pF
C3220
100pF
C3229
R3221
100 .01uF
C3228
L3221
1uH
0.1uF
C3226
C3225
0.1uF
.022uF
C3239
C3238
0.33uF
9VPP
2RED_VSS
30
ROSE_VCC 29
ROSE_VSS
5RSSI_FLT
4RSSI_OUT
16 TESTA
8TESTD
32
VAG
25
VAG_REF
MIX_IN 46
24 MLPD_CR
26
PHASE_LOCK
47
PREAMP_OUT
48
PRE_AGC
3PRE_IN
1RED_VCC
21
20 GND
10 GOLD_VCC
14 GOLD_VSS
41
GREEN_VCC
43
GREEN_VSS
IOUT
15
LIM 31
MIX_BYP 42
19 CLK
18
13 COL
DATA
17
28
DEMOD_HF 27
DEMOD_OUT
11 EMIT
6EXTBS
FREF
C1M
40
C1P
34
C2M
39
C2P
35
C3M
38
C3P
36
C4M
37
C4P
CEX
7AFC
12 BASE
45
BLUE_VCC 44
BLUE_VSS
22 BROWN_VCC
BRP_OFF
23
33
mgc_comps
U3220
C3244
.01uF
C3222
0.1uF
.022uF
C3243
NU
R3222
Vdd_FILTERED
R3219
100
C3219
0.1uF
5V
100pF
C3230
.01uF
C3221
Q3270
BFQ67W
1
3
2
R3271
47
56pF
C3275
R3270
1K
C3272
4.7pF
10pF
C3273
R3273
47K
33pF
C3274
R3272
47K
L3271
2.2uH
L3270
100nH
C3276
47pF
D3270
C3277
82pF
200K
R3276
SHIELD
SH3201
1
C3234
1uF
C3232
1uF
C3231
1uF
C3233
1uF
NU
C3236
NU
C3237
C3224
0.1uF
NU
R3223
0.22uF
C3235
C3240
0.22uF 10
R3224
0.1uF
C3242
0.1uF
C3223
C3241
1200pF
C3227
.01uF
16_8MHz_3_ZIF
CLK_3_ZIF
LVZIF_SEL_1_ZIF
DATA_3_ZIF
.01uF
2.2uF
C3280
C3279
.022uF
C3278
R3275
1K
2.4K
R3274
DEMOD
SQ_OUT
DEMOD_1_ZIF
Vdd_FILTERED
Vdd_FILTERED
SHIELD
1
SH3202
16.8MHz
DATA
LVZIF_SEL
CLK
SH3203
SHIELD
1
2
3
VHF Receiver Back End Schematic Diagram

5A-24 Circuit Board/Schematic Diagrams and Parts List
ZMY0130789-O
VCO_MOD_1_FN
VCTRL_1_FN
R5_1_FN
T5_1_FN
VCO_MOD
T5
VCTRL
R5
R5_2_FN
2
4
1
3
UMC5N
UMC5
Q3721
100
R3723
470
1
C3721
0.1uF
TP3701
5V
R3722
1K
R3721
1uF
C3724
SHIELD
SH3702
1
SH3701
1
SHIELD
0.1uF
C3705 C3714
4.7uF
C3706
4.7uF
(SOURCE)
5V_1_FN 5V_2_FN
5V
C3702
.01uF
C3703
.01uF
C3704
.01uF
.01uF
C3701
A1
5
A2
4
A3
K1
1
K2
2
K3
3
D3701
6
6
A1
5
A2
4
A3
1K1
2K2
3K3
D3702 NU
R3702
R3741
100
NU
C3741
16_8MHz_1_FN
16.8MHz
470pF
C3715 C3711
10uF
390nH
L3701
0.1uF
C3722
150
R3703
22pF
C3707
150
R3704
R3701
100
2.2uF
C3710
BIAS_ADJ
R3705
33K
BIAS_ADJ_1_FN
C3708
0.1uF
0.1uF
C3709
NU
C3725
R3726
NU
4
SD 3
U3711
ADP3
ERR
6
GND
1
IN 5
NR
2
OUT
mgc_comps
SWB_PLUS_1_FN
SWB+
C3712
0.1uF C3713
2.2uF
LOCK_1_FN
LOCK
220pF
C3746
SFBASE
SFCAP
SFIN
VBPASS
NC3
PREIN
PVREF
REFSEL
MODIN
NC1
NC2
BIAS2
CCOMP
CEX
DATA
BIAS1
25 WARP
28 SFOUT
44
PD_GND
33
PRE_GND
45 IADAPT
16 INDMULT
43 IOUT
LOCK
4
6
DGND
46 ADAPTSW
22
AGND
31
18
17
29
42
37 TEST1
38 TEST2
48 AUX1
1AUX2
2AUX3
3AUX4
15 VMULT1
14 VMULT2
12 VMULT3
11 VMULT4
26
30
21
32
35
27
10
41 MODOUT
39
9
8
CLK
7
19 FREFOUT
40
mgc_comps
U3701
VRO
13
23 XTAL1
24 XTAL2
47 VCP
PD_VDD
5
34 PRE_VDD
36 DVDD
20 AVDD
220pF
C3744 220pF
C3745
C3742
220pF 220pF
C3743
CSX
DATA
CLK_1_FN
MODIN
MODIN_1_FN
CLK
CSX_1_FN
DATA_1_FN
R3751
200K
C3753
4.7uF 1000pF
C3752
R3752
330K
TRB_1_FN
TRB
TP3702
1
8.2pF
PRESC
C3755
2.2uF
100pF
C3727
PRESC_1_FN
R3727
100K
C3726
39pF
C3761
C3762
330pF
NU
C3735
NU
R3763
R3762
NU
4GND1
3
OUT
6IN
Y3761
75Z04
16.8MHz
1GND
NU
R3760
D3761
R3761
47K
C3763
NU 2.2uF
C3733
C3731 .01uF
C3732
.01uF
L3731
2.2uH
Vdda_1_FN
.01uF
C3734
Vdda
C3751
NU
5V
OSC_16.8MHZ
GND
2
OUT
3
VCC 4
VCNTL1
Y3762
VSF
VSF_1_FN
C3754
0.1uF
VHF Synthesizer Schematic Diagram

Circuit Board/Schematic Diagrams and Parts List 5A-25
ZMY0130791-O
100
R3802
R5_1_VCO
R5
R3806
22
10
R3808
1000pF
C3803
0.1uF
C3804
RX_INJ_1_VCO
R3805
24K
100nH
L3801
Q3801
R3801
NU
NU
R3807
220
R3803
C3802
NU
RX_INJ
4.7pF
C3801
C3810
NU
10K
R3804
L3811
100nH C3812
0.1uF
C3811
0.1uF
100nH
L3812
100
R3811
100pF
C3806
C3805
4.7pF
15pF
C3808
Vdda_3_VCO
R3817
0
L3813
1uH
VSF
VSF_1_VCO
Vdda
R3818
NU
C3813
.01uF
C3818
022uF
VCC_BUFFERS 14
VCC_LOGIC 18
RX_SWITCH
7
SUPER_FLTR 3
19
TRB_IN
TX_BASE 16
TX_EMITTER 15
TX_IADJ 1
TX_OUT
10
TX_SWITCH
13
GND_BUFFERS
11 GND_FLAG
9
17 GND_LOGIC
PRESC_OUT
12
RX_BASE 5
RX_EMITTER 6
RX_IADJ 2
RX_OUT
8
50U54U3801
COLL_RFIN 4
FLIP_IN 20
1000pF
C3815
T5
R3832
12K
T5_1_VCO NU
R3830
R3834
47
220
R3833
1000pF
C3832
TRB
TRB_1_VCO
R3829
0C3833
4.7pF
C3834
56pF
L3831
56nH
47K
R3835
PRESC
L3816
100nH
D3832
10K
R3836
VSF
PRESC_1_VCO
6.8pF
C3816
R3816
1K
TX_INJ_1_VCO
TX_INJ
27pF
C3809 L3809
27nH
VSF
SHIELD
SH3802
1
SHIELD
SH3801
1
56nH
L3821
56pF
C3824
15pF
C3825
220
R3821
1000pF
C3822
47
R3822
4.7pF
C3826
33
R3825
R3831
10K
18
R3826
.01uF
C3823
1uH
L3826
BIAS_ADJ_1_VCO
BIAS_ADJ
R3824
22K 33K
R3823 C3827
.022uF
R3812
NU
.01uF
C3821
L3832
68nH
VCO_MOD
C3836
15pF
6.8pF
VCO_MOD_1_VCO
56nH
L3833
47nH
L3823
D3821
1uH
L3824
C3830
68pF
L3825
100nH
47nH
L3822
R3828
100
.01uF
C3828
VCTRL
VCTRL_1_VCO
D3831
1uH
L3834 C3842
1000pF
C3835
.01uF
C3829
VHF Voltage Controlled Oscillator Schematic Diagram

5A-26 Circuit Board/Schematic Diagrams and Parts List
ZMY0130790-O
DATA_2_PA
CLK_2_PA
R3561
12K
UNSW_LPLUS_3_PA
CSX_2_PA
UNSWB_LPLUS_2_PA
UNSWB+
UNSWB+
RESET
UNSWB+
CSX
DATA
CLK
5V
UNSWB+
C3570
330pF
RESET_1_PA 5V_2_PA
BIAS_TUNING
470pF
C3571
MMBT3906
Q3561
R3570
10K
R3569
5.6K
17
V5EXT
20
VAR1
18
VAR2
24
VAR3
VG 15
VL
6VLIM 19
QX
1RFIN
RS 21
31 RSET
RX 23
T1
2
TEMP
30
V10 14
V45 16
CQXDATA
28
F168 9
8GND1
25 GND2
INT
4
22
NA
Q11
10
27 BPOS
CEX
29
3CI
CJ
5
CL
7
CLK
26
CQ 12
13
U3502
H99S-4
ANO
32
C3560
1uF
NC_U3502_11
NC_U3502_12
NC_U3502_13
NC_U3502_10
NC_U3502_9
NU
R3566
C3565
.022uF
5185963A15
LM50C
100pF
C3566
GND POS
2
VOUT
U3503
3
C3561
.022uF R3562
33K R3563
270K
330K
R3564
220pF
C3564
330pF
C3509
C3567
330pF
NU
R3565
C3562
3300pF C3563
3300pF
C3508
.022uF
1uF
C3516
TX_INJ
R3502
18
TX_INJ_1_PA
C3501
330pF
300
R3503
R3501
300
R3505
470
C3504
.022uF
68nH
L3504
C3503
33pF
C3505
33pF
L3503
68nH
33pF
C3502
L3501
5.6nH
RFIN
16 6
RFOUT1
RFOUT2 7
VCNTRL
1
VD1
14 VG1 2
VG2 3
4
GND1
5GND2
12 GND3
13 GND4
NC1
8
NC2
9
NC3
10
NC4
15
U3501
09Z67
17 EP
G2
11
L3519
BEAD
0.1
R3519
C3568
3300pF C3569
.022uF
120
R3573
120
R3571
120
R3572
C3528
10pF
12V
VR3501
10pF
C3525
C3521
220pF
.022uF
C3526
C3523
120pF
L3521
7.66nH
20pF
C3524
C3527
NU
23.75nH
L3522
D3521
1uH
L3523
R3506
L3512
11.03nH
C3512
47pF
R3507
3.9
L3511
18nH
30pF
C3513
3.9
NU
C3518
NU
C3519
NU
L3518
R3513
NU
R3512
NU
L3515
13.85nH
C3515
3300pF
D
G
S
Q3501
7.66nH
L3513
HEATSINK
H3501
C3514
68pF
C3517
68pF
22K
R3548
100
R3545
100
R3544
BIAS_TUNING
.022uF
C3541
C3543
.022uF
C3542
330pF
330pF
C3544
R3543
100
R3542
5.6K
39K
R3541
1
TP3502
330pF
C3546
R3546
12K
33K
R3547
.022uF
C3547
27pF
C3535
C3534
4.7pF
C3531
20pF
L3532
43.67nH
C3536
15pF
L3531
43.67nH
68pF
C3532
C3533
7.5pF
1
1
2
3
SH3501
SHIELD
1
2
SH3502
SHIELD
L3551
43.67nH
D3551 7.5pF
C3550
L3552
7.66nH
56pF
C3552
68pF
C3551
39
R3551
1
2
3
RF_JACK
J3501
4
GND
C3537
18pF ANTENNA_NUT
TAB1
1
TAB2
2TAB3 3
TAB4 4
5
TAB5
J3502
C3539
12pF
L3538
30.54nH
RX_IN
RX_IN_1_PA
VHF Transmitter Schematic Diagram

Circuit Board/Schematic Diagrams and Parts List 5A-27
VHF Radio Parts List (RF Board)
Circuit
Ref
Motorola
Part No. Description
B501 0986237A02 Battery Contact Module
B501 0986237A02 Battery Contact Connector
B503 3980502Z01 Contact, Backup B+
(not used in GP328 Plus)
B504 3980501Z01 Contact, Backup B-
(not used in GP328 Plus)
C3200 2113743N31 16.0 pF, 5%
C3201 NOT PLACED
C3202 NOT PLACED
C3203 2113743N50 100 pF, 5%
C3204 2113743L41 10000 pF, 10%
C3205 2113928N01 0.1 uF, 10%
C3206 2113743L41 10000 pF, 10%
C3207 2113743N10 2.2 pF, 0.25 pF
C3208 NOT PLACED
C3209 2311049A07 1.0 uF, 10%
C3210 2113743L17 1000 pF, 10%
C3211 2311049A56 4.7 uF
C3212 2311049A07 1.0 uF, 10%
C3213 2311049A56 4.7 uF
C3214 2113928N01 0.1 uF, 10%
C3215 2113743N26 10.0 pF, 5%
C3218 2311049A56 4.7 uF
C3219 2113928N01 0.1 uF, 10%
C3220 2113743N26 10.0 pF, 5%
C3221 2113743L41 10000 pF, 10%
C3222 2113928N01 0.1 uF, 10%
C3223 2113928N01 0.1 uF, 10%
C3224 2113928N01 0.1 uF, 10%
C3225 2113928N01 0.1 uF, 10%
C3226 2113928N01 0.1 uF, 10%
C3227 2113743L41 10000 pF, 10%
C3228 2113743L41 10000 pF, 10%
C3229 2113743N50 100 pF, 5%
C3230 2113740F51 100 pF
C3231 2180478Z20 1.0 uF
C3232 2180478Z20 1.0 uF
C3233 2180478Z20 1.0 uF
C3234 2180478Z20 1.0 uF
C3235 2113743A23 0.220 uF, 10%
C3236 NOT PLACED
C3237 NOT PLACED
C3238 2113743A24 0.330 uF, 10%
C3239 2113743E07 0.022 uF
C3240 2113743A23 0.220 uF, 10%
C3241 2113743L19 1200 pF, 10%
C3242 2109720D14 0.1 uF
C3243 2113743E07 0.022 uF
C3244 2113743L41 10000 pF, 10%
C3270 2113743E07 0.022 uF
C3271 2113743L05 330 pF, 10%
C3272 2113743N18 4.7 pF, 0.25 pF
C3273 2113743N26 10.0 pF, 5%
C3274 2113743N38 33.0 pF, 5%
C3275 2113743N44 56.0 pF, 5%
C3276 2113743N42 47.0 pF, 5%
C3277 2113743N48 82.0 pF, 5%
C3278 2113743E07 0.022 uF
C3279 2311049A40 2.2 uF, 10%
C3280 2113743L41 10000 pF, 10%
C3301 2113743N20 5.6 pF, 0.5 pF
C3302 2113743N54 150 pF, 5%
C3303 2113743N30 15.0 pF, 5%
C3304 2113743N54 150 pF, 5%
C3305 NOT PLACED
C3306 2113928N01 0.1 uF, 10%
C3307 2113743N50 100 pF, 5%
C3308 2113743L05 330 pF, 10%
C3309 2113928N01 0.1 uF, 10%
C3310 NOT PLACED
C3311 2113743N54 150 pF, 5%
C3312 2113743N31 16.0 pF, 5%
C3313 2113743N54 150 pF, 5%
C3314 NOT PLACED
C3315 2113743N26 10.0 pF, 5%
C3316 2113743N14 3.3 pF, 0.25 pF
C3317 2113743N40 39.0 pF, 5%
C3318 2113743M08 22000PF, +80% / -20%
C3319 NOT PLACED
C3320 2113743N48 82.0 pF, 5%
C3321 2113743L05 330 pF, 10%
C3322 2113743N50 100 pF, 5%
C3323 2113743N50 100 pF, 5%
C3324 2113743N38 33.0 pF, 5%
C3325 2113743L17 1000 pF, 10%
C3326 NOT PLACED
C3327 2113743L05 330 pF, 10%
C3329 2113743L05 330 pF, 10%
C3330 2113743N50 100 pF, 5%
C3331 2113743N50 100 pF, 5%
C3332 2113743N40 39.0 pF, 5%
C3334 2113743N33 20.0 pF, 5%
C3335 2113743N34 22.0 pF, 5%
C3336 2311049A18 10 uF, 10%
C3337 2113743M08 22000PF, +80% / -20%
C3338 2113743L09 470 pF, 10%
C3339 2113743N26 10.0 pF, 5%
C3501 2113743L05 330 pF, 10%
C3502 2113743N38 33.0 pF, 5%
C3503 2113743N38 33.0 pF, 5%
Circuit
Ref
Motorola
Part No. Description
C3504 2113743M08 22000PF, +80% / -20%
C3505 2113743N38 33.0 pF, 5%
C3508 2113743M08 22000PF, +80% / -20%
C3509 2113743L05 330 pF, 10%
C3512 2113740F43 47 pF
C3513 2113740F38 30 pF
C3514 2113740F47 68 pF
C3515 2113743L29 3300 pF, 10%
C3516 2311049A08 1 uF
C3517 2113740F47 68 pF
C3518 NOT PLACED
C3519 NOT PLACED
C3521 2111078B51 220 uF
C3523 2111078B44 120 uF
C3524 2113740F34 20 pF
C3525 2113740F27 10 pF
C3526 2113743M08 22000PF, +80% / -20%
C3527 NOT PLACED
C3528 2113740F27 10 pF
C3531 2113740F34 20 pF
C3532 2113740F47 68 pF
C3533 2113740F24 7.5 pF
C3534 2113740F19 4.7 pF
C3535 2113740F37 27 pF
C3536 2113740F31 15 pF
C3537 2113740F33 18 pF
C3539 2113740F29 12 pF
C3541 2113743M08 22000PF, +80% / -20%
C3542 2113743L05 330 pF, 10%
C3543 2113743M08 22000PF, +80% / -20%
C3544 2113743L05 330 pF, 10%
C3546 2113743L05 330 pF, 10%
C3547 2113743M08 22000PF, +80% / -20%
C3550 2113743N23 7.5 pF, 0.5 pF
C3551 2113743N46 68.0 pF, 5%
C3552 2113743N44 56.0 pF, 5%
C3560 2311049A07 1.0 uF, 10%
C3561 2113743M08 22000PF, +80% / -20%
C3562 2113743L29 3301 pF, 10%
C3563 2113743L29 3302 pF, 10%
C3564 2113743L01 220 pF, 10%
C3565 2113743E07 0.022 uF
C3566 2113743N50 100 pF, 5%
C3567 2113743L05 330 pF, 10%
C3568 2113743L29 3303 pF, 10%
C3569 2113743M08 22000PF, +80% / -20%
C3570 2113743L05 330 pF, 10%
C3571 2113743L09 470 pF, 10%
C3701 2113743L41 10000 pF, 10%
C3702 2113743L41 10000 pF, 10%
C3703 2113743L41 10000 pF, 10%
Circuit
Ref
Motorola
Part No. Description
C3704 2113743L41 10000 pF, 10%
C3705 2113743E20 0.10 uF, 10%
C3706 2311049J11 4.7 uF, 10%
C3707 2113743N34 22.0 pF, 5%
C3708 2113928N01 0.1 uF, 10%
C3709 2113928N01 0.1 uF, 10%
C3710 2104993J02 2.2 uF
C3711 2311049A69 10.0 uF, 20%
C3712 2113928N01 0.1 uF, 10%
C3713 2311049A09 2.2 uF, 10%
C3714 2311049J11 4.7 uF, 10%
C3715 2113743L09 470 pF, 10%
C3721 2113743E20 0.10 uF, 10%
C3722 2113743E20 0.10 uF, 10%
C3724 2311049A08 1 uF
C3725 NOT PLACED
C3726 2113743N24 8.2 pF, 0.5 pF
C3727 2113743N50 100 pF, 5%
C3731 2113743L41 10000 pF, 10%
C3732 2113743L41 10000 pF, 10%
C3733 2104993J02 2.2 uF
C3734 2113743L41 10000 pF, 10%
C3735 NOT PLACED
C3741 NOT PLACED
C3742 2113743L01 220 pF, 10%
C3743 2113743L01 220 pF, 10%
C3744 2113743L01 220 pF, 10%
C3745 2113743L01 220 pF, 10%
C3746 2113743L01 220 pF, 10%
C3751 NOT PLACED
C3752 2113743L17 1000 pF, 10%
C3753 2311049A56 4.7 uF
C3754 2113928N01 0.1 uF, 10%
C3755 2104993J02 2.2 uF
C3761 2113743N40 39.0 pF, 5%
C3762 2113740F63 330 pF, 5%
C3763 NOT PLACED
C3801 2113743N18 4.7 pF, 0.25 pF
C3802 NOT PLACED
C3803 2113743L17 1000 pF, 10%
C3804 2113743E20 0.10 uF, 10%
C3805 2113743N18 4.7 pF, 0.25 pF
C3806 2113743N50 100 pF, 5%
C3808 2113743N30 15.0 pF, 5%
C3809 2113743N36 27.0 pF, 5%
C3810 NOT PLACED
C3811 2113928N01 0.1 uF, 10%
C3812 2113928N01 0.1 uF, 10%
C3813 2113743L41 10000 pF, 10%
C3815 2113743L17 1000 pF, 10%
C3816 2113743N22 6.8 pF, 0.5 pF
Circuit
Ref
Motorola
Part No. Description

5A-28 Circuit Board/Schematic Diagrams and Parts List
C3818 2113743E07 0.022 uF
C3821 2113743L41 10000 pF, 10%
C3822 2113743L17 1000 pF, 10%
C3823 2113743L41 10000 pF, 10%
C3824 2113743N44 56.0 pF, 5%
C3825 2113743N30 15.0 pF, 5%
C3826 2113743N18 4.7 pF, 0.25 pF
C3827 2113743E07 0.022 uF
C3828 2185895Z01 0.01 uF
C3829 2185895Z01 0.01 uF
C3830 2113743N46 68.0 pF, 5%
C3832 2113743L17 1000 pF, 10%
C3833 2113743N18 4.7 pF, 0.25 pF
C3834 2113743N44 56.0 pF, 5%
C3835 2113743N22 6.8 pF, 0.5 pF
C3836 2113743N30 15.0 pF, 5%
C3842 2113743L17 1000 pF, 10%
C502 2311049A05 0.47 uF, 10%
C503 2113743N50 100 pF, 5%
C505 2113743N50 100 pF, 5%
C511 2113743N50 100 pF, 5%
C512 2113743N50 100 pF, 5%
C513 2113743N50 100 pF, 5%
C514 2113743N50 100 pF, 5%
C520 2113743L41 10000 pF, 10%
C521 2113743L41 10000 pF, 10%
C522 2113743L41 10000 pF, 10%
C523 2113743L17 1000 pF, 10%
C525 2113743L09 470 pF, 10%
C526 2113743L09 470 pF, 10%
C527 2113743L09 470 pF, 10%
C528 2113743L09 470 pF, 10%
C529 2113743L09 470 pF, 10%
C530 2113743L09 470 pF, 10%
C531 2113743L09 470 pF, 10%
C532 2113743L09 470 pF, 10%
C533 2113743L09 470 pF, 10%
C534 2113743L09 470 pF, 10%
C535 2113743L09 470 pF, 10%
C536 2113743L09 470 pF, 10%
C537 2113743L09 470 pF, 10%
C538 2113743L09 470 pF, 10%
C539 NOT PLACED
C540 NOT PLACED
C541 NOT PLACED
C542 NOT PLACED
C543 NOT PLACED
C544 2113743L09 470 pF, 10%
C545 2113743L09 470 pF, 10%
C546 2113743L09 470 pF, 10%
C547 2113743L09 470 pF, 10%
Circuit
Ref
Motorola
Part No. Description
C548 NOT PLACED
C549 2113743L09 470 pF, 10%
C550 2113743L09 470 pF, 10%
C551 2113743L09 470 pF, 10%
C552 2113743L09 470 pF, 10%
C553 2113743L09 470 pF, 10%
C555 2113743L09 470 pF, 10%
CR3301 4802245J42 Ring Quad Diode
CR3302 4805129M96 Dual Bond Diode
CR3303 4880154K03 Dual Diode MMBD353
CR501 4880107R01 Rectifier
CR503 4805729G49 Red / Yellow Diode
D3270 4862824C01 Varactor Diode
D3301 4802081B58 Dual Diode
D3302 4802081B58 Dual Diode
D3521 4880973Z02 PIN Diode
D3551 4880973Z02 PIN Diode
D3701 4802233J09 Triple Diode
D3702 4802233J09 Triple Diode
D3761 4862824C03 Varactor Diode
D3821 4805649Q13 Varactor Diode
D3831 4805649Q13 Varactor Diode
D3832 4862824C01 Varactor Diode
F501 6580542Z01 Fuse 3A
H3501 2680499Z01 Heat Spreader
J200 0905505Y04 Conn ZIF Horizontal
J3501 0985613Z01 RF Jack
J3502 0280519Z02 Antenna Nut
(Ref: 0280519Z04)
L3200 2462587N68 1000 nH, 5%
L3201 NOT PLACED
L3202 2462587N68 1000 nH, 5%
L3221 2462587N68 1000 nH, 5%
L3270 2462587T15 100 nH, 5%
L3271 2462587Q20 2200 nH, 20%
L3301 2462587T35 12 nH, 5%
L3303 2462587T35 12 nH, 5%
L3304 2462587T23 470 nH, 5%
L3305 2462587T35 12 nH, 5%
L3306 2462587T35 12 nH, 5%
L3308 2462587T34 10 nH, 5%
L3309 2462587N55 150 nH, 5%
L3312 2462587V28 33 nH, 5%
L3501 2413926H09 5.6 nH, 0.3 nH
L3503 2462587V32 68 nH, 5%
L3504 2462587N51 68 nH, 5%
L3511 2462587N44 18 nH, 5%
L3512 2479990B01 11.03 nH
L3513 2479990A02 7.66 nH
L3515 2479990C03 13.85 nH
L3518 NOT PLACED
Circuit
Ref
Motorola
Part No. Description
L3519 2484657R01 Inductor Bead Chip
L3521 2479990A02 7.66 nH
L3522 2479990E01 23.75 nH
L3523 2462587N68 1000 nH, 5%
L3531 2479990N01 43.67 nH
L3532 2479990N01 43.67 nH
L3538 2479990M01 30.54 nH
L3551 2479990N01 43.67 nH
L3552 2479990A02 7.66 nH
L3701 2462587Q42 390 nH, 10%
L3731 2462587Q20 2200 nH, 20%
L3801 2462587V34 100 nH, 5%
L3809 2462587V27 27 nH, 5%
L3811 2462587V34 100 nH, 5%
L3812 2462587V34 100 nH, 5%
L3813 2462587Q47 1000 nH, 10%
L3816 2462587V34 100 nH, 5%
L3821 2462587N50 56 nH, 5%
L3822 2462587N49 47 nH, 5%
L3823 2462587N49 47 nH, 5%
L3824 2462587N68 1000 nH, 5%
L3825 2462587V34 100 nH, 5%
L3826 2462587N68 1000 nH, 5%
L3831 2462587N50 56 nH, 5%
L3832 2462587N51 68 nH, 5%
L3833 2462587N50 56 nH, 5%
L3834 2462587N68 1000 nH, 5%
L505 2462587Q42 390 nH, 10%
PB501 4070354A01 Light Touch Switch
PB502 4070354A01 Light Touch Switch
PB504 4070354A01 Light Touch Switch
PB505 4070354A01 Light Touch Switch
Q3200 4813827A07 Transistor NPN MMBR941
Q3201 4880214G02 Transistor MMBT3904
Q3202 4880214G02 Transistor MMBT3904
Q3270 4805218N63 RF Transistor BFQ67W
Q3301 4880214G02 Transistor MMBT3904
Q3302 4813827A07 Transistor NPN MMBR941
Q3501 4813828A08 Transistor 8W 175MHz
Q3561 4813824A17 XSTR PNP 40V
Q3721 4809939C05 Transistor Dual NPN / PNP
Q3801 4813827A07 Transistor NPN MMBR941
Q502 5180159R01 Dual Transistor NPN
Q505 4880214G02 Transistor MMBT3904
R3200 0662057M54 150 , 5%
R3201 0662057M82 2200, 5%
R3202 0662057M90 4700, 5%
R3203 0662057M98 10 k, 5%
R3204 0662057M26 10, 5%
R3205 0662057M74 1000, 5%
R3206 0662057N23 100 k, 5%
Circuit
Ref
Motorola
Part No. Description
R3207 0662057N13 39 k, 5%
R3208 0662057M50 100, 5%
R3209 0662057M74 1000, 5%
R3210 0662057M82 2200, 5%
R3211 0662057M82 2200, 5%
R3212 0662057M90 4700, 5%
R3213 0662057M82 2200, 5%
R3214 0662057M34 22, 5%
R3218 NOT PLACED
R3219 0662057M50 100, 5%
R3220 0662057M90 4700, 5%
R3221 0662057M50 100, 5%
R3222 NOT PLACED
R3223 NOT PLACED
R3224 0662057M26 10, 5%
R3225 0662057M74 1000, 5%
R3226 0662057M26 10, 5%
R3270 0662057M74 1000, 5%
R3271 0662057M42 47, 5%
R3272 0662057N15 47 k, 5%
R3273 0662057N15 47 k, 5%
R3274 0662057M83 2400, 5%
R3275 0662057M74 1000, 5%
R3276 0662057N30 200 k, 5%
R3301 NOT PLACED
R3303 0662057N23 100 k, 5%
R3304 0662057N23 100 k, 5%
R3305 0662057N19 68 k, 5%
R3306 0662057M82 2200, 5%
R3307 0662057N11 33 k, 5%
R3308 0662057M78 1500, 5%
R3309 0662057M92 5600, 5%
R3310 0662057M98 10 k, 5%
R3311 0662057M26 10, 5%
R3312 0662057M38 33, 5%
R3313 0662057M34 22, 5%
R3314 0662057M26 10, 5%
R3315 0662057M62 330, 5%
R3316 0662057M66 470, 5%
R3317 0662057N23 100 k, 5%
R3318 0662057M66 470, 5%
R3319 NOT PLACED
R3320 NOT PLACED
R3321 0662057M54 150, 5%
R3322 0662057M58 220, 5%
R3323 0662057M32 18, 5%
R3324 0662057M58 220, 5%
R3501 0662057M61 300, 5%
R3502 0662057M32 18, 5%
R3503 0662057M61 300, 5%
R3505 0662057M62 330, 5%
Circuit
Ref
Motorola
Part No. Description

Circuit Board/Schematic Diagrams and Parts List 5A-29
* Motorola Depot Servicing only
** Not Serviceable
R3506 0662057B62 3.9, 5%
R3507 0662057B62 3.9, 5%
R3512 NOT PLACED
R3513 NOT PLACED
R3519 0680539Z01 Power Metal Strip Resistor
R3541 0662057N13 39 k, 5%
R3542 0662057M92 5600, 5%
R3543 0662057M50 100, 5%
R3544 0662057A25 100, 5%
R3545 0662057A25 100, 5%
R3546 0662057N01 12 k, 5%
R3547 0662057N11 33 k, 5%
R3548 0662057N07 22 k, 5%
R3551 0662057M40 39, 5%
R3561 0662057N01 12 k, 5%
R3562 0662057N11 33 k, 5%
R3563 0662057N33 270 k, 5%
R3564 0662057N35 330 k, 5%
R3565 NOT PLACED
R3566 NOT PLACED
R3569 0662057M92 5600, 5%
R3570 0662057M98 10 k, 5%
R3571 0662057A27 120, 5%
R3572 0662057A27 120, 5%
R3573 0662057A27 120, 5%
R3701 0662057M50 100, 5%
R3702 NOT PLACED
R3703 0662057M54 150, 5%
R3704 0662057M54 150, 5%
R3705 0662057N11 33 k, 5%
R3721 0662057M66 470, 5%
R3722 0662057M74 1000, 5%
R3723 0662057M50 100, 5%
R3726 NOT PLACED
R3727 0662057N23 100 k, 5%
R3741 0662057M50 100, 5%
R3751 0662057N30 200 k, 5%
R3752 0662057N35 330 k, 5%
R3760 NOT PLACED
R3761 0662057N15 47 k, 5%
R3762 NOT PLACED
R3763 NOT PLACED
R3801 NOT PLACED
R3802 0662057M50 100, 5%
R3803 0662057M58 220, 5%
R3804 0662057M98 10 k, 5%
R3805 0662057N08 24 k, 5%
R3806 0662057M34 22, 5%
R3807 NOT PLACED
R3808 0662057M26 10, 5%
R3811 0662057M50 100, 5%
Circuit
Ref
Motorola
Part No. Description
R3812 NOT PLACED
R3816 0662057M74 1000, 5%
R3817 0662057M01 0, 5%
R3818 NOT PLACED
R3821 0662057M58 220, 5%
R3822 0662057M42 47, 5%
R3823 0662057N11 33 k, 5%
R3824 0662057N07 22 k, 5%
R3825 0662057M38 33, 5%
R3826 0662057M32 18, 5%
R3828 0662057M50 100, 5%
R3829 0662057M01 0, 5%
R3830 NOT PLACED
R3831 0662057M98 10 k, 5%
R3832 0662057N01 12 k, 5%
R3833 0662057M58 220, 5%
R3834 0662057M42 47, 5%
R3835 0662057N15 47 k, 5%
R3836 0662057M98 10 k, 5%
R501 0662057M70 680, 5%
R502 0662057M56 180, 5%
R505 0662057M98 10 k, 5%
R506 0662057N15 47 k, 5%
R509 0662057M01 0, 5%
(not used in GP328 Plus)
RT3301 NOT PLACED
S501 4080710Z01 Channel Switch
(Ref: 4080710Z09)
4080710Z05 Channel Switch (used in
PMUD1892_ only)
(Ref: 4080710Z12)
S502 1880619Z02 Potentiometer (Volume)
SH3201 2602023X08 Shield Diplexer
SH3202 2686081B02 Shield, for GSM Placement
SH3203 2686081B03 Shield, for GSM Placement
SH3301 2686081B01 Shield, for GSM Placement
SH3302 2686081B05 Shield, for GSM Placement
SH3303 2686081B06 Shield, for GSM Placement
SH3501 2686081B03 Shield, for GSM Placement
SH3502 2686081B04 Shield, for GSM Placement
SH3701 2680511Z01 Shield, Synthesizer
SH3702 2680511Z01 Shield, Synthesizer
SH3801 2680513Z01 Shield, VCO Top
SH3802 2680514Z01 Shield, VCO Bottom / LVZIF
T3301 2580541Z02 Balun Transformer
T3302 2580541Z02 Balun Transformer
TP3301 NOT PLACED
TP3502 NOT PLACED
TP3701 NOT PLACED
TP3702 NOT PLACED
U3201 5102463J58 3.3V Regulator
Circuit
Ref
Motorola
Part No. Description
U3220 5109632D83 LVZIF
U3501 5185130C65 LDMOS Driver
U3502 5185765B26 PCIC
U3503 5185963A15 Temperature Sensor IC
U3701 5185963A27 LVFRACN
U3711 5105739X05 5V Regulator
U3801 5105750U54 VCO Buffer
VR3501 4880140L17 12V Zener Diode
VR439 4880140L17 12V Zener Diode
VR440 NOT PLACED
VR441 NOT PLACED
VR444 NOT PLACED
VR501 4802245J73 6.8V Zener Diode
VR506 4802245J73 6.8V Zener Diode
Y3200 9186153B01 X’tal Filter
Y3761 **4805875Z04 Crystal 16.8 MHz
Y3762 NOT PLACED
8404055G05 RF PCB
8404055G06 RF PCB
8404055G07 RF PCB
8404055G09 RF PCB
Circuit
Ref
Motorola
Part No. Description

Troubleshooting Charts 5A-31
9.0 Troubleshooting Charts
MCU Check
Power Up
Alert Tone
OK?
Speaker
OK?
U409 EXTAL=
7.3728 MHz?
U3701 Pin 19
16.8 MHz
5V at U3711?
3.3V at U3201?
U409 Reset Pin
94 High?
MCU is OK
Not able to pro-
gram RF Board
ICs
Before replacing
MCU, check SPI
clock, SPI data, and
RF IC select
Replace Speaker
Read Radio OK? Check
Setup
Reprogram the
correct data.
See FGU
Troubleshooting
7.5V at
Pin 3/5 U3711?
7.5V at Pin 1
U3201
Check
Q400
Replace U3711/
U3201
Check any short to
SWB+,
Vdda or Vddd
Press PTT. Red
LED does not
light up
PTT U409 Pin
53
low?
Press PTT
Q502-2 High?
Check
PB504
Check
Q502-2
voltage
LED
Q502,R501
OK?
Replace
Faulty
Component
Check
Accessories
J403 OPT_SEL_1
& OPT_SEL_2
Pin 8 & 9
low?
Radio could
not PTT
externally
U409
Pin 52, 6
low?
See FGU
Troubleshooting
chart
LED should
light up
Check
MCU
PTT
NO
YES
YES
No
No
NO
YES YES
NO
YES
YES
NO
NO
YES
YES
NO
NO
YES
NO
YES
NO
YES
YES
NO
NO
YES
EXT
SPKR
EXT
PTT
INT
AUDIO
J403 Pin 9 low?
Pin 8 high?
ASFIC U404 Pin
14 & 15 high?
Check
Accessories
Check
U404
Check
U420 Audio PA
NO
NO
YES
YES
J403 Audio
at Pin 2 &
Pin 3
Check Spk. Flex
Connection
Audio at
AudioPA
(U420) input
(U447)
Audio from Pin 41
ASFIC, U404?
Check ASFIC
U404
Check
Audio PA
(U420)
Check
U3220
LV ZIF
Audio at
Pin 2
U404?
NO
NO
NO
YES
YES
NO
YES
Troubleshooting Flow Chart for Controller

5A-32 Troubleshooting Charts
Bad SINAD
Bad 20dB Quieting
No Recovered Audio
START
Audio at pin 27
of U3220? Check Controller
Yes
No
Spray of inject 1st IF into
XTAL Filter
IF Freq: 45.1MHz
Audio heard?
B
Yes
No
Check 2nd LO Control
Voltage at C3279
VCO locked?
B
Yes
16.8 MHz
check at pin 21
U3220?
Activity on
U3220 sel pin?
Check FGU
No
No
A
A
Yes
Check Q3270 bias cir-
cuitry for faults.
Rotate Freq. Knob
Check controller.
Before replacing U3220, check 2nd
VCO Q3270. Check VCO O/P level,
C3272, C3273.
Yes
No
Troubleshooting Flow Chart for Receiver (Sheet 1 of 2)

Troubleshooting Charts 5A-33
IF Signal at
C3200?
No
RF Signal at
T3301?
RF Signal at
R3313?
No
RF Signal at
C3306?
No
RF Signal at
C3302?
No or
Check harmonic filter L3531 & L3532,
C3532 and ant. switches D3521, D3551,
L3551, R3551, C3551, C3552, L3552
Check filter between
C3302 & C3306; program
filter to schematic test freq
and check
varactor voltages.
Inject RF into J3501
Are varactor
voltages OK?
No
Yes
Check RF amp (Q3302)
Stage.
Check filter between C3313
& T3301.
Yes
Check T3301, T3302,
CR3301, R3321, R3322,
R3323
Yes
1st LO O/P
OK?
Locked?
Yes
Check FGU
Yes
Trace IF signal
from C3200 to
Q3200. Check for
bad XTAL filter.
No
Yes Q3200 collec-
tor OK?
IF signal
present?
Before replacing
U3220, check
U3220 voltages;
trace IF signal
path.
Yes
Check for 2.9
VDC
Is R5 present?
Check Q3721, U3701
(pin 48) voltages and
U247
No
No
No
Check U404 voltage and if
U404 can be selected by MCU
before replacing U404.
Check varactor filter.
No
Yes
Yes
Yes
A
A
B
weak RF
Troubleshooting Flow Chart for Receiver (Sheet 2 of 2)

5A-34 Troubleshooting Charts
START
No Power
Is There B+
Bias for Ant
switch
Check Q3561
Is Current
OK?
Is Control Voltage
High or Low Check PCIC
1. Check Pin Diodes
2. Check Harmonic Filter
Inspect/Repair Tx. Out-
put Network
Is Power
OK?
Done
Check Drive to
Module
Is Drive
OK? Troubleshoot
VCO
Inspect PA Network/Check
Power Out of U3501 at Cap
C3512
Is Power
OK?
Replace U3501
Is Power
OK?
Replace Q3501
Done
Done
No
Yes
Yes No
No
Yes
Low
High
No
Yes
Yes
No
Yes
No
Troubleshooting Flow Chart for Transmitter

Troubleshooting Charts 5A-35
5V
at pin 6 of
D3701
Is information
from µP U409
correct?
Is U3701
Pin 18 AT
4.54 VDC?
Is U3701 Pin 47
AT = 13 VDC
Is U3701 Pin 19
<0.7 VDC in RX &
>4.3 VDC in TX?
Start
Visual
check of the
Board OK?
Correct
Problem
Check 5V
Regulator
+5V at U3701
Pin’s
13 & 30?
Is 16.8MHz
Signal at
U3701 Pin 19?
Check Y3761, C3761,
C3762, C3763, D3761
& R3761
Are signals
at Pin’s 14 &
15 of U3701?
Check
L3701,
R3701
Check Q260,
Q261 & R260
U3701 pin 2 at
>3V in Tx and
<0.7V in Rx
Remove
Shorts
Is there a short
between Pin 47 and
Pins 14 & 15 of
U3701?
Replace or
resolder
necessary
components
Is RF level at
U3701 Pin 32
>-30 dBm?
Are C3721,
C3722,C3723,
R3721, R3722,
R3723 OK?
Replace U3701
If R3727, C3726 & C3727
are OK, then see VCO
troubleshooting chart
Are Waveforms
at Pins 14 & 15
triangular?
Do Pins 7,8 & 9
of U3701 toggle
when channel is
changed?
Check programming
lines between U409
and U3701 Pins 7,8 & 9
Replace U3701
Check uP U409
Troubleshooting
Chart
NO
YES
NO
YES
NO
YES
NO
YES
NO
NO
NO
YES
YES
NO
YES
YES
NO
YES
YES
YES
NO
NO
NO
NO
YES
NO
YES
YES
Check D3701, D3702,
U3701, C3701 -
C3707
3.3V at U3701
pins 5, 20, 34 &
36
Check U3201,
L3731
Is
16.8MHz
signal at
U3701 pin
23?
Replace
U3701
YES
NO
NO
YES
NO
YES
Troubleshooting Flow Chart for Synthesizer
Replace U3701

5A-36 Troubleshooting Charts
START
No LO?
Tx Carrier?
VCO OK
Check
R3829
TRB = 3.2V?
Pin 10
>1V?
L3831,
L3832,
L3833 O/C?
Change L3831,
L3832
Change
U3801
AUX 3
High?
Check U3701
Pin 2 for 3.2V
Pin 19 =0V
AUX 3
Low?
Change
U3801
V ctrl 0V
or 13V? L3821,
L3822, L3823
Open Circuit?
Change
U3801
Change
L3821,
L3822,
L3823,L243
Change
U3701
Check for faulty parts or dry
joints of L3812 C3806,
R3806, R3802 & L3801
A
A
No
No
Yes
Yes
Yes
No
No
Yes
Yes
Yes
No
Yes
No
No
Yes
Yes
No
No
Check R3811, L3811
for dry joint or faulty
No
Troubleshooting Flow Chart for VCO
Yes

5B-1
Section 5B
MODEL CHART AND TEST SPECIFICATIONS (403-470
MHZ)
1.0 Model Chart
GP Series, UHF Band 1, 403-470 MHz
Model Description
AZH38RDC9AA2 GP328 Plus 403-470 MHz 4W 4 CH
AZH38RDC9AA3 GP328 Plus 403-470 MHz 4W 16 CH
AZH38RDH9AA6 GP338 Plus 403-470 MHz 4W 128 CH
AZH38RDH9DU6 GP338 XLS 403-470 MHz 4W 160 CH
Item Description
XPMUE2048_ GP328 Plus Super Tanapa 403-470 MHz 4W 4CH
XPMUE1699_ GP328 Plus Super Tanapa 403-470 MHz 4W 16CH
XPMUE1700_ GP338 Plus Super Tanapa 403-470 MHz 4W 128CH
XPMUE1876_ GP338 XLS Super Tanapa 403-470 MHz 4W 160CH
XPMUE2050_ GP328 Plus Tanapa 403-470 MHz 4W 4CH
XPMUE1703_ GP328 Plus Tanapa 403-470 MHz 4W 16CH
XPMUE1704_ GP338 Plus Tanapa 403-470 MHz 4W 128CH
XPMUE1878_ GP338 XLS Tanapa 403-470 MHz 4W 160CH
XPMHE4026_ GP328 Plus B/C Kit 403-470 MHz 4W 4CH
XJMHE4001_ GP328 Plus B/C Kit 403-470 MHz 4W 16CH
XPMHE4010_ GP338 Plus B/C Kit 403-470 MHz 4W 128CH
XPMHE4020_ GP338 XLS B/C Kit 403-470 MHz 4W 160CH
XPMHE4024_ GP328 Plus Front Housing Kit 4CH
XPMHE4000_ GP328 Plus Front Housing Kit 16CH
XPMHE4001_ GP338 Plus Front Housing Kit 128CH
XPMHE4018_ GP338 XLS Front Housing Kit 160CH
XXXXNAE6483_ Monopole (Whip) antenna (403-520 MHz)
XXXXPMAE4002_ UHF 9 cm antenna (403-433 MHz) Stubby
XXXXPMAE4003_ UHF 9 cm antenna (430-470 MHz)
X X 6804022G48 GP328 Plus User Guide
X6804112J64 GP338 Plus User Guide
X6804114J01 GP338 XLS User Guide
x = Indicates one of each is required.

5B-2 Specifications (for GP328 Plus)
2.0 Specifications (for GP328
Plus)
General
Transmitter
Receiver
All specifications are subject to change without notice.
UHF
Frequency: 403-470 MHz
Channel Capacity: GP328 Plus : 4/16 Chan-
nels
Power Supply: 7.5 Volts ±20%
Dimensions
with Standard
High Capacity
Lithium Battery:
with Ultra High
Capacity Lithium
Battery:
101.5mm x 55.5mm x
30.5mm
101mm x 55.5mm x
35.5mm
Weight:
with Standard
High Capacity
Lithium Battery:
with Ultra High
Capacity Lithium
Battery:
250 g
270 g
Average Battery
Life @ (5-5-90 Duty
Cycle)
Standard High
Capacity Lithium
Battery:
Ultra High Capac-
ity Lithium Battery:
Low Pow-
er
>10 hrs
>14 hrs
High Pow-
er
>7 hrs
>10 hrs
Sealing: Meets MIL-STD-810-C,
D & E and IPX4
Shock: Meets MIL-STD-810-
C,D & E and TIA/EIA 603
Vibration: Meets MIL-STD-810-
C,D & E and TIA/EIA 603
Dust: Meets MIL-STD-810-
C,D & E and IP5X
Humidity: Meets MIL-STD-810-
C,D & E and TIA/EIA 603
FCC ID AZ489FT4844
UHF
RF Output
Li Ion @ 7.5V:
Low
1W
High
4W
Frequency 403-470 MHz
Channel Spacing 12.5/20/25 kHz
Freq. Stability
(-30°C to +60°C)
0.00025%
Spurs/Harmonics: -36 dBm < 1 GHz
-30 dBm > 1 GHz
Audio Response:
(from 6 dB/oct. Pre-
Emphasis, 300 to
3000Hz)
+1, -3 dB
Audio Distortion:
@ 1000 Hz, 60%
Rated Max. Dev.
<5%
FM Noise: -40 dB
UHF
12.5kHz
UHF 20/
25kHz
Frequency: 403-
470MHz
403-
470MHz
Sensitivity
12dB EIA SINAD:
0.35 µV0.35 µV
Adjacent Channel
Selectivity ETS
-60 dB -70 dB
Intermodulation
ETS
-65 dB -65 dB
Freq. Stability
(-30°C to +60°C):
0.00025% 0.00025%
Spur Rejection: -70 dB -70 dB
Image Rejection: -70 dB -70 dB
Audio Output
@ <5% Distortion
500 mW 500 mW

Specifications (for GP338 Plus/GP338 XLS) 5B-3
3.0 Specifications (for GP338
Plus/GP338 XLS)
General
Transmitter
Receiver
All specifications are subject to change without notice.
UHF
Frequency: 403-470 MHz
Channel Capacity: GP338 Plus 128 Chan-
nels/GP338 XLS 160
Channels
Power Supply: 7.5 Volts ±20%
Dimensions
with Standard
High Capacity
Lithium Battery:
with Ultra High
Capacity Lithium
Battery:
101.5mm x 55.5mm x
33.0mm
101mm x 55.5mm x
38.0mm
Weight:
with Standard
High Capacity
Lithium Battery:
with Ultra High
Capacity Lithium
Battery:
265 g
285 g
Average Battery
Life @ (5-5-90 Duty
Cycle)
Standard High
Capacity Lithium
Battery:
Ultra High Capac-
ity Lithium Battery:
Low
Power
>10 hrs
>14 hrs
High
Power
>7 hrs
>10 hrs
Sealing: Meets MIL-STD-810-
C,D & E and IPX4
Shock: Meets MIL-STD-810-
C,D & E and TIA/EIA 603
Vibration: Meets MIL-STD-810-
C,D & E and TIA/EIA 603
Dust: Meets MIL-STD-810-
C,D & E and IP5X
Humidity: Meets MIL-STD-810-
C,D & E and TIA/EIA 603
FCC ID AZ489FT4844
UHF
RF Output
Li Ion @ 7.5V:
Low
1W
High
4W
Frequency 403-470 MHz
Channel Spacing 12.5/20/25 kHz
Freq. Stability
(-30°C to +60°C)
0.00025%
Spurs/Harmonics: -36 dBm < 1 GHz
-30 dBm > 1 GHz
Audio Response:
(from 6 dB/oct. Pre-
Emphasis, 300 to
3000Hz)
+1, -3 dB
Audio Distortion:
@ 1000 Hz, 60%
Rated Max. Dev.
<5%
FM Noise: -40 dB
UHF
12.5kHz
UHF 20/
25kHz
Frequency: 403-
470MHz
403-
470MHz
Sensitivity
12dB EIA SINAD:
0.35 µV0.35 µV
Adjacent Channel
Selectivity ETS
-60 dB -70 dB
Intermodulation
ETS
-65 dB -65 dB
Freq. Stability
(-30°C to +60°C):
0.00025% 0.00025%
Spur Rejection: -70 dB -70 dB
Image Rejection: -70 dB -70 dB
Audio Output
@ <5% Distortion
500 mW 500 mW

5B-4 Transmitter
4.0 Transmitter
4.1 General
(Refer to Figure 5-1)
The UHF transmitter contains five basic circuits:
1. Power Amplifier
2. Antenna Switch
3. Harmonic Filter
4. Antenna Matching Network
5. Power Control Integrated Circuit (PCIC).
4.1.1 Power Amplifier
The power amplifier consists of two devices:
1. 9Z67 LDMOS driver IC (U101) and
2. PRF1507 LDMOS PA (Q110).
The 9Z67 LDMOS driver IC contains a 2 stage amplification with a supply voltage of 7.3V.
This RF power amplifier is capable of supplying an output power of 0.3W (pin 6 and 7) with an input
signal of 2mW (3dBm) (pin16). The current drain would typically be 160mA while operating in the
frequency range of 403-470MHz.
The PRF1507 LDMOS PA is capable of supplying an output power of 7W with an input signal of
0.3W. The current drain would typically be 1300mA while operating in the frequency range of 403-
470MHz. The power output can be varied by changing the biasing voltage.
Figure 5-1: Transmitter Block Diagram
PCIC
Antenna
PA
Driver
Vcontrol Vcontrol
From VCO
Jack
PA - F i n a l
Stage
Antenna Switch/
Harmonic Filter/
Matching Network

Transmitter 5B-5
4.1.2 Antenna Switch
The antenna switch circuit consists of two PIN diodes (CR101 and CR102), a pi network (C107, L104
and C106), and two current limiting resistors (R101, R170). In the transmit mode, B+ at PCIC (U102)
pin 23 will go low and turn on Q111 where a B+ bias is applied to the antenna switch circuit to bias the
diodes "on". The shunt diode (CR102) shorts out the receiver port, and the pi network, which
operates as a quarter wave transmission line, transforms the low impedance of the shunt diode to a
high impedance at the input of the harmonic filter. In the receive mode, the diodes are both off, and
hence, there exists a low attenuation path between the antenna and receiver ports.
4.1.3 Harmonic Filter
The harmonic filter consists of C104, L102, C103, L101 and C102. The design of the harmonic filter
for UHF is that of a modified Zolotarev design. It has been optimized for efficiency of the power
module. This type of filter has the advantage that it can give a greater attenuation in the stop-band for
a given ripple level. The harmonic filter insertion loss is typically less than 1.2dB.
4.1.4 Antenna Matching Network
A matching network which is made up of L116 is used to match the antenna's impedance to the
harmonic filter. This will optimize the performance of the transmitter and receiver into an antenna.
4.1.5 Power Control Integrated Circuit (PCIC)
The transmitter uses the Power Control IC (PCIC), U102 to regulate the power output of the radio.
The current to the final stage of the power module is supplied through R101, which provides a voltage
proportional to the current drain. This voltage is then fedback to the Automatic Level Control (ALC)
within the PCIC to regulate the output power of the transmitter.
The PCIC has internal digital to analog converters (DACs) which provide the reference voltage of the
control loop. The reference voltage level is programmable through the SPI line of the PCIC.
There are resistors and integrators within the PCIC, and external capacitors (C133, C134 and C135)
in controlling the transmitter rising and falling time. These are necessary in reducing the power
splatter into adjacent channels.
CR105 and its associated components are part of the temperature cut back circuitry. It senses the
printed circuit board temperature around the transmitter circuits and output a DC voltage to the PCIC.
If the DC voltage produced exceeds the set threshold in the PCIC, the transmitter output power will be
reduced so as to reduce the transmitter temperature.

5B-6 Receiver
5.0 Receiver
5.1 Receiver Front-End
(Refer to UHF Receiver Front End Schematic Diagram on page 5B-21 and UHF Transmitter
Schematic Diagram on page 5B-25)
The RF signal is received by the antenna and applied to a low-pass filter. For UHF, the filter consists
of L101, L102, C102, C103, C104. The filtered RF signal is passed through the antenna switch. The
antenna switch circuit consists of two PIN diodes(CR101 and CR102) and a pi network (C106, L104
and C107).The signal is then applied to a varactor tuned bandpass filter. The UHF bandpass filter
comprises of L301, L302, C302, C303, C304, CR301 and CR302. The bandpass filter is tuned by
applying a control voltage to the varactor diodes(CR301 and CR302) in the filter.
The bandpass filter is electronically tuned by the DACRx from IC404 which is controlled by the
microprocessor. Depending on the carrier frequency, the DACRx will supply the tuned voltage to the
varactor diodes in the filter. Wideband operation of the filter is achieved by shifting the bandpass filter
across the band.
The output of the bandpass filter is coupled to the RF amplifier transistor Q301 via C307. After being
amplified by the RF amplifier, the RF signal is further filtered by a second varactor tuned bandpass
filter, consisting of L306, L307, C313, C317, CR304 and CR305.
Both the pre and post-RF amplifier varactor tuned filters have similar responses. The 3 dB bandwidth
of the filter is about 50 MHz. This enables the filters to be electronically controlled by using a single
control voltage which is DACRx .
Figure 5-2: UHF Receiver Block Diagram
Demodulator
Synthesizer
Crystal
Filter
Mixer
Varactor
Tuned Filter
RF Amp
Va ra ct or
Tuned Filter
Pin Diode
Antenna
Switch
RF Jack
Antenna
AGC
Control Voltage
from ASFIC
First LO
from FGU
Recovered Audio
Squelch
RSSI
IF IC
SPI Bus
16.8 MHz
Reference Clock
Second
LO VCO
U301
IF Amp

Receiver 5B-7
The output of the post-RF amplifier filter which is connected to the passive double balanced mixer
consists of T301, T302 and CR306. Matching of the filter to the mixer is provided by C381. After
mixing with the first LO signal from the voltage controlled oscillator (VCO) using low side injection, the
RF signal is down-converted to the 45.1 MHz IF signal.
The IF signal coming out of the mixer is transfered to the crystal filter (FL301) through a resistor pad
and a diplexer (C322 and L310). Matching to the input of the crystal filter is provided by C324 and
L311. The crystal filter provides the necessary selectivity and intermodulation protection.
5.2 Receiver Back-End
(Refer to UHF Receiver Back End Schematic Diagram on page 5B-22)
The output of crystal filter FL301 is matched to the input of IF amplifier transistor Q302 by
components R352 and C325. Voltage supply to the IF amplifier is taken from the receive 5 volts (R5).
The IF amplifer provides a gain of about 7dB. The amplified IF signal is then coupled into U301(pin 3)
via C330, C338 and L330 which provides the matching for the IF amplifier and U301.
The IF signal applied to pin 3 of U301 is amplified, down-converted, filtered, and demodulated, to
produce the recovered audio at pin 27 of U301. This IF IC is electronically programmable, and the
amount of filtering (which is dependent on the radio channel spacing) is controlled by the
microprocessor. Additional filtering, once externally provided by the conventional ceramic filters, is
replaced by internal filters in the IF module (U301).
The IF IC uses a type of direct conversion process, whereby the externally generated second LO
frequency is divided by two in U301 so that it is very close to the first IF frequency. The IF IC (U301)
synthesizes the second LO and phase-locks the VCO to track the first IF frequency. The second LO
is designed to oscillate at twice the first IF frequency because of the divide-by-two function in the IF
IC.
In the absence of an IF signal, the VCO will “search” for a frequency, or its frequency will vary close to
twice the IF frequency. When an IF signal is received, the VCO will lock onto the IF signal. The
second LO/VCO is a Colpitts oscillator built around transistor Q320. The VCO has a varactor diode,
CR310, to adjust the VCO frequency. The control signal for the varactor is derived from a loop filter
consisting of C362, C363, C364, R320 and R321.
The IF IC (U301) also performs several other functions. It provides a received signal-strength
indicator (RSSI) and a squelch output. The RSSI is a dc voltage monitored by the microprocessor,
and used as a peak indicator during the bench tuning of the receiver front-end varactor filter. The
RSSI voltage is also used to control the automatic gain control (AGC) circuit at the front-end.
The demodulated signal on pin 27 of U301 is also used for squelch control. The signal is routed to
U404 (ASFIC) where squelch signal shaping and detection takes place. The demodulated audio
signal is also routed to U404 for processing before going to the audio amplifier for amplification.

5B-8 Receiver
5.3 Automatic Gain Control Circuit
(Refer to UHF Receiver Front End Schematic Diagram on page 5B-21)
The front end automatic gain control circuit is to provide automatic gain reduction of the front end RF
amplifier via feedback. This action is necessary to prevent overloading of back end circuits. This is
achieved by drawing some of the output power from the RF amplifier’s output. At high radio
frequencies, capacitor C331 provides the low impedance path to ground for this purpose. CR308 is a
PIN diode used for switching the path on or off. A certain amount of forward biasing current is needed
to turn the PIN diode on. Transistors Q315 provides this current where upon saturation, current will
flow via R347, PIN diode, collector and emitter of Q315 and R319 before going to ground. Q315 is an
NPN transistor used for switching here. Maximum current flowing through the PIN is mainly limited by
the resistor R319.
Radio signal strength indicator, RSSI, a voltage signal, is used to drive Q315 to saturation hence
turning it on. RSSI is produced by U301 and is proportional to the gain of the RF amplifier and the
input RF signal power to the radio.
Resistor network at the input to the base of Q315 is scaled to turn on Q315, hence activating the
AGC, at certain RSSI levels. In order to turn on Q315, the voltage across the transistor’s base to
ground must be greater or equal to the voltage across R319, plus the base-emitter voltage (Vbe)
present at Q315. The resistor network with thermistor RT300 is capable of providing temperature
compensation to the AGC circuit, as RSSI generated by U301 is lower at cold temperatures
compared to normal operation at room temperature. Resistor R300 and capacitor C397 form an R-C
network used to dampen any transient instability while the AGC is turning on.

Frequency Generation Circuitry 5B-9
6.0 Frequency Generation Circuitry
The Frequency Generation Circuitry is composed of two main ICs, the Fractional-N synthesizer
(U201), and the VCO/Buffer IC (U241). Designed in conjunction to maximize compatibility, the two
ICs provide many of the functions that normally would require additional circuitry. The synthesizer
block diagram illustrates the interconnect and support circuitry used in the region. Refer to the
relevant schematics for the reference designators.
The synthesizer is powered by regulated 5V and 3.3V which come from U247 and U248 respectively.
The synthesizer in turn generates a superfiltered 4.5V which powers U241.
In addition to the VCO, the synthesizer must interface with the logic and ASFIC circuitry.
Programming for the synthesizer is accomplished through the data , clock and chip select lines from
the microprocessor. A 3.3V dc signal from synthesizer lock detect line indicates to the microprocessor
that the synthesizer is locked.
Transmit modulation from the ASFIC is supplied to pin10 of U201. Internally the audio is digitized by
the Fractional-N and applied to the loop divider to provide the low-port modulation. The audio runs
through an internal attenuator for modulation balancing purposes before going out to the VCO.
Figure 5-3: Frequency Generation Unit Block Diagram
Vo l t a g e
Multiplier
Synthesizer
U201
Dual
Tran-
sistor
Loop
Filter
VCOBIC
U241
Low
Pass
Filter
Matching
Network
Attenuator
To
Mixer
To
PA Driver
VCP
Vmult1
Aux3
Aux4
MOD Out
Modulating
Signal
Vmult2
Rx VCO Circuit
Tx VCO Circuit
TRB
16.8 MHz
Ref. Osc.
Rx Out
Tx Out

5B-10 Frequency Generation Circuitry
6.1 Synthesizer
(Refer to UHF Synthesizer Schematic Diagram on page 5B-23)
The Fractional-N Synthesizer uses a 16.8MHz crystal (FL201) to provide a reference for the system.
The LVFractN IC (U201) further divides this to 2.1MHz, 2.225MHz, and 2.4MHz as reference
frequencies. Together with C206, C207, C208, R204 and CR203 , they build up the reference
oscillator which is capable of 2.5ppm stability over temperatures of -30 to 85×C. It also provides
16.8MHz at pin 19 of U201 to be used by ASFIC and LVZIF.
The loop filter which consist of C231, C232, C233, R231, R232 and R233 provides the necessary dc
steering voltage for the VCO and determines the amount of noise and spur passing through .
In achieving fast locking for the synthesizer, an internal adapt charge pump provides higher current at
pin 45 of U201 to put synthesizer within the lock range. The required frequency is then locked by
normal mode charge pump at pin 43 .
Both the normal and adapt charge pumps get their supply from the capacitive voltage multiplier which
is made up of C258, C259, C228, triple diode CR201 and level shifters U210 and U211. Two 3.3V
square waves ( 180 deg out of phase) are first shifted to 5V, then along with regulated 5V , put
through arrays of diodes and capacitors to build up 13.3V at pin 47 of U201.
Figure 5-4: Synthesizer Block Diagram
DATA
CLK
CEX
MODIN
VCC, DC5V
XTAL1
XTAL2
WARP
PREIN
VCP
REFERENCE
OSCILLATOR
VOLTAGE
MULTIPLIER
VOLTAGE
CONTROLLED
OSCILLATOR
2-POLE
LOOP
FILTER
DATA (U409 PIN 100)
CLOCK (U409 PIN 1)
CSX (U409 PIN 2)
MOD IN (U404 PIN 40)
+5V (U247 PIN 4)
7
8
9
10
13, 30
23
24
25
32
47
VMULT2 VMULT1
BIAS1
SFOUT
AUX3
AUX4
IADAPT
IOUT
GND
FREFOUT
LOCK 4
19
6, 22, 23, 24
43
45
3
2
28
14 15
40
FILTERED 5V
STEERING
LINE
LOCK (U409 PIN 56)
PRESCALER IN
LO RF INJECTION
TX RF INJECTION
(1ST STAGE OF PA)
FREF (U201 PIN 21 & U404 PIN 34)
39
BIAS2
41
DUAL
TRANSIS
DUAL
TRANSIS-
48
5V
R5
5, 20, 34, 36
(U248 PIN 5)
AUX1
VDD, 3.3V MODOUT
U251
LOW VOLTAGE
FRACTIONAL-N
SYNTHESIZER
TORS
TORS

Frequency Generation Circuitry 5B-11
6.2 VCO - Voltage Controlled Oscillator
(Refer to UHF Voltage Controlled Oscillator Schematic Diagram on page 5B-24)
Figure 5-5: VCO Block Diagram
The VCOBIC (U241) in conjunction with the Fractional-N synthesizer (U201) generates RF in both the
receive and the transmit modes of operation. The TRB line (U241 pin 19) determines which oscillator
and buffer will be enabled. A sample of the RF signal from the enabled oscillator is routed from U241
pin 12, through a low pass filter, to the prescaler input (U201 pin 32). After frequency comparison in
the synthesizer, a resultant CONTROL VOLTAGE is received at the VCO. This voltage is a DC
voltage between 3.5V and 9.5V when the PLL is locked on frequency.
Presc
RX
TX
Matching
Network Low Pass
Filter
Attenuator
Pin8
Pin14
Pin10
Level Shifter
Network
5V
(U201 Pin28)
VCC Buffers
TX RF Injection
U201 Pin 32
AUX4 (U201 Pin3)
AUX3 (U201 Pin2)
Prescaler Out
Pin 12Pin 19
Pin 20
TX/RX/BS
Switching Network
U241
VCOBIC
Rx
Active Bias
Tx
Active Bias
Pin2
Rx-I adjust
Pin1
Tx-I adjust
Pins 9,11,17
Pin18
Vsens
Circuit
Pin15
Pin16
RX VCO
Circuit
TX VCO
Circuit
RX Tank
TX Tank
Pin7
Vcc-Superfilter
Collector/RF in
Pin4
Pin5
Pin6
RX
TX
(U201 Pin28)
Rx-SW
Tx-SW
Vcc-Logic
(U201 Pin28)
Steer Line
Voltage
(VCTRL)
Pin13
Pin3
TRB_IN
LO RF INJECTION
VSF
VSF
VSF

5B-12 Frequency Generation Circuitry
The VCOBIC(U241) is operated at 4.54 V (VSF) and Fractional-N synthesizer (U201) at 3.3V. This
difference in operating voltage requires a level shifter consisting of Q260 and Q261 on the TRB line.
The operation logic is shown in Table 5-1.
In the receive mode, U241 pin 19 is low or grounded. This activates the receive VCO by enabling the
receive oscillator and the receive buffer of U241. The RF signal at U241 pin 8 is run through a
matching network. The resulting RF signal is the LO RF INJECTION and it is applied to the mixer at
T302 (refer to UHF Receiver Front End Schematic Diagram on page 5B-21).
During the transmit condition, when PTT is depressed, five volts is applied to U241 pin 19. This
activates the transmit VCO by enabling the transmit oscillator and the transmit buffer of U241. The RF
signal at U241 pin 10 is injected into the input of the PA module (U101 pin16). This RF signal is the
TX RF INJECTION. Also in transmit mode, the audio signal to be frequency modulated onto the
carrier is received through the U201 pin 41.
When a high impedance is applied to U241 pin19, the VCO is operating in BATTERY SAVER mode.
In this case, both the receive and transmit oscillators as well as the receive transmit and prescaler
buffer are turned off.
Table 5-1: Level Shifter Logic
Desired
Mode AUX 4 AUX 3 TRB
Tx Low High
(@3.2V)
High (@4.8V)
Rx High Low Low
Battery Saver Low Low Hi-Z/Float
(@2.5V)

Notes For All Schematics and Circuit Boards 5C-13
7.0 Notes For All Schematics and Circuit Boards
* Component is frequency sensitive. Refer to the Electrical Parts List for value and usage.
1. Unless otherwise stated, resistances are in Ohms (k = 1000), and capacitances are in picofarads
(pF) or microfarads (µF).
2. DC voltages are measured from point indicated to chassis ground using a Motorola DC multime-
ter or equivalent. Transmitter measurements should be made with a 1.2 µH choke in series with
the voltage probe to prevent circuit loading.
3. Reference Designators are assigned in the following manner:
100 Series = Transmitter
200 Series = Frequency Generation
300 Series = Receiver
400/500 Series = Controller
600 Series = Keypad Board
4. Interconnect Tie Point Legend:
UNSWB+ = Unswitch Battery Voltage (7.5V)
SWB+ = Switch Battery Voltage (7.5V)
R5 = Receiver Five Volts
CLK = Clock
Vdda = Regulated 3.3 Volts (for analog)
Vddd = Regulated 3.3 Volts (for digital)
CSX = Chip Select Line (not for LVZIF)
SYN = Synthesizer
DACRX = Digital to Analog Voltage (For Receiver Front End Filter)
VSF = Voltage Super Filtered (5 volts)
VR = Voltage Regulator
6-LAYER CIRCUIT BOARD DETAIL VIEWING
COPPER STEPS IN PROPER LAYER SEQUENCE
LAYER 1 (L1)
LAYER 2 (L2)
LAYER 3 (L3)
LAYER 4 (L4)
LAYER 5 (L5)
LAYER 6 (L6)
INNER LAYERS
SIDE 1
SIDE 2

Circuit Board/Schematic Diagrams and Parts List 5B-15
8.0 Circuit Board/Schematic Diagrams and Parts List
40
J200
1
B503
3
FL201
TP201
C247
C251
C285
C289
C370
C374
C386
C248 C273
C286
C276
C253
C271
C272
L282
3
L243
1
L273
3
L253
1
L271
L321
Q261
3
4
Q241
R333
R339
R243
R248
R253
R260
SH241
C210
C211
C212
C213
C214
C220
C230
C257
C260
C294
C292
C229
C203
C217
C235
C228
C233
C238
C297
C291
CR201
L201
L202
L203
L232
Q210
3
4
Q260
3
4
R256
R255
SH201
U247
B504
C522
FL301
PB502
R352
VR441
C325
C324
C323
L311
R351
SH323
C328
C554
C396
C391
C397
PB501
Q315
Q316
R326
R300
R314
R316
R318
R319
R325
R327
R334
R335
R338
RT300
RT301
VR300
VR444
C331
C333
CR308
R342
R317
R336
TP202
TP302
C375
C320
C381
C319
C322
L309
L310
R309
R308
R310
R348
SH303
T301
3
46
T302
3
4
6
C110
C114
C118
C119
C121
C122
C125
C160
C165
C166
C171
C112
C113
C115
C117
C116
C120
C161
C127
C131
C129
C169
L114
L115
L106
L107
L108
L109
L113
L160 R103
R104
R106
R107
R108
R120
R171
R161
R173
SH101
U101
9
8
16
1
C109
C111
3
2
Q110
1
C101
C141
C102
C104
C103
C106
C107
CR101
CR102
L101
L102
L104
L105
SH100
C308
C511
C512
C514
C302
C301
C520
C303
C304
C305
CR301
CR302
L301
L302
PB505
R301
R302
SH301
VR443
C362
C384
C385
C364
C351
C349 C350
C352
C353
C354
C363
CR310
L325
L332
Q320
R355
R322
R345
R320
R321
R324
R346
SH321
C521
PB504
VR440
C505
C502
Q505
R506
R507
R505
VR501
C513
CR503
2
34
Q502
R501
R502
C140
L116
UHF (403-470MHz) Main Board Top Side PCB No. 8404077G05/G06/G07

5B-16 Circuit Board/Schematic Diagrams and Parts List
2
S502
35
4
1
2
S501
C8
C
4
J101
4
3
2
J102
C108
C132
C173
C172
CR105
H101
P100
Q111
3
4
R101
R170
R133
R172
C315
C321
C395
C313
C310
C314
C318
C380
C306
C311
C316
C317
C312
CR304
CR305
CR303
L340
L306
L307
L305
L304
R306
R307
R347
R305
SH302
C309
C307
L303
Q301
R304
R303
R340
R328
C383
C390
C346
C339
C340
C341
C342
C343
C357 C358
R344
13
25
37
1
U301
C337
C329
C347
C348
C356
L314
SH322
C336
C344
C360
C355
C361
C382
L331 R343
R350
C345
C334
C359
C327 C330
C326
C338
L330
Q302
R315
R313
R311
R312
B501
32
1
C503
CR306
CR501
F501
SH304
C105
C130
C138 C151
C170
C174
C123
C126
C133
C128
C135
C150
C152
C134
E101
L112
R102 R329
R109
R130
R131 R132
25
9
17
U102
1
VR439
C241
C246
C255
C281
C295
C372
C252
C242
C243
C250
C244
C245 C254
C371
C373
C378
CR241
CR242
CR243
CR251
L241
L281
L242
L251
Q310
R330
R332
R110
R112
R111
R242
R241
R251
R244
R245
R252
R254
R331
R349
SH242
U241
10
20
1
11
C201
C264
C218
C223
C224
C231
C296
C298
C202
C204
C206
C207
C208
C219
C232
C234
C258
C259
C263
C265
C293
CR203
L261
R204
R281
R202
R201
R231 R232
R233
SH202
13
25
37
1
U201
U210
3
4
U211
3
4
C277
C279
C523
C278
L505
U248
VR442
VR506
C525
C526
C527
C528
C529
C530
C531 C532
C533
C534
C535
C536
C537
C538
C539 C540
C541
C542
C543
C544
C545
C546
C547
C548
C549
C550
C551
C552
C553
C555
R509
R510
R511
UHF (403-470MHz) Main Board Bottom Side
PCB No. 8404077G05/G06/G07

Circuit Board/Schematic Diagrams and Parts List 5B-17
ZMY0131016-O
40
J200
1
B503
B504
FL201
13
4
6
SH201
TP201
C210
C211
C212
C213
C214
C220
C230
C257
C260
C292
C229
C203
C217
C235
C228
C233
C238
C297
C291
CR201
L201
L202
L203
L232
Q210
3
4
Q260
3
4
R256
R255
U247
C294
C247
C251
C285
C289
C370
C374
C386
C271
C272
C248 C273
C286
C276
C253
L282
3
L243
1
L273
3
L253
1
L271
L321
Q261
3
4
Q241
R333
R243
R248
R253
R260
R339
SH241
C391
C328
C397
C325
C522
C554
C324 C323
FL301
R351
L311
PB502 PB504
Q316
Q315
R326
R334
R335
R338
R300
R314
R316
R318
R319
R325
R327
R352
RT300
RT301
SH323
VR300
VR441
VR444
C375
C320
C319
C322
C381
L309
L310
R309
R308
R310
R348
SH303
T301
34
6
T302
3
4
6
TP202
TP302 C331
C333
C396
CR308
R336
R342
R317
C109
C110
C114
C118
C119
C121
C122
C125
C160
C165
C166
C171
C111
C112
C113
C115
C116
C117
C120
C161
C127
C131
C129
C169
L115
L106
L107
L108
L109
L114
L113
L160
3
2
Q110
1
R103
R104
R174
R106
R107
R108
R120
R171
R161
R173
R175
R176
SH101
1
16
8
9
U101
C521
PB501
VR440
C362
C364
C351
C349 C350
C352 C353
C354
C363
C384
C385
CR310
L325
L332
Q320
R322
R345
R320
R321
R324
R355
R346
SH321
C505
C512 C513
C502
Q505
Q502
R506
R505
R507
VR501
C511
C514
C520
CR503
2
34
R501
R502
VR443
C140
L116
PB505
C308
C302
C304
C301
C303 C305
CR301
CR302
L301
L302
R301
R302
SH301
C102
C104
C103
C106
C107
C175
CR101
CR102
L101
L102
L104
SH100
C101
C141
L105
UHF (403-470MHz) Main Board Top Side PCB No. 8404077G09

5B-18 Circuit Board/Schematic Diagrams and Parts List
ZMY0131017-O
2
S502
35
4
4
C
8
C
S501
2
C108
CR160
J101
4
3
21
J102
R101
R170
CR103
P100
Q111
3
4C172
C132
C173
CR105
H101
R133
R172
R102
R130
R131
C105
C309
C315
C321
C395
C306
C311
C307
C310
C314
C318
C313
C380
C316
C312
C317
CR304
CR305
CR303
L340
L306 L307
L303
L305
L304
Q301
R306
R307
R304
R303
R347
R305
R340
R328
SH302
C337
C383
C390
C329
C336
C344
C345
C346
C347
C348
C334
C356
C339
C340
C341
C342
C343
C357
C360
C355
C358
C359
C361
C382
L314
L331
R343
R350
R344
SH322
13
25
37
1
U301
C327
C338
C330
C326
L330
Q302
R315
R313
R311
R312
1
2
3
C503
CR306
F501
SH304
B501
C277
C279
C278
L505
U248
VR506
CR501
C130
C138
C151
C170
C174
C123
C126
C133
C128
C135
C150 C152
C134
E101
L112
R109
R132
R136
R329
25
9
17
U102
1
VR439
C241
C246
C255
C281
C295
C371
C372
C373
C378
C242
C243
C250
C244
C245 C252C254
CR241
CR242
CR243
CR251
R349
L241
L281
L242
L251
Q310
R330
R331
R332
R110
R112
R111
R242
R241
R251
R244
R245
R252
R254
SH242
U241
10
20
1
11
C201
C264
C208
C265
C218
C223
C224
C231
C296
C298
C202
C204
C206
C207
C219
C232
C234
C258
C259
C263
C293
CR203
L261
R204
R281
R201
R202
R231 R232
R233
SH202
13
25
37
1
U201
U210 3
4
U211
34
C525 C526
C527 C528
C529 C530
C531 C532
C533 C534
C535 C536
C537 C538
C544
C545
C546 C547
C549
C550
C551 C552
C553
C555
C539 C540
C541 C542
C543
C548
C523
R509
R511
R510
UHF (403-470MHz) Main Board Bottom Side PCB No. 8404077G09

Circuit Board/Schematic Diagrams and Parts List 5B-19
ZMY0130796-A
J200-35
J200-11
J200-16
J200-18
J200-27
J200-13
J200-20
J200-14
J200-4
J200-6
J200-8
J200-22
J200-3
J200-28
J200-26
J200-37
J200-38
J200-33
J200-29
J200-1
J200-30
J200-10
J200-31
J200-24
J200-15
J200-25
J200-17
J200-36
J200-40
J200-39
J200-21
J200-5
J200-7
J200-9
J200-12
J200-34
J200-23
J200-32
J200-2
J200-19
C528
100pF 100pF
100pF
C529
C526
100pF C527
C525
100pF C535
100pF
C530
100pF 100pF
C534
100pF100pF C533C531
100pF C532 C538
100pF100pF
C537
C536
100pF
RSSI
CLK
LVZIF_SEL
BATT_CODE
SWB+
SWB+
Vdda
MODIN
LOCK
RESET
DACRX
16.8MHz
UNSWB+
SB1
DEMOD
SB3
DATA
RED_LED
GREEN_LED
MECH_SWB+
RTA0
RTA1
RTA2
RTA3
PTT
SB2
EMER
VOL
CSX
5V
LI_ION
C555
100pF
R509
NU
R510
0
NU
R511
NUNU C543C541
NU C542C540
NU
C539
NU C551
100pF
C550
100pF
C549
100pF
C548
NU
C547
100pF
C546
100pF
C545
100pF
C544
100pF 100pF100pF C553C552
RX_IN
RECEIVER
R5 Vdda
Vdda
RSSI
16.8MHz
CLK
DACRx
DATA
DEMOD
LVZIF_SEL
RX_INJ
5V
SWB+
DATA
CSX
CLK
DACRX
DEMOD
RSSI
LVZIF_SEL
16.8MHz
LOCK
MODIN
R5 SWB+Vdda5V
RX_INJ
FGU
TX_INJ
16.8MHz
CLK
CSX
DATA
LOCK
MODIN
RX_IN TX_INJ
UNSWB+
TRANSMITTER
5V
CLK
CSX
DATA
RESET
UNSWB+
RESET
5V
B503
B504
LI_ION
MECH_SWB+
0.47uF
C502
4
1
LOW
5
3
HIGH
6
TAB1
7
TAB2
2
S502
SWITCH
0
R507
C522
.01uF 6.8V
VR441
C505
100pF
3B1 2
B2 4
SWITCH
PB502
A1
1A2
6.8V
VR501
SB2
Vdda
VOL
F501
21
24V
VR439
12V
100pF
C503
1
2
CR501
6.8V
VR506
UNSWB+ BATT_CODE RADIO_CODE
BATT-
BATT+
BATTERY_CONTACT
390nH
L505
NEG
1
POS
3
B501
CONN_J
DATA
2
GND
PB504
SWITCH
A1
1
A2
3
B1 2
B2 4
VR440
6.8V
C521
NU
PTT
RTA0
RTA1
RTA2
RTA3
C512
100pF
C513
100pF
C514
100pF
C511
100pF
PC3 8
C0 C0
C1
C1
7
GND GND1
9
1PC0
2PC1
4PC2
S501
SWITCH
C523
.01uF
C554
.01uF
SB1
SB3
6.8V
VR444
2
B2 4
PB501
SWITCH
A1
1
A2
3B1
EMER
C520
.01uF VR443
6.8V
Vdda
A1
1
A2
3B1 2
B2 4
PB505
SWITCH
Q502
R506
47K
R501
680
R505
10K
CR503
5
1
6
IMX1
R502
180
24
3Q505
RED_LED
1
3
SWB+
24
GREEN_LED
UHF Controls And Switches Schematic Diagram (sheet 1 of 2)

5B-20 Circuit Board/Schematic Diagrams and Parts List
ZMY0130796-B
RADIO_CODE
BATT-
BATT+
Q502
BATTERY_CONTACT
J200-7
J200-9
100pF
C514
J200-12
100pF
C527C525
100pF
C526
100pF
J200-32
J200-23
J200-2
VR506
6.8V
C511
100pF
Q505
100pF
C533
100pF
C532
100pF
C531
J200-19
LOW
1
5
HIGH
3
TAB1
6
TAB2
7
2
6.8V
VR440
SWITCH
S502
4
J200-10
J200-15
J200-25
NU
C521
J200-17
J200-36
J200-40
J200-39
J200-21
J200-5
100pF
C536
J200-3
J200-22
C534
J200-28
100pF
C529
J200-34
100pF
IMX1
5
1
6
100pF
C503
4
B2
1A1
3A2 2
B1
J200-33
PB502
SWITCH
J200-29
100pF
C530
J200-30
J200-1
R502
180
SWITCH
PB504
1A1
3A2 2
B1 4
B2
B503
6.8V
VR443
B504
6.8V
24
3
VR501
2
CR501
1
C554
100pF
.01uF
C513
J200-31
J200-24
100pF
C505
J200-18
J200-16
RECEIVER
16.8MHz
CLK
DACRx
DATA
DEMOD
LVZIF_SEL
R5
RSSI
RX_IN RX_INJ
Vdda
79
GND1
PC0
1
PC1
2
PC2
48
PC3
SWITCH
S501
C0
C0
C1C1
GND
J200-27
J200-13
J200-20
J200-14
J200-4
J200-6
J200-11
J200-8
.01uF
C523
J200-37
J200-26
24
13
J200-38
CR503
F501
24V
21
VR441
6.8V
TRANSMITTER
5V
CLK
CSX
DATA
RESET
RX_IN TX_INJ
UNSWB+
680
R501
10K
R505
1A1
3A2 2
B1 4
B2
L505
390nH
SWITCH
PB501
CONN_J
B501
2DATA
1NEG
3POS
100pF
C547
100pF
C546
100pF
C545
100pF
C544
NU
C543
100pF
C528 12V
VR439
NU
C542C540
NU
C541C539
NUNU
0.47uF
100pF
C538 C502
100pF
C512
.01uF
C520
100pF
C537
NU
R511
2
B1 4
B2
C522
.01uF
SWITCH
PB505
1A1
3A2
0
16.8MHz
5V
CLK
CSX
DATA
LOCK
MODIN
R5
RX_INJ
SWB+
TX_INJ
Vdda
R507
6.8V
FGU
100pF
C535
VR444
47K
R506
0
R510
100pF
NU
R509
C555
J200-35
100pF
C553
100pF
C552
100pF
C551C549
100pF
C550C548
100pF
16.8MHz
UNSWB+
SB2
SB3
SB1
PTT
NU
5V
LI_ION
RSSI
CLK
LVZIF_SEL
BATT_CODE
SWB+
SWB+
Vdda
MODIN
LOCK
RESET
DACRX
UNSWB+
SB1
DEMOD
SB3
DATA
RED_LED
GREEN_LED
MECH_SWB+
RTA0
RTA1
RTA2
RTA3
PTT
SB2
EMER
VOL
CSX
Vdda
SWB+
UNSWB+
RESET
DATA
CSX
CLK
5V
GND
RTA0
RTA1
RTA2
RTA3
VOL
MECH_SWB+
EMER
LI_ION BATT_CODE
Vdda
Vdda
DACRX
DEMOD
RSSI
LVZIF_SEL
16.8MHz
LOCK
MODIN
5V
GREEN_LED
SWB+
RED_LED
UHF Controls And Switches Schematic Diagram
(sheet 2 of 2 for 8404077G09 PCB)

Circuit Board/Schematic Diagrams and Parts List 5B-21
100pF
C386
Q310
1
3
2
NU
R331 C372
R330 C371
NU NU NU NU
21
R335
RT301
R338
C391
6.8K
R325
R5
NU
NU
NU
NU
VR300
R326
Q316
1
3
2
R334
NU
NUNU
NU
33.0K
RT300
2
1
1
3
2
Q315
R319
150
R318
18K
R327
33K
C333
R336
R5
NU
NU
R316
91K
C396
NU
C397
1uF
2.2K
R300
RSSI
RX_INJ
100pF
C370
0
R339
R332
NU
100pF
C374
R333
0
R349
L321
C373
NU NU
NU C378
NU
100pF
C375
16.28nH
L309
C320 C319
7.5pF 1.8pF
2
T302
XFMR
46
31
C381
9.1pF
TP302
3.6K
R348
R5
7.5pF
C318
9.1pF
C317
R329
0
CR305CR304
100K
R307R306
100K
L306
13.9nH
L307
13.9nH
C316
3.9pF
C313
10pF
C311
27nH
L305 6.8pF
C312
C306
NU
NU
R303
1K
C310
0.1uF
Q301
1
3
2
R340
6.8K
2.7
R328
C314
0.1uF510
12K
R305
C309
100pF
R304
180nH
L304
100pF
C321
100pF
C315
R5
R342
100K
C380
.01uF
DACRx
2
XFMR
T301
4
6
3
1
18
R309
270
270 R310
R308
CR306 34
IF
21
82pF
C322
L310
150nH
R317
1K
2
3
CR308
HSMP3820
1
100pF
C331C395
100pF
L340
390nH
R347
1K
R5
C301
3.6pF
RX_IN
CR301
13.9nH
L301
C302
10pF
CR302
R302
100K
R301
100K
3.9pF
C303
100pF
C308
C305
20pF
L302
13.9nH C304
9.1pF
CR303
2
3
1220nH
L303
C307
0.1uF
SHIELD
SH301
1
RXFE Top Shield
SH302
1
SHIELD
1
SH304
SHIELD
RXFE Bottom Shield
RX Mixer Diod Shield
SH303
SHIELD
1
Mixer Shield
UHF Receiver Front End Schematic Diagram

5B-22 Circuit Board/Schematic Diagrams and Parts List
Vdd_FILTERED
(SOURCE)
L331
2.2uH R343
10
10uF
C382
C329
0.1uF
0.1uF
C348
0.1uF
C344
Vdda
C343
0.22uF
0.1uF
C347 C346
0.1uF 0.1uF
C345
DEMOD
100K
R350
C390
100pF
R344
12K
100pF
C383
Vdd_FILTERED
C349
.022uF
C350
330pF
C351
20pF
.022uF
C334
16.8MHz
CLK
DATA
LVZIF_SEL
0.22uF
C357
1200pF
C358
C359
0.1uF
VAG
VAG_REF
ROSE_VCC
ROSE_VSS
LIM
PHASE_LOCK
DEMOD_OUT
C4M
DEMOD_HF
C1M
C2M
C3M
TESTA
IOUT
MLPD_CR
FREF
GND
GOLD_VSS
CEX
CLK
COL
DATA
BROWN_VCC
BRP_OFF
PRE_AGC
GREEN_VSS
MIX_BYP
MIX_IN
PREAMP_OUT
GREEN_VCC
C3P
C4P
BLUE_VSS
C1P
C2P
BLUE_VCC
TESTD
VPP
PRE_IN
RED_VCC
RED_VSS
RSSI_FLT
RSSI_OUT
EMIT
EXTBS
GOLD_VCC
AFC
BASE
U301
32D83
8
9
3
1
2
5
4
11
6
10
7
12
16
15
24
21
20
14
19
18
13
17
22
23
48
43
42
46
47
41
38
37
44
40
39
45
32
25
30
29
31
26
27
36
28
33
34
35
0.15uF
15pF
C338
C361
.01uF
RSSI
C328
0.1uF
R314
3K
R5
330
R313
C355
C337
100pF
.022uF
C356
C326
.01uF
L314
2.2uH
C336
0.1uF
Vdd_FILTERED
C342
1uF
C341
1uF
C340
1uF
1uF
C339
LVZIF BTM SHEILDCRYSTAL FILTER SHIELD LVZIF TOP SHEILD
SH322
SHIELD
SH321
SHIELD
SH323
SHIELD
111
BFQ67W
Q320
3
2
12pF
C352
1
C353
43pF
0
R355
R320
3.9K
2.2uH
L325
R346
56K
47pF
C354
2K
R324
CR310
C385
56pF 100nH
L332
1K
R321 R322
200K8200pF
C364C362
0.1uF
C363
1uF
C384
56pF
10K
R345
C360
.022uF
680nH
L330
C330
10pF
C327
100pF
2.4K
R312
Q302
R351
0
R315
12K
.01uF
C325
30K
R311
3.3K
R352
XTAL
FL301
TBD
OUTIN
GND
GND1
GND2
GND3
36
1
2
4
5
IF
C323
150pF L311
750nH
20pF
C324
UHF Receiver Back End Schematic Diagram

Circuit Board/Schematic Diagrams and Parts List 5B-23
GND
3
2
NC
14
U210
TC7SET04FU
VCC 5GND
3
2
NC
14
VCC 5
U211
TC7SET04FU
C296
0.1uF
C265
NU 100pF
C257
A2
A3
K1
K2
K3
A1
CR201
5
4
6
1
2
3
C258
.01uF
.01uF
C259
C230
100pF 1000pF
C229
4.7uF
C228
C219
0.22uF
0.1uF
C292
C298
0.1uF
L202
2.2uH
(SOURCE)
5V
0.47uF
C291
0.1uF
C223
2.2uF
C235
2
4
6
5
3
1
U247
ADP3300
GND
IN
SD
NR
OUT
ERR
C293
0.47uF100pF
C294
L203
2.2uH
SWB+
Vdda
LP2980
U248
ON_OFF*
VIN
GND
VOUT
NC
31
5
2
4
C277
100pF 2.2uF
C278
4V_3.3V
C233
0.1uF
R255
4.3K
C279
2.2uF
.047uF
C232
C234
0.47uF
R231
120
R256
30
R5
0.1uF
C231
620
R232
R233
560
12uH
L232
1
3
Q210
2
4
5V
100pF
C260
AUX3
AUX4
LOCK
C213
100pF
TP201
1
XTAL1
XTAL2
VMULT1
VMULT2
VMULT3
VMULT4
MODOUT
FREFOUT
AUX4
AUX1
AUX2
AUX3
23
24
15
14
12
11
19
41
48
1
2
3
TEST2
WARP
SFOUT
TEST1
IADAPT
INDMULT
IOUT
LOCK
ADAPTSW
25
28
37
38
45
16
43
4
46
VCP
VRO
PRE_VDD
PD_VDD
DVDD
AVDD
47
13
5
34
36
20
VBPASS
PVREF
SFIN
MODIN
BIAS1
BIAS2
CEX
CLK
DATA
21
35
30
10
40
39
9
8
7
REFSEL
SFBASE
SFCAP
NC1
NC2
NC3
PREIN
CCOMP
18
27
26
17
29
31
32
42
PD_GND
PRE_GND
DGND
AGND
44
33
6
22
U201
63A27
C204
100K
R202
82K
R201
100pF
C211
C214
100pF
DATA
MODIN
2.2uF
100pF
C264
39nH
L261
C263
0.75pF
PRESC
100pF
C210
C212
100pF
CSX
CLK
VSF
1000pF
C202C201
100pF 4.7uF
C203
SH201
SHIELD
1
SYNTHESIZER TOP SHIELD
SH202
SHIELD
1
SYNTHESIZER BOTTOM SHIELD
R204
47K
CR203
45J49
FL201
GND
3
IN
1OUT 2
C208
1.6pF
C207
56pF
C206
330pF
NU
R281
VCTRL
470pF
C238
1
TP202
0.1uF
C224
2.2uF
C217 C218
0.1uF 100pF
C220
2.2uH
L201
16.8MHz
UHF Synthesizer Schematic Diagram

5B-24 Circuit Board/Schematic Diagrams and Parts List
33nH
L273
390nH
L281
100pF
C281
240
R245
2.2uF
C276
NU
C272
0.1uF
C273
C286
0.1uF
L271
68nH
Rx_sw
Tx_sw
PRESC
NU
C271
TX_SWITCH
VCC_BUFFERS
VCC_LOGIC
RX_OUT
RX_SWITCH
SUPER_FLTR
TRB_IN
TX_BASE
TX_EMITTER
TX_IADJ
TX_OUT
FLIP_IN
GND_BUFFERS
GND_FLAG
GND_LOGIC
PRESC_OUT
RX_BASE
RX_EMITTER
RX_IADJ
COLL_RFIN
U241
50U54
11 917
10
13
8
7
12
2
3
19
16
15
1
4
20
5
6
1418
1
SHIELD
SH242
1
SH241
SHIELD
VCO TOP SHIELD VCO BOTTOM SHIELD
R260
1K
C297
.01uF
4
1
3
Q260
2
AUX3
5V
AUX4
1
3
Q261
2
100pF
C289
330
R252 R251
18
100pF
C255
R254
7.5K
1
2
3
3.6pF
L253
RESONATOR
C254
P1
P2
P3
C253
1.5pF CR251
10pF
C252
C247
100pF
30
R248
0.1uF
C248
7.5K
R253
Tx_sw
100pF
C251
L251
33nH
CR242
L241
CR243
390nH
VCTRL
100pF
C241
2
CR241
1
3
L282
390nH
1
3
2
Q241
BFQ67W
VSF
R244
12K
R243
10K
2.4pF
C245
C244
2pF
Rx_sw
1
7.5pF
C242
7.5pF
C243
C250
7.5pF
220nH
L242
100pF
C246
R241
18
R242
200 L243
RESONATOR
2
3
VSF
C285
100pF
TX_INJ
RX_INJ
4
UHF Voltage Controlled Oscillator Schematic Diagram

Circuit Board/Schematic Diagrams and Parts List 5B-25
VAR1
VAR2
VAR3
VG
VL VLIM
RS
RSET
RXT1
TEMP
V10
V45
V5EXT
F168
GND1
GND2
INT
NA
Q
QX
RFIN
CEX
CI
CJ
CL
CLK
CQ
CQX DATA
ANO
BPOS
U102
H99S
20
18
24
19
21
23
17
22
31
30
25
29
26
28
32
27
6
2
8
4
1
3
5
7
15
14
16
9
11
10
12
13
C173
.022uF
10K
R131
GND3
1
POS
2
VOUT
LM50
CR105
10K
R130
0.1uF
C126
C170
100pF
5V
100pF
C110
RESET
C132
100pF
C105
100pF
6
4
1
3
Q111
2
UNSWB+
100pF
C174 100pF
C122
R133
CLK
DATA
UNSWB+
CSX
NU
.022uF
C131
L114
390nH
7.5pF
C129
5.6nH
L113
R132
470K
100pF
C165
C166
100pF
3.9pF
C169
UNSWB+
C134
3300pF .022uF
C135
C138
100pF
1000pF
C133
R109
200K
L115
390nH
5
12
13
4
RFOUT1
RFOUT2VCNTRL
VD1 VG1
VG2
GND2
GND3
GND4
NC1
NC2
NC3
NC4
RFIN
G2
GND1
U101
09Z67
1
14
8
9
10
15
16
11
6
7
2
3
C161
0.1uF
200
R161
C127
1000pF
.022uF
C128
390nH
L112
100pF
C130
UNSWB+
100pF
C160
10pF
C120
C121
100pF
15.0nH
L160
.022uF
C152
R108
NU
R107
C151
100pF C150
.022uF
NU
300
R110
2K
R104
R111
20
300
R112 C125
100pF
C295
100pF
TX_INJ
4.22nH
L108 11.03nH
L109
C118
100pF
30pF
C117
10
R106
C116
33pF15pF
C115
2
Q110
R103
43
R175
6.2
R176
6.2
0.1uF
C172
R172
200
Microstrip
C113
L106
10pF
7.66nH
19.61nH
L104
C111
13pF
1
3
C112
47pF
RX_IN
Microstrip
Microstrip
C108
100pF
CR101
C109
100pF
L105
390nH
UNSWB+
C104
6.2pF
19.61nH
L101
C103
10pF6.2pF
C102
19.61nH
L102
100pF
C101
4GND
1
2
3
J101
RF_JACK
C141
9.75nH
L116 NU
TAB1
1
TAB2
2
TAB3
3
TAB4
4
TAB5
5
ANTENNA_NUT
J102
POS
1
HEATSINK
H101 C140
NU
P100
BEAD
E101
C123
0.1
10uF
R102
100pF
C114
33.47nH
L107
3.3pF
C107C106
4.7pF
CR102
1
1
2
2
3
R171
C171
100pF R173
1MEG
100pF
C119 0
R120
1
SHIELD
SH100
HF SHIELD
1
SH101
SHIELD
PA SHIELD
NU
R101
240
R170
240
20pF
C175
UHF Transmitter Schematic Diagram

5B-26 Circuit Board/Schematic Diagrams and Parts List
UHF Band 1 Radio Parts List (RF
Board)
Circuit
Ref
Motorola
Part No. Description
B501 0986237A02 Battery Contact Connector
B503 3980502Z01 Contact, Backup B+
(not used in GP328 Plus)
B504 3980501Z01 Contact, Backup B-
(not used in GP338 Plus)
C101 2113740F51 100
C102 2113740F22 6.2
C103 2113740F27 10.0
C104 2113740F22 6.2
C105 2113743N50 100.0 pF, 5%
C106 2113740F19 4.7 pF
C107 2113740F15 3.3
C108 2113743N50 100.0 pF, 5%
C109 2113740F51 100
C110 2113743N50 100.0 pF, 5%
C111 2113740F31 15 pF
C112 2180605Z32 47 pF
C113 2180605Z16 10 pF
C114 2113743N50 100.0 pF, 5%
C115 2113743N35 24 pF, 5%
C116 2113743N35 24 pF, 5%
C117 2113743N34 22.0 pF, 5%
C118 2113743N50 100.0 pF, 5%
C119 2113743N50 100.0 pF, 5%
C120 2113743N27 11.0 pF, 5%
C121 2113743N50 100.0 pF, 5%
C122 2113743N50 100.0 pF, 5%
C123 2311049A18 10 uF, 10%
C125 2113743N50 100.0 pF, 5%
C126 2113743M24 100000 pF, +80% / -20%
C127 2113743L17 1000 pF, 10%
C128 2113743M08 22000 pF, +80% / -20%
C129 2113743N23 7.5 pF, 0.5 pF
C130 2113743N50 100.0 pF, 5%
C131 2113743M08 22000 pF, +80% / -20%
C132 2113743N50 100.0 pF, 5%
C133 2113743L17 1000 pF, 10%
C134 2113743L29 3300 pF, 10%
C135 2113743M08 22000 pF, +80% / -20%
C138 2113743N50 100.0 pF, 5%
C140 0662057A67 5600, 5%
C141 NOT PLACED
C150 2113743M08 22000 pF, +80% / -20%
C151 2113743N50 100.0 pF, 5%
C152 2113743M08 22000 pF, +80% / -20%
C160 2113743N50 100.0 pF, 5%
C161 2113743M24 100000 pF, +80% / -20%
C165 2113743N50 100.0 pF, 5%
C166 2113743N50 100.0 pF, 5%
C169 2113743N20 5.6 pF, 0.5 pF
C170 2113743N50 100.0 pF, 5%
C171 2113743N50 100.0 pF, 5%
C172 2113740F51 100
C173 2113743M08 22000 pF, +80% / -20%
C174 2113743N50 100.0 pF, 5%
C175 2113740F51 100
C201 2113743N50 100.0 pF, 5%
C202 2113743L17 1000 pF, 10%
C203 2311049A56 4.7 uF
C204 2104993J02 2.2 uF
C206 2113740F63 330 , 5%
C207 2113743N40 39.0 pF, 5%
C208 NOT PLACED
C210 2113743N50 100.0 pF, 5%
C211 2113743N50 100.0 pF, 5%
C212 2113743N50 100.0 pF, 5%
C213 2113743N50 100.0 pF, 5%
C214 2113743N50 100.0 pF, 5%
C217 2104993J02 2.2 uF
C218 2113743M24 100000 pF, +80% / -20%
C219 2113743K16 0.220 uF, +80% / -20%
C220 2113743N50 100.0 pF, 5%
C223 2113743M24 100000 pF, +80% / -20%
C224 2113743M24 100000 pF, +80% / -20%
C228 2311049J11 4.7 uF, 10%
C229 2113743L17 1000 pF, 10%
C230 2113743N50 100.0 pF, 5%
C231 2113743M24 100000 pF, +80% / -20%
C232 2113743E12 0.047 uF, 10%
C233 2311049A01 0.1
C234 2311049A05 0.47 uF, 10%
C235 2104993J02 2.2 uF
C238 2113741F17 470
C241 2113743N50 100.0 pF, 5%
C242 2113743N23 7.5 pF, 0.5 pF
C243 2113743N23 7.5 pF, 0.5 pF
C244 2113740F10 2.0
C245 2113743N11 2.4 pF, 0.25 pF
C246 2113743N50 100.0 pF, 5%
C247 2113743N50 100.0 pF, 5%
C248 2113743M24 100000 pF, +80% / -20%
C250 2113743N23 7.5 pF, 0.5 pF
C251 2113743N50 100.0 pF, 5%
C252 2113743N26 10.0 pF, 5%
C253 2113740F09 1.8
C254 2113743N15 3.6 pF, 0.25 pF
C255 2113743N50 100.0 pF, 5%
C257 2113743N50 100.0 pF, 5%
Circuit
Ref
Motorola
Part No. Description
C258 2113743L41 10000 pF, 10%
C259 2113743L41 10000 pF, 10%
C260 2113743N50 100.0 pF, 5%
C263 2113743N02 0.75 pF, 0.25 pF
C264 2113743N50 100.0 pF, 5%
C265 NOT PLACED
C271 NOT PLACED
C272 NOT PLACED
C273 2113743M24 100000 pF, +80% / -20%
C276 2104993J02 2.2 uF
C277 2113743N50 100.0 pF, 5%
C278 2311049A09 2.2 uF, 10%
C279 2104993J02 2.2 uF
C281 2113743N50 100.0 pF, 5%
C285 2113743N50 100.0 pF, 5%
C286 2113743M24 100000 pF, +80% / -20%
C289 2113743N50 100.0 pF, 5%
C291 2311049A69 10.0 uF, 20%
C292 2113743M24 100000 pF, +80% / -20%
C293 2113743A27 0.470 uF, 10%
C294 2113743N50 100.0 pF, 5%
C295 2113743N50 100.0 pF, 5%
C296 2113743M24 100000 pF, +80% / -20%
C297 2113743L41 10000 pF, 10%
C298 2113743M24 100000 pF, +80% / -20%
C301 2113743N15 3.6 pF, 0.25 pF
C302 2113743N26 10.0 pF, 5%
C303 2113740L08 3.9 pF, 0.1 pF
C304 2113743N26 10.0 pF, 5%
C305 2113743N33 20.0 pF, 5%
C306 NOT PLACED
C307 2113743M24 100000 pF, +80% / -20%
C308 2113743N50 100.0 pF, 5%
C309 2113743N50 100.0 pF, 5%
C310 2113743M24 100000 pF, +80% / -20%
C311 NOT PLACED
C312 2113743N25 9.1 pF, 0.5 pF
C313 2113743N26 10.0 pF, 5%
C314 2113743M24 100000 pF, +80% / -20%
C315 2113743N50 100.0 pF, 5%
C316 2113740L08 3.9 pF, 0.1 pF
C317 2113743N25 9.1 pF, 0.5 pF
C318 2113743N23 7.5 pF, 0.5 pF
C319 2113743N69 1.8 pF, 0.25 pF
C320 2113743N23 7.5 pF, 0.5 pF
C321 2113743N50 100.0 pF, 5%
C322 2113743N48 82.0 pF, 5%
C323 2113743N54 150.0 pF, 5%
C324 2113743N33 20.0 pF, 5%
C325 2113743L41 10000 pF, 10%
C326 2113743L41 10000 pF, 10%
Circuit
Ref
Motorola
Part No. Description
C327 2113743N50 100.0 pF, 5%
C328 2113743M24 100000 pF, +80% / -20%
C329 2113743M24 100000 pF, +80% / -20%
C330 2113743N26 10.0 pF, 5%
C331 2113743N50 100.0 pF, 5%
C333 NOT PLACED
C334 2113743M08 22000 pF, +80% / -20%
C336 2113743M24 100000 pF, +80% / -20%
C337 2113743N50 100.0 pF, 5%
C338 2113743N30 15.0 pF, 5%
C339 2180478Z20 1.0 uF
C340 2180478Z20 1.0 uF
C341 2180478Z20 1.0 uF
C342 2180478Z20 1.0 uF
C343 2113743A23 0.220 uF, 10%
C344 2113743M24 100000 pF, +80% / -20%
C345 2113743M24 100000 pF, +80% / -20%
C346 2113743M24 100000 pF, +80% / -20%
C347 2113743M24 100000 pF, +80% / -20%
C348 2113743M24 100000 pF, +80% / -20%
C349 2113743E07 0.022 uF
C350 2113743L05 330 pF, 10%
C351 2113743N33 20.0 pF, 5%
C352 2113743N28 12.0 pF, 5%
C353 2113743N41 43.0 pF, 5%
C354 2113743N42 47.0 pF, 5%
C355 2113743A24 0.330 uF, 10%
C356 2113743M08 22000 pF, +80% / -20%
C357 2113743A23 0.220 uF, 10%
C358 2113741A23 1200 pF, 5%
C359 2109720D14 0.1 uF
C360 2113743E07 0.022 uF
C361 2113741F49 10000
C362 2113743M08 22000 pF, +80% / -20%
C363 2311049A40 2.2 uF, 10%
C364 2113743L41 10000 pF, 10%
C370 2113743N50 100.0 pF, 5%
C371 NOT PLACED
C372 NOT PLACED
C373 NOT PLACED
C374 2113743N50 100.0 pF, 5%
C375 2113743N50 100.0 pF, 5%
C378 NOT PLACED
C380 2113743L41 10000 pF, 10%
C381 2113743N21 6.2 pF, 0.5 pF
C382 2311049A59 10 uF, 10%
C383 2113743N50 100.0 pF, 5%
C384 2113743N44 56.0 pF, 5%
C385 2113743N44 56.0 pF, 5%
C386 2113743N50 100.0 pF, 5%
C390 2113743N50 100.0 pF, 5%
Circuit
Ref
Motorola
Part No. Description

Circuit Board/Schematic Diagrams and Parts List 5B-27
C391 NOT PLACED
C395 2113743N50 100.0 pF, 5%
C396 NOT PLACED
C397 2311049A05 0.47 uF, 10%
C502 2311049A05 0.47 uF, 10%
C503 2113743N50 100.0 pF, 5%
C505 2113743N50 100.0 pF, 5%
C511 2113743N50 100.0 pF, 5%
C512 2113743N50 100.0 pF, 5%
C513 2113743N50 100.0 pF, 5%
C514 2113743N50 100.0 pF, 5%
C520 2113743L41 10000 pF, 10%
C521 NOT PLACED
C522 2113743L41 10000 pF, 10%
C523 2113743L41 10000 pF, 10%
C525 2113743N50 100.0 pF, 5%
C526 2113743N50 100.0 pF, 5%
C527 2113743N50 100.0 pF, 5%
C528 2113743N50 100.0 pF, 5%
C529 2113743N50 100.0 pF, 5%
C530 2113743N50 100.0 pF, 5%
C531 2113743N50 100.0 pF, 5%
C532 2113743N50 100.0 pF, 5%
C533 2113743N50 100.0 pF, 5%
C534 2113743N50 100.0 pF, 5%
C535 2113743N50 100.0 pF, 5%
C536 2113743N50 100.0 pF, 5%
C537 2113743N50 100.0 pF, 5%
C538 2113743N50 100.0 pF, 5%
C539 NOT PLACED
C540 NOT PLACED
C541 NOT PLACED
C542 NOT PLACED
C543 NOT PLACED
C544 2113743N50 100.0 pF, 5%
C545 2113743N50 100.0 pF, 5%
C546 2113743N50 100.0 pF, 5%
C547 2113743N50 100.0 pF, 5%
C548 NOT PLACED
C549 2113743N50 100.0 pF, 5%
C550 2113743N50 100.0 pF, 5%
C551 2113743N50 100.0 pF, 5%
C552 2113743N50 100.0 pF, 5%
C553 2113743N50 100.0 pF, 5%
C554 2113743L41 10000 pF, 10%
C555 2113743N50 100.0 pF, 5%
CR101 4880973Z02 PIN Diode
CR102 4802245J41 PIN Diode
CR103 4802245J41 PIN Diode
CR105 5185963A15 Temperature Sensor
CR160 NOT PLACED
Circuit
Ref
Motorola
Part No. Description
CR201 4802233J09 Triple Diode
CR203 4862824C03 Varactor Diode
CR241 4805649Q13 Varactor Diode
CR242 4862824C01 Varactor Diode
CR243 4862824C01 Varactor Diode
CR251 4802245J22 Varactor Diode
CR301 4862824C01 Varactor Diode
CR302 4862824C01 Varactor Diode
CR303 4880154K03 Dual Diode
CR304 4862824C01 Varactor Diode
CR305 4862824C01 Varactor Diode
CR306 4802245J42 Ring Quad Diode
CR308 4802245J41 PIN Diode
CR310 4862824C01 Varactor Diode
CR501 4880107R01 Rectifier
CR503 4805729G49 Red / Yellow Diode
E101 2484657R01 Inductor Bead Chip
F501 6580542Z01 Fuse 3A
FL201 **4805875Z04 Crystal 16.8 MHz
FL301 9186153B01 X’tal Filter
H101 2680499Z01 Heat Spreader
J101 0985613Z01 RF Jack
J102 0280519Z02 Antenna Nut
(Ref: 0280519Z04)
J200 0905505Y04 Conn ZIF Horizontal
L101 2479990B02 19.61 nH
L102 2479990B02 19.61 nH
L104 2479990B02 19.61 nH
L105 2462587N22 390 nH, 10%
L106 2479990A02 7.66 nH
L107 2479990G01 33.47 nH
L108 2479990A01 4.22 nH
L109 2479990B01 11.03 nH
L112 2462587N45 22 nH, 5%
L113 2413926H09 5.6 nH, 0.3 nH
L114 2462587N45 22 nH, 5%
L115 2462587N22 390 nH, 10%
L116 2479990A03 9.75 nH
L160 2413926H14 15.0 nH, 5%
L201 2462587Q20 2200 nH, 20%
L202 2462587Q20 2200 nH, 20%
L203 2462587Q20 2200 nH, 20%
L232 2462587P25 12000 nH, 5%
L241 2462587V41 390 nH, 10%
L242 2462587V38 220 nH, 5%
L243 2460593C01 Teflon Resonator
L251 2462587V28 33 nH, 5%
L253 2460593C02 Teflon Resonator
L261 2462587V29 39 nH, 5%
L271 2462587V32 68 nH, 5%
L273 2462587V28 33 nH, 5%
Circuit
Ref
Motorola
Part No. Description
L281 2462587V41 390 nH, 10%
L282 2462587V41 390 nH, 10%
L301 2479990C01 13.9 nH
L302 2479990C01 13.9 nH
L303 2462587V26 22 nH, 5%
L304 2462587V37 180 nH, 5%
L305 2462587V26 22 nH, 5%
L306 2479990C01 13.9 nH
L307 2479990C01 13.9 nH
L309 2479990C02 16.28 nH
L310 2462587V36 150 nH, 5%
L311 2462587N65 750 nH, 5%
L314 2462587N72 2200 nH, 5%
L321 NOT PLACED
L325 2480646Z20 2.20 uH
L330 2462587N64 680 nH, 5%
L331 2480646Z20 2.20 uH
L332 2462587N53 100 nH, 5%
L340 2462587V41 390 nH, 10%
L505 2462587Q42 390 nH, 10%
P100 3905643V01 Ground Contact
PB501 4070354A01 Light Touch Switch
PB502 4070354A01 Light Touch Switch
PB504 4070354A01 Light Touch Switch
PB505 4070354A01 Light Touch Switch
Q110 4813828A09 Transistor 8W 450MHz
Q111 4809939C05 Transistor Dual NPN / PNP
Q210 4809939C05 Transistor Dual NPN / PNP
Q241 4805218N63 RF Transistor BFQ67W
Q260 4809939C05 Transistor Dual NPN / PNP
Q261 4809939C05 Transistor Dual NPN / PNP
Q301 4802245J44 NPN Silicon Bipolar Transistor
Q302 4802245J44 NPN Silicon Bipolar Transistor
Q310 NOT PLACED
Q315 4880214G02 Transistor MMBT3904
Q316 NOT PLACED
Q320 4805218N63 RF Transistor BFQ67W
Q502 5180159R01 Dual Transistor NPN
Q505 4880214G02 Transistor MMBT3904
R101 0662057A34 240, 5%
R102 0680539Z01 Power Metal Strip Resistor
R103 0662057M41 43, 5%
R104 0662057N15 47 k, 5%
R106 0662057M26 10, 5%
R107 NOT PLACED
R108 0662057M92 5600, 5%
R109 0662057N30 200 k, 5%
R110 0662057M61 300, 5%
R111 0662057M33 20, 5%
R112 0662057M61 300, 5%
R120 0662057N14 43 k, 5%
Circuit
Ref
Motorola
Part No. Description
R130 0662057M98 10 k, 5%
R131 0662057N05 18 k, 5%
R132 0662057N33 270 k, 5%
R133 NOT PLACED
R136 NOT PLACED
R161 0662057M57 200, 5%
R170 0662057A34 240, 5%
R171 0662057N14 43 k, 5%
R172 0662057A32 200, 5%
R173 0662057N29 180 k, 5%
R174 0662057N15 47 k, 5%
R175 0662057B59 3.0, 5%
R176 0662057B59 3.0, 5%
R201 0662057N21 82 k, 5%
R202 0662057N23 100 k, 5%
R204 0662057N15 47 k, 5%
R231 0662057M52 120, 5%
R232 0662057M69 620, 5%
R233 0662057M68 560, 5%
R241 0662057M32 18, 5%
R242 0662057M57 200, 5%
R243 0662057M98 10 k, 5%
R244 0662057N01 12 k, 5%
R245 0662057M59 240, 5%
R248 0662057M37 30, 5%
R251 0662057M32 18, 5%
R252 0662057M62 330, 5%
R253 0662057M95 7500, 5%
R254 0662057M95 7500, 5%
R255 0662057M89 4300, 5%
R256 0662057M37 30, 5%
R260 0662057M74 1000, 5%
R281 NOT PLACED
R300 0662057M82 2200, 5%
R301 0662057N23 100 k, 5%
R302 0662057N23 100 k, 5%
R303 0662057M74 1000, 5%
R304 0662057N01 12 k, 5%
R305 0662057M67 510, 5%
R306 0662057N23 100 k, 5%
R307 0662057N23 100 k, 5%
R308 0662057M60 270, 5%
R309 0662057M32 18, 5%
R310 0662057M60 270, 5%
R311 0662057N10 30 k, 5%
R312 0662057M83 2400, 5%
R313 0662057M62 330, 5%
R314 0662057M85 3000, 5%
R315 0662057N01 12 k, 5%
R316 0662057A96 91 k, 5%
R317 0662057M74 1000, 5%
Circuit
Ref
Motorola
Part No. Description

5B-28 Circuit Board/Schematic Diagrams and Parts List
* Motorola Depot Servicing only
** Not Serviceable
R318 0662057A79 18 k, 5%
R319 0662057A29 150, 5%
R320 0662057M74 1000, 5%
R321 0662057M83 2400, 5%
R322 0662057N30 200 k, 5%
R324 0662057M81 2000, 5%
R325 0662057M94 6800, 5%
R326 NOT PLACED
R327 0662057N11 33 k, 5%
R328 0662057M12 2.7, 5%
R329 0662057M01 0, 5%
R330 NOT PLACED
R331 NOT PLACED
R332 NOT PLACED
R333 NOT PLACED
R334 NOT PLACED
R335 NOT PLACED
R336 NOT PLACED
R338 NOT PLACED
R339 0662057M01 0, 5%
R340 0662057M94 6800, 5%
R342 0662057N23 100 k, 5%
R343 0662057M26 10, 5%
R344 0662057N01 12 k, 5%
R345 0662057M98 10 k, 5%
R346 0662057N17 56 k, 5%
R347 0662057M74 1000, 5%
R348 0662057M87 3600, 5%
R349 0662057C01 0
R350 0662057N23 100 k, 5%
R351 0662057C01 0
R352 0662057M86 3300, 5%
R355 0662057M01 0, 5%
R501 0662057M70 680, 5%
R502 0662057M56 180, 5%
R505 0662057M98 10 k, 5%
R506 0662057N15 47 k, 5%
R507 0662057M01 0, 5%
R509 0662057M01 0, 5%
(not used in GP328 Plus)
R510 0662057M01 0, 5%
R511 NOT PLACED
RT300 0680590Z01 Thermistor 33k
RT301 NOT PLACED
S501 4080710Z01 Channel Switch
(Ref: 4080710Z09)
4080710Z05 Channel Switch (used in
PMUE2048_ only)
(Ref: 4080710Z12)
S502 1880619Z02 Potentiometer (Volume)
SH100 2680507Z01 Shield, Harmonic Filter
Circuit
Ref
Motorola
Part No. Description
SH101 2680510Z01 Shield, PA
SH201 2680511Z01 Shield, Synthesizer
SH202 2680511Z01 Shield, Synthesizer
SH241 2604120G01 Shield, VCO
SH242 2680514Z01 Shield, VCO Bottom / LVZIF
SH301 2680554Z01 Shield, Receiver Front End
Top
SH302 2680555Z01 Shield, Receiver Front End
Bottom
SH303 2680509Z01 Shield, Mixer
SH304 2680624Z01 Shield, Mixer Diode
SH321 2680508Z01 Shield, LVZIF 2nd LO
SH322 2680514Z01 Shield, VCO Bottom / LVZIF
SH323 2604082P01 Shield, X’tal Filter
T301 2580541Z02 Balun Transformer
T302 2580541Z02 Balun Transformer
TP201 NOT PLACED
TP202 NOT PLACED
TP302 NOT PLACED
U101 5185130C65 LDMOS Driver
U102 5185765B26 PCIC
U201 5185963A27 LVFRACN
U210 5102463J61 Inverter
U211 5102463J61 Inverter
U241 5105750U54 VCO Buffer
U247 5105739X05 5V Regulator
U248 5102463J58 3.3V Regulator
U301 5109632D83 LVZIF
VR300 NOT PLACED
VR439 4880140L17 12V Zener Diode
VR440 4802245J73 6.8V Zener Diode
VR441 4802245J73 6.8V Zener Diode
VR443 4802245J73 6.8V Zener Diode
VR444 4802245J73 6.8V Zener Diode
VR501 4813830A18 6.8V Diode
VR506 4802245J73 6.8V Zener Diode
8404077G05 RF PCB
8404077G06 RF PCB
8404077G07 RF PCB
8404077G09 RF PCB
Circuit
Ref
Motorola
Part No. Description

Troubleshooting charts 5B-29
9.0 Troubleshooting charts
MCU Check
Power Up
Alert Tone
OK?
Speaker
OK?
U409 EXTAL=
7.3728 MHz?
U201 Pin 19
16.8 MHz
5V at U247?
3.3V at U248?
U409 Reset Pin
94 High?
MCU is OK
Not able to pro-
gram RF Board
ICs
Before replacing
MCU, check SPI
clock, SPI data, and
RF IC select
Replace Speaker
Read Radio OK? Check
Setup
Reprogram the
correct data.
See FGU
Troubleshooting
7.5V at
Pin 3/5 U247? 4/
3.3V at Pin 1
U248
Check
Q400
Replace U247/
U248
Check any short to
SWB+,
Vdda or Vddd
Press PTT. Red
LED does not
light up
PTT U409 Pin
53
low?
Press PTT
Q502-2 High?
Check
PB504
Check
Q502-2
voltage
LED
Q502,R501
OK?
Replace
Faulty
Component
Check
Accessories
J403 OPT_SEL_1
& OPT_SEL_2
Pin 8 & 9
low?
Radio could
not PTT
externally
U409
Pin 52, 6
low?
See FGU
Troubleshooting
chart
LED should
light up
Check
MCU
PTT
NO
YES
YES
No
No
NO
YES YES
NO
YES
YES
NO
NO
YES
YES
NO
NO
YES
NO
YES
NO
YES
YES
NO
NO
YES
EXT
SPKR
EXT
PTT
INT
AUDIO
J403 Pin 9 low?
Pin 8 high?
ASFIC U404 Pin
14 & 15 high?
Check
Accessories
Check
U404
Check
U420 Audio PA
NO
NO
YES
YES
J403 Audio
at Pin 2 &
Pin 3
Check Spk. Flex
Connection
Audio at
AudioPA
(U420)
input
(U447)
Audio from Pin 41
ASFIC, U404?
Check ASFIC
U404
Check
Audio PA
(U420)
Check U301
LV ZIF Audio at
Pin 2
U404?
NO
NO
NO
YES
YES
NO
YES
Troubleshooting Flow Chart for Controller

5B-30 Troubleshooting charts
Bad SINAD
Bad 20dB Quieting
No Recovered Audio
START
Audio at pin 27
of U301? Check Controller
Yes
No
Spray of inject 1st IF into
XTAL Filter
IF Freq: 45.1MHz
Audio heard?
B
Yes
No
Check 2nd LO Control
Voltage at C363
VCO locked?
B
Yes
16.8 MHz
check at pin 22
U301?
Activity on
U301 sel pin?
Check FGU
No
No
A
A
Yes
Check Q320 bias cir-
cuitry for faults.
Rotate Freq. Knob
Check controller.
Before replacing U301, check 2nd VCO
Q320. Check VCO O/P level, C351,
C352.
Yes
No
Troubleshooting Flow Chart for Receiver (Sheet 1 of 2)

Troubleshooting charts 5B-31
IF Signal at
L311?
No
RF Signal at
T301?
RF Signal at
C310?
No
RF Signal at
C307?
No
RF Signal at
C301?
No or
Check harmonic filters L101 & L102 and ant.
switches CR101, CR102, L104
Check filter between C301
& C307; program filter to
schematic test freq and
check varactor voltages.
Inject RF into J101
Are varactor
voltages OK?
No
Yes
Check RF amp (Q301)
Stage.
Check filter between
C310 & T301.
Yes
Check T301, T302,
CR306, R308, R309,
R310
Yes
1st LO O/P
OK?
Locked?
Yes
Check FGU
Yes
Trace IF signal
from L311 to
Q302. Check for
bad XTAL filter.
No
Yes Q302 collector
OK?
IF signal
present? Before replacing
U301, check
U301 voltages;
trace IF signal
path.
Yes
Check for 2.6
VDC
Is R5 present?
Check Q210, U201
(pin 48) voltages and
U247
No
No
No
Check U404 voltage. U404
can be selected by MCU
before replacing U404.
Check varactor filter.
No
Yes
Yes
Yes
A
A
B
weak RF
Troubleshooting Flow Chart for Receiver (Sheet 2 of 2)

5B-32 Troubleshooting charts
START
No Power
Is There B+
Bias for Ant
switch
Check Q111
Is Current
OK?
Is Control Voltage
High or Low Check PCIC
1. Check Pin Diodes
2. Check Harmonic Filter
Inspect/Repair Tx. Out-
put Network
Is Power
OK?
Done
Check Drive to
Module
Is Drive
OK? Troubleshoot
VCO
Inspect PA Network/Check
Power Out of U101 at Cap
C160
Is Power
OK?
Replace U101
Is Power
OK?
Replace Q101
Done
Done
No
Yes
Yes No
No
Yes
Low
High
No
Yes
Yes
No
Yes
No
Troubleshooting Flow Chart for Transmitter

Troubleshooting charts 5B-33
5V
at pin 6 of
CR201
Is information
from µP U409
correct?
Is U201 Pin 18
AT 4.54 VDC?
Is U201 Pin 47
AT = 13 VDC
Is U241 Pin 19
<0.7 VDC in RX &
>4.3 VDC in TX?
Start
Visual
check of the
Board OK?
Correct
Problem
Check 5V
Regulator
+5V at U201
Pin’s
13 & 30?
Is 16.8MHz
Signal at
U201 Pin 19?
Check FL201, C206,
C207, C208, CR203 &
R204
Are signals
at Pin’s 14 &
15 of U201?
Check
L202 Check Q260,
Q261 & R260
U201 pin 2 at
>3V in Tx and
<0.7V in Rx
Replace U201
Remove
Shorts
Is there a short
between Pin 47 and
Pins 14 & 15 of
U201?
Replace or
resolder
necessary
components
Is RF level at
U201 Pin 32
>-30 dBm?
Are R231,R232,
R233,C231,C232,
& C233 OK?
Replace U201
If L261, C263 & C264
are OK, then see VCO
troubleshooting chart
Are Waveforms
at Pins 14 & 15
triangular?
Do Pins 7,8 & 9
of U201 toggle
when channel is
changed?
Check programming
lines between U409
and U201 Pins 7,8 & 9
Replace U201
Check uP U409
Troubleshooting
Chart
NO
YES
NO
YES
NO
YES
NO
YES
NO
NO
NO
YES
YES
NO
YES
YES
NO
YES
YES
YES
NO
NO
NO
NO
YES
NO
YES
YES
Check CR201, U210,
U211, C258, C259 &
C228
3.3V at U201
pins 5, 20, 34 &
36
Check U248,
L201 & L202
Is
16.8MHz
signal at
U201 pin
23?
Replace
U201
YES
NO
NO
YES
NO
YES
Troubleshooting Flow Chart for Synthesizer

5B-34 Troubleshooting charts
START
No LO?
Tx Carrier?
VCO OK
Check
R260
TRB = 5V?
Pin 10
>1V?
L253 O/C? Change
L253
Change
U241
AUX 3
High?
Check U201
Pin 2 for 3.2V
Pin 19 =0V
AUX 4
High?
Change
Q261
V ctrl 0V
or 13V? L243 Open
Circuit?
Change
U241
Change
L243
Change
U201
Check for faulty parts or dry
joints of L271, L273, C370,
C386, R339 & L320
A
A
No
No
Yes
Yes
Yes
No
No
Yes
Yes
Yes
No
Yes
No
No
Yes
Yes
No
No
Check R245 for dry
joint or faulty
No
Troubleshooting Flow Chart for VCO

5C-1
Section 5C
MODEL CHART AND TEST SPECIFICATIONS (450-527
MHZ)
1.0 Model Chart
GP Series, UHF Band 2, 450-527 MHz
Model Description
AZH38SDC9AA2 GP328 Plus 450-527 MHz 4W 4 CH
AZH38SDC9AA3 GP328 Plus 450-527 MHz 4W 16 CH
AZH38SDH9AA6 GP338 Plus 450-527 MHz 4W 128 CH
AZH38SDH9DU6 GP338 XLS 450-527 MHz 4W 160 CH
Item Description
XPMUE2049_ GP328 Plus Super Tanapa 450-527 MHz 4W 4CH
XPMUE1701_ GP328 Plus Super Tanapa 450-527 MHz 4W 16CH
XPMUE1702_ GP338 Plus Super Tanapa 450-527 MHz 4W 128CH
XPMUE1877_ GP338 XLS Super Tanapa 450-527 MHz 4W 160CH
XPMUE2051_ GP328 Plus Tanapa 450-527 MHz 4W 4CH
XPMUE1705_ GP328 Plus Tanapa 450-527 MHz 4W 16CH
XPMUE1706_ GP338 Plus Tanapa 450-527 MHz 4W 128CH
XPMUE1879_ GP338 XLS Tanapa 450-527 MHz 4W 160CH
XPMHE4027_ GP328 Plus B/C Kit 450-527 MHz 4W 4CH
XPMHE4004_ GP328 Plus B/C Kit 450-527 MHz 4W 16CH
XPMHE4011_ GP338 Plus B/C Kit 450-527 MHz 4W 128CH
XPMHE4021_ GP338 XLS B/C Kit 450-527 MHz 4W 160CH
XPMHE4025_ GP328 Plus Front Housing Kit 4CH
XPMHE4002_ GP328 Plus Front Housing Kit 16CH
XPMHE4003_ GP338 Plus Front Housing Kit 128CH
XPMHE4019_ GP338 XLS Front Housing Kit 160CH
X X X X NAE6483_ Monopole (Whip) antenna (403-520 MHz)
X X X X PMAE4008_ Monopole (Whip) antenna (470-530 MHz)
X X X X PMAE4006_ UHF 9 cm antenna (465-495 MHz)
X X X X PMAE4007_ UHF 9 cm antenna (490-527 MHz)
X X 6804022G48 GP328 Plus User Guide
X6804112J64 GP338 Plus User Guide
X6804114J01 GP338 XLS User Guide
x = Indicates one of each is required.

5C-2 Specifications (for GP328 Plus)
2.0 Specifications (for GP328
Plus)
General
Transmitter
Receiver
All specifications are subject to change without notice.
UHF
Frequency: 450-527 MHz
Channel Capacity: GP328 Plus : 4/16 Chan-
nels
Power Supply: 7.5 Volts ±20%
Dimensions
with Standard
High Capacity
Lithium Battery:
with Ultra High
Capacity Lithium
Battery:
101.5mm x 55.5mm x
30.5mm
101.5mm x 55.5mm x
35.5mm
Weight:
with Standard
High Capacity
Lithium Battery:
with Ultra High
Capacity Lithium
Battery:
250 g
270 g
Average Battery
Life @ (5-5-90 Duty
Cycle)
Standard High
Capacity Lithium
Battery:
Ultra High Capac-
ity Lithium Battery:
Low
Power
>10 hrs
>14 hrs
High
Power
>7 hrs
>10 hrs
Sealing: Meets MIL-STD-810-
C,D & E and IPX4
Shock: Meets MIL-STD-810-
C,D & E and TIA/EIA 603
Vibration: Meets MIL-STD-810-
C,D & E and TIA/EIA 603
Dust: Meets MIL-STD-810-
C,D & E and IP5X
Humidity: Meets MIL-STD-810-
C,D & E and TIA/EIA 603
FCC ID AZ489FT4845
UHF
RF Output
Li Ion @ 7.5V:
Low
1W
High
4W
Frequency 450-527 MHz
Channel Spacing 12.5/20/25 kHz
Freq. Stability
(-30°C to +60°C)
0.00025%
Spurs/Harmonics: -36 dBm < 1 GHz
-30 dBm > 1 GHz
Audio Response:
(from 6 dB/oct. Pre-
Emphasis, 300 to
3000Hz)
+1, -3 dB
Audio Distortion:
@ 1000 Hz, 60%
Rated Max. Dev.
<5%
FM Noise: -40 dB
UHF
12.5kHz
UHF 20/
25kHz
Frequency: 450-
527MHz
450-
527MHz
Sensitivity
12dB EIA SINAD:
0.35 µV0.35 µV
Adjacent Channel
Selectivity ETS
-60 dB -70 dB
Intermodulation
ETS
-65 dB -65 dB
Freq. Stability
(-30°C to +60°C):
0.00025% 0.00025%
Spur Rejection: -70 dB -70 dB
Image Rejection: -70 dB -70 dB
Audio Output
@ <5% Distortion
500 mW 500 mW

Specifications (for GP338 Plus/GP338 XLS) 5C-3
3.0 Specifications (for GP338
Plus/GP338 XLS)
General
Transmitter
Receiver
All specifications are subject to change without notice.
UHF
Frequency: 450-527 MHz
Channel Capacity: GP338 Plus 128 Chan-
nels/GP338 XLS 160
Channels
Power Supply: 7.5 Volts ±20%
Dimensions
with Standard
High Capacity
Lithium Battery:
with Ultra High
Capacity Lithium
Battery:
101.5mm x 55.5mm x
33.0mm
101.5mm x 55.5mm x
38.0mm
Weight:
with Standard
High Capacity
Lithium Battery:
with Ultra High
Capacity Lithium
Battery:
265 g
285 g
Average Battery
Life @ (5-5-90 Duty
Cycle)
Standard High
Capacity Lithium
Battery:
Ultra High Capac-
ity Lithium Battery:
Low
Power
>10 hrs
>14 hrs
High
Power
>7 hrs
>10 hrs
Sealing: Meets MIL-STD-810-
C,D & E and IPX4
Shock: Meets MIL-STD-810-
C,D & E and TIA/EIA 603
Vibration: Meets MIL-STD-810-
C,D & E and TIA/EIA 603
Dust: Meets MIL-STD-810-
C,D & E and IP5X
Humidity: Meets MIL-STD-810-
C,D & E and TIA/EIA 603
FCC ID AZ489FT4845
UHF
RF Output
Li Ion @ 7.5V:
Low
1W
High
4W
Frequency 450-527 MHz
Channel Spacing 12.5/20/25 kHz
Freq. Stability
(-30°C to +60°C)
0.00025%
Spurs/Harmonics: -36 dBm < 1 GHz
-30 dBm > 1 GHz
Audio Response:
(from 6 dB/oct. Pre-
Emphasis, 300 to
3000Hz)
+1, -3 dB
Audio Distortion:
@ 1000 Hz, 60%
Rated Max. Dev.
<5%
FM Noise: -40 dB
UHF
12.5kHz
UHF 20/
25kHz
Frequency: 450-
527MHz
450-
527MHz
Sensitivity
12dB EIA SINAD:
0.35 µV0.35 µV
Adjacent Channel
Selectivity ETS
-60 dB -70 dB
Intermodulation
ETS
-65 dB -65 dB
Freq. Stability
(-30°C to +60°C):
0.00025% 0.00025%
Spur Rejection: -70 dB -70 dB
Image Rejection: -70 dB -70 dB
Audio Output
@ <5% Distortion
500 mW 500 mW

5C-4 Transmitter
4.0 Transmitter
4.1 General
(Refer to Figure 5-1)
The UHF transmitter contains five basic circuits:
1. Power Amplifier
2. Antenna Switch
3. Harmonic Filter
4. Antenna Matching Network
5. Power Control Integrated Circuit (PCIC).
4.1.1 Power Amplifier
The power amplifier consists of two devices:
1. 9Z67 LDMOS driver IC (U101) and
2. PRF1507 LDMOS PA (Q110).
The 9Z67 LDMOS driver IC contains a 2 stage amplification with a supply voltage of 7.3V.
This RF power amplifier is capable of supplying an output power of 0.3W (pin 6 and 7) with an input
signal of 2mW (3dBm) (pin16). The current drain would typically be 160mA while operating in the
frequency range of 450-527MHz.
The PRF1507 LDMOS PA is capable of supplying an output power of 7W with an input signal of
0.3W. The current drain would typically be 1300mA while operating in the frequency range of 450-
527MHz. The power output can be varied by changing the biasing voltage.
Figure 5-1: Transmitter Block Diagram
PCIC
Antenna
PA
Driver
Vcontrol Vcontrol
From VCO
Jack
PA - F i n a l
Stage
Antenna Switch/
Harmonic Filter/
Matching Network

Transmitter 5C-5
4.1.2 Antenna Switch
The antenna switch circuit consists of two PIN diodes (CR101 and CR102), a pi network (C107, L104
and C106), and two current limiting resistors (R101, R170). In the transmit mode, B+ at PCIC (U102)
pin 23 will go low and turn on Q111 where a B+ bias is applied to the antenna switch circuit to bias the
diodes "on". The shunt diode (CR102) shorts out the receiver port, and the pi network, which
operates as a quarter wave transmission line, transforms the low impedance of the shunt diode to a
high impedance at the input of the harmonic filter. In the receive mode, the diodes are both off, and
hence, there exists a low attenuation path between the antenna and receiver ports.
4.1.3 Harmonic Filter
The harmonic filter consists of C104, L102, C103, L101 and C102. The design of the harmonic filter
for UHF is that of a modified Zolotarev design. It has been optimized for efficiency of the power
module. This type of filter has the advantage that it can give a greater attenuation in the stop-band for
a given ripple level. The harmonic filter insertion loss is typically less than 1.2dB.
4.1.4 Antenna Matching Network
A matching network which is made up of L116 is used to match the antenna's impedance to the
harmonic filter. This will optimize the performance of the transmitter and receiver into an antenna.
4.1.5 Power Control Integrated Circuit (PCIC)
The transmitter uses the Power Control IC (PCIC), U102 to regulate the power output of the radio.
The current to the final stage of the power module is supplied through R101, which provides a voltage
proportional to the current drain. This voltage is then fedback to the Automatic Level Control (ALC)
within the PCIC to regulate the output power of the transmitter.
The PCIC has internal digital to analog converters (DACs) which provide the reference voltage of the
control loop. The reference voltage level is programmable through the SPI line of the PCIC.
There are resistors and integrators within the PCIC, and external capacitors (C133, C134 and C135)
in controlling the transmitter rising and falling time. These are necessary in reducing the power
splatter into adjacent channels.
CR105 and its associated components are part of the temperature cut back circuitry. It senses the
printed circuit board temperature around the transmitter circuits and output a DC voltage to the PCIC.
If the DC voltage produced exceeds the set threshold in the PCIC, the transmitter output power will be
reduced so as to reduce the transmitter temperature.

5C-6 Receiver
5.0 Receiver
5.1 Receiver Front-End
(Refer to UHF Band 2 Receiver Front End Schematic Diagram on page 5C-22 and UHF Band 2
Transmitter Schematic Diagram on page 5C-26)
The RF signal is received by the antenna and applied to a low-pass filter. For UHF, the filter consists
of L101, L102, C102, C103, C104. The filtered RF signal is passed through the antenna switch. The
antenna switch circuit consists of two PIN diodes(CR101 and CR102) and a pi network (C106, L104
and C107).The signal is then applied to a varactor tuned bandpass filter. The UHF bandpass filter
comprises of L301, L302, C302, C303, C304, CR301 and CR302. The bandpass filter is tuned by
applying a control voltage to the varactor diodes(CR301 and CR302) in the filter.
The bandpass filter is electronically tuned by the DACRx from IC404 which is controlled by the
microprocessor. Depending on the carrier frequency, the DACRx will supply the tuned voltage to the
varactor diodes in the filter. Wideband operation of the filter is achieved by shifting the bandpass filter
across the band.
The output of the bandpass filter is coupled to the RF amplifier transistor Q301 via C307. After being
amplified by the RF amplifier, the RF signal is further filtered by a second varactor tuned bandpass
filter, consisting of L306, L307, C313, C317, CR304 and CR305.
Both the pre and post-RF amplifier varactor tuned filters have similar responses. The 3 dB bandwidth
of the filter is about 50 MHz. This enables the filters to be electronically controlled by using a single
control voltage which is DACRx .
Figure 5-2: UHF Receiver Block Diagram
Demodulator
Synthesizer
Crystal
Filter
Mixer
Varactor
Tuned Filter
RF Amp
Va ra ct or
Tuned Filter
Pin Diode
Antenna
Switch
RF Jack
Antenna
AGC
Control Voltage
from ASFIC
First LO
from FGU
Recovered Audio
Squelch
RSSI
IF IC
SPI Bus
16.8 MHz
Reference Clock
Second
LO VCO
U301
IF Amp

Receiver 5C-7
The output of the post-RF amplifier filter which is connected to the passive double balanced mixer
consists of T301, T302 and CR306. Matching of the filter to the mixer is provided by C381. After
mixing with the first LO signal from the voltage controlled oscillator (VCO) using low side injection, the
RF signal is down-converted to the 45.1 MHz IF signal.
The IF signal coming out of the mixer is transfered to the crystal filter (FL301) through a resistor pad
and a diplexer (C322 and L310). Matching to the input of the crystal filter is provided by C324 and
L311. The crystal filter provides the necessary selectivity and intermodulation protection.
5.2 Receiver Back-End
(Refer to UHF Band 2 Receiver Back End Schematic Diagram on page 5C-23)
The output of crystal filter FL301 is matched to the input of IF amplifier transistor Q302 by
components R352 and C325. Voltage supply to the IF amplifier is taken from the receive 5 volts (R5).
The IF amplifer provides a gain of about 7dB. The amplified IF signal is then coupled into U301(pin 3)
via C330, C338 and L330 which provides the matching for the IF amplifier and U301.
The IF signal applied to pin 3 of U301 is amplified, down-converted, filtered, and demodulated, to
produce the recovered audio at pin 27 of U301. This IF IC is electronically programmable, and the
amount of filtering (which is dependent on the radio channel spacing) is controlled by the
microprocessor. Additional filtering, once externally provided by the conventional ceramic filters, is
replaced by internal filters in the IF module (U301).
The IF IC uses a type of direct conversion process, whereby the externally generated second LO
frequency is divided by two in U301 so that it is very close to the first IF frequency. The IF IC (U301)
synthesizes the second LO and phase-locks the VCO to track the first IF frequency. The second LO
is designed to oscillate at twice the first IF frequency because of the divide-by-two function in the IF
IC.
In the absence of an IF signal, the VCO will “search” for a frequency, or its frequency will vary close to
twice the IF frequency. When an IF signal is received, the VCO will lock onto the IF signal. The
second LO/VCO is a Colpitts oscillator built around transistor Q320. The VCO has a varactor diode,
CR310, to adjust the VCO frequency. The control signal for the varactor is derived from a loop filter
consisting of C362, C363, C364, R320 and R321.
The IF IC (U301) also performs several other functions. It provides a received signal-strength
indicator (RSSI) and a squelch output. The RSSI is a dc voltage monitored by the microprocessor,
and used as a peak indicator during the bench tuning of the receiver front-end varactor filter. The
RSSI voltage is also used to control the automatic gain control (AGC) circuit at the front-end.
The demodulated signal on pin 27 of U301 is also used for squelch control. The signal is routed to
U404 (ASFIC) where squelch signal shaping and detection takes place. The demodulated audio
signal is also routed to U404 for processing before going to the audio amplifier for amplification.

5C-8 Receiver
5.3 Automatic Gain Control Circuit
(Refer to UHF Band 2 Receiver Front End Schematic Diagram on page 5C-22)
The front end automatic gain control circuit is to provide automatic gain reduction of the front end RF
amplifier via feedback. This action is necessary to prevent overloading of back end circuits. This is
achieved by drawing some of the output power from the RF amplifier’s output. At high radio
frequencies, capacitor C331 provides the low impedance path to ground for this purpose. CR308 is a
PIN diode used for switching the path on or off. A certain amount of forward biasing current is needed
to turn the PIN diode on. Transistors Q315 provides this current where upon saturation, current will
flow via R347, PIN diode, collector and emitter of Q315 and R319 before going to ground. Q315 is an
NPN transistor used for switching here. Maximum current flowing through the PIN is mainly limited by
the resistor R319.
Radio signal strength indicator, RSSI, a voltage signal, is used to drive Q315 to saturation hence
turning it on. RSSI is produced by U301 and is proportional to the gain of the RF amplifier and the
input RF signal power to the radio.
Resistor network at the input to the base of Q315 is scaled to turn on Q315, hence activating the
AGC, at certain RSSI levels. In order to turn on Q315, the voltage across the transistor’s base to
ground must be greater or equal to the voltage across R319, plus the base-emitter voltage (Vbe)
present at Q315. The resistor network with thermistor RT300 is capable of providing temperature
compensation to the AGC circuit, as RSSI generated by U301 is lower at cold temperatures
compared to normal operation at room temperature. Resistor R300 and capacitor C397 form an R-C
network used to dampen any transient instability while the AGC is turning on.

Frequency Generation Circuitry 5C-9
6.0 Frequency Generation Circuitry
The Frequency Generation Circuitry is composed of two main ICs, the Fractional-N synthesizer
(U201), and the VCO/Buffer IC (U241). Designed in conjunction to maximize compatibility, the two
ICs provide many of the functions that normally would require additional circuitry. The synthesizer
block diagram illustrates the interconnect and support circuitry used in the region. Refer to the
relevant schematics for the reference designators.
The synthesizer is powered by regulated 5V and 3.3V which come from U247 and U248 respectively.
The synthesizer in turn generates a superfiltered 4.5V which powers U241.
In addition to the VCO, the synthesizer must interface with the logic and ASFIC circuitry.
Programming for the synthesizer is accomplished through the data , clock and chip select lines from
the microprocessor. A 3.3V dc signal from synthesizer lock detect line indicates to the microprocessor
that the synthesizer is locked.
Transmit modulation from the ASFIC is supplied to pin10 of U201. Internally the audio is digitized by
the Fractional-N and applied to the loop divider to provide the low-port modulation. The audio runs
through an internal attenuator for modulation balancing purposes before going out to the VCO.
Figure 5-3: Frequency Generation Unit Block Diagram
Vo l t a g e
Multiplier
Synthesizer
U201
Dual
Tran-
sistor
Loop
Filter
VCOBIC
U241
Low
Pass
Filter
Matching
Network
Attenuator
To
Mixer
To
PA Driver
VCP
Vmult1
Aux3
Aux4
MOD Out
Modulating
Signal
Vmult2
Rx VCO Circuit
Tx VCO Circuit
TRB
16.8 MHz
Ref. Osc.
Rx Out
Tx Out

5C-10 Frequency Generation Circuitry
6.1 Synthesizer
(Refer to UHF Band 2 Synthesizer Schematic Diagram on page 5C-24)
The Fractional-N Synthesizer uses a 16.8MHz crystal (FL201) to provide a reference for the system.
The LVFractN IC (U201) further divides this to 2.1MHz, 2.225MHz, and 2.4MHz as reference
frequencies. Together with C206, C207, C208, R204 and CR203 , they build up the reference
oscillator which is capable of 2.5ppm stability over temperatures of -30 to 85°C. It also provides
16.8MHz at pin 19 of U201 to be used by ASFIC and LVZIF.
The loop filter which consist of C231, C232, C233, R231, R232 and R233 provides the necessary dc
steering voltage for the VCO and determines the amount of noise and spur passing through .
In achieving fast locking for the synthesizer, an internal adapt charge pump provides higher current at
pin 45 of U201 to put synthesizer within the lock range. The required frequency is then locked by
normal mode charge pump at pin 43 .
Both the normal and adapt charge pumps get their supply from the capacitive voltage multiplier which
is made up of C258, C259, C228, triple diode CR201 and level shifters U210 and U211. Two 3.3V
square waves ( 180 deg out of phase) are first shifted to 5V, then along with regulated 5V , put
through arrays of diodes and capacitors to build up 13.3V at pin 47 of U201.
Figure 5-4: Synthesizer Block Diagram
DATA
CLK
CEX
MODIN
VCC, DC5V
XTAL1
XTAL2
WARP
PREIN
VCP
REFERENCE
OSCILLATOR
VOLTAGE
MULTIPLIER
VOLTAGE
CONTROLLED
OSCILLATOR
2-POLE
LOOP
FILTER
DATA (U409 PIN 100)
CLOCK (U409 PIN 1)
CSX (U409 PIN 2)
MOD IN (U404 PIN 40)
+5V (U247 PIN 4)
7
8
9
10
13, 30
23
24
25
32
47
VMULT2 VMULT1
BIAS1
SFOUT
AUX3
AUX4
IADAPT
IOUT
GND
FREFOUT
LOCK 4
19
6, 22, 23, 24
43
45
3
2
28
14 15
40
FILTERED 5V
STEERING
LINE
LOCK (U409 PIN 56)
PRESCALER IN
LO RF INJECTION
TX RF INJECTION
(1ST STAGE OF PA)
FREF (U201 PIN 21 & U404 PIN 34)
39
BIAS2
41
DUAL
TRANSIS
DUAL
TRANSIS-
48
5V
R5
5, 20, 34, 36
(U248 PIN 5)
AUX1
VDD, 3.3V MODOUT
U251
LOW VOLTAGE
FRACTIONAL-N
SYNTHESIZER
TORS
TORS

Frequency Generation Circuitry 5C-11
6.2 VCO - Voltage Controlled Oscillator
(Refer to UHF Band 2 Voltage Controlled Oscillator Schematic Diagram on page 5C-25)
Figure 5-5: VCO Block Diagram
The VCOBIC (U241) in conjunction with the Fractional-N synthesizer (U201) generates RF in both
the receive and the transmit modes of operation. The TRB line (U241 pin 19) determines which
oscillator and buffer will be enabled. A sample of the RF signal from the enabled oscillator is routed
from U241 pin 12, through a low pass filter, to the prescaler input (U201 pin 32). After frequency
comparison in the synthesizer, a resultant CONTROL VOLTAGE is received at the VCO. This voltage
is a DC voltage between 3.5V and 9.5V when the PLL is locked on frequency.
Presc
RX
TX
Matching
Network Low Pass
Filter
Attenuator
Pin8
Pin14
Pin10
Level Shifter
Network
5V
(U201 Pin28)
VCC Buffers
TX RF Injection
U201 Pin 32
AUX4 (U201 Pin3)
AUX3 (U201 Pin2)
Prescaler Out
Pin 12Pin 19
Pin 20
TX/RX/BS
Switching Network
U241
VCOBIC
Rx
Active Bias
Tx
Active Bias
Pin2
Rx-I adjust
Pin1
Tx-I adjust
Pins 9,11,17
Pin18
Vsens
Circuit
Pin15
Pin16
RX VCO
Circuit
TX VCO
Circuit
RX Tank
TX Tank
Pin7
Vcc-Superfilter
Collector/RF in
Pin4
Pin5
Pin6
RX
TX
(U201 Pin28)
Rx-SW
Tx-SW
Vcc-Logic
(U201 Pin28)
Steer Line
Voltage
(VCTRL)
Pin13
Pin3
TRB_IN
LO RF INJECTION
VSF
VSF
VSF

5C-12 Frequency Generation Circuitry
The VCOBIC(U241) is operated at 4.54 V (VSF) and Fractional-N synthesizer (U201) at 3.3V. This
difference in operating voltage requires a level shifter consisting of Q260 and Q261 on the TRB line.
The operation logic is shown in Table 5-1.
In the receive mode, U241 pin 19 is low or grounded. This activates the receive VCO by enabling the
receive oscillator and the receive buffer of U241. The RF signal at U241 pin 8 is run through a
matching network. The resulting RF signal is the LO RF INJECTION and it is applied to the mixer at
T302 (refer to UHF Band 2 Receiver Front End Schematic Diagram on page 5C-22).
During the transmit condition, when PTT is depressed, five volts is applied to U241 pin 19. This
activates the transmit VCO by enabling the transmit oscillator and the transmit buffer of U241. The RF
signal at U241 pin 10 is injected into the input of the PA module (U101 pin16). This RF signal is the
TX RF INJECTION. Also in transmit mode, the audio signal to be frequency modulated onto the
carrier is received through the U201 pin 41.
When a high impedance is applied to U241 pin19, the VCO is operating in BATTERY SAVER mode.
In this case, both the receive and transmit oscillators as well as the receive transmit and prescaler
buffer are turned off.
Table 5-1: Level Shifter Logic
Desired
Mode AUX 4 AUX 3 TRB
Tx Low High (@3.2V) High (@4.8V)
Rx High Low Low
Battery Saver Low Low Hi-Z/Float (@2.5V)

Notes For All Schematics and Circuit Boards 5C-13
7.0 Notes For All Schematics and Circuit Boards
* Component is frequency sensitive. Refer to the Electrical Parts List for value and usage.
1. Unless otherwise stated, resistances are in Ohms (k = 1000), and capacitances are in picofarads
(pF) or microfarads (µF).
2. DC voltages are measured from point indicated to chassis ground using a Motorola DC multime-
ter or equivalent. Transmitter measurements should be made with a 1.2 µH choke in series with
the voltage probe to prevent circuit loading.
3. Reference Designators are assigned in the following manner:
100 Series = Transmitter
200 Series = Frequency Generation
300 Series = Receiver
400/500 Series = Controller
600 Series = Keypad Board
4. Interconnect Tie Point Legend:
UNSWB+ = Unswitch Battery Voltage (7.5V)
SWB+ = Switch Battery Voltage (7.5V)
R5 = Receiver Five Volts
CLK = Clock
Vdda = Regulated 3.3 Volts (for analog)
Vddd = Regulated 3.3 Volts (for digital)
CSX = Chip Select Line (not for LVZIF)
SYN = Synthesizer
DACRX = Digital to Analog Voltage (For Receiver Front End Filter)
VSF = Voltage Super Filtered (5 volts)
VR = Voltage Regulator
6-LAYER CIRCUIT BOARD DETAIL VIEWING
COPPER STEPS IN PROPER LAYER SEQUENCE
LAYER 1 (L1)
LAYER 2 (L2)
LAYER 3 (L3)
LAYER 4 (L4)
LAYER 5 (L5)
LAYER 6 (L6)
INNER LAYERS
SIDE 1
SIDE 2

Circuit Board/Schematic Diagrams and Parts List 5C-15
8.0 Circuit Board/Schematic Diagrams and Parts List
FL201
1
3
4
6
40
J200
1
C216
B503
B504
TP201
C210
C211
C212
C213
C214
C220
C230
C257
C260
C294
C292
C229
C282
C283
C203
C217
C235
C228
C233
C238
C297
C291
CR201
L201
L202
L203
L232
Q210
3
4
Q260
3
4
R206
R256
R255
SH201
TP202
TP302
U247
C247
C251
C285
C289
C370
C374
C386
C248 C273
C286
C276
C253
C271
C272
L282
L243
3
L253
3
L271
L273
L321
Q261
3
4
Q241
R333
R339
R243
R248
R253
R260
SH241
C109
C110
C114
C118
C119
C121
C122
C125
C165
C166
C171
C111
C112
C113
C181
C115
C116
C117
C120
C161
C127
C131
C129
C160
C169
C180
L114
L115
L106
L107
L108
L113
L117
L160
3
2
Q110
1
R104
R106
R107
R174
R108
R120
R171
R161
R173
R191
SH101
U101
9
8
16
1
C375
C320
C319
C322
C381
L309
L310
R309
R308
R310
R348
SH303
T301
3
46
T302
3
4
6
C324
C325
C323
FL301
L311
R351
R352
SH323
C521
PB501
PB502
VR440
C328
C391
C397
Q315
Q316
R326
R338
R300
R314
R316
R318
R319
R325
R327
R334
R335
RT300
RT301
VR300
C331
C396
C333
CR308
R342
R317
R336
C101
C102
C104
C103
C106
C107
C141
C188
CR101
CR102
L101
L102
L104
L105
SH100
C308
C304
C301
C305
C302 C303
CR301
CR302
L301
L302
R301
R302
SH301
C362
C384
C385
C351
C364
C352
C349
C350
C353
C354
C363
CR310
L325
L332
PB504
Q320
R355
R322
R345
R320
R321
R324
R346
SH321
VR444
C505
C512 C513
C502
Q505
Q502
R506
R507
R505
VR501
C140
C511
C514
C520
CR503
2
34
L116 PB505
R501
R502
VR443
UHF Band 2 (450-527MHz) Main Board Top Side
PCB No. 8404102G03/G04/G05

5C-16 Circuit Board/Schematic Diagrams and Parts List
2
S502
35
4
4
C
8
C
S501
2
J101
4
3
2
J102
C108
C132
C173
C172
CR103
CR105
H101
M100
P100
Q111
3
4
R101
R170
R133
R172
C309
C315
C321
C395
C313
C317
C307
C310
C314
C306
C311
C380
C316
C312
C318
CR304
CR305
CR303
L340
L303
L306
L307
L304
L305
Q301
R306
R307
R340
R347
R303
R304
R305
R328
SH302
C337
C383
C390
C329
C336
C344
C345
C346
C347
C348
C334
C356
C339
C340
C341
C342
C343
C357
C360
C355
C358
C359
C361
C382
L314
L331
R343
R350
R344
SH322
13
25
37
1
U301
M301
B501
32
1
C327
C503
C330
C326
C338
L330
Q302
R315
R311
R312
R313
C130
C138
C151
C170
C123
C126
C128
C150 C152
CR306
CR501
E101
F501
L112
R102 R329
SH304
VR439
C105
C174
C133
C135
C134
R109
R130
R131 R132
25
9
17
U102
1
C241
C246
C255
C281
C295
C372 C371
C373
C378
C242
C243
C250
C244
C245
C252
C254
CR241
CR242
CR243
CR251
L241
L251
L281
L242
M300
Q310
R330
R332
R110
R112
R111
R349
R242
R241
R244
R245
R251
R252
R254
R331
SH242
U241
10
20
1
11
C201
C264
C218
C223
C224
C231
C296
C298
C202
C265
C204
C206
C207
C208
C219
C232
C234
C258
C259
C263
C293
CR203
L261
R204
R281
R202
R201
R231
R232
R233
SH202
13
25
37
1
U201
U210
3
4
U211
3
4
C277
C215
C279
C522 C523
C278
L505
M101
R205
U248
VR441
VR442
VR506
Y201
43
2
C525 C526
C527 C528
C529 C530
C531 C532
C533 C534
C535 C536
C537 C538
C539 C540
C541 C542
C543
C544
C545
C546 C547
C548
C549
C550
C551 C552
C553
C555
R509
R510
R511
1
UHF Band 2 (450-527MHz) Main Board Bottom Side
PCB No. 8404102G03/G04/G05

Circuit Board/Schematic Diagrams and Parts List 5C-17
ZMY0131026-O
40
J200
1
B503
C210
C211
C212
C213
C214
C220
C230
C257
C260
C294
C216
C282
C283
C292
C229
C203
C217
C235
C228
C233
C238
C297
C291
CR201
FL201
13
4
6
L201
L202
L203
L232
Q210
3
4
Q260
3
4
R206
R256
R255
SH201
TP201
U247
B504
TP202
TP302
C247
C251
C285
C289
C370
C374
C386
C248 C273
C286
C276
C253
C271
C272
L282
L243
3
L253
3
L271
L273
L321
Q261
3
4
Q241
R333 R243
R248
R253
R260
R339
SH241
C109
C110
C114
C118
C119
C121
C122
C125
C165
C166
C171
C111
C112
C113
C115
C116
C117
C180
C120
C161
C127
C131
C129
C160
C169
C181
L115
L106
L107
L108
L114
L113
L117
L160
3
2
Q110
1
R104
R174
R106
R107
R108
R120
R171
R161
R173
R175
R176
R191
SH101
1
16
8
9
U101
C101
C102
C104
C103
C106
C107 C188
CR101
CR102
L101
L102
L104
L105
SH100
C140
C141
L116
C511
C514
C520
CR503 2
34
PB505
R501
R502
VR443
C308
C304
C301
C305
C302 C303
CR301
CR302
L301
L302
R301
R302
SH301
C331
C333
C396
CR308
R336
R342
R317
SH321
C375
C320
C319
C322
C381
L309
L310
R309
R308
R310
R348
SH303
T301
34
6
T302
3
4
6
PB501
PB502
C324
C325
C323
FL301
L311
R351
R352
SH323
C391
C328
C521
C397
Q315
Q316
R326
R334
R335
R338
R300
R314
R316
R318
R319
R325
R327
RT300
RT301
VR300
VR440
C505
C512 C513
C502
Q505
Q502
R506
R505
R507
VR501
PB504
R321
VR444
C362
C384
C385
C351
C364
C352
C349
C350
C353
C354
C363
CR310
L325
L332
Q320
R322
R345
R320
R324
R355
R346
UHF Band 2 (450-527MHz) Main Board Top Side PCB No. 8404102G07

5C-18 Circuit Board/Schematic Diagrams and Parts List
ZMY0131027-O
2
S502
35
4
4
C
8
C
2
S501
J101
4
3
21
J102
C337
C383
C390
C329
C336
C344
C345
C346
C347
C348
C334
C356
C339
C340
C341
C342
C343
C357
C360
C355
C358
C359
C361
C382
L314
L331 R343
R350
R344
13
25
37 1
U301
SH322
C309
C315
C321
C311
C307
C310
C314
CR303
L340
L303
L304
Q301
R340
R347
R303
R304
R305
R328
C395
C313
C317
C306
C312
C318
C380
C316
CR304
CR305
L306 L307
L305
R306
R307
SH302
C108
C132
C173
C172
CR103
CR105
CR160 H101
P100
Q111
3
4
R101
R170
R133
R172
C105
C130
C138C151
C170
C174
C123
C126
C133
C128
C135
C150 C152
C134
E101
L112
R102
R109
R130
R131 R132
R136
25
9
17
U102
1
C503
CR306
CR501
F501
R329
SH304
VR439
C327
C326
C330
C338
L330
Q302
R315
R311
R312
R313
1
2
3
B501
C277
C215
C279
C522
C278
L505
R205
U248
VR441
VR506
Y201
4
3
2C525 C526
C527 C528
C529 C530
C531 C532
C533 C534
C535 C536
C537 C538
C544
C545
C546 C547
C549
C550
C555
C539 C540
C541 C542
C543
C548
R509
R510
C551 C552
C553
R511
C201
C264
C208
C265
C218
C223
C224
C231
C296
C298
C202
C204
C206
C207
C219
C232
C234
C258
C259
C263
C293
CR203
L261
R204
R281
R201
R202
R231
R232
R233
SH202
13
25
37
1
U201
U210
3
4
U211
34
C241
C246
C281
C295
C378
C242
C243
C250
C244
C245
CR241
CR242
CR243
L241
L281
L242
R110
R112
R111
R349
R242
R241
R244
R245
SH242
U241
10
1
C255
C371C372
C373
C252
C254
CR251
L251
Q310
R330
R331
R332
R251R252
R254
20
11
UHF Band 2 (450-527MHz) Main Board Bottom Side PCB No. 8404102G07

Circuit Board/Schematic Diagrams and Parts List 5C-19
ZMY0130797-O
Vdda
16.8MHz
5V
BATT_CODE
CLK
CSX
DACRX
DATA
DEMOD
EMER
GREEN_LED
LI_ION
LOCK
LVZIF_SEL
MECH_SWB+
MODIN
PTT
RED_LED
RESET
RSSI
RTA0
RTA1
RTA2
RTA3
SB1
SB2
SB3
SWB+
UNSWB+
VOL
VOL
Vdda
LVZIF_SEL
MECH_SWB+
MODIN
PTT
RED_LED
RESET
RSSI
RTA0
RTA1
RTA2
RTA3
SB1
SB2
SB3
SWB+
UNSWB+
16.8MHz
5V
BATT_CODE
CLK
CSX
DACRX
DATA
DEMOD
EMER
GREEN_LED
LI_ION
LOCK
DATA
LVZIF_SEL
CLK
PTT
LI_ION
CSX
RTA1
RTA0
MECH_SWB+
GREEN_LED
RED_LED
VOL
EMER
SB3
SB2
RTA3
BATT_CODE
RTA2
Vdda
DACRX
SWB+
SWB+
MODIN
SB1
RSSI
16.8MHz
UNSWB+
LOCK
5V
DEMOD
RESET
J200
J200-18
J200-16
J200-17
J200-36
J200-40
J200-39
J200-37
J200-32
J200-33
J200-23
J200-38
J200-28
J200-22
J200-26
J200-34
J200-30
J200-19
J200-20
J200-4
J200-5
J200-6
J200-7
J200-8
J200-9
J200-10
J200-29
J200-15
J200-3
J200-24
J200-31
J200-25
J200-1
J200-11
J200-12
J200-2
J200-21
J200-27
J200-13
J200-14
J200-35
100pF
C536
100pF
C535 C533
100pF
100pF
C537 C534 C532
100pF 100pF
100pF
C538 C525
100pF
100pF
C529 C527
100pF
C528 C526
100pF 100pF
100pF
C531
100pF
C530
100pF
C552
100pF
C550
100pF
C549C553
100pF
C551
100pF NU
C548 C545 C544
100pF 100pF
100pF
C547
100pF
C546 C542 C541
NU NU
C540
NU NU
C539
NU
C543
NU
R509
C555
100pF
NU
R511
0
R510
UHF Band 2 Controls And Switches Schematic Diagram (sheet 1 of 2)

5C-20 Circuit Board/Schematic Diagrams and Parts List
NU
BATT+
NU
Q502
BATTERY_CONTACT
BATT-
NU
DUMMY
P100
16.28nH
L116
47K
R506
VR506
6.8V
SWITCH
PB505
1A1
3A2
2
B1
4
B2
C141
8.2pF
NU
24V
21
C140
F501
GND1
PC0
1
PC1
2
PC2
48
PC3
L505
390nH
SWITCH
S501
C0
C0
C1 C1
GND
79
R501
680
R502
180
Q505
C502
0.47uF
VR501
6.8V
4
LOW
1
5
HIGH
3
6
TAB1
7
TAB2
2
SWITCH
S502
100pF
C511
100pF
C512
1A1
3A2
2
B1
4
B2
SWITCH
PB501
10K
R505
IMX1
5
1
6
6.8V
VR443
6.8V
SWITCH
PB504
1A1
3A2
2
B1
4
B2
VR444
6.8V
VR440
B503
if
12V
VR439
2
4
3
CONN_J
B501
2DATA
1NEG
3POS
TAB1
1TAB2
2
TAB3 3
TAB4 4
TAB5 5
ANTENNA_NUT
J102
R507
0
24
13
CR503
K2
K3
VR441
6.8V
CR160
A1
A2
A3
K1
C522
.01uF
if
4GND
1
2
3
RF_JACK
J101
RF_JACK
.01uF
C520
C503
C521
100pF
.01uF
100pF 100pF
C514C513
3A2
2
B1
4
B2
PB502
SWITCH
1A1
CR501
1
2
B504
100pF
C505
LI_ION
BATT_CODE
RADIO_CODE
Vdda
MECH_SWB+
PTT
SB2
Vdda
VOL
UNSWB+
EMER
GREEN_LED
SWB+
RED_LED
RTA0
RTA1
RTA2
RTA3
SB1
UHF Band 2 Controls And Switches Schematic Diagram (sheet 2 of 2)

Circuit Board/Schematic Diagrams and Parts List 5C-21
NU
NU
BATT+
NU
Q502
BATTERY_CONTACT
BATT-
NU
24V
21
C140
F501
PC0
1
PC1
2
PC2
48
PC3
L505
390nH
SWITCH
S501
C0
C0
C1 C1
GND
79
GND1
R501
680
R502
180
Q505
C502
0.47uF
VR501
6.8V
4
LOW
1
5
HIGH
3
6
TAB1
7
TAB2
2
SWITCH
S502
100pF
C511
100pF
C512
A1
3A2
2
B1
4
B2
SWITCH
PB501
1
10K
R505
DUMMY
P100
16.28nH
L116
if
12V
VR439
2
4
3
B503
2DATA
1NEG
3POS
TAB2
2
TAB3 3
TAB4 4
TAB5 5
CONN_J
B501
ANTENNA_NUT
J102
TAB1
1
R507
0
24
13
CR503
VR441
6.8V
CR160
A1
A2
A3
K1
K2
K3
.01uF
if
4GND
1
2
3
C522
J101
RF_JACK
47K
R506
RF_JACK
VR506
6.8V
1A1
3A2
2
B1
4
B2
C141
8.2pF
SWITCH
PB505
C503
C521
100pF
.01uF
100pF 100pF
C514C513
3A2
2
B1
4
B2
PB502
SWITCH
1A1
CR501
1
2
B504
100pF
IMX1
5
1
6
C505
6.8V
VR443
A1
3A2
2
B1
4
B2
VR444
6.8V
SWITCH
PB504
1
6.8V
VR440
.01uF
C520
LI_ION
BATT_CODE
RADIO_CODE
Vdda
MECH_SWB+
PTT
SB2
Vdda
VOL
UNSWB+
EMER
GREEN_LED
SWB+
RED_LED
RTA0
RTA1
RTA2
RTA3
SB1
ZMY01301002-O
UHF Band 2 Controls And Switches Schematic Diagram
(sheet 2 of 2 for 8404102G07 PCB)

5C-22 Circuit Board/Schematic Diagrams and Parts List
L340
390nH
HSMP3820
1
2
3
CR308
R317
1K
100pF
C395 C331
100pF
1K
R347
R5
C311
100K
R307R306
100K
CR304
C306
CR305
C312
7.5pF
12nH
L305
C313
11pF
L306
11.03nH11.03nH
L307
4.3pF
C316
NU
NU
R305
470
R304
12K
C321
100pF
C309
100pF
R303
1.5K
Q301
1
3
2
C307
0.1uF
0.1uF
C314
180nH
L304
C315
100pF
C310
0.1uF
R328
2.7
L303
22nH
R340
8.2K
11.03nH
L302
C308
100pF
100K
R301
12pF
C302
C305
8.2pF
CR301 CR302
4.3pF
C303
11pF
C304
R302
L301
100K
11.03nH 1
CR303
2
3
C301
8.2pF
RX_IN
1
SH304
SHIELD
1
SHIELD
SH302
1
SHIELD
SH301 SH303
SHIELD
1
RXFE Top Shield RXFE Bottom Shield Mixer Shield
RX Mixer Diode Shield
.01uF
C380
100K
R342
R5
DACRx
4.7pF
C381
R329
0
C318
11pF
C317
7.5pF
T301
4
6
3
1
2
XFMR
TP302
T302
XFMR
4
6
3
1
2
C320 C319
7.5pF 3.6pF
16.28nH
L309R348
3.6K
R336
C333
R5
NU
NU
33K
R327
R316
91K
Q315
1
3
2
18K
R318
R319
150
C396
NU
R300
2.2K
0.47pF
C397
1
33.0K
RT300
2
R334
Q316
1
3
2
VR300
R326
NU
NU
NU
NU
R325
6.8K
R338
R335
RT301
21
C391
NU
NU
NU
NU
R5
C370
100pF
R330
RSSI
RX_INJ
NU
R331 C372
Q310
1
3
2
C371
100pF
C386
NU
NU
NU
NU
0
R349
100pF
C374
C378
C373
NU NU
C375
VCOBUF
100pF
R332
L321
0
R339
R5
NU
NU
R333
NU
R309
18
82pF
C322
L310
150nH
270
R308 270
R310
2
34
1
CR306
IF
-51.4dBm@450.125MHz
-51.2dBm@526.925MHz
-51.7dBm@450.125MHz
-52.6dBm@526.925MHz
-63.8dBm@45.1MHz
-24dBm@405.025MHz
-24.9dBm@481.825MHz
1.850V@-50dBm
0.508V
4.398V
-51dBm@450.125MHz
-51.2dBm@526.925MHz
Rx1 = -50dBm@450.125MHz rf signal
Rx2 = -50dBm@526.925MHz rf signal
probed using high impedence probe
UHF Band 2 Receiver Front End Schematic Diagram

Circuit Board/Schematic Diagrams and Parts List 5C-23
TESTD
VAG
VAG_REF
VPP
RED_VCC
RED_VSS
ROSE_VCC
ROSE_VSS
RSSI_FLT
RSSI_OUT
TESTA
IOUT
LIM
MIX_BYP
MIX_IN
MLPD_CR
PHASE_LOCK
PREAMP_OUT
PRE_AGC
PRE_IN
EMIT
EXTBS
FREF
GND
GOLD_VCC
GOLD_VSS
GREEN_VCC
GREEN_VSS
C4M
C4P
CEX
CLK
COL
DATA
DEMOD_HF
DEMOD_OUT
BROWN_VCC
BRP_OFF
C1M
C1P
C2M
C2P
C3M
C3P
AFC
BASE
BLUE_VCC
BLUE_VSS
U301
32D83
16
15
24
21
20
14
19
18
13
17
22
23
32
25
30
29
31
26
36
28
27
33
34
35
42
46
47
48
41
43
37
40
39
38
45
44
8
9
3
1
2
5
4
11
6
10
7
12
0.1uF
C336
C356
.022uF
L314
2.2uH
C341
1uF
C339
1uF
C337
100pF
C340
1uF
1uF
C342
Vdd_FILTERED
R5
C355
0.33uF
100pF
C327
C328
0.1uF
2.4K
R312
C338
C330
15pF
10pF
R314
330
3K
R313
30K
R311
C326
.01uF
Q302
R351
0
3.3K
R352
12K
R315
680nH
L330
.01uF
C325
C323
150pF
20pF
C324
750nH
L311
GND2
4
GND3
5
OUT 3
IN
6
TBD
XTAL
FL301
GND
1
GND1
2
IF
10uF
C382
C348
0.1uF
0.1uF
C329
2.20uH
L331 R343
10
0.1uF
C344
Vdd_FILTERED
(SOURCE)
C343
0.22uF
0.1uF
C347
0.1uF
C346
Vdda
.022uF
C334
DB
0.1uF
C359
1200pF
C358
R344
12K
C383
100pF
0.22uF
C357
16.8MHz
Vdd_FILTERED
CLK
DATA
LVZIF_SEL
C350
330pF
C349
.022uF
2K
R324
C351
20pF
BFQ67W
Q320
1
3
2
12pF
C352
0
R355
43pF
C353
C362
.022uF
56pF 100nH
L332
C385
.01uF
C364
CR310
R320
1K
R321
2.4K
C363
2.2uF
2.20uH
L325
R346
56K
200K
R322
C354
47pF
100pF
C390
100K
R350
0.1uF
C345
DEMOD
DA
C361
10nF
C360
.022uF
RSSI
SH322
SHIELD
1
SH323
SHIELD
1
SH321
SHIELD
1
CRYSTAL FILTER SHIELD LVZIF TOP SHIELD LVZIF BTM SHIELD
C384
56pF
10K
R345
-51.4dBm@45.1MHz
-55.1dBm@45.1MHz
0.706V
2.683V
3.185V 2.628V
2.095V
UHF Band 2 Receiver Back End Schematic Diagram

5C-24 Circuit Board/Schematic Diagrams and Parts List
VMULT3
VMULT4
WARP
XTAL1
XTAL2
SFOUT
TEST1
TEST2
VMULT1
VMULT2
INDMULT
IOUT
LOCK
MODOUT
FREFOUT
IADAPT
AUX1
AUX2
AUX3
AUX4
ADAPTSW
PD_GND
PRE_GND
DGND
AGND
SFCAP
SFIN
VBPASS
PREIN
PVREF
REFSEL
SFBASE
MODIN
NC1
NC2
NC3
CCOMP
CEX
CLK
DATA
BIAS1
BIAS2
VRO
VCP
PD_VDD
PRE_VDD
DVDD
AVDD
14
12
11
25
23
24
28
37
38
15
16
43
4
41
19
45
48
1
2
3
46
13
47
5
34
36
20
26
30
21
32
35
18
27
10
17
29
31
9
8
7
40
39
42
44
33
6
22
63A27
U201
C204
2.2uF
C264
100pF
C263
0.75pF
C214
100pF 100pF
C211 R201
R202
100K
82K
DATA
100pF
C212C210
100pF
L261
39nH
MODIN
CLK
CSX
PRESC
C202
1000pF100pF
C201
VSF
TP201
1
330pF
C206
R281
4.7uF
C203
C207
56pF
NU
NU
NU
R205
C215
FADJ 2
GND 4
OUT
3
VDD
1
5V
C216
OSC_16.8MHZ
Y201
NU
NU
NU
R206
SYNTHESIZER TOP SHIELD SYNTHESIZER BOTTOM SHIELD
SHIELD
SH201 SHIELD
SH202
L232
12uH
47K
R204
CR203
C238
470pF
1.6pF
C208
1
GND GND1
4
OUT 3
IN
6
FL201
75Z04
100pF
C260
100pF
C213
5V
LOCK
AUX4
AUX3
4.3K
R255
30
R256
Q210
2
4
1
3
R5
16.8MHz
10K
47K
4.7K
47K
120
R232
620
R231
0.1uF
C233
560
R233
C231
0.1uF
C234
0.47uF C232
.047uF
TP202
1
MODOUT
100pF
C277 2.2uF
C278
4V_3.3V
C279
2.2uF100pF
C220
GND
2
NC
4
3
ON_OFF*
VIN
1
VOUT
5
U248
LP2980
C294
100pF 0.47uF
C293
Vdda
SWB+
2.2uF
C235C223
0.1uF
C224
0.1uF
L201
2.2uH
L203
2.2uH
0.47uF
C291
C218
0.1uF
C217
2.2uF
4OUT 3
SD
ADP3300
U247
6ERR
1
GND
5
IN
2NR
0.22uF
C219
L202
2.2uH
0.1uF
C298
C292
0.1uF
5V
(SOURCE)
C282C283
3
K3
CR201
A1 6
A2 5
A3 4
K1
1
2
K2
NU
NU
C229
1000pF100pF
C230
.01uF
C258
C228
4.7uF
C259
.01uF
TC7ST04FU
U210
3GND
2
1
NC
4
5
VCC
0.1uF
C296
5
VCC
TC7ST04FU
U211
3GND
2
1
NC
4
C257
100pF
C265
NU
VCTRL
1.65V
Low (mV)
High (3.3V) High (3.3V)
1.5V
2.3V
3.3V
7.5V
3.3V
3.5V@450MHz
9.5V@527MHz
Rx
3.7V
1.6V
Tx
1.6V
3.7V
39 Bias2
40 Bias1
UHF Band 2 Synthesizer Schematic Diagram

Circuit Board/Schematic Diagrams and Parts List 5C-25
TX_IADJ 1
TX_OUT
10
TX_SWITCH
13
VCC_BUFFERS
14
VCC_LOGIC
18
RX_EMITTER 6
RX_IADJ 2
RX_OUT
8
RX_SWITCH
7
SUPER_FLTR 3
TRB_IN 19
TX_BASE 16
TX_EMITTER 15
COLL_RFIN 4
FLIP_IN 20
GND_BUFFERS
11
GND_FLAG
917
GND_LOGIC
PRESC_OUT
12
RX_BASE 5
50U54
U241
Rx_sw
Tx_sw
C273
0.1uF
1.1pF
C272
L273
18nH
27nH
1pF
L271
C271
R245
240
C276
2.2uF
100pF
C281
390nH
L281
0.1uF
C286
100pF
C246
2.7pF
C245
120
R242
100pF
C285
R241
18
15K
R244
L243
RESONATOR
1
2
3
4.3pF
C250
4.3pF
C242
4.3pF
C243
12
CR243
A1 A2
CR241
C241
100pF
22nH
L242
390nH
L241
CR242
R243
10K
C244
3.6pF
Rx_sw
1
3
2 Q241
BFQ67W
30
R248
L282
390nH
C247
0.1uF
C248
100pF
R253
7.5K
Tx_sw
C253
1.5pF 100pF
C251
CR251
20pF
C252
390nH
L251
C254
3.3pF
R251
33
L253
RESONATOR
1
2
3
100pF
C289
100pF
C255
R252
270
R254
8.2K
1K
R260
4
1
3
Q261
2
10K
47K
47K
4.7K
2
4
1
3
Q260
C297
.01uF
10K
4.7K
47K
47K
1
SHIELD
SH242
1
SHIELD
SH241
VCO TOP SHIELD VCO BOTTOM SHIELD
AUX 4
AUX 3
5V
VSF
VSF
VCTRL
PRESC
RX_INJ
TX_INJ
4.6V
2V
4.6V
3.5V@450MHz
9.5V@527MHz
UHF Band 2 Voltage Controlled Oscillator Schematic Diagram

5C-26 Circuit Board/Schematic Diagrams and Parts List
VL
6VLIM 19
TEMP 30
V10
14
V45
16
17
V5EXT
20
VAR1
18
VAR2
24
VAR3
VG
15
22
NA
Q
11 QX
10
1RFIN
RS 21
31
RSET
RX 23
T1
2
CLK 26
CQ
12
CQX
13 DATA 28
F168
9
GND1
8
GND2 25
INT
4U102
H99S
ANO 32
BPOS 27
CEX 29
CI
3
CJ
5
CL
7
C138
100pF
CR105
GND
3
1
POS
2
VOUT
R131
LM50
10K
R130
18K
100pF
C170
C110
100pF
0.1uF
C126
.022uF
C173
5V
TX_BIAS
RESET
UNSWB+
DATA
CLK
CSX
100pF
C122
C105
100pF
4
1
3
100pF
C132
Q111
2
6
100pF
C174
R133
UNSWB+
NU
10K
4.7K
47K
47K
1000pF
C127
L115 C133
390nH 1000pF
C134
3300pF
C135
.022uF
C166
100pF
L113
C129
5.6nH
6.8pF
100pF
C165
.022uF
C131
390nH
L114
200K
R109
100K
R132
2pF
C169
UNSWB+
RFIN 6
RFOUT1
7
RFOUT2
1VCNTRL
14 VD1 2
VG1
3
VG2
GND1 5
GND2 12
GND3 13
GND4
8NC1
9NC2
10 NC3
15 NC4
16
U101
09Z67
11 G2
4
9.1pF
C120
100pF
C121
C150
.022uF
C151
100pF
C161
0.1uF
200
R161
100pF
C130
C128
.022uF
390nH
L112
R108
5.6K
L160
15.0nH
56pF
C160
.022uF
C152
UNSWB+
33pF
C116 C117
30pF
11.03nH
L109
4.22nH
L108
10
R106
100pF
C115
C118
30pF
C125
100pF
100pF
C295
300 R112R110 300
20
R111
R107
TX_INJ_1
TX_INJ
NU
Microstrip Microstrip
1
2
3
C111
11pF C112
47pF
L107
33.47nH
0.1
R102
C113
10pF
BEAD
E101
C114
100pF
C123
10uF
200
R172
0.1uF
C172
Q110 Microstrip
L105
C108
100pF
390nH
240
R170
240
R101
C109
100pF 7.66nH
L106
UNSWB+
3.3pF
1
A1
2
A2
K
3
C107
CR102
L104
12.39nH
4.7pF
C106
RX_IN
CR101
L102
12.39nH12.39nH
L101
6.2pF
C104C103
13pF
C102
6.2pF
C101
100pF
4GND
1
2
3
J101
RF_JACK
C141
TAB5 5
C140
TAB1
1TAB2
2
TAB3 3
TAB4 4
ANTENNA_NUT
J102 9.75nH
L116
HEATSINK
H101
POS
1
NU
NU
43K
R120
100pF
C119
100pF
C171 R173
180K 43K
R171
R174
NU
SH100
SHIELD
1
SHIELD
SH101
1
HF SHIELD PA SHIELD
R104
47K
C188
36pF
1MEG
R136
43
R103
6.2
R175
6.2
R176
3dBM@450MHz Tx
3dBM@527MHz Tx
7.01V Tx
7.08V Tx
0.269V Tx
UHF Band 2 Transmitter Schematic Diagram

Circuit Board/Schematic Diagrams and Parts List 5C-27
UHF Band 2 Radio Parts List (RF
Board)
Circuit
Ref
Motorola
Part No. Description
B501 0986237A02 Battery Contact Connector
B503 3980502Z01 Contact, Backup B+
(not used in GP328 Plus)
B504 3980501Z01 Contact, Backup B-
(not used in GP328 Plus)
C101 2113740F51 100
C102 2113740F22 6.2
C103 2113740F28 11
C104 2113740F22 6.2
C105 2113743N50 100 pF, 5%
C106 2113740F19 4.7 pF
C107 2113740F15 3.3
C108 2113743N50 100 pF, 5%
C109 2113740F51 100
C110 2113743N50 100 pF, 5%
C111 2103689A22 11.0, 0.05 pF
C112 2180605Z28 33 pF
C113 2180605Z20 15 pF
C114 2113743N50 100 pF, 5%
C115 2113743N31 16.0 pF, 5%
C116 2113743N27 11.0 pF, 5%
C117 NOT PLACED
C118 2113743N50 100 pF, 5%
C119 2113743N50 100 pF, 5%
C120 2113743N23 7.5 pF, 0.5 pF
C121 2113743N50 100 pF, 5%
C122 2113743N50 100 pF, 5%
C123 2311049A18 10 uF, 10%
C125 2113743N50 100 pF, 5%
C126 2113743M24 100000 pF, +80% / -20%
C127 2113743L17 1000 pF, 10%
C128 2113743M08 22000 pF, +80% / -20%
C129 2113743N23 7.5 pF, 0.5 pF
C130 2113743N50 100 pF, 5%
C131 2113743M08 22000 pF, +80% / -20%
C132 2113743N50 100 pF, 5%
C133 2113743L17 1000 pF, 10%
C134 2113743L29 3300 pF, 10%
C135 2113743M08 22000 pF, +80% / -20%
C138 2113743N50 100 pF, 5%
C140 0662057A67 5600, 5%
C141 2113740F25 8.2
C150 2113743M08 22000 pF, +80% / -20%
C151 2113743N50 100 pF, 5%
C152 2113743M08 22000 pF, +80% / -20%
C160 2113743N44 56.0 pF, 5%
C161 2113743M24 100000 pF, +80% / -20%
C165 2113743N44 56.0 pF, 5%
C166 2113743N50 100 pF, 5%
C169 2113743N09 2.0 pF, 0.25 pF
C170 2113743N50 100 pF, 5%
C171 2113743N50 100 pF, 5%
C172 2113743E20 0.10 uF, 10%
C173 2113743M08 22000 pF, +80% / -20%
C174 2113743N50 100 pF, 5%
C180 NOT PLACED
C181 NOT PLACED
C188 2113743N39 36.0 pF, 5%
C201 2113743N50 100 pF, 5%
C202 2113743L17 1000 pF, 10%
C203 2311049A56 4.7
C204 2104993J02 2.2 uF
C206 2113740F63 330 , 5%
C207 2113743N40 39.0 pF, 5%
C208 NOT PLACED
C210 2113743N50 100 pF, 5%
C211 2113743N50 100 pF, 5%
C212 2113743N50 100 pF, 5%
C213 2113743N50 100 pF, 5%
C214 2113743N50 100 pF, 5%
C215 NOT PLACED
C216 NOT PLACED
C217 2104993J02 2.2 uF
C218 2113743M24 100000 pF, +80% / -20%
C219 2113743K16 0.220 uF, +80% / -20%
C220 2113743N50 100 pF, 5%
C223 2113743M24 100000 pF, +80% / -20%
C224 2113743M24 100000 pF, +80% / -20%
C228 2311049J11 4.7 uF, 10%
C229 2113743L17 1000 pF, 10%
C230 2113743N50 100 pF, 5%
C231 2113743M24 100000 pF, +80% / -20%
C232 2113743E12 0.047 uF, 10%
C233 2311049A01 0.1
C234 2311049A05 0.47 uF, 10%
C235 2104993J02 2.2 uF
C238 2113741F17 470 pF
C241 2113743N50 100 pF, 5%
C242 2113743N17 4.3 pF, 0.25 pF
C243 2113743N17 4.3 pF, 0.25 pF
C244 2113740F14 3.0 pF
C245 2113743N12 2.7 pF, 0.25 pF
C246 2113743N50 100 pF, 5%
C247 2113743N50 100 pF, 5%
C248 2113743M24 100000 pF, +80% / -20%
C250 2113743N17 4.3 pF, 0.25 pF
C251 2113743N50 100 pF, 5%
C252 2113743N26 10.0 pF, 5%
Circuit
Ref
Motorola
Part No. Description
C253 2113740L01 2.0 pF
C254 2113743N26 10.0 pF, 5%
C255 2113743N50 100 pF, 5%
C257 2113743N50 100 pF, 5%
C258 2113743L41 10000 pF, 10%
C259 2113743L41 10000 pF, 10%
C260 2113743N50 100 pF, 5%
C263 2113743N02 0.75 pF, 0.25 pF
C264 2113743N50 100 pF, 5%
C265 NOT PLACED
C271 2113743N03 1.0 pF, 0.25 pF
C272 2113743N04 1.1 pF, 0.25 pF
C273 2113743M24 100000 pF, +80% / -20%
C276 2104993J02 2.2 uF
C277 2113743N50 100 pF, 5%
C278 2311049A09 2.2 uF, 10%
C279 2104993J02 2.2 uF
C281 2113743N50 100 pF, 5%
C282 NOT PLACED
C283 NOT PLACED
C285 2113743N50 100 pF, 5%
C286 2113743M24 100000 pF, +80% / -20%
C289 2113743N50 100 pF, 5%
C291 2311049A69 10.0 uF, 20%
C292 2113743M24 100000 pF, +80% / -20%
C293 2113743A27 0.470 uF, 10%
C294 2113743N50 100 pF, 5%
C295 2113743N50 100 pF, 5%
C296 2113743M24 100000 pF, +80% / -20%
C297 2113743L41 10000 pF, 10%
C298 2113743M24 100000 pF, +80% / -20%
C301 2113743N24 8.2 pF, 0.5 pF
C302 2113743N28 12.0 pF, 5%
C303 2113740L09 4.3 pF, 0.1 pF
C304 2113743N27 11.0 pF, 5%
C305 2113743N24 8.2 pF, 0.5 pF
C306 NOT PLACED
C307 2113743M24 100000 pF, +80% / -20%
C308 2113743N50 100 pF, 5%
C309 2113743N50 100 pF, 5%
C310 2113743M24 100000 pF, +80% / -20%
C311 NOT PLACED
C312 2113743N23 7.5 pF, 0.5 pF
C313 2113743N27 11.0 pF, 5%
C314 2113743M24 100000 pF, +80% / -20%
C315 2113743N50 100 pF, 5%
C316 2113740L09 4.3 pF, 0.1 pF
C317 2113743N27 11.0 pF, 5%
C318 2113743N23 7.5 pF, 0.5 pF
C319 2113743N15 3.6 pF, 0.25 pF
C320 2113743N23 7.5 pF, 0.5 pF
Circuit
Ref
Motorola
Part No. Description
C321 2113743N50 100 pF, 5%
C322 2113743N48 82.0 pF, 5%
C323 2113743N54 150 pF, 5%
C324 2113743N33 20.0 pF, 5%
C325 2113743L41 10000 pF, 10%
C326 2113743L41 10000 pF, 10%
C327 2113743N50 100 pF, 5%
C328 2113743M24 100000 pF, +80% / -20%
C329 2113743M24 100000 pF, +80% / -20%
C330 2113743N26 10.0 pF, 5%
C331 2113743N50 100 pF, 5%
C333 NOT PLACED
C334 2113743M08 22000 pF, +80% / -20%
C336 2113743M24 100000 pF, +80% / -20%
C337 2113743N50 100 pF, 5%
C338 2113743N30 15.0 pF, 5%
C339 2180478Z20 1.0 uF
C340 2180478Z20 1.0 uF
C341 2180478Z20 1.0 uF
C342 2180478Z20 1.0 uF
C343 2113743A23 0.220 uF, 10%
C344 2113743M24 100000 pF, +80% / -20%
C345 2113743M24 100000 pF, +80% / -20%
C346 2113743M24 100000 pF, +80% / -20%
C347 2113743M24 100000 pF, +80% / -20%
C348 2113743M24 100000 pF, +80% / -20%
C349 2113743E07 0.022 uF
C350 2113743L05 330 pF, 10%
C351 2113743N33 20.0 pF, 5%
C352 2113743N28 12.0 pF, 5%
C353 2113743N41 43.0 pF, 5%
C354 2113743N42 47.0 pF, 5%
C355 2113743A24 0.330 uF, 10%
C356 2113743M08 22000 pF, +80% / -20%
C357 2113743A23 0.220 uF, 10%
C358 2113741A23 1200 pF, 5%
C359 2109720D14 0.1 uF
C360 2113743E07 0.022 uF
C361 2113741F49 10000
C362 2113743M08 22000 pF, +80% / -20%
C363 2311049A40 2.2 uF, 10%
C364 2113743L41 10000 pF, 10%
C370 2113743N50 100 pF, 5%
C371 NOT PLACED
C372 NOT PLACED
C373 NOT PLACED
C374 2113743N50 100 pF, 5%
C375 2113743N50 100 pF, 5%
C378 NOT PLACED
C380 2113743L41 10000 pF, 10%
C381 2113743N18 4.7 pF, 0.25 pF
Circuit
Ref
Motorola
Part No. Description

5C-28 Circuit Board/Schematic Diagrams and Parts List
C382 2311049A59 10.0 uF, 10%
C383 2113743N50 100 pF, 5%
C384 2113743N44 56.0 pF, 5%
C385 2113743N44 56.0 pF, 5%
C386 2113743N50 100 pF, 5%
C390 2113743N50 100 pF, 5%
C391 NOT PLACED
C395 2113743N50 100 pF, 5%
C396 NOT PLACED
C397 2311049A07 1.0 uF, 10%
C502 2311049A05 0.47 uF, 10%
C503 2113743N50 100 pF, 5%
C505 2113743N50 100 pF, 5%
C511 2113743N50 100 pF, 5%
C512 2113743N50 100 pF, 5%
C513 2113743N50 100 pF, 5%
C514 2113743N50 100 pF, 5%
C520 2113743L41 10000 pF, 10%
C521 2113743L41 10000 pF, 10%
C522 2113743L41 10000 pF, 10%
C525 2113743N50 100 pF, 5%
C526 2113743N50 100 pF, 5%
C527 2113743N50 100 pF, 5%
C528 2113743N50 100 pF, 5%
C529 2113743N50 100 pF, 5%
C530 2113743N50 100 pF, 5%
C531 2113743N50 100 pF, 5%
C532 2113743N50 100 pF, 5%
C533 2113743N50 100 pF, 5%
C534 2113743N50 100 pF, 5%
C535 2113743N50 100 pF, 5%
C536 2113743N50 100 pF, 5%
C537 2113743N50 100 pF, 5%
C538 2113743N50 100 pF, 5%
C539 NOT PLACED
C540 NOT PLACED
C541 NOT PLACED
C542 NOT PLACED
C543 NOT PLACED
C544 2113743N50 100 pF, 5%
C545 2113743N50 100 pF, 5%
C546 2113743N50 100 pF, 5%
C547 2113743N50 100 pF, 5%
C548 NOT PLACED
C549 2113743N50 100 pF, 5%
C550 2113743N50 100 pF, 5%
C551 2113743N50 100 pF, 5%
C552 2113743N50 100 pF, 5%
C553 2113743N50 100 pF, 5%
C555 2113743N50 100 pF, 5%
CR101 4880973Z02 PIN Diode
Circuit
Ref
Motorola
Part No. Description
CR102 4802245J41 PIN Diode
CR103 4802245J41 PIN Diode
CR105 5185963A15 Temperature Sensor
CR160 NOT PLACED
CR201 4802233J09 Triple Diode
CR203 4862824C03 Varactor Diode
CR241 4805649Q13 Varactor Diode
CR242 4862824C01 Varactor Diode
CR243 4862824C01 Varactor Diode
CR251 4802245J22 Varactor Diode
CR301 4862824C01 Varactor Diode
CR302 4862824C01 Varactor Diode
CR303 4880154K03 Dual Diode
CR304 4862824C01 Varactor Diode
CR305 4862824C01 Varactor Diode
CR306 4802245J42 Ring Quad Diode
CR308 4802245J41 PIN Diode
CR310 4862824C01 Varactor Diode
CR501 4880107R01 Rectifier
CR503 4805729G49 Red / Yellow Diode
E101 2484657R01 Inductor Bead Chip
F501 6580542Z01 Fuse 3A
FL201 **4805875Z04 Crystal 16.8 MHz
FL301 9186153B01 X’tal Filter
H101 2680499Z01 Heat Spreader
J101 0985613Z01 RF Jack
J102 0280519Z02 Antenna Nut
(Ref: 0280519Z04)
J200 0905505Y04 Conn ZIF Horizontal
L101 2460591B28 13.37
L102 2460591B28 13.37
L104 2460591B48 15.22
L105 2462587N22 390 nH, 10%
L106 2460591A19 8.71
L107 2479990G01 33.47 nH
L108 2479990A01 4.22 nH
L112 2462587N45 22 nH, 5%
L113 2413926H09 5.6 nH, 0.3 nH
L114 2462587N45 22 nH, 5%
L115 2462587N22 390 nH, 10%
L116 2479990C02 16.28 nH
L117 2409154M17 22.0 nH
L160 2413926H14 15.0 nH, 5%
L201 2462587Q20 2200 nH, 20%
L202 2462587Q20 2200 nH, 20%
L203 2462587Q20 2200 nH, 20%
L232 2462587P25 12000 nH, 5%
L241 2462587V41 390 nH, 10%
L242 2462587V26 22 nH, 5%
L243 2460593C03 Teflon Resonator
L251 2462587V41 390 nH, 10%
Circuit
Ref
Motorola
Part No. Description
L253 2460593C03 Teflon Resonator
L261 2462587V29 39 nH, 5%
L271 2462587V27 27 nH, 5%
L273 2462587V25 18 nH, 5%
L281 2462587V41 390 nH, 10%
L282 2462587V41 390 nH, 10%
L301 2479990B01 11.03 nH
L302 2479990B01 11.03 nH
L303 2462587V26 22 nH, 5%
L304 2462587V37 180 nH, 5%
L305 2462587V23 12 nH, 5%
L306 2479990B01 11.03 nH
L307 2479990B01 11.03 nH
L309 2479990C02 16.28 nH
L310 2462587V36 150 nH, 5%
L311 2462587N65 750 nH, 5%
L314 2462587N72 2200 nH, 5%
L321 NOT PLACED
L325 2480646Z20 2.20 uH
L330 2462587N64 680 nH, 5%
L331 2480646Z20 2.20 uH
L332 2462587N53 100 nH, 5%
L340 2462587V41 390 nH, 10%
L505 2462587Q42 390 nH, 10%
P100 3905643V01 Ground Contact
PB501 4070354A01 Light Touch Switch
PB502 4070354A01 Light Touch Switch
PB504 4070354A01 Light Touch Switch
PB505 4070354A01 Light Touch Switch
Q110 4813828A09 Transistor 8W 450MHz
Q111 4809939C05 Transistor Dual NPN / PNP
Q210 4809939C05 Transistor Dual NPN / PNP
Q241 4805218N63 RF Transistor BFQ67W
Q260 4809939C05 Transistor Dual NPN / PNP
Q261 4809939C05 Transistor Dual NPN / PNP
Q301 4802245J44 NPN Silicon Bipolar Transistor
Q302 4802245J44 NPN Silicon Bipolar Transistor
Q310 NOT PLACED
Q315 4880214G02 Transistor MMBT3904
Q316 NOT PLACED
Q320 4805218N63 RF Transistor BFQ67W
Q502 5180159R01 Dual Transistor NPN
Q505 4880214G02 Transistor MMBT3904
R101 0662057A34 240, 5%
R102 0680539Z01 Power Metal Strip Resistor
R104 0662057N15 47 k, 5%
R106 0662057M26 10, 5%
R107 NOT PLACED
R108 0662057M92 5600, 5%
R109 0662057N30 200 k, 5%
R110 0662057M61 300, 5%
Circuit
Ref
Motorola
Part No. Description
R111 0662057M33 20, 5%
R112 0662057M61 300, 5%
R120 0662057N14 43 k, 5%
R130 0662057M98 10 k, 5%
R131 0662057N05 18 k, 5%
R132 0662057N33 270 k, 5%
R133 NOT PLACED
R136 NOT PLACED
R161 0662057M57 200, 5%
R170 0662057A34 240, 5%
R171 0662057N14 43 k, 5%
R172 0662057A32 200, 5%
R173 0662057N29 180 k, 5%
R174 0662057N15 47 k, 5%
R175 0662057B59 3.0, 5%
R176 0662057B59 3.0, 5%
R191 0662057C01 0
R201 0662057N21 82 k, 5%
R202 0662057N23 100 k, 5%
R204 0662057N15 47 k, 5%
R205 NOT PLACED
R206 NOT PLACED
R231 0662057M52 120, 5%
R232 0662057M69 620, 5%
R233 0662057M68 560, 5%
R241 0662057M32 18, 5%
R242 0662057M52 120, 5%
R243 0662057M98 10 k, 5%
R244 0662057N03 15 k, 5%
R245 0662057M59 240, 5%
R248 0662057M37 30, 5%
R251 0662057M38 33, 5%
R252 0662057M60 270, 5%
R253 0662057M95 7500, 5%
R254 0662057M96 8200, 5%
R255 0662057M89 4300, 5%
R256 0662057M37 30, 5%
R260 0662057M74 1000, 5%
R281 NOT PLACED
R300 0662057M82 2200, 5%
R301 0662057N23 100 k, 5%
R302 0662057N23 100 k, 5%
R303 0662057M78 1500, 5%
R304 0662057N01 12 k, 5%
R305 0662057M66 470, 5%
R306 0662057N23 100 k, 5%
R307 0662057N23 100 k, 5%
R308 0662057M60 270, 5%
R309 0662057M32 18, 5%
R310 0662057M60 270, 5%
R311 0662057N10 30 k, 5%
Circuit
Ref
Motorola
Part No. Description

Circuit Board/Schematic Diagrams and Parts List 5C-29
* Motorola Depot Servicing only
** Not Serviceable
R312 0662057M83 2400, 5%
R313 0662057M62 330, 5%
R314 0662057M85 3000, 5%
R315 0662057N01 12 k, 5%
R316 0662057A96 91 k, 5%
R317 0662057M74 1000, 5%
R318 0662057A79 18 k, 5%
R319 0662057A29 150, 5%
R320 0662057M74 1000, 5%
R321 0662057M83 2400, 5%
R322 0662057N30 200 k, 5%
R324 0662057M81 2000, 5%
R325 0662057M94 6800, 5%
R326 NOT PLACED
R327 0662057N11 33 k, 5%
R328 0662057M12 2.7, 5%
R329 0662057M01 0, 5%
R330 NOT PLACED
R331 NOT PLACED
R332 NOT PLACED
R333 NOT PLACED
R334 NOT PLACED
R335 NOT PLACED
R336 NOT PLACED
R338 NOT PLACED
R339 0662057M01 0, 5%
R340 0662057M96 8200, 5%
R342 0662057N23 100 k, 5%
R343 0662057M26 10, 5%
R344 0662057N01 12 k, 5%
R345 0662057M98 10 k, 5%
R346 0662057N17 56 k, 5%
R347 0662057M74 1000, 5%
R348 0662057M87 3600, 5%
R349 0662057C01 0
R350 0662057N23 100 k, 5%
R351 0662057C01 0
R352 0662057M86 3300, 5%
R355 0662057M01 0, 5%
R501 0662057M70 680, 5%
R502 0662057M56 180, 5%
R505 0662057M98 10 k, 5%
R506 0662057N15 47 k, 5%
R507 0662057M01 0, 5%
R509 0662057M01 0, 5%
(not used in GP328 Plus)
R510 0662057M01 0, 5%
R511 NOT PLACED
RT300 0680590Z01 Thermistor 33k
RT301 NOT PLACED
Circuit
Ref
Motorola
Part No. Description
S501 4080710Z01 Channel Switch
(Ref: 4080710Z09)
4080710Z05 Channel Switch (used in
PMUE2049_ only)
(Ref: 4080710Z12)
S502 1880619Z02 Potentiometer (Volume)
SH100 2680507Z01 Shield, Harmonic Filter
SH101 2680510Z01 Shield, PA
SH201 2680511Z01 Shield, Synthesizer
SH202 2680511Z01 Shield, Synthesizer
SH241 2604120G01 Shield, VCO
SH242 2680514Z01 Shield, VCO Bottom / LVZIF
SH301 2680554Z01 Shield, Receiver Front End
Top
SH302 2680555Z01 Shield, Receiver Front End
Bottom
SH303 2680509Z01 Shield, Mixer
SH304 2680624Z01 Shield, Mixer Diode
SH321 2680508Z01 Shield, LVZIF 2nd LO
SH322 2680514Z01 Shield, VCO Bottom / LVZIF
SH323 2604082P01 Shield, X’tal Filter
T301 2580541Z02 Balun Transformer
T302 2580541Z02 Balun Transformer
U101 5185130C65 LDMOS Driver
U102 5185765B26 PCIC
U201 5185963A27 LVFRACN
U210 5102463J61 Inverter
U211 5102463J61 Inverter
U241 5105750U54 VCO Buffer
U247 5105739X05 5V Regulator
U248 5102463J58 3.3V Regulator
U301 5109632D83 LVZIF
VR300 NOT PLACED
VR439 4880140L17 12V Zener Diode
VR440 4802245J73 6.8V Zener Diode
VR441 4802245J73 6.8V Zener Diode
VR443 4802245J73 6.8V Zener Diode
VR444 4802245J73 6.8V Zener Diode
VR501 4813830A18 6.8V Diode
VR506 4802245J73 6.8V Zener Diode
Y201 NOT PLACED
8404102G03 RF PCB
8404102G04 RF PCB
8404102G05 RF PCB
8404102G07 RF PCB
Circuit
Ref
Motorola
Part No. Description

Troubleshooting charts 5C-31
9.0 Troubleshooting charts
MCU Check
Power Up
Alert Tone
OK?
Speaker
OK?
U409 EXTAL=
7.3728 MHz?
U201 Pin 19
16.8 MHz
5V at U247?
3.3V at U248?
U409 Reset Pin
94 High?
MCU is OK
Not able to pro-
gram RF Board
ICs
Before replacing
MCU, check SPI
clock, SPI data, and
RF IC select
Replace Speaker
Read Radio OK?
Check
Setup
Reprogram the
correct data.
See FGU
Troubleshooting
7.5V at
Pin 3/5 U247? 4/
3.3V at Pin 1
U248
Check
Q400
Replace U247/
U248
Check any short to
SWB+,
Vdda or Vddd
Press PTT. Red
LED does not
light up
PTT U409 Pin
53
low?
Press PTT
Q502-2 High?
Check
PB504
Check
Q502-2
voltage
LED
Q502,R501
OK?
Replace
Faulty
Component
Check
Accessories
J403 OPT_SEL_1
& OPT_SEL_2
Pin 8 & 9
low?
Radio could
not PTT
externally
U409
Pin 52, 6
low?
See FGU
Troubleshooting
chart
LED should
light up
Check
MCU
PTT
NO
YES
YES
No
No
NO
YES YES
NO
YES
YES
NO
NO
YES
YES
NO
NO
YES
NO
YES
NO
YES
YES
NO
NO
YES
EXT
SPKR
EXT
PTT
INT
AUDIO
J403 Pin 9 low?
Pin 8 high?
ASFIC U404 Pin
14 & 15 high?
Check
Accessories
Check
U404
Check
U420 Audio PA
NO
NO
YES
YES
J403 Audio
at Pin 2 &
Pin 3
Check Spk. Flex
Connection
Audio at
AudioPA (U420)
input
(U447)
Audio from Pin 41
ASFIC, U404?
Check ASFIC
U404
Check
Audio PA
(U420)
Check U301
LV ZIF Audio at
Pin 2
U404?
NO
NO
NO
YES
YES
NO
YES
Troubleshooting Flow Chart for Controller

5C-32 Troubleshooting charts
Bad SINAD
Bad 20dB Quieting
No Recovered Audio
START
Audio at pin 27
of U301? Check Controller
Yes
No
Spray of inject 1st IF into
XTAL Filter
IF Freq: 45.1MHz
Audio heard?
B
Yes
No
Check 2nd LO Control
Voltage at C363
VCO locked?
B
Yes
16.8 MHz
check at pin 22
U301?
Activity on
U301 sel pin?
Check FGU
No
No
A
A
Yes
Check Q320 bias cir-
cuitry for faults.
Rotate Freq. Knob
Check controller.
Before replacing U301, check 2nd VCO
Q320. Check VCO O/P level, C351,
C352.
Yes
No
Troubleshooting Flow Chart for Receiver (Sheet 1 of 2)

Troubleshooting charts 5C-33
IF Signal at
L311?
No
RF Signal at
T301?
RF Signal at
C310?
No
RF Signal at
C307?
No
RF Signal at
C301?
No or
Check harmonic filters L101 & L102 and ant.
switches CR101, CR102, L104
Check filter between C301
& C307; program filter to
schematic test freq and
check varactor voltages.
Inject RF into J101
Are varactor
voltages OK?
No
Yes
Check RF amp (Q301)
Stage.
Check filter between
C310 & T301.
Yes
Check T301, T302, CR306,
R308, R309, R310
Yes
1st LO O/P
OK?
Locked?
Yes
Check FGU
Yes
Trace IF signal
from L311 to
Q302. Check for
bad XTAL filter.
No
Yes Q302 collector
OK?
IF signal
present? Before replacing
U301, check
U301 voltages;
trace IF signal
path.
Yes
Check for 2.6
VDC
Is R5 present?
Check Q210, U201
(pin 48) voltages and
U247
No
No
No
Check U404 voltage. U404
can be selected by MCU
before replacing U404.
Check varactor filter.
No
Yes
Yes
Yes
A
A
B
weak RF
Troubleshooting Flow Chart for Receiver (Sheet 2 of 2)

5C-34 Troubleshooting charts
START
No Power
Is There B+
Bias for Ant
switch
Check Q111
Is Current
OK?
Is Control Voltage
High or Low Check PCIC
1. Check Pin Diodes
2. Check Harmonic Filter
Inspect/Repair Tx. Out-
put Network
Is Power
OK?
Done
Check Drive to
Module
Is Drive
OK? Troubleshoot
VCO
Inspect PA Network/Check
Power Out of U101 at Cap
C160
Is Power
OK?
Replace U101
Is Power
OK?
Replace Q101
Done
Done
No
Yes
Yes No
No
Yes
Low
High
No
Yes
Yes
No
Yes
No
Troubleshooting Flow Chart for Transmitter

Troubleshooting charts 5C-35
5V
at pin 6 of
CR201
Is information
from µP U409
correct?
Is U201 Pin 18
AT 4.54 VDC?
Is U201 Pin 47
AT = 13 VDC
Is U241 Pin 19
<0.7 VDC in RX &
>4.3 VDC in TX?
Start
Visual
check of the
Board OK?
Correct
Problem
Check 5V
Regulator
+5V at U201
Pin’s
13 & 30?
Is 16.8MHz
Signal at
U201 Pin 19?
Check FL201, C206,
C207, C208, CR203 &
R204
Are signals
at Pin’s 14 &
15 of U201?
Check
L202 Check Q260,
Q261 & R260
U201 pin 2 at
>3V in Tx and
<0.7V in Rx
Replace U201
Remove
Shorts
Is there a short
between Pin 47 and
Pins 14 & 15 of
U201?
Replace or
resolder
necessary
components
Is RF level at
U201 Pin 32
>-30 dBm?
Are R231,R232,
R233,C231,C232,
& C233 OK?
Replace U201
If L261, C263 & C264
are OK, then see VCO
troubleshooting chart
Are Waveforms
at Pins 14 & 15
triangular?
Do Pins 7,8 & 9
of U201 toggle
when channel is
changed?
Check programming
lines between U409
and U201 Pins 7,8 & 9
Replace U201
Check uP U409
Troubleshooting
Chart
NO
YES
NO
YES
NO
YES
NO
YES
NO
NO
NO
YES
YES
NO
YES
YES
NO
YES
YES
YES
NO
NO
NO
NO
YES
NO
YES
YES
Check CR201, U210,
U211, C258, C259 &
C228
3.3V at U201
pins 5, 20, 34 &
36
Check U248,
L201 & L202
Is
16.8MHz
signal at
U201 pin
23?
Replace
U201
YES
NO
NO
YES
NO
YES
Troubleshooting Flow Chart for Synthesizer

5C-36 Troubleshooting charts
START
No LO?
Tx Carrier?
VCO OK
Check
R260
TRB = 5V?
Pin 10
>1V?
L253 O/C? Change
L253
Change
U241
AUX 3
High?
Check U201
Pin 2 for 3.2V
Pin 19 =0V
AUX 4
High?
Change
Q261
V ctrl 0V
or 13V? L243 Open
Circuit?
Change
U241
Change
L243
Change
U201
Check for faulty parts or dry
joints of L271, L273, C370,
C386, R339 & L320
A
A
No
No
Yes
Yes
Yes
No
No
Yes
Yes
Yes
No
Yes
No
No
Yes
Yes
No
No
Check R245 for dry
joint or faulty
No
Troubleshooting Flow Chart for VCO

5D-1
Section 5D
MODEL CHART AND TEST SPECIFICATIONS (330-400
MHZ)
1.0 Model Chart
GP Series, 330-400 MHz
Model Description
AZH38PDC9AA3 GP328 Plus 330-400 MHz 4W 16 CH
AZH38PDH9AA6 GP338 Plus 330-400 MHz 4W 128 CH
Item Description
XPMUD1675 GP328 Plus Super Tanapa 330-400 MHz 4W
XPMUD1676 GP338 Plus Super Tanapa 330-400 MHz 4W 128CH
XPMUD1679 GP328 Plus Tanapa 330-400 MHz 4W
XPMUD1680 GP338 Plus Tanapa 330-400 MHz 4W 128CH
XJMHD4007 GP328 Plus B/C Kit 330-400 MHz 4W
XPMHD4007 GP338 Plus B/C Kit 330-400 MHz 4W 128CH
XPMHD4002 GP328 Plus Front Housing Kit
XPMHD4003 GP338 Plus Front Housing Kit
XXPMAD4009 VHF 9 cm antenna (336-368 MHz)
XXPMAD4020 VHF 9 cm antenna (370-400 MHz)
X6804022G48 GP328 Plus User Guide
X6804112J64 GP338 Plus User Guide
x = Indicates one of each is required.

5D-2 Specifications (for GP328 Plus)
2.0 Specifications (for GP328
Plus)
General
Transmitter
Receiver
All specifications are subject to change without notice.
330-400MHz
Frequency: 330-400 MHz
Channel Capacity: GP328 Plus : 16 Chan-
nels
Power Supply: 7.5 Volts ±20%
Dimensions
with Standard
High Capacity
Lithium Battery:
with Ultra High
Capacity Lithium
Battery:
101.5mm x 55.5mm x
30.5mm
101.5mm x 55.5mm x
35.5mm
Weight:
with Standard
High Capacity
Lithium Battery:
with Ultra High
Capacity Lithium
Battery:
250 g
270 g
Average Battery
Life @ (5-5-90 Duty
Cycle)
Standard High
Capacity Lithium
Battery:
Ultra High Capac-
ity Lithium Battery:
Low
Power
>10 hrs
>14 hrs
High
Power
>7 hrs
>10 hrs
Sealing: Meets MIL-STD-810-
C,D & E and IPX4
Shock: Meets MIL-STD-810-
C,D & E and TIA/EIA 603
Vibration: Meets MIL-STD-810-
C,D & E and TIA/EIA 603
Dust: Meets MIL-STD-810-
C,D & E and IP5X
Humidity: Meets MIL-STD-810-
C,D & E and TIA/EIA 603
330-400MHz
RF Output
Li Ion @ 7.5V:
Low
1W
High
4W
Frequency 330-400 MHz
Channel Spacing 12.5/20/25 kHz
Freq. Stability
(-30°C to +60°C)
0.00025%
Spurs/Harmonics: -36 dBm < 1 GHz
-30 dBm > 1 GHz
Audio Response:
(from 6 dB/oct. Pre-
Emphasis, 300 to
3000Hz)
+1, -3 dB
Audio Distortion:
@ 1000 Hz, 60%
Rated Max. Dev.
<5%
FM Noise: -40 dB
12.5kHz 20/
25kHz
Frequency: 330-
400MHz
330-
400MHz
Sensitivity
12dB EIA SINAD:
0.35 µV0.35 µV
Adjacent Channel
Selectivity ETS
-60 dB -70 dB
Intermodulation
ETS
-65 dB -65 dB
Freq. Stability
(-30°C to +60°C):
0.00025% 0.00025%
Spur Rejection: -70 dB -70 dB
Image Rejection: -70 dB -70 dB
Audio Output
@ <5% Distortion
500 mW 500 mW

Specifications (for GP338 Plus) 5D-3
3.0 Specifications (for GP338
Plus)
General
Transmitter
Receiver
All specifications are subject to change without notice.
330-400MHz
Frequency: 330-400 MHz
Channel Capacity: GP338 Plus : 128 Chan-
nels
Power Supply: 7.5 Volts ±20%
Dimensions
with Standard
High Capacity
Lithium Battery:
with Ultra High
Capacity Lithium
Battery:
101.5mm x 55.5mm x
33.0mm
101.5mm x 55.5mm x
38.0mm
Weight:
with Standard
High Capacity
Lithium Battery:
with Ultra High
Capacity Lithium
Battery:
250 g
270 g
Average Battery
Life @ (5-5-90 Duty
Cycle)
Standard High
Capacity Lithium
Battery:
Ultra High Capac-
ity Lithium Battery:
Low
Power
>10 hrs
>14 hrs
High
Power
>7 hrs
>10 hrs
Sealing: Meets MIL-STD-810-
C,D & E and IPX4
Shock: Meets MIL-STD-810-
C,D & E and TIA/EIA 603
Vibration: Meets MIL-STD-810-
C,D & E and TIA/EIA 603
Dust: Meets MIL-STD-810-
C,D & E and IP5X
Humidity: Meets MIL-STD-810-
C,D & E and TIA/EIA 603
330-400MHz
RF Output
Li Ion @ 7.5V:
Low
1W
High
4W
Frequency 330-400 MHz
Channel Spacing 12.5/20/25 kHz
Freq. Stability
(-30°C to +60°C)
0.00025%
Spurs/Harmonics: -36 dBm < 1 GHz
-30 dBm > 1 GHz
Audio Response:
(from 6 dB/oct. Pre-
Emphasis, 300 to
3000Hz)
+1, -3 dB
Audio Distortion:
@ 1000 Hz, 60%
Rated Max. Dev.
<5%
FM Noise: -40 dB
12.5kHz 20/
25kHz
Frequency: 330-
400MHz
330-
400MHz
Sensitivity
12dB EIA SINAD:
0.35 µV0.35 µV
Adjacent Channel
Selectivity ETS
-60 dB -70 dB
Intermodulation
ETS
-65 dB -65 dB
Freq. Stability
(-30°C to +60°C):
0.00025% 0.00025%
Spur Rejection: -70 dB -70 dB
Image Rejection: -70 dB -70 dB
Audio Output
@ <5% Distortion
500 mW 500 mW

5D-4 Transmitter
4.0 Transmitter
4.1 General
(Refer to Figure 5-1)
The transmitter contains five basic circuits:
1. Power Amplifier
2. Antenna Switch
3. Harmonic Filter
4. Antenna Matching Network
5. Power Control Integrated Circuit (PCIC).
4.1.1 Power Amplifier
The power amplifier consists of two devices:
1. 9Z67 LDMOS driver IC (U101) and
2. PRF1507 LDMOS PA (Q110).
The 9Z67 LDMOS driver IC contains a 2 stage amplification with a supply voltage of 7.3V.
This RF power amplifier is capable of supplying an output power of 0.3W (pin 6 and 7) with an input
signal of 2mW (3dBm) (pin16). The current drain would typically be 160mA while operating in the
frequency range of 330-400MHz.
The PRF1507 LDMOS PA is capable of supplying an output power of 7W with an input signal of
0.3W. The current drain would typically be 1300mA while operating in the frequency range of 330-
400MHz. The power output can be varied by changing the biasing voltage.
Figure 5-1: Transmitter Block Diagram
PCIC
Antenna
PA
Driver
Vcontrol Vcontrol
From VCO
Jack
PA - F i n a l
Stage
Antenna Switch/
Harmonic Filter/
Matching Network

Transmitter 5D-5
4.1.2 Antenna Switch
The antenna switch circuit consists of two PIN diodes (CR101 and CR102), a pi network (C107, L104
and C106), and two current limiting resistors (R101, R170). In the transmit mode, B+ at PCIC (U102)
pin 23 will go low and turn on Q111 where a B+ bias is applied to the antenna switch circuit to bias the
diodes "on". The shunt diode (CR102) shorts out the receiver port, and the pi network, which
operates as a quarter wave transmission line, transforms the low impedance of the shunt diode to a
high impedance at the input of the harmonic filter. In the receive mode, the diodes are both off, and
hence, there exists a low attenuation path between the antenna and receiver ports.
4.1.3 Harmonic Filter
The harmonic filter consists of C104, L102, C103, L101 and C102. The design of the harmonic filter
for VHF is that of a modified Zolotarev design. It has been optimized for efficiency of the power
module. This type of filter has the advantage that it can give a greater attenuation in the stop-band for
a given ripple level. The harmonic filter insertion loss is typically less than 1.2dB.
4.1.4 Antenna Matching Network
A matching network which is made up of L116 is used to match the antenna's impedance to the
harmonic filter. This will optimize the performance of the transmitter and receiver into an antenna.
4.1.5 Power Control Integrated Circuit (PCIC)
The transmitter uses the Power Control IC (PCIC), U102 to regulate the power output of the radio.
The current to the final stage of the power module is supplied through R101, which provides a voltage
proportional to the current drain. This voltage is then fedback to the Automatic Level Control (ALC)
within the PCIC to regulate the output power of the transmitter.
The PCIC has internal digital to analog converters (DACs) which provide the reference voltage of the
control loop. The reference voltage level is programmable through the SPI line of the PCIC.
There are resistors and integrators within the PCIC, and external capacitors (C133, C134 and C135)
in controlling the transmitter rising and falling time. These are necessary in reducing the power
splatter into adjacent channels.
CR105 and its associated components are part of the temperature cut back circuitry. It senses the
printed circuit board temperature around the transmitter circuits and output a DC voltage to the PCIC.
If the DC voltage produced exceeds the set threshold in the PCIC, the transmitter output power will be
reduced so as to reduce the transmitter temperature.

5D-6 Receiver
5.0 Receiver
5.1 Receiver Front-End
(Refer to 330-400MHz Receiver Front End Schematic Diagram on page 5D-22 and 330-400MHz
Transmitter Schematic Diagram on page 5D-26)
The RF signal is received by the antenna and applied to a low-pass filter. For VHF, the filter consists
of L101, L102, C102, C103, C104. The filtered RF signal is passed through the antenna switch. The
antenna switch circuit consists of two PIN diodes(CR101 and CR102) and a pi network (C106, L104
and C107).The signal is then applied to a varactor tuned bandpass filter. The VHF bandpass filter
comprises of L301, L302, C302, C303, C304, CR301 and CR302. The bandpass filter is tuned by
applying a control voltage to the varactor diodes(CR301 and CR302) in the filter.
The bandpass filter is electronically tuned by the DACRx from U404 which is controlled by the
microprocessor. Depending on the carrier frequency, the DACRx will supply the tuned voltage to the
varactor diodes in the filter. Wideband operation of the filter is achieved by shifting the bandpass filter
across the band.
The output of the bandpass filter is coupled to the RF amplifier transistor Q301 via C307. After being
amplified by the RF amplifier, the RF signal is further filtered by a second varactor tuned bandpass
filter, consisting of L306, L307, C313, C317, CR304 and CR305.
Both the pre and post-RF amplifier varactor tuned filters have similar responses. The 3 dB bandwidth
of the filter is about 50 MHz. This enables the filters to be electronically controlled by using a single
control voltage which is DACRx .
Figure 5-2: Receiver Block Diagram
Demodulator
Synthesizer
Crystal
Filter
Mixer
Varactor
Tuned Filter
RF Amp
Va ra ct or
Tuned Filter
Pin Diode
Antenna
Switch
RF Jack
Antenna
AGC
Control Voltage
from ASFIC
First LO
from FGU
Recovered Audio
Squelch
RSSI
IF IC
SPI Bus
16.8 MHz
Reference Clock
Second
LO VCO
U301
IF Amp

Receiver 5D-7
The output of the post-RF amplifier filter which is connected to the passive double balanced mixer
consists of T301, T302 and CR306. Matching of the filter to the mixer is provided by C381. After
mixing with the first LO signal from the voltage controlled oscillator (VCO) using low side injection, the
RF signal is down-converted to the 45.1 MHz IF signal.
The IF signal coming out of the mixer is transfered to the crystal filter (FL301) through a resistor pad
and a diplexer (C322 and L310). Matching to the input of the crystal filter is provided by C324 and
L311. The crystal filter provides the necessary selectivity and intermodulation protection.
5.2 Receiver Back-End
(Refer to 330-400MHz Receiver Back End Schematic Diagram on page 5D-23)
The output of crystal filter FL301 is matched to the input of IF amplifier transistor Q302 by
components R352 and C325. Voltage supply to the IF amplifier is taken from the receive 5 volts (R5).
The IF amplifer provides a gain of about 7dB. The amplified IF signal is then coupled into U301(pin 3)
via C330, C338 and L330 which provides the matching for the IF amplifier and U301.
The IF signal applied to pin 3 of U301 is amplified, down-converted, filtered, and demodulated, to
produce the recovered audio at pin 27 of U301. This IF IC is electronically programmable, and the
amount of filtering (which is dependent on the radio channel spacing) is controlled by the
microprocessor. Additional filtering, once externally provided by the conventional ceramic filters, is
replaced by internal filters in the IF module (U301).
The IF IC uses a type of direct conversion process, whereby the externally generated second LO
frequency is divided by two in U301 so that it is very close to the first IF frequency. The IF IC (U301)
synthesizes the second LO and phase-locks the VCO to track the first IF frequency. The second LO
is designed to oscillate at twice the first IF frequency because of the divide-by-two function in the IF
IC.
In the absence of an IF signal, the VCO will “search” for a frequency, or its frequency will vary close to
twice the IF frequency. When an IF signal is received, the VCO will lock onto the IF signal. The
second LO/VCO is a Colpitts oscillator built around transistor Q320. The VCO has a varactor diode,
CR310, to adjust the VCO frequency. The control signal for the varactor is derived from a loop filter
consisting of C362, C363, C364, R320 and R321.
The IF IC (U301) also performs several other functions. It provides a received signal-strength
indicator (RSSI) and a squelch output. The RSSI is a dc voltage monitored by the microprocessor,
and used as a peak indicator during the bench tuning of the receiver front-end varactor filter. The
RSSI voltage is also used to control the automatic gain control (AGC) circuit at the front-end.
The demodulated signal on pin 27 of U301 is also used for squelch control. The signal is routed to
U404 (ASFIC) where squelch signal shaping and detection takes place. The demodulated audio
signal is also routed to U404 for processing before going to the audio amplifier for amplification.

5D-8 Receiver
5.3 Automatic Gain Control Circuit
(Refer to 330-400MHz Receiver Front End Schematic Diagram on page 5D-22)
The front end automatic gain control circuit is to provide automatic gain reduction of the front end RF
amplifier via feedback. This action is necessary to prevent overloading of back end circuits. This is
achieved by drawing some of the output power from the RF amplifier’s output. At high radio
frequencies, capacitor C331 provides the low impedance path to ground for this purpose. CR308 is a
PIN diode used for switching the path on or off. A certain amount of forward biasing current is needed
to turn the PIN diode on. Transistors Q315 provides this current where upon saturation, current will
flow via R347, PIN diode, collector and emitter of Q315 and R319 before going to ground. Q315 is an
NPN transistor used for switching here. Maximum current flowing through the PIN is mainly limited by
the resistor R319.
Radio signal strength indicator, RSSI, a voltage signal, is used to drive Q315 to saturation hence
turning it on. RSSI is produced by U301 and is proportional to the gain of the RF amplifier and the
input RF signal power to the radio.
Resistor network at the input to the base of Q315 is scaled to turn on Q315, hence activating the
AGC, at certain RSSI levels. In order to turn on Q315, the voltage across the transistor’s base to
ground must be greater or equal to the voltage across R319, plus the base-emitter voltage (Vbe)
present at Q315. The resistor network with thermistor RT300 is capable of providing temperature
compensation to the AGC circuit, as RSSI generated by U301 is lower at cold temperatures
compared to normal operation at room temperature. Resistor R300 and capacitor C397 form an R-C
network used to dampen any transient instability while the AGC is turning on.

Frequency Generation Circuitry 5D-9
6.0 Frequency Generation Circuitry
The Frequency Generation Circuitry is composed of two main ICs, the Fractional-N synthesizer
(U201), and the VCO/Buffer IC (U241). Designed in conjunction to maximize compatibility, the two
ICs provide many of the functions that normally would require additional circuitry. The synthesizer
block diagram illustrates the interconnect and support circuitry used in the region. Refer to the
relevant schematics for the reference designators.
The synthesizer is powered by regulated 5V and 3.3V which come from U247 and U248 respectively.
The synthesizer in turn generates a superfiltered 4.5V which powers U241.
In addition to the VCO, the synthesizer must interface with the logic and ASFIC circuitry.
Programming for the synthesizer is accomplished through the data , clock and chip select lines from
the microprocessor. A 3.3V dc signal from synthesizer lock detect line indicates to the microprocessor
that the synthesizer is locked.
Transmit modulation from the ASFIC is supplied to pin10 of U201. Internally the audio is digitized by
the Fractional-N and applied to the loop divider to provide the low-port modulation. The audio runs
through an internal attenuator for modulation balancing purposes before going out to the VCO.
Figure 5-3: Frequency Generation Unit Block Diagram
Vo l t a g e
Multiplier
Synthesizer
U201
Dual
Tran-
sistor
Loop
Filter
VCOBIC
U241
Low
Pass
Filter
Matching
Network
Attenuator
To
Mixer
To
PA Driver
VCP
Vmult1
Aux3
Aux4
MOD Out
Modulating
Signal
Vmult2
Rx VCO Circuit
Tx VCO Circuit
TRB
16.8 MHz
Ref. Osc.
Rx Out
Tx Out

5D-10 Frequency Generation Circuitry
6.1 Synthesizer
(Refer to 330-400MHz Synthesizer Schematic Diagram on page 5D-24)
The Fractional-N Synthesizer uses a 16.8MHz crystal (FL201) to provide a reference for the system.
The LVFractN IC (U201) further divides this to 2.1MHz, 2.225MHz, and 2.4MHz as reference
frequencies. Together with C206, C207, C208, R204 and CR203 , they build up the reference
oscillator which is capable of 2.5ppm stability over temperatures of -30 to 85°C. It also provides
16.8MHz at pin 19 of U201 to be used by ASFIC and LVZIF.
The loop filter which consist of C231, C232, C233, R231, R232 and R233 provides the necessary dc
steering voltage for the VCO and determines the amount of noise and spur passing through .
In achieving fast locking for the synthesizer, an internal adapt charge pump provides higher current at
pin 45 of U201 to put synthesizer within the lock range. The required frequency is then locked by
normal mode charge pump at pin 43 .
Both the normal and adapt charge pumps get their supply from the capacitive voltage multiplier which
is made up of C258, C259, C228, triple diode CR201 and level shifters U210 and U211. Two 3.3V
square waves ( 180 deg out of phase) are first shifted to 5V, then along with regulated 5V , put
through arrays of diodes and capacitors to build up 13.3V at pin 47 of U201.
Figure 5-4: Synthesizer Block Diagram
DATA
CLK
CEX
MODIN
VCC, DC5V
XTAL1
XTAL2
WARP
PREIN
VCP
REFERENCE
OSCILLATOR
VOLTAGE
MULTIPLIER
VOLTAGE
CONTROLLED
OSCILLATOR
2-POLE
LOOP
FILTER
DATA (U409 PIN 100)
CLOCK (U409 PIN 1)
CSX (U409 PIN 2)
MOD IN (U404 PIN 40)
+5V (U247 PIN 4)
7
8
9
10
13, 30
23
24
25
32
47
VMULT2 VMULT1
BIAS1
SFOUT
AUX3
AUX4
IADAPT
IOUT
GND
FREFOUT
LOCK 4
19
6, 22, 23, 24
43
45
3
2
28
14 15
40
FILTERED 5V
STEERING
LINE
LOCK (U409 PIN 56)
PRESCALER IN
LO RF INJECTION
TX RF INJECTION
(1ST STAGE OF PA)
FREF (U201 PIN 21 & U404 PIN 34)
39
BIAS2
41
DUAL
TRANSIS
DUAL
TRANSIS-
48
5V
R5
5, 20, 34, 36
(U248 PIN 5)
AUX1
VDD, 3.3V MODOUT
U251
LOW VOLTAGE
FRACTIONAL-N
SYNTHESIZER
TORS
TORS

Frequency Generation Circuitry 5D-11
6.2 VCO - Voltage Controlled Oscillator
(Refer to 330-400MHz Voltage Controlled Oscillator Schematic Diagram on page 5D-25)
Figure 5-5: VCO Block Diagram
The VCOBIC (U241) in conjunction with the Fractional-N synthesizer (U201) generates RF in both
the receive and the transmit modes of operation. The TRB line (U241 pin 19) determines which
oscillator and buffer will be enabled. A sample of the RF signal from the enabled oscillator is routed
from U241 pin 12, through a low pass filter, to the prescaler input (U201 pin 32). After frequency
comparison in the synthesizer, a resultant CONTROL VOLTAGE is received at the VCO. This voltage
is a DC voltage between 3.5V and 9.5V when the PLL is locked on frequency.
Presc
RX
TX
Matching
Network Low Pass
Filter
Attenuator
Pin8
Pin14
Pin10
Level Shifter
Network
5V
(U201 Pin28)
VCC Buffers
TX RF Injection
U201 Pin 32
AUX4 (U201 Pin3)
AUX3 (U201 Pin2)
Prescaler Out
Pin 12Pin 19
Pin 20
TX/RX/BS
Switching Network
U241
VCOBIC
Rx
Active Bias
Tx
Active Bias
Pin2
Rx-I adjust
Pin1
Tx-I adjust
Pins 9,11,17
Pin18
Vsens
Circuit
Pin15
Pin16
RX VCO
Circuit
TX VCO
Circuit
RX Tank
TX Tank
Pin7
Vcc-Superfilter
Collector/RF in
Pin4
Pin5
Pin6
RX
TX
(U201 Pin28)
Rx-SW
Tx-SW
Vcc-Logic
(U201 Pin28)
Steer Line
Voltage
(VCTRL)
Pin13
Pin3
TRB_IN
LO RF INJECTION
VSF
VSF
VSF

5D-12 Frequency Generation Circuitry
The VCOBIC(U241) is operated at 4.54 V (VSF) and Fractional-N synthesizer (U201) at 3.3V. This
difference in operating voltage requires a level shifter consisting of Q260 and Q261 on the TRB line.
The operation logic is shown in Table 5-1.
In the receive mode, U241 pin 19 is low or grounded. This activates the receive VCO by enabling the
receive oscillator and the receive buffer of U241. The RF signal at U241 pin 8 is run through a
matching network. The resulting RF signal is the LO RF INJECTION and it is applied to the mixer at
T302 (refer to 330-400MHz Receiver Front End Schematic Diagram on page 5D-22).
During the transmit condition, when PTT is depressed, five volts is applied to U241 pin 19. This
activates the transmit VCO by enabling the transmit oscillator and the transmit buffer of U241. The RF
signal at U241 pin 10 is injected into the input of the PA module (U101 pin16). This RF signal is the
TX RF INJECTION. Also in transmit mode, the audio signal to be frequency modulated onto the
carrier is received through the U201 pin 41.
When a high impedance is applied to U241 pin19, the VCO is operating in BATTERY SAVER mode.
In this case, both the receive and transmit oscillators as well as the receive transmit and prescaler
buffer are turned off.
Table 5-1: Level Shifter Logic
Desired
Mode AUX 4 AUX 3 TRB
Tx Low High (@3.2V) High (@4.8V)
Rx High Low Low
Battery Saver Low Low Hi-Z/Float (@2.5V)

Notes For All Schematics and Circuit Boards 5D-13
7.0 Notes For All Schematics and Circuit Boards
* Component is frequency sensitive. Refer to the Electrical Parts List for value and usage.
1. Unless otherwise stated, resistances are in Ohms (k = 1000), and capacitances are in picofarads
(pF) or microfarads (µF).
2. DC voltages are measured from point indicated to chassis ground using a Motorola DC multime-
ter or equivalent. Transmitter measurements should be made with a 1.2 µH choke in series with
the voltage probe to prevent circuit loading.
3. Reference Designators are assigned in the following manner:
100 Series = Transmitter
200 Series = Frequency Generation
300 Series = Receiver
400/500 Series = Controller
600 Series = Keypad Board
4. Interconnect Tie Point Legend:
UNSWB+ = Unswitch Battery Voltage (7.5V)
SWB+ = Switch Battery Voltage (7.5V)
R5 = Receiver Five Volts
CLK = Clock
Vdda = Regulated 3.3 Volts (for analog)
Vddd = Regulated 3.3 Volts (for digital)
CSX = Chip Select Line (not for LVZIF)
SYN = Synthesizer
DACRX = Digital to Analog Voltage (For Receiver Front End Filter)
VSF = Voltage Super Filtered (5 volts)
VR = Voltage Regulator
6-LAYER CIRCUIT BOARD DETAIL VIEWING
COPPER STEPS IN PROPER LAYER SEQUENCE
LAYER 1 (L1)
LAYER 2 (L2)
LAYER 3 (L3)
LAYER 4 (L4)
LAYER 5 (L5)
LAYER 6 (L6)
INNER LAYERS
SIDE 1
SIDE 2

Circuit Board/Schematic Diagrams and Parts List 5D-15
8.0 Circuit Board/Schematic Diagrams and Parts List
B503
B504
C216
FL201
1
3
4
6
40
J200
1
TP201
C247
C251
C285
C289
C370
C374
C386
C248
C273
C286
C276
C253
C271
C272
L282
3
L243
1
3
L253
1
L271
L273
L321
Q261
3
4
Q241
R333
R339
R243
R248
R253
R260
SH241
TP202
TP302
C210
C211
C212
C213
C214
C220
C230
C257
C260
C294
C292
C229
C282
C283
C203
C217
C235
C228
C233
C238
C297
C291
CR201
L201
L202
L203
L232
Q210
3
4
Q260
3
4
R206
R256
R255
SH201
U247
C328
C324
C325
C521
C323
C391
C397
FL301
L311
PB501PB502
Q315
Q316
R326
R300
R314
R316
R318
R319
R325
R327
R334
R335
R338
R351
R352
RT300
RT301
SH323
VR300
VR440
C375
C320
C319
C322
C381
L309
L310
R308
R310
R309
R348
SH303
T301
3
46
T302
3
4
6
16
C109
C110
C114
C119
C122
C166
C171
C111
C112
C113
C115
C116
C117
C118
C121
C125
C160
C165
C120
C161
C193
C127
C131
C129
C169
C180
C181
L115
L106
L107
L108
L109
L113
L114
L117
L160
3
2
Q110
1
R104
R106
R107
R174
R108
R120
R171
R161
R193
R173
SH101
U101
9
81
C101
C102
C104
C103
C106
C107 C188
CR101
CR102
L101
L102
L104
L105
SH100
C331
C396
C333
CR308
R342
R317
R336 C304
C308
C301
C302 C305
C303
CR301
CR302
L301
L302
R301
R302
SH301
C354
C362
C351
C364
C352
C349
C350
C353
C363
C384
C385
CR310
L325
L332
PB504
Q320
R355
R322
R345
R320
R321
R324
R346
SH321
VR444
C505
C512 C513
C502
Q505
Q502
R506
R507
R505
VR501
C140
C511
C514
C520
CR503
2
34
L116 PB505 R502
R501
VR443
C141
330-400MHz Main Board Top Side PCB No. 8404101G02/G03/G04

5D-16 Circuit Board/Schematic Diagrams and Parts List
2
S502
35
4
4C
8C
S501
2
C108
CR160
1
J101
4
3
2
J102
P100
C132
C173
C172
CR103
CR105
H101
M100
Q111
3
4
R101
R170
R133
R172
C309
C315
C321
C395
C307
C310
C314
C306
C311
C380
C312
C318
C313
C317
C316
CR304
CR305
CR303
L340
L304
L306
L307
L303
L305
Q301
R306
R307
R304
R303
R347
R305
R328 R340
SH302
C337
C383
C390
C329
C336
C344
C345
C346
C347
C348
C334
C356
C339
C340
C341
C342
C343
C357
C360
C355
C358
C359
C361
C382
L314
L331
R343
R350
R344
SH322
13
25
37
1
U301
M301
B501
32
1
C327
C503
C338
C326
C330
L330
Q302
R315
R311
R312
R313
C130
C138
C151
C170
C123
C126
C128
C150 C152
CR306
CR501
E101
F501
L112
R102 R329
SH304
VR439
C105
C174
C133
C135
C134
R109
R130
R131 R132
R136
25
9
17
U102
1
C241
C246
C255
C281
C295
C372 C371
C373
C378
C242
C250
C243
C244
C245 C254 C252
C256
CR241
CR242
CR243
CR251
CR252
L241
L242
L281
L251
M300
Q310
R330
R332 R254
R110
R112
R111
R241
R252
R242
R244
R245
R251
R331
R349
SH242
U241
10
20
1
11
C201
C264
C218
C223
C224
C231
C296
C298
C202
C265
C204
C206
C207
C208
C219
C232
C234
C258
C259
C263
C293
CR203
L261
R204
R281
R201
R202
R231 R232
R233
SH202
13
25
37
1
U201 U210
3
4
U211
3
4
C277
C215
C279
C522
C278
L505
M101
R205
U248
VR441
VR442
VR506
C523
Y201
43
2
C526
C528
C530
C532
C534
C536
C538
C540
C542
C547
C552
C555
R509
R510
C525
C527
C529
C531
C533
C535
C537
C539
C541
C543
C544
C545
C546
C548
C549
C550
C551
C553
R511
330-400MHz Main Board Bottom Side PCB No. 8404101G02/G03/G04

Circuit Board/Schematic Diagrams and Parts List 5D-17
ZMY0131018-O
40
J200
1
B503
C216
C282
C283
C210
C211
C212
C213
C214
C220
C230
C257
C260
C294
C292
C229
C203
C217
C235
C228
C233
C297
C291
CR201
FL201
13
4
6
L201
L202
L203
Q210
3
4
Q260
3
4
R206
R256
R255
SH201
TP201
C238
L232
U247
B504
TP202
TP302
C391
C328
C324
C325
C521
C323
C397
FL301
L311
PB501PB502
Q315
Q316
R326
R334
R335
R338
R300
R314
R316
R318
R319
R325
R327
R351
R352
RT300
RT301
SH323
VR300
VR440
C381
C375
R310
C319
C320
C322
L309
L310
R308
R309
R348
SH303
T301
34
6
T302
3
4
6
C333
C396
C331
CR308
R336
R342
R317
C247
C251
C285
C289
C370
C374
C386
C248 C273
C286
C253
C276
C271
C272
L282
3
L243
1
3
L253
1
L271
L273
L321
Q261
3
4
Q241
R333
R243
R248
R253
R260
R339
SH241
C109
C110
C114
C119
C122
C166
C171
C111
C112
C113
C115
C116
C180
C117
C118
C121
C125
C160
C165
C120
C161
C193
C127
C131
C129
C169
C181
L115
L106
L107
L108
L109
L113
L114
L117
L160
3
2
Q110
1
R104
R174
R106
R107
R108
R120
R171
R161
R193
R173
R175
R176
SH101
1
16
8
9
U101
C101
C102
C104
C103
C106
C107
C188
CR101
CR102
L101
L102
L104
L105
SH100
C308
C301
C302 C305
C303
C304
CR301
CR302
L301
L302
R301
R302
SH301
C140
C141
L116
PB505
C511
C512 C513
C514
C520
CR503
2
34
Q505
Q502
R505
R502
R501
VR443
C505
C502
R506
R507
VR501
PB504
VR444
C350
C362
C351
C364
C352
C349
C353
C354
C363
C384
C385
CR310
L325
L332
Q320
R322
R345
R320
R321
R324
R355
R346
SH321
330-400MHz Main Board Top Side PCB No. 8404101G06

5D-18 Circuit Board/Schematic Diagrams and Parts List
ZMY0131019-O
C539 C540
C541 C542
C543
C548
C525 C526
C527 C528
C529 C530
C531 C532
C533 C534
C535 C536
C537 C538
C544
C545
C546 C547
C549
C550
C551 C552
C553
C555
R509
R511
R510
2
S502
35
4
4
C
8
C
S501
2
J101
4
3
21
J102
C108
CR103
CR160
Q111
3
4
R101
R170
P100
C132
C173
C172
CR105
H101
R133
R172
R130
R131
C311
C309
C315
C321
C395
C307
C310
C314
C306 C380
C312
C318
C316
C313
C317
CR304 CR305
CR303
L340
L304
L306
L307
L303
L305
Q301
R306
R307
R304
R303
R347
R305
R328 R340
SH302
C329
C336
C344
C360
C355
C361
C382
L314
L331 R343
R350
C337
C345
C347
C348
C334
C356
C341
C342
C358
C359
R344
13
25
37 1
U301
C383
C390
C346
C339
C340
C343
C357
SH322
C327
C338
C326
C330
L330
Q302
R315
R311
R312
R313
1
2
3
B501
C215
C277
C279
C522
C278
L505
R205
U248
VR441
VR506
SH202
Y201
4
3
2
C208
CR203
C263
C264
C298
C202
C204
L261
R204
C201
C223
C231
C219
C232
C234
C293
R201
R202
R231R232
R233
13
25
37
1
U201 C265
C218
C206
C207
R281
U210
3
4
C296C258
C259
U211
34
C503
CR306
CR501
F501
SH304
C123
E101
R329
VR439
C130
C138C151
C170
C126
C128
C150 C152
L112
R102
C105
C174
C133
C135
C134
R109
R132
R136
25
9
17
U102
1
C224
L251
C255
C254 C252
C256
CR251
CR252
R254
R252
R251
C371
C372
C373
C378
C241
C246
C281
C295
C242
C250
C243
C244
C245
CR241
CR242
CR243
L241
L242
L281
Q310
R330
R331
R332
R110
R112
R111
R241R242
R244
R245
R349
SH242
U241
10
20
1
11
330-400MHz Main Board Bottom Side PCB No. 8404101G06

Circuit Board/Schematic Diagrams and Parts List 5D-19
ZMY0130798-O
RF
RTA2
RTA3
SB1
SB2
SB3
SWB+
UNSWB+
VOL
Vdda
DATA
DEMOD
DUMMY
EMER
GREEN_LED
LI_ION
LOCK
LVZIF_SEL
MECH_SWB+
MODIN
PTT
RED_LED
RESET
RSSI
RTA0
RTA1
16.8MHz
5V
BATT_CODE
CLK
CSX
DACRX
Vdda
VOL
UNSWB+
SWB+
SB3
SB2
SB1
RTA3
RTA1
RTA0
RSSI
RESET
RED_LED
PTT
MODIN
MECH_SWB+
LVZIF_SEL
LOCK
LI_ION
GREEN_LED
EMER
DEMOD
DATA
DACRX
CSX
CLK
BATT_CODE
5V
16.8MHz
RTA2
LVZIF_SEL
CLK
PTT
LI_ION
CSX
RTA1
RTA0
MECH_SWB+
GREEN_LED
RED_LED
VOL
EMER
SB3
SB2
RTA3
BATT_CODE
RTA2
Vdda
DACRX
DATA
SWB+
SWB+
MODIN
SB1
RSSI
16.8MHz
UNSWB+
LOCK
5V
DEMOD
RESET
J200-33
J200
J200-29
J200-30
J200-15
J200-24
J200-3
J200-25
J200-31
J200-10
J200-11
J200-12
J200-19
J200-38
J200-22
J200-26
J200-28
J200-37
J200-23
J200-21
J200-27
J200-13
J200-20
J200-4
J200-14
J200-6
J200-5
J200-7
J200-8
J200-39
J200-1
J200-16
J200-2
J200-18
J200-17
J200-36
J200-40
J200-32
J200-9
J200-35
J200-34
C527
100pF
C526
100pF
C525
100pF100pF 100pF
C530 C528
100pF
C529
100pF
C532
100pF
C531C535
100pF
C534
100pF
C533
100pF
C537
100pF
C536
100pF
100pF
C538
R509
NU
100pF
C555
R510
0
NU
R511
C546
100pF
C552
100pF
C551
100pF
C550
100pF
C549
100pF
C548
NU
C547
100pF
C544
100pF
C545
100pF
C543
NU NU
C542
NU NU
C541
NU
C540 C539
C553
100pF
330-400MHz Controls And Switches Schematic Diagram (sheet 1 of 2)

5D-20 Circuit Board/Schematic Diagrams and Parts List
NU
BATT+
NU
Q502
BATTERY_CONTACT
BATT-
NU
DUMMY
P100
16.28nH
L116
47K
R506
VR506
6.8V
SWITCH
PB505
1A1
3A2
2
B1
4
B2
C141
8.2pF
NU
24V
21
C140
F501
GND1
PC0
1
PC1
2
PC2
48
PC3
L505
390nH
SWITCH
S501
C0
C0
C1 C1
GND
79
R501
680
R502
180
Q505
C502
0.47uF
VR501
6.8V
4
LOW
1
5
HIGH
3
6
TAB1
7
TAB2
2
SWITCH
S502
100pF
C511
100pF
C512
1A1
3A2
2
B1
4
B2
SWITCH
PB501
10K
R505
IMX1
5
1
6
6.8V
VR443
6.8V
SWITCH
PB504
1A1
3A2
2
B1
4
B2
VR444
6.8V
VR440
B503
if
12V
VR439
2
4
3
CONN_J
B501
2DATA
1NEG
3POS
TAB1
1TAB2
2
TAB3 3
TAB4 4
TAB5 5
ANTENNA_NUT
J102
R507
0
24
13
CR503
K2
K3
VR441
6.8V
CR160
A1
A2
A3
K1
C522
.01uF
if
4GND
1
2
3
RF_JACK
J101
RF_JACK
.01uF
C520
C503
C521
100pF
.01uF
100pF 100pF
C514C513
3A2
2
B1
4
B2
PB502
SWITCH
1A1
CR501
1
2
B504
100pF
C505
LI_ION
BATT_CODE
RADIO_CODE
Vdda
MECH_SWB+
PTT
SB2
Vdda
VOL
UNSWB+
EMER
GREEN_LED
SWB+
RED_LED
RTA0
RTA1
RTA2
RTA3
SB1
330-400MHz Controls And Switches Schematic Diagram (sheet 2 of 2)

Circuit Board/Schematic Diagrams and Parts List 5D-21
G
G
G
G
G
G
G
G
G
G
G
G
G
G
G
G
G
G
G
G
G
Q502
BATTERY_CONTACT
BATT-
BATT+
NU
NU
NU
LOW
1
5
HIGH
3
6
TAB1
7
TAB2
2
if
SWITCH
S502
4
0
B503
A1
1
A2
3
B1 2
B2 4
R507
SWITCH
PB505
.01uF
C521
VR444
6.8V
IMX1
5
1
6
C505
100pF
6.8V
VR440
47K
R506
CR501
1
2
VR441
6.8V
C522
.01uF
B504
23.57nH
L116
CR160
A1
A2
A3
K1
K2
K3
R501
24
13
680
CR503
C503
C141
NU
100pF
NU
3
B1 2
B2 4
C140
SWITCH
PB504
A1
1
A2
A1
1
A2
3
B1 2
B2 4
SWITCH
PB501
TAB2
2
TAB3 3
TAB4 4
TAB5 5
Q505
ANTENNA_NUT
J102
TAB1
1
DATA
1NEG
3POS
CONN_J
B501
2
0.47uF
2
3
DUMMY
C502
J101
RF_JACK
if
4GND
1
VR506
6.8V
P100
2
4
3
10K
R505
12V
VR439
100pF
C511
100pF100pF
C512 C514C513
24V
21
100pF
F501
R502
180
.01uF
C520
L505
390nH
6.8V
VR443
GND
79
GND1
PC0
1
PC1
2
PC2
48
PC3
SWITCH
S501
C0
C0
C1 C1
6.8V
RF_JACK
VR501
A1
1
A2
3
B1 2
B2 4
SB1
PB502
SWITCH
Vdda
MECH_SWB+
Vdda
VOL
UNSWB+
EMER
LI_ION
BATT_CODE
RADIO_CODE
GREEN_LED
SWB+
RED_LED
RTA0
RTA1
RTA2
RTA3
PTT
SB2
ZMY01301003-O
330-400MHz Controls And Switches Schematic Diagram
(sheet 2 of 2 for 8404101G06 PCB)

5D-22 Circuit Board/Schematic Diagrams and Parts List
L340
390nH
HSMP3820
1
2
3
CR308
R317
1K
100pF
C395 C331
100pF
1K
R347
R5
C311
100K
R307R306
100K
CR304
C306
CR305
C312
8.2pF
22nH
L305
C313
12pF
L306 19.71nH19.71nH L307
5.1 pF
C316
NU
NU
R305
470
R304
12K
C321
100pF
C309
100pF
R303
1 K
Q301
1
3
2
C307
0.1uF
0.1uF
C314
180nH
L304
C315
100pF
C310
0.1uF
R328
2.7
L303
33nH
R340
8.2K
19.71nH
L302
C308
100pF
100K
R301
12pF
C302
C305
12pF
CR301 CR302
5.1pF
C303
11pF
C304
R302
L301
100K
19.71nH 1
CR303
2
3
C301
8.2pF
RX_IN
1
SH304
SHIELD
1
SHIELD
SH302
1
SHIELD
SH301 SH303
SHIELD
1
RXFE Top Shield RXFE Bottom Shield Mixer Shield
RX Mixer Diode Shield
.01uF
C380
100K
R342
R5
DACRx
NU
C381
R329
0
C318
12pF
C317
8.2 pF
T301
4
6
3
1
2
XFMR
TP302
T302
XFMR
4
6
3
1
2
C320 C319
7.5pF 1.8pF
16.28nH
L309R348
3.6K
R336
C333
R5
NU
NU
33K
R327
R316
91K
Q315
1
3
218K
R318
R319
150
C396
NU
R300
2.2K
1uF
C397
1
33.0K
RT300
2
R334
Q316
1
3
2
VR300
R326
NU
NU
NU
NU
R325
6.8K
R338 R335
RT301
21
C391
NU
NU
NU
NU
R5
C370
100pF
R330
RSSI
RX_INJ
NU
R331 C372
Q310
1
3
2
C371
100pF
C386
NU
NU
NU
NU
0
R349
100pF
C374
C378
C373
NU NU
C375
VCOBUF
100pF
R332
L321
0
R339
R5
NU
NU
R333
NU
R309
18
82pF
C322
L310
150nH
270
R308 270
R310
2
34
1
CR306
IF
-51.5dBm@330.225MHz
-52.0dBm@399.725MHz
-52.5dBm@330.225MHz
-53.5dBm@399.725MHz
-59.5dBm@45.1MHz
-23.5dBm@285.125MHz
-28.5dBm@354.625MHz
1.797V@-50dBm
0.508V
4.396V
2.285V
-49.5dBm@330.225MHz
-47.0dBm@399.725MHz
Note:
Rx1 = -50dBm@330.225MHz rf signal
Rx2 = -50dBm@399.725MHz rf signal
probed using high impedence probe ZMY0130352-O
330-400MHz Receiver Front End Schematic Diagram

Circuit Board/Schematic Diagrams and Parts List 5D-23
TESTD
VAG
VAG_REF
VPP
RED_VCC
RED_VSS
ROSE_VCC
ROSE_VSS
RSSI_FLT
RSSI_OUT
TESTA
IOUT
LIM
MIX_BYP
MIX_IN
MLPD_CR
PHASE_LOCK
PREAMP_OUT
PRE_AGC
PRE_IN
EMIT
EXTBS
FREF
GND
GOLD_VCC
GOLD_VSS
GREEN_VCC
GREEN_VSS
C4M
C4P
CEX
CLK
COL
DATA
DEMOD_HF
DEMOD_OUT
BROWN_VCC
BRP_OFF
C1M
C1P
C2M
C2P
C3M
C3P
AFC
BASE
BLUE_VCC
BLUE_VSS
U301
32D83
16
15
24
21
20
14
19
18
13
17
22
23
32
25
30
29
31
26
36
28
27
33
34
35
42
46
47
48
41
43
37
40
39
38
45
44
8
9
3
1
2
5
4
11
6
10
7
12
0.1uF
C336
C356
.022uF
L314
2.2uH
C341
1uF
C339
1uF
C337
100pF
C340
1uF
1uF
C342
Vdd_FILTERED
R5
C355
0.33uF
100pF
C327
C328
0.1uF
2.4K
R312
C338
C330
15pF
10pF
R314
330
3K
R313
30K
R311
C326
.01uF
Q302
R351
0
3.3K
R352
12K
R315 680nH
L330
.01uF
C325
C323
150pF
20pF
C324
750nH
L311
GND2
4
GND3
5
OUT 3
IN
6
TBD
XTAL
FL301
GND
1
GND1
2
IF
10uF
C382
C348
0.1uF
0.1uF
C329
2.20uH
L331 R343
10
0.1uF
C344
Vdd_FILTERED
(SOURCE)
C343
0.22uF
0.1uF
C347
0.1uF
C346
Vdda
.022uF
C334
DB
0.1uF
C359
1200pF
C358
R344
12K
C383
100pF
0.22uF
C357
16.8MHz
Vdd_FILTERED
CLK
DATA
LVZIF_SEL
C350
330pF
C349
.022uF
2K
R324
C351
20pF
BFQ67W
Q320
1
3
2
12pF
C352
0
R355
43pF
C353
C362
.022uF
56pF 100nH
L332
C385
.01uF
C364
CR310
R320
1K
R321
2.4K
C363
2.2uF
2.20uH
L325
R346
56K
200K
R322
C354
47pF
100pF
C390
100K
R350
0.1uF
C345
DEMOD
DA
C361
.01uF
C360
.022uF
RSSI
SH322
SHIELD
1
SH323
SHIELD
1
SH321
SHIELD
1
CRYSTAL FILTER SHIELD LVZIF TOP SHIELD LVZIF BTM SHIELD
C384
56pF
10K
R345
-47dBm@45.1MHz
-51.2dBm@45.1MHz
0.706V
2.683V
3.185V 2.628V
2.095V
ZMY0130349-O
330-400MHz Receiver Back End Schematic Diagram

5D-24 Circuit Board/Schematic Diagrams and Parts List
VMULT3
VMULT4
WARP
XTAL1
XTAL2
SFOUT
TEST1
TEST2
VMULT1
VMULT2
INDMULT
IOUT
LOCK
MODOUT
FREFOUT
IADAPT
AUX1
AUX2
AUX3
AUX4
ADAPTSW
PD_GND
PRE_GND
DGND
AGND
SFCAP
SFIN
VBPASS
PREIN
PVREF
REFSEL
SFBASE
MODIN
NC1
NC2
NC3
CCOMP
CEX
CLK
DATA
BIAS1
BIAS2
VRO
VCP
PD_VDD
PRE_VDD
DVDD
AVDD
14
12
11
25
23
24
28
37
38
15
16
43
4
41
19
45
48
1
2
3
46
13
47
5
34
36
20
26
30
21
32
35
18
27
10
17
29
31
9
8
7
40
39
42
44
33
6
22
63A27
U201
C204
2.2uF
C264
100pF
C263
NU
C214
100pF 100pF
C211
R201
R202
100K
82K
DATA
100pF
C212
C210
100pF
L261
82nH
MODIN
CLK
CSX
PRESC
C202
1000pF100pF
C201
VSF
TP201
1
330pF
C206
R281
4.7uF
C203
C207
39pF
NU
NU
NU
R205
C215
FADJ 2
GND 4
OUT
3
VDD
1
5V
C216
OSC_16.8MHZ
Y201
NU
NU
NU
R206
SYNTHESIZER TOP SHIELD SYNTHESIZER BOTTOM SHIELD
SHIELD
SH201 SHIELD
SH202
L232
12uH
47K
R204
CR203
C238
470pF
NU
C208
1
GND GND1
4
OUT 3
IN
6
FL201
75Z04
100pF
C260
100pF
C213
5V
LOCK
AUX4
AUX3
4.3K
R255
30
R256
Q210
2
4
1
3
R5
16.8MHz
10K
47K
4.7K
47K
120
R232
620
R231
0.1uF
C233
560
R233
C231
0.1uF
C234
0.47uF
C232
.047uF
TP202
1
MODOUT
100pF
C277
2.2uF
C278
4V_3.3V
C279
2.2uF
100pF
C220
GND
2
NC
4
3
ON_OFF*
VIN
1
VOUT
5
U248
LP2980
C294
100pF 0.47uF
C293
Vdda
SWB+
2.2uF
C235
C223
0.1uF
C224
0.1uF
L201
2.2uH
L203
2.2uH
10uF
C291
C218
0.1uF
C217
2.2uF
4OUT 3
SD
ADP3300
U247
6ERR
1
GND
5
IN
2NR
0.22uF
C219
L202
2.2uH
0.1uF
C298
C292
0.1uF
5V
(SOURCE)
C282C283
3
K3
CR201
A1 6
A2 5
A3 4
K1
1
2
K2
NU
NU
C229
1000pF100pF
C230
.01uF
C258
C228
4.7uF
C259
.01uF
TC7ST04FU
U210
3GND
2
1
NC
4
5
VCC
0.1uF
C296
5
VCC
TC7ST04FU
U211
3GND
2
1
NC
4
C257
100pF
C265
NU
VCTRL
1.65V
Low (mV)
High (3.3V) High (3.3V)
1.5V
2.3V
3.3V
7.5V
3.3V
2.8V@330MHz
9.8V@400MHz
Rx
3.7V
1.6V
Tx
1.6V
3.7V
39 Bias2
40 Bias1
ZMY0130350-O
330-400MHz Synthesizer Schematic Diagram

Circuit Board/Schematic Diagrams and Parts List 5D-25
TX_IADJ 1
TX_OUT
10
TX_SWITCH
13
VCC_BUFFERS
14
VCC_LOGIC
18
RX_EMITTER 6
RX_IADJ 2
RX_OUT
8
RX_SWITCH
7
SUPER_FLTR 3
TRB_IN 19
TX_BASE 16
TX_EMITTER 15
COLL_RFIN 4
FLIP_IN 20
GND_BUFFERS
11
GND_FLAG
917
GND_LOGIC
PRESC_OUT
12
RX_BASE 5
50U54
U241
Rx_sw
Tx_sw
C273
0.1uF
1pF
C272
L273
39nH
56nH
1pF
L271
C271
R245
240
C276
2.2uF
100pF
C281
390nH
L281
0.1uF
C286
100pF
C246
2.7pF
C245
180
R242
100pF
C285
R241
20
12K
R244
L243
RESONATOR
1
2
3
7.5pF
C250
7.5pF
C242
6.8pF
C243
12
CR243
A1 A2
CR241
C241
100pF
390nH
L242
390nH
L241
CR242
R243
10K
C244
7pF
Rx_sw
1
3
2 Q241
BFQ67W
6.8pF
R248
L282
390nH
C247
0.1uF
C248
100pF
R253
7.5K
Tx_sw
C253
NU 100pF
C251
CR252 CR251
13pF
C252
13pF
C256
180nH
L251
C254
2.7pF
R251
22
L253
RESONATOR
1
2
3
100pF
C289
100pF
C255
R252
200
R254
5.6K
1K
R260
4
1
3
Q261
2
10K
47K
47K
4.7K
2
4
1
3
Q260
C297
.01uF
10K
4.7K
47K
47K
1
SHIELD
SH242
1
SHIELD
SH241
VCO TOP SHIELD VCO BOTTOM SHIELD
AUX 4
AUX 3
5V
VSF
VSF
VCTRL
PRESC
RX_INJ
TX_INJ
4.6V
2V
4.6V
2.9V Rx, 3.1V Tx@330MHz
9.6V Rx, 9.8V Tx@400MHz
4.6V
1.1V
ZMY0130351-O
330-400MHz Voltage Controlled Oscillator Schematic Diagram

5D-26 Circuit Board/Schematic Diagrams and Parts List
VL
6VLIM 19
TEMP 30
V10
14
V45
16
17
V5EXT
20
VAR1
18
VAR2
24
VAR3
VG
15
22
NA
Q
11 QX
10
1RFIN
RS 21
31
RSET
RX 23
T1
2
CLK 26
CQ
12
CQX
13 DATA 28
F168
9
GND1
8
GND2 25
INT
4U102
H99S
ANO 32
BPOS 27
CEX 29
CI
3
CJ
5
CL
7
C138
100pF
CR105
GND
3
1
POS
2
VOUT
R131
LM50
10K
R130
18K
100pF
C170
C110
100pF
0.1uF
C126
.022uF
C173
5V
TX_BIAS
RESET
UNSWB+
DATA
CLK
CSX
100pF
C122
C105
100pF
4
1
3
100pF
C132
Q111
2
6
100pF
C174
R133
UNSWB+
NU
10K
4.7K
47K
47K
1000pF
C127
L115 C133
390nH 1000pF
C134
3300pF
C135
.022uF
C166
100pF
L113
C129
5.6nH
6.8pF
100pF
C165
.022uF
C131
390nH
L114
200K
R109
100K
R132
2pF
C169
UNSWB+
RFIN 6
RFOUT1
7
RFOUT2
1VCNTRL
14 VD1 2
VG1
3
VG2
GND1 5
GND2 12
GND3 13
GND4
8NC1
9NC2
10 NC3
15 NC4
16
U101
09Z67
11 G2
4
9.1pF
C120
100pF
C121
C150
.022uF
C151
100pF
C161
0.1uF
200
R161
100pF
C130
C128
.022uF
390nH
L112
R108
5.6K
L160
15.0nH
56pF
C160
.022uF
C152
UNSWB+
33pF
C116 C117
30pF
11.03nH
L109
4.22nH
L108
10
R106
100pF
C115
C118
30pF
C125
100pF
100pF
C295
300 R112R110 300
20
R111
R107
TX_INJ_1
TX_INJ
NU
Microstrip Microstrip
1
2
3
C111
11pF C112
47pF
L107
33.47nH
0.1
R102
C113
10pF
BEAD
E101
C114
100pF
C123
10uF
200
R172
0.1uF
C172
Q110 Microstrip
L105
C108
100pF
390nH
240
R170
240
R101
C109
100pF 7.66nH
L106
UNSWB+
3.3pF
1
A1
2
A2
K
3
C107
CR102
L104
12.39nH
4.7pF
C106
RX_IN
CR101
L102
12.39nH12.39nH
L101
6.2pF
C104C103
13pF
C102
6.2pF
C101
100pF
4GND
1
2
3
J101
RF_JACK
C141
TAB5 5
C140
TAB1
1TAB2
2
TAB3 3
TAB4 4
ANTENNA_NUT
J102 9.75nH
L116
HEATSINK
H101
POS
1
NU
NU
43K
R120
100pF
C119
100pF
C171 R173
180K 43K
R171
R174
NU
SH100
SHIELD
1
SHIELD
SH101
1
HF SHIELD PA SHIELD
R104
47K
C188
36pF
1MEG
R136
43
R103
0
R175
3dBM@450MHz Tx
3dBM@527MHz Tx
7.01V Tx
7.08V Tx
0.269V Tx
ZMY0130353-A
330-400MHz Transmitter Schematic Diagram

Circuit Board/Schematic Diagrams and Parts List 5D-27
330-400MHz Radio Parts List (RF
Board)
Circuit
Ref
Motorola
Part No. Description
B501 0986237A02 Battery Contact Module
B503 3980502Z01 Backup Battery Contact, B+
(not used in GP328 Plus)
B504 3980501Z01 Backup Battery Contact, B-
(not used in GP328 Plus)
C101 2113740F51 100pF
C102 2113740F27 6.2pF
C103 2113740F32 10pF
C104 2113740F27 6.2pF
C105 2113743L05 100pF
C106 2113740F19 4.7pF
C107 2113740F15 3.3pF
C108 2113743L05 100pF
C109 2113740F51 100pF
C110 2113743L05 100pF
C111 2103689A46 13pF
C112 2180605Z34 47pF
C113 2180605Z16 10pF
C114 2113743L05 100pF
C115 2113743N26 10pF
C116 2113743N26 10pF
C117 2113743N36 27pF
C118 2113743N50 100pF
C119 2113743L05 100pF
C120 2113743N25 9.1pF
C121 2113743N50 100pF
C122 2113743L05 100pF
C123 2311049A18 10uF
C125 2113743N50 100pF
C126 2113743M24 0.1uF
C127 2113743L17 1000pF
C128 2113743M08 0.022uF
C129 2113743N33 7.5pF
C130 2113743L05 100pF
C131 2113743M08 0.022uF
C132 2113743L05 100pF
C133 2113743L17 1000pF
C134 2113743L29 3300pF
C135 2113743M08 0.022uF
C138 2113743L05 100pF
C150 2113743M08 0.022uF
C151 2113743L05 100pF
C152 2113743M08 0.022uF
C160 2113743N50 100pF
C161 2113743M24 0.1uF
C165 2113743N50 100pF
C166 2113743L05 100pF
C169 2113743N30 15pF
C170 2113743L05 100pF
C171 2113743L05 100pF
C172 2113740F50 100uF
C173 2113743M08 0.022uF
C174 2113743L05 100pF
C180 2113743N26 10pF
C188 2113743N50 100pF
C193 2113743M24 0.1uF
C201 2113743N50 100pF
C202 2113743L17 1000pF
C203 2311049A56 4.7uF
C204 2104993J02 2.2uF
C206 2113740F63 330pF
C207 2113743N40 56pF
C210 2113743N50 100pF
C211 2113743N50 100pF
C212 2113743N50 100pF
C213 2113743N50 100pF
C214 2113743N50 100pF
C217 2104993J02 2.2uF
C218 2113743M24 0.1uF
C219 2113743K16 0.22uF
C220 2113743N50 100pF
C223 2113743M24 0.1uF
C224 2113743M24 0.1uF
C228 2311049J11 4.7uF
C229 2113743L17 1000pF
C230 2113743N50 100pF
C231 2113743M24 0.1uF
C232 2113743E12 0.047uF
C233 2311049A01 0.1uF
C234 2311049A05 0.47uF
C235 2104993J02 2.2uF
C238 2113741F17 470pF
C241 2113743N50 100pF
C242 2113743N23 7.5pF
C243 2113743N22 6.8pF
C244 2113740F13 2pF
C245 2113743N12 2.7pF
C246 2113743N50 100pF
C247 2113743N50 100pF
C248 2113743M24 0.1uF
C250 2113743N23 7.5pF
C251 2113743N50 100pF
C252 2113743N29 13.0pF
C254 2113743N12 0.047uF
C255 2113743N50 100pF
C256 2113743N29 13.0pF
C257 2113743N50 100pF
C258 2113743L41 0.01uF
Circuit
Ref
Motorola
Part No. Description
C259 2113743L41 0.01uF
C260 2113743N50 100pF
C264 2113743N50 100pF
C271 2113743N03 1.0pF
C272 2113743N03 1.0pF
C273 2113743M24 0.1uF
C276 2104993J02 2.2uF
C277 2113743N50 100pF
C278 2311049A09 2.2uF
C279 2104993J02 2.2uF
C281 2113743N50 100pF
C285 2113743N50 100pF
C286 2113743M24 0.1uF
C289 2113743N50 100pF
C291 2311049A69 10uF
C292 2113743M24 0.1uF
C293 2113743A27 0.47uF
C294 2113743N50 100pF
C295 2113743N50 100pF
C296 2113743M24 0.1uF
C297 2113743L41 0.01uF
C298 2113743M24 0.1uF
C301 2113743N24 8.2pF
C302 2113743N28 12pF
C303 2113740L11 5.1pF
C304 2113743N27 11.0pF
C305 2113743N28 12pF
C306 2113743N22 6.8pF
C307 2113743M24 0.1uF
C308 2113743N50 100pF
C309 2113743N50 100pF
C310 2113743M24 0.1pF
C312 2113743N24 8.2pF
C313 2113743N27 11.0pF
C314 2113743M24 0.1pF
C315 2113743N50 100pF
C316 2113740L11 5.1pF
C317 2113743N27 11pF
C318 2113743N24 8.2pF
C319 2113743N21 6.2pF
C320 2113743N20 5.6pF
C321 2113743N50 100pF
C322 2113743N48 82pF
C323 2113743N54 150pF
C324 2113743N33 20pF
C325 2113743L41 0.01uF
C326 2113743L41 0.01uF
C327 2113743N50 100pF
C328 2113743M24 0.1pF
C329 2113743M24 0.1pF
C330 2113743N26 10pF
Circuit
Ref
Motorola
Part No. Description
C331 2113743N50 100pF
C334 2113743M08 0.022uF
C336 2113743M24 0.1pF
C337 2113743N50 100pF
C338 2113743N30 15pF
C339 2180478Z20 1.0uF
C340 2180478Z20 1.0uF
C341 2180478Z20 1.0uF
C342 2180478Z20 1.0uF
C343 2113743A23 0.22uF
C344 2113743M24 0.1pF
C345 2113743M24 0.1pF
C346 2113743M24 0.1pF
C347 2113743M24 0.1pF
C348 2113743M24 0.1pF
C349 2113743E07 0.022uF
C350 2113743L05 330pF
C351 2113743N33 20pF
C352 2113743N28 12.0pF
C353 2113743N41 43.0pF
C354 2113743N42 47.0pF
C355 2113743A24 0.330uF
C356 2113743M08 0.022uF
C357 2113743A23 0.22uF
C358 2113741A23 1200pF
C359 2109720D14 0.1uF
C360 2113743E07 0.022uF
C361 2113741F49 10nF
C362 2113743M08 0.022uF
C363 2311049A40 2.2uF
C364 2113743L41 0.01uF
C370 2113743N50 100pF
C374 2113743N50 100pF
C375 2113743N50 100pF
C380 2113743L41 0.01uF
C382 2311049A59 10uF
C383 2113743N50 100pF
C384 2113743N44 56pF
C385 2113743N44 56pF
C386 2113743N50 100pF
C390 2113743N50 100pF
C395 2113743N50 100pF
C397 2311049A07 1.0uF
C502 2311049A05 0.47uF
C503 2113743N50 100pF
C505 2113743N50 100pF
C511 2113743N50 100pF
C512 2113743N50 100pF
C513 2113743N50 100pF
C514 2113743N50 100pF
C520 2113743L41 0.01uF
Circuit
Ref
Motorola
Part No. Description

5D-28 Circuit Board/Schematic Diagrams and Parts List
C521 2113743L41 0.01uF
C522 2113743L41 0.01uF
C523 2113743L41 0.01uF
C525 2113743N50 100pF
C526 2113743N50 100pF
C527 2113743N50 100pF
C528 2113743N50 100pF
C529 2113743N50 100pF
C530 2113743N50 100pF
C531 2113743N50 100pF
C532 2113743N50 100pF
C533 2113743N50 100pF
C534 2113743N50 100pF
C535 2113743N50 100pF
C536 2113743N50 100pF
C537 2113743N50 100pF
C538 2113743N50 100pF
C545 2113743N50 100pF
C546 2113743N50 100pF
C547 2113743N50 100pF
C548 2113743N50 100pF
C549 2113743N50 100pF
C550 2113743N50 100pF
C551 2113743N50 100pF
C552 2113743N50 100pF
C553 2113743N50 100pF
C555 2113743N50 100pF
CR101 4880973Z02 Pin Diode
CR102 4802245J41 Pin Diode
CR103 4802245J41 Pin Diode
CR105 5185963A15 Temperature Sense
CR201 4802233J09 Triple Diode
CR203 4862824C03 Varactor
CR241 4805649Q13 Dual Varactor
CR242 4802245J22 Varactor
CR243 4802245J22 Varactor
CR251 4862824C01 Varactor
CR252 4862824C01 Varactor
CR301 4862824C01 Varactor
CR302 4862824C01 Varactor
CR303 4880154K03 Dual Common Anode-Cath-
ode
CR304 4862824C01 Varactor
CR305 4862824C01 Varactor
CR306 4802245J42 Ring Quad Diode
CR308 4802245J41 Pin Diode
CR310 4862824C01 Varactor
CR501 4880107R01 Rectifier
CR503 4805729G49 LED Red/Yel
E101 2484657R01 Ferrite Bead
F501 6580542Z01 Fuse 3A
Circuit
Ref
Motorola
Part No. Description
FL201 **4805875Z04 16.8MHZ Xtal
FL301 4802245J43 Xtal Filter 45.1Mhz
H101 2680499Z01 Heat Spreader
J101 0985613Z01 RF Jack Assembly
J102 0280519Z02 Antenna Nut
(Ref: 0280519Z04)
J200 0905505Y04 CONN ZIF HORIZONTAL
L101 2479990B02 19.61nH
L102 2479990B02 19.61nH
L104 2479990B02 19.61nH
L105 2462587N22 390nH
L106 2460591A19 8.71nH
L107 2479990G01 33.47nH
L108 0611077A01 4.22nH
L109 2479990B01 11.03nH
L112 2462587N50 56nH
L113 2413926H09 5.6nH
L114 2462587N45 22nH
L115 2462587N22 390nH
L116 2460591C56 23.57nH
L117 2409154M17 22.0nH
L160 2413926H14 15.0nH
L201 2462587Q20 2.2uH
L202 2462587Q20 2.2uH
L203 2462587Q20 2.2uH
L232 2462587P25 12uH
L241 2462587V41 390nH
L242 2462587V41 390nH
L243 2460593C02 Teflon Resonator
L251 2462587V37 180nH
L253 2460593C02 Teflon Resonator
L261 2462587V33 82nH
L271 2462587V31 56nH
L273 2462587V29 39nH
L281 2462587V41 390nH
L282 2462587V41 390nH
L301 2460591D24 19.71nH
L302 2460591D24 19.71nH
L303 2462587V28 33nH
L304 2462587V37 180nH
L305 2462587V23 12nH
L306 2460591D24 19.71nH
L307 2460591D24 19.71nH
L309 2479990C02 16.28nH
L310 2462587V36 150nH
L311 2462587N65 750nH
L314 2462587N72 2200nH
L325 2480646Z20 2.20uH
L330 2462587N64 680nH
L331 2480646Z20 2.2uH
L332 2462587N53 100nH
Circuit
Ref
Motorola
Part No. Description
L340 2462587V41 390nH
L400 2462587Q42 390NH
L401 2462587Q42 390NH
L410 2462587Q42 390NH
L411 2462587Q42 390NH
L505 2462587Q42 390nH
P100 3905643V01 Gnd Contact Finger
PB501 4070354A01 Tactile, PushButton
PB502 4070354A01 Tactile, PushButton
PB504 4070354A01 Tactile, PushButton
PB505 4070354A01 Tactile, PushButton
PCB 6404103G02 330M PCB PANEL
PCB RF 8404101G02 330M RFPCB
PCB Ctrl 8404051G07 330M Controller PCB
Q110 4813828A09 TSTR 8W 450 MHz 7.5V
Q111 4802245J50 Dual NPN/PNP
Q210 4802245J50 Dual NPN/PNP
Q241 4805218N63 NPN
Q260 4802245J50 Dual NPN/PNP
Q261 4802245J50 Dual NPN/PNP
Q301 4802245J44 NPN
Q302 4802245J44 NPN
Q315 4880214G02 NPN
Q320 4805218N63 NPN
Q400 4809579E18 MOSFET P-CHAN
Q403 4813824A17 TSTR MMBT3906
Q405 4802245J54 Dual NPN
Q410 4802245J54 Dual NPN
Q417 4802245J50 Dual NPN/PNP
Q502 5180159R01 Dual NPN
Q505 4880214G02 NPN
R101 0662057A34 240
R102 0680735Z01 0.075
R104 0662057N15 47K
R106 0662057M26 10
R108 0662057M92 5.6K
R109 0662057N30 200k
R110 0662057M61 300
R111 0662057M33 20
R112 0662057M61 300
R120 0662057N14 43K
R130 0662057M98 10K
R131 0662057N05 18K
R132 0662057N33 270K
R136 0662057N47 1.0M 5%
R161 0662057M57 200
R170 0662057A34 240
R171 0662057N14 5.6K
R172 0662057A25 100 ohm
R173 0662057N29 180K
R175 0662057B59 3 ohm
Circuit
Ref
Motorola
Part No. Description
R176 0662057B59 3 ohm
R193 0662057M57 200
R201 0662057N21 82K
R202 0662057N23 100K
R204 0662057N15 47K
R231 0662057M52 120
R232 0662057M69 620
R233 0662057M68 560
R241 0662057M33 20
R242 0662057M56 180
R243 0662057M98 10K
R244 0662057N01 12K
R245 0662057M59 240
R248 0662057M37 30
R251 0662057M34 22
R252 0662057M57 200
R253 0662057N03 15K
R254 0662057M92 5.6K
R255 0662057M89 4.3K
R256 0662057M37 30
R260 0662057M74 1K
R300 0662057M82 2.2K
R301 0662057N23 100K
R302 0662057N23 100K
R303 0662057M74 100K
R304 0662057N01 12K
R305 0662057M66 470
R306 0662057N23 100K
R307 0662057N23 100K
R308 0662057M60 270
R309 0662057M32 18
R310 0662057M60 270
R311 0662057N10 30K
R312 0662057M83 2.4K
R313 0662057M62 330
R314 0662057M85 3K
R315 0662057N01 12K
R316 0662057A96 91K
R317 0662057M74 1K
R318 0662057A79 18K
R319 0662057A29 150
R320 0662057M74 1K
R321 0662057M83 1K
R322 0662057N30 1K
R324 0662057M81 2K
R325 0662057M94 6.8K
R327 0662057N11 33K
R328 0662057M12 2.7
R329 0662057M01 0
R339 0662057M01 0
R340 0662057M96 8.2K
Circuit
Ref
Motorola
Part No. Description

Circuit Board/Schematic Diagrams and Parts List 5D-29
* Motorola Depot Servicing only
** Not Serviceable
R342 0662057N23 100K
R343 0662057M26 10
R344 0662057N01 12K
R345 0662057M98 10K
R346 0662057N17 56K
R347 0662057M74 1K
R348 0662057M87 3.6K
R349 0662057C01 0
R350 0662057N23 100K
R351 0662057C01 0
R352 0662057M86 3.3K
R355 0662057M01 0
R501 0662057M70 680
R502 0662057M56 180
R505 0662057M98 10K
R506 0662057N15 47K
R509 0662057M01 0
RT300 0680590Z01 THERMISTOR_33K
RT400 0680590Z01 Thermistor 33K
S501 4080710Z01 Channel Switch
(Ref: 4080710Z09)
S502 1880619Z02 Volume Switch
SH100 2680507Z01 Harmonic Filter Shield
SH101 2680510Z01 PA Shield
SH201 2680511Z01 Synthesizer Top Shield
SH202 2680511Z01 Synthesizer Bottom Shield
SH241 2604120G01 VCO Top Shield
SH242 2680514Z01 VCO Bottom Shield
SH301 2680554Z01 Rx Pre-Filter Shield
SH302 2680555Z01 Rx Post-Filter
SH303 2680509Z01 Mixer Shield
SH304 2680624Z01 Mixer Diode Shield
SH321 2680508Z01 Zif 2nd Lo Shield
SH322 2680514Z01 Zif Shield
SH323 2604082P01 Xtal Filter Shield
T301 2580541Z02 XFMR Coil
T302 2580541Z02 XFMR Coil
U101 5185130C65 LDMOS Driver
U102 5185765B28 Power Control IC
U201 5185963A27 LVFRACN
U210 5102463J61 Inverter
U211 5102463J61 Inverter
U241 5105750U54 VCO Buffer
U247 5105739X05 Regulator Linear
U248 5102463J58 3.3V Regulator
U301 5109632D83 LVZIF
VR501 4813830A18 6.8V Zener
Circuit
Ref
Motorola
Part No. Description
VR506 4802245J73 6.8 V Zener
8404101G02 RF PCB
8404101G03 RF PCB
8404101G04 RF PCB
8404101G06 RF PCB
Circuit
Ref
Motorola
Part No. Description

Troubleshooting charts 5D-31
9.0 Troubleshooting charts
MCU Check
Power Up
Alert Tone
OK?
Speaker
OK?
U409 EXTAL=
7.3728 MHz?
U201 Pin 19
16.8 MHz
5V at U247?
3.3V at U248?
U409 Reset Pin
94 High?
MCU is OK
Not able to pro-
gram RF Board
ICs
Before replacing
MCU, check SPI
clock, SPI data, and
RF IC select
Replace Speaker
Read Radio OK? Check
Setup
Reprogram the
correct data.
See FGU
Troubleshooting
7.5V at
Pin 3/5 U247? 4/
3.3V at Pin 1
U248
Check
Q400
Replace U247/
U248
Check any short to
SWB+,
Vdda or Vddd
Press PTT. Red
LED does not
light up
PTT U409 Pin
53
low?
Press PTT
Q502-2 High?
Check
PB504
Check
Q502-2
voltage
LED
Q502,R501
OK?
Replace
Faulty
Component
Check
Accessories
J403 OPT_SEL_1
& OPT_SEL_2
Pin 8 & 9
low?
Radio could
not PTT
externally
U409
Pin 52, 6
low?
See FGU
Troubleshooting
chart
LED should
light up
Check
MCU
PTT
NO
YES
YES
No
No
NO
YES YES
NO
YES
YES
NO
NO
YES
YES
NO
NO
YES
NO
YES
NO
YES
YES
NO
NO
YES
EXT
SPKR
EXT
PTT
INT
AUDIO
J403 Pin 9 low?
Pin 8 high?
ASFIC U404 Pin
14 & 15 high?
Check
Accessories
Check
U404
Check
U420 Audio PA
NO
NO
YES
YES
J403 Audio
at Pin 2 &
Pin 3
Check Spk. Flex
Connection
Audio at
AudioPA
(U420)
input
(U447)
Audio from Pin 41
ASFIC, U404?
Check ASFIC
U404
Check
Audio PA
(U420)
Check U301
LV ZIF Audio at
Pin 2
U404?
NO
NO
NO
YES
YES
NO
YES
Troubleshooting Flow Chart for Controller

5D-32 Troubleshooting charts
Bad SINAD
Bad 20dB Quieting
No Recovered Audio
START
Audio at pin 27
of U301? Check Controller
Yes
No
Spray of inject 1st IF into
XTAL Filter
IF Freq: 45.1MHz
Audio heard?
B
Yes
No
Check 2nd LO Control
Voltage at C363
VCO locked?
B
Yes
16.8 MHz
check at pin 22
U301?
Activity on
U301 sel pin?
Check FGU
No
No
A
A
Yes
Check Q320 bias cir-
cuitry for faults.
Rotate Freq. Knob
Check controller.
Before replacing U301, check 2nd VCO
Q320. Check VCO O/P level, C351,
C352.
Yes
No
Troubleshooting Flow Chart for Receiver (Sheet 1 of 2)

Troubleshooting charts 5D-33
IF Signal at
L311?
No
RF Signal at
T301?
RF Signal at
C310?
No
RF Signal at
C307?
No
RF Signal at
C301?
No or
Check harmonic filters L101 & L102 and ant.
switches CR101, CR102, L104
Check filter between C301
& C307; program filter to
schematic test freq and
check varactor voltages.
Inject RF into J101
Are varactor
voltages OK?
No
Yes
Check RF amp (Q301)
Stage.
Check filter between
C310 & T301.
Yes
Check T301, T302,
CR306, R308, R309,
R310
Yes
1st LO O/P
OK?
Locked?
Yes
Check FGU
Yes
Trace IF signal
from L311 to
Q302. Check for
bad XTAL filter.
No
Yes Q302 collector
OK?
IF signal
present? Before replacing
U301, check
U301 voltages;
trace IF signal
path.
Yes
Check for 2.6
VDC
Is R5 present?
Check Q210, U201
(pin 48) voltages and
U247
No
No
No
Check U404 voltage. U404
can be selected by MCU
before replacing U404.
Check varactor filter.
No
Yes
Yes
Yes
A
A
B
weak RF
Troubleshooting Flow Chart for Receiver (Sheet 2 of 2)

5D-34 Troubleshooting charts
START
No Power
Is There B+
Bias for Ant
switch
Check Q111
Is Current
OK?
Is Control Voltage
High or Low Check PCIC
1. Check Pin Diodes
2. Check Harmonic Filter
Inspect/Repair Tx. Out-
put Network
Is Power
OK?
Done
Check Drive to
Module
Is Drive
OK? Troubleshoot
VCO
Inspect PA Network/Check
Power Out of U101 at Cap
C160
Is Power
OK?
Replace U101
Is Power
OK?
Replace Q101
Done
Done
No
Yes
Yes No
No
Yes
Low
High
No
Yes
Yes
No
Yes
No
Troubleshooting Flow Chart for Transmitter

Troubleshooting charts 5D-35
5V
at pin 6 of
CR201
Is information
from µP U409
correct?
Is U201 Pin 18
AT 4.54 VDC?
Is U201 Pin 47
AT = 13 VDC
Is U241 Pin 19
<0.7 VDC in RX &
>4.3 VDC in TX?
Start
Visual
check of the
Board OK?
Correct
Problem
Check 5V
Regulator
+5V at U201
Pin’s
13 & 30?
Is 16.8MHz
Signal at
U201 Pin 19?
Check FL201, C206,
C207, C208, CR203 &
R204
Are signals
at Pin’s 14 &
15 of U201?
Check
L202 Check Q260,
Q261 & R260
U201 pin 2 at
>3V in Tx and
<0.7V in Rx
Replace U201
Remove
Shorts
Is there a short
between Pin 47 and
Pins 14 & 15 of
U201?
Replace or
resolder
necessary
components
Is RF level at
U201 Pin 32
>-30 dBm?
Are R231,R232,
R233,C231,C232,
& C233 OK?
Replace U201
If L261, C263 & C264
are OK, then see VCO
troubleshooting chart
Are Waveforms
at Pins 14 & 15
triangular?
Do Pins 7,8 & 9
of U201 toggle
when channel is
changed?
Check programming
lines between U409
and U201 Pins 7,8 & 9
Replace U201
Check uP U409
Troubleshooting
Chart
NO
YES
NO
YES
NO
YES
NO
YES
NO
NO
NO
YES
YES
NO
YES
YES
NO
YES
YES
YES
NO
NO
NO
NO
YES
NO
YES
YES
Check CR201, U210,
U211, C258, C259 &
C228
3.3V at U201
pins 5, 20, 34 &
36
Check U248,
L201 & L202
Is
16.8MHz
signal at
U201 pin
23?
Replace
U201
YES
NO
NO
YES
NO
YES
Troubleshooting Flow Chart for Synthesizer

5D-36 Troubleshooting charts
START
No LO?
Tx Carrier?
VCO OK
Check
R260
TRB = 5V?
Pin 10
>1V?
L253 O/C? Change
L253
Change
U241
AUX 3
High?
Check U201
Pin 2 for 3.2V
Pin 19 =0V
AUX 4
High?
Change
Q261
V ctrl 0V
or 13V? L243 Open
Circuit?
Change
U241
Change
L243
Change
U201
Check for faulty parts or dry
joints of L271, L273, C370,
C386, R339 & L320
A
A
No
No
Yes
Yes
Yes
No
No
Yes
Yes
Yes
No
Yes
No
No
Yes
Yes
No
No
Check R245 for dry
joint or faulty
No
Troubleshooting Flow Chart for VCO

6-1
Section 6
FLEX LAYOUT/SCHEMATIC DIAGRAMS AND PARTS
LISTS
1.0 RF-Controller Interconnect Flex
1.1 Rev A
1.2 Rev B
98
C
J200
40
J400
40
<- TO CTRL
8480475Z02 REV A TO RF ->
Front Metal
View From Top Side
98
C
J200
40
J400
40
<- TO CTRL
8480475Z03 REV B TO RF ->
Front Metal
View From Top Side

6-2 Schematic for RF-Controller Interconnect Flex
2.0 Schematic for RF-Controller Interconnect Flex
CONTROLLER
J400
EXT_MIC
VS_CS
SW_B+
Vddd
VS_AUDSEL
Det_Aud_Snd
Rx_Aud_Rtn
Tx_Aud_Snd
Tx_Aud_Rtn
Flat_Tx_Rtn
Opt_Bd_En
Rdy/Req
Rx_Aud_Snd
ON
INT_EXT_Vdd
Key_Row
Key_Col
PTT
KEY_INT
VS_INT
RESET
LED_EN
OFF_BATT_DATA_OUT
VS_GAINSEL
SrD_Rtn (MISO)
SrD_Snd (DATA)
R_W
LCD_SEL
DB0
DB1
DB2
DB3
DB4
DB5
DB6
DB7
A0
SCK_Snd (CLK)
VS_RAC
Gnd
1
2
3
4
5
6
7
8
9
10
11
12
13
14
15
16
17
18
19
20
21
22
23
24
25
26
27
28
29
30
31
32
33
34
35
36
37
38
39
40
RF BOARD
J200
1
2
3
4
5
6
7
8
9
10
11
12
13
14
15
16
17
18
19
20
21
22
23
24
25
26
27
28
29
30
31
32
33
34
35
36
37
38
39
40
EXT_MIC
VS_CS
SW_B+
Vddd
VS_AUDSEL
Det_Aud_Snd
Rx_Aud_Rtn
Tx_Aud_Snd
Tx_Aud_Rtn
Flat_Tx_Rtn
Opt_Bd_En
Rdy/Req
Rx_Aud_Snd
ON
INT_EXT_Vdd
Key_Row
Key_Col
PTT
KEY_INT
VS_INT
RESET
LED_EN
OFF_BATT_DATA_OUT
VS_GAINSEL
SrD_Rtn (MISO)
SrD_Snd (DATA)
R_W
LCD_SEL
DB0
DB1
DB2
DB3
DB4
DB5
DB6
DB7
A0
SCK_Snd (CLK)
VS_RAC
Gnd

Universal Connector Flex 6-3
3.0 Universal Connector Flex
3.1 GP328 Plus
Back Metal
View From Back Side
J404
J405
J406
J407
J408
J409
J410
J411
J412
J413
J414
J415
J416
M401
120
P403
Front Metal
View From Front Side
1
2
M400
C402

6-4 Universal Connector Flex
3.2 GP338 Plus/GP338 XLS
View From Back Side
C
8486095Z01_O
2001
C402
Front Metal
View From Front Side
J404
J405 J406
J407
J408
J409 J410
J411
J412
J413 J414
J415 J416
2
1
M400
M401
P403
1
20
Back Metal

Schematic for Universal Connector Flex 6-5
4.0 Schematic for Universal Connector Flex
4.1 GP328 Plus
4.2 GP338 Plus/GP338 XLS
13 PIN UNIVERSAL CONN
EXT_SPKR+
EXT_SPK-
OPT_B+
EXT_MIC
OPT_SEL_2
OPT_SEL_1
GND
RX_DATA
TX_DATA
J404
J405
J406
J407
J408
J409
J410
J411
J412
SPKR_20
SPKR_20
OPT_B+30
RSSI
RX_AUDIO/TX_AUDIO
BOOT_CTRL
NC
J413
J414
J415
J416
1
2
C402
100pF
M401
GND
INT_SPK+
INT_SPK-
EXT_SPKR+
EXT_SPK-
DPT_B+
EXT_MIC
OPT_SEL_2
OPT_SEL_1
GND
RX_DATA
TX_DATA
GND
RSSI
RX_AUDIO/TX_AUDIO
BOOT_CTRL
NC
MIC
GND
GND
1
2
3
4
5
6
7
8
9
10
11
12
13
14
15
16
17
18
19
20
J403
20 PIN CONN
M400
SPKR_20
SPKR_20
EXT_SPKR+
2113740A55
EXT_SPK-
OPT_B+
EXT_MIC
OPT_SEL_2
OPT_SEL_1
GND
RX_DATA
BOOT_CTRL
13 PIN UNIVERSAL CONN
NC
E.C.M.
TX_DATA
RSSI
RX_AUDIO/TX_AUDIO
J404
J406
J405
J408
J407
J409
J410
J414
J413
C402
100pF
5013920A04
M401
2
1
+
J415
J412
J416
J411
spe
SPKR_20
OPT_B+30
5005679X01
SPEAKER
M400
SPKR_20
SPKR_20
20 PIN CONN
P403
INT_SPK-
EXT_SPKR+
EXT_SPK-
OPT_B+
EXT_MIC
OPT_SEL_2
OPT_SEL_1
GND
RX_DATA
TX_DATA
GND
RSSI
RX_AUDIO/TX_AUDIO
MIC
GND
GND
GND
INT_SPK+
NC
BOOT_CTRL
P403-1
P403-2
P403-4
P403-5
P403-3
P403-19
P403-6
P403-7
P403-9
P403-8
P403-10
P403-11
P403-13
P403-12
P403-14
P403-16
P403-15
P403-17
P403-18
P403-20

6-6 Parts List for Universal Connector Flex
5.0 Parts List for Universal Connector Flex
5.1 GP328 Plus
5.2 GP338 Plus/GP338 XLS
Reference
Symbol
Motorola
Part No. Description
C402 2113740A55 Cap, 100pF
M400 5005679X01 Speaker, 24 ohm
M401 5013920A04 Mic, Mini electrec
Reference
Symbol
Motorola
Part No. Description
C402 2113740A55 Cap, 100pF
M400 5086094Z01 Speaker, 20 ohm
M401 5013920A04 Mic, Mini electrec

Technical Information Updates
As we continue to make engineering enhancements to our products, the information in our
Service Manuals need to be updated accordingly. If you wish to be informed of these updates,
kindly fill in and fax us your details.
Manual No.: 6804112J28
Kindly complete the Service Manual Feedback Form on the next page to help us ensure that you
receive the most accurate and complete information.
Fax to: 6-04-6124944
The Technical Publications Coordinator,
Media and Communications,
R&D Department,
Motorola Penang.
Your Details
Name/Contact Person:
Company Name:
Address:
Telephone No.:
Fax No.:
Email Address:
How would you like to receive the update notification?
Through: o mail o email o fax

Service Manual Feedback Form
We believe that reports from users provide valuable information for producing quality manuals.
Kindly take a few moments to provide feedback on this manual. Thank you for your cooperation.
1. Please check all the appropriate boxes:
2. How do you rate this particular Service Manual?
o excellent o very good o good o fair o poor
3. Did this Service manual provide you with the information necessary to service and maintain
the specific equipment?
o very much so o generally yes o to some extent o no
4. We would appreciate any corrections or recommendations for improving this manual. Please
include the specific page number(s) of the diagram or procedure in question.
5. General comments/suggestions:
Manual No.: 6804112J28
Fax to: 6-04-6124944
The Technical Publications Coordinator,
Media and Communications,
R&D Department,
Motorola Penang.
Complete
Incomplete
Correct
Incorrect
Clear
Confusing
Size
Adequate
Size
Too Small
Not Covered
in this Manual
Disassembly Pro-
cedures
Alignment
Procedures
Exploded
Views
Schematic
Diagrams
Circuit Board
Details
Electrical Parts
List
Exploded View
Parts List










