BNL 3PT HARDI BNL_3PT
User Manual: HARDI BNL_3PT
Open the PDF directly: View PDF
.
Page Count: 54
- SECTION A: PUMPS
- SECTION B: CONTROLS, FILTERS, VALVES
- SECTION D: BOOMS, NOZZLE BODIES & TUBES
- D0020-HIN: BOOM - 14' HD
- D0030-HIN: BOOM - V-II
- D0040-HIN: BOOM - VS-8 & VS-10
- D0060-HIN: BOOM - SB 20' 26' 33'
- D0070-HIN: BOOM - SB H-FRAME & CENTER HY
- D1000-HIN: BOOM-NOZZLES 110° FLAT FAN ISO
- D1010-HIN: BOOM-NOZZLES 110° LOWDRIFT ISO
- D1020-HIN: BOOM-NOZZLES 80° FLAT FAN ISO
- D1030-HIN: BOOM-NOZZLE CAPS AND FILTERS
- D1040-HIN: BOOM-NOZZLES INJET
- D1050-HIN: BOOM-NOZZLES MINIDRIFT
- D1060-HIN: BOOM-NOZZLES QUINTASTREAM
- D1080-HIN: NOZZLE BODIES-THREADED
- D1090-HIN: NOZZLE BODIES-SNAP FIT
- D1100-HIN: DOUBLE NOZZLE HOLDER-SNAP FIT
- SECTION I: ESTATE SPRAYERS
- SECTION K: SPECIAL EQUIPMENT, EXTRAS

Agroparts: www.HARDI-INTERNATIONAL.com
BNL 3 Pt. Hitch PTO
Country-Code 11
Date 16.03.2016 10:35

Agroparts: www.HARDI-INTERNATIONAL.com
BNL 3 Pt. Hitch PTO
Page 0.1
Date 16.03.2016 10:35
main group page-n° date description
Pumps A0010-HIN 01:01:16 PUMP - 500
A0020-HIN 01:01:16 PUMP - 503
A0050-HIN 01:01:16 PUMP - 500 FITTINGS
A0510-HIN 01:01:16 PTO SHAFTS - BONDIOLI DIAPH.
A0520-HIN 01:01:16 PTO SHAFTS - BONDIOLI CENT.
A0580-HIN 01:01:16 PTO SHAFTS - AMA DIAPHRAGM
Controls, Filters, Valves B0030-HIN 01:01:16 DISTRIBUTION VALVE - MANUAL
B0070-HIN 01:01:16 CONTROL - M70 MANUAL
Booms, Nozzle Bodies & Tubes D0020-HIN 01:01:16 BOOM - 14' HD
D0030-HIN 01:01:16 BOOM - V-II
D0040-HIN 01:01:16 BOOM - VS-8 & VS-10
D0060-HIN 01:01:16 BOOM - SB 20' 26' 33'
D0070-HIN 01:01:16 BOOM - SB H-FRAME & CENTER HY
D1000-HIN 01:01:16 BOOM-NOZZLES 110° FLAT FAN ISO
D1010-HIN 01:01:16 BOOM-NOZZLES 110° LOWDRIFT ISO
D1020-HIN 01:01:16 BOOM-NOZZLES 80° FLAT FAN ISO
D1030-HIN 01:01:16 BOOM-NOZZLE CAPS AND FILTERS
D1040-HIN 01:01:16 BOOM-NOZZLES INJET
D1050-HIN 01:01:16 BOOM-NOZZLES MINIDRIFT
D1060-HIN 01:01:16 BOOM-NOZZLES QUINTASTREAM
D1080-HIN 01:01:16 NOZZLE BODIES-THREADED
D1090-HIN 01:01:16 NOZZLE BODIES-SNAP FIT
D1100-HIN 01:01:16 DOUBLE NOZZLE HOLDER-SNAP FIT
Estate Sprayers I0060-HIN 01:01:16 BNL 50/80 TANK & FRAME
Special equipment, Extras K0480-HIN 01:01:16 HANDGUN TYPE 60S/60L POST 95
K0520-HIN 01:01:16 HOSE WRAPS

Agroparts: www.HARDI-INTERNATIONAL.com
PUMP - 500
A0010-HIN, 01:01:16
Page 0
Date 16.03.2016 10:35

Agroparts: www.HARDI-INTERNATIONAL.com
PUMP - 500
A0010-HIN, 01:01:16
Page 1
Date 16.03.2016 10:35
parts-n° order
qty description
110037 1 VALVE CHAMBER MOD 500 PAINTED
140011 1 CRANK SHAFT MODEL 500
140033 1 CRANK SHAFT,MODEL 500/4
160003 1 PUMP MOUNT PLATE TALL 500/600
160016 1 DUST PLATE
160027 1 DIAPHRAGM UPPER DISC 500-600
160031 1 BASE PLATE MODEL 500-600
190013 1 CHAIN 35XL=800
194839 1 ANGLE IRON FOOT, M 500-600 RED
210011 1 SEAL FELT D39/23 X 4
210022 1 BEARING BALL 6205
210033 1 BEARING BALL 6007
240015 1 DIAPHRAGM MODEL 500-600 NITRIL
240461 1 DIAPHRAGM MODEL 500-600 VITON
242152 1 O-RING D18.2X3 EPDM
242215 1 O-RING D18X3 VITON
280011 1 GREASE NIPPLE 3/8' SAE H TR
280033 1 KEY HEXAGON W9 5/16"
280044 1 KEY HEXAGON W6 3/16'
281606 1 S-HOOK GALVANIZED
330013 1 O-RING D15/D10X2.5 F.3/8"NUT
330024 1 O-RING D41,1/D34.5 X 3,5
334320 1 O-RING D18X3 POLYURETHANE
410281 1 BOLT HEX 8.8 DEL M6X25 DIN933 A2
420066 1 BOLT HEX 8.8 DEL 3/8"X50MM
420081 1 BOLT HEX 8.8 DEL 3/8'X40MM
420092 1 BOLT HEX 8.8 RAW 3/8"X45MM
420162 1 BOLT HEX 8.8 DEL 3/8"x15MM
420744 1 BOLT HEX 8.8 DEL M8X40
420766 1 BOLT HEX 8.8 DEL M8X45
420781 1 BOLT HEX 8.8 DEL M8X50
420862 1 BOLT HEX 8.8 DEL M10X16 FT
420965 1 M10X40 MACHINE SCREW STAINLESS
421002 1 BOLT HEX 8.8 DEL M10X30 FT DIN933
450037 1 BOLT ROUND 3/8'X1' BLACK
450612 1 SCREW M10X16 POINTED
460261 1 NUT HEX M6X1 LOCK A2 DIN985
460342 1 NUT HEX M10 DEL DIN934
460364 1 NUT HEX M8 GALV.
471122 1 WASHER, M10, Ø20/10.5X 2.0, SS
728146 1 VALVE FOR 361(726890/707932)
33511200 1 DIAPHRAGM 500-603 PUR 2006
72095300 1 COUPLING 1-3/8' X 25, PAINTED
72180300 1 PUMP HOUSING 503 RED W/BOLTS
72180500 1 DIAPHRAGM COVER 503 W/BOLTS
72180600 1 CONNECTING ROD FOR 503-603 M10
75072900 1 PUMP KIT 500 "06"

Agroparts: www.HARDI-INTERNATIONAL.com
PUMP - 503
A0020-HIN, 01:01:16
Page 0
Date 16.03.2016 10:35

Agroparts: www.HARDI-INTERNATIONAL.com
PUMP - 503
A0020-HIN, 01:01:16
Page 1
Date 16.03.2016 10:35
parts-n° order
qty description
110037 1 VALVE CHAMBER MOD 500 PAINTED
140011 1 CRANK SHAFT MODEL 500
140033 1 CRANK SHAFT,MODEL 500/4
160003 1 PUMP MOUNT PLATE TALL 500/600
160016 1 DUST PLATE
160027 1 DIAPHRAGM UPPER DISC 500-600
160031 1 BASE PLATE MODEL 500-600
190013 1 CHAIN 35XL=800
190024 1 ANGLE IRON FOOT, MODEL 500-600
210011 1 SEAL FELT D39/23 X 4
210022 1 BEARING BALL 6205
210033 1 BEARING BALL 6007
240015 1 DIAPHRAGM MODEL 500-600 NITRIL
240435 1 DIAP alts 332021PUR,240015NITR
240461 1 DIAPHRAGM MODEL 500-600 VITON
242152 1 O-RING D18.2X3 EPDM
242215 1 O-RING D18X3 VITON
280011 1 GREASE NIPPLE 3/8' SAE H TR
280044 1 KEY HEXAGON W6 3/16'
281606 1 S-HOOK GALVANIZED
330013 1 O-RING D15/D10X2.5 F.3/8"NUT
330024 1 O-RING D41,1/D34.5 X 3,5
334320 1 O-RING D18X3 POLYURETHANE
410281 1 BOLT HEX 8.8 DEL M6X25 DIN933 A2
420733 1 BOLT HEX 8.8 DEL M8X40
420766 1 BOLT HEX 8.8 DEL M8X45
420781 1 BOLT HEX 8.8 DEL M8X50
420862 1 BOLT HEX 8.8 DEL M10X16 FT
420943 1 BOLT HEX 8.8 DEL M10X50
420965 1 M10X40 MACHINE SCREW STAINLESS
421002 1 BOLT HEX 8.8 DEL M10X30 FT DIN933
421226 1 BOLT HEX 8.8 DEL M10X45
450612 1 SCREW M10X16 POINTED
460261 1 NUT HEX M6X1 LOCK A2 DIN985
460342 1 NUT HEX M10 DEL DIN934
460364 1 NUT HEX M8 GALV.
471122 1 WASHER, M10, Ø20/10.5X 2.0, SS
728146 1 VALVE FOR 361(726890/707932)
821617 1 PUMP 503/7 W FOOT TAPERED SHAF
10521303 1 PUMP 500 C/W PTO 540 RPM
28021800 1 KEY HEXAGON 8MM FOR M10
33511200 1 DIAPHRAGM 500-603 PUR 2006
45000800 1 BOLT ROUND M10X25
72095300 1 COUPLING 1-3/8' X 25, PAINTED
72180300 1 PUMP HOUSING 503 RED W/BOLTS
72180500 1 DIAPHRAGM COVER 503 W/BOLTS
72180600 1 CONNECTING ROD FOR 503-603 M10
75073000 1 PUMP KIT 503 "06"

Agroparts: www.HARDI-INTERNATIONAL.com
PUMP - 500 FITTINGS
A0050-HIN, 01:01:16
Page 0
Date 16.03.2016 10:35

Agroparts: www.HARDI-INTERNATIONAL.com
PUMP - 500 FITTINGS
A0050-HIN, 01:01:16
Page 1
Date 16.03.2016 10:35
parts-n° order
qty description
240122 1 DIAPHRAGM FOR PRES.DAMP.(EPDM)
320095 1 FITT.DK NUT 1" BSP
320117 1 FITT.DK CONN.1/2"BSP F. 1" CAP
320154 1 AIR BOTTLE, BOTTOM PART
320316 1 FITT.DK TEE 3/4" X3/4" X1"BSP
320327 1 HOUSING F. SUCTION AIR BOTTLE
320331 1 FITT.DK TEE 1" - 1" - 3/4" BSP
320342 1 FITT.DK EL 3/4"M X 1"F BSP
320563 1 FITT.DK 3 WAY 1/2" 110 DEG.
330212 1 O-RING D19/D14X2.4 F.1/2"NUT
330326 1 O-RING D30/D24X2 F.1"NUT
330341 1 FITT.DK HB 1" F. 1" NUT
330525 1 AIR BOTTLE, TOP HALF
330665 1 3/4' HOSE TAIL F/1' CAP
330735 1 O-RING D30/D26X2
330746 1 GUARD PTO LOWER PART SHORT
330757 1 GUARD PTO UPPER PART SHORT
334265 1 DIAPHRAGM F. PRESS DAMP.NITRIL
334531 1 CLAMP HOSE PLASTIC 3/4"
334553 1 DIAPHRAGM F.SUCTION AIR BOTTLE
410347 1 SCREW M6X20 8.8
420162 1 BOLT HEX 8.8 DEL 3/8"x15MM
420567 1 BOLT HEX 8.8 DEL M8X30 FT
460202 1 NUT HEX M6
460364 1 NUT HEX M8 GALV.
471122 1 WASHER, M10, Ø20/10.5X 2.0, SS
703032 1 SUCTION AIR BOTTLE 3/4" COMPL.
703301 1 VALVE FOR AIR BOTTLE
725970 1 DAMPER KIT 600
821616 1 PUMP 503/7 W COUPLER
821617 1 PUMP 503/7 W FOOT TAPERED SHAF
821618 1 PUMP 503/4 800RPM STRIGHT SHAF
845014 1 AIR BOTTLE COMPLETE HJ73
28030003 1 CLAMP HOSE GEAR P1" 6716
28047203 1 CLAMP HOSE GEAR 60 X 80 6756
92702403 1 HOSE PVC SUCT GRAY 1"
92703203 1 HOSE R X3/4" X300PSI WP X0012"

Agroparts: www.HARDI-INTERNATIONAL.com
PTO SHAFTS - BONDIOLI DIAPH.
A0510-HIN, 01:01:16
Page 0
Date 16.03.2016 10:35

Agroparts: www.HARDI-INTERNATIONAL.com
PTO SHAFTS - BONDIOLI DIAPH.
A0510-HIN, 01:01:16
Page 1
Date 16.03.2016 10:35
parts-n° order
qty description
284041 1 UNIV. JOINT 27x70mm
289040 1 PTO YOKE 1-3/8" X 6 SPLINE
289041 1 PTO YOKE 1-3/8" X 6 SPLINE
289042 1 UNIV. JOINT 22x54mm
289045 1 UNIV. JOINT 30.2x79.4mm
289049 1 PTO SHIELD COMPLETE F.829446
289050 1 PTO SHIELD COMPLETE F.829445
829445 1 PTO 1-3/8/6X1-3/8/6X810M AXIAL
829446 1 PTO SHAFT LE-SPV + LP ZE-P540
829480 1 PTO 1-3/8/21 x 1-3/8/21x1210MM
829482 1 PTO 1-3/8/6X25MM X 600MM 1202
829483 1 PTO 1-3/8/6X30MM x 610MM 1302
829484 1 PTO 1-3/8/6X1-3/8/6X575MM 361
829486 1 PTO 1-3/8/6X30MM X870MM 1302
829487 1 PTO 1-3/8/6X1-3/8/6X870MM 361
829490 1 PTO 1-3/8/6X30MM 1320MM 1302
829491 1 PTO 1-3/8/6X1' 610/913MM 9016
829502 1 PTO 1-3/8/6x1210/1745
28005200 1 PTO YOKE 1-3/8" X 21 SPLINE
28005400 1 PTO YOKE 1-3/8" X 6 SPLINE
28005800 1 PTO YOKE 1-3/8" X 21 SPLINE
28006000 1 PTO YOKE D25 CONE 3 DEG.
28006100 1 PTO YOKE D30 CONE 4 DEG.
28006200 1 PTO YOKE 1-3/8" X 6 SPLINE
28006300 1 PTO YOKE D1"
28006700 1 PTO HALF SHAFT - TRACTOR END
28006900 1 PTO HALF SHAFT - TRACTOR END
28007300 1 PTO INNER D1" (NO SHIELD)
28007500 1 PTO INNER D1" (NO SHIELD)
28007800 1 PTO INNER D1" (NO SHIELD)
28008100 1 PTO SHIELD COMPLETE
28008500 1 PTO HALF SHAFT - TRACTOR END
28008600 1 PTO SHIELD ASSY COMPLETE
28009403 1 UNIV. JOINT 27x74.6mm
28015103 1 PTO YOKE 1-3/8"X21 TWST OLD
28015203 1 UNIV. JOINT 23.8x61.3mm
28015303 1 PTO YOKE 1-3/8"X21 BALL COLLAR
28015403 1 PTO OUTER 1-3/8"X21(NO SHIELD)
28015503 1 PTO INNER 1-3/8"X21(NO SHIELD)
28015603 1 PTO SHIELD COMPLETE F.28020303
28015703 1 PTO YOKE 1-3/4"X20 SPL OUTER
28015803 1 PTO OUTER 1-3/4"X20(NO SHIELD)
28015903 1 PTO INNER 1-3/8"X21(NO SHIELD)
28016003 1 PTO SHIELD COMPLETE F.10465803
28016203 1 PTO OUTER 1-3/8"X6(SHIELDED)
28016303 1 PTO INNER 1-3/8"X6(NO SHIELD)
28016703 1 PTO OUTER 1-3/8"X6(NO SHIELD)
28016803 1 PTO INNER 1-3/8"X6(NO SHIELD)
28020203 1 PTO 1-3/4/20x1-3/8/21 BP L=860
28020303 1 PTO 1-3/8/21 x 1-3/8/21 B&P
28040603 1 PTO YOKE 1-3/8X21SPL BLACK
28040703 1 SAFETY CHAIN F.CV BLACK PTO
28068800 1 PTO YOKE 1-3/8" X 6 SPLINE
28069700 1 UNIV. JOINT STD1 SFT
28072800 1 PTO SHIELD COMPLETE L=1912 SFT
28073000 1 PTO YOKE 1-3/8" X 6 SPLINE

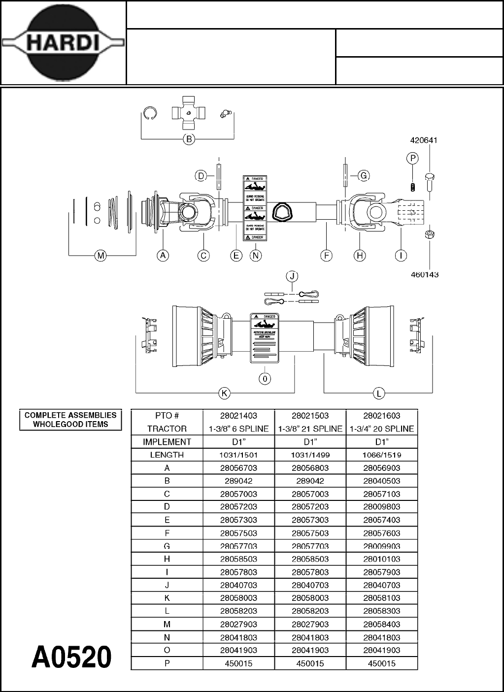
Agroparts: www.HARDI-INTERNATIONAL.com
PTO SHAFTS - BONDIOLI CENT.
A0520-HIN, 01:01:16
Page 0
Date 16.03.2016 10:35

Agroparts: www.HARDI-INTERNATIONAL.com
PTO SHAFTS - BONDIOLI CENT.
A0520-HIN, 01:01:16
Page 1
Date 16.03.2016 10:35
parts-n° order
qty description
289042 1 UNIV. JOINT 22x54mm
420641 1 BOLT HEX 8.8 DEL M8X35
450015 1 SCREW ALLAN 3/8'X5/8' BLACK
460143 1 NUT HEX M8 LOCK A2 DIN985
28009803 1 PTO PIN TUBE RETAINER OUTER
28009903 1 PTO TUBE RETAINER INNER
28010103 1 PTO YOKE F.INNER TUBE CV PTO
28021403 1 PTO 1"STR/1-3/8" 6SPL B&P
28021503 1 PTO 1"STR/1-3/8" 21SPL B&P
28021603 1 PTO 1"STR/1-3/4" 20SPL B&P
28027903 1 PTO BALL LOCK.KIT F.1-3/8 YOKE
28040503 1 UNIV. JOINT 27x74.6mm
28040703 1 SAFETY CHAIN F.CV BLACK PTO
28041803 1 DECAL DANGER GUARD MISSING
28041903 1 DECAL DANGER ROT.DRIVELINE
28056703 1 PTO YOKE #1 1-3/8" X 6 SPLINE
28056803 1 PTO YOKE #1 1-3/8" X 21 SPLINE
28056903 1 PTO YOKE #4 1-3/8" X 20 SPLINE
28057003 1 PTO TUBE YOKE #1-G1 OUTER
28057103 1 PTO TUBE YOKE #4-G4 OUTER
28057203 1 PTO PIN TUBE RETAINER OUTER
28057303 1 PTO TUBE OUTER #1 745MM
28057403 1 PTO TUBE OUTER #4 720MM
28057503 1 PTO TUBE INNER #1 745MM
28057603 1 PTO TUBE INNER #4 720MM
28057703 1 PTO TUBE RETAINER INNER
28057803 1 PTO TUBE YOKE #1 Ø=1"
28057903 1 PTO TUBE YOKE #4 Ø=1"
28058003 1 PTO HALF SAFETY SHIELD OUTER
28058103 1 PTO HALF SAFETY SHIELD OUTER
28058203 1 PTO HALF SAFETY SHIELD INNER
28058303 1 PTO HALF SAFETY SHIELD INNER
28058403 1 PTO BALL LOCK.KIT F.1-3/4 YOKE
28058503 1 PTO TUBE YOKE #1-G1 INNER

Agroparts: www.HARDI-INTERNATIONAL.com
PTO SHAFTS - AMA DIAPHRAGM
A0580-HIN, 01:01:16
Page 0
Date 16.03.2016 10:35

Agroparts: www.HARDI-INTERNATIONAL.com
PTO SHAFTS - AMA DIAPHRAGM
A0580-HIN, 01:01:16
Page 1
Date 16.03.2016 10:35
parts-n° order
qty description
829482 1 PTO 1-3/8/6X25MM X 600MM 1202
829483 1 PTO 1-3/8/6X30MM x 610MM 1302
829484 1 PTO 1-3/8/6X1-3/8/6X575MM 361
829487 1 PTO 1-3/8/6X1-3/8/6X870MM 361
28062103 1 PTO YOKE 1-3/8X6 AMA
28062203 1 UNIV.JOINT CAT.1 AMA
28062303 1 PTO YOKE D25 AMA
28062403 1 DECAL - DANGER ROTATING SHAFT
28062503 1 DECAL - DANGER MISSING GUARD
28062603 1 SAFETY CHAIN F.PTO AMA
28062703 1 PTO OUTER 1-3/8X6 (NO SHIELD)
28062803 1 PTO INNER D25 (NO SHIELD)
28062903 1 PTO SHIELD COMPLETE
28063003 1 PTO YOKE D30 AMA
28063103 1 PTO INNER D30 (NO SHIELD)
28063203 1 PTO INNER 1-3/8X6 (NO SHIELD)
28063303 1 PTO SHIELD COMPLETE
28063403 1 PTO OUTER 1-3/8X6 (NO SHIELD)
28063503 1 PTO INNER 1-3/8X6 (NO SHIELD)
28093403 1 PTO OUTER TUBE BEARING AMA
28093503 1 PTO INNER TUBE BEARING AMA

Agroparts: www.HARDI-INTERNATIONAL.com
DISTRIBUTION VALVE - MANUAL
B0030-HIN, 01:01:16
Page 0
Date 16.03.2016 10:35

Agroparts: www.HARDI-INTERNATIONAL.com
DISTRIBUTION VALVE - MANUAL
B0030-HIN, 01:01:16
Page 1
Date 16.03.2016 10:35
parts-n° order
qty description
146644 1 PIN D3X19 STAINLESS
160167 1 MOUNTING PLATE LP
160171 1 MOUNTING PLATE NK
241323 1 O-RING D5.3X2.4 NITRIL
320047 1 FITT.DK CAPNUT 1/2" BSP
320073 1 DISTRIBUTOR HOUSING 1/2"
320084 1 FITT.DK NUT 1/2" BSP
320095 1 FITT.DK NUT 1" BSP
320106 1 FITT.DK CAPNUT 1" BSP
320117 1 FITT.DK CONN.1/2"BSP F. 1" CAP
330212 1 O-RING D19/D14X2.4 F.1/2"NUT
330293 1 VALVE SEAT WITH 3/8" HOSE TAIL
330304 1 VALVE CONE D14
330315 1 O-RING D18.4/D13X.6
330326 1 O-RING D30/D24X2 F.1"NUT
330337 1 HANDLE F. FLIP VALVE
331122 1 VALVE SEAT WITH 1/2" HOSE TAIL
334533 1 CLAMP HOSE PLASTIC 3/8"
334534 1 CLAMP HOSE PLASTIC 1/2"
420582 1 BOLT HEX 8.8 DEL M8X20 FT A2
420626 1 BOLT HEX 8.8 DEL M10X20 FT
460342 1 NUT HEX M10 DEL DIN934
460364 1 NUT HEX M8 GALV.
702634 1 DIST.HOUSING ASSEMBLY(2-VALVE)
709741 1 VALVE ASSY. 1/2" FLIP LEVER
841072 1 DISTRIBUT. VALVE 1/2" NK
841094 1 DISTRIBUT. VALVE 1/2" LP,BL
92701703 1 HOSE R X3/8" X300PSI WP X0012"
92702103 1 HOSE R X1/2" X300PSI WP X0012"

Agroparts: www.HARDI-INTERNATIONAL.com
CONTROL - M70 MANUAL
B0070-HIN, 01:01:16
Page 0
Date 16.03.2016 10:35

Agroparts: www.HARDI-INTERNATIONAL.com
CONTROL - M70 MANUAL
B0070-HIN, 01:01:16
Page 1
Date 16.03.2016 10:35
parts-n° order
qty description
141072 1 SPRING GUIDE M70 HT
160097 1 SPRING RETAINER 8,2/19
160101 1 SPRING RETAINER 10,5/19
160112 1 WEAR PLATE M70
160134 1 MOUNTING PLATE M 70
220032 1 SPRING FOR PIVOT 48,5/0 14,5
240041 1 O-RING D15,1/10,3 X 2,4
320014 1 CASING CONTROL UNIT, END M70
320025 1 CASING CONTROL UNIT,CENTRE M70
320036 1 CAS. CONTR. UNIT END M70
320047 1 FITT.DK CAPNUT 1/2" BSP
320084 1 FITT.DK NUT 1/2" BSP
320095 1 FITT.DK NUT 1" BSP
320482 1 FITT.DK ELB. 1/2" BSP 60 DEG.
322069 1 FITTING
330061 1 O-RING D16/D11X2,5
330131 1 CASING CONTROL UNIT , MODEL 70
330142 1 O-RING D69X2
330153 1 VALVE CONE D26
330164 1 SPACER CONTROL UNIT, MODEL 70
330197 1 SPRING GUIDE
330201 1 VALVE CONE D24
330212 1 O-RING D19/D14X2.4 F.1/2"NUT
330326 1 O-RING D30/D24X2 F.1"NUT
330341 1 FITT.DK HB 1" F. 1" NUT
330665 1 3/4' HOSE TAIL F/1' CAP
330676 1 FITT.DK HB 3/8" F. 1/2" NUT
330687 1 FITT.DK HB 1/2" F. 1/2" NUT
334533 1 CLAMP HOSE PLASTIC 3/8"
334534 1 CLAMP HOSE PLASTIC 1/2"
410303 1 BOLT HEX 8.8 DEL M6X130
420626 1 BOLT HEX 8.8 DEL M10X20 FT
460143 1 NUT HEX M8 LOCK A2 DIN985
460202 1 NUT HEX M6
460342 1 NUT HEX M10 DEL DIN934
471125 1 WASHER, M6, Ø12/ 6.4X 1.6, SS
471126 1 WASHER, M8, Ø16/ 8.4X 1.6, SS
700206 1 RELIEF SCREW COMPLETE 3/4" RG
700217 1 PRESSURE REGULAT SPRING(ARM 70
700232 1 HANDLE, M70 CONTROL,BLACK
704277 1 PRESSURE SPRING COMPL. M70 HT
709192 1 HANDLE, M70 CONTROL, RED,
750208 1 REPAIR KIT M70
841013 1 OPERATING UNIT M70
841131 1 OP.UN.M70 HT
844086 1 GAUGE 2.5'BR BOTT.PSI1000BAR80
28026203 1 GAUGE 200PSI/BR,2.5"1/4BSP-BTM
28029903 1 CLAMP HOSE GEAR P3/4"-S1" 6712
28030003 1 CLAMP HOSE GEAR P1" 6716
92701703 1 HOSE R X3/8" X300PSI WP X0012"
92702103 1 HOSE R X1/2" X300PSI WP X0012"
92702403 1 HOSE PVC SUCT GRAY 1"
92703203 1 HOSE R X3/4" X300PSI WP X0012"

Agroparts: www.HARDI-INTERNATIONAL.com
BOOM - 14' HD
D0020-HIN, 01:01:16
Page 0
Date 16.03.2016 10:35

Agroparts: www.HARDI-INTERNATIONAL.com
BOOM - 14' HD
D0020-HIN, 01:01:16
Page 1
Date 16.03.2016 10:35
parts-n° order
qty description
110401 1 SPRING HOUSING STD BOOM
110412 1 CLUTCH STANDARD BOOM
142387 1 WASHER D40D23X5
160436 1 PIPE BRANCH HOLDER D22,2
160451 1 PIPE BRANCH HOLDER D25,4
160462 1 PIPE BRANCH HOLDER D31,7
160517 1 SPACER COLLAR, STANDARD BOM
160521 1 WASHER D30.5/D13X2
160532 1 CLAMP SWIVEL F. BOOM 14'H.D.
170063 1 SUPPORT BRKT.(USE-#725434 kit)
170317 1 CROSSBAR FOR BOOM WINE II
220227 1 SPRING FOR PIVOT
242594 1 O-RING D14 X 1.78 SCH.70-EPDM
320084 1 FITT.DK NUT 1/2" BSP
320283 1 FITT.DK NUT 3/4"BSP
320386 1 FITT.DK TEE 3/8X3/8HB X3/8"BSP
320397 1 FITT.DK ELB 3/8"HB X 3/8" BSP
320401 1 FITT.DK TEE 1/2X1/2HB X1/2"BSP
321517 1 FITT.DK CAP 3/8" BSP WHITE
330212 1 O-RING D19/D14X2.4 F.1/2"NUT
330687 1 FITT.DK HB 1/2" F. 1/2" NUT
330816 1 DUST COVER PLASTIC/STD.BOOM
332905 1 FITT.DK HB 1/2" F. 3/4" CAP
334533 1 CLAMP HOSE PLASTIC 3/8"
334534 1 CLAMP HOSE PLASTIC 1/2"
370683 1 NOZZLE FLAT FAN 4110-16
371477 1 COLOR TIP S4110-30 BLUE
410281 1 BOLT HEX 8.8 DEL M6X25 DIN933 A2
410686 1 BOLT HEX 8.8 DEL M6X30
420464 1 BOLT HEX 8.8 DEL 3/8'X20MM
420582 1 BOLT HEX 8.8 DEL M8X20 FT A2
420943 1 BOLT HEX 8.8 DEL M10X50
421164 1 BOLT HEX 8.8 DEL M10X70
430286 1 BOLT HEX 8.8 DEL M12X30 FT
430662 1 BOLT HEX 8.8 DEL M12X20 FT
430721 1 BOLT HEX 8.8 DEL M12X40 FT
460202 1 NUT HEX M6
460364 1 NUT HEX M8 GALV.
460386 1 NUT HEX M12X1.75
460423 1 NUT HEX M10X1.5 LOCK
460703 1 NUT HEX M12X1.75 LOCK DIN985
471127 1 WASHER, M12, Ø24/13.0X 2.5, SS
610105 1 NOZZLE FILTER
610374 1 BOOM WING OUT.SECTION (WINE11)
614610 1 NOZZLE TUBE 2 HOLE L-24"/SP20"
614611 1 NOZZLE TUBE 3 HOLE L-44"/SP20"
630265 1 BOOM WING 14' BOOM
636433 1 CENTER SECTION 14' BOOM D27.0
716413 1 FITT.DK PLUG ASSY. F.NOZ TUBE
725043 1 SCREEN 50 MESH W.GASKET,BLUE
725079 1 NOZZLE ASSY.SING.SNAP-FIT GREN
19000003 1 MOUNT ANGLE BRACKET ES50/80
61000203 1 MOUNT BRACKET F.14' BOOM
92701703 1 HOSE R X3/8" X300PSI WP X0012"
92702103 1 HOSE R X1/2" X300PSI WP X0012"

Agroparts: www.HARDI-INTERNATIONAL.com
BOOM - V-II
D0030-HIN, 01:01:16
Page 0
Date 16.03.2016 10:35

Agroparts: www.HARDI-INTERNATIONAL.com
BOOM - V-II
D0030-HIN, 01:01:16
Page 1
Date 16.03.2016 10:35
parts-n° order
qty description
110401 1 SPRING HOUSING STD BOOM
110412 1 CLUTCH STANDARD BOOM
140593 1 THUMB SCREW
142387 1 WASHER D40D23X5
150522 1 DROP TUBE WINE II
150533 1 DROP TUBE WINE II
160436 1 PIPE BRANCH HOLDER D22,2
160451 1 PIPE BRANCH HOLDER D25,4
160517 1 SPACER COLLAR, STANDARD BOM
160521 1 WASHER D30.5/D13X2
160532 1 CLAMP SWIVEL F. BOOM 14'H.D.
160657 1 CLIP FITTING FOT D22,2
160801 1 CLIP FITTINGS 31.7
170317 1 CROSSBAR FOR BOOM WINE II
220227 1 SPRING FOR PIVOT
320084 1 FITT.DK NUT 1/2" BSP
320187 1 FITT.DK CAP 3/8" BSP BLACK
320283 1 FITT.DK NUT 3/4"BSP
320294 1 FITT.DK TEE 3/8X3/8HB X1/2"BSP
320386 1 FITT.DK TEE 3/8X3/8HB X3/8"BSP
320397 1 FITT.DK ELB 3/8"HB X 3/8" BSP
330013 1 O-RING D15/D10X2.5 F.3/8"NUT
330212 1 O-RING D19/D14X2.4 F.1/2"NUT
330687 1 FITT.DK HB 1/2" F. 1/2" NUT
330783 1 FITT.DK HB 3/8"F.3/8" NUT
330816 1 DUST COVER PLASTIC/STD.BOOM
334531 1 CLAMP HOSE PLASTIC 3/4"
334533 1 CLAMP HOSE PLASTIC 3/8"
370042 1 NOZZLE CONE JET 1553-14
370134 1 NOZZLE SWIRL 1554-GREY
410686 1 BOLT HEX 8.8 DEL M6X30
420582 1 BOLT HEX 8.8 DEL M8X20 FT A2
420943 1 BOLT HEX 8.8 DEL M10X50
421164 1 BOLT HEX 8.8 DEL M10X70
430286 1 BOLT HEX 8.8 DEL M12X30 FT
430662 1 BOLT HEX 8.8 DEL M12X20 FT
460202 1 NUT HEX M6
460364 1 NUT HEX M8 GALV.
460386 1 NUT HEX M12X1.75
460423 1 NUT HEX M10X1.5 LOCK
460703 1 NUT HEX M12X1.75 LOCK DIN985
610374 1 BOOM WING OUT.SECTION (WINE11)
614366 1 FILTER 50 MESH F.NOZZLE BLUE
630011 1 630011
630022 1 630022
630265 1 BOOM WING 14' BOOM
636433 1 CENTER SECTION 14' BOOM D27.0
92701703 1 HOSE R X3/8" X300PSI WP X0012"
92702103 1 HOSE R X1/2" X300PSI WP X0012"

Agroparts: www.HARDI-INTERNATIONAL.com
BOOM - VS-8 & VS-10
D0040-HIN, 01:01:16
Page 0
Date 16.03.2016 10:35

Agroparts: www.HARDI-INTERNATIONAL.com
BOOM - VS-8 & VS-10
D0040-HIN, 01:01:16
Page 1
Date 16.03.2016 10:35
parts-n° order
qty description
150441 1 BOOM WING OUT.SEC. WINE S630MM
150452 1 BOOM WING OUT.SEC. WINE S930MM
160436 1 PIPE BRANCH HOLDER D22,2
160775 1 WASHER F. FRICTION PLATE
170111 1 SUPP. ARM VIN S
320084 1 FITT.DK NUT 1/2" BSP
320187 1 FITT.DK CAP 3/8" BSP BLACK
320401 1 FITT.DK TEE 1/2X1/2HB X1/2"BSP
320412 1 FITT.DK TEE 1/2X1/2HB X3/8'BSP
320423 1 FITT.DK ELB 1/2'HB X 3/8' BSP
330212 1 O-RING D19/D14X2.4 F.1/2"NUT
330687 1 FITT.DK HB 1/2" F. 1/2" NUT
330831 1 FRICTION PLATE
334534 1 CLAMP HOSE PLASTIC 1/2"
370042 1 NOZZLE CONE JET 1553-14
370134 1 NOZZLE SWIRL 1554-GREY
410281 1 BOLT HEX 8.8 DEL M6X25 DIN933 A2
420162 1 BOLT HEX 8.8 DEL 3/8"x15MM
430286 1 BOLT HEX 8.8 DEL M12X30 FT
430426 1 BOLT HEX 8.8 DEL M12X130
460202 1 NUT HEX M6
460386 1 NUT HEX M12X1.75
460703 1 NUT HEX M12X1.75 LOCK DIN985
610352 1 CENTER SECTION WINE S
610363 1 BOOM WING INNER SECTION
614366 1 FILTER 50 MESH F.NOZZLE BLUE
843076 1 SPR. PISTOL FOR BOOM (PLAST)
92702103 1 HOSE R X1/2" X300PSI WP X0012"

Agroparts: www.HARDI-INTERNATIONAL.com
BOOM - SB 20' 26' 33'
D0060-HIN, 01:01:16
Page 0
Date 16.03.2016 10:35

Agroparts: www.HARDI-INTERNATIONAL.com
BOOM - SB 20' 26' 33'
D0060-HIN, 01:01:16
Page 1
Date 16.03.2016 10:35
parts-n° order
qty description
111204 1 CLAW CLUTCH/LOWER D80
111215 1 CLAW CLUTCH/UPPER D80
142597 1 DISTANCE TUBE
143651 1 AXLE M20/M16 L=355 F/BREAKAWAY
143721 1 FRICTION DISC FOR BOOM D30
143754 1 PIN D10 X 56
166246 1 WASHER CUP D53 F.SPRING
166736 1 CLAMP FOR SB BOOM
166865 1 WASHER D35/D25X2
193244 1 NOZZLE TRACK 6-8-10 M SB
193303 1 SUPPORTING ARM FOR SB BOOM
220673 1 SPRING F.PIVOT 100 X 51
334571 1 TAPON 40x40x2 EMBELLECEDOR
410185 1 BOLT HEX 8.8 DEL M6X16 A2
420906 1 BOLT HEX 8.8 DEL M10X60
421083 1 BOLT HEX 8.8 DEL M10X65
430522 1 BOLT HEX 8.8 DEL M12X25 FT
460261 1 NUT HEX M6X1 LOCK A2 DIN985
460423 1 NUT HEX M10X1.5 LOCK
460585 1 NUT HEX M16X2 LOCK
460703 1 NUT HEX M12X1.75 LOCK DIN985
460806 1 NUT HEX M20X2.5 LOCK
471122 1 WASHER, M10, Ø20/10.5X 2.0, SS
471127 1 WASHER, M12, Ø24/13.0X 2.5, SS
471128 1 WASHER, M16, Ø30/17.0X 3.0, SS
480244 1 PIN SNAP D4.5
613487 1 TRANSPORT FITTINGS FOR SB BOOM
633942 1 OUTER BOOM WING 26', 28' SB
634163 1 CENTER SECTION - 20',26',33'
634185 1 BOOM WING OUTER PART 33' SB
635780 1 INNER WING SEC. 26',28',33'SB
635792 1 BOOM WING - 20',21'SB-BOOM
706311 1 SPRING WITH HAND-GRIB

Agroparts: www.HARDI-INTERNATIONAL.com
BOOM - SB H-FRAME & CENTER HY
D0070-HIN, 01:01:16
Page 0
Date 16.03.2016 10:35

Agroparts: www.HARDI-INTERNATIONAL.com
BOOM - SB H-FRAME & CENTER HY
D0070-HIN, 01:01:16
Page 1
Date 16.03.2016 10:35
parts-n° order
qty description
111204 1 CLAW CLUTCH/LOWER D80
111215 1 CLAW CLUTCH/UPPER D80
143651 1 AXLE M20/M16 L=355 F/BREAKAWAY
143754 1 PIN D10 X 56
145602 1 BOLT SHOULDER M12 X 68 D=17
166246 1 WASHER CUP D53 F.SPRING
170655 1 BRKT. F/SB/HY CENTER
170768 1 FLAT BAR 30X6 L=70/2XØ9
193244 1 NOZZLE TRACK 6-8-10 M SB
193303 1 SUPPORTING ARM FOR SB BOOM
220673 1 SPRING F.PIVOT 100 X 51
283699 1 GREASE NIPPLE M6X1
283935 1 PLASTIC COVER F. ARM SB/HYD
410185 1 BOLT HEX 8.8 DEL M6X16 A2
420781 1 BOLT HEX 8.8 DEL M8X50
420965 1 M10X40 MACHINE SCREW STAINLESS
421083 1 BOLT HEX 8.8 DEL M10X65
430522 1 BOLT HEX 8.8 DEL M12X25 FT
460143 1 NUT HEX M8 LOCK A2 DIN985
460423 1 NUT HEX M10X1.5 LOCK
460585 1 NUT HEX M16X2 LOCK
460703 1 NUT HEX M12X1.75 LOCK DIN985
460806 1 NUT HEX M20X2.5 LOCK
471127 1 WASHER, M12, Ø24/13.0X 2.5, SS
471128 1 WASHER, M16, Ø30/17.0X 3.0, SS
480244 1 PIN SNAP D4.5
480384 1 PIN COTTER 3/16 x 1-1/2"
614673 1 PIN D26X140MM
614680 1 ARM LONG FOR SB BOOM
636151 1 CENTER FRAME SB/
636152 1 HINGE 20/26'HY FOLD RH
636153 1 HINGE 20/26' HY FOLD LH
636201 1 TRANSPORT F.SB HYDRAULIC BOOM

Agroparts: www.HARDI-INTERNATIONAL.com
BOOM-NOZZLES 110° FLAT FAN ISO
D1000-HIN, 01:01:16
Page 0
Date 16.03.2016 10:35

Agroparts: www.HARDI-INTERNATIONAL.com
BOOM-NOZZLES 110° FLAT FAN ISO
D1000-HIN, 01:01:16
Page 1
Date 16.03.2016 10:35
parts-n° order
qty descriptionPos.
371764 1 NOZZLE ISO CT F-01-110 ORANGE1
371765 1 NOZZLE ISO CT F-015-110 GREEN1
371766 1 NOZZLE ISO CT F-02-110 YELLOW1
371767 1 NOZZLE ISO CT F-03-110 BLUE1
371768 1 NOZZLE ISO CT F-04-110 RED1
371769 1 NOZZLE ISO CT F-05-110 BROWN1
371770 1 NOZZLE ISO CT F-06-110 GREY1
371771 1 NOZZLE ISO CT F-08-110 WHITE1
371950 1 NOZZLE ISO CT F-025-110 LILAC1
371964 1 NOZZLE ISO CT F-075-110 PINK1
371970 1 NOZZLE ISO CT F-10-110 LT BLUE1
371706 1 NOZZLE ISO F-01-110 ORANGE2
371707 1 NOZZLE ISO F-015-110 GREEN2
371708 1 NOZZLE ISO F-02-110 YELLOW2
371709 1 NOZZLE ISO F-03-110 BLUE2
371710 1 NOZZLE ISO F-04-110 RED2
371711 1 NOZZLE ISO F-05-110 BROWN2
371712 1 NOZZLE ISO F-06-110 GREY2
371713 1 NOZZLE ISO F-08-110 WHITE2
371946 1 NOZZLE ISO F-025-110 LILAC2
371963 1 NOZZLE ISO F-075-110 PINK2
371966 1 NOZZLE ISO F-10-110 LT BLUE2
371772 1 NOZZLE ISO CT F-015-110C GREEN3
371773 1 NOZZLE ISO CT F-02-110C YELLOW3
371774 1 NOZZLE ISO CT F-03-110C BLUE3
371775 1 NOZZLE ISO CT F-04-110C RED3
371776 1 NOZZLE ISO CT F-05-110C BROWN3
371777 1 NOZZLE ISO CT F-06-110C GREY3
371738 1 NOZZLE ISO F-015-110C GREEN4
371739 1 NOZZLE ISO F-02-110C YELLOW4
371740 1 NOZZLE ISO F-03-110C BLUE4
371741 1 NOZZLE ISO F-04-110C RED4
371742 1 NOZZLE ISO F-05-110C BROWN4
371743 1 NOZZLE ISO F-06-110C GREY4

Agroparts: www.HARDI-INTERNATIONAL.com
BOOM-NOZZLES 110° LOWDRIFT ISO
D1010-HIN, 01:01:16
Page 0
Date 16.03.2016 10:35

Agroparts: www.HARDI-INTERNATIONAL.com
BOOM-NOZZLES 110° LOWDRIFT ISO
D1010-HIN, 01:01:16
Page 1
Date 16.03.2016 10:35
parts-n° order
qty descriptionPos.
371837 1 NOZZLE ISO CT LD-01-110 ORANGE1
371838 1 NOZZLE ISO CT LD-015-110 GREEN1
371839 1 NOZZLE ISO CT LD-02-110 YELLOW1
371840 1 NOZZLE ISO CT LD-03-110 BLUE1
371841 1 NOZZLE ISO CT LD-04-110 RED1
371894 1 NOZZLE ISO CT LD-05-110 BROWN1
371958 1 NOZZLE ISO CT LD-025-110 LILAC1
371817 1 NOZZLE ISO LD-01-110 ORANGE2
371818 1 NOZZLE ISO LD-015-110 GREEN2
371819 1 NOZZLE ISO LD-02-110 YELLOW2
371820 1 NOZZLE ISO LD-03-110 BLUE2
371821 1 NOZZLE ISO LD-04-110 RED2
371893 1 NOZZLE ISO LD-05-110 BROWN2
371957 1 NOZZLE ISO LD-025-110 LILAC2
371842 1 NOZZLE ISO CT LD-01-110C ORANG3
371843 1 NOZZLE ISO CT LD-015-110C GRN3
371844 1 NOZZLE ISO CT LD-02-110C YELLO3
371845 1 NOZZLE ISO CT LD-03-110C BLUE3
371846 1 NOZZLE ISO CT LD-04-110C RED3
371897 1 NOZZLE ISO CT LD-05-110C BROWN3
371822 1 NOZZLE ISO LD-01-110C ORANGE4
371823 1 NOZZLE ISO LD-015-110C GREEN4
371824 1 NOZZLE ISO LD-02-110C YELLOW4
371825 1 NOZZLE ISO LD-03-110C BLUE4
371826 1 NOZZLE ISO LD-04-110C RED4
371896 1 NOZZLE ISO LD-05-110C BROWN4

Agroparts: www.HARDI-INTERNATIONAL.com
BOOM-NOZZLES 80° FLAT FAN ISO
D1020-HIN, 01:01:16
Page 0
Date 16.03.2016 10:35

Agroparts: www.HARDI-INTERNATIONAL.com
BOOM-NOZZLES 80° FLAT FAN ISO
D1020-HIN, 01:01:16
Page 1
Date 16.03.2016 10:35
parts-n° order
qty descriptionPos.
334083 1 SNAP-FIT NOZZLE HOLDER SS BLCK1
371931 1 SYNTAL ISO F-01-80 TIP ORNG2
371932 1 SYNTAL ISO F-015-80 TIP GREEN2
371933 1 SYNTAL ISO F-02-80 TIP YELLOW2
371934 1 SYNTAL ISO F-03-80 TIP BLUE2
10423503 1 O-RING 9.12x3.53 NITRIL3

Agroparts: www.HARDI-INTERNATIONAL.com
BOOM-NOZZLE CAPS AND FILTERS
D1030-HIN, 01:01:16
Page 0
Date 16.03.2016 10:35

Agroparts: www.HARDI-INTERNATIONAL.com
BOOM-NOZZLE CAPS AND FILTERS
D1030-HIN, 01:01:16
Page 1
Date 16.03.2016 10:35
parts-n° order
qty descriptionPos.
242222 1 GASKET 19.0 X 10.0 X 3.3 EPDM1
320187 1 FITT.DK CAP 3/8" BSP BLACK2
321517 1 FITT.DK CAP 3/8" BSP WHITE
ALWAYS USE WITH ISO AND INJET NOZZLES
2
321797 1 FITT.DK CAP 3/8' BSP BLUE2
321801 1 FITT.DK CAP 3/8' BSP GREEN2
321812 1 FITT.DK CAP 3/8' BSP RED2
321823 1 FITT.DK CAP 3/8' BSP ORANGE2
321834 1 FITT.DK CAP 3/8' BSP YELLOW2
322068 1 SNAP-FIT ADAPTER THREAD. HARDI3
330013 1 O-RING D15/D10X2.5 F.3/8"NUT4
334083 1 SNAP-FIT NOZZLE HOLDER SS BLCK5
334102 1 BLANK F.NOZZLE6
334862 1 NOZZLE CAP TJBLACK F.ISO/INJET7
334926 1 SNAP-FIT TURN PLATE F TRIPLET8
370016 1 NOZZLE CONE JET 1553-089
370027 1 NOZZLE CONE JET 1553-109
370031 1 NOZZLE CONE JET 1553-129
370042 1 NOZZLE CONE JET 1553-149
370053 1 NOZZLE CONE JET 1553-169
370064 1 NOZZLE CONE JET 1553-189
370075 1 NOZZLE CONE JET 1553-209
370086 1 NOZZLE CONE JET 1553-229
370097 1 NOZZLE CONE JET 1553-249
370101 1 NOZZLE CONE JET 1553-309
370112 1 NOZZLE CONE JET 1553-359
370123 1 NOZZLE CONE JET 1553-409
370134 1 NOZZLE SWIRL 1554-GREY10
370145 1 NOZZLE SWIRL 1554-BLACK10
370156 1 NOZZLE SWIRL 1554-BLUE10
370167 1 NOZZLE SWIRL 1554-1.3 WHITE10
371551 1 NOZZ LRG DROP FLAT SPRAY SINGL11
372140 1 HARDI ISO BLIND CAP12
390639 1 O-RING F.NOZZLE FILTER13
614366 1 FILTER 50 MESH F.NOZZLE BLUE14
614367 1 FILTER 80 MESH F.NOZZLE RED14
614368 1 FILTER 100 MESH F.NOZZLE YEL.14
725042 1 SCREEN 80 MESH W.GASKET, RED15
725043 1 SCREEN 50 MESH W.GASKET,BLUE15
725044 1 SCREEN 100 MESH W.GASKET,YELLO15
10423503 1 O-RING 9.12x3.53 NITRIL16

Agroparts: www.HARDI-INTERNATIONAL.com
BOOM-NOZZLES INJET
D1040-HIN, 01:01:16
Page 0
Date 16.03.2016 10:35

Agroparts: www.HARDI-INTERNATIONAL.com
BOOM-NOZZLES INJET
D1040-HIN, 01:01:16
Page 1
Date 16.03.2016 10:35
parts-n° order
qty descriptionPos.
334083 1 SNAP-FIT NOZZLE HOLDER SS BLCK1
371872 1 NOZZLE INJET 015 GREEN SINGLE2
371873 1 NOZZLE INJET 02 YELLOW SINGLE2
371874 1 NOZZLE INJET 025 LILAC SINGLE2
371875 1 NOZZLE INJET 03 BLUE SINGLE2
371876 1 NOZZLE INJET 04 RED SINGLE2
371926 1 NOZZLE INJET 01 ORANGE SINGLE2
371927 1 NOZZLE INJET 05 BROWN SINGLE2
371928 1 NOZZLE INJET 06 GREY SINGLE2
371929 1 NOZZLE INJET 08 WHITE SINGLE2
371870 1 NOZZLE B-JET 03 BLUE3
371871 1 NOZZLE B-JET 04 RED3
371877 1 NOZZLE B-JET 025 LILAC3
371930 1 NOZZLE B-JET 02 YELLOW3

Agroparts: www.HARDI-INTERNATIONAL.com
BOOM-NOZZLES MINIDRIFT
D1050-HIN, 01:01:16
Page 0
Date 16.03.2016 10:35

Agroparts: www.HARDI-INTERNATIONAL.com
BOOM-NOZZLES MINIDRIFT
D1050-HIN, 01:01:16
Page 1
Date 16.03.2016 10:35
parts-n° order
qty descriptionPos.
372121 1 NOZZLE ISO CT MD-015-110 GREEN1
372122 1 NOZZLE ISO CT MD-02-110 YELLOW1
372123 1 NOZZLE ISO CT MD-025-110 LILAC1
372124 1 NOZZLE ISO CT MD-03-110 BLUE1
372125 1 NOZZLE ISO CT MD-04-110 RED1
372126 1 NOZZLE ISO CT MD-05-110 BROWN1
372111 1 NOZZLE ISO MD-015-110 GREEN2
372112 1 NOZZLE ISO MD-02-110 YELLOW2
372113 1 NOZZLE ISO MD-025-110 LILAC2
372114 1 NOZZLE ISO MD-03-110 BLUE2
372115 1 NOZZLE ISO MD-04-110 RED2
372116 1 NOZZLE ISO MD-05-110 BROWN2

Agroparts: www.HARDI-INTERNATIONAL.com
BOOM-NOZZLES QUINTASTREAM
D1060-HIN, 01:01:16
Page 0
Date 16.03.2016 10:35

Agroparts: www.HARDI-INTERNATIONAL.com
BOOM-NOZZLES QUINTASTREAM
D1060-HIN, 01:01:16
Page 1
Date 16.03.2016 10:35
parts-n° order
qty descriptionPos.
372011 1 NOZZLE ISO QS-015-5H GREEN1
372012 1 NOZZLE ISO QS-02-5H YELLOW1
372013 1 NOZZLE ISO QS-03-5H BLUE1
372014 1 NOZZLE ISO QS-04-5H RED1
372015 1 NOZZLE ISO QS-05-5H BROWN1
372016 1 NOZZLE ISO QS-06-5H GREY1
372017 1 NOZZLE ISO QS-08-5H WHITE1
372018 1 NOZZLE ISO QS-10-5H LT. BLUE1
372019 1 NOZZLE ISO QS-15-5H LT. GREEN1
372002 1 ISO QNTSTRM 015 S-GREEN2
372003 1 ISO QNTSTRM 02 S-YELLOW2
372004 1 ISO QNTSTRM 03 S-BLUE2
372005 1 ISO QNTSTRM 04 S-RED2
372006 1 ISO QNTSTRM 05 S-BROWN2
372007 1 ISO QNTSTRM 06 S-GREY2
372008 1 ISO QNTSTRM 08 S-WHITE2
372009 1 ISO QNTSTRM 10 S-LT.BLU2
372010 1 ISO QNTSTRM 15 S-LT.GRN2

Agroparts: www.HARDI-INTERNATIONAL.com
NOZZLE BODIES-THREADED
D1080-HIN, 01:01:16
Page 0
Date 16.03.2016 10:35

Agroparts: www.HARDI-INTERNATIONAL.com
NOZZLE BODIES-THREADED
D1080-HIN, 01:01:16
Page 1
Date 16.03.2016 10:35
parts-n° order
qty description
143592 1 LOCK CLAMP FOR TRIPLET
241371 1 DIAPHRAGM, NO-DRIP alt 241371
241990 1 O-RING D9.3 X 2.4 VITON
242598 1 O-RING D7.0 X 2.5 NITRIL
320187 1 FITT.DK CAP 3/8" BSP BLACK
320283 1 FITT.DK NUT 3/4"BSP
321462 1 CAP F.NO-DRIP ASSY.
321801 1 FITT.DK CAP 3/8' BSP GREEN
321812 1 FITT.DK CAP 3/8' BSP RED
322114 1 NUT PLASTIC F.NOZZ.H
322116 1 BOLT PLASTIC F.NOZZ.H.
322258 1 HOUSING F.TRIPLET
322259 1 HOUSING LOWER NOZZLE SNGL 3/8"
333174 1 NOZZLE ALIGNMENT KEY
334220 1 YOKE, UPPER NOZZLE BODY
390639 1 O-RING F.NOZZLE FILTER
440665 1 SCREW M4.2X16 STAINLESS
614366 1 FILTER 50 MESH F.NOZZLE BLUE
614367 1 FILTER 80 MESH F.NOZZLE RED
614368 1 FILTER 100 MESH F.NOZZLE YEL.
636219 1 THREADED TURN PLATE F TRIPLET
716037 1 NOZZLE BODY THREADED COMPLETE
716413 1 FITT.DK PLUG ASSY. F.NOZ TUBE
725042 1 SCREEN 80 MESH W.GASKET, RED
725043 1 SCREEN 50 MESH W.GASKET,BLUE
725044 1 SCREEN 100 MESH W.GASKET,YELLO
725078 1 SNAP-FIT TRIPLET W/O NOZZ HOLD
729645 1 NON-DRIP SPRING ASSY.GREEN 10

Agroparts: www.HARDI-INTERNATIONAL.com
NOZZLE BODIES-SNAP FIT
D1090-HIN, 01:01:16
Page 0
Date 16.03.2016 10:35

Agroparts: www.HARDI-INTERNATIONAL.com
NOZZLE BODIES-SNAP FIT
D1090-HIN, 01:01:16
Page 1
Date 16.03.2016 10:35
parts-n° order
qty description
143592 1 LOCK CLAMP FOR TRIPLET
241371 1 DIAPHRAGM, NO-DRIP alt 241371
241990 1 O-RING D9.3 X 2.4 VITON
242594 1 O-RING D14 X 1.78 SCH.70-EPDM
242598 1 O-RING D7.0 X 2.5 NITRIL
320187 1 FITT.DK CAP 3/8" BSP BLACK
320283 1 FITT.DK NUT 3/4"BSP
321462 1 CAP F.NO-DRIP ASSY.
322068 1 SNAP-FIT ADAPTER THREAD. HARDI
322114 1 NUT PLASTIC F.NOZZ.H
322116 1 BOLT PLASTIC F.NOZZ.H.
322258 1 HOUSING F.TRIPLET
322260 1 NOZZLE HOLDER LOWER PART
333012 1 NOZZLE HOLD. UPPER PART
334082 1 SNAP-FIT NOZZ.HOLD.CONE BLACK
334102 1 BLANK F.NOZZLE
334172 1 SNAP-FIT NOZZ.HOLD.CONE GREEN
334173 1 SNAP-FIT NOZZ.HOLD.CONE ORANGE
334220 1 YOKE, UPPER NOZZLE BODY
334371 1 SNAP-FIT NOZZLE HOLDER YELLOW
334373 1 SNAP-FIT NOZZLE HOLDER RED
334377 1 SNAP-FIT NOZZLE HOLDER BLUE
334926 1 SNAP-FIT TURN PLATE F TRIPLET
390639 1 O-RING F.NOZZLE FILTER
440665 1 SCREW M4.2X16 STAINLESS
716236 1 FITT.DK HB 1/2" ASSY. F. 3/4"
716413 1 FITT.DK PLUG ASSY. F.NOZ TUBE
724621 1 FITT.DK HB 3/4"ASSY F.3/4" NUT
725042 1 SCREEN 80 MESH W.GASKET, RED
725043 1 SCREEN 50 MESH W.GASKET,BLUE
725044 1 SCREEN 100 MESH W.GASKET,YELLO
725078 1 SNAP-FIT TRIPLET W/O NOZZ HOLD
725079 1 NOZZLE ASSY.SING.SNAP-FIT GREN
729645 1 NON-DRIP SPRING ASSY.GREEN 10

Agroparts: www.HARDI-INTERNATIONAL.com
DOUBLE NOZZLE HOLDER-SNAP FIT
D1100-HIN, 01:01:16
Page 0
Date 16.03.2016 10:35

Agroparts: www.HARDI-INTERNATIONAL.com
DOUBLE NOZZLE HOLDER-SNAP FIT
D1100-HIN, 01:01:16
Page 1
Date 16.03.2016 10:35
parts-n° order
qty descriptionPos.
372140 1 HARDI ISO BLIND CAP1
725078 1 SNAP-FIT TRIPLET W/O NOZZ HOLD2
28032503 1 DOUBLE NOZZLE HOLDER LD ISO3
28040103 1 O-RING F.DOUBLE NOZZLE HOLDER4
28089103 1 GASKET F.DOUBLE NOZZLE HOLDER5
70056803 1 DOUBLE NOZZLE CAP ORANGE LD 016
70056903 1 DOUBLE NOZZLE CAP GREEN LD 0156
70057003 1 DOUBLE NOZZLE CAP YELLOW LD 026
70057103 1 DOUBLE NOZZLE CAP LILAC LD 0256
70057203 1 DOUBLE NOZZLE CAP BLUE LD 036
70057303 1 DOUBLE NOZZLE CAP RED LD 046
70057403 1 DOUBLE NOZZLE CAP BROWN LD 056

Agroparts: www.HARDI-INTERNATIONAL.com
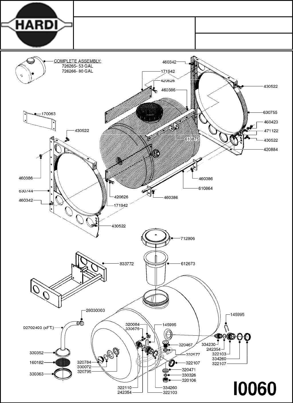
BNL 50/80 TANK & FRAME
I0060-HIN, 01:01:16
Page 0
Date 16.03.2016 10:35

Agroparts: www.HARDI-INTERNATIONAL.com
BNL 50/80 TANK & FRAME
I0060-HIN, 01:01:16
Page 1
Date 16.03.2016 10:35
parts-n° order
qty description
145995 1 FITT.DK S-53 FORK
160182 1 FILTER SCREEN
170063 1 SUPPORT BRKT.(USE-#725434 kit)
171942 1 BL CROSS BRACE 110 X 5 X 565
242354 1 O-RING D32.2X3.0 VITON F.S-53
320084 1 FITT.DK NUT 1/2" BSP
320106 1 FITT.DK CAPNUT 1" BSP
320467 1 FITT.DK BULKHEAD 1"BSP SINGLE
320471 1 FITT.DK NUT 1" BSP JAMB
320784 1 FITT.DK CAP 1-1/2" BSP
320795 1 FITT.DK NUT 1-1/2" BSP JAMB
322103 1 FITT.DK S-53 BULKHEAD
322107 1 FITT.DK S-53 BULKHEAD NUT
322110 1 FITT.DK S-53 ELB. 1/2" BSP
330072 1 O-RING D53.5/D45.5X4
330326 1 O-RING D30/D24X2 F.1"NUT
330352 1 FOAM DROP HOUSING
330363 1 RETAINER FILTER GAUGE
330676 1 FITT.DK HB 3/8" F. 1/2" NUT
332577 1 O-RING D38/D30X4 F.1" PUR.
334230 1 FITT.DK S-53 STR.1"
334260 1 GASKET F. S-53 BULKHEAD
420626 1 BOLT HEX 8.8 DEL M10X20 FT
420884 1 BOLT HEX 8.8 DEL M10X80 FT
430522 1 BOLT HEX 8.8 DEL M12X25 FT
460342 1 NUT HEX M10 DEL DIN934
460386 1 NUT HEX M12X1.75
460423 1 NUT HEX M10X1.5 LOCK
471122 1 WASHER, M10, Ø20/10.5X 2.0, SS
610864 1 SHAFT F.3PT HITCH BL53
610875 1 BRACKET TOP LINK BL25 FRAME
612673 1 FILTER BASKET F. ES30/ES53
630744 1 FRAME BL RIGHT
630755 1 FRAME BL LEFT
712806 1 TANK LID WITH VENT S226 RED
726265 1 TANK 53 GAL. F/BNL
726266 1 TANK W/O FRAME BL80
833772 1 SUB FRAME FOR BNL53
28030003 1 CLAMP HOSE GEAR P1" 6716
92702403 1 HOSE PVC SUCT GRAY 1"

Agroparts: www.HARDI-INTERNATIONAL.com
HANDGUN TYPE 60S/60L POST 95
K0480-HIN, 01:01:16
Page 0
Date 16.03.2016 10:35

Agroparts: www.HARDI-INTERNATIONAL.com
HANDGUN TYPE 60S/60L POST 95
K0480-HIN, 01:01:16
Page 1
Date 16.03.2016 10:35
parts-n° order
qty description
130390 1 TEE 3/8'X 1/2' BSP F.TYPE 60S
145791 1 CONE FOR ON/OFF
147063 1 SWIRL F.SPRAY GUN TYPE 60
240936 1 O-RING D13.3X2.4 NITRIL
241441 1 O-RING D29.3X3
241965 1 O-RING 12.1 X 1.6
242007 1 O-RING D9.1X1.6
242013 1 SPRING RUBBER F/TRIGGER
242033 1 O-RING
242064 1 SLEEVE RUBBER 3X8X4MM
320084 1 FITT.DK NUT 1/2" BSP
322073 1 HOUSING F.SWIRL TYPE 60S H.G.
322075 1 HOUSING F. NOZZLE
330013 1 O-RING D15/D10X2.5 F.3/8"NUT
334117 1 HANDLE PIECE RIGHT F.60S/60L
334118 1 HANDLE PIECE LEFT F.60S/60L
334121 1 SEAT FOR ON-OFF TYPE
334190 1 FITT.DK HB 1/2' F. PISTOL 60S
334533 1 CLAMP HOSE PLASTIC 3/8"
334534 1 CLAMP HOSE PLASTIC 1/2"
334653 1 FITT.DK HB 3/8' F.HANDGUN
334655 1 TRIGGER SAFETY F.60S/60L GUN
371314 1 NOZZLE CERAMIC 1099-20
440634 1 SCREW 5/8"
480716 1 PIN D3X6 STAINLESS
615455 1 TUBE F.LANCE TYPE 60L
725476 1 SPINDLE
725477 1 TRIGGER
750270 1 GASKET KIT F.SPRAY GUN
843196 1 GUN, MODEL 60S
843197 1 HANDGUN KIT TYPE 60 LONG
92701703 1 HOSE R X3/8" X300PSI WP X0012"
92702103 1 HOSE R X1/2" X300PSI WP X0012"

Agroparts: www.HARDI-INTERNATIONAL.com
HOSE WRAPS
K0520-HIN, 01:01:16
Page 0
Date 16.03.2016 10:36

Agroparts: www.HARDI-INTERNATIONAL.com
HOSE WRAPS
K0520-HIN, 01:01:16
Page 1
Date 16.03.2016 10:36
parts-n° order
qty description
241965 1 O-RING 12.1 X 1.6
242007 1 O-RING D9.1X1.6
281551 1 BALL VALVE 1/2"
320084 1 FITT.DK NUT 1/2" BSP
330212 1 O-RING D19/D14X2.4 F.1/2"NUT
330326 1 O-RING D30/D24X2 F.1"NUT
330687 1 FITT.DK HB 1/2" F. 1/2" NUT
334190 1 FITT.DK HB 1/2' F. PISTOL 60S
334531 1 CLAMP HOSE PLASTIC 3/4"
636223 1 POST 12 VOLT TR30
712471 1 AGITATION VALVE ASSY. ON/OFF
843196 1 GUN, MODEL 60S
843197 1 HANDGUN KIT TYPE 60 LONG
10013403 1 BOLT HEX 3/8-16X1 1/4 HCS Z5
10013503 1 NUT HEX NC 3/8"
10178903 1 WRAP HOSE SIDE MOUNT PLATE
10179003 1 WRAP HOSE BOTTOM PLATE MOUNT
10179403 1 WRAP WELDMENT FOR HI101789
10179503 1 WRAP WELDMENT FOR HI101790
10225603 1 BKT.FOR HOSE WRAP MOUNT NL NK
10225703 1 WRAP HOSE BDL.BOTTOM PLATE
92702103 1 HOSE R X1/2" X300PSI WP X0012"