HCD RG444 HCDRG444
User Manual: HCDRG444
Open the PDF directly: View PDF
.
Page Count: 74
- COVER
- TABLE OF CONTENTS
- 1. SERVICING NOTE
- 2. GENERAL
- 3. DISASSEMBLY
- 3-1. COVER (TOP)
- 3-2. CD DOOR
- 3-3. FRONT PANEL SECTION
- 3-4. CD MECHANISM DECK (CDM74-F1BD81)
- 3-5. TAPE MECHANISM DECK, GAME JACK BOARD
- 3-6. PANEL BOARD
- 3-7. BACK PANEL SECTION, SUB-TRANS BOARD
- 3-8. POWER TRANSFORMER
- 3-9. MAIN BOARD
- 3-10. SUB-WOOFER BOARD
- 3-11. AMP BOARD
- 3-12. BD81A BOARD
- 3-13. CONNECT BOARD
- 3-14. DRIVER BOARD, SW BOARD
- 3-15. OPTICAL PICK-UP (KSM-215DCP/C2NP)
- 3-16. SENSOR BOARD
- 3-17. MOTOR (TB) BOARD
- 3-18. MOTOR (LD) BOARD
- 4. TEST MODE
- 5. MECHANICAL ADJUSTMENTS
- 6. ELECTRICAL ADJUSTMENTS
- 7. DIAGRAMS
- 7-1. BLOCK DIAGRAMS – PANEL SECTION –
- 7-2. PRINTED WIRING BOARD – BD81A SECTION –
- 7-3. SCHEMATIC DIAGRAM – BD81A SECTION –
- 7-4. PRINTED WIRING BOARD – CD MECHANISM SECTION –
- 7-5. SCHEMATIC DIAGRAM – CD MECHANISM SECTION –
- 7-6. PRINTED WIRING BOARD – MAIN SECTION –
- 7-7. SCHEMATIC DIAGRAM – MAIN SECTION (1/2) –
- 7-8. SCHEMATIC DIAGRAM – MAIN SECTION (2/2) –
- 7-9. PRINTED WIRING BOARD – PANEL COMB SECTION –
- 7-10. SCHEMATIC DIAGRAM – PANEL COMB SECTION –
- 7-11. PRINTED WIRING BOARD – SUB-WOOFER SECTION –
- 7-12. SCHEMATIC DIAGRAM – SUB-WOOFER SECTION –
- 7-13. PRINTED WIRING BOARD – PANEL SECTION –
- 7-14. SCHEMATIC DIAGRAM – PANEL SECTION (1/2) –
- 7-15. SCHEMATIC DIAGRAM – PANEL SECTION (2/2) –
- 7-16. PRINTED WIRING BOARD – TRANS SECTION –
- 7-17. PRINTED WIRING BOARD – AMP SECTION –
- 7-18. SCHEMATIC DIAGRAM – AMP POWER SECTION –
- 8. EXPLODED VIEWS
- 9. ELECTRICAL PARTS LIST
- REVISION HISTORY

SERVICE MANUAL
Sony Corporation
Home Audio Company
Published by Sony Engineering Corporation
HCD-RG444
AEP Model
MINI HI-FI COMPONENT SYSTEM
9-877-899-01
2004E1678-1
© 2004.05
•HCD-RG444 is the tuner, deck, CD and
amplifier section in MHC-RG444S.
SPECIFICATIONS
Ver 1.0 2004.05
Amplifier section
Front speaker
DIN power output (rated): 100 + 100 watts (6 ohms at
1kHz, DIN)
Continuous RMS power output (reference):
120 + 120 watts (6 ohms at
1kHz, 10% THD)
Music power output (reference):
240 + 240 watts (6 ohms at
1kHz, 10% THD)
Sub woofer
DIN power output (rated): 100 watts (6 ohms at
60 Hz, DIN)
Continuous RMS power output (reference):
120 watts (6 ohms at
50 Hz, 10% THD)
Music power output (reference):
240 watts (6 ohms at
50 Hz, 10% THD)
Inputs
GAME INPUT AUDIO L/R (phono jacks):
voltage 250 mV,
impedance 47 kilohms
GAME INPUT VIDEO (phono jack):
1Vp-p, 75 ohms
Outputs
PHONES (stereo mini jack):
accepts headphones of
8ohms or more
VIDEO OUT (phono jack):
max. output level 1Vp-p,
unbalanced, Sync
negative, load impedance
75 ohms
SPEAKER: accepts impedance of 6 to
16 ohms
SUB WOOFER OUT: accepts impedance of 6 to
16 ohms
CD player section
System Compact disc and digital
audio system
Laser Semiconductor laser
(λ=780 nm)
Emission duration:
continuous
Frequency response 2 Hz – 20 kHz (±0.5 dB)
Wavelength 780 – 790 nm
Signal-to-noise ratio More than 90 dB
Dynamic range More than 90 dB
Tape deck section
Recording system 4-track 2-channel, stereo
Frequency response 50 – 13,000 Hz (±3 dB),
using Sony TYPE I
cassettes
Tuner section
FM stereo, FM/AM superheterodyne tuner
FM tuner section
Tuning range 87.5 – 108.0 MHz
(50-kHz step)
Antenna FM lead antenna
Antenna terminals 75 ohms unbalanced
Intermediate frequency 10.7 MHz
AM tuner section
Tuning range 531 – 1,602 kHz (with the
tuning interval set at
9kHz)
Antenna AM loop antenna
Antenna terminals External antenna terminal
Intermediate frequency 450 kHz
Model Name Using Similar Mechanism HCD-RG222
CD CD Mechanism Type CDM74-F1BD81
Section Optical Pick-up Name
KSM-215DCP/C2NP
Tape deck Model Name Using Similar Mechanism HCD-RG222
Section Tape Transport Mechanism Type CWM43FF-05
– Continued on next page –

2
HCD-RG444
SAFETY-RELATED COMPONENT WARNING!!
COMPONENTS IDENTIFIED BY MARK 0 OR DOTTED LINE WITH
MARK 0 ON THE SCHEMATIC DIAGRAMS AND IN THE PARTS
LIST ARE CRITICAL TO SAFE OPERATION. REPLACE THESE
COMPONENTS WITH SONY PARTS WHOSE PART NUMBERS
APPEAR AS SHOWN IN THIS MANUAL OR IN SUPPLEMENTS
PUBLISHED BY SONY.
This appliance is classified as a CLASS 1 LASER product. The
CLASS 1 LASER PRODUCT MARKING is located on the rear
exterior.
Laser component in this product is capable
of emitting radiation exceeding the limit for
Class 1.
CAUTION
Use of controls or adjustments or performance of procedures
other than those specified herein may result in hazardous radiation
exposure.
Notes on chip component replacement
•Never reuse a disconnected chip component.
•Notice that the minus side of a tantalum capacitor may be
damaged by heat.
Flexible Circuit Board Repairing
•Keep the temperature of soldering iron around 270˚C
during repairing.
•Do not touch the soldering iron on the same conductor of the
circuit board (within 3 times).
•Be careful not to apply force on the conductor when soldering
or unsoldering.
NOTES ON HANDLING THE OPTICAL PICK-UP
BLOCK OR BASE UNIT
The laser diode in the optical pick-up block may suffer electrostatic
break-down because of the potential difference generated by the
charged electrostatic load, etc. on clothing and the human body.
During repair, pay attention to electrostatic break-down and also
use the procedure in the printed matter which is included in the
repair parts.
The flexible board is easily damaged and should be handled with
care.
NOTES ON LASER DIODE EMISSION CHECK
The laser beam on this model is concentrated so as to be focused on
the disc reflective surface by the objective lens in the optical pick-
up block. Therefore, when checking the laser diode emission,
observe from more than 30 cm away from the objective lens.
The release method of a CD disc tray LOCK function
There is a disc lock function for the disc theft prevention for a
demonstration at a shop front in this machine.
Procedue:
1. Press the ?/1 button to turn the set on.
2. Press two buttons of x and Z (EJECT) simultaneously for
five seconds.
3. The message “LOCKED” is displayed and the tray is locked.
(Even if exiting from this mode, the tray is still locked.)
4. Press two buttons of x and Z (EJECT) simultaneously for
five seconds again.
5. The message “UNLOCKED” is displayed and the tray is
unlocked.
6. To exit from this mode, press the ?/1 button to turn the set
off.
Unleaded solder
Boards requiring use of unleaded solder are printed with the lead-
free mark (LF) indicating the solder contains no lead.
(Caution: Some printed circuit boards may not come printed with
the lead free mark due to their particular size.)
: LEAD FREE MARK
Unleaded solder has the following characteristics.
•Unleaded solder melts at a temperature about 40°C higher than
ordinary solder.
Ordinary soldering irons can be used but the iron tip has to be
applied to the solder joint for a slightly longer time.
Soldering irons using a temperature regulator should be set to
about 350°C.
Caution: The printed pattern (copper foil) may peel away if the
heated tip is applied for too long, so be careful!
•Strong viscosity
Unleaded solder is more viscous (sticky, less prone to flow) than
ordinary solder so use caution not to let solder bridges occur such
as on IC pins, etc.
•Usable with ordinary solder
It is best to use only unleaded solder but unleaded solder may
also be added to ordinary solder.
General
Power requirements:
:230 V AC, 50/60 Hz
Power consumption 275 watts
0.25 watts (at the Power
Saving Mode)
Dimensions (w/h/d) incl. projecting parts and controls
Amplifier/Tuner/Tape/CD section:
Approx. 280 × 327 ×
425 mm
Mass Approx. 10.0 kg
Design and specifications are subject to change
without notice.
3
HCD-RG444
TABLE OF CONTENTS
1. SERVICING NOTE ·························································· 4
2. GENERAL ·········································································· 5
3. DISASSEMBLY
3-1. Cover (Top) ··································································· 8
3-2. CD Door ········································································ 8
3-3. Front Panel Section ······················································· 9
3-4. CD Mechanism Deck (CDM74-F1BD81) ···················· 9
3-5. Tape Mechanism Deck, Game Jack Board ·················· 10
3-6. PANEL Board ······························································ 10
3-7. Back Panel Section, SUB-TRANS Board ··················· 11
3-8. Power Transformer ····················································· 11
3-9. MAIN Board ······························································· 12
3-10.SUB-WOOFER Board ················································ 12
3-11.AMP Board ································································· 13
3-12.BD81A Board ······························································ 13
3-13.CONNECT Board ······················································· 14
3-14.DRIVER Board, SW Board········································· 14
3-15.Optical Pick-up (KSM-215DCP/C2NP) ····················· 15
3-16.SENSOR Board ··························································· 15
3-17.MOTOR (TB) Board ··················································· 16
3-18.MOTOR (LD) Board ··················································· 16
4. TEST MODE ···································································· 17
5. MECHANICAL ADJUSTMENTS ····························· 20
6. ELECTRICAL ADJUSTMENTS ······························ 20
7. DIAGRAMS
7-1. Block Diagrams – PANEL Section – ························· 26
– MAIN Section – ······················································· 27
– BD/DRIVER Section – ············································ 28
– SUB-WOOFER Section – ········································ 29
7-2. Printed Wiring Board – BD81A Section – ················· 30
7-3. Schematic Diagram – BD81A Section – ···················· 31
7-4. Printed Wiring Board
– CD MECHANISM Section – ··································· 32
7-5. Schematic Diagram – CD MECHANISM Section – ····· 33
7-6. Printed Wiring Board – MAIN Section – ··················· 34
7-7. Schematic Diagram – MAIN Section (1/2) – ············· 35
7-8. Schematic Diagram – MAIN Section (2/2) – ············· 36
7-9. Printed Wiring Board – PANEL COMB Section – ···· 37
7-10.Schematic Diagram – PANEL COMB Section – ······· 38
7-11.Printed Wiring Board – SUB-WOOFER Section –···· 39
7-12.Schematic Diagram – SUB-WOOFER Section – ······ 40
7-13.Printed Wiring Board – PANEL Section – ················· 41
7-14.Schematic Diagram – PANEL Section (1/2) – ··········· 42
7-15.Schematic Diagram – PANEL Section (2/2) – ··········· 43
7-16.Printed Wiring Board – TRANS Section –················· 44
7-17.Printed Wiring Board – AMP Section – ····················· 45
7-18.Schematic Diagram – AMP POWER Section – ········· 46
8. EXPLODED VIEWS
8-1. MAIN Section ····························································· 55
8-2. Front Panel Section ····················································· 56
8-3. MAIN Board Section ·················································· 57
8-4. CD Mechanism Deck Section -1 (CDM74-F1BD81) ···· 58
8-5. CD Mechanism Deck Section -2 (CDM74-F1BD81) ···· 59
9. ELECTRICAL PARTS LIST ······································· 60

4
HCD-RG444 SECTION 1
SERVICING NOTE
• SERVICE POSITION -1 (AMP BOARD)
BD81A board
CD mechanism dec
k
Remove the CD mechanism deck and place it on top of the pedestal as shown.
Inspect the BD81A board in this set up.
front panel
CD mechanism deck
AMP board
To inspect the AMP board, turn both of the front panel
and the CD mechanism deck so that the left side of the product faces down.
• SERVICE POSITION -2 (BD81A BOARD)

5
HCD-RG444
SECTION 2
GENERAL
Main unit
ALBUM +
ALBUM –
qh (12, 14, 19)
wg (12, 14, 19)
CD eg (9, 11, 14, 19, 20)
CD SYNC wj (19)
Deck A wk (18)
Deck B qj (18, 19, 20, 24)
DISC 1 – 3 q; (12, 14, 35)
DISC SKIP/EX-CHANGE qs
(11, 12, 14, 19)
Disc tray 9 (11)
DISPLAY 2 (17, 27, 28)
Display window 5
EFFECT ON/OFF 8 (22)
ENTER qa (14, 15, 22)
EQ BAND 7 (22)
GAME es (20, 23, 30)
GAME INPUT AUDIO L/R jacks
wd (20, 29)
GAME INPUT VIDEO jack wf
(29)
GAME MIXING wh (23)
GROOVE 8 (21)
ILLUMINATION 3 (28)
Operation Dial
(– EQ +/l L) 6 (12,
14, 19, 22)
P FILE qd (22)
PHONES jack ql
PLAY MODE wl (12, 14, 18, 19,
20, 35)
Power illuminator qk (28)
PRESET EQ qd (22)
REC PAUSE/START wj (19, 20,
23, 24)
Remote sensor 4
SURROUND 8 (23)
TAPE A/B ed (18, 19, 20, 24)
TUNER/BAND ef (15, 16, 20)
TUNING MODE wl (15, 16, 35)
TUNING + qh (15, 16)
TUNING – wg (15, 16)
VOLUME control w; (21)
?/1 (power) 1 (8, 16, 27, 30, 33,
35)
X (pause) wg (12, 19)
Z (eject) qf (11)
PUSH Z (deck B) (eject) qg (18)
x (stop) wg (12, 19, 24, 35)
M (fast forward) qh (12, 19)
H(play) qh (12, 18, 19)
m (rewind) wg (12, 19)
Z PUSH (deck A) (eject) e; (18)
List of button locations and reference pages
How to use this page
Use this page to find the location of buttons and other
parts of the system that are mentioned in the text.
Ill
us
t
ra
ti
on num
b
er
r
TAPE A/B ed (18, 19, 20, 24)
RR
Name of button/part Reference page
ALPHABETICAL ORDER
A – O P – Z
BUTTON DESCRIPTIONS
ALBUM
ALBUM
TUNING TUNING
J
H
h
S
j
s
wd
12345 6 78 9
q;
qf
qa
qs
qd
w;
ql
qg
qh
qk
wfwg
wh
wk
wj
wl
es
ef
ed
eg
e;
qj
This section is extracted
from instruction manual.

6
HCD-RG444
Use buttons on the remote for the operation.
1
Press ?/1 to turn on the system.
2
Press CLOCK/TIMER SET.
3
Press . or > repeatedly to set the
hour.
4
Press ENTER.
5
Press . or > repeatedly to set the
minute.
6
Press ENTER.
The clock starts working.
To adjust the clock
1
Press CLOCK/TIMER SET.
2Press . or > repeatedly to select
“CLOCK SET”, then press ENTER.
3Do the same procedures as step 3 to 6
above.
Notes
The clock settings are canceled when you disconnect
the power cord or if a power failure occurs.
Setting the clock
Remote control
ALBUM – qd (12, 14)
ALBUM + qa (12, 14)
CD qk (11, 14)
CLEAR qg (14)
CLOCK/TIMER SELECT 2
(26, 27)
CLOCK/TIMER SET 3 (10, 25,
26)
DISC SKIP q; (12, 14)
DISPLAY wa (17, 27, 28)
ENTER 9 (10, 14, 15, 25, 26)
EQ qf (22)
?/1 (power) 1 (8, 26)
m/M (rewind/fast forward)
7 (12, 19)
–/+ (tuning) qh (15)
./> (go back/go forward)
qh (10, 12, 19)
N (play) 8 (12, 18)
X (pause) 8 (12, 19)
x (stop) 8 (12, 19)
ALPHABETICAL ORDER
A – E
FM MODE 4 (17)
FUNCTION 6 (11, 14, 15, 16)
PLAY MODE w; (12, 14, 18)
REPEAT 4 (13)
SLEEP ws (25)
TAPE qj
TUNER BAND 5 (15, 16)
TUNER MEMORY ql (15)
TUNING MODE w; (15, 16)
VOLUME +/– qs (21, 25)
F – Z
BUTTON DESCRIPTIONS
4
5
6
7
8
9
q;
ws 1
qd
qg
qf
wa
w;
ql
qk
qj
qh
qa
qs
3
2

7
HCD-RG444
SECTION 3
DISASSEMBLY
Note: Disassemble the unit in the order as shown below.
SET
3-1.COVER (TOP)
(Page 8)
3-2.CD DOOR
(Page 8)
3-3.FRONT PANEL SECTION
(Page 9)
3-8.POWER TRANSFORMER
(Page 11)
3-7.BACK PANEL SECTION,
SUB-TRANS BOARD
(Page 11)
3-4.CD MECHANISM DECK
(CDM74-F1BD81)
(Page 9)
3-15.OPTICAL PICK-UP
(KSM-215DCP/C2NP)
(Page 15)
3-5.TAPE MECHANISM DECK,
GAME JACK BOARD
(Page 10)
3-14.DRIVER BOARD,
SW BOARD
(Page 14)
3-17.MOTOR (TB) BOARD
(Page 16)
3-18.MOTOR (LD) BOARD
(Page 16)
3-16.SENSOR BOARD
(Page 15)
3-12.BD81A BOARD
(Page 13)
3-6.PANEL BOARD
(Page 10)
3-9.MAIN BOARD
(Page 12) 3-10.SUB-WOOFER BOARD
(Page 12)
3-11.AMP BOARD
(Page 13)
3-13.CONNECT BOARD
(Page 14)

8
HCD-RG444
Note: Follow the disassembly procedure in the numerical order given.
3-1. COVER (TOP)
3-2. CD DOOR
cover
(Side-R)
cover
(Side-L)
5
qd
qs
qs
q;
qf
cover
(top)
6
two screws (Case 3 TP2)
8
screw
(+BVTP 3
×
10
)
3
screw
(+BVTP 3
×
10
)
9
screw
(+BVTP 3
×
10
)
4
screw
(+BVTP 3
×
10
)
1
two screws
(case 3 TP2)
qa
two
screws (+BVTP 3
×
10)
7
screw (case 3 TP2)
2
screw (Case 3 TP2)
2
Pull-out the disc tray.
1
Turn the pulley to the direction of arrow.
3
two claws
4
CD door
pulley
Front panel side
CD mechanism deck (CDM74)

9
HCD-RG444
3-4. CD MECHANISM DECK (CDM74-F1BD81)
3-3. FRONT PANEL SECTION
1
three screws (+BVTP 3
×
8
)
qd
front panel section
7
wire (flat type) 29 core (CN302)
8
wire (flat type) 17 core (CN253)
9
connector 5p (CN309)
qs
connector 8p (CN103)
3
screw (+BVTP 3
×
10)
2
screw (+BVTP 3
×
10)
4
screw (+BVTP 3
×
8
)
5
screw (+BVTP 3
×
8
)
0
connector 3p (CN304C)
qa
connector 3p (CN102B)
6
connector 2p (CN805)
2
connector 12p (CN701)
3
connector 9p (CN254)
4
CD mechanism deck (CDM74-F1BD81)
1
three
screws (+BVTP 3
×
10
)

10
HCD-RG444
3-5. TAPE MECHANISM DECK, GAME JACK BOARD
3-6. PANEL BOARD
2
six
screws
(+BVTP 2.6
×
8)
6
GAME JACK board
3
TRANSLATION board
5
two
screws
(+BVTP 2.6
×
8)
4
tape mechanism deck
1
wire (flat type) 13 core (CN602)
1
ten
screws
(+BVTP 2.6
×
8
)
6
PANEL board
5
connector
5p (CN605)
4
connector
6p (CN604)
2
seven
claws
3
wire (flat type) 13 core (CN602)

11
HCD-RG444
3-7. BACK PANEL SECTION, SUB-TRANS BOARD
3-8. POWER TRANSFORMER
1
connector
2p (CN904)
2
connector
2p (CN906)
8
connector
2p (CN901)
9
SUB-TRANS board
6
two
screws
(+BVTP 3
×
10
)
5
two
screws
(+BVTP 3
×
10)
7
two
screws
(+BVTP 3
×
10
)
q;
back panel section
3
wire (flat type)
15 core (CN101)
4
connector
3p (CN308)
1
connector
3p (CN905)
2
connector
10p (CN907)
4
earth wire
5
four
screws
(+ITC 4
×
8
)
3
screw
(+BVIT 3
×
8R)
6
power transforme
r

12
HCD-RG444
3-9. MAIN BOARD
3-10. SUB-WOOFER BOARD
1
connector
7p (CN502)
4
SUB-WOOFER boar
d
2
two
screws
(transistor)
3
two
screws
(+BVTP 3
×
8
)
5
MAIN
boar
d
3
two
screws
(+BVTP 3
×
8
)
1
connector
10p (CN907)
4
connector
13p (CN441)
2
connector
4p (CN501)
Main board

13
HCD-RG444
3-11. AMP BOARD
3-12. BD81A BOARD
6
AMP
board
1
two
screws
(+BVTT 4
×
8
)
5
heat sink
2
screw
(+BVTP 3
×
14)
4
two
screws
(transistor)
3
two
screws
(+BVIT 3
×
8R
)
5
BD81A
board
3
screw
(+BVTP 2.6
×
8
)
1
wire (flat type) 27 core (CN202)
4
Remove soldering from the four points.
2
wire (flat type) 16 core (CN101
)

14
HCD-RG444
3-13. CONNECT BOARD
3-14. DRIVER BOARD, SW BOARD
3
CONNECT
board
1
wire (flat type) 27 core (CN251)
2
two
screws
(+BVTP 2.6
×
8
)
3
connector
4p (CN703)
4
DRIVER
board
6
SW board
2
wire (flat type) 5p (CN702)
1
two
screws
(+BTTP (M2.6))
5
screw
(+BTTP (M2.6))

15
HCD-RG444
3-15. OPTICAL PICK-UP (KSM-215DCP/C2NP)
3-16. SENSOR BOARD
5
two
coil springs
(insulator)
9
two
coil springs
(insulator)
6
two
insulators
0
two
insulators
qs
s
crew (+BVTP 2.6x 8)
7
t
wo screws
(BVTT M2.6)
3
screw
(BVTT M2.6)
2
h
older (213) ASSY
8
t
wo stoppers (BU)
qd
Remove the four solderings of motor.
qf
CN101 (flat type)
qg
B
D81A board
qh
optical pick-up
(KSM-215DCP/C2NP)
1
floating
screw
(+PTPWH M2.6)
4
floating
screw
(+PTPWH M2.6)
qa
2
t
ray
3
b
elt (table)
5
p
ulley (table)
8
s
crew
(+BTTP (M2.6))
0
SENSOR board
7
g
ear (geneva)
9
connector
(
CN731)
1
floating
screw
(+PTPWH M2.6)
6
floating
screw
(+PTPWH M2.6)
4
floating
screw
(+PTPWH M2.6)

16
HCD-RG444
3-17. MOTOR (TB) BOARD
3-18. MOTOR (LD) BOARD
6
Remove the two solderings of motor.
7
MOTOR (TB) board
5
t
able motor assy (M741)
5
two
screws
(+BTTP (M2.6))
4
3
wire (flat type) 5 core (CN742)
1
stopper
2
stopper
4
Remove the two solderings of motor.
3
MOTOR (LD) board
1
b
elt (loading)
5
l
oading motor assy (M751)
2
two
screws
(+BTTP (M2.6))

17
HCD-RG444
SECTION 4
TEST MODE
[Change-over of AM Tuner Step between 9 kHz and
10 kHz]
•A step of AM channels can be changed over between 9 kHz and
10 kHz.
Procedure:
1. Press ?/1button to turn the set ON.
2. Select the function “TUNER”, and press TUNER/BAND
button to select the BAND “AM”.
3. Press ?/1button to turn the set OFF.
4. Press TUNER/BAND and ?/1buttons simultaneously, and
the display of fluorescent indicator tube changes to “AM 9 k
STEP” or “AM 10 k STEP”, and thus the channel step is changed
over.
[Cold Reset]
•The cold reset clears all data including preset data stored in the
RAM to initial conditions. Execute this mode when returning
the set to the customer.
Procedure:
1. Press three buttons x , PLAY MODE/TUNING MODE ,
and DISC 1 simultaneously.
2. The fluorescent indicator tube displays “COLD RESET” and
the set is reset.
[Aging Mode]
This mode can be used for operation check of CD section and tape
deck section.
•If an error occurred:
The aging operation stops and is displayed status.
•If no error occurs:
The aging operation continues repeatedly.
1. Operating method of Aging Mode
Turn on the main power and select “CD” of the function.
1) Set three discs in tray. Select ALL DISCS, and REPEAT OFF.
2) Load the tapes recording use into both decks.
3) Press three buttons x, PLAY MODE/TUNING MODE ,
and DISP SKIP/EX-CHANGE simultaneously.
4) Aging operations of CD and tape are started at the same time.
5) To exit the aging mode, perform [Cold Reset].
2. Aging mode in CD section
1) Operation during aging mode
•In the agining mode ,the program is excuted in the following
sequence.
(1) The disc tray opens and closes.
(2) The disc tray turns to select a disc 3.
(3) The pick-up accesses to the first track, and plays 3 seconds.
(4) The pick-up accesses to the last track, and plays 3 seconds.
(5) The disc tray opens and closes.
(6) The disc tray turns to select a disc 1.
(7) The same operation starts like step (3).
(8) After a disc 1 aging operation, a disc 2 is selected.
(9) When an aging operation of a disc 3 is completed, the display
“AGING ∗∗∗∗” value increases.
(10) If no error occurs, the aging operation continues repeatedly.
2) Error display
Step
1
2
3
4
5
6
7
8
9
10
11
12
Operation
Rewind the TAPE A
Rewind the TAPE B
Play the TAPE A (1 minute)
Stop the TAPE A (1 second)
Play the TAPE A (3 minutes)
Rewind(AMS) the TAPE A
F.F.(AMS) the TAPE A
Play the TAPE B (1 minute)
Stop the TAPE B (1 second)
Record the TAPE B (3 minutes)
Rewind(AMS) the TAPE B
F.F.(AMS) the TAPE B
Display
TAPE AAG-1
TAPE BAG-2
TAPE AAG-2
TAPE AAG-3
TAPE AAG-4
TAPE AAG-5
TAPE AAG-6
TAPE BAG-2
TAPE BAG-3
TAPE BAG-4
TAPE BAG-5
TAPE BAG-6
Disc error
Display Error
E00D01022 Focus error (No disc)
E00D02022 Sub Q error (Focus is good)
E00D02023 TOC reading error
E00D02014 Access error (Unable within regular time)
Mechanism error
Display Error
E00M__E_0 Error during opening tray
E00M__C_2 EX-CHANGE disc error
E00M__D_0 Error during closing tray
E00M__F_3 EX-OPEN error
E00M__D_5 EX-CLOSE error
E00M__C_2 Chuck-up error
E00M__C_3 Unchucking error
3. Aging mode in Tape Deck section
1) Operation during aging mode
•In the agining mode, the program is excuted in the following
sequence.
2) Error display
•If error occurred, the display remains like “TAPE BAG-2”.
4. Exiting from the aging mode
•Be sure to perform Cold Reset to exit from the aging mode.

18
HCD-RG444
[MC Test Mode]
•This mode is used to test the function of the equalizer.
Procedure:
1. Press ?/1 button to turn the set ON.
2. To enter the test mode, press the three buttons x , PLAY
MODE/TUNING MODE and DISC 3 simultaneously.
3. Press the EQ + button.
The function of the equalizer is set to “MIN”.
4. Press the EQ - button.
The function of the equalizer is set to “MAX”.
5. Press the PRESET EQ button.
The function of the equalizer is set to “EQ FLAT”.
6. MASTER VOLUME up and down.
“VOLUME MIN” “VOLUME 16” “VOLUME MAX” is
displayed.
7. Press the GROOVE button.
The message “VACS OFF” or “VACS ON” is displayed.
8. To exit from this mode, press ?/1 button to turn the set OFF.
[CD Ship Mode (LOCK) ]
•This mode moves the pick-up to the position durable to vibra-
tion. Use this mode when returning the set to the customer after
repair.
Procedure:
1. Press ?/1button to turn the set ON.
2. Select the function “CD”.
3. Press ?/1 button to turn the set OFF.
4. Press CD button and ?/1 button simultaneously.
5. The “STANDBY” display blinks instantaneously, and the CD
ship mode is set.
[CD Ship (LOCK) & COLD RESET MODE]
Procedure:
1. Press ?/1 button to turn the set ON.
2. Select the function “CD”.
3. Press ?/1 button to turn the set OFF.
4. Press three buttons x , CD and DISPLAY simultaneously.
5. The “STANDBY” display blinks instantaneously and CD ship
mode is set.
6. To fluorescent indicator tube displays “COLD RESET” and
the set is reset.
[Disc Tray Lock]
Procedure:
1. Press the ?/1 button to turn the set ON.
2. Press two buttons of x and Z simultaneously for five seconds.
3. The message “LOCKED” is displayed and the tray is locked.
(Even if exiting from this mode, the tray is still locked.)
4. Press two buttons of x and Z simultaneously for five seconds
again.
5. The message “UNLOCKED” is displayed and the tray is
unlocked.
6. To exit from this mode, press the ?/1 button to turn the set
OFF.
[PANEL Test Mode]
•All fluorecent segments and LEDs are tested.
•Keyboard check.
Procedure:
1. Press ?/1 button to turn the set ON.
2. To enter the test mode, press the three buttons x , PLAY
MODE/TUNING MODE and ENTER simultaneously.
3. All segments and LEDs (without STANDBY LED) are turned
on.
4. Press X and ENTER buttons simultaneously, and the key
check mode is activated.
5. The message “KEY 0 0 0 ” is displayed.
Each time a button is pressed, the key code number is displayed.
6. Press X and ENTER buttons simultaneously, and the key
count mode is activated.
7. The message “KEYCNT 0” is displayed.
Each time a button is pressed, “KEYCNT 0” value increased.
However, once a button is pressed, it is no longer taken into
account.
8. Press X and ENTER buttons simultaneously, and the head
phone detect mode is activated.
9. The message “H_P OFF” is displayed when a headphone jack
is not inserted.
“H_P ON ” is displayed when a headphone jack is inserted.
10. Press X and ENTER buttons simultaneously, and the volume
control detect mode is activated.
11. The message “VOLUME FLAT” is displayed.
“VOLUME UP” is displayed if rotating MASTER VOLUME
knob clockwise, or “VOLUME DOWN” is displayed if rotating
counterclockwise.
12. To exit from the GC test mode after the head phone detect mode,
press X and ENTER buttons simultaneously.
[Version and Destination Display Mode]
•The version or destination is displayed.
Procedure:
1. Press ?/1 button to turn the set ON.
2. To enter the test mode, press the three buttons x , PLAY
MODE/TUNING MODE and DISC 2 simultaneously.
3. The destination is displayed.
4. Press DISPLAY buttons simultaneously.
5. The version is displayed.
6. To exit from this mode, press ?/1 button to turn the set OFF.
[CD Service Mode]
•This mode can run the CD sled motor freely. Use this mode, for
instance, when cleaning the pick-up.
Procedure:
1. Press ?/1button to turn the set ON.
2. Select the function “CD”.
3. To enter the test mode, press three buttons x , PLAY MODE/
TUNING MODE , and Z simultaneously.
4. The CD service mode is selected.
5. With the CD in stop status, press M
button to move the
pick-up to outside track, or press m button to inside track.
6. To exit from this mode, perform as follows:
1) Move the pick-up to the most inside track.
2) Press ?/1 button to turn the set OFF.
Note: • Always move the pick-up to most inside track when exiting from
this mode. Otherwise, a disc will not be unloaded.
•Do not run the sled motor excessively, otherwise the gear can be
chipped.

19
HCD-RG444
[CD Repeat 5 Times Limit Release Mode]
Procedure:
1. Press ?/1 button to turn the set ON.
2. Select the function “CD”.
3. Press three buttons x , CD and ENTER simultaneously.
4. The message “LIMIT OFF” is displayed.
5. Press ?/1 button the set OFF.
[AMP TEST MODE]
Procedure:
1. Press ?/1 button to turn the set ON.
2. To enter the test mode, press three buttons x , PLAY
MODE/TUNING MODE and ENTER simultaneously.
3. Press the DISPLAY button.
The message “V0 0 0” “ 000” is displayed.
4. Press the GROOVE button.
The message “DBFB ON” “DBFB OFF” is displayed.
5. Press the SURROUND button.
The message “SURROUND ON” “SURROUND OFF” is
displayed.
6. Press the EQ BAND button.
The message “LOW” “MID” “HIGH” is displayed.
7. Press ?/1 button to turn the set OFF.

20
HCD-RG444 SECTION 5
MECHANICAL ADJUSTMENTS
• TAPE MECHANISM DECK SECTION
Precaution
1. Clean the following parts with a denatured alcohol-moistened
swab:
record/playback heads pinch rollers
erase head rubber belts
capstan idlers
2. Demagnetize the record/playback head with a head
demagnetizer.
3. Do not use a magnetized screwdriver for the adjustments.
4. After the adjustments, apply suitable locking compound to the
parts adjusted.
5. The adjustments should be performed with the rated power
supply voltage unless otherwise noted.
Torque Measurement
3.06 – 6.96 mN • m
(31 to 71 g • cm)
(0.43 – 0.98 oz • inch)
0.19 – 0.59 mN • m
2 to 6 g • cm
(0.03 – 0.08 oz • inch)
3.06 – 6.96 mN • m
(31 to 71 g • cm)
(0.43 – 0.98 oz • inch)
0.19 – 0.59 mN • m
(2 to 6 g • cm)
(0.03 – 0.08 oz • inch)
6.96 – 14.02 mN • m
(71 to 143 g • cm)
(0.98 – 1.99 oz • inch)
9.80 mN • m
(100 • cm or more)
(3.53 oz • inch or more)
9.80 mN • m
(100 • cm or more)
(3.53 oz • inch or more)
Mode Torque meter
CQ-102C
CQ-102C
CQ-102RC
CQ-102RC
CQ-201B
CQ-403A
CQ-403R
Meter reading
FWD
FWD
back tension
REV
REV
back tension
FF/REV
FWD tension
REV tension
SECTION 6
ELECTRICAL ADJUSTMENTS
Precaution
1. Demagnetize the record/playback head with a head
demagnetizer.
2. Do not use a magnetized screwdriver for the adjustments.
3. After the adjustments, apply suitable locking compound to the
parts adjust.
4. The adjustments should be performed with the rated power
supply voltage unless otherwise noted.
5. The adjustments should be performed in the order given in this
service manual. (As a general rule, playback circuit adjustment
should be completed before performing recording circuit
adjustment.)
6. The adjustments should be performed for both L-CH and R-
CH.
7. Switches and controls should be set as follows unless otherwise
specified.
• Test Tape
Tape Signal Used for
P-4-A100 10 kHz, – 10 dB Azimuth Adjustment
WS-48B 3 kHz, 0 dB Tape Speed Check
0 dB = 0.775 V
DECK SECTION
2. Turn the adjustment screw and check output peaks. If the peaks
do not match for L-CH and R-CH, turn the adjustment screw
so that outputs match within 1dB of peak.
Screw
position
L-CH
peak
within
1dB
Output
level
L-CH
peak R-CH
peak
within
1dB
Screw
position
R-CH
peak
Record/Playback Head Azimuth Adjustment
DECKA DECKB
Note : Perform this adjustments for both desks.
Procedure:
1. Mode: Playback
set
AMP board
SPEAKER terminal (JK441
)
L-CH, R-CH
+
–
level meter
test tape
P-4-A100
(10 kHz, – 10 dB)

21
HCD-RG444
3. Mode: Playback
4. After the adjustments, apply suitable locking compound to the
parts adjusted.
Adjustment Location: Playback Head (Deck A)
Record/Playback/Erase Head (Deck B)
set
test tape
P-4-A100
(10 kHz, – 10 dB)
R-CH
oscilloscope
L-CH
R-CH
VH
waveform of oscilloscope
in phase 45
°
90
°
135
°
180
°
good wrong
AMP board
SPEAKER terminal (JK441
)
L-CH
Tape Speed Check
DECKA DECKB
Mode: Playback
1. Insert the WS-48B into the deck.
2. Press the H button on the deck.
3. Confirm that the frequency counter reads 3,000 ± 90 Hz.
Sample value of Wow and Flutter: 0.3% or less W.RMS (JIS)
(WS-48B)
+
–
set
test tape
WS-48B
(3 kHz, 0 dB)
AMP board
SPEAKER terminal (JK441)
L-CH, R-CH
frequency counte
r
reverseforward

22
HCD-RG444
RFDC signal waveform
Checking Location: BD81A board (Side B)
CD SECTION
Note:
1. Use YEDS-18 disc (3-702-101-01) unless otherwise indicated.
2. Use an oscilloscope with more than 10MΩ impedance.
3. Clean the object lens by an applicator with neutral detergent when the
signal level is low than specified value with the following checks.
RFDC Le
Note:
Note:
Note:
vel Check
Connection:
Procedure:
1. Connect an oscilloscope to test point (RFDCO) and TP (VC)
on the BD81A board.
2. Turn the power on.
3. Put the disc (YEDS-18) in to playback the number five track.
4. Confirm that oscilloscope waveform is clear and check RFDC
signal level is correct or not.
A clear RFDC signal waveform means that the shape “◊” can be
clearly distinguished at the center of the waveform.
+
–
BD81A board
TP (RFDCO)
TP (VC)
oscilloscope
VOLT/DIV: 200 mV
TIME/DIV: 500 ns
level: 0.6
±
0.15 Vp-p
RFAC Level Check
Connection:
Procedure:
1. Connect an oscilloscope to test point TP (RFACO) and TP
(VC) on the BD81A board.
2. Turn the power on.
3. Put the disc (YEDS-18) in to playback the number five track.
4. Confirm that oscilloscope waveform is clear and check RFAC
signal level is correct or not.
A clear RFAC signal waveform means that the shape “◊” can be
clearly distinguished at the center of the waveform.
RFAC signal waveform
Checking Location: BD81A board (Side B)
+
–
BD81A board
TP (RFACO)
TP (VC)
oscilloscope
VOLT/DIV: 200 mV
TIME/DIV: 500 ns
level: 1.0
±
0.4 Vp-p
S-curve Check
Connection:
Procedure:
1. Connect an oscilloscope to test point TP (FEO) and TP (VC)
on the BD81A board.
2. Turn the power on.
3. Put the disc (YEDS-18) in and press the button and
actuate the focus search. (actuate the focus search when
disc table is moving in and out)
4. Check the oscilloscope waveform (S-curve) is symmetrical
between A and B. And confirm peak to peak level within 2 ± 1
Vp-p.
S-curve waveform
•Try to measure several times to make sure than the ratio of A : B
or B : A is more than 10 : 7.
•Take sweep time as long as possible and light up the
brightness to obtain best waveform.
Checking Location: BD81A board (Side B)
+
–
BD81A board
TP (FEO)
TP (VC)
oscilloscope
A
B
symmetry
within 2
±
1 Vp-p
H

23
HCD-RG444
Checking Location: BD81A board (Side B)
+
–
BD81A board
TP (TEO)
TP (VC)
oscilloscope
Traverse Waveform
0V
B
level: 1.0
±
0.5 Vp-p
Center of
the waveform
A (DC
voltage)
Traverse Waveform
0V
Tracking servo
Sled servo
ON
C (DC
voltage)
Tracking servo
Sled servo
OFF
6. Press the button. (The tracking servo and sledding
servo are turned ON)
7. To exit from this mode, turn the power off.
Notes: •Always move the optical pick-up to most inside track when
exiting from this mode. Otherwise, a disc will not be unloaded.
•Do not run the sled motor excessively, otherwise the gear can
be chipped.
E-F Balance Adjustment
Connection:
Procedure:
1. Connect an oscilloscpe to test point TP (TEO) and TP (VC) on
the BD81A board.
2. Press three buttons
x
3. Put the disc (YEDS-18) in to playback the number five track.
4. Press the button. If it plays, press the
H
(The tracking servo and the sledding servo are turned OFF)
5. Check the level B of the oscilliscope's waveform and the A
(DC voltage) of the center of the Traverse waveform.
Confirm the following :
A/B x 100 = less than ± 10%
H
H
PLAY MODE/TUNING MODE
and simulfaneously enter the CD test mode.
Z
Checking Location:
– BD81A BOARD (Side B) –
button again.
,,
(SideB)
BD81A BOARD
IC251
IC301
IC101
IC303
TP
(RFACO)
TP
(VC)
TP
(FEO)
TP
(RFDCO)
TP
(TEO)

24
HCD-RG444
MEMO

2525
HCD-RG444
HCD-RG444
SECTION 7
DIAGRAMS
Note on Schematic Diagram:
•All capacitors are in µF unless otherwise noted. (p: pF)
50 WV or less are not indicated except for electrolytics
and tantalums.
•All resistors are in Ω and 1/4 W or less unless otherwise
specified.
•f: internal component.
•C: panel designation.
Note on Printed Wiring Boards:
•X: parts extracted from the component side.
•b: Pattern from the side which enables seeing.
•Indication of transistor.
•A: B+ Line.
•B: B– Line.
•H: adjustment for repair.
•Voltages and waveforms are dc with respect to ground
under no-signal (detuned) conditions.
•Voltages are taken with a VOM (Input impedance 10 MΩ).
Voltage variations may be noted due to normal produc-
tion tolerances.
no mark : FM
( ): CD STOP
•Waveforms are taken with a oscilloscope.
Voltage variations may be noted due to normal produc-
tion tolerances.
•Circled numbers refer to waveforms.
•Signal path.
F: TUNER
E: PB (DECK A)
d: PB (DECK B)
G: REC (DECK B)
J: CD
f: AUDIO
THIS NOTE IS COMMON FOR PRINTED WIRING BOARDS AND SCHEMATIC DIAGRAMS.
(In addition to this, the necessary note is printed in each block.)
C
B
These are omitted.
E
Q
B
These are omitted.
CE
Q
• Circuit Boards Location
• Waveforms
Caution:
Pattern face side: Parts on the pattern face side seen from
(SIDE A) the pattern face are indicated.
Parts face side: Parts on the parts face side seen from
(SIDE B) the parts face are indicated.
– PANEL BOARD –
1 IC601 qd (I-XT2)
2 V/DIV, 10 s/DIV
2 IC601 qh (CF2)
2 V/DIV, 40 ns/DIV
5.2 Vp-p
30.5 s
4.9 Vp-p
100 ns
SUB-TRANS board VIDEO OUT board
GAME JACK board
PANEL board
6 STREAM LED board
H/P JACK board
TRANSLATION board
MAIN board
REM board
MOTOR (LD) board
SW board
SENSOR board BD81A board
MOTOR (TB) board
DRIVER board
CONNECT board
SUB-WOOFER boar
d
AMP board
TRANS board
Note: The components identified by mark 0 or dotted
line with mark 0 are critical for safety.
Replace only with part number specified.

2626
HCD-RG444
HCD-RG444
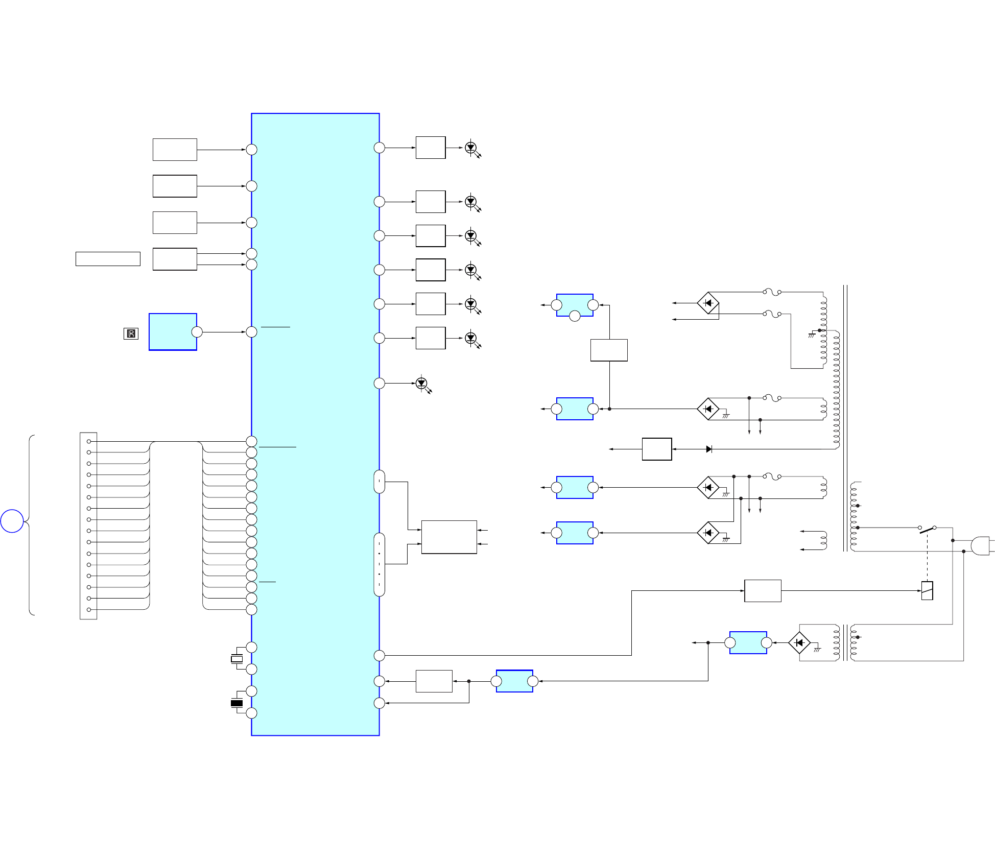
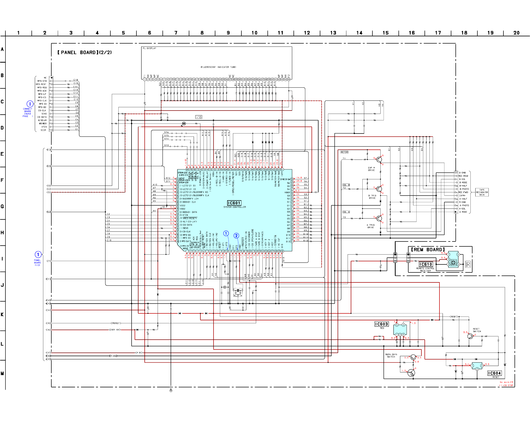
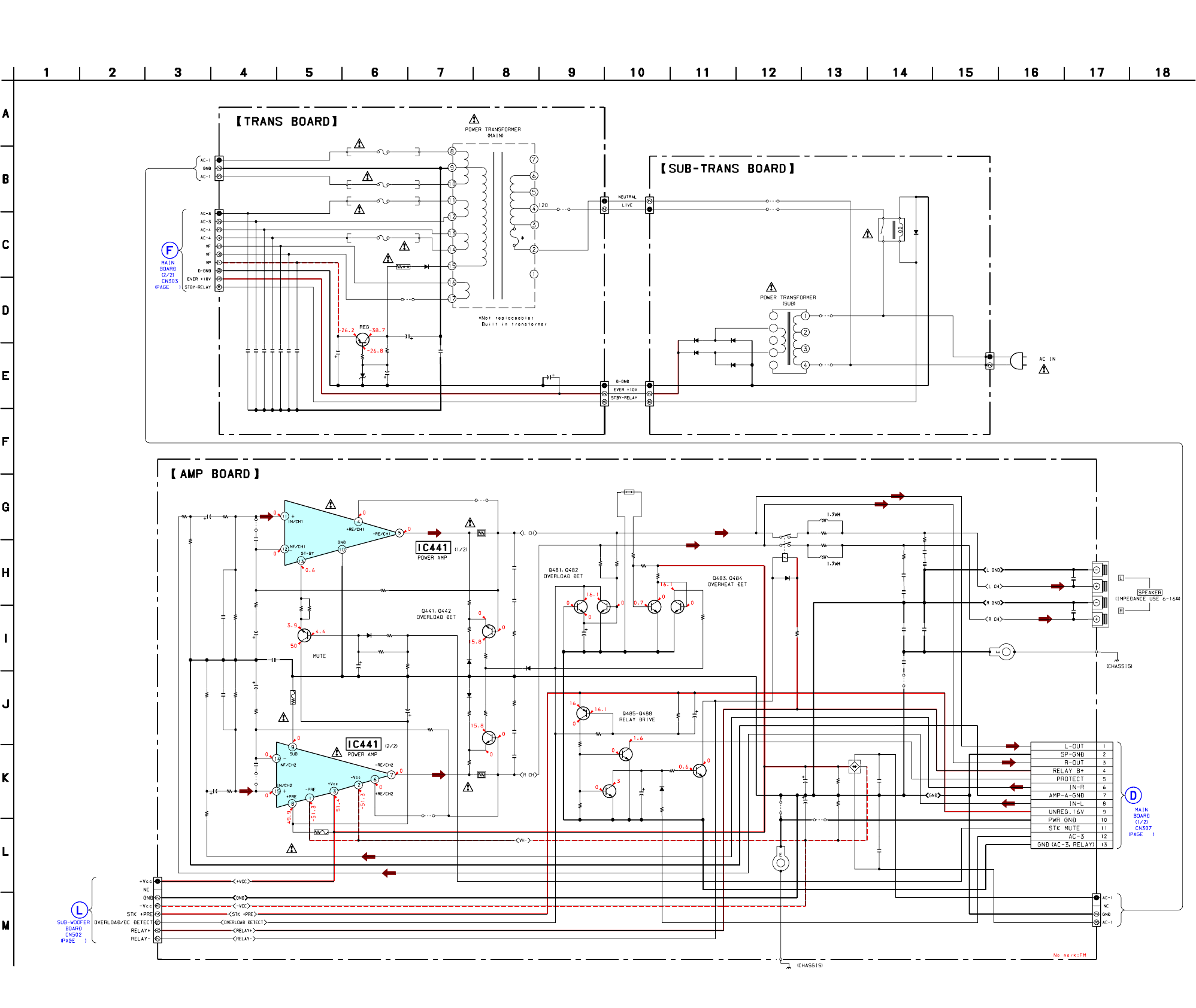
7-1. BLOCK DIAGRAMS – PANEL SECTION –
IC601(1/2)
SYSTEM CONTROLLER
CN603
D401
+B
-B
F904
12 I-XT1
X601
32.768kHz 13 I-XT2
MP3-TTB
80
IC610
15 CF1
X602
10MHz 16 CF2
283SIRDS-IN
REMOTE
CONTROL
RECIEVER
82STREM-LED1
74
42
30
POWER RELAY
11RESET
29ACCUT
MASTER VOLUME
A
BD/DRIVER
SECTION
25 KEY3
MP3-RESET
6
MP3--REQ
4
MP3-ACK
3
MP3-CS
2
MP3-CS'
1
MP3-CLK
100
MP3-DI
99
MP3-DO
98
CD-CLK
97
SENS
96
CD-DATA
95
XLT
94
XRES
93
XTCN
92
SCOR
5
FUNCTION
KEY
S641-S650
27 KEY1
FUNCTION
KEY
S601-S612
26 KEY2
FUNCTION
KEY
S621-S630
9VOLUME-IN1
10 VOLUME-IN2
ENCODER
S851
LED
DRIVER
Q610
LED610
80STREM-LED3 LED
DRIVER
Q612
LED612
81STREM-LED2 LED
DRIVER
Q611
LED611
77STREM-LED6 LED
DRIVER
Q614
LED615
78STREM-LED5 LED
DRIVER
Q615
LED614
79STREM-LED6 LED
DRIVER
Q613
LED613
76POWER LED
G01-G13
S1-S21
LED601
F905
AC3
D301-D304
D902
Q902
IC301
REG
-VFL
F906
AC4
VF
D305-D308
D902-905
F907
REG
+3.5V 13
IC303
REG
SWITCH
Q361,Q362,Q314,Q315
RELAY
DRIVE
+9V 13
D309-D312
IC304
REG
+9V
VF
-VFL
13
IC302
REG
+3.5V 12
4
+3.3V
PT902
SUB TRANSFORMER
RY901
PT901
POWER TRANSFORMER
IC603
REG 15
IC604
RESET 13
Q605
RESET
SWITCH
FL601
FLUORESCENT
INDICATOR
TUBE AC
IN
SCOR
XTCN
XRST
XL-T-CD
CD-DATA
SENS
CD-CLK
MP3-DO
MP3-DI
MP3-CLK
MP3-CS
MP3-CP
MP3-ACK
MP3-REQ
MP3-RESET
MP3-STB
C18
C15
C14
C13
C12
C11
C10
C9
C8
C7
C6
C5
C4
C3
C2
C1
C1
C2
C3
C4
C5
C6
C7
C8
C9
C10
C11
C12
C13
C14
C15
C18
Q301,Q302
43
45
47
50
52
65

2727
HCD-RG444
HCD-RG444
– MAIN SECTION –
CN201
CD NO SENS
CD OPEN/CLOSE
CD ENCORDER
LM-R
LM-F
TM-R
TM-F
D
BD/DRIVER
SECTION
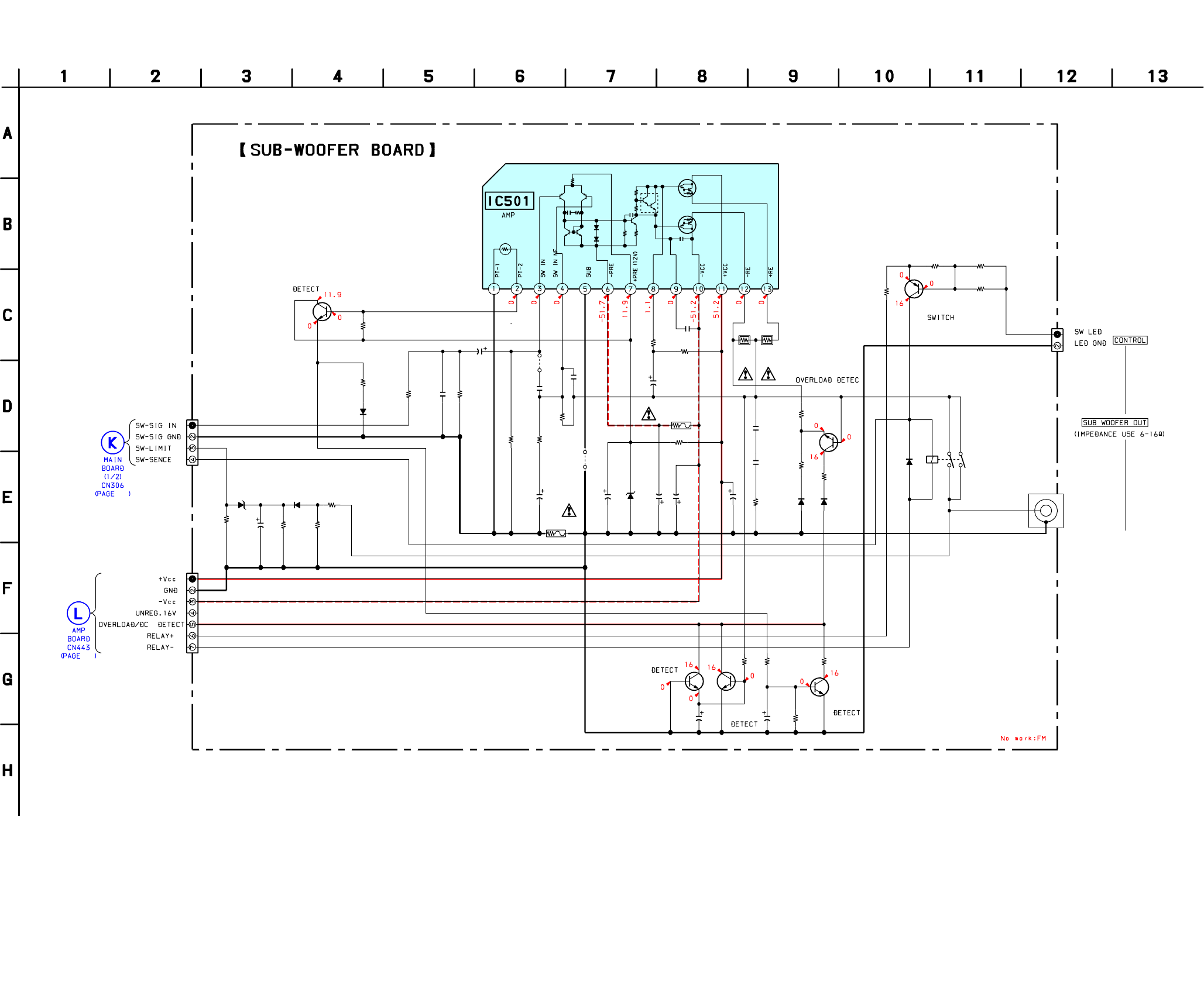
CN306
Q371
INVERTER
SW ON/OFF
SW OUT
SW LIMITER
GND
OVERLOAD/DC
RELAY+
RELAY-
C
SUB-WOOFER
SECTION
E
SUB-WOOFER
SECTION
TUNER
IC101
SOUND PROCESSOR IC102
BUFFER
61 TUNER_L
19 SI
18 SO
59 GAME-L
9 TAPEA1
11 TAPEB1
15 REC-OUT1
DATA
RCLK
1 CDL
24 I-STREEMA/VACS
75 SYSTEM-MUTE
69 ASM
19WFR/HP/MIC
18PROTECT
73SENSOR
21CD-OPEN/CLOSE
20CD ENCORDER
CLK
DATA
91
88
32VOUT2
33VOUT1
25 5 1SW OUT
35
34
BBIN1
BBNF1
31BBNF2
40ASMOUT
11 Q5
12 Q6
7Q1
6Q0
CD-R R-CH
R-CH
CD-L
R-CH
FAN
IC371
SP DRIVER
IC104
BUFFER
94
IC201
SELECTOR
IC601(2/2)
SYSTEM CONTORLLER
IC441
POWER AMP
5
13
4
11
RELAY
DRIVE
Q485-Q488
OVERLOAD
DET
Q441,Q442
OVERLOAD
DET
Q481,Q482
R-CH R-CH
RY441
CN443
3 DATA
DO
5 LCK
LCH 4 CLK
18 SO
CLK
7
8
SOL-B
SOL-B
SOL-A
MOTOR
6 SOL-A
MOTOR
IC602
VIDEO BUFFER
L
R
GAME INPUT
VIDEO OUT
JK441
Q106
BUFFER
Q107
BUFFER
Q327
BUFFER
MUTE
SWITCH
MUTESTK
-VFL
Q108
SWITCH
AC4
+B
+10V
Q308,
Q309,Q313
Q105
+Vcc
Q303
Q489
FAN
DRIVE
Q310-Q312
OVERHEAT
DET
Q483,Q484
TH441
Q101-Q104
SWITCH
CD-MUTE
Q304-Q307
TUNER-L
TUNER-R
DO
DI
CLK
CE
TUNED
STEREO
TU-MUTE
DO
DI
CLK
CE
TUNED
STEREO
RDS DATA RDS DATA
RDS INT RDS INT
Q351,Q352
J804
J803
VIDEO
VIDEO
R-CH
L
R
BIAS
OSC
Q321
Q324
+9V
STK
CD-MUTE
R-CH
REC SW CONT
7P/B SW
R-CH
L
R
HP2
HP1
L
R
HRP2
HRP1
HE1
DECK-B
SWITCH
Q322,Q323
L101
SWITCH
Q308,Q309
Q313
10 Q4
FAN 17 Q11
LM-R 13 Q7
LM-F 14 Q8
TM-R 15 Q9
TM-F 16
3
4
5Q10
DATA
CLOCK
LCH
B
BD/DRIVER
SECTION
J801
PHONES
FAN
DECK-A
TAPE
MECHANISM DECK
Q603
I-REEL-A
23
22
70
4
TAPE B START+
TAPE A START+
SOLA
SOLA
A-PHOTO
PWDEWC B
MODE B
MODE A
B HALF
A HALF
I-REEL-B
71
CLK
84
85
86
CE
DI
DO
LCH
87
B-PHOTO
A TRIG
DRIVE
3SOLBSOLB
Q601
2MOTOR
SOLA
CLK
CE
68 STEREO
67 TUNED
STEREO
TUNED
DATA
RCLK
I-BU1924 DATA
I-BU1924 CLK
8
7
RDS INT
RDS DATA
DO
83
DI
LCH
SOLB
MOTOR
COMP CAP M
DRIVE
Q602
B TRIG
DRIVE
56
55
SAOUT1
SAOUT2
30
BBNF2
SWITCH
SWITCH
DEF
SPEAKER
• Signal Path
• R-CH is omitted due to same as L-CH.
: TUNER
: CD
: PB(DECK A)
: PB(DECK B)
: AUDIO
: REC(DECK B)

2828
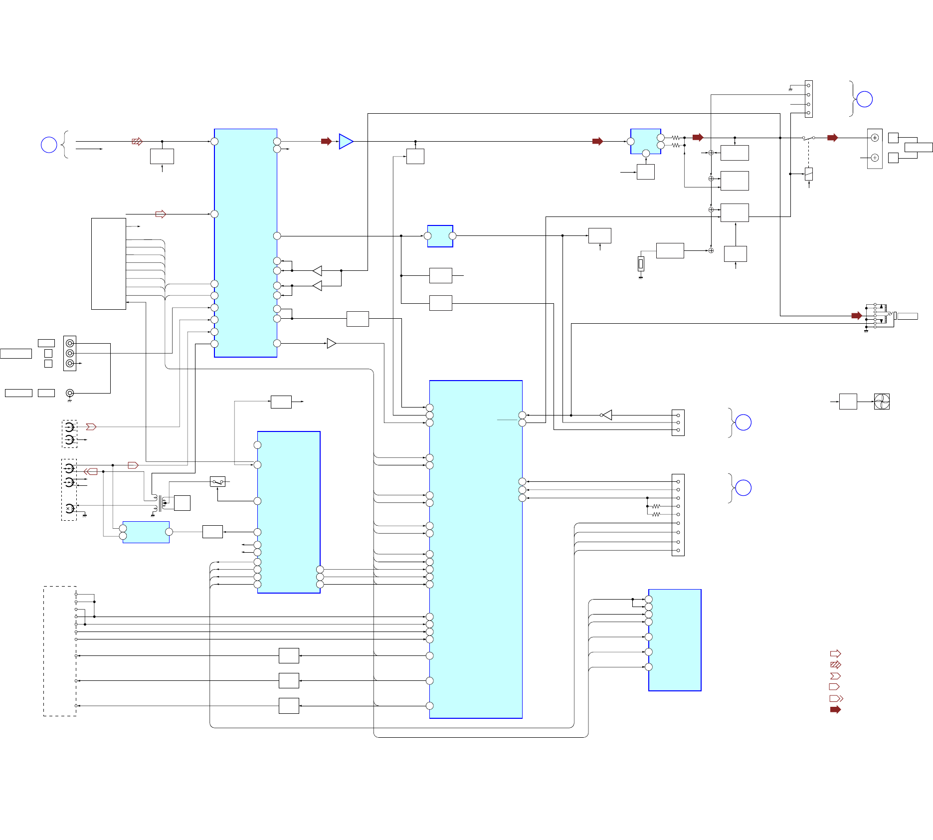
HCD-RG444
HCD-RG444
– BD/DRIVER SECTION –
CN201
MP3STB
MP3REQ
MIACK
MICK
MIDIO
MILP
MICS
MP3RST
SRMSTB
SCOR
SENS
CLOCK
XLT
DATA
XRST
XTACN
SCOR
SENS
CLOCK
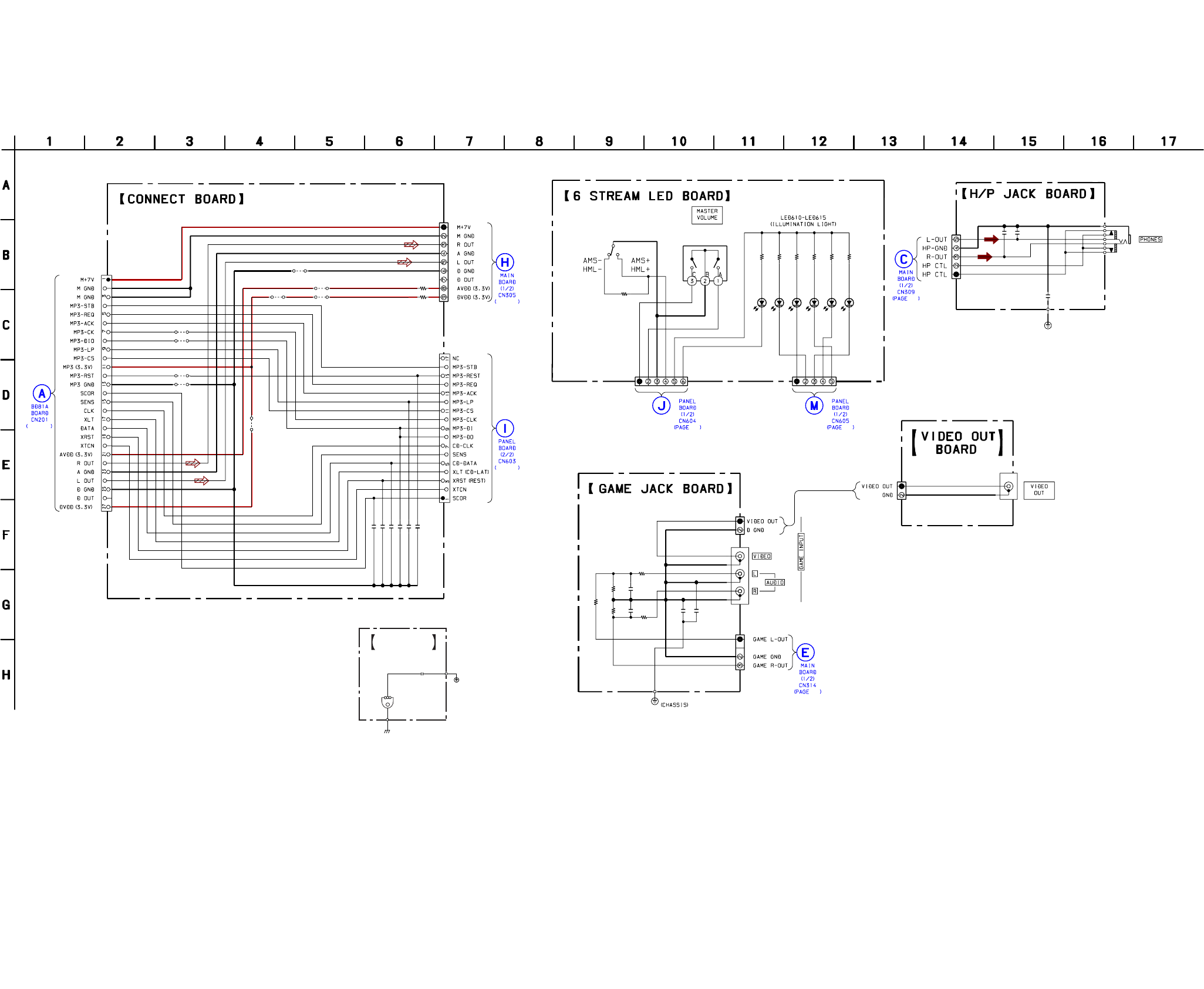
XLT
DATA
XRST
XTACN
LOUT
ROUT
DOUT
A
PANEL
SECTION
B
MAIN
SECTION
IC731
(TABLE SENSOR)
CN701
IC701
(LD)MOTOR DRIVER
4
2
9
11
RIN
FIN
OUT1
OUT2
IC712
TBL MOTOR DRIVER
4
2
9
7
RIN
FIN
OUT1
OUT2
D
MAIN
SECTION
LMR
LMF
TM-R
TM-F
TBL ADDRESS SW
E-1
E-2
E-3
OPEN SW
Q731
M751(LOADING)
M741(TBL)
RE701
S751
(LEVER SW)
ROTARY
ENCODER
E-3
E-2
E-1
SWITCH
M
M
+3V
: CD
• Signal Path
• R-CH is omitted due to same as L-CH.
OPTICAL PICK-UP
BLOCK
(KSM-215DCP/C2NP)
LD
DRIVER
Q10
+1.7V
+3.3V
LD
GND
FOCUS
COIL
F+
F
T+
T
TRACKING
COIL
IC251
SW101
X171
16.9MHz
+3.3V
SL/SP MOTOR
DRIVER
IC101
RF AMP
16
7
15
17
18
VR
PD
19
20
21
22
5
9
3
24
MUTE
CH2OUT-F
CH1FIN
CH1RIN
CH2FIN
SFDR
OPIN+
CH2OUT-R
CH1OUT-R
CH1OUT-F
CH4OUT-F
CH4OUT-R
CH3OUT-R
CH3OUT-F
M
M
M101
(SPINDLE)
M102
(SLED)
VCC
VC
A
B
C
D
E
F
DETECTOR
A
B
E
19
F
20
LD
36
PD
37
TFDR
11
SSTP
7
FFDR
13
CH3FIN
30
MPD
6
95
XTACN
100
XRST
102
DATA
104
XLAT
105
CLOCK
86
AOUT2
81
AOUT1
71
DOUT
61
PCMD1
62
LRCK1
63
LRCK
65
PCMD
DIGITAL SIGNAL
IC301
PROCESSOR
21
40
SDO0
11
LRCKIA
16
SFSY/LRCK1B
19
SDIO
14
77 XTAO
78 XTAI
55
VDD
VDD
VDDM
26
27
C
28
D
29
107
SENS
XTACN
XRST
DATA
XLAT
CLOCK
SENS
113
GFS
114
C2PO
2
3
1
FOK
TRDR
12
10
SRDR CH3RIN
29
CH2RIN FRDR
14
XRST
100
66
BCK
60
BCK1
BCKIA
15
SBSY/BCK1B
18
6
3.3V
IC303
8
5 1
3
STANBY
36
PO11/BUCK/AD1
8
MIACK
7
MICK
6
MIDIO
4
MICS
5
MILP
2
RESET
41
SRMSTB
115
SCOR SCOR
REG

3030
HCD-RG444
HCD-RG444
7-2. PRINTED WIRING BOARD – BD81A SECTION – • See page 25 for Circuit Boards Location. • : Uses unleaded solder.
Ref. No. Location
IC101 D-7
IC251 C-6
IC301 C-7
IC303 B-7
Q10 E-4
• Semiconductor
Location
IC251
IC101
IC301
IC303
OPTICAL
PICK-UP
BLOCK
(KSM–215DCP)
CONNECT
BOARD
CN251
(Page 37)
SPINDLE
MOTOR
SLED
MOTOR
(LIMIT)
45
1
164
16
17
32
33 4849
3
12
A
B
C
D
E
3456789
E
12
12
1910 18
192728
36
12
12
TP
(VC)
TP
(TEO)
TP
(FEO)
TP
(RFACO)
TP
(RFDCO)

3131
HCD-RG444
HCD-RG444
7-3. SCHEMATIC DIAGRAM – BD81A SECTION – • See page 50 for IC Pin Function Description.
38
TP165
TP166
TP178
TP144
TP147
TP153
TP186
TP187
TP167
TP160
TP162
TP177
TP145
TP148
TP121
TP122
TP123
C305
JPO004
JPO10
TP250
TP301
TP302
TP303
TP304
TP103
TP104
TP105
TP146
R161
R163
R351
R352
R353
R354
R401
R402
R403
R404
R405
R406
R407
R408
R409
R411
R412
R419
R11
R191
R132
R251
R253
R12
R142
R143
R10
JPO102
JPO103
M101
S101
C15
C17
C115
C116
C122
C125
C132
C133
C134
C141
C142
C143
C151
C161
C181
C194
C201
C203
C252
C255
C257
C303
C306
C308
C309
C310
C311
C312
CN101
R121
R171C171
C313
C314
C183
C184
TP420
TP421
TP422
TP423
TP424
R252
TP425
TP426
C259
TP427
TP428
TP429
TP430
TP431
TP432
R13
Q10
C16
C123
C260
R172
C124
R133
R313
TP433
TP436
C316
C10C11
C162
C317
C315
C307
TP401
TP407
TP406
TP405
TP404
TP403
TP402
TP408
TP410
TP434
TP417
TP416
TP415
TP414
TP413
TP412
TP419
TP411
TP435
TP409
TP19
TP18
TP17
TP16
TP15
TP102
TP14
TP13
TP12
TP11
TP10
C195
C182
C174
R131
C131
C18
R301
FB301
R303
R182
R181
X171C172
R173
R203
IC303
R302
R162
R165
C211
C210
C212
R151
R205
R410
C320
C213
C13
CN201
C185
C186
C163
C196
C318
R306
IC251
C258
C251
C302
M102
TP253
TP252
TP251
C111
R112
R114
R111
R113
C112
C113
C114
R193
C209
R305
IC301
R141
IC101
R307
TP125
TP124
TP142
TP149
R204
R201
MIRR
DFCT
FOK
XUGF
XPCK
GFS
MVDD
MGND
LOCK
WDCK
COUT
VC
WFCK
SBSO
RFDCO
220
4V
MDP
APC
SP-
LRCK
PCMD
BCK
C2PO
100
100
100
100
100
100
100
100
100
100
100
100
100
100
100
100
100
100
0
0
10k
10k
10k
100k
1k
3.3k
3.3
FEI
TEI
SW
0.1
F
220
4V
0.1 F
100
10V
0.1
B
0.1 F
0.47 B
0.01B
0.1 F
0.1 B
0.0015B
0.1 F
100
10V
0.1 F
0.1 F
0.1
F
100
10V
100
10V
0.1 F
0.1 F
0.1 F
0.1
F
0.1 F
47
4V
0.1 F
0.1 F
0.1 F
0.1 F
16P
15k
0.1 F
47 4V
22 6.3V
22 6.3V
AGND
DGND
MP3GND
IOP1
IOP2
22k
SW+
SW-
PCMDI
FRDR
FFDR
TRDR
TFDR
MDP
1
2SB1690K
1
F
0.1 B
220 10V
330pCH
180k
220
MP3VDD
AVDD
0.0022 B
10
6.3
B
10
6.3
B
0.1 F
0.01 B
0.1 B
0.1 F
MP3STB
MICS
MILP
MIDIO
MICK
MIACK
MP3REQ
MP3RST
ROUT
AVDD
SCOR
SENS
CLK
XLT
DATA
XRST
XTCN
LOUT
DVDD
DOUT
F-
T-
F-
F+
PD
F
C
B
A
D
E
0.1 F
0.1 F
0.1 F
1M
100p CH
0.001 B
100k
100k
100
100
0
0
BH15FB1W
10k
47k
220p CH
0.1 B
22p CH
0
0
100
0
22p CH
NM
470p CH
470p CH
0.1
0.1
0.01
B
0
0.0068
B
0.1
F
SL-
SL+
SP+
0.0033 B
15k
15k
1k
1k
470p
0.0033
470p B
NM
0.01 B
100k
TC94A34FG-002
4.7k
CXD3059AR
10k
RFACI
RFACO
EXCK
0
0
47022p CH
0.1
F
1M
16.9MHz27p CH
0
27P
BA5947FM
(HSOP28)
0.1
Page
• See page 47, 48 for IC Block Diagrams.

3232
HCD-RG444
HCD-RG444
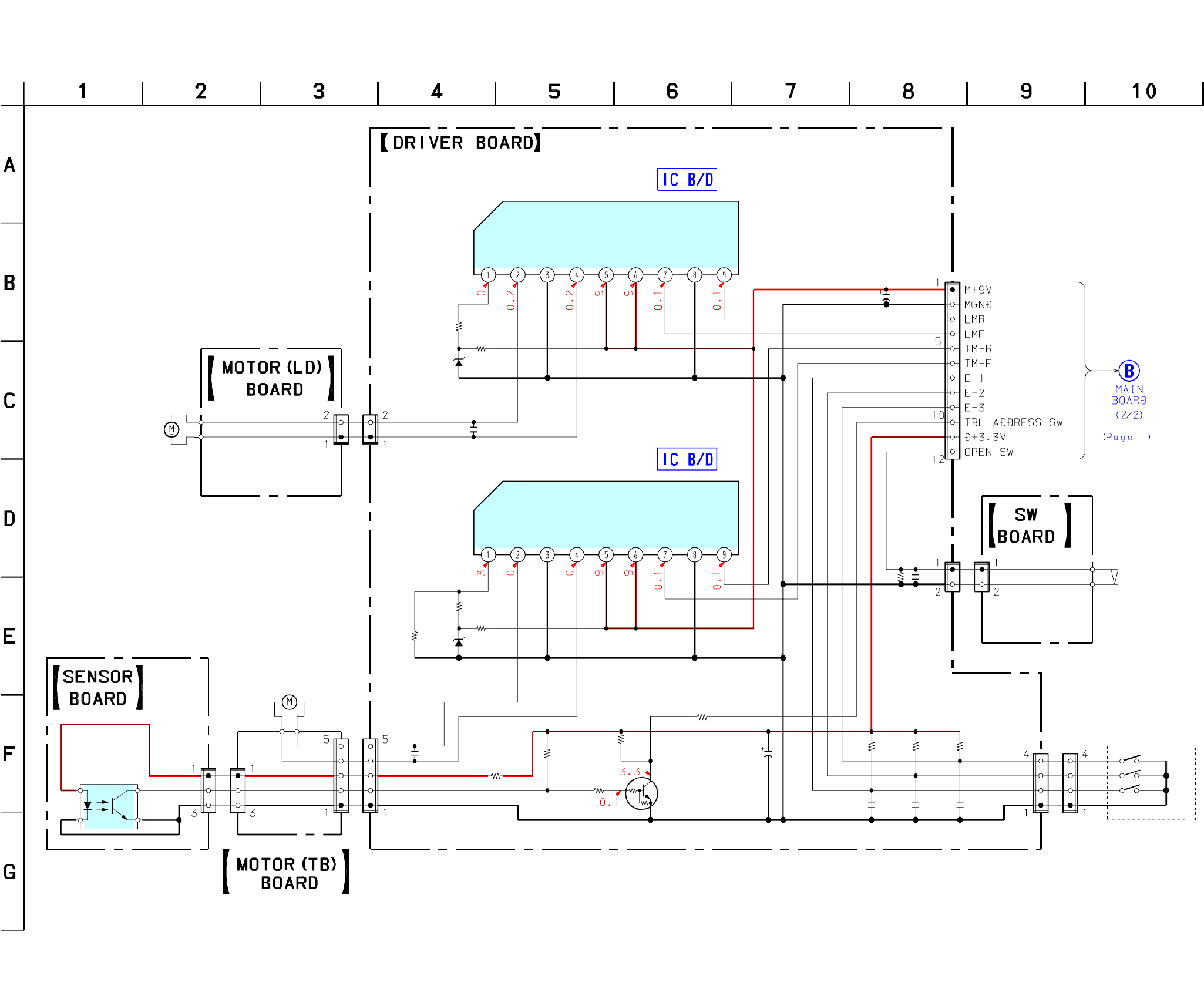
7-4. PRINTED WIRING BOARD – CD MECHANISM SECTION – • See page 25 for Circuit Boards Location.
1
A
B
C
D
E
F
G
H
234567891011121314
(LEVER SW)
CN751
S751
IC731
CN731
CN741
CN742
C715
C731
C735
C736
R701
R711
R731
R721
R722
R723
R735
R732
R733
R734
D701
D711
Q731
C751
IC712
IC701
CN704
C737
R713
R712
C741
R702
JW702
JW703
JW704
JW705
JW706
JW707
JW708
JW711
CN703
CN702
CN705
R751
C752
CN701
JW712
JW701
JW709
JW710
JW713
JW714
CN721
MAIN
BOARD
CN301
(Page 34)
Ref. No. Location
D701 D-6
D711 D-7
IC701 F-6
IC712 F-7
IC731 E-11
Q731 C-9
• Semiconductor
Location

3333
HCD-RG444
HCD-RG444
7-5. SCHEMATIC DIAGRAM – CD MECHANISM SECTION –
CN301
36
no mark : FM
R701
D701
R712 R711
R721
C735 C736
R722
C737
R723
R733
R734
R735
C741
CN731 CN741
CN742
CN702
CN703 CN751
CN704
CN721 C751
R751
C752
CN705 CN751
R732
R731
M741
CN701
IC731
E-1
E-2
E-3
Q731
D711
R713
C731
C715
S751
R702
470
MTZJ-T-77-5.1A
4.7k 1k
4.7k
0.1 0.1
4.7k
0.1
4.7k
1k
12k
100
0.01
3P 3P
5P
5P
4P 4P
2P
2P 0.01
4.7k
0.1
2P 2P
10k
100
(TBL)
12P
RPI-576
TABLE
SENSOR
DTC114ESA
TBL ADDRES
SENS SWITCH
MTZJ-T-77-3.6B
22k
10
50V
100
16V
(LEVER SW)
100
VREF
OUT2
RNF
OUT1
VM
VCC
FIN
GND
RIN
IC701
BA6956AN
LD MOTOR
DRIVER
VREF
OUT2
RNF
OUT1
VM
VCC
FIN
GND
RIN
BA6956AN
DRIVER
IC712
TBL MOTOR
RE701
ROTARY
ENCODER
M751
(LOADING)
• See page 47 for IC Block Diagrams.

3434
HCD-RG444
HCD-RG444
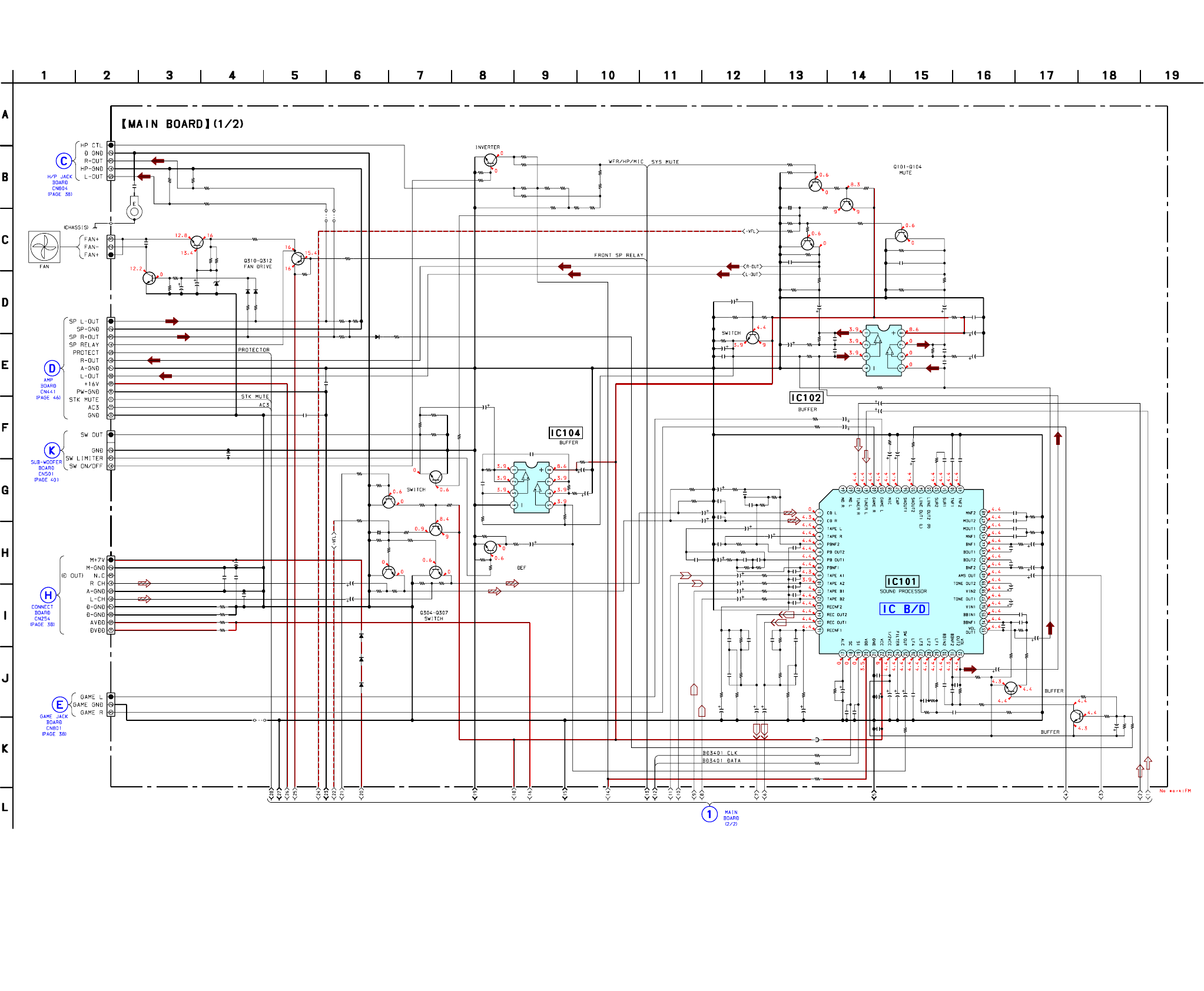
7-6. PRINTED WIRING BOARD – MAIN SECTION – • See page 25 for Circuit Boards Location. • : Uses unleaded solder.
IC371
IC201
IC304
IC302
IC303 IC301
IC102
IC104
IC101
CONNECT
BOARD
CN254
(Page 37)
PANEL
BOARD
CN601
(Page 41)
C163
C277 C280
C281
C288
C278 C271
FB205
C279
C276
C161
C272
R254
H/P JACK
BOARD
CN804
(Page 37)
TRANS
BOARD
CN907
(Page 44)
AMP
BOARD
CN441
(Page 45)
SUB-WOOFER
BOARD
CN501
(Page 39)
DRIVER
BOARD
CN701
(Page 32)
GAMEJACK
BOARD
CN801
(Page 37)
31
30
3
1
R CH
PB
HEAD
HP1
HP2
L CH
1
2
3
ERASE
HEAD
DECK-B
(REC/PLAY)
REC/PB
HEAD HE1
HRP2
L CH
HRP1
R CH
1
2
3
4
3
4
(CHASSIS)
(CHASSIS)
21
FAN
TUNER
10
EE
E
E
E
E
E
E
E
E
E
E
E
E
E
E
E
E
E
E
E
91
1
1
9
33
6
8
1
5
11 1
13131
1
3
3
E
E
E
E
E
13 1
E
E
E
E
E
12
1
31
3
1
14
12
A
B
C
D
E
F
G
H
I
J
K
34567891011 12 13
DECK-A
(PLAY)
C208
C290
C289
C209
R235
Ref. No. Location
•Semiconductor Location
Ref. No. Location
D201 I-10
D202 H-10
D206 I-10
D207 I-10
D211 F-4
D212 G-5
D213 G-5
D214 G-5
D215 G-4
D301 I-8
D302 I-8
D303 I-8
D304 I-8
D305 I-7
D306 I-7
D307 I-7
D308 I-7
D309 I-7
D310 I-6
D311 I-6
D312 I-6
D313 F-8
D316 G-6
D321 H-5
D322 H-5
D324 E-4
D325 E-4
D326 F-4
IC101 D-6
IC102 D-8
IC104 D-11
IC201 E-5
IC301 G-8
IC302 E-9
IC303 G-7
IC304 G-7
IC371 B-4
Q101 H-9
Q102 H-9
Q103 H-9
Q104 H-10
Q105 E-10
Q106 D-7
Q107 D-7
Q108 F-11
Q303 E-11
Q304 E-4
Q305 E-4
Q306 B-4
Q307 B-4
Q308 B-4
Q309 B-3
Q310 H-10
Q311 H-11
Q312 H-10
Q313 B-3
Q314 G-6
Q315 G-6
Q321 F-7
Q322 F-4
Q323 F-4
Q324 F-4
Q327 G-5
Q351 G-4
Q352 G-4
Q361 G-6
Q362 G-6
Q371 I-5

3535
HCD-RG444
HCD-RG444
7-7. SCHEMATIC DIAGRAM – MAIN SECTION (1/2) –
EP101
C177
C187
C141
C145
C176
D201
D206
D207
R176
R177
R159
R163
R166
R153
R154
R136
R125
R227 R228
R202
R203
R204
R217
R138
R151
R221
R222
R225
R229
R230
R231
R232
R109
R110
R112
R394 R393
R392
R391
Q106
Q304
D324
D325
Q310
R170
R172
R201
R207
R206
R113
R162
R158
R157
Q311
C124
Q101
C229
Q312
C228
C235
R226
IC101C193
C206
R115 R129
R155
R272
C188
C203
R118
R173
R174
R175
Q105
Q108
Q303
IC104
R271
R270
R181
C190
R184
R186 R187
R189
Q371
R385
R390
R386
R396
R397
R101
R199
Q102
Q305
D202
C179
C181
C274
C275
R282
R283
R284
R168
R135
R111 R114
C231
R178
R126
R132
R131
R128
Q103
Q104
Q306
Q307
R182
R192
D326
C185
IC102
C186
C184
R269
R268
R169
C175
R165 R161
C178
C183
C165
C164
C160
C152
C153
C162
R141
R133
C143
C142
C138
C137
C123
C127
C272
C102
C125
FB205
R117
C132
R120
C128
C129
C130
R123C134
R124
R121
R127
C131
C133
C147
C144
C149
C151
C150
C148
R134
C146
C101
R198
C118
R195
C115
C192 C191
R194
C122
C119
C114
C113
C112
C111 R281
R208
R209
R205
R210
R211R212
R193
C196
C198
C199
C194
C211
C213
C212
C216 C222
C214
FB201
FB203
FB204
C217
FB202
R387
R388
R395
R220
R219
C103
R104
R103
C105
C161
0.001
C106
C104
C110 R107
C109 C108
R197
R108
R106
CN308
C230
R152
C189
Q107
CN307
CN314
JW311
R389
JW202
JW201
R235
R223 R167
R164
R171
R160
R142
C154
R137
C157
C159
R139
R105
C107
R102
C117
C121
C140
C139
C135
C136
R116
R156
R216
R218
C116
C120
R119
CN309
C202
CN306
C166
22p
0.01
10 50V
10 50V
10 50V
1SS355
1SS355
1SS355
220k
220k
10k
C208 220p
10k
C209
220p
10k
10k
10k
4.7k
10k
1k 1k
10k
10k
10k
56
1k
4.7k
2.2k
5.6k
4.7k
4.7k
4.7k
10k
10k
470k
330k
470k
1k 10k
1k
10k
2SC3052
2SC3052
10EDB40
10EDB40
2SC2001
10k
100
4.7k
2.2k
47k
330k
2.2k
2.2k
47k
2SC2001
100p
C271
0.001
2SC3052
4.7
50V
2SA953
0.1
0.1
47k
BD3401KS22200p
2200p
1M 47k
4.7k
470k
22
50V
10 50V
10k
10k
10k
10k
2SC3052
2SC3052
2SC3052
NJM4565M
10k
1k
47k
0.01
4.7k
33k 47k
100
2SC3052
4.7k
22k
22k
4.7k
10k
10k
220k
2SA1235
2SA1235
UDZSTE-1713B
47p
47p
47p
47p
2.2k
2.2k
2.2k
100k
4.7k
0.1
C289
0.001
C290
0.001
10k
10k
2SC3661
2SC3661
2SC3661
2SC3661
33k
22k
10
50V
NJM4565M
47
16V
47
16V
2.2k
10k
100k
2.2 50V
10k 10k
47
16V
22p
150V
150V
0.0022
0.0022
4.7k
1
50V
10
50V
10
50V
10
50V
2250V
10010V
150V
100p
100
R254 100
47
16V
1M
100
0.001
10V
4716V
4716V
10k0.1 M
10k
47k
0.047
0.047
10 50V
0.1
0.01
0.01
0.01
0.01
4.7k
0.1
150V
2.2k
10
50V
0.01
2.2
50V 2.2
50V 10
50V
0.01
150V
150V
150V
150V 2.2k
1k
10k
4.7k
2.2k
1k10k
1k
47
16V
0.22
0.33
10
50V
2.2 50V
10 50V
10 50V
0.1 0.1
1000
10V
0
0
0
0.1
0
4.7k
22k
22k
22k
0.1 50V
15k
330k
220p
C163 0.001
0.01
0.1
50V
10
50V 15k
C277
470p
C278
470p
C279
470p
C280
470p
C281
470p
C276
470p
0.01 220p
2.2k
330k
3P
47
16V
10k
22
50V
2SC3052
13P
4.7k
JW
JW
4.7
010k
1k
10k
1k
0.47
10k
1
50V
1
50V
10
50V10k
220p
220p
100
470k
56
47k
5P
100 16V
4P
CN305
10P
150V
150k
150k
10EDB40
0.068M
4.7k
15k
15k
150V
150V
1k
0.068M
4.7k
0.068
M
0.068
M
6.8k
220pCH
6.8k
220pCH
PH-S(3P)
680
2W
390
1k
0
390
680 2W
• See page 49 for IC Block Diagrams.

3636
HCD-RG444
HCD-RG444
7-8. SCHEMATIC DIAGRAM – MAIN SECTION (2/2) –
IC302
C310
C311
D301
D304 D303
C309
C312
C313
C318
D305
D306
D307
Q322
R263
R264
R265
C258
R266
R262
C253
R253
C315
R243
R244
R247
Q324
R250
R251
R249
EP301
D309
D310
D312
D311
R384
R379
R374
R375
R376
R377
R378
C375
C372
C373
Q361
R361
R362
R364
R363
Q351
C351
Q352
R344
R245
C266
HE1
C265
C308
R307
R306
R308
R311
R310
R313
R274
Q313
Q309
Q314
C321
R322
R324
D321
R325
D316
R323
IC301
IC304
Q323
C250
Q321
Q327
D214
D213
D212
L101
IC303
C241
D211
C316
Q362 C270
R356
R353 R352
R351
R357
R354
R358
R348
IC201
C249
HRP1
HRP2
HP1
HP2
D313
C251
R213
R214
C376
D322
Q315
R321
D215
C354
C342
CN301
R346 R345
R342 R341
R343
R347
R248
C352
C267
CN103
C246
C248
C244
C242
R241
R246
R252
R373
R372
R371
C374
D302
C303
C304
C302
C301
R273
R275
C252
C259
R242
R383
R382
R380
R312
Q308
JW301
CN112
C264
C353
CN303
C306
JW303
JW302 JW305
C371
IC371
D308
C305
R381
C243
CN302
RDS INT
RDS DATA
RDS INT
RDS DATA
RDS INT
RDS DATA
+3.3V
NC
RDS DATA
RDS INT
3300
16V
10
50V
10EDB40
10EDB40 10EDB40
22
50V
10
50V
2200
25V
100 16V
10EDB40
10EDB40
10EDB40
2SA1235
1M
1k
10k
0.47
50V
100k
3.3k
0.1 50V
100
100
16V
10k
2SB1116
10k
10k
47k
10EDB40
10EDB40
10EDB40
10EDB40
10k
10k
10k
10k
10k
10k
10k
0.1
100p
100p
2SA1235
10k
2.2k
4.7k
4.7k
2SC3052
1000p
2SC3052
22k
4.7k
1000p
C288
0.001
1000p
22
50V
10k
10k
2.2k
4.7k
10k
4.7k
0
2SC3052
2SC3052
2SA1235
2.2
50V
22k
10k
1SS355
4.7k
1SS355
4.7k
TA78033LS
TA7809S
2SC3052
47
16V
2SC2001
2SC3052
1SS355
1SS355
1SS355
TA7809S
1000p
1SS355
2200
25V
2SC3052 10 50V
470
47k 100k
15k
2.2k
4.7k
100
22k
BA3126N
10
50V
11EQS04
47 16V
1k
1k
2.2
50V
1SS355
2SC3052
4.7k
1SS355
0.1
0.1
12P
1k 10k
1k 10k
22k
22k
10k
22 50V
1000p
8P
CN101
15P
1000p
0.015
0.0047
10
100
100
100
100
47
16V
10EDB40
0.1
0.1
0.1
0.1
0
0
100
16V
0.22 50V
10k
10k
10k
22k
2SA1235
JW
JW306
JW
JW307
JW
3P
1000p
2.2
50V
11P
0.1
JW
JW JW
470p
BU2099FV
10EDB40
0.1
10k
31P
TA78033LS
8.2k
8.2k 0.015
M
0.015
M
0
27k
• See page 49 for IC Block Diagrams.

3737
HCD-RG444
HCD-RG444
7-9. PRINTED WIRING BOARD – PANEL COMB SECTION – • : Uses unleaded solder.
• See page 25 for Circuit Boards Location.
Ref. No. Location
LED610 B-7
LED611 B-6
LED612 B-6
LED613 C-6
LED614 C-6
LED615 C-7
• Semiconductor
Location
(CHASSIS)
(CHASSIS)
VIDEO
AUDIO
L R
GAME INPUT
MAIN
BOARD
CN314
(Page 34)
E
PANEL
BOARD
CN604
(Page 41)
J
PANEL
BOARD
CN605
(Page 41)
M
VIDEO
OUT
6
5
5
1
1
1
2
MAIN
BOARD
CN309
(Page 34)
PHONES
MASTER VOLUME
31
(AMS-
HML-) (AMS+
HML+)
(ILLUMINATION
LIGHT)
12
A
B
C
D
E
F
34567891011
21
1
3
LED610-LED615
MAIN
BOARD
CN305
(Page 34)
BD81A
BOARD
CN201
(Page 30)
PANEL
BOARD
CN603
(Page 41)
(13)
13
(13)
13
(13)
13
(13)
13
(13)
13
CN874
JW877
FB872
C877
FB871
JW873
JW871 JW872
JW878
CN871
JW874
JW879
C873
JR872
JW876
JW875
JR871
CN873
C876
C875
C872
C871
C874
(CHASSIS)
(CHASSIS)
1-862-310-
TRANSLATION BOARD

3838
HCD-RG444
HCD-RG444
7-10. SCHEMATIC DIAGRAM – PANEL COMB SECTION –
31
35
43
42 42
35
Page
Page
Page
35
E
W806
(CHASSIS)
TRANSLATION
BOARD
R801
R802
R803
R804
LED611
LED612
LED613
LED614
LED615
R673
R699
R701
R703
R705
R707
R709
S660
SW601
LED610
W803
CN607
CN606
CN804
C830 C831
C832
J801
C801
C802 C804 C803
CN801
CN802
J804
JR801
CN805 J803
WIRE801
WIRE
5P
1000p 1000p
0.1
2P
10k
10k
22k
22k
ENCORDER
VR
SW ESE24SV
22k
220 1/8W
220 1/8W
220 1/8W
220 1/8W
220 1/8W
220 1/8W
SELU5223C
-STP15
SELU5223C
-STP15
SELU5223C
-STP15
SELU5223C
-STP15
SELU5223C
-STP15
SELU5223C
-STP15
5P
6P
470p
470p 0.22 0.22
3P
2P
0
FB871
FB872
CN874
JW871
JW872
JW873
JW874
JW875
JW876
C871
C872
C873
C874
C875
C876
CN873
JW878
JW877
CN871
JW879
0
0
9P
JW
JW
JW
JW
JW
JW
100p
0.01
100p
470p
0.1
0.1
17P
JW
JW
27P
JW
C861
0.001

3939
HCD-RG444
HCD-RG444
7-11. PRINTED WIRING BOARD – SUB-WOOFER SECTION – • See page 25 for Circuit Boards Location. • : Uses unleaded solder.
Ref. No. Location
D501 C-3
D502 C-5
D503 C-5
D504 B-6
D505 C-8
D506 C-7
D507 C-2
IC501 D-3
Q501 D-5
Q502 C-8
Q503 C-6
Q505 C-7
Q506 C-7
Q507 D-1
• Semiconductor
Location
IC501
MAIN
BOARD
CN306
(Page 34)
AMP
BOARD
CN443
(Page 45)
1
1
7
4
SUB WOOFER OUT
CONTROL
(IMPEDANCE USE 6–16 )
E
E
E
E
E
E
12
A
B
C
D
345678

4040
HCD-RG444
HCD-RG444
7-12. SCHEMATIC DIAGRAM – SUB-WOOFER SECTION –
35
46
Q501
Q503
Q505
Q506
R506
R507
R508
R509
R510 R511
JW501
C502
C505
R502
R503
R504
R514
R515
R517
R525
R526
R527
RY501
R505
C504
R518
R519
JW520
R524 R520
C517 R533
R532
C514
CN502
C515
C506 C509 C510
C511
C513
C512
R512
R513
JK501
CN503
Q502
R516
R501
C503
R529
C507
R528
IC501
Q507
R530
R531
C516
D506
D505
D507
D501
D503
D502
D504
C508
CN501
2SC1841
2SC2785
2SC2785
2SC2785
11/4W FR
4.7k
1/2W
4.7k
1/2W
100 1/4W FR
0.22
5W 0.22
5W
JW
220p
50V
10p
50V
47k 1/4W
1k 1/4W
47k
1/4W
22k
1/4W 47k
1/4W
10k
1/4W
22k
1/4W
8.2k
1/4W1M
1/4W
SP RELAY
12V
4.7k 1/2W
22
25V
2.2k
1/4W
2.2k
1/4W
JW
47k
1/4W 100k
1/4W
10
50V 22k
1/4W
22k
1/4W
100
35V
7P
4.7
50V
100
25V 100
100V 10
100V
10
100V
0.1
0.1
10
1/2W
1k
1/4W
2P
2SA1175
100
1/2W
47k
1/4W
4700p
16V
2.2k
1/4W
47
50V
10k
1/4W
STK404-130S
2SC2785
22k
1/4W
4.7k
1/4W
10
50V
MTZJ-T-77-6.8B
1SS133T-77
1SS133T-77
MTZJ-T77-12B
1SS133T-77
1SS133T-77
1SS133T-77
220p 50V
4P

4141
HCD-RG444
HCD-RG444
7-13. PRINTED WIRING BOARD – PANEL SECTION – • See page 25 for Circuit Boards Location. • : Uses unleaded solder.
IC610
IC602
IC604
IC603
IC601
CONNECT
BOARD
CN253
(Page 37)
MAIN
BOARD
CN302
(Page 34)
6 STREAM
LED BOARD
CN607
(Page 37)
6 STREAM
LED BOARD
CN606
(Page 37)
TAPE
MECHNISM
DECK
GAME MIXING
GAME
TUNING-
TUNER/BAND
DISPLAY
ILLUMINATION
TAPE A/B
CD
x
X
M
ALBUM–
CD SYNC
REC
PAUSE/START
PLAY MODE/
TUNING MODE
DISC 1
DISC 2
DISC 3
GROOVE
SURROUND
EQ BQND
RESET EQ
P FILE
EFFECT
ON/OFF
DISC SKIP
EX-CHANGE
ENTER
M
ALBUM+
h
TUNING+
(CHASSIS)
1510 15 20 25 30 35 41 45
51 50
31
30
1
1
13
45
3
1
3
100
81
80
1
1
6
5
EE
E
EE E
20 11
10
1
E
E
E
E
E
3
1
5
1
3
4
12
A
B
C
D
E
F
G
345678910111213
(FLUORESCENT INDICATOR TUBE)
D622
D620
R630
R631
JW784
JW783
13
13
Ref. No. Location
•Semiconductor Location
Ref. No. Location
D603 C-11
D604 C-11
D605 C-10
D607 C-10
D608 D-8
D609 D-8
D611 D-8
D613 D-9
D614 C-9
D615 F-6
D616 F-6
D620 B-6
D621 B-6
D622 B-6
D623 B-6
D626 B-5
D630 E-4
D631 C-8
D632 C-9
IC601 C-7
IC602 D-11
IC603 D-9
IC604 C-8
IC610 C-12
LED601 B-11
Q601 F-6
Q602 F-7
Q603 F-6
Q604 B-9
Q605 C-8
Q610 E-8
Q611 E-7
Q612 E-7
Q613 F-7
Q614 F-8
Q615 F-8
Q616 A-9

4242
HCD-RG444
HCD-RG444
7-14. SCHEMATIC DIAGRAM – PANEL SECTION (1/2) –
38
38
36
31
A18
A17
BU1924 DATA
BU1924 CLK
R635
R691
R692
R693
R694
R695
R696
R697
R731
R634
R632
R633
JW811
JW655
JW656
JW658
JW674
JW705 JW718
JW635
JW701 JW714
JW659
R672
JW601
JW602
R629
JW660
Q610
Q612 Q611 Q614 Q615 Q613
R698
CN604
CN605
R854
R628
R627
R690
C655
JW641
R720 R671
R721
R722
R659
R660R661
R662 R658 R657 R656 R655 R654 R653
R675
R676R664
R665
R666R667
R668R669R670
R663 R652 R651 R650 R649 R648 R647 R646 R645 R644 R643 R642
R674
S601S602S603S604S605S606
S607
S608
S610S611S612
S630 S629 S628 S627 S624 S623 S622 S621
S641
S642
S643S644
S645
S646
S647
S649 S648S650
IC602
R704
R706
R708
R700
R702
C601 C602 C603
C644 C604
JR608
JR607
JR609
JW626
JW625
JW716
JW703
S626
CN601
D604
D603
R641 C605
R640
R639
R638
D605
100
100
100
100
100
100
100
100
10
DTC143EKA
-T146
220
6P
220
10k
10k
100
0.1
6.8k 4.7k
10k
15k
3.3k
4.7k6.8k
10k 2.2k 1.5k 1.5k 1k 680 470
15k
15k470
680
1k1.5k
1.5k2.2k3.3k
22k 15k 10k 6.8k 4.7k 3.3k 2.2k 1.5k 1.5k 1k 680 470
15k
31P
1SS355TE-17
1SS355TE-17
220k 4.7
50V12k
4.7k
1SS355TE-17
100
100
100
100
JW
JW
JW
JW
JW
JW JW
JW
JW JW
JW
10k
JW
DTC143EKA-
T146 DTC143EKA-
T146
DTC143EKA-
T146 DTC143EKA-
T146 DTC143EKA-
T146
5P
JW
BU2099FV
220
220
220
220
220
22p 22p 22p
10
16V 0.1
25V
0
0
0
JW
JW
JW
JW
100
JW784
JW783
• See page 49 for IC Block Diagrams.

4343
HCD-RG444
HCD-RG444
7-15. SCHEMATIC DIAGRAM – PANEL SECTION (2/2) – • See page 53 for IC Pin Function Description.
38
A18
A17
R732
R717
R733
R734
R735
R605
R603
R601
R602
R604
R736
R771
R784
R787
R723
R725
R773
R750
R751
R752
R753
R754
R755
R756
R757
R758
R759
R760
R761
R762
R763
R764
R765
R766
R767
R768
R769
R770
R788
R791
R792
R793
R794
R795
R796
C654
R738
R739
R740
R741
R742
R743
R744
R745
R746
R747
R748
R621
R623
R625
R681
R680
R729
R730
R712
R713
R710
R711
R749
R777
R778
R775
JR617
R637
R636
R737
R789
JW812
JW707
JW706
R608
R622
JW607 Q602
JW608
D616
R626
R798
R616
R799
R618
R620
Q603
R615
R617
R619
D615
R624
JW606
R613
R797
R612
R614
R611
R609
R790
R610
CN602
R607
R606
C648
C641
C618C617
IC601
C649
C653
C607
D609
D611
R727
R728
X601
C625
C624
C610 C611
X602
C647
D630 R678
D607
R679
R863
C646 C606 C608 C609
Q604
R684
R683
R786
Q616 D631
R688
D613
R689
C615
IC604
D632
R687
C614R685
R686
Q605
C613
C612
D608
IC603
IC610
CN610
CN608
C623
C628
C629
C630
C631
C632
C633
C634
C635
C636
C637
C638
C639
C640
C622
R716
R718
R719 LED601
C621
C620
R772
JW673 JW721
JW670 JW724
JW723
JW728
JW729
JW722
JW708
JW709
C642
R714
R715
C619
R785
R782
R781
R779
R776
R783
R780
R774
R682
D614
R630
R631
CN603
JR621
Q601
R677
D622
D623
D626
FL601
C643
C626
JR624
WIRE806
470k
3.3k
100
1k
1k
4.7k
4.7k
4.7k
4.7k
47k
1k
47k
100
100
100k
100k
100k
100k
100k
100k
100k
100k
100k
100k
100k
100k
100k
100k
100k
100k
100k
100k
100k
100k
100k
100
100
100
100
100
100
100
0.1
100k
100k
100k
100k
100k
100k
100k
100k
100k
100k
100k
10k
10k
10k
220k
27k
100
100
10
10
10k
10k
100k
100
100
100
100k
47k
4.7k
1k
2SB1116-TP-LK
1SS355TE-17
1k
1k
10k
1k
10k
22k
2SB1116-TP-LK
22k
22k
22k
1SS355TE-17
1k
22k
1k
10k
22k
22k
22k
1k
10k
13P
47k
4.7k
22
16V
0.1
25V
1000p1000p
0.1
330p
1000p
1SS355TE-17
1SS355TE-17
4.7M
4.7M
32.768KHz
22p
18p
1000
6.3V 0.1
10MHz
47
10V
1SS355TE-17 100k
1SS355TE-17
82
68
22
16V 1
0.01 1
2SA1175TP-HFE
1k220k
10k
DTC143EKA-T146 UDZSTE
-176.8B
470
1SS355TE-17
4.7k
2.2
50V
M62703ML
UDZSTE
-173.6B
10k
0.1
47k
47k
2SC3052F
0.1
10
16V
1SS355TE-17
MM1574A
RPM7240-H4
3P
3P
4.7
50V
100p
100p
100p
100p
100p
100p
100p
100p
100p
100p
100p
100p
100p
4.7
50V
22k
22k
3.3k SELU5223C -STP15
0.022
47
35V
1k
0.1
100
47
47
10V
470
10k
1SS355TE-17
0
2SB1068TP-K
0
0.1
0.1
0
WIRE
(CHASSIS)
100
100
100
JR
10k
10k
JW
JW
JW
JW
JW
JW
LC876996A
-53H2-E
JW JW
JW JW
JW
JW
JW
JW
JW
JW
100
100
100
100
100
470
100
100
100
17P
1SS355TE-17
1SS355TE-17
D620
1SS355TE-17
D621 1SS355TE-17
1SS355TE-17
FL
• See page 25 for Waveforms.

4444
HCD-RG444
HCD-RG444
7-16. PRINTED WIRING BOARD – TRANS SECTION – • See page 25 for Circuit Boards Location. • : Uses unleaded solder.
Ref. No. Location
D901 B-3
D902 B-2
D903 B-2
D904 B-2
D905 B-2
D906 C-10
D908 C-8
Q902 C-9
• Semiconductor
Location
*
*
Not replaceable
built in transformer
POWER TRANSFORMER
(MAIN)
POWER TRANSFORMER
(SUB)
1
1
1
3
3
2
E
1
10
MAIN
BOARD
CN303
(Page 34)
F
AMP
BOARD
CN442
(Page 45)
N
12
1
3
AC
IN
1
2
12
A
B
C
D
E
F
3456789101112

4545
HCD-RG444
HCD-RG444
7-17. PRINTED WIRING BOARD – AMP SECTION – • See page 25 for Circuit Boards Location. • : Uses unleaded solder.
Ref. No. Location
D401 F-3
D441 D-6
D442 D-6
D443 D-2
D481 D-6
D482 D-4
D483 C-9
IC441 B-7
Q441 D-6
Q442 D-6
Q481 D-9
Q482 D-8
Q483 D-8
Q484 D-8
Q485 C-4
Q486 C-4
Q487 C-4
Q488 C-5
Q489 C-9
• Semiconductor
Location
IC441
SPEAKER
(IMPEDANCE USE 6–16 )
+
-
+
-
LR
(CHASSIS)
(CHASSIS)
MAIN
BOARD
CN307
(Page 34)
TRANS
BOARD
CN905
(Page 44)
SUB-WOOFER
BOARD
CN502
(Page 39)
E
E
E
E
E
E
E
E
E
E
E
17
1
3
13
1
12
A
B
C
D
E
F
G
345678910
C460 C459
C455
C457
C458
C456 R464
R463
C491

4646
HCD-RG444
HCD-RG444
7-18. SCHEMATIC DIAGRAM – AMP POWER SECTION –
36
40
35
C403
C404
C441
C442
C908
EP401
EP402
Q441
Q442
Q481
Q482
Q483
Q484
Q485
Q486
Q487
R441
R442
R446 R458
R459
R460
R495
RY901
D908
C407
C408
D906
R492
R494
JW917
JW401
JW402
JW403
JW404
RY441
R481
R487
R488
R490
C911
C447
C448
L441
L442
R461
R464
R462
D401
IC441(1/2)
IC441(2/2)
TH441
JW909
C405
C406
Q488
R451
R452
R411
R412
C446
JW441
JW442
FH908 FH907
FH910
FH912
FH909
FH911
F904
F905
F906
FH913
FH914 F907
C906
R908
C910
C909
R903
R904
Q902
C924
C925
C926
CN906 CN902
D905
D903 D902
D904
D901
JW903
JW906
JW910
JW902
W001
CN901
PT901
CN905
CN907
C402
R456D442D441
C489
R402
Q489
R467
R491
C445
R413
R493
C488
R447
C451
C453
D481
R453 C481
R485
R483
R484
R486
C444 R444
R414
C487
R489
D482
R401
D443
R407
R455
R466 R465
JW407
R496
R457
C486
R482
C454
C452
R454
R448
R445
R443
C443
D483
CN442
CN443
JK441
CN441
PT902
CN904
C920
C921
C922
C923
CN903
0.1
100V
0.1
100V
10
50V
10
50V
220
63V
TERMINAL, EARTH
TERMINAL, EARTH
2SC1841
2SC1841
2SC2785
2SC2785
2SC2785
2SC2785
2SA1175
2SC2785
2SC2785
1k
1k
1k 22k
47k
47k
1
1/4W
FR
RELAY U
10EDB40-TB3
0.0116V
0.01 16V
MTZJ-T72-27D
1k
1/4W
2.2k
1/4W
JW
JW
JW
JW
JW
SP RELAY
12V
4.7k
1/4W
33k
1/4W
22k
1/4W
4.7k
1/4W
1000
25V
22
35V
22
C491
1000p
35V
10
10
C456
0.1
C458
0.1
C459
0.001
C460
0.001
R463
10
C455
0.1
C457
0.1
1/2W
10 1/2W
0.1
11/4W
100
50V
10
50V
12k
1k
2SA1932
0.1
0.1
0.1
3P 3P
10EDB40-TB3
10EDB40-TB3 10EDB40-TB3
10EDB40-TB3
1SS133T-77
2P
3P
10P
0.01
16V
1k1SS133T-771SS133T-77
100
100V
100k
2SC1841
33k
1/4W
22k
1/4W
33k
1/4W
22
35V
0.1
0.1
1SS133T-77
10
1/2W 100
10V
100k
1/4W
100k
1/4W
1000p
4.7
50V
4.7k
1/4W
1SS133T-77
100k
1SS133T-77
100
1/2W
1k
56k
1/4W 47k
1/4W
JW
100 1/4W FR
22k
2.2
50V
10k
1/4W
0.1
0.1
10
1/2W
1k
1000p
1SS133T-77
3P
13P
2P
0.01
0.01
0.01
0.01
2P
JW
3300
63V
3300
63V
0.22
5W
0.22
5W
STK403-130
STK403-130
TH-10K
D10XB20
2SC2001
LK
2.2k
1/4W
2.2k
1/4W
100p
50V
JW
JW
T8.0AL/125V
T8.0AL/125V
T3.15AL/125V
T3.15AL/125V
JW
JW
JW
JW
AC CORD U
100p
50V
4.7k
1/4W
47k
1/4W
22
1/4W
56k
1/4W
47k
1/4W
4.7k
1/4W
47k
1/4W
47k
1/4W
7P

47
HCD-RG444
• IC Block Diagrams
IC251 BA5947FM (BD81A BOARD)
IC701, 712 BA6956AN (DRIVER BOARD)
123456789
CONTROL LOGIC
TSD
VREF
OUT2
OUT1
RNF
VM
VCC
FIN
GND
RIN
15
16
17
18
19
20
21
22
23
24
25
26
27
36
28
29
30
31
32
33
34
35
1
2
3
4
5
6
7
8
9
10
11
12
13
14
LEVEL
SHIFT
F
R
R
F
R
F
F
19k
6.5k
50k 50k
100k
50k
PIN3
10k
Vref
50k 50k
PIN26
(ch1, 2)
POW
VCC
(ch3, 4)
SW
Pre
Vcc
INTER
FACE
INTER
FACE
INTER
FACE
R
F
50k 50k
POW
VCC
MUTE
Vref
POW
VCC
R
F
10k
CH1PUTF
CH1OUTR
CH2OUTF
CH2OUTR
POWVCC
CNF4
GND
C-M
C-P
VG
CH2RIN
CH2FIN
CH1RIN
CH1FIN
SW
OPIN+
OPIN-
NC
CH4OUTR
CH4OUTF
CH3OUTF
CH3OUTR
POWVCC
MUTE
GND
GND
PREGND
CT
CH3RIN
CH3FIN
CH4IN
CH4CAPA
OUTVREF
DPOUT
TREVCC
NC
D
D
D
D
D
D
D
D

48
HCD-RG444
IC301 TC94A34FG-002 (BD81A BOARD)
33
34
35
36
37
38
39
40
41
42
1
8
43
61 62 63 646059565250
47
46
45
44
48
49
2526272829303132 1718192021222324
9
10
11
2
3
4
5
6
7
5857555351
12
13
14
15
16
54
RAS
CAS
OE
WE
PIO7
PIO6
PIO5
PIO4
Bus
Switch
BUCK
CCE
AD12
AD11
General
In/Output Port
Address Calc.
2sets
Y-Pointer
register C-Pointer
register
X-Pointer
register
VDDM
SRMSTB
VDDT
AD10
AD9
ERAM
2k word CRAM
4k word CROM
4k word
YRAM
4k word
XRAM
4k word
SRAM/
DRAM I/F
SRAM I/F
1Mbit
SRAM
X-Bus
Y-Bus
AD7
AD6
AD5
AD8
VC0 Timing
Generator
PRAM
Instruction
Decoder
Program
Control
MCU. I/F
register
XO • X1 • X2
Y0 • Y1 • Y2
MX MY MZ
MAC
A0 A1
AX AY
ALU
A2 A3
DIT
round & limit round & limit
Audio I/F
LRCKIA
BCKIA
SDI0
LRCKO
BCKO
SDO0
VSS
VDDT
MIACK
MICK
MIDIO
MILP
MICS
STANBY
RESET
VDDP
AD4
AD3
AD2
AD1
AD0
VSS
VDD
CKO
VDDX
XO
TEST
VCOI
VSSX
XI
MIMD
VSSP
PIO3
PIO2
PIO1
PIO0
VSS
CKI
VDD
TXO
SFSY
SBSY
DATA
POM
Sub code
I/F
CDP Cont
I/F

49
HCD-RG444
IC101 BD3401KS2 (MAIN BOARD)
IC201 BA3126N (MAIN BOARD) IC371 BU2099FV (MAIN BOARD)
IC602 BU2099FV (PANEL BOARD)
1
REC SW1
2 3
PB SW1
GND
4
CONT
5
GND
6
V
CC
7
PB SW2
8
GND
9
REC SW2
VSS
N.C.
DATA
CLOCK
LCK
OUTPUT BUFFER (Open Drain)
12BIT SHIFT REGESTER
Q0
Q1
Q2
Q3
Q4
12BIT STORAGE
RAGESTER
CONTOROL
CIRCUIT
L. P. F
VDD
OE
SO
Q11
Q10
Q9
Q8
Q7
Q6
Q5
1235 6 7 8
410
16 15 14 13 12 11
9
17
181920
0
+
TNF2
TNF1
SUR1
SUR2
LINEOUT2
LINEOUT1
SAOUT2
SAOUT1
CAP
MIC
GAME L
GAME R
TUNER L
TUNER R
MD L
MD R
VOLOUT1
TONE OUT1
TONE OUT2
AMS OUT
BNF2
BNF1
MNF1
MNF2
MOUT1
MOUT2
BOUT2
BOUT1
BBNF1
BBIN1
VIN1
VIN2
VOLOUT2
BBNF2
BBIN2
LF1
LF2
LF3
LF4
SWOUT
FILTER
1/2 Vcc
Vcc
GND
VDD
SI
SC
ALC
CD L
CD R
TAPE L
TAPE R
PBNF2
PBNF1
PBOUT2
PBOUT1
TAPE A1
TAPE A2
TAPE B1
TAPE B2
RECNF2
RECNF1 DIGITAL
CONTROL
Di-LIMITER
RECOUT2
RECOUT1
46 45 44 43 42 41 40 39 38 37 36 35 34 33
48 47
17
18
19
20
21
22
23
24
25
26
27
28
29
30
31
32
12345678910111213
14 15 16
64
63
62
61
60
59
58
57
56
55
54
53
52
51
50
SURROUND
ATT ATT
BUFFER
MIX
MIC MIX
VOCAL FADER
+
-
+
-
BASS MIDDLE TREBLE
BASS MIDDLE TREBLE
Gfc=100HZ
f
ALC ALC
INPUT
SELECTOR
+
+
-
+
-
+
-
+
-
+
-
+
-
+
-
+
-
+
-
+
-
+
-
+
-
+
-
+
-
+
-
+
-
49
SOFT
SWITCH
+
+
-
+
-
+

50
HCD-RG444
• IC Pin Function Description
• IC101 CXD3059AR (RF AMP) (BD81A BOARD)
Pin No
1
2
3
4
5
6
7
8
9
10
11
12
13
14
15
16
17
18
19
20
21
22
23
24
25
26
27
28
29
30
31
32
33
34
35
36
37
38
39
40
41
42
43
44
45
46
47
48
49
I/O
I/O
I/O
I/O
—
I/O
O
I
—
O
O
O
O
O
O
—
—
—
—
I
I
I
O
I
O
I/O
I
I
I
I
—
—
O
I
O
I
O
I
—
I
—
O
I
—
I
I
O
O
I
—
Pin Name
MIRR
DFCT
FOK
VSS
LOCK
MDP
SSTP
IOVSS1
SFDR
SRDR
TFDR
TRDR
FFDR
FRDR
IOVDD1
AVDD0
AVSS0
NC
E
F
TEI
TEO
FEI
FEO
VC
A
B
C
D
NC
AVDD4
RFDCO
PDSENS
AC_SUM
EQ_IN
LD
PD
NC
RFC
AVSS4
RFACO
RFACI
AVDD3
BIAS
ASYI
ASYO
VPCO
VCTL
AVSS3
Description
Mirror signal input/output (Not used)
Defect signal input/output (Not used)
Focus OK signal input/output (Not used)
Internal digital ground
GFS is sampled at 460Hz; when GFS is high , this pin outputs a high signal
If GFS is low eight consecutive
Spindle motor servo control output
Disk innermost detection signal input
I/O digital ground
Sled drive output
Sled drive output
Tracking drive output
Tracking drive output
Focus drive output
Focus drive output
I/O digital power supply
Analog power supply
Analog ground
Not used
E signal input
F signal input
Tracking error signal input to DSSP block
Tracking error signal output from RF amplifier block
Focus error signal input to DSSP block
Focus error signal output from RF amplifier block
Center voltage output from RF amplifier block
A signal input
B signal input
C signal input
D signal input
Not used
Analog power supply
RFDC signal output (Not used)
Reference voltage pin for PD
RFAC summing amplifier output
Equalizer circuit input
APC amplifier output
APC amplifier input
Not used
Equalizer cut-off frequency adjustment pin
Analog ground
RFAC signal output
RFAC signal input or EFM signal input
Analog power supply
Asymmetry circuit constant current input
Asymmetry comparator voltage input
EFM full-swing output (Low = VSS, High = VDD)
Wide-band EFM PLL charge pump output
Wide-band EFM PLL VCO2 control voltage input
Analog ground

51
HCD-RG444
Pin No.
50
51
52
53
54
55
56
57
58
59
60
61
62
63
64
65
66
67
68
69
70
71
72
73
74
75
76
77
78
79
80
81
82
83
84
85
86
87
88
89
90
91
92
93
94
95
96
97
I/O
I
O
I
O
—
O
I
—
I
—
I
I
I
O
—
O
O
—
O
I
—
O
I
I
—
—
—
O
I
—
—
O
O
—
—
O
O
—
—
—
O
O
—
I
—
I
O
I
Pin Name
CLTV
FILO
FILI
PCO
AVDD5
DDVROUT
DDVRSEN
AVSS5
DDCR
NC
BCKI
PCMDI
LRCKl
LRCK
VSS
PCMD
BCK
VDD
EMPH
EMPHI
IOVDD2
DOUT
TEST
TES1
IOVss2
NC
XVSS
XTAO
XTAI
XVDD
AVDD1
AOUT1
VREFL
AVSS1
AVSS2
VREFR
AOUT2
AVDD2
NC
IOVDD0
RMUT
LMUT
NC
XTSL
IOVSS0
XTACN
SQSO
SQCK
Description
Multiplier VCO1 control voltage input
Master PLL (slave = digital PLL) filter output
Master PLL filter input
Master PLL charge pump output
Analog power supply
DC/DC converter output
DC/DC converter output voltage monitor pin
Analog ground
DC/DC converter reset pin
Not used
D/A interface bit clock input
D/A interface serial data input (2’s COMP, MSB first)
D/A interface LR clock input
D/A interface LR clock output f = Fs
Internal digital ground
D/A interface serial data output (2’s COMP, MSB first)
D/A interface bit clock output
Internal digital power supply
High when the playback disc has emphasis, low it has not
High when de-emphasis is ON, low when input OFF
I/O digital power supply
Digital Out output
Test pin Normally ground
Test pin Normally ground
I/O digital ground
Not used
Master clock ground
Crystal oscillation circuit output
Crystal oscillation circuit input
Master clock power supply
Analog power supply
Lch analog output
Lch reference voltage
Analog ground
Analog ground
Rch reference voltage
Rch analog output
Analog power supply
Not used
I/O digital power supply
Rch “0” detection flag (Not used)
Lch “0” detection flag (Not used)
Not used
Crystal selection input (Not used)
I/O digital ground
Oscillation circuit control
Self-oscillation when high, oscillation stop when low
Subcode Q 80-bit and PCM peak and level data output
CD TEXT data output
SQSO readout clock input

52
HCD-RG444
Pin No.
98
99
100
101
102
103
104
105
106
107
108
109
110
111
112
113
114
115
116
117
118
119
120
Pin Name
SBSO
EXCK
XRST
SYSM
D ATA
VSS
XLAT
CLOCK
VDD
SENS
SCLK
ATSK
WFCK
XUGF
XPCK
GFS
C2PO
SCOR
VDD
C4M
WDCK
COUT
NC
I/O
O
I
I
I
I
—
I
I
—
O
I
I/O
O
O
O
O
O
O
—
O
O
I/O
—
Description
Subcode P to W serial output
SBSO readout clock input
System reset Reset when low
Mute input Muted when high
Serial data input from CPU
Internal digital ground
Latch input from CPU The serial data is latched at the falling edge
Serial data transfer clock input from CPU
Internal digital power supply
SENS output to CPU
SENS serial data readout clock input
Anti-shock input/output
WFCK output (Not used)
XUGF output (Not used)
XPCK output (Not used)
GFS output (Not used)
C2PO output (Not used)
High output when the subcode sync, S0 or S1, is detected
Internal digital power supply
4 2336MHz output (Not used)
Word clock output f = 2Fs (Not used)
Track number count signal input/output (Not used)
Not used

53
HCD-RG444
• IC601 LC876996A-53H2-E (SYSTEM CONTROLLER) (PANEL BOARD)
Pin No
1
2
3
4
5
6
7
8
9
10
11
12
13
14
15
16
17
18
19
20
21
22
23
24
25
26
27
28
29
30
31
32
33
34
35
36
37
38
39
40
41
42
43
44
45
46
47
48
49
50
I/O
O
O
I
O
I
O
I
I
I
I
I
I
O
—
I
O
—
I
I
I
I
I
I
I
I
I
I
I
I
O
O
O
O
O
O
O
O
O
O
O
O
O
O
O
O
—
O
O
O
O
Pin Name
O-MP3 CS
O-MP3 LP MOTER
I-MP3 ACK SOL-B
O-MP3 REQ SOL-A
I-SCOR
O-MP3 RESET
I-BU1924 DATA
I-BU1924 CLK
I-VOLUME-IN1
I-VOLUME-IN2
RESET
I-XT1
I-XT2
VSS1
CF1
CF2
VDD1
I-PROTECT
WFR/HP/MIC-IN
I-CD ENCODER
I-CD OPEN/CLOSE
I-TAPE A START
I-TAPE B START
I-STREAM/VACS
I-KEY 3
I-KEY 2
I-KEY 1
I-SIRDS-IN
I-AC CUT
G13
G12
G11
G10
G9
G8
G7
G6
G5
G4
G3
G2
G1
S1
S2
S3
VDD3
S4
S5
S6
S7/METER-SW1
Description
CS output to CD Digital Processor
LP output to CD Digital Processor and Motor signal output
ACK input from CD Digital Processor and Motor signal input
REQ output to CD Digital Processor and Motor signal output
CD Scor input
RESET output to CD Digital Processor
Data input
Clock input
Volume signal input from the encoder
Volume signal input from the encoder
Reset input
Connection for input a crystal resonator
Connection for input a crystal resonator
Ground
Connection for input a ceramic resonator
Connection for input a ceramic resonator
Power supply
Power amplifier circuit protection signal input
SubWoofer or Headphone detection signal input
Signal input from the CD encoder
CD tray open switch signal input
TAPE A switches signal input
TAPE B switches signal input
Stream/Vacs signal input
Function key input
Function key input
Function key input
Data input from the remote contorol receiver
Power down signal input
FL tube grid signal output
FL tube grid signal output
FL tube grid signal output
FL tube grid signal output
FL tube grid signal output
FL tube grid signal output
FL tube grid signal output
FL tube grid signal output
FL tube grid signal output
FL tube grid signal output
FL tube grid signal output
FL tube grid signal output
FL tube grid signal output
FL tube segment signal output
FL tube segment signal output
FL tube segment signal output
Power supply
FL tube segment signal output
FL tube segment signal output
FL tube segment signal output
FL tube segment signal output

54
HCD-RG444
Pin No
51
52
53
54
55
56
57
58
59
60
61
62
63
64
65
66
67
68
69
70
71
72
73
74
75
76
77
78
79
80
81
82
83
84
85
86
87
88
89
90
91
92
93
94
95
96
97
98
99
100
I/O
—
O
O
O
O
O
O
O
O
O
O
O
O
O
O
I
I
I
I
I
I
—
O
O
O
O
O
O
O
O
O
O
I
O
O
O
O
O
—
—
O
O
O
O
O
I
O
O
I
O
Pin Name
-VPP
S8/METER-SW2
S9/METER-SW3
S10/SW1
S11/SW2
S12/SW3
S13/SW4
S14/SW5
S15/SW6
S16/SW7
S17/SW8
S18/SW9
S19/SW10
S20
S21
I-SPEC/MODE/METER
I-TUNED-IN
I-STEREO-IN
I-ASM-IN
I-REEL-A-IN
I-REEL-B-IN
VDD4
I-CD Num Senser
O-POWER-RELAY
O-SYSTEM-MUTE
O-POWER-LED
STREAM-LED6 SOLB
STREAM-LED5 SOLA
STREAM-LED4 MOTOR
STREAM-LED3 MP3-STB
STREAM-LED2
STREAM-LED1
I-LC72121 DI
O-LC72121 CE
O-LC72121/BU2099FV DO
O-LC72121/BU2099FV CLK
O-BU2099FV LCH
O-BD3401 CLK
VSS2
VDD2
O-BD3401 DATA
O-XTCN
O-XRES(RESET)
O-XLT(CD-LAT)
O-CD-DATA
I-SENS
O-CD-CLK
O-MP3-DO
I-MP3-DI
O-MP3-CLK
Description
Power supply (-)
FL tube segment signal output
FL tube segment signal output
FL tube segment signal output
FL tube segment signal output
FL tube segment signal output
FL tube segment signal output
FL tube segment signal output
FL tube segment signal output
FL tube segment signal output
FL tube segment signal output
FL tube segment signal output
FL tube segment signal output
FL tube segment signal output
FL tube segment signal output
METER swich input
Tuning a frequency signal input
Stereo tuning signal input
ASM signal input
A deck photo sensor signal input
B deck photo sensor signal input
Power supply
Table address sensor swich signal input
POWER RELAY control output
System muting signal output
POWER LED control signal output
Illumination LED control signal output
Illumination LED control signal output
Illumination LED control signal output
Illumination LED control signal output
Illumination LED control signal output
Illumination LED control signal output
Data input from Tuner
Chip select output to Tuner
Data input from Tuner and SP Driver
Clock output to Tuner and SP Driver
LCH output to SP Driver
Clock output to Sound Processor
Ground
Power supply
Data output toSound Processor
CD xtcn signal output
CD reset signal output
CD xlt signal output
CD data output
CD sens input
CD clk output
Clock output to CD Digital Processor
Data input from CD Digital Processor
Clock output to CD Digital Processor

SECTION 8
EXPLODED VIEWS
55
HCD-RG444
NOTE:
•-XX, -X mean standardized parts, so they may
have some differences from the original one.
•Items marked “*” are not stocked since they
are seldom required for routine service. Some
delay should be anticipated when ordering these
items.
The components identified by mark 0 or
dotted line with mark 0 are critical for safety.
Replace only with part number specified.
•The mechanical parts with no reference number
in the exploded views are not supplied.
8-1. MAIN SECTION
Ref. No. Part No. Description Remarks Ref. No. Part No. Description Remarks
CD mechanism deck section-1
#1
#1
#2
#1
#1
#1
#1
#1
#1
#1
#1
#1
#1
#1
#1
a
a
#2
3
2
12
1
1
1
1
5
front panel
section
MAIN board section
4
8
9
not
supplied
not
supplied
not
supplied
not
supplied
#2
not
supplied
not
supplied
b
b
10
not
supplied
#1
7
PT902
13-363-099-32 SCREW (CASE 3 TP2)
24-245-183-71 CASE (SIDE-L)
34-252-196-31 DOOR, CD
43-038-018-01 EMBLEM, SONY
54-244-849-71 CASE (TOP)
71-763-117-13 FAN, DC
81-777-353-11 WIRE (FLAT TYPE) (15 CORE)
91-693-616-11 TUNER (FM/AM)
10 1-400-285-11 F-BEAD, E2515MRT
12 4-245-184-71 CASE (SIDE-R)
0PT902 X-4956-293-1 SUB TRANS ASSY
#1 7-685-647-79 SCREW +BVTP 3X10 TYPE2 IT-3
#2 7-685-646-79 SCREW +BVTP 3X8 TYPE2 IT-3

56
HCD-RG444
8-2. FRONT PANEL SECTION
Ref. No. Part No. Description Remarks Ref. No. Part No. Description Remarks
not supplied
not supplied
not supplied
not supplied
not
supplied
68
53
51
53
a
52
59
60
61
63
62
54
74
54
54
64
66
67
65
73
59
not supplied
not supplied
not supplied
not supplied
54
57
58
56
72
55
71
70
not supplied
not supplied
not supplied
not supplied
69
a
54
not supplied
not supplied
not supplied
not supplied
51 4-252-202-01 DOOR (B), CASS
52 4-252-201-01 DOOR (A), CASS
53 4-238-631-01 TAPE SPRING
54 4-951-620-01 SCREW (2.6X8), +BVTP
55 4-252-207-11 BUTTON, FF/ALBUM
56 4-252-208-11 BUTTON, FR/ALBUM
57 4-252-214-01 KNOB, VOLUME
58 X-4956-295-1 RING ASSY, KNOB
59 4-224-104-41 DAMPER
60 4-773-198-11 WINDOW, DISPLAY
61 4-231-824-01 CAM (A), HEART
62 4-231-836-01 SPRING (HEART CAM-A)
63 4-252-195-31 PANEL, FRONT
64 1-769-975-11 WIRE (FLAT TYPE) (13 CORE)
65 1-773-048-11 WIRE (FLAT TYPE) (17 CORE)
66 4-231-841-01 SPRING (HEART CAM-B)
67 4-231-825-01 CAM (B), HEART
68 4-225-252-01 CUSHION (FOOT)
69 1-796-485-51 DECK, MECHANICAL (CWM43FF-05)
70 4-252-200-01 BUTTON COVER
71 4-252-206-01 BUTTON, STOP
72 4-252-205-01 BUTTON, PLAY
73 1-773-317-11 WIRE (FLAT TYPE) (31 CORE)
74 A-4750-763-A PANEL BOARD, COMPLETE

57
HCD-RG444
8-3. MAIN BOARD SECTION
Ref. No. Part No. Description Remarks Ref. No. Part No. Description Remarks
not supplied
not supplied
104
105
109
#2
101
101 107
PT901
106
F904 F905
F906
F907
not supplied
not supplied
103
#2
#3
108
102
108
107
#4
101 4-242-527-01 S-SCREW, ITC+4-8 R
102 A-4750-768-A AMP BOARD, COMPLETE
0103 1-777-071-83 CORD, POWER
*104 3-703-244-00 BUSHING (2104), CORD
105 4-988-533-01 HOLDER, PWB
106 A-4750-761-A MAIN BOARD, COMPLETE
107 4-242-539-01 BVIT3B+3-8R W/O SLOT
108 3-905-609-41 SCREW (TRANSISTOR)
109 A-4752-618-A TRANS BOARD, COMPLETE
0PT901 1-443-234-11 TRANSFORMER, POWER
0F904 1-576-655-12 FUSE, GLASS TUBE (DIA. 5) (T8.0AL/250V)
0F905 1-576-655-12 FUSE, GLASS TUBE (DIA. 5) (T8.0AL/250V)
0F906 1-533-470-12 FUSE, GLASS TUBE (DIA. 5) (T3.15AL/250V)
0F907 1-533-470-12 FUSE, GLASS TUBE (DIA. 5) (T3.15AL/250V)
#2 7-685-646-79 SCREW +BVTP 3X8 TYPE2 IT-3
#3 7-685-881-09 SCREW +BVTT 4X8
#4 7-685-649-79 SCREW +BVTP 3X14 TYPE2 IT-3
The components identified by mark 0 or dotted
line with mark 0 are critical for safety.
Replace only with part number specified.

58
HCD-RG444
8-4. CD MECHANISM DECK SECTION -1 (CDM74-F1BD81)
Ref. No. Part No. Description Remarks Ref. No. Part No. Description Remarks
151
152
153
154
155
155
156
156
157
157
158
158 159
151
156
162
163
164
165
166
160
161 164
M741
CD mechanism deck section-
2
151 4-218-253-21 SCREW (M2.6), +BTTP
152 1-776-182-11 WIRE (FLAT TYPE) (5 CORE)
153 1-687-134-12 MOTOR (TB) BOARD
154 4-243-815-01 TABLE (LOADING)
155 4-245-571-02 GEAR (STOPPER)
156 4-218-252-61 SCREW (+PTPWH M2.6), FLOATING
157 4-245-570-01 GEAR (JOINT)
158 4-245-572-01 BUSHING (GEAR)
159 1-687-132-12 SENSOR BOARD
160 4-243-820-01 GEAR (TABLE)
161 4-243-819-01 GEAR (GENEVA)
162 4-243-816-01 TRAY
163 4-243-823-01 BELT (TABLE)
164 4-985-672-01 SCREW (+PTPWHM2.6), FLOATING
165 4-243-821-01 PULLEY (TABLE)
166 3-231-598-01 SHEET (BA)
M741 A-4723-963-A MOTOR ASSY, TABLE

59
HCD-RG444
8-5. CD MECHANISM DECK SECTION -2 (CDM74-F1BD81)
Ref. No. Part No. Description Remarks Ref. No. Part No. Description Remarks
201
202
202
202
203
204
205
206
207
208
210
211
212 213
214
215
216 217
219
231 220
205
205
222
223
223
224
224
225
225
226
232
230
218 223
223
222
229
222
222
205
205
205
205
M751
RE701
228
not supplied
not supplied
232
227
233
201 1-687-135-12 DRIVER BOARD
202 4-218-253-31 SCREW (M2.6), +BTTP
203 1-687-669-12 SW BOARD
204 4-244-034-01 BELT (LOADING)
205 4-218-252-61 SCREW (+PTPWH M2.6), FLOATING
206 4-225-844-01 GEAR (LOADING A)
207 4-224-613-01 GEAR (SHAFT)
208 1-687-133-12 MOTOR (LD) BOARD
210 4-244-108-01 GEAR, SWING
211 4-224-609-01 GEAR (LOADING C)
212 4-224-608-01 COLLAR, SWING
213 3-016-533-11 WASHER (FR), STOPPER
214 4-224-611-01 GEAR (LOADING B)
215 4-224-606-01 GEAR (RV)
216 4-243-818-01 GEAR (U/D)
217 4-243-822-02 LEVER (LIFTER)
218 X-4955-707-3 PULLEY (A5) ASSY, CHUCKING
219 4-231-189-01 PULLEY (B), CHUCKING
220 X-4955-536-1 HOLDER (213) ASSY
222 4-227-549-11 INSULATOR
223 4-227-045-31 SPRING (INSULATOR), COIL
224 4-231-151-01 STOPPER (BU)
225 4-218-253-31 SCREW (M2.6), +BTTP
226 1-827-992-11 WIRE (FLAT TYPE) (16 CORE)
227 1-773-251-11 WIRE (FLAT TYPE) (27 CORE)
228 A-4751-431-A BD81A BOARD, COMPLETE
0229 8-820-244-01 OPTICAL PICK-UP (KSM-215DCP/C2NP)
230 1-471-035-11 MAGNET ASSY
231 4-243-817-01 CHASSIS
232 4-951-620-01 SCREW (2.6X8), +BVTP
233 1-469-854-11 CORE, FERRITE
M751 A-4736-655-A MOTOR ASSY, LOADING
RE701 1-477-680-12 ENCODER, ROTARY
The components identified by mark 0 or dotted
line with mark 0 are critical for safety.
Replace only with part number specified.

60
HCD-RG444
NOTE:
•Due to standardization, replacements in the
parts list may be different from the parts
specified in the diagrams or the components
used on the set.
•-XX, -X mean standardized parts, so they
may have some difference from the original
one.
•Items marked “*” are not stocked since they
are seldom required for routine service.
Some delay should be anticipated when
ordering these items.
•CAPACITORS:
uF: µF
•COILS
uH: µH
•RESISTORS
All resistors are in ohms.
METAL: metal-film resistor
METAL OXIDE: Metal Oxide-film resistor
F: nonflammable
•SEMICONDUCTORS
In each case, u: µ, for example:
uA...: µA... , uPA... , µPA... ,
uPB... , µPB... , uPC... , µPC... ,
uPD..., µPD...
When indicating parts by reference number,
please include the board name.
The components identified by mark 0 or
dotted line with mark 0 are critical for safety.
Replace only with part number specified.
Ref. No. Part No. Description Remarks Ref. No. Part No. Description Remarks
SECTION 9
ELECTRICAL PARTS LIST
6 STREAM LED AMP
6 STREAM LED BOARD
*******************
< LED >
LED610 6-500-809-01 DIODE SELU5223C-STP15
(ILLUMINATION LIGHT)
LED611 6-500-809-01 DIODE SELU5223C-STP15
(ILLUMINATION LIGHT)
LED612 6-500-809-01 DIODE SELU5223C-STP15
(ILLUMINATION LIGHT)
LED613 6-500-809-01 DIODE SELU5223C-STP15
(ILLUMINATION LIGHT)
LED614 6-500-809-01 DIODE SELU5223C-STP15
(ILLUMINATION LIGHT)
LED615 6-500-809-01 DIODE SELU5223C-STP15
(ILLUMINATION LIGHT)
< RESISTOR >
R673 1-216-837-11 METAL CHIP 22K 5% 1/10W
R699 1-216-182-00 RES-CHIP 220 5% 1/8W
R701 1-216-182-00 RES-CHIP 220 5% 1/8W
R703 1-216-182-00 RES-CHIP 220 5% 1/8W
R705 1-216-182-00 RES-CHIP 220 5% 1/8W
R707 1-216-182-00 RES-CHIP 220 5% 1/8W
R709 1-216-182-00 RES-CHIP 220 5% 1/8W
< SWITCH >
S660 1-418-632-11 ENCODER, ROTARY (MASTER VOLUME)
< SWITCH >
SW601 1-786-289-11 SWITCH, DETECTION
************************************************************
A-4750-768-A AMP BOARD, COMPLETE
********************
7-685-872-09 SCREW +BVTT 3X8 (S)
< CAPACITOR >
C402 1-162-306-11 CERAMIC 0.01uF 20% 16V
C403 1-137-749-11 MYLAR 0.1uF 100V
C404 1-137-749-11 MYLAR 0.1uF 100V
C405 1-135-516-11 ELECT 3300uF 20% 63V
C406 1-135-516-11 ELECT 3300uF 20% 63V
C407 1-162-306-11 CERAMIC 0.01uF 20% 16V
C408 1-162-306-11 CERAMIC 0.01uF 20% 16V
C441 1-126-964-11 ELECT 10uF 20% 50V
C442 1-126-964-11 ELECT 10uF 20% 50V
C443 1-162-294-31 CERAMIC 0.001uF 10% 50V
C444 1-162-294-31 CERAMIC 0.001uF 10% 50V
C445 1-162-282-31 CERAMIC 100PF 10% 50V
C446 1-162-282-31 CERAMIC 100PF 10% 50V
C447 1-126-965-11 ELECT 22uF 20% 50V
C448 1-126-965-11 ELECT 22uF 20% 50V
C451 1-136-497-81 FILM 0.1uF 5% 50V
C452 1-136-497-81 FILM 0.1uF 5% 50V
C453 1-136-497-81 FILM 0.1uF 5% 50V
C454 1-136-497-81 FILM 0.1uF 5% 50V
C455 1-136-497-81 FILM 0.1uF 5% 50V
C456 1-136-497-81 FILM 0.1uF 5% 50V
C457 1-136-497-81 FILM 0.1uF 5% 50V
C458 1-136-497-81 FILM 0.1uF 5% 50V
C459 1-162-294-31 CERAMIC 0.001uF 10% 50V
C460 1-162-294-31 CERAMIC 0.001uF 10% 50V
C481 1-104-658-91 ELECT 100uF 20% 10V
C486 1-126-961-11 ELECT 2.2uF 20% 50V
C487 1-126-963-11 ELECT 4.7uF 20% 50V
C488 1-126-965-11 ELECT 22uF 20% 50V
C489 1-128-563-11 ELECT 100uF 20% 100V
C491 1-162-294-31 CERAMIC 0.001uF 10% 50V
< CONNECTOR >
CN441 1-778-981-21 CONNECTOR, BOARD TO BOARD 13P
< DIODE >
D401 6-500-360-01 DIODE D10XB20
D441 8-719-991-33 DIODE 1SS133T-77
D442 8-719-991-33 DIODE 1SS133T-77
D443 8-719-991-33 DIODE 1SS133T-77
D481 8-719-991-33 DIODE 1SS133T-77
D482 8-719-991-33 DIODE 1SS133T-77
D483 8-719-991-33 DIODE 1SS133T-77
< EARTH TERMINAL >
*EP401 1-537-738-21 TERMINAL, EARTH
*EP402 1-537-738-21 TERMINAL, EARTH
< IC >
0IC441 6-600-221-01 IC STK403-130

Ref. No. Part No. Description Remarks Ref. No. Part No. Description Remarks
61
HCD-RG444
AMP BD81A
< JACK >
JK441 1-694-884-11 TERMINAL BOARD (4P) (SPEAKER)
< COIL >
L441 1-422-009-13 COIL, AIR-CORE
L442 1-422-009-13 COIL, AIR-CORE
< TRANSISTOR >
Q441 8-729-140-84 TRANSISTOR 2SC1841-PAFAEA
Q442 8-729-140-84 TRANSISTOR 2SC1841-PAFAEA
Q481 8-729-119-79 TRANSISTOR 2SC2785-FEK
Q482 8-729-119-79 TRANSISTOR 2SC2785-FEK
Q483 8-729-119-79 TRANSISTOR 2SC2785-FEK
Q484 8-729-119-79 TRANSISTOR 2SC2785-FEK
Q485 8-729-119-76 TRANSISTOR 2SA1175-HFE
Q486 8-729-119-79 TRANSISTOR 2SC2785-FEK
Q487 8-729-119-79 TRANSISTOR 2SC2785-FEK
Q488 8-729-142-46 TRANSISTOR 2SC2001-LK
Q489 8-729-140-84 TRANSISTOR 2SC1841-PAFAEA
< RESISTOR >
R401 1-249-441-11 CARBON 100K 5% 1/4W
R402 1-249-441-11 CARBON 100K 5% 1/4W
R407 1-260-087-11 CARBON 100 5% 1/2W
R411 1-249-421-11 CARBON 2.2K 5% 1/4W
R412 1-249-421-11 CARBON 2.2K 5% 1/4W
R413 1-249-425-11 CARBON 4.7K 5% 1/4W
R414 1-249-425-11 CARBON 4.7K 5% 1/4W
R441 1-249-417-11 CARBON 1K 5% 1/4W
R442 1-249-417-11 CARBON 1K 5% 1/4W
R443 1-249-437-11 CARBON 47K 5% 1/4W
R444 1-249-437-11 CARBON 47K 5% 1/4W
R445 1-249-417-11 CARBON 1K 5% 1/4W
R446 1-249-417-11 CARBON 1K 5% 1/4W
R447 1-249-437-11 CARBON 47K 5% 1/4W
R448 1-249-437-11 CARBON 47K 5% 1/4W
0R451 1-217-156-00 METAL 0.22 10% 5W
0R452 1-217-156-00 METAL 0.22 10% 5W
R453 1-260-076-11 CARBON 10 5% 1/2W
R454 1-260-076-11 CARBON 10 5% 1/2W
R455 1-249-417-11 CARBON 1K 5% 1/4W
R456 1-249-417-11 CARBON 1K 5% 1/4W
R457 1-249-433-11 CARBON 22K 5% 1/4W
R458 1-249-433-11 CARBON 22K 5% 1/4W
R459 1-249-437-11 CARBON 47K 5% 1/4W
R460 1-249-437-11 CARBON 47K 5% 1/4W
R461 1-260-076-11 CARBON 10 5% 1/2W
R462 1-260-076-11 CARBON 10 5% 1/2W
R463 1-260-076-11 CARBON 10 5% 1/2W
R464 1-260-076-11 CARBON 10 5% 1/2W
R465 1-249-437-11 CARBON 47K 5% 1/4W
R466 1-249-438-11 CARBON 56K 5% 1/4W
R467 1-249-435-11 CARBON 33K 5% 1/4W
R481 1-249-425-11 CARBON 4.7K 5% 1/4W
R482 1-249-429-11 CARBON 10K 5% 1/4W
R483 1-247-791-91 CARBON 22 5% 1/4W
R484 1-249-438-11 CARBON 56K 5% 1/4W
R485 1-249-441-11 CARBON 100K 5% 1/4W
R486 1-249-441-11 CARBON 100K 5% 1/4W
R487 1-249-435-11 CARBON 33K 5% 1/4W
R488 1-249-433-11 CARBON 22K 5% 1/4W
R489 1-249-425-11 CARBON 4.7K 5% 1/4W
R490 1-249-425-11 CARBON 4.7K 5% 1/4W
R491 1-249-433-11 CARBON 22K 5% 1/4W
R492 1-249-417-11 CARBON 1K 5% 1/4W
R493 1-249-435-11 CARBON 33K 5% 1/4W
R494 1-249-421-11 CARBON 2.2K 5% 1/4W
0R495 1-217-831-11 FUSIBLE 1 5% 1/4W
0R496 1-212-881-11 FUSIBLE 100 5% 1/4W
< RELAY >
RY441 1-755-373-11 RELAY
< THERMISTOR >
TH441 1-807-796-11 THERMISTOR
************************************************************
A-4751-431-A BD81A BOARD, COMPLETE
**********************
< CAPACITOR >
C10 1-165-989-11 CERAMIC CHIP 10uF 10% 6.3V
C11 1-165-989-11 CERAMIC CHIP 10uF 10% 6.3V
C14 1-164-360-11 CERAMIC CHIP 0.1uF 16V
C15 1-164-360-11 CERAMIC CHIP 0.1uF 16V
C16 1-115-156-11 CERAMIC CHIP 1uF 10V
C17 1-126-246-11 ELECT CHIP 220uF 20% 4V
C18 1-162-964-11 CERAMIC CHIP 0.001uF 10% 50V
C111 1-162-967-11 CERAMIC CHIP 0.0033uF 10% 50V
C112 1-164-315-11 CERAMIC CHIP 470PF 5% 50V
C113 1-162-967-11 CERAMIC CHIP 0.0033uF 10% 50V
C114 1-164-315-11 CERAMIC CHIP 470PF 5% 50V
C115 1-164-360-11 CERAMIC CHIP 0.1uF 16V
C116 1-128-995-21 ELECT CHIP 100uF 20% 10V
C122 1-107-826-11 CERAMIC CHIP 0.1uF 10% 16V
C123 1-107-826-11 CERAMIC CHIP 0.1uF 10% 16V
C124 1-162-959-11 CERAMIC CHIP 330PF 5% 50V
C125 1-164-360-11 CERAMIC CHIP 0.1uF 16V
C131 1-162-927-11 CERAMIC CHIP 100PF 5% 50V
C132 1-117-863-11 CERAMIC CHIP 0.47uF 10% 6.3V
C133 1-162-970-11 CERAMIC CHIP 0.01uF 10% 25V
C134 1-164-360-11 CERAMIC CHIP 0.1uF 16V
C141 1-107-826-11 CERAMIC CHIP 0.1uF 10% 16V
C142 1-162-965-11 CERAMIC CHIP 0.0015uF 10% 50V
C143 1-164-360-11 CERAMIC CHIP 0.1uF 16V
C151 1-128-995-21 ELECT CHIP 100uF 20% 10V
C161 1-164-360-11 CERAMIC CHIP 0.1uF 16V
C162 1-164-360-11 CERAMIC CHIP 0.1uF 16V
C163 1-164-360-11 CERAMIC CHIP 0.1uF 16V
C171 1-162-919-11 CERAMIC CHIP 22PF 5% 50V
C172 1-162-920-11 CERAMIC CHIP 27PF 5% 50V
The components identified by mark 0 or dotted
line with mark 0 are critical for safety.
Replace only with part number specified.

Ref. No. Part No. Description Remarks Ref. No. Part No. Description Remarks
62
HCD-RG444
BD81A
C174 1-164-360-11 CERAMIC CHIP 0.1uF 16V
C181 1-164-360-11 CERAMIC CHIP 0.1uF 16V
C182 1-164-360-11 CERAMIC CHIP 0.1uF 16V
C183 1-124-778-00 ELECT CHIP 22uF 20% 6.3V
C184 1-124-778-00 ELECT CHIP 22uF 20% 6.3V
C185 1-164-315-11 CERAMIC CHIP 470PF 5% 50V
C186 1-164-315-11 CERAMIC CHIP 470PF 5% 50V
C194 1-164-360-11 CERAMIC CHIP 0.1uF 16V
C195 1-164-360-11 CERAMIC CHIP 0.1uF 16V
C196 1-164-360-11 CERAMIC CHIP 0.1uF 16V
C201 1-128-995-21 ELECT CHIP 100uF 20% 10V
C203 1-128-995-21 ELECT CHIP 100uF 20% 10V
C209 1-162-970-11 CERAMIC CHIP 0.01uF 10% 25V
C210 1-107-826-11 CERAMIC CHIP 0.1uF 10% 16V
C211 1-164-230-11 CERAMIC CHIP 220PF 5% 50V
C212 1-162-919-11 CERAMIC CHIP 22PF 5% 50V
C213 1-162-919-11 CERAMIC CHIP 22PF 5% 50V
C251 1-162-969-11 CERAMIC CHIP 0.0068uF 10% 25V
C252 1-164-360-11 CERAMIC CHIP 0.1uF 16V
C255 1-164-360-11 CERAMIC CHIP 0.1uF 16V
C257 1-164-360-11 CERAMIC CHIP 0.1uF 16V
C258 1-164-360-11 CERAMIC CHIP 0.1uF 16V
C259 1-164-360-11 CERAMIC CHIP 0.1uF 16V
C260 1-128-394-11 ELECT CHIP 220uF 20% 10V
C302 1-164-360-11 CERAMIC CHIP 0.1uF 16V
C303 1-164-360-11 CERAMIC CHIP 0.1uF 16V
C305 1-126-246-11 ELECT CHIP 220uF 20% 4V
C306 1-164-360-11 CERAMIC CHIP 0.1uF 16V
C307 1-164-360-11 CERAMIC CHIP 0.1uF 16V
C308 1-126-208-21 ELECT CHIP 47uF 20% 4V
C309 1-164-360-11 CERAMIC CHIP 0.1uF 16V
C310 1-164-360-11 CERAMIC CHIP 0.1uF 16V
C311 1-164-360-11 CERAMIC CHIP 0.1uF 16V
C312 1-164-360-11 CERAMIC CHIP 0.1uF 16V
C313 1-164-360-11 CERAMIC CHIP 0.1uF 16V
C314 1-126-208-21 ELECT CHIP 47uF 20% 4V
C315 1-107-826-11 CERAMIC CHIP 0.1uF 10% 16V
C316 1-162-966-11 CERAMIC CHIP 0.0022uF 10% 50V
C317 1-162-970-11 CERAMIC CHIP 0.01uF 10% 25V
C318 1-162-970-11 CERAMIC CHIP 0.01uF 10% 25V
C320 1-216-864-11 SHORT CHIP 0
< CONNECTOR >
CN101 1-770-425-11 CONNECTOR, FFC/FPC 16P
CN201 1-818-350-11 CONNECTOR (FFC) 27P
< FERRITE BEAD >
FB301 1-500-445-21 FERRITE, EMI (SMD) (2012)
< IC >
IC101 8-752-425-12 IC CXD3059AR
IC251 6-705-808-01 IC BA5947FM
IC301 6-705-365-01 IC TC94A34FG-002
IC303 6-705-807-01 IC BH15FB1WG
< TRANSISTOR >
Q10 6-550-363-01 TRANSISTOR 2SB1690KT146
< RESISTOR >
R10 1-216-791-11 METAL CHIP 3.3 5% 1/10W
R11 1-216-864-11 SHORT CHIP 0
R12 1-216-845-11 METAL CHIP 100K 5% 1/10W
R13 1-218-446-11 METAL CHIP 1 5% 1/10W
R111 1-216-821-11 METAL CHIP 1K 5% 1/10W
R112 1-216-835-11 METAL CHIP 15K 5% 1/10W
R113 1-216-821-11 METAL CHIP 1K 5% 1/10W
R114 1-216-835-11 METAL CHIP 15K 5% 1/10W
R121 1-216-835-11 METAL CHIP 15K 5% 1/10W
R131 1-216-857-11 METAL CHIP 1M 5% 1/10W
R132 1-216-833-11 METAL CHIP 10K 5% 1/10W
R133 1-216-848-11 METAL CHIP 180K 5% 1/10W
R141 1-216-829-11 METAL CHIP 4.7K 5% 1/10W
R142 1-216-821-11 METAL CHIP 1K 5% 1/10W
R143 1-216-827-11 METAL CHIP 3.3K 5% 1/10W
R151 1-216-864-11 SHORT CHIP 0
R161 1-216-809-11 METAL CHIP 100 5% 1/10W
R162 1-216-841-11 METAL CHIP 47K 5% 1/10W
R163 1-216-809-11 METAL CHIP 100 5% 1/10W
R165 1-216-864-11 SHORT CHIP 0
R171 1-216-817-11 METAL CHIP 470 5% 1/10W
R172 1-216-857-11 METAL CHIP 1M 5% 1/10W
R173 1-216-295-91 SHORT CHIP 0
R181 1-216-809-11 METAL CHIP 100 5% 1/10W
R182 1-216-809-11 METAL CHIP 100 5% 1/10W
R191 1-216-864-11 SHORT CHIP 0
R201 1-500-445-21 FERRITE, EMI (SMD) (2012)
R203 1-216-864-11 SHORT CHIP 0
R204 1-500-445-21 FERRITE, EMI (SMD) (2012)
R205 1-216-864-11 SHORT CHIP 0
R251 1-216-833-11 METAL CHIP 10K 5% 1/10W
R252 1-216-837-11 METAL CHIP 22K 5% 1/10W
R253 1-216-833-11 METAL CHIP 10K 5% 1/10W
R301 1-216-845-11 METAL CHIP 100K 5% 1/10W
R302 1-216-833-11 METAL CHIP 10K 5% 1/10W
R303 1-216-845-11 METAL CHIP 100K 5% 1/10W
R305 1-216-845-11 METAL CHIP 100K 5% 1/10W
R306 1-216-864-11 SHORT CHIP 0
R307 1-216-833-11 METAL CHIP 10K 5% 1/10W
R313 1-216-813-11 METAL CHIP 220 5% 1/10W
R351 1-216-809-11 METAL CHIP 100 5% 1/10W
R352 1-216-809-11 METAL CHIP 100 5% 1/10W
R353 1-216-809-11 METAL CHIP 100 5% 1/10W
R354 1-216-809-11 METAL CHIP 100 5% 1/10W
R401 1-216-809-11 METAL CHIP 100 5% 1/10W
R402 1-216-809-11 METAL CHIP 100 5% 1/10W
R403 1-216-809-11 METAL CHIP 100 5% 1/10W
R404 1-216-809-11 METAL CHIP 100 5% 1/10W
R405 1-216-809-11 METAL CHIP 100 5% 1/10W
R406 1-216-809-11 METAL CHIP 100 5% 1/10W
R407 1-216-809-11 METAL CHIP 100 5% 1/10W
R408 1-216-809-11 METAL CHIP 100 5% 1/10W
R409 1-216-809-11 METAL CHIP 100 5% 1/10W
R410 1-216-809-11 METAL CHIP 100 5% 1/10W
R411 1-216-809-11 METAL CHIP 100 5% 1/10W
R412 1-216-809-11 METAL CHIP 100 5% 1/10W
R419 1-216-809-11 METAL CHIP 100 5% 1/10W

Ref. No. Part No. Description Remarks Ref. No. Part No. Description Remarks
63
HCD-RG444
MAINBD81A CONNECT DRIVER GAME JACK H/P JACK
< SWITCH >
S101 1-771-853-11 SWITCH, DETECTION (LIMIT)
< VIBRATOR >
X171 1-767-408-21 VIBRATOR, CRYSTAL (16.9MHz)
************************************************************
CONNECT BOARD
**************
< CAPACITOR >
C871 1-162-927-11 CERAMIC CHIP 100PF 5% 50V
C872 1-162-970-11 CERAMIC CHIP 0.01uF 10% 25V
C873 1-162-927-11 CERAMIC CHIP 100PF 5% 50V
C874 1-164-315-11 CERAMIC CHIP 470PF 5% 50V
C875 1-164-156-11 CERAMIC CHIP 0.1uF 25V
C876 1-164-156-11 CERAMIC CHIP 0.1uF 25V
< CONNECTOR >
CN871 1-779-295-11 CONNECTOR, FFC (LIF (NON-ZIF)) 27P
CN873 1-784-778-11 CONNECTOR, FFC 17P
*CN874 1-564-725-11 PIN, CONNECTOR (SMALL TYPE) 9P
< FERRITE BEAD >
FB871 1-216-864-11 SHORT CHIP 0
FB872 1-216-864-11 SHORT CHIP 0
< SHORT >
JR871 1-216-864-11 SHORT CHIP 0
JR872 1-216-864-11 SHORT CHIP 0
************************************************************
1-687-135-12 DRIVER BOARD
*************
< CAPACITOR >
C715 1-126-933-11 ELECT 100uF 20% 16V
C731 1-126-964-11 ELECT 10uF 20% 50V
C735 1-164-159-21 CERAMIC 0.1uF 50V
C736 1-164-159-21 CERAMIC 0.1uF 50V
C737 1-164-159-21 CERAMIC 0.1uF 50V
C741 1-162-306-11 CERAMIC 0.01uF 20% 16V
C751 1-162-306-11 CERAMIC 0.01uF 20% 16V
C752 1-164-159-21 CERAMIC 0.1uF 50V
< CONNECTOR >
CN701 1-785-338-11 PIN, CONNECTOR (LIGHT ANGLE) 12P
CN702 1-784-766-11 CONNECTOR, FFC 5P
*CN703 1-564-720-11 PIN, CONNECTOR (SMALL TYPE) 4P
CN704 1-785-328-11 PIN, CONNECTOR (LIGHT ANGRE) 2P
< DIODE >
D701 8-719-921-42 DIODE MTZJ-5.1A
D711 8-719-109-69 DIODE RD3.6ESB2
< IC >
IC701 8-759-598-69 IC BA6956AN
IC712 8-759-598-69 IC BA6956AN
< TRANSISTOR >
Q731 8-729-029-66 TRANSISTOR DTC114ESA
< RESISTOR >
R701 1-249-413-11 CARBON 470 5% 1/4W
R702 1-247-807-31 CARBON 100 5% 1/4W
R711 1-249-417-11 CARBON 1K 5% 1/4W
R712 1-249-425-11 CARBON 4.7K 5% 1/4W
R713 1-249-433-11 CARBON 22K 5% 1/4W
R721 1-249-425-11 CARBON 4.7K 5% 1/4W
R722 1-249-425-11 CARBON 4.7K 5% 1/4W
R723 1-249-425-11 CARBON 4.7K 5% 1/4W
R731 1-247-807-31 CARBON 100 5% 1/4W
R732 1-249-429-11 CARBON 10K 5% 1/4W
R733 1-249-417-11 CARBON 1K 5% 1/4W
R734 1-249-430-11 CARBON 12K 5% 1/4W
R735 1-247-807-31 CARBON 100 5% 1/4W
R751 1-249-425-11 CARBON 4.7K 5% 1/4W
************************************************************
GAME JACK BOARD
****************
< CAPACITOR >
C801 1-162-962-11 CERAMIC CHIP 470PF 10% 50V
C802 1-162-962-11 CERAMIC CHIP 470PF 10% 50V
C803 1-165-128-11 CERAMIC CHIP 0.22uF 16V
C804 1-165-128-11 CERAMIC CHIP 0.22uF 16V
< JACK >
J804 1-815-684-11 JACK, PIN 3P (GAME INPUT)
< SHORT >
JR801 1-216-864-11 SHORT CHIP 0
< RESISTOR >
R801 1-216-833-11 METAL CHIP 10K 5% 1/10W
R802 1-216-833-11 METAL CHIP 10K 5% 1/10W
R803 1-216-837-11 METAL CHIP 22K 5% 1/10W
R804 1-216-837-11 METAL CHIP 22K 5% 1/10W
************************************************************
H/P JACK BOARD
**************
< CAPACITOR >
C830 1-162-964-11 CERAMIC CHIP 0.001uF 10% 50V
C831 1-162-964-11 CERAMIC CHIP 0.001uF 10% 50V
C832 1-164-156-11 CERAMIC CHIP 0.1uF 25V
< JACK >
J801 1-785-448-21 JACK (PHONES)
************************************************************
A-4750-761-A MAIN BOARD, COMPLETE
********************
7-685-872-09 SCREW +BVTT 3X8 (S)

Ref. No. Part No. Description Remarks Ref. No. Part No. Description Remarks
64
HCD-RG444
MAIN
< CAPACITOR >
C101 1-126-960-11 ELECT 1uF 20% 50V
C102 1-126-960-11 ELECT 1uF 20% 50V
C103 1-126-956-91 ELECT 0.1uF 20% 50V
C104 1-126-956-91 ELECT 0.1uF 20% 50V
C105 1-164-230-11 CERAMIC CHIP 220PF 5% 50V
C106 1-131-679-31 FILM 0.01uF 5% 50V
C107 1-126-964-11 ELECT 10uF 20% 50V
C108 1-164-230-11 CERAMIC CHIP 220PF 5% 50V
C109 1-131-679-31 FILM 0.01uF 5% 50V
C110 1-126-964-11 ELECT 10uF 20% 50V
C111 1-126-960-11 ELECT 1uF 20% 50V
C112 1-126-960-11 ELECT 1uF 20% 50V
C113 1-126-960-11 ELECT 1uF 20% 50V
C114 1-126-960-11 ELECT 1uF 20% 50V
C115 1-131-679-31 FILM 0.01uF 5% 50V
C116 1-164-230-11 CERAMIC CHIP 220PF 5% 50V
C117 1-164-230-11 CERAMIC CHIP 220PF 5% 50V
C118 1-126-964-11 ELECT 10uF 20% 50V
C119 1-131-679-31 FILM 0.01uF 5% 50V
C120 1-164-230-11 CERAMIC CHIP 220PF 5% 50V
C121 1-164-230-11 CERAMIC CHIP 220PF 5% 50V
C122 1-126-964-11 ELECT 10uF 20% 50V
C123 1-126-965-91 ELECT 22uF 20% 50V
C124 1-162-953-11 CERAMIC CHIP 100PF 5% 50V
C125 1-162-953-11 CERAMIC CHIP 100PF 5% 50V
C127 1-104-658-91 ELECT 100uF 20% 10V
C128 1-104-658-91 ELECT 100uF 20% 10V
C129 1-126-947-11 ELECT 47uF 20% 35V
C130 1-126-947-11 ELECT 47uF 20% 35V
C131 1-131-688-31 FILM 0.047uF 5% 50V
C132 1-126-947-11 ELECT 47uF 20% 35V
C133 1-131-688-31 FILM 0.047uF 5% 50V
C134 1-136-165-00 FILM 0.1uF 5% 50V
C135 1-131-693-31 FILM 0.12uF 5% 50V
C136 1-131-693-31 FILM 0.12uF 5% 50V
C137 1-126-964-11 ELECT 10uF 20% 50V
C138 1-126-964-11 ELECT 10uF 20% 50V
C139 1-131-693-31 FILM 0.12uF 5% 50V
C140 1-131-693-31 FILM 0.12uF 5% 50V
C141 1-126-964-11 ELECT 10uF 20% 50V
C142 1-126-964-11 ELECT 10uF 20% 50V
C143 1-126-960-11 ELECT 1uF 20% 50V
C144 1-136-165-00 FILM 0.1uF 5% 50V
C145 1-126-964-11 ELECT 10uF 20% 50V
C146 1-136-165-00 FILM 0.1uF 5% 50V
C147 1-126-964-11 ELECT 10uF 20% 50V
C148 1-131-679-31 FILM 0.01uF 5% 50V
C149 1-131-679-31 FILM 0.01uF 5% 50V
C150 1-131-679-31 FILM 0.01uF 5% 50V
C151 1-131-679-31 FILM 0.01uF 5% 50V
C152 1-130-475-00 MYLAR 0.0022uF 5% 50V
C153 1-130-475-00 MYLAR 0.0022uF 5% 50V
C154 1-131-700-31 FILM 0.47uF 5% 50V
C157 1-126-960-11 ELECT 1uF 20% 50V
C159 1-126-960-11 ELECT 1uF 20% 50V
C160 1-126-960-11 ELECT 1uF 20% 50V
C161 1-162-971-11 CERAMIC CHIP 0.001uF 10% 50V
C162 1-126-960-11 ELECT 1uF 20% 50V
C163 1-162-971-11 CERAMIC CHIP 0.001uF 10% 50V
C164 1-126-960-11 ELECT 1uF 20% 50V
C165 1-126-960-11 ELECT 1uF 20% 50V
C166 1-126-960-11 ELECT 1uF 20% 50V
C175 1-109-953-11 ELECT 2.2uF 20% 50V
C176 1-126-964-11 ELECT 10uF 20% 50V
C177 1-162-945-11 CERAMIC CHIP 22PF 5% 50V
C178 1-126-947-11 ELECT 47uF 20% 35V
C179 1-162-949-11 CERAMIC CHIP 47PF 5% 50V
C181 1-162-949-11 CERAMIC CHIP 47PF 5% 50V
C183 1-162-945-11 CERAMIC CHIP 22PF 5% 50V
C184 1-126-947-11 ELECT 47uF 20% 35V
C185 1-126-964-11 ELECT 10uF 20% 50V
C186 1-126-947-11 ELECT 47uF 20% 35V
C187 1-162-974-11 CERAMIC CHIP 0.01uF 50V
C188 1-126-965-91 ELECT 22uF 20% 50V
C189 1-126-965-91 ELECT 22uF 20% 50V
C190 1-162-974-11 CERAMIC CHIP 0.01uF 50V
C191 1-126-961-11 ELECT 2.2uF 20% 50V
C192 1-126-961-11 ELECT 2.2uF 20% 50V
C193 1-162-966-11 CERAMIC CHIP 0.0022uF 10% 50V
C194 1-126-964-11 ELECT 10uF 20% 50V
C196 1-126-947-11 ELECT 47uF 20% 35V
C198 1-131-696-11 FILM 0.22uF 5% 50V
C199 1-131-698-31 FILM 0.33uF 5% 50V
C202 1-126-933-11 ELECT 100uF 20% 16V
C203 1-126-964-11 ELECT 10uF 20% 50V
C206 1-162-966-11 CERAMIC CHIP 0.0022uF 10% 50V
C208 1-164-230-11 CERAMIC CHIP 220PF 5% 50V
C209 1-164-230-11 CERAMIC CHIP 220PF 5% 50V
C211 1-109-953-11 ELECT 2.2uF 20% 50V
C212 1-126-964-11 ELECT 10uF 20% 50V
C213 1-126-964-11 ELECT 10uF 20% 50V
C214 1-126-926-11 ELECT 1000uF 20% 10V
C216 1-164-156-11 CERAMIC CHIP 0.1uF 25V
C217 1-164-156-11 CERAMIC CHIP 0.1uF 25V
C222 1-164-156-11 CERAMIC CHIP 0.1uF 25V
C228 1-164-156-11 CERAMIC CHIP 0.1uF 25V
C229 1-126-963-11 ELECT 4.7uF 20% 50V
C230 1-126-947-11 ELECT 47uF 20% 35V
C231 1-164-156-11 CERAMIC CHIP 0.1uF 25V
C235 1-164-156-11 CERAMIC CHIP 0.1uF 25V
C241 1-162-964-11 CERAMIC CHIP 0.001uF 10% 50V
C242 1-130-479-00 MYLAR 0.0047uF 5% 50V
C243 1-131-681-31 FILM 0.015uF 5% 50V
C244 1-131-681-31 FILM 0.015uF 5% 50V
C246 1-131-681-31 FILM 0.015uF 5% 50V
C248 1-162-964-11 CERAMIC CHIP 0.001uF 10% 50V
C249 1-126-964-11 ELECT 10uF 20% 50V
C250 1-126-947-11 ELECT 47uF 20% 35V
C251 1-126-947-11 ELECT 47uF 20% 35V
C252 1-126-933-11 ELECT 100uF 20% 16V

Ref. No. Part No. Description Remarks Ref. No. Part No. Description Remarks
65
HCD-RG444
MAIN
C253 1-126-956-91 ELECT 0.1uF 20% 50V
C258 1-126-959-11 ELECT 0.47uF 20% 50V
C259 1-126-957-11 ELECT 0.22uF 20% 50V
C264 1-162-971-11 CERAMIC CHIP 0.001uF 10% 50V
C265 1-162-971-11 CERAMIC CHIP 0.001uF 10% 50V
C266 1-162-971-11 CERAMIC CHIP 0.001uF 10% 50V
C267 1-162-971-11 CERAMIC CHIP 0.001uF 10% 50V
C270 1-126-964-11 ELECT 10uF 20% 50V
C271 1-162-971-11 CERAMIC CHIP 0.001uF 10% 50V
C272 1-162-971-11 CERAMIC CHIP 0.001uF 10% 50V
C274 1-162-949-11 CERAMIC CHIP 47PF 5% 50V
C275 1-162-949-11 CERAMIC CHIP 47PF 5% 50V
C276 1-164-362-11 CERAMIC CHIP 470PF 5% 50V
C277 1-164-362-11 CERAMIC CHIP 470PF 5% 50V
C278 1-164-362-11 CERAMIC CHIP 470PF 5% 50V
C279 1-164-362-11 CERAMIC CHIP 470PF 5% 50V
C280 1-164-362-11 CERAMIC CHIP 470PF 5% 50V
C281 1-164-362-11 CERAMIC CHIP 470PF 5% 50V
C288 1-162-971-11 CERAMIC CHIP 0.001uF 10% 50V
C289 1-162-971-11 CERAMIC CHIP 0.001uF 10% 50V
C290 1-162-971-11 CERAMIC CHIP 0.001uF 10% 50V
C301 1-136-165-00 FILM 0.1uF 5% 50V
C302 1-136-165-00 FILM 0.1uF 5% 50V
C303 1-136-165-00 FILM 0.1uF 5% 50V
C304 1-136-165-00 FILM 0.1uF 5% 50V
C305 1-136-165-00 FILM 0.1uF 5% 50V
C306 1-136-165-00 FILM 0.1uF 5% 50V
C308 1-126-965-91 ELECT 22uF 20% 50V
C309 1-126-965-91 ELECT 22uF 20% 50V
C310 1-126-936-11 ELECT 3300uF 20% 16V
C311 1-126-964-11 ELECT 10uF 20% 50V
C312 1-126-964-11 ELECT 10uF 20% 50V
C313 1-126-943-11 ELECT 2200uF 20% 25V
C315 1-126-933-11 ELECT 100uF 20% 16V
C316 1-126-943-11 ELECT 2200uF 20% 25V
C318 1-126-933-11 ELECT 100uF 20% 16V
C321 1-126-961-11 ELECT 2.2uF 20% 50V
C342 1-164-156-11 CERAMIC CHIP 0.1uF 25V
C351 1-164-357-11 CERAMIC CHIP 0.001uF 5% 50V
C352 1-126-965-91 ELECT 22uF 20% 50V
C353 1-126-961-11 ELECT 2.2uF 20% 50V
C354 1-164-156-11 CERAMIC CHIP 0.1uF 25V
C371 1-164-362-11 CERAMIC CHIP 470PF 5% 50V
C372 1-162-953-11 CERAMIC CHIP 100PF 5% 50V
C373 1-162-953-11 CERAMIC CHIP 100PF 5% 50V
C374 1-126-947-11 ELECT 47uF 20% 35V
C375 1-164-156-11 CERAMIC CHIP 0.1uF 25V
C376 1-126-961-11 ELECT 2.2uF 20% 50V
< CONNECTOR >
CN101 1-784-776-11 CONNECTOR, FFC 15P
*CN103 1-564-710-11 PIN, CONNECTOR (SMALL TYPE) 8P
*CN112 1-564-705-11 PIN, CONNECTOR (SMALL TYPE) 3P
*CN301 1-568-950-11 PIN, CONNECTOR 12P
CN302 1-784-792-11 CONNECTOR, FFC 31P
CN305 1-568-937-11 PIN, CONNECTOR (STRAIGHT) 10P
CN307 1-778-982-21 CONNECTOR, BOARD TO BOARD 13P
CN308 1-564-506-11 PLUG, CONNECTOR 3P
CN309 1-564-707-11 PIN, CONNECTOR (SMALL TYPE) 5P
CN314 1-564-506-11 PLUG, CONNECTOR 3P
< DIODE >
D201 8-719-988-61 DIODE 1SS355TE-17
D202 8-719-083-63 DIODE UDZSTE-1713B
D206 8-719-988-61 DIODE 1SS355TE-17
D207 8-719-988-61 DIODE 1SS355TE-17
D211 8-719-988-61 DIODE 1SS355TE-17
D212 8-719-988-61 DIODE 1SS355TE-17
D213 8-719-988-61 DIODE 1SS355TE-17
D214 8-719-988-61 DIODE 1SS355TE-17
D215 8-719-988-61 DIODE 1SS355TE-17
D301 6-500-522-21 DIODE 10EDB40-TB3
D302 6-500-522-21 DIODE 10EDB40-TB3
D303 6-500-522-21 DIODE 10EDB40-TB3
D304 6-500-522-21 DIODE 10EDB40-TB3
D305 6-500-522-21 DIODE 10EDB40-TB3
D306 6-500-522-21 DIODE 10EDB40-TB3
D307 6-500-522-21 DIODE 10EDB40-TB3
D308 6-500-522-21 DIODE 10EDB40-TB3
D309 6-500-522-21 DIODE 10EDB40-TB3
D310 6-500-522-21 DIODE 10EDB40-TB3
D311 6-500-522-21 DIODE 10EDB40-TB3
D312 6-500-522-21 DIODE 10EDB40-TB3
D313 8-719-085-36 DIODE 11EQS04-TB5
D316 8-719-988-61 DIODE 1SS355TE-17
D321 8-719-988-61 DIODE 1SS355TE-17
D322 8-719-988-61 DIODE 1SS355TE-17
D324 6-500-522-21 DIODE 10EDB40-TB3
D325 6-500-522-21 DIODE 10EDB40-TB3
D326 6-500-522-21 DIODE 10EDB40-TB3
< EARTH TERMINAL >
EP101 1-537-770-21 TERMINAL BOARD, GROUND
EP301 1-537-770-21 TERMINAL BOARD, GROUND
< FERRITE BEAD >
FB201 1-216-864-11 SHORT CHIP 0
FB202 1-216-864-11 SHORT CHIP 0
FB203 1-216-864-11 SHORT CHIP 0
FB204 1-216-864-11 SHORT CHIP 0
FB205 1-543-958-22 BEAD, FERRITE (CHIP) (1608)
< IC >
IC101 6-705-852-01 IC BD3401KS2
IC102 8-759-710-97 IC NJM4565M-D
IC104 8-759-710-97 IC NJM4565M-D
IC201 8-759-508-69 IC BA3126N
IC301 6-702-771-01 IC TA78033LS
IC302 6-702-771-01 IC TA78033LS
IC303 8-759-701-59 IC NJM78M09FA
IC304 8-759-701-59 IC NJM78M09FA
IC371 6-704-046-01 IC BU2099FV
< COIL >
L101 1-424-849-11 COIL, OSCILLATION (BIAS)

Ref. No. Part No. Description Remarks Ref. No. Part No. Description Remarks
66
HCD-RG444
MAIN
< TRANSISTOR >
Q101 8-729-120-28 TRANSISTOR 2SC1623-L5L6
Q102 6-550-580-01 TRANSISTOR 2SA1235TP-1F
Q103 6-550-889-01 TRANSISTOR 2SC5938-T112-1B
Q104 6-550-889-01 TRANSISTOR 2SC5938-T112-1B
Q105 8-729-120-28 TRANSISTOR 2SC1623-L5L6
Q106 8-729-120-28 TRANSISTOR 2SC1623-L5L6
Q107 8-729-120-28 TRANSISTOR 2SC1623-L5L6
Q108 8-729-120-28 TRANSISTOR 2SC1623-L5L6
Q303 8-729-120-28 TRANSISTOR 2SC1623-L5L6
Q304 8-729-120-28 TRANSISTOR 2SC1623-L5L6
Q305 6-550-580-01 TRANSISTOR 2SA1235TP-1F
Q306 6-550-889-01 TRANSISTOR 2SC5938-T112-1B
Q307 6-550-889-01 TRANSISTOR 2SC5938-T112-1B
Q308 6-550-580-01 TRANSISTOR 2SA1235TP-1F
Q309 8-729-120-28 TRANSISTOR 2SC1623-L5L6
Q310 8-729-142-46 TRANSISTOR 2SC2001-LK
Q311 8-729-142-46 TRANSISTOR 2SC2001-LK
Q312 8-729-041-19 TRANSISTOR 2SA953-T-K
Q313 8-729-120-28 TRANSISTOR 2SC1623-L5L6
Q314 6-550-580-01 TRANSISTOR 2SA1235TP-1F
Q315 8-729-120-28 TRANSISTOR 2SC1623-L5L6
Q321 8-729-142-46 TRANSISTOR 2SC2001-LK
Q322 6-550-580-01 TRANSISTOR 2SA1235TP-1F
Q323 8-729-120-28 TRANSISTOR 2SC1623-L5L6
Q324 8-729-140-04 TRANSISTOR 2SB1116A-L
Q327 8-729-120-28 TRANSISTOR 2SC1623-L5L6
Q351 8-729-120-28 TRANSISTOR 2SC1623-L5L6
Q352 8-729-120-28 TRANSISTOR 2SC1623-L5L6
Q361 6-550-580-01 TRANSISTOR 2SA1235TP-1F
Q362 8-729-120-28 TRANSISTOR 2SC1623-L5L6
Q371 8-729-120-28 TRANSISTOR 2SC1623-L5L6
< RESISTOR >
R101 1-216-833-11 METAL CHIP 10K 5% 1/10W
R102 1-216-833-11 METAL CHIP 10K 5% 1/10W
R103 1-216-851-11 METAL CHIP 330K 5% 1/10W
R104 1-216-835-11 METAL CHIP 15K 5% 1/10W
R105 1-216-816-11 METAL CHIP 390 5% 1/10W
R106 1-216-851-11 METAL CHIP 330K 5% 1/10W
R107 1-216-835-11 METAL CHIP 15K 5% 1/10W
R108 1-216-816-11 METAL CHIP 390 5% 1/10W
R109 1-216-853-11 METAL CHIP 470K 5% 1/10W
R110 1-216-851-11 METAL CHIP 330K 5% 1/10W
R111 1-216-847-11 METAL CHIP 150K 5% 1/10W
R112 1-216-853-11 METAL CHIP 470K 5% 1/10W
R113 1-216-851-11 METAL CHIP 330K 5% 1/10W
R114 1-216-847-11 METAL CHIP 150K 5% 1/10W
R115 1-216-857-11 METAL CHIP 1M 5% 1/10W
R116 1-216-809-11 METAL CHIP 100 5% 1/10W
R117 1-216-809-11 METAL CHIP 100 5% 1/10W
R118 1-216-833-11 METAL CHIP 10K 5% 1/10W
R119 1-216-841-11 METAL CHIP 47K 5% 1/10W
R120 1-216-857-11 METAL CHIP 1M 5% 1/10W
R121 1-216-841-11 METAL CHIP 47K 5% 1/10W
R123 1-216-833-11 METAL CHIP 10K 5% 1/10W
R124 1-216-833-11 METAL CHIP 10K 5% 1/10W
R125 1-216-833-11 METAL CHIP 10K 5% 1/10W
R126 1-216-833-11 METAL CHIP 10K 5% 1/10W
R127 1-216-825-11 METAL CHIP 2.2K 5% 1/10W
R128 1-216-833-11 METAL CHIP 10K 5% 1/10W
R129 1-216-841-11 METAL CHIP 47K 5% 1/10W
R131 1-216-833-11 METAL CHIP 10K 5% 1/10W
R132 1-216-825-11 METAL CHIP 2.2K 5% 1/10W
R133 1-216-829-11 METAL CHIP 4.7K 5% 1/10W
R134 1-216-829-11 METAL CHIP 4.7K 5% 1/10W
R135 1-216-829-11 METAL CHIP 4.7K 5% 1/10W
R136 1-216-829-11 METAL CHIP 4.7K 5% 1/10W
R137 1-216-833-11 METAL CHIP 10K 5% 1/10W
R138 1-216-821-11 METAL CHIP 1K 5% 1/10W
R139 1-216-864-11 SHORT CHIP 0
R141 1-216-821-11 METAL CHIP 1K 5% 1/10W
R142 1-216-821-11 METAL CHIP 1K 5% 1/10W
R151 1-216-829-11 METAL CHIP 4.7K 5% 1/10W
R152 1-216-833-11 METAL CHIP 10K 5% 1/10W
R153 1-216-833-11 METAL CHIP 10K 5% 1/10W
R154 1-216-833-11 METAL CHIP 10K 5% 1/10W
R155 1-216-829-11 METAL CHIP 4.7K 5% 1/10W
R156 1-216-853-11 METAL CHIP 470K 5% 1/10W
R157 1-216-841-11 METAL CHIP 47K 5% 1/10W
R158 1-216-825-11 METAL CHIP 2.2K 5% 1/10W
R159 1-216-833-11 METAL CHIP 10K 5% 1/10W
R160 1-216-821-11 METAL CHIP 1K 5% 1/10W
R161 1-216-833-11 METAL CHIP 10K 5% 1/10W
R162 1-216-825-11 METAL CHIP 2.2K 5% 1/10W
R163 1-216-833-11 METAL CHIP 10K 5% 1/10W
R164 1-216-821-11 METAL CHIP 1K 5% 1/10W
R165 1-216-833-11 METAL CHIP 10K 5% 1/10W
R166 1-216-833-11 METAL CHIP 10K 5% 1/10W
R167 1-216-833-11 METAL CHIP 10K 5% 1/10W
R168 1-216-845-11 METAL CHIP 100K 5% 1/10W
R169 1-216-845-11 METAL CHIP 100K 5% 1/10W
R170 1-216-833-11 METAL CHIP 10K 5% 1/10W
R171 1-216-833-11 METAL CHIP 10K 5% 1/10W
R172 1-216-809-11 METAL CHIP 100 5% 1/10W
R173 1-216-833-11 METAL CHIP 10K 5% 1/10W
R174 1-216-833-11 METAL CHIP 10K 5% 1/10W
R175 1-216-833-11 METAL CHIP 10K 5% 1/10W
R176 1-216-849-11 METAL CHIP 220K 5% 1/10W
R177 1-216-849-11 METAL CHIP 220K 5% 1/10W
R178 1-216-833-11 METAL CHIP 10K 5% 1/10W
R181 1-216-837-11 METAL CHIP 22K 5% 1/10W
R182 1-216-841-11 METAL CHIP 47K 5% 1/10W
R184 1-216-829-11 METAL CHIP 4.7K 5% 1/10W
R186 1-216-839-11 METAL CHIP 33K 5% 1/10W
R187 1-216-841-11 METAL CHIP 47K 5% 1/10W
R189 1-216-809-11 METAL CHIP 100 5% 1/10W
R192 1-216-837-11 METAL CHIP 22K 5% 1/10W
R193 1-216-821-11 METAL CHIP 1K 5% 1/10W
R194 1-218-867-11 METAL CHIP 6.8K 0.5% 1/10W
R195 1-218-867-11 METAL CHIP 6.8K 0.5% 1/10W
R197 1-216-825-11 METAL CHIP 2.2K 5% 1/10W
R198 1-216-825-11 METAL CHIP 2.2K 5% 1/10W
R199 1-216-849-11 METAL CHIP 220K 5% 1/10W

Ref. No. Part No. Description Remarks Ref. No. Part No. Description Remarks
67
HCD-RG444
MAIN
R201 1-216-829-11 METAL CHIP 4.7K 5% 1/10W
R202 1-216-833-11 METAL CHIP 10K 5% 1/10W
R203 1-216-833-11 METAL CHIP 10K 5% 1/10W
R204 1-216-833-11 METAL CHIP 10K 5% 1/10W
R205 1-216-829-11 METAL CHIP 4.7K 5% 1/10W
R206 1-216-841-11 METAL CHIP 47K 5% 1/10W
R207 1-216-825-11 METAL CHIP 2.2K 5% 1/10W
R208 1-216-821-11 METAL CHIP 1K 5% 1/10W
R209 1-216-833-11 METAL CHIP 10K 5% 1/10W
R210 1-216-825-11 METAL CHIP 2.2K 5% 1/10W
R211 1-216-821-11 METAL CHIP 1K 5% 1/10W
R212 1-216-833-11 METAL CHIP 10K 5% 1/10W
R213 1-216-821-11 METAL CHIP 1K 5% 1/10W
R214 1-216-821-11 METAL CHIP 1K 5% 1/10W
R216 1-216-806-11 METAL CHIP 56 5% 1/10W
R217 1-216-806-11 METAL CHIP 56 5% 1/10W
R218 1-215-891-11 METAL OXIDE 680 5% 2W
R219 1-215-891-11 METAL OXIDE 680 5% 2W
R220 1-216-837-11 METAL CHIP 22K 5% 1/10W
R221 1-216-837-11 METAL CHIP 22K 5% 1/10W
R222 1-216-830-11 METAL CHIP 5.6K 5% 1/10W
R223 1-216-864-11 SHORT CHIP 0
R225 1-216-829-11 METAL CHIP 4.7K 5% 1/10W
R226 1-216-841-11 METAL CHIP 47K 5% 1/10W
R227 1-216-821-11 METAL CHIP 1K 5% 1/10W
R228 1-216-821-11 METAL CHIP 1K 5% 1/10W
R229 1-216-829-11 METAL CHIP 4.7K 5% 1/10W
R230 1-216-829-11 METAL CHIP 4.7K 5% 1/10W
R231 1-216-825-11 METAL CHIP 2.2K 5% 1/10W
R232 1-216-833-11 METAL CHIP 10K 5% 1/10W
R235 1-216-793-11 METAL CHIP 4.7 5% 1/10W
R241 1-216-797-11 METAL CHIP 10 5% 1/10W
R242 1-216-838-11 METAL CHIP 27K 5% 1/10W
R243 1-216-832-11 METAL CHIP 8.2K 5% 1/10W
R244 1-216-832-11 METAL CHIP 8.2K 5% 1/10W
R245 1-216-829-11 METAL CHIP 4.7K 5% 1/10W
R246 1-216-809-11 METAL CHIP 100 5% 1/10W
R247 1-216-833-11 METAL CHIP 10K 5% 1/10W
R248 1-216-833-11 METAL CHIP 10K 5% 1/10W
R249 1-216-841-11 METAL CHIP 47K 5% 1/10W
R250 1-216-833-11 METAL CHIP 10K 5% 1/10W
R251 1-216-833-11 METAL CHIP 10K 5% 1/10W
R252 1-216-864-11 SHORT CHIP 0
R253 1-216-809-11 METAL CHIP 100 5% 1/10W
R254 1-216-809-11 METAL CHIP 100 5% 1/10W
R262 1-216-827-11 METAL CHIP 3.3K 5% 1/10W
R263 1-216-857-11 METAL CHIP 1M 5% 1/10W
R264 1-216-821-11 METAL CHIP 1K 5% 1/10W
R265 1-216-833-11 METAL CHIP 10K 5% 1/10W
R266 1-216-845-11 METAL CHIP 100K 5% 1/10W
R268 1-216-833-11 METAL CHIP 10K 5% 1/10W
R269 1-216-825-11 METAL CHIP 2.2K 5% 1/10W
R270 1-216-821-11 METAL CHIP 1K 5% 1/10W
R271 1-216-833-11 METAL CHIP 10K 5% 1/10W
R272 1-216-853-11 METAL CHIP 470K 5% 1/10W
R273 1-216-864-11 SHORT CHIP 0
R274 1-216-864-11 SHORT CHIP 0
R275 1-216-864-11 SHORT CHIP 0
R281 1-216-825-11 METAL CHIP 2.2K 5% 1/10W
R282 1-216-825-11 METAL CHIP 2.2K 5% 1/10W
R283 1-216-825-11 METAL CHIP 2.2K 5% 1/10W
R284 1-216-825-11 METAL CHIP 2.2K 5% 1/10W
R306 1-216-833-11 METAL CHIP 10K 5% 1/10W
R307 1-216-833-11 METAL CHIP 10K 5% 1/10W
R308 1-216-825-11 METAL CHIP 2.2K 5% 1/10W
R310 1-216-833-11 METAL CHIP 10K 5% 1/10W
R311 1-216-829-11 METAL CHIP 4.7K 5% 1/10W
R312 1-216-837-11 METAL CHIP 22K 5% 1/10W
R313 1-216-829-11 METAL CHIP 4.7K 5% 1/10W
R321 1-216-829-11 METAL CHIP 4.7K 5% 1/10W
R322 1-216-837-11 METAL CHIP 22K 5% 1/10W
R323 1-216-829-11 METAL CHIP 4.7K 5% 1/10W
R324 1-216-833-11 METAL CHIP 10K 5% 1/10W
R325 1-216-829-11 METAL CHIP 4.7K 5% 1/10W
R341 1-216-833-11 METAL CHIP 10K 5% 1/10W
R342 1-216-821-11 METAL CHIP 1K 5% 1/10W
R343 1-216-837-11 METAL CHIP 22K 5% 1/10W
R344 1-216-837-11 METAL CHIP 22K 5% 1/10W
R345 1-216-833-11 METAL CHIP 10K 5% 1/10W
R346 1-216-821-11 METAL CHIP 1K 5% 1/10W
R347 1-216-837-11 METAL CHIP 22K 5% 1/10W
R348 1-216-837-11 METAL CHIP 22K 5% 1/10W
R351 1-216-835-11 METAL CHIP 15K 5% 1/10W
R352 1-216-845-11 METAL CHIP 100K 5% 1/10W
R353 1-216-841-11 METAL CHIP 47K 5% 1/10W
R354 1-216-829-11 METAL CHIP 4.7K 5% 1/10W
R356 1-216-817-11 METAL CHIP 470 5% 1/10W
R357 1-216-825-11 METAL CHIP 2.2K 5% 1/10W
R358 1-216-809-11 METAL CHIP 100 5% 1/10W
R361 1-216-833-11 METAL CHIP 10K 5% 1/10W
R362 1-216-825-11 METAL CHIP 2.2K 5% 1/10W
R363 1-216-829-11 METAL CHIP 4.7K 5% 1/10W
R364 1-216-829-11 METAL CHIP 4.7K 5% 1/10W
R371 1-216-809-11 METAL CHIP 100 5% 1/10W
R372 1-216-809-11 METAL CHIP 100 5% 1/10W
R373 1-216-809-11 METAL CHIP 100 5% 1/10W
R374 1-216-833-11 METAL CHIP 10K 5% 1/10W
R375 1-216-833-11 METAL CHIP 10K 5% 1/10W
R376 1-216-833-11 METAL CHIP 10K 5% 1/10W
R377 1-216-833-11 METAL CHIP 10K 5% 1/10W
R378 1-216-833-11 METAL CHIP 10K 5% 1/10W
R379 1-216-833-11 METAL CHIP 10K 5% 1/10W
R380 1-216-833-11 METAL CHIP 10K 5% 1/10W
R381 1-216-833-11 METAL CHIP 10K 5% 1/10W
R382 1-216-833-11 METAL CHIP 10K 5% 1/10W
R383 1-216-833-11 METAL CHIP 10K 5% 1/10W
R384 1-216-833-11 METAL CHIP 10K 5% 1/10W
R385 1-216-829-11 METAL CHIP 4.7K 5% 1/10W
R386 1-216-837-11 METAL CHIP 22K 5% 1/10W
R387 1-216-829-11 METAL CHIP 4.7K 5% 1/10W
R388 1-216-837-11 METAL CHIP 22K 5% 1/10W
R389 1-216-829-11 METAL CHIP 4.7K 5% 1/10W
R390 1-216-837-11 METAL CHIP 22K 5% 1/10W
R391 1-216-833-11 METAL CHIP 10K 5% 1/10W
R392 1-216-821-11 METAL CHIP 1K 5% 1/10W

Ref. No. Part No. Description Remarks Ref. No. Part No. Description Remarks
68
HCD-RG444
PANEL
R393 1-216-833-11 METAL CHIP 10K 5% 1/10W
R394 1-216-821-11 METAL CHIP 1K 5% 1/10W
R395 1-216-837-11 METAL CHIP 22K 5% 1/10W
R396 1-216-829-11 METAL CHIP 4.7K 5% 1/10W
R397 1-216-833-11 METAL CHIP 10K 5% 1/10W
************************************************************
1-687-133-12 MOTOR (LD) BOARD
*****************
************************************************************
1-687-134-12 MOTOR (TB) BOARD
*****************
< CONNECTOR >
CN742 1-784-727-11 CONNECTOR, FFC 5P
************************************************************
A-4750-763-A PANEL BOARD, COMPLETE
**********************
< CAPACITOR >
C601 1-162-919-11 CERAMIC CHIP 22PF 5% 50V
C602 1-162-919-11 CERAMIC CHIP 22PF 5% 50V
C603 1-162-919-11 CERAMIC CHIP 22PF 5% 50V
C604 1-164-156-11 CERAMIC CHIP 0.1uF 25V
C605 1-126-163-11 ELECT 4.7uF 20% 50V
C606 1-115-156-11 CERAMIC CHIP 1uF 10V
C607 1-162-964-11 CERAMIC CHIP 0.001uF 10% 50V
C608 1-162-970-11 CERAMIC CHIP 0.01uF 10% 25V
C609 1-115-156-11 CERAMIC CHIP 1uF 10V
C610 1-126-916-11 ELECT 1000uF 20% 6.3V
C611 1-164-156-11 CERAMIC CHIP 0.1uF 25V
C612 1-126-157-11 ELECT 10uF 20% 16V
C613 1-164-156-11 CERAMIC CHIP 0.1uF 25V
C614 1-164-156-11 CERAMIC CHIP 0.1uF 25V
C615 1-124-257-00 ELECT 2.2uF 20% 50V
C617 1-162-964-11 CERAMIC CHIP 0.001uF 10% 50V
C618 1-162-964-11 CERAMIC CHIP 0.001uF 10% 50V
C619 1-124-589-11 ELECT 47uF 20% 16V
C620 1-119-772-91 ELECT 47uF 20% 35V
C621 1-162-995-11 CERAMIC CHIP 0.022uF 50V
C622 1-126-163-11 ELECT 4.7uF 20% 50V
C623 1-126-163-11 ELECT 4.7uF 20% 50V
C624 1-162-918-11 CERAMIC CHIP 18PF 5% 50V
C625 1-162-919-11 CERAMIC CHIP 22PF 5% 50V
C626 1-164-156-11 CERAMIC CHIP 0.1uF 25V
C628 1-162-927-11 CERAMIC CHIP 100PF 5% 50V
C629 1-162-927-11 CERAMIC CHIP 100PF 5% 50V
C630 1-162-927-11 CERAMIC CHIP 100PF 5% 50V
C631 1-162-927-11 CERAMIC CHIP 100PF 5% 50V
C632 1-162-927-11 CERAMIC CHIP 100PF 5% 50V
C633 1-162-927-11 CERAMIC CHIP 100PF 5% 50V
C634 1-162-927-11 CERAMIC CHIP 100PF 5% 50V
C635 1-162-927-11 CERAMIC CHIP 100PF 5% 50V
C636 1-162-927-11 CERAMIC CHIP 100PF 5% 50V
C637 1-162-927-11 CERAMIC CHIP 100PF 5% 50V
C638 1-162-927-11 CERAMIC CHIP 100PF 5% 50V
C639 1-162-927-11 CERAMIC CHIP 100PF 5% 50V
C640 1-162-927-11 CERAMIC CHIP 100PF 5% 50V
C641 1-164-156-11 CERAMIC CHIP 0.1uF 25V
C642 1-164-156-11 CERAMIC CHIP 0.1uF 25V
C643 1-164-156-11 CERAMIC CHIP 0.1uF 25V
C644 1-126-157-11 ELECT 10uF 20% 16V
C646 1-124-234-00 ELECT 22uF 20% 16V
C647 1-124-589-11 ELECT 47uF 20% 16V
C648 1-124-234-00 ELECT 22uF 20% 16V
C649 1-164-156-11 CERAMIC CHIP 0.1uF 25V
C653 1-162-959-11 CERAMIC CHIP 330PF 5% 50V
C654 1-164-156-11 CERAMIC CHIP 0.1uF 25V
C655 1-164-156-11 CERAMIC CHIP 0.1uF 25V
C656 1-162-927-11 CERAMIC CHIP 100PF 5% 50V
< CONNECTOR >
CN601 1-784-753-11 CONNECTOR, FFC 31P
CN602 1-784-774-11 CONNECTOR, FFC 13P
CN603 1-784-778-11 CONNECTOR, FFC 17P
*CN604 1-564-708-11 PIN, CONNECTOR (SMALL TYPE) 6P
CN605 1-564-707-11 PIN, CONNECTOR (SMALL TYPE) 5P
CN608 1-818-282-11 PIN, CONNECTOR (FOR PWB) 3P
< DIODE >
D603 8-719-988-61 DIODE 1SS355TE-17
D604 8-719-988-61 DIODE 1SS355TE-17
D605 8-719-988-61 DIODE 1SS355TE-17
D607 8-719-988-61 DIODE 1SS355TE-17
D608 8-719-988-61 DIODE 1SS355TE-17
D609 8-719-988-61 DIODE 1SS355TE-17
D611 8-719-988-61 DIODE 1SS355TE-17
D613 8-719-988-61 DIODE 1SS355TE-17
D614 8-719-988-61 DIODE 1SS355TE-17
D615 8-719-988-61 DIODE 1SS355TE-17
D616 8-719-988-61 DIODE 1SS355TE-17
D620 8-719-988-61 DIODE 1SS355TE-17
D621 8-719-988-61 DIODE 1SS355TE-17
D622 8-719-988-61 DIODE 1SS355TE-17
D623 8-719-988-61 DIODE 1SS355TE-17
D626 8-719-988-61 DIODE 1SS355TE-17
D630 8-719-988-61 DIODE 1SS355TE-17
D631 8-719-978-33 DIODE DTZ-TT11-6.8B
D632 8-719-083-57 DIODE UDZSTE-173.6B
D633 8-719-988-61 DIODE 1SS355TE-17
< FLUORESCENT INDICATOR >
FL601 1-518-976-11 INDICATOR TUBE, FLUORESCENT
< IC >
IC601 6-804-440-01 IC LC876996A-53H2-E
IC602 6-704-046-01 IC BU2099FV
IC603 6-704-045-01 IC MM1574ANLE
IC604 8-759-533-04 IC M62703ML-E1
< SHORT >
JR607 1-216-864-11 SHORT CHIP 0
JR608 1-216-864-11 SHORT CHIP 0
MOTOR (TB)MOTOR (LD)MAIN

Ref. No. Part No. Description Remarks Ref. No. Part No. Description Remarks
69
HCD-RG444
PANEL
JR609 1-216-864-11 SHORT CHIP 0
JR614 1-216-864-11 SHORT CHIP 0
JR617 1-216-864-11 SHORT CHIP 0
JR621 1-216-864-11 SHORT CHIP 0
JR622 1-216-864-11 SHORT CHIP 0
JR623 1-216-864-11 SHORT CHIP 0
< LED >
LED601 6-500-809-01 DIODE SELU5223C-STP15 ( ?/1 )
< TRANSISTOR >
Q601 8-729-116-57 TRANSISTOR 2SB1068-K
Q602 8-729-140-04 TRANSISTOR 2SB1116A-L
Q603 8-729-140-04 TRANSISTOR 2SB1116A-L
Q604 8-729-119-76 TRANSISTOR 2SA1175-HFE
Q605 8-729-120-28 TRANSISTOR 2SC1623-L5L6
Q610 8-729-027-55 TRANSISTOR DTC143EKA-T146
Q611 8-729-027-55 TRANSISTOR DTC143EKA-T146
Q612 8-729-027-55 TRANSISTOR DTC143EKA-T146
Q613 8-729-027-55 TRANSISTOR DTC143EKA-T146
Q614 8-729-027-55 TRANSISTOR DTC143EKA-T146
Q615 8-729-027-55 TRANSISTOR DTC143EKA-T146
Q616 8-729-027-55 TRANSISTOR DTC143EKA-T146
< RESISTOR >
R601 1-216-829-11 METAL CHIP 4.7K 5% 1/10W
R602 1-216-829-11 METAL CHIP 4.7K 5% 1/10W
R603 1-216-829-11 METAL CHIP 4.7K 5% 1/10W
R604 1-216-841-11 METAL CHIP 47K 5% 1/10W
R605 1-216-829-11 METAL CHIP 4.7K 5% 1/10W
R606 1-216-829-11 METAL CHIP 4.7K 5% 1/10W
R607 1-216-841-11 METAL CHIP 47K 5% 1/10W
R608 1-216-829-11 METAL CHIP 4.7K 5% 1/10W
R609 1-216-837-11 METAL CHIP 22K 5% 1/10W
R610 1-216-833-11 METAL CHIP 10K 5% 1/10W
R611 1-216-837-11 METAL CHIP 22K 5% 1/10W
R612 1-216-833-11 METAL CHIP 10K 5% 1/10W
R613 1-216-837-11 METAL CHIP 22K 5% 1/10W
R614 1-216-837-11 METAL CHIP 22K 5% 1/10W
R615 1-216-837-11 METAL CHIP 22K 5% 1/10W
R616 1-216-833-11 METAL CHIP 10K 5% 1/10W
R617 1-216-837-11 METAL CHIP 22K 5% 1/10W
R618 1-216-833-11 METAL CHIP 10K 5% 1/10W
R619 1-216-837-11 METAL CHIP 22K 5% 1/10W
R620 1-216-837-11 METAL CHIP 22K 5% 1/10W
R621 1-216-833-11 METAL CHIP 10K 5% 1/10W
R622 1-216-049-11 RES-CHIP 1K 5% 1/10W
R623 1-216-833-11 METAL CHIP 10K 5% 1/10W
R624 1-216-049-11 RES-CHIP 1K 5% 1/10W
R625 1-216-833-11 METAL CHIP 10K 5% 1/10W
R626 1-216-049-11 RES-CHIP 1K 5% 1/10W
R627 1-216-833-11 METAL CHIP 10K 5% 1/10W
R628 1-216-833-11 METAL CHIP 10K 5% 1/10W
R629 1-216-150-91 RES-CHIP 10 5% 1/8W
R630 1-216-809-11 METAL CHIP 100 5% 1/10W
R631 1-216-809-11 METAL CHIP 100 5% 1/10W
R632 1-216-809-11 METAL CHIP 100 5% 1/10W
R633 1-216-809-11 METAL CHIP 100 5% 1/10W
R634 1-216-809-11 METAL CHIP 100 5% 1/10W
R635 1-216-809-11 METAL CHIP 100 5% 1/10W
R636 1-216-833-11 METAL CHIP 10K 5% 1/10W
R637 1-216-833-11 METAL CHIP 10K 5% 1/10W
R638 1-216-809-11 METAL CHIP 100 5% 1/10W
R639 1-216-829-11 METAL CHIP 4.7K 5% 1/10W
R640 1-216-834-11 METAL CHIP 12K 5% 1/10W
R641 1-216-849-11 METAL CHIP 220K 5% 1/10W
R642 1-216-817-11 METAL CHIP 470 5% 1/10W
R643 1-216-819-11 METAL CHIP 680 5% 1/10W
R644 1-216-821-11 METAL CHIP 1K 5% 1/10W
R645 1-216-823-11 METAL CHIP 1.5K 5% 1/10W
R646 1-216-823-11 METAL CHIP 1.5K 5% 1/10W
R647 1-216-825-11 METAL CHIP 2.2K 5% 1/10W
R648 1-216-827-11 METAL CHIP 3.3K 5% 1/10W
R649 1-216-829-11 METAL CHIP 4.7K 5% 1/10W
R650 1-218-867-11 METAL CHIP 6.8K 0.5% 1/10W
R651 1-216-833-11 METAL CHIP 10K 5% 1/10W
R652 1-216-835-11 METAL CHIP 15K 5% 1/10W
R653 1-216-817-11 METAL CHIP 470 5% 1/10W
R654 1-216-819-11 METAL CHIP 680 5% 1/10W
R655 1-216-821-11 METAL CHIP 1K 5% 1/10W
R656 1-216-823-11 METAL CHIP 1.5K 5% 1/10W
R657 1-216-823-11 METAL CHIP 1.5K 5% 1/10W
R658 1-216-825-11 METAL CHIP 2.2K 5% 1/10W
R659 1-216-827-11 METAL CHIP 3.3K 5% 1/10W
R660 1-216-829-11 METAL CHIP 4.7K 5% 1/10W
R661 1-218-867-11 METAL CHIP 6.8K 0.5% 1/10W
R662 1-216-833-11 METAL CHIP 10K 5% 1/10W
R663 1-216-837-11 METAL CHIP 22K 5% 1/10W
R664 1-216-817-11 METAL CHIP 470 5% 1/10W
R665 1-216-819-11 METAL CHIP 680 5% 1/10W
R666 1-216-821-11 METAL CHIP 1K 5% 1/10W
R667 1-216-823-11 METAL CHIP 1.5K 5% 1/10W
R668 1-216-823-11 METAL CHIP 1.5K 5% 1/10W
R669 1-216-825-11 METAL CHIP 2.2K 5% 1/10W
R670 1-216-827-11 METAL CHIP 3.3K 5% 1/10W
R671 1-216-829-11 METAL CHIP 4.7K 5% 1/10W
R672 1-216-833-11 METAL CHIP 10K 5% 1/10W
R674 1-216-835-11 METAL CHIP 15K 5% 1/10W
R675 1-216-835-11 METAL CHIP 15K 5% 1/10W
R676 1-216-835-11 METAL CHIP 15K 5% 1/10W
R677 1-216-864-11 SHORT CHIP 0
R678 1-216-845-11 METAL CHIP 100K 5% 1/10W
R679 1-216-172-00 RES-CHIP 82 5% 1/8W
R680 1-216-838-11 METAL CHIP 27K 5% 1/10W
R681 1-216-849-11 METAL CHIP 220K 5% 1/10W
R682 1-216-833-11 METAL CHIP 10K 5% 1/10W
R683 1-216-849-11 METAL CHIP 220K 5% 1/10W
R684 1-216-821-11 METAL CHIP 1K 5% 1/10W
R685 1-216-841-11 METAL CHIP 47K 5% 1/10W
R686 1-216-841-11 METAL CHIP 47K 5% 1/10W
R687 1-216-833-11 METAL CHIP 10K 5% 1/10W
R688 1-216-817-11 METAL CHIP 470 5% 1/10W
R689 1-216-829-11 METAL CHIP 4.7K 5% 1/10W
R690 1-216-809-11 METAL CHIP 100 5% 1/10W
R691 1-216-809-11 METAL CHIP 100 5% 1/10W

Ref. No. Part No. Description Remarks Ref. No. Part No. Description Remarks
70
HCD-RG444
PANEL
R692 1-216-809-11 METAL CHIP 100 5% 1/10W
R693 1-216-809-11 METAL CHIP 100 5% 1/10W
R694 1-216-809-11 METAL CHIP 100 5% 1/10W
R695 1-216-809-11 METAL CHIP 100 5% 1/10W
R696 1-216-809-11 METAL CHIP 100 5% 1/10W
R697 1-216-809-11 METAL CHIP 100 5% 1/10W
R698 1-216-182-00 RES-CHIP 220 5% 1/8W
R700 1-216-182-00 RES-CHIP 220 5% 1/8W
R702 1-216-182-00 RES-CHIP 220 5% 1/8W
R704 1-216-182-00 RES-CHIP 220 5% 1/8W
R706 1-216-182-00 RES-CHIP 220 5% 1/8W
R708 1-216-182-00 RES-CHIP 220 5% 1/8W
R710 1-216-833-11 METAL CHIP 10K 5% 1/10W
R711 1-216-833-11 METAL CHIP 10K 5% 1/10W
R712 1-216-797-11 METAL CHIP 10 5% 1/10W
R713 1-216-797-11 METAL CHIP 10 5% 1/10W
R714 1-216-809-11 METAL CHIP 100 5% 1/10W
R715 1-216-805-11 METAL CHIP 47 5% 1/10W
R716 1-216-837-11 METAL CHIP 22K 5% 1/10W
R717 1-216-827-11 METAL CHIP 3.3K 5% 1/10W
R718 1-216-837-11 METAL CHIP 22K 5% 1/10W
R719 1-216-827-11 METAL CHIP 3.3K 5% 1/10W
R720 1-218-867-11 METAL CHIP 6.8K 0.5% 1/10W
R721 1-216-833-11 METAL CHIP 10K 5% 1/10W
R722 1-216-835-11 METAL CHIP 15K 5% 1/10W
R723 1-216-809-11 METAL CHIP 100 5% 1/10W
R725 1-216-809-11 METAL CHIP 100 5% 1/10W
R727 1-220-397-11 METAL CHIP 4.7M 5% 1/10W
R728 1-220-397-11 METAL CHIP 4.7M 5% 1/10W
R729 1-216-809-11 METAL CHIP 100 5% 1/10W
R730 1-216-809-11 METAL CHIP 100 5% 1/10W
R731 1-216-809-11 METAL CHIP 100 5% 1/10W
R732 1-216-853-11 METAL CHIP 470K 5% 1/10W
R733 1-216-809-11 METAL CHIP 100 5% 1/10W
R734 1-216-821-11 METAL CHIP 1K 5% 1/10W
R735 1-216-821-11 METAL CHIP 1K 5% 1/10W
R736 1-216-821-11 METAL CHIP 1K 5% 1/10W
R737 1-216-845-11 METAL CHIP 100K 5% 1/10W
R738 1-216-845-11 METAL CHIP 100K 5% 1/10W
R739 1-216-845-11 METAL CHIP 100K 5% 1/10W
R740 1-216-845-11 METAL CHIP 100K 5% 1/10W
R741 1-216-845-11 METAL CHIP 100K 5% 1/10W
R742 1-216-845-11 METAL CHIP 100K 5% 1/10W
R743 1-216-845-11 METAL CHIP 100K 5% 1/10W
R744 1-216-845-11 METAL CHIP 100K 5% 1/10W
R745 1-216-845-11 METAL CHIP 100K 5% 1/10W
R746 1-216-845-11 METAL CHIP 100K 5% 1/10W
R747 1-216-845-11 METAL CHIP 100K 5% 1/10W
R748 1-216-845-11 METAL CHIP 100K 5% 1/10W
R749 1-216-845-11 METAL CHIP 100K 5% 1/10W
R750 1-216-845-11 METAL CHIP 100K 5% 1/10W
R751 1-216-845-11 METAL CHIP 100K 5% 1/10W
R752 1-216-845-11 METAL CHIP 100K 5% 1/10W
R753 1-216-845-11 METAL CHIP 100K 5% 1/10W
R754 1-216-845-11 METAL CHIP 100K 5% 1/10W
R755 1-216-845-11 METAL CHIP 100K 5% 1/10W
R756 1-216-845-11 METAL CHIP 100K 5% 1/10W
R757 1-216-845-11 METAL CHIP 100K 5% 1/10W
R758 1-216-845-11 METAL CHIP 100K 5% 1/10W
R759 1-216-845-11 METAL CHIP 100K 5% 1/10W
R760 1-216-845-11 METAL CHIP 100K 5% 1/10W
R761 1-216-845-11 METAL CHIP 100K 5% 1/10W
R762 1-216-845-11 METAL CHIP 100K 5% 1/10W
R763 1-216-845-11 METAL CHIP 100K 5% 1/10W
R764 1-216-845-11 METAL CHIP 100K 5% 1/10W
R765 1-216-845-11 METAL CHIP 100K 5% 1/10W
R766 1-216-845-11 METAL CHIP 100K 5% 1/10W
R767 1-216-845-11 METAL CHIP 100K 5% 1/10W
R768 1-216-845-11 METAL CHIP 100K 5% 1/10W
R769 1-216-845-11 METAL CHIP 100K 5% 1/10W
R770 1-216-845-11 METAL CHIP 100K 5% 1/10W
R771 1-216-841-11 METAL CHIP 47K 5% 1/10W
R772 1-216-821-11 METAL CHIP 1K 5% 1/10W
R773 1-216-809-11 METAL CHIP 100 5% 1/10W
R774 1-216-809-11 METAL CHIP 100 5% 1/10W
R775 1-216-809-11 METAL CHIP 100 5% 1/10W
R776 1-216-817-11 METAL CHIP 470 5% 1/10W
R777 1-216-809-11 METAL CHIP 100 5% 1/10W
R778 1-216-809-11 METAL CHIP 100 5% 1/10W
R779 1-216-809-11 METAL CHIP 100 5% 1/10W
R780 1-216-817-11 METAL CHIP 470 5% 1/10W
R781 1-216-809-11 METAL CHIP 100 5% 1/10W
R782 1-216-809-11 METAL CHIP 100 5% 1/10W
R783 1-216-809-11 METAL CHIP 100 5% 1/10W
R784 1-216-809-11 METAL CHIP 100 5% 1/10W
R785 1-216-809-11 METAL CHIP 100 5% 1/10W
R786 1-216-833-11 METAL CHIP 10K 5% 1/10W
R787 1-216-809-11 METAL CHIP 100 5% 1/10W
R788 1-216-809-11 METAL CHIP 100 5% 1/10W
R789 1-216-841-11 METAL CHIP 47K 5% 1/10W
R790 1-216-821-11 METAL CHIP 1K 5% 1/10W
R791 1-216-809-11 METAL CHIP 100 5% 1/10W
R792 1-216-809-11 METAL CHIP 100 5% 1/10W
R793 1-216-809-11 METAL CHIP 100 5% 1/10W
R794 1-216-809-11 METAL CHIP 100 5% 1/10W
R795 1-216-809-11 METAL CHIP 100 5% 1/10W
R796 1-216-809-11 METAL CHIP 100 5% 1/10W
R797 1-216-821-11 METAL CHIP 1K 5% 1/10W
R798 1-216-821-11 METAL CHIP 1K 5% 1/10W
R799 1-216-821-11 METAL CHIP 1K 5% 1/10W
R854 1-216-813-11 METAL CHIP 220 5% 1/10W
R863 1-216-170-00 RES-CHIP 68 5% 1/8W
< SWITCH >
S601 1-762-875-21 SWITCH, KEYBOARD ( ?/1 )
S602 1-762-875-21 SWITCH, KEYBOARD (DISPLAY)
S603 1-762-875-21 SWITCH, KEYBOARD (EQ BAND)
S604 1-762-875-21 SWITCH, KEYBOARD (DISC 1)
S605 1-762-875-21 SWITCH, KEYBOARD (DISC 2)
S606 1-762-875-21 SWITCH, KEYBOARD (DISC 3)
S607 1-762-875-21 SWITCH, KEYBOARD (DISC SKIP/EX-CHANGE)
S608 1-762-875-21 SWITCH, KEYBOARD ( Z )
S610 1-762-875-21 SWITCH, KEYBOARD (P FILE)
S611 1-762-875-21 SWITCH, KEYBOARD (PRESET EQ)
S612 1-762-875-21 SWITCH, KEYBOARD (ENTER)
S621 1-762-875-21 SWITCH, KEYBOARD (CD)
S622 1-762-875-21 SWITCH, KEYBOARD (TUNER/BAND)
S623 1-762-875-21 SWITCH, KEYBOARD (TAPE A/B)
S624 1-762-875-21 SWITCH, KEYBOARD (GAME)

Ref. No. Part No. Description Remarks Ref. No. Part No. Description Remarks
71
HCD-RG444
SUB-WOOFERREM SENSOR SUB-TRANSPANEL
S626 1-762-875-21 SWITCH, KEYBOARD (ILLUMINATION)
S627 1-762-875-21 SWITCH, KEYBOARD
(PLAY MODE/TUNING MODE)
S628 1-762-875-21 SWITCH, KEYBOARD (GAME MIXING)
S629 1-762-875-21 SWITCH, KEYBOARD (CD SYNC)
S630 1-762-875-21 SWITCH, KEYBOARD (REC PAUSE/START)
S641 1-762-875-21 SWITCH, KEYBOARD (GROOVE)
S642 1-762-875-21 SWITCH, KEYBOARD (SURROUND)
S643 1-762-875-21 SWITCH, KEYBOARD (EFFECT ON/OFF)
S644 1-762-875-21 SWITCH, KEYBOARD (TUNING +)
S645 1-762-875-21 SWITCH, KEYBOARD ( H )
S646 1-762-875-21 SWITCH, KEYBOARD ( M ALBUM +)
S647 1-762-875-21 SWITCH, KEYBOARD ( m ALUBUM -)
S648 1-762-875-21 SWITCH, KEYBOARD ( X )
S649 1-762-875-21 SWITCH, KEYBOARD ( x )
S650 1-762-875-21 SWITCH, KEYBOARD (TUNING -)
< VIBRATOR >
X601 1-760-252-12 VIBRATOR, CRYSTAL (32.768kHz)
X602 1-795-004-21 VIBRATOR, CERAMIC (10MHz)
************************************************************
REM BOARD
**********
< CONNECTOR >
CN610 1-816-423-11 SOCKET, CONNECTOR 3P
< IC >
IC610 6-600-174-01 IC RPM7240-H4 ( )
< SHORT >
JR624 1-216-296-11 SHORT CHIP 0
************************************************************
1-687-132-12 SENSOR BOARD
*************
< CONNECTOR >
CN731 1-785-329-21 PIN, CONNECTOR (LIGHT ANGLE) 3P
< IC >
IC731 6-600-022-01 IC RPI-576
************************************************************
SUB-TRANS BOARD
****************
< CONNECTOR >
CN901 1-564-321-00 PIN, CONNECTOR (3.96mm PITCH) 2P
< DIODE >
D901 8-719-991-33 DIODE 1SS133T-77
D902 6-500-522-21 DIODE 10EDB40-TB3
D903 6-500-522-21 DIODE 10EDB40-TB3
D904 6-500-522-21 DIODE 10EDB40-TB3
D905 6-500-522-21 DIODE 10EDB40-TB3
< RELAY >
0RY901 1-755-276-21 RELAY, POWER
************************************************************
SUB-WOOFER BOARD
*****************
< CAPACITOR >
C502 1-162-286-21 CERAMIC 220PF 10% 50V
C503 1-162-600-11 CERAMIC 0.0047uF 10% 16V
C504 1-104-662-91 ELECT 22uF 20% 25V
C505 1-162-199-31 CERAMIC 10PF 5% 50V
C506 1-104-665-11 ELECT 100uF 20% 25V
C507 1-126-967-11 ELECT 47uF 20% 50V
C508 1-162-286-21 CERAMIC 220PF 10% 50V
C509 1-128-563-11 ELECT 100uF 20% 100V
C510 1-128-582-11 ELECT 10uF 20% 100V
C511 1-128-582-11 ELECT 10uF 20% 100V
C512 1-136-497-81 FILM 0.1uF 5% 50V
C513 1-136-497-81 FILM 0.1uF 5% 50V
C514 1-126-948-11 ELECT 100uF 20% 35V
C515 1-126-963-11 ELECT 4.7uF 20% 50V
C516 1-126-964-11 ELECT 10uF 20% 50V
C517 1-126-964-11 ELECT 10uF 20% 50V
< CONNECTOR >
*CN501 1-564-706-11 PIN, CONNECTOR (SMALL TYPE) 4P
*CN502 1-564-510-11 PLUG, CONNECTOR 7P
*CN503 1-564-517-11 PLUG, CONNECTOR 2P
< DIODE >
D501 8-719-110-31 DIODE RD12ESB2
D502 8-719-991-33 DIODE 1SS133T-77
D503 8-719-991-33 DIODE 1SS133T-77
D504 8-719-991-33 DIODE 1SS133T-77
D505 8-719-991-33 DIODE 1SS133T-77
D506 8-719-109-97 DIODE RD6.8ESB2
D507 8-719-991-33 DIODE 1SS133T-77
< IC >
IC501 6-600-091-01 IC STK404-130S
< JACK >
JK501 1-774-785-11 JACK, PIN 1P (SUB WOOFER OUT)
< TRANSISTOR >
Q501 8-729-140-84 TRANSISTOR 2SC1841-PAFAEA
Q502 8-729-119-76 TRANSISTOR 2SA1175-HFE
Q503 8-729-119-79 TRANSISTOR 2SC2785-FEK
Q505 8-729-119-79 TRANSISTOR 2SC2785-FEK
Q506 8-729-119-79 TRANSISTOR 2SC2785-FEK
Q507 8-729-119-79 TRANSISTOR 2SC2785-FEK
The components identified by mark 0 or dotted
line with mark 0 are critical for safety.
Replace only with part number specified.

Ref. No. Part No. Description Remarks Ref. No. Part No. Description Remarks
72
HCD-RG444
Ref. No. Part No. Description Remarks
72
SUB-WOOFER SW TRANSLATIONTRANS
Ref. No. Part No. Description Remarks
< RESISTOR >
R501 1-249-437-11 CARBON 47K 5% 1/4W
R502 1-249-437-11 CARBON 47K 5% 1/4W
R503 1-249-417-11 CARBON 1K 5% 1/4W
R504 1-249-437-11 CARBON 47K 5% 1/4W
R505 1-260-107-11 CARBON 4.7K 5% 1/2W
0R506 1-217-831-11 FUSIBLE 1 5% 1/4W
R507 1-260-107-11 CARBON 4.7K 5% 1/2W
R508 1-260-107-11 CARBON 4.7K 5% 1/2W
0R509 1-212-881-11 FUSIBLE 100 5% 1/4W
0R510 1-217-156-00 METAL 0.22 10% 5W
0R511 1-217-156-00 METAL 0.22 10% 5W
R512 1-260-076-11 CARBON 10 5% 1/2W
R513 1-249-417-11 CARBON 1K 5% 1/4W
R514 1-249-433-11 CARBON 22K 5% 1/4W
R515 1-249-437-11 CARBON 47K 5% 1/4W
R516 1-260-087-11 CARBON 100 5% 1/2W
R517 1-249-429-11 CARBON 10K 5% 1/4W
R518 1-249-421-11 CARBON 2.2K 5% 1/4W
R519 1-249-421-11 CARBON 2.2K 5% 1/4W
R520 1-249-441-11 CARBON 100K 5% 1/4W
R524 1-249-437-11 CARBON 47K 5% 1/4W
R525 1-249-433-11 CARBON 22K 5% 1/4W
R526 1-249-428-11 CARBON 8.2K 5% 1/4W
R527 1-247-903-00 CARBON 1M 5% 1/4W
R528 1-249-429-11 CARBON 10K 5% 1/4W
R529 1-249-421-11 CARBON 2.2K 5% 1/4W
R530 1-249-433-11 CARBON 22K 5% 1/4W
R531 1-249-425-11 CARBON 4.7K 5% 1/4W
R532 1-249-433-11 CARBON 22K 5% 1/4W
R533 1-249-433-11 CARBON 22K 5% 1/4W
< RELAY >
RY501 1-755-373-11 RELAY
************************************************************
1-687-669-12 SW BOARD
*********
< SWITCH >
S751 1-786-514-11 SWITCH, LEVER (SLIDE) (LEVER)
************************************************************
A-4752-618-A TRANS BOARD, COMPLETE
**********************
< CAPACITOR >
C906 1-164-159-21 CERAMIC 0.1uF 50V
C908 1-128-553-11 ELECT 220uF 20% 63V
C909 1-126-964-11 ELECT 10uF 20% 50V
C910 1-126-968-11 ELECT 100uF 20% 50V
C911 1-126-942-61 ELECT 1000uF 20% 25V
C920 1-131-679-31 FILM 0.01uF 5% 50V
C921 1-131-679-31 FILM 0.01uF 5% 50V
C922 1-131-679-31 FILM 0.01uF 5% 50V
C923 1-131-679-31 FILM 0.01uF 5% 50V
C924 1-136-165-00 FILM 0.1uF 5% 50V
C925 1-136-165-00 FILM 0.1uF 5% 50V
C926 1-164-159-21 CERAMIC 0.1uF 50V
< CONNECTOR >
CN904 1-564-321-00 PIN, CONNECTOR (3.96mm PITCH) 2P
CN905 1-564-506-11 PLUG, CONNECTOR 3P
*CN906 1-564-705-11 PIN, CONNECTOR (SMALL TYPE) 3P
*CN907 1-764-333-11 PLUG, CONNECTOR 10P
< DIODE >
D906 8-719-110-69 DIODE RD27ESB4
D908 6-500-522-21 DIODE 10EDB40-TB3
< TRANSISTOR >
Q902 8-729-048-52 TRANSISTOR 2SA1932 (TP)
< RESISTOR >
R903 1-249-430-11 CARBON 12K 5% 1/4W
R904 1-249-417-11 CARBON 1K 5% 1/4W
0R908 1-217-831-11 FUSIBLE 1 5% 1/4W
************************************************************
TRANSLATION BOARD
******************
< CAPACITOR >
C861 1-162-964-11 CERAMIC CHIP 0.001uF 10% 50V
< EARTH TERMINAL >
*EP802 1-537-738-21 TERMINAL, EARTH
************************************************************
VIDEO OUT BOARD
***************
< CONNECTOR >
*CN805 1-564-704-11 PIN, CONNECTOR (SMALL TYPE) 2P
< JACK >
J803 1-774-227-11 JACK, PIN 1P (VIDEO OUT)
************************************************************
MISCELLANEOUS
**************
71-763-117-13 FAN, DC
81-777-353-11 WIRE (FLAT TYPE) (15 CORE)
91-693-616-11 TUNER (FM/AM)
10 1-400-285-11 F-BEAD, E2515MRT
64 1-769-975-11 WIRE (FLAT TYPE) (13 CORE)
65 1-773-048-11 WIRE (FLAT TYPE) (17 CORE)
69 1-796-485-51 DECK, MECHANICAL (CWM43FF-05)
73 1-773-317-11 WIRE (FLAT TYPE) (31 CORE)
0103 1-777-071-83 CORD, POWER
152 1-776-182-11 WIRE (FLAT TYPE) (5 CORE)
226 1-827-992-11 WIRE (FLAT TYPE) (16 CORE)
227 1-773-251-11 WIRE (FLAT TYPE) (27 CORE)
0229 8-820-244-01 OPTICAL PICK-UP (KSM-215DCP/C2NP)
230 1-471-035-11 MAGNET ASSY
233 1-469-854-11 CORE, FERRITE
The components identified by mark 0 or dotted
line with mark 0 are critical for safety.
Replace only with part number specified.
VIDEO OUT

Ref. No. Part No. Description Remarks
73
HCD-RG444
73
0F904 1-576-655-12 FUSE, GLASS TUBE (DIA. 5) (T8.0AL/250V)
0F905 1-576-655-12 FUSE, GLASS TUBE (DIA. 5) (T8.0AL/250V)
0F906 1-533-470-12 FUSE, GLASS TUBE (DIA. 5) (T3.15AL/250V)
0F907 1-533-470-12 FUSE, GLASS TUBE (DIA. 5) (T3.15AL/250V)
M741 A-4723-963-A MOTOR ASSY, TABLE
M751 A-4736-655-A MOTOR ASSY, LOADING
0PT901 1-443-234-11 TRANSFORMER, POWER
0PT902 X-4956-293-1 SUB TRANS ASSY
RE701 1-477-680-12 ENCODER, ROTARY
The components identified by mark 0 or dotted
line with mark 0 are critical for safety.
Replace only with part number specified.

HCD-RG444
Ver. Date Description of Revision
1.0 2004.05 New
REVISION HISTORY
Clicking the version allows you to jump to the revised page.
Also, clicking the version at the upper right on the revised page allows you to jump to the next revised
page.
