HP Z220 SFF, CMT, Z420, Z620, And Z820
User Manual: HP Z220 SFF, Z220 CMT, Z420, Z620, and Z820 shared.swissparts.ch - /Manuals/HP/PC/Workstation/
Open the PDF directly: View PDF
.
Page Count: 193 [warning: Documents this large are best viewed by clicking the View PDF Link!]
- Hardware overview
- System management
- Power management and performance features
- BIOS ROM
- Computer Setup (F10) Utility
- Desktop management
- Initial computer configuration and deployment
- Installing a remote system
- Copying a setup configuration to another computer
- Updating and managing software
- HP Client Management Solutions
- Altiris Client Management Solutions
- HP SoftPaq Download Manager
- System Software Manager
- ROM Flash
- FailSafe Boot Block
- Workstation security
- Asset tracking
- SATA hard disk drive security
- Password security
- Establishing a setup password using Computer Setup (F10) Utility
- Establishing a power-on password using computer setup
- Entering a power-on password
- Entering a setup password
- Changing a power-on or setup password
- Deleting a power-on or setup password
- National keyboard delimiter characters
- Clearing passwords
- Chassis security
- Fault notification and recovery
- Programmable power button (Windows only)
- Component replacement information and guidelines
- Warnings and cautions
- Service considerations
- Product recycling
- Component replacement guidelines
- Battery
- Cable management
- CPU (processor) and CPU heatsink
- Expansion slots
- Card configuration restrictions for power supplies
- Choosing an expansion card slot
- HP Z220 SFF Workstation slot identification and description
- HP Z220 SFF Workstation installation sequence recommendations
- HP Z220 CMT Workstation slot identification and description
- HP Z220 CMT Workstation installation sequence recommendations
- HP Z420 Workstation slot identification and description
- HP Z420 Workstation installation sequence recommendations
- HP Z620 Workstation slot identification and description
- HP Z620 Workstation installation sequence recommendations
- HP Z820 Workstation slot identification and description
- HP Z820 Workstation installation sequence recommendations
- Hard disk drives and optical disc drives
- Handling hard disk drives
- Removal and replacement tips
- Drive installation and cabling scenarios
- HP Z220 SFF Workstations — SATA cable connection guidelines
- HP Z220 CMT Workstations — SATA cable connection guidelines
- HP Z420 Workstations — Intel AHCI SATA controller guidelines
- HP Z420 Workstations — LSI 9212-4i RAID controller guidelines
- HP Z620 Workstations — Intel AHCI SATA controller guidelines
- HP Z620 Workstations — LSI 9212-4i RAID controller guidelines
- HP Z820 Workstation cabling guidelines
- Memory
- Supported DIMM configurations
- BIOS errors and warnings
- DIMM installation guidelines
- HP Z220 SFF Workstation DIMM installation order
- HP Z220 CMT Workstation DIMM installation order
- HP Z420 Workstation DIMM installation order
- HP Z620 Workstation DIMM installation order
- HP Z820 Workstation DIMM installation order
- Power supply
- System board
- Diagnostics and troubleshooting
- Calling support
- Locating ID labels
- Locating warranty information
- Diagnosis guidelines
- Troubleshooting checklist
- HP troubleshooting resources and tools
- Troubleshooting scenarios and solutions
- Self-troubleshooting with HP Vision Diagnostics
- Self-troubleshooting with HP PC Hardware Diagnostics
- Diagnostic codes and errors
- Configuring password security and resetting CMOS
- Linux technical notes
- Configuring RAID devices
- System board designators
- Index

HP Z220 SFF, Z220 CMT, Z420, Z620,
and Z820 Workstations
Maintenance and Service Guide

Copyright Information
© Copyright 2012-2014 Hewlett-Packard
Development Company, L.P.
Fifth Edition: March 2014
First Edition: April 2012
Part Number: 669531–005
Warranty
Hewlett-Packard Company shall not be
liable for technical or editorial errors or
omissions contained herein or for incidental
or consequential damages in connection
with the furnishing, performance, or use of
this material. The information in this
document is provided “as is” without
warranty of any kind, including, but not
limited to, the implied warranties of
merchantability and fitness for a particular
purpose, and is subject to change without
notice. The warranties for HP products are
set forth in the express limited warranty
statements accompanying such products.
Nothing herein should be construed as
constituting an additional warranty.
The information contained herein is subject
to change without notice. The only
warranties for HP products and services are
set forth in the express warranty statements
accompanying such products and services.
Nothing herein should be construed as
constituting an additional warranty. HP shall
not be liable for technical or editorial errors
or omissions contained herein.
Not all features are available in all editions
of Windows 8. This computer may require
upgraded and/or separately purchased
hardware, drivers and/or software to take
full advantage of Windows 8 functionality.
See http://www.microsoft.com for details.
This computer may require upgraded and/
or separately purchased hardware and/or a
DVD drive to install the Windows 7 software
and take full advantage of Windows 7
functionality. See
http://windows.microsoft.com/en-us/
windows7/get-know-windows-7 for details.
Trademark Credits
Windows is a U.S. registered trademark of
the Microsoft group of companies.
Intel, Core, Pentium, and Xeon are
trademarks are trademarks of Intel
Corporation in the U.S. and other countries.
FireWire is a trademark of Apple Computer,
Inc., registered in the U.S. and other
countries.

About this guide
This guide provides service and maintenance information, technical details and configuration
guidance for the HP Z220 SFF, Z220 CMT, Z420, Z620, and Z820 Workstations.
IMPORTANT: Removal and replacement procedures are now available in videos on the HP
website.
Go to the HP Customer Self-Repair Services Media Library at http://www.hp.com/go/sml.
Guide topics
Hardware overview on page 1
System management on page 38
Component replacement information and guidelines on page 74
Diagnostics and troubleshooting on page 112
Configuring password security and resetting CMOS on page 153
Linux technical notes on page 157
Configuring RAID devices on page 161
System board designators on page 173
NOTE: View the
HP Z220 SFF, Z220 CMT, Z420, Z620, and Z820 Workstation Series User Guide
at http://www.hp.com/support/workstation_manuals.
iii
iv About this guide

Table of contents
1 Hardware overview ........................................................................................................................................... 1
HP Z220 SFF Workstation components ............................................................................................... 1
HP Z220 SFF Workstation front panel components ............................................................ 2
HP Z220 SFF Workstation rear panel components ............................................................. 3
HP Z220 SFF Workstation chassis components ................................................................. 4
HP Z220 SFF Workstation system board component ......................................................... 5
HP Z220 SFF Workstation system board architecture ........................................................ 6
Workstation specifications ................................................................................................... 7
HP Z220 CMT Workstation components .............................................................................................. 8
HP Z220 CMT Workstation front panel components ........................................................... 9
HP Z220 CMT Workstation rear panel components .......................................................... 10
HP Z220 CMT Workstation chassis components .............................................................. 11
HP Z220 CMT Workstation system board component ...................................................... 12
HP Z220 CMT Workstation system board architecture ..................................................... 13
Workstation specifications ................................................................................................. 14
HP Z420 Workstation components ..................................................................................................... 15
HP Z420 Workstation front panel ....................................................................................... 16
HP Z420 Workstation rear panel ....................................................................................... 17
HP Z420 Workstation chassis components ....................................................................... 18
HP Z420 Workstation system board components ............................................................. 19
HP Z420 Workstation system board architecture .............................................................. 20
HP Z420 Workstation specifications .................................................................................. 21
HP Z620 Workstation components ..................................................................................................... 23
HP Z620 Workstation front panel ....................................................................................... 23
HP Z620 Workstation rear panel ....................................................................................... 24
HP Z620 Workstation chassis components ....................................................................... 25
HP Z620 Workstation system board components ............................................................. 26
HP Z620 Workstation system board architecture .............................................................. 27
HP Z620 Workstation specifications .................................................................................. 28
HP Z820 Workstation components ..................................................................................................... 30
HP Z820 Workstation front panel ....................................................................................... 30
HP Z820 Workstation rear panel ....................................................................................... 31
HP Z820 Workstation chassis components ....................................................................... 32
HP Z820 Workstation system board components ............................................................. 33
HP Z820 Workstation system board architecture .............................................................. 34
HP Z820 Workstation specifications .................................................................................. 35
v
Environmental specifications .............................................................................................................. 36
Ensuring proper ventilation ................................................................................................................. 37
2 System management ...................................................................................................................................... 38
Power management and performance features ................................................................................. 38
ERP compliance mode ...................................................................................................... 38
Hyper-Threading Technology (HTT) .................................................................................. 39
SATA Power Management ................................................................................................ 39
Intel Turbo Boost Technology ............................................................................................ 39
HP Cool Tools (Windows 7 only) ....................................................................................... 39
Non-Uniform Memory Access (NUMA) .............................................................................. 40
BIOS ROM ......................................................................................................................................... 40
Computer Setup (F10) Utility .............................................................................................................. 41
Computer Setup (F10) functionality ................................................................................... 41
Accessing Computer Setup (F10) Utility ............................................................................ 42
Computer Setup (F10) Utility menu ................................................................................... 43
Desktop management ........................................................................................................................ 57
Initial computer configuration and deployment .................................................................. 58
Installing a remote system ................................................................................................. 58
Copying a setup configuration to another computer .......................................................... 59
Updating and managing software ...................................................................................... 60
HP Client Management Solutions ...................................................................................... 60
Altiris Client Management Solutions .................................................................................. 60
HP SoftPaq Download Manager ........................................................................................ 60
System Software Manager ................................................................................................ 61
ROM Flash ......................................................................................................................... 61
Remote ROM Flash .......................................................................................... 61
HPQFlash .......................................................................................................... 61
FailSafe Boot Block ........................................................................................................... 61
Recovering the computer from Boot Block Recovery mode ............................. 62
Workstation security .......................................................................................................... 62
Asset tracking .................................................................................................... 63
SATA hard disk drive security ........................................................................... 64
DriveLock applications ...................................................................... 65
Using DriveLock ............................................................................... 65
Password security ............................................................................................. 67
Establishing a setup password using Computer Setup (F10)
Utility ................................................................................................. 67
Establishing a power-on password using computer setup ............... 68
Entering a power-on password ......................................................... 68
Entering a setup password ............................................................... 69
vi
Changing a power-on or setup password ......................................... 69
Deleting a power-on or setup password ........................................... 70
National keyboard delimiter characters ............................................ 70
Clearing passwords .......................................................................... 71
Chassis security ................................................................................................ 71
Smart Cover Sensor (optional) ......................................................... 71
Side access panel solenoid lock ....................................................... 72
Cable lock (optional) ......................................................................... 72
Fault notification and recovery ........................................................................................... 72
Drive Protection System .................................................................................... 72
ECC fault prediction .......................................................................................... 72
Thermal sensors ............................................................................................... 72
Programmable power button (Windows only) .................................................................... 73
Changing the power button configuration (Windows only) ................................ 73
3 Component replacement information and guidelines ..................................................................................... 74
Warnings and cautions ....................................................................................................................... 74
Service considerations ....................................................................................................................... 75
Tools and software requirements ...................................................................................... 75
Electrostatic discharge (ESD) information ......................................................................... 75
Product recycling ................................................................................................................................ 77
Component replacement guidelines ................................................................................................... 77
Battery ............................................................................................................................... 77
Cable management ........................................................................................................... 78
CPU (processor) and CPU heatsink .................................................................................. 79
Expansion slots .................................................................................................................. 80
Card configuration restrictions for power supplies ............................................ 80
Choosing an expansion card slot ...................................................................... 80
HP Z220 SFF Workstation slot identification and description ........................... 81
HP Z220 SFF Workstation installation sequence recommendations ................ 82
HP Z220 CMT Workstation slot identification and description .......................... 83
HP Z220 CMT Workstation installation sequence recommendations ............... 84
HP Z420 Workstation slot identification and description ................................... 85
HP Z420 Workstation installation sequence recommendations ........................ 86
HP Z620 Workstation slot identification and description ................................... 87
HP Z620 Workstation installation sequence recommendations ........................ 88
HP Z820 Workstation slot identification and description ................................... 89
HP Z820 Workstation installation sequence recommendations ........................ 90
Hard disk drives and optical disc drives ............................................................................. 91
Handling hard disk drives .................................................................................. 91
Removal and replacement tips .......................................................................... 91
vii
Drive installation and cabling scenarios ............................................................ 92
HP Z220 SFF Workstations — SATA cable connection
guidelines ......................................................................................... 92
HP Z220 CMT Workstations — SATA cable connection
guidelines ......................................................................................... 92
HP Z420 Workstations — Intel AHCI SATA controller guidelines .... 93
HP Z420 Workstations — LSI 9212-4i RAID controller guidelines ... 94
HP Z620 Workstations — Intel AHCI SATA controller guidelines .... 95
HP Z620 Workstations — LSI 9212-4i RAID controller guidelines ... 96
HP Z820 Workstation cabling guidelines .......................................... 97
Memory .............................................................................................................................. 98
Supported DIMM configurations ........................................................................ 98
BIOS errors and warnings ................................................................................. 99
DIMM installation guidelines ............................................................................. 99
HP Z220 SFF Workstation DIMM installation order ........................................ 100
HP Z220 CMT Workstation DIMM installation order ....................................... 100
HP Z420 Workstation DIMM installation order ................................................ 101
HP Z620 Workstation DIMM installation order ................................................ 102
HP Z820 Workstation DIMM installation order ................................................ 103
Power supply ................................................................................................................... 104
Power supply specifications ............................................................................ 104
Power consumption and heat dissipation ........................................................ 106
Resetting the power supply ............................................................................. 106
System board ................................................................................................................... 106
System cabling ................................................................................................ 107
HP Z220 SFF Workstation system cabling ..................................... 107
HP Z220 CMT Workstation system cabling .................................... 108
HP Z420 Workstation system cabling ............................................. 109
HP Z620 Workstation system cabling ............................................. 110
HP Z820 Workstation system cabling ............................................. 111
4 Diagnostics and troubleshooting ................................................................................................................... 112
Calling support ................................................................................................................................. 113
Locating ID labels ............................................................................................................................. 114
Locating warranty information .......................................................................................................... 115
Diagnosis guidelines ........................................................................................................................ 115
Diagnosis at startup ......................................................................................................... 115
Diagnosis during operation .............................................................................................. 116
Troubleshooting checklist ................................................................................................................. 117
HP troubleshooting resources and tools .......................................................................................... 118
HP Support Assistant ....................................................................................................... 118
viii
Online support ................................................................................................................. 118
Troubleshooting a problem ............................................................................. 119
Instant Support and Active Chat ..................................................................... 119
Customer Advisories, Customer and Security Bulletins, and Customer
Notices ............................................................................................................ 119
Product Change Notifications .......................................................................... 119
Helpful hints ..................................................................................................................... 120
At startup ......................................................................................................... 120
During operation .............................................................................................. 120
Customer Self-Repair program ....................................................................... 121
Troubleshooting scenarios and solutions ......................................................................................... 122
Solving minor problems ................................................................................................... 122
Solving hard drive problems ............................................................................................ 124
Solving display problems ................................................................................................. 125
Solving audio problems ................................................................................................... 127
Solving printer problems .................................................................................................. 128
Solving power supply problems ....................................................................................... 129
Testing power supply ...................................................................................... 129
Self-troubleshooting with HP Vision Diagnostics .............................................................................. 131
Overview .......................................................................................................................... 131
Downloading and accessing HP Vision Diagnostics ........................................................ 132
Accessing HP Vision Diagnostics on the computer ......................................................... 132
Creating and using a bootable USB key ......................................................... 133
Creating and using a bootable DVD ................................................................ 133
Using the HP Memory Test utility .................................................................... 133
User interface .................................................................................................................. 134
Survey tab ....................................................................................................... 135
Test tab ........................................................................................................... 136
Status tab ........................................................................................................ 137
History tab ....................................................................................................... 137
Errors tab ........................................................................................................ 138
Help tab ........................................................................................................... 138
Saving and printing information in HP Vision Diagnostics ............................................... 139
Self-troubleshooting with HP PC Hardware Diagnostics .................................................................. 140
Downloading HP PC Hardware Diagnostics .................................................................... 141
Accessing HP PC Hardware Diagnostics ........................................................................ 142
User interface .................................................................................................................. 142
Running HP PC Hardware Diagnostics ........................................................................... 143
System information ......................................................................................... 143
Hardware diagnostic tests ............................................................................... 144
Diagnostic codes and errors ............................................................................................................. 145
ix
Diagnostic LED and audible (beep) codes ...................................................................... 145
LED color definitions ........................................................................................................ 148
POST error messages ..................................................................................................... 148
5 Configuring password security and resetting CMOS .................................................................................... 153
Preparing to configure passwords .................................................................................................... 153
Resetting the password jumper ........................................................................................................ 154
Clearing and resetting the CMOS .................................................................................................... 155
Using the CMOS button to reset CMOS .......................................................................... 155
Using Computer Setup (F10) Utility to reset CMOS ........................................................ 156
Appendix A Linux technical notes .................................................................................................................... 157
System RAM .................................................................................................................................... 157
Audio ................................................................................................................................................ 157
Network cards .................................................................................................................................. 158
Hyper-Threading Technology ........................................................................................................... 158
NVIDIA Graphics Workstations ........................................................................................................ 159
AMD Graphics Workstations ............................................................................................................ 160
Appendix B Configuring RAID devices ............................................................................................................ 161
RAID hard drive maximum and associated storage controller options ............................................. 161
Supported RAID configurations ........................................................................................................ 162
Configuring Intel SATA RAID ........................................................................................................... 163
Configuring system BIOS ................................................................................................ 164
Configuring RAID with the Intel utility .............................................................................. 165
Configuring RAID on an LSI 2308 or LSI 9212-4i controller ............................................................. 166
RAID 0 configuration ........................................................................................................ 166
RAID 1 configuration ........................................................................................................ 167
RAID 1E/10 configuration ................................................................................................ 168
Configuring RAID on an LSI 9260-8i MegaRAID controller .............................................................. 169
RAID 0 ............................................................................................................................. 169
Software RAID solution .................................................................................................................... 171
Software RAID considerations ......................................................................................... 171
Performance considerations ............................................................................................ 171
Configuring software RAID .............................................................................................. 172
Appendix C System board designators ........................................................................................................... 173
HP Z220 SFF Workstation ............................................................................................................... 173
HP Z220 CMT Workstation .............................................................................................................. 174
HP Z420 and Z620 Workstation system board designators ............................................................. 175
x
HP Z820 Workstations ..................................................................................................................... 177
Index ................................................................................................................................................................. 180
xi
xii

1 Hardware overview
This chapter presents an overview of workstation hardware components.
●HP Z220 SFF Workstation components
●HP Z220 CMT Workstation components
●HP Z420 Workstation components
●HP Z620 Workstation components
●HP Z820 Workstation components
●Environmental specifications
●Ensuring proper ventilation
HP Z220 SFF Workstation components
For complete and current information on supported accessories and components for the workstation,
see http://partsurfer.hp.com.
●HP Z220 SFF Workstation front panel components
●HP Z220 SFF Workstation rear panel components
●HP Z220 SFF Workstation chassis components
●HP Z220 SFF Workstation system board component
●HP Z220 SFF Workstation system board architecture
●Workstation specifications
HP Z220 SFF Workstation components 1

HP Z220 SFF Workstation front panel components
1 Optical drive 5 Optional media card reader (shown)
or optional second hard disk drive
2Power button 6Hard drive or optical drive activity
light
3USB 2.0 ports (4, black) 7Headphones connector
4
Microphone or headphones connector
(software selectable, default mode is
microphone)
2 Chapter 1 Hardware overview

HP Z220 SFF Workstation rear panel components
NOTE: The labels for the rear panel connectors use industry-standard icons and colors.
1RJ–45 network connector 7DisplayPort (DP)
2Serial port 8VGA (monitor) (blue)
3PS/2 mouse connector (green) 9PS/2 keyboard connector
(purple)
4 Power cord connector 10 Audio line-out connector (green)
5USB 2.0 ports (2) (back) 11 Audio line-in connector (blue)
6USB 3.0 ports (4) (blue)
NOTE:
The DP and VGA ports are not supported when the system is configured with Intel® Xeon® E3-12x0 v2 processors. Also, if a discrete
graphics card is installed, these ports are disabled by default.
NOTE:
Simultaneous usage of integrated Intel HD graphics and discrete graphics cards (in order to drive more than two displays) can be enabled
using the Computer (F10) Setup Utility. However, HP recommends using only discrete graphics cards when attaching three or more displays.
HP Z220 SFF Workstation components 3

HP Z220 SFF Workstation chassis components
For complete and current information on supported accessories and components for the computer,
see http://partsurfer.hp.com.
The following image shows the components of a typical computer layout. Drive configurations can
vary.
1Access panel 8Optional media reader or second hard disk drive
2Memory module (DIMM) 9Speaker
3System board 10 CPU
4Hard disk drive 11 Heatsink
5Power supply 12 Airflow guide
6Chassis 13 System fan
7Optical drive 14 Front bezel
4 Chapter 1 Hardware overview

HP Z220 SFF Workstation system board component
The following illustration and table identify computer system board components.
I/O SATA Power
1Display Port 13 AHCI 3Gb/s 20 Battery
2Front audio 14 AHCI 6Gb/s 21 CPU power
3Front speaker NOTE: Only the port labeled
eSATA is eSATA compatible.
22 Front power button/LED
4Front USB 2.0 23 Main power
5Internal USB 2.0 PCI/PCIe 24 Power COMM
6Keyboard/mouse 15 PCIe2 x1 25 SATA power
7Network/rear USB 2.0 16 PCIe2 x16 (4) Security
8Parallel (optional) 17 PCIe3 x16 26 Chassis solenoid lock
9Rear audio 18 PCI 32/33 27 Hood sense
10 Rear USB 3.0 NOTE: For related expansion
card slot information, see
Expansion slots on page 80
Service
11 Serial (optional) 28 Clear CMOS button
12 VGA/serial Cooling 29 Crisis recovery jumper
19 Chassis fan 30 ME/AMT flash override
31 Password jumper
HP Z220 SFF Workstation components 5

HP Z220 SFF Workstation system board architecture
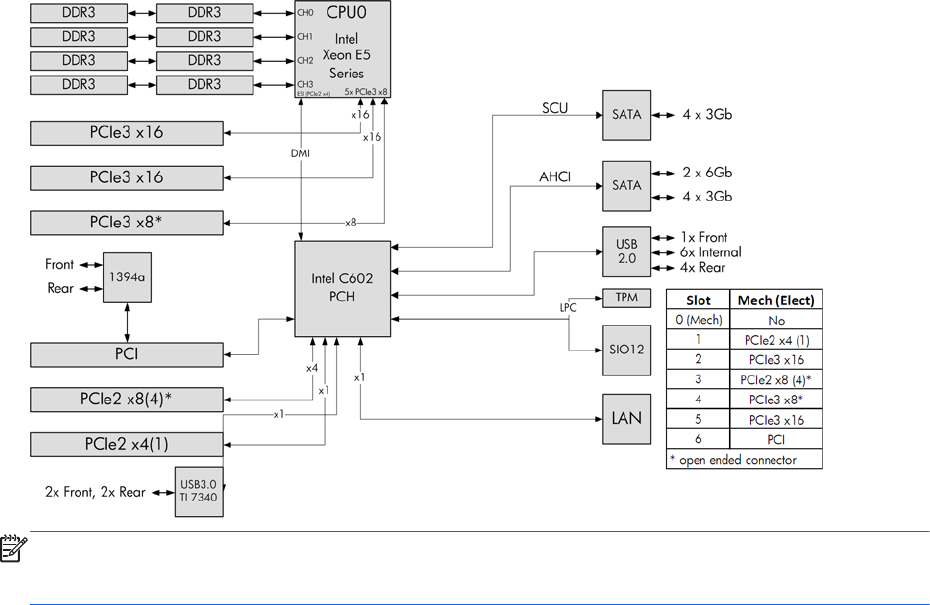
This section describes the system architectures.
The following figure shows the typical system board block diagram.
NOTE: The PCIe designators indicate the mechanical connector size and number of electrical PCIe
lanes routed to an expansion slot. For example, x16(8) means that the expansion slot is mechanically
a x16 length connector, with 8 PCIe lanes supported.
6 Chapter 1 Hardware overview

Workstation specifications
HP Z220 SFF
Processor
technology
Intel Series C216 chipset:
●Support for the Intel® Xeon® Processor E3 v2 Family, third-generation Intel Core processors
up to 95 W, or Intel Pentium® G640 procesors
●Integrated 2-channel memory controller
●Microarchitecture improvements
●Integrated graphics (some models)
●Advanced Vector Extensions (AVX) to increase floating point performance
●Intel DMI2 interface connecting the processor to the I/O controller
Power supply
●240 W, 90% efficient, compatible with ENERGY STAR® Version 5 requirements
●Supports European Union ERP Lot 6 tier2 power limit of less than 0.5W in off mode
Memory
technology
●Dual in-line memory modules (DIMMs) based on DDR3 1600 MHz technology
●Supports error checking and correcting (ECC) and non-ECC DIMMs
●Two direct-attach memory channels enable low-latency access and fast data transfer for
improved performance
●Up to 32 GB system memory (8 GB DIMMs)
●1600 MHz 2, 4, 8 GB ECC unbuffered DIMM
●1600 MHz 2, 4, 8 GB non ECC unbuffered DIMM
Graphics cards
Supports:
●PCIe Gen3 (PCIe3) bus speeds; can support dual PCIe Gen2 graphics cards in mechanical
PCIe x16 slots
●Multiple graphics cards, provided their total power usage is within 45 W
●Up to two displays with integrated Intel HD graphics (depending on processor type)
●Up to four 2D displays or two 3D displays
NOTE: Most supported Intel Core processors provide Intel HD Graphics 2000/2500/4000; Intel
Xeon processors with model designations that end in "---5" provide Intel HD Graphics P4000.
NOTE: To drive more than two displays, use the Computer (F10) Setup Utility to intermix
integrated Intel HD graphics and discrete graphics cards (with three or more displays, HP
recommends using only discrete graphics cards).
I/O technology
●RAID configurations for SATA RAID levels 0, 1
●Supports eSATA (3.0 Gbps) using an optional adapter
●Six external and four internal USB 2.0 ports
●Four external USB 3.0 ports
●Parallel and serial headers that can be used with an optional PCI bulkhead connector
HP Z220 SFF Workstation components 7

HP Z220 CMT Workstation components
For complete and current information on supported accessories and components for the computer,
see http://partsurfer.hp.com.
●HP Z220 CMT Workstation front panel components
●HP Z220 CMT Workstation rear panel components
●HP Z220 CMT Workstation chassis components
●HP Z220 CMT Workstation system board component
●HP Z220 CMT Workstation system board architecture
●Workstation specifications
8 Chapter 1 Hardware overview

HP Z220 CMT Workstation front panel components
1 Optical drive 5USB 3.0 ports (2) (blue)
2Power button 6Headphone connector
3Hard drive activity light 7Microphone connector
4USB 2.0 ports (1) (black) 81394a FireWire® connector (optional
and plugged unless configured)
HP Z220 CMT Workstation components 9

HP Z220 CMT Workstation rear panel components
1 Power cord connector 9 Power supply Built-In Self Test (BIST) LED
2PS/2 keyboard connector (purple) 10 PS/2 mouse connector (green)
3DVI-I connector 11 Universal chassis clamp opening
4Display Port (DP) connector 12 Cable lock slot
5USB 2.0 ports (4) (black) 13 Padlock loop
6USB 3.0 ports (2) (blue) 14 RJ-45 network connector
7Microphone connector (pink) 15 Audio line-in connector (blue)
8Audio line-out connector (green)
NOTE:
The DP and DVI-I ports are not supported when the system is configured with Intel Xeon E3-12x0 v2 processors. Also, if a discrete graphics
card is installed these ports are disabled by default.
NOTE:
Simultaneous usage of integrated Intel HD graphics and discrete graphics cards (in order to drive more than two displays) can be enabled
using the Computer (F10) Setup Utility. However, HP recommends using only discrete graphics cards when attaching three or more displays.
10 Chapter 1 Hardware overview

HP Z220 CMT Workstation chassis components
The following figure shows the chassis components of a typical HP Z220 CMT Workstation layout.
Drive configurations can vary.
Item Description Item Description
1 Power supply 8 Memory module (DIMM)
2 Side access panel 9 PCIe card
3 Rear system fan 10 PCI card
4 Optical drive 11 Speaker
5 CPU heatsink 12 Hard disk drive
6 CPU 13 Front bezel
7 System board 14 Chassis
HP Z220 CMT Workstation components 11

HP Z220 CMT Workstation system board component
The following illustration and table identify workstation system board components.
I/O SATA Power
1Display Port 15 AHCI 3Gb/s 27 Battery
2DVI video 16 AHCI 6Gb/s 28 CPU power
3Front audio PCI/PCIe 29 Front power button/LED
4Front speaker 17 PCIe2 x8 (4) 30 Main power
5Front USB 2.0/3.0 18 PCIe3 x16 Security
6Internal USB 2.0 19 PCIe2 x1 31 Chassis solenoid lock
7Internal USB 2.0 20 PCIe2 x16 (4) 32 Hood sense
8Internal USB 2.0 21 PCIe2 x1 Service
9Keyboard/mouse 22 PCI 32/33 33 Clear CMOS button
10 Network/rear USB 2.0 23 PCI 32/33 34 Crisis recovery jumper
11 Parallel (optional) Cooling 35 ME/AMT flash override
12 Rear audio 24 CPU fan 36 Password jumper
13 Rear USB 2.0/3.0 25 Front fan NOTE: For related expansion card slot
information, see Expansion slots
on page 80
14 Serial (optional) 26 Rear fan
12 Chapter 1 Hardware overview

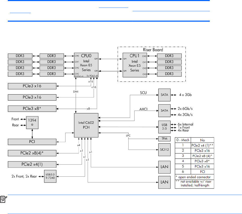
HP Z220 CMT Workstation system board architecture
The following figure shows the typical system board block diagram.
NOTE: The PCIe designators indicate the mechanical connector size and number of electrical PCIe
lanes routed to an expansion slot. For example, x16(8) means that the expansion slot is mechanically
a x16 length connector, with 8 PCIe lanes supported.
HP Z220 CMT Workstation components 13

Workstation specifications
HP Z220 CMT
Processor
technology
Intel Series C216 chipset:
●Support for the Intel Xeon Processor E3 v2 Family or third-generation Intel Core processors up
to 95 W
●Integrated 2-channel memory controller
●Microarchitecture improvements
●Integrated graphics (some models)
●Advanced Vector Extensions (AVX) to increase floating point performance
●Intel DMI2 interface connecting the processor to the I/O controller
Power supply
●400 W, 90% efficient, compatible with ENERGY STAR Version 5 requirements
●Supports European Union ERP Lot 6 tier2 power limit of less than 0.5 W in off mode
Memory
technology
●Dual in-line memory modules (DIMMs) based on DDR3 1600MHz technology
●Supports error checking and correcting (ECC) and non-ECC DIMMs
●Two direct-attach memory channels enable low-latency access and fast data transfer for
improved performance
●Up to 32 GB system memory (8 GB DIMMs)
●1600 MHz 2, 4, 8 GB ECC unbuffered DIMM
●1600 MHz 2, 4, 8 GB non ECC unbuffered DIMM
Graphics cards
Supports:
●PCIe Gen3 (PCIe3) bus speeds; can support dual PCIe Gen2 graphics cards in mechanical
PCIe x16 slots
●Multiple graphics cards, provided their total power usage is within 150 W
●Up to two displays with integrated Intel HD graphics (depending on processor type)
●Up to four 2D displays or two 3D displays
NOTE: Most supported Intel Core processors provide Intel HD Graphics 2000/2500/4000; Intel
Xeon processors with model designations that end in "---5" provide Intel HD Graphics P4000.
NOTE: To drive more than two displays, use the Computer (F10) Setup Utility to intermix
integrated Intel HD graphics and discrete graphics cards (with three or more displays, HP
recommends using only discrete graphics cards).
I/O technology
●RAID configurations for SATA RAID levels 0, 1
●Supports eSATA (3.0 Gbps) using an optional adapter
●Six external and four internal USB 2.0 ports
●Four external USB 3.0 ports
●Parallel and serial headers that can be used with an optional PCI bulkhead connector
14 Chapter 1 Hardware overview

HP Z420 Workstation components
For complete and current information on supported accessories and components for the computer,
see http://partsurfer.hp.com.
●HP Z420 Workstation front panel
●HP Z420 Workstation rear panel
●HP Z420 Workstation chassis components
●HP Z420 Workstation system board components
●HP Z420 Workstation system board architecture
●HP Z420 Workstation specifications
HP Z420 Workstation components 15

HP Z420 Workstation front panel
1 Optical drive 5USB 3.0 ports (2, blue)
2Power button 6Headphone connector
3Hard drive activity light 7Microphone connector
4USB 2.0 port (black) 8IEEE–1394a FireWire®
connector
16 Chapter 1 Hardware overview

HP Z420 Workstation rear panel
1 Power supply Built-In Self Test
(BIST) LED 9Audio line-out connector (green)
2 Universal chassis clamp opening 10 Microphone connector (pink)
3PS/2 mouse connector (green) 11 AMT-enabled RJ-45 network
connector (orange)
4USB 2.0 ports (4, black) 12 USB 3.0 ports (2, blue)
5 Security slot 13 IEEE-1394a FireWire connector
(white)
6 Padlock loop 14 PS/2 keyboard connector
(purple)
7Audio line-in connector (blue) 15 Rear power button
8 Graphics card connector 16 Power cord connector
HP Z420 Workstation components 17

HP Z420 Workstation chassis components
1 Power supply 9 CPU
2 Side access panel 10 Memory module (DIMM)
3 Rear system fan 11 System board
4 Memory airflow guide 12 PCIe card
5 Hard disk drive 13 PCI card
6 Hard disk drive 14 Speaker
7 Optical drive 15 Front bezel
8 Heatsink 16 Chassis
18 Chapter 1 Hardware overview

HP Z420 Workstation system board components
I/O SATA (SAS optional) Cooling Security
1Front 1394a 14 AHCI 3Gb/s 25 CPU0 fan 34 Chassis solenoid lock
2Front audio 15 AHCI 6Gb/s 26 Front fan 35 Chassis intrusion sensor
3Front speaker 16 HDD LED 27 Memory fan Service
4Front USB 2.0 17 SCU 3Gb/s 28 Rear fan 36 Clear CMOS button
5Front USB 3.0 18 SAS (optional) Power 37 ME/AMT flash override
6Internal USB 2.0 PCI/PCIe 29 Battery 38 Password jumper
7Keyboard/mouse 19 PCIe2 x4 (1) 30 Front power button/LED
8Network 20 PCIe3 x16 31 Main power
9Rear 1394a 21 PCIe2 x8 (4) 32 CPU/MEM power
10 Rear audio 22 PCIe3 x8 33 Rear power button/LED
11 Rear USB 2.0 23 PCIe3 x16 For related expansion card slot information, see Expansion
slots on page 80
12 Rear USB 3.0 24 PCI 32/33
13 Serial (optional)
HP Z420 Workstation components 19

HP Z420 Workstation system board architecture
NOTE: The PCIe designators indicate the mechanical connector size and number of electrical PCIe
lanes routed to an expansion slot. For example, x16(8) means that the expansion slot is mechanically
a x16 length connector, with 8 PCIe lanes supported.
20 Chapter 1 Hardware overview

HP Z420 Workstation specifications
Processor technology
Intel Series C602 chipset:
●Support for the Intel Xeon Processor E5-1600 Series and E5-2600 Series, including
processors up to 150 W
●Integrated 4-channel memory controller
●Microarchitecture improvements
●Large L3 cache for superior performance
●Intel QuickPath Interconnect (QPI) connects processors and I/O controller with
speeds up to 8 GT/s
HP Liquid Cooling option is available for all Z420 processors and is required on the
E5-2687W processor model.
Power supply
●600 W Gold, 90% efficient, wide-ranging, active Power Factor Correction, one
auxiliary dongle on a 12V rail, ERP 0.5W, Built-in-Self Test (BIST)
●400 W Gold, 90% efficient, wide-ranging, active Power Factor Correction, ERP
0.5W, Built-in-Self Test (BIST)
Memory technology
●Dual in-line memory modules (DIMMs) based on DDR3 1600 MHz technology
●Error checking and correcting (ECC)-protected
●Four direct-attach memory channels enable low-latency access and fast data
transfer for improved performance
●Up to 64 GB system memory (8 GB DIMMs)
●1600 MHz 2, 4, 8 GB ECC unbuffered DIMMs
NOTE: Do not mix any of the different types (unbuffered, registered, and load reducing
DIMMs) of memory. The system will not boot and will produce a memory error.
NOTE: Distribute DIMMs across all memory channels for optimal performance.
Graphics cards
Supports:
●PCIe Gen3 (PCIe3) bus speeds; can support two PCIe Gen3 graphics cards in
PCIe3 x16 slots
●Up to 225 W graphics or compute card in the primary graphics slot (600 W PSU)
●Up to 75 W graphics in primary slot (400 W PSU)
●A second graphics card in the second PCIe3 x16 slot
●Third and fourth 2D graphics cards in additional PCIe2 slots
●Combined power consumption of all cards not to exceed 270 W (subject to overall
system power limitations and configuration restrictions) (600 W PSU)
●Combined power consumption of all cards not to exceed 75 W (subject to overall
system power limitations and configuration restrictions) (400 W PSU)
I/O technology
●SATA RAID 0/1/5/10 on AHCI
●Ten SATA ports (2 AHCI 6 Gb/s, 4 AHCI 3 Gb/s, 4 SCU 3 Gb/s)
●Two ports capable of optional eSATA
●Four external USB 3.0 ports (2 front, 2 rear)
●Five external USB 2.0 ports (1 front, 4 rear)
●Six internal USB 2.0 ports
HP Z420 Workstation components 21

●Serial Attached SCSI (SAS) drives supported with 9212-4i plug-in card
Weight
●Standard configuration: 13.2 kg (29.2 lb)
●Minimum configuration: 12.5 kg (27.5 lb)
●Maximum configuration: 17.7 kg (39.4 lb)
Chassis dimensions
Tower configuration:
●Height: 44.76 cm (17.62 in)
●Width: 17.78 cm (7.00 in)
●Depth: 44.50 cm (17.53 in)
Desktop configuration:
●Height: 17.78 cm (7.00 in)
●Width: 44.76 cm (17.62 in)
●Depth: 44.50 cm (17.53 in)
22 Chapter 1 Hardware overview

HP Z620 Workstation components
For complete and current information on supported accessories and components for the computer,
see http://partsurfer.hp.com.
●HP Z620 Workstation front panel
●HP Z620 Workstation rear panel
●HP Z620 Workstation chassis components
●HP Z620 Workstation system board components
●HP Z620 Workstation system board architecture
●HP Z620 Workstation specifications
HP Z620 Workstation front panel
1 Optical drive 5USB 3.0 ports (2, blue)
2Power button 6Headphone connector
3Hard drive activity light 7Microphone connector
4USB 2.0 port (black) 8IEEE–1394a FireWire connector
HP Z620 Workstation components 23

HP Z620 Workstation rear panel
1 Power cord connector 8Audio line-out connector (green)
2PS/2 mouse connector (green) 9Microphone connector (pink)
3USB 2.0 ports (4, black) 10 USB 3.0 ports (2, blue)
4
RJ-45 network connectors (orange)
Bottom connector is AMT enabled
11 IEEE-1394a connector (white)
5Audio line-in connector (blue) 12 PS/2 keyboard connector (purple)
6 Graphics card connector 13 Rear power button
7 Security slot 14 Power supply Built-In Self Test (BIST)
LED
24 Chapter 1 Hardware overview

HP Z620 Workstation chassis components
1Side access panel 13 Second CPU memory module (DIMM) (optional)
2Second CPU module rear guide bracket 14 CPU
3Memory fans 15 Second CPU module (optional)
4Rear system fans 16 PCIe card
5Power supply 17 PCI card
6Speaker 18 Card guide and front fan
7Side access panel key lock 19 Hard disk drive
8Second CPU heatsink (optional) 20 Hard disk drive carrier
9Second CPU (optional) 21 Optical drive
10 CPU heatsink 22 External bay filler
11 Memory module (DIMM) 23 Chassis
12 System board
HP Z620 Workstation components 25

HP Z620 Workstation system board components
I/O PCI/PCIe Power
1Front 1394a 13 PCIe2 x4 (1) 25 Battery
2Front audio 14 PCIe3 x16 26 CPU and memory power
3Front USB 2.0 15 PCIe2 x8 (4) 27 Front power button, LED,
speaker
4Front USB 3.0 16 PCIe3 x8 28 Main power
5Internal USB 2.0 17 PCIe3 x 16 29 Rear power button/LED
6Keyboard/mouse 18 PCI 32/33 SATA (SAS optional)
7Network Cooling 30 AHCI 3Gb/s
8Rear 1394a 19 CPU0 memory fan 31 AHCI 6Gb/s
9Rear audio 20 CPU1 memory fan 32 Hard disk drive LED
10 Rear USB 2.0 21 Front fan 33 SCU 3Gb/s
11 Rear USB 3.0 22 CPU0 memory fan 34 SAS (optional)
12 Serial (optional) 23 CPU1 memory fan (optional) Service
24 Rear fans 35 Clear CMOS button
26 Chapter 1 Hardware overview

For related expansion card slot information, see Expansion slots
on page 80
36 ME/AMT flash override
37 Password jumper
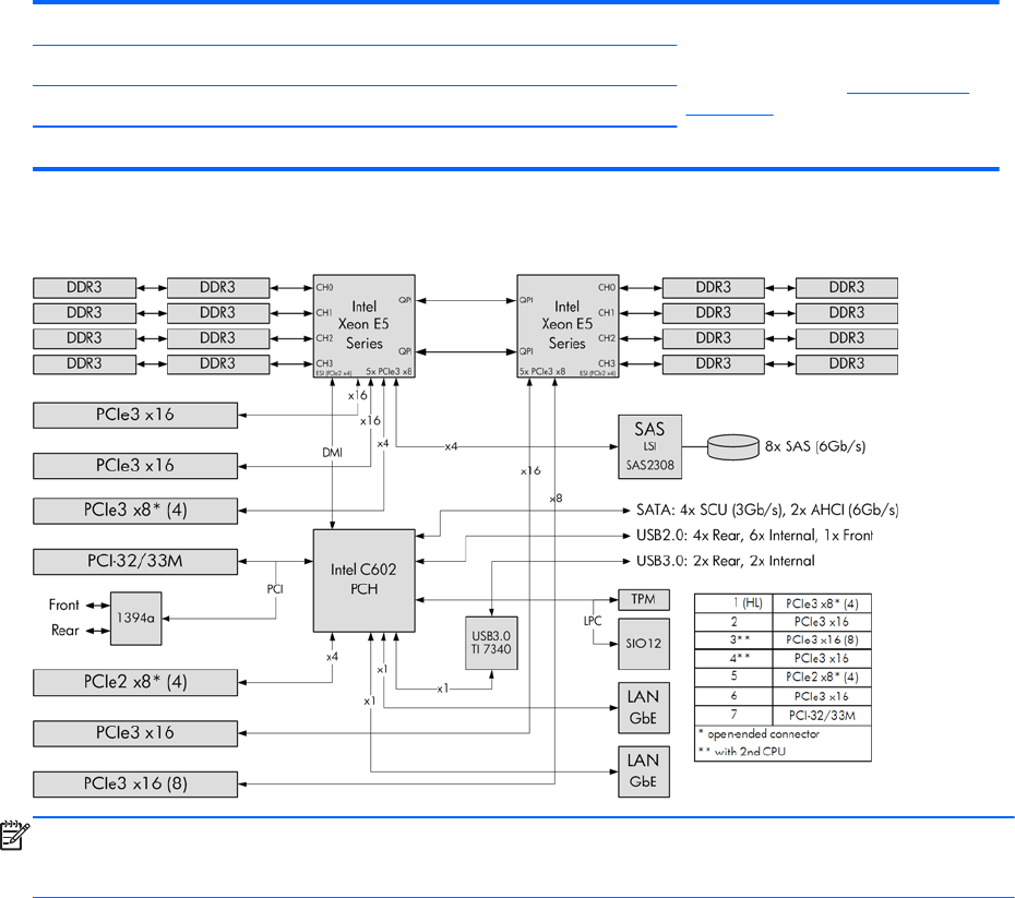
HP Z620 Workstation system board architecture
NOTE: The PCIe designators indicate the mechanical connector size and number of electrical PCIe
lanes routed to an expansion slot. For example, x16 (8) means that the expansion slot is
mechanically a x16 length connector, with 8 PCIe lanes supported.
HP Z620 Workstation components 27

HP Z620 Workstation specifications
Processor
technology
Intel Series C602 chipset:
●Support for the Intel Xeon Processor E5-1600 Series and E5-2600 Series
●Integrated 4-channel memory controller
●Microarchitecture improvements
●Large L3 cache for superior performance
●Intel QuickPath Interconnect (QPI) connects processors and I/O controller with speeds up to 8
GT/s
Power supply ●800 W Gold, 90% efficient, wide-ranging, active Power Factor Correction, two auxiliary dongles
on two separate 12V rails, ERP 0.5W, Built-in-Self Test (BIST)
Memory
technology
●Dual in-line memory modules (DIMMs) based on DDR3 1600 MHz technology
●Error checking and correcting (ECC)-protected
●Eight direct-attach memory channels (four per CPU) enable low-latency access and fast data
transfer for improved performance
●Configurations with one CPU have eight DIMM slots; a second CPU adds four more DIMM
slots
●With one processor, up to 64 GB system memory (8 GB DIMMs)
●With second processor, up to 96 GB system memory (8 GB DIMMs)
●1600 MHz 2, 4 GB ECC unbuffered DIMMs
●1600 MHz 4, 8 GB ECC registered DIMMs
NOTE: Do not mix any of the different types (unbuffered, registered, and load reducing DIMMs) of
memory. The system will not boot and will produce a memory error.
NOTE: For maximum performance, on workstations with two CPUs, install the same number of
DIMMs per CPU and install them in pairs of the same size.
NOTE: Distribute DIMMs across all memory channels for optimal performance.
Graphics cards
●PCIe Gen3 (PCIe3) bus speeds; can support two PCIe Gen3 graphics cards in PCIe3 x16 slots
●Up to 225 W graphics or compute card in the primary graphics slot
●A second graphics card in the second PCIe3 x16 slot
●Third and fourth 2D graphics cards in additional PCIe2 slots
●Combined power consumption of all cards cannot exceed 300 W (subject to overall system
power limitations and configuration restrictions)
I/O technology
●SATA RAID 0/1/5/10 on AHCI
●Ten SATA ports (2 AHCI 6 Gb/s, 4 AHCI 3 Gb/s, 4 SCU 3 Gb/s)
●Two ports available for optional eSATA
●Four external USB 3.0 ports (2 front, 2 rear)
●Five external USB 2.0 ports (1 front, 4 rear)
●Six internal USB 2.0 ports
Weight
●Standard configuration: 17.9 kg (39.4 lb)
●Minimum configuration: 15.5 kg (34.2 lb)
28 Chapter 1 Hardware overview

●Maximum configuration: 22.6 kg (49.9 lb)
Chassis
dimensions
●Height: 44.45 cm (17.50 in)
●Width: 17.15 cm (6.75 in)
●Depth: 46.48 cm (18.30 in)
HP Z620 Workstation components 29

HP Z820 Workstation components
For information on supported accessories and components, see http://partsurfer.hp.com.
●HP Z820 Workstation front panel
●HP Z820 Workstation rear panel
●HP Z820 Workstation chassis components
●HP Z820 Workstation system board components
●HP Z820 Workstation system board architecture
●HP Z820 Workstation specifications
HP Z820 Workstation front panel
1 Optical drive 5USB 3.0 ports (2, blue)
2Power button 6Headphone connector
3Hard drive activity light 7Microphone connector
4USB 2.0 port (black) 8IEEE–1394a FireWire connector
30 Chapter 1 Hardware overview

HP Z820 Workstation rear panel
1 Power cord connector 9USB 3.0 ports (2, blue)
2PS/2 mouse connector (green) 10 USB 2.0 ports (4, black)
3Audio line-in connector (blue) 11 Audio line-out connector (green)
4
RJ-45 network connectors (2, orange)
Top connector is AMT enabled
12 Microphone connector (pink)
5IEEE-1394a FireWire connector
(white) 13 PS/2 keyboard connector (purple)
6 Security slot 14 Rear power button
7 Graphics card connector(s) 15 Power supply Built-In Self Test
(BIST) LED
8Serial connector (teal blue)
HP Z820 Workstation components 31

HP Z820 Workstation chassis components
1CPU/memory fans 12 Processor (CPU) heatsink
2Power supply 13 Processor (CPU)
3Optical drive 14 Chassis
4Side access panel 15 Processor (CPU) liquid cooling unit (optional upgrade
to standard heatsink)
5Side access panel key lock 16 PCI Retainer
6Rear system fans 17 PCIe card
7Memory module (DIMM) 18 PCI card
8Front bay filler (optional) 19 Hard disk drive carrier
9Second processor (CPU) heatsink
(optional)
20 Hard disk drive
10 Second processor (CPU) (optional) 21 Front system fan unit (two fans with 1125 W power
supply)
11 System board 22 Speaker
32 Chapter 1 Hardware overview

HP Z820 Workstation system board components
I/O PCI/PCIe Power
1Front 1394a 16 PCIe3 x8 (4) — CPU0 31 Battery
2Front audio 17 PCIe3 x16 — CPU0 32 CPU0 power
3Front USB 2.0 18 PCIe3 x16 (8) — CPU1 33 CPU1 power
4Front USB 3.0 19 PCIe3 x16 — CPU1 34 Front power button /LED/
speaker
5Internal USB 2.0 20 PCIe2 x8 (4) — CPU0 35 Main power
6Keyboard/mouse 21 PCIe3 x16 — CPU0 36 Memory power
7Rear audio 22 PCI 32/33 — CPU0 37 Rear power button /LED
8Rear USB 2.0/Network Cooling Service
9Rear USB 3.0/1394a 23 Auxiliary fan 1 (front) 38 Clear CMOS button
10 Serial 24 Auxiliary fan 2 (rear) 39 Crisis recovery jumper
SAS/SATA 25 CPU/memory fans 40 ME/AMT Flash override
11 AHCI 6Gb/s 26 Front fan 1 (top) 41 Password jumper
HP Z820 Workstation components 33

12 Hard disk drive LED 27 Front fan 2 (bottom)
NOTE: For related expansion card
slot information, see Expansion slots
on page 80.
13 SAS/SATA 6Gb/s 28 Liquid cooling 0 power
14 SAS (optional) 29 Liquid cooling 1 power
15 SCU 3Gb/s 30 Rear chassis fans
HP Z820 Workstation system board architecture
NOTE: The PCIe designators indicate the mechanical connector size and number of electrical PCIe
lanes routed to an expansion slot. For example, x16(8) means that the expansion slot is mechanically
a x16 length connector, with 8 PCIe lanes supported.
34 Chapter 1 Hardware overview

HP Z820 Workstation specifications
Processor
technology
Intel Series C602 chipset:
●Support for the Intel Xeon Processor E5-2600 Series, including processors up to 150 W
●Integrated 4-channel memory controller
●Microarchitecture improvements
●Large L3 cache for superior performance
●Intel QuickPath Interconnect (QPI) connects processors and I/O controller with speeds up to
8.0 GT/s
NOTE:
HP Liquid Cooling option is available for all Z820 processors.
Power supply
●850 W Silver, 88% efficient, wide-ranging, active Power Factor Correction, two auxiliary
dongles on two separate 12V rail, ERP 0.5W, Built-in-Self Test (BIST)
●1125 W Gold, 90% efficient, wide-ranging, active Power Factor Correction, three auxiliary
dongles on three separate 12V rails, ERP 0.5W, Built-in-Self Test (BIST)
●China’s Energy Conservation Program (CECP) configurations
●European Union ErP LOT6 2013 power limit of 0.5 W in off mode
Memory
technology
●Dual in-line memory modules (DIMMs) based on DDR3 1600MHz technology
●Error checking and correcting (ECC)-protected
●Eight direct-attach memory channels (four per CPU) enable low-latency access and fast data
transfer for improved performance
●Configurations with one CPU have eight DIMM slots; a second CPU adds eight more DIMM
slots
●With one processor, up to 256 GB system memory (32 GB DIMMs)
●With second processor, up to 512 GB system memory (32 GB DIMMs)
●1600 MHz 2, 4 GB ECC unbuffered DIMM
●1600 MHz 4, 8, 16 GB ECC registered DIMM
●1333 MHz 32 GB ECC Load Reducing DIMM (available second half of 2012)
NOTE: Do not mix any of the different types (unbuffered, registered, and load reducing DIMMs) of
memory. The system will not boot and will produce a memory error.
NOTE: For maximum performance, on workstations with two CPUs, install the same number of
DIMMs per CPU and install them in pairs of the same size
NOTE: Distribute DIMMs across all memory channels for optimal performance
Graphics cards
●PCIe Gen3 (PCIe3) bus speeds; can support three PCIe Gen3 graphics cards in PCIe3 x16
slots
●Up to one 160 W or two 75 W graphics cards with 850 W power supply
●Up to two 300 W or three 225 W graphics cards with optional 1125 W power supply (other
configuration restrictions may be required)
I/O technology
●SATA RAID 0/1/5/10 on SCU
●SAS RAID 0/1/10 on LSI SAS 2308 controller
●Six SATA ports: four SCU (3 GB/s); two AHCI (6 GB/s)
●Eight SAS ports (6 GB/s)
●Two ports (6.0 GB/s) available for optional eSATA
HP Z820 Workstation components 35

●Four external USB 3.0 ports
●Five external and six internal USB 2.0 ports
Weight
●Standard configuration: 26.6 kg (58.7 lb)
●Minimum configuration: 24.0 kg (52.9 lb)
●Maximum configuration: 32.0 kg (70.5 lb)
Chassis
dimensions
●Height: 44.4 cm (17.5 in)
●Width: 20.3 cm (8.0 in)
●Depth: 52.5 cm (20.7 in)
Environmental specifications
The following table lists the environmental specifications of HP Workstations.
Temperature
Operating: 5 to 35°C (40 to 95°F)
Non-operating: -40 to 60°C (-40 to 140°F)
NOTE: Derate by one degree C (1.8 degrees F) for every 305 m (1,000 ft) altitude over 1,524 m (5,000
ft).
Humidity
Operating: 8 to 85% Relative Humidity (RH), non-condensing
Non-operating: 8 to 90% Relative Humidity (RH), non-condensing
Altitude
Operating: 0 to 3,048 m (10,000 ft)
Non-operating: 0 to 9,144 m (30,000 ft)
Shock
Operating: ½-sine: 40
g
, 2-3 ms (~62 cm/sec)
Non-operating:
●½-sine: 160 cm/s, 2-3 ms (~105
g
)
●square: 422 cm/s, 20
g
NOTE: Values represent individual shock events and do not indicate repetitive shock events.
Vibration
Operating Random: 0.5
g
(rms), 5-300 Hz, up to 0.0025
g
2
/Hz
Non-Operating: random: 2.0
g
(rms), 10-500 Hz, up to 0.0150
g
2
/Hz
NOTE: Values do not indicate continuous vibration.
36 Chapter 1 Hardware overview

Ensuring proper ventilation
Proper ventilation for the system is important for workstation operation. Follow these guidelines:
●Operate the workstation on a sturdy, level surface.
●Provide at least 15.24 cm (6 inches) of clearance at the front and back of the workstation.
(Workstation models vary.)
●Ensure that the ambient air temperature falls within the environmental specifications listed in this
document.
NOTE: The ambient upper limit of 35°C (95°F) is only good up to 1524 m (5000 ft) elevation.
There is a 1°C (33.8°F) per 304.8 m (1000 ft) derating above 1524 m (5000 ft). So, at 3,048 m
(10,000 ft), the upper ambient air temperature limit is 30°C (86°F).
●For cabinet installation, ensure adequate cabinet ventilation and ensure that the ambient
temperature within the cabinet does not exceed specified limits.
●Never restrict the incoming or outgoing airflow of the workstation by blocking any vents or air
intakes, as shown in the following figure.
Ensuring proper ventilation 37

2 System management
This section describes the tools and utilities that provide system management for the workstation.
●Power management and performance features
●BIOS ROM
●Computer Setup (F10) Utility
●Desktop management
Power management and performance features
ERP compliance mode
This computer provides ERP compliance mode capability.
When enabled, the computer shuts down to the lowest possible power state. The computer must then
be turned on with the power button. One of the effects is that "wake on LAN" is disabled.
When disabled, the computer powers down conventionally.
Enabling ERP compliance
mode
1. Press F10 during startup.
2. Using the arrow keys, select the Power > Hardware Power Management > S5
Maximum Power Savings, then select Enable.
3. Press F10 to accept the change.
4. Select File > Save Change and Exit, and then press Enter to accept the change.
5. If using Windows 8, boot to Windows and search from the Start page for the setting
Change what the power buttons do. Uncheck Turn on fast startup (recommended). If
the checkbox is not available, click Change settings that are currently unavailable at
the top of the window.
Disabling ERP compliance
mode
1. Press F10 during startup.
2. Using the arrow keys, select Power > Hardware Power Management > S5 Maximum
Power Savings, then select Disable.
3. Press F10 to accept the change.
4. Select File > Save Change and Exit, and then press Enter to accept the change.
5. If using Windows 8, boot to Windows and search from the Start page for the setting
Change what the power buttons do. Check Turn on fast startup (recommended). If the
checkbox is not available, click Change settings that are currently unavailable at the
top of the window.
38 Chapter 2 System management

Hyper-Threading Technology (HTT)
This computer supports HTT, an Intel-proprietary technology that improves processor performance
through parallelization of computations (doing multiple tasks at once).
The operating system treats an HTT-enabled processor as two virtual processors, and shares the
workload between them when possible. This feature requires that the operating system support
multiple processors and be specifically optimized for HTT.
Use the Computer Setup (F10) Utility to enable HTT.
Go to http://www.hp.com/go/quickspecs to determine if your CPU supports HTT.
SATA Power Management
SATA Power Management enables or disables SATA bus and/or device power management.
Intel Turbo Boost Technology
The HP Z Workstation series supports Intel® Turbo Boost Technology.
This feature enables the CPU to run at a higher than normal rate. When all CPU cores are not
necessary for the workload, inactive cores are turned off and power is diverted to the active cores to
increase their performance.
Turbo Boost is enabled and disabled with the Computer Setup (F10) Utility.
Go to http://www.hp.com/go/quickspecs to determine if your CPU supports Turbo Boost.
HP Cool Tools (Windows 7 only)
HP workstations and computers running Windows® 7 include additional software tools. To access or
learn more about these tools that can enhance the computer experience:
1. Double-click the HP Cool Tools icon on the desktop.
2. To learn more about an HP Cool Tools application, click the Learn More link for the application.
3. To install or launch an application, select the and follow the on-screen instructions.
Power management and performance features 39

Non-Uniform Memory Access (NUMA)
Non-Uniform Memory Access (NUMA) is available on some Z series Workstations. NUMA can
improve memory bandwidth and latency for multi-process or multi-threaded applications or workloads.
Observed performance improvements depend on the operating system, customer workload, system
configuration, and the degree to which the applications used are designed to be NUMA-aware/
efficient.
NUMA requires that both processor sockets be populated. Installed memory should be balanced
between both processors for maximum performance.
NUMA is enabled if Memory Node Interleave is disabled in the system BIOS. To do this, press F10
during startup to enter Computer Setup (F10) Utility. Select Advanced > Chipset/Memory. Use the
arrow keys to set Memory Node Interleave to Disable. Press F10 to exit the menu, then select File >
Save Changes and Exit. NUMA is enabled when the system is restarted.
BIOS ROM
The BIOS ROM is a collection of machine language applications stored as firmware in ROM. It
includes functions such as Power on Self Test (POST), PCI device initialization, Plug and Play
support, power management, and the Computer Setup (F10) Utility.
Go to http://www.hp.com/go/quickspecs to review the latest BIOS ROM specifications.
40 Chapter 2 System management

Computer Setup (F10) Utility
●Computer Setup (F10) functionality
●Accessing Computer Setup (F10) Utility
●Computer Setup (F10) Utility menu
Computer Setup (F10) functionality
The Computer Setup (F10) Utility enables you to:
●Update BIOS using a USB device.
●Change factory default settings and set or change the workstation configuration, which might be
necessary when you add or remove hardware.
●Determine if all devices installed on the workstation are recognized by the system and
functioning.
●Determine information about the operating environment of the workstation.
●Solve system configuration errors that are detected but not fixed during the Power-On Self-Test
(POST).
●Establish and manage passwords and other security features.
●Establish and manage energy-saving time-outs.
●Modify or restore factory default settings.
●Set the workstation date and time.
●Set, view, change, or verify the workstation configuration, including settings for CPU, graphics,
memory, audio, storage, communications, and input devices.
●Modify the boot order of installed mass storage devices such as SATA, optical disk drives and
network drives.
●Configure the boot priority of SATA hard-drive controllers.
●Enable or disable Network Server Mode, which enables the workstation to start the operating
system when the power-on password is enabled with or without a keyboard or mouse attached.
When attached to the workstation, the keyboard and mouse remain locked until the power-on
password is entered.
●Enable or disable POST Messages to change the display status of POST messages. POST
Messages suppresses most POST messages, such as memory count, product name, and other
nonerror text messages. If a POST error occurs, the error is displayed regardless of the mode
selected. To manually switch to POST Messages Enabled during POST, press any key except
F1 through F12.
●Specify an Ownership Tag, which appears when the workstation is powered on or restarted.
●Specify the Asset Tag or property identification number assigned by the company to this
workstation.
●Enable power-on password prompts during system restarts (warm-starts) and power on.
●Hide or show the integrated I/O functionality, including serial, USB, or parallel ports, audio, or
embedded NIC. Hidden devices are inaccessible, which increases system security.
●Enable or disable removable media boot ability.
Computer Setup (F10) Utility 41

●Enable or disable removable media write ability (if supported by hardware).
●Replicate the workstation setup by saving system configuration information on CD and restoring
it on workstations.
●Execute self-tests on specified SATA hard disk drives (if supported by the drive).
Accessing Computer Setup (F10) Utility
To access Computer Setup (F10) Utility:
1. Power on or restart the workstation.
2. When the display is active and Press the ESC key for Startup Menu appears at the bottom of the
screen, press F10 or Esc.
If you do not press F10 or Esc at the appropriate time, try again. Turn the workstation off, then
on, and press F10 again to access the utility. You can also press Ctrl + Alt + Delete before
starting if you miss the opportunity to press F10.
3. Select the language from the list and press the Enter key.
In Computer Setup (F10) Utility menu, five headings are displayed: File, Storage, Security,
Power, and Advanced.
NOTE: The option for selecting the language is available on first boot only.
4. Use the left and right arrow keys to select the appropriate heading, use the up and down arrow
keys to select an option, and then press Enter.
5. Choose from the following:
●To apply and save changes, select File > Save Changes and Exit, then press Enter to
accept the changes.
●To remove changes you have made, select Ignore Changes and Exit, then press Enter to
acknowledge the cancellation.
●To reset to factory settings, select File > Default Setup > Restore Factory Settings as
Default. Press Enter to accept the changes, and then select Apply Defaults and Exit. This
restores the original factory system defaults.
CAUTION: Do not power off the workstation while the ROM is saving Computer Setup (F10) Utility
changes, because the Complementary Metal-Oxide Semiconductor (CMOS) nonvolatile storage
could become corrupted. After you exit the F10 Setup screen, you can disconnect power from the
workstation.
42 Chapter 2 System management

Computer Setup (F10) Utility menu
The following tables describe the functions available in Computer Setup (F10) (BIOS) utility menu.
NOTE: With new BIOS releases, the following content is subject to change, so the menu might be
different than shown.
Heading Option Description
File System Information Displays the following system characteristics:
●Product Name
●SKU Number
●Processor Type
●Processor Speed
●Processor Stepping (stepping designation and patch number)
●Cache Size (L1/L2/L3)
●Memory Size (Channel A, Channel B)
●Integrated MAC (onboard NIC)
●System BIOS
●Chassis Serial Number
●Asset Tracking Number
●ME (Intel Management Engine) Firmware Version
●ME Management Mode
●PCIe Speed Slot 1-6—Reports the configured speed of the PCIe cards in the
system (not available on HP Z220)
About Displays copyright information.
Set Time and Date Lets you set system time and date. Use the keyboard Tab and arrow keys to make
changes.
Flash System ROM Lets you upgrade the BIOS from a ROM image on optical media or USB.
Replicated Setup Provides these options:
●Save to Removable Media—Saves the computer configuration, including
CMOS, to a USB storage device. The saved configuration file is named
cpqsetup.txt
.
●Restore from Removable Media—Restores the computer configuration from
a USB storage device.
Default Setup Provides these options:
●Save Current Settings as Default—Saves the current settings as default
settings for the next operation.
●Restore Factory Settings as Default—Restores the factory settings as the
default settings for the next operation.
Apply Defaults
and Exit
Restores the default settings defined in Default Setup.
Ignore Changes and
Exit
Exits computer setup without applying or saving changes.
Computer Setup (F10) Utility 43

Heading Option Description
Save Changes
and Exit
Saves changes to system configuration and exits the computer setup.
Storage Device Configuration Lists installed storage devices and provides specific information about each
device:
●Hard Disk—Provides information about the hard disk drives.
●AHCI-HDD/SDD—Use the ACHI mode.
●CD-ROM—Provides information about the optical disk drives.
Storage Options Provides these options:
●eSATA Port—Displays the internal SATA port(s) that are configured to
operate as eSATA. Changing this to None provisions the port(s) as internal
SATA.
●SATA Emulation—Sets the SATA emulation mode with the following options:
◦RAID + AHCI—Both the RAID and AHCI OPROMs execute. This
emulation mode is the default and offers the best performance and
highest functionality.
◦IDE—Offers standard SATA support. Some higher-numbered SATA
ports may not be available in this mode.
◦AHCI—Only the AHCI OPROM executes.
●Removable Media Boot (Enabled/Disabled)—Enabling allows the workstation
to boot from removable media, such as a USB flash drive.
●Max eSATA Speed—Configures eSATA port speeds:
◦Gen 2 (3.0 Gbps)
◦Gen 1 (1.5 Gbps)
DPS Self-test Select a drive—Lets you execute self-tests on SATA hard drives capable of
performing Drive Protection System (DPS) self-tests.
NOTE: This selection appears only when the system has one or more drives
capable of performing the DPS self-tests.
Boot Order Lets you configure the boot order by physically reordering the menu entries. The
default boot order is:
●UEFI Boot Sources
◦USB Floppy/CD
◦USB Hard Drive
◦ATAPI CD/DVD Drive
●Legacy Boot Sources
◦ATAPI CD/DVD Drive
◦USB Floppy/CD
◦Hard Drive
◦Network Controller
You can take the following actions:
●Press Enter to drag a device with the arrow keys to a preferred place, then
press Enter again to drop the device in place.
●Press F5 to remove the device from consideration as a bootable device.
44 Chapter 2 System management

Heading Option Description
●You must confirm changes by selecting File>Save Changes and Exit and
then press Enter. The computer then stores boot order changes in the
physical ROM.
To temporarily override the boot order and boot from a device other than the
default device specified in Boot Order:
1. Restart the computer.
2. Press F9 when the F9=Boot Menu message appears on the screen.
3. Wait for POST to finish and for the list of bootable devices to display.
4. Use the arrow keys to select the preferred boot device.
5. Press Enter. The computer then starts from the selected nondefault device.
(This does not change the default boot device.)
Security Setup Password Lets you set and enable a setup password for the administrator.
If you create a setup password, you must use it to change computer setup
options, to flash the ROM, and to make changes to certain Plug and Play settings
under Windows.
Power-On Password Let you set and enable the power-on password.
Password Options This option becomes available depending on the presence of setup or power-on
passwords. It provides these options:
●Lock Legacy Resources (Enabled/Disabled)—Prevents the operating system
from changing resources to serial, parallel, or diskette controller. (Appears if
a setup password is set.)
●Setup Browse Mode (Enabled/Disabled)—Lets you view but not change the
F10 Setup Options without having to enter the setup password. (Appears if a
setup password is set.)
●Password prompt on F9, F11, and F12 (Enabled/Disabled)—Lets you access
menus without entering the setup password.
●Network Server Mode (Disabled/Enabled)—Enables network server mode.
(Appears if a power-on password is set.)
●Stringent Password (Disabled/Enabled)—Creates a password that cannot be
reset by the password jumper.
Smart Cover Lets you enable/disable the cover removal sensor
1
.
Device Security Makes the following devices available or hidden to the computer:
●Embedded Security Device (hidden by default)
●System Audio
●Network Controller
●SATA ports
With the exception of Embedded Security Device (TPM), Device Available is the
default setting for all devices (allows the operating system to access the device).
Device Hidden disables the device by the BIOS so that the operating system can
no longer enable the device.
NOTE: An entry for enabling DriveLock appears in the setup menu if the
computer has a DriveLock-compatible hard disk drive.
USB Security Set workstation USB ports to Enabled/Disabled (Enabled by default):
●Front USB Ports
Computer Setup (F10) Utility 45

Heading Option Description
●Rear USB Ports
●Internal USB Ports
Slot Security Lets you disable any PCI or PCI Express slot.
Network Boot Lets you Enable/Disable the ability to boot from the network using the F12 key or
the boot order. (Enable is default.)
System IDs Provides these options (CTRL+A to view data):
●Asset Tag—A user-editable, 16-byte string identifying the computer.
●Ownership Tag—A user-editable, 80-byte string identifying ownership of the
computer. This tag appears on the screen during POST.
●Universal Unique Identifier (UUID)—An ID number set in the factory that
uniquely identifies the computer.
●Keyboard—Lets you set the keyboard locale for System ID entry.
Master Boot Record
(MBR) Security
When MBR Security is enabled, the BIOS prevents any changes being made to
the MBR of the current bootable disk while in MS-DOS or Windows Safe Mode—
(Enable or Disable).
NOTE: Most operating systems control access to the MBR of the current
bootable disk; the BIOS cannot prevent changes that may occur while the
operating system is running.
System Security With the exception of the first option, Data Execution Prevention, changing any of
these system security settings and choosing File > Save Changes and Exit will
result in the computer performing a global reset, automatically turning itself off and
then back on. Note also that these options are hardware dependent and may not
be available on some models:
●Data Execution Prevention (Enabled/Disabled)—Helps prevent operating
system security breaches.
●Virtualization Technology (VTx)
1
(Disabled/Enabled)—Controls the
virtualization features of the processor.
●Virtualization Technology Directed I/O (VTd)
1
(Disabled/Enabled)—Controls
virtualization DMA remapping features of the chipset.
●Intel TXT(LT) Support
1
(Enabled/Disabled)—Controls the underlying
processor and chipset features needed to support a virtual appliance. To
enable this feature you must enable:
◦Virtualization Technology (VTx)
◦Virtualization Technology Directed I/O (VTd)
◦Embedded Security Device
●Embedded Security Device
1
(Disabled/Enabled)—Permits activation and
deactivation of the Embedded Security Device.
NOTE: Embedded Security Device must be set to Device Available in the
Device Security menu, and you must create a Setup Password, in order to
configure the Embedded Security Device.
◦Measure boot variables/devices to PCR1 (Disabled/Enabled)—Logs the
measurements of the boot variables/devices to PCR1 instead of PCR5
●Reset to Factory Settings
1
(Do not reset/Reset)—Restores factory defaults
and erases all security keys.
46 Chapter 2 System management

Heading Option Description
CAUTION: Choosing Reset to Factory Settings may result in significant
data loss. The embedded security device is a critical component of many
security schemes. Erasing the security keys prevent access to data protected
by the Embedded Security Device.
●OS Management of Embedded Security Device
1
(Disabled/Enabled)—Limits
operating system control of the Embedded Security Device.
●Reset of Embedded Security Device through OS
1
(Enabled/Disabled)—Limits
the operating system ability to request a Reset to Factory Settings of the
Embedded Security Device.
NOTE: You must create a Setup Password to use this option.
◦No PPI provisioning (Disabled/Enabled)—Allows the operating system
to provision the TPM without a Physical Presence Interface (PPI).
◦Allow PPI policy to be changed by OS (Disabled/Enabled)—Allows the
operating system to change TPM PPI policies.
●Trusted Execution Technology (Disabled/Enabled)—Turns Intel TXT on or off
(HP Z220).
●Intel TXT (LT) Support (Disabled/Enabled)—Turns Intel TXT(LT) on or off
(HP Z420, HP Z620, HP Z820).
Drive Lock Security Lets you assign or modify a master password or user password for hard drives.
When enabled, this feature prompts the user to provide one of the DriveLock
passwords during POST. If the user does not successfully enter one of the
passwords, the hard drive remains inaccessible until one of the passwords is
successfully entered during a subsequent cold-boot sequence.
NOTE: This selection appears only when the system includes at least one drive
that supports the DriveLock feature.
Secure Boot
Configuration
●Legacy Support—Enable/Disable
●Secure Boot—Enable/Disable All option ROMs must support EFI.
●Key Management
◦Clear Secure Boot Keys—Clear/Don't Clear
◦Key Ownership—HP Keys/Custom Keys
●Fast Boot—Enable/Disable
Power OS Power
Management
Enables or disables:
●Runtime Power Management
●Idle Power Savings: Extended (default) or Normal; extended mode reduces
processor power consumption when the CPU is idle
●ACPI S3 PS2 Mouse Wakeup
●Unique Sleep State Blink Rates
●Turbo Mode (Enabled/Disabled)—Allows Intel processers to SpeedStep. See
Device Options for the HP Z220.
●PCIe Performance Mode (Disabled/Enabled)—Changing PCIe Performance
might change Runtime Power Management, Tubo Mode, and/or Idle Power
Savings settings. Not available on HP Z220.
Hardware Power
Management
Enables or disables:
●SATA Power Management
●S5 Maximum Power Savings
Computer Setup (F10) Utility 47

Heading Option Description
Thermal Lets you set the minimum speed of the system fan when the CPU is idle.
Advanced
2
Power-On Options Sets the following:
●POST Messages (Enabled/Disabled)
●Press the ESC key for Startup Menu (Enabled/Disabled)
●Option ROM Prompt (Enabled/Disabled)—Enabling this feature causes the
computer to display a message before loading option ROMs.
●After Power Loss—Lets you specify computer behavior after a power loss:
◦Power Off—Computer remains powered off when power is restored
(default).
◦Power On—Computer automatically powers on when power is restored.
(This lets you power on the computer using a power strip switch, if the
computer is connected to an electric power strip.)
◦Previous state—Computer powers on automatically when power is
restored only if computer was on when power was lost.
NOTE: If you turn off power to the computer using a power strip, you
cannot use the suspend/sleep feature or the Remote Management
features.
●POST Delay (None (default), 5, 10, 15, 20 seconds)—Delays start of the
POST process. You might need a delay to:
◦Allow time for some hard disk drives to spin up before POST is finished.
◦Give yourself more time to select F10 to enter Computer Setup (F10)
Utility.
●Remote Wakeup Boot Source (Local Hard Drive/Remote Server). Sets the
boot device for the workstation when it is started using Remote Wakeup
(takes precedence over the Boot Order menu setting).
●Bypass F1 Prompt on Confirmation Changes (Enabled/Disabled)—Prevents
display of a confirmation prompt when you make changes to the system.
●Mini Option ROM Display (Enabled/Disabled)—Displays the mini option ROM
windows during POST. Not available on HP Z220.
●Factory Recovery Boot Support (Enabled/Disabled)
●POST Memory Manager Runtime Allocation (Disabled/Enabled)—Forces
legacy POST Memory Manager (PMM) to use runtime memory for allocation.
This prevents Hibernation issues with some EFI Windows installations (HP
Z220).
BIOS Power-On Lets you disable or specify a weekday and time for BIOS power-on.
Onboard Devices Lets you disable or set resources (IRQ, DMA, I/O Range) for onboard system
devices such as the serial port and parallel ports. Operating system parameters
generally override Onboard Devices settings.
Bus options Enable/disable these options:
●PCI SERR# Generation (Enabled/Disabled)—Controls PCI SERR#
generation for ill-behaved PCI add-in cards (that can generate SERR#
spuriously).
●PCI VGA Palette Snooping (Disabled/Enabled)—Controls PCI VGA Palette
Snooping for compatibility purposes.
●PCI Latency Timer (32/64/96/128/160/192/224/248). 128 PCI Clocks is the
default.
48 Chapter 2 System management

Heading Option Description
●Legacy ACPI CPU Tables (Disabled/Enabled)—Reports CPUs in the ACPI
1.0 format. Not available on HP Z220.
Device Options Enable/disable the following device options:
●Turbo Mode (Enabled/Disabled)—Allows Intel processers to run at
frequencies greater than the maximum (HP Z220).
●S5 Wake-on-LAN (Enabled/Disabled)—Allows unit to be powered on over
the network.
●Printer Mode (EPP+ECP, Output Only, Bi-Directional)
●Num Lock State at Power-On (On/Off)
●Integrated Video
1
(Enabled/Disabled)
●IGD (Integrated Graphics Device) Memory—Displayed when Integrated
Video is Enabled. Sets the maximum amount of system memory that can be
allocated as graphics memory (32, 128 (default), 256, 512 MB). Not available
on HP Z420, HP Z620, or HP Z820.
1
●Internal Speaker (Enabled/Disabled)
●NIC/PXE Option ROM
2
Download (PXE/Disabled)
●SATA RAID Option ROM
2
Download (Enabled/EFI/Disabled)
●Multi-Processor (Enabled/Disabled)
●Hyperthreading
1
(Disabled/Enabled)
●PXE Option ROMS (Legacy, UEFI Only, Do Not Launch)—Available on HP
Z220 under Option ROM Launch Policy.
●Mass Storage Option ROMS (Legacy, UEFI Only, Do Not Launch)—
Available on HP Z220 under Option ROM Launch Policy.
●Video Option ROMS (Legacy, UEFI Only)—Available on HP Z220 under
Option ROM Launch Policy.
Slot Settings Lets you Enable/Disable Option ROM Download for each slot. Selective disabling
of Option ROM downloads can help manage limited Option ROM space. Limit
PCIe Frequency to Gen1, Gen2, Gen3. Runs slot at Gen1, Gen2, or Gen3
frequency.
●Slot Option ROM Download (Enabled/Disabled)
◦Limit PCIe Speed (Auto, 2.5 GB Gen1, 5 GB Gen2)—Not available on
HP Z220.
Management
Operations
Lets you set the following AMT (Intel Active Management Technology)
configuration options:
●AMT (Enabled/Disabled)—Allows for remote discovery, repair and protection
of networked workstations. Enabling the AMT function also enables the
Network Controller (required for AMT to function correctly).
●Unconfigure AMT/ME (Disabled/Enabled)
2
—Restores AMT/ME defaults.
When you save and exit after enabling this option, you will be prompted to
complete the process upon restart. A Setup Password (even if one is set)
does not need to be entered to complete the process.
NOTE: Information about Intel AMT can be found at www.intel.com.
●Hide Un-configure ME Confirmation Prompt (Disabled/Enabled)
●WatchDog Timer (Enabled/Disabled)—OS and BIOS WatchDog Timers can
be set independently (in minutes):
Computer Setup (F10) Utility 49

Heading Option Description
◦OS WatchDog Timer—Sets the OS WatchDog Timer.
◦BIOS WatchDog Timer—Sets the BIOS WatchDog Timer.
Option ROM Launch
Policy
The Option ROM Launch Policy is not available on the HP Z420, HP Z620, or HP
Z820. The equivalent settings for those workstations can be found under Device
Options.
●PXE Option ROMs—(Legacy, UEFI Only, Do Not Launch)
●StorageOption ROMs—(Legacy, UEFI Only, Do Not Launch)
●Video Option ROMS—(Legacy, UEFI Only)
1
*Available on selected models.
2
*These options should be used by advanced users only.
Heading Option Description
File System
Information
Displays the following system characteristics:
●Product Name
●Memory Size
●SKU Number
●Integrated MAC 1
●Integrated MAC 2 (select models only)
●System BIOS
●Boot Block Date
●Chassis serial number
●Asset Tracking Number
●ME Firmware Version
●ME Management Mode
●Processor Type
●Processor Speed
●Processor Stepping
●Cache Size
●DIMMs
About Displays copyright information.
Set Time and
Date
Enables you to set system time and date.
Flash System
ROM
Enables you to upgrade the BIOS from a ROM image on diskette, CD, or USB.
Replicated Setup Provides these options:
●Save to Removable Storage Device—Saves the workstation configuration, including
CMOS, in the qsetup.txt file. This file can be saved to a USB device or other storage
media.
50 Chapter 2 System management

Heading Option Description
●Restore from Removable Storage Device—Restores the workstation configuration
from a USB device or other storage media.
Default Setup Provides these options:
●Save Current Settings as Default—Saves the current settings as default settings for
the next operation.
●Restore Factory Settings as Default—Restores the factory settings as the default
settings for the next operation.
Apply Defaults
and Exit
Restores the default settings defined in Default Setup.
Ignore Changes
and Exit
Exits workstation setup without applying or saving changes.
Save Changes
and Exit
Saves changes to system configuration and exits the workstation setup.
Storage Device
Configuration
Lists installed non-SCSI storage devices (except SATA devices) and provides options for
obtaining specific information about each device:
●CD-ROM SATA0—Shows the ODD default settings.
●Default Values (SATA defaults)—
◦Translation Mode—Enables the BIOS to determine the translation mode used
to configure a formatted SATA or USB mass storage device. This prevents you
from needing to know how the mass storage device was formatted. Options are
Automatic, Bit Shift, LBA Assisted, User (Cylinders, Heads, Sectors), and Off.
Automatic is the default.
Ordinarily, you should not change the translation mode selected by the BIOS. If
the selected translation mode is not compatible with the translation mode that
was active when the drive was partitioned and formatted, the data on the disk
is inaccessible.
Storage Options Provides these options:
●Removable Media Boot—Enables and disables the ability to start the workstation
from removable media.
●SATA Mode—Sets the SATA emulation mode with the following options:
◦RAID + AHCI—The controller operates in AHCI emulation mode, which
supports AHCI protocol and executes RAID OPROMs. This emulation mode is
the default and offers the best performance and most functionality.
◦AHCI—The controller operates in AHCI emulation mode, which supports AHCI
protocol.
◦IDE—Offers standard SATA supports (four ports only).
●Serial-ATA Controller—Enhanced, Compatable, or Disabled. The default is
Enhanced. This option is only available when in IDE-mode.
Boot Order Enables you to configure the boot, diskette drive, and hard disk drive orders by physically
reordering the menu entries. The following is the default boot order presented in the
menu:
●EFI Boot Sources
◦USB Floppy/CD
◦USB Hard Drive
◦ATAPI CD/DVD Drive
Computer Setup (F10) Utility 51

Heading Option Description
●Legacy Boot Service
◦ATAPI CD/DVD Drive
◦USB Floppy/CD
◦Hard Drive
◦Network Controller
Press Enter to drag a device to a preferred place. Press F5 to remove the device from
consideration as a bootable device. Press F10 to accept.
MS-DOS drive lettering assignments might not apply after an operating system other than
MS-DOS has started.
Boot devices can be disabled in the boot order process. These order changes are stored
in the physical ROM when the F10 Setup changes are confirmed with File>Save
Changes and Exit.
You can temporarily override the boot order. To start one time from a device other than
the default device specified in Boot Order, restart the workstation and press F9 when the
F9=Boot Menu message appears on the screen. After POST completes, a list of bootable
devices is displayed. Use the arrow keys to select the preferred bootable device and
press Enter. The workstation then starts from the selected nondefault device for this one
time.
DPS Self-text Select a drive—Lets you execute self-tests on SATA hard drives capable of performing
Drive Protection System (DPS) self-tests.
NOTE: This selection appears only when the system has one or more drives capable of
performing the DPS self-tests.
Security Setup Password Enables you to set and enable a setup password for the administrator.
If you create a setup password, you must use it to change workstation setup options, to
flash the ROM, and to make changes to certain Plug and Play settings under Windows.
Power-On
Password
Enables you to set and enable the power-on password.
Password Options This option becomes available when you create a setup and/or power-on password. It
provides these options:
●Lock Legacy Resources—Prevents the operating system from changing resources
to serial, parallel, or diskette controller.
●Setup Browse Mode—Enables read-only functionality for password info.
●Password Prompt on F9 & F12—Enables a password prompt on a warm boot.
●Network Server Mode—Enables network server mode.
Device Security Makes the following devices available or hidden to the workstation:
●Embedded Security Device
●SAS Controller (select models only)
●SCU Controller (select models only)
●USB3 Controller
●Intel High Definition (HD) Audio (select models only)
●1394 Controller
●NIC Controller
●NIC1 Controller (select models)
52 Chapter 2 System management

Heading Option Description
●SATA0
●SATA1
●Serial Port A
For each device, Device Available is the default setting and allows the operating system
to access the device. Device Hidden makes the device unavailable; it is disabled by the
BIOS and cannot be enabled by the operating system.
NOTE: An entry for enabling DriveLock appears in the setup menu if the workstation
has a DriveLock-compatible hard disk drive.
USB Security Set workstation USB ports to Enabled/Disabled:
●Front USB Ports—(1–3)
●Rear USB Ports—(1–6)
●Internal USB Ports—(1–6)
Slot Security Lets you enable or disable any PCI or PCI Express slot.
Network Boot Enables or disables the ability to boot to the network using the F12 key or the boot order.
System IDs Provides these options:
●Asset Tag—A 16-byte string identifying the workstation.
●Ownership Tag—An 80-byte string identifying ownership of the workstation. This tag
appears on the screen during POST.
●Universal Unique Identifier (UUID)—Can only be updated if the current chassis
serial number is invalid. (These ID numbers are normally set in the factory and are
used to uniquely identify the workstation.)
●Keyboard—Enables you to set the keyboard locale for System ID entry.
Master Boot
Record Security
(MBR)
Enable or Disable—When MBR Security is enabled, the BIOS prevents any changes
being made to the MBR of the current bootable disk while in MS-DOS or Windows Safe
Mode.
Most operating systems control access to the MBR of the current bootable disk; the BIOS
cannot prevent changes that may occur while the operating system is running.
System Security Provides these options:
●Data Execution Prevention—Enables or disables Data Execution Prevention mode
in the CPUs. This mode prohibits code from running in pages that were set up as
data pages, and prevents attacks such as buffer overflows. Operating system
support is required for this feature.
●Virtualization Technology (VTx)—Enables or disables Intel
®
Virtualization
Technology to increase workstation performance.
●Intel
®
(VTd)—(Enabled or Disabled) Controls the underlying processor and chipset
features needed to support a virtual appliance.
●Interrupt Remapping—Enables or disables—Only available when Intel
®
(VTx) is
enabled.
●Coherency Support—Enables or disables—Only available when Intel
®
(VTx) is
enabled.
●ATS Support—Enables or disables—Only available when Intel
®
(VTx) is enabled.
●Pass-through DMA—Enables or disables—Only available when Intel(R) (VTx) is
enabled.
Computer Setup (F10) Utility 53

Heading Option Description
●Embedded Security Device—This option becomes available if Embedded Device is
set to Available under Device Security.
NOTE: Embedded Security Device must be set to Device Available in the Device
Security menu, and you must create a Setup Password, in order to configure the
Embedded Security Device.
Embedded Security Device (Hidden or Available) turns the Trusted Platform
Mechanism (TPM) on and off. Device Hidden is the default. If this option is made
available, the following options become available:
◦Power-On Authentication Support—Enables and disables an authentication
feature that requires you to enter a TPM user key password to start the
workstation. This feature uses the TPM to generate and store the
authentication password.
◦Reset Authentication Credential—Resets the authentication functionality and
clears authentication credentials.
To enable the Embedded Security Device and to access any security features
associated with the device, you must enter a setup password.
Setting a device to Available enables the operating system to access the device.
Hidden makes the device unavailable. It is disabled by the BIOS and cannot be
enabled by the operating system.
CAUTION: Choosing Reset to Factory Settings may result in significant data loss.
The embedded security device is a critical component of many security schemes.
Erasing the security keys prevent access to data protected by the Embedded
Security Device.
●OS Management of Embedded Security Device—Enables or disables the ability of
the operating system to control the TPM device, including turning it on and off,
initializing it, and resetting it.
◦Reset of Embedded Security Device through OS—Enables or disables the
ability of the operating system to reset the TPM. Available only when OS
Management of Embedded Security Device is enabled.
DriveLock
Security
Lets you assign or modify a master password or user password for hard drives. When
enabled, this feature prompts the user to provide one of the DriveLock passwords during
POST. If the user does not successfully enter one of the passwords, the hard drive
remains inaccessible until one of the passwords is successfully entered during a
subsequent cold-boot sequence.
NOTE: This selection appears only when the system includes at least one drive that
supports the DriveLock feature.
Secure Boot
Configuration
●Legacy Support—Enable/Disable
●Secure Boot—Enable/Disable
●Key Management
◦Clear Secure Boot Keys—Clear/Don't Clear
◦Key Ownership—HP Keys/Custom Keys
●Fast Boot—Enable/Disable
Power OS Power
Management
Enables or disables:
●Runtime Power Management—(Enable or Disable)
●Turbo Mode—(Enable or Disable)
●Idle Power Savings—Extended (default) or Normal; extended mode reduces
processor power consumption when the CPU is idle.
54 Chapter 2 System management

Heading Option Description
●Unique Sleep State Blink Rates—(Enable or Disable)
Hardware Power
Management
Enables or disables:
●SATA Power Management
●S5 Maximum Power Savings
Thermal Enables you to set the rate of the system fan when the CPU is in idle (Fan Idle Mode).
Advanced
2
Power-On
Options
Enables you to set the following:
●POST Messages—Enables or disables the splash screen during POST.
●Press the ESC key for Startup Menu.
●Option ROM
1
prompt (Enable or Disable)—Enabling this feature causes the
workstation to display a message before loading options ROMs.
●After Power Loss (On, Off, Last State)—Enabling this option directs the previous
state to be the default.
●POST Delay (in seconds) (5, 10, 15, 20, None)—Adds a specified delay to the
POST process. This delay is sometimes needed for hard disk drives on some
expansion cards that spin up slowly (so slowly that they are not ready to start by the
time POST is finished). The POST delay also gives you time to select F10 to enter
Computer Setup (F10) Utility.
●Remote Wakeup Boot Source—Enables you to set the remote wakeup boot source
as:
◦Local Hard Drive
◦Remote Server
●Bypass F1 Prompt on Configuration Changes.
BIOS Power-On Enables you to disable or specify a weekday and time for BIOS power-on.
Onboard Devices Enables you to set resources (IRQ, DMA, I/O Rate) for or disable onboard system
devices such as serial port and diskette controller. Operating system parameters
generally override Onboard Devices settings.
Bus Options Configures graphics cards per workstation slots. In multi-graphics card configurations,
this option designates one card as primary graphics, and the other card as secondary
graphics.
●Numa—(Enable or Disable)
●SERR# Generation (Enabled/Disabled)—Controls PCI SERR# generation for ill-
behaved PCI add-in cards (that can generate SERR# spuriously)
●VGA Palette Snoop (Disabled/Enabled)—Controls PCI VGA Palette Snooping for
compatibility purposes
●PCI Latency Timer—(32/64/128/160/192/224/248). 128 PCI Clocks is the default.
Device Options Enables you to set the following device options:
●Num Lock State at Power-On (On or Off)
●S5 Wake-on-LAN (Enable or Disable)
●Internal speaker—(Enable or Disable)
●NIC Option ROM
1
Download (Enable or Disable)
●NIC1 Option ROM
1
Download (Enable or Disable)
●Mass Storage Option ROMS (Legacy/EFI)
Computer Setup (F10) Utility 55

Heading Option Description
●SAS Option ROM
1
Download (Enable/Disable) (Not available on HP Z220.)
●SCU Option ROM Download (Enable/EFI/Disable) (Not available on HP Z220.)
●Multiprocessor (Activates a single core.)—(Enable or Disable)
●Active Processor Cores—Selects a single core, or multiple cores per socket
●Hyper-Threading—(Enable or Disable)
●CECP Mode—(Enable or Disable)
●Thunderbolt (Legacy, Unique ID, One time saved key, DP++ only)—In Legacy
mode, all devices are allowed to connect without user intervention. In the default
Unique ID mode, device connection is managed by the Thunderbolt service running
on the host system. One time saved key mode allows the Thunderbolt host
controller to differentiate between multiple devices of the same type connected to
Falcon Ridge devices. DP++ only mode allows monitor-only connections, so there is
no data traffic. Not available on HP Z220.
Slot Settings Enable/disable the PCIe and PCI slots (1 - 7).
AMT
Configuration
Lets you set the following AMT (Intel Active Management Technology) configuration
options:
●AMT (Enabled/Disabled)—Allows for remote discovery, repair and protection of
networked workstations. Enabling the AMT function also enables the Network
Controller (required for AMT to function correctly).
●Unconfigure AMT/ME (Disabled/Enabled) 2—Restores AMT/ME defaults. When you
save and exit after enabling this option, you will be prompted to complete the
process upon restart. A Setup Password (even if one is set) does not need to be
entered to complete the process.
NOTE: Information about Intel AMT can be found at http://www.intel.com.
●WatchDog Timer (Enabled/Disabled)—OS and BIOS WatchDog Timers can be set
independently (in minutes):
◦OS WatchDog TimerTimer—Sets the OS WatchDog Timer
◦BIOS WatchDog Timer—Sets the BIOS WatchDog Timer
1
Available on selected models
2
These options should be used by advanced users only
56 Chapter 2 System management

Desktop management
This section summarizes capabilities, features, and key components of computer management.
●Initial computer configuration and deployment
●Installing a remote system
●Copying a setup configuration to another computer
●Updating and managing software
●HP Client Management Solutions
●Altiris Client Management Solutions
●HP SoftPaq Download Manager
●System Software Manager
●ROM Flash
●FailSafe Boot Block
●Workstation security
●Fault notification and recovery
●Programmable power button (Windows only)
NOTE: Support for specific features described in this guide can vary by model and software version.
Desktop management 57
Initial computer configuration and deployment
The computer includes a preinstalled system software image. After a brief software unbundling
process, the computer is ready to use.
If you prefer to replace the preinstalled software image with a customized set of system and
application software, you can deploy a customized software image by:
●Installing additional software applications after unbundling the preinstalled software image
●Using a disk cloning process to copy the contents from one hard disk drive to another
The HDD-based HP Recovery Manager ROM-based setup, and ACPI hardware provide further
assistance with recovery of system software, configuration management and troubleshooting, and
power management.
Support for specific features described in this guide can vary by model and software version.
The best deployment method depends on the information technology environment and processes.
Installing a remote system
Remote system installation enables starting and setting up the computer using software and
configuration information on a network server. This feature is usually used for system setup and
configuration and can be used to:
●Deploy a software image on new PCs
●Format a hard disk drive
●Install application software or drivers
●Update the operating system, application software, or drivers
To initiate a remote system installation, press F12 when F12=Network Service Boot appears in the
lower right corner of the HP logo screen. Follow the onscreen instructions to continue the installation
process. The default boot order is a BIOS configuration setting that can be changed to always
attempt a network boot.
58 Chapter 2 System management

Copying a setup configuration to another computer
This section provides information about replicating the computer setup.
CAUTION: Setup configuration is model-specific. File system corruption can result if source and
target computers are not the same model.
To copy a setup configuration:
1. Select a setup configuration to copy, and then restart the computer.
2. As soon as the computer powers on, press and hold F10 until you enter Computer Setup (F10)
Utility. If necessary, press Enter to bypass the title screen.
NOTE: If you do not press F10 at the appropriate time, you must restart the computer, and
then press and hold F10 again to access the utility.
If you are using a PS/2 keyboard, you might see a keyboard error message. Disregard it.
3. Select File > Replicated Setup > Save to Removable Storage Device. Follow the instructions on
the screen to create the configuration file
cpqsetup.txt
and write it to a USB storage device.
4. Turn off the computer you are configuring and insert the removable USB media device
containing the configuration file.
5. Turn on the computer you are configuring.
6. Press and hold the F10 key until you enter Computer Setup (F10) Utility. If necessary, press
Enter to bypass the title screen.
7. Select File > Replicated Setup > Restore from Removable Storage Device, and then follow the
instructions on the screen.
8. Restart the computer when the configuration is complete.
Desktop management 59

Updating and managing software
HP provides several tools for managing and updating software on desktops and computers:
●HP Client Manager Software
●Altiris Client Management Solutions
●HP SoftPaq Download Manager
●System Software Manager
HP Client Management Solutions
HP Client Management Solutions (CMS), available for download from http://www.hp.com/go/
easydeploy, are standards-based solutions for managing and controlling computers in a networked
environment.
HP Client Management Solutions offers these services:
●Detailed views of hardware inventory for asset management
●PC health-check monitoring and diagnostics
●Proactive notification of changes in the hardware environment
●Web-accessible reporting of business-critical details such as thermal warnings and memory
alerts
●Remote updating of system software such as device drivers and ROM BIOS
●Remote changing of boot order
●Configuration of system BIOS settings
Altiris Client Management Solutions
Altiris and HP have partnered to provide comprehensive, tightly integrated systems management
solutions to reduce the cost of owning HP client PCs.
The HP CMS is the foundation for additional Altiris Client Management Solutions that address the
following topics.
●Inventory and asset management
●Deployment and migration
●Help desk and problem resolution
●Software and operations management
Go to http://www.hp.com/go/Altiris_Solutions for information about:
●How HP CMS works
●Which solutions are compatible with the operating system
●How to download a fully functional, 30-day evaluation version of Altiris solutions
HP SoftPaq Download Manager
HP SoftPaq Download Manager is a free, easy-to-use interface for locating and downloading software
updates for the HP client PC models in your environment. By specifying your models, operating
60 Chapter 2 System management

system, and language, you can quickly locate, sort, and select the softpaqs you need. For more
information, go to http://www.hp.com/go/sdm.
System Software Manager
System Software Manager (SSM) is a utility available on Windows—based computers that enables
you to update system-level software on multiple systems simultaneously. When executed on a PC
client system, SSM detects hardware and software versions and then updates the software from a
central repository, known as a
file store
. Driver versions supported by SSM are noted with a special
icon on the software, the driver download website, and on the Support Software CD.
To download the utility or to obtain more information about SSM, see http://www.hp.com/go/ssm.
ROM Flash
BIOS settings are stored on a programmable flash ROM. By establishing a setup password in
Computer Setup (F10) Utility, you can protect unauthorized users from modifying the BIOS settings.
This function is important to ensure the operating integrity of the computer.
To upgrade the BIOS, download the latest SoftPaq images from http://www.hp.com/support/
workstation_swdrivers.
Remote ROM Flash
Remote ROM Flash allows system administrators to safely upgrade the ROM on remote HP
computers from a centralized network management console, resulting in a consistent deployment of,
and greater control over, HP PC ROM images over the network.
To use Remote ROM Flash, the computer must be powered on, or turned on using Remote Wakeup.
For more information about Remote ROM Flash and HPQFlash, see the HP Client Manager Software
or System Software Manager sections at http://www.hp.com/go/ssm.
HPQFlash
The HPQFlash utility is used to locally update or restore the system ROM on PCs using a Windows
operating system. For more information about HPQFlash, see http://www.hp.com/go/ssm, and enter
the name of the computer.
FailSafe Boot Block
The FailSafe Boot Block enables BIOS recovery in the unlikely event of a ROM flash failure. For
example, if a power failure occurs during a ROM upgrade, the Boot Block uses a flash-protected
section of the ROM to verify a valid system ROM flash when power is restored to the computer.
If the system ROM is valid, the computer starts normally.
If the system ROM fails the validation check, the FailSafe Boot Block provides enough support to start
the computer from a BIOS image CD created from a SoftPaq. The BIOS image CD programs the
system ROM with a valid image.
When Boot Block detects an invalid system ROM, the computer power LED blinks red eight times and
the computer beeps eight times; then the computer pauses for two seconds. On some models, a Boot
Block recovery mode message appears.
In preparation for system recovery, use the BIOS CD media file in the SoftPaq to create a BIOS
image CD or USB key.
Desktop management 61
Recovering the computer from Boot Block Recovery mode
To recover the computer after it enters Boot Block recovery mode:
1. Remove any media such as USB keys or disks in the optical disk drives.
2. Insert a BIOS image CD into the DVD drive. You can also use USB media such as an HP
DriveKey.
3. Power off, then power on the computer.
If no BIOS image CD or USB media is found, you are prompted to insert one and restart the
computer.
If a setup password has been established, the Caps Lock light illuminates and you are prompted
for the password.
4. Enter the setup password.
If the computer starts from the boot media and successfully reprograms the ROM, three
keyboard lights illuminate and a rising-tone series of beeps signals successful recovery.
5. Remove the boot media and power off the computer.
6. Restart the computer.
Workstation security
This section provides information about providing system security through asset tracking, password
security, hard disk drive locking, and chassis locks.
62 Chapter 2 System management

Asset tracking
Asset tracking features provide asset tracking data that can be managed using HP Systems Insight
Manager (HP SIM), HP Console Management Controller (CMC), or other systems-management
applications.
Seamless, automatic integration between asset tracking features and these products enables you to
choose the management tool that is best suited to the environment and to leverage investments in
existing tools.
HP also offers several solutions for controlling access to valuable components and information:
●HP ProtectTools Embedded Security prevents unauthorized access to data, checks system
integrity, and authenticates third-party users attempting system access.
●Security features such as ProtectTools and the Smart Cover Sensor (side access panel sensor)
help prevent unauthorized access to the data and to the internal components of the computer.
●By disabling parallel, serial, or USB ports, or by disabling removable-media boot capability, you
can protect valuable data assets.
●Memory Change and Side access panel sensor (Smart Cover Sensor) alerts can be forwarded
to system management applications to deliver proactive notification of tampering with a
computer’s internal components.
ProtectTools, the Smart Cover Sensor, and the side access panel solenoid lock (Hood Lock) are
available as options on select systems.
You can manage security settings:
●Locally with Computer Setup (F10) Utility
●Remotely with HP CMS or HP System Software Manager (SSM), which enable the secure,
consistent deployment and control of security settings from a simple command line utility
For more information about Computer Setup (F10) Utility, see Computer Setup (F10) Utility menu
on page 43.
The following Computer Setup (F10) Utility features let you manage computer security.
Feature Purpose
Removable Media Boot Control Prevents booting from removable media drives
Serial, Parallel, USB, or Infrared
Interface Control
Prevents transfer of data through the integrated serial, parallel, USB, or infrared
interface
Power-On Password Prevents use of the computer until the password is entered (applies to initial
system startup and restarts)
Setup Password Prevents reconfiguration of the computer (through the Setup utility) until the
password is entered
Network Server Mode Provides unique security features for computers used as servers
Desktop management 63

SATA hard disk drive security
HP computers include the HP DriveLock facility for SATA hard disk drives to prevent unauthorized
access to data.
WARNING! Enabling DriveLock can render a SATA hard disk drive permanently inaccessible if the
master password is lost or forgotten. No method exists to recover the password or access the data.
DriveLock has been implemented as an extension to Computer Setup (F10) functions. It is only
available when hard disk drives that support the ATA security command set are detected. On HP
computers, it is not available when the SATA emulation mode is RAID+AHCI or RAID.
DriveLock is for HP customers for whom data security is a paramount concern. For such customers,
the cost of a hard disk drive and the loss of the data stored on it is inconsequential when compared to
the damage that could result from unauthorized access to its contents.
To balance this level of security with the need to address the issue of a forgotten password, the HP
implementation of DriveLock employs a two-password security scheme. One password is intended to
be set and used by a system administrator, while the other is typically set and used by the user.
No "back door" can be used to unlock the drive if both passwords are lost. Therefore, DriveLock is
most safely used when the data contained on the hard disk drive is replicated on a corporate
information system or is regularly backed up.
If both DriveLock passwords are lost, the hard disk drive is rendered unusable. For users who do not
fit the previously defined customer profile, this might not be acceptable. For users who fit this profile,
it might be a tolerable risk, given the nature of the data stored on the hard disk drive.
64 Chapter 2 System management
DriveLock applications
The most practical use of DriveLock is in a corporate environment. The system administrator would
be responsible for configuring the hard disk drive, which involves setting the DriveLock master
password and a temporary user password. If you forget the user password or if the equipment is
passed on to another employee, the master password can be used to reset the user password and
regain access to the hard disk drive.
HP recommends that corporate system administrators who enable DriveLock also establish a
corporate policy for setting and maintaining master passwords. This should be done to prevent a
situation where an employee sets both DriveLock passwords before leaving the company. In such a
scenario, the hard disk drive is unusable and requires replacement. Likewise, by not setting a master
password, system administrators might find themselves locked out of a hard disk drive and unable to
perform routine checks for unauthorized software, other asset control functions, and support.
For users with less stringent security requirements, HP does not recommend enabling DriveLock.
Users in this category include personal users, or users who do not maintain sensitive data on their
hard disk drives as a common practice. For these users, the potential loss of a hard disk drive
resulting from forgetting both passwords is much greater than the value of the data DriveLock
protects.
Access to Computer Setup (F10) and DriveLock can be restricted through the setup password. By
specifying a setup password and not giving it to users, system administrators can restrict users from
enabling DriveLock.
Using DriveLock
When hard disk drives that support the ATA security command set are detected, DriveLock appears
under the Security menu in Computer Setup (F10) menu. You are presented with options to set the
master password and to enable DriveLock. You must provide a user password to enable DriveLock.
Because the initial configuration of DriveLock is typically performed by a system administrator, a
master password should be set first.
HP encourages system administrators to set a master password whether they plan to enable
DriveLock or not. This gives the administrator the ability to modify DriveLock settings if the drive is
locked in the future. After the master password is set, the system administrator can enable DriveLock
or leave it disabled.
If a locked hard disk drive is present, POST requires a password to unlock the device. If a power-on
password is set and it matches the device’s user password, POST does not prompt the user to re-
enter the password. Otherwise, the user is prompted to enter a DriveLock password.
For a cold start, use the master or user password. For a warm start, enter the same password used to
unlock the drive during the preceding cold start.
Users have two attempts to enter a correct password. During cold start, if neither attempt succeeds,
POST continues but the drive remains inaccessible. During a warm-start or restart from Windows, if
neither attempt succeeds, POST halts and the user is instructed to cycle power.
Desktop management 65

Enabling DriveLock
To enable and set the DriveLock user password:
1. Power on or restart the computer.
2. As soon as the computer is powered on, repeatedly press the F10 key until you enter Computer
Setup (F10) Utility.
If you do not press F10 at the appropriate time, you must restart the computer, then repeatedly
press F10 again to access the utility.
3. Select Security > DriveLock Security.
4. For each DriveLock-capable drive, select a drive by pressing F10 to accept.
5. Under Enable/Disable DriveLock options, select Enable, and then press F10 to enable
DriveLock for a specific drive.
NOTE: To set the DriveLock master password, select Master.
CAUTION: If you forget the DriveLock password, the drive is unusable.
6. Enter a new user password (1 to 32 characters long), and then press F10 to accept.
7. Enter the password again in the Enter New Password Again field. If you forget this password,
the drive is rendered permanently disabled.
8. Select File > Save Changes and Exit, and then press Enter to accept the changes. After you
press Enter, the computer performs a cold start before invoking the DriveLock function.
When the computer starts, you are prompted to enter the DriveLock password for each
DriveLock-capable drive for which you have set a password. You have two attempts to enter the
password correctly. If the password is not entered correctly, the computer attempts to start
anyway. However, the boot process most likely fails because data from a locked drive cannot be
accessed.
In a single drive computer, if the drive has DriveLock enabled, the computer might not be able to
boot to the operating system, and might try to boot from the network or from another storage
device (depending on the boot ordering options). Regardless of the outcome of the start
attempts, the drive-locked drive remains inaccessible without the DriveLock password.
In a two-drive computer that has a boot drive and a data drive, you can apply the DriveLock
feature to the data drive only. In this case, the computer can always start, but the data drive is
accessible only when the DriveLock password is entered.
Cold starts require that you enter DriveLock passwords. However, DriveLock passwords are also
required for warm starts. For example, if you boot to DOS and press Ctrl+Alt+Del, you must
enter the DriveLock password before the computer completes the next start cycle. This warm-
start behavior is consistent with the DriveLock feature.
66 Chapter 2 System management
Password security
The power-on password prevents unauthorized use of the computer by requiring entry of a password
to access applications or data when the computer is powered on or restarted. The setup password
specifically prevents unauthorized access to Computer Setup (F10) Utility and can also be used as an
override to the power-on password. When prompted for the power-on password, entering the setup
password instead enables access to the computer.
You can establish a network-wide setup password to enable the system administrator to log in to all
network systems to perform maintenance without needing to know the power-on password.
Establishing a setup password using Computer Setup (F10) Utility
Establishing a setup password through Computer Setup (F10) Utility prevents reconfiguration of the
computer (through the use of Computer Setup (F10) Utility) until the password is entered.
To establish a setup password using Computer Setup (F10) menu:
1. Power on or restart the computer.
2. As soon as the computer is powered on, press and hold F10 until you enter Computer Setup
(F10) Utility. Press Enter to bypass the title screen, if necessary.
If you do not press F10 at the appropriate time, you must restart the computer, and then press
and hold F10 again to access the utility.
If you are using a PS/2 keyboard, you might see a keyboard error message. Disregard it.
3. Select Security > Setup Password and then follow the onscreen instructions.
4. Before exiting, select File > Save Changes and Exit.
Desktop management 67
Establishing a power-on password using computer setup
Establishing a power-on password through Computer Setup (F10) Utility prevents access to the
computer when power is connected, unless you specify the password. When a power-on password is
set, Computer Setup (F10) Utility presents Password Options in the Security menu. The password
options include Network Server Mode and Password Prompt on Warm Boot.
When Network Server Mode is disabled, you must enter the password when the computer is powered
on, when the key icon appears on the monitor. When Password Prompt on Warm Boot is enabled,
you must enter the password. The password must also be entered each time the computer is
restarted. When Network Server Mode is enabled, the password prompt is not presented during
POST, but an attached PS/2 keyboard remains locked until you enter the power-on password.
To enable Network Server Mode, you must set a power-on password under Advanced > Password
Options. This option enables the computer to start without requiring the power-on password, but the
keyboard and mouse are locked until you enter the password. The keyboard LEDs rotate constantly
when the computer is in locked mode.
To establish a power-on password through the Computer (F10) menu:
1. Power on or restart the computer.
2. As soon as the computer is powered on, press and hold F10 until you enter Computer Setup
(F10) Utility. Press Enter to bypass the title screen, if necessary.
If you do not press F10 at the appropriate time, you must restart the computer and then press
and hold F10 again to access the utility.
If you are using a PS/2 keyboard, you might see a keyboard error message. Disregard it.
3. Select Security > Power-On Password and then follow the onscreen instructions.
4. Before exiting, select File > Save Changes and Exit.
Entering a power-on password
To enter a power-on password:
1. Restart the computer.
2. When the key icon appears on the monitor, enter the current password, and then press Enter.
Type carefully. For security reasons, the characters you enter do not appear on the screen.
If you enter the password incorrectly, a broken key icon appears. Try again. After three unsuccessful
tries, you will enter the F10 setup screen with read-only permission. (See the Setup Browse Mode
option under the Power-On options.)
68 Chapter 2 System management

Entering a setup password
If a setup password has been established on the computer, you will be prompted to enter it each time
you run Computer Setup (F10) Utility.
To enter a setup password:
1. Restart the computer.
2. As soon as the computer is powered on, press and hold F10 until you enter Computer Setup
(F10) Utility. Press Enter to bypass the title screen, if necessary.
If you do not press F10 at the appropriate time, you must restart the computer and press and
hold F10 again to access the utility.
If you are using a PS/2 keyboard, you might see a keyboard error message. Disregard it.
3. When the key icon appears on the monitor, enter the setup password, and press Enter.
Type carefully. For security reasons, the characters you enter do not appear on the screen.
If you enter the password incorrectly, a broken key icon appears. Try again. After three unsuccessful
tries, you must restart the computer before you can continue.
Changing a power-on or setup password
To change a power-on or setup password:
1. Restart the computer.
2. To change the power-on password, go to step 4.
3. To change the setup password, as soon as the computer is powered on, press and hold F10
until you enter Computer Setup (F10) Utility. Press Enter to bypass the title screen, if necessary.
If you do not press F10 at the appropriate time, you must restart the computer, and then press
and hold the F10 key again to access the utility.
If you are using a PS/2 keyboard, you might see a keyboard error message. Disregard it.
4. When the key icon appears, enter the current password, a slash (/) or alternative delimiter
character, the new password, another slash (/) or alternative delimiter character, and the new
password again as shown:
current password/new password/new password
For information about the alternative delimiter characters, see National keyboard delimiter
characters on page 70.
Type carefully. For security reasons, the characters you enter do not appear on the screen.
5. Press Enter.
The new password takes effect the next time you power on the computer.
The power-on and setup passwords can also be changed using the Security options in Computer
Setup (F10) Utility.
Desktop management 69

Deleting a power-on or setup password
To delete a power-on or setup password:
1. Power on or restart the computer.
2. Choose from the following:
●To delete the power-on password, go to step 4.
●To delete the setup password, as soon as the computer is powered on, press and hold F10
until you enter Computer Setup (F10) Utility. Press Enter to bypass the title screen, if
necessary.
If you do not press F10 at the appropriate time, you must restart the computer and then
press and hold F10 again to access the utility.
Use the appropriate operating system shutdown process.
3. When the key icon appears, enter the current password followed by a slash (/) or alternative
delimiter character:
current password/.
For information about the alternative delimiter characters see the following section.
4. Press Enter.
National keyboard delimiter characters
Each keyboard meets country-specific requirements. The syntax and keys you use for changing or
deleting passwords depend on the keyboard included with the computer.
Language Delimiter Language Delimiter Language Delimiter
Arabic / Greek - Russian /
Belgian = Hebrew . Slovakian -
BHCSY
*
- Hungarian - Spanish -
Brazilian / Italian - Swedish/Finnish /
Chinese / Japanese / Swiss -
Czech - Korean / Taiwanese /
Danish - Latin American - Thai /
French ! Norwegian - Turkish .
French Canadian é Polish - U.K. English /
German - Portuguese - U.S. English /
*
Bosnia-Herzegovina, Croatia, Slovenia, and Yugoslavia
70 Chapter 2 System management

Clearing passwords
If you forget the password, you cannot access the computer.
For instructions about clearing passwords, see Configuring password security and resetting CMOS
on page 153.
Chassis security
Smart Cover Sensor (optional)
The optional Smart Cover Sensor is a combination of hardware and software technology that alerts
you if the interior or the computer is accessed (provided the sensor has been configured in Computer
Setup (F10) Utility). The sensor alerts you when the side panel is removed.
Three levels of protection are available:
Level Setting Description
Level 0 Disabled Sensor
*
is disabled (default).
Level 1 Notify User When the computer restarts, a message indicates that the computer has
been opened or the access panel has been removed.
Level 2 Setup Password
When the computer restarts, a message indicates that the computer has
been opened or the access panel has been removed. You must enter the
setup password to continue.
*
Smart Cover Sensor settings can be changed using Computer Setup (F10) Utility.
Setting the protection level
To set the Smart Cover Sensor protection level:
1. Power on or restart the computer.
2. During startup, press and hold the F10 key until you enter Computer Setup (F10) Utility. Press
Enter to bypass the title screen, if necessary.
NOTE: If you do not press the F10 key at the appropriate time, you must restart the computer,
and then press and hold the F10 key again to access Computer Setup (F10) Utility.
If you are using a PS/2 keyboard, you might see a keyboard error message. Disregard it.
3. Select Security > Smart Cover > Cover Removal Sensor, and follow the onscreen instructions.
4. Before exiting, select File > Save Changes and Exit.
Desktop management 71
Side access panel solenoid lock
The side access panel solenoid lock (available only on specific workstations) secures the side access
panel to the chassis. The solenoid is controlled by a local or remote signal.
To lock the solenoid, set a password for the solenoid lock in Computer Setup (F10) Utility. To unlock
the solenoid, remove the solenoid lock password in Computer Setup (F10) Utility.
The solenoid lock FailSafe Key (available from HP) is is a device for manually disabling the solenoid
lock. You will need the FailSafe Key in case of forgotten password, power loss, or computer
malfunction.
Cable lock (optional)
To prevent theft, you can attach a keyed cable lock to the rear chassis panel. This cable lock attaches
to the chassis and secures it to the work area.
Fault notification and recovery
Fault notification and recovery features combine innovative hardware and software technology to
prevent the loss of critical data and minimize unplanned downtime.
If the computer is connected to a network that is managed by HP CMS, the computer sends a fault
notice to the network management application. With HP CMS, you can also remotely schedule
diagnostics to run on managed PCs and create a summary report of failed tests.
Drive Protection System
The Drive Protection System (DPS) is a diagnostic tool built into hard disk drives and is installed in
select HP computers. The DPS helps diagnose problems that might result in unwarranted hard disk
drive replacement.
When HP computers are built, each installed hard disk drive is tested using the DPS, and a
permanent record of key information is written onto each drive. Every time the DPS is run, test results
are written to the hard disk drive. The service provider can use this information to help diagnose
conditions that required you to run the DPS software.
ECC fault prediction
When the computer encounters an excessive number of error checking and correcting (ECC) memory
errors, it displays a local alert message. This message contains information about the errant DIMM,
enabling you to take action before you experience noncorrectable memory errors. ECC DIMMs are
standard on this computer.
Thermal sensors
Several thermal sensors in the HP workstation regulate computer fans to maintain an acceptable,
efficient chassis temperature.
72 Chapter 2 System management

Programmable power button (Windows only)
With ACPI (Advanced Configuration and Power Interface) enabled, you can customize the behavior
of the power button so that rather than powering down, the workstation enters sleep mode (low power
state), or hibernate mode (very low power state). This lets you go to standby without closing
applications, and then return to the same operational state without any data loss.
Changing the power button configuration (Windows only)
Windows 7
1. Select Start, and then select Control Panel > System and Security > Power Options.
2. On the left side of the screen, select Change What the Power Buttons Do.
3. Select the desired options.
If you choose Sleep or Hibernate, you can press the power button to initiate standby, and then press
it again to exit standby and return to your work. To completely turn off the workstation, select Start >
Shut Down.
CAUTION: To reduce the risk of data loss, do not use the power button to turn off the computer
unless the system is not unresponsive.
NOTE: If the computer is unresponsive, press and hold the power button for four seconds to
completely turn off power to the computer.
Windows 8
1. Point to the upper-right or lower-right corner of the Start screen to display the charms.
2. In the Search field, type control.
3. On the left side of the screen select Control Panel, and then select System and Security >
Power Options.
4. In Power Options Properties, select Choose What the Power Button Does.
5. Select the desired options.
Desktop management 73

3 Component replacement information and
guidelines
This chapter provides warnings, cautions, information, and guidelines for removal and replacement
procedures. It does not document the step-by-step procedures.
IMPORTANT: Removal and replacement procedures are now available in videos on the HP
website.
Go to the HP Customer Self Repair Services Media Library at http://www.hp.com/go/sml.
This chapter includes these topics:
●Warnings and cautions
●Service considerations
●Product recycling
●Component replacement guidelines
Warnings and cautions
WARNING! These symbols on any surface or area of the equipment indicate the following:
Presence of a hot surface or hot component. If this surface is contacted, the potential for injury
exists. To reduce the risk of injury from a hot component, let the surface cool before touching.
Presence of an electrical shock hazard. To reduce the risk of injury from electrical shock, do not
open any enclosed area marked with this symbol.
Product must always be lifted by two persons to avoid personal injury due to product weight.
WARNING! To reduce the risk of electric shock or damage to your equipment:
— Do not disable the power cord grounding plug. The grounding plug is an important safety feature.
— Plug the power cord in a grounded (earthed) outlet that is easily accessible at all times.
— Disconnect power from the equipment by unplugging the power cord from the electrical outlet.
WARNING! To reduce the risk of serious injury, read the
Safety & Comfort Guide
. It describes
proper computer setup, posture, health, and work habits for computer users, and provides important
electrical and mechanical safety information. This guide is located at http://www.hp.com/ergo.
WARNING! Do not use the front bezel as a handle or lifting point when lifting or moving the
computer. Lifting the computer from the front bezel, or lifting it incorrectly, could cause the computer
to fall, causing possible injury to you and damage to the computer. To properly and safely lift the
computer, lift from the bottom of the computer.
74 Chapter 3 Component replacement information and guidelines

CAUTION: Static electricity can damage the electronic components of the computer. To prevent
damage to the computer, observe the following Electrostatic Discharge (ESD) precautions while
servicing the computer:
— Discharge static electricity by briefly touching a grounded metal object before you begin.
— Work on a static-free mat.
— Wear a static strap to ensure that any accumulated electrostatic charge is discharged from your
body to the ground.
— Create a common ground for the equipment you are working on by connecting the static-free mat,
static strap, and peripheral units to that piece of equipment.
NOTE: HP accessories are for use in HP products. They have been extensively tested for reliability
and are manufactured to high quality standards.
Service considerations
Tools and software requirements
The tools necessary for computer component removal and installation are:
●Torx T-15 driver
●Flat blade and cross-tip screwdrivers
●Diagnostics software
Electrostatic discharge (ESD) information
Generating static Different activities generate different amounts of static electricity through electrostatic discharge
(ESD). Static electricity increases as humidity decreases.
CAUTION: Static electricity in the amount of 700 volts might degrade a product.
Event
Relative humidity
55% 40% 10%
Walking across carpet
Walking across vinyl floor
Motions of bench worker
7,500V
3,000V
400V
15,000V
5,000V
800V
35,000V
12,000V
6,000V
Removing bubble pack from PCB
Packing PCBs in foam-lined box
7,000V
5,000V
20,000V
11,000V
26,500V
21,000V
Preventing ESD
equipment damage
Many electronic components are sensitive to ESD. Circuitry design and structure determine the
degree of sensitivity. The following packaging and grounding precautions are necessary to
prevent damage to electric components and accessories:
●Transport products in static-safe containers such as tubes, bags, or boxes, to avoid hand
contact.
●Protect electrostatic parts and assemblies with nonconductive or approved containers or
packaging.
●Keep electrostatic-sensitive parts in their containers until they arrive at static-free stations.
●Place items on a grounded surface before removing them from containers.
Service considerations 75

●When handling or touching a sensitive component or assembly, ground yourself by touching
the chassis.
●Avoid contact with pins, leads, or circuitry.
●Place reusable electrostatic-sensitive parts from assemblies in protective packaging or
nonconductive foam.
Personal grounding
methods and
equipment
Use the following items to help prevent ESD damage:
●Wrist straps — These are flexible straps with a maximum of one megohm ± 10% resistance
in the ground cords. To provide a proper ground, wear the strap against bare skin. The
ground cord must be connected and fit snugly into the banana plug connector on the
grounding mat or computer.
●Heel straps, toe straps, and boot straps — These can be used at standing computers and
are compatible with most types of shoes or boots. On conductive floors or dissipative floor
mats, use them on both feet with a maximum of one megohm ± 10% resistance between the
operator and ground.
Static shielding
materials
Static shielding materials provide the following levels of protection.
Method
Antistatic plastic
Carbon-loaded plastic
Metalized laminate
Voltage
1,500V
7,500V
15,000V
Grounding the work
area to prevent static
damage
●Cover the work surface with approved
static-dissipative material. Use a wrist
strap connected to the work surface, and
properly grounded tools and equipment.
●Use static-dissipative mats, foot straps,
or air ionizers to give added protection.
●Handle electrostatic-sensitive
components, parts, and assemblies by
the case or PCB laminate. Handle them
only in static-free work areas.
●Disconnect power and input signals before
inserting and removing connectors or test
equipment.
●Use fixtures made of static-safe materials
when fixtures must directly contact
dissipative surfaces.
●Keep work area free of nonconductive
materials, such as plastic assembly aids
and Styrofoam.
●Use field service tools (such as cutters,
screwdrivers, and vacuums) that are
conductive.
Recommended ESD
prevention materials
and equipment
●Antistatic tape
●Antistatic smocks, aprons, and sleeve
protectors
●Conductive bins and other assembly or
soldering aids
●Conductive foam
●Conductive tabletop computers with a
ground cord of one megohm ± 10%
resistance
●Static-dissipative table or floor mats with
a hard-tie to ground
●Field service kits
●Static awareness labels
●Wrist straps and footwear straps providing
one megohm ± 10% resistance
●Material-handling packages
●Conductive plastic bags
●Conductive plastic tubes
●Conductive tote boxes
●Opaque shielding bags
●Transparent metallized shielding bags
●Transparent shielding tubes
76 Chapter 3 Component replacement information and guidelines

Product recycling
HP encourages customers to recycle used electronic hardware, HP original print cartridges, and
rechargeable batteries.
For information about recycling HP components or products, see http://www.hp.com/go/recycle.
Component replacement guidelines
This section provides information and guidelines for removal and replacement procedures. It does not
document the step-by-step procedures.
IMPORTANT: Removal and replacement procedures are now available in videos on the HP
website.
Go to the HP Customer Self Repair Services Media Library at http://www.hp.com/go/sml. In Media
Selection, choose the Desktops & Workstations product category and the Personal Workstations
product family, then choose your platform
This chapter provides guidelines for removal and replacement procedures.
Battery on page 77
Cable management on page 78
CPU (processor) and CPU heatsink on page 79
Expansion slots on page 80
Hard disk drives and optical disc drives on page 91
Memory on page 98
Power supply specifications on page 104
System board on page 106
Battery
The battery that comes with the computer provides power to the real-time clock and has a minimum
lifetime of about three years. Observe the following warning and caution when replacing the battery.
WARNING! HP Z Series Workstations use lithium batteries. There is a risk of fire and chemical burn
if the battery is handled improperly. Do not disassemble, crush, puncture, short external contacts,
dispose of in water or fire, or expose battery to temperatures higher than 60°C (140°F).
CAUTION: Before removing the battery, back up the CMOS settings in case they are lost when the
battery is removed. Use Computer Setup (F10) Utility to back up the settings.
NOTE: Do not dispose of batteries, battery packs, and accumulators with general household waste.
Product recycling 77

Cable management
Proper routing of the internal cables is critical to the operation of the workstation. Follow good cable
management practices when removing and installing components.
●Handle cables with care to avoid damage.
●Apply only the tension required to seat or unseat cables during insertion or removal from the
connector.
●When possible, handle cables by the connector or pull-strap.
●Route cables in such a way that they cannot be caught or snagged by parts being removed or
replaced.
●Keep cables away from direct contact with major heat sources, such as the heatsink. (Some air
flow guides have a cable guide that lets you route cables safely around the heatsink.)
●Do not jam cables on top of expansion cards or DIMMs. Circuit cards and DIMMs are not
designed to take excessive pressure.
●Keep cables clear of movable or rotating parts (such as the power supply and drive cage) to
prevent them from being cut or crimped when the component is lowered into its normal position.
●In all cases, avoid bending or twisting the cables. Do not bend any cable sharply. A sharp bend
can break the internal wires.
●Never bend a SATA data cable tighter than a 30 mm (1.18 in) radius.
●Never crease a SATA data cable.
●Do not rely on components like the drive cage, power supply, or computer cover to push cables
down into the chassis. Always position the cables to lay properly by themselves or in the cable
guides and chassis areas designed for cable routing.
When removing the power supply power cable from the connector on the system board, always follow
these steps:
1. Squeeze on the top of the retaining latch attached to the cable end of the connector.
2. Grasp the cable end of the connector and pull it straight out.
CAUTION: Always pull the connector — NEVER pull on the cable. Pulling on the cable could
damage the cable and result in a failed power supply.
78 Chapter 3 Component replacement information and guidelines

CPU (processor) and CPU heatsink
CAUTION: Observe the following cautions when removing or replacing the heatsink.
— When removing the heatsink, loosen all screws a little at a time to ensure the CPU remains level.
Do
not
fully loosen one screw, and then move on to the next.
— After you remove the CPU heatsink from the chassis, use alcohol and a soft cloth to clean the
thermal compound residue from the CPU and the heatsink, allowing the alcohol on the CPU and CPU
heatsink to dry completely.
— If you are reusing the original heatsink, apply thermal compound to the center of the CPU top
surface.
— If you are using a new CPU heatsink, do not apply thermal compound to the CPU because the
new heatsink already has thermal compound applied to the heatsink surface. Instead, remove the
thermal compound protective liner from the bottom of the new heatsink.
— Do not overtighten the heatsink screws. Overtightening can strip the threads in the chassis.
— Do not fully tighten one screw and then move on to the next. Instead, tighten all screws a little at a
time, ensuring that the CPU remains level.
CAUTION: Observe the following cautions when removing or replacing the CPU.
— If you are installing a second CPU, it must be of the same type as the first CPU.
— Internal components might be powered even when the computer is off. To prevent damage,
disconnect the computer power cord before you remove or install a component.
— The CPU socket contacts and pads are extremely fragile. Do not touch the CPU socket contacts or
the gold pads underneath the CPU. Use extreme care and handle the CPU only by the edges.
— The CPU socket contacts are delicate and bend easily. To avoid bending the contacts, use
extreme care when installing the CPU in the socket.
— Installing a processor incorrectly can damage the system board. Contact an HP authorized reseller
or service provider to install the processor. If you plan to install the processor yourself, view the entire
remove and replace video before you begin.
— Failure to follow the computer preparation instructions can result in an improperly installed
processor, causing extensive computer damage.
Component replacement guidelines 79

Expansion slots
This section identifies and describes computer expansion card slots, and presents card configuration
information.
Go to http://www.hp.com/go/quickspecs to learn which graphics cards are supported in the
workstation, how much memory each graphics card includes, and graphics card power requirements.
Card configuration restrictions for power supplies
CAUTION: To prevent damage, the overall power consumption of the computer (including I/O cards,
CPU, and memory) must not exceed the maximum rating of the computer power supply. For power
supply information, see Power supply specifications on page 104.
Choosing an expansion card slot
Whenever possible, use the following tips to help you select the proper slot for an expansion card:
●Use the PCIe x16 slot for the primary graphics card. If you do not use this slot for the graphics
card, only cards certified as After Market Options are supported.
●Install a second graphics card in the other PCIe x16 slot.
●Install a card in a slot that most closely matches its interface technology:
◦Install a PCIe Gen1 x16 or a PCIe Gen1 x8 card in the PCIe Gen2 x16 slot.
◦Install a PCIe Gen1 x4 card in the PCIe Gen1 x4 slot.
◦Install a PCIe Gen1 x1 card in the PCIe Gen1 x1 slot.
◦Install a PCI card in the PCI slot.
◦Whenever possible, install a PCIe x1 card in an x1 slot.
●Leave as much space as possible between cards (especially graphics cards) to allow heat to
dissipate more efficiently.
●For best operational efficiency, select a slot that:
◦Electrically matches the number of PCIe card lanes (for example, x1 in an x1 slot).
◦Has more lanes electrically.
◦Has fewer lanes, but is closer to your needs. For example, place an x16 card in an x4 slot,
and an x4 card in a an x1 slot.
●An x1 connector supports an x1 card only. While an x1 card can be inserted into a larger slot,
this may limit potential future card placement.
80 Chapter 3 Component replacement information and guidelines

HP Z220 SFF Workstation slot identification and description
Maximum power used by all slots must not exceed total system power and is subject to configuration
limitations.
Slot Type Mechanical compatibility Electrical compatibility
1PCIe2 x1 x1 x1
2 PCIe2 x16 (4) x16 x4
3 PCIe3 x16 x16 x16
4 PCI 32/33 PCI PCI
NOTE: The PCIe designators indicate the mechanical connector size and number of electrical PCIe
lanes routed to an expansion slot. For example, x16 (8) means that the expansion slot is
mechanically a x16 length connector, with 8 PCIe lanes supported.
Component replacement guidelines 81

HP Z220 SFF Workstation installation sequence recommendations
Load
order Card description Slot 1 Slot 2 Slot 3 Slot 4
1 PCIe graphic card Only
2 Second PCIe graphic card Only
3 PCIe audio card 1st 2nd
4 PCIe NIC card 1st 2nd
5 PCIe 1394a card 1st 2nd
6 PCIe Wireless card 1st 2nd
7 Second serial port kit 1st 2nd
8 Parallel port kit 1st 2nd
9 eSATA bulkhead kit 1st 2nd 3rd
NOTE: Slot sequenced from the rear I/O aperture to the board edge.
82 Chapter 3 Component replacement information and guidelines

HP Z220 CMT Workstation slot identification and description
Maximum power used by all slots must not exceed total system power and is subject to configuration
limitations.
Slot Type Mechanical compatibility Electrical compatibility
1 PCIe2 x8 (4) x8 x4
2 PCIe3 x16 x16 x16
3PCIe2 x1 x1 x1
4 PCIe2 x16 (4) x16 x4
5PCIe2 x1 x1 x1
6 PCI 32/33 PCI PCI
7 PCI 32/33 PCI PCI
NOTE: The PCIe designators indicate the mechanical connector size and number of electrical PCIe
lanes routed to an expansion slot. For example, x16 (8) means that the expansion slot is
mechanically a x16 length connector, with 8 PCIe lanes supported.
Slot two is the primary graphics slot; slot four is the secondary graphics slot.
Slots one, two, and four use open-ended PCIe connectors, so a PCIe x16 card can be inserted.
Graphics cards greater than 75 watts require the use of an auxiliary power cable adapter.
Component replacement guidelines 83

HP Z220 CMT Workstation installation sequence recommendations
Load
order Card description Slot 1 Slot 2 Slot 3 Slot 4 Slot 5 Slot 6 Slot 7
1 PCIe graphic card Only
2 Second PCIe graphic card Only
3 PCIe NIC card 1st 3rd 2nd
4 PCIe 1394 card 1st 2nd 3rd
5 PCIe USB3.0 card 1st 2nd
6 PCIe audio card 1st 2nd 3rd
7 eSATA bulkhead kit 3rd 2nd 1st
8 Parallel port kit Only
9 Second serial port kit 2nd 1st
NOTE: Slot sequenced from the rear I/O aperture to the board edge.
84 Chapter 3 Component replacement information and guidelines

HP Z420 Workstation slot identification and description
Maximum power used by all slots must not exceed total system power and is subject to configuration
limitations.
Slot Type Mechanical compatibility Electrical compatibility
1 PCIe2 x4 (1) x4 x1
2 PCIe3 - x16 x16 x16
3 PCIe2 - x8 (4) x8 x4
4PCIe3 x8 x8 x8
5 PCIe3 x16 x16 x16
6 PCI 32/33 PCI PCI
NOTE: The PCIe designators indicate the mechanical connector size and number of electrical PCIe
lanes routed to an expansion slot. For example, x16 (8) means that the expansion slot is
mechanically a x16 length connector, with 8 PCIe lanes supported.
Slot two is the primary graphics slot; slot five is the secondary graphics slot.
Slots one, three, and four use open-ended PCIe connectors, so a PCIe x16 card can be inserted.
Graphics cards greater than 75 watts require the use of an auxiliary power cable adapter.
Component replacement guidelines 85

HP Z420 Workstation installation sequence recommendations
Load
order Card description Slot 1 Slot 2 Slot 3 Slot 4 Slot 5 Slot 6
1 First PCIe graphic card Only
2Second PCIe graphic card
or Tesla C2075 Only
3 Third PCIe graphic card Only
4 Fourth PCIe graphic card Only
5 SAS card 2nd 1st 3rd
6 PCIe 1394b card 1st 2nd
7 PCIe audio card 1st 2nd 3rd 4th
8 PCIe NIC card (LAN) 1st 2nd 3rd 4th
9 e-SATA bulkhead kit 2nd 3rd 1st
10 Second serial port kit 2nd 3rd 1st
NOTE: Slot sequenced from the rear I/O aperture to the board edge.
86 Chapter 3 Component replacement information and guidelines

HP Z620 Workstation slot identification and description
Maximum power used by all slots must not exceed total system power and is subject to configuration
limitations.
NOTE: Slot 1 is not available in dual processor configurations.
Slot Type Mechanical compatibility Electrical compatibility
1 PCIe2 x4 (1) x4 x1
2 PCIe3 - x16 x16 x16
3 PCIe2 - x8 (4) x8 x4
4PCIe3 x8 x8 x8
5 PCIe3 x16 x16 x16
6 PCI 32/33 PCI PCI
NOTE: The PCIe designators indicate the mechanical connector size and number of electrical PCIe
lanes routed to an expansion slot. For example, x16 (8) means that the expansion slot is
mechanically a x16 length connector, with 8 PCIe lanes supported.
NOTE: Slots two, four, and five are PCIe GEN3 slots. Slot two is the primary graphics slot; slot five
is the secondary graphics slot.
Slots three and four use open-ended PCIe connectors, so a PCIe x16 card can be inserted. This
allows the workstation to support more PCIe x16 expansion cards. A x16 card typically trains and
runs at the maximum lane width available by the expansion slot. The card runs at the reduced lane
width, with a corresponding performance decrease. Graphics cards greater than 75 watts require the
use of an auxiliary power cable adapter.
Component replacement guidelines 87

HP Z620 Workstation installation sequence recommendations
Load
order Card description Slot 1 Slot 2 Slot 3 Slot 4 Slot 5 Slot 6
1Second System Board
(Riser) Only
2 First PCIe graphic card Only
3
Second PCIe graphic
card or High Performance
GPU Compute card
Only
4 PCIe 1394b card Only
5 Third PCIe graphics card Only
6Fourth PCIe graphics
card Only
7 Controller card 1st 2nd 3rd
8 PCIe audio card 4th 1st 2nd 3rd
9 PCIe Network (LAN) card 4th 1st 2nd 3rd
10 eSATA bulkhead kit 4th 1st 2nd 3rd
11 Serial port bulkhead 3rd 2nd 1st
NOTE: Slot sequenced from the rear I/O aperture to the board edge.
88 Chapter 3 Component replacement information and guidelines

HP Z820 Workstation slot identification and description
Maximum power used by all slots must not exceed total system power and is subject to configuration
limitations.
Slot Type Mechanical compatibility Electrical compatibility
1 PCIe3 x8 (4) — CPU0 x8 x4
2 PCIe3 x16 — CPU0 x16 x16
3 PCIe3 x16 (8) — CPU1 x16 x8
4 PCIe3 x16 — CPU1 x16 x16
5 PCIe2 x8 (4) — CPU0 x8 x4
6 PCIe3 x16 — CPU0 x16 x16
7 PCI 32/33 — CPU0 PCI PCI
NOTE: The PCIe designators indicate the mechanical connector size and number of electrical PCIe
lanes routed to an expansion slot. For example, x16(8) means that the expansion slot is mechanically
a x16 length connector, with 8 PCIe lanes supported.
NOTE: Slots one and five use open-ended PCIe connectors, so a PCIe x16 card can inserted. This
allows the workstation to support more PCIe x16 expansion cards. A x16 card typically trains and
runs at the maximum lane width available by the expansion slot. The card runs at the reduced lane
width, with a corresponding performance decrease.
NOTE: A eighth slot opening in the chassis has no corresponding expansion connector on the
system board. This slot opening is provided for devices that do not require system board card plug-in
capability.
NOTE: It is normal for the expansion card retention clamp to have a slight (5-10 degree) angle when
closed. If the angle is greater than this, open the clamp and ensure that all cards are properly seated
and all the brackets are mated to the chassis, then re-close the clamp.
Component replacement guidelines 89

HP Z820 Workstation installation sequence recommendations
Load
order Card description Type Slot 0 Slot 1 Slot 2 * Slot 3 * Slot 4 Slot 5 Slot 6 Slot 7
11st high performance
GPU Compute card
PCIe-
x16 2nd
1st
1
2
2nd high performance
GPU Compute card
(requires 2nd CPU and
1125w PSU)
PCIe-
x16 Only
3 1st PCIe graphics card PCIe-
x16 Only
4 2nd PCIe graphics card PCIe-
x16 2nd
1st
1
53rd PCIe graphics
(requires 2nd CPU)
PCIe-
x16 2nd 1st
6
4th PCIe graphics
(requires 2nd CPU and
1125w PSU)
PCIe-
x16 Only
7 Graphics test card PCIe-
x16 1st 2nd
8 Controller card PCIe-
x8 2nd 5th 4th 3rd 1st
2
9Controller card with
battery
PCIe-
x8 2nd 5th 4th 3rd 1st
2
10 PCIe 1394 card PCIe-
x1
Only
11 PCIe audio card PCIe-
x1
1st 4th 5th 2nd 3rd
12 PCIe Network (LAN) PCIe-
x1
1st 4th 5th 2nd 3rd
13 Mini SAS-4x bulkhead kit N/A 1st 2nd
14 eSATA bulkhead kit N/A 1st 2nd
* Slots 3 and 4 require second CPU.
1: If a second graphics card is used with a High Performance GPU Compute card, place the High Performance GPU
Compute card in Slot 6 and the second graphics in the alternate slot(s).
2: If a Controller card is being used with a High Performance GPU Compute card or second graphics card, place the
High Performance GPU Compute card/graphics card in Slot 6 and the RAID card in the alternate slot(s).
NOTE: Slot sequenced from the rear I/O aperture to the board edge.
90 Chapter 3 Component replacement information and guidelines

Hard disk drives and optical disc drives
Handling hard disk drives
CAUTION: Take proper precautions when handling hard disk drives to prevent loss of work and
damage to the computer or drive.
●Do not remove hard drives from the shipping package for storage. Keep hard drives in their
protective packaging until they are mounted in the computer.
●Always shut down the operating system, turn off the power, and unplug the power cord. Never
remove a drive while the computer is on or in standby mode.
●Before handling a drive, make sure you discharge static electricity. While handling a drive, avoid
touching the connector.
●Handle a drive carefully. Do not drop it from any height.
●To prevent possible ESD damage when the drive is installed, connect the drive power cable
before connecting the data cable. This discharges accumulated static electricity through the
drive power cable to the computer chassis.
●Do not use excessive force when inserting a drive.
●Avoid exposing a hard drive to liquids, temperature extremes, or products that have magnetic
fields such as monitors or speakers.
●If you must mail a drive, use a bubble-pack mailer or other protective packaging and label the
package “Fragile: Handle With Care.”
Removal and replacement tips
●To verify the type, size, and capacity of the storage devices installed in the computer, run
Computer Setup (F10) Utility.
●Adding a new drive may require that you make new connections from the drive to the system
board. Note that:
◦The primary Serial ATA (SATA) hard drive must be connected to the dark blue primary
SATA connector on the system board labeled SATA0.
◦Connect a secondary hard drive to SATA.
◦Connect SATA optical drives to the black SATA2 connector.
◦Connect an optional eSATA adapter cable to the black ESATA connector on the system
board.
◦Connect a media card reader USB cable to the USB connector on the system board
labeled MEDIA. If the media card reader has a 1394 port, connect the 1394 cable to the
1394 PCI card.
Component replacement guidelines 91

Drive installation and cabling scenarios
This section presents cabling guidelines for the most common maximum storage configurations. If
you add or remove drives, HP recommends you follow these guidelines for highest drive performance
and efficient cable routing.
HP Z220 SFF Workstations — SATA cable connection guidelines
Configuration / PCA
SATA connector
SATA 0 SATA 1 SATA 2 SATA 4
HDD x1 ODD x1 1st HDD 1st ODD e-SATA
HDD x2 ODD x1 1st HDD 2nd HDD 1st ODD e-SATA
HP Z220 CMT Workstations — SATA cable connection guidelines
Configuration / PCA
SATA connector
SATA 0 SATA 1 SATA 2 SATA 3 SATA 4 SATA 5
HDD x1 ODD x1 1st HDD 1st ODD e-SATA
HDD x1 ODD x2 1st HDD 1st ODD 2nd ODD e-SATA
HDD x2 ODD x1 1st HDD 2nd HDD 1st ODD e-SATA
HDD x2 ODD x2 1st HDD 2nd HDD 1st ODD 2nd ODD e-SATA
HDD x3 ODD x1 1st HDD 2nd HDD 3rd HDD 1st ODD e-SATA
HDD x3 ODD x2 1st HDD 2nd HDD 3rd HDD 1st ODD 2nd ODD e-SATA
92 Chapter 3 Component replacement information and guidelines

HP Z420 Workstations — Intel AHCI SATA controller guidelines
See HP Z420 Workstation system board components on page 19 to determine the location of system
board connectors.
NOTE: Port 0 is the default port for the boot drive (the default port can be changed manually in the
BIOS).
System board
connector
Drive configuration scenarios
1234
SATA 0 SATA HDD 1 SATA HDD 1 SATA HDD 1 SATA HDD 1
SATA 1 SATA HDD 2 SATA HDD 2 SATA HDD 2 SATA HDD 2
SATA 2 ODD 1 ODD 1 ODD 1 ODD 1
SATA 3 ODD 2 SATA HDD 3 SATA HDD 3 SATA HDD 3
SATA 4 eSATA (top) ODD 2 SATA HDD 4 eSATA (top)
SATA 5 eSATA (bottom) — ODD 2 eSATA (bottom)
SCU 0————
SCU 1————
SCU 2————
SCU 3————
eSATA = external SATA (2 ports per cable assembly)
HDD = hard disk drive
ODD = optical disc drive
NOTE: Only the most common configurations are shown here.
Component replacement guidelines 93

HP Z420 Workstations — LSI 9212-4i RAID controller guidelines
See HP Z420 Workstation system board components on page 19 to determine the location of system
board connectors.
NOTE: Hard disk drives attached to RC J8 are designated by the 9212-4i BIOS to be boot devices.
If the hard disk drive connected to RC J8 is a member of a RAID array, the RAID array is the boot
device.
RAID card (RC) or system
board (SB) connector
Drive installation scenarios
123
RC J8 SAS HDD 1 SAS HDD 1-B SATA HDD 1-B
RC J7 SAS HDD 2 SATA HDD 2-D SAS HDD 2-D
RC J6 SAS HDD 3 SATA HDD 3-D SAS HDD 3-D
RC J5 SAS HDD 4 SATA HDD 4-D SAS HDD 4-D
SB SATA 0 — — —
SB SATA 1 — — —
SB SATA 2 ODD 1 ODD 1 ODD 1
SB SATA 3 ODD 2 ODD 2 ODD 2
SB SATA 4 eSATA (top) eSATA (top) eSATA (top)
SB SATA 5 eSATA (bottom) eSATA (bottom) eSATA (bottom)
SB SCU 0 — — —
SB SCU 1 — — —
SB SCU 2 — — —
SB SCU 3 — — —
eSATA = external SATA (2 ports per cable assembly)
HDD = hard disk drive
ODD = optical disc drive
NOTE: Only the most common configurations are shown here.
94 Chapter 3 Component replacement information and guidelines

HP Z620 Workstations — Intel AHCI SATA controller guidelines
See HP Z620 Workstation system board components on page 26 to determine the location of system
board connectors.
NOTE: Port 0 is the default port for the boot drive (the default port can be changed manually in the
BIOS).
System board connector
Drive installation scenarios
123
SATA 0 SATA HDD 1 SATA HDD 1 SATA HDD 1
SATA 1 SATA HDD 2 SATA HDD 2 SATA HDD 2
SATA 2 ODD 1 ODD 1 ODD 1
SATA 3 SATA HDD 3 SATA HDD 3 SATA HDD 3
SATA 4 SATA HDD 4 ODD 2 eSATA (top)
SATA 5 — — eSATA (bottom)
SCU 0 ———
SCU 1 ———
SCU 2 ———
SCU 3 ———
eSATA = external SATA (2 ports per cable assembly)
HDD = hard disk drive
ODD = optical disc drive
NOTE: If there are fewer than three hard drives in the configuration, the cables from HDD bays 1 and 2
are pre-plugged to the system board SATA ports.
NOTE: Only the most common configurations are shown here.
Component replacement guidelines 95

HP Z620 Workstations — LSI 9212-4i RAID controller guidelines
See HP Z620 Workstation system board components on page 26 to determine the location of system
board connectors.
NOTE: Hard disk drives attached to RC J8 are designated by the 9212-4i BIOS to be boot devices.
If the hard disk drive connected to RC J8 is a member of a RAID array, the RAID array is the boot
device.
RAID card connector (RC)
or system board connector
(SB)
Drive installation scenarios
123
RC J8 SAS HDD 1 SAS HDD 1-B SATA HDD 1-B
RC J7 SAS HDD 2 SATA HDD 2-D SAS HDD 2-D
RC J6 SAS HDD 3 SATA HDD 3-D SAS HDD 3-D
RC J5 SAS HDD 4 SATA HDD 4-D SAS HDD 4-D
SB SATA 0 — — —
SB SATA 1 — — —
SB SATA 2 ODD 1 ODD 1 ODD 1
SB SATA 3 ODD 2 ODD 2 ODD 2
SB SATA 4 eSATA (top) eSATA (top) eSATA (top)
SB SATA 5 eSATA (bottom) eSATA (bottom) eSATA (bottom)
SB SCU 0 — — —
SB SCU 1 — — —
SB SCU 2 — — —
SB SCU 3 — — —
eSATA = external SATA (2 ports per cable assembly)
HDD = hard disk drive
ODD = optical disc drive
NOTE: If there are fewer than three hard drives in the configuration, the cables from HDD bays 1 and 2
are pre-plugged to the RAID card adapter ports.
NOTE: Only the most common configurations are shown here.
96 Chapter 3 Component replacement information and guidelines

HP Z820 Workstation cabling guidelines
See HP Z820 Workstation system board components on page 33 to determine the location of system
board connectors.
NOTE: Port 0 is the default port for the boot drive (the default port can be changed manually in the
BIOS).
System board connector
Drive configuration scenarios
1234
5
SATA RAID
5 only
6
SATA RAID
5 only
SAS 0 HDD 1 HDD 1 eSAS 2 HDD 1 — —
SAS 1 HDD 2 HDD 2 eSAS 2 HDD 2 — —
SAS 2 HDD 3 HDD 3 eSAS 2 HDD 3 — —
SAS 3 HDD 4 HDD 4 eSAS 2 HDD 4 — —
SAS 4 HDD 5 eSAS 1 eSAS 1 HDD 5 — —
SAS 5 HDD 6 eSAS 1 eSAS 1 HDD 6 — —
SAS 6 — eSAS 1 eSAS 1 ODD 1 ODD 1 —
SAS 7 — eSAS 1 eSAS 1 ODD 2 ODD 2 —
SATA 0 ODD 1 ODD 1 ODD 1 eSATA eSATA ODD 1
SATA 1 ODD 2 ODD 2 ODD 2 eSATA eSATA ODD 2
SCU 0 — — HDD 1 — HDD 1 HDD 1
SCU 1 — — HDD2 — HDD 2 HDD 2
SCU 2 — — HDD3 — HDD 3 HDD 3
SCU 3 — — HDD4 — HDD 4 HDD 4
eSAS 1 / eSAS 2 = external SAS (HP external SAS back panel or PCI bracket – 4 ports per cable assembly)
eSATA = external SATA (2 ports per cable assembly)
HDD = SATA or SAS hard disk drive (SCU ports are SATA only)
ODD = optical disc drive
NOTE: Only the most common configurations are shown here.
Component replacement guidelines 97

Memory
Supported DIMM configurations
NOTE: Mirroring and DIMM sparing are not supported.
Platform Configuration
HP Z220 SFF
●Four DIMM slots
●Unbuffered ECC/nECC DIMMS only
●Maximum capacity: 32 GB
HP Z220 CMT
●Four DIMM slots
●Unbuffered ECC/nECC DIMMS only
●Maximum capacity: 32 GB
HP Z420
●Eight DIMM slots
●Unbuffered ECC DIMMS only
●Maximum capacity: 64 GB
HP Z620
●Eight DIMM slots (single CPU) or 12 DIMM slots (dual CPU)
●Unbuffered or registered ECC DIMMS
●Maximum capacity: 64 GB (single CPU), 96 GB (dual CPU)
●In dual processor configurations, the workstation can be configured for NUMA or non-NUMA
modes
HP Z820
●16 DIMM slots
●Both Unbuffered ECC and Registered DIMMs
●Maximum capacity: 512 GB
●In dual processor configurations, the workstation can be configured for NUMA or non-NUMA
modes
98 Chapter 3 Component replacement information and guidelines

BIOS errors and warnings
The BIOS generates warnings/errors on invalid memory configurations:
●If the BIOS can find a valid memory configuration by disabling plugged-in memory, it does so
and reports a warning during POST. the workstation can still be started. The warning will
indicate the location of the failed DIMM on the system board.
●If there is no way for the BIOS to obtain a valid memory configuration by disabling plugged-in
memory, the BIOS halts with a diagnostics 2006 code for memory error (five beeps and blinks).
DIMM installation guidelines
●Install only HP-approved DDR3 DIMMs
CAUTION: HP ships only DIMMs that are electrically and thermally compatible with this
workstation. Because third-party DIMMs might not be electrically or thermally compatible, they
are not supported by HP.
●Install only HP-approved DDR3 DIMMs. See http://www.hp.com/go/quickspecs to find DIMMs
that are compatible with the workstation.
●Do not intermix DIMMs of different technologies. ECC Unbuffered DIMMs (UDIMMs), Registered
DIMMs (RDIMMs), and Load Reduced DIMMs (LRDIMMs) are supported on HP Z Series
Workstations. Supported DIMM configurations on page 98 specifies which technologies are
supported on each platform.
CAUTION: DIMMs and their sockets are keyed for proper installation. To prevent socket or DIMM
damage, align these guides properly when installing DIMMs.
Component replacement guidelines 99

HP Z220 SFF Workstation DIMM installation order
Install DIMMs in this order.
NOTE: If you install DIMMs of different sizes, load them in order of size, starting with largest and
finishing with the smallest (largest in DIMM 1, smallest in last loaded DIMM).
HP Z220 CMT Workstation DIMM installation order
Install DIMMs in this order.
NOTE: If you install DIMMs of different sizes, load them in order of size, starting with largest and
finishing with the smallest (largest in DIMM 1, smallest in last loaded DIMM).
100 Chapter 3 Component replacement information and guidelines

HP Z420 Workstation DIMM installation order
Install DIMMs in this order.
NOTE: If you install DIMMs of different sizes, load them in order of size, starting with largest and
finishing with the smallest (largest in DIMM 1, smallest in last loaded DIMM).
Component replacement guidelines 101

HP Z620 Workstation DIMM installation order
Install DIMMs in this order.
NOTE: If you install DIMMs of different sizes, load them in order of size, starting with largest and
finishing with the smallest (largest in DIMM 1, smallest in last loaded DIMM).
102 Chapter 3 Component replacement information and guidelines

HP Z820 Workstation DIMM installation order
Install DIMMs in this order.
NOTE: If you install DIMMs of different sizes, load them in order of size, starting with largest and
finishing with the smallest (largest in DIMM 1, smallest in last loaded DIMM).
Component replacement guidelines 103

Power supply
Power supply specifications
All power supplies have these specifications:
●Wide-ranging, active Power Factor Correction (PFC)
●ENERGY STAR® qualified (configuration dependent)
●FEMP Standby Power compliant @115V (<1 W in S5 – Power Off)
●Surge tolerant (withstands power surges up to 2000V)
NOTE: HP Z820 Workstation configurations in which the power load is over 900W and the power
source is between 90V and 115V require special power consumption and cooling considerations.
Refer to the
Site Preparation Guide
at http://www.hp.com/support/workstation_manuals.
Z220 SFF Z220 CMT Z420 Z620 Z820
Power supply 240 W 90%
efficient
400 W 90%
efficient
400 W 90%
efficient
600 W 90%
efficient
800 W 90%
efficient
850 W 88%
efficient
1125 W 90%
efficient *
Operating
voltage range 90–264 VAC 90–269 VAC 90–269 VAC 90–269 VAC 90–269 VAC 90–269 VAC 90–269 VAC
Rated voltage
range 100–240 VAC 100–240 VAC 100–240 VAC 100–240 VAC 100–240 VAC
100–127 VAC
200–240 VAC
100 VAC
115 VAC
200–240 VAC
Rated line
frequency 50–60 Hz 50–60 Hz 50–60 Hz 50–60 Hz 50–60 Hz 50–60 Hz 50–60 Hz
Operating line
frequency
range
47–63 Hz 47-66 Hz 47–66 Hz 47-66 Hz 47-66 Hz 47-66 Hz 47-66 Hz
Rated input
current
4A @ 100–240
VAC
5.5A @
100-240 VAC
5.5A @ 100–
240 VAC
8A @
100-240 VAC
9.7A @
100-240 VAC
11A @
100-127 VAC
5.5A @
200-240 VAC
12A @
100VAC
12A @
115-127 VAC
10A @
200-240 VAC
Heat
dissipation,
typical
(configuration
and software
dependent)
601.2 btu/hr
(151.5 kcal/hr)
630.2 btu/hr
(158.8 kcal/hr)
910 btu/hr
(229 kcal/hr)
1365 btu/hr
(344 kcal/hr)
1972 btu/hr
(497 kcal/hr)
2142 btu/hr
(540 kcal/hr)
2773 btu/hr
(699 kcal/hr)
Heat
dissipation,
maximum
(configuration
and software
dependent)
646.6 btu/hr
(163.0 kcal/hr)
1569 btu/hr
(395 kcal/hr)
1569 btu/hr
(395 kcal/hr)
2354 btu/hr
(593.2 kcal/hr)
3139 btu/hr
(791 kcal/hr)
Max: 3335 btu/
hr (840 kcal/
hr)
Max1: 3878
btu/hr (977
kcal/hr)
Max2: 5002
btu/hr (1260
kcal/hr)
Max3: 5689
btu/hr (1433
kcal/hr)
104 Chapter 3 Component replacement information and guidelines

Z220 SFF Z220 CMT Z420 Z620 Z820
Power supply
fan
All fans are
variable speed
One fan,
92mm x 25mm
One fan,
92mm x 25mm
One fan,
92mm x 25mm
One fan,
92mm x 25mm
One fan,
92mm x 25mm
Two fans,
80mm x 25mm
Two fans,
80mm x 25mm
Built-in Self
Test LED No Yes Yes Yes Yes Yes Yes
Power
consumption in
sleep mode (as
defined by
ENERGY
STAR)
<3 W <4 W <10 W <10 W <15 W <15 W <35 W
*The 1125 W power supply can also supply 1450 W of output power when the input voltage is greater
than 180V. If the input voltage is less than 180V, but greater than 105V for any reason, the maximum
power that can be drawn is 1275 W.
Component replacement guidelines 105

Power consumption and heat dissipation
Power consumption and heat dissipation specifications are available for multiple configurations. To
review available specifications, see http://www.hp.com/go/quickspecs.
To reach zero power consumption, unplug the workstation from the power outlet or use a power strip
with an on/off switch. For additional information about power-saving features, see the operating
system installation instructions.
This product is in compliance with U.S. Executive Order 13221.
Resetting the power supply
If an overload triggers the power supply overload protection, power is immediately disconnected.
To reset the power supply:
1. Disconnect the power cord from the workstation.
2. Determine what caused the overload and fix the problem. For troubleshooting information, see
Diagnostics and troubleshooting on page 112.
3. Reconnect the power cord and restart the workstation.
When you power off the workstation through the operating system, power consumption falls below
what is considered low power consumption but does not reach zero. This low power consumption
feature extends the life of the power supply.
System board
If you replace the system board:
●Make a note of the cable connections before disconnecting them from the system board.
●Follow good cable management practices. See Cable management on page 78.
The following tables show system cabling for the workstations.
106 Chapter 3 Component replacement information and guidelines

System cabling
HP Z220 SFF Workstation system cabling
See HP Z220 SFF Workstation components on page 1 to determine the location of system board
connectors.
Cable To Cable designator on system board
PSU cable PCA (Main power) P1 (White)
PSU cable PCA (PWR COMM) P2 (White)
SATA power cable PCA (CPU power) P3 (White)
SATA power cable HDD/ODD P160 (Black)
SATA power cable First HDD D4
SATA power cable First ODD D6
Speaker PCA P6 (White)
Cooler fan cable PCA P9 (Brown)
Front audio cable PCA P23 (Blue)
LED/Power button cable PCA P5 (Black)
Front USB 2.0 cable-1 PCA P24 (Yellow)
Front USB 2.0 cable-2 PCA P25 (Green)
Serial cable PCA P52
Chassis solenoid lock PCA P124
SATA cable First HDD P60 (Blue)
SATA cable Second HDD P61 (Blue)
SATA cable First ODD P62 (Black)
SATA power cable First HDD D4
SATA power cable Second HDD D5
SATA power cable First ODD D6
eSATA bracket cable
(optional)
First External SATA device P64 (black)
Component replacement guidelines 107

HP Z220 CMT Workstation system cabling
See HP Z220 CMT Workstation system board component on page 12 to determine the location of
system board connectors.
Cable To Cable designator on system board
PSU cable PCA (Main Power) P1 (White)
PSU cable PCA (CPU Power) P3 (White)
PSU cable First hard drive (Bay 6) P8 (Black)
PSU cable Second hard drive (Bay 5) P9 (Black)
PSU cable Third hard drive (Bay 4) P10 (Black)
PSU cable First optical drive (Bay 1) P12 (Black)
PSU cable Second optical drive (Bay 2) P13 (Black)
PSU cable Other drive (Bay 3) P14 (White)
PSU cable First graphics card P6 (Black)
Speaker PCA P6 (White)
Cooler fan cable PCA P71 (White)
System fan cable PCA P8 (Brown)
Front fan cable (optional) PCA P9 (Brown)
Front audio cable PCA P28 (Black)
Front LED/Power button
cable
PCA P5 (Black)
Front USB 2.0/3.0 cable PCA P24 (Black)
Serial cable (optional) PCA P52 (Black)
Parallel cable (optional) PCA P126 (Black)
Hood sense PCA P125 (White)
Chassis solenoid lock PCA P124 (Black)
SATA cable First HDD P60 (Blue)
SATA cable Second HDD P61 (Blue)
SATA cable Thrird HDD P62 (Black)
SATA cable First ODD P63 (Black)
SATA cable Second ODD P64 (Black)
eSATA bracket cable
(optional)
First external SATA device P65 (Black)
108 Chapter 3 Component replacement information and guidelines

HP Z420 Workstation system cabling
See HP Z420 Workstation system board components on page 19 to determine the location of system
board connectors.
Cable To Cable designator on system board
PSU cable PCA (Main PWR) P1
PSU cable PCA (PWR MEM) P2
PSU cable First hard drive (Bay 6) D1
PSU cable Second hard drive (Bay 5) D2
PSU cable Third hard drive (Bay 4) D3
PSU cable First optical drive (Bay 1) D4
PSU cable Second optical drive (Bay 2) D5
PSU cable Other drive (Bay 3) D6
PSU cable First graphics card G1 (600 W PSU only)
Speaker PCA P6 (SPKR) white
Cooler fan cable PCA P8 (CPU0 FAN) white
System fan cable PCA P95 (REAR FAN) white
Memory fan cable PCAx P92 (MEM FAN) white
Front audio cable * PCA P28 (FRONT AUD) black
Front 1394 cable PCA J12 1394,White
LED/Power button cable PCA P5 (PB/LED) black
Front USB 3.0 cable PCA P29 (USB 3.0) blue
Front USB 2.0 cable PCA P27 (FRONT USB 2.0) yellow
Media card reader PCA P24 (USB2) blue
Front fan cable PCA P9 (FRNTFAN) white
Second serial port PCA P52 (COM) black
Chassis solenoid lock PCA P124 (SOL_LOCK) black
Chassis Intrusion Sender PCA P125 (I_SENSE) white
* If an audio card is installed, connect the front audio cable to the audio card connector.
Component replacement guidelines 109

HP Z620 Workstation system cabling
See HP Z620 Workstation system board components on page 26 to determine the location of system
board connectors.
Cable To Cable/system board designator
PSU cable PCA P1(PWR) P1
PSU cable PCA P2(PWRMEM) P2
PSU cable First hard drive HDD BAY 0
PSU cable Second hard drive HDD BAY 1
PSU cable Third hard drive HDD BAY 2
PSU cable First optical drive D1
PSU cable Second optical drive D2
PSU cable First graphic card G1
PSU cable Second graphic card G2
Speaker PCA Pre-connected to FUI cable
CPU 0 HS fan cable PCA P8 (CPU 0 FAN) white
Rear fans cable PCA P11 (REAR FANS) white
MB memory fan cable PCA P91(MEM FAN) black blind-mate
Front fan cable PCA P9 (FRNTFAN) white
Front audio cable * PCA P28 (FRONT AUDIO) black
Front USB3.0 cable PCA P29 (FRNT USB3) blue
Front USB2.0 cable PCA P27 (FRNT USB2) yellow
Front UI cable PCA P5(PB/LED) black
Front 1394 cable PCA J12 (1394) white
Media card reader PCA P24 (I-USB2.0) blue
SAS card LED cable PCA P127 black
eSATA external connection PCA P64 (SATA4) black, P65 (SATA5)
black
Hood lock cable PCA P124 (HOOD_LOCK) black
Hood sensor cable PCA P2 on FUI Cable, white
Serial option cable PCA P52 (COM) black
Second CPU PCA memory
fan cable Riser PCA P9 (MEM_FAN) black blind-mate
* If an audio card is installed, connect the front audio cable to the audio card connector.
110 Chapter 3 Component replacement information and guidelines

HP Z820 Workstation system cabling
See HP Z820 Workstation system board components on page 33 to determine the location of system
board connectors.
Cable To Cable/system board designator
PSU cable (C1) PCA (P1) P1
PSU cable (C3) PCA (P2) P2
PSU cable (C3) PCA (P3) P3
PSU cable (C3) PCA (P4) P4
PSU cable (C2) Graphics card G1
PSU cable (C2) Graphics card G2
PSU cable (C2) Graphics card G3
PSU cable (C1) Hard drive cable H1
PSU cable (C1) Optical drive / hard drive D1 (SATA power)
PSU cable (C1) Optical drive / hard drive D2 (SATA power)
PSU cable (C1) Optical drive / hard drive D3 (SATA power)
PSU cable (C1) Optical drive D4 (IDE power)
PSU cable (C1) Optical drive D5 (IDE power)
Front fan cable (top) PCA P94 (FRONT FAN 1) white
Front fan cable (bottom) PCA P93 (FRONT FAN 2) white
Rear fan cable PCA P8 (REAR FAN) white
Front audio cable * PCA P28 (FRONT AUD) black
Front 1394 cable PCA J13 (FRONT 1394) white
Front UI cable cable PCA P5 (FRONT PANEL) black
Front USB 2.0 cable PCA P27 (FRONT USB 2.0) yellow
Front USB 3.0 cable PCA P29 (FRONT USB 3.0) blue
* If an audio card is installed, connect the front audio cable to audio card connector.
Component replacement guidelines 111

4 Diagnostics and troubleshooting
This chapter describes the tools available for diagnosing and troubleshooting system issues.
●Calling support
●Locating ID labels
●Locating warranty information
●Diagnosis guidelines
●Troubleshooting checklist
●HP troubleshooting resources and tools
●Troubleshooting scenarios and solutions
●Self-troubleshooting with HP Vision Diagnostics
●Self-troubleshooting with HP PC Hardware Diagnostics
●Diagnostic codes and errors
112 Chapter 4 Diagnostics and troubleshooting

Calling support
At times you might encounter an issue that requires support. When you call support:
●Have the computer readily accessible.
●Write down the computer serial numbers, product numbers, model names, and model numbers
and have them in front of you.
●Note any applicable error messages.
●Note any add-on options.
●Note the operating system.
●Note any third-party hardware or software.
●Note the details of any blinking LEDs on the front of the computer (tower and desktop
configurations) or on the side of the computer (all-in-one configurations).
●Note the applications you were using when you encountered the problem.
NOTE: When calling in for service or support, you might be asked for the product number (example:
PS988AV) of the computer. If the computer has a product number, it is generally located next to the
10- or 12-digit serial number of the computer.
NOTE: On most models, the serial number and product number labels can be found on the top or
side panel and at the rear of the computer (tower and desktop configurations) or on a pull-out card on
the side of the display (all-in-one configurations).
For a listing of all worldwide support phone numbers, go to http://www.hp.com/support, select your
region, and click Connect with HP in the upper-right corner.
Calling support 113

Locating ID labels
To assist in troubleshooting, product, serial, and authentication numbers are available on each
computer.
●All workstations have a serial number (unique for each workstation) and product number. Have
these numbers available when you contact support.
●The Certificate of Authentication (COA) is used for systems with Windows 7 preinstalled.
●The Genuine Microsoft Label (GML) is used for systems with Windows 8 preinstalled.
●A service label shows the build ID and Feature Byte strings, which are needed for system board
replacement.
In general, these labels can be found on the top, rear, or bottom of the chassis (tower and desktop
configuration). Your computer might look different from the illustration.
114 Chapter 4 Diagnostics and troubleshooting

Locating warranty information
To locate base warranty information, see http://www.hp.com/support/warranty-lookuptool.
To locate an existing Care Pack, see http://www.hp.com/go/lookuptool.
To extend a standard product warranty, visit http://www.hp.com/hps/carepack. HP Care Pack
Services offer upgraded service levels to extend and expand a standard product warranty.
Diagnosis guidelines
If you encounter a problem with the computer, monitor, or software, the following sections provide a
list of general suggestions that help you isolate and focus on the problem before taking further action.
Diagnosis at startup
●Verify that the computer and monitor are plugged into a working electrical outlet.
●Remove all CDs, or USB drive keys from your system before turning it on.
●Verify that the computer is turned on and the blue power light is blue (normal operation) and not
red (error state).
●If you have installed an operating system other than the factory-installed operating system,
check to be sure that it is supported on your system by visiting http://www.hp.com/go/
quickspecs.
●Verify that the monitor is turned on and the green monitor light is on. Note that not all monitors
are equipped with LED lights to indicate their functionality.
●Turn up the brightness and contrast controls of the monitor if the monitor is dim.
Locating warranty information 115

Diagnosis during operation
●Look for blinking LEDs on the side of the computer. The blinking lights are error codes that will
help you diagnose the problem. Refer to the Diagnostic LED and audible (beep) codes
on page 145 section of this document for information on interpreting diagnostic lights and
audible codes.
●Check all cables for loose or incorrect connections.
●Wake the computer by pressing any key on the keyboard or the power button. If the system
remains in suspend mode, shut down the system by pressing and holding the power button for
at least four seconds, then press the power button again to restart the system. If the system
does not shut down, unplug the power cord, wait a few seconds, then plug it in again. If it does
not restart, press the power button to start the computer.
●Reconfigure the computer after installing a non–plug and play expansion board or other option.
●Be sure that all required device drivers have been installed. For example, if you have connected
a printer, you must install a printer driver.
●If you are working on a network, plug another computer with a different cable into the network
connection. There might be a problem with the network plug or cable.
●If you recently added new hardware, remove the hardware and verify if the computer functions
properly.
●If you recently installed new software, uninstall the software and verify if the computer functions
properly.
●If the screen is blank, plug the monitor into a different video port on the computer if one is
available. Alternatively, replace the monitor with a monitor that you know is working properly.
●Upgrade the BIOS. A new release of the BIOS might have been released that supports new
features or fixes your problem.
●Press the Caps Lock key. If the Caps Lock LED toggles on or off, the keyboard is operating
correctly.
116 Chapter 4 Diagnostics and troubleshooting
Troubleshooting checklist
Before running diagnostic utilities, make sure that.
●The computer is connected to a working electrical outlet and powered on, and the power light is
illuminated.
●The monitor (for tower or desktop configurations) is connected to a working electrical outlet and
powered on, and the power light is illuminated.
●The monitor brightness and contrast are properly adjusted.
●The keyboard is operating correctly (press and hold any key and listen for a beep).
●All cables are properly connected.
●All necessary device drivers are installed
●All external media (such as optical disks or USB drive keys) are removed before startup.
●The latest version of BIOS, drivers, and software are installed.
Troubleshooting checklist 117

HP troubleshooting resources and tools
This section provides information on the HP Help and Support Center, Online support, and Helpful
Hints for troubleshooting.
HP Support Assistant
HP Support Assistant (Windows 7 systems only) helps you maintain workstation performance and
resolve problems. HPSA provides automated updates, onboard diagnostics, product information, and
guided assistance to help maintain optimum workstation performance. To access HPSA, click Start >
All Programs > HP Help and Support > HP Support Assistant.
NOTE: HP Support Assistant is not available on Linux or Windows 8.
Online support
Online access and support resources include web-based troubleshooting tools, technical knowledge
databases, driver and patch downloads, online communities, and product change notification
services.
The following websites are also available to you:
●http://www.hp.com—Provides useful product information.
●http://www.hp.com/support/workstation_manuals—Provides the latest online documentation.
●http://www.hp.com/go/workstationsupport—Provides technical support information for
workstations.
●http://www.hp.com/support—Provides a listing of the worldwide technical support phone
numbers. Access the telephone numbers by visiting the website, then select your region, and
click Contact HP in the upper-left corner.
●http://www.hp.com/support/workstation_swdrivers—Provides access to software and drivers for
workstations.
118 Chapter 4 Diagnostics and troubleshooting

Troubleshooting a problem
To help you troubleshoot problems with your system, HP provides the Business Support Center
(BSC). The BSC is a portal to an extensive selection of online tools. To access BSC and troubleshoot
a problem with the workstation, complete the following:
1. Visit http://www.hp.com/go/workstationsupport.
2. Under the Business Support Center menu on the left, select Troubleshoot a problem.
3. Under Select your product (center window), select Workstations (under personal computing).
4. Under Select your product, continue with selections as appropriate to the workstation series and
model, and to the problem you are troubleshooting.
Instant Support and Active Chat
HP Instant Support is a set of web-based support tools that automate and speed up the resolution of
desktop computing, tape storage, and printing problems.
Active Chat enables you to electronically submit a support ticket to HP over the web. When you
submit a support ticket, Active Chat collects information about the computer and pass it to an online
support specialist. The collection of information might take up to 30 seconds depending on the
computer configuration. When you submit a support ticket, you receive a confirmation message
containing your case ID, the support hours for your location, and the estimated time of response.
For more information about HP Instant Support and Active Chat and how to use them, go to
http://instantsupport.hp.com/.
NOTE: This feature is not available on Linux.
Customer Advisories, Customer and Security Bulletins, and Customer Notices
To find advisories, bulletins, and notices:
1. Visit http://www.hp.com/go/workstationsupport.
2. Select the desired product.
3. Under Resources for <your selected product>, select See more….
4. Under Self-Help resources: in the center of the window, choose the desired action and
appropriate information in the scroll list to view the index.
Product Change Notifications
Product Change Notifications (PCNs) are proactive notifications for product changes occurring within
a 30-60 day window of the effective date of the change in the manufacturing process. PCNs give
customers advanced notice of changes to their product, such as an updated BIOS version that they
may need to qualify prior to the change taking place. The latest PCNs are located at:
http://www.hp.com/go/workstationsupport.
HP troubleshooting resources and tools 119

Helpful hints
If you encounter a problem with the workstation, monitor, or software, the following general
suggestions might help you isolate and focus on the problem before taking further action.
At startup
●Verify that the workstation and monitor are plugged into a working electrical outlet.
●Remove all optical discs and USB drive keys from the drives before powering on the
workstation.
●Verify that the workstation is turned on and the power light is on.
●If you have installed an operating system other than the factory-installed operating system,
check to be sure that it is supported on your system by visiting http://www.hp.com/go/
quickspecs.
●Verify that the monitor is turned on and the green monitor light is on.
●Turn up the brightness and contrast controls of the monitor if the monitor is dim.
●If the workstation has multiple video sources and only a single monitor, the monitor must be
connected to the source selected as the primary VGA adapter. During startup, the other monitor
connectors are disabled; if the monitor is connected to one of these ports, it will not function after
Power-on Self Test (POST). You can select the default VGA source in Computer Setup (F10).
During operation
●Look for blinking LEDs on the workstation. The blinking lights are error codes that will help you
diagnose the problem. Refer to the
Diagnostic lights and audible (beep) codes
section of this
document for information on interpreting diagnostic lights and audible codes.
●Press and hold any key. If the system beeps, then your keyboard is operating correctly.
●Check all cables for loose or incorrect connections.
●Wake the workstation by pressing any key on the keyboard or the power button. If the system
remains in suspend mode, shut down the system by pressing and holding the power button for
at least four seconds, then press the power button again to restart the system. If the system
does not shut down, unplug the power cord, wait a few seconds, then plug it in again. If it does
not restart, press the power button to start the workstation.
●Reconfigure the workstation after installing a non–plug and play expansion board or other option.
Refer to the
Hardware installation problems
section of this document for instructions.
●Be sure that all required device drivers have been installed. For example, if you have connected
a printer, you must install a printer driver.
●If you are working on a network, plug another workstation with a different cable into the network
connection. There might be a problem with the network plug or cable.
●If you recently added new hardware, remove the hardware and verify if the workstation functions
properly.
●If you recently installed new software, uninstall the software and verify if the workstation
functions properly.
●If the monitor connected to a tower, desktop or all-in-one computer is blank:
120 Chapter 4 Diagnostics and troubleshooting

◦Plug the monitor into a different video port on the computer if one is available. Alternatively,
replace the monitor with a monitor that you know is working properly.
◦Verify that the computer
and monitor
are plugged into a working electrical outlet.
◦Verify that the monitor is turned on and the green monitor light is on.
◦Turn up the brightness and contrast controls of the monitor if the monitor is dim.
●If the internal display on an all-in-one computer is blank, open the computer and make sure the
graphics card is properly installed.
●Upgrade the BIOS. A new release of the BIOS might have been released that supports new
features or fixes your problem.
Customer Self-Repair program
Under the Customer Self-Repair program, you can order a replacement part and install the part
without onsite HP technical assistance. Customer self-repair may be required for some components.
See http://www.hp.com/go/selfrepair for information on the program.
NOTE: Some components are not eligible for customer self-repair and must be returned to HP for
service. Call HP Support for further instructions before attempting to remove or repair these
components.
HP troubleshooting resources and tools 121

Troubleshooting scenarios and solutions
This section presents troubleshooting scenarios and possible solutions for a Windows-based system.
Solving minor problems
Problem Cause Possible Solution
Workstation appears frozen
and does not shut down when
the power button is pressed.
Software control of the power
switch is not functional.
1. Press and hold the power button for at least four
seconds until the computer shuts down.
2. Disconnect the electrical plug from the outlet.
3. Restart the computer.
Workstation seems to be
frozen.
Program in use has stopped
responding to commands.
1. If possible, use the Windows Task Manager to isolate
and terminate the offending process.
2. Attempt the normal Windows shutdown procedure.
3. Restart the computer using the power button.
Workstation date and time
display is incorrect.
Real-time clock (RTC) battery
might need replacement.
1. Reset the date and time in the Control Panel.
2. Replace the RTC battery.
Workstation appears to pause
periodically.
Network driver is loaded and no
network connection is
established.
Establish a network connection, or use Computer Setup
(F10) Utility or the Microsoft Windows Device Manager to
disable the network controller.
Cursor does not move using
the arrow keys on the keypad.
The Num Lock key might be on. Press Num Lock. The Num Lock key can be disabled or
enabled in Computer Setup (F10) Utility.
Poor performance is
experienced.
Processor is hot. 1. Verify that airflow to the computer is not blocked.
2. Verify that chassis fans are connected and working
properly. Some fans operate only when needed.
3. Verify that the processor heatsink is installed
properly.
Hard drive is full. Transfer data from the hard drive to create more space on
the hard drive.
Workstation powered off
automatically and the Power
LED flashes red 2 times (once
every second), followed by a
2-second pause, and then two
simultaneous beeps sounded.
Processor thermal protection is
activated.
A fan might be blocked or not
turning.
OR
The processor heatsink is not
properly attached to
the processor.
1. Verify that the computer air vents are not blocked.
2. Open the access panel and press the computer
power button.
3. Verify that the system fan is running.
4. Verify that the processor heatsink fan spins. If the fan
is not spinning, verify that the heatsink fan cable is
plugged into the system board connector and that the
heatsink is properly seated.
5. Replace the processor heatsink.
System does not power on,
and the LEDs on the front of
the computer are not flashing.
System cannot power on. Press and hold the power button for less than four
seconds. If the hard drive LED turns green:
1. To find a faulty device, remove all devices one at a
time:
a. Disconnect AC power to the computer.
b. Remove a device.
122 Chapter 4 Diagnostics and troubleshooting

Problem Cause Possible Solution
c. Reconnect AC power and power on the
computer.
2. Repeat this process until the faulty device is
identified. Remove the graphics card last. Replace
the faulty device.
3. If no faulty device is found, replace the system board.
OR
1. Press and hold the power button for
less than
four
seconds. If the hard drive LED does not illuminate:
a. Verify that the computer is plugged into a
working AC outlet.
b. Verify that the power button harness is
connected to the inline front panel I/O device
assembly connector.
2. Verify that the power supply unit (PSU) cables are
connected to the system board.
3. Verify power supply unit PSU functionality:
a. Disconnect the AC power.
b. HP Z820 Workstation only—Remove PSU. All
other workstations, unplug cables connected to
the system board.
c. Reconnect AC power
●If the PSU fan spins and the BIST LED
illuminates, the PSU is good; replace the
system board.
●If the PSU fan does not spin or the LED
does not illuminate, replace the PSU.
Troubleshooting scenarios and solutions 123

Solving hard drive problems
Problem Cause Solution
Hard drive error Hard disk has bad sectors or
has failed.
Locate and block the usage of bad sectors. If necessary,
reformat the hard disk.
If the drive is detected by the BIOS, run DPS Self-test.
Disk transaction problem The directory structure is bad,
or there is a problem with a
file.
1. Right-click Start, select Explore, and select a drive.
2. Select File > Properties > Tools.
3. Under Error-checking, select Check Now.
Drive not found (identified) Improper cable connection On computers with discrete data and power cables,
ensure that the data and power cables are securely
connected to the hard drive. (See the
Hard drive
section
of this guide for connection details.)
Improperly seated hard drive On systems with blind-mate drive connections, check for
connector damage on the drive and in the chassis.
Reseat the hard drive and its carrier in the chassis to
ensure a proper connection. (See the
Hard drive
section
of this guide for connection details.)
The system might not have
automatically recognized a
newly installed device.
1. Run Computer Setup (F10) Utility.
2. If the system does not recognize the new device,
verify that the device is listed in Computer Setup
(F10) Utility.
If it is listed, the probable cause is a driver problem.
If it is not listed, the probable cause is a hardware
problem.
3. If this drive is newly installed, enter Setup and try
adding a POST delay under Advanced > Power-On.
Drive responds slowly
immediately after power-up.
Run Computer Setup (F10) utility and increase the POST
Delay in Advanced > Power-On Options.
Non-system disk or NTLDR
missing message
System is trying to start from
nonbootable media.
Remove the optical disc or USB drive.
System is trying to start from
a damaged hard drive.
1. Insert a bootable system optical disc or USB drive
and restart the computer.
2. If the hard drive is still inaccessible and MBR
Security is enabled, try restoring the previously
saved MBR image by entering Setup and selecting
Security > Restore Master Boot Record.
System files missing or not
properly installed.
1. Insert a bootable system optical disc or USB drive
and restart.
2. Verify that the hard drive is partitioned and
formatted.
3. Install the system files for the appropriate operating
system, if necessary.
Hard drive boot disabled in
Computer Setup.
Run Computer Setup (F10) Utility and enable the hard
drive entry in the Storage > Boot Order list.
Workstation will not start. Hard drive is damaged. Replace the hard drive.
124 Chapter 4 Diagnostics and troubleshooting

Solving display problems
These suggestions apply to monitors connected to desktop and tower configurations, and to external
monitors connected to all-in-one configurations.
Problem Cause Solution
Blank screen (no video). The cable connections are not
correct.
Verify the cable connections from the monitor to the
computer and to a working electrical outlet.
The monitor is off. Turn the monitor on (LED is on). You might need to refer
to the monitor manual for an explanation of LED signals.
Screen blanking utility
installed or energy saver
features enabled.
Press a key or the mouse button and, if set, enter your
password.
System ROM is bad; system
is running in FailSafe Boot
Block mode (indicated by 8
beeps).
Reflash the ROM using a SoftPaq.
Fixed-sync monitor does not
sync at the resolution
specified.
Verify that the monitor can accept the same horizontal
scan rate as the resolution specified.
Computer is in Hibernate
mode.
Press the power button to resume from Hibernate mode.
Workstation monitor settings
are not compatible with the
monitor.
1. When you see Press F8 in the bottom-right corner of
the screen, restart the computer and press F8
during startup.
2. Using the keyboard arrow keys, select Enable VGA
Mode and then press Enter.
3. For Windows, double-click the Display icon in the
Control Panel and then select the Settings tab.
4. Use the sliding control to reset the resolution.
The display works properly during
the POST but goes blank when
the operating system starts.
The display settings in the
operating system are
incompatible with your
graphics card and monitor.
1. For Windows, restart your computer in VGA mode.
2. After the operating system starts, change the
display settings to match those supported by your
graphics card and monitor.
3. Refer to your operating system and graphics card
documentation for information about changing
display settings.
Power LED flashes red 6 times
(once every second), followed by
a two-second pause, and then the
computer beeps 6 times.
Pre-video graphics error. For systems with a graphics card:
1. Reseat the graphics card.
2. If the card requires external power, make sure the
power cable is properly connected.
3. Replace the graphics card.
4. Replace the system board.
For systems with no graphics card installed, the CPU
may have no integrated graphics capability.
Monitor does not function when
used with Energy Saver features.
Monitor without Energy Saver
capabilities is being used with
Disable the monitor Energy Saver feature.
Troubleshooting scenarios and solutions 125

Problem Cause Solution
Energy Saver features
enabled.
Dim characters The brightness and contrast
controls are not set properly.
Adjust the monitor brightness and contrast controls.
Cables are not properly
connected.
Verify that the graphics cable is connected to the
graphics card and the monitor.
Blurry video or requested
resolution cannot be set.
If the graphics controller was
upgraded, the correct video
drivers might not be loaded.
Install the video drivers included in the upgrade kit, or
download and install the latest drivers for your graphics
card from http://welcome.hp.com/country/us/en/
support.html.
Monitor cannot display
requested resolution.
Change the requested resolution.
The picture is broken up, rolls,
jitters, or flashes.
The monitor connections
might be faulty, or the monitor
might be incorrectly adjusted.
1. Be sure the monitor cable is securely connected to
the computer.
2. In a multiple CRT monitor system, ensure that the
monitors' electromagnetic fields are not interfering
with each other. Move them apart if necessary.
3. Move fluorescent lights or fans that are too close to
the CRT monitor.
Monitor must be degaussed. Degauss the monitor.
Vibrating or rattling noise coming
from inside a CRT monitor when
powered on.
Monitor degaussing coil has
been activated.
None. It is normal for the degaussing coil to be activated
when the monitor is powered on.
Clicking noise coming from inside
a CRT monitor.
Electronic relays have been
activated inside the monitor.
None. It is normal for some monitors to make a clicking
noise when turned on and off, when going in and out of
Standby mode, and when changing resolutions.
High pitched noise coming from
inside a flat-panel monitor.
Brightness and contrast
settings are too high.
Lower brightness and contrast settings.
Fuzzy focus; streaking, ghosting,
or shadowing effects; horizontal
scrolling lines; faint vertical bars;
or unable to center the picture on
the screen (flat-panel monitors
using an analog VGA input
connection only.)
Flat-panel monitor’s internal
digital conversion circuits
might be unable to correctly
interpret the output
synchronization of the
graphics card.
1. Select the monitor’s Auto-Adjustment option in the
monitor’s onscreen display menu.
2. Manually synchronize the Clock and Clock Phase
onscreen display functions.
3. Download SoftPaq SP22333 to assist with the
synchronization).
Some typed symbols do not
appear correctly.
The font you are using does
not support that symbol.
Use the Character Map to locate and select the
appropriate symbol.
Select Start>All Programs> Accessories>System
Tools>Character Map. You can copy the symbol from the
Character Map into a document.
126 Chapter 4 Diagnostics and troubleshooting

Solving audio problems
Problem Cause Solution
Sound does not come out of the
speaker or headphones.
Software volume control is
turned down.
Double-click the Speaker icon on the taskbar and use the
volume slider to adjust the volume.
The external speakers are not
turned on.
Turn on the external speakers.
External speakers plugged
into the wrong audio jack.
See your sound card documentation for proper speaker
connection.
Digital CD audio is
not enabled.
Enable digital CD audio:
1. From the Control Panel, select System.
2. On the Hardware tab, select the Device Manager
button.
3. Right-click the CD/DVD device and select
Properties.
4. On the Properties tab, select Enable digital CD
audio for this CD-ROM device.
Headphones or devices
connected to the line-out
connector have muted the
internal speaker.
Turn on and use headphones or external speakers, if
connected, or disconnect headphones or external
speakers.
Volume is muted. 1. From the Control Panel, select Sound, Speech and
Audio Devices, and then select Sounds and Audio
Devices.
2. Deselect the Mute checkbox.
Computer is in Standby mode. Press the power button to resume from Standby mode.
Noise or no sound comes out of
the speakers or headphones.
1. If you are using digital speakers that have a stereo
jack and you want the system to autoswitch to
digital, use a stereo-to-mono adapter to engage the
auto sense feature, or use multimedia device
properties to switch the audio signal from analog to
digital.
2. If the headphones have a mono jack, use the
multimedia device properties to switch the system to
analog out.
NOTE: If you set digital as the Output Mode, the
internal speaker and external analog speakers no
longer output audio until you switch back to an auto
sense or analog mode.
If you set analog as the Output Mode, external
digital speakers do not function until you change the
output mode back to an auto-sense or digital mode.
Sound occurs intermittently. Processor resources are
being used by other open
applications.
Shut down all open processor-intensive applications.
Workstation appears to be locked
up while recording audio.
The hard disk might be full. 1. Before recording, be sure there is enough free
space on the hard disk.
2. Try recording the audio file in a compressed format.
Troubleshooting scenarios and solutions 127

Solving printer problems
Problem Cause Solution
Printer does not print. Printer is not turned on and
online.
Turn the printer on and be sure it is online.
The correct printer driver for
the application is not installed.
1. Install the correct printer driver for the application.
2. Try printing using the MS-DOS command:
DIR C:\> [printer port]
Replace
printer port
with the address of the printer
used. If the printer works, reload the printer driver.
If you are on a network, you
might not have made a
connection to the printer.
Make the proper network connection to the printer.
Printer might have failed. Run printer self-test.
Printer does not turn on. The cables might not be
connected properly.
128 Chapter 4 Diagnostics and troubleshooting

Solving power supply problems
This section presents power supply troubleshooting scenarios.
Testing power supply
Before replacing the power supply unit (PSU), use the Built-In Self-Test (BIST) feature to learn if the
power supply still works.
NOTE: Not all PSUs have the BIST functionality. Refer to the
Rear panel components
section of this
document to determine BIST availability for your workstation.
To test the power supply:
1. Unplug the AC power.
NOTE: For the HP Z820 Workstation, you must remove the power supply from the chassis.
2. Unplug all power cables to the system boards.
3. Plug in AC power and verify the following:
●If the green BIST LED on the rear of the workstation is illuminated and the fan is spinning,
the PSU is functional.
●If the green BIST LED is not illuminated or the fan is not spinning, replace the PSU.
See the
Rear panel components
section of this document to locate the BIST LED on your
workstation.
Problem Cause Solution
PSU shuts down intermittently. Power supply fault. Replace the PSU.
Workstation powers off and the
Power LED flashes red 2 times
(once every second), followed by
a two-second pause.
Processor thermal protection
is activated.
A fan might be blocked or not
turning.
OR
The processor heatsink fan
assembly is not properly
attached to the processor.
1. Ensure that the workstation air vents are not
blocked.
2. Open the access panel and press the workstation
power button.
3. Verify that the system fan is running.
4. Verify that the processor heatsink fan spins.
If the heatsink fan is not spinning, verify that the fan
cable is plugged into the system board connector.
Verify that the fan is properly seated.
5. Replace the processor heatsink.
Power LED flashes red (once
every 2 seconds).
Power failure (power supply
is overloaded).
1. Determine whether a device is causing the problem
by performing the following:
a. Disconnect AC power.
b. Remove all attached devices.
c. Power on the workstation.
If the system enters the POST, perform the
following:
a. Power off the workstation.
Troubleshooting scenarios and solutions 129

Problem Cause Solution
b. Replace one device at a time and repeat this
procedure until a failure occurs.
c. Replace the device causing the failure
d. Continue adding devices one at a time to verify
that all devices are functioning.
2. Verify power supply functionality.
a. Disconnect AC power.
b. Remove the Z820 PSU from the chassis.
c. Unplug all system board power cables for the
Z220 CMT, Z420, and Z620.
d. Plug in AC power.
●If the PSU fan spins and the LED
illuminates (see Testing power supply
on page 129), the power supply is good.
Replace the system board.
●If the PSU fan does not spin or the LED
does not illuminate (see Testing power
supply on page 129), replace the power
supply.
130 Chapter 4 Diagnostics and troubleshooting
Self-troubleshooting with HP Vision Diagnostics
Hewlett-Packard Vision Diagnostics is a diagnostic tool that can be used by the end user or technical
support personnel to view information about the hardware configuration of the computer and perform
hardware troubleshooting on HP desktop and workstation systems. This diagnostic tool is used to
troubleshoot hardware failures. Accessible by either CD or USB key, these diagnostics run outside
the operating system and make it easy to isolate potential issues that may be related to the operating
system and not to the hardware.
HP Vision Diagnostics benefits:
●Captures complete system configuration information that can be shared as an HTML file,
including:
◦System serial number, product number and BIOS revision
◦Memory size and configuration
◦Processor information
◦Storage device information and configuration
◦Graphics, audio, and communications information and configuration
●Comprehensive list of diagnostic tests:
◦Highly configurable testing options: quick, complete, custom, interactive, non-interactive
◦Identifies specific failed memory DIMM
◦Tests video card memory
◦Launches DST SMART tests for both SATA and SAS drives
◦Many other tests and diagnostics
●Diagnostic Failure Code Output — A unique warranty code is generated for each failure and can
be used to validate diagnostic use for a specific system.
●Easy to use — Interface is similar to previous field diagnostics, HP Insight Diagnostics.
●True End2End diagnostics — Same diagnostics modules used in factory.
●Easy to obtain:
◦Download from HP website.
◦Install on bootable USB key, CD or DVD.
◦Included with restore media.
Overview
HP Vision Diagnostics allows you to view information about the hardware configuration of the
computer and perform hardware diagnostic tests on the subsystems of the computer. The utility
simplifies the process of effectively identifying, diagnosing, and isolating hardware issues.
When started, HP Vision Diagnostics displays the Survey tab, which shows the current configuration
of the computer. Other tabs provide additional information, including diagnostic test options and test
results. The information in each tab can be saved as an HTML file and stored on an optical disc or
USB flash drive.
Self-troubleshooting with HP Vision Diagnostics 131

Use HP Vision Diagnostics to determine if all the devices installed on the computer are recognized by
the system and functioning properly. Running tests is optional but recommended after installing or
connecting a new device.
Before placing a call to the Customer Support Center HP recommends you run the tests, then save
and print the test results so that you have the reports available.
NOTE: Third-party devices may not be detected by HP Vision Diagnostics.
Downloading and accessing HP Vision Diagnostics
Follow these steps to download the HP Vision Diagnostics utility from the HP website to a DVD or
USB, and then use it to perform diagnostics on the computer:
1. Go to http://www.hp.com.
2. Click the Support and Drivers link.
3. Click the Drivers and Software link.
4. Enter your product number in the text box, and then press Search.
5. Select your operating system.
6. Under the operating system section, select Diagnostic.
7. Locate HP Vision Diagnostics. Click Download next to the most recent version appropriate for
your target media (USB flash or ISO file for CD).
8. Copy the file to an optical disc or follow the instructions to install the diagnostics on a USB flash
drive.
9. While the computer is on, insert the disc or flash drive.
10. Shut down the operating system and turn off the computer.
11. Turn on the computer. The system will boot into HP Vision Diagnostics.
NOTE: If the system does not boot to the disc in the optical drive or to the USB flash drive, you
might need to change the boot order. Use Computer Setup (F10) utility to change the boot order,
or press F9 to select the appropriate boot device.
12. At the boot menu, select either the HP Vision Diagnostics utility to test the various hardware
components in the computer or the HP Memory Test utility to test memory only.
13. If running HP Vision Diagnostics, select the appropriate language and click Continue.
14. In the End User License Agreement page, select Agree if you agree with the terms. The HP
Vision Diagnostics utility launches with the Survey tab displayed.
Accessing HP Vision Diagnostics on the computer
The following procedures describe how to access the HP Vision Diagnostics utilities that are included
in the computer software.
132 Chapter 4 Diagnostics and troubleshooting

Creating and using a bootable USB key
This section describes how to use a USB key to access the HP Vision Diagnostics.
NOTE: Using a USB key is the most convenient method to access the HP Vision Diagnostics. It is
faster than using a CD, and it accommodates both Memory and Vision diagnostics.
The HP Memory Test is a comprehensive memory diagnostic utility that is run as a stand-alone
application, outside of HP Vision Diagnostics. If the computer is booted from a CD, a separate boot
CD will be required to use the memory diagnostic.
1. In the C:\VisionDiagnostics\ directory, double-click on VisionDiagUSB.exe. A setup menu
appears.
2. Follow the setup prompts to create a bootable ISO image of the diagnostic utilities on a USB
key.
3. Turn off the computer and restart it with the USB key installed. The computer will boot to the
USB key and initiate the HP Vision Diagnostics utility.
4. Follow the HP Vision Diagnostic prompts to troubleshoot the computer.
Creating and using a bootable DVD
This section describes how to use a DVD to access the HP Vision Diagnostics.
1. In the C:\VisionDiagnostics\ directory, double-click on the VisionDiagISO.exe file. A setup menu
appears.
2. Follow the setup prompts to create a bootable ISO image of the diagnostic utilities on a DVD.
3. Enable the computer to boot from DVD.
4. Turn off the computer and restart it with the DVD installed in the optical drive. The computer will
boot to the DVD and initiate the HP Vision Diagnostics utility.
5. Follow the HP Vision Diagnostic prompts to troubleshoot the computer.
Using the HP Memory Test utility
This section describes how to access the HP Memory Test utility.
NOTE: The HP Memory Test is a comprehensive memory diagnostic utility that is run as a stand-
alone application, outside of HP Vision Diagnostics.
If the computer is booted from a CD, a separate boot CD will be required to use the memory
diagnostic. Hence, HP recommends that a USB key be used to boot the diagnostic utilities. It is faster
than using a CD, and it accommodates both Memory and Vision diagnostics.
1. In the C:\VisionDiagnostics\ directory, double-click on the MemoryDiagISO.exe file. A setup
menu appears.
2. Follow the setup prompts to create a bootable ISO image of the memory diagnostic utility on a
DVD.
3. Turn off the computer and restart it with the DVD installed in the optical drive. The computer will
boot to the DVD and initiate the memory diagnostic utility.
4. Follow the diagnostic prompts to troubleshoot computer memory.
Self-troubleshooting with HP Vision Diagnostics 133
User interface
The HP Vision Diagnostics application provides six major functions, accessible through tabs:
●Survey — Current system hardware information
●Test — List of all diagnostics available for the system; tests are started here
●Status — Progress and status of currently running diagnostics
●History — Past diagnostics runs and status
●Errors — Past diagnostics failures
●Help — User help about HP Vision Diagnostics
Common operations include:
●Exit Diagnostics button — Closes HP Vision Diagnostic application and reboots the system; any
running test is aborted.
●Reload button — If available, rescans your system hardware and reloads the diagnostics without
the need to restart the system.
●Save button — If available, saves your system survey, test history or error data as an HTML file
to removable media.
134 Chapter 4 Diagnostics and troubleshooting
Survey tab
The Survey tab shows your system hardware information, organized into eleven Categories (for
example
Processors
) and device instances (for example
Processor 1
).
You can control the amount of information displayed by selecting a combination of View Level and
Category.
The View Levels include:
●Overview (default) — High-level summary of the system hardware
●Summary — Limited configuration data for each specific category
●Advanced — More technical and low-level data for the computer-savvy user
The Categories Levels include:
●All — All categories
●Architecture — System architecture information such as high-level PCI devices, low-level
SMBIOS, CMOS, and PCI configuration space data
●Audio — All embedded and add-on audio devices
●Asset Control — Asset control related information such as product name, serial number, asset
tag, and universal unique ID information
●Communication — Communication devices such as serial, parallel, USB, network, IEEE-1394a,
modem, and Bluetooth ports and devices
●Graphics — All embedded and add-on video cards
●Input Devices — User input devices such as all connected mice and keyboards
●Memory — System memory information
●Miscellaneous — Any device or data that doesn't belong to any other category
●Processors — System processors
●Storage — Mass storage devices such as floppy drives, optical drives, SATA, SAS hard disk
drives and controllers, as well as any RAID arrays
●System — Information about system board devices such as fans and cables
Self-troubleshooting with HP Vision Diagnostics 135

Test tab
The Test tab lists all available diagnostics. The lists have been tailored according to your system
configuration. Individual test may be selected or deselected.
Tests have three modes:
●Quick — Test runs quickly while covering all hardware. Test parameters cannot be modified.
●Complete — Includes all available tests and may take a long time to complete. Test parameters
cannot be modified.
●Custom — Includes all available tests and may take a long time to complete. Test parameters
may be modified to fit specific needs. For advanced users only!
By default, the three test modes do not display prompts and require no interaction. Any errors are
displayed when testing is complete.
However, for each test type, you may also optionally add interactive tests by clicking the Include
interactive tests box under Test mode. Selecting interactive tests provides the maximum control over
the testing process. The diagnostic software will prompt you for input during tests.
NOTE: Memory can not be tested from within the HP Vision Diagnostics application. To test the
memory in your computer, exit HP Vision Diagnostic, boot to either the CD or USB flash drive and
select HP Memory Test from the boot menu.
The Duration of Test options control the duration of the test sequence:
●Number of loops — Test runs specified number of times (default is 1).
●Total test time (hours:minutes) — Test runs for a specified amount of time; some tests might not
run if the specified time is not long enough to run all tests.
●Stop at first error — Test stops as soon as one error is encountered.
Test Controls provide additional functions:
●Select All, Unselect All — Select/unselect all tests in test selection tree
●Expand, Collapse — Expand/collapse test selection tree
●Start Test — Starts executing selected tests and switches to the Status tab to display test
execution and status
WARNING! Once started, do not reboot or power off your computer until all the tests have been
completed.
To begin testing:
1. Select the Test tab.
2. Select the type of tests you want to run: Quick, Complete, or Custom.
3. Include optional interactive tests by selecting Include interactive tests.
4. Choose how you want the test to be executed, either Number of Loops or Total Test Time.
When choosing to run the test over a specified number of loops, enter the number of loops to
perform. If you want the diagnostic test for a specified time period, enter the amount of time in
minutes.
136 Chapter 4 Diagnostics and troubleshooting
5. Click the Start Test button. The Status tab, which allows you to monitor the progress of the tests,
automatically displays during the testing process. When the tests are complete, the Status tab
shows whether the devices passed or failed.
6. If errors are found, go to the Errors tab to view detailed information and recommended actions.
Status tab
The color-coded Status tab displays the overall progress and status of the test scenario and of each
test.
The states and colors are:
●Waiting (black) — No test is running.
●Running (blue) — At least one test is currently running.
●Passed (green) — All tests have run successfully, meaning that no hardware error or defect was
detected.
●Failed (red) — The tests have detected at least one error with your system.
●Canceled (orange) — The test scenario has been explicitly canceled, in which case no pass or
fail conclusion can be drawn.
The available data is:
●Current Loop — Current execution loop out of total number of loops specified in the Test panel
●Test Time — Total time elapsed since the beginning of the test execution
●Test Complete — Number of tests successfully completed out of the total number of test to
execute
●Cancel button — Immediately terminates all currently running tests
History tab
The History tab shows the history of the past test executions.
The History Log displays all tests that have been executed, the number of times of execution, the
number of times failed, the date each test was executed, and the time it took to complete each test.
The Clear History button will clear the contents of the History Log.
The contents of the History Log may be saved as a HTML file to either floppy or USB flash drive by
clicking the Save button.
Self-troubleshooting with HP Vision Diagnostics 137
Errors tab
The Errors tab displays detailed information about any errors found, as well as any recommended
actions.
The Error Log displays the tests for devices that have failed during the diagnostic testing and includes
the following information:
●Device — Device tested
●Test — Type of test run
●Times Failed — Number of times the device has failed a test
●Defect Code — Numerical code for the failure (error codes are defined in the Help tab)
●Description — Error the diagnostic test found
●Reason — Likely cause of the error
●Recommended Repair — Recommended action that should be performed to resolve the failed
hardware
●Warranty ID — A unique error code associated with the specific error on your computer; be
prepared to provide it when contacting the HP Support Center for assistance with a hardware
failure.
●Clear Errors — Clears the contents of the Error Log
Click the Save button to save the Error Log as an HTML file to removable media.
Help tab
The Help tab contains a Vision Help section and a Test Components section. This tab includes
search and index features. You may also review the HP End User License Agreement (EULA), as
well as the HP Vision Diagnostic application version information on this tab.
The Help sections are:
●Vision Help — Help on the major functions of HP Vision Diagnostics
●Test components — A description of each test, as well as the parameters that may be adjusted
when running in Custom test mode
●Defect codes — Descriptions of the numerical error codes that appear in the Errors tab
●Memory test tab — Information on the HP Memory Test application that can be launched from
the boot menu
●HP Support — How to obtain support from HP
138 Chapter 4 Diagnostics and troubleshooting

Saving and printing information in HP Vision Diagnostics
You can save the information displayed in the HP Vision Diagnostics Survey, History and Errors tabs
to removable media. You cannot save to the hard drive. The system automatically creates an HTML
file that has the same appearance as the information displayed on the screen.
1. Insert removable media.
2. Click Save in the bottom on any of the Survey, History or Errors tabs. The three log files are
saved regardless of where the Save button is clicked.
3. Select the removable media drive and click Save.
NOTE: Do not remove the media until a message indicates the files have been written.
4. Print the desired information HTML file.
NOTE: To exit HP Vision Diagnostics, click Exit Diagnostics at the bottom of the screen. Be
sure to remove the removable media.
Self-troubleshooting with HP Vision Diagnostics 139
Self-troubleshooting with HP PC Hardware Diagnostics
HP PC Hardware Diagnostics is a Unified Extensible Firmware Interface (UEFI) based diagnostic tool
that can be used by the end user or technical support personnel to view information about the system
configuration and to perform hardware troubleshooting. The diagnostic tool runs outside of the
operating system to isolate hardware failures from issues that might be caused by the operating
system or other software components.
HP PC Hardware Diagnostics:
●Easy to obtain:
◦Installed on original image of every system hard drive (HDD)
◦Core set of tests installed in the BIOS of every system
◦Download to a USB key drive
●Captures complete system configuration information, including:
◦System serial number, product ID number, asset tag, and model
◦Memory size and configuration
◦Processor information (including, type and speed)
◦Storage device information
◦HDD: Launches Drive Self Test (DST) SMART tests for SATA drives
◦Keyboard controller revision
◦Bundles of tests to perform a quick test or extensive test of the entire system
◦BIOS date and revision
●Diagnostic tests:
◦System tests (Start-up, Run-In and System Tune-Up)
◦Individual component tests (Hard Disk Test and Memory Tests)
●Diagnostic Failure Code Output — A unique, 24–digit Failure ID code is generated for each
failure:
◦Randomly generated, unique each occurrence
◦Identifies the specific components that did not pass validation
◦Includes warranty information with information about the customer’s service entitlement
◦Provides information about the model, serial number, test time stamp, and failure
◦Includes recommended actions with URL information on whom to contact
◦Generation of the failure code indicates a definite hardware failure – no additional
troubleshooting is required
●Error Log — The tool automatically saves an error log on the device from which the test was run
(either the hard drive or USB drive). This log is available for future access from the tool and
includes the test that was run, date of the test, and Pass/Fail information including the Failure ID
if one was generated.
140 Chapter 4 Diagnostics and troubleshooting

Downloading HP PC Hardware Diagnostics
NOTE: The most likely cause of the diagnostics file being unavailable on the hard drive is a hard
drive fault, or a missing or corrupted HP_TOOLS partition. For example, some corporate customers
reimage the workstation with their own custom image, which can remove the HP_TOOLs partition. In
this case, a SoftPaq is available from the HP website.
The HP UEFI Support Environment must be installed on and run from a FAT or FAT32 partition with a
volume name of HP_TOOLS. The installer gives you the option to install to the HDD or a USB drive. If
you install to the hard drive and the HP_TOOLS partition is not present, the installer prompts you to
create the HP_TOOLS partition. If you install to a USB drive, the installer renames the partition on the
USB drive to HP_TOOLS. If you use a custom image, you can create the HP_TOOLS partition
manually with FAT32 and make the volume name HP_TOOLS.
Follow these steps to download the HP PC Hardware Diagnostics utility from the HP website to a
USB key:
1. Navigate to http://www.hp.com and select Support & Drivers.
2. Select Drivers & Software.
3. Enter the product name: Z220 to search for the Z220 product media.
4. Select the specific model of HP Z220 Workstation.
5. Choose the software/driver language. English (International) is the default.
6. Select the appropriate operating system.
7. On the Quick jump to downloads by category list, click Diagnostic.
8. Next to HP UEFI Support Environment, click Download and save the file.
9. Double-click the downloaded file and follow the on-screen instructions to expand the contents of
the SoftPaq onto a USB key drive.
CAUTION: The HP_TOOLS partition is not protected and can therefore be deleted. For these
reasons, HP recommends that you do not place additional data on the HP_TOOLS partition. Because
the partition is not backed up, corruption or failure of the partition will result in loss of all data on the
partition, plus loss of UEFI functionality. You can find more information on http://www.hp.com/go/
techcenter/startup.
Self-troubleshooting with HP PC Hardware Diagnostics 141
Accessing HP PC Hardware Diagnostics
The process to access the diagnostics tool is the same regardless of the location from which it is run.
The user presses ESC, while the system boots. This brings up the BIOS menu, which include an
option to run diagnostics (F2). Once selected, the BIOS searches for a diagnostic signature. The
diagnostic tool runs from the first location where the file is found.
The system searches for the file in the follow sequence: USB device, hard drive (HDD), and BIOS.
If the system does not find the diagnostics on either a USB device or the hard drive, the system
presents a core set diagnostics (memory and HDD) that are located in the BIOS. The BIOS version is
only accessible if the USB or hard drive versions are not available.
User interface
The first screen to appear is the Main Menu, which includes:
●The current version of the diagnostics
●The URL at which you can find more documentation about the diagnostics
It also includes the following options:
●System Information— Includes complete system, memory, and HDD
●System Tests— Bundles of component tests to run in a sequence: Includes options for Quick
and Extensive tests
●Component Tests— HDD, memory
●Error Log— Results of current and previous diagnostic tests
●Language— 34 languages are supported
●Exit button— Closes Diagnostic application and reboots the system
●Esc key—Stops a diagnostics test while it is running
142 Chapter 4 Diagnostics and troubleshooting
Running HP PC Hardware Diagnostics
The System Information screen provides extensive system information, which is retrieved from the
SMBIOS tables if they are available. Otherwise it is retrieved directly from the BIOS hardware.
System information
To display the system information, click System Information on the Main Menu.
System information includes:
●Memory information
◦Number of DIMMs installed
◦Device locator
◦Manufacturer
◦Serial number
◦Part number
◦Memory size
◦Memory speed
◦Memory type
●Hard driveinformation
◦Type
◦Model
◦Firmware version
◦Serial number
◦Capacity
◦LBA48 support
◦Self-Monitoring, Analysis, and Reporting Technology (SMART) (Enabled/Disabled)
◦Sector type
Self-troubleshooting with HP PC Hardware Diagnostics 143

Hardware diagnostic tests
HP PC Hardware Diagnostics provides five sets of hardware diagnostic tests to validate the
functionality of hardware components (including the CPU, memory, graphics, and system board) prior
to booting the operating system.
If the operating system cannot load because of a hardware failure, the diagnostics can be used to
determine which hardware component has failed.
In the case of system failure, the diagnostics generate a unique 24–digit Failure ID code to identify
the specific components that did not pass validation.
Test Function
Start-Up Test Analyzes the main components to make sure they are functioning properly to start the computer, the
processor (CPU), the memory modules, and the hard drive. It checks the SMART attributes of the hard
drive and performs the built-in Self-Test.
Run-In Test Repeats the Start-up Test and checks for intermittent problems that the start-up test does not detect. Use
this test if the computer is having intermittent problems while running, that do not appear to be related to
system startup.
System Tune-
Up
Similar to the Start-Up Test, the System Tune-Up performs the Start-Up Test plus tests the video memory.
Hard Disk
Test
The Hard Disk Test allows the selection of the Quick Extensive Test or Extensive Test of user selected
drives in the system. The user can select a single drive, or they can select all of the drives in the system to
run concurrently. The tests consists of the following subtests:
●Quick Test
◦Hard Disk SMART Check
◦Hard Disk Short DST
●Extensive Test
◦Hard Disk SMART Check
◦Hard Disk Short DST
◦Hard Disk Optimized DST Check
◦Hard Disk Long DST
Memory Test Analyzes the physical condition of the memory modules and reports any faulty modules. If this test reports
an error, the faulty memory module(s) should be replaced immediately.
The Memory Test allows selection of the Quick Memory Test or Extensive Memory Test.
The Quick Test is the same version run in the Start-Up Test, and takes around five minutes for 4GB of
memory to complete.
The Extensive Test runs a longer version of the Memory Test, which adds additional pattern and transfer
types to make it a more comprehensive test of the memory. This test normally runs approximately eight
minutes/GB. Test times varies depending on system architecture, processor speed, and amount of
memory.
144 Chapter 4 Diagnostics and troubleshooting

Diagnostic codes and errors
This section presents information about diagnostic LED codes, LED color definitions, and POST error
messages to help you troubleshoot problems.
Diagnostic LED and audible (beep) codes
This section describes the front panel LED error and operation codes as well as the audible codes
that might occur before or during the POST.
Activity Possible cause Recommended action
Blue Power LED
*
on. No
beeps.
Computer on.
N/A
Blue Power LED
*
blinks
every two seconds.
*
No
beeps.
Computer in Sleep
mode (S3-Suspend to
RAM). Select models
only.
Blue Power LED
*
is off.
*
No beeps.
Computer in Hibernate
mode (S4-Suspend to
disk) or system is off
(S5).
Blue Power LED
*
blinks
three times*, once per
second.
*
No beeps.
Computer in Sleep
mode (S3-Suspend to
RAM). Select models
only.
Blue Power LED
*
blinks
four times*, once per
second.
*
No beeps.
Computer in Hibernate
mode (S4-Suspend to
disk).
*User-selectable. See Computer Setup (F10) Utility
menu on page 43 for details.
For the following LED activity and beeps, the beeps are heard through the chassis speaker. Blinks and beeps repeat for
five cycles, after which, only the blinks continue to repeat.
Red Power LED blinks
two times, once every
second, followed by a
two-second pause. Two
beeps.
CPU thermal protection
activated by either of
the following methods:
●A fan might be
blocked or not
turning.
●The heatsink and
fan assembly is not
properly attached
to the CPU.
CAUTION: Internal components might be powered even when
the computer is off. To prevent damage, disconnect the
computer power cord before you remove a component.
1. Ensure that the computer air vents are not blocked and the
cooling fan is running.
2. Open the access panel, press power button, and verify that
the CPU fan is spinning. If the CPU fan is not spinning,
make sure the fan cable is plugged into the computer board
header. Ensure the fan is fully and properly seated or
installed.
3. If fan is plugged in and seated properly, but is not spinning,
the problem might be in the CPU fan. Contact HP for
assistance.
4. Verify that the fan assembly is properly attached. If
problems persist, there might be a problem with the CPU
heatsink. Contact HP for assistance.
Red Power LED blinks
three times, once every
second, followed by a
CPU not installed (not
an indicator of bad
CPU).
1. Verify that the CPU is present.
2. Reseat the CPU.
Diagnostic codes and errors 145

Activity Possible cause Recommended action
two-second pause. Three
beeps.
Red Power LED blinks
four times, once every
second, followed by a
two-second pause. Four
beeps.
Power failure (power
supply is overloaded).
CAUTION: Internal components might be powered even when
the computer is off. To prevent damage, disconnect the
computer power cord before you remove a component.
1. Open the access panel and ensure that all power
connections are secure on the system board.
2. Check if a device is causing the problem by removing all
attached devices (such as hard, diskette, or optical disk
drives, and expansion cards.) Power on the computer. If the
system enters the POST, power off and replace one device
at a time; repeat this procedure until failure occurs. Replace
the device that is causing the failure. Continue adding
devices one at a time to ensure all devices are functioning
properly.
Red Power LED blinks
five times, once every
second, followed by a
two-second pause. Five
beeps.
Pre-video memory error. CAUTION: Internal components might be powered even when
the computer is off. To prevent damage, disconnect the
computer power cord before you remove a component.
1. Reseat DIMMs.
2. Replace DIMMs one at a time to isolate faulty module.
3. Replace third-party memory with HP memory.
4. The problem might be on the system board. Contact HP for
assistance.
Red Power LED blinks six
times, once every second,
followed by a two-second
pause. Six beeps.
Pre-video graphics
error.
CAUTION: Internal components might be powered even when
the computer is off. To prevent damage, disconnect the
computer power cord before you remove a component.
1. Reseat the graphics card.
2. Verify the graphics auxiliary power cable is connected (if
applicable).
3. Confirm the graphics card is in the appropriate slot (PCIe
x16).
4. The problem might be on the graphics card. Contact HP for
assistance.
Red Power LED blinks
seven times, once every
second, followed by a
two- second pause.
Seven beeps.
System board failure
(ROM detected failure
prior to video).
1. Clear CMOS.
NOTE: Refer to the
Maintenance and Service Guide
for
the computer model for detailed information on clearing
CMOS.
2. The problem might be on the system board. Contact HP for
assistance.
Red Power LED blinks
eight times, once every
second, followed by a
two-second pause. Eight
beeps.
Invalid ROM based on
bad checksum.
CAUTION: Internal components might be powered even when
the computer is off. To prevent damage, disconnect the
computer power cord before you remove a component.
1. Clear CMOS.
NOTE: Refer to the
Maintenance and Service Guide
for
the computer model for detailed information on clearing
CMOS.
2. Upgrade the ROM using SoftPaq, either from the hard disk
drive, CD, diskette, or USB removable device (for example,
146 Chapter 4 Diagnostics and troubleshooting

Activity Possible cause Recommended action
HP Drive Key). See the ROM Flash section of the
Maintenance and Service Guide
at http://www.hp.com/
support/workstation_manuals. SoftPaq is a self-extracting
executable, which contains instructions for its use, that
enables you to upgrade the ROM. To download the Softpaq
executable, visit http://www.hp.com/go/workstationsupport.
3. The problem might be on the system board. Contact HP for
assistance.
4.
Red Power LED blinks
nine times, once every
second, followed by a
two-second pause. Nine
beeps.
System powers on but
does not start.
1. The problem might be on the system board. Contact HP for
assistance.
2. The problem might be in the CPU. Contact HP for
assistance.
System does not power-
on and LEDs are not
blinking. No beeps.
System unable to power
on.
CAUTION: Internal components might be powered even when
the computer is off. To prevent damage, disconnect the
computer power cord before you remove a component.
To resolve the problem, choose one of the following options:
Press and hold the power button for less than four seconds. If
the hard disk drive LED turns green, then:
1. Remove the expansion cards one at a time and try holding
the power button again for less than four seconds.
2. The problem might be on the system board. Contact HP for
assistance.
Press and hold the power button for less than four seconds. If
the hard disk drive LED does not turn on green then:
1. Check that unit is plugged into a working AC outlet.
2. Open the access panel and check that the power button
harness is properly connected to the system board.
3. Check that all power supply cables are properly connected
to the system board.
4. Check the power supply functionality.
a. Disconnect the AC power.
b. HP Z820 Workstation only—Remove the power supply
from the chassis. All other workstations, unplug cables
connected to system board.
c. Plug in AC power.
●If the power supply fan spins and the BIST LED
illuminates, the power supply is good; replace the
system board.
●If the power supply fan does not spin or the LED
does not illuminate, replace the power supply.
*
The BIOS option you select controls the blue LED function during these suspend modes.
Diagnostic codes and errors 147

LED color definitions
The following table describes what each LED light on the computer front panel signifies.
LED state LED color System status
Solid Blue System is on.
Flashing Blue System is in Standby.
Solid or flashing Red System has experienced an error. (See POST error
messages on page 148.)
None No light System is in Hibernate, or is off.
POST error messages
The Power-On Self Text (POST) is a series of diagnostic tests that runs automatically when the
computer is powered on.
Audible and visual messages occur before the operating system starts if the POST encounters a
problem. POST checks the following items to ensure that the computer system is functioning
properly:
●Keyboard
●DIMMs
●Diskette drives
●All mass storage devices
●CPUs
●Controllers
●Fans
●Temperature sensors
●Cables (front/rear panels, audio, and USB ports)
The table shown next describes the POST error messages.
Screen message Probable cause Recommended action
102—System Board Failure Potential system board problem; contact HP Support.
110—Out of memory space
for option ROMs
Option ROM for a device could not
run because of memory constraints.
Run Computer Setup (F10) Utility to disable
unneeded option ROMs, and to enable ACPI/USB
Buffers at Top of Memory.
161—Real-Time Clock Power
Loss
1. Run Computer Setup (F10) utility and set default
settings.
2. Replace the CMOS battery.
3. Replace the system board.
162—Systems Options Error 1. Run Computer Setup (F10) utility and set default
settings.
2. Replace the CMOS battery.
148 Chapter 4 Diagnostics and troubleshooting

Screen message Probable cause Recommended action
3. Replace the system board.
163—Time and Date Not Set ●Invalid time or date in
configuration memory.
●RTC battery might need
replacement.
●CMOS jumper might not be
properly installed.
1. Set the date and time from the Control Panel or
in Computer Setup (F10) Utility (depending on
the operating system).
2. If the problem persists, replace the RTC battery.
164—Memory Size Error Memory configuration is incorrect. Confirm that the correct memory is installed in the
system.
201—Memory Error RAM failure. 1. Run Computer Setup (F10) utility or the
Windows utilities.
2. Be sure that memory modules are installed
correctly.
3. Verify the memory module type.
4. Remove and replace memory modules one at a
time to isolate faulty modules.
5. Replace faulty memory modules.
6. If the error persists after replacing memory
modules, replace the system board.
214—DIMM Configuration
Warning
DIMMs are not installed correctly (not
paired correctly).
See the service label on the computer access panel
for the correct memory configurations, and reseat the
DIMMs accordingly.
301—Keyboard Error Keyboard failure. 1. Reconnect the keyboard with the computer
powered off.
2. Connect a keyboard directly to the computer
(instead of through a switch box).
3. Be sure that none of the keys are pressed.
4. Replace the keyboard.
303—Keyboard Controller
Error
I/O board keyboard controller is
defective or is not set properly.
1. Reconnect the keyboard with the computer
powered off.
2. Connect a keyboard directly to the computer
(instead of through a switch box).
3. Replace the system board.
304—Keyboard or System
Unit Error
Keyboard failure. 1. Reconnect the keyboard with the computer
powered off.
2. Connect a keyboard directly to the computer
(instead of through a switch box).
3. Be sure that none of the keys are pressed.
4. Replace keyboard.
5. Replace system board.
510—Splash Screen image
corrupted
Splash Screen image has errors. Update system BIOS/UEFI.
511—CPU Fan not detected Fan is not connected or is defective. 1. Reseat the fan cable.
Diagnostic codes and errors 149

Screen message Probable cause Recommended action
2. Reseat the fan.
3. Replace the fan.
512—Rear chassis fan not
detected
Fan missing, disconnected, or
defective.
1. Reseat the fan cable.
2. Reseat the fan.
3. Replace the fan.
513—Front Chassis fan not
detected
Front fan missing, disconnected, or
defective.
1. Reseat the fan cable.
2. Reseat the fan.
3. Replace the fan.
514—Power supply wattage
insufficient for hardware
configuration
Computer configuration requires more
power than the power supply can
provide
Reduce the computer power consumption.
515—Power supply fan not
detected
Power supply fan is disconnected or
defective.
1. Reseat the power supply cables.
2. Replace the power supply.
517—Memory fan not
detected
Memory fan missing, disconnected, or
defective.
1. Reseat the fan cable.
2. Reseat the fan.
3. Replace the fan.
518—PCI fan not detected PCI fan missing, disconnected, or
defective.
1. Reseat the fan cable.
2. Reseat the fan.
3. Replace the fan.
519—Hard drive fan not
detected
Hard drive fan missing, disconnected,
or defective.
1. Reseat the fan cable.
2. Reseat the fan.
3. Replace the fan.
520—Memory fan (2) not
detected
Memory fan (2) missing,
disconnected, or defective.
1. Reseat the fan cable.
2. Reseat the fan.
3. Replace the fan.
521—Memory fan (3) not
detected
Memory fan(3) missing,
disconnected, or defective.
1. Reseat the fan cable.
2. Reseat the fan.
3. Replace the fan.
522—Memory fan (4) not
detected
Memory fan(4) missing,
disconnected, or defective.
1. Reseat the fan cable.
2. Reseat the fan.
3. Replace the fan.
523—CPU fan (2) not
detected
CPU fan(2) missing, disconnected, or
defective.
1. Reseat the fan cable.
2. Reseat the fan.
3. Replace the fan.
524—Rear chassis fan(2) not
detected
Rear chassis fan(2) missing,
disconnected, or defective.
1. Reseat the fan cable.
2. Reseat the fan.
3. Replace the fan.
150 Chapter 4 Diagnostics and troubleshooting

Screen message Probable cause Recommended action
525—Front chassis fan(2) not
detected
Front chassis fan(2) missing,
disconnected, or defective.
1. Reseat the fan cable.
2. Reseat the fan.
3. Replace the fan.
526—CPU Liquid Cooling
pump not detected
Liquid cooling pump on CPU1 is not
detected.
1. Reseat the pump cable.
2. Replace the pump.
527—CPU Liquid Cooling
pump (2) not detected
Liquid cooling pump on CPU2 is not
detected.
1. Reseat the pump cable.
2. Replace the pump.
528—CPU requires Liquid
Cooling solution
Invalid system configuration. 1. Remove incorrect processor and reinstall original
processor.
2. Remove incorrect cooling solution and reinstall
original liquid cooling solution.
529—Unsupported WiFi
Device(s) Detected
An unsupported WiFi device has
been installed into an internal slot.
Remove the unsupported device.
917—Front Audio Not
Connected
Front Audio mechanism is missing or
is not connected.
1. Replace or reconnect the missing front audio
mechanism to the system board.
2. Reseat or replace the missing mechanism cable.
918—Front USB Not
Connected
Front USB mechanism is missing or
is not connected.
1. Replace or reconnect the missing Front USB
mechanism to the system board.
2. Reseat or replace the missing mechanism cable.
921—Front USB Not
Connected
Front USB mechanism is missing or
is not connected.
1. Replace or reconnect the missing Front USB
mechanism to the system board.
2. Reseat or replace the missing mechanism cable.
922—Front USB 2 Not
Connected
Front USB 2 mechanism is missing or
is not connected.
1. Replace or reconnect the missing Front USB 2
mechanism to the system board.
2. Reseat or replace the missing mechanism cable.
923—Fatal IRPP error. Potential system problem; contact HP Support.
924—Fatal IIO error Potential system problem; contact HP Support.
925—Fatal Misc. Error A fatal miscellaneous chipset error is
setected.
927—Fatal error on DIMM in
slot CPU X DIMM Y
Fatal multibit ECC error detected on
the DIMM in the slot labeled DIMM Y
(where Y is a number), as labeled on
the system board.
Replace the DIMM in the identified slot.
928—Fatal error occurred in
the designated slot.
Fatal error occurred in the designated
slot.
Move the card to a different slot. If the problem
persists, replace the card.
929—Fatal MCA Errorr An MCA condition is detected on the
system.
939—Front USB 3.0 Not
Connected
Front USB 3.0 mechanism is missing
or is not connected.
1. Replace or reconnect the missing Front USB 3.0
mechanism to the system board.
2. Reseat or replace the missing mechanism cable.
940—Front 1394 Not
Connected
Front 1394 mechanism is missing or
is not connected.
1. Replace or reconnect the missing Front 1394
mechanism to the system board.
Diagnostic codes and errors 151

Screen message Probable cause Recommended action
2. Reseat or replace the missing mechanism cable.
941—PCIe Device(s) installed
in slots 3 or 4 with a single
CPU
Invalid system configuration. 1. Move the PCIe device from PCIe slots 3 and/or 4
to other PCIe slots.
2. Add a second processor using appropriate HP
accessory kit.
942—Memory Train Error A DIMM or DIMMs did not train
correctly.
1801—Microcode Update
Error
Unknown or unsupported processor
stepping.
The microcode update failed. If the processor
stepping is supported, contact HP Support.
1802—Processor Not
Supported
The system board does not support
the processor.
Replace the processor with a compatible one.
152 Chapter 4 Diagnostics and troubleshooting

5 Configuring password security and
resetting CMOS
This chapter describes how to configure password security and to reset CMOS.
●Preparing to configure passwords on page 153
●Resetting the password jumper on page 154
●Clearing and resetting the CMOS on page 155
Preparing to configure passwords
Computer Setup (F10) Utility enables you to create setup and power-on passwords.
There are three possibilities for setting passwords:
●Define a setup password only. You will need the password to enter Computer Setup (F10) Utility,
but you will not need a password to start the workstation.
●Define a power-on password only. This password lets you start the workstation or enter the
setup utility.
●Define both. In this case, the setup password lets you start the workstation and enter the setup
utility. The power-on password starts the workstation but does not let you enter the setup utility,
After you create both passwords, you can use the setup password in place of the power-on password
as an override to log into the computer (a useful feature for a network administrator).
NOTE: You can only clear the passwords with the password jumper. Clearing CMOS does not clear
the passwords.
CAUTION: Before pressing the Clear CMOS button, back up your computer CMOS settings.
Pressing the Clear CMOS button resets CMOS values to factory defaults and erases customized
information, including asset numbers and special settings.
To back up the CMOS settings, run Computer Setup (F10) Utility and select Save to Diskette from the
File menu.
Preparing to configure passwords 153

Resetting the password jumper
Use the following procedure to disable the power-on or setup password features and clear the power-
on and setup passwords.
WARNING! To reduce the risk of personal injury from electrical shock and hot surfaces, be sure to
disconnect the power cord from the wall outlet and allow the internal system components to cool
before touching.
CAUTION: When the computer is plugged in, the power supply has voltage applied to the system
board, even when the computer is turned off. Failure to disconnect the power cord can result in
damage to the system.
CAUTION: Static electricity can damage the electronic components of the computer or optional
equipment. Before beginning these procedures, be sure that you are discharged of static electricity by
briefly touching a grounded metal object.
1. Access the jumper:
a. Shut down the operating system, turn off the computer and external devices, and then
disconnect the computer power cord and external devices from power outlets.
b. Disconnect any external devices.
c. Verify that the AC power cord is disconnected from the power outlet.
d. Open the workstation.
e. Locate the password header and jumper.
The password header is E49. The password jumper is blue so it can be easily identified.
2. Remove the jumper from pins 1 and 2. Do not lose the jumper.
3. Restart the computer:
a. Close the workstation.
b. Reconnect the AC power cord to the power outlet.
c. Turn on the computer and wait for the workstation to display the HP splash screen.
4. Repeat step 1.
5. Replace the jumper on pins 1 and 2.
6. Repeat step 3, except press the F10 key during startup to access Computer Setup (F10) Utility.
7. Use the setup utility to create new passwords.
154 Chapter 5 Configuring password security and resetting CMOS

Clearing and resetting the CMOS
This section describes the steps necessary to successfully clear and reset the CMOS. The CMOS of
the computer stores password information and information about the computer configuration.
Using the CMOS button to reset CMOS
To clear CMOS using the Clear CMOS button, use the following procedure:
WARNING! To reduce the risk of personal injury from electrical shock and hot surfaces, disconnect
the power cord from the wall outlet and allow the internal system components to cool before touching.
CAUTION: When the computer is plugged in, the power supply has voltage applied to the system
board, even when the computer is powered off. Failure to disconnect the power cord can result in
damage to the system.
Static electricity can damage the electronic components of the computer or optional equipment.
Before beginning these procedures, be sure that you are discharged of static electricity by briefly
touching a grounded metal object.
1. Back up your computer CMOS settings run Computer Setup (F10) Utility, and select File > Save
to Disk.
CAUTION: Pressing the Clear CMOS button resets CMOS values to factory defaults and
erases customized information, including asset numbers and special settings.
2. Shut down the operating system, power off the computer and external devices, and disconnect
peripheral devices.
3. Disconnect the AC power cord from the power outlet.
NOTE: The CMOS button does not clear CMOS if the power cord is connected.
4. Open the workstation.
5. Locate, press, and hold the CMOS button for five seconds.
For assistance locating the CMOS button and other system board components, see the system
board layout in HP Z820 Workstation system board components on page 33.
6. Close the workstation, reconnect external devices, connect the power cord and power on the
workstation.
7. The system boots to an F1 prompt and displays a message that the date/time has changed and
that system options have changed.
8. Press F1. The system shuts down for three seconds and then powers on again.
9. Use the F10 (Setup) Utility to reset the date and time.
Clearing and resetting the CMOS 155

Using Computer Setup (F10) Utility to reset CMOS
1. Access Computer Setup (F10) Utility menu.
2. When Computer Setup message appears in the lower-right corner of the screen, press F10, and
then press Enter to bypass the title screen, if necessary.
If you do not press F10 while the message is displayed, the computer must be rebooted to
access this utility.
3. From Computer Setup (F10) Utility menu, select File > Default Setup.
This restores the settings that include boot sequence order and other factory settings. However,
it does not force hardware rediscovery.
4. Choose Restore Factory Settings as Default, and the press F10 to accept.
5. Select File > Apply Defaults and Exit, and then press F10 to accept.
6. Reset the computer passwords and configuration information, such as the system date and time.
NOTE: This step does not clear the passwords.
156 Chapter 5 Configuring password security and resetting CMOS

A Linux technical notes
HP offers a variety of Linux solutions for HP workstation customers:
●HP certifies and supports Red Hat Enterprise Linux (RHEL) on HP workstations.
●HP certifies SUSE Linux Enterprise Desktop (SLED) on HP workstations.
●HP offers a SLED 11 preload on some Z Series Workstations.
For Linux setup and restore procedures, see the user guide for your workstation at
http://www.hp.com/support/workstation_manuals.
●System RAM
●Audio
●Network cards
●Hyper-Threading Technology
●NVIDIA Graphics Workstations
●AMD Graphics Workstations
NOTE: After you set up the operating system, make sure that the latest BIOS, drivers, and software
updates are installed.
CAUTION: Do not add optional hardware or third-party devices to the workstation until the operating
system is successfully installed. Adding hardware might cause errors and prevent the operating
system from installing correctly.
System RAM
HP supports different amounts of total RAM in various HP workstations, based on the number of
hardware DIMM slots and the capabilities of the system. The total memory supported for each
configuration is listed in the
Hardware Support Matrix for HP Linux Workstations
at
http://www.hp.com/support/linux_hardware_matrix.
Audio
All HP workstations come with built-in audio hardware. The audio hardware is supported by the
Advanced Linux Sound Architecture
(ALSA) drivers included with all modern Linux distributions.
The audio hardware provides basic playback and recording features. The ability to simultaneously
play audio from multiple sources, such as applications and CDs, is provided in the ALSA driver that
provides audio mixing. The performance of software audio mixing and playback is greatly improved in
ALSA version 1.0.13 and later.
After the driver is installed, the optional NVIDIA and AMD graphics cards that are supported in HP
workstations also provide audio functionality over HDMI. The signal can be passed through the
DisplayPort connector to a monitor with audio capabilities. The vendor driver must be installed. Such
a configuration might present two audio hardware choices. If you do not hear sound through the
speakers, one possible reason is that the graphics card (default) is selected for audio output instead
of the DisplayPort. Check the audio settings (for example, Sound in gnome-control-center).
System RAM 157

In some systems, embedded Intel HD graphics may also present a similar HDMI audio device that
can be used through the DisplayPort interface. No proprietary driver is needed for this device, just a
sufficiently recent kernel.
Network cards
All HP workstations include one or two integrated network interface controllers. Some support
optional NICs. Most Linux distributions have drivers for these interfaces.
Hyper-Threading Technology
The Z Series Workstations support Hyper-Threading Technology (HTT), an Intel technology that
improves processor performance by enabling the processor to simultaneously performing multiple
tasks. The operating system treats an HTT-enabled processor as two virtual processors and shares
the workload between them when possible. This feature can be used only if the operating system
support multiple processors and is specifically optimized for HTT.
To enable HTT:
1. During startup, press F10 to enter Computer Setup (F10) Utility.
2. Select Advanced > Device Options.
3. Set Hyper-Threading to Enable, and then press F10 to exit the menu.
4. Select File > Save Changes and Exit.
5. Restart the system to enable HTT.
NOTE: On most recent Linux distributions (including RHEL 5, RHEL 6, SLED 11, and updates to
those streams), the kernel automatically detects that HTT is enabled and works correctly.
158 Appendix A Linux technical notes
NVIDIA Graphics Workstations
Some workstation configurations come with NVIDIA Quadro graphics hardware. HP recommends the
use of NVIDIA drivers for best results on Linux systems.
HP provides recommended versions of the drivers with RPM-compatible installers for RHEL and
SLED distributions. These are available from the HP Installer Kit for Linux and from workstation driver
repositories on hp.com. When HP installers are used, their contents and documentation links are
located in the /opt/hp/nvidia folder.
When installing Linux on a workstation that contains an NVIDIA card, administrators should select a
VESA-compatible driver to avoid the instability that is experienced with some open-source versions of
the Nouveau and DRM drivers.
Open-source versions of Nouveau drivers and NVIDIA drivers cannot coexist in the same runtime
environment because they use the same hardware resources. If administrators create their own Linux
environments using NVIDIA drivers but choose not to use HP-packaged versions, HP recommends
that they manually append the following boot loader parameters to properly suppress the Nouveau
driver at runtime (grub example below):
kernel /vmlinuz ... rdblacklist=nouveau nouveau.modeset=0
This action is applied by HP installers but must be applied/restored under other circumstances.
To customize display characteristics and resolutions when the computer is using an NVIDIA driver,
execute the following command:
/usr/bin/nvidia-settings
To create and manipulate the /etc/X11/xorg.conf file, execute:
/usr/bin/nvidia-xconfig
NVIDIA Graphics Workstations 159
AMD Graphics Workstations
Some workstation configurations include AMD graphics hardware. HP recommends use of AMD
graphics drivers for best results on Linux systems.
HP also provides recommended versions of AMD graphics drivers with RPM-compatible installers for
RHEL and SLED distributions. These are available from the HP Installer Kit for Linux and workstation
driver support packages on hp.com.
The open source RADEON and RADEONHD drivers can conflict with the AMD graphics drivers by
claiming the hardware early in the boot process. The AMD driver installation process usually
blacklists conflicting drivers and turns off kernel mode-setting in the initial RAM image.
Administrator customization of the display characteristics and many other aspects of an AMD
graphics driver environment is available through the following command, which starts the Catalyst
Control Center:
/usr/bin/amdcccle
Some settings for AMD graphics, including reconfiguration of the /etc/X11/xorg.conf file, can be
accomplished through the many options provided by the following command:
/usr/bin/aticonfig
Information can be found in these directories after the driver is installed:
/opt/hp/ati
/usr/share/ati
/usr/share/doc/fglrx
If the automatic init script attempts to rebuild the kernel module, the name of the log file is /var/log/
fglrx-build.log.
160 Appendix A Linux technical notes

B Configuring RAID devices
This appendix explains how to configure RAID arrays on your workstation.
●RAID hard drive maximum and associated storage controller options
●Supported RAID configurations
●Configuring Intel SATA RAID
●Configuring RAID on an LSI 2308 or LSI 9212-4i controller
●Configuring RAID on an LSI 9260-8i MegaRAID controller
●Software RAID solution
For additional information about RAID configuration, go to http://www.hp.com/support/RAID_FAQs.
RAID hard drive maximum and associated storage controller
options
This section lists the maximum number of hard drives supported on HP workstations according to
RAID configuration and storage controller options.
NOTE: This section applies to internal workstation configurations that do not use add-in cards and
external enclosures.
Hard Drives Storage Controllers
SATA SAS Onboard Optional
8.5 mm
(3.5 in)
6.3 mm
(2.5 in)
8.5 mm
(3.5 in)
6.3 mm
(2.5 in) RST RSTe LSI 2308 LSI 9212-4i LSI 9260-8i
Z220 SFF 2 2 — — Yes — — — —
Z220 CMT 3 3 — — Yes — — — —
Z420 4 4 4 4 — Yes — Yes Yes
Z620 4 4 4 4 — Yes — Yes Yes
Z820 6 8 6 8 — Yes Yes — Yes
RAID hard drive maximum and associated storage controller options 161

Supported RAID configurations
All workstation platforms have Intel controllers, as follows:
●LSI 2308 controllers — HP Z820 Workstations
●LSI 9212-4i controllers — HP Z420 and Z620 Workstations (optional)
●LSI 9260-8i controllers — HP Z420, Z620, and Z820 Workstations (optional)
The following RAID configurations are supported:
Configuration Description Controllers
RAID 0
Integrated striped disk
array
●Requires a minimum of two drives.
●Provides improved I/O performance.
●Provides no fault tolerance.
●Loses all data if any disk in the array fails.
●Increases disk performance.
●Intel with RSTe or
RST
●LSI 2308
●LSI 9212-4i
●LSI 9260-8i
RAID 1
Mirrored disk array
●Supports a minimum of two drives..
●Provides 100% redundancy: all data from one
drive is duplicated on a second drive.
●Recovers from a single-drive failure.
●Serves as a good entry-level redundant system.
●Intel with RSTe or
RST
●LSI 2308
●LSI 9212-4i
●LSI 9260-8i
RAID 5
Striped disk array with
distributed parity
●Supports three or more drives.
●Provides fault tolerance and I/O performance
improvement, especially for write-biased
applications.
●Retains all data if a single drive fails but
performance is compromised until the failed
drive is replaced and the array rebuilt.
●Intel with RSTe or
RST
●LSI 9260-8i
RAID 10
Striped and mirrored
disk array
●Supports four or more drives.
●Provides excellent.
●Uses several drives to stripe data, then copies
the striped drives to provide redundancy.
●Offers high data transfer of striped arrays and
provides increased data accessibility (reads).
●Intel with RSTe or
RST
●LSI 2308
●LSI 9212-4i
●LSI 9260-8i
RAID 1E
Two-way mirroring
●Provides benefits comparable to RAID 10.
●Requires an odd number of drives.
●Delivers improved read performance.
●LSI 2308
●LSI 9212-4i
162 Appendix B Configuring RAID devices

Configuring Intel SATA RAID
This section describes how to use Intel
®
Rapid Storage Technology enterprise (Intel
®
RSTe) or Intel
®
Rapid Storage Technology (RST) to set up and manage SATA RAID volumes.
NOTE: These instructions apply to Windows-based systems. They also apply to Linux distributions
that include the isci kernel driver support for the RSTe technology. This driver is included on recent
releases of most upstream and enterprise distributions, and may be available for addition to some
previous releases. If this driver is not available in the distribution, or is not applicable to the platform
(e.g., the RST controller), the Software RAID solution is recommended.
You can create a SATA RAID array that contains up to the maximum number of internal SATA hard
disk drives and eSATA drives (if you use an optional eSATA bulkhead cable) supported on your
workstation.
Two or more hard drives must be attached to a controller (AHCI or SCU) for that controller's option
ROM to run. If two or more drives are on each controller, a unique option ROM executes for each
controller.
The Intel SATA AHCI option ROM and SCU option ROM configuration utilities run when you select
RAID+AHCI for the SATA emulation mode.
Configuring Intel SATA RAID 163
Configuring system BIOS
To set up a RAID configuration, the emulation mode must be set to RAID+AHCI in Computer Setup
(F10) Utility. This is the default setting. If the mode has been changed, follow these steps to reinstate
it.
1. During startup, press F10 to enter Computer Setup (F10) Utility. Use the arrow keys to navigate
and select options.
2. Select a language from the list, and then press Enter.
3. Select Storage > Storage Options, then press Enter.
4. Select SATA Emulation > RAID+AHCI, then press F10 to accept the new settings.
5. Select Advanced > Power-On Options, then press Enter.
6. Select POST Messages > Enable, and then press F10 to accept the new settings.
7. Select Advanced > Device Options, then press Enter.
8. Select SATA RAID Option ROM Download, then press Enter.
9. Select Enable, then press F10 to accept the new settings.
10. Select File > Save Changes and Exit, then press Enter.
11. Press Enter to accept the changes.
164 Appendix B Configuring RAID devices

Configuring RAID with the Intel utility
Follow these steps to create RAID volumes.
NOTE: The option ROM displays once for each controller. For example, if you have two drives on
the AHCI controller and two on the SCU controller, then both option ROMs display. Following the
prompt, select Ctrl+I to choose the controller.
1. Press Ctrl+l when prompted to enter the Intel Rapid Storage Technology enterprise utility
(RSTe). Use the arrow keys and the space bar to navigate and select options.
NOTE: If only one hard drive is attached, the utility does not open.
NOTE: On the HP Z220 Workstation, the Intel Rapid Storage Technology utility (RST) is used.
2. Select Create RAID Volume, then press Enter.
3. Type the a name for the RAID volume in the Name field, then press Tab.
4. Select a level in the RAID Level field, then press Tab.
5. If three or more hard drives are installed, complete the following steps:
a. Press Enter to display the Select dialog box.
b. Select individual physical members of the volume.
c. Press Enter to exit the Select dialog box and to return to the Create Volume Menu dialog
box.
6. If appropriate, select a size in the Stripe Size field, and then press Tab.
7. Enter the desired volume size in the Capacity field, and then press Tab.
8. Press Enter to initiate volume creation.
9. When the warning message appears, press Y to create the volume.
10. Select 5 > Exit, then press Enter.
11. Press Y to confirm the exit.
Configuring Intel SATA RAID 165

Configuring RAID on an LSI 2308 or LSI 9212-4i controller
This section explains how to use the LSI Logic Configuration Utility to set up a SATA or SAS RAID
array on the LSI 2308 or LSI 9212-4i controllers.
NOTE: These instructions apply to both Windows-based systems and Linux-based systems.
RAID 0 configuration
Follow these steps to configure an Integrated Striped (IS) volume with the BIOS-based configuration
utility. The procedure assumes that the system has the required disk and disk controllers.
1. During startup, press Ctrl-C when prompted to start the LSI Logic Configuration Utility. Use the
arrow keys and the space bar to navigate and select options.
2. Select an appropriate adapter, then press Enter.
3. Select RAID Properties, and then press Enter.
4. Select Create IS Volume, and then press Enter.
5. On the Create New Array screen, select the first disk for the IS volume. In the RAID Disk column
for this disk, and then select Yes.
WARNING! If partitions have ben defined on the selected disk, data on the disk will be lost
when the striped volume is created.
6. To select additional drives for the striped volume (up to the maximum number allowed for the
workstation), repeat step 5.
7. When all drives are selected, press C to create the array. Select Save changes then exit this
menu, and then press Enter.
8. When the new array is created, the Adapter Properties screen appears. Press Esc twice, and
then select Exit.
166 Appendix B Configuring RAID devices

RAID 1 configuration
Follow these steps to configure an Integrated Mirroring (IM) volume with the BIOS-based
configuration utility. The procedure assumes that the system has the required drives and drive
controllers.
1. During BIOS startup, press Ctrl-C when prompted to start the LSI Logic Configuration Utility. Use
the arrow keys and the space bar to navigate and select options.
2. Select an appropriate adapter, then press Enter.
3. Select RAID Properties, and then press Enter.
4. Select Create IM Volume, and then press Enter.
5. To configure a two-disk mirrored volume with an optional hot-spare disk:
a. On the Create New Array screen, select the primary disk for the IM volume (the disk with
the data you want to mirror.)
b. On the RAID Disk column for this disk, and then select Yes. The value in the Array Disk
column changes to Primary.
WARNING! If partitions have beendefined on the selected disk, data on the disk will be
lost when the mirrored volume is created.
c. Select the secondary (mirrored) disk for the IM volume and set the Array Disk column value
to Yes.
d. Press Delete to allow the data on the disk to be erased, or press any other key to deselect
the disk.
6. When all drives are selected, press C to create the array.
7. Select Save changes then exit this menu, and then press Enter.
8. When the new array is created, the Adapter Properties screen appears. Press Esc twice, and
then select Exit.
Configuring RAID on an LSI 2308 or LSI 9212-4i controller 167

RAID 1E/10 configuration
Follow these steps to configure an Integrated Mirroring Extended (IME) volume. The procedure
assumes the system has the required disk and disk controllers.
NOTE: If an odd number of drives is used, a RAID 1E array is created. If an even number of drives
is used, a RAID 10 array is created.
1. During BIOS startup, press Ctrl-C when prompted to start the LSI Logic Configuration Utility. Use
the arrow keys and the space bar to navigate and select options.
2. Select an appropriate adapter, and then press Enter.
3. Select RAID Properties, and then press Enter.
4. Select Create IME Volume, and then press Enter.
5. To configure a mirrored volume or an optional hot spare drive with up to the maximum number of
drives allowed for the workstation, complete the following steps:
a. On the Create New Array screen, select the primary disk for the IME volume (the disk with
the data you want to mirror.)
b. In the RAID Disk column for this disk, select Yes. The value in the Array Disk column
changes to Primary.
WARNING! If partitions have been defined on the selected disk, data on the disk will be
lost when the mirrored volume is created.
c. Select the next disk for the IME volume (mirrored) disk for the IM volume and set the Array
Disk column value to Yes.
d. Press Delete to allow the data on the disk to be erased, or press any other key to deselect
the disk.
6. Repeat step 5 to select up to the workstation-specific maximum number of drives for the IME
volume, including of a hot spare.
7. After all drives are selected, press C to create the array.
8. Select Save changes then exit this menu, and then press Enter.
9. When the new array is created, the Adapter Properties screen appears. Press Esc twice, and
then select Exit.
168 Appendix B Configuring RAID devices

Configuring RAID on an LSI 9260-8i MegaRAID controller
This section explains how to use the LSI Logic Configuration Utility to set up SATA or SAS RAID
arrays on the LSI 9260-8i MegaRAID controller.
NOTE: These instructions apply to both Windows-based systems and Linux-based systems.
RAID 0
Follow these steps to configure a RAID 0 volume with the BIOS-based configuration utility. The
procedure assumes that the system has the required disk and disk controllers.
NOTE: For more information about the 9260-8i RAID controller, see the
MegaRAID SAS Software
User Guide
at http://www.lsi.com/downloads/Public/MegaRAID%20Common%20Files/
51530-00_RevE.pdf, particularly the “Introduction to RAID” and “WebBIOS Configuration Utility”
sections.
1. Be sure the drives you want to configure are connected to the LSI 9260-8i MegaRAID controller.
NOTE: For details, see
LSI MegaRAID SAS 9260-8i Card Installation
at
http://bizsupport1.austin.hp.com/bc/docs/support/SupportManual/c02027249/c02027249.pdf.
2. During startup, press Ctrl-H to enter the LSI 9260-8i WebBios utility. Use the arrow keys and the
space bar to navigate and select options.
3. Configure the array:
a. In the left pane, select Configuration Wizard.
b. Select Add Configuration, and then select Next.
c. Select Manual Configuration, and then select Next.
d. Select the drives to include in the RAID array, and then select Add To Array.
e. Select Accept DG, and then select Next.
f. Select Add to SPAN, and then select Next.
4. Select the desired options for your RAID array. Available options:
●RAID Level (available options depend on the number of disks in your RAID volume): RAID
0, RAID 1, RAID 5, RAID 6
●Strip Size: 8KB, 16KB, 32KB, 64KB, 128KB, 256KB, 512KB, 1MB
●Access Policy: RW (Read/Write), Read Only, Blocked
●Read Policy: Normal, Ahead
●Write Policy: Write Through, Always Write Back, Write Back with BBU
●IO Policy: Direct, Cached
●Drive Cache: No Change, Enable, Disable
●Disable BGI: No, Yes
●Select Size: Specify the size of the RAID array
5. Select Next.
6. A message warns you of the effect of your particular Write Policy setting:
Configuring RAID on an LSI 9260-8i MegaRAID controller 169
●Write Through:The configuration might result in slower performance.
●Always Write Back: The configuration results in optimal performance, but there is a risk of
data loss in the event of power failure.
●Write Back with BBU: If you have not installed BBU, write back is enabled only when the
battery has a sufficient charge. During a learning cycle, the caching policy reverts to write-
through until the learning cycle is complete.
7. Select Yes to accept the warning, and then select Next.
8. Select Accept, and then select Yes to save the configuration.
9. Select Yes to initialize the virtual drive you created.
170 Appendix B Configuring RAID devices
Software RAID solution
This section summarizes software RAID considerations that are specific to the Linux environment,
and provides links to additional configuration resources.
Software RAID considerations
The Linux kernel software RAID driver (called
md
, for
multiple device
) offers integrated software RAID
without the need for additional hardware disk controllers or kernel patches. Unlike most hardware
RAID solutions, software RAID can be used with all types of disk technologies, including SATA, SAS,
SCSI, and solid-state drives. This software solution requires only minimal setup of the disks
themselves.
However, when ompared to hardware-based RAID, software RAID has disadvantages in managing
the disks, breaking up data as necessary, and managing parity data. The CPU must assume some
extra loading: disk-intensive workloads result in roughly double the CPU overhead (for example, from
15% to 30%). For most applications, this overhead is easily handled by excess headroom in the
processors. But for some applications where disk and CPU performance are very well balanced and
already near bottleneck levels, this additional CPU overhead can become troublesome.
Hardware RAID offers advantages because of its large hardware cache and the capability for better
scheduling of operations in parallel. However, software RAID offers more flexibility for disk and disk
controller setup. Additionally, hardware RAID requires that a failed RAID controller must be replaced
with an identical model to avoid data loss, whereas software RAID imposes no such requirements.
Some software RAID schemes offer data protection through mirroring (copying the data to multiple
disks in case one disk fails) or parity data (checksums that allow error detection and limited rebuilding
of data in case of a failure). For all software RAID solutions on HP workstations, redundancy can be
restored only after the system is shut down so that the failed drive can be replaced. This replacement
requires only a minimum amount of work.
Performance considerations
Disk I/O bandwidth is typically limited by the system bus speeds, the disk controller, and the disks
themselves. The balance of these hardware limitations, as affected by the software configuration,
determines the location of the any bottleneck is in the system.
Several RAID levels offer improved performance relative to stand-alone disk performance. If disk
throughput is restricted because of a single disk controller, RAID can probably do little to improve
performance until another controller is added. Conversely, if raw disk performance is the bottleneck, a
tuned software RAID solution can dramatically improve the throughput. The slower disk performance
is, relative to the rest of the system, the better RAID performance will scale, because the slowest
piece of the performance pipeline is being directly addressed by moving to RAID.
Software RAID solution 171

Configuring software RAID
See the following sites for additional information about configuring software RAID on Red Hat
Enterprise Linux (RHEL) or SUSE Linux Enterprise Desktop (SLED):
●Red Hat Enterprise Linux 6—See the
Storage Administration Guide
at http://docs.redhat.com/
docs/en-US/Red_Hat_Enterprise_Linux/6/html/Storage_Administration_Guide/index.html
●Red Hat Enterprise Linux 5—See the
Deployment Guide
at http://docs.redhat.com/docs/en-US/
Red_Hat_Enterprise_Linux/5/html/Deployment_Guide/ch-raid.html.
●SLED 11—See the
Deployment Guide
at http://www.suse.com/documentation/sled11/
book_sle_deployment/?page=/documentation/sled11/book_sle_deployment/data/
book_sle_deployment.html.
For more information about Open Source and Linux at HP, go to http://h10018.www1.hp.com/
wwsolutions/linux/index.html.
172 Appendix B Configuring RAID devices

C System board designators
HP Z220 SFF Workstation
Designator Silk screen Component/Description
E15 E15 Crisis recovery header/jumper
E49 E49 Clear password header/jumper
J9 RJ45/USB LAN/DUAL USB 2.0
J10 J10 Quad rear USB 3.0
J20 PCI1J20 PCI slot (white)
J31 J31 X1PCIEXP1 PCIe2 x1 slot (black)
J41 J41 X16PCIEXP PCIe3 x16 slot (black)
J42 J42 X4PCIEXP PCIe2 x16(4) slot (black)
J53 VGA/COMA Serial port connector stacked over VGA port
J64 DISPLAYPORT Display port connector
J68 PS2 Mouse connector stacked over keyboard connector
J78 IN/OUT Audio line in stacked over audio line out
SW50 SW50 CMOS Clear CMOS switch/push button
P1 PWR Power supply, 6-pin (white)
P2 PWRCMD Power command, 6-pin (white)
P3 PWRCPU Power supply, 4-pin (white)
P5 P5 PB/LED Front power button/LED (black)
P6 SPRK Internal speaker (white)
P9 CHFAN1 Front chassis fan
P23 FRONT AUD Front audio (blue)
P24 FRONT USB Front I/O USB (yellow)
P25 FRONT USB2 Front I/O USB (green)
P52 COMB Serial port
P124 HLCK Hood lock solenoid (black)
P125 HSENSE Hood sensor
P126 PAR Flying parallel port (black)
P150 MEDIA Media card reader
P151 MEDIA2 Media card reader
HP Z220 SFF Workstation 173

Designator Silk screen Component/Description
P160 SATAPWR1 HDD power (black)
XBT1 XBT1 BAT Battery holder
XMM1 - XMM4 XMM1 - XMM4
DIMM1 - DIMM4
Memory slots
XU1 XU1 CPU socket
HP Z220 CMT Workstation
Designator Silk screen Component
E15 E15 Crisis recovery header/jumper
E49 E49 Clear password header/jumper
J9 J9 RJ/USB LAN/DUAL USB
J10 J10 QUAD USB Dual USB3.0/Dual USB2.0
J20 J20 SLOT6 PCI 32/33 PCI slot
J21 J21 SLOT7 PCI 32/33 PCI slot
J31 J31 SLOT3 PCIe2 x1 PCIe2 x1 slot
J32 J32 SLOT5 PCIe2 x1 PCIe2 x1 slot
J33 J33 SLOT1 PCIe2 x8(4) PCIe2 x8(4) slot
J34 J34 SLOT4 PCIe2 x16(4) PCI slot
J41 J41 SLOT2 PCIe3 x16 75W PCIe3 x16 slot
J64 DP Display port connector
J65 DVI DVI-I connector
J68 J68 PS2 Stacked keyboard/mouse connector
J83 J83 Triple stacked audio jacks
J86 J86 Slot2 PCIe x16 retention clip
MTG1-MTG10 N/A Mounting holes
P1 P1 Power supply connector (18-pin)
P3 P3 CPU PWR CPU power connector (4-pin)
P5 P5 Power button/HDD LED/Power LED switch/Side
access panel sensor/Temperature header
P6 SPKR Speaker
P8 P8 CHFAN Rear system fan
P9 P9 Front fan header
P24 P24 FRONT USB Front panel USB header
P25 P25 INTERNAL USB2 Dual internal USB header
174 Appendix C System board designators

Designator Silk screen Component
P26 P26 INTERNAL USB3 Single internal USB header
P27 DASH/USB1 DASH/Dual internal USB
P29 P29 HDD LED Hard disk drive LED connector
P54 COM Serial port header
P60-P64 SATA0 - SATA4 SATA connectors
P65 eSATA eSATA connector
P66 - P67 P66 - P67
SATA4 - SATA5
SATA connectors
P70 P70 CPU0 FAN Primary CPU fan header
P124 P124 HOOD LOCK Side access panel solenoid lock header
P126 PAR Parallel port header
SW50 SW50 CMOS Clear CMOS switch/push button
XBT1 XBT1 BAT Battery holder
XMM1 - XMM4 XMM1 - XMM4
DIMM1 - DIMM4
Memory slots
XU1 XU1 Primary CPU socket
HP Z420 and Z620 Workstation system board designators
Designator Name on board Component
E14 BB ROM bootblock header
E15 BBR ROM bootblock recovery header
E16 ROM RCVRY ROM Recovery header/jumper
E17 LPC LPC Debug
E49/JP49 PSWD Clear Password header
J9 RJ45/USB Stacked RJ45/Dual USB
J10 USB Quad Stacked USB
J20-22 PCIx (x=1-3) PCI slots
J31-32 X1PCIEXPx (x=1-2) PCI Express X1 slot
J41 X16PCIEXP or MXM PCI Express x16 or MXM graphics slot
J42 X4PCIEXP PCI Express x4 graphics slot
J68 PS2 Stack keyboard/mouse connector
J69 VGA or VGA/COMA VGA connector or VGA+serial port
J70 USB Primary Single USB
HP Z420 and Z620 Workstation system board designators 175

Designator Name on board Component
J71 USB Secondary Single USB
J90 USB 3rd Single USB
J91 USB 4th Single USB
J72 MIC Microphone jack
J73 IN Line-In audio jack
J74 OUT Line-out audio jack
J76 HDPH Headphone jack
J77 PH/MIC Double Stacked PH/MIC
J78 IN/OUT Double Stacked Line-in/out
J80 SER/AUD Stacked Serial/Audio
J81 USB Primary Double USB
J82 USB Secondary Double USB
J83 AUD Triple Stacked Audio
J103 PWR DC Input Power
P1 PWR P/S connector
P2 PWRMEM P/S memory power connector
P3 PWRCPU VCCP 12V header
P4 (Z620 only) PWRCPU2 P/S 2nd CPU & Memory 12V Connector
P5 PB/LE Control panel
P6 SPKR Speaker connector
P8 CPUFAN CPU fan header
P9 CHFAN Front chassis fan header
P10 FLOPPY Floppy header
P11 CHFAN2 Rear chassis fan header (Z620)
P23 FRONT AUD Header for Front Panel Audio
P24/25 FRONT USB/FRONT USB2 Header for Front Panel USB
P52 COMAB Header/Connector for 2nd Serial Port
P54 COMA Header/Connector for 1st Serial Port
P60 SATA0 SATA0 connector
P61 SATA1 SATA1 connector
P626 SATA2 SATA2 connector
P63 SATA3 SATA3 connector
P66 SATA4 SATA4 connector
P91 P91 Z620 memory fan
176 Appendix C System board designators

Designator Name on board Component
P92 P92 Z420 memory fan
P95 CHFAN2 Rear chassis fan header (Z420)
P125 SATA4 Hood sense (Z420)
HP Z820 Workstations
Designator Name on board Component
E1/JP1 SPI BIOS ME/AMT Flash Override Header
E15/JP15 BIOS Crisis Recovery Header
E49/JP49 PSWR Password Clear Jumper
J2 SAS OPT SAS Option ROM Header
J9 RJ-45/USB Stacked RJ-45/Dual USB 2.0
J11 RJ-45/USB2.0 Stacked RJ-45/Dual USB 2.0
J12 1394A/USB3.0 Stacked 1394a/Dual USB 3.0
J13 FRONT 1394A Front 1394a
J20 J20 SLOT7-PCI PCI 32/33 Slot
J31 J31 SLOT1-PCIe3 x8(4) PCI Express Gen 3 x8(4) Slot, Open-Ended
J32 J32 SLOT5-PCIe2 x8(4) PCI Express Gen 2 x8 (4) Slot, Open-Ended
J33 J33 SLOT4-PCIe3 x16 PCI Express Gen 3 x16 Graphics Slot
J34 J34 SLOT3-PCIe3 x16(8) PCI Express Gen 3 x16(8) Slot
J41 J41 SLOT2-PCIe3 x16 PCI Express Gen 3 x16 Graphics Slot
J42 J42 SLOT6-PCIe3 x16 PCI Express Gen 3 x16 Graphics Slot
J68 PS2 Stacked Keyboard/Mouse
J83 Triple Stacked Audio
P1 MAIN POWER Main Power Connector
P2 MEM PWR Memory Power Connector
P3 CPU0 PWR CPU0 Power Connector
P4 CPU1 PWR CPU1 Power Connector
P5 FRONT UI Front Power Button/LED/Speaker Header
P8 REAR FANS Rear Chassis Fans Header
P24 USB 2.0 Internal USB 2.0 2x5 Header
P25 USB 2.0 Internal USB 2.0 2x5 Header
P26 USB 2.0 DASH Internal USB 2.0 2x5 Header
P27 FRONT USB 2.0 Front USB 2.0 Header
HP Z820 Workstations 177

Designator Name on board Component
P28 FRONT AUDIO Front Audio
P29 Front USB 3.0 Front USB 3.0 Header
P54 SERIAL Serial Port
P60 SATA0 AHCI SATA0 Connector
P61 SATA1 AHCI SATA1 Connector
P62 SCU3 SCU SATA3 Connector
P63 SCU2 SCU SATA2 Connector
P64 SCU1 SCU SATA1 Connector
P65 SCU0 SCU SATA0 Connector
P70 CPU+MEM FANS CPU and Memory Fans
P80 SAS0 SAS/SATA Port 0
P81 SAS1 SAS/SATA Port 1
P82 SAS2 SAS/SATA Port 2
P83 SAS3 SAS/SATA Port 3
P84 SAS4 SAS/SATA Port 4
P85 SAS5 SAS/SATA Port 5
P86 SAS6 SAS/SATA Port 6
P87 SAS7 SAS/SATA Port 7
P93 FRNT FAN2 Front Fan 2 Header
P94 FRNT FAN1 Front Fan 1 Header
P125 LC1 Liquid Cooling Header 1
P126 LC0 Liquid Cooling Header 0
SW3 SW3 Rear Power Button/LED
SW50 CMOS Clear CMOS Button
XBT1 XBT1 Battery
XMM1 CPU0-DIMM8 CPU0 Memory DIMM8
XMM2 CPU0-DIMM7 CPU0 Memory DIMM7
XMM3 CPU0-DIMM6 CPU0 Memory DIMM6
XMM4 CPU0-DIMM5 CPU0 Memory DIMM5
XMM5 CPU0-DIMM1 CPU0 Memory DIMM1
XMM6 CPU0-DIMM2 CPU0 Memory DIMM2
XMM7 CPU0-DIMM3 CPU0 Memory DIMM3
XMM8 CPU0-DIMM4 CPU0 Memory DIMM4
XMM9 CPU1-DIMM1 CPU1 Memory DIMM1
178 Appendix C System board designators

Designator Name on board Component
XMM10 CPU1-DIMM2 CPU1 Memory DIMM2
XMM11 CPU1-DIMM3 CPU1 Memory DIMM3
XMM12 CPU1-DIMM4 CPU1 Memory DIMM4
XMM13 CPU1-DIMM8 CPU1 Memory DIMM8
XMM14 CPU1-DIMM7 CPU1 Memory DIMM7
XMM15 CPU1-DIMM6 CPU1 Memory DIMM6
XMM16 CPU1-DIMM5 CPU1 Memory DIMM5
HP Z820 Workstations 179

Index
B
BIOS ROM 40
C
Cable management 78
CMOS 153
clearing and resetting 155
Computer Setup (F10) Utility 41
Menu description 43
Configuring RAID devices 161
maximum hard drives
allowed 161
SAS RAID on LSI 2308 or LSI
9212-4i controllers 166
SAS RAID on LSI 9260-8i
MegaRAID controller 169
SATA RAID 163
D
Desktop management 57
Altiris Client Management
Solutions 60
FailSafe Boot Block ROM 61
Fault notification and
recovery 72
HP Client Manager Software
60
HP SoftPaq Download
Manager 60
HPQFlash 61
Initial configuration 58
programmable power button
73
Remote ROM Flash 61
Remote system install 58
ROM Flash 61
System Software Manager 61
Updating software 60
Workstation security 62
Diagnostic codes and errors 145
LED and beep codes 145
LED colors 148
POST errors 148
Diagnostics 112
Diagnostics and troubleshooting
Diagnosis guidelines 115
HP PC Hardware Diagnostics
140
HP Vision Diagnostics 131
Locating ID labels 114
Locating warranty info 115
DIMM configurations, supported
98
DIMM installation order
HP Z420 Workstation 100,
101
HP Z620 Workstation 102
HP Z820 Workstation 103
E
Expansion card slot identification
HP Z220 CMT Workstation 83
HP Z220 SFF Workstation 81
HP Z420 Workstation 85
HP Z620 Workstation 87
HP Z820 Workstation 89
M
Memory
DIMM installation guidelines
99
O
Operating system setup 157
P
Password configuration 153
Password jumper
resetting 154
Power supply
Expansion card configuration
restrictions 80
power consumption 106
resetting 106
specifications 104
Product features 1
Computer components 4
ERP compliance mode 38
Front panel components 2
HP Cool Tools 39
Hyper-threading 39
Physical characteristics 7, 14,
21, 28, 35
Rear panel components 3, 9,
10
SATA Power Management 39
System board architecture 6,
13, 20, 27
Turbo Boost 39
Product overview 1
R
Replacing components
Battery 77
cable management 78
Component locations 5, 12,
19, 26, 33
CPU (processor) and CPU
heatsink 79
expansion slots 80
guidelines 77
hard disk drive 91
information and guidelines 74
Memory 98
power supply 104
Service considerations 75
warnings and cautions 74
S
System board components 5
System board designators 173
System management 38
T
Troubleshooting 112
W
Workstation components
HP Z420 Workstation 15
HP Z420 Workstation front
panel 16
HP Z420 Workstation rear
panel 17
HP Z620 Workstation 23