HP Z240 Workstation Maintenance And Service Guide
User Manual: HP Z240 Workstation - Maintenance and Service Guide shared.swissparts.ch - /Manuals/HP/PC/Workstation/
Open the PDF directly: View PDF
.
Page Count: 106 [warning: Documents this large are best viewed by clicking the View PDF Link!]
- Hardware overview
- System management
- Power management and performance features
- BIOS ROM
- Computer Setup (F10) Utilities
- Desktop management
- Initial computer configuration and deployment
- Installing a remote system
- Copying a setup configuration to another computer
- Updating and managing software
- HP Client Management Solutions
- Altiris Client Management Solutions
- HP SoftPaq Download Manager
- System Software Manager
- ROM Flash
- FailSafe Boot Block
- Workstation security
- Fault notification and recovery
- Programmable power button (Windows only)
- Component replacement information and guidelines
- Diagnostics and troubleshooting
- Calling support
- Locating ID labels
- Locating warranty information
- Diagnosis guidelines
- Troubleshooting checklist
- HP troubleshooting resources and tools
- Troubleshooting scenarios and solutions
- Using HP PC Hardware Diagnostics (UEFI)
- POST error messages and diagnostic front panel LEDs and audible codes
- Interpreting system validation diagnostic front panel LEDs and audible codes
- Configuring password security and resetting CMOS
- Linux technical notes
- Configuring RAID devices
- System board designators
- Index

HP Z240 Workstation
Maintenance and Service Guide

Copyright Information
© Copyright 2015 HP Development Company,
L.P.
First Edition: October 2015
Part number: 819475-001
Warranty
The information contained herein is subject to
change without notice. The only warranties for
HP products and services are set forth in the
express warranty statements accompanying
such products and services. Nothing herein
should be construed as constituting an
additional warranty. HP shall not be liable for
technical or editorial errors or omissions
contained herein.
Not all features are available in all editions of
Windows. This computer may require upgraded
and/or separately purchased hardware, drivers,
and/or software to take full advantage of
Windows functionality. See
http://www.microsoft.com for details.
Trademark Credits
ENERGY STAR is a registered trademark owned
by the U.S. Environmental Protection Agency
(EPA).
Intel, Core, Pentium, and Xeon are trademarks
are trademarks of Intel Corporation in the U.S.
and other countries.
Windows is a U.S. registered trademark of
Microsoft Corporation.
NVIDIA and the NVIDIA logo are trademarks
and/or registered trademarks of NVIDIA
Corporation in the U.S. and other countries.

About this guide
This guide provides service and maintenance information, technical details, and conguration guidance for
your workstations.
IMPORTANT: Removal and replacement procedures are now available in videos on the HP website.
Go to http://www.hp.com/go/sml.
Guide topics
Hardware overview on page 1
System management on page 16
Component replacement information and guidelines on page 41
Diagnostics and troubleshooting on page 60
Conguring password security and resetting CMOS on page 82
Conguring RAID devices on page 88
System board designators on page 92
NOTE: View the HP Workstation User Guide for your workstation at http://www.hp.com/support/
workstation_manuals.
iii
iv About this guide

Table of contents
1 Hardware overview ........................................................................................................................................ 1
HP Z240 SFF Workstation components ................................................................................................................. 2
HP Z240 SFF Workstation front panel ................................................................................................ 2
HP Z240 SFF Workstation rear panel .................................................................................................. 3
Chassis components ............................................................................................................................ 4
System board components ................................................................................................................. 5
System board architecture .................................................................................................................. 6
Workstation specications .................................................................................................................. 7
HP Z240 Tower Workstation components ............................................................................................................. 8
HP Z240 Tower Workstation front panel ............................................................................................ 8
HP Z240 Tower Workstation rear panel .............................................................................................. 9
Chassis components .......................................................................................................................... 10
System board components ............................................................................................................... 11
System board architecture ................................................................................................................ 12
Workstation specications ................................................................................................................ 13
Product specications ......................................................................................................................................... 14
Workstation weights and dimensions .............................................................................................. 14
Environmental specications ............................................................................................................ 14
Ensuring proper ventilation ................................................................................................................................. 15
2 System management ................................................................................................................................... 16
Power management and performance features ................................................................................................. 16
ERP compliance mode ....................................................................................................................... 16
Hyper-Threading Technology (HTT) .................................................................................................. 17
SATA Power Management ................................................................................................................. 17
Intel Turbo Boost Technology ........................................................................................................... 17
Non-Uniform Memory Access (NUMA) .............................................................................................. 17
BIOS ROM ............................................................................................................................................................. 17
Computer Setup (F10) Utilities ............................................................................................................................ 18
Using Computer Setup (F10) Utilities ................................................................................................ 18
Computer Setup–Main ....................................................................................................................... 20
Computer Setup—Security ............................................................................................................... 22
Computer Setup—Advanced ............................................................................................................. 24
Desktop management ......................................................................................................................................... 29
Initial computer conguration and deployment ............................................................................... 30
Installing a remote system ............................................................................................................... 30
v
Copying a setup conguration to another computer ....................................................................... 30
Updating and managing software .................................................................................................... 31
HP Client Management Solutions ..................................................................................................... 31
Altiris Client Management Solutions ................................................................................................. 31
HP SoftPaq Download Manager ........................................................................................................ 32
System Software Manager ................................................................................................................ 32
ROM Flash .......................................................................................................................................... 32
Remote ROM Flash .......................................................................................................... 32
HPQFlash ......................................................................................................................... 32
FailSafe Boot Block ............................................................................................................................ 32
Recovering the computer by using FailSafe Boot Block recovery mode ........................ 33
Workstation security ......................................................................................................................... 33
Asset tracking ................................................................................................................. 33
SATA hard drive security ................................................................................................. 34
DriveLock applications ................................................................................. 34
Using DriveLock ............................................................................................ 35
Password security ........................................................................................................... 36
Establishing an administrator password using Computer Setup (F10)
Utility ............................................................................................................ 36
Establishing a power-on password using Computer Setup (F10) Utility ..... 37
Entering a power-on password .................................................................... 37
Entering an administrator password ........................................................... 38
National keyboard delimiter characters ...................................................... 38
Clearing passwords ...................................................................................... 38
Chassis security .............................................................................................................. 39
Smart Cover Sensor (optional) ..................................................................... 39
Side access panel solenoid lock ................................................................... 39
Cable lock (optional) ..................................................................................... 39
Fault notication and recovery ......................................................................................................... 39
ECC fault prediction ......................................................................................................... 40
Thermal sensors ............................................................................................................. 40
Programmable power button (Windows only) .................................................................................. 40
Changing the power button conguration (Windows only) ........................................... 40
3 Component replacement information and guidelines ...................................................................................... 41
Warnings and cautions ........................................................................................................................................ 42
Service considerations ......................................................................................................................................... 42
Tools and software requirements ..................................................................................................... 42
Electrostatic discharge (ESD) information ........................................................................................ 43
Product recycling ................................................................................................................................................. 44
Component replacement guidelines ................................................................................................................... 44
vi
Battery ............................................................................................................................................... 45
Cable management ........................................................................................................................... 45
CPU (processor) and CPU heatsink .................................................................................................... 46
Expansion slots ................................................................................................................................. 47
Card conguration restrictions for power supplies ........................................................ 47
Choosing an expansion card slot .................................................................................... 47
SFF workstation slot identication and description ...................................................... 48
SFF workstation installation sequence recommendations ............................................ 49
Tower workstation slot identication and description .................................................. 50
Tower workstation installation sequence recommendations ....................................... 51
Hard drives and optical disc drives ................................................................................................... 51
Handling hard drives ....................................................................................................... 51
Removal and replacement tips ....................................................................................... 52
Drive installation and cabling scenarios ......................................................................... 52
SFF workstations—SATA cable connection guidelines ................................ 52
Tower workstations—SATA cable connection guidelines ............................ 52
Memory .............................................................................................................................................. 53
Supported DIMM congurations ..................................................................................... 53
BIOS errors and warnings ............................................................................................... 53
DIMM installation guidelines .......................................................................................... 53
SFF workstation DIMM installation order ....................................................................... 54
Tower workstation DIMM installation order ................................................................... 55
Power supply ..................................................................................................................................... 56
Power supply specications ........................................................................................... 56
Power consumption and heat dissipation ...................................................................... 57
Resetting the power supply ............................................................................................ 57
System board .................................................................................................................................... 57
System cabling ................................................................................................................ 58
SFF workstation system cabling .................................................................. 58
Tower workstation system cabling .............................................................. 59
4 Diagnostics and troubleshooting .................................................................................................................. 60
Calling support ..................................................................................................................................................... 60
Locating ID labels ................................................................................................................................................ 61
Locating warranty information ........................................................................................................................... 61
Diagnosis guidelines ............................................................................................................................................ 61
Diagnosis at startup .......................................................................................................................... 61
Diagnosis during operation ............................................................................................................... 62
Troubleshooting checklist ................................................................................................................................... 62
HP troubleshooting resources and tools ............................................................................................................. 63
Online support ................................................................................................................................... 63
vii
HP Support Center .......................................................................................................... 63
HP Chat Support .............................................................................................................. 63
Customer Advisories, Customer and Security Bulletins, and Customer Notices ........... 63
Product Change Notications ....................................................................... 64
Helpful hints ...................................................................................................................................... 64
At startup ........................................................................................................................ 64
During operation ............................................................................................................. 64
Customer Self Repair ...................................................................................................... 65
Troubleshooting scenarios and solutions ........................................................................................................... 66
Solving minor problems .................................................................................................................... 66
Solving hard drive problems ............................................................................................................. 67
Solving display problems .................................................................................................................. 69
Solving audio problems ..................................................................................................................... 71
Solving printer problems ................................................................................................................... 72
Solving power supply problems ........................................................................................................ 72
Testing power supply ...................................................................................................... 72
Using HP PC Hardware Diagnostics (UEFI) ........................................................................................................... 73
Downloading HP PC Hardware Diagnostics (UEFI) to a USB device .................................................. 74
POST error messages and diagnostic front panel LEDs and audible codes ....................................................... 74
POST numeric codes and text messages .......................................................................................... 75
Interpreting system validation diagnostic front panel LEDs and audible codes ................................................ 80
5 Conguring password security and resetting CMOS ........................................................................................ 82
Preparing to congure passwords ...................................................................................................................... 82
Resetting the password jumper .......................................................................................................................... 82
Clearing and resetting the BIOS ........................................................................................................................... 83
Appendix A Linux technical notes .................................................................................................................... 85
System RAM ......................................................................................................................................................... 85
Audio .................................................................................................................................................................... 85
Network cards ...................................................................................................................................................... 86
Hyper-Threading Technology .............................................................................................................................. 86
NVIDIA Graphics Workstations ............................................................................................................................. 86
AMD Graphics Workstations ................................................................................................................................ 87
Appendix B Conguring RAID devices ............................................................................................................... 88
RAID hard drive maximum and associated storage controller options .............................................................. 88
Supported RAID congurations ........................................................................................................................... 89
Conguring Intel SATA RAID ................................................................................................................................. 89
Conguring system BIOS ................................................................................................................... 89
viii
Conguring RAID with the Intel utility .............................................................................................. 90
Software RAID solution ........................................................................................................................................ 90
Software RAID considerations .......................................................................................................... 90
Performance considerations ............................................................................................................. 91
Conguring software RAID ................................................................................................................ 91
Appendix C System board designators ............................................................................................................. 92
SFF workstation system board designators ....................................................................................................... 92
Tower workstation system board designators ................................................................................................... 93
Index ............................................................................................................................................................. 95
ix
x

HP Z240 SFF Workstation components
This section describes the HP Z240 Small Form Factor (SFF) Workstation components.
For complete and current information on supported accessories and components for the computer, see
http://partsurfer.hp.com.
HP Z240 SFF Workstation front panel
1Power button 6USB 2.0 port, charging (1, black)
2 HDD LED 7USB 2.0 port (1, black)
3 Optional optical disc drive (not shown) 8USB 3.0 ports (2) (blue)
4Optional hard disk drive (not shown) 9
Microphone or headphones connector
(software selectable, default mode is
microphone)
5 Optional media card reader (shown) 10 Headphones connector
2 Chapter 1 Hardware overview

HP Z240 SFF Workstation rear panel
1 Power cord connector 6USB 3.0 ports (6) (blue)
2Audio line-in connector (blue) 7Serial port
3RJ–45 network connector 8DisplayPort (DP) (3)
4PS/2 mouse connector (green) 9PS/2 keyboard connector (purple)
5Audio line-out connector (green)
NOTE: The labels for the rear panel connectors use industry-standard icons and colors.
NOTE: The DP ports are not supported when the system is congured with Intel® Xeon E3-12x0 v5 processors. For all other processors, these DP ports are
disabled by default when a discrete graphics card is installed.
NOTE: Simultaneous usage of integrated Intel HD graphics and discrete graphics cards (in order to drive more than three displays) can be enabled using the
Computer (F10) Setup Utility. However, HP recommends using only discrete graphics cards when attaching four or more displays.
HP Z240 SFF Workstation components 3

Chassis components
For complete and current information on supported accessories and components for the computer, go to
http://partsurfer.hp.com.
The following image shows the components of a typical SFF computer layout. Drive congurations can vary.
Item Description Item Description
1Access panel 6Slim optical drive
2Power supply 7Front bezel
3Chassis 8Airow guide
4System board 9Optional memory card reader or second hard drive
5Fan bae 10 Hard drive
4 Chapter 1 Hardware overview

System board components
The following illustration and table identify the system board components for the SFF workstation.
I/O SATA Power
1Dual-Mode DisplayPort 16 USB 3.1 (option) 26 Battery
2DisplayPort SATA 27 Processor power
3Front audio 17 AHCI 6Gb/s 28 Front power button/LED
4Front speaker PCI/PCIe 29 Main power
5Front USB 2.0 18 PCIe3 x16 30 Power COMM
6Front USB 3.0 19 PCIe3 x1 31 SATA power
7Internal USB 2.0 20 PCIe3 x1 Security
8Internal USB 3.0 21 PCIe3 x16 (4) 32 Chassis solenoid lock
9Keyboard / mouse 22 Z turbo drive LED (E19) 33 Hood sensor
10 Network / rear USB 3.0 NOTE: For related expansion card
slot information, see Expansion slots
on page 47
Service
11 Thunderbolt (option) M.2 34 Clear CMOS button
12 Rear audio 23 PCIe3 x4 35 ME/AMT ash override
13 Rear USB 3.0 Cooling 36 Password jumper
14 Serial 24 Processor fan
15 Serial (option) 25 Rear fan
HP Z240 SFF Workstation components 5

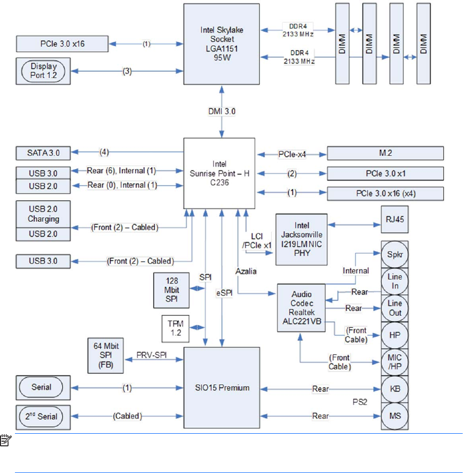
System board architecture
The following gure shows the typical system board block diagram.
NOTE: The PCIe designators indicate the mechanical connector size and number of electrical PCIe lanes
routed to an expansion slot. For example, x16(4) means that the expansion slot is mechanically a x16 length
connector, with 4 PCIe lanes supported.
6 Chapter 1 Hardware overview

Workstation specications
SFF
Processor
technology
Intel Series C236 chipset:
●Support for the Intel® Xeon® Processor E3 v5 Family, sixth-generation Intel Core™ processors up to 95
W, or Intel Pentium® processors
●Integrated 2-channel memory controller
●Microarchitecture improvements
●Integrated graphics (some models)
●Advanced Vector Extensions (AVX) to increase oating point performance
●Intel DMI3 interface connecting the processor to the I/O controller
Power supply
●240 W, 92% ecient, compatible with ENERGY STAR® Version 6.1 requirements
●200 W, 85% ecient, compatible with ENERGY STAR Version 6.1 requirements
●Supports European Union ERP Lot 6 tier 2 power limit of less than 0.5W in o mode
Memory
technology
●Dual in-line memory modules (DIMMs) based on DDR4 2133 MHz technology
●Supports error checking and correcting (ECC) and non-ECC DIMMs
●Two direct-attach memory channels enable low-latency access and fast data transfer for improved
performance
●Up to 64 GB system memory (16 GB DIMMs)
●2133 MHz 4, 8, 16 GB ECC unbuered DIMM
●2133 MHz 4, 8, 16 GB non ECC unbuered DIMM
Graphics cards
Supports:
●Up to PCIe Gen 3 bus speeds.
●PCIe x16 cards are supported in both x16 mechanical slots. Multiple graphics cards are supported,
provided their total power consumption is less than 45W.
●Up to three displays with integrated Intel HD graphics (depending on processor type)
●The total number of displays supported depends on the number of graphics cards present, and the
number of outputs on each card.
●Windows 10 supports display output from both integrated graphics capable processors and discrete
graphics cards. This feature is enabled by default, and can be changed through the Computer Setup
(F10) Utility.
NOTE: Most supported Intel Core processors provide Intel HD Graphics 510/530; Intel Xeon processors with
model designations that end in "___5" provide Intel HD Graphics P530.
NOTE: To drive more than three displays, use Computer Setup (F10) Utility to intermix integrated Intel HD
graphics and discrete graphics cards (with four or more displays, HP recommends using only discrete
graphics cards).
I/O technology
●RAID congurations for SATA RAID levels 0, 1
●Two external and one internal USB 2.0 ports (includes front charging port)
●Eight external USB 3.0 ports and one internal USB 3.0 port
●Three DisplayPort 1.2 connectors
●Serial header that can be used with an optional PCI bulkhead connector
●Native M.2 connector with PCIe x4 interface
HP Z240 SFF Workstation components 7

HP Z240 Tower Workstation components
This section describes the HP Z240 Tower Workstation components.
For complete and current information on supported accessories and components for the computer, see
http://partsurfer.hp.com.
HP Z240 Tower Workstation front panel
1Optional hard disk/optical disc drive (not
shown) 7USB 2.0 ports (1) (black)
2Optional hard disk/optical disc drive (not
shown) 8USB 3.0 ports (2) (blue)
3 Optical disc drive 9
Microphone or headphones connector
(software selectable, default mode is
microphone)
4Power button 10 Headphone connector
5Hard disk drive activity light 11 Optional media card reader (shown)
6USB 2.0 port, charging (1, black)
8 Chapter 1 Hardware overview

HP Z240 Tower Workstation rear panel
1 Power cord connector
8
Audio line-out connector (green)
2PS/2 keyboard connector (purple) 9PS/2 mouse connector (green)
3USB 2.0 ports (2) (black) 10 RJ-45 network connector
4Display Port (DP) connectors (2) 11 Cable lock slot
5DVI-D connector 12 Padlock loop
6USB 3.0 ports (4) (blue) 13 Audio line-in connector (blue)
7Microphone connector (pink)
NOTE: The labels for the rear panel connectors use industry-standard icons and colors.
NOTE: The DP and DVI-D ports are not supported when the system is congured with Intel Xeon E3-12x0 v5 processors. Also, if a discrete graphics card is installed
these ports are disabled by default.
NOTE: Simultaneous usage of integrated Intel HD graphics and discrete graphics cards (in order to drive more than three displays) can be enabled using the
Computer (F10) Setup Utility. However, HP recommends using only discrete graphics cards when attaching four or more displays.
HP Z240 Tower Workstation components 9

Chassis components
The following gure shows the chassis components of a typical tower workstation layout. Drive
congurations can vary.
Item Description Item Description
1 Power supply 6 Slim optical drive
2 Side access panel 7 Hard drive
3 Cooler 8 Optional second optical drive
4 System board 9 Optional solid state drive
5 Chassis 10 Front bezel
10 Chapter 1 Hardware overview

System board components
The following illustration and table identify the system board components for the tower workstation.
I/O SATA Power
1Dual-Mode DisplayPort 15 AHCI 6Gb/s 25 Battery
2DVI video PCI/PCIe 26 Processor power
3Front audio 16 Z turbo drive LED (E19) 27 Front power button/LED
4Front speaker 17 PCIe3 x1 28 Main power
5Front USB 2.0 18 PCIe3 x16 29 SATA power
6Front USB 3.0 19 PCIe3 x4 30 Power COMM
7Internal USB 2.0 20 PCIe3 x16 (4) Security
8Internal USB 3.0 21 PCI (optional) 31 Chassis solenoid lock
9Keyboard / mouse NOTE: For related expansion card
slot information, see Expansion slots
on page 47
32 Hood sensor
10 Network / rear USB 2.0 M.2 Service
11 Thunderbolt (optional) 22 PCIe3 x4 33 Clear CMOS button
12 Rear audio Cooling 34 ME/AMT ash override
13 Rear USB 3.0 23 Processor fan 35 Password jumper
14 Serial (optional) 24 Rear fan
HP Z240 Tower Workstation components 11

System board architecture
NOTE: The PCIe designators indicate the mechanical connector size and number of electrical PCIe lanes
routed to an expansion slot. For example, x16(4) means that the expansion slot is mechanically a x16 length
connector, with 4 PCIe lanes supported.
12 Chapter 1 Hardware overview

Workstation specications
Tower
Processor
technology
Intel Series C236 chipset:
●Support for the Intel Xeon Processor E3 v5 Family or sixth-generation Intel Core processors up to 95 W
●Integrated 2-channel memory controller
●Microarchitecture improvements
●Integrated graphics (some models)
●Advanced Vector Extensions (AVX) to increase oating point performance
●Intel DMI3 interface connecting the processor to the I/O controller
Power supply
●400 W, 92% ecient, compatible with ENERGY STAR Version 6.1 requirements
●280 W, 90% ecient, compatible with ENERGY STAR Version 6.1 requirements
●Supports European Union ERP Lot 6 tier2 power limit of less than 0.5 W in o mode
Memory
technology
●Dual in-line memory modules (DIMMs) based on DDR4 2133MHz technology
●Supports error checking and correcting (ECC) and non-ECC DIMMs
●Two direct-attach memory channels enable low-latency access and fast data transfer
●Up to 64 GB system memory (16 GB DIMMs)
●2133 MHz 4, 8, 16 GB ECC unbuered DIMM
●2133 MHz 4, 8, 16 GB non ECC unbuered DIMM
Graphics cards
Supports:
●Up to PCIe Gen 3 bus speeds.
●PCIe x16 cards are supported in both x16 mechanical slots. Multiple graphics cards are supported,
provided their total power consumption is less than 45W.
●Up to three displays with integrated Intel HD graphics (depending on processor type).
●The total number of displays supported depends on the number of graphics cards present, and the
number of outputs on each card.
●Windows 10 supports display output from both integrated graphics capable processors and discrete
graphics cards. This feature is enabled by default, and can be changed through the Computer Setup
(F10) Utility.
NOTE: Most supported Intel Core processors provide Intel HD Graphics 510/530; Intel Xeon processors with
model designations that end in "___5" provide Intel HD Graphics P530.
NOTE: To drive more than three displays, use Computer Setup (F10) Utility to intermix integrated Intel HD
graphics and discrete graphics cards (with four or more displays, HP recommends using only discrete
graphics cards).
I/O technology
●RAID congurations for SATA RAID levels 0, 1
●Supports eSATA (3.0 Gbps) at only one SATA port (P3) using an optional adapter
●Four external and two internal USB 2.0 ports
●Six external and one internal USB 3.0 port
●Two DisplayPort 1.2 connectors
●One DVI-D connector
●Serial header that can be used with an optional PCI bulkhead connector
HP Z240 Tower Workstation components 13

Tower
●Native M.2 connector with PCIe x4 interface
Product specications
Workstation weights and dimensions
Characteristic HP Z240 SFF HP Z240 Tower
Weight
Standard conguration 6.7 kg (14.86 lb.) 9.4 kg (20.79 lb)
Minimum conguration 5.7 kg (12.66 lb) 8.6 kg (18.95 lb)
Maximum conguration 7.7 kg (16.93 lb) 11.9 kg (26.20 lb)
Chassis dimensions
Tower conguration
Height 33.8 cm (13.3 in) 39.9 cm (15.7 in)
Width 10.0 cm (3.95 in) 17.0 cm (6.7 in)
Depth 38.1 cm (15.0 in) 44.2 cm (17.4 in)
Chassis dimensions
Converted desktop conguration
Height 10.0 cm (3.95 in) 17.0 cm (6.7 in)
Width 33.8 cm (13.3 in) 39.9 cm (15.7 in)
Depth 38.1 cm (15.0 in) 44.2 cm (17.4 in)
Environmental specications
Characteristic HP Z240 SFF and Z240 Tower Workstations
Temperature
Operating: 5°C to 35°C (40°F to 95°F)
Non-operating: -40°C to 60°C (-40°F to 140°F)
NOTE: Derate by 1°C (1.8°F) for every 305 m (1,000 ft) altitude over 1,524 m (5,000 ft).
Humidity
Operating: 8% to 85% relative humidity, non-condensing
Non-operating: 8% to 90% relative humidity, non-condensing
Altitude
Operating: 0 to 3,048 m (10,000 ft)
Non-operating: 0 to 9,144 m (30,000 ft)
Shock
Operating: ½-sine: 40g, 2-3ms
Non-operating:
●½-sine: 160 cm/s, 2-3ms (~100g)
●square: 422 cm/s, 20g
NOTE: Values represent individual shock events and do not indicate repetitive shock events.
Vibration
Operating Random: 0.5g (rms), 5-300 Hz
Non-Operating: random: 2.0g (rms), 10-500 Hz
NOTE: Values do not indicate continuous vibration.
14 Chapter 1 Hardware overview

Ensuring proper ventilation
Proper ventilation for the system is important for workstation operation. Follow these guidelines:
●Operate the workstation on a sturdy, level surface.
●Provide at least 15.24 cm (6 inches) of clearance at the front and back of the workstation. (Workstation
models vary.)
●Be sure that the ambient air temperature falls within the environmental specications listed in this
document.
NOTE: The ambient upper limit of 35°C (95°F) is only good up to 1524 m (5000 ft) elevation. There is a
1°C (33.8°F) per 304.8 m (1000 ft) derating above 1524 m (5000 ft). So, at 3,048 m (10,000 ft), the
upper ambient air temperature limit is 30°C (86°F).
●For cabinet installation, be sure that adequate cabinet ventilation and the ambient temperature within
the cabinet does not exceed specied limits.
●Never restrict the incoming or outgoing airow of the workstation by blocking any vents or air intakes,
as shown in the following gure.
Ensuring proper ventilation 15

2 System management
This section describes the tools and utilities that provide system management for the workstation.
Topics
Power management and performance features on page 16
BIOS ROM on page 17
Computer Setup (F10) Utilities on page 18
Desktop management on page 29
Power management and performance features
ERP compliance mode
This computer provides ERP compliance mode capability.
When enabled, the computer shuts down to the lowest possible power state. The computer must then be
turned on with the power button. One of the eects is that "wake on LAN" is disabled.
When disabled, the computer powers down conventionally.
Enabling ERP compliance mode
1. Press F10 during startup.
2. Using the arrow keys, select the Advanced > Power Management Options, and then select S5
Maximum Power Savings.
3. Select Main > Save Change and Exit, and then press enter to accept the change.
4. If using Windows 8 or Windows 8.1, boot to Windows and search in the Start Menu for the
setting Choose what the power buttons do. Uncheck Turn on fast startup (recommended). If
the checkbox is not available, select Change settings that are currently unavailable at the
top of the window.
If using Windows 10, use the taskbar search eld to search for Power Options. Select Choose
what the power button does, then select Turn on fast startup (recommended).
Disabling ERP compliance
mode
1. Press F10 during startup.
2. Using the arrow keys, select Advanced > Power Management Options, then clear S5
Maximum Power Savings.
3. Select Main > Save Change and Exit, and then press enter to accept the change.
4. If using Windows 8 or Windows 8.1, boot to Windows and search in the Start Menu for the
setting Choose what the power buttons do. Check Turn on fast startup (recommended). If
the check box is not available, select Change settings that are currently unavailable at the
top of the window.
If using Windows 10, use the taskbar search eld to search for Power Options. Select Choose
what the power button does, then select Turn on fast startup (recommended).
16 Chapter 2 System management

Hyper-Threading Technology (HTT)
This computer supports HTT, an Intel-proprietary technology that improves processor performance through
parallelization of computations (doing multiple tasks at once).
The operating system treats an HTT-enabled processor as two virtual processors, and shares the workload
between them when possible. This feature requires that the operating system support multiple processors
and be specically optimized for HTT.
Use Computer Setup (F10) Utility to enable HTT.
Go to http://www.hp.com/go/quickspecs to determine if your CPU supports HTT.
SATA Power Management
SATA Power Management enables or disables SATA bus and/or device power management.
Intel Turbo Boost Technology
Your workstation supports Intel® Turbo Boost Technology.
This feature enables the CPU to run at a higher than normal rate. When all CPU cores are not necessary for the
workload, inactive cores are turned o and power is diverted to the active cores to increase their
performance.
Turbo Boost is enabled and disabled with Computer Setup (F10) Utility.
Go to http://www.hp.com/go/quickspecs to determine if your CPU supports Turbo Boost.
Non-Uniform Memory Access (NUMA)
Non-uniform memory access (NUMA) is available on some workstations. NUMA can improve memory
bandwidth and latency for multi-process or multi-threaded applications or workloads. Observed performance
improvements depend on the operating system, customer workload, system conguration, and the degree to
which the applications used are designed to be NUMA-aware/ecient.
NUMA requires that both processor sockets be populated. Installed memory should be balanced between both
processors for maximum performance.
NUMA is enabled if Memory Node Interleave is disabled in the system BIOS. To do this, press F10 during
startup to enter Computer Setup (F10) Utility. Select Advanced > Chipset/Memory. Use the arrow keys to set
Memory Node Interleave to Disable. Press F10 to exit the menu, and then select Main > Save Changes and
Exit. Your change takes eect when the computer restarts.
BIOS ROM
The BIOS ROM is a collection of machine language applications stored as rmware in ROM. It includes
functions such as Power-On Self-Test (POST), PCI device initialization, Plug and Play support, power
management, and Computer Setup (F10) Utility.
Go to http://www.hp.com/go/quickspecs to review the latest BIOS ROM specications.
BIOS ROM 17

Computer Setup (F10) Utilities
Use Computer Setup (F10) Utility to do the following:
●Change settings from the defaults or restore the settings to default values.
●View the system conguration, including settings for processor, graphics, memory, audio, storage,
communications, and input devices.
●Modify the boot order of bootable devices such as hard drives, optical drives, or USB ash media devices.
●(Windows 7 only) Establish an Ownership Tag, the text of which is displayed each time the system is
turned on or restarted.
●Enter the Asset Tag or property identication number assigned by the company to this computer.
●Enable the power-on password prompt during system restarts (warm boots) as well as during power-on.
●Establish an administrator password that controls access to the Computer Setup (F10) Utility and the
settings described in this section.
●Establish minimum requirements for valid passwords, including length and required types of characters.
●Secure integrated I/O functionality, including the serial, USB, or audio, or embedded NIC, so that they
cannot be used until they are unsecured.
●Enable or disable dierent types of boot sources.
●Congure features such as Secure Boot, power management, virtualization support, and language and
keyboard type used in Setup and POST.
●Replicate the system setup by saving system conguration information on a USB device and restoring it
on one or more computers.
●Enable or disable DriveLock security or securely erase a hard drive (when supported by drive).
Using Computer Setup (F10) Utilities
Computer Setup can be accessed only by turning the computer on or restarting the system. To access the
Computer Setup Utilities menu, complete the following steps:
1. Turn on or restart the computer.
2. Repeatedly press F10 when the monitor light turns on to access the utility.
You can also press Esc to a menu that allows you to access dierent options available at startup,
including the Computer Setup utility.
NOTE: If you do not press F10 at the appropriate time, you must restart the computer and again
repeatedly press F10 when the monitor light turns green to access the utility.
3. A choice of four headings appears in the Computer Setup Utilities menu: Main, Security, Advanced, and
UEFI Drivers.
NOTE: Selecting UEFI Drivers restarts the computer into the 3rd party option ROM management
application. You can access this application directly by pressing F3 during startup.
4. Use the arrow (left and right) keys to select the appropriate heading. Use the arrow (up and down) keys
to select the option you want, then press Enter. To return to the Computer Setup Utilities menu, press
Esc.
5. To apply and save changes, select Main > Save Changes and Exit.
18 Chapter 2 System management

●If you have made changes that you do not want applied, select Ignore Changes and Exit.
●To restore settings from the Advanced and Main menus to original values, select Apply Factory
Defaults and Exit.
●To restore settings from the Advanced and Main menus to those previously saved by Save Custom
Defaults, select Apply Custom Defaults and Exit. If no custom defaults have been saved, then
factory defaults are used.
NOTE: Settings in the Security menu are not modied by Apply Defaults. Those values are reset by
Restore Security Settings to Factory Defaults at the bottom of the Security menu.
NOTE: Not all settings shown in the following sections are available for all models
CAUTION: Do NOT turn the computer power OFF while the BIOS is saving the Computer Setup (F10) changes
because the settings could become corrupted. It is safe to turn o the computer only after exiting the F10
Setup screen.
Computer Setup (F10) Utilities 19

Computer Setup–Main
NOTE: Support for specic Computer Setup options may vary depending on the hardware conguration.
Table 2-1 Computer Setup—Main
Option Description
System Information Lists all information in following list if Advanced System Information is selected. Lists smaller subset if
Basic System Information is selected.
●Product name
●Installed memory size
●Processor type
●Processor cache size (L1/L2/L3)
●Processor speed
●MicroCode Revision
●Processor Stepping
●Memory Speed
●DIMM size (for each installed module)
●System BIOS version
●ME Firmware version (Intel only)
●Video BIOS version
●Super I/O Firmware version
●Born On Date
●Serial Number
●SKU number
●UUID (Universally Unique Identier)
●Asset Tracking Number
●Feature Byte
●Build ID
●Product Family
●System Board ID
●System Board CT
●Integrated MAC Address
System Diagnostics If the hard drive has the HP Advanced Diagnostics installed, the application will launch. If HP Advanced
Diagnostics is not installed, then a basic version built into the BIOS will provide the capability to perform
the following functions:
●Memory Test
●Hard Drive Check
●Language
Update System BIOS Lets you update the system BIOS from www.hp.com or another network server, from a removable USB
drive, or from a le located on the hard drive.
●‘Check HP.com for BIOS Updates’ or ‘Check the Network for BIOS Updates’
20 Chapter 2 System management

Table 2-1 Computer Setup—Main (continued)
The string that appears here depends on the setting in ‘BIOS Update Preferences’.
●Lock BIOS Version
If this option is checked, the system is locked to the current BIOS version and updates are not
allowed.
●BIOS Update Preferences
Allows the administrator to select the source of network updates (www.hp.com or another network
server) and allows conguration of a periodic check for updates, including policies for:
■Check for updates and prompt the user to accept or reject the update at that time
■Check for updates and install all new versions
■Check for updates and install only new versions marked important
●Network Conguration Settings
●Update BIOS Using Local Media
Lets you access les on either USB storage or the hard drive. The HP BIOS Update and Recovery
application included in BIOS Softpaqs at www.hp.com will copy the BIOS le to the correct location
on the hard drive or USB device.
System IDs Lets you set the following values:
●Asset Tracking Number
●Ownership Tag
Replicated Setup Backup current settings to USB device
Saves system conguration to a formatted USB ash media device.
Restore current settings from USB device
Restores system conguration from a USB ash media device.
Save Custom Defaults Saves the current system conguration settings as the custom default set.
Apply Custom Defaults
and Exit
Applies the custom default settings to the computer after rebooting. Does not apply to options in the
Security menu.
Apply Factory Defaults
and Exit
Restores the factory system conguration settings to the computer after rebooting. Does not apply to
options in the Security menu.
Ignore Changes and Exit Exits Computer Setup without applying or saving any changes.
Save Changes and Exit Saves changes to current system conguration, exits Computer Setup, and reboots.
Computer Setup (F10) Utilities 21

Computer Setup—Security
NOTE: Support for specic Computer Setup options may vary depending on the hardware conguration.
Table 2-2 Computer Setup—Security
Option Description
Set up BIOS
Administrator Password
Lets you set and enable a BIOS administrator password, which includes the following privileges:
●Manage other BIOS users
●Full access to BIOS policy and settings
●Unlock the computer when other BIOS users fail the preboot authentication.
NOTE: Creating a BIOS user disables the Fast Boot option.
NOTE: If the password is set, it is required to change Computer Setup options, update the BIOS, and
make changes to certain plug and play settings under Windows.
Change BIOS
Administrator Password
(This selection is active
only if a BIOS
administrator password is
set.)
Lets you change the BIOS administrator password.
You must know the current password to be able to change it.
Password Policies Let you set the guidelines for a valid password. Options include:
●Password minimum length
●Requires at least one symbol
●Requires at least one number
●Requires at least one upper case character
●Requires at least one lower case character
●Allow spaces
Clear Password Jumper
Select ‘Honor’ to allow or ‘Ignore’ to not allow the absence of the password jumper to clear the passwords
at boot up. Default is ‘Honor’.
Security Conguration TPM Embedded Security
●TPM Device
Lets you set the Trusted Platform Module as available or hidden.
●TPM State
Select to enable the TPM.
●TPM Clear
Select to reset the TPM to an unowned state. After the TPM is cleared, it is also turned o. To
temporarily suspend TPM operations, turn the TPM o instead of clearing it.
CAUTION: Clearing the TPM resets it to factory defaults and turns it o. You will lose all created
keys and data protected by those keys.
BIOS Sure Start
●Verify Boot Block on every Boot
Select to check validity of boot block region each boot. If not selected, boot block region will be
validated on power cycles.
22 Chapter 2 System management

Table 2-2 Computer Setup—Security (continued)
●Data Recovery Policy
Select ‘Automatic’ or ‘Manual’ to set data recovery policy. ‘Manual’ lets you select whether or not to
execute recovery of a corrupted region if it is detected.
Dynamic Runtime Scanning of Boot Block
Veries the integrity of the BIOS boot block region several times each hour while the system is running.
Set Up BIOS Power-On
Password
Lets you set and enable a BIOS power-on password. The power-on password prompt appears after a
power cycle or reboot. If the user does not enter the correct power-on password, the unit will not boot.
Change BIOS Power-On
Password
(This selection is active
only if a BIOS power-on
password is set.)
Lets you change the BIOS power-on password.
You must know the current password to be able to change it.
DriveLock Allows you to assign or modify a master or user password for hard drives. When this feature is enabled,
the user is prompted to provide one of the DriveLock passwords during POST. If neither is successfully
entered, the hard drive will remain inaccessible until one of the passwords is successfully provided during
a subsequent cold-boot sequence.
NOTE: This selection will only appear when at least one drive that supports the DriveLock feature is
attached to the system.
CAUTION: Be aware that these settings take place immediately. A save is not necessary.
CAUTION: Be sure to document the DriveLock password. Losing a DriveLock password will render a drive
permanently locked.
After you select a drive, the following options are available:
Set DriveLock Master Password. Sets the drive’s master password but does not enable DriveLock.
Enable DriveLock. Sets the drive’s user password and enables DriveLock.
Secure Erase Lets you select a hard drive to completely erase.
Once a hard drive has been erased with a program that utilizes Secure Erase rmware commands, no le
recovery program, partition recovery program, or other data recovery method will be able to extract data
from the drive.
Save/Restore MBR of the
system hard drive
NOTE: Windows 8.1 and Windows 10 systems are generally not formatted to include an MBR. Instead
they use GUID Partition Table (GPT) format, which better supports large hard drives.
Enabling this feature will save the Master Boot Record (MBR) of the system hard drive. If the MBR gets
changed, the user will be prompted to restore the MBR. Default is disabled.
The MBR contains information needed to successfully boot from a disk and to access the data stored on
the disk. Master Boot Record Security may prevent unintentional or malicious changes to the MBR, such as
those caused by some viruses or by the incorrect use of certain disk utilities. It also allows you to recover
the "last known good" MBR, should changes to the MBR be detected when the system is restarted.
NOTE: Most operating systems control access to the MBR of the current bootable disk; the BIOS cannot
prevent changes that may occur while the operating system is running.
Restores the backup Master Boot Record to the current bootable disk. Default is disabled.
Only appears if all of the following conditions are true:
●MBR security is enabled
●A backup copy of the MBR has been previously saved
●The current bootable disk is the same disk from which the backup copy was saved
Computer Setup (F10) Utilities 23

Table 2-2 Computer Setup—Security (continued)
CAUTION: Restoring a previously saved MBR after a disk utility or operating system has modied the
MBR, may cause the data on the disk to become inaccessible. Only restore a previously saved MBR if you
are condent that the current bootable disk's MBR has been corrupted or infected with a virus.
Smart Cover Cover Lock (Lock/Unlock)
Default is ‘Unlock’.
Cover Removal Sensor (Disabled/Notify user/Administrator password)
Lets you disable the cover sensor or congure what action is taken if the computer cover was removed.
Default is ‘Disabled’.
NOTE: Notify user alerts the user with a POST error on the rst boot after the sensor detects removal of
the cover. If the password is set, Administrator Password requires that the password be entered to boot
the computer if the sensor detects that the cover has been removed.
System Management
Command
Allows authorized personnel to reset security settings during a service event. Default is enabled.
Restore Security
Settings to Default
This action resets security devices, clears BIOS passwords (not including DriveLock), and restores settings
in the Security menu to factory defaults.
Computer Setup—Advanced
NOTE: Support for specic Computer Setup options may vary depending on the hardware conguration.
Table 2-3 Computer Setup—Advanced (for advanced users)
Option Heading
Display Language Lets you select the language of the menus in F10 Setup and the keyboard layout.
Scheduled Power-On This feature wakes the system up from a powered o state at a specied date and time.
Boot Options Select the devices that the computer can boot from, as well as other options, including:
●Startup Menu Delay(sec). Enabling this feature will add a user-specied delay to the POST process.
One purpose for the delay is to provide additional time to activate hotkeys such as Esc for the
Startup Menu or F10 for Computer Setup.
●Fast Boot. Default is enabled for Windows 8.1 or later, and disabled for Windows 7 systems.
●CD-ROM Boot. Default is enabled.
●Network (PXE) Boot. Default is enabled.
●Prompt on Memory Size Change. Default is enabled.
●Prompt on Fixed Storage Change. Default is disabled.
●After Power Loss. Default is Power O.
■Power o—causes the computer to remain powered o when power is restored.
■Power on—causes the computer to power on automatically as soon as power is restored.
■Previous state—causes the computer to power on automatically as soon as power is restored,
if it was on when power was lost.
NOTE: If the system is congured to ‘Power On from Keyboard Ports’ (see Power Management
Options), then this setting is forced to ‘Power On’.
●Audio Alerts During Boot. Default is enabled. When disabled, most audible beeps from errors,
warnings, and password prompts during boot up are suppressed.
●UEFI Boot Order.
24 Chapter 2 System management

Table 2-3 Computer Setup—Advanced (for advanced users) (continued)
Default is enabled. Specify the order in which UEFI boot sources (such as a internal hard drive, USB
hard drive, USB optical drive, or internal optical drive) are checked for a bootable operating system
image.
UEFI boot sources always have precedence over legacy boot sources.
●Legacy Boot Order
Specify the order in which legacy boot sources (such as a network interface card, internal hard drive,
USB optical drive, or internal optical drive) are checked for a bootable operating system image.
Specify the order of attached hard drives. The rst hard drive in the order will have priority in the
boot sequence and will be recognized as drive C (if any devices are attached).
NOTE: To drag a device to a preferred place, press Enter.
NOTE: MS-DOS drive lettering assignments may not apply after a non-MS-DOS operating system has
started.
Shortcut to Temporarily Override Boot Order
To boot one time from a device other than the default device specied in Boot Order, restart the computer
and press Esc (to access the Startup menu) and then F9 (Boot Menu), or only F9 (skipping the Startup
menu) when the monitor light turns green. After POST is completed, a list of bootable devices is displayed.
Use the arrow keys to select the preferred bootable device and press Enter. The computer then boots
from the selected non-default device for this one time.
Secure Boot
Conguration
Congure Legacy Support and Secure Boot
Legacy Support – Lets you turn o all legacy support on the computer, including booting to DOS, running
legacy graphics cards, booting to legacy devices, and so on. Windows 7 for instance requires legacy
support, whereas Windows 8 does not.
Secure Boot – Lets you make sure an operating system is legitimate before booting to it, making Windows
resistant to malicious modication from preboot to full OS booting, preventing rmware attacks. UEFI and
Windows Secure Boot only allow code signed by pre-approved digital certicates to run during the
rmware and OS boot process.
Default is ‘Legacy Support Enable and Secure Boot Disable’ for Windows 7 and other non-Windows
congurations. Default is ‘Legacy Support Disable and Secure Boot Enable’ for Windows 8.1 and later
congurations.
Secure Boot Key Management
Lets you manage the custom key settings.
Clear Secure Boot Keys
Lets you delete any previously loaded custom boot keys. Clearing keys will disable secure boot. Default is
disabled.
Reset Secure Boot keys to factory defaults
Default is disabled.
Enable MS UEFI CA key
Disabling this setting alters the Secure Boot key list to further restrict the allowed software
components. Set this option to ‘disable’ to support Device Guard.
System Options Congure Storage Controller for RAID (enable/disable)
Lets you enable onboard RAID. Default is disabled.
POST Prompt for RAID Conguration (Intel only)
When disabled, the prompt for ‘RAID option ROM’ in legacy mode is suppressed.
Virtualization Technology (VTx) (Intel only)
Computer Setup (F10) Utilities 25

Table 2-3 Computer Setup—Advanced (for advanced users) (continued)
Controls the virtualization features of the processor. Changing this setting requires turning the computer
o and then back on. Default is disabled.
Virtualization Technology for Directed I/O (VTd) (Intel only)
Controls virtualization DMA remapping features of the chipset. Changing this setting requires turning the
computer o and then back on. Default is disabled.
PCI Express Slot x (enable/disable)
Lets you disable individual expansion slots.
Allow PCIe/PCI SERR# Interrupt (enable/disable)
Allows PCI devices to report PCI/PCIe System Error signals, such as address parity errors, data parity
errors, and critical errors other than parity. Default is enabled.
Power Button Override (disable/4 sec/15 sec)
Lets you disable or enable and select the number of seconds you have to hold down the power button for
it to force the system to power o. Default is ‘4 sec’.
Built-In Device Options Embedded LAN Controller
Select to show the device in the operating system. Default is enabled.
Wake On LAN
Lets you either disable the Wake On LAN feature, or congure where the computer boots, including the
network or hard drive. Default is Boot to Network.
Dust Filter (select models only)
Select to enable the Dust Filter replacement reminder, which can be set for 15, 30, 60, 90, 120, or 180
days. The reminder will show during POST after the reminder timer has expired.
Video Memory Size
Use this option to manage graphics memory allocation. The value you choose is allocated permanently to
graphics and is unavailable to the operating system.
Audio Device
Select to show the device in the operating system. Default is enabled.
Internal Speakers (does not aect external speakers)
Clear to disable the chassis speaker. This function is applicable to normal audio playback in the operating
system and does not aect the error or warning beeps during POST. Default is enabled.
Integrated Microphone
Clear to disable the integrated microphone. This does not aect devices plugged into audio jacks. Default
is enabled.
Integrated Camera
Clear to disable the integrated webcam. Default is enabled.
Increase Idle Fan Speed(%)
Sets idle fan speed percentage. This setting only changes the minimum fan speed. The fan is still
automatically controlled.
Fingerprint Device
Select to show the device in the operating system. Default is enabled.
Touch Panel
Clear to disable the display panel touch feature. Default is enabled.
26 Chapter 2 System management

Table 2-3 Computer Setup—Advanced (for advanced users) (continued)
Port Options Allows you to hide the following ports from the operating system:
●Serial port A
●Serial port B
●SATA0
●SATA1
●SATA2
●SATA3
●Front USB ports
●Rear USB ports
●USB charging port function
●Media card reader
Restrict USB Devices
Specify the following categories of USB devices to enable:
●Allow all USB devices
●Allow only keyboard and mouse
●Allow all but storage devices and hubs.
When some devices are restricted, the system will disable USB ports that do not meet the allowed
criteria. This feature is usually combined with similar policies within the operating system since USB
devices can be moved to dierent ports. The ports disabled by the BIOS will remain disabled until the
system is restarted.
Option ROM Launch
Policy
These policies control whether Legacy Option ROMs or UEFI drivers are loaded. Default is ‘All legacy’ for
Windows 7 and non-Windows congurations. Default is ‘All UEFI’ for Windows 8.1 or later.
Congure Option ROM Launch Policy
●All legacy
●All UEFI
●All UEFI except video
Slot settings Lets you enable or disable any PCIe slot.
Power Management
Options
Runtime Power Management (enable/disable)
Allows certain operating systems to reduce processor voltage and frequency when the current software
load does not require the full capabilities of the processor. Default is enabled.
Extended Idle Power States (enable/disable)
Allows certain operating systems to decrease the processors power consumption when the processor is
idle. Default is enabled.
S5 Maximum Power Savings (enable/disable)
Enabling this feature reduces the power of the system as much as possible in the S5 state. Power is
removed from the wake up circuitry, the expansion slots, and any management features while in S5.
Default is disabled.
SATA Power Management (enable/disable)
Enables or disables SATA bus and/or device power management. Default is enabled.
Unique Sleep State Blink Rates (enable/disable)
Computer Setup (F10) Utilities 27

Table 2-3 Computer Setup—Advanced (for advanced users) (continued)
This feature is designed to provide a visual indication of what sleep state the system is in. Each sleep
state has a unique blink pattern. Default is disabled.
NOTE: A normal shutdown goes to the S4 state for Windows 8 or later.
S0 (On) = Solid white LED.
S3 (Stand By)= 3 blinks at 1Hz (50% duty cycle) followed by a pause of 2 seconds (white LED) — repeated
cycles of 3 blinks and a pause.
S4 (Hibernation)= 4 blinks at 1Hz (50% duty cycle) followed by a pause of 2 seconds (white LED) —
repeated cycles of 4 blinks and a pause.
S5 (Soft O) = LED is o.
Remote Management
Options
Active Management (AMT) (enable/disable). Default is enabled.
Allows you to discover, repair, and protect networked computing devices.
USB Key Provisioning Support (enable/disable) Default is disabled.
USB Redirection Support (enable/disable). Default is enabled.
USB redirection allows USB devices plugged into a client computer to be transparently redirected to the
guest operating system.
Uncongure AMT on next boot (Do Not Apply/Apply). Default is ‘Do Not Apply’.
SOL Terminal Emulation Mode (ANSI / VT100). Default is ANSI.
SOL terminal emulation mode is only activated during remote AMT redirection operations. The emulation
options allow administrators to select which mode works best with their console.
Show Uncongure ME Conrmation Prompt (enable/disable). Default is enabled.
Verbose Boot Messages (enable/disable). Default is enabled.
Verbose boot shows additional logging information during the boot. mainly for debugging if something
goes wrong during bootup.
Watchdog Timer (enable/disable). Default is enabled.
Allows you to set amount of time for a operating system and BIOS watchdog alert to be sent if the timers
are not deactivated. BIOS watchdog is deactivated by BIOS and would indicate that a halt occurred during
execution if the alert is sent to the management console. An operating system alert is deactivated by the
operating system image and would indicate that a hang occurred during its initialization.
●OS Watchdog Timer (min.) – (5/10/15/20/25). Default is 5 min.
●BIOS Watchdog Timer (min.) – (5/10/15/20/25). Default is 5 min.
CIRA Timeout (min.) (1/2/3/4/Never)
CIRA is Customer Initiated Remote Assistance, an Intel service to help users employing Active
Management Technology (AMT).
28 Chapter 2 System management

Desktop management
This section summarizes capabilities, features, and key components of computer management.
Topics
Initial computer conguration and deployment on page 30
Installing a remote system on page 30
Copying a setup conguration to another computer on page 30
Updating and managing software on page 31
HP Client Management Solutions on page 31
Altiris Client Management Solutions on page 31
HP SoftPaq Download Manager on page 32
System Software Manager on page 32
ROM Flash on page 32
FailSafe Boot Block on page 32
Workstation security on page 33
Fault notication and recovery on page 39
Programmable power button (Windows only) on page 40
NOTE: Support for specic features described in this guide can vary by model and software version.
Desktop management 29

Initial computer conguration and deployment
The computer includes a preinstalled system software image. After a brief software unbundling process, the
computer is ready to use.
If you prefer to replace the preinstalled software image with a customized set of system and application
software, you can deploy a customized software image by:
●Installing additional software applications after unbundling the preinstalled software image
●Using a disk-cloning process to copy the contents from one hard drive to another
The HDD-based HP Recovery Manager ROM-based setup, and ACPI hardware provide further assistance with
recovery of system software, conguration management and troubleshooting, and power management.
Support for specic features described in this guide can vary by model and software version.
The best deployment method depends on the information technology environment and processes.
Installing a remote system
Remote system installation enables starting and setting up the computer using software and conguration
information on a network server. This feature is usually used for system setup and conguration and can be
used to:
●Deploy a software image on new PCs
●Format a hard drive
●Install application software or drivers
●Update the operating system, application software, or drivers
To initiate a remote system installation, press f12 when f12=Network Service Boot appears in the lower-
right corner of the HP logo screen. Follow the on-screen instructions to continue the installation process. The
default boot order is a BIOS conguration setting that can be changed to always attempt a network boot.
Copying a setup conguration to another computer
This section provides information about replicating the computer setup.
CAUTION: Setup conguration is model-specic. File system corruption can result if source and target
computers are not the same model.
To copy a setup conguration:
1. Select a setup conguration to copy, and then restart the computer.
2. As soon as you start or restart the computer, press and hold F10 until you enter Computer Setup (F10)
Utility. If necessary, press enter to bypass the title screen.
NOTE: If you do not press F10 at the appropriate time, you must restart the computer, and then press
and hold F10 again to access the utility.
If you are using a PS/2 keyboard, you might see a keyboard error message. Disregard it.
3. Select Main > Replicated Setup > Backup current settings to USB device. Follow the instructions on the
screen to create the conguration le cpqsetup.txt and write it to a USB storage device.
4. Turn o the computer you are conguring and insert the removable USB media device containing the
conguration le.
30 Chapter 2 System management

5. Turn on the computer you are conguring.
6. Press and hold the F10 key until you enter Computer Setup (F10) Utility. If necessary, press enter to
bypass the title screen.
7. Select Main > Replicated Setup > Restore current settings from USB device, and then follow the
instructions on the screen.
8. Restart the computer when the conguration is complete.
Updating and managing software
HP provides several tools for managing and updating software on desktops and computers:
●HP Client Manager Software
●Altiris Client Management Solutions
●HP SoftPaq Download Manager
●System Software Manager
HP Client Management Solutions
HP Client Management Solutions (CMS), available for download from http://www.hp.com/go/easydeploy, are
standards-based solutions for managing and controlling computers in a networked environment.
HP Client Management Solutions oers these services:
●Detailed views of hardware inventory for asset management
●PC health-check monitoring and diagnostics
●Proactive notication of changes in the hardware environment
●Web-accessible reporting of business-critical details such as thermal warnings and memory alerts
●Remote updating of system software such as device drivers and ROM BIOS
●Remote changing of boot order
●Conguration of system BIOS settings
Altiris Client Management Solutions
Altiris and HP have partnered to provide comprehensive, tightly integrated systems management solutions to
reduce the cost of owning HP client PCs.
The HP CMS is the foundation for additional Altiris Client Management Solutions that address the following
topics.
●Inventory and asset management
●Deployment and migration
●Help desk and problem resolution
●Software and operations management
Go to http://www.hp.com/go/Altiris_Solutions for information about:
Desktop management 31

●How HP CMS works
●Which solutions are compatible with the operating system
●How to download a fully functional, 30-day evaluation version of Altiris solutions
HP SoftPaq Download Manager
HP SoftPaq Download Manager is a free, easy-to-use interface for locating and downloading software
updates for the HP client PC models in your environment. By specifying your models, operating system, and
language, you can quickly locate, sort, and select the softpaqs you need. For more information, go to
http://www.hp.com/go/sdm.
System Software Manager
System Software Manager (SSM) is a utility available on Windows—based computers that enables you to
update system-level software on multiple systems simultaneously. When executed on a PC client system,
SSM detects hardware and software versions and then updates the software from a central repository, known
as a le store. Driver versions supported by SSM are noted with a special icon on the software, the driver
download website, and on the Support Software CD.
To download the utility or to obtain more information about SSM, see http://www.hp.com/go/ssm.
ROM Flash
BIOS settings are stored on a programmable ash ROM. By establishing an administrator password in
Computer Setup (F10) Utility, you can protect unauthorized users from modifying the BIOS settings.
To upgrade the BIOS, download the latest SoftPaq images from http://www.hp.com/support/
workstation_swdrivers.
Remote ROM Flash
Remote ROM Flash allows system administrators to safely upgrade the ROM on remote HP computers from a
centralized network management console, resulting in a consistent deployment of, and greater control over,
HP PC ROM images over the network.
To use Remote ROM Flash, the computer must be powered on, or turned on using Remote Wakeup.
For more information about Remote ROM Flash and HPQFlash, see the HP Client Manager Software or System
Software Manager sections at http://www.hp.com/go/ssm.
HPQFlash
The HPQFlash utility is used to locally update or restore the system ROM on PCs using a Windows operating
system. For more information about HPQFlash, see http://www.hp.com/go/ssm, and enter the name of the
computer.
FailSafe Boot Block
FailSafe Boot Block enables BIOS recovery in the unlikely event of a ROM ash failure. For example, if a power
failure occurs during a ROM upgrade, Boot Block uses a ash-protected section of the ROM to verify a valid
system ROM ash when power is restored to the computer.
If the system ROM is valid, the computer starts normally.
If the system ROM fails the validation check, FailSafe Boot Block provides enough support to start the
computer from a BIOS image CD created from a SoftPaq. The BIOS image CD programs the system ROM with a
valid image.
32 Chapter 2 System management
When Boot Block detects an invalid system ROM, the computer power LED blinks red eight times and the
computer beeps eight times; then the computer pauses for two seconds. On some models, a Boot Block
recovery mode message appears.
In preparation for system recovery, use the BIOS CD media le in the SoftPaq to create a BIOS image CD or
USB key.
Recovering the computer by using FailSafe Boot Block recovery mode
To recover the computer after it enters Boot Block recovery mode:
1. Remove any media such as USB keys or disks in the optical disk drives.
2. Insert a BIOS image CD into the DVD drive or insert a USB BIOS image ash drive, such as an HP DriveKey,
into a USB port.
3. Turn o the computer, and then turn it back on.
If no BIOS image CD or USB media is found, you are prompted to insert one and restart the computer.
If an administrator password has been established, the caps lock light is illuminated and you are
prompted for the password.
4. Enter the administrator password.
If the computer starts from the CD or ash drive and successfully reprograms the ROM, three keyboard
lights are illuminated and a rising-tone series of beeps signals successful recovery.
5. Remove the CD or ash drive and turn o the computer.
6. Restart the computer.
Workstation security
This section provides information about providing system security through asset tracking, password security,
hard drive locking, and chassis locks.
Asset tracking
Asset tracking features provide asset tracking data that can be managed using HP Systems Insight Manager
(HP SIM), HP Console Management Controller (CMC), or other systems-management applications.
Seamless, automatic integration between asset tracking features and these products enables you to choose
the management tool that is best suited to the environment and to leverage investments in existing tools.
HP also oers several solutions for controlling access to valuable components and information:
●HP ProtectTools Embedded Security prevents unauthorized access to data, checks system integrity, and
authenticates third-party users attempting system access.
●Security features such as ProtectTools and the Smart Cover Sensor (side access panel sensor) help
prevent unauthorized access to the data and to the internal components of the computer.
●By disabling parallel, serial, or USB ports, or by disabling removable-media boot capability, you can
protect valuable data assets.
●Memory Change and Side access panel sensor (Smart Cover Sensor) alerts can be forwarded to system
management applications to deliver proactive notication of tampering with a computer’s internal
components.
ProtectTools, the Smart Cover Sensor, and the side access panel solenoid lock (Hood Lock) are available as
options on select systems.
Desktop management 33

You can manage security settings as follows:
●Locally with Computer Setup (F10) Utility
●Remotely with HP CMS or HP System Software Manager (SSM), which enable the secure, consistent
deployment and control of security settings from a simple command line utility
The following Computer Setup (F10) Utility features let you manage computer security.
Feature Purpose
Removable Media Boot Control Prevents booting from removable media drives
Serial, Parallel, USB, or Infrared
Interface Control
Prevents transfer of data through the integrated serial, parallel, USB, or infrared
interface
Power-On Password Prevents use of the computer until the password is entered (applies to initial system
startup and restarts)
Ddministrator Password Prevents reconguration of the computer (through the Setup utility) until the
password is entered
Network Server Mode Provides unique security features for computers used as servers
SATA hard drive security
HP computers include the HP DriveLock facility for SATA hard drives to prevent unauthorized access to data.
WARNING! Enabling DriveLock can render a SATA hard drive permanently inaccessible if the master
password is lost or forgotten. No method exists to recover the password or access the data.
DriveLock has been implemented as an extension to Computer Setup (F10) Utility functions. It is only
available when hard drives that support the ATA security command set are detected. On HP computers, it is
not available when the SATA emulation mode is RAID+AHCI or RAID.
DriveLock is for HP customers for whom data security is a paramount concern. For such customers, the cost
of a hard drive and the loss of the data stored on it is inconsequential when compared to the damage that
could result from unauthorized access to its contents.
To balance this level of security with the need to address the issue of a forgotten password, the HP
implementation of DriveLock employs a two-password security scheme. One password is intended to be set
and used by a system administrator, while the other is typically set and used by the user.
No "back door" can be used to unlock the drive if both passwords are lost. Therefore, DriveLock is most safely
used when the data contained on the hard drive is replicated on a corporate information system or is regularly
backed up.
If both DriveLock passwords are lost, the hard drive is rendered unusable. For users who do not t the
previously dened customer prole, this might not be acceptable. For users who t this prole, it might be a
tolerable risk, given the nature of the data stored on the hard drive.
DriveLock applications
The most practical use of DriveLock is in a corporate environment. The system administrator would be
responsible for conguring the hard drive, which involves setting the DriveLock master password and a
temporary user password. If you forget the user password or if the equipment is passed on to another
employee, the master password can be used to reset the user password and regain access to the hard drive.
HP recommends that corporate system administrators who enable DriveLock also establish a corporate policy
for setting and maintaining master passwords. This should be done to prevent a situation where an employee
34 Chapter 2 System management

sets both DriveLock passwords before leaving the company. In such a scenario, the hard drive is unusable and
requires replacement. Likewise, by not setting a master password, system administrators might nd
themselves locked out of a hard drive and unable to perform routine checks for unauthorized software, other
asset control functions, and support.
For users with less stringent security requirements, HP does not recommend enabling DriveLock. Users in this
category include personal users, or users who do not maintain sensitive data on their hard drives as a
common practice. For these users, the potential loss of a hard drive resulting from forgetting both passwords
is much greater than the value of the data DriveLock protects.
Access to Computer Setup (F10) Utility and DriveLock can be restricted through the administrator password.
By specifying an administrator password and not giving it to users, system administrators can restrict users
from enabling DriveLock.
Using DriveLock
When hard drives that support the ATA security command set are detected, DriveLock appears under the
Security menu in the Computer Setup (F10) Utility menu. You are presented with options to set the master
password and to enable DriveLock. You must provide a user password to enable DriveLock. Because the initial
conguration of DriveLock is typically performed by a system administrator, a master password should be set
rst.
HP encourages system administrators to set a master password whether they plan to enable DriveLock or
not. This gives the administrator the ability to modify DriveLock settings if the drive is locked in the future.
After the master password is set, the system administrator can enable DriveLock or leave it disabled.
If a locked hard drive is present, POST requires a password to unlock the device. If a power-on password is set
and it matches the device’s user password, POST does not prompt the user to re-enter the password.
Otherwise, the user is prompted to enter a DriveLock password.
For a cold start, use the master or user password. For a warm start, enter the same password used to unlock
the drive during the preceding cold start.
Users have two attempts to enter a correct password. During cold start, if neither attempt succeeds, POST
continues but the drive remains inaccessible. During a warm-start or restart from Windows, if neither attempt
succeeds, POST halts and the user is instructed to cycle power.
Enabling DriveLock
To enable and set the DriveLock user password:
1. Turn on or restart the computer.
2. As soon as you turn on the computer, repeatedly press the F10 key until you enter Computer Setup (F10)
Utility.
If you do not press F10 at the appropriate time, you must restart the computer, then repeatedly press
F10 again to access the utility.
3. Select Security > DriveLock Security.
4. For each DriveLock-capable drive, select a drive by pressing F10 to accept.
5. To enable DriveLock for a specic drive, select Enable DriveLock
NOTE: To set the DriveLock master password, select Set DriveLock Master Password.
CAUTION: If you forget the DriveLock password, the drive is unusable.
6. Enter a new user password (1 to 32 characters long), and then press F10 to accept.
Desktop management 35

7. Enter the password again in the Enter New Password Again eld. If you forget this password, the drive is
rendered permanently disabled.
8. Select File > Save Changes and Exit, and then press enter to accept the changes. After you press enter,
the computer performs a cold start before invoking the DriveLock function.
When the computer starts, you are prompted to enter the DriveLock password for each DriveLock-
capable drive for which you have set a password. You have two attempts to enter the password
correctly. If the password is not entered correctly, the computer attempts to start anyway. However, the
boot process most likely fails because data from a locked drive cannot be accessed.
In a single drive computer, if the drive has DriveLock enabled, the computer might not be able to boot to
the operating system, and might try to boot from the network or from another storage device
(depending on the boot ordering options). Regardless of the outcome of the start attempts, the drive-
locked drive remains inaccessible without the DriveLock password.
In a two-drive computer that has a boot drive and a data drive, you can apply the DriveLock feature to
the data drive only. In this case, the computer can always start, but the data drive is accessible only
when the DriveLock password is entered.
When you start or restart the computer, you must enter DriveLock passwords. For example, if you boot
to DOS and press ctrl+alt+del, you must enter the DriveLock password before the computer completes
the next start cycle. This restart-start behavior is consistent with the DriveLock feature.
Password security
This computer supports security password features, which can be established through the Computer Setup
Utilities menu.
This computer supports two security password features that are established through the Computer Setup
Utilities menu: administrator password and power-on password. When you establish only an administrator
password, any user can access all the information on the computer except Computer Setup. When you
establish only a power-on password, the power-on password is required to access Computer Setup and any
other information on the computer. When you establish both passwords, only the administrator password will
give you access to Computer Setup.
When both passwords are set, the administrator password can also be used in place of the power-on
password as an override to log in to the computer. This is a useful feature for a network administrator.
If you forget one or both passwords, you can clear all passwords by powering o the system, opening the
cover, temporarily removing the PSWD jumper, and booting once. This will erase the administrator and
power-on passwords. You must restore the jumper to create new passwords.
CAUTION: Pushing the CMOS button with power removed will reset the BIOS settings to factory defaults. It
may be useful to back up the BIOS settings or save them as custom defaults before resetting them in case
they are needed later. Back up can be performed in Computer Setup or using the BiosCongUtility tool
available from www.hp.com. See Computer Setup (F10) Utilities on page 18 for information on backing up the
BIOS settings.
Establishing an administrator password using Computer Setup (F10) Utility
Establishing an administrator password through Computer Setup (F10) Utility prevents reconguration of the
computer (through the use of Computer Setup (F10) Utility) until the password is entered.
To establish an administrator password using Computer (F10) Setup menu:
36 Chapter 2 System management
1. Turn on or restart the computer.
2. As soon as the computer is turned on, press and hold F10 until you enter Computer Setup (F10) Utility.
Press enter to bypass the title screen, if necessary.
If you do not press F10 at the appropriate time, you must restart the computer, and then press and hold
F10 again to access the utility.
If you are using a PS/2 keyboard, you might see a keyboard error message. Disregard it.
3. Select Security > Set Up BIOS Administrator Password and then follow the on-screen instructions.
4. Before exiting, select Main > Save Changes and Exit.
Establishing a power-on password using Computer Setup (F10) Utility
Establishing a power-on password through Computer Setup (F10) Utility prevents access to the computer
when power is connected, unless the password is entered. When a power-on password is set, Computer Setup
(F10) Utility presents Password Options in the Security menu. The password options include Network Server
Mode and Password Prompt on Warm Boot.
When Network Server Mode is disabled, you must enter the password when the computer is turned on, when
the key icon appears on the monitor. When Password Prompt on Warm Boot is enabled, you must enter the
password. The password must also be entered each time the computer is restarted. When Network Server
Mode is enabled, the password prompt is not presented during POST, but an attached PS/2 keyboard remains
locked until you enter the power-on password.
To enable Network Server Mode, you must set a power-on password under Security > Set Up BIOS Power-On
Password. This option enables the computer to start without requiring the power-on password, but the
keyboard and mouse are locked until you enter the password. The keyboard LEDs rotate constantly when the
computer is in locked mode.
To establish a power-on password through the Computer Setup (F10) Utility menu:
1. Turn on or restart the computer.
2. As soon as the computer is turned on, press and hold F10 until you enter Computer Setup (F10) Utility.
Press enter to bypass the title screen, if necessary.
If you do not press F10 at the appropriate time, you must restart the computer and then press and hold
F10 again to access the utility.
If you are using a PS/2 keyboard, you might see a keyboard error message. Disregard it.
3. Select Security > Set Up BIOS Power-On Password and then follow the onscreen instructions.
4. Before exiting, select Main > Save Changes and Exit.
Entering a power-on password
To enter a power-on password:
1. Restart the computer.
2. When the key icon appears on the monitor, enter the current password, and then press enter.
Type carefully. For security reasons, the characters you enter do not appear on the screen.
If you enter the password incorrectly, a broken key icon appears. Try again. After three unsuccessful tries, you
will enter the F10 setup screen with read-only permission. (See the Setup Browse Mode option under the
Power-On options.)
Desktop management 37

Entering an administrator password
If an administrator password has been established on the computer, you will be prompted to enter it each
time you run Computer Setup (F10) Utility.
To enter an administrator password:
1. Restart the computer.
2. As soon as the computer is turned on, press and hold F10 until you enter Computer Setup (F10) Utility.
Press enter to bypass the title screen, if necessary.
If you do not press F10 at the appropriate time, you must restart the computer and press and hold F10
again to access the utility.
If you are using a PS/2 keyboard, you might see a keyboard error message. Disregard it.
3. When the key icon appears on the monitor, enter the administrator password, and press enter.
Type carefully. For security reasons, the characters you enter do not appear on the screen.
If you enter the password incorrectly, a broken key icon appears. Try again. After three unsuccessful tries, you
must restart the computer before you can continue.
National keyboard delimiter characters
Each keyboard meets country-specic requirements. The syntax and keys you use for changing or deleting
passwords depend on the keyboard included with the computer.
Language Delimiter Language Delimiter Language Delimiter
Arabic / Greek - Russian /
Belgian = Hebrew . Slovakian -
BHCSY * - Hungarian - Spanish -
Brazilian / Italian - Swedish/Finnish /
Chinese / Japanese / Swiss -
Czech - Korean / Taiwanese /
Danish - Latin American - Thai /
French ! Norwegian - Turkish .
French Canadian é Polish - U.K. English /
German - Portuguese - U.S. English /
*Bosnia-Herzegovina, Croatia, Slovenia, and Yugoslavia
Clearing passwords
If you forget the password, you cannot access the computer.
For instructions about clearing passwords, see Conguring password security and resetting CMOS
on page 82.
38 Chapter 2 System management

Chassis security
Smart Cover Sensor (optional)
The optional Smart Cover Sensor is a combination of hardware and software technology that alerts you when
the side panel of the computer is removed (provided the sensor has been congured in Computer Setup (F10)
Utility).
Three levels of protection are available *:
Level Setting Description
Level 0 Disabled Sensor * is disabled (default).
Level 1 Notify User When the computer restarts, a message indicates that the computer has been
opened or the access panel has been removed.
Level 2 Administrator Password
When the computer restarts, a message indicates that the computer has been
opened or the access panel has been removed. You must enter the administrator
password to continue.
*Smart Cover Sensor settings are changed using Computer Setup (F10) Utility.
Setting the protection level
To set the Smart Cover Sensor protection level:
1.Turn on or restart the computer.
2.During startup, press and hold the F10 key until you enter Computer Setup (F10) Utility. Press enter to
bypass the title screen, if necessary.
NOTE: If you do not press the F10 key at the appropriate time, you must restart the computer, and
then press and hold the F10 key again to access Computer Setup (F10) Utility.
If you are using a PS/2 keyboard, you might see a keyboard error message. Disregard it.
3.Select Security > Smart Cover > Cover Removal Sensor, and follow the on-screen instructions.
4.Before exiting, select Main > Save Changes and Exit.
Side access panel solenoid lock
The side access panel solenoid lock (available only on specic workstations) secures the side access panel to
the chassis. The solenoid is controlled by a local or remote signal.
To lock the solenoid, set a password for the solenoid lock in Computer Setup (F10) Utility. To unlock the
solenoid, remove the solenoid lock password in Computer Setup (F10) Utility.
The solenoid lock FailSafe Key (available from HP) is is a device for manually disabling the solenoid lock. You
will need the FailSafe Key in case of a forgotten password, power loss, or computer malfunction.
Cable lock (optional)
To prevent theft, you can attach a keyed cable lock to the rear chassis panel. This cable lock attaches to the
chassis and secures it to the work area.
Fault notication and recovery
Fault notication and recovery features combine innovative hardware and software technology to prevent the
loss of critical data and minimize unplanned downtime.
Desktop management 39

If the computer is connected to a network that is managed by HP CMS, the computer sends a fault notice to
the network management application. With HP CMS, you can also remotely schedule diagnostics to run on
managed PCs and create a summary report of failed tests.
ECC fault prediction
When the computer encounters an excessive number of error checking and correcting (ECC) memory errors, it
displays a local alert message. This message contains information about the errant DIMM, enabling you to
take action before you experience noncorrectable memory errors. ECC DIMMs are standard on this computer.
Thermal sensors
Several thermal sensors in the HP workstation regulate computer fans to maintain an acceptable, ecient
chassis temperature.
Programmable power button (Windows only)
With ACPI (Advanced Conguration and Power Interface) enabled, you can customize the behavior of the
power button so that rather than powering down, the workstation enters sleep mode (low power state), or
hibernate mode (very low power state). This lets you go to standby without closing applications, and then
return to the same operational state without any data loss.
Changing the power button conguration (Windows only)
Windows 7 or Windows 10
1. Select Start, and then select Control Panel > System and Security > Power Options.
2. On the left side of the screen, select Choose What the Power Buttons Do.
3. Select the desired options.
If you choose Sleep or Hibernate, you can press the power button to initiate standby, and then press it again
to exit standby and return to your work. To completely turn o the workstation, select Start > Shut Down.
CAUTION: To reduce the risk of data loss, do not use the power button to turn o the computer unless the
system is not unresponsive.
NOTE: If the computer is unresponsive, press and hold the power button for four seconds to completely turn
o power to the computer.
Windows 8.1
1. Point to the upper-right or lower-right corner of the Start screen to display the charms.
2. In the Search eld, type control.
3.On the left side of the screen select Control Panel, and then select System and Security > Power
Options.
4.In Power Options Properties, select Choose What the Power Button Does.
5.Select the desired options.
40 Chapter 2 System management

3 Component replacement information and
guidelines
This chapter provides warnings, cautions, information, and guidelines for removal and replacement
procedures. It does not document the step-by-step procedures.
IMPORTANT: Removal and replacement procedures are now available in videos on the HP website.
Go to the HP Customer Self Repair Services Media Library at http://www.hp.com/go/sml.
This chapter includes these topics:
Topics
Warnings and cautions on page 42
Service considerations on page 42
Product recycling on page 44
Component replacement guidelines on page 44
41

Warnings and cautions
WARNING! These symbols on any surface or area of the equipment indicate the following:
Presence of a hot surface or hot component. If this surface is contacted, the potential for injury exists. To
reduce the risk of injury from a hot component, let the surface cool before you touch it.
Presence of an electric shock hazard. To reduce the risk of injury from electric shock, do not open any
enclosed area marked with this symbol.
To reduce the risk of personal injury, product must always be lifted by two persons.
WARNING! To reduce the risk of electric shock or damage to your equipment:
— Do not disable the power cord grounding plug. The grounding plug is an important safety feature.
— Plug the power cord in a grounded (earthed) outlet that is easily accessible at all times.
— Disconnect power from the equipment by unplugging the power cord from the electrical outlet.
WARNING! To reduce the risk of serious injury, read the Safety & Comfort Guide. It describes proper
computer setup, posture, health, and work habits for computer users, and provides important electrical and
mechanical safety information. This guide is located at http://www.hp.com/ergo.
WARNING! Do not use the front bezel as a handle or lifting point when lifting or moving the computer.
Lifting the computer from the front bezel, or lifting it incorrectly, might cause the computer to fall, causing
possible injury to you and damage to the computer. To properly and safely lift the computer, lift from the
bottom of the computer.
CAUTION: Static electricity can damage the electronic components of the computer. To prevent damage to
the computer, observe the following Electrostatic Discharge (ESD) precautions while servicing the computer:
— Before you begin, discharge yourself of static electricity by briey touching a grounded metal object.
— Work on a static-free mat.
— Wear a static strap to make sure that any accumulated electrostatic charge is discharged from your body to
the ground.
— Create a common ground for the equipment you are working on by connecting the static-free mat, static
strap, and peripheral units to that piece of equipment.
NOTE: HP accessories are for use in HP Workstation products. They have been extensively tested for
reliability and are manufactured to high quality standards.
Service considerations
Tools and software requirements
The tools necessary for computer component removal and installation are:
●Torx T-15 driver
●Flat blade and cross-tip screwdrivers
●Diagnostics software
42 Chapter 3 Component replacement information and guidelines

Electrostatic discharge (ESD) information
Generating static Dierent activities generate dierent amounts of static electricity through electrostatic discharge (ESD).
Static electricity increases as humidity decreases.
CAUTION: Static electricity in the amount of 700 volts might degrade a product.
Event
Relative humidity
55% 40% 10%
Walking across carpet
Walking across vinyl oor
Motions of bench worker
7,500 V
3,000 V
400V
15,000 V
5,000 V
800 V
35,000 V
12,000 V
6,000 V
Removing bubble pack from PCB
Packing PCBs in foam-lined box
7,000 V
5,000 V
20,000 V
11,000 V
26,500 V
21,000 V
Preventing ESD
equipment damage
Many electronic components are sensitive to ESD. Circuitry design and structure determine the degree of
sensitivity. The following packaging and grounding precautions are necessary to prevent damage to
electronic components and accessories:
●Transport products in static-safe containers such as tubes, bags, or boxes, to avoid hand contact.
●Protect electrostatic parts and assemblies with nonconductive or approved containers or
packaging.
●Keep electrostatic-sensitive parts in their containers until they arrive at static-free stations.
●Place items on a grounded surface before removing them from containers.
●Before handling or touching a sensitive component or assembly, ground yourself by touching a
grounded metal object.
●Avoid contact with pins, leads, or circuitry.
●Place reusable electrostatic-sensitive parts from assemblies in protective packaging or
nonconductive foam.
Personal grounding
methods and
equipment
Use the following items to help prevent ESD damage:
●Wrist straps — These are exible straps with a maximum of one megohm ± 10% resistance in the
ground cords. To provide a proper ground, wear the strap against bare skin. The ground cord must
be connected and t snugly into the banana plug connector on the grounding mat or computer.
●Heel straps, toe straps, and boot straps — These can be used at standing computers and are
compatible with most types of shoes or boots. On conductive oors or dissipative oor mats, use
them on both feet with a maximum of one megohm ± 10% resistance between the operator and
ground.
Static shielding
materials
Static shielding materials provide the following levels of protection.
Method
Antistatic plastic
Carbon-loaded plastic
Metalized laminate
Voltage
1,500 V
7,500 V
15,000 V
Grounding the work
area to prevent static
damage
●Cover the work surface with approved
static-dissipative material. Use a wrist strap
connected to the work surface, and properly
grounded tools and equipment.
●Use static-dissipative mats, foot straps, or
air ionizers to give added protection.
●Disconnect power and input signals before
inserting and removing connectors or test
equipment.
●Use xtures made of static-safe materials
when xtures must directly contact dissipative
surfaces.
Service considerations 43

●Handle electrostatic-sensitive components,
parts, and assemblies by the case or PCB
laminate. Handle them only in static-free
work areas.
●Keep work area free of conductive materials,
such as plastic assembly aids and Styrofoam.
●Use eld service tools (such as cutters,
screwdrivers, and vacuums) that are non-
conductive.
Recommended ESD
prevention materials
and equipment
●Antistatic tape
●Antistatic smocks, aprons, and sleeve
protectors
●Non-conductive bins and other assembly or
soldering aids
●Non-conductive foam
●Non-conductive tabletop computers with a
ground cord of one megohm ± 10%
resistance
●Static-dissipative table or oor mats with a
hard-tie to ground
●Field service kits
●Static awareness labels
●Wrist straps and footwear straps providing one
megohm ± 10% resistance
●Material-handling packages
●Non-conductive plastic bags
●Non-conductive plastic tubes
●Non-conductive tote boxes
●Opaque shielding bags
●Transparent metallized shielding bags
●Transparent shielding tubes
Product recycling
HP encourages customers to recycle used electronic hardware, HP original print cartridges, and rechargeable
batteries.
For information about recycling HP components or products, see http://www.hp.com/go/recycle.
Component replacement guidelines
This section provides information and guidelines for removal and replacement procedures. It does not
document the step-by-step procedures.
IMPORTANT: Removal and replacement procedures are now available in videos on the HP website.
Go to the HP Customer Self Repair Services Media Library at http://www.hp.com/go/sml. In Media Selection,
choose the Desktops & Workstations product category and the Personal Workstations product family, then
choose your platform
This chapter provides guidelines for removal and replacement procedures.
Battery on page 45
Cable management on page 45
CPU (processor) and CPU heatsink on page 46
Expansion slots on page 47
Hard drives and optical disc drives on page 51
Memory on page 53
Power supply specications on page 56
System board on page 57
44 Chapter 3 Component replacement information and guidelines

Battery
The battery that comes with the computer provides power to the real-time clock and has a minimum lifetime
of about three years. Observe the following warning and caution when replacing the battery.
WARNING! HP Z Series Workstations use lithium batteries. There is a risk of re and chemical burn if the
battery is handled improperly. Do not disassemble, crush, puncture, short external contacts, dispose of in
water or re, or expose battery to temperatures higher than 60°C (140°F).
CAUTION: Before removing the battery, back up the CMOS settings in case they are lost when the battery is
removed. Use Computer Setup (F10) Utility to back up the settings.
NOTE: Do not dispose of batteries, battery packs, and accumulators with general household waste.
Cable management
Proper routing of the internal cables is critical to the operation of the workstation. Follow good cable
management practices when removing and installing components.
●Handle cables with care to avoid damage.
●Apply only the tension required to seat or unseat cables during insertion or removal from the connector.
●When possible, handle cables by the connector or pull-strap.
●Route cables in such a way that they cannot be caught or snagged by parts being removed or replaced.
●Keep cables away from direct contact with major heat sources, such as the heatsink. (Some air ow
guides have a cable guide that lets you route cables safely around the heatsink.)
●Do not jam cables on top of expansion cards or DIMMs. Circuit cards and DIMMs are not designed to take
excessive pressure.
●Keep cables clear of movable or rotating parts (such as the power supply and drive cage) to prevent
them from being cut or crimped when the component is lowered into its normal position.
●In all cases, avoid bending or twisting the cables. Do not bend any cable sharply. A sharp bend can break
the internal wires.
●Never bend a SATA data cable tighter than a 30 mm (1.18 in) radius.
●Never crease a SATA data cable.
●Do not rely on components like the drive cage, power supply, or computer cover to push cables down
into the chassis. Always position the cables to lay properly by themselves or in the cable guides and
chassis areas designed for cable routing.
When removing the power supply power cable from the connector on the system board, always follow these
steps:
1. Squeeze on the top of the retaining latch attached to the cable end of the connector.
2. Grasp the cable end of the connector and pull it straight out.
CAUTION: Always pull the connector — NEVER pull on the cable. Pulling on the cable could damage the
cable and result in a failed power supply.
Component replacement guidelines 45

CPU (processor) and CPU heatsink
CAUTION: Observe the following cautions when removing or replacing the heatsink.
— When removing the heatsink, loosen all screws a little at a time to make sure the CPU remains level. Do not
fully loosen one screw, and then move on to the next.
— After you remove the CPU heatsink from the chassis, use alcohol and a soft cloth to clean the thermal
compound residue from the CPU and the heatsink, allowing the alcohol on the CPU and CPU heatsink to dry
completely.
— If you are reusing the original heatsink, apply thermal compound to the center of the CPU top surface.
— If you are using a new CPU heatsink, do not apply thermal compound to the CPU because the new heatsink
already has thermal compound applied to the heatsink surface. Instead, remove the thermal compound
protective liner from the bottom of the new heatsink.
— Do not overtighten the heatsink screws. Overtightening can strip the threads in the chassis.
— Do not fully tighten one screw and then move on to the next. Instead, tighten all screws a little at a time,
ensuring that the CPU remains level.
CAUTION: Observe the following cautions when removing or replacing the CPU.
— If you are installing a second CPU, it must be of the same type as the rst CPU.
— Internal components might be powered even when the computer is o. To prevent damage, disconnect the
computer power cord before you remove or install a component.
— The CPU socket contacts and pads are extremely fragile. Do not touch the CPU socket contacts or the gold
pads underneath the CPU. Use extreme care and handle the CPU only by the edges.
— The CPU socket contacts are delicate and bend easily. To avoid bending the contacts, use extreme care
when installing the CPU in the socket.
— Installing a processor incorrectly can damage the system board. Contact an HP authorized reseller or
service provider to install the processor. If you plan to install the processor yourself, view the entire remove
and replace video before you begin.
— Failure to follow the computer preparation instructions can result in an improperly installed processor,
causing extensive computer damage.
46 Chapter 3 Component replacement information and guidelines

Expansion slots
This section identies and describes computer expansion card slots, and presents card conguration
information.
Go to http://www.hp.com/go/quickspecs to learn which graphics cards are supported in the workstation, how
much memory each graphics card includes, and graphics card power requirements.
Card conguration restrictions for power supplies
CAUTION: To prevent damage, the overall power consumption of the computer (including I/O cards, CPU,
and memory) must not exceed the maximum rating of the computer power supply. For power supply
information, see Power supply specications on page 56.
Choosing an expansion card slot
Whenever possible, use the following tips to help you select the proper slot for an expansion card:
●Use the PCIe x16 slot for the primary graphics card. If you do not use this slot for the graphics card, only
cards certied as After Market Options are supported.
●Install a second graphics card in the other PCIe x16 slot.
●Install a card in a slot that most closely matches its interface technology:
◦Install a PCIe Gen1 x16 or a PCIe Gen1 x8 card in the PCIe Gen3 x16 slot.
◦Install a PCIe Gen1 x4 card in the PCIe Gen2 x4 slot.
◦Install a PCIe Gen1 x1 card in the PCIe Gen2 x1 slot.
◦Install a PCI card in the PCI slot.
◦Whenever possible, install a PCIe x1 card in an x1 slot.
●Leave as much space as possible between cards (especially graphics cards) to allow heat to dissipate
more eciently.
●For best operational eciency, select a slot that:
◦Electrically matches the number of PCIe card lanes (for example, x1 in an x1 slot).
◦Has more lanes electrically.
◦Has fewer lanes, but is closer to your needs. For example, place an x16 card in an x4 slot, and an x4
card in a an x1 slot.
●An x1 connector supports an x1 card only. While an x1 card can be inserted into a larger slot, this may
limit potential future card placement.
Component replacement guidelines 47

SFF workstation slot identication and description
Maximum power used by all slots must not exceed total system power and is subject to conguration
limitations.
Slot Type Mechanical compatibility Electrical compatibility
4 PCIe3 x16 x16 x16
3 PCIe3 x1 x1 x1
2 PCIe3 x1 x1 x1
1 PCIe3 x16(4) x16 x4
NOTE: The PCIe designators indicate the mechanical connector size and number of electrical PCIe lanes
routed to an expansion slot. For example, x16(4) means that the expansion slot is mechanically a x16 length
connector, with 4 PCIe3 lanes supported.
48 Chapter 3 Component replacement information and guidelines

SFF workstation installation sequence recommendations
Load
order Card description Slot 1 Slot 2 Slot 3 Slot 4 Native
M.2
1 PCIe graphic card Only
2 Second PCIe graphic card Only
3 Internal PCIe storage Only
4 Second internal PCIe storage Only
5 Thunderbolt card Only
6 PCIe NIC card 1st 2nd 3rd
7 Serial port (cable) 3rd 2nd 1st
8HP USB 3.1 Type-C PCI-E x1
card 2nd 1st 3rd
9 PCIe parallel port card 1st 2nd 3rd
10 1394b FireWire PCIe Card 1st 2nd 3rd
NOTE: Slot sequenced from the rear I/O aperture to the board edge.
Component replacement guidelines 49

Tower workstation slot identication and description
Maximum power used by all slots must not exceed total system power and is subject to conguration
limitations.
Slot Type Mechanical compatibility Electrical compatibility
5 PCIe3x1 x1 x1
4 PCIe3x16 x16 x16
3 PCIe3x4 x4 x4
2 PCIe3x16(4) x16 x4
1 PCI (optional) PCI PCI
NOTE: The PCIe designators indicate the mechanical connector size and number of electrical PCIe lanes
routed to an expansion slot. For example, x16(4) means that the expansion slot is mechanically a x16 length
connector, with 4 PCIe3 lanes supported.
Slot two is the primary graphics slot; slot four is the secondary graphics slot.
50 Chapter 3 Component replacement information and guidelines

Tower workstation installation sequence recommendations
Load
order Card description Slot 1
(x1) Slot 2 (x16) Slot 3 (x4) Slot 4
(x16[x4])
Slot 5
(PCI)
Native M.
2 (x4)
1 PCIe graphic card Only
2 Second PCIe graphic card Only
3 Internal PCIe storage Only
4 Second internal PCIe storage Only
5 Thunderbolt card 2nd 1st
6 PCIe NIC card 1st 3rd 2nd
7 PCIe NIC card – 10G Only
8 Serial port (cable) 4th 3rd 2nd 1st
9 eSATA kit (cable) 4th 3rd 2nd 1st
10 PCIe parallel port card 1st 3rd 2nd
11 1394b FireWire PCIe card 1st 3rd 2nd
NOTE: Slot sequenced from the rear I/O aperture to the board edge.
Hard drives and optical disc drives
Handling hard drives
CAUTION: Take proper precautions when handling hard drives to prevent loss of work and damage to the
computer or drive.
●Do not remove hard drives from the shipping package for storage. Keep hard drives in their protective
packaging until they are mounted in the computer.
●Always shut down the operating system, turn o the power, and unplug the power cord. Never remove a
drive while the computer is on or in standby mode.
●Before handling a drive, make sure you discharge static electricity. While handling a drive, avoid touching
the connector.
●Handle a drive carefully. Do not drop it from any height.
●To prevent possible ESD damage when the drive is installed, connect the drive power cable before
connecting the data cable. This discharges accumulated static electricity through the drive power cable
to the computer chassis.
●Do not use excessive force when inserting a drive.
●Avoid exposing a hard drive to liquids, temperature extremes, or products that have magnetic elds
such as monitors or speakers.
●If you must mail a drive, use a bubble-pack mailer or other protective packaging and label the package
“Fragile: Handle With Care.”
Component replacement guidelines 51

Removal and replacement tips
●To verify the type, size, and capacity of the storage devices installed in the computer, run Computer
Setup (F10) Utility.
●Adding a new drive may require that you make new connections from the drive to the system board.
Note that:
◦The primary Serial ATA (SATA) hard drive must be connected to the dark blue primary SATA
connector on the system board labeled SATA0.
◦Connect a secondary hard drive to SATA1.
◦Connect SATA optical drives to the black SATA2 connector.
◦Connect an optional eSATA adapter cable to the black ESATA connector SATA3 on the system board.
(Tower only)
◦Connect a media card reader USB cable to the USB connector on the system board labeled MEDIA. If
the media card reader has a 1394 port, connect the 1394 cable to the 1394 PCI card.
Drive installation and cabling scenarios
This section presents cabling guidelines for the most common maximum storage congurations. If you add or
remove drives, HP recommends you follow these guidelines for highest drive performance and ecient cable
routing.
SFF workstations—SATA cable connection guidelines
Conguration / PCA
SATA connector
SATA 0 SATA 1 SATA 2 SATA 3
HDD x1 ODD x1 1st HDD 1st ODD
HDD x2 ODD x1 1st HDD 2nd HDD 1st ODD
HDD x3 ODD x1 1st HDD 2nd HDD 1st ODD 3rd HDD
Tower workstations—SATA cable connection guidelines
Conguration / PCA SATA
connector
SATA 0 SATA 1 SATA 2 SATA 3
HDD x1 ODD x1 1st HDD 1st ODD e-SATA
HDD x1 ODD x2 1st HDD 1st ODD 2nd ODD
HDD x2 ODD x1 1st HDD 2nd HDD 1st ODD e-SATA
HDD x2 ODD x2 1st HDD 2nd HDD 1st ODD 2nd ODD
HDD x3 ODD x1 1st HDD 2nd HDD 1st ODD 3rd HDD
52 Chapter 3 Component replacement information and guidelines

Memory
Supported DIMM congurations
NOTE: Mirroring and DIMM sparing are not supported.
Platform Conguration
SFF
●Four DIMM slots
●Unbuered ECC/nECC DIMMS only
●Maximum capacity: 64 GB
Tower
●Four DIMM slots
●Unbuered ECC/nECC DIMMS only
●Maximum capacity: 64 GB
BIOS errors and warnings
The BIOS generates warnings/errors on invalid memory congurations:
●If the BIOS can nd a valid memory conguration by disabling plugged-in memory, it does so and
reports a warning during POST. the workstation can still be started. The warning will indicate the
location of the failed DIMM on the system board.
●If there is no way for the BIOS to obtain a valid memory conguration by disabling plugged-in memory,
the BIOS halts with a diagnostics 2006 code for memory error (ve beeps and blinks).
DIMM installation guidelines
●Install only HP-approved DDR3 DIMMs
CAUTION: HP ships only DIMMs that are electrically and thermally compatible with this workstation.
Because third-party DIMMs might not be electrically or thermally compatible, they are not supported by
HP.
●Install only HP-approved DDR3 DIMMs. See http://www.hp.com/go/quickspecs to nd DIMMs that are
compatible with the workstation.
●Do not intermix DIMMs of dierent technologies. ECC Unbuered DIMMs (UDIMMs), Registered DIMMs
(RDIMMs), and Load Reduced DIMMs (LRDIMMs) are supported on your workstations. Supported DIMM
congurations on page 53 species which technologies are supported on each platform.
CAUTION: DIMMs and their sockets are keyed for proper installation. To prevent socket or DIMM damage,
align these guides properly when installing DIMMs.
Component replacement guidelines 53

SFF workstation DIMM installation order
Install DIMMs in this order.
NOTE: If you install DIMMs of dierent sizes, load them in order of size, starting with largest and nishing
with the smallest (largest in DIMM 1, smallest in last loaded DIMM).
54 Chapter 3 Component replacement information and guidelines

Tower workstation DIMM installation order
Install DIMMs in this order.
NOTE: If you install DIMMs of dierent sizes, load them in order of size, starting with largest and nishing
with the smallest (largest in DIMM 1, smallest in last loaded DIMM).
Component replacement guidelines 55

Power supply
Power supply specications
All power supplies have these specications:
●Wide-ranging, active Power Factor Correction (PFC)
●ENERGY STAR® qualied
●FEMP Standby Power compliant @115V (<1W in S5 – Power O)
●Surge tolerant (withstands power surges up to 2000V)
SFF Tower SFF Tower
Power supply 240 W 92%
ecient
400 W 92%
ecient
200 W 85%
ecient
280 W 90%
ecient
Operating voltage range 90–264 VAC 90–264 VAC 90–264 VAC 90–264 VAC
Rated voltage range 100–240 VAC 100–240 VAC 100–240 VAC 100–240 VAC
Rated line frequency 50–60 Hz 50–60 Hz 50–60 Hz 50–60 Hz
Operating line frequency range 47–63 Hz 47–66 Hz 47–63 Hz 47–63 Hz
Rated input current 4A @100–240
VAC
5.2A @
100–240 VAC
3A @100–240
VAC
3.6A @
100–240 VAC
Heat dissipation, typical
(conguration and software
dependent)
423.5 btu/hr
(106.8 kcal/hr)
782.6 btu/hr
(197.4 kcal/hr)
423.5 btu/hr
(106.8 kcal/hr)
782.6 btu/hr
(197.4 kcal/hr)
Heat dissipation, maximum
(conguration and software
dependent)
645.79 btu/hr
(162.87 kcal/hr)
996.16 btu/hr
(251.23 kcal/hr)
645.79 btu/hr
(162.87 kcal/hr)
996.16 btu/hr
(251.23 kcal/hr)
Power supply fan
All fans are variable speed
One fan, 70mm
x 25mm
One fan, 80mm
x 25mm
One fan, 70mm
x 25mm
One fan, 80mm
x 25mm
Built-in Self Test LED No Yes No No
Power consumption in sleep mode <5 W <5 W <5 W <5 W
IMPORTANT: If you install a discrete graphics card in the unit, you must use the 400 W power supply. The P6
connector on this power supply must be inserted into the graphics card.
56 Chapter 3 Component replacement information and guidelines

Power consumption and heat dissipation
Power consumption and heat dissipation specications are available for multiple congurations. To review
available specications, go to http://www.hp.com/go/quickspecs.
To reach zero power consumption, unplug the workstation from the power outlet or use a power strip with an
on/o switch. For additional information about power-saving features, see the operating system installation
instructions.
This product is in compliance with U.S. Executive Order 13221.
Resetting the power supply
If an overload triggers the power supply overload protection, power is immediately disconnected.
To reset the power supply:
1. Disconnect the power cord from the workstation.
2. Determine what caused the overload and x the problem. For troubleshooting information, see
Diagnostics and troubleshooting on page 60.
3. Reconnect the power cord and restart the workstation.
When you turn o the workstation through the operating system, power consumption falls below what is
considered low power consumption but does not reach zero. This low power consumption feature extends the
life of the power supply.
System board
If you replace the system board:
●Make a note of the cable connections before disconnecting them from the system board.
●Follow good cable management practices. See Cable management on page 45.
The following tables show system cabling for the workstations.
Component replacement guidelines 57

System cabling
SFF workstation system cabling
See System board components on page 5 to determine the location of system board connectors.
Cable To Cable designator on system board
PSU cable PCA (Main power) P1 (White)
PSU cable PCA (PWR COMM) P2 (White)
PSU cable PCA (CPU power) P3 (White)
SATA power cable PCA P160 (Black)
SATA power cable First ODD P12 (Black)
SATA power cable Other drive P13 (Black)
SATA power cable SSD P15 (Black)
SATA power cable First HDD P16 (Black)
Speaker PCA P6 (White)
Cooler fan cable PCA P8 (White)
System fan cable PCA P11 (Brown)
Front audio cable PCA P23 (Blue)
LED/Power button cable PCA P5 (Black)
Front USB 2.0 cable-1 PCA P24 (Yellow)
Front USB 3.0 cable-2 PCA P26 (Blue)
Serial cable PCA P52 (Black)
Chassis solenoid lock PCA P124 (Black)
Hood sensor PCA P125 (White)
SATA cable First HDD SATA0 (Blue)
SATA cable Second HDD SATA1 (Black)
SATA cable First ODD SATA2 (Black)
SATA cable Third HDD SATA3 (Black)
58 Chapter 3 Component replacement information and guidelines

Tower workstation system cabling
See System board components on page 11 to determine the location of system board connectors.
Cable To Cable designator on system board
PSU cable PCA (Main Power) P1 (White)
PSU cable PCA (PWR COMM) P2 (White)
SATA power cable PCA (CPU Power) P3 (White)
SATA power cable First hard drive (Bay 4) P15 (Black)
SATA power cable Second hard drive (Bay 5) P16 (Black)
SATA power cable Third hard drive (Bay 6) P17 (Black)
SATA power cable First optical drive (Bay 3) P12 (Black)
SATA power cable Other drive (Bay 2) P13 (Black)
PSU cable Second optical drive (Bay 1) P14 (Black)
PSU cable First graphics card P4 (Black)
Speaker PCA P6 (White)
Cooler fan cable PCA P8 (White)
System fan cable PCA P11 (Brown)
Front audio cable PCA P23 (Blue)
Front LED/Power button cable PCA P7 (Black)
Front USB 2.0 cable PCA P24(Yellow)
Front USB 3.0 cable PCA P26 (Blue)
Serial cable (optional) PCA P52 (Black)
Hood sensor PCA P125 (White)
Chassis solenoid lock PCA P124 (Black)
SATA cable First HDD SATA0 (Blue)
SATA cable Second HDD SATA1 (Black)
SATA cable FIrst ODD SATA2 (Black)
SATA cable Third HDD SATA3 (Black)
eSATA bracket cable (optional) First external SATA device SATA3 (Black)
SATA power cable SATA device P160 (Black)
Component replacement guidelines 59

4 Diagnostics and troubleshooting
This chapter describes the tools available for diagnosing and troubleshooting system issues.
Topics
Calling support on page 60
Locating ID labels on page 61
Locating warranty information on page 61
Diagnosis guidelines on page 61
Troubleshooting checklist on page 62
HP troubleshooting resources and tools on page 63
Troubleshooting scenarios and solutions on page 66
Using HP PC Hardware Diagnostics (UEFI) on page 73
Interpreting system validation diagnostic front panel LEDs and audible codes
on page 80
Calling support
At times you might encounter an issue that requires support. Before you call support, do the following:
●Have the workstation readily accessible.
●Write down the workstation serial numbers, product numbers, model names, and model numbers and
have them in front of you.
●Note any applicable error messages.
●Note any add-on options.
●Note the operating system.
●Note any third-party hardware or software.
●Note the details of any blinking LEDs on the front of the workstation (tower and desktop congurations)
or on the side of the workstation (all-in-one congurations).
●Note the applications you were using when you encountered the problem.
NOTE: When calling in for service or support, you might be asked for the product number (example:
PS988AV) of the workstation. If the workstation has a product number, it is generally located next to the 10-
or 12-digit serial number of the workstation.
NOTE: On most models, the serial number and product number labels can be found on the top or side panel
and at the rear of the workstation (tower and desktop congurations) or on a pull-out card on the side of the
display (all-in-one congurations).
60 Chapter 4 Diagnostics and troubleshooting

For a listing of all worldwide support phone numbers, go to http://www.hp.com/support and select your
region. Under Contact HP, select All HP Contacts. Follow the instructions to locate the appropriate phone
number.
Locating ID labels
To assist in troubleshooting, identication labels are available on each workstation.
●All workstations have a serial number (unique for each workstation) and product number. Have these
numbers available when you contact support.
●The Certicate of Authentication (COA) is used for Windows 7-preinstalled systems only.
●A service label shows the build ID and Feature Byte strings, which are needed for system board
replacement.
NOTE: Your workstation may look slightly dierent from the illustration in this section.
Locating warranty information
To locate warranty information, go to http://www.hp.com/support/warranty-lookuptool.
To locate an existing Care Pack, go to http://www.hp.com/go/lookuptool.
To extend a standard product warranty, go to http://www.hp.com/hps/carepack. HP Care Pack Services oer
upgraded service levels to extend and expand a standard product warranty.
Diagnosis guidelines
If you encounter a problem with the computer, monitor, or software, the following sections provide a list of
general suggestions that help you isolate and focus on the problem before taking further action.
Diagnosis at startup
●Verify that the computer and monitor are plugged into a working electrical outlet.
●Remove all CDs, or USB drive keys from your system before turning it on.
Locating ID labels 61

●Verify that the computer is turned on and the blue power light is blue (normal operation) and not red
(error state).
●If you have installed an operating system other than the factory-installed operating system, check to be
sure that it is supported on your system, go to http://www.hp.com/go/quickspecs.
●Verify that the monitor is turned on and the green monitor light is on. Note that not all monitors are
equipped with LED lights to indicate their functionality.
●Turn up the brightness and contrast controls of the monitor if the monitor is dim.
Diagnosis during operation
●Look for blinking LEDs on the side of the computer. The blinking lights are error codes that will help you
diagnose the problem. Refer to the Interpreting system validation diagnostic front panel LEDs and
audible codes on page 80 section of this document for information on interpreting diagnostic lights
and audible codes.
●Check all cables for loose or incorrect connections.
●Wake the computer by pressing any key on the keyboard or the power button. If the system remains in
suspend mode, shut down the system by pressing and holding the power button for at least four
seconds, then press the power button again to restart the system. If the system does not shut down,
unplug the power cord, wait a few seconds, then plug it in again. If it does not restart, press the power
button to start the computer.
●Recongure the computer after installing a non–plug and play expansion board or other option.
●Be sure that all required device drivers have been installed. For example, if you have connected a printer,
you must install a printer driver.
●If you are working on a network, plug another computer with a dierent cable into the network
connection. There might be a problem with the network plug or cable.
●If you recently added new hardware, remove the hardware and verify if the computer functions properly.
●If you recently installed new software, uninstall the software and verify if the computer functions
properly.
●If the screen is blank, plug the monitor into a dierent video port on the computer if one is available.
Alternatively, replace the monitor with a monitor that you know is working properly.
●Upgrade the BIOS. A new release of the BIOS might have been released that supports new features or
xes your problem.
●Press the caps lock key. If the caps lock LED toggles on or o, the keyboard is operating correctly.
Troubleshooting checklist
Before running diagnostic utilities, make sure that the following conditions are met:
●The computer is connected to a working electrical outlet and powered on, and the power light is
illuminated.
●The monitor (for tower or desktop congurations) is connected to a working electrical outlet and
powered on, and the power light is illuminated.
●The monitor brightness and contrast are properly adjusted.
●The keyboard is operating correctly (press and hold any key and listen for a beep).
●All cables are properly connected.
62 Chapter 4 Diagnostics and troubleshooting

●All necessary device drivers are installed.
●All external media (such as optical disks or USB drive keys) are removed before startup.
●The latest version of BIOS, drivers, and software are installed.
HP troubleshooting resources and tools
This section provides information to guide you in troubleshooting your system.
Online support
Online support resources include web-based troubleshooting tools, technical knowledge databases, driver
and patch downloads, online communities, and product change notication services.
The following websites are also available to you:
●http://www.hp.com—Provides useful product information.
●http://www.hp.com/support/workstation_manuals—Provides the latest online documentation.
●http://www.hp.com/go/workstationsupport—Provides technical support information for workstations.
●http://www8.hp.com/us/en/contact-hp/phone-assist.html—Provides a listing of the worldwide
technical support telephone numbers. Select your region.
●http://www.hp.com/support/workstation_swdrivers—Provides access to software and drivers for
workstations.
HP Support Center
To help you troubleshoot problems yourself, HP provides the HP Support Center. The HP Support Center is a
portal to an extensive selection of online tools. To access the HP Support Center, complete the following
steps:
1. Go to http://www.hp.com/go/workstationsupport.
2. Search for your product.
HP Chat Support
HP Chat Support is a set of web-based support tools that automate and speed up the resolution of problems
concerning desktop computing, tape storage, and printing.
HP Chat Support enables you to electronically submit a support ticket to HP over the web. When you submit a
support ticket, HP Chat Support collects information about the workstation and passes it to an online support
specialist. The collection of information might take up to 30 seconds, depending on the workstation
conguration. When you submit a support ticket, you receive a conrmation message containing your case ID,
the support hours for your location, and the estimated time of response.
For more information about HP Chat Support, go to http://instantsupport.hp.com/.
NOTE: This feature is not available for Linux.
Customer Advisories, Customer and Security Bulletins, and Customer Notices
To nd advisories, bulletins, and notices:
HP troubleshooting resources and tools 63

1. Go to http://www.hp.com/go/workstationsupport.
2. Search for your product.
3. On the product page, select the tab Top Issues and Solutions.
Product Change Notications
Product Change Notications (PCNs) are proactive notications for product changes occurring within a 30- to
60-day window of the eective date of the change in the manufacturing process. PCNs give customers
advance notice of changes to their product, such as an updated BIOS version that they might need to decide
whether to download prior to the change taking place. To view a list of PCNs, go to the Advisories, Bulletins
& Notices page for your product.
Helpful hints
If you encounter a problem with the workstation, monitor, or software, the following general suggestions
might help you isolate and focus on the problem before taking further action.
At startup
●Verify that the workstation is plugged into a functional AC outlet.
●Remove all optical discs and USB ash drives before starting the workstation.
●Verify that the workstation is on and the power light is on.
●If you have installed an operating system other than the factory-installed operating system, conrm
that it is supported on your system by going to http://www.hp.com/go/quickspecs.
●Verify that the internal display panel is lit.
●If the internal display panel is dim, turn up the brightness.
●If you have an external monitor:
◦Verify that the monitor is plugged into a functional AC outlet.
◦Verify that the monitor is on and the green monitor light is on.
◦If the monitor is dim, turn up the brightness and contrast controls.
During operation
●Beeps and blinking lights on the workstation are error codes that can help you diagnose problems. For
more information on interpreting these codes, see the Diagnostic LED and audible (beep) codes section
in the Maintenance and Service Guide for your workstation.
●Press and hold any key. If the system beeps, your keyboard is operating correctly.
●Check all cables for loose or incorrect connections.
●Wake the workstation by pressing the power button or any key on the keyboard. If the system remains in
suspend mode, shut down the system by pressing and holding the power button for at least four
seconds. Then press the power button again to restart the system.
If the system does not shut down, unplug the power cord, wait a few seconds, and then plug it in again.
If the system does not restart, press the power button.
●After installing a non-PnP expansion board or other option (such as a diskette drive), restart the
workstation.
64 Chapter 4 Diagnostics and troubleshooting

●Be sure that all required device drivers have been installed. For example, if you have connected a printer,
you must install a printer driver.
●If you are working on a network, use another cable to plug your workstation into the network
connection. If you still cannot connect, there might be a problem with the network plug.
●If you recently added new hardware, remove the hardware to see whether the workstation functions
properly.
●If you recently installed new software, uninstall the software to see whether the workstation functions
properly.
●If the internal display panel on an all-in-one workstation is blank, open the workstation and be sure that
both ends of the cable between the system board and the internal display panel are connected. If you
are using a graphics card, verify that the card is properly installed.
●Upgrade the BIOS. A new release of the BIOS might have been released that supports new features or
xes your problem.
●For more detailed information, see the troubleshooting chapter in the Maintenance and Service Guide at
http://www.hp.com/support/workstation_manuals.
Customer Self Repair
Under the Customer Self Repair programs, you can order a replacement part and install the part without on-
site HP technical assistance. Customer Self Repair might be required for some components. For more
information, go to http://www.hp.com/go/selfrepair and select your product.
NOTE: Some components are not eligible for Customer Self Repair and must be returned to HP for service.
Call support for further instructions before attempting to remove or repair these components.
HP troubleshooting resources and tools 65

Troubleshooting scenarios and solutions
This section presents troubleshooting scenarios and possible solutions for a Windows-based system.
Solving minor problems
Problem Cause Possible Solution
Workstation appears frozen and
does not shut down when the
power button is pressed.
Software control of the power
switch is not functional.
1. Press and hold the power button for at least four seconds
until the computer shuts down.
2. Disconnect the electrical plug from the outlet.
3. Restart the computer.
Workstation seems to be frozen. Program in use has stopped
responding to commands.
1. If possible, use the Windows Task Manager to isolate and
terminate the oending process.
2. Attempt the normal Windows shutdown procedure.
3. Restart the computer using the power button.
Workstation date and time
display is incorrect.
Real-time clock (RTC) battery might
need replacement.
1. Reset the date and time in the Control Panel.
2. Replace the RTC battery.
Workstation appears to pause
periodically.
Network driver is loaded and no
network connection is established.
Establish a network connection, or use Computer Setup (F10)
Utility or Microsoft Windows Device Manager to disable the
network controller.
Cursor does not move using the
arrow keys on the keypad.
num lock is on. Press num lock. The num lock key can be disabled or enabled in
Computer Setup (F10) Utility.
Poor performance is
experienced.
Processor is hot. 1. Verify that airow to the computer is not blocked.
2. Verify that chassis fans are connected and working
properly. Some fans operate only when needed.
3. Verify that the processor heatsink is installed properly.
Hard drive is full. Transfer data from the hard drive to create more space on the
hard drive.
Workstation powered o
automatically and the Power
LED ashes red 2 times (once
every second), followed by a 2-
second pause, and then two
simultaneous beeps sounded.
Processor thermal protection is
activated.
A fan might be blocked or not
turning.
OR
The processor heatsink is not
properly attached to the processor.
1. Verify that the computer air vents are not blocked.
2. Open the access panel and press the computer power
button.
3. Verify that the system fan is running.
4. Verify that the processor heatsink fan spins. If the fan is
not spinning, verify that the heatsink fan cable is plugged
into the system board connector and that the heatsink is
properly seated.
5. Replace the processor heatsink.
System does not turn on, and
the LEDs on the front of the
computer are not ashing.
System cannot power on. Press and hold the power button for less than four seconds. If
the hard drive LED turns green:
1. To nd a faulty device, remove all devices one at a time:
a. Disconnect AC power to the computer.
b. Remove a device.
c. Reconnect AC power and turn on the computer.
66 Chapter 4 Diagnostics and troubleshooting

Problem Cause Possible Solution
2. Repeat this process until the faulty device is identied.
Remove the graphics card last. Replace the faulty device.
3. If no faulty device is found, replace the system board.
OR
1. Press and hold the power button for less than four
seconds. If the hard drive LED does not illuminate:
a. Verify that the computer is plugged into a working
AC outlet.
b. Verify that the power button harness is connected to
the inline front panel I/O device assembly connector.
2. Verify that the power supply unit (PSU) cables are
connected to the system board.
3. Verify power supply unit PSU functionality (Tower only):
a. Disconnect the AC power.
b. Unplug cables connected to the system board.
c. Reconnect AC power
●If the PSU fan spins and the BIST LED
illuminates, the PSU is good; replace the
system board.
●If the PSU fan does not spin or the LED does
not illuminate, replace the PSU.
Solving hard drive problems
Problem Cause Solution
Hard drive error Hard drive has bad sectors or
has failed.
Locate and block the usage of bad sectors. If necessary,
reformat the hard drive.
If the drive is detected by the UEFI, run F2 Diagnostics Drive
Test.
Disk transaction problem The directory structure is bad, or
there is a problem with a le.
1. Open Windows Explorer and select a drive.
2. Right click on the drive and select Properties > Tools.
3. Under Error-checking, select Check Now.
Drive not found (identied) Improper cable connection On computers with discrete data and power cables, make sure
that the data and power cables are securely connected to the
hard drive. (See the Hard drive section of this guide for
connection details.)
Improperly seated hard drive On systems with blind-mate drive connections, check for
connector damage on the drive and in the chassis.
Reseat the hard drive and its carrier in the chassis to make
sure that a proper connection. (See the Hard drive section of
this guide for connection details.)
Troubleshooting scenarios and solutions 67

Problem Cause Solution
The system might not have
automatically recognized a
newly installed device.
1. Run Computer Setup (F10) Utility.
2. If the system does not recognize the new device, verify
that the device is listed in Computer Setup (F10) Utility.
If it is listed, the probable cause is a driver problem. If it
is not listed, the probable cause is a hardware problem.
3. If this drive is newly installed, enter Setup and try
adding a POST delay under Advanced > Boot Options.
Drive responds slowly
immediately after power-up.
Run Computer Setup (F10) Utility and increase the POST Delay
in Advanced.> Boot Options
Non-system disk or NTLDR missing
message
System is trying to start from
nonbootable media.
Remove the optical disc or USB drive.
System is trying to start from a
damaged hard drive.
1. Insert a bootable system optical disc or USB drive and
restart the computer.
2. If the hard drive is still inaccessible and MBR Security is
enabled, try restoring the previously saved MBR image
by entering Setup and selecting Security > Save/
Restore MBR of the system hard drive.
System les missing or not
properly installed.
1. Insert a bootable system optical disc or USB drive and
restart.
2. Verify that the hard drive is partitioned and formatted.
3. Install the system les for the appropriate operating
system, if necessary.
Hard drive boot disabled in
Computer Setup.
Run Computer Setup (F10) Utility and enable the hard drive
entry in the Advanced > Boot Options list.
Workstation will not start. Hard drive is damaged. Replace the hard drive.
68 Chapter 4 Diagnostics and troubleshooting

Solving display problems
These suggestions apply to monitors connected to desktop and tower congurations, and to external
monitors connected to all-in-one congurations.
Problem Cause Solution
Blank screen (no video). The cable connections are not
correct.
Verify the cable connections from the monitor to the
computer and to a working electrical outlet.
The monitor is o. Turn the monitor on (LED is on). You might need to refer to the
monitor manual for an explanation of LED signals.
Screen blanking utility installed
or energy saver features
enabled.
Press a key or the mouse button and, if set, enter your
password.
System ROM is bad; system is
running in FailSafe Boot Block
mode (indicated by 8 beeps).
Reash the ROM using a SoftPaq.
Fixed-sync monitor does not
sync at the resolution specied.
Verify that the monitor can accept the same horizontal scan
rate as the resolution specied.
Computer is in Hibernate mode. Press the power button to resume from Hibernate mode.
Workstation monitor settings
are not compatible with the
monitor.
1. When you see Press f8 in the bottom-right corner of the
screen, restart the computer and press f8 during
startup.
2. Using the keyboard arrow keys, select Enable VGA
Mode, and then press enter.
3. For Windows, double-click the Display icon in the
Control Panel and then select the Settings tab.
4. Use the sliding control to reset the resolution.
The display works properly during
the POST but goes blank when the
operating system starts.
The display settings in the
operating system are
incompatible with your graphics
card and monitor.
1. For Windows, restart your computer in VGA mode.
2. After the operating system starts, change the display
settings to match those supported by your graphics card
and monitor.
3. Refer to your operating system and graphics card
documentation for information about changing display
settings.
Power LED ashes red 6 times (once
every second), followed by a two-
second pause, and then the
computer beeps 6 times.
Pre-video graphics error. For systems with a graphics card:
1. Reseat the graphics card.
2. If the card requires external power, make sure the power
cable is properly connected.
3. Replace the graphics card.
4. Replace the system board.
For systems with no graphics card installed, the CPU may have
no integrated graphics capability.
Monitor does not function when used
with Energy Saver features.
Monitor without Energy Saver
capabilities is being used with
Energy Saver features enabled.
Disable the monitor Energy Saver feature.
Dim characters The brightness and contrast
controls are not set properly.
Adjust the monitor brightness and contrast controls.
Troubleshooting scenarios and solutions 69

Problem Cause Solution
Cables are not properly
connected.
Verify that the graphics cable is connected to the graphics
card and the monitor.
Blurry video or requested resolution
cannot be set.
If the graphics controller was
upgraded, the correct video
drivers might not be loaded.
Install the video drivers included in the upgrade kit, or
download and install the latest drivers for your graphics card
from http://welcome.hp.com/country/us/en/support.html.
Monitor cannot display
requested resolution.
Change the requested resolution.
The picture is broken up, rolls, jitters,
or ashes.
The monitor connections might
be faulty, or the monitor might
be incorrectly adjusted.
1. Be sure the monitor cable is securely connected to the
computer.
2. In a multiple CRT monitor system, make sure that the
monitors' electromagnetic elds are not interfering with
each other. Move them apart if necessary.
3. Move uorescent lights or fans that are too close to the
CRT monitor.
Monitor must be degaussed. Degauss the monitor.
Vibrating or rattling noise coming
from inside a CRT monitor when
powered on.
Monitor degaussing coil has
been activated.
None. It is normal for the degaussing coil to be activated when
the monitor is turned on.
Clicking noise coming from inside a
CRT monitor.
Electronic relays have been
activated inside the monitor.
None. It is normal for some monitors to make a clicking noise
when turned on and o, when going in and out of Standby
mode, and when changing resolutions.
High pitched noise coming from
inside a at-panel monitor.
Brightness and contrast settings
are too high.
Lower brightness and contrast settings.
Fuzzy focus; streaking, ghosting, or
shadowing eects; horizontal
scrolling lines; faint vertical bars; or
unable to center the picture on the
screen (at-panel monitors using an
analog VGA input connection only.)
Flat-panel monitor’s internal
digital conversion circuits might
be unable to correctly interpret
the output synchronization of
the graphics card.
1. Select the monitor’s Auto-Adjustment option in the
monitor’s onscreen display menu.
2. Manually synchronize the Clock and Clock Phase
onscreen display functions.
3. Download SoftPaq SP22333 to assist with the
synchronization).
Some typed symbols do not appear
correctly.
The font you are using does not
support that symbol.
Use the Character Map to locate and select the appropriate
symbol.
For Windows 7, select Start > All Programs > Accessories >
System Tools > Character Map. You can copy the symbol
from the Character Map into a document.
For Windows 8.1, from the Start screen, type character
map. The application appears under the Apps heading.
(Windows 10) Type character in the taskbar search box,
and then select Character Map.
70 Chapter 4 Diagnostics and troubleshooting

Solving audio problems
Problem Cause Solution
Sound does not come out of the
speaker or headphones.
Software volume control is
turned down.
Double-click the Speaker icon on the taskbar, and then use
the volume slider to adjust the volume.
The external speakers are not
turned on.
Turn on the external speakers.
External speakers plugged into
the wrong audio jack.
See your sound card documentation for proper speaker
connection.
Digital CD audio is not enabled. Enable digital CD audio:
1. From the Control Panel, select System.
2. On the Hardware tab, select the Device Manager button.
3. Right-click the CD/DVD device and select Properties.
4. On the Properties tab, select Enable digital CD audio for
this CD-ROM device.
Headphones or devices
connected to the line-out
connector have muted the
internal speaker.
Turn on and use headphones or external speakers, if
connected, or disconnect headphones or external speakers.
Volume is muted. 1. From the Control Panel, select Sound, Speech and Audio
Devices, and then select Sounds and Audio Devices.
2. Deselect the Mute checkbox.
Computer is in Standby mode. Press the power button to resume from Standby mode.
Noise or no sound comes out of the
speakers or headphones.
1. If you are using digital speakers that have a stereo jack
and you want the system to autoswitch to digital, use a
stereo-to-mono adapter to engage the auto sense
feature, or use multimedia device properties to switch
the audio signal from analog to digital.
2. If the headphones have a mono jack, use the multimedia
device properties to switch the system to analog out.
NOTE: If you set digital as the Output Mode, the
internal speaker and external analog speakers no longer
output audio until you switch back to an auto sense or
analog mode.
If you set analog as the Output Mode, external digital
speakers do not function until you change the output
mode back to an auto-sense or digital mode.
Sound occurs intermittently. Processor resources are being
used by other open applications.
Shut down all open processor-intensive applications.
Workstation appears to be locked up
while recording audio.
The hard drive might be full. 1. Before recording, be sure there is enough free space on
the hard drive.
2. Try recording the audio le in a compressed format.
Troubleshooting scenarios and solutions 71

Solving printer problems
Problem Cause Solution
Printer does not print. Printer is not turned on and
online.
Turn the printer on and be sure it is online.
The correct printer driver for the
application is not installed.
1. Install the correct printer driver for the application.
2. Try printing using the MS-DOS command:
DIR C:\> [printer port]
Replace printer port with the address of the printer
used. If the printer works, reload the printer driver.
If you are on a network, you
might not have made a
connection to the printer.
Make the proper network connection to the printer.
Printer might have failed. Run printer self-test.
Printer does not turn on. The cables might not be
connected properly.
Solving power supply problems
This section presents power supply troubleshooting scenarios.
Testing power supply
Before replacing the power supply unit (PSU), use the Built-In Self-Test (BIST) feature to learn if the power
supply still works.
NOTE: Not all PSUs have the BIST functionality. Refer to the Rear panel components section of this
document to determine BIST availability for your workstation.
To test the power supply:
1. Unplug the AC power.
2. Unplug all power cables to the system boards.
3. Plug in AC power and verify the following:
●If the green BIST LED on the rear of the workstation is illuminated and the fan is spinning, the PSU
is functional.
●If the green BIST LED is not illuminated or the fan is not spinning, replace the PSU.
See the Rear panel components section of this document to locate the BIST LED on your workstation.
Problem Cause Solution
PSU shuts down intermittently. Power supply fault. Replace the PSU.
Workstation powers o and the
Power LED ashes red 2 times (once
every second), followed by a two-
second pause.
Processor thermal protection is
activated.
A fan might be blocked or not
turning.
1. Make sure that the workstation air vents are not
blocked.
2. Open the access panel and press the workstation power
button.
72 Chapter 4 Diagnostics and troubleshooting

Problem Cause Solution
OR
The processor heatsink fan
assembly is not properly
attached to the processor.
3. Verify that the system fan is running.
4. Verify that the processor heatsink fan spins.
If the heatsink fan is not spinning, verify that the fan
cable is plugged into the system board connector. Verify
that the fan is properly seated.
5. Replace the processor heatsink.
Power LED ashes red (once every 2
seconds).
Power failure (power supply is
overloaded).
1. Determine whether a device is causing the problem by
performing the following:
a. Disconnect AC power.
b. Remove all attached devices.
c. Turn on the workstation.
If the system enters the POST, perform the following:
a. Power o the workstation.
b. Replace one device at a time and repeat this
procedure until a failure occurs.
c. Replace the device causing the failure.
d. Continue adding devices one at a time to verify
that all devices are functioning.
2. Verify power supply functionality (Tower only).
a. Disconnect AC power.
b. Unplug all system board power cables.
c. Plug in AC power.
●If the PSU fan spins and the LED is
illuminated (see Testing power supply
on page 72), the power supply is good.
Replace the system board.
●If the PSU fan does not spin or the LED does
not illuminate (see Testing power supply
on page 72), replace the power supply.
Using HP PC Hardware Diagnostics (UEFI)
HP PC Hardware Diagnostics is a Unied Extensible Firmware Interface (UEFI) that allows you to run diagnostic
tests to determine whether the computer hardware is functioning properly. The tool runs outside the
operating system so that it can isolate hardware failures from issues that are caused by the operating system
or other software components.
When HP PC Hardware Diagnostics (UEFI) detects a failure that requires hardware replacement, a 24-digit
Failure ID is generated. This ID can then be provided to support to help determine how to correct the problem.
To start HP PC Hardware Diagnostics (UEFI), follow these steps:
1. Turn on or restart the computer, and quickly press esc
2. Press F2.
The BIOS searches three places for the diagnostic tools, in the following order:
Using HP PC Hardware Diagnostics (UEFI) 73

a. Connected USB drive
NOTE: To download the HP PC Hardware Diagnostics (UEFI) tool to a USB drive, see Downloading
HP PC Hardware Diagnostics (UEFI) to a USB device on page 74.
b. Hard drive
c. BIOS
3. When the diagnostic tool opens, select the type of diagnostic test you want to run, and then follow the
on-screen instructions.
NOTE: If you need to stop a diagnostic test, press esc.
Downloading HP PC Hardware Diagnostics (UEFI) to a USB device
NOTE: The HP PC Hardware Diagnostics (UEFI) download instructions are provided in English only, and you
must use a Windows computer to download and create the HP UEFI support environment because only .exe
les are oered.
There are two options to download HP PC Hardward Diagnostics to USB device.
Download the latest UEFI version
1. Go to http://www.hp.com/go/techcenter/pcdiags. The HP PC Diagnostics home page is displayed.
2. In the HP PC Hardware Diagnostics section, click the Dowload link, and then select Run.
Download any version of UEFI for a specic product
1. Go to http://www.hp.com/support, and then select your country. The HP Support page is displayed. .
2. Click Drivers & Downloads.
3. Use the categories listed to nd your product.
– or –
Click Find Now to let HP automatically detect your product.
4. Select your computer, and then select your operating system.
5. In the Diagnostic section, follow the on-screen instructions to select and download the UEFI version you
want.
POST error messages and diagnostic front panel LEDs and
audible codes
This appendix lists the error codes, error messages, and the various indicator light and audible sequences
that you may encounter during Power-On Self-Test (POST) or computer restart, the probable source of the
problem, and steps you can take to resolve the error condition.
POST Message Disabled suppresses most system messages during POST, such as memory count and non-
error text messages. If a POST error occurs, the screen will display the error message. To manually switch to
the POST Messages Enabled mode during POST, press any key (except F10, F11, or F12). The default mode is
POST Message Disabled.
The speed at which the computer loads the operating system and the extent to which it is tested are
determined by the POST mode selection.
74 Chapter 4 Diagnostics and troubleshooting

Quick Boot is a fast startup process that does not run all of the system level tests, such as the memory test.
Full Boot runs all of the ROM-based system tests and takes longer to complete.
Full Boot may also be enabled to run every 1 to 30 days on a regularly scheduled basis. To establish the
schedule, recongure the computer to the Full Boot Every x Days mode, using Computer Setup.
NOTE: For more information on Computer Setup, see Computer Setup (F10) Utilities on page 18.
POST numeric codes and text messages
This section covers those POST errors that have numeric codes associated with them. The section also
includes some text messages that may be encountered during POST.
NOTE: The computer will beep once after a POST text message is displayed on the screen.
Control panel message Description Recommended action
002-Option ROM Checksum Error System ROM or expansion board option ROM
checksum.
1. Verify the correct ROM.
2. Flash the ROM if needed.
3. If an expansion board was recently added,
remove it to see if the problem remains.
4. Clear CMOS. (See Clearing and resetting
the BIOS on page 83.)
5. If the message disappears, there may be a
problem with the expansion card.
6. Replace the system board.
003-System Board Failure DMA or timers. 1. Clear CMOS. (See Clearing and resetting
the BIOS on page 83.)
2. Remove expansion boards.
3. Replace the system board.
005-Real-Time Clock Power Loss Invalid time or date in conguration memory.
RTC (real-time clock) battery may need to
be replaced.
Reset the date and time under Control Panel
(Computer Setup can also be used). If the
problem persists, replace the RTC battery. See
the Removal and Replacement section for
instructions on installing a new battery.
008–Microcode Patch Error Processor is not supported by the BIOS. 1. Upgrade BIOS to proper version.
2. Change the processor.
009–PMM Allocation Error during MEBx
Download
Memory error during POST execution of the
Management Engine (ME) BIOS Extensions
option ROM.
1. Reboot the computer.
2. Unplug the power cord, re-seat the
memory modules, and reboot the
computer.
3. If the memory conguration was recently
changed, unplug the computer, restore
the original memory conguration, and
reboot the computer.
4. If the error persists, replace the system
board.
00A-Product Information Not Valid The product information programmed into the
system board is missing or invalid.
Use Computer Setup to update this information.
POST error messages and diagnostic front panel LEDs and audible codes 75

Control panel message Description Recommended action
00B-MEBx Module did not checksum correctly Memory error during POST execution of the
Management Engine (ME) BIOS Extensions
option ROM.
1. Reboot the computer.
2. Unplug the power cord, re-seat the
memory modules, and reboot the
computer.
3. If the memory conguration was recently
changed, unplug the power cord, restore
the original memory conguration, and
reboot the computer.
4. If the error persists, replace the system
board.
00C-PMM Deallocation Error during MEBx
Cleanup
Memory error during POST execution of the
Management Engine (ME) BIOS Extensions
option ROM.
1. Reboot the computer.
2. Unplug the power cord, re-seat the
memory modules, and reboot the
computer.
3. If the memory conguration was recently
changed, unplug the power cord, restore
the original memory conguration, and
reboot the computer.
4. If the error persists, replace the system
board.
00D-Setup Error during MEBx Execution MEBx selection or exit resulted in a setup
failure.
1. Reboot the computer.
2. Unplug the power cord, re-seat the
memory modules, and reboot the
computer.
3. If the memory conguration was recently
changed, unplug the power cord, restore
the original memory conguration, and
reboot the computer.
4. If the error persists, replace the system
board.
00E-Inventory Error during MEBx Execution BIOS information passed to the MEBx resulted
in a failure.
1. Reboot the computer.
2. If the error persists, update to the latest
BIOS version.
3. If the error still persists, replace the
system board.
00F-Interface Error during MEBx Execution MEBx operation experienced a hardware error
during communication with the ME.
1. Reboot the computer.
2. If the error persists, update to the latest
BIOS version.
3. If the error still persists, replace the
system board.
100-Front Audio Not Connected Front audio cable has been detached or
unseated from system board.
Reconnect or replace front audio cable.
2E1-MemorySize Error Memory amount has changed since the last
boot (memory added or removed).
The system memory size is dierent from the
last startup. The most common reason is the
removal of memory from the system board.
Press the F1 key to save the memory changes.
If this message persists, verify that the
memory modules are installed correctly.
76 Chapter 4 Diagnostics and troubleshooting

Control panel message Description Recommended action
2E2-Memory Error Memory module conguration failed during
boot up.
1. Ensure memory modules are correctly
installed.
2. Verify proper memory module type.
3. Remove and replace the identied faulty
memory module(s).
4. If the error persists after replacing
memory modules, replace the system
board.
2E3-Incompatible Memory Module in Memory
Socket(s) X, X, ...
A memory module in memory socket identied
in the error message is missing critical SPD
information, or is incompatible with the chipset.
1. Verify proper memory module type.
2. Try another memory socket.
3. Replace with a supported module.
2E4-DIMM Conguration Warning The current memory conguration is not
optimized.
Rearrange the DIMMs so that each channel has
the same amount of memory.
2E5-ECC Memory Module Detected on
Unsupported Platform
Recently added memory module(s) support ECC
memory error correction.
1. If additional memory was recently added,
remove it to see if the problem remains.
2. Check product documentation for
memory support information.
2E6–Memory Not Congured Correctly for
Proper MEBx Execution
DIMM1 is not installed. Make sure there is a memory module in the
DIMM1 socket and that it is properly seated.
300–Conguration Change Warning The storage device conguration will be
updated as shown.
Not applicable
301-Hard Disk 1: SMART Hard Drive Detects
Imminent Failure
Hard drive is about to fail. (Some hard drives
have a hard drive rmware patch that will x an
erroneous error message.)
1. Determine if hard drive is giving correct
error message. Run the Drive Protection
System test under using F2 Diagnostics
when booting the computer.
2. Apply hard drive rmware patch
if applicable. (Available at
http://www.hp.com/support.)
3. Back up contents and replace hard drive.
302-Hard Disk 2: SMART Hard Drive Detects
Imminent Failure
Hard drive is about to fail. (Some hard drives
have a hard drive rmware patch that will x an
erroneous error message.)
1. Determine if hard drive is giving correct
error message. Run the Drive Protection
System test under using F2 Diagnostics
when booting the computer.
2. Apply hard drive rmware patch
if applicable. (Available at
http://www.hp.com/support.)
3. Back up contents and replace hard drive.
309 – 30C: Hard Disk 3–6: SMART Hard Drive
Detects Imminent Failure
Hard drive is about to fail. (Some hard drives
have a hard drive rmware patch that will x an
erroneous error message.)
1. Determine if hard drive is giving correct
error message. Run the Drive Protection
System test under using F2 Diagnostics
when booting the computer.
2. Apply hard drive rmware patch
if applicable. (Available at
http://www.hp.com/support.)
3. Back up contents and replace hard drive.
3F0–Boot Device Not Found Boot device not found. Insert boot device or load operating system.
POST error messages and diagnostic front panel LEDs and audible codes 77

Control panel message Description Recommended action
3F1–Hard Disk 1 Error Hard disk 1 error. 1. Check and/or replace cables.
2. Clear CMOS. (See Clearing and resetting
the BIOS on page 83.)
3. Replace the hard disk drive.
3F2–Hard Disk 2 Error Hard disk 2 error. 1. Check and/or replace cables.
2. Clear CMOS. (See Clearing and resetting
the BIOS on page 83.)
3. Replace the hard disk drive.
400-Serial Port A Address Conict Detected Both external and internal serial ports are
assigned to the same resources.
1. Remove any serial port expansion cards.
2. Clear CMOS. (See Clearing and resetting
the BIOS on page 83.)
3. Recongure card resources and/or run
Computer Setup or Windows utilities.
401-Serial Port B Address Conict Detected Both external and internal serial ports are
assigned to the same resources.
1. Remove any serial port expansion cards.
2. Clear CMOS. (See Clearing and resetting
the BIOS on page 83.)
3. Recongure card resources and/or run
Computer Setup or Windows utilities.
402-Serial Port C Address Conict Detected Both external and internal serial ports are
assigned to the same resources.
1. Remove any serial port expansion cards.
2. Clear CMOS. (See Clearing and resetting
the BIOS on page 83.)
3. Recongure card resources and/or run
Computer Setup or Windows utilities.
403-Serial Port D Address Conict Detected Both external and internal serial ports are
assigned to the same resources.
1. Remove any serial port expansion cards.
2. Clear CMOS. (See Clearing and resetting
the BIOS on page 83.)
3. Recongure card resources and/or run
Computer Setup or Windows utilities.
419-Out of Memory Space for Option ROMs Recently added PCI expansion card contains an
option ROM too large to download during POST.
▲If a PCI expansion card was recently
added, remove it to see if the problem
remains.
41A-Front USB1/USB2 Not Connected Front USB cable has been detached or unseated
from system board.
Reconnect or replace front USB cable.
41B-Device in PCI Express Slot Failed To
Initialize
There is an incompatibility or problem with a
PCIe device and the system or PCIe link could
not be congured to a valid bus width or speed.
Try rebooting the system. If the error reoccurs,
the device may not work with this system
43A-USB Type-C I2C Not Connected Cable is required between I2C on card and USB-
C on the system board.
Install cable between I2C on card and USB-C on
the system board.
43B-More Than One USB type-C Cards Are
Installed
More than one USB type-C card is installed. Remove USB type-C card so only one is
installed.
500–BIOS Recovery A system BIOS recovery has occurred. Not applicable.
70x-Wireless Mode Not Supported The system has detected a wireless module
installed in the system that is not supported
and has been disabled.
Replace with a supported module.
78 Chapter 4 Diagnostics and troubleshooting

Control panel message Description Recommended action
800-Keyboard Error Keyboard failure. 1. Reconnect keyboard with computer
turned o.
2. Check connector for bent or missing pins.
3. Ensure that none of the keys are
depressed.
4. Replace keyboard.
801-Keyboard or System Unit Error Keyboard failure. 1. Reconnect the keyboard with computer
turned o.
2. Ensure that none of the keys are
depressed.
3. Replace the keyboard.
4. Replace the system board.
900-CPU Fan Not Detected CPU fan is not connected or may have
malfunctioned.
1. Reseat CPU fan.
2. Reseat fan cable.
3. Replace CPU fan.
901-Chassis, Rear Chassis, or Front Chassis Fan
not Detected
Chassis, rear chassis, or front chassis fan is not
connected or may have malfunctioned.
1. Reseat chassis, rear chassis, or front
chassis fan.
2. Reseat fan cable.
3. Replace chassis, rear chassis, or front
chassis fan.
903-Computer Cover Has Been Removed Since
Last System Startup
N/A
904-SATA Cabling Error One or more SATA devices are improperly
attached. For optimal performance, the SATA 0
and SATA 1 ports should be used for hard drives
before other ports.
Ensure SATA connectors are used in ascending
order. For one device, use SATA 0. For two
devices, use SATA 0 and SATA 1. For three
devices, use SATA 0, SATA 1, and SATA 2.
90B-Fan Failure The system has detected that a cooling fan is
not operating correctly.
1. Reseat fan.
2. Reseat fan cable.
3. Replace fan.
90D-System Temperature Thermal shutdown occurred. The system BIOS
has detected your machine was previously shut
down to avoid overheating. Overheating may
occur if the cooling vents are blocked or the
operating temperature exceeds the system
specications. The machine should return to
normal operation once the situation is resolved.
Make sure system has proper airow.
90E-Power Supply Fan Not detected Power supply fan is not connected or may have
malfunctioned.
1. Reseat power supply fan.
2. Reseat fan cable.
3. Replace power supply fan.
910–Filter Warning Airow lter is dirty. Replace the airow lter.
POST error messages and diagnostic front panel LEDs and audible codes 79

Interpreting system validation diagnostic front panel LEDs and
audible codes
During the system validation phase that occurs at system startup, the BIOS validates the functionality of the
following subsystems and conditions:
●AC adapter
●System board power
●Processor failure
●BIOS corruption
●Memory failure
●Graphics failure
●System board failure
●BIOS authentication failure
If an error is detected, specic patterns of long and short blinks, accompanied by long and short beeps (where
applicable) are used to identify the error. These patterns will make up a two part code:
●Major – the category of the error
●Minor – the specic error within the category
NOTE: Single beep/blink codes are not used.
Number of long beeps/blinks Error category
1 Not used
2 BIOS
3 Hardware
4 Thermal
5 System board
Patterns of blink/beep codes are determined by using the following parameters:
●1 second pause occurs after the last major blink.
●2 second pause occurs after the last minor blink.
●Beep error code sequences occur for the rst 5 iterations of the pattern and then stop.
●Blink error code sequences continue until the computer is unplugged or the power button is pressed.
NOTE: Not all diagnostic lights and audible codes are available on all models.
The red LED blinks to represent the major error category (long blinks). The white LED blinks to represent the
minor error category (short blinks). For example, ‘3.5’ indicates 3 long red blinks and 5 short white blinks to
communicate the processor is not detected.
80 Chapter 4 Diagnostics and troubleshooting

Category Major/minor code Description
BIOS 2.2 The main area (DXE) of BIOS has become corrupted and there is no recovery
binary image available.
2.3 The embedded controller policy requires the user to enter a key sequence.
2.4 The embedded controller is checking or recovering the boot block.
Hardware 3.2 The embedded controller has timed out waiting for BIOS to return from
memory initialization.
3.3 The embedded controller has timed out waiting for BIOS to return from
graphics initialization.
3.4 The system board displays a power failure (crowbar).*
3.5 The processor is not detected.*
3.6 The processor does not support an enabled feature.
Thermal 4.2 A processor over temperature condition has been detected.*
4.3 An ambient temperature over temperature condition has been detected.
4.4 An MXM over temperature condition has been detected.
System board 5.2 The embedded controller cannot nd valid rmware.
5.3 The embedded controller has timed out waiting for the BIOS.
5.4 The embedded controller has timed out waiting for BIOS to return from
system board initialization.
5.5 The embedded controller rebooted the system after a possible lockup
condition had been detected through the use of a System Health Timer,
Automated System Recovery Timer, or other mechanism.
* Indicates hardware triggered event; all other events are controlled by the BIOS.
Interpreting system validation diagnostic front panel LEDs and audible codes 81

5Conguring password security and
resetting CMOS
This chapter describes how to congure password security and to reset CMOS.
Preparing to congure passwords
Computer Setup (F10) Utility enables you to create setup and power-on passwords.
There are three possibilities for setting passwords:
●Dene an administrator password only. You will need the password to enter Computer Setup (F10)
Utility, but you will not need a password to start the workstation.
●Dene a power-on password only. This password lets you start the workstation or enter the setup utility.
●Dene both. In this case, the administrator password lets you start the workstation and enter the setup
utility. The power-on password starts the workstation but does not let you enter the setup utility,
After you create both passwords, you can use the administrator password in place of the power-on password
as an override to log into the computer (a useful feature for a network administrator).
NOTE: You can only clear the passwords with the password jumper. Clearing CMOS does not clear the
passwords.
CAUTION: Before pressing the Clear CMOS button, back up your computer CMOS settings.
Pressing the Clear CMOS button resets CMOS values to factory defaults and erases customized information,
including asset numbers and special settings.
To back up the CMOS settings, run Computer Setup (F10) Utility and select Save to Diskette from the File
menu.
Resetting the password jumper
CAUTION: Stringent security is a mode where there is no physical bypass of the password function. If
enabled, removing the password jumper will be ignored. To enable this mode, change the security setting
Clear Password Jumper in Password Policies to Ignore.
If you lose or forget the password when in stringent security mode, the system can only be reset by System
Management Command. This is a way for HP Service and Support to provide a secure method to access the
BIOS and command a password reset for a specically identied unit under the direction of the owner. This
scenario may not be covered under warranty.
To prevent needing a customer service event to restore access to the system, record your congured
administrator and power-on passwords in a safe place away from your computer.
To disable the power-on or administrator password features, or to clear the power-on or administrator
passwords, complete the following steps:
82 Chapter 5 Conguring password security and resetting CMOS

1. Shut down the operating system properly, then turn o the computer and any external devices, and
disconnect the power cord from the power outlet.
2. With the power cord disconnected, press the power button again to drain the system of any residual
power.
WARNING! To reduce the risk of personal injury from electrical shock and/or hot surfaces, be sure to
disconnect the power cord from the wall outlet, and allow the internal system components to cool
before touching.
CAUTION: When the computer is plugged in, the power supply always has voltage applied to the
system board even when the unit is turned o. Failure to disconnect the power cord can result in
damage to the system.
Static electricity can damage the electronic components of the computer or optional equipment. Before
beginning these procedures, ensure that you are discharged of static electricity by briey touching a
grounded metal object. See the Safety & Regulatory Information guide for more information.
3. Remove the access panel.
4. Locate the header and jumper.
NOTE: The password jumper is green so that it can be easily identied.
5. Remove the jumper from pins 1 and 2.
6. Place the jumper on either pin 1 or 2, but not both, so that it does not get lost.
7. Replace the access panel and reconnect the external equipment.
8. Plug in the computer and turn on power. Allow the operating system to start. This clears the current
passwords and disables the password features.
9. Shut down the computer, unplug the power, and disconnect the external equipment.
10. Remove the access panel.
11. Place the jumper on pins 1 and 2.
12. Replace the access panel.
13. Reconnect the external equipment and plug in the computer.
Clearing and resetting the BIOS
The CMOS button resets BIOS settings to default, but does not clear the passwords or aect any of the other
Security settings. On Intel systems with advanced manageability features, the CMOS button will also partially
unprovision AMT.
Clearing and resetting the BIOS 83

1. Turn o the computer and any external devices, and disconnect the power cord from the power outlet.
2. Disconnect the keyboard, monitor, and any other external equipment connected to the computer.
WARNING! To reduce the risk of personal injury from electrical shock and/or hot surfaces, be sure to
disconnect the power cord from the wall outlet, and allow the internal system components to cool
before touching.
CAUTION: When the computer is plugged in, the power supply always has voltage applied to the
system board even when the unit is turned o. Failure to disconnect the power cord can result in
damage to the system.
Static electricity can damage the electronic components of the computer or optional equipment. Before
beginning these procedures, ensure that you are discharged of static electricity by briey touching a
grounded metal object. See the Safety & Regulatory Information guide for more information.
3. Remove the access panel.
CAUTION: Pushing the CMOS button will reset CMOS values to factory defaults. It is important to back
up the computer CMOS settings before resetting them in case they are needed later. Back up is easily
done through Computer Setup. See Computer Setup (F10) Utilities on page 18 for information on
backing up the CMOS settings.
4. Locate, press, and hold the CMOS button in for ve seconds.
NOTE: Make sure you have disconnected the AC power cord from the wall outlet. The CMOS button will
not clear CMOS if the power cord is connected.
5. Replace the access panel.
6. Reconnect the external devices.
7. Plug in the computer and turn on power.
NOTE: You will receive POST error messages after clearing CMOS and rebooting advising you that
conguration changes have occurred. Use Computer Setup to reset any special system setups along with
the date and time.
For instructions on Computer Setup, see Computer Setup (F10) Utilities on page 18.
84 Chapter 5 Conguring password security and resetting CMOS

A Linux technical notes
HP oers a variety of Linux solutions for HP workstation customers:
●HP oers an Ubuntu preload on some Z Series Workstations.
●HP certies and supports Ubuntu on some HP workstations.
●HP certies and supports Red Hat Enterprise Linux (RHEL) on HP workstations.
●HP certies SUSE Linux Enterprise Desktop (SLED) on HP workstations.
●HP oers a SLED 11 preload on some older Z Series Workstations.
For Linux setup and restore procedures, see the user guide for your workstation at http://www.hp.com/
support/workstation_manuals.
●System RAM
●Audio
●Network cards
●Hyper-Threading Technology
●NVIDIA Graphics Workstations
●AMD Graphics Workstations
NOTE: After you set up the operating system, make sure that the latest BIOS, drivers, and software updates
are installed.
CAUTION: Do not add optional hardware or third-party devices to the workstation until the operating
system is successfully installed. Adding hardware might cause errors and prevent the operating system from
installing correctly.
System RAM
HP supports dierent amounts of total RAM in various HP workstations, based on the number of hardware
DIMM slots and the capabilities of the system. The total memory supported for each conguration is listed in
the Hardware Support Matrix for HP Linux Workstations at http://www.hp.com/support/
linux_hardware_matrix.
Audio
All HP workstations come with built-in audio hardware. The audio hardware is supported by the Advanced
Linux Sound Architecture (ALSA) drivers included with all modern Linux distributions.
The audio hardware provides basic playback and recording features. The ability to simultaneously play audio
from multiple sources, such as applications and CDs, is provided in the ALSA driver that provides audio mixing.
The performance of software audio mixing and playback is greatly improved in ALSA version 1.0.13 and later.
After the driver is installed, the optional NVIDIA and AMD graphics cards that are supported in HP
workstations also provide audio functionality over HDMI. The signal can be passed through the DisplayPort
connector to a monitor with audio capabilities. The vendor driver must be installed. Such a conguration
might present two audio hardware choices. If you do not hear sound through the speakers, one possible
System RAM 85

reason is that the graphics card (default) is selected for audio output instead of the DisplayPort. Check the
audio settings (for example, Sound in gnome-control-center).
In some systems, embedded Intel HD graphics may also present a similar HDMI audio device that can be used
through the DisplayPort interface. No proprietary driver is needed for this device, just a suciently recent
kernel.
Network cards
All HP workstations include one or two integrated network interface controllers. Some support optional NICs.
Most Linux distributions have drivers for these interfaces.
Hyper-Threading Technology
The Z Series Workstations support Hyper-Threading Technology (HTT), an Intel technology that improves
processor performance by enabling the processor to simultaneously perform multiple tasks. The operating
system treats an HTT-enabled processor as two virtual processors and shares the workload between them
when possible. This feature can be used only if the operating system support multiple processors and is
specically optimized for HTT.
To enable HTT:
1. During startup, press F10 to enter Computer Setup (F10) Utility.
2. Select Advanced > Performance Options.
3. Set Intel Hyper-Threading Technology to Enable, and then press F10 to exit the menu.
4. Select Main > Save Changes and Exit.
5. Restart the system to enable HTT.
NOTE: On most recent Linux distributions (including RHEL 6, SLED 11, and updates to those streams), the
kernel automatically detects that HTT is enabled and works correctly.
NVIDIA Graphics Workstations
Some workstation congurations come with NVIDIA Quadro graphics hardware. HP recommends the use of
NVIDIA drivers for best results on Linux systems.
HP provides recommended versions of the drivers with RPM-compatible installers for RHEL and SLED
distributions. These are available from the HP Installer Kit for Linux and from workstation driver repositories
on hp.com. When HP installers are used, their contents and documentation links are located in the /opt/hp/
nvidia folder.
When installing Linux on a workstation that contains an NVIDIA card, administrators should select a VESA-
compatible driver to avoid the instability that is experienced with some open-source versions of the Nouveau
and DRM drivers.
Open-source versions of Nouveau drivers and NVIDIA drivers cannot coexist in the same runtime environment
because they use the same hardware resources. If administrators create their own Linux environments using
NVIDIA drivers but choose not to use HP-packaged versions, HP recommends that they manually append the
following boot loader parameters to properly suppress the Nouveau driver at runtime (grub example below):
kernel /vmlinuz ... rdblacklist=nouveau nouveau.modeset=0
This action is applied by HP installers but must be applied/restored under other circumstances.
86 Appendix A Linux technical notes
To customize display characteristics and resolutions when the computer is using an NVIDIA driver, execute the
following command:
/usr/bin/nvidia-settings
To create and manipulate the /etc/X11/xorg.conf le, execute:
/usr/bin/nvidia-xconfig
AMD Graphics Workstations
Some workstation congurations include AMD graphics hardware. HP recommends use of AMD graphics
drivers for best results on Linux systems.
HP also provides recommended versions of AMD graphics drivers with RPM-compatible installers for RHEL
and SLED distributions. These are available from the HP Installer Kit for Linux and workstation driver support
packages on hp.com.
The open source RADEON and RADEONHD drivers can conict with the AMD graphics drivers by claiming the
hardware early in the boot process. The AMD driver installation process usually blacklists conicting drivers
and turns o kernel mode-setting in the initial RAM image.
Administrator customization of the display characteristics and many other aspects of an AMD graphics driver
environment is available through the following command, which starts the Catalyst Control Center:
/usr/bin/amdcccle
Some settings for AMD graphics, including reconguration of the /etc/X11/xorg.conf le, can be accomplished
through the many options provided by the following command:
/usr/bin/aticonfig
Information can be found in these directories after the driver is installed:
/opt/hp/ati
/usr/share/ati
/usr/share/doc/fglrx
If the automatic init script attempts to rebuild the kernel module, the name of the log le is /var/log/fglrx-
build.log.
AMD Graphics Workstations 87

BConguring RAID devices
This appendix explains how to congure RAID arrays on your workstation.
Topics
RAID hard drive maximum and associated storage controller options on page 88
Supported RAID congurations on page 89
Conguring Intel SATA RAID on page 89
Software RAID solution on page 90
For additional information about RAID conguration, go to http://www.hp.com/support/RAID_FAQs.
RAID hard drive maximum and associated storage controller
options
This section lists the maximum number of hard drives supported on HP workstations according to RAID
conguration and storage controller options.
NOTE: This section applies to internal workstation congurations that do not use add-in cards and external
enclosures.
Maximum hard drives allowed
Hard drives Storage controllers
SATA Onboard
8.5 mm
(3.5 in)
6.3 mm
(2.5 in) RST
SFF 2 2 Yes
Tower 2 2 Yes
88 Appendix B Conguring RAID devices

Supported RAID congurations
The following RAID congurations are supported:
RAID conguration details
Conguration Description Controllers
RAID 0
Integrated striped disk
array
●Requires a minimum of two drives.
●Provides improved I/O performance.
●Provides no fault tolerance.
●Loses all data if any disk in the array fails.
●Increases disk performance.
Intel with RST
RAID 1
Mirrored disk array
●Supports two drives.
●Provides 100% redundancy: all data from one drive
is duplicated on a second drive.
●Recovers from a single-drive failure.
●Serves as a good entry-level redundant system.
Intel with RST
Conguring Intel SATA RAID
This section describes how to use Intel® Rapid Storage Technology (RST) to set up and manage SATA RAID
volumes.
NOTE: These instructions apply to Windows-based systems. They also apply to Linux distributions that
include the isci kernel driver support for the RSTe technology. This driver is included on recent releases of
most upstream and enterprise distributions, and may be available for addition to some previous releases. If
this driver is not available in the distribution, or is not applicable to the platform (e.g., the RST controller), the
Software RAID solution is recommended.
You can create a SATA RAID array that contains up to the maximum number of internal SATA hard drives and
eSATA drives (if you use an optional eSATA bulkhead cable) supported on your workstation.
The Intel SATA option ROM conguration utilities run when you select RAID for the SATA emulation mode.
Two or more hard drives must be attached to the controller for the option ROM to run.
Conguring system BIOS
To set up a RAID conguration, the emulation mode must be set to RAID in Computer Setup (F10) Utility. This
is the default setting. If the mode has been changed, follow these steps to reinstate it.
1.During startup, press esc to select a language from the list, and then select Computer Setup (F10) Utility.
2.Under Computer Setup (F10) Utility, use the arrow keys to navigate and select options.
3.Select Advanced > System Options, then press enter.
4. Select Congure Storage Controller for RAID > Enable.
5.Select Menu > Save Changes and Exit, then press enter.
6.Press enter to accept the changes.
Supported RAID congurations 89

Conguring RAID with the Intel utility
Follow these steps to create RAID volumes.
1. Press ctrl+I when prompted, to enter the Intel Rapid Storage Technology utility (RST). Use the arrow keys
and the space bar to navigate and select options.
NOTE: If only one hard drive is attached, the utility does not open.
2. Select Create RAID Volume, and then press enter.
3. Type the a name for the RAID volume in the Name eld, and then press tab.
4. Select a level in the RAID Level eld, and then press tab.
5. If three or more hard drives are installed, complete the following steps:
a. Press enter to display the Select dialog box.
b. Select individual physical members of the volume.
c. Press enter to exit the Select dialog box and to return to the Create Volume Menu dialog box.
6. If appropriate, select a size in the Stripe Size eld, and then press tab.
7. Enter the desired volume size in the Capacity eld, and then press tab.
8. Press enter to initiate volume creation.
9. When the warning message appears, press Y to create the volume.
10. Select 6 > Exit, then press enter.
11. Press Y to conrm the exit.
Software RAID solution
This section summarizes software RAID considerations that are specic to the Linux environment, and
provides links to additional conguration resources.
Software RAID considerations
The Linux kernel software RAID driver (called md, for multiple device) oers integrated software RAID without
the need for additional hardware disk controllers or kernel patches. Unlike most hardware RAID solutions,
software RAID can be used with all types of disk technologies, including SATA, SCSI, and solid-state drives.
This software solution requires only minimal setup of the disks themselves.
However, when compared to hardware-based RAID, software RAID has disadvantages in managing the disks,
breaking up data as necessary, and managing parity data. The CPU must assume some extra loading: disk-
intensive workloads result in roughly double the CPU overhead (for example, from 15% to 30%). For most
applications, this overhead is easily handled by excess headroom in the processors. But for some applications
where disk and CPU performance are very well balanced and already near bottleneck levels, this additional
CPU overhead can become troublesome.
Hardware RAID oers advantages because of its large hardware cache and the capability for better
scheduling of operations in parallel. However, software RAID oers more exibility for disk and disk controller
setup. Additionally, hardware RAID requires that a failed RAID controller must be replaced with an identical
model to avoid data loss, whereas software RAID imposes no such requirements.
Some software RAID schemes oer data protection through mirroring (copying the data to multiple disks in
case one disk fails) or parity data (checksums that allow error detection and limited rebuilding of data in case
90 Appendix B Conguring RAID devices

of a failure). For all software RAID solutions on HP workstations, redundancy can be restored only after the
system is shut down so that the failed drive can be replaced. This replacement requires only a minimum
amount of work.
Performance considerations
Disk I/O bandwidth is typically limited by the system bus speeds, the disk controller, and the disks
themselves. The balance of these hardware limitations, as aected by the software conguration, determines
the location of the any bottleneck is in the system.
Several RAID levels oer improved performance relative to stand-alone disk performance. If disk throughput
is restricted because of a single disk controller, RAID can probably do little to improve performance until
another controller is added. Conversely, if raw disk performance is the bottleneck, a tuned software RAID
solution can dramatically improve the throughput. The slower disk performance is, relative to the rest of the
system, the better RAID performance will scale, because the slowest piece of the performance pipeline is
being directly addressed by moving to RAID.
Conguring software RAID
See the following sites for additional information about conguring software RAID:
●Red Hat Enterprise Linux 7—See the Storage Administration Guide at https://access.redhat.com/
documentation/en-US/Red_Hat_Enterprise_Linux/7/html/Storage_Administration_Guide/index.html
●Red Hat Enterprise Linux 6—See the Storage Administration Guide at http://docs.redhat.com/docs/en-
US/Red_Hat_Enterprise_Linux/6/html/Storage_Administration_Guide/index.html
●Red Hat Enterprise Linux 5—See the Deployment Guide at http://docs.redhat.com/docs/en-US/
Red_Hat_Enterprise_Linux/5/html/Deployment_Guide/ch-raid.html.
●SLED 12—See the Deployment Guide at https://www.suse.com/documentation/sled-12/
book_sle_deployment/data/sec_yast2_system_raid.html.
●SLED 11—See the Deployment Guide at http://www.suse.com/documentation/sled11/
book_sle_deployment/?page=/documentation/sled11/book_sle_deployment/data/
book_sle_deployment.html.
●Ubuntu 14.04 LTS—See the Server Guide at https://help.ubuntu.com/lts/serverguide/advanced-
installation.html or the Community Wiki at https://help.ubuntu.com/community/Installation/
SoftwareRAID.
For more information about Open Source and Linux at HP, go to http://h10018.www1.hp.com/wwsolutions/
linux/index.html.
Software RAID solution 91

C System board designators
SFF workstation system board designators
Designator Silk screen Component/Description
E15 E15 BBR Crisis recovery header/jumper
E49 E49 PSWD Clear password header/jumper
J9 RJ45/USB LAN/DUAL USB 3.0
J10 J10 USB2/USB3 Quad USB 3.0
J31 J31 X1PCIEXP1 PCIe3 x1 slot (black)
J32 J32 X1PCIEXP2 PCIe3 x1 slot (black)
J41 J41 X16PCIEXP PCIe3 x16 slot (black)
J42 J42 X4PCIEXP PCIe3 x16(4) slot (black)
J63 J63 DISPLAY PORT Dual-Mode DisplayPort connector
J64 J64 DISPLAY PORT DisplayPort connector
J68 PS2 Mouse connector stacked over keyboard connector
J78 IN/OUT Audio line in stacked over audio line out
J86 M.2 SSD M.2 connector
JZ87/88 JZ87/88 Slot1/4 PCIe x16 retention clip
SW50 SW50 CMOS Clear CMOS switch/push button
P1 PWR Power supply, 6-pin (white)
P2 PWRCMD Power command, 6-pin (white)
P3 PWRCPU Power supply, 4-pin (white)
P5 P5 PB/LED Front power button/LED (black)
P6 SPKR Internal speaker (white)
P8 CPU FAN CPU fan header
P23 FRONT AUD Front audio (blue)
P24 FRONT USB Front I/O USB (yellow)
P52 COMB Serial port
P124 HLCK Hood lock solenoid (black)
P125 HSENSE Hood sensor
P150 Media int-Media (6-pin)
P152 SD RDR USB 3.0 Media card reader
92 Appendix C System board designators

Designator Silk screen Component/Description
P26 FRONT USB3.0 Front I/O USB 3.0 (blue)
P160 SATAPWR0 HDD power (black)
XBT1 XBT1 BAT Battery holder
XMM1 - XMM4 XMM1 - XMM4
DIMM1 - DIMM4
Memory slots
XU1 XU1 CPU socket
Tower workstation system board designators
Designator Silk screen Component
E15 E15 Crisis recovery header/jumper
E49 E49 Clear password header/jumper
J9 J9 RJ/USB LAN/DUAL USB 2.0
J10 J10 QUAD USB Quad USB 3.0
J31 SLOT3 PCIe3 x4 PCIe3 x4 connector
J33 SLOT1 PCIe3 x1 PCIe3 x1 connector
J41 SLOT2 PCIe3 x16 PCIe3 x16 connector
J42 SLOT4 PCIe3 x16 (4) PCIe3 x16 (4) connector
J63 DP Dual-Mode DisplayPort connector
J65 DVI DVI-D connector
J68 J68 PS2 Stacked keyboard/mouse connector
J78 J78 Triple stacked audio jacks
J86 M.2 SSD M.2 connector
J87/88 J87/88 Slot2/4 PCIe x16 retention clip
MTG1-MTG10 N/A Mounting holes
P1 P1 Power supply connector (6-pin)
P2 PWRCMD Power command, white (6-pin)
P3 P3 CPU PWR CPU power connector (4-pin)
P5 P5 Power button/HDD LED/Power LED switch/Side
access panel sensor/Temperature header
P6 SPKR Speaker
P8 CPU FAN CPU fan header
P11 CHF Fan Rear system fan
P23 P23 FRONT AUD Front audio header
P24 P24 FRONT USB Front panel USB header
Tower workstation system board designators 93

Designator Silk screen Component
P26 P26 FRONT USB3 Front panel USB3 header (blue)
P52 COMB Serial port header
P60-P62 SATA0-SATA2 SATA connectors
P63 SATA3 SATA/eSATA connector
P70 EXT STONE card connector
P124 P124 HOOD LOCK Side access panel solenoid lock header
P125 HSENSE Hood sensor connector (3 pin)
P129 TBT TBT connector (2x4-pin)
P150 Media int-Media connector (6-pin)
P152 Media USB 3.0 Media card reader
P160 SATA PWR0 SATA Power connector (2x3 pin)
SW50 SW50 CMOS Clear CMOS switch/push button
XBT1 XBT1 BAT Battery holder
XMM1 - XMM4 XMM1 - XMM4
DIMM1 - DIMM4
Memory slots
XU1 XU1 Primary CPU socket
94 Appendix C System board designators

Index
A
audible codes 80
B
beep codes 80
BIOS
clearing and resetting 83
BIOS ROM 17
booting options
Full Boot 75
Quick Boot 75
C
Cable management 45
CMOS 82
components
SFF 2
SFF front panel 2
SFF rear panel 3
tower 8
tower front panel 8
tower rear panel 9
Conguring RAID devices 88
maximum hard drives allowed
88
SATA RAID 89
Customer Self Repair 65
D
Desktop management 29
Altiris Client Management
Solutions 31
FailSafe Boot Block ROM 32
Fault notication and recovery
39
HP Client Manager Software 31
HP SoftPaq Download Manager
32
HPQFlash 32
Initial conguration 30
programmable power button 40
Remote ROM Flash 32
Remote system install 30
ROM Flash 32
System Software Manager 32
Updating software 31
Workstation security 33
Diagnostics 60
Diagnostics and troubleshooting
Diagnosis guidelines 61
diagnostics and troubleshooting
locating ID labels 61
locating warranty info 61
dimensions, workstation 14
DIMM congurations, supported 53
DIMM installation order
SFF workstation 54
Tower workstation 55
E
environmental specications 14
error
codes 80
messages 75
Expansion card slot identication
SFF Workstation 48
Tower Workstation 50
F
ashing LEDs 80
H
HP PC Hardware Diagnostics (UEFI)
downloading 74
L
links
Contact information for HP US
63
HP Chat Support 63
HP Customer Self Repair 65
M
Memory
DIMM installation guidelines 53
N
numeric error codes 75
O
Operating system setup 85
P
Password conguration 82
Power supply
Expansion card conguration
restrictions 47
power consumption 57
resetting 57
specications 56
Product features
Computer components 4
ERP compliance mode 16
Hyper-threading 17
Physical characteristics 7, 13
SATA Power Management 17
System board architecture 6, 12
Turbo Boost 17
Product overview 1
R
Replacing components
Battery 45
cable management 45
Component locations 5, 11
CPU (processor) and CPU
heatsink 46
expansion slots 47
guidelines 44
hard drive 51
information and guidelines 41
Memory 53
power supply 56
Service considerations 42
warnings and cautions 41
S
SFF
components 2
environmental specications 14
front panel components 2
rear panel components 3
weights and dimensions 14
Index 95
specications
environmental 14
workstation 14
support
advisories 63
before calling 60
calling 60
customer bulletins 63
customer notices 63
HP Chat Support 63
HP Support Center 63
online 63
security bulletins 63
System board components 5
System board designators 92
System management 16
T
tower
components 8
environmental specications 14
front panel components 8
rear panel components 9
weights and dimensions 14
troubleshooing
Customer Self Repair 65
suggestions 64
suggestions, at startup 64
suggestions, during operation
64
Troubleshooting 60
troubleshooting
locating ID labels 61
locating warranty info 61
resources and tools 63
U
urls
Contact information for HP US
63
HP Chat Support 63
HP Customer Self Repair 65
W
weights, workstation 14
Workstation setup
Ensuring proper ventilation 15
96 Index
